DKS GROUP
http://www.embestdks.com

Chương 1: Giới thiệu chung về vi điều khiển

I. Giới thiệu chung
    - Lịch sử vi điều khiển
       Ngày nay, các bộ vi điều khiển đang có ứng dụng ngày càng rộng rãi trong các
lĩnh vực kỹ thuật và đời sống xã hội, đặc biệt là trong kỹ thuật tự động hoá và điều
khiển từ xa. Cùng với sự phát triển nhanh chóng của khoa học kỹ thuật, nghệ chế tạo vi
mạch tích hợp thay đổi từng ngày từng giờ đáp ứng yêu cầu sản xuất công nghiệp về
tính chuyên dụng hoá, tối ưu (thời gian, không gian, giá thành), bảo mật, tính chủ động
trong công việc... ngày càng đòi hỏi khắt khe. Việc đưa ra công nghệ mới trong lĩnh vực
chế tạo mạch điện tử để đáp ứng những yêu cầu trên là hoàn toàn cấp thiết mang tính
thực tế cao.
       Lịch sử của Vi điều khiển bắt đầu khi
    - Kiến trúc của vi điều khiển (RISC + CISC)

II. Các khối chính trong vi điều khiển
    I.1 Khối bộ nhớ ROM + RAM
    I.2 Khối xử lý trung tâm (CPU)
    I.3 Tổ chức Bus
    I.4 Các đường vào/ra
    I.5 Khối giao tiếp nối tiếp
    I.6 Khối Timer
    I.7 Watchdog
    I.8 Bộ chuyển đổi tương tự - số (ADC)




                                            1
DKS GROUP
http://www.embestdks.com
                        Chương 2: Vi điều khiển PIC

Giới thiệu chung
    Trong chương này chúng ta sẽ đi tìm hiểu về Vi điều khiển PIC, mà cụ thể là dòng Vi
điều khiển PIC18F4331. Tại sao lại chọn PIC18F4331, điều này khá đơn giản. Thực ra khi
bắt đầu học PIC thì bạn có thể chọn bất cứ con PIC nào để tìm hiểu, bởi hầu hết các
dòng PIC đều có cấu trúc phần cứng về cơ bản là giống nhau, và tùy từng dòng PIC mà
sẽ có những tính năng nâng cao khác, chính điều đó giúp ta làm việc được với nhiều
loại PIC một cách nhanh chóng.
    Đầu tiên chúng ta sẽ cùng tìm hiểu về cấu trúc phần cứng chung của PIC, các khối
chức năng và cách và cách lập trình ứng dụng. Sau đó sẽ tìm hiều về những tính năng
riêng của PIC18F4331 và PIC18F4550

 - Kiến trúc RISC của vi điều khiển PIC
PIC được tổ chức phần cứng theo kiến trúc Harvard, và tập lệnh RISC (reduced
instruction set computer - máy tính với tập lệnh giản lược). Trong kiến trúc Harvard, bộ
nhớ dữ liệu và bộ nhớ chương trình nằm riêng biệt, do đó CPU có thể làm việc trực tiếp
với cả hai bộ nhớ dữ liệu và bộ nhớ chương trình cùng một lúc, làm cho tốc độ xử lý
nhanh hơn.
       Việc bộ nhớ chương trình và bộ nhớ dữ liệu được tách riêng, do đó, tập lệnh
trong kiến trúc Harvard có thể được tối ưu tùy theo yêu cầu kiến trúc của vi điều khiển.
Bằng chứng, độ dài lệnh của dòng PIC16 luôn luôn là 14 bit. Trong khi đó, độ dài lệnh
của các vi điều khiển kiến trúc von-Neumann là bội số của 1 byte (8 bit). PIC là một Vi
điều khiển RISC, tập lệnh của PIC chỉ có 35 lệnh, phần lớn các lệnh này chỉ thực hiện
trong một chu kỳ máy. Chính nhờ kiến trúc phần cứng tiên tiến, PIC tỏ ra vướt trội so
với các loại Vi điều khiển 8 bít khác về mặt tốc độ và hiệu năng sử dụng.

 - Xử lý song song (Pipeline)
    Việc xử lý lệnh trong PIC được thực hiện song song, trong khi xử lý một lệnh thì
đồng thời CPU cũng nạp lệnh mới vào để quá trình xử lý lệnh là liên tục. Chính phương
thức xử lý đó giúp cho tốc độ hoạt động của PIC nhanh hơn rất nhiều.




                                           2
DKS GROUP
http://www.embestdks.com
    - Sơ đồ chân PIC18F4331




                              3
DKS GROUP
http://www.embestdks.com

- Sơ lược tính năng nổi bật của PIC18F4331
       Nguồn dao động nội đến 8MHz, dao động thach anh lên tới 40MHz
       Tiêu thụ nguồn thấp (nanoWatt)
        5 Kênh vào ra (Port A, B, C, D, E)
       ADC 10 - bit tốc độ cao với 9 kênh vào (AN0 ~ AN8)
       4 kênh PWM 14-bit
       Khối phản hồi chuyển động (Encoder)
       2 kênh CCCP
       3 chân ngắt ngoài
       Giao tiếp nối tiếp RS232, RS485, I2C, SPI
       ICSP và ICD




                                       4
DKS GROUP
http://www.embestdks.com

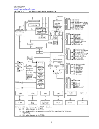
- Cấu trúc bên trong vi điều khiển PIC




                                         5
DKS GROUP
http://www.embestdks.com




                           6
DKS GROUP
http://www.embestdks.com
Cấu trúc và khối chức năng cơ bản trong Vi điều khiển PIC

2.1 Khối tạo xung dao động
    Mạch tạo dao động được sử dụng để cung cấp xung đồng hồ cho Vi điều khiển.
Xung đồng hồ là cần thiết để Vi điều khiển có thể thực thi chương trình lập trình bên
trong nó. Mỗi loại Vi điều khiển PIC hỗ trợ những kiểu mach tạo dao động khác nhau
như mạch dao động thạch anh (XT, HS), mạch dao động RC, mạch dao động nội, các
nguồn dao động chuẩn bên ngoài khác. Trong các loại mạch dao động trên thì mạch dao
động RC và mạch dao động thạch anh là 2 loại thường hay được sử dụng, nhất là mạch
dao động thạch anh.
    Mạch dao động thạch anh (XT, HS): Sơ đồ mạch dao động thạch anh dưới đây là
mạch dao động phổ biến cho PIC. Đây chính là nguồn cung cấp xung đồng hồ chính cho
CPU và tất cả các khối trong PIC. Hai chân OSC1 (chân 13) và OSC2 (chân 14) được mắc
với mạch dao động thạch anh bên ngoài. Các điện trở C1 và C2 là cần thiết khi mắc
mạch dao động thạch anh cho PIC. Trị số của chúng xem bảng dưới đây.
    Ưu điểm của mạch này là tần số dao động chính xác và cho tần số dao động cao.




      Mạch dao động RC: Mạch này gồm một điện trở và một tự điện mắc nối tiếp như
   hình dưới đây. Xung dao động đươc đưa vào chân OSC1, khi đó chân OSC2 là chân
   xuất dao động, có thể cung cấp dao động cho các IC PIC khác.




                                         7
DKS GROUP
http://www.embestdks.com




2.2 . Khối Reset, Chân MCLR và mạch Reset cho PIC

Reset is used for putting the microcontroller into a 'known' condition. That
practically means that microcontroller can behave rather inaccurately under
certain undesirable conditions. In order to continue its proper functioning it
has to be reset, meaning all registers would be placed in a starting position.
Reset is not only used when microcontroller doesn't behave the way we want
it to, but can also be used when trying out a device as an interrupt in
program execution, or to get a microcontroller ready when loading a
program.




                                       8
DKS GROUP
http://www.embestdks.com




   Các nguyên nhân làm Reset PIC (POR, manual reset…)
   - Reset khi PIC được cấp nguồn (Power-On Reset)
   - Reset bằng tay khi cấp mức logic ‘0’ cho chân MCLR của PIC
   - Reset khi đang ở chế độ SLEEP
   - Reset do bộ watchdog timer xảy ra tràn
   …
   Microcontroller PIC16F84 knows several sources of resets:

   a) Reset during power on, POR (Power-On Reset)
   b) Reset during regular work by bringing logical zero to MCLR
   microcontroller's pin.
   c) Reset during SLEEP regime
   d) Reset at watchdog timer (WDT) overflow
   e) Reset during at WDT overflow during SLEEP work regime.


2.3 Khối xử lý trung tâm và các thanh ghi trạng thái
    Là bộ não của PIC

Central processing unit (CPU) is the brain of a microcontroller. That part is
responsible for finding and fetching the right instruction which needs to be
executed, for decoding that instruction, and finally for its execution.

Central processing unit connects all parts of the microcontroller into one
whole. Surely, its most important function is to decode program instructions.
When programmer writes a program, instructions have a clear form like
MOVLW 0x20. However, in order for a microcontroller to understand that,
this 'letter' form of an instruction must be translated into a series of zeros
and ones which is called an 'opcode'. This transition from a letter to binary
form is done by translators such as assembler translator (also known as an
assembler). Instruction thus fetched from program memory must be

                                            9
DKS GROUP
http://www.embestdks.com
decoded by a central processing unit. We can then select from the table of all
the instructions a set of actions which execute a assigned task defined by
instruction. As instructions may within themselves contain assignments
which require different transfers of data from one memory into another, from
memory onto ports, or some other calculations, CPU must be connected with
all parts of the microcontroller. This is made possible through a data bus and
an address bus.

Arithmetic logic unit is responsible for performing operations of adding,
subtracting, moving (left or right within a register) and logic operations.
Moving data inside a register is also known as 'shifting'. PIC16F84 contains
an 8-bit arithmetic logic unit and 8-bit work registers.

In instructions with two operands, ordinarily one operand is in work register
(W register), and the other is one of the registers or a constant. By operand
we mean the contents on which some operation is being done, and a register
is any one of the GPR or SFR registers. GPR is an abbreviation for 'General
Purposes Registers', and SFR for 'Special Function Registers'. In instructions
with one operand, an operand is either W register or one of the registers. As
an addition in doing operations in arithmetic and logic, ALU controls status
bits (bits found in STATUS register). Execution of some instructions affects
status bits, which depends on the result itself. Depending on which
instruction is being executed, ALU can affect values of Carry (C), Digit Carry
(DC), and Zero (Z) bits in STATUS register.

STATUS Register




bit 7 IRP (Register Bank Select bit)
Bit whose role is to be an eighth bit for purposes of indirect addressing the
internal RAM.
1 = bank 2 and 3
0 = bank 0 and 1 (from 00h to FFh)

bits 6:5 RP1:RP0 (Register Bank Select bits)
These two bits are upper part of the address for direct addressing. As
instructions which address the memory directly have only seven bits, they
need one more bit in order to address all 256 bytes which is how many bytes

                                      10
DKS GROUP
http://www.embestdks.com
PIC16F84 has. RP1 bit is not used, but is left for some future expansions of
this microcontroller.
01 = first bank
00 = zero bank

bit 4 TO Time-out ; Watchdog overflow.
Bit is set after turning on the supply and execution of CLRWDT and SLEEP
instructions. Bit is reset when watchdog gets to the end signaling that
overflow took place.
1 = overflow did not occur
0 = overflow did occur

bit 3 PD (Power-down bit)
This bit is set whenever power supply is brought to a microcontroller : as it
starts running, after each regular reset and after execution of instruction
CLRWDT. Instruction SLEEP resets it when microcontroller falls into low
consumption mode. Its repeated setting is possible via reset or by turning
the supply off/on . Setting can be triggered also by a signal on RB0/INT pin,
change on RB port, upon writing to internal DATA EEPROM, and by a
Watchdog.
1 = after supply has been turned on
0 = executing SLEEP instruction

bit 2 Z (Zero bit) Indication of a zero result
This bit is set when the result of an executed arithmetic or logic operation is
zero.
1 = result equals zero
0 = result does not equal zero

bit 1 DC (Digit Carry) DC Transfer
Bit affected by operations of addition, subtraction. Unlike C bit, this bit
represents transfer from the fourth resulting place. It is set in case of
subtracting smaller from greater number and is reset in the other case.
1 = transfer occurred on the fourth bit according to the order of the result
0 = transfer did not occur
DC bit is affected by ADDWF, ADDLW, SUBLW, SUBWF instructions.

bit 0 C (Carry) Transfer
Bit that is affected by operations of addition, subtraction and shifting.
1 = transfer occurred from the highest resulting bit
0 = transfer did not occur
C bit is affected by ADDWF, ADDLW, SUBLW, SUBWF instructions.




                                       11
DKS GROUP
http://www.embestdks.com
2.4     Bộ nhớ RAM và các chế độ định địa chỉ trong PIC
    Bộ nhớ Flash RAM
           Bank và Thanh ghi điều khiển việc truy cập bộ nhớ
           Các chế độ truy cập RAM (trực tiếp,gián tiếp…)
           Lập trình truy cập bộ nhớ RAM




                                          12
DKS GROUP
http://www.embestdks.com
2.4     Tổ chức bộ nhớ ROM + EEPROM
2.4.1 Bộ nhớ chương trình – Flash Program Memory
        Bộ nhớ chương trình (sau đây viết tắt là bộ nhớ flash) là nới lưu trữ các chương
trình mà người lập trình viết ra, nhằm làm cho PIC thực hiện đúng chức năng mong
muốn. Bộ nhớ flash là bộ nhớ vừa có thể đọc, ghi và xóa được trong quá trình hoạt động
của PIC. Quá trình đọc sẽ thực hiện đọc từng byte mỗi lần, quá trình ghi vào bộ nhớ
thực hiện theo môi khối 8 bytes cho một lần ghi và việc xóa bộ nhớ flash sẽ thực hiện
xóa từng khối 64 bytes cho mỗi lần thực hiện.
2.4.1.1 Đọc ghi dữ liệu giữa bộ nhớ flash và RAM
        Để thực hiện việc đọc, ghi bộ nhớ flash, có hai hoạt động cho phép vi xử lý thực
hiện việc di chuyển các byte dữ liệu giữa bộ nhớ flash và bộ nhớ RAM đó là : Table
Read (TBLRD) và Table Write (TBLWR).
        Bộ nhớ chương trình của PIC có độ rộng là 16-bit, trong khi đó bộ nhớ RAM là 8-
bit. Quá trình thực hiện đọc/ghi Table Read và Table Write được thực hiện thông qua
một thanh ghi 8-bit là TBLAT.




                                          13
DKS GROUP
http://www.embestdks.com
2.4.1.2 Các thanh ghi điều khiển
        Có bốn thanh ghi đảm nhận chức năng điều khiển quá trình trao đổi dữ liệu với
bộ nhớ Flash, đó là:
    – EECON1
    – EECON2
    – TABLAT
    – TBLPTR

Thanh ghi EECON1 và EECON2:
      Thanh ghi EECON1 là thanh ghi điều khiển việc truy cập bộ nhớ Flash và
EEPROM. Thanh ghi EECON2 không phải là một thanh ghi vật lý, đọc EECON2 sẽ luôn
cho kêt quả là ‘0’. EECON2 được dành riêng cho việc ghi và xóa bộ nhớ flash.




Bit7   EEPGD: Bit chọn bộ nhớ chương trình hay bộ nhơ EEPROM
       1 = Truy cập bộ nhớ flash
       0 = Truy cập bộ nhớ EEPROM
Bit6   CFGS: Bit chon Thanh ghi cấu hình hay bộ nhơ Flash/Data EE
       1 = Truy cập đến các thanh ghi cấu hình
       0 = Truy cập bộ nhớ Flash/data EEPROM
Bit5   Không sử dung (đọc ra = ‘0’)
Bit4   FREE: Bit cho phép xóa hàng bộ nhớ Flash
       1 = Xóa hàng bộ nhớ Flash có địa chỉ cho bởi TBLPTR ở lệnh WR tiếp theo
       0 = Chỉ thực hiện ghi vào bộ nhớ Flash
Bit3   WRERR: Cờ báo lỗi của bộ nhớ EEPROM
       1 = Quá trình ghi kết thúc quá sớm (Reset trong quá trình tự ghi)
       0 = Quá trình ghi dữ liệu hoàn tất không có lỗi
Bit2   WREN: Bit cho phép ghi
       1 = Cho phép thực hiện ghi/xóa
       0 = Không cho phép ghi/xóa
Bit1   WR: Kiểm soát việc ghi/xóa bộ nhớ Flash/Data EE
       1 = Bắt đầu quá trình ghi/xóa bộ nhớ Flash/ Bộ nhớ EEPROM
       0 = Quá trình ghi thực hiện xong
Bit6   RD: Kiểm soát việc đọc bộ nhớ Flash/Data EE
       1 = Bắt đầu quá trình đọc
       0 = Quá trình đọc dữ liệu hoàn tất.


                                          14
DKS GROUP
http://www.embestdks.com




                           4



   Bộ nhớ EEPROM
         Thanh ghi điều khiển việc truy cập bộ nhớ
         Lập trình đọc dữ liệu từ EEPROM, F-ROM
         Lập trình ghi dữ liệu vào EEPROM, F-ROM
   Chế độ bảo vệ (Code Protect)




                                       15
DKS GROUP
http://www.embestdks.com

2.5 Tổ chức vào/ra trong PIC
    Giới thiệu chung về các cổng vào/ra trong PIC: Cổng là một nhóm các chân của Vi
điều khiển, chúng có thể được truy cập đồng thời hay theo từng bit một, đọc trạng thái
hiện có trên cổng. Về mặt vật lý, mỗi cổng là một thanh ghi nằm bên trong Vi điều khiển
và được kết nối đến các chân của Vi điều khiển. Cổng đóng vai trò là một kết nối vật lý
giữa CPU và thế giới bên ngoài.

     Physically, port is a register inside a microcontroller which is connected by wires to the
pins of a microcontroller. Ports represent physical connection of Central Processing Unit with
an outside world. Microcontroller uses them in order to monitor or control other components
or devices. Due to functionality, some pins have twofold roles like PA4/TOCKI for instance,
which is in the same time the fourth bit of port A and an external input for free-run counter.
Selection of one of these two pin functions is done in one of the configuration registers. An
illustration of this is the fifth bit T0CS in OPTION register. By selecting one of the functions
the other one is disabled.


    Thanh ghi cổng và thanh ghi điều khiển chế độ vào/ra
    Trong mỗi Vi điều khiển PIC có thể có từ 2 cho đến 10 cổng, số lượng tùy theo từng
loại PIC. Đối với loại PIC 40 chân mà ta thường hay sử dụng có tất cả là 5 cổng đó là:
    - PORTA: Độ rộng là 6 bit
    - PORTB: Độ rộng là 8 bit
    - PORTC: Độ rộng là 8 bit
    - PORTD: Độ rộng là 8 bit
    - PORTE: Độ rộng là 3 bit
    Không giống như AT8051, các cổng của PIC ngoài thanh ghi cổng còn có thêm một
thanh ghi điều khiển chế độ vào ra cho từng chân của cổng đó. PORTA có thanh ghi
TRISA, PORTB có thanh ghi TRISB… Khi lập trình điều khiển vào ra cho PIC ta cần chú
ý tới điều này để tránh gặp những sai sót không đáng có. Vì các cổng về cơ bản là giống
nhau, dưới đây ta sẽ đi tìm hiều một vài PORT cụ thể của PIC.

   PORTA và TRISA
   PORTA của PIC16F877A có độ rộng là 6-bit tương ứng với 6 chân từ RA0 đến RA5.
Thanh ghi điều khiển hướng dữ liệu là TRISA. Thiết lập giá tri “1” cho mỗi bit trong
thanh ghi TRISA sẽ định nghĩa chân tương ứng với bit đó là chân vào dữ liệu, và thiết
lập “0” cho mỗi bit trong TRISA định nghĩa chân tương ứng là chân xuất dữ liệu.
   Đọc thanh ghi PORTA chính là đọc trạng thái của các chân và ghi giá trị vào thanh
ghi PORTA là ghi vào bộ chốt cổng PORTA. Toàn bộ quá trình ghi là đọc – sửa – ghi,
nghĩa là đọc giá trị của cổng, sửa giá trị và ghi trở lại bộ chốt dữ liệu cổng.
   Một số chân của PORTA còn là chân vào giá trị tương tự và chân vào điện áp tham
chiếu (Vref) cho bộ Chuyển đổi tương tự số (Analog to Digital Converter) và bộ So sánh
(Comparators), cấu hình cho các chân này là chân vào tương tự hay số thông qua thanh


                                              16
DKS GROUP
http://www.embestdks.com
ghi ADCON1. Mặc định khi khởi động các chân PORTA được thiết lập là chân vào
tương tự. Khi lập trình ta cần chú ý điều này.

   PORTB và TRISB
   PORTB có 8 chân từ RB0 cho đến RB7 tương ứng với độ rộng là 8 bit. Thanh ghi để
điều khiển hướng dữ liệu của PORTB có tên là TRISB cũng có độ dài là 8 bit, tương ứng
với 8 bit của PORTB. Thiết lập giá tri “1” cho mỗi bit trong thanh ghi TRISB sẽ định
nghĩa chân tương ứng với bit đó là chân vào dữ liệu, và thiết lập “0” cho mỗi bit trong
TRISB định nghĩa chân tương ứng là chân xuất dữ liệu.




   TRISB.0 = 0 =>> Chân RB0 là chân xuất
   TRISB.0 = 1 =>> Chân RB0 là chân nhập

   Mỗi chân của PORTB có một điện trở kéo và có thể được kích hoạt bằng cách xóa bit
thứ 7 RBPU trong thanh ghi OPTION. Các điện trở kéo sẽ tự động ngắt khi PORTB thiết
lập là cổng xuất. Mặc định khi khởi động, các điện trở kéo này được ngắt.
   Lập trình chế độ vào (Input)
   - Thiết lập 1 cho các bit trong thanh ghi TRISB
   - Kích hoạt các điện trở kéo.
   - Nhận dữ liệu từ cổng bằng cách đọc thanh ghi PORTB
   Ví dụ:
   unsigned char port_buffer; // Khai báo biến là bộ đệm giá trị củ PORTB
        TRISB = 0b11111111;       // Toàn bộ PORTB là cổng vào

                                           17
DKS GROUP
http://www.embestdks.com
        RBPU = 0;                 // Kích hoạt điện trở kéo
        port_buffer = PORTB;      // Đọc giá trị của PORTB vào biến port_buffer

    Lập trình chế độ ra (Output)
    - Thiết lập 0 cho các bit của thanh ghi TRISB
    - Xuất dữ liệu ra cổng (ghi giá trị vào thanh ghi PORTB)
    Ví dụ:
       TRISB = 0b00000000;         // PORTB là cổng ra
       PORTB = 0xAA;               // Xuất giá trị 0xAA ra cổng B
       Trên đây chỉ là hai ví dụ nhỏ về lập trình vào ra cho PIC, bài lập trình chi tiết sẽ
được trình bày ở cuối chương.
       Trong các chân của PORTB, 4 chân từ RB4 đến RB7, ngoài chức năng là chân vào
ra, chúng còn sinh ra ngắt gọi là ngắt On-Change. Ngắt sẽ xảy ra khi tại các chân đó có
sự chuyển trạng thái từ logic 1 sang 0 hay ngược lại. Chi khi cả 4 chân này được thiết lập
ra chân vào thì ngắt mới xảy ra (nếu một trong các chân RB7 ~ RB4 là chân vào thì ngắt
không xảy ra khi có sự chuyển trạng thái trên các chân đó). Ta thường ứng dụng ngắt
On-Change này trong việc quét ma trận bàn phím, khi các hàng của phím được nối đến
4 chân này, việc xử lý ngắt sẽ xác định phím nào được nhấn.
       Ngoài ra PORTB còn có chân RB0 là chân vào ngắt ngoài (INT0), các chân RB7-
PGD, RB6-PGC, RB3-PGM được kết hợp khi sử dụng tính năng In-Circuit Debugger và
Low-Voltage Programming.

   PORTC và TRISC




                                            18
DKS GROUP
http://www.embestdks.com



2.6 Timer/Counter
     Mô tả chung về Timer (cấu trúc)
        Các bộ Timer là thành phần không thể thiếu trong mỗi con Vi điều khiển, nó cần
thiết cho việc xác định chính xác một khoảng thời gian trôi qua.
     Các bộ Timer trong PIC (0,1,2…)
        Mỗi Vi điều khiển PIC có một số lượng các bộ Timer nhất định, tối thiểu là 3 bộ
Timer là Timer0, Timer1, Timer2. Trong đó Timer0 và Timer2 là 8 bit, còn Timer1 la 16
bit.
     Thanh ghi điều khiển

   Tính toán thời gian cho Timer

   Lập trình cho một bộ Timer




                                          19
DKS GROUP
http://www.embestdks.com




2.7 Giao tiếp nối tiếp RS232
    Cấu trúc khối RS232
    Thanh ghi điều khiển
    Tốc độ Baud và tính toán
    Chế độ Master (Truyền – nhận)
    Chế độ Slave (Truyền – nhận)




                                    20
DKS GROUP
http://www.embestdks.com




2.8 Tổ chức ngắt
    Cấu trúc và các nguồn ngắt
    Thanh ghi điều khiển
    Quá trình xảy ra và thực hiện 1 ngắt
    Lập trình xử lý ngắt (INT, On-change RB, RS232, Timer…)

   Phần cứng và tính năng mở rộng trong PIC
   ADC
   Cấu trúc khối ADC
   Các thanh ghi điều khiển
   Chế độ làm việc, ADC8bit, 10bit
   Lập trình cho bộ ADC

   Capture + PWM + Comparator
   -
   Encoder (18F43310)
   I2C + SPI + PSP
   RS485
   CAN
   USB




                                         21

Vi dieu khien_pic

  • 1.
    DKS GROUP http://www.embestdks.com Chương 1:Giới thiệu chung về vi điều khiển I. Giới thiệu chung - Lịch sử vi điều khiển Ngày nay, các bộ vi điều khiển đang có ứng dụng ngày càng rộng rãi trong các lĩnh vực kỹ thuật và đời sống xã hội, đặc biệt là trong kỹ thuật tự động hoá và điều khiển từ xa. Cùng với sự phát triển nhanh chóng của khoa học kỹ thuật, nghệ chế tạo vi mạch tích hợp thay đổi từng ngày từng giờ đáp ứng yêu cầu sản xuất công nghiệp về tính chuyên dụng hoá, tối ưu (thời gian, không gian, giá thành), bảo mật, tính chủ động trong công việc... ngày càng đòi hỏi khắt khe. Việc đưa ra công nghệ mới trong lĩnh vực chế tạo mạch điện tử để đáp ứng những yêu cầu trên là hoàn toàn cấp thiết mang tính thực tế cao. Lịch sử của Vi điều khiển bắt đầu khi - Kiến trúc của vi điều khiển (RISC + CISC) II. Các khối chính trong vi điều khiển I.1 Khối bộ nhớ ROM + RAM I.2 Khối xử lý trung tâm (CPU) I.3 Tổ chức Bus I.4 Các đường vào/ra I.5 Khối giao tiếp nối tiếp I.6 Khối Timer I.7 Watchdog I.8 Bộ chuyển đổi tương tự - số (ADC) 1
  • 2.
    DKS GROUP http://www.embestdks.com Chương 2: Vi điều khiển PIC Giới thiệu chung Trong chương này chúng ta sẽ đi tìm hiểu về Vi điều khiển PIC, mà cụ thể là dòng Vi điều khiển PIC18F4331. Tại sao lại chọn PIC18F4331, điều này khá đơn giản. Thực ra khi bắt đầu học PIC thì bạn có thể chọn bất cứ con PIC nào để tìm hiểu, bởi hầu hết các dòng PIC đều có cấu trúc phần cứng về cơ bản là giống nhau, và tùy từng dòng PIC mà sẽ có những tính năng nâng cao khác, chính điều đó giúp ta làm việc được với nhiều loại PIC một cách nhanh chóng. Đầu tiên chúng ta sẽ cùng tìm hiểu về cấu trúc phần cứng chung của PIC, các khối chức năng và cách và cách lập trình ứng dụng. Sau đó sẽ tìm hiều về những tính năng riêng của PIC18F4331 và PIC18F4550 - Kiến trúc RISC của vi điều khiển PIC PIC được tổ chức phần cứng theo kiến trúc Harvard, và tập lệnh RISC (reduced instruction set computer - máy tính với tập lệnh giản lược). Trong kiến trúc Harvard, bộ nhớ dữ liệu và bộ nhớ chương trình nằm riêng biệt, do đó CPU có thể làm việc trực tiếp với cả hai bộ nhớ dữ liệu và bộ nhớ chương trình cùng một lúc, làm cho tốc độ xử lý nhanh hơn. Việc bộ nhớ chương trình và bộ nhớ dữ liệu được tách riêng, do đó, tập lệnh trong kiến trúc Harvard có thể được tối ưu tùy theo yêu cầu kiến trúc của vi điều khiển. Bằng chứng, độ dài lệnh của dòng PIC16 luôn luôn là 14 bit. Trong khi đó, độ dài lệnh của các vi điều khiển kiến trúc von-Neumann là bội số của 1 byte (8 bit). PIC là một Vi điều khiển RISC, tập lệnh của PIC chỉ có 35 lệnh, phần lớn các lệnh này chỉ thực hiện trong một chu kỳ máy. Chính nhờ kiến trúc phần cứng tiên tiến, PIC tỏ ra vướt trội so với các loại Vi điều khiển 8 bít khác về mặt tốc độ và hiệu năng sử dụng. - Xử lý song song (Pipeline) Việc xử lý lệnh trong PIC được thực hiện song song, trong khi xử lý một lệnh thì đồng thời CPU cũng nạp lệnh mới vào để quá trình xử lý lệnh là liên tục. Chính phương thức xử lý đó giúp cho tốc độ hoạt động của PIC nhanh hơn rất nhiều. 2
  • 3.
    DKS GROUP http://www.embestdks.com - Sơ đồ chân PIC18F4331 3
  • 4.
    DKS GROUP http://www.embestdks.com - Sơlược tính năng nổi bật của PIC18F4331 Nguồn dao động nội đến 8MHz, dao động thach anh lên tới 40MHz Tiêu thụ nguồn thấp (nanoWatt) 5 Kênh vào ra (Port A, B, C, D, E) ADC 10 - bit tốc độ cao với 9 kênh vào (AN0 ~ AN8) 4 kênh PWM 14-bit Khối phản hồi chuyển động (Encoder) 2 kênh CCCP 3 chân ngắt ngoài Giao tiếp nối tiếp RS232, RS485, I2C, SPI ICSP và ICD 4
  • 5.
    DKS GROUP http://www.embestdks.com - Cấutrúc bên trong vi điều khiển PIC 5
  • 6.
  • 7.
    DKS GROUP http://www.embestdks.com Cấu trúcvà khối chức năng cơ bản trong Vi điều khiển PIC 2.1 Khối tạo xung dao động Mạch tạo dao động được sử dụng để cung cấp xung đồng hồ cho Vi điều khiển. Xung đồng hồ là cần thiết để Vi điều khiển có thể thực thi chương trình lập trình bên trong nó. Mỗi loại Vi điều khiển PIC hỗ trợ những kiểu mach tạo dao động khác nhau như mạch dao động thạch anh (XT, HS), mạch dao động RC, mạch dao động nội, các nguồn dao động chuẩn bên ngoài khác. Trong các loại mạch dao động trên thì mạch dao động RC và mạch dao động thạch anh là 2 loại thường hay được sử dụng, nhất là mạch dao động thạch anh. Mạch dao động thạch anh (XT, HS): Sơ đồ mạch dao động thạch anh dưới đây là mạch dao động phổ biến cho PIC. Đây chính là nguồn cung cấp xung đồng hồ chính cho CPU và tất cả các khối trong PIC. Hai chân OSC1 (chân 13) và OSC2 (chân 14) được mắc với mạch dao động thạch anh bên ngoài. Các điện trở C1 và C2 là cần thiết khi mắc mạch dao động thạch anh cho PIC. Trị số của chúng xem bảng dưới đây. Ưu điểm của mạch này là tần số dao động chính xác và cho tần số dao động cao. Mạch dao động RC: Mạch này gồm một điện trở và một tự điện mắc nối tiếp như hình dưới đây. Xung dao động đươc đưa vào chân OSC1, khi đó chân OSC2 là chân xuất dao động, có thể cung cấp dao động cho các IC PIC khác. 7
  • 8.
    DKS GROUP http://www.embestdks.com 2.2 .Khối Reset, Chân MCLR và mạch Reset cho PIC Reset is used for putting the microcontroller into a 'known' condition. That practically means that microcontroller can behave rather inaccurately under certain undesirable conditions. In order to continue its proper functioning it has to be reset, meaning all registers would be placed in a starting position. Reset is not only used when microcontroller doesn't behave the way we want it to, but can also be used when trying out a device as an interrupt in program execution, or to get a microcontroller ready when loading a program. 8
  • 9.
    DKS GROUP http://www.embestdks.com Các nguyên nhân làm Reset PIC (POR, manual reset…) - Reset khi PIC được cấp nguồn (Power-On Reset) - Reset bằng tay khi cấp mức logic ‘0’ cho chân MCLR của PIC - Reset khi đang ở chế độ SLEEP - Reset do bộ watchdog timer xảy ra tràn … Microcontroller PIC16F84 knows several sources of resets: a) Reset during power on, POR (Power-On Reset) b) Reset during regular work by bringing logical zero to MCLR microcontroller's pin. c) Reset during SLEEP regime d) Reset at watchdog timer (WDT) overflow e) Reset during at WDT overflow during SLEEP work regime. 2.3 Khối xử lý trung tâm và các thanh ghi trạng thái Là bộ não của PIC Central processing unit (CPU) is the brain of a microcontroller. That part is responsible for finding and fetching the right instruction which needs to be executed, for decoding that instruction, and finally for its execution. Central processing unit connects all parts of the microcontroller into one whole. Surely, its most important function is to decode program instructions. When programmer writes a program, instructions have a clear form like MOVLW 0x20. However, in order for a microcontroller to understand that, this 'letter' form of an instruction must be translated into a series of zeros and ones which is called an 'opcode'. This transition from a letter to binary form is done by translators such as assembler translator (also known as an assembler). Instruction thus fetched from program memory must be 9
  • 10.
    DKS GROUP http://www.embestdks.com decoded bya central processing unit. We can then select from the table of all the instructions a set of actions which execute a assigned task defined by instruction. As instructions may within themselves contain assignments which require different transfers of data from one memory into another, from memory onto ports, or some other calculations, CPU must be connected with all parts of the microcontroller. This is made possible through a data bus and an address bus. Arithmetic logic unit is responsible for performing operations of adding, subtracting, moving (left or right within a register) and logic operations. Moving data inside a register is also known as 'shifting'. PIC16F84 contains an 8-bit arithmetic logic unit and 8-bit work registers. In instructions with two operands, ordinarily one operand is in work register (W register), and the other is one of the registers or a constant. By operand we mean the contents on which some operation is being done, and a register is any one of the GPR or SFR registers. GPR is an abbreviation for 'General Purposes Registers', and SFR for 'Special Function Registers'. In instructions with one operand, an operand is either W register or one of the registers. As an addition in doing operations in arithmetic and logic, ALU controls status bits (bits found in STATUS register). Execution of some instructions affects status bits, which depends on the result itself. Depending on which instruction is being executed, ALU can affect values of Carry (C), Digit Carry (DC), and Zero (Z) bits in STATUS register. STATUS Register bit 7 IRP (Register Bank Select bit) Bit whose role is to be an eighth bit for purposes of indirect addressing the internal RAM. 1 = bank 2 and 3 0 = bank 0 and 1 (from 00h to FFh) bits 6:5 RP1:RP0 (Register Bank Select bits) These two bits are upper part of the address for direct addressing. As instructions which address the memory directly have only seven bits, they need one more bit in order to address all 256 bytes which is how many bytes 10
  • 11.
    DKS GROUP http://www.embestdks.com PIC16F84 has.RP1 bit is not used, but is left for some future expansions of this microcontroller. 01 = first bank 00 = zero bank bit 4 TO Time-out ; Watchdog overflow. Bit is set after turning on the supply and execution of CLRWDT and SLEEP instructions. Bit is reset when watchdog gets to the end signaling that overflow took place. 1 = overflow did not occur 0 = overflow did occur bit 3 PD (Power-down bit) This bit is set whenever power supply is brought to a microcontroller : as it starts running, after each regular reset and after execution of instruction CLRWDT. Instruction SLEEP resets it when microcontroller falls into low consumption mode. Its repeated setting is possible via reset or by turning the supply off/on . Setting can be triggered also by a signal on RB0/INT pin, change on RB port, upon writing to internal DATA EEPROM, and by a Watchdog. 1 = after supply has been turned on 0 = executing SLEEP instruction bit 2 Z (Zero bit) Indication of a zero result This bit is set when the result of an executed arithmetic or logic operation is zero. 1 = result equals zero 0 = result does not equal zero bit 1 DC (Digit Carry) DC Transfer Bit affected by operations of addition, subtraction. Unlike C bit, this bit represents transfer from the fourth resulting place. It is set in case of subtracting smaller from greater number and is reset in the other case. 1 = transfer occurred on the fourth bit according to the order of the result 0 = transfer did not occur DC bit is affected by ADDWF, ADDLW, SUBLW, SUBWF instructions. bit 0 C (Carry) Transfer Bit that is affected by operations of addition, subtraction and shifting. 1 = transfer occurred from the highest resulting bit 0 = transfer did not occur C bit is affected by ADDWF, ADDLW, SUBLW, SUBWF instructions. 11
  • 12.
    DKS GROUP http://www.embestdks.com 2.4 Bộ nhớ RAM và các chế độ định địa chỉ trong PIC Bộ nhớ Flash RAM Bank và Thanh ghi điều khiển việc truy cập bộ nhớ Các chế độ truy cập RAM (trực tiếp,gián tiếp…) Lập trình truy cập bộ nhớ RAM 12
  • 13.
    DKS GROUP http://www.embestdks.com 2.4 Tổ chức bộ nhớ ROM + EEPROM 2.4.1 Bộ nhớ chương trình – Flash Program Memory Bộ nhớ chương trình (sau đây viết tắt là bộ nhớ flash) là nới lưu trữ các chương trình mà người lập trình viết ra, nhằm làm cho PIC thực hiện đúng chức năng mong muốn. Bộ nhớ flash là bộ nhớ vừa có thể đọc, ghi và xóa được trong quá trình hoạt động của PIC. Quá trình đọc sẽ thực hiện đọc từng byte mỗi lần, quá trình ghi vào bộ nhớ thực hiện theo môi khối 8 bytes cho một lần ghi và việc xóa bộ nhớ flash sẽ thực hiện xóa từng khối 64 bytes cho mỗi lần thực hiện. 2.4.1.1 Đọc ghi dữ liệu giữa bộ nhớ flash và RAM Để thực hiện việc đọc, ghi bộ nhớ flash, có hai hoạt động cho phép vi xử lý thực hiện việc di chuyển các byte dữ liệu giữa bộ nhớ flash và bộ nhớ RAM đó là : Table Read (TBLRD) và Table Write (TBLWR). Bộ nhớ chương trình của PIC có độ rộng là 16-bit, trong khi đó bộ nhớ RAM là 8- bit. Quá trình thực hiện đọc/ghi Table Read và Table Write được thực hiện thông qua một thanh ghi 8-bit là TBLAT. 13
  • 14.
    DKS GROUP http://www.embestdks.com 2.4.1.2 Cácthanh ghi điều khiển Có bốn thanh ghi đảm nhận chức năng điều khiển quá trình trao đổi dữ liệu với bộ nhớ Flash, đó là: – EECON1 – EECON2 – TABLAT – TBLPTR Thanh ghi EECON1 và EECON2: Thanh ghi EECON1 là thanh ghi điều khiển việc truy cập bộ nhớ Flash và EEPROM. Thanh ghi EECON2 không phải là một thanh ghi vật lý, đọc EECON2 sẽ luôn cho kêt quả là ‘0’. EECON2 được dành riêng cho việc ghi và xóa bộ nhớ flash. Bit7 EEPGD: Bit chọn bộ nhớ chương trình hay bộ nhơ EEPROM 1 = Truy cập bộ nhớ flash 0 = Truy cập bộ nhớ EEPROM Bit6 CFGS: Bit chon Thanh ghi cấu hình hay bộ nhơ Flash/Data EE 1 = Truy cập đến các thanh ghi cấu hình 0 = Truy cập bộ nhớ Flash/data EEPROM Bit5 Không sử dung (đọc ra = ‘0’) Bit4 FREE: Bit cho phép xóa hàng bộ nhớ Flash 1 = Xóa hàng bộ nhớ Flash có địa chỉ cho bởi TBLPTR ở lệnh WR tiếp theo 0 = Chỉ thực hiện ghi vào bộ nhớ Flash Bit3 WRERR: Cờ báo lỗi của bộ nhớ EEPROM 1 = Quá trình ghi kết thúc quá sớm (Reset trong quá trình tự ghi) 0 = Quá trình ghi dữ liệu hoàn tất không có lỗi Bit2 WREN: Bit cho phép ghi 1 = Cho phép thực hiện ghi/xóa 0 = Không cho phép ghi/xóa Bit1 WR: Kiểm soát việc ghi/xóa bộ nhớ Flash/Data EE 1 = Bắt đầu quá trình ghi/xóa bộ nhớ Flash/ Bộ nhớ EEPROM 0 = Quá trình ghi thực hiện xong Bit6 RD: Kiểm soát việc đọc bộ nhớ Flash/Data EE 1 = Bắt đầu quá trình đọc 0 = Quá trình đọc dữ liệu hoàn tất. 14
  • 15.
    DKS GROUP http://www.embestdks.com 4 Bộ nhớ EEPROM Thanh ghi điều khiển việc truy cập bộ nhớ Lập trình đọc dữ liệu từ EEPROM, F-ROM Lập trình ghi dữ liệu vào EEPROM, F-ROM Chế độ bảo vệ (Code Protect) 15
  • 16.
    DKS GROUP http://www.embestdks.com 2.5 Tổchức vào/ra trong PIC Giới thiệu chung về các cổng vào/ra trong PIC: Cổng là một nhóm các chân của Vi điều khiển, chúng có thể được truy cập đồng thời hay theo từng bit một, đọc trạng thái hiện có trên cổng. Về mặt vật lý, mỗi cổng là một thanh ghi nằm bên trong Vi điều khiển và được kết nối đến các chân của Vi điều khiển. Cổng đóng vai trò là một kết nối vật lý giữa CPU và thế giới bên ngoài. Physically, port is a register inside a microcontroller which is connected by wires to the pins of a microcontroller. Ports represent physical connection of Central Processing Unit with an outside world. Microcontroller uses them in order to monitor or control other components or devices. Due to functionality, some pins have twofold roles like PA4/TOCKI for instance, which is in the same time the fourth bit of port A and an external input for free-run counter. Selection of one of these two pin functions is done in one of the configuration registers. An illustration of this is the fifth bit T0CS in OPTION register. By selecting one of the functions the other one is disabled. Thanh ghi cổng và thanh ghi điều khiển chế độ vào/ra Trong mỗi Vi điều khiển PIC có thể có từ 2 cho đến 10 cổng, số lượng tùy theo từng loại PIC. Đối với loại PIC 40 chân mà ta thường hay sử dụng có tất cả là 5 cổng đó là: - PORTA: Độ rộng là 6 bit - PORTB: Độ rộng là 8 bit - PORTC: Độ rộng là 8 bit - PORTD: Độ rộng là 8 bit - PORTE: Độ rộng là 3 bit Không giống như AT8051, các cổng của PIC ngoài thanh ghi cổng còn có thêm một thanh ghi điều khiển chế độ vào ra cho từng chân của cổng đó. PORTA có thanh ghi TRISA, PORTB có thanh ghi TRISB… Khi lập trình điều khiển vào ra cho PIC ta cần chú ý tới điều này để tránh gặp những sai sót không đáng có. Vì các cổng về cơ bản là giống nhau, dưới đây ta sẽ đi tìm hiều một vài PORT cụ thể của PIC. PORTA và TRISA PORTA của PIC16F877A có độ rộng là 6-bit tương ứng với 6 chân từ RA0 đến RA5. Thanh ghi điều khiển hướng dữ liệu là TRISA. Thiết lập giá tri “1” cho mỗi bit trong thanh ghi TRISA sẽ định nghĩa chân tương ứng với bit đó là chân vào dữ liệu, và thiết lập “0” cho mỗi bit trong TRISA định nghĩa chân tương ứng là chân xuất dữ liệu. Đọc thanh ghi PORTA chính là đọc trạng thái của các chân và ghi giá trị vào thanh ghi PORTA là ghi vào bộ chốt cổng PORTA. Toàn bộ quá trình ghi là đọc – sửa – ghi, nghĩa là đọc giá trị của cổng, sửa giá trị và ghi trở lại bộ chốt dữ liệu cổng. Một số chân của PORTA còn là chân vào giá trị tương tự và chân vào điện áp tham chiếu (Vref) cho bộ Chuyển đổi tương tự số (Analog to Digital Converter) và bộ So sánh (Comparators), cấu hình cho các chân này là chân vào tương tự hay số thông qua thanh 16
  • 17.
    DKS GROUP http://www.embestdks.com ghi ADCON1.Mặc định khi khởi động các chân PORTA được thiết lập là chân vào tương tự. Khi lập trình ta cần chú ý điều này. PORTB và TRISB PORTB có 8 chân từ RB0 cho đến RB7 tương ứng với độ rộng là 8 bit. Thanh ghi để điều khiển hướng dữ liệu của PORTB có tên là TRISB cũng có độ dài là 8 bit, tương ứng với 8 bit của PORTB. Thiết lập giá tri “1” cho mỗi bit trong thanh ghi TRISB sẽ định nghĩa chân tương ứng với bit đó là chân vào dữ liệu, và thiết lập “0” cho mỗi bit trong TRISB định nghĩa chân tương ứng là chân xuất dữ liệu. TRISB.0 = 0 =>> Chân RB0 là chân xuất TRISB.0 = 1 =>> Chân RB0 là chân nhập Mỗi chân của PORTB có một điện trở kéo và có thể được kích hoạt bằng cách xóa bit thứ 7 RBPU trong thanh ghi OPTION. Các điện trở kéo sẽ tự động ngắt khi PORTB thiết lập là cổng xuất. Mặc định khi khởi động, các điện trở kéo này được ngắt. Lập trình chế độ vào (Input) - Thiết lập 1 cho các bit trong thanh ghi TRISB - Kích hoạt các điện trở kéo. - Nhận dữ liệu từ cổng bằng cách đọc thanh ghi PORTB Ví dụ: unsigned char port_buffer; // Khai báo biến là bộ đệm giá trị củ PORTB TRISB = 0b11111111; // Toàn bộ PORTB là cổng vào 17
  • 18.
    DKS GROUP http://www.embestdks.com RBPU = 0; // Kích hoạt điện trở kéo port_buffer = PORTB; // Đọc giá trị của PORTB vào biến port_buffer Lập trình chế độ ra (Output) - Thiết lập 0 cho các bit của thanh ghi TRISB - Xuất dữ liệu ra cổng (ghi giá trị vào thanh ghi PORTB) Ví dụ: TRISB = 0b00000000; // PORTB là cổng ra PORTB = 0xAA; // Xuất giá trị 0xAA ra cổng B Trên đây chỉ là hai ví dụ nhỏ về lập trình vào ra cho PIC, bài lập trình chi tiết sẽ được trình bày ở cuối chương. Trong các chân của PORTB, 4 chân từ RB4 đến RB7, ngoài chức năng là chân vào ra, chúng còn sinh ra ngắt gọi là ngắt On-Change. Ngắt sẽ xảy ra khi tại các chân đó có sự chuyển trạng thái từ logic 1 sang 0 hay ngược lại. Chi khi cả 4 chân này được thiết lập ra chân vào thì ngắt mới xảy ra (nếu một trong các chân RB7 ~ RB4 là chân vào thì ngắt không xảy ra khi có sự chuyển trạng thái trên các chân đó). Ta thường ứng dụng ngắt On-Change này trong việc quét ma trận bàn phím, khi các hàng của phím được nối đến 4 chân này, việc xử lý ngắt sẽ xác định phím nào được nhấn. Ngoài ra PORTB còn có chân RB0 là chân vào ngắt ngoài (INT0), các chân RB7- PGD, RB6-PGC, RB3-PGM được kết hợp khi sử dụng tính năng In-Circuit Debugger và Low-Voltage Programming. PORTC và TRISC 18
  • 19.
    DKS GROUP http://www.embestdks.com 2.6 Timer/Counter Mô tả chung về Timer (cấu trúc) Các bộ Timer là thành phần không thể thiếu trong mỗi con Vi điều khiển, nó cần thiết cho việc xác định chính xác một khoảng thời gian trôi qua. Các bộ Timer trong PIC (0,1,2…) Mỗi Vi điều khiển PIC có một số lượng các bộ Timer nhất định, tối thiểu là 3 bộ Timer là Timer0, Timer1, Timer2. Trong đó Timer0 và Timer2 là 8 bit, còn Timer1 la 16 bit. Thanh ghi điều khiển Tính toán thời gian cho Timer Lập trình cho một bộ Timer 19
  • 20.
    DKS GROUP http://www.embestdks.com 2.7 Giaotiếp nối tiếp RS232 Cấu trúc khối RS232 Thanh ghi điều khiển Tốc độ Baud và tính toán Chế độ Master (Truyền – nhận) Chế độ Slave (Truyền – nhận) 20
  • 21.
    DKS GROUP http://www.embestdks.com 2.8 Tổchức ngắt Cấu trúc và các nguồn ngắt Thanh ghi điều khiển Quá trình xảy ra và thực hiện 1 ngắt Lập trình xử lý ngắt (INT, On-change RB, RS232, Timer…) Phần cứng và tính năng mở rộng trong PIC ADC Cấu trúc khối ADC Các thanh ghi điều khiển Chế độ làm việc, ADC8bit, 10bit Lập trình cho bộ ADC Capture + PWM + Comparator - Encoder (18F43310) I2C + SPI + PSP RS485 CAN USB 21