Batiente Interna
T E C H N O L O G Y
Perf
ESCALA 1:1
Perfiles
T E C H N O L O G Y
Serie 45 Batiente Interna Smart Frame
23.81
[.937"]
18.93
[.745"]
68501
JUNQUILLO
R007
CONTRAMARCO RPT
45050
PLETINA
R008
"Z" APERTURA INTERIOR RPT
54.49
[2.145"]
27.53
[1.084"]
46.53
[1.832"]
61.60
[2.425"]
44.53
[1.753"]
63.53
[2.501"]
19.51
[.768"]
76.97
[3.030"]
54.47
[2.144"]
38.96
[1.534"]
R020
RPT INTERMEDIO
GN-618
CALZA DE NEOPRENO
GN-650
CONTRAMARCO
GN-554
TAPA DREN
EP-0126
EMPAQUE VIDRIO DE HOJA
EP-0124
EMPAQUE HONGO DECENTRADO
EP-0135
EMPAQUE HONGO DE HOJA
EP-0734
CENTRAL DE HERMETICIDAD TAQUETE Y PIJA
SIN ESCALA
Accesorios
T E C H N O L O G Y
Serie 45 Batiente Interna Smart Frame
KIT CREMONA PRIMA
GN-450
BISAGRA BRIDGE
GN-461
CAPACIDAD DE CARGA
CON 2 BISAGRAS 90 KG.
CON 3 BISAGRAS 100 KG.
BISAGRA FLASH
GN-451 PREMONTADA DERECHA
CAPACIDAD DE CARGA
CON 2 BISAGRAS 75 KG.
CON 3 BISAGRAS 85 KG.
(CONSIDERANDO DIMENSIONES
DE 1000 MM. x 2000 MM.)
PASADOR HOJA PASIVA
GN-485
REGULABLE BT
GN-479
COMPAS LIMITADOR
GN-457
ABERTURA MINIMA DE 450 MM.
3ER PUNTO DE CIERRE
REGULABLE BT
GN-478
ENCUENTRO PARA
GN-480
POSICIONADOR DE HOJAS
GN-458
SIN ESCALA
Accesorios
T E C H N O L O G Y
Serie 45 Batiente Interna Smart Frame
Centro de grandes ciudades, Barrios
Residenciales, Campo Abierto
Zona Costera
Zona HuracanesE
D
C
Curvas
165 Kg/m
110 Kg/m
65 Kg/m
2
2
2
200 Km/h
160 Km/h
120 Km/h
Velocidad de viento Zona
H
B
EL VIDRIO Y LOS ACCESORIOS QUE LO INTEGRAN.
COMPATIBLE CON EL VIDRIO UTILIZADO.
TEMPLE: 5
LOS QUE SE ENCUENTREN DEBAJO
DE LAS CURVAS GRAFICADAS.
Tabla de Inercia
Serie 45 RPT
.40 7.75
.60 9.91
.90 12.74
1.00 13.51
1.20 14.75
1.50 16.08
1.80 16.97
2.00 17.41
2.40 18.02
2.80
3.00
18.42
18.57
S-45 RPT / R008
Largo (m)
Inercia cm^4
110
140
160
40
30
20
140
150
9070
80
50
60
110
100 120
130
240
230
220
180
170
190
200
210
300
280
290
100
250
260
270
B cm
190170150
180160
210
220200
130
H cm
120
VENTANA BATIENTE APERTURA INTERNA
C
90
D
E
ESCALA 1:2
T E C H N O L O G Y
Serie 45 Batiente Interna Smart Frame
VIDRIO
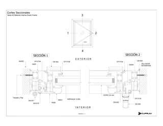
Cortes Seccionales
Serie 45 Batiente Interna Smart Frame
1 2
3
4
ESCALA 1:1
SELLADOR
INTEMPERIE
E X T E R I O R
R007
I N T E R I O R
VIDRIO 24 mm.
68501
R008
GN-451
EP-0734
EP-0135
GN-650
GN-650
GN-450
45050
GN-618
Taquete y Pija
MURO GN-554 EP-0126 EP-0124
ESCALA 1:1
INTERIOR
GN-554
R007
VIDRIO 24 mm.
EXTERIOR
68501
SELLADOR
INTEMPERIE
GN-650
R008
EP-0135
EP-0124
GN-650
KIT GN-450
GN-618
GN-458
CALZA
EP-0126
EP-0734
KIT GN-450
KIT GN-450
GN-650
JUNQUILLO RPT
V 45
68501
R008 MARCO BATIENTE RPT
6.10
LARGO
STD. MTS.
6.10
6.10
R007 CONTRAMARCO RPT
6.1045050 PLETINA
BATIENTE
ALUMINIO
CLAVE
PZAS POR
ATADO
R009 MARCO BATIENTE RPT JUNQ INT 6.10
4
4
18
24
2
SIN ESCALA
T E C H N O L O G Y
Serie 45 Batiente Interna Smart Frame
6.10R020 RPT INTERMEDIO 2
F
SIN ESCALA
Combinaciones
T E C H N O L O G Y
Serie 45 Batiente Interna Smart Frame
TROQUEL GN-659
T E C H N O L O G Y
Troquel
Serie 45 Batiente Interna Smart Frame
45050 PLETINA
LCLC
R008 "Z" APERTURA INTERIOR RPT
CREMONA 86.00
[3.386"]
104.00
[4.094"]
7.20
[.283"]
0.65
[.026"]
R008 "Z" APERTURA INTERIOR RPT 14.00
[.551"]
2.60
[.102"]
R008 "Z" APERTURA INTERIOR RPT
4.50
[.177"]
19.80
[.780"]
10.00
[.394"]
Operaciones de Troquel
Serie 45 Batiente Interna Smart Frame
T E C H N O L O G Y
R008 "Z" APERTURA INTERIOR RPT
46.00
[1.811"]
20.00
[.787"]
46.00
[1.811"]
13.00
[.512"]
6.00
[.236"]
R007 CONTRAMARCO RPT
46.00
[1.811"]
13.42
[.528"]
20.00
[.787"]
46.00
[1.811"]
13.00
[.512"]
6.00
[.236"]
13.42
[.528"]
16.86
[.664"]
44.74
[1.761"]
16.86
[.664"]
44.74
[1.761"]
41.07
[1.617"]
R007 CONTRAMARCO RPT
31.20
[1.228"]
6.00
[.236"]
DESCUENTOPIEZAS
L= ANCHO DE VENTANA
H= ALTO DE VENTANA
CONTRAMARCO RPT
"Z" Apertura interior RPT
R008
VIDRIO
H
L
R007
R007
R008
DESCUENTOS EN MM.
2
2
2
H-43
H-142
L-142
L-43
L
H
TABLA DE DESCUENTOS
VENTANA BATIENTE INTERIOR
CLAVE
CORTE YNo. DE
JUNQUILLO RPT68501 2 L-122
JUNQUILLO RPT68501 2 H-122
PLETINA45050 2 H/2-160
GN-451
GN-450
45050
Contramarco RPT
R007
Escuadra
GN-650
Contramarco RPT
R007
"Z" Apertura interior RPT
R008
Junquillo RPT
68501
Escuadra de Alineacion
GN-618
Contramarco RPT
R007
Contramarco RPT
R007
"Z" Apertura interior RPT
R008
ESCUADRA
GN-650
Escuadra
GN-650
GN-554
CONTRAMARCO RPT
"Z" Apertura interior RPT
2
2
EP-0126
EP-135
Central de Hermeticidad
EP-0734
* Despues de colocar Central de
Hermeticidad sellar uniones con
loctite
SIN ESCALA
T E C H N O L O G Y
Serie 45 Proyectable Smart Frame
Sistema de Drenado
Serie 45 Batiente Interna Smart Frame
E X T E R I O R
R007 CONTRAMARCO RPT
I N T E R I O R
E X T E R I O R
I N T E R I O R
R008 Z APERTURA INTERIOR RPT
T E C H N O L O G Y
ESCALA 1:2
Serie 45 Batiente Interna Smart Frame
Corte en Empaque Hongo
Descentrado
Corte de una pulgada en Empaque
Hongo Descentrado EP-0124 ubicado
en la parte Superior del Marco
ESCALA 1:2
T E C H N O L O G Y
1
23 4
Serie 45 Batiente Interna S-45 Smart Frame
ESCALA 1:2
MURO
TAQUETE
Y PIJA
GN-650
GN-650
VIDRIO 24 MM
EP-0135
VIDRIO 24 MM
GN-650
EP-0734
EP-0126
68501
R007
R009
EP-0126
R007 EP-0126
VIDRIO 24 MM
E X T E R I O R
I N T E R I O R
MURO
TAQUETE
Y PIJA
68501
GN-650 GN-650EMPAQUE
GN-454
GN-554
T E C H N O L O G Y
DESCUENTOPIEZAS
L= ANCHO DE VENTANA
H= ALTO DE VENTANA
CONTRAMARCO RPT
VIDRIO
H
L
R007
R007
DESCUENTOS EN MM.
1
2
2
H- 65
L- 65
L
H
TABLA DE DESCUENTOS
FIJO CONTRAMARCO
CLAVE
CORTE YNo. DE
JUNQUILLO RPT68501 2 L- 45
JUNQUILLO RPT68501 2 H- 45
CONTRAMARCO RPT
5
6
Serie 45 Batiente Interna Smart Frame
ESCALA 1:2
MURO
TAQUETE
Y PIJA
GN-650
VIDRIO 24 MM
EP-0126
68501
T E C H N O L O G Y
DESCUENTOPIEZAS
L= ANCHO DE VENTANA
H= ALTO DE VENTANA
CONTRAMARCO RPT
VIDRIO
H
L
R007
R007
DESCUENTOS EN MM.
1
1
2
H- 127
L- 65
L
H
TABLA DE DESCUENTOS
FIJO CONTRAMARCO CON ZOCLO
CLAVE
CORTE YNo. DE
JUNQUILLO RPT68501 2 L- 45
JUNQUILLO RPT68501 2 H- 107
CONTRAMARCO RPT
ZOCLO RPTR016 1 L- 55
R016
ZOCLO
108.03
[4.253"]
54.54
[2.147"]
68501
SUELO
SELLADOR
EP-0126
CALZA
R016
108.03
[4.253"]
19.00
[.748"]
Serie 45 Batiente Interna Smart Frame
T E C H N O L O G Y
R016
ZOCLO
ESCALA 1:2

Smart frame serie 45 ventana batiente interna RPT

  • 1.
    Batiente Interna T EC H N O L O G Y Perf
  • 2.
    ESCALA 1:1 Perfiles T EC H N O L O G Y Serie 45 Batiente Interna Smart Frame 23.81 [.937"] 18.93 [.745"] 68501 JUNQUILLO R007 CONTRAMARCO RPT 45050 PLETINA R008 "Z" APERTURA INTERIOR RPT 54.49 [2.145"] 27.53 [1.084"] 46.53 [1.832"] 61.60 [2.425"] 44.53 [1.753"] 63.53 [2.501"] 19.51 [.768"] 76.97 [3.030"] 54.47 [2.144"] 38.96 [1.534"] R020 RPT INTERMEDIO
  • 3.
    GN-618 CALZA DE NEOPRENO GN-650 CONTRAMARCO GN-554 TAPADREN EP-0126 EMPAQUE VIDRIO DE HOJA EP-0124 EMPAQUE HONGO DECENTRADO EP-0135 EMPAQUE HONGO DE HOJA EP-0734 CENTRAL DE HERMETICIDAD TAQUETE Y PIJA SIN ESCALA Accesorios T E C H N O L O G Y Serie 45 Batiente Interna Smart Frame
  • 4.
    KIT CREMONA PRIMA GN-450 BISAGRABRIDGE GN-461 CAPACIDAD DE CARGA CON 2 BISAGRAS 90 KG. CON 3 BISAGRAS 100 KG. BISAGRA FLASH GN-451 PREMONTADA DERECHA CAPACIDAD DE CARGA CON 2 BISAGRAS 75 KG. CON 3 BISAGRAS 85 KG. (CONSIDERANDO DIMENSIONES DE 1000 MM. x 2000 MM.) PASADOR HOJA PASIVA GN-485 REGULABLE BT GN-479 COMPAS LIMITADOR GN-457 ABERTURA MINIMA DE 450 MM. 3ER PUNTO DE CIERRE REGULABLE BT GN-478 ENCUENTRO PARA GN-480 POSICIONADOR DE HOJAS GN-458 SIN ESCALA Accesorios T E C H N O L O G Y Serie 45 Batiente Interna Smart Frame
  • 5.
    Centro de grandesciudades, Barrios Residenciales, Campo Abierto Zona Costera Zona HuracanesE D C Curvas 165 Kg/m 110 Kg/m 65 Kg/m 2 2 2 200 Km/h 160 Km/h 120 Km/h Velocidad de viento Zona H B EL VIDRIO Y LOS ACCESORIOS QUE LO INTEGRAN. COMPATIBLE CON EL VIDRIO UTILIZADO. TEMPLE: 5 LOS QUE SE ENCUENTREN DEBAJO DE LAS CURVAS GRAFICADAS. Tabla de Inercia Serie 45 RPT .40 7.75 .60 9.91 .90 12.74 1.00 13.51 1.20 14.75 1.50 16.08 1.80 16.97 2.00 17.41 2.40 18.02 2.80 3.00 18.42 18.57 S-45 RPT / R008 Largo (m) Inercia cm^4 110 140 160 40 30 20 140 150 9070 80 50 60 110 100 120 130 240 230 220 180 170 190 200 210 300 280 290 100 250 260 270 B cm 190170150 180160 210 220200 130 H cm 120 VENTANA BATIENTE APERTURA INTERNA C 90 D E ESCALA 1:2 T E C H N O L O G Y Serie 45 Batiente Interna Smart Frame
  • 6.
    VIDRIO Cortes Seccionales Serie 45Batiente Interna Smart Frame 1 2 3 4 ESCALA 1:1 SELLADOR INTEMPERIE E X T E R I O R R007 I N T E R I O R VIDRIO 24 mm. 68501 R008 GN-451 EP-0734 EP-0135 GN-650 GN-650 GN-450 45050 GN-618 Taquete y Pija MURO GN-554 EP-0126 EP-0124
  • 7.
    ESCALA 1:1 INTERIOR GN-554 R007 VIDRIO 24mm. EXTERIOR 68501 SELLADOR INTEMPERIE GN-650 R008 EP-0135 EP-0124 GN-650 KIT GN-450 GN-618 GN-458 CALZA EP-0126 EP-0734 KIT GN-450 KIT GN-450 GN-650
  • 8.
    JUNQUILLO RPT V 45 68501 R008MARCO BATIENTE RPT 6.10 LARGO STD. MTS. 6.10 6.10 R007 CONTRAMARCO RPT 6.1045050 PLETINA BATIENTE ALUMINIO CLAVE PZAS POR ATADO R009 MARCO BATIENTE RPT JUNQ INT 6.10 4 4 18 24 2 SIN ESCALA T E C H N O L O G Y Serie 45 Batiente Interna Smart Frame 6.10R020 RPT INTERMEDIO 2
  • 9.
    F SIN ESCALA Combinaciones T EC H N O L O G Y Serie 45 Batiente Interna Smart Frame
  • 10.
    TROQUEL GN-659 T EC H N O L O G Y Troquel Serie 45 Batiente Interna Smart Frame
  • 11.
    45050 PLETINA LCLC R008 "Z"APERTURA INTERIOR RPT CREMONA 86.00 [3.386"] 104.00 [4.094"] 7.20 [.283"] 0.65 [.026"] R008 "Z" APERTURA INTERIOR RPT 14.00 [.551"] 2.60 [.102"] R008 "Z" APERTURA INTERIOR RPT 4.50 [.177"] 19.80 [.780"] 10.00 [.394"] Operaciones de Troquel Serie 45 Batiente Interna Smart Frame T E C H N O L O G Y
  • 12.
    R008 "Z" APERTURAINTERIOR RPT 46.00 [1.811"] 20.00 [.787"] 46.00 [1.811"] 13.00 [.512"] 6.00 [.236"] R007 CONTRAMARCO RPT 46.00 [1.811"] 13.42 [.528"] 20.00 [.787"] 46.00 [1.811"] 13.00 [.512"] 6.00 [.236"] 13.42 [.528"] 16.86 [.664"] 44.74 [1.761"] 16.86 [.664"] 44.74 [1.761"] 41.07 [1.617"] R007 CONTRAMARCO RPT 31.20 [1.228"] 6.00 [.236"]
  • 13.
    DESCUENTOPIEZAS L= ANCHO DEVENTANA H= ALTO DE VENTANA CONTRAMARCO RPT "Z" Apertura interior RPT R008 VIDRIO H L R007 R007 R008 DESCUENTOS EN MM. 2 2 2 H-43 H-142 L-142 L-43 L H TABLA DE DESCUENTOS VENTANA BATIENTE INTERIOR CLAVE CORTE YNo. DE JUNQUILLO RPT68501 2 L-122 JUNQUILLO RPT68501 2 H-122 PLETINA45050 2 H/2-160 GN-451 GN-450 45050 Contramarco RPT R007 Escuadra GN-650 Contramarco RPT R007 "Z" Apertura interior RPT R008 Junquillo RPT 68501 Escuadra de Alineacion GN-618 Contramarco RPT R007 Contramarco RPT R007 "Z" Apertura interior RPT R008 ESCUADRA GN-650 Escuadra GN-650 GN-554 CONTRAMARCO RPT "Z" Apertura interior RPT 2 2 EP-0126 EP-135 Central de Hermeticidad EP-0734 * Despues de colocar Central de Hermeticidad sellar uniones con loctite SIN ESCALA T E C H N O L O G Y Serie 45 Proyectable Smart Frame
  • 14.
    Sistema de Drenado Serie45 Batiente Interna Smart Frame E X T E R I O R R007 CONTRAMARCO RPT I N T E R I O R E X T E R I O R I N T E R I O R R008 Z APERTURA INTERIOR RPT T E C H N O L O G Y ESCALA 1:2
  • 15.
    Serie 45 BatienteInterna Smart Frame Corte en Empaque Hongo Descentrado Corte de una pulgada en Empaque Hongo Descentrado EP-0124 ubicado en la parte Superior del Marco ESCALA 1:2 T E C H N O L O G Y
  • 16.
    1 23 4 Serie 45Batiente Interna S-45 Smart Frame ESCALA 1:2 MURO TAQUETE Y PIJA GN-650 GN-650 VIDRIO 24 MM EP-0135 VIDRIO 24 MM GN-650 EP-0734 EP-0126 68501 R007 R009 EP-0126 R007 EP-0126 VIDRIO 24 MM E X T E R I O R I N T E R I O R MURO TAQUETE Y PIJA 68501 GN-650 GN-650EMPAQUE GN-454 GN-554 T E C H N O L O G Y DESCUENTOPIEZAS L= ANCHO DE VENTANA H= ALTO DE VENTANA CONTRAMARCO RPT VIDRIO H L R007 R007 DESCUENTOS EN MM. 1 2 2 H- 65 L- 65 L H TABLA DE DESCUENTOS FIJO CONTRAMARCO CLAVE CORTE YNo. DE JUNQUILLO RPT68501 2 L- 45 JUNQUILLO RPT68501 2 H- 45 CONTRAMARCO RPT
  • 17.
    5 6 Serie 45 BatienteInterna Smart Frame ESCALA 1:2 MURO TAQUETE Y PIJA GN-650 VIDRIO 24 MM EP-0126 68501 T E C H N O L O G Y DESCUENTOPIEZAS L= ANCHO DE VENTANA H= ALTO DE VENTANA CONTRAMARCO RPT VIDRIO H L R007 R007 DESCUENTOS EN MM. 1 1 2 H- 127 L- 65 L H TABLA DE DESCUENTOS FIJO CONTRAMARCO CON ZOCLO CLAVE CORTE YNo. DE JUNQUILLO RPT68501 2 L- 45 JUNQUILLO RPT68501 2 H- 107 CONTRAMARCO RPT ZOCLO RPTR016 1 L- 55 R016 ZOCLO 108.03 [4.253"] 54.54 [2.147"] 68501 SUELO SELLADOR EP-0126 CALZA R016
  • 18.
    108.03 [4.253"] 19.00 [.748"] Serie 45 BatienteInterna Smart Frame T E C H N O L O G Y R016 ZOCLO ESCALA 1:2