Содержание
1Показатели перспективного спроса на тепловую энергию (мощность) и
теплоноситель в установленных границах Ермолинского сельского
поселения..................................................................................................................8
2Перспективные балансы располагаемой тепловой мощности
источников тепловой энергии и тепловой нагрузки..........................................27
2.1. Радиус эффективного теплоснабжения................................................27
2.2. Существующие и перспективные зоны действия систем...................27
теплоснабжения и источников тепловой энергии.....................................27
2.4. Перспективные балансы тепловой мощности и тепловой нагрузки в
перспективных зонах действия источников тепловой энергии....................36
3Перспективные балансы теплоносителя...........................................................40
4Предложения по строительству, реконструкции и техническому
перевооружению источников тепловой энергии................................................44
4.1. Предложения по строительству источников теплоснабжения..........44
4.2. Предложения по реконструкции и техническому перевооружению
источников тепловой энергии..........................................................................44
5Предложения по строительству и реконструкции тепловых сетей................48
6Перспективные топливные балансы..................................................................50
6.1. Существующие топливные балансы....................................................50
6.2. Перспективные топливные балансы.....................................................51
7Инвестиции в строительство, реконструкцию и техническое
перевооружение.....................................................................................................53
7.1. Обоснование инвестиций в строительство, реконструкцию и
техническое перевооружение ..........................................................................53
8Решение об определении единой теплоснабжающей организации................56
9Решения по бесхозяйным тепловым сетям.......................................................57
10Библиографический список..............................................................................58
11Техническое задание.........................................................................................59
12 Приложения………………………………………………………………...54
Общие сведения
2
Схема теплоснабжения Ермолинского сельского поселения
Истринского муниципального района Московской области на период с 2012
до 2028 года» (далее - Схема теплоснабжения) выполнена во исполнение
требований Федерального Закона №190-ФЗ «О теплоснабжении» от
09.06.2010, устанавливающего статус схемы теплоснабжения как документа,
содержащего предпроектные материалы по обоснованию эффективного и
безопасного функционирования системы теплоснабжения, ее развития с
учетом правового регулирования в области энергосбережения и повышения
энергетической эффективности.
Схема теплоснабжения Ермолинского сельского поселения разработана
ОАО "Истринская теплосеть" в соответствии с Договором № 4 от 03.04.2013
г. на период 15 лет, в том числе на начальный период в 5 лет и на
последующие пятилетние периоды с расчетным сроком до 2028 год.
Цель разработки Схемы теплоснабжения - формирование основных
направлений и мероприятий по развитию систем теплоснабжения сельского
поселения, обеспечивающих надежное удовлетворение спроса на тепловую
энергию (мощность) и теплоноситель наиболее экономичным способом при
минимальном воздействии на окружающую среду.
Работа выполнена с учетом требований:
• Федерального закона от 27 июля 2010 года N 190-ФЗ «О
теплоснабжении»;
• Федерального закона от 23 ноября 2009 года N 261-ФЗ «Об
энергосбережении и о повышении энергетической эффективности и о
внесении изменений в отдельные законодательные акты Российской
Федерации»;
• Постановления Правительства Российской Федерации от 22
февраля 2012 года N 154 «О требованиях к схемам теплоснабжения, порядку
их разработки и утверждения» и на основе:
• Исходных данных и материалов, полученных от администрации
районного поселка, основных теплоснабжающих организаций;
• Решений Генерального плана Ермолинского сельского поселения
Истринского муниципального района Московской области.
Для оценки существующего состояния теплоснабжения и разработки
предпроектных предложений развития системы теплоснабжения
3
Ермолинского сельского поселения были использованы и проанализированы
материалы следующих работ и документов:
- Генеральный план сельского поселения Ермолинское Истринского
муниципального района Московской области.
- Исходные данные и материалы, полученные от теплоснабжающей
организации ОАО «Истринская теплосеть».
- Обследование теплоисточников и тепловых сетей.
4
Введение
Сельское поселение Ермолинское Истринского муниципального
района входит в Истринско-Звенигородскую устойчивую систему
расселения. Сельское поселение Ермолинское находится в 30 км к западу от
Москвы в восточной части Истринского района Московской области.
Приложение №1 к Закону Московской области от 07.07.2011 № 109/2011-ОЗ
«О внесении изменений в Закон Московской области «О статусе и границах
Истринского муниципального района и вновь образованных в его составе
муниципальных образований» было образовано сельское поселение
Ермолинское с административным центром в п. Агрогородок.
Рисунок 1
5
В составе поселения находятся:
1. п. Агрогородок – административный центр
2. д. Адуево
3. д. Алексино
4. д. Андреевское
5. с. Дарна
6. д. Духанино
7. д. Еремеево
8. д. Ермолино
9. д. Ивановское
10. д. Кашино
11. д. Лисавино
12. д. Максимовка
13. д. Никольское
14. п. Огниково
15.д. Подпорино
16. п. Полевшина
17. д. Рычково
18. д. Сокольники
19. д. Сысоево
20. д. Холмы
По данным Администрации сельского поселения Ермолинское,
население, на начало 2013 г. составило 3545 человек.
Площадь сельского поселения занимает 13150,0 га, в соответствии с
Законом Московской области «О статусе и границах Истринского
муниципального района и вновь образованных в его составе муниципальных
образований».
Большую часть (57 %) территории поселения занимают обширные
лесные массивы и земли сельскохозяйственного назначения (7495,5 Га).
Остальная территория поселения занята жилой застройкой
(преимущественно индивидуальной), дачными и садоводческими
товариществами, производственными объектами, объектами отдыха и
спорта, а также участками, определенными под различные виды
строительства.
В границах сельского поселения Ермолинское находится 20 населенных
пунктов, занимающих площадь около 5670 Га, 68 садоводческих
некоммерческих товариществ, общая площадь территории которых
6
составляет около 590 Га, 64 дачных некоммерческих партнерства и 46
некоммерческих объединений, организованных в коттеджные поселки общей
площадью около 1250 Га
На территории поселения находятся предприятия производственно-
хозяйственного комплекса:
- ООО «Альтек-Строй» (производство и монтаж алюминиевых
конструкций)
- ООО «Квота» (производственно-складская база)
- ООО «Навигатор МЕГАВЕЙ» (изготовление панелей)
- ООО «Стройинверс» (производственно-складская база)
- ООО «Фрегат» (производство металлоизделий)
- ОАО «Комплект» (производственно-складская база)
- ЗАО «Московский опытный завод буровой техники» ЗАО «МОЗБТ»
(производство и продажа новой буровой техники и оборудования)
- ООО «Дубль» (изготовление изделий из пластмассы)
- ООО «Аред» (деревообработка и комплектация)
- ФГУ «ВНИИКОМЖ» (производственная база)
- ООО «Гифт» (строительство газопровода)
- СП ООО «Правда» (молочно-товарная ферма 400 голов КРС)
Из объектов лечебно-оздоровительного назначения на территории
поселения расположены: пансионат ОАО «Огниково», спортклуб «Истра».
На территории поселения зарегистрировано 33 малых предприятия,
занимающиеся торговлей и другими видами обслуживания населения.
В соответствии со СНиП 23-01-99 «Строительная климатология»
климатические характеристики Ермолинское сельского поселения
Истринского муниципального района Московской области:
– средняя температура наиболее холодной пятидневки
обеспеченностью 0,92 (расчётная для проектирования отопления) – -280
С;
– средняя температура за отопительный период – -3,10
С;
– продолжительность отопительного периода – 216 суток.
7
1 Показатели перспективного спроса на тепловую энергию
(мощность) и теплоноситель в установленных границах Ермолинского
сельского поселения
Анализ состояния жилищного фонда приводится на основании данных
администрации Ермолинского сельского поселения Истринского
муниципального района Московской области.
Многоквартирный жилищный фонд сосредоточен, в основном, в посёлке
Агрогородок – 31,114 тыс. м2
, общей площади (68% от всего
многоквартирного фонда) и представлен малоэтажной и средеэтажной
многоквартирной застройкой (20 домов – 624 квартиры).
Кроме того, среднеэтажная многоквартирная застройка размещается в
посёлке Огниково – 3 дома (75 квартир), малоэтажная застройка размещается
в населенных пунктах Алексино, Андреевское, Духанино, Полевшина,
Рычково, Сокольники – 22 дома (222 квартиры).
Индивидуальный жилищный фонд размещается во всех населенных
пунктах и составляет 382,7 тыс. м2
.
Общий фонд жилой застройки с постоянным и временным
проживанием составляет 428,559 тыс. м2
.
На перспективу генеральным планом в сельском поселении
Ермолинское запланировано уплотнение территорий жилой
многоквартирной застройки в поселке Агрогородок за счет строительства
точечных 4-5-ти этажных жилых домов со средним размером квартир 50 – 60
м2
и 2-х этажных блокировочных жилых домов со средним размером квартир
до 120 м2
. Застройка территории на расчетный срок подразумевает
строительство жилых и дачных комплексов частных владельцев с
количеством постоянно проживающего населения до 4 тысяч человек,
временно проживающего – до 7 тысяч человек, с развитой структурой
торгово-развлекательных, спортивно оздоровительных, образовательных
коммерческих центров, а также необходимым количеством (согласно
нормативов) муниципальных учреждений образования, здравоохранения,
культуры и спорта с объектами приложения труда в сфере обслуживания, а
также промышленно развитых соседних территорий: Истринского
городского поселения, и др.
8
Мероприятия по развитию объектов жилищного строительства
включают:
1. Снос малоэтажного жилого дома в деревне Рычково площадью
200 м2
;
2. Строительство малоэтажного жилищного фонда в объеме 201,4 тыс.
м2
общей площади в населенных пунктах Агрогородок, Рычково,
Сокольники;
3. Строительство индивидуального жилищного фонда в объеме 89 тыс.
м2
общей площади в населенных пунктах Алексино, Андреевское,
Духанино, Полевшина, Рычково, Кашино, Сысоево;
4. Дачного фонда – 1240 тыс. м2
на всей территории поселения.
Мероприятия по развитию объектов социальной инфраструктуры
включают:
1. Развитие учреждений образования (27 Га):
- дошкольные учреждения – 270 мест (д. Рычково, д. Сокольники,
п. Агрогородок)
- общеобразовательные школы – 820 мест (д. Рычково, д.
Сокольники)
2. Развитие учреждений культуры и искусства:
- клубные помещения – 100 мест (д. Еремеево)
3. Развитие учреждений здравоохранения и социального обеспечения:
- поликлиники – 132 места (п. Агрогородок, д. Рычково, д.
Сокольники)
- станция скорой помощи – 1 автомобиль (п. Агрогородок)
- реабилитационные центры – 200 мест (п. Агрогородок)
4. Развитие физкультурно-оздоровительных сооружений:
- реконструкция стадиона – 200 мест (п. Агрогородок)
- развитие Спортинг-клуба «Истра» - 8,5 Га (д. Андреевское)
- строительство спортивных площадок – 4,6 Га (д. Рычково, д.
Холмы, д. Сокольники, д. Алексино, д. Огниково).
5. Развитие закрытых спортсооружений:
9
- строительство физкультурно-оздоровительного комплекса с
бассейном – 500 м2
(п. Агрогородок)
- строительство спортивно-оздоровительного центра – 3600 м2
(п.
Агрогородок)
- организация детско-юношеской спортивной школы на 200 мест в
реконструируемом здании – 3000 м2
(д. Духанино)
- строительство физкультурно-оздоровительного комплекса – 500 м2
(д. Рычково)
- строительство фитнесцентра – 300 м2
(д. Еремеево)
- строительство спортивной рыболовной базы – 100 м2
(д. Сысоево)
6. Развитие местных центров обслуживания в населенных пунктах
Агрогородок, Духанино, Андреевское, Рычково, Сокольники, Холмы,
Еремеево, Огниково общей площадью 6550 м2
.
7. Развитие многофункциональных центров, комплексов обслуживания в
населенных пунктах Агрогородок, Еремеево, Духанино общей площадью
143000 м2
.
8. Развитие бытового обслуживания:
- банно-оздоровительный комплекс – 95 мест (п. Агрогородок)
- пожарное депо – 4 машиноместа (п. Агрогородок, д. Духанино)
Дачное строительство на период до 2028 г. планируется вблизи
деревень Адуево (14 Га), Алексино (17 Га), Дарна (13,3 Га), Духанино (28,4
Га), Ермолино (25,4 Га), Кашино (21,5 Га), Лисавино (77,7 Га), Никольское
(12,8 Га), Огниково (68,7 Га), Сысоево (18,5 Га), Холмы (73,9 Га).
10
11
Структура нового жилищного строительства Таблица 1
Развитие жилищного строительства на территории сельского поселения Ермолинское (тыс.кв.м)
Населенные пункты,
Современный фонд 1 очередь строительства (2014
год)
Расчетный срок (2020 год) Расчетный срок (до 2028 год)
Всего
в том числе: новое стр-во Всего в том числе: новое стр-во Всего в том числе: новое стр-во Всего в том числе:
многокв. индив. многокв. индив. многокв. индив. многокв. индив. многокв. индив.* многокв. индив. многокв. индив.*
31,114 5,078 23,9 - 39,414 5,078 15,6 - 60,092 55,014 59,5 - - - -п. Агрогородок
всего 36,192 31,114 5,078 8,3 - 44,492 39,414 5,078 15,6 - 60,092 55,014 5,078 - - 60,092 55,014 5,078
0 4,307 - - 4,307 0 4,307 - - 4,307 0 4,307 - - 4,307 0 4,307д. Адуево
всего 4,307 0 4,307 - - 4,307 0 4,307 - - 4,307 3,65 171 - - 4,307 0 4,307
2,097 55,791 - - 57,888 2,097 55,791 - 14,0 71,888 2,097 69,791 - - 71,888 2,097 69,791д. Алексино
всего 57,888 2,097 55,791 - - 57,888 2,097 55,791 - 14,0 71,888 2,097 69,791 - - 71,888 2,097 69,971
0,857 29,929 - 8,4 39,176 0,857 38,329 - - 39,176 0,857 38,329 - 11,0 50,176 0,857 49,329д. Андреевское
всего 30,776 0,857 29,929 - 8,4 39,176 0,857 38,329 - - 39,176 0,857 38,329 11,0 50,176 0,857 49,329
0 42,225 - - 42,225 0 42,225 - - 42,225 0 42,225 - - 42,225 0 42,225с. Дарна
всего 42,225 0 42,225 42,225 0 42,225 - - 42,225 0 42,225 - - 42,225 0 42,225
3,065 29,252 - - 32,317 3,065 29,252 - 34,2 66,517 3,065 63,452 - - 66,517 3,065 63,452д. Духанино
всего 32,317 3,065 29,252 - - 32,317 3,065 29,252 - 34,2 66,517 3,065 63,452 - - 66,517 3,065 63,452
0 3,772 - - 3,722 0 3,722 - - 3,722 0 3,722 - - 3,722 0 3,722
д. Еремеево
всего 3,772 0 3,772 - - 3,722 0 3,722 - - 3,722 0 3,722 - - 3,722 0 3,722
0
16,984 - - 16,984 0 16,984 - - 16,984 0 16,984 - - 16,984 0 16,984д. Ермолино
16,984 0 16,984 - - 16,984 0 16,984 - - 16,984 0 16,984 - - 16,984 0 16,984
Всего
0 16,855 - - 16,855 0 16,-855 - - 16,855 0 - - 16,855 0 16,855д. Ивановское 16,855
всего 16,855 0 16,855 - - 16,855 0 16,855 - - 16,855 0 16,855 - - 16,855 0 16,855
0 27,257 - 2,6 29,857 0 29,857 - - 29,857 0 29,857 - - 29,857 0 29,857д. Кашино
27,257 0 27,257 - 2,6 29,857 0 29,857 - - 29,857 0 29,857 - - 29,857 0 29,857Всего
д. Лисавино 0 - - 5,742 0 - - 5,742 0 - - 5,742 05,742 5,742 5,742 5,742
всего 5,742 0 5,742 - - 5,742 0 5,742 - - 5,742 0 5,742 - - 5,742 0 5,742
0 15,31 - - 15,31 0 15,31 - - 15,31 0 15,31 - - 15,31 0 15,31д. Максимовка
всего 15,31 0 15,31 - - 15,31 0 15,31 - - 15,31 0 15,31 - - 15,31 0 15,31
д. Никольское 0 29,919 - - 29,919 0 29,919 - - 29,919 0 29,919 - - 29,919 0 29,919
всего 29,919 0 29,919 - - 29,919 0 29,919 - - 29,919 0 29,919 - - 29,919 0 29,919
п. Огниково 2,431 3,83 - - 6,261 2,431 3,83 - - 6,261 2,431 3,83 - - 6,261 2,431 3,83
всего 6,261 2,431 3,83 - - 6,261 2,431 3,83 - - 6,261 2,431 3,83 - - 6,261 2,431 3,83
д. Подпорино 0 10,704 - - 10,704 0 10,704 - - 10,704 0 10,704 - - 10,704 0 10,704
10,704 0 10,704 - - 10,704 0 10,704 - - 10,704 0 10,704 - - 10,704 0 10,704
п. Полевшина 1,425 1,892 - - 3,317 1,425 1,892 - 1,3 4,617 1,425 2,725 - - 4,617 1,425 2,725
всего 3,317 1,425 1,892 - - 3,317 1,425 1,892 - 1,3 4,617 1,425 2,725 - - 4,617 1,425 2,725
д. Рычково 3,782 24,02 - 5,5 33,302 3,782 29,52 64,0 - 97,302 67,782 29,52 65,5 - 98,802 69,282 29,52
всего 27,802 3,782 24,02 - 5,5 33,302 3,782 29,52 64,0 - 97,302 67,782 29,52 65,5 - 98,802 69,282 29,52
д. Сокольники 1,088 37,236 24,0 - 62,324 25,088 37,236 24,0 - 86,324 49,088 37,236 - - 86,324 49,088 37,236
Всего 38,324 1,088 37,236 24,0 - 62,324 25,088 37,236 24,0 - 86,324 49,088 37,236 - - 86,324 49,088 37,236
13
д. Сысоево 0 8,282 - - 8,282 0 8,282 - 12,0 20,282 0 20,282 - - 20,282 0 20,282
всего 8,282 0 8,282 - - 8,282 0 8,282 - 12,0 20,282 0 20,282 - - 20,282 0 20,282
д. Холмы 0 13,769 - - 13,769 0 13,769 - - 13,769 0 13,769 - - 13,769 0 13,769
всего 13,769 0 13,769 - - 13,769 0 13,769 - - 13,769 0 13,769 - - 13,769 0 13,769
428,559 477,359 630,459 706,959ИТОГО:
в т.ч. 45,859 382,7 78,159 399,2 185,409 445,05 250,909 456,05
новое
строительство 32,3 16,5 103,6 49,5 65,5 11,0
в т.ч. блокированное 24,0 103,6 65,5
14
Перечень объектов нового строительства на участках дачных и садоводческих объединений
Таблица 2
Развитие индивидуального строительства на участках дачных и садоводческих объединений, тыс.кв.м
В районе Садоводческие и Существующее 1 очередь (до 2014 года) Расчетный срок (2020 год) Расчетный срок (за 2028 годом)
населенных дачные объединения положение существ. Новое Всего существ. новое Всего существ. новое Всего
пунктов фонд фонд стр-во фонд стр-во фонд стр-во
АГРОГОРОДОК
«Манихино-2»
16 16
-
16 16
-
16 16
- 16
«Манихино-II» 64,5 64,5 - 64,5 64,5 - 64,5 64,5 - 64,5
«Строитель» 169,0 169,0 - 169,0 169,0 - 169,0 169,0 - 169,0
АДУЕВО «Комплект» 57,0 57,0 1070,0 1127,0 57,0 - 1127,0 57,0 - 1127,0
«Росинка» 44,1 44,1 252,0 296,1 44,1 - 296,1 44,1 - 296,1
«Виктория» 144,6 144,6 56,7 396,6 144,6 - 396,6 144,6 - 396,6
АЛЕКСИНО «Лисавино» 68,0 68,0 26,0 94,0 68,0 - 94,0 68,0 - 94,0
«Алексино» 45,0 45,0 26,0 71,0 45,0 - 71,0 45,0 - 71,0
«Родник-4» 104,0 104,0 26,0 130 104,0 - 130 104,0 - 130
«Флора» 58,8 58,8 26,0 84,8 58,8 - 84,8 58,8 - 84,8
АНДРЕЕВСКОЕ «Андреевсое-1» 144,5 144,5 - 144,5 144,5 6,5 151,0 151,0 - 151,0
«Андреевское-2» 107,0 107,0 - 107,0 107,0 6,5 113,5 113,5 - 113,5
«Андреевские
дачи» 46,0 46,0 - 46,0 46,0 6,5 52,5 52,5 - 52,5
ДУХАНИНО «Полесье» 106,0 106,0 40,5 146,5 146,5 - 146,5 146,5 - 146,5
«Истра ЗВИ» 114,0 114,0 - 114,0 114,0 40,5 154,5 154,5 - 154,5
«Ул.
Рождественская» 207,0 207,0 - 207,0 207,0 - 207,0 207,0 40,5 247,5
ДАРНА «Маяк» 220,0 220,0 160,6 380,6 380,6 - 380,6 380,6 - 380,6
«Русь» 120,5 120,5 - 120,5 120,5 980,5 1101,0 1101,0 - 1101,0
ЕРМОЛИНО «Ермолино» 29,0 29,0 - 29,0 29,0 135,0 164,0 164,0 135,0 299,0
ЕРЕМЕЕВО «Звездное поле» 150,0 150,0 5,0 155,0 155,0 - 155,0 155,0 - 155,0
«Мечта» 120,0 120,0 5,0 125,0 125,0 - 125,0 125,0 - 125,0
«Меркурий-1» 35,0 35,0 5,0 40,0 40,0 - 40,0 40,0 - 40,0
«Надежда» 40,0 40,0 - 40,0 40,0 - 40,0 40,0 5,0 45,0
«Родничок» 36,0 36,0 - 36,0 36,0 5,0 41,0 41,0 - 41,0
«Родник-4» 180,0 180,0 - 180,0 180,0 5,0 185,0 185,0 - 185,0
«Россич» 22,0 22,0 5,0 27,0 27,0 - 27,0 27,0 - 27,0
«Перспектива» 437,0 437,0 - 437,0 437,0 - 437,0 437,0 5,0 442,0
ЛИСАВИНО «Лидия» 60,2 60,2 115,0 175,2 175,2 - 175,2 175,2 - 175,2
«Ручеек-1» 50,0 50,0 115,0 165,0 165,0 - 165,0 165,0 - 165,0
«Связист» 93,4 93,4 - 93,4 93,4 115 208,4 208,4 - 208,4
«Ласковый май» 150,0 150,0 - 150,0 150,0 - 150,0 150,0 115,0 265,0
«Холм» 110,0 110,0 - 110,0 110,0 - 110,0 110,0 115,0 225,0
«Дачное» 23,0 23,0 115,0 138,0 138,0 - 138,0 138,0 - 138,0
«Лесное» 33,0 33,0 115,0 148,0 148,0 - 148,0 148,0 - 148,0
«Восход» 55,0 55,0 150,0 205,0 205,0 - 205,0 205,0 - 205,0
МАКСИМОВКА «Зеленые горки» 50,2 50,2 3,0 53,2 53,2 - 53,2 53,2 - 53,2
НИКОЛЬСКОЕ «Никольское» 122,0 122,0 154,4 276,4 276,4 154,4 430,8 430,8 154,4 585,2
«Поляны» 23,0 23,0 115,0 138,0 138,0 - 138,0 138,0 - 138,0
ОГНИКОВО «Рассвет» 90,0 90,0 150,0 240,0 240,0 - 240,0 240,0 - 240,0
16
«Березки-1» 21,0 21,0 150,0 171,0 171,0 - 171,0 171,0 - 171,0
«Бонитет-1» 148,2 148,2 - 148,2 148,2 - 148,2 148,2 150,0 298,2
«Истра ЗВИ» 62,4 62,4 150,0 212,4 212,4 - 212,4 212,4 - 212,4
«Куртасово» 203,2 203,2 - 203,2 203,2 - 203,2 203,2 150,0 353,2
«Маяк» 114,0 114,0 - 114,0 114,0 150,0 264,0 264,0 - 264,0
«Меркурий-1» 176,0 176,0 - 176,0 176,0 - 176,0 176,0 150,0 326,0
«Минерал» 118,0 118,0 - 118,0 118,0 150,0 268,0 268,0 - 268,0
«Пищемаш» 60,0 60,0 150,0 210,0 210,0 - 210,0 210,0 - 210,0
«Пищемаш-2» 114,0 114,0 - 114,0 114,0 150,0 264,0 264,0 - 264,0
«Рассвет»
(Авангард) 98,3 98,3 150,0 248,3 248,3 - 248,3 248,3 - 248,3
«Строитель-1» 95,0 95,0 150,0 245,0 245,0 - 245,0 245,0 - 245,0
ПОДПОРИНО «Рица» 28,5 28,5 144,2 172,7 172,7 - 172,7 172,7 - 172,7
«Сирень-1» 36,5 36,5 144,2 180,7 180,7 - 180,7 180,7 - 180,7
«Энергетик» 24,0 24,0 144,2 168,2 168,2 - 168,2 168,2 - 168,2
«Грифон» 111,0 111,0 - 111,0 111,0 - 111,0 111,0 144,2 255,2
РЫЧКОВО «Зенит» 29,2 29,2 2,3 31,5 31,5 - 31,5 31,5 - 31,5
«Рычково» 26,8 26,8 - 26,8 26,8 - 26,8 26,8 - 26,8
«Песчанка» 95,0 95,0 - 95,0 95,0 - 95,0 95,0 - 95,0
СОКОЛЬНИКИ «Сокольники» 90,0 90,0 3,4 93,4 93,4 - 93,4 93,4 - 93,4
СЫСОЕВО «Юбилейный-110» 98,0 98,0 - 98,0 98,0 172,5 270,5 270,5 172,5 443,0
«Сокольник -1» 120,0 120,0 115,0 235,0 235,0 115,0 350,0 350,0 115,0 465,0
ХОЛМЫ «Ветеран» 33,0 33,0 75,7 108,7 108,7 - 108,7 108,7 - 108,7
«Лотос» 104,0 104,0 - 104,0 104,0 75,7 179,7 179,7 - 179,7
17
«НСК Лотос» 8,4 8,4 75,7 84,1 84,1 - 84,1 84,1 - 84,1
«Полет» 76,6 76,6 - 76,6 76,6 75,7 152,3 152,3 - 152,3
«Родник-4» 100,0 100,0 - 100,0 100,0 75,7 175,7 175,7 - 175,7
«Скорость» 20,0 20,0 75,7 95,7 95,7 - 95,7 95,7 - 95,7
«Сокол-3» 169,0 169,0 - 169,0 169,0 - 169,0 169,0 75,7 244,7
«Холмы-1» 260,0 260,0 - 260,0 260,0 - 260,0 260,0 75,7 335,7
«Холмы-2» 110,0 110,0 - 110,0 110,0 - 110,0 110,0 75,7 185,7
«Холмы-3» 100,0 100,0 - 100,0 100,0 75,7 175,7 175,7 - 175,7
«Малыш» 100,0 100,0 75,7 175,7 175,7 - 175,7 175,7 - 175,7
«Новатор» 210,0 210,0 - 210,0 210,0 - 210,0 210,0 75,7 285,7
«Автомобилист» 30,0 30,0 75,7 105,7 105,7 - 105,7 105,7 105,7 105,7
КАШИНО «ул. Тихая» 141,0 141,0 35,42 176,42 176,42 35,42 211,84 211,84 35,42 247,26
ПАЛЕВШИНО «ул. Казанская» 30,0 30,0 75,7 105,7 105,7 - 105,7 105,7 105,7 105,7
Итого общая площадь, тыс.кв.м 7105,9 7105,9 4453,42 11634,82 11634,82 2530,62 14165,44 14165,44 2001,22 16199,96
Общая площадь жилищного фонда на отведенных участках может составить 1,2-1,5 млн. м2
18
Перечень объектов нового строительства учреждений и предприятий культурно-бытового обслуживания
Таблица 3
№ п/п Наименование мероприятий Единица
измерения
Очередность
Всего по плану в т.ч. по периодам
до 2015 года 2015-2020 годы до 2028 года
Учреждения образования
1. Дошкольные учреждения мест 270 75 195
п. Агрогородок
1.1 Строительство детского сада мест 60 60
д. Рычково
1.2 Строительство детского сада мест 135 135
д. Сокольники
1.3 Строительство детского сада мест 75 75
2. Общеобразовательные школы мест 820 140 450 230
д. Рычково
2.1 Строительство школы мест 550 320 230
д. Сокольники
2.2 Строительство школы мест 270 140 130
3. Учреждения культуры и искусства мест 100 100
д. Еремеево
3.1 Строительство клуба мест 100 100
4. Учреждения здравоохранения и
социального обеспечения
пос./см. 132 10 22 100
п. Агрогородок
4.1 Строительство поликлиники пос./см. 100 100
4.2 Организация станции скорой помощи автомобиль 1 1
4.3 Строительство реабилитационного центра мест 200 200
д. Рычково
19
4.4 Строительство поликлиники пос./см. 22 22
д. Сокольники
4.5 Строительство поликлиники пос./см. 10 10
5. Физкультурно-спортивные сооружения
п. Агрогородок
5.1 Реконструкция стадиона мест 200 200
5.2 Строительство физкультурно-
оздоровительного комплекса с бассейном
м2
500 500
5.3 Строительство спортивно-оздоровительного
центра
м2
3600 3600
д. Андреевское
5.4 Развитие спортинг-клуба «Истра» Га 8,5 8,5
д. Рычково
5.5 Строительство спортивной площадки Га 2,1 1,5 0,6
5.6 Строительство физкультурно-
оздоровительного комплекса
м2
500 500
д. Холмы
5.7 Строительство спортивной площадки Га 0,2 0,2
д. Сокольники
5.8 Строительство спортивной площадки Га 1,2 0,2 1,0
д. Алексино
5.9 Строительство спортивной площадки Га 0,7 0,7
п. Огниково
5.10 Строительство спортивной площадки Га 0,4 0,4
д. Духанино
5.11 Организация детско-юношеской спортивной
школы на 200 мест в реконструируемом
здании
м2
3000 3000
д. Еремеево
20
5.12 Строительство фитнесцентра м2
300 300
д. Сысоево
5.13 Строительство спортивно-рыболовной базы м2
100 100
6. Местные центры обслуживания м2
6550 1710 3450 1390
6.1 п. Агрогородок м2
2020 330 1540 150
6.2 д. Духанино м2
1570 140 560 870
6.3 д. Андреевское м2
230 200 30
6.4 д. Рычково м2
1300 370 740 190
6.5 д. Сокольники м2
880 300 420 160
6.6 д. Холмы м2
180 80 80 20
6.7 д. Еремеево м2
140 140
6.8 п. Огниково м2
230 150 80
7. Многофункциональные центры,
комплексы обслуживания
м2
143000 22000 25000 96000
п. Агрогородок
7.1 Многофункциональный общественный
деловой центр
м2
96000 96000
д. Еремеево
7.2 Многофункциональный общественный
деловой центр
м2
22000 22000
д. Духанино
7.3 Многофункциональный торгово-офисный
центр
м2
25000 25000
8. Бытовое обслуживание
п. Агрогородок
8.1 Банно-оздоровительный комплекс мест 95 95
8.2 Пожарное депо пож. а/м 2 2
д. Ермолино
8.3 Кладбища Га 8 1 5 2
д. Духанино
21
8.4 Пожарное депо пож. а/м 2 2
22
На рассматриваемой территории сельского поселения Ермолинского
Истринского муниципального района Московской области расположено ряд
населенных пунктов, теплоснабжение которых осуществляется различными
способами – в основном индивидуальными, автономными и
централизованными источниками тепла.
В поселке Агрогородок - многоквартирный жилой фонд, объекты
социальной сферы, частные предприятия подключены к централизованной
системе теплоснабжения. Теплоснабжение одного жилого дома имеется в
деревне Духанино.
Эксплуатацию муниципальных котельных и тепловых сетей на
территории Ермолинского сельского поселения осуществляет ОАО
«Истринская теплосеть».
Прирост тепловых нагрузок за счет нового строительства в сельском
поселении Ермолинское ожидается:
до 2015 г. – 4,8 Гкал/час (автономные источники тепла);
до 2020 г. – 12,4 Гкал/час (автономные источники тепла);
до 2028 г. – 28,0 Гкал/час (новое капитальное строительство).
В сельском поселении Ермолинское кроме индивидуальной и
многоквартирной застройки предлагается строительство
многофункциональных центров и коммунальных комплексов.
п. Агрогородок – суммарная тепловая нагрузка объектов нового
строительства на перспективу составит 17,636 Гкал/час (многоквартирного
строительства–10 Гкал/час, многофункциональных центров – 4,2 Гкал/час,
застройки индивидуального типа -3,436 Гкал/час).
В том числе, на расчетный срок прирост тепловой нагрузки за счет
нового строительства ориентировочно оценивается в размере 12,0 Гкал/час
(нагрузка жилой многоквартирной и блокированной застройки -10, Гкал/час,
многофункциональных центров - 2,0 Гкал/час, жилой застройки
индивидуального типа 3,436 Гкал/час).
В том числе, прирост тепловой нагрузки на новое строительство на II
очередь составит 12 Гкал/час (жилая застройка индивидуального типа).
Для покрытия нагрузок жилищного многоквартирного строительства и
центров предлагается строительство новой капитальной котельной с
установленной мощностью 12 Гкал/час, а также для увеличения резерва
мощности на перспективу развития сельского поселения провести
реконструкцию существующей капитальной котельной с увеличением
мощности до 10 Гкал/ч на I очередь.
д. Рычково – Суммарная тепловая нагрузка многоквартирной застройки
центров и индивидуального строительства на перспективу определена в
размере 15 Гкал/час. Для обеспечения установленных планом мощностей
предлагается строительство новой капитальной котельной мощностью 16
Гкал/час.
д. Алексино – Суммарная тепловая нагрузка индивидуальной застройки
и центров на перспективу определена в размере 1,964 Гкал/час.
Теплоснабжение предлагается осуществлять от автономных
источников тепла на газовом топливе (АИТ).
д. Андреевское - суммарная тепловая нагрузка индивидуальной
застройки и общественных центров на перспективу определена в размере 1,5
Гкал/час.
Теплоснабжение предлагается осуществлять от автономных
источников тепла на газовом топливе (АИТ)
д. Духанино - суммарная тепловая нагрузка нового строительства на
перспективу составит 1,5 Гкал/час (многофункциональных центров – 0,4
Гкал/ч, индивидуального типа 1,1 Гкал/час).
Теплоснабжение центров и индивидуальной застройки предлагается
осуществлять от существующей котельной после проведения реконструкции
у увеличения мощности до 1,5 Гкал/час и автономных источников тепла на
газовом топливе суммарной мощностью 0,5 Гкал/ч с поэтапным вводом
мощностей: на I очередь-1,0 Гкал/ч, на расчетный срок- 2,0 Гкал/ч.
д. Кашино - тепловая нагрузка, застройки индивидуального типа
определена в размере 0,3 Гкал/час (на расчетный срок).
Теплоснабжение предлагается обеспечивать теплом от
индивидуальных источников тепла на газовом топливе.
п. Полевшина – суммарная тепловая нагрузка на застройку
индивидуального типа на перспективу, ориентировочно составит 0,2 Гкал/ч.
Теплоснабжение предлагается обеспечивать теплом от
индивидуальных источников тепла на газовом топливе.
д. Сысоево – тепловая нагрузка на застройку индивидуального типа на
перспективу ориентировочно составит 1,3 Гкал/ч.
Теплоснабжение нового строительства предлагается осуществлять от
индивидуальных источников тепла на газовом топливе (АИТ).
д. Сокольники – суммарная тепловая нагрузка на I очередь
строительства детского сада составит 0,4 Гкал/ч
24
Теплоснабжение предлагается осуществлять от автономного источника
тепла на газовом топливе (АИТ) отдельно стоящим зданием котельной.
д. Еремеево – тепловая нагрузка, застройки многофункциональных
центров определена в размере 1,2 Гкал/час (на расчетный срок).
Теплоснабжение предлагается обеспечивать теплом от
индивидуальных источников тепла на газовом топливе закрепленным за
каждым общественным центром.
д. Холмы – тепловая нагрузка, застройки многофункциональных
центров определена в размере 1,0 Гкал/час (на расчетный срок).
Теплоснабжение предлагается обеспечивать теплом от
индивидуальных источников тепла на газовом топливе закрепленным за
каждым общественным центром.
п. Огниково - тепловая нагрузка, застройки многофункциональных
центров определена в размере 0,8 Гкал/час (на расчетный срок).
Теплоснабжение предлагается обеспечивать теплом от
индивидуальных источников тепла на газовом топливе закрепленным за
каждым общественным центром.
Жилую застройку индивидуального типа и многофункциональные
центры на перспективу с тепловой нагрузкой 12,4 Гкал/час размещаемые в
сельском поселении Ермолинское предлагается обеспечивать от
индивидуальных тепловых установок на газовом топливе, устанавливаемых в
каждом доме или центре.
Мощность котельных их оборудование и местоположение, а также
направление теплотрасс и их диаметры уточняются на последующей стадии
проектирования.
Для подачи тепла потребителям от новых котельных потребуется
проложить магистральные тепловые сети и осуществить при необходимости
перекладку существующих тепловых сетей на больший диаметр. Для
определения перекладки тепловых сетей и строительства, новых необходимо
на последующей стадии проектирования разработать схему теплоснабжения
сельского поселения Ермолинское.
Теплоснабжение индивидуальной, блокированной застройки
предлагается осуществлять от индивидуальных тепловых установок на
газовом топливе.
В целом по сельскому поселению Ермолинское предлагается
строительство 2-х капитальных котельных (п. Агрогородок, д. Рычково с
поэтапным вводом мощностей), суммарной мощностью 28,0 Гкал/час с
25
учетом перспективного развития территории (2028 г), реконструкция
котельной д. Духанино с увеличением мощности до 1,5 Гкал/час.
На расчетный срок строительство 2-ух котельных суммарной
мощностью 28,0 Гкал/час;
На I очередь строительство автономных источников тепла (АИТ)
суммарной мощностью 4,8 Гкал/час, а на расчетный срок 12,4 Гкал/час.
26
2 Перспективные балансы располагаемой тепловой мощности
источников тепловой энергии и тепловой нагрузки
2.1. Радиус эффективного теплоснабжения
Эксплуатацию муниципальных котельных и тепловых сетей на
территории Ермолинского сельского поселения осуществляет ОАО
«Истринская теплосеть».
В настоящее время по состоянию на конец отопительного периода
2012-2013 гг. централизованное теплоснабжение в поселке Агрогородок, и
теплоснабжение одного жилого дома в деревне Духанино сельского
поселения осуществляют две котельные: капитальная котельная в поселке
Агрогородок и капитальная котельная в деревне Духанино.
Протяженность тепловых сетей в поселке Агрогородок составляет
6,966 км. в двухтрубном исполнении. Протяженность тепловых сетей в
деревне Духанино составляет 0,2 км. в двухтрубном исполнении. Общая
протяжённость тепловых сетей в двухтрубном исполнении 7,166 км.
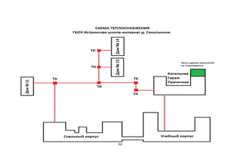
2.2. Существующие и перспективные зоны действия систем
теплоснабжения и источников тепловой энергии
Существующие зоны действия котельных ОАО «Истринская
теплосеть» Ермолинского сельского поселения показаны: на рисунках № 1
«Схема теплоснабжения поселок Агрогородок» и № 2 «Схема
теплоснабжения деревни Духанино».
Перспективные зоны действия котельных ОАО «Истринская теплосеть»
Ермолинского сельского поселения остаются без изменений, т.к.
теплоснабжение перспективных строительных объектов планируемых в
сельском поселении Ермолинское, предлагается осуществлять только после
реконструкции существующей и строительства двух новых котельных.
27
Общая схема тепловых сетей Ермолинского сельского поселения
Истринского муниципального района Московской области
28
29
Существующие зоны действия котельных Рисунок № 1
30
Рисунок № 2
31
Рисунок № 2
32
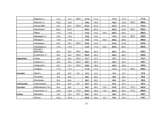
2.3. Существующие балансы тепловой мощности и тепловой нагрузки в
зонах действия источников тепловой энергии
Существующий баланс тепловой мощности и тепловой нагрузки
котельных приведен в таблице 5.
Балансы тепловой мощности и тепловой нагрузки котельных
Таблица 5
Котельные
Установленнаямощность,Гкал/ч
Располагаемаямощность,Гкал/ч
Собственныенужды-Гкал/ч
ТепловаямощностьнеттоГкал/ч
Присоединеннаятепловаянагрузка,Гкал/ч
Резерв(дефицит)мощности(безучетапотерьтепловой
энергииисобственныхнужд),Гкал/ч
Загрузкакотельной,%отрасполагаемоймощности
Потеритепловойэнергии,Гкал/ч
Потеритеплоносителя,%ототпущеннойтепловойэнергии
Котельная в
п. Агрогородок
7,64 7,64 0,104 7,536 5,636 +1,9 73,77 0,814 24,86
Котельная в
д. Духанино
0,088 0,088 0,003 0,085 0,082 +0,003 93,18 0,016 12,0
ИТОГО: 7,728 0,107 7,621 5,718 1,903 0,83
Располагаемая мощность котельной поселок Агрогородок – 7,64
Гкал/ч, присоединенная тепловая нагрузка – 5,636 Гкал/ч. Резерв мощности
составляет +1,9 Гкал/ч. Котельная оборудована котлами: 3хДКВр-4/13
(установлены в 1983 г.), работающими на природном газе. Котельная
работает по температурному графику 95/700
С.
Недогрузка котельной отрицательно сказывается на эффективности её
работы, повышая себестоимость тепловой энергии за счёт увеличения
33
удельного расхода топлива на выработку тепловой энергии и за счёт
увеличения условно постоянных затрат в единице вырабатываемой энергии.
Для оценки резерва установленной мощности на перспективу
необходимо учитывать, что срок эксплуатации оборудования котельной
составляет более 20 лет.
Располагаемая мощность котельной в д. Духанино – 0,088 Гкал/ч,
присоединенная тепловая нагрузка – 0,085 Гкал/ч. Резерв мощности
составляет -0,003 Гкал/ч. Котельная оборудована котлами марки
«Pegasys» в количестве 2 штук (установленными в 2002г. и 2006 г.),
работающими на природном газе. Котельная работает по температурному
графику 95/700
С.
Недогрузка котельной отрицательно сказывается на эффективности её
работы, повышая себестоимость тепловой энергии за счёт увеличения
удельного расхода топлива на выработку тепловой энергии и за счёт
увеличения условно постоянных затрат в единице вырабатываемой энергии.
ВЫВОД:
Котельные ОАО «Истринская теплосеть» Ермолинского сельского
поселения работают с резервом мощности.
Баланс тепловой мощности, тепловой нагрузки и резерва мощности
котельных показан на рисунке 3.
34
Баланс тепловой мощности, тепловой нагрузки и резерва мощности
Рисунок 3
35
2.4. Перспективные балансы тепловой мощности и тепловой нагрузки в
перспективных зонах действия источников тепловой энергии
Перспективные балансы тепловой мощности и тепловой нагрузки
источников по периодам до 2028 г. приведены в таблице 4.
Проектом Генплана МОСП Ермолинского Истринского
муниципального района Московской области определено развитие
застроенной территории до 2028 года как строительство жилых и дачных
комплексов частных владельцев с количеством постоянно проживающего
населения до 6 тысяч человек, временно проживающего – до 7 тысяч
человек, с развитой структурой торгово-развлекательных, спортивно
оздоровительных, образовательных коммерческих центров, а также
необходимым количеством (согласно нормативов) муниципальных
учреждений образования, здравоохранения, культуры и спорта с объектами
приложения труда в сфере обслуживания, а также промышленно развитых
соседних территорий: Истринского городского поселения, и других
поселений.
Исходя из этого, прирост населения до 2028 года должен составить
около 4000 человек. Жилищный фонд в среднем должен составить 72000 м2
.
Необходимо учитывать, что заселение будет происходить не только в
многоквартирные капитальные дома, но и в индивидуальные жилые
постройки с автономной системой теплоснабжения. В связи с этим расчетное
число жителей многоквартирной застройки возьмем 2000 человек.
Расчет расхода тепла на отопление зданий (жилой фонд)
QOT.max = a .
Vн
.
q .
(ti - tн).
(1+Ки) .
10-6
, Гкал/час,
a – поправочный коэффициент
Vн – строительный объем отапливаемой части здания, м3
(72000 м2 .
3 м = 216000 м3
)
q0 – удельная тепловая характеристика здания на отопление, ккал/час.
м3.0
С
ti – усредненная внутренняя температура помещений, 0
С
tн – расчетная отопительная температура наружного воздуха, 0
С
Ки – расчетный коэффициент инфильтрации
36
QOT.max = 1,032 х 216000 х 0,35(20+28)(1+0,101)10-6
= 4,123 Гкал/час
Расчет расхода тепла на горячее водоснабжение зданий
(жилой фонд)
Qh
hr = qh
hr,u
.
N(60-tc)(1+Кпт)10-6
qh
hr,u – норма расхода горячей воды в час наибольшего потребления
N – количество жителей
tc – температура холодной водопроводной воды, принимается равной +50
С в
отопительный период
Кпт – коэффициент, учитывающий тепловые потери трубопроводами местных
систем горячего водоснабжения, принимается равным 0,3
Qh
hr = 10 х 2000(60-8)(1+0,3)10-6
= 1,352 Гкал/час
ВЫВОД:
Из числа планируемых мощностей (28,0 Гкал/час) к 2028 году необходимо
зарезервировать на обеспечение многоквартирного жилого фонда тепловой
энергией 5,475 Гкал/час.
37
38
Перспективные балансы тепловой мощности источников тепловой энергии по периодам
Таблица 6
Этап 2013-2015 2015-2028
Источник
Установ
ленная/р
асполага
емая
мощност
ь, Гкал/ч
Тепловая
мощност
ь нетто,
Гкал/ч
Тепловы
е потери
в сетях
(по
результа
там
расчёта),
Гкал/ч
Подключ
енная
нагрузка,
Гкал/ч
Резерв
(+)/
дефицит(
-)
тепловой
мощност
и
Установ
ленная/р
асполага
емая
мощност
ь, Гкал/ч
Тепловая
мощност
ь нетто,
Гкал/ч
Тепловы
е потери
в сетях
(по
результа
там
расчёта),
Гкал/ч
Подключ
енная
нагрузка,
Гкал/ч
Резерв
(+)/
дефицит(
-)
тепловой
мощност
и
Котельная № 1 в п. Агрогородок 7,64 6,826 0,814 5,636 +1,9 7,64 6,826 0,814 5,636 +1,19
Котельная № 2 в п. Агрогородок - - - - 0 12,0 11,16 0,84 11,0 +0,16
Котельная в д. Духанино 0,088 0,072 0,016 0,085 +0,003 0,088 0,072 0,016 0,085 +0,095
Котельная в д. Рычково - - - - 0 16,0 14,88 1,12 14,0 +0,88
Итого 7,728 6,898 0,83 5,721 +1,903 35,728 32,938 2,79 30,721 +2,233
ВЫВОД:
Для развития сельского поселения Ермолинское в рамках Генерального плана до 2028 года необходимо:
1. Построить капитальную котельную № 2 в п. Агрогородок с установленной мощностью 12,0 Гкал/час.
2. Построить капитальную котельную в д. Рычково с установленной мощностью 16,0 Гкал/час.
39
3 Перспективные балансы теплоносителя
Водоподготовка предполагает обработку воды для питания паровых и
водогрейных котлов, систем теплоснабжения и горячего водоснабжения, а
также контроль качества воды и пара.
В настоящее время водоснабжение сельского поселения
осуществляется из подземных источников.
В основном используется Подольско-Мячковский и Каширский
водоносные горизонты. Качество воды соответствует требованиям СанПиН
по питьевой воде.
Наиболее крупный водозаборный узел (ВЗУ) на территории поселения
расположен в п. Агрогородок. В составе ВЗУ имеется 2 скважины.
Наиболее крупным потребителем является МУП «Ермолинское РЭП
ЖКХ», которое осуществляет водоснабжение населенных пунктов
Андреевское, Холмы, Сокольники, Духанино, Огниково, Алексино, Дарна,
Полевшина.
В настоящее время на котельных с. п. Ермолинское предусмотрена
водоподготовка подпиточной воды только в п. Агрогородок. Основные
характеристики оборудования приведены в таблице 6.1
Технические характеристики основного оборудования
Таблица 6.1
№
п/п
Наименование оборудования,
тип или марка
Техническая характеристика Количество
1. Фильтр натрий-катионитный
1 ступени
D=1,0 м, F=0,785 м2
, Н=2,0 м,
V=1,57 м3
3+2
2. Фильтр натрий-катионитный
2 ступени
D=1,0 м, F=0,785 м2
, Н=2,0 м,
V=1,57 м3
2+2
3. Насос солевой Х-8/18-п-1-52 Q=8 м3
/час Н=18 м в. ст. 2
4. Резервуар мокрого хранения
соли
Объем V=10 м3
2 ячейки
5. Бак-мерник соли V=2,8 м3
2
6. Деаэраторный бак V=15 м3
2
7. Деаэрационная колонка Q=15 м3
/час 2
8. Охладитель выпара ОВА F=2 м2
1
9. Гидрозатвор L=5 м, d=100 мм 1
10. Насос исходной воды Q=30 м3
/час, Н=34,8 м в.ст. 2
11. Регулятор уровня, регулятор 1
40
давления
12. Охладитель проб F=0,2 м2
2
13. Теплообменник 1 ступени F=1,6 м2
1
14. Теплообменник 2 ступени F=2 м2
1
Существующие балансы производительности водоподготовительных
установок
Таблица 6.2
Показатели
Котельная
п. Агрогородок
Котельная
д. Духанино
Располагаемая мощность, Гкал/ч 7,64 0,088
Подключенная нагрузка, Гкал/ч 5,636 0,085
Расход сетевой воды, м3
/ч 225,44 -
Объем тепловой сети, м3
61,33 -
Максимальный расход воды на
подпитку тепловой сети, в том
числе: м3
/ч
0,26 -
м3
/сут 5416,8 -
ВЫВОД:
Для осуществления водоподготовки подпиточной воды и
химводоподготовки на существующих и планируемых к строительству
котельных необходимо смонтировать автоматические установки умягчения
воды непрерывного действия, где производительность будет зависеть от
объема присоединенных сетей
Перспективные балансы производительности водоподготовительных
установок теплоносителя для тепловых сетей в зонах действия систем
теплоснабжения и источников тепловой энергии приведены в таблице 7.
41
Перспективные балансы производительности водоподготовительных установок
Таблица 7
Показатели
Котельная
д. Агрогородок № 1
Котельная
д. Агрогородок № 2
Котельная
д. Духанино
Котельная
д. Рычково
2013-
2015
2015-
2028
2013-
2015
2015-
2028
2013-
2015
2015-
2028
2013-
2015
2015-
2028
Располагаемая мощность,
Гкал/час
7,64 7,64 0 12,0 0,088 0,088 0 16,0
Подключенная нагрузка,
Гкал/час
5,636 5,636 0 11,0 0,085 0,085 0 14,0
Расход сетевой воды, м3
/ч 225,44 225,44 0 440,0 3,4 3,4 0 560,0
Объем тепловой сети, м3
61,33 61,33 0 119,69 0,92 0,92 0 152,34
Максимальный расход
воды на подпитку
тепловой сети, в том
числе: м3
/ч
0,26 0,26 0 0,51 0,004 0,004 0 0,68
м3
/сутки
5416,8 5416,8 0 10572,24 81,696 81,696 0 13456,32
42
43
4 Предложения по строительству, реконструкции и техническому
перевооружению источников тепловой энергии
4.1. Предложения по строительству источников теплоснабжения
При разработке предложений по реконструкции, техническому
перевооружению источников тепловой энергии и тепловых сетей
определяющим критерием принято надежное, качественное и экономически
эффективное энергоснабжение потребителей.
Учитывая, что Генеральным планом в Ермолинском сельском
поселении предусмотрено изменение существующей схемы теплоснабжения,
теплоснабжение перспективных строительных объектов планируемых в
деревнях поселения, предлагается осуществлять после реконструкции
существующей котельной в д. Духанино и строительства двух новых
капитальных котельных. Теплоснабжение перспективных объектов, которые
планируется разместить вне зоны действия существующих и планируемых
котельных, предлагается осуществить от автономных источников.
ВЫВОД:
Для обеспечения исполнения Генерального плана сельского поселения
Ермолинское необходимо строительство двух новых капитальных котельных
с подводом новых сетей отопления и горячей воды к планируемым объектам
строительства в населенных пунктах Агрогородок и Рычково.
4.2. Предложения по реконструкции и техническому перевооружению
источников тепловой энергии
В связи с тем, что срок эксплуатации оборудования котельной пос.
Агрогородок составляет более 20 лет, оно морально и физически устарело,
износ тепловой сети составляет 80%, система теплоснабжения
разбалансирована.
44
Рассматривая данный вопрос с технико-экономической стороны можно
сформировать основные направления дальнейшего развития системы:
• Реконструкция существующей котельной с установкой новых,
более современных и экономичных котлов с мощностью,
соответствующей перспективам развития сельского поселения;
• Восстановление изоляции тепловой сети;
• Частичная замена тепловой сети.
Предложения по реконструкции и техническому перевооружению
существующих источников тепловой энергии с разбивкой по этапам
приведены в таблице 8.
Предложения по реконструкции и техническому перевооружению
существующих источников тепловой энергии
Таблица 8
Мероприятие Этап по годам
1. Установка новых котлов в существующей котельной п.
Агрогородок
2017 – 2018 г.
2. Проведение режимной наладки системы теплоснабжения на
котельной д. Духанино
2018 – 2020 г.
Сравнительные характеристики существующих и перспективных
нагрузок, температурные графики отпуска тепловой энергии для каждого
источника представлены в таблице 9.
45
46
Сравнительные характеристики существующих и перспективных нагрузок
Таблица 9
Этап Существующее положение 2014-2020 2020-2028
Источник
Устано
вленна
я/распо
лагаем
ая
мощно
сть,
Гкал/ч
Подклю
ченная
нагрузка
, Гкал/ч
Темпер
атурны
й
график
отпуск
а
теплов
ой
энерги
и
Источник
комбинирова
нной
выработки
тепловой и
электрическо
й энергии
Установле
нная/распо
лагаемая
мощность,
Гкал/ч
Подключ
енная
нагрузка,
Гкал/ч
Установ
ленная/р
асполага
емая
мощност
ь, Гкал/ч
Подключ
енная
нагрузка,
Гкал/ч
Темпе
ратурн
ый
график
отпуск
а
теплов
ой
энерги
и
Источник
комбинирован
ной
выработки
тепловой и
электрической
энергии
Котельная № 1
п. Агрогородок (сущ.)
7,64 5,636
95/70
Источник
комбинирова
нной
выработки
тепловой и
электрическо
й энергии
отсутствует
7,64 5,636 7,64 7,0
95/70
Источник
комбинирован
ной
выработки
тепловой и
электрической
энергии
отсутствует
Котельная
д. Духанино (сущ.)
0,088 0,085 0,088 0,085 0,088 0,085
Котельная
п. Агрогородок (план)
0 0 12,0 11,0 12,0 11,0
Котельная
д. Рычково (план)
0 0 0 0 16,0 14,0
ВЫВОД:
Предполагаемые мероприятия по строительству, реконструкции, техническому перевооружению источников
тепловой энергии и тепловых сетей позволят получить резервы мощности и повысить надежность теплоснабжения.
47
5 Предложения по строительству и реконструкции тепловых сетей
По данным Ермолинского сельского поселения износ тепловых сетей
составляет от 80 %.
Рассматривая данный вопрос с технико-экономической стороны можно
сформировать основные направления дальнейшего развития системы
теплоснабжения сельского поселения:
• Восстановление изоляции тепловой сети;
• Частичная замена тепловой сети.
Предложения по реконструкции и замене тепловой сети с разбивкой по
этапам приведены в таблице 10.
Предложения по реконструкции и замене тепловой сети
Таблица 10
Мероприятия Этап по годам
Балансировка внутренних систем теплопотребления зданий 2014-2020 г.
Модернизация тепловых узлов потребителей 2020-2028 г.
Наладка системы теплоснабжения д. Духанино и п. Агрогородок 2014-2020 г.
Промывка приборов отопления в зданиях 2014-2020 г.
Привести в соответствие диаметры сопел элеваторов с
расчетными параметрами
2020-2028 г.
Привести в соответствие коэффициент смешения 2020-2028 г.
Восстановление изоляции тепловой сети 2014-2020 г.
Частичная замена тепловой сети 2014-2028 г.
Результаты моделирования фактического режима тепловой сети
сельского поселения Ермолинское пьезометрический график до
определяющего потребителя приведены в Приложении 1 и таблице 11.
48
Результаты моделирования фактического режима
Таблица 11
Параметр
Агрогородо
к
Духанино
Расчетная температура в подающем трубопроводе, °С 105 95
Расчетная температура холодной воды, °С 8 8
Расчетная температура наружного воздуха, °С -28 -28
Текущая температура воды в подающем тру-де, °С 105 95
Текущая температура наружного воздуха, °С -28 -28
Расчетная нагрузка на отопление, Гкал/ч 5,676 0,088
Текущая нагрузка на отопление, Гкал/ч 3,226 0,085
Температура на выходе из источника, °C 105 95
Текущая температура воды в обратном тр-де, °С 70 70
Расход сетевой воды на СО, т/ч 225,44 3,4
Суммарный расход сетевой воды в под. тр., т/ч 226,68 3,405
Расход воды на утечку из сис. теплопотреб., т/ч 0,98 0,004
Расход воды на подпитку, т/ч 0,26 0,001
Тепловые потери в тепловых сетях, Гкал/ч 0,814 0,016
Предполагаемые мероприятия по реконструкции, техническому
перевооружению источников тепловой энергии, частичной замене тепловой
сети в сельском поселении Ермолинское позволят повысить уровень
надёжности теплоснабжения потребителей.
Для дальнейшего повышения надёжности систем теплоснабжения в
случае возникновения аварийных ситуаций необходимо предусмотреть
следующие мероприятия:
• спуск сетевой воды из систем теплоиспользования у потребителей,
распределительных тепловых сетей;
• прогрев и заполнение тепловых сетей и систем теплоиспользования
потребителей во время и после окончания ремонтно-
восстановительных работ;
• проверку прочности элементов тепловых сетей в экстремальных
условиях на достаточность запаса прочности оборудования и
компенсирующих устройств.
49
6 Перспективные топливные балансы
6.1. Существующие топливные балансы
Топливный баланс является комплексным материальным балансом,
охватывающим совокупность взаимозаменяемых топливных ресурсов.
Данный баланс увязывает в единое целое частные балансы различных видов
топлива, дает характеристику общего объема, распределения и
использования.
Существующий топливный баланс источников тепловой энергии с
указанием видов и количества основного топлива приведен в таблице 12.
Существующие топливные балансы источников тепловой энергии
Таблица 12
Основное оборудование
Котельная
п. Агрогородок
Котельная
д. Духанино
3хДКВр-4/13 2х«Pegasys»
Основное топливо Природный газ
Низшая теплота сгорания
топлива, ккал/кг (ккал/м3
)
8000
Удельный расход условного
топлива на выработку теплоты
отпускаемой в тепловую сеть,
кг.у.т./Гкал
162,2 158,4
Потребность в условном топливе
на производство теплоты,
отпускаемой с коллекторов в
котельной, т.у.т./год
2580,27 35,97
Потребность в натуральном
топливе на производство
теплоты, отпускаемой с
коллекторов в котельной,
тыс.м3/
год, тнт/год
2257,454 31,553
Резервное, аварийное топливо –
ВЫВОД:
Все котельные обеспечены топливом в полном объеме. На котельных
отсутствует резерв топлива.
50
Диаграмма потребления условного топлива котельными показана на
рисунке 10.
Потребление условного топлива котельными
Рисунок 10
6.2. Перспективные топливные балансы
Перспективные топливные балансы источников тепловой энергии до
2028 г. приведены в таблице 13.
В перспективных топливных балансах учтено увеличение тепловой
нагрузки за счёт подключения объектов перспективного строительства.
Изменение тепловой нагрузки, связанное с отключением потребителей или
повышения энергоэффективности зданий не отражено.
51
Перспективные топливные балансы источников тепловой энергии
Таблица 13
Этап 2014-2020 г 2020-2028 г
Источник
Выработка,
Гкал/час
Полезный
отпуск,
Гкал/час
Норма
расхода
топлива на
выработку 1
Гкал, кг у.т.
Годовой
расход
основного
топлива
котельной,
тыс.м3
Выработка,
Гкал
Полезный
отпуск, Гкал
Норма
расхода
топлива на
выработку 1
Гкал, кг у.т.
Годовой
расход
основного
топлива
котельной,
тыс.м3
Котельная № 1
п. Агрогородок (сущ.) 7,64 Гкал/час
3,37 2,47 162,2 2557,454 3,37 2,47 162,2 2557,454
Котельная № 2
п. Агрогородок (план.) 12,0 Гкал/час
6,1 5,4 162,2 5710,5 6,1 5,4 162,2 5710,5
Котельная
д. Духанино (сущ.) 0,088 Гкал/час
0,04 0,03 158,4 31,553 0,04 0,03 158,4 31,553
Котельная
д. Рычково (план) 16,0 Гкал/час
0 0 0 0 8,2 7,32 156,7 6089,9
Принято, что основное топливо – природный газ с теплотворной способностью 8000 ккал/м3
.
52
7 Инвестиции в строительство, реконструкцию и техническое
перевооружение
7.1. Обоснование инвестиций в строительство, реконструкцию и
техническое перевооружение
Оценка стоимости мероприятий по реконструкции, техническому
перевооружению источников тепловой энергии и тепловых сетей на
обследуемых объектах Ермолинского сельского поселения выполнена на
основании проектов - аналогов, данных фирм - поставщиков и фирм -
изготовителей оборудования и предварительных укрупненных сметных
расчетов.
Расчет выполнен в текущих ценах 2013 г. Инвестиции в
реконструкцию, техническое перевооружение по этапам приведены в
таблице 14.
Основная доля капитальных вложений приходится на 2020-2028 гг.
Необходимый объём финансирования в ценах 2013г. по этапам и на
весь период составляет:
Этап I 10 млн. руб.
Этап II 120 млн. руб.
__________________________________________
130 млн. руб.
Источники финансирования мероприятий по повышению качества и
надёжности теплоснабжения и подключения строящихся объектов:
• региональный и муниципальный бюджет;
• кредиты;
• собственные средства.
53
54
Оценка инвестиций в новое строительство, реконструкцию и
техническое перевооружение по этапам, тыс. руб.
Таблица 14
Объекты
Виды работ
Итого,
тыс. руб.
Проектно
-
изыскател
ьские
работы
Технич
еские
услови
я и
согласо
вания
Закупка
оборудо
вания
Строител
ьно-
монтажн
ые
работы
Пуско-
наладочн
ые
работы
Этап I
2013-2020 гг.
Источник
теплоснабжения
Котель
ные
Строительс
тво
Модернизац
ия
1500 3500 1500 1000 6000
Инженерные
коммуникации в т. ч. :
- модернизация
тепловых узлов
1500 500 500 2500
- режимная наладка
системы
теплоснабжения
1000 250 250 1500
Тепловые сети
Монтаж**
Демонтаж
ИТОГО: 10000
Этап II
2020-2028 гг.
Источник
теплоснабжения
Котель
ные
Строительс
тво
5000 5000 50000 20000 10000 90000
Модернизац
ия
Инженерные
коммуникации
Тепловые сети
Монтаж** 4000 4000 12000 5000 5000 30000
Демонтаж
ИТОГО: 120000
*http://www.tefaf.ru/boiler_modul/index.html
** подземная прокладка
55
8 Решение об определении единой теплоснабжающей организации
Статус единой теплоснабжающей организации присваивается органом
местного самоуправления или федеральным органом исполнительной власти
при утверждении схемы теплоснабжения сельского поселения.
Границы зон деятельности единой теплоснабжающей организации,
определяются границами системы теплоснабжения, в отношении которой
присваивается соответствующий статус.
Единая теплоснабжающая организация при осуществлении своей
деятельности обязана:
а) заключать и надлежаще исполнять договоры теплоснабжения со
всеми обратившимися к ней потребителями тепловой энергии в
своей зоне деятельности;
б) осуществлять мониторинг реализации схемы теплоснабжения и
подавать в орган, утвердивший схему теплоснабжения, отчеты о
реализации, включая предложения по актуализации схемы
теплоснабжения;
в) надлежащим образом исполнять обязательства перед иными
теплоснабжающими и теплосетевыми организациями в зоне своей
деятельности;
г) осуществлять контроль режимов потребления тепловой энергии в
зоне своей деятельности.
В Ермолинском сельском поселении единая теплоснабжающая
организация - ОАО «Истринская теплосеть»
56
9 Решения по бесхозяйным тепловым сетям
Бесхозяйные сети отсутствуют.
57
10 Библиографический список
1. Постановление правительства РФ от 22 февраля 2012г. № 154 «О
требованиях к схемам теплоснабжения, порядку их разработки и
утверждения»
2. Методические рекомендации по оценке эффективности
инвестиционных проектов.
3. Методические указания по расчету уровня надёжности и качества
поставляемых товаров, оказываемых услуг для организаций,
осуществляющих деятельность по производству и (или) передаче
тепловой энергии.
4. Топливный баланс 2012-2013гг.
5. СНиП 23-02-2003 "Тепловая защита зданий"
6. Постановление Правительства Российской Федерации "Об
утверждении правил организации теплоснабжения".
7. Методические рекомендации по разработке инвестиционных
программ организаций коммунального комплекса.
8. СО 153-34.17.469-2003. Инструкция по продлению срока безопасной
эксплуатации паровых котлов с рабочим давлением до 4.0 МПа
включительно и водогрейных котлов с температурой воды выше
115С.
9. Методика определения потребности в топливе, электрической
энергии и воде при производстве и передаче тепловой энергии и
теплоносителей в системах коммунального теплоснабжения.
10.Инструкция об организации в Минэнерго России работы по расчету и
обоснованию нормативов создания запасов топлива на тепловых
электростанциях и котельных.
11.СНиП II-35-76. Котельные установки.
12.Обоснование расчета удельных показателей расхода тепла на
отопление разноэтажных жилых зданий. К своду правил по
проектированию и строительству городских тепловых сетей,
разрабатываемых в развитие СНиП 41-02-2003 «Тепловые сети».
58
11 Техническое задание
Сводная документация «Схема теплоснабжения» муниципального
образования, включающая в себя:
1. Существующее положение в сфере производства, передачи и
потребления тепловой энергии для целей теплоснабжения
2. Перспективное потребление тепловой энергии на цели
теплоснабжения
3. Электронная модель системы теплоснабжения
4. Предложения по строительству, реконструкции и техническому
перевооружению источников тепловой энергии
5. Предложения по строительству и реконструкции тепловых сетей и
сооружений на них
6. Перспективные балансы тепловой мощности источников тепловой
энергии и тепловой нагрузки
7. Перспективные балансы производительности водоподготовительных
установок и максимального потребления теплоносителя
теплопотребляющими установками потребителей, в том числе
аварийных режимах
8. Перспективные топливные балансы
9. Оценка надежности теплоснабжения
10. Обоснование инвестиций в строительство, реконструкцию и
техническое перевооружение
11. Обоснование предложения по определению единой
теплоснабжающей организации.
59
60
Приложения
Потребители
61
62
63
64
65
66
67
68
69
70
71
72
73
74
75
76
77
На территории сельского поселения имеются также частные котельные, не принадлежащие ОАО
«Истринская теплосеть», но входящие в общую схему теплоснабжения поселения. Мощности приведенных в
таблице котельных могут позволить присоединить нагрузку равную 4,68 Гкал/час.
№
п/п
Наименование котельной Место нахождения Котлы,
марка
Номинальная
мощность
Присоед.
мощность
Список потребителей
1. Котельная Московская область,
Истринский район, д.
Алексино
3 котла КВа-0,5ЭГ
1,5Гкал/час 1,0 Гкал/час
ОАО «Ростелеком» - 0,6 Гкал/час
2 многоквартирных дома – 0,4
Гкал/час
2. Котельная Московская область,
Истринский район, п.
Огниково
2 котла ДКВр-4/13
4,6 Гкал/час 2,3 Гкал/час
ОАО «Огниково» - 1,6 Гкал/час
3 многоквартирных дома – 0,7
Гкал/час
3. Котельная Московская область,
Истринский район, д.
Сокольники
4 котла «Универсал»
2,4 Гкал/час 1,2 Гкал/час
Коррекционная школа № 15 – 0,8
Гкал/час
2 многоквартирных дома – 0,4
Гкал/час
4. Котельная Московская область,
Истринский район, п.
Полевшина
2 котла К-500 0,85 Гкал/час 0,55 Гкал/час ГБОУ ВПО «МГПУ» - 0,38
Гкал/час
2 многоквартирных дома – 0,17
Гкал/час
5. Котельная № 33/09 Московская область,
Истринский район, д. Рычково
2 котла ЗИО-60 0,76 Гкал/час 0,38 Гкал/час в/ч 51916 – 0,23 Гкал/час
6 многоквартирных домов – 0,15
Гкал/час
78
Вывод:
При условии договоренности органов местного самоуправления с
организациями, на балансе которых находятся вышеперечисленные
котельные можно создать резерв мощности для строительства жилищного
фонда и инфраструктуры сельского поселения Ермолинское. В деревне
Рычково при строительстве новой котельной мощностью 16,0 Гкал/час по
общему согласованию можно объединить строящиеся тепловые сети с
существующими тепловыми сетями, принадлежащими Министерству
Обороны для создания резервного аварийного трубопровода.
79
Расположение котельных с.п. Ермолинское
не состоящих на балансе ОАО «Истринская теплосеть»
80
81
Схема инженерных коммуникаций п. Полевшина
82
83
84
85
д. Алексино
86
87
88
д. Сокольники
89
90
91
92
п. Палевшина
93
94
95
96
п. Огниково
97
98
99
100

Схема теплоснабжения СП Ермолинское Истринского муниципального района на период до 2028 года

  • 2.
    Содержание 1Показатели перспективного спросана тепловую энергию (мощность) и теплоноситель в установленных границах Ермолинского сельского поселения..................................................................................................................8 2Перспективные балансы располагаемой тепловой мощности источников тепловой энергии и тепловой нагрузки..........................................27 2.1. Радиус эффективного теплоснабжения................................................27 2.2. Существующие и перспективные зоны действия систем...................27 теплоснабжения и источников тепловой энергии.....................................27 2.4. Перспективные балансы тепловой мощности и тепловой нагрузки в перспективных зонах действия источников тепловой энергии....................36 3Перспективные балансы теплоносителя...........................................................40 4Предложения по строительству, реконструкции и техническому перевооружению источников тепловой энергии................................................44 4.1. Предложения по строительству источников теплоснабжения..........44 4.2. Предложения по реконструкции и техническому перевооружению источников тепловой энергии..........................................................................44 5Предложения по строительству и реконструкции тепловых сетей................48 6Перспективные топливные балансы..................................................................50 6.1. Существующие топливные балансы....................................................50 6.2. Перспективные топливные балансы.....................................................51 7Инвестиции в строительство, реконструкцию и техническое перевооружение.....................................................................................................53 7.1. Обоснование инвестиций в строительство, реконструкцию и техническое перевооружение ..........................................................................53 8Решение об определении единой теплоснабжающей организации................56 9Решения по бесхозяйным тепловым сетям.......................................................57 10Библиографический список..............................................................................58 11Техническое задание.........................................................................................59 12 Приложения………………………………………………………………...54 Общие сведения 2
  • 3.
    Схема теплоснабжения Ермолинскогосельского поселения Истринского муниципального района Московской области на период с 2012 до 2028 года» (далее - Схема теплоснабжения) выполнена во исполнение требований Федерального Закона №190-ФЗ «О теплоснабжении» от 09.06.2010, устанавливающего статус схемы теплоснабжения как документа, содержащего предпроектные материалы по обоснованию эффективного и безопасного функционирования системы теплоснабжения, ее развития с учетом правового регулирования в области энергосбережения и повышения энергетической эффективности. Схема теплоснабжения Ермолинского сельского поселения разработана ОАО "Истринская теплосеть" в соответствии с Договором № 4 от 03.04.2013 г. на период 15 лет, в том числе на начальный период в 5 лет и на последующие пятилетние периоды с расчетным сроком до 2028 год. Цель разработки Схемы теплоснабжения - формирование основных направлений и мероприятий по развитию систем теплоснабжения сельского поселения, обеспечивающих надежное удовлетворение спроса на тепловую энергию (мощность) и теплоноситель наиболее экономичным способом при минимальном воздействии на окружающую среду. Работа выполнена с учетом требований: • Федерального закона от 27 июля 2010 года N 190-ФЗ «О теплоснабжении»; • Федерального закона от 23 ноября 2009 года N 261-ФЗ «Об энергосбережении и о повышении энергетической эффективности и о внесении изменений в отдельные законодательные акты Российской Федерации»; • Постановления Правительства Российской Федерации от 22 февраля 2012 года N 154 «О требованиях к схемам теплоснабжения, порядку их разработки и утверждения» и на основе: • Исходных данных и материалов, полученных от администрации районного поселка, основных теплоснабжающих организаций; • Решений Генерального плана Ермолинского сельского поселения Истринского муниципального района Московской области. Для оценки существующего состояния теплоснабжения и разработки предпроектных предложений развития системы теплоснабжения 3
  • 4.
    Ермолинского сельского поселениябыли использованы и проанализированы материалы следующих работ и документов: - Генеральный план сельского поселения Ермолинское Истринского муниципального района Московской области. - Исходные данные и материалы, полученные от теплоснабжающей организации ОАО «Истринская теплосеть». - Обследование теплоисточников и тепловых сетей. 4
  • 5.
    Введение Сельское поселение ЕрмолинскоеИстринского муниципального района входит в Истринско-Звенигородскую устойчивую систему расселения. Сельское поселение Ермолинское находится в 30 км к западу от Москвы в восточной части Истринского района Московской области. Приложение №1 к Закону Московской области от 07.07.2011 № 109/2011-ОЗ «О внесении изменений в Закон Московской области «О статусе и границах Истринского муниципального района и вновь образованных в его составе муниципальных образований» было образовано сельское поселение Ермолинское с административным центром в п. Агрогородок. Рисунок 1 5
  • 6.
    В составе поселениянаходятся: 1. п. Агрогородок – административный центр 2. д. Адуево 3. д. Алексино 4. д. Андреевское 5. с. Дарна 6. д. Духанино 7. д. Еремеево 8. д. Ермолино 9. д. Ивановское 10. д. Кашино 11. д. Лисавино 12. д. Максимовка 13. д. Никольское 14. п. Огниково 15.д. Подпорино 16. п. Полевшина 17. д. Рычково 18. д. Сокольники 19. д. Сысоево 20. д. Холмы По данным Администрации сельского поселения Ермолинское, население, на начало 2013 г. составило 3545 человек. Площадь сельского поселения занимает 13150,0 га, в соответствии с Законом Московской области «О статусе и границах Истринского муниципального района и вновь образованных в его составе муниципальных образований». Большую часть (57 %) территории поселения занимают обширные лесные массивы и земли сельскохозяйственного назначения (7495,5 Га). Остальная территория поселения занята жилой застройкой (преимущественно индивидуальной), дачными и садоводческими товариществами, производственными объектами, объектами отдыха и спорта, а также участками, определенными под различные виды строительства. В границах сельского поселения Ермолинское находится 20 населенных пунктов, занимающих площадь около 5670 Га, 68 садоводческих некоммерческих товариществ, общая площадь территории которых 6
  • 7.
    составляет около 590Га, 64 дачных некоммерческих партнерства и 46 некоммерческих объединений, организованных в коттеджные поселки общей площадью около 1250 Га На территории поселения находятся предприятия производственно- хозяйственного комплекса: - ООО «Альтек-Строй» (производство и монтаж алюминиевых конструкций) - ООО «Квота» (производственно-складская база) - ООО «Навигатор МЕГАВЕЙ» (изготовление панелей) - ООО «Стройинверс» (производственно-складская база) - ООО «Фрегат» (производство металлоизделий) - ОАО «Комплект» (производственно-складская база) - ЗАО «Московский опытный завод буровой техники» ЗАО «МОЗБТ» (производство и продажа новой буровой техники и оборудования) - ООО «Дубль» (изготовление изделий из пластмассы) - ООО «Аред» (деревообработка и комплектация) - ФГУ «ВНИИКОМЖ» (производственная база) - ООО «Гифт» (строительство газопровода) - СП ООО «Правда» (молочно-товарная ферма 400 голов КРС) Из объектов лечебно-оздоровительного назначения на территории поселения расположены: пансионат ОАО «Огниково», спортклуб «Истра». На территории поселения зарегистрировано 33 малых предприятия, занимающиеся торговлей и другими видами обслуживания населения. В соответствии со СНиП 23-01-99 «Строительная климатология» климатические характеристики Ермолинское сельского поселения Истринского муниципального района Московской области: – средняя температура наиболее холодной пятидневки обеспеченностью 0,92 (расчётная для проектирования отопления) – -280 С; – средняя температура за отопительный период – -3,10 С; – продолжительность отопительного периода – 216 суток. 7
  • 8.
    1 Показатели перспективногоспроса на тепловую энергию (мощность) и теплоноситель в установленных границах Ермолинского сельского поселения Анализ состояния жилищного фонда приводится на основании данных администрации Ермолинского сельского поселения Истринского муниципального района Московской области. Многоквартирный жилищный фонд сосредоточен, в основном, в посёлке Агрогородок – 31,114 тыс. м2 , общей площади (68% от всего многоквартирного фонда) и представлен малоэтажной и средеэтажной многоквартирной застройкой (20 домов – 624 квартиры). Кроме того, среднеэтажная многоквартирная застройка размещается в посёлке Огниково – 3 дома (75 квартир), малоэтажная застройка размещается в населенных пунктах Алексино, Андреевское, Духанино, Полевшина, Рычково, Сокольники – 22 дома (222 квартиры). Индивидуальный жилищный фонд размещается во всех населенных пунктах и составляет 382,7 тыс. м2 . Общий фонд жилой застройки с постоянным и временным проживанием составляет 428,559 тыс. м2 . На перспективу генеральным планом в сельском поселении Ермолинское запланировано уплотнение территорий жилой многоквартирной застройки в поселке Агрогородок за счет строительства точечных 4-5-ти этажных жилых домов со средним размером квартир 50 – 60 м2 и 2-х этажных блокировочных жилых домов со средним размером квартир до 120 м2 . Застройка территории на расчетный срок подразумевает строительство жилых и дачных комплексов частных владельцев с количеством постоянно проживающего населения до 4 тысяч человек, временно проживающего – до 7 тысяч человек, с развитой структурой торгово-развлекательных, спортивно оздоровительных, образовательных коммерческих центров, а также необходимым количеством (согласно нормативов) муниципальных учреждений образования, здравоохранения, культуры и спорта с объектами приложения труда в сфере обслуживания, а также промышленно развитых соседних территорий: Истринского городского поселения, и др. 8
  • 9.
    Мероприятия по развитиюобъектов жилищного строительства включают: 1. Снос малоэтажного жилого дома в деревне Рычково площадью 200 м2 ; 2. Строительство малоэтажного жилищного фонда в объеме 201,4 тыс. м2 общей площади в населенных пунктах Агрогородок, Рычково, Сокольники; 3. Строительство индивидуального жилищного фонда в объеме 89 тыс. м2 общей площади в населенных пунктах Алексино, Андреевское, Духанино, Полевшина, Рычково, Кашино, Сысоево; 4. Дачного фонда – 1240 тыс. м2 на всей территории поселения. Мероприятия по развитию объектов социальной инфраструктуры включают: 1. Развитие учреждений образования (27 Га): - дошкольные учреждения – 270 мест (д. Рычково, д. Сокольники, п. Агрогородок) - общеобразовательные школы – 820 мест (д. Рычково, д. Сокольники) 2. Развитие учреждений культуры и искусства: - клубные помещения – 100 мест (д. Еремеево) 3. Развитие учреждений здравоохранения и социального обеспечения: - поликлиники – 132 места (п. Агрогородок, д. Рычково, д. Сокольники) - станция скорой помощи – 1 автомобиль (п. Агрогородок) - реабилитационные центры – 200 мест (п. Агрогородок) 4. Развитие физкультурно-оздоровительных сооружений: - реконструкция стадиона – 200 мест (п. Агрогородок) - развитие Спортинг-клуба «Истра» - 8,5 Га (д. Андреевское) - строительство спортивных площадок – 4,6 Га (д. Рычково, д. Холмы, д. Сокольники, д. Алексино, д. Огниково). 5. Развитие закрытых спортсооружений: 9
  • 10.
    - строительство физкультурно-оздоровительногокомплекса с бассейном – 500 м2 (п. Агрогородок) - строительство спортивно-оздоровительного центра – 3600 м2 (п. Агрогородок) - организация детско-юношеской спортивной школы на 200 мест в реконструируемом здании – 3000 м2 (д. Духанино) - строительство физкультурно-оздоровительного комплекса – 500 м2 (д. Рычково) - строительство фитнесцентра – 300 м2 (д. Еремеево) - строительство спортивной рыболовной базы – 100 м2 (д. Сысоево) 6. Развитие местных центров обслуживания в населенных пунктах Агрогородок, Духанино, Андреевское, Рычково, Сокольники, Холмы, Еремеево, Огниково общей площадью 6550 м2 . 7. Развитие многофункциональных центров, комплексов обслуживания в населенных пунктах Агрогородок, Еремеево, Духанино общей площадью 143000 м2 . 8. Развитие бытового обслуживания: - банно-оздоровительный комплекс – 95 мест (п. Агрогородок) - пожарное депо – 4 машиноместа (п. Агрогородок, д. Духанино) Дачное строительство на период до 2028 г. планируется вблизи деревень Адуево (14 Га), Алексино (17 Га), Дарна (13,3 Га), Духанино (28,4 Га), Ермолино (25,4 Га), Кашино (21,5 Га), Лисавино (77,7 Га), Никольское (12,8 Га), Огниково (68,7 Га), Сысоево (18,5 Га), Холмы (73,9 Га). 10
  • 11.
  • 12.
    Структура нового жилищногостроительства Таблица 1 Развитие жилищного строительства на территории сельского поселения Ермолинское (тыс.кв.м) Населенные пункты, Современный фонд 1 очередь строительства (2014 год) Расчетный срок (2020 год) Расчетный срок (до 2028 год) Всего в том числе: новое стр-во Всего в том числе: новое стр-во Всего в том числе: новое стр-во Всего в том числе: многокв. индив. многокв. индив. многокв. индив. многокв. индив. многокв. индив.* многокв. индив. многокв. индив.* 31,114 5,078 23,9 - 39,414 5,078 15,6 - 60,092 55,014 59,5 - - - -п. Агрогородок всего 36,192 31,114 5,078 8,3 - 44,492 39,414 5,078 15,6 - 60,092 55,014 5,078 - - 60,092 55,014 5,078 0 4,307 - - 4,307 0 4,307 - - 4,307 0 4,307 - - 4,307 0 4,307д. Адуево всего 4,307 0 4,307 - - 4,307 0 4,307 - - 4,307 3,65 171 - - 4,307 0 4,307 2,097 55,791 - - 57,888 2,097 55,791 - 14,0 71,888 2,097 69,791 - - 71,888 2,097 69,791д. Алексино всего 57,888 2,097 55,791 - - 57,888 2,097 55,791 - 14,0 71,888 2,097 69,791 - - 71,888 2,097 69,971 0,857 29,929 - 8,4 39,176 0,857 38,329 - - 39,176 0,857 38,329 - 11,0 50,176 0,857 49,329д. Андреевское всего 30,776 0,857 29,929 - 8,4 39,176 0,857 38,329 - - 39,176 0,857 38,329 11,0 50,176 0,857 49,329 0 42,225 - - 42,225 0 42,225 - - 42,225 0 42,225 - - 42,225 0 42,225с. Дарна всего 42,225 0 42,225 42,225 0 42,225 - - 42,225 0 42,225 - - 42,225 0 42,225 3,065 29,252 - - 32,317 3,065 29,252 - 34,2 66,517 3,065 63,452 - - 66,517 3,065 63,452д. Духанино всего 32,317 3,065 29,252 - - 32,317 3,065 29,252 - 34,2 66,517 3,065 63,452 - - 66,517 3,065 63,452 0 3,772 - - 3,722 0 3,722 - - 3,722 0 3,722 - - 3,722 0 3,722 д. Еремеево всего 3,772 0 3,772 - - 3,722 0 3,722 - - 3,722 0 3,722 - - 3,722 0 3,722 0 16,984 - - 16,984 0 16,984 - - 16,984 0 16,984 - - 16,984 0 16,984д. Ермолино 16,984 0 16,984 - - 16,984 0 16,984 - - 16,984 0 16,984 - - 16,984 0 16,984
  • 13.
    Всего 0 16,855 -- 16,855 0 16,-855 - - 16,855 0 - - 16,855 0 16,855д. Ивановское 16,855 всего 16,855 0 16,855 - - 16,855 0 16,855 - - 16,855 0 16,855 - - 16,855 0 16,855 0 27,257 - 2,6 29,857 0 29,857 - - 29,857 0 29,857 - - 29,857 0 29,857д. Кашино 27,257 0 27,257 - 2,6 29,857 0 29,857 - - 29,857 0 29,857 - - 29,857 0 29,857Всего д. Лисавино 0 - - 5,742 0 - - 5,742 0 - - 5,742 05,742 5,742 5,742 5,742 всего 5,742 0 5,742 - - 5,742 0 5,742 - - 5,742 0 5,742 - - 5,742 0 5,742 0 15,31 - - 15,31 0 15,31 - - 15,31 0 15,31 - - 15,31 0 15,31д. Максимовка всего 15,31 0 15,31 - - 15,31 0 15,31 - - 15,31 0 15,31 - - 15,31 0 15,31 д. Никольское 0 29,919 - - 29,919 0 29,919 - - 29,919 0 29,919 - - 29,919 0 29,919 всего 29,919 0 29,919 - - 29,919 0 29,919 - - 29,919 0 29,919 - - 29,919 0 29,919 п. Огниково 2,431 3,83 - - 6,261 2,431 3,83 - - 6,261 2,431 3,83 - - 6,261 2,431 3,83 всего 6,261 2,431 3,83 - - 6,261 2,431 3,83 - - 6,261 2,431 3,83 - - 6,261 2,431 3,83 д. Подпорино 0 10,704 - - 10,704 0 10,704 - - 10,704 0 10,704 - - 10,704 0 10,704 10,704 0 10,704 - - 10,704 0 10,704 - - 10,704 0 10,704 - - 10,704 0 10,704 п. Полевшина 1,425 1,892 - - 3,317 1,425 1,892 - 1,3 4,617 1,425 2,725 - - 4,617 1,425 2,725 всего 3,317 1,425 1,892 - - 3,317 1,425 1,892 - 1,3 4,617 1,425 2,725 - - 4,617 1,425 2,725 д. Рычково 3,782 24,02 - 5,5 33,302 3,782 29,52 64,0 - 97,302 67,782 29,52 65,5 - 98,802 69,282 29,52 всего 27,802 3,782 24,02 - 5,5 33,302 3,782 29,52 64,0 - 97,302 67,782 29,52 65,5 - 98,802 69,282 29,52 д. Сокольники 1,088 37,236 24,0 - 62,324 25,088 37,236 24,0 - 86,324 49,088 37,236 - - 86,324 49,088 37,236 Всего 38,324 1,088 37,236 24,0 - 62,324 25,088 37,236 24,0 - 86,324 49,088 37,236 - - 86,324 49,088 37,236 13
  • 14.
    д. Сысоево 08,282 - - 8,282 0 8,282 - 12,0 20,282 0 20,282 - - 20,282 0 20,282 всего 8,282 0 8,282 - - 8,282 0 8,282 - 12,0 20,282 0 20,282 - - 20,282 0 20,282 д. Холмы 0 13,769 - - 13,769 0 13,769 - - 13,769 0 13,769 - - 13,769 0 13,769 всего 13,769 0 13,769 - - 13,769 0 13,769 - - 13,769 0 13,769 - - 13,769 0 13,769 428,559 477,359 630,459 706,959ИТОГО: в т.ч. 45,859 382,7 78,159 399,2 185,409 445,05 250,909 456,05 новое строительство 32,3 16,5 103,6 49,5 65,5 11,0 в т.ч. блокированное 24,0 103,6 65,5 14
  • 15.
    Перечень объектов новогостроительства на участках дачных и садоводческих объединений Таблица 2 Развитие индивидуального строительства на участках дачных и садоводческих объединений, тыс.кв.м В районе Садоводческие и Существующее 1 очередь (до 2014 года) Расчетный срок (2020 год) Расчетный срок (за 2028 годом) населенных дачные объединения положение существ. Новое Всего существ. новое Всего существ. новое Всего пунктов фонд фонд стр-во фонд стр-во фонд стр-во АГРОГОРОДОК «Манихино-2» 16 16 - 16 16 - 16 16 - 16 «Манихино-II» 64,5 64,5 - 64,5 64,5 - 64,5 64,5 - 64,5 «Строитель» 169,0 169,0 - 169,0 169,0 - 169,0 169,0 - 169,0 АДУЕВО «Комплект» 57,0 57,0 1070,0 1127,0 57,0 - 1127,0 57,0 - 1127,0 «Росинка» 44,1 44,1 252,0 296,1 44,1 - 296,1 44,1 - 296,1 «Виктория» 144,6 144,6 56,7 396,6 144,6 - 396,6 144,6 - 396,6 АЛЕКСИНО «Лисавино» 68,0 68,0 26,0 94,0 68,0 - 94,0 68,0 - 94,0 «Алексино» 45,0 45,0 26,0 71,0 45,0 - 71,0 45,0 - 71,0 «Родник-4» 104,0 104,0 26,0 130 104,0 - 130 104,0 - 130 «Флора» 58,8 58,8 26,0 84,8 58,8 - 84,8 58,8 - 84,8 АНДРЕЕВСКОЕ «Андреевсое-1» 144,5 144,5 - 144,5 144,5 6,5 151,0 151,0 - 151,0 «Андреевское-2» 107,0 107,0 - 107,0 107,0 6,5 113,5 113,5 - 113,5 «Андреевские дачи» 46,0 46,0 - 46,0 46,0 6,5 52,5 52,5 - 52,5 ДУХАНИНО «Полесье» 106,0 106,0 40,5 146,5 146,5 - 146,5 146,5 - 146,5 «Истра ЗВИ» 114,0 114,0 - 114,0 114,0 40,5 154,5 154,5 - 154,5
  • 16.
    «Ул. Рождественская» 207,0 207,0- 207,0 207,0 - 207,0 207,0 40,5 247,5 ДАРНА «Маяк» 220,0 220,0 160,6 380,6 380,6 - 380,6 380,6 - 380,6 «Русь» 120,5 120,5 - 120,5 120,5 980,5 1101,0 1101,0 - 1101,0 ЕРМОЛИНО «Ермолино» 29,0 29,0 - 29,0 29,0 135,0 164,0 164,0 135,0 299,0 ЕРЕМЕЕВО «Звездное поле» 150,0 150,0 5,0 155,0 155,0 - 155,0 155,0 - 155,0 «Мечта» 120,0 120,0 5,0 125,0 125,0 - 125,0 125,0 - 125,0 «Меркурий-1» 35,0 35,0 5,0 40,0 40,0 - 40,0 40,0 - 40,0 «Надежда» 40,0 40,0 - 40,0 40,0 - 40,0 40,0 5,0 45,0 «Родничок» 36,0 36,0 - 36,0 36,0 5,0 41,0 41,0 - 41,0 «Родник-4» 180,0 180,0 - 180,0 180,0 5,0 185,0 185,0 - 185,0 «Россич» 22,0 22,0 5,0 27,0 27,0 - 27,0 27,0 - 27,0 «Перспектива» 437,0 437,0 - 437,0 437,0 - 437,0 437,0 5,0 442,0 ЛИСАВИНО «Лидия» 60,2 60,2 115,0 175,2 175,2 - 175,2 175,2 - 175,2 «Ручеек-1» 50,0 50,0 115,0 165,0 165,0 - 165,0 165,0 - 165,0 «Связист» 93,4 93,4 - 93,4 93,4 115 208,4 208,4 - 208,4 «Ласковый май» 150,0 150,0 - 150,0 150,0 - 150,0 150,0 115,0 265,0 «Холм» 110,0 110,0 - 110,0 110,0 - 110,0 110,0 115,0 225,0 «Дачное» 23,0 23,0 115,0 138,0 138,0 - 138,0 138,0 - 138,0 «Лесное» 33,0 33,0 115,0 148,0 148,0 - 148,0 148,0 - 148,0 «Восход» 55,0 55,0 150,0 205,0 205,0 - 205,0 205,0 - 205,0 МАКСИМОВКА «Зеленые горки» 50,2 50,2 3,0 53,2 53,2 - 53,2 53,2 - 53,2 НИКОЛЬСКОЕ «Никольское» 122,0 122,0 154,4 276,4 276,4 154,4 430,8 430,8 154,4 585,2 «Поляны» 23,0 23,0 115,0 138,0 138,0 - 138,0 138,0 - 138,0 ОГНИКОВО «Рассвет» 90,0 90,0 150,0 240,0 240,0 - 240,0 240,0 - 240,0 16
  • 17.
    «Березки-1» 21,0 21,0150,0 171,0 171,0 - 171,0 171,0 - 171,0 «Бонитет-1» 148,2 148,2 - 148,2 148,2 - 148,2 148,2 150,0 298,2 «Истра ЗВИ» 62,4 62,4 150,0 212,4 212,4 - 212,4 212,4 - 212,4 «Куртасово» 203,2 203,2 - 203,2 203,2 - 203,2 203,2 150,0 353,2 «Маяк» 114,0 114,0 - 114,0 114,0 150,0 264,0 264,0 - 264,0 «Меркурий-1» 176,0 176,0 - 176,0 176,0 - 176,0 176,0 150,0 326,0 «Минерал» 118,0 118,0 - 118,0 118,0 150,0 268,0 268,0 - 268,0 «Пищемаш» 60,0 60,0 150,0 210,0 210,0 - 210,0 210,0 - 210,0 «Пищемаш-2» 114,0 114,0 - 114,0 114,0 150,0 264,0 264,0 - 264,0 «Рассвет» (Авангард) 98,3 98,3 150,0 248,3 248,3 - 248,3 248,3 - 248,3 «Строитель-1» 95,0 95,0 150,0 245,0 245,0 - 245,0 245,0 - 245,0 ПОДПОРИНО «Рица» 28,5 28,5 144,2 172,7 172,7 - 172,7 172,7 - 172,7 «Сирень-1» 36,5 36,5 144,2 180,7 180,7 - 180,7 180,7 - 180,7 «Энергетик» 24,0 24,0 144,2 168,2 168,2 - 168,2 168,2 - 168,2 «Грифон» 111,0 111,0 - 111,0 111,0 - 111,0 111,0 144,2 255,2 РЫЧКОВО «Зенит» 29,2 29,2 2,3 31,5 31,5 - 31,5 31,5 - 31,5 «Рычково» 26,8 26,8 - 26,8 26,8 - 26,8 26,8 - 26,8 «Песчанка» 95,0 95,0 - 95,0 95,0 - 95,0 95,0 - 95,0 СОКОЛЬНИКИ «Сокольники» 90,0 90,0 3,4 93,4 93,4 - 93,4 93,4 - 93,4 СЫСОЕВО «Юбилейный-110» 98,0 98,0 - 98,0 98,0 172,5 270,5 270,5 172,5 443,0 «Сокольник -1» 120,0 120,0 115,0 235,0 235,0 115,0 350,0 350,0 115,0 465,0 ХОЛМЫ «Ветеран» 33,0 33,0 75,7 108,7 108,7 - 108,7 108,7 - 108,7 «Лотос» 104,0 104,0 - 104,0 104,0 75,7 179,7 179,7 - 179,7 17
  • 18.
    «НСК Лотос» 8,48,4 75,7 84,1 84,1 - 84,1 84,1 - 84,1 «Полет» 76,6 76,6 - 76,6 76,6 75,7 152,3 152,3 - 152,3 «Родник-4» 100,0 100,0 - 100,0 100,0 75,7 175,7 175,7 - 175,7 «Скорость» 20,0 20,0 75,7 95,7 95,7 - 95,7 95,7 - 95,7 «Сокол-3» 169,0 169,0 - 169,0 169,0 - 169,0 169,0 75,7 244,7 «Холмы-1» 260,0 260,0 - 260,0 260,0 - 260,0 260,0 75,7 335,7 «Холмы-2» 110,0 110,0 - 110,0 110,0 - 110,0 110,0 75,7 185,7 «Холмы-3» 100,0 100,0 - 100,0 100,0 75,7 175,7 175,7 - 175,7 «Малыш» 100,0 100,0 75,7 175,7 175,7 - 175,7 175,7 - 175,7 «Новатор» 210,0 210,0 - 210,0 210,0 - 210,0 210,0 75,7 285,7 «Автомобилист» 30,0 30,0 75,7 105,7 105,7 - 105,7 105,7 105,7 105,7 КАШИНО «ул. Тихая» 141,0 141,0 35,42 176,42 176,42 35,42 211,84 211,84 35,42 247,26 ПАЛЕВШИНО «ул. Казанская» 30,0 30,0 75,7 105,7 105,7 - 105,7 105,7 105,7 105,7 Итого общая площадь, тыс.кв.м 7105,9 7105,9 4453,42 11634,82 11634,82 2530,62 14165,44 14165,44 2001,22 16199,96 Общая площадь жилищного фонда на отведенных участках может составить 1,2-1,5 млн. м2 18
  • 19.
    Перечень объектов новогостроительства учреждений и предприятий культурно-бытового обслуживания Таблица 3 № п/п Наименование мероприятий Единица измерения Очередность Всего по плану в т.ч. по периодам до 2015 года 2015-2020 годы до 2028 года Учреждения образования 1. Дошкольные учреждения мест 270 75 195 п. Агрогородок 1.1 Строительство детского сада мест 60 60 д. Рычково 1.2 Строительство детского сада мест 135 135 д. Сокольники 1.3 Строительство детского сада мест 75 75 2. Общеобразовательные школы мест 820 140 450 230 д. Рычково 2.1 Строительство школы мест 550 320 230 д. Сокольники 2.2 Строительство школы мест 270 140 130 3. Учреждения культуры и искусства мест 100 100 д. Еремеево 3.1 Строительство клуба мест 100 100 4. Учреждения здравоохранения и социального обеспечения пос./см. 132 10 22 100 п. Агрогородок 4.1 Строительство поликлиники пос./см. 100 100 4.2 Организация станции скорой помощи автомобиль 1 1 4.3 Строительство реабилитационного центра мест 200 200 д. Рычково 19
  • 20.
    4.4 Строительство поликлиникипос./см. 22 22 д. Сокольники 4.5 Строительство поликлиники пос./см. 10 10 5. Физкультурно-спортивные сооружения п. Агрогородок 5.1 Реконструкция стадиона мест 200 200 5.2 Строительство физкультурно- оздоровительного комплекса с бассейном м2 500 500 5.3 Строительство спортивно-оздоровительного центра м2 3600 3600 д. Андреевское 5.4 Развитие спортинг-клуба «Истра» Га 8,5 8,5 д. Рычково 5.5 Строительство спортивной площадки Га 2,1 1,5 0,6 5.6 Строительство физкультурно- оздоровительного комплекса м2 500 500 д. Холмы 5.7 Строительство спортивной площадки Га 0,2 0,2 д. Сокольники 5.8 Строительство спортивной площадки Га 1,2 0,2 1,0 д. Алексино 5.9 Строительство спортивной площадки Га 0,7 0,7 п. Огниково 5.10 Строительство спортивной площадки Га 0,4 0,4 д. Духанино 5.11 Организация детско-юношеской спортивной школы на 200 мест в реконструируемом здании м2 3000 3000 д. Еремеево 20
  • 21.
    5.12 Строительство фитнесцентрам2 300 300 д. Сысоево 5.13 Строительство спортивно-рыболовной базы м2 100 100 6. Местные центры обслуживания м2 6550 1710 3450 1390 6.1 п. Агрогородок м2 2020 330 1540 150 6.2 д. Духанино м2 1570 140 560 870 6.3 д. Андреевское м2 230 200 30 6.4 д. Рычково м2 1300 370 740 190 6.5 д. Сокольники м2 880 300 420 160 6.6 д. Холмы м2 180 80 80 20 6.7 д. Еремеево м2 140 140 6.8 п. Огниково м2 230 150 80 7. Многофункциональные центры, комплексы обслуживания м2 143000 22000 25000 96000 п. Агрогородок 7.1 Многофункциональный общественный деловой центр м2 96000 96000 д. Еремеево 7.2 Многофункциональный общественный деловой центр м2 22000 22000 д. Духанино 7.3 Многофункциональный торгово-офисный центр м2 25000 25000 8. Бытовое обслуживание п. Агрогородок 8.1 Банно-оздоровительный комплекс мест 95 95 8.2 Пожарное депо пож. а/м 2 2 д. Ермолино 8.3 Кладбища Га 8 1 5 2 д. Духанино 21
  • 22.
    8.4 Пожарное депопож. а/м 2 2 22
  • 23.
    На рассматриваемой территориисельского поселения Ермолинского Истринского муниципального района Московской области расположено ряд населенных пунктов, теплоснабжение которых осуществляется различными способами – в основном индивидуальными, автономными и централизованными источниками тепла. В поселке Агрогородок - многоквартирный жилой фонд, объекты социальной сферы, частные предприятия подключены к централизованной системе теплоснабжения. Теплоснабжение одного жилого дома имеется в деревне Духанино. Эксплуатацию муниципальных котельных и тепловых сетей на территории Ермолинского сельского поселения осуществляет ОАО «Истринская теплосеть». Прирост тепловых нагрузок за счет нового строительства в сельском поселении Ермолинское ожидается: до 2015 г. – 4,8 Гкал/час (автономные источники тепла); до 2020 г. – 12,4 Гкал/час (автономные источники тепла); до 2028 г. – 28,0 Гкал/час (новое капитальное строительство). В сельском поселении Ермолинское кроме индивидуальной и многоквартирной застройки предлагается строительство многофункциональных центров и коммунальных комплексов. п. Агрогородок – суммарная тепловая нагрузка объектов нового строительства на перспективу составит 17,636 Гкал/час (многоквартирного строительства–10 Гкал/час, многофункциональных центров – 4,2 Гкал/час, застройки индивидуального типа -3,436 Гкал/час). В том числе, на расчетный срок прирост тепловой нагрузки за счет нового строительства ориентировочно оценивается в размере 12,0 Гкал/час (нагрузка жилой многоквартирной и блокированной застройки -10, Гкал/час, многофункциональных центров - 2,0 Гкал/час, жилой застройки индивидуального типа 3,436 Гкал/час). В том числе, прирост тепловой нагрузки на новое строительство на II очередь составит 12 Гкал/час (жилая застройка индивидуального типа). Для покрытия нагрузок жилищного многоквартирного строительства и центров предлагается строительство новой капитальной котельной с установленной мощностью 12 Гкал/час, а также для увеличения резерва мощности на перспективу развития сельского поселения провести реконструкцию существующей капитальной котельной с увеличением мощности до 10 Гкал/ч на I очередь.
  • 24.
    д. Рычково –Суммарная тепловая нагрузка многоквартирной застройки центров и индивидуального строительства на перспективу определена в размере 15 Гкал/час. Для обеспечения установленных планом мощностей предлагается строительство новой капитальной котельной мощностью 16 Гкал/час. д. Алексино – Суммарная тепловая нагрузка индивидуальной застройки и центров на перспективу определена в размере 1,964 Гкал/час. Теплоснабжение предлагается осуществлять от автономных источников тепла на газовом топливе (АИТ). д. Андреевское - суммарная тепловая нагрузка индивидуальной застройки и общественных центров на перспективу определена в размере 1,5 Гкал/час. Теплоснабжение предлагается осуществлять от автономных источников тепла на газовом топливе (АИТ) д. Духанино - суммарная тепловая нагрузка нового строительства на перспективу составит 1,5 Гкал/час (многофункциональных центров – 0,4 Гкал/ч, индивидуального типа 1,1 Гкал/час). Теплоснабжение центров и индивидуальной застройки предлагается осуществлять от существующей котельной после проведения реконструкции у увеличения мощности до 1,5 Гкал/час и автономных источников тепла на газовом топливе суммарной мощностью 0,5 Гкал/ч с поэтапным вводом мощностей: на I очередь-1,0 Гкал/ч, на расчетный срок- 2,0 Гкал/ч. д. Кашино - тепловая нагрузка, застройки индивидуального типа определена в размере 0,3 Гкал/час (на расчетный срок). Теплоснабжение предлагается обеспечивать теплом от индивидуальных источников тепла на газовом топливе. п. Полевшина – суммарная тепловая нагрузка на застройку индивидуального типа на перспективу, ориентировочно составит 0,2 Гкал/ч. Теплоснабжение предлагается обеспечивать теплом от индивидуальных источников тепла на газовом топливе. д. Сысоево – тепловая нагрузка на застройку индивидуального типа на перспективу ориентировочно составит 1,3 Гкал/ч. Теплоснабжение нового строительства предлагается осуществлять от индивидуальных источников тепла на газовом топливе (АИТ). д. Сокольники – суммарная тепловая нагрузка на I очередь строительства детского сада составит 0,4 Гкал/ч 24
  • 25.
    Теплоснабжение предлагается осуществлятьот автономного источника тепла на газовом топливе (АИТ) отдельно стоящим зданием котельной. д. Еремеево – тепловая нагрузка, застройки многофункциональных центров определена в размере 1,2 Гкал/час (на расчетный срок). Теплоснабжение предлагается обеспечивать теплом от индивидуальных источников тепла на газовом топливе закрепленным за каждым общественным центром. д. Холмы – тепловая нагрузка, застройки многофункциональных центров определена в размере 1,0 Гкал/час (на расчетный срок). Теплоснабжение предлагается обеспечивать теплом от индивидуальных источников тепла на газовом топливе закрепленным за каждым общественным центром. п. Огниково - тепловая нагрузка, застройки многофункциональных центров определена в размере 0,8 Гкал/час (на расчетный срок). Теплоснабжение предлагается обеспечивать теплом от индивидуальных источников тепла на газовом топливе закрепленным за каждым общественным центром. Жилую застройку индивидуального типа и многофункциональные центры на перспективу с тепловой нагрузкой 12,4 Гкал/час размещаемые в сельском поселении Ермолинское предлагается обеспечивать от индивидуальных тепловых установок на газовом топливе, устанавливаемых в каждом доме или центре. Мощность котельных их оборудование и местоположение, а также направление теплотрасс и их диаметры уточняются на последующей стадии проектирования. Для подачи тепла потребителям от новых котельных потребуется проложить магистральные тепловые сети и осуществить при необходимости перекладку существующих тепловых сетей на больший диаметр. Для определения перекладки тепловых сетей и строительства, новых необходимо на последующей стадии проектирования разработать схему теплоснабжения сельского поселения Ермолинское. Теплоснабжение индивидуальной, блокированной застройки предлагается осуществлять от индивидуальных тепловых установок на газовом топливе. В целом по сельскому поселению Ермолинское предлагается строительство 2-х капитальных котельных (п. Агрогородок, д. Рычково с поэтапным вводом мощностей), суммарной мощностью 28,0 Гкал/час с 25
  • 26.
    учетом перспективного развитиятерритории (2028 г), реконструкция котельной д. Духанино с увеличением мощности до 1,5 Гкал/час. На расчетный срок строительство 2-ух котельных суммарной мощностью 28,0 Гкал/час; На I очередь строительство автономных источников тепла (АИТ) суммарной мощностью 4,8 Гкал/час, а на расчетный срок 12,4 Гкал/час. 26
  • 27.
    2 Перспективные балансырасполагаемой тепловой мощности источников тепловой энергии и тепловой нагрузки 2.1. Радиус эффективного теплоснабжения Эксплуатацию муниципальных котельных и тепловых сетей на территории Ермолинского сельского поселения осуществляет ОАО «Истринская теплосеть». В настоящее время по состоянию на конец отопительного периода 2012-2013 гг. централизованное теплоснабжение в поселке Агрогородок, и теплоснабжение одного жилого дома в деревне Духанино сельского поселения осуществляют две котельные: капитальная котельная в поселке Агрогородок и капитальная котельная в деревне Духанино. Протяженность тепловых сетей в поселке Агрогородок составляет 6,966 км. в двухтрубном исполнении. Протяженность тепловых сетей в деревне Духанино составляет 0,2 км. в двухтрубном исполнении. Общая протяжённость тепловых сетей в двухтрубном исполнении 7,166 км. 2.2. Существующие и перспективные зоны действия систем теплоснабжения и источников тепловой энергии Существующие зоны действия котельных ОАО «Истринская теплосеть» Ермолинского сельского поселения показаны: на рисунках № 1 «Схема теплоснабжения поселок Агрогородок» и № 2 «Схема теплоснабжения деревни Духанино». Перспективные зоны действия котельных ОАО «Истринская теплосеть» Ермолинского сельского поселения остаются без изменений, т.к. теплоснабжение перспективных строительных объектов планируемых в сельском поселении Ермолинское, предлагается осуществлять только после реконструкции существующей и строительства двух новых котельных. 27
  • 28.
    Общая схема тепловыхсетей Ермолинского сельского поселения Истринского муниципального района Московской области 28
  • 29.
  • 30.
    Существующие зоны действиякотельных Рисунок № 1 30
  • 31.
  • 32.
  • 33.
    2.3. Существующие балансытепловой мощности и тепловой нагрузки в зонах действия источников тепловой энергии Существующий баланс тепловой мощности и тепловой нагрузки котельных приведен в таблице 5. Балансы тепловой мощности и тепловой нагрузки котельных Таблица 5 Котельные Установленнаямощность,Гкал/ч Располагаемаямощность,Гкал/ч Собственныенужды-Гкал/ч ТепловаямощностьнеттоГкал/ч Присоединеннаятепловаянагрузка,Гкал/ч Резерв(дефицит)мощности(безучетапотерьтепловой энергииисобственныхнужд),Гкал/ч Загрузкакотельной,%отрасполагаемоймощности Потеритепловойэнергии,Гкал/ч Потеритеплоносителя,%ототпущеннойтепловойэнергии Котельная в п. Агрогородок 7,64 7,64 0,104 7,536 5,636 +1,9 73,77 0,814 24,86 Котельная в д. Духанино 0,088 0,088 0,003 0,085 0,082 +0,003 93,18 0,016 12,0 ИТОГО: 7,728 0,107 7,621 5,718 1,903 0,83 Располагаемая мощность котельной поселок Агрогородок – 7,64 Гкал/ч, присоединенная тепловая нагрузка – 5,636 Гкал/ч. Резерв мощности составляет +1,9 Гкал/ч. Котельная оборудована котлами: 3хДКВр-4/13 (установлены в 1983 г.), работающими на природном газе. Котельная работает по температурному графику 95/700 С. Недогрузка котельной отрицательно сказывается на эффективности её работы, повышая себестоимость тепловой энергии за счёт увеличения 33
  • 34.
    удельного расхода топливана выработку тепловой энергии и за счёт увеличения условно постоянных затрат в единице вырабатываемой энергии. Для оценки резерва установленной мощности на перспективу необходимо учитывать, что срок эксплуатации оборудования котельной составляет более 20 лет. Располагаемая мощность котельной в д. Духанино – 0,088 Гкал/ч, присоединенная тепловая нагрузка – 0,085 Гкал/ч. Резерв мощности составляет -0,003 Гкал/ч. Котельная оборудована котлами марки «Pegasys» в количестве 2 штук (установленными в 2002г. и 2006 г.), работающими на природном газе. Котельная работает по температурному графику 95/700 С. Недогрузка котельной отрицательно сказывается на эффективности её работы, повышая себестоимость тепловой энергии за счёт увеличения удельного расхода топлива на выработку тепловой энергии и за счёт увеличения условно постоянных затрат в единице вырабатываемой энергии. ВЫВОД: Котельные ОАО «Истринская теплосеть» Ермолинского сельского поселения работают с резервом мощности. Баланс тепловой мощности, тепловой нагрузки и резерва мощности котельных показан на рисунке 3. 34
  • 35.
    Баланс тепловой мощности,тепловой нагрузки и резерва мощности Рисунок 3 35
  • 36.
    2.4. Перспективные балансытепловой мощности и тепловой нагрузки в перспективных зонах действия источников тепловой энергии Перспективные балансы тепловой мощности и тепловой нагрузки источников по периодам до 2028 г. приведены в таблице 4. Проектом Генплана МОСП Ермолинского Истринского муниципального района Московской области определено развитие застроенной территории до 2028 года как строительство жилых и дачных комплексов частных владельцев с количеством постоянно проживающего населения до 6 тысяч человек, временно проживающего – до 7 тысяч человек, с развитой структурой торгово-развлекательных, спортивно оздоровительных, образовательных коммерческих центров, а также необходимым количеством (согласно нормативов) муниципальных учреждений образования, здравоохранения, культуры и спорта с объектами приложения труда в сфере обслуживания, а также промышленно развитых соседних территорий: Истринского городского поселения, и других поселений. Исходя из этого, прирост населения до 2028 года должен составить около 4000 человек. Жилищный фонд в среднем должен составить 72000 м2 . Необходимо учитывать, что заселение будет происходить не только в многоквартирные капитальные дома, но и в индивидуальные жилые постройки с автономной системой теплоснабжения. В связи с этим расчетное число жителей многоквартирной застройки возьмем 2000 человек. Расчет расхода тепла на отопление зданий (жилой фонд) QOT.max = a . Vн . q . (ti - tн). (1+Ки) . 10-6 , Гкал/час, a – поправочный коэффициент Vн – строительный объем отапливаемой части здания, м3 (72000 м2 . 3 м = 216000 м3 ) q0 – удельная тепловая характеристика здания на отопление, ккал/час. м3.0 С ti – усредненная внутренняя температура помещений, 0 С tн – расчетная отопительная температура наружного воздуха, 0 С Ки – расчетный коэффициент инфильтрации 36
  • 37.
    QOT.max = 1,032х 216000 х 0,35(20+28)(1+0,101)10-6 = 4,123 Гкал/час Расчет расхода тепла на горячее водоснабжение зданий (жилой фонд) Qh hr = qh hr,u . N(60-tc)(1+Кпт)10-6 qh hr,u – норма расхода горячей воды в час наибольшего потребления N – количество жителей tc – температура холодной водопроводной воды, принимается равной +50 С в отопительный период Кпт – коэффициент, учитывающий тепловые потери трубопроводами местных систем горячего водоснабжения, принимается равным 0,3 Qh hr = 10 х 2000(60-8)(1+0,3)10-6 = 1,352 Гкал/час ВЫВОД: Из числа планируемых мощностей (28,0 Гкал/час) к 2028 году необходимо зарезервировать на обеспечение многоквартирного жилого фонда тепловой энергией 5,475 Гкал/час. 37
  • 38.
  • 39.
    Перспективные балансы тепловоймощности источников тепловой энергии по периодам Таблица 6 Этап 2013-2015 2015-2028 Источник Установ ленная/р асполага емая мощност ь, Гкал/ч Тепловая мощност ь нетто, Гкал/ч Тепловы е потери в сетях (по результа там расчёта), Гкал/ч Подключ енная нагрузка, Гкал/ч Резерв (+)/ дефицит( -) тепловой мощност и Установ ленная/р асполага емая мощност ь, Гкал/ч Тепловая мощност ь нетто, Гкал/ч Тепловы е потери в сетях (по результа там расчёта), Гкал/ч Подключ енная нагрузка, Гкал/ч Резерв (+)/ дефицит( -) тепловой мощност и Котельная № 1 в п. Агрогородок 7,64 6,826 0,814 5,636 +1,9 7,64 6,826 0,814 5,636 +1,19 Котельная № 2 в п. Агрогородок - - - - 0 12,0 11,16 0,84 11,0 +0,16 Котельная в д. Духанино 0,088 0,072 0,016 0,085 +0,003 0,088 0,072 0,016 0,085 +0,095 Котельная в д. Рычково - - - - 0 16,0 14,88 1,12 14,0 +0,88 Итого 7,728 6,898 0,83 5,721 +1,903 35,728 32,938 2,79 30,721 +2,233 ВЫВОД: Для развития сельского поселения Ермолинское в рамках Генерального плана до 2028 года необходимо: 1. Построить капитальную котельную № 2 в п. Агрогородок с установленной мощностью 12,0 Гкал/час. 2. Построить капитальную котельную в д. Рычково с установленной мощностью 16,0 Гкал/час. 39
  • 40.
    3 Перспективные балансытеплоносителя Водоподготовка предполагает обработку воды для питания паровых и водогрейных котлов, систем теплоснабжения и горячего водоснабжения, а также контроль качества воды и пара. В настоящее время водоснабжение сельского поселения осуществляется из подземных источников. В основном используется Подольско-Мячковский и Каширский водоносные горизонты. Качество воды соответствует требованиям СанПиН по питьевой воде. Наиболее крупный водозаборный узел (ВЗУ) на территории поселения расположен в п. Агрогородок. В составе ВЗУ имеется 2 скважины. Наиболее крупным потребителем является МУП «Ермолинское РЭП ЖКХ», которое осуществляет водоснабжение населенных пунктов Андреевское, Холмы, Сокольники, Духанино, Огниково, Алексино, Дарна, Полевшина. В настоящее время на котельных с. п. Ермолинское предусмотрена водоподготовка подпиточной воды только в п. Агрогородок. Основные характеристики оборудования приведены в таблице 6.1 Технические характеристики основного оборудования Таблица 6.1 № п/п Наименование оборудования, тип или марка Техническая характеристика Количество 1. Фильтр натрий-катионитный 1 ступени D=1,0 м, F=0,785 м2 , Н=2,0 м, V=1,57 м3 3+2 2. Фильтр натрий-катионитный 2 ступени D=1,0 м, F=0,785 м2 , Н=2,0 м, V=1,57 м3 2+2 3. Насос солевой Х-8/18-п-1-52 Q=8 м3 /час Н=18 м в. ст. 2 4. Резервуар мокрого хранения соли Объем V=10 м3 2 ячейки 5. Бак-мерник соли V=2,8 м3 2 6. Деаэраторный бак V=15 м3 2 7. Деаэрационная колонка Q=15 м3 /час 2 8. Охладитель выпара ОВА F=2 м2 1 9. Гидрозатвор L=5 м, d=100 мм 1 10. Насос исходной воды Q=30 м3 /час, Н=34,8 м в.ст. 2 11. Регулятор уровня, регулятор 1 40
  • 41.
    давления 12. Охладитель пробF=0,2 м2 2 13. Теплообменник 1 ступени F=1,6 м2 1 14. Теплообменник 2 ступени F=2 м2 1 Существующие балансы производительности водоподготовительных установок Таблица 6.2 Показатели Котельная п. Агрогородок Котельная д. Духанино Располагаемая мощность, Гкал/ч 7,64 0,088 Подключенная нагрузка, Гкал/ч 5,636 0,085 Расход сетевой воды, м3 /ч 225,44 - Объем тепловой сети, м3 61,33 - Максимальный расход воды на подпитку тепловой сети, в том числе: м3 /ч 0,26 - м3 /сут 5416,8 - ВЫВОД: Для осуществления водоподготовки подпиточной воды и химводоподготовки на существующих и планируемых к строительству котельных необходимо смонтировать автоматические установки умягчения воды непрерывного действия, где производительность будет зависеть от объема присоединенных сетей Перспективные балансы производительности водоподготовительных установок теплоносителя для тепловых сетей в зонах действия систем теплоснабжения и источников тепловой энергии приведены в таблице 7. 41
  • 42.
    Перспективные балансы производительностиводоподготовительных установок Таблица 7 Показатели Котельная д. Агрогородок № 1 Котельная д. Агрогородок № 2 Котельная д. Духанино Котельная д. Рычково 2013- 2015 2015- 2028 2013- 2015 2015- 2028 2013- 2015 2015- 2028 2013- 2015 2015- 2028 Располагаемая мощность, Гкал/час 7,64 7,64 0 12,0 0,088 0,088 0 16,0 Подключенная нагрузка, Гкал/час 5,636 5,636 0 11,0 0,085 0,085 0 14,0 Расход сетевой воды, м3 /ч 225,44 225,44 0 440,0 3,4 3,4 0 560,0 Объем тепловой сети, м3 61,33 61,33 0 119,69 0,92 0,92 0 152,34 Максимальный расход воды на подпитку тепловой сети, в том числе: м3 /ч 0,26 0,26 0 0,51 0,004 0,004 0 0,68 м3 /сутки 5416,8 5416,8 0 10572,24 81,696 81,696 0 13456,32 42
  • 43.
  • 44.
    4 Предложения построительству, реконструкции и техническому перевооружению источников тепловой энергии 4.1. Предложения по строительству источников теплоснабжения При разработке предложений по реконструкции, техническому перевооружению источников тепловой энергии и тепловых сетей определяющим критерием принято надежное, качественное и экономически эффективное энергоснабжение потребителей. Учитывая, что Генеральным планом в Ермолинском сельском поселении предусмотрено изменение существующей схемы теплоснабжения, теплоснабжение перспективных строительных объектов планируемых в деревнях поселения, предлагается осуществлять после реконструкции существующей котельной в д. Духанино и строительства двух новых капитальных котельных. Теплоснабжение перспективных объектов, которые планируется разместить вне зоны действия существующих и планируемых котельных, предлагается осуществить от автономных источников. ВЫВОД: Для обеспечения исполнения Генерального плана сельского поселения Ермолинское необходимо строительство двух новых капитальных котельных с подводом новых сетей отопления и горячей воды к планируемым объектам строительства в населенных пунктах Агрогородок и Рычково. 4.2. Предложения по реконструкции и техническому перевооружению источников тепловой энергии В связи с тем, что срок эксплуатации оборудования котельной пос. Агрогородок составляет более 20 лет, оно морально и физически устарело, износ тепловой сети составляет 80%, система теплоснабжения разбалансирована. 44
  • 45.
    Рассматривая данный вопросс технико-экономической стороны можно сформировать основные направления дальнейшего развития системы: • Реконструкция существующей котельной с установкой новых, более современных и экономичных котлов с мощностью, соответствующей перспективам развития сельского поселения; • Восстановление изоляции тепловой сети; • Частичная замена тепловой сети. Предложения по реконструкции и техническому перевооружению существующих источников тепловой энергии с разбивкой по этапам приведены в таблице 8. Предложения по реконструкции и техническому перевооружению существующих источников тепловой энергии Таблица 8 Мероприятие Этап по годам 1. Установка новых котлов в существующей котельной п. Агрогородок 2017 – 2018 г. 2. Проведение режимной наладки системы теплоснабжения на котельной д. Духанино 2018 – 2020 г. Сравнительные характеристики существующих и перспективных нагрузок, температурные графики отпуска тепловой энергии для каждого источника представлены в таблице 9. 45
  • 46.
  • 47.
    Сравнительные характеристики существующихи перспективных нагрузок Таблица 9 Этап Существующее положение 2014-2020 2020-2028 Источник Устано вленна я/распо лагаем ая мощно сть, Гкал/ч Подклю ченная нагрузка , Гкал/ч Темпер атурны й график отпуск а теплов ой энерги и Источник комбинирова нной выработки тепловой и электрическо й энергии Установле нная/распо лагаемая мощность, Гкал/ч Подключ енная нагрузка, Гкал/ч Установ ленная/р асполага емая мощност ь, Гкал/ч Подключ енная нагрузка, Гкал/ч Темпе ратурн ый график отпуск а теплов ой энерги и Источник комбинирован ной выработки тепловой и электрической энергии Котельная № 1 п. Агрогородок (сущ.) 7,64 5,636 95/70 Источник комбинирова нной выработки тепловой и электрическо й энергии отсутствует 7,64 5,636 7,64 7,0 95/70 Источник комбинирован ной выработки тепловой и электрической энергии отсутствует Котельная д. Духанино (сущ.) 0,088 0,085 0,088 0,085 0,088 0,085 Котельная п. Агрогородок (план) 0 0 12,0 11,0 12,0 11,0 Котельная д. Рычково (план) 0 0 0 0 16,0 14,0 ВЫВОД: Предполагаемые мероприятия по строительству, реконструкции, техническому перевооружению источников тепловой энергии и тепловых сетей позволят получить резервы мощности и повысить надежность теплоснабжения. 47
  • 48.
    5 Предложения построительству и реконструкции тепловых сетей По данным Ермолинского сельского поселения износ тепловых сетей составляет от 80 %. Рассматривая данный вопрос с технико-экономической стороны можно сформировать основные направления дальнейшего развития системы теплоснабжения сельского поселения: • Восстановление изоляции тепловой сети; • Частичная замена тепловой сети. Предложения по реконструкции и замене тепловой сети с разбивкой по этапам приведены в таблице 10. Предложения по реконструкции и замене тепловой сети Таблица 10 Мероприятия Этап по годам Балансировка внутренних систем теплопотребления зданий 2014-2020 г. Модернизация тепловых узлов потребителей 2020-2028 г. Наладка системы теплоснабжения д. Духанино и п. Агрогородок 2014-2020 г. Промывка приборов отопления в зданиях 2014-2020 г. Привести в соответствие диаметры сопел элеваторов с расчетными параметрами 2020-2028 г. Привести в соответствие коэффициент смешения 2020-2028 г. Восстановление изоляции тепловой сети 2014-2020 г. Частичная замена тепловой сети 2014-2028 г. Результаты моделирования фактического режима тепловой сети сельского поселения Ермолинское пьезометрический график до определяющего потребителя приведены в Приложении 1 и таблице 11. 48
  • 49.
    Результаты моделирования фактическогорежима Таблица 11 Параметр Агрогородо к Духанино Расчетная температура в подающем трубопроводе, °С 105 95 Расчетная температура холодной воды, °С 8 8 Расчетная температура наружного воздуха, °С -28 -28 Текущая температура воды в подающем тру-де, °С 105 95 Текущая температура наружного воздуха, °С -28 -28 Расчетная нагрузка на отопление, Гкал/ч 5,676 0,088 Текущая нагрузка на отопление, Гкал/ч 3,226 0,085 Температура на выходе из источника, °C 105 95 Текущая температура воды в обратном тр-де, °С 70 70 Расход сетевой воды на СО, т/ч 225,44 3,4 Суммарный расход сетевой воды в под. тр., т/ч 226,68 3,405 Расход воды на утечку из сис. теплопотреб., т/ч 0,98 0,004 Расход воды на подпитку, т/ч 0,26 0,001 Тепловые потери в тепловых сетях, Гкал/ч 0,814 0,016 Предполагаемые мероприятия по реконструкции, техническому перевооружению источников тепловой энергии, частичной замене тепловой сети в сельском поселении Ермолинское позволят повысить уровень надёжности теплоснабжения потребителей. Для дальнейшего повышения надёжности систем теплоснабжения в случае возникновения аварийных ситуаций необходимо предусмотреть следующие мероприятия: • спуск сетевой воды из систем теплоиспользования у потребителей, распределительных тепловых сетей; • прогрев и заполнение тепловых сетей и систем теплоиспользования потребителей во время и после окончания ремонтно- восстановительных работ; • проверку прочности элементов тепловых сетей в экстремальных условиях на достаточность запаса прочности оборудования и компенсирующих устройств. 49
  • 50.
    6 Перспективные топливныебалансы 6.1. Существующие топливные балансы Топливный баланс является комплексным материальным балансом, охватывающим совокупность взаимозаменяемых топливных ресурсов. Данный баланс увязывает в единое целое частные балансы различных видов топлива, дает характеристику общего объема, распределения и использования. Существующий топливный баланс источников тепловой энергии с указанием видов и количества основного топлива приведен в таблице 12. Существующие топливные балансы источников тепловой энергии Таблица 12 Основное оборудование Котельная п. Агрогородок Котельная д. Духанино 3хДКВр-4/13 2х«Pegasys» Основное топливо Природный газ Низшая теплота сгорания топлива, ккал/кг (ккал/м3 ) 8000 Удельный расход условного топлива на выработку теплоты отпускаемой в тепловую сеть, кг.у.т./Гкал 162,2 158,4 Потребность в условном топливе на производство теплоты, отпускаемой с коллекторов в котельной, т.у.т./год 2580,27 35,97 Потребность в натуральном топливе на производство теплоты, отпускаемой с коллекторов в котельной, тыс.м3/ год, тнт/год 2257,454 31,553 Резервное, аварийное топливо – ВЫВОД: Все котельные обеспечены топливом в полном объеме. На котельных отсутствует резерв топлива. 50
  • 51.
    Диаграмма потребления условноготоплива котельными показана на рисунке 10. Потребление условного топлива котельными Рисунок 10 6.2. Перспективные топливные балансы Перспективные топливные балансы источников тепловой энергии до 2028 г. приведены в таблице 13. В перспективных топливных балансах учтено увеличение тепловой нагрузки за счёт подключения объектов перспективного строительства. Изменение тепловой нагрузки, связанное с отключением потребителей или повышения энергоэффективности зданий не отражено. 51
  • 52.
    Перспективные топливные балансыисточников тепловой энергии Таблица 13 Этап 2014-2020 г 2020-2028 г Источник Выработка, Гкал/час Полезный отпуск, Гкал/час Норма расхода топлива на выработку 1 Гкал, кг у.т. Годовой расход основного топлива котельной, тыс.м3 Выработка, Гкал Полезный отпуск, Гкал Норма расхода топлива на выработку 1 Гкал, кг у.т. Годовой расход основного топлива котельной, тыс.м3 Котельная № 1 п. Агрогородок (сущ.) 7,64 Гкал/час 3,37 2,47 162,2 2557,454 3,37 2,47 162,2 2557,454 Котельная № 2 п. Агрогородок (план.) 12,0 Гкал/час 6,1 5,4 162,2 5710,5 6,1 5,4 162,2 5710,5 Котельная д. Духанино (сущ.) 0,088 Гкал/час 0,04 0,03 158,4 31,553 0,04 0,03 158,4 31,553 Котельная д. Рычково (план) 16,0 Гкал/час 0 0 0 0 8,2 7,32 156,7 6089,9 Принято, что основное топливо – природный газ с теплотворной способностью 8000 ккал/м3 . 52
  • 53.
    7 Инвестиции встроительство, реконструкцию и техническое перевооружение 7.1. Обоснование инвестиций в строительство, реконструкцию и техническое перевооружение Оценка стоимости мероприятий по реконструкции, техническому перевооружению источников тепловой энергии и тепловых сетей на обследуемых объектах Ермолинского сельского поселения выполнена на основании проектов - аналогов, данных фирм - поставщиков и фирм - изготовителей оборудования и предварительных укрупненных сметных расчетов. Расчет выполнен в текущих ценах 2013 г. Инвестиции в реконструкцию, техническое перевооружение по этапам приведены в таблице 14. Основная доля капитальных вложений приходится на 2020-2028 гг. Необходимый объём финансирования в ценах 2013г. по этапам и на весь период составляет: Этап I 10 млн. руб. Этап II 120 млн. руб. __________________________________________ 130 млн. руб. Источники финансирования мероприятий по повышению качества и надёжности теплоснабжения и подключения строящихся объектов: • региональный и муниципальный бюджет; • кредиты; • собственные средства. 53
  • 54.
  • 55.
    Оценка инвестиций вновое строительство, реконструкцию и техническое перевооружение по этапам, тыс. руб. Таблица 14 Объекты Виды работ Итого, тыс. руб. Проектно - изыскател ьские работы Технич еские услови я и согласо вания Закупка оборудо вания Строител ьно- монтажн ые работы Пуско- наладочн ые работы Этап I 2013-2020 гг. Источник теплоснабжения Котель ные Строительс тво Модернизац ия 1500 3500 1500 1000 6000 Инженерные коммуникации в т. ч. : - модернизация тепловых узлов 1500 500 500 2500 - режимная наладка системы теплоснабжения 1000 250 250 1500 Тепловые сети Монтаж** Демонтаж ИТОГО: 10000 Этап II 2020-2028 гг. Источник теплоснабжения Котель ные Строительс тво 5000 5000 50000 20000 10000 90000 Модернизац ия Инженерные коммуникации Тепловые сети Монтаж** 4000 4000 12000 5000 5000 30000 Демонтаж ИТОГО: 120000 *http://www.tefaf.ru/boiler_modul/index.html ** подземная прокладка 55
  • 56.
    8 Решение обопределении единой теплоснабжающей организации Статус единой теплоснабжающей организации присваивается органом местного самоуправления или федеральным органом исполнительной власти при утверждении схемы теплоснабжения сельского поселения. Границы зон деятельности единой теплоснабжающей организации, определяются границами системы теплоснабжения, в отношении которой присваивается соответствующий статус. Единая теплоснабжающая организация при осуществлении своей деятельности обязана: а) заключать и надлежаще исполнять договоры теплоснабжения со всеми обратившимися к ней потребителями тепловой энергии в своей зоне деятельности; б) осуществлять мониторинг реализации схемы теплоснабжения и подавать в орган, утвердивший схему теплоснабжения, отчеты о реализации, включая предложения по актуализации схемы теплоснабжения; в) надлежащим образом исполнять обязательства перед иными теплоснабжающими и теплосетевыми организациями в зоне своей деятельности; г) осуществлять контроль режимов потребления тепловой энергии в зоне своей деятельности. В Ермолинском сельском поселении единая теплоснабжающая организация - ОАО «Истринская теплосеть» 56
  • 57.
    9 Решения побесхозяйным тепловым сетям Бесхозяйные сети отсутствуют. 57
  • 58.
    10 Библиографический список 1.Постановление правительства РФ от 22 февраля 2012г. № 154 «О требованиях к схемам теплоснабжения, порядку их разработки и утверждения» 2. Методические рекомендации по оценке эффективности инвестиционных проектов. 3. Методические указания по расчету уровня надёжности и качества поставляемых товаров, оказываемых услуг для организаций, осуществляющих деятельность по производству и (или) передаче тепловой энергии. 4. Топливный баланс 2012-2013гг. 5. СНиП 23-02-2003 "Тепловая защита зданий" 6. Постановление Правительства Российской Федерации "Об утверждении правил организации теплоснабжения". 7. Методические рекомендации по разработке инвестиционных программ организаций коммунального комплекса. 8. СО 153-34.17.469-2003. Инструкция по продлению срока безопасной эксплуатации паровых котлов с рабочим давлением до 4.0 МПа включительно и водогрейных котлов с температурой воды выше 115С. 9. Методика определения потребности в топливе, электрической энергии и воде при производстве и передаче тепловой энергии и теплоносителей в системах коммунального теплоснабжения. 10.Инструкция об организации в Минэнерго России работы по расчету и обоснованию нормативов создания запасов топлива на тепловых электростанциях и котельных. 11.СНиП II-35-76. Котельные установки. 12.Обоснование расчета удельных показателей расхода тепла на отопление разноэтажных жилых зданий. К своду правил по проектированию и строительству городских тепловых сетей, разрабатываемых в развитие СНиП 41-02-2003 «Тепловые сети». 58
  • 59.
    11 Техническое задание Своднаядокументация «Схема теплоснабжения» муниципального образования, включающая в себя: 1. Существующее положение в сфере производства, передачи и потребления тепловой энергии для целей теплоснабжения 2. Перспективное потребление тепловой энергии на цели теплоснабжения 3. Электронная модель системы теплоснабжения 4. Предложения по строительству, реконструкции и техническому перевооружению источников тепловой энергии 5. Предложения по строительству и реконструкции тепловых сетей и сооружений на них 6. Перспективные балансы тепловой мощности источников тепловой энергии и тепловой нагрузки 7. Перспективные балансы производительности водоподготовительных установок и максимального потребления теплоносителя теплопотребляющими установками потребителей, в том числе аварийных режимах 8. Перспективные топливные балансы 9. Оценка надежности теплоснабжения 10. Обоснование инвестиций в строительство, реконструкцию и техническое перевооружение 11. Обоснование предложения по определению единой теплоснабжающей организации. 59
  • 60.
  • 61.
  • 62.
  • 63.
  • 64.
  • 65.
  • 66.
  • 67.
  • 68.
  • 69.
  • 70.
  • 71.
  • 72.
  • 73.
  • 74.
  • 75.
  • 76.
  • 77.
  • 78.
    На территории сельскогопоселения имеются также частные котельные, не принадлежащие ОАО «Истринская теплосеть», но входящие в общую схему теплоснабжения поселения. Мощности приведенных в таблице котельных могут позволить присоединить нагрузку равную 4,68 Гкал/час. № п/п Наименование котельной Место нахождения Котлы, марка Номинальная мощность Присоед. мощность Список потребителей 1. Котельная Московская область, Истринский район, д. Алексино 3 котла КВа-0,5ЭГ 1,5Гкал/час 1,0 Гкал/час ОАО «Ростелеком» - 0,6 Гкал/час 2 многоквартирных дома – 0,4 Гкал/час 2. Котельная Московская область, Истринский район, п. Огниково 2 котла ДКВр-4/13 4,6 Гкал/час 2,3 Гкал/час ОАО «Огниково» - 1,6 Гкал/час 3 многоквартирных дома – 0,7 Гкал/час 3. Котельная Московская область, Истринский район, д. Сокольники 4 котла «Универсал» 2,4 Гкал/час 1,2 Гкал/час Коррекционная школа № 15 – 0,8 Гкал/час 2 многоквартирных дома – 0,4 Гкал/час 4. Котельная Московская область, Истринский район, п. Полевшина 2 котла К-500 0,85 Гкал/час 0,55 Гкал/час ГБОУ ВПО «МГПУ» - 0,38 Гкал/час 2 многоквартирных дома – 0,17 Гкал/час 5. Котельная № 33/09 Московская область, Истринский район, д. Рычково 2 котла ЗИО-60 0,76 Гкал/час 0,38 Гкал/час в/ч 51916 – 0,23 Гкал/час 6 многоквартирных домов – 0,15 Гкал/час 78
  • 79.
    Вывод: При условии договоренностиорганов местного самоуправления с организациями, на балансе которых находятся вышеперечисленные котельные можно создать резерв мощности для строительства жилищного фонда и инфраструктуры сельского поселения Ермолинское. В деревне Рычково при строительстве новой котельной мощностью 16,0 Гкал/час по общему согласованию можно объединить строящиеся тепловые сети с существующими тепловыми сетями, принадлежащими Министерству Обороны для создания резервного аварийного трубопровода. 79
  • 80.
    Расположение котельных с.п.Ермолинское не состоящих на балансе ОАО «Истринская теплосеть» 80
  • 81.
  • 82.
  • 83.
  • 84.
  • 85.
  • 86.
  • 87.
  • 88.
  • 89.
  • 90.
  • 91.
  • 92.
  • 93.
  • 94.
  • 95.
  • 96.
  • 97.
  • 98.
  • 99.
  • 100.