8 CANDITATE QUIZZ BUZZERS
ABSTRACT:
The quiz buzzer systems are widely used in school, colleges and
TV programs. The team which presses the buzzer earliest is entitled to
give the answer. At times it becomes very difficult to identify which
team has pressed the button when two teams press the buzzer within a
very small time gap. In such cases the decision can be biased due to
human intervention. The quiz buzzer presented here takes care of the
aforesaid problem. This quiz buzzer disables the other inputs as soon
as the first buzzer is pressed. This quiz buzzer can be used for a
maximum of eight teams. It is build around pic (PERIPHERAL
INTERFACE CONTROLLER) microcontroller.

In the buzzer round of quiz contests, the question is thrown
open to all the teams. The person who knows the answer hits the
buzzer first and then answers the question. Sometimes two or more
players hit the buzzer almost simultaneously and it is very difficult to
detect which of them has pressed the buzzer first. In television shows,
where the whole event is recorded, the actions are replayed in slow
motion to detect the first hit. Such slow motions are possible only
where huge funds are available to conduct the show.
For this reason buzzer rounds are avoided for quiz contests held in
colleges. This project is an electronic quiz buzzer that is affordable by
the colleges and even individuals. This project is useful for an 8-team
quiz contest, although it can be modified for more number of teams.
This system is sensitive. The circuit can detect and record the first hit
contestant among all the contestants that may appear to be
simultaneous. This project not only monitors the fastest finger, but
also evaluates the performance of the contestants by saving marks of
all participants in microcontroller registers as per Quiz Masters
guidance.
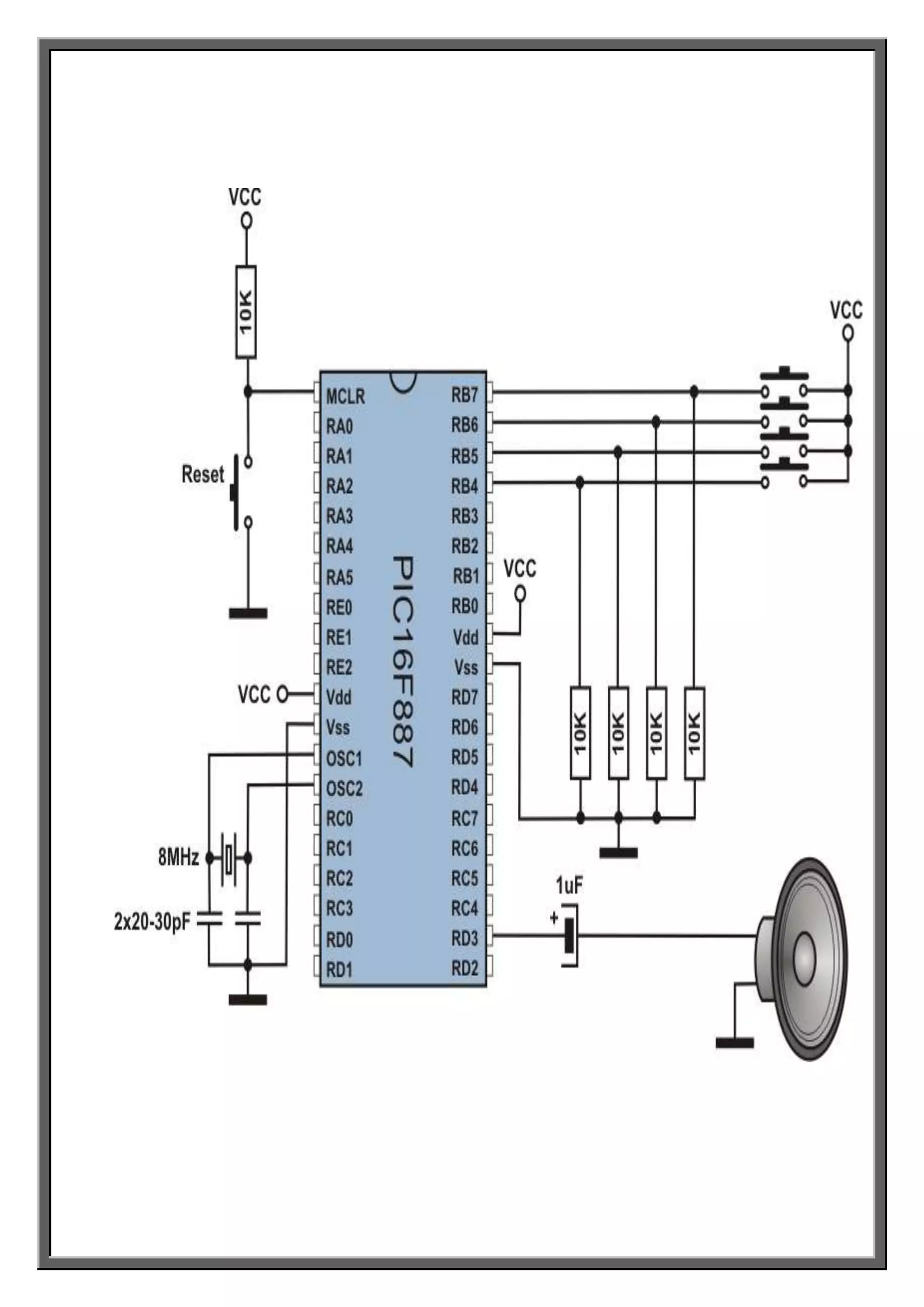
WORKING:
This project uses PIC 16F877A microcontroller. Quiz master
can justify the answer by incrementing / decrementing the marks of
particular team. Finally the quiz master can close the contest and he
can display the marks obtain by individual teams and winner details.
Once the hit of a team is registered, all the buttons are automatically
disabled. Even if any contestant tries to press the answer switch, the
system will not respond. A buzzer is provided for audio indication of
the switch bounce. Whenever a switch is bounced for answering, the
system acknowledges the fastest bounced switch by a short beep
sound. This buzzer possesses the timing about 1.30 sec (1500 ms).
This project uses regulated 9V battery. The stretch is connected
on port B, and the LED is connected to the port D. To check first
buzzer bounces while condition is used.
PIC 16F877A:
COMPONENTS USED:













Bread board
Pic 16f877a
9v battery
Piezzo buzzer
9 push buttons
Led
Registers
Capacitor
Crystal oscillator 12MHz
Connecting wires
Capacitor
Regulators
REFERENCE CIRCUIT:
PROGRAM:
<html>
<script language="JavaScript">
function lock(clicked){
if(document.getElementById("btn1")!=cli…
document.getElementById("btn1").disabled…
if(document.getElementById("btn2")!=cli…
document.getElementById("btn2").disabled…
if(document.getElementById("btn3")!=cli…
document.getElementById("btn3").disabled…
if(document.getElementById("btn4")!=cli…
document.getElementById("btn4").disabled…
}
</script>
<button id="btn1" value="player1" onclick="lock(this)"
/>
<button id="btn2" value="player2" onclick="lock(this)"
/>
<button id="btn3" value="player3" onclick="lock(this)"
/>
<button id="btn4" value="player4" onclick="lock(this)"
/>
</html>
PUSH BUTTON:

BLOCK DIAGRAM:

9V
BATTERY
B

P
LED
I
C
1

PIEZZO
BUZZER

6
F

LED
LED
LED
LED

8
PUSH BUTTON

7
7
A

LED
LED
LED

Quizz buzzer by DIVYA S

  • 1.
    8 CANDITATE QUIZZBUZZERS ABSTRACT: The quiz buzzer systems are widely used in school, colleges and TV programs. The team which presses the buzzer earliest is entitled to give the answer. At times it becomes very difficult to identify which team has pressed the button when two teams press the buzzer within a very small time gap. In such cases the decision can be biased due to human intervention. The quiz buzzer presented here takes care of the aforesaid problem. This quiz buzzer disables the other inputs as soon as the first buzzer is pressed. This quiz buzzer can be used for a maximum of eight teams. It is build around pic (PERIPHERAL INTERFACE CONTROLLER) microcontroller. In the buzzer round of quiz contests, the question is thrown open to all the teams. The person who knows the answer hits the buzzer first and then answers the question. Sometimes two or more players hit the buzzer almost simultaneously and it is very difficult to detect which of them has pressed the buzzer first. In television shows, where the whole event is recorded, the actions are replayed in slow motion to detect the first hit. Such slow motions are possible only where huge funds are available to conduct the show. For this reason buzzer rounds are avoided for quiz contests held in colleges. This project is an electronic quiz buzzer that is affordable by the colleges and even individuals. This project is useful for an 8-team quiz contest, although it can be modified for more number of teams. This system is sensitive. The circuit can detect and record the first hit contestant among all the contestants that may appear to be simultaneous. This project not only monitors the fastest finger, but also evaluates the performance of the contestants by saving marks of all participants in microcontroller registers as per Quiz Masters guidance.
  • 2.
    WORKING: This project usesPIC 16F877A microcontroller. Quiz master can justify the answer by incrementing / decrementing the marks of particular team. Finally the quiz master can close the contest and he can display the marks obtain by individual teams and winner details. Once the hit of a team is registered, all the buttons are automatically disabled. Even if any contestant tries to press the answer switch, the system will not respond. A buzzer is provided for audio indication of the switch bounce. Whenever a switch is bounced for answering, the system acknowledges the fastest bounced switch by a short beep sound. This buzzer possesses the timing about 1.30 sec (1500 ms). This project uses regulated 9V battery. The stretch is connected on port B, and the LED is connected to the port D. To check first buzzer bounces while condition is used.
  • 4.
  • 5.
    COMPONENTS USED:             Bread board Pic16f877a 9v battery Piezzo buzzer 9 push buttons Led Registers Capacitor Crystal oscillator 12MHz Connecting wires Capacitor Regulators
  • 6.
  • 7.
  • 8.