Embed presentation
Download as PDF, PPTX

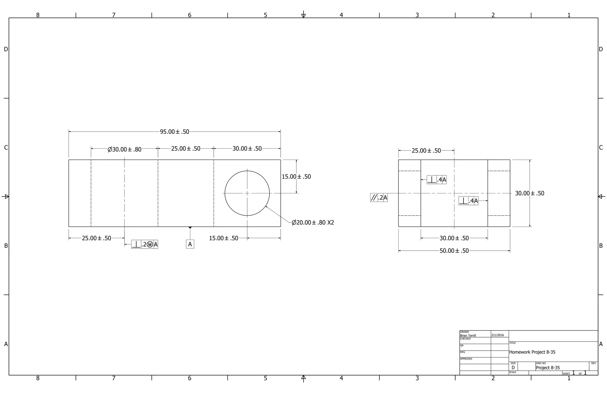
This engineering drawing shows the details for a Homework Project 8-35, including dimensions for 8 different parts labeled A through D. It was drawn by Brian Terrill on February 1st, 2016 for a project measuring 95 inches by 50 inches.
