Embed presentation
Download to read offline







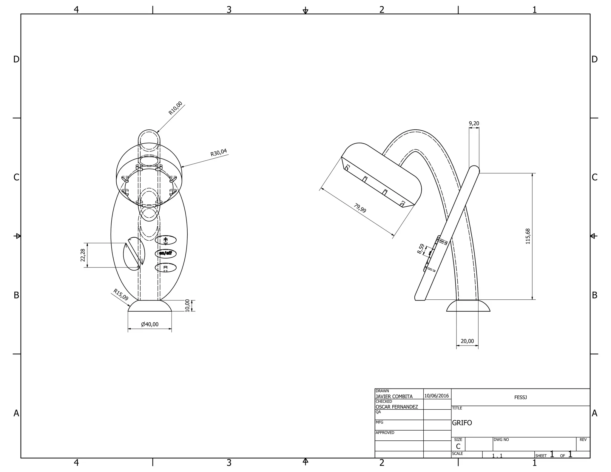
The document contains engineering drawings for a faucet or tap including dimensions and specifications. There are three sheets showing different views of the faucet with labels for parts and scales. The drawings include details like dimensions, tolerances, titles, dates, and approval signatures.






