COLUMN
FOOTINGS
1
Footing
Introduction
M
P
L
B
P
L
B
2
Footings are structural
elements used to
support columns and
walls and transmit their
loads to the underlying
soil without exceeding
its safe bearing capacity
below the structure.
Column
Beam
Loads
Footing
Soil
TYPES OF FOOTINGS
Isolated Footings
Isolated or single footings are used to support single columns. This is one of the most
economical types of footings and is used when columns are spaced at relatively long
distances.
P
L
B C2
C1
P kN
5
Types of Footing
Wall Footings
Wall footing are used to support structural walls that carry loads for other floors or to
support nonstructural walls.
Wall
Footing
Main reinft.
Secondary reinft
W kN/m
W kN/m
6
Combined Footings
Combined footings are used when two columns are so close that single footings cannot
be used. Or, when one column is located at or near a property line. In such a case, the
load on the footing will be eccentric and hence this will result in uneven distribution of
load to the supporting soil.
P2
P1
P1 kN
P2 kN
C2
C1
C2
C1
L
B
L2
L1 L2
Types of Footing
7
Combined Footings
The shape of combined footing in plan shall be such that the centroid of the foundation
plan coincides with the centroid of the loads in the two columns. Combined footings are
either rectangular or trapezoidal. Rectangular footings are favored due to their
simplicity in terms of design and construction. However, rectangular footings are not
always practicable because of the limitations that may be imposed on its longitudinal
projections beyond the two columns or the large difference that may exist between the
magnitudes of the two column loads. Under these conditions, the provision of a
trapezoidal footing is more economical.
Types of Footing
8
Continuous Footings
Continuous footings support a row of three or more columns
P1
P1 kN
L
B
P2 kN
P3 kN
P4 kN
P2 P3 P4
Types of Footing
9
Strap (Cantilever ) footings
Strap footings consists of two separate footings, one under each column, connected
together by a beam called “strap beam”. The purpose of the strap beam is to prevent
overturning of the eccentrically loaded footing. It is also used when the distance
between this column and the nearest internal column is long that a combined footing
will be too narrow.
P2
P1
P1 kN
C2
C1
C2
C1
B1
P2 kN
B2
L1 L2
Strap Beam
property
line
Types of Footing
10
Mat (Raft) Footings
Mat Footings consists of one footing usually placed under the entire building area. They
are used when soil bearing capacity is low, column loads are heavy and differential
settlement for single footings are very large or must be reduced.
L
B
Types of Footing
11
Pile caps
Pile caps are thick slabs used to tie a group of piles together to support and transmit
column loads to the piles.
P
L
B
Types of Footing
12
Concentrically loaded Footings
• If the resultant of the loads acting at the base
of the footing coincides with the centroid of
the footing area, the footing is concentrically
loaded and a uniform distribution of soil
pressure is assumed in design, as shown in the
figure
Centroidal axis
P
L
P/A
B
L
14
Eccentrically Loaded Footings
• Footings are often designed for both axial load and
moment. Moment may be caused by lateral forces
due to wind or earthquake, and by lateral soil
pressures.
• Footing is eccentrically loaded if the supported
column is not concentric with the footing area or if
the column transmits at its juncture with the footing
not only a vertical load but also a bending moment.
Centroidal axis
P
L
P/A
Pey/I
y
e
M
P
L
P/A
My/I
y
Centroidal axis
16
FOOTINGS WITH
ECCENTRICITY OR
MOMENT
17
18
3
19
In this case, compressive stresses develop over the
entire base of the footing.
21
Large eccentricities cause tensile stresses on part of the base area
of the footing. With the dimensions of the footing established and
the eccentricity of the vertical load known, the distance between
the resultant of the applied load P and the outside edge a can be
established. The length of base on which the triangular
distribution of soil pressure acts is equal to 3a, where
a = L / 2 − e. Equating the resultant of the soil pressure to the
applied forces gives
Design of Eccentrically
Loaded Footing
23
24
Design Procedure:-
1.0 1.0
Check service stresses to ensure pressure is all compressive under the footing
If tension stresses develop, resize the footing
25
1.2 1.6
F = 0.75
The critical section for punching shear is
located at distance d / 2 from column
faces and usually takes the shape of the
column.
Calculate Vu using the volume under the
trapezoidal shaped stress distribution.
27
The critical section for punching shear is located
at distance d /2 from column faces and usually
takes the shape of the column.
28
l = 1.0 for normal weight concrete
29
30
Calculate Mu using the volume under the trapezoidal
shaped stress distribution.
31
Example 1
32
In order to have uniform soil pressure under the
footing, the footing is to be positioned in such a
way to balance the given moment through
shifting the centroid of the footing 0.25 m away
from the centroid of the column.
Continue the design as a concentrically loaded footing supporting
only the axial loads transmitted by the column
34
Example 2
36
38
Pu = 1.2PD + 1.6PL = 69 tons
40
Should use F as 0.75
41
Should use F as 0.75
42
Should use F as 0.75
5
2
5
2
0.85 2 10
1 1
0.85
0.85 250 2 10 0.87
1 1 0.00003
4200 0.85 0.9 250 400 (40.9)
c u
y c w
f M
f f b d


 
 
 
 
    

 
 
 
 
 
  
 
   
 
   
 
 
 
44
THANK
YOU..

presentation of design of footing for columns

  • 1.
  • 2.
    Footing Introduction M P L B P L B 2 Footings are structural elementsused to support columns and walls and transmit their loads to the underlying soil without exceeding its safe bearing capacity below the structure.
  • 3.
  • 4.
  • 5.
    Isolated Footings Isolated orsingle footings are used to support single columns. This is one of the most economical types of footings and is used when columns are spaced at relatively long distances. P L B C2 C1 P kN 5
  • 6.
    Types of Footing WallFootings Wall footing are used to support structural walls that carry loads for other floors or to support nonstructural walls. Wall Footing Main reinft. Secondary reinft W kN/m W kN/m 6
  • 7.
    Combined Footings Combined footingsare used when two columns are so close that single footings cannot be used. Or, when one column is located at or near a property line. In such a case, the load on the footing will be eccentric and hence this will result in uneven distribution of load to the supporting soil. P2 P1 P1 kN P2 kN C2 C1 C2 C1 L B L2 L1 L2 Types of Footing 7
  • 8.
    Combined Footings The shapeof combined footing in plan shall be such that the centroid of the foundation plan coincides with the centroid of the loads in the two columns. Combined footings are either rectangular or trapezoidal. Rectangular footings are favored due to their simplicity in terms of design and construction. However, rectangular footings are not always practicable because of the limitations that may be imposed on its longitudinal projections beyond the two columns or the large difference that may exist between the magnitudes of the two column loads. Under these conditions, the provision of a trapezoidal footing is more economical. Types of Footing 8
  • 9.
    Continuous Footings Continuous footingssupport a row of three or more columns P1 P1 kN L B P2 kN P3 kN P4 kN P2 P3 P4 Types of Footing 9
  • 10.
    Strap (Cantilever )footings Strap footings consists of two separate footings, one under each column, connected together by a beam called “strap beam”. The purpose of the strap beam is to prevent overturning of the eccentrically loaded footing. It is also used when the distance between this column and the nearest internal column is long that a combined footing will be too narrow. P2 P1 P1 kN C2 C1 C2 C1 B1 P2 kN B2 L1 L2 Strap Beam property line Types of Footing 10
  • 11.
    Mat (Raft) Footings MatFootings consists of one footing usually placed under the entire building area. They are used when soil bearing capacity is low, column loads are heavy and differential settlement for single footings are very large or must be reduced. L B Types of Footing 11
  • 12.
    Pile caps Pile capsare thick slabs used to tie a group of piles together to support and transmit column loads to the piles. P L B Types of Footing 12
  • 13.
    Concentrically loaded Footings •If the resultant of the loads acting at the base of the footing coincides with the centroid of the footing area, the footing is concentrically loaded and a uniform distribution of soil pressure is assumed in design, as shown in the figure
  • 14.
  • 15.
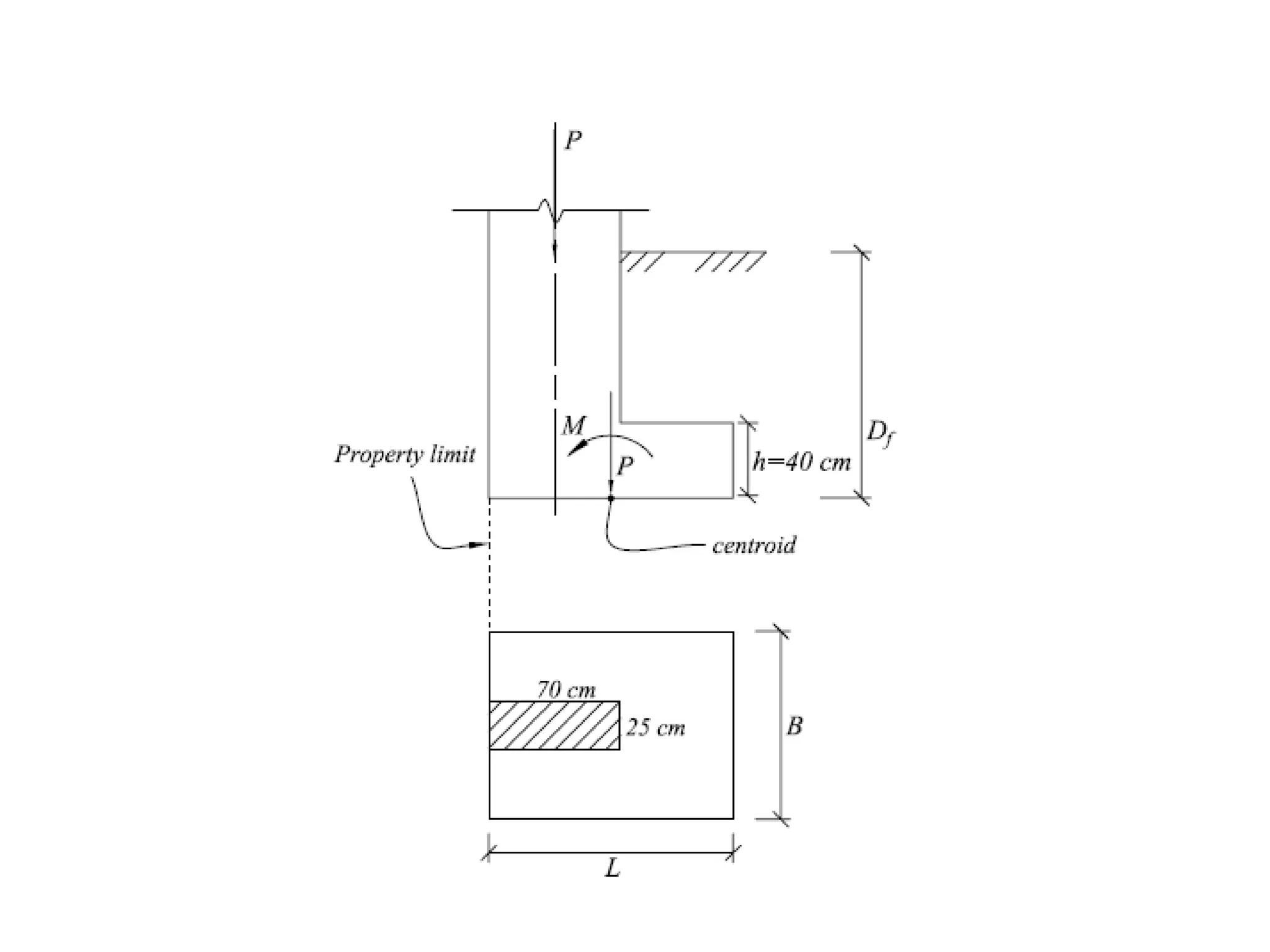
    Eccentrically Loaded Footings •Footings are often designed for both axial load and moment. Moment may be caused by lateral forces due to wind or earthquake, and by lateral soil pressures. • Footing is eccentrically loaded if the supported column is not concentric with the footing area or if the column transmits at its juncture with the footing not only a vertical load but also a bending moment.
  • 16.
  • 17.
  • 18.
  • 19.
    19 In this case,compressive stresses develop over the entire base of the footing.
  • 21.
    21 Large eccentricities causetensile stresses on part of the base area of the footing. With the dimensions of the footing established and the eccentricity of the vertical load known, the distance between the resultant of the applied load P and the outside edge a can be established. The length of base on which the triangular distribution of soil pressure acts is equal to 3a, where a = L / 2 − e. Equating the resultant of the soil pressure to the applied forces gives
  • 23.
  • 24.
    24 Design Procedure:- 1.0 1.0 Checkservice stresses to ensure pressure is all compressive under the footing If tension stresses develop, resize the footing
  • 25.
  • 26.
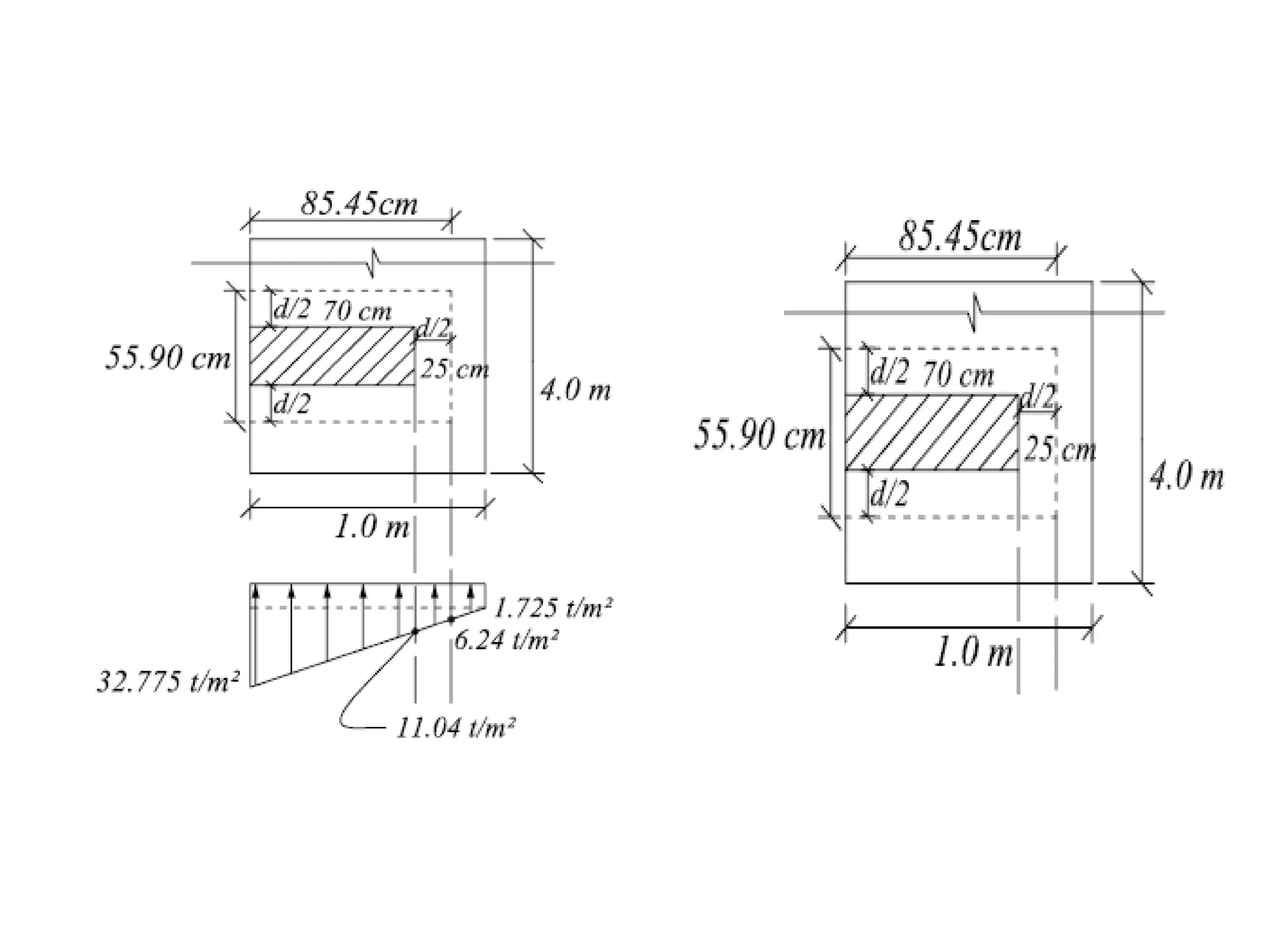
    The critical sectionfor punching shear is located at distance d / 2 from column faces and usually takes the shape of the column. Calculate Vu using the volume under the trapezoidal shaped stress distribution.
  • 27.
    27 The critical sectionfor punching shear is located at distance d /2 from column faces and usually takes the shape of the column.
  • 28.
    28 l = 1.0for normal weight concrete
  • 29.
  • 30.
    30 Calculate Mu usingthe volume under the trapezoidal shaped stress distribution.
  • 31.
  • 32.
    32 In order tohave uniform soil pressure under the footing, the footing is to be positioned in such a way to balance the given moment through shifting the centroid of the footing 0.25 m away from the centroid of the column.
  • 33.
    Continue the designas a concentrically loaded footing supporting only the axial loads transmitted by the column
  • 34.
  • 36.
  • 38.
    38 Pu = 1.2PD+ 1.6PL = 69 tons
  • 40.
  • 41.
  • 42.
  • 43.
    5 2 5 2 0.85 2 10 11 0.85 0.85 250 2 10 0.87 1 1 0.00003 4200 0.85 0.9 250 400 (40.9) c u y c w f M f f b d                                               
  • 44.
  • 45.