Embed presentation
Download to read offline

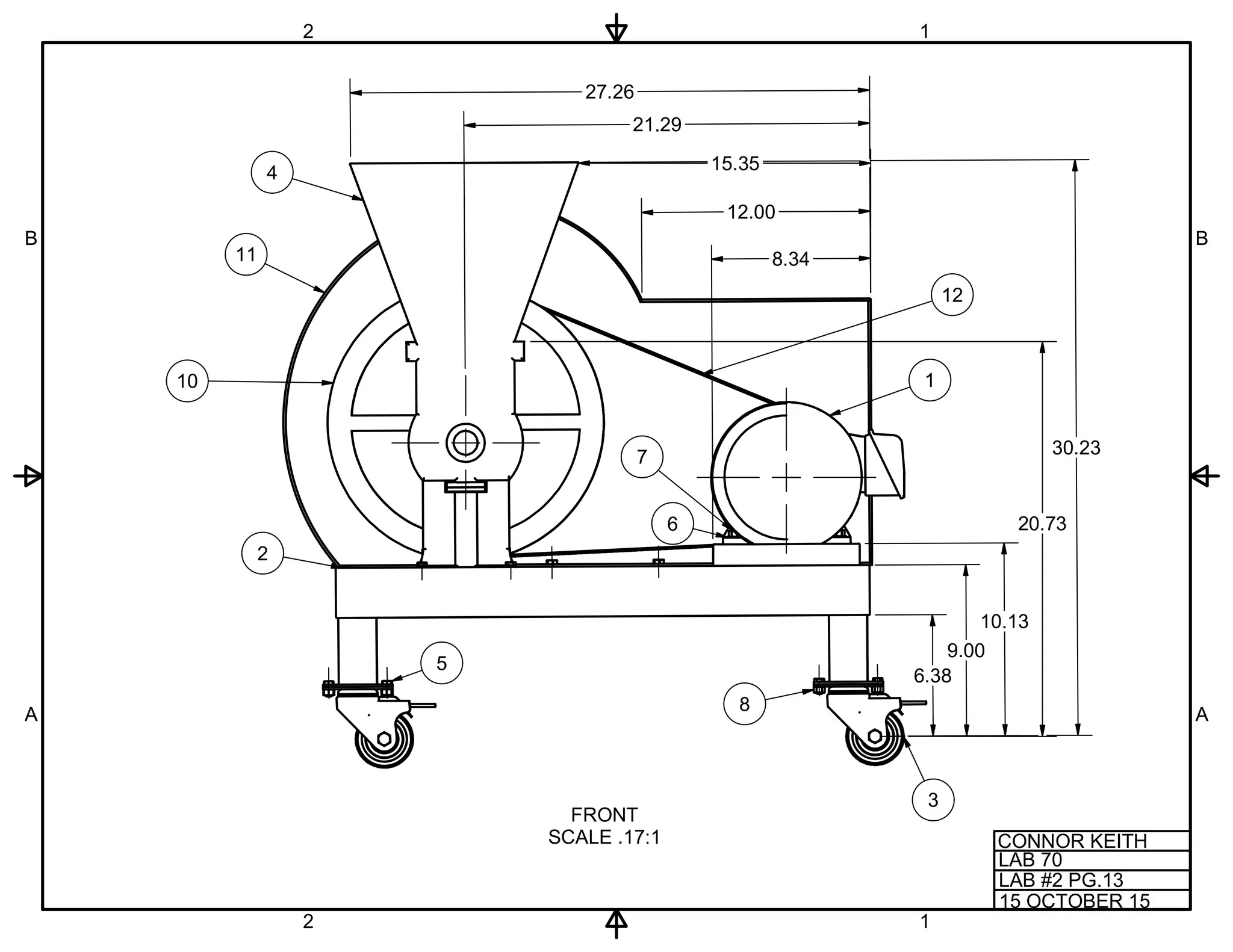
This document appears to be a lab report containing measurements and data from an experiment. It includes a scale, multiple sets of numbered data points, labels for parts A and B, identification of the student and lab, and dates and times alongside numerical values that were likely measured or calculated as part of the lab work.
