Pièces de rechange
Spare parts list
Ersatzteilliste
Catalogo Pezzi di Ricambio
ERPICI A DISCHI
SCHEIBENEGGE
STUBBLE CULTIVATOR
DECHAUMEUR A DISQUES
HR038ATL B
HR038ATL B
05/2013
DISCOVERXL2
C0001>.....
SIGNES CODIFIÉS - STANDARD SYMBOLS - SYMBOLE - SIMBOLI CODIFICATI
OPT
STD
ESP
:
>
RPL
Ø
>|<
<->
<m>
Q?
*
[n]
+[n]
Equipement optionnel
Equipement livré de série
Equipement livré suivant pays
Pour ...
De ... à ...
Remplace ...
Diamètre
Epaisseur
Longueur
Vendu au mètre
Quantité selon besoin
Voir note
Composant d'un
assemblage
Assemblage comprenant
les pièces [n]
OPT
STD
ESP
:
>
RPL
Ø
>|<
<->
<m>
Q?
*
[n]
+[n]
Optional equipment
Equipment supplied as standard
Equipment supplied for specific countries
For ...
From ... to ...
Replaces ...
Diameter
Thickness
Length
Sold by the metre
Quantity as required
See note
Items making up
assembly
Assembly made up
by items [n]
OPT
STD
ESP
:
>
RPL
Ø
>|<
<->
<m>
Q?
*
[n]
+[n]
Sonderausrüstung
Serienausrüstung
Länderabhängige Ausrüstung
Für ...
Von ... bis ...
Ersetzt ...
Durchmesser
Stärke
Länge
Meterware
Stückzahl nach Bedarf
Siehe Nota
Teil einer
Baugruppe
Baugruppe bestehend aus den
mit [n] bezeichneten Teilen
OPT
STD
ESP
:
>
RPL
Ø
>|<
<->
<m>
Q?
*
[n]
+[n]
Attrezzatura opzionale
Attrezzatura fornita di serie
Attrezzatura fornita secondo il paese
Per ...
Da ... A ...
Sostituisce ...
Diametro
Spessore
Lunghezza
venduto a metro
Quantità richiesta
Vedi nota
Componente di
un assieme
Assieme comprendente
i componenti [n]
POUR COMMANDER DES PIECES DE
RECHANGE, VEUILLEZ INDIQUER:
· Le numéro de fabrication de la machine
· Le numéro de la pièce
· La quantité désirée
WHEN ORDERING SERVICE-PARTS,
WILL YOU PLEASE MENTION:
· The machine type and serial number
· The part number
· The quantity of parts
BEI DER BESTELLUNG VON
ERSATZTEILEN IMMER ANGEBEN:
· Die Seriennummer der Maschine
· Die Nummer des Teiles
· Die gewünschte Stückzahl
NELL'ORDINARE I RICAMBI,
SI PREGA DI INDICARE:
· Il tipo ed il numero di serie della macchina
· Il codice del componente
· La quantità desiderata
Copyright 2013 KUHN
· Toutes les pièces détachées et sous-ensembles sont à commander au magasin pièces de rechange.
· Les équipements optionnels (OPT) ainsi que les notices d'instructions sont à commander auprès des services commerciaux.
· Service parts and service part assemblies are to be ordered through the spare parts department.
· Optional equipment (OPT) and assembly operator's manuals should be ordered through the wholegood sales department.
· Bestellungen für Ersatzteile und Baugruppen sind an die Ersatzteilabteilung zu richten.
· Sonderausrüstungen (OPT) sowie Montage- und Betriebsanleitungen, bestellen Sie bitte bei der Verkaufsabteilung für Maschinen.
· I ricambi e i sotto-assiemi devono essere ordinati al Magazzino Ricambi.
· Le attrezzature opzionali (OPT) ed i manuali dell'operatore devono essere ordinati al Servizio Commerciale.
TABLE DES MATIERES - TABLE OF CONTENTS - INHALTSVERZEICHNIS - INDICE
H30R0013 A
Catalogue P.D.R. - Spare parts list - Ersatzteilliste - Pezzi di Ricambio : HR038ATL B
Grp Page Opt Groupe de pièces Parts group index Teilegruppe Gruppo di parti
020 003 TIMON DRAWBAR DEICHSEL TIMONE
010 005 ATTELAGE STD3 & 4 CONNECTING FRAME STD3 & 4 ANBAUBOCK STD3 & 4 ATTACCO STD3 & 4
050 007 CHASSIS FRAME RAHMEN TELAIO
050 009 PORTE BOBINE AVANT DISC TRAIN SUPPORT FRONT SCHEIBENTRÄGER VORN SUPPORTO TRENO DI DISCHI ANTER
050 011 PORTE BOBINE AVANT DISC TRAIN SUPPORT FRONT SCHEIBENTRÄGER VORN SUPPORTO TRENO DI DISCHI ANTER
050 013 PORTE BOBINE ARRIERE DISC TRAIN SUPPORT REAR SCHEIBENTRÄGER HINTEN SUPPORTO TRENO DI DISCHI POSTE
050 015 PORTE BOBINE ARRIERE DISC TRAIN SUPPORT REAR SCHEIBENTRÄGER HINTEN SUPPORTO TRENO DI DISCHI POSTE
260 017 HYDR. REPL. PORTE BOBINE ARR. HYDR. FOLD. REAR DISC TRAIN HYDR.-EL. SCHEIBENTRÄGERKLAPP. SIS IDR RIP PORTA-BOBINA POST
090 019 TRINGLERIE LINKAGE GESTAENGE BIELLISMO
260 021 REPLIAGE HYDRAULIQUE HYDRAULIC FOLDING HYDRAULISCHE KLAPPUNG PIEGHEVOLE IDRAULICO
260 023 REPLIAGE HYDRAULIQUE HYDRAULIC FOLDING HYDRAULISCHE KLAPPUNG PIEGHEVOLE IDRAULICO
090 025 DECROTTOIR (AVANT) SCRAPER (FRONT) ABSTREIFER (VORN) POLITIRE (ANTERIORE)
090 027 DECROTTOIR (AVANT) SCRAPER (FRONT) ABSTREIFER (VORN) POLITIRE (ANTERIORE)
090 029 DECROTTOIR (ARRIERE) SCRAPER (REAR) ABSTREIFER (HINTEN) POLITIRE (POSTERIORE)
090 031 DECROTTOIR (ARRIERE) SCRAPER (REAR) ABSTREIFER (HINTEN) POLITIRE (POSTERIORE)
090 033 PALIER COMPLET BEARING CARRIER LAGERGEHAEUSE SUPPORTO CUSCINETTO
090 035 PROTECTEUR D710 (PALIER) SAFETY GUARDS D710 (BEARING) SCHUTZVORRICHTUNG D710 (LAGERU PARAPETTI D710 (CUSCINETTO)
090 037 TRAIN DISQUE Ø660 AVANT SET OF DISCS Ø660 FRONT SCHEIBENREIHE Ø660 VORN TRENO DI DISCHI Ø660 ANTERIORE
090 039 TRAIN DISQUE Ø660 (ARRIERE) SET OF DISCS Ø660 (REAR) SCHEIBENREIHE Ø660 (HINTEN) TRENO DI DISCHI Ø660 (POSTERIO
090 041 TRAIN DISQUE Ø710 AVANT SET OF DISCS Ø710 FRONT SCHEIBENREIHE Ø710 VORN TRENO DI DISCHI Ø710 ANTERIORE
090 043 TRAIN DISQUE Ø710 ARRIERE SET OF DISCS Ø710 REAR SCHEIBENREIHE Ø710 HINTEN TRENO DI DISCHI Ø710 POSTERIOR
090 045 OPT HUBODOMETRE ODOMETER HEKTARZAEHLER
050 047 DEFLECTEUR (DROIT) DEFLECTOR (RIGHT) ABWEISER (RECHTS) DEFLETTORE (DX)
050 049 DEFLECTEUR (GAUCHE) DEFLECTOR (LEFT) ABWEISER (LINKS) DEFLETTORE (SX)
350 051 OPT DISQUE STABILISATEUR SIDE THRUST BLADE HANGSCHEIBE LAMIERA DI STABILIZZAZIONE
350 053 OPT MOYEU 70 MONROC HUB 70 MONROC NABE 70 MONROC MOZZO 70 MONROC
350 055 OPT MOYEU COLAERT HUB COLAERT NABE COLAERT MOZZO COLAERT
330 057 CHARIOT CARRIAGE FAHRWERK CARRELLO
330 059 CHARIOT XL2 CARRIAGE XL2 FAHRWERK XL2 CARRELLO XL2
260 061 HYDRAULIQUE RELEVAGE CHARIOT HYDRAULIC FOR CARRIAGE LIFT HYDRAULIKEL. HUBVOR. FAHRWERK SIST. IDRAU. SOLLEV. CARRELLO
260 063 HYDRAULIQUE RELEVAGE CHARIOT HYDRAULIC FOR CARRIAGE LIFT HYDRAULIKEL. HUBVOR. FAHRWERK SIST. IDRAU. SOLLEV. CARRELLO
260 065 OPT SUSPENSION HYDRAULIQUE HYDRAULIC SUSPENSION HYDRAULISCHE FEDERUNG SOSPENSIONE IDRAULICA
320 067 FREINAGE MÉCANIQUE BRAKE ASSEMBLY MECHANISCHE BREMSANLAGE COMPLESSIVO FRENO
320 069 FREINAGE MÉCANIQUE XL2 BRAKE ASSEMBLY XL2 BREMSANLAGE XL2 COMPLESSIVO FRENO XL2
320 071 OPT FREINAGE HYDRAULIQUE HYDRAULIC BRAKE HYDRAULISCHE BREMSANLAGE FRENO IDRAULICO
320 073 OPT FREINAGE PNEUMATIQUE RESERVOIR PNEUMATIC BRAKE TANK DRUCKLUFT-BREMSANLAGE TANK FRENO PNEUMATICO SERBATOIO
330 077 ESSIEU AXLE ACHSE ASSALE
330 079 ESSIEU (FREINAGE HYDRAULIQUE) AXLE (HYDRAULIC BRAKE) ACHSE (HYDRAULISCHE BREMSANLAG ASSALE (FRENO IDRAULICO)
330 081 ESSIEU (FREINAGE PNEUMATIQUE) AXLE (PNEUMATIC BRAKE) ACHSE (DRUCKLUFT-BREMSANLAGE) ASSALE (FRENO PNEUMATICO)
330 083 OPT CALE DE ROUE FIX OF WHEEL BREMSKLOTZ TENUTA DI RUO
TABLE DES MATIERES - TABLE OF CONTENTS - INHALTSVERZEICHNIS - INDICE
H30R0013 A
Catalogue P.D.R. - Spare parts list - Ersatzteilliste - Pezzi di Ricambio : HR038ATL B
Grp Page Opt Groupe de pièces Parts group index Teilegruppe Gruppo di parti
330 085 ROUE 550/60-22.5 404 TL WHEEL 550/60-22.5 404 TL RAD 550/60-22.5 404 TL RUOTA 550/60-22.5 404 TL
330 087 ROUE 500/60.22.5 WHEEL 500/60.22.5 RAD 500/60.22.5 RUOTA 500/60.22.5
310 089 OPT RELEVAGE ROULEAUX LIFT REAR WALZE AUSHEBUNG WALZE SOLLEVAMENTO RULLI POSTERIORI
260 093 OPT HYDRAULIQUE (BLOC HYDRAULIQUE) HYDRAULIC (HYDRAULIC BLOCK) HYDRAULIK (STEUERBLOCK) IDRAULICO (BLOCCO IDRAULICO)
260 095 OPT HYDRAULIQUE DE RELEVAGE ROULEA LIFTING HYDRAULIC ROLLER HYDRAULIKELEMENTE AUSHEBUNG WA SIST. IDRAULICO SOLLEVAMENTO R
260 097 OPT HYDRAULIQUE DE REPLIAGE ROULEA HYDRAULICS ROLLER HYDRAULIK RAHMENEINSCHWENKUNG TUBI FLESSIBILI IDRAULICI RULL
310 099 OPT ROULEAU A TUBES XL52 CRUMBLER ROLLER XL52 ROHRWALZE XL52 RULLO SMINUZZATORE XL52
310 101 OPT ROULEAU A TUBES XL60 CRUMBLER ROLLER XL60 ROHRWALZE XL60 RULLO SMINUZZATORE XL60
310 103 OPT ROULEAU T-RING XL52 ROLLER T-RING XL52 WALZE T-RING XL52 RULLO T-RING XL52
310 105 OPT ROULEAU T-RING XL60 ROLLER T-RING XL60 WALZE T-RING XL60 RULLO T-RING XL60
310 107 OPT ROULEAU T-LINER2 D600 XL2 52 ROLLER T-LINER2 D600 XL2 52 WALZE T-LINER2 D600 XL2 52 RULLO T-LINER2 D600 XL2 52
310 109 OPT ROULEAU T-LINER2 D600 XL2 60 ROLLER T-LINER2 D600 XL2 60 WALZE T-LINER2 D600 XL2 60 RULLO T-LINER2 D600 XL2 60
270 111 OPT ELECTROVANNE DISCOVER XL ELEKTROSWITCH DISCOVER XL ELEKTROWAHLSCHALTUNG DISCOVER ELETTROINTERRUTTORE DISCOVER X
270 113 OPT ELECTROVANNE DISCOVER XL2 ELEKTROSWITCH DISCOVER XL2 ELEKTROWAHLSCHALTUNG DISCOVER ELETTROINTERRUTTORE DISCOVER X
260 115 OPT COUPLEURS HYDRAULIQUES RUSSE HYDRAULIC COUPLERS RUSSE HYDRAULIKANSCHLUESSE RUSSE CONNETTORI IDRAULICI RUSSE
450 117 OPT SIGNALISATION DRIRE (AVANT) SIGNALLING DRIRE (FRONT) BELEUCHTUNG U.WARNTAFELN DRIRE SEGNALAZIONE DRIRE (ANTERIORE)
450 119 OPT SIGNALISATION DRIRE (ROULEAUX SIGNALLING DRIRE (REAR ROLLERS BELEUCHTUNG U.WARNTAFELN DRIRE SEGNALAZIONE DRIRE (RULLI POST
450 121 OPT SIGNALISATION DRIRE (ARRIERE) SIGNALLING DRIRE (REAR) BELEUCHTUNG U.WARNTAFELN DRIRE SEGNALAZIONE DRIRE (POSTERIORE
450 123 OPT SIGNALISATION TÜV (AVANT) SIGNALLING TÜV (FRONT) BELEUCHTUNG U.WARNTAFELN TÜV ( SEGNALAZIONE TÜV (ANTERIORE)
450 125 OPT SIGNALISATION TÜV (ROULEAUX AR SIGNALLING TÜV (REAR ROLLERS) BELEUCHTUNG U.WARNTAFELN TÜV ( SEGNALAZIONE TÜV (RULLI POSTER
450 127 OPT SIGNALISATION TÜV (ARRIERE) SIGNALLING TÜV (REAR) BELEUCHTUNG U.WARNTAFELN TÜV ( SEGNALAZIONE TÜV (POSTERIORE)
450 129 OPT SIGNALISATION SIGNALLING BELEUCHTUNG U.WARNTAFELN SEGNALAZIONE
450 131 OPT SIGNALISATION (SUPPORT) SIGNALLING (SUPPORT) BELEUCHTUNG U.WARNTAFELN (HALT SEGNALAZIONE (SUPPORTO)
460 133 ETIQUETTES ADHESIVES XL2 STICKERS XL2 AUFKLEBER XL2 ADESIVI XL2
480 135 OUTILLAGE TOOLS WERKZEUG ATTREZZI
3
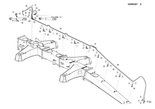
TIMON DRAWBAR DEICHSEL TIMONE
DISCOVER XL2 C0001 >
H21R0026 D
Rep Nr Qt Designation Description Bezeichnung Referenza Remarque - Remark - Bemerkung - Osservazioni
001 780341 001 CLE DE 60 SPANNER SCHRAUBENSCHLUESSEL CHIAVE
002 951242 002 BAGUE ROULEE WRAPPED BUSH GEROLLTE BUCHSE MESSING ANELLO LUBRIFICATO
003 80060612 004 VIS TETE HEXAGONALE FE/ZNXC3 HEXAGON HEAD SCREW FE/ZNXC3 SECHSKANTSCHRAUBE FE/ZNXC3 VITE TESTA ESAGONALE FE/ZNXC3
004 80060893 001 VIS TETE HEXAGONALE INOX HEXAGON HEAD SCREW INOX SECHSKANTSCHRAUBE INOX VITE A TESTA ESAGONALE INOX
005 80061271 004 VIS TETE HEXAGONALE FE/ZNXC3 HEXAGON HEAD SCREW FE/ZNXC3 SECHSKANTSCHRAUBE FE/ZNXC3 VITE TESTA ESAGONALE FE/ZNXC3
006 80062074 020 VIS TETE HEXAGONALE FLZNNC HEXAGON HEAD SCREW FLZNNC SECHSKANTSCHRAUBE FLZNNC VITE TESTA ESAGONALE FLZNNC
007 80131017 004 VIS AUTOBLOQUANTE FLZNNC UNDERSERR.S-LOC.SCREW FLZNNC SPERRZAHN-BUNDSCHRAU.FLZNNC VITE FLZNNC
008 80200830 001 ECROU HEX.AUTOFREINE FE/ZNXC3 SELF-LOCKING NUT FE/ZNXC3 SELBSTSICHERNDE MUTT.FE/ZNXC3 DADO AUTOBLOCCANTE FE/ZNXC3
009 80201240 004 ECROU HEX.BAS AUTOFR.FE/ZNXC3 SELF-LOCKING NUT FE/ZNXC3 SELBSTSICHERND.MUTTER FE/ZNXC3 DADO AUTOBLOCCANTE FE/ZNXC3
010 80202030 020 ECROU HEX.AUTOFREINE FE/ZNXC3 SELF-LOCKING NUT FE/ZNXC3 SELBSTSICH.MUTTER FE/ZNXC3 DADO AUTOBLOCCANTE FE/ZNXC3
011 80202069 020 ECROU HEXAGONAL FE/ZNXC3 NUT FE/ZNXC3 SECHSKANTMUTTER FE/ZNXC3 DADO FE/ZNXC3
012 80250823 002 RONDELLE PLATE FE/ZNXC3 PLAIN WASHER FE/ZNXC3 SCHEIBE FE/ZNXC3 RONDELLA PIATTA FE/ZNXC3
013 80251227 008 RONDELLE PLATE FE/ZNXC3 PLAIN WASHER FE/ZNXC3 SCHEIBE FE/ZNXC3 RONDELLA PIATTA FE/ZNXC3
014 80270605 004 RONDELLE GROWER FE/ZNXC3 SPRING LOCK WASHER FE/ZNXC3 FEDERRING FE/ZNXC3 RONDELLA GROWER FE/ZNXC3
015 80570477 002 GOUPILLE BETA SIMPLE FE/ZNXC3 SPRING COTTER PIN FE/ZNXC3 FEDERSTECKER FE/ZNXC3 MOLLA FE/ZNXC3
016 82201016 001 GRAISSEUR AUTOTARAUDANT SELF TAPPING GREASE NIPPLE GEWINDESCHNEID-SCHMIERNIPPEL INGRASSATORE
017 83090596 002 COLLIER CLAMP, HOSE SCHLAUCHSCHELLE COLLARE
018 H2113610 001 TIMON TONGUE ZUGDEICHSEL TIMONE
019 H2417650 001 SUPPORT SUPPORT TRAEGER SUPPORTO
020 H2417660 001 GOULOTTE CHUTE AUSLAUF BOCCA
021 K7024100 001 BOITE BOX KASTEN SCATOLA
5
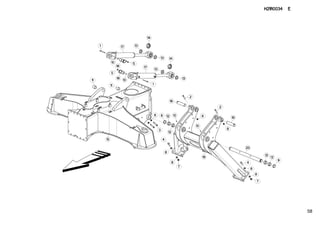
ATTELAGE STD3 & 4 CONNECTING FRAME STD3 & 4 ANBAUBOCK STD3 & 4 ATTACCO STD3 & 4
DISCOVER XL2 C0001 >
H21R0117 C
Rep Nr Qt Designation Description Bezeichnung Referenza Remarque - Remark - Bemerkung - Osservazioni
001 900742 001 BAGUE ANTI-FRICTION ANTI-FRICTION BUSHES VERSCHLEISSRING BOCCOLA
002 80061280 002 VIS TETE HEXAGONALE FE/ZNXC3 HEXAGON HEAD SCREW FE/ZNXC3 SECHSKANTSCHRAUBE FE/ZNXC3 VITE TESTA ESAGONALE FE/ZNXC3
003 80201240 002 ECROU HEX.BAS AUTOFR.FE/ZNXC3 SELF-LOCKING NUT FE/ZNXC3 SELBSTSICHERND.MUTTER FE/ZNXC3 DADO AUTOBLOCCANTE FE/ZNXC3
004 80203565 001 ECROU A ENCOCH.AUTOF.FE/ZNXC3 SELF-LOCKING NUT FE/ZNXC3 SELBSTSICHERN.MUTTER FE/ZNXC3 DADO AUTOBLOCCANTE FE/ZNXC3
005 80205566 001 ECROU A ENCOCH.AUTOF.FE/ZNXC3 SELF-LOCKING NUT FE/ZNXC3 SELBSTSICHERN.MUTTER FE/ZNXC3 DADO AUTOBLOCCANTE FE/ZNXC3
006 80251225 002 RONDELLE PLATE FE/ZNXC3 PLAIN WASHER FE/ZNXC3 SCHEIBE FE/ZNXC3 RONDELLA PIATTA FE/ZNXC3
007 82201016 001 GRAISSEUR AUTOTARAUDANT SELF TAPPING GREASE NIPPLE GEWINDESCHNEID-SCHMIERNIPPEL INGRASSATORE
008 83014043 002 BAGUE ROULEE WRAPPED BUSH GEROLLTE BUCHSE ANELLO LUBRIFICATO
009 50086200 002 CHAINETTE+GOUPILLES FE/ZNXC3 CHAIN KETTE CATENETTA E COPPIGLIA
010 H2104860 001 CROISILLON CROSS KREUZGARNITUR CROCIERA
011 H2104870 001 AXE PIN ACHSE ASSE
012 H2104880 001 AXE PIN ACHSE ASSE
013 K1606340 002 TOURILLON PIN BOLZEN PERNO
014 K2503780 001 TETE D'ATTELAGE HITCH, 2/3-POINT ANBAUKOPFF TESTA D'ATTACCO
015 K2504040 002 TUBE TUBE ROHR TUBO
7
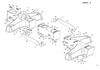
CHASSIS FRAME RAHMEN TELAIO
DISCOVER XL2 C0001 >
H21R0027 B
Rep Nr Qt Designation Description Bezeichnung Referenza Remarque - Remark - Bemerkung - Osservazioni
001 80030825 008 VIS J FE/ZNXC3 CUP SQUARE BOLT FE/ZNXC3 FLACHRUNDSCHRAUBE FE/ZNXC3 BULLONE FE/ZNXC3
002 80061036 004 VIS TETE HEXAGONALE FE/ZNXC3 HEXAGON HEAD SCREW FE/ZNXC3 SECHSKANTSCHRAUBE FE/ZNXC3 VITE TESTA ESAGONALE FE/ZNXC3
003 80061248 002 VIS TETE HEXAGONALE FE/ZNXC3 HEXAGON HEAD SCREW FE/ZNXC3 SECHSKANTSCHRAUBE FE/ZNXC3 VITE TESTA ESAGONALE FE/ZNXC3
004 80061669 003 VIS TETE HEXAGONALE FE/ZNXC3 HEXAGON HEAD SCREW FE/ZNXC3 SECHSKANTSCHRAUBE FE/ZNXC3 VITE TESTA ESAGONALE FE/ZNXC3
005 80062074 032 VIS TETE HEXAGONALE FLZNNC HEXAGON HEAD SCREW FLZNNC SECHSKANTSCHRAUBE FLZNNC VITE TESTA ESAGONALE FLZNNC
006 80200840 008 ECROU HEX.BAS AUTOFR.FE/ZNXC3 SELF-LOCKING NUT FE/ZNXC3 SELBSTSICHERND.MUTTER FE/ZNXC3 DADO AUTOBLOCCANTE FE/ZNXC3
007 80201030 004 ECROU HEX.AUTOFREINE FE/ZNXC3 SELF-LOCKING NUT FE/ZNXC3 SELBSTSICH.MUTTER FE/ZNXC3 DADO AUTOBLOCCANTE FE/ZNXC3
008 80201230 002 ECROU HEX.AUTOFREINE FE/ZNXC3 SELF-LOCKING NUT FE/ZNXC3 SELBSTSICH.MUTTER FE/ZNXC3 DADO AUTOBLOCCANTE FE/ZNXC3
009 80201630 003 ECROU HEX.AUTOFREINE FE/ZNXC3 SELF-LOCKING NUT FE/ZNXC3 SELBSTSICH.MUTTER FE/ZNXC3 DADO AUTOBLOCCANTE FE/ZNXC3
010 80202030 032 ECROU HEX.AUTOFREINE FE/ZNXC3 SELF-LOCKING NUT FE/ZNXC3 SELBSTSICH.MUTTER FE/ZNXC3 DADO AUTOBLOCCANTE FE/ZNXC3
011 80202069 032 ECROU HEXAGONAL FE/ZNXC3 NUT FE/ZNXC3 SECHSKANTMUTTER FE/ZNXC3 DADO FE/ZNXC3
012 80250823 008 RONDELLE PLATE FE/ZNXC3 PLAIN WASHER FE/ZNXC3 SCHEIBE FE/ZNXC3 RONDELLA PIATTA FE/ZNXC3
013 80251021 004 RONDELLE PLATE FE/ZNXC3 PLAIN WASHER FE/ZNXC3 SCHEIBE FE/ZNXC3 RONDELLA PIATTA FE/ZNXC3
014 80251227 004 RONDELLE PLATE FE/ZNXC3 PLAIN WASHER FE/ZNXC3 SCHEIBE FE/ZNXC3 RONDELLA PIATTA FE/ZNXC3
015 80252029 024 RONDELLE D'APPUI SS 2 SUPPORTING RING SS 2 STUETZSCHEIBE SS 2 RONDELLA
016 82201016 012 GRAISSEUR AUTOTARAUDANT SELF TAPPING GREASE NIPPLE GEWINDESCHNEID-SCHMIERNIPPEL INGRASSATORE
017 83015050 002 BAGUE ROULEE WRAPPED BUSH GEROLLTE BUCHSE ANELLO LUBRIFICATO
018 H2103710 005 CALE SHIM DISTANZPLATTE SPESSORE
019 H2113570 001 CHASSIS CHASSIS HAUPTRAHMEN TELAIO
020 H2113601 001 CHASSIS CHASSIS HAUPTRAHMEN TELAIO
021 H2113620 001 CHASSIS CHASSIS HAUPTRAHMEN TELAIO
022 H2114250 002 TOLE SHEET METAL BLECH TELA
023 H2114260 004 SUPPORT SUPPORT TRAEGER SUPPORTO
024 H2415330 008 CALE SHIM DISTANZPLATTE SPESSORE
025 H2417860 002 GUIDE GUIDE FUEHRUNG GUIDA
026 H2417870 001 SUPPORT SUPPORT TRAEGER SUPPORTO
027 H2417880 002 GUIDE GUIDE FUEHRUNG GUIDA
9
PORTE BOBINE AVANT DISC TRAIN SUPPORT FRONT SCHEIBENTRÄGER VORN SUPPORTO TRENO DI DISCHI ANTER
XL2-52 C0001 >
H22R0145 B
Rep Nr Qt Designation Description Bezeichnung Referenza Remarque - Remark - Bemerkung - Osservazioni
001 583189 002 AXE PIN ACHSE ASSE
002 583420 002 AXE PORTE BOBINE XL AXLE ACHSE ASSE
003 750944 002 RONDELLE WASHER SCHEIBE RONDELLA
004 900129 002 CACHE ECROU TUBE END PLASTIKDECKEL SEDE DADO PLASTICA
005 900742 002 BAGUE ANTI-FRICTION ANTI-FRICTION BUSHES VERSCHLEISSRING BOCCOLA
006 951448 004 BAGUE ROULEE WRAPPED BUSH GEROLLTE BUCHSE MESSING ANELLO LUBRIFICATO
007 80060850 002 VIS TETE HEXAGONALE FE/ZNXC3 HEXAGON HEAD SCREW FE/ZNXC3 SECHSKANTSCHRAUBE FE/ZNXC3 VITE TESTA ESAGONALE FE/ZNXC3
008 80061248 002 VIS TETE HEXAGONALE FE/ZNXC3 HEXAGON HEAD SCREW FE/ZNXC3 SECHSKANTSCHRAUBE FE/ZNXC3 VITE TESTA ESAGONALE FE/ZNXC3
009 80061641 002 VIS TETE HEXAGONALE FE/ZNXC3 HEXAGON HEAD SCREW FE/ZNXC3 SECHSKANTSCHRAUBE FE/ZNXC3 VITE TESTA ESAGONALE FE/ZNXC3
010 80200830 002 ECROU HEX.AUTOFREINE FE/ZNXC3 SELF-LOCKING NUT FE/ZNXC3 SELBSTSICHERNDE MUTT.FE/ZNXC3 DADO AUTOBLOCCANTE FE/ZNXC3
011 80201230 002 ECROU HEX.AUTOFREINE FE/ZNXC3 SELF-LOCKING NUT FE/ZNXC3 SELBSTSICH.MUTTER FE/ZNXC3 DADO AUTOBLOCCANTE FE/ZNXC3
012 80201630 002 ECROU HEX.AUTOFREINE FE/ZNXC3 SELF-LOCKING NUT FE/ZNXC3 SELBSTSICH.MUTTER FE/ZNXC3 DADO AUTOBLOCCANTE FE/ZNXC3
013 80203915 002 ECROU HK FE/ZNXC3 CASTLE NUT FE/ZNXC3 KRONENMUTTER FE/ZNXC3 DADO FE/ZNXC3
014 80370506 004 RIVET AVEUGLE RIVET NIETE RIVETTO
015 80450660 002 GOUPILLE ELASTIQUE FLZNNC ROLL PIN FLZNNC SPANNHUELSE FLZNNC SPINA ELASTICA FLZNNC
016 83014540 002 BAGUE ROULEE WRAPPED BUSH GEROLLTE BUCHSE ANELLO LUBRIFICATO
017 H2114020 002 AXE PIN ACHSE ASSE
018 H2206650 004 TOLE SHEET METAL BLECH TELA
019 H2230420 002 PORTE DOOR TÜR
020 H2230450 002 BARRE BAR BALKEN BARRA
021 H2230500 002 POTENCE BOOM TRAGARM ATTACCO ATTREZZO
022 H2205450 002 EMBOUT A ROTULE END ENDSTUECK GIUNTO
11
PORTE BOBINE AVANT DISC TRAIN SUPPORT FRONT SCHEIBENTRÄGER VORN SUPPORTO TRENO DI DISCHI ANTER
XL2-60 C0001 >
H22R0094 B
Rep Nr Qt Designation Description Bezeichnung Referenza Remarque - Remark - Bemerkung - Osservazioni
001 583189 002 AXE PIN ACHSE ASSE
002 583420 002 AXE PORTE BOBINE XL AXLE ACHSE ASSE
003 750944 002 RONDELLE WASHER SCHEIBE RONDELLA
004 900129 002 CACHE ECROU TUBE END PLASTIKDECKEL SEDE DADO PLASTICA
005 900742 002 BAGUE ANTI-FRICTION ANTI-FRICTION BUSHES VERSCHLEISSRING BOCCOLA
006 951448 004 BAGUE ROULEE WRAPPED BUSH GEROLLTE BUCHSE MESSING ANELLO LUBRIFICATO
007 80060850 002 VIS TETE HEXAGONALE FE/ZNXC3 HEXAGON HEAD SCREW FE/ZNXC3 SECHSKANTSCHRAUBE FE/ZNXC3 VITE TESTA ESAGONALE FE/ZNXC3
008 80061248 002 VIS TETE HEXAGONALE FE/ZNXC3 HEXAGON HEAD SCREW FE/ZNXC3 SECHSKANTSCHRAUBE FE/ZNXC3 VITE TESTA ESAGONALE FE/ZNXC3
009 80061641 002 VIS TETE HEXAGONALE FE/ZNXC3 HEXAGON HEAD SCREW FE/ZNXC3 SECHSKANTSCHRAUBE FE/ZNXC3 VITE TESTA ESAGONALE FE/ZNXC3
010 80200840 002 ECROU HEX.BAS AUTOFR.FE/ZNXC3 SELF-LOCKING NUT FE/ZNXC3 SELBSTSICHERND.MUTTER FE/ZNXC3 DADO AUTOBLOCCANTE FE/ZNXC3
011 80201230 002 ECROU HEX.AUTOFREINE FE/ZNXC3 SELF-LOCKING NUT FE/ZNXC3 SELBSTSICH.MUTTER FE/ZNXC3 DADO AUTOBLOCCANTE FE/ZNXC3
012 80201630 002 ECROU HEX.AUTOFREINE FE/ZNXC3 SELF-LOCKING NUT FE/ZNXC3 SELBSTSICH.MUTTER FE/ZNXC3 DADO AUTOBLOCCANTE FE/ZNXC3
013 80203915 002 ECROU HK FE/ZNXC3 CASTLE NUT FE/ZNXC3 KRONENMUTTER FE/ZNXC3 DADO FE/ZNXC3
014 80370506 004 RIVET AVEUGLE RIVET NIETE RIVETTO
015 80450660 002 GOUPILLE ELASTIQUE FLZNNC ROLL PIN FLZNNC SPANNHUELSE FLZNNC SPINA ELASTICA FLZNNC
016 83014540 002 BAGUE ROULEE WRAPPED BUSH GEROLLTE BUCHSE ANELLO LUBRIFICATO
017 H2114020 002 AXE PIN ACHSE ASSE
018 H2206650 004 TOLE SHEET METAL BLECH TELA
019 H2230410 002 PORTE DOOR TÜR
020 H2230450 002 BARRE BAR BALKEN BARRA
021 H2230500 002 POTENCE BOOM TRAGARM ATTACCO ATTREZZO
022 H2205450 002 EMBOUT A ROTULE END ENDSTUECK GIUNTO
13
PORTE BOBINE ARRIERE DISC TRAIN SUPPORT REAR SCHEIBENTRÄGER HINTEN SUPPORTO TRENO DI DISCHI POSTE
XL2-52 C0001 >
H22R0142 B
Rep Nr Qt Designation Description Bezeichnung Referenza Remarque - Remark - Bemerkung - Osservazioni
001 583420 002 AXE PORTE BOBINE XL AXLE ACHSE ASSE
002 750944 002 RONDELLE WASHER SCHEIBE RONDELLA
003 750961 002 RONDELLE WASHER D100 EP6 SCHEIBE D100 EP6 RONDELLA
004 900129 002 CACHE ECROU TUBE END PLASTIKDECKEL SEDE DADO PLASTICA
005 900742 002 BAGUE ANTI-FRICTION ANTI-FRICTION BUSHES VERSCHLEISSRING BOCCOLA
006 951448 008 BAGUE ROULEE WRAPPED BUSH GEROLLTE BUCHSE MESSING ANELLO LUBRIFICATO
007 952160 001 VERIN CYLINDER, HYDRAULIC HYDRAULIKZYLINDER CILINDRO
008 952365 001 CLAPET ANTI-RETOUR VALVE, CHECK RUECKSCHLAGVENTIL VALVOLA ANTI-RITORNO
009 80061245 002 VIS TETE HEXAGONALE FE/ZNXC3 HEXAGON HEAD SCREW FE/ZNXC3 SECHSKANTSCHRAUBE FE/ZNXC3 VITE TESTA ESAGONALE FE/ZNXC3
010 80061280 002 VIS TETE HEXAGONALE FE/ZNXC3 HEXAGON HEAD SCREW FE/ZNXC3 SECHSKANTSCHRAUBE FE/ZNXC3 VITE TESTA ESAGONALE FE/ZNXC3
011 80061641 002 VIS TETE HEXAGONALE FE/ZNXC3 HEXAGON HEAD SCREW FE/ZNXC3 SECHSKANTSCHRAUBE FE/ZNXC3 VITE TESTA ESAGONALE FE/ZNXC3
012 80061657 002 VIS TETE HEXAGONALE FE/ZNXC3 HEXAGON HEAD SCREW FE/ZNXC3 SECHSKANTSCHRAUBE FE/ZNXC3 VITE TESTA ESAGONALE FE/ZNXC3
013 80201230 004 ECROU HEX.AUTOFREINE FE/ZNXC3 SELF-LOCKING NUT FE/ZNXC3 SELBSTSICH.MUTTER FE/ZNXC3 DADO AUTOBLOCCANTE FE/ZNXC3
014 80201630 004 ECROU HEX.AUTOFREINE FE/ZNXC3 SELF-LOCKING NUT FE/ZNXC3 SELBSTSICH.MUTTER FE/ZNXC3 DADO AUTOBLOCCANTE FE/ZNXC3
015 80203915 002 ECROU HK FE/ZNXC3 CASTLE NUT FE/ZNXC3 KRONENMUTTER FE/ZNXC3 DADO FE/ZNXC3
016 80205566 002 ECROU A ENCOCH.AUTOF.FE/ZNXC3 SELF-LOCKING NUT FE/ZNXC3 SELBSTSICHERN.MUTTER FE/ZNXC3 DADO AUTOBLOCCANTE FE/ZNXC3
017 80370506 004 RIVET AVEUGLE RIVET NIETE RIVETTO
018 80450660 002 GOUPILLE ELASTIQUE FLZNNC ROLL PIN FLZNNC SPANNHUELSE FLZNNC SPINA ELASTICA FLZNNC
019 82201016 008 GRAISSEUR AUTOTARAUDANT SELF TAPPING GREASE NIPPLE GEWINDESCHNEID-SCHMIERNIPPEL INGRASSATORE
020 83014041 004 BAGUE ROULEE WRAPPED BUSH GEROLLTE BUCHSE ANELLO LUBRIFICATO
021 83014540 002 BAGUE ROULEE WRAPPED BUSH GEROLLTE BUCHSE ANELLO LUBRIFICATO
022 A4072014 002 LIMITEUR DEBIT D0.8 TUBE D14 DELIVERY LIMITER MENGEN BEGRENZER REGOLATORE D'ALIMENTAZIONE
023 H2100830 002 AXE PIN ACHSE ASSE
024 H2114000 002 EMBOUT END PIECE ENDSTUECK GIUNTO
025 H2114010 002 AXE PIN ACHSE ASSE
026 H2200780 002 AXE PIVOT AXLE ACHSE ASSE
027 H2206650 004 TOLE SHEET METAL BLECH TELA
028 H2230400 002 PORTE DOOR TÜR
029 H2230440 002 EXTENSION EXTENSION ERWEITERUNG EXTENSIONE
030 H2230500 002 POTENCE BOOM TRAGARM ATTACCO ATTREZZO
031 H2401340 001 POCHETTE JOINTS H2401330 SEALS PACKET H2401330 DICHTSATZ FUER H2401330 KIT GOMMINI H2401330 : 952160
15
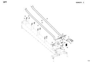
PORTE BOBINE ARRIERE DISC TRAIN SUPPORT REAR SCHEIBENTRÄGER HINTEN SUPPORTO TRENO DI DISCHI POSTE
XL2-60 C0001 >
H22R0095 B
Rep Nr Qt Designation Description Bezeichnung Referenza Remarque - Remark - Bemerkung - Osservazioni
001 583420 002 AXE PORTE BOBINE XL AXLE ACHSE ASSE
002 750944 002 RONDELLE WASHER SCHEIBE RONDELLA
003 750961 002 RONDELLE WASHER D100 EP6 SCHEIBE D100 EP6 RONDELLA
004 900129 002 CACHE ECROU TUBE END PLASTIKDECKEL SEDE DADO PLASTICA
005 900742 002 BAGUE ANTI-FRICTION ANTI-FRICTION BUSHES VERSCHLEISSRING BOCCOLA
006 951448 008 BAGUE ROULEE WRAPPED BUSH GEROLLTE BUCHSE MESSING ANELLO LUBRIFICATO
007 952160 001 VERIN CYLINDER, HYDRAULIC HYDRAULIKZYLINDER CILINDRO
008 952365 001 CLAPET ANTI-RETOUR VALVE, CHECK RUECKSCHLAGVENTIL VALVOLA ANTI-RITORNO
009 80061245 002 VIS TETE HEXAGONALE FE/ZNXC3 HEXAGON HEAD SCREW FE/ZNXC3 SECHSKANTSCHRAUBE FE/ZNXC3 VITE TESTA ESAGONALE FE/ZNXC3
010 80061280 002 VIS TETE HEXAGONALE FE/ZNXC3 HEXAGON HEAD SCREW FE/ZNXC3 SECHSKANTSCHRAUBE FE/ZNXC3 VITE TESTA ESAGONALE FE/ZNXC3
011 80061641 002 VIS TETE HEXAGONALE FE/ZNXC3 HEXAGON HEAD SCREW FE/ZNXC3 SECHSKANTSCHRAUBE FE/ZNXC3 VITE TESTA ESAGONALE FE/ZNXC3
012 80061657 002 VIS TETE HEXAGONALE FE/ZNXC3 HEXAGON HEAD SCREW FE/ZNXC3 SECHSKANTSCHRAUBE FE/ZNXC3 VITE TESTA ESAGONALE FE/ZNXC3
013 80201230 002 ECROU HEX.AUTOFREINE FE/ZNXC3 SELF-LOCKING NUT FE/ZNXC3 SELBSTSICH.MUTTER FE/ZNXC3 DADO AUTOBLOCCANTE FE/ZNXC3
014 80201240 002 ECROU HEX.BAS AUTOFR.FE/ZNXC3 SELF-LOCKING NUT FE/ZNXC3 SELBSTSICHERND.MUTTER FE/ZNXC3 DADO AUTOBLOCCANTE FE/ZNXC3
015 80201630 004 ECROU HEX.AUTOFREINE FE/ZNXC3 SELF-LOCKING NUT FE/ZNXC3 SELBSTSICH.MUTTER FE/ZNXC3 DADO AUTOBLOCCANTE FE/ZNXC3
016 80203915 002 ECROU HK FE/ZNXC3 CASTLE NUT FE/ZNXC3 KRONENMUTTER FE/ZNXC3 DADO FE/ZNXC3
017 80205566 002 ECROU A ENCOCH.AUTOF.FE/ZNXC3 SELF-LOCKING NUT FE/ZNXC3 SELBSTSICHERN.MUTTER FE/ZNXC3 DADO AUTOBLOCCANTE FE/ZNXC3
018 80370506 004 RIVET AVEUGLE RIVET NIETE RIVETTO
019 80450660 002 GOUPILLE ELASTIQUE FLZNNC ROLL PIN FLZNNC SPANNHUELSE FLZNNC SPINA ELASTICA FLZNNC
020 82201016 008 GRAISSEUR AUTOTARAUDANT SELF TAPPING GREASE NIPPLE GEWINDESCHNEID-SCHMIERNIPPEL INGRASSATORE
021 83014041 004 BAGUE ROULEE WRAPPED BUSH GEROLLTE BUCHSE ANELLO LUBRIFICATO
022 83014540 002 BAGUE ROULEE WRAPPED BUSH GEROLLTE BUCHSE ANELLO LUBRIFICATO
023 A4072014 002 LIMITEUR DEBIT D0.8 TUBE D14 DELIVERY LIMITER MENGEN BEGRENZER REGOLATORE D'ALIMENTAZIONE
024 H2100830 002 AXE PIN ACHSE ASSE
025 H2114000 002 EMBOUT END PIECE ENDSTUECK GIUNTO
026 H2114010 002 AXE PIN ACHSE ASSE
027 H2200780 002 AXE PIVOT AXLE ACHSE ASSE
028 H2206650 004 TOLE SHEET METAL BLECH TELA
029 H2230400 002 PORTE DOOR TÜR
030 H2230430 002 EXTENSION EXTENSION ERWEITERUNG EXTENSIONE
031 H2230500 002 POTENCE BOOM TRAGARM ATTACCO ATTREZZO
032 H2401340 001 POCHETTE JOINTS H2401330 SEALS PACKET H2401330 DICHTSATZ FUER H2401330 KIT GOMMINI H2401330 : 952160
17
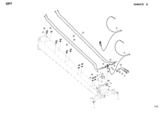
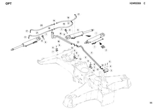
HYDR. REPL. PORTE BOBINE ARR. HYDR. FOLD. REAR DISC TRAIN HYDR.-EL. SCHEIBENTRÄGERKLAPP. SIS IDR RIP PORTA-BOBINA POST
DISCOVER XL2 C0001 >
H24R0065 C
Rep Nr Qt Designation Description Bezeichnung Referenza Remarque - Remark - Bemerkung - Osservazioni
001 951197 018 GAINE CAOUTCHOUC SHEATHE HUELLE GUAINA CAOUTCHOUC
002 952160 002 VERIN CYLINDER, HYDRAULIC HYDRAULIKZYLINDER CILINDRO
003 952232 001 BLOC HYDRAULIQUE MANIFOLD, HYDRAULIC HYDRAULIK-STEUERBLOCK BLOCCO IDRAULICO
004 952365 002 CLAPET ANTI-RETOUR VALVE, CHECK RUECKSCHLAGVENTIL VALVOLA ANTI-RITORNO
005 80060846 006 VIS TETE HEXAGONALE FE/ZNXC3 HEXAGON HEAD SCREW FE/ZNXC3 SECHSKANTSCHRAUBE FE/ZNXC3 VITE TESTA ESAGONALE FE/ZNXC3
006 80060857 002 VIS TETE HEXAGONALE FE/ZNXC3 HEXAGON HEAD SCREW FE/ZNXC3 SECHSKANTSCHRAUBE FE/ZNXC3 VITE TESTA ESAGONALE FE/ZNXC3
007 80270803 002 RONDELLE GROWER FE/ZNXC3 SPRING LOCK WASHER FE/ZNXC3 FEDERRING FE/ZNXC3 RONDELLA GROWER FE/ZNXC3
008 H2401340 002 POCHETTE JOINTS H2401330 SEALS PACKET H2401330 DICHTSATZ FUER H2401330 KIT GOMMINI H2401330 : 952160
009 A4061802 004 BOUCHON 3/8G CHC F.E FE/ZNXC3 PLUG 3/8G CHC F.E FE/ZNXC3 VERSCHLUSSSCHRAUBE 3/8G CHC F. TAPPO 3/8G CHC F.E FE/ZNXC3
010 A4061803 002 BOUCHON PLUG VERSCHLUSSSCHRAUBE TAPPO
011 A4080306 004 UNION DOUBLE FE/ZNXC3 STRAIGHT COUPLING FE/ZNXC3 GERADE VERSCHRAUBUNG FE/ZNXC3 GIUNZIONE DIRITTA FE/ZNXC3
012 A4080429 004 UNION MALE MALE STUD CONNECTOR GERADER EINSCHRAUBSTUTZEN GIUZIONE DIRITTA ZBC
013 A4080430 006 UNION MALE MALE STUD CONNECTOR GERADER EINSCHRAUBSTUTZEN GIUZIONE DIRITTA ZBC
014 A7260017 006 PL SUP/C. DOUBLE D19/20/22/25 UPPER PLATE PLATTE OBERE PIASTRA
015 A7260046 006 COLLIER DOUBLE D20 NU CLAMP D.20 SCHELLE D.20 COLLARE D.20
016 A4072014 004 LIMITEUR DEBIT D0.8 TUBE D14 DELIVERY LIMITER MENGEN BEGRENZER REGOLATORE D'ALIMENTAZIONE
017 A4923031 001 FLEXIBLE HYDRAULIQUE HYDRAULIC HOSE HYDRAULIKSCHLAUCH TUBO GOMMA <->950 mm
018 A4923031 001 FLEXIBLE HYDRAULIQUE HYDRAULIC HOSE HYDRAULIKSCHLAUCH TUBO GOMMA <->950 mm
019 A4923031 001 FLEXIBLE HYDRAULIQUE HYDRAULIC HOSE HYDRAULIKSCHLAUCH TUBO GOMMA <->950 mm
020 A4923031 001 FLEXIBLE HYDRAULIQUE HYDRAULIC HOSE HYDRAULIKSCHLAUCH TUBO GOMMA <->950 mm
021 H2417830 001 TUYAU PIPE ROHR TUBO
022 H2417840 001 TUYAU PIPE ROHR TUBO
023 H2417850 004 TUYAU PIPE ROHR TUBO
19
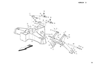
TRINGLERIE LINKAGE GESTAENGE BIELLISMO
DISCOVER XL2 C0001 >
H21R0033 D
Rep Nr Qt Designation Description Bezeichnung Referenza Remarque - Remark - Bemerkung - Osservazioni
001 583222 002 AXE PIN ACHSE ASSE
002 583226 004 AXE PIN ACHSE ASSE
003 900129 001 CACHE ECROU TUBE END PLASTIKDECKEL SEDE DADO PLASTICA
004 900742 002 BAGUE ANTI-FRICTION ANTI-FRICTION BUSHES VERSCHLEISSRING BOCCOLA
005 951242 002 BAGUE ROULEE WRAPPED BUSH GEROLLTE BUCHSE MESSING ANELLO LUBRIFICATO
006 80060839 004 VIS TETE HEXAGONALE FE/ZNXC3 HEXAGON HEAD SCREW FE/ZNXC3 SECHSKANTSCHRAUBE FE/ZNXC3 VITE TESTA ESAGONALE FE/ZNXC3
007 80061248 006 VIS TETE HEXAGONALE FE/ZNXC3 HEXAGON HEAD SCREW FE/ZNXC3 SECHSKANTSCHRAUBE FE/ZNXC3 VITE TESTA ESAGONALE FE/ZNXC3
008 80061669 001 VIS TETE HEXAGONALE FE/ZNXC3 HEXAGON HEAD SCREW FE/ZNXC3 SECHSKANTSCHRAUBE FE/ZNXC3 VITE TESTA ESAGONALE FE/ZNXC3
009 80062065 016 VIS TETE HEXAGONALE FE/ZNXC3 HEXAGON HEAD SCREW FE/ZNXC3 SECHSKANTSCHRAUBE FE/ZNXC3 VITE TESTA ESAGONALE FE/ZNXC3
010 80062088 008 VIS TETE HEXAGONALE FE/ZNXC3 HEXAGON HEAD SCREW FE/ZNXC3 SECHSKANTSCHRAUBE FE/ZNXC3 VITE TESTA ESAGONALE FE/ZNXC3
011 80200840 004 ECROU HEX.BAS AUTOFR.FE/ZNXC3 SELF-LOCKING NUT FE/ZNXC3 SELBSTSICHERND.MUTTER FE/ZNXC3 DADO AUTOBLOCCANTE FE/ZNXC3
012 80201240 006 ECROU HEX.BAS AUTOFR.FE/ZNXC3 SELF-LOCKING NUT FE/ZNXC3 SELBSTSICHERND.MUTTER FE/ZNXC3 DADO AUTOBLOCCANTE FE/ZNXC3
013 80201630 001 ECROU HEX.AUTOFREINE FE/ZNXC3 SELF-LOCKING NUT FE/ZNXC3 SELBSTSICH.MUTTER FE/ZNXC3 DADO AUTOBLOCCANTE FE/ZNXC3
014 80202040 024 ECROU HEX.BAS AUTOFR.FE/ZNXC3 SELF-LOCKING NUT FE/ZNXC3 SELBSTSICHERND.MUTTER FE/ZNXC3 DADO AUTOBLOCCANTE FE/ZNXC3
015 80202440 004 ECROU HEX.AUTOFREINE FE/ZNXC3 SELF-LOCKING NUT FE/ZNXC3 SELBSTSICHERNDE MUTT.FE/ZNXC3 DADO AUTOBLOCCANTE FE/ZNXC3
016 80203915 001 ECROU HK FE/ZNXC3 CASTLE NUT FE/ZNXC3 KRONENMUTTER FE/ZNXC3 DADO FE/ZNXC3
017 80252026 024 RONDELLE PLATE FE/ZNXC3 PLAIN WASHER FE/ZNXC3 SCHEIBE FE/ZNXC3 RONDELLA PIATTA FE/ZNXC3
018 80450660 001 GOUPILLE ELASTIQUE FLZNNC ROLL PIN FLZNNC SPANNHUELSE FLZNNC SPINA ELASTICA FLZNNC
019 82201016 015 GRAISSEUR AUTOTARAUDANT SELF TAPPING GREASE NIPPLE GEWINDESCHNEID-SCHMIERNIPPEL INGRASSATORE
020 80250823 004 RONDELLE PLATE FE/ZNXC3 PLAIN WASHER FE/ZNXC3 SCHEIBE FE/ZNXC3 RONDELLA PIATTA FE/ZNXC3
021 80251227 006 RONDELLE PLATE FE/ZNXC3 PLAIN WASHER FE/ZNXC3 SCHEIBE FE/ZNXC3 RONDELLA PIATTA FE/ZNXC3
022 H2110920 001 VERIN CYLINDER, HYDRAULIC HYDRAULIKZYLINDER CILINDRO
023 H2207500 004 ENTRETOISE SPACER DISTANZHUELSE DISTANZIALE
024 H2223420 001 TRINGLE LINK STREBE TRIANGOLO
025 H2223430 001 TRINGLE LINK STREBE TRIANGOLO
026 H2223440 001 TRINGLE LINK STREBE TRIANGOLO
027 H2223450 001 TRINGLE LINK STREBE TRIANGOLO
028 H2223460 001 PALONNIER SPREADER BAR LASTTRAVERSE TIMONE
029 H2223470 001 SUPPORT SUPPORT TRAEGER SUPPORTO
030 H2223480 001 SUPPORT SUPPORT TRAEGER SUPPORTO
031 H2223490 001 SUPPORT SUPPORT TRAEGER SUPPORTO
032 H2223500 001 SUPPORT SUPPORT TRAEGER SUPPORTO
033 H2223510 004 AXE PIN ACHSE ASSE
034 H2223520 001 SUPPORT SUPPORT TRAEGER SUPPORTO
035 H2230480 001 AXE PIN ACHSE ASSE
036 H2230490 001 RONDELLE WASHER SCHEIBE RONDELLA PIATTA
037 H2205450 004 EMBOUT A ROTULE END ENDSTUECK GIUNTO
21
REPLIAGE HYDRAULIQUE HYDRAULIC FOLDING HYDRAULISCHE KLAPPUNG PIEGHEVOLE IDRAULICO
DISCOVER XL2 C0001 >
H24R0064 C
Rep Nr Qt Designation Description Bezeichnung Referenza Remarque - Remark - Bemerkung - Osservazioni
001 951197 006 GAINE CAOUTCHOUC SHEATHE HUELLE GUAINA CAOUTCHOUC
002 951409 001 BLOC BLOCK BLOCK BLOCCO
003 952365 002 CLAPET ANTI-RETOUR VALVE, CHECK RUECKSCHLAGVENTIL VALVOLA ANTI-RITORNO
004 80060846 004 VIS TETE HEXAGONALE FE/ZNXC3 HEXAGON HEAD SCREW FE/ZNXC3 SECHSKANTSCHRAUBE FE/ZNXC3 VITE TESTA ESAGONALE FE/ZNXC3
005 80060853 002 VIS TETE HEXAGONALE FE/ZNXC3 HEXAGON HEAD SCREW FE/ZNXC3 SECHSKANTSCHRAUBE FE/ZNXC3 VITE TESTA ESAGONALE FE/ZNXC3
006 80060864 002 VIS TETE HEXAGONALE FE/ZNXC3 HEXAGON HEAD SCREW FE/ZNXC3 SECHSKANTSCHRAUBE FE/ZNXC3 VITE TESTA ESAGONALE FE/ZNXC3
007 80060871 003 VIS TETE HEXAGONALE FE/ZNXC3 HEXAGON HEAD SCREW FE/ZNXC3 SECHSKANTSCHRAUBE FE/ZNXC3 VITE TESTA ESAGONALE FE/ZNXC3
008 80200830 004 ECROU HEX.AUTOFREINE FE/ZNXC3 SELF-LOCKING NUT FE/ZNXC3 SELBSTSICHERNDE MUTT.FE/ZNXC3 DADO AUTOBLOCCANTE FE/ZNXC3
009 80250823 004 RONDELLE PLATE FE/ZNXC3 PLAIN WASHER FE/ZNXC3 SCHEIBE FE/ZNXC3 RONDELLA PIATTA FE/ZNXC3
010 A4061802 004 BOUCHON 3/8G CHC F.E FE/ZNXC3 PLUG 3/8G CHC F.E FE/ZNXC3 VERSCHLUSSSCHRAUBE 3/8G CHC F. TAPPO 3/8G CHC F.E FE/ZNXC3
011 A4071008 001 CLAPET ANTI.RETOUR 3/8(0.5BAR) CHECK VALVE RUECKSCHLAGVENTIL VALVOLA
012 A4072014 001 LIMITEUR DEBIT D0.8 TUBE D14 DELIVERY LIMITER MENGEN BEGRENZER REGOLATORE D'ALIMENTAZIONE
013 A4074018 002 COUPLEUR MALE CONNECTOR MALE KUPPLUNGSTECKER ATTACCO IDRAULICO
014 A4074047 002 CAPUCHON COUPLEUR MALE CAP MALE CONNECTOR KAPPE KUPPLUNG STECKER TAPPO PLASTICA
015 A4080306 003 UNION DOUBLE FE/ZNXC3 STRAIGHT COUPLING FE/ZNXC3 GERADE VERSCHRAUBUNG FE/ZNXC3 GIUNZIONE DIRITTA FE/ZNXC3
016 A4080401 006 UNION MALE MALE STUD CONNECTOR GERADER EINSCHRAUBSTUTZEN GIUZIONE DIRITTA ZBC
017 A4080402 003 UNION MALE MALE STUD CONNECTOR GERADER EINSCHRAUBSTUTZEN GIUZIONE DIRITTA ZBC
018 A4080429 001 UNION MALE MALE STUD CONNECTOR GERADER EINSCHRAUBSTUTZEN GIUZIONE DIRITTA ZBC
019 A4080430 003 UNION MALE MALE STUD CONNECTOR GERADER EINSCHRAUBSTUTZEN GIUZIONE DIRITTA ZBC
020 A4080518 001 ADAPTEUR ZBC ADAPTER ZBC GEWINDESTUTZEN ZBC ADATTATORE ZBC
021 A4080521 001 ADAPTATEUR MALE SWIVEL CONNECTOR EINSTELLBARER EINSCHRAUBSTUTZE ADATTATORE ZBC
022 A4081010 001 TE EGAL NU ZBC EQUAL TEE ZBC T-VERSCHRAUBUNG ZBC GIUNZIONE A T ZBC
023 A4082700 001 COUDE TOURNANT AJUSTABLE MALE STUD ELBOW EINSTELLBARER WINKELSTUTZEN GIUNZIONE A 90°ORIENTABILE
024 A4083100 001 TE ADAPTABLE RENVERSE FE/ZNXC3 ADJ.MALE STUD TEE-STU.FE/ZNXC3 EINSTELLB.T-VERSCHRAU.FE/ZNXC3 TERMINALE A T ORIENTA.FE/ZNXC3
025 A4083102 001 TE ADAPTABLE RENVERSE FE/ZNXC3 ADJ.MALE STUD TEE-STU.FE/ZNXC3 EINSTELLB.T-VERSCHRAU.FE/ZNXC3 TERMINALE A T ORIENTA.FE/ZNXC3
026 A4085353 001 RACCORD RED. M1/2G-F1/4G ZN REDUCING FITTING ZBC REDUZIERVERSCHRAUBUNG ZBC RIDIZIONE DIRITTA ZBC
027 A7260016 003 PL SUP/C. DOUBLE D14/15/16/18 UPPER PLATE OBERE PLATTE PIASTRA
028 A7260017 004 PL SUP/C. DOUBLE D19/20/22/25 UPPER PLATE PLATTE OBERE PIASTRA
029 A7260042 003 COLLIER DOUBLE D15 NU CLAMP D.15 SCHELLE D.15 COLLARE D.15
030 A7260046 007 COLLIER DOUBLE D20 NU CLAMP D.20 SCHELLE D.20 COLLARE D.20
031 A4921068 001 FLEXIBLE HYDRAULIQUE HYDRAULIC HOSE HYDRAULIKSCHLAUCH TUBO GOMMA <->750 mm
032 A4921069 001 FLEXIBLE HOSE, HYDRAULIC HYDRAULIKSCHLAUCH TUBO IN GOMMA <->810 mm
033 A4921069 001 FLEXIBLE HOSE, HYDRAULIC HYDRAULIKSCHLAUCH TUBO IN GOMMA <->810 mm
034 A4921074 001 FLEXIBLE HYDRAULIQUE HYDRAULIC HOSE HYDRAULIKSCHLAUCH TUBO GOMMA <->1100 mm
035 A4923030 001 FLEXIBLE HYDRAULIQUE HYDRAULIC HOSE HYDRAULIKSCHLAUCH TUBO GOMMA <->650 mm
036 A4923062 001 FLEXIBLE HYDRAULIQUE HYDRAULIC HOSE HYDRAULIKSCHLAUCH TUBO GOMMA <->450 mm
037 A4923063 001 FLEXIBLE HYDRAULIQUE HYDRAULIC HOSE HYDRAULIKSCHLAUCH TUBO GOMMA <->5500 mm
038 A4923063 001 FLEXIBLE HYDRAULIQUE HYDRAULIC HOSE HYDRAULIKSCHLAUCH TUBO GOMMA <->5500 mm
039 A4923067 001 FLEXIBLE HYDRAULIQUE HYDRAULIC HOSE HYDRAULIKSCHLAUCH TUBO GOMMA <->375 mm
040 A4923067 001 FLEXIBLE HYDRAULIQUE HYDRAULIC HOSE HYDRAULIKSCHLAUCH TUBO GOMMA <->375 mm
041 H1300010 001 ACCUMULATEUR ACCUMULATOR DRUCKSPEICHER ACCUMULATORE
042 H2110950 001 POCHETTE KIT, SEAL TACHE SACCHE : h2110930
043 H2406710 001 SOUPAPE VALVE VENTIL VALVOLA
044 H2407460 001 LIMITEUR CLUTCH KUPPLUNG FRIZIONE
045 H2407950 001 ECROU HEXAGONAL NUT, HEX SECHSKANTMUTTER DADO ESAGONALE
046 H2417820 002 TUYAU PIPE ROHR TUBO
047 H2110920 001 VERIN CYLINDER, HYDRAULIC HYDRAULIKZYLINDER CILINDRO
23
REPLIAGE HYDRAULIQUE HYDRAULIC FOLDING HYDRAULISCHE KLAPPUNG PIEGHEVOLE IDRAULICO
DISCOVER XL2 C0001 >
H24R0066 C
Rep Nr Qt Designation Description Bezeichnung Referenza Remarque - Remark - Bemerkung - Osservazioni
001 951197 004 GAINE CAOUTCHOUC SHEATHE HUELLE GUAINA CAOUTCHOUC
002 952365 002 CLAPET ANTI-RETOUR VALVE, CHECK RUECKSCHLAGVENTIL VALVOLA ANTI-RITORNO
003 80060835 003 VIS TETE HEXAGONALE FE/ZNXC3 HEXAGON HEAD SCREW FE/ZNXC3 SECHSKANTSCHRAUBE FE/ZNXC3 VITE TESTA ESAGONALE FE/ZNXC3
004 80060871 003 VIS TETE HEXAGONALE FE/ZNXC3 HEXAGON HEAD SCREW FE/ZNXC3 SECHSKANTSCHRAUBE FE/ZNXC3 VITE TESTA ESAGONALE FE/ZNXC3
005 A4072014 001 LIMITEUR DEBIT D0.8 TUBE D14 DELIVERY LIMITER MENGEN BEGRENZER REGOLATORE D'ALIMENTAZIONE
006 A4074017 002 COUPLEUR MALE CONNECTOR MALE KUPPLUNGSTECKER INNESTO M16X150
007 A4074048 002 CAPUCHON COUPLEUR MALE CAP MALE CONNECTOR KAPPE KUPPLUNG STECKER TAPPO PLASTICA
008 A4080350 004 UNION DOUBLE NUE ZBC STRAIGHT COUPLING ZBC GERADE VERSCHRAUBUNG ZBC GIUNZIONE DIRITTA ZBC
009 A4080401 002 UNION MALE MALE STUD CONNECTOR GERADER EINSCHRAUBSTUTZEN GIUZIONE DIRITTA ZBC
010 A7260016 006 PL SUP/C. DOUBLE D14/15/16/18 UPPER PLATE OBERE PLATTE PIASTRA
011 A7260042 006 COLLIER DOUBLE D15 NU CLAMP D.15 SCHELLE D.15 COLLARE D.15
012 A7260046 003 COLLIER DOUBLE D20 NU CLAMP D.20 SCHELLE D.20 COLLARE D.20
013 A4921019 001 FLEXIBLE HYDRAULIQUE HYDRAULIC HOSE HYDRAULIKSCHLAUCH TUBO GOMMA <->760 mm
014 A4921019 001 FLEXIBLE HYDRAULIQUE HYDRAULIC HOSE HYDRAULIKSCHLAUCH TUBO GOMMA <->760 mm
015 A4921112 001 FLEXIBLE HYDRAULIQUE HYDRAULIC HOSE HYDRAULIKSCHLAUCH TUBO GOMMA <->5500 mm
016 A4921112 001 FLEXIBLE HYDRAULIQUE HYDRAULIC HOSE HYDRAULIKSCHLAUCH TUBO GOMMA <->5500 mm
017 H2110920 001 VERIN CYLINDER, HYDRAULIC HYDRAULIKZYLINDER CILINDRO
018 H2110950 001 POCHETTE KIT, SEAL TACHE SACCHE
019 H2417800 002 TUYAU PIPE ROHR TUBO
25
DECROTTOIR (AVANT) SCRAPER (FRONT) ABSTREIFER (VORN) POLITIRE (ANTERIORE)
XL2-52 C0001 >
H22R0148 B
Rep Nr Qt Designation Description Bezeichnung Referenza Remarque - Remark - Bemerkung - Osservazioni
001 212138 004 PLAQUETTE SERRAGE PLATE PLATTE PIASTRINA
002 227179 019 CHAPE CLEVIS GABEL FORCELLA
003 780688 004 CHAISE HEAT TREATED HANGER LAGERHALTEVORRICHTUNG VORNE GANCIO TRATTATO TERMICAMENTE
004 80061669 019 VIS TETE HEXAGONALE FE/ZNXC3 HEXAGON HEAD SCREW FE/ZNXC3 SECHSKANTSCHRAUBE FE/ZNXC3 VITE TESTA ESAGONALE FE/ZNXC3
005 80062007 008 VIS TETE HEXAGONALE FLZNNC HEXAGON HEAD SCREW FLZNNC SECHSKANTSCHRAUBE FLZNNC VITE TESTA ESAGONALE FLZNNC : Ø660
005 80062043 008 VIS TETE HEXAGONALE FLZNNC HEXAGON HEAD SCREW FLZNNC SECHSKANTSCHRAUBE FLZNNC VITE TESTA ESAGONALE FLZNNC : Ø710
006 80062076 008 VIS TETE HEXAGONALE FE/ZNXC3 HEXAGON HEAD SCREW FE/ZNXC3 SECHSKANTSCHRAUBE FE/ZNXC3 VITE TESTA ESAGONALE FE/ZNXC3
007 80062081 008 VIS TETE HEXAGONALE FE/ZNXC3 HEXAGON HEAD SCREW FE/ZNXC3 SECHSKANTSCHRAUBE FE/ZNXC3 VITE TESTA ESAGONALE FE/ZNXC3
008 80201670 019 ECROU HEXAGONAL FE/ZNXC3 NUT FE/ZNXC3 SECHSKANTMUTTER FE/ZNXC3 DADO FE/ZNXC3
009 80202040 024 ECROU HEX.BAS AUTOFR.FE/ZNXC3 SELF-LOCKING NUT FE/ZNXC3 SELBSTSICHERND.MUTTER FE/ZNXC3 DADO AUTOBLOCCANTE FE/ZNXC3
010 80251624 004 RONDELLE PLATE FE/ZNXC3 PLAIN WASHER FE/ZNXC3 SCHEIBE FE/ZNXC3 RONDELLA PIATTA FE/ZNXC3
011 80271602 019 RONDELLE GROWER FE/ZNXC3 SPRING LOCK WASHER FE/ZNXC3 FEDERRING FE/ZNXC3 RONDELLA GROWER FE/ZNXC3
012 581805 004 DECROTTEUR SCRAPER, SOIL ABSTREIFER RASCHIETTO <01/2003
012 H2200150 004 DECROTTEUR PALIER AV GCH & AR SCRAPER ABSTREIFER RASCHIETTO >01/2003
013 581804 004 DECROTTEUR SCRAPER, SOIL ABSTREIFER RASCHIETTO <01/2003
013 H2200160 004 DECROTTEUR PALIER AV DRT & AR SCRAPER ABSTREIFER RASCHIETTO >01/2003
014 581677 011 DECROTTEUR SCRAPER, SOIL ABSTREIFER RASCHIETTO <01/2003
014 H2200170 011 DECROTTEUR AV DRT & AR GCH SCRAPER ABSTREIFER RASCHIETTO >01/2003
015 581678 011 DECROTTEUR SCRAPER, SOIL ABSTREIFER RASCHIETTO <01/2003
015 H2200180 011 DECROTTEUR AV GCH & AR DRT SCRAPER ABSTREIFER RASCHIETTO >01/2003
016 582586 001 GUIDE DECROTTOIR AV28 AR24 GUIDE FURHRUNG GUIDA <01/2003
016 H2200230 001 GUIDE GUIDE FUEHRUNG GUIDA >01/2003
017 H2200240 004 SUPPORT SUPPORT TRAEGER SUPPORTO
018 H2200250 004 SUPPORT SUPPORT TRAEGER SUPPORTO
019 582585 001 GUIDE DECROTTOIR AV24 GUIDE FURHRUNG GUIDA <01/2003
019 H2200870 001 GUIDE GUIDE FUEHRUNG GUIDA >01/2003
27
DECROTTOIR (AVANT) SCRAPER (FRONT) ABSTREIFER (VORN) POLITIRE (ANTERIORE)
XL2-60 C0001 >
H22R0147 B
Rep Nr Qt Designation Description Bezeichnung Referenza Remarque - Remark - Bemerkung - Osservazioni
001 212138 004 PLAQUETTE SERRAGE PLATE PLATTE PIASTRINA
002 227179 019 CHAPE CLEVIS GABEL FORCELLA
003 780688 004 CHAISE HEAT TREATED HANGER LAGERHALTEVORRICHTUNG VORNE GANCIO TRATTATO TERMICAMENTE
004 80061669 019 VIS TETE HEXAGONALE FE/ZNXC3 HEXAGON HEAD SCREW FE/ZNXC3 SECHSKANTSCHRAUBE FE/ZNXC3 VITE TESTA ESAGONALE FE/ZNXC3
005 80062007 008 VIS TETE HEXAGONALE FLZNNC HEXAGON HEAD SCREW FLZNNC SECHSKANTSCHRAUBE FLZNNC VITE TESTA ESAGONALE FLZNNC : Ø660
005 80062043 008 VIS TETE HEXAGONALE FLZNNC HEXAGON HEAD SCREW FLZNNC SECHSKANTSCHRAUBE FLZNNC VITE TESTA ESAGONALE FLZNNC : Ø710
006 80062076 008 VIS TETE HEXAGONALE FE/ZNXC3 HEXAGON HEAD SCREW FE/ZNXC3 SECHSKANTSCHRAUBE FE/ZNXC3 VITE TESTA ESAGONALE FE/ZNXC3
007 80062081 008 VIS TETE HEXAGONALE FE/ZNXC3 HEXAGON HEAD SCREW FE/ZNXC3 SECHSKANTSCHRAUBE FE/ZNXC3 VITE TESTA ESAGONALE FE/ZNXC3
008 80201670 019 ECROU HEXAGONAL FE/ZNXC3 NUT FE/ZNXC3 SECHSKANTMUTTER FE/ZNXC3 DADO FE/ZNXC3
009 80202040 024 ECROU HEX.BAS AUTOFR.FE/ZNXC3 SELF-LOCKING NUT FE/ZNXC3 SELBSTSICHERND.MUTTER FE/ZNXC3 DADO AUTOBLOCCANTE FE/ZNXC3
010 80251624 004 RONDELLE PLATE FE/ZNXC3 PLAIN WASHER FE/ZNXC3 SCHEIBE FE/ZNXC3 RONDELLA PIATTA FE/ZNXC3
011 80271602 019 RONDELLE GROWER FE/ZNXC3 SPRING LOCK WASHER FE/ZNXC3 FEDERRING FE/ZNXC3 RONDELLA GROWER FE/ZNXC3
012 581805 004 DECROTTEUR SCRAPER, SOIL ABSTREIFER RASCHIETTO <01/2003
012 H2200150 004 DECROTTEUR PALIER AV GCH & AR SCRAPER ABSTREIFER RASCHIETTO >01/2003
013 581804 004 DECROTTEUR SCRAPER, SOIL ABSTREIFER RASCHIETTO <01/2003
013 H2200160 004 DECROTTEUR PALIER AV DRT & AR SCRAPER ABSTREIFER RASCHIETTO >01/2003
014 581677 011 DECROTTEUR SCRAPER, SOIL ABSTREIFER RASCHIETTO <01/2003
014 H2200170 011 DECROTTEUR AV DRT & AR GCH SCRAPER ABSTREIFER RASCHIETTO >01/2003
015 581678 011 DECROTTEUR SCRAPER, SOIL ABSTREIFER RASCHIETTO <01/2003
015 H2200180 011 DECROTTEUR AV GCH & AR DRT SCRAPER ABSTREIFER RASCHIETTO >01/2003
016 582587 001 GUIDE DECROTTOIR AV32 AR28 GUIDE FURHRUNG GUIDA <01/2003
016 H2200220 001 GUIDE GUIDE FUEHRUNG GUIDA >01/2003
017 582586 001 GUIDE DECROTTOIR AV28 AR24 GUIDE FURHRUNG GUIDA <01/2003
017 H2200230 001 GUIDE GUIDE FUEHRUNG GUIDA >01/2003
018 H2200240 004 SUPPORT SUPPORT TRAEGER SUPPORTO
019 H2200250 004 SUPPORT SUPPORT TRAEGER SUPPORTO
29
DECROTTOIR (ARRIERE) SCRAPER (REAR) ABSTREIFER (HINTEN) POLITIRE (POSTERIORE)
XL2-52 C0001 >
H22R0153 B
Rep Nr Qt Designation Description Bezeichnung Referenza Remarque - Remark - Bemerkung - Osservazioni
001 212138 004 PLAQUETTE SERRAGE PLATE PLATTE PIASTRINA
002 227179 018 CHAPE CLEVIS GABEL FORCELLA
003 780688 004 CHAISE HEAT TREATED HANGER LAGERHALTEVORRICHTUNG VORNE GANCIO TRATTATO TERMICAMENTE
004 80061669 020 VIS TETE HEXAGONALE FE/ZNXC3 HEXAGON HEAD SCREW FE/ZNXC3 SECHSKANTSCHRAUBE FE/ZNXC3 VITE TESTA ESAGONALE FE/ZNXC3
005 80062007 008 VIS TETE HEXAGONALE FLZNNC HEXAGON HEAD SCREW FLZNNC SECHSKANTSCHRAUBE FLZNNC VITE TESTA ESAGONALE FLZNNC : Ø660
005 80062043 008 VIS TETE HEXAGONALE FLZNNC HEXAGON HEAD SCREW FLZNNC SECHSKANTSCHRAUBE FLZNNC VITE TESTA ESAGONALE FLZNNC : Ø710
006 80062076 008 VIS TETE HEXAGONALE FE/ZNXC3 HEXAGON HEAD SCREW FE/ZNXC3 SECHSKANTSCHRAUBE FE/ZNXC3 VITE TESTA ESAGONALE FE/ZNXC3
007 80062081 008 VIS TETE HEXAGONALE FE/ZNXC3 HEXAGON HEAD SCREW FE/ZNXC3 SECHSKANTSCHRAUBE FE/ZNXC3 VITE TESTA ESAGONALE FE/ZNXC3
008 80201670 020 ECROU HEXAGONAL FE/ZNXC3 NUT FE/ZNXC3 SECHSKANTMUTTER FE/ZNXC3 DADO FE/ZNXC3
009 80202040 024 ECROU HEX.BAS AUTOFR.FE/ZNXC3 SELF-LOCKING NUT FE/ZNXC3 SELBSTSICHERND.MUTTER FE/ZNXC3 DADO AUTOBLOCCANTE FE/ZNXC3
010 80251624 004 RONDELLE PLATE FE/ZNXC3 PLAIN WASHER FE/ZNXC3 SCHEIBE FE/ZNXC3 RONDELLA PIATTA FE/ZNXC3
011 80271602 020 RONDELLE GROWER FE/ZNXC3 SPRING LOCK WASHER FE/ZNXC3 FEDERRING FE/ZNXC3 RONDELLA GROWER FE/ZNXC3
012 581805 004 DECROTTEUR SCRAPER, SOIL ABSTREIFER RASCHIETTO <01/2003
012 H2200150 004 DECROTTEUR PALIER AV GCH & AR SCRAPER ABSTREIFER RASCHIETTO >01/2003
013 581804 004 DECROTTEUR SCRAPER, SOIL ABSTREIFER RASCHIETTO <01/2003
013 H2200160 004 DECROTTEUR PALIER AV DRT & AR SCRAPER ABSTREIFER RASCHIETTO >01/2003
014 581677 012 DECROTTEUR SCRAPER, SOIL ABSTREIFER RASCHIETTO <01/2003
014 H2200170 012 DECROTTEUR AV DRT & AR GCH SCRAPER ABSTREIFER RASCHIETTO >01/2003
015 581678 012 DECROTTEUR SCRAPER, SOIL ABSTREIFER RASCHIETTO <01/2003
015 H2200180 012 DECROTTEUR AV GCH & AR DRT SCRAPER ABSTREIFER RASCHIETTO >01/2003
016 582586 002 GUIDE DECROTTOIR AV28 AR24 GUIDE FURHRUNG GUIDA <01/2003
016 H2200230 002 GUIDE GUIDE FUEHRUNG GUIDA >01/2003
017 H2200240 004 SUPPORT SUPPORT TRAEGER SUPPORTO
018 H2200250 004 SUPPORT SUPPORT TRAEGER SUPPORTO
31
DECROTTOIR (ARRIERE) SCRAPER (REAR) ABSTREIFER (HINTEN) POLITIRE (POSTERIORE)
XL2-60 C0001 >
H22R0151 B
Rep Nr Qt Designation Description Bezeichnung Referenza Remarque - Remark - Bemerkung - Osservazioni
001 212138 004 PLAQUETTE SERRAGE PLATE PLATTE PIASTRINA
002 227179 020 CHAPE CLEVIS GABEL FORCELLA
003 780688 004 CHAISE HEAT TREATED HANGER LAGERHALTEVORRICHTUNG VORNE GANCIO TRATTATO TERMICAMENTE
004 80061669 020 VIS TETE HEXAGONALE FE/ZNXC3 HEXAGON HEAD SCREW FE/ZNXC3 SECHSKANTSCHRAUBE FE/ZNXC3 VITE TESTA ESAGONALE FE/ZNXC3
005 80062007 008 VIS TETE HEXAGONALE FLZNNC HEXAGON HEAD SCREW FLZNNC SECHSKANTSCHRAUBE FLZNNC VITE TESTA ESAGONALE FLZNNC : Ø660
005 80062043 008 VIS TETE HEXAGONALE FLZNNC HEXAGON HEAD SCREW FLZNNC SECHSKANTSCHRAUBE FLZNNC VITE TESTA ESAGONALE FLZNNC : Ø710
006 80062076 008 VIS TETE HEXAGONALE FE/ZNXC3 HEXAGON HEAD SCREW FE/ZNXC3 SECHSKANTSCHRAUBE FE/ZNXC3 VITE TESTA ESAGONALE FE/ZNXC3
007 80062081 008 VIS TETE HEXAGONALE FE/ZNXC3 HEXAGON HEAD SCREW FE/ZNXC3 SECHSKANTSCHRAUBE FE/ZNXC3 VITE TESTA ESAGONALE FE/ZNXC3
008 80201670 020 ECROU HEXAGONAL FE/ZNXC3 NUT FE/ZNXC3 SECHSKANTMUTTER FE/ZNXC3 DADO FE/ZNXC3
009 80202040 024 ECROU HEX.BAS AUTOFR.FE/ZNXC3 SELF-LOCKING NUT FE/ZNXC3 SELBSTSICHERND.MUTTER FE/ZNXC3 DADO AUTOBLOCCANTE FE/ZNXC3
010 80251624 004 RONDELLE PLATE FE/ZNXC3 PLAIN WASHER FE/ZNXC3 SCHEIBE FE/ZNXC3 RONDELLA PIATTA FE/ZNXC3
011 80271602 020 RONDELLE GROWER FE/ZNXC3 SPRING LOCK WASHER FE/ZNXC3 FEDERRING FE/ZNXC3 RONDELLA GROWER FE/ZNXC3
012 581805 004 DECROTTEUR SCRAPER, SOIL ABSTREIFER RASCHIETTO <01/2003
012 H2200150 004 DECROTTEUR PALIER AV GCH & AR SCRAPER ABSTREIFER RASCHIETTO >01/2003
013 581804 004 DECROTTEUR SCRAPER, SOIL ABSTREIFER RASCHIETTO <01/2003
013 H2200160 004 DECROTTEUR PALIER AV DRT & AR SCRAPER ABSTREIFER RASCHIETTO >01/2003
014 581677 012 DECROTTEUR SCRAPER, SOIL ABSTREIFER RASCHIETTO <01/2003
014 H2200170 012 DECROTTEUR AV DRT & AR GCH SCRAPER ABSTREIFER RASCHIETTO >01/2003
015 581678 012 DECROTTEUR SCRAPER, SOIL ABSTREIFER RASCHIETTO <01/2003
015 H2200180 012 DECROTTEUR AV GCH & AR DRT SCRAPER ABSTREIFER RASCHIETTO >01/2003
016 582588 001 GUIDE DECROTTOIR AV36 AR32 GUIDE FURHRUNG GUIDA <01/2003
016 H2200210 001 GUIDE GUIDE FUEHRUNG GUIDA >01/2003
017 582586 001 GUIDE DECROTTOIR AV28 AR24 GUIDE FURHRUNG GUIDA <01/2003
017 H2200230 001 GUIDE GUIDE FUEHRUNG GUIDA >01/2003
018 H2200240 004 SUPPORT SUPPORT TRAEGER SUPPORTO
019 H2200250 004 SUPPORT SUPPORT TRAEGER SUPPORTO
33
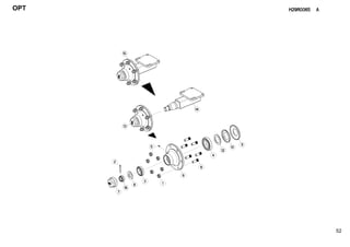
PALIER COMPLET BEARING CARRIER LAGERGEHAEUSE SUPPORTO CUSCINETTO
DISCOVER XL2 C0001 >
H22R0012 B
Rep Nr Qt Designation Description Bezeichnung Referenza Remarque - Remark - Bemerkung - Osservazioni
001 421226 001 REHAUSSE EXTENSION, TOP SEITENTEIL SOPRALZO [1]
002 951216 004 JOINT LEVRE 70X90X10 722458 IE SEAL 70X90X10 722458 IE RADIALDICHTRING 70X90X10 ANELLO [1]
003 951278 001 CHAPEAU DUST CAP KAPPE CAPPELLO [1]
004 951279 001 PALIER BEARING, PILLOW BLOCK LAGER SUPPORTO [1]
005 951680 001 CLINQUANT EPAISSEUR 0,4 R-PIN SCHEIBE GUARNIZIONE METALL. SPESS. 0,4 [1]
006 80081006 006 VIS T.CYL.BAS.SIX P.C.FE/ZNXC3 HEX.SOCK.HEAD CAP SCR.FE/ZNXC3 ZYLINDERSCHR.INNENSEC.FE/ZNXC3 VITE A TESTA CILINDR. FE/ZNXC3 [1]
007 80271003 006 RONDELLE GROWER FE/ZNXC3 SPRING LOCK WASHER FE/ZNXC3 FEDERRING FE/ZNXC3 RONDELLA GROWER FE/ZNXC3 [1]
008 81307011 002 ROULEMENT A ROULEAUX CONIQUES TAPERED ROLLER BEARING KEGELROLLENLAGER CUSCINETTO A RULLI [1]
009 82201016 001 GRAISSEUR AUTOTARAUDANT SELF TAPPING GREASE NIPPLE GEWINDESCHNEID-SCHMIERNIPPEL INGRASSATORE [1]
010 H2200000 001 ENTRETOISE CONCAVE SPACER KURZE GEWOELBTE DISTANZSCHEIBE DISTANZIALE CONCAVO [1]
011 H2200010 001 ENTRETOISE CONVEXE SPACER KURZE KONVEXE DISTANZSCHEIBE DISTANZIALE CONVESSO [1]
012 H2200020 001 AXE PALIER AXLE ACHSE ASSE [1]
013 H2200030 001 PALIER BEARING, PILLOW BLOCK LAGER SUPPORTO +[1]
014 H2202840 001 CLINQUANT EPAISSEUR 0.1 FLASHY SCHEIBE CARTA STAGNOLA [1]
015 H2202850 001 CLINQUANT EPAISSEUR 0.2 FLASHY SCHEIBE CARTA STAGNOLA [1]
35
PROTECTEUR D710 (PALIER) SAFETY GUARDS D710 (BEARING) SCHUTZVORRICHTUNG D710 (LAGERU PARAPETTI D710 (CUSCINETTO)
DISCOVER XL2 C0001 >
H22R0374 B
Rep Nr Qt Designation Description Bezeichnung Referenza Remarque - Remark - Bemerkung - Osservazioni
001 H2200940 001 CALE CHAISE DISTANCE PLATE DISTANZPLATTE SPESSORE
002 80202040 002 ECROU HEX.BAS AUTOFR.FE/ZNXC3 SELF-LOCKING NUT FE/ZNXC3 SELBSTSICHERND.MUTTER FE/ZNXC3 DADO AUTOBLOCCANTE FE/ZNXC3
003 H2218430 001 PROTECTION SHIELD SCHUTZ PROTEZIONE
004 80062043 002 VIS TETE HEXAGONALE FLZNNC HEXAGON HEAD SCREW FLZNNC SECHSKANTSCHRAUBE FLZNNC VITE TESTA ESAGONALE FLZNNC
37
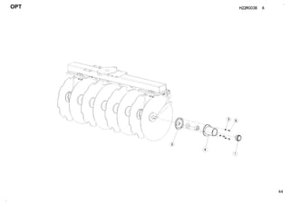
TRAIN DISQUE Ø660 AVANT SET OF DISCS Ø660 FRONT SCHEIBENREIHE Ø660 VORN TRENO DI DISCHI Ø660 ANTERIORE
DISCOVER XL2 C0001 >
H22R0155 B
Rep Nr Qt Designation Description Bezeichnung Referenza Remarque - Remark - Bemerkung - Osservazioni
001 117108 007 DISQUE LISSE D 660 EP:6 PLAIN DISC D 660 GLATTE SCHEIBE 660X6 DISCO LISCIO D=660
002 117109 008 DISQUE CRENELE D 660 EP:6 NOTCHED DISC D 660 GEZACKTE SCHEIBE 660X6 DISCO DENTATO D=660 SPESS:6
003 222156 004 RONDELLE WASHER SCHEIBE RONDELLA PIATTA
004 583263 001 ARBRE SHAFT WELLE ALBERO
005 583264 001 ARBRE SHAFT WELLE ALBERO
006 583265 001 ARBRE SHAFT WELLE ALBERO
007 645236 009 ENTRETOISE SPACER DISTANZHUELSE DISTANZIALE
008 750050 002 RONDELLE DE BOBINE EP6 WASHER SCHEIBE RONDELLA
009 780341 001 CLE DE 60 SPANNER SCHRAUBENSCHLUESSEL CHIAVE
010 80203915 002 ECROU HK FE/ZNXC3 CASTLE NUT FE/ZNXC3 KRONENMUTTER FE/ZNXC3 DADO FE/ZNXC3
011 80500579 002 GOUPILLE FENDUE FE/ZNXC3 SPLIT PIN FE/ZNXC3 SPLINT FE/ZNXC3 COPPIGLIA FE/ZNXC3
012 117120 001 DISQUE LOBBE D660 EP.6 DISC SCHEIBE DISCO
013 117121 001 DISQUE LISSE D 660 EP:8 PLAIN DISC D 660 GLATTE SCHEIBE D660 (8MM) DISCO LISCIO D=660 SPESS:8
014 117122 001 DISQUE CRENELE D 660 EP:8 NOTCHED DISC D 660 GEZACKTE SCHEIBE D 660 (8MM) DISCO DENTATO D=660 SPESS:8
015 H2200030 004 PALIER BEARING, PILLOW BLOCK LAGER SUPPORTO
39
TRAIN DISQUE Ø660 (ARRIERE) SET OF DISCS Ø660 (REAR) SCHEIBENREIHE Ø660 (HINTEN) TRENO DI DISCHI Ø660 (POSTERIO
DISCOVER XL2 C0001 >
H22R0157 B
Rep Nr Qt Designation Description Bezeichnung Referenza Remarque - Remark - Bemerkung - Osservazioni
001 117107 002 DISQUE CRENELE Ø610 NOTCHED DISC D 610 GEZACKTE SCHEIBE 610X6 DISCO DENTATO D=610
002 117108 008 DISQUE LISSE D 660 EP:6 PLAIN DISC D 660 GLATTE SCHEIBE 660X6 DISCO LISCIO D=660
003 117109 006 DISQUE CRENELE D 660 EP:6 NOTCHED DISC D 660 GEZACKTE SCHEIBE 660X6 DISCO DENTATO D=660 SPESS:6
004 117114 001 DISQUE LISSE DEFFACEMENT D 510 PLAIN DISC D 510 GLATTE SCHEIBE D 510 DISCO LISCIO D=510
005 222156 004 RONDELLE WASHER SCHEIBE RONDELLA PIATTA
006 583264 002 ARBRE SHAFT WELLE ALBERO
007 583266 001 ARBRE SHAFT WELLE ALBERO
008 645236 010 ENTRETOISE SPACER DISTANZHUELSE DISTANZIALE
009 750050 002 RONDELLE DE BOBINE EP6 WASHER SCHEIBE RONDELLA
010 780341 001 CLE DE 60 SPANNER SCHRAUBENSCHLUESSEL CHIAVE
011 80203915 002 ECROU HK FE/ZNXC3 CASTLE NUT FE/ZNXC3 KRONENMUTTER FE/ZNXC3 DADO FE/ZNXC3
012 80500579 002 GOUPILLE FENDUE FE/ZNXC3 SPLIT PIN FE/ZNXC3 SPLINT FE/ZNXC3 COPPIGLIA FE/ZNXC3
013 117120 001 DISQUE LOBBE D660 EP.6 DISC SCHEIBE DISCO
014 117121 001 DISQUE LISSE D 660 EP:8 PLAIN DISC D 660 GLATTE SCHEIBE D660 (8MM) DISCO LISCIO D=660 SPESS:8
015 117122 001 DISQUE CRENELE D 660 EP:8 NOTCHED DISC D 660 GEZACKTE SCHEIBE D 660 (8MM) DISCO DENTATO D=660 SPESS:8
016 H2200030 004 PALIER BEARING, PILLOW BLOCK LAGER SUPPORTO
41
TRAIN DISQUE Ø710 AVANT SET OF DISCS Ø710 FRONT SCHEIBENREIHE Ø710 VORN TRENO DI DISCHI Ø710 ANTERIORE
DISCOVER XL2 C0001 >
H22R0159 B
Rep Nr Qt Designation Description Bezeichnung Referenza Remarque - Remark - Bemerkung - Osservazioni
001 117112 007 DISQUE LISSE D 710 EP7 PLAIN DISC D 710 GLATTE SCHEIBE D 710 DISCO
002 222156 004 RONDELLE WASHER SCHEIBE RONDELLA PIATTA
003 583263 001 ARBRE SHAFT WELLE ALBERO
004 583264 001 ARBRE SHAFT WELLE ALBERO
005 583265 001 ARBRE SHAFT WELLE ALBERO
006 645236 009 ENTRETOISE SPACER DISTANZHUELSE DISTANZIALE
007 750050 002 RONDELLE DE BOBINE EP6 WASHER SCHEIBE RONDELLA
008 780341 001 CLE DE 60 SPANNER SCHRAUBENSCHLUESSEL CHIAVE
009 80203915 002 ECROU HK FE/ZNXC3 CASTLE NUT FE/ZNXC3 KRONENMUTTER FE/ZNXC3 DADO FE/ZNXC3
010 80500579 002 GOUPILLE FENDUE FE/ZNXC3 SPLIT PIN FE/ZNXC3 SPLINT FE/ZNXC3 COPPIGLIA FE/ZNXC3
011 117113 008 DISQUE CRENELE D 710 EP7 NOTCHED DISC D 710 GEZACKTE SCHEIBE D 710 DISCO
012 H2200030 004 PALIER BEARING, PILLOW BLOCK LAGER SUPPORTO
013 H2200920 004 CALE SHIM DISTANZPLATTE SPESSORE
014 H2200940 004 CALE CHAISE DISTANCE PLATE DISTANZPLATTE SPESSORE
43
TRAIN DISQUE Ø710 ARRIERE SET OF DISCS Ø710 REAR SCHEIBENREIHE Ø710 HINTEN TRENO DI DISCHI Ø710 POSTERIOR
DISCOVER XL2 C0001 >
H22R0158 B
Rep Nr Qt Designation Description Bezeichnung Referenza Remarque - Remark - Bemerkung - Osservazioni
001 117107 002 DISQUE CRENELE Ø610 NOTCHED DISC D 610 GEZACKTE SCHEIBE 610X6 DISCO DENTATO D=610
002 117112 007 DISQUE LISSE D 710 EP7 PLAIN DISC D 710 GLATTE SCHEIBE D 710 DISCO
003 117114 001 DISQUE LISSE DEFFACEMENT D 510 PLAIN DISC D 510 GLATTE SCHEIBE D 510 DISCO LISCIO D=510
004 222156 004 RONDELLE WASHER SCHEIBE RONDELLA PIATTA
005 583264 002 ARBRE SHAFT WELLE ALBERO
006 583266 001 ARBRE SHAFT WELLE ALBERO
007 645236 010 ENTRETOISE SPACER DISTANZHUELSE DISTANZIALE
008 750050 002 RONDELLE DE BOBINE EP6 WASHER SCHEIBE RONDELLA
009 780341 001 CLE DE 60 SPANNER SCHRAUBENSCHLUESSEL CHIAVE
010 80203915 002 ECROU HK FE/ZNXC3 CASTLE NUT FE/ZNXC3 KRONENMUTTER FE/ZNXC3 DADO FE/ZNXC3
011 80500579 002 GOUPILLE FENDUE FE/ZNXC3 SPLIT PIN FE/ZNXC3 SPLINT FE/ZNXC3 COPPIGLIA FE/ZNXC3
012 117113 007 DISQUE CRENELE D 710 EP7 NOTCHED DISC D 710 GEZACKTE SCHEIBE D 710 DISCO
013 H2200030 004 PALIER BEARING, PILLOW BLOCK LAGER SUPPORTO
014 H2200920 004 CALE SHIM DISTANZPLATTE SPESSORE
015 H2200940 004 CALE CHAISE DISTANCE PLATE DISTANZPLATTE SPESSORE
45
HUBODOMETRE ODOMETER HEKTARZAEHLER
DISCOVER XL2 C0001 >
H22R0038 A
Rep Nr Qt Designation Description Bezeichnung Referenza Remarque - Remark - Bemerkung - Osservazioni
001 951400 001 COMPTEUR D'HECTARE GF 662 025 HUBODOMETRE SAF HEKTARZAEHLER SAF HUBODOMETRE
002 582769 001 FIXATION COMPTEUR CONNECTION ODOMETER FESTSCTZUNG HEKTARZAEHLER FISSAZIONE HUBODOMETRE
003 80271003 003 RONDELLE GROWER FE/ZNXC3 SPRING LOCK WASHER FE/ZNXC3 FEDERRING FE/ZNXC3 RONDELLA GROWER FE/ZNXC3
004 582768 001 SUPPORT DE COMPTEUR BRACKET HALTERUNG SUPPORTO
005 80061026 003 VIS TETE HEXAGONALE FE/ZNXC3 HEXAGON HEAD SCREW FE/ZNXC3 SECHSKANTSCHRAUBE FE/ZNXC3 VITE TESTA ESAGONALE FE/ZNXC3
47
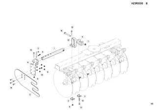
DEFLECTEUR (DROIT) DEFLECTOR (RIGHT) ABWEISER (RECHTS) DEFLETTORE (DX)
DISCOVER XL2 C0001 >
H23R0007 B
Rep Nr Qt Designation Description Bezeichnung Referenza Remarque - Remark - Bemerkung - Osservazioni
001 H2300050 001 BRAS ARM ARM BRACCIO
001 H2300340 001 BRAS DE DEFLECTEUR ARM ARM BRACCIO Rpl H2300050
002 139113 001 BROCHE D'ATTELAGE PIN, HITCH ACHSE PERNO
003 227179 002 CHAPE CLEVIS GABEL FORCELLA
004 H2300030 001 CHAPE CLEVIS GABEL FORCELLA
005 H2300020 001 DEFLECTEUR DEFLECTOR ABWEISER DEFLETTORE
006 80201640 002 ECROU HEX.BAS AUTOFR.FE/ZNXC3 SELF-LOCKING NUT FE/ZNXC3 SELBSTSICHERND.MUTTER FE/ZNXC3 DADO AUTOBLOCCANTE FE/ZNXC3
007 80202040 001 ECROU HEX.BAS AUTOFR.FE/ZNXC3 SELF-LOCKING NUT FE/ZNXC3 SELBSTSICHERND.MUTTER FE/ZNXC3 DADO AUTOBLOCCANTE FE/ZNXC3
008 80201670 004 ECROU HEXAGONAL FE/ZNXC3 NUT FE/ZNXC3 SECHSKANTMUTTER FE/ZNXC3 DADO FE/ZNXC3
009 80570477 001 GOUPILLE BETA SIMPLE FE/ZNXC3 SPRING COTTER PIN FE/ZNXC3 FEDERSTECKER FE/ZNXC3 MOLLA FE/ZNXC3
010 80271602 005 RONDELLE GROWER FE/ZNXC3 SPRING LOCK WASHER FE/ZNXC3 FEDERRING FE/ZNXC3 RONDELLA GROWER FE/ZNXC3
011 H2300000 001 V SUPPORT V BRACKET V HALTERUNG V SUPPORTO
011 H2300330 001 SUPPORT SUPPORT TRAEGER SUPPORTO Rpl H2300000
012 H2300060 001 SUPPORT SUPPORT TRAEGER SUPPORTO
012 H2300280 001 SUPPORT DE BRAS SUPPORT, ARM ARMHALTERUNG SUPPORTO BRACCIO Rpl H2300060
013 80061634 001 VIS TETE HEXAGONALE FE/ZNXC3 HEXAGON HEAD SCREW FE/ZNXC3 SECHSKANTSCHRAUBE FE/ZNXC3 VITE TESTA ESAGONALE FE/ZNXC3
014 80061641 004 VIS TETE HEXAGONALE FE/ZNXC3 HEXAGON HEAD SCREW FE/ZNXC3 SECHSKANTSCHRAUBE FE/ZNXC3 VITE TESTA ESAGONALE FE/ZNXC3
015 80061661 002 VIS TETE HEXAGONALE FE/ZNXC3 HEXAGON HEAD SCREW FE/ZNXC3 SECHSKANTSCHRAUBE FE/ZNXC3 VITE TESTA ESAGONALE FE/ZNXC3
016 80062094 001 VIS TETE HEXAGONALE FE/ZNXC3 HEXAGON HEAD SCREW FE/ZNXC3 SECHSKANTSCHRAUBE FE/ZNXC3 VITE TESTA ESAGONALE FE/ZNXC3
49
DEFLECTEUR (GAUCHE) DEFLECTOR (LEFT) ABWEISER (LINKS) DEFLETTORE (SX)
DISCOVER XL2 C0001 >
H23R0008 B
Rep Nr Qt Designation Description Bezeichnung Referenza Remarque - Remark - Bemerkung - Osservazioni
001 H2300050 001 BRAS ARM ARM BRACCIO
001 H2300340 001 BRAS DE DEFLECTEUR ARM ARM BRACCIO Rpl H2300050
002 139113 001 BROCHE D'ATTELAGE PIN, HITCH ACHSE PERNO
003 227179 002 CHAPE CLEVIS GABEL FORCELLA
004 H2300010 001 CHAPE CLEVIS GABEL FORCELLA
005 H2300020 001 DEFLECTEUR DEFLECTOR ABWEISER DEFLETTORE
006 80201640 002 ECROU HEX.BAS AUTOFR.FE/ZNXC3 SELF-LOCKING NUT FE/ZNXC3 SELBSTSICHERND.MUTTER FE/ZNXC3 DADO AUTOBLOCCANTE FE/ZNXC3
007 80202040 001 ECROU HEX.BAS AUTOFR.FE/ZNXC3 SELF-LOCKING NUT FE/ZNXC3 SELBSTSICHERND.MUTTER FE/ZNXC3 DADO AUTOBLOCCANTE FE/ZNXC3
008 80201670 004 ECROU HEXAGONAL FE/ZNXC3 NUT FE/ZNXC3 SECHSKANTMUTTER FE/ZNXC3 DADO FE/ZNXC3
009 80570477 001 GOUPILLE BETA SIMPLE FE/ZNXC3 SPRING COTTER PIN FE/ZNXC3 FEDERSTECKER FE/ZNXC3 MOLLA FE/ZNXC3
010 80271602 005 RONDELLE GROWER FE/ZNXC3 SPRING LOCK WASHER FE/ZNXC3 FEDERRING FE/ZNXC3 RONDELLA GROWER FE/ZNXC3
011 H2300000 001 V SUPPORT V BRACKET V HALTERUNG V SUPPORTO
011 H2300330 001 SUPPORT SUPPORT TRAEGER SUPPORTO Rpl H2300000
012 H2300060 001 SUPPORT SUPPORT TRAEGER SUPPORTO
012 H2300280 001 SUPPORT DE BRAS SUPPORT, ARM ARMHALTERUNG SUPPORTO BRACCIO H2300060
013 80061634 001 VIS TETE HEXAGONALE FE/ZNXC3 HEXAGON HEAD SCREW FE/ZNXC3 SECHSKANTSCHRAUBE FE/ZNXC3 VITE TESTA ESAGONALE FE/ZNXC3
014 80061641 004 VIS TETE HEXAGONALE FE/ZNXC3 HEXAGON HEAD SCREW FE/ZNXC3 SECHSKANTSCHRAUBE FE/ZNXC3 VITE TESTA ESAGONALE FE/ZNXC3
015 80061661 002 VIS TETE HEXAGONALE FE/ZNXC3 HEXAGON HEAD SCREW FE/ZNXC3 SECHSKANTSCHRAUBE FE/ZNXC3 VITE TESTA ESAGONALE FE/ZNXC3
016 80062094 001 VIS TETE HEXAGONALE FE/ZNXC3 HEXAGON HEAD SCREW FE/ZNXC3 SECHSKANTSCHRAUBE FE/ZNXC3 VITE TESTA ESAGONALE FE/ZNXC3
51
DISQUE STABILISATEUR SIDE THRUST BLADE HANGSCHEIBE LAMIERA DI STABILIZZAZIONE
DISCOVER XL2 C0001 >
H22R0114 C
Rep Nr Qt Designation Description Bezeichnung Referenza Remarque - Remark - Bemerkung - Osservazioni
001 117119 001 DISQUE DISC SCHEIBE DISCO
002 150159 001 NOIX SPINDLE KNEBELMUTTER ALBERINO
003 191110 001 RESSORT SPRING FEDER MOLLA
004 212606 001 RONDELLE WASHER SCHEIBE RONDELLA
005 581818 002 GUIDE DE RESSORT GUIDE FURHRUNG GUIDA
006 581819 001 VIS DE PROFONDEUR SCREW SCHRAUBE VITE
007 583238 001 GLISSIERE GUIDE, SLIDE GLEITSCHIENE SLITTA
008 583826 001 BRAS DISQUE STAB. DISC ARM SCHEIBE ARM BRACCIO
009 80061601 004 VIS TETE HEXAGONALE FE/ZNXC3 HEXAGON HEAD SCREW FE/ZNXC3 SECHSKANTSCHRAUBE FE/ZNXC3 VITE TESTA ESAGONALE FE/ZNXC3
010 80062059 004 VIS TETE HEXAGONALE FE/ZNXC3 HEXAGON HEAD SCREW FE/ZNXC3 SECHSKANTSCHRAUBE FE/ZNXC3 VITE TESTA ESAGONALE FE/ZNXC3
011 80201630 004 ECROU HEX.AUTOFREINE FE/ZNXC3 SELF-LOCKING NUT FE/ZNXC3 SELBSTSICH.MUTTER FE/ZNXC3 DADO AUTOBLOCCANTE FE/ZNXC3
012 80202030 004 ECROU HEX.AUTOFREINE FE/ZNXC3 SELF-LOCKING NUT FE/ZNXC3 SELBSTSICH.MUTTER FE/ZNXC3 DADO AUTOBLOCCANTE FE/ZNXC3
013 82201016 001 GRAISSEUR AUTOTARAUDANT SELF TAPPING GREASE NIPPLE GEWINDESCHNEID-SCHMIERNIPPEL INGRASSATORE
014 80500963 001 GOUPILLE FENDUE SPLIT PIN SPLINT COPPIGLIA
015 H2904380 001 MOYEU HUB NABE MOZZO +[1]
53
MOYEU 70 MONROC HUB 70 MONROC NABE 70 MONROC MOZZO 70 MONROC
DISCOVER XL2 C0001 >
H29R0065 A
Rep Nr Qt Designation Description Bezeichnung Referenza Remarque - Remark - Bemerkung - Osservazioni
001 80201850 006 ECROU PORTEE SPHER.FE/ZNXC3 WHEEL NUT FE/ZNXC3 RADMUTTER FE/ZNXC3 DADO FE/ZNXC3 27 daN.m (199.14 lbf.ft)
002 80500463 001 GOUPILLE FENDUE SPLIT PIN SPLINT COPPIGLIA
003 81304585 001 ROULEMENT A ROULEAUX CONIQUES TAPERED ROLLER BEARING KEGELROLLENLAGER CUSCINETTO A RULLO
004 81306512 001 ROULEMENT A ROULEAUX CONIQUES TAPERED ROLLER BEARING KEGELROLLENLAGER CUSCINETTO A RULLI
005 82200616 001 GRAISSEUR AUTOTAR.FE/ZNXC3 TAPPING GREASE NIPPLE FE/ZNXC3 GEWINDESCH.SCHMIERNIP.FE/ZNXC3 INGRASSATORE FE/ZNXC3
006 A7039023 006 GOUJON CRANTE 18X150 LG54/39 STUD STIFTSCHRAUBE SPINA
007 H2903480 001 CHAPEAU DUST CAP KAPPE CAPPELLO
008 H2903510 001 RONDELLE PLATE LARGE WASHER, FENDER SCHEIBE RONDELLA PIATTA
009 H2904230 001 MOYEU HUB NABE MOZZO
010 H2900840 001 JOINT SEAL DICHTUNG GUARNIZIONE
011 H2904250 001 COUPELLE CUP SCHALE COPPIGLIA
012 H2904260 001 RONDELLE PLATE WASHER, FLAT SCHEIBE RONDELLA PIATTA
013 H2904270 001 MOYEU COMPLET HUB, ASSEMBLY NABE KPL. MOZZO
014 H2904280 001 FUSEE SPINDLE DREHZAPFEN FUSO
015 H2904290 001 MOYEU HUB NABE MOZZO
016 K8403810 001 ECROU NUT MUTTER DADO
55
MOYEU COLAERT HUB COLAERT NABE COLAERT MOZZO COLAERT
DISCOVER XL2 C0001 >
H29R0064 A
Rep Nr Qt Designation Description Bezeichnung Referenza Remarque - Remark - Bemerkung - Osservazioni
001 80080813 006 VIS TETE CYL.SIX P.CR.FE/ZNXC3 HEX.SOCK.HEAD CAP SCR.FE/ZNXC3 ZYLINDERSCHR.INNENSEC.FE/ZNXC3 VITE A TESTA CILINDR. FE/ZNXC3
002 81306097 001 ROULEMENT A ROULEAUX CONIQUES TAPERED ROLLER BEARING KEGELROLLENLAGER CUSCINETTO A RULLI
003 81307514 001 ROULEMENT A ROULEAUX CONIQUES TAPERED ROLLER BEARING KEGELROLLENLAGER CUSCINETTO A RULLI
004 82200800 001 GRAISSEUR FE/ZNXC3 GREASE NIPPLE FE/ZNXC3 SCHMIERNIPPEL FE/ZNXC3 INGRASSATORE FE/ZNXC3
005 H2902980 001 JOINT SEAL DICHTUNG GUARNIZIONE
006 A7039079 006 ECROU DE ROUE A BEC WHEEL NUT RADMUTTER DADO RUOTA 27 daN.m (199.14 lbf.ft)
007 H2903030 001 CHAPEAU DUST CAP KAPPE CAPPELLO
008 H2904310 001 MOYEU HUB NABE MOZZO
009 H2904320 006 GOUJON STUD, THREADED GEWINDESTIFT SPINA
010 H2904330 001 FUSEE SPINDLE DREHZAPFEN FUSO
011 H2904340 001 MOYEU COMPLET HUB, ASSEMBLY NABE KPL. MOZZO
012 H2904350 001 ECROU NUT MUTTER DADO
013 H2904360 001 EPINGLE PIN, COTTER, HAIRPIN FEDERSTECKER SPILLO
014 H2904370 001 MOYEU HUB NABE MOZZO
57
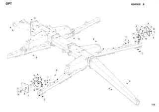
CHARIOT CARRIAGE FAHRWERK CARRELLO
DISCOVER XL2 C0001 D0000>
H21R0034 D
Rep Nr Qt Designation Description Bezeichnung Referenza Remarque - Remark - Bemerkung - Osservazioni
001 80061269 002 VIS TETE HEXAGONALE FE/ZNXC3 HEXAGON HEAD SCREW FE/ZNXC3 SECHSKANTSCHRAUBE FE/ZNXC3 VITE TESTA ESAGONALE FE/ZNXC3
002 80061661 002 VIS TETE HEXAGONALE FE/ZNXC3 HEXAGON HEAD SCREW FE/ZNXC3 SECHSKANTSCHRAUBE FE/ZNXC3 VITE TESTA ESAGONALE FE/ZNXC3
003 80061669 002 VIS TETE HEXAGONALE FE/ZNXC3 HEXAGON HEAD SCREW FE/ZNXC3 SECHSKANTSCHRAUBE FE/ZNXC3 VITE TESTA ESAGONALE FE/ZNXC3
004 80062060 008 VIS TETE HEXAGONALE FE/ZNXC3 HEXAGON HEAD SCREW FE/ZNXC3 SECHSKANTSCHRAUBE FE/ZNXC3 VITE TESTA ESAGONALE FE/ZNXC3
005 80201230 002 ECROU HEX.AUTOFREINE FE/ZNXC3 SELF-LOCKING NUT FE/ZNXC3 SELBSTSICH.MUTTER FE/ZNXC3 DADO AUTOBLOCCANTE FE/ZNXC3
006 80201630 004 ECROU HEX.AUTOFREINE FE/ZNXC3 SELF-LOCKING NUT FE/ZNXC3 SELBSTSICH.MUTTER FE/ZNXC3 DADO AUTOBLOCCANTE FE/ZNXC3
007 80202030 008 ECROU HEX.AUTOFREINE FE/ZNXC3 SELF-LOCKING NUT FE/ZNXC3 SELBSTSICH.MUTTER FE/ZNXC3 DADO AUTOBLOCCANTE FE/ZNXC3
008 80252026 016 RONDELLE PLATE FE/ZNXC3 PLAIN WASHER FE/ZNXC3 SCHEIBE FE/ZNXC3 RONDELLA PIATTA FE/ZNXC3
009 80586000 002 CIRCLIP EXTERIEUR RETAINING RING SICHERUNGSRING ANELLO
010 82201016 004 GRAISSEUR AUTOTARAUDANT SELF TAPPING GREASE NIPPLE GEWINDESCHNEID-SCHMIERNIPPEL INGRASSATORE
011 83015050 002 BAGUE ROULEE WRAPPED BUSH GEROLLTE BUCHSE ANELLO LUBRIFICATO
012 83016030 004 BAGUE ROULEE WRAPPED BUSH GEROLLTE BUCHSE ANELLO LUBRIFICATO
013 H2101180 004 RONDELLE WASHER SCHEIBE RONDELLA
014 H2101220 002 VERIN CYLINDER, HYDRAULIC HYDRAULIKZYLINDER CILINDRO
015 H2103710 002 CALE SHIM DISTANZPLATTE SPESSORE
016 H2113601 001 CHASSIS CHASSIS HAUPTRAHMEN TELAIO
017 H2113990 002 AXE PIN ACHSE ASSE
018 H2900170 002 AXE PIN ACHSE ASSE
019 H2905391 001 CHARIOT TRAILER SCHUBRAHMEN CARRELLO
020 H2905490 001 AXE PIN ACHSE ASSE
59
CHARIOT XL2 CARRIAGE XL2 FAHRWERK XL2 CARRELLO XL2
DISCOVER XL2 C0001 >
H21R0034 E
Rep Nr Qt Designation Description Bezeichnung Referenza Remarque - Remark - Bemerkung - Osservazioni
001 80061269 002 VIS TETE HEXAGONALE FE/ZNXC3 HEXAGON HEAD SCREW FE/ZNXC3 SECHSKANTSCHRAUBE FE/ZNXC3 VITE TESTA ESAGONALE FE/ZNXC3
002 80061661 002 VIS TETE HEXAGONALE FE/ZNXC3 HEXAGON HEAD SCREW FE/ZNXC3 SECHSKANTSCHRAUBE FE/ZNXC3 VITE TESTA ESAGONALE FE/ZNXC3
003 80061669 002 VIS TETE HEXAGONALE FE/ZNXC3 HEXAGON HEAD SCREW FE/ZNXC3 SECHSKANTSCHRAUBE FE/ZNXC3 VITE TESTA ESAGONALE FE/ZNXC3
004 80062060 008 VIS TETE HEXAGONALE FE/ZNXC3 HEXAGON HEAD SCREW FE/ZNXC3 SECHSKANTSCHRAUBE FE/ZNXC3 VITE TESTA ESAGONALE FE/ZNXC3
005 80201230 002 ECROU HEX.AUTOFREINE FE/ZNXC3 SELF-LOCKING NUT FE/ZNXC3 SELBSTSICH.MUTTER FE/ZNXC3 DADO AUTOBLOCCANTE FE/ZNXC3
006 80201630 004 ECROU HEX.AUTOFREINE FE/ZNXC3 SELF-LOCKING NUT FE/ZNXC3 SELBSTSICH.MUTTER FE/ZNXC3 DADO AUTOBLOCCANTE FE/ZNXC3
007 80202030 008 ECROU HEX.AUTOFREINE FE/ZNXC3 SELF-LOCKING NUT FE/ZNXC3 SELBSTSICH.MUTTER FE/ZNXC3 DADO AUTOBLOCCANTE FE/ZNXC3
008 80252026 016 RONDELLE PLATE FE/ZNXC3 PLAIN WASHER FE/ZNXC3 SCHEIBE FE/ZNXC3 RONDELLA PIATTA FE/ZNXC3
009 80586000 002 CIRCLIP EXTERIEUR RETAINING RING SICHERUNGSRING ANELLO
010 82201016 004 GRAISSEUR AUTOTARAUDANT SELF TAPPING GREASE NIPPLE GEWINDESCHNEID-SCHMIERNIPPEL INGRASSATORE
011 83015050 002 BAGUE ROULEE WRAPPED BUSH GEROLLTE BUCHSE ANELLO LUBRIFICATO
012 83016030 004 BAGUE ROULEE WRAPPED BUSH GEROLLTE BUCHSE ANELLO LUBRIFICATO
013 H2101180 004 RONDELLE WASHER SCHEIBE RONDELLA
014 H2103710 002 CALE SHIM DISTANZPLATTE SPESSORE
015 H2113601 001 CHASSIS CHASSIS HAUPTRAHMEN TELAIO
016 H2113990 002 AXE PIN ACHSE ASSE
017 H2114770 002 VERIN CYLINDER, HYDRAULIC HYDRAULIKZYLINDER CILINDRO
018 H2900170 002 AXE PIN ACHSE ASSE
019 H2905391 001 CHARIOT TRAILER SCHUBRAHMEN CARRELLO
020 H2905490 001 AXE PIN ACHSE ASSE
61
HYDRAULIQUE RELEVAGE CHARIOT HYDRAULIC FOR CARRIAGE LIFT HYDRAULIKEL. HUBVOR. FAHRWERK SIST. IDRAU. SOLLEV. CARRELLO
DISCOVER XL2 C0001 D0000>
H24R0067 D
Rep Nr Qt Designation Description Bezeichnung Referenza Remarque - Remark - Bemerkung - Osservazioni
001 951197 010 GAINE CAOUTCHOUC SHEATHE HUELLE GUAINA CAOUTCHOUC
002 952365 003 CLAPET ANTI-RETOUR VALVE, CHECK RUECKSCHLAGVENTIL VALVOLA ANTI-RITORNO
003 80060846 009 VIS TETE HEXAGONALE FE/ZNXC3 HEXAGON HEAD SCREW FE/ZNXC3 SECHSKANTSCHRAUBE FE/ZNXC3 VITE TESTA ESAGONALE FE/ZNXC3
004 80080640 002 VIS TETE CYL.SIX P.CR.FE/ZNXC3 HEX.SOCK.HEAD CAP SCR.FE/ZNXC3 ZYLINDERSCHR.INNENSEC.FE/ZNXC3 VITE A TESTA CILINDR. FE/ZNXC3
005 A4074046 002 CAPUCHON COUPLEUR MALE CAP MALE CONNECTOR KAPPE KUPPLUNG STECKER TAPPO PLASTICA
006 952364 001 POCHETTE JOINT(952296,H2101230 SEALS PACKET (952296,H2101230) DICHTSATZ FUER(952296,H2101230 COLLEZIONE GUARNIZIONI 952296B : H2101230
006 952350 001 POCHETTE JOINT(952349,H2101240 SEALS PACKET (952349,H2101240) DICHTSATZ FUER(952349,H2101240 COLLEZIONE GUARNIZIONI 952349 : H2101240
007 A4061802 002 BOUCHON 3/8G CHC F.E FE/ZNXC3 PLUG 3/8G CHC F.E FE/ZNXC3 VERSCHLUSSSCHRAUBE 3/8G CHC F. TAPPO 3/8G CHC F.E FE/ZNXC3
008 A4074018 002 COUPLEUR MALE CONNECTOR MALE KUPPLUNGSTECKER ATTACCO IDRAULICO
009 A4080306 002 UNION DOUBLE FE/ZNXC3 STRAIGHT COUPLING FE/ZNXC3 GERADE VERSCHRAUBUNG FE/ZNXC3 GIUNZIONE DIRITTA FE/ZNXC3
010 A4080429 010 UNION MALE MALE STUD CONNECTOR GERADER EINSCHRAUBSTUTZEN GIUZIONE DIRITTA ZBC
011 A7260017 009 PL SUP/C. DOUBLE D19/20/22/25 UPPER PLATE PLATTE OBERE PIASTRA
012 A7260046 009 COLLIER DOUBLE D20 NU CLAMP D.20 SCHELLE D.20 COLLARE D.20
013 A4923062 001 FLEXIBLE HYDRAULIQUE HYDRAULIC HOSE HYDRAULIKSCHLAUCH TUBO GOMMA <->450 mm
014 A4923062 001 FLEXIBLE HYDRAULIQUE HYDRAULIC HOSE HYDRAULIKSCHLAUCH TUBO GOMMA <->450 mm
015 A4923063 001 FLEXIBLE HYDRAULIQUE HYDRAULIC HOSE HYDRAULIKSCHLAUCH TUBO GOMMA <->5500 mm
016 A4923063 001 FLEXIBLE HYDRAULIQUE HYDRAULIC HOSE HYDRAULIKSCHLAUCH TUBO GOMMA <->5500 mm
017 A4923065 001 FLEXIBLE HYDRAULIQUE HYDRAULIC HOSE HYDRAULIKSCHLAUCH TUBO GOMMA <->850 mm
018 A4923065 001 FLEXIBLE HYDRAULIQUE HYDRAULIC HOSE HYDRAULIKSCHLAUCH TUBO GOMMA <->850 mm
019 H2101220 002 VERIN CYLINDER, HYDRAULIC HYDRAULIKZYLINDER CILINDRO
020 H2404290 001 BLOC HYDRAULIQUE MANIFOLD, HYDRAULIC HYDRAULIK-STEUERBLOCK BLOCCO IDRAULICO
021 H2417810 002 TUYAU PIPE ROHR TUBO
63
HYDRAULIQUE RELEVAGE CHARIOT HYDRAULIC FOR CARRIAGE LIFT HYDRAULIKEL. HUBVOR. FAHRWERK SIST. IDRAU. SOLLEV. CARRELLO
DISCOVER XL2 D0001 >
H24R0067 E
Rep Nr Qt Designation Description Bezeichnung Referenza Remarque - Remark - Bemerkung - Osservazioni
001 951197 010 GAINE CAOUTCHOUC SHEATHE HUELLE GUAINA CAOUTCHOUC
002 952365 002 CLAPET ANTI-RETOUR VALVE, CHECK RUECKSCHLAGVENTIL VALVOLA ANTI-RITORNO
003 80060846 009 VIS TETE HEXAGONALE FE/ZNXC3 HEXAGON HEAD SCREW FE/ZNXC3 SECHSKANTSCHRAUBE FE/ZNXC3 VITE TESTA ESAGONALE FE/ZNXC3
004 80080640 002 VIS TETE CYL.SIX P.CR.FE/ZNXC3 HEX.SOCK.HEAD CAP SCR.FE/ZNXC3 ZYLINDERSCHR.INNENSEC.FE/ZNXC3 VITE A TESTA CILINDR. FE/ZNXC3
005 952364 001 POCHETTE JOINT(952296,H2101230 SEALS PACKET (952296,H2101230) DICHTSATZ FUER(952296,H2101230 COLLEZIONE GUARNIZIONI 952296B : SER
006 A4061802 006 BOUCHON 3/8G CHC F.E FE/ZNXC3 PLUG 3/8G CHC F.E FE/ZNXC3 VERSCHLUSSSCHRAUBE 3/8G CHC F. TAPPO 3/8G CHC F.E FE/ZNXC3
007 A4074018 002 COUPLEUR MALE CONNECTOR MALE KUPPLUNGSTECKER ATTACCO IDRAULICO
008 A4074046 002 CAPUCHON COUPLEUR MALE CAP MALE CONNECTOR KAPPE KUPPLUNG STECKER TAPPO PLASTICA
009 A4080306 002 UNION DOUBLE FE/ZNXC3 STRAIGHT COUPLING FE/ZNXC3 GERADE VERSCHRAUBUNG FE/ZNXC3 GIUNZIONE DIRITTA FE/ZNXC3
010 A4080429 010 UNION MALE MALE STUD CONNECTOR GERADER EINSCHRAUBSTUTZEN GIUZIONE DIRITTA ZBC
011 A7260017 009 PL SUP/C. DOUBLE D19/20/22/25 UPPER PLATE PLATTE OBERE PIASTRA
012 A7260046 009 COLLIER DOUBLE D20 NU CLAMP D.20 SCHELLE D.20 COLLARE D.20
013 A4923062 001 FLEXIBLE HYDRAULIQUE HYDRAULIC HOSE HYDRAULIKSCHLAUCH TUBO GOMMA <->450 mm
014 A4923062 001 FLEXIBLE HYDRAULIQUE HYDRAULIC HOSE HYDRAULIKSCHLAUCH TUBO GOMMA <->450 mm
015 A4923063 001 FLEXIBLE HYDRAULIQUE HYDRAULIC HOSE HYDRAULIKSCHLAUCH TUBO GOMMA <->5500 mm
016 A4923063 001 FLEXIBLE HYDRAULIQUE HYDRAULIC HOSE HYDRAULIKSCHLAUCH TUBO GOMMA <->5500 mm
017 A4923065 001 FLEXIBLE HYDRAULIQUE HYDRAULIC HOSE HYDRAULIKSCHLAUCH TUBO GOMMA <->850 mm
018 A4923065 001 FLEXIBLE HYDRAULIQUE HYDRAULIC HOSE HYDRAULIKSCHLAUCH TUBO GOMMA <->850 mm
019 H2114770 002 VERIN CYLINDER, HYDRAULIC HYDRAULIKZYLINDER CILINDRO
020 H2404290 001 BLOC HYDRAULIQUE MANIFOLD, HYDRAULIC HYDRAULIK-STEUERBLOCK BLOCCO IDRAULICO
021 H2417810 002 TUYAU PIPE ROHR TUBO
65
SUSPENSION HYDRAULIQUE HYDRAULIC SUSPENSION HYDRAULISCHE FEDERUNG SOSPENSIONE IDRAULICA
DISCOVER XL2 D0001 >
H24R0380 A
Rep Nr Qt Designation Description Bezeichnung Referenza Remarque - Remark - Bemerkung - Osservazioni
001 A4230017 002 BAGUE BS17 BUSH BS BUCHSE BS GUARNIZIONE
002 A4230021 002 BAGUE BS21 BUSH BS BUCHSE BS BOCCOLA
003 H2402370 002 ADAPTATEUR HYDRAULIC FITTING, HYDRAULIC, ADAPTER ANBAUELEMENT ADATTATORE
004 H2421560 002 ACCUMULATEUR HYDRO-PNEUMATIQUE ACCUMULATOR DRUCKSPEICHER ACCUMULATORE
67
FREINAGE MÉCANIQUE BRAKE ASSEMBLY MECHANISCHE BREMSANLAGE COMPLESSIVO FRENO
DISCOVER XL2 C0001 C9999>
H24R0071 B
Rep Nr Qt Designation Description Bezeichnung Referenza Remarque - Remark - Bemerkung - Osservazioni
001 720119 005 AXE CABLE DE FREIN PIN ACHSE PERNO
002 750345 001 PALONNIER SPREADER BAR LASTTRAVERSE TIMONE
003 751487 002 BIELLETTE FREIN LINK SHUBSTANGE BIELLA
004 751490 002 CALE FL 3-4-6000 /XL SPACER KEIL LEVA
005 952129 001 FREIN BRAKE BREMSE FRENO
006 952151 002 CABLE DE PALONNIER CAVO
007 952320 002 BIELLETTE LINK SCHUBSTANGE BIELLA
008 80061036 004 VIS TETE HEXAGONALE FE/ZNXC3 HEXAGON HEAD SCREW FE/ZNXC3 SECHSKANTSCHRAUBE FE/ZNXC3 VITE TESTA ESAGONALE FE/ZNXC3
009 80061647 004 VIS TETE HEXAGONALE FE/ZNXC3 HEXAGON HEAD SCREW FE/ZNXC3 SECHSKANTSCHRAUBE FE/ZNXC3 VITE TESTA ESAGONALE FE/ZNXC3
010 80201030 008 ECROU HEX.AUTOFREINE FE/ZNXC3 SELF-LOCKING NUT FE/ZNXC3 SELBSTSICH.MUTTER FE/ZNXC3 DADO AUTOBLOCCANTE FE/ZNXC3
011 80201070 006 ECROU HEXAGONAL FE/ZNXC3 NUT FE/ZNXC3 SECHSKANTMUTTER FE/ZNXC3 DADO FE/ZNXC3
012 80201630 004 ECROU HEX.AUTOFREINE FE/ZNXC3 SELF-LOCKING NUT FE/ZNXC3 SELBSTSICH.MUTTER FE/ZNXC3 DADO AUTOBLOCCANTE FE/ZNXC3
013 80500451 007 GOUPILLE FENDUE FE/ZNXC3 SPLIT PIN FE/ZNXC3 SPLINT FE/ZNXC3 COPPIGLIA FE/ZNXC3
014 80583000 002 CIRCLIP EXTERIEUR RETAINING RING SICHERUNGSRING ANELLO
015 H2401090 004 CHAPE CLEVIS GABEL FORCELLA
016 H2401230 002 AXE CABLE DE FREIN AXLE ACHSE ASSE
017 H2417890 002 TRINGLE LINK STREBE TRIANGOLO
018 H2417900 002 TRINGLE LINK STREBE TRIANGOLO
019 H2401060 001 CABLE DE FREIN CABLE DRAHTSEIL CAVO
020 H2417990 001 CABLE WIRE DRAHTSEIL CAVO
69
FREINAGE MÉCANIQUE XL2 BRAKE ASSEMBLY XL2 BREMSANLAGE XL2 COMPLESSIVO FRENO XL2
DISCOVER XL2 D0001 >
H24R0071 C
Rep Nr Qt Designation Description Bezeichnung Referenza Remarque - Remark - Bemerkung - Osservazioni
001 720119 004 AXE CABLE DE FREIN PIN ACHSE PERNO
002 751403 001 PALONNIER SPREADER BAR LASTTRAVERSE TIMONE
003 80061050 002 VIS TETE HEXAGONALE FE/ZNXC3 HEXAGON HEAD SCREW FE/ZNXC3 SECHSKANTSCHRAUBE FE/ZNXC3 VITE TESTA ESAGONALE FE/ZNXC3
004 80201030 002 ECROU HEX.AUTOFREINE FE/ZNXC3 SELF-LOCKING NUT FE/ZNXC3 SELBSTSICH.MUTTER FE/ZNXC3 DADO AUTOBLOCCANTE FE/ZNXC3
005 80251201 006 RONDELLE PLATE FE/ZNXC3 PLAIN WASHER FE/ZNXC3 SCHEIBE FE/ZNXC3 RONDELLA PIATTA FE/ZNXC3
006 80251225 006 RONDELLE PLATE FE/ZNXC3 PLAIN WASHER FE/ZNXC3 SCHEIBE FE/ZNXC3 RONDELLA PIATTA FE/ZNXC3
007 80500451 006 GOUPILLE FENDUE FE/ZNXC3 SPLIT PIN FE/ZNXC3 SPLINT FE/ZNXC3 COPPIGLIA FE/ZNXC3
008 H2401230 002 AXE CABLE DE FREIN AXLE ACHSE ASSE
009 H2405660 001 FREIN BRAKE BREMSE FRENO
010 H2417890 001 TRINGLE LINK STREBE TRIANGOLO
011 H2421840 002 ENTRETOISE SPACER DISTANZHUELSE DISTANZIALE
012 H2417990 001 CABLE WIRE DRAHTSEIL CAVO
013 H2906180 001 CABLE WIRE DRAHTSEIL CAVO
014 H2906180 001 CABLE WIRE DRAHTSEIL CAVO
71
FREINAGE HYDRAULIQUE HYDRAULIC BRAKE HYDRAULISCHE BREMSANLAGE FRENO IDRAULICO
DISCOVER XL2 D0001 >
H24R0367 A
Rep Nr Qt Designation Description Bezeichnung Referenza Remarque - Remark - Bemerkung - Osservazioni
001 951197 006 GAINE CAOUTCHOUC SHEATHE HUELLE GUAINA CAOUTCHOUC
002 952211 001 RACCORD DE FREINAGE HYDRAULIC BRAKE VALVE STECKER VON HYDRAULIKBREMSE RACCORDO
003 80060835 004 VIS TETE HEXAGONALE FE/ZNXC3 HEXAGON HEAD SCREW FE/ZNXC3 SECHSKANTSCHRAUBE FE/ZNXC3 VITE TESTA ESAGONALE FE/ZNXC3
004 80080626 028 VIS TETE CYL.SIX P.CR.FE/ZNXC3 SCREW, SOCKET HEAD FE/ZNXC3 ZYLINDERSCHR.INNENSEC.FE/ZNXC3 VITE A TESTA CILINDR. FE/ZNXC3
005 A4080352 002 UNION DOUBLE NUE ZBC STRAIGHT COUPLING ZBC GERADE VERSCHRAUBUNG ZBC GIUNZIONE DIRITTA ZBC
006 A4080401 002 UNION MALE MALE STUD CONNECTOR GERADER EINSCHRAUBSTUTZEN GIUZIONE DIRITTA ZBC
007 A4080426 001 UNION MALE MALE STUD CONNECTOR GERADER EINSCHRAUBSTUTZEN GIUZIONE DIRITTA ZBC
008 A4081003 001 TE EGAL NU ZBC EQUAL TEE ZBC T-VERSCHRAUBUNG ZBC GIUNZIONE A T ZBC
009 A7260016 004 PL SUP/C. DOUBLE D14/15/16/18 UPPER PLATE OBERE PLATTE PIASTRA
010 A7260025 007 COLLIER SIMPLE D15 NU CLAMP D.15 SCHELLE D.15 COLLARE D.15
011 A7260027 007 COLLIER SIMPLE D18 NU CLAMP D.18 SCHELLE D.18 COLLARE D.18
012 A7260042 004 COLLIER DOUBLE D15 NU CLAMP D.15 SCHELLE D.15 COLLARE D.15
013 A4921075 001 FLEXIBLE HYDRAULIQUE HYDRAULIC HOSE HYDRAULIKSCHLAUCH TUBO GOMMA <->1300 mm
014 A4921075 001 FLEXIBLE HYDRAULIQUE HYDRAULIC HOSE HYDRAULIKSCHLAUCH TUBO GOMMA <->1300 mm
015 A4921112 001 FLEXIBLE HYDRAULIQUE HYDRAULIC HOSE HYDRAULIKSCHLAUCH TUBO GOMMA <->5500 mm
016 A4921115 001 FLEXIBLE HYDRAULIQUE HYDRAULIC HOSE HYDRAULIKSCHLAUCH TUBO GOMMA <->1600 mm
017 H2417810 001 TUYAU PIPE ROHR TUBO
018 H2905970 001 ESSIEU AXLE RADACHSE ASSALE
019 H2906030 002 VERIN CYLINDER, HYDRAULIC HYDRAULIKZYLINDER CILINDRO
73
FREINAGE PNEUMATIQUE RESERVOIR PNEUMATIC BRAKE TANK DRUCKLUFT-BREMSANLAGE TANK FRENO PNEUMATICO SERBATOIO
DISCOVER XL2 C0001 >
H24R0073 C
Rep Nr Qt Designation Description Bezeichnung Referenza Remarque - Remark - Bemerkung - Osservazioni
001 951197 025 GAINE CAOUTCHOUC SHEATHE HUELLE GUAINA CAOUTCHOUC
002 80060636 002 VIS TETE HEXAGONALE FE/ZNXC3 HEXAGON HEAD SCREW FE/ZNXC3 SECHSKANTSCHRAUBE FE/ZNXC3 VITE TESTA ESAGONALE FE/ZNXC3
003 80060653 001 VIS TETE HEXAGONALE FLZNNC HEXAGON HEAD SCREW FLZNNC SECHSKANTSCHRAUBE FLZNNC VITE TESTA ESAGONALE FLZNNC
004 80060826 002 VIS TETE HEXAGONALE FE/ZNXC3 HEXAGON HEAD SCREW FE/ZNXC3 SECHSKANTSCHRAUBE FE/ZNXC3 VITE TESTA ESAGONALE FE/ZNXC3
005 80060835 004 VIS TETE HEXAGONALE FE/ZNXC3 HEXAGON HEAD SCREW FE/ZNXC3 SECHSKANTSCHRAUBE FE/ZNXC3 VITE TESTA ESAGONALE FE/ZNXC3
006 80061030 004 VIS TETE HEXAGONALE HEXAGON HEAD SCREW SECHSKANTSCHRAUBE VITE A TESTA ESAGONALE
007 80061036 004 VIS TETE HEXAGONALE FE/ZNXC3 HEXAGON HEAD SCREW FE/ZNXC3 SECHSKANTSCHRAUBE FE/ZNXC3 VITE TESTA ESAGONALE FE/ZNXC3
008 80061040 002 VIS TETE HEXAGONALE FE/ZNXC3 HEXAGON HEAD SCREW FE/ZNXC3 SECHSKANTSCHRAUBE FE/ZNXC3 VITE TESTA ESAGONALE FE/ZNXC3
009 80062059 002 VIS TETE HEXAGONALE FE/ZNXC3 HEXAGON HEAD SCREW FE/ZNXC3 SECHSKANTSCHRAUBE FE/ZNXC3 VITE TESTA ESAGONALE FE/ZNXC3
010 80080626 010 VIS TETE CYL.SIX P.CR.FE/ZNXC3 SCREW, SOCKET HEAD FE/ZNXC3 ZYLINDERSCHR.INNENSEC.FE/ZNXC3 VITE A TESTA CILINDR. FE/ZNXC3
011 80080660 012 VIS TETE CYL.SIX P.CR.FE/ZNXC3 HEX.SOCK.HEAD CAP SCR.FE/ZNXC3 ZYLINDERSCHR.INNENSEC.FE/ZNXC3 VITE A TESTA CILINDR. FE/ZNXC3
012 80200630 001 ECROU HEX.AUTOFREINE FE/ZNXC3 SELF-LOCKING NUT FE/ZNXC3 SELBSTSICHERNDE MUTT.FE/ZNXC3 DADO AUTOBLOCCANTE FE/ZNXC3
013 80200830 002 ECROU HEX.AUTOFREINE FE/ZNXC3 SELF-LOCKING NUT FE/ZNXC3 SELBSTSICHERNDE MUTT.FE/ZNXC3 DADO AUTOBLOCCANTE FE/ZNXC3
014 80201030 006 ECROU HEX.AUTOFREINE FE/ZNXC3 SELF-LOCKING NUT FE/ZNXC3 SELBSTSICH.MUTTER FE/ZNXC3 DADO AUTOBLOCCANTE FE/ZNXC3
015 80201040 004 ECROU HEX.BAS AUTOFR.FE/ZNXC3 SELF-LOCKING NUT FE/ZNXC3 SELBSTSICHERND.MUTTER FE/ZNXC3 DADO AUTOBLOCCANTE FE/ZNXC3
016 80202030 002 ECROU HEX.AUTOFREINE FE/ZNXC3 SELF-LOCKING NUT FE/ZNXC3 SELBSTSICH.MUTTER FE/ZNXC3 DADO AUTOBLOCCANTE FE/ZNXC3
017 80250624 001 RONDELLE PLATE INOX A2 PLAIN WASHER INOX A2 SCHEIBE INOX A2 RONDELLA PIATTALA INOX A2
018 80250823 004 RONDELLE PLATE FE/ZNXC3 PLAIN WASHER FE/ZNXC3 SCHEIBE FE/ZNXC3 RONDELLA PIATTA FE/ZNXC3
019 80251021 018 RONDELLE PLATE FE/ZNXC3 PLAIN WASHER FE/ZNXC3 SCHEIBE FE/ZNXC3 RONDELLA PIATTA FE/ZNXC3
020 80252026 004 RONDELLE PLATE FE/ZNXC3 PLAIN WASHER FE/ZNXC3 SCHEIBE FE/ZNXC3 RONDELLA PIATTA FE/ZNXC3
021 82102229 004 JOINT CUIVRE SEALING RING DICHTRING RONDELLA RAME
022 951603 002 VASE DE FREIN 16CL CONTAINER GEFAESS 16'CL CONTENITORE 16CL
023 A4060627 002 UNION FITTING, HYDRAULIC, UNION VERBINDUNG CONNETTORE
024 A4061802 002 BOUCHON 3/8G CHC F.E FE/ZNXC3 PLUG 3/8G CHC F.E FE/ZNXC3 VERSCHLUSSSCHRAUBE 3/8G CHC F. TAPPO 3/8G CHC F.E FE/ZNXC3
025 A4080112 016 BAGUE 1 DL 12 BUSH HUELSE BOCCOLA
026 A4080212 016 ECROU L12 NUT L12 MUTTER L12 DADO L12
027 A4080311 004 UNION DOUBLE FE/ZNXC3 STRAIGHT COUPLING FE/ZNXC3 GERADE VERSCHRAUBUNG FE/ZNXC3 GIUNZIONE DIRITTA FE/ZNXC3
028 A4080403 004 UNION MALE MALE STUD CONNECTOR GERADER EINSCHRAUBSTUTZEN GIUZIONE DIRITTA ZBC
029 A4080413 002 UNION MALE MALE STUD CONNECTOR GERADER EINSCHRAUBSTUTZEN GIUZIONE DIRITTA ZBC
030 A4080414 006 UNION MALE MALE STUD CONNECTOR GERADER EINSCHRAUBSTUTZEN GIUZIONE DIRITTA ZBC
031 A4080446 001 UNION MALE NUE ZBC MALE SUTD COUPLING ZBC GERADE EINSCHRAUBVERSCHRAU.ZBC GIUZIONE DIRITTA ZBC
032 A4081003 001 TE EGAL NU ZBC EQUAL TEE ZBC T-VERSCHRAUBUNG ZBC GIUNZIONE A T ZBC
033 A4082701 002 COUDE TOURNANT AJUSTABLE MALE STUD ELBOW EINSTELLBARE WINKEL STUTZEN GIUNZIONE A 90°ORIENTABILE ZBC
034 A4230002 001 BAGUE BS C22 SEAL DICHTUNGSRING BOCCOLA
035 A7181104 001 VALVE DE PURGE DRAIN VALVE ENTWAESSERUNGSVENTIL VALVOLA
036 A7181108 001 PRISE DE PRESSION EN T PRESSURE PORT T DRUCKANSCHLUSS T PRESA DI PRESSIONE
037 A7181109 001 PRISE DE PRESSION M22X150 PRESSURE PORT DRUCKANSCHLUSS PRESA DI PRESSIONE
038 A7181115 003 BOUCHON M22X150 ZBC PLUG STOPFEN TAPPO
039 A7181122 001 TETE D'ACCOUPLEMENT ROUGE RED COUPLING HEAD ANSCHLUSSKOPF ROT TESTA ACCOPPIAMENTO ROSSO
040 A7181125 001 TETE D'ACCOUPLEMENT ISO JAUNE YELLOW COUPLING HEAD ANSCHLUSSKOPF GELB TESTA ACCOPPIAMENTO GIALLO
041 A7181134 016 FOURRURE D9X12 LINER D.9 SCHLAUCHVERSTEIFUNG D.9 CAMICIA
042 A7181144 002 FILTRE DE CONDUITE FILTER FILTER FILTRO
043 A7181145 001 VALVE VALVE VENTIL VALVOLA
044 A7260015 003 PL SUP/COL. DOUBLE D6/8/10/12 UPPER PLATE PLATTE OBERE PIASTRA
045 A7260016 004 PL SUP/C. DOUBLE D14/15/16/18 UPPER PLATE OBERE PLATTE PIASTRA
046 A7260027 017 COLLIER SIMPLE D18 NU CLAMP D.18 SCHELLE D.18 COLLARE D.18
047 A7260040 003 COLLIER DOUBLE D12 NU CLAMP D.12 SCHELLE D.12 COLLARE D.12
048 A7260044 004 COLLIER DOUBLE D18 NU CLAMP D.18 SCHELLE D.18 COLLARE D.18
75
FREINAGE PNEUMATIQUE RESERVOIR PNEUMATIC BRAKE TANK DRUCKLUFT-BREMSANLAGE TANK FRENO PNEUMATICO SERBATOIO
DISCOVER XL2 C0001 >
H24R0073 C
Rep Nr Qt Designation Description Bezeichnung Referenza Remarque - Remark - Bemerkung - Osservazioni
049 A4921036 001 FLEXIBLE HYDRAULIQUE HYDRAULIC HOSE HYDRAULIKSCHLAUCH TUBO GOMMA <->2000 mm
050 A4921036 001 FLEXIBLE HYDRAULIQUE HYDRAULIC HOSE HYDRAULIKSCHLAUCH TUBO GOMMA <->2000 mm
051 A7181129 001 FLEXIBLE POLYAMIDE 9X12 HOSE DRUCKSCHLAUCH TUBO IN GOMMA
052 A7181129 001 FLEXIBLE POLYAMIDE 9X12 HOSE DRUCKSCHLAUCH TUBO IN GOMMA
053 A7181129 001 FLEXIBLE POLYAMIDE 9X12 HOSE DRUCKSCHLAUCH TUBO IN GOMMA
054 A7181129 001 FLEXIBLE POLYAMIDE 9X12 HOSE DRUCKSCHLAUCH TUBO IN GOMMA
055 A7181129 001 FLEXIBLE POLYAMIDE 9X12 HOSE DRUCKSCHLAUCH TUBO IN GOMMA
056 A7181129 001 FLEXIBLE POLYAMIDE 9X12 HOSE DRUCKSCHLAUCH TUBO IN GOMMA
057 A7181129 001 FLEXIBLE POLYAMIDE 9X12 HOSE DRUCKSCHLAUCH TUBO IN GOMMA
058 A7181129 001 FLEXIBLE POLYAMIDE 9X12 HOSE DRUCKSCHLAUCH TUBO IN GOMMA
059 G0445281 002 COUDE FITTING, HYDRAULIC, ELBOW BOGEN CURVA
060 H2402800 001 RESERVOIR RESERVOIR TANK SERBATOIO
061 H2420690 004 DEMI-COLLIER HOSE CLAMP, HALFT SCHLAUCHSCHELLEHÄLFTE MEZZO COLLARE
062 H2420700 002 SUPPORT SUPPORT TRAEGER SUPPORTO
063 H2420710 001 SUPPORT SUPPORT TRAEGER SUPPORTO
064 H2421080 001 TUYAU PIPE ROHR TUBO
065 H2421090 001 TUYAU PIPE ROHR TUBO
066 H2906260 001 PROTECTEUR GUARD SCHUTZ PROTEZIONE
067 H2906270 002 CHAPE CLEVIS GABEL FORCELLA
77
ESSIEU AXLE ACHSE ASSALE
DISCOVER XL2 C0001 C9999>
H29R0009 A
Rep Nr Qt Designation Description Bezeichnung Referenza Remarque - Remark - Bemerkung - Osservazioni
001 81305501 002 ROULEMENT A ROULEAUX CONIQUES TAPERED ROLLER BEARING KEGELROLLENLAGER CUSCINETTO A RULLI
002 500236 001 ESSIEU AXLE RADACHSE ASSALE
003 583422 001 FUSEE SPINDLE DREHZAPFEN FUSO
004 80201850 016 ECROU PORTEE SPHER.FE/ZNXC3 WHEEL NUT FE/ZNXC3 RADMUTTER FE/ZNXC3 DADO FE/ZNXC3 27 daN.m (199.14 lbf.ft)
005 952233 002 CAME ESSIEU 500236 CAM NOCKEN FERMO
006 K8018150 002 RONDELLE SUPPORTING RING SCHEIBE RONDELLA D'APPOGGIO
007 81307512 002 ROULEMENT A ROULEAUX CONIQUES TAPERED ROLLER BEARING KEGELROLLENLAGER CUSCINETTO A RULLI
008 952314 002 TAMBOUR 350X80S 8 TROUS REEL TROMMEL TAMBURO
009 952315 002 MOYEU NU 808 AF HUB NABE MOZZO
010 A7039044 016 GOUJON D.18X150 <-> 46/70 STUD, THREADED GEWINDESTIFT SPINA
011 A7039049 002 RONDELLE PLATE D45X80X5 WASHER FLACHSCHEIBE RONDELLA PIANA
012 A7039171 002 ECROU HK M45X2 MONROC NUT MUTTER DADO
013 952319 002 CHAPEAU A VISSER Ø101.5X1.5 CAP D 101,5X1,5 KAPPE D 101,5X1,5 CAPPELLO
014 952320 002 BIELLETTE LINK SCHUBSTANGE BIELLA
015 A7039099 004 RESSORT DE RAPPEL 3X17X120 SPRING ZUGFEDER MOLLA
016 A7039406 004 MACHOIRE DE FREIN BRAKE SHOE BREMSBACKE GANASCIA DI FRENO
017 80500579 002 GOUPILLE FENDUE FE/ZNXC3 SPLIT PIN FE/ZNXC3 SPLINT FE/ZNXC3 COPPIGLIA FE/ZNXC3
018 80583000 002 CIRCLIP EXTERIEUR RETAINING RING SICHERUNGSRING ANELLO
019 82200616 002 GRAISSEUR AUTOTAR.FE/ZNXC3 TAPPING GREASE NIPPLE FE/ZNXC3 GEWINDESCH.SCHMIERNIP.FE/ZNXC3 INGRASSATORE FE/ZNXC3
020 952313 001 MOYEU COMPLET 808AF1 350X80S HUB NABE MOZZO
79
ESSIEU (FREINAGE HYDRAULIQUE) AXLE (HYDRAULIC BRAKE) ACHSE (HYDRAULISCHE BREMSANLAG ASSALE (FRENO IDRAULICO)
DISCOVER XL2 D0001 >
H29R0085 A
Rep Nr Qt Designation Description Bezeichnung Referenza Remarque - Remark - Bemerkung - Osservazioni
001 H2905970 001 ESSIEU AXLE RADACHSE ASSALE
81
ESSIEU (FREINAGE PNEUMATIQUE) AXLE (PNEUMATIC BRAKE) ACHSE (DRUCKLUFT-BREMSANLAGE) ASSALE (FRENO PNEUMATICO)
DISCOVER XL2 D0001 >
H29R0086 A
Rep Nr Qt Designation Description Bezeichnung Referenza Remarque - Remark - Bemerkung - Osservazioni
001 H2905980 001 ESSIEU AXLE RADACHSE ASSALE
83
CALE DE ROUE FIX OF WHEEL BREMSKLOTZ TENUTA DI RUO
DISCOVER XL2 C0001 >
H24R0159 A
Rep Nr Qt Designation Description Bezeichnung Referenza Remarque - Remark - Bemerkung - Osservazioni
001 80060820 008 VIS TETE HEXAGONALE FE/ZNXC3 HEXAGON HEAD SCREW FE/ZNXC3 SECHSKANTSCHRAUBE FE/ZNXC3 VITE TESTA ESAGONALE FE/ZNXC3
002 80061271 002 VIS TETE HEXAGONALE FE/ZNXC3 HEXAGON HEAD SCREW FE/ZNXC3 SECHSKANTSCHRAUBE FE/ZNXC3 VITE TESTA ESAGONALE FE/ZNXC3
003 80200840 008 ECROU HEX.BAS AUTOFR.FE/ZNXC3 SELF-LOCKING NUT FE/ZNXC3 SELBSTSICHERND.MUTTER FE/ZNXC3 DADO AUTOBLOCCANTE FE/ZNXC3
004 80201240 002 ECROU HEX.BAS AUTOFR.FE/ZNXC3 SELF-LOCKING NUT FE/ZNXC3 SELBSTSICHERND.MUTTER FE/ZNXC3 DADO AUTOBLOCCANTE FE/ZNXC3
005 A7021004 002 CALE SHIM DISTANZPLATTE SPESSORE
006 A7021005 002 SUPPORT SUPPORT TRAEGER SUPPORTO
007 H2402530 001 SUPPORT SUPPORT TRAEGER SUPPORTO
85
ROUE 550/60-22.5 404 TL WHEEL 550/60-22.5 404 TL RAD 550/60-22.5 404 TL RUOTA 550/60-22.5 404 TL
DISCOVER XL2 C0001 >
H29R0010 C
Rep Nr Qt Designation Description Bezeichnung Referenza Remarque - Remark - Bemerkung - Osservazioni
001 H0503890 001 ROUE WHEEL RAD RUOTA +[1] TRELLBORG 2,8bars(41PSI)
002 H0503900 002 ROUE WHEEL RAD RUOTA +[1] TRELLBORG 2,8bars(41PSI)
003 H2900100 003 PNEU TIRE REIFEN PNEUMATICO [1]TRELLBORG
004 H2900110 003 JANTE WHEEL FELGE CERCHIO [1]TRELLBORG
87
ROUE 500/60.22.5 WHEEL 500/60.22.5 RAD 500/60.22.5 RUOTA 500/60.22.5
DISCOVER XL2 C0001 >
H29R0011 B
Rep Nr Qt Designation Description Bezeichnung Referenza Remarque - Remark - Bemerkung - Osservazioni
001 H2900110 001 JANTE WHEEL FELGE CERCHIO [1]TRELLBORG
002 H2905640 001 PNEU TIRE REIFEN PNEUMATICO [1]TRELLBORG
003 H2905670 001 ROUE WHEEL RAD RUOTA +[1]TRELLBORG 2,4bars(35PSI)
004 H2905680 001 ROUE WHEEL RAD RUOTA +[1]TRELLBORG 2,4bars(35PSI)
89
RELEVAGE ROULEAUX LIFT REAR WALZE AUSHEBUNG WALZE SOLLEVAMENTO RULLI POSTERIORI
DISCOVER XL2 C0001 >
H22R0093 E
Rep Nr Qt Designation Description Bezeichnung Referenza Remarque - Remark - Bemerkung - Osservazioni
001 952162 002 POCHETTE JOINTS 95216O-952161 SEALS PACKET (952160-952161) DICHTSATZ FUER 952160-952161 COLLEZIONE GUARNIZIONI : 952161
001 H2401340 002 POCHETTE JOINTS H2401330 SEALS PACKET H2401330 DICHTSATZ FUER H2401330 KIT GOMMINI H2401330 : h2401330
002 951955 001 POCHETTE JOINTS 951954-952231 SEALS PACKET 951954-952231 DICHTSATZ FUER 951954-952231 KIT GOMMINI 951954-952231 : 952231
002 H2401610 001 POCHETTE KIT, SEAL TACHE SACCHE : H2401600
003 82200800 001 GRAISSEUR FE/ZNXC3 GREASE NIPPLE FE/ZNXC3 SCHMIERNIPPEL FE/ZNXC3 INGRASSATORE FE/ZNXC3
004 952365 001 CLAPET ANTI-RETOUR VALVE, CHECK RUECKSCHLAGVENTIL VALVOLA ANTI-RITORNO
005 H2230190 001 CHASSIS CHASSIS HAUPTRAHMEN TELAIO
006 H2230210 002 BRAS ARM ARM BRACCIO
007 952160 001 VERIN CYLINDER, HYDRAULIC HYDRAULIKZYLINDER CILINDRO
008 H2114000 001 EMBOUT END PIECE ENDSTUECK GIUNTO
009 80201630 001 ECROU HEX.AUTOFREINE FE/ZNXC3 SELF-LOCKING NUT FE/ZNXC3 SELBSTSICH.MUTTER FE/ZNXC3 DADO AUTOBLOCCANTE FE/ZNXC3
010 80061657 001 VIS TETE HEXAGONALE FE/ZNXC3 HEXAGON HEAD SCREW FE/ZNXC3 SECHSKANTSCHRAUBE FE/ZNXC3 VITE TESTA ESAGONALE FE/ZNXC3
011 82201016 002 GRAISSEUR AUTOTARAUDANT SELF TAPPING GREASE NIPPLE GEWINDESCHNEID-SCHMIERNIPPEL INGRASSATORE
012 H2100830 001 AXE PIN ACHSE ASSE
013 80201230 001 ECROU HEX.AUTOFREINE FE/ZNXC3 SELF-LOCKING NUT FE/ZNXC3 SELBSTSICH.MUTTER FE/ZNXC3 DADO AUTOBLOCCANTE FE/ZNXC3
014 80061245 001 VIS TETE HEXAGONALE FE/ZNXC3 HEXAGON HEAD SCREW FE/ZNXC3 SECHSKANTSCHRAUBE FE/ZNXC3 VITE TESTA ESAGONALE FE/ZNXC3
015 83014041 002 BAGUE ROULEE WRAPPED BUSH GEROLLTE BUCHSE ANELLO LUBRIFICATO
016 H2113770 001 TIMON TONGUE DEICHSEL TIMONE
017 952160 001 VERIN CYLINDER, HYDRAULIC HYDRAULIKZYLINDER CILINDRO
018 80201630 001 ECROU HEX.AUTOFREINE FE/ZNXC3 SELF-LOCKING NUT FE/ZNXC3 SELBSTSICH.MUTTER FE/ZNXC3 DADO AUTOBLOCCANTE FE/ZNXC3
019 80061657 001 VIS TETE HEXAGONALE FE/ZNXC3 HEXAGON HEAD SCREW FE/ZNXC3 SECHSKANTSCHRAUBE FE/ZNXC3 VITE TESTA ESAGONALE FE/ZNXC3
020 82201016 002 GRAISSEUR AUTOTARAUDANT SELF TAPPING GREASE NIPPLE GEWINDESCHNEID-SCHMIERNIPPEL INGRASSATORE
021 H2100830 001 AXE PIN ACHSE ASSE
022 80201230 001 ECROU HEX.AUTOFREINE FE/ZNXC3 SELF-LOCKING NUT FE/ZNXC3 SELBSTSICH.MUTTER FE/ZNXC3 DADO AUTOBLOCCANTE FE/ZNXC3
023 80061245 001 VIS TETE HEXAGONALE FE/ZNXC3 HEXAGON HEAD SCREW FE/ZNXC3 SECHSKANTSCHRAUBE FE/ZNXC3 VITE TESTA ESAGONALE FE/ZNXC3
024 83014041 002 BAGUE ROULEE WRAPPED BUSH GEROLLTE BUCHSE ANELLO LUBRIFICATO
025 H2401590 001 VERIN CYLINDER, HYDRAULIC HYDRAULIKZYLINDER CILINDRO
026 H2200780 002 AXE PIVOT AXLE ACHSE ASSE
027 750961 002 RONDELLE WASHER D100 EP6 SCHEIBE D100 EP6 RONDELLA
028 80205566 002 ECROU A ENCOCH.AUTOF.FE/ZNXC3 SELF-LOCKING NUT FE/ZNXC3 SELBSTSICHERN.MUTTER FE/ZNXC3 DADO AUTOBLOCCANTE FE/ZNXC3
029 H2114030 001 AXE PIN ACHSE ASSE
030 H2114010 002 AXE PIN ACHSE ASSE
031 H2114040 002 AXE PIN ACHSE ASSE
032 80201240 001 ECROU HEX.BAS AUTOFR.FE/ZNXC3 SELF-LOCKING NUT FE/ZNXC3 SELBSTSICHERND.MUTTER FE/ZNXC3 DADO AUTOBLOCCANTE FE/ZNXC3
033 80062067 014 VIS TETE HEXAGONALE FLZNNC HEXAGON HEAD SCREW FLZNNC SECHSKANTSCHRAUBE FLZNNC VITE TESTA ESAGONALE FLZNNC
034 80202069 014 ECROU HEXAGONAL FE/ZNXC3 NUT FE/ZNXC3 SECHSKANTMUTTER FE/ZNXC3 DADO FE/ZNXC3
035 80202030 014 ECROU HEX.AUTOFREINE FE/ZNXC3 SELF-LOCKING NUT FE/ZNXC3 SELBSTSICH.MUTTER FE/ZNXC3 DADO AUTOBLOCCANTE FE/ZNXC3
036 83014540 002 BAGUE ROULEE WRAPPED BUSH GEROLLTE BUCHSE ANELLO LUBRIFICATO
037 583222 001 AXE PIN ACHSE ASSE
038 80061245 001 VIS TETE HEXAGONALE FE/ZNXC3 HEXAGON HEAD SCREW FE/ZNXC3 SECHSKANTSCHRAUBE FE/ZNXC3 VITE TESTA ESAGONALE FE/ZNXC3
039 83014040 001 BAGUE ROULEE WRAPPED BUSH GEROLLTE BUCHSE ANELLO LUBRIFICATO
040 80061280 002 VIS TETE HEXAGONALE FE/ZNXC3 HEXAGON HEAD SCREW FE/ZNXC3 SECHSKANTSCHRAUBE FE/ZNXC3 VITE TESTA ESAGONALE FE/ZNXC3
041 80201230 002 ECROU HEX.AUTOFREINE FE/ZNXC3 SELF-LOCKING NUT FE/ZNXC3 SELBSTSICH.MUTTER FE/ZNXC3 DADO AUTOBLOCCANTE FE/ZNXC3
042 80061661 003 VIS TETE HEXAGONALE FE/ZNXC3 HEXAGON HEAD SCREW FE/ZNXC3 SECHSKANTSCHRAUBE FE/ZNXC3 VITE TESTA ESAGONALE FE/ZNXC3
043 80201630 003 ECROU HEX.AUTOFREINE FE/ZNXC3 SELF-LOCKING NUT FE/ZNXC3 SELBSTSICH.MUTTER FE/ZNXC3 DADO AUTOBLOCCANTE FE/ZNXC3
044 951448 008 BAGUE ROULEE WRAPPED BUSH GEROLLTE BUCHSE MESSING ANELLO LUBRIFICATO
045 82201016 007 GRAISSEUR AUTOTARAUDANT SELF TAPPING GREASE NIPPLE GEWINDESCHNEID-SCHMIERNIPPEL INGRASSATORE
046 81005055 004 BAGUE ROULEE WRAPPED BUSH GEROLLTE BUCHSE ANELLO LUBRIFICATO
91
RELEVAGE ROULEAUX LIFT REAR WALZE AUSHEBUNG WALZE SOLLEVAMENTO RULLI POSTERIORI
DISCOVER XL2 C0001 >
H22R0093 E
Rep Nr Qt Designation Description Bezeichnung Referenza Remarque - Remark - Bemerkung - Osservazioni
047 H2114110 001 PLAT FLAT FLACHEISEN PIATTO
048 80250823 004 RONDELLE PLATE FE/ZNXC3 PLAIN WASHER FE/ZNXC3 SCHEIBE FE/ZNXC3 RONDELLA PIATTA FE/ZNXC3
049 80200830 002 ECROU HEX.AUTOFREINE FE/ZNXC3 SELF-LOCKING NUT FE/ZNXC3 SELBSTSICHERNDE MUTT.FE/ZNXC3 DADO AUTOBLOCCANTE FE/ZNXC3
050 80060830 002 VIS TETE HEXAGONALE FE/ZNXC3 HEXAGON HEAD SCREW FE/ZNXC3 SECHSKANTSCHRAUBE FE/ZNXC3 VITE TESTA ESAGONALE FE/ZNXC3
051 H2405390 001 COLLIER CLAMP, HOSE SCHLAUCHSCHELLE COLLARE
052 80080894 001 VIS TETE CYL.SIX P.CR.FE/ZNXC3 HEX.SOCK.HEAD CAP SCR.FE/ZNXC3 ZYLINDERSCHR.INNENSEC.FE/ZNXC3 VITE A TESTA CILINDR. FE/ZNXC3
053 80200870 001 ECROU HEXAGONAL FE/ZNXC3 NUT FE/ZNXC3 SECHSKANTMUTTER FE/ZNXC3 DADO FE/ZNXC3
054 900764 001 ACCUMULATEUR HYDRO-PNEUMATIQUE ACCUMULATOR DRUCKSPEICHER ACCUMULATORE
055 952380 001 VALVE VALVE VENTIL VALVOLA
056 A4080429 003 UNION MALE MALE STUD CONNECTOR GERADER EINSCHRAUBSTUTZEN GIUZIONE DIRITTA ZBC
057 A4080435 002 UNION MALE MALE STUD CONNECTOR GERADER EINSCHRAUBSTUTZEN GIUZIONE DIRITTA ZBC
058 A4923062 001 FLEXIBLE HYDRAULIQUE HYDRAULIC HOSE HYDRAULIKSCHLAUCH TUBO GOMMA <->450 mm
059 80250823 008 RONDELLE PLATE FE/ZNXC3 PLAIN WASHER FE/ZNXC3 SCHEIBE FE/ZNXC3 RONDELLA PIATTA FE/ZNXC3
060 80060853 002 VIS TETE HEXAGONALE FE/ZNXC3 HEXAGON HEAD SCREW FE/ZNXC3 SECHSKANTSCHRAUBE FE/ZNXC3 VITE TESTA ESAGONALE FE/ZNXC3
061 80200830 004 ECROU HEX.AUTOFREINE FE/ZNXC3 SELF-LOCKING NUT FE/ZNXC3 SELBSTSICHERNDE MUTT.FE/ZNXC3 DADO AUTOBLOCCANTE FE/ZNXC3
062 80060830 002 VIS TETE HEXAGONALE FE/ZNXC3 HEXAGON HEAD SCREW FE/ZNXC3 SECHSKANTSCHRAUBE FE/ZNXC3 VITE TESTA ESAGONALE FE/ZNXC3
063 A4072014 001 LIMITEUR DEBIT D0.8 TUBE D14 DELIVERY LIMITER MENGEN BEGRENZER REGOLATORE D'ALIMENTAZIONE
064 952365 001 CLAPET ANTI-RETOUR VALVE, CHECK RUECKSCHLAGVENTIL VALVOLA ANTI-RITORNO
93
HYDRAULIQUE (BLOC HYDRAULIQUE) HYDRAULIC (HYDRAULIC BLOCK) HYDRAULIK (STEUERBLOCK) IDRAULICO (BLOCCO IDRAULICO)
DISCOVER XL2 C0001 >
H24R0070 C
Rep Nr Qt Designation Description Bezeichnung Referenza Remarque - Remark - Bemerkung - Osservazioni
001 951197 008 GAINE CAOUTCHOUC SHEATHE HUELLE GUAINA CAOUTCHOUC
002 951214 002 BAGUE BUSHING HUELSE BOCCOLA
003 952232 001 BLOC HYDRAULIQUE MANIFOLD, HYDRAULIC HYDRAULIK-STEUERBLOCK BLOCCO IDRAULICO
004 80060835 001 VIS TETE HEXAGONALE FE/ZNXC3 HEXAGON HEAD SCREW FE/ZNXC3 SECHSKANTSCHRAUBE FE/ZNXC3 VITE TESTA ESAGONALE FE/ZNXC3
005 80060846 004 VIS TETE HEXAGONALE FE/ZNXC3 HEXAGON HEAD SCREW FE/ZNXC3 SECHSKANTSCHRAUBE FE/ZNXC3 VITE TESTA ESAGONALE FE/ZNXC3
006 80060857 002 VIS TETE HEXAGONALE FE/ZNXC3 HEXAGON HEAD SCREW FE/ZNXC3 SECHSKANTSCHRAUBE FE/ZNXC3 VITE TESTA ESAGONALE FE/ZNXC3
007 80060871 003 VIS TETE HEXAGONALE FE/ZNXC3 HEXAGON HEAD SCREW FE/ZNXC3 SECHSKANTSCHRAUBE FE/ZNXC3 VITE TESTA ESAGONALE FE/ZNXC3
008 80270803 002 RONDELLE GROWER FE/ZNXC3 SPRING LOCK WASHER FE/ZNXC3 FEDERRING FE/ZNXC3 RONDELLA GROWER FE/ZNXC3
009 82300026 002 CAPUCHON COUPLEUR MALE CAP MALE CONNECTOR KAPPE KUPPLUNGSSTECKER TAPPO
010 83090093 002 COLLIER PLASTIQUE CABLE TIE PLASTIC KABELBINDER PLASTIK FASCETTA
011 A4074017 002 COUPLEUR MALE CONNECTOR MALE KUPPLUNGSTECKER INNESTO M16X150
012 A4080352 002 UNION DOUBLE NUE ZBC STRAIGHT COUPLING ZBC GERADE VERSCHRAUBUNG ZBC GIUNZIONE DIRITTA ZBC
013 A4080429 002 UNION MALE MALE STUD CONNECTOR GERADER EINSCHRAUBSTUTZEN GIUZIONE DIRITTA ZBC
014 A7260016 004 PL SUP/C. DOUBLE D14/15/16/18 UPPER PLATE OBERE PLATTE PIASTRA
015 A7260017 007 PL SUP/C. DOUBLE D19/20/22/25 UPPER PLATE PLATTE OBERE PIASTRA
016 A7260042 004 COLLIER DOUBLE D15 NU CLAMP D.15 SCHELLE D.15 COLLARE D.15
017 A7260046 007 COLLIER DOUBLE D20 NU CLAMP D.20 SCHELLE D.20 COLLARE D.20
018 A4921112 001 FLEXIBLE HYDRAULIQUE HYDRAULIC HOSE HYDRAULIKSCHLAUCH TUBO GOMMA <->5500 mm
019 A4921112 001 FLEXIBLE HYDRAULIQUE HYDRAULIC HOSE HYDRAULIKSCHLAUCH TUBO GOMMA <->5500 mm
020 H2417960 002 TUYAU HYDRAULIQUE TUBING, HYDRAULIC HYDRAULIKSCHLAUCH TUBO GOMMA
95
HYDRAULIQUE DE RELEVAGE ROULEA LIFTING HYDRAULIC ROLLER HYDRAULIKELEMENTE AUSHEBUNG WA SIST. IDRAULICO SOLLEVAMENTO R
DISCOVER XL2 C0001 >
H24R0068 D
Rep Nr Qt Designation Description Bezeichnung Referenza Remarque - Remark - Bemerkung - Osservazioni
001 951197 004 GAINE CAOUTCHOUC SHEATHE HUELLE GUAINA CAOUTCHOUC
002 952232 001 BLOC HYDRAULIQUE MANIFOLD, HYDRAULIC HYDRAULIK-STEUERBLOCK BLOCCO IDRAULICO
003 952365 002 CLAPET ANTI-RETOUR VALVE, CHECK RUECKSCHLAGVENTIL VALVOLA ANTI-RITORNO
004 952380 001 VALVE VALVE VENTIL VALVOLA
005 80060846 002 VIS TETE HEXAGONALE FE/ZNXC3 HEXAGON HEAD SCREW FE/ZNXC3 SECHSKANTSCHRAUBE FE/ZNXC3 VITE TESTA ESAGONALE FE/ZNXC3
006 80060853 002 VIS TETE HEXAGONALE FE/ZNXC3 HEXAGON HEAD SCREW FE/ZNXC3 SECHSKANTSCHRAUBE FE/ZNXC3 VITE TESTA ESAGONALE FE/ZNXC3
007 80060857 002 VIS TETE HEXAGONALE FE/ZNXC3 HEXAGON HEAD SCREW FE/ZNXC3 SECHSKANTSCHRAUBE FE/ZNXC3 VITE TESTA ESAGONALE FE/ZNXC3
008 80200830 002 ECROU HEX.AUTOFREINE FE/ZNXC3 SELF-LOCKING NUT FE/ZNXC3 SELBSTSICHERNDE MUTT.FE/ZNXC3 DADO AUTOBLOCCANTE FE/ZNXC3
009 80250823 004 RONDELLE PLATE FE/ZNXC3 PLAIN WASHER FE/ZNXC3 SCHEIBE FE/ZNXC3 RONDELLA PIATTA FE/ZNXC3
010 80270803 002 RONDELLE GROWER FE/ZNXC3 SPRING LOCK WASHER FE/ZNXC3 FEDERRING FE/ZNXC3 RONDELLA GROWER FE/ZNXC3
011 82200800 002 GRAISSEUR FE/ZNXC3 GREASE NIPPLE FE/ZNXC3 SCHMIERNIPPEL FE/ZNXC3 INGRASSATORE FE/ZNXC3
012 951955 001 POCHETTE JOINTS 951954-952231 SEALS PACKET 951954-952231 DICHTSATZ FUER 951954-952231 KIT GOMMINI 951954-952231 : 952231
012 H2401610 001 POCHETTE KIT, SEAL TACHE SACCHE : H2401600
013 A4080306 001 UNION DOUBLE FE/ZNXC3 STRAIGHT COUPLING FE/ZNXC3 GERADE VERSCHRAUBUNG FE/ZNXC3 GIUNZIONE DIRITTA FE/ZNXC3
014 A4080429 007 UNION MALE MALE STUD CONNECTOR GERADER EINSCHRAUBSTUTZEN GIUZIONE DIRITTA ZBC
015 A4081010 001 TE EGAL NU ZBC EQUAL TEE ZBC T-VERSCHRAUBUNG ZBC GIUNZIONE A T ZBC
016 A7260017 002 PL SUP/C. DOUBLE D19/20/22/25 UPPER PLATE PLATTE OBERE PIASTRA
017 A7260046 002 COLLIER DOUBLE D20 NU CLAMP D.20 SCHELLE D.20 COLLARE D.20
018 A4923029 001 FLEXIBLE HYDRAULIQUE HYDRAULIC HOSE HYDRAULIKSCHLAUCH TUBO GOMMA <->290 mm
019 A4923030 001 FLEXIBLE HYDRAULIQUE HYDRAULIC HOSE HYDRAULIKSCHLAUCH TUBO GOMMA <->650 mm
020 A4923032 001 FLEXIBLE HYDRAULIQUE HYDRAULIC HOSE HYDRAULIKSCHLAUCH TUBO GOMMA <->1100 mm
021 A4923062 001 FLEXIBLE HYDRAULIQUE HYDRAULIC HOSE HYDRAULIKSCHLAUCH TUBO GOMMA <->450 mm
022 H2401590 001 VERIN CYLINDER, HYDRAULIC HYDRAULIKZYLINDER CILINDRO
023 H2417970 002 TUYAU HYDRAULIQUE TUBING, HYDRAULIC HYDRAULIKSCHLAUCH TUBO GOMMA
97
HYDRAULIQUE DE REPLIAGE ROULEA HYDRAULICS ROLLER HYDRAULIK RAHMENEINSCHWENKUNG TUBI FLESSIBILI IDRAULICI RULL
DISCOVER XL2 C0001 >
H24R0069 C
Rep Nr Qt Designation Description Bezeichnung Referenza Remarque - Remark - Bemerkung - Osservazioni
001 952365 001 CLAPET ANTI-RETOUR VALVE, CHECK RUECKSCHLAGVENTIL VALVOLA ANTI-RITORNO
002 952162 001 POCHETTE JOINTS 95216O-952161 SEALS PACKET (952160-952161) DICHTSATZ FUER 952160-952161 COLLEZIONE GUARNIZIONI : 952161
002 951909 001 COLLECTION KIT SATZ COLLEZIONE : 952372
003 952232 001 BLOC HYDRAULIQUE MANIFOLD, HYDRAULIC HYDRAULIK-STEUERBLOCK BLOCCO IDRAULICO
004 80270803 002 RONDELLE GROWER FE/ZNXC3 SPRING LOCK WASHER FE/ZNXC3 FEDERRING FE/ZNXC3 RONDELLA GROWER FE/ZNXC3
005 80060857 002 VIS TETE HEXAGONALE FE/ZNXC3 HEXAGON HEAD SCREW FE/ZNXC3 SECHSKANTSCHRAUBE FE/ZNXC3 VITE TESTA ESAGONALE FE/ZNXC3
006 952160 001 VERIN CYLINDER, HYDRAULIC HYDRAULIKZYLINDER CILINDRO
007 A7260046 005 COLLIER DOUBLE D20 NU CLAMP D.20 SCHELLE D.20 COLLARE D.20
008 A7260017 005 PL SUP/C. DOUBLE D19/20/22/25 UPPER PLATE PLATTE OBERE PIASTRA
009 80060846 005 VIS TETE HEXAGONALE FE/ZNXC3 HEXAGON HEAD SCREW FE/ZNXC3 SECHSKANTSCHRAUBE FE/ZNXC3 VITE TESTA ESAGONALE FE/ZNXC3
010 951197 004 GAINE CAOUTCHOUC SHEATHE HUELLE GUAINA CAOUTCHOUC
011 H2417970 002 TUYAU HYDRAULIQUE TUBING, HYDRAULIC HYDRAULIKSCHLAUCH TUBO GOMMA
012 A4080430 002 UNION MALE MALE STUD CONNECTOR GERADER EINSCHRAUBSTUTZEN GIUZIONE DIRITTA ZBC
013 A4080306 002 UNION DOUBLE FE/ZNXC3 STRAIGHT COUPLING FE/ZNXC3 GERADE VERSCHRAUBUNG FE/ZNXC3 GIUNZIONE DIRITTA FE/ZNXC3
014 A4081010 002 TE EGAL NU ZBC EQUAL TEE ZBC T-VERSCHRAUBUNG ZBC GIUNZIONE A T ZBC
015 A4923146 001 FLEXIBLE HYDRAULIQUE HYDRAULIC HOSE HYDRAULIKSCHLAUCH TUBO GOMMA <->1450 mm
016 A4923146 001 FLEXIBLE HYDRAULIQUE HYDRAULIC HOSE HYDRAULIKSCHLAUCH TUBO GOMMA <->1450 mm
017 A4080429 004 UNION MALE MALE STUD CONNECTOR GERADER EINSCHRAUBSTUTZEN GIUZIONE DIRITTA ZBC
018 A4923031 001 FLEXIBLE HYDRAULIQUE HYDRAULIC HOSE HYDRAULIKSCHLAUCH TUBO GOMMA <->950 mm
019 A4923031 001 FLEXIBLE HYDRAULIQUE HYDRAULIC HOSE HYDRAULIKSCHLAUCH TUBO GOMMA <->950 mm
020 A4923031 001 FLEXIBLE HYDRAULIQUE HYDRAULIC HOSE HYDRAULIKSCHLAUCH TUBO GOMMA <->950 mm
021 A4923031 001 FLEXIBLE HYDRAULIQUE HYDRAULIC HOSE HYDRAULIKSCHLAUCH TUBO GOMMA <->950 mm
99
ROULEAU A TUBES XL52 CRUMBLER ROLLER XL52 ROHRWALZE XL52 RULLO SMINUZZATORE XL52
XL2-52 C0001 C9999>
H22R0172 D
Rep Nr Qt Designation Description Bezeichnung Referenza Remarque - Remark - Bemerkung - Osservazioni
001 211957 004 ENTRETOISE P. ROTOR SPACER DISTANZSCHEIBE DISTANZIALE
002 750961 002 RONDELLE WASHER D100 EP6 SCHEIBE D100 EP6 RONDELLA
003 80061294 008 VIS TETE HEXAGONALE FE/ZNXC3 HEXAGON HEAD SCREW FE/ZNXC3 SECHSKANTSCHRAUBE FE/ZNXC3 VITE TESTA ESAGONALE FE/ZNXC3
004 80061661 008 VIS TETE HEXAGONALE FE/ZNXC3 HEXAGON HEAD SCREW FE/ZNXC3 SECHSKANTSCHRAUBE FE/ZNXC3 VITE TESTA ESAGONALE FE/ZNXC3
005 80111275 008 VIS T.FRAI.SIX P.CR.FE/ZNXC3 HEX.SOC.COUNT.HEAD SC.FE/ZNXC3 SENKSCHRAUB.INNENSEC.FE/ZNXC3 VITE FE/ZNXC3
006 80201240 016 ECROU HEX.BAS AUTOFR.FE/ZNXC3 SELF-LOCKING NUT FE/ZNXC3 SELBSTSICHERND.MUTTER FE/ZNXC3 DADO AUTOBLOCCANTE FE/ZNXC3
007 80201640 008 ECROU HEX.BAS AUTOFR.FE/ZNXC3 SELF-LOCKING NUT FE/ZNXC3 SELBSTSICHERND.MUTTER FE/ZNXC3 DADO AUTOBLOCCANTE FE/ZNXC3
008 80205566 002 ECROU A ENCOCH.AUTOF.FE/ZNXC3 SELF-LOCKING NUT FE/ZNXC3 SELBSTSICHERN.MUTTER FE/ZNXC3 DADO AUTOBLOCCANTE FE/ZNXC3
009 82200815 004 GRAISSEUR AUTOTAR.FE/ZNXC3 TAPPING GREASE NIPPLE FE/ZNXC3 GEWINDESCH.SCHMIERNIP.FE/ZNXC3 INGRASSATORE FE/ZNXC3
010 82201016 004 GRAISSEUR AUTOTARAUDANT SELF TAPPING GREASE NIPPLE GEWINDESCHNEID-SCHMIERNIPPEL INGRASSATORE
011 83040072 004 BOUCHON D'OBTURATION END PLUG KEGELSTOPFEN TAPPO DI CHIUSURA
012 52503600 004 ECROU NUT MUTTER DADO
013 52514000 004 DEFLECTEUR DU PALIER COVER LAGERSCHUTZ DEFLETTORE SUPPORTO
014 52563600 004 PROTECTEUR GUARD SCHUTZ PROTEZIONE
015 H2200780 002 AXE PIVOT AXLE ACHSE ASSE
016 H2205760 004 CALE SHIM DISTANZPLATTE SPESSORE
017 H2205850 002 PLAT FLAT FLACHEISEN PIATTO
018 H2214190 002 ROULEAU ROLLER ROLLE RULLO
019 H2222130 004 PALIER BEARING, PILLOW BLOCK LAGER SUPPORTO
020 H2230220 001 CHASSIS CHASSIS HAUPTRAHMEN TELAIO
021 H2230230 001 CHASSIS CHASSIS HAUPTRAHMEN TELAIO
101
ROULEAU A TUBES XL60 CRUMBLER ROLLER XL60 ROHRWALZE XL60 RULLO SMINUZZATORE XL60
XL2-60 C0001 C9999>
H22R0170 D
Rep Nr Qt Designation Description Bezeichnung Referenza Remarque - Remark - Bemerkung - Osservazioni
001 211957 004 ENTRETOISE P. ROTOR SPACER DISTANZSCHEIBE DISTANZIALE
002 750961 002 RONDELLE WASHER D100 EP6 SCHEIBE D100 EP6 RONDELLA
003 52563800 004 PALIER BEARING, PILLOW BLOCK LAGER SUPPORTO
004 80061294 008 VIS TETE HEXAGONALE FE/ZNXC3 HEXAGON HEAD SCREW FE/ZNXC3 SECHSKANTSCHRAUBE FE/ZNXC3 VITE TESTA ESAGONALE FE/ZNXC3
005 80061661 008 VIS TETE HEXAGONALE FE/ZNXC3 HEXAGON HEAD SCREW FE/ZNXC3 SECHSKANTSCHRAUBE FE/ZNXC3 VITE TESTA ESAGONALE FE/ZNXC3
006 80111275 008 VIS T.FRAI.SIX P.CR.FE/ZNXC3 HEX.SOC.COUNT.HEAD SC.FE/ZNXC3 SENKSCHRAUB.INNENSEC.FE/ZNXC3 VITE FE/ZNXC3
007 80201240 016 ECROU HEX.BAS AUTOFR.FE/ZNXC3 SELF-LOCKING NUT FE/ZNXC3 SELBSTSICHERND.MUTTER FE/ZNXC3 DADO AUTOBLOCCANTE FE/ZNXC3
008 80201640 008 ECROU HEX.BAS AUTOFR.FE/ZNXC3 SELF-LOCKING NUT FE/ZNXC3 SELBSTSICHERND.MUTTER FE/ZNXC3 DADO AUTOBLOCCANTE FE/ZNXC3
009 80205566 002 ECROU A ENCOCH.AUTOF.FE/ZNXC3 SELF-LOCKING NUT FE/ZNXC3 SELBSTSICHERN.MUTTER FE/ZNXC3 DADO AUTOBLOCCANTE FE/ZNXC3
010 82200815 004 GRAISSEUR AUTOTAR.FE/ZNXC3 TAPPING GREASE NIPPLE FE/ZNXC3 GEWINDESCH.SCHMIERNIP.FE/ZNXC3 INGRASSATORE FE/ZNXC3
011 82201016 004 GRAISSEUR AUTOTARAUDANT SELF TAPPING GREASE NIPPLE GEWINDESCHNEID-SCHMIERNIPPEL INGRASSATORE
012 83040072 004 BOUCHON D'OBTURATION END PLUG KEGELSTOPFEN TAPPO DI CHIUSURA
013 52503600 004 ECROU NUT MUTTER DADO
014 52514000 004 DEFLECTEUR DU PALIER COVER LAGERSCHUTZ DEFLETTORE SUPPORTO
015 52563600 004 PROTECTEUR GUARD SCHUTZ PROTEZIONE
016 H2200780 002 AXE PIVOT AXLE ACHSE ASSE
017 H2205760 002 CALE SHIM DISTANZPLATTE SPESSORE
018 H2205770 002 CALE SHIM DISTANZPLATTE SPESSORE
019 H2205850 002 PLAT FLAT FLACHEISEN PIATTO
020 H2219000 002 ROULEAU ROLLER ROLLE RULLO
021 H2230240 001 CHASSIS CHASSIS HAUPTRAHMEN TELAIO
022 H2230250 001 CHASSIS CHASSIS HAUPTRAHMEN TELAIO
103
ROULEAU T-RING XL52 ROLLER T-RING XL52 WALZE T-RING XL52 RULLO T-RING XL52
XL2-52 C0001 >
H22R0213 D
Rep Nr Qt Designation Description Bezeichnung Referenza Remarque - Remark - Bemerkung - Osservazioni
001 750961 002 RONDELLE WASHER D100 EP6 SCHEIBE D100 EP6 RONDELLA
002 52563600 004 PROTECTEUR GUARD SCHUTZ PROTEZIONE
003 52563800 004 PALIER BEARING, PILLOW BLOCK LAGER SUPPORTO
004 80061245 008 VIS TETE HEXAGONALE FE/ZNXC3 HEXAGON HEAD SCREW FE/ZNXC3 SECHSKANTSCHRAUBE FE/ZNXC3 VITE TESTA ESAGONALE FE/ZNXC3
005 80061249 008 VIS TETE HEXAGONALE FE/ZNXC3 HEXAGON HEAD SCREW FE/ZNXC3 SECHSKANTSCHRAUBE FE/ZNXC3 VITE TESTA ESAGONALE FE/ZNXC3
006 80061638 008 VIS TETE HEXAGONALE FE/ZNXC3 HEXAGON HEAD SCREW FE/ZNXC3 SECHSKANTSCHRAUBE FE/ZNXC3 VITE TESTA ESAGONALE FE/ZNXC3
007 80061693 008 VIS TETE HEXAGONALE FE/ZNXC3 HEXAGON HEAD SCREW FE/ZNXC3 SECHSKANTSCHRAUBE FE/ZNXC3 VITE TESTA ESAGONALE FE/ZNXC3
008 80111275 016 VIS T.FRAI.SIX P.CR.FE/ZNXC3 HEX.SOC.COUNT.HEAD SC.FE/ZNXC3 SENKSCHRAUB.INNENSEC.FE/ZNXC3 VITE FE/ZNXC3
009 80201240 032 ECROU HEX.BAS AUTOFR.FE/ZNXC3 SELF-LOCKING NUT FE/ZNXC3 SELBSTSICHERND.MUTTER FE/ZNXC3 DADO AUTOBLOCCANTE FE/ZNXC3
010 80201640 016 ECROU HEX.BAS AUTOFR.FE/ZNXC3 SELF-LOCKING NUT FE/ZNXC3 SELBSTSICHERND.MUTTER FE/ZNXC3 DADO AUTOBLOCCANTE FE/ZNXC3
011 80203565 004 ECROU A ENCOCH.AUTOF.FE/ZNXC3 SELF-LOCKING NUT FE/ZNXC3 SELBSTSICHERN.MUTTER FE/ZNXC3 DADO AUTOBLOCCANTE FE/ZNXC3
012 80205566 002 ECROU A ENCOCH.AUTOF.FE/ZNXC3 SELF-LOCKING NUT FE/ZNXC3 SELBSTSICHERN.MUTTER FE/ZNXC3 DADO AUTOBLOCCANTE FE/ZNXC3
013 80251227 016 RONDELLE PLATE FE/ZNXC3 PLAIN WASHER FE/ZNXC3 SCHEIBE FE/ZNXC3 RONDELLA PIATTA FE/ZNXC3
014 80251624 008 RONDELLE PLATE FE/ZNXC3 PLAIN WASHER FE/ZNXC3 SCHEIBE FE/ZNXC3 RONDELLA PIATTA FE/ZNXC3
015 82200815 004 GRAISSEUR AUTOTAR.FE/ZNXC3 TAPPING GREASE NIPPLE FE/ZNXC3 GEWINDESCH.SCHMIERNIP.FE/ZNXC3 INGRASSATORE FE/ZNXC3
016 82201016 004 GRAISSEUR AUTOTARAUDANT SELF TAPPING GREASE NIPPLE GEWINDESCHNEID-SCHMIERNIPPEL INGRASSATORE
017 83040072 004 BOUCHON D'OBTURATION END PLUG KEGELSTOPFEN TAPPO DI CHIUSURA
018 52514000 004 DEFLECTEUR DU PALIER COVER LAGERSCHUTZ DEFLETTORE SUPPORTO
019 H2200780 002 AXE PIVOT AXLE ACHSE ASSE
020 H2204880 004 PLAT FLAT FLACHEISEN PIATTO
021 H2208860 002 ROULEAU ROLLER ROLLE RULLO
022 H2208930 001 SUPPORT SUPPORT TRAEGER SUPPORTO
023 H2208940 001 SUPPORT SUPPORT TRAEGER SUPPORTO
024 H2213820 004 ENTRETOISE SPACER DISTANZHUELSE DISTANZIALE
025 H2213831 004 BRAS ARM ARM BRACCIO
026 H2214071 002 DECROTTOIR SCRAPER, DIRT ABSTREIFER RASCHIATORE
027 H2230220 001 CHASSIS CHASSIS HAUPTRAHMEN TELAIO
028 H2230230 001 CHASSIS CHASSIS HAUPTRAHMEN TELAIO
105
ROULEAU T-RING XL60 ROLLER T-RING XL60 WALZE T-RING XL60 RULLO T-RING XL60
XL2-60 C0001 >
H22R0215 D
Rep Nr Qt Designation Description Bezeichnung Referenza Remarque - Remark - Bemerkung - Osservazioni
001 750961 002 RONDELLE WASHER D100 EP6 SCHEIBE D100 EP6 RONDELLA
002 52563800 004 PALIER BEARING, PILLOW BLOCK LAGER SUPPORTO
003 80061245 008 VIS TETE HEXAGONALE FE/ZNXC3 HEXAGON HEAD SCREW FE/ZNXC3 SECHSKANTSCHRAUBE FE/ZNXC3 VITE TESTA ESAGONALE FE/ZNXC3
004 80061249 008 VIS TETE HEXAGONALE FE/ZNXC3 HEXAGON HEAD SCREW FE/ZNXC3 SECHSKANTSCHRAUBE FE/ZNXC3 VITE TESTA ESAGONALE FE/ZNXC3
005 80061638 008 VIS TETE HEXAGONALE FE/ZNXC3 HEXAGON HEAD SCREW FE/ZNXC3 SECHSKANTSCHRAUBE FE/ZNXC3 VITE TESTA ESAGONALE FE/ZNXC3
006 80061693 008 VIS TETE HEXAGONALE FE/ZNXC3 HEXAGON HEAD SCREW FE/ZNXC3 SECHSKANTSCHRAUBE FE/ZNXC3 VITE TESTA ESAGONALE FE/ZNXC3
007 80111275 016 VIS T.FRAI.SIX P.CR.FE/ZNXC3 HEX.SOC.COUNT.HEAD SC.FE/ZNXC3 SENKSCHRAUB.INNENSEC.FE/ZNXC3 VITE FE/ZNXC3
008 80201240 032 ECROU HEX.BAS AUTOFR.FE/ZNXC3 SELF-LOCKING NUT FE/ZNXC3 SELBSTSICHERND.MUTTER FE/ZNXC3 DADO AUTOBLOCCANTE FE/ZNXC3
009 80201640 016 ECROU HEX.BAS AUTOFR.FE/ZNXC3 SELF-LOCKING NUT FE/ZNXC3 SELBSTSICHERND.MUTTER FE/ZNXC3 DADO AUTOBLOCCANTE FE/ZNXC3
010 80203565 004 ECROU A ENCOCH.AUTOF.FE/ZNXC3 SELF-LOCKING NUT FE/ZNXC3 SELBSTSICHERN.MUTTER FE/ZNXC3 DADO AUTOBLOCCANTE FE/ZNXC3
011 80205566 002 ECROU A ENCOCH.AUTOF.FE/ZNXC3 SELF-LOCKING NUT FE/ZNXC3 SELBSTSICHERN.MUTTER FE/ZNXC3 DADO AUTOBLOCCANTE FE/ZNXC3
012 80251227 016 RONDELLE PLATE FE/ZNXC3 PLAIN WASHER FE/ZNXC3 SCHEIBE FE/ZNXC3 RONDELLA PIATTA FE/ZNXC3
013 80251624 008 RONDELLE PLATE FE/ZNXC3 PLAIN WASHER FE/ZNXC3 SCHEIBE FE/ZNXC3 RONDELLA PIATTA FE/ZNXC3
014 82200815 004 GRAISSEUR AUTOTAR.FE/ZNXC3 TAPPING GREASE NIPPLE FE/ZNXC3 GEWINDESCH.SCHMIERNIP.FE/ZNXC3 INGRASSATORE FE/ZNXC3
015 82201016 004 GRAISSEUR AUTOTARAUDANT SELF TAPPING GREASE NIPPLE GEWINDESCHNEID-SCHMIERNIPPEL INGRASSATORE
016 83040072 004 BOUCHON D'OBTURATION END PLUG KEGELSTOPFEN TAPPO DI CHIUSURA
017 52514000 004 DEFLECTEUR DU PALIER COVER LAGERSCHUTZ DEFLETTORE SUPPORTO
018 52563600 004 PROTECTEUR GUARD SCHUTZ PROTEZIONE
019 H2200780 002 AXE PIVOT AXLE ACHSE ASSE
020 H2204880 004 PLAT FLAT FLACHEISEN PIATTO
021 H2208900 002 ROULEAU ROLLER ROLLE RULLO
022 H2208930 001 SUPPORT SUPPORT TRAEGER SUPPORTO
023 H2208940 001 SUPPORT SUPPORT TRAEGER SUPPORTO
024 H2213820 004 ENTRETOISE SPACER DISTANZHUELSE DISTANZIALE
025 H2213831 004 BRAS ARM ARM BRACCIO
026 H2214051 002 DECROTTOIR SCRAPER, DIRT ABSTREIFER RASCHIATORE
027 H2230240 001 CHASSIS CHASSIS HAUPTRAHMEN TELAIO
028 H2230250 001 CHASSIS CHASSIS HAUPTRAHMEN TELAIO
107
ROULEAU T-LINER2 D600 XL2 52 ROLLER T-LINER2 D600 XL2 52 WALZE T-LINER2 D600 XL2 52 RULLO T-LINER2 D600 XL2 52
XL2-52 D0001 >
H22R0561 A
Rep Nr Qt Designation Description Bezeichnung Referenza Remarque - Remark - Bemerkung - Osservazioni
001 50005500 044 VIS J BOLT, J FLACHRUNDSCHR.4KT ANSATZ BULLONE
002 52560010 044 PLAQUETTE PLATE PLATTE PIASTRA RASCHIAT.CON RINFORZO
003 80061693 008 VIS TETE HEXAGONALE FE/ZNXC3 HEXAGON HEAD SCREW FE/ZNXC3 SECHSKANTSCHRAUBE FE/ZNXC3 VITE TESTA ESAGONALE FE/ZNXC3
004 80111667 024 VIS T.FRAI.SIX P.CR.FLZNNC HEX.SOC.COUNT.HEAD SC.FLZNNC SENKSCHRAUB.INNENSEC.FLZNNC VITE FLZNNC
005 80112080 016 VIS T.FRAI.SIX P.CR.FLZNNC HEX.SOCK.COUNT.HEAD SCREW SENKSCHRAUB.INNENSECHSKANT BULLONE CR
006 80201062 044 ECROU TWOLOK FLZNNC SELF-LOCKING NUT FLZNNC SELBSTSICHERNDE MUTTER FLZNNC DADO TWOLOCK FLZNNC
007 80201240 008 ECROU HEX.BAS AUTOFR.FE/ZNXC3 SELF-LOCKING NUT FE/ZNXC3 SELBSTSICHERND.MUTTER FE/ZNXC3 DADO AUTOBLOCCANTE FE/ZNXC3
008 80201640 008 ECROU HEX.BAS AUTOFR.FE/ZNXC3 SELF-LOCKING NUT FE/ZNXC3 SELBSTSICHERND.MUTTER FE/ZNXC3 DADO AUTOBLOCCANTE FE/ZNXC3
009 80201647 024 ECROU HEX.AUTOFREINE FE/ZNXC3 SELF-LOCKING NUT FE/ZNXC3 SELBSTSICHERNDE MUTT.FE/ZNXC3 DADO AUTOBLOCCANTE FE/ZNXC3
010 80202030 016 ECROU HEX.AUTOFREINE FE/ZNXC3 SELF-LOCKING NUT FE/ZNXC3 SELBSTSICH.MUTTER FE/ZNXC3 DADO AUTOBLOCCANTE FE/ZNXC3
011 80205566 002 ECROU A ENCOCH.AUTOF.FE/ZNXC3 SELF-LOCKING NUT FE/ZNXC3 SELBSTSICHERN.MUTTER FE/ZNXC3 DADO AUTOBLOCCANTE FE/ZNXC3
012 80251624 008 RONDELLE PLATE FE/ZNXC3 PLAIN WASHER FE/ZNXC3 SCHEIBE FE/ZNXC3 RONDELLA PIATTA FE/ZNXC3
013 80252026 016 RONDELLE PLATE FE/ZNXC3 PLAIN WASHER FE/ZNXC3 SCHEIBE FE/ZNXC3 RONDELLA PIATTA FE/ZNXC3
014 80281725 008 RONDELLE NORD LOCK NL16 DELTA WASHER SCHEIBE RONDELLA
015 82201016 004 GRAISSEUR AUTOTARAUDANT SELF TAPPING GREASE NIPPLE GEWINDESCHNEID-SCHMIERNIPPEL INGRASSATORE
016 H2200780 002 AXE PIVOT AXLE ACHSE ASSE
017 H2204880 004 PLAT FLAT FLACHEISEN PIATTO
018 H2228590 004 PALIER APPLIQUE BEARING, FLANGE FLANSCHLAGER CUSCINETTO
019 H2230830 004 ENTRETOISE SPACER DISTANZHUELSE DISTANZIALE
020 H2230890 002 SUPPORT SUPPORT TRAEGER SUPPORTO
021 H2230900 002 ROULEAU ROLLER ROLLE RULLO
022 H2232610 002 PLAT FLAT FLACHEISEN PIATTO
023 H2232620 002 PLAT FLAT FLACHEISEN PIATTO
024 H2232630 004 BRAS ARM ARM BRACCIO
025 H2232640 002 CHASSIS CHASSIS HAUPTRAHMEN TELAIO
026 H2420780 002 RONDELLE WASHER SCHEIBE RONDELLA PIATTA
027 K3004810 004 ETRIER U-BOLT BUEGEL CAVALLOTTO
109
ROULEAU T-LINER2 D600 XL2 60 ROLLER T-LINER2 D600 XL2 60 WALZE T-LINER2 D600 XL2 60 RULLO T-LINER2 D600 XL2 60
XL2-60 D0001 >
H22R0562 A
Rep Nr Qt Designation Description Bezeichnung Referenza Remarque - Remark - Bemerkung - Osservazioni
001 50005500 050 VIS J BOLT, J FLACHRUNDSCHR.4KT ANSATZ BULLONE
002 52560010 050 PLAQUETTE PLATE PLATTE PIASTRA RASCHIAT.CON RINFORZO
003 80061693 008 VIS TETE HEXAGONALE FE/ZNXC3 HEXAGON HEAD SCREW FE/ZNXC3 SECHSKANTSCHRAUBE FE/ZNXC3 VITE TESTA ESAGONALE FE/ZNXC3
004 80111667 024 VIS T.FRAI.SIX P.CR.FLZNNC HEX.SOC.COUNT.HEAD SC.FLZNNC SENKSCHRAUB.INNENSEC.FLZNNC VITE FLZNNC
005 80112080 016 VIS T.FRAI.SIX P.CR.FLZNNC HEX.SOCK.COUNT.HEAD SCREW SENKSCHRAUB.INNENSECHSKANT BULLONE CR
006 80201062 050 ECROU TWOLOK FLZNNC SELF-LOCKING NUT FLZNNC SELBSTSICHERNDE MUTTER FLZNNC DADO TWOLOCK FLZNNC
007 80201240 008 ECROU HEX.BAS AUTOFR.FE/ZNXC3 SELF-LOCKING NUT FE/ZNXC3 SELBSTSICHERND.MUTTER FE/ZNXC3 DADO AUTOBLOCCANTE FE/ZNXC3
008 80201640 008 ECROU HEX.BAS AUTOFR.FE/ZNXC3 SELF-LOCKING NUT FE/ZNXC3 SELBSTSICHERND.MUTTER FE/ZNXC3 DADO AUTOBLOCCANTE FE/ZNXC3
009 80201647 024 ECROU HEX.AUTOFREINE FE/ZNXC3 SELF-LOCKING NUT FE/ZNXC3 SELBSTSICHERNDE MUTT.FE/ZNXC3 DADO AUTOBLOCCANTE FE/ZNXC3
010 80202030 016 ECROU HEX.AUTOFREINE FE/ZNXC3 SELF-LOCKING NUT FE/ZNXC3 SELBSTSICH.MUTTER FE/ZNXC3 DADO AUTOBLOCCANTE FE/ZNXC3
011 80205566 002 ECROU A ENCOCH.AUTOF.FE/ZNXC3 SELF-LOCKING NUT FE/ZNXC3 SELBSTSICHERN.MUTTER FE/ZNXC3 DADO AUTOBLOCCANTE FE/ZNXC3
012 80251624 008 RONDELLE PLATE FE/ZNXC3 PLAIN WASHER FE/ZNXC3 SCHEIBE FE/ZNXC3 RONDELLA PIATTA FE/ZNXC3
013 80252026 016 RONDELLE PLATE FE/ZNXC3 PLAIN WASHER FE/ZNXC3 SCHEIBE FE/ZNXC3 RONDELLA PIATTA FE/ZNXC3
014 80281725 008 RONDELLE NORD LOCK NL16 DELTA WASHER SCHEIBE RONDELLA
015 82201016 004 GRAISSEUR AUTOTARAUDANT SELF TAPPING GREASE NIPPLE GEWINDESCHNEID-SCHMIERNIPPEL INGRASSATORE
016 H2200780 002 AXE PIVOT AXLE ACHSE ASSE
017 H2204880 004 PLAT FLAT FLACHEISEN PIATTO
018 H2228590 004 PALIER APPLIQUE BEARING, FLANGE FLANSCHLAGER CUSCINETTO
019 H2230830 004 ENTRETOISE SPACER DISTANZHUELSE DISTANZIALE
020 H2230930 002 SUPPORT SUPPORT TRAEGER SUPPORTO
021 H2230940 002 ROULEAU ROLLER ROLLE RULLO
022 H2232600 002 CHASSIS CHASSIS HAUPTRAHMEN TELAIO
023 H2232610 002 PLAT FLAT FLACHEISEN PIATTO
024 H2232620 002 PLAT FLAT FLACHEISEN PIATTO
025 H2232630 004 BRAS ARM ARM BRACCIO
026 H2420780 002 RONDELLE WASHER SCHEIBE RONDELLA PIATTA
027 K3004810 004 ETRIER U-BOLT BUEGEL CAVALLOTTO
111
ELECTROVANNE DISCOVER XL ELEKTROSWITCH DISCOVER XL ELEKTROWAHLSCHALTUNG DISCOVER ELETTROINTERRUTTORE DISCOVER
DISCOVER XL2 C0001 C9999>
H24R0075 B
Rep Nr Qt Designation Description Bezeichnung Referenza Remarque - Remark - Bemerkung - Osservazioni
001 582548 001 SUPPORT SUPPORT TRAEGER SUPPORTO
002 951637 001 SELECTEUR + POIGNEE SELECTOR + HANDEL WAHLSCHALTVENTIL + HANGRIFF SELETTORE + MANIGLIA +[1]
003 952251 001 POIGNEE+CABLE SELECTEUR 951637 HANDEL HANGRIFF MANIGLIA [1]
004 80061073 002 VIS TETE HEXAGONALE FE/ZNXC3 HEXAGON HEAD SCREW FE/ZNXC3 SECHSKANTSCHRAUBE FE/ZNXC3 VITE TESTA ESAGONALE FE/ZNXC3
005 80110806 002 VIS T.FRAI.SIX P.CR.FE/ZNXC3 HEX.SOC.COUNT.HEAD SC.FE/ZNXC3 SENKSCHRAUB.INNENSEC.FE/ZNXC3 VITE FE/ZNXC3
006 80201030 002 ECROU HEX.AUTOFREINE FE/ZNXC3 SELF-LOCKING NUT FE/ZNXC3 SELBSTSICH.MUTTER FE/ZNXC3 DADO AUTOBLOCCANTE FE/ZNXC3
007 82300026 002 CAPUCHON COUPLEUR MALE CAP MALE CONNECTOR KAPPE KUPPLUNGSSTECKER TAPPO
008 A4074017 002 COUPLEUR MALE CONNECTOR MALE KUPPLUNGSTECKER INNESTO M16X150
009 A4080401 002 UNION MALE MALE STUD CONNECTOR GERADER EINSCHRAUBSTUTZEN GIUZIONE DIRITTA ZBC
010 A4080429 004 UNION MALE MALE STUD CONNECTOR GERADER EINSCHRAUBSTUTZEN GIUZIONE DIRITTA ZBC
011 A7260042 009 COLLIER DOUBLE D15 NU CLAMP D.15 SCHELLE D.15 COLLARE D.15
012 A7260046 010 COLLIER DOUBLE D20 NU CLAMP D.20 SCHELLE D.20 COLLARE D.20
013 A4921127 001 FLEXIBLE D08 10L+10L LG2100 HYDRAULIC HOSE HYDRAULIKSCHLAUCH TUBO GOMMA <->2100 mm
014 A4921127 001 FLEXIBLE D08 10L+10L LG2100 HYDRAULIC HOSE HYDRAULIKSCHLAUCH TUBO GOMMA <->2100 mm
015 A4923049 001 FLEXIBLE HYDRAULIQUE HYDRAULIC HOSE HYDRAULIKSCHLAUCH TUBO GOMMA <->400 mm
016 A4923049 001 FLEXIBLE HYDRAULIQUE HYDRAULIC HOSE HYDRAULIKSCHLAUCH TUBO GOMMA <->400 mm
017 A4923049 001 FLEXIBLE HYDRAULIQUE HYDRAULIC HOSE HYDRAULIKSCHLAUCH TUBO GOMMA <->400 mm
018 A4923049 001 FLEXIBLE HYDRAULIQUE HYDRAULIC HOSE HYDRAULIKSCHLAUCH TUBO GOMMA <->400 mm
019 H0601070 001 ELECTROVANNE ELECTRIC SHUT-OFF SLIDE ELEKTROSCHIEBER ELETTROVALVOLA [1]
020 H2408190 001 SUPPORT SUPPORT TRAEGER SUPPORTO
113
ELECTROVANNE DISCOVER XL2 ELEKTROSWITCH DISCOVER XL2 ELEKTROWAHLSCHALTUNG DISCOVER ELETTROINTERRUTTORE DISCOVER
DISCOVER XL2 D0001 >
H24R0075 C
Rep Nr Qt Designation Description Bezeichnung Referenza Remarque - Remark - Bemerkung - Osservazioni
001 582548 001 SUPPORT SUPPORT TRAEGER SUPPORTO
002 80061073 002 VIS TETE HEXAGONALE FE/ZNXC3 HEXAGON HEAD SCREW FE/ZNXC3 SECHSKANTSCHRAUBE FE/ZNXC3 VITE TESTA ESAGONALE FE/ZNXC3
003 80110806 002 VIS T.FRAI.SIX P.CR.FE/ZNXC3 HEX.SOC.COUNT.HEAD SC.FE/ZNXC3 SENKSCHRAUB.INNENSEC.FE/ZNXC3 VITE FE/ZNXC3
004 80201030 002 ECROU HEX.AUTOFREINE FE/ZNXC3 SELF-LOCKING NUT FE/ZNXC3 SELBSTSICH.MUTTER FE/ZNXC3 DADO AUTOBLOCCANTE FE/ZNXC3
005 82300026 002 CAPUCHON COUPLEUR MALE CAP MALE CONNECTOR KAPPE KUPPLUNGSSTECKER TAPPO
006 A4074017 002 COUPLEUR MALE CONNECTOR MALE KUPPLUNGSTECKER INNESTO M16X150
007 A4080401 002 UNION MALE MALE STUD CONNECTOR GERADER EINSCHRAUBSTUTZEN GIUZIONE DIRITTA ZBC
008 A4080429 004 UNION MALE MALE STUD CONNECTOR GERADER EINSCHRAUBSTUTZEN GIUZIONE DIRITTA ZBC
009 A7260042 009 COLLIER DOUBLE D15 NU CLAMP D.15 SCHELLE D.15 COLLARE D.15
010 A7260046 010 COLLIER DOUBLE D20 NU CLAMP D.20 SCHELLE D.20 COLLARE D.20
011 A4921127 001 FLEXIBLE D08 10L+10L LG2100 HYDRAULIC HOSE HYDRAULIKSCHLAUCH TUBO GOMMA <->2100 mm
012 A4921127 001 FLEXIBLE D08 10L+10L LG2100 HYDRAULIC HOSE HYDRAULIKSCHLAUCH TUBO GOMMA <->2100 mm
013 A4923049 001 FLEXIBLE HYDRAULIQUE HYDRAULIC HOSE HYDRAULIKSCHLAUCH TUBO GOMMA <->400 mm
014 A4923049 001 FLEXIBLE HYDRAULIQUE HYDRAULIC HOSE HYDRAULIKSCHLAUCH TUBO GOMMA <->400 mm
015 A4923049 001 FLEXIBLE HYDRAULIQUE HYDRAULIC HOSE HYDRAULIKSCHLAUCH TUBO GOMMA <->400 mm
016 A4923049 001 FLEXIBLE HYDRAULIQUE HYDRAULIC HOSE HYDRAULIKSCHLAUCH TUBO GOMMA <->400 mm
017 H0601070 001 ELECTROVANNE ELECTRIC SHUT-OFF SLIDE ELEKTROSCHIEBER ELETTROVALVOLA
018 H0603900 001 ETIQ.ADH. DECAL AUFKLEBER ADESIVO
019 H0603920 001 BOITIER DE COMMANDE CONTROL BOX BEDIENKONSOLE SCATOLA DI COMANDO
020 H2408190 001 SUPPORT SUPPORT TRAEGER SUPPORTO
115
COUPLEURS HYDRAULIQUES RUSSE HYDRAULIC COUPLERS RUSSE HYDRAULIKANSCHLUESSE RUSSE CONNETTORI IDRAULICI RUSSE
DISCOVER XL2 C0001 >
H02R0204 A
Rep Nr Qt Designation Description Bezeichnung Referenza Remarque - Remark - Bemerkung - Osservazioni
001 A4074001 001 COUPLEUR COUPLER KUPPLER GIUNTO
002 A4074000 001 COUPLEUR COUPLER KUPPLER GIUNTO
003 A4230021 001 BAGUE BS21 BUSH BS BUCHSE BS BOCCOLA
004 951453 001 ADAPTATEUR FITTING, HYDRAULIC, ADAPTER ANBAUELEMENT ADATTATORE
117
SIGNALISATION DRIRE (AVANT) SIGNALLING DRIRE (FRONT) BELEUCHTUNG U.WARNTAFELN DRIRE SEGNALAZIONE DRIRE (ANTERIORE)
DISCOVER XL2 C0001 C9999>
H24R0081 B
Rep Nr Qt Designation Description Bezeichnung Referenza Remarque - Remark - Bemerkung - Osservazioni
001 83090039 016 COLLIER PLASTIQUE CABLE TIE PLASTIC KABELBINDER PLASTIK FASCETTA
002 80061020 004 VIS TETE HEXAGONALE FE/ZNXC3 HEXAGON HEAD SCREW FE/ZNXC3 SECHSKANTSCHRAUBE FE/ZNXC3 VITE A TESTA ESAGONALE FE/ZNXC
003 80061073 004 VIS TETE HEXAGONALE FE/ZNXC3 HEXAGON HEAD SCREW FE/ZNXC3 SECHSKANTSCHRAUBE FE/ZNXC3 VITE TESTA ESAGONALE FE/ZNXC3
004 80062076 008 VIS TETE HEXAGONALE FE/ZNXC3 HEXAGON HEAD SCREW FE/ZNXC3 SECHSKANTSCHRAUBE FE/ZNXC3 VITE TESTA ESAGONALE FE/ZNXC3
005 80200540 004 ECROU HEX.BAS AUTOFR.FE/ZNXC3 SELF-LOCKING NUT FE/ZNXC3 SELBSTSICHERND.MUTTER FE/ZNXC3 DADO AUTOBLOCCANTE FE/ZNXC3
006 80201030 008 ECROU HEX.AUTOFREINE FE/ZNXC3 SELF-LOCKING NUT FE/ZNXC3 SELBSTSICH.MUTTER FE/ZNXC3 DADO AUTOBLOCCANTE FE/ZNXC3
007 80202040 008 ECROU HEX.BAS AUTOFR.FE/ZNXC3 SELF-LOCKING NUT FE/ZNXC3 SELBSTSICHERND.MUTTER FE/ZNXC3 DADO AUTOBLOCCANTE FE/ZNXC3
008 83240017 010 CATADIOPTRE ORANGE ADHESIF REFLECTOR ADHESIVE RUECKSTRAHLER S.KLEB. CATADIOTTRO
009 83240212 002 PANNEAU CARRE SIMPLE-FACE WARNING PLATE WARNTAFEL PANNELLO B/R ANT.
010 83240404 002 FEU DE POSITION BLANC FRONT LAMP WHITE BEGRENZUNGSLICHT WEISS FANALINO BIANCO
011 80080610 016 VIS TETE CYL.SIX P.CREUX HEX.SOCKET HEAD CAP SCREW ZYLINDERSCHR.INNENSECHSK. VITE
012 H2217320 002 CALE SHIM DISTANZPLATTE SPESSORE
013 H2400740 002 PATTE PLATE LACHE FAZZOLETTO
014 H2401380 016 ATTACHE CABLE M6 SUPPORT HALTERUNG SUPPORTO
015 H2405250 002 SUPPORT SUPPORT TRAEGER SUPPORTO
016 H2408930 002 SUPPORT SUPPORT TRAEGER SUPPORTO
119
SIGNALISATION DRIRE (ROULEAUX SIGNALLING DRIRE (REAR ROLLERS BELEUCHTUNG U.WARNTAFELN DRIRE SEGNALAZIONE DRIRE (RULLI POST
DISCOVER XL2 C0001 C9999>
H24R0080 B
Rep Nr Qt Designation Description Bezeichnung Referenza Remarque - Remark - Bemerkung - Osservazioni
001 583440 001 SUPPORT SUPPORT TRAEGER SUPPORTO
002 80061055 008 VIS TETE HEXAGONALE FE/ZNXC3 HEXAGON HEAD SCREW FE/ZNXC3 SECHSKANTSCHRAUBE FE/ZNXC3 VITE TESTA ESAGONALE FE/ZNXC3
003 80061020 003 VIS TETE HEXAGONALE FE/ZNXC3 HEXAGON HEAD SCREW FE/ZNXC3 SECHSKANTSCHRAUBE FE/ZNXC3 VITE A TESTA ESAGONALE FE/ZNXC
004 80061661 002 VIS TETE HEXAGONALE FE/ZNXC3 HEXAGON HEAD SCREW FE/ZNXC3 SECHSKANTSCHRAUBE FE/ZNXC3 VITE TESTA ESAGONALE FE/ZNXC3
005 80080516 004 VIS TETE CYL.SIX P.CREUX HEX.SOCKET HEAD CAP SCREW ZYLINDERSCHR.INNENSECHSKANT VITE A TESTA CILINDRICA
006 80200540 004 ECROU HEX.BAS AUTOFR.FE/ZNXC3 SELF-LOCKING NUT FE/ZNXC3 SELBSTSICHERND.MUTTER FE/ZNXC3 DADO AUTOBLOCCANTE FE/ZNXC3
007 80201030 011 ECROU HEX.AUTOFREINE FE/ZNXC3 SELF-LOCKING NUT FE/ZNXC3 SELBSTSICH.MUTTER FE/ZNXC3 DADO AUTOBLOCCANTE FE/ZNXC3
008 80201640 002 ECROU HEX.BAS AUTOFR.FE/ZNXC3 SELF-LOCKING NUT FE/ZNXC3 SELBSTSICHERND.MUTTER FE/ZNXC3 DADO AUTOBLOCCANTE FE/ZNXC3
009 80251021 003 RONDELLE PLATE FE/ZNXC3 PLAIN WASHER FE/ZNXC3 SCHEIBE FE/ZNXC3 RONDELLA PIATTA FE/ZNXC3
010 83240007 002 CATADIOPTRE TRIAN.ROUGE 160 REFLECTOR RED 160 RUECKSTRAHLER ROT 160 CATADIOTTRO
011 83240017 002 CATADIOPTRE ORANGE ADHESIF REFLECTOR ADHESIVE RUECKSTRAHLER S.KLEB. CATADIOTTRO
012 83240212 002 PANNEAU CARRE SIMPLE-FACE WARNING PLATE WARNTAFEL PANNELLO B/R ANT.
013 83240400 001 FEU ARRIERE GAUCHE REAR LAMP LEFT RUECKLICHT LINKS FANALINO COMPLETO POST. SX
014 83240401 001 FEU ARRIERE DROIT REAR LAMP RIGHT RUECKLICHT RECHTS FANALINO COMPLETO POST. DX
015 H2401870 001 TUBE TUBE ROHR TUBO
016 H2405230 001 SUPPORT SUPPORT TRAEGER SUPPORTO
017 H2405240 001 SUPPORT SUPPORT TRAEGER SUPPORTO
018 H2401920 001 FAISCEAU ELECTRIQUE HARNESS, WIRING KABELNETZ CAVO ELETTRICO
121
SIGNALISATION DRIRE (ARRIERE) SIGNALLING DRIRE (REAR) BELEUCHTUNG U.WARNTAFELN DRIRE SEGNALAZIONE DRIRE (POSTERIORE
DISCOVER XL2 C0001 C9999>
H24R0084 B
Rep Nr Qt Designation Description Bezeichnung Referenza Remarque - Remark - Bemerkung - Osservazioni
001 139113 004 BROCHE D'ATTELAGE PIN, HITCH ACHSE PERNO
002 583440 001 SUPPORT SUPPORT TRAEGER SUPPORTO
003 80061055 008 VIS TETE HEXAGONALE FE/ZNXC3 HEXAGON HEAD SCREW FE/ZNXC3 SECHSKANTSCHRAUBE FE/ZNXC3 VITE TESTA ESAGONALE FE/ZNXC3
004 80061020 003 VIS TETE HEXAGONALE FE/ZNXC3 HEXAGON HEAD SCREW FE/ZNXC3 SECHSKANTSCHRAUBE FE/ZNXC3 VITE A TESTA ESAGONALE FE/ZNXC
005 80061667 004 VIS TETE HEXAGONALE FE/ZNXC3 HEXAGON HEAD SCREW FE/ZNXC3 SECHSKANTSCHRAUBE FE/ZNXC3 VITE TESTA ESAGONALE FE/ZNXC3
006 80080516 004 VIS TETE CYL.SIX P.CREUX HEX.SOCKET HEAD CAP SCREW ZYLINDERSCHR.INNENSECHSKANT VITE A TESTA CILINDRICA
007 80200540 004 ECROU HEX.BAS AUTOFR.FE/ZNXC3 SELF-LOCKING NUT FE/ZNXC3 SELBSTSICHERND.MUTTER FE/ZNXC3 DADO AUTOBLOCCANTE FE/ZNXC3
008 80201030 011 ECROU HEX.AUTOFREINE FE/ZNXC3 SELF-LOCKING NUT FE/ZNXC3 SELBSTSICH.MUTTER FE/ZNXC3 DADO AUTOBLOCCANTE FE/ZNXC3
009 80201640 004 ECROU HEX.BAS AUTOFR.FE/ZNXC3 SELF-LOCKING NUT FE/ZNXC3 SELBSTSICHERND.MUTTER FE/ZNXC3 DADO AUTOBLOCCANTE FE/ZNXC3
010 80251021 003 RONDELLE PLATE FE/ZNXC3 PLAIN WASHER FE/ZNXC3 SCHEIBE FE/ZNXC3 RONDELLA PIATTA FE/ZNXC3
011 80570477 004 GOUPILLE BETA SIMPLE FE/ZNXC3 SPRING COTTER PIN FE/ZNXC3 FEDERSTECKER FE/ZNXC3 MOLLA FE/ZNXC3
012 83240007 002 CATADIOPTRE TRIAN.ROUGE 160 REFLECTOR RED 160 RUECKSTRAHLER ROT 160 CATADIOTTRO
013 83240017 002 CATADIOPTRE ORANGE ADHESIF REFLECTOR ADHESIVE RUECKSTRAHLER S.KLEB. CATADIOTTRO
014 83240212 002 PANNEAU CARRE SIMPLE-FACE WARNING PLATE WARNTAFEL PANNELLO B/R ANT.
015 83240400 001 FEU ARRIERE GAUCHE REAR LAMP LEFT RUECKLICHT LINKS FANALINO COMPLETO POST. SX
016 83240401 001 FEU ARRIERE DROIT REAR LAMP RIGHT RUECKLICHT RECHTS FANALINO COMPLETO POST. DX
017 H2400210 001 PLAT FLAT FLACHEISEN PIATTO
018 H2400220 001 CHAPE CLEVIS GABEL FORCELLA
019 H2400230 001 SUPPORT SUPPORT TRAEGER SUPPORTO
020 H2400360 001 FAISCEAU ELECTRIQUE HARNESS, WIRING KABELNETZ CAVO ELETTRICO
021 H2400370 001 FAISCEAU ELECTRIQUE HARNESS, WIRING KABELNETZ CAVO ELETTRICO
022 H2401870 001 TUBE TUBE ROHR TUBO
023 H2405230 001 SUPPORT SUPPORT TRAEGER SUPPORTO
024 H2405240 001 SUPPORT SUPPORT TRAEGER SUPPORTO
123
SIGNALISATION TÜV (AVANT) SIGNALLING TÜV (FRONT) BELEUCHTUNG U.WARNTAFELN TÜV ( SEGNALAZIONE TÜV (ANTERIORE)
DISCOVER XL2 C0001 C9999>
H24R0083 B
Rep Nr Qt Designation Description Bezeichnung Referenza Remarque - Remark - Bemerkung - Osservazioni
001 83090039 016 COLLIER PLASTIQUE CABLE TIE PLASTIC KABELBINDER PLASTIK FASCETTA
002 80061020 004 VIS TETE HEXAGONALE FE/ZNXC3 HEXAGON HEAD SCREW FE/ZNXC3 SECHSKANTSCHRAUBE FE/ZNXC3 VITE A TESTA ESAGONALE FE/ZNXC
003 80061073 004 VIS TETE HEXAGONALE FE/ZNXC3 HEXAGON HEAD SCREW FE/ZNXC3 SECHSKANTSCHRAUBE FE/ZNXC3 VITE TESTA ESAGONALE FE/ZNXC3
004 80062076 008 VIS TETE HEXAGONALE FE/ZNXC3 HEXAGON HEAD SCREW FE/ZNXC3 SECHSKANTSCHRAUBE FE/ZNXC3 VITE TESTA ESAGONALE FE/ZNXC3
005 80200540 004 ECROU HEX.BAS AUTOFR.FE/ZNXC3 SELF-LOCKING NUT FE/ZNXC3 SELBSTSICHERND.MUTTER FE/ZNXC3 DADO AUTOBLOCCANTE FE/ZNXC3
006 80201030 008 ECROU HEX.AUTOFREINE FE/ZNXC3 SELF-LOCKING NUT FE/ZNXC3 SELBSTSICH.MUTTER FE/ZNXC3 DADO AUTOBLOCCANTE FE/ZNXC3
007 80202040 008 ECROU HEX.BAS AUTOFR.FE/ZNXC3 SELF-LOCKING NUT FE/ZNXC3 SELBSTSICHERND.MUTTER FE/ZNXC3 DADO AUTOBLOCCANTE FE/ZNXC3
008 83240010 002 CATADIOPTRE BLANC 60 ADHESIF REFLECTOR WHITE 60 ADHESIVE RUECKSTRAH.60 WEISS SELBSTKL. CATADIOTTRO BIANCO
009 83240017 010 CATADIOPTRE ORANGE ADHESIF REFLECTOR ADHESIVE RUECKSTRAHLER S.KLEB. CATADIOTTRO
010 83240212 002 PANNEAU CARRE SIMPLE-FACE WARNING PLATE WARNTAFEL PANNELLO B/R ANT.
011 83240404 002 FEU DE POSITION BLANC FRONT LAMP WHITE BEGRENZUNGSLICHT WEISS FANALINO BIANCO
012 80080610 016 VIS TETE CYL.SIX P.CREUX HEX.SOCKET HEAD CAP SCREW ZYLINDERSCHR.INNENSECHSK. VITE
013 H2217320 002 CALE SHIM DISTANZPLATTE SPESSORE
014 H2400740 002 PATTE PLATE LACHE FAZZOLETTO
015 H2401380 016 ATTACHE CABLE M6 SUPPORT HALTERUNG SUPPORTO
016 H2405250 002 SUPPORT SUPPORT TRAEGER SUPPORTO
017 H2408930 002 SUPPORT SUPPORT TRAEGER SUPPORTO
125
SIGNALISATION TÜV (ROULEAUX AR SIGNALLING TÜV (REAR ROLLERS) BELEUCHTUNG U.WARNTAFELN TÜV ( SEGNALAZIONE TÜV (RULLI POSTER
DISCOVER XL2 C0001 C9999>
H24R0082 B
Rep Nr Qt Designation Description Bezeichnung Referenza Remarque - Remark - Bemerkung - Osservazioni
001 583440 001 SUPPORT SUPPORT TRAEGER SUPPORTO
002 80061055 008 VIS TETE HEXAGONALE FE/ZNXC3 HEXAGON HEAD SCREW FE/ZNXC3 SECHSKANTSCHRAUBE FE/ZNXC3 VITE TESTA ESAGONALE FE/ZNXC3
003 80061073 002 VIS TETE HEXAGONALE FE/ZNXC3 HEXAGON HEAD SCREW FE/ZNXC3 SECHSKANTSCHRAUBE FE/ZNXC3 VITE TESTA ESAGONALE FE/ZNXC3
004 80061661 002 VIS TETE HEXAGONALE FE/ZNXC3 HEXAGON HEAD SCREW FE/ZNXC3 SECHSKANTSCHRAUBE FE/ZNXC3 VITE TESTA ESAGONALE FE/ZNXC3
005 80080516 004 VIS TETE CYL.SIX P.CREUX HEX.SOCKET HEAD CAP SCREW ZYLINDERSCHR.INNENSECHSKANT VITE A TESTA CILINDRICA
006 80200540 004 ECROU HEX.BAS AUTOFR.FE/ZNXC3 SELF-LOCKING NUT FE/ZNXC3 SELBSTSICHERND.MUTTER FE/ZNXC3 DADO AUTOBLOCCANTE FE/ZNXC3
007 80201030 010 ECROU HEX.AUTOFREINE FE/ZNXC3 SELF-LOCKING NUT FE/ZNXC3 SELBSTSICH.MUTTER FE/ZNXC3 DADO AUTOBLOCCANTE FE/ZNXC3
008 80201640 002 ECROU HEX.BAS AUTOFR.FE/ZNXC3 SELF-LOCKING NUT FE/ZNXC3 SELBSTSICHERND.MUTTER FE/ZNXC3 DADO AUTOBLOCCANTE FE/ZNXC3
009 83240007 002 CATADIOPTRE TRIAN.ROUGE 160 REFLECTOR RED 160 RUECKSTRAHLER ROT 160 CATADIOTTRO
010 83240017 002 CATADIOPTRE ORANGE ADHESIF REFLECTOR ADHESIVE RUECKSTRAHLER S.KLEB. CATADIOTTRO
011 83240212 002 PANNEAU CARRE SIMPLE-FACE WARNING PLATE WARNTAFEL PANNELLO B/R ANT.
012 83240400 001 FEU ARRIERE GAUCHE REAR LAMP LEFT RUECKLICHT LINKS FANALINO COMPLETO POST. SX
013 83240401 001 FEU ARRIERE DROIT REAR LAMP RIGHT RUECKLICHT RECHTS FANALINO COMPLETO POST. DX
014 H2401870 001 TUBE TUBE ROHR TUBO
015 H2404300 001 SUPPORT SUPPORT TRAEGER SUPPORTO
016 H2404330 001 SUPPORT SUPPORT TRAEGER SUPPORTO
017 H2401920 001 FAISCEAU ELECTRIQUE HARNESS, WIRING KABELNETZ CAVO ELETTRICO
127
SIGNALISATION TÜV (ARRIERE) SIGNALLING TÜV (REAR) BELEUCHTUNG U.WARNTAFELN TÜV ( SEGNALAZIONE TÜV (POSTERIORE)
DISCOVER XL2 C0001 C9999>
H24R0085 B
Rep Nr Qt Designation Description Bezeichnung Referenza Remarque - Remark - Bemerkung - Osservazioni
001 139113 004 BROCHE D'ATTELAGE PIN, HITCH ACHSE PERNO
002 583440 001 SUPPORT SUPPORT TRAEGER SUPPORTO
003 80061055 008 VIS TETE HEXAGONALE FE/ZNXC3 HEXAGON HEAD SCREW FE/ZNXC3 SECHSKANTSCHRAUBE FE/ZNXC3 VITE TESTA ESAGONALE FE/ZNXC3
004 80061073 002 VIS TETE HEXAGONALE FE/ZNXC3 HEXAGON HEAD SCREW FE/ZNXC3 SECHSKANTSCHRAUBE FE/ZNXC3 VITE TESTA ESAGONALE FE/ZNXC3
005 80061667 004 VIS TETE HEXAGONALE FE/ZNXC3 HEXAGON HEAD SCREW FE/ZNXC3 SECHSKANTSCHRAUBE FE/ZNXC3 VITE TESTA ESAGONALE FE/ZNXC3
006 80080516 004 VIS TETE CYL.SIX P.CREUX HEX.SOCKET HEAD CAP SCREW ZYLINDERSCHR.INNENSECHSKANT VITE A TESTA CILINDRICA
007 80200540 004 ECROU HEX.BAS AUTOFR.FE/ZNXC3 SELF-LOCKING NUT FE/ZNXC3 SELBSTSICHERND.MUTTER FE/ZNXC3 DADO AUTOBLOCCANTE FE/ZNXC3
008 80201030 010 ECROU HEX.AUTOFREINE FE/ZNXC3 SELF-LOCKING NUT FE/ZNXC3 SELBSTSICH.MUTTER FE/ZNXC3 DADO AUTOBLOCCANTE FE/ZNXC3
009 80201640 004 ECROU HEX.BAS AUTOFR.FE/ZNXC3 SELF-LOCKING NUT FE/ZNXC3 SELBSTSICHERND.MUTTER FE/ZNXC3 DADO AUTOBLOCCANTE FE/ZNXC3
010 80570477 004 GOUPILLE BETA SIMPLE FE/ZNXC3 SPRING COTTER PIN FE/ZNXC3 FEDERSTECKER FE/ZNXC3 MOLLA FE/ZNXC3
011 83240007 002 CATADIOPTRE TRIAN.ROUGE 160 REFLECTOR RED 160 RUECKSTRAHLER ROT 160 CATADIOTTRO
012 83240017 002 CATADIOPTRE ORANGE ADHESIF REFLECTOR ADHESIVE RUECKSTRAHLER S.KLEB. CATADIOTTRO
013 83240212 002 PANNEAU CARRE SIMPLE-FACE WARNING PLATE WARNTAFEL PANNELLO B/R ANT.
014 83240400 001 FEU ARRIERE GAUCHE REAR LAMP LEFT RUECKLICHT LINKS FANALINO COMPLETO POST. SX
015 83240401 001 FEU ARRIERE DROIT REAR LAMP RIGHT RUECKLICHT RECHTS FANALINO COMPLETO POST. DX
016 H2400210 002 PLAT FLAT FLACHEISEN PIATTO
017 H2400220 001 CHAPE CLEVIS GABEL FORCELLA
018 H2400230 001 SUPPORT SUPPORT TRAEGER SUPPORTO
019 H2400360 001 FAISCEAU ELECTRIQUE HARNESS, WIRING KABELNETZ CAVO ELETTRICO
020 H2400370 001 FAISCEAU ELECTRIQUE HARNESS, WIRING KABELNETZ CAVO ELETTRICO
021 H2401870 001 TUBE TUBE ROHR TUBO
022 H2404300 001 SUPPORT SUPPORT TRAEGER SUPPORTO
023 H2404330 001 SUPPORT SUPPORT TRAEGER SUPPORTO
129
SIGNALISATION SIGNALLING BELEUCHTUNG U.WARNTAFELN SEGNALAZIONE
DISCOVER XL2 D0001 >
H24R0368 A
Rep Nr Qt Designation Description Bezeichnung Referenza Remarque - Remark - Bemerkung - Osservazioni
001 H2421010 002 ADAPTATEUR FITTING, HYDRAULIC, ADAPTER ANBAUELEMENT ADATTATORE
002 83240017 012 CATADIOPTRE ORANGE ADHESIF REFLECTOR ADHESIVE RUECKSTRAHLER S.KLEB. CATADIOTTRO
003 83240007 002 CATADIOPTRE TRIAN.ROUGE 160 REFLECTOR RED 160 RUECKSTRAHLER ROT 160 CATADIOTTRO
004 80201030 002 ECROU HEX.AUTOFREINE FE/ZNXC3 SELF-LOCKING NUT FE/ZNXC3 SELBSTSICH.MUTTER FE/ZNXC3 DADO AUTOBLOCCANTE FE/ZNXC3
005 80200540 004 ECROU HEX.BAS AUTOFR.FE/ZNXC3 SELF-LOCKING NUT FE/ZNXC3 SELBSTSICHERND.MUTTER FE/ZNXC3 DADO AUTOBLOCCANTE FE/ZNXC3
006 80201040 010 ECROU HEX.BAS AUTOFR.FE/ZNXC3 SELF-LOCKING NUT FE/ZNXC3 SELBSTSICHERND.MUTTER FE/ZNXC3 DADO AUTOBLOCCANTE FE/ZNXC3
007 09917600 002 ETIQ.ADH. DECAL AUFKLEBER ADESIVO
008 09917700 002 ETIQ.ADH. DECAL AUFKLEBER ADESIVO
009 H2421810 002 ETIQ.ADH. DECAL AUFKLEBER ADESIVO
010 H2421820 002 ETIQ.ADH. DECAL AUFKLEBER ADESIVO
011 H2420920 001 FAISCEAU ELECTRIQUE HARNESS, WIRING KABELBAUM CAVO ELETTRICO
012 H2421020 001 FEU LIGHT LEUCHTE LUCE
013 H2421030 002 FEU LIGHT LEUCHTE LUCE
014 83240453 001 LANTERNE DROITE
015 83240456 001 LANTERNE GAUCHE
016 80250512 004 RONDELLE PLATE FE/ZNXC3 PLAIN WASHER FE/ZNXC3 SCHEIBE FE/ZNXC3 RONDELLA PIATTA FE/ZNXC3
017 80251021 020 RONDELLE PLATE FE/ZNXC3 PLAIN WASHER FE/ZNXC3 SCHEIBE FE/ZNXC3 RONDELLA PIATTA FE/ZNXC3
018 583440 001 SUPPORT SUPPORT TRAEGER SUPPORTO
019 H2420560 001 SUPPORT SUPPORT TRAEGER SUPPORTO
020 H2420740 002 SUPPORT SUPPORT TRAEGER SUPPORTO
021 H2420750 002 SUPPORT SUPPORT TRAEGER SUPPORTO
022 H2420540 002 SUPPORT DE FEUX SUPPORT, LIGHT LEUCHTENTRAEGER SUPPORTO LUCI
023 H2420550 002 SUPPORT DE FEUX SUPPORT, LIGHT LEUCHTENTRAEGER SUPPORTO LUCI
024 H2420770 001 TUBE TUBE ROHR TUBO
025 80080516 004 VIS TETE CYL.SIX P.CREUX HEX.SOCKET HEAD CAP SCREW ZYLINDERSCHR.INNENSECHSKANT VITE A TESTA CILINDRICA
026 80061054 006 VIS TETE HEXAGONALE FE/ZNXC3 HEXAGON HEAD SCREW FE/ZNXC3 SECHSKANTSCHRAUBE FE/ZNXC3 VITE TESTA ESAGONALE FE/ZNXC3
027 80061055 002 VIS TETE HEXAGONALE FE/ZNXC3 HEXAGON HEAD SCREW FE/ZNXC3 SECHSKANTSCHRAUBE FE/ZNXC3 VITE TESTA ESAGONALE FE/ZNXC3
028 80061073 004 VIS TETE HEXAGONALE FE/ZNXC3 HEXAGON HEAD SCREW FE/ZNXC3 SECHSKANTSCHRAUBE FE/ZNXC3 VITE TESTA ESAGONALE FE/ZNXC3
131
SIGNALISATION (SUPPORT) SIGNALLING (SUPPORT) BELEUCHTUNG U.WARNTAFELN (HALT SEGNALAZIONE (SUPPORTO)
DISCOVER XL2 D0001 >
H24R0369 A
Rep Nr Qt Designation Description Bezeichnung Referenza Remarque - Remark - Bemerkung - Osservazioni
001 139113 004 BROCHE D'ATTELAGE PIN, HITCH ACHSE PERNO
002 H2400220 001 CHAPE CLEVIS GABEL FORCELLA
003 80201630 004 ECROU HEX.AUTOFREINE FE/ZNXC3 SELF-LOCKING NUT FE/ZNXC3 SELBSTSICH.MUTTER FE/ZNXC3 DADO AUTOBLOCCANTE FE/ZNXC3
004 80570477 004 GOUPILLE BETA SIMPLE FE/ZNXC3 SPRING COTTER PIN FE/ZNXC3 FEDERSTECKER FE/ZNXC3 MOLLA FE/ZNXC3
005 H2400210 001 PLAT FLAT FLACHEISEN PIATTO
006 H2400230 001 SUPPORT SUPPORT TRAEGER SUPPORTO
007 80061667 004 VIS TETE HEXAGONALE FE/ZNXC3 HEXAGON HEAD SCREW FE/ZNXC3 SECHSKANTSCHRAUBE FE/ZNXC3 VITE TESTA ESAGONALE FE/ZNXC3
133
ETIQUETTES ADHESIVES XL2 STICKERS XL2 AUFKLEBER XL2 ADESIVI XL2
DISCOVER XL2 C0001 >
H30R0014 A
Rep Nr Qt Designation Description Bezeichnung Referenza Remarque - Remark - Bemerkung - Osservazioni
001 09968300 001 ETIQ.ADHESIVE TRANSFER MAX.25 AUFKLEBER MAX.25 ADESIVO LIMITE VELOC. MAX.25
002 59900000 001 PICTOGR.H NOTICE D'INSTR PICTORIAL H INSTRUCTIONS PIKTOGR.H BETRIEBSANLEITUNG ADESIVO
003 59900300 002 PICTOGR.H ECRASEM.MAIN PICTORIAL H CRUSH.DANGER HAND PIKTOGR.H QUETSCHGEFAHR HAND ADESIVO
004 59900400 001 PICTOGR.H ARRETER MOTEUR PICTORIAL H STOP ENGINE PIKTOGR.H MOTOR ABSTELLEN ADESIVO
005 59900500 004 PICTOGR.H ECRASEM.CORPS PICTORIAL H CRUSH. DANGER BODY PIKTOGR.H QUETSCHGEF.KOERPER ADESIVO
006 59901300 001 PICTOGR.H DANGER ACCUMULAT PICTORIAL H DANGER ACCUMULATOR PIKTOGR.H GEFAHR HYDROSPEICHER ADESIVO
007 59911200 001 PICTOGR.ATTELAGE 2 POINTS PICTOGR.TWO POINT LINKAGE PIKTOGR.ZWEIPUNKT-ANBAU ADESIVO
008 950215 001 AUTOCOL. SERRAGE BOBINE STICKER SERRAGE BOBINE ABZIEHBILD SERRAGE BOBINE ADESIVO
009 950219 001 AUTOCOL. INDEXAGE HYD STICKER "HYDRAULIC INDEX" AUFKLEBER ADESIVO
010 950414 001 AUTOCOL.POMPE A GRAISSE STICKER OIL PUMP AUFKLEBER SCHMIERUNG ADESIVO Q?
011 H2405660 006 FREIN BRAKE BREMSE FRENO
012 K9500070 001 LOGO KUHN 207 BLANC/TRANSP. LOGO KUHN 207 LOGO KUHN 207 WEISS/TRANSP. LOGO KUHN 207 BIANCO TRASP.
013 K9500090 004 LOGO KUHN 309 BLANC/TRANSP. LOGO KUHN 309 LOGO KUHN 309 WEISS/TRANSP. LOGO KUHN 309
014 H2414970 001 ETIQ.ADH. DECAL AUFKLEBER ADESIVO
015 K9530110 001 ETIQ.ADH. DECAL AUFKLEBER ADESIVO
016 K9530120 001 ETIQ.ADH. DECAL AUFKLEBER ADESIVO
017 H2414980 001 ETIQ.ADH. DECAL AUFKLEBER ADESIVO
018 A7300150 001 ETIQ.ADHESIVE TRANSFER MAX.6 AUFKLEBER MAX.6 ADESIVO LIMITE VELOC. MAX.6
019 09971400 001 ETIQ.ADHESIVE TRANSFER MAX.40 ABZIEHBILD MAX.40 ADESIVO VEL.MAX.40
135
OUTILLAGE TOOLS WERKZEUG ATTREZZI
DISCOVER XL2 C0001 >
H24R0248 B
Rep Nr Qt Designation Description Bezeichnung Referenza Remarque - Remark - Bemerkung - Osservazioni
001 211664 001 CLE 30/36 SPANNER 30/36 SCHLUESSEL 30/36 CHIAVE : M20 / M24
002 211828 001 CLE SPECIALE SPANNER SCHLUESSEL CHIAVE : KM M80 / 971101 / 80208018
003 211829 001 CLE SPECIALE SPANNER SCHLUESSEL CHIAVE : KM M90 / 951115
004 211830 001 CLE SPECIALE SPANNER SCHLUESSEL CHIAVE : KM M105 / 951180
005 780104 001 CLE A OEIL 46/PLATS SPANNER 46 CHIAVE : M30
006 3104124 001 DOUILLE SPECIAL SOCKET->80204519 SPEZIAL STECKNUSS CHIAVE SPECIALE : KM M10 / 80204519 / 80204566
007 3119467 001 DOUILLE SPECIALE->50019600 SPECIAL SOCKET->50019600 SPEZIAL-STECKNUSS->50019600 CHIAVE SPECIALE->50019600 : KM M50 / 50019600
008 3125420 001 DOUILLE->52502300 SPECIAL SOCKET->52502300 SPEZIAL STECKNUSS CHIAVE SPECIALE : 52502300
009 3125587 001 DOUILLE ROUND RUNDUNG CHIAVE SPECIALE : KM M40 / 80204063
010 3157109 001 DOUILLE SERR./ENCOCHES:M30X1,5 SPECIAL SOCKET->80203065 SPEZIAL STECKNUSS CHIAVE SPECIALE : KM M30 / 80203065
011 3177802 001 DOUILLE SERR./ENCOCHES:M55X2,0 SPECIAL SOCKET->80205519 SPEZIAL-STECKNUSS CHIAVE SPECIALE : KM M55 / 80205519
012 52598210 001 CLE DEVER.GOUP.FIX.RAPIDE ZBC WRENCH SCHLUESSEL CHIAVE FISSAGGIO FAST FIT : M33 / H0201280
013 H0301420 001 CLE WRENCH SCHLUESSEL CHIAVE
014 H0333500 001 CLE A ERGOTS SPANNER SCHLUESSEL CHIAVE : KM M25 / H0333270
015 H0600040 001 CLE 18 / 24 SPANNER SCHLUESSEL CHIAVE : M12 / M16
016 H0600770 001 CLE SPECIALE SPANNER SCHLUESSEL CHIAVE : KM M120 / 951813
017 H0600780 001 CLE SPECIALE SPANNER SCHLUESSEL CHIAVE : M22
018 H0600790 001 CLE SPECIALE SPANNER SCHLUESSEL CHIAVE : A4083100
019 H0600800 001 CLE SPECIALE SPANNER SCHLUESSEL CHIAVE : A4083100
020 H0600810 001 CLE BLOC POWER PACKER SPANNER SCHLUESSEL CHIAVE : BLOC POWER PACKER
021 H0600960 001 CLE SPECIALE (CHAISE HX-1ER PR SPANNER SCHLUESSEL CHIAVE : M20 / 80202040
022 H0602770 001 CLE WRENCH SCHLUESSEL CHIAVE : KM M30 / 80203018
023 H0602780 001 CLE WRENCH SCHLUESSEL CHIAVE : KM M45 / 80204517
024 H0604340 001 CLE WRENCH SCHLUESSEL CHIAVE : KM M16 / 80208018
025 H0604420 001 CLE WRENCH SCHLUESSEL CHIAVE : 80203565
026 H0604430 001 CLE WRENCH SCHLUESSEL CHIAVE
027 H0604440 001 CLE WRENCH SCHLUESSEL CHIAVE : 80202566
028 H0604450 001 CLE WRENCH SCHLUESSEL CHIAVE : 80205566
029 H0604460 001 CLE WRENCH SCHLUESSEL CHIAVE : 80204566
030 H0604470 001 CLE WRENCH SCHLUESSEL CHIAVE : 951180
031 H0604480 001 CLE WRENCH SCHLUESSEL CHIAVE : 80204063
032 H0604490 001 CLE WRENCH SCHLUESSEL CHIAVE : 80204063
033 H0604500 001 CLE WRENCH SCHLUESSEL CHIAVE : 80204566
034 H0604510 001 CLE WRENCH SCHLUESSEL CHIAVE : 80203066
035 H0604520 001 CLE WRENCH SCHLUESSEL CHIAVE : 80205018
036 H0604530 001 CLE WRENCH SCHLUESSEL CHIAVE : 951813
037 H0604540 001 CLE WRENCH SCHLUESSEL CHIAVE : 951115
038 H2219020 001 EMBOUT END PIECE ENDSTUECK GIUNTO : KM M25 / 80202566
039 H2400640 001 CLE SPECIALE (POUR ECROU MCR 3 SPANNER SCHLUESSEL CHIAVE : KM30 / 80203066
040 H2413430 001 CLE WRENCH SCHLUESSEL CHIAVE : KM50 / 80205018
INDEX NUMERIQUE - NUMERICAL INDEX
TEILENUMMERN-INDEX - INDICE NUMERICO
Nr Page Rep. Nr Page Rep. Nr Page Rep. Nr Page Rep. Nr Page Rep. Nr Page Rep. Nr Page Rep. Nr Page Rep.
136
A4060627 073 023
A4061802 017 009
A4061802 021 010
A4061802 061 007
A4061802 063 006
A4061802 073 024
A4061803 017 010
A4071008 021 011
A4072014 013 022
A4072014 015 023
A4072014 017 016
A4072014 021 012
A4072014 023 005
A4072014 091 063
A4074000 115 002
A4074001 115 001
A4074017 023 006
A4074017 093 011
A4074017 111 008
A4074017 113 006
A4074018 021 013
A4074018 061 008
A4074018 063 007
A4074046 061 005
A4074046 063 008
A4074047 021 014
A4074048 023 007
A4080112 073 025
A4080212 073 026
A4080306 017 011
A4080306 021 015
A4080306 061 009
A4080306 063 009
A4080306 095 013
A4080306 097 013
A4080311 073 027
A4080350 023 008
A4080352 071 005
A4080352 093 012
A4080401 021 016
A4080401 023 009
A4080401 071 006
A4080401 111 009
A4080401 113 007
A4080402 021 017
A4080403 073 028
A4080413 073 029
A4080414 073 030
A4080426 071 007
A4080429 017 012
A4080429 021 018
A4080429 061 010
A4080429 063 010
A4080429 091 056
A4080429 093 013
A4080429 095 014
A4080429 097 017
A4080429 111 010
A4080429 113 008
A4080430 017 013
A4080430 021 019
A4080430 097 012
A4080435 091 057
A4080446 073 031
A4080518 021 020
A4080521 021 021
A4081003 071 008
A4081003 073 032
A4081010 021 022
A4081010 095 015
A4081010 097 014
A4082700 021 023
A4082701 073 033
A4083100 021 024
A4083102 021 025
A4085353 021 026
A4230002 073 034
A4230017 065 001
A4230021 065 002
A4230021 115 003
A4921019 023 013
A4921019 023 014
A4921036 075 049
A4921036 075 050
A4921068 021 031
A4921069 021 032
A4921069 021 033
A4921074 021 034
A4921075 071 013
A4921075 071 014
A4921112 023 015
A4921112 023 016
A4921112 071 015
A4921112 093 018
A4921112 093 019
A4921115 071 016
A4921127 111 013
A4921127 111 014
A4921127 113 011
A4921127 113 012
A4923029 095 018
A4923030 021 035
A4923030 095 019
A4923031 017 017
A4923031 017 018
A4923031 017 019
A4923031 017 020
A4923031 097 018
A4923031 097 019
A4923031 097 020
A4923031 097 021
A4923032 095 020
A4923049 111 015
A4923049 111 016
A4923049 111 017
A4923049 111 018
A4923049 113 013
A4923049 113 014
A4923049 113 015
A4923049 113 016
A4923062 021 036
A4923062 061 013
A4923062 061 014
A4923062 063 013
A4923062 063 014
A4923062 091 058
A4923062 095 021
A4923063 021 037
A4923063 021 038
A4923063 061 015
A4923063 061 016
A4923063 063 015
A4923063 063 016
A4923065 061 017
A4923065 061 018
A4923065 063 017
A4923065 063 018
A4923067 021 039
A4923067 021 040
A4923146 097 015
A4923146 097 016
A7021004 083 005
A7021005 083 006
A7039023 053 006
A7039044 077 010
A7039049 077 011
A7039079 055 006
A7039099 077 015
A7039171 077 012
A7039406 077 016
A7181104 073 035
A7181108 073 036
A7181109 073 037
A7181115 073 038
A7181122 073 039
A7181125 073 040
A7181129 075 051
A7181129 075 052
A7181129 075 053
A7181129 075 054
A7181129 075 055
A7181129 075 056
A7181129 075 057
A7181129 075 058
A7181134 073 041
A7181144 073 042
A7181145 073 043
A7260015 073 044
A7260016 021 027
A7260016 023 010
A7260016 071 009
A7260016 073 045
A7260016 093 014
A7260017 017 014
A7260017 021 028
A7260017 061 011
A7260017 063 011
A7260017 093 015
A7260017 095 016
A7260017 097 008
A7260025 071 010
A7260027 071 011
A7260027 073 046
A7260040 073 047
A7260042 021 029
A7260042 023 011
A7260042 071 012
A7260042 093 016
A7260042 111 011
A7260042 113 009
A7260044 073 048
A7260046 017 015
A7260046 021 030
A7260046 023 012
A7260046 061 012
A7260046 063 012
A7260046 093 017
A7260046 095 017
A7260046 097 007
A7260046 111 012
A7260046 113 010
A7300150 133 018
G0445281 075 059
H0301420 135 013
H0333500 135 014
H0503890 085 001
H0503900 085 002
H0600040 135 015
H0600770 135 016
H0600780 135 017
H0600790 135 018
H0600800 135 019
H0600810 135 020
H0600960 135 021
H0601070 111 019
H0601070 113 017
H0602770 135 022
H0602780 135 023
H0603900 113 018
H0603920 113 019
H0604340 135 024
H0604420 135 025
H0604430 135 026
H0604440 135 027
H0604450 135 028
H0604460 135 029
H0604470 135 030
H0604480 135 031
H0604490 135 032
H0604500 135 033
H0604510 135 034
H0604520 135 035
H0604530 135 036
H0604540 135 037
H1300010 021 041
H2100830 013 023
H2100830 015 024
H2100830 089 012
H2100830 089 021
H2101180 057 013
H2101180 059 013
H2101220 057 014
H2101220 061 019
H2103710 007 018
H2103710 057 015
H2103710 059 014
H2104860 005 010
H2104870 005 011
H2104880 005 012
H2110920 019 022
H2110920 021 047
H2110920 023 017
H2110950 021 042
H2110950 023 018
H2113570 007 019
H2113601 007 020
H2113601 057 016
H2113601 059 015
H2113610 003 018
H2113620 007 021
H2113770 089 016
H2113990 057 017
H2113990 059 016
H2114000 013 024
H2114000 015 025
H2114000 089 008
H2114010 013 025
H2114010 015 026
H2114010 089 030
H2114020 009 017
H2114020 011 017
H2114030 089 029
H2114040 089 031
H2114110 091 047
H2114250 007 022
H2114260 007 023
H2114770 059 017
H2114770 063 019
H2200000 033 010
H2200010 033 011
H2200020 033 012
H2200030 033 013
H2200030 037 015
H2200030 039 016
H2200030 041 012
H2200030 043 013
H2200150 025 012
H2200150 027 012
H2200150 029 012
H2200150 031 012
H2200160 025 013
H2200160 027 013
H2200160 029 013
H2200160 031 013
H2200170 025 014
H2200170 027 014
H2200170 029 014
H2200170 031 014
H2200180 025 015
H2200180 027 015
H2200180 029 015
H2200180 031 015
H2200210 031 016
H2200220 027 016
H2200230 025 016
H2200230 027 017
H2200230 029 016
H2200230 031 017
H2200240 025 017
H2200240 027 018
H2200240 029 017
H2200240 031 018
H2200250 025 018
H2200250 027 019
H2200250 029 018
H2200250 031 019
H2200780 013 026
H2200780 015 027
H2200780 089 026
H2200780 099 015
H2200780 101 016
H2200780 103 019
H2200780 105 019
H2200780 107 016
H2200780 109 016
H2200870 025 019
H2200920 041 013
H2200920 043 014
H2200940 035 001
H2200940 041 014
H2200940 043 015
H2202840 033 014
H2202850 033 015
H2204880 103 020
H2204880 105 020
H2204880 107 017
H2204880 109 017
H2205450 009 022
H2205450 011 022
H2205450 019 037
H2205760 099 016
H2205760 101 017
H2205770 101 018
H2205850 099 017
H2205850 101 019
H2206650 009 018
H2206650 011 018
H2206650 013 027
H2206650 015 028
H2207500 019 023
H2208860 103 021
H2208900 105 021
H2208930 103 022
H2208930 105 022
H2208940 103 023
H2208940 105 023
H2213820 103 024
H2213820 105 024
H2213831 103 025
H2213831 105 025
H2214051 105 026
H2214071 103 026
H2214190 099 018
H2217320 117 012
H2217320 123 013
H2218430 035 003
H2219000 101 020
H2219020 135 038
INDEX NUMERIQUE - NUMERICAL INDEX
TEILENUMMERN-INDEX - INDICE NUMERICO
Nr Page Rep. Nr Page Rep. Nr Page Rep. Nr Page Rep. Nr Page Rep. Nr Page Rep. Nr Page Rep. Nr Page Rep.
137
H2222130 099 019
H2223420 019 024
H2223430 019 025
H2223440 019 026
H2223450 019 027
H2223460 019 028
H2223470 019 029
H2223480 019 030
H2223490 019 031
H2223500 019 032
H2223510 019 033
H2223520 019 034
H2228590 107 018
H2228590 109 018
H2230190 089 005
H2230210 089 006
H2230220 099 020
H2230220 103 027
H2230230 099 021
H2230230 103 028
H2230240 101 021
H2230240 105 027
H2230250 101 022
H2230250 105 028
H2230400 013 028
H2230400 015 029
H2230410 011 019
H2230420 009 019
H2230430 015 030
H2230440 013 029
H2230450 009 020
H2230450 011 020
H2230480 019 035
H2230490 019 036
H2230500 009 021
H2230500 011 021
H2230500 013 030
H2230500 015 031
H2230830 107 019
H2230830 109 019
H2230890 107 020
H2230900 107 021
H2230930 109 020
H2230940 109 021
H2232600 109 022
H2232610 107 022
H2232610 109 023
H2232620 107 023
H2232620 109 024
H2232630 107 024
H2232630 109 025
H2232640 107 025
H2300000 047 011
H2300000 049 011
H2300010 049 004
H2300020 047 005
H2300020 049 005
H2300030 047 004
H2300050 047 001
H2300050 049 001
H2300060 047 012
H2300060 049 012
H2300280 047 012
H2300280 049 012
H2300330 047 011
H2300330 049 011
H2300340 047 001
H2300340 049 001
H2400210 121 017
H2400210 127 016
H2400210 131 005
H2400220 121 018
H2400220 127 017
H2400220 131 002
H2400230 121 019
H2400230 127 018
H2400230 131 006
H2400360 121 020
H2400360 127 019
H2400370 121 021
H2400370 127 020
H2400640 135 039
H2400740 117 013
H2400740 123 014
H2401060 067 019
H2401090 067 015
H2401230 067 016
H2401230 069 008
H2401340 013 031
H2401340 015 032
H2401340 017 008
H2401340 089 001
H2401380 117 014
H2401380 123 015
H2401590 089 025
H2401590 095 022
H2401610 089 002
H2401610 095 012
H2401870 119 015
H2401870 121 022
H2401870 125 014
H2401870 127 021
H2401920 119 018
H2401920 125 017
H2402370 065 003
H2402530 083 007
H2402800 075 060
H2404290 061 020
H2404290 063 020
H2404300 125 015
H2404300 127 022
H2404330 125 016
H2404330 127 023
H2405230 119 016
H2405230 121 023
H2405240 119 017
H2405240 121 024
H2405250 117 015
H2405250 123 016
H2405390 091 051
H2405660 069 009
H2405660 133 011
H2406710 021 043
H2407460 021 044
H2407950 021 045
H2408190 111 020
H2408190 113 020
H2408930 117 016
H2408930 123 017
H2413430 135 040
H2414970 133 014
H2414980 133 017
H2415330 007 024
H2417650 003 019
H2417660 003 020
H2417800 023 019
H2417810 061 021
H2417810 063 021
H2417810 071 017
H2417820 021 046
H2417830 017 021
H2417840 017 022
H2417850 017 023
H2417860 007 025
H2417870 007 026
H2417880 007 027
H2417890 067 017
H2417890 069 010
H2417900 067 018
H2417960 093 020
H2417970 095 023
H2417970 097 011
H2417990 067 020
H2417990 069 012
H2420540 129 022
H2420550 129 023
H2420560 129 019
H2420690 075 061
H2420700 075 062
H2420710 075 063
H2420740 129 020
H2420750 129 021
H2420770 129 024
H2420780 107 026
H2420780 109 026
H2420920 129 011
H2421010 129 001
H2421020 129 012
H2421030 129 013
H2421080 075 064
H2421090 075 065
H2421560 065 004
H2421810 129 009
H2421820 129 010
H2421840 069 011
H2900100 085 003
H2900110 085 004
H2900110 087 001
H2900170 057 018
H2900170 059 018
H2900840 053 010
H2902980 055 005
H2903030 055 007
H2903480 053 007
H2903510 053 008
H2904230 053 009
H2904250 053 011
H2904260 053 012
H2904270 053 013
H2904280 053 014
H2904290 053 015
H2904310 055 008
H2904320 055 009
H2904330 055 010
H2904340 055 011
H2904350 055 012
H2904360 055 013
H2904370 055 014
H2904380 051 015
H2905391 057 019
H2905391 059 019
H2905490 057 020
H2905490 059 020
H2905640 087 002
H2905670 087 003
H2905680 087 004
H2905970 071 018
H2905970 079 001
H2905980 081 001
H2906030 071 019
H2906180 069 013
H2906180 069 014
H2906260 075 066
H2906270 075 067
K1606340 005 013
K2503780 005 014
K2504040 005 015
K3004810 107 027
K3004810 109 027
K7024100 003 021
K8018150 077 006
K8403810 053 016
K9500070 133 012
K9500090 133 013
K9530110 133 015
K9530120 133 016
09917600 129 007
09917700 129 008
09968300 133 001
09971400 133 019
117107 039 001
117107 043 001
117108 037 001
117108 039 002
117109 037 002
117109 039 003
117112 041 001
117112 043 002
117113 041 011
117113 043 012
117114 039 004
117114 043 003
117119 051 001
117120 037 012
117120 039 013
117121 037 013
117121 039 014
117122 037 014
117122 039 015
139113 047 002
139113 049 002
139113 121 001
139113 127 001
139113 131 001
150159 051 002
191110 051 003
211664 135 001
211828 135 002
211829 135 003
211830 135 004
211957 099 001
211957 101 001
212138 025 001
212138 027 001
212138 029 001
212138 031 001
212606 051 004
222156 037 003
222156 039 005
222156 041 002
222156 043 004
227179 025 002
227179 027 002
227179 029 002
227179 031 002
227179 047 003
227179 049 003
3104124 135 006
3119467 135 007
3125420 135 008
3125587 135 009
3157109 135 010
3177802 135 011
421226 033 001
50005500 107 001
50005500 109 001
500236 077 002
50086200 005 009
52503600 099 012
52503600 101 013
52514000 099 013
52514000 101 014
52514000 103 018
52514000 105 017
52560010 107 002
52560010 109 002
52563600 099 014
52563600 101 015
52563600 103 002
52563600 105 018
52563800 101 003
52563800 103 003
52563800 105 002
52598210 135 012
581677 025 014
581677 027 014
581677 029 014
581677 031 014
581678 025 015
581678 027 015
581678 029 015
581678 031 015
581804 025 013
581804 027 013
581804 029 013
581804 031 013
581805 025 012
581805 027 012
581805 029 012
581805 031 012
581818 051 005
581819 051 006
582548 111 001
582548 113 001
582585 025 019
582586 025 016
582586 027 017
582586 029 016
582586 031 017
582587 027 016
582588 031 016
582768 045 004
582769 045 002
583189 009 001
583189 011 001
583222 019 001
583222 089 037
583226 019 002
583238 051 007
583263 037 004
583263 041 003
583264 037 005
583264 039 006
583264 041 004
583264 043 005
583265 037 006
583265 041 005
583266 039 007
583266 043 006
583420 009 002
583420 011 002
583420 013 001
583420 015 001
583422 077 003
583440 119 001
583440 121 002
583440 125 001
583440 127 002
583440 129 018
583826 051 008
59900000 133 002
59900300 133 003
59900400 133 004
59900500 133 005
59901300 133 006
59911200 133 007
645236 037 007
645236 039 008
645236 041 006
645236 043 007
720119 067 001
720119 069 001
750050 037 008
750050 039 009
750050 041 007
750050 043 008
750345 067 002
750944 009 003
750944 011 003
750944 013 002
750944 015 002
750961 013 003
750961 015 003
750961 089 027
INDEX NUMERIQUE - NUMERICAL INDEX
TEILENUMMERN-INDEX - INDICE NUMERICO
Nr Page Rep. Nr Page Rep. Nr Page Rep. Nr Page Rep. Nr Page Rep. Nr Page Rep. Nr Page Rep. Nr Page Rep.
138
750961 099 002
750961 101 002
750961 103 001
750961 105 001
751403 069 002
751487 067 003
751490 067 004
780104 135 005
780341 003 001
780341 037 009
780341 039 010
780341 041 008
780341 043 009
780688 025 003
780688 027 003
780688 029 003
780688 031 003
80030825 007 001
80060612 003 003
80060636 073 002
80060653 073 003
80060820 083 001
80060826 073 004
80060830 091 050
80060830 091 062
80060835 023 003
80060835 071 003
80060835 073 005
80060835 093 004
80060839 019 006
80060846 017 005
80060846 021 004
80060846 061 003
80060846 063 003
80060846 093 005
80060846 095 005
80060846 097 009
80060850 009 007
80060850 011 007
80060853 021 005
80060853 091 060
80060853 095 006
80060857 017 006
80060857 093 006
80060857 095 007
80060857 097 005
80060864 021 006
80060871 021 007
80060871 023 004
80060871 093 007
80060893 003 004
80061020 117 002
80061020 119 003
80061020 121 004
80061020 123 002
80061026 045 005
80061030 073 006
80061036 007 002
80061036 067 008
80061036 073 007
80061040 073 008
80061050 069 003
80061054 129 026
80061055 119 002
80061055 121 003
80061055 125 002
80061055 127 003
80061055 129 027
80061073 111 004
80061073 113 002
80061073 117 003
80061073 123 003
80061073 125 003
80061073 127 004
80061073 129 028
80061245 013 009
80061245 015 009
80061245 089 014
80061245 089 023
80061245 089 038
80061245 103 004
80061245 105 003
80061248 007 003
80061248 009 008
80061248 011 008
80061248 019 007
80061249 103 005
80061249 105 004
80061269 057 001
80061269 059 001
80061271 003 005
80061271 083 002
80061280 005 002
80061280 013 010
80061280 015 010
80061280 089 040
80061294 099 003
80061294 101 004
80061601 051 009
80061634 047 013
80061634 049 013
80061638 103 006
80061638 105 005
80061641 009 009
80061641 011 009
80061641 013 011
80061641 015 011
80061641 047 014
80061641 049 014
80061647 067 009
80061657 013 012
80061657 015 012
80061657 089 010
80061657 089 019
80061661 047 015
80061661 049 015
80061661 057 002
80061661 059 002
80061661 089 042
80061661 099 004
80061661 101 005
80061661 119 004
80061661 125 004
80061667 121 005
80061667 127 005
80061667 131 007
80061669 007 004
80061669 019 008
80061669 025 004
80061669 027 004
80061669 029 004
80061669 031 004
80061669 057 003
80061669 059 003
80061693 103 007
80061693 105 006
80061693 107 003
80061693 109 003
80062007 025 005
80062007 027 005
80062007 029 005
80062007 031 005
80062043 025 005
80062043 027 005
80062043 029 005
80062043 031 005
80062043 035 004
80062059 051 010
80062059 073 009
80062060 057 004
80062060 059 004
80062065 019 009
80062067 089 033
80062074 003 006
80062074 007 005
80062076 025 006
80062076 027 006
80062076 029 006
80062076 031 006
80062076 117 004
80062076 123 004
80062081 025 007
80062081 027 007
80062081 029 007
80062081 031 007
80062088 019 010
80062094 047 016
80062094 049 016
80080516 119 005
80080516 121 006
80080516 125 005
80080516 127 006
80080516 129 025
80080610 117 011
80080610 123 012
80080626 071 004
80080626 073 010
80080640 061 004
80080640 063 004
80080660 073 011
80080813 055 001
80080894 091 052
80081006 033 006
80110806 111 005
80110806 113 003
80111275 099 005
80111275 101 006
80111275 103 008
80111275 105 007
80111667 107 004
80111667 109 004
80112080 107 005
80112080 109 005
80131017 003 007
80200540 117 005
80200540 119 006
80200540 121 007
80200540 123 005
80200540 125 006
80200540 127 007
80200540 129 005
80200630 073 012
80200830 003 008
80200830 009 010
80200830 021 008
80200830 073 013
80200830 091 049
80200830 091 061
80200830 095 008
80200840 007 006
80200840 011 010
80200840 019 011
80200840 083 003
80200870 091 053
80201030 007 007
80201030 067 010
80201030 069 004
80201030 073 014
80201030 111 006
80201030 113 004
80201030 117 006
80201030 119 007
80201030 121 008
80201030 123 006
80201030 125 007
80201030 127 008
80201030 129 004
80201040 073 015
80201040 129 006
80201062 107 006
80201062 109 006
80201070 067 011
80201230 007 008
80201230 009 011
80201230 011 011
80201230 013 013
80201230 015 013
80201230 057 005
80201230 059 005
80201230 089 013
80201230 089 022
80201230 089 041
80201240 003 009
80201240 005 003
80201240 015 014
80201240 019 012
80201240 083 004
80201240 089 032
80201240 099 006
80201240 101 007
80201240 103 009
80201240 105 008
80201240 107 007
80201240 109 007
80201630 007 009
80201630 009 012
80201630 011 012
80201630 013 014
80201630 015 015
80201630 019 013
80201630 051 011
80201630 057 006
80201630 059 006
80201630 067 012
80201630 089 009
80201630 089 018
80201630 089 043
80201630 131 003
80201640 047 006
80201640 049 006
80201640 099 007
80201640 101 008
80201640 103 010
80201640 105 009
80201640 107 008
80201640 109 008
80201640 119 008
80201640 121 009
80201640 125 008
80201640 127 009
80201647 107 009
80201647 109 009
80201670 025 008
80201670 027 008
80201670 029 008
80201670 031 008
80201670 047 008
80201670 049 008
80201850 053 001
80201850 077 004
80202030 003 010
80202030 007 010
80202030 051 012
80202030 057 007
80202030 059 007
80202030 073 016
80202030 089 035
80202030 107 010
80202030 109 010
80202040 019 014
80202040 025 009
80202040 027 009
80202040 029 009
80202040 031 009
80202040 035 002
80202040 047 007
80202040 049 007
80202040 117 007
80202040 123 007
80202069 003 011
80202069 007 011
80202069 089 034
80202440 019 015
80203565 005 004
80203565 103 011
80203565 105 010
80203915 009 013
80203915 011 013
80203915 013 015
80203915 015 016
80203915 019 016
80203915 037 010
80203915 039 011
80203915 041 009
80203915 043 010
80205566 005 005
80205566 013 016
80205566 015 017
80205566 089 028
80205566 099 008
80205566 101 009
80205566 103 012
80205566 105 011
80205566 107 011
80205566 109 011
80250512 129 016
80250624 073 017
80250823 003 012
80250823 007 012
80250823 019 020
80250823 021 009
80250823 073 018
80250823 091 048
80250823 091 059
80250823 095 009
80251021 007 013
80251021 073 019
80251021 119 009
80251021 121 010
80251021 129 017
80251201 069 005
80251225 005 006
80251225 069 006
80251227 003 013
80251227 007 014
80251227 019 021
80251227 103 013
80251227 105 012
80251624 025 010
80251624 027 010
80251624 029 010
80251624 031 010
80251624 103 014
80251624 105 013
80251624 107 012
80251624 109 012
80252026 019 017
80252026 057 008
INDEX NUMERIQUE - NUMERICAL INDEX
TEILENUMMERN-INDEX - INDICE NUMERICO
Nr Page Rep. Nr Page Rep. Nr Page Rep. Nr Page Rep. Nr Page Rep. Nr Page Rep. Nr Page Rep. Nr Page Rep.
139
80252026 059 008
80252026 073 020
80252026 107 013
80252026 109 013
80252029 007 015
80270605 003 014
80270803 017 007
80270803 093 008
80270803 095 010
80270803 097 004
80271003 033 007
80271003 045 003
80271602 025 011
80271602 027 011
80271602 029 011
80271602 031 011
80271602 047 010
80271602 049 010
80281725 107 014
80281725 109 014
80370506 009 014
80370506 011 014
80370506 013 017
80370506 015 018
80450660 009 015
80450660 011 015
80450660 013 018
80450660 015 019
80450660 019 018
80500451 067 013
80500451 069 007
80500463 053 002
80500579 037 011
80500579 039 012
80500579 041 010
80500579 043 011
80500579 077 017
80500963 051 014
80570477 003 015
80570477 047 009
80570477 049 009
80570477 121 011
80570477 127 010
80570477 131 004
80583000 067 014
80583000 077 018
80586000 057 009
80586000 059 009
81005055 089 046
81304585 053 003
81305501 077 001
81306097 055 002
81306512 053 004
81307011 033 008
81307512 077 007
81307514 055 003
82102229 073 021
82200616 053 005
82200616 077 019
82200800 055 004
82200800 089 003
82200800 095 011
82200815 099 009
82200815 101 010
82200815 103 015
82200815 105 014
82201016 003 016
82201016 005 007
82201016 007 016
82201016 013 019
82201016 015 020
82201016 019 019
82201016 033 009
82201016 051 013
82201016 057 010
82201016 059 010
82201016 089 011
82201016 089 020
82201016 089 045
82201016 099 010
82201016 101 011
82201016 103 016
82201016 105 015
82201016 107 015
82201016 109 015
82300026 093 009
82300026 111 007
82300026 113 005
83014040 089 039
83014041 013 020
83014041 015 021
83014041 089 015
83014041 089 024
83014043 005 008
83014540 009 016
83014540 011 016
83014540 013 021
83014540 015 022
83014540 089 036
83015050 007 017
83015050 057 011
83015050 059 011
83016030 057 012
83016030 059 012
83040072 099 011
83040072 101 012
83040072 103 017
83040072 105 016
83090039 117 001
83090039 123 001
83090093 093 010
83090596 003 017
83240007 119 010
83240007 121 012
83240007 125 009
83240007 127 011
83240007 129 003
83240010 123 008
83240017 117 008
83240017 119 011
83240017 121 013
83240017 123 009
83240017 125 010
83240017 127 012
83240017 129 002
83240212 117 009
83240212 119 012
83240212 121 014
83240212 123 010
83240212 125 011
83240212 127 013
83240400 119 013
83240400 121 015
83240400 125 012
83240400 127 014
83240401 119 014
83240401 121 016
83240401 125 013
83240401 127 015
83240404 117 010
83240404 123 011
83240453 129 014
83240456 129 015
900129 009 004
900129 011 004
900129 013 004
900129 015 004
900129 019 003
900742 005 001
900742 009 005
900742 011 005
900742 013 005
900742 015 005
900742 019 004
900764 091 054
950215 133 008
950219 133 009
950414 133 010
951197 017 001
951197 021 001
951197 023 001
951197 061 001
951197 063 001
951197 071 001
951197 073 001
951197 093 001
951197 095 001
951197 097 010
951214 093 002
951216 033 002
951242 003 002
951242 019 005
951278 033 003
951279 033 004
951400 045 001
951409 021 002
951448 009 006
951448 011 006
951448 013 006
951448 015 006
951448 089 044
951453 115 004
951603 073 022
951637 111 002
951680 033 005
951909 097 002
951955 089 002
951955 095 012
952129 067 005
952151 067 006
952160 013 007
952160 015 007
952160 017 002
952160 089 007
952160 089 017
952160 097 006
952162 089 001
952162 097 002
952211 071 002
952232 017 003
952232 093 003
952232 095 002
952232 097 003
952233 077 005
952251 111 003
952313 077 020
952314 077 008
952315 077 009
952319 077 013
952320 067 007
952320 077 014
952350 061 006
952364 061 006
952364 063 005
952365 013 008
952365 015 008
952365 017 004
952365 021 003
952365 023 002
952365 061 002
952365 063 002
952365 089 004
952365 091 064
952365 095 003
952365 097 001
952380 091 055
952380 095 004
EXTRAIT DES CONDITIONS DE GARANTIE ET CONDITIONS SPECIFIQUES PIECES DE RECHANGE
Nous garantissons notre matériel durant une année à partir du jour de livraison, c'est-à-dire que nous nous engageons à rembourser les pièces qui auront été reconnues
défectueuses en nos usines, par notre service technique.
Bien entendu, la garantie ne s'applique pas en cas d'usure normale, ni en cas de détériorations résultant de négligences ou de défauts de surveillance, d'un mauvais usage,
d'un manque d'entretien ou d'un accident. La garantie ne s'applique pas non plus si la machine a été prêtée ou utilisée pour un usage non conforme à sa destination
prévue par la société.
La garantie ne s'applique pas aux pièces d'usure.
Les pièces de rechange sont soumises aux mêmes conditions de garantie que le matériel sous réserve qu'elles aient été montées selon les règles de l'art et utilisées
conformément à nos recommandations.
EXTRACT FROM OUR CONDITIONS OF LIMITED WARRANTY AND SPARE PARTS WARRANTY POLICY
Our equipment is warranted for a period of one year from the date of delivery. We guarrantee the reimbursement of all parts proven to be faulty by our technical division
in material or manufacturing.
The warranty is not applicable in the following cases : normal wear, accident or negligence in operation, repairs using parts other than genuine KUHN parts, products altered
or modified without the expressed permission of the company or if the machine is not used and serviced in accordance with the recommendations of the operator's manual.
Wearing items are not covered under these conditions of limited warranty.
Spare parts are subject to the same warranty conditions than the equipment providing they have been installed with proficiency and are used in accordance with
our recommendations.
AUSZUG AUS UNSEREN GARANTIEBEDINGUNGEN UND SONDERBEDINGUNGEN FÜR ERSATZTEILE
Wir garantieren unsere Ware für ein Jahr ab dem Tag der Lieferung und verpflichten uns, die Teile zu ersetzen, die im Werk als fehlerhaft anerkannt wurden.
Die Garantie ist ausgeschlossen für Teile, die einem normalen Verschleiß unterliegen, sowie im Fall von nachlässiger Behandlung oder mangelhafter Wartung oder eines Unfalls.
Die Garantie erlischt auch, wenn die Maschine ausgeliehen oder unter Umständen eingesetzt wurde, die dem ursprünglichen Verwendungszweck und den Hinweisen in der
Betriebsanleitung nicht entsprechen.
Verschleißteile sind von der Garantie ausgeschlossen
Ersatzteile unterliegen den gleichen Garantiebedingungen wie komplette Maschinen, vorausgesetzt, dass sie sachgerecht eingebaut und entspechend unseren Empfehlungen
verwendet wurden.
ESTRATTO DELLE CONDIZIONI DI GARANZIA E CONDIZIONI SPECIFICHE GARANZIA RICAMBI
Le nostre macchine sono garantite per un anno a partire dal giorno della consegna: ci impegnamo a rimborsare i componenti che saranno riconosciuti difettosi
dai nostri servizi tecnici presso le nostre officine.
La garanzia non è applicabile nei seguenti casi: usura normale, incidente o negligenza nell'impiego, riparazioni utilizzando ricambi non originali KUHN, prodotti alterati o
modificati senza il permesso dell´azienda. La garanzia non viene riconosciuta se la macchina è stata prestata o non è utilizzata o mantenuta in conformità alle
raccomandazioni previste dalla società. La garanzia non copre i componenti soggetti ad usura.
I pezzi di ricambio sono soggetti agli stessi termini di garanzia della macchina, purchè siano stati installati con competenza e utilizzati conformemente alle
nostre raccomandazioni.
Kuhn discover xm2 52

Kuhn discover xm2 52

  • 1.
    Pièces de rechange Spareparts list Ersatzteilliste Catalogo Pezzi di Ricambio ERPICI A DISCHI SCHEIBENEGGE STUBBLE CULTIVATOR DECHAUMEUR A DISQUES HR038ATL B HR038ATL B 05/2013 DISCOVERXL2 C0001>.....
  • 3.
    SIGNES CODIFIÉS -STANDARD SYMBOLS - SYMBOLE - SIMBOLI CODIFICATI OPT STD ESP : > RPL Ø >|< <-> <m> Q? * [n] +[n] Equipement optionnel Equipement livré de série Equipement livré suivant pays Pour ... De ... à ... Remplace ... Diamètre Epaisseur Longueur Vendu au mètre Quantité selon besoin Voir note Composant d'un assemblage Assemblage comprenant les pièces [n] OPT STD ESP : > RPL Ø >|< <-> <m> Q? * [n] +[n] Optional equipment Equipment supplied as standard Equipment supplied for specific countries For ... From ... to ... Replaces ... Diameter Thickness Length Sold by the metre Quantity as required See note Items making up assembly Assembly made up by items [n] OPT STD ESP : > RPL Ø >|< <-> <m> Q? * [n] +[n] Sonderausrüstung Serienausrüstung Länderabhängige Ausrüstung Für ... Von ... bis ... Ersetzt ... Durchmesser Stärke Länge Meterware Stückzahl nach Bedarf Siehe Nota Teil einer Baugruppe Baugruppe bestehend aus den mit [n] bezeichneten Teilen OPT STD ESP : > RPL Ø >|< <-> <m> Q? * [n] +[n] Attrezzatura opzionale Attrezzatura fornita di serie Attrezzatura fornita secondo il paese Per ... Da ... A ... Sostituisce ... Diametro Spessore Lunghezza venduto a metro Quantità richiesta Vedi nota Componente di un assieme Assieme comprendente i componenti [n] POUR COMMANDER DES PIECES DE RECHANGE, VEUILLEZ INDIQUER: · Le numéro de fabrication de la machine · Le numéro de la pièce · La quantité désirée WHEN ORDERING SERVICE-PARTS, WILL YOU PLEASE MENTION: · The machine type and serial number · The part number · The quantity of parts BEI DER BESTELLUNG VON ERSATZTEILEN IMMER ANGEBEN: · Die Seriennummer der Maschine · Die Nummer des Teiles · Die gewünschte Stückzahl NELL'ORDINARE I RICAMBI, SI PREGA DI INDICARE: · Il tipo ed il numero di serie della macchina · Il codice del componente · La quantità desiderata Copyright 2013 KUHN · Toutes les pièces détachées et sous-ensembles sont à commander au magasin pièces de rechange. · Les équipements optionnels (OPT) ainsi que les notices d'instructions sont à commander auprès des services commerciaux. · Service parts and service part assemblies are to be ordered through the spare parts department. · Optional equipment (OPT) and assembly operator's manuals should be ordered through the wholegood sales department. · Bestellungen für Ersatzteile und Baugruppen sind an die Ersatzteilabteilung zu richten. · Sonderausrüstungen (OPT) sowie Montage- und Betriebsanleitungen, bestellen Sie bitte bei der Verkaufsabteilung für Maschinen. · I ricambi e i sotto-assiemi devono essere ordinati al Magazzino Ricambi. · Le attrezzature opzionali (OPT) ed i manuali dell'operatore devono essere ordinati al Servizio Commerciale.
  • 5.
    TABLE DES MATIERES- TABLE OF CONTENTS - INHALTSVERZEICHNIS - INDICE H30R0013 A Catalogue P.D.R. - Spare parts list - Ersatzteilliste - Pezzi di Ricambio : HR038ATL B Grp Page Opt Groupe de pièces Parts group index Teilegruppe Gruppo di parti 020 003 TIMON DRAWBAR DEICHSEL TIMONE 010 005 ATTELAGE STD3 & 4 CONNECTING FRAME STD3 & 4 ANBAUBOCK STD3 & 4 ATTACCO STD3 & 4 050 007 CHASSIS FRAME RAHMEN TELAIO 050 009 PORTE BOBINE AVANT DISC TRAIN SUPPORT FRONT SCHEIBENTRÄGER VORN SUPPORTO TRENO DI DISCHI ANTER 050 011 PORTE BOBINE AVANT DISC TRAIN SUPPORT FRONT SCHEIBENTRÄGER VORN SUPPORTO TRENO DI DISCHI ANTER 050 013 PORTE BOBINE ARRIERE DISC TRAIN SUPPORT REAR SCHEIBENTRÄGER HINTEN SUPPORTO TRENO DI DISCHI POSTE 050 015 PORTE BOBINE ARRIERE DISC TRAIN SUPPORT REAR SCHEIBENTRÄGER HINTEN SUPPORTO TRENO DI DISCHI POSTE 260 017 HYDR. REPL. PORTE BOBINE ARR. HYDR. FOLD. REAR DISC TRAIN HYDR.-EL. SCHEIBENTRÄGERKLAPP. SIS IDR RIP PORTA-BOBINA POST 090 019 TRINGLERIE LINKAGE GESTAENGE BIELLISMO 260 021 REPLIAGE HYDRAULIQUE HYDRAULIC FOLDING HYDRAULISCHE KLAPPUNG PIEGHEVOLE IDRAULICO 260 023 REPLIAGE HYDRAULIQUE HYDRAULIC FOLDING HYDRAULISCHE KLAPPUNG PIEGHEVOLE IDRAULICO 090 025 DECROTTOIR (AVANT) SCRAPER (FRONT) ABSTREIFER (VORN) POLITIRE (ANTERIORE) 090 027 DECROTTOIR (AVANT) SCRAPER (FRONT) ABSTREIFER (VORN) POLITIRE (ANTERIORE) 090 029 DECROTTOIR (ARRIERE) SCRAPER (REAR) ABSTREIFER (HINTEN) POLITIRE (POSTERIORE) 090 031 DECROTTOIR (ARRIERE) SCRAPER (REAR) ABSTREIFER (HINTEN) POLITIRE (POSTERIORE) 090 033 PALIER COMPLET BEARING CARRIER LAGERGEHAEUSE SUPPORTO CUSCINETTO 090 035 PROTECTEUR D710 (PALIER) SAFETY GUARDS D710 (BEARING) SCHUTZVORRICHTUNG D710 (LAGERU PARAPETTI D710 (CUSCINETTO) 090 037 TRAIN DISQUE Ø660 AVANT SET OF DISCS Ø660 FRONT SCHEIBENREIHE Ø660 VORN TRENO DI DISCHI Ø660 ANTERIORE 090 039 TRAIN DISQUE Ø660 (ARRIERE) SET OF DISCS Ø660 (REAR) SCHEIBENREIHE Ø660 (HINTEN) TRENO DI DISCHI Ø660 (POSTERIO 090 041 TRAIN DISQUE Ø710 AVANT SET OF DISCS Ø710 FRONT SCHEIBENREIHE Ø710 VORN TRENO DI DISCHI Ø710 ANTERIORE 090 043 TRAIN DISQUE Ø710 ARRIERE SET OF DISCS Ø710 REAR SCHEIBENREIHE Ø710 HINTEN TRENO DI DISCHI Ø710 POSTERIOR 090 045 OPT HUBODOMETRE ODOMETER HEKTARZAEHLER 050 047 DEFLECTEUR (DROIT) DEFLECTOR (RIGHT) ABWEISER (RECHTS) DEFLETTORE (DX) 050 049 DEFLECTEUR (GAUCHE) DEFLECTOR (LEFT) ABWEISER (LINKS) DEFLETTORE (SX) 350 051 OPT DISQUE STABILISATEUR SIDE THRUST BLADE HANGSCHEIBE LAMIERA DI STABILIZZAZIONE 350 053 OPT MOYEU 70 MONROC HUB 70 MONROC NABE 70 MONROC MOZZO 70 MONROC 350 055 OPT MOYEU COLAERT HUB COLAERT NABE COLAERT MOZZO COLAERT 330 057 CHARIOT CARRIAGE FAHRWERK CARRELLO 330 059 CHARIOT XL2 CARRIAGE XL2 FAHRWERK XL2 CARRELLO XL2 260 061 HYDRAULIQUE RELEVAGE CHARIOT HYDRAULIC FOR CARRIAGE LIFT HYDRAULIKEL. HUBVOR. FAHRWERK SIST. IDRAU. SOLLEV. CARRELLO 260 063 HYDRAULIQUE RELEVAGE CHARIOT HYDRAULIC FOR CARRIAGE LIFT HYDRAULIKEL. HUBVOR. FAHRWERK SIST. IDRAU. SOLLEV. CARRELLO 260 065 OPT SUSPENSION HYDRAULIQUE HYDRAULIC SUSPENSION HYDRAULISCHE FEDERUNG SOSPENSIONE IDRAULICA 320 067 FREINAGE MÉCANIQUE BRAKE ASSEMBLY MECHANISCHE BREMSANLAGE COMPLESSIVO FRENO 320 069 FREINAGE MÉCANIQUE XL2 BRAKE ASSEMBLY XL2 BREMSANLAGE XL2 COMPLESSIVO FRENO XL2 320 071 OPT FREINAGE HYDRAULIQUE HYDRAULIC BRAKE HYDRAULISCHE BREMSANLAGE FRENO IDRAULICO 320 073 OPT FREINAGE PNEUMATIQUE RESERVOIR PNEUMATIC BRAKE TANK DRUCKLUFT-BREMSANLAGE TANK FRENO PNEUMATICO SERBATOIO 330 077 ESSIEU AXLE ACHSE ASSALE 330 079 ESSIEU (FREINAGE HYDRAULIQUE) AXLE (HYDRAULIC BRAKE) ACHSE (HYDRAULISCHE BREMSANLAG ASSALE (FRENO IDRAULICO) 330 081 ESSIEU (FREINAGE PNEUMATIQUE) AXLE (PNEUMATIC BRAKE) ACHSE (DRUCKLUFT-BREMSANLAGE) ASSALE (FRENO PNEUMATICO) 330 083 OPT CALE DE ROUE FIX OF WHEEL BREMSKLOTZ TENUTA DI RUO
  • 7.
    TABLE DES MATIERES- TABLE OF CONTENTS - INHALTSVERZEICHNIS - INDICE H30R0013 A Catalogue P.D.R. - Spare parts list - Ersatzteilliste - Pezzi di Ricambio : HR038ATL B Grp Page Opt Groupe de pièces Parts group index Teilegruppe Gruppo di parti 330 085 ROUE 550/60-22.5 404 TL WHEEL 550/60-22.5 404 TL RAD 550/60-22.5 404 TL RUOTA 550/60-22.5 404 TL 330 087 ROUE 500/60.22.5 WHEEL 500/60.22.5 RAD 500/60.22.5 RUOTA 500/60.22.5 310 089 OPT RELEVAGE ROULEAUX LIFT REAR WALZE AUSHEBUNG WALZE SOLLEVAMENTO RULLI POSTERIORI 260 093 OPT HYDRAULIQUE (BLOC HYDRAULIQUE) HYDRAULIC (HYDRAULIC BLOCK) HYDRAULIK (STEUERBLOCK) IDRAULICO (BLOCCO IDRAULICO) 260 095 OPT HYDRAULIQUE DE RELEVAGE ROULEA LIFTING HYDRAULIC ROLLER HYDRAULIKELEMENTE AUSHEBUNG WA SIST. IDRAULICO SOLLEVAMENTO R 260 097 OPT HYDRAULIQUE DE REPLIAGE ROULEA HYDRAULICS ROLLER HYDRAULIK RAHMENEINSCHWENKUNG TUBI FLESSIBILI IDRAULICI RULL 310 099 OPT ROULEAU A TUBES XL52 CRUMBLER ROLLER XL52 ROHRWALZE XL52 RULLO SMINUZZATORE XL52 310 101 OPT ROULEAU A TUBES XL60 CRUMBLER ROLLER XL60 ROHRWALZE XL60 RULLO SMINUZZATORE XL60 310 103 OPT ROULEAU T-RING XL52 ROLLER T-RING XL52 WALZE T-RING XL52 RULLO T-RING XL52 310 105 OPT ROULEAU T-RING XL60 ROLLER T-RING XL60 WALZE T-RING XL60 RULLO T-RING XL60 310 107 OPT ROULEAU T-LINER2 D600 XL2 52 ROLLER T-LINER2 D600 XL2 52 WALZE T-LINER2 D600 XL2 52 RULLO T-LINER2 D600 XL2 52 310 109 OPT ROULEAU T-LINER2 D600 XL2 60 ROLLER T-LINER2 D600 XL2 60 WALZE T-LINER2 D600 XL2 60 RULLO T-LINER2 D600 XL2 60 270 111 OPT ELECTROVANNE DISCOVER XL ELEKTROSWITCH DISCOVER XL ELEKTROWAHLSCHALTUNG DISCOVER ELETTROINTERRUTTORE DISCOVER X 270 113 OPT ELECTROVANNE DISCOVER XL2 ELEKTROSWITCH DISCOVER XL2 ELEKTROWAHLSCHALTUNG DISCOVER ELETTROINTERRUTTORE DISCOVER X 260 115 OPT COUPLEURS HYDRAULIQUES RUSSE HYDRAULIC COUPLERS RUSSE HYDRAULIKANSCHLUESSE RUSSE CONNETTORI IDRAULICI RUSSE 450 117 OPT SIGNALISATION DRIRE (AVANT) SIGNALLING DRIRE (FRONT) BELEUCHTUNG U.WARNTAFELN DRIRE SEGNALAZIONE DRIRE (ANTERIORE) 450 119 OPT SIGNALISATION DRIRE (ROULEAUX SIGNALLING DRIRE (REAR ROLLERS BELEUCHTUNG U.WARNTAFELN DRIRE SEGNALAZIONE DRIRE (RULLI POST 450 121 OPT SIGNALISATION DRIRE (ARRIERE) SIGNALLING DRIRE (REAR) BELEUCHTUNG U.WARNTAFELN DRIRE SEGNALAZIONE DRIRE (POSTERIORE 450 123 OPT SIGNALISATION TÜV (AVANT) SIGNALLING TÜV (FRONT) BELEUCHTUNG U.WARNTAFELN TÜV ( SEGNALAZIONE TÜV (ANTERIORE) 450 125 OPT SIGNALISATION TÜV (ROULEAUX AR SIGNALLING TÜV (REAR ROLLERS) BELEUCHTUNG U.WARNTAFELN TÜV ( SEGNALAZIONE TÜV (RULLI POSTER 450 127 OPT SIGNALISATION TÜV (ARRIERE) SIGNALLING TÜV (REAR) BELEUCHTUNG U.WARNTAFELN TÜV ( SEGNALAZIONE TÜV (POSTERIORE) 450 129 OPT SIGNALISATION SIGNALLING BELEUCHTUNG U.WARNTAFELN SEGNALAZIONE 450 131 OPT SIGNALISATION (SUPPORT) SIGNALLING (SUPPORT) BELEUCHTUNG U.WARNTAFELN (HALT SEGNALAZIONE (SUPPORTO) 460 133 ETIQUETTES ADHESIVES XL2 STICKERS XL2 AUFKLEBER XL2 ADESIVI XL2 480 135 OUTILLAGE TOOLS WERKZEUG ATTREZZI
  • 9.
    3 TIMON DRAWBAR DEICHSELTIMONE DISCOVER XL2 C0001 > H21R0026 D Rep Nr Qt Designation Description Bezeichnung Referenza Remarque - Remark - Bemerkung - Osservazioni 001 780341 001 CLE DE 60 SPANNER SCHRAUBENSCHLUESSEL CHIAVE 002 951242 002 BAGUE ROULEE WRAPPED BUSH GEROLLTE BUCHSE MESSING ANELLO LUBRIFICATO 003 80060612 004 VIS TETE HEXAGONALE FE/ZNXC3 HEXAGON HEAD SCREW FE/ZNXC3 SECHSKANTSCHRAUBE FE/ZNXC3 VITE TESTA ESAGONALE FE/ZNXC3 004 80060893 001 VIS TETE HEXAGONALE INOX HEXAGON HEAD SCREW INOX SECHSKANTSCHRAUBE INOX VITE A TESTA ESAGONALE INOX 005 80061271 004 VIS TETE HEXAGONALE FE/ZNXC3 HEXAGON HEAD SCREW FE/ZNXC3 SECHSKANTSCHRAUBE FE/ZNXC3 VITE TESTA ESAGONALE FE/ZNXC3 006 80062074 020 VIS TETE HEXAGONALE FLZNNC HEXAGON HEAD SCREW FLZNNC SECHSKANTSCHRAUBE FLZNNC VITE TESTA ESAGONALE FLZNNC 007 80131017 004 VIS AUTOBLOQUANTE FLZNNC UNDERSERR.S-LOC.SCREW FLZNNC SPERRZAHN-BUNDSCHRAU.FLZNNC VITE FLZNNC 008 80200830 001 ECROU HEX.AUTOFREINE FE/ZNXC3 SELF-LOCKING NUT FE/ZNXC3 SELBSTSICHERNDE MUTT.FE/ZNXC3 DADO AUTOBLOCCANTE FE/ZNXC3 009 80201240 004 ECROU HEX.BAS AUTOFR.FE/ZNXC3 SELF-LOCKING NUT FE/ZNXC3 SELBSTSICHERND.MUTTER FE/ZNXC3 DADO AUTOBLOCCANTE FE/ZNXC3 010 80202030 020 ECROU HEX.AUTOFREINE FE/ZNXC3 SELF-LOCKING NUT FE/ZNXC3 SELBSTSICH.MUTTER FE/ZNXC3 DADO AUTOBLOCCANTE FE/ZNXC3 011 80202069 020 ECROU HEXAGONAL FE/ZNXC3 NUT FE/ZNXC3 SECHSKANTMUTTER FE/ZNXC3 DADO FE/ZNXC3 012 80250823 002 RONDELLE PLATE FE/ZNXC3 PLAIN WASHER FE/ZNXC3 SCHEIBE FE/ZNXC3 RONDELLA PIATTA FE/ZNXC3 013 80251227 008 RONDELLE PLATE FE/ZNXC3 PLAIN WASHER FE/ZNXC3 SCHEIBE FE/ZNXC3 RONDELLA PIATTA FE/ZNXC3 014 80270605 004 RONDELLE GROWER FE/ZNXC3 SPRING LOCK WASHER FE/ZNXC3 FEDERRING FE/ZNXC3 RONDELLA GROWER FE/ZNXC3 015 80570477 002 GOUPILLE BETA SIMPLE FE/ZNXC3 SPRING COTTER PIN FE/ZNXC3 FEDERSTECKER FE/ZNXC3 MOLLA FE/ZNXC3 016 82201016 001 GRAISSEUR AUTOTARAUDANT SELF TAPPING GREASE NIPPLE GEWINDESCHNEID-SCHMIERNIPPEL INGRASSATORE 017 83090596 002 COLLIER CLAMP, HOSE SCHLAUCHSCHELLE COLLARE 018 H2113610 001 TIMON TONGUE ZUGDEICHSEL TIMONE 019 H2417650 001 SUPPORT SUPPORT TRAEGER SUPPORTO 020 H2417660 001 GOULOTTE CHUTE AUSLAUF BOCCA 021 K7024100 001 BOITE BOX KASTEN SCATOLA
  • 11.
    5 ATTELAGE STD3 &4 CONNECTING FRAME STD3 & 4 ANBAUBOCK STD3 & 4 ATTACCO STD3 & 4 DISCOVER XL2 C0001 > H21R0117 C Rep Nr Qt Designation Description Bezeichnung Referenza Remarque - Remark - Bemerkung - Osservazioni 001 900742 001 BAGUE ANTI-FRICTION ANTI-FRICTION BUSHES VERSCHLEISSRING BOCCOLA 002 80061280 002 VIS TETE HEXAGONALE FE/ZNXC3 HEXAGON HEAD SCREW FE/ZNXC3 SECHSKANTSCHRAUBE FE/ZNXC3 VITE TESTA ESAGONALE FE/ZNXC3 003 80201240 002 ECROU HEX.BAS AUTOFR.FE/ZNXC3 SELF-LOCKING NUT FE/ZNXC3 SELBSTSICHERND.MUTTER FE/ZNXC3 DADO AUTOBLOCCANTE FE/ZNXC3 004 80203565 001 ECROU A ENCOCH.AUTOF.FE/ZNXC3 SELF-LOCKING NUT FE/ZNXC3 SELBSTSICHERN.MUTTER FE/ZNXC3 DADO AUTOBLOCCANTE FE/ZNXC3 005 80205566 001 ECROU A ENCOCH.AUTOF.FE/ZNXC3 SELF-LOCKING NUT FE/ZNXC3 SELBSTSICHERN.MUTTER FE/ZNXC3 DADO AUTOBLOCCANTE FE/ZNXC3 006 80251225 002 RONDELLE PLATE FE/ZNXC3 PLAIN WASHER FE/ZNXC3 SCHEIBE FE/ZNXC3 RONDELLA PIATTA FE/ZNXC3 007 82201016 001 GRAISSEUR AUTOTARAUDANT SELF TAPPING GREASE NIPPLE GEWINDESCHNEID-SCHMIERNIPPEL INGRASSATORE 008 83014043 002 BAGUE ROULEE WRAPPED BUSH GEROLLTE BUCHSE ANELLO LUBRIFICATO 009 50086200 002 CHAINETTE+GOUPILLES FE/ZNXC3 CHAIN KETTE CATENETTA E COPPIGLIA 010 H2104860 001 CROISILLON CROSS KREUZGARNITUR CROCIERA 011 H2104870 001 AXE PIN ACHSE ASSE 012 H2104880 001 AXE PIN ACHSE ASSE 013 K1606340 002 TOURILLON PIN BOLZEN PERNO 014 K2503780 001 TETE D'ATTELAGE HITCH, 2/3-POINT ANBAUKOPFF TESTA D'ATTACCO 015 K2504040 002 TUBE TUBE ROHR TUBO
  • 13.
    7 CHASSIS FRAME RAHMENTELAIO DISCOVER XL2 C0001 > H21R0027 B Rep Nr Qt Designation Description Bezeichnung Referenza Remarque - Remark - Bemerkung - Osservazioni 001 80030825 008 VIS J FE/ZNXC3 CUP SQUARE BOLT FE/ZNXC3 FLACHRUNDSCHRAUBE FE/ZNXC3 BULLONE FE/ZNXC3 002 80061036 004 VIS TETE HEXAGONALE FE/ZNXC3 HEXAGON HEAD SCREW FE/ZNXC3 SECHSKANTSCHRAUBE FE/ZNXC3 VITE TESTA ESAGONALE FE/ZNXC3 003 80061248 002 VIS TETE HEXAGONALE FE/ZNXC3 HEXAGON HEAD SCREW FE/ZNXC3 SECHSKANTSCHRAUBE FE/ZNXC3 VITE TESTA ESAGONALE FE/ZNXC3 004 80061669 003 VIS TETE HEXAGONALE FE/ZNXC3 HEXAGON HEAD SCREW FE/ZNXC3 SECHSKANTSCHRAUBE FE/ZNXC3 VITE TESTA ESAGONALE FE/ZNXC3 005 80062074 032 VIS TETE HEXAGONALE FLZNNC HEXAGON HEAD SCREW FLZNNC SECHSKANTSCHRAUBE FLZNNC VITE TESTA ESAGONALE FLZNNC 006 80200840 008 ECROU HEX.BAS AUTOFR.FE/ZNXC3 SELF-LOCKING NUT FE/ZNXC3 SELBSTSICHERND.MUTTER FE/ZNXC3 DADO AUTOBLOCCANTE FE/ZNXC3 007 80201030 004 ECROU HEX.AUTOFREINE FE/ZNXC3 SELF-LOCKING NUT FE/ZNXC3 SELBSTSICH.MUTTER FE/ZNXC3 DADO AUTOBLOCCANTE FE/ZNXC3 008 80201230 002 ECROU HEX.AUTOFREINE FE/ZNXC3 SELF-LOCKING NUT FE/ZNXC3 SELBSTSICH.MUTTER FE/ZNXC3 DADO AUTOBLOCCANTE FE/ZNXC3 009 80201630 003 ECROU HEX.AUTOFREINE FE/ZNXC3 SELF-LOCKING NUT FE/ZNXC3 SELBSTSICH.MUTTER FE/ZNXC3 DADO AUTOBLOCCANTE FE/ZNXC3 010 80202030 032 ECROU HEX.AUTOFREINE FE/ZNXC3 SELF-LOCKING NUT FE/ZNXC3 SELBSTSICH.MUTTER FE/ZNXC3 DADO AUTOBLOCCANTE FE/ZNXC3 011 80202069 032 ECROU HEXAGONAL FE/ZNXC3 NUT FE/ZNXC3 SECHSKANTMUTTER FE/ZNXC3 DADO FE/ZNXC3 012 80250823 008 RONDELLE PLATE FE/ZNXC3 PLAIN WASHER FE/ZNXC3 SCHEIBE FE/ZNXC3 RONDELLA PIATTA FE/ZNXC3 013 80251021 004 RONDELLE PLATE FE/ZNXC3 PLAIN WASHER FE/ZNXC3 SCHEIBE FE/ZNXC3 RONDELLA PIATTA FE/ZNXC3 014 80251227 004 RONDELLE PLATE FE/ZNXC3 PLAIN WASHER FE/ZNXC3 SCHEIBE FE/ZNXC3 RONDELLA PIATTA FE/ZNXC3 015 80252029 024 RONDELLE D'APPUI SS 2 SUPPORTING RING SS 2 STUETZSCHEIBE SS 2 RONDELLA 016 82201016 012 GRAISSEUR AUTOTARAUDANT SELF TAPPING GREASE NIPPLE GEWINDESCHNEID-SCHMIERNIPPEL INGRASSATORE 017 83015050 002 BAGUE ROULEE WRAPPED BUSH GEROLLTE BUCHSE ANELLO LUBRIFICATO 018 H2103710 005 CALE SHIM DISTANZPLATTE SPESSORE 019 H2113570 001 CHASSIS CHASSIS HAUPTRAHMEN TELAIO 020 H2113601 001 CHASSIS CHASSIS HAUPTRAHMEN TELAIO 021 H2113620 001 CHASSIS CHASSIS HAUPTRAHMEN TELAIO 022 H2114250 002 TOLE SHEET METAL BLECH TELA 023 H2114260 004 SUPPORT SUPPORT TRAEGER SUPPORTO 024 H2415330 008 CALE SHIM DISTANZPLATTE SPESSORE 025 H2417860 002 GUIDE GUIDE FUEHRUNG GUIDA 026 H2417870 001 SUPPORT SUPPORT TRAEGER SUPPORTO 027 H2417880 002 GUIDE GUIDE FUEHRUNG GUIDA
  • 15.
    9 PORTE BOBINE AVANTDISC TRAIN SUPPORT FRONT SCHEIBENTRÄGER VORN SUPPORTO TRENO DI DISCHI ANTER XL2-52 C0001 > H22R0145 B Rep Nr Qt Designation Description Bezeichnung Referenza Remarque - Remark - Bemerkung - Osservazioni 001 583189 002 AXE PIN ACHSE ASSE 002 583420 002 AXE PORTE BOBINE XL AXLE ACHSE ASSE 003 750944 002 RONDELLE WASHER SCHEIBE RONDELLA 004 900129 002 CACHE ECROU TUBE END PLASTIKDECKEL SEDE DADO PLASTICA 005 900742 002 BAGUE ANTI-FRICTION ANTI-FRICTION BUSHES VERSCHLEISSRING BOCCOLA 006 951448 004 BAGUE ROULEE WRAPPED BUSH GEROLLTE BUCHSE MESSING ANELLO LUBRIFICATO 007 80060850 002 VIS TETE HEXAGONALE FE/ZNXC3 HEXAGON HEAD SCREW FE/ZNXC3 SECHSKANTSCHRAUBE FE/ZNXC3 VITE TESTA ESAGONALE FE/ZNXC3 008 80061248 002 VIS TETE HEXAGONALE FE/ZNXC3 HEXAGON HEAD SCREW FE/ZNXC3 SECHSKANTSCHRAUBE FE/ZNXC3 VITE TESTA ESAGONALE FE/ZNXC3 009 80061641 002 VIS TETE HEXAGONALE FE/ZNXC3 HEXAGON HEAD SCREW FE/ZNXC3 SECHSKANTSCHRAUBE FE/ZNXC3 VITE TESTA ESAGONALE FE/ZNXC3 010 80200830 002 ECROU HEX.AUTOFREINE FE/ZNXC3 SELF-LOCKING NUT FE/ZNXC3 SELBSTSICHERNDE MUTT.FE/ZNXC3 DADO AUTOBLOCCANTE FE/ZNXC3 011 80201230 002 ECROU HEX.AUTOFREINE FE/ZNXC3 SELF-LOCKING NUT FE/ZNXC3 SELBSTSICH.MUTTER FE/ZNXC3 DADO AUTOBLOCCANTE FE/ZNXC3 012 80201630 002 ECROU HEX.AUTOFREINE FE/ZNXC3 SELF-LOCKING NUT FE/ZNXC3 SELBSTSICH.MUTTER FE/ZNXC3 DADO AUTOBLOCCANTE FE/ZNXC3 013 80203915 002 ECROU HK FE/ZNXC3 CASTLE NUT FE/ZNXC3 KRONENMUTTER FE/ZNXC3 DADO FE/ZNXC3 014 80370506 004 RIVET AVEUGLE RIVET NIETE RIVETTO 015 80450660 002 GOUPILLE ELASTIQUE FLZNNC ROLL PIN FLZNNC SPANNHUELSE FLZNNC SPINA ELASTICA FLZNNC 016 83014540 002 BAGUE ROULEE WRAPPED BUSH GEROLLTE BUCHSE ANELLO LUBRIFICATO 017 H2114020 002 AXE PIN ACHSE ASSE 018 H2206650 004 TOLE SHEET METAL BLECH TELA 019 H2230420 002 PORTE DOOR TÜR 020 H2230450 002 BARRE BAR BALKEN BARRA 021 H2230500 002 POTENCE BOOM TRAGARM ATTACCO ATTREZZO 022 H2205450 002 EMBOUT A ROTULE END ENDSTUECK GIUNTO
  • 17.
    11 PORTE BOBINE AVANTDISC TRAIN SUPPORT FRONT SCHEIBENTRÄGER VORN SUPPORTO TRENO DI DISCHI ANTER XL2-60 C0001 > H22R0094 B Rep Nr Qt Designation Description Bezeichnung Referenza Remarque - Remark - Bemerkung - Osservazioni 001 583189 002 AXE PIN ACHSE ASSE 002 583420 002 AXE PORTE BOBINE XL AXLE ACHSE ASSE 003 750944 002 RONDELLE WASHER SCHEIBE RONDELLA 004 900129 002 CACHE ECROU TUBE END PLASTIKDECKEL SEDE DADO PLASTICA 005 900742 002 BAGUE ANTI-FRICTION ANTI-FRICTION BUSHES VERSCHLEISSRING BOCCOLA 006 951448 004 BAGUE ROULEE WRAPPED BUSH GEROLLTE BUCHSE MESSING ANELLO LUBRIFICATO 007 80060850 002 VIS TETE HEXAGONALE FE/ZNXC3 HEXAGON HEAD SCREW FE/ZNXC3 SECHSKANTSCHRAUBE FE/ZNXC3 VITE TESTA ESAGONALE FE/ZNXC3 008 80061248 002 VIS TETE HEXAGONALE FE/ZNXC3 HEXAGON HEAD SCREW FE/ZNXC3 SECHSKANTSCHRAUBE FE/ZNXC3 VITE TESTA ESAGONALE FE/ZNXC3 009 80061641 002 VIS TETE HEXAGONALE FE/ZNXC3 HEXAGON HEAD SCREW FE/ZNXC3 SECHSKANTSCHRAUBE FE/ZNXC3 VITE TESTA ESAGONALE FE/ZNXC3 010 80200840 002 ECROU HEX.BAS AUTOFR.FE/ZNXC3 SELF-LOCKING NUT FE/ZNXC3 SELBSTSICHERND.MUTTER FE/ZNXC3 DADO AUTOBLOCCANTE FE/ZNXC3 011 80201230 002 ECROU HEX.AUTOFREINE FE/ZNXC3 SELF-LOCKING NUT FE/ZNXC3 SELBSTSICH.MUTTER FE/ZNXC3 DADO AUTOBLOCCANTE FE/ZNXC3 012 80201630 002 ECROU HEX.AUTOFREINE FE/ZNXC3 SELF-LOCKING NUT FE/ZNXC3 SELBSTSICH.MUTTER FE/ZNXC3 DADO AUTOBLOCCANTE FE/ZNXC3 013 80203915 002 ECROU HK FE/ZNXC3 CASTLE NUT FE/ZNXC3 KRONENMUTTER FE/ZNXC3 DADO FE/ZNXC3 014 80370506 004 RIVET AVEUGLE RIVET NIETE RIVETTO 015 80450660 002 GOUPILLE ELASTIQUE FLZNNC ROLL PIN FLZNNC SPANNHUELSE FLZNNC SPINA ELASTICA FLZNNC 016 83014540 002 BAGUE ROULEE WRAPPED BUSH GEROLLTE BUCHSE ANELLO LUBRIFICATO 017 H2114020 002 AXE PIN ACHSE ASSE 018 H2206650 004 TOLE SHEET METAL BLECH TELA 019 H2230410 002 PORTE DOOR TÜR 020 H2230450 002 BARRE BAR BALKEN BARRA 021 H2230500 002 POTENCE BOOM TRAGARM ATTACCO ATTREZZO 022 H2205450 002 EMBOUT A ROTULE END ENDSTUECK GIUNTO
  • 19.
    13 PORTE BOBINE ARRIEREDISC TRAIN SUPPORT REAR SCHEIBENTRÄGER HINTEN SUPPORTO TRENO DI DISCHI POSTE XL2-52 C0001 > H22R0142 B Rep Nr Qt Designation Description Bezeichnung Referenza Remarque - Remark - Bemerkung - Osservazioni 001 583420 002 AXE PORTE BOBINE XL AXLE ACHSE ASSE 002 750944 002 RONDELLE WASHER SCHEIBE RONDELLA 003 750961 002 RONDELLE WASHER D100 EP6 SCHEIBE D100 EP6 RONDELLA 004 900129 002 CACHE ECROU TUBE END PLASTIKDECKEL SEDE DADO PLASTICA 005 900742 002 BAGUE ANTI-FRICTION ANTI-FRICTION BUSHES VERSCHLEISSRING BOCCOLA 006 951448 008 BAGUE ROULEE WRAPPED BUSH GEROLLTE BUCHSE MESSING ANELLO LUBRIFICATO 007 952160 001 VERIN CYLINDER, HYDRAULIC HYDRAULIKZYLINDER CILINDRO 008 952365 001 CLAPET ANTI-RETOUR VALVE, CHECK RUECKSCHLAGVENTIL VALVOLA ANTI-RITORNO 009 80061245 002 VIS TETE HEXAGONALE FE/ZNXC3 HEXAGON HEAD SCREW FE/ZNXC3 SECHSKANTSCHRAUBE FE/ZNXC3 VITE TESTA ESAGONALE FE/ZNXC3 010 80061280 002 VIS TETE HEXAGONALE FE/ZNXC3 HEXAGON HEAD SCREW FE/ZNXC3 SECHSKANTSCHRAUBE FE/ZNXC3 VITE TESTA ESAGONALE FE/ZNXC3 011 80061641 002 VIS TETE HEXAGONALE FE/ZNXC3 HEXAGON HEAD SCREW FE/ZNXC3 SECHSKANTSCHRAUBE FE/ZNXC3 VITE TESTA ESAGONALE FE/ZNXC3 012 80061657 002 VIS TETE HEXAGONALE FE/ZNXC3 HEXAGON HEAD SCREW FE/ZNXC3 SECHSKANTSCHRAUBE FE/ZNXC3 VITE TESTA ESAGONALE FE/ZNXC3 013 80201230 004 ECROU HEX.AUTOFREINE FE/ZNXC3 SELF-LOCKING NUT FE/ZNXC3 SELBSTSICH.MUTTER FE/ZNXC3 DADO AUTOBLOCCANTE FE/ZNXC3 014 80201630 004 ECROU HEX.AUTOFREINE FE/ZNXC3 SELF-LOCKING NUT FE/ZNXC3 SELBSTSICH.MUTTER FE/ZNXC3 DADO AUTOBLOCCANTE FE/ZNXC3 015 80203915 002 ECROU HK FE/ZNXC3 CASTLE NUT FE/ZNXC3 KRONENMUTTER FE/ZNXC3 DADO FE/ZNXC3 016 80205566 002 ECROU A ENCOCH.AUTOF.FE/ZNXC3 SELF-LOCKING NUT FE/ZNXC3 SELBSTSICHERN.MUTTER FE/ZNXC3 DADO AUTOBLOCCANTE FE/ZNXC3 017 80370506 004 RIVET AVEUGLE RIVET NIETE RIVETTO 018 80450660 002 GOUPILLE ELASTIQUE FLZNNC ROLL PIN FLZNNC SPANNHUELSE FLZNNC SPINA ELASTICA FLZNNC 019 82201016 008 GRAISSEUR AUTOTARAUDANT SELF TAPPING GREASE NIPPLE GEWINDESCHNEID-SCHMIERNIPPEL INGRASSATORE 020 83014041 004 BAGUE ROULEE WRAPPED BUSH GEROLLTE BUCHSE ANELLO LUBRIFICATO 021 83014540 002 BAGUE ROULEE WRAPPED BUSH GEROLLTE BUCHSE ANELLO LUBRIFICATO 022 A4072014 002 LIMITEUR DEBIT D0.8 TUBE D14 DELIVERY LIMITER MENGEN BEGRENZER REGOLATORE D'ALIMENTAZIONE 023 H2100830 002 AXE PIN ACHSE ASSE 024 H2114000 002 EMBOUT END PIECE ENDSTUECK GIUNTO 025 H2114010 002 AXE PIN ACHSE ASSE 026 H2200780 002 AXE PIVOT AXLE ACHSE ASSE 027 H2206650 004 TOLE SHEET METAL BLECH TELA 028 H2230400 002 PORTE DOOR TÜR 029 H2230440 002 EXTENSION EXTENSION ERWEITERUNG EXTENSIONE 030 H2230500 002 POTENCE BOOM TRAGARM ATTACCO ATTREZZO 031 H2401340 001 POCHETTE JOINTS H2401330 SEALS PACKET H2401330 DICHTSATZ FUER H2401330 KIT GOMMINI H2401330 : 952160
  • 21.
    15 PORTE BOBINE ARRIEREDISC TRAIN SUPPORT REAR SCHEIBENTRÄGER HINTEN SUPPORTO TRENO DI DISCHI POSTE XL2-60 C0001 > H22R0095 B Rep Nr Qt Designation Description Bezeichnung Referenza Remarque - Remark - Bemerkung - Osservazioni 001 583420 002 AXE PORTE BOBINE XL AXLE ACHSE ASSE 002 750944 002 RONDELLE WASHER SCHEIBE RONDELLA 003 750961 002 RONDELLE WASHER D100 EP6 SCHEIBE D100 EP6 RONDELLA 004 900129 002 CACHE ECROU TUBE END PLASTIKDECKEL SEDE DADO PLASTICA 005 900742 002 BAGUE ANTI-FRICTION ANTI-FRICTION BUSHES VERSCHLEISSRING BOCCOLA 006 951448 008 BAGUE ROULEE WRAPPED BUSH GEROLLTE BUCHSE MESSING ANELLO LUBRIFICATO 007 952160 001 VERIN CYLINDER, HYDRAULIC HYDRAULIKZYLINDER CILINDRO 008 952365 001 CLAPET ANTI-RETOUR VALVE, CHECK RUECKSCHLAGVENTIL VALVOLA ANTI-RITORNO 009 80061245 002 VIS TETE HEXAGONALE FE/ZNXC3 HEXAGON HEAD SCREW FE/ZNXC3 SECHSKANTSCHRAUBE FE/ZNXC3 VITE TESTA ESAGONALE FE/ZNXC3 010 80061280 002 VIS TETE HEXAGONALE FE/ZNXC3 HEXAGON HEAD SCREW FE/ZNXC3 SECHSKANTSCHRAUBE FE/ZNXC3 VITE TESTA ESAGONALE FE/ZNXC3 011 80061641 002 VIS TETE HEXAGONALE FE/ZNXC3 HEXAGON HEAD SCREW FE/ZNXC3 SECHSKANTSCHRAUBE FE/ZNXC3 VITE TESTA ESAGONALE FE/ZNXC3 012 80061657 002 VIS TETE HEXAGONALE FE/ZNXC3 HEXAGON HEAD SCREW FE/ZNXC3 SECHSKANTSCHRAUBE FE/ZNXC3 VITE TESTA ESAGONALE FE/ZNXC3 013 80201230 002 ECROU HEX.AUTOFREINE FE/ZNXC3 SELF-LOCKING NUT FE/ZNXC3 SELBSTSICH.MUTTER FE/ZNXC3 DADO AUTOBLOCCANTE FE/ZNXC3 014 80201240 002 ECROU HEX.BAS AUTOFR.FE/ZNXC3 SELF-LOCKING NUT FE/ZNXC3 SELBSTSICHERND.MUTTER FE/ZNXC3 DADO AUTOBLOCCANTE FE/ZNXC3 015 80201630 004 ECROU HEX.AUTOFREINE FE/ZNXC3 SELF-LOCKING NUT FE/ZNXC3 SELBSTSICH.MUTTER FE/ZNXC3 DADO AUTOBLOCCANTE FE/ZNXC3 016 80203915 002 ECROU HK FE/ZNXC3 CASTLE NUT FE/ZNXC3 KRONENMUTTER FE/ZNXC3 DADO FE/ZNXC3 017 80205566 002 ECROU A ENCOCH.AUTOF.FE/ZNXC3 SELF-LOCKING NUT FE/ZNXC3 SELBSTSICHERN.MUTTER FE/ZNXC3 DADO AUTOBLOCCANTE FE/ZNXC3 018 80370506 004 RIVET AVEUGLE RIVET NIETE RIVETTO 019 80450660 002 GOUPILLE ELASTIQUE FLZNNC ROLL PIN FLZNNC SPANNHUELSE FLZNNC SPINA ELASTICA FLZNNC 020 82201016 008 GRAISSEUR AUTOTARAUDANT SELF TAPPING GREASE NIPPLE GEWINDESCHNEID-SCHMIERNIPPEL INGRASSATORE 021 83014041 004 BAGUE ROULEE WRAPPED BUSH GEROLLTE BUCHSE ANELLO LUBRIFICATO 022 83014540 002 BAGUE ROULEE WRAPPED BUSH GEROLLTE BUCHSE ANELLO LUBRIFICATO 023 A4072014 002 LIMITEUR DEBIT D0.8 TUBE D14 DELIVERY LIMITER MENGEN BEGRENZER REGOLATORE D'ALIMENTAZIONE 024 H2100830 002 AXE PIN ACHSE ASSE 025 H2114000 002 EMBOUT END PIECE ENDSTUECK GIUNTO 026 H2114010 002 AXE PIN ACHSE ASSE 027 H2200780 002 AXE PIVOT AXLE ACHSE ASSE 028 H2206650 004 TOLE SHEET METAL BLECH TELA 029 H2230400 002 PORTE DOOR TÜR 030 H2230430 002 EXTENSION EXTENSION ERWEITERUNG EXTENSIONE 031 H2230500 002 POTENCE BOOM TRAGARM ATTACCO ATTREZZO 032 H2401340 001 POCHETTE JOINTS H2401330 SEALS PACKET H2401330 DICHTSATZ FUER H2401330 KIT GOMMINI H2401330 : 952160
  • 23.
    17 HYDR. REPL. PORTEBOBINE ARR. HYDR. FOLD. REAR DISC TRAIN HYDR.-EL. SCHEIBENTRÄGERKLAPP. SIS IDR RIP PORTA-BOBINA POST DISCOVER XL2 C0001 > H24R0065 C Rep Nr Qt Designation Description Bezeichnung Referenza Remarque - Remark - Bemerkung - Osservazioni 001 951197 018 GAINE CAOUTCHOUC SHEATHE HUELLE GUAINA CAOUTCHOUC 002 952160 002 VERIN CYLINDER, HYDRAULIC HYDRAULIKZYLINDER CILINDRO 003 952232 001 BLOC HYDRAULIQUE MANIFOLD, HYDRAULIC HYDRAULIK-STEUERBLOCK BLOCCO IDRAULICO 004 952365 002 CLAPET ANTI-RETOUR VALVE, CHECK RUECKSCHLAGVENTIL VALVOLA ANTI-RITORNO 005 80060846 006 VIS TETE HEXAGONALE FE/ZNXC3 HEXAGON HEAD SCREW FE/ZNXC3 SECHSKANTSCHRAUBE FE/ZNXC3 VITE TESTA ESAGONALE FE/ZNXC3 006 80060857 002 VIS TETE HEXAGONALE FE/ZNXC3 HEXAGON HEAD SCREW FE/ZNXC3 SECHSKANTSCHRAUBE FE/ZNXC3 VITE TESTA ESAGONALE FE/ZNXC3 007 80270803 002 RONDELLE GROWER FE/ZNXC3 SPRING LOCK WASHER FE/ZNXC3 FEDERRING FE/ZNXC3 RONDELLA GROWER FE/ZNXC3 008 H2401340 002 POCHETTE JOINTS H2401330 SEALS PACKET H2401330 DICHTSATZ FUER H2401330 KIT GOMMINI H2401330 : 952160 009 A4061802 004 BOUCHON 3/8G CHC F.E FE/ZNXC3 PLUG 3/8G CHC F.E FE/ZNXC3 VERSCHLUSSSCHRAUBE 3/8G CHC F. TAPPO 3/8G CHC F.E FE/ZNXC3 010 A4061803 002 BOUCHON PLUG VERSCHLUSSSCHRAUBE TAPPO 011 A4080306 004 UNION DOUBLE FE/ZNXC3 STRAIGHT COUPLING FE/ZNXC3 GERADE VERSCHRAUBUNG FE/ZNXC3 GIUNZIONE DIRITTA FE/ZNXC3 012 A4080429 004 UNION MALE MALE STUD CONNECTOR GERADER EINSCHRAUBSTUTZEN GIUZIONE DIRITTA ZBC 013 A4080430 006 UNION MALE MALE STUD CONNECTOR GERADER EINSCHRAUBSTUTZEN GIUZIONE DIRITTA ZBC 014 A7260017 006 PL SUP/C. DOUBLE D19/20/22/25 UPPER PLATE PLATTE OBERE PIASTRA 015 A7260046 006 COLLIER DOUBLE D20 NU CLAMP D.20 SCHELLE D.20 COLLARE D.20 016 A4072014 004 LIMITEUR DEBIT D0.8 TUBE D14 DELIVERY LIMITER MENGEN BEGRENZER REGOLATORE D'ALIMENTAZIONE 017 A4923031 001 FLEXIBLE HYDRAULIQUE HYDRAULIC HOSE HYDRAULIKSCHLAUCH TUBO GOMMA <->950 mm 018 A4923031 001 FLEXIBLE HYDRAULIQUE HYDRAULIC HOSE HYDRAULIKSCHLAUCH TUBO GOMMA <->950 mm 019 A4923031 001 FLEXIBLE HYDRAULIQUE HYDRAULIC HOSE HYDRAULIKSCHLAUCH TUBO GOMMA <->950 mm 020 A4923031 001 FLEXIBLE HYDRAULIQUE HYDRAULIC HOSE HYDRAULIKSCHLAUCH TUBO GOMMA <->950 mm 021 H2417830 001 TUYAU PIPE ROHR TUBO 022 H2417840 001 TUYAU PIPE ROHR TUBO 023 H2417850 004 TUYAU PIPE ROHR TUBO
  • 25.
    19 TRINGLERIE LINKAGE GESTAENGEBIELLISMO DISCOVER XL2 C0001 > H21R0033 D Rep Nr Qt Designation Description Bezeichnung Referenza Remarque - Remark - Bemerkung - Osservazioni 001 583222 002 AXE PIN ACHSE ASSE 002 583226 004 AXE PIN ACHSE ASSE 003 900129 001 CACHE ECROU TUBE END PLASTIKDECKEL SEDE DADO PLASTICA 004 900742 002 BAGUE ANTI-FRICTION ANTI-FRICTION BUSHES VERSCHLEISSRING BOCCOLA 005 951242 002 BAGUE ROULEE WRAPPED BUSH GEROLLTE BUCHSE MESSING ANELLO LUBRIFICATO 006 80060839 004 VIS TETE HEXAGONALE FE/ZNXC3 HEXAGON HEAD SCREW FE/ZNXC3 SECHSKANTSCHRAUBE FE/ZNXC3 VITE TESTA ESAGONALE FE/ZNXC3 007 80061248 006 VIS TETE HEXAGONALE FE/ZNXC3 HEXAGON HEAD SCREW FE/ZNXC3 SECHSKANTSCHRAUBE FE/ZNXC3 VITE TESTA ESAGONALE FE/ZNXC3 008 80061669 001 VIS TETE HEXAGONALE FE/ZNXC3 HEXAGON HEAD SCREW FE/ZNXC3 SECHSKANTSCHRAUBE FE/ZNXC3 VITE TESTA ESAGONALE FE/ZNXC3 009 80062065 016 VIS TETE HEXAGONALE FE/ZNXC3 HEXAGON HEAD SCREW FE/ZNXC3 SECHSKANTSCHRAUBE FE/ZNXC3 VITE TESTA ESAGONALE FE/ZNXC3 010 80062088 008 VIS TETE HEXAGONALE FE/ZNXC3 HEXAGON HEAD SCREW FE/ZNXC3 SECHSKANTSCHRAUBE FE/ZNXC3 VITE TESTA ESAGONALE FE/ZNXC3 011 80200840 004 ECROU HEX.BAS AUTOFR.FE/ZNXC3 SELF-LOCKING NUT FE/ZNXC3 SELBSTSICHERND.MUTTER FE/ZNXC3 DADO AUTOBLOCCANTE FE/ZNXC3 012 80201240 006 ECROU HEX.BAS AUTOFR.FE/ZNXC3 SELF-LOCKING NUT FE/ZNXC3 SELBSTSICHERND.MUTTER FE/ZNXC3 DADO AUTOBLOCCANTE FE/ZNXC3 013 80201630 001 ECROU HEX.AUTOFREINE FE/ZNXC3 SELF-LOCKING NUT FE/ZNXC3 SELBSTSICH.MUTTER FE/ZNXC3 DADO AUTOBLOCCANTE FE/ZNXC3 014 80202040 024 ECROU HEX.BAS AUTOFR.FE/ZNXC3 SELF-LOCKING NUT FE/ZNXC3 SELBSTSICHERND.MUTTER FE/ZNXC3 DADO AUTOBLOCCANTE FE/ZNXC3 015 80202440 004 ECROU HEX.AUTOFREINE FE/ZNXC3 SELF-LOCKING NUT FE/ZNXC3 SELBSTSICHERNDE MUTT.FE/ZNXC3 DADO AUTOBLOCCANTE FE/ZNXC3 016 80203915 001 ECROU HK FE/ZNXC3 CASTLE NUT FE/ZNXC3 KRONENMUTTER FE/ZNXC3 DADO FE/ZNXC3 017 80252026 024 RONDELLE PLATE FE/ZNXC3 PLAIN WASHER FE/ZNXC3 SCHEIBE FE/ZNXC3 RONDELLA PIATTA FE/ZNXC3 018 80450660 001 GOUPILLE ELASTIQUE FLZNNC ROLL PIN FLZNNC SPANNHUELSE FLZNNC SPINA ELASTICA FLZNNC 019 82201016 015 GRAISSEUR AUTOTARAUDANT SELF TAPPING GREASE NIPPLE GEWINDESCHNEID-SCHMIERNIPPEL INGRASSATORE 020 80250823 004 RONDELLE PLATE FE/ZNXC3 PLAIN WASHER FE/ZNXC3 SCHEIBE FE/ZNXC3 RONDELLA PIATTA FE/ZNXC3 021 80251227 006 RONDELLE PLATE FE/ZNXC3 PLAIN WASHER FE/ZNXC3 SCHEIBE FE/ZNXC3 RONDELLA PIATTA FE/ZNXC3 022 H2110920 001 VERIN CYLINDER, HYDRAULIC HYDRAULIKZYLINDER CILINDRO 023 H2207500 004 ENTRETOISE SPACER DISTANZHUELSE DISTANZIALE 024 H2223420 001 TRINGLE LINK STREBE TRIANGOLO 025 H2223430 001 TRINGLE LINK STREBE TRIANGOLO 026 H2223440 001 TRINGLE LINK STREBE TRIANGOLO 027 H2223450 001 TRINGLE LINK STREBE TRIANGOLO 028 H2223460 001 PALONNIER SPREADER BAR LASTTRAVERSE TIMONE 029 H2223470 001 SUPPORT SUPPORT TRAEGER SUPPORTO 030 H2223480 001 SUPPORT SUPPORT TRAEGER SUPPORTO 031 H2223490 001 SUPPORT SUPPORT TRAEGER SUPPORTO 032 H2223500 001 SUPPORT SUPPORT TRAEGER SUPPORTO 033 H2223510 004 AXE PIN ACHSE ASSE 034 H2223520 001 SUPPORT SUPPORT TRAEGER SUPPORTO 035 H2230480 001 AXE PIN ACHSE ASSE 036 H2230490 001 RONDELLE WASHER SCHEIBE RONDELLA PIATTA 037 H2205450 004 EMBOUT A ROTULE END ENDSTUECK GIUNTO
  • 27.
    21 REPLIAGE HYDRAULIQUE HYDRAULICFOLDING HYDRAULISCHE KLAPPUNG PIEGHEVOLE IDRAULICO DISCOVER XL2 C0001 > H24R0064 C Rep Nr Qt Designation Description Bezeichnung Referenza Remarque - Remark - Bemerkung - Osservazioni 001 951197 006 GAINE CAOUTCHOUC SHEATHE HUELLE GUAINA CAOUTCHOUC 002 951409 001 BLOC BLOCK BLOCK BLOCCO 003 952365 002 CLAPET ANTI-RETOUR VALVE, CHECK RUECKSCHLAGVENTIL VALVOLA ANTI-RITORNO 004 80060846 004 VIS TETE HEXAGONALE FE/ZNXC3 HEXAGON HEAD SCREW FE/ZNXC3 SECHSKANTSCHRAUBE FE/ZNXC3 VITE TESTA ESAGONALE FE/ZNXC3 005 80060853 002 VIS TETE HEXAGONALE FE/ZNXC3 HEXAGON HEAD SCREW FE/ZNXC3 SECHSKANTSCHRAUBE FE/ZNXC3 VITE TESTA ESAGONALE FE/ZNXC3 006 80060864 002 VIS TETE HEXAGONALE FE/ZNXC3 HEXAGON HEAD SCREW FE/ZNXC3 SECHSKANTSCHRAUBE FE/ZNXC3 VITE TESTA ESAGONALE FE/ZNXC3 007 80060871 003 VIS TETE HEXAGONALE FE/ZNXC3 HEXAGON HEAD SCREW FE/ZNXC3 SECHSKANTSCHRAUBE FE/ZNXC3 VITE TESTA ESAGONALE FE/ZNXC3 008 80200830 004 ECROU HEX.AUTOFREINE FE/ZNXC3 SELF-LOCKING NUT FE/ZNXC3 SELBSTSICHERNDE MUTT.FE/ZNXC3 DADO AUTOBLOCCANTE FE/ZNXC3 009 80250823 004 RONDELLE PLATE FE/ZNXC3 PLAIN WASHER FE/ZNXC3 SCHEIBE FE/ZNXC3 RONDELLA PIATTA FE/ZNXC3 010 A4061802 004 BOUCHON 3/8G CHC F.E FE/ZNXC3 PLUG 3/8G CHC F.E FE/ZNXC3 VERSCHLUSSSCHRAUBE 3/8G CHC F. TAPPO 3/8G CHC F.E FE/ZNXC3 011 A4071008 001 CLAPET ANTI.RETOUR 3/8(0.5BAR) CHECK VALVE RUECKSCHLAGVENTIL VALVOLA 012 A4072014 001 LIMITEUR DEBIT D0.8 TUBE D14 DELIVERY LIMITER MENGEN BEGRENZER REGOLATORE D'ALIMENTAZIONE 013 A4074018 002 COUPLEUR MALE CONNECTOR MALE KUPPLUNGSTECKER ATTACCO IDRAULICO 014 A4074047 002 CAPUCHON COUPLEUR MALE CAP MALE CONNECTOR KAPPE KUPPLUNG STECKER TAPPO PLASTICA 015 A4080306 003 UNION DOUBLE FE/ZNXC3 STRAIGHT COUPLING FE/ZNXC3 GERADE VERSCHRAUBUNG FE/ZNXC3 GIUNZIONE DIRITTA FE/ZNXC3 016 A4080401 006 UNION MALE MALE STUD CONNECTOR GERADER EINSCHRAUBSTUTZEN GIUZIONE DIRITTA ZBC 017 A4080402 003 UNION MALE MALE STUD CONNECTOR GERADER EINSCHRAUBSTUTZEN GIUZIONE DIRITTA ZBC 018 A4080429 001 UNION MALE MALE STUD CONNECTOR GERADER EINSCHRAUBSTUTZEN GIUZIONE DIRITTA ZBC 019 A4080430 003 UNION MALE MALE STUD CONNECTOR GERADER EINSCHRAUBSTUTZEN GIUZIONE DIRITTA ZBC 020 A4080518 001 ADAPTEUR ZBC ADAPTER ZBC GEWINDESTUTZEN ZBC ADATTATORE ZBC 021 A4080521 001 ADAPTATEUR MALE SWIVEL CONNECTOR EINSTELLBARER EINSCHRAUBSTUTZE ADATTATORE ZBC 022 A4081010 001 TE EGAL NU ZBC EQUAL TEE ZBC T-VERSCHRAUBUNG ZBC GIUNZIONE A T ZBC 023 A4082700 001 COUDE TOURNANT AJUSTABLE MALE STUD ELBOW EINSTELLBARER WINKELSTUTZEN GIUNZIONE A 90°ORIENTABILE 024 A4083100 001 TE ADAPTABLE RENVERSE FE/ZNXC3 ADJ.MALE STUD TEE-STU.FE/ZNXC3 EINSTELLB.T-VERSCHRAU.FE/ZNXC3 TERMINALE A T ORIENTA.FE/ZNXC3 025 A4083102 001 TE ADAPTABLE RENVERSE FE/ZNXC3 ADJ.MALE STUD TEE-STU.FE/ZNXC3 EINSTELLB.T-VERSCHRAU.FE/ZNXC3 TERMINALE A T ORIENTA.FE/ZNXC3 026 A4085353 001 RACCORD RED. M1/2G-F1/4G ZN REDUCING FITTING ZBC REDUZIERVERSCHRAUBUNG ZBC RIDIZIONE DIRITTA ZBC 027 A7260016 003 PL SUP/C. DOUBLE D14/15/16/18 UPPER PLATE OBERE PLATTE PIASTRA 028 A7260017 004 PL SUP/C. DOUBLE D19/20/22/25 UPPER PLATE PLATTE OBERE PIASTRA 029 A7260042 003 COLLIER DOUBLE D15 NU CLAMP D.15 SCHELLE D.15 COLLARE D.15 030 A7260046 007 COLLIER DOUBLE D20 NU CLAMP D.20 SCHELLE D.20 COLLARE D.20 031 A4921068 001 FLEXIBLE HYDRAULIQUE HYDRAULIC HOSE HYDRAULIKSCHLAUCH TUBO GOMMA <->750 mm 032 A4921069 001 FLEXIBLE HOSE, HYDRAULIC HYDRAULIKSCHLAUCH TUBO IN GOMMA <->810 mm 033 A4921069 001 FLEXIBLE HOSE, HYDRAULIC HYDRAULIKSCHLAUCH TUBO IN GOMMA <->810 mm 034 A4921074 001 FLEXIBLE HYDRAULIQUE HYDRAULIC HOSE HYDRAULIKSCHLAUCH TUBO GOMMA <->1100 mm 035 A4923030 001 FLEXIBLE HYDRAULIQUE HYDRAULIC HOSE HYDRAULIKSCHLAUCH TUBO GOMMA <->650 mm 036 A4923062 001 FLEXIBLE HYDRAULIQUE HYDRAULIC HOSE HYDRAULIKSCHLAUCH TUBO GOMMA <->450 mm 037 A4923063 001 FLEXIBLE HYDRAULIQUE HYDRAULIC HOSE HYDRAULIKSCHLAUCH TUBO GOMMA <->5500 mm 038 A4923063 001 FLEXIBLE HYDRAULIQUE HYDRAULIC HOSE HYDRAULIKSCHLAUCH TUBO GOMMA <->5500 mm 039 A4923067 001 FLEXIBLE HYDRAULIQUE HYDRAULIC HOSE HYDRAULIKSCHLAUCH TUBO GOMMA <->375 mm 040 A4923067 001 FLEXIBLE HYDRAULIQUE HYDRAULIC HOSE HYDRAULIKSCHLAUCH TUBO GOMMA <->375 mm 041 H1300010 001 ACCUMULATEUR ACCUMULATOR DRUCKSPEICHER ACCUMULATORE 042 H2110950 001 POCHETTE KIT, SEAL TACHE SACCHE : h2110930 043 H2406710 001 SOUPAPE VALVE VENTIL VALVOLA 044 H2407460 001 LIMITEUR CLUTCH KUPPLUNG FRIZIONE 045 H2407950 001 ECROU HEXAGONAL NUT, HEX SECHSKANTMUTTER DADO ESAGONALE 046 H2417820 002 TUYAU PIPE ROHR TUBO 047 H2110920 001 VERIN CYLINDER, HYDRAULIC HYDRAULIKZYLINDER CILINDRO
  • 29.
    23 REPLIAGE HYDRAULIQUE HYDRAULICFOLDING HYDRAULISCHE KLAPPUNG PIEGHEVOLE IDRAULICO DISCOVER XL2 C0001 > H24R0066 C Rep Nr Qt Designation Description Bezeichnung Referenza Remarque - Remark - Bemerkung - Osservazioni 001 951197 004 GAINE CAOUTCHOUC SHEATHE HUELLE GUAINA CAOUTCHOUC 002 952365 002 CLAPET ANTI-RETOUR VALVE, CHECK RUECKSCHLAGVENTIL VALVOLA ANTI-RITORNO 003 80060835 003 VIS TETE HEXAGONALE FE/ZNXC3 HEXAGON HEAD SCREW FE/ZNXC3 SECHSKANTSCHRAUBE FE/ZNXC3 VITE TESTA ESAGONALE FE/ZNXC3 004 80060871 003 VIS TETE HEXAGONALE FE/ZNXC3 HEXAGON HEAD SCREW FE/ZNXC3 SECHSKANTSCHRAUBE FE/ZNXC3 VITE TESTA ESAGONALE FE/ZNXC3 005 A4072014 001 LIMITEUR DEBIT D0.8 TUBE D14 DELIVERY LIMITER MENGEN BEGRENZER REGOLATORE D'ALIMENTAZIONE 006 A4074017 002 COUPLEUR MALE CONNECTOR MALE KUPPLUNGSTECKER INNESTO M16X150 007 A4074048 002 CAPUCHON COUPLEUR MALE CAP MALE CONNECTOR KAPPE KUPPLUNG STECKER TAPPO PLASTICA 008 A4080350 004 UNION DOUBLE NUE ZBC STRAIGHT COUPLING ZBC GERADE VERSCHRAUBUNG ZBC GIUNZIONE DIRITTA ZBC 009 A4080401 002 UNION MALE MALE STUD CONNECTOR GERADER EINSCHRAUBSTUTZEN GIUZIONE DIRITTA ZBC 010 A7260016 006 PL SUP/C. DOUBLE D14/15/16/18 UPPER PLATE OBERE PLATTE PIASTRA 011 A7260042 006 COLLIER DOUBLE D15 NU CLAMP D.15 SCHELLE D.15 COLLARE D.15 012 A7260046 003 COLLIER DOUBLE D20 NU CLAMP D.20 SCHELLE D.20 COLLARE D.20 013 A4921019 001 FLEXIBLE HYDRAULIQUE HYDRAULIC HOSE HYDRAULIKSCHLAUCH TUBO GOMMA <->760 mm 014 A4921019 001 FLEXIBLE HYDRAULIQUE HYDRAULIC HOSE HYDRAULIKSCHLAUCH TUBO GOMMA <->760 mm 015 A4921112 001 FLEXIBLE HYDRAULIQUE HYDRAULIC HOSE HYDRAULIKSCHLAUCH TUBO GOMMA <->5500 mm 016 A4921112 001 FLEXIBLE HYDRAULIQUE HYDRAULIC HOSE HYDRAULIKSCHLAUCH TUBO GOMMA <->5500 mm 017 H2110920 001 VERIN CYLINDER, HYDRAULIC HYDRAULIKZYLINDER CILINDRO 018 H2110950 001 POCHETTE KIT, SEAL TACHE SACCHE 019 H2417800 002 TUYAU PIPE ROHR TUBO
  • 31.
    25 DECROTTOIR (AVANT) SCRAPER(FRONT) ABSTREIFER (VORN) POLITIRE (ANTERIORE) XL2-52 C0001 > H22R0148 B Rep Nr Qt Designation Description Bezeichnung Referenza Remarque - Remark - Bemerkung - Osservazioni 001 212138 004 PLAQUETTE SERRAGE PLATE PLATTE PIASTRINA 002 227179 019 CHAPE CLEVIS GABEL FORCELLA 003 780688 004 CHAISE HEAT TREATED HANGER LAGERHALTEVORRICHTUNG VORNE GANCIO TRATTATO TERMICAMENTE 004 80061669 019 VIS TETE HEXAGONALE FE/ZNXC3 HEXAGON HEAD SCREW FE/ZNXC3 SECHSKANTSCHRAUBE FE/ZNXC3 VITE TESTA ESAGONALE FE/ZNXC3 005 80062007 008 VIS TETE HEXAGONALE FLZNNC HEXAGON HEAD SCREW FLZNNC SECHSKANTSCHRAUBE FLZNNC VITE TESTA ESAGONALE FLZNNC : Ø660 005 80062043 008 VIS TETE HEXAGONALE FLZNNC HEXAGON HEAD SCREW FLZNNC SECHSKANTSCHRAUBE FLZNNC VITE TESTA ESAGONALE FLZNNC : Ø710 006 80062076 008 VIS TETE HEXAGONALE FE/ZNXC3 HEXAGON HEAD SCREW FE/ZNXC3 SECHSKANTSCHRAUBE FE/ZNXC3 VITE TESTA ESAGONALE FE/ZNXC3 007 80062081 008 VIS TETE HEXAGONALE FE/ZNXC3 HEXAGON HEAD SCREW FE/ZNXC3 SECHSKANTSCHRAUBE FE/ZNXC3 VITE TESTA ESAGONALE FE/ZNXC3 008 80201670 019 ECROU HEXAGONAL FE/ZNXC3 NUT FE/ZNXC3 SECHSKANTMUTTER FE/ZNXC3 DADO FE/ZNXC3 009 80202040 024 ECROU HEX.BAS AUTOFR.FE/ZNXC3 SELF-LOCKING NUT FE/ZNXC3 SELBSTSICHERND.MUTTER FE/ZNXC3 DADO AUTOBLOCCANTE FE/ZNXC3 010 80251624 004 RONDELLE PLATE FE/ZNXC3 PLAIN WASHER FE/ZNXC3 SCHEIBE FE/ZNXC3 RONDELLA PIATTA FE/ZNXC3 011 80271602 019 RONDELLE GROWER FE/ZNXC3 SPRING LOCK WASHER FE/ZNXC3 FEDERRING FE/ZNXC3 RONDELLA GROWER FE/ZNXC3 012 581805 004 DECROTTEUR SCRAPER, SOIL ABSTREIFER RASCHIETTO <01/2003 012 H2200150 004 DECROTTEUR PALIER AV GCH & AR SCRAPER ABSTREIFER RASCHIETTO >01/2003 013 581804 004 DECROTTEUR SCRAPER, SOIL ABSTREIFER RASCHIETTO <01/2003 013 H2200160 004 DECROTTEUR PALIER AV DRT & AR SCRAPER ABSTREIFER RASCHIETTO >01/2003 014 581677 011 DECROTTEUR SCRAPER, SOIL ABSTREIFER RASCHIETTO <01/2003 014 H2200170 011 DECROTTEUR AV DRT & AR GCH SCRAPER ABSTREIFER RASCHIETTO >01/2003 015 581678 011 DECROTTEUR SCRAPER, SOIL ABSTREIFER RASCHIETTO <01/2003 015 H2200180 011 DECROTTEUR AV GCH & AR DRT SCRAPER ABSTREIFER RASCHIETTO >01/2003 016 582586 001 GUIDE DECROTTOIR AV28 AR24 GUIDE FURHRUNG GUIDA <01/2003 016 H2200230 001 GUIDE GUIDE FUEHRUNG GUIDA >01/2003 017 H2200240 004 SUPPORT SUPPORT TRAEGER SUPPORTO 018 H2200250 004 SUPPORT SUPPORT TRAEGER SUPPORTO 019 582585 001 GUIDE DECROTTOIR AV24 GUIDE FURHRUNG GUIDA <01/2003 019 H2200870 001 GUIDE GUIDE FUEHRUNG GUIDA >01/2003
  • 33.
    27 DECROTTOIR (AVANT) SCRAPER(FRONT) ABSTREIFER (VORN) POLITIRE (ANTERIORE) XL2-60 C0001 > H22R0147 B Rep Nr Qt Designation Description Bezeichnung Referenza Remarque - Remark - Bemerkung - Osservazioni 001 212138 004 PLAQUETTE SERRAGE PLATE PLATTE PIASTRINA 002 227179 019 CHAPE CLEVIS GABEL FORCELLA 003 780688 004 CHAISE HEAT TREATED HANGER LAGERHALTEVORRICHTUNG VORNE GANCIO TRATTATO TERMICAMENTE 004 80061669 019 VIS TETE HEXAGONALE FE/ZNXC3 HEXAGON HEAD SCREW FE/ZNXC3 SECHSKANTSCHRAUBE FE/ZNXC3 VITE TESTA ESAGONALE FE/ZNXC3 005 80062007 008 VIS TETE HEXAGONALE FLZNNC HEXAGON HEAD SCREW FLZNNC SECHSKANTSCHRAUBE FLZNNC VITE TESTA ESAGONALE FLZNNC : Ø660 005 80062043 008 VIS TETE HEXAGONALE FLZNNC HEXAGON HEAD SCREW FLZNNC SECHSKANTSCHRAUBE FLZNNC VITE TESTA ESAGONALE FLZNNC : Ø710 006 80062076 008 VIS TETE HEXAGONALE FE/ZNXC3 HEXAGON HEAD SCREW FE/ZNXC3 SECHSKANTSCHRAUBE FE/ZNXC3 VITE TESTA ESAGONALE FE/ZNXC3 007 80062081 008 VIS TETE HEXAGONALE FE/ZNXC3 HEXAGON HEAD SCREW FE/ZNXC3 SECHSKANTSCHRAUBE FE/ZNXC3 VITE TESTA ESAGONALE FE/ZNXC3 008 80201670 019 ECROU HEXAGONAL FE/ZNXC3 NUT FE/ZNXC3 SECHSKANTMUTTER FE/ZNXC3 DADO FE/ZNXC3 009 80202040 024 ECROU HEX.BAS AUTOFR.FE/ZNXC3 SELF-LOCKING NUT FE/ZNXC3 SELBSTSICHERND.MUTTER FE/ZNXC3 DADO AUTOBLOCCANTE FE/ZNXC3 010 80251624 004 RONDELLE PLATE FE/ZNXC3 PLAIN WASHER FE/ZNXC3 SCHEIBE FE/ZNXC3 RONDELLA PIATTA FE/ZNXC3 011 80271602 019 RONDELLE GROWER FE/ZNXC3 SPRING LOCK WASHER FE/ZNXC3 FEDERRING FE/ZNXC3 RONDELLA GROWER FE/ZNXC3 012 581805 004 DECROTTEUR SCRAPER, SOIL ABSTREIFER RASCHIETTO <01/2003 012 H2200150 004 DECROTTEUR PALIER AV GCH & AR SCRAPER ABSTREIFER RASCHIETTO >01/2003 013 581804 004 DECROTTEUR SCRAPER, SOIL ABSTREIFER RASCHIETTO <01/2003 013 H2200160 004 DECROTTEUR PALIER AV DRT & AR SCRAPER ABSTREIFER RASCHIETTO >01/2003 014 581677 011 DECROTTEUR SCRAPER, SOIL ABSTREIFER RASCHIETTO <01/2003 014 H2200170 011 DECROTTEUR AV DRT & AR GCH SCRAPER ABSTREIFER RASCHIETTO >01/2003 015 581678 011 DECROTTEUR SCRAPER, SOIL ABSTREIFER RASCHIETTO <01/2003 015 H2200180 011 DECROTTEUR AV GCH & AR DRT SCRAPER ABSTREIFER RASCHIETTO >01/2003 016 582587 001 GUIDE DECROTTOIR AV32 AR28 GUIDE FURHRUNG GUIDA <01/2003 016 H2200220 001 GUIDE GUIDE FUEHRUNG GUIDA >01/2003 017 582586 001 GUIDE DECROTTOIR AV28 AR24 GUIDE FURHRUNG GUIDA <01/2003 017 H2200230 001 GUIDE GUIDE FUEHRUNG GUIDA >01/2003 018 H2200240 004 SUPPORT SUPPORT TRAEGER SUPPORTO 019 H2200250 004 SUPPORT SUPPORT TRAEGER SUPPORTO
  • 35.
    29 DECROTTOIR (ARRIERE) SCRAPER(REAR) ABSTREIFER (HINTEN) POLITIRE (POSTERIORE) XL2-52 C0001 > H22R0153 B Rep Nr Qt Designation Description Bezeichnung Referenza Remarque - Remark - Bemerkung - Osservazioni 001 212138 004 PLAQUETTE SERRAGE PLATE PLATTE PIASTRINA 002 227179 018 CHAPE CLEVIS GABEL FORCELLA 003 780688 004 CHAISE HEAT TREATED HANGER LAGERHALTEVORRICHTUNG VORNE GANCIO TRATTATO TERMICAMENTE 004 80061669 020 VIS TETE HEXAGONALE FE/ZNXC3 HEXAGON HEAD SCREW FE/ZNXC3 SECHSKANTSCHRAUBE FE/ZNXC3 VITE TESTA ESAGONALE FE/ZNXC3 005 80062007 008 VIS TETE HEXAGONALE FLZNNC HEXAGON HEAD SCREW FLZNNC SECHSKANTSCHRAUBE FLZNNC VITE TESTA ESAGONALE FLZNNC : Ø660 005 80062043 008 VIS TETE HEXAGONALE FLZNNC HEXAGON HEAD SCREW FLZNNC SECHSKANTSCHRAUBE FLZNNC VITE TESTA ESAGONALE FLZNNC : Ø710 006 80062076 008 VIS TETE HEXAGONALE FE/ZNXC3 HEXAGON HEAD SCREW FE/ZNXC3 SECHSKANTSCHRAUBE FE/ZNXC3 VITE TESTA ESAGONALE FE/ZNXC3 007 80062081 008 VIS TETE HEXAGONALE FE/ZNXC3 HEXAGON HEAD SCREW FE/ZNXC3 SECHSKANTSCHRAUBE FE/ZNXC3 VITE TESTA ESAGONALE FE/ZNXC3 008 80201670 020 ECROU HEXAGONAL FE/ZNXC3 NUT FE/ZNXC3 SECHSKANTMUTTER FE/ZNXC3 DADO FE/ZNXC3 009 80202040 024 ECROU HEX.BAS AUTOFR.FE/ZNXC3 SELF-LOCKING NUT FE/ZNXC3 SELBSTSICHERND.MUTTER FE/ZNXC3 DADO AUTOBLOCCANTE FE/ZNXC3 010 80251624 004 RONDELLE PLATE FE/ZNXC3 PLAIN WASHER FE/ZNXC3 SCHEIBE FE/ZNXC3 RONDELLA PIATTA FE/ZNXC3 011 80271602 020 RONDELLE GROWER FE/ZNXC3 SPRING LOCK WASHER FE/ZNXC3 FEDERRING FE/ZNXC3 RONDELLA GROWER FE/ZNXC3 012 581805 004 DECROTTEUR SCRAPER, SOIL ABSTREIFER RASCHIETTO <01/2003 012 H2200150 004 DECROTTEUR PALIER AV GCH & AR SCRAPER ABSTREIFER RASCHIETTO >01/2003 013 581804 004 DECROTTEUR SCRAPER, SOIL ABSTREIFER RASCHIETTO <01/2003 013 H2200160 004 DECROTTEUR PALIER AV DRT & AR SCRAPER ABSTREIFER RASCHIETTO >01/2003 014 581677 012 DECROTTEUR SCRAPER, SOIL ABSTREIFER RASCHIETTO <01/2003 014 H2200170 012 DECROTTEUR AV DRT & AR GCH SCRAPER ABSTREIFER RASCHIETTO >01/2003 015 581678 012 DECROTTEUR SCRAPER, SOIL ABSTREIFER RASCHIETTO <01/2003 015 H2200180 012 DECROTTEUR AV GCH & AR DRT SCRAPER ABSTREIFER RASCHIETTO >01/2003 016 582586 002 GUIDE DECROTTOIR AV28 AR24 GUIDE FURHRUNG GUIDA <01/2003 016 H2200230 002 GUIDE GUIDE FUEHRUNG GUIDA >01/2003 017 H2200240 004 SUPPORT SUPPORT TRAEGER SUPPORTO 018 H2200250 004 SUPPORT SUPPORT TRAEGER SUPPORTO
  • 37.
    31 DECROTTOIR (ARRIERE) SCRAPER(REAR) ABSTREIFER (HINTEN) POLITIRE (POSTERIORE) XL2-60 C0001 > H22R0151 B Rep Nr Qt Designation Description Bezeichnung Referenza Remarque - Remark - Bemerkung - Osservazioni 001 212138 004 PLAQUETTE SERRAGE PLATE PLATTE PIASTRINA 002 227179 020 CHAPE CLEVIS GABEL FORCELLA 003 780688 004 CHAISE HEAT TREATED HANGER LAGERHALTEVORRICHTUNG VORNE GANCIO TRATTATO TERMICAMENTE 004 80061669 020 VIS TETE HEXAGONALE FE/ZNXC3 HEXAGON HEAD SCREW FE/ZNXC3 SECHSKANTSCHRAUBE FE/ZNXC3 VITE TESTA ESAGONALE FE/ZNXC3 005 80062007 008 VIS TETE HEXAGONALE FLZNNC HEXAGON HEAD SCREW FLZNNC SECHSKANTSCHRAUBE FLZNNC VITE TESTA ESAGONALE FLZNNC : Ø660 005 80062043 008 VIS TETE HEXAGONALE FLZNNC HEXAGON HEAD SCREW FLZNNC SECHSKANTSCHRAUBE FLZNNC VITE TESTA ESAGONALE FLZNNC : Ø710 006 80062076 008 VIS TETE HEXAGONALE FE/ZNXC3 HEXAGON HEAD SCREW FE/ZNXC3 SECHSKANTSCHRAUBE FE/ZNXC3 VITE TESTA ESAGONALE FE/ZNXC3 007 80062081 008 VIS TETE HEXAGONALE FE/ZNXC3 HEXAGON HEAD SCREW FE/ZNXC3 SECHSKANTSCHRAUBE FE/ZNXC3 VITE TESTA ESAGONALE FE/ZNXC3 008 80201670 020 ECROU HEXAGONAL FE/ZNXC3 NUT FE/ZNXC3 SECHSKANTMUTTER FE/ZNXC3 DADO FE/ZNXC3 009 80202040 024 ECROU HEX.BAS AUTOFR.FE/ZNXC3 SELF-LOCKING NUT FE/ZNXC3 SELBSTSICHERND.MUTTER FE/ZNXC3 DADO AUTOBLOCCANTE FE/ZNXC3 010 80251624 004 RONDELLE PLATE FE/ZNXC3 PLAIN WASHER FE/ZNXC3 SCHEIBE FE/ZNXC3 RONDELLA PIATTA FE/ZNXC3 011 80271602 020 RONDELLE GROWER FE/ZNXC3 SPRING LOCK WASHER FE/ZNXC3 FEDERRING FE/ZNXC3 RONDELLA GROWER FE/ZNXC3 012 581805 004 DECROTTEUR SCRAPER, SOIL ABSTREIFER RASCHIETTO <01/2003 012 H2200150 004 DECROTTEUR PALIER AV GCH & AR SCRAPER ABSTREIFER RASCHIETTO >01/2003 013 581804 004 DECROTTEUR SCRAPER, SOIL ABSTREIFER RASCHIETTO <01/2003 013 H2200160 004 DECROTTEUR PALIER AV DRT & AR SCRAPER ABSTREIFER RASCHIETTO >01/2003 014 581677 012 DECROTTEUR SCRAPER, SOIL ABSTREIFER RASCHIETTO <01/2003 014 H2200170 012 DECROTTEUR AV DRT & AR GCH SCRAPER ABSTREIFER RASCHIETTO >01/2003 015 581678 012 DECROTTEUR SCRAPER, SOIL ABSTREIFER RASCHIETTO <01/2003 015 H2200180 012 DECROTTEUR AV GCH & AR DRT SCRAPER ABSTREIFER RASCHIETTO >01/2003 016 582588 001 GUIDE DECROTTOIR AV36 AR32 GUIDE FURHRUNG GUIDA <01/2003 016 H2200210 001 GUIDE GUIDE FUEHRUNG GUIDA >01/2003 017 582586 001 GUIDE DECROTTOIR AV28 AR24 GUIDE FURHRUNG GUIDA <01/2003 017 H2200230 001 GUIDE GUIDE FUEHRUNG GUIDA >01/2003 018 H2200240 004 SUPPORT SUPPORT TRAEGER SUPPORTO 019 H2200250 004 SUPPORT SUPPORT TRAEGER SUPPORTO
  • 39.
    33 PALIER COMPLET BEARINGCARRIER LAGERGEHAEUSE SUPPORTO CUSCINETTO DISCOVER XL2 C0001 > H22R0012 B Rep Nr Qt Designation Description Bezeichnung Referenza Remarque - Remark - Bemerkung - Osservazioni 001 421226 001 REHAUSSE EXTENSION, TOP SEITENTEIL SOPRALZO [1] 002 951216 004 JOINT LEVRE 70X90X10 722458 IE SEAL 70X90X10 722458 IE RADIALDICHTRING 70X90X10 ANELLO [1] 003 951278 001 CHAPEAU DUST CAP KAPPE CAPPELLO [1] 004 951279 001 PALIER BEARING, PILLOW BLOCK LAGER SUPPORTO [1] 005 951680 001 CLINQUANT EPAISSEUR 0,4 R-PIN SCHEIBE GUARNIZIONE METALL. SPESS. 0,4 [1] 006 80081006 006 VIS T.CYL.BAS.SIX P.C.FE/ZNXC3 HEX.SOCK.HEAD CAP SCR.FE/ZNXC3 ZYLINDERSCHR.INNENSEC.FE/ZNXC3 VITE A TESTA CILINDR. FE/ZNXC3 [1] 007 80271003 006 RONDELLE GROWER FE/ZNXC3 SPRING LOCK WASHER FE/ZNXC3 FEDERRING FE/ZNXC3 RONDELLA GROWER FE/ZNXC3 [1] 008 81307011 002 ROULEMENT A ROULEAUX CONIQUES TAPERED ROLLER BEARING KEGELROLLENLAGER CUSCINETTO A RULLI [1] 009 82201016 001 GRAISSEUR AUTOTARAUDANT SELF TAPPING GREASE NIPPLE GEWINDESCHNEID-SCHMIERNIPPEL INGRASSATORE [1] 010 H2200000 001 ENTRETOISE CONCAVE SPACER KURZE GEWOELBTE DISTANZSCHEIBE DISTANZIALE CONCAVO [1] 011 H2200010 001 ENTRETOISE CONVEXE SPACER KURZE KONVEXE DISTANZSCHEIBE DISTANZIALE CONVESSO [1] 012 H2200020 001 AXE PALIER AXLE ACHSE ASSE [1] 013 H2200030 001 PALIER BEARING, PILLOW BLOCK LAGER SUPPORTO +[1] 014 H2202840 001 CLINQUANT EPAISSEUR 0.1 FLASHY SCHEIBE CARTA STAGNOLA [1] 015 H2202850 001 CLINQUANT EPAISSEUR 0.2 FLASHY SCHEIBE CARTA STAGNOLA [1]
  • 41.
    35 PROTECTEUR D710 (PALIER)SAFETY GUARDS D710 (BEARING) SCHUTZVORRICHTUNG D710 (LAGERU PARAPETTI D710 (CUSCINETTO) DISCOVER XL2 C0001 > H22R0374 B Rep Nr Qt Designation Description Bezeichnung Referenza Remarque - Remark - Bemerkung - Osservazioni 001 H2200940 001 CALE CHAISE DISTANCE PLATE DISTANZPLATTE SPESSORE 002 80202040 002 ECROU HEX.BAS AUTOFR.FE/ZNXC3 SELF-LOCKING NUT FE/ZNXC3 SELBSTSICHERND.MUTTER FE/ZNXC3 DADO AUTOBLOCCANTE FE/ZNXC3 003 H2218430 001 PROTECTION SHIELD SCHUTZ PROTEZIONE 004 80062043 002 VIS TETE HEXAGONALE FLZNNC HEXAGON HEAD SCREW FLZNNC SECHSKANTSCHRAUBE FLZNNC VITE TESTA ESAGONALE FLZNNC
  • 43.
    37 TRAIN DISQUE Ø660AVANT SET OF DISCS Ø660 FRONT SCHEIBENREIHE Ø660 VORN TRENO DI DISCHI Ø660 ANTERIORE DISCOVER XL2 C0001 > H22R0155 B Rep Nr Qt Designation Description Bezeichnung Referenza Remarque - Remark - Bemerkung - Osservazioni 001 117108 007 DISQUE LISSE D 660 EP:6 PLAIN DISC D 660 GLATTE SCHEIBE 660X6 DISCO LISCIO D=660 002 117109 008 DISQUE CRENELE D 660 EP:6 NOTCHED DISC D 660 GEZACKTE SCHEIBE 660X6 DISCO DENTATO D=660 SPESS:6 003 222156 004 RONDELLE WASHER SCHEIBE RONDELLA PIATTA 004 583263 001 ARBRE SHAFT WELLE ALBERO 005 583264 001 ARBRE SHAFT WELLE ALBERO 006 583265 001 ARBRE SHAFT WELLE ALBERO 007 645236 009 ENTRETOISE SPACER DISTANZHUELSE DISTANZIALE 008 750050 002 RONDELLE DE BOBINE EP6 WASHER SCHEIBE RONDELLA 009 780341 001 CLE DE 60 SPANNER SCHRAUBENSCHLUESSEL CHIAVE 010 80203915 002 ECROU HK FE/ZNXC3 CASTLE NUT FE/ZNXC3 KRONENMUTTER FE/ZNXC3 DADO FE/ZNXC3 011 80500579 002 GOUPILLE FENDUE FE/ZNXC3 SPLIT PIN FE/ZNXC3 SPLINT FE/ZNXC3 COPPIGLIA FE/ZNXC3 012 117120 001 DISQUE LOBBE D660 EP.6 DISC SCHEIBE DISCO 013 117121 001 DISQUE LISSE D 660 EP:8 PLAIN DISC D 660 GLATTE SCHEIBE D660 (8MM) DISCO LISCIO D=660 SPESS:8 014 117122 001 DISQUE CRENELE D 660 EP:8 NOTCHED DISC D 660 GEZACKTE SCHEIBE D 660 (8MM) DISCO DENTATO D=660 SPESS:8 015 H2200030 004 PALIER BEARING, PILLOW BLOCK LAGER SUPPORTO
  • 45.
    39 TRAIN DISQUE Ø660(ARRIERE) SET OF DISCS Ø660 (REAR) SCHEIBENREIHE Ø660 (HINTEN) TRENO DI DISCHI Ø660 (POSTERIO DISCOVER XL2 C0001 > H22R0157 B Rep Nr Qt Designation Description Bezeichnung Referenza Remarque - Remark - Bemerkung - Osservazioni 001 117107 002 DISQUE CRENELE Ø610 NOTCHED DISC D 610 GEZACKTE SCHEIBE 610X6 DISCO DENTATO D=610 002 117108 008 DISQUE LISSE D 660 EP:6 PLAIN DISC D 660 GLATTE SCHEIBE 660X6 DISCO LISCIO D=660 003 117109 006 DISQUE CRENELE D 660 EP:6 NOTCHED DISC D 660 GEZACKTE SCHEIBE 660X6 DISCO DENTATO D=660 SPESS:6 004 117114 001 DISQUE LISSE DEFFACEMENT D 510 PLAIN DISC D 510 GLATTE SCHEIBE D 510 DISCO LISCIO D=510 005 222156 004 RONDELLE WASHER SCHEIBE RONDELLA PIATTA 006 583264 002 ARBRE SHAFT WELLE ALBERO 007 583266 001 ARBRE SHAFT WELLE ALBERO 008 645236 010 ENTRETOISE SPACER DISTANZHUELSE DISTANZIALE 009 750050 002 RONDELLE DE BOBINE EP6 WASHER SCHEIBE RONDELLA 010 780341 001 CLE DE 60 SPANNER SCHRAUBENSCHLUESSEL CHIAVE 011 80203915 002 ECROU HK FE/ZNXC3 CASTLE NUT FE/ZNXC3 KRONENMUTTER FE/ZNXC3 DADO FE/ZNXC3 012 80500579 002 GOUPILLE FENDUE FE/ZNXC3 SPLIT PIN FE/ZNXC3 SPLINT FE/ZNXC3 COPPIGLIA FE/ZNXC3 013 117120 001 DISQUE LOBBE D660 EP.6 DISC SCHEIBE DISCO 014 117121 001 DISQUE LISSE D 660 EP:8 PLAIN DISC D 660 GLATTE SCHEIBE D660 (8MM) DISCO LISCIO D=660 SPESS:8 015 117122 001 DISQUE CRENELE D 660 EP:8 NOTCHED DISC D 660 GEZACKTE SCHEIBE D 660 (8MM) DISCO DENTATO D=660 SPESS:8 016 H2200030 004 PALIER BEARING, PILLOW BLOCK LAGER SUPPORTO
  • 47.
    41 TRAIN DISQUE Ø710AVANT SET OF DISCS Ø710 FRONT SCHEIBENREIHE Ø710 VORN TRENO DI DISCHI Ø710 ANTERIORE DISCOVER XL2 C0001 > H22R0159 B Rep Nr Qt Designation Description Bezeichnung Referenza Remarque - Remark - Bemerkung - Osservazioni 001 117112 007 DISQUE LISSE D 710 EP7 PLAIN DISC D 710 GLATTE SCHEIBE D 710 DISCO 002 222156 004 RONDELLE WASHER SCHEIBE RONDELLA PIATTA 003 583263 001 ARBRE SHAFT WELLE ALBERO 004 583264 001 ARBRE SHAFT WELLE ALBERO 005 583265 001 ARBRE SHAFT WELLE ALBERO 006 645236 009 ENTRETOISE SPACER DISTANZHUELSE DISTANZIALE 007 750050 002 RONDELLE DE BOBINE EP6 WASHER SCHEIBE RONDELLA 008 780341 001 CLE DE 60 SPANNER SCHRAUBENSCHLUESSEL CHIAVE 009 80203915 002 ECROU HK FE/ZNXC3 CASTLE NUT FE/ZNXC3 KRONENMUTTER FE/ZNXC3 DADO FE/ZNXC3 010 80500579 002 GOUPILLE FENDUE FE/ZNXC3 SPLIT PIN FE/ZNXC3 SPLINT FE/ZNXC3 COPPIGLIA FE/ZNXC3 011 117113 008 DISQUE CRENELE D 710 EP7 NOTCHED DISC D 710 GEZACKTE SCHEIBE D 710 DISCO 012 H2200030 004 PALIER BEARING, PILLOW BLOCK LAGER SUPPORTO 013 H2200920 004 CALE SHIM DISTANZPLATTE SPESSORE 014 H2200940 004 CALE CHAISE DISTANCE PLATE DISTANZPLATTE SPESSORE
  • 49.
    43 TRAIN DISQUE Ø710ARRIERE SET OF DISCS Ø710 REAR SCHEIBENREIHE Ø710 HINTEN TRENO DI DISCHI Ø710 POSTERIOR DISCOVER XL2 C0001 > H22R0158 B Rep Nr Qt Designation Description Bezeichnung Referenza Remarque - Remark - Bemerkung - Osservazioni 001 117107 002 DISQUE CRENELE Ø610 NOTCHED DISC D 610 GEZACKTE SCHEIBE 610X6 DISCO DENTATO D=610 002 117112 007 DISQUE LISSE D 710 EP7 PLAIN DISC D 710 GLATTE SCHEIBE D 710 DISCO 003 117114 001 DISQUE LISSE DEFFACEMENT D 510 PLAIN DISC D 510 GLATTE SCHEIBE D 510 DISCO LISCIO D=510 004 222156 004 RONDELLE WASHER SCHEIBE RONDELLA PIATTA 005 583264 002 ARBRE SHAFT WELLE ALBERO 006 583266 001 ARBRE SHAFT WELLE ALBERO 007 645236 010 ENTRETOISE SPACER DISTANZHUELSE DISTANZIALE 008 750050 002 RONDELLE DE BOBINE EP6 WASHER SCHEIBE RONDELLA 009 780341 001 CLE DE 60 SPANNER SCHRAUBENSCHLUESSEL CHIAVE 010 80203915 002 ECROU HK FE/ZNXC3 CASTLE NUT FE/ZNXC3 KRONENMUTTER FE/ZNXC3 DADO FE/ZNXC3 011 80500579 002 GOUPILLE FENDUE FE/ZNXC3 SPLIT PIN FE/ZNXC3 SPLINT FE/ZNXC3 COPPIGLIA FE/ZNXC3 012 117113 007 DISQUE CRENELE D 710 EP7 NOTCHED DISC D 710 GEZACKTE SCHEIBE D 710 DISCO 013 H2200030 004 PALIER BEARING, PILLOW BLOCK LAGER SUPPORTO 014 H2200920 004 CALE SHIM DISTANZPLATTE SPESSORE 015 H2200940 004 CALE CHAISE DISTANCE PLATE DISTANZPLATTE SPESSORE
  • 51.
    45 HUBODOMETRE ODOMETER HEKTARZAEHLER DISCOVERXL2 C0001 > H22R0038 A Rep Nr Qt Designation Description Bezeichnung Referenza Remarque - Remark - Bemerkung - Osservazioni 001 951400 001 COMPTEUR D'HECTARE GF 662 025 HUBODOMETRE SAF HEKTARZAEHLER SAF HUBODOMETRE 002 582769 001 FIXATION COMPTEUR CONNECTION ODOMETER FESTSCTZUNG HEKTARZAEHLER FISSAZIONE HUBODOMETRE 003 80271003 003 RONDELLE GROWER FE/ZNXC3 SPRING LOCK WASHER FE/ZNXC3 FEDERRING FE/ZNXC3 RONDELLA GROWER FE/ZNXC3 004 582768 001 SUPPORT DE COMPTEUR BRACKET HALTERUNG SUPPORTO 005 80061026 003 VIS TETE HEXAGONALE FE/ZNXC3 HEXAGON HEAD SCREW FE/ZNXC3 SECHSKANTSCHRAUBE FE/ZNXC3 VITE TESTA ESAGONALE FE/ZNXC3
  • 53.
    47 DEFLECTEUR (DROIT) DEFLECTOR(RIGHT) ABWEISER (RECHTS) DEFLETTORE (DX) DISCOVER XL2 C0001 > H23R0007 B Rep Nr Qt Designation Description Bezeichnung Referenza Remarque - Remark - Bemerkung - Osservazioni 001 H2300050 001 BRAS ARM ARM BRACCIO 001 H2300340 001 BRAS DE DEFLECTEUR ARM ARM BRACCIO Rpl H2300050 002 139113 001 BROCHE D'ATTELAGE PIN, HITCH ACHSE PERNO 003 227179 002 CHAPE CLEVIS GABEL FORCELLA 004 H2300030 001 CHAPE CLEVIS GABEL FORCELLA 005 H2300020 001 DEFLECTEUR DEFLECTOR ABWEISER DEFLETTORE 006 80201640 002 ECROU HEX.BAS AUTOFR.FE/ZNXC3 SELF-LOCKING NUT FE/ZNXC3 SELBSTSICHERND.MUTTER FE/ZNXC3 DADO AUTOBLOCCANTE FE/ZNXC3 007 80202040 001 ECROU HEX.BAS AUTOFR.FE/ZNXC3 SELF-LOCKING NUT FE/ZNXC3 SELBSTSICHERND.MUTTER FE/ZNXC3 DADO AUTOBLOCCANTE FE/ZNXC3 008 80201670 004 ECROU HEXAGONAL FE/ZNXC3 NUT FE/ZNXC3 SECHSKANTMUTTER FE/ZNXC3 DADO FE/ZNXC3 009 80570477 001 GOUPILLE BETA SIMPLE FE/ZNXC3 SPRING COTTER PIN FE/ZNXC3 FEDERSTECKER FE/ZNXC3 MOLLA FE/ZNXC3 010 80271602 005 RONDELLE GROWER FE/ZNXC3 SPRING LOCK WASHER FE/ZNXC3 FEDERRING FE/ZNXC3 RONDELLA GROWER FE/ZNXC3 011 H2300000 001 V SUPPORT V BRACKET V HALTERUNG V SUPPORTO 011 H2300330 001 SUPPORT SUPPORT TRAEGER SUPPORTO Rpl H2300000 012 H2300060 001 SUPPORT SUPPORT TRAEGER SUPPORTO 012 H2300280 001 SUPPORT DE BRAS SUPPORT, ARM ARMHALTERUNG SUPPORTO BRACCIO Rpl H2300060 013 80061634 001 VIS TETE HEXAGONALE FE/ZNXC3 HEXAGON HEAD SCREW FE/ZNXC3 SECHSKANTSCHRAUBE FE/ZNXC3 VITE TESTA ESAGONALE FE/ZNXC3 014 80061641 004 VIS TETE HEXAGONALE FE/ZNXC3 HEXAGON HEAD SCREW FE/ZNXC3 SECHSKANTSCHRAUBE FE/ZNXC3 VITE TESTA ESAGONALE FE/ZNXC3 015 80061661 002 VIS TETE HEXAGONALE FE/ZNXC3 HEXAGON HEAD SCREW FE/ZNXC3 SECHSKANTSCHRAUBE FE/ZNXC3 VITE TESTA ESAGONALE FE/ZNXC3 016 80062094 001 VIS TETE HEXAGONALE FE/ZNXC3 HEXAGON HEAD SCREW FE/ZNXC3 SECHSKANTSCHRAUBE FE/ZNXC3 VITE TESTA ESAGONALE FE/ZNXC3
  • 55.
    49 DEFLECTEUR (GAUCHE) DEFLECTOR(LEFT) ABWEISER (LINKS) DEFLETTORE (SX) DISCOVER XL2 C0001 > H23R0008 B Rep Nr Qt Designation Description Bezeichnung Referenza Remarque - Remark - Bemerkung - Osservazioni 001 H2300050 001 BRAS ARM ARM BRACCIO 001 H2300340 001 BRAS DE DEFLECTEUR ARM ARM BRACCIO Rpl H2300050 002 139113 001 BROCHE D'ATTELAGE PIN, HITCH ACHSE PERNO 003 227179 002 CHAPE CLEVIS GABEL FORCELLA 004 H2300010 001 CHAPE CLEVIS GABEL FORCELLA 005 H2300020 001 DEFLECTEUR DEFLECTOR ABWEISER DEFLETTORE 006 80201640 002 ECROU HEX.BAS AUTOFR.FE/ZNXC3 SELF-LOCKING NUT FE/ZNXC3 SELBSTSICHERND.MUTTER FE/ZNXC3 DADO AUTOBLOCCANTE FE/ZNXC3 007 80202040 001 ECROU HEX.BAS AUTOFR.FE/ZNXC3 SELF-LOCKING NUT FE/ZNXC3 SELBSTSICHERND.MUTTER FE/ZNXC3 DADO AUTOBLOCCANTE FE/ZNXC3 008 80201670 004 ECROU HEXAGONAL FE/ZNXC3 NUT FE/ZNXC3 SECHSKANTMUTTER FE/ZNXC3 DADO FE/ZNXC3 009 80570477 001 GOUPILLE BETA SIMPLE FE/ZNXC3 SPRING COTTER PIN FE/ZNXC3 FEDERSTECKER FE/ZNXC3 MOLLA FE/ZNXC3 010 80271602 005 RONDELLE GROWER FE/ZNXC3 SPRING LOCK WASHER FE/ZNXC3 FEDERRING FE/ZNXC3 RONDELLA GROWER FE/ZNXC3 011 H2300000 001 V SUPPORT V BRACKET V HALTERUNG V SUPPORTO 011 H2300330 001 SUPPORT SUPPORT TRAEGER SUPPORTO Rpl H2300000 012 H2300060 001 SUPPORT SUPPORT TRAEGER SUPPORTO 012 H2300280 001 SUPPORT DE BRAS SUPPORT, ARM ARMHALTERUNG SUPPORTO BRACCIO H2300060 013 80061634 001 VIS TETE HEXAGONALE FE/ZNXC3 HEXAGON HEAD SCREW FE/ZNXC3 SECHSKANTSCHRAUBE FE/ZNXC3 VITE TESTA ESAGONALE FE/ZNXC3 014 80061641 004 VIS TETE HEXAGONALE FE/ZNXC3 HEXAGON HEAD SCREW FE/ZNXC3 SECHSKANTSCHRAUBE FE/ZNXC3 VITE TESTA ESAGONALE FE/ZNXC3 015 80061661 002 VIS TETE HEXAGONALE FE/ZNXC3 HEXAGON HEAD SCREW FE/ZNXC3 SECHSKANTSCHRAUBE FE/ZNXC3 VITE TESTA ESAGONALE FE/ZNXC3 016 80062094 001 VIS TETE HEXAGONALE FE/ZNXC3 HEXAGON HEAD SCREW FE/ZNXC3 SECHSKANTSCHRAUBE FE/ZNXC3 VITE TESTA ESAGONALE FE/ZNXC3
  • 57.
    51 DISQUE STABILISATEUR SIDETHRUST BLADE HANGSCHEIBE LAMIERA DI STABILIZZAZIONE DISCOVER XL2 C0001 > H22R0114 C Rep Nr Qt Designation Description Bezeichnung Referenza Remarque - Remark - Bemerkung - Osservazioni 001 117119 001 DISQUE DISC SCHEIBE DISCO 002 150159 001 NOIX SPINDLE KNEBELMUTTER ALBERINO 003 191110 001 RESSORT SPRING FEDER MOLLA 004 212606 001 RONDELLE WASHER SCHEIBE RONDELLA 005 581818 002 GUIDE DE RESSORT GUIDE FURHRUNG GUIDA 006 581819 001 VIS DE PROFONDEUR SCREW SCHRAUBE VITE 007 583238 001 GLISSIERE GUIDE, SLIDE GLEITSCHIENE SLITTA 008 583826 001 BRAS DISQUE STAB. DISC ARM SCHEIBE ARM BRACCIO 009 80061601 004 VIS TETE HEXAGONALE FE/ZNXC3 HEXAGON HEAD SCREW FE/ZNXC3 SECHSKANTSCHRAUBE FE/ZNXC3 VITE TESTA ESAGONALE FE/ZNXC3 010 80062059 004 VIS TETE HEXAGONALE FE/ZNXC3 HEXAGON HEAD SCREW FE/ZNXC3 SECHSKANTSCHRAUBE FE/ZNXC3 VITE TESTA ESAGONALE FE/ZNXC3 011 80201630 004 ECROU HEX.AUTOFREINE FE/ZNXC3 SELF-LOCKING NUT FE/ZNXC3 SELBSTSICH.MUTTER FE/ZNXC3 DADO AUTOBLOCCANTE FE/ZNXC3 012 80202030 004 ECROU HEX.AUTOFREINE FE/ZNXC3 SELF-LOCKING NUT FE/ZNXC3 SELBSTSICH.MUTTER FE/ZNXC3 DADO AUTOBLOCCANTE FE/ZNXC3 013 82201016 001 GRAISSEUR AUTOTARAUDANT SELF TAPPING GREASE NIPPLE GEWINDESCHNEID-SCHMIERNIPPEL INGRASSATORE 014 80500963 001 GOUPILLE FENDUE SPLIT PIN SPLINT COPPIGLIA 015 H2904380 001 MOYEU HUB NABE MOZZO +[1]
  • 59.
    53 MOYEU 70 MONROCHUB 70 MONROC NABE 70 MONROC MOZZO 70 MONROC DISCOVER XL2 C0001 > H29R0065 A Rep Nr Qt Designation Description Bezeichnung Referenza Remarque - Remark - Bemerkung - Osservazioni 001 80201850 006 ECROU PORTEE SPHER.FE/ZNXC3 WHEEL NUT FE/ZNXC3 RADMUTTER FE/ZNXC3 DADO FE/ZNXC3 27 daN.m (199.14 lbf.ft) 002 80500463 001 GOUPILLE FENDUE SPLIT PIN SPLINT COPPIGLIA 003 81304585 001 ROULEMENT A ROULEAUX CONIQUES TAPERED ROLLER BEARING KEGELROLLENLAGER CUSCINETTO A RULLO 004 81306512 001 ROULEMENT A ROULEAUX CONIQUES TAPERED ROLLER BEARING KEGELROLLENLAGER CUSCINETTO A RULLI 005 82200616 001 GRAISSEUR AUTOTAR.FE/ZNXC3 TAPPING GREASE NIPPLE FE/ZNXC3 GEWINDESCH.SCHMIERNIP.FE/ZNXC3 INGRASSATORE FE/ZNXC3 006 A7039023 006 GOUJON CRANTE 18X150 LG54/39 STUD STIFTSCHRAUBE SPINA 007 H2903480 001 CHAPEAU DUST CAP KAPPE CAPPELLO 008 H2903510 001 RONDELLE PLATE LARGE WASHER, FENDER SCHEIBE RONDELLA PIATTA 009 H2904230 001 MOYEU HUB NABE MOZZO 010 H2900840 001 JOINT SEAL DICHTUNG GUARNIZIONE 011 H2904250 001 COUPELLE CUP SCHALE COPPIGLIA 012 H2904260 001 RONDELLE PLATE WASHER, FLAT SCHEIBE RONDELLA PIATTA 013 H2904270 001 MOYEU COMPLET HUB, ASSEMBLY NABE KPL. MOZZO 014 H2904280 001 FUSEE SPINDLE DREHZAPFEN FUSO 015 H2904290 001 MOYEU HUB NABE MOZZO 016 K8403810 001 ECROU NUT MUTTER DADO
  • 61.
    55 MOYEU COLAERT HUBCOLAERT NABE COLAERT MOZZO COLAERT DISCOVER XL2 C0001 > H29R0064 A Rep Nr Qt Designation Description Bezeichnung Referenza Remarque - Remark - Bemerkung - Osservazioni 001 80080813 006 VIS TETE CYL.SIX P.CR.FE/ZNXC3 HEX.SOCK.HEAD CAP SCR.FE/ZNXC3 ZYLINDERSCHR.INNENSEC.FE/ZNXC3 VITE A TESTA CILINDR. FE/ZNXC3 002 81306097 001 ROULEMENT A ROULEAUX CONIQUES TAPERED ROLLER BEARING KEGELROLLENLAGER CUSCINETTO A RULLI 003 81307514 001 ROULEMENT A ROULEAUX CONIQUES TAPERED ROLLER BEARING KEGELROLLENLAGER CUSCINETTO A RULLI 004 82200800 001 GRAISSEUR FE/ZNXC3 GREASE NIPPLE FE/ZNXC3 SCHMIERNIPPEL FE/ZNXC3 INGRASSATORE FE/ZNXC3 005 H2902980 001 JOINT SEAL DICHTUNG GUARNIZIONE 006 A7039079 006 ECROU DE ROUE A BEC WHEEL NUT RADMUTTER DADO RUOTA 27 daN.m (199.14 lbf.ft) 007 H2903030 001 CHAPEAU DUST CAP KAPPE CAPPELLO 008 H2904310 001 MOYEU HUB NABE MOZZO 009 H2904320 006 GOUJON STUD, THREADED GEWINDESTIFT SPINA 010 H2904330 001 FUSEE SPINDLE DREHZAPFEN FUSO 011 H2904340 001 MOYEU COMPLET HUB, ASSEMBLY NABE KPL. MOZZO 012 H2904350 001 ECROU NUT MUTTER DADO 013 H2904360 001 EPINGLE PIN, COTTER, HAIRPIN FEDERSTECKER SPILLO 014 H2904370 001 MOYEU HUB NABE MOZZO
  • 63.
    57 CHARIOT CARRIAGE FAHRWERKCARRELLO DISCOVER XL2 C0001 D0000> H21R0034 D Rep Nr Qt Designation Description Bezeichnung Referenza Remarque - Remark - Bemerkung - Osservazioni 001 80061269 002 VIS TETE HEXAGONALE FE/ZNXC3 HEXAGON HEAD SCREW FE/ZNXC3 SECHSKANTSCHRAUBE FE/ZNXC3 VITE TESTA ESAGONALE FE/ZNXC3 002 80061661 002 VIS TETE HEXAGONALE FE/ZNXC3 HEXAGON HEAD SCREW FE/ZNXC3 SECHSKANTSCHRAUBE FE/ZNXC3 VITE TESTA ESAGONALE FE/ZNXC3 003 80061669 002 VIS TETE HEXAGONALE FE/ZNXC3 HEXAGON HEAD SCREW FE/ZNXC3 SECHSKANTSCHRAUBE FE/ZNXC3 VITE TESTA ESAGONALE FE/ZNXC3 004 80062060 008 VIS TETE HEXAGONALE FE/ZNXC3 HEXAGON HEAD SCREW FE/ZNXC3 SECHSKANTSCHRAUBE FE/ZNXC3 VITE TESTA ESAGONALE FE/ZNXC3 005 80201230 002 ECROU HEX.AUTOFREINE FE/ZNXC3 SELF-LOCKING NUT FE/ZNXC3 SELBSTSICH.MUTTER FE/ZNXC3 DADO AUTOBLOCCANTE FE/ZNXC3 006 80201630 004 ECROU HEX.AUTOFREINE FE/ZNXC3 SELF-LOCKING NUT FE/ZNXC3 SELBSTSICH.MUTTER FE/ZNXC3 DADO AUTOBLOCCANTE FE/ZNXC3 007 80202030 008 ECROU HEX.AUTOFREINE FE/ZNXC3 SELF-LOCKING NUT FE/ZNXC3 SELBSTSICH.MUTTER FE/ZNXC3 DADO AUTOBLOCCANTE FE/ZNXC3 008 80252026 016 RONDELLE PLATE FE/ZNXC3 PLAIN WASHER FE/ZNXC3 SCHEIBE FE/ZNXC3 RONDELLA PIATTA FE/ZNXC3 009 80586000 002 CIRCLIP EXTERIEUR RETAINING RING SICHERUNGSRING ANELLO 010 82201016 004 GRAISSEUR AUTOTARAUDANT SELF TAPPING GREASE NIPPLE GEWINDESCHNEID-SCHMIERNIPPEL INGRASSATORE 011 83015050 002 BAGUE ROULEE WRAPPED BUSH GEROLLTE BUCHSE ANELLO LUBRIFICATO 012 83016030 004 BAGUE ROULEE WRAPPED BUSH GEROLLTE BUCHSE ANELLO LUBRIFICATO 013 H2101180 004 RONDELLE WASHER SCHEIBE RONDELLA 014 H2101220 002 VERIN CYLINDER, HYDRAULIC HYDRAULIKZYLINDER CILINDRO 015 H2103710 002 CALE SHIM DISTANZPLATTE SPESSORE 016 H2113601 001 CHASSIS CHASSIS HAUPTRAHMEN TELAIO 017 H2113990 002 AXE PIN ACHSE ASSE 018 H2900170 002 AXE PIN ACHSE ASSE 019 H2905391 001 CHARIOT TRAILER SCHUBRAHMEN CARRELLO 020 H2905490 001 AXE PIN ACHSE ASSE
  • 65.
    59 CHARIOT XL2 CARRIAGEXL2 FAHRWERK XL2 CARRELLO XL2 DISCOVER XL2 C0001 > H21R0034 E Rep Nr Qt Designation Description Bezeichnung Referenza Remarque - Remark - Bemerkung - Osservazioni 001 80061269 002 VIS TETE HEXAGONALE FE/ZNXC3 HEXAGON HEAD SCREW FE/ZNXC3 SECHSKANTSCHRAUBE FE/ZNXC3 VITE TESTA ESAGONALE FE/ZNXC3 002 80061661 002 VIS TETE HEXAGONALE FE/ZNXC3 HEXAGON HEAD SCREW FE/ZNXC3 SECHSKANTSCHRAUBE FE/ZNXC3 VITE TESTA ESAGONALE FE/ZNXC3 003 80061669 002 VIS TETE HEXAGONALE FE/ZNXC3 HEXAGON HEAD SCREW FE/ZNXC3 SECHSKANTSCHRAUBE FE/ZNXC3 VITE TESTA ESAGONALE FE/ZNXC3 004 80062060 008 VIS TETE HEXAGONALE FE/ZNXC3 HEXAGON HEAD SCREW FE/ZNXC3 SECHSKANTSCHRAUBE FE/ZNXC3 VITE TESTA ESAGONALE FE/ZNXC3 005 80201230 002 ECROU HEX.AUTOFREINE FE/ZNXC3 SELF-LOCKING NUT FE/ZNXC3 SELBSTSICH.MUTTER FE/ZNXC3 DADO AUTOBLOCCANTE FE/ZNXC3 006 80201630 004 ECROU HEX.AUTOFREINE FE/ZNXC3 SELF-LOCKING NUT FE/ZNXC3 SELBSTSICH.MUTTER FE/ZNXC3 DADO AUTOBLOCCANTE FE/ZNXC3 007 80202030 008 ECROU HEX.AUTOFREINE FE/ZNXC3 SELF-LOCKING NUT FE/ZNXC3 SELBSTSICH.MUTTER FE/ZNXC3 DADO AUTOBLOCCANTE FE/ZNXC3 008 80252026 016 RONDELLE PLATE FE/ZNXC3 PLAIN WASHER FE/ZNXC3 SCHEIBE FE/ZNXC3 RONDELLA PIATTA FE/ZNXC3 009 80586000 002 CIRCLIP EXTERIEUR RETAINING RING SICHERUNGSRING ANELLO 010 82201016 004 GRAISSEUR AUTOTARAUDANT SELF TAPPING GREASE NIPPLE GEWINDESCHNEID-SCHMIERNIPPEL INGRASSATORE 011 83015050 002 BAGUE ROULEE WRAPPED BUSH GEROLLTE BUCHSE ANELLO LUBRIFICATO 012 83016030 004 BAGUE ROULEE WRAPPED BUSH GEROLLTE BUCHSE ANELLO LUBRIFICATO 013 H2101180 004 RONDELLE WASHER SCHEIBE RONDELLA 014 H2103710 002 CALE SHIM DISTANZPLATTE SPESSORE 015 H2113601 001 CHASSIS CHASSIS HAUPTRAHMEN TELAIO 016 H2113990 002 AXE PIN ACHSE ASSE 017 H2114770 002 VERIN CYLINDER, HYDRAULIC HYDRAULIKZYLINDER CILINDRO 018 H2900170 002 AXE PIN ACHSE ASSE 019 H2905391 001 CHARIOT TRAILER SCHUBRAHMEN CARRELLO 020 H2905490 001 AXE PIN ACHSE ASSE
  • 67.
    61 HYDRAULIQUE RELEVAGE CHARIOTHYDRAULIC FOR CARRIAGE LIFT HYDRAULIKEL. HUBVOR. FAHRWERK SIST. IDRAU. SOLLEV. CARRELLO DISCOVER XL2 C0001 D0000> H24R0067 D Rep Nr Qt Designation Description Bezeichnung Referenza Remarque - Remark - Bemerkung - Osservazioni 001 951197 010 GAINE CAOUTCHOUC SHEATHE HUELLE GUAINA CAOUTCHOUC 002 952365 003 CLAPET ANTI-RETOUR VALVE, CHECK RUECKSCHLAGVENTIL VALVOLA ANTI-RITORNO 003 80060846 009 VIS TETE HEXAGONALE FE/ZNXC3 HEXAGON HEAD SCREW FE/ZNXC3 SECHSKANTSCHRAUBE FE/ZNXC3 VITE TESTA ESAGONALE FE/ZNXC3 004 80080640 002 VIS TETE CYL.SIX P.CR.FE/ZNXC3 HEX.SOCK.HEAD CAP SCR.FE/ZNXC3 ZYLINDERSCHR.INNENSEC.FE/ZNXC3 VITE A TESTA CILINDR. FE/ZNXC3 005 A4074046 002 CAPUCHON COUPLEUR MALE CAP MALE CONNECTOR KAPPE KUPPLUNG STECKER TAPPO PLASTICA 006 952364 001 POCHETTE JOINT(952296,H2101230 SEALS PACKET (952296,H2101230) DICHTSATZ FUER(952296,H2101230 COLLEZIONE GUARNIZIONI 952296B : H2101230 006 952350 001 POCHETTE JOINT(952349,H2101240 SEALS PACKET (952349,H2101240) DICHTSATZ FUER(952349,H2101240 COLLEZIONE GUARNIZIONI 952349 : H2101240 007 A4061802 002 BOUCHON 3/8G CHC F.E FE/ZNXC3 PLUG 3/8G CHC F.E FE/ZNXC3 VERSCHLUSSSCHRAUBE 3/8G CHC F. TAPPO 3/8G CHC F.E FE/ZNXC3 008 A4074018 002 COUPLEUR MALE CONNECTOR MALE KUPPLUNGSTECKER ATTACCO IDRAULICO 009 A4080306 002 UNION DOUBLE FE/ZNXC3 STRAIGHT COUPLING FE/ZNXC3 GERADE VERSCHRAUBUNG FE/ZNXC3 GIUNZIONE DIRITTA FE/ZNXC3 010 A4080429 010 UNION MALE MALE STUD CONNECTOR GERADER EINSCHRAUBSTUTZEN GIUZIONE DIRITTA ZBC 011 A7260017 009 PL SUP/C. DOUBLE D19/20/22/25 UPPER PLATE PLATTE OBERE PIASTRA 012 A7260046 009 COLLIER DOUBLE D20 NU CLAMP D.20 SCHELLE D.20 COLLARE D.20 013 A4923062 001 FLEXIBLE HYDRAULIQUE HYDRAULIC HOSE HYDRAULIKSCHLAUCH TUBO GOMMA <->450 mm 014 A4923062 001 FLEXIBLE HYDRAULIQUE HYDRAULIC HOSE HYDRAULIKSCHLAUCH TUBO GOMMA <->450 mm 015 A4923063 001 FLEXIBLE HYDRAULIQUE HYDRAULIC HOSE HYDRAULIKSCHLAUCH TUBO GOMMA <->5500 mm 016 A4923063 001 FLEXIBLE HYDRAULIQUE HYDRAULIC HOSE HYDRAULIKSCHLAUCH TUBO GOMMA <->5500 mm 017 A4923065 001 FLEXIBLE HYDRAULIQUE HYDRAULIC HOSE HYDRAULIKSCHLAUCH TUBO GOMMA <->850 mm 018 A4923065 001 FLEXIBLE HYDRAULIQUE HYDRAULIC HOSE HYDRAULIKSCHLAUCH TUBO GOMMA <->850 mm 019 H2101220 002 VERIN CYLINDER, HYDRAULIC HYDRAULIKZYLINDER CILINDRO 020 H2404290 001 BLOC HYDRAULIQUE MANIFOLD, HYDRAULIC HYDRAULIK-STEUERBLOCK BLOCCO IDRAULICO 021 H2417810 002 TUYAU PIPE ROHR TUBO
  • 69.
    63 HYDRAULIQUE RELEVAGE CHARIOTHYDRAULIC FOR CARRIAGE LIFT HYDRAULIKEL. HUBVOR. FAHRWERK SIST. IDRAU. SOLLEV. CARRELLO DISCOVER XL2 D0001 > H24R0067 E Rep Nr Qt Designation Description Bezeichnung Referenza Remarque - Remark - Bemerkung - Osservazioni 001 951197 010 GAINE CAOUTCHOUC SHEATHE HUELLE GUAINA CAOUTCHOUC 002 952365 002 CLAPET ANTI-RETOUR VALVE, CHECK RUECKSCHLAGVENTIL VALVOLA ANTI-RITORNO 003 80060846 009 VIS TETE HEXAGONALE FE/ZNXC3 HEXAGON HEAD SCREW FE/ZNXC3 SECHSKANTSCHRAUBE FE/ZNXC3 VITE TESTA ESAGONALE FE/ZNXC3 004 80080640 002 VIS TETE CYL.SIX P.CR.FE/ZNXC3 HEX.SOCK.HEAD CAP SCR.FE/ZNXC3 ZYLINDERSCHR.INNENSEC.FE/ZNXC3 VITE A TESTA CILINDR. FE/ZNXC3 005 952364 001 POCHETTE JOINT(952296,H2101230 SEALS PACKET (952296,H2101230) DICHTSATZ FUER(952296,H2101230 COLLEZIONE GUARNIZIONI 952296B : SER 006 A4061802 006 BOUCHON 3/8G CHC F.E FE/ZNXC3 PLUG 3/8G CHC F.E FE/ZNXC3 VERSCHLUSSSCHRAUBE 3/8G CHC F. TAPPO 3/8G CHC F.E FE/ZNXC3 007 A4074018 002 COUPLEUR MALE CONNECTOR MALE KUPPLUNGSTECKER ATTACCO IDRAULICO 008 A4074046 002 CAPUCHON COUPLEUR MALE CAP MALE CONNECTOR KAPPE KUPPLUNG STECKER TAPPO PLASTICA 009 A4080306 002 UNION DOUBLE FE/ZNXC3 STRAIGHT COUPLING FE/ZNXC3 GERADE VERSCHRAUBUNG FE/ZNXC3 GIUNZIONE DIRITTA FE/ZNXC3 010 A4080429 010 UNION MALE MALE STUD CONNECTOR GERADER EINSCHRAUBSTUTZEN GIUZIONE DIRITTA ZBC 011 A7260017 009 PL SUP/C. DOUBLE D19/20/22/25 UPPER PLATE PLATTE OBERE PIASTRA 012 A7260046 009 COLLIER DOUBLE D20 NU CLAMP D.20 SCHELLE D.20 COLLARE D.20 013 A4923062 001 FLEXIBLE HYDRAULIQUE HYDRAULIC HOSE HYDRAULIKSCHLAUCH TUBO GOMMA <->450 mm 014 A4923062 001 FLEXIBLE HYDRAULIQUE HYDRAULIC HOSE HYDRAULIKSCHLAUCH TUBO GOMMA <->450 mm 015 A4923063 001 FLEXIBLE HYDRAULIQUE HYDRAULIC HOSE HYDRAULIKSCHLAUCH TUBO GOMMA <->5500 mm 016 A4923063 001 FLEXIBLE HYDRAULIQUE HYDRAULIC HOSE HYDRAULIKSCHLAUCH TUBO GOMMA <->5500 mm 017 A4923065 001 FLEXIBLE HYDRAULIQUE HYDRAULIC HOSE HYDRAULIKSCHLAUCH TUBO GOMMA <->850 mm 018 A4923065 001 FLEXIBLE HYDRAULIQUE HYDRAULIC HOSE HYDRAULIKSCHLAUCH TUBO GOMMA <->850 mm 019 H2114770 002 VERIN CYLINDER, HYDRAULIC HYDRAULIKZYLINDER CILINDRO 020 H2404290 001 BLOC HYDRAULIQUE MANIFOLD, HYDRAULIC HYDRAULIK-STEUERBLOCK BLOCCO IDRAULICO 021 H2417810 002 TUYAU PIPE ROHR TUBO
  • 71.
    65 SUSPENSION HYDRAULIQUE HYDRAULICSUSPENSION HYDRAULISCHE FEDERUNG SOSPENSIONE IDRAULICA DISCOVER XL2 D0001 > H24R0380 A Rep Nr Qt Designation Description Bezeichnung Referenza Remarque - Remark - Bemerkung - Osservazioni 001 A4230017 002 BAGUE BS17 BUSH BS BUCHSE BS GUARNIZIONE 002 A4230021 002 BAGUE BS21 BUSH BS BUCHSE BS BOCCOLA 003 H2402370 002 ADAPTATEUR HYDRAULIC FITTING, HYDRAULIC, ADAPTER ANBAUELEMENT ADATTATORE 004 H2421560 002 ACCUMULATEUR HYDRO-PNEUMATIQUE ACCUMULATOR DRUCKSPEICHER ACCUMULATORE
  • 73.
    67 FREINAGE MÉCANIQUE BRAKEASSEMBLY MECHANISCHE BREMSANLAGE COMPLESSIVO FRENO DISCOVER XL2 C0001 C9999> H24R0071 B Rep Nr Qt Designation Description Bezeichnung Referenza Remarque - Remark - Bemerkung - Osservazioni 001 720119 005 AXE CABLE DE FREIN PIN ACHSE PERNO 002 750345 001 PALONNIER SPREADER BAR LASTTRAVERSE TIMONE 003 751487 002 BIELLETTE FREIN LINK SHUBSTANGE BIELLA 004 751490 002 CALE FL 3-4-6000 /XL SPACER KEIL LEVA 005 952129 001 FREIN BRAKE BREMSE FRENO 006 952151 002 CABLE DE PALONNIER CAVO 007 952320 002 BIELLETTE LINK SCHUBSTANGE BIELLA 008 80061036 004 VIS TETE HEXAGONALE FE/ZNXC3 HEXAGON HEAD SCREW FE/ZNXC3 SECHSKANTSCHRAUBE FE/ZNXC3 VITE TESTA ESAGONALE FE/ZNXC3 009 80061647 004 VIS TETE HEXAGONALE FE/ZNXC3 HEXAGON HEAD SCREW FE/ZNXC3 SECHSKANTSCHRAUBE FE/ZNXC3 VITE TESTA ESAGONALE FE/ZNXC3 010 80201030 008 ECROU HEX.AUTOFREINE FE/ZNXC3 SELF-LOCKING NUT FE/ZNXC3 SELBSTSICH.MUTTER FE/ZNXC3 DADO AUTOBLOCCANTE FE/ZNXC3 011 80201070 006 ECROU HEXAGONAL FE/ZNXC3 NUT FE/ZNXC3 SECHSKANTMUTTER FE/ZNXC3 DADO FE/ZNXC3 012 80201630 004 ECROU HEX.AUTOFREINE FE/ZNXC3 SELF-LOCKING NUT FE/ZNXC3 SELBSTSICH.MUTTER FE/ZNXC3 DADO AUTOBLOCCANTE FE/ZNXC3 013 80500451 007 GOUPILLE FENDUE FE/ZNXC3 SPLIT PIN FE/ZNXC3 SPLINT FE/ZNXC3 COPPIGLIA FE/ZNXC3 014 80583000 002 CIRCLIP EXTERIEUR RETAINING RING SICHERUNGSRING ANELLO 015 H2401090 004 CHAPE CLEVIS GABEL FORCELLA 016 H2401230 002 AXE CABLE DE FREIN AXLE ACHSE ASSE 017 H2417890 002 TRINGLE LINK STREBE TRIANGOLO 018 H2417900 002 TRINGLE LINK STREBE TRIANGOLO 019 H2401060 001 CABLE DE FREIN CABLE DRAHTSEIL CAVO 020 H2417990 001 CABLE WIRE DRAHTSEIL CAVO
  • 75.
    69 FREINAGE MÉCANIQUE XL2BRAKE ASSEMBLY XL2 BREMSANLAGE XL2 COMPLESSIVO FRENO XL2 DISCOVER XL2 D0001 > H24R0071 C Rep Nr Qt Designation Description Bezeichnung Referenza Remarque - Remark - Bemerkung - Osservazioni 001 720119 004 AXE CABLE DE FREIN PIN ACHSE PERNO 002 751403 001 PALONNIER SPREADER BAR LASTTRAVERSE TIMONE 003 80061050 002 VIS TETE HEXAGONALE FE/ZNXC3 HEXAGON HEAD SCREW FE/ZNXC3 SECHSKANTSCHRAUBE FE/ZNXC3 VITE TESTA ESAGONALE FE/ZNXC3 004 80201030 002 ECROU HEX.AUTOFREINE FE/ZNXC3 SELF-LOCKING NUT FE/ZNXC3 SELBSTSICH.MUTTER FE/ZNXC3 DADO AUTOBLOCCANTE FE/ZNXC3 005 80251201 006 RONDELLE PLATE FE/ZNXC3 PLAIN WASHER FE/ZNXC3 SCHEIBE FE/ZNXC3 RONDELLA PIATTA FE/ZNXC3 006 80251225 006 RONDELLE PLATE FE/ZNXC3 PLAIN WASHER FE/ZNXC3 SCHEIBE FE/ZNXC3 RONDELLA PIATTA FE/ZNXC3 007 80500451 006 GOUPILLE FENDUE FE/ZNXC3 SPLIT PIN FE/ZNXC3 SPLINT FE/ZNXC3 COPPIGLIA FE/ZNXC3 008 H2401230 002 AXE CABLE DE FREIN AXLE ACHSE ASSE 009 H2405660 001 FREIN BRAKE BREMSE FRENO 010 H2417890 001 TRINGLE LINK STREBE TRIANGOLO 011 H2421840 002 ENTRETOISE SPACER DISTANZHUELSE DISTANZIALE 012 H2417990 001 CABLE WIRE DRAHTSEIL CAVO 013 H2906180 001 CABLE WIRE DRAHTSEIL CAVO 014 H2906180 001 CABLE WIRE DRAHTSEIL CAVO
  • 77.
    71 FREINAGE HYDRAULIQUE HYDRAULICBRAKE HYDRAULISCHE BREMSANLAGE FRENO IDRAULICO DISCOVER XL2 D0001 > H24R0367 A Rep Nr Qt Designation Description Bezeichnung Referenza Remarque - Remark - Bemerkung - Osservazioni 001 951197 006 GAINE CAOUTCHOUC SHEATHE HUELLE GUAINA CAOUTCHOUC 002 952211 001 RACCORD DE FREINAGE HYDRAULIC BRAKE VALVE STECKER VON HYDRAULIKBREMSE RACCORDO 003 80060835 004 VIS TETE HEXAGONALE FE/ZNXC3 HEXAGON HEAD SCREW FE/ZNXC3 SECHSKANTSCHRAUBE FE/ZNXC3 VITE TESTA ESAGONALE FE/ZNXC3 004 80080626 028 VIS TETE CYL.SIX P.CR.FE/ZNXC3 SCREW, SOCKET HEAD FE/ZNXC3 ZYLINDERSCHR.INNENSEC.FE/ZNXC3 VITE A TESTA CILINDR. FE/ZNXC3 005 A4080352 002 UNION DOUBLE NUE ZBC STRAIGHT COUPLING ZBC GERADE VERSCHRAUBUNG ZBC GIUNZIONE DIRITTA ZBC 006 A4080401 002 UNION MALE MALE STUD CONNECTOR GERADER EINSCHRAUBSTUTZEN GIUZIONE DIRITTA ZBC 007 A4080426 001 UNION MALE MALE STUD CONNECTOR GERADER EINSCHRAUBSTUTZEN GIUZIONE DIRITTA ZBC 008 A4081003 001 TE EGAL NU ZBC EQUAL TEE ZBC T-VERSCHRAUBUNG ZBC GIUNZIONE A T ZBC 009 A7260016 004 PL SUP/C. DOUBLE D14/15/16/18 UPPER PLATE OBERE PLATTE PIASTRA 010 A7260025 007 COLLIER SIMPLE D15 NU CLAMP D.15 SCHELLE D.15 COLLARE D.15 011 A7260027 007 COLLIER SIMPLE D18 NU CLAMP D.18 SCHELLE D.18 COLLARE D.18 012 A7260042 004 COLLIER DOUBLE D15 NU CLAMP D.15 SCHELLE D.15 COLLARE D.15 013 A4921075 001 FLEXIBLE HYDRAULIQUE HYDRAULIC HOSE HYDRAULIKSCHLAUCH TUBO GOMMA <->1300 mm 014 A4921075 001 FLEXIBLE HYDRAULIQUE HYDRAULIC HOSE HYDRAULIKSCHLAUCH TUBO GOMMA <->1300 mm 015 A4921112 001 FLEXIBLE HYDRAULIQUE HYDRAULIC HOSE HYDRAULIKSCHLAUCH TUBO GOMMA <->5500 mm 016 A4921115 001 FLEXIBLE HYDRAULIQUE HYDRAULIC HOSE HYDRAULIKSCHLAUCH TUBO GOMMA <->1600 mm 017 H2417810 001 TUYAU PIPE ROHR TUBO 018 H2905970 001 ESSIEU AXLE RADACHSE ASSALE 019 H2906030 002 VERIN CYLINDER, HYDRAULIC HYDRAULIKZYLINDER CILINDRO
  • 79.
    73 FREINAGE PNEUMATIQUE RESERVOIRPNEUMATIC BRAKE TANK DRUCKLUFT-BREMSANLAGE TANK FRENO PNEUMATICO SERBATOIO DISCOVER XL2 C0001 > H24R0073 C Rep Nr Qt Designation Description Bezeichnung Referenza Remarque - Remark - Bemerkung - Osservazioni 001 951197 025 GAINE CAOUTCHOUC SHEATHE HUELLE GUAINA CAOUTCHOUC 002 80060636 002 VIS TETE HEXAGONALE FE/ZNXC3 HEXAGON HEAD SCREW FE/ZNXC3 SECHSKANTSCHRAUBE FE/ZNXC3 VITE TESTA ESAGONALE FE/ZNXC3 003 80060653 001 VIS TETE HEXAGONALE FLZNNC HEXAGON HEAD SCREW FLZNNC SECHSKANTSCHRAUBE FLZNNC VITE TESTA ESAGONALE FLZNNC 004 80060826 002 VIS TETE HEXAGONALE FE/ZNXC3 HEXAGON HEAD SCREW FE/ZNXC3 SECHSKANTSCHRAUBE FE/ZNXC3 VITE TESTA ESAGONALE FE/ZNXC3 005 80060835 004 VIS TETE HEXAGONALE FE/ZNXC3 HEXAGON HEAD SCREW FE/ZNXC3 SECHSKANTSCHRAUBE FE/ZNXC3 VITE TESTA ESAGONALE FE/ZNXC3 006 80061030 004 VIS TETE HEXAGONALE HEXAGON HEAD SCREW SECHSKANTSCHRAUBE VITE A TESTA ESAGONALE 007 80061036 004 VIS TETE HEXAGONALE FE/ZNXC3 HEXAGON HEAD SCREW FE/ZNXC3 SECHSKANTSCHRAUBE FE/ZNXC3 VITE TESTA ESAGONALE FE/ZNXC3 008 80061040 002 VIS TETE HEXAGONALE FE/ZNXC3 HEXAGON HEAD SCREW FE/ZNXC3 SECHSKANTSCHRAUBE FE/ZNXC3 VITE TESTA ESAGONALE FE/ZNXC3 009 80062059 002 VIS TETE HEXAGONALE FE/ZNXC3 HEXAGON HEAD SCREW FE/ZNXC3 SECHSKANTSCHRAUBE FE/ZNXC3 VITE TESTA ESAGONALE FE/ZNXC3 010 80080626 010 VIS TETE CYL.SIX P.CR.FE/ZNXC3 SCREW, SOCKET HEAD FE/ZNXC3 ZYLINDERSCHR.INNENSEC.FE/ZNXC3 VITE A TESTA CILINDR. FE/ZNXC3 011 80080660 012 VIS TETE CYL.SIX P.CR.FE/ZNXC3 HEX.SOCK.HEAD CAP SCR.FE/ZNXC3 ZYLINDERSCHR.INNENSEC.FE/ZNXC3 VITE A TESTA CILINDR. FE/ZNXC3 012 80200630 001 ECROU HEX.AUTOFREINE FE/ZNXC3 SELF-LOCKING NUT FE/ZNXC3 SELBSTSICHERNDE MUTT.FE/ZNXC3 DADO AUTOBLOCCANTE FE/ZNXC3 013 80200830 002 ECROU HEX.AUTOFREINE FE/ZNXC3 SELF-LOCKING NUT FE/ZNXC3 SELBSTSICHERNDE MUTT.FE/ZNXC3 DADO AUTOBLOCCANTE FE/ZNXC3 014 80201030 006 ECROU HEX.AUTOFREINE FE/ZNXC3 SELF-LOCKING NUT FE/ZNXC3 SELBSTSICH.MUTTER FE/ZNXC3 DADO AUTOBLOCCANTE FE/ZNXC3 015 80201040 004 ECROU HEX.BAS AUTOFR.FE/ZNXC3 SELF-LOCKING NUT FE/ZNXC3 SELBSTSICHERND.MUTTER FE/ZNXC3 DADO AUTOBLOCCANTE FE/ZNXC3 016 80202030 002 ECROU HEX.AUTOFREINE FE/ZNXC3 SELF-LOCKING NUT FE/ZNXC3 SELBSTSICH.MUTTER FE/ZNXC3 DADO AUTOBLOCCANTE FE/ZNXC3 017 80250624 001 RONDELLE PLATE INOX A2 PLAIN WASHER INOX A2 SCHEIBE INOX A2 RONDELLA PIATTALA INOX A2 018 80250823 004 RONDELLE PLATE FE/ZNXC3 PLAIN WASHER FE/ZNXC3 SCHEIBE FE/ZNXC3 RONDELLA PIATTA FE/ZNXC3 019 80251021 018 RONDELLE PLATE FE/ZNXC3 PLAIN WASHER FE/ZNXC3 SCHEIBE FE/ZNXC3 RONDELLA PIATTA FE/ZNXC3 020 80252026 004 RONDELLE PLATE FE/ZNXC3 PLAIN WASHER FE/ZNXC3 SCHEIBE FE/ZNXC3 RONDELLA PIATTA FE/ZNXC3 021 82102229 004 JOINT CUIVRE SEALING RING DICHTRING RONDELLA RAME 022 951603 002 VASE DE FREIN 16CL CONTAINER GEFAESS 16'CL CONTENITORE 16CL 023 A4060627 002 UNION FITTING, HYDRAULIC, UNION VERBINDUNG CONNETTORE 024 A4061802 002 BOUCHON 3/8G CHC F.E FE/ZNXC3 PLUG 3/8G CHC F.E FE/ZNXC3 VERSCHLUSSSCHRAUBE 3/8G CHC F. TAPPO 3/8G CHC F.E FE/ZNXC3 025 A4080112 016 BAGUE 1 DL 12 BUSH HUELSE BOCCOLA 026 A4080212 016 ECROU L12 NUT L12 MUTTER L12 DADO L12 027 A4080311 004 UNION DOUBLE FE/ZNXC3 STRAIGHT COUPLING FE/ZNXC3 GERADE VERSCHRAUBUNG FE/ZNXC3 GIUNZIONE DIRITTA FE/ZNXC3 028 A4080403 004 UNION MALE MALE STUD CONNECTOR GERADER EINSCHRAUBSTUTZEN GIUZIONE DIRITTA ZBC 029 A4080413 002 UNION MALE MALE STUD CONNECTOR GERADER EINSCHRAUBSTUTZEN GIUZIONE DIRITTA ZBC 030 A4080414 006 UNION MALE MALE STUD CONNECTOR GERADER EINSCHRAUBSTUTZEN GIUZIONE DIRITTA ZBC 031 A4080446 001 UNION MALE NUE ZBC MALE SUTD COUPLING ZBC GERADE EINSCHRAUBVERSCHRAU.ZBC GIUZIONE DIRITTA ZBC 032 A4081003 001 TE EGAL NU ZBC EQUAL TEE ZBC T-VERSCHRAUBUNG ZBC GIUNZIONE A T ZBC 033 A4082701 002 COUDE TOURNANT AJUSTABLE MALE STUD ELBOW EINSTELLBARE WINKEL STUTZEN GIUNZIONE A 90°ORIENTABILE ZBC 034 A4230002 001 BAGUE BS C22 SEAL DICHTUNGSRING BOCCOLA 035 A7181104 001 VALVE DE PURGE DRAIN VALVE ENTWAESSERUNGSVENTIL VALVOLA 036 A7181108 001 PRISE DE PRESSION EN T PRESSURE PORT T DRUCKANSCHLUSS T PRESA DI PRESSIONE 037 A7181109 001 PRISE DE PRESSION M22X150 PRESSURE PORT DRUCKANSCHLUSS PRESA DI PRESSIONE 038 A7181115 003 BOUCHON M22X150 ZBC PLUG STOPFEN TAPPO 039 A7181122 001 TETE D'ACCOUPLEMENT ROUGE RED COUPLING HEAD ANSCHLUSSKOPF ROT TESTA ACCOPPIAMENTO ROSSO 040 A7181125 001 TETE D'ACCOUPLEMENT ISO JAUNE YELLOW COUPLING HEAD ANSCHLUSSKOPF GELB TESTA ACCOPPIAMENTO GIALLO 041 A7181134 016 FOURRURE D9X12 LINER D.9 SCHLAUCHVERSTEIFUNG D.9 CAMICIA 042 A7181144 002 FILTRE DE CONDUITE FILTER FILTER FILTRO 043 A7181145 001 VALVE VALVE VENTIL VALVOLA 044 A7260015 003 PL SUP/COL. DOUBLE D6/8/10/12 UPPER PLATE PLATTE OBERE PIASTRA 045 A7260016 004 PL SUP/C. DOUBLE D14/15/16/18 UPPER PLATE OBERE PLATTE PIASTRA 046 A7260027 017 COLLIER SIMPLE D18 NU CLAMP D.18 SCHELLE D.18 COLLARE D.18 047 A7260040 003 COLLIER DOUBLE D12 NU CLAMP D.12 SCHELLE D.12 COLLARE D.12 048 A7260044 004 COLLIER DOUBLE D18 NU CLAMP D.18 SCHELLE D.18 COLLARE D.18
  • 81.
    75 FREINAGE PNEUMATIQUE RESERVOIRPNEUMATIC BRAKE TANK DRUCKLUFT-BREMSANLAGE TANK FRENO PNEUMATICO SERBATOIO DISCOVER XL2 C0001 > H24R0073 C Rep Nr Qt Designation Description Bezeichnung Referenza Remarque - Remark - Bemerkung - Osservazioni 049 A4921036 001 FLEXIBLE HYDRAULIQUE HYDRAULIC HOSE HYDRAULIKSCHLAUCH TUBO GOMMA <->2000 mm 050 A4921036 001 FLEXIBLE HYDRAULIQUE HYDRAULIC HOSE HYDRAULIKSCHLAUCH TUBO GOMMA <->2000 mm 051 A7181129 001 FLEXIBLE POLYAMIDE 9X12 HOSE DRUCKSCHLAUCH TUBO IN GOMMA 052 A7181129 001 FLEXIBLE POLYAMIDE 9X12 HOSE DRUCKSCHLAUCH TUBO IN GOMMA 053 A7181129 001 FLEXIBLE POLYAMIDE 9X12 HOSE DRUCKSCHLAUCH TUBO IN GOMMA 054 A7181129 001 FLEXIBLE POLYAMIDE 9X12 HOSE DRUCKSCHLAUCH TUBO IN GOMMA 055 A7181129 001 FLEXIBLE POLYAMIDE 9X12 HOSE DRUCKSCHLAUCH TUBO IN GOMMA 056 A7181129 001 FLEXIBLE POLYAMIDE 9X12 HOSE DRUCKSCHLAUCH TUBO IN GOMMA 057 A7181129 001 FLEXIBLE POLYAMIDE 9X12 HOSE DRUCKSCHLAUCH TUBO IN GOMMA 058 A7181129 001 FLEXIBLE POLYAMIDE 9X12 HOSE DRUCKSCHLAUCH TUBO IN GOMMA 059 G0445281 002 COUDE FITTING, HYDRAULIC, ELBOW BOGEN CURVA 060 H2402800 001 RESERVOIR RESERVOIR TANK SERBATOIO 061 H2420690 004 DEMI-COLLIER HOSE CLAMP, HALFT SCHLAUCHSCHELLEHÄLFTE MEZZO COLLARE 062 H2420700 002 SUPPORT SUPPORT TRAEGER SUPPORTO 063 H2420710 001 SUPPORT SUPPORT TRAEGER SUPPORTO 064 H2421080 001 TUYAU PIPE ROHR TUBO 065 H2421090 001 TUYAU PIPE ROHR TUBO 066 H2906260 001 PROTECTEUR GUARD SCHUTZ PROTEZIONE 067 H2906270 002 CHAPE CLEVIS GABEL FORCELLA
  • 83.
    77 ESSIEU AXLE ACHSEASSALE DISCOVER XL2 C0001 C9999> H29R0009 A Rep Nr Qt Designation Description Bezeichnung Referenza Remarque - Remark - Bemerkung - Osservazioni 001 81305501 002 ROULEMENT A ROULEAUX CONIQUES TAPERED ROLLER BEARING KEGELROLLENLAGER CUSCINETTO A RULLI 002 500236 001 ESSIEU AXLE RADACHSE ASSALE 003 583422 001 FUSEE SPINDLE DREHZAPFEN FUSO 004 80201850 016 ECROU PORTEE SPHER.FE/ZNXC3 WHEEL NUT FE/ZNXC3 RADMUTTER FE/ZNXC3 DADO FE/ZNXC3 27 daN.m (199.14 lbf.ft) 005 952233 002 CAME ESSIEU 500236 CAM NOCKEN FERMO 006 K8018150 002 RONDELLE SUPPORTING RING SCHEIBE RONDELLA D'APPOGGIO 007 81307512 002 ROULEMENT A ROULEAUX CONIQUES TAPERED ROLLER BEARING KEGELROLLENLAGER CUSCINETTO A RULLI 008 952314 002 TAMBOUR 350X80S 8 TROUS REEL TROMMEL TAMBURO 009 952315 002 MOYEU NU 808 AF HUB NABE MOZZO 010 A7039044 016 GOUJON D.18X150 <-> 46/70 STUD, THREADED GEWINDESTIFT SPINA 011 A7039049 002 RONDELLE PLATE D45X80X5 WASHER FLACHSCHEIBE RONDELLA PIANA 012 A7039171 002 ECROU HK M45X2 MONROC NUT MUTTER DADO 013 952319 002 CHAPEAU A VISSER Ø101.5X1.5 CAP D 101,5X1,5 KAPPE D 101,5X1,5 CAPPELLO 014 952320 002 BIELLETTE LINK SCHUBSTANGE BIELLA 015 A7039099 004 RESSORT DE RAPPEL 3X17X120 SPRING ZUGFEDER MOLLA 016 A7039406 004 MACHOIRE DE FREIN BRAKE SHOE BREMSBACKE GANASCIA DI FRENO 017 80500579 002 GOUPILLE FENDUE FE/ZNXC3 SPLIT PIN FE/ZNXC3 SPLINT FE/ZNXC3 COPPIGLIA FE/ZNXC3 018 80583000 002 CIRCLIP EXTERIEUR RETAINING RING SICHERUNGSRING ANELLO 019 82200616 002 GRAISSEUR AUTOTAR.FE/ZNXC3 TAPPING GREASE NIPPLE FE/ZNXC3 GEWINDESCH.SCHMIERNIP.FE/ZNXC3 INGRASSATORE FE/ZNXC3 020 952313 001 MOYEU COMPLET 808AF1 350X80S HUB NABE MOZZO
  • 85.
    79 ESSIEU (FREINAGE HYDRAULIQUE)AXLE (HYDRAULIC BRAKE) ACHSE (HYDRAULISCHE BREMSANLAG ASSALE (FRENO IDRAULICO) DISCOVER XL2 D0001 > H29R0085 A Rep Nr Qt Designation Description Bezeichnung Referenza Remarque - Remark - Bemerkung - Osservazioni 001 H2905970 001 ESSIEU AXLE RADACHSE ASSALE
  • 87.
    81 ESSIEU (FREINAGE PNEUMATIQUE)AXLE (PNEUMATIC BRAKE) ACHSE (DRUCKLUFT-BREMSANLAGE) ASSALE (FRENO PNEUMATICO) DISCOVER XL2 D0001 > H29R0086 A Rep Nr Qt Designation Description Bezeichnung Referenza Remarque - Remark - Bemerkung - Osservazioni 001 H2905980 001 ESSIEU AXLE RADACHSE ASSALE
  • 89.
    83 CALE DE ROUEFIX OF WHEEL BREMSKLOTZ TENUTA DI RUO DISCOVER XL2 C0001 > H24R0159 A Rep Nr Qt Designation Description Bezeichnung Referenza Remarque - Remark - Bemerkung - Osservazioni 001 80060820 008 VIS TETE HEXAGONALE FE/ZNXC3 HEXAGON HEAD SCREW FE/ZNXC3 SECHSKANTSCHRAUBE FE/ZNXC3 VITE TESTA ESAGONALE FE/ZNXC3 002 80061271 002 VIS TETE HEXAGONALE FE/ZNXC3 HEXAGON HEAD SCREW FE/ZNXC3 SECHSKANTSCHRAUBE FE/ZNXC3 VITE TESTA ESAGONALE FE/ZNXC3 003 80200840 008 ECROU HEX.BAS AUTOFR.FE/ZNXC3 SELF-LOCKING NUT FE/ZNXC3 SELBSTSICHERND.MUTTER FE/ZNXC3 DADO AUTOBLOCCANTE FE/ZNXC3 004 80201240 002 ECROU HEX.BAS AUTOFR.FE/ZNXC3 SELF-LOCKING NUT FE/ZNXC3 SELBSTSICHERND.MUTTER FE/ZNXC3 DADO AUTOBLOCCANTE FE/ZNXC3 005 A7021004 002 CALE SHIM DISTANZPLATTE SPESSORE 006 A7021005 002 SUPPORT SUPPORT TRAEGER SUPPORTO 007 H2402530 001 SUPPORT SUPPORT TRAEGER SUPPORTO
  • 91.
    85 ROUE 550/60-22.5 404TL WHEEL 550/60-22.5 404 TL RAD 550/60-22.5 404 TL RUOTA 550/60-22.5 404 TL DISCOVER XL2 C0001 > H29R0010 C Rep Nr Qt Designation Description Bezeichnung Referenza Remarque - Remark - Bemerkung - Osservazioni 001 H0503890 001 ROUE WHEEL RAD RUOTA +[1] TRELLBORG 2,8bars(41PSI) 002 H0503900 002 ROUE WHEEL RAD RUOTA +[1] TRELLBORG 2,8bars(41PSI) 003 H2900100 003 PNEU TIRE REIFEN PNEUMATICO [1]TRELLBORG 004 H2900110 003 JANTE WHEEL FELGE CERCHIO [1]TRELLBORG
  • 93.
    87 ROUE 500/60.22.5 WHEEL500/60.22.5 RAD 500/60.22.5 RUOTA 500/60.22.5 DISCOVER XL2 C0001 > H29R0011 B Rep Nr Qt Designation Description Bezeichnung Referenza Remarque - Remark - Bemerkung - Osservazioni 001 H2900110 001 JANTE WHEEL FELGE CERCHIO [1]TRELLBORG 002 H2905640 001 PNEU TIRE REIFEN PNEUMATICO [1]TRELLBORG 003 H2905670 001 ROUE WHEEL RAD RUOTA +[1]TRELLBORG 2,4bars(35PSI) 004 H2905680 001 ROUE WHEEL RAD RUOTA +[1]TRELLBORG 2,4bars(35PSI)
  • 95.
    89 RELEVAGE ROULEAUX LIFTREAR WALZE AUSHEBUNG WALZE SOLLEVAMENTO RULLI POSTERIORI DISCOVER XL2 C0001 > H22R0093 E Rep Nr Qt Designation Description Bezeichnung Referenza Remarque - Remark - Bemerkung - Osservazioni 001 952162 002 POCHETTE JOINTS 95216O-952161 SEALS PACKET (952160-952161) DICHTSATZ FUER 952160-952161 COLLEZIONE GUARNIZIONI : 952161 001 H2401340 002 POCHETTE JOINTS H2401330 SEALS PACKET H2401330 DICHTSATZ FUER H2401330 KIT GOMMINI H2401330 : h2401330 002 951955 001 POCHETTE JOINTS 951954-952231 SEALS PACKET 951954-952231 DICHTSATZ FUER 951954-952231 KIT GOMMINI 951954-952231 : 952231 002 H2401610 001 POCHETTE KIT, SEAL TACHE SACCHE : H2401600 003 82200800 001 GRAISSEUR FE/ZNXC3 GREASE NIPPLE FE/ZNXC3 SCHMIERNIPPEL FE/ZNXC3 INGRASSATORE FE/ZNXC3 004 952365 001 CLAPET ANTI-RETOUR VALVE, CHECK RUECKSCHLAGVENTIL VALVOLA ANTI-RITORNO 005 H2230190 001 CHASSIS CHASSIS HAUPTRAHMEN TELAIO 006 H2230210 002 BRAS ARM ARM BRACCIO 007 952160 001 VERIN CYLINDER, HYDRAULIC HYDRAULIKZYLINDER CILINDRO 008 H2114000 001 EMBOUT END PIECE ENDSTUECK GIUNTO 009 80201630 001 ECROU HEX.AUTOFREINE FE/ZNXC3 SELF-LOCKING NUT FE/ZNXC3 SELBSTSICH.MUTTER FE/ZNXC3 DADO AUTOBLOCCANTE FE/ZNXC3 010 80061657 001 VIS TETE HEXAGONALE FE/ZNXC3 HEXAGON HEAD SCREW FE/ZNXC3 SECHSKANTSCHRAUBE FE/ZNXC3 VITE TESTA ESAGONALE FE/ZNXC3 011 82201016 002 GRAISSEUR AUTOTARAUDANT SELF TAPPING GREASE NIPPLE GEWINDESCHNEID-SCHMIERNIPPEL INGRASSATORE 012 H2100830 001 AXE PIN ACHSE ASSE 013 80201230 001 ECROU HEX.AUTOFREINE FE/ZNXC3 SELF-LOCKING NUT FE/ZNXC3 SELBSTSICH.MUTTER FE/ZNXC3 DADO AUTOBLOCCANTE FE/ZNXC3 014 80061245 001 VIS TETE HEXAGONALE FE/ZNXC3 HEXAGON HEAD SCREW FE/ZNXC3 SECHSKANTSCHRAUBE FE/ZNXC3 VITE TESTA ESAGONALE FE/ZNXC3 015 83014041 002 BAGUE ROULEE WRAPPED BUSH GEROLLTE BUCHSE ANELLO LUBRIFICATO 016 H2113770 001 TIMON TONGUE DEICHSEL TIMONE 017 952160 001 VERIN CYLINDER, HYDRAULIC HYDRAULIKZYLINDER CILINDRO 018 80201630 001 ECROU HEX.AUTOFREINE FE/ZNXC3 SELF-LOCKING NUT FE/ZNXC3 SELBSTSICH.MUTTER FE/ZNXC3 DADO AUTOBLOCCANTE FE/ZNXC3 019 80061657 001 VIS TETE HEXAGONALE FE/ZNXC3 HEXAGON HEAD SCREW FE/ZNXC3 SECHSKANTSCHRAUBE FE/ZNXC3 VITE TESTA ESAGONALE FE/ZNXC3 020 82201016 002 GRAISSEUR AUTOTARAUDANT SELF TAPPING GREASE NIPPLE GEWINDESCHNEID-SCHMIERNIPPEL INGRASSATORE 021 H2100830 001 AXE PIN ACHSE ASSE 022 80201230 001 ECROU HEX.AUTOFREINE FE/ZNXC3 SELF-LOCKING NUT FE/ZNXC3 SELBSTSICH.MUTTER FE/ZNXC3 DADO AUTOBLOCCANTE FE/ZNXC3 023 80061245 001 VIS TETE HEXAGONALE FE/ZNXC3 HEXAGON HEAD SCREW FE/ZNXC3 SECHSKANTSCHRAUBE FE/ZNXC3 VITE TESTA ESAGONALE FE/ZNXC3 024 83014041 002 BAGUE ROULEE WRAPPED BUSH GEROLLTE BUCHSE ANELLO LUBRIFICATO 025 H2401590 001 VERIN CYLINDER, HYDRAULIC HYDRAULIKZYLINDER CILINDRO 026 H2200780 002 AXE PIVOT AXLE ACHSE ASSE 027 750961 002 RONDELLE WASHER D100 EP6 SCHEIBE D100 EP6 RONDELLA 028 80205566 002 ECROU A ENCOCH.AUTOF.FE/ZNXC3 SELF-LOCKING NUT FE/ZNXC3 SELBSTSICHERN.MUTTER FE/ZNXC3 DADO AUTOBLOCCANTE FE/ZNXC3 029 H2114030 001 AXE PIN ACHSE ASSE 030 H2114010 002 AXE PIN ACHSE ASSE 031 H2114040 002 AXE PIN ACHSE ASSE 032 80201240 001 ECROU HEX.BAS AUTOFR.FE/ZNXC3 SELF-LOCKING NUT FE/ZNXC3 SELBSTSICHERND.MUTTER FE/ZNXC3 DADO AUTOBLOCCANTE FE/ZNXC3 033 80062067 014 VIS TETE HEXAGONALE FLZNNC HEXAGON HEAD SCREW FLZNNC SECHSKANTSCHRAUBE FLZNNC VITE TESTA ESAGONALE FLZNNC 034 80202069 014 ECROU HEXAGONAL FE/ZNXC3 NUT FE/ZNXC3 SECHSKANTMUTTER FE/ZNXC3 DADO FE/ZNXC3 035 80202030 014 ECROU HEX.AUTOFREINE FE/ZNXC3 SELF-LOCKING NUT FE/ZNXC3 SELBSTSICH.MUTTER FE/ZNXC3 DADO AUTOBLOCCANTE FE/ZNXC3 036 83014540 002 BAGUE ROULEE WRAPPED BUSH GEROLLTE BUCHSE ANELLO LUBRIFICATO 037 583222 001 AXE PIN ACHSE ASSE 038 80061245 001 VIS TETE HEXAGONALE FE/ZNXC3 HEXAGON HEAD SCREW FE/ZNXC3 SECHSKANTSCHRAUBE FE/ZNXC3 VITE TESTA ESAGONALE FE/ZNXC3 039 83014040 001 BAGUE ROULEE WRAPPED BUSH GEROLLTE BUCHSE ANELLO LUBRIFICATO 040 80061280 002 VIS TETE HEXAGONALE FE/ZNXC3 HEXAGON HEAD SCREW FE/ZNXC3 SECHSKANTSCHRAUBE FE/ZNXC3 VITE TESTA ESAGONALE FE/ZNXC3 041 80201230 002 ECROU HEX.AUTOFREINE FE/ZNXC3 SELF-LOCKING NUT FE/ZNXC3 SELBSTSICH.MUTTER FE/ZNXC3 DADO AUTOBLOCCANTE FE/ZNXC3 042 80061661 003 VIS TETE HEXAGONALE FE/ZNXC3 HEXAGON HEAD SCREW FE/ZNXC3 SECHSKANTSCHRAUBE FE/ZNXC3 VITE TESTA ESAGONALE FE/ZNXC3 043 80201630 003 ECROU HEX.AUTOFREINE FE/ZNXC3 SELF-LOCKING NUT FE/ZNXC3 SELBSTSICH.MUTTER FE/ZNXC3 DADO AUTOBLOCCANTE FE/ZNXC3 044 951448 008 BAGUE ROULEE WRAPPED BUSH GEROLLTE BUCHSE MESSING ANELLO LUBRIFICATO 045 82201016 007 GRAISSEUR AUTOTARAUDANT SELF TAPPING GREASE NIPPLE GEWINDESCHNEID-SCHMIERNIPPEL INGRASSATORE 046 81005055 004 BAGUE ROULEE WRAPPED BUSH GEROLLTE BUCHSE ANELLO LUBRIFICATO
  • 97.
    91 RELEVAGE ROULEAUX LIFTREAR WALZE AUSHEBUNG WALZE SOLLEVAMENTO RULLI POSTERIORI DISCOVER XL2 C0001 > H22R0093 E Rep Nr Qt Designation Description Bezeichnung Referenza Remarque - Remark - Bemerkung - Osservazioni 047 H2114110 001 PLAT FLAT FLACHEISEN PIATTO 048 80250823 004 RONDELLE PLATE FE/ZNXC3 PLAIN WASHER FE/ZNXC3 SCHEIBE FE/ZNXC3 RONDELLA PIATTA FE/ZNXC3 049 80200830 002 ECROU HEX.AUTOFREINE FE/ZNXC3 SELF-LOCKING NUT FE/ZNXC3 SELBSTSICHERNDE MUTT.FE/ZNXC3 DADO AUTOBLOCCANTE FE/ZNXC3 050 80060830 002 VIS TETE HEXAGONALE FE/ZNXC3 HEXAGON HEAD SCREW FE/ZNXC3 SECHSKANTSCHRAUBE FE/ZNXC3 VITE TESTA ESAGONALE FE/ZNXC3 051 H2405390 001 COLLIER CLAMP, HOSE SCHLAUCHSCHELLE COLLARE 052 80080894 001 VIS TETE CYL.SIX P.CR.FE/ZNXC3 HEX.SOCK.HEAD CAP SCR.FE/ZNXC3 ZYLINDERSCHR.INNENSEC.FE/ZNXC3 VITE A TESTA CILINDR. FE/ZNXC3 053 80200870 001 ECROU HEXAGONAL FE/ZNXC3 NUT FE/ZNXC3 SECHSKANTMUTTER FE/ZNXC3 DADO FE/ZNXC3 054 900764 001 ACCUMULATEUR HYDRO-PNEUMATIQUE ACCUMULATOR DRUCKSPEICHER ACCUMULATORE 055 952380 001 VALVE VALVE VENTIL VALVOLA 056 A4080429 003 UNION MALE MALE STUD CONNECTOR GERADER EINSCHRAUBSTUTZEN GIUZIONE DIRITTA ZBC 057 A4080435 002 UNION MALE MALE STUD CONNECTOR GERADER EINSCHRAUBSTUTZEN GIUZIONE DIRITTA ZBC 058 A4923062 001 FLEXIBLE HYDRAULIQUE HYDRAULIC HOSE HYDRAULIKSCHLAUCH TUBO GOMMA <->450 mm 059 80250823 008 RONDELLE PLATE FE/ZNXC3 PLAIN WASHER FE/ZNXC3 SCHEIBE FE/ZNXC3 RONDELLA PIATTA FE/ZNXC3 060 80060853 002 VIS TETE HEXAGONALE FE/ZNXC3 HEXAGON HEAD SCREW FE/ZNXC3 SECHSKANTSCHRAUBE FE/ZNXC3 VITE TESTA ESAGONALE FE/ZNXC3 061 80200830 004 ECROU HEX.AUTOFREINE FE/ZNXC3 SELF-LOCKING NUT FE/ZNXC3 SELBSTSICHERNDE MUTT.FE/ZNXC3 DADO AUTOBLOCCANTE FE/ZNXC3 062 80060830 002 VIS TETE HEXAGONALE FE/ZNXC3 HEXAGON HEAD SCREW FE/ZNXC3 SECHSKANTSCHRAUBE FE/ZNXC3 VITE TESTA ESAGONALE FE/ZNXC3 063 A4072014 001 LIMITEUR DEBIT D0.8 TUBE D14 DELIVERY LIMITER MENGEN BEGRENZER REGOLATORE D'ALIMENTAZIONE 064 952365 001 CLAPET ANTI-RETOUR VALVE, CHECK RUECKSCHLAGVENTIL VALVOLA ANTI-RITORNO
  • 99.
    93 HYDRAULIQUE (BLOC HYDRAULIQUE)HYDRAULIC (HYDRAULIC BLOCK) HYDRAULIK (STEUERBLOCK) IDRAULICO (BLOCCO IDRAULICO) DISCOVER XL2 C0001 > H24R0070 C Rep Nr Qt Designation Description Bezeichnung Referenza Remarque - Remark - Bemerkung - Osservazioni 001 951197 008 GAINE CAOUTCHOUC SHEATHE HUELLE GUAINA CAOUTCHOUC 002 951214 002 BAGUE BUSHING HUELSE BOCCOLA 003 952232 001 BLOC HYDRAULIQUE MANIFOLD, HYDRAULIC HYDRAULIK-STEUERBLOCK BLOCCO IDRAULICO 004 80060835 001 VIS TETE HEXAGONALE FE/ZNXC3 HEXAGON HEAD SCREW FE/ZNXC3 SECHSKANTSCHRAUBE FE/ZNXC3 VITE TESTA ESAGONALE FE/ZNXC3 005 80060846 004 VIS TETE HEXAGONALE FE/ZNXC3 HEXAGON HEAD SCREW FE/ZNXC3 SECHSKANTSCHRAUBE FE/ZNXC3 VITE TESTA ESAGONALE FE/ZNXC3 006 80060857 002 VIS TETE HEXAGONALE FE/ZNXC3 HEXAGON HEAD SCREW FE/ZNXC3 SECHSKANTSCHRAUBE FE/ZNXC3 VITE TESTA ESAGONALE FE/ZNXC3 007 80060871 003 VIS TETE HEXAGONALE FE/ZNXC3 HEXAGON HEAD SCREW FE/ZNXC3 SECHSKANTSCHRAUBE FE/ZNXC3 VITE TESTA ESAGONALE FE/ZNXC3 008 80270803 002 RONDELLE GROWER FE/ZNXC3 SPRING LOCK WASHER FE/ZNXC3 FEDERRING FE/ZNXC3 RONDELLA GROWER FE/ZNXC3 009 82300026 002 CAPUCHON COUPLEUR MALE CAP MALE CONNECTOR KAPPE KUPPLUNGSSTECKER TAPPO 010 83090093 002 COLLIER PLASTIQUE CABLE TIE PLASTIC KABELBINDER PLASTIK FASCETTA 011 A4074017 002 COUPLEUR MALE CONNECTOR MALE KUPPLUNGSTECKER INNESTO M16X150 012 A4080352 002 UNION DOUBLE NUE ZBC STRAIGHT COUPLING ZBC GERADE VERSCHRAUBUNG ZBC GIUNZIONE DIRITTA ZBC 013 A4080429 002 UNION MALE MALE STUD CONNECTOR GERADER EINSCHRAUBSTUTZEN GIUZIONE DIRITTA ZBC 014 A7260016 004 PL SUP/C. DOUBLE D14/15/16/18 UPPER PLATE OBERE PLATTE PIASTRA 015 A7260017 007 PL SUP/C. DOUBLE D19/20/22/25 UPPER PLATE PLATTE OBERE PIASTRA 016 A7260042 004 COLLIER DOUBLE D15 NU CLAMP D.15 SCHELLE D.15 COLLARE D.15 017 A7260046 007 COLLIER DOUBLE D20 NU CLAMP D.20 SCHELLE D.20 COLLARE D.20 018 A4921112 001 FLEXIBLE HYDRAULIQUE HYDRAULIC HOSE HYDRAULIKSCHLAUCH TUBO GOMMA <->5500 mm 019 A4921112 001 FLEXIBLE HYDRAULIQUE HYDRAULIC HOSE HYDRAULIKSCHLAUCH TUBO GOMMA <->5500 mm 020 H2417960 002 TUYAU HYDRAULIQUE TUBING, HYDRAULIC HYDRAULIKSCHLAUCH TUBO GOMMA
  • 101.
    95 HYDRAULIQUE DE RELEVAGEROULEA LIFTING HYDRAULIC ROLLER HYDRAULIKELEMENTE AUSHEBUNG WA SIST. IDRAULICO SOLLEVAMENTO R DISCOVER XL2 C0001 > H24R0068 D Rep Nr Qt Designation Description Bezeichnung Referenza Remarque - Remark - Bemerkung - Osservazioni 001 951197 004 GAINE CAOUTCHOUC SHEATHE HUELLE GUAINA CAOUTCHOUC 002 952232 001 BLOC HYDRAULIQUE MANIFOLD, HYDRAULIC HYDRAULIK-STEUERBLOCK BLOCCO IDRAULICO 003 952365 002 CLAPET ANTI-RETOUR VALVE, CHECK RUECKSCHLAGVENTIL VALVOLA ANTI-RITORNO 004 952380 001 VALVE VALVE VENTIL VALVOLA 005 80060846 002 VIS TETE HEXAGONALE FE/ZNXC3 HEXAGON HEAD SCREW FE/ZNXC3 SECHSKANTSCHRAUBE FE/ZNXC3 VITE TESTA ESAGONALE FE/ZNXC3 006 80060853 002 VIS TETE HEXAGONALE FE/ZNXC3 HEXAGON HEAD SCREW FE/ZNXC3 SECHSKANTSCHRAUBE FE/ZNXC3 VITE TESTA ESAGONALE FE/ZNXC3 007 80060857 002 VIS TETE HEXAGONALE FE/ZNXC3 HEXAGON HEAD SCREW FE/ZNXC3 SECHSKANTSCHRAUBE FE/ZNXC3 VITE TESTA ESAGONALE FE/ZNXC3 008 80200830 002 ECROU HEX.AUTOFREINE FE/ZNXC3 SELF-LOCKING NUT FE/ZNXC3 SELBSTSICHERNDE MUTT.FE/ZNXC3 DADO AUTOBLOCCANTE FE/ZNXC3 009 80250823 004 RONDELLE PLATE FE/ZNXC3 PLAIN WASHER FE/ZNXC3 SCHEIBE FE/ZNXC3 RONDELLA PIATTA FE/ZNXC3 010 80270803 002 RONDELLE GROWER FE/ZNXC3 SPRING LOCK WASHER FE/ZNXC3 FEDERRING FE/ZNXC3 RONDELLA GROWER FE/ZNXC3 011 82200800 002 GRAISSEUR FE/ZNXC3 GREASE NIPPLE FE/ZNXC3 SCHMIERNIPPEL FE/ZNXC3 INGRASSATORE FE/ZNXC3 012 951955 001 POCHETTE JOINTS 951954-952231 SEALS PACKET 951954-952231 DICHTSATZ FUER 951954-952231 KIT GOMMINI 951954-952231 : 952231 012 H2401610 001 POCHETTE KIT, SEAL TACHE SACCHE : H2401600 013 A4080306 001 UNION DOUBLE FE/ZNXC3 STRAIGHT COUPLING FE/ZNXC3 GERADE VERSCHRAUBUNG FE/ZNXC3 GIUNZIONE DIRITTA FE/ZNXC3 014 A4080429 007 UNION MALE MALE STUD CONNECTOR GERADER EINSCHRAUBSTUTZEN GIUZIONE DIRITTA ZBC 015 A4081010 001 TE EGAL NU ZBC EQUAL TEE ZBC T-VERSCHRAUBUNG ZBC GIUNZIONE A T ZBC 016 A7260017 002 PL SUP/C. DOUBLE D19/20/22/25 UPPER PLATE PLATTE OBERE PIASTRA 017 A7260046 002 COLLIER DOUBLE D20 NU CLAMP D.20 SCHELLE D.20 COLLARE D.20 018 A4923029 001 FLEXIBLE HYDRAULIQUE HYDRAULIC HOSE HYDRAULIKSCHLAUCH TUBO GOMMA <->290 mm 019 A4923030 001 FLEXIBLE HYDRAULIQUE HYDRAULIC HOSE HYDRAULIKSCHLAUCH TUBO GOMMA <->650 mm 020 A4923032 001 FLEXIBLE HYDRAULIQUE HYDRAULIC HOSE HYDRAULIKSCHLAUCH TUBO GOMMA <->1100 mm 021 A4923062 001 FLEXIBLE HYDRAULIQUE HYDRAULIC HOSE HYDRAULIKSCHLAUCH TUBO GOMMA <->450 mm 022 H2401590 001 VERIN CYLINDER, HYDRAULIC HYDRAULIKZYLINDER CILINDRO 023 H2417970 002 TUYAU HYDRAULIQUE TUBING, HYDRAULIC HYDRAULIKSCHLAUCH TUBO GOMMA
  • 103.
    97 HYDRAULIQUE DE REPLIAGEROULEA HYDRAULICS ROLLER HYDRAULIK RAHMENEINSCHWENKUNG TUBI FLESSIBILI IDRAULICI RULL DISCOVER XL2 C0001 > H24R0069 C Rep Nr Qt Designation Description Bezeichnung Referenza Remarque - Remark - Bemerkung - Osservazioni 001 952365 001 CLAPET ANTI-RETOUR VALVE, CHECK RUECKSCHLAGVENTIL VALVOLA ANTI-RITORNO 002 952162 001 POCHETTE JOINTS 95216O-952161 SEALS PACKET (952160-952161) DICHTSATZ FUER 952160-952161 COLLEZIONE GUARNIZIONI : 952161 002 951909 001 COLLECTION KIT SATZ COLLEZIONE : 952372 003 952232 001 BLOC HYDRAULIQUE MANIFOLD, HYDRAULIC HYDRAULIK-STEUERBLOCK BLOCCO IDRAULICO 004 80270803 002 RONDELLE GROWER FE/ZNXC3 SPRING LOCK WASHER FE/ZNXC3 FEDERRING FE/ZNXC3 RONDELLA GROWER FE/ZNXC3 005 80060857 002 VIS TETE HEXAGONALE FE/ZNXC3 HEXAGON HEAD SCREW FE/ZNXC3 SECHSKANTSCHRAUBE FE/ZNXC3 VITE TESTA ESAGONALE FE/ZNXC3 006 952160 001 VERIN CYLINDER, HYDRAULIC HYDRAULIKZYLINDER CILINDRO 007 A7260046 005 COLLIER DOUBLE D20 NU CLAMP D.20 SCHELLE D.20 COLLARE D.20 008 A7260017 005 PL SUP/C. DOUBLE D19/20/22/25 UPPER PLATE PLATTE OBERE PIASTRA 009 80060846 005 VIS TETE HEXAGONALE FE/ZNXC3 HEXAGON HEAD SCREW FE/ZNXC3 SECHSKANTSCHRAUBE FE/ZNXC3 VITE TESTA ESAGONALE FE/ZNXC3 010 951197 004 GAINE CAOUTCHOUC SHEATHE HUELLE GUAINA CAOUTCHOUC 011 H2417970 002 TUYAU HYDRAULIQUE TUBING, HYDRAULIC HYDRAULIKSCHLAUCH TUBO GOMMA 012 A4080430 002 UNION MALE MALE STUD CONNECTOR GERADER EINSCHRAUBSTUTZEN GIUZIONE DIRITTA ZBC 013 A4080306 002 UNION DOUBLE FE/ZNXC3 STRAIGHT COUPLING FE/ZNXC3 GERADE VERSCHRAUBUNG FE/ZNXC3 GIUNZIONE DIRITTA FE/ZNXC3 014 A4081010 002 TE EGAL NU ZBC EQUAL TEE ZBC T-VERSCHRAUBUNG ZBC GIUNZIONE A T ZBC 015 A4923146 001 FLEXIBLE HYDRAULIQUE HYDRAULIC HOSE HYDRAULIKSCHLAUCH TUBO GOMMA <->1450 mm 016 A4923146 001 FLEXIBLE HYDRAULIQUE HYDRAULIC HOSE HYDRAULIKSCHLAUCH TUBO GOMMA <->1450 mm 017 A4080429 004 UNION MALE MALE STUD CONNECTOR GERADER EINSCHRAUBSTUTZEN GIUZIONE DIRITTA ZBC 018 A4923031 001 FLEXIBLE HYDRAULIQUE HYDRAULIC HOSE HYDRAULIKSCHLAUCH TUBO GOMMA <->950 mm 019 A4923031 001 FLEXIBLE HYDRAULIQUE HYDRAULIC HOSE HYDRAULIKSCHLAUCH TUBO GOMMA <->950 mm 020 A4923031 001 FLEXIBLE HYDRAULIQUE HYDRAULIC HOSE HYDRAULIKSCHLAUCH TUBO GOMMA <->950 mm 021 A4923031 001 FLEXIBLE HYDRAULIQUE HYDRAULIC HOSE HYDRAULIKSCHLAUCH TUBO GOMMA <->950 mm
  • 105.
    99 ROULEAU A TUBESXL52 CRUMBLER ROLLER XL52 ROHRWALZE XL52 RULLO SMINUZZATORE XL52 XL2-52 C0001 C9999> H22R0172 D Rep Nr Qt Designation Description Bezeichnung Referenza Remarque - Remark - Bemerkung - Osservazioni 001 211957 004 ENTRETOISE P. ROTOR SPACER DISTANZSCHEIBE DISTANZIALE 002 750961 002 RONDELLE WASHER D100 EP6 SCHEIBE D100 EP6 RONDELLA 003 80061294 008 VIS TETE HEXAGONALE FE/ZNXC3 HEXAGON HEAD SCREW FE/ZNXC3 SECHSKANTSCHRAUBE FE/ZNXC3 VITE TESTA ESAGONALE FE/ZNXC3 004 80061661 008 VIS TETE HEXAGONALE FE/ZNXC3 HEXAGON HEAD SCREW FE/ZNXC3 SECHSKANTSCHRAUBE FE/ZNXC3 VITE TESTA ESAGONALE FE/ZNXC3 005 80111275 008 VIS T.FRAI.SIX P.CR.FE/ZNXC3 HEX.SOC.COUNT.HEAD SC.FE/ZNXC3 SENKSCHRAUB.INNENSEC.FE/ZNXC3 VITE FE/ZNXC3 006 80201240 016 ECROU HEX.BAS AUTOFR.FE/ZNXC3 SELF-LOCKING NUT FE/ZNXC3 SELBSTSICHERND.MUTTER FE/ZNXC3 DADO AUTOBLOCCANTE FE/ZNXC3 007 80201640 008 ECROU HEX.BAS AUTOFR.FE/ZNXC3 SELF-LOCKING NUT FE/ZNXC3 SELBSTSICHERND.MUTTER FE/ZNXC3 DADO AUTOBLOCCANTE FE/ZNXC3 008 80205566 002 ECROU A ENCOCH.AUTOF.FE/ZNXC3 SELF-LOCKING NUT FE/ZNXC3 SELBSTSICHERN.MUTTER FE/ZNXC3 DADO AUTOBLOCCANTE FE/ZNXC3 009 82200815 004 GRAISSEUR AUTOTAR.FE/ZNXC3 TAPPING GREASE NIPPLE FE/ZNXC3 GEWINDESCH.SCHMIERNIP.FE/ZNXC3 INGRASSATORE FE/ZNXC3 010 82201016 004 GRAISSEUR AUTOTARAUDANT SELF TAPPING GREASE NIPPLE GEWINDESCHNEID-SCHMIERNIPPEL INGRASSATORE 011 83040072 004 BOUCHON D'OBTURATION END PLUG KEGELSTOPFEN TAPPO DI CHIUSURA 012 52503600 004 ECROU NUT MUTTER DADO 013 52514000 004 DEFLECTEUR DU PALIER COVER LAGERSCHUTZ DEFLETTORE SUPPORTO 014 52563600 004 PROTECTEUR GUARD SCHUTZ PROTEZIONE 015 H2200780 002 AXE PIVOT AXLE ACHSE ASSE 016 H2205760 004 CALE SHIM DISTANZPLATTE SPESSORE 017 H2205850 002 PLAT FLAT FLACHEISEN PIATTO 018 H2214190 002 ROULEAU ROLLER ROLLE RULLO 019 H2222130 004 PALIER BEARING, PILLOW BLOCK LAGER SUPPORTO 020 H2230220 001 CHASSIS CHASSIS HAUPTRAHMEN TELAIO 021 H2230230 001 CHASSIS CHASSIS HAUPTRAHMEN TELAIO
  • 107.
    101 ROULEAU A TUBESXL60 CRUMBLER ROLLER XL60 ROHRWALZE XL60 RULLO SMINUZZATORE XL60 XL2-60 C0001 C9999> H22R0170 D Rep Nr Qt Designation Description Bezeichnung Referenza Remarque - Remark - Bemerkung - Osservazioni 001 211957 004 ENTRETOISE P. ROTOR SPACER DISTANZSCHEIBE DISTANZIALE 002 750961 002 RONDELLE WASHER D100 EP6 SCHEIBE D100 EP6 RONDELLA 003 52563800 004 PALIER BEARING, PILLOW BLOCK LAGER SUPPORTO 004 80061294 008 VIS TETE HEXAGONALE FE/ZNXC3 HEXAGON HEAD SCREW FE/ZNXC3 SECHSKANTSCHRAUBE FE/ZNXC3 VITE TESTA ESAGONALE FE/ZNXC3 005 80061661 008 VIS TETE HEXAGONALE FE/ZNXC3 HEXAGON HEAD SCREW FE/ZNXC3 SECHSKANTSCHRAUBE FE/ZNXC3 VITE TESTA ESAGONALE FE/ZNXC3 006 80111275 008 VIS T.FRAI.SIX P.CR.FE/ZNXC3 HEX.SOC.COUNT.HEAD SC.FE/ZNXC3 SENKSCHRAUB.INNENSEC.FE/ZNXC3 VITE FE/ZNXC3 007 80201240 016 ECROU HEX.BAS AUTOFR.FE/ZNXC3 SELF-LOCKING NUT FE/ZNXC3 SELBSTSICHERND.MUTTER FE/ZNXC3 DADO AUTOBLOCCANTE FE/ZNXC3 008 80201640 008 ECROU HEX.BAS AUTOFR.FE/ZNXC3 SELF-LOCKING NUT FE/ZNXC3 SELBSTSICHERND.MUTTER FE/ZNXC3 DADO AUTOBLOCCANTE FE/ZNXC3 009 80205566 002 ECROU A ENCOCH.AUTOF.FE/ZNXC3 SELF-LOCKING NUT FE/ZNXC3 SELBSTSICHERN.MUTTER FE/ZNXC3 DADO AUTOBLOCCANTE FE/ZNXC3 010 82200815 004 GRAISSEUR AUTOTAR.FE/ZNXC3 TAPPING GREASE NIPPLE FE/ZNXC3 GEWINDESCH.SCHMIERNIP.FE/ZNXC3 INGRASSATORE FE/ZNXC3 011 82201016 004 GRAISSEUR AUTOTARAUDANT SELF TAPPING GREASE NIPPLE GEWINDESCHNEID-SCHMIERNIPPEL INGRASSATORE 012 83040072 004 BOUCHON D'OBTURATION END PLUG KEGELSTOPFEN TAPPO DI CHIUSURA 013 52503600 004 ECROU NUT MUTTER DADO 014 52514000 004 DEFLECTEUR DU PALIER COVER LAGERSCHUTZ DEFLETTORE SUPPORTO 015 52563600 004 PROTECTEUR GUARD SCHUTZ PROTEZIONE 016 H2200780 002 AXE PIVOT AXLE ACHSE ASSE 017 H2205760 002 CALE SHIM DISTANZPLATTE SPESSORE 018 H2205770 002 CALE SHIM DISTANZPLATTE SPESSORE 019 H2205850 002 PLAT FLAT FLACHEISEN PIATTO 020 H2219000 002 ROULEAU ROLLER ROLLE RULLO 021 H2230240 001 CHASSIS CHASSIS HAUPTRAHMEN TELAIO 022 H2230250 001 CHASSIS CHASSIS HAUPTRAHMEN TELAIO
  • 109.
    103 ROULEAU T-RING XL52ROLLER T-RING XL52 WALZE T-RING XL52 RULLO T-RING XL52 XL2-52 C0001 > H22R0213 D Rep Nr Qt Designation Description Bezeichnung Referenza Remarque - Remark - Bemerkung - Osservazioni 001 750961 002 RONDELLE WASHER D100 EP6 SCHEIBE D100 EP6 RONDELLA 002 52563600 004 PROTECTEUR GUARD SCHUTZ PROTEZIONE 003 52563800 004 PALIER BEARING, PILLOW BLOCK LAGER SUPPORTO 004 80061245 008 VIS TETE HEXAGONALE FE/ZNXC3 HEXAGON HEAD SCREW FE/ZNXC3 SECHSKANTSCHRAUBE FE/ZNXC3 VITE TESTA ESAGONALE FE/ZNXC3 005 80061249 008 VIS TETE HEXAGONALE FE/ZNXC3 HEXAGON HEAD SCREW FE/ZNXC3 SECHSKANTSCHRAUBE FE/ZNXC3 VITE TESTA ESAGONALE FE/ZNXC3 006 80061638 008 VIS TETE HEXAGONALE FE/ZNXC3 HEXAGON HEAD SCREW FE/ZNXC3 SECHSKANTSCHRAUBE FE/ZNXC3 VITE TESTA ESAGONALE FE/ZNXC3 007 80061693 008 VIS TETE HEXAGONALE FE/ZNXC3 HEXAGON HEAD SCREW FE/ZNXC3 SECHSKANTSCHRAUBE FE/ZNXC3 VITE TESTA ESAGONALE FE/ZNXC3 008 80111275 016 VIS T.FRAI.SIX P.CR.FE/ZNXC3 HEX.SOC.COUNT.HEAD SC.FE/ZNXC3 SENKSCHRAUB.INNENSEC.FE/ZNXC3 VITE FE/ZNXC3 009 80201240 032 ECROU HEX.BAS AUTOFR.FE/ZNXC3 SELF-LOCKING NUT FE/ZNXC3 SELBSTSICHERND.MUTTER FE/ZNXC3 DADO AUTOBLOCCANTE FE/ZNXC3 010 80201640 016 ECROU HEX.BAS AUTOFR.FE/ZNXC3 SELF-LOCKING NUT FE/ZNXC3 SELBSTSICHERND.MUTTER FE/ZNXC3 DADO AUTOBLOCCANTE FE/ZNXC3 011 80203565 004 ECROU A ENCOCH.AUTOF.FE/ZNXC3 SELF-LOCKING NUT FE/ZNXC3 SELBSTSICHERN.MUTTER FE/ZNXC3 DADO AUTOBLOCCANTE FE/ZNXC3 012 80205566 002 ECROU A ENCOCH.AUTOF.FE/ZNXC3 SELF-LOCKING NUT FE/ZNXC3 SELBSTSICHERN.MUTTER FE/ZNXC3 DADO AUTOBLOCCANTE FE/ZNXC3 013 80251227 016 RONDELLE PLATE FE/ZNXC3 PLAIN WASHER FE/ZNXC3 SCHEIBE FE/ZNXC3 RONDELLA PIATTA FE/ZNXC3 014 80251624 008 RONDELLE PLATE FE/ZNXC3 PLAIN WASHER FE/ZNXC3 SCHEIBE FE/ZNXC3 RONDELLA PIATTA FE/ZNXC3 015 82200815 004 GRAISSEUR AUTOTAR.FE/ZNXC3 TAPPING GREASE NIPPLE FE/ZNXC3 GEWINDESCH.SCHMIERNIP.FE/ZNXC3 INGRASSATORE FE/ZNXC3 016 82201016 004 GRAISSEUR AUTOTARAUDANT SELF TAPPING GREASE NIPPLE GEWINDESCHNEID-SCHMIERNIPPEL INGRASSATORE 017 83040072 004 BOUCHON D'OBTURATION END PLUG KEGELSTOPFEN TAPPO DI CHIUSURA 018 52514000 004 DEFLECTEUR DU PALIER COVER LAGERSCHUTZ DEFLETTORE SUPPORTO 019 H2200780 002 AXE PIVOT AXLE ACHSE ASSE 020 H2204880 004 PLAT FLAT FLACHEISEN PIATTO 021 H2208860 002 ROULEAU ROLLER ROLLE RULLO 022 H2208930 001 SUPPORT SUPPORT TRAEGER SUPPORTO 023 H2208940 001 SUPPORT SUPPORT TRAEGER SUPPORTO 024 H2213820 004 ENTRETOISE SPACER DISTANZHUELSE DISTANZIALE 025 H2213831 004 BRAS ARM ARM BRACCIO 026 H2214071 002 DECROTTOIR SCRAPER, DIRT ABSTREIFER RASCHIATORE 027 H2230220 001 CHASSIS CHASSIS HAUPTRAHMEN TELAIO 028 H2230230 001 CHASSIS CHASSIS HAUPTRAHMEN TELAIO
  • 111.
    105 ROULEAU T-RING XL60ROLLER T-RING XL60 WALZE T-RING XL60 RULLO T-RING XL60 XL2-60 C0001 > H22R0215 D Rep Nr Qt Designation Description Bezeichnung Referenza Remarque - Remark - Bemerkung - Osservazioni 001 750961 002 RONDELLE WASHER D100 EP6 SCHEIBE D100 EP6 RONDELLA 002 52563800 004 PALIER BEARING, PILLOW BLOCK LAGER SUPPORTO 003 80061245 008 VIS TETE HEXAGONALE FE/ZNXC3 HEXAGON HEAD SCREW FE/ZNXC3 SECHSKANTSCHRAUBE FE/ZNXC3 VITE TESTA ESAGONALE FE/ZNXC3 004 80061249 008 VIS TETE HEXAGONALE FE/ZNXC3 HEXAGON HEAD SCREW FE/ZNXC3 SECHSKANTSCHRAUBE FE/ZNXC3 VITE TESTA ESAGONALE FE/ZNXC3 005 80061638 008 VIS TETE HEXAGONALE FE/ZNXC3 HEXAGON HEAD SCREW FE/ZNXC3 SECHSKANTSCHRAUBE FE/ZNXC3 VITE TESTA ESAGONALE FE/ZNXC3 006 80061693 008 VIS TETE HEXAGONALE FE/ZNXC3 HEXAGON HEAD SCREW FE/ZNXC3 SECHSKANTSCHRAUBE FE/ZNXC3 VITE TESTA ESAGONALE FE/ZNXC3 007 80111275 016 VIS T.FRAI.SIX P.CR.FE/ZNXC3 HEX.SOC.COUNT.HEAD SC.FE/ZNXC3 SENKSCHRAUB.INNENSEC.FE/ZNXC3 VITE FE/ZNXC3 008 80201240 032 ECROU HEX.BAS AUTOFR.FE/ZNXC3 SELF-LOCKING NUT FE/ZNXC3 SELBSTSICHERND.MUTTER FE/ZNXC3 DADO AUTOBLOCCANTE FE/ZNXC3 009 80201640 016 ECROU HEX.BAS AUTOFR.FE/ZNXC3 SELF-LOCKING NUT FE/ZNXC3 SELBSTSICHERND.MUTTER FE/ZNXC3 DADO AUTOBLOCCANTE FE/ZNXC3 010 80203565 004 ECROU A ENCOCH.AUTOF.FE/ZNXC3 SELF-LOCKING NUT FE/ZNXC3 SELBSTSICHERN.MUTTER FE/ZNXC3 DADO AUTOBLOCCANTE FE/ZNXC3 011 80205566 002 ECROU A ENCOCH.AUTOF.FE/ZNXC3 SELF-LOCKING NUT FE/ZNXC3 SELBSTSICHERN.MUTTER FE/ZNXC3 DADO AUTOBLOCCANTE FE/ZNXC3 012 80251227 016 RONDELLE PLATE FE/ZNXC3 PLAIN WASHER FE/ZNXC3 SCHEIBE FE/ZNXC3 RONDELLA PIATTA FE/ZNXC3 013 80251624 008 RONDELLE PLATE FE/ZNXC3 PLAIN WASHER FE/ZNXC3 SCHEIBE FE/ZNXC3 RONDELLA PIATTA FE/ZNXC3 014 82200815 004 GRAISSEUR AUTOTAR.FE/ZNXC3 TAPPING GREASE NIPPLE FE/ZNXC3 GEWINDESCH.SCHMIERNIP.FE/ZNXC3 INGRASSATORE FE/ZNXC3 015 82201016 004 GRAISSEUR AUTOTARAUDANT SELF TAPPING GREASE NIPPLE GEWINDESCHNEID-SCHMIERNIPPEL INGRASSATORE 016 83040072 004 BOUCHON D'OBTURATION END PLUG KEGELSTOPFEN TAPPO DI CHIUSURA 017 52514000 004 DEFLECTEUR DU PALIER COVER LAGERSCHUTZ DEFLETTORE SUPPORTO 018 52563600 004 PROTECTEUR GUARD SCHUTZ PROTEZIONE 019 H2200780 002 AXE PIVOT AXLE ACHSE ASSE 020 H2204880 004 PLAT FLAT FLACHEISEN PIATTO 021 H2208900 002 ROULEAU ROLLER ROLLE RULLO 022 H2208930 001 SUPPORT SUPPORT TRAEGER SUPPORTO 023 H2208940 001 SUPPORT SUPPORT TRAEGER SUPPORTO 024 H2213820 004 ENTRETOISE SPACER DISTANZHUELSE DISTANZIALE 025 H2213831 004 BRAS ARM ARM BRACCIO 026 H2214051 002 DECROTTOIR SCRAPER, DIRT ABSTREIFER RASCHIATORE 027 H2230240 001 CHASSIS CHASSIS HAUPTRAHMEN TELAIO 028 H2230250 001 CHASSIS CHASSIS HAUPTRAHMEN TELAIO
  • 113.
    107 ROULEAU T-LINER2 D600XL2 52 ROLLER T-LINER2 D600 XL2 52 WALZE T-LINER2 D600 XL2 52 RULLO T-LINER2 D600 XL2 52 XL2-52 D0001 > H22R0561 A Rep Nr Qt Designation Description Bezeichnung Referenza Remarque - Remark - Bemerkung - Osservazioni 001 50005500 044 VIS J BOLT, J FLACHRUNDSCHR.4KT ANSATZ BULLONE 002 52560010 044 PLAQUETTE PLATE PLATTE PIASTRA RASCHIAT.CON RINFORZO 003 80061693 008 VIS TETE HEXAGONALE FE/ZNXC3 HEXAGON HEAD SCREW FE/ZNXC3 SECHSKANTSCHRAUBE FE/ZNXC3 VITE TESTA ESAGONALE FE/ZNXC3 004 80111667 024 VIS T.FRAI.SIX P.CR.FLZNNC HEX.SOC.COUNT.HEAD SC.FLZNNC SENKSCHRAUB.INNENSEC.FLZNNC VITE FLZNNC 005 80112080 016 VIS T.FRAI.SIX P.CR.FLZNNC HEX.SOCK.COUNT.HEAD SCREW SENKSCHRAUB.INNENSECHSKANT BULLONE CR 006 80201062 044 ECROU TWOLOK FLZNNC SELF-LOCKING NUT FLZNNC SELBSTSICHERNDE MUTTER FLZNNC DADO TWOLOCK FLZNNC 007 80201240 008 ECROU HEX.BAS AUTOFR.FE/ZNXC3 SELF-LOCKING NUT FE/ZNXC3 SELBSTSICHERND.MUTTER FE/ZNXC3 DADO AUTOBLOCCANTE FE/ZNXC3 008 80201640 008 ECROU HEX.BAS AUTOFR.FE/ZNXC3 SELF-LOCKING NUT FE/ZNXC3 SELBSTSICHERND.MUTTER FE/ZNXC3 DADO AUTOBLOCCANTE FE/ZNXC3 009 80201647 024 ECROU HEX.AUTOFREINE FE/ZNXC3 SELF-LOCKING NUT FE/ZNXC3 SELBSTSICHERNDE MUTT.FE/ZNXC3 DADO AUTOBLOCCANTE FE/ZNXC3 010 80202030 016 ECROU HEX.AUTOFREINE FE/ZNXC3 SELF-LOCKING NUT FE/ZNXC3 SELBSTSICH.MUTTER FE/ZNXC3 DADO AUTOBLOCCANTE FE/ZNXC3 011 80205566 002 ECROU A ENCOCH.AUTOF.FE/ZNXC3 SELF-LOCKING NUT FE/ZNXC3 SELBSTSICHERN.MUTTER FE/ZNXC3 DADO AUTOBLOCCANTE FE/ZNXC3 012 80251624 008 RONDELLE PLATE FE/ZNXC3 PLAIN WASHER FE/ZNXC3 SCHEIBE FE/ZNXC3 RONDELLA PIATTA FE/ZNXC3 013 80252026 016 RONDELLE PLATE FE/ZNXC3 PLAIN WASHER FE/ZNXC3 SCHEIBE FE/ZNXC3 RONDELLA PIATTA FE/ZNXC3 014 80281725 008 RONDELLE NORD LOCK NL16 DELTA WASHER SCHEIBE RONDELLA 015 82201016 004 GRAISSEUR AUTOTARAUDANT SELF TAPPING GREASE NIPPLE GEWINDESCHNEID-SCHMIERNIPPEL INGRASSATORE 016 H2200780 002 AXE PIVOT AXLE ACHSE ASSE 017 H2204880 004 PLAT FLAT FLACHEISEN PIATTO 018 H2228590 004 PALIER APPLIQUE BEARING, FLANGE FLANSCHLAGER CUSCINETTO 019 H2230830 004 ENTRETOISE SPACER DISTANZHUELSE DISTANZIALE 020 H2230890 002 SUPPORT SUPPORT TRAEGER SUPPORTO 021 H2230900 002 ROULEAU ROLLER ROLLE RULLO 022 H2232610 002 PLAT FLAT FLACHEISEN PIATTO 023 H2232620 002 PLAT FLAT FLACHEISEN PIATTO 024 H2232630 004 BRAS ARM ARM BRACCIO 025 H2232640 002 CHASSIS CHASSIS HAUPTRAHMEN TELAIO 026 H2420780 002 RONDELLE WASHER SCHEIBE RONDELLA PIATTA 027 K3004810 004 ETRIER U-BOLT BUEGEL CAVALLOTTO
  • 115.
    109 ROULEAU T-LINER2 D600XL2 60 ROLLER T-LINER2 D600 XL2 60 WALZE T-LINER2 D600 XL2 60 RULLO T-LINER2 D600 XL2 60 XL2-60 D0001 > H22R0562 A Rep Nr Qt Designation Description Bezeichnung Referenza Remarque - Remark - Bemerkung - Osservazioni 001 50005500 050 VIS J BOLT, J FLACHRUNDSCHR.4KT ANSATZ BULLONE 002 52560010 050 PLAQUETTE PLATE PLATTE PIASTRA RASCHIAT.CON RINFORZO 003 80061693 008 VIS TETE HEXAGONALE FE/ZNXC3 HEXAGON HEAD SCREW FE/ZNXC3 SECHSKANTSCHRAUBE FE/ZNXC3 VITE TESTA ESAGONALE FE/ZNXC3 004 80111667 024 VIS T.FRAI.SIX P.CR.FLZNNC HEX.SOC.COUNT.HEAD SC.FLZNNC SENKSCHRAUB.INNENSEC.FLZNNC VITE FLZNNC 005 80112080 016 VIS T.FRAI.SIX P.CR.FLZNNC HEX.SOCK.COUNT.HEAD SCREW SENKSCHRAUB.INNENSECHSKANT BULLONE CR 006 80201062 050 ECROU TWOLOK FLZNNC SELF-LOCKING NUT FLZNNC SELBSTSICHERNDE MUTTER FLZNNC DADO TWOLOCK FLZNNC 007 80201240 008 ECROU HEX.BAS AUTOFR.FE/ZNXC3 SELF-LOCKING NUT FE/ZNXC3 SELBSTSICHERND.MUTTER FE/ZNXC3 DADO AUTOBLOCCANTE FE/ZNXC3 008 80201640 008 ECROU HEX.BAS AUTOFR.FE/ZNXC3 SELF-LOCKING NUT FE/ZNXC3 SELBSTSICHERND.MUTTER FE/ZNXC3 DADO AUTOBLOCCANTE FE/ZNXC3 009 80201647 024 ECROU HEX.AUTOFREINE FE/ZNXC3 SELF-LOCKING NUT FE/ZNXC3 SELBSTSICHERNDE MUTT.FE/ZNXC3 DADO AUTOBLOCCANTE FE/ZNXC3 010 80202030 016 ECROU HEX.AUTOFREINE FE/ZNXC3 SELF-LOCKING NUT FE/ZNXC3 SELBSTSICH.MUTTER FE/ZNXC3 DADO AUTOBLOCCANTE FE/ZNXC3 011 80205566 002 ECROU A ENCOCH.AUTOF.FE/ZNXC3 SELF-LOCKING NUT FE/ZNXC3 SELBSTSICHERN.MUTTER FE/ZNXC3 DADO AUTOBLOCCANTE FE/ZNXC3 012 80251624 008 RONDELLE PLATE FE/ZNXC3 PLAIN WASHER FE/ZNXC3 SCHEIBE FE/ZNXC3 RONDELLA PIATTA FE/ZNXC3 013 80252026 016 RONDELLE PLATE FE/ZNXC3 PLAIN WASHER FE/ZNXC3 SCHEIBE FE/ZNXC3 RONDELLA PIATTA FE/ZNXC3 014 80281725 008 RONDELLE NORD LOCK NL16 DELTA WASHER SCHEIBE RONDELLA 015 82201016 004 GRAISSEUR AUTOTARAUDANT SELF TAPPING GREASE NIPPLE GEWINDESCHNEID-SCHMIERNIPPEL INGRASSATORE 016 H2200780 002 AXE PIVOT AXLE ACHSE ASSE 017 H2204880 004 PLAT FLAT FLACHEISEN PIATTO 018 H2228590 004 PALIER APPLIQUE BEARING, FLANGE FLANSCHLAGER CUSCINETTO 019 H2230830 004 ENTRETOISE SPACER DISTANZHUELSE DISTANZIALE 020 H2230930 002 SUPPORT SUPPORT TRAEGER SUPPORTO 021 H2230940 002 ROULEAU ROLLER ROLLE RULLO 022 H2232600 002 CHASSIS CHASSIS HAUPTRAHMEN TELAIO 023 H2232610 002 PLAT FLAT FLACHEISEN PIATTO 024 H2232620 002 PLAT FLAT FLACHEISEN PIATTO 025 H2232630 004 BRAS ARM ARM BRACCIO 026 H2420780 002 RONDELLE WASHER SCHEIBE RONDELLA PIATTA 027 K3004810 004 ETRIER U-BOLT BUEGEL CAVALLOTTO
  • 117.
    111 ELECTROVANNE DISCOVER XLELEKTROSWITCH DISCOVER XL ELEKTROWAHLSCHALTUNG DISCOVER ELETTROINTERRUTTORE DISCOVER DISCOVER XL2 C0001 C9999> H24R0075 B Rep Nr Qt Designation Description Bezeichnung Referenza Remarque - Remark - Bemerkung - Osservazioni 001 582548 001 SUPPORT SUPPORT TRAEGER SUPPORTO 002 951637 001 SELECTEUR + POIGNEE SELECTOR + HANDEL WAHLSCHALTVENTIL + HANGRIFF SELETTORE + MANIGLIA +[1] 003 952251 001 POIGNEE+CABLE SELECTEUR 951637 HANDEL HANGRIFF MANIGLIA [1] 004 80061073 002 VIS TETE HEXAGONALE FE/ZNXC3 HEXAGON HEAD SCREW FE/ZNXC3 SECHSKANTSCHRAUBE FE/ZNXC3 VITE TESTA ESAGONALE FE/ZNXC3 005 80110806 002 VIS T.FRAI.SIX P.CR.FE/ZNXC3 HEX.SOC.COUNT.HEAD SC.FE/ZNXC3 SENKSCHRAUB.INNENSEC.FE/ZNXC3 VITE FE/ZNXC3 006 80201030 002 ECROU HEX.AUTOFREINE FE/ZNXC3 SELF-LOCKING NUT FE/ZNXC3 SELBSTSICH.MUTTER FE/ZNXC3 DADO AUTOBLOCCANTE FE/ZNXC3 007 82300026 002 CAPUCHON COUPLEUR MALE CAP MALE CONNECTOR KAPPE KUPPLUNGSSTECKER TAPPO 008 A4074017 002 COUPLEUR MALE CONNECTOR MALE KUPPLUNGSTECKER INNESTO M16X150 009 A4080401 002 UNION MALE MALE STUD CONNECTOR GERADER EINSCHRAUBSTUTZEN GIUZIONE DIRITTA ZBC 010 A4080429 004 UNION MALE MALE STUD CONNECTOR GERADER EINSCHRAUBSTUTZEN GIUZIONE DIRITTA ZBC 011 A7260042 009 COLLIER DOUBLE D15 NU CLAMP D.15 SCHELLE D.15 COLLARE D.15 012 A7260046 010 COLLIER DOUBLE D20 NU CLAMP D.20 SCHELLE D.20 COLLARE D.20 013 A4921127 001 FLEXIBLE D08 10L+10L LG2100 HYDRAULIC HOSE HYDRAULIKSCHLAUCH TUBO GOMMA <->2100 mm 014 A4921127 001 FLEXIBLE D08 10L+10L LG2100 HYDRAULIC HOSE HYDRAULIKSCHLAUCH TUBO GOMMA <->2100 mm 015 A4923049 001 FLEXIBLE HYDRAULIQUE HYDRAULIC HOSE HYDRAULIKSCHLAUCH TUBO GOMMA <->400 mm 016 A4923049 001 FLEXIBLE HYDRAULIQUE HYDRAULIC HOSE HYDRAULIKSCHLAUCH TUBO GOMMA <->400 mm 017 A4923049 001 FLEXIBLE HYDRAULIQUE HYDRAULIC HOSE HYDRAULIKSCHLAUCH TUBO GOMMA <->400 mm 018 A4923049 001 FLEXIBLE HYDRAULIQUE HYDRAULIC HOSE HYDRAULIKSCHLAUCH TUBO GOMMA <->400 mm 019 H0601070 001 ELECTROVANNE ELECTRIC SHUT-OFF SLIDE ELEKTROSCHIEBER ELETTROVALVOLA [1] 020 H2408190 001 SUPPORT SUPPORT TRAEGER SUPPORTO
  • 119.
    113 ELECTROVANNE DISCOVER XL2ELEKTROSWITCH DISCOVER XL2 ELEKTROWAHLSCHALTUNG DISCOVER ELETTROINTERRUTTORE DISCOVER DISCOVER XL2 D0001 > H24R0075 C Rep Nr Qt Designation Description Bezeichnung Referenza Remarque - Remark - Bemerkung - Osservazioni 001 582548 001 SUPPORT SUPPORT TRAEGER SUPPORTO 002 80061073 002 VIS TETE HEXAGONALE FE/ZNXC3 HEXAGON HEAD SCREW FE/ZNXC3 SECHSKANTSCHRAUBE FE/ZNXC3 VITE TESTA ESAGONALE FE/ZNXC3 003 80110806 002 VIS T.FRAI.SIX P.CR.FE/ZNXC3 HEX.SOC.COUNT.HEAD SC.FE/ZNXC3 SENKSCHRAUB.INNENSEC.FE/ZNXC3 VITE FE/ZNXC3 004 80201030 002 ECROU HEX.AUTOFREINE FE/ZNXC3 SELF-LOCKING NUT FE/ZNXC3 SELBSTSICH.MUTTER FE/ZNXC3 DADO AUTOBLOCCANTE FE/ZNXC3 005 82300026 002 CAPUCHON COUPLEUR MALE CAP MALE CONNECTOR KAPPE KUPPLUNGSSTECKER TAPPO 006 A4074017 002 COUPLEUR MALE CONNECTOR MALE KUPPLUNGSTECKER INNESTO M16X150 007 A4080401 002 UNION MALE MALE STUD CONNECTOR GERADER EINSCHRAUBSTUTZEN GIUZIONE DIRITTA ZBC 008 A4080429 004 UNION MALE MALE STUD CONNECTOR GERADER EINSCHRAUBSTUTZEN GIUZIONE DIRITTA ZBC 009 A7260042 009 COLLIER DOUBLE D15 NU CLAMP D.15 SCHELLE D.15 COLLARE D.15 010 A7260046 010 COLLIER DOUBLE D20 NU CLAMP D.20 SCHELLE D.20 COLLARE D.20 011 A4921127 001 FLEXIBLE D08 10L+10L LG2100 HYDRAULIC HOSE HYDRAULIKSCHLAUCH TUBO GOMMA <->2100 mm 012 A4921127 001 FLEXIBLE D08 10L+10L LG2100 HYDRAULIC HOSE HYDRAULIKSCHLAUCH TUBO GOMMA <->2100 mm 013 A4923049 001 FLEXIBLE HYDRAULIQUE HYDRAULIC HOSE HYDRAULIKSCHLAUCH TUBO GOMMA <->400 mm 014 A4923049 001 FLEXIBLE HYDRAULIQUE HYDRAULIC HOSE HYDRAULIKSCHLAUCH TUBO GOMMA <->400 mm 015 A4923049 001 FLEXIBLE HYDRAULIQUE HYDRAULIC HOSE HYDRAULIKSCHLAUCH TUBO GOMMA <->400 mm 016 A4923049 001 FLEXIBLE HYDRAULIQUE HYDRAULIC HOSE HYDRAULIKSCHLAUCH TUBO GOMMA <->400 mm 017 H0601070 001 ELECTROVANNE ELECTRIC SHUT-OFF SLIDE ELEKTROSCHIEBER ELETTROVALVOLA 018 H0603900 001 ETIQ.ADH. DECAL AUFKLEBER ADESIVO 019 H0603920 001 BOITIER DE COMMANDE CONTROL BOX BEDIENKONSOLE SCATOLA DI COMANDO 020 H2408190 001 SUPPORT SUPPORT TRAEGER SUPPORTO
  • 121.
    115 COUPLEURS HYDRAULIQUES RUSSEHYDRAULIC COUPLERS RUSSE HYDRAULIKANSCHLUESSE RUSSE CONNETTORI IDRAULICI RUSSE DISCOVER XL2 C0001 > H02R0204 A Rep Nr Qt Designation Description Bezeichnung Referenza Remarque - Remark - Bemerkung - Osservazioni 001 A4074001 001 COUPLEUR COUPLER KUPPLER GIUNTO 002 A4074000 001 COUPLEUR COUPLER KUPPLER GIUNTO 003 A4230021 001 BAGUE BS21 BUSH BS BUCHSE BS BOCCOLA 004 951453 001 ADAPTATEUR FITTING, HYDRAULIC, ADAPTER ANBAUELEMENT ADATTATORE
  • 123.
    117 SIGNALISATION DRIRE (AVANT)SIGNALLING DRIRE (FRONT) BELEUCHTUNG U.WARNTAFELN DRIRE SEGNALAZIONE DRIRE (ANTERIORE) DISCOVER XL2 C0001 C9999> H24R0081 B Rep Nr Qt Designation Description Bezeichnung Referenza Remarque - Remark - Bemerkung - Osservazioni 001 83090039 016 COLLIER PLASTIQUE CABLE TIE PLASTIC KABELBINDER PLASTIK FASCETTA 002 80061020 004 VIS TETE HEXAGONALE FE/ZNXC3 HEXAGON HEAD SCREW FE/ZNXC3 SECHSKANTSCHRAUBE FE/ZNXC3 VITE A TESTA ESAGONALE FE/ZNXC 003 80061073 004 VIS TETE HEXAGONALE FE/ZNXC3 HEXAGON HEAD SCREW FE/ZNXC3 SECHSKANTSCHRAUBE FE/ZNXC3 VITE TESTA ESAGONALE FE/ZNXC3 004 80062076 008 VIS TETE HEXAGONALE FE/ZNXC3 HEXAGON HEAD SCREW FE/ZNXC3 SECHSKANTSCHRAUBE FE/ZNXC3 VITE TESTA ESAGONALE FE/ZNXC3 005 80200540 004 ECROU HEX.BAS AUTOFR.FE/ZNXC3 SELF-LOCKING NUT FE/ZNXC3 SELBSTSICHERND.MUTTER FE/ZNXC3 DADO AUTOBLOCCANTE FE/ZNXC3 006 80201030 008 ECROU HEX.AUTOFREINE FE/ZNXC3 SELF-LOCKING NUT FE/ZNXC3 SELBSTSICH.MUTTER FE/ZNXC3 DADO AUTOBLOCCANTE FE/ZNXC3 007 80202040 008 ECROU HEX.BAS AUTOFR.FE/ZNXC3 SELF-LOCKING NUT FE/ZNXC3 SELBSTSICHERND.MUTTER FE/ZNXC3 DADO AUTOBLOCCANTE FE/ZNXC3 008 83240017 010 CATADIOPTRE ORANGE ADHESIF REFLECTOR ADHESIVE RUECKSTRAHLER S.KLEB. CATADIOTTRO 009 83240212 002 PANNEAU CARRE SIMPLE-FACE WARNING PLATE WARNTAFEL PANNELLO B/R ANT. 010 83240404 002 FEU DE POSITION BLANC FRONT LAMP WHITE BEGRENZUNGSLICHT WEISS FANALINO BIANCO 011 80080610 016 VIS TETE CYL.SIX P.CREUX HEX.SOCKET HEAD CAP SCREW ZYLINDERSCHR.INNENSECHSK. VITE 012 H2217320 002 CALE SHIM DISTANZPLATTE SPESSORE 013 H2400740 002 PATTE PLATE LACHE FAZZOLETTO 014 H2401380 016 ATTACHE CABLE M6 SUPPORT HALTERUNG SUPPORTO 015 H2405250 002 SUPPORT SUPPORT TRAEGER SUPPORTO 016 H2408930 002 SUPPORT SUPPORT TRAEGER SUPPORTO
  • 125.
    119 SIGNALISATION DRIRE (ROULEAUXSIGNALLING DRIRE (REAR ROLLERS BELEUCHTUNG U.WARNTAFELN DRIRE SEGNALAZIONE DRIRE (RULLI POST DISCOVER XL2 C0001 C9999> H24R0080 B Rep Nr Qt Designation Description Bezeichnung Referenza Remarque - Remark - Bemerkung - Osservazioni 001 583440 001 SUPPORT SUPPORT TRAEGER SUPPORTO 002 80061055 008 VIS TETE HEXAGONALE FE/ZNXC3 HEXAGON HEAD SCREW FE/ZNXC3 SECHSKANTSCHRAUBE FE/ZNXC3 VITE TESTA ESAGONALE FE/ZNXC3 003 80061020 003 VIS TETE HEXAGONALE FE/ZNXC3 HEXAGON HEAD SCREW FE/ZNXC3 SECHSKANTSCHRAUBE FE/ZNXC3 VITE A TESTA ESAGONALE FE/ZNXC 004 80061661 002 VIS TETE HEXAGONALE FE/ZNXC3 HEXAGON HEAD SCREW FE/ZNXC3 SECHSKANTSCHRAUBE FE/ZNXC3 VITE TESTA ESAGONALE FE/ZNXC3 005 80080516 004 VIS TETE CYL.SIX P.CREUX HEX.SOCKET HEAD CAP SCREW ZYLINDERSCHR.INNENSECHSKANT VITE A TESTA CILINDRICA 006 80200540 004 ECROU HEX.BAS AUTOFR.FE/ZNXC3 SELF-LOCKING NUT FE/ZNXC3 SELBSTSICHERND.MUTTER FE/ZNXC3 DADO AUTOBLOCCANTE FE/ZNXC3 007 80201030 011 ECROU HEX.AUTOFREINE FE/ZNXC3 SELF-LOCKING NUT FE/ZNXC3 SELBSTSICH.MUTTER FE/ZNXC3 DADO AUTOBLOCCANTE FE/ZNXC3 008 80201640 002 ECROU HEX.BAS AUTOFR.FE/ZNXC3 SELF-LOCKING NUT FE/ZNXC3 SELBSTSICHERND.MUTTER FE/ZNXC3 DADO AUTOBLOCCANTE FE/ZNXC3 009 80251021 003 RONDELLE PLATE FE/ZNXC3 PLAIN WASHER FE/ZNXC3 SCHEIBE FE/ZNXC3 RONDELLA PIATTA FE/ZNXC3 010 83240007 002 CATADIOPTRE TRIAN.ROUGE 160 REFLECTOR RED 160 RUECKSTRAHLER ROT 160 CATADIOTTRO 011 83240017 002 CATADIOPTRE ORANGE ADHESIF REFLECTOR ADHESIVE RUECKSTRAHLER S.KLEB. CATADIOTTRO 012 83240212 002 PANNEAU CARRE SIMPLE-FACE WARNING PLATE WARNTAFEL PANNELLO B/R ANT. 013 83240400 001 FEU ARRIERE GAUCHE REAR LAMP LEFT RUECKLICHT LINKS FANALINO COMPLETO POST. SX 014 83240401 001 FEU ARRIERE DROIT REAR LAMP RIGHT RUECKLICHT RECHTS FANALINO COMPLETO POST. DX 015 H2401870 001 TUBE TUBE ROHR TUBO 016 H2405230 001 SUPPORT SUPPORT TRAEGER SUPPORTO 017 H2405240 001 SUPPORT SUPPORT TRAEGER SUPPORTO 018 H2401920 001 FAISCEAU ELECTRIQUE HARNESS, WIRING KABELNETZ CAVO ELETTRICO
  • 127.
    121 SIGNALISATION DRIRE (ARRIERE)SIGNALLING DRIRE (REAR) BELEUCHTUNG U.WARNTAFELN DRIRE SEGNALAZIONE DRIRE (POSTERIORE DISCOVER XL2 C0001 C9999> H24R0084 B Rep Nr Qt Designation Description Bezeichnung Referenza Remarque - Remark - Bemerkung - Osservazioni 001 139113 004 BROCHE D'ATTELAGE PIN, HITCH ACHSE PERNO 002 583440 001 SUPPORT SUPPORT TRAEGER SUPPORTO 003 80061055 008 VIS TETE HEXAGONALE FE/ZNXC3 HEXAGON HEAD SCREW FE/ZNXC3 SECHSKANTSCHRAUBE FE/ZNXC3 VITE TESTA ESAGONALE FE/ZNXC3 004 80061020 003 VIS TETE HEXAGONALE FE/ZNXC3 HEXAGON HEAD SCREW FE/ZNXC3 SECHSKANTSCHRAUBE FE/ZNXC3 VITE A TESTA ESAGONALE FE/ZNXC 005 80061667 004 VIS TETE HEXAGONALE FE/ZNXC3 HEXAGON HEAD SCREW FE/ZNXC3 SECHSKANTSCHRAUBE FE/ZNXC3 VITE TESTA ESAGONALE FE/ZNXC3 006 80080516 004 VIS TETE CYL.SIX P.CREUX HEX.SOCKET HEAD CAP SCREW ZYLINDERSCHR.INNENSECHSKANT VITE A TESTA CILINDRICA 007 80200540 004 ECROU HEX.BAS AUTOFR.FE/ZNXC3 SELF-LOCKING NUT FE/ZNXC3 SELBSTSICHERND.MUTTER FE/ZNXC3 DADO AUTOBLOCCANTE FE/ZNXC3 008 80201030 011 ECROU HEX.AUTOFREINE FE/ZNXC3 SELF-LOCKING NUT FE/ZNXC3 SELBSTSICH.MUTTER FE/ZNXC3 DADO AUTOBLOCCANTE FE/ZNXC3 009 80201640 004 ECROU HEX.BAS AUTOFR.FE/ZNXC3 SELF-LOCKING NUT FE/ZNXC3 SELBSTSICHERND.MUTTER FE/ZNXC3 DADO AUTOBLOCCANTE FE/ZNXC3 010 80251021 003 RONDELLE PLATE FE/ZNXC3 PLAIN WASHER FE/ZNXC3 SCHEIBE FE/ZNXC3 RONDELLA PIATTA FE/ZNXC3 011 80570477 004 GOUPILLE BETA SIMPLE FE/ZNXC3 SPRING COTTER PIN FE/ZNXC3 FEDERSTECKER FE/ZNXC3 MOLLA FE/ZNXC3 012 83240007 002 CATADIOPTRE TRIAN.ROUGE 160 REFLECTOR RED 160 RUECKSTRAHLER ROT 160 CATADIOTTRO 013 83240017 002 CATADIOPTRE ORANGE ADHESIF REFLECTOR ADHESIVE RUECKSTRAHLER S.KLEB. CATADIOTTRO 014 83240212 002 PANNEAU CARRE SIMPLE-FACE WARNING PLATE WARNTAFEL PANNELLO B/R ANT. 015 83240400 001 FEU ARRIERE GAUCHE REAR LAMP LEFT RUECKLICHT LINKS FANALINO COMPLETO POST. SX 016 83240401 001 FEU ARRIERE DROIT REAR LAMP RIGHT RUECKLICHT RECHTS FANALINO COMPLETO POST. DX 017 H2400210 001 PLAT FLAT FLACHEISEN PIATTO 018 H2400220 001 CHAPE CLEVIS GABEL FORCELLA 019 H2400230 001 SUPPORT SUPPORT TRAEGER SUPPORTO 020 H2400360 001 FAISCEAU ELECTRIQUE HARNESS, WIRING KABELNETZ CAVO ELETTRICO 021 H2400370 001 FAISCEAU ELECTRIQUE HARNESS, WIRING KABELNETZ CAVO ELETTRICO 022 H2401870 001 TUBE TUBE ROHR TUBO 023 H2405230 001 SUPPORT SUPPORT TRAEGER SUPPORTO 024 H2405240 001 SUPPORT SUPPORT TRAEGER SUPPORTO
  • 129.
    123 SIGNALISATION TÜV (AVANT)SIGNALLING TÜV (FRONT) BELEUCHTUNG U.WARNTAFELN TÜV ( SEGNALAZIONE TÜV (ANTERIORE) DISCOVER XL2 C0001 C9999> H24R0083 B Rep Nr Qt Designation Description Bezeichnung Referenza Remarque - Remark - Bemerkung - Osservazioni 001 83090039 016 COLLIER PLASTIQUE CABLE TIE PLASTIC KABELBINDER PLASTIK FASCETTA 002 80061020 004 VIS TETE HEXAGONALE FE/ZNXC3 HEXAGON HEAD SCREW FE/ZNXC3 SECHSKANTSCHRAUBE FE/ZNXC3 VITE A TESTA ESAGONALE FE/ZNXC 003 80061073 004 VIS TETE HEXAGONALE FE/ZNXC3 HEXAGON HEAD SCREW FE/ZNXC3 SECHSKANTSCHRAUBE FE/ZNXC3 VITE TESTA ESAGONALE FE/ZNXC3 004 80062076 008 VIS TETE HEXAGONALE FE/ZNXC3 HEXAGON HEAD SCREW FE/ZNXC3 SECHSKANTSCHRAUBE FE/ZNXC3 VITE TESTA ESAGONALE FE/ZNXC3 005 80200540 004 ECROU HEX.BAS AUTOFR.FE/ZNXC3 SELF-LOCKING NUT FE/ZNXC3 SELBSTSICHERND.MUTTER FE/ZNXC3 DADO AUTOBLOCCANTE FE/ZNXC3 006 80201030 008 ECROU HEX.AUTOFREINE FE/ZNXC3 SELF-LOCKING NUT FE/ZNXC3 SELBSTSICH.MUTTER FE/ZNXC3 DADO AUTOBLOCCANTE FE/ZNXC3 007 80202040 008 ECROU HEX.BAS AUTOFR.FE/ZNXC3 SELF-LOCKING NUT FE/ZNXC3 SELBSTSICHERND.MUTTER FE/ZNXC3 DADO AUTOBLOCCANTE FE/ZNXC3 008 83240010 002 CATADIOPTRE BLANC 60 ADHESIF REFLECTOR WHITE 60 ADHESIVE RUECKSTRAH.60 WEISS SELBSTKL. CATADIOTTRO BIANCO 009 83240017 010 CATADIOPTRE ORANGE ADHESIF REFLECTOR ADHESIVE RUECKSTRAHLER S.KLEB. CATADIOTTRO 010 83240212 002 PANNEAU CARRE SIMPLE-FACE WARNING PLATE WARNTAFEL PANNELLO B/R ANT. 011 83240404 002 FEU DE POSITION BLANC FRONT LAMP WHITE BEGRENZUNGSLICHT WEISS FANALINO BIANCO 012 80080610 016 VIS TETE CYL.SIX P.CREUX HEX.SOCKET HEAD CAP SCREW ZYLINDERSCHR.INNENSECHSK. VITE 013 H2217320 002 CALE SHIM DISTANZPLATTE SPESSORE 014 H2400740 002 PATTE PLATE LACHE FAZZOLETTO 015 H2401380 016 ATTACHE CABLE M6 SUPPORT HALTERUNG SUPPORTO 016 H2405250 002 SUPPORT SUPPORT TRAEGER SUPPORTO 017 H2408930 002 SUPPORT SUPPORT TRAEGER SUPPORTO
  • 131.
    125 SIGNALISATION TÜV (ROULEAUXAR SIGNALLING TÜV (REAR ROLLERS) BELEUCHTUNG U.WARNTAFELN TÜV ( SEGNALAZIONE TÜV (RULLI POSTER DISCOVER XL2 C0001 C9999> H24R0082 B Rep Nr Qt Designation Description Bezeichnung Referenza Remarque - Remark - Bemerkung - Osservazioni 001 583440 001 SUPPORT SUPPORT TRAEGER SUPPORTO 002 80061055 008 VIS TETE HEXAGONALE FE/ZNXC3 HEXAGON HEAD SCREW FE/ZNXC3 SECHSKANTSCHRAUBE FE/ZNXC3 VITE TESTA ESAGONALE FE/ZNXC3 003 80061073 002 VIS TETE HEXAGONALE FE/ZNXC3 HEXAGON HEAD SCREW FE/ZNXC3 SECHSKANTSCHRAUBE FE/ZNXC3 VITE TESTA ESAGONALE FE/ZNXC3 004 80061661 002 VIS TETE HEXAGONALE FE/ZNXC3 HEXAGON HEAD SCREW FE/ZNXC3 SECHSKANTSCHRAUBE FE/ZNXC3 VITE TESTA ESAGONALE FE/ZNXC3 005 80080516 004 VIS TETE CYL.SIX P.CREUX HEX.SOCKET HEAD CAP SCREW ZYLINDERSCHR.INNENSECHSKANT VITE A TESTA CILINDRICA 006 80200540 004 ECROU HEX.BAS AUTOFR.FE/ZNXC3 SELF-LOCKING NUT FE/ZNXC3 SELBSTSICHERND.MUTTER FE/ZNXC3 DADO AUTOBLOCCANTE FE/ZNXC3 007 80201030 010 ECROU HEX.AUTOFREINE FE/ZNXC3 SELF-LOCKING NUT FE/ZNXC3 SELBSTSICH.MUTTER FE/ZNXC3 DADO AUTOBLOCCANTE FE/ZNXC3 008 80201640 002 ECROU HEX.BAS AUTOFR.FE/ZNXC3 SELF-LOCKING NUT FE/ZNXC3 SELBSTSICHERND.MUTTER FE/ZNXC3 DADO AUTOBLOCCANTE FE/ZNXC3 009 83240007 002 CATADIOPTRE TRIAN.ROUGE 160 REFLECTOR RED 160 RUECKSTRAHLER ROT 160 CATADIOTTRO 010 83240017 002 CATADIOPTRE ORANGE ADHESIF REFLECTOR ADHESIVE RUECKSTRAHLER S.KLEB. CATADIOTTRO 011 83240212 002 PANNEAU CARRE SIMPLE-FACE WARNING PLATE WARNTAFEL PANNELLO B/R ANT. 012 83240400 001 FEU ARRIERE GAUCHE REAR LAMP LEFT RUECKLICHT LINKS FANALINO COMPLETO POST. SX 013 83240401 001 FEU ARRIERE DROIT REAR LAMP RIGHT RUECKLICHT RECHTS FANALINO COMPLETO POST. DX 014 H2401870 001 TUBE TUBE ROHR TUBO 015 H2404300 001 SUPPORT SUPPORT TRAEGER SUPPORTO 016 H2404330 001 SUPPORT SUPPORT TRAEGER SUPPORTO 017 H2401920 001 FAISCEAU ELECTRIQUE HARNESS, WIRING KABELNETZ CAVO ELETTRICO
  • 133.
    127 SIGNALISATION TÜV (ARRIERE)SIGNALLING TÜV (REAR) BELEUCHTUNG U.WARNTAFELN TÜV ( SEGNALAZIONE TÜV (POSTERIORE) DISCOVER XL2 C0001 C9999> H24R0085 B Rep Nr Qt Designation Description Bezeichnung Referenza Remarque - Remark - Bemerkung - Osservazioni 001 139113 004 BROCHE D'ATTELAGE PIN, HITCH ACHSE PERNO 002 583440 001 SUPPORT SUPPORT TRAEGER SUPPORTO 003 80061055 008 VIS TETE HEXAGONALE FE/ZNXC3 HEXAGON HEAD SCREW FE/ZNXC3 SECHSKANTSCHRAUBE FE/ZNXC3 VITE TESTA ESAGONALE FE/ZNXC3 004 80061073 002 VIS TETE HEXAGONALE FE/ZNXC3 HEXAGON HEAD SCREW FE/ZNXC3 SECHSKANTSCHRAUBE FE/ZNXC3 VITE TESTA ESAGONALE FE/ZNXC3 005 80061667 004 VIS TETE HEXAGONALE FE/ZNXC3 HEXAGON HEAD SCREW FE/ZNXC3 SECHSKANTSCHRAUBE FE/ZNXC3 VITE TESTA ESAGONALE FE/ZNXC3 006 80080516 004 VIS TETE CYL.SIX P.CREUX HEX.SOCKET HEAD CAP SCREW ZYLINDERSCHR.INNENSECHSKANT VITE A TESTA CILINDRICA 007 80200540 004 ECROU HEX.BAS AUTOFR.FE/ZNXC3 SELF-LOCKING NUT FE/ZNXC3 SELBSTSICHERND.MUTTER FE/ZNXC3 DADO AUTOBLOCCANTE FE/ZNXC3 008 80201030 010 ECROU HEX.AUTOFREINE FE/ZNXC3 SELF-LOCKING NUT FE/ZNXC3 SELBSTSICH.MUTTER FE/ZNXC3 DADO AUTOBLOCCANTE FE/ZNXC3 009 80201640 004 ECROU HEX.BAS AUTOFR.FE/ZNXC3 SELF-LOCKING NUT FE/ZNXC3 SELBSTSICHERND.MUTTER FE/ZNXC3 DADO AUTOBLOCCANTE FE/ZNXC3 010 80570477 004 GOUPILLE BETA SIMPLE FE/ZNXC3 SPRING COTTER PIN FE/ZNXC3 FEDERSTECKER FE/ZNXC3 MOLLA FE/ZNXC3 011 83240007 002 CATADIOPTRE TRIAN.ROUGE 160 REFLECTOR RED 160 RUECKSTRAHLER ROT 160 CATADIOTTRO 012 83240017 002 CATADIOPTRE ORANGE ADHESIF REFLECTOR ADHESIVE RUECKSTRAHLER S.KLEB. CATADIOTTRO 013 83240212 002 PANNEAU CARRE SIMPLE-FACE WARNING PLATE WARNTAFEL PANNELLO B/R ANT. 014 83240400 001 FEU ARRIERE GAUCHE REAR LAMP LEFT RUECKLICHT LINKS FANALINO COMPLETO POST. SX 015 83240401 001 FEU ARRIERE DROIT REAR LAMP RIGHT RUECKLICHT RECHTS FANALINO COMPLETO POST. DX 016 H2400210 002 PLAT FLAT FLACHEISEN PIATTO 017 H2400220 001 CHAPE CLEVIS GABEL FORCELLA 018 H2400230 001 SUPPORT SUPPORT TRAEGER SUPPORTO 019 H2400360 001 FAISCEAU ELECTRIQUE HARNESS, WIRING KABELNETZ CAVO ELETTRICO 020 H2400370 001 FAISCEAU ELECTRIQUE HARNESS, WIRING KABELNETZ CAVO ELETTRICO 021 H2401870 001 TUBE TUBE ROHR TUBO 022 H2404300 001 SUPPORT SUPPORT TRAEGER SUPPORTO 023 H2404330 001 SUPPORT SUPPORT TRAEGER SUPPORTO
  • 135.
    129 SIGNALISATION SIGNALLING BELEUCHTUNGU.WARNTAFELN SEGNALAZIONE DISCOVER XL2 D0001 > H24R0368 A Rep Nr Qt Designation Description Bezeichnung Referenza Remarque - Remark - Bemerkung - Osservazioni 001 H2421010 002 ADAPTATEUR FITTING, HYDRAULIC, ADAPTER ANBAUELEMENT ADATTATORE 002 83240017 012 CATADIOPTRE ORANGE ADHESIF REFLECTOR ADHESIVE RUECKSTRAHLER S.KLEB. CATADIOTTRO 003 83240007 002 CATADIOPTRE TRIAN.ROUGE 160 REFLECTOR RED 160 RUECKSTRAHLER ROT 160 CATADIOTTRO 004 80201030 002 ECROU HEX.AUTOFREINE FE/ZNXC3 SELF-LOCKING NUT FE/ZNXC3 SELBSTSICH.MUTTER FE/ZNXC3 DADO AUTOBLOCCANTE FE/ZNXC3 005 80200540 004 ECROU HEX.BAS AUTOFR.FE/ZNXC3 SELF-LOCKING NUT FE/ZNXC3 SELBSTSICHERND.MUTTER FE/ZNXC3 DADO AUTOBLOCCANTE FE/ZNXC3 006 80201040 010 ECROU HEX.BAS AUTOFR.FE/ZNXC3 SELF-LOCKING NUT FE/ZNXC3 SELBSTSICHERND.MUTTER FE/ZNXC3 DADO AUTOBLOCCANTE FE/ZNXC3 007 09917600 002 ETIQ.ADH. DECAL AUFKLEBER ADESIVO 008 09917700 002 ETIQ.ADH. DECAL AUFKLEBER ADESIVO 009 H2421810 002 ETIQ.ADH. DECAL AUFKLEBER ADESIVO 010 H2421820 002 ETIQ.ADH. DECAL AUFKLEBER ADESIVO 011 H2420920 001 FAISCEAU ELECTRIQUE HARNESS, WIRING KABELBAUM CAVO ELETTRICO 012 H2421020 001 FEU LIGHT LEUCHTE LUCE 013 H2421030 002 FEU LIGHT LEUCHTE LUCE 014 83240453 001 LANTERNE DROITE 015 83240456 001 LANTERNE GAUCHE 016 80250512 004 RONDELLE PLATE FE/ZNXC3 PLAIN WASHER FE/ZNXC3 SCHEIBE FE/ZNXC3 RONDELLA PIATTA FE/ZNXC3 017 80251021 020 RONDELLE PLATE FE/ZNXC3 PLAIN WASHER FE/ZNXC3 SCHEIBE FE/ZNXC3 RONDELLA PIATTA FE/ZNXC3 018 583440 001 SUPPORT SUPPORT TRAEGER SUPPORTO 019 H2420560 001 SUPPORT SUPPORT TRAEGER SUPPORTO 020 H2420740 002 SUPPORT SUPPORT TRAEGER SUPPORTO 021 H2420750 002 SUPPORT SUPPORT TRAEGER SUPPORTO 022 H2420540 002 SUPPORT DE FEUX SUPPORT, LIGHT LEUCHTENTRAEGER SUPPORTO LUCI 023 H2420550 002 SUPPORT DE FEUX SUPPORT, LIGHT LEUCHTENTRAEGER SUPPORTO LUCI 024 H2420770 001 TUBE TUBE ROHR TUBO 025 80080516 004 VIS TETE CYL.SIX P.CREUX HEX.SOCKET HEAD CAP SCREW ZYLINDERSCHR.INNENSECHSKANT VITE A TESTA CILINDRICA 026 80061054 006 VIS TETE HEXAGONALE FE/ZNXC3 HEXAGON HEAD SCREW FE/ZNXC3 SECHSKANTSCHRAUBE FE/ZNXC3 VITE TESTA ESAGONALE FE/ZNXC3 027 80061055 002 VIS TETE HEXAGONALE FE/ZNXC3 HEXAGON HEAD SCREW FE/ZNXC3 SECHSKANTSCHRAUBE FE/ZNXC3 VITE TESTA ESAGONALE FE/ZNXC3 028 80061073 004 VIS TETE HEXAGONALE FE/ZNXC3 HEXAGON HEAD SCREW FE/ZNXC3 SECHSKANTSCHRAUBE FE/ZNXC3 VITE TESTA ESAGONALE FE/ZNXC3
  • 137.
    131 SIGNALISATION (SUPPORT) SIGNALLING(SUPPORT) BELEUCHTUNG U.WARNTAFELN (HALT SEGNALAZIONE (SUPPORTO) DISCOVER XL2 D0001 > H24R0369 A Rep Nr Qt Designation Description Bezeichnung Referenza Remarque - Remark - Bemerkung - Osservazioni 001 139113 004 BROCHE D'ATTELAGE PIN, HITCH ACHSE PERNO 002 H2400220 001 CHAPE CLEVIS GABEL FORCELLA 003 80201630 004 ECROU HEX.AUTOFREINE FE/ZNXC3 SELF-LOCKING NUT FE/ZNXC3 SELBSTSICH.MUTTER FE/ZNXC3 DADO AUTOBLOCCANTE FE/ZNXC3 004 80570477 004 GOUPILLE BETA SIMPLE FE/ZNXC3 SPRING COTTER PIN FE/ZNXC3 FEDERSTECKER FE/ZNXC3 MOLLA FE/ZNXC3 005 H2400210 001 PLAT FLAT FLACHEISEN PIATTO 006 H2400230 001 SUPPORT SUPPORT TRAEGER SUPPORTO 007 80061667 004 VIS TETE HEXAGONALE FE/ZNXC3 HEXAGON HEAD SCREW FE/ZNXC3 SECHSKANTSCHRAUBE FE/ZNXC3 VITE TESTA ESAGONALE FE/ZNXC3
  • 139.
    133 ETIQUETTES ADHESIVES XL2STICKERS XL2 AUFKLEBER XL2 ADESIVI XL2 DISCOVER XL2 C0001 > H30R0014 A Rep Nr Qt Designation Description Bezeichnung Referenza Remarque - Remark - Bemerkung - Osservazioni 001 09968300 001 ETIQ.ADHESIVE TRANSFER MAX.25 AUFKLEBER MAX.25 ADESIVO LIMITE VELOC. MAX.25 002 59900000 001 PICTOGR.H NOTICE D'INSTR PICTORIAL H INSTRUCTIONS PIKTOGR.H BETRIEBSANLEITUNG ADESIVO 003 59900300 002 PICTOGR.H ECRASEM.MAIN PICTORIAL H CRUSH.DANGER HAND PIKTOGR.H QUETSCHGEFAHR HAND ADESIVO 004 59900400 001 PICTOGR.H ARRETER MOTEUR PICTORIAL H STOP ENGINE PIKTOGR.H MOTOR ABSTELLEN ADESIVO 005 59900500 004 PICTOGR.H ECRASEM.CORPS PICTORIAL H CRUSH. DANGER BODY PIKTOGR.H QUETSCHGEF.KOERPER ADESIVO 006 59901300 001 PICTOGR.H DANGER ACCUMULAT PICTORIAL H DANGER ACCUMULATOR PIKTOGR.H GEFAHR HYDROSPEICHER ADESIVO 007 59911200 001 PICTOGR.ATTELAGE 2 POINTS PICTOGR.TWO POINT LINKAGE PIKTOGR.ZWEIPUNKT-ANBAU ADESIVO 008 950215 001 AUTOCOL. SERRAGE BOBINE STICKER SERRAGE BOBINE ABZIEHBILD SERRAGE BOBINE ADESIVO 009 950219 001 AUTOCOL. INDEXAGE HYD STICKER "HYDRAULIC INDEX" AUFKLEBER ADESIVO 010 950414 001 AUTOCOL.POMPE A GRAISSE STICKER OIL PUMP AUFKLEBER SCHMIERUNG ADESIVO Q? 011 H2405660 006 FREIN BRAKE BREMSE FRENO 012 K9500070 001 LOGO KUHN 207 BLANC/TRANSP. LOGO KUHN 207 LOGO KUHN 207 WEISS/TRANSP. LOGO KUHN 207 BIANCO TRASP. 013 K9500090 004 LOGO KUHN 309 BLANC/TRANSP. LOGO KUHN 309 LOGO KUHN 309 WEISS/TRANSP. LOGO KUHN 309 014 H2414970 001 ETIQ.ADH. DECAL AUFKLEBER ADESIVO 015 K9530110 001 ETIQ.ADH. DECAL AUFKLEBER ADESIVO 016 K9530120 001 ETIQ.ADH. DECAL AUFKLEBER ADESIVO 017 H2414980 001 ETIQ.ADH. DECAL AUFKLEBER ADESIVO 018 A7300150 001 ETIQ.ADHESIVE TRANSFER MAX.6 AUFKLEBER MAX.6 ADESIVO LIMITE VELOC. MAX.6 019 09971400 001 ETIQ.ADHESIVE TRANSFER MAX.40 ABZIEHBILD MAX.40 ADESIVO VEL.MAX.40
  • 141.
    135 OUTILLAGE TOOLS WERKZEUGATTREZZI DISCOVER XL2 C0001 > H24R0248 B Rep Nr Qt Designation Description Bezeichnung Referenza Remarque - Remark - Bemerkung - Osservazioni 001 211664 001 CLE 30/36 SPANNER 30/36 SCHLUESSEL 30/36 CHIAVE : M20 / M24 002 211828 001 CLE SPECIALE SPANNER SCHLUESSEL CHIAVE : KM M80 / 971101 / 80208018 003 211829 001 CLE SPECIALE SPANNER SCHLUESSEL CHIAVE : KM M90 / 951115 004 211830 001 CLE SPECIALE SPANNER SCHLUESSEL CHIAVE : KM M105 / 951180 005 780104 001 CLE A OEIL 46/PLATS SPANNER 46 CHIAVE : M30 006 3104124 001 DOUILLE SPECIAL SOCKET->80204519 SPEZIAL STECKNUSS CHIAVE SPECIALE : KM M10 / 80204519 / 80204566 007 3119467 001 DOUILLE SPECIALE->50019600 SPECIAL SOCKET->50019600 SPEZIAL-STECKNUSS->50019600 CHIAVE SPECIALE->50019600 : KM M50 / 50019600 008 3125420 001 DOUILLE->52502300 SPECIAL SOCKET->52502300 SPEZIAL STECKNUSS CHIAVE SPECIALE : 52502300 009 3125587 001 DOUILLE ROUND RUNDUNG CHIAVE SPECIALE : KM M40 / 80204063 010 3157109 001 DOUILLE SERR./ENCOCHES:M30X1,5 SPECIAL SOCKET->80203065 SPEZIAL STECKNUSS CHIAVE SPECIALE : KM M30 / 80203065 011 3177802 001 DOUILLE SERR./ENCOCHES:M55X2,0 SPECIAL SOCKET->80205519 SPEZIAL-STECKNUSS CHIAVE SPECIALE : KM M55 / 80205519 012 52598210 001 CLE DEVER.GOUP.FIX.RAPIDE ZBC WRENCH SCHLUESSEL CHIAVE FISSAGGIO FAST FIT : M33 / H0201280 013 H0301420 001 CLE WRENCH SCHLUESSEL CHIAVE 014 H0333500 001 CLE A ERGOTS SPANNER SCHLUESSEL CHIAVE : KM M25 / H0333270 015 H0600040 001 CLE 18 / 24 SPANNER SCHLUESSEL CHIAVE : M12 / M16 016 H0600770 001 CLE SPECIALE SPANNER SCHLUESSEL CHIAVE : KM M120 / 951813 017 H0600780 001 CLE SPECIALE SPANNER SCHLUESSEL CHIAVE : M22 018 H0600790 001 CLE SPECIALE SPANNER SCHLUESSEL CHIAVE : A4083100 019 H0600800 001 CLE SPECIALE SPANNER SCHLUESSEL CHIAVE : A4083100 020 H0600810 001 CLE BLOC POWER PACKER SPANNER SCHLUESSEL CHIAVE : BLOC POWER PACKER 021 H0600960 001 CLE SPECIALE (CHAISE HX-1ER PR SPANNER SCHLUESSEL CHIAVE : M20 / 80202040 022 H0602770 001 CLE WRENCH SCHLUESSEL CHIAVE : KM M30 / 80203018 023 H0602780 001 CLE WRENCH SCHLUESSEL CHIAVE : KM M45 / 80204517 024 H0604340 001 CLE WRENCH SCHLUESSEL CHIAVE : KM M16 / 80208018 025 H0604420 001 CLE WRENCH SCHLUESSEL CHIAVE : 80203565 026 H0604430 001 CLE WRENCH SCHLUESSEL CHIAVE 027 H0604440 001 CLE WRENCH SCHLUESSEL CHIAVE : 80202566 028 H0604450 001 CLE WRENCH SCHLUESSEL CHIAVE : 80205566 029 H0604460 001 CLE WRENCH SCHLUESSEL CHIAVE : 80204566 030 H0604470 001 CLE WRENCH SCHLUESSEL CHIAVE : 951180 031 H0604480 001 CLE WRENCH SCHLUESSEL CHIAVE : 80204063 032 H0604490 001 CLE WRENCH SCHLUESSEL CHIAVE : 80204063 033 H0604500 001 CLE WRENCH SCHLUESSEL CHIAVE : 80204566 034 H0604510 001 CLE WRENCH SCHLUESSEL CHIAVE : 80203066 035 H0604520 001 CLE WRENCH SCHLUESSEL CHIAVE : 80205018 036 H0604530 001 CLE WRENCH SCHLUESSEL CHIAVE : 951813 037 H0604540 001 CLE WRENCH SCHLUESSEL CHIAVE : 951115 038 H2219020 001 EMBOUT END PIECE ENDSTUECK GIUNTO : KM M25 / 80202566 039 H2400640 001 CLE SPECIALE (POUR ECROU MCR 3 SPANNER SCHLUESSEL CHIAVE : KM30 / 80203066 040 H2413430 001 CLE WRENCH SCHLUESSEL CHIAVE : KM50 / 80205018
  • 142.
    INDEX NUMERIQUE -NUMERICAL INDEX TEILENUMMERN-INDEX - INDICE NUMERICO Nr Page Rep. Nr Page Rep. Nr Page Rep. Nr Page Rep. Nr Page Rep. Nr Page Rep. Nr Page Rep. Nr Page Rep. 136 A4060627 073 023 A4061802 017 009 A4061802 021 010 A4061802 061 007 A4061802 063 006 A4061802 073 024 A4061803 017 010 A4071008 021 011 A4072014 013 022 A4072014 015 023 A4072014 017 016 A4072014 021 012 A4072014 023 005 A4072014 091 063 A4074000 115 002 A4074001 115 001 A4074017 023 006 A4074017 093 011 A4074017 111 008 A4074017 113 006 A4074018 021 013 A4074018 061 008 A4074018 063 007 A4074046 061 005 A4074046 063 008 A4074047 021 014 A4074048 023 007 A4080112 073 025 A4080212 073 026 A4080306 017 011 A4080306 021 015 A4080306 061 009 A4080306 063 009 A4080306 095 013 A4080306 097 013 A4080311 073 027 A4080350 023 008 A4080352 071 005 A4080352 093 012 A4080401 021 016 A4080401 023 009 A4080401 071 006 A4080401 111 009 A4080401 113 007 A4080402 021 017 A4080403 073 028 A4080413 073 029 A4080414 073 030 A4080426 071 007 A4080429 017 012 A4080429 021 018 A4080429 061 010 A4080429 063 010 A4080429 091 056 A4080429 093 013 A4080429 095 014 A4080429 097 017 A4080429 111 010 A4080429 113 008 A4080430 017 013 A4080430 021 019 A4080430 097 012 A4080435 091 057 A4080446 073 031 A4080518 021 020 A4080521 021 021 A4081003 071 008 A4081003 073 032 A4081010 021 022 A4081010 095 015 A4081010 097 014 A4082700 021 023 A4082701 073 033 A4083100 021 024 A4083102 021 025 A4085353 021 026 A4230002 073 034 A4230017 065 001 A4230021 065 002 A4230021 115 003 A4921019 023 013 A4921019 023 014 A4921036 075 049 A4921036 075 050 A4921068 021 031 A4921069 021 032 A4921069 021 033 A4921074 021 034 A4921075 071 013 A4921075 071 014 A4921112 023 015 A4921112 023 016 A4921112 071 015 A4921112 093 018 A4921112 093 019 A4921115 071 016 A4921127 111 013 A4921127 111 014 A4921127 113 011 A4921127 113 012 A4923029 095 018 A4923030 021 035 A4923030 095 019 A4923031 017 017 A4923031 017 018 A4923031 017 019 A4923031 017 020 A4923031 097 018 A4923031 097 019 A4923031 097 020 A4923031 097 021 A4923032 095 020 A4923049 111 015 A4923049 111 016 A4923049 111 017 A4923049 111 018 A4923049 113 013 A4923049 113 014 A4923049 113 015 A4923049 113 016 A4923062 021 036 A4923062 061 013 A4923062 061 014 A4923062 063 013 A4923062 063 014 A4923062 091 058 A4923062 095 021 A4923063 021 037 A4923063 021 038 A4923063 061 015 A4923063 061 016 A4923063 063 015 A4923063 063 016 A4923065 061 017 A4923065 061 018 A4923065 063 017 A4923065 063 018 A4923067 021 039 A4923067 021 040 A4923146 097 015 A4923146 097 016 A7021004 083 005 A7021005 083 006 A7039023 053 006 A7039044 077 010 A7039049 077 011 A7039079 055 006 A7039099 077 015 A7039171 077 012 A7039406 077 016 A7181104 073 035 A7181108 073 036 A7181109 073 037 A7181115 073 038 A7181122 073 039 A7181125 073 040 A7181129 075 051 A7181129 075 052 A7181129 075 053 A7181129 075 054 A7181129 075 055 A7181129 075 056 A7181129 075 057 A7181129 075 058 A7181134 073 041 A7181144 073 042 A7181145 073 043 A7260015 073 044 A7260016 021 027 A7260016 023 010 A7260016 071 009 A7260016 073 045 A7260016 093 014 A7260017 017 014 A7260017 021 028 A7260017 061 011 A7260017 063 011 A7260017 093 015 A7260017 095 016 A7260017 097 008 A7260025 071 010 A7260027 071 011 A7260027 073 046 A7260040 073 047 A7260042 021 029 A7260042 023 011 A7260042 071 012 A7260042 093 016 A7260042 111 011 A7260042 113 009 A7260044 073 048 A7260046 017 015 A7260046 021 030 A7260046 023 012 A7260046 061 012 A7260046 063 012 A7260046 093 017 A7260046 095 017 A7260046 097 007 A7260046 111 012 A7260046 113 010 A7300150 133 018 G0445281 075 059 H0301420 135 013 H0333500 135 014 H0503890 085 001 H0503900 085 002 H0600040 135 015 H0600770 135 016 H0600780 135 017 H0600790 135 018 H0600800 135 019 H0600810 135 020 H0600960 135 021 H0601070 111 019 H0601070 113 017 H0602770 135 022 H0602780 135 023 H0603900 113 018 H0603920 113 019 H0604340 135 024 H0604420 135 025 H0604430 135 026 H0604440 135 027 H0604450 135 028 H0604460 135 029 H0604470 135 030 H0604480 135 031 H0604490 135 032 H0604500 135 033 H0604510 135 034 H0604520 135 035 H0604530 135 036 H0604540 135 037 H1300010 021 041 H2100830 013 023 H2100830 015 024 H2100830 089 012 H2100830 089 021 H2101180 057 013 H2101180 059 013 H2101220 057 014 H2101220 061 019 H2103710 007 018 H2103710 057 015 H2103710 059 014 H2104860 005 010 H2104870 005 011 H2104880 005 012 H2110920 019 022 H2110920 021 047 H2110920 023 017 H2110950 021 042 H2110950 023 018 H2113570 007 019 H2113601 007 020 H2113601 057 016 H2113601 059 015 H2113610 003 018 H2113620 007 021 H2113770 089 016 H2113990 057 017 H2113990 059 016 H2114000 013 024 H2114000 015 025 H2114000 089 008 H2114010 013 025 H2114010 015 026 H2114010 089 030 H2114020 009 017 H2114020 011 017 H2114030 089 029 H2114040 089 031 H2114110 091 047 H2114250 007 022 H2114260 007 023 H2114770 059 017 H2114770 063 019 H2200000 033 010 H2200010 033 011 H2200020 033 012 H2200030 033 013 H2200030 037 015 H2200030 039 016 H2200030 041 012 H2200030 043 013 H2200150 025 012 H2200150 027 012 H2200150 029 012 H2200150 031 012 H2200160 025 013 H2200160 027 013 H2200160 029 013 H2200160 031 013 H2200170 025 014 H2200170 027 014 H2200170 029 014 H2200170 031 014 H2200180 025 015 H2200180 027 015 H2200180 029 015 H2200180 031 015 H2200210 031 016 H2200220 027 016 H2200230 025 016 H2200230 027 017 H2200230 029 016 H2200230 031 017 H2200240 025 017 H2200240 027 018 H2200240 029 017 H2200240 031 018 H2200250 025 018 H2200250 027 019 H2200250 029 018 H2200250 031 019 H2200780 013 026 H2200780 015 027 H2200780 089 026 H2200780 099 015 H2200780 101 016 H2200780 103 019 H2200780 105 019 H2200780 107 016 H2200780 109 016 H2200870 025 019 H2200920 041 013 H2200920 043 014 H2200940 035 001 H2200940 041 014 H2200940 043 015 H2202840 033 014 H2202850 033 015 H2204880 103 020 H2204880 105 020 H2204880 107 017 H2204880 109 017 H2205450 009 022 H2205450 011 022 H2205450 019 037 H2205760 099 016 H2205760 101 017 H2205770 101 018 H2205850 099 017 H2205850 101 019 H2206650 009 018 H2206650 011 018 H2206650 013 027 H2206650 015 028 H2207500 019 023 H2208860 103 021 H2208900 105 021 H2208930 103 022 H2208930 105 022 H2208940 103 023 H2208940 105 023 H2213820 103 024 H2213820 105 024 H2213831 103 025 H2213831 105 025 H2214051 105 026 H2214071 103 026 H2214190 099 018 H2217320 117 012 H2217320 123 013 H2218430 035 003 H2219000 101 020 H2219020 135 038
  • 143.
    INDEX NUMERIQUE -NUMERICAL INDEX TEILENUMMERN-INDEX - INDICE NUMERICO Nr Page Rep. Nr Page Rep. Nr Page Rep. Nr Page Rep. Nr Page Rep. Nr Page Rep. Nr Page Rep. Nr Page Rep. 137 H2222130 099 019 H2223420 019 024 H2223430 019 025 H2223440 019 026 H2223450 019 027 H2223460 019 028 H2223470 019 029 H2223480 019 030 H2223490 019 031 H2223500 019 032 H2223510 019 033 H2223520 019 034 H2228590 107 018 H2228590 109 018 H2230190 089 005 H2230210 089 006 H2230220 099 020 H2230220 103 027 H2230230 099 021 H2230230 103 028 H2230240 101 021 H2230240 105 027 H2230250 101 022 H2230250 105 028 H2230400 013 028 H2230400 015 029 H2230410 011 019 H2230420 009 019 H2230430 015 030 H2230440 013 029 H2230450 009 020 H2230450 011 020 H2230480 019 035 H2230490 019 036 H2230500 009 021 H2230500 011 021 H2230500 013 030 H2230500 015 031 H2230830 107 019 H2230830 109 019 H2230890 107 020 H2230900 107 021 H2230930 109 020 H2230940 109 021 H2232600 109 022 H2232610 107 022 H2232610 109 023 H2232620 107 023 H2232620 109 024 H2232630 107 024 H2232630 109 025 H2232640 107 025 H2300000 047 011 H2300000 049 011 H2300010 049 004 H2300020 047 005 H2300020 049 005 H2300030 047 004 H2300050 047 001 H2300050 049 001 H2300060 047 012 H2300060 049 012 H2300280 047 012 H2300280 049 012 H2300330 047 011 H2300330 049 011 H2300340 047 001 H2300340 049 001 H2400210 121 017 H2400210 127 016 H2400210 131 005 H2400220 121 018 H2400220 127 017 H2400220 131 002 H2400230 121 019 H2400230 127 018 H2400230 131 006 H2400360 121 020 H2400360 127 019 H2400370 121 021 H2400370 127 020 H2400640 135 039 H2400740 117 013 H2400740 123 014 H2401060 067 019 H2401090 067 015 H2401230 067 016 H2401230 069 008 H2401340 013 031 H2401340 015 032 H2401340 017 008 H2401340 089 001 H2401380 117 014 H2401380 123 015 H2401590 089 025 H2401590 095 022 H2401610 089 002 H2401610 095 012 H2401870 119 015 H2401870 121 022 H2401870 125 014 H2401870 127 021 H2401920 119 018 H2401920 125 017 H2402370 065 003 H2402530 083 007 H2402800 075 060 H2404290 061 020 H2404290 063 020 H2404300 125 015 H2404300 127 022 H2404330 125 016 H2404330 127 023 H2405230 119 016 H2405230 121 023 H2405240 119 017 H2405240 121 024 H2405250 117 015 H2405250 123 016 H2405390 091 051 H2405660 069 009 H2405660 133 011 H2406710 021 043 H2407460 021 044 H2407950 021 045 H2408190 111 020 H2408190 113 020 H2408930 117 016 H2408930 123 017 H2413430 135 040 H2414970 133 014 H2414980 133 017 H2415330 007 024 H2417650 003 019 H2417660 003 020 H2417800 023 019 H2417810 061 021 H2417810 063 021 H2417810 071 017 H2417820 021 046 H2417830 017 021 H2417840 017 022 H2417850 017 023 H2417860 007 025 H2417870 007 026 H2417880 007 027 H2417890 067 017 H2417890 069 010 H2417900 067 018 H2417960 093 020 H2417970 095 023 H2417970 097 011 H2417990 067 020 H2417990 069 012 H2420540 129 022 H2420550 129 023 H2420560 129 019 H2420690 075 061 H2420700 075 062 H2420710 075 063 H2420740 129 020 H2420750 129 021 H2420770 129 024 H2420780 107 026 H2420780 109 026 H2420920 129 011 H2421010 129 001 H2421020 129 012 H2421030 129 013 H2421080 075 064 H2421090 075 065 H2421560 065 004 H2421810 129 009 H2421820 129 010 H2421840 069 011 H2900100 085 003 H2900110 085 004 H2900110 087 001 H2900170 057 018 H2900170 059 018 H2900840 053 010 H2902980 055 005 H2903030 055 007 H2903480 053 007 H2903510 053 008 H2904230 053 009 H2904250 053 011 H2904260 053 012 H2904270 053 013 H2904280 053 014 H2904290 053 015 H2904310 055 008 H2904320 055 009 H2904330 055 010 H2904340 055 011 H2904350 055 012 H2904360 055 013 H2904370 055 014 H2904380 051 015 H2905391 057 019 H2905391 059 019 H2905490 057 020 H2905490 059 020 H2905640 087 002 H2905670 087 003 H2905680 087 004 H2905970 071 018 H2905970 079 001 H2905980 081 001 H2906030 071 019 H2906180 069 013 H2906180 069 014 H2906260 075 066 H2906270 075 067 K1606340 005 013 K2503780 005 014 K2504040 005 015 K3004810 107 027 K3004810 109 027 K7024100 003 021 K8018150 077 006 K8403810 053 016 K9500070 133 012 K9500090 133 013 K9530110 133 015 K9530120 133 016 09917600 129 007 09917700 129 008 09968300 133 001 09971400 133 019 117107 039 001 117107 043 001 117108 037 001 117108 039 002 117109 037 002 117109 039 003 117112 041 001 117112 043 002 117113 041 011 117113 043 012 117114 039 004 117114 043 003 117119 051 001 117120 037 012 117120 039 013 117121 037 013 117121 039 014 117122 037 014 117122 039 015 139113 047 002 139113 049 002 139113 121 001 139113 127 001 139113 131 001 150159 051 002 191110 051 003 211664 135 001 211828 135 002 211829 135 003 211830 135 004 211957 099 001 211957 101 001 212138 025 001 212138 027 001 212138 029 001 212138 031 001 212606 051 004 222156 037 003 222156 039 005 222156 041 002 222156 043 004 227179 025 002 227179 027 002 227179 029 002 227179 031 002 227179 047 003 227179 049 003 3104124 135 006 3119467 135 007 3125420 135 008 3125587 135 009 3157109 135 010 3177802 135 011 421226 033 001 50005500 107 001 50005500 109 001 500236 077 002 50086200 005 009 52503600 099 012 52503600 101 013 52514000 099 013 52514000 101 014 52514000 103 018 52514000 105 017 52560010 107 002 52560010 109 002 52563600 099 014 52563600 101 015 52563600 103 002 52563600 105 018 52563800 101 003 52563800 103 003 52563800 105 002 52598210 135 012 581677 025 014 581677 027 014 581677 029 014 581677 031 014 581678 025 015 581678 027 015 581678 029 015 581678 031 015 581804 025 013 581804 027 013 581804 029 013 581804 031 013 581805 025 012 581805 027 012 581805 029 012 581805 031 012 581818 051 005 581819 051 006 582548 111 001 582548 113 001 582585 025 019 582586 025 016 582586 027 017 582586 029 016 582586 031 017 582587 027 016 582588 031 016 582768 045 004 582769 045 002 583189 009 001 583189 011 001 583222 019 001 583222 089 037 583226 019 002 583238 051 007 583263 037 004 583263 041 003 583264 037 005 583264 039 006 583264 041 004 583264 043 005 583265 037 006 583265 041 005 583266 039 007 583266 043 006 583420 009 002 583420 011 002 583420 013 001 583420 015 001 583422 077 003 583440 119 001 583440 121 002 583440 125 001 583440 127 002 583440 129 018 583826 051 008 59900000 133 002 59900300 133 003 59900400 133 004 59900500 133 005 59901300 133 006 59911200 133 007 645236 037 007 645236 039 008 645236 041 006 645236 043 007 720119 067 001 720119 069 001 750050 037 008 750050 039 009 750050 041 007 750050 043 008 750345 067 002 750944 009 003 750944 011 003 750944 013 002 750944 015 002 750961 013 003 750961 015 003 750961 089 027
  • 144.
    INDEX NUMERIQUE -NUMERICAL INDEX TEILENUMMERN-INDEX - INDICE NUMERICO Nr Page Rep. Nr Page Rep. Nr Page Rep. Nr Page Rep. Nr Page Rep. Nr Page Rep. Nr Page Rep. Nr Page Rep. 138 750961 099 002 750961 101 002 750961 103 001 750961 105 001 751403 069 002 751487 067 003 751490 067 004 780104 135 005 780341 003 001 780341 037 009 780341 039 010 780341 041 008 780341 043 009 780688 025 003 780688 027 003 780688 029 003 780688 031 003 80030825 007 001 80060612 003 003 80060636 073 002 80060653 073 003 80060820 083 001 80060826 073 004 80060830 091 050 80060830 091 062 80060835 023 003 80060835 071 003 80060835 073 005 80060835 093 004 80060839 019 006 80060846 017 005 80060846 021 004 80060846 061 003 80060846 063 003 80060846 093 005 80060846 095 005 80060846 097 009 80060850 009 007 80060850 011 007 80060853 021 005 80060853 091 060 80060853 095 006 80060857 017 006 80060857 093 006 80060857 095 007 80060857 097 005 80060864 021 006 80060871 021 007 80060871 023 004 80060871 093 007 80060893 003 004 80061020 117 002 80061020 119 003 80061020 121 004 80061020 123 002 80061026 045 005 80061030 073 006 80061036 007 002 80061036 067 008 80061036 073 007 80061040 073 008 80061050 069 003 80061054 129 026 80061055 119 002 80061055 121 003 80061055 125 002 80061055 127 003 80061055 129 027 80061073 111 004 80061073 113 002 80061073 117 003 80061073 123 003 80061073 125 003 80061073 127 004 80061073 129 028 80061245 013 009 80061245 015 009 80061245 089 014 80061245 089 023 80061245 089 038 80061245 103 004 80061245 105 003 80061248 007 003 80061248 009 008 80061248 011 008 80061248 019 007 80061249 103 005 80061249 105 004 80061269 057 001 80061269 059 001 80061271 003 005 80061271 083 002 80061280 005 002 80061280 013 010 80061280 015 010 80061280 089 040 80061294 099 003 80061294 101 004 80061601 051 009 80061634 047 013 80061634 049 013 80061638 103 006 80061638 105 005 80061641 009 009 80061641 011 009 80061641 013 011 80061641 015 011 80061641 047 014 80061641 049 014 80061647 067 009 80061657 013 012 80061657 015 012 80061657 089 010 80061657 089 019 80061661 047 015 80061661 049 015 80061661 057 002 80061661 059 002 80061661 089 042 80061661 099 004 80061661 101 005 80061661 119 004 80061661 125 004 80061667 121 005 80061667 127 005 80061667 131 007 80061669 007 004 80061669 019 008 80061669 025 004 80061669 027 004 80061669 029 004 80061669 031 004 80061669 057 003 80061669 059 003 80061693 103 007 80061693 105 006 80061693 107 003 80061693 109 003 80062007 025 005 80062007 027 005 80062007 029 005 80062007 031 005 80062043 025 005 80062043 027 005 80062043 029 005 80062043 031 005 80062043 035 004 80062059 051 010 80062059 073 009 80062060 057 004 80062060 059 004 80062065 019 009 80062067 089 033 80062074 003 006 80062074 007 005 80062076 025 006 80062076 027 006 80062076 029 006 80062076 031 006 80062076 117 004 80062076 123 004 80062081 025 007 80062081 027 007 80062081 029 007 80062081 031 007 80062088 019 010 80062094 047 016 80062094 049 016 80080516 119 005 80080516 121 006 80080516 125 005 80080516 127 006 80080516 129 025 80080610 117 011 80080610 123 012 80080626 071 004 80080626 073 010 80080640 061 004 80080640 063 004 80080660 073 011 80080813 055 001 80080894 091 052 80081006 033 006 80110806 111 005 80110806 113 003 80111275 099 005 80111275 101 006 80111275 103 008 80111275 105 007 80111667 107 004 80111667 109 004 80112080 107 005 80112080 109 005 80131017 003 007 80200540 117 005 80200540 119 006 80200540 121 007 80200540 123 005 80200540 125 006 80200540 127 007 80200540 129 005 80200630 073 012 80200830 003 008 80200830 009 010 80200830 021 008 80200830 073 013 80200830 091 049 80200830 091 061 80200830 095 008 80200840 007 006 80200840 011 010 80200840 019 011 80200840 083 003 80200870 091 053 80201030 007 007 80201030 067 010 80201030 069 004 80201030 073 014 80201030 111 006 80201030 113 004 80201030 117 006 80201030 119 007 80201030 121 008 80201030 123 006 80201030 125 007 80201030 127 008 80201030 129 004 80201040 073 015 80201040 129 006 80201062 107 006 80201062 109 006 80201070 067 011 80201230 007 008 80201230 009 011 80201230 011 011 80201230 013 013 80201230 015 013 80201230 057 005 80201230 059 005 80201230 089 013 80201230 089 022 80201230 089 041 80201240 003 009 80201240 005 003 80201240 015 014 80201240 019 012 80201240 083 004 80201240 089 032 80201240 099 006 80201240 101 007 80201240 103 009 80201240 105 008 80201240 107 007 80201240 109 007 80201630 007 009 80201630 009 012 80201630 011 012 80201630 013 014 80201630 015 015 80201630 019 013 80201630 051 011 80201630 057 006 80201630 059 006 80201630 067 012 80201630 089 009 80201630 089 018 80201630 089 043 80201630 131 003 80201640 047 006 80201640 049 006 80201640 099 007 80201640 101 008 80201640 103 010 80201640 105 009 80201640 107 008 80201640 109 008 80201640 119 008 80201640 121 009 80201640 125 008 80201640 127 009 80201647 107 009 80201647 109 009 80201670 025 008 80201670 027 008 80201670 029 008 80201670 031 008 80201670 047 008 80201670 049 008 80201850 053 001 80201850 077 004 80202030 003 010 80202030 007 010 80202030 051 012 80202030 057 007 80202030 059 007 80202030 073 016 80202030 089 035 80202030 107 010 80202030 109 010 80202040 019 014 80202040 025 009 80202040 027 009 80202040 029 009 80202040 031 009 80202040 035 002 80202040 047 007 80202040 049 007 80202040 117 007 80202040 123 007 80202069 003 011 80202069 007 011 80202069 089 034 80202440 019 015 80203565 005 004 80203565 103 011 80203565 105 010 80203915 009 013 80203915 011 013 80203915 013 015 80203915 015 016 80203915 019 016 80203915 037 010 80203915 039 011 80203915 041 009 80203915 043 010 80205566 005 005 80205566 013 016 80205566 015 017 80205566 089 028 80205566 099 008 80205566 101 009 80205566 103 012 80205566 105 011 80205566 107 011 80205566 109 011 80250512 129 016 80250624 073 017 80250823 003 012 80250823 007 012 80250823 019 020 80250823 021 009 80250823 073 018 80250823 091 048 80250823 091 059 80250823 095 009 80251021 007 013 80251021 073 019 80251021 119 009 80251021 121 010 80251021 129 017 80251201 069 005 80251225 005 006 80251225 069 006 80251227 003 013 80251227 007 014 80251227 019 021 80251227 103 013 80251227 105 012 80251624 025 010 80251624 027 010 80251624 029 010 80251624 031 010 80251624 103 014 80251624 105 013 80251624 107 012 80251624 109 012 80252026 019 017 80252026 057 008
  • 145.
    INDEX NUMERIQUE -NUMERICAL INDEX TEILENUMMERN-INDEX - INDICE NUMERICO Nr Page Rep. Nr Page Rep. Nr Page Rep. Nr Page Rep. Nr Page Rep. Nr Page Rep. Nr Page Rep. Nr Page Rep. 139 80252026 059 008 80252026 073 020 80252026 107 013 80252026 109 013 80252029 007 015 80270605 003 014 80270803 017 007 80270803 093 008 80270803 095 010 80270803 097 004 80271003 033 007 80271003 045 003 80271602 025 011 80271602 027 011 80271602 029 011 80271602 031 011 80271602 047 010 80271602 049 010 80281725 107 014 80281725 109 014 80370506 009 014 80370506 011 014 80370506 013 017 80370506 015 018 80450660 009 015 80450660 011 015 80450660 013 018 80450660 015 019 80450660 019 018 80500451 067 013 80500451 069 007 80500463 053 002 80500579 037 011 80500579 039 012 80500579 041 010 80500579 043 011 80500579 077 017 80500963 051 014 80570477 003 015 80570477 047 009 80570477 049 009 80570477 121 011 80570477 127 010 80570477 131 004 80583000 067 014 80583000 077 018 80586000 057 009 80586000 059 009 81005055 089 046 81304585 053 003 81305501 077 001 81306097 055 002 81306512 053 004 81307011 033 008 81307512 077 007 81307514 055 003 82102229 073 021 82200616 053 005 82200616 077 019 82200800 055 004 82200800 089 003 82200800 095 011 82200815 099 009 82200815 101 010 82200815 103 015 82200815 105 014 82201016 003 016 82201016 005 007 82201016 007 016 82201016 013 019 82201016 015 020 82201016 019 019 82201016 033 009 82201016 051 013 82201016 057 010 82201016 059 010 82201016 089 011 82201016 089 020 82201016 089 045 82201016 099 010 82201016 101 011 82201016 103 016 82201016 105 015 82201016 107 015 82201016 109 015 82300026 093 009 82300026 111 007 82300026 113 005 83014040 089 039 83014041 013 020 83014041 015 021 83014041 089 015 83014041 089 024 83014043 005 008 83014540 009 016 83014540 011 016 83014540 013 021 83014540 015 022 83014540 089 036 83015050 007 017 83015050 057 011 83015050 059 011 83016030 057 012 83016030 059 012 83040072 099 011 83040072 101 012 83040072 103 017 83040072 105 016 83090039 117 001 83090039 123 001 83090093 093 010 83090596 003 017 83240007 119 010 83240007 121 012 83240007 125 009 83240007 127 011 83240007 129 003 83240010 123 008 83240017 117 008 83240017 119 011 83240017 121 013 83240017 123 009 83240017 125 010 83240017 127 012 83240017 129 002 83240212 117 009 83240212 119 012 83240212 121 014 83240212 123 010 83240212 125 011 83240212 127 013 83240400 119 013 83240400 121 015 83240400 125 012 83240400 127 014 83240401 119 014 83240401 121 016 83240401 125 013 83240401 127 015 83240404 117 010 83240404 123 011 83240453 129 014 83240456 129 015 900129 009 004 900129 011 004 900129 013 004 900129 015 004 900129 019 003 900742 005 001 900742 009 005 900742 011 005 900742 013 005 900742 015 005 900742 019 004 900764 091 054 950215 133 008 950219 133 009 950414 133 010 951197 017 001 951197 021 001 951197 023 001 951197 061 001 951197 063 001 951197 071 001 951197 073 001 951197 093 001 951197 095 001 951197 097 010 951214 093 002 951216 033 002 951242 003 002 951242 019 005 951278 033 003 951279 033 004 951400 045 001 951409 021 002 951448 009 006 951448 011 006 951448 013 006 951448 015 006 951448 089 044 951453 115 004 951603 073 022 951637 111 002 951680 033 005 951909 097 002 951955 089 002 951955 095 012 952129 067 005 952151 067 006 952160 013 007 952160 015 007 952160 017 002 952160 089 007 952160 089 017 952160 097 006 952162 089 001 952162 097 002 952211 071 002 952232 017 003 952232 093 003 952232 095 002 952232 097 003 952233 077 005 952251 111 003 952313 077 020 952314 077 008 952315 077 009 952319 077 013 952320 067 007 952320 077 014 952350 061 006 952364 061 006 952364 063 005 952365 013 008 952365 015 008 952365 017 004 952365 021 003 952365 023 002 952365 061 002 952365 063 002 952365 089 004 952365 091 064 952365 095 003 952365 097 001 952380 091 055 952380 095 004
  • 147.
    EXTRAIT DES CONDITIONSDE GARANTIE ET CONDITIONS SPECIFIQUES PIECES DE RECHANGE Nous garantissons notre matériel durant une année à partir du jour de livraison, c'est-à-dire que nous nous engageons à rembourser les pièces qui auront été reconnues défectueuses en nos usines, par notre service technique. Bien entendu, la garantie ne s'applique pas en cas d'usure normale, ni en cas de détériorations résultant de négligences ou de défauts de surveillance, d'un mauvais usage, d'un manque d'entretien ou d'un accident. La garantie ne s'applique pas non plus si la machine a été prêtée ou utilisée pour un usage non conforme à sa destination prévue par la société. La garantie ne s'applique pas aux pièces d'usure. Les pièces de rechange sont soumises aux mêmes conditions de garantie que le matériel sous réserve qu'elles aient été montées selon les règles de l'art et utilisées conformément à nos recommandations. EXTRACT FROM OUR CONDITIONS OF LIMITED WARRANTY AND SPARE PARTS WARRANTY POLICY Our equipment is warranted for a period of one year from the date of delivery. We guarrantee the reimbursement of all parts proven to be faulty by our technical division in material or manufacturing. The warranty is not applicable in the following cases : normal wear, accident or negligence in operation, repairs using parts other than genuine KUHN parts, products altered or modified without the expressed permission of the company or if the machine is not used and serviced in accordance with the recommendations of the operator's manual. Wearing items are not covered under these conditions of limited warranty. Spare parts are subject to the same warranty conditions than the equipment providing they have been installed with proficiency and are used in accordance with our recommendations. AUSZUG AUS UNSEREN GARANTIEBEDINGUNGEN UND SONDERBEDINGUNGEN FÜR ERSATZTEILE Wir garantieren unsere Ware für ein Jahr ab dem Tag der Lieferung und verpflichten uns, die Teile zu ersetzen, die im Werk als fehlerhaft anerkannt wurden. Die Garantie ist ausgeschlossen für Teile, die einem normalen Verschleiß unterliegen, sowie im Fall von nachlässiger Behandlung oder mangelhafter Wartung oder eines Unfalls. Die Garantie erlischt auch, wenn die Maschine ausgeliehen oder unter Umständen eingesetzt wurde, die dem ursprünglichen Verwendungszweck und den Hinweisen in der Betriebsanleitung nicht entsprechen. Verschleißteile sind von der Garantie ausgeschlossen Ersatzteile unterliegen den gleichen Garantiebedingungen wie komplette Maschinen, vorausgesetzt, dass sie sachgerecht eingebaut und entspechend unseren Empfehlungen verwendet wurden. ESTRATTO DELLE CONDIZIONI DI GARANZIA E CONDIZIONI SPECIFICHE GARANZIA RICAMBI Le nostre macchine sono garantite per un anno a partire dal giorno della consegna: ci impegnamo a rimborsare i componenti che saranno riconosciuti difettosi dai nostri servizi tecnici presso le nostre officine. La garanzia non è applicabile nei seguenti casi: usura normale, incidente o negligenza nell'impiego, riparazioni utilizzando ricambi non originali KUHN, prodotti alterati o modificati senza il permesso dell´azienda. La garanzia non viene riconosciuta se la macchina è stata prestata o non è utilizzata o mantenuta in conformità alle raccomandazioni previste dalla società. La garanzia non copre i componenti soggetti ad usura. I pezzi di ricambio sono soggetti agli stessi termini di garanzia della macchina, purchè siano stati installati con competenza e utilizzati conformemente alle nostre raccomandazioni.