IKROHNEI
01/95
Magnetic inductive
ßowmeters
3.1M24EA5 01es21
Installation and
operating
instructions
ALTOFLUX
IFM 2100 F
IFM 4100 F
IFM 5100 F
IFM 9100 F
Signal converter
SC 100 AS/F
,.
SC 100 AS/HPC/S
Primary heads
IFS 2000
IFS 4000
IFS 5000
M 900
Order No. Dlttsize: 7.02130.33.00
l/S ~i7P.. 7.0?130_73_00
How to use these Installation and Operating Instmctions
e For easy reference these instructions are divided into 5
parts.
8 Only Part A (pages 6-20) is needed for installation and
initial start-up.
• All electromagnetic flowmeters are factory-set to your
order specifications. Therefore, no further adjustments are
necessary prior to start-up.
Part A lnstall flowmeter in the pipeline (Sect. 1),
(pages 6-20) connect up (Sect. 2), power the flowmeter
(Sect. 3), that's all!
The system is operative.
These electromagnetic flowmeters are suitable solely for
measuring the volumetric flowrate of electrically conductive
liquids, slurries and pastes.
For use in hazardous areas, special codes and regulations are
applicable which are specified in the special "Ex installation
and operating instructions" (supplied only with hazardous-
duty equipment).
Responsibility as to suitability and intended use of our instru-
ments rests solely with the operator.
The IFM 2100 F, IFM 4100 F, !FM 5100 F
and !FM 9100 F electromagnetic flow-
meters are precision instruments desig-
ned for the linear flow measurement of
electrically conductive liquids, pastes
and slurries with a minimum conductiv-
ity of > 5 µSlcm (µmho/cm) or > 20
µSlcm (µmho/cm) for demineralized
cold water:
IFM 5100t F
Part B Operator control and action of the SC 100
(pages 21-38) AS/F signal converter.
Part C Special applications, service, and functional
(pages 39-59) checks.
Part D Technical data, dimensions, block diagram
(pages 60-77) and measuring principle.
Part E Index
(pages 78-80)
Condensed instructions between pages 42 and 43, pull
out form.
lmproper installation and operation of the flowmeters
(systems) may lead to loss of warranty.
In addition, the "General conditions of sale" forming the basis
of the purchase contract are applicable.
lfALTOFLUX flowmeters have tobe returned to Krohne, please
note the inforniation given on page 83!
SeRarate flowmeter, primary head with terminal box,
SC 100 AS/F signal converter, field housing
100 Signal converter designation for SC 100 AS
.____ 2000 IFS 2000 primary head
4000 IFS 4000 primary head
5000 IFS 5000 primary head
9000 M 900 primary head
The full-scale range is adjustable be-
tween 6 liters per hour and 305 000 m3
per hour, or 0.02to1 342 800 US gallons
per minute, dependent on the meter
size ON 2.5 to 3000or 1
/ 10" to 120". This
corresponds to a flow velocity of 0.3 to
12 m/s or 1 to 40 ft/s.
~---- IFM Electromagnetic flowmeter (system)
IFS Primary head (sensor)
IFC Signal converter
System Primary head Signal converter
Type Liner Meter size
Measuring section ON mm inehes
IFM 5100 F IFS 5000 Fused aluminium oxid 2.5- 100 1/10 - 4 SC100AS/F
IFM 2100 F IFS 2000 Fused aluminium oxid 150 - 250 6- 10 SC 100 AS/F
IFM 4100 F IFS 4000 PTFE (Teflon) 10 - 20 318 - 314
PFA 25 - 150 1 - 6 SC 100 AS/F
Varions 200 -1200 8- 48
Varions 1300 -3000 52 -120 SC 100 AS/F
IFM 9100 F M 900 PTFE (Teflon) 10 - 20 318 - 314
SC 100 AS/F
Varions 25 - 300 1 - 12
2
Power
driver
-
-
-
NB 900 F
-
& SeRarate-system fiowmeter as ordered
- SC 100 AS/F signal converter, field housing
- primary head with installation material according to the
• Installation and ORerating instructions with pl.:1#-out
condensed instructions for operation of the SC 100 AS/F
signal converter
following table/list
- signal cable (field current cable not supplied, tobe
provided by customer)
• Certificate of system calibration data
• ReROrl on factory setting of the signal converter
IFS 2000 and IFS 5000 Primary head
Primary head Supplied„. X=Standard O=Option Size of gaskets
Type Metersize Max. operating „.with „.with „.with grounding rings E „.wlo grounding rings
to."" pressure 1) centering stud bolts and gaskets but with gaskets 03 01, 02 + 03 in mm (inches) 3)
bar psig material
IFS 5000 :~]'!Jrr:.l2~Q1t{~S 4~q5f
ON 2.5, 4, 6, 10 40 580 2xrings 4xM12
ON 15 40 580 2xrings 4xM12
ON 25 40 580 2xrings 4xM12
ON 40 40 580 4xsleeves 4xM16
ON 50 40 580 4xsleeves 4xM16
ON 80 40 580 6xsleeves 8xM16
ON 100 16 230 6xsleeves 8xM16
25 360 6xsleeves 8xM20
IFS 2000 ON 150 16 230
/ /ON 200 10 145
ON250 10 145
IFS5000 ,.
.•. :ii":''~ec"''~'l
1/10, 1/8, 1/4, 3/8, 1/2" <20 <290 2xrings 4x1/2"
<40 <580 2xrings 4x1/2"
1" <20 <290 4xsleeves 4x1/2"
<40 <580 2xrings 4x5/8"
11/2" <20 <290 4xsleeves 4x1/2"
<40 <580 4xsleeves 4x3/4"
2" <20 <290 4xsleeves 4x5/8"
<40 <580 6xsleeves 8x5/8"
3" <20 <290 4xsleeves 4x5/8"
<40 <580 6xsleeves 8x3/4"
4" <20 <290 6xsleeves 8x5/8"
<25 <360 6xsleeves 8x3/4"
IFS 2000 6" <20 <290
1/1/8" <20 <290
10" <20 <290
1) With ANSI pipe flanges, the max. admissible operating pressure is
dependent on the product temperature
01
X
X
X
X
X
X
X
X
X
X
2) Gaskets 02 not supplied with flowmeter, tobe provided by customer!
01+02 and cable V da di
/ ~
01 are special 0-rings
01 are special 0-rings
0 X 46 (1.81) 26 (1.02)
0 X 62 (2.44) 39 (1.54)
0 X 74 (2.91) 51 (2.01)
0 X 106(4.17) 80 (3.15)
0 X 133 (5.24) 101 (3.98)
0 X 133 (5.24) 101 (3.98)
/ /
01 are special 0-rings
01 are special 0-rings
01 are special 0-rings
1/~
01 are special 0-rings
01 are special 0-rings
0 X 46 (1.81) 26 (1.02)
0 X 46 (1.81) 26 (1.02)
0 X 62 (2.44) 39 (1.54)
0 X 62 (2.44) 39 (1.54)
0 X 74 (2.91) 51 (2.01)
0 X 74 (2.91) 51 (2.01)
0 X 106 (4.17) 80 (3.15)
0 X 106 (4.17) 80 (3.15)
0 X 133 (5.24) 101 (3.98)
0 X 133 (5.24) 101 (3.98)
1//
01 are special 0-rings
01 are special 0-rings
01 are special 0-rings
3) da = outside diameter
di = inside diameter -
s = thickness of supplied gaskets
For arrangements of gaskets 01, 02 and 03 see "grounding diagrams" in Sect.1.2.3!
IFS 4000 and M 900 Primary heads
- lnterconnecting cables V, see grounding diagrams in Sect. 1.3.11
- Grounding.J:l.o.gs E (option), if ordered.
Supplied without installation material (stud bolts, gaskets),_to be customer supplied!
s
2)
2)
1.6 (0.06)
1.6 (0.06)
1.6 (0.06)
1.6 (0.06)
1.6 (0.06)
1.6 (0.06)
~)
2)
2)
2)
2)
1.6 (0.06)
1.6 (0.06)
1.6(0.06)
1.6 (0.06)
1.6(0.06)
1.6 (0.06)
1.6(0.06)
1.6 (0.06)
1.6 (0.06)
1.6(0.06)
2)
2)
2)
3
, , Contents
Part A
1.1
1.2
1.2.1
1.2.2
1.2.3
1.3
1.3,1
1.3.2
1.3.3
1.3.4
1.3.5
1.3,6
1.3.7
1.3.8
1.3.9
1.3,10
1.3.11
2.
2.1
2.2
2.3
2.4
2.4.1
2.4.2
2.4,3
2.5
2.6
2,6.1
2.6.2
2.6,3
2.6.4
2.6.5
Ja.
Part B
4.
4.1
4.2
4.2.1
4.2.2
4.2.3
4.3
4.4
4.5
4.6
5.
5.1
5.2
5.3
5.4
5.5
5.6
5.7
5.7.1
5.7.2
5.7.3
5.8
5.8.1
5.8.2
5.8.3
5.9
5.10
4
System installation and start-up
Installation in the pipeline
Preliminary information
Installation IFS 2000 and IFS 5000 primary heads
Installation requirements
Torques, pipe flanges and max. allowable operating pressure
Grounding IFS 2000 and IFS 5000
Installation IFS 4000 and M 900 primary heads
Neoprene and hard-rubber liners
PTFE liner
lrethane liner
M 900 with sanitary connections
M 900 HJ with heating jacket
Pipelines with cathodic protection
Grounding rings I Protective rings
Standard electrodes
Field replaceable electrodes WE
Torques
Grounding IFS 4000 and M 900
Installation of signal converter
6-12 J
6+7
8+9
8
8
9
10-12
10
10
10
10
10
10
10
11
11
11
12
13-19
Please note the following information concerning installation and operation of the SC 100 AS/F 13
Choice of installation location , 13
Connection to power 13
Signal and field power supply cables 13+14 •
Abbreviations used and important information to Sect. 2.4 13
General information to signal cables A (Type OS) and B (Type BTS) 14
Gable lengths: max permissible distance between primary head and signal converter 14
Connection diagrams 1to VIII 15+16
Outputs 17-19
Abbreviations used for outputs 17
Current (analog) output 1 17
Frequency (pulse) output F 18
Status indication output S 18
Connection diagrams for input and outputs CD to ® 19
(Initial) Start-up 20 J
Signal converter SC 100 AS
Operation of the signal converter 21-27
Operating and check elements 21
Program organization and programming chart 21-23
Menu levels 21
Programming chart 22+23
Description of keys 23
Programming and function of keys 24
Error messages, E-List 25
Plausibility check, P-List 25
Table of programmable functions 26+27
Description of program functions 28-38
Physical units 28
Numerical format 28
Full-scale range 0 100% and meter size 28
Flow direction 29
Display 29
Interna! electronic totalizer 29
Current (analog) output 1 30+31
Application 1(Fct. 3.1.01) 30
Other programmable functions for 1 30
Characteristics of current output 1 31
Frequency output F 32+33
Application F (Fct. 3.2.01) 32
Other programmable functions for F 32+33
Characteristics of frequency output F 33
Low-flow cutoff (SMU) for l+F 34
F/R operation for 1and / or F 34
5.11
5.12
5.13
5.14
5.15
5.16
5.16.1
5.16.2
5.16.3
5.16.4
5.17
5.18
5.19
Part C
16.
6.1
6.2
6.3
6.4
6.5
7.1
7.2
7.3
7.4
7.5
7.6
7.7
7.8
ja.
8.1
8.2
8.3
8.4
8.5
9.
9.1
9.2
9.3
9.4
9.5
Part D
j 10.
10.1
10.2
10.3
10.4
10.5
10.6
10.7
11.
12.
13.
Part E
Language of display texts
Coding desired for entry into programming mode?
Behavior of outputs during programming
Field-programmable unit
Magnetic field frequency and primary constant GK
Status indication output S
Application S (Fct. 3.3.01)
Other programmable functions for S
Response time, setting of time constant
Characteristics of status indication output S
Automatie range range BA
Trip points for l+F
Factory settings
Special applications, functional checks and service
Special applications
Use in hazardous areas
Short response time in conjunction with rapid changes in flowrate
Stable signal outputs when measuring tube empty
Magnetic sensors, programming with hand-held bar magnet
Installation and grounding in pipelines with cathodic protection for IFS 4000 and M 900
Functional checks
Check of field power supply
Zero check
System check-out
Testing of primary head
Testing of signal converter SC 100 AS
Setpoint display SC 100 AS with primary head simulator GS 8
Troubleshooting SC 100 AS
Testing of NB 900 F power driver
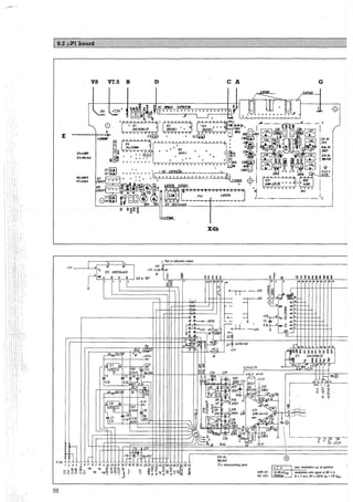
Service
Replacement of pc boards
Replacement of primary head
Change of operating voltage and power fuses
Output voltage 5/12 V of electronic counters EC (terminals 4/42)
F5 fuse, identification of power failure
Connection and operating points on pc boards,
circuit diagrams and spare parts
Basic.board 110 to 240 Volt AC
µ P1 board
Measured-value output board
NB 900 F boards
Spare parts of SC 100 AS housing
Technical data, measuring principle, block diagram
Technical data
Signal converter SC 100 AS
Power driver NB 900 F
Accuracies for complete system at reference conditions
Primary heads
Limits of measuring section/liner
Dimensions and weights
Instrument nameplates
Measuring principle and function of the system
Block diagram and description of the signal converter
SC 100 AS with µP1-HPC board, see also page 27, Sect. 4.6
Index
34
34
34
35
35
36+37
36
36
37
37
38
38
38
39+40 1
39
39
39+40.
40
40
41-51
41
41
41+42
43
44+45'
46+47
48-50
51
52+531
52
52
52+53
53
53
54-59
54+55
56+57
58
59
59
60-72 1
60+61
62
63
64-67
68
69-75
75
76
77
78-79
80-82
5
Part A System installation and start-up
j 1.1.1 Selecting the installation location
1. Location and position as required, but electrode axis
must be approximately horizontal.
Electrode axis ·-X
2. Measuring tube must be completely filled at all
times.
3. Flow direction +/-, arrows on primary heads can
normally be ignored. For exceptions, refer to Sect. 5.19
"factory setting''.
4. Bolts and nuts: to install, make sure there is sufficient
room next to the pipe flanges.
5. Vibration: support the pipeline on both sides of the
flowmeter.
6. Heavily contaminated fluids: install flowmeter in
bypass.
6
1 Flowmeter
2 Oraining and cleaning without interrupting
system operation
7. Large meter sizes, DN > 200 (8"): use adapter pipes
to permit axial shifting of counterflanges to facilitate instal-
lation.
8. Straight inlet run minimum of 5 x DN and outlet run
minimum of 2 x DN (ON= meter size), measured from
the efectrode axis.
9. Vortex or corkscrew flow: increase inlet and outlet
sections or install flow straighteners.
10. Streng electromagnetic fields and large "iron masses":
avoid in vicinity of flowmeter.
11. Zero setting is automatic in flowmeters with pulsed OC
field. Electrode contamination does not therefore cause
any zero dritt.
In water and waste water applications, it is frequently not
practical to shutthe flow offto check zero after major repair,
recalibration or inadvertent and improper adjustment of
the converter. In this case the primary head zero can be
checked under flowing conditions as outlined in section
72 .
For most applications it is convenient and customary 'to
check the zero by shutting off the flow. Shutoff valves
should therefore be provided upstream and/or down-
stream of the primary head unless the pipe configuration
already rules out the possibility of the primary head being
drained of fluid. For zero check see section 7.2.
12. Mixing different fluid products. lnstall flowmeter
upstream of mixing point or at an adequate distance
downstream, minimum 30 x ON (ON= meter size), other-
wise output/display may be unsteady.
13. Ambient temperature < 60°C J < 140°F
Refer to Sect. 10.5 for process temperature, pressure and
vacuum limits due to material used for measuring section/
liner.
l1.1.2 Suggestions for installation
To avoid measuring errors due to air inclusion and vacuum-
induced damage to PTFE and rubber liners, please observe
the following:
Preferred
locations
Highest point of
pipe run
(Air bubbles collect in measuring
tube - faulty measurements!)
~
o·
---2----1f"l-t0Downpipe
LJi "Zero" flow ~velocity.
Line drained. -
Faulty Umeasurements! t
Horizontal pipe run
lnstall in slightly ascending pipe section. lf not possible, assure
adequate velocity to prevent air, gas or vapor from collecting
in upper part of flow tube. ·
Open feed or discharge
lnstall meter in low section of pipe.
Downpipe over Sm (16 ft) length
lnstall air valve ® downstream of flowmeter (vacuum).
-9~----t10
Long pipeline
Always install control and shutoff valves downstream of flow-
meter (vacuum!).
Pumps
Never install flowmeter on pump suction side (vacuum!).
Sluice underpass for sewage concrete pipe with built-in
flowmeter
1 lntake
2 Overflow
3 lntake sill
4 Cleaning hole
5 Flowmeter
6 Removable section
7 Wall seal
8 Outlet
9 Drain valve
7
1~_1_.2_._1_1_ns_t_a_ll_a_t_io_n~re_q_u_i_r_e_m_e_n_t_s~~~~~~~~~'
Mounting material
see Page 3 "ltems included with supply"
Pipe flanges and operating pressure
see Table "torques" in Sect. 1.2.2.
Pipe flanged spacing
• For arrangement of grounding rings aris gaskets refer to
Sect. 1.2.3 "Grounding".
• For size of gaskets 01, 02 and 03 refer to pape 3 "ltems
included with supply".
Primary head Fitting dimensions "a" in mm (inch)
Type Meter size with without
ON mm inch grounding rings grounding rings
IFS 5000 2.5-15 1/10 -1/2 65 (2.56) 1) - 3)
25 1 68 (2.68) 2) 58 (2.28) 3)
40 11/2 93 (3.66) 2).. 83 (3.27) 3)
50 2 113 (4.45) 2) 103 (4.06) 3)
80 3 163 (6.42) 2) 153 (6.02) 3)
100 4 213 (8.39) 2) 203 (7.99) 3)
IFS 2000 150 6 265 (10.43) 1) -
200 8 315 (12.40) 1) -
250 10 365 (14.37) 1) -
1) plus 2xthickness of gasket 02 between grounding rings and pipe!langes, gasket 02 not
included with supply, customer supplied.
2) incl. gasket 02 between grounding rings and pipe !langes.
3) incl. gasket 03 between measuring tube and pipe !langes.
High-temperature pipelines
Where process temperatures exceed 100°C (212°F), provide
forfacilities to compensate for longitudinal expansion on heat-
up of the pipeline:
• For short pipelines use resilient gaskets.
• For long pipelines install flexible pipe elements (e.g. elbows).
Position of flanges
• lnstall flowmeter in line with the pipe axis.
• Pipe flange faces must be parallel to each other, max. per-
missible deviation: Lnax - Lm;n s 0.5 mm (0.02").
Lmax
Lmin
Arrangement of centering sleeves for IFS 5000
For number of supplied centering sleeves see page 3 "ltems
included with supply".
with four centering sleeves
2 3
8
with six centering sleeves
Stud bolts
Hex. nuts
Sleeves 3
1.2.2 Torques, pipe flanges and max. allowable
operating pressure
IFS 5000
Stud bolts and nuts
tighten down uniformly at diametrically opposed points.
IFS 2000
Tighten down in the sequence shown in the drawing below.
Max. torques
1st sequence: approx. 50% 12nd sequence: approx. 80%
3rd sequence: approx. 100%
Type Meter size Pipe Max. 1}
of !langes Operating
measuring (for IFS 2000 pressure
tube also
to „. connecting
flanges) bar psig
„. DIN 2501 (= BS 4504)
IFS ON 2.5,4,
ON 10,15 PN 40 s 40 s 580
5000 6, 8, 10
ON 15 ON 15 PN 40 s 40 s 580
ON 25 ON 25 PN 40 s 40 s 580
ON 40 ON 40 PN 40 s 40 s 580
ON 50 ON 50 PN 40 s 40 s 580
ON 80 ON 80 PN 40 s 40 s 580
ON 100 ON 100 PN 16 s 16 s 230
ON 100 PN 25 s 25 s 360
IFS ON 150 ON 150 PN 16 s 16 s 230
2000
ON 200 ON 200 PN 10 s 10 s 145
ON 250 ON 250 PN 10 s 10 s 145
, „ ANSI B16.5
IFS 1/10, 1/8, 1/2" 150 lbs s 20 s 290
5000
1/4, 3/8" 1/2" 300 lbs s 40 s 580
1/2" 1/2" 150 lbs s 20 s 580
1/2" 300 lbs s 40 s 580
1" 1" 150 lbs s 20 s 580
1" 300 lbs s 40 s 580
11/2" 11/2" 150 lbs s 20 s 580
11/2" 300 lbs s 40 ,,;; 580
2" 2" 150 lbs s 20 s 580
2" 300 lbs s 40 s 580
3" 3" 150 lbs ,,;; 20 s 580
3" 300 lbs s 40 s 580
4" 4" 150 lbs s 20 s 290
4" 300 lbs s 25 s 360
IFS 6" 6" 150 lbs s 20 s 290
2000
8" 8" 150 lbs ,,;; 20 s 290
10" 10" 150 lbs s 20 s 290
of max.
torque,
see Table
Max. torques with gaskets made of . 3)
Gylon .. Chemo- „. built-up
therm material
Nm ft lbf Nm ft lbf Nm ft lbf
/ 1/32 23
32 23
22 16 32 23
47 34 66 48
58 42 82 59
48 35 69 50
75 54 106 77
94 68 133 96
1//
148 107
183 132
158 114
VV
35 25
35 25
35 25
35 25
24 17 33 24
30 22 42 30
38 28 54 39
57 41 81 59
58 42 83 60
30 22 42 30
98 71 138 100
59 43 84 61
75 54 78 10,8
g2 67 131 95
/ 1/
148 107
183 132
158 114
1) For ANSI pipe flanges, the maximum allowable operating
pressure is dependent on the process temperature!
2) Maximum torque is dependent on gaskets material. 02
gasket not supplied with flowmeter, must be provided by
customer.
3) 10 Nm =1.0 kpm =7.23 ft lbf
J 1.2.3 Grounding IFS 2000 and IFS 5000
e All flowmeters (primary heads) must be properly grounded.
• The ground conductor must not transmit any interference
voltages. Therefore, do not connect any other electrical
devices to this conductor.
~
1
o;:....
O'-
Oo
lt) 0
cnr-
LL 1
-LD
N
z
0
N
:;::::
1
ob
oci::::
or-
lt)....._
cn l.()
LL r-_1
l.()
ci
z
0
0r-
1
o<'o
O'-
Oo
N LD
cnN
!!: 6l.()
r-
z
0
Metal pipeline, not internally coated
Grounding without grounding rings
V1 V2
pipeline pipeline
RF
03 03
RF
FE~
01, 03 Gaskets, bonded to measuring tube
02 Gaskets
IFS 5000, ON 25-100 and 1"-4":
Bonded to grounding rings (option).
IFS 2000 and IFS 5000, ON 2.5-15 and 1/10"-1/2":
Not included with flowmeter, provided by customer.
Refer to page 3 "ltems included with supply" for
dimensions.
E Grounding rings
IFS 5000, ON 25-100 and 1"-4":
Grounding rings (option) with bonded gasket 02
are supplied loose and must be bolted to the
housing, mounting material supplied.
IFS 2000 and IFS 5000, ON 2.5-15 and 1/10"-1/2":
Grounding rings bolted to housing.
• In hazardous areas, the grounding system of the primary
head is also used for equipotential bonding, refer to Sect.
6.1 and special "Ex'' installation instructions.
Metal pipeline with or without internal
coating, and plastic pipeline
Grounding with grounding rings
pipeline
RF E
02 01
pipeline
pipeline
RF E
02 01
-:-
FE
-:-
FE
-:-
FE
pipeline
E RF
01 02
pipeline
RF
pipeline
E RF
01 02
* V1 and V2 not required for plastic pipelines
F Flanges of IFS 2000 primary head
"
FE Functional ground, wire 2 4 mm2 (10 AWG) Cu,
connected to U-clamp terminal on "neck" of prim-
ary head. Wire not included with supply, tobe pro-
vided by customer.
RF Pipe flanges
V1, V2 Connecting wires, bolted to the "neck" of the
primary head. Threaded holes for M6 bolts to be
provided for flange-side (RF) connection.
9
/ 1.3.1 Neoprnne and hard-rnbber liners
Note temperature limits
e Storage: - 20 to + 60 °C (- 4 to + 140 °F),
keep immobile
• Transport: - 5 to + 50 °C (+ 23 to + 122 °F)
• Process: Neoprene - 20 to + 60 °C (- 4 to + 140 °F)
Hard rubber - 20 to + 90 °C (- 4to+194 °F)
[Temperatures below - 5 °C (+ 23 °F) are only permiss-
ible if the pipe run is supported an both sides oftheflow-
meter, and providing there is only slight vibration and no
water hammer in the pipe.]
Gaskets are necessary for hard-rubber liners, e.g. Neoprene
or soft-rubber gaskets.
Max. torques: see Sect. 1.3.10, Column B
/ 1.3.2 PTFE liner
lnstall to avoid an excessive vacuum condition at the meter.
The PTFE liner is formed around the ends of the flanges,
do not remove or damage.
The flanges are factory-fitted with special protection covers.
Do not remove these until just before installation. Replace by
pieces of smooth sheetmetal [0.3 to 0.6 mm (0.012" to 0.024")
thick] when fitting the flowmeter between the pipe flanges (to
be removed after installation).
Attached protective rings can optionally be supplied, in
which case the above-mentioned sheet metal pieces are not
required. These protective rings can simultaneously be used
as grounding rings, see Sect. 1.3.7.
Max. torques: see Sect. 1.3.10, Column A.
/ 1.3.3 lrethane liner
lmportant for IFS 4000 primary head with irethane liner,
> 12 mm I > 0.47" thick:
The flange connections are !arger than the diameter of the
measuring tube! Use pipe flanges according to the following
tables.
Meter size ON in mm Meter size in inches
Measuring Flanges Measuring
tube tube
ON 350 ON 400 14"
ON 400, 450 ON 500 16", 18"
ON 500, 550 ON 600 20", 22"
ON 600, 650 ON 700 24", 26"
ON 700, 750 ON 800 28", 30"
ON 800, 850 ON 900 32", 34"
ON 900, 950 ON 1000 36'', 38"
ON 1000 ON 1200 40"
Max. torques (according to size of flanges!):
see Sect. 1.3.10, Column B
l 1.3.4 M 900 with sanitary connections
Versions
Flanges
16"
20"
24"
28"
32"
36"
40"
48"
e Sanitary pipe union to DIN 11851, ON 10 to 125
e Clamp connection, measuring tube 1" to 4"
Dimensions
Refer to Section 10.6.3
Cleaning the measuring tube
by CIP (cleaning in place) using various chemicals, acids,
alkalis, steam or water up to 140°C (284°F).
Installation
To prevent damage to the PTFE liner, the factory-supplied
rubber gaskets must be fitted without fail.
Grounding, refer to Section 1.3.11.
10
J 1.3.5 M 900 Hj with heating jacket
8 M 900 HJ primary heads with heating jacket are available
for ON 10 to 100 or 3/s" to 4" meter sizes (for dimensions
see Sect. 10.6.3).
e The two connecting flanges for the heating jacket are
designed to DIN 2501, ON 15, PN 40 or to ANSI, 1f2",
150 lbs.
e Max. operating pressure of heating medium:
10 bar /150 psig.
e The maximum permissible temperature of the heating
medium, in liquid or vapor state, is governed bythe insula-
tion class of the field coils (E up to 120°C / 248° F, H up to
180° C / 356 ° F) and the liner used for the measuring tube.
Refer to Sect. 10.5 for max. permissible operating data.
1.3.6 Pipelines with cathodic protection
For installation and grounding, refer to Sect. 6.5.
1.3.7 Grounding rings I Protective rings
8 Required in conjunction with plastic or internally coated
pipes.
e Grounding rings form a conductive connection with (he
fluid. ·
e Material CrNi steel 1.4571 or SS 316 Ti-AIS!, others on
request.
8 For grounding and connection of the grounding rings,
refer to Sect. 1.3.11.
1
2
3
Grounding ring No. 1,
3 mm/ 0.12" thick.
Grounding/protective
ring No. 2
for primary heads with
PTFE liner, fitted to the
flanges, 3 mm I 0.12" thick.
Grounding/protective
ring No. 3
with cylindi-ical neck,
to protect
the liner of the flowmeter
particularly at the
inlet edge in conjunction
with abrasive fluids.
- Length 30 mm for
ON 10 to 300 or
3/s" to 12".
- Length 100 mm for
2:: ON 350 or ;::::: 14".
J 1.3.8 Standard electrodes
IFS 4000: ON 25 - 150 and 1" - 6"
Primary heads with PFA liner are fitted with electrodes that are
inserted from the outside such that the electrode head is flush
with the inner surface ofthe liner. The electrodes are sealed by
a specially shaped collar on the electrode shaft. Cup springs
ensure constant pressure between these collars and a sealing
surface moulded to the liner.
M900:
IFS 4000:
ON 10 - 300 and 3/a" - 12"
ON 10 - 20 and 3/a" - 3f41'
ON 200 - 600 and 8" - 24"
The electrode head, which is in contact with the process, has
an elliptical shape, while the conical neck forms the sealing
surface with the liner. Cup springs ensure constant pressure
between this neck and the liner.
J 1.3.10 Torques
J 1.3.9 Field replaceable electrodes WE
M 900: OfJ 50 - 300 and 2" - 12"
IFS 4000: ON 350 - 600 and 14" - 24"
This design enables the electrodes to be removed under
operating conditions and efficiently cleaned.
To remove, undo the holding screws on the protective caps.
Unscrewthe electrodes and pul! them out until the ring mark is
visible on the electrode shaft. Close valve and withdraw elec-
trode completely.
After cleaning,
install in the reverse order.
Bolts: tighten uniformly in diagonally opposite sequence, see Table for number and type·
Column A for PTFE and PFA liners
Column B for Neoprene, lrethane, hard and soft rubber liners •
IFS 4000 with lrethane liner, > 12 mm I >0.50": maximum torques refer to nominal diameter of connecting flange and not to
nominal diameter of measuring tube, see Sect. 1.3.3!
10 Nm = 1.0 kpm = 7.23 ft lbf.
Meter Presure Bolts Max. torque
size rating Nm (ft lbf)
ON
mm PN A B
10 40 4 XM 12 7.6 (5.5) 4.6 (3.3)
15 40 4 XM 12 9.3 (6.7) 5.7 (4.1)
20 40 4 XM 12 16 (11.6) 9.6 (6.9)
25 40 4 XM 12 22 (15.9) 11 (8.0)
32 40 4 XM 16 37 (26.8) 19 (13.0)
40 40 4 XM 16 43 (31.1) 25 (18.1)
50 40 4 XM 16 55 (39.8) 31 (22.4)
65 16 4 xM 16 51 (36.9) 42 (30.4)
65 40 8 XM 16 38 (27.5) 21 (15.2)
80 25 8 XM 16 47 (34.0) 25 (18.1)
100 16 8 XM 16 39 (28.2) 30 (21.7)
125 16 8 XM 16 53 (38.3) 40 (28.9)
150 16 8 xM 20 68 (49.2) 47 (34.0)
200 10 8 xM 20 84 (60.7) 68 (49.2)
200 16 12 XM 20 68 (49.2) 45 (32.5)
250 10 12 XM 20 78 (56.4) 65 (47.0)
250 16 12 XM 24 116 (83.9) 78 (56.4)
300 10 12 XM 20 88 (63.7) 76 (54.9)
300 16 12 XM 24 144 (104.2) 105 (75.9)
350 10 16 XM 20 97 (70.1) 75 (54.2)
400 10 16 XM 24 139 (100.5) 104 (75.2)
450 10 20 X M 24 127 (91.8) 93 (67.2)
500 10 20 XM 24 149 (107.7) 107 (77.4)
600 10 20 XM 27 205 (148.2) 138 (99.8)
700 10 24 XM 27 238 (172.1) 163 (117.8)
800 10 24 X M 30 328 (237.1) 219 (158.3)
900 iO 28 XM 30 - 205 (148.2)
1000 10 28 XM 35 - 261 (188.7)
Meter Body Bolts Max. torque
size pressure for ANSI Nm (ft lbf)
rating class 150
inches psig flanges A B
3/a 580 4 X1//' 3.5 (2.5) 3.6 (2.6)
1h 580 4x 1h" 3.5 (2.5) 3.6 (2.6)
3/4 580 4 X1//' 4.8 (3.5) 4.8 (3.5)
1 580 4 X1//' 6.7 (4.8) 4.4 (3.2)
11/4 580 4x 1h" 10 (7.2) 8 (5.8)
11h 580 4 X1//' 13 (9.4) 12 (8.7)
2 580 4 X5/a" 24 (17.4) 23 (16.6)
21h 580 4 X5/s" 27 (19.5) 24 (17.4)
3 360 4 X5/s" 43 (31.1) 39 (28.2)
4 230 8 X5/a" 34 (24.6) 31 (22.4)
5 230 8 X3/4" 53 (38.3) 47 (34.0)
6 230 8 X3/411
61 (44.1) 51 (36.9)
8 145 8 X3/4" 86 (62.2) 69 (49.9)
10 145 12 x7/s" 97 (70.2) 79 (57.1)
12 145 12 X7/s" 119 (86.1) 104 (75.2)
14 145 12 X1" 133 (96.2) 93 (76.2)
16 145 16 X111
130 (94.0) 91 (65.8)
18 145 16X11/a" 199 (143.9) 143 (103.4)
20 145 20X11/a" 182 (131.6) 127 (91.8)
24 145 20 X11//' 265 (191.6) 180 (130.1)
28 145 28X1 1/411
242 (175.0) 161 (116.4)
32 145 28 X11//' 380 (274.7) 259 (187.3)
36 145 32 X11/2'' - 269 (194.5)
40 145 36 X11//' - 269 (194.5)
Note: Process pressure must not exceed ANSI flange rating.
Refer to ANSI Standard B 16.5.
11
l 1.3.11 Grounding IFS 4000 and M 900
e All flovvmeters (primary heads) must be proper!y
grounded.
e The ground conductor must not transmit any interference
voltages. Therefore, do not connect any other electrical
devices to this conductor.
0
0
0
<:t
fg
0
.o
0)
::!!:
c
0
·~
~
~
:ll!c
m
III
0
0
0)
::!!:
Metal pipeline, not internally coated
Grounding without grounding rings
pipeline
RF
pipeline
RF
pipeline
03
V1
03
-:-
FE
X
F
V2
-:-
FE
-:-
FE
03
03
X
pipeline
RF
pipeline
RF
pipeline
01, 02, 03 Gaskets, not included with supply, to be pro-
vided by customer.
E
F
FE
12
Grounding rings, option, see Sect. 1.3.7.
Flowmeter flanges
Functional ground, wire ~ 4 mm2 (10 AWG)
Cu, not included with supply, to be provided by
customer.
IFS 4000: connected to U-clamp terminal on
"neck" of primary head.
M 900: connected to flowmeter flange F, but for
sanitary version connected to "neck" of the M
900. Fit cable lug to FE for M6 bolt (or M8 if meter
size ~ DN 40 I ~ W2"), not included with supply,
to be provided by customer.
e !n hazardous areas, the grounding system of the prima!'/
head is also used for equipotential bonding, refer to Sect.
6.1 and special "Ex" installation instructions.
pipeline
pipeline
RF
V1, V2
X
Plastic pipeline and
internally coated metal pipeline
Grounding with grounding rings (option)
RF
02 01
E
V1 V2
02 01
E -:-
FE
Pipe flanges
-:-
FE
01 02
E
01 02
E
RF
pipeline
•.
Refer to Section 6.5 for
grounding of pipelines
with cathodic protection.
Connecting wires, bolted to the "neck" of the
IFS 4000 or to flange F of the M 900.
Threaded holes to be provided for M6 bolts (M8
for M 900 ~ON 40/~1112") forflange-side (RE)
connection.
Use factory-supplied mounting material for
connection of groundingJio.g~
Sanitary screw connections
to DIN 11851 or clamp connections.
f:l:l~~·!lll1~1~111f~1lll~lllllllll!ll.!·:lllllll.l:lll!.=l!l1.:l:l!l:::lil.!:::I
0 Electrical connection in conformity with VDE 0100
"Regulations governing heavy-current installations with rated voltages up to
1000 V" or equivalent national standard. Refer to connection diagrarns,
Seel. 2.5, for power connection to signal converter (and power driver, if pro-
vided).
e Do not cross or loop the cables in the terminal boxes of the primary head,
signal converter and power driver, if supplied. Use separate PG or NPT
screwed conduit entries for each cable~
O Special regulations apply to installation in hazardous areas. Referto Seel. 6.1
and special "Ex" installation instructions.
O On normal customer orders, the GK (primary constant) of the signal converter
is factory-setto match that ofthe primary head with which it is ordered. The GK
is engraved on the primary head nameplate and also shown on the converter
nameplate. These instruments should be installed together, otherwise
the converter will need to be reset (see Seel. 4.6 and 8.2, Fct. 1.04, 1.05 and
4.07).
fäi@l§.i.it~iliU~ifüii~fümli@itIIHIIlHHittIIItIIt11lt1IHl
e Do not expose signal converter (or power driver) and switch gear cubicle(s)
with installed units to direct sunlight. lnstall a sunshade, if necessary.
e Do not expose to intense vibration.
e Ensure adequate cooling of SC 100 AS/F unit(s) when installed in switchgear
cubicle(s), e.g. use heat exchangers.
• lnstall signal converter as close as possible to the primary head.
e Use factory-supplied standard signal cable A (type DS), standard length 10 m
(30 ft). For langer lengths and bootstrap signal cable 8 (type 8TS), refer to
Sect. 2.5.2 and 2.5.3.
e Always use the bootstrap signal cable 8 (type 8TS) for IFS 5000 primary
heads, DN 2.5 -15 OM' - %"), and in conjunction with contaminated fluids
having a tendency to form electrically insulating deposits.
!liliii::mi~MmiM~::;::@~'=«lifl1ftllitifl:::i[fü1Iiti1l
e Noteinformation given in Sect. 2.1!
• Note the information given on the instrument
nameplates on the primary head, signal converter
(voltage, frequency)!
e Power supply 24/42 Volt AC and 24 Volt DC,
functional extra-low voltage with protective separa-
tion (PELV) to VDE 0100, Part 410, or equivalent
national standards.
0 Power supplyforthe primary head via the signal con-
verter (or power driver, if applicable).
e Connection diagrams refer to Section 2.6.
e Line resistance for 24 V DC and 24/42 V AC
max. internal resistance Rmax of voltage supply
(transformer or DC voltage source and cable)
24 Volt DC / 24 Volt AC: Rmax 24 s 1 ohm
42 Volt AC: Rmax 42 s 2 ohms
max. length Lmax of power cable
Lmax = 28 X A (Rmax-R;)
A Cross-section of power cable in mm2
copper wire.
Rmax Interna! resistance of voltage supply
Rmax 24 or Rmax 42, see above
R; Interna! resistance of transformer or
DC voltage source
Example:
42 V AC / A = 1.5 mm2
/ R; = 0.2 ohm !
Rmax 42 = 2 ohms
Lmax = [28 x 1.5 (2-0.2)] = 75.6 m
75.6 m X 3.3 j!_ ::::: 250 fl
m
•.
Connection of several signal converters to 1 transformer
(n = number of converters)
Separate power cable: R; increases by factor "n" (R; xn)
Common power cable: Lmax decreases by factor "n"
(Lma/n)
!llliMHfli'-!llliiiI:'-i!ilMii#.r:li!i~J.illE~5,lIIf1IIl1ltlII11Hl1HIIfü111Il11I1Hll11tIIl1tllittitlt1Il11I111III1Hf1ttll
2.4.1 Abbreviations used and important information to Sect. 2.4
A Signal cable A (type OS) with double shielding; for max. length (Lmaxl see Diagram: cuNes A1 and A2
8 Signal cable 8 (type 8TS) with triple shielding; for max. length (Lmaxl see Diagram: cuNes 81, 82, 83 and 84
C Field power supply cable; for minimum cross-section (AF) and length see Table
D High-temperature silicone cable, 3 x 1.5 mm2
Cu / 3 x AWG 14, with single shielding, max. 5 m / 16 ft length
E High-temperature silicone cable, 2x1.5 mm2
Cu/ 2 x AWG 14, max. 5 m / 16 ft length
F Field power supply cable, connection between IFS 4000 primary head (ON ;;::: 1300 / ;;::: 52") and power driver;
see Table for minimum cross-section (AF) and max. length
G Gable connecting power driver and signal converter, min. cross-section 2 x 0.5 mm2 Cu / 2 x 20 AWG,
max. length 300 m (1000 ft)
AF Cross-section of field power supply cables C and F in mm2
(AWG) Cu, see Tables
L Length of cable
x Electric conductivity
ZD lntermediate connection box, required in conjunction with cables D and Efor IFS 5000 and IFS 4000 primary heads where process tem pera-
tures exceed 150°C (302°F)
• Determining the maximum permissible distance between primary head and signal converter
1. The length of signal cableA or Bis dependenton the electric conductivityx ofthe liquid product, and also on the type and meter size
of the primary head; see Table and Diagram "length of signal cable".
2. The length offield power supply cables C and Fis determined bythe cable cross-section AF; see Tables "field power supply cable C
and F".
3. The shortest cable length obtained either according to Point 1 or Point 2, is the maximum permissible distance between primary
head and signal converter!
e Special regulations apply to hazardous-area operation; refer to Sect. 6.1 and special "Ex" installation instructions.
• Always use the bootstrap signal cable B (type 8TS) for IFS 5000 primary heads, DN 2.5to15 (1
'1o"to 1
12") andin conjunction with contami-
nated fluids having a tendency to form electrically insulating deposits.
13
1 2.4.2 General information to signal cables A (Type DS) and B (Type BTS)
General
Krohne signai cabies A+B with foii and magnetic shields will
ensure faultless system operation.
e The signal cable must be a rigid installation. Cables must
be secured so they do not move, or must be run in conduit.
9 No separate Installation of signal and field power supply
cables required - can be run in same conduit along with
other signal and field power cables. Do not run in same
conduit with power cables for other devices.
9 Shields are connected via stranded drain wires.
• Suitable for underwater and underground installations.
• lnsulating material flame-retardantto IEC 332.1NDE 0472
e Low in halogen and unplasticized.
• Flexible at low temperatures.
Signal cable A (Type DS)
with double shielding
1 Stranded drain wire, 1st shield, 1.5 mm2
-(14 AWG)
2 lnsulation
3 Stranded wire 0.5 mm2
(20 AWG)
4 Special foil, 1st shield
5 lnsulation
6 Mu-metal foil, 2nd shield
7 Stranded drain wire, 2nd shield, 0.5 mm2
(20 AWG)
8 Outer sheath
----2
----3
~---4
----5
-----6
-------7
-------8
Bootstrap signal cable B (Type BTS)
The signal converter automatically controls the individual v
shields (3) to exactly the same voltage as that applied to
signal wires (5). Since the voltage difference between sig
wires (5) and individual shields (3) is virtually zero, there is
flow of current via the line capacitances 3+5; thus, line cap<
tance is apparently zero. Much longer cable lengths are tt
permitted for fluids with low electrical conductivity levels.
1 Dummy glider wire
2 lnsulation
3 Special foil, 1st shield
4 lnsulation
5 Stranded wire 0.5 mm2
(20 AWG)
6 Stranded drain wire, 1st shield, 0.5 mm2
(20 AWG)
7 Special foil, 2nd shield
8 Stranded drain wire, 2nd shield, 1.5 mm2
(14 AWG)
9 lnsulation
10 Mu-metal foil, 3rd shield
11 Stranded drain wire, 3rd shield, 0.5 mm2
(20 AWG)
12 Outer sheath
1
2
3
4
5
6
7
8
9
------10
------11
------12
1 2.4.3 Cable lengths: max. permissible distance between primary head and signal converter
II Length of signal cable
Primary Metersize Signal
head ON mm inehes cable
IFS 5000 2.5 1
110 B1
4 to 15 1,i to 1 B2
25 to 100 1 to 4 A1 or B3
IFS4000 10 to 150 % to 6 A1 or B3
200 to 3000 8 to 120 A2 or B4
IFS 2000 150 to 250 6 to 10 A2 orB4
M900 10 to 300 % to 12 A2 or B4
II Field power supply cable C
Length L Cross section AF (Cu), minimum
0 to 150 m I 5 to 500 ft 2 X 0.75 mm2 Cu/ 2 X 18 AWG
150 to 300 m / 500 to 1000 ft 2 x 1.50 mm2
Cu / 2 x 14 AWG
300 to 500 m I 1000 to 1600 ft 2 x 2.50 mm2 Cu/ 2 x 12 AWG
500 to 800 m / 1600 to 2600 ft 2 x 4 mm2
Cu / 2 x 10 AWG
II Field power supply cable F (with power driver NB 900 F)
Length L Cross section AF (Cu), minimum
0 to 85 m I 0 to 250 ft 2 x 1.5 mm2
/ 2 x 14 AWG
85 to 140 m / 250 to 500 ft 2 x 2.5 mm2 / 2 x 12 AWG
140 to 230 m / 500 to 750 ft 2x4 mm2
/2x 10AWG
14
Lmax
(lt)) (m)
2600 800
1600 500
1000 300
650 200
500 150
350 100
230 70
165 50
130 40
100 30
65 20
50 15
35 10
23 7
16 5
B4
/
1/
7
1/
/
!/A2
.·
li/
•/
1;'
„
l/s3
/
1/
/
1/
/
'/ A1
/
/
/
,V V / ' // .
17 ,,..v V , 1/
1/ • /
[7 F2 ,,.V I;/
,
/
1/ ~ i '
, 1/ 1/.. ,.;
l{i17' I;
1/.
„
"1. 1/
_,..
5 10 20 30 40 50 80100 200 400 8001000 2000
(µS/cm)
(µmho/cm)
B2-
A1-
B1
5000
X
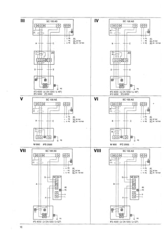
e Selection table for connection diagrams on pages 15 and 16.
u Connect hazardous-duty systems according to the diagrams given in the special "Ex" installation instructions.
Primary head Process temperature Signal converter Diagram No.
Type Meter size note limits specified SC100AS Necessary options with signal cable
ON mm inches in Sect.10.5 A B
IFS 5000 2.5- 15 1/10 - 1/2 below 150°C I 302°F X -
----------
II
IFS 6000 above 150°C I 302°F X ZD intermediale connection box
---------
IV
25 - 100 1 - 4 below 150°C I 302°F X 1 II
above 150°C I 302°F X ZD intermediale connection box III IV
IFS 4000 10 -1200 3/s - 48 below 150°C I 302°F X 1 II
above 150°C I 302°F X ZD intermediale connection box III IV
1300 -3000 52 -120 X NB 900 F power driver VII VIII
IFS 2000 150 - 250 6 - 10 max.120°C X V VI
M 900 10 - 300 3/s - 12 X V VI
e Connection diagrams
The figures in brackets refer to the stranded drain wires for the shields, see sectional drawings of signal cables A and B in
Sect. 2.4.2. Refer to Sect. 2.4.3 for cable types C, D and E.
Electrical connection in conformity with VDE 0100 "Regulations governing the installation of heavy-current systems with main;>
voltages up to 1000 V" or equivalent national standard.
Supply power 24 (21, 42, 48) V AC and 24 V DC:
functional extra-low voltage with protective separation (PELV) to VDE 0100, Part 410 or equivalent national standard.
SC 100 AS
A c
FE
IFS 4000 (~ ON 1200/ ~ 48")
IFS 5000 IFS 6000
II
L N PE AC
+ - FE DC, 24 Volt
L N FE AC, 24 / 42 Volt
SC 100 AS
B c
FE
IFS 4000 (~ ON 1200 / ~ 48")
IFS 5000 IFS 6000
L N PE AC
+ - FE DC, 24 Volt
L N FE AC, 24 / 42 Volt
15
111
V
SC 100AS
A c
D E
FE
IFS 4000 (:5: DN 1200 /::;; 48")
IFS 5000 IFS 6000
SC 100AS
A c
FE
M 900 IFS 2000
VII SC 100AS
G
A
F
FE
IFS 4000 (2 DN 1300 / 2 52")
16
L N PE AG
+ - FE DG, 24 Volt
L N FE AG, 24 / 42 Volt
L N PE AC
+ - FE DC, 24 Volt
L N FE AC, 24 I 42 Volt
L N PE AC
+ - FE DC, 24 Volt
l N FE AC, 24 /42Volt
AC
PE
N
L
IV
VI
SC 100AS
(B)-··.... ·'
(11) .:::: .......„„
B c
D E
( -~0 ........ „ !@
FE
IFS 4000 (:5: DN 1200/:5: 48")
IFS 5000 IFS 6000
SC 100AS
B c
FE
M 900 IFC 2000
V111 SC 100 AS
G NB 900 F
B
F
FE
IFS 4000 (2 DN 1300 / 2 52")
L N PE AC
+ - FE DC, 24 Volt
L N FE AC. 24 I 42 Volt
L N PE AC
+ - FE DC. 24 Volt
L N FE AC, 24 I 42 Volt
L N PE AC
+ - FE DC. 24 Volt
L N FE AC, 24 I 42 Volt
AC
PE
N
L
[:?:~~!!l§iiii~fIIItIIIIIIIIIIIItII!IIIItIIIIIIIIfIIIIfIIIIIIIIIIIft!tIIflftIIIIIIIttillIIIIIIfII:IIlIIIIII!
J 2.6.1 Abbreviations used for outputs
Abbreviation Stands for Programming
via Fct.No. ..........
BA Automatie range change 3.3.01 + 3.3.02
EC Electronic counter -
EMC Electro-mechanical counter -
F Frequency (pulse) output 3.2.01 et seq.
F100% Pulses for O = 100% flowrate or 3.2.02 + 3.2.03
pulse value 3.2.02 + 3.2.04
Fmax Pulses at O higher than 100% flow -
(max. 115% of F10o%)
GF Trip point for frequency output 3.3.01 + 3.3.04
G1 Trip point for current output 3.3.01 + 3.3.03
1 Current (analog) output 3.1.01 et seq.
Io% Current at O = 0% flow 3.1.02
1100% Current at O = 100% flow 3.1.03
lrnax Current at O = over 100% flow 3.1.04
Oo% 0% flowrate -
0100% Full-scale range, 100% flowrate F:l.01 / R:l.02 + 1.03
Ornax Max. flow, O greater than 100%, -
corresponding to lmax + Fmax
s Status indication output 3.3.01 et seq.
SMU Low-flow cutoff for 1 + F 1:3.1.06 / F:3.2.07
SMU-1 Low-flow cutoff 1/ on value 3.1.07
off value 3.1.08
SMU-F Low-flow cutoff F / on value 3.2.08
off value 3.2.09
F/R Forward/reverse flow -
J 2.6.2 Current (analog) output 1
e Current output is galvanically isolated, see block diagram in Sect. 12.
• All functions and operating data are programmable, see Sect. 4 + 5.7.
Description
see Sect. „„„„„„••„.
5.17
5.8
5.8
5.8
5.8
5.8
5.8
5.18
5.18
5.7
5.7
5.7
5.7
5.3 (5.7 + 5.8)
5.3 (5.7 + 5.8)
5.3 (5.7 + 5.8)
5.16
„
5.9
5.9
5.9
5.9
5.9
5.10
• Factory-set data and functions are listed in the enclosed report on settings. This can also be used to record any
changes made to the operating parameters.
• Max. load at terminals 5/6 for hooo,,u (Fct. 3.1.03):
max. load in kohms =
20V
(e.g. 1 kohm for Iioo% = 20 mA)
1100% [mA]
• Time constant 1, adjustable between 0.2 and 3600 seconds (Fct. 3.1.05), refer to Sect. 5.7.
e Automatie range change BA, ratio 1:20 to 1:1.25 (corresponding to 5 to 80% of 0100%), adjustable in 1% increments
(Fct. 3.3.01+3.3.02), see Sect. 5.17. Changeover occurs from high to low range at approx. 85% of the low range, and from
low to high range at approx. 98% of the low range. Operative range displayed by status indication output S.
e Low-flow cutoffSMU-1, adjustable independently ofSMU-F (frequency output). Cutoff "on" value between 1and 19% of
Owo% (Fct. 3.1.06 + 3.1.07), cutoff "off" value from 2 to 20% of 0100% (Fct. 3.1.06 + 3.1.08), refer to Sect. 5.9.
e Trip point Gh adjustable between 1 and 110% of 0100% (Fct. 3.3.01 + 3.3.03). Status indication output S shows when trip
point exceeded, refer to Sect. 5.18. Trip point G1 has a delayed action equal to the time constant of current output I.
e Connection diagrams 1, 4, 5, 7, 8, 9, 10, 11 + 12, refer to Sect. 2.6.5.
17
J 2.6.3 Frequency (pulse) output F
• Frequency output is galvanically isolated, see block c:liagram in Sect. 12.
e All functions and operating data are programmable, see Sect. 4 + 5.8.
e Factory-set data and functions are listed in the enclosed report on settings. This can also be used to record any chan-
ges made to the operating parameters.
G 12 Volt output for electronic counter EC 10 to 36 000 000 pulses/h (0.0028 to 10 000 Hz), amplitude 12 V (5 V, selectable,
see Sect. 8.6), connection terminals 4/42, counter resistance (load) min. 1 kohm, short-circuit-proof, selectable pulse
widths see below.
e 24 Volt output for electromechanical counter EMC or electronic counter EC, 10 to 36 000 000 pulses/h
(0.0028 to 10 000 Hz), amplitude 24 V, connection terminals 4/41, selectable pulse width and load rating, see below.
e Pulse width (Fct. 3.2.05) as a factor of the frequency f (pulse rate, Fct. 3.2.03)
and maximum permissible load for 24 V output (24 V, term. 4/41), see also Sect. 5.8.
Pulse width Frequency f = F100% Max. load current (24 Volt) Min. load (24 Volt)
30 or 50 ms 0.0028 Hz < f s 10 Hz 200mA 120 Ohm
100 ms 0.0028 Hz < f s 5 Hz 200mA 120 Ohm
200 ms 0.0028 Hz < f s 2,5 Hz 200mA 120 Ohm
500ms 0.0028 Hz < f s 1 Hz 200mA 120 Ohm
Pulse duty cycle 1:1* lOHz<fs 1000 Hz 50mA 500 Ohm
160 µs* lOOOHz<fs 2547 Hz 50mA 500 Ohm
50 µs* 2547 Hz< f s 10000 Hz 50mA 500 Ohm
* fixed pulse width, independent of programming in Fct. 3.2.05
e Time constant F, adjustable to 0.2 second or same as current output I (Fct. 3.2.06 + 3.1.05). ,.
e Low-flow cutoff SMU-F, adjustable independently of SMU-I (current output). Cutoff "on" value between 1and19% of
0100% (Fct. 3.2.07 + 3.2.08), cutoff "off" value from 2 to 20% of 0100% (Fct. 3.2.07 + 3.2.09), refer to Sect. 5.9.
e Trip point Gn adjustable between 1and 115% of 0100% (Fct. 3.3.01 + 3.3.04). Status inc:lication output S shows when trip
point exceeded, see Sect. 5.18. Trip point GF has a delay action with the time constant of frequency output F.
e Connection diagrams 2, 4, 6, 8, 9 + 10, refer to Sect. 2.6.5.
1 2.6.4 Status indication output S
e Status indication output S is galvanically isolated, see block c:liagram in Sect. 12.
e All functions and operating data are programmable, see Sect. 4 + 5.16.
• Factory-set data and functions are listedin the enclosed report on settings. This can also be used to record any chan-
ges made to the operating parameters.
e Technical data: amplitude 24 V DC, max. 30 mA, connection terminals 4/43.
• Adjustable functions Significance of the output signal
(Fct. 3.3.01), see Sect. 5.16 0 Volt 24 Volt
Switched off At constant 0 V Not possible
Switched on Not possible At constant 24 V
2 directions, current output I Forward flow for I Reverse flow for I
2 directions, frequency output F Forward flow for F Reverse flow for F
Automatie range change BA BA high range BA low range
Trip point G1 Below trip point I Above trip point I
Trip point GF Below trip point F Above trip point F
Low-flow cutoff SMU-I Outside SMU-I thresholds Within SMU-I thresholds
Low-flow cutoff SMU-F Outside SMU-F thresholds Within SMU-F thresholds
Inc:licate ADC error(s) Error No error
Inc:licate totalizer error(s) Error No error
Inc:licate all errors Error No error
e Changeover for F/R measurements and response cf the limit switches G1 and GF are affected by the time delay
in accordance with the programmed time constant for the current or frequency outputs (Fct. 3.1.05 + 3.2.06). Setting
recommendations for various applications are given in the table in Sect. 5.16.3.
e Connection diagrams 3, 4, 5, 6, 7 + 8, see Sect. 2.6.5.
18
1 2.6.5 Connection diagrams for outputs CD to ®
Output characteristics
Current output 1: Diagrams Il to I8 in Sect. 5.7
Frequency output F: Diagrams Fl to F5 in Sect. 5.8
Status indication output S: Diagrams Sl to S5 in Sect. 5.16
Connection of electronic counters EC for F/R operations
Bypass resistors should be installed to avoid floating inputs.
Rbypass ~ 10 kohms .
Applicable to connection diagrams 4, 6 + 10!
F/R changeover via S
F/R relay: Rcoil 2 1 kohm
24 V DC / max. 30 mA
(e.g. Siemens relay Dl)
F/R changeover via F
F/R relay: Rcoil 2 150 ohms
24 V DC I max. 200 mA
continuous
(e.g. Siemens relay Dl)
Diagrams: I5 or F4
F/R changeover via S
F/R relay: Rcoil 2 1 kohm
24 V DC / max. 30 mA
(e.g. Siemens relay Dl)
F/R changeover via 1
F/R relay: max. 35 V DC
6
I-
6
I-
at Imax ~ 22mA (adjust via Fct. 3.1.04)
Imax. = U/R
U = rated voltage and
R = resistance of relay coil
(e.g. Siemens relay Dl)
Diagrams: F3 or I6
BA changeover via S
high low
range range
BA relay: Rcoil 2 1 kohm
24 V DC / max. 30 mA
(e.g. Siemens relay Dl)
max. 35 V DC at
24.VDC
103 s:16mA.
lo% ~ 16 mA (adjust via Fct. 3.1.02)
lo% =U/R
U = rated voltage and
R = load resistance
Diagram: 17
F/R relay: Rcoi! 2 1 kohm
24 V DC I max. 30 mA
(e.g. Siemens relay Dl)
Diagrams: 12 + F2
BA changeover via S
F/R changeover via F
range range
BA relay: Rcoil 2 1 kohm
24 V DC / max. 30 mA
(e.g. Siemens relay Dl)
F/R relay: Rcoil 2 150 ohms
24 V DC / max. 200 mA
(e.g. Siemens relay Dl)
Diagram: 14
e.g. in 0 to 20 mA range
4 4.1 4.2 4.3 5
ND F21,. F12 S
e.g. F: 10 to 20 mA
R: 10 to 0 mA
Diagram: 18
19
8 Check that the system has been correctly installed as
described in Sect. l and 2.
8 Before initial start-up, check that the following details
on the primary head nameplate agree with the data
specified in the record on settings for the signal con-
verter. If not, reprogramming will be necessary:
20
Meter size (DN)
Primary
constant GK
Fct. 1.04
Fct. 1.05
Flow direction Fct. 1.06
see arrow on primary head
Magnetic field
frequency Fct. 4.07
specified behind GK value
6 = 1/6 116 = 1/16 of power frequency
32 = 1132
Sect. 5.3
Sect. 5.15
Sect. 5.4
_ Sect. 5.15
e It is recommended to carry out a zero check, if the flm
can be zeroed, as described in Sect. 7.2, before ever
start-up and particularly where fluid products with lm
electrical conductivity levels are concerned.
e When powered, the signal converter operates in th1
measuring mode. The Ident. No. ofthe signal converte
appears on the displayfor about 3 seconds. This is follc
wed by display ofthe actual flowrate and/or the interne:
count on a continuous or altemating basis (depends o:
programming; see report on settings).
•.
Part B Signal converter SC 100 AS
This Section 4 is repeated in the form of pull-out condensed operating instructions between pages 42 and 43.
!M~!t§i#i'.fü~$fi~it~fil@i.)~QS.M#ilf1fllIIIIIIflf1lIIlIIffIItttlfiffffffIIIlIIIIffällt1ItIIIItittitltifU
J--1~----+•
~JL_Q_b__&.__,
MAGNET (OPTION)
-, r o 1
i: 0 J. 1
rn=:l/hr
1 1 1
SC100AS]
+----?--+--<2
iL~
~
Q ENTER Ü QENTERÜ
1 ill]::::::[IIJ 1
t:m::~Ij::[IIJ
u
ALTERN.
1 4.2.1 Menu levels
NORMAL
IF-TEST
CD Display, lst line
® Display, 2nd line
® Display, 3rd line,
cursor symbols described below:
Q Actual flowrate
+
Status indication output S
active (= 24 V)
Totalizer (Forward flow)
Totalizer (Reverse flow)
Surn totalizer (+ and - )
Low-flow cutoff SMU for
current and/or frequency
output (I/F) "in function"
@ Keys for programming the signal converter, refer to
Sect. 4.3 for function of keys.
@ Magnetic sensors (option) to program the converterby
means of a hand-held bar magnet without having to
open the housing, refer to Sect. 6.3. Function ofsensor'8
same as keys @. Hold the bar rnagnet by the black rub-
ber cap. Apply blue end of the magnet (north pole) to
the glass pane above the magnetic sensors. Sensor
response acknowledged by symbols appearing in lst
line of display.
® Plug connector
(J) Plug-in jurnper positi.ons to check field power supply,
refer to Sect. 7. 1.
The program for the signal converter consists of 5 levels. The Fct.No. in the lst line (bottorn line) of the display will identify
the menu level during prograrnming. ·
Measuring 1 Actual display
mode level
1 Err. E 01- E 16 1 Err. P 01 - P 14 1 1 TOT. RESET
Reset
totalizer
Mainmenu
level
Submenu
level
Function
level
Data level
Measuring mode Error in Error in
(see Sect. 4.3)
1
program plausibility check
(see Sect. 4.4) (see Sect. 4.5)
1 1
r----------~ 1
1 1--------------------~
1 1
T T
Fct. 1.00 Fct. 2.00 Fct. 3.00
Display Outputs
1---------------i Fct. 4.00
Special fct.
Fct. 1.01-
1.07
Data changes acc. to Table in Sect. 4.6 possible only on this level!
21
1 4.2.2 Programming chart Table of functions, see Sect. 4.6
Fct. 4.02: with coding (YESJ
Measurin:g mode
Entry into tprogramming '------1•-----l]•----11•,.___ ___,
mode, see Sect.
5.12
Fct. 1.00
FLOW DATA
Fct. 1.00
FLOW DATA
Fct. 4.02: without coding (NOJ
Fct. 2.00
DISPLAY
Fct. 2.00
DISPLAY
Fct. 3.00
OUTPUTS
Fct. 3.1.00
CUR.DUTP. I
r------;
,_ _______.
Fct. 3.1.00
GUR. OUTP. I
Fct. 3.00
OUTPUTS
Err.E01-E16 _____ ._ _____ ~
-..... Error in meas. mode, see E-List, Sect. 4.4 C!ear
-..... error
Display next error, message tErr. E02-E16 ifmore
··~ ,„ r_·- Terminate error output
1
Fct. 3.2.00
FRE OUTP. F
Fct. 3.2.01 -
3.2.09
Fct. 3:2.01 -
3.2.09
Fct. 3.2.00
FRE OUTP. F
Fct. 3.3.00
/ND. OUTP. S
Fct. 3.3.01 -
3.3.04
Fct. 3.3.00
!NO. OUTP. S
Measuring mode 1-------~-----___,
Plausibility-
check
,_______, Err. P01 - P14 Err. P02 - P14 1--------
Error detected by plau- '. Display next
sibility check, see P-List error, if more
Sect. 4.5 than one
Reset totalizer, see Sect. 5.6
Measuring mode 1---~---L oa--------1Measuring mode
22
Fct. 1.00
FLOW DATA
1Measuring mode 1
1
4.2.3 Description of keys
O 1 Measuring mode level
Enter programming mode
Display errors
Clear error messages
See left for function of keys
Important
applies to all menu levels
1. Continuously pressing C or [] keys will
cause their function to be continuously
repeated (auto-repeat function).
2. If no keystrokes made within approx.
180 sec, signal converter reverts autom.
to meas. mode without accepting any
changed data into meas. prog. (time-out
function). Exception: if at start of
"----+------------------1 programming Err. E04, E05 and/or E14
established, see Sect. 4.4.
Fct. 4.00
SPEC. FCT.
Fct. 4.01 -
4.10
Fct. 4.01 -
4.10
Fct. 4.00
SPEC. FCT.
..-- Terminate error output and revert
to main menu level,
lst·main menu displayed
Fct. 1.00
FLOW DATA
Correct faulty fanction(s)
and data
f) 1 Main menu level
[] Select main menu
C Enter main menu displayed
[j [j [j Revert to measuring mode level, see @
01 Suhmenu level
[] Select menu
C Enter submenu displayed
[j Revert to main menu level, see 0
0 1 Function level
[] Select function
C Enter function displayed,
continue as under 0
"Data level"
[j Return to main menu or
submenu level
01 Submenu level
[j Revert to main menu level
[] Select submenu
C Enter submenu displayed
@ 1 Main menu level
Data/Units
[] Select next
proposal
C Return to
Fct. level,
retain
previous
data/units
Numerical values
Increase flashing digit
(cursor) by 1
Shift flashing digit
1 place to right.
Note: if in last
position, system
reverts to Fct.
level, last numerical
value retained!
Return to Fct. level, store new data
temporarily. Note: display
"Err. 0000 < MIN" or "9999 > MAX"
means num. value too low or too high.
Press any key to display permissible min.
or max. value, then enter correct
numerical value.
} see 0
[j [j [j Return to measuring mode level, any changed data accepted into
measuring program
[] Select main menu
C Enter main menu displayed } see f)
01 Measuring mode level
- Plausibility check }
see left for function of keys
- Reset totalizer
01 Main menu level
Function of keys same as under f)
23
fä@~!:ri~if.imiii.:!:ii~Ut~ifMfäi{!!l:~H~~!III!IIIIIIlIIII!IIIIIIIIIIII!IIIIIIIIJ!II!lIEtimIIIIIItIIII!tI:ItIIIIl
After powering, the signal converter enters the normal measuring mode.
1 Proarammina sfart
- -Key Display Cornments
1st line l2nd linel
ccr::u:u::;rn (ENTER 1, 2, 3, 4, 51 with
} Coding, dependent on programming of
or Fct. 4.02 (YES or NO), refer to Sect. 4.6 + 5.12
rn without
Err. 01„.16 Error(s) in measuring mode, see E-List, Sect. 4.4
appears only, if one or more errors have occurred during measuring Operation
a Err. 02.„16 display next error, if more than one
m terminale error display
Fct. 1.00 !FLOW DATAJ Main menu level, lst main menu displayed, continued as described below
Function of keys in main menu, submenu, functional and data levels, see Sect 4.6
Key Main menu level Submenu level Data level
Functional level Data/Units Numerical values
a Select Select Select next lncrease flashing digit
.main menu submenu or function proposal (cursor) by 1
c Ent.er displayed Enter displayed Return to functional Shift flashing digit (cursor)
mammenu submenu or function level, previous data/units retained 1 place to the right.
Note: If in last position, system
will revert to functional level,
last numerical value retained
rn - - - Revert to main menu Revert to functional level, store new data,
or submenu level units or numerical values temporarily. *
1·
*Flashing display Err. 0000<MIN or Err. 9999>MAX= numerical value too low or too high. Press any key to obtain dis-
play of permissible minimum or maximum value, then enter correct numerical value.
Important
1. Continuously pressing the C or [] key will cause the function of these keys to be continuously repeated (autorepeat
function).
2. If no keystrokes are made for approx. 180 seconds, the signal converter will automatically revert to the measuring mode
without accepting any changed data into the measuring program (time-out function). Exception: if at start of program-
ming errors Err. E04, E05 and/or E14 are established, see Sect. 4.4.
Newly ente:red data will only be accepted into the measuring program ifthe programming mode is terminated
by following the procedure below.
P:rogramming end
Key Display Comments
1st line l2nd linel
1, 2 or 3 x[ai Fct. 1.00„.4.00 Select main menu level
mmm Revert to measuring mode level
Plausibility check, lasts approx. 5 seconds
/
Actua/ measured value No error in plausibility check, any changed data accepted into measuring
program, actual measured value displayed (measuring mode level)
Err. P01...14 Error(s) in plausibility check, see P-List, Sect. 4.5
a Err. P02„.14 Display next error, if more than one
m Fct. 1.00 !FLOW DATAJ Terminate error display and revert to main menu level, Ist main menu displayed,
select faulty function(s) and correct data, see Sect. 4.6
Totalize:r :reset
Key Display l2nd linel Comments
cma IENTER 1, 21 Measuring mode not interrupted
ramm !TOT. RESETJ Totalizer reset
Actua/ measured value Measuring mode level, actual measured value displayed
Clearing e:r:ror messages in measuring mode, see Sect. 4.4
Key Display
1st !ine l2nd linel
IENTER 1,2,3,4,51
or
Err. E01„.E16
Fct. 1.00 !FLOW DATAJ
Actua/ measured value
24
Comments
with 1
without
Goding, dependent on prograrnming of Fct. 4.02
(YES or NO), refer to Sect. 4.6 + 5.12
Error messages (not with Err. E04, E05 and/or E14)
Main menu level
Measuring mode level, actual measured value displayed
E-List Description of error Rectify instrument fault Error output in measuring mode via
E:rror messages an.d/or - Display (Fct. 2.04) and/or
clear error message - Status indication output (Fct. 3.3.01)
dependent on programming
Display NO ADC TOT.
lst line* 2nd line MESS. ERROR ERRDR
Err. E01 UNE /NT. Power failure since D - - yes
last programming reset totalizer(s) if necessary
Note: no counting during
power failure
Err. E02 TOTAL/ZER Counts lost or totalizer D - - yes
overflow
Note: totalizer was reset!
Err. E03 DISPLAY Numerical overflow of display Check data Fct. 2.00 - - -
Display lst line: ------------------
Display 3rd line: note T Marker!
Err. E04 EEPROM 1 Data error in EEPROM 1 Check instrument parameters * * * * **
(parameters) 0
Err. E05 CAL. DATA Calibration data lost Recalibrate signal converter, ** * * **
please consult factory
Err. E06 EEPROM 2 Data error in EEPROM 2 (totalizer) D - - yes
Note: totalizer deviation possible reset totalizer(s) if necessary
Err. E07 RAM Check-sum error in RAM 0 - - -
Err. EOB ROM Check-sum error in ROM 0 - - -
Err. E09 AOC ADC value overranged or 0 - yes -
! .
ADC defective
Err. E12 FREQ.OUTP. F Frequency output overranged D - - -
If necess„ check data, Fct. 3.2.00
Err. E13 CUR.OUTP. I Current output overranged D - - -
If necess„ check data, Fct. 3.1.00
Err. E14 EE1 EE2 Current calibration values Terminale programming mode ** ** * *
EPPROM 1+2 are different (press IJ key 4x), values
(occurs only when pc board changed)
corrected automatically
Err. E16 FUSE FS fuse for power failure Fit new F5 fuse, yes*** yes*** yes***
identification defective see Sect. 8.5
* When errors are displayed during the measuring mode, "a numera/" and "Err." will appear in the lst line.
The numeral gives the nurnber of momentarily occurring errors !hat are displayed alternately with the actual measured value.
* * No output in measuring mode! With these errors, the signal converter is automatically in the programming mode.
* * * No output via status indication output (Fct. 3.3.01)
D
0
Invoke and then terminale programming mode.
Keystrokes: 2 XC / 2 X[] / 2 XI] and 4 X IJ or 1 X IJ and 4 XI] (dependent on programming in Fct. 4.02)
Invoke and then terminate programming mode.
Keystrokes: 2 X c I 2 X a I 2 X ra and 4 X IJ or 1 X ra and 4 X ra (dependent on prograrnming in Fct. 4.02)
Consult factory if these errors occur several times in succession.
Err. P.. Text Description
Err. P01 V RANGE Velocity v outside possible range (0.3 to 12 .m/s or 1 to 40 ft/s)
FULL SCALE (Fct. 1.01) <>DIAMETER (Fct. 1.04)
Err. P02 REV. SCALE REV. SCALE (Fct. 1.03) > FULL SCALE (Fct. 1.01)
Err. P03 !RANGE I 0 PCT. (Fct. 3.1.02) > j 100 PCT. (Fct. 3.1.03) or difference < 4 mA
Err. P04 IMAXmA I MAX mA (Fct. 3.1.04) < I 100 PCT. (Fct. 3.1.03)
Err. P05 ICUTOFF I: CUTOFF ON (Fct. 3.1.07);;:::: CUTOFF OFF (Fct. 3.1.08)
Err. P06 FCUTOFF F: CUTOFF ON (Fct. 3.2.08) ;;:::: CUTOFF OFF (Fct. 3.2.09)
Err. P09 F> 10 KHZ Frequency for Q100% > 10 kHz
Err. P10 PULS W!OTH Max. pulse width exceeded (see Fct. 3.2.05)
ALL
ERROR
yes
yes
yes
* *
* *
yes
yes
yes
yes
yes
yes
**
yes
Err. P12 RNG./CUTOFF 2nd range of automatic range change (see Fct. 3.3.02) :S; I CUTOFF ON (see Fct. 3.1.07)
Err. P14 I TRIP PT. I TRIP PT. (Fc:t. 3.3.03) outside range of current output (see Fct. 3.1.04)
25
Fct. No. Text Description and input
3.00 OUTPUTS Main menu 3.00 Outputs
.... -·· ..,„..,. „_...... ..., .;;a""""""l:'"'..........„ .1,,..1,..1.,1,.l.!-'U.L
3.1.00 GUR. OUTP. I Submenu 3.1.00
1.00 FLOW DATA Main menu 1.00 Measurement Current output (I), Seel. 5.7
1.01 FULL SCALE Full-scale range for
flowrate Q1oo%
Unit: select from !ist (Seel. 5.1)
Range: (Seel. 5.3):
0.0034 to 542 900 m3
Ihr or
0.8962 to 143400000 US Glmin
After selecting unit, call numerical
value with C key, lst digjt flashes
1.02 REV. SCALE Different range for reverse
flow? NO or YES
3.1.01 FUNCT/ON I Function, current output (l)
• OFF(= switched off)
e F/R /NO. F(=F/Rindication forF)
• 1 DIR. (= 1 flow direction)
• I < I 0 PCT (=Forward/Reverse
flow, e.g. in 0-20 mA range:
F=l0-20 mA, R=l0-0 mA)
• 2 DIR.(= forward/reverse
flow, F/R measurement)
3.1.02 IO PCT. Current for 0% flow Clo%)
1.03 VALUE Full-scale range for reverse
flow (appears only if YES entered
under Fct. 1.02)
Unit: select from !ist (Seel. 5.1)
Range: 00 to 16 mA
3.1.03 1100 PCT. Current for 100% flow,
Full-scale range (I100%)
Range: 04 to 20 mA
Range: (Sect. 5.3):
0.0034 to 542900 m3
1hr or
(Value at least 4 mA greater
than !hat of Fct. 3.1.02)
0.8962 to 143400000 US Glmin
Value must not be greater
than that of Fct. 1.01
After selectinr;;_ unit ca// numerica/
valua with C key, lst digit flashes
3.1.04 IMAXmA Adjustment of max. output
current Cimaxl
Range: 04 to 22mA
(Value must be greater than/equal
to that of Fct. 3.1.03)
1.04 DIAMETER Meter size 3.1.05 T-CONST. I Time constant, current output
Unit in mm or inch Range: 0.2 to 3600 Sec.
Range: 2 to 4000 mm or
0.0787 to 157.5 inch
After selecting unit, call numerical
3.1.06 L.F.CUTOFFI Low-flow cutoff (SMU) for
current output?
NO or YES (Sect. 5.9)
value· with C key, lst digit flashes 3.1.07 CUTOFFON Cutoff "on" value SMU-I
1.05 GK VALUE Primary constant GK
(see.primary head nameplate)
Range: 0.5 to 14
(appears only if YES entered
under Fct.No. 3.1.06)
Range: 01 to 19 PERCENT
1.06 FLOW DIR. Define direction of forward
(normal) flow
Enter acc. to direction of arrow
{ + or - Jon primary head
1.07 ZERO CALIB. Zero calibration (Sect. 7.2)
Csm out only at "O" flow and when
measurina tube comnl. filled with fluid
3.1.08 CUTOFFOFF Cutoff "off'' value SMU-I
(appears only if YES entered
under Fct. 3.1.06)
Range: 02 to 20 PERCENT
(Value must be greater
than !hat of Fct. 3.1.07)
3.2.00 FRE. OUTP. F Submenu. 3.2.00
1) Inquiry: CALIB. NO or YES Frequency output (F), Sect. 5.8
2) If YES: calibration (duration 45 sec)
with zero display in PERCENT of 0 100%
3) Inquiry: STORE NO or YES
2.00· DISPLAY .·' Main menu 2.00 Display
3.2.01 FUNCT/ON F Function, frequency output (F)
• OFF(= switched off)
e FIR !ND. I (= FIR indication for !)
e 1 DIR.(= 1 flow direction)
2.01 OISP. FLOW Unit for flowrate display
• m
3
/Sec • m
3
Imin • m
3
/h
• 2 DIR.(= forward/reverse
flow, F/R measurement)
• Liter/Sec • Liter/min • Liter/h 3.2.02 PULSOUTP. Unit, frequency output
e US G/Sec e US Glmine US Glh e PULSRATE (= input in pulses
e h Literlhr or US MG/DA Y per unit time)
(=hectoliters per hour, for US version e PULSE/UN/T (= input in pulses
US million gallons per day) factory per unit volume)
set, can be changed as required
via Fct. 4.04, 4.05+4.06 (Sect. 5.14)
e PERCENT
e NO DISPLAY
2.02 UNIT TOTAL. Unit for totalizer display
• m
3
• Liter • US G
3.2.03 PULSRATE Pulse rate for 100% flowrate
(appears only if PULSRATE
entered under Fct. 3.2.02)
Range:
2.778*10-3
to 10000 pulses/Sec
0.1667 to 600000 pulseslmin
• h Liter or US MG (hectoliters 10 to 36 000 000 pulseslhr
or US million gallons) see After selecting unit, call numerical
Fct.No. 2.01 {h LiterIhr or US G/DAY)
2.03 O/SP. TOTAL. Function of totalizer display
• + TOTAL. (= forward totalizer)
• - TOTAL. (= reverse totalizer)
• +/- TOTAL. (= forward and
reverse flow totalizers, altemating)
e SUM TOTAL. (= sum of + and
- totalizers)
e ALL TOTAL. (= sum, + and
- totalizers, altemating)
e NO O/SPLAY (= totalizer
switched on but no display)
e TOTAL. OFF(= totalizer
switched off)
value with C key, lst digjt flashes
3.2.04 PULSE/UN/T Pulse value
(appears only if PULSEIUNIT
entered under Fct. 3.2.02),
Unit in pulses per m3, Liter, US G
or unit of Fct. 4.04, 4.05 + 4.06
(Sect. 5.14) - Range:
0.0001 to 0.9999*109
pulses
[no input check but:
0100%* pulse value ::::;
36 000 000 pulses ~ 10 kHz]
After selecting unit, call numerical
value with C key, lst digjt flashes
2.04 ERRORMSG Which error messages to 3.2.05 PULS WIOTH Pulse width for frequencies ::::;10Hz
be displayed? (Seel. 4.4)
• 30mSec.
• 50mSec.
e NO MESSAGE • 100mSec. • 200mSec.
(= no error messages) • 500mSec.
e AOC ERROR (= only ADC
conversion errors)
e TOT ERROR
(= only errors of intemal totalizer)
e ALL ERROR (=all errors)
2.05 O/SP. TEST Carry out display test
Start with C key
3.2.06 T-CONST. F Time const. for frequency output
T< F> = 0.2 Sec.
T< F> = T< I >(=time constant
for F same as for I, Fct. 3.1.05)
3.2.07 L.F.CUTOFF F Low-flow cutoff (SMU) for
frequency output
NO or YES (Sect. 5.9)
26
Fct. No. Text Description and input Fct. No. Text Description and input
3.2.08 CUTOFFON Cutoff "on" value SMU-F 4.00 SPEC. FCT. Main menu 4.00
(appears only if YES entered Special functions
under Fct. 3.2.07)
Range: 01 to 19 PERCENT
4.01 LANGUAGE Language of display texts, Sect. 5.11
e GB/USA (= English)
3.2.09 CUTOFFOFF Cutoff "off'' value SMU-F • 0 (= German)
(appears only if YES entered e F (= French)
under Fct. 3.2.07) e SF (= Finnish)
Range: 02 to 20 PERCENT • others pendinq
(Value must be greater
than that of Fct. 3.2.08)
4.02 ENTRYCOOE Coding for entry into
programming mode? Sect. 5.12
3.3.00 /NO. OUTP. S Submenu 3.3.00 Status indication
output (S), Sect. 5.16
• NO = entry with 1:§1 key
• YES = entry with keys
3.3.01 FUNCTION S Funct. of status indication output
• OFF(= switched off,
0 V at term. 4/43)
• ON(= switched on,
24 V at term. 4/43, e.g. as
operational status indicator
e FIR /NO. I (= FIR indication
c c [][][§1 [§1
4.03 OUTP. HOLD Hold values of outputs
during programming?
NO or YES (Sect. 5.13)
4.04 UNITTEXT Text for field-programmable
unit, Sect. 5.14
for I), Sect. 5.10 A„.Z I a„.z / 0„.9 I _ (= space)
e F/R /NO. F (= F/R indication 4.05 FACT. QUANT. Conversion factor for
for F), Sect. 5.10
e AUTO. RANGE (= automatic
range change), Sect. 5.16
• I TRIP. PT. (= trip point I as %
quantity FM, Sect. 5.14
Factor FM= quantity l§er 1 m3
Range: 0.00001*10- to
9.99999*10+9
of 0100%• Fct. 3.3.03)
e F TRIP. PT. (= trip point F as %
of 0 100%, Fct. 3.3.04)
e L.F.CUTOFF I (= low-flow cutoff I),
Fct. 3.1.06
e L.F.CUTOFF F (= low-flow cutoff F)
Fct. 3.2.07
4.06 FACT. TIME Conversion factor for time FT
Sect. 5.14
Factor FT in seconds
Range: 0.00001*10-9
to
9.99999* 10+9
4.07 FIELO FREQ. Magnetic field frequency,
e AOC ERROR}
e TOT. ERROR s. E-List Sect. 4.4
e ALL ERROR
Sect. 5.15+8.2
• 116 • 1116 • 1132
4.08 NO/SE Noise rejection, Sect. 6.2 .,
3.3.02 AUTO. RANGE Automatie range change for e NO NO/SE
current output, see Sect. 5.17 e NO/SE
(appears only if AUTO. RANGE
enternd under Fct. 3.3.01)
4.09 REF. SEL. Selecting the reference voltage
Sect. 6.2
Range: 05 to 80 PERCENT of 0 100%, e AUTO. REF.
(Value must be greater than
SMU-1 cutoff "on" value, Fct. 3.1.07)
(= automatic rnfernnce)
e HIGH-FLOW
3.3.03 I TRIP PT. Trip point for current output, (= high flow range)
Sect. 5.18 (appears only if e MED1-FLOW
I TRIP PT. enternd underFct. 3.3.01) (= lst medium flow range)
Range: 001 to 110 PERCENTof 0 100%
(Value must be greater than
e ME02-FLOW
(= 2nd medium flow range)
SMU-1 cutoff "off" value, Fct. 3.1.08) e MED3-FLOW
3.3.04 F TRIP PT. Trip point for frequency output,
Sect. 5.18 (appears only if
F TRIP PT. entered under Fct 3.3.01)
(= 3rd medium flow range)
e LOWFLOW
(= low flow ranqe)
Range: 001 to 115 PERCENTof 0 100% 4.10 FIELD GUR. Input of field current
(Value must be grnater than
SMU-F cutoff "off" value, Fct. 3.2.09)
Range: 225.00 to 275.00 mA
(see sticker at term 7 + 8 on
"basic" pc board/with power driver
NB 900 F always ± 250 mA)
Must not be changed, Sect. 7.2 + 8.1!
27
s;::D~scription ofi program functions. · - - - -. -
!fäi~!t!i~fi:i~~MJ#.i~~iIIlIIlIIt111fflfFIItIFt1ttt1m:i
Fct. 1.01 Full-scale range 0 1oo%
(Forward flow)
Fkc. 1.03 Full-scale range 0 1oo%
(Reverse flow)
Fct. 2.01 Units for flowrate display
e ms/Sec e ms/min
e Liter/Sec e Liter/min
e US G/Sec e US G/min
(G = gallons)
e ms/hr
e Liter/hr
e US G/hr
e 1 field-programmable unit, refer to Fct. 4.04 to 4.06,
Sect. 5.14 for flowrate, e.g. liters per day, hectolitersper
hour, or for mass flowrate where density is consistent
and known, e.g. kg per hour or tonnes per day.
Factory-programmed: h/Liter/hr (hectoliters per hour)
for US version US MG/DA Y (US million gallons per
day).
e PERCENT (%), only for Fct. 2.01 (display).
Fct. 1.04 Diameter (meter size)
in mm (millimeters) or inch (inches).
Fct. 2.02 Unit for totalizer display
ms. Liter, US G (G = gallons) and
1 field-programmable unit, e.g. deciliters (d Liters).
Hectoliters (h Liter) or US million gallons (US MG) factory-
programmed, see Fct. 2.01.
Fct. 3.2.02 Unit for frequency output F
Pulse rate: Enter in pulses per second, minute or hour.
Pulses per unit: Puls/ms, Puls/Liter, Puls/US G(allons) or
pulses per field-programmable unit, see above.
e Display of actual flowrate
Max. 7-digit with floating decimal point.
e Display of internal totalizers
Max. 7-digit with floating decimal point. Where count
values exceed 9 999 999, automatic changeover to
exponent notation, max. 9.999 19 (= 9.999 * 1019).
e Display overflow
The display format is fixed by the parameters entered
in the main menu "2.00 DISPLAY". The following dis-
play will appear when a displayed value exceeds the
limit:
- 'Ibp line
- Middle line
- Bottom line
Unit of measured variable
Marker T identifies the measured
variable for wbich the selected
display format is no longer adequate.
Necessary action: check data in main menu
"2.00 DISPLAY" and alter if necessary.
e Input of numerical values.
Examples ~onent !!!Pill
notation
0.0008 0.8 * 10-3 0.8000 -3
0.5 0.5 * 100 0.5000 ±0
1.378 0.1378 * 10
1
0.1378 +1
10000 0.1 * 105 0.1000 +5
36000000 0.36 * 108 0.3800 +8
28
1:rnm@t:imfätMimmi~;mam1~rn1~uJMi#~i:trtttttl
Fct. 1.01 Full-scale range 0 1oo%
(Forward flow)
Enter full-scale range 0100% depending on meter size DN,
Fct. 1.04 (forward flow in the case of F/R measuring mode;
if different full-scale range required for reverse flow, see
Fct. 1.02+1.03).
• Unit: see Sect. 5.1. Change of unit will cause automatic
conversion of numerical value.
• Range:
0.0000* to 150.8 m3
/Sec
0.0001 to 9 048.0 m3
/rnin
0.0034 to 542 900 m3
/hr
0.0009 to 150 800 Liter/Sec
0.0565 to 9 048 000 Liter/min
3.393 to 542 900 000 LiterIhr
0.0002 to 39 840 US G/Sec
0.0149 to 2 390 000 US G/min
0.8962 to 143 000 000 US G/hr
*The true value is 0.0000009.
e Ifthe numerical value is changed inFet. 1.01, itis advisa-
ble to record the totalizer counts and thenreset the tota-
lizers (see Sect. 5.6), otherwise an incorrect count will
be displayed.
Fct. 1.02 Separate full-scale range required for
reverse flow?
Enter "YES" if a separate range is required for reverse
flow, wbich is different from the forward flow range. If not
required, enter "NO".
Fct. 1.03 Full-scale range 0 1oo% for reverse flow
This function will only appear during programming if "YES"
has been entered under Fct. 1.02.
e Unit: see Sect. 5.1. Change of unit will cause automatic
conversion of numerical value.
e Range: see above, Fct. 1.01.
The enteredvalue must be smaller than that entered in Fct.
1.01, otherwise a plausibility error will occur (Err. P02) see
Sect. 4.5. This function has no effect on the totalizers.
Fct. 1.04 Meter size
e Unit: mm (millimetres) or inch (inches)
e Range: 2 to 4000 mm or 0.0787 to 157.5 inch
• If the numerical value in Fct. 1.04 is changed, it is
advisable to record the totalizer counts and then reset
the totalizers (see Sect. 5.6), otherwise an incorrect
count will be displayed.
Programming
e For Fct. 1.01, 1.03 + 1.04, (see also 3.2.03 + 3.2.04), enter
the unit first and then the numerical value.
e Proceed as follows: select appropriate Function num-
ber and then press C key. The signal converter is now
in the data level. The "units" abreviation in the lower
line ofthe display flashes. First select the unit by press-
ing the IJkey. After pressing the C key, the left digit of
the numerical value on the top line of the display will
flash. Pressing the D key will increase the numerical
value. Pressing the C key will shift the flashing digit
(cursor) 1place to the right.
• If the flashing ~t (cursor) is in the last position (to the
right) and the C key is pressed again, the signal con-
verter will revert to the function level without tempora-
rily storing any changed data.
e Temporary storage of changed data takes place only
after pressing the EIkey with simultaneous return to the
function level.
9 The flow direction or, in case of F/R operations, the
direction ofthe forward flow is deterrnined forfull-scale
range 0100% (see Fct. 1.01) under Fct. 1.06.
8 Two arrows on the primary head identify the possible
flow directions with "+"und "-".
• Enter "+" or "-"under Fct. 1.06 in accordance with the
actual direction of flow.
The following measured variables and functions are dis-
played. 6 markers V identify the active display.
•
•
•
••
+ totalizer (in F/R mode,
forward totalizer)
- totalizer (in F/R mode,
reverse totalizer)
I: totalizer (sum of
+ and - totalizers)
These four displays depend
on the program. If only one
display is prograrnmed, the
marker indicates the active
display continuously. If
more than one display is
programmed, the display
sequences from one. dis-
play to the next every 10
seconds, and the marker
actual flowrate 0 indicates the active display.
G+: Marker indicates that the status indication
output S is switched on according to the program-
med function (see Fct. 3.3.01), i.e. 24 V present at
terminals 4/43 (see Sect. 5.16).
mA
• _Jl_t/ „0
Marker indicates that the "on" threshold
ofthe SMU (low-flow cutoff) for I or F is
activated and the outputs have been
set to 1o% or OHz, respectively (see
Sect. 5.9).
Note: The signs for + and - totalizers identify forward and
reverse flow, resp., and have nothing to do with definition
of the flow direction "+/-" (see Sect. 5.4, Fct. 1.06). For
example, assume forward flow according to the arrow on
the primary head is the "-" direction. Forward flow, howe-
ver, is always counted with the "+" totalizer.
Display overflow is shown as follows:
'I'Qpline: ======Middle line: Unit used for measured value
Bottom line: Marker V identifies the measured variable
for which the selected display forrnat is no longer ade-
quate.
Necessary action: check data in main menu "2.00 DIS-
PLAY" and change ifnecessary (e.g. select different unit).
Display for flow Q = 100% (full-scale range)in F/R
mode + setting in PERCENT (Fct. 2.01)
The display always refers to the setting of the full- scale
range for forward flow (Fct. 1.01)
Setting
Qp 100% eguals OR 100%
(Fct. 1.01/1.02 = NO)
Display
F: 100% R: 100%
Of 100% greater than OR 100% Q
F: 100% R: R lOO% * 100%
(Fct. 1.01/1.02 = YES!l.03) OF 100%
Fct. 2.01 Unit for flowrate display
Selectable units, refer to Sect. 5.1.
If "NO O/SPLA Y" is entered, the actual flowrate is not dis-
played.
Fct. 2.02 Unit for totalizer values on display
Selectable units, refer to Sect. 5.1.
Fct. 2.03 Function of totalizer display
+ TOTAL. . forward flow totalizer only
- TOTAL. reverse flow totalizer only
+/- TOTAL. forward and reverse flow
totalizers, altemating
SUM TOTAL. sum of + and - totalizers
ALL TOTAL. sum, + and - totalizers,
altemating
NO OISPLA Y intemal totalizer in operation,
but no display
TOTAL. OFF intemal totalizer
switched off
Fct. 2.04 Error messages
Select error messages (see E-List, Sect. 4.4).
NO MESSAGE no error messages
AOC ERROR ADC conversion errors
TOT. ERROR intemal totalizer errors
ALL ERROR all errors
Error messages altemate with actual flow data.
Fct. 2.05 Testing the display
Start display test by pressing the C key. Duration of test:
approx. 30 seconds.
9 The intemal electronic totalizer counts the volume in
mathematically .deterrnined volumetric units. These
numerical values are put into a non-volatile memory
(EEPROM), converted into the programmed physical
units and displayed every 0.3 seconds.
Counting is interrupted in the event of a power failure,
entry into the programrriing mode or when the low-flow
cut off (SMU) is activated. After these conditions have
been eliminated, counting continues with the values
stored prior to the interruption.
8 The counting period without overflow is at least 1year at
100% of flow (0100%).
• Set the time constant under Fct. 3.2.06:
T< F> = 0.2 Sec Time constant F = 0.2 seconds
T < F> = T < I > Same time constant as current
output I (see Fct. 3.1.05).
Resetting the totalizer
• To reset the totalizer press the keys in the following
order:
Cl1Hlfil06
• No interruption of measuring mode.
e If the numerical values in Fct. 1.01, 1.04, 1.05 + 4.07 are
changed (e.g. given a change of the full-scale range,
see Fct. 1.01, or the signal converter is replaced, see
Sect. 8.2), it is advisable to record the totalizer counts
and then reset the totalizers, as otherwise an incorrect
count will be displayed.
29
1:::§.@!Igirr#.~W~iiii.!iiU~i~i~#@IIIIEI:IIII!1IIIIIIIIIIIIIIfüIIIIIIIIIIIIIII:IIlJI:fIIlIIIItI:::::r::i:ttIIII:IIt:
1 5.7.1 Application 1 (Fct. 3.1.01)
Application 1 Programming Other functions Connectior Charac-
via Fct. ... programmable via Fct. ... diagrams teristic
1 F s SMUI I TRIP PT. for of
3.1.01 3.2.01 3.3.01 3.1.06 to 3.3.01 + outputs outputs
3.1.08 3.3.03 see Sect. see Sect.
2.6.5 5.7.3(+5.16.4
1 flow 1 DIR. any any possible possible CD Il(Sl+S2)
direction
F/R operation
F/R changeover 2 DIR. any FIR INO. I possible no ® 12(81)
via S
I with BA AUTO.
1flow 1 DIR. any RANGE possible no (j) 13(81)
direction
1 with BA
2 DIR. FIR IND.I
AUTO.
possible ® 14(81)F/R operation RANGE no
F/R operation
F/R changeover 2 DIR. FIR IND.1 any possible possible ® 15(Sl+S2)
via F
Direction FIR IND.F 2 DIR. any no no @) 16
indication for F
e.g. operation OFF any any no no ® 17
indicator
F/R operation
with 1 indicating J<I OPCT. any any possible possible ® I8
instrument
1 5.7.2 Other programmable functions for 1
Fct. 3.1.1)2 Current for 0% flowrate (10%)
Range from 00 to 16 mA (e.g. 04 mA at output span 4 to 20 mA)
Fct. 3.1.03 Current for 100% flowrate (1100•1,)
Range from 04 to 20 mA (e.g. 20 mA at output span 4 to 20 mA). This value must be at least 4 mA greater than that
Fct. 3.1.02; otherwise error in plausibility check (Err. P03), see Sect. 4.5.
Fct. 3.1.04 Maximum output current Imax
Range from 04 to 22 mA (e.g. 06 mA at output span 1to5 mA, prevents damage to connected 5-mAinstruments). This val·
must be greater than or equal to that of Fct. 3.1.03, otherwise error in plausibility check (Err. P04), see Sect. 4.5.
Fct. 3.1.05 Time constant (T) for 1
Range optionally programmable from 0.2 to 3600 seconds.
Fct. 3.1.06 to 3.1.08 Low-flow cuto-ff SMU
Refer to Section 5.9.
Automatie range change for I
Refer to Section 5.17.
30
5.7.3 Characteristics of current output I
®1 flow direction
1100%
~----_-_-_-:_-_-_-_-:_-_,..._ro_o/._o_____ a f
% 1XI Mac %
@
I with BA F/R operation
BA changeover via S
F!R changeover via F
Imax
98% I100%
80%
r0% -,--,.,--,------.- a,
eh 11~ 160 • %
[Q'ol high
96
24Vo!t
OVolt
~ QF
% -~,00-100~-,~,--+---,~,~,00-1~00- %
high low low high
98 98
24Volt
OVolta. _________,______ a,
% 100 100 %
hi9:J low
@
e.g. -operation indicator
~ ~
%-~M~-~100---+-----1-00-Ma><~ %
(i2)....__,,
F/R operation
F/R changeover via S
1100%
~ ------e------- a,% Max 100 100 Max %
24Volt
OVolt
@
F/R operation
F/R changeover via F
1100%
LI+Volt
OVolt
~------f------- a,% Max 1 100 Max %
@
F/R operation
with 1 indicating instrument
~ J,,,QmA QF
% -------l---~100_M_«_%
(i3)
'-.../
I with BA 1 flow direction
BA changeover via S
r,,,,
'll% lto%
80%
------l"Io% a.
~o·------+ ~~--~o/< ~ 11'oo 1do /<
[O'<r' hijl
98
24Volt
OVolt
_l'.!l_------+-----~QF
% so 1 100 %
low high
„
@
Direction indication for F
lma><
103
.51. a,
%
"" 100 100
""
%
31
!@;1::tr.5.qa#.i.iifüii.iiifiiltf(föl11fff1ff:I1titlifötflI11tlitfüIIt11Ilt1}1flif111ltlitflftlif11f11Ilift1ttM
1 5.8.1 Application F (Fct. 3.2.01)
Application F Programming Other functions
via Fct. ... programmable via Fct. ...
F 1 s SMUF TRIP PT.F
3.2.01 3.1.01 3.3.01 3.2.07 to 3.3.01 +
3.2.09 3.3.04
1 flow 1 DIR. any any possible possible
direction
F/R operation
F/R changeover 2 DIR. any FIR /ND. F possible no
via S
F/R operation
F/R changeover 2 DIR. FIR /ND. F any possible possible
via I
Direction FIR IND.I 2 DIR. any no no
indication for I
Switched off OFF any any no no
(b OHz/0 V)
1 5.8~2 Other programmable functions for F
Fct. 3.2.02 Unit for frequency output F
PULSRATE Enter pulses per unit time (see Fct. 3.2.03)
PULSE/UNIT Enter pulses per unit volume (see Fct. 3.2.04)
Example of PULSRATE
Full-scale setting:
Pulse rate:
Pulse value:
1000 Liter per second (set via Fct. 1.01)
1000 pulses per second (set via Fct. 3.2.03)
1 pulse per Liter
Changeover of full-scale setting:
Pulse rate:
Pulse value now:
Example of PULSE/UNIT
Full-scale setting:
Pulse value:
at 1000 Liter per second:
Changeover of full-scale setting:
Pulse value:
at 2000 Liter per second:
2000 Liter per second (change over via Fct. 1.01)
unchanged (see above), 1000 pulses per second
1 pulse per 2 Liter
1000 Liter per second (set via Fct. 1.01)
1 pulse per Liter (set via Fct. 3.2.04)
1000 pulses per second b 1 pulse per Liter
2000 Liter per second (change over via Fct. 1.01)
unchanged (see above), 1 pulse per Liter
2000 pulses per second b 1pulse per Liter as before
Fct. 3.2.03 Pulse rate for 100% flowrate (F100o;,)
(appears only if "PULSRATE" entered in Fct. 3.2.02)
Range: 2.778 * 10-3
to 10 000 Pu/Se/Sec
0.1667 to 600 000 Pu/Se/min
10 to 36 000 000 Pu/Se/hr
Fct. 3.2.04 Pulse value
(appears only if "PULSE/UNIT" entered in Fct. 3.2.02)
Unit: Select from List in Section 5.1
Range: 0.0001 to 0.9999 * 109
Pu/Se/Unit
Programming: Refer to Sect. 5.3 "Programming"!
Entry is not checked but:
Connection
diagrams
for
outputs
see Sect.
2.6.5
®
®
@)
®
-
Owo% * pulse value must be less than or equal to 36 000 000 pulses/hr (equivalent to 10 kHz)!
Programming of Fct. 3.2.03 + 3.2.04 see Section 5.3.
Fct. 3.2.05 Pulse width
Charac-
teristic
of
outputs
see Sect.
5.8.3(+5.16.4)
Fl(Sl+S2)
F2(Sl)
F3(Sl+S2)
F4
F5
Five pUlse widths are selectable for frequencies less than or equal to 10 Hz: 30/50/100 / 200 / 500 m Sec.
(Note output load and frequency ranges, see Table in Sect. 2.6.3.)
Fixed pulse widths are provided for frequencies above 10 Hz (see Sect. 2.6) regardless of the pulse width (see above) that
has been programmed.
32
Fct. 3.2.06 Time constant (T) for F
T < F > = 0.2 Sec. Time constant = 0.2 second (best for counting and/or batching processes)
T < F > = T < I > Same time constant as for current output I, see Fct. 3.1.05
(practical if frequency output F used for instantaneous-value measurements)
Fct. 3.2.07 to 3.2.09 Low-flow cutoff SMU
Refer to Section 5.9.
l5.8.3 Characteristics of frequency output F
1 flow direction
Fmax 115%
~--~-~------~---_--++-'~_'"-'---- a,
% W Max %
Direction indication for 1
F
4 OVolt
~--.-~~--1---~~~Q'
% Max 100 · 100 Max %
Imax
1100%
~--.-----1-10_%_--.--r-- n,
"/„ Max "00 100 Ha~ %
F/R operation
F/R changeover via S
Fmax 115%
24 Volt
Oblt
~ -----!---~- o,
% Max10l UlMax %
@
Switched off
OVolt
~--,.--'-~--+-----~- o,
% Max 100 'XlO Max %
F/R operation
F/R changeover via I
Fmax 115%
QR _ _ _ ____,f-'-"'_Hz____ QF
% Max 100 100 Max %
r.
Imax
~~ -"~"'-""---+---,„~...~,~ ~
Frequency or pulses/unit time at frequency output for flowrate Q = 100% (full-scale range) for F/R operation +
setting in PULSEIUNIT (Fct. 3.2.02 + 3.2.03)
F;requency or pulses/unit time at the output always refer to the setting of the full-scale range for the forward range Fwo%
(Fct. 3.2.03}
.Setting FreqU:ency or pulses/unit time
QF 100% equals ÜR 10o% (Fct. 1.011 l.02 = NO) F: F100% R: F10o%
QF 10o% greater than QR 100%(Fct. 1.01I l.02 = YESI l.03) F: F100% R· QR100% * F
• QF 100% lOO%
33
e To avoid erroneous measurements at lowflowrates, the
S:rvfTJ SV'"Vitches the CUi--rent fu!d frequency outputs (I+F)
off. I goes to Io% (Fct. 3.1.02) and F to 0 Hz.
• If "NO"is entered underfunctions 3.1.06 +3.2.07, fixed
cutoff "on" and cutoff "off" values of 0.1 and 0.25%,
resp., of 0100% (full-scale range, see Fct. 1.01) act on the
outputs I + F.
• If "YES"is entered under functions 3.1.06 + 3.2.07, the
cutoff "on" and cutoff "off" values forI +F are separately
adjustable in the ranges specified below.
• The low-flow cutoff (SMU) can be indicated either for I
orfor F via the status indication output S(see Sect. 5.16).
Fct. 3.1.06 Low-flow cutoff (SMU) for I desired?
Enter NO or YES.
Fct. 3.1.07 Cutoff "on" value for SMU-I
(appears only if "YES" entered in Fct. 3.1.06)
Range: 01to19 PERCENTof 0 100% -
The low-flow cutoffdrives the current outputto lo% when the
flow decreases to the cutoff "on" value (see Fct. 3.1.02).
Fct. 3.1.08 Cutoff "ofr' value for SMU-I
(appears only if "YES" entered in Fct. 3.1.06)
Range: 02 to 20 PERCENTof 0 100%
This value must be greater than that of Fct. 3.1.07, other-
wise a "plausibility" error (Err. POS) will occur, see Sect. 4.5.
When the flow returns to the cutoff "off" value, the current
output returns to normal.
Fct. 3.2.07 Low-flow cutoff (SMU) for F desired?
Enter NO or YES:
Fct. 3.2.08 Cutoff "on" value for SMU-F
(appears only if "YES" entered in Fct. 3.2.07)
Range: 01to19 PERCENTof 0 100%
The low-flow cutoff drives the frequency output to 0 Hz
when the flow decreases to the cutoff "on" value.
Fct. 3.2.09 Cutoff "off" value for SMU-F
(appears only if "YES" entered in Fct. 3.2.07)
Range:: 02 to 20 PERCENTvon 0 100%
This value must be greater than that of Fct. 3.2.08, other-
wise a "plausibility" error (Err. P06) will occur, see Sect. 4.5.
When the flow returns to the cutoff "off" value, the fre-
quency output returns to normal.
!iil#J.mt.ml„ii~ii~ttiii~i~[m.@li#lfüfüJI1J11111t11tH~I
Electrical connection, characteristic and programming of
outputs, refer to Sect. 2.6, 5.7 + 5.8.
Fct. 1.06 Define direction of forward (normal) flow
(+ or -)
In the case of F/R operation, program the direction of the
forward flow with "+"or"-·:in accordance with the arrows
marked "+" and "-" on the primary head. Note that if the
flowmeter does not have a "+" and "-" on the primary head
the "+" direction is the direction the arrow is pointing.
Fct. 1.01 Full-scale setting for flowrate 0 1oo%
Program the full-scale range. Unit and range, see Sect. 5.1
+ 5.3.
Fct. 1.02 Separate range desired for reverse flow?
Enter "YES" only if the range required for reverse flow is
differentfrom the range for the normal (forward) flow. Ifnot,
enter "NO".
34
Fct. 1.03 Full-scale range for reverse flow
(appears only if "YES" entered in Fct. 1.02). This is used fo:
programming the full-scale range for reverse flow. Uni
and range, see Sect. 5.1 + 5.3. This value must not bE
greater than that of Fct. 1.01, otherwise "plausibility" erro:
(Err. P02) will occur, see Sect. 4.5.
A choice of languages for the display texts is offered ir
Fct. 4.01:
• GB/US English
• D Gerrnan
• F French
e SF Finnish
other languages pending.
11ii1111•1i11~~llillli~;lllllilllll1Bllljlll
• Enter NO or YES.
• If "NO" entered, there are 2 ways of entering the pro-
gramming möde:
1. by pressing the mkey only or
2. by pressing the C C [] [] 1]11]1 keys.
• If "YES" entered, the only way of entering the
programming mode is to press keys as follows:
ccaamm
tm.11j~!ii!Hiij~ifji!mimi~liHiiIIWfiim~iiIIIM
e Enter in Fct. 4.03 whether or not the outputs shall hold
the last values (before entry into the programming
mode).
• If "YES" entered: output values prior to entry into the
programming mode are retained duringprogramming.
After leaving the programming mode, the outputs go to
the values corresponding to the actual operating condi-
tions.
e If "NO" entered: the outputs go to the programmed
minimum values:
I to the value of Io% (see Fct. 3.1.02)
F to 0 V, consequently no pulses
S to 0 V.
An arbitrary volumetrie flow unit or, if density of the fluid
produet is consistent and knovvn, a unit of mass (weight)
ean be programmed in funetions 4.04 to 4.06. The unit
"h Literlhr" (heeto-liters per hour) is faetory-set unless
another special unit is speeified. US-version: "US
MG/DA Y" (US million gallons per day).
Fct. 4.04 Text for field-programmable unit
• Volumetrie (or mass) unit per unit time
• Text for volume (mass): 6 charaeters (places)
• Text for time: 3 characters (plaees)
9 The fraction bar "/" in the 7th plaee has a fixed position.
• Alpha charaeters A-Z and a-z, numbers 0-9 or blank
charaeter (J are seleetable for every plaee.
• Pressing the [] key will sequenee the alpha eharaeters
and numbers in the order given above.
• The C key shifts the eursor 1 plaee to the right.
• Text examples are given in the following Tables in
braekets (....../...).
Fct. 4.05 Conversion factor Quantity FM
Enter the faetor FM= quantity per 1 m3
.
Volumetrie unit Factor FM
Cubie meters (m 3) 1.0
Liters (Liter) 1000
Heeto-liters lhLiter) 10
Deei-liters (d Liter) 10000
Centi-liters (c Liter) 100000
Milli-liters (m Liter) 1000000
US gallons (US G) 264.172
US million
0.000264172gallons (US MG)
Imperial gallons
219.969(GB G)
Imperial mega-
0.000219969gallons (GB MG)
Cubie feet (Feet 3) 35,3146
Cubie inehes (inch 3) 61024.0
US barrels liquid 8.38364
US fluid ounees 33813.5
Fct. 4.06 Conversion factor Time FT
Enter the faetor Fr in seeonds.
Time unit Factor FT
[seconds]
Seeond (Sec) 1
Minute (min) 60
Hour (hr) 3600
Day (DAY) 86400
Year (YR)
31536000(.2. 365 days)
Fct. 1.05 GK value
Inpuit
1.00000± 0
1.00000 + 3
1.00000 + 1
1.00000 + 4
1.00000 + 5
1.00000 + 6
2.64172 + 2
2.64172 :-- 4
2.19969 + 2
2.19969 - 4
3.53146 + 1
6.10240+ 4
8.38364± 0
3.38135 + 4
Input
1.00000± 0
6.00000 + 1
3.60000 + 3
8.64000 + 4
3.15360 + 7
'J'he primfily eonstant GK is faetory-set. Range: 0.5 to 14,
dependent on primary head, see instrument nameplate.
Examples of volume per unit time
Desired Hecto-liters Deci-liters
units: per year per hour
Volumetrie
unit h Liter d Liter
in Fet. 4.04
Faetor FM 10 10000(see Table)
Input in
1.00000 + 1 1.00000 +4Fet. 4.05
Time unit
YR hr
in Fet. 4.04
Faetor Fr 31536000 3600
(see Table) (seconds) (seeonds)
Input in
3.15360 + 7 3.60000 +3Fet. 4.06
Examples of mass per unit time
Produet density Q = 1.2 g/em3
= 1.2 kg/Liter= eonstant
Mass of 1 m3 produet = 1200 kg = 2646 pounds
Desired Kilograms Pounds
unit: per minute per hour
Mass unit
kg lbs
in Fet. 4.04
Factor FM
1200 2646(see Table)
Input in
1.20000 + 3 2.646 + 3Fet. 4.05
Time unit
min hrin Fet. 4.04
Factor Fr 60 3600(see Table)
Input in
6.00000 + 1 3.60000 +3Fet. 4.06
Fct. 4.07 Magnetic field frequency
The magnetie field frequeney is factory-set to 116, 1116
or 1132 of the power frequeney, see signal eonverter
nameplate.
Data of Fct. 1.05 + 4.07 must not be changed! Exeeption: replaeement of prirn.ary head, see Seet. 8.2
35
!:::§@~:tI~~~&~Hil~~litlMiiii@lt:tlHIIIEtI1ItI:f:tI:tIIIIIIt11JtIIIIt1IIEIItitititititit:ItJltIIIIIIIIt
1 5.16.1 Application S (Fct. 3.3.01)
Application S Programming Other functions Characteristic of output signals Connecti<
via Fet. „„. programmable s Diagrams diagram:
s I F via ov 24 V S: Seet. 5.16.4 for
3.3.01 3.1.01 3.2.01 Fet. „„. l : Seet. 5.7.3 outputs se
F: Seet. 5.8.3 Sect. 2.6.E
Switched off OFF any any no eonstant - S6 -
e.g. operation indicator ON any any no - constant S4 ®
Direction
F/R /ND. I 20/R.
forward reverse
®indication for I any no flow flow 12
Direction
FIR /NO. F 20/R.
forward reverse
®indication for F any no flow flow F2
Automatie
range change BA
1 flow direetion AUTO.RANGE 1 DIR. any BA: 3.3.02 (Seet. 5.17) high range lowrange l 3 CD
F/R operation AUTO.RANGE 20/R. FIR /ND. I BA: 3.3.02 (Seet. 6.17) high range lowrange I 4 ®
Trip point Gr I TRIP PT. any any Gr: 3.3.03 (Seet. 5.18) below Gr above 0 1 S2 ®
Trip point GF F TRIP PT. any any Gr: 3:3.04 (Seet. 6.18) below Gp above Gp S2 ®
Low-flow
L.F..CUTOFF I
SMU I: 3.1.06 to outside within
s 1 ®cutoff SMU-I any any 3.1.08 (Seet. 5.9) SMU-l values SMU-I values
Low-flow
L.F.CUTOFF F
SMU F: 3.2.07 to outside within
s 1 ®cutoff SMU-F any any 3.3.09 (Seet. 5.9) SMU-F values SMU-F values
Indicate errors AOC ERROR any any
TOT. ERROR any any
- ALL ERROR any any
J 5.16.2 Other programmable functions for S
Fct. 3.3.02 Automatie range change BA for 1
(appears only if "AUTO.RANGE" entered in Fct. 3.3.01)
• The BAis prograrnmable in 1% increments in the ratio of
1:20 to 1:1.25, corresponding to 05 to 80 PERCENT of
Ül00%·
• This value must be greater than the SMU-I cutoff "on"
value see Fct. 3.1.07, Sect. 5.9, otherwise "plausibility"
error (Err. Pl2) will occur, see Sect. 4.5.
Fct. 3.3.03 Trip point for 1
(appears only if "I TRIP PT." entered in Fct. 3.3.01)
• The trip point is prograrnmable in 1% increments in the
range of 01 to 110 PERCENT of 0100%.
• This value must be within the output range of current
output I Cimax, Fct. 3.104) and greater than the SMU-I
cutoff "off" value (Fct. 3.1.08), otherwise a "plausibility"
error (Err. Pl4) will occur, see Sect. 4.5.
36
no error no error S3 ®
no error no error S3 ®
no error no error S3 ®
• IfI100% (Fct. 3.1.03) is programmed to values less than 2
mA, the trip point can be set to a maximum value o
G1 < 22 mA * ll0%
- I100%
• The limit switch operates with a delay equal to the tim
constant ofcurrent outputI (Fct. 3.1.05), see Sect. 5.16.:
Fct. 3.3.04 Trip point for F
(appears only if "F TRIP PT." entered in Fct. 3.3.01)
• The trip point is programmable in 1% increments in th
range of 01 to 115 PERCENT of Qwo%.
• This value must be greater than the SMU-F cutoff "of
value (Fct. 3.2.09).
• The limit switch operates with a delay equal to the tim
constant of frequency output F (Fct. 3.2.06), see Sec
5.16.3.
5.16.3 Response time, setting of time constant
8 Changeoverin F/Rmode and operation ofthe limit switehes Grand GF take plaee with atime delayin aeeordanee with the
set time eonstant for I (Fet. 3.1.05) or for F (Fet 3.2.06).
• Reeommended settings for time eonstant I and F
Function Response time Time constant
1 F
Fet. 3.1.05 Fet. 3.2.06
F/R operation
delayed
T<F>=T<I>
l+F any (same as'I)
F/R operation
delayed
T<F>=T<I>
F any (same as I)
F/R operation
instanteneous any T < F >=0.2 sec.F
Limit switch aec. to
G1
delayed desired any
response time
Limit switch ·
instantaneous T < F>=0.2 sec;
GF
any
1 5.16.4 Characteristic of status indication output S
@
Low-flow cutoff
for 1 or F
24Vott
7
""' m 1 °' 0 '" 1
aff off
OVo!t
100
Imax Fmax=115%
S switched on
24blt
""'
a,
%
~ ~
% -M0<,-1'00----r----1,-00--rM„- %
Limit switch
for 1 or F
OVolt
24Vott
lmax Fmax =115%
l1lffo F100%
IG --~g___
1 Io% F=OHz l QF
Max 100 G G 100 Max %
S switched off
OVolt
Function S Application
Fet. 3.3.01
FIR /ND. I
Volumetrie eounting
in both direetions
FIR /ND. F
Volumetrie eounting
in both direetions
F/R /ND. F
e.g. for fast reverse
flow indications
delayed
!TRIP PT
alarm
F TRIP PT.
instantaneous
alarm
Error messages
24btt
Oblt
37
9 Tne automatic range change features 2 measur..ng ra..TJ.-
ges that are automatically switched as a function of the
flowrate.
e The ratio between low and high range is prograrnrna-
ble between 1:20 and 1:1.25 (corresponding to 5 to 80
PERCENT of 0100%), see Fct. 3.3.02 + Sect. 5.16.
• This value must be greater than that of the SMU-1 cutoff
"on" value, see Fct. 3.1.07, Sect. 5.9, otherwise "plausi-
bility" error (Err. Pl2) will occur, see Sect. 4.5.
• Changeover occurs from high to low range on decrea-
sing flow at approx. 85% of the low range, and from low
to high range on increasing flow at approx. 98% of the
low range.
e The status indication output (term. 4/43) always dis-
plays the active range: 0 V= high range and 24 V= low
range.
e Electrical connection is shown in connection diagram
0 or ®in Sect. 2.6.5; for characteristic of outputs 1+ S,
see diagrams 13 and 14 in Sect. 5.7.3.
• The status indication output S canbe used as a trip point
switch (G1 or GF) for current or frequency output, see
Sect. 5.16.
• When the current (I) or frequency (F) exceeds the trip
point, the status output (S) switches from 0 V to 24 V.
There is no dead band associated with this function.
• Trip point switches G1 and GF operate with a time delay
equivalent to the set time constant for 1 or F (see also
Sect. 5.16.3 in this connection).
• Trip point switc:h G1
Set '1 TRIP PT." under Fct. 3.3.01.
The trip point can be set under Fct. 3.3.03 in the range
of 01 to 110 PERCENT of 0100% (Fct. 1.01).
This value must be within the output range of current
output Cirnax, Fct. 3.1.04) and greater than that of the
SMU-1 cutoff "off" value (Fct. 3.1.08), otherwise "plausi-
bility" error (Err. P07) will occur, see Sect. 4.5.
If 1100% (Fct. 3.1.03) is programmed to a value less than
20 mA, the trip point can be set to a maximum of
22mA
Gi :::;;; -
1
-- * ll0%
100%
• Trip point switc:h Gy
38
Set "F TRIP PT." under Fct. 3.3.01.
The trip point can be set under Fct. 3.3.04 in the range
of 01 to 115 PERCENT of 0100% (Fct. 1.01).
This value must be greater than that ofthe SMU-F cutoff
"off" value (Fct. 3.2.09).
To facilitate easy and rapid initial start-up, current outj
and pulse output are set to process flow measuremen
"2 flow directions" (Fct. 3.1.01 + 3.2.01) so that
instantaneous flowrate is displayed and the volume :t1
counted independent of the flow direction ("+" or '
Fct. 1.06). Measured values may possibly be display
with a "-" sign.
This factory setting may possibly lead to measuring em
particularly in the case of volume flow counting:
For example, if pumps are switched off and a "backflc
occurs which is not within the range of the low-flow cu
(SMU-1, Fct. 3.1.06 and SMU-F, Fct. 3.2.07, see also SE
5.9), or if separate displays and counts are required
both flow directions.
To avoid faulty measurements in these cases, therefor1
may be necessary to change the factory setting of somE
all of the following functions:
- flow direction, Fct. 1.06 (Sect. 5.4)
- current output, Fct. 3.1.01 (Sect. 5.7 + 5.10)
frequency (pulse output, Fct. 3.2.01 (Sed: 5.8 + 5.
- status indication output, Fct. 3.3.01 (Sect. 5.16)
- low-flow cutoff, Fct. 3.1.06 and 3.2.07 (Sect. 5.9)
- display, Fct. 2.01 and 2.03 (Sect. 5.5 + 5.6).
Part C Special applications, functional checks and senice
6. Special applications
!fäi~j,tJfä~t#miw.Ji.tiii.iil~~~iJlitf@tltltI{Ifüillitft!
Altoflux electromagnetic flowmeters are certified to Euro-
pean standards and to Factory Mutual standards
(FM) as electrical appliances suitable for use in hazar-
dous areas.
Onlythe primaryheads are permitted tobe installed
in the hazardous area. The signal converter must always
be installed outside the hazardous area.
Allocation oftemperature class to temperature ofthe fluid,
meter size and material of the measuring tube liner is spe-
cified in the test certificate.
Since the intrinsically safe signal circuit is grounded under
field conditions via the fluid, equipotential bonding is
required in the entire hazardous area andin the cable run
ofthe mtrinsically safe signal circuit (inside and outside the
hazardous area).
Test certificate, certificate ofconformity and wiring
instructions are attached to the Installation and
Operating Instructions (applies only to hazardous-
duty equipment).
lli~~ll!ll.lllllrt1~11111illl~lilllillllilillill·:llllil:::
The signal converter is equipped with an intemal automa-
tic reference unit which ensures optimum adjustment to
the input signal from the primary head during changing
flowrates.
In the case of rapidly changing flowrates, e.g. batching
processes and where operation with reciprocating pumps
is involved, it may be necessary to influence or cut out this
automatic unit via Fct. 4.08 and 4.09.
With Fct. 4.08, the response time of the automatic unit is
decreased by up to 30%.
The automatic unit is switched off via Fct. 4.09. However,
this reduces the measuring accuracy of the signal con-
verter.
Since there are no hard and fast rules for applying Fct. 4.08
and 4.09, it is advisable to determine the optimum setting
as follows.
Always switch off the power source before connec-
ting and disconnecting cables!
• Connect an LED with series resistor (0.68 to 2 kohms) or
an oscilloscope to terminals 4 + 43 (digital voltmeters
are unsuitable).
• Program "ADC ERROR"in Fct. 3.3.01 (status indication
output).
• Start the flow.
• The optimum setting for the signal converter is found
when the LED does not turn off (remains lighted),
• If the LED tums off, even momentarily, reprogram the
signal converter in the following order until the LED
remains on (lighted).
Order Fct. 4.08 Fct. 4.09
lst NO/SE AUTO. REF.
2nd NO NO/SE HIGH FLOW
3rd NO NO/SE MED1-FLOW
4th NO NO/SE MED2-FLOW
5th NO NO/SE MED3-FLOW
6th NO NO/SE LOWFLOW
• Subsequently, reprogram Fct. 3.3.01 (status indication
output) according to its original application.
• If the above procedure does not lead to the desired
effect, please consult factory.
l'::~1~::1lllRlil~ll~~i:lllll!l~llit~:·111111i1iill1:llllililllllll
Output values can be stabilized to values as for "zero" flow
to prevent random output signals when the measuring tube
is empty orwhen the electrodes are notwetted in the event
the measuring tube is partially full.
This means:
Totalizer Display - does not accumulate random
counts
Current output - value of Io% (see Fct. 3.1.02)
Frequency output - 0 V(= no pulses)
Preconditions
• Electrical conductivity offluid ~ 200 µSlcm (µmholcm)
[~ 500 µSlcm (µmholcm) in conjunction with primary
head IFS 5000 (-Ex), DN::; 15 or:::;; 1/ 2"]
• Max. signal cable length 50 m (165 ft), for cable type DS
or BTS.
Changes on basic pc board
(see components drawing, Sect. 9.1)
• Insert two resistors Rx = 10 Mohms
• Insert soldering jumper Lx.
Additional change to programming
Program low-flow cutoff (SMU) for current output I and fre~
quency output F as follows (minirnum values):
Fct. 1 F Comments
3.1.06
YES YES Activate SMU
3.2.07
3.1.07
1 PERCENT 1 PERCENT Cut off "on" value
3.2.08
3.1.08
2 PERCENT 2 PERCENT Cut off "off" value
3.2.09
Note
The low-flow cutoff function does not affect the flowrate
display, Fct. 2.01: DISP. FLOW Therefore, depending
upon the resolution of this display, there may be a slight
positive or negative flowrate displayed during the period
the pipe is empty or the measuringtube electrodes are not
wetted.
lii:ll:lll.r.~l.lllf.lllllmllllllilil:ji!j:llililllliillllil:iill:l
• The signal converter can optionally be equipped with
magnetic sensors, see Sect. 4.1, Item 5.
e This allows programming of the signal converter by
means of a hand-held bar magnet. Function of sensors
without removing the front cover is the same as the cor-
responding keys. Sensor response is acknowledged
by symbols in the lst line of the display.
• Hold the bar magnet by the black rubber cap. Apply
blue end of the magnet (north pole) to the glass pane
above the magnetic sensors.
39
'1
Pipes with electric corrosion protection are generally insulated
inside and outside so that the liquid has no Conductive
connection to ground. The primary head must be insulated
from the pipe. Note the following when installing the flow-
meter:
• Grounding rings that are insulated from the pipe flangE
must be fitted to both sides of the f!owmeter. Groundin
rings, flowmeter and functional ground must be intercor
nected.
• The pipe flanges must be connected to each other using
copper cable (L) but must not be connected to the prima1
head.
lnsulated installation in the pipeline
Fit insulated stuci bolts for the flange connections. Use
bushes and washers made of insulating material, not
included with supply, to be provided by customer.
3 4 3 1
01 E 02 RF
01, 02 Gaskets, not included with supply,
to be provided by customer
E Grounding rings, option, see Sect. 1.3.6.
F Flange, primary head
RF Pipe flanges
1 Bolt
2 Nut
3 Washer
4 lnsulator
Gronding IFS 4000 Grounding M 900
L L
pipeline
RF 02 01 F 01 02 RF
E E
01, 02 Gaskets, not included with supply, tobe provided
by customer
E Grounding rings, option, see Sect. 1.3.7.
F Flanges, primary head
FE Functional ground, cable z 4 mm2 Cu (10 AWG),
not included with supply, to be provided by
customer
40
IFS 4000: connection to U-clamp terminal on
"neck" of primary head .
M 900: connection to flange F of primary head.
Equip FE cable with cable lug for M6 bolt (MS ior
z ON 40orz1W'), not included with supply, tobe
provided by customer
V1 V2
pipeline pipeline
RF 02 01 F 01 02 RF
E -:- E
FE
1 lnsulated stud bolt
L Copper cable, cross-section z 4 mm2 C
(10 AWG), not included with supply, to be provide
by customer
RF Pipe flanges
V1, V2 Connecting wires, bolted to grounding rings
and to "neck" of the IFS 4000, or to flange F of th
M900.
T~ Functional c~ecks -
Always switch off power source before connecting
and disconnecting cables!
Connect milliammeter (Class 0.1% at 125 mA) in series to
the field coils of the primary head (terminals 7/8). Make
sure it is connected properly!
Power the system. Wait 15 minutes for system to warm up.
Plug jumper (!) alternately into the two positions „.._„ on
plug board ®located on the front panel of the signal con-
verter (see Sect. 4.1). 115 to 135 mA must be measured in
bothpositions withthe polarityreversingbetween the two
positions. ·
The sum total must agree with the value stored under
Fct. 4.10. Max. variation 1mA.
Switch off the system!
Replace jumper (!) in normal position.
Disconnect millirullIIleter and make sure that the field
power supply cable for the primary head is properly con-
nected to terminals 7 and 8.
Always switch off power source before connecting
~'and disconnecting cables!
Set "zero" Dow in the pipeline, but make sure that the
primary head is completely filled with fluid.
If this is not possible, switch off the signal converter,
remove signal cable from terminals 1, 2 +3 in the terminal
box and shört terminals 1, 2 + 3 together.
Switch on the signal converter and wait 15 minutes.
Press the following keys for zero measurement (Fct. 1.07):
- ccccmm
- If "Err..." appears on the display, press the lil key;
otherwise proceed as follows.
- C, 5(6) * [I key, display: Fct. 1.07 ZERO CALIB.
- C, display "CALIB. NO"(=donotperformzeromeasu-
rement)
- D, display "CALIB. YES" (= perform zero measure-
ment)
- IJ, zero measurement in progress, duration approx.
45 seconds. Display: actual flowrate 0.0% of full-scale
range: max. deviation± 0.2%; ifgreater, checkwhether
flowrate is actually "zero".
- After zero measurement:
Display "STORE NO"(= do not store new zero value,
retain old value).
Press C key, display "STORE YES" (= store new zero
value).
- Regardless of whether the new zero value is to be sto-
red or not, exit from the programming mode as fol-
lows:
Press lilkey 5 *; signal converter reverts to measuring
mode.
- If terminals 1, 2 + 3 had been shorted together (see
above), switch off signal converter, remove shorting
jumpers, and reconnect signal cable to terminals 1, 2+3.
Always switch off power source before connecting and disconnecting cables!
The test points in boxes with thin line borders need only be checked when:
1. The system has been newly installed,
2. Signal converter or primary head has been replaced,
3. The wiring arrangement has been changed.
The test points in boxes with thick line borders should be checked every time the system is tested.
Rated voltage of SC 100 AS no - Set to correct
(and power driver NB if r
rated voltage!
applicable) correct?
yes
Is cable cross-section ade- no ~
Use new cable with adequate
quate for field power cable ~
cross-section! (If applicable,
(terrn. 7/8), see Sect. 2.4? mount power driver NB closer
. to primary head).
yes
Measure conductivity of fluid no ~
Is signal circuit no
-and cable length between sig- ~ (terrn. l, 20, 2, 3, 30) wired r Either use signal cable B
nal converter & primary head.
using signal cable B (type BTS) or mount
(type BTS)? SC 100 AS closer toCheck against diagrarns: is
yes i primary head!
length less than perrnissible
value Lmax?
Mount signal converter
closer to primary
ja l:J.ead!
" ' '
continued on next page
41
1cci~;;n;~~~·;;~uring~
1 UV ..._ J '-'V.J..Lll. 'vl. 1..V ~.l.Vu..J..l.U. 0.VVV.l.u.J.U.~
1
. to regulations
ground) as specified?
yes
Is signal cable's insulation no
- Insulate correctly!
to ground faultless (no
.
short between shield and
(Replace if damaged!)
ground)?
yes
Is current output correctly no
- Set correctly.
programmed? . Mark change on nameplate!
yes
Are receivey. instruments at no J Connect as specified in
term. 5, 6 correctly connected . Sect. 2.6!
(in series, note load. Ranges
acc. to current output, max. I
instr. with single-ended input)?
yes
Is SC 100 AS set to correct no R6"enter prirnary head con-
prirnary constant GK? Are.
. stant GK (and magnetic field
GK values, magnetic field frequency if necessary) at
frequency and current range SC 100 AS! Required current
on nameplates of prirnary range if necessary with
head and signal converter power driver NB!
(power driver NB) identical? ~
j.-
..
yes
Check zero setting, see no
- Check signal converter
Seel. 7.2. In order? . SC 100 AS (and power driver
~
NB, if applicable)!
yes
'
Check direction of flow,
see Sect. 5.4.
.
yes
Do all receiver instruments no ~
Connect receiver instruments
deflect in the right . with correct polarity!
direction?
yes
Do receiver instruments no ~
Check system, particularly
indicate the right value? . primary head constant GK. If
test negative, check signal
converter SC 100 AS (and
power driver NB)!
yes
1r
Is local display steady at no Increase time constant no Check prirnary head and, if~
(Fct. 3.1.05 for SC 100 AS). ~
constant flow rate? . . applicable, power driver NB
Reading steady?
(incl. wiring)!
yes
1r
System in order.
1~ yes
~
42
Condensed lnstructions - SC 100 AS 0119s IKROHNE j
3K24E/A6 019521 Printed in Gennany Subject to change without notice. ° Copyright KROHNE-Messtechnik GmbH & Co.
[:j~iM~llfü8ii#ifüi!I~ii1tfJ1111fI1lfitff1f11Ilfilfill1t1HlHII1Il!Itttt!füilfl@1Hf1@[~f[llHf1Ittmm
After powering, the signal converter enters the normal measuring mode.
Key Display 1st line l2nd linel Comments
CCDD1111l (ENTER 1, 2, 3, 4, 5]
with 1 Coding, dependent on programrning of
or
a
D
Key
a
c
Err. 01...16
Err. 02... 16
Fct. 4.02 (YES or NCI';, refer to Seel. 4.6 +5.12
without
Error(s) in measuring mode, see E-List, Sect. 4.4
appears only, if one or more errors have occurred during measuring operation
display next error, if more than one
terminale error display
Fct. 1.00 lFLOW OATAJ Main menu level, lst main menu displayed, continued as described below
Main menu level
Select
mainmenu
Enter dIBplayed
mainmenu
Submenu level
Functional level
Select
submenu or function
Enter displayed
submenu or function
Revert to main menu
or submenu level
Data level
Data/Units
Select next
proposal
Return to functional
level, previous data/units retained
Numerical values
Increase flashing digit
(cursor) by 1
Shift flashing digit (cursor)
1 place to the right.
Note: If in last position, system
will revert to functional level,
last numerical value retained
Revert to functional level, store new data,
units or numerical values temporarily. *
*Flashing display Err. 0000< M/Nor Err. 9999> MAX=numerical yalue too low ortoohigh. Press anykeyto obtain dis-
play of perrnissible minimum or maximum value, then enter correct numerical value.
Important ·
1. Continuously pressing the C or D key will cause the function of these keys to be continuously repeated (autorepeat
function).
2. lfno keystrokes are made for approx. 180 seconds, the signal converter will automatically revert to the measuring mode
without accepting any changed data into the measuring program (time-out function). Exception: if at start of program-
ming errors Err. E04, E05 and/or E14 are established, see Sect. 4.4.
Newly entered data will only be accepted into the measuring program ifthe programming mode is terminated
by following the procedure below.
Key
1, 2 or 3 xi]
llllll
Key
CllD
ll ll ll
Key
ccaamm
o:r
Display 1st line l2nd linel
Fct. 1.00...4.00
Actua/ measured value
Err. P01...14
Err. P02...14
Fct. 1.00 lFLOW DATAJ
Display l2nd linel
lENTER 1, 21
lTOi. RESETJ
Actua/ measured value
Display 1st line l2nd Jinel
lENTER 1,2,3,4,51
Err. E01...E16
Fct. 1.00 lFLOW DATAJ
Actua/ measured value
Comments
Select main menu level
Revert to measuring mode level
Plausibility check, lasts approx. 5 seconds
lfo error in plausibility check, any changed data accepted into measuring
prograrn, actual measured value displayed (measuring mode level)
Error(s) in plausibility check, see P-List, Sect. 4.5
Display next error, if more than one
Terminate error display and revert to main menu level, lst main menu displayed,
select faulty function(s) and correct data, see Sect. 4.6
Comments
Measuring mode not interrupted
Totalizer reset
Measuring mode level, actual measured value displayed
Comments
with lwithout
Coding, dependent on programrning of Fct. 4.02
(YES or NCJ), refer to Sect. 4.6 + 5J2
Error messages (not with Err. E04, E05 and/or E14)
Main menu level
Measuring mode level, actual measured value displayed
A
Text
1.01 FULL SCALE
1.02 REV. SCALE
1.03 VALUE
1.04 DIAMETER
1.05 GKVALUE
1.06 FLOW DIR.
1.07 ZERO CALIB.
2.01 DISP. FLOW
2.02 UNITTOTAL.
2.03 DISP. TOTAL.
2.04 ERRORMSG
2.05 DISP. TEST
B
Desc::ription and input
:e'n .i>~!!~B:;.
Full-sc::ale range for
ßowrate 0100%
Unit: select from list (Sect. 5.1)
Range: (Sect. 5.3):
0.0034 ta 542900 m3
Ihr or
0.8962ta143400000 US G/min
After selecting unit. call numerical
value with C key. Ist diqit flashes
Different range for reverse
ßow? NO or YES
Full-sc::ale range for reverse
ßow (appears only if YES entered
under Fct. 1.02)
Unit: select from list (Sect. 5.1)
Range: (Sect. 5.3):
0.0034 ta 542900 m3
Ihr or
0.8962 ta 143400000 US G/min
Va/ue must not be greater
than that af Fct. 1.01
After se/ectjng unit ca// numerica/
value with C key. Ist diqit flashes
Meter size
Unit in mm or inch
Range: 2 ta 4000 mm or
0.0787 ta 157.5 inch
After selecting unit. call numerical
value with C key, Ist diqit flashes
Primary c::onstant GK
(see primary head nameplate)
Range: 0.5 ta 14
Deime direc::tion of forward
(normal) ßow
Enter acc. to direction of arrow
( + or - J on primary head
Zero c::alibration (Sect. 7.2)
Carry out only at "O" flow and when
measurin tube com 1. filled with fluid
1) Inquiry: CALIB. NO or YES
2) If YES: calibration (duration 45 sec)
with zero display in PERCENT of 0100%
3) Inquiry: STORE NO or YES
'"'II,
Unit for ßowrate display
• m3
/Sec • m
3
Imin • m
3
lh
• Liter/Sec • Liter/min • Literlh
e US G/Sec e US G/mine US Glh
e h LiterIhr or US MG/DA Y
(=hectoliters per hour, for US version
US million gallons per. day) factory
set, can be changed as required
via Fct. 4.04, 4.05+4.06 (Sect. 5.14)
e PERCENT
e NO DISPLAY
Unit for totalizer display
• m
3
• Liter • US G
• h Liter or US MG (hectoliters
or US million gallons) see
Fct.No. 2.01 (h LiterIhr or US G!DAY)
Func::tion of totalizer display
• + TOTAL. (= forward totalizer)
• - TOTAL. (= reverse totalizer)
e +/- TOTAL. (= forward and
reverse flow totalizers, altemating)
e SUM TOTAL. (= sum of + and
- totalizers)
e ALL TOTAL. (= sum, + and
- totalizers, altemating).
e NO D/SPLAY (= totalizer
switched on but no display)
e TOTAL. OFF(= totalizer
switched off)
Whic::h error messages to
be displayed?· (Sect. 4.4)
e NO MESSAGE
(= no error messages)
e ADC ERROR (= only ADC
conversion errors)
e TOT. ERROR
(= only errors of intemal totalizer)
e ALL ERROR (=all errors)
Carry out display test
Start with CJ key
3.1.01 FUNCTIONI
3.1.02 I 0 PCT.
3.1.03 1100 PCT.
3.1.04 IMAXmA
3.1.05 T-CONST. I
3.1.06 L.F.CUTOFFI
3.1.07 CUTOFFON
3.1.08 CUTOFFOFF
3.2.01 FUNCT/ON F
3.2.02 PULSOUTP.
3.2.03 PULSRATE
3.2.04 PULSE/UN/T
3.2.05 PULS WIDTH
3.2.06 T-CONST. F
3.2.07 L.F.CUTOFF F
Func::tion, c::urrent output (1)
e OFF (= switched off)
e FIR /NO. F(=F/RindicationforF)
• 1 DIR. (= 1 flow direction)
• I < I 0 PCT. (=Forward/Reverse
flow, e.g. in 0-20mA range:
F=l0-20 mA, R=l0-0 mA)
• 2 DIR. (= forward/reverse
flow, F/R measurement)
Current for 0% ßow CJoq.)
Range: 00 ta 16 mA
Current for 100% ßow,
Full-scale range CI100%)
Range: 04 ta 20 mA
(Value at least 4 mA greater
than that of Fct. 3.1.02)
Adjustment of max. output
c::urrent Cimax)
Range: 04 ta 22mA
(Value must be greater than/equal
to that of Fct. 3.1.03)
Time c::onstant, c::urrent output
Range: 0.2 ta 3600 Sec.
Low-ßow c::utoff (SMU) for
c::urrent output?
NO or YES (Sect. 5.9)
Cutoff "on" value SMU-I
(appears only if YES entered
under Fct.No. 3.1.06)
Range: 01 ta 19 PERCENT
Cutoff "off" value SMU-I
(appears only if YES entered
under Fct. 3.1.06)
Range: 02 ta 20 PERCENT
(Value must be greater
than that of Fct. 3.1.07)
Func::tion, frequenc::y output (F)
• OFF(= switched off) _
e FIR !NO. I (= FIR indication for I)
• 1 DIR. (= 1 flow direction)
• 2 DIR. (= forward/reverse
flow, F/R measurement)
Unit, frequenc::y output
e PULSRATE (= input in pulses
per unit time)
e PULSE/UNIT(= input in pulses
per unit volume)
Pulse rate for 100% ßowrate
(appears only if PULSRATE
entered under Fct. 3.2.02)
Range:
2.778*10-3
ta 10000 pulses/Sec
0.1667 ta 600 000 pu/ses/min
10 ta 36 000 000 pu/ses/hr
After selecting unit, call numerical
value with C key, lst diqit flashes
Pulse value
(appears only if PULSE/UN/T
entered under Fct. 3.2.02),
Unit in pulses per m3
, Liter, US G
or unit of Fct. 4.04, 4.05 + 4.06
(Sect. 5.14) - Range:
0.0001 ta 0.9999*1a9 pu/ses
[no input check but:
0100%* pulse value ::;
36 000 000 pulses ~ 10 kHz]
After selecting unit, call numerical
value with C key, Ist digit flashes
Pulse width for frequenc::ies ::;toHz
• 30mSec. • 50mSec.
• 1OOmSec. • 200mSec.
• 500mSec.
Time c::onst. for frequency output
T< F> = 0.2 Sec.
T< F> = T< I >(=time constant
for F same as for !, Fct. 3.1.05)
Low~flow c::utoff (SMU) for
frequenc::y output
NO or YES (Sect. 5.9)
Fct. No. Text
3.2.08 CUTOFFON
3.2.09 CUTOFF OFF
3.3.01 FUNCTION S
3.3.02 AUTO. RANGE
3.3.03 I TRIP PT.
3.3.04 F TRIP PT.
Description and input
Cutoff "on" value SMU-F
(appears only if YES entered
under Fct. 3.2.07)
Range: 01to19 PERCENT
Cutoff "off'' value SMU-F
(appears only if YES entered
under Fct. 3.2.07)
Range: 02 to 20 PERCENT
(Value must be greater
than that of Fct. 3.2.08)
Funct. of status indication output
• OFF(= switched off,
0 V at term. 4/43)
• ON(= switched on,
24 V at term. 4/43, e.g. as
operational status indicator
e FIR /NO. I (= FIR indication
for I), Sect. 5.10
e FIR /NO. F (= FIR indication
for F), Sect. 5.10
e AUTO. RANGE(= automatic
range change), Sect. 5.16
e I TRIP. PT. (= trip point I as %
of 0100%, Fct. 3.3.03)
e F TRIP. PT. (= trip point F as %
of 0100%, Fct. 3.3.04)
e L.F.CUTOFF I (= low-fl.ow cutoffI),
Fct. 3.1.06
e L.F.CUTOFF F (= low-flow cutoff F)
Fct. 3.2.07
e AOC ERROR}
e TOT. ERROR s. E-List Sect. 4.4
e ALL ERROR
Automatie range change for
current output, see Sect. 5.17
(appears only if AUTO. RANGE
entered under Fct. 3.3.01)
Range: 05 to 80 PERCENT of 0100%•
(Value must be greater than
SMU-I cutoff "on" value, Fct. 3.1.07)
Trip point for current output,
Sect. 5.18 (appears only if
I TRIP PT. entered under Fct. 3.3.01)
Range: 001to110 PERCENTof 0100%
(Value must be greater than
SMU-I cutoff "off" value, Fct. 3.1.08)
Trip point for frequency output,
Sect. 5.18 (appears only if
F TRIP PT. entered under Fct. 3.3.01)
Range: 001to115 PERCENTof010o%
(Value must be greater than
SMU-F cutoff "off" value, Fct. 3.2.09)
4.02 ENTRYCODE
4.03 OUTP. HOLD
4.04 UNITTEXT
4.05 FACT. QUANT.
4.06 FACT. TIME
4.07 FJELD FREQ.
4.08 NO/SE
4.09 REF. SEL.
4.10 FJELD GUR.
Coding for entry into
programming mode? Sect. 5.12
• NO = entry with fil key
• YES = entry with keys
CJ CJ [] IJ fil fil
Hold values of outputs
during programming?
NO or YES (Sect. 5.13)
Text for field-programmable
unit, Sect. 5.14
A„.Z I a„.z I 0„.9 / _ (= s ace)
Conversion factor for
quantity FM, Sect. 5.14
Factor FM= quantity ~er 1 m3
Range: 0.00001*1U to
9.99999*10+9
Conversion factor for time FT
Sect. 5.14
Factor FT in seconds
Range: D.00001*1U9
tci
9.99999* 1o+9
Magnetic field frequency,
Sect. 5.15+8.2
• 116 • 1116 • 1132
Noise rejection, Sect. 6.2
e NO NO/SE e NO/SE
Selecting the reference voltage
Sect. 6.2
e AUTO. REF.
(= automatic reference)
e HIGH-FLOW
(=high flow range)
e ME01-FLOW
(= lst medium flow range)
e ME02-FLDW
(= 2nd medium flow range)
e ME03-FLOW
(= 3rd medium flow range)
e LOWFLOW
(= low flow ran e)
Input of field current
Range: 225.00 to 275.00 mA
(see sticker at term 7 + 8 on
"basic" pc board/with power driver
NB 900 F always ± 250 mA)
Must not be changed, Sect. 7.2 + 8.1!
Please note: signal converter SC 100 AS/HPC/S, new structure of main menu 4.0 Special functions
4.02 ENTRYCOOE
4.03 OUTP. HOLD
4.04 UNITTEXT
4.05 FACT. QUANT.
4.06 FACT. TIME
Language of display texts; Sect. 5.11
e GB/USA (= English)
• 0 (= German) • F (= French)
• SF (= Finnish) • others endin
Coding for entry into
programming mode? Sect. 5.12
e NO = entry with l]I key
• YES = entry with keys
aaccmm
Hold values of outputs
during programming?
NO or YES (Sect. 5.13)
Text for field-programmable
unit, Sect. 5.14
A„.Z I a...z / 0„.9 I _ (= s ace)
Conversion factor for
quantity FM, Sect. 5.14
Factor FM= quantity ~er 1 m3
Range: 0.00001*1U to
9.99999*1o+9
Conversion factor for time FT
Sect. 5.14
Factor FT in seconds
Range: 0.00001*1U9
to
9.99999*10+9
Fct. No.
4.07
4.08
4.09
4.10
4..11
4.12
Text Description and input
FJELD FREQ. Magnetic field frequency,
Sect. 5.15+8.2
• 116 • 1116 • 1132
SCALE SEL. Select preamplification, Sect. 13
•AUTO (automatic)
e HIGH FLOW (high flow range)
• MED. FLOW (medium flow range)
• LOW FLOW (low flow range)
FJELD GUR. Input of field current
Range: 225.00 to 275.00 mA
(see sticker at term '] + 8 on
"basic" pc board/with power driver
NB 900 F always ± 250 mA)
Notto be changed, see Sect. 7.2 + 8.1
NO/SE Noise rejection, see Sect. 13
eND e YES
LIMITCNT Counter for off-lirnit condition
(appears only if YES entered under
(Fct. 4.10 NO/SE), see Sect. 13
Range: 001 to 250
LIMIT VAL Limit value for noise amplitude
(appears only if YES entered under
Fct. 4.10 NO/SE), see Sect. 13
Ranqe: 01 to 90 PERCENT
c
1 Err. P„ 1 Text 1 Description
Err. P01 V RANGE Velocity v outside possible range (0.3 to 12 m/s or 1 to 40 ft/s)
FULL SCALE (Fct. 1.01) < > DIAMETER (Fct. 1.04)
Err. P02 REV. SCALE REV. SCALE (Fct. 1.03) > FULL SCALE (Fct. 1.01)
Err. P03 IRANGE I 0 PCT. (Fct. 3.1.02) > I 100 PCT. (Fct. 3.1.03) or difference < 4 mA
Err. P04 IMAXmA I MAX mA (Fct. 3.1.04) < I 100 PCT. (Fct. 3.1.03)
Err. P05 ICUTOFF I: CUTOFF ON (Fct. 3.1.07) ~ CUTOFF OFF (Fct. 3.1.08)
Err. P06 FCUTOFF F: CUTOFF ON (Fct. 3.2.08) ~ CUTOFF OFF (Fct. 3.2.09)
Err. P09 F> 10 KHZ Frequency for Orno% > 10 kHz
Err. P10 PULS W/OTH Max. pulse width exceeded (see Fct. 3.2.05)
Err. P12 RNG./CUTOFF 2nd range of automatic range change (see Fct. 3.3.02):::; I CUTOFF ON (see Fct. 3.1.07)
Err. P14 I TRIP PT. I TRIP PT. (Fct. 3.3.03) outside range of current output (see Fct. 3.1.04)
E-List Description of error Rectify instrument fault Error output in measuring mode vi
Error messages and/or - Display (Fct. 2.04) and/or
clear error message - Status indication output (Fct. 3.3.0
dependent on programming
Display NO ADC TOT. ALL
Ist line* 2ndline MESS. ERROR ERROR ERROR
Err. E01 UNE /NT. Power failure since D - - yes yes
last programming reset totalizer(s) if necessary
Note: no counting during
power failure
Err. E02 TOTAL/ZER Counts lost or totalizer D - - yes yes
overflow
Note: totalizer was reset!
Err. E03 DISPLAY Numerical overflow of display Check data Fct. 2.0.0 - - - yes
Display Ist line: ------------------
Display 3rd line: note 'Y Marker!
Err. E04 EEPROM 1 Data error in EEPROM 1 Check instrurnent parameters ** * * * * * *
(parameters) 0
Err. E05 CAL. DATA Calibration data lost Recalibrate signal converter, ** * * ** **
please consult factory
Err. E06 EEPROM 2 Data error in EEPROM Z (totalizer) D - - yes yes
Note: totalizer deviation possible reset totalizer(s) if necessary
Err. E07 RAM Check-sum error in RAM 0 - - - yes
Err. EOB ROM Check-sum error in ROM 0 - - - yes
Err. E09 ADC ADC value overranged or 0 - yes - yes
ADC defective
Err. E12 FREQ.OUTP. F Frequency output overranged D - - - yes
If necess„ check data, Fct. 3.2.00
Err. E13 CUR.OUTP. I Current output overranged D - - - yes
If necess., check data, Fct. 3.1.00
Err. E14 EE1 EE2 Current calibration values Terminate programming mode ** ** * * **
EPPROM t+Z are different (press mkey 4x), values
(occurs only when pc board changed)
corrected automatically
Err. E16 FUSE FS fuse for power failure Fit new F5 fuse, ye_s*** yes*** yes*** yes
identification defective see Sect. 8.5
* When errors are displayed during the measuring mode, "a numeral" and "Err." will appear in the Ist line.
The numeral gives the nurnber of momentarily occurring errors that are displayed alternately with the actual measured value.
**
***
0
0
No output in measuring mode! With these errors, the signal converter is automatically in the programming mode.
No output via status indication output (Fct. 3.3.01)
Invoke and then terminate programming mode.
Keystrokes: 2 X c /2 X a /2 X l]I and 4 X l]I or 1 X l]I and 4 X l]I (dependent on programming in Fct. 4.02)
Invoke and then terminate programming mode.
Keystrokes: 2 X c /2 X a /2 X [il and 4 X [il or 1 X [il and 4 X [il (dependent on programming in Fct. 4.02)
Consult factory if these errors occur several times in succession.
Programming and function of keys (Sect. 4.3)
Table of programmable functions (Sect. 4.6)
Plausibility check, P-List (Sect. 4.5)
Error messages, E-List (Sect. 4.4)
The Sect. Nos. referred to in these Condensed Instructions
will be found in the SC 100 AS Installation and Operating Instructions
D
Page
Pages B +
Page
Page
Always switch off power source before connecting and disconnecting cables!
Requrred measuring instruments:
·ohmmeter with at least 6 Volt range or AC voltage/resistance bridge, AC voltage multirange instrument.
Check signal converter
SC lOOAS!
i no
Fill primary head with fluid. no . If NB provided: open cover. Is no Switch off SC 100 AS. Disconnect
Power the SC 100 AS (and NB).
... LED "magnetic field frequency"
.
cables from term. 7, 8 of...
Use AC voltage meter to (NB 11) on? SC 100 AS. Switch on SC 100 AS.
measure voltages at term. 7,8
yes l Use AC voltage meter to measure
of primary head. Reading .___ voltage at term. 7,8 of
>3V? SC 100 AS. Reading > 3 V?
Check power driver NB! i yes
Break or short-circuit in
field power cable
yes (or NB operating cable).
Correct problem.
1
'Ir
Switch off SC 100 AS. Disconnect no Electrodes contaminated.
-term. 1, 2, 3 on primary head. ... Clean! Electrode seals not
Use ohmmeter to measure re- tight. Return primary head
sistances between term. l, 2 for repair!
and term. 1, 3, always with
ohmmeter measuring lead on
term. 1. Are measured resist-
ances approx. equal?
yes
-
Disconnect cable from .1 Primary head defective!Disconnect SC 100 AS (and NB). no
- term. 7, 8 of primary head.
no
Remove cable from term. 718 ... ... Return to factory for repair.
on SC 100 AS (or from term.
Test insulation at term. 7, 8 of
7.2/8.2 on NB). Test insulatio~
primary head against term. 1.
between cable 7, 8 against
Is resistance more than
term. 1 on converter. Is resist- ~
20MOhm?
ance more than 20 MOhm?
l
yes ~ '
Cable has ground fault.
yes Replace!
„
Primary head in order.
43
Always switch off power source before connecting
and disconnecting cables!
Required instruments
Tue testing procedure is designed to provide information
on the fünctionality and correct programnring of the
SC 100 AS.
- Arometers: 0 to 20 mA, Class 0.1 and
oto ~mo mA, Class 0.1
- Primary head simulator GS 8
- Frequency meter: Range 0 to 10 kHz
Time base 1 or 10 s
Load>2k0hm
Tue cause of faults or setpoint deviations can be determi-
ned with the aid of the troubleshooting instructions,
Sect. 7.7. Testing can also be carried out without the frequency
meter.
Line voltage of SC 100 AS no ~ Return to factory for readjust-
correct?
~
ment or replacement!
yes
no ~
Are all jumpers on plug board ~ Plug in correctly!
® of front panel firmly
plugged in, as pictured
under "NORMAL"?
yes
When testing in the system, no ~ Check power fuse FOL no ~
Locate fault, see Sect. 7.7.
adjust flow to "zero" exactly. If ~ 1Defective?
~
'"'not possible, disconnect signal
cable from term. 2 + 3, and
mutually short term. 1, 2, 3. yes
When testing without signal
Fit new fuse! Does SC 100 ASconverter, mutually short term. no
l, 2, 3 and 10. Connect milli- display now indicate Ident.-No.
ammeter to tenn. 5, 6 (range and subsequently flowrate/
0 to 20 mA). Connect frequency
totalizer values, possibly alter-
nating with error messages?
meter to term. 4,42. Switch
on power. Does the SC 100 AS
display indicate Ident-No.
(approx. 3 sec.) and subse-
quently flowrate/totalizer values,
possibly altemating with error yes
messages (Err...)?
1~
yes 1 ~
..-- yes
Check zero as specified no ~
in Sect 7.2 (Fct. 1.07). Does
~
Store new zero value.
flowrate display show lst attempt at zero
0% (± 0.2%) during calibration?
check-out?
no
Disconnect term. 1 (measur-
no ~
~ Signal converter defective!
ing ground). Short term. l, 2, Locate fault acc. to 7.7.
3, 10. Repeat zero check. Does
yes
display now show 0%
(±0,2%)?
yes
Test primary head and its
no ~
~
Repair wiring! Repaet zero
grounding! Check whether
flow is zero (valve leaky, adjustment!
pipe empty). Everything
in oider?
yes
Test primary head acc. to 7.4!
„
continued on next page
44
lDoes the current output
no L
-indicate the value entered for
lo% (Fct. 3.1.02)?
yes
,„
Test for response, see Sect. 7.6
(setpoint display readings). no
-In order?
yes
no
Test field power supply. --Connect 0 to 200 mA milliam-
meter to term 7.8. Plug jumper
CD altemately into the 2 posi-
tions "A" (Ip TEST) on plug
board ® !ocated on front panel
_of SC 100 AS. Is reading 115 to
135 mA in both positions with
polarity reversing between the
2 positions? (see Sect. 7.1).
yes ,+,.:::
yes
Signal converter SC 100 AS
in order!
Check Function 3.1.02. Is the
no ~
-desired lo% value
programmed?
yes l
Locate fault acc. to 7. 7
Signal converter defective!
Locate fault acc. to 7.7
no
Is deflection "O" mA? L
-
yes l
Change field power fuse
F 02 on basic board (unscrew
front panel). Is reading
correct?
1
Set correctly!
'
Basic board defective! Return
to factory for replacement
or repair.
·~
no
45
„:
il
I
!!,,
•!
:'i
II
li
II
I!
I!
i!
1:
''.'li.,
!'
1
1
k:il
lit;
m
lfl
r.'·Iilf
t
;,
1i
m11,I
7.6.1 GS 8: Operating elements and connection cable
D p
w
LED
17.6.2 Electrical connection between SC 100 AS and GS 8
1. Switch off power source!
2. Remove cover from connection compart-
ment.
3. Disconnect primary head cables from
terminals 1, 2 (20), 3 (30), 7 + 8.
lmportant:
note terminal assignment beforehand!
4. Electrical connection as shown in the fol-
lowing diagram using 2 round cables M.
Insertplug connectorHl into socket H on
the front panel of the GS8.
0
46
= milliammeter
accury class 0.1
Ri < 800 ohms
range 0 to 20 mA
= electronic frequency counter
input resistance min. 1 kOhm
range 0 .to 10 kHz
time base min. 1 second
20
D switch, flow direction
H socket for plugs Hl of
connection cables M
LED power supply "on"
P potentiometer "zero point"
W compartment for connection
cables M
Y switches measuring ranges
M connection cable between
SC 100 AS and GS 8
SClOOAS
30 4 4.1 4.2 4.3 5
GND
L N
H1
1 7.6.3 Check of setpoint display
1. Switch on power source, allow at least 15 minutes'
warm-up ti_me.
2. Set switch D (front panel GS8) to "O" position.
3. Adjust zero with the 10-turn potentiometer P (front
panel GS8) to Io% ± < 10 µA.
4. Determine position of switch Y and setpoints I and f as
follows:
4.l X = 0100% *K * F
GK * DN2
0100%= full-scale range (100%)
in volumetric units (V)
per unit time (t)
GK = prirnary constant
(see prirnary head nameplate)
F = 2, if GK value
begins with "L"
= 1, GK value without L
DN = meter size in mm
or inches
=time in seconds (Sec.)
minutes (min), hours (hr)
V =volume
K = constant, see following Table
DN ~ Sec.
mm Liter 25464
m3 25464800
US gal 96396
inches Liter 39.47
m3 39470
US gal 149.4
4.2 Determine position of switch Y
min hr
424.4 7.074
424413 7074
1607 26.78
0.6578 0.0196
657.8 10.96
2.49 0.0415
Use table (front panel GS8) to determine the value Y which
comes closest to the factor X and meets condition Y ~ X.
4.3 Calculate setpoint reading CD current output
y
I = lo% + XCI100%-Io%) [mA]
Io% = current at 0% flowrate, see Fct. 3.1.02
(e.g. 4 mA, at 4 to 20 mA)
I100%= current at 100% flowrate, see Fct. 3.1.03
(e.g. 20 mA, at 014 to 20 mA)
4.4 Calculate setpoint reading (f) freguency output
y
f = x* f100% [HzJ
f10o% = pulses per second at 100% flowrate,
see Fct. 3.2.03
5. SetswitchD (frontpanel GS8) to position „+" or "-" (for-
li!ard or reverse floi'tl).
6. Set switch Y (front panel GS8) to the value determined
by the method described above.
7. Check setpoint readings I or f (see Points 4.3 and 4.4).
8. Deviation < 1.5% of setpoint! If greater, locate fault as
described in Sect. 7.5 + 7.7. First check field power
supply as described in Sect. 7.1.
9. Linearity test: adjust lower Yvalues, readings will drop
in proportion to the determined Yvalue (see Point 4.2).
10. Switch of power source after completing the test.
11. Disconnect GS8.
12. Reconnect leads of prirnary head.
13. Replace housing cover.
14. The system is ready for operation after the power
source has been switched on.
17.6.4 Example
Full scale range 0100% = 280m3/hr
(Fct. 1.01)
Meter size DN = 80 mm c~ 3")
(Fct. 1.05)
Current at Oo% Ioo/o = 4 mA (Fct. 3.1.02)
Current at 0 100% 1100% = 20 mA (Fct. 3.1.03)
Pulses at Owo% f100% = 280 pulses/hr
(Fct. 3.2.03)
Prirnary head GK = 3.571
constant (see nameplate)
Factor (GK valve
without "L") F =l
Constant (V in m3, K = 7074 (see Table)
t in hr / DN in mm)
Calculation „X" and position of switch „Y"
F X 0100% X K 1 X 280 X 7074
X= = =OOM
GK X DN2
3.571 X 80 X 80
Y = 80, position of switch Y, see front panel GS8 (comes
closest to X value and is smaller than X)
Calculation setpoint reading 1 and f
80
4 mA + - - - (20 mA - 4 mA) = 18.8 mA
86.67
Deviations are permissible between 18.5 and
19.l mA (equivalent to ± 1.5%).
y 80
f = X x f100%= - - x 280 pulses/hr =258.S pulses/hr
86.67
Deviations are permissible between 254.6 and
262.3 pulses/hr (equivalent to ± 1.5%).
47
Always switch off power source before connecting and disconnecting cables!
This chart will help to locate the defective PCB of a signal converter füat revealed a fault when tested according
to Section 7.5.
Instructions are based on the assumption that only one fault has occurred. Tue SC 100 AS is operated with open front r:
Required instruments
- Digital multimeter with the following ranges: 0 to 20 mA / 0 to 200 mA / 0 to 10 V
- Frequency meter: 0 to 20 kHz / time base 1 or 10 sec / load > 2 kohms
- Primary head simulator GS 8
Connections
- Milliammeter to term. 5,6
- Frequency meter to term. 4,42
- Primary head simulator GS 8 to term. 1, 2, 3, 7, 8 + 10 (see Sect. 7. 6.2)
- Power source to term. 11, 12
- Also connect up protective conductor (because of screening function) even if low voltage is involved, e.g. 24 V.
110 . 110 .Coilllect as described above. Set ~ Am all 4 LEDs off? r Does LED LD l/FA light up
GS 8 to "O". Use diagrams of PCBs Oll data output PCB?
µPI, data output and basic board yes
(see Sect. 9) to check whether yes
socked-mounted compollellts are
Check whether transformer leadscorrectly plugged in. Check that the
7 jumpers Oll plug board ® Oll µPI coilllected for applied supply volt-
age (see Sect. 8.3.1) and check - : Does LED LD 2/FI
PCB and ribboll cable Oll data output
colltacts. Test power fuse (F 01). [ (LED back-lighting) light up?
PCB are properly plugged in. Power
In order?
the unit. Do 4 LEDs (2 *red basic
board PCB, 1 * red data output PCB, llO yes
1 * LED back-lighting for display) yes
light up?
Does LED LD l/FSV light up Oll, "
1
basic board?
Signal collverter defective.
yes Return to factory!
·~
yes„
Switch power off, thell Oll again. llO
Does SC 100 AS display llOW show ~
8-digit Idellt.-No. for approx. . Does LED LD 2N 5 light up Oll
3 secollds? "
basic board?
yes llO
yes ~
llO ~ ..." Is the SC 100 AS in the 1
Does the SC 100 AS display thell programming mode? Relevant voltage supply in
show flowrate/count values,
yes t order!
possibly altemating with error
messages "Err„." (see Sect. 4.4)? Cancel error message as de-
scripted in Sect. 4.4. Is the ~
SC 100 AS llOW in the llo
yes measuring mode? . Correct fault. Switch power onr
yes again. Does fuse llOW stay
Output of error message yes intact?
"Err. 16 FUSE"? "
Switch off power. Fit lleW
FS fuse Oll basic board PCB.
yes
llo ~
Is the SC 100 AS now in the
llO measuring mode?
yes Test from beginning again!
llO ~
Check analog supply voltages Oll " Change fuse F 2 Oll basic boaJ
. board µP 1. V 7.5 and V 8 to Switch power Oll again. Now in~
measuring ·ground „ J_ " (test- order?
point G). In order?
yes
yes
,,
Signal collverter defective. Return
1
Test from beginning again!to factory!
1•
colltinued page after the llext olle
48
no ~
Change fuse F 4 on basic board.
no
~- : Data output PCB defective!
Switch on power again. Now in -order?
-
• 1
-yes r
no ~
no
- Change fuse F 7 on basic board.
~ Switch on power again. Now in
order?
- 1
-yes ~
no ~
no
-r Change fuse F 1 on basic boar9. -Basic board defective!
Switch on power again. Now in 'l
,„ order? „
- yes I -r no
r
no ~
no
- Remove µ Pl PCB and ribbon cable
r Change fuse F 3 on basic board. - from data output PCB. Change
Switch on power again. Now in ,, F3 fuse again. Switch on power.
order? Now in order?
~
I~
„~
yes i~ yes
Start lest from beginning again.
Switch off power. Reinsert ribbon
cable on data output PCB.
Switch on power. Does F3 fuse
,.._.
remain intact?
no
no
,
yes
1r
no ~
-Board µP l defective !
49
lPress keys for entry into programm- no Data output PCB
ing mode. Are key symbols, . defective!
clear text "INPUT" and number
of key strokes displayed? ,
....
1
1
Switch off power for approx.
yes 5 seconds. Repeat test.
yes jDoes display now show -
"Fct. 1.00 FLOW DATA" or an no
- no . Signal converter defective!~ ls this the lst attempt? .error message "Err„." Return to factory.
(see Sect. 4.4)?
~ l
yes
'r
no ~
Was this the lst zero no
Perforrn zero check (Fct. 1.07) . check?
as described in Sect. 7.2. Do
not save this "zero value" (press 11 yes .J,. yes
key)! Can the .display be set to
swing around "zero" using the Set 10-turn potentiometer P of GS 8 no . Check set parameters for Q,
IQ-turn potentiometer P of the
to "5.00" and repeat zero check . DN andGK.
GS 8? as described in Sect. 7.2. In order?
Save the zero value this time,
and then exit from pro- no
yes
gramming mode by pressing the 11
~key. Does data clisplay Reprogram, and repeat
now show "zero"? measuxement.
- 1 yes
~
,„
Lock the_lO-tum potentiometer P of ls "F/R IND.F" programmed under no ~ Data output PCBno
- .GS 8 in this position. Is the value ~ Fct. 3.1.01? defective!·
programmed for lo% (Fct. 3.1.02) yes .J,.
present at the current output
(terrn. 5/6)? Reprogram! Is the value for lo% now no
displayed?
yes 1 yes
„
Test for response as described no
-Does this apply to current and no ~
Current or frequency output stage~
frequency outputs? Note pro- ~
on data output PCB defective!in Sect. 7. 6 (setpoint display gramming of frequency output!
readings). Level control iss; 100%!
The value of the current output may yes lchange if BA (Fct. 3.3.02) is
activated. Note: Depending on no - Repeat responsitivity test acc. toprogramming of the current output Calculation of level control correct? ~f Sect. 7.6.
(Fct. 3.1.01 et seq.), this is only
controllable for one signal polarity.
yes iIn order?
Signal converter defective.
yes Return to factory.
!
'r
Test field power supply.
Connect 0 to 200 mA milliam-
meter to terrn. 7, 8! Flugjumper (J)
noaltemately into the 2 positions ""'" no ~
O mA displayed?
•(Ip TEST) on plug board ® located ~
on front panel of the SC 100 AS.
yesJ 1 Field power supply on basic board
ls reading 115 to 135 mA in both defective!
positions, with polarity reversing Replace field power fuse no
•between the 2 positions? See Sect. 7.1. F 02 on basic board.
Reading correct?
yes
- yes 1
...~
Signal converter SC 100 AS in order!
50
Always switch off power source before connecting and disconnecting cables!
Required instrument:
Ammeter 0 to 2 A, Class 0.1
Connect terminals 7, 8 of a functioning SC 100 AS to terminals 7.1 and 8.1 of the power driver. Note power supply rated
voltages (on narneplate) of both SC 100 AS and NB.
Rated voltage of power driver no • 1 Return to factory for readjust-
NB correct?
- ~ 1 ment or replacement.
yes
no
"
Are transformer feeder plugs ~
Plug in correctly!
and ribbon cable plugs prop-
erly inserted?
yes
no
"
Check power fuse. no
" Check single fuse next to
no
Switch on SC 100 AS and NB. ~ Defective? ~ -
Is "power supply" LED (NB 8) of transformer. Defective?
power driver on?
yes
yes
-yes ~
Replace! '
,,
Does "magnetic field frequency" no .LED (NB 9) of NB flicker or ~
fiash?
yes ~,
Connect ammeter (0 to 2 A) in no . When transposing jumper CD, Check SC 100 AS as described~ ~
series to the field coils of is "magnetic field frequency" no in Sect. 7.5!
primary head (term. 7.2/8.2). LED (NB 9) permanently
Plug bridge ® altemately into on/permanently off?
the two positions "A" on plug
board ® located on the front
panel of the SC 100 AS. Is
reading 1 A in both positions
with po!arity reversing between yes
the two positions?
yes
Power driver NB defective.
~"
1
~
Return to factory.
Power driver NB in order.
51
8. Service
Always switch off power source before commen-
cing work!
e All pc boards (PCBs) can be replaced individually
vvithout interaction vvith other, existing, pc boards.
• Remove the metal partition between connection and
signal converter compartments before replacing the
basic PCB. Remove 1screw, accessible from the con-
nection compartment.
Following replacement, take note of the field power
specified on the basic PCB near terminals 7 + 8 and
compare itvvith the settingin Fct. 4.10 (see Sect. 4.6 and
report on preset data for the SC 100 AS). If there is any
deviation, reprogram to this value in Fct. 4.10.
Range: 225.00 to 275.00 mA
Note: If power driver NB 900 Fis used, the value of
250 mA set under Fct. 4.10 must not be changed!
• The customer-specific data (see report on preset data
for the SC 100 AS) must be reprogrammed following
replacement of the µPl PCB.
Error message "Err. E14" is displayed, see E-List in
Sect. 4.4. Subsequently, be sure to perform zero cali-
bration and store the new zero value.
• All data of the intemal totalizer are lost on replacement
of the measured-value output PCB. Error message
"Err.E14" is displayed, see E-List, Sect. 4.4.
Always switch off power source before commen-
cing work!
• Specific calibration data for each primaiy head, speci-
fied on the nameplate, are determined during factory
calibration. This includes the primary head constant GK
and the magnetic field frequency.
Example
Nameplate, line GK: 2.371/6
2.371 --+ primary head constant, and
6 --+ magnetic field frequency
= 1/6 of power frequency
• The signal converter must be reprogrammed when a
primary head is replaced.
• Enter primary constant GK in Fct. 1.05 and the magnetic
field frequency in Fct. 4.07.
• A zero check (Fct. 1.07) is advisable following repro-
gramming, see Sect. 7.2.
• If the new primary head has a different meter size
(diameter), enter the new size in Fct. 1.04 and fue new
full-scale range for 0100% in Fct. 1.01; in the case ofF/R
operation, see also Fct. 1.02 + 1.03.
• A zero check (Fct. 1.07) is advisable following repro-
gramming, see Sect. 7.2.
• At all events reset the intemal totalizer as described in
Sect. 5.6. Note down totalizer counts beforehand.
1:::1~iiliii@fü~ijiJ.ii!iliii~iiliih~i!~ii~~[@iiifi:wMiil.iWft111HI111HilIIIIIIHI11Ht1II11H:It11ll1IIIIlIIIIIIll:m
1 8.3.1 SC 100 AS signal converter
Note: Only possible ifsignal converter has built-in universal
transformer of 100 to 240 V AC.
'
• Disconnect signal converter (and NB power
driver, if applicable) from power supply.
• Open housing and remove front panel.
• Reconnect the colored cables at terminal strip X6 on
the basic board of the SC 100 AS (see Sect. 9.1) for the
desired system voltage according to the following
table.
Terminals of terminal strip X6
Voltage 1 2 3 4 5
220 V AC gm blu gre vio+bm red
230/240 V AC gm blu
200 V AC gm vio
120 V AC bm+gm blu
110 V AC bm+gm blu
100 V AC ·bm+gm vio
blu = blue
bm = brown
52
gre = grey
gm = green
vio
gre
vio
gre
gre
or
vio
bm+gre
blu+bm
-
-
-
orange
violet
red
or
-
-
-
• Change fuse F 01 "LThlE" in accordance vvith the new
operating voltrage.
• Enter new operating voltage on the instrument name-
plate.
• Refit front panel and close housing.
Fuse
6 7 8 F 01 (LThlE) OrderNo.
- yel or T 0.16/250 G 5.07379
- or yel T 0.16/250 G 5.07379.
- yel red T 0.2/250 G 5.05678
red or yel+gre T 0.315/250 G 5.05804
red yel or + vio T 0.315/250 G 5.05804
or yel r~d+blu T 0.4/250 G 5.05892
yel yellow
1'
1 8.3.2 NB 900 F power driver
• Disconnect power driver from power supply.
• Open housing.
• Reconnect the colored cables at terminal strip NB 12 on
the basic board of the NB 900 F (see Sect. 9.4) for the
desired system voltage according to the following
table.
Terminals of terminal strip NB 12
Voltage 1 2 3 4
220 V AC red or gre+bm blu
230/240V AC yel gre blu+bm red
110 V AC yel+bm - blu or
120 V AC yel+bm gre - red
1::~~~l:llll,l.lf.l.l:~111tf.lll.llli~::.:~:'_.::·i~l:'.::1:1:=1~~::1:1:::11
• The output voltage at term. 4/42 is factory-set to 12 V.
• The output voltage can be changed to 5 V by inserting
soldering jumper "LEZ" ön the data output PCB, see
Sect. 9.3.
• Switch off power source before commencing
work.
• The SC 100 AS signal converter is equipped with a
module for power failure identification.
• This module is fuse-protected with an F5 fuse (200 mA
T, Order No. 5.07562) on the basic PCB (see Sect. 9.1).
'
• A defective F5 fuse is indicated duri.rlg measuring ope-
rations by the error message "Err. E18 FUSE" (see
E-List, Sect. 4.4).
• A defective FS fuse must be replaced immedia-
tely, because otherwise the totalizer counts are no lan-
ger saved in memory submodule M2. Also the signal
converter can not be reprogrammed.
5
• Change fuses F6 and F7 (NB 4) in accordance with the
new operating voltage.
• Enter new operating voltage on the instrument name-
plate.
• Close housing.
Fuses
6 F6 + F7 Order No.
yel yel/grn 2 * T 0.5/250 G 5.07094
or yel/grn 2 *T 0.5/250 G 5.07094
gre+red yel/grn 2 * T 1.0/250 G 5.06258
blu+or yel/grn 2 * T 1.0/250 G 5.06258
53
9. Connection and operating points 011 pc boards, circuit diagrams 'IJld spare parts
LD2/V5
Rx Lx LD1/FSV F2 F3
0
;:!!
"' ~ 8
II
-~ i
iffi
;j
0
··~
'
~
::~4
t r F1[~1~
1XIP<1
1 111
..,.,'""'
; ' 8·r T' .. . . . +
.i..;.
.. ~~
FS•f?
'!'
:t:
• i ~
T
8 8·
~
$-
=I
r ;j
~ 8'
-0
FOl F02 X4a XSa F4 F6 F7 X6
X4a /1 Z 3 4 5 6 7 8 9 10 11 12 13 1415161718 19 202122232425262728 29303132 3334 1 2 3 4 5 6 7 8 9 10 11 12 1314 15 16 1718 19 2021222324 Z5262728 2930313233 34 XSa/
1LL] L]l'""'=ll!'ttll" '1'IUIUlli"~II ~·l ll 1 1toµ P1
PCB
X3/ 1
X21X3 only
withEx-ve1sion
th1mdisconnec-
lingpoints ~
opened "Cl:::
X2/ 1112 3
~
2 3 4
'1!i Q1
"'4 6
5 7
....:_
::>
Rx
'_::J
5 6 Rx
~ 10
1
8 R1
„,
B ,r--1 z R6 J1.. /1
lA1
1t1 47oR
SFH610-2
-14VU
"measured-
va/ue
output
PCB
XI(<_?--
ZO ':'
2;::r>----~
3K9 / discormectfor
L----J---------------------+-++++-t-__,1-H++-"''1~2-"VU""-----~-"[i-1---'-'~---~.DC operatia11 4
220µ ,Y G/1 I F2 ..-3.;.--,„,.-'C::.-,
ye/
R2
3- 3K9
300-------...,c---++---'
4.10-____.,.y
4.Z~-~===~;~~di--i-----------------------------J4.3_ 3~
;-:- 34
- F02 760mAT
71-
12::; FOT 160mAT
10-
~1- · - - - - · - - · - - · - - ·--B ~,
1 FSV-Hybrid 1
1 1
1 1
L. -;--;E;;.-„- -·-rrll '~1•1·_J ~
~;~OKi:gr FSV TZ r ~T1 ~~ Lfci gµ2
39
~P1
54
~ f! 63V T ·T351' JR8 J:;l.,50R
l-'---f-+-1----!<,.,a--,
1
045D5 045D5 ,
1·: )-1/21[1
LJi_:"'SFH610-2
Ll1337T 12R1
Al-Adjust
-1ZVU
0
vvu
25V T - 1 T160mA
c2l_ · v112e ~
fizzoµ ~z
25V 1
""" Ll12930 T-5
„„ 1
·"'f'"---""~R==:="i'/[3 • F3 7
10:1~:: ,,tOV +SV
.L
C!O·T~ J,c6· ~T500mA
0 1p~·~.1p G/3 l+SVJ
2200µ Vl128 8
16V w•.1
F4' 7 1011
•• J;,
rnmmA ~14
F5 ~
+24 VU/+7 SVU*J [7 G/4 ~T200mA
_Q_____
4~t-f ~ R7.324/75VU 63V
V/128 I • 1011 12
F7- 11
T100mA
F6
+35VU/+75VU*I [11 G/5 T200mA
_Q_____ 470pd?
~ 5
R7.4 135/75VU 63VT
•',,,,,,,,,,.,
1
1
1
1
1
1
1
,,,
11
1
1
1
)!
!i'
'---""""'---+--';'-- ,,Vl1ZB """r_I_
GI~+48VU [3
___L
470µ·*· Vl12:::48VU 63V +
T31s;;;;.,,
R7 7
1011
t
s:
!g6
ye/igrn
or X6/
red
8
f--
7
6
~
5
brn
4
gre
vio
3
blu
IL
* only measurab/e with installed measured-value output PCB
all vnltages with primary voltages =rated voltage VUz20% 5Vz0.3V:
'
F 01 Fuse, power supply, for values and order
number see Sect. 8.3
F 02 Fuse, field power supply,
M 0.16/250 C to G
(M 0.125/250 C to G for X 1000-Ex)
F 1 Miniature fuse 315 mAT for
field current voltage supply
F 2 Miniature fuse 160 mAT for
analog voltage supply
F 3 Miniature fuse 500 mAT for
logic voltage supply
F 4 Miniature fuse 400 mAT for
voltage supply, frequency output
F 5 Miniature fuse 200 mAT-for
power failure identification
F 6 Miniature fuse 200 mAT for voltage supply,
serial interface (for SC 100 B)
F 7 Miniature fuse 100 mAT for
voltage supply, analog output
LD l/FSVLED for field power supply:
voltage check
LD 215 V LED for 5-V supply voltage:
logic voltage check
1
insert for stable
Soldered jumper analog output when
2 resistors 10 Mohms measuring tube
empty, see Sect. 6.3
T
X4a
X Sa
X6
Symbol
R 1,2
R3,4
R5
R6
R7
R8
R9
R 10
c 1,2
c 3,7,11
C4
C5
C6
CS
c 9,10
p 1
GI 1,2,3,4,5
T 1,2
Al
IC 1
IC 2
IC3
LED 1
F 1
F 2,5,6, F 02
F3
F4
FS
'F7
X4a
X4b
Universal transformer 100 to 240 V AC
Base for plug board X 4b, µPl pc board
Base for plug X 5b, measured-value
output pc board
Terminal strip, transformer, change of opera-
ting voltage, see Sect. 8.3
Description Part No.
Basic board, compl. 110-220 V AC 2.07170.00
Basic board, compl. 24/42 V AC 2.07143.00
Circuit board 3.07209.09
Resistor, carbon, 3.9 kOhm, ± 5%, 0,25 W 5.05926
Resistor, carbon, 270 Ohm, ± 5%, 0,25 W 5.06051
Resistor, carbon, 560 Ohm, ± 5%, 0,25 W 5.05936
Resistor, carbon, 470 Ohm, ± 5%, 0,25 W 5.06023
Resistor, 4 * 10 MOhm, network, SIP 5.07324
Resistor, meta! film, 12.1 Ohm, ± 1%, 0,25 W 5.05422
Resistor, meta! film, 39.2 Ohm,± 1%, 0,25 W 5.05428
Resistor, 7 * 10 kOhm, network, SIP 5.07461
Capacitor, electrolytic, 220 µF, 25 V (R5) 5.06502
Capacitor, electrolytic, 470 µF, 63 V 5.07325
Capacitor, tantalum, 2.2 µF, 35 V (R2.5) 5.03100
Capacitor, electrolytic, 1 µF, 63 V (R7.5) 5.06508
Capacitor, electrolytic, 2200 µF, 16 V 5.07028
Capacitor, electrolytic, 100 µF, 16 V (R2.5) 5.06861
Capacitor, Sibatit, 0.1 µF, 63 V (R5) 5.07492
Potentiometer, 50 Ohm, 68 W 5.065T8
Rectifier VM 28 5.06729
Transistor D 45D5 5.07069
Hybrid 3.07107.04
Integrated circuit SFH 610-2 _5.07414
Integrated circuit LM 337 T 5.06739
Integrated circuit LM 2930 T-5,0 5.07320
LED, red CQV 19-3 5.03152
Fuse 315 mA T 5.07591
Fuse 200 mA T 5.07563
Fuse 500 mA T 5.07586
Fuse 400 mA T 5.07565
Fuse X 114-105 (113°C~235°F) 5.07480
Fuse 100 mA T 5.07561
Transformer, 110-220 V AC 3.07056.09
Fuse holder FAC 031.3803 5.07327
Fuse holder, Wickmann No. 19560 5.07679
Spring terminal block, 8 pin, Phönix 3.07217
Terminal block, 3 pin, Weidmüller, FA 3.07216.01
Terminal block, 5 pin, Weidmüller, FA 3.07216.02
Terminal block, 8 pin, Weidmüller, FA 3.07216.03
Pin socket, 34 pin, Bergstik 2 * 17 5.07559
3M socket, 34 pin, Bergstik 2 * 17 5.08317
Soldering pin 5.05898
grri = green
bm = brown
blu = blue
vio = violet
we = grey
or = orange
yel = yellow
55
E
+SV
56
V8 V7.S B
,1
-BV
=""
1,
NC
r~·" 0
,,., ~
'
+7,SV;
""'""'
1,
NC
N/1C9346EN
g ~ ~
'
I' I'
1 .sv
IC9to "MI"
D
5.07UO
R11
 Port to indic8tion output
P27
IK
lij~
~
'=" '2~
CA
X4b
011-14,
1N4148
X= disconnecting point
5.D~ D
G
.L
1
07-Wc
JVJ
'R16-19c
1
ZHZI
011-1'0
11U1'8
AMP
-
01
·.
1
_<.,;
26
..!.7_V"'---+-m_ax_._m_odulation e.g. at spurious
!33,·!~ m
1
Vpp modulation with signal at GK = 5,
AD 624: B = 2 mls. HP= 100% fM =116 fNetz
A Test pointfor the output signal of the input amplifier.
B Test point for the output voltage of the DAC,
0 to - 6.5 Volt
C Test point for the output voltage of the integrator
D Test point for the output voltage of the rectifier
E Test point for the residual pulse generation
bywatchdog
G Measuring ground
V 7.5 Testpoint, supplyvoltage + 7,5 Volt
V 8 Test point, supply voltage - 8 Volt
X 4b Plug board
/[5 11POl1
g: ~ ~ ~ ~ " ~~
2'12' 31 21 21 31 „
~~ ~4-8,IV +7,SV
i I~.;:„
[2
, ~t'---L +12VU
"-u ' .~ 15 1 2
·~/[]
~
-~ u
v.
j VL: +SV
DG212U l.l l.. n
'V- 1~-.!.---------,, • n 1• , 1
~
1
-8,IV _J /[2
-, 2
DG212[J
1..--'- • -
c 1
-
b:J'a-Ts[18
II a.04 71J.tfD'YJiPO
"3'
2 ~ ~
1 133.U
Symbol Description
µPl, board, camp!.
Circuit board
R 1,11 Resistor, meta! film, 1 kOhm, ± 1%, 0,25 W
R 2,20,21 Resistor, meta! film, 22.l kOh_m, ± 1%, 0,25 W
R3 Resistor, meta! film, 4.75 kOhm, ± 1%, 0,5 W
R4 Resistor, meta! film, 562 kOhm,± 1%, 0,5 W
R5 Resistor, 3 x 1 kOhm, network, SIP
R6 Resistor, meta! film, 47.5 kOhm, ± 1%, 0,5 W
R7 Resistor, meta! film, 221 kOhm,± 1%,10,5 W
R8,9 Resistor, meta! film, 150 kOhm, ± 1%, 0,5 W
R 10 Resistor, meta! film, 825 kOhm,± 1%, 0,5 W
R 12,13 Resistor, meta! film, 33.2 kOhm,± 1%, 0,5 W
R 14,15 Resistor, meta! film, 10 kOhm, ± !%, 0,5 W
R 16,17,18,19 Resistor, meta! film, 2.21MOhm,±1%, 0,25 W
R22 1Resistor, 4 * 5 kOhm, network, DIL
c l,2,4,5,6,7,8,11,12,14,17,19,22
1 Capacitor, Sibatit, 0, 1 µF, 63 V
c 3,23,24,27,28,29,30,33,34
c 9,10
1 Capacitor, electrolytic, 1 µF, 50 V
Capacitor, electrolytic, 0.47 µF, 50 V
C 13,15,16,20,21 Capacitor, electrolytic, 10 µF, 35 V
c 18 1 Capacitor, NPO ceramic, 0.047 µF, 50 V
C 25,26,31,33 Capacitor, ceramic, 100 µF, 200 V
D l,2,3,ll,12,13,14 Diode N4148
D 4,6 Diode BAY 86 (1N645)
D5 Diode 1N827
D 7,8,9,10 Zenerdiode, 3 V 3, 0,4 W
IC 1 Integrated circuit DAC 1230 LCD
IC 2,3 Integrated circuit DG 212 CJ
IC4 Integrated circuit SN 74LS590N,O
IC S Integrated circuit TMP 80 C 49 AP-6
IC 6 Integrated circuit MC 14538 BCP
IC 7 Integrated circuit LM 317 T
IC 8 Integrated circuit LM 337 T
IC 9 Integrated circuit NµC 9346 EN
IC 10 Integrated circuit TL 072 ACP.
IC 11 Integrated circuit AMP-01-FX
Al Hybrid
A2 Hybrid
Plug socket, flat, 40 pin, DIL 40 EG
Plug socket, 34 pin, Nr. 67118-017
Pin socket, 26 pin, 90°
Plug socket, flat, 8 pin, DIL 8 EG
Soldering pin
"
'1~
.sv
Va:
ss = [1?
I:<
fA 0,1p
y
'
Hp<J)
-·---1~!!_~··-h- - - , @,' .·® +SV
J_:::: '.;'.,;:ij I<
'·~ ~::. . ' 1
_ -· !.:::LL~_.L..:, 1 tl_k_._ -iJ!!- ~ ~ l li
> ' ~
1~T::ti ~ -.i--A-- 14~ /t t t . $~
--[ ~ ...-~o.avp
I, ;-+-- l"~ ~ij_J -'1. l 1
1: 1 „ 1u J
--1„ 1-- --! " 1--- l11p@
•I 1' rr"· 1
"] ~13VJsfat.
1
1
Al
L --- -ar·~rT .v-:-:_J_- - --- ~ - - - _J ADW-Hybr.
A2
+SV +7,SV-"8,IV KD/1-Hybr.
c8,1V
-
Part No.
2.06034.01
3.07220.02
5.07732
5.07735
5.07733
5.07738
5.07385
5.07736
5.07737
5.07730
5.07731
5.07729
5.07734
5.07278
5.07662
5.07492
5.06924
5.06982
5.07450
5.07567
5.06560
5.05586
5.07674
5.05799
5.05568
5.07305
5.07378
5.07307
3.07218
5.06785
5.06419
5.06739
5.08239
5.07664
5.07663
3.07045.06
3.07172.03
5.06602
5.07374
5.07402
5.07370
5.05898
all vo/tages with primary voltage = rated voltage
SV ±0,3V
7,SV !O,SV
8,IV ±0,6V
vu z20%
57
VI
VI .1.
VEZ
LEZ
LDl/FA -+------J
FN
1
+d
+(
•a
S6
PF
+ •
/C18
+ 21C512
+ 3.07503.0't-
+ +
5.06616 A16 R'·
·ft· ~
03
c:::t6p8/10V
Tp fillc1' 8
Bl SV Tp
II+
RES. VS.1. VS
FA.1.
FN Test point for line frequency: frequency = 2 *fline, if F5 fuse on basic PCB in order.
LDl/FA LED for supply voltage, frequency output; "on" when voltage present.
LEZ Soldering jumper for changeover of 12-V fr?quency output, term. 4+42 (12 V++- 5 V), see Sect. 8.4 <
"VEZ and FA .1." below.
PF Test point for power failure identification
F5 fuse on basic PCB: in order = +5 V
defective = 0 V
RES. RESET test point: + 5 V = faultless operation
periodic occurrence of 0 V = faulty communication with µPl PCB
+ VS/VS .1. Test points for supply voltage, digital circuits (5 V ± 0.3 V)
VEZ I FA.1. Test points for voltage of 12 V frequency output, tertn. 4 + 42:
without soldering jumper LEZ = 12 V (11 to 12.5 V)
with soldering jumper LEZ = 5 V (4.7 to 5.5 V)
VII Vl.1. T(9st points for supply voltage, current output (10.5 to 13 V), LCD back-lit when voltage
present.
Symbol Description No.
PCB, data output, compl. board assembly 2.07125
58
Gl1 880C3700/2200 bl
1 ~ l : 1 :;
{brl gn......,
([8)
NB6
NB 10 NB7
NBS
""'7.1 8.1„
ii +
NB2 NBS
NB3
NB 900F GN
NB 12 NB l
NB 1 Line Term. 12 __.,. L
connection: Term. 11 __.,. N
NB4
Term. 10 for intemal testing pur-
pose only, connect extemal pro-
tective conductor to separate
hoop terminal in housing
NB 2 Input (from signal converter) term. 7.118.1
NB 3 Output (to M 460), term. 7.2/8.2
NB 4 Line fuses F 6 and F 7
NB 5 Fuses, field power supply F 4 and F5
NB 6 Fuse, operating ;voltage (for NB) F 6
NB 7 20-pin ribbon cable
NB 8 LED (LD 1) "Power ON"
NB 9 LED (LD 2) "Clock frequency"
NB 10 Precision measuring resistor for primary head
current
NB 11 Potentiometer Pl for adjustment of
primary head current
NB 12 Terminal strip, transformer, change of
operating voltage (see Sect. 8.3.2)
Symbol Description
Housing base
Hdusing with glass window and seal
Cover seal for display and connection
compartment, available by the metre
Part No.
2.06039.01
2.06039.03
3.13703.00
59
Part D Technical data, measuring principle, block diagram
Full-scale range
Flowrate 0=100%
Unit
Forward/reverse measurements (F/R)
Current output (term. 5/6)
Current
lo% for 0 = 0%
hoo% for 0=100 %
Low-flow cutoff (SMU)
cutoff "on" value
cutoff "off'' value
Forward/reverse measurements (F/R)
Automatie range change (BA)
Time constant
Max. load at hoo%
Frequency outputs
Pulse rate (at 0=100%)
12-V output
Terminals
Amplitude
Load (totalizer resistance)
24-Voutput
Terminals
Amplitude
Load rating
Pulsewidth
30 or 50 ms
100 ms
200ms
500ms
Pulse duty factor 1:1
160 µs
50µs
Low-flow cutoff (SMU)
cutoff "on" value
cutoff "off" value
Forward/reverse measurements (F/R)
Time constant
lndicatlon outputs
Terminals
Voltage
Current
Load (relay)
Galvanically isolated from .„
Current output 1
Frequency output F
lndication output S
Function
60
operating data programmable
6 liters/hr to 305000 m3/hr or 0.02 to 1342800 US gallons per minute, corresponding to flow velocity
v = 0.3 to 12 m/s or 1to 40 ft/s
m3, liters or US gallons per second, minute or hour, and 1 field-programmable unit,
e.g. liters per hour 9r US million gallons per day
0100% separately adjustable for both directions
galvanically isolated, operating data programmable
~i~ 18~~ }~djustable in increments of 1 mA
1to19%}
2
to
20
% of 0100%, adjustable in1% increments, independent of frequency output
selectable performance, direction identified via status indication or frequency output
programmable in 1% increments from 1:20 to 1:1.25 (equivalent to 5 to 80% of 0100%)
0.2 to 3600 seconds, programmable in increments of 1or 0.1 seconds
1
20
[V A] in kohms te.g. 1 kohm at 20 mA, 4 kohms at 5 mA)
100% m
'galvanically isolated, operating data programmable
10 to 36000000 pulses per hour
0.167 to 600000 pulses per minute
0.0028to10000 pulses per second (=Hz)
optionally in pulses per m3, liters or US gallons
for electronic totalizers (EC)
4+42
12 V, changeable to 5 V
min.1 kohm
for electromechanical (EMC) or electronic (EC) totalizers
4 +41
24V
see "pulse width" table below
Frequency f = F100%
0.0028 Hz <f s 10 Hz
0.0028 Hz <f s 5 Hz
0.0028 Hz <f s 2.5 Hz
0.0028 Hz <f s 1 Hz
10 Hz <f S 1000 Hz
1000 Hz <f s 2547 Hz
2547 Hz <f s 10000 Hz
Max. load current (24 V)
S200mA
5200mA
S 200 mA
5200mA
S 50mA
S 50mA
S 50mA
Min. load (24 V)
2 120 Ohm
2 120 Ohm
2 120 Ohm
21200hm
2 5000hm
2 5000hm
2 500 Ohm
1 to 19% } of 0 10o%, adjustable in 1% increment~, independent of current output
2 to 20%
selectable performance, direction identified via status or current output
0.2 second or same as current output (see above)
Current output Frequency output
1 F
5+6 4+4.1
U s 35 VoltDC U=24 Volt DC
l1oad S 22 mA l1oad S 200 mA
programmable
Rcoil = U/lmax Rcoil 2150 ohms
yes
yes
yes no
only indication of only indication of
flow direction for F flow direction for 1
(F/R operation) (F/R operation)
or operation indicator
lndication output
s
4+4.3
U=24 Volt DC
l1oad S 30 mA
Rcoil 2 1 kohms
yes
no
indication of flow directior
for 1 and/or F,
trip point for 1or F,
seif diagnostics
(error indication),
low-flow cutoff SMU
counter overflow,
operation indicator
or automatic range
change BA
Other functions and versions
Standard
Options
Magnet programming MP
Hazardous-duty version
Local display
Display functions
Display units
Actual flowrate
Totalizers
Language of plain texts
Display:
1st line
2nd line
3rd line
Field power supply
Terminals 7/8
Current/voltage
Clock freguency
Power supply
Standard
Special versions
Power consumption
Field housing
Material
Protection category
(DIN 40050, acc. IEC 144)
Environment class (DIN 40040)
Ambient temperature
In operation
SC 100AS
SC 100 AS/..-Ex
In storage
- Hold last value of outputs during programming or set to "zero"
- Goding for entry into programming mode (can be deactivated)
- Primary constant GK, programmable in keeping with value on instrument nameplates
of all Krohne primary heads with pulsed OC field excitation, including older models
SC 100AS/MP, programming by means of bar magnet from outside without opening the housing
SC 100AS/„-Ex, with integrated buffer stage (Zener barrier principle), PTB.-No. Ex 86.B.2140X
for intrinsitally safe signal cable, signal converter must be installed outside hazardous area.
3-line back-lit LCD
actual flowrate, forward, reverse and sum totalizers (7 digits),
each programmable for continuous or sequential display, and output of error messages
m3, liters or US gallons per second, minute or bour, 1field-programmable unit
(e.g. hectoliters per hour or US million gallons per day) and percent of full-scale range
m3, liters or US gallons and 1field-programmable unit (e.g. hectoliters), min. 1 year overflow time
German, English, French, Finnish, others pending
8-digit, 7-segment numeral and sign display, symbols for key acknowledgement
10-character, 14-segment text display
6 markers T to identify actual display functions
and status for indication output and low-flow cutoff (SMU)
for primary heads with pulsed DC field excitation, galvanically isolated from all input and output
circuits
± 0.125 A (±10%) I max. 60 V
1/6,1/16 or 1/32 of line frequency, programmable according to calibration data of primary head
230VAC:1g~ or 120VAC:1i~ (changeable to 100, 110, 200, 220, 240 V AC: mtJ, 48 to 63 Hz
24 V AC (changeable to 21, 42, 48 V AC) : 1g~, 48 to 63 Hz } functional extra-low voltage with fail-safe
24 V OC :~g~ galvanic isolation to VDE 0100, Part 410,
~g ~ ~~0A } incl. primary head ON :::; 1200 (48"), ON 2':: 1300 (52") see NB 900 F
die-cast aluminium with electrostatic powder coating
IP 65 equivalent to NEMA 4X
HUO
- 25 to + 60°C or - 13 to + 140°F
- 25 to + 40°C or-13to+104°Fto EN 50014
- 40 to + 60°C or - 40to+140°F
61
Input (rated current, term 7.1/8.1)
Output
Terminals 7.2/8.2
Currentfvoltage
Clock frequency for field power
Power supply
Standard
Special versions
Power consumption
Field housing
Material
Protection category
(DIN 40050, acc. IEC 144)
Environment class (DIN 40040)
62
± 0.125 A from SC 100 AS
galvanically isolated trom input and power supply
± 1A ! max. 50 V
controlled by SC 100 AS
230VAC:'.18tj:j; or 120 V AC:'. jgtj:j; (changeable to 100, 110, 200, 220, 240 V AC:'. jgtj:l;),
48to 63 Hz
42, 24 V AC :'. 18tj:j;, 48 to 63 Hz
24 V DC :'.~ßtj:l;
AC::::;; 75 VA(:::;; 100 VA with SC 100 AS) } including primary head
DC::::;; 75 W (:::;; 100 W with SC 100 AS)
die-cast aluminium with electrostatic powder coating
IP 65 equivalent to NEMA 4X
HUD (ambient temperature - 25 to + 60°C or -13to+140°F)
Frequency output
F Error (±) as % of flowrate (measured value)
v Flow velocity in m/s (ft/s)
1.4
Reference conditions
. Product
Power supply (line voltage)
Ambient temperature
Warm-up time
Maximum error of calibration system
lnlet/outlet runs
Primary head
Primary Meter size
head
ON
mm
IFS 5000 2.5- 6
IFS 5000 10 - 100
IFS 2000 150 - 250
IFS 4000, M900 10 - 25
' 32 - 800
900 -1200
1250 -2000
>2000
1l at extra charge
2l SC 100 AS/ NB
Currenf output
External influences
Ambient temperature
Frequency output
Current output
Power supply
Load.·
inches
1/10 - 1/4
3/s - 4
6-10
3/s - 1
11/4-32
36-48
50-80
>so
±F
[%]
f1.0
0.8
0.6
-------····················---------®
0.4 -------··················---------©
-------·····················---------®
0.2 -------················---------@
0
0 0.5 1
0 1.5 3
2
6
10
30
11
33
~v[m/s]
36 V [ft/s]
Water at 10 to 30°C (50 to 86°F) and >300 µSlcm (µmho/cm)
UN (±2%)
20 to 22°C (68 to 71.6°F)
60 min.
10 * times smaller than F
5 DN/2 DN (Curves A + B: 10 DN/5 DN), DN = meter size
properly grounded and centered
Standard details Option 1)
v ~ 1 m/s v ~ 1 m/s
or 3 ft/s
v <1 m/s or <3 ft/s
or 3 ft/s
Curve
%v.MV
o/ov. MV+ mm/sor
%v.MV
% of MV + inch/s
±0.5%
± (0.4 % + 1 mm/s) or
D -
± (0.4 % + 0.04 inches)
±0,4%
± (0,3 % + 1 mm/s) or
c ±0,2%
± (0.3 % + 0.04 inch/s)
±0.4%
± (0.3 % + 1 mm/s) or
c -
± (0.3 % + 0.04 inch/s)
±0.4%
± (0.3 % + 1 mm/s) or
c ±0,2%
± (0.3 % + 0.04 inch/s)
±0.4%
± (0.3 % + 1 mm/s) or
c ±0.2%2)
± (0.3 % + 0.04 inch/s)
±0.4%
± (0.3 % + 1 mm/s) or
c ±0.3%
± (0.3 % + 0.04 inch/s)
±0,5%
± (0,4 % + 1 mm/s) or
D -
± (0.4 % + 0.04 inch/s)
same as above accuracies for frequency output plus ...
genrally: ± 0.05 % * 20 mA
hoo% - lo%
0 to 20 mA: ± 0.05 %
4 to 20 mA: ± 0.062 %
of full-scale range
v < 1 m/s or <3 ft/s
%v.MV + mm/sor
% of MV + inch/s
- -
± (0,1 % + 1 mm/s) or
± (0.1 % + 0.04 inch/s)
-
± (0.1 % + 1 mm/s) or
± (0.1 % + 0.04 inch/s)
± (0.1 % + 1 mm/s)2lor
± (0.1 % + 0.04 inch/s)2l
± (0.2 % + 1 mm/s) or
± (0.2 % + 0.04 inch/s)
-
Curve
-
A
-
A
A
B
-
± 0.01 % } of measured value per
± 0.025 % 1Ktemperature variation
or
± 0.006 % } of measured value per
± 0.014 % 1°F temperature variation
± 0.05 % of measured value at 10% variation
± 0.02 % of measured value at max. load (see under "current output")
63
!M9~~fHP:~tm~~f:%fü$.ij~fitttHitfl1titltffltltHIItfffHittttlitl1lfltlt1ftttlt!tHIIIll'FI1l!Ilfffl1lHlff!Itll
i 10.4.1 IFS 5000 and !FS 2000 1
Primary head IFS 2000 IFS 5000
Version with flanges Sandwich (flangeless) design
Meter size ON 150 - 250 ON 2.5 to 100
6" -10" 1/10" to 4"
Scope of supply see "IFS 2000" Table, page 3 see "IFS 5000" Table, page 3
Pipe flanges and rated
pressure of measuring tube see "Torques" Table in Sect. 1.2.2 see ''Torques" Table in Sect. 1.2.2
(max. operating pressure) and "Limits", Sect. 10.5 and "Limits", Sect. 10.5
Electrical conductivity 2 5µS!cm (µmho/cm); 2 5µSlcm (µmho/cm);
2 20µSlcm (µmho/cm) 2 20µSlcm (µmho/cm)
for demineralized cold water for demineralized cold water
Process temperature refer to Sect. 10.5 "Limits" refer to Sect. 10.5 "Limits"
(see Sect. 10.5) - 60 to + 120°C or 76 to + 248°F - 60 to + 180°C or - 76 to + 356°F
Ambient temperature - 25 to + 60°C or - 13 to + 140°F - 25 to + 60°C or - 13to+140°F
Change in ~
process temperature
Temperature rising - LI T :::;; 150°C or 302°F, in 10 minutes
LIT :::;; 100°C or 212°F, for sudden change
Temperature falling - LIT:::;; 80°C or 176°F, in 10 minutes
LIT:::;; 60°C or 140°F, for sudden change
Vacuum load 0 mbar abs. or 0 psia 0 mbar abs. or 0 psia
lnsulation class of
field coils E, :::;; 120°c or :::;; 248°F H, :::;; 180°C or :::;; 356°F
process temperature process temperature
Power supply for field coils max. 60 V from signal converter max. 60 V from signal converter
Electrode design flat-elliptical, seif cleaning, fused-fitted electrodes
surface-polished
Protection category
(DIN 40050/IEC 144) IP 65 equivalent to NEMA 4X IP 67 equivalent to NEMA 6
Environment class HUO HUO
(DIN 40040) (ambient temperature (ambient temperature
- 25 to + 60°C or - 13 to + 140°F, - 25 to + 60°C or - 13 to + 140°F,
relative humidity < 80% relative humidity < 80%
annual mean) annual mean)
64
Primary head
Materials
Measuring section
Electrodes
Standard
Special
Housing
-:::::; ON 15, s W'
2 ON 25, 21"
Terminal box*
GroundingJio.g§ **
Standard
Special
Gaskets **
s ON 15, s W'
2 ON 25, 21"
Centering material **
s ON 25, s 1"
2 ON 40, 211/l'
Stud bolts
Standard
Special version
Connecting flanges *
* with polyurethane finish
IFS 2000
fused aluminium oxide, 99.7% Al203
stainless steel 1.4571 or SS 316 Ti - AIS!
Hastelloy C4, titanium, tantalum, platinum
tubular steel
or grey cast iron GG 20 *
die-cast zinc
stainless steel 1.4301
or SS 304 - AIS!
Hastelloy C4
Viton 0-rings,
as option with PFA sheath
cast steel (GS 45 N)
** see Tables on page 3 for scope of supply
IFS 5000
fused aluminium oxide, 99.7% Al203
platinum
stainless steel 1.4462/0uplex
stainless steel 1.4301 or
SS 304 -AIS!
die-cast aluminium
stainless steel 1.4571
or SS 316 Ti - AIS!
Viton 0-rings,
optionally with PFA coating
Gylon 3500 (beige) gaskets
(range of application similar
to that of PTFE), optionally
Chemotherm (graphite) gaskets
EPOM rings
rubber sleeves
steel, electrogalvanized
stainless steel 1.4301
or SS 304 - AIS!
65
!10.4.2 IFS 4000 and M 900
Piimaiy head ivi 900 iFS 4000
Versions/meter sizes
with flange connections ON 10-300 and %" to 12" ON 10-3000 and 3/s" to 120"
(see below) (see below)
for the food industi:y
Sanitary connection DIN 11851 Meter sizes ON 10-25 -
Pressure rating PN
Clamp connection Measuring tube
nom. dia. 1" to 4"
-
SMS connection on request -
Rated pressure dependent on meter size, dependent on meter size,
connecting flange, connecting flange,
liner and process temperature, liner and process temperature,
see Sect. 10.5 "Limits" see Sect. 10.5 "Limits"
Connecting flanges
to DIN 2501 (= BS 4504) ON 10 to 50 and ON 80: PN 40 ON 10 to 50 and DN 80: PN 40
ON 65 and ON 100 to 150: PN 16 DN 65 and DN 100 to 150: PN 16
ON 200 to 300: PN 10 DN 200 to 1000: PN 10
ON 1100 to 2000: PN 6
DN 2200 to 3000: PN 2.5
to ANSI 3/s" to 12" 3/s" to 24"
Class 150 or 300 lbs I RF Class 150 lbs / RF
toAWWA - 24" to 120" / Class B or D I FF·-
special versions on request on request
Electrical conductivity z 5 µS/cm (µmho/cm); z 5 µS/cm (µmho/cm);
z 20 µS/cm (µmho/cm) z 20 µS/cm (µmho/cm)
for demineralized cold water for demineralized cold water
Process temperature
(see Sect. 10.5) - 60 to + 180°C or - 76 to + 356°F - 60 to + 180°C or - 76 to + 356°F
Ambient temperature - 25 to + 60°C or - 13 to + 140°F - 25 to + 60°C or - 13 to-+-121U°F- -c-- -
lnsulation class of field coils I
process temperature
DN 10 to 300 (3/a" to 12"):Standard EI::;; 120°C or::;; 248°F
HI::;; 180°C or::;; 356°F
DN 350 to 3000 (14" to 120"):
E /::;; 120°C or::;; 248°F
Special version H I ::;; 180°C or ::;; 356°F DN 350 to 3000 (14" to 120''.}:
H 1::;; 180°C or::;; 356°F
Power supply for field coils max. 60 V from converter max. 60 V from converter.Electrode design
Standard flat elliptical, solidly fitted, DN 25 to 150 or 1" to 6"
surface-polished, self-cleaning replaceable when measuring tube drained
DN 10 to 20 / DN 200 to 3000 or %" to
314" / 8" to 120"
flat elliptical, surface-polished, self-cleaning
Special version DN 50 to 300 or 2" to 12" DN 350 to 3000 or 14" to 120"
field replaceable electrodes WE field replaceable electrodes WE
Protection category
(to DIN 40050/IEC 144)
Standard IP 65 equivalent to NEMA 4 and 4X IP 67 equivalent to NEMA 6
(IP 65 equivalent to NEMA 4 and 4X with
field replaceable electrodes WE'J
Special version IP 67, IP 68 equivalent !o NEMA 6 IP 68 equivalent to NEMA 6 ·
Environment class (DIN 40040) HUD (ambient temperature -25 to HUD (ambient temperature -25 to
+60°C or -13 to +140°F, relative air +60°C or -13 to +140°F, relative air
humidity < 80% annual mean) humidity < 80% annual mean)
Grounding rings available as option available as option
l 66
Primary head
Materials
Measuring tube
Liner
Standard: ON 10-20
or 3/s - 3/4"
ON 25-150
or 1" - 6"
2: ON 200
or 2: 8"
§Recial versions
2: ON 200
or 2: 8"
Food version
Electrodes
Standard
Special versions
Food version
Field replaceable
electrodes WE
Housing *
ON 10 - 40 or %" - 1%"
2: ON 50 or 2: 2"
Food version
Terminal box*
Standard
Food version
Connecting flanges *
to DIN 2501: ON 10 - 50, ON 80
ON 65, 2: ON 100
to ANSI:
Grounding_rj_Q_g§
* with polyurethane finish
M 900
stainless steel
(1.4301 or higher material number)
equivalent to SS 304 - AISI
PTFE (Teflon)
Hard rubber or PTFE (Teflon)
Hard rubber or PTFE (Teflon)
lrethane, soft rubber, Neoprene,
others on request
PTFE (Teflon)
Hastelloy C4
stainless steel 1.4571
or SS 316 Ti - AISI,
Hastelloy 82, titanium,
tantalum, platinum,
others on request
stainless steel 1.4571
or SS 316 Ti - AISI
stainless steel 1.4571
or SS 316 Ti - AISI
GTW30
sheet steel
optionally stainless steel
1.4571 or SS 316 Ti - AISI
withc:iut enamel finish
die-cast zinc
aluminium, without enamel finish
steel 1.0402 (C22)
or AIS!: C 1020
steel 1.0501 (RST 37.2)
or AIS!: C 1035
steel ASTM A 105 N
stainless steel 1.4571
or SS 316 Ti - AISI
IFS 4000
stainless steel
(1.4301 or higher material number)
equivalent to SS 304 - AISI
PTFE (Teflon)
PFA (reinforced with
stainless steel mesh)
Hard rubber or PTFE (Teflon)
lrethane, soft rubber, Neoprene,
others on request
Hastelloy C4
stainless steel 1.4571
or SS 316 Ti - AIS!,
Hastelloy 82, titanium,
tantalum, platinum,
platinum/iridium, others on request
stainless steel 1.4571
or SS 316 Ti - AISI
GTW30
sheet steel
die-cast aluminium
steel 1.0402 (C22)
or AISI: C 1020
steel 1.0501 (RST 37.2)
or AISI: C 1035
steel ASTM A 105 N
stainless steel 1.4571
or SS 316 Ti - AIS!
67
P!ease note!
• 'The limiti:; specified in the Tables for temp~rature and pressure allow for liner and flange standard.
• With insulation class E .of the field coils, the maximum permissible process temperature is 120°C/248°F.
lnsulation class H is required for temperatures above 120°C/248°F.
• The max. permissible operating data for hazardous-dutyversions are specified in the certificates of conformity, which are supplied
only together with e~plosion-protected equipment.
Limits for fused aluminium oxide, PFA and PTFE
Liner Flange N'ominal diameter Flange S=· Max. operating pressure in bar (and psig)
standard of measuring tube pressure Standard at a product temperature of ...
and .. rating 0=
flanges or class Option s 40°C s 60°C s 70°C s 90°C s 100°c s 120°c s 140°C s 180°C
(s 105°FJ (S 140°F) (s 158°FJ (s 195°FJ (s 210°F) (S 250°F) (s 285°FJ (s 355°FJ
Fused DIN 2501 ON (2.5) 15-80* PN 40 s 40 (580) 40 (580) 4Ö (580) 40 (580) 40 (580) 40 (580) 40 (580) 40 (580)
aluminium ON 100*, ON 150 PN 16 s 16 (230) 16 (230) 16 (239) 16 (230) 16 (230) 16 (230) 16 (230) 16. (230)
oxide ON 100* PN 25 0 25 (360) 25 (360) 25 (360) 25 (360) 25 (360) 25 (360) 25 (360) 25 (360)
•· ON 200-250 PN 10 s 10 (150) 10 (150) 10 (150) 10 (150) 10 (150) 10 (150) - -
' ANSI B 16.5 (1/10") 1f2''-4" • 150 lbs s 19.6 (284) 19 (275) 18.7 (271) 18.1 (262) 17.7 (256) 17 (246) 16.2 (235) 14.7 (213)
6" 150 lbs s 1'6 (230) 16 (230) 16 (230) 16 (230) 16 (230) 16 (230) 16 (230) 16 (230)
8"-10" ·: " 1501bs s 10 (150) 10 (150) 10 (150) 10 (150) 10. (150) 10 (150) 10 (150) 10 (150)
(1/10") 1/2''-3". 300 lbs 0 40 (580) 40 (580) 40 (580) 40 (580) 40 (580) 40 (580) 40 (580) 40 (580)
411 * 300 lbs 0 25 (360) 25 (360) 25 (360) 25 (360) 25 (360) 25 (360) 25 (360) 25 (360)
PFA DIN 2501 ON 25-50, ON 80 PN 40 s tl '
40 (580) 4o (580) 40 (580) 40 (580) 40 (580) 40 (580) 40 (580) 40 (580)
ON 65, ON 100-150 PN16 s 16 (230) 16 (230) 16 (230) 16 (230) 16 (230) 16 (230) 16 (230) 16 (230)
ANSI B 16.5 1"-6" 150 lbs s 19.6 (284) 19 (275) 18.7 (271) 18.1 (262) 17.7 (256) 17 (246) 16.2 (235) 14.7 (213)~~' ~- '• .
„
ON 10-50, ON 80 s 40 (580) 40 (580)PTFE DIN 2501 PN 40 40 (580) 40 (580) 40 (580) 40 (580) 40 (580) on request
(Teflon) ON 65, ON 100-150 PN 16 s 16 (230) 16 (230)' 16 (230) 16 (230) 16 (230) 16 (230) 16 (230) 16 (230)
ON 200-600 PN 10 s 10 (150) 10 (150) 10 (150) 10 (150) 10 (150) 10 (150) 10 (150) 10 (150)
ON 65, ON 100-150 PN 40 0 40 (580) 40 (580) 40 (580) 40 (580) 40 (580) 40 (580) 40 (580) on request
ON 200-600 PN 16 0 16 (230) 16 (230) 16 (230) 16 (230) 16 (230) 16 (230) 16 (230) 16 (230)
2 ON 700 2PN10 S/O on request
ANSI B 16.5 3/s"-24" 150 lbs s 19.6 (284) 119 (275) 118.7 (271) 118.1 (262) 117.7 (256) 117 (246) 116.2 (235) 114.7 (213)
3/s"-24" 300 lbs 0 .40 (580) 40 (580) 40 (580) 40 (580) 40 (580) 40 (580) 40 (580) on request
2 28" 2150 lbs S/O on request
Pipe !langes, ON 2.5-100 and 1ho"-4" are flangeless design!
Limits for neoprene, irethane, hard and soft rubber
Liner Flange Nominal diameter Flange S= Max. operating pressure in bar (and psig)
standard of measuring tube pressure Standard at max. possible product temperature of ...
and rating O= .flanges or class Option Soft rubber Neoprene lrethane Hard rubber
s 40°C (s 105°F) S 60°C (S 140°F) s 70°C (s 158°FJ s 90°C (s )95°F)
Neoprene, DIN 2501 ON 25-50, ON 80 PN.40 s 40 (580) 40 (580) 40 (580) 40 (580)
irethane, ON 65, ON 100-150 PN 16 „ s 16 (230) 16 (230) 16 (230) 16 (230)
hard and ON 200-1000 PN ~O s 10 (150) 10 (150) 10 (150) 10 (150)
soft ON 25-1000 PN 16-1500 0 .. 16-64 (150-920) .. 16-100 (150-1450) .. 16-1500 (150-20000) .. 16-80 (150-1160)
rubber 2ON1100 PN 2.5-6 S/O .. 2.5-6 (37-90) .. 2.5-6 (37-90) .. 2.6-6 (37-90) .. 2.5-6 (37-90)
ANSI 1"-40" 150 lbs s ••• s 19.6 (s 284) ••• s 19.0 (s 275) ••• s 18.7 (s 271) ••• s 18.1 (s 262) -
B 16.5 1"-40" 300 lbs 0 ••• s 50.8 (s 737) ••• s 49.2 (s 714) ••• s 48.4 (s 702) ••• s 46.8 (s 679) ,
1"-40" 600 lbs 0 s 64 (s 920) s 100 (s 1450) s 100 (s 1450) s 80 (s 1160) •
AWWA 224" B s 6 ( 90) 6 ( 90) 6 ( 90) 6 ( 90) ·.·
224" D 0 10 (150) 10 (150) 10 (150) 10 (150) ,.
API 6 BX 21" 20000 psig 0 - - s 1500 (s 20000) - c:
.. dependent on !lange pressure rating .··;·
... dependent on product temperature
l
Vacuum load ;:
"
Liner Meter size Max. allowed vacuum load in mbar abs. (an.d psia)
jat a product temperature of ...
ON mm inches s 40°C s 6Q°C_ s 70°C · s 90°C s 100°c s 120°c ~ 140°C s 180°C .(s 10S°F) (S 140°F) (s 158°FJ (s 195°FJ (s 210°FJ (S 250°F) (s 285°FJ (s 355°FJ ., .,
FuseCt aluminium oxide 2.5 - 250 1f1o - 10 0 ( 0) 0 ( 0) 0 ( 0) 0 ( 0) 0 ( 0) 0 ( 0) 0 ( 0) 0 ( 0) -:
PFA 25 - 100 1 - 4 0 ( 0) 0 ( 0) 0 ( 0) 0 ( 0) 0 ( 0) 0 ( 0) 150 ( 2.2) 200 ( 29)
··,
125 - 150 5 - '5 50 (0.7) 50 ( 0.7) 50 ( 0.7) 50 ( 0.7) 100 ( 1.5) 200 ( 2.9) 300 ( 4.4) 400 ( 5.8) ··•
PTFE (Teflon) 10 - 20 3/s - 3/4 0 ( 0) 0 ( 0) 0 ( 0) 0 ( 0) 0 ( ü) 500 ( 7.3) 750 (10.9) 1000 (14.5) ·•·•••
25 - 150 1 - 6 no vacuum allowed, use IFS 4000 or IFS 5000
1 1000 (14.5) ;!;200 - 600 8 - 24 500 (7.3) 1 750 (10.9) 1 1000 (14.5) 1 1000 (14.5) 1 1000 (14.5) 1 1000 (14.5) 1 1000 (14.5)
700 - 800 28 - 32 on request 'cc•
Neoprene 25 - 300 1 - 12 400 (5.6) 400 ( 5.6) - - - - - - -.~
350 - 3000 14 -120 600 (8.7) 600 ( 8.7) - - - - - -
lrethane 25 - 3000 1 - 120 500 (7.3) - - - - - - -
Hard rubber 25 - 300 1 - 12 250 (3.6) 400 ( 5.8) 400 ( 5.8) >iOO ( 5.8) - - - -
350 - 3000 14 -120 500 (7.3) 600 ( 8.7) 600 ( 8.7) 600 ( 8.7) - - - -
Soft rubber 25 - 300 1 - 12 500 (7.3) - - - - - - - ..•...
350 - 3000 14 - 120 600 (8.7) - - ,_ 0 - - - - ·..·
68 . J
.?
-
1 1 n ,:; 1 11:~ i:;;nnn nri.....<int ho„rl
1 • -·-·. •• - ---- I""· ••• „_.z ··---
Dimensions in mm and (inches)
Necessary flange spacing
ON 2.5 to 15, 1/10" to 1h'': Dimension a + 2 times gasket thickness
(gasket between grounding rings and pipe flanges)
ON 25 to 100, 1" to 4"
without grounding rings: Dimension a incl. gaskets between primary head and pipe flanges
with grounding rings (option): Dimension a + 10 mm or a + 0.4", incl. gaskets between grounding rings and pipe flanges
**Meter size DN 2.5 - 15 and 1110" - W': Pipe flanges DN 15 / PN 40 or 1
h'' / Class 150 lbs (300 lbs).
Metersize
DNmm inches
2.5-15 ** 1Ao - .2 **
25 1
40 1.2
50 2
80 3
100 4
IFS 5000
Primary head
ON 2.5 to 15
1/10" to 1/2"
78
(3.07")
e
ON 25to100
1" to 4"
78
(3.07")
Dimensions in mm (inches)
a
65
58
83
103
153
203
bF
(2.56) 208 (8.19)
(2.28) 189 (7.44)
(3.27) 204 (8.03)
(4.06) 222 (8.74)
(6.02) 254 (10.00)
(7.99) 279 (10.98)
max.118
(max. 4.65")
max.118
(max. 4.65")
c
50
55
80
100
150
200
PG16
'li'NPT
PG16
'li'NPT
a
(1.97)
(2.17)
(3.15)
(3.94)
(5.91)
(7.87)
d1
15 (0.58)
26 (1.02)
39 (1.54)
51 (2.01)
80 (3.15)
101 (3.98)
Detail A
Detail A
Detail B
(option with
c
a
d2
-
46
62
74
106
133
grounding ----rn-~
rings)
a+10 mm
(1.81)
(2.44)
(2.91)
(4.17)
(5.24)
e f g
44 (1.73) - 51
102 (4.02) 68 (2.68) 34
117 (4.61) 83 (3.27) 42
135 (5.31) 101 (3.98) 51
167 (6.57) 133 (5.24) 67
192 (7.56) 158 (6.22) 79
approx.
weight
in kg (lbs)
(1.99) 1.7 (3.7)
(1.34) 1.7 (3.7)
(Ü3) 2.5 (5.5)
(1.99) 3.0 (6.6)
(2.62) 5.6 (12.3)
(3.11) 8.9 (19.6)
69
~I1_0_._6._2_1_F_S_4_0_0_0_p_r_im~a_ry_h_e_a_d~~~~~~~~~~~~~~~~~~~~~~~~~~~~~~--'I~
Flanged connections
„. DIN 2501 (=BS 4504) / ON 10-300 / PN 40, 16 or 10:
„. ANSI B 16.5 / 3/s"-12" / Class 150 lbs / RF:
Dimensions in mm (inches}
see Table
see Table
Dimension a without flange gaskets: Not supplied with flowmeter, to be provided by customer.
** Meter size 3/s":
Meter size to „.
DIN ANSI
ON mm PN Inches
10 40 3/3**
15 40 1h
20 40 3/4
25 40 1
32 40 -
40 40 11h
50 40 2
65 16 -
80 40 3
100 16 4
125 16 -
150 16 6
200 10 8
250 10 10
300 10 12
IFS 4000 Primary head
ON 10 - 40
3/3" - 1 1h" PG 16
1/i'
NPT
a±1
Flanged connection 1h"
Dimensions in mm (inches)
a bF c
150 (5.91) 231 (9.09) 121 (4.76)
150 (5.91) 231 (9.09) 121 (4.76)
150 (5.91) 231 (9.09) 121 (4.76)
150 (5.91) 231 (9.09) 121 (4.76)
150 (5.91) 247 (9.72) 139 (5.47)
150 (5.91) 252 (9.92) 150 (5.91)
200 (7.87) 290 (11.42) 181 (7.13)
200 (7.87) 300 (11.81) - 181 (7.13)
200 (7.87) 307 (12.09) 195 (7.68)
250 (9.84) 358 (14.09) 257 (10.12)
250 (9.84) 369 (14.53) 257 (10.12)
300 (11.81) 399 (15.71) 281 (11.06)
350 (13.78) 457 (17.99) 342 (13.46)
400 (15.75) 509 (2(}.04) 383 (15.08)
500 (19.69) 572 (22.52) 433 (17.05)
+
.ä
c
(±0.04")
70
d j
61 (2.40) 58 (2.28)
61 (2.40) 58 (2.28)
61 (2.40) 58 (2.28)
61 (2.40) 58 (2.28)
70 (2.76) 73 (2.87)
75 (2.95) 73 (2.87)
- 99 (3.90)
- 99 (3.90)
- 99 (3.90)
- 131 (5.16)
- 131 (5.16)
- 143 (5.63)
- 177 (6.97)
- 205 (8.07)
- 235 (9.25)
ON 50 - 300
2" - 12" PG 16
1/2'' NPT
dia. DD1N
90 (3.54)
95 (3.74)
105 (4.13)
115 (4.53)
140 (5.51)
150 (5.91)
165 (6.50)
185 (7.28)
200 (7.87)
220 (8.66)
250 (9.84)
285 (11.22)
340 (13.39)
395 (15.55)
445 (17.52)
max.118
a±1
(±0.04")
Approx.
weight
dia. DANs1 in kg (lbs)
88.9 (3.50) 4 (8.8)
88.9 (3:50) 4 (8.8)
98.6 (3.89) 6 (13) -
108.0 (4.25) 6 (13)
- 7 (15)
127.0 (5.00) 7 (15)
152.4 (6.00) 8 (18)
- 12 (27)
190.5 (7.50) 12 (27)
228.6 (9.00) 14 (31)
- 19 (42)
279.4 (11.00) 22 (49)
342.9 (13.50) 35 (77)
406.4 (16.00) 49 (108)
482.6 (19.00) 61 (134)
78
+
.ä
c
Flanged connections Dimensions in mm (inches)
... DIN 2501 (=BS 4504) / DN 350-2000 / PN 10 or 6: see Table
... DIN 2501 (=BS 4504) I DN 350-2000 / PN 25: see Tabte, dimension ao1N + 200 mm or + 7.87"
... ANSI B 16.5 / 14" - 40" / Class 150 lbs / RF: see Table
... ANSI B 16.5 / 14" - 40" I Class 2 300 lbs / RF: Dimensions supplied on request
... AWWA / 2 24" / Class B or D /FF: Dimensions supplied on request
Dimension a without flang~d gaskets: Not supplied with flowmeter, to be provided by customer
lrethane liner, thickness > i2' mm!> 10.5'': Size of flange greater than size of measuring tube, see Tables below.
Meter size to ... Dimensions in mm (inches) Approx.
DIN ANSI weight
DN mm PN Zoll ao1N aANSI bF c d e j in kg (lbs)
350 10 14 500 (19.69)
400 10 16 600 (23.62)
500 10 20 600 (23.62)
600 10 24 600 (23.62)
700 10 28 700 (27.56)
800 10 32 800 (31.50)
900 10 36 900 (35.43)
1000 10 40 1000 (39.37)
1200 6 48 1200 (47.24)
1400 6 56 1400 (55.12)
1600 6 64 1600 (62.99)
1800 6 72 1800 (70.87)
2000 6 80 2000 (78.74)
IFS 4000 Primary heaci
DN 350 - 2000
14" - 40" PG 16 max. 118
1/2"
NPT
i
i
-·-
700 (27.56) 753 (29.65) 570 (22.44)
800 (31.50) 802 (31.57) 620 (24.41)
800 (31.50) 903 (35.55) 720 (28.35)
800 (31.50) 1005 (39.57) 822 (32.36)
900 (35.43) 1105 (43.50) 922 (36.30)
1000 (39.37) 1206 (47.48) 1024 (40.31)
1100 (43.31) 1306 (51.42) 1122 (44.17)
1200 (47.24) 1406 (55.35) 1222 (48.11)
- 1627 (64.06) 1424 (56.06)
- 1823 71 .77) 1624 (63.94)
- 2033 (80.04) 1826 IJ1.89)
- 2227 (87„68) 2026 (79.76)
- 2428 (95.59) 2229 (87.76)
78
329 (12.95)
353 (13.90)
404 (15.91)
455 (17.91)
505 (19.88)
555 (21.85)
606 (23.86)
656 (25.83)
776 (30.55)
872 (34.33)
981 (38.62)
1075 (42.32)
1175 (46.26)
332 (13.07) 305 (12.01)
349 (13.74) 385 (15.16)
371 (14.61) 385 (15.16)
493 (19.41) 385 (15.16)
521 (20.51) 465 (18.31)
555 (21.85) 545 (21.46)
569 (22.40) 635 (25.00)
645 (25.39) 705 (27.76)
792 (31.18) 865 (34.06)
858 (33.78) 1045 (41.14)
876 (34.49) 1245 (49.02)
1053 (41.46) 1405 (55.31 )
11 08 (43.62) 1605 (63.1 9)
Flange size for
irethane liner,
145 (320)
180 (400)
240 (530)
330 (730)
430 (950)
540 (1190)
650 (1440)
800 (1770)
870 (1920)
1230 (2720)
1550 (3420)
2080 (4590)
2600 (5740)
thickness > 12 mm!> 0.5''
Nominal size DN in mm
(DIN 2501)
Measuring tube
DN 350
DN 400, 450
DN 500, 550
ON 600, 650
DN 700, 750
ON 800, 850
ON 900, 950
DN 1000
Flanges
ON 400
DN 500
DN 600
DN 700
DN 800
DN 900
DN 1000
DN 1200
Nominal size in inches
(ANSI B 16.5)
Measuring tube Flanges
14" 16"
16", 18" 20"
20", 22" 24"
24", 26" 28"
28", 30" 32"
32", 34" 36".
36", 38" 40"
40" 48"
WE = Field replaceable
electrodes
fwEc
= Dimension c +900 mm
or c + 35.50"
(minimum. dimension)
71
J 10.6.3 M 900 primary head
Flanged connections Dimensions in mm and (inches)
... DIN 2501 (=BS 4504) / DN 10-300 / PN 40, 16or10: see Table
... ANSI B 16.5 I 3/s"-12" I Class 150 lbs / RF: · see Table
... ANSI B 16.5 / 3/s"-12" / Class ::2:: 300 lbs / RF: dimensions on request
Dimension a without flange gaskets: Not supplied with flowmeter, to be provided by customer.
**Meter size 3/a": Flanged connection 1h"
WE = Field replaceable electrodes, optional for meter sizes DN 50 - 300 and 2" -12"
fwE = Dimension c + 900 mm or c + 35.50" (minimum dimension)
Meter size to ...
DIN
DN mm PN
10 40
15 40
20 40
25 40
32 40
40 40
50 40
65 16
80 40
100 16
125 16
150 16
200 10
250 10
300 10
M 900
Primary head
DN 10 - 300
3/s" - 12"
'72
ANSI
inehes
3/s**
1/2
3/4
1
11/4
11/2
2
21h
3
4
5
6
8
10
12
Dimensions in mm (inches)
a bF c d j
200 (7.87) 169 (6.65) 92 (3.62) 66 (2.60) 70 (2.76)
200 (7.87) 169 (6.65) 92 (3.62) 66 (2.60) 70 (2.76)
200 (7.87) 169 (6.65) 92 (3.62) 66 (2.60) 70 (2.76)
200 (7.87) 191 (7.52) 96 (3.78) 77 (3.03) 94 (3.70)
200 (7.87) 191 (7.52) 96 (3.78) 77 (3.03) 94 (3.70)
200 (7.87) 236 (9.29) 184 (7.24) 99 (3.90) 94 (3.70)
200 (7.87) 236 (9.29) 184 (7.24) 99 (3.90) 94 (3.70)
200 (7.87) 256 (10.08) 184 (7.24) 109 (4.29) 94 (3.70)
200 (7.87) 256 (10.08) 184 (7.24) 109 (4.29) 94 (3.70)
250 (9.84) 316 (12.44) 234 (9.21) 139 (5.47) 125 (4~92)
250 (9.84) 316 (12.44) 234 (9.21) 139 (5.47) 125 (4.92)
300 (11.81) 336 (13.23) 266 (10.47) 149 (5.87) 172 (6.77)
350 (13.78) 396 (15.59) 354 (13.94) 179 (7.05) 210 (8.27)
400 (15.75) 456 (17.95) 434 (17.09) 209 (8.23) 244 (9.61)
500 (19.69) 532 (20.94) 490 (19.29) 247(9.72) 280 (11.02)
75
(5.51") (5.51")
fwE
dia. Do1N
90 (3.54)
95 (3.74)
105 (4.13)
115 (4.53)
140 (5.51)
150 (5.91)
165 (6.50)
185 (7.28)
200 (7.87)
220 (8.66)
250 (9.84)
285 (11.22)
340 (13.39)
395 (15.55)
445 (17.52)
Approx.
weight
dia. DANs1 in kg (lbs)
88.9 (3.50) 10 (22)
88.9 (3.50) 10 (22)
98.6 (3.89) 10 (22)
108.0 (4.25) 11 (24)
117.3 (4.62) 11 (24)
127.0 (5.00) 13 (29)
152.4 (6.00) 14 (31)
177.8 (7.00) 15 (33)
190.5 (7.50) 17 (37)
228.6 (9.00) 28 (62)
254.0 (10.00) 35 (77)
279.4 (11.00) 45 (99)
342.9 (13.50) 56 (123)
406.4 (16.00) 75 (165)
482.6 (19.00) 110 (243)
M 900 with sanitary connection to D!N 11851
Dimensions in mm and (inches)
Meter size Dimensions in mm (inches)
ON mm a b*
10 and 20 200 (7.87) 223 (8.78)
25 and 32 200 !].87) 245 (9.65)
40 and 50 200 (7.87) 290 (11.42)
65 and 80 200 (7.87) 310 (12.20)
100 and 125 250 (9.84) 370 (14.57)
M 900 primary head
with sanitary connection to DIN 11851
ON 10 - 125 I PN 10
a±0.5%
M 900 with clamp connection
Dimensions in mm and (inches)
75
c
Meter size Dimension in mm (inches)
inches a
1 200 IJ.87)
11h 200 (7.87)
2 200 IJ.87)
3 200 (7.87)
4 250 (9.84)
M 900 primary head
with clamp connection
1" - 4"
0
"'ci
±.
"'+
"-
.0
PG 16
a±0.5%
b* c**
245 ( 9.65) 96 (3.78)
245 ( 9.65) 96 (3.78)
290 (11.42) 184 (7.24)
310 (12.20) 184 IJ.24)
370 (14.57) 234 (9.21)
75
c
d -
77 (3.03)
77 (3.03)
99 (3.90)
109 (4.29)
139 (5.47)
** For stainless steel housing: Dimension c + 14 mm or + 0.55"
c** d j
92 (3.62) 66 (2.60) 70 (2.76)
96 (3.78) 77 (3.03) 94 (3.70)
184 IJ.24) 99 (3.90) 94 (3.70)
184 !J.24) 109 (4.29) 94 (3.70)
234 (9.21) 139 (5.47) 125 (4.92)
** For stainless steel housing: Dimension c + 14 mm or + 0.55"
dia. e dia. f j dia. k dia. 1 m
18.5 (0.71) 49.6 (1.95) 94 (3.70) 25.5 (1.00) 22.1 (0.87) 25.4 (1.00)
28.5 (1.12) 49.6 (1.95) 94 (3.70) 38.2 (1.50) 34.8 (1.37) 25.4 (1.00)
44.5 (1.73) 76.6 (3.02) 94 (3.70) 51.0 (2.01) 47.5 (1.87) 25.0 (0.98)
64.5 (2.52) 117.7 (4.63) 94 (3.70) 76.3 (3.00) 72.9 (2.87) 25.4 (1.00)
93.8 (3.66) 117.7 (4.63) 125 (4.92) 108.9 (4.25) 97.6 (3.84) 24.3 (0.96)
m a ±0.5%
73
M 900 HJ primary head with heating jacket
Flange connections for measuring tube Dimensions in mm and (inches}
... Diii 2501 (=BS 4504) I Dii 10-100 I PN 40 or 16: see Tabie
... ANSI B 16.5 / 3/s"-4" / Class 150 lbs / RF: see Table
... ANSI B 16.5 / 3/a"-4" / Class 2 300 lbs / RF: dimensions on request
Flange connections for heating jacket
... DIN 2501 (=BS 4504) / ON 15 / PN 40 / stud bolts 4 x M 12
... ANSI B 16.5 / 1f2'' / Class 150 lbs / RF / stud bolts 4 x 1/2"
Dimension a without flange gaskets: Not supplied with flowmeter,
to be provided by customer.
*Meter size 3/a": Flange connection 112''
Meter size to ... Dimensions in mm (inches)
DIN ANSI
DNmm PN inches a b c d j
10 40 3/a* 250 (9.84) 233 (9.17) 106 (4.17) 66 (2.60) 70 (2.76)
15 40 1/2 . 250 (9.84) 233 (9.17) 106 (4.17) 66 (2.60) 70 (2.76)
20 40 3/4 250 (9.84) 233 (9.17) 106 (4.17) 66 (2.60) 70 (3.76)
25 40 1 250 (9.84) 255 (10;04) 109 (4.29) 77 (3.03) 94 (3.70)
32 40 11/4 250 (9.84) 255 (10.04) 109 (4.29) 77 (3.03) 94 (3.70)
40 40 11h 250 (9.84) 300 (11.81) 198 (7.80) 99 (3.90) 94 (3.70)
50 40 2 250 (9.84) 300 (11.81) 198 (7.80) 99 (3.90) 94 (3.70)
65 16 21h 250 (9.84) 380 (14.96) 248 (9.76) 139 (5.47) 125 (4.92)
80 40 3 250 (9.84) 380 (14.96) 248 (9.76) 139 (5.47) 125 (4.92)
100 16 4 300 (11.81) 380 (14.96) 248 (9.76) 139 (5.47) 125 (4.92)
j 10.6.4 IFS 2000 primary head
Dimensions in mm and {inches)
Necessary distance between pipe flanges {dimension a)
DN 150 - 250 and 6" - 1O": dimension a + 2 x thickness of gaskets
between grounding ring and pipe flange.
These gaskets not supplied with
flowmeter, to be provided by customer.
~
.,,. ~CD
"'ci
i: 1
"' i+
.a
1
"O
i
m
a±0.5%
m n
150 (5.91) 110 (4.33)
150 (5.91) 110 (4.33)
150 (5.91) 110 (4.33)
150 (5.91) 110 (4.33)
150 (5.91) 110 (4.33)
150 (5.91) 160 (6.30)
150 (5.91) 160 (6.30)
160 (6.30) 160 (6.30)
160 (6.30) 160 (6.30)
180 (7.09) 180 (7.09)
Dimension a incl. grounding rings and gaskets between primary head and grounding rings.
Flange
Standard ·
DIN 2501
(= BS 4504)
ANSI 816.5
IFS 2000
DN 150 - 250
6" -10"
74
Nominal size
ON 150/PN 16
ON 200/PN 16
ON 250/PN 16
6", 150lbs, FF
8", 150lbs, FF
1O", 1501bs, FF
Dimensions in mm (inches)
a b c d
265 (10.43) - 379 (14.92) 292 (11.50) 146 (5.75)
315 (12.40) 420 (16.54) 324 (12.76) 171 (6.73)
365 (14.37) 482 (18.98) 394 (15.51) 198 (7.80)
265 (10.43) 385 (15.16) 292 (11.50) 152 (5.98)
315 (12.40) 426 (16.77) 324 (12.76) 177 (6.97)
365 (14.37) 488 (19.21) 394 (15.51) 204 (8.03)
0
"'
a±0,5%
dia. DDIN
90 (3.54)
95 (3.74)
105 (4.13)
115 (4.53)
140 (5.51)
150 (5.91)
165 (6.50)
185 (7.28)
200 (7.87)
220 (8.66)
e
283 (11.14)
342 (13.46)
395 (15.55)
295 (11.61)
354 (13.94)
407 (16.02)
b
"'s
"'+
.a
75
i:
n
dia. DANs1
88.9 (3.50)
88.9 (3.50)
98.6 (3.89)
108.0 (4.25)
117.3 (4.62)
127.0 (5.00)
152.4 (6.00)
177.8 (7.00)
190.5 (7.50)
228.6 (9.00)
Approx. weight
in kg (lbs) 1
37 ( 82)
53 (117)
87 (192)
37 ( 82)
53 (117)
87 (192)
10.6.5 SC 100 AS
SC 100
Weight approx. 4.5 kg (9.9 lbs)
ZO[Q.79'1
Signal converter: SC 100 AS
1KROHNE1 Sliedrecht. Holland
Altometer
SIGNAL CONVERTER • MESSUMFORMER
ire'
No.
"'-Pow~
Hilfsenergie
OUTPUTSIGNALS - AUSGANGSSIGNALE
~g~~?~:tj:GI:J l~~~
fil;~~fmA) I C=1
Pulses
Impulse
SPECIAL FUNCTIONS - SPEZIALFUNKTIONEN
CALIBRATION FOR - KALIBRATION FÜR
Primaryhead
~:.ßwertauln. :===========:
"'-
~~d~~m. :=D=N=========:~r;%1~~-st. GK
F:===========:
~~i~c11(ev1:==========:
~:::===========:
Power driver: NB 900 F
jKROHNE 1 Slledrecht, Holland
Altometer
MIO - BOOSTER - MIO - LEISTUNGSTREIBER
Type
l)P
No.
Nr
Power
~~::~~~~:umplion ~========~
Leistungsauinahme >------------'
NB 900 F ZD
NB 900 F
Weight approx. 8.5 kg (18.7 lbs)
+ i
1
i
i
__,_ f___ __j
V{< t j l:l::.. . *~/ 120{4.72'1- ~
1,..FG16 ,,,,..____ _1,,,,82'-""'"'-'·17_,_"J--'-IQ'-"F+-c">~70"'-',.--_,
{4-1/2"Wf} (>2.76")
~ space fur opened cover
Primar:y heads:
IFS 2000
IFS 4000
IFS 5000
M 900
jKROHNE !Holland
Altometer
Krohne A92 4711
Order No.
GK 2.147
Primary
constant GKL DN 50
Meter size ON in mm,
for dimensions in inches
refer to Table under
Fct. No. 3.1.4 or Table
in Sect. 10.1
ISO. KL. H
GKL 4.301
PFA-HC
Liner
see Table
below
Electrode material
see Table below
Type
lntermediate connection box ZD
Weight approx 0.5 kg (1.1 lbs)
4•PG16
(4• 1/2" NPTJ
Magnetic field frequency
(here: 1/6 of power frequency)
IFS 4000 16
IP 67
PN 40
lnsulation class
of field coils
Protection category
to DIN 40 050 / IEC 144
Flange pressure rating
or
flange class
Liner
AL
Electrode material
H
NE
PFA
PS
PUi
T
w
ZR
Fused aluminium
oxide (99.7% Al20 3)
Hard rubber
Neoprene
Teflon-PFA
Polysulfone
lrethane
Teflon-PTFE
Soft rubber
Zirconiurri oxide
HB
HC
IN
M4
Ni
PT
TA
Tl
V4A
Hastelloy 82
Hastelloy C4
lncoloy
Monel 400
Nickel
Platinum cap on
stainless steel 1.4571 (SS 316 Ti)
Tantalum
Titanium
Stainless steel 1.4571 (SS 316 Ti)
75
11. Measuring principle and iunction ofthe system
The flowmeter is designed for electrically conductive :fluids.
Measurement is based on Faraday's law of induction,
according to which a voltage is induced in an electrically
conductive body which passes through a magnetic field.
The following expression is applicable to the voltage.
U=K*B*v*D
where:
U = induced voltage
K = an instrument constant
B = magnetic field strength
v= mean velocity
D = pipe diameter
Thus the induced volt<;l.ge is proportional to the mean flow
velocity, when the field strength is constant.
Inside the magnetic inductive flowmeter, the fluid passes
through a magnetic field applied perpendicular to the
direction of flow. An electric voltage is induced by the
movement ofthe fluid (which must have a minimum electri-
76
cal conductivity). This is proportional to the mean flow velo-
city and thus to the volume of flow. The induced voltage
signal is picked up by two electrodes which are in conduc-
tive contact with the fluid and transmitted to a signal con-
verter for a standardized output signal.
This method of measurement offers the following advan-
tages:
1. No pressure loss through pipe constriction or protrud-
ing parts.
2. Since the magnetic field passes through the entire flow
area, the signal represents a mean value over the pipe
cross-section; therefore, only relatively short straight
inlet pipes (5 * DN) from the electrode axis are requi-
red upstream of the primary head.
3. Only the pipe liner and the electrodes are in contact
with the fluid.
4. Already the original signal produced is an electrical
voltage which is an exact linear function of the mean
flow velocity.
5. Measurement is independent of the flow profile and
other properties of the fluid.
The magnetic field of the primary head is generated by a
square wave current fed from signal converter to the field
coils.
This field current alternates between positive and negative
values. Alternate positive and negative flowrate-propor-
tional signalvoltages are generated at the same frequency
by the effect of the magnetic field, which is proportional to
the current. The positive and negative voltages at the pri-
mary head electrodes are subtracted from one another in
the signal converter. Subtraction always takes place when
the field current has reached its stationary value, so that con-
stantinterference voltages or extemal orfault voltages chan-
ging slowly in relation to the measuring cycle are suppres-
sed. Power line interference voltages coupled in the pri-
mary head or in the connecting cables are similarly sup-
pressed.
1Z~ Block diagram andii description ofthe: sfgnaI converter
The SC 100 AS is divided into five functional groups.
Functional group 1 contains an input arnplifier allowing ·
bootstrapping of the signal wire shield, and a high-resolu-
tion analog/digital converter that is controlled by rnicropro-
cessor µP 01.
Functional group 2 generates a pulsed, electronically
controlled direct current for the primary head coils. This
group is galvanically isolated from all other groups.
In functional group 3 the digitalized data supplied by
µP 01 are evaluated by rnicroprocessor µP 02 in acordance
with the functions, operating and primary head data pro-
grammed by way of the 3 keys. Microprocessor µP 02
controls with the aid of the KROHNE-developed LSI circuit
(KSA) the outputs that are galvanicallyisolated by optocou-
plers (functional assemblies 4 and 5). The last measured
value and other information are forwarded via this circuit to
the alphanumeric LCD for indication.
The KSA module is also used to feed last counts to the
EEPROM. In the event of a power failure, last counts are
saved in EEPROM 2. In the same way as operating and
'functional data are permanently stored in EEPROM 1, both
are retained for 10 years without auxiliary power.
Functional group 4 converts a frequency into a propor-
tional current. This group is galvanically isolated from the
other groups.
Functional group 5 consists of power drivers for control
ofeiectronic (EC) and eiectromechanical (EMC) counters,
and an indication output that can be prograrnmed for many
different tasks. This group is galvanically isolated from the
other groups.
Signal inputs +
bootstrap connections
a-nurn. LC-Display
Signal outputs +
field power driver
1
2
~7
Field't~ 8coils
43Ind
[>
[>
EC
4z,;;10kHz
s
EMC
41,;; IOHz
4 Com
77
13. Signal converter SC 100 AS/HPC/S
Use of the „µPl-HPC" pc board and special software
„8.06267.xx" in an SC 100 AS requires a different layout of
menu 4.00. Other menu items are not affected.
4.02 ENTRYCODE
4.03 OUTP. HOLD
4.04 UN/TTEXT
4.05 FACT. QUANT.
4.06 FACT. TIME
4.07 F/ELD FREQ.
4.08 SCALE SEL.
4.09 FIELD GUR.
4.10 NO/SE
4.11 LIMITCNT
4.12 LIMIT VAL
78
Language of display texts, Sect. 5.11
e GB/USA (= English)
• D (= German) • F (= French)
• SF (= Finnish) • others endin
Coding for entry into
programming mode? Sect. 5.12
• NO = entry with l]I key
• YES = entry with keys
ccccmm
Hold values of outputs
during programming?
NO or YES (Sect. 5.13)
Text for field-programmable
unit, Sect. 5.14
A„.Z / a...z / 0„.9 / _ (= s ace)
Conversion factor for
quantity FM, Sect. 5.14
Factör FM= quantity l§er 1 m3
Range: 0.00001*10- to
9.99999*1o+9
Converi;;ion factor for time FT
Sect. 5.14
Factor FT in seconds
Range: 0.00001*10-9
to
9.99999* 10+9
Magnetic field frequency,
Sect. 5.15+8.2
• 1/6 • 1/16 • 1/32
Select preamplification, Sect. 13
• AUTO (automatic)
e HIGH FLOW (high flow range)
• MED. FLOW (medium flow range)
• LOW FLOW (low flow range)
Input of field current
Range: 225.00 to 275.00 mA
(see sticker at term 7 + 8 on
"basic" pc board/with power driver
NB 900 F always ± 250 mA)
Not tobe changed, see Sect. 7.2 + 8.1
Noise rejection, see Sect. 13
e NO e YES
Counter for off-limit condition
(appears only if YES entered under
(Fct. 4.10 NO/SE), see Sect. 13
Range: 001 to 250
Limit value for noise amplitude
(appears only if YES entered under
Fct. 4.10 NO/SE), see Sect. 13
Range: 01 to 90 PERCENT
Fct. 4.07 Magnetic field frequency
In addition to the normalmagnetic field frequencies, three
new values are available. These are „1/2", „SPEC.
1/12"and „SPEC. 1/1B"ofthe power frequency. The fol-
lowing chart shows the transientrecove:ry time for the mag-
netic field and the integration time ofthe measuring signal.
Rpower-line fr'fllency
nnn nnnnnnnnnnnnnn
LJLJUULJUUUUUUUULJULJLJUL
= measuring signal integration time
Fct. 4.08 Range selection
This function can be used to influence the preamplifier
stage. In the AUTOmode, the microprocessor automati-
cally takes over the setting in keeping with the interfe-
rence level and the size of the wanted signal. In some
applications it may prove useful to change the gain
manually. Since there are no hard and fast rules for apply-
ing Fct. 4.08, itis advisable to determine the best setting by
trial and error.
Fct. 4.10 Noise rejection
This function activates a special noise rejection filter
(input: YES). The task of this filter is to reject spurious
peaks and thus provide steadier display and output of the
measured values. The data of the two following func-
tions, Fct. 4.11 and Fct. 4.12, are used for operation of
the noise rejection filter. These input functions are not
shown in the menu when NOhas been entered in Fct. 4.10.
The block diagram below serves to illustrate filter action
and the parameters of functions 4.11 and 4.12.
time constant
Fct. 3.1.05
to data
processing
Functional description
The old measured value, weighted with the time constant,
is subtracted from the nei'1ly calculated measured value1
and the result checked to establish whether it exceeds the
limit set inFunction 4.11. Ifitdoes, the totalizer countincrea-
ses and the differential signal is limited to the specified
limit value..To this differential signal is added the old mea-
sured value again, and forwarded to the time constant pro-
gram. When the totalizer attains the default value from
function 4.11, the limiter unit is bypassed. If the set limit is
not exceeded, the totalizer is reset to the value 'O', and the
limiter bypass de-energized. Two examples are given
below to illustrate the function.
Example 1:
Transient interference superposed on the measured
value.
Ua 100%
rise and fall determined
by Fct. 4.12
In this example it is important that the nurnber of violations
of the limit value from Function 4.11 be selected such that
the limiterfunction always remains activated. The following
equation can be used to establish by approximation the
input values for function 4.11:
LIMIT CNT = max. duration of interference (in sec)
0.06
For function 4.12, the maximum user-acceptable deviation
from the measuring signal is the determining factor. But
noise duration, noise amplitude and the shape ofthe curve
are also crucial factors. This parameter can only be deter-
minedby trial and error, since too many factors would have
to be considered before any hard and fast rule can be laid
down.
Retrofitting the µPl-HPC board
1. Note down all input pa.tameters.
2. De-energize the device!
3. Exchange the µPl board and the EPROM for the µP2.
(if necessary unsolder OTP. and insert a 28-pin socket-.
mount).
4. Switch on device.
5. The device displays Errl4 and EOl.
(Also refer to page 25 of SC 100 AS operating instruc-
tions, current calibration data different!)
6. Press key E 4 times, the values are corrected automati-
cally.
7: Enter all input parameters again according to the old
setting. With the new extra functions it is advisable to
select a.l:)asic setting first,
.(i. e. 4.7 = 1/6 (f line); 4.8 = auto; 4.10 = no).
8. Calibrate the zero.
: The device is_ again fully functionable. The new facilities
' can ,now be used according to application. Repeat zero
calibration at the end of the experimental phase.
Example 2:
The measured value skips from 0% to 100% ofthe flowrate.
:t--Jo interference and no noise signals.
Ua 100%
t=O lu
Number of limit violations set under
Function 4.11 reached. Measured value
transmitted unfiltered.
)
As shown in the diagram, the step change of the wanted
signal is forwarded to the outputs after a time interval. The
rate of rise is dependent on the setting of time constant T
and the value from Fct. 4.12 LIMIT VAL. The time constant
in the t < tu range is:
TL
. . T[s]
rrrut = X 100%
LimitVal
given a 100% skip of the wanted signal.
The instant tu of switchover to the set time constant T is:
tu =LimitCnt X 0.06 s
For delta L1 Ue (%) LimitVal we obtain a maximum output
response of:
L1Ua LimitVal
-- = ---
L1T T
where T is the TIMECONSTANT set under Fct. 3.1.05.
Note: Additional dead times for all signal outputs result
from functions 4.11and4.12. This means that function 3.1.05
T-CONST.I is no longer the sole determining factor for the
response time of the SC 100 AS.
79
Part E Index
80
Section No.
2.6.1
10.3
4.4 + 12
10.1to10.4
4.4 + 12
5.17
4.2.3 + 4.3
5.17
4.1 + 6.4
12
2.5.2
2.5.2
2.5.3
6.5
1.2.1
8.3.2
8.3.l
5.8.3
5.7.3
5.16.4
4.4
4.3 + 4.5
5.12
4.6 + 5.14
4.6 + 5.14
4.4
2.6.2, 2.6.5,
4.6 + 5.7
4.6 + 5.7
4.6 + 5.7
4.6 + 5.7
5.9
4.6
4.6
5.9
4.6
4.6
4.6
4.2.3 + 4.3
4.2.1 to 4.2.3
+ 4.3
10.6
10.6.4
10.6.2
10.6.l
10.6.3
10.6.5
10.6.5
10.6.5
Fct. No.
Err. E 09
Err. E 09
3.3.01 + 3.3.02
3.3.01 + 3.3.02
3.2.00 et seq.
3.1.00 et seq.
3.3.00 et seq. ·
Err. E 07 + E 08
Err. E 01 to E 16
4.02
4.05
4.06
Err. E 14
3.1.00 et seq.
3.1.04
3.1.02
3.1.03
3.2.09
3.1.08
3.2.08
3.1.07
Section No.
4.6, 5.2 + 5.5
4.6, 10.4.1 +
10.4.2
2.5.2
2.6.3, 2.6.5,
4.6 + 5.8
2.6, 2.6.5 +
7.6.2
1.3.8, 1.3.9,
10.4.1 + 10.4.2
4.4
2.6.3, 2.6.5,
4.6 + 5.8
4.4
4.4
4.4
4.3
2.6.3, 2.6.5,
4.6 + 5.8
6.1
4.6 + 5.10
Fct. No.
2.00 et seq.
+ 4.01
1.04
3.2.00 et seq.
Err. E 01 to E 16
Err. E 01 to E 16
Err. E 01 to E 16
3.2.00 et seq.
1.01
2.6.3, 2.6.5, 3.2.00 et seq.
4.6 + 5.8
1.2.3, 1.3.11 +
2.5
8.3, 8.5
+ 9.1 et seq.
2.4 + 2.5
7.1
2.4 + 2.5
4.6 + 5.14
5.14
5.14
5.14
1.3.9
1.2.1 + 10.6.l
10.6.2
10.6.4
10.6.3
1.1 + 4.6
4.6 + 5.3
4.5, 4.6 + 5.3
1.3.4, 10.4.2
+ 10.6.3
2.6.3, 2.6.5
4.6 + 5.3
4.6
4.2.l to 4.2.3
4.1 to 4.3
7.1 et seq.
7.1
7.4
7.8
7.5 to 7.7
4.04 to 4.06
4.05
4.04
4.06
1.06
1.01 to 1.03
Err. P 01;
1.01 to 1.03
3.2.00 et seq.
1.01+1.03
Section No. Fct. No. Section No. Fct. No.
1.2, 1.3, 10.4.1 4.6 + 5.15 4.07
+ 10.4.2 4.1 + 6.4
4.6 + 5.18 3.3.01 + 3.3.04 4.6 1.00 to 4.00
4.6 + 5.18 3.3.01 + 3.3.03 4.2.1 to 4.2.3
4.6, 5.15 + 10.7 1.05 + 4.3
1.2.1, 1.2.3 + 4.6 + 5.14 4.04 to 4.06
10.4.l 4.2 to 4.5
1.3.7 + 10.4.2 11
2.2, 2.3 + 2.5 10.4 + 10.5
4.2.1
1.3.7 + 10.4.2
1.2.1, 1.2.3 + 1.2.l + 1.2.3
10.4.1 1.3.7 + 1.3.11
7.6
4.6, 10.4.1 + 1.04
10.4.2
1.3.1, 1.3.11
+ 10.5
6.1 10.7
1.3.5, 10.4.2,
10.5 + 10.6.3 6.2 4.08
1.3.l, 1.3.9 + 10.5
2.4, 2.5 + 5.2 + 5.5
10.6.5
1.2.1 + 1.3.1
6.3, 10.1 to 10.4
8.3 + 9.1 et seq.
2.6.2, 2.6.5, 3.1.00 et seq. 9.5
4.6 + 5.7 9.1
3 9.3
4.1 et seq. 9.2
8.3
1.1, 1.2 + 1.3 8.3.2
10.7 8.3.l
6.5
2.4.3, 2.5 +
10.6.5 5.8.3
5.6 2.01 et seq. 5.7.3
1.3.3, 1.3.10, 5.16.4
10.4.2 + 10.5 2.6.6
4.6
5.8 3.2.00 et seq.
5.8 3.1.00 et seq.
5.16 3.3.00 et seq.
4.1
5.13 4.03
4.2.2 + 4.3
4.2.2 + 4.3 6.3
4.2.2 + 4.3 8.4
4.2.2 + 4.3 5.2, 5.5 + 5.6
5.11 4.01
4.6, 5.2 + 5.5 2.00 et seq.
+ 4.01 9.1
7, 8 + 9 9.3
4.6 + 5.18 3.3.01 et seq. 9.2
9.4
2.2 2.2 + 2.5
1.3.10, 10.4.2 +
10.5
1.3.3
1.3.1 6.5
10.5
1.3.1 1.2.l + 1.2.3
1.3.2 1.3.7 + 1.3.11
5.9 4.5 Err. POl to Pl4
4.6 3.2.07 to 3.2.09
4.6 3.1.06 to 3.1.08 4.1 + 7.1
81
82
Section No.
see page 4
8.3.2
2.2
9.4
7.8
8.3.2
10.7
2.1
10.2
10.2
8.3
8.3.2
8.3.l
2.6
4.4
8.6
2.2, 10.1 + 10.2
2.2, 10.l + 10.2
2.2, 10.l + 10.2
4.6, 5.16
4.6, 6.16 + 10.7
7.4
1.1 + 1.2
1.1 + 1.3
1.2.1,
10.7.l - 10.7.4
8.2
7.6
7.6
9.1 to 9.4
10.4 + 10.5
4.2.l
4.1 et seq.
4.3
1.2.3, 2.1,
2.2 + 2.5
1.3.7
1.3.2, 1.3.10,
10.4.2 + 10.6
4.6 + 6.8
2.6.3, 2.6.6,
4.6 + 6.8
4.6 + 6.3
4.6 + 6.3
4.6 + 6.10
4.6 + 6.3
6.2
8.1
8.2
4.2.2, 4.3 + 6.6
4.6 + 6.10
4.2 + 4.3
4.2 + 4.3
4.2 + 4.3
4.2 + 4.3
2.6.4, 2.6.6,
4:6 + 6.16
see page 6
10.3
.8.3.1
2.2 + 2.6
4.1, 9.1 to 9.3
Fct. No.
Err. E 01
Err. E 16
1.06
q.2.06
3.2.00 et seq.
1.01to1.03
1.01 to 1.03
1.01 to 1.03
1.01 to 1.03
4.09
1.01 to 1.03
3.3.0 et seq.
Section No.
7.1, 7.5 to 7.7
8.3.l
2.1
10.7
4.1 et seq.
10.l
9.1 to 9.3
9.1 to 9.3 + 9.5
10.1
7.7
2.4.2
7.6
4.6 + 5.9
1.3.10,
10.4.2 + 10.6
8.3 + 9.1 et seq.
1.3.9
3
2.6.4, 2.6.6,
4.6 + 5.16
4.6
4.2.1 to 4.2.3
+ 4.3
4.6, 6.8 + 5.16.3
4.6, 6.7 + 5.16.3
10.3
10.6
10.5
10.2
10.4
10.4.l
10.4.2
10.l
10.l to 10.6
10.4 + 10.6
7.1 et seq.
4.6, 6.8 + 5.16.3
4.6, 6.7 + 6.16.3
4.2.3 + 4.3
1.2.2 + 1.3.10
6.2, 6.6 + 6.6
4.6 + 5.18
7.1 et seq.
4.6
4.6
4.6, 4.6 + 6.3
2.1 + 2.2
1.2.4 + 1.3.7
1.3.9
10.6.l et seq.
2.6 + 10.6.6
7.2
Fct. No.
3.1.06 et seq.
+ 3.2.07 et
3.3.00 et seq.
3.1.00, 3.2.00
+ 3.3.00
3.2.06
3.1.06
3.2.06
3.1.06
3.3.01 et seq.
2.01 + 2.02
1.01+1.03
E:g. POl;
1.01 to 1.03
1.07
lf you need to return flowmeters for testing
or repair to Krohne
Your ALTOFLUX electromagnetic flowmeter
• has been carefully manufactured and tested by a
company with ISO 9001 certification
• and volumetrically calibrated in one of the world's most
accurate test rigs.
lf installed and operated in accordance with these operating
instructions, your flowmeter will rarely present any problems.
Should you nevertheless need to return an ALTOFLUX flow-
meter for checkout or repair, please pay strict attention to the
following points:
Oue to statutory regulations concerning protection of the envi-
ronment and the health and safety of our personnel, Krohne
may only handle, test and repair returned flowmetersthat have
been in contact with liquids if it is possible to do so without risk
to personnel and environment. This means that Krohne
SPECIMEN
Company: .................................................................,...........................
Department: .........................................................................................
Tel. No.: ...:............................................................................................
The enclosed electromagnetic flowmeter
ALTOFLUX, Type: ...............................................................................
can only service your flowmeter if it is accompanied by a certi-
ficate in line with the following model confirming that the flow-
meter is safe to handle.
lf the flowmeter has been operated with toxic, caustic, flamm-
able or water-endangering liquids, you are kindly requested
• to check and ensure, if necessary by rinsing or neutraliz-
ing, that all cavities in the flowmeter are free from such dan-
gerous substances.
(Directions on how you can find out whether the primary
head has tobe opened and then flushed out or neutralized
are obtainable from Krohne on request.)
• to enclose a certificate with the flowmeter confirming that
the flowmeter is safe to handle and stating the liquid used.
Krohne regret that they cannot service your flowmeter unless
accompanied by such a certificate.
certificate
Address: ...............................................................................................
Name: ...................................................................................................
Krohne Order No. or Series No.: ..................................................
has been operated with the following liquid: ............................................................................................................................................................
Because this liquid is
water-endangering * I toxic * I caustic * I flammable *
we have
- checked that all cavities in the flowmeter are free from such substances *
- flushed out and neutralized all cavities in the flowmeter *
(* delete if not applicable)
We confirm that there is no risk to man or environment through any residual liquid contained in this flowmeter.
' Date: .................................................................... S~n~ura: .............................................................................................................................
Company stamp:
83
IKROHNEI
Krohne Messtechnik GmbH&Co. KG
Postfach 100862
D-47008 Duisburg
Ludwig-Krohne-Strasse 5
D-47058 Duisburg
Federal Republic of Germany
Austria
Krohne Ges.m.b.H.
Wagramerstrasse 81
Donauzentrum
A-1220 Wien
Telephone: (01) 2 03 45 32
2032328
Telex: 115 864
Telefax: (01) 2034778
CIS + Baltic States
Kanex Krohne Engineering AG
Leninskij Prospect 16
KW67
117071 Moscow/Russia
Tel.+ Fax: 007-095-9521588
Hong Kong
Kanex Krohne Hang Kong Co.
Room 112
Tung Shun King Office Center
1st floor
No.: 22 Chi Kiang Street
Tokwawan, Kowloon, Hang Kong
Telephone: (852) 3339788 or
(8 52) 3 63 0111
Telefax: (8 52) 774 37 26
Japan
Krohne Liaison Office
497-17 Kawakami
Totsuka
Yokohama 244
Telephone: 81- 45-826 3034
Telefax: 81-45-8263034
Switzerland
Krohne AG
Uferstrasse 90
Postfach 568
CH-4019 Basel
Telephone: (0 61) 6 3111 22
Telex.: 963 452
Telefax: (0 61) 6 311418
Telephone (0203) 301-0
Telex 1600/049203349322
Telefax (0203) 301 389
Belgium
Krohne Belgium N.V.
Brusselstraat 320 ,
B-1702 Groot Bijgaarden
Telephone: (02) 4660010
Telefax: (02) 4 66 08 00
France
Krohne SA
«Usine des Ors»
B.P. 98
F-26 103 Romans Cedex
Telephone: 75 05 44 00
Telex: 345153
Telefax: 75 05 00 48
lndia
Krohne Marshall Pvt. Ltd.
A-34/35, MIDC
lndustrial Estate
'H'-Block, Pimpri
Poona 411018
Telephone: (0212) 77 74 72
Telex: 0146-323 FSON
0146-221 JNMS
Telefax: (0212) 77 70 49
Netherlands
Krohne Persenaire
Procesinstrumentatie
Postbus 365
NL-1270 AJ Huizen
Gooierserf 121
NL-1276 KG Huizen
Telephone: (0 35) 5 28 61 11
Telefax: (0 35) 5 26 96 72
South Africa
Krühne (pty.) Ltd.
P.O.Box 2078
ZA-1685 Ha/fway House
Telephone: (011) 314-13 51
Telefax: (011) 314-11 37
Subject to change without notice. Printed in Geqnany
© Copyright Krohne Messtechnik GmbH & Co. KG
KIEFER J D.ESIGN Urh. 84130
c'hina
Kanex Krohne Beijing
Rm 830, Old Bldg, Xiyuan Hotel
Xi Jiao Er Li Gau, Beijing,
P.R. of China
Tel.: 0086-(0) 1-8313388 ex 5830
Telex: 22 831 XYHCN Ex 830
Telefax: 0086-(0) 1-4260440
Great Britain
Krohne Measurement &
Contra/ Ltd.
Rutherford Drive
Park Farm lndustrial Estate
Wellingborough, Northants NN8 6J..... ~.
Telephone: (01933) 408500
Telefax: (01933) 408501
ltaly
Krohne ltalia Sri
Via V. Monti 75
1-20145 Milano
Telephone: (02) 48 0119 84
Telefax: (02) 48 00 83 54
Spain
Instrumentation lndustrial
Krohne Espafia, S.r.I.
Poligono lndustrial Alcala 1
Galle EI Escorial, nave 206
E-28805 Alcala de Henares
Madrid
Telephone: (9) 18 83 2152
Telefax: (9) 18834854
USA
Krohne America lnc.
7 Dearborn Raad
Peabody, MA 01960
Telephone (508) 535-60 60
1-800 - FLOWING
(1-800-356-9464)
Telefax (508) 535-17 20
PC Telefax (508) 535-38 51
Internet address: info@krohne.com

Dok

  • 1.
    IKROHNEI 01/95 Magnetic inductive ßowmeters 3.1M24EA5 01es21 Installationand operating instructions ALTOFLUX IFM 2100 F IFM 4100 F IFM 5100 F IFM 9100 F Signal converter SC 100 AS/F ,. SC 100 AS/HPC/S Primary heads IFS 2000 IFS 4000 IFS 5000 M 900 Order No. Dlttsize: 7.02130.33.00 l/S ~i7P.. 7.0?130_73_00
  • 2.
    How to usethese Installation and Operating Instmctions e For easy reference these instructions are divided into 5 parts. 8 Only Part A (pages 6-20) is needed for installation and initial start-up. • All electromagnetic flowmeters are factory-set to your order specifications. Therefore, no further adjustments are necessary prior to start-up. Part A lnstall flowmeter in the pipeline (Sect. 1), (pages 6-20) connect up (Sect. 2), power the flowmeter (Sect. 3), that's all! The system is operative. These electromagnetic flowmeters are suitable solely for measuring the volumetric flowrate of electrically conductive liquids, slurries and pastes. For use in hazardous areas, special codes and regulations are applicable which are specified in the special "Ex installation and operating instructions" (supplied only with hazardous- duty equipment). Responsibility as to suitability and intended use of our instru- ments rests solely with the operator. The IFM 2100 F, IFM 4100 F, !FM 5100 F and !FM 9100 F electromagnetic flow- meters are precision instruments desig- ned for the linear flow measurement of electrically conductive liquids, pastes and slurries with a minimum conductiv- ity of > 5 µSlcm (µmho/cm) or > 20 µSlcm (µmho/cm) for demineralized cold water: IFM 5100t F Part B Operator control and action of the SC 100 (pages 21-38) AS/F signal converter. Part C Special applications, service, and functional (pages 39-59) checks. Part D Technical data, dimensions, block diagram (pages 60-77) and measuring principle. Part E Index (pages 78-80) Condensed instructions between pages 42 and 43, pull out form. lmproper installation and operation of the flowmeters (systems) may lead to loss of warranty. In addition, the "General conditions of sale" forming the basis of the purchase contract are applicable. lfALTOFLUX flowmeters have tobe returned to Krohne, please note the inforniation given on page 83! SeRarate flowmeter, primary head with terminal box, SC 100 AS/F signal converter, field housing 100 Signal converter designation for SC 100 AS .____ 2000 IFS 2000 primary head 4000 IFS 4000 primary head 5000 IFS 5000 primary head 9000 M 900 primary head The full-scale range is adjustable be- tween 6 liters per hour and 305 000 m3 per hour, or 0.02to1 342 800 US gallons per minute, dependent on the meter size ON 2.5 to 3000or 1 / 10" to 120". This corresponds to a flow velocity of 0.3 to 12 m/s or 1 to 40 ft/s. ~---- IFM Electromagnetic flowmeter (system) IFS Primary head (sensor) IFC Signal converter System Primary head Signal converter Type Liner Meter size Measuring section ON mm inehes IFM 5100 F IFS 5000 Fused aluminium oxid 2.5- 100 1/10 - 4 SC100AS/F IFM 2100 F IFS 2000 Fused aluminium oxid 150 - 250 6- 10 SC 100 AS/F IFM 4100 F IFS 4000 PTFE (Teflon) 10 - 20 318 - 314 PFA 25 - 150 1 - 6 SC 100 AS/F Varions 200 -1200 8- 48 Varions 1300 -3000 52 -120 SC 100 AS/F IFM 9100 F M 900 PTFE (Teflon) 10 - 20 318 - 314 SC 100 AS/F Varions 25 - 300 1 - 12 2 Power driver - - - NB 900 F -
  • 3.
    & SeRarate-system fiowmeteras ordered - SC 100 AS/F signal converter, field housing - primary head with installation material according to the • Installation and ORerating instructions with pl.:1#-out condensed instructions for operation of the SC 100 AS/F signal converter following table/list - signal cable (field current cable not supplied, tobe provided by customer) • Certificate of system calibration data • ReROrl on factory setting of the signal converter IFS 2000 and IFS 5000 Primary head Primary head Supplied„. X=Standard O=Option Size of gaskets Type Metersize Max. operating „.with „.with „.with grounding rings E „.wlo grounding rings to."" pressure 1) centering stud bolts and gaskets but with gaskets 03 01, 02 + 03 in mm (inches) 3) bar psig material IFS 5000 :~]'!Jrr:.l2~Q1t{~S 4~q5f ON 2.5, 4, 6, 10 40 580 2xrings 4xM12 ON 15 40 580 2xrings 4xM12 ON 25 40 580 2xrings 4xM12 ON 40 40 580 4xsleeves 4xM16 ON 50 40 580 4xsleeves 4xM16 ON 80 40 580 6xsleeves 8xM16 ON 100 16 230 6xsleeves 8xM16 25 360 6xsleeves 8xM20 IFS 2000 ON 150 16 230 / /ON 200 10 145 ON250 10 145 IFS5000 ,. .•. :ii":''~ec"''~'l 1/10, 1/8, 1/4, 3/8, 1/2" <20 <290 2xrings 4x1/2" <40 <580 2xrings 4x1/2" 1" <20 <290 4xsleeves 4x1/2" <40 <580 2xrings 4x5/8" 11/2" <20 <290 4xsleeves 4x1/2" <40 <580 4xsleeves 4x3/4" 2" <20 <290 4xsleeves 4x5/8" <40 <580 6xsleeves 8x5/8" 3" <20 <290 4xsleeves 4x5/8" <40 <580 6xsleeves 8x3/4" 4" <20 <290 6xsleeves 8x5/8" <25 <360 6xsleeves 8x3/4" IFS 2000 6" <20 <290 1/1/8" <20 <290 10" <20 <290 1) With ANSI pipe flanges, the max. admissible operating pressure is dependent on the product temperature 01 X X X X X X X X X X 2) Gaskets 02 not supplied with flowmeter, tobe provided by customer! 01+02 and cable V da di / ~ 01 are special 0-rings 01 are special 0-rings 0 X 46 (1.81) 26 (1.02) 0 X 62 (2.44) 39 (1.54) 0 X 74 (2.91) 51 (2.01) 0 X 106(4.17) 80 (3.15) 0 X 133 (5.24) 101 (3.98) 0 X 133 (5.24) 101 (3.98) / / 01 are special 0-rings 01 are special 0-rings 01 are special 0-rings 1/~ 01 are special 0-rings 01 are special 0-rings 0 X 46 (1.81) 26 (1.02) 0 X 46 (1.81) 26 (1.02) 0 X 62 (2.44) 39 (1.54) 0 X 62 (2.44) 39 (1.54) 0 X 74 (2.91) 51 (2.01) 0 X 74 (2.91) 51 (2.01) 0 X 106 (4.17) 80 (3.15) 0 X 106 (4.17) 80 (3.15) 0 X 133 (5.24) 101 (3.98) 0 X 133 (5.24) 101 (3.98) 1// 01 are special 0-rings 01 are special 0-rings 01 are special 0-rings 3) da = outside diameter di = inside diameter - s = thickness of supplied gaskets For arrangements of gaskets 01, 02 and 03 see "grounding diagrams" in Sect.1.2.3! IFS 4000 and M 900 Primary heads - lnterconnecting cables V, see grounding diagrams in Sect. 1.3.11 - Grounding.J:l.o.gs E (option), if ordered. Supplied without installation material (stud bolts, gaskets),_to be customer supplied! s 2) 2) 1.6 (0.06) 1.6 (0.06) 1.6 (0.06) 1.6 (0.06) 1.6 (0.06) 1.6 (0.06) ~) 2) 2) 2) 2) 1.6 (0.06) 1.6 (0.06) 1.6(0.06) 1.6 (0.06) 1.6(0.06) 1.6 (0.06) 1.6(0.06) 1.6 (0.06) 1.6 (0.06) 1.6(0.06) 2) 2) 2) 3
  • 4.
    , , Contents PartA 1.1 1.2 1.2.1 1.2.2 1.2.3 1.3 1.3,1 1.3.2 1.3.3 1.3.4 1.3.5 1.3,6 1.3.7 1.3.8 1.3.9 1.3,10 1.3.11 2. 2.1 2.2 2.3 2.4 2.4.1 2.4.2 2.4,3 2.5 2.6 2,6.1 2.6.2 2.6,3 2.6.4 2.6.5 Ja. Part B 4. 4.1 4.2 4.2.1 4.2.2 4.2.3 4.3 4.4 4.5 4.6 5. 5.1 5.2 5.3 5.4 5.5 5.6 5.7 5.7.1 5.7.2 5.7.3 5.8 5.8.1 5.8.2 5.8.3 5.9 5.10 4 System installation and start-up Installation in the pipeline Preliminary information Installation IFS 2000 and IFS 5000 primary heads Installation requirements Torques, pipe flanges and max. allowable operating pressure Grounding IFS 2000 and IFS 5000 Installation IFS 4000 and M 900 primary heads Neoprene and hard-rubber liners PTFE liner lrethane liner M 900 with sanitary connections M 900 HJ with heating jacket Pipelines with cathodic protection Grounding rings I Protective rings Standard electrodes Field replaceable electrodes WE Torques Grounding IFS 4000 and M 900 Installation of signal converter 6-12 J 6+7 8+9 8 8 9 10-12 10 10 10 10 10 10 10 11 11 11 12 13-19 Please note the following information concerning installation and operation of the SC 100 AS/F 13 Choice of installation location , 13 Connection to power 13 Signal and field power supply cables 13+14 • Abbreviations used and important information to Sect. 2.4 13 General information to signal cables A (Type OS) and B (Type BTS) 14 Gable lengths: max permissible distance between primary head and signal converter 14 Connection diagrams 1to VIII 15+16 Outputs 17-19 Abbreviations used for outputs 17 Current (analog) output 1 17 Frequency (pulse) output F 18 Status indication output S 18 Connection diagrams for input and outputs CD to ® 19 (Initial) Start-up 20 J Signal converter SC 100 AS Operation of the signal converter 21-27 Operating and check elements 21 Program organization and programming chart 21-23 Menu levels 21 Programming chart 22+23 Description of keys 23 Programming and function of keys 24 Error messages, E-List 25 Plausibility check, P-List 25 Table of programmable functions 26+27 Description of program functions 28-38 Physical units 28 Numerical format 28 Full-scale range 0 100% and meter size 28 Flow direction 29 Display 29 Interna! electronic totalizer 29 Current (analog) output 1 30+31 Application 1(Fct. 3.1.01) 30 Other programmable functions for 1 30 Characteristics of current output 1 31 Frequency output F 32+33 Application F (Fct. 3.2.01) 32 Other programmable functions for F 32+33 Characteristics of frequency output F 33 Low-flow cutoff (SMU) for l+F 34 F/R operation for 1and / or F 34
  • 5.
    5.11 5.12 5.13 5.14 5.15 5.16 5.16.1 5.16.2 5.16.3 5.16.4 5.17 5.18 5.19 Part C 16. 6.1 6.2 6.3 6.4 6.5 7.1 7.2 7.3 7.4 7.5 7.6 7.7 7.8 ja. 8.1 8.2 8.3 8.4 8.5 9. 9.1 9.2 9.3 9.4 9.5 Part D j10. 10.1 10.2 10.3 10.4 10.5 10.6 10.7 11. 12. 13. Part E Language of display texts Coding desired for entry into programming mode? Behavior of outputs during programming Field-programmable unit Magnetic field frequency and primary constant GK Status indication output S Application S (Fct. 3.3.01) Other programmable functions for S Response time, setting of time constant Characteristics of status indication output S Automatie range range BA Trip points for l+F Factory settings Special applications, functional checks and service Special applications Use in hazardous areas Short response time in conjunction with rapid changes in flowrate Stable signal outputs when measuring tube empty Magnetic sensors, programming with hand-held bar magnet Installation and grounding in pipelines with cathodic protection for IFS 4000 and M 900 Functional checks Check of field power supply Zero check System check-out Testing of primary head Testing of signal converter SC 100 AS Setpoint display SC 100 AS with primary head simulator GS 8 Troubleshooting SC 100 AS Testing of NB 900 F power driver Service Replacement of pc boards Replacement of primary head Change of operating voltage and power fuses Output voltage 5/12 V of electronic counters EC (terminals 4/42) F5 fuse, identification of power failure Connection and operating points on pc boards, circuit diagrams and spare parts Basic.board 110 to 240 Volt AC µ P1 board Measured-value output board NB 900 F boards Spare parts of SC 100 AS housing Technical data, measuring principle, block diagram Technical data Signal converter SC 100 AS Power driver NB 900 F Accuracies for complete system at reference conditions Primary heads Limits of measuring section/liner Dimensions and weights Instrument nameplates Measuring principle and function of the system Block diagram and description of the signal converter SC 100 AS with µP1-HPC board, see also page 27, Sect. 4.6 Index 34 34 34 35 35 36+37 36 36 37 37 38 38 38 39+40 1 39 39 39+40. 40 40 41-51 41 41 41+42 43 44+45' 46+47 48-50 51 52+531 52 52 52+53 53 53 54-59 54+55 56+57 58 59 59 60-72 1 60+61 62 63 64-67 68 69-75 75 76 77 78-79 80-82 5
  • 6.
    Part A Systeminstallation and start-up j 1.1.1 Selecting the installation location 1. Location and position as required, but electrode axis must be approximately horizontal. Electrode axis ·-X 2. Measuring tube must be completely filled at all times. 3. Flow direction +/-, arrows on primary heads can normally be ignored. For exceptions, refer to Sect. 5.19 "factory setting''. 4. Bolts and nuts: to install, make sure there is sufficient room next to the pipe flanges. 5. Vibration: support the pipeline on both sides of the flowmeter. 6. Heavily contaminated fluids: install flowmeter in bypass. 6 1 Flowmeter 2 Oraining and cleaning without interrupting system operation 7. Large meter sizes, DN > 200 (8"): use adapter pipes to permit axial shifting of counterflanges to facilitate instal- lation. 8. Straight inlet run minimum of 5 x DN and outlet run minimum of 2 x DN (ON= meter size), measured from the efectrode axis. 9. Vortex or corkscrew flow: increase inlet and outlet sections or install flow straighteners. 10. Streng electromagnetic fields and large "iron masses": avoid in vicinity of flowmeter. 11. Zero setting is automatic in flowmeters with pulsed OC field. Electrode contamination does not therefore cause any zero dritt. In water and waste water applications, it is frequently not practical to shutthe flow offto check zero after major repair, recalibration or inadvertent and improper adjustment of the converter. In this case the primary head zero can be checked under flowing conditions as outlined in section 72 . For most applications it is convenient and customary 'to check the zero by shutting off the flow. Shutoff valves should therefore be provided upstream and/or down- stream of the primary head unless the pipe configuration already rules out the possibility of the primary head being drained of fluid. For zero check see section 7.2. 12. Mixing different fluid products. lnstall flowmeter upstream of mixing point or at an adequate distance downstream, minimum 30 x ON (ON= meter size), other- wise output/display may be unsteady. 13. Ambient temperature < 60°C J < 140°F Refer to Sect. 10.5 for process temperature, pressure and vacuum limits due to material used for measuring section/ liner.
  • 7.
    l1.1.2 Suggestions forinstallation To avoid measuring errors due to air inclusion and vacuum- induced damage to PTFE and rubber liners, please observe the following: Preferred locations Highest point of pipe run (Air bubbles collect in measuring tube - faulty measurements!) ~ o· ---2----1f"l-t0Downpipe LJi "Zero" flow ~velocity. Line drained. - Faulty Umeasurements! t Horizontal pipe run lnstall in slightly ascending pipe section. lf not possible, assure adequate velocity to prevent air, gas or vapor from collecting in upper part of flow tube. · Open feed or discharge lnstall meter in low section of pipe. Downpipe over Sm (16 ft) length lnstall air valve ® downstream of flowmeter (vacuum). -9~----t10 Long pipeline Always install control and shutoff valves downstream of flow- meter (vacuum!). Pumps Never install flowmeter on pump suction side (vacuum!). Sluice underpass for sewage concrete pipe with built-in flowmeter 1 lntake 2 Overflow 3 lntake sill 4 Cleaning hole 5 Flowmeter 6 Removable section 7 Wall seal 8 Outlet 9 Drain valve 7
  • 8.
    1~_1_.2_._1_1_ns_t_a_ll_a_t_io_n~re_q_u_i_r_e_m_e_n_t_s~~~~~~~~~' Mounting material see Page3 "ltems included with supply" Pipe flanges and operating pressure see Table "torques" in Sect. 1.2.2. Pipe flanged spacing • For arrangement of grounding rings aris gaskets refer to Sect. 1.2.3 "Grounding". • For size of gaskets 01, 02 and 03 refer to pape 3 "ltems included with supply". Primary head Fitting dimensions "a" in mm (inch) Type Meter size with without ON mm inch grounding rings grounding rings IFS 5000 2.5-15 1/10 -1/2 65 (2.56) 1) - 3) 25 1 68 (2.68) 2) 58 (2.28) 3) 40 11/2 93 (3.66) 2).. 83 (3.27) 3) 50 2 113 (4.45) 2) 103 (4.06) 3) 80 3 163 (6.42) 2) 153 (6.02) 3) 100 4 213 (8.39) 2) 203 (7.99) 3) IFS 2000 150 6 265 (10.43) 1) - 200 8 315 (12.40) 1) - 250 10 365 (14.37) 1) - 1) plus 2xthickness of gasket 02 between grounding rings and pipe!langes, gasket 02 not included with supply, customer supplied. 2) incl. gasket 02 between grounding rings and pipe !langes. 3) incl. gasket 03 between measuring tube and pipe !langes. High-temperature pipelines Where process temperatures exceed 100°C (212°F), provide forfacilities to compensate for longitudinal expansion on heat- up of the pipeline: • For short pipelines use resilient gaskets. • For long pipelines install flexible pipe elements (e.g. elbows). Position of flanges • lnstall flowmeter in line with the pipe axis. • Pipe flange faces must be parallel to each other, max. per- missible deviation: Lnax - Lm;n s 0.5 mm (0.02"). Lmax Lmin Arrangement of centering sleeves for IFS 5000 For number of supplied centering sleeves see page 3 "ltems included with supply". with four centering sleeves 2 3 8 with six centering sleeves Stud bolts Hex. nuts Sleeves 3 1.2.2 Torques, pipe flanges and max. allowable operating pressure IFS 5000 Stud bolts and nuts tighten down uniformly at diametrically opposed points. IFS 2000 Tighten down in the sequence shown in the drawing below. Max. torques 1st sequence: approx. 50% 12nd sequence: approx. 80% 3rd sequence: approx. 100% Type Meter size Pipe Max. 1} of !langes Operating measuring (for IFS 2000 pressure tube also to „. connecting flanges) bar psig „. DIN 2501 (= BS 4504) IFS ON 2.5,4, ON 10,15 PN 40 s 40 s 580 5000 6, 8, 10 ON 15 ON 15 PN 40 s 40 s 580 ON 25 ON 25 PN 40 s 40 s 580 ON 40 ON 40 PN 40 s 40 s 580 ON 50 ON 50 PN 40 s 40 s 580 ON 80 ON 80 PN 40 s 40 s 580 ON 100 ON 100 PN 16 s 16 s 230 ON 100 PN 25 s 25 s 360 IFS ON 150 ON 150 PN 16 s 16 s 230 2000 ON 200 ON 200 PN 10 s 10 s 145 ON 250 ON 250 PN 10 s 10 s 145 , „ ANSI B16.5 IFS 1/10, 1/8, 1/2" 150 lbs s 20 s 290 5000 1/4, 3/8" 1/2" 300 lbs s 40 s 580 1/2" 1/2" 150 lbs s 20 s 580 1/2" 300 lbs s 40 s 580 1" 1" 150 lbs s 20 s 580 1" 300 lbs s 40 s 580 11/2" 11/2" 150 lbs s 20 s 580 11/2" 300 lbs s 40 ,,;; 580 2" 2" 150 lbs s 20 s 580 2" 300 lbs s 40 s 580 3" 3" 150 lbs ,,;; 20 s 580 3" 300 lbs s 40 s 580 4" 4" 150 lbs s 20 s 290 4" 300 lbs s 25 s 360 IFS 6" 6" 150 lbs s 20 s 290 2000 8" 8" 150 lbs ,,;; 20 s 290 10" 10" 150 lbs s 20 s 290 of max. torque, see Table Max. torques with gaskets made of . 3) Gylon .. Chemo- „. built-up therm material Nm ft lbf Nm ft lbf Nm ft lbf / 1/32 23 32 23 22 16 32 23 47 34 66 48 58 42 82 59 48 35 69 50 75 54 106 77 94 68 133 96 1// 148 107 183 132 158 114 VV 35 25 35 25 35 25 35 25 24 17 33 24 30 22 42 30 38 28 54 39 57 41 81 59 58 42 83 60 30 22 42 30 98 71 138 100 59 43 84 61 75 54 78 10,8 g2 67 131 95 / 1/ 148 107 183 132 158 114 1) For ANSI pipe flanges, the maximum allowable operating pressure is dependent on the process temperature! 2) Maximum torque is dependent on gaskets material. 02 gasket not supplied with flowmeter, must be provided by customer. 3) 10 Nm =1.0 kpm =7.23 ft lbf
  • 9.
    J 1.2.3 GroundingIFS 2000 and IFS 5000 e All flowmeters (primary heads) must be properly grounded. • The ground conductor must not transmit any interference voltages. Therefore, do not connect any other electrical devices to this conductor. ~ 1 o;:.... O'- Oo lt) 0 cnr- LL 1 -LD N z 0 N :;:::: 1 ob oci:::: or- lt)....._ cn l.() LL r-_1 l.() ci z 0 0r- 1 o<'o O'- Oo N LD cnN !!: 6l.() r- z 0 Metal pipeline, not internally coated Grounding without grounding rings V1 V2 pipeline pipeline RF 03 03 RF FE~ 01, 03 Gaskets, bonded to measuring tube 02 Gaskets IFS 5000, ON 25-100 and 1"-4": Bonded to grounding rings (option). IFS 2000 and IFS 5000, ON 2.5-15 and 1/10"-1/2": Not included with flowmeter, provided by customer. Refer to page 3 "ltems included with supply" for dimensions. E Grounding rings IFS 5000, ON 25-100 and 1"-4": Grounding rings (option) with bonded gasket 02 are supplied loose and must be bolted to the housing, mounting material supplied. IFS 2000 and IFS 5000, ON 2.5-15 and 1/10"-1/2": Grounding rings bolted to housing. • In hazardous areas, the grounding system of the primary head is also used for equipotential bonding, refer to Sect. 6.1 and special "Ex'' installation instructions. Metal pipeline with or without internal coating, and plastic pipeline Grounding with grounding rings pipeline RF E 02 01 pipeline pipeline RF E 02 01 -:- FE -:- FE -:- FE pipeline E RF 01 02 pipeline RF pipeline E RF 01 02 * V1 and V2 not required for plastic pipelines F Flanges of IFS 2000 primary head " FE Functional ground, wire 2 4 mm2 (10 AWG) Cu, connected to U-clamp terminal on "neck" of prim- ary head. Wire not included with supply, tobe pro- vided by customer. RF Pipe flanges V1, V2 Connecting wires, bolted to the "neck" of the primary head. Threaded holes for M6 bolts to be provided for flange-side (RF) connection. 9
  • 10.
    / 1.3.1 Neoprnneand hard-rnbber liners Note temperature limits e Storage: - 20 to + 60 °C (- 4 to + 140 °F), keep immobile • Transport: - 5 to + 50 °C (+ 23 to + 122 °F) • Process: Neoprene - 20 to + 60 °C (- 4 to + 140 °F) Hard rubber - 20 to + 90 °C (- 4to+194 °F) [Temperatures below - 5 °C (+ 23 °F) are only permiss- ible if the pipe run is supported an both sides oftheflow- meter, and providing there is only slight vibration and no water hammer in the pipe.] Gaskets are necessary for hard-rubber liners, e.g. Neoprene or soft-rubber gaskets. Max. torques: see Sect. 1.3.10, Column B / 1.3.2 PTFE liner lnstall to avoid an excessive vacuum condition at the meter. The PTFE liner is formed around the ends of the flanges, do not remove or damage. The flanges are factory-fitted with special protection covers. Do not remove these until just before installation. Replace by pieces of smooth sheetmetal [0.3 to 0.6 mm (0.012" to 0.024") thick] when fitting the flowmeter between the pipe flanges (to be removed after installation). Attached protective rings can optionally be supplied, in which case the above-mentioned sheet metal pieces are not required. These protective rings can simultaneously be used as grounding rings, see Sect. 1.3.7. Max. torques: see Sect. 1.3.10, Column A. / 1.3.3 lrethane liner lmportant for IFS 4000 primary head with irethane liner, > 12 mm I > 0.47" thick: The flange connections are !arger than the diameter of the measuring tube! Use pipe flanges according to the following tables. Meter size ON in mm Meter size in inches Measuring Flanges Measuring tube tube ON 350 ON 400 14" ON 400, 450 ON 500 16", 18" ON 500, 550 ON 600 20", 22" ON 600, 650 ON 700 24", 26" ON 700, 750 ON 800 28", 30" ON 800, 850 ON 900 32", 34" ON 900, 950 ON 1000 36'', 38" ON 1000 ON 1200 40" Max. torques (according to size of flanges!): see Sect. 1.3.10, Column B l 1.3.4 M 900 with sanitary connections Versions Flanges 16" 20" 24" 28" 32" 36" 40" 48" e Sanitary pipe union to DIN 11851, ON 10 to 125 e Clamp connection, measuring tube 1" to 4" Dimensions Refer to Section 10.6.3 Cleaning the measuring tube by CIP (cleaning in place) using various chemicals, acids, alkalis, steam or water up to 140°C (284°F). Installation To prevent damage to the PTFE liner, the factory-supplied rubber gaskets must be fitted without fail. Grounding, refer to Section 1.3.11. 10 J 1.3.5 M 900 Hj with heating jacket 8 M 900 HJ primary heads with heating jacket are available for ON 10 to 100 or 3/s" to 4" meter sizes (for dimensions see Sect. 10.6.3). e The two connecting flanges for the heating jacket are designed to DIN 2501, ON 15, PN 40 or to ANSI, 1f2", 150 lbs. e Max. operating pressure of heating medium: 10 bar /150 psig. e The maximum permissible temperature of the heating medium, in liquid or vapor state, is governed bythe insula- tion class of the field coils (E up to 120°C / 248° F, H up to 180° C / 356 ° F) and the liner used for the measuring tube. Refer to Sect. 10.5 for max. permissible operating data. 1.3.6 Pipelines with cathodic protection For installation and grounding, refer to Sect. 6.5. 1.3.7 Grounding rings I Protective rings 8 Required in conjunction with plastic or internally coated pipes. e Grounding rings form a conductive connection with (he fluid. · e Material CrNi steel 1.4571 or SS 316 Ti-AIS!, others on request. 8 For grounding and connection of the grounding rings, refer to Sect. 1.3.11. 1 2 3 Grounding ring No. 1, 3 mm/ 0.12" thick. Grounding/protective ring No. 2 for primary heads with PTFE liner, fitted to the flanges, 3 mm I 0.12" thick. Grounding/protective ring No. 3 with cylindi-ical neck, to protect the liner of the flowmeter particularly at the inlet edge in conjunction with abrasive fluids. - Length 30 mm for ON 10 to 300 or 3/s" to 12". - Length 100 mm for 2:: ON 350 or ;::::: 14".
  • 11.
    J 1.3.8 Standardelectrodes IFS 4000: ON 25 - 150 and 1" - 6" Primary heads with PFA liner are fitted with electrodes that are inserted from the outside such that the electrode head is flush with the inner surface ofthe liner. The electrodes are sealed by a specially shaped collar on the electrode shaft. Cup springs ensure constant pressure between these collars and a sealing surface moulded to the liner. M900: IFS 4000: ON 10 - 300 and 3/a" - 12" ON 10 - 20 and 3/a" - 3f41' ON 200 - 600 and 8" - 24" The electrode head, which is in contact with the process, has an elliptical shape, while the conical neck forms the sealing surface with the liner. Cup springs ensure constant pressure between this neck and the liner. J 1.3.10 Torques J 1.3.9 Field replaceable electrodes WE M 900: OfJ 50 - 300 and 2" - 12" IFS 4000: ON 350 - 600 and 14" - 24" This design enables the electrodes to be removed under operating conditions and efficiently cleaned. To remove, undo the holding screws on the protective caps. Unscrewthe electrodes and pul! them out until the ring mark is visible on the electrode shaft. Close valve and withdraw elec- trode completely. After cleaning, install in the reverse order. Bolts: tighten uniformly in diagonally opposite sequence, see Table for number and type· Column A for PTFE and PFA liners Column B for Neoprene, lrethane, hard and soft rubber liners • IFS 4000 with lrethane liner, > 12 mm I >0.50": maximum torques refer to nominal diameter of connecting flange and not to nominal diameter of measuring tube, see Sect. 1.3.3! 10 Nm = 1.0 kpm = 7.23 ft lbf. Meter Presure Bolts Max. torque size rating Nm (ft lbf) ON mm PN A B 10 40 4 XM 12 7.6 (5.5) 4.6 (3.3) 15 40 4 XM 12 9.3 (6.7) 5.7 (4.1) 20 40 4 XM 12 16 (11.6) 9.6 (6.9) 25 40 4 XM 12 22 (15.9) 11 (8.0) 32 40 4 XM 16 37 (26.8) 19 (13.0) 40 40 4 XM 16 43 (31.1) 25 (18.1) 50 40 4 XM 16 55 (39.8) 31 (22.4) 65 16 4 xM 16 51 (36.9) 42 (30.4) 65 40 8 XM 16 38 (27.5) 21 (15.2) 80 25 8 XM 16 47 (34.0) 25 (18.1) 100 16 8 XM 16 39 (28.2) 30 (21.7) 125 16 8 XM 16 53 (38.3) 40 (28.9) 150 16 8 xM 20 68 (49.2) 47 (34.0) 200 10 8 xM 20 84 (60.7) 68 (49.2) 200 16 12 XM 20 68 (49.2) 45 (32.5) 250 10 12 XM 20 78 (56.4) 65 (47.0) 250 16 12 XM 24 116 (83.9) 78 (56.4) 300 10 12 XM 20 88 (63.7) 76 (54.9) 300 16 12 XM 24 144 (104.2) 105 (75.9) 350 10 16 XM 20 97 (70.1) 75 (54.2) 400 10 16 XM 24 139 (100.5) 104 (75.2) 450 10 20 X M 24 127 (91.8) 93 (67.2) 500 10 20 XM 24 149 (107.7) 107 (77.4) 600 10 20 XM 27 205 (148.2) 138 (99.8) 700 10 24 XM 27 238 (172.1) 163 (117.8) 800 10 24 X M 30 328 (237.1) 219 (158.3) 900 iO 28 XM 30 - 205 (148.2) 1000 10 28 XM 35 - 261 (188.7) Meter Body Bolts Max. torque size pressure for ANSI Nm (ft lbf) rating class 150 inches psig flanges A B 3/a 580 4 X1//' 3.5 (2.5) 3.6 (2.6) 1h 580 4x 1h" 3.5 (2.5) 3.6 (2.6) 3/4 580 4 X1//' 4.8 (3.5) 4.8 (3.5) 1 580 4 X1//' 6.7 (4.8) 4.4 (3.2) 11/4 580 4x 1h" 10 (7.2) 8 (5.8) 11h 580 4 X1//' 13 (9.4) 12 (8.7) 2 580 4 X5/a" 24 (17.4) 23 (16.6) 21h 580 4 X5/s" 27 (19.5) 24 (17.4) 3 360 4 X5/s" 43 (31.1) 39 (28.2) 4 230 8 X5/a" 34 (24.6) 31 (22.4) 5 230 8 X3/4" 53 (38.3) 47 (34.0) 6 230 8 X3/411 61 (44.1) 51 (36.9) 8 145 8 X3/4" 86 (62.2) 69 (49.9) 10 145 12 x7/s" 97 (70.2) 79 (57.1) 12 145 12 X7/s" 119 (86.1) 104 (75.2) 14 145 12 X1" 133 (96.2) 93 (76.2) 16 145 16 X111 130 (94.0) 91 (65.8) 18 145 16X11/a" 199 (143.9) 143 (103.4) 20 145 20X11/a" 182 (131.6) 127 (91.8) 24 145 20 X11//' 265 (191.6) 180 (130.1) 28 145 28X1 1/411 242 (175.0) 161 (116.4) 32 145 28 X11//' 380 (274.7) 259 (187.3) 36 145 32 X11/2'' - 269 (194.5) 40 145 36 X11//' - 269 (194.5) Note: Process pressure must not exceed ANSI flange rating. Refer to ANSI Standard B 16.5. 11
  • 12.
    l 1.3.11 GroundingIFS 4000 and M 900 e All flovvmeters (primary heads) must be proper!y grounded. e The ground conductor must not transmit any interference voltages. Therefore, do not connect any other electrical devices to this conductor. 0 0 0 <:t fg 0 .o 0) ::!!: c 0 ·~ ~ ~ :ll!c m III 0 0 0) ::!!: Metal pipeline, not internally coated Grounding without grounding rings pipeline RF pipeline RF pipeline 03 V1 03 -:- FE X F V2 -:- FE -:- FE 03 03 X pipeline RF pipeline RF pipeline 01, 02, 03 Gaskets, not included with supply, to be pro- vided by customer. E F FE 12 Grounding rings, option, see Sect. 1.3.7. Flowmeter flanges Functional ground, wire ~ 4 mm2 (10 AWG) Cu, not included with supply, to be provided by customer. IFS 4000: connected to U-clamp terminal on "neck" of primary head. M 900: connected to flowmeter flange F, but for sanitary version connected to "neck" of the M 900. Fit cable lug to FE for M6 bolt (or M8 if meter size ~ DN 40 I ~ W2"), not included with supply, to be provided by customer. e !n hazardous areas, the grounding system of the prima!'/ head is also used for equipotential bonding, refer to Sect. 6.1 and special "Ex" installation instructions. pipeline pipeline RF V1, V2 X Plastic pipeline and internally coated metal pipeline Grounding with grounding rings (option) RF 02 01 E V1 V2 02 01 E -:- FE Pipe flanges -:- FE 01 02 E 01 02 E RF pipeline •. Refer to Section 6.5 for grounding of pipelines with cathodic protection. Connecting wires, bolted to the "neck" of the IFS 4000 or to flange F of the M 900. Threaded holes to be provided for M6 bolts (M8 for M 900 ~ON 40/~1112") forflange-side (RE) connection. Use factory-supplied mounting material for connection of groundingJio.g~ Sanitary screw connections to DIN 11851 or clamp connections.
  • 13.
    f:l:l~~·!lll1~1~111f~1lll~lllllllll!ll.!·:lllllll.l:lll!.=l!l1.:l:l!l:::lil.!:::I 0 Electrical connectionin conformity with VDE 0100 "Regulations governing heavy-current installations with rated voltages up to 1000 V" or equivalent national standard. Refer to connection diagrarns, Seel. 2.5, for power connection to signal converter (and power driver, if pro- vided). e Do not cross or loop the cables in the terminal boxes of the primary head, signal converter and power driver, if supplied. Use separate PG or NPT screwed conduit entries for each cable~ O Special regulations apply to installation in hazardous areas. Referto Seel. 6.1 and special "Ex" installation instructions. O On normal customer orders, the GK (primary constant) of the signal converter is factory-setto match that ofthe primary head with which it is ordered. The GK is engraved on the primary head nameplate and also shown on the converter nameplate. These instruments should be installed together, otherwise the converter will need to be reset (see Seel. 4.6 and 8.2, Fct. 1.04, 1.05 and 4.07). fäi@l§.i.it~iliU~ifüii~fümli@itIIHIIlHHittIIItIIt11lt1IHl e Do not expose signal converter (or power driver) and switch gear cubicle(s) with installed units to direct sunlight. lnstall a sunshade, if necessary. e Do not expose to intense vibration. e Ensure adequate cooling of SC 100 AS/F unit(s) when installed in switchgear cubicle(s), e.g. use heat exchangers. • lnstall signal converter as close as possible to the primary head. e Use factory-supplied standard signal cable A (type DS), standard length 10 m (30 ft). For langer lengths and bootstrap signal cable 8 (type 8TS), refer to Sect. 2.5.2 and 2.5.3. e Always use the bootstrap signal cable 8 (type 8TS) for IFS 5000 primary heads, DN 2.5 -15 OM' - %"), and in conjunction with contaminated fluids having a tendency to form electrically insulating deposits. !liliii::mi~MmiM~::;::@~'=«lifl1ftllitifl:::i[fü1Iiti1l e Noteinformation given in Sect. 2.1! • Note the information given on the instrument nameplates on the primary head, signal converter (voltage, frequency)! e Power supply 24/42 Volt AC and 24 Volt DC, functional extra-low voltage with protective separa- tion (PELV) to VDE 0100, Part 410, or equivalent national standards. 0 Power supplyforthe primary head via the signal con- verter (or power driver, if applicable). e Connection diagrams refer to Section 2.6. e Line resistance for 24 V DC and 24/42 V AC max. internal resistance Rmax of voltage supply (transformer or DC voltage source and cable) 24 Volt DC / 24 Volt AC: Rmax 24 s 1 ohm 42 Volt AC: Rmax 42 s 2 ohms max. length Lmax of power cable Lmax = 28 X A (Rmax-R;) A Cross-section of power cable in mm2 copper wire. Rmax Interna! resistance of voltage supply Rmax 24 or Rmax 42, see above R; Interna! resistance of transformer or DC voltage source Example: 42 V AC / A = 1.5 mm2 / R; = 0.2 ohm ! Rmax 42 = 2 ohms Lmax = [28 x 1.5 (2-0.2)] = 75.6 m 75.6 m X 3.3 j!_ ::::: 250 fl m •. Connection of several signal converters to 1 transformer (n = number of converters) Separate power cable: R; increases by factor "n" (R; xn) Common power cable: Lmax decreases by factor "n" (Lma/n) !llliMHfli'-!llliiiI:'-i!ilMii#.r:li!i~J.illE~5,lIIf1IIl1ltlII11Hl1HIIfü111Il11I1Hll11tIIl1tllittitlt1Il11I111III1Hf1ttll 2.4.1 Abbreviations used and important information to Sect. 2.4 A Signal cable A (type OS) with double shielding; for max. length (Lmaxl see Diagram: cuNes A1 and A2 8 Signal cable 8 (type 8TS) with triple shielding; for max. length (Lmaxl see Diagram: cuNes 81, 82, 83 and 84 C Field power supply cable; for minimum cross-section (AF) and length see Table D High-temperature silicone cable, 3 x 1.5 mm2 Cu / 3 x AWG 14, with single shielding, max. 5 m / 16 ft length E High-temperature silicone cable, 2x1.5 mm2 Cu/ 2 x AWG 14, max. 5 m / 16 ft length F Field power supply cable, connection between IFS 4000 primary head (ON ;;::: 1300 / ;;::: 52") and power driver; see Table for minimum cross-section (AF) and max. length G Gable connecting power driver and signal converter, min. cross-section 2 x 0.5 mm2 Cu / 2 x 20 AWG, max. length 300 m (1000 ft) AF Cross-section of field power supply cables C and F in mm2 (AWG) Cu, see Tables L Length of cable x Electric conductivity ZD lntermediate connection box, required in conjunction with cables D and Efor IFS 5000 and IFS 4000 primary heads where process tem pera- tures exceed 150°C (302°F) • Determining the maximum permissible distance between primary head and signal converter 1. The length of signal cableA or Bis dependenton the electric conductivityx ofthe liquid product, and also on the type and meter size of the primary head; see Table and Diagram "length of signal cable". 2. The length offield power supply cables C and Fis determined bythe cable cross-section AF; see Tables "field power supply cable C and F". 3. The shortest cable length obtained either according to Point 1 or Point 2, is the maximum permissible distance between primary head and signal converter! e Special regulations apply to hazardous-area operation; refer to Sect. 6.1 and special "Ex" installation instructions. • Always use the bootstrap signal cable B (type 8TS) for IFS 5000 primary heads, DN 2.5to15 (1 '1o"to 1 12") andin conjunction with contami- nated fluids having a tendency to form electrically insulating deposits. 13
  • 14.
    1 2.4.2 Generalinformation to signal cables A (Type DS) and B (Type BTS) General Krohne signai cabies A+B with foii and magnetic shields will ensure faultless system operation. e The signal cable must be a rigid installation. Cables must be secured so they do not move, or must be run in conduit. 9 No separate Installation of signal and field power supply cables required - can be run in same conduit along with other signal and field power cables. Do not run in same conduit with power cables for other devices. 9 Shields are connected via stranded drain wires. • Suitable for underwater and underground installations. • lnsulating material flame-retardantto IEC 332.1NDE 0472 e Low in halogen and unplasticized. • Flexible at low temperatures. Signal cable A (Type DS) with double shielding 1 Stranded drain wire, 1st shield, 1.5 mm2 -(14 AWG) 2 lnsulation 3 Stranded wire 0.5 mm2 (20 AWG) 4 Special foil, 1st shield 5 lnsulation 6 Mu-metal foil, 2nd shield 7 Stranded drain wire, 2nd shield, 0.5 mm2 (20 AWG) 8 Outer sheath ----2 ----3 ~---4 ----5 -----6 -------7 -------8 Bootstrap signal cable B (Type BTS) The signal converter automatically controls the individual v shields (3) to exactly the same voltage as that applied to signal wires (5). Since the voltage difference between sig wires (5) and individual shields (3) is virtually zero, there is flow of current via the line capacitances 3+5; thus, line cap< tance is apparently zero. Much longer cable lengths are tt permitted for fluids with low electrical conductivity levels. 1 Dummy glider wire 2 lnsulation 3 Special foil, 1st shield 4 lnsulation 5 Stranded wire 0.5 mm2 (20 AWG) 6 Stranded drain wire, 1st shield, 0.5 mm2 (20 AWG) 7 Special foil, 2nd shield 8 Stranded drain wire, 2nd shield, 1.5 mm2 (14 AWG) 9 lnsulation 10 Mu-metal foil, 3rd shield 11 Stranded drain wire, 3rd shield, 0.5 mm2 (20 AWG) 12 Outer sheath 1 2 3 4 5 6 7 8 9 ------10 ------11 ------12 1 2.4.3 Cable lengths: max. permissible distance between primary head and signal converter II Length of signal cable Primary Metersize Signal head ON mm inehes cable IFS 5000 2.5 1 110 B1 4 to 15 1,i to 1 B2 25 to 100 1 to 4 A1 or B3 IFS4000 10 to 150 % to 6 A1 or B3 200 to 3000 8 to 120 A2 or B4 IFS 2000 150 to 250 6 to 10 A2 orB4 M900 10 to 300 % to 12 A2 or B4 II Field power supply cable C Length L Cross section AF (Cu), minimum 0 to 150 m I 5 to 500 ft 2 X 0.75 mm2 Cu/ 2 X 18 AWG 150 to 300 m / 500 to 1000 ft 2 x 1.50 mm2 Cu / 2 x 14 AWG 300 to 500 m I 1000 to 1600 ft 2 x 2.50 mm2 Cu/ 2 x 12 AWG 500 to 800 m / 1600 to 2600 ft 2 x 4 mm2 Cu / 2 x 10 AWG II Field power supply cable F (with power driver NB 900 F) Length L Cross section AF (Cu), minimum 0 to 85 m I 0 to 250 ft 2 x 1.5 mm2 / 2 x 14 AWG 85 to 140 m / 250 to 500 ft 2 x 2.5 mm2 / 2 x 12 AWG 140 to 230 m / 500 to 750 ft 2x4 mm2 /2x 10AWG 14 Lmax (lt)) (m) 2600 800 1600 500 1000 300 650 200 500 150 350 100 230 70 165 50 130 40 100 30 65 20 50 15 35 10 23 7 16 5 B4 / 1/ 7 1/ / !/A2 .· li/ •/ 1;' „ l/s3 / 1/ / 1/ / '/ A1 / / / ,V V / ' // . 17 ,,..v V , 1/ 1/ • / [7 F2 ,,.V I;/ , / 1/ ~ i ' , 1/ 1/.. ,.; l{i17' I; 1/. „ "1. 1/ _,.. 5 10 20 30 40 50 80100 200 400 8001000 2000 (µS/cm) (µmho/cm) B2- A1- B1 5000 X
  • 15.
    e Selection tablefor connection diagrams on pages 15 and 16. u Connect hazardous-duty systems according to the diagrams given in the special "Ex" installation instructions. Primary head Process temperature Signal converter Diagram No. Type Meter size note limits specified SC100AS Necessary options with signal cable ON mm inches in Sect.10.5 A B IFS 5000 2.5- 15 1/10 - 1/2 below 150°C I 302°F X - ---------- II IFS 6000 above 150°C I 302°F X ZD intermediale connection box --------- IV 25 - 100 1 - 4 below 150°C I 302°F X 1 II above 150°C I 302°F X ZD intermediale connection box III IV IFS 4000 10 -1200 3/s - 48 below 150°C I 302°F X 1 II above 150°C I 302°F X ZD intermediale connection box III IV 1300 -3000 52 -120 X NB 900 F power driver VII VIII IFS 2000 150 - 250 6 - 10 max.120°C X V VI M 900 10 - 300 3/s - 12 X V VI e Connection diagrams The figures in brackets refer to the stranded drain wires for the shields, see sectional drawings of signal cables A and B in Sect. 2.4.2. Refer to Sect. 2.4.3 for cable types C, D and E. Electrical connection in conformity with VDE 0100 "Regulations governing the installation of heavy-current systems with main;> voltages up to 1000 V" or equivalent national standard. Supply power 24 (21, 42, 48) V AC and 24 V DC: functional extra-low voltage with protective separation (PELV) to VDE 0100, Part 410 or equivalent national standard. SC 100 AS A c FE IFS 4000 (~ ON 1200/ ~ 48") IFS 5000 IFS 6000 II L N PE AC + - FE DC, 24 Volt L N FE AC, 24 / 42 Volt SC 100 AS B c FE IFS 4000 (~ ON 1200 / ~ 48") IFS 5000 IFS 6000 L N PE AC + - FE DC, 24 Volt L N FE AC, 24 / 42 Volt 15
  • 16.
    111 V SC 100AS A c DE FE IFS 4000 (:5: DN 1200 /::;; 48") IFS 5000 IFS 6000 SC 100AS A c FE M 900 IFS 2000 VII SC 100AS G A F FE IFS 4000 (2 DN 1300 / 2 52") 16 L N PE AG + - FE DG, 24 Volt L N FE AG, 24 / 42 Volt L N PE AC + - FE DC, 24 Volt L N FE AC, 24 I 42 Volt L N PE AC + - FE DC, 24 Volt l N FE AC, 24 /42Volt AC PE N L IV VI SC 100AS (B)-··.... ·' (11) .:::: .......„„ B c D E ( -~0 ........ „ !@ FE IFS 4000 (:5: DN 1200/:5: 48") IFS 5000 IFS 6000 SC 100AS B c FE M 900 IFC 2000 V111 SC 100 AS G NB 900 F B F FE IFS 4000 (2 DN 1300 / 2 52") L N PE AC + - FE DC, 24 Volt L N FE AC. 24 I 42 Volt L N PE AC + - FE DC. 24 Volt L N FE AC, 24 I 42 Volt L N PE AC + - FE DC. 24 Volt L N FE AC, 24 I 42 Volt AC PE N L
  • 17.
    [:?:~~!!l§iiii~fIIItIIIIIIIIIIIItII!IIIItIIIIIIIIfIIIIfIIIIIIIIIIIft!tIIflftIIIIIIIttillIIIIIIfII:IIlIIIIII! J 2.6.1 Abbreviationsused for outputs Abbreviation Stands for Programming via Fct.No. .......... BA Automatie range change 3.3.01 + 3.3.02 EC Electronic counter - EMC Electro-mechanical counter - F Frequency (pulse) output 3.2.01 et seq. F100% Pulses for O = 100% flowrate or 3.2.02 + 3.2.03 pulse value 3.2.02 + 3.2.04 Fmax Pulses at O higher than 100% flow - (max. 115% of F10o%) GF Trip point for frequency output 3.3.01 + 3.3.04 G1 Trip point for current output 3.3.01 + 3.3.03 1 Current (analog) output 3.1.01 et seq. Io% Current at O = 0% flow 3.1.02 1100% Current at O = 100% flow 3.1.03 lrnax Current at O = over 100% flow 3.1.04 Oo% 0% flowrate - 0100% Full-scale range, 100% flowrate F:l.01 / R:l.02 + 1.03 Ornax Max. flow, O greater than 100%, - corresponding to lmax + Fmax s Status indication output 3.3.01 et seq. SMU Low-flow cutoff for 1 + F 1:3.1.06 / F:3.2.07 SMU-1 Low-flow cutoff 1/ on value 3.1.07 off value 3.1.08 SMU-F Low-flow cutoff F / on value 3.2.08 off value 3.2.09 F/R Forward/reverse flow - J 2.6.2 Current (analog) output 1 e Current output is galvanically isolated, see block diagram in Sect. 12. • All functions and operating data are programmable, see Sect. 4 + 5.7. Description see Sect. „„„„„„••„. 5.17 5.8 5.8 5.8 5.8 5.8 5.8 5.18 5.18 5.7 5.7 5.7 5.7 5.3 (5.7 + 5.8) 5.3 (5.7 + 5.8) 5.3 (5.7 + 5.8) 5.16 „ 5.9 5.9 5.9 5.9 5.9 5.10 • Factory-set data and functions are listed in the enclosed report on settings. This can also be used to record any changes made to the operating parameters. • Max. load at terminals 5/6 for hooo,,u (Fct. 3.1.03): max. load in kohms = 20V (e.g. 1 kohm for Iioo% = 20 mA) 1100% [mA] • Time constant 1, adjustable between 0.2 and 3600 seconds (Fct. 3.1.05), refer to Sect. 5.7. e Automatie range change BA, ratio 1:20 to 1:1.25 (corresponding to 5 to 80% of 0100%), adjustable in 1% increments (Fct. 3.3.01+3.3.02), see Sect. 5.17. Changeover occurs from high to low range at approx. 85% of the low range, and from low to high range at approx. 98% of the low range. Operative range displayed by status indication output S. e Low-flow cutoffSMU-1, adjustable independently ofSMU-F (frequency output). Cutoff "on" value between 1and 19% of Owo% (Fct. 3.1.06 + 3.1.07), cutoff "off" value from 2 to 20% of 0100% (Fct. 3.1.06 + 3.1.08), refer to Sect. 5.9. e Trip point Gh adjustable between 1 and 110% of 0100% (Fct. 3.3.01 + 3.3.03). Status indication output S shows when trip point exceeded, refer to Sect. 5.18. Trip point G1 has a delayed action equal to the time constant of current output I. e Connection diagrams 1, 4, 5, 7, 8, 9, 10, 11 + 12, refer to Sect. 2.6.5. 17
  • 18.
    J 2.6.3 Frequency(pulse) output F • Frequency output is galvanically isolated, see block c:liagram in Sect. 12. e All functions and operating data are programmable, see Sect. 4 + 5.8. e Factory-set data and functions are listed in the enclosed report on settings. This can also be used to record any chan- ges made to the operating parameters. G 12 Volt output for electronic counter EC 10 to 36 000 000 pulses/h (0.0028 to 10 000 Hz), amplitude 12 V (5 V, selectable, see Sect. 8.6), connection terminals 4/42, counter resistance (load) min. 1 kohm, short-circuit-proof, selectable pulse widths see below. e 24 Volt output for electromechanical counter EMC or electronic counter EC, 10 to 36 000 000 pulses/h (0.0028 to 10 000 Hz), amplitude 24 V, connection terminals 4/41, selectable pulse width and load rating, see below. e Pulse width (Fct. 3.2.05) as a factor of the frequency f (pulse rate, Fct. 3.2.03) and maximum permissible load for 24 V output (24 V, term. 4/41), see also Sect. 5.8. Pulse width Frequency f = F100% Max. load current (24 Volt) Min. load (24 Volt) 30 or 50 ms 0.0028 Hz < f s 10 Hz 200mA 120 Ohm 100 ms 0.0028 Hz < f s 5 Hz 200mA 120 Ohm 200 ms 0.0028 Hz < f s 2,5 Hz 200mA 120 Ohm 500ms 0.0028 Hz < f s 1 Hz 200mA 120 Ohm Pulse duty cycle 1:1* lOHz<fs 1000 Hz 50mA 500 Ohm 160 µs* lOOOHz<fs 2547 Hz 50mA 500 Ohm 50 µs* 2547 Hz< f s 10000 Hz 50mA 500 Ohm * fixed pulse width, independent of programming in Fct. 3.2.05 e Time constant F, adjustable to 0.2 second or same as current output I (Fct. 3.2.06 + 3.1.05). ,. e Low-flow cutoff SMU-F, adjustable independently of SMU-I (current output). Cutoff "on" value between 1and19% of 0100% (Fct. 3.2.07 + 3.2.08), cutoff "off" value from 2 to 20% of 0100% (Fct. 3.2.07 + 3.2.09), refer to Sect. 5.9. e Trip point Gn adjustable between 1and 115% of 0100% (Fct. 3.3.01 + 3.3.04). Status inc:lication output S shows when trip point exceeded, see Sect. 5.18. Trip point GF has a delay action with the time constant of frequency output F. e Connection diagrams 2, 4, 6, 8, 9 + 10, refer to Sect. 2.6.5. 1 2.6.4 Status indication output S e Status indication output S is galvanically isolated, see block c:liagram in Sect. 12. e All functions and operating data are programmable, see Sect. 4 + 5.16. • Factory-set data and functions are listedin the enclosed report on settings. This can also be used to record any chan- ges made to the operating parameters. e Technical data: amplitude 24 V DC, max. 30 mA, connection terminals 4/43. • Adjustable functions Significance of the output signal (Fct. 3.3.01), see Sect. 5.16 0 Volt 24 Volt Switched off At constant 0 V Not possible Switched on Not possible At constant 24 V 2 directions, current output I Forward flow for I Reverse flow for I 2 directions, frequency output F Forward flow for F Reverse flow for F Automatie range change BA BA high range BA low range Trip point G1 Below trip point I Above trip point I Trip point GF Below trip point F Above trip point F Low-flow cutoff SMU-I Outside SMU-I thresholds Within SMU-I thresholds Low-flow cutoff SMU-F Outside SMU-F thresholds Within SMU-F thresholds Inc:licate ADC error(s) Error No error Inc:licate totalizer error(s) Error No error Inc:licate all errors Error No error e Changeover for F/R measurements and response cf the limit switches G1 and GF are affected by the time delay in accordance with the programmed time constant for the current or frequency outputs (Fct. 3.1.05 + 3.2.06). Setting recommendations for various applications are given in the table in Sect. 5.16.3. e Connection diagrams 3, 4, 5, 6, 7 + 8, see Sect. 2.6.5. 18
  • 19.
    1 2.6.5 Connectiondiagrams for outputs CD to ® Output characteristics Current output 1: Diagrams Il to I8 in Sect. 5.7 Frequency output F: Diagrams Fl to F5 in Sect. 5.8 Status indication output S: Diagrams Sl to S5 in Sect. 5.16 Connection of electronic counters EC for F/R operations Bypass resistors should be installed to avoid floating inputs. Rbypass ~ 10 kohms . Applicable to connection diagrams 4, 6 + 10! F/R changeover via S F/R relay: Rcoil 2 1 kohm 24 V DC / max. 30 mA (e.g. Siemens relay Dl) F/R changeover via F F/R relay: Rcoil 2 150 ohms 24 V DC I max. 200 mA continuous (e.g. Siemens relay Dl) Diagrams: I5 or F4 F/R changeover via S F/R relay: Rcoil 2 1 kohm 24 V DC / max. 30 mA (e.g. Siemens relay Dl) F/R changeover via 1 F/R relay: max. 35 V DC 6 I- 6 I- at Imax ~ 22mA (adjust via Fct. 3.1.04) Imax. = U/R U = rated voltage and R = resistance of relay coil (e.g. Siemens relay Dl) Diagrams: F3 or I6 BA changeover via S high low range range BA relay: Rcoil 2 1 kohm 24 V DC / max. 30 mA (e.g. Siemens relay Dl) max. 35 V DC at 24.VDC 103 s:16mA. lo% ~ 16 mA (adjust via Fct. 3.1.02) lo% =U/R U = rated voltage and R = load resistance Diagram: 17 F/R relay: Rcoi! 2 1 kohm 24 V DC I max. 30 mA (e.g. Siemens relay Dl) Diagrams: 12 + F2 BA changeover via S F/R changeover via F range range BA relay: Rcoil 2 1 kohm 24 V DC / max. 30 mA (e.g. Siemens relay Dl) F/R relay: Rcoil 2 150 ohms 24 V DC / max. 200 mA (e.g. Siemens relay Dl) Diagram: 14 e.g. in 0 to 20 mA range 4 4.1 4.2 4.3 5 ND F21,. F12 S e.g. F: 10 to 20 mA R: 10 to 0 mA Diagram: 18 19
  • 20.
    8 Check thatthe system has been correctly installed as described in Sect. l and 2. 8 Before initial start-up, check that the following details on the primary head nameplate agree with the data specified in the record on settings for the signal con- verter. If not, reprogramming will be necessary: 20 Meter size (DN) Primary constant GK Fct. 1.04 Fct. 1.05 Flow direction Fct. 1.06 see arrow on primary head Magnetic field frequency Fct. 4.07 specified behind GK value 6 = 1/6 116 = 1/16 of power frequency 32 = 1132 Sect. 5.3 Sect. 5.15 Sect. 5.4 _ Sect. 5.15 e It is recommended to carry out a zero check, if the flm can be zeroed, as described in Sect. 7.2, before ever start-up and particularly where fluid products with lm electrical conductivity levels are concerned. e When powered, the signal converter operates in th1 measuring mode. The Ident. No. ofthe signal converte appears on the displayfor about 3 seconds. This is follc wed by display ofthe actual flowrate and/or the interne: count on a continuous or altemating basis (depends o: programming; see report on settings). •.
  • 21.
    Part B Signalconverter SC 100 AS This Section 4 is repeated in the form of pull-out condensed operating instructions between pages 42 and 43. !M~!t§i#i'.fü~$fi~it~fil@i.)~QS.M#ilf1fllIIIIIIflf1lIIlIIffIItttlfiffffffIIIlIIIIffällt1ItIIIItittitltifU J--1~----+• ~JL_Q_b__&.__, MAGNET (OPTION) -, r o 1 i: 0 J. 1 rn=:l/hr 1 1 1 SC100AS] +----?--+--<2 iL~ ~ Q ENTER Ü QENTERÜ 1 ill]::::::[IIJ 1 t:m::~Ij::[IIJ u ALTERN. 1 4.2.1 Menu levels NORMAL IF-TEST CD Display, lst line ® Display, 2nd line ® Display, 3rd line, cursor symbols described below: Q Actual flowrate + Status indication output S active (= 24 V) Totalizer (Forward flow) Totalizer (Reverse flow) Surn totalizer (+ and - ) Low-flow cutoff SMU for current and/or frequency output (I/F) "in function" @ Keys for programming the signal converter, refer to Sect. 4.3 for function of keys. @ Magnetic sensors (option) to program the converterby means of a hand-held bar magnet without having to open the housing, refer to Sect. 6.3. Function ofsensor'8 same as keys @. Hold the bar rnagnet by the black rub- ber cap. Apply blue end of the magnet (north pole) to the glass pane above the magnetic sensors. Sensor response acknowledged by symbols appearing in lst line of display. ® Plug connector (J) Plug-in jurnper positi.ons to check field power supply, refer to Sect. 7. 1. The program for the signal converter consists of 5 levels. The Fct.No. in the lst line (bottorn line) of the display will identify the menu level during prograrnming. · Measuring 1 Actual display mode level 1 Err. E 01- E 16 1 Err. P 01 - P 14 1 1 TOT. RESET Reset totalizer Mainmenu level Submenu level Function level Data level Measuring mode Error in Error in (see Sect. 4.3) 1 program plausibility check (see Sect. 4.4) (see Sect. 4.5) 1 1 r----------~ 1 1 1--------------------~ 1 1 T T Fct. 1.00 Fct. 2.00 Fct. 3.00 Display Outputs 1---------------i Fct. 4.00 Special fct. Fct. 1.01- 1.07 Data changes acc. to Table in Sect. 4.6 possible only on this level! 21
  • 22.
    1 4.2.2 Programmingchart Table of functions, see Sect. 4.6 Fct. 4.02: with coding (YESJ Measurin:g mode Entry into tprogramming '------1•-----l]•----11•,.___ ___, mode, see Sect. 5.12 Fct. 1.00 FLOW DATA Fct. 1.00 FLOW DATA Fct. 4.02: without coding (NOJ Fct. 2.00 DISPLAY Fct. 2.00 DISPLAY Fct. 3.00 OUTPUTS Fct. 3.1.00 CUR.DUTP. I r------; ,_ _______. Fct. 3.1.00 GUR. OUTP. I Fct. 3.00 OUTPUTS Err.E01-E16 _____ ._ _____ ~ -..... Error in meas. mode, see E-List, Sect. 4.4 C!ear -..... error Display next error, message tErr. E02-E16 ifmore ··~ ,„ r_·- Terminate error output 1 Fct. 3.2.00 FRE OUTP. F Fct. 3.2.01 - 3.2.09 Fct. 3:2.01 - 3.2.09 Fct. 3.2.00 FRE OUTP. F Fct. 3.3.00 /ND. OUTP. S Fct. 3.3.01 - 3.3.04 Fct. 3.3.00 !NO. OUTP. S Measuring mode 1-------~-----___, Plausibility- check ,_______, Err. P01 - P14 Err. P02 - P14 1-------- Error detected by plau- '. Display next sibility check, see P-List error, if more Sect. 4.5 than one Reset totalizer, see Sect. 5.6 Measuring mode 1---~---L oa--------1Measuring mode 22
  • 23.
    Fct. 1.00 FLOW DATA 1Measuringmode 1 1 4.2.3 Description of keys O 1 Measuring mode level Enter programming mode Display errors Clear error messages See left for function of keys Important applies to all menu levels 1. Continuously pressing C or [] keys will cause their function to be continuously repeated (auto-repeat function). 2. If no keystrokes made within approx. 180 sec, signal converter reverts autom. to meas. mode without accepting any changed data into meas. prog. (time-out function). Exception: if at start of "----+------------------1 programming Err. E04, E05 and/or E14 established, see Sect. 4.4. Fct. 4.00 SPEC. FCT. Fct. 4.01 - 4.10 Fct. 4.01 - 4.10 Fct. 4.00 SPEC. FCT. ..-- Terminate error output and revert to main menu level, lst·main menu displayed Fct. 1.00 FLOW DATA Correct faulty fanction(s) and data f) 1 Main menu level [] Select main menu C Enter main menu displayed [j [j [j Revert to measuring mode level, see @ 01 Suhmenu level [] Select menu C Enter submenu displayed [j Revert to main menu level, see 0 0 1 Function level [] Select function C Enter function displayed, continue as under 0 "Data level" [j Return to main menu or submenu level 01 Submenu level [j Revert to main menu level [] Select submenu C Enter submenu displayed @ 1 Main menu level Data/Units [] Select next proposal C Return to Fct. level, retain previous data/units Numerical values Increase flashing digit (cursor) by 1 Shift flashing digit 1 place to right. Note: if in last position, system reverts to Fct. level, last numerical value retained! Return to Fct. level, store new data temporarily. Note: display "Err. 0000 < MIN" or "9999 > MAX" means num. value too low or too high. Press any key to display permissible min. or max. value, then enter correct numerical value. } see 0 [j [j [j Return to measuring mode level, any changed data accepted into measuring program [] Select main menu C Enter main menu displayed } see f) 01 Measuring mode level - Plausibility check } see left for function of keys - Reset totalizer 01 Main menu level Function of keys same as under f) 23
  • 24.
    fä@~!:ri~if.imiii.:!:ii~Ut~ifMfäi{!!l:~H~~!III!IIIIIIlIIII!IIIIIIIIIIII!IIIIIIIIJ!II!lIEtimIIIIIItIIII!tI:ItIIIIl After powering, thesignal converter enters the normal measuring mode. 1 Proarammina sfart - -Key Display Cornments 1st line l2nd linel ccr::u:u::;rn (ENTER 1, 2, 3, 4, 51 with } Coding, dependent on programming of or Fct. 4.02 (YES or NO), refer to Sect. 4.6 + 5.12 rn without Err. 01„.16 Error(s) in measuring mode, see E-List, Sect. 4.4 appears only, if one or more errors have occurred during measuring Operation a Err. 02.„16 display next error, if more than one m terminale error display Fct. 1.00 !FLOW DATAJ Main menu level, lst main menu displayed, continued as described below Function of keys in main menu, submenu, functional and data levels, see Sect 4.6 Key Main menu level Submenu level Data level Functional level Data/Units Numerical values a Select Select Select next lncrease flashing digit .main menu submenu or function proposal (cursor) by 1 c Ent.er displayed Enter displayed Return to functional Shift flashing digit (cursor) mammenu submenu or function level, previous data/units retained 1 place to the right. Note: If in last position, system will revert to functional level, last numerical value retained rn - - - Revert to main menu Revert to functional level, store new data, or submenu level units or numerical values temporarily. * 1· *Flashing display Err. 0000<MIN or Err. 9999>MAX= numerical value too low or too high. Press any key to obtain dis- play of permissible minimum or maximum value, then enter correct numerical value. Important 1. Continuously pressing the C or [] key will cause the function of these keys to be continuously repeated (autorepeat function). 2. If no keystrokes are made for approx. 180 seconds, the signal converter will automatically revert to the measuring mode without accepting any changed data into the measuring program (time-out function). Exception: if at start of program- ming errors Err. E04, E05 and/or E14 are established, see Sect. 4.4. Newly ente:red data will only be accepted into the measuring program ifthe programming mode is terminated by following the procedure below. P:rogramming end Key Display Comments 1st line l2nd linel 1, 2 or 3 x[ai Fct. 1.00„.4.00 Select main menu level mmm Revert to measuring mode level Plausibility check, lasts approx. 5 seconds / Actua/ measured value No error in plausibility check, any changed data accepted into measuring program, actual measured value displayed (measuring mode level) Err. P01...14 Error(s) in plausibility check, see P-List, Sect. 4.5 a Err. P02„.14 Display next error, if more than one m Fct. 1.00 !FLOW DATAJ Terminate error display and revert to main menu level, Ist main menu displayed, select faulty function(s) and correct data, see Sect. 4.6 Totalize:r :reset Key Display l2nd linel Comments cma IENTER 1, 21 Measuring mode not interrupted ramm !TOT. RESETJ Totalizer reset Actua/ measured value Measuring mode level, actual measured value displayed Clearing e:r:ror messages in measuring mode, see Sect. 4.4 Key Display 1st !ine l2nd linel IENTER 1,2,3,4,51 or Err. E01„.E16 Fct. 1.00 !FLOW DATAJ Actua/ measured value 24 Comments with 1 without Goding, dependent on prograrnming of Fct. 4.02 (YES or NO), refer to Sect. 4.6 + 5.12 Error messages (not with Err. E04, E05 and/or E14) Main menu level Measuring mode level, actual measured value displayed
  • 25.
    E-List Description oferror Rectify instrument fault Error output in measuring mode via E:rror messages an.d/or - Display (Fct. 2.04) and/or clear error message - Status indication output (Fct. 3.3.01) dependent on programming Display NO ADC TOT. lst line* 2nd line MESS. ERROR ERRDR Err. E01 UNE /NT. Power failure since D - - yes last programming reset totalizer(s) if necessary Note: no counting during power failure Err. E02 TOTAL/ZER Counts lost or totalizer D - - yes overflow Note: totalizer was reset! Err. E03 DISPLAY Numerical overflow of display Check data Fct. 2.00 - - - Display lst line: ------------------ Display 3rd line: note T Marker! Err. E04 EEPROM 1 Data error in EEPROM 1 Check instrument parameters * * * * ** (parameters) 0 Err. E05 CAL. DATA Calibration data lost Recalibrate signal converter, ** * * ** please consult factory Err. E06 EEPROM 2 Data error in EEPROM 2 (totalizer) D - - yes Note: totalizer deviation possible reset totalizer(s) if necessary Err. E07 RAM Check-sum error in RAM 0 - - - Err. EOB ROM Check-sum error in ROM 0 - - - Err. E09 AOC ADC value overranged or 0 - yes - ! . ADC defective Err. E12 FREQ.OUTP. F Frequency output overranged D - - - If necess„ check data, Fct. 3.2.00 Err. E13 CUR.OUTP. I Current output overranged D - - - If necess„ check data, Fct. 3.1.00 Err. E14 EE1 EE2 Current calibration values Terminale programming mode ** ** * * EPPROM 1+2 are different (press IJ key 4x), values (occurs only when pc board changed) corrected automatically Err. E16 FUSE FS fuse for power failure Fit new F5 fuse, yes*** yes*** yes*** identification defective see Sect. 8.5 * When errors are displayed during the measuring mode, "a numera/" and "Err." will appear in the lst line. The numeral gives the nurnber of momentarily occurring errors !hat are displayed alternately with the actual measured value. * * No output in measuring mode! With these errors, the signal converter is automatically in the programming mode. * * * No output via status indication output (Fct. 3.3.01) D 0 Invoke and then terminale programming mode. Keystrokes: 2 XC / 2 X[] / 2 XI] and 4 X IJ or 1 X IJ and 4 XI] (dependent on programming in Fct. 4.02) Invoke and then terminate programming mode. Keystrokes: 2 X c I 2 X a I 2 X ra and 4 X IJ or 1 X ra and 4 X ra (dependent on prograrnming in Fct. 4.02) Consult factory if these errors occur several times in succession. Err. P.. Text Description Err. P01 V RANGE Velocity v outside possible range (0.3 to 12 .m/s or 1 to 40 ft/s) FULL SCALE (Fct. 1.01) <>DIAMETER (Fct. 1.04) Err. P02 REV. SCALE REV. SCALE (Fct. 1.03) > FULL SCALE (Fct. 1.01) Err. P03 !RANGE I 0 PCT. (Fct. 3.1.02) > j 100 PCT. (Fct. 3.1.03) or difference < 4 mA Err. P04 IMAXmA I MAX mA (Fct. 3.1.04) < I 100 PCT. (Fct. 3.1.03) Err. P05 ICUTOFF I: CUTOFF ON (Fct. 3.1.07);;:::: CUTOFF OFF (Fct. 3.1.08) Err. P06 FCUTOFF F: CUTOFF ON (Fct. 3.2.08) ;;:::: CUTOFF OFF (Fct. 3.2.09) Err. P09 F> 10 KHZ Frequency for Q100% > 10 kHz Err. P10 PULS W!OTH Max. pulse width exceeded (see Fct. 3.2.05) ALL ERROR yes yes yes * * * * yes yes yes yes yes yes ** yes Err. P12 RNG./CUTOFF 2nd range of automatic range change (see Fct. 3.3.02) :S; I CUTOFF ON (see Fct. 3.1.07) Err. P14 I TRIP PT. I TRIP PT. (Fc:t. 3.3.03) outside range of current output (see Fct. 3.1.04) 25
  • 26.
    Fct. No. TextDescription and input 3.00 OUTPUTS Main menu 3.00 Outputs .... -·· ..,„..,. „_...... ..., .;;a""""""l:'"'..........„ .1,,..1,..1.,1,.l.!-'U.L 3.1.00 GUR. OUTP. I Submenu 3.1.00 1.00 FLOW DATA Main menu 1.00 Measurement Current output (I), Seel. 5.7 1.01 FULL SCALE Full-scale range for flowrate Q1oo% Unit: select from !ist (Seel. 5.1) Range: (Seel. 5.3): 0.0034 to 542 900 m3 Ihr or 0.8962 to 143400000 US Glmin After selecting unit, call numerical value with C key, lst digjt flashes 1.02 REV. SCALE Different range for reverse flow? NO or YES 3.1.01 FUNCT/ON I Function, current output (l) • OFF(= switched off) e F/R /NO. F(=F/Rindication forF) • 1 DIR. (= 1 flow direction) • I < I 0 PCT (=Forward/Reverse flow, e.g. in 0-20 mA range: F=l0-20 mA, R=l0-0 mA) • 2 DIR.(= forward/reverse flow, F/R measurement) 3.1.02 IO PCT. Current for 0% flow Clo%) 1.03 VALUE Full-scale range for reverse flow (appears only if YES entered under Fct. 1.02) Unit: select from !ist (Seel. 5.1) Range: 00 to 16 mA 3.1.03 1100 PCT. Current for 100% flow, Full-scale range (I100%) Range: 04 to 20 mA Range: (Sect. 5.3): 0.0034 to 542900 m3 1hr or (Value at least 4 mA greater than !hat of Fct. 3.1.02) 0.8962 to 143400000 US Glmin Value must not be greater than that of Fct. 1.01 After selectinr;;_ unit ca// numerica/ valua with C key, lst digit flashes 3.1.04 IMAXmA Adjustment of max. output current Cimaxl Range: 04 to 22mA (Value must be greater than/equal to that of Fct. 3.1.03) 1.04 DIAMETER Meter size 3.1.05 T-CONST. I Time constant, current output Unit in mm or inch Range: 0.2 to 3600 Sec. Range: 2 to 4000 mm or 0.0787 to 157.5 inch After selecting unit, call numerical 3.1.06 L.F.CUTOFFI Low-flow cutoff (SMU) for current output? NO or YES (Sect. 5.9) value· with C key, lst digit flashes 3.1.07 CUTOFFON Cutoff "on" value SMU-I 1.05 GK VALUE Primary constant GK (see.primary head nameplate) Range: 0.5 to 14 (appears only if YES entered under Fct.No. 3.1.06) Range: 01 to 19 PERCENT 1.06 FLOW DIR. Define direction of forward (normal) flow Enter acc. to direction of arrow { + or - Jon primary head 1.07 ZERO CALIB. Zero calibration (Sect. 7.2) Csm out only at "O" flow and when measurina tube comnl. filled with fluid 3.1.08 CUTOFFOFF Cutoff "off'' value SMU-I (appears only if YES entered under Fct. 3.1.06) Range: 02 to 20 PERCENT (Value must be greater than !hat of Fct. 3.1.07) 3.2.00 FRE. OUTP. F Submenu. 3.2.00 1) Inquiry: CALIB. NO or YES Frequency output (F), Sect. 5.8 2) If YES: calibration (duration 45 sec) with zero display in PERCENT of 0 100% 3) Inquiry: STORE NO or YES 2.00· DISPLAY .·' Main menu 2.00 Display 3.2.01 FUNCT/ON F Function, frequency output (F) • OFF(= switched off) e FIR !ND. I (= FIR indication for !) e 1 DIR.(= 1 flow direction) 2.01 OISP. FLOW Unit for flowrate display • m 3 /Sec • m 3 Imin • m 3 /h • 2 DIR.(= forward/reverse flow, F/R measurement) • Liter/Sec • Liter/min • Liter/h 3.2.02 PULSOUTP. Unit, frequency output e US G/Sec e US Glmine US Glh e PULSRATE (= input in pulses e h Literlhr or US MG/DA Y per unit time) (=hectoliters per hour, for US version e PULSE/UN/T (= input in pulses US million gallons per day) factory per unit volume) set, can be changed as required via Fct. 4.04, 4.05+4.06 (Sect. 5.14) e PERCENT e NO DISPLAY 2.02 UNIT TOTAL. Unit for totalizer display • m 3 • Liter • US G 3.2.03 PULSRATE Pulse rate for 100% flowrate (appears only if PULSRATE entered under Fct. 3.2.02) Range: 2.778*10-3 to 10000 pulses/Sec 0.1667 to 600000 pulseslmin • h Liter or US MG (hectoliters 10 to 36 000 000 pulseslhr or US million gallons) see After selecting unit, call numerical Fct.No. 2.01 {h LiterIhr or US G/DAY) 2.03 O/SP. TOTAL. Function of totalizer display • + TOTAL. (= forward totalizer) • - TOTAL. (= reverse totalizer) • +/- TOTAL. (= forward and reverse flow totalizers, altemating) e SUM TOTAL. (= sum of + and - totalizers) e ALL TOTAL. (= sum, + and - totalizers, altemating) e NO O/SPLAY (= totalizer switched on but no display) e TOTAL. OFF(= totalizer switched off) value with C key, lst digjt flashes 3.2.04 PULSE/UN/T Pulse value (appears only if PULSEIUNIT entered under Fct. 3.2.02), Unit in pulses per m3, Liter, US G or unit of Fct. 4.04, 4.05 + 4.06 (Sect. 5.14) - Range: 0.0001 to 0.9999*109 pulses [no input check but: 0100%* pulse value ::::; 36 000 000 pulses ~ 10 kHz] After selecting unit, call numerical value with C key, lst digjt flashes 2.04 ERRORMSG Which error messages to 3.2.05 PULS WIOTH Pulse width for frequencies ::::;10Hz be displayed? (Seel. 4.4) • 30mSec. • 50mSec. e NO MESSAGE • 100mSec. • 200mSec. (= no error messages) • 500mSec. e AOC ERROR (= only ADC conversion errors) e TOT ERROR (= only errors of intemal totalizer) e ALL ERROR (=all errors) 2.05 O/SP. TEST Carry out display test Start with C key 3.2.06 T-CONST. F Time const. for frequency output T< F> = 0.2 Sec. T< F> = T< I >(=time constant for F same as for I, Fct. 3.1.05) 3.2.07 L.F.CUTOFF F Low-flow cutoff (SMU) for frequency output NO or YES (Sect. 5.9) 26
  • 27.
    Fct. No. TextDescription and input Fct. No. Text Description and input 3.2.08 CUTOFFON Cutoff "on" value SMU-F 4.00 SPEC. FCT. Main menu 4.00 (appears only if YES entered Special functions under Fct. 3.2.07) Range: 01 to 19 PERCENT 4.01 LANGUAGE Language of display texts, Sect. 5.11 e GB/USA (= English) 3.2.09 CUTOFFOFF Cutoff "off'' value SMU-F • 0 (= German) (appears only if YES entered e F (= French) under Fct. 3.2.07) e SF (= Finnish) Range: 02 to 20 PERCENT • others pendinq (Value must be greater than that of Fct. 3.2.08) 4.02 ENTRYCOOE Coding for entry into programming mode? Sect. 5.12 3.3.00 /NO. OUTP. S Submenu 3.3.00 Status indication output (S), Sect. 5.16 • NO = entry with 1:§1 key • YES = entry with keys 3.3.01 FUNCTION S Funct. of status indication output • OFF(= switched off, 0 V at term. 4/43) • ON(= switched on, 24 V at term. 4/43, e.g. as operational status indicator e FIR /NO. I (= FIR indication c c [][][§1 [§1 4.03 OUTP. HOLD Hold values of outputs during programming? NO or YES (Sect. 5.13) 4.04 UNITTEXT Text for field-programmable unit, Sect. 5.14 for I), Sect. 5.10 A„.Z I a„.z / 0„.9 I _ (= space) e F/R /NO. F (= F/R indication 4.05 FACT. QUANT. Conversion factor for for F), Sect. 5.10 e AUTO. RANGE (= automatic range change), Sect. 5.16 • I TRIP. PT. (= trip point I as % quantity FM, Sect. 5.14 Factor FM= quantity l§er 1 m3 Range: 0.00001*10- to 9.99999*10+9 of 0100%• Fct. 3.3.03) e F TRIP. PT. (= trip point F as % of 0 100%, Fct. 3.3.04) e L.F.CUTOFF I (= low-flow cutoff I), Fct. 3.1.06 e L.F.CUTOFF F (= low-flow cutoff F) Fct. 3.2.07 4.06 FACT. TIME Conversion factor for time FT Sect. 5.14 Factor FT in seconds Range: 0.00001*10-9 to 9.99999* 10+9 4.07 FIELO FREQ. Magnetic field frequency, e AOC ERROR} e TOT. ERROR s. E-List Sect. 4.4 e ALL ERROR Sect. 5.15+8.2 • 116 • 1116 • 1132 4.08 NO/SE Noise rejection, Sect. 6.2 ., 3.3.02 AUTO. RANGE Automatie range change for e NO NO/SE current output, see Sect. 5.17 e NO/SE (appears only if AUTO. RANGE enternd under Fct. 3.3.01) 4.09 REF. SEL. Selecting the reference voltage Sect. 6.2 Range: 05 to 80 PERCENT of 0 100%, e AUTO. REF. (Value must be greater than SMU-1 cutoff "on" value, Fct. 3.1.07) (= automatic rnfernnce) e HIGH-FLOW 3.3.03 I TRIP PT. Trip point for current output, (= high flow range) Sect. 5.18 (appears only if e MED1-FLOW I TRIP PT. enternd underFct. 3.3.01) (= lst medium flow range) Range: 001 to 110 PERCENTof 0 100% (Value must be greater than e ME02-FLOW (= 2nd medium flow range) SMU-1 cutoff "off" value, Fct. 3.1.08) e MED3-FLOW 3.3.04 F TRIP PT. Trip point for frequency output, Sect. 5.18 (appears only if F TRIP PT. entered under Fct 3.3.01) (= 3rd medium flow range) e LOWFLOW (= low flow ranqe) Range: 001 to 115 PERCENTof 0 100% 4.10 FIELD GUR. Input of field current (Value must be grnater than SMU-F cutoff "off" value, Fct. 3.2.09) Range: 225.00 to 275.00 mA (see sticker at term 7 + 8 on "basic" pc board/with power driver NB 900 F always ± 250 mA) Must not be changed, Sect. 7.2 + 8.1! 27
  • 28.
    s;::D~scription ofi programfunctions. · - - - -. - !fäi~!t!i~fi:i~~MJ#.i~~iIIlIIlIIt111fflfFIItIFt1ttt1m:i Fct. 1.01 Full-scale range 0 1oo% (Forward flow) Fkc. 1.03 Full-scale range 0 1oo% (Reverse flow) Fct. 2.01 Units for flowrate display e ms/Sec e ms/min e Liter/Sec e Liter/min e US G/Sec e US G/min (G = gallons) e ms/hr e Liter/hr e US G/hr e 1 field-programmable unit, refer to Fct. 4.04 to 4.06, Sect. 5.14 for flowrate, e.g. liters per day, hectolitersper hour, or for mass flowrate where density is consistent and known, e.g. kg per hour or tonnes per day. Factory-programmed: h/Liter/hr (hectoliters per hour) for US version US MG/DA Y (US million gallons per day). e PERCENT (%), only for Fct. 2.01 (display). Fct. 1.04 Diameter (meter size) in mm (millimeters) or inch (inches). Fct. 2.02 Unit for totalizer display ms. Liter, US G (G = gallons) and 1 field-programmable unit, e.g. deciliters (d Liters). Hectoliters (h Liter) or US million gallons (US MG) factory- programmed, see Fct. 2.01. Fct. 3.2.02 Unit for frequency output F Pulse rate: Enter in pulses per second, minute or hour. Pulses per unit: Puls/ms, Puls/Liter, Puls/US G(allons) or pulses per field-programmable unit, see above. e Display of actual flowrate Max. 7-digit with floating decimal point. e Display of internal totalizers Max. 7-digit with floating decimal point. Where count values exceed 9 999 999, automatic changeover to exponent notation, max. 9.999 19 (= 9.999 * 1019). e Display overflow The display format is fixed by the parameters entered in the main menu "2.00 DISPLAY". The following dis- play will appear when a displayed value exceeds the limit: - 'Ibp line - Middle line - Bottom line Unit of measured variable Marker T identifies the measured variable for wbich the selected display format is no longer adequate. Necessary action: check data in main menu "2.00 DISPLAY" and alter if necessary. e Input of numerical values. Examples ~onent !!!Pill notation 0.0008 0.8 * 10-3 0.8000 -3 0.5 0.5 * 100 0.5000 ±0 1.378 0.1378 * 10 1 0.1378 +1 10000 0.1 * 105 0.1000 +5 36000000 0.36 * 108 0.3800 +8 28 1:rnm@t:imfätMimmi~;mam1~rn1~uJMi#~i:trtttttl Fct. 1.01 Full-scale range 0 1oo% (Forward flow) Enter full-scale range 0100% depending on meter size DN, Fct. 1.04 (forward flow in the case of F/R measuring mode; if different full-scale range required for reverse flow, see Fct. 1.02+1.03). • Unit: see Sect. 5.1. Change of unit will cause automatic conversion of numerical value. • Range: 0.0000* to 150.8 m3 /Sec 0.0001 to 9 048.0 m3 /rnin 0.0034 to 542 900 m3 /hr 0.0009 to 150 800 Liter/Sec 0.0565 to 9 048 000 Liter/min 3.393 to 542 900 000 LiterIhr 0.0002 to 39 840 US G/Sec 0.0149 to 2 390 000 US G/min 0.8962 to 143 000 000 US G/hr *The true value is 0.0000009. e Ifthe numerical value is changed inFet. 1.01, itis advisa- ble to record the totalizer counts and thenreset the tota- lizers (see Sect. 5.6), otherwise an incorrect count will be displayed. Fct. 1.02 Separate full-scale range required for reverse flow? Enter "YES" if a separate range is required for reverse flow, wbich is different from the forward flow range. If not required, enter "NO". Fct. 1.03 Full-scale range 0 1oo% for reverse flow This function will only appear during programming if "YES" has been entered under Fct. 1.02. e Unit: see Sect. 5.1. Change of unit will cause automatic conversion of numerical value. e Range: see above, Fct. 1.01. The enteredvalue must be smaller than that entered in Fct. 1.01, otherwise a plausibility error will occur (Err. P02) see Sect. 4.5. This function has no effect on the totalizers. Fct. 1.04 Meter size e Unit: mm (millimetres) or inch (inches) e Range: 2 to 4000 mm or 0.0787 to 157.5 inch • If the numerical value in Fct. 1.04 is changed, it is advisable to record the totalizer counts and then reset the totalizers (see Sect. 5.6), otherwise an incorrect count will be displayed. Programming e For Fct. 1.01, 1.03 + 1.04, (see also 3.2.03 + 3.2.04), enter the unit first and then the numerical value. e Proceed as follows: select appropriate Function num- ber and then press C key. The signal converter is now in the data level. The "units" abreviation in the lower line ofthe display flashes. First select the unit by press- ing the IJkey. After pressing the C key, the left digit of the numerical value on the top line of the display will flash. Pressing the D key will increase the numerical value. Pressing the C key will shift the flashing digit (cursor) 1place to the right. • If the flashing ~t (cursor) is in the last position (to the right) and the C key is pressed again, the signal con- verter will revert to the function level without tempora- rily storing any changed data. e Temporary storage of changed data takes place only after pressing the EIkey with simultaneous return to the function level.
  • 29.
    9 The flowdirection or, in case of F/R operations, the direction ofthe forward flow is deterrnined forfull-scale range 0100% (see Fct. 1.01) under Fct. 1.06. 8 Two arrows on the primary head identify the possible flow directions with "+"und "-". • Enter "+" or "-"under Fct. 1.06 in accordance with the actual direction of flow. The following measured variables and functions are dis- played. 6 markers V identify the active display. • • • •• + totalizer (in F/R mode, forward totalizer) - totalizer (in F/R mode, reverse totalizer) I: totalizer (sum of + and - totalizers) These four displays depend on the program. If only one display is prograrnmed, the marker indicates the active display continuously. If more than one display is programmed, the display sequences from one. dis- play to the next every 10 seconds, and the marker actual flowrate 0 indicates the active display. G+: Marker indicates that the status indication output S is switched on according to the program- med function (see Fct. 3.3.01), i.e. 24 V present at terminals 4/43 (see Sect. 5.16). mA • _Jl_t/ „0 Marker indicates that the "on" threshold ofthe SMU (low-flow cutoff) for I or F is activated and the outputs have been set to 1o% or OHz, respectively (see Sect. 5.9). Note: The signs for + and - totalizers identify forward and reverse flow, resp., and have nothing to do with definition of the flow direction "+/-" (see Sect. 5.4, Fct. 1.06). For example, assume forward flow according to the arrow on the primary head is the "-" direction. Forward flow, howe- ver, is always counted with the "+" totalizer. Display overflow is shown as follows: 'I'Qpline: ======Middle line: Unit used for measured value Bottom line: Marker V identifies the measured variable for which the selected display forrnat is no longer ade- quate. Necessary action: check data in main menu "2.00 DIS- PLAY" and change ifnecessary (e.g. select different unit). Display for flow Q = 100% (full-scale range)in F/R mode + setting in PERCENT (Fct. 2.01) The display always refers to the setting of the full- scale range for forward flow (Fct. 1.01) Setting Qp 100% eguals OR 100% (Fct. 1.01/1.02 = NO) Display F: 100% R: 100% Of 100% greater than OR 100% Q F: 100% R: R lOO% * 100% (Fct. 1.01/1.02 = YES!l.03) OF 100% Fct. 2.01 Unit for flowrate display Selectable units, refer to Sect. 5.1. If "NO O/SPLA Y" is entered, the actual flowrate is not dis- played. Fct. 2.02 Unit for totalizer values on display Selectable units, refer to Sect. 5.1. Fct. 2.03 Function of totalizer display + TOTAL. . forward flow totalizer only - TOTAL. reverse flow totalizer only +/- TOTAL. forward and reverse flow totalizers, altemating SUM TOTAL. sum of + and - totalizers ALL TOTAL. sum, + and - totalizers, altemating NO OISPLA Y intemal totalizer in operation, but no display TOTAL. OFF intemal totalizer switched off Fct. 2.04 Error messages Select error messages (see E-List, Sect. 4.4). NO MESSAGE no error messages AOC ERROR ADC conversion errors TOT. ERROR intemal totalizer errors ALL ERROR all errors Error messages altemate with actual flow data. Fct. 2.05 Testing the display Start display test by pressing the C key. Duration of test: approx. 30 seconds. 9 The intemal electronic totalizer counts the volume in mathematically .deterrnined volumetric units. These numerical values are put into a non-volatile memory (EEPROM), converted into the programmed physical units and displayed every 0.3 seconds. Counting is interrupted in the event of a power failure, entry into the programrriing mode or when the low-flow cut off (SMU) is activated. After these conditions have been eliminated, counting continues with the values stored prior to the interruption. 8 The counting period without overflow is at least 1year at 100% of flow (0100%). • Set the time constant under Fct. 3.2.06: T< F> = 0.2 Sec Time constant F = 0.2 seconds T < F> = T < I > Same time constant as current output I (see Fct. 3.1.05). Resetting the totalizer • To reset the totalizer press the keys in the following order: Cl1Hlfil06 • No interruption of measuring mode. e If the numerical values in Fct. 1.01, 1.04, 1.05 + 4.07 are changed (e.g. given a change of the full-scale range, see Fct. 1.01, or the signal converter is replaced, see Sect. 8.2), it is advisable to record the totalizer counts and then reset the totalizers, as otherwise an incorrect count will be displayed. 29
  • 30.
    1:::§.@!Igirr#.~W~iiii.!iiU~i~i~#@IIIIEI:IIII!1IIIIIIIIIIIIIIfüIIIIIIIIIIIIIII:IIlJI:fIIlIIIItI:::::r::i:ttIIII:IIt: 1 5.7.1 Application1 (Fct. 3.1.01) Application 1 Programming Other functions Connectior Charac- via Fct. ... programmable via Fct. ... diagrams teristic 1 F s SMUI I TRIP PT. for of 3.1.01 3.2.01 3.3.01 3.1.06 to 3.3.01 + outputs outputs 3.1.08 3.3.03 see Sect. see Sect. 2.6.5 5.7.3(+5.16.4 1 flow 1 DIR. any any possible possible CD Il(Sl+S2) direction F/R operation F/R changeover 2 DIR. any FIR INO. I possible no ® 12(81) via S I with BA AUTO. 1flow 1 DIR. any RANGE possible no (j) 13(81) direction 1 with BA 2 DIR. FIR IND.I AUTO. possible ® 14(81)F/R operation RANGE no F/R operation F/R changeover 2 DIR. FIR IND.1 any possible possible ® 15(Sl+S2) via F Direction FIR IND.F 2 DIR. any no no @) 16 indication for F e.g. operation OFF any any no no ® 17 indicator F/R operation with 1 indicating J<I OPCT. any any possible possible ® I8 instrument 1 5.7.2 Other programmable functions for 1 Fct. 3.1.1)2 Current for 0% flowrate (10%) Range from 00 to 16 mA (e.g. 04 mA at output span 4 to 20 mA) Fct. 3.1.03 Current for 100% flowrate (1100•1,) Range from 04 to 20 mA (e.g. 20 mA at output span 4 to 20 mA). This value must be at least 4 mA greater than that Fct. 3.1.02; otherwise error in plausibility check (Err. P03), see Sect. 4.5. Fct. 3.1.04 Maximum output current Imax Range from 04 to 22 mA (e.g. 06 mA at output span 1to5 mA, prevents damage to connected 5-mAinstruments). This val· must be greater than or equal to that of Fct. 3.1.03, otherwise error in plausibility check (Err. P04), see Sect. 4.5. Fct. 3.1.05 Time constant (T) for 1 Range optionally programmable from 0.2 to 3600 seconds. Fct. 3.1.06 to 3.1.08 Low-flow cuto-ff SMU Refer to Section 5.9. Automatie range change for I Refer to Section 5.17. 30
  • 31.
    5.7.3 Characteristics ofcurrent output I ®1 flow direction 1100% ~----_-_-_-:_-_-_-_-:_-_,..._ro_o/._o_____ a f % 1XI Mac % @ I with BA F/R operation BA changeover via S F!R changeover via F Imax 98% I100% 80% r0% -,--,.,--,------.- a, eh 11~ 160 • % [Q'ol high 96 24Vo!t OVolt ~ QF % -~,00-100~-,~,--+---,~,~,00-1~00- % high low low high 98 98 24Volt OVolta. _________,______ a, % 100 100 % hi9:J low @ e.g. -operation indicator ~ ~ %-~M~-~100---+-----1-00-Ma><~ % (i2)....__,, F/R operation F/R changeover via S 1100% ~ ------e------- a,% Max 100 100 Max % 24Volt OVolt @ F/R operation F/R changeover via F 1100% LI+Volt OVolt ~------f------- a,% Max 1 100 Max % @ F/R operation with 1 indicating instrument ~ J,,,QmA QF % -------l---~100_M_«_% (i3) '-.../ I with BA 1 flow direction BA changeover via S r,,,, 'll% lto% 80% ------l"Io% a. ~o·------+ ~~--~o/< ~ 11'oo 1do /< [O'<r' hijl 98 24Volt OVolt _l'.!l_------+-----~QF % so 1 100 % low high „ @ Direction indication for F lma>< 103 .51. a, % "" 100 100 "" % 31
  • 32.
    !@;1::tr.5.qa#.i.iifüii.iiifiiltf(föl11fff1ff:I1titlifötflI11tlitfüIIt11Ilt1}1flif111ltlitflftlif11f11Ilift1ttM 1 5.8.1 ApplicationF (Fct. 3.2.01) Application F Programming Other functions via Fct. ... programmable via Fct. ... F 1 s SMUF TRIP PT.F 3.2.01 3.1.01 3.3.01 3.2.07 to 3.3.01 + 3.2.09 3.3.04 1 flow 1 DIR. any any possible possible direction F/R operation F/R changeover 2 DIR. any FIR /ND. F possible no via S F/R operation F/R changeover 2 DIR. FIR /ND. F any possible possible via I Direction FIR IND.I 2 DIR. any no no indication for I Switched off OFF any any no no (b OHz/0 V) 1 5.8~2 Other programmable functions for F Fct. 3.2.02 Unit for frequency output F PULSRATE Enter pulses per unit time (see Fct. 3.2.03) PULSE/UNIT Enter pulses per unit volume (see Fct. 3.2.04) Example of PULSRATE Full-scale setting: Pulse rate: Pulse value: 1000 Liter per second (set via Fct. 1.01) 1000 pulses per second (set via Fct. 3.2.03) 1 pulse per Liter Changeover of full-scale setting: Pulse rate: Pulse value now: Example of PULSE/UNIT Full-scale setting: Pulse value: at 1000 Liter per second: Changeover of full-scale setting: Pulse value: at 2000 Liter per second: 2000 Liter per second (change over via Fct. 1.01) unchanged (see above), 1000 pulses per second 1 pulse per 2 Liter 1000 Liter per second (set via Fct. 1.01) 1 pulse per Liter (set via Fct. 3.2.04) 1000 pulses per second b 1 pulse per Liter 2000 Liter per second (change over via Fct. 1.01) unchanged (see above), 1 pulse per Liter 2000 pulses per second b 1pulse per Liter as before Fct. 3.2.03 Pulse rate for 100% flowrate (F100o;,) (appears only if "PULSRATE" entered in Fct. 3.2.02) Range: 2.778 * 10-3 to 10 000 Pu/Se/Sec 0.1667 to 600 000 Pu/Se/min 10 to 36 000 000 Pu/Se/hr Fct. 3.2.04 Pulse value (appears only if "PULSE/UNIT" entered in Fct. 3.2.02) Unit: Select from List in Section 5.1 Range: 0.0001 to 0.9999 * 109 Pu/Se/Unit Programming: Refer to Sect. 5.3 "Programming"! Entry is not checked but: Connection diagrams for outputs see Sect. 2.6.5 ® ® @) ® - Owo% * pulse value must be less than or equal to 36 000 000 pulses/hr (equivalent to 10 kHz)! Programming of Fct. 3.2.03 + 3.2.04 see Section 5.3. Fct. 3.2.05 Pulse width Charac- teristic of outputs see Sect. 5.8.3(+5.16.4) Fl(Sl+S2) F2(Sl) F3(Sl+S2) F4 F5 Five pUlse widths are selectable for frequencies less than or equal to 10 Hz: 30/50/100 / 200 / 500 m Sec. (Note output load and frequency ranges, see Table in Sect. 2.6.3.) Fixed pulse widths are provided for frequencies above 10 Hz (see Sect. 2.6) regardless of the pulse width (see above) that has been programmed. 32
  • 33.
    Fct. 3.2.06 Timeconstant (T) for F T < F > = 0.2 Sec. Time constant = 0.2 second (best for counting and/or batching processes) T < F > = T < I > Same time constant as for current output I, see Fct. 3.1.05 (practical if frequency output F used for instantaneous-value measurements) Fct. 3.2.07 to 3.2.09 Low-flow cutoff SMU Refer to Section 5.9. l5.8.3 Characteristics of frequency output F 1 flow direction Fmax 115% ~--~-~------~---_--++-'~_'"-'---- a, % W Max % Direction indication for 1 F 4 OVolt ~--.-~~--1---~~~Q' % Max 100 · 100 Max % Imax 1100% ~--.-----1-10_%_--.--r-- n, "/„ Max "00 100 Ha~ % F/R operation F/R changeover via S Fmax 115% 24 Volt Oblt ~ -----!---~- o, % Max10l UlMax % @ Switched off OVolt ~--,.--'-~--+-----~- o, % Max 100 'XlO Max % F/R operation F/R changeover via I Fmax 115% QR _ _ _ ____,f-'-"'_Hz____ QF % Max 100 100 Max % r. Imax ~~ -"~"'-""---+---,„~...~,~ ~ Frequency or pulses/unit time at frequency output for flowrate Q = 100% (full-scale range) for F/R operation + setting in PULSEIUNIT (Fct. 3.2.02 + 3.2.03) F;requency or pulses/unit time at the output always refer to the setting of the full-scale range for the forward range Fwo% (Fct. 3.2.03} .Setting FreqU:ency or pulses/unit time QF 100% equals ÜR 10o% (Fct. 1.011 l.02 = NO) F: F100% R: F10o% QF 10o% greater than QR 100%(Fct. 1.01I l.02 = YESI l.03) F: F100% R· QR100% * F • QF 100% lOO% 33
  • 34.
    e To avoiderroneous measurements at lowflowrates, the S:rvfTJ SV'"Vitches the CUi--rent fu!d frequency outputs (I+F) off. I goes to Io% (Fct. 3.1.02) and F to 0 Hz. • If "NO"is entered underfunctions 3.1.06 +3.2.07, fixed cutoff "on" and cutoff "off" values of 0.1 and 0.25%, resp., of 0100% (full-scale range, see Fct. 1.01) act on the outputs I + F. • If "YES"is entered under functions 3.1.06 + 3.2.07, the cutoff "on" and cutoff "off" values forI +F are separately adjustable in the ranges specified below. • The low-flow cutoff (SMU) can be indicated either for I orfor F via the status indication output S(see Sect. 5.16). Fct. 3.1.06 Low-flow cutoff (SMU) for I desired? Enter NO or YES. Fct. 3.1.07 Cutoff "on" value for SMU-I (appears only if "YES" entered in Fct. 3.1.06) Range: 01to19 PERCENTof 0 100% - The low-flow cutoffdrives the current outputto lo% when the flow decreases to the cutoff "on" value (see Fct. 3.1.02). Fct. 3.1.08 Cutoff "ofr' value for SMU-I (appears only if "YES" entered in Fct. 3.1.06) Range: 02 to 20 PERCENTof 0 100% This value must be greater than that of Fct. 3.1.07, other- wise a "plausibility" error (Err. POS) will occur, see Sect. 4.5. When the flow returns to the cutoff "off" value, the current output returns to normal. Fct. 3.2.07 Low-flow cutoff (SMU) for F desired? Enter NO or YES: Fct. 3.2.08 Cutoff "on" value for SMU-F (appears only if "YES" entered in Fct. 3.2.07) Range: 01to19 PERCENTof 0 100% The low-flow cutoff drives the frequency output to 0 Hz when the flow decreases to the cutoff "on" value. Fct. 3.2.09 Cutoff "off" value for SMU-F (appears only if "YES" entered in Fct. 3.2.07) Range:: 02 to 20 PERCENTvon 0 100% This value must be greater than that of Fct. 3.2.08, other- wise a "plausibility" error (Err. P06) will occur, see Sect. 4.5. When the flow returns to the cutoff "off" value, the fre- quency output returns to normal. !iil#J.mt.ml„ii~ii~ttiii~i~[m.@li#lfüfüJI1J11111t11tH~I Electrical connection, characteristic and programming of outputs, refer to Sect. 2.6, 5.7 + 5.8. Fct. 1.06 Define direction of forward (normal) flow (+ or -) In the case of F/R operation, program the direction of the forward flow with "+"or"-·:in accordance with the arrows marked "+" and "-" on the primary head. Note that if the flowmeter does not have a "+" and "-" on the primary head the "+" direction is the direction the arrow is pointing. Fct. 1.01 Full-scale setting for flowrate 0 1oo% Program the full-scale range. Unit and range, see Sect. 5.1 + 5.3. Fct. 1.02 Separate range desired for reverse flow? Enter "YES" only if the range required for reverse flow is differentfrom the range for the normal (forward) flow. Ifnot, enter "NO". 34 Fct. 1.03 Full-scale range for reverse flow (appears only if "YES" entered in Fct. 1.02). This is used fo: programming the full-scale range for reverse flow. Uni and range, see Sect. 5.1 + 5.3. This value must not bE greater than that of Fct. 1.01, otherwise "plausibility" erro: (Err. P02) will occur, see Sect. 4.5. A choice of languages for the display texts is offered ir Fct. 4.01: • GB/US English • D Gerrnan • F French e SF Finnish other languages pending. 11ii1111•1i11~~llillli~;lllllilllll1Bllljlll • Enter NO or YES. • If "NO" entered, there are 2 ways of entering the pro- gramming möde: 1. by pressing the mkey only or 2. by pressing the C C [] [] 1]11]1 keys. • If "YES" entered, the only way of entering the programming mode is to press keys as follows: ccaamm tm.11j~!ii!Hiij~ifji!mimi~liHiiIIWfiim~iiIIIM e Enter in Fct. 4.03 whether or not the outputs shall hold the last values (before entry into the programming mode). • If "YES" entered: output values prior to entry into the programming mode are retained duringprogramming. After leaving the programming mode, the outputs go to the values corresponding to the actual operating condi- tions. e If "NO" entered: the outputs go to the programmed minimum values: I to the value of Io% (see Fct. 3.1.02) F to 0 V, consequently no pulses S to 0 V.
  • 35.
    An arbitrary volumetrieflow unit or, if density of the fluid produet is consistent and knovvn, a unit of mass (weight) ean be programmed in funetions 4.04 to 4.06. The unit "h Literlhr" (heeto-liters per hour) is faetory-set unless another special unit is speeified. US-version: "US MG/DA Y" (US million gallons per day). Fct. 4.04 Text for field-programmable unit • Volumetrie (or mass) unit per unit time • Text for volume (mass): 6 charaeters (places) • Text for time: 3 characters (plaees) 9 The fraction bar "/" in the 7th plaee has a fixed position. • Alpha charaeters A-Z and a-z, numbers 0-9 or blank charaeter (J are seleetable for every plaee. • Pressing the [] key will sequenee the alpha eharaeters and numbers in the order given above. • The C key shifts the eursor 1 plaee to the right. • Text examples are given in the following Tables in braekets (....../...). Fct. 4.05 Conversion factor Quantity FM Enter the faetor FM= quantity per 1 m3 . Volumetrie unit Factor FM Cubie meters (m 3) 1.0 Liters (Liter) 1000 Heeto-liters lhLiter) 10 Deei-liters (d Liter) 10000 Centi-liters (c Liter) 100000 Milli-liters (m Liter) 1000000 US gallons (US G) 264.172 US million 0.000264172gallons (US MG) Imperial gallons 219.969(GB G) Imperial mega- 0.000219969gallons (GB MG) Cubie feet (Feet 3) 35,3146 Cubie inehes (inch 3) 61024.0 US barrels liquid 8.38364 US fluid ounees 33813.5 Fct. 4.06 Conversion factor Time FT Enter the faetor Fr in seeonds. Time unit Factor FT [seconds] Seeond (Sec) 1 Minute (min) 60 Hour (hr) 3600 Day (DAY) 86400 Year (YR) 31536000(.2. 365 days) Fct. 1.05 GK value Inpuit 1.00000± 0 1.00000 + 3 1.00000 + 1 1.00000 + 4 1.00000 + 5 1.00000 + 6 2.64172 + 2 2.64172 :-- 4 2.19969 + 2 2.19969 - 4 3.53146 + 1 6.10240+ 4 8.38364± 0 3.38135 + 4 Input 1.00000± 0 6.00000 + 1 3.60000 + 3 8.64000 + 4 3.15360 + 7 'J'he primfily eonstant GK is faetory-set. Range: 0.5 to 14, dependent on primary head, see instrument nameplate. Examples of volume per unit time Desired Hecto-liters Deci-liters units: per year per hour Volumetrie unit h Liter d Liter in Fet. 4.04 Faetor FM 10 10000(see Table) Input in 1.00000 + 1 1.00000 +4Fet. 4.05 Time unit YR hr in Fet. 4.04 Faetor Fr 31536000 3600 (see Table) (seconds) (seeonds) Input in 3.15360 + 7 3.60000 +3Fet. 4.06 Examples of mass per unit time Produet density Q = 1.2 g/em3 = 1.2 kg/Liter= eonstant Mass of 1 m3 produet = 1200 kg = 2646 pounds Desired Kilograms Pounds unit: per minute per hour Mass unit kg lbs in Fet. 4.04 Factor FM 1200 2646(see Table) Input in 1.20000 + 3 2.646 + 3Fet. 4.05 Time unit min hrin Fet. 4.04 Factor Fr 60 3600(see Table) Input in 6.00000 + 1 3.60000 +3Fet. 4.06 Fct. 4.07 Magnetic field frequency The magnetie field frequeney is factory-set to 116, 1116 or 1132 of the power frequeney, see signal eonverter nameplate. Data of Fct. 1.05 + 4.07 must not be changed! Exeeption: replaeement of prirn.ary head, see Seet. 8.2 35
  • 36.
    !:::§@~:tI~~~&~Hil~~litlMiiii@lt:tlHIIIEtI1ItI:f:tI:tIIIIIIt11JtIIIIt1IIEIItitititititit:ItJltIIIIIIIIt 1 5.16.1 ApplicationS (Fct. 3.3.01) Application S Programming Other functions Characteristic of output signals Connecti< via Fet. „„. programmable s Diagrams diagram: s I F via ov 24 V S: Seet. 5.16.4 for 3.3.01 3.1.01 3.2.01 Fet. „„. l : Seet. 5.7.3 outputs se F: Seet. 5.8.3 Sect. 2.6.E Switched off OFF any any no eonstant - S6 - e.g. operation indicator ON any any no - constant S4 ® Direction F/R /ND. I 20/R. forward reverse ®indication for I any no flow flow 12 Direction FIR /NO. F 20/R. forward reverse ®indication for F any no flow flow F2 Automatie range change BA 1 flow direetion AUTO.RANGE 1 DIR. any BA: 3.3.02 (Seet. 5.17) high range lowrange l 3 CD F/R operation AUTO.RANGE 20/R. FIR /ND. I BA: 3.3.02 (Seet. 6.17) high range lowrange I 4 ® Trip point Gr I TRIP PT. any any Gr: 3.3.03 (Seet. 5.18) below Gr above 0 1 S2 ® Trip point GF F TRIP PT. any any Gr: 3:3.04 (Seet. 6.18) below Gp above Gp S2 ® Low-flow L.F..CUTOFF I SMU I: 3.1.06 to outside within s 1 ®cutoff SMU-I any any 3.1.08 (Seet. 5.9) SMU-l values SMU-I values Low-flow L.F.CUTOFF F SMU F: 3.2.07 to outside within s 1 ®cutoff SMU-F any any 3.3.09 (Seet. 5.9) SMU-F values SMU-F values Indicate errors AOC ERROR any any TOT. ERROR any any - ALL ERROR any any J 5.16.2 Other programmable functions for S Fct. 3.3.02 Automatie range change BA for 1 (appears only if "AUTO.RANGE" entered in Fct. 3.3.01) • The BAis prograrnmable in 1% increments in the ratio of 1:20 to 1:1.25, corresponding to 05 to 80 PERCENT of Ül00%· • This value must be greater than the SMU-I cutoff "on" value see Fct. 3.1.07, Sect. 5.9, otherwise "plausibility" error (Err. Pl2) will occur, see Sect. 4.5. Fct. 3.3.03 Trip point for 1 (appears only if "I TRIP PT." entered in Fct. 3.3.01) • The trip point is prograrnmable in 1% increments in the range of 01 to 110 PERCENT of 0100%. • This value must be within the output range of current output I Cimax, Fct. 3.104) and greater than the SMU-I cutoff "off" value (Fct. 3.1.08), otherwise a "plausibility" error (Err. Pl4) will occur, see Sect. 4.5. 36 no error no error S3 ® no error no error S3 ® no error no error S3 ® • IfI100% (Fct. 3.1.03) is programmed to values less than 2 mA, the trip point can be set to a maximum value o G1 < 22 mA * ll0% - I100% • The limit switch operates with a delay equal to the tim constant ofcurrent outputI (Fct. 3.1.05), see Sect. 5.16.: Fct. 3.3.04 Trip point for F (appears only if "F TRIP PT." entered in Fct. 3.3.01) • The trip point is programmable in 1% increments in th range of 01 to 115 PERCENT of Qwo%. • This value must be greater than the SMU-F cutoff "of value (Fct. 3.2.09). • The limit switch operates with a delay equal to the tim constant of frequency output F (Fct. 3.2.06), see Sec 5.16.3.
  • 37.
    5.16.3 Response time,setting of time constant 8 Changeoverin F/Rmode and operation ofthe limit switehes Grand GF take plaee with atime delayin aeeordanee with the set time eonstant for I (Fet. 3.1.05) or for F (Fet 3.2.06). • Reeommended settings for time eonstant I and F Function Response time Time constant 1 F Fet. 3.1.05 Fet. 3.2.06 F/R operation delayed T<F>=T<I> l+F any (same as'I) F/R operation delayed T<F>=T<I> F any (same as I) F/R operation instanteneous any T < F >=0.2 sec.F Limit switch aec. to G1 delayed desired any response time Limit switch · instantaneous T < F>=0.2 sec; GF any 1 5.16.4 Characteristic of status indication output S @ Low-flow cutoff for 1 or F 24Vott 7 ""' m 1 °' 0 '" 1 aff off OVo!t 100 Imax Fmax=115% S switched on 24blt ""' a, % ~ ~ % -M0<,-1'00----r----1,-00--rM„- % Limit switch for 1 or F OVolt 24Vott lmax Fmax =115% l1lffo F100% IG --~g___ 1 Io% F=OHz l QF Max 100 G G 100 Max % S switched off OVolt Function S Application Fet. 3.3.01 FIR /ND. I Volumetrie eounting in both direetions FIR /ND. F Volumetrie eounting in both direetions F/R /ND. F e.g. for fast reverse flow indications delayed !TRIP PT alarm F TRIP PT. instantaneous alarm Error messages 24btt Oblt 37
  • 38.
    9 Tne automaticrange change features 2 measur..ng ra..TJ.- ges that are automatically switched as a function of the flowrate. e The ratio between low and high range is prograrnrna- ble between 1:20 and 1:1.25 (corresponding to 5 to 80 PERCENT of 0100%), see Fct. 3.3.02 + Sect. 5.16. • This value must be greater than that of the SMU-1 cutoff "on" value, see Fct. 3.1.07, Sect. 5.9, otherwise "plausi- bility" error (Err. Pl2) will occur, see Sect. 4.5. • Changeover occurs from high to low range on decrea- sing flow at approx. 85% of the low range, and from low to high range on increasing flow at approx. 98% of the low range. e The status indication output (term. 4/43) always dis- plays the active range: 0 V= high range and 24 V= low range. e Electrical connection is shown in connection diagram 0 or ®in Sect. 2.6.5; for characteristic of outputs 1+ S, see diagrams 13 and 14 in Sect. 5.7.3. • The status indication output S canbe used as a trip point switch (G1 or GF) for current or frequency output, see Sect. 5.16. • When the current (I) or frequency (F) exceeds the trip point, the status output (S) switches from 0 V to 24 V. There is no dead band associated with this function. • Trip point switches G1 and GF operate with a time delay equivalent to the set time constant for 1 or F (see also Sect. 5.16.3 in this connection). • Trip point switc:h G1 Set '1 TRIP PT." under Fct. 3.3.01. The trip point can be set under Fct. 3.3.03 in the range of 01 to 110 PERCENT of 0100% (Fct. 1.01). This value must be within the output range of current output Cirnax, Fct. 3.1.04) and greater than that of the SMU-1 cutoff "off" value (Fct. 3.1.08), otherwise "plausi- bility" error (Err. P07) will occur, see Sect. 4.5. If 1100% (Fct. 3.1.03) is programmed to a value less than 20 mA, the trip point can be set to a maximum of 22mA Gi :::;;; - 1 -- * ll0% 100% • Trip point switc:h Gy 38 Set "F TRIP PT." under Fct. 3.3.01. The trip point can be set under Fct. 3.3.04 in the range of 01 to 115 PERCENT of 0100% (Fct. 1.01). This value must be greater than that ofthe SMU-F cutoff "off" value (Fct. 3.2.09). To facilitate easy and rapid initial start-up, current outj and pulse output are set to process flow measuremen "2 flow directions" (Fct. 3.1.01 + 3.2.01) so that instantaneous flowrate is displayed and the volume :t1 counted independent of the flow direction ("+" or ' Fct. 1.06). Measured values may possibly be display with a "-" sign. This factory setting may possibly lead to measuring em particularly in the case of volume flow counting: For example, if pumps are switched off and a "backflc occurs which is not within the range of the low-flow cu (SMU-1, Fct. 3.1.06 and SMU-F, Fct. 3.2.07, see also SE 5.9), or if separate displays and counts are required both flow directions. To avoid faulty measurements in these cases, therefor1 may be necessary to change the factory setting of somE all of the following functions: - flow direction, Fct. 1.06 (Sect. 5.4) - current output, Fct. 3.1.01 (Sect. 5.7 + 5.10) frequency (pulse output, Fct. 3.2.01 (Sed: 5.8 + 5. - status indication output, Fct. 3.3.01 (Sect. 5.16) - low-flow cutoff, Fct. 3.1.06 and 3.2.07 (Sect. 5.9) - display, Fct. 2.01 and 2.03 (Sect. 5.5 + 5.6).
  • 39.
    Part C Specialapplications, functional checks and senice 6. Special applications !fäi~j,tJfä~t#miw.Ji.tiii.iil~~~iJlitf@tltltI{Ifüillitft! Altoflux electromagnetic flowmeters are certified to Euro- pean standards and to Factory Mutual standards (FM) as electrical appliances suitable for use in hazar- dous areas. Onlythe primaryheads are permitted tobe installed in the hazardous area. The signal converter must always be installed outside the hazardous area. Allocation oftemperature class to temperature ofthe fluid, meter size and material of the measuring tube liner is spe- cified in the test certificate. Since the intrinsically safe signal circuit is grounded under field conditions via the fluid, equipotential bonding is required in the entire hazardous area andin the cable run ofthe mtrinsically safe signal circuit (inside and outside the hazardous area). Test certificate, certificate ofconformity and wiring instructions are attached to the Installation and Operating Instructions (applies only to hazardous- duty equipment). lli~~ll!ll.lllllrt1~11111illl~lilllillllilillill·:llllil::: The signal converter is equipped with an intemal automa- tic reference unit which ensures optimum adjustment to the input signal from the primary head during changing flowrates. In the case of rapidly changing flowrates, e.g. batching processes and where operation with reciprocating pumps is involved, it may be necessary to influence or cut out this automatic unit via Fct. 4.08 and 4.09. With Fct. 4.08, the response time of the automatic unit is decreased by up to 30%. The automatic unit is switched off via Fct. 4.09. However, this reduces the measuring accuracy of the signal con- verter. Since there are no hard and fast rules for applying Fct. 4.08 and 4.09, it is advisable to determine the optimum setting as follows. Always switch off the power source before connec- ting and disconnecting cables! • Connect an LED with series resistor (0.68 to 2 kohms) or an oscilloscope to terminals 4 + 43 (digital voltmeters are unsuitable). • Program "ADC ERROR"in Fct. 3.3.01 (status indication output). • Start the flow. • The optimum setting for the signal converter is found when the LED does not turn off (remains lighted), • If the LED tums off, even momentarily, reprogram the signal converter in the following order until the LED remains on (lighted). Order Fct. 4.08 Fct. 4.09 lst NO/SE AUTO. REF. 2nd NO NO/SE HIGH FLOW 3rd NO NO/SE MED1-FLOW 4th NO NO/SE MED2-FLOW 5th NO NO/SE MED3-FLOW 6th NO NO/SE LOWFLOW • Subsequently, reprogram Fct. 3.3.01 (status indication output) according to its original application. • If the above procedure does not lead to the desired effect, please consult factory. l'::~1~::1lllRlil~ll~~i:lllll!l~llit~:·111111i1iill1:llllililllllll Output values can be stabilized to values as for "zero" flow to prevent random output signals when the measuring tube is empty orwhen the electrodes are notwetted in the event the measuring tube is partially full. This means: Totalizer Display - does not accumulate random counts Current output - value of Io% (see Fct. 3.1.02) Frequency output - 0 V(= no pulses) Preconditions • Electrical conductivity offluid ~ 200 µSlcm (µmholcm) [~ 500 µSlcm (µmholcm) in conjunction with primary head IFS 5000 (-Ex), DN::; 15 or:::;; 1/ 2"] • Max. signal cable length 50 m (165 ft), for cable type DS or BTS. Changes on basic pc board (see components drawing, Sect. 9.1) • Insert two resistors Rx = 10 Mohms • Insert soldering jumper Lx. Additional change to programming Program low-flow cutoff (SMU) for current output I and fre~ quency output F as follows (minirnum values): Fct. 1 F Comments 3.1.06 YES YES Activate SMU 3.2.07 3.1.07 1 PERCENT 1 PERCENT Cut off "on" value 3.2.08 3.1.08 2 PERCENT 2 PERCENT Cut off "off" value 3.2.09 Note The low-flow cutoff function does not affect the flowrate display, Fct. 2.01: DISP. FLOW Therefore, depending upon the resolution of this display, there may be a slight positive or negative flowrate displayed during the period the pipe is empty or the measuringtube electrodes are not wetted. lii:ll:lll.r.~l.lllf.lllllmllllllilil:ji!j:llililllliillllil:iill:l • The signal converter can optionally be equipped with magnetic sensors, see Sect. 4.1, Item 5. e This allows programming of the signal converter by means of a hand-held bar magnet. Function of sensors without removing the front cover is the same as the cor- responding keys. Sensor response is acknowledged by symbols in the lst line of the display. • Hold the bar magnet by the black rubber cap. Apply blue end of the magnet (north pole) to the glass pane above the magnetic sensors. 39 '1
  • 40.
    Pipes with electriccorrosion protection are generally insulated inside and outside so that the liquid has no Conductive connection to ground. The primary head must be insulated from the pipe. Note the following when installing the flow- meter: • Grounding rings that are insulated from the pipe flangE must be fitted to both sides of the f!owmeter. Groundin rings, flowmeter and functional ground must be intercor nected. • The pipe flanges must be connected to each other using copper cable (L) but must not be connected to the prima1 head. lnsulated installation in the pipeline Fit insulated stuci bolts for the flange connections. Use bushes and washers made of insulating material, not included with supply, to be provided by customer. 3 4 3 1 01 E 02 RF 01, 02 Gaskets, not included with supply, to be provided by customer E Grounding rings, option, see Sect. 1.3.6. F Flange, primary head RF Pipe flanges 1 Bolt 2 Nut 3 Washer 4 lnsulator Gronding IFS 4000 Grounding M 900 L L pipeline RF 02 01 F 01 02 RF E E 01, 02 Gaskets, not included with supply, tobe provided by customer E Grounding rings, option, see Sect. 1.3.7. F Flanges, primary head FE Functional ground, cable z 4 mm2 Cu (10 AWG), not included with supply, to be provided by customer 40 IFS 4000: connection to U-clamp terminal on "neck" of primary head . M 900: connection to flange F of primary head. Equip FE cable with cable lug for M6 bolt (MS ior z ON 40orz1W'), not included with supply, tobe provided by customer V1 V2 pipeline pipeline RF 02 01 F 01 02 RF E -:- E FE 1 lnsulated stud bolt L Copper cable, cross-section z 4 mm2 C (10 AWG), not included with supply, to be provide by customer RF Pipe flanges V1, V2 Connecting wires, bolted to grounding rings and to "neck" of the IFS 4000, or to flange F of th M900.
  • 41.
    T~ Functional c~ecks- Always switch off power source before connecting and disconnecting cables! Connect milliammeter (Class 0.1% at 125 mA) in series to the field coils of the primary head (terminals 7/8). Make sure it is connected properly! Power the system. Wait 15 minutes for system to warm up. Plug jumper (!) alternately into the two positions „.._„ on plug board ®located on the front panel of the signal con- verter (see Sect. 4.1). 115 to 135 mA must be measured in bothpositions withthe polarityreversingbetween the two positions. · The sum total must agree with the value stored under Fct. 4.10. Max. variation 1mA. Switch off the system! Replace jumper (!) in normal position. Disconnect millirullIIleter and make sure that the field power supply cable for the primary head is properly con- nected to terminals 7 and 8. Always switch off power source before connecting ~'and disconnecting cables! Set "zero" Dow in the pipeline, but make sure that the primary head is completely filled with fluid. If this is not possible, switch off the signal converter, remove signal cable from terminals 1, 2 +3 in the terminal box and shört terminals 1, 2 + 3 together. Switch on the signal converter and wait 15 minutes. Press the following keys for zero measurement (Fct. 1.07): - ccccmm - If "Err..." appears on the display, press the lil key; otherwise proceed as follows. - C, 5(6) * [I key, display: Fct. 1.07 ZERO CALIB. - C, display "CALIB. NO"(=donotperformzeromeasu- rement) - D, display "CALIB. YES" (= perform zero measure- ment) - IJ, zero measurement in progress, duration approx. 45 seconds. Display: actual flowrate 0.0% of full-scale range: max. deviation± 0.2%; ifgreater, checkwhether flowrate is actually "zero". - After zero measurement: Display "STORE NO"(= do not store new zero value, retain old value). Press C key, display "STORE YES" (= store new zero value). - Regardless of whether the new zero value is to be sto- red or not, exit from the programming mode as fol- lows: Press lilkey 5 *; signal converter reverts to measuring mode. - If terminals 1, 2 + 3 had been shorted together (see above), switch off signal converter, remove shorting jumpers, and reconnect signal cable to terminals 1, 2+3. Always switch off power source before connecting and disconnecting cables! The test points in boxes with thin line borders need only be checked when: 1. The system has been newly installed, 2. Signal converter or primary head has been replaced, 3. The wiring arrangement has been changed. The test points in boxes with thick line borders should be checked every time the system is tested. Rated voltage of SC 100 AS no - Set to correct (and power driver NB if r rated voltage! applicable) correct? yes Is cable cross-section ade- no ~ Use new cable with adequate quate for field power cable ~ cross-section! (If applicable, (terrn. 7/8), see Sect. 2.4? mount power driver NB closer . to primary head). yes Measure conductivity of fluid no ~ Is signal circuit no -and cable length between sig- ~ (terrn. l, 20, 2, 3, 30) wired r Either use signal cable B nal converter & primary head. using signal cable B (type BTS) or mount (type BTS)? SC 100 AS closer toCheck against diagrarns: is yes i primary head! length less than perrnissible value Lmax? Mount signal converter closer to primary ja l:J.ead! " ' ' continued on next page 41
  • 42.
    1cci~;;n;~~~·;;~uring~ 1 UV ..._J '-'V.J..Lll. 'vl. 1..V ~.l.Vu..J..l.U. 0.VVV.l.u.J.U.~ 1 . to regulations ground) as specified? yes Is signal cable's insulation no - Insulate correctly! to ground faultless (no . short between shield and (Replace if damaged!) ground)? yes Is current output correctly no - Set correctly. programmed? . Mark change on nameplate! yes Are receivey. instruments at no J Connect as specified in term. 5, 6 correctly connected . Sect. 2.6! (in series, note load. Ranges acc. to current output, max. I instr. with single-ended input)? yes Is SC 100 AS set to correct no R6"enter prirnary head con- prirnary constant GK? Are. . stant GK (and magnetic field GK values, magnetic field frequency if necessary) at frequency and current range SC 100 AS! Required current on nameplates of prirnary range if necessary with head and signal converter power driver NB! (power driver NB) identical? ~ j.- .. yes Check zero setting, see no - Check signal converter Seel. 7.2. In order? . SC 100 AS (and power driver ~ NB, if applicable)! yes ' Check direction of flow, see Sect. 5.4. . yes Do all receiver instruments no ~ Connect receiver instruments deflect in the right . with correct polarity! direction? yes Do receiver instruments no ~ Check system, particularly indicate the right value? . primary head constant GK. If test negative, check signal converter SC 100 AS (and power driver NB)! yes 1r Is local display steady at no Increase time constant no Check prirnary head and, if~ (Fct. 3.1.05 for SC 100 AS). ~ constant flow rate? . . applicable, power driver NB Reading steady? (incl. wiring)! yes 1r System in order. 1~ yes ~ 42
  • 43.
    Condensed lnstructions -SC 100 AS 0119s IKROHNE j 3K24E/A6 019521 Printed in Gennany Subject to change without notice. ° Copyright KROHNE-Messtechnik GmbH & Co. [:j~iM~llfü8ii#ifüi!I~ii1tfJ1111fI1lfitff1f11Ilfilfill1t1HlHII1Il!Itttt!füilfl@1Hf1@[~f[llHf1Ittmm After powering, the signal converter enters the normal measuring mode. Key Display 1st line l2nd linel Comments CCDD1111l (ENTER 1, 2, 3, 4, 5] with 1 Coding, dependent on programrning of or a D Key a c Err. 01...16 Err. 02... 16 Fct. 4.02 (YES or NCI';, refer to Seel. 4.6 +5.12 without Error(s) in measuring mode, see E-List, Sect. 4.4 appears only, if one or more errors have occurred during measuring operation display next error, if more than one terminale error display Fct. 1.00 lFLOW OATAJ Main menu level, lst main menu displayed, continued as described below Main menu level Select mainmenu Enter dIBplayed mainmenu Submenu level Functional level Select submenu or function Enter displayed submenu or function Revert to main menu or submenu level Data level Data/Units Select next proposal Return to functional level, previous data/units retained Numerical values Increase flashing digit (cursor) by 1 Shift flashing digit (cursor) 1 place to the right. Note: If in last position, system will revert to functional level, last numerical value retained Revert to functional level, store new data, units or numerical values temporarily. * *Flashing display Err. 0000< M/Nor Err. 9999> MAX=numerical yalue too low ortoohigh. Press anykeyto obtain dis- play of perrnissible minimum or maximum value, then enter correct numerical value. Important · 1. Continuously pressing the C or D key will cause the function of these keys to be continuously repeated (autorepeat function). 2. lfno keystrokes are made for approx. 180 seconds, the signal converter will automatically revert to the measuring mode without accepting any changed data into the measuring program (time-out function). Exception: if at start of program- ming errors Err. E04, E05 and/or E14 are established, see Sect. 4.4. Newly entered data will only be accepted into the measuring program ifthe programming mode is terminated by following the procedure below. Key 1, 2 or 3 xi] llllll Key CllD ll ll ll Key ccaamm o:r Display 1st line l2nd linel Fct. 1.00...4.00 Actua/ measured value Err. P01...14 Err. P02...14 Fct. 1.00 lFLOW DATAJ Display l2nd linel lENTER 1, 21 lTOi. RESETJ Actua/ measured value Display 1st line l2nd Jinel lENTER 1,2,3,4,51 Err. E01...E16 Fct. 1.00 lFLOW DATAJ Actua/ measured value Comments Select main menu level Revert to measuring mode level Plausibility check, lasts approx. 5 seconds lfo error in plausibility check, any changed data accepted into measuring prograrn, actual measured value displayed (measuring mode level) Error(s) in plausibility check, see P-List, Sect. 4.5 Display next error, if more than one Terminate error display and revert to main menu level, lst main menu displayed, select faulty function(s) and correct data, see Sect. 4.6 Comments Measuring mode not interrupted Totalizer reset Measuring mode level, actual measured value displayed Comments with lwithout Coding, dependent on programrning of Fct. 4.02 (YES or NCJ), refer to Sect. 4.6 + 5J2 Error messages (not with Err. E04, E05 and/or E14) Main menu level Measuring mode level, actual measured value displayed A
  • 44.
    Text 1.01 FULL SCALE 1.02REV. SCALE 1.03 VALUE 1.04 DIAMETER 1.05 GKVALUE 1.06 FLOW DIR. 1.07 ZERO CALIB. 2.01 DISP. FLOW 2.02 UNITTOTAL. 2.03 DISP. TOTAL. 2.04 ERRORMSG 2.05 DISP. TEST B Desc::ription and input :e'n .i>~!!~B:;. Full-sc::ale range for ßowrate 0100% Unit: select from list (Sect. 5.1) Range: (Sect. 5.3): 0.0034 ta 542900 m3 Ihr or 0.8962ta143400000 US G/min After selecting unit. call numerical value with C key. Ist diqit flashes Different range for reverse ßow? NO or YES Full-sc::ale range for reverse ßow (appears only if YES entered under Fct. 1.02) Unit: select from list (Sect. 5.1) Range: (Sect. 5.3): 0.0034 ta 542900 m3 Ihr or 0.8962 ta 143400000 US G/min Va/ue must not be greater than that af Fct. 1.01 After se/ectjng unit ca// numerica/ value with C key. Ist diqit flashes Meter size Unit in mm or inch Range: 2 ta 4000 mm or 0.0787 ta 157.5 inch After selecting unit. call numerical value with C key, Ist diqit flashes Primary c::onstant GK (see primary head nameplate) Range: 0.5 ta 14 Deime direc::tion of forward (normal) ßow Enter acc. to direction of arrow ( + or - J on primary head Zero c::alibration (Sect. 7.2) Carry out only at "O" flow and when measurin tube com 1. filled with fluid 1) Inquiry: CALIB. NO or YES 2) If YES: calibration (duration 45 sec) with zero display in PERCENT of 0100% 3) Inquiry: STORE NO or YES '"'II, Unit for ßowrate display • m3 /Sec • m 3 Imin • m 3 lh • Liter/Sec • Liter/min • Literlh e US G/Sec e US G/mine US Glh e h LiterIhr or US MG/DA Y (=hectoliters per hour, for US version US million gallons per. day) factory set, can be changed as required via Fct. 4.04, 4.05+4.06 (Sect. 5.14) e PERCENT e NO DISPLAY Unit for totalizer display • m 3 • Liter • US G • h Liter or US MG (hectoliters or US million gallons) see Fct.No. 2.01 (h LiterIhr or US G!DAY) Func::tion of totalizer display • + TOTAL. (= forward totalizer) • - TOTAL. (= reverse totalizer) e +/- TOTAL. (= forward and reverse flow totalizers, altemating) e SUM TOTAL. (= sum of + and - totalizers) e ALL TOTAL. (= sum, + and - totalizers, altemating). e NO D/SPLAY (= totalizer switched on but no display) e TOTAL. OFF(= totalizer switched off) Whic::h error messages to be displayed?· (Sect. 4.4) e NO MESSAGE (= no error messages) e ADC ERROR (= only ADC conversion errors) e TOT. ERROR (= only errors of intemal totalizer) e ALL ERROR (=all errors) Carry out display test Start with CJ key 3.1.01 FUNCTIONI 3.1.02 I 0 PCT. 3.1.03 1100 PCT. 3.1.04 IMAXmA 3.1.05 T-CONST. I 3.1.06 L.F.CUTOFFI 3.1.07 CUTOFFON 3.1.08 CUTOFFOFF 3.2.01 FUNCT/ON F 3.2.02 PULSOUTP. 3.2.03 PULSRATE 3.2.04 PULSE/UN/T 3.2.05 PULS WIDTH 3.2.06 T-CONST. F 3.2.07 L.F.CUTOFF F Func::tion, c::urrent output (1) e OFF (= switched off) e FIR /NO. F(=F/RindicationforF) • 1 DIR. (= 1 flow direction) • I < I 0 PCT. (=Forward/Reverse flow, e.g. in 0-20mA range: F=l0-20 mA, R=l0-0 mA) • 2 DIR. (= forward/reverse flow, F/R measurement) Current for 0% ßow CJoq.) Range: 00 ta 16 mA Current for 100% ßow, Full-scale range CI100%) Range: 04 ta 20 mA (Value at least 4 mA greater than that of Fct. 3.1.02) Adjustment of max. output c::urrent Cimax) Range: 04 ta 22mA (Value must be greater than/equal to that of Fct. 3.1.03) Time c::onstant, c::urrent output Range: 0.2 ta 3600 Sec. Low-ßow c::utoff (SMU) for c::urrent output? NO or YES (Sect. 5.9) Cutoff "on" value SMU-I (appears only if YES entered under Fct.No. 3.1.06) Range: 01 ta 19 PERCENT Cutoff "off" value SMU-I (appears only if YES entered under Fct. 3.1.06) Range: 02 ta 20 PERCENT (Value must be greater than that of Fct. 3.1.07) Func::tion, frequenc::y output (F) • OFF(= switched off) _ e FIR !NO. I (= FIR indication for I) • 1 DIR. (= 1 flow direction) • 2 DIR. (= forward/reverse flow, F/R measurement) Unit, frequenc::y output e PULSRATE (= input in pulses per unit time) e PULSE/UNIT(= input in pulses per unit volume) Pulse rate for 100% ßowrate (appears only if PULSRATE entered under Fct. 3.2.02) Range: 2.778*10-3 ta 10000 pulses/Sec 0.1667 ta 600 000 pu/ses/min 10 ta 36 000 000 pu/ses/hr After selecting unit, call numerical value with C key, lst diqit flashes Pulse value (appears only if PULSE/UN/T entered under Fct. 3.2.02), Unit in pulses per m3 , Liter, US G or unit of Fct. 4.04, 4.05 + 4.06 (Sect. 5.14) - Range: 0.0001 ta 0.9999*1a9 pu/ses [no input check but: 0100%* pulse value ::; 36 000 000 pulses ~ 10 kHz] After selecting unit, call numerical value with C key, Ist digit flashes Pulse width for frequenc::ies ::;toHz • 30mSec. • 50mSec. • 1OOmSec. • 200mSec. • 500mSec. Time c::onst. for frequency output T< F> = 0.2 Sec. T< F> = T< I >(=time constant for F same as for !, Fct. 3.1.05) Low~flow c::utoff (SMU) for frequenc::y output NO or YES (Sect. 5.9)
  • 45.
    Fct. No. Text 3.2.08CUTOFFON 3.2.09 CUTOFF OFF 3.3.01 FUNCTION S 3.3.02 AUTO. RANGE 3.3.03 I TRIP PT. 3.3.04 F TRIP PT. Description and input Cutoff "on" value SMU-F (appears only if YES entered under Fct. 3.2.07) Range: 01to19 PERCENT Cutoff "off'' value SMU-F (appears only if YES entered under Fct. 3.2.07) Range: 02 to 20 PERCENT (Value must be greater than that of Fct. 3.2.08) Funct. of status indication output • OFF(= switched off, 0 V at term. 4/43) • ON(= switched on, 24 V at term. 4/43, e.g. as operational status indicator e FIR /NO. I (= FIR indication for I), Sect. 5.10 e FIR /NO. F (= FIR indication for F), Sect. 5.10 e AUTO. RANGE(= automatic range change), Sect. 5.16 e I TRIP. PT. (= trip point I as % of 0100%, Fct. 3.3.03) e F TRIP. PT. (= trip point F as % of 0100%, Fct. 3.3.04) e L.F.CUTOFF I (= low-fl.ow cutoffI), Fct. 3.1.06 e L.F.CUTOFF F (= low-flow cutoff F) Fct. 3.2.07 e AOC ERROR} e TOT. ERROR s. E-List Sect. 4.4 e ALL ERROR Automatie range change for current output, see Sect. 5.17 (appears only if AUTO. RANGE entered under Fct. 3.3.01) Range: 05 to 80 PERCENT of 0100%• (Value must be greater than SMU-I cutoff "on" value, Fct. 3.1.07) Trip point for current output, Sect. 5.18 (appears only if I TRIP PT. entered under Fct. 3.3.01) Range: 001to110 PERCENTof 0100% (Value must be greater than SMU-I cutoff "off" value, Fct. 3.1.08) Trip point for frequency output, Sect. 5.18 (appears only if F TRIP PT. entered under Fct. 3.3.01) Range: 001to115 PERCENTof010o% (Value must be greater than SMU-F cutoff "off" value, Fct. 3.2.09) 4.02 ENTRYCODE 4.03 OUTP. HOLD 4.04 UNITTEXT 4.05 FACT. QUANT. 4.06 FACT. TIME 4.07 FJELD FREQ. 4.08 NO/SE 4.09 REF. SEL. 4.10 FJELD GUR. Coding for entry into programming mode? Sect. 5.12 • NO = entry with fil key • YES = entry with keys CJ CJ [] IJ fil fil Hold values of outputs during programming? NO or YES (Sect. 5.13) Text for field-programmable unit, Sect. 5.14 A„.Z I a„.z I 0„.9 / _ (= s ace) Conversion factor for quantity FM, Sect. 5.14 Factor FM= quantity ~er 1 m3 Range: 0.00001*1U to 9.99999*10+9 Conversion factor for time FT Sect. 5.14 Factor FT in seconds Range: D.00001*1U9 tci 9.99999* 1o+9 Magnetic field frequency, Sect. 5.15+8.2 • 116 • 1116 • 1132 Noise rejection, Sect. 6.2 e NO NO/SE e NO/SE Selecting the reference voltage Sect. 6.2 e AUTO. REF. (= automatic reference) e HIGH-FLOW (=high flow range) e ME01-FLOW (= lst medium flow range) e ME02-FLDW (= 2nd medium flow range) e ME03-FLOW (= 3rd medium flow range) e LOWFLOW (= low flow ran e) Input of field current Range: 225.00 to 275.00 mA (see sticker at term 7 + 8 on "basic" pc board/with power driver NB 900 F always ± 250 mA) Must not be changed, Sect. 7.2 + 8.1! Please note: signal converter SC 100 AS/HPC/S, new structure of main menu 4.0 Special functions 4.02 ENTRYCOOE 4.03 OUTP. HOLD 4.04 UNITTEXT 4.05 FACT. QUANT. 4.06 FACT. TIME Language of display texts; Sect. 5.11 e GB/USA (= English) • 0 (= German) • F (= French) • SF (= Finnish) • others endin Coding for entry into programming mode? Sect. 5.12 e NO = entry with l]I key • YES = entry with keys aaccmm Hold values of outputs during programming? NO or YES (Sect. 5.13) Text for field-programmable unit, Sect. 5.14 A„.Z I a...z / 0„.9 I _ (= s ace) Conversion factor for quantity FM, Sect. 5.14 Factor FM= quantity ~er 1 m3 Range: 0.00001*1U to 9.99999*1o+9 Conversion factor for time FT Sect. 5.14 Factor FT in seconds Range: 0.00001*1U9 to 9.99999*10+9 Fct. No. 4.07 4.08 4.09 4.10 4..11 4.12 Text Description and input FJELD FREQ. Magnetic field frequency, Sect. 5.15+8.2 • 116 • 1116 • 1132 SCALE SEL. Select preamplification, Sect. 13 •AUTO (automatic) e HIGH FLOW (high flow range) • MED. FLOW (medium flow range) • LOW FLOW (low flow range) FJELD GUR. Input of field current Range: 225.00 to 275.00 mA (see sticker at term '] + 8 on "basic" pc board/with power driver NB 900 F always ± 250 mA) Notto be changed, see Sect. 7.2 + 8.1 NO/SE Noise rejection, see Sect. 13 eND e YES LIMITCNT Counter for off-lirnit condition (appears only if YES entered under (Fct. 4.10 NO/SE), see Sect. 13 Range: 001 to 250 LIMIT VAL Limit value for noise amplitude (appears only if YES entered under Fct. 4.10 NO/SE), see Sect. 13 Ranqe: 01 to 90 PERCENT c
  • 46.
    1 Err. P„1 Text 1 Description Err. P01 V RANGE Velocity v outside possible range (0.3 to 12 m/s or 1 to 40 ft/s) FULL SCALE (Fct. 1.01) < > DIAMETER (Fct. 1.04) Err. P02 REV. SCALE REV. SCALE (Fct. 1.03) > FULL SCALE (Fct. 1.01) Err. P03 IRANGE I 0 PCT. (Fct. 3.1.02) > I 100 PCT. (Fct. 3.1.03) or difference < 4 mA Err. P04 IMAXmA I MAX mA (Fct. 3.1.04) < I 100 PCT. (Fct. 3.1.03) Err. P05 ICUTOFF I: CUTOFF ON (Fct. 3.1.07) ~ CUTOFF OFF (Fct. 3.1.08) Err. P06 FCUTOFF F: CUTOFF ON (Fct. 3.2.08) ~ CUTOFF OFF (Fct. 3.2.09) Err. P09 F> 10 KHZ Frequency for Orno% > 10 kHz Err. P10 PULS W/OTH Max. pulse width exceeded (see Fct. 3.2.05) Err. P12 RNG./CUTOFF 2nd range of automatic range change (see Fct. 3.3.02):::; I CUTOFF ON (see Fct. 3.1.07) Err. P14 I TRIP PT. I TRIP PT. (Fct. 3.3.03) outside range of current output (see Fct. 3.1.04) E-List Description of error Rectify instrument fault Error output in measuring mode vi Error messages and/or - Display (Fct. 2.04) and/or clear error message - Status indication output (Fct. 3.3.0 dependent on programming Display NO ADC TOT. ALL Ist line* 2ndline MESS. ERROR ERROR ERROR Err. E01 UNE /NT. Power failure since D - - yes yes last programming reset totalizer(s) if necessary Note: no counting during power failure Err. E02 TOTAL/ZER Counts lost or totalizer D - - yes yes overflow Note: totalizer was reset! Err. E03 DISPLAY Numerical overflow of display Check data Fct. 2.0.0 - - - yes Display Ist line: ------------------ Display 3rd line: note 'Y Marker! Err. E04 EEPROM 1 Data error in EEPROM 1 Check instrurnent parameters ** * * * * * * (parameters) 0 Err. E05 CAL. DATA Calibration data lost Recalibrate signal converter, ** * * ** ** please consult factory Err. E06 EEPROM 2 Data error in EEPROM Z (totalizer) D - - yes yes Note: totalizer deviation possible reset totalizer(s) if necessary Err. E07 RAM Check-sum error in RAM 0 - - - yes Err. EOB ROM Check-sum error in ROM 0 - - - yes Err. E09 ADC ADC value overranged or 0 - yes - yes ADC defective Err. E12 FREQ.OUTP. F Frequency output overranged D - - - yes If necess„ check data, Fct. 3.2.00 Err. E13 CUR.OUTP. I Current output overranged D - - - yes If necess., check data, Fct. 3.1.00 Err. E14 EE1 EE2 Current calibration values Terminate programming mode ** ** * * ** EPPROM t+Z are different (press mkey 4x), values (occurs only when pc board changed) corrected automatically Err. E16 FUSE FS fuse for power failure Fit new F5 fuse, ye_s*** yes*** yes*** yes identification defective see Sect. 8.5 * When errors are displayed during the measuring mode, "a numeral" and "Err." will appear in the Ist line. The numeral gives the nurnber of momentarily occurring errors that are displayed alternately with the actual measured value. ** *** 0 0 No output in measuring mode! With these errors, the signal converter is automatically in the programming mode. No output via status indication output (Fct. 3.3.01) Invoke and then terminate programming mode. Keystrokes: 2 X c /2 X a /2 X l]I and 4 X l]I or 1 X l]I and 4 X l]I (dependent on programming in Fct. 4.02) Invoke and then terminate programming mode. Keystrokes: 2 X c /2 X a /2 X [il and 4 X [il or 1 X [il and 4 X [il (dependent on programming in Fct. 4.02) Consult factory if these errors occur several times in succession. Programming and function of keys (Sect. 4.3) Table of programmable functions (Sect. 4.6) Plausibility check, P-List (Sect. 4.5) Error messages, E-List (Sect. 4.4) The Sect. Nos. referred to in these Condensed Instructions will be found in the SC 100 AS Installation and Operating Instructions D Page Pages B + Page Page
  • 47.
    Always switch offpower source before connecting and disconnecting cables! Requrred measuring instruments: ·ohmmeter with at least 6 Volt range or AC voltage/resistance bridge, AC voltage multirange instrument. Check signal converter SC lOOAS! i no Fill primary head with fluid. no . If NB provided: open cover. Is no Switch off SC 100 AS. Disconnect Power the SC 100 AS (and NB). ... LED "magnetic field frequency" . cables from term. 7, 8 of... Use AC voltage meter to (NB 11) on? SC 100 AS. Switch on SC 100 AS. measure voltages at term. 7,8 yes l Use AC voltage meter to measure of primary head. Reading .___ voltage at term. 7,8 of >3V? SC 100 AS. Reading > 3 V? Check power driver NB! i yes Break or short-circuit in field power cable yes (or NB operating cable). Correct problem. 1 'Ir Switch off SC 100 AS. Disconnect no Electrodes contaminated. -term. 1, 2, 3 on primary head. ... Clean! Electrode seals not Use ohmmeter to measure re- tight. Return primary head sistances between term. l, 2 for repair! and term. 1, 3, always with ohmmeter measuring lead on term. 1. Are measured resist- ances approx. equal? yes - Disconnect cable from .1 Primary head defective!Disconnect SC 100 AS (and NB). no - term. 7, 8 of primary head. no Remove cable from term. 718 ... ... Return to factory for repair. on SC 100 AS (or from term. Test insulation at term. 7, 8 of 7.2/8.2 on NB). Test insulatio~ primary head against term. 1. between cable 7, 8 against Is resistance more than term. 1 on converter. Is resist- ~ 20MOhm? ance more than 20 MOhm? l yes ~ ' Cable has ground fault. yes Replace! „ Primary head in order. 43
  • 48.
    Always switch offpower source before connecting and disconnecting cables! Required instruments Tue testing procedure is designed to provide information on the fünctionality and correct programnring of the SC 100 AS. - Arometers: 0 to 20 mA, Class 0.1 and oto ~mo mA, Class 0.1 - Primary head simulator GS 8 - Frequency meter: Range 0 to 10 kHz Time base 1 or 10 s Load>2k0hm Tue cause of faults or setpoint deviations can be determi- ned with the aid of the troubleshooting instructions, Sect. 7.7. Testing can also be carried out without the frequency meter. Line voltage of SC 100 AS no ~ Return to factory for readjust- correct? ~ ment or replacement! yes no ~ Are all jumpers on plug board ~ Plug in correctly! ® of front panel firmly plugged in, as pictured under "NORMAL"? yes When testing in the system, no ~ Check power fuse FOL no ~ Locate fault, see Sect. 7.7. adjust flow to "zero" exactly. If ~ 1Defective? ~ '"'not possible, disconnect signal cable from term. 2 + 3, and mutually short term. 1, 2, 3. yes When testing without signal Fit new fuse! Does SC 100 ASconverter, mutually short term. no l, 2, 3 and 10. Connect milli- display now indicate Ident.-No. ammeter to tenn. 5, 6 (range and subsequently flowrate/ 0 to 20 mA). Connect frequency totalizer values, possibly alter- nating with error messages? meter to term. 4,42. Switch on power. Does the SC 100 AS display indicate Ident-No. (approx. 3 sec.) and subse- quently flowrate/totalizer values, possibly altemating with error yes messages (Err...)? 1~ yes 1 ~ ..-- yes Check zero as specified no ~ in Sect 7.2 (Fct. 1.07). Does ~ Store new zero value. flowrate display show lst attempt at zero 0% (± 0.2%) during calibration? check-out? no Disconnect term. 1 (measur- no ~ ~ Signal converter defective! ing ground). Short term. l, 2, Locate fault acc. to 7.7. 3, 10. Repeat zero check. Does yes display now show 0% (±0,2%)? yes Test primary head and its no ~ ~ Repair wiring! Repaet zero grounding! Check whether flow is zero (valve leaky, adjustment! pipe empty). Everything in oider? yes Test primary head acc. to 7.4! „ continued on next page 44
  • 49.
    lDoes the currentoutput no L -indicate the value entered for lo% (Fct. 3.1.02)? yes ,„ Test for response, see Sect. 7.6 (setpoint display readings). no -In order? yes no Test field power supply. --Connect 0 to 200 mA milliam- meter to term 7.8. Plug jumper CD altemately into the 2 posi- tions "A" (Ip TEST) on plug board ® !ocated on front panel _of SC 100 AS. Is reading 115 to 135 mA in both positions with polarity reversing between the 2 positions? (see Sect. 7.1). yes ,+,.::: yes Signal converter SC 100 AS in order! Check Function 3.1.02. Is the no ~ -desired lo% value programmed? yes l Locate fault acc. to 7. 7 Signal converter defective! Locate fault acc. to 7.7 no Is deflection "O" mA? L - yes l Change field power fuse F 02 on basic board (unscrew front panel). Is reading correct? 1 Set correctly! ' Basic board defective! Return to factory for replacement or repair. ·~ no 45 „: il I !!,, •! :'i II li II I! I! i! 1: ''.'li., !' 1 1 k:il lit; m lfl r.'·Iilf t ;, 1i m11,I
  • 50.
    7.6.1 GS 8:Operating elements and connection cable D p w LED 17.6.2 Electrical connection between SC 100 AS and GS 8 1. Switch off power source! 2. Remove cover from connection compart- ment. 3. Disconnect primary head cables from terminals 1, 2 (20), 3 (30), 7 + 8. lmportant: note terminal assignment beforehand! 4. Electrical connection as shown in the fol- lowing diagram using 2 round cables M. Insertplug connectorHl into socket H on the front panel of the GS8. 0 46 = milliammeter accury class 0.1 Ri < 800 ohms range 0 to 20 mA = electronic frequency counter input resistance min. 1 kOhm range 0 .to 10 kHz time base min. 1 second 20 D switch, flow direction H socket for plugs Hl of connection cables M LED power supply "on" P potentiometer "zero point" W compartment for connection cables M Y switches measuring ranges M connection cable between SC 100 AS and GS 8 SClOOAS 30 4 4.1 4.2 4.3 5 GND L N H1
  • 51.
    1 7.6.3 Checkof setpoint display 1. Switch on power source, allow at least 15 minutes' warm-up ti_me. 2. Set switch D (front panel GS8) to "O" position. 3. Adjust zero with the 10-turn potentiometer P (front panel GS8) to Io% ± < 10 µA. 4. Determine position of switch Y and setpoints I and f as follows: 4.l X = 0100% *K * F GK * DN2 0100%= full-scale range (100%) in volumetric units (V) per unit time (t) GK = prirnary constant (see prirnary head nameplate) F = 2, if GK value begins with "L" = 1, GK value without L DN = meter size in mm or inches =time in seconds (Sec.) minutes (min), hours (hr) V =volume K = constant, see following Table DN ~ Sec. mm Liter 25464 m3 25464800 US gal 96396 inches Liter 39.47 m3 39470 US gal 149.4 4.2 Determine position of switch Y min hr 424.4 7.074 424413 7074 1607 26.78 0.6578 0.0196 657.8 10.96 2.49 0.0415 Use table (front panel GS8) to determine the value Y which comes closest to the factor X and meets condition Y ~ X. 4.3 Calculate setpoint reading CD current output y I = lo% + XCI100%-Io%) [mA] Io% = current at 0% flowrate, see Fct. 3.1.02 (e.g. 4 mA, at 4 to 20 mA) I100%= current at 100% flowrate, see Fct. 3.1.03 (e.g. 20 mA, at 014 to 20 mA) 4.4 Calculate setpoint reading (f) freguency output y f = x* f100% [HzJ f10o% = pulses per second at 100% flowrate, see Fct. 3.2.03 5. SetswitchD (frontpanel GS8) to position „+" or "-" (for- li!ard or reverse floi'tl). 6. Set switch Y (front panel GS8) to the value determined by the method described above. 7. Check setpoint readings I or f (see Points 4.3 and 4.4). 8. Deviation < 1.5% of setpoint! If greater, locate fault as described in Sect. 7.5 + 7.7. First check field power supply as described in Sect. 7.1. 9. Linearity test: adjust lower Yvalues, readings will drop in proportion to the determined Yvalue (see Point 4.2). 10. Switch of power source after completing the test. 11. Disconnect GS8. 12. Reconnect leads of prirnary head. 13. Replace housing cover. 14. The system is ready for operation after the power source has been switched on. 17.6.4 Example Full scale range 0100% = 280m3/hr (Fct. 1.01) Meter size DN = 80 mm c~ 3") (Fct. 1.05) Current at Oo% Ioo/o = 4 mA (Fct. 3.1.02) Current at 0 100% 1100% = 20 mA (Fct. 3.1.03) Pulses at Owo% f100% = 280 pulses/hr (Fct. 3.2.03) Prirnary head GK = 3.571 constant (see nameplate) Factor (GK valve without "L") F =l Constant (V in m3, K = 7074 (see Table) t in hr / DN in mm) Calculation „X" and position of switch „Y" F X 0100% X K 1 X 280 X 7074 X= = =OOM GK X DN2 3.571 X 80 X 80 Y = 80, position of switch Y, see front panel GS8 (comes closest to X value and is smaller than X) Calculation setpoint reading 1 and f 80 4 mA + - - - (20 mA - 4 mA) = 18.8 mA 86.67 Deviations are permissible between 18.5 and 19.l mA (equivalent to ± 1.5%). y 80 f = X x f100%= - - x 280 pulses/hr =258.S pulses/hr 86.67 Deviations are permissible between 254.6 and 262.3 pulses/hr (equivalent to ± 1.5%). 47
  • 52.
    Always switch offpower source before connecting and disconnecting cables! This chart will help to locate the defective PCB of a signal converter füat revealed a fault when tested according to Section 7.5. Instructions are based on the assumption that only one fault has occurred. Tue SC 100 AS is operated with open front r: Required instruments - Digital multimeter with the following ranges: 0 to 20 mA / 0 to 200 mA / 0 to 10 V - Frequency meter: 0 to 20 kHz / time base 1 or 10 sec / load > 2 kohms - Primary head simulator GS 8 Connections - Milliammeter to term. 5,6 - Frequency meter to term. 4,42 - Primary head simulator GS 8 to term. 1, 2, 3, 7, 8 + 10 (see Sect. 7. 6.2) - Power source to term. 11, 12 - Also connect up protective conductor (because of screening function) even if low voltage is involved, e.g. 24 V. 110 . 110 .Coilllect as described above. Set ~ Am all 4 LEDs off? r Does LED LD l/FA light up GS 8 to "O". Use diagrams of PCBs Oll data output PCB? µPI, data output and basic board yes (see Sect. 9) to check whether yes socked-mounted compollellts are Check whether transformer leadscorrectly plugged in. Check that the 7 jumpers Oll plug board ® Oll µPI coilllected for applied supply volt- age (see Sect. 8.3.1) and check - : Does LED LD 2/FI PCB and ribboll cable Oll data output colltacts. Test power fuse (F 01). [ (LED back-lighting) light up? PCB are properly plugged in. Power In order? the unit. Do 4 LEDs (2 *red basic board PCB, 1 * red data output PCB, llO yes 1 * LED back-lighting for display) yes light up? Does LED LD l/FSV light up Oll, " 1 basic board? Signal collverter defective. yes Return to factory! ·~ yes„ Switch power off, thell Oll again. llO Does SC 100 AS display llOW show ~ 8-digit Idellt.-No. for approx. . Does LED LD 2N 5 light up Oll 3 secollds? " basic board? yes llO yes ~ llO ~ ..." Is the SC 100 AS in the 1 Does the SC 100 AS display thell programming mode? Relevant voltage supply in show flowrate/count values, yes t order! possibly altemating with error messages "Err„." (see Sect. 4.4)? Cancel error message as de- scripted in Sect. 4.4. Is the ~ SC 100 AS llOW in the llo yes measuring mode? . Correct fault. Switch power onr yes again. Does fuse llOW stay Output of error message yes intact? "Err. 16 FUSE"? " Switch off power. Fit lleW FS fuse Oll basic board PCB. yes llo ~ Is the SC 100 AS now in the llO measuring mode? yes Test from beginning again! llO ~ Check analog supply voltages Oll " Change fuse F 2 Oll basic boaJ . board µP 1. V 7.5 and V 8 to Switch power Oll again. Now in~ measuring ·ground „ J_ " (test- order? point G). In order? yes yes ,, Signal collverter defective. Return 1 Test from beginning again!to factory! 1• colltinued page after the llext olle 48
  • 53.
    no ~ Change fuseF 4 on basic board. no ~- : Data output PCB defective! Switch on power again. Now in -order? - • 1 -yes r no ~ no - Change fuse F 7 on basic board. ~ Switch on power again. Now in order? - 1 -yes ~ no ~ no -r Change fuse F 1 on basic boar9. -Basic board defective! Switch on power again. Now in 'l ,„ order? „ - yes I -r no r no ~ no - Remove µ Pl PCB and ribbon cable r Change fuse F 3 on basic board. - from data output PCB. Change Switch on power again. Now in ,, F3 fuse again. Switch on power. order? Now in order? ~ I~ „~ yes i~ yes Start lest from beginning again. Switch off power. Reinsert ribbon cable on data output PCB. Switch on power. Does F3 fuse ,.._. remain intact? no no , yes 1r no ~ -Board µP l defective ! 49
  • 54.
    lPress keys forentry into programm- no Data output PCB ing mode. Are key symbols, . defective! clear text "INPUT" and number of key strokes displayed? , .... 1 1 Switch off power for approx. yes 5 seconds. Repeat test. yes jDoes display now show - "Fct. 1.00 FLOW DATA" or an no - no . Signal converter defective!~ ls this the lst attempt? .error message "Err„." Return to factory. (see Sect. 4.4)? ~ l yes 'r no ~ Was this the lst zero no Perforrn zero check (Fct. 1.07) . check? as described in Sect. 7.2. Do not save this "zero value" (press 11 yes .J,. yes key)! Can the .display be set to swing around "zero" using the Set 10-turn potentiometer P of GS 8 no . Check set parameters for Q, IQ-turn potentiometer P of the to "5.00" and repeat zero check . DN andGK. GS 8? as described in Sect. 7.2. In order? Save the zero value this time, and then exit from pro- no yes gramming mode by pressing the 11 ~key. Does data clisplay Reprogram, and repeat now show "zero"? measuxement. - 1 yes ~ ,„ Lock the_lO-tum potentiometer P of ls "F/R IND.F" programmed under no ~ Data output PCBno - .GS 8 in this position. Is the value ~ Fct. 3.1.01? defective!· programmed for lo% (Fct. 3.1.02) yes .J,. present at the current output (terrn. 5/6)? Reprogram! Is the value for lo% now no displayed? yes 1 yes „ Test for response as described no -Does this apply to current and no ~ Current or frequency output stage~ frequency outputs? Note pro- ~ on data output PCB defective!in Sect. 7. 6 (setpoint display gramming of frequency output! readings). Level control iss; 100%! The value of the current output may yes lchange if BA (Fct. 3.3.02) is activated. Note: Depending on no - Repeat responsitivity test acc. toprogramming of the current output Calculation of level control correct? ~f Sect. 7.6. (Fct. 3.1.01 et seq.), this is only controllable for one signal polarity. yes iIn order? Signal converter defective. yes Return to factory. ! 'r Test field power supply. Connect 0 to 200 mA milliam- meter to terrn. 7, 8! Flugjumper (J) noaltemately into the 2 positions ""'" no ~ O mA displayed? •(Ip TEST) on plug board ® located ~ on front panel of the SC 100 AS. yesJ 1 Field power supply on basic board ls reading 115 to 135 mA in both defective! positions, with polarity reversing Replace field power fuse no •between the 2 positions? See Sect. 7.1. F 02 on basic board. Reading correct? yes - yes 1 ...~ Signal converter SC 100 AS in order! 50
  • 55.
    Always switch offpower source before connecting and disconnecting cables! Required instrument: Ammeter 0 to 2 A, Class 0.1 Connect terminals 7, 8 of a functioning SC 100 AS to terminals 7.1 and 8.1 of the power driver. Note power supply rated voltages (on narneplate) of both SC 100 AS and NB. Rated voltage of power driver no • 1 Return to factory for readjust- NB correct? - ~ 1 ment or replacement. yes no " Are transformer feeder plugs ~ Plug in correctly! and ribbon cable plugs prop- erly inserted? yes no " Check power fuse. no " Check single fuse next to no Switch on SC 100 AS and NB. ~ Defective? ~ - Is "power supply" LED (NB 8) of transformer. Defective? power driver on? yes yes -yes ~ Replace! ' ,, Does "magnetic field frequency" no .LED (NB 9) of NB flicker or ~ fiash? yes ~, Connect ammeter (0 to 2 A) in no . When transposing jumper CD, Check SC 100 AS as described~ ~ series to the field coils of is "magnetic field frequency" no in Sect. 7.5! primary head (term. 7.2/8.2). LED (NB 9) permanently Plug bridge ® altemately into on/permanently off? the two positions "A" on plug board ® located on the front panel of the SC 100 AS. Is reading 1 A in both positions with po!arity reversing between yes the two positions? yes Power driver NB defective. ~" 1 ~ Return to factory. Power driver NB in order. 51
  • 56.
    8. Service Always switchoff power source before commen- cing work! e All pc boards (PCBs) can be replaced individually vvithout interaction vvith other, existing, pc boards. • Remove the metal partition between connection and signal converter compartments before replacing the basic PCB. Remove 1screw, accessible from the con- nection compartment. Following replacement, take note of the field power specified on the basic PCB near terminals 7 + 8 and compare itvvith the settingin Fct. 4.10 (see Sect. 4.6 and report on preset data for the SC 100 AS). If there is any deviation, reprogram to this value in Fct. 4.10. Range: 225.00 to 275.00 mA Note: If power driver NB 900 Fis used, the value of 250 mA set under Fct. 4.10 must not be changed! • The customer-specific data (see report on preset data for the SC 100 AS) must be reprogrammed following replacement of the µPl PCB. Error message "Err. E14" is displayed, see E-List in Sect. 4.4. Subsequently, be sure to perform zero cali- bration and store the new zero value. • All data of the intemal totalizer are lost on replacement of the measured-value output PCB. Error message "Err.E14" is displayed, see E-List, Sect. 4.4. Always switch off power source before commen- cing work! • Specific calibration data for each primaiy head, speci- fied on the nameplate, are determined during factory calibration. This includes the primary head constant GK and the magnetic field frequency. Example Nameplate, line GK: 2.371/6 2.371 --+ primary head constant, and 6 --+ magnetic field frequency = 1/6 of power frequency • The signal converter must be reprogrammed when a primary head is replaced. • Enter primary constant GK in Fct. 1.05 and the magnetic field frequency in Fct. 4.07. • A zero check (Fct. 1.07) is advisable following repro- gramming, see Sect. 7.2. • If the new primary head has a different meter size (diameter), enter the new size in Fct. 1.04 and fue new full-scale range for 0100% in Fct. 1.01; in the case ofF/R operation, see also Fct. 1.02 + 1.03. • A zero check (Fct. 1.07) is advisable following repro- gramming, see Sect. 7.2. • At all events reset the intemal totalizer as described in Sect. 5.6. Note down totalizer counts beforehand. 1:::1~iiliii@fü~ijiJ.ii!iliii~iiliih~i!~ii~~[@iiifi:wMiil.iWft111HI111HilIIIIIIHI11Ht1II11H:It11ll1IIIIlIIIIIIll:m 1 8.3.1 SC 100 AS signal converter Note: Only possible ifsignal converter has built-in universal transformer of 100 to 240 V AC. ' • Disconnect signal converter (and NB power driver, if applicable) from power supply. • Open housing and remove front panel. • Reconnect the colored cables at terminal strip X6 on the basic board of the SC 100 AS (see Sect. 9.1) for the desired system voltage according to the following table. Terminals of terminal strip X6 Voltage 1 2 3 4 5 220 V AC gm blu gre vio+bm red 230/240 V AC gm blu 200 V AC gm vio 120 V AC bm+gm blu 110 V AC bm+gm blu 100 V AC ·bm+gm vio blu = blue bm = brown 52 gre = grey gm = green vio gre vio gre gre or vio bm+gre blu+bm - - - orange violet red or - - - • Change fuse F 01 "LThlE" in accordance vvith the new operating voltrage. • Enter new operating voltage on the instrument name- plate. • Refit front panel and close housing. Fuse 6 7 8 F 01 (LThlE) OrderNo. - yel or T 0.16/250 G 5.07379 - or yel T 0.16/250 G 5.07379. - yel red T 0.2/250 G 5.05678 red or yel+gre T 0.315/250 G 5.05804 red yel or + vio T 0.315/250 G 5.05804 or yel r~d+blu T 0.4/250 G 5.05892 yel yellow
  • 57.
    1' 1 8.3.2 NB900 F power driver • Disconnect power driver from power supply. • Open housing. • Reconnect the colored cables at terminal strip NB 12 on the basic board of the NB 900 F (see Sect. 9.4) for the desired system voltage according to the following table. Terminals of terminal strip NB 12 Voltage 1 2 3 4 220 V AC red or gre+bm blu 230/240V AC yel gre blu+bm red 110 V AC yel+bm - blu or 120 V AC yel+bm gre - red 1::~~~l:llll,l.lf.l.l:~111tf.lll.llli~::.:~:'_.::·i~l:'.::1:1:=1~~::1:1:::11 • The output voltage at term. 4/42 is factory-set to 12 V. • The output voltage can be changed to 5 V by inserting soldering jumper "LEZ" ön the data output PCB, see Sect. 9.3. • Switch off power source before commencing work. • The SC 100 AS signal converter is equipped with a module for power failure identification. • This module is fuse-protected with an F5 fuse (200 mA T, Order No. 5.07562) on the basic PCB (see Sect. 9.1). ' • A defective F5 fuse is indicated duri.rlg measuring ope- rations by the error message "Err. E18 FUSE" (see E-List, Sect. 4.4). • A defective FS fuse must be replaced immedia- tely, because otherwise the totalizer counts are no lan- ger saved in memory submodule M2. Also the signal converter can not be reprogrammed. 5 • Change fuses F6 and F7 (NB 4) in accordance with the new operating voltage. • Enter new operating voltage on the instrument name- plate. • Close housing. Fuses 6 F6 + F7 Order No. yel yel/grn 2 * T 0.5/250 G 5.07094 or yel/grn 2 *T 0.5/250 G 5.07094 gre+red yel/grn 2 * T 1.0/250 G 5.06258 blu+or yel/grn 2 * T 1.0/250 G 5.06258 53
  • 58.
    9. Connection andoperating points 011 pc boards, circuit diagrams 'IJld spare parts LD2/V5 Rx Lx LD1/FSV F2 F3 0 ;:!! "' ~ 8 II -~ i iffi ;j 0 ··~ ' ~ ::~4 t r F1[~1~ 1XIP<1 1 111 ..,.,'""' ; ' 8·r T' .. . . . + .i..;. .. ~~ FS•f? '!' :t: • i ~ T 8 8· ~ $- =I r ;j ~ 8' -0 FOl F02 X4a XSa F4 F6 F7 X6 X4a /1 Z 3 4 5 6 7 8 9 10 11 12 13 1415161718 19 202122232425262728 29303132 3334 1 2 3 4 5 6 7 8 9 10 11 12 1314 15 16 1718 19 2021222324 Z5262728 2930313233 34 XSa/ 1LL] L]l'""'=ll!'ttll" '1'IUIUlli"~II ~·l ll 1 1toµ P1 PCB X3/ 1 X21X3 only withEx-ve1sion th1mdisconnec- lingpoints ~ opened "Cl::: X2/ 1112 3 ~ 2 3 4 '1!i Q1 "'4 6 5 7 ....:_ ::> Rx '_::J 5 6 Rx ~ 10 1 8 R1 „, B ,r--1 z R6 J1.. /1 lA1 1t1 47oR SFH610-2 -14VU "measured- va/ue output PCB XI(<_?-- ZO ':' 2;::r>----~ 3K9 / discormectfor L----J---------------------+-++++-t-__,1-H++-"''1~2-"VU""-----~-"[i-1---'-'~---~.DC operatia11 4 220µ ,Y G/1 I F2 ..-3.;.--,„,.-'C::.-, ye/ R2 3- 3K9 300-------...,c---++---' 4.10-____.,.y 4.Z~-~===~;~~di--i-----------------------------J4.3_ 3~ ;-:- 34 - F02 760mAT 71- 12::; FOT 160mAT 10- ~1- · - - - - · - - · - - · - - ·--B ~, 1 FSV-Hybrid 1 1 1 1 1 L. -;--;E;;.-„- -·-rrll '~1•1·_J ~ ~;~OKi:gr FSV TZ r ~T1 ~~ Lfci gµ2 39 ~P1 54 ~ f! 63V T ·T351' JR8 J:;l.,50R l-'---f-+-1----!<,.,a--, 1 045D5 045D5 , 1·: )-1/21[1 LJi_:"'SFH610-2 Ll1337T 12R1 Al-Adjust -1ZVU 0 vvu 25V T - 1 T160mA c2l_ · v112e ~ fizzoµ ~z 25V 1 """ Ll12930 T-5 „„ 1 ·"'f'"---""~R==:="i'/[3 • F3 7 10:1~:: ,,tOV +SV .L C!O·T~ J,c6· ~T500mA 0 1p~·~.1p G/3 l+SVJ 2200µ Vl128 8 16V w•.1 F4' 7 1011 •• J;, rnmmA ~14 F5 ~ +24 VU/+7 SVU*J [7 G/4 ~T200mA _Q_____ 4~t-f ~ R7.324/75VU 63V V/128 I • 1011 12 F7- 11 T100mA F6 +35VU/+75VU*I [11 G/5 T200mA _Q_____ 470pd? ~ 5 R7.4 135/75VU 63VT •',,,,,,,,,,., 1 1 1 1 1 1 1 ,,, 11 1 1 1 )! !i' '---""""'---+--';'-- ,,Vl1ZB """r_I_ GI~+48VU [3 ___L 470µ·*· Vl12:::48VU 63V + T31s;;;;.,, R7 7 1011 t s: !g6 ye/igrn or X6/ red 8 f-- 7 6 ~ 5 brn 4 gre vio 3 blu IL * only measurab/e with installed measured-value output PCB all vnltages with primary voltages =rated voltage VUz20% 5Vz0.3V: '
  • 59.
    F 01 Fuse,power supply, for values and order number see Sect. 8.3 F 02 Fuse, field power supply, M 0.16/250 C to G (M 0.125/250 C to G for X 1000-Ex) F 1 Miniature fuse 315 mAT for field current voltage supply F 2 Miniature fuse 160 mAT for analog voltage supply F 3 Miniature fuse 500 mAT for logic voltage supply F 4 Miniature fuse 400 mAT for voltage supply, frequency output F 5 Miniature fuse 200 mAT-for power failure identification F 6 Miniature fuse 200 mAT for voltage supply, serial interface (for SC 100 B) F 7 Miniature fuse 100 mAT for voltage supply, analog output LD l/FSVLED for field power supply: voltage check LD 215 V LED for 5-V supply voltage: logic voltage check 1 insert for stable Soldered jumper analog output when 2 resistors 10 Mohms measuring tube empty, see Sect. 6.3 T X4a X Sa X6 Symbol R 1,2 R3,4 R5 R6 R7 R8 R9 R 10 c 1,2 c 3,7,11 C4 C5 C6 CS c 9,10 p 1 GI 1,2,3,4,5 T 1,2 Al IC 1 IC 2 IC3 LED 1 F 1 F 2,5,6, F 02 F3 F4 FS 'F7 X4a X4b Universal transformer 100 to 240 V AC Base for plug board X 4b, µPl pc board Base for plug X 5b, measured-value output pc board Terminal strip, transformer, change of opera- ting voltage, see Sect. 8.3 Description Part No. Basic board, compl. 110-220 V AC 2.07170.00 Basic board, compl. 24/42 V AC 2.07143.00 Circuit board 3.07209.09 Resistor, carbon, 3.9 kOhm, ± 5%, 0,25 W 5.05926 Resistor, carbon, 270 Ohm, ± 5%, 0,25 W 5.06051 Resistor, carbon, 560 Ohm, ± 5%, 0,25 W 5.05936 Resistor, carbon, 470 Ohm, ± 5%, 0,25 W 5.06023 Resistor, 4 * 10 MOhm, network, SIP 5.07324 Resistor, meta! film, 12.1 Ohm, ± 1%, 0,25 W 5.05422 Resistor, meta! film, 39.2 Ohm,± 1%, 0,25 W 5.05428 Resistor, 7 * 10 kOhm, network, SIP 5.07461 Capacitor, electrolytic, 220 µF, 25 V (R5) 5.06502 Capacitor, electrolytic, 470 µF, 63 V 5.07325 Capacitor, tantalum, 2.2 µF, 35 V (R2.5) 5.03100 Capacitor, electrolytic, 1 µF, 63 V (R7.5) 5.06508 Capacitor, electrolytic, 2200 µF, 16 V 5.07028 Capacitor, electrolytic, 100 µF, 16 V (R2.5) 5.06861 Capacitor, Sibatit, 0.1 µF, 63 V (R5) 5.07492 Potentiometer, 50 Ohm, 68 W 5.065T8 Rectifier VM 28 5.06729 Transistor D 45D5 5.07069 Hybrid 3.07107.04 Integrated circuit SFH 610-2 _5.07414 Integrated circuit LM 337 T 5.06739 Integrated circuit LM 2930 T-5,0 5.07320 LED, red CQV 19-3 5.03152 Fuse 315 mA T 5.07591 Fuse 200 mA T 5.07563 Fuse 500 mA T 5.07586 Fuse 400 mA T 5.07565 Fuse X 114-105 (113°C~235°F) 5.07480 Fuse 100 mA T 5.07561 Transformer, 110-220 V AC 3.07056.09 Fuse holder FAC 031.3803 5.07327 Fuse holder, Wickmann No. 19560 5.07679 Spring terminal block, 8 pin, Phönix 3.07217 Terminal block, 3 pin, Weidmüller, FA 3.07216.01 Terminal block, 5 pin, Weidmüller, FA 3.07216.02 Terminal block, 8 pin, Weidmüller, FA 3.07216.03 Pin socket, 34 pin, Bergstik 2 * 17 5.07559 3M socket, 34 pin, Bergstik 2 * 17 5.08317 Soldering pin 5.05898 grri = green bm = brown blu = blue vio = violet we = grey or = orange yel = yellow 55
  • 60.
    E +SV 56 V8 V7.S B ,1 -BV ="" 1, NC r~·"0 ,,., ~ ' +7,SV; ""'""' 1, NC N/1C9346EN g ~ ~ ' I' I' 1 .sv IC9to "MI" D 5.07UO R11 Port to indic8tion output P27 IK lij~ ~ '=" '2~ CA X4b 011-14, 1N4148 X= disconnecting point 5.D~ D G .L 1 07-Wc JVJ 'R16-19c 1 ZHZI 011-1'0 11U1'8 AMP - 01 ·. 1 _<.,; 26 ..!.7_V"'---+-m_ax_._m_odulation e.g. at spurious !33,·!~ m 1 Vpp modulation with signal at GK = 5, AD 624: B = 2 mls. HP= 100% fM =116 fNetz
  • 61.
    A Test pointforthe output signal of the input amplifier. B Test point for the output voltage of the DAC, 0 to - 6.5 Volt C Test point for the output voltage of the integrator D Test point for the output voltage of the rectifier E Test point for the residual pulse generation bywatchdog G Measuring ground V 7.5 Testpoint, supplyvoltage + 7,5 Volt V 8 Test point, supply voltage - 8 Volt X 4b Plug board /[5 11POl1 g: ~ ~ ~ ~ " ~~ 2'12' 31 21 21 31 „ ~~ ~4-8,IV +7,SV i I~.;:„ [2 , ~t'---L +12VU "-u ' .~ 15 1 2 ·~/[] ~ -~ u v. j VL: +SV DG212U l.l l.. n 'V- 1~-.!.---------,, • n 1• , 1 ~ 1 -8,IV _J /[2 -, 2 DG212[J 1..--'- • - c 1 - b:J'a-Ts[18 II a.04 71J.tfD'YJiPO "3' 2 ~ ~ 1 133.U Symbol Description µPl, board, camp!. Circuit board R 1,11 Resistor, meta! film, 1 kOhm, ± 1%, 0,25 W R 2,20,21 Resistor, meta! film, 22.l kOh_m, ± 1%, 0,25 W R3 Resistor, meta! film, 4.75 kOhm, ± 1%, 0,5 W R4 Resistor, meta! film, 562 kOhm,± 1%, 0,5 W R5 Resistor, 3 x 1 kOhm, network, SIP R6 Resistor, meta! film, 47.5 kOhm, ± 1%, 0,5 W R7 Resistor, meta! film, 221 kOhm,± 1%,10,5 W R8,9 Resistor, meta! film, 150 kOhm, ± 1%, 0,5 W R 10 Resistor, meta! film, 825 kOhm,± 1%, 0,5 W R 12,13 Resistor, meta! film, 33.2 kOhm,± 1%, 0,5 W R 14,15 Resistor, meta! film, 10 kOhm, ± !%, 0,5 W R 16,17,18,19 Resistor, meta! film, 2.21MOhm,±1%, 0,25 W R22 1Resistor, 4 * 5 kOhm, network, DIL c l,2,4,5,6,7,8,11,12,14,17,19,22 1 Capacitor, Sibatit, 0, 1 µF, 63 V c 3,23,24,27,28,29,30,33,34 c 9,10 1 Capacitor, electrolytic, 1 µF, 50 V Capacitor, electrolytic, 0.47 µF, 50 V C 13,15,16,20,21 Capacitor, electrolytic, 10 µF, 35 V c 18 1 Capacitor, NPO ceramic, 0.047 µF, 50 V C 25,26,31,33 Capacitor, ceramic, 100 µF, 200 V D l,2,3,ll,12,13,14 Diode N4148 D 4,6 Diode BAY 86 (1N645) D5 Diode 1N827 D 7,8,9,10 Zenerdiode, 3 V 3, 0,4 W IC 1 Integrated circuit DAC 1230 LCD IC 2,3 Integrated circuit DG 212 CJ IC4 Integrated circuit SN 74LS590N,O IC S Integrated circuit TMP 80 C 49 AP-6 IC 6 Integrated circuit MC 14538 BCP IC 7 Integrated circuit LM 317 T IC 8 Integrated circuit LM 337 T IC 9 Integrated circuit NµC 9346 EN IC 10 Integrated circuit TL 072 ACP. IC 11 Integrated circuit AMP-01-FX Al Hybrid A2 Hybrid Plug socket, flat, 40 pin, DIL 40 EG Plug socket, 34 pin, Nr. 67118-017 Pin socket, 26 pin, 90° Plug socket, flat, 8 pin, DIL 8 EG Soldering pin " '1~ .sv Va: ss = [1? I:< fA 0,1p y ' Hp<J) -·---1~!!_~··-h- - - , @,' .·® +SV J_:::: '.;'.,;:ij I< '·~ ~::. . ' 1 _ -· !.:::LL~_.L..:, 1 tl_k_._ -iJ!!- ~ ~ l li > ' ~ 1~T::ti ~ -.i--A-- 14~ /t t t . $~ --[ ~ ...-~o.avp I, ;-+-- l"~ ~ij_J -'1. l 1 1: 1 „ 1u J --1„ 1-- --! " 1--- l11p@ •I 1' rr"· 1 "] ~13VJsfat. 1 1 Al L --- -ar·~rT .v-:-:_J_- - --- ~ - - - _J ADW-Hybr. A2 +SV +7,SV-"8,IV KD/1-Hybr. c8,1V - Part No. 2.06034.01 3.07220.02 5.07732 5.07735 5.07733 5.07738 5.07385 5.07736 5.07737 5.07730 5.07731 5.07729 5.07734 5.07278 5.07662 5.07492 5.06924 5.06982 5.07450 5.07567 5.06560 5.05586 5.07674 5.05799 5.05568 5.07305 5.07378 5.07307 3.07218 5.06785 5.06419 5.06739 5.08239 5.07664 5.07663 3.07045.06 3.07172.03 5.06602 5.07374 5.07402 5.07370 5.05898 all vo/tages with primary voltage = rated voltage SV ±0,3V 7,SV !O,SV 8,IV ±0,6V vu z20% 57
  • 62.
    VI VI .1. VEZ LEZ LDl/FA -+------J FN 1 +d +( •a S6 PF +• /C18 + 21C512 + 3.07503.0't- + + 5.06616 A16 R'· ·ft· ~ 03 c:::t6p8/10V Tp fillc1' 8 Bl SV Tp II+ RES. VS.1. VS FA.1. FN Test point for line frequency: frequency = 2 *fline, if F5 fuse on basic PCB in order. LDl/FA LED for supply voltage, frequency output; "on" when voltage present. LEZ Soldering jumper for changeover of 12-V fr?quency output, term. 4+42 (12 V++- 5 V), see Sect. 8.4 < "VEZ and FA .1." below. PF Test point for power failure identification F5 fuse on basic PCB: in order = +5 V defective = 0 V RES. RESET test point: + 5 V = faultless operation periodic occurrence of 0 V = faulty communication with µPl PCB + VS/VS .1. Test points for supply voltage, digital circuits (5 V ± 0.3 V) VEZ I FA.1. Test points for voltage of 12 V frequency output, tertn. 4 + 42: without soldering jumper LEZ = 12 V (11 to 12.5 V) with soldering jumper LEZ = 5 V (4.7 to 5.5 V) VII Vl.1. T(9st points for supply voltage, current output (10.5 to 13 V), LCD back-lit when voltage present. Symbol Description No. PCB, data output, compl. board assembly 2.07125 58
  • 63.
    Gl1 880C3700/2200 bl 1~ l : 1 :; {brl gn......, ([8) NB6 NB 10 NB7 NBS ""'7.1 8.1„ ii + NB2 NBS NB3 NB 900F GN NB 12 NB l NB 1 Line Term. 12 __.,. L connection: Term. 11 __.,. N NB4 Term. 10 for intemal testing pur- pose only, connect extemal pro- tective conductor to separate hoop terminal in housing NB 2 Input (from signal converter) term. 7.118.1 NB 3 Output (to M 460), term. 7.2/8.2 NB 4 Line fuses F 6 and F 7 NB 5 Fuses, field power supply F 4 and F5 NB 6 Fuse, operating ;voltage (for NB) F 6 NB 7 20-pin ribbon cable NB 8 LED (LD 1) "Power ON" NB 9 LED (LD 2) "Clock frequency" NB 10 Precision measuring resistor for primary head current NB 11 Potentiometer Pl for adjustment of primary head current NB 12 Terminal strip, transformer, change of operating voltage (see Sect. 8.3.2) Symbol Description Housing base Hdusing with glass window and seal Cover seal for display and connection compartment, available by the metre Part No. 2.06039.01 2.06039.03 3.13703.00 59
  • 64.
    Part D Technicaldata, measuring principle, block diagram Full-scale range Flowrate 0=100% Unit Forward/reverse measurements (F/R) Current output (term. 5/6) Current lo% for 0 = 0% hoo% for 0=100 % Low-flow cutoff (SMU) cutoff "on" value cutoff "off'' value Forward/reverse measurements (F/R) Automatie range change (BA) Time constant Max. load at hoo% Frequency outputs Pulse rate (at 0=100%) 12-V output Terminals Amplitude Load (totalizer resistance) 24-Voutput Terminals Amplitude Load rating Pulsewidth 30 or 50 ms 100 ms 200ms 500ms Pulse duty factor 1:1 160 µs 50µs Low-flow cutoff (SMU) cutoff "on" value cutoff "off" value Forward/reverse measurements (F/R) Time constant lndicatlon outputs Terminals Voltage Current Load (relay) Galvanically isolated from .„ Current output 1 Frequency output F lndication output S Function 60 operating data programmable 6 liters/hr to 305000 m3/hr or 0.02 to 1342800 US gallons per minute, corresponding to flow velocity v = 0.3 to 12 m/s or 1to 40 ft/s m3, liters or US gallons per second, minute or hour, and 1 field-programmable unit, e.g. liters per hour 9r US million gallons per day 0100% separately adjustable for both directions galvanically isolated, operating data programmable ~i~ 18~~ }~djustable in increments of 1 mA 1to19%} 2 to 20 % of 0100%, adjustable in1% increments, independent of frequency output selectable performance, direction identified via status indication or frequency output programmable in 1% increments from 1:20 to 1:1.25 (equivalent to 5 to 80% of 0100%) 0.2 to 3600 seconds, programmable in increments of 1or 0.1 seconds 1 20 [V A] in kohms te.g. 1 kohm at 20 mA, 4 kohms at 5 mA) 100% m 'galvanically isolated, operating data programmable 10 to 36000000 pulses per hour 0.167 to 600000 pulses per minute 0.0028to10000 pulses per second (=Hz) optionally in pulses per m3, liters or US gallons for electronic totalizers (EC) 4+42 12 V, changeable to 5 V min.1 kohm for electromechanical (EMC) or electronic (EC) totalizers 4 +41 24V see "pulse width" table below Frequency f = F100% 0.0028 Hz <f s 10 Hz 0.0028 Hz <f s 5 Hz 0.0028 Hz <f s 2.5 Hz 0.0028 Hz <f s 1 Hz 10 Hz <f S 1000 Hz 1000 Hz <f s 2547 Hz 2547 Hz <f s 10000 Hz Max. load current (24 V) S200mA 5200mA S 200 mA 5200mA S 50mA S 50mA S 50mA Min. load (24 V) 2 120 Ohm 2 120 Ohm 2 120 Ohm 21200hm 2 5000hm 2 5000hm 2 500 Ohm 1 to 19% } of 0 10o%, adjustable in 1% increment~, independent of current output 2 to 20% selectable performance, direction identified via status or current output 0.2 second or same as current output (see above) Current output Frequency output 1 F 5+6 4+4.1 U s 35 VoltDC U=24 Volt DC l1oad S 22 mA l1oad S 200 mA programmable Rcoil = U/lmax Rcoil 2150 ohms yes yes yes no only indication of only indication of flow direction for F flow direction for 1 (F/R operation) (F/R operation) or operation indicator lndication output s 4+4.3 U=24 Volt DC l1oad S 30 mA Rcoil 2 1 kohms yes no indication of flow directior for 1 and/or F, trip point for 1or F, seif diagnostics (error indication), low-flow cutoff SMU counter overflow, operation indicator or automatic range change BA
  • 65.
    Other functions andversions Standard Options Magnet programming MP Hazardous-duty version Local display Display functions Display units Actual flowrate Totalizers Language of plain texts Display: 1st line 2nd line 3rd line Field power supply Terminals 7/8 Current/voltage Clock freguency Power supply Standard Special versions Power consumption Field housing Material Protection category (DIN 40050, acc. IEC 144) Environment class (DIN 40040) Ambient temperature In operation SC 100AS SC 100 AS/..-Ex In storage - Hold last value of outputs during programming or set to "zero" - Goding for entry into programming mode (can be deactivated) - Primary constant GK, programmable in keeping with value on instrument nameplates of all Krohne primary heads with pulsed OC field excitation, including older models SC 100AS/MP, programming by means of bar magnet from outside without opening the housing SC 100AS/„-Ex, with integrated buffer stage (Zener barrier principle), PTB.-No. Ex 86.B.2140X for intrinsitally safe signal cable, signal converter must be installed outside hazardous area. 3-line back-lit LCD actual flowrate, forward, reverse and sum totalizers (7 digits), each programmable for continuous or sequential display, and output of error messages m3, liters or US gallons per second, minute or bour, 1field-programmable unit (e.g. hectoliters per hour or US million gallons per day) and percent of full-scale range m3, liters or US gallons and 1field-programmable unit (e.g. hectoliters), min. 1 year overflow time German, English, French, Finnish, others pending 8-digit, 7-segment numeral and sign display, symbols for key acknowledgement 10-character, 14-segment text display 6 markers T to identify actual display functions and status for indication output and low-flow cutoff (SMU) for primary heads with pulsed DC field excitation, galvanically isolated from all input and output circuits ± 0.125 A (±10%) I max. 60 V 1/6,1/16 or 1/32 of line frequency, programmable according to calibration data of primary head 230VAC:1g~ or 120VAC:1i~ (changeable to 100, 110, 200, 220, 240 V AC: mtJ, 48 to 63 Hz 24 V AC (changeable to 21, 42, 48 V AC) : 1g~, 48 to 63 Hz } functional extra-low voltage with fail-safe 24 V OC :~g~ galvanic isolation to VDE 0100, Part 410, ~g ~ ~~0A } incl. primary head ON :::; 1200 (48"), ON 2':: 1300 (52") see NB 900 F die-cast aluminium with electrostatic powder coating IP 65 equivalent to NEMA 4X HUO - 25 to + 60°C or - 13 to + 140°F - 25 to + 40°C or-13to+104°Fto EN 50014 - 40 to + 60°C or - 40to+140°F 61
  • 66.
    Input (rated current,term 7.1/8.1) Output Terminals 7.2/8.2 Currentfvoltage Clock frequency for field power Power supply Standard Special versions Power consumption Field housing Material Protection category (DIN 40050, acc. IEC 144) Environment class (DIN 40040) 62 ± 0.125 A from SC 100 AS galvanically isolated trom input and power supply ± 1A ! max. 50 V controlled by SC 100 AS 230VAC:'.18tj:j; or 120 V AC:'. jgtj:j; (changeable to 100, 110, 200, 220, 240 V AC:'. jgtj:l;), 48to 63 Hz 42, 24 V AC :'. 18tj:j;, 48 to 63 Hz 24 V DC :'.~ßtj:l; AC::::;; 75 VA(:::;; 100 VA with SC 100 AS) } including primary head DC::::;; 75 W (:::;; 100 W with SC 100 AS) die-cast aluminium with electrostatic powder coating IP 65 equivalent to NEMA 4X HUD (ambient temperature - 25 to + 60°C or -13to+140°F)
  • 67.
    Frequency output F Error(±) as % of flowrate (measured value) v Flow velocity in m/s (ft/s) 1.4 Reference conditions . Product Power supply (line voltage) Ambient temperature Warm-up time Maximum error of calibration system lnlet/outlet runs Primary head Primary Meter size head ON mm IFS 5000 2.5- 6 IFS 5000 10 - 100 IFS 2000 150 - 250 IFS 4000, M900 10 - 25 ' 32 - 800 900 -1200 1250 -2000 >2000 1l at extra charge 2l SC 100 AS/ NB Currenf output External influences Ambient temperature Frequency output Current output Power supply Load.· inches 1/10 - 1/4 3/s - 4 6-10 3/s - 1 11/4-32 36-48 50-80 >so ±F [%] f1.0 0.8 0.6 -------····················---------® 0.4 -------··················---------© -------·····················---------® 0.2 -------················---------@ 0 0 0.5 1 0 1.5 3 2 6 10 30 11 33 ~v[m/s] 36 V [ft/s] Water at 10 to 30°C (50 to 86°F) and >300 µSlcm (µmho/cm) UN (±2%) 20 to 22°C (68 to 71.6°F) 60 min. 10 * times smaller than F 5 DN/2 DN (Curves A + B: 10 DN/5 DN), DN = meter size properly grounded and centered Standard details Option 1) v ~ 1 m/s v ~ 1 m/s or 3 ft/s v <1 m/s or <3 ft/s or 3 ft/s Curve %v.MV o/ov. MV+ mm/sor %v.MV % of MV + inch/s ±0.5% ± (0.4 % + 1 mm/s) or D - ± (0.4 % + 0.04 inches) ±0,4% ± (0,3 % + 1 mm/s) or c ±0,2% ± (0.3 % + 0.04 inch/s) ±0.4% ± (0.3 % + 1 mm/s) or c - ± (0.3 % + 0.04 inch/s) ±0.4% ± (0.3 % + 1 mm/s) or c ±0,2% ± (0.3 % + 0.04 inch/s) ±0.4% ± (0.3 % + 1 mm/s) or c ±0.2%2) ± (0.3 % + 0.04 inch/s) ±0.4% ± (0.3 % + 1 mm/s) or c ±0.3% ± (0.3 % + 0.04 inch/s) ±0,5% ± (0,4 % + 1 mm/s) or D - ± (0.4 % + 0.04 inch/s) same as above accuracies for frequency output plus ... genrally: ± 0.05 % * 20 mA hoo% - lo% 0 to 20 mA: ± 0.05 % 4 to 20 mA: ± 0.062 % of full-scale range v < 1 m/s or <3 ft/s %v.MV + mm/sor % of MV + inch/s - - ± (0,1 % + 1 mm/s) or ± (0.1 % + 0.04 inch/s) - ± (0.1 % + 1 mm/s) or ± (0.1 % + 0.04 inch/s) ± (0.1 % + 1 mm/s)2lor ± (0.1 % + 0.04 inch/s)2l ± (0.2 % + 1 mm/s) or ± (0.2 % + 0.04 inch/s) - Curve - A - A A B - ± 0.01 % } of measured value per ± 0.025 % 1Ktemperature variation or ± 0.006 % } of measured value per ± 0.014 % 1°F temperature variation ± 0.05 % of measured value at 10% variation ± 0.02 % of measured value at max. load (see under "current output") 63
  • 68.
    !M9~~fHP:~tm~~f:%fü$.ij~fitttHitfl1titltffltltHIItfffHittttlitl1lfltlt1ftttlt!tHIIIll'FI1l!Ilfffl1lHlff!Itll i 10.4.1 IFS5000 and !FS 2000 1 Primary head IFS 2000 IFS 5000 Version with flanges Sandwich (flangeless) design Meter size ON 150 - 250 ON 2.5 to 100 6" -10" 1/10" to 4" Scope of supply see "IFS 2000" Table, page 3 see "IFS 5000" Table, page 3 Pipe flanges and rated pressure of measuring tube see "Torques" Table in Sect. 1.2.2 see ''Torques" Table in Sect. 1.2.2 (max. operating pressure) and "Limits", Sect. 10.5 and "Limits", Sect. 10.5 Electrical conductivity 2 5µS!cm (µmho/cm); 2 5µSlcm (µmho/cm); 2 20µSlcm (µmho/cm) 2 20µSlcm (µmho/cm) for demineralized cold water for demineralized cold water Process temperature refer to Sect. 10.5 "Limits" refer to Sect. 10.5 "Limits" (see Sect. 10.5) - 60 to + 120°C or 76 to + 248°F - 60 to + 180°C or - 76 to + 356°F Ambient temperature - 25 to + 60°C or - 13 to + 140°F - 25 to + 60°C or - 13to+140°F Change in ~ process temperature Temperature rising - LI T :::;; 150°C or 302°F, in 10 minutes LIT :::;; 100°C or 212°F, for sudden change Temperature falling - LIT:::;; 80°C or 176°F, in 10 minutes LIT:::;; 60°C or 140°F, for sudden change Vacuum load 0 mbar abs. or 0 psia 0 mbar abs. or 0 psia lnsulation class of field coils E, :::;; 120°c or :::;; 248°F H, :::;; 180°C or :::;; 356°F process temperature process temperature Power supply for field coils max. 60 V from signal converter max. 60 V from signal converter Electrode design flat-elliptical, seif cleaning, fused-fitted electrodes surface-polished Protection category (DIN 40050/IEC 144) IP 65 equivalent to NEMA 4X IP 67 equivalent to NEMA 6 Environment class HUO HUO (DIN 40040) (ambient temperature (ambient temperature - 25 to + 60°C or - 13 to + 140°F, - 25 to + 60°C or - 13 to + 140°F, relative humidity < 80% relative humidity < 80% annual mean) annual mean) 64
  • 69.
    Primary head Materials Measuring section Electrodes Standard Special Housing -:::::;ON 15, s W' 2 ON 25, 21" Terminal box* GroundingJio.g§ ** Standard Special Gaskets ** s ON 15, s W' 2 ON 25, 21" Centering material ** s ON 25, s 1" 2 ON 40, 211/l' Stud bolts Standard Special version Connecting flanges * * with polyurethane finish IFS 2000 fused aluminium oxide, 99.7% Al203 stainless steel 1.4571 or SS 316 Ti - AIS! Hastelloy C4, titanium, tantalum, platinum tubular steel or grey cast iron GG 20 * die-cast zinc stainless steel 1.4301 or SS 304 - AIS! Hastelloy C4 Viton 0-rings, as option with PFA sheath cast steel (GS 45 N) ** see Tables on page 3 for scope of supply IFS 5000 fused aluminium oxide, 99.7% Al203 platinum stainless steel 1.4462/0uplex stainless steel 1.4301 or SS 304 -AIS! die-cast aluminium stainless steel 1.4571 or SS 316 Ti - AIS! Viton 0-rings, optionally with PFA coating Gylon 3500 (beige) gaskets (range of application similar to that of PTFE), optionally Chemotherm (graphite) gaskets EPOM rings rubber sleeves steel, electrogalvanized stainless steel 1.4301 or SS 304 - AIS! 65
  • 70.
    !10.4.2 IFS 4000and M 900 Piimaiy head ivi 900 iFS 4000 Versions/meter sizes with flange connections ON 10-300 and %" to 12" ON 10-3000 and 3/s" to 120" (see below) (see below) for the food industi:y Sanitary connection DIN 11851 Meter sizes ON 10-25 - Pressure rating PN Clamp connection Measuring tube nom. dia. 1" to 4" - SMS connection on request - Rated pressure dependent on meter size, dependent on meter size, connecting flange, connecting flange, liner and process temperature, liner and process temperature, see Sect. 10.5 "Limits" see Sect. 10.5 "Limits" Connecting flanges to DIN 2501 (= BS 4504) ON 10 to 50 and ON 80: PN 40 ON 10 to 50 and DN 80: PN 40 ON 65 and ON 100 to 150: PN 16 DN 65 and DN 100 to 150: PN 16 ON 200 to 300: PN 10 DN 200 to 1000: PN 10 ON 1100 to 2000: PN 6 DN 2200 to 3000: PN 2.5 to ANSI 3/s" to 12" 3/s" to 24" Class 150 or 300 lbs I RF Class 150 lbs / RF toAWWA - 24" to 120" / Class B or D I FF·- special versions on request on request Electrical conductivity z 5 µS/cm (µmho/cm); z 5 µS/cm (µmho/cm); z 20 µS/cm (µmho/cm) z 20 µS/cm (µmho/cm) for demineralized cold water for demineralized cold water Process temperature (see Sect. 10.5) - 60 to + 180°C or - 76 to + 356°F - 60 to + 180°C or - 76 to + 356°F Ambient temperature - 25 to + 60°C or - 13 to + 140°F - 25 to + 60°C or - 13 to-+-121U°F- -c-- - lnsulation class of field coils I process temperature DN 10 to 300 (3/a" to 12"):Standard EI::;; 120°C or::;; 248°F HI::;; 180°C or::;; 356°F DN 350 to 3000 (14" to 120"): E /::;; 120°C or::;; 248°F Special version H I ::;; 180°C or ::;; 356°F DN 350 to 3000 (14" to 120''.}: H 1::;; 180°C or::;; 356°F Power supply for field coils max. 60 V from converter max. 60 V from converter.Electrode design Standard flat elliptical, solidly fitted, DN 25 to 150 or 1" to 6" surface-polished, self-cleaning replaceable when measuring tube drained DN 10 to 20 / DN 200 to 3000 or %" to 314" / 8" to 120" flat elliptical, surface-polished, self-cleaning Special version DN 50 to 300 or 2" to 12" DN 350 to 3000 or 14" to 120" field replaceable electrodes WE field replaceable electrodes WE Protection category (to DIN 40050/IEC 144) Standard IP 65 equivalent to NEMA 4 and 4X IP 67 equivalent to NEMA 6 (IP 65 equivalent to NEMA 4 and 4X with field replaceable electrodes WE'J Special version IP 67, IP 68 equivalent !o NEMA 6 IP 68 equivalent to NEMA 6 · Environment class (DIN 40040) HUD (ambient temperature -25 to HUD (ambient temperature -25 to +60°C or -13 to +140°F, relative air +60°C or -13 to +140°F, relative air humidity < 80% annual mean) humidity < 80% annual mean) Grounding rings available as option available as option l 66
  • 71.
    Primary head Materials Measuring tube Liner Standard:ON 10-20 or 3/s - 3/4" ON 25-150 or 1" - 6" 2: ON 200 or 2: 8" §Recial versions 2: ON 200 or 2: 8" Food version Electrodes Standard Special versions Food version Field replaceable electrodes WE Housing * ON 10 - 40 or %" - 1%" 2: ON 50 or 2: 2" Food version Terminal box* Standard Food version Connecting flanges * to DIN 2501: ON 10 - 50, ON 80 ON 65, 2: ON 100 to ANSI: Grounding_rj_Q_g§ * with polyurethane finish M 900 stainless steel (1.4301 or higher material number) equivalent to SS 304 - AISI PTFE (Teflon) Hard rubber or PTFE (Teflon) Hard rubber or PTFE (Teflon) lrethane, soft rubber, Neoprene, others on request PTFE (Teflon) Hastelloy C4 stainless steel 1.4571 or SS 316 Ti - AISI, Hastelloy 82, titanium, tantalum, platinum, others on request stainless steel 1.4571 or SS 316 Ti - AISI stainless steel 1.4571 or SS 316 Ti - AISI GTW30 sheet steel optionally stainless steel 1.4571 or SS 316 Ti - AISI withc:iut enamel finish die-cast zinc aluminium, without enamel finish steel 1.0402 (C22) or AIS!: C 1020 steel 1.0501 (RST 37.2) or AIS!: C 1035 steel ASTM A 105 N stainless steel 1.4571 or SS 316 Ti - AISI IFS 4000 stainless steel (1.4301 or higher material number) equivalent to SS 304 - AISI PTFE (Teflon) PFA (reinforced with stainless steel mesh) Hard rubber or PTFE (Teflon) lrethane, soft rubber, Neoprene, others on request Hastelloy C4 stainless steel 1.4571 or SS 316 Ti - AIS!, Hastelloy 82, titanium, tantalum, platinum, platinum/iridium, others on request stainless steel 1.4571 or SS 316 Ti - AISI GTW30 sheet steel die-cast aluminium steel 1.0402 (C22) or AISI: C 1020 steel 1.0501 (RST 37.2) or AISI: C 1035 steel ASTM A 105 N stainless steel 1.4571 or SS 316 Ti - AIS! 67
  • 72.
    P!ease note! • 'Thelimiti:; specified in the Tables for temp~rature and pressure allow for liner and flange standard. • With insulation class E .of the field coils, the maximum permissible process temperature is 120°C/248°F. lnsulation class H is required for temperatures above 120°C/248°F. • The max. permissible operating data for hazardous-dutyversions are specified in the certificates of conformity, which are supplied only together with e~plosion-protected equipment. Limits for fused aluminium oxide, PFA and PTFE Liner Flange N'ominal diameter Flange S=· Max. operating pressure in bar (and psig) standard of measuring tube pressure Standard at a product temperature of ... and .. rating 0= flanges or class Option s 40°C s 60°C s 70°C s 90°C s 100°c s 120°c s 140°C s 180°C (s 105°FJ (S 140°F) (s 158°FJ (s 195°FJ (s 210°F) (S 250°F) (s 285°FJ (s 355°FJ Fused DIN 2501 ON (2.5) 15-80* PN 40 s 40 (580) 40 (580) 4Ö (580) 40 (580) 40 (580) 40 (580) 40 (580) 40 (580) aluminium ON 100*, ON 150 PN 16 s 16 (230) 16 (230) 16 (239) 16 (230) 16 (230) 16 (230) 16 (230) 16. (230) oxide ON 100* PN 25 0 25 (360) 25 (360) 25 (360) 25 (360) 25 (360) 25 (360) 25 (360) 25 (360) •· ON 200-250 PN 10 s 10 (150) 10 (150) 10 (150) 10 (150) 10 (150) 10 (150) - - ' ANSI B 16.5 (1/10") 1f2''-4" • 150 lbs s 19.6 (284) 19 (275) 18.7 (271) 18.1 (262) 17.7 (256) 17 (246) 16.2 (235) 14.7 (213) 6" 150 lbs s 1'6 (230) 16 (230) 16 (230) 16 (230) 16 (230) 16 (230) 16 (230) 16 (230) 8"-10" ·: " 1501bs s 10 (150) 10 (150) 10 (150) 10 (150) 10. (150) 10 (150) 10 (150) 10 (150) (1/10") 1/2''-3". 300 lbs 0 40 (580) 40 (580) 40 (580) 40 (580) 40 (580) 40 (580) 40 (580) 40 (580) 411 * 300 lbs 0 25 (360) 25 (360) 25 (360) 25 (360) 25 (360) 25 (360) 25 (360) 25 (360) PFA DIN 2501 ON 25-50, ON 80 PN 40 s tl ' 40 (580) 4o (580) 40 (580) 40 (580) 40 (580) 40 (580) 40 (580) 40 (580) ON 65, ON 100-150 PN16 s 16 (230) 16 (230) 16 (230) 16 (230) 16 (230) 16 (230) 16 (230) 16 (230) ANSI B 16.5 1"-6" 150 lbs s 19.6 (284) 19 (275) 18.7 (271) 18.1 (262) 17.7 (256) 17 (246) 16.2 (235) 14.7 (213)~~' ~- '• . „ ON 10-50, ON 80 s 40 (580) 40 (580)PTFE DIN 2501 PN 40 40 (580) 40 (580) 40 (580) 40 (580) 40 (580) on request (Teflon) ON 65, ON 100-150 PN 16 s 16 (230) 16 (230)' 16 (230) 16 (230) 16 (230) 16 (230) 16 (230) 16 (230) ON 200-600 PN 10 s 10 (150) 10 (150) 10 (150) 10 (150) 10 (150) 10 (150) 10 (150) 10 (150) ON 65, ON 100-150 PN 40 0 40 (580) 40 (580) 40 (580) 40 (580) 40 (580) 40 (580) 40 (580) on request ON 200-600 PN 16 0 16 (230) 16 (230) 16 (230) 16 (230) 16 (230) 16 (230) 16 (230) 16 (230) 2 ON 700 2PN10 S/O on request ANSI B 16.5 3/s"-24" 150 lbs s 19.6 (284) 119 (275) 118.7 (271) 118.1 (262) 117.7 (256) 117 (246) 116.2 (235) 114.7 (213) 3/s"-24" 300 lbs 0 .40 (580) 40 (580) 40 (580) 40 (580) 40 (580) 40 (580) 40 (580) on request 2 28" 2150 lbs S/O on request Pipe !langes, ON 2.5-100 and 1ho"-4" are flangeless design! Limits for neoprene, irethane, hard and soft rubber Liner Flange Nominal diameter Flange S= Max. operating pressure in bar (and psig) standard of measuring tube pressure Standard at max. possible product temperature of ... and rating O= .flanges or class Option Soft rubber Neoprene lrethane Hard rubber s 40°C (s 105°F) S 60°C (S 140°F) s 70°C (s 158°FJ s 90°C (s )95°F) Neoprene, DIN 2501 ON 25-50, ON 80 PN.40 s 40 (580) 40 (580) 40 (580) 40 (580) irethane, ON 65, ON 100-150 PN 16 „ s 16 (230) 16 (230) 16 (230) 16 (230) hard and ON 200-1000 PN ~O s 10 (150) 10 (150) 10 (150) 10 (150) soft ON 25-1000 PN 16-1500 0 .. 16-64 (150-920) .. 16-100 (150-1450) .. 16-1500 (150-20000) .. 16-80 (150-1160) rubber 2ON1100 PN 2.5-6 S/O .. 2.5-6 (37-90) .. 2.5-6 (37-90) .. 2.6-6 (37-90) .. 2.5-6 (37-90) ANSI 1"-40" 150 lbs s ••• s 19.6 (s 284) ••• s 19.0 (s 275) ••• s 18.7 (s 271) ••• s 18.1 (s 262) - B 16.5 1"-40" 300 lbs 0 ••• s 50.8 (s 737) ••• s 49.2 (s 714) ••• s 48.4 (s 702) ••• s 46.8 (s 679) , 1"-40" 600 lbs 0 s 64 (s 920) s 100 (s 1450) s 100 (s 1450) s 80 (s 1160) • AWWA 224" B s 6 ( 90) 6 ( 90) 6 ( 90) 6 ( 90) ·.· 224" D 0 10 (150) 10 (150) 10 (150) 10 (150) ,. API 6 BX 21" 20000 psig 0 - - s 1500 (s 20000) - c: .. dependent on !lange pressure rating .··;· ... dependent on product temperature l Vacuum load ;: " Liner Meter size Max. allowed vacuum load in mbar abs. (an.d psia) jat a product temperature of ... ON mm inches s 40°C s 6Q°C_ s 70°C · s 90°C s 100°c s 120°c ~ 140°C s 180°C .(s 10S°F) (S 140°F) (s 158°FJ (s 195°FJ (s 210°FJ (S 250°F) (s 285°FJ (s 355°FJ ., ., FuseCt aluminium oxide 2.5 - 250 1f1o - 10 0 ( 0) 0 ( 0) 0 ( 0) 0 ( 0) 0 ( 0) 0 ( 0) 0 ( 0) 0 ( 0) -: PFA 25 - 100 1 - 4 0 ( 0) 0 ( 0) 0 ( 0) 0 ( 0) 0 ( 0) 0 ( 0) 150 ( 2.2) 200 ( 29) ··, 125 - 150 5 - '5 50 (0.7) 50 ( 0.7) 50 ( 0.7) 50 ( 0.7) 100 ( 1.5) 200 ( 2.9) 300 ( 4.4) 400 ( 5.8) ··• PTFE (Teflon) 10 - 20 3/s - 3/4 0 ( 0) 0 ( 0) 0 ( 0) 0 ( 0) 0 ( ü) 500 ( 7.3) 750 (10.9) 1000 (14.5) ·•·••• 25 - 150 1 - 6 no vacuum allowed, use IFS 4000 or IFS 5000 1 1000 (14.5) ;!;200 - 600 8 - 24 500 (7.3) 1 750 (10.9) 1 1000 (14.5) 1 1000 (14.5) 1 1000 (14.5) 1 1000 (14.5) 1 1000 (14.5) 700 - 800 28 - 32 on request 'cc• Neoprene 25 - 300 1 - 12 400 (5.6) 400 ( 5.6) - - - - - - -.~ 350 - 3000 14 -120 600 (8.7) 600 ( 8.7) - - - - - - lrethane 25 - 3000 1 - 120 500 (7.3) - - - - - - - Hard rubber 25 - 300 1 - 12 250 (3.6) 400 ( 5.8) 400 ( 5.8) >iOO ( 5.8) - - - - 350 - 3000 14 -120 500 (7.3) 600 ( 8.7) 600 ( 8.7) 600 ( 8.7) - - - - Soft rubber 25 - 300 1 - 12 500 (7.3) - - - - - - - ..•... 350 - 3000 14 - 120 600 (8.7) - - ,_ 0 - - - - ·..· 68 . J .? -
  • 73.
    1 1 n,:; 1 11:~ i:;;nnn nri.....<int ho„rl 1 • -·-·. •• - ---- I""· ••• „_.z ··--- Dimensions in mm and (inches) Necessary flange spacing ON 2.5 to 15, 1/10" to 1h'': Dimension a + 2 times gasket thickness (gasket between grounding rings and pipe flanges) ON 25 to 100, 1" to 4" without grounding rings: Dimension a incl. gaskets between primary head and pipe flanges with grounding rings (option): Dimension a + 10 mm or a + 0.4", incl. gaskets between grounding rings and pipe flanges **Meter size DN 2.5 - 15 and 1110" - W': Pipe flanges DN 15 / PN 40 or 1 h'' / Class 150 lbs (300 lbs). Metersize DNmm inches 2.5-15 ** 1Ao - .2 ** 25 1 40 1.2 50 2 80 3 100 4 IFS 5000 Primary head ON 2.5 to 15 1/10" to 1/2" 78 (3.07") e ON 25to100 1" to 4" 78 (3.07") Dimensions in mm (inches) a 65 58 83 103 153 203 bF (2.56) 208 (8.19) (2.28) 189 (7.44) (3.27) 204 (8.03) (4.06) 222 (8.74) (6.02) 254 (10.00) (7.99) 279 (10.98) max.118 (max. 4.65") max.118 (max. 4.65") c 50 55 80 100 150 200 PG16 'li'NPT PG16 'li'NPT a (1.97) (2.17) (3.15) (3.94) (5.91) (7.87) d1 15 (0.58) 26 (1.02) 39 (1.54) 51 (2.01) 80 (3.15) 101 (3.98) Detail A Detail A Detail B (option with c a d2 - 46 62 74 106 133 grounding ----rn-~ rings) a+10 mm (1.81) (2.44) (2.91) (4.17) (5.24) e f g 44 (1.73) - 51 102 (4.02) 68 (2.68) 34 117 (4.61) 83 (3.27) 42 135 (5.31) 101 (3.98) 51 167 (6.57) 133 (5.24) 67 192 (7.56) 158 (6.22) 79 approx. weight in kg (lbs) (1.99) 1.7 (3.7) (1.34) 1.7 (3.7) (Ü3) 2.5 (5.5) (1.99) 3.0 (6.6) (2.62) 5.6 (12.3) (3.11) 8.9 (19.6) 69
  • 74.
    ~I1_0_._6._2_1_F_S_4_0_0_0_p_r_im~a_ry_h_e_a_d~~~~~~~~~~~~~~~~~~~~~~~~~~~~~~--'I~ Flanged connections „. DIN2501 (=BS 4504) / ON 10-300 / PN 40, 16 or 10: „. ANSI B 16.5 / 3/s"-12" / Class 150 lbs / RF: Dimensions in mm (inches} see Table see Table Dimension a without flange gaskets: Not supplied with flowmeter, to be provided by customer. ** Meter size 3/s": Meter size to „. DIN ANSI ON mm PN Inches 10 40 3/3** 15 40 1h 20 40 3/4 25 40 1 32 40 - 40 40 11h 50 40 2 65 16 - 80 40 3 100 16 4 125 16 - 150 16 6 200 10 8 250 10 10 300 10 12 IFS 4000 Primary head ON 10 - 40 3/3" - 1 1h" PG 16 1/i' NPT a±1 Flanged connection 1h" Dimensions in mm (inches) a bF c 150 (5.91) 231 (9.09) 121 (4.76) 150 (5.91) 231 (9.09) 121 (4.76) 150 (5.91) 231 (9.09) 121 (4.76) 150 (5.91) 231 (9.09) 121 (4.76) 150 (5.91) 247 (9.72) 139 (5.47) 150 (5.91) 252 (9.92) 150 (5.91) 200 (7.87) 290 (11.42) 181 (7.13) 200 (7.87) 300 (11.81) - 181 (7.13) 200 (7.87) 307 (12.09) 195 (7.68) 250 (9.84) 358 (14.09) 257 (10.12) 250 (9.84) 369 (14.53) 257 (10.12) 300 (11.81) 399 (15.71) 281 (11.06) 350 (13.78) 457 (17.99) 342 (13.46) 400 (15.75) 509 (2(}.04) 383 (15.08) 500 (19.69) 572 (22.52) 433 (17.05) + .ä c (±0.04") 70 d j 61 (2.40) 58 (2.28) 61 (2.40) 58 (2.28) 61 (2.40) 58 (2.28) 61 (2.40) 58 (2.28) 70 (2.76) 73 (2.87) 75 (2.95) 73 (2.87) - 99 (3.90) - 99 (3.90) - 99 (3.90) - 131 (5.16) - 131 (5.16) - 143 (5.63) - 177 (6.97) - 205 (8.07) - 235 (9.25) ON 50 - 300 2" - 12" PG 16 1/2'' NPT dia. DD1N 90 (3.54) 95 (3.74) 105 (4.13) 115 (4.53) 140 (5.51) 150 (5.91) 165 (6.50) 185 (7.28) 200 (7.87) 220 (8.66) 250 (9.84) 285 (11.22) 340 (13.39) 395 (15.55) 445 (17.52) max.118 a±1 (±0.04") Approx. weight dia. DANs1 in kg (lbs) 88.9 (3.50) 4 (8.8) 88.9 (3:50) 4 (8.8) 98.6 (3.89) 6 (13) - 108.0 (4.25) 6 (13) - 7 (15) 127.0 (5.00) 7 (15) 152.4 (6.00) 8 (18) - 12 (27) 190.5 (7.50) 12 (27) 228.6 (9.00) 14 (31) - 19 (42) 279.4 (11.00) 22 (49) 342.9 (13.50) 35 (77) 406.4 (16.00) 49 (108) 482.6 (19.00) 61 (134) 78 + .ä c
  • 75.
    Flanged connections Dimensionsin mm (inches) ... DIN 2501 (=BS 4504) / DN 350-2000 / PN 10 or 6: see Table ... DIN 2501 (=BS 4504) I DN 350-2000 / PN 25: see Tabte, dimension ao1N + 200 mm or + 7.87" ... ANSI B 16.5 / 14" - 40" / Class 150 lbs / RF: see Table ... ANSI B 16.5 / 14" - 40" I Class 2 300 lbs / RF: Dimensions supplied on request ... AWWA / 2 24" / Class B or D /FF: Dimensions supplied on request Dimension a without flang~d gaskets: Not supplied with flowmeter, to be provided by customer lrethane liner, thickness > i2' mm!> 10.5'': Size of flange greater than size of measuring tube, see Tables below. Meter size to ... Dimensions in mm (inches) Approx. DIN ANSI weight DN mm PN Zoll ao1N aANSI bF c d e j in kg (lbs) 350 10 14 500 (19.69) 400 10 16 600 (23.62) 500 10 20 600 (23.62) 600 10 24 600 (23.62) 700 10 28 700 (27.56) 800 10 32 800 (31.50) 900 10 36 900 (35.43) 1000 10 40 1000 (39.37) 1200 6 48 1200 (47.24) 1400 6 56 1400 (55.12) 1600 6 64 1600 (62.99) 1800 6 72 1800 (70.87) 2000 6 80 2000 (78.74) IFS 4000 Primary heaci DN 350 - 2000 14" - 40" PG 16 max. 118 1/2" NPT i i -·- 700 (27.56) 753 (29.65) 570 (22.44) 800 (31.50) 802 (31.57) 620 (24.41) 800 (31.50) 903 (35.55) 720 (28.35) 800 (31.50) 1005 (39.57) 822 (32.36) 900 (35.43) 1105 (43.50) 922 (36.30) 1000 (39.37) 1206 (47.48) 1024 (40.31) 1100 (43.31) 1306 (51.42) 1122 (44.17) 1200 (47.24) 1406 (55.35) 1222 (48.11) - 1627 (64.06) 1424 (56.06) - 1823 71 .77) 1624 (63.94) - 2033 (80.04) 1826 IJ1.89) - 2227 (87„68) 2026 (79.76) - 2428 (95.59) 2229 (87.76) 78 329 (12.95) 353 (13.90) 404 (15.91) 455 (17.91) 505 (19.88) 555 (21.85) 606 (23.86) 656 (25.83) 776 (30.55) 872 (34.33) 981 (38.62) 1075 (42.32) 1175 (46.26) 332 (13.07) 305 (12.01) 349 (13.74) 385 (15.16) 371 (14.61) 385 (15.16) 493 (19.41) 385 (15.16) 521 (20.51) 465 (18.31) 555 (21.85) 545 (21.46) 569 (22.40) 635 (25.00) 645 (25.39) 705 (27.76) 792 (31.18) 865 (34.06) 858 (33.78) 1045 (41.14) 876 (34.49) 1245 (49.02) 1053 (41.46) 1405 (55.31 ) 11 08 (43.62) 1605 (63.1 9) Flange size for irethane liner, 145 (320) 180 (400) 240 (530) 330 (730) 430 (950) 540 (1190) 650 (1440) 800 (1770) 870 (1920) 1230 (2720) 1550 (3420) 2080 (4590) 2600 (5740) thickness > 12 mm!> 0.5'' Nominal size DN in mm (DIN 2501) Measuring tube DN 350 DN 400, 450 DN 500, 550 ON 600, 650 DN 700, 750 ON 800, 850 ON 900, 950 DN 1000 Flanges ON 400 DN 500 DN 600 DN 700 DN 800 DN 900 DN 1000 DN 1200 Nominal size in inches (ANSI B 16.5) Measuring tube Flanges 14" 16" 16", 18" 20" 20", 22" 24" 24", 26" 28" 28", 30" 32" 32", 34" 36". 36", 38" 40" 40" 48" WE = Field replaceable electrodes fwEc = Dimension c +900 mm or c + 35.50" (minimum. dimension) 71
  • 76.
    J 10.6.3 M900 primary head Flanged connections Dimensions in mm and (inches) ... DIN 2501 (=BS 4504) / DN 10-300 / PN 40, 16or10: see Table ... ANSI B 16.5 I 3/s"-12" I Class 150 lbs / RF: · see Table ... ANSI B 16.5 / 3/s"-12" / Class ::2:: 300 lbs / RF: dimensions on request Dimension a without flange gaskets: Not supplied with flowmeter, to be provided by customer. **Meter size 3/a": Flanged connection 1h" WE = Field replaceable electrodes, optional for meter sizes DN 50 - 300 and 2" -12" fwE = Dimension c + 900 mm or c + 35.50" (minimum dimension) Meter size to ... DIN DN mm PN 10 40 15 40 20 40 25 40 32 40 40 40 50 40 65 16 80 40 100 16 125 16 150 16 200 10 250 10 300 10 M 900 Primary head DN 10 - 300 3/s" - 12" '72 ANSI inehes 3/s** 1/2 3/4 1 11/4 11/2 2 21h 3 4 5 6 8 10 12 Dimensions in mm (inches) a bF c d j 200 (7.87) 169 (6.65) 92 (3.62) 66 (2.60) 70 (2.76) 200 (7.87) 169 (6.65) 92 (3.62) 66 (2.60) 70 (2.76) 200 (7.87) 169 (6.65) 92 (3.62) 66 (2.60) 70 (2.76) 200 (7.87) 191 (7.52) 96 (3.78) 77 (3.03) 94 (3.70) 200 (7.87) 191 (7.52) 96 (3.78) 77 (3.03) 94 (3.70) 200 (7.87) 236 (9.29) 184 (7.24) 99 (3.90) 94 (3.70) 200 (7.87) 236 (9.29) 184 (7.24) 99 (3.90) 94 (3.70) 200 (7.87) 256 (10.08) 184 (7.24) 109 (4.29) 94 (3.70) 200 (7.87) 256 (10.08) 184 (7.24) 109 (4.29) 94 (3.70) 250 (9.84) 316 (12.44) 234 (9.21) 139 (5.47) 125 (4~92) 250 (9.84) 316 (12.44) 234 (9.21) 139 (5.47) 125 (4.92) 300 (11.81) 336 (13.23) 266 (10.47) 149 (5.87) 172 (6.77) 350 (13.78) 396 (15.59) 354 (13.94) 179 (7.05) 210 (8.27) 400 (15.75) 456 (17.95) 434 (17.09) 209 (8.23) 244 (9.61) 500 (19.69) 532 (20.94) 490 (19.29) 247(9.72) 280 (11.02) 75 (5.51") (5.51") fwE dia. Do1N 90 (3.54) 95 (3.74) 105 (4.13) 115 (4.53) 140 (5.51) 150 (5.91) 165 (6.50) 185 (7.28) 200 (7.87) 220 (8.66) 250 (9.84) 285 (11.22) 340 (13.39) 395 (15.55) 445 (17.52) Approx. weight dia. DANs1 in kg (lbs) 88.9 (3.50) 10 (22) 88.9 (3.50) 10 (22) 98.6 (3.89) 10 (22) 108.0 (4.25) 11 (24) 117.3 (4.62) 11 (24) 127.0 (5.00) 13 (29) 152.4 (6.00) 14 (31) 177.8 (7.00) 15 (33) 190.5 (7.50) 17 (37) 228.6 (9.00) 28 (62) 254.0 (10.00) 35 (77) 279.4 (11.00) 45 (99) 342.9 (13.50) 56 (123) 406.4 (16.00) 75 (165) 482.6 (19.00) 110 (243)
  • 77.
    M 900 withsanitary connection to D!N 11851 Dimensions in mm and (inches) Meter size Dimensions in mm (inches) ON mm a b* 10 and 20 200 (7.87) 223 (8.78) 25 and 32 200 !].87) 245 (9.65) 40 and 50 200 (7.87) 290 (11.42) 65 and 80 200 (7.87) 310 (12.20) 100 and 125 250 (9.84) 370 (14.57) M 900 primary head with sanitary connection to DIN 11851 ON 10 - 125 I PN 10 a±0.5% M 900 with clamp connection Dimensions in mm and (inches) 75 c Meter size Dimension in mm (inches) inches a 1 200 IJ.87) 11h 200 (7.87) 2 200 IJ.87) 3 200 (7.87) 4 250 (9.84) M 900 primary head with clamp connection 1" - 4" 0 "'ci ±. "'+ "- .0 PG 16 a±0.5% b* c** 245 ( 9.65) 96 (3.78) 245 ( 9.65) 96 (3.78) 290 (11.42) 184 (7.24) 310 (12.20) 184 IJ.24) 370 (14.57) 234 (9.21) 75 c d - 77 (3.03) 77 (3.03) 99 (3.90) 109 (4.29) 139 (5.47) ** For stainless steel housing: Dimension c + 14 mm or + 0.55" c** d j 92 (3.62) 66 (2.60) 70 (2.76) 96 (3.78) 77 (3.03) 94 (3.70) 184 IJ.24) 99 (3.90) 94 (3.70) 184 !J.24) 109 (4.29) 94 (3.70) 234 (9.21) 139 (5.47) 125 (4.92) ** For stainless steel housing: Dimension c + 14 mm or + 0.55" dia. e dia. f j dia. k dia. 1 m 18.5 (0.71) 49.6 (1.95) 94 (3.70) 25.5 (1.00) 22.1 (0.87) 25.4 (1.00) 28.5 (1.12) 49.6 (1.95) 94 (3.70) 38.2 (1.50) 34.8 (1.37) 25.4 (1.00) 44.5 (1.73) 76.6 (3.02) 94 (3.70) 51.0 (2.01) 47.5 (1.87) 25.0 (0.98) 64.5 (2.52) 117.7 (4.63) 94 (3.70) 76.3 (3.00) 72.9 (2.87) 25.4 (1.00) 93.8 (3.66) 117.7 (4.63) 125 (4.92) 108.9 (4.25) 97.6 (3.84) 24.3 (0.96) m a ±0.5% 73
  • 78.
    M 900 HJprimary head with heating jacket Flange connections for measuring tube Dimensions in mm and (inches} ... Diii 2501 (=BS 4504) I Dii 10-100 I PN 40 or 16: see Tabie ... ANSI B 16.5 / 3/s"-4" / Class 150 lbs / RF: see Table ... ANSI B 16.5 / 3/a"-4" / Class 2 300 lbs / RF: dimensions on request Flange connections for heating jacket ... DIN 2501 (=BS 4504) / ON 15 / PN 40 / stud bolts 4 x M 12 ... ANSI B 16.5 / 1f2'' / Class 150 lbs / RF / stud bolts 4 x 1/2" Dimension a without flange gaskets: Not supplied with flowmeter, to be provided by customer. *Meter size 3/a": Flange connection 112'' Meter size to ... Dimensions in mm (inches) DIN ANSI DNmm PN inches a b c d j 10 40 3/a* 250 (9.84) 233 (9.17) 106 (4.17) 66 (2.60) 70 (2.76) 15 40 1/2 . 250 (9.84) 233 (9.17) 106 (4.17) 66 (2.60) 70 (2.76) 20 40 3/4 250 (9.84) 233 (9.17) 106 (4.17) 66 (2.60) 70 (3.76) 25 40 1 250 (9.84) 255 (10;04) 109 (4.29) 77 (3.03) 94 (3.70) 32 40 11/4 250 (9.84) 255 (10.04) 109 (4.29) 77 (3.03) 94 (3.70) 40 40 11h 250 (9.84) 300 (11.81) 198 (7.80) 99 (3.90) 94 (3.70) 50 40 2 250 (9.84) 300 (11.81) 198 (7.80) 99 (3.90) 94 (3.70) 65 16 21h 250 (9.84) 380 (14.96) 248 (9.76) 139 (5.47) 125 (4.92) 80 40 3 250 (9.84) 380 (14.96) 248 (9.76) 139 (5.47) 125 (4.92) 100 16 4 300 (11.81) 380 (14.96) 248 (9.76) 139 (5.47) 125 (4.92) j 10.6.4 IFS 2000 primary head Dimensions in mm and {inches) Necessary distance between pipe flanges {dimension a) DN 150 - 250 and 6" - 1O": dimension a + 2 x thickness of gaskets between grounding ring and pipe flange. These gaskets not supplied with flowmeter, to be provided by customer. ~ .,,. ~CD "'ci i: 1 "' i+ .a 1 "O i m a±0.5% m n 150 (5.91) 110 (4.33) 150 (5.91) 110 (4.33) 150 (5.91) 110 (4.33) 150 (5.91) 110 (4.33) 150 (5.91) 110 (4.33) 150 (5.91) 160 (6.30) 150 (5.91) 160 (6.30) 160 (6.30) 160 (6.30) 160 (6.30) 160 (6.30) 180 (7.09) 180 (7.09) Dimension a incl. grounding rings and gaskets between primary head and grounding rings. Flange Standard · DIN 2501 (= BS 4504) ANSI 816.5 IFS 2000 DN 150 - 250 6" -10" 74 Nominal size ON 150/PN 16 ON 200/PN 16 ON 250/PN 16 6", 150lbs, FF 8", 150lbs, FF 1O", 1501bs, FF Dimensions in mm (inches) a b c d 265 (10.43) - 379 (14.92) 292 (11.50) 146 (5.75) 315 (12.40) 420 (16.54) 324 (12.76) 171 (6.73) 365 (14.37) 482 (18.98) 394 (15.51) 198 (7.80) 265 (10.43) 385 (15.16) 292 (11.50) 152 (5.98) 315 (12.40) 426 (16.77) 324 (12.76) 177 (6.97) 365 (14.37) 488 (19.21) 394 (15.51) 204 (8.03) 0 "' a±0,5% dia. DDIN 90 (3.54) 95 (3.74) 105 (4.13) 115 (4.53) 140 (5.51) 150 (5.91) 165 (6.50) 185 (7.28) 200 (7.87) 220 (8.66) e 283 (11.14) 342 (13.46) 395 (15.55) 295 (11.61) 354 (13.94) 407 (16.02) b "'s "'+ .a 75 i: n dia. DANs1 88.9 (3.50) 88.9 (3.50) 98.6 (3.89) 108.0 (4.25) 117.3 (4.62) 127.0 (5.00) 152.4 (6.00) 177.8 (7.00) 190.5 (7.50) 228.6 (9.00) Approx. weight in kg (lbs) 1 37 ( 82) 53 (117) 87 (192) 37 ( 82) 53 (117) 87 (192)
  • 79.
    10.6.5 SC 100AS SC 100 Weight approx. 4.5 kg (9.9 lbs) ZO[Q.79'1 Signal converter: SC 100 AS 1KROHNE1 Sliedrecht. Holland Altometer SIGNAL CONVERTER • MESSUMFORMER ire' No. "'-Pow~ Hilfsenergie OUTPUTSIGNALS - AUSGANGSSIGNALE ~g~~?~:tj:GI:J l~~~ fil;~~fmA) I C=1 Pulses Impulse SPECIAL FUNCTIONS - SPEZIALFUNKTIONEN CALIBRATION FOR - KALIBRATION FÜR Primaryhead ~:.ßwertauln. :===========: "'- ~~d~~m. :=D=N=========:~r;%1~~-st. GK F:===========: ~~i~c11(ev1:==========: ~:::===========: Power driver: NB 900 F jKROHNE 1 Slledrecht, Holland Altometer MIO - BOOSTER - MIO - LEISTUNGSTREIBER Type l)P No. Nr Power ~~::~~~~:umplion ~========~ Leistungsauinahme >------------' NB 900 F ZD NB 900 F Weight approx. 8.5 kg (18.7 lbs) + i 1 i i __,_ f___ __j V{< t j l:l::.. . *~/ 120{4.72'1- ~ 1,..FG16 ,,,,..____ _1,,,,82'-""'"'-'·17_,_"J--'-IQ'-"F+-c">~70"'-',.--_, {4-1/2"Wf} (>2.76") ~ space fur opened cover Primar:y heads: IFS 2000 IFS 4000 IFS 5000 M 900 jKROHNE !Holland Altometer Krohne A92 4711 Order No. GK 2.147 Primary constant GKL DN 50 Meter size ON in mm, for dimensions in inches refer to Table under Fct. No. 3.1.4 or Table in Sect. 10.1 ISO. KL. H GKL 4.301 PFA-HC Liner see Table below Electrode material see Table below Type lntermediate connection box ZD Weight approx 0.5 kg (1.1 lbs) 4•PG16 (4• 1/2" NPTJ Magnetic field frequency (here: 1/6 of power frequency) IFS 4000 16 IP 67 PN 40 lnsulation class of field coils Protection category to DIN 40 050 / IEC 144 Flange pressure rating or flange class Liner AL Electrode material H NE PFA PS PUi T w ZR Fused aluminium oxide (99.7% Al20 3) Hard rubber Neoprene Teflon-PFA Polysulfone lrethane Teflon-PTFE Soft rubber Zirconiurri oxide HB HC IN M4 Ni PT TA Tl V4A Hastelloy 82 Hastelloy C4 lncoloy Monel 400 Nickel Platinum cap on stainless steel 1.4571 (SS 316 Ti) Tantalum Titanium Stainless steel 1.4571 (SS 316 Ti) 75
  • 80.
    11. Measuring principleand iunction ofthe system The flowmeter is designed for electrically conductive :fluids. Measurement is based on Faraday's law of induction, according to which a voltage is induced in an electrically conductive body which passes through a magnetic field. The following expression is applicable to the voltage. U=K*B*v*D where: U = induced voltage K = an instrument constant B = magnetic field strength v= mean velocity D = pipe diameter Thus the induced volt<;l.ge is proportional to the mean flow velocity, when the field strength is constant. Inside the magnetic inductive flowmeter, the fluid passes through a magnetic field applied perpendicular to the direction of flow. An electric voltage is induced by the movement ofthe fluid (which must have a minimum electri- 76 cal conductivity). This is proportional to the mean flow velo- city and thus to the volume of flow. The induced voltage signal is picked up by two electrodes which are in conduc- tive contact with the fluid and transmitted to a signal con- verter for a standardized output signal. This method of measurement offers the following advan- tages: 1. No pressure loss through pipe constriction or protrud- ing parts. 2. Since the magnetic field passes through the entire flow area, the signal represents a mean value over the pipe cross-section; therefore, only relatively short straight inlet pipes (5 * DN) from the electrode axis are requi- red upstream of the primary head. 3. Only the pipe liner and the electrodes are in contact with the fluid. 4. Already the original signal produced is an electrical voltage which is an exact linear function of the mean flow velocity. 5. Measurement is independent of the flow profile and other properties of the fluid. The magnetic field of the primary head is generated by a square wave current fed from signal converter to the field coils. This field current alternates between positive and negative values. Alternate positive and negative flowrate-propor- tional signalvoltages are generated at the same frequency by the effect of the magnetic field, which is proportional to the current. The positive and negative voltages at the pri- mary head electrodes are subtracted from one another in the signal converter. Subtraction always takes place when the field current has reached its stationary value, so that con- stantinterference voltages or extemal orfault voltages chan- ging slowly in relation to the measuring cycle are suppres- sed. Power line interference voltages coupled in the pri- mary head or in the connecting cables are similarly sup- pressed.
  • 81.
    1Z~ Block diagramandii description ofthe: sfgnaI converter The SC 100 AS is divided into five functional groups. Functional group 1 contains an input arnplifier allowing · bootstrapping of the signal wire shield, and a high-resolu- tion analog/digital converter that is controlled by rnicropro- cessor µP 01. Functional group 2 generates a pulsed, electronically controlled direct current for the primary head coils. This group is galvanically isolated from all other groups. In functional group 3 the digitalized data supplied by µP 01 are evaluated by rnicroprocessor µP 02 in acordance with the functions, operating and primary head data pro- grammed by way of the 3 keys. Microprocessor µP 02 controls with the aid of the KROHNE-developed LSI circuit (KSA) the outputs that are galvanicallyisolated by optocou- plers (functional assemblies 4 and 5). The last measured value and other information are forwarded via this circuit to the alphanumeric LCD for indication. The KSA module is also used to feed last counts to the EEPROM. In the event of a power failure, last counts are saved in EEPROM 2. In the same way as operating and 'functional data are permanently stored in EEPROM 1, both are retained for 10 years without auxiliary power. Functional group 4 converts a frequency into a propor- tional current. This group is galvanically isolated from the other groups. Functional group 5 consists of power drivers for control ofeiectronic (EC) and eiectromechanical (EMC) counters, and an indication output that can be prograrnmed for many different tasks. This group is galvanically isolated from the other groups. Signal inputs + bootstrap connections a-nurn. LC-Display Signal outputs + field power driver 1 2 ~7 Field't~ 8coils 43Ind [> [> EC 4z,;;10kHz s EMC 41,;; IOHz 4 Com 77
  • 82.
    13. Signal converterSC 100 AS/HPC/S Use of the „µPl-HPC" pc board and special software „8.06267.xx" in an SC 100 AS requires a different layout of menu 4.00. Other menu items are not affected. 4.02 ENTRYCODE 4.03 OUTP. HOLD 4.04 UN/TTEXT 4.05 FACT. QUANT. 4.06 FACT. TIME 4.07 F/ELD FREQ. 4.08 SCALE SEL. 4.09 FIELD GUR. 4.10 NO/SE 4.11 LIMITCNT 4.12 LIMIT VAL 78 Language of display texts, Sect. 5.11 e GB/USA (= English) • D (= German) • F (= French) • SF (= Finnish) • others endin Coding for entry into programming mode? Sect. 5.12 • NO = entry with l]I key • YES = entry with keys ccccmm Hold values of outputs during programming? NO or YES (Sect. 5.13) Text for field-programmable unit, Sect. 5.14 A„.Z / a...z / 0„.9 / _ (= s ace) Conversion factor for quantity FM, Sect. 5.14 Factör FM= quantity l§er 1 m3 Range: 0.00001*10- to 9.99999*1o+9 Converi;;ion factor for time FT Sect. 5.14 Factor FT in seconds Range: 0.00001*10-9 to 9.99999* 10+9 Magnetic field frequency, Sect. 5.15+8.2 • 1/6 • 1/16 • 1/32 Select preamplification, Sect. 13 • AUTO (automatic) e HIGH FLOW (high flow range) • MED. FLOW (medium flow range) • LOW FLOW (low flow range) Input of field current Range: 225.00 to 275.00 mA (see sticker at term 7 + 8 on "basic" pc board/with power driver NB 900 F always ± 250 mA) Not tobe changed, see Sect. 7.2 + 8.1 Noise rejection, see Sect. 13 e NO e YES Counter for off-limit condition (appears only if YES entered under (Fct. 4.10 NO/SE), see Sect. 13 Range: 001 to 250 Limit value for noise amplitude (appears only if YES entered under Fct. 4.10 NO/SE), see Sect. 13 Range: 01 to 90 PERCENT Fct. 4.07 Magnetic field frequency In addition to the normalmagnetic field frequencies, three new values are available. These are „1/2", „SPEC. 1/12"and „SPEC. 1/1B"ofthe power frequency. The fol- lowing chart shows the transientrecove:ry time for the mag- netic field and the integration time ofthe measuring signal. Rpower-line fr'fllency nnn nnnnnnnnnnnnnn LJLJUULJUUUUUUUULJULJLJUL = measuring signal integration time Fct. 4.08 Range selection This function can be used to influence the preamplifier stage. In the AUTOmode, the microprocessor automati- cally takes over the setting in keeping with the interfe- rence level and the size of the wanted signal. In some applications it may prove useful to change the gain manually. Since there are no hard and fast rules for apply- ing Fct. 4.08, itis advisable to determine the best setting by trial and error. Fct. 4.10 Noise rejection This function activates a special noise rejection filter (input: YES). The task of this filter is to reject spurious peaks and thus provide steadier display and output of the measured values. The data of the two following func- tions, Fct. 4.11 and Fct. 4.12, are used for operation of the noise rejection filter. These input functions are not shown in the menu when NOhas been entered in Fct. 4.10. The block diagram below serves to illustrate filter action and the parameters of functions 4.11 and 4.12. time constant Fct. 3.1.05 to data processing
  • 83.
    Functional description The oldmeasured value, weighted with the time constant, is subtracted from the nei'1ly calculated measured value1 and the result checked to establish whether it exceeds the limit set inFunction 4.11. Ifitdoes, the totalizer countincrea- ses and the differential signal is limited to the specified limit value..To this differential signal is added the old mea- sured value again, and forwarded to the time constant pro- gram. When the totalizer attains the default value from function 4.11, the limiter unit is bypassed. If the set limit is not exceeded, the totalizer is reset to the value 'O', and the limiter bypass de-energized. Two examples are given below to illustrate the function. Example 1: Transient interference superposed on the measured value. Ua 100% rise and fall determined by Fct. 4.12 In this example it is important that the nurnber of violations of the limit value from Function 4.11 be selected such that the limiterfunction always remains activated. The following equation can be used to establish by approximation the input values for function 4.11: LIMIT CNT = max. duration of interference (in sec) 0.06 For function 4.12, the maximum user-acceptable deviation from the measuring signal is the determining factor. But noise duration, noise amplitude and the shape ofthe curve are also crucial factors. This parameter can only be deter- minedby trial and error, since too many factors would have to be considered before any hard and fast rule can be laid down. Retrofitting the µPl-HPC board 1. Note down all input pa.tameters. 2. De-energize the device! 3. Exchange the µPl board and the EPROM for the µP2. (if necessary unsolder OTP. and insert a 28-pin socket-. mount). 4. Switch on device. 5. The device displays Errl4 and EOl. (Also refer to page 25 of SC 100 AS operating instruc- tions, current calibration data different!) 6. Press key E 4 times, the values are corrected automati- cally. 7: Enter all input parameters again according to the old setting. With the new extra functions it is advisable to select a.l:)asic setting first, .(i. e. 4.7 = 1/6 (f line); 4.8 = auto; 4.10 = no). 8. Calibrate the zero. : The device is_ again fully functionable. The new facilities ' can ,now be used according to application. Repeat zero calibration at the end of the experimental phase. Example 2: The measured value skips from 0% to 100% ofthe flowrate. :t--Jo interference and no noise signals. Ua 100% t=O lu Number of limit violations set under Function 4.11 reached. Measured value transmitted unfiltered. ) As shown in the diagram, the step change of the wanted signal is forwarded to the outputs after a time interval. The rate of rise is dependent on the setting of time constant T and the value from Fct. 4.12 LIMIT VAL. The time constant in the t < tu range is: TL . . T[s] rrrut = X 100% LimitVal given a 100% skip of the wanted signal. The instant tu of switchover to the set time constant T is: tu =LimitCnt X 0.06 s For delta L1 Ue (%) LimitVal we obtain a maximum output response of: L1Ua LimitVal -- = --- L1T T where T is the TIMECONSTANT set under Fct. 3.1.05. Note: Additional dead times for all signal outputs result from functions 4.11and4.12. This means that function 3.1.05 T-CONST.I is no longer the sole determining factor for the response time of the SC 100 AS. 79
  • 84.
    Part E Index 80 SectionNo. 2.6.1 10.3 4.4 + 12 10.1to10.4 4.4 + 12 5.17 4.2.3 + 4.3 5.17 4.1 + 6.4 12 2.5.2 2.5.2 2.5.3 6.5 1.2.1 8.3.2 8.3.l 5.8.3 5.7.3 5.16.4 4.4 4.3 + 4.5 5.12 4.6 + 5.14 4.6 + 5.14 4.4 2.6.2, 2.6.5, 4.6 + 5.7 4.6 + 5.7 4.6 + 5.7 4.6 + 5.7 5.9 4.6 4.6 5.9 4.6 4.6 4.6 4.2.3 + 4.3 4.2.1 to 4.2.3 + 4.3 10.6 10.6.4 10.6.2 10.6.l 10.6.3 10.6.5 10.6.5 10.6.5 Fct. No. Err. E 09 Err. E 09 3.3.01 + 3.3.02 3.3.01 + 3.3.02 3.2.00 et seq. 3.1.00 et seq. 3.3.00 et seq. · Err. E 07 + E 08 Err. E 01 to E 16 4.02 4.05 4.06 Err. E 14 3.1.00 et seq. 3.1.04 3.1.02 3.1.03 3.2.09 3.1.08 3.2.08 3.1.07 Section No. 4.6, 5.2 + 5.5 4.6, 10.4.1 + 10.4.2 2.5.2 2.6.3, 2.6.5, 4.6 + 5.8 2.6, 2.6.5 + 7.6.2 1.3.8, 1.3.9, 10.4.1 + 10.4.2 4.4 2.6.3, 2.6.5, 4.6 + 5.8 4.4 4.4 4.4 4.3 2.6.3, 2.6.5, 4.6 + 5.8 6.1 4.6 + 5.10 Fct. No. 2.00 et seq. + 4.01 1.04 3.2.00 et seq. Err. E 01 to E 16 Err. E 01 to E 16 Err. E 01 to E 16 3.2.00 et seq. 1.01 2.6.3, 2.6.5, 3.2.00 et seq. 4.6 + 5.8 1.2.3, 1.3.11 + 2.5 8.3, 8.5 + 9.1 et seq. 2.4 + 2.5 7.1 2.4 + 2.5 4.6 + 5.14 5.14 5.14 5.14 1.3.9 1.2.1 + 10.6.l 10.6.2 10.6.4 10.6.3 1.1 + 4.6 4.6 + 5.3 4.5, 4.6 + 5.3 1.3.4, 10.4.2 + 10.6.3 2.6.3, 2.6.5 4.6 + 5.3 4.6 4.2.l to 4.2.3 4.1 to 4.3 7.1 et seq. 7.1 7.4 7.8 7.5 to 7.7 4.04 to 4.06 4.05 4.04 4.06 1.06 1.01 to 1.03 Err. P 01; 1.01 to 1.03 3.2.00 et seq. 1.01+1.03
  • 85.
    Section No. Fct.No. Section No. Fct. No. 1.2, 1.3, 10.4.1 4.6 + 5.15 4.07 + 10.4.2 4.1 + 6.4 4.6 + 5.18 3.3.01 + 3.3.04 4.6 1.00 to 4.00 4.6 + 5.18 3.3.01 + 3.3.03 4.2.1 to 4.2.3 4.6, 5.15 + 10.7 1.05 + 4.3 1.2.1, 1.2.3 + 4.6 + 5.14 4.04 to 4.06 10.4.l 4.2 to 4.5 1.3.7 + 10.4.2 11 2.2, 2.3 + 2.5 10.4 + 10.5 4.2.1 1.3.7 + 10.4.2 1.2.1, 1.2.3 + 1.2.l + 1.2.3 10.4.1 1.3.7 + 1.3.11 7.6 4.6, 10.4.1 + 1.04 10.4.2 1.3.1, 1.3.11 + 10.5 6.1 10.7 1.3.5, 10.4.2, 10.5 + 10.6.3 6.2 4.08 1.3.l, 1.3.9 + 10.5 2.4, 2.5 + 5.2 + 5.5 10.6.5 1.2.1 + 1.3.1 6.3, 10.1 to 10.4 8.3 + 9.1 et seq. 2.6.2, 2.6.5, 3.1.00 et seq. 9.5 4.6 + 5.7 9.1 3 9.3 4.1 et seq. 9.2 8.3 1.1, 1.2 + 1.3 8.3.2 10.7 8.3.l 6.5 2.4.3, 2.5 + 10.6.5 5.8.3 5.6 2.01 et seq. 5.7.3 1.3.3, 1.3.10, 5.16.4 10.4.2 + 10.5 2.6.6 4.6 5.8 3.2.00 et seq. 5.8 3.1.00 et seq. 5.16 3.3.00 et seq. 4.1 5.13 4.03 4.2.2 + 4.3 4.2.2 + 4.3 6.3 4.2.2 + 4.3 8.4 4.2.2 + 4.3 5.2, 5.5 + 5.6 5.11 4.01 4.6, 5.2 + 5.5 2.00 et seq. + 4.01 9.1 7, 8 + 9 9.3 4.6 + 5.18 3.3.01 et seq. 9.2 9.4 2.2 2.2 + 2.5 1.3.10, 10.4.2 + 10.5 1.3.3 1.3.1 6.5 10.5 1.3.1 1.2.l + 1.2.3 1.3.2 1.3.7 + 1.3.11 5.9 4.5 Err. POl to Pl4 4.6 3.2.07 to 3.2.09 4.6 3.1.06 to 3.1.08 4.1 + 7.1 81
  • 86.
    82 Section No. see page4 8.3.2 2.2 9.4 7.8 8.3.2 10.7 2.1 10.2 10.2 8.3 8.3.2 8.3.l 2.6 4.4 8.6 2.2, 10.1 + 10.2 2.2, 10.l + 10.2 2.2, 10.l + 10.2 4.6, 5.16 4.6, 6.16 + 10.7 7.4 1.1 + 1.2 1.1 + 1.3 1.2.1, 10.7.l - 10.7.4 8.2 7.6 7.6 9.1 to 9.4 10.4 + 10.5 4.2.l 4.1 et seq. 4.3 1.2.3, 2.1, 2.2 + 2.5 1.3.7 1.3.2, 1.3.10, 10.4.2 + 10.6 4.6 + 6.8 2.6.3, 2.6.6, 4.6 + 6.8 4.6 + 6.3 4.6 + 6.3 4.6 + 6.10 4.6 + 6.3 6.2 8.1 8.2 4.2.2, 4.3 + 6.6 4.6 + 6.10 4.2 + 4.3 4.2 + 4.3 4.2 + 4.3 4.2 + 4.3 2.6.4, 2.6.6, 4:6 + 6.16 see page 6 10.3 .8.3.1 2.2 + 2.6 4.1, 9.1 to 9.3 Fct. No. Err. E 01 Err. E 16 1.06 q.2.06 3.2.00 et seq. 1.01to1.03 1.01 to 1.03 1.01 to 1.03 1.01 to 1.03 4.09 1.01 to 1.03 3.3.0 et seq. Section No. 7.1, 7.5 to 7.7 8.3.l 2.1 10.7 4.1 et seq. 10.l 9.1 to 9.3 9.1 to 9.3 + 9.5 10.1 7.7 2.4.2 7.6 4.6 + 5.9 1.3.10, 10.4.2 + 10.6 8.3 + 9.1 et seq. 1.3.9 3 2.6.4, 2.6.6, 4.6 + 5.16 4.6 4.2.1 to 4.2.3 + 4.3 4.6, 6.8 + 5.16.3 4.6, 6.7 + 5.16.3 10.3 10.6 10.5 10.2 10.4 10.4.l 10.4.2 10.l 10.l to 10.6 10.4 + 10.6 7.1 et seq. 4.6, 6.8 + 5.16.3 4.6, 6.7 + 6.16.3 4.2.3 + 4.3 1.2.2 + 1.3.10 6.2, 6.6 + 6.6 4.6 + 5.18 7.1 et seq. 4.6 4.6 4.6, 4.6 + 6.3 2.1 + 2.2 1.2.4 + 1.3.7 1.3.9 10.6.l et seq. 2.6 + 10.6.6 7.2 Fct. No. 3.1.06 et seq. + 3.2.07 et 3.3.00 et seq. 3.1.00, 3.2.00 + 3.3.00 3.2.06 3.1.06 3.2.06 3.1.06 3.3.01 et seq. 2.01 + 2.02 1.01+1.03 E:g. POl; 1.01 to 1.03 1.07
  • 87.
    lf you needto return flowmeters for testing or repair to Krohne Your ALTOFLUX electromagnetic flowmeter • has been carefully manufactured and tested by a company with ISO 9001 certification • and volumetrically calibrated in one of the world's most accurate test rigs. lf installed and operated in accordance with these operating instructions, your flowmeter will rarely present any problems. Should you nevertheless need to return an ALTOFLUX flow- meter for checkout or repair, please pay strict attention to the following points: Oue to statutory regulations concerning protection of the envi- ronment and the health and safety of our personnel, Krohne may only handle, test and repair returned flowmetersthat have been in contact with liquids if it is possible to do so without risk to personnel and environment. This means that Krohne SPECIMEN Company: .................................................................,........................... Department: ......................................................................................... Tel. No.: ...:............................................................................................ The enclosed electromagnetic flowmeter ALTOFLUX, Type: ............................................................................... can only service your flowmeter if it is accompanied by a certi- ficate in line with the following model confirming that the flow- meter is safe to handle. lf the flowmeter has been operated with toxic, caustic, flamm- able or water-endangering liquids, you are kindly requested • to check and ensure, if necessary by rinsing or neutraliz- ing, that all cavities in the flowmeter are free from such dan- gerous substances. (Directions on how you can find out whether the primary head has tobe opened and then flushed out or neutralized are obtainable from Krohne on request.) • to enclose a certificate with the flowmeter confirming that the flowmeter is safe to handle and stating the liquid used. Krohne regret that they cannot service your flowmeter unless accompanied by such a certificate. certificate Address: ............................................................................................... Name: ................................................................................................... Krohne Order No. or Series No.: .................................................. has been operated with the following liquid: ............................................................................................................................................................ Because this liquid is water-endangering * I toxic * I caustic * I flammable * we have - checked that all cavities in the flowmeter are free from such substances * - flushed out and neutralized all cavities in the flowmeter * (* delete if not applicable) We confirm that there is no risk to man or environment through any residual liquid contained in this flowmeter. ' Date: .................................................................... S~n~ura: ............................................................................................................................. Company stamp: 83
  • 88.
    IKROHNEI Krohne Messtechnik GmbH&Co.KG Postfach 100862 D-47008 Duisburg Ludwig-Krohne-Strasse 5 D-47058 Duisburg Federal Republic of Germany Austria Krohne Ges.m.b.H. Wagramerstrasse 81 Donauzentrum A-1220 Wien Telephone: (01) 2 03 45 32 2032328 Telex: 115 864 Telefax: (01) 2034778 CIS + Baltic States Kanex Krohne Engineering AG Leninskij Prospect 16 KW67 117071 Moscow/Russia Tel.+ Fax: 007-095-9521588 Hong Kong Kanex Krohne Hang Kong Co. Room 112 Tung Shun King Office Center 1st floor No.: 22 Chi Kiang Street Tokwawan, Kowloon, Hang Kong Telephone: (852) 3339788 or (8 52) 3 63 0111 Telefax: (8 52) 774 37 26 Japan Krohne Liaison Office 497-17 Kawakami Totsuka Yokohama 244 Telephone: 81- 45-826 3034 Telefax: 81-45-8263034 Switzerland Krohne AG Uferstrasse 90 Postfach 568 CH-4019 Basel Telephone: (0 61) 6 3111 22 Telex.: 963 452 Telefax: (0 61) 6 311418 Telephone (0203) 301-0 Telex 1600/049203349322 Telefax (0203) 301 389 Belgium Krohne Belgium N.V. Brusselstraat 320 , B-1702 Groot Bijgaarden Telephone: (02) 4660010 Telefax: (02) 4 66 08 00 France Krohne SA «Usine des Ors» B.P. 98 F-26 103 Romans Cedex Telephone: 75 05 44 00 Telex: 345153 Telefax: 75 05 00 48 lndia Krohne Marshall Pvt. Ltd. A-34/35, MIDC lndustrial Estate 'H'-Block, Pimpri Poona 411018 Telephone: (0212) 77 74 72 Telex: 0146-323 FSON 0146-221 JNMS Telefax: (0212) 77 70 49 Netherlands Krohne Persenaire Procesinstrumentatie Postbus 365 NL-1270 AJ Huizen Gooierserf 121 NL-1276 KG Huizen Telephone: (0 35) 5 28 61 11 Telefax: (0 35) 5 26 96 72 South Africa Krühne (pty.) Ltd. P.O.Box 2078 ZA-1685 Ha/fway House Telephone: (011) 314-13 51 Telefax: (011) 314-11 37 Subject to change without notice. Printed in Geqnany © Copyright Krohne Messtechnik GmbH & Co. KG KIEFER J D.ESIGN Urh. 84130 c'hina Kanex Krohne Beijing Rm 830, Old Bldg, Xiyuan Hotel Xi Jiao Er Li Gau, Beijing, P.R. of China Tel.: 0086-(0) 1-8313388 ex 5830 Telex: 22 831 XYHCN Ex 830 Telefax: 0086-(0) 1-4260440 Great Britain Krohne Measurement & Contra/ Ltd. Rutherford Drive Park Farm lndustrial Estate Wellingborough, Northants NN8 6J..... ~. Telephone: (01933) 408500 Telefax: (01933) 408501 ltaly Krohne ltalia Sri Via V. Monti 75 1-20145 Milano Telephone: (02) 48 0119 84 Telefax: (02) 48 00 83 54 Spain Instrumentation lndustrial Krohne Espafia, S.r.I. Poligono lndustrial Alcala 1 Galle EI Escorial, nave 206 E-28805 Alcala de Henares Madrid Telephone: (9) 18 83 2152 Telefax: (9) 18834854 USA Krohne America lnc. 7 Dearborn Raad Peabody, MA 01960 Telephone (508) 535-60 60 1-800 - FLOWING (1-800-356-9464) Telefax (508) 535-17 20 PC Telefax (508) 535-38 51 Internet address: info@krohne.com