Embed presentation
Download to read offline






































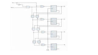
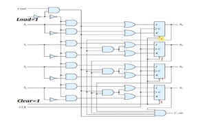
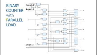
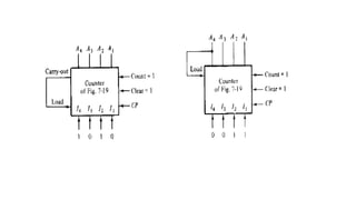
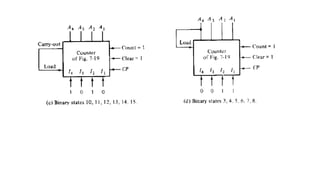
This document provides steps for designing several types of counters using the IC 7490 integrated circuit, including binary up counters, binary down counters, and binary up-down counters without sequential logic. It also describes how to create a MOD N counter and includes a binary counter with parallel load functionality.





































