Embed presentation
Download to read offline










































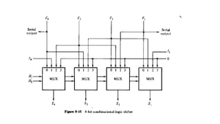
This document discusses processor logic design including types of registers used, bus organization, an example processor with scratchpad memory, accumulator register, design of arithmetic circuits using parallel adders, logic diagrams, steps in designing an ALU, status registers, and shifters. It also mentions processor units.









































