Ab Solar power based pressure pad security system with wireless features
PT1284413 ASIA PASIFIC INSITITUE OF INFORMATION TECHNOLOGY 1
Table of Contents
CHAPTER 1: INTRODUCTION ...........................................................................................................3
1.1 Title of the project.........................................................................................................................3
1.2 Problem context ........................................................................................................................3
1.3Project benefit................................................................................................................................4
1.3.1 Tangible benefits of the system .............................................................................................4
1.3.2Intangible benefit of the system..............................................................................................4
1.4 Target Audience............................................................................................................................4
1.5 Objective.......................................................................................................................................5
1.6 Learning objective.....................................................................................................................5
1.7Functionality ..................................................................................................................................5
CHAPTER 2: TECHNICAL LITERATURE SURVEY........................................................................9
2.1 literature review .......................................................................................................................9
CHAPTER 3: PROJECT MANAGEMENT.........................................................................................12
3.1 Introduction.................................................................................................................................12
 Conceptualizing project scope and objective........................................................................12
 Plan the project .....................................................................................................................12
 Prepare project proposal........................................................................................................12
 Implement the project ...........................................................................................................12
 Evaluate the project...............................................................................................................12
3.2 PERT CHART:.......................................................................................................................13
3.3 GANTT CHART ....................................................................................................................15
CHAPTER 4: PROPOSED METHODOLOGY...................................................................................16
4.1 Technical research ......................................................................................................................16
4.2 Data gathering method....................................................................................................................17
4.2.1 Introduction .........................................................................................................................17
4.2.2 Questionnaire ......................................................................................................................17
4.2.3 Interview ..............................................................................................................................18
4.3. Conclusion..............................................................................................................................19
4.3.1 Conclusion of questionnaire ................................................................................................19
4.3.2 Conclusion of Interview .......................................................................................................19
4.4 comparative analysis of the component..................................................................................20
Ab Solar power based pressure pad security system with wireless features
PT1284413 ASIA PASIFIC INSITITUE OF INFORMATION TECHNOLOGY 2
4.4.1 Introduction .........................................................................................................................20
4.4.2 Conclusion of comparative analysis of component.............................................................22
4.5 Block diagram..........................................................................................................................23
4.6 Circuit diagram .......................................................................................................................23
4.7 Development required.............................................................................................................24
4.8 Testing methodology...............................................................................................................25
4.9 Performance & Evaluation criteria..........................................................................................26
CHAPTER 5: COSTING......................................................................................................................27
5.1 introduction ............................................................................................................................27
CHAPTER 6: HEALTH & SAFETY ETHICAL ASSESMENT.................................................28
6.1 Summary.................................................................................................................................28
CHAPTER 7: CONCLUSION..............................................................................................................31
7.1 Overall conclusion...................................................................................................................31
REFRENCES........................................................................................................................................33
APPENDIX...................................................................................................................................38
Prepared Questions of Questionnaire:...............................................................................................38
Interview Questions:.........................................................................................................................43
Analysis of Questionnaire:................................................................................................................44
Interview Analysis: ...........................................................................................................................54
Ab Solar power based pressure pad security system with wireless features
PT1284413 ASIA PASIFIC INSITITUE OF INFORMATION TECHNOLOGY 3
CHAPTER 1: INTRODUCTION
1.1 Title of the project
The developer is going to develop the solar power based pressure pad security system with
wireless features for home/ offices use.
1.2 Problem context
This type of the system provides of wide scope to an organization and industries. This will be
providing accurate efficiency in safety. This type of system will increase the Accuracy of the
safety. It will provide the more and more work at minimum costs for the User. This type of
system will work regularly or continuously without any type of break and Disturbance. This
type of system will provide good scope of an organization; industries and Users who will be
use such type of system.
The idea of using pressure pad and GSM technology in the security purpose, it will be very
useful and also have a safety and guarantee of service. The security system is not a new thing,
but the application, cost, design method and reliability of the system varies. Pressure
Mats were initially designed for Security applications to comply With the British standard BS
4737 Part 3: Section 3.9. Pressure mats will covertly detect a Person standing or walking on
them. The smaller Pressure pads may also be used as a floor mat operated by hand pressure,
in a Chair or seat to detect a person sitting. Pressure Mat sensors have a normally open
contact which closes or shorts when a person walks onto or stands on the mat which then re
opens or breaks as the person moves off of the mat.
Theoretical Background
A smart home security system contains CCTV footage, alarm system, flood light, LED
display and password and magnetic card based door lock etc. A basic makeup of the device
is a solar power based pressure pad security system with wireless features. This system gets
power supply from solar power. The system has been designed around four main basic
modules:
 Solar power source.
 Pressure pad sensor used in surface for security purpose.
 Password and magnetic card based automatic door lock system.
 LED displays
System specification:
Ab Solar power based pressure pad security system with wireless features
PT1284413 ASIA PASIFIC INSITITUE OF INFORMATION TECHNOLOGY 4
In the system we are using solar power source to supply power in the system, pressure pad
sensor, copper Clads, LED displays and flood light etc. This security system also made up
economically in design and simple in implementation.
1.3 Project benefit
1.3.1 Tangible benefits of the system
 This system will minimize the theft cases.
 This system will be displace or lift anywhere because it’s compatible size and
shape.
 This system will reduce the needs of electricity for the security system.
 This system versatile project and can be installed at various places.
 This system will also have no bad environmental effect.
 It will also consume less electrical energy.
 It is also a pollution free system.
 This system is easily to understand.
1.3.2 Intangible benefit of the system
 This system modernizes the entire security system.
 It is easy to install and made to work instantaneously.
 This system is reusable and can be reinstalled in very less time.
 It is completely automated and hence provides a great amount of comfort to its.
 It is also easy for the users to make this system by reducing the cost.
1.4 Target Audience
A project is being too developed by keeping the track who is the user that will be using the
System. What are their requirements from the system? In other word target audience of a
Project is the person for whom the system is going to be developed. The target readers of the
system are following as e.g.
Type of User Application
 Developer (Expert Users) Hard core user, who will develop the system and have
each & every knowledge of the system (functional or Technical).
 Company who will be implementing the system in their organization?
 Other User (Expert or Novice) People who within the organization will be
working on the system like customer of the organization, technical staff of the
organization. Such as: Industrialists, Researcher of R & D department.
Ab Solar power based pressure pad security system with wireless features
PT1284413 ASIA PASIFIC INSITITUE OF INFORMATION TECHNOLOGY 5
The target users of the system are following as:
 Homes
 Offices/Banks
 Shops
 Factories/Industries
 Malls/Marts
1.5 Objective
The main objective of developing such type of system is to protect home/offices from theft.
There are many theft cases happen every day, due to which common people are facing a lots
of problems. The researcher is developing a solar power based pressure pad security system
with wireless features. It will be a great enhancement in the field of home security system.
1.6 Learning objective
This research aims at the design of a prototype showing how this can role. The main
objective is to find a way to implement a solar power based pressure pad security system with
wireless features. The main objective is to design a perfect security system which will solve
all the security related problems. After completing this research there will be a great
achievement in the field of home security system.
1.7 Functionality
 Solar power for power source.
 Pressure pad surface.
 A password & Magnetic card operated gate.
 LED display.
 Flood light.
 Voice Alarm.
 RF technology
1.8 Technical specification
A basic makeup of the device is a pressure pad security system with wireless feature. The
system has been designed for perfect security system which can give better output in the field
of security system. In this system RF technology has been used for wireless communication.
RF technology is economically as compare to Zigbee technology. Zigbee is costly and have
specific area to work but RF technology is more significant.
Ab Solar power based pressure pad security system with wireless features
PT1284413 ASIA PASIFIC INSITITUE OF INFORMATION TECHNOLOGY 6
 In the system we are using 5v supply current from solar power source to each module.
 IR SENSORS as an early warning system that also made it economic in design and
simple in implementation.
 LED displays the direction of the thief enters into premises.
The main specification of the components used to complete the project is:
 Solar panel:-
Cell type Crystalline silicon
Operating temperature -20degree to +60 degree
Maximum power 0.3W
Maximum power(voltage) 5V
Product warranty 2 years
 Pressure pad sensor:-
Minimum voltage 3V
Input 4 wire mat
Weight 880gm
Temperature range -10 to 70 degree
Maximum carry current 0.25Amps DC resistive
 LM7805:-
Pin-1 Input voltage
Pin-2 Ground(0V)
Pin-3 Regulated voltage(5V)
Short circuit protection
Output current up to 1A.
Operating temperature:- -55 to +150 degree C
Program memory:- 0.5-16KB
Pin package:- 6-32
Ab Solar power based pressure pad security system with wireless features
PT1284413 ASIA PASIFIC INSITITUE OF INFORMATION TECHNOLOGY 7
 RF pair:-
Frequency range 5 to 42 MHz edge to edge
Transit delay from the most distant CM to the nearest
CM or CMTS
<= 0.800 msec (typically much less)
Carrier-to-noise ratio Not less than 25 dB
Carrier-to-ingress power (the sum of discrete and
broadband ingress signals) ratio
Not less than 25 dB2
Carrier- to-interference (the sum of noise, distortion,
common-path distortion and cross-modulation) ratio
Not less than 25 dB
Carrier hum modulation Not greater than -23 dBc (7.0%)
Burst noise
Not longer than 10 msec at a 1 kHz
average rate for most cases3,4,5
Amplitude ripple 5-42 MHz: 0.5 dB/MHz
Group delay ripple 5-42 MHz: 200 ns/MHz
Micro-reflections -- single echo
-10 dBc @ <= 0.5 m sec
-20 dBc @ <= 1.0 m sec
-30 dBc @ > 1.0 m sec
Seasonal and diurnal signal level variation Not greater than 8 dB min to max
 LDR:-
Resistance 400Ω to 400K Ω
Normal resistance variation 1KΩ to 10KΩ
Sensitivity About 3msec
Voltage ratings 3V,5V and 12V
Ab Solar power based pressure pad security system with wireless features
PT1284413 ASIA PASIFIC INSITITUE OF INFORMATION TECHNOLOGY 8
 Transistor:-
Material of transistor silicon
Polarity NPN
frequency 300Mhz
Noise figure dB
Pin-1 emitter
Pin-2 base
Pin-3 collector
Ab Solar power based pressure pad security system with wireless features
PT1284413 ASIA PASIFIC INSITITUE OF INFORMATION TECHNOLOGY 9
CHAPTER 2: TECHNICAL LITERATURE SURVEY
2.1 literature review
Literature review is needed before any project is begun. The review will help to
understanding the scope of project and also the need to build the project. The review comes
from the reading on the websites and also from the books. The information from the review
will be used to start the project with an excellent idea. The review is also comes from the
sample of the existing project in websites related to the researcher project. The tasks of a
modern home security system include identifying an intruder trying to access to the home or
offices for theft purpose, alerting the homeowner about the intruder or attempting to access in
the home. The advancement of technology has contributed to the changing concept of
security in home/offices. It has changed from a simple security to implementing sophisticated
security systems using cameras, pressure pad sensor, GSM technology, password/magnetic
card based door lock, alarms and contact sensors etc. in short, researcher talk about security
at home, they think about intruders in the traditional sense like thieves trying to robbing etc.
A lot of research has gone into identifying and preventing technologically skilled intruders.
Researcher studied several research paper related to home security systems which is used to
prevent or used in home security system. A few systems is having some specific limitation,
then researcher got the idea from such security system like automatic door lock/unlock,
pressure pad sensor, cameras and many more technology.
The main research area is also reviewed related to power supply to the home security system.
In every technology, power supply is the main concept to use the technology. The demand of
power supply is also increased but power generation station is not able to fulfill the demand
completely.
The solar power energy is a power source having so many good impacts like pollution free
environment. It can also save resources like coal, water etc to use in other purposes also.
Although solar energy having not so much capacity to every technology which needs high
power source for use? But at least the system which needs low power source that can be used.
So that the demand of other power source like coal operated generation, water based power
generation can be decreased and that sources can be used for other purposes.
Nowadays security system is needed in every field especially in offices, homes etc. we are
facing a lots of problem in current time like robbery, theft cases. We are hearing everyday in
news and watching in society a lot of cases. So to make our homes or offices secure from
Ab Solar power based pressure pad security system with wireless features
PT1284413 ASIA PASIFIC INSITITUE OF INFORMATION TECHNOLOGY 10
robbery or theft we have to make a perfect security system which will work during absent of
family members in your home.
The purpose of Security system is to protect the valuable items of an office or homes such as
costly luggage, gold ornaments and many more. Through the selection and application of
appropriate safeguard, security helps the organization to meet its business objectives or
mission by protecting its physical and financial resources, reputation, legal position,
employees and other tangible and intangible assets.
A home/offices security system begins and ends with the people within the offices and with
the people that interact with the system, intentionally or otherwise. The end-users who try to
access the information which the security professionals are trying to protect could be the
weakest link in security chain. By understanding some of the behavioral aspects of
organizational science and change management, security administrators can greatly reduce
the levels of risk caused by end users and create more acceptable and supportable security
profiles. These measures, along with appropriate policy and training can substantially
improve the performance of end users and result in a more secured information system.
This Researcher has collected comprehensive information from various books, manuals,
magazines, journals, articles and research websites. Information gathered through various
seminars and conferences attended by her also helped lot for the researcher. At currently
much home security system is running in the market but not a single one is more perfect,
every system has some drawbacks or limitations. Security system is an important aspect of
any system. Security access control is the act of ensuring that an authenticated user has access
only when they are authorized to and nobody else. Security consciousness is highly needed
where our environment and health is concerned. Security system runs on automated doors
likewise on systems, which makes do with a smartcard device. When the smart card is
inserted into it, it prompts the host for identification of card, if confirmed access will be
granted, if not access will be denied. Before it denies access completely to that smartcard and
pin code, the alarm gets activated when access is generated. The smartcard sends a voltage
signal of 5volts which triggers the relay causing it to activate the dc motor. The motor moves
the movable part of the door to allow a person to pass through which it closes back at the
removal of the smartcard.
Generally we studied few research paper related to security system like “CONSTRUCTION OF
A MICROCONTROLLER BASED SECURITY DOOR USING SMART CARD”, and “WIRELESS HOME
SECURITY SYSTEM WITH MOBILE”.
Ab Solar power based pressure pad security system with wireless features
PT1284413 ASIA PASIFIC INSITITUE OF INFORMATION TECHNOLOGY 11
Security systems are a popular means of crime deterrence in modern society; since most
people believe that criminals disregard houses armed with alarm systems. As the market for
security systems expanded, the technology and resulting features available in home security
systems has also sky-rocketed. Unfortunately, many security system customers are left with a
multi-thousand dollar alarm system that they are unable to effectively operate. A majority of
security systems currently on the marked retain the archaic keypad interface. Aside from a
few exceptions, most of the more complex features of the alarm system are available only
through strange, difficult to learn, and certainly difficult to remember numeric keypad
combinations. Most security systems also continue to make use of only a couple of LEDs to
indicate the current status of the system. With recent technological innovations, alarm
systems have the capability to report or display far more information than "armed" or
"unarmed". Unfortunately, these advances in technology and features have not been
accompanied with suitable interface designs. There are a number of user needs in the area of
security variations that the system should address. Not all users will demand the same type of
security, nor do all users want this security at the same time. Additionally, their rationale for
desiring this security may vary depending on their possessions or requirements for safety.
Ab Solar power based pressure pad security system with wireless features
PT1284413 ASIA PASIFIC INSITITUE OF INFORMATION TECHNOLOGY 12
CHAPTER 3: PROJECT MANAGEMENT
3.1 Introduction
Project management will help developer to successfully plan, execute, and monitor and
complete the project on time within budget with expected quality and functionality. Apart
from this system and its users, the developer has to follow a systematic process of developing
a large- scale system which integrates different technology to solve an identified problem.
The rigorous system will help developer learn degree of freedom, forward and inverse
kinematics of robotics, wireless techniques, project management skills, software tools and
techniques and programming language techniques. Project planning is done to increase the
possibility that a project will be implemented efficiently and successfully. Project planning
covers the first three stages of “the project management cycle”. Project planning control
generally consists of five stages.
 Conceptualizing project scope and objective
Explore the problem, identify priority needs, consider project solution and evaluate
organization capacity.
 Plan the project
Establish the project scope, clarify goals and objective, choose the most appropriate
course of action, identify the inputs and resources in terms of people, materials, time
and money, develop a budget and draft a project plan.
 Prepare project proposal
Present the project to important stakeholders, receive their feedback and secure the
necessary material, human and financial resources.
 Implement the project
Implement the project by following a work plan and completing pre-determined tasks
and activities. Monitor progress and adjust as necessary.
 Evaluate the project
Review what has happened considers the value of what has been achieved and learns
from that experience in order to improve future project planning.
Ab Solar power based pressure pad security system with wireless features
PT1284413 ASIA PASIFIC INSITITUE OF INFORMATION TECHNOLOGY 13
3.2 PERT CHART:
Before any activity begins related to the work of a project, every project requires an
advanced, accurate time estimate. Without an accurate estimate, no project can be completed
within the budget and the target completion date. Developing an estimate is a complex task.
If the project is large and has many stakeholders, things can be more complex. Therefore,
there have been many initiatives to come up with different techniques for estimation phase of
the project in order to make the estimation more accurate.
PERT is stands for program evaluation technique which was developed by the United States
navy for the Polaris submarine missile. Generally, it is a type graph that represents all of the
tasks necessary to a project’s completion and in order. A PERT chart is a graph that
represents all of the tasks necessary to a project's completion, and the order in which they
must be completed along with the corresponding time requirements. Certain tasks are
dependent on serial tasks, which must be completed in a certain sequence. Tasks that are not
dependent on the completion of other tasks are called parallel or concurrent tasks and can
generally be worked on simultaneously. PERT charts are preferable to Gantt charts because
they more clearly identify task dependencies; however, the PERT chart is often more
challenging to interpret. As such, project managers frequently employ both methodologies.
There are three estimation times involved in PERT; Optimistic Time Estimate (TOPT), Most
Likely Time Estimate (TLIKELY), and Pessimistic Time Estimate (TPESS). In PERT, these
three estimate times are derived for each activity. This way, a range of time is given for each
activity with the most probable value, TLIKELY. Following are further details on each
estimate:
 TOPT: This is the fastest time an activity can be completed. For this, the assumption
is made that all the necessary resources are available and all predecessor activities are
completed as planned.
 TLIKELY: Most of the times, project managers are asked only to submit one
estimate. In that case, this is the estimate that goes to the upper management.
 TPESS: This is the maximum time required to complete an activity. In this case, it is
assumed that many things go wrong related to the activity. A lot of rework and
resource unavailability are assumed when this estimation is derived.
The following pert chart of the proposed project solar panel based pressure pad security
system is given below:
Ab Solar power based pressure pad security system with wireless features
PT1284413 ASIA PASIFIC INSITITUE OF INFORMATION TECHNOLOGY 14
Figure 1: PERT Chart
Ab Solar power based pressure pad security system with wireless features
PT1284413 ASIA PASIFIC INSITITUE OF INFORMATION TECHNOLOGY 15
3.3 GANTT CHART
A Gantt chart is a timeline view that makes it easy to see how a project is tracking. You can
visualize project tasks and see how they relate to each other as projects progress over time.
Use this tool to simplify your tasks and details with a visual project timeline by transforming
task names, start dates, durations, and end dates into cascading horizontal bar charts.
How Gantt chart is used?
 It helps in making a chart which shows activities, completion and prerequisite
relationships.
 It helps to plan out the task that needs to be completed.
 It gives basis for scheduling when these tasks will be carried out.
 It allows you to plan the allocation of resources needed to complete the project.
Ab Solar power based pressure pad security system with wireless features
PT1284413 ASIA PASIFIC INSITITUE OF INFORMATION TECHNOLOGY 16
CHAPTER 4: PROPOSED METHODOLOGY
4.1 Technical research
The process models are the guide lines to be followed for the development of the project.
They are the core deciding factors for any microcontroller based project. The developer here
has done research on a variety of methodology because it establishes the activities needed to
renovate the user’s requirement into system which meet expectations of the user. The
methodology will decide the success of the proposed system. A methodology for managing a
project can be defined as combination of logically related methods and step by-step
techniques for successful planning, control and delivery of the project.
Planning
Research
Designing
Circuit
Diagram
Block
Diagram
Cost analysis &
Component
availability
Testing
Implementation
Analysis &
Result
Secondary
Research
Primary
Research
Analysis &
conclusion
On
Simulation
tool
software
On Bread
board
Conclusion
Research
analysis
Ab Solar power based pressure pad security system with wireless features
PT1284413 ASIA PASIFIC INSITITUE OF INFORMATION TECHNOLOGY 17
4.2 Data gathering method
4.2.1 Introduction
Data gathering method is an important aspect of any type of research study. Inaccurate data
collection can impact the results of a study and ultimately lead to invalid results. Data
gathering methods for impact evaluation vary along a continuum. At the one end of this
continuum are quantitative methods and at the other end of the continuum are Qualitative
methods for data collection. Research is an important initial phase of the project
developments as it helps a lot of Data gathering for builds the system. This also helps to
shorten the time and reduce the cost of the project development. There are two research
techniques: Primary Research and Secondary Research are to accomplish this goal.
4.2.2 Questionnaire
The questionnaire is technique in which the series of question are developed to the purpose of
gathering the information from the system user, system expertise for the developing the
system. The questionnaire set consist fifteen questions which are distributed to the system
user like that industrialist, power project people and research and development department
and to collect the proper and right information about the system. It will be help to solve out
doubt which occur in the time of developing the project.
 Paper-pencil-questionnaires: It can be sent to a large number of people and saves
the researcher time and money. People are more truthful while responding to the
questionnaires regarding controversial issues in particular due to the fact that their
responses are anonymous. But they also have drawbacks. Majority of the people who
receive questionnaires don't return them and those who do might not be representative
of the originally selected sample.
 Web based questionnaires: A new and inevitably growing methodology is the use of
Internet based research. This would mean receiving an e-mail on which you would
click on an address that would take you to a secure web-site to fill in a questionnaire.
This type of research is often quicker and less detailed. Some disadvantages of this
method include the exclusion of people who do not have a computer or are unable to
access a computer. Questionnaires often make use of Checklist and rating scales.
These devices help simplify and quantify people's behaviors and attitudes. A Check
lists a list of behaviors, characteristics, or other entities that the researcher is looking
Ab Solar power based pressure pad security system with wireless features
PT1284413 ASIA PASIFIC INSITITUE OF INFORMATION TECHNOLOGY 18
for. Either the researcher or survey participant simply checks whether each item on
the list is observed, present or true or vice versa. A rating scale is more useful when
behavior needs to be evaluated on a continuum. They are also known as Likert scales.
To preparing questionnaire some steps are involved:
 To define the objective.
 To determine the sampling group.
 To write the questionnaire.
 To distribute the questionnaire.
 To calculate the results
4.2.3 Interview
The interview is one of the most common methods for collecting data in qualitative research
regarding the system needs. The main advantages is that allow participant provide rich,
contextual descriptions of the project. Solar power based pressure pad security system with
wireless feature, Face -to -face interviews have a distinct advantage of enabling the
researcher to establish report with potential participants and there for gain their cooperation.
These interviews yield highest response rates in survey research. They also allow the
researcher to clarify ambiguous answers and when appropriate, seek follow-up information.
Disadvantages include impractical when large samples are involved time consuming and
expensive. (Leedey and Ormrod, 2001)
Telephone interviews are less time consuming and less expensive and the researcher has
ready access to anyone on the planet that has a telephone. Disadvantages are that the response
rate is not as high as the face-to- face interview as but considerably higher than the mailed
questionnaire. The sample may be biased to the extent that people without phones are part of
the population about whom the researcher wants to draw inferences.
Computer Assisted Personal Interviewing (CAPI): is a form of personal interviewing, but
instead of completing a questionnaire, the interviewer brings along a laptop or hand-held
computer to enter the information directly into the database. This method saves time involved
in processing the data, as well as saving the interviewer from carrying around hundreds of
questionnaires. However, this type of data collection method can be expensive to set up and
requires that interviewers have computer and typing skills.
Ab Solar power based pressure pad security system with wireless features
PT1284413 ASIA PASIFIC INSITITUE OF INFORMATION TECHNOLOGY 19
To preparing the interview some steps are involved:
 To determine the objective of the system.
 To preparing the interview question.
 To write the interview question.
 To conduct the interview with clean voice and confidently.
 To write the analysis of the result
4.3. Conclusion
4.3.1 Conclusion of questionnaire
The overall purpose of questionnaire is to identify the problems in the current system
and to find out the benefits, variable functionalities for the proposed system. Although
the questionnaire accomplished all the requirements needed to be there in the system,
still the developer decided to conduct interview with few targeted users so as to
explore area of primary research in detail. The main problem area in the current
system is found and eliminated from the proposed system. From questionnaire study,
researcher have come to the conclusion that questionnaires have advantages over
many types of surveys because they are cheap and can easily target groups of interest
in many ways and they can be used to target a large audience in a wide geographical
area. No matter which approach is chosen to collect data, it is impossible to get
hundred percent response rates.
Finally, researcher can conclude that questionnaires are the most commonly used in
research because they can be applied in many different areas; for example, education,
science, health care surveys and so on; whereas interviews can be too expensive,
difficult to arrange and time consuming to be applied in a large geographical area.
4.3.2 Conclusion of Interview
The overall objective of interview was to verify the problems in the present system by
technical person, find out the benefits and his acceptance expectance from the system.
This interview helped the developer in lots of ways. It helps to know the level of
anxiety about it in a big company. Their take on the proposed system, how this system
can be beneficial to their organization? What more he expects from this system in
future. Interviews remain the most common methods of data collection in qualitative
research, and are now being used with increasing frequency in research, particularly
Ab Solar power based pressure pad security system with wireless features
PT1284413 ASIA PASIFIC INSITITUE OF INFORMATION TECHNOLOGY 20
to access areas not amendable to quantitative methods and/or where depth, insight and
understanding of particular phenomena are required.
4.4 comparative analysis of the component
4.4.1 Introduction
The item by item comparison of two or more comparable alternatives, processes, products,
sets of data, systems or the like. The comparative analysis can be done in any field and also it
is very important term in our day to day life. It is used everywhere, researcher is using this
method to compare between two components or between two technologies. By this
comparative analysis researcher gets a good components in every aspects. The researcher is
using some factor on the basis of that factor analysis has been done. Some major factors for
analysis between two components or technologies are like costs, efficiency, power,
implementation etc. Here are some comparative analyses between two components:
 Microcontroller:-
8051 AVR
It is an 8-bit controller. It is an 8, 16, 32 bit controllers.
Based on CISC architecture. Based on RISC architecture.
It consumes more power. It consumes less power.
Programming is easily done in this
controller.
Programming is not easily done in this
controller.
Speed of working is slow. Speed of working is faster than 8051.
Cost is low. Cost is high.
Justification: Developer is selecting on the basis of working efficiency, less power
consumption and programming. AVR is better than 8051 controller.
 Pressure pad :-
PM1 & PM2 PM3
Size= 595mm*170mm*3mm Size= 720mm*560mm*3mm
Designed for stair tread. Designed for large floor surface.
4 separate wires but 2 core round cable. 4 separate wires but 4 core round cable.
It is not so effective. It is so effective.
Less sensitivity & detect heavy weight. More sensitivity & detect lighter weight.
Ab Solar power based pressure pad security system with wireless features
PT1284413 ASIA PASIFIC INSITITUE OF INFORMATION TECHNOLOGY 21
Justification: Developer is selecting on the basis of detecting and construction. PM3
pressure pad is more relevant to use because of its construction as a rectangular shape.
 Voltage regulator:-
LM7805 LM7812
Its output is +5 volts. Its output is (-) negative voltage.
Less cost. High cost
Efficiency is good. Efficiency is not good.
Output is constant. Output is varying.
Easy to implement. Not easy to implement.
Justification: Developer is using LM7805 because of its efficiency, cost and output is
positive but in LM7812 it is negative voltage.
 RF pair & IR:-
RF IR
It is better than IR. It is not better as RF.
Signals can travel even larger distances. It operates mostly in line-of-sight mode.
Transmission is stronger and reliable. Transmission is less strong and less
reliable.
Frequency range= 30Khz-300Ghz Frequency range= 300ghz-430Thz
Justification: Developer is selecting on the basis, RF technology is better for signal
travelling for a long distance and more reliable.
 Solar power & Thermal power:-
Solar power Other power source(coal, water)
It is a natural source. It is also a natural source.
Environmental friendly. No environmental friendly.
Depending on sunlight. Depending on coal, water etc.
Pollution free power generation. Power generation with pollution.
Easily to construct & low cost budget. Not easy to construct & high cost budget.
Justification: Developer is selecting the solar power source because it’s better power
source and also no bad effect on environment.
Ab Solar power based pressure pad security system with wireless features
PT1284413 ASIA PASIFIC INSITITUE OF INFORMATION TECHNOLOGY 22
4.4.2 Conclusion of comparative analysis of component
After completing the Comparative analysis, researcher concludes about the selection
of component. Selection of component is not easy to develop any system but
according to analysis researcher observed that which component is better for use,
researcher used solar power source because it has no bad impact on environment and
also it will decrease the demand of other power sources. So that pollution can be
decreased and it will also not increase the damage of ozone layer. So many positive
aspects of solar power source are there like it is eco-friendly and also in current time
demand of “GO-GREEN” campaign is going on everywhere. It will be helpful for the
nature and due to increasing of pollution people are suffering from lots of problem.
While selecting the microcontroller researcher also studied about the features then
AVR is best microcontroller for the project. Because the speed of working AVR
microcontroller is faster and also have more memory. It also consumes less power. As
cost is high, programming is also not easy but efficiency is better that’s why this
controller has been selected. It is not easy to use sensor in every corner of the room.
Due to which Pressure pad sensor is also selected on the basis of large floor size.
Generally the offices room or in home rooms are constructed in a rectangular or in
square shape, where PM3 model is fitted without any problem and also it have better
sensitivity and also detect lighter weight in comparison to other sensor. Voltage
regulator is also an important part of the project, LM7805 is easy to implement and
with a better features and working efficiency in comparison to other voltage regulator.
RF pair is used for wireless communication due to its signals travelling to a large
distances and also transmission is stronger and reliable than any other technology. So
researcher is now concluding about the comparative analysis, it is a best way to
selecting a component for any project. Comparative analysis is solving lots of
problem while choosing any component.
Ab Solar power based pressure pad security system with wireless features
PT1284413 ASIA PASIFIC INSITITUE OF INFORMATION TECHNOLOGY 23
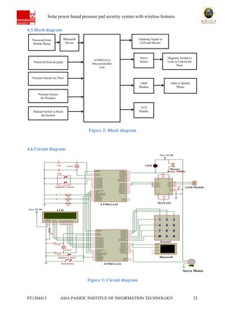
4.5 Block diagram
Figure 2: Block diagram
4.6 Circuit diagram
Figure 3: Circuit diagram
Ab Solar power based pressure pad security system with wireless features
PT1284413 ASIA PASIFIC INSITITUE OF INFORMATION TECHNOLOGY 24
4.7 Development required
Security is the main concern for everyone. Everyone wants to live securely in his/her house.
Everybody wants to keep safe or secure from various incidents like theft in their house. Now
days many times we hear news about house robbery or theft in some houses, bungalows,
flats. These robberies or thefts take place when nobody is in house or in some cases we find
that robbery take place even if people are in their houses. Early detection of all these
problems is really necessary. Also in case of robbery it would be beneficial if we can blow
some alarm. Let’s take an example that we are out of our home and theft is going on in our
house. In such case if we are intimated about theft then we can inform our neighbors, then
they can create some noise or take some appropriate action so that this theft can be avoided.
Let’s take another problem; sometimes key of our home is lost. If we do not replace our lock
and if these keys are found by thieves then it can cause robbery. We all know that duplicate
key can be created within few minutes and also key duplication is easy. These are the
disadvantages of traditional locking system which uses a key and a lock. To overcome all the
above stated disadvantages of existing system we have designed a GSM based home security
system. It can avoid these undesirable situations, hazardous conditions like robbery and theft.
The development of this project is very important. Because, in present time there is a lots of
problems in the field of security. The developer is working on this project solar power based
pressure pad security system with wireless features. This project will solve all the security
related problems for home users. At current any home security project is having limitations
like only that will work for specific conditions. In this system many features will work at the
same time like alarming system, pressure pad sensor when any person try to enter inside
home the sensor will sense that and start giving alert message to the owners, LED will
identified the direction from which side stranger is entering and it will display on the LCD.
Nowadays the theft cases are a big issue and home appliances are not safe in the home while
absent of the owner for a long period. So to control on these cases this system is very useful
from every aspect.
Ab Solar power based pressure pad security system with wireless features
PT1284413 ASIA PASIFIC INSITITUE OF INFORMATION TECHNOLOGY 25
4.8 Testing methodology
The testing of any project is also an important part. The project can be tested firstly in
software like in proteus software after checking in software then developer will develop the
project in hardware. It will decrease the hardware issue like while making this project
developer will get all the details of the components Testing is nowadays seen as a major
bottleneck in product development (PD). The complexity of large designs is increasing
substantially, at the same time the technology feature sizes are decreasing. This evolution has
caused the challenge of testing electronic systems to grow rapidly over the last decade. A
circuit however needs to be tested to guarantee that it conforms to the specifications. Testing
of hardware is performed for two purposes:
1. To ensure the functionality.
2. To ensure the absence of process faults.
The first issue is primarily addressed through software simulation throughout the various
Iterations of the design. The second issue is most widely performed on large scale production
testing. It will also solve the problem while connections there will no loss of components.
The increasing complexity and decreasing technology feature sizes of electronic designs has
caused the challenge of testing to grow over the last decades. The purpose of this thesis was
to evaluate different hardware test methods/approaches based on their applicability in a
complex SoC design. Among the aspects that were investigated are test implementation
effort, test efficiency and the performance penalties implicated by the test. There is some
testing method for software and for hardware also. They are:
Without stable hardware any program will fail. The frustration and expense of supporting bad
hardware can drain a developer, delay progress, and frustrate everyone involved. At Stanford
Linear Accelerator Centre (SLAC), developer have created a testing method that helps
SLAC Computer Services (SCS), weed out potentially bad hardware and purchase the best
hardware at the best possible cost. Commodity hardware changes often, so new evaluations
happen periodically each time purchase systems and minor re-evaluations happen for revised
systems for the clusters, about twice a year. This general framework helps SCS perform
correct, efficient evaluations.
An explicit testing approach involves three steps:
 Test generation.
 Test application.
 Response evaluation.
Ab Solar power based pressure pad security system with wireless features
PT1284413 ASIA PASIFIC INSITITUE OF INFORMATION TECHNOLOGY 26
4.9 Performance & Evaluation criteria
The success criteria of this proposed project are to reduce the cost of the system, to increase
the efficiency of the system and the system is developing in such a way that it is eco-friendly
to environment. The success of this project only fulfill if this system can applied in every
home or offices so that whole group of people can be benefited from this system. Firstly
Researcher gathered data and then selecting the components so that cost of the system can be
in limit, because after that loss of components will be decreased. These systems will going to
decrease the theft cases happening in everyday in the society and effectiveness in the field of
low cost.
Ab Solar power based pressure pad security system with wireless features
PT1284413 ASIA PASIFIC INSITITUE OF INFORMATION TECHNOLOGY 27
CHAPTER 5: COSTING
5.1 introduction
The cost is also playing an important role in to success about the project and economically
able to for the common users. A user always prefers a system with cheap and best so that it
can be easily affordable for all. Due to it researcher also observed about the costing should be
the main criteria while selecting a component so that the cost of project should not be so
higher. Especially a security system project has been designed on the basis of costing also.
Main important parts of the project has been mentioned below, few of the minor components
had not been mentioned. The cost of components mentioned in the list can be differ by some
small difference of amount either it will be increased or decreased by some amount. Some
common components like soldering iron, soldering wire, soldering paste etc have not been
mentioned.
Component’s name Quantity Estimated Cost( in rupees)
Solar panel 01 1050
IC’s 01 350
NE555 02 340
LM7805 01 500
RF pair 02 330
Gate mechanism 02 2000
Copper Clads 02 300
LDR 01 150
Transistors 02 200
LCD displays 03 1200
Total estimated cost 6420
The cost of components can be decreased or increased in time to time. But it is an
approximately calculated cost which will be cheap and best. The main purpose of the
researcher is to make a system with cost effective so that it can be affordable for everyone. If
a system is having good features but it is high in cost then very few will afford to buy that
system. The project will be developed to keep the low cost in developer mind.
Ab Solar power based pressure pad security system with wireless features
PT1284413 ASIA PASIFIC INSITITUE OF INFORMATION TECHNOLOGY 28
CHAPTER 6: HEALTH & SAFETY ETHICAL ASSESMENT
6.1 Summary
In this section the health and safety issues of the project will be analyzed such as what is the
risk area of the project where the hazards occur during the work process and what control
measures would be taken for the safety. Health and safety is a priority for any project. Good
health and safety performance is a customer requirement and is a particular focus because
developer operates in some difficult and challenging environments. Researcher can face
significant risks, including while soldering the components, shocks, and damage of circuit
etc. Researcher aim to assess and manage risks effectively using a robust management system
with a strong focus on the highest risks. Risks are highest while working on this project
assembling of component. Researcher is trained to recognize report and avoid incidents
where possible, and researcher is working hard to build a culture where everyone accepts
responsibility for safe working. Health, Safety and Security (HSS) team is responsible for
occupational health and safety, employee security, business continuity and risk management,
and information security. They use health and safety workbook to ensure the same
fundamental standards are applied in every country where it operate, but allowing adaptation
to meet local regulations where necessary. The main purpose of this is to reduce risk,
resulting in fewer injuries, and Minimize harm to the environment. The main aim is to make
sure that no one gets hurt or becomes ill. Accidents and ill health can ruin lives, and can also
affect business if output is lost, machinery is damaged, insurance costs increase, or if they
have to go to court. Therefore, carrying out Risk Assessments, preparing and implementing a
Safety Statement and keeping both up to date will not in themselves prevent accidents and ill
health but they will play a crucial part in reducing their likelihood.
The main precautions can be taken while working on this project is:
 Soldering of the component: The integration of the component using the soldering
iron may cause a severe damage to the hand. The severity of the risk is high because
this can hurdle the development of the project, the chance of occurrence is high in this
case if the ethics and the guidelines associated with this will not be followed as
wearing of the rubber hand gloves while soldering and etc. Never touch the element
or tip of the soldering iron. They are very hot (about 400°C) and will burn, Hold wires
to be heated with tweezers or clamps. Keep the cleaning sponge wet during use and
Ab Solar power based pressure pad security system with wireless features
PT1284413 ASIA PASIFIC INSITITUE OF INFORMATION TECHNOLOGY 29
always return the soldering iron to its stand when not in use. Never put it down on
your workbench. Turn unit off or unplug it when not in use.
 Reduce risk from electricity: Prevent damage to electrical cords during soldering.
Keep them away from heated tips. Always use a grounded outlet and grounded prong
to reduce the risk of electrical damage. All soldering irons should have had electrical
safety (PAT) testing within the last twelve months. If not, contact the on-site BOC
representative. As the developer will test and evaluate the system using the AC
current and in this case the electric shock may occurred due to lose connection of the
component. The severity of the risk is high because this can cause a severe damage to
the developer can stop the further development of the project, although most likely the
chance of happening is low but the certain measures can be taken to minimize the risk
associated with this as the wearing of the rubber gloves while testing and evaluation
and by following the ethics and guidelines while testing and evaluation of the
component using AC current.
 Component damage: The components can damage in two conditions first during
etching of the component on the PCB and passing of the overload current from the
component, in this two conditions the component can be damaged and this can stop
the further development of the work as the damaged components are not easily
available in the market and of high cost, in this case the prototype cost of the project
will increase. The severity of the risk associated with this is high but the risk can be
minimized if the current across each and every component would be checked properly
before further etching of the component, this can also be minimized as by testing the
circuit on the PCB after doing it on the bread board.
There are some general precautions can be taken while making the project. Here are some
safety guidelines to keep you safe as you work:
 Never work on a circuit while power is applied.
 Do not connect power to a circuit until the circuit is finished and you have carefully
checked your work.
 If you smell anything burning, immediately disconnect the power and examine your
circuit to find out what went wrong.
 Keep your work area dry.
Ab Solar power based pressure pad security system with wireless features
PT1284413 ASIA PASIFIC INSITITUE OF INFORMATION TECHNOLOGY 30
 Always wear safety goggles.
 Be careful around large capacitors; they can continue to hold voltage long after they
are disconnected from power.
 Be especially careful when you solder because a hot soldering iron can easily burn
you.
 Always work in a well-ventilated space.
 Have safety equipment such as a fire extinguisher, a first-aid kit, and a phone nearby.
This system involves the third party users in the primary research for the data gathering
activities. Therefore Developer has submitted the “Fast track ethical approval Form” that
ensures that this project will maintain all the ethical standards and values and no user’s
identity or interest is adhered and the project will proceed in a professional manner. It also
ensures that project won’t harm anybody in any ways. The issues contains like as no copying
of the data without any prior permission and no harm occur while testing the system to
anyone.
Ab Solar power based pressure pad security system with wireless features
PT1284413 ASIA PASIFIC INSITITUE OF INFORMATION TECHNOLOGY 31
CHAPTER 7: CONCLUSION
7.1 Overall conclusion
Although the most real-world projects are carried out by team, this project has given
developer a chance to systematic way of sensor. Any project required significant level of
research, analysis and design. For the developer throughout development lifecycle has been a
learning experience. Upon the system completion developer has become confident to
undertake challenging similar project. Most importantly the project help developer built up a
safety of the people is developing in industrial ambiance. Meeting deadlines, conducting
interviews, analyzing observation and many other skills learn during the system development
were successfully applied by developer. This project added value to the developer’s
professional and academic proficiency and knowledge. It has very challenging to study about
new device and technologies especially GSM Technology and Sensor. The research could
have been better if more time and resources are put in the project. Moving on the
development part it was a good experience. Conducting interview and research on the project
is good job for developer. After the completion of the project, the developer realized that it
was indispensable experience before entering into the corporate environment. However it is
the developer’s perception that experience gained from final year project would be good to
working in an enterprises. The system which is the design and construction of an anti-
collision system for vehicles was designed considering some factors such as economy,
availability of components and research materials, efficiency, compatibility, portability and
also durability. The performance of the system after test met design specifications. The
general operation of the system and performance is dependent on the presence of two moving
cars as they get closer to each other.
However, it should be stated here that the system was aimed at fabricating prototype, a
replica of the actual thing. It is economically viable to undertake certain system this way
since testing would not cost so much. Any desire to implement this design into home for
security purpose.
In this project developer implemented pressure pad sensor which is new sensor technology in
home security system and Microcontroller based Home security system using Wireless alerts
using RF signals as communication standards. The hardware equipment is tested and result is
obtained. This project is cost effective. Implementation of this project in present day will
effectively provide a peace of mind to the residents. This project can be implemented both in
Ab Solar power based pressure pad security system with wireless features
PT1284413 ASIA PASIFIC INSITITUE OF INFORMATION TECHNOLOGY 32
apartments and General stores as well. With a slight modification this project can be
implemented in a nearby area police station, by connecting to several homes, locating where
the robbery has occurred or by directly sending an SMS to them.
The main features of this project are to use of solar power source. As we know that the sun is
a powerful source that can help our planet by giving us clean, reusable energy to power our
world. The use of this energy is free, does not create pollution, and if used wisely can help us
become less dependent on other more costly and damaging forms of power. After
participating in this Web Quest I hope you are able to see the benefits of this valuable
resource and help change the future for energy use.
7.2 Critical appraisal
This project has completed all research related work and from the block diagram to circuit
design on software. The main working area about project was research area and related
technology to this project. All analysis has been completed and also completed primary and
secondary research related to the project. During the research duration researcher observed
that this system is needed to the society for home security purpose. All the paper work has
been completed related to the project. From next time the main working area will be the
designing part of hardware and calculation. This proposed project will be a great
enhancement in the field of home security system.
Till now the project related research work has been completed like data gathering, target
users, proposed block diagram and circuit diagram completed. Now from next time developer
will work on the project to give final touch like to work on circuit diagram for hardware
preparation. Firstly complete the programming part of the respected components then
assemble and connection part. After that final circuit will be completed and ready for testing.
After testing the project will be ready to use as a sample for home security system. This will
make a person’s home safe.
Ab Solar power based pressure pad security system with wireless features
PT1284413 ASIA PASIFIC INSITITUE OF INFORMATION TECHNOLOGY 33
REFRENCES
Websites
Academia.edu, (2015). AUTOMATIC DOOR LOCK SYSTEM. [Online]. 2015. Available
from: http://www.academia.edu/996028/AUTOMATIC_DOOR_LOCK_SYSTEM.
[Accessed: 15 October 2015].
Arun-electronics.co.uk, (2015). Manufacturer of pressure mats, pressure pads, health care
mats, patient care pressure mats custom pressure mat pads, chair pressure pads,
security mat. Arun Electronics, UK.. [Online]. 2015. Available from: http://www.arun-
electronics.co.uk/pressure_mat.htm. [Accessed: 3 November 2015].
Electronics Hub, (2015). Password Based Door Lock System using 8051 Microcontroller.
[Online]. 2015. Available from: http://www.electronicshub.org/password-based-door-
lock-system-using-8051-microcontroller/. [Accessed: 8 September 2015].
Anon (2015). [Online]. 2015. Available from:
https://www.eff.org/files/filenode/radio_frequency_operations.pdf. [Accessed: 22
November 2015].
Fao.org, (2015). 6. DATA COLLECTION METHODS. [Online]. 2015. Available from:
http://www.fao.org/docrep/003/x2465e/x2465e09.htm. [Accessed: 22 September 2015].
Globalspec.com, (2015). Microcontrollers (MCU) Specifications | IHS Engineering360.
[Online]. 2015. Available from:
http://www.globalspec.com/SpecSearch/SearchForm/semiconductors/microprocessors_
microcontrollers/microcontrollers. [Accessed: 17 September 2015].
Google.co.in, (2015). [Online]. 2015. Available from:
https://www.google.co.in/url?sa=t&rct=j&q=&esrc=s&source=web&cd=3&cad=rja&ua
ct=8&sqi=2&ved=0ahUKEwiT8829_aTJAhUFUZQKHSryAasQFggoMAI&url=http%
3A%2F%2Fwww.atmel.com%2Fimages%2Fdoc8161.pdf&usg=AFQjCNHl4hDyA-
Fu7yY_PhxqlfSUQ4o02g. [Accessed: 9 October 2015].
Google.co.in, (2015). [Online]. 2015. Available from:
https://www.google.co.in/url?sa=t&rct=j&q=&esrc=s&source=web&cd=2&cad=rja&ua
ct=8&sqi=2&ved=0ahUKEwiT8829_aTJAhUFUZQKHSryAasQFggiMAE&url=http%
3A%2F%2Fwww.nxp.com%2Fdocuments%2Fdata_sheet%2F8XC51_8XC52.pdf&usg
Ab Solar power based pressure pad security system with wireless features
PT1284413 ASIA PASIFIC INSITITUE OF INFORMATION TECHNOLOGY 34
=AFQjCNEwd3aTrB5hVGl1eRReRtossc7pcQ. [Accessed: 14 November 2015].
Instructables.com, (2015). Solar Powered Security System. [Online]. 2015. Available from:
http://www.instructables.com/id/Solar-Powered-Security-System/. [Accessed: 7
November 2015].
Managementconcepts.com, (2015). Data Collection Techniques. [Online]. 2015. Available
from: http://www.managementconcepts.com/Course/id/4610. [Accessed: 22 November
2015].
Radio-electronics.com, (2015). Transistor Specifications | Parameters Definitions | Radio-
Electronics.com. [Online]. 2015. Available from: http://www.radio-
electronics.com/info/data/semicond/bipolar-transistor-bjt/datasheet-specifications-
parameters-definitions.php. [Accessed: 18 November 2015].
ElProCus - Electronic Projects for Engineering Students, (2014). GSM Based Home Security
System Working with Applications. [Online]. 2014. Available from:
http://www.elprocus.com/gsm-based-home-security-system-working-with-applications/.
[Accessed: 18 November 2015].
Engineersgarage.com, (2015). SMS Based Security System | GSM Based Security System.
[Online]. 2015. Available from: http://www.engineersgarage.com/contribution/sms-
based-security-system. [Accessed: 15 November 2015].
Projectsof8051.com, (2013). SMS based Home Security System using GSM Modem |
Microtronics. [Online]. 2013. Available from: http://www.projectsof8051.com/gsm-
based-home-security-system/. [Accessed: 11 November 2015].
Criticaltools.com, (2015). PERT Chart EXPERT Software - Project planning software for
Critical PathScheduling using PERT charts, Network diagrams, Precedence Diagrams,
CPMdiagrams and Logic diagrams.. [Online]. 2015. Available from:
http://www.criticaltools.com/pertmain.htm. [Accessed: 20 November 2015].
Fao.org, (2015). 6. DATA COLLECTION METHODS. [Online]. 2015. Available from:
http://www.fao.org/docrep/003/x2465e/x2465e09.htm. [Accessed: 19 November 2015].
Ab Solar power based pressure pad security system with wireless features
PT1284413 ASIA PASIFIC INSITITUE OF INFORMATION TECHNOLOGY 35
People.uwec.edu, (2015). DATA COLLECTION METHODS. [Online]. 2015. Available from:
http://people.uwec.edu/piercech/researchmethods/data%20collection%20methods/data%
20collection%20methods.htm. [Accessed: 16 November 2015].
Google.co.in, (2015). [Online]. 2015. Available from:
https://www.google.co.in/url?sa=t&rct=j&q=&esrc=s&source=web&cd=2&cad=rja&ua
ct=8&ved=0ahUKEwib6I_MvKPJAhVFtpQKHayWB6kQFggjMAE&url=http%3A%2
F%2Fwww.teched101.com%2Fpdf%2Fcllg_elecsafe.pdf&usg=AFQjCNEeWMXiMftU
QPZCdT3QfcwkZJQQLw. [Accessed: 11 November 2015].
Gill, P., Stewart, K., Treasure, E. & Chadwick, B. (2008). Methods of data collection in
qualitative research: interviews and focus groups. BDJ. 204 (6). pp. 291-295. Available
from: [Accessed: 17 November 2015].
Books
Albert Malvino, D. J. B., 2007. Diode Theory. Tata McGraw Hill Education Pvt Ltd. 7th
ed.
New Delhi: Tata McGraw Hill Education Pvt Ltd..
Floyd, 2005.,electronic device, 7th ed. united states: Pearson education
Kumar, K. S., 2009. Electric Circuit and Networks. 2nd
ed. New Delhi: Dorlings Kindersley
Rizzoni, G., 2011. Principles and Applications Of Electrical Engineering. 5th
ed. New Delhi:
Tata McGraw Hill Pvt Ltd.
Rashid R. (1998) Power Electronics, Circuit Device and Application, 2th Edition, Prentice
hall.
Jayashri Bengali, Arvind Shaligram “design and implementation of security system for smart
Home based on GSM technology”, International journal of Smart Home vol.7,
No.6(2013),pp. 201-208.
Edward Hughas (1997) Electrical Technology, Addison-Wesley Publisher, 7th edition.
Kelvin R. Sullivan. 91992). Mostfet Device, Physics and Operation IEEE Tran. New York
Mac Grew-Hill.
Ab Solar power based pressure pad security system with wireless features
PT1284413 ASIA PASIFIC INSITITUE OF INFORMATION TECHNOLOGY 36
Theraja B.I (2000), Text Book of Electrical Technology S. Chand & Company, Ram Nagar,
New Delhi.
I.K. Hwang and J.W. Baek, 2007,“Wireless Access Monitoring and Control System based on
Digital Door Lock,” IEEE Transactions on Consumer Electronics, 53(4), pp. 1724-1730,
Taipei.
Y. Zhao and Z. Ye, 2008,”A Low Cost GSM/GPRS Based Wireless Home Security System”,
IEEE Transactions on Consumer Electronics, 54(2), pp. 567-572, 2008.
I.Syam Krishna, J. Ravindra, “ Design and Implementation of Home Security Sytem based on
WSNS and GSM Technology” International Journal of Engineering Science and
Technology” Volume 2,Special Issue 1,Page 139-142.
ANDERSON, R. AND KUHN, M. 1997. Low cost attacks on tamper resistant devices. In
IWSP: International Workshop on Security Protocols. Lecture Notes on Computer Science.
125–136.
Li Wenzhong, Duan Chaoyu, C8051F Series MCU and Short Distance Wireless Data
Communication, Beijing, Beijing University of Aeronautics & Astronautics Press, 2007,
pp.188-190
V. Karri and J. S. Daniel Lim, “Method and Device to Communicate via SMS After a
Security Intrusion”, 1st
International Confe-rence on Sensing Technology, Palmerston North, New Zealand, (2005)
November 21-23.
Y. Zhao and Z. Ye, “Low cost GSM/GPRS BASED wireless home security system”, IEEE
Trans. Consumer Electron, vol. 56, no. 4, (2007) January, pp. 546-567.
Z. Bing, G. Yunhung, L. Bo, Z. Guangwei and T. Tian, “Home Video Security Surveillance”,
Info-Tech and Infonet, 2001,Proceedings,ICII 2001-Beijing. 2001 International Conference,
vol. 3, pp. 202-208.
Ab Solar power based pressure pad security system with wireless features
PT1284413 ASIA PASIFIC INSITITUE OF INFORMATION TECHNOLOGY 37
M. Meyer, M. Hotter and T. Ohmacht, “A new system for Video-based Detection of moving
objects and its integration into digital networks”, Security Technology 1996, 30th Annual
1996 International Carnahan Conference, (1996), pp. 105-110.
Mae , Y,; Sasao , N .; INNoue ,K. ; Arai,T.; “Person Detection by Mobile Manipulator for
Monitoring”,SICE 2003 Annual Conference, pages-2801-2806.
“SMS Based Wireless Global Range Automation & Security System”, Sudipan Saha,
Sutasom Bhaumik.
“Analysis and Performance of a Low Cost SMS Based Home Security System”, Sheikh Izzal
Azid, SushilKumar, International Journal of Smart Home, vol. 5, no. 3, (2011) July.
Paper & Journals
Parvathy A, Venkat Rohit Raj “rfid based examination hall system”, a paper on IEEE paper.
Kamran Ahasan, Paul Kingston IEEE paper on “rfid applications: an introductory and
exploratory study”.
Mingyan Li, Radha Poovendran, Rainer Falk paper on “multi-domain access control using
asymmetric key based tag reader mutual authentication.
Wouter van Dullink, Pieter Westein university of Amsterdam, paper on remote relay attack
on rfid access control system using NFC enabled devices.
Stephen a. Weis, Sanjay E.Sarma, Ronald.L.Rivest a paper on “Security and privacy aspects
of low cost radio frequency identification systems”.
Gynanendra K Verma, Pawan Tripathi, IIIT Allahabad a paper on “A digital security system
with door lock system using rfid technology”.
Bruno Crispo, Melanie R.Rieback, Andrew S Tanenbaum a paper on “The evolution of Rfid
security.
Ab Solar power based pressure pad security system with wireless features
PT1284413 ASIA PASIFIC INSITITUE OF INFORMATION TECHNOLOGY 38
APPENDIX
Prepared Questions of Questionnaire:
TOPIC: SOLAR POWER BASED PRESSURE PAD SECURITY SYSTEM WITH
WIRELESS FEATURES.
Questionnaire
Dear Sir/Madam
The researcher is a final year undergraduate student at APIIT SD INDIA. The following
survey is being undertaken as part of final year project. The questions have been carefully
designed to provide useful feedback and information. The researcher is undertaking a survey
on the solar power based Pressure pad security system. The aim of this project is to make a
security system using green energy power sources. It is researcher keen interest in this field
and researcher want to explore for the same. The researcher is very grateful for the views and
opinions on the matter in the questionnaire below. The researcher does his best to keep the
information confidential. The result of this study will be used for academic purpose only.
Please tick mark () in the correct box.
Age group
Below 18 19-25 26-45
46-55 Over 56
Gender
Male Female
1. Do you use security system for any purpose?
Yes No
Justification: - To know how much is respondent aware of the security system.
2. If yes, how much importance of security system in your daily life?
Very important Important
Less important No importance
Justification: - To know how much respondent using security system in daily life.
3. Do use solar energy for power source?
Yes No
Justification: - To know that respondent is aware with solar energy or not?
Ab Solar power based pressure pad security system with wireless features
PT1284413 ASIA PASIFIC INSITITUE OF INFORMATION TECHNOLOGY 39
If No, please omit the question 4.
4. If yes please state in which area you have used this solar energy for power source?
Mechanical work
Power generation
Environment safety purpose
Other (specify)
Justification: -To know that what is the main area where the respondent used the solar
energy?
5. How long have you been using solar energy technologies?
Fresher (0 year-1 year)
1 year – 3 year
3 year – 5 year
More than 5 years
Justification: - To know how long the respondent is using solar energy technology or
the experience of the respondent.
6. Is researcher system a mat-lab programming based or other program based?
Yes No
Justification: - To know that respondent is aware about software technology or not.
7. Have you ever used pressure pad for any purpose?
Yes No
Justification: -To know that how much aware about pressure pad is used by the
respondent.
8. Do you use RF technology?
Yes No
Justification: -To know that how much aware about RF technology is used by the
respondent.
9. Have you used RF technology for wireless communication?
Yes No
Justification: -To know where this RF technology is used and in which area the
improvement is required.
Ab Solar power based pressure pad security system with wireless features
PT1284413 ASIA PASIFIC INSITITUE OF INFORMATION TECHNOLOGY 40
10. Do you know about IC (Integrated circuit)?
Yes No
Justification: -To know that the respondent is well known about IC’s or not.
11. What type of IC you have used in your practical life?
LM7805 LM1117
LM386N Other (specify)
Justification: -To know what type of IC’s respondent used and how much he know
about different types of IC’s.
12. Which will be the best IC’s for implantation of this system?
LM7805 LM1117
LM7812 LM7815
Justification:-This question is about the integrated circuit(IC) for the programming of
the system. This question will help to know the famous and reliable integrated circuit
for programming.
13. Which factor will you consider most while purchasing home security system?
Cost Efficiency
Easily mounted Other (specify)
Justification: -To know where to do more enhancements or to which area the
improvement is required.
14. Which is the best software to create program for system?
Matlab Embedded C
Lab view other
Justification:-This question is about the platform to start writing program for the
system. This will help in knowing the easy software for program.
15. What do you think, the main problems associated with the use of solar energy
based pressure pad security system?
The technologies are complex and difficult to implement
High cost associated
Updating the technologies is difficult and expensive
Mobility of components
Ab Solar power based pressure pad security system with wireless features
PT1284413 ASIA PASIFIC INSITITUE OF INFORMATION TECHNOLOGY 41
Maintenance is difficult
Justification: -To know that problem associated to the respondent during
implementing the pressure pad security system.
Scale for rating of impact for questions 16 and 17:
1 2 3 4 5
Insignificant Less
significant
Moderate Very significant Totally significant
Justification: -To know that issues which come to the respondent while implanting the
Pressure pad security system.
16. Please rate the following barriers. 1 2 3 4 5
implementation of components
High costs
Pressure pad security system are expensive to update and
maintain
Pressure pad security system are not easily to understood
17. How do you think that barriers can be
minimized or overcome?
1 2 3 4 5
Reducing the cost of Pressure pad security system
Making cheaper in maintenance Pressure pad security
system
Developing Pressure pad security system easier to
understand and use
Better training program with a regular interval of time for
users
Ab Solar power based pressure pad security system with wireless features
PT1284413 ASIA PASIFIC INSITITUE OF INFORMATION TECHNOLOGY 42
Justification: -To know that the researcher will be able to know how to minimize issues and
which factor is much important for home security system.
Future enhancement
Please mention the comment for future enhancement that can be helpful for this respective
system.
Justification: it will help the researcher that in which area modification can be applied in the
future.
Thanking you.
Ab Solar power based pressure pad security system with wireless features
PT1284413 ASIA PASIFIC INSITITUE OF INFORMATION TECHNOLOGY 43
Interview Questions:
TOPIC: SOLAR POWER BASED PRESSURE PAD SECURITY SYSTEM WITH WIRELESS
FEATURES.
1. What type of problem do you face in current home security system?
Justification: The researcher wants to know the problems being faced by the user so that the
researcher can overcome that problem in the project.
2. What type of extra features you need in the solar power based pressure pad security
system?
Justification: The researcher wants to know the other requirement which the user want in the
system and whether it can be implemented or not?
3. How this project is helpful in home security system?
Justification: The researcher wants to know whether the proposed system can reduce theft
cases or not.
4. Do you think the proposed system can be helpful to the other places also?
Justification: The researcher wants to know whether the proposed system can find a way to
solve out the problems for other places also.
5. Do you think a little change in the system can make this system much more effective?
Justification: The researcher wants to know whether a little change in the project can give it
a future enhancement to be used in the other places like offices and malls also.
Ab Solar power based pressure pad security system with wireless features
PT1284413 ASIA PASIFIC INSITITUE OF INFORMATION TECHNOLOGY 44
Analysis of Questionnaire:
TOPIC: SOLAR POWER BASED PRESSURE PAD SECURITY SYSTEM WITH
WIRELESS FEATURES.
QUESTIONNAIRE ANALYSIS
1. Do you use security system for any purpose?
Figure 4
Justification: The researcher wants to know that respondents are using security system for
any purpose.
Analysis: By this survey researcher came to know that 75 % of the respondents are using
whereas 25% respondents are not using any type of security system.
no
yes
Category
yes
75.0%
no
25.0%
Pie Chart of use of security system
Ab Solar power based pressure pad security system with wireless features
PT1284413 ASIA PASIFIC INSITITUE OF INFORMATION TECHNOLOGY 45
2. If yes, how much importance of security system in your daily life?
Figure 5
Justification: The researcher wants to know the importance of security system in daily life
uses.
Analysis: The researcher finds that for 60% respondents security system is very important,
for 20% respondents it’s important, less than 10% respondents says less importance and 10%
says no importance.
3. Do use solar energy for power source?
Figure 6
important
less importance
no importance
very important
Category
very important
60.0%
no importance
10.0%
less importance
10.0%
important
20.0%
Pie Chart of importance of security system
no
yes
Category
yes
85.0%
no
15.0%
Pie Chart of use of solar energy for power
Ab Solar power based pressure pad security system with wireless features
PT1284413 ASIA PASIFIC INSITITUE OF INFORMATION TECHNOLOGY 46
Justification: The researcher wants to know that the respondents are using solar power or
not.
Analysis: The researcher finds that 85% of the total respondents are using solar power and
15% are not using solar power for any purpose.
4. If yes please state in which area you have used this solar energy for power source?
Figure 7
Justification: The researcher wants to know that which field respondents are using solar
power.
Analysis: The researcher comes to know that 60% respondents are using for power
generation, 20% for environment safety, 5% for mechanical work and 15% for others
purpose.
environment safety
mechanical work
other
power generation
Category
power generation
60.0%
other
15.0%
mechanical work
5.0%
environment safety
20.0%
Pie Chart of area where solar power used
Ab Solar power based pressure pad security system with wireless features
PT1284413 ASIA PASIFIC INSITITUE OF INFORMATION TECHNOLOGY 47
5. How long have you been using solar energy technologies?
Figure 8
Justification: The researcher wants to know that how long respondents used solar power?
Analysis: The researcher comes to know that 35% respondents used for 0-1yrs, 30%
respondents used for more than 5yrs, 25% respondents used for 3-5yrs & 10% used for 1-
3yrs.
6. A system is mat-lab programming based or other program based?
Figure 9
0-1 yrs
1-3 yrs
3-5 yrs
more than 5 yrs
Category
more than 5 yrs
30.0%
3-5 yrs
25.0%
1-3 yrs
10.0%
0-1 yrs
35.0%
Pie Chart of used duration in years
no
yes
Category
yes
85.0%
no
15.0%
Pie Chart of Matlab programming based system
Ab Solar power based pressure pad security system with wireless features
PT1284413 ASIA PASIFIC INSITITUE OF INFORMATION TECHNOLOGY 48
Justification: The researcher wants to know that system is Matlab based or not.
Analysis: The researcher comes to know that 85% of respondents have used Matlab based
system.
7. Have you ever used pressure pad for any purpose?
Figure 10
Justification: The researcher wants to know that respondents used the pressure pad sensor or
not.
Analysis: The researcher comes to know that 50% of respondents used the pressure pad
sensor and 50% respondents never used.
no
yes
Category
yes
50.0%
no
50.0%
Pie Chart of use of pressure pad
Ab Solar power based pressure pad security system with wireless features
PT1284413 ASIA PASIFIC INSITITUE OF INFORMATION TECHNOLOGY 49
8. Do you use RF technology?
Figure 11
Justification: The researcher wants to know that respondents are using RF technology or not.
Analysis: The researcher comes to know that 80% of respondents have used and 20% never
used.
9. Have you used RF technology for wireless communication?
Figure 12
Justification: The researcher wants to know that respondents are using RF technology for
which purpose?
Analysis: The researcher comes to know that 85% of respondents prefer for wireless
communication and 15% for other purpose.
no
yes
Category
yes
80.0%
no
20.0%
Pie Chart of use of RF technology
no
yes
Category
yes
85.0%
no
15.0%
Pie Chart of RF for wireless communication
Ab Solar power based pressure pad security system with wireless features
PT1284413 ASIA PASIFIC INSITITUE OF INFORMATION TECHNOLOGY 50
10. Do you know about IC (Integrated circuit)?
Figure 13
Justification: The researcher wants to know that respondents are aware of IC’s or not.
Analysis: The researcher comes to know that 90% of respondents know IC’s and 10%
doesn’t know.
11. What type of IC you have used in your practical life?
Figure 14
Justification: The researcher wants to know the best sensors which can be used in the
project.
Analysis: The researcher comes to know that 70% of respondents prefer LM7805 IC’s, 10%
prefer LM1117 and 20% prefer other IC’s.
no
yes
Category
yes
90.0%
no
10.0%
Pie Chart of known about Integrated circuit
LM1117
LM7805
other
Category
other
20.0%
LM7805
70.0%
LM1117
10.0%
Pie Chart of types of IC
Ab Solar power based pressure pad security system with wireless features
PT1284413 ASIA PASIFIC INSITITUE OF INFORMATION TECHNOLOGY 51
12. Which will be the best IC’s for implantation of this system?
Figure 15
Justification: The researcher wants to know the most preferred IC’s for the project so that
can used.
Analysis: The researcher will use LM7805 in the project since 60% of the respondents thinks
LM7805 as a suitable IC’s for implementation in the project.
13. Which factor will you consider most while purchasing home security system?
Figure 16
Justification: The researcher wants to know that the problem associated to the respondent
during implementing the pressure pad security system.
LM1117
LM7805
LM7812
LM7815
Category
LM7815
15.0%
LM7812
10.0%
LM7805
60.0%
LM1117
15.0%
Pie Chart of best IC for implementation
cost
easily mounted
efficiency
other
Category
other
10.0%
efficiency
50.0%
easily mounted
15.0%
cost
25.0%
Pie Chart of factor while purchasing system
Ab Solar power based pressure pad security system with wireless features
PT1284413 ASIA PASIFIC INSITITUE OF INFORMATION TECHNOLOGY 52
Analysis: From the above survey result the researcher will develop a proposed project to
prefer for the main features
14. Which is the best software to create program for system?
Figure 17
Justification: The researcher wants to know that which software will be based to use.
Analysis: The researcher will use the Matlab software for programming purpose in the
project.
Embedded C
lab view
Matlab
other
Category
other
10.0%
Matlab
60.0%
lab view
10.0%
Embedded C
20.0%
Pie Chart of best software for programming
Ab Solar power based pressure pad security system with wireless features
PT1284413 ASIA PASIFIC INSITITUE OF INFORMATION TECHNOLOGY 53
15. What do you think, the main problems associated with the use of solar energy based
pressure pad security system?
Figure 18
Justification: To know that problem associated to the respondent during implementing the
pressure pad security system.
Analysis: The researcher comes to know the problem associated and will work hard. So that
maintenance and updating the current system will be easy.
high cost associated
maintenance is difficult
mobility of components
updating system is difficult & expensive
updating the system is difficult
Category
e system is difficult
30.0%
s difficult & expensive
5.0%
mobility of components
15.0%
maintenance is difficult
30.0%
high cost associated
20.0%
Pie Chart of problems with solar energy uses
Ab Solar power based pressure pad security system with wireless features
PT1284413 ASIA PASIFIC INSITITUE OF INFORMATION TECHNOLOGY 54
Interview Analysis:
TOPIC: SOLAR POWER BASED PRESSURE PAD SECURITY SYSTEM WITH
WIRELESS FEATURES.
1. What type of problem do you face in current home security system?
Justification: The researcher wants to know the problems being faced by the user so that the
researcher can overcome that problem in the project.
Analysis: As per the responses the researcher comes to know that the users are facing the
problem on failure of CCTV based security system.
2. What type of extra features you need in the solar power based pressure pad security
system?
Justification: The researcher wants to know the other requirement which the user want in the
system and whether it can be implemented or not?
Analysis: As per the responses obtained the researcher comes to know that the users are
expecting multipurpose security system i.e. it should work in any place especially in hilly
area.
3. How this project is helpful in home security system?
Justification: The researcher wants to know whether the proposed system can reduce theft
cases or not.
Analysis: On the basis of response the researcher came to know that this project can also be
implemented to the various places.
4. Do you think the proposed system can be helpful to the other places also?
Justification: The researcher wants to know whether the proposed system can find a way to
solve out the problems for other places also.
Analysis: According to the response got in the interview the researcher comes to know that
this project can help in various security purposes.
5. Do you think a little change in the system can make this system much more effective?
Ab Solar power based pressure pad security system with wireless features
PT1284413 ASIA PASIFIC INSITITUE OF INFORMATION TECHNOLOGY 55
Justification: The researcher wants to know whether a little change in the project can give it
a future enhancement to be used in the other places like offices and malls also.
Analysis: According to the response got in the interview the researcher comes to know that a
little change can also be more effective.

CHAPTER 6

  • 1.
    Ab Solar powerbased pressure pad security system with wireless features PT1284413 ASIA PASIFIC INSITITUE OF INFORMATION TECHNOLOGY 1 Table of Contents CHAPTER 1: INTRODUCTION ...........................................................................................................3 1.1 Title of the project.........................................................................................................................3 1.2 Problem context ........................................................................................................................3 1.3Project benefit................................................................................................................................4 1.3.1 Tangible benefits of the system .............................................................................................4 1.3.2Intangible benefit of the system..............................................................................................4 1.4 Target Audience............................................................................................................................4 1.5 Objective.......................................................................................................................................5 1.6 Learning objective.....................................................................................................................5 1.7Functionality ..................................................................................................................................5 CHAPTER 2: TECHNICAL LITERATURE SURVEY........................................................................9 2.1 literature review .......................................................................................................................9 CHAPTER 3: PROJECT MANAGEMENT.........................................................................................12 3.1 Introduction.................................................................................................................................12  Conceptualizing project scope and objective........................................................................12  Plan the project .....................................................................................................................12  Prepare project proposal........................................................................................................12  Implement the project ...........................................................................................................12  Evaluate the project...............................................................................................................12 3.2 PERT CHART:.......................................................................................................................13 3.3 GANTT CHART ....................................................................................................................15 CHAPTER 4: PROPOSED METHODOLOGY...................................................................................16 4.1 Technical research ......................................................................................................................16 4.2 Data gathering method....................................................................................................................17 4.2.1 Introduction .........................................................................................................................17 4.2.2 Questionnaire ......................................................................................................................17 4.2.3 Interview ..............................................................................................................................18 4.3. Conclusion..............................................................................................................................19 4.3.1 Conclusion of questionnaire ................................................................................................19 4.3.2 Conclusion of Interview .......................................................................................................19 4.4 comparative analysis of the component..................................................................................20
  • 2.
    Ab Solar powerbased pressure pad security system with wireless features PT1284413 ASIA PASIFIC INSITITUE OF INFORMATION TECHNOLOGY 2 4.4.1 Introduction .........................................................................................................................20 4.4.2 Conclusion of comparative analysis of component.............................................................22 4.5 Block diagram..........................................................................................................................23 4.6 Circuit diagram .......................................................................................................................23 4.7 Development required.............................................................................................................24 4.8 Testing methodology...............................................................................................................25 4.9 Performance & Evaluation criteria..........................................................................................26 CHAPTER 5: COSTING......................................................................................................................27 5.1 introduction ............................................................................................................................27 CHAPTER 6: HEALTH & SAFETY ETHICAL ASSESMENT.................................................28 6.1 Summary.................................................................................................................................28 CHAPTER 7: CONCLUSION..............................................................................................................31 7.1 Overall conclusion...................................................................................................................31 REFRENCES........................................................................................................................................33 APPENDIX...................................................................................................................................38 Prepared Questions of Questionnaire:...............................................................................................38 Interview Questions:.........................................................................................................................43 Analysis of Questionnaire:................................................................................................................44 Interview Analysis: ...........................................................................................................................54
  • 3.
    Ab Solar powerbased pressure pad security system with wireless features PT1284413 ASIA PASIFIC INSITITUE OF INFORMATION TECHNOLOGY 3 CHAPTER 1: INTRODUCTION 1.1 Title of the project The developer is going to develop the solar power based pressure pad security system with wireless features for home/ offices use. 1.2 Problem context This type of the system provides of wide scope to an organization and industries. This will be providing accurate efficiency in safety. This type of system will increase the Accuracy of the safety. It will provide the more and more work at minimum costs for the User. This type of system will work regularly or continuously without any type of break and Disturbance. This type of system will provide good scope of an organization; industries and Users who will be use such type of system. The idea of using pressure pad and GSM technology in the security purpose, it will be very useful and also have a safety and guarantee of service. The security system is not a new thing, but the application, cost, design method and reliability of the system varies. Pressure Mats were initially designed for Security applications to comply With the British standard BS 4737 Part 3: Section 3.9. Pressure mats will covertly detect a Person standing or walking on them. The smaller Pressure pads may also be used as a floor mat operated by hand pressure, in a Chair or seat to detect a person sitting. Pressure Mat sensors have a normally open contact which closes or shorts when a person walks onto or stands on the mat which then re opens or breaks as the person moves off of the mat. Theoretical Background A smart home security system contains CCTV footage, alarm system, flood light, LED display and password and magnetic card based door lock etc. A basic makeup of the device is a solar power based pressure pad security system with wireless features. This system gets power supply from solar power. The system has been designed around four main basic modules:  Solar power source.  Pressure pad sensor used in surface for security purpose.  Password and magnetic card based automatic door lock system.  LED displays System specification:
  • 4.
    Ab Solar powerbased pressure pad security system with wireless features PT1284413 ASIA PASIFIC INSITITUE OF INFORMATION TECHNOLOGY 4 In the system we are using solar power source to supply power in the system, pressure pad sensor, copper Clads, LED displays and flood light etc. This security system also made up economically in design and simple in implementation. 1.3 Project benefit 1.3.1 Tangible benefits of the system  This system will minimize the theft cases.  This system will be displace or lift anywhere because it’s compatible size and shape.  This system will reduce the needs of electricity for the security system.  This system versatile project and can be installed at various places.  This system will also have no bad environmental effect.  It will also consume less electrical energy.  It is also a pollution free system.  This system is easily to understand. 1.3.2 Intangible benefit of the system  This system modernizes the entire security system.  It is easy to install and made to work instantaneously.  This system is reusable and can be reinstalled in very less time.  It is completely automated and hence provides a great amount of comfort to its.  It is also easy for the users to make this system by reducing the cost. 1.4 Target Audience A project is being too developed by keeping the track who is the user that will be using the System. What are their requirements from the system? In other word target audience of a Project is the person for whom the system is going to be developed. The target readers of the system are following as e.g. Type of User Application  Developer (Expert Users) Hard core user, who will develop the system and have each & every knowledge of the system (functional or Technical).  Company who will be implementing the system in their organization?  Other User (Expert or Novice) People who within the organization will be working on the system like customer of the organization, technical staff of the organization. Such as: Industrialists, Researcher of R & D department.
  • 5.
    Ab Solar powerbased pressure pad security system with wireless features PT1284413 ASIA PASIFIC INSITITUE OF INFORMATION TECHNOLOGY 5 The target users of the system are following as:  Homes  Offices/Banks  Shops  Factories/Industries  Malls/Marts 1.5 Objective The main objective of developing such type of system is to protect home/offices from theft. There are many theft cases happen every day, due to which common people are facing a lots of problems. The researcher is developing a solar power based pressure pad security system with wireless features. It will be a great enhancement in the field of home security system. 1.6 Learning objective This research aims at the design of a prototype showing how this can role. The main objective is to find a way to implement a solar power based pressure pad security system with wireless features. The main objective is to design a perfect security system which will solve all the security related problems. After completing this research there will be a great achievement in the field of home security system. 1.7 Functionality  Solar power for power source.  Pressure pad surface.  A password & Magnetic card operated gate.  LED display.  Flood light.  Voice Alarm.  RF technology 1.8 Technical specification A basic makeup of the device is a pressure pad security system with wireless feature. The system has been designed for perfect security system which can give better output in the field of security system. In this system RF technology has been used for wireless communication. RF technology is economically as compare to Zigbee technology. Zigbee is costly and have specific area to work but RF technology is more significant.
  • 6.
    Ab Solar powerbased pressure pad security system with wireless features PT1284413 ASIA PASIFIC INSITITUE OF INFORMATION TECHNOLOGY 6  In the system we are using 5v supply current from solar power source to each module.  IR SENSORS as an early warning system that also made it economic in design and simple in implementation.  LED displays the direction of the thief enters into premises. The main specification of the components used to complete the project is:  Solar panel:- Cell type Crystalline silicon Operating temperature -20degree to +60 degree Maximum power 0.3W Maximum power(voltage) 5V Product warranty 2 years  Pressure pad sensor:- Minimum voltage 3V Input 4 wire mat Weight 880gm Temperature range -10 to 70 degree Maximum carry current 0.25Amps DC resistive  LM7805:- Pin-1 Input voltage Pin-2 Ground(0V) Pin-3 Regulated voltage(5V) Short circuit protection Output current up to 1A. Operating temperature:- -55 to +150 degree C Program memory:- 0.5-16KB Pin package:- 6-32
  • 7.
    Ab Solar powerbased pressure pad security system with wireless features PT1284413 ASIA PASIFIC INSITITUE OF INFORMATION TECHNOLOGY 7  RF pair:- Frequency range 5 to 42 MHz edge to edge Transit delay from the most distant CM to the nearest CM or CMTS <= 0.800 msec (typically much less) Carrier-to-noise ratio Not less than 25 dB Carrier-to-ingress power (the sum of discrete and broadband ingress signals) ratio Not less than 25 dB2 Carrier- to-interference (the sum of noise, distortion, common-path distortion and cross-modulation) ratio Not less than 25 dB Carrier hum modulation Not greater than -23 dBc (7.0%) Burst noise Not longer than 10 msec at a 1 kHz average rate for most cases3,4,5 Amplitude ripple 5-42 MHz: 0.5 dB/MHz Group delay ripple 5-42 MHz: 200 ns/MHz Micro-reflections -- single echo -10 dBc @ <= 0.5 m sec -20 dBc @ <= 1.0 m sec -30 dBc @ > 1.0 m sec Seasonal and diurnal signal level variation Not greater than 8 dB min to max  LDR:- Resistance 400Ω to 400K Ω Normal resistance variation 1KΩ to 10KΩ Sensitivity About 3msec Voltage ratings 3V,5V and 12V
  • 8.
    Ab Solar powerbased pressure pad security system with wireless features PT1284413 ASIA PASIFIC INSITITUE OF INFORMATION TECHNOLOGY 8  Transistor:- Material of transistor silicon Polarity NPN frequency 300Mhz Noise figure dB Pin-1 emitter Pin-2 base Pin-3 collector
  • 9.
    Ab Solar powerbased pressure pad security system with wireless features PT1284413 ASIA PASIFIC INSITITUE OF INFORMATION TECHNOLOGY 9 CHAPTER 2: TECHNICAL LITERATURE SURVEY 2.1 literature review Literature review is needed before any project is begun. The review will help to understanding the scope of project and also the need to build the project. The review comes from the reading on the websites and also from the books. The information from the review will be used to start the project with an excellent idea. The review is also comes from the sample of the existing project in websites related to the researcher project. The tasks of a modern home security system include identifying an intruder trying to access to the home or offices for theft purpose, alerting the homeowner about the intruder or attempting to access in the home. The advancement of technology has contributed to the changing concept of security in home/offices. It has changed from a simple security to implementing sophisticated security systems using cameras, pressure pad sensor, GSM technology, password/magnetic card based door lock, alarms and contact sensors etc. in short, researcher talk about security at home, they think about intruders in the traditional sense like thieves trying to robbing etc. A lot of research has gone into identifying and preventing technologically skilled intruders. Researcher studied several research paper related to home security systems which is used to prevent or used in home security system. A few systems is having some specific limitation, then researcher got the idea from such security system like automatic door lock/unlock, pressure pad sensor, cameras and many more technology. The main research area is also reviewed related to power supply to the home security system. In every technology, power supply is the main concept to use the technology. The demand of power supply is also increased but power generation station is not able to fulfill the demand completely. The solar power energy is a power source having so many good impacts like pollution free environment. It can also save resources like coal, water etc to use in other purposes also. Although solar energy having not so much capacity to every technology which needs high power source for use? But at least the system which needs low power source that can be used. So that the demand of other power source like coal operated generation, water based power generation can be decreased and that sources can be used for other purposes. Nowadays security system is needed in every field especially in offices, homes etc. we are facing a lots of problem in current time like robbery, theft cases. We are hearing everyday in news and watching in society a lot of cases. So to make our homes or offices secure from
  • 10.
    Ab Solar powerbased pressure pad security system with wireless features PT1284413 ASIA PASIFIC INSITITUE OF INFORMATION TECHNOLOGY 10 robbery or theft we have to make a perfect security system which will work during absent of family members in your home. The purpose of Security system is to protect the valuable items of an office or homes such as costly luggage, gold ornaments and many more. Through the selection and application of appropriate safeguard, security helps the organization to meet its business objectives or mission by protecting its physical and financial resources, reputation, legal position, employees and other tangible and intangible assets. A home/offices security system begins and ends with the people within the offices and with the people that interact with the system, intentionally or otherwise. The end-users who try to access the information which the security professionals are trying to protect could be the weakest link in security chain. By understanding some of the behavioral aspects of organizational science and change management, security administrators can greatly reduce the levels of risk caused by end users and create more acceptable and supportable security profiles. These measures, along with appropriate policy and training can substantially improve the performance of end users and result in a more secured information system. This Researcher has collected comprehensive information from various books, manuals, magazines, journals, articles and research websites. Information gathered through various seminars and conferences attended by her also helped lot for the researcher. At currently much home security system is running in the market but not a single one is more perfect, every system has some drawbacks or limitations. Security system is an important aspect of any system. Security access control is the act of ensuring that an authenticated user has access only when they are authorized to and nobody else. Security consciousness is highly needed where our environment and health is concerned. Security system runs on automated doors likewise on systems, which makes do with a smartcard device. When the smart card is inserted into it, it prompts the host for identification of card, if confirmed access will be granted, if not access will be denied. Before it denies access completely to that smartcard and pin code, the alarm gets activated when access is generated. The smartcard sends a voltage signal of 5volts which triggers the relay causing it to activate the dc motor. The motor moves the movable part of the door to allow a person to pass through which it closes back at the removal of the smartcard. Generally we studied few research paper related to security system like “CONSTRUCTION OF A MICROCONTROLLER BASED SECURITY DOOR USING SMART CARD”, and “WIRELESS HOME SECURITY SYSTEM WITH MOBILE”.
  • 11.
    Ab Solar powerbased pressure pad security system with wireless features PT1284413 ASIA PASIFIC INSITITUE OF INFORMATION TECHNOLOGY 11 Security systems are a popular means of crime deterrence in modern society; since most people believe that criminals disregard houses armed with alarm systems. As the market for security systems expanded, the technology and resulting features available in home security systems has also sky-rocketed. Unfortunately, many security system customers are left with a multi-thousand dollar alarm system that they are unable to effectively operate. A majority of security systems currently on the marked retain the archaic keypad interface. Aside from a few exceptions, most of the more complex features of the alarm system are available only through strange, difficult to learn, and certainly difficult to remember numeric keypad combinations. Most security systems also continue to make use of only a couple of LEDs to indicate the current status of the system. With recent technological innovations, alarm systems have the capability to report or display far more information than "armed" or "unarmed". Unfortunately, these advances in technology and features have not been accompanied with suitable interface designs. There are a number of user needs in the area of security variations that the system should address. Not all users will demand the same type of security, nor do all users want this security at the same time. Additionally, their rationale for desiring this security may vary depending on their possessions or requirements for safety.
  • 12.
    Ab Solar powerbased pressure pad security system with wireless features PT1284413 ASIA PASIFIC INSITITUE OF INFORMATION TECHNOLOGY 12 CHAPTER 3: PROJECT MANAGEMENT 3.1 Introduction Project management will help developer to successfully plan, execute, and monitor and complete the project on time within budget with expected quality and functionality. Apart from this system and its users, the developer has to follow a systematic process of developing a large- scale system which integrates different technology to solve an identified problem. The rigorous system will help developer learn degree of freedom, forward and inverse kinematics of robotics, wireless techniques, project management skills, software tools and techniques and programming language techniques. Project planning is done to increase the possibility that a project will be implemented efficiently and successfully. Project planning covers the first three stages of “the project management cycle”. Project planning control generally consists of five stages.  Conceptualizing project scope and objective Explore the problem, identify priority needs, consider project solution and evaluate organization capacity.  Plan the project Establish the project scope, clarify goals and objective, choose the most appropriate course of action, identify the inputs and resources in terms of people, materials, time and money, develop a budget and draft a project plan.  Prepare project proposal Present the project to important stakeholders, receive their feedback and secure the necessary material, human and financial resources.  Implement the project Implement the project by following a work plan and completing pre-determined tasks and activities. Monitor progress and adjust as necessary.  Evaluate the project Review what has happened considers the value of what has been achieved and learns from that experience in order to improve future project planning.
  • 13.
    Ab Solar powerbased pressure pad security system with wireless features PT1284413 ASIA PASIFIC INSITITUE OF INFORMATION TECHNOLOGY 13 3.2 PERT CHART: Before any activity begins related to the work of a project, every project requires an advanced, accurate time estimate. Without an accurate estimate, no project can be completed within the budget and the target completion date. Developing an estimate is a complex task. If the project is large and has many stakeholders, things can be more complex. Therefore, there have been many initiatives to come up with different techniques for estimation phase of the project in order to make the estimation more accurate. PERT is stands for program evaluation technique which was developed by the United States navy for the Polaris submarine missile. Generally, it is a type graph that represents all of the tasks necessary to a project’s completion and in order. A PERT chart is a graph that represents all of the tasks necessary to a project's completion, and the order in which they must be completed along with the corresponding time requirements. Certain tasks are dependent on serial tasks, which must be completed in a certain sequence. Tasks that are not dependent on the completion of other tasks are called parallel or concurrent tasks and can generally be worked on simultaneously. PERT charts are preferable to Gantt charts because they more clearly identify task dependencies; however, the PERT chart is often more challenging to interpret. As such, project managers frequently employ both methodologies. There are three estimation times involved in PERT; Optimistic Time Estimate (TOPT), Most Likely Time Estimate (TLIKELY), and Pessimistic Time Estimate (TPESS). In PERT, these three estimate times are derived for each activity. This way, a range of time is given for each activity with the most probable value, TLIKELY. Following are further details on each estimate:  TOPT: This is the fastest time an activity can be completed. For this, the assumption is made that all the necessary resources are available and all predecessor activities are completed as planned.  TLIKELY: Most of the times, project managers are asked only to submit one estimate. In that case, this is the estimate that goes to the upper management.  TPESS: This is the maximum time required to complete an activity. In this case, it is assumed that many things go wrong related to the activity. A lot of rework and resource unavailability are assumed when this estimation is derived. The following pert chart of the proposed project solar panel based pressure pad security system is given below:
  • 14.
    Ab Solar powerbased pressure pad security system with wireless features PT1284413 ASIA PASIFIC INSITITUE OF INFORMATION TECHNOLOGY 14 Figure 1: PERT Chart
  • 15.
    Ab Solar powerbased pressure pad security system with wireless features PT1284413 ASIA PASIFIC INSITITUE OF INFORMATION TECHNOLOGY 15 3.3 GANTT CHART A Gantt chart is a timeline view that makes it easy to see how a project is tracking. You can visualize project tasks and see how they relate to each other as projects progress over time. Use this tool to simplify your tasks and details with a visual project timeline by transforming task names, start dates, durations, and end dates into cascading horizontal bar charts. How Gantt chart is used?  It helps in making a chart which shows activities, completion and prerequisite relationships.  It helps to plan out the task that needs to be completed.  It gives basis for scheduling when these tasks will be carried out.  It allows you to plan the allocation of resources needed to complete the project.
  • 16.
    Ab Solar powerbased pressure pad security system with wireless features PT1284413 ASIA PASIFIC INSITITUE OF INFORMATION TECHNOLOGY 16 CHAPTER 4: PROPOSED METHODOLOGY 4.1 Technical research The process models are the guide lines to be followed for the development of the project. They are the core deciding factors for any microcontroller based project. The developer here has done research on a variety of methodology because it establishes the activities needed to renovate the user’s requirement into system which meet expectations of the user. The methodology will decide the success of the proposed system. A methodology for managing a project can be defined as combination of logically related methods and step by-step techniques for successful planning, control and delivery of the project. Planning Research Designing Circuit Diagram Block Diagram Cost analysis & Component availability Testing Implementation Analysis & Result Secondary Research Primary Research Analysis & conclusion On Simulation tool software On Bread board Conclusion Research analysis
  • 17.
    Ab Solar powerbased pressure pad security system with wireless features PT1284413 ASIA PASIFIC INSITITUE OF INFORMATION TECHNOLOGY 17 4.2 Data gathering method 4.2.1 Introduction Data gathering method is an important aspect of any type of research study. Inaccurate data collection can impact the results of a study and ultimately lead to invalid results. Data gathering methods for impact evaluation vary along a continuum. At the one end of this continuum are quantitative methods and at the other end of the continuum are Qualitative methods for data collection. Research is an important initial phase of the project developments as it helps a lot of Data gathering for builds the system. This also helps to shorten the time and reduce the cost of the project development. There are two research techniques: Primary Research and Secondary Research are to accomplish this goal. 4.2.2 Questionnaire The questionnaire is technique in which the series of question are developed to the purpose of gathering the information from the system user, system expertise for the developing the system. The questionnaire set consist fifteen questions which are distributed to the system user like that industrialist, power project people and research and development department and to collect the proper and right information about the system. It will be help to solve out doubt which occur in the time of developing the project.  Paper-pencil-questionnaires: It can be sent to a large number of people and saves the researcher time and money. People are more truthful while responding to the questionnaires regarding controversial issues in particular due to the fact that their responses are anonymous. But they also have drawbacks. Majority of the people who receive questionnaires don't return them and those who do might not be representative of the originally selected sample.  Web based questionnaires: A new and inevitably growing methodology is the use of Internet based research. This would mean receiving an e-mail on which you would click on an address that would take you to a secure web-site to fill in a questionnaire. This type of research is often quicker and less detailed. Some disadvantages of this method include the exclusion of people who do not have a computer or are unable to access a computer. Questionnaires often make use of Checklist and rating scales. These devices help simplify and quantify people's behaviors and attitudes. A Check lists a list of behaviors, characteristics, or other entities that the researcher is looking
  • 18.
    Ab Solar powerbased pressure pad security system with wireless features PT1284413 ASIA PASIFIC INSITITUE OF INFORMATION TECHNOLOGY 18 for. Either the researcher or survey participant simply checks whether each item on the list is observed, present or true or vice versa. A rating scale is more useful when behavior needs to be evaluated on a continuum. They are also known as Likert scales. To preparing questionnaire some steps are involved:  To define the objective.  To determine the sampling group.  To write the questionnaire.  To distribute the questionnaire.  To calculate the results 4.2.3 Interview The interview is one of the most common methods for collecting data in qualitative research regarding the system needs. The main advantages is that allow participant provide rich, contextual descriptions of the project. Solar power based pressure pad security system with wireless feature, Face -to -face interviews have a distinct advantage of enabling the researcher to establish report with potential participants and there for gain their cooperation. These interviews yield highest response rates in survey research. They also allow the researcher to clarify ambiguous answers and when appropriate, seek follow-up information. Disadvantages include impractical when large samples are involved time consuming and expensive. (Leedey and Ormrod, 2001) Telephone interviews are less time consuming and less expensive and the researcher has ready access to anyone on the planet that has a telephone. Disadvantages are that the response rate is not as high as the face-to- face interview as but considerably higher than the mailed questionnaire. The sample may be biased to the extent that people without phones are part of the population about whom the researcher wants to draw inferences. Computer Assisted Personal Interviewing (CAPI): is a form of personal interviewing, but instead of completing a questionnaire, the interviewer brings along a laptop or hand-held computer to enter the information directly into the database. This method saves time involved in processing the data, as well as saving the interviewer from carrying around hundreds of questionnaires. However, this type of data collection method can be expensive to set up and requires that interviewers have computer and typing skills.
  • 19.
    Ab Solar powerbased pressure pad security system with wireless features PT1284413 ASIA PASIFIC INSITITUE OF INFORMATION TECHNOLOGY 19 To preparing the interview some steps are involved:  To determine the objective of the system.  To preparing the interview question.  To write the interview question.  To conduct the interview with clean voice and confidently.  To write the analysis of the result 4.3. Conclusion 4.3.1 Conclusion of questionnaire The overall purpose of questionnaire is to identify the problems in the current system and to find out the benefits, variable functionalities for the proposed system. Although the questionnaire accomplished all the requirements needed to be there in the system, still the developer decided to conduct interview with few targeted users so as to explore area of primary research in detail. The main problem area in the current system is found and eliminated from the proposed system. From questionnaire study, researcher have come to the conclusion that questionnaires have advantages over many types of surveys because they are cheap and can easily target groups of interest in many ways and they can be used to target a large audience in a wide geographical area. No matter which approach is chosen to collect data, it is impossible to get hundred percent response rates. Finally, researcher can conclude that questionnaires are the most commonly used in research because they can be applied in many different areas; for example, education, science, health care surveys and so on; whereas interviews can be too expensive, difficult to arrange and time consuming to be applied in a large geographical area. 4.3.2 Conclusion of Interview The overall objective of interview was to verify the problems in the present system by technical person, find out the benefits and his acceptance expectance from the system. This interview helped the developer in lots of ways. It helps to know the level of anxiety about it in a big company. Their take on the proposed system, how this system can be beneficial to their organization? What more he expects from this system in future. Interviews remain the most common methods of data collection in qualitative research, and are now being used with increasing frequency in research, particularly
  • 20.
    Ab Solar powerbased pressure pad security system with wireless features PT1284413 ASIA PASIFIC INSITITUE OF INFORMATION TECHNOLOGY 20 to access areas not amendable to quantitative methods and/or where depth, insight and understanding of particular phenomena are required. 4.4 comparative analysis of the component 4.4.1 Introduction The item by item comparison of two or more comparable alternatives, processes, products, sets of data, systems or the like. The comparative analysis can be done in any field and also it is very important term in our day to day life. It is used everywhere, researcher is using this method to compare between two components or between two technologies. By this comparative analysis researcher gets a good components in every aspects. The researcher is using some factor on the basis of that factor analysis has been done. Some major factors for analysis between two components or technologies are like costs, efficiency, power, implementation etc. Here are some comparative analyses between two components:  Microcontroller:- 8051 AVR It is an 8-bit controller. It is an 8, 16, 32 bit controllers. Based on CISC architecture. Based on RISC architecture. It consumes more power. It consumes less power. Programming is easily done in this controller. Programming is not easily done in this controller. Speed of working is slow. Speed of working is faster than 8051. Cost is low. Cost is high. Justification: Developer is selecting on the basis of working efficiency, less power consumption and programming. AVR is better than 8051 controller.  Pressure pad :- PM1 & PM2 PM3 Size= 595mm*170mm*3mm Size= 720mm*560mm*3mm Designed for stair tread. Designed for large floor surface. 4 separate wires but 2 core round cable. 4 separate wires but 4 core round cable. It is not so effective. It is so effective. Less sensitivity & detect heavy weight. More sensitivity & detect lighter weight.
  • 21.
    Ab Solar powerbased pressure pad security system with wireless features PT1284413 ASIA PASIFIC INSITITUE OF INFORMATION TECHNOLOGY 21 Justification: Developer is selecting on the basis of detecting and construction. PM3 pressure pad is more relevant to use because of its construction as a rectangular shape.  Voltage regulator:- LM7805 LM7812 Its output is +5 volts. Its output is (-) negative voltage. Less cost. High cost Efficiency is good. Efficiency is not good. Output is constant. Output is varying. Easy to implement. Not easy to implement. Justification: Developer is using LM7805 because of its efficiency, cost and output is positive but in LM7812 it is negative voltage.  RF pair & IR:- RF IR It is better than IR. It is not better as RF. Signals can travel even larger distances. It operates mostly in line-of-sight mode. Transmission is stronger and reliable. Transmission is less strong and less reliable. Frequency range= 30Khz-300Ghz Frequency range= 300ghz-430Thz Justification: Developer is selecting on the basis, RF technology is better for signal travelling for a long distance and more reliable.  Solar power & Thermal power:- Solar power Other power source(coal, water) It is a natural source. It is also a natural source. Environmental friendly. No environmental friendly. Depending on sunlight. Depending on coal, water etc. Pollution free power generation. Power generation with pollution. Easily to construct & low cost budget. Not easy to construct & high cost budget. Justification: Developer is selecting the solar power source because it’s better power source and also no bad effect on environment.
  • 22.
    Ab Solar powerbased pressure pad security system with wireless features PT1284413 ASIA PASIFIC INSITITUE OF INFORMATION TECHNOLOGY 22 4.4.2 Conclusion of comparative analysis of component After completing the Comparative analysis, researcher concludes about the selection of component. Selection of component is not easy to develop any system but according to analysis researcher observed that which component is better for use, researcher used solar power source because it has no bad impact on environment and also it will decrease the demand of other power sources. So that pollution can be decreased and it will also not increase the damage of ozone layer. So many positive aspects of solar power source are there like it is eco-friendly and also in current time demand of “GO-GREEN” campaign is going on everywhere. It will be helpful for the nature and due to increasing of pollution people are suffering from lots of problem. While selecting the microcontroller researcher also studied about the features then AVR is best microcontroller for the project. Because the speed of working AVR microcontroller is faster and also have more memory. It also consumes less power. As cost is high, programming is also not easy but efficiency is better that’s why this controller has been selected. It is not easy to use sensor in every corner of the room. Due to which Pressure pad sensor is also selected on the basis of large floor size. Generally the offices room or in home rooms are constructed in a rectangular or in square shape, where PM3 model is fitted without any problem and also it have better sensitivity and also detect lighter weight in comparison to other sensor. Voltage regulator is also an important part of the project, LM7805 is easy to implement and with a better features and working efficiency in comparison to other voltage regulator. RF pair is used for wireless communication due to its signals travelling to a large distances and also transmission is stronger and reliable than any other technology. So researcher is now concluding about the comparative analysis, it is a best way to selecting a component for any project. Comparative analysis is solving lots of problem while choosing any component.
  • 23.
    Ab Solar powerbased pressure pad security system with wireless features PT1284413 ASIA PASIFIC INSITITUE OF INFORMATION TECHNOLOGY 23 4.5 Block diagram Figure 2: Block diagram 4.6 Circuit diagram Figure 3: Circuit diagram
  • 24.
    Ab Solar powerbased pressure pad security system with wireless features PT1284413 ASIA PASIFIC INSITITUE OF INFORMATION TECHNOLOGY 24 4.7 Development required Security is the main concern for everyone. Everyone wants to live securely in his/her house. Everybody wants to keep safe or secure from various incidents like theft in their house. Now days many times we hear news about house robbery or theft in some houses, bungalows, flats. These robberies or thefts take place when nobody is in house or in some cases we find that robbery take place even if people are in their houses. Early detection of all these problems is really necessary. Also in case of robbery it would be beneficial if we can blow some alarm. Let’s take an example that we are out of our home and theft is going on in our house. In such case if we are intimated about theft then we can inform our neighbors, then they can create some noise or take some appropriate action so that this theft can be avoided. Let’s take another problem; sometimes key of our home is lost. If we do not replace our lock and if these keys are found by thieves then it can cause robbery. We all know that duplicate key can be created within few minutes and also key duplication is easy. These are the disadvantages of traditional locking system which uses a key and a lock. To overcome all the above stated disadvantages of existing system we have designed a GSM based home security system. It can avoid these undesirable situations, hazardous conditions like robbery and theft. The development of this project is very important. Because, in present time there is a lots of problems in the field of security. The developer is working on this project solar power based pressure pad security system with wireless features. This project will solve all the security related problems for home users. At current any home security project is having limitations like only that will work for specific conditions. In this system many features will work at the same time like alarming system, pressure pad sensor when any person try to enter inside home the sensor will sense that and start giving alert message to the owners, LED will identified the direction from which side stranger is entering and it will display on the LCD. Nowadays the theft cases are a big issue and home appliances are not safe in the home while absent of the owner for a long period. So to control on these cases this system is very useful from every aspect.
  • 25.
    Ab Solar powerbased pressure pad security system with wireless features PT1284413 ASIA PASIFIC INSITITUE OF INFORMATION TECHNOLOGY 25 4.8 Testing methodology The testing of any project is also an important part. The project can be tested firstly in software like in proteus software after checking in software then developer will develop the project in hardware. It will decrease the hardware issue like while making this project developer will get all the details of the components Testing is nowadays seen as a major bottleneck in product development (PD). The complexity of large designs is increasing substantially, at the same time the technology feature sizes are decreasing. This evolution has caused the challenge of testing electronic systems to grow rapidly over the last decade. A circuit however needs to be tested to guarantee that it conforms to the specifications. Testing of hardware is performed for two purposes: 1. To ensure the functionality. 2. To ensure the absence of process faults. The first issue is primarily addressed through software simulation throughout the various Iterations of the design. The second issue is most widely performed on large scale production testing. It will also solve the problem while connections there will no loss of components. The increasing complexity and decreasing technology feature sizes of electronic designs has caused the challenge of testing to grow over the last decades. The purpose of this thesis was to evaluate different hardware test methods/approaches based on their applicability in a complex SoC design. Among the aspects that were investigated are test implementation effort, test efficiency and the performance penalties implicated by the test. There is some testing method for software and for hardware also. They are: Without stable hardware any program will fail. The frustration and expense of supporting bad hardware can drain a developer, delay progress, and frustrate everyone involved. At Stanford Linear Accelerator Centre (SLAC), developer have created a testing method that helps SLAC Computer Services (SCS), weed out potentially bad hardware and purchase the best hardware at the best possible cost. Commodity hardware changes often, so new evaluations happen periodically each time purchase systems and minor re-evaluations happen for revised systems for the clusters, about twice a year. This general framework helps SCS perform correct, efficient evaluations. An explicit testing approach involves three steps:  Test generation.  Test application.  Response evaluation.
  • 26.
    Ab Solar powerbased pressure pad security system with wireless features PT1284413 ASIA PASIFIC INSITITUE OF INFORMATION TECHNOLOGY 26 4.9 Performance & Evaluation criteria The success criteria of this proposed project are to reduce the cost of the system, to increase the efficiency of the system and the system is developing in such a way that it is eco-friendly to environment. The success of this project only fulfill if this system can applied in every home or offices so that whole group of people can be benefited from this system. Firstly Researcher gathered data and then selecting the components so that cost of the system can be in limit, because after that loss of components will be decreased. These systems will going to decrease the theft cases happening in everyday in the society and effectiveness in the field of low cost.
  • 27.
    Ab Solar powerbased pressure pad security system with wireless features PT1284413 ASIA PASIFIC INSITITUE OF INFORMATION TECHNOLOGY 27 CHAPTER 5: COSTING 5.1 introduction The cost is also playing an important role in to success about the project and economically able to for the common users. A user always prefers a system with cheap and best so that it can be easily affordable for all. Due to it researcher also observed about the costing should be the main criteria while selecting a component so that the cost of project should not be so higher. Especially a security system project has been designed on the basis of costing also. Main important parts of the project has been mentioned below, few of the minor components had not been mentioned. The cost of components mentioned in the list can be differ by some small difference of amount either it will be increased or decreased by some amount. Some common components like soldering iron, soldering wire, soldering paste etc have not been mentioned. Component’s name Quantity Estimated Cost( in rupees) Solar panel 01 1050 IC’s 01 350 NE555 02 340 LM7805 01 500 RF pair 02 330 Gate mechanism 02 2000 Copper Clads 02 300 LDR 01 150 Transistors 02 200 LCD displays 03 1200 Total estimated cost 6420 The cost of components can be decreased or increased in time to time. But it is an approximately calculated cost which will be cheap and best. The main purpose of the researcher is to make a system with cost effective so that it can be affordable for everyone. If a system is having good features but it is high in cost then very few will afford to buy that system. The project will be developed to keep the low cost in developer mind.
  • 28.
    Ab Solar powerbased pressure pad security system with wireless features PT1284413 ASIA PASIFIC INSITITUE OF INFORMATION TECHNOLOGY 28 CHAPTER 6: HEALTH & SAFETY ETHICAL ASSESMENT 6.1 Summary In this section the health and safety issues of the project will be analyzed such as what is the risk area of the project where the hazards occur during the work process and what control measures would be taken for the safety. Health and safety is a priority for any project. Good health and safety performance is a customer requirement and is a particular focus because developer operates in some difficult and challenging environments. Researcher can face significant risks, including while soldering the components, shocks, and damage of circuit etc. Researcher aim to assess and manage risks effectively using a robust management system with a strong focus on the highest risks. Risks are highest while working on this project assembling of component. Researcher is trained to recognize report and avoid incidents where possible, and researcher is working hard to build a culture where everyone accepts responsibility for safe working. Health, Safety and Security (HSS) team is responsible for occupational health and safety, employee security, business continuity and risk management, and information security. They use health and safety workbook to ensure the same fundamental standards are applied in every country where it operate, but allowing adaptation to meet local regulations where necessary. The main purpose of this is to reduce risk, resulting in fewer injuries, and Minimize harm to the environment. The main aim is to make sure that no one gets hurt or becomes ill. Accidents and ill health can ruin lives, and can also affect business if output is lost, machinery is damaged, insurance costs increase, or if they have to go to court. Therefore, carrying out Risk Assessments, preparing and implementing a Safety Statement and keeping both up to date will not in themselves prevent accidents and ill health but they will play a crucial part in reducing their likelihood. The main precautions can be taken while working on this project is:  Soldering of the component: The integration of the component using the soldering iron may cause a severe damage to the hand. The severity of the risk is high because this can hurdle the development of the project, the chance of occurrence is high in this case if the ethics and the guidelines associated with this will not be followed as wearing of the rubber hand gloves while soldering and etc. Never touch the element or tip of the soldering iron. They are very hot (about 400°C) and will burn, Hold wires to be heated with tweezers or clamps. Keep the cleaning sponge wet during use and
  • 29.
    Ab Solar powerbased pressure pad security system with wireless features PT1284413 ASIA PASIFIC INSITITUE OF INFORMATION TECHNOLOGY 29 always return the soldering iron to its stand when not in use. Never put it down on your workbench. Turn unit off or unplug it when not in use.  Reduce risk from electricity: Prevent damage to electrical cords during soldering. Keep them away from heated tips. Always use a grounded outlet and grounded prong to reduce the risk of electrical damage. All soldering irons should have had electrical safety (PAT) testing within the last twelve months. If not, contact the on-site BOC representative. As the developer will test and evaluate the system using the AC current and in this case the electric shock may occurred due to lose connection of the component. The severity of the risk is high because this can cause a severe damage to the developer can stop the further development of the project, although most likely the chance of happening is low but the certain measures can be taken to minimize the risk associated with this as the wearing of the rubber gloves while testing and evaluation and by following the ethics and guidelines while testing and evaluation of the component using AC current.  Component damage: The components can damage in two conditions first during etching of the component on the PCB and passing of the overload current from the component, in this two conditions the component can be damaged and this can stop the further development of the work as the damaged components are not easily available in the market and of high cost, in this case the prototype cost of the project will increase. The severity of the risk associated with this is high but the risk can be minimized if the current across each and every component would be checked properly before further etching of the component, this can also be minimized as by testing the circuit on the PCB after doing it on the bread board. There are some general precautions can be taken while making the project. Here are some safety guidelines to keep you safe as you work:  Never work on a circuit while power is applied.  Do not connect power to a circuit until the circuit is finished and you have carefully checked your work.  If you smell anything burning, immediately disconnect the power and examine your circuit to find out what went wrong.  Keep your work area dry.
  • 30.
    Ab Solar powerbased pressure pad security system with wireless features PT1284413 ASIA PASIFIC INSITITUE OF INFORMATION TECHNOLOGY 30  Always wear safety goggles.  Be careful around large capacitors; they can continue to hold voltage long after they are disconnected from power.  Be especially careful when you solder because a hot soldering iron can easily burn you.  Always work in a well-ventilated space.  Have safety equipment such as a fire extinguisher, a first-aid kit, and a phone nearby. This system involves the third party users in the primary research for the data gathering activities. Therefore Developer has submitted the “Fast track ethical approval Form” that ensures that this project will maintain all the ethical standards and values and no user’s identity or interest is adhered and the project will proceed in a professional manner. It also ensures that project won’t harm anybody in any ways. The issues contains like as no copying of the data without any prior permission and no harm occur while testing the system to anyone.
  • 31.
    Ab Solar powerbased pressure pad security system with wireless features PT1284413 ASIA PASIFIC INSITITUE OF INFORMATION TECHNOLOGY 31 CHAPTER 7: CONCLUSION 7.1 Overall conclusion Although the most real-world projects are carried out by team, this project has given developer a chance to systematic way of sensor. Any project required significant level of research, analysis and design. For the developer throughout development lifecycle has been a learning experience. Upon the system completion developer has become confident to undertake challenging similar project. Most importantly the project help developer built up a safety of the people is developing in industrial ambiance. Meeting deadlines, conducting interviews, analyzing observation and many other skills learn during the system development were successfully applied by developer. This project added value to the developer’s professional and academic proficiency and knowledge. It has very challenging to study about new device and technologies especially GSM Technology and Sensor. The research could have been better if more time and resources are put in the project. Moving on the development part it was a good experience. Conducting interview and research on the project is good job for developer. After the completion of the project, the developer realized that it was indispensable experience before entering into the corporate environment. However it is the developer’s perception that experience gained from final year project would be good to working in an enterprises. The system which is the design and construction of an anti- collision system for vehicles was designed considering some factors such as economy, availability of components and research materials, efficiency, compatibility, portability and also durability. The performance of the system after test met design specifications. The general operation of the system and performance is dependent on the presence of two moving cars as they get closer to each other. However, it should be stated here that the system was aimed at fabricating prototype, a replica of the actual thing. It is economically viable to undertake certain system this way since testing would not cost so much. Any desire to implement this design into home for security purpose. In this project developer implemented pressure pad sensor which is new sensor technology in home security system and Microcontroller based Home security system using Wireless alerts using RF signals as communication standards. The hardware equipment is tested and result is obtained. This project is cost effective. Implementation of this project in present day will effectively provide a peace of mind to the residents. This project can be implemented both in
  • 32.
    Ab Solar powerbased pressure pad security system with wireless features PT1284413 ASIA PASIFIC INSITITUE OF INFORMATION TECHNOLOGY 32 apartments and General stores as well. With a slight modification this project can be implemented in a nearby area police station, by connecting to several homes, locating where the robbery has occurred or by directly sending an SMS to them. The main features of this project are to use of solar power source. As we know that the sun is a powerful source that can help our planet by giving us clean, reusable energy to power our world. The use of this energy is free, does not create pollution, and if used wisely can help us become less dependent on other more costly and damaging forms of power. After participating in this Web Quest I hope you are able to see the benefits of this valuable resource and help change the future for energy use. 7.2 Critical appraisal This project has completed all research related work and from the block diagram to circuit design on software. The main working area about project was research area and related technology to this project. All analysis has been completed and also completed primary and secondary research related to the project. During the research duration researcher observed that this system is needed to the society for home security purpose. All the paper work has been completed related to the project. From next time the main working area will be the designing part of hardware and calculation. This proposed project will be a great enhancement in the field of home security system. Till now the project related research work has been completed like data gathering, target users, proposed block diagram and circuit diagram completed. Now from next time developer will work on the project to give final touch like to work on circuit diagram for hardware preparation. Firstly complete the programming part of the respected components then assemble and connection part. After that final circuit will be completed and ready for testing. After testing the project will be ready to use as a sample for home security system. This will make a person’s home safe.
  • 33.
    Ab Solar powerbased pressure pad security system with wireless features PT1284413 ASIA PASIFIC INSITITUE OF INFORMATION TECHNOLOGY 33 REFRENCES Websites Academia.edu, (2015). AUTOMATIC DOOR LOCK SYSTEM. [Online]. 2015. Available from: http://www.academia.edu/996028/AUTOMATIC_DOOR_LOCK_SYSTEM. [Accessed: 15 October 2015]. Arun-electronics.co.uk, (2015). Manufacturer of pressure mats, pressure pads, health care mats, patient care pressure mats custom pressure mat pads, chair pressure pads, security mat. Arun Electronics, UK.. [Online]. 2015. Available from: http://www.arun- electronics.co.uk/pressure_mat.htm. [Accessed: 3 November 2015]. Electronics Hub, (2015). Password Based Door Lock System using 8051 Microcontroller. [Online]. 2015. Available from: http://www.electronicshub.org/password-based-door- lock-system-using-8051-microcontroller/. [Accessed: 8 September 2015]. Anon (2015). [Online]. 2015. Available from: https://www.eff.org/files/filenode/radio_frequency_operations.pdf. [Accessed: 22 November 2015]. Fao.org, (2015). 6. DATA COLLECTION METHODS. [Online]. 2015. Available from: http://www.fao.org/docrep/003/x2465e/x2465e09.htm. [Accessed: 22 September 2015]. Globalspec.com, (2015). Microcontrollers (MCU) Specifications | IHS Engineering360. [Online]. 2015. Available from: http://www.globalspec.com/SpecSearch/SearchForm/semiconductors/microprocessors_ microcontrollers/microcontrollers. [Accessed: 17 September 2015]. Google.co.in, (2015). [Online]. 2015. Available from: https://www.google.co.in/url?sa=t&rct=j&q=&esrc=s&source=web&cd=3&cad=rja&ua ct=8&sqi=2&ved=0ahUKEwiT8829_aTJAhUFUZQKHSryAasQFggoMAI&url=http% 3A%2F%2Fwww.atmel.com%2Fimages%2Fdoc8161.pdf&usg=AFQjCNHl4hDyA- Fu7yY_PhxqlfSUQ4o02g. [Accessed: 9 October 2015]. Google.co.in, (2015). [Online]. 2015. Available from: https://www.google.co.in/url?sa=t&rct=j&q=&esrc=s&source=web&cd=2&cad=rja&ua ct=8&sqi=2&ved=0ahUKEwiT8829_aTJAhUFUZQKHSryAasQFggiMAE&url=http% 3A%2F%2Fwww.nxp.com%2Fdocuments%2Fdata_sheet%2F8XC51_8XC52.pdf&usg
  • 34.
    Ab Solar powerbased pressure pad security system with wireless features PT1284413 ASIA PASIFIC INSITITUE OF INFORMATION TECHNOLOGY 34 =AFQjCNEwd3aTrB5hVGl1eRReRtossc7pcQ. [Accessed: 14 November 2015]. Instructables.com, (2015). Solar Powered Security System. [Online]. 2015. Available from: http://www.instructables.com/id/Solar-Powered-Security-System/. [Accessed: 7 November 2015]. Managementconcepts.com, (2015). Data Collection Techniques. [Online]. 2015. Available from: http://www.managementconcepts.com/Course/id/4610. [Accessed: 22 November 2015]. Radio-electronics.com, (2015). Transistor Specifications | Parameters Definitions | Radio- Electronics.com. [Online]. 2015. Available from: http://www.radio- electronics.com/info/data/semicond/bipolar-transistor-bjt/datasheet-specifications- parameters-definitions.php. [Accessed: 18 November 2015]. ElProCus - Electronic Projects for Engineering Students, (2014). GSM Based Home Security System Working with Applications. [Online]. 2014. Available from: http://www.elprocus.com/gsm-based-home-security-system-working-with-applications/. [Accessed: 18 November 2015]. Engineersgarage.com, (2015). SMS Based Security System | GSM Based Security System. [Online]. 2015. Available from: http://www.engineersgarage.com/contribution/sms- based-security-system. [Accessed: 15 November 2015]. Projectsof8051.com, (2013). SMS based Home Security System using GSM Modem | Microtronics. [Online]. 2013. Available from: http://www.projectsof8051.com/gsm- based-home-security-system/. [Accessed: 11 November 2015]. Criticaltools.com, (2015). PERT Chart EXPERT Software - Project planning software for Critical PathScheduling using PERT charts, Network diagrams, Precedence Diagrams, CPMdiagrams and Logic diagrams.. [Online]. 2015. Available from: http://www.criticaltools.com/pertmain.htm. [Accessed: 20 November 2015]. Fao.org, (2015). 6. DATA COLLECTION METHODS. [Online]. 2015. Available from: http://www.fao.org/docrep/003/x2465e/x2465e09.htm. [Accessed: 19 November 2015].
  • 35.
    Ab Solar powerbased pressure pad security system with wireless features PT1284413 ASIA PASIFIC INSITITUE OF INFORMATION TECHNOLOGY 35 People.uwec.edu, (2015). DATA COLLECTION METHODS. [Online]. 2015. Available from: http://people.uwec.edu/piercech/researchmethods/data%20collection%20methods/data% 20collection%20methods.htm. [Accessed: 16 November 2015]. Google.co.in, (2015). [Online]. 2015. Available from: https://www.google.co.in/url?sa=t&rct=j&q=&esrc=s&source=web&cd=2&cad=rja&ua ct=8&ved=0ahUKEwib6I_MvKPJAhVFtpQKHayWB6kQFggjMAE&url=http%3A%2 F%2Fwww.teched101.com%2Fpdf%2Fcllg_elecsafe.pdf&usg=AFQjCNEeWMXiMftU QPZCdT3QfcwkZJQQLw. [Accessed: 11 November 2015]. Gill, P., Stewart, K., Treasure, E. & Chadwick, B. (2008). Methods of data collection in qualitative research: interviews and focus groups. BDJ. 204 (6). pp. 291-295. Available from: [Accessed: 17 November 2015]. Books Albert Malvino, D. J. B., 2007. Diode Theory. Tata McGraw Hill Education Pvt Ltd. 7th ed. New Delhi: Tata McGraw Hill Education Pvt Ltd.. Floyd, 2005.,electronic device, 7th ed. united states: Pearson education Kumar, K. S., 2009. Electric Circuit and Networks. 2nd ed. New Delhi: Dorlings Kindersley Rizzoni, G., 2011. Principles and Applications Of Electrical Engineering. 5th ed. New Delhi: Tata McGraw Hill Pvt Ltd. Rashid R. (1998) Power Electronics, Circuit Device and Application, 2th Edition, Prentice hall. Jayashri Bengali, Arvind Shaligram “design and implementation of security system for smart Home based on GSM technology”, International journal of Smart Home vol.7, No.6(2013),pp. 201-208. Edward Hughas (1997) Electrical Technology, Addison-Wesley Publisher, 7th edition. Kelvin R. Sullivan. 91992). Mostfet Device, Physics and Operation IEEE Tran. New York Mac Grew-Hill.
  • 36.
    Ab Solar powerbased pressure pad security system with wireless features PT1284413 ASIA PASIFIC INSITITUE OF INFORMATION TECHNOLOGY 36 Theraja B.I (2000), Text Book of Electrical Technology S. Chand & Company, Ram Nagar, New Delhi. I.K. Hwang and J.W. Baek, 2007,“Wireless Access Monitoring and Control System based on Digital Door Lock,” IEEE Transactions on Consumer Electronics, 53(4), pp. 1724-1730, Taipei. Y. Zhao and Z. Ye, 2008,”A Low Cost GSM/GPRS Based Wireless Home Security System”, IEEE Transactions on Consumer Electronics, 54(2), pp. 567-572, 2008. I.Syam Krishna, J. Ravindra, “ Design and Implementation of Home Security Sytem based on WSNS and GSM Technology” International Journal of Engineering Science and Technology” Volume 2,Special Issue 1,Page 139-142. ANDERSON, R. AND KUHN, M. 1997. Low cost attacks on tamper resistant devices. In IWSP: International Workshop on Security Protocols. Lecture Notes on Computer Science. 125–136. Li Wenzhong, Duan Chaoyu, C8051F Series MCU and Short Distance Wireless Data Communication, Beijing, Beijing University of Aeronautics & Astronautics Press, 2007, pp.188-190 V. Karri and J. S. Daniel Lim, “Method and Device to Communicate via SMS After a Security Intrusion”, 1st International Confe-rence on Sensing Technology, Palmerston North, New Zealand, (2005) November 21-23. Y. Zhao and Z. Ye, “Low cost GSM/GPRS BASED wireless home security system”, IEEE Trans. Consumer Electron, vol. 56, no. 4, (2007) January, pp. 546-567. Z. Bing, G. Yunhung, L. Bo, Z. Guangwei and T. Tian, “Home Video Security Surveillance”, Info-Tech and Infonet, 2001,Proceedings,ICII 2001-Beijing. 2001 International Conference, vol. 3, pp. 202-208.
  • 37.
    Ab Solar powerbased pressure pad security system with wireless features PT1284413 ASIA PASIFIC INSITITUE OF INFORMATION TECHNOLOGY 37 M. Meyer, M. Hotter and T. Ohmacht, “A new system for Video-based Detection of moving objects and its integration into digital networks”, Security Technology 1996, 30th Annual 1996 International Carnahan Conference, (1996), pp. 105-110. Mae , Y,; Sasao , N .; INNoue ,K. ; Arai,T.; “Person Detection by Mobile Manipulator for Monitoring”,SICE 2003 Annual Conference, pages-2801-2806. “SMS Based Wireless Global Range Automation & Security System”, Sudipan Saha, Sutasom Bhaumik. “Analysis and Performance of a Low Cost SMS Based Home Security System”, Sheikh Izzal Azid, SushilKumar, International Journal of Smart Home, vol. 5, no. 3, (2011) July. Paper & Journals Parvathy A, Venkat Rohit Raj “rfid based examination hall system”, a paper on IEEE paper. Kamran Ahasan, Paul Kingston IEEE paper on “rfid applications: an introductory and exploratory study”. Mingyan Li, Radha Poovendran, Rainer Falk paper on “multi-domain access control using asymmetric key based tag reader mutual authentication. Wouter van Dullink, Pieter Westein university of Amsterdam, paper on remote relay attack on rfid access control system using NFC enabled devices. Stephen a. Weis, Sanjay E.Sarma, Ronald.L.Rivest a paper on “Security and privacy aspects of low cost radio frequency identification systems”. Gynanendra K Verma, Pawan Tripathi, IIIT Allahabad a paper on “A digital security system with door lock system using rfid technology”. Bruno Crispo, Melanie R.Rieback, Andrew S Tanenbaum a paper on “The evolution of Rfid security.
  • 38.
    Ab Solar powerbased pressure pad security system with wireless features PT1284413 ASIA PASIFIC INSITITUE OF INFORMATION TECHNOLOGY 38 APPENDIX Prepared Questions of Questionnaire: TOPIC: SOLAR POWER BASED PRESSURE PAD SECURITY SYSTEM WITH WIRELESS FEATURES. Questionnaire Dear Sir/Madam The researcher is a final year undergraduate student at APIIT SD INDIA. The following survey is being undertaken as part of final year project. The questions have been carefully designed to provide useful feedback and information. The researcher is undertaking a survey on the solar power based Pressure pad security system. The aim of this project is to make a security system using green energy power sources. It is researcher keen interest in this field and researcher want to explore for the same. The researcher is very grateful for the views and opinions on the matter in the questionnaire below. The researcher does his best to keep the information confidential. The result of this study will be used for academic purpose only. Please tick mark () in the correct box. Age group Below 18 19-25 26-45 46-55 Over 56 Gender Male Female 1. Do you use security system for any purpose? Yes No Justification: - To know how much is respondent aware of the security system. 2. If yes, how much importance of security system in your daily life? Very important Important Less important No importance Justification: - To know how much respondent using security system in daily life. 3. Do use solar energy for power source? Yes No Justification: - To know that respondent is aware with solar energy or not?
  • 39.
    Ab Solar powerbased pressure pad security system with wireless features PT1284413 ASIA PASIFIC INSITITUE OF INFORMATION TECHNOLOGY 39 If No, please omit the question 4. 4. If yes please state in which area you have used this solar energy for power source? Mechanical work Power generation Environment safety purpose Other (specify) Justification: -To know that what is the main area where the respondent used the solar energy? 5. How long have you been using solar energy technologies? Fresher (0 year-1 year) 1 year – 3 year 3 year – 5 year More than 5 years Justification: - To know how long the respondent is using solar energy technology or the experience of the respondent. 6. Is researcher system a mat-lab programming based or other program based? Yes No Justification: - To know that respondent is aware about software technology or not. 7. Have you ever used pressure pad for any purpose? Yes No Justification: -To know that how much aware about pressure pad is used by the respondent. 8. Do you use RF technology? Yes No Justification: -To know that how much aware about RF technology is used by the respondent. 9. Have you used RF technology for wireless communication? Yes No Justification: -To know where this RF technology is used and in which area the improvement is required.
  • 40.
    Ab Solar powerbased pressure pad security system with wireless features PT1284413 ASIA PASIFIC INSITITUE OF INFORMATION TECHNOLOGY 40 10. Do you know about IC (Integrated circuit)? Yes No Justification: -To know that the respondent is well known about IC’s or not. 11. What type of IC you have used in your practical life? LM7805 LM1117 LM386N Other (specify) Justification: -To know what type of IC’s respondent used and how much he know about different types of IC’s. 12. Which will be the best IC’s for implantation of this system? LM7805 LM1117 LM7812 LM7815 Justification:-This question is about the integrated circuit(IC) for the programming of the system. This question will help to know the famous and reliable integrated circuit for programming. 13. Which factor will you consider most while purchasing home security system? Cost Efficiency Easily mounted Other (specify) Justification: -To know where to do more enhancements or to which area the improvement is required. 14. Which is the best software to create program for system? Matlab Embedded C Lab view other Justification:-This question is about the platform to start writing program for the system. This will help in knowing the easy software for program. 15. What do you think, the main problems associated with the use of solar energy based pressure pad security system? The technologies are complex and difficult to implement High cost associated Updating the technologies is difficult and expensive Mobility of components
  • 41.
    Ab Solar powerbased pressure pad security system with wireless features PT1284413 ASIA PASIFIC INSITITUE OF INFORMATION TECHNOLOGY 41 Maintenance is difficult Justification: -To know that problem associated to the respondent during implementing the pressure pad security system. Scale for rating of impact for questions 16 and 17: 1 2 3 4 5 Insignificant Less significant Moderate Very significant Totally significant Justification: -To know that issues which come to the respondent while implanting the Pressure pad security system. 16. Please rate the following barriers. 1 2 3 4 5 implementation of components High costs Pressure pad security system are expensive to update and maintain Pressure pad security system are not easily to understood 17. How do you think that barriers can be minimized or overcome? 1 2 3 4 5 Reducing the cost of Pressure pad security system Making cheaper in maintenance Pressure pad security system Developing Pressure pad security system easier to understand and use Better training program with a regular interval of time for users
  • 42.
    Ab Solar powerbased pressure pad security system with wireless features PT1284413 ASIA PASIFIC INSITITUE OF INFORMATION TECHNOLOGY 42 Justification: -To know that the researcher will be able to know how to minimize issues and which factor is much important for home security system. Future enhancement Please mention the comment for future enhancement that can be helpful for this respective system. Justification: it will help the researcher that in which area modification can be applied in the future. Thanking you.
  • 43.
    Ab Solar powerbased pressure pad security system with wireless features PT1284413 ASIA PASIFIC INSITITUE OF INFORMATION TECHNOLOGY 43 Interview Questions: TOPIC: SOLAR POWER BASED PRESSURE PAD SECURITY SYSTEM WITH WIRELESS FEATURES. 1. What type of problem do you face in current home security system? Justification: The researcher wants to know the problems being faced by the user so that the researcher can overcome that problem in the project. 2. What type of extra features you need in the solar power based pressure pad security system? Justification: The researcher wants to know the other requirement which the user want in the system and whether it can be implemented or not? 3. How this project is helpful in home security system? Justification: The researcher wants to know whether the proposed system can reduce theft cases or not. 4. Do you think the proposed system can be helpful to the other places also? Justification: The researcher wants to know whether the proposed system can find a way to solve out the problems for other places also. 5. Do you think a little change in the system can make this system much more effective? Justification: The researcher wants to know whether a little change in the project can give it a future enhancement to be used in the other places like offices and malls also.
  • 44.
    Ab Solar powerbased pressure pad security system with wireless features PT1284413 ASIA PASIFIC INSITITUE OF INFORMATION TECHNOLOGY 44 Analysis of Questionnaire: TOPIC: SOLAR POWER BASED PRESSURE PAD SECURITY SYSTEM WITH WIRELESS FEATURES. QUESTIONNAIRE ANALYSIS 1. Do you use security system for any purpose? Figure 4 Justification: The researcher wants to know that respondents are using security system for any purpose. Analysis: By this survey researcher came to know that 75 % of the respondents are using whereas 25% respondents are not using any type of security system. no yes Category yes 75.0% no 25.0% Pie Chart of use of security system
  • 45.
    Ab Solar powerbased pressure pad security system with wireless features PT1284413 ASIA PASIFIC INSITITUE OF INFORMATION TECHNOLOGY 45 2. If yes, how much importance of security system in your daily life? Figure 5 Justification: The researcher wants to know the importance of security system in daily life uses. Analysis: The researcher finds that for 60% respondents security system is very important, for 20% respondents it’s important, less than 10% respondents says less importance and 10% says no importance. 3. Do use solar energy for power source? Figure 6 important less importance no importance very important Category very important 60.0% no importance 10.0% less importance 10.0% important 20.0% Pie Chart of importance of security system no yes Category yes 85.0% no 15.0% Pie Chart of use of solar energy for power
  • 46.
    Ab Solar powerbased pressure pad security system with wireless features PT1284413 ASIA PASIFIC INSITITUE OF INFORMATION TECHNOLOGY 46 Justification: The researcher wants to know that the respondents are using solar power or not. Analysis: The researcher finds that 85% of the total respondents are using solar power and 15% are not using solar power for any purpose. 4. If yes please state in which area you have used this solar energy for power source? Figure 7 Justification: The researcher wants to know that which field respondents are using solar power. Analysis: The researcher comes to know that 60% respondents are using for power generation, 20% for environment safety, 5% for mechanical work and 15% for others purpose. environment safety mechanical work other power generation Category power generation 60.0% other 15.0% mechanical work 5.0% environment safety 20.0% Pie Chart of area where solar power used
  • 47.
    Ab Solar powerbased pressure pad security system with wireless features PT1284413 ASIA PASIFIC INSITITUE OF INFORMATION TECHNOLOGY 47 5. How long have you been using solar energy technologies? Figure 8 Justification: The researcher wants to know that how long respondents used solar power? Analysis: The researcher comes to know that 35% respondents used for 0-1yrs, 30% respondents used for more than 5yrs, 25% respondents used for 3-5yrs & 10% used for 1- 3yrs. 6. A system is mat-lab programming based or other program based? Figure 9 0-1 yrs 1-3 yrs 3-5 yrs more than 5 yrs Category more than 5 yrs 30.0% 3-5 yrs 25.0% 1-3 yrs 10.0% 0-1 yrs 35.0% Pie Chart of used duration in years no yes Category yes 85.0% no 15.0% Pie Chart of Matlab programming based system
  • 48.
    Ab Solar powerbased pressure pad security system with wireless features PT1284413 ASIA PASIFIC INSITITUE OF INFORMATION TECHNOLOGY 48 Justification: The researcher wants to know that system is Matlab based or not. Analysis: The researcher comes to know that 85% of respondents have used Matlab based system. 7. Have you ever used pressure pad for any purpose? Figure 10 Justification: The researcher wants to know that respondents used the pressure pad sensor or not. Analysis: The researcher comes to know that 50% of respondents used the pressure pad sensor and 50% respondents never used. no yes Category yes 50.0% no 50.0% Pie Chart of use of pressure pad
  • 49.
    Ab Solar powerbased pressure pad security system with wireless features PT1284413 ASIA PASIFIC INSITITUE OF INFORMATION TECHNOLOGY 49 8. Do you use RF technology? Figure 11 Justification: The researcher wants to know that respondents are using RF technology or not. Analysis: The researcher comes to know that 80% of respondents have used and 20% never used. 9. Have you used RF technology for wireless communication? Figure 12 Justification: The researcher wants to know that respondents are using RF technology for which purpose? Analysis: The researcher comes to know that 85% of respondents prefer for wireless communication and 15% for other purpose. no yes Category yes 80.0% no 20.0% Pie Chart of use of RF technology no yes Category yes 85.0% no 15.0% Pie Chart of RF for wireless communication
  • 50.
    Ab Solar powerbased pressure pad security system with wireless features PT1284413 ASIA PASIFIC INSITITUE OF INFORMATION TECHNOLOGY 50 10. Do you know about IC (Integrated circuit)? Figure 13 Justification: The researcher wants to know that respondents are aware of IC’s or not. Analysis: The researcher comes to know that 90% of respondents know IC’s and 10% doesn’t know. 11. What type of IC you have used in your practical life? Figure 14 Justification: The researcher wants to know the best sensors which can be used in the project. Analysis: The researcher comes to know that 70% of respondents prefer LM7805 IC’s, 10% prefer LM1117 and 20% prefer other IC’s. no yes Category yes 90.0% no 10.0% Pie Chart of known about Integrated circuit LM1117 LM7805 other Category other 20.0% LM7805 70.0% LM1117 10.0% Pie Chart of types of IC
  • 51.
    Ab Solar powerbased pressure pad security system with wireless features PT1284413 ASIA PASIFIC INSITITUE OF INFORMATION TECHNOLOGY 51 12. Which will be the best IC’s for implantation of this system? Figure 15 Justification: The researcher wants to know the most preferred IC’s for the project so that can used. Analysis: The researcher will use LM7805 in the project since 60% of the respondents thinks LM7805 as a suitable IC’s for implementation in the project. 13. Which factor will you consider most while purchasing home security system? Figure 16 Justification: The researcher wants to know that the problem associated to the respondent during implementing the pressure pad security system. LM1117 LM7805 LM7812 LM7815 Category LM7815 15.0% LM7812 10.0% LM7805 60.0% LM1117 15.0% Pie Chart of best IC for implementation cost easily mounted efficiency other Category other 10.0% efficiency 50.0% easily mounted 15.0% cost 25.0% Pie Chart of factor while purchasing system
  • 52.
    Ab Solar powerbased pressure pad security system with wireless features PT1284413 ASIA PASIFIC INSITITUE OF INFORMATION TECHNOLOGY 52 Analysis: From the above survey result the researcher will develop a proposed project to prefer for the main features 14. Which is the best software to create program for system? Figure 17 Justification: The researcher wants to know that which software will be based to use. Analysis: The researcher will use the Matlab software for programming purpose in the project. Embedded C lab view Matlab other Category other 10.0% Matlab 60.0% lab view 10.0% Embedded C 20.0% Pie Chart of best software for programming
  • 53.
    Ab Solar powerbased pressure pad security system with wireless features PT1284413 ASIA PASIFIC INSITITUE OF INFORMATION TECHNOLOGY 53 15. What do you think, the main problems associated with the use of solar energy based pressure pad security system? Figure 18 Justification: To know that problem associated to the respondent during implementing the pressure pad security system. Analysis: The researcher comes to know the problem associated and will work hard. So that maintenance and updating the current system will be easy. high cost associated maintenance is difficult mobility of components updating system is difficult & expensive updating the system is difficult Category e system is difficult 30.0% s difficult & expensive 5.0% mobility of components 15.0% maintenance is difficult 30.0% high cost associated 20.0% Pie Chart of problems with solar energy uses
  • 54.
    Ab Solar powerbased pressure pad security system with wireless features PT1284413 ASIA PASIFIC INSITITUE OF INFORMATION TECHNOLOGY 54 Interview Analysis: TOPIC: SOLAR POWER BASED PRESSURE PAD SECURITY SYSTEM WITH WIRELESS FEATURES. 1. What type of problem do you face in current home security system? Justification: The researcher wants to know the problems being faced by the user so that the researcher can overcome that problem in the project. Analysis: As per the responses the researcher comes to know that the users are facing the problem on failure of CCTV based security system. 2. What type of extra features you need in the solar power based pressure pad security system? Justification: The researcher wants to know the other requirement which the user want in the system and whether it can be implemented or not? Analysis: As per the responses obtained the researcher comes to know that the users are expecting multipurpose security system i.e. it should work in any place especially in hilly area. 3. How this project is helpful in home security system? Justification: The researcher wants to know whether the proposed system can reduce theft cases or not. Analysis: On the basis of response the researcher came to know that this project can also be implemented to the various places. 4. Do you think the proposed system can be helpful to the other places also? Justification: The researcher wants to know whether the proposed system can find a way to solve out the problems for other places also. Analysis: According to the response got in the interview the researcher comes to know that this project can help in various security purposes. 5. Do you think a little change in the system can make this system much more effective?
  • 55.
    Ab Solar powerbased pressure pad security system with wireless features PT1284413 ASIA PASIFIC INSITITUE OF INFORMATION TECHNOLOGY 55 Justification: The researcher wants to know whether a little change in the project can give it a future enhancement to be used in the other places like offices and malls also. Analysis: According to the response got in the interview the researcher comes to know that a little change can also be more effective.