PM3533

                     All-in-one energy management for smart phone RF solutions
                                                                                                                                            Preliminary Data


                     Description
                     PM3533 is an all-in-one solution for RF energy




                                                                                                                                                                      Information classified Company restricted - Do not copy (See last page for obligations)
                     management and RF front-end control for
                     GSM/EDGE/WCDMA/TD-SCDMA/LTE RF
                     solutions. It is designed specifically to support
                     Multi-Mode and Multi-Band Power Amplifier
                     (MMMB PA); with >90% efficiency and 2.6 V cut-
Company restricted




                     off voltage support, PM3533 enable improved
                     efficiency for PA and RF IC to maximizes the
                     battery life time of smart phones.
                     The PM3533 includes DCDC converters for
                     transceiver and PA, PA bias DAC, linear regulated
                     low noise supply for RF FE, GPIOs for antenna
                     control of tunable antennas and SPI RF FE                                    Features
                     control.
                                                                                                  •    All-in-one RF PMU
                                                                                                  •    Supports 2.6 V to 5.5 V battery voltage range
                     Applications
                                                                                                  •    High efficiency 400 mA DCDC converter for RF
                     •   Multi-Mode and Multi-Band PA solutions                                        transceiver
                     •   Mobile phones                                                                 – five level programmable output voltage
                     •   Portable communication equipment                                         •    High efficiency 600 mA/1.5 A Buck DCDC
                                                                                                       converter for PA with analog control voltage
                     •   Navigation systems and connected devices
                                                                                                  •    Boost DCDC converter for PA
                                                                                                       – BOOST by-pass mode
                                                                                                       – Enables support for low VBAT cut-off: 2.6 V
                                                                                                  •    Line regulated low noise 2.5 V supply for RF
                                                                                                       FE components
                                                                                                  •    PA bias DAC
                                                                                                  •    Three GPIO signals for RF FE control
                                                                                                  •    Battery voltage monitoring circuitry
                                                                                                  •    Under-voltage-lockout circuitry
                                                                                                  •    Thermal shutdown circuitry
                                                                                                  •    Green product: lead-free/RoHs compliant.
                                                                                                  •    VFBGA 3.4 mm x 3.4 mm x 1.0 mm with
                                                                                                       0.4 mm pitch




                     December 2010                                                CD00271682 Rev 3                                                        1/77
                     This is preliminary information on a new product now in development or undergoing evaluation. Details are subject to    www.stericsson.com   4
                     change without notice.
PM3533


                                     Device summary
                     Table 1.        Device summary
                                      Features                                       Range

                     Temperature range
                                                      -20°C to +85°C
                     All specifications fulfilled
                     Temperature range
                                                      -30°C to +85°C
                     Functional




                                                                                                         Information classified Company restricted - Do not copy (See last page for obligations)
                     Battery voltage range            2.6 V to 5.5 V
                     Package                          VFBGA 3.4 mm x 3.4 mm x 1.0 mm, 64 F8x8
                     DCDC1 - GSM PA operation
                     Output voltage range             50 mV to 5.5 V
Company restricted




                     Control voltage range            0 to 1.5 V
                     Maximum output current           1.5 A
                     Efficiency                       90% (combined efficiency of Boost-Buck)
                     Efficiency                       95% (Buck)
                     Large signal loop BW             230 kHz

                     DCDC1 – WCDMA PA operation

                     Output voltage range             50 mV to Vin-150 mV
                     Control voltage range            0 to 1.5 V
                     Maximum output current           600 mA
                     Efficiency                       96% (Buck)
                     Large signal loop BW             230 kHz
                     DCDC2 for TRX
                     Output voltage (Vout)            1.35 V, 1.45 V or 1.65 V
                     Maximum output current           400 mA
                     Efficiency                       90% (Buck)
                     PSRR ≤ 100 kHz                   63 dB
                     Start-up time                    10 μs

                     IDAC

                     Resolution                       6 bits
                     Output current range             0 to 2.3 mA (Vout < 2.3 V)

                     2.5 V linear regulator

                     Output voltage                   2.5 V
                     Maximum output current           60 mA
                     PSRR ≤ 100kHz                    40 dB




                     2/77                                      CD00271682 Rev 3
PM3533


                     Figure 1.               DCDC1 GSM operation - Combined Boost-Buck
                                                 DCDC 1 GSM PA operation (Buck/Boost) - VBAT= 3.6V                                         DCDC 1 GSM PA operation (Buck/Boost) - VBAT= 3.6V


                                           100                                                                                       100

                                           90                                                                                        90

                                           80                                                                                        80

                                           70                                                                                        70

                                           60                                                                                        60
                                 Eff (%)




                                                                                                                           Eff (%)
                                           50                                                                                        50

                                           40                                                                                        40

                                           30                                                                                        30

                                           20                                                                                        20




                                                                                                                                                                                                                                        Information classified Company restricted - Do not copy (See last page for obligations)
                                           10                                                                                        10

                                            0                                                                                         0
                                             0.0             1.0         2.0               3.0         4.0      5.0                    0.0       0.2         0.4          0.6          0.8             1.0         1.2   1.4
                                                                                Vout (V)                                                                                       Iload (A)




                     Figure 2.               DCDC1 GSM PA operation - Buck
Company restricted




                                                    DCDC 1 GSM PA operation (Buck) - VBAT= 3.6V                                               DCDC 1 GSM PA operation (Buck) - VBAT= 3.6V


                                           100                                                                                       100

                                           90                                                                                        90

                                           80                                                                                        80

                                           70                                                                                        70

                                           60                                                                                        60
                                 Eff (%)




                                                                                                                           Eff (%)




                                           50                                                                                        50

                                           40                                                                                        40

                                           30                                                                                        30

                                           20                                                                                        20

                                           10                                                                                        10

                                            0                                                                                         0
                                             0.0       0.5         1.0    1.5         2.0        2.5     3.0   3.5                     0.0             0.2               0.4               0.6               0.8         1.0
                                                                                Vout (V)                                                                                       Iload (A)




                     Figure 3.               DCDC1 WCDMA PA operation - Buck

                                                   DCDC 1 WCDMA PA operation (Buck) - VBAT= 3.6V                                             DCDC 1 WCDMA PA operation (Buck) - VBAT= 3.6V


                                           100                                                                                       100

                                           90                                                                                        90

                                           80                                                                                        80

                                           70                                                                                        70

                                           60                                                                                        60
                                 Eff (%)




                                                                                                                           Eff (%)




                                           50                                                                                        50

                                           40                                                                                        40

                                           30                                                                                        30

                                           20                                                                                        20

                                           10                                                                                        10

                                            0                                                                                         0
                                             0.0       0.5         1.0    1.5         2.0        2.5     3.0   3.5                     0.0        0.1              0.2           0.3             0.4           0.5       0.6
                                                                                Vout (V)                                                                                       Iload (A)




                     3/77                                                                                      CD00271682 Rev 3
PM3533


                            Figure 4.   DCDC2 in TRX operation

                                                                        DCDC 2 TRX operation - VBAT= 3.6V, Vout= 1.45V


                                                             100

                                                             90

                                                             80

                                                             70

                                                             60




                                                   Eff (%)
                                                             50

                                                             40

                                                             30

                                                             20




                                                                                                                                         Information classified Company restricted - Do not copy (See last page for obligations)
                                                             10

                                                              0
                                                                   50       100     150     200     250     300     350   400
                                                                                             Iload (mA)
Company restricted




                     4/77                                          CD00271682 Rev 3
PM3533                                                                                                                     Contents


                     Contents

                     1        Overview . . . . . . . . . . . . . . . . . . . . . . . . . . . . . . . . . . . . . . . . . . . . . . . . . 11
                              1.1      Main features . . . . . . . . . . . . . . . . . . . . . . . . . . . . . . . . . . . . . . . . . . . . . . .11
                                       1.1.1       Special power saving modes . . . . . . . . . . . . . . . . . . . . . . . . . . . . . . . . . 13


                     2        General specifications . . . . . . . . . . . . . . . . . . . . . . . . . . . . . . . . . . . . . . 14




                                                                                                                                                                   Information classified Company restricted - Do not copy (See last page for obligations)
                              2.1      Absolute maximum ratings . . . . . . . . . . . . . . . . . . . . . . . . . . . . . . . . . . . . 14
                              2.2      Operating conditions . . . . . . . . . . . . . . . . . . . . . . . . . . . . . . . . . . . . . . . . 14

                     3        Block diagram . . . . . . . . . . . . . . . . . . . . . . . . . . . . . . . . . . . . . . . . . . . . . 16
Company restricted




                     4        Reference design schematic . . . . . . . . . . . . . . . . . . . . . . . . . . . . . . . . . 17

                     5        SMPS for PA . . . . . . . . . . . . . . . . . . . . . . . . . . . . . . . . . . . . . . . . . . . . . . 19
                              5.1      Closed-loop mode SMPS full power critical electrical parameters . . . . . . 19
                              5.2      Closed-loop mode SMPS section mode, critical electrical parameters . . 20
                              5.3      Operating parameters for SMPS converter . . . . . . . . . . . . . . . . . . . . . . . 21
                              5.4      Critical external components for SMPS . . . . . . . . . . . . . . . . . . . . . . . . . . 25
                                       5.4.1       SMPS performance with critical components . . . . . . . . . . . . . . . . . . . . 26


                     6        Boost DC-DC converter . . . . . . . . . . . . . . . . . . . . . . . . . . . . . . . . . . . . . 27
                              6.1      Boost full power electrical parameters . . . . . . . . . . . . . . . . . . . . . . . . . . . 27
                              6.2      Operating requirements for Boost DC-DC converter . . . . . . . . . . . . . . . . 28
                              6.3      Critical external components for Boost DC-DC converter . . . . . . . . . . . . 31

                     7        BUCK DC-DC converter . . . . . . . . . . . . . . . . . . . . . . . . . . . . . . . . . . . . . 33
                              7.1      DC-DC closed-loop mode, critical electrical parameters . . . . . . . . . . . . . 33
                              7.2      Operating requirements for BUCK DC-DC converter . . . . . . . . . . . . . . . . 34
                              7.3      Critical external components for BUCK DC-DC converter . . . . . . . . . . . . 38
                                       7.3.1       Inductor . . . . . . . . . . . . . . . . . . . . . . . . . . . . . . . . . . . . . . . . . . . . . . . . . 38
                                       7.3.2       Capacitor . . . . . . . . . . . . . . . . . . . . . . . . . . . . . . . . . . . . . . . . . . . . . . . . 38


                     8        Regulators . . . . . . . . . . . . . . . . . . . . . . . . . . . . . . . . . . . . . . . . . . . . . . . . 39
                              8.1      VHI regulator . . . . . . . . . . . . . . . . . . . . . . . . . . . . . . . . . . . . . . . . . . . . . . 39



                                                                     CD00271682 Rev 3                                                                     5/77
Contents                                                                                                                 PM3533


                                         8.1.1       Power up for VHI regulator . . . . . . . . . . . . . . . . . . . . . . . . . . . . . . . . . . 40


                     9          Digital to analog converter . . . . . . . . . . . . . . . . . . . . . . . . . . . . . . . . . . . 42

                     10         RF controls . . . . . . . . . . . . . . . . . . . . . . . . . . . . . . . . . . . . . . . . . . . . . . . 45

                     11         Thermal shutdown . . . . . . . . . . . . . . . . . . . . . . . . . . . . . . . . . . . . . . . . . 46




                                                                                                                                                               Information classified Company restricted - Do not copy (See last page for obligations)
                     12         OTP memory . . . . . . . . . . . . . . . . . . . . . . . . . . . . . . . . . . . . . . . . . . . . . . 47

                     13         Battery monitoring . . . . . . . . . . . . . . . . . . . . . . . . . . . . . . . . . . . . . . . . . 48
Company restricted




                     14         Under-voltage-lockout block . . . . . . . . . . . . . . . . . . . . . . . . . . . . . . . . . 49

                     15         Mux structure . . . . . . . . . . . . . . . . . . . . . . . . . . . . . . . . . . . . . . . . . . . . . . 50
                                15.1     MUX 1 controls . . . . . . . . . . . . . . . . . . . . . . . . . . . . . . . . . . . . . . . . . . . . . 51
                                         15.1.1      PM3533 self test . . . . . . . . . . . . . . . . . . . . . . . . . . . . . . . . . . . . . . . . . . 52


                     16         Modes of operation . . . . . . . . . . . . . . . . . . . . . . . . . . . . . . . . . . . . . . . . . 53
                                16.1     Power UP/DOWN sequence . . . . . . . . . . . . . . . . . . . . . . . . . . . . . . . . . . 53

                     17         Control interface . . . . . . . . . . . . . . . . . . . . . . . . . . . . . . . . . . . . . . . . . . . 55
                                17.1     Data interface . . . . . . . . . . . . . . . . . . . . . . . . . . . . . . . . . . . . . . . . . . . . . . 55

                     18         Pin description . . . . . . . . . . . . . . . . . . . . . . . . . . . . . . . . . . . . . . . . . . . . 57
                                18.1     PM3533 ball-out            . . . . . . . . . . . . . . . . . . . . . . . . . . . . . . . . . . . . . . . . . . . 57
                                18.2     PM3533 pin description . . . . . . . . . . . . . . . . . . . . . . . . . . . . . . . . . . . . . . 58

                     19         PM3533 register description for closed-loop mode . . . . . . . . . . . . . . . 61

                     20         Example of WCDMA output power distribution curve . . . . . . . . . . . . . 72

                     21         Package information . . . . . . . . . . . . . . . . . . . . . . . . . . . . . . . . . . . . . . . . 73
                                21.1     Package mechanical data . . . . . . . . . . . . . . . . . . . . . . . . . . . . . . . . . . . . 73
                                21.2     Package marking . . . . . . . . . . . . . . . . . . . . . . . . . . . . . . . . . . . . . . . . . . . 75

                     22         Ordering information . . . . . . . . . . . . . . . . . . . . . . . . . . . . . . . . . . . . . . . 76



                     6/77                                              CD00271682 Rev 3
PM3533                                                                                               Contents


                     23       Revision history . . . . . . . . . . . . . . . . . . . . . . . . . . . . . . . . . . . . . . . . . . . 76




                                                                                                                                          Information classified Company restricted - Do not copy (See last page for obligations)
Company restricted




                                                                CD00271682 Rev 3                                                  7/77
List of tables                                                                                                                        PM3533


                     List of tables

                     Table 1.    Device summary . . . . . . . . . . . . . . . . . . . . . . . . . . . . . . . . . . . . . . . . . . . . . . . . . . . . . . . . . . 2
                     Table 2.    Absolute maximum ratings . . . . . . . . . . . . . . . . . . . . . . . . . . . . . . . . . . . . . . . . . . . . . . . . . 14
                     Table 3.    Operation conditions . . . . . . . . . . . . . . . . . . . . . . . . . . . . . . . . . . . . . . . . . . . . . . . . . . . . . . 14
                     Table 4.    Electrical characteristics of SMPS full power mode . . . . . . . . . . . . . . . . . . . . . . . . . . . . . . 19
                     Table 5.    Electrical characteristics of SMPS section mode . . . . . . . . . . . . . . . . . . . . . . . . . . . . . . . . 20
                     Table 6.    SMPS operation parameters . . . . . . . . . . . . . . . . . . . . . . . . . . . . . . . . . . . . . . . . . . . . . . . 21
                     Table 7.    SMPS inductor specification . . . . . . . . . . . . . . . . . . . . . . . . . . . . . . . . . . . . . . . . . . . . . . . . 25




                                                                                                                                                                             Information classified Company restricted - Do not copy (See last page for obligations)
                     Table 8.    SMPS capacitor specification . . . . . . . . . . . . . . . . . . . . . . . . . . . . . . . . . . . . . . . . . . . . . . . 26
                     Table 9.    SMPS performance with critical components . . . . . . . . . . . . . . . . . . . . . . . . . . . . . . . . . . . 26
                     Table 10.   Boost full power mode general electrical characteristics . . . . . . . . . . . . . . . . . . . . . . . . . . 27
                     Table 11.   Boost converter operation parameters . . . . . . . . . . . . . . . . . . . . . . . . . . . . . . . . . . . . . . . . 28
                     Table 12.   Inductor specification . . . . . . . . . . . . . . . . . . . . . . . . . . . . . . . . . . . . . . . . . . . . . . . . . . . . . 31
Company restricted




                     Table 13.   Capacitor specification for Boost converter . . . . . . . . . . . . . . . . . . . . . . . . . . . . . . . . . . . . 32
                     Table 14.   DC-DC closed-loop mode electrical characteristics . . . . . . . . . . . . . . . . . . . . . . . . . . . . . . 33
                     Table 15.   Buck DC-DC converter operating parameters . . . . . . . . . . . . . . . . . . . . . . . . . . . . . . . . . . 34
                     Table 16.   Inductor specification for closed-loop mode DC-DC converter usage . . . . . . . . . . . . . . . . 38
                     Table 17.   Capacitor specification for closed-loop mode DC-DC converter usage . . . . . . . . . . . . . . . 38
                     Table 18.   Current output capability / nominal voltage. . . . . . . . . . . . . . . . . . . . . . . . . . . . . . . . . . . . . 39
                     Table 19.   Regulator specifications . . . . . . . . . . . . . . . . . . . . . . . . . . . . . . . . . . . . . . . . . . . . . . . . . . . 39
                     Table 20.   Power-up timing values . . . . . . . . . . . . . . . . . . . . . . . . . . . . . . . . . . . . . . . . . . . . . . . . . . . 41
                     Table 21.   D/A-converter characteristics . . . . . . . . . . . . . . . . . . . . . . . . . . . . . . . . . . . . . . . . . . . . . . . 42
                     Table 22.   PADAC coding table by setting ‘48’ [in dec] for fused values . . . . . . . . . . . . . . . . . . . . . . . 43
                     Table 23.   I/O pad accuracy. . . . . . . . . . . . . . . . . . . . . . . . . . . . . . . . . . . . . . . . . . . . . . . . . . . . . . . . . 44
                     Table 24.   RF control voltage output parameters . . . . . . . . . . . . . . . . . . . . . . . . . . . . . . . . . . . . . . . . 45
                     Table 25.   Thermal shutdown parameter table . . . . . . . . . . . . . . . . . . . . . . . . . . . . . . . . . . . . . . . . . . 46
                     Table 26.   Battery monitoring characteristics. . . . . . . . . . . . . . . . . . . . . . . . . . . . . . . . . . . . . . . . . . . . 48
                     Table 27.   Under Voltage Lockout characteristics . . . . . . . . . . . . . . . . . . . . . . . . . . . . . . . . . . . . . . . . 49
                     Table 28.   MUX1 register writings . . . . . . . . . . . . . . . . . . . . . . . . . . . . . . . . . . . . . . . . . . . . . . . . . . . . 51
                     Table 29.   PM3533 Kelvin nodes for self test purpose . . . . . . . . . . . . . . . . . . . . . . . . . . . . . . . . . . . . 52
                     Table 30.   Power up timing values. . . . . . . . . . . . . . . . . . . . . . . . . . . . . . . . . . . . . . . . . . . . . . . . . . . . 53
                     Table 31.   Power down timing values . . . . . . . . . . . . . . . . . . . . . . . . . . . . . . . . . . . . . . . . . . . . . . . . . 54
                     Table 32.   Data interface timings . . . . . . . . . . . . . . . . . . . . . . . . . . . . . . . . . . . . . . . . . . . . . . . . . . . . . 55
                     Table 33.   SPI control signal timing table . . . . . . . . . . . . . . . . . . . . . . . . . . . . . . . . . . . . . . . . . . . . . . 56
                     Table 34.   PM3533 pin description . . . . . . . . . . . . . . . . . . . . . . . . . . . . . . . . . . . . . . . . . . . . . . . . . . . 58
                     Table 35.   Register 0 . . . . . . . . . . . . . . . . . . . . . . . . . . . . . . . . . . . . . . . . . . . . . . . . . . . . . . . . . . . . . . 61
                     Table 36.   Register 1 . . . . . . . . . . . . . . . . . . . . . . . . . . . . . . . . . . . . . . . . . . . . . . . . . . . . . . . . . . . . . . 61
                     Table 37.   Register 2 . . . . . . . . . . . . . . . . . . . . . . . . . . . . . . . . . . . . . . . . . . . . . . . . . . . . . . . . . . . . . . 62
                     Table 38.   Register 3 . . . . . . . . . . . . . . . . . . . . . . . . . . . . . . . . . . . . . . . . . . . . . . . . . . . . . . . . . . . . . . 63
                     Table 39.   Register 4 . . . . . . . . . . . . . . . . . . . . . . . . . . . . . . . . . . . . . . . . . . . . . . . . . . . . . . . . . . . . . . 64
                     Table 40.   Register 5 . . . . . . . . . . . . . . . . . . . . . . . . . . . . . . . . . . . . . . . . . . . . . . . . . . . . . . . . . . . . . . 65
                     Table 41.   Register 6 . . . . . . . . . . . . . . . . . . . . . . . . . . . . . . . . . . . . . . . . . . . . . . . . . . . . . . . . . . . . . . 65
                     Table 42.   Register 7 . . . . . . . . . . . . . . . . . . . . . . . . . . . . . . . . . . . . . . . . . . . . . . . . . . . . . . . . . . . . . . 66
                     Table 43.   Register 8 . . . . . . . . . . . . . . . . . . . . . . . . . . . . . . . . . . . . . . . . . . . . . . . . . . . . . . . . . . . . . . 67
                     Table 44.   Register 9 . . . . . . . . . . . . . . . . . . . . . . . . . . . . . . . . . . . . . . . . . . . . . . . . . . . . . . . . . . . . . . 68
                     Table 45.   Register 12 . . . . . . . . . . . . . . . . . . . . . . . . . . . . . . . . . . . . . . . . . . . . . . . . . . . . . . . . . . . . . 68
                     Table 46.   Register 13 . . . . . . . . . . . . . . . . . . . . . . . . . . . . . . . . . . . . . . . . . . . . . . . . . . . . . . . . . . . . . 69
                     Table 47.   Register 14 . . . . . . . . . . . . . . . . . . . . . . . . . . . . . . . . . . . . . . . . . . . . . . . . . . . . . . . . . . . . . 69
                     Table 48.   Register 15 . . . . . . . . . . . . . . . . . . . . . . . . . . . . . . . . . . . . . . . . . . . . . . . . . . . . . . . . . . . . . 70



                     8/77                                                     CD00271682 Rev 3
PM3533                                                                                                                   List of tables


                     Table 49.   VFBGA 3.4 mm x 3.4 mm x 1.0 mm with 0.4 mm pitch and 0.25 mm ball . . . . . . . . . . . . . 73
                     Table 50.   Package marking . . . . . . . . . . . . . . . . . . . . . . . . . . . . . . . . . . . . . . . . . . . . . . . . . . . . . . . . 75
                     Table 51.   Ordering information . . . . . . . . . . . . . . . . . . . . . . . . . . . . . . . . . . . . . . . . . . . . . . . . . . . . . . 76
                     Table 52.   Document revision history . . . . . . . . . . . . . . . . . . . . . . . . . . . . . . . . . . . . . . . . . . . . . . . . . 76




                                                                                                                                                                       Information classified Company restricted - Do not copy (See last page for obligations)
Company restricted




                                                                            CD00271682 Rev 3                                                                  9/77
List of figures                                                                                                                   PM3533


                     List of figures


                     Figure 1.    DCDC1 GSM operation - Combined Boost-Buck . . . . . . . . . . . . . . . . . . . . . . . . . . . . . . . . . 3
                     Figure 2.    DCDC1 GSM PA operation - Buck . . . . . . . . . . . . . . . . . . . . . . . . . . . . . . . . . . . . . . . . . . . . 3
                     Figure 3.    DCDC1 WCDMA PA operation - Buck . . . . . . . . . . . . . . . . . . . . . . . . . . . . . . . . . . . . . . . . . 3
                     Figure 4.    DCDC2 in TRX operation . . . . . . . . . . . . . . . . . . . . . . . . . . . . . . . . . . . . . . . . . . . . . . . . . . . 4
                     Figure 5.    PM3533 functional block diagram. . . . . . . . . . . . . . . . . . . . . . . . . . . . . . . . . . . . . . . . . . . . 11
                     Figure 6.    PM3533 block diagram . . . . . . . . . . . . . . . . . . . . . . . . . . . . . . . . . . . . . . . . . . . . . . . . . . . . 16




                                                                                                                                                                        Information classified Company restricted - Do not copy (See last page for obligations)
                     Figure 7.    Reference design schematic . . . . . . . . . . . . . . . . . . . . . . . . . . . . . . . . . . . . . . . . . . . . . . . 17
                     Figure 8.    USB application reference design schematic . . . . . . . . . . . . . . . . . . . . . . . . . . . . . . . . . . . 18
                     Figure 9.    Step-down switching regulator based on Buck converter with voltage-mode control . . . . . 19
                     Figure 10.   Transient response requirement. . . . . . . . . . . . . . . . . . . . . . . . . . . . . . . . . . . . . . . . . . . . . 25
                     Figure 11.   Boost converter simplified block diagram . . . . . . . . . . . . . . . . . . . . . . . . . . . . . . . . . . . . . 27
Company restricted




                     Figure 12.   Transient response requirement. . . . . . . . . . . . . . . . . . . . . . . . . . . . . . . . . . . . . . . . . . . . . 31
                     Figure 13.   Buck DC-DC-converter simplified block diagram . . . . . . . . . . . . . . . . . . . . . . . . . . . . . . . . 33
                     Figure 14.   Transient response requirement. . . . . . . . . . . . . . . . . . . . . . . . . . . . . . . . . . . . . . . . . . . . . 37
                     Figure 15.   Power up sequence timing diagram for VHI regulator . . . . . . . . . . . . . . . . . . . . . . . . . . . . 40
                     Figure 16.   DA-converter block diagram . . . . . . . . . . . . . . . . . . . . . . . . . . . . . . . . . . . . . . . . . . . . . . . . 42
                     Figure 17.   Output current accuracy of PADAC coded characteristic equation . . . . . . . . . . . . . . . . . . 44
                     Figure 18.   RF control connection . . . . . . . . . . . . . . . . . . . . . . . . . . . . . . . . . . . . . . . . . . . . . . . . . . . . . 45
                     Figure 19.   Thermal shutdown functional of modes . . . . . . . . . . . . . . . . . . . . . . . . . . . . . . . . . . . . . . . 46
                     Figure 20.   Simplified OTP bits connection diagram . . . . . . . . . . . . . . . . . . . . . . . . . . . . . . . . . . . . . . . 47
                     Figure 21.   Under-voltage-lockout block overview . . . . . . . . . . . . . . . . . . . . . . . . . . . . . . . . . . . . . . . . 49
                     Figure 22.   PM3533 multiplexer structure . . . . . . . . . . . . . . . . . . . . . . . . . . . . . . . . . . . . . . . . . . . . . . . 50
                     Figure 23.   Power up sequence timing diagram . . . . . . . . . . . . . . . . . . . . . . . . . . . . . . . . . . . . . . . . . . 53
                     Figure 24.   Power down sequence timing diagram . . . . . . . . . . . . . . . . . . . . . . . . . . . . . . . . . . . . . . . . 54
                     Figure 25.   Timing waveform of writes cycle . . . . . . . . . . . . . . . . . . . . . . . . . . . . . . . . . . . . . . . . . . . . . 55
                     Figure 26.   Timing waveform of read cycle . . . . . . . . . . . . . . . . . . . . . . . . . . . . . . . . . . . . . . . . . . . . . . 55
                     Figure 27.   Serial data input timing . . . . . . . . . . . . . . . . . . . . . . . . . . . . . . . . . . . . . . . . . . . . . . . . . . . . 56
                     Figure 28.   PM3533 ball-out diagram . . . . . . . . . . . . . . . . . . . . . . . . . . . . . . . . . . . . . . . . . . . . . . . . . . 57
                     Figure 29.   DG09 WCDMA output power distribution curve . . . . . . . . . . . . . . . . . . . . . . . . . . . . . . . . . 72
                     Figure 30.   VFBGA 3.4 mm x 3.4 mm x 1.0 mm, 0.4 mm pitch, 0.25 mm ball . . . . . . . . . . . . . . . . . . . 74
                     Figure 31.   Marking composition . . . . . . . . . . . . . . . . . . . . . . . . . . . . . . . . . . . . . . . . . . . . . . . . . . . . . . 75




                     10/77                                                   CD00271682 Rev 3
PM3533                                                                                        Overview


                     1        Overview

                              PM3533 is RF energy management and RF FE control device that contains following
                              functionalities: SMPS (Switched Mode Power Supply), Boost DC-DC converter, Buck DC-
                              DC converter, several regulators for internal use and one regulator for external use.
                              PM3533 also contains two antenna control IOs and two PA bias DAC outputs with the
                              possibility to use the second DAC output also as third GPIO.

                              Figure 5.      PM3533 functional block diagram




                                                                                                                                Information classified Company restricted - Do not copy (See last page for obligations)
Company restricted




                     1.1      Main features
                              •   Antenna controls and PA control signals
                                  –       Two antenna-tuning controls. Controls are programmable via the Serial Peripheral
                                          Interface (SPI).
                                  –       One adjustable current reference for PA, with two multiplexed outputs.
                                  –       One of the outputs can also be used a static control output
                              •   SMPS converter
                                  –       SMPS converter optimized for both GSM and WCDMA power amplifiers
                                  –       GSM mode bursts ramp-up/ramp-down capability
                                  –       Two different operating modes, which are controlled via Serial Peripheral Interface
                                          (SPI). The operating modes are used to optimize SMPS efficiency at lower power
                                          levels. Operation modes are explained in Section 1.1.1.
                                  –       Internal adjustable switching clock
                                  –       Dithering. Dithering adds deviation to switching frequency, which lowers switching
                                          harmonic at output of SMPS. The deviation of the dithering is adjustable between
                                          two different frequencies.
                                  –       Adjustable delay control for SMPS power switch drivers.
                                  –       Adjustable integrated loop-filter.
                              •   Boost DC-DC converter
                                  –       Boost DC-DC converter regulates the battery voltage up to 4.0 V, 4.3 V, 5.3 V or
                                          6 V.




                                                                CD00271682 Rev 3                                        11/77
Overview                                                                                      PM3533


                                    –   Three different operating modes are controlled by the Serial Peripheral Interface
                                        (SPI). The operating modes are used to optimize the power converter efficiency at
                                        lower power levels. The operation modes are explained in Section 1.1.1.
                                    –   Sampled soft-start, to enable smooth transient behavior on Boost DC-DC
                                        converter output when starting the device or to continue from earlier idle (with its
                                        output already at the correct level)
                                    –   Internal adjustable switching clock.
                                    –   Dithering. Dithering adds deviation to switching frequency, which lowers switching
                                        harmonic at the output of the boost DC-DC converter. The deviation of the
                                        dithering is adjustable between two different frequencies




                                                                                                                               Information classified Company restricted - Do not copy (See last page for obligations)
                                •   Buck DC-DC converter
                                    –   The buck DC-DC converter down-regulates the battery voltage to 1.45 V.
                                        The output voltage is adjustable also to 1.65 V or 1.35 V, another normal usage
                                        set is 1.85 V or 1.55 V.
                                    –   Sampled soft-start, to enable smooth transient behavior on Buck DC-DC converter
Company restricted




                                        output when starting the device or to continue from earlier idle (with its output
                                        already at the correct level).
                                    –   Internal adjustable switching clock.
                                    –   Dithering. Dithering adds deviation to switching frequency, which lowers switching
                                        harmonic at the output of the buck DC-DC converter. The deviation of the dithering
                                        is adjustable between two different frequencies.
                                •   External regulators
                                    –   PM3533 has one regulator for external use. VHI regulates the battery voltage to
                                        2.6 V or 2.5 V. VHI is enabled automatically after power-up with default output
                                        voltage of 2.5V.
                                •   Multiplexer
                                    –   PM3533 has one programmable multiplexer used to switch several analog node
                                        voltages to PM3533 MUX1 I/O. The battery-monitoring block is also connected to
                                        the multiplexer. Additionally MUX1 I/O can be used for self-testing
                                        purposes.Multiplexer structure is shown in Figure 22.
                                •   Serial Peripheral Interface (SPI) for PM3533 control.
                                •   Battery monitoring block. This block enables battery voltage monitoring during the
                                    operation and can also be used for self-testing purposes in production line.
                                •   Under Voltage Lockout block. This block adds special protection by automatically
                                    powering-down the boost power converter if abnormal power-downs occur at full power
                                    mode.
                                •   40-bit OTP memory. One time programmable memory is needed to switch the
                                    frequency tuning for all three converters. Also TSD (Thermal shutdown cell) can be
                                    tuned with OTP memory.
                                •   Thermal shutdown
                                    –   Thermal shutdown circuitry monitors the die temperature and fulfills a shutdown
                                        when a specified temperature is reached. Thermal protection is enabled
                                        automatically after power-up.




                     12/77                                    CD00271682 Rev 3
PM3533                                                                                     Overview


                     1.1.1    Special power saving modes
                              DCDC converters have “low power” operation modes, which reduce the current
                              consumption in low power mode. The modes are controlled through the serial control
                              interface.

                              SMPS converter
                              1.   “Low power” mode means that the size of power switches including the drivers are
                                   reduced at lower power levels.
                              2.   Power switches are divided into two parts. In high power levels both parts are used




                                                                                                                              Information classified Company restricted - Do not copy (See last page for obligations)
                                   while in low power levels only 1/3 part of the switches and their drivers are used. The
                                   decision on which mode is used comes from the base-band.

                              Boost DC_DC converter
                              Boost DC_DC converter includes two different power saving modes.
Company restricted




                              1.   “Full power” mode means that the boost DCDC converter at normal operational mode
                                   with the full output power capability. Enabling of this is coming from the base-band.
                              2.   The boost converter has also a “By-Pass” mode, which corresponds to 100% duty
                                   cycle operation. In that mode the converter upper switch is turned on while the
                                   converter lower switch is turned off. The boost by-pass function can be used in low
                                   power levels by shutting down the boost-converter.




                                                             CD00271682 Rev 3                                         13/77
General specifications                                                                                     PM3533


                     2              General specifications

                     2.1            Absolute maximum ratings
                     Note:          Absolute Maximum Ratings are those values beyond which damage to the device may
                                    occur. Functional operation under these conditions is not implied. Always use the operating
                                    conditions mentioned below when using the PM3533 in the application usage or similar kind
                                    of, to achieve the correct functionality and performance (look at Section 2.2: Operating
                                    conditions for further details).




                                                                                                                                         Information classified Company restricted - Do not copy (See last page for obligations)
                     Table 2.       Absolute maximum ratings
                           Symbol                                    Parameter                             Min      Typ   Max     Unit

                       IND_BOOST,
                      INPUT_SMPS,
Company restricted




                                        Supply voltage level                                               -0.3             9      V
                          VBATT,
                         VBB_VRX
                      SMPS_CTRL,
                     DATA, ENABLE,
                                   Supply voltage level / control voltage level                            -0.3            2.7     V
                     SCLK, XRESET,
                       VREF, VXO
                              Tj        Junction temperature                                                               150     °C
                              TS        Storage temperature                                                 -50            125     °C
                                        Electrostatic discharge integrity for pins connected to battery,
                          ESDHBM                                                                           -1000          +1000    V
                                        HBM(1)
                          ESDCDM        Electrostatic discharge protection, Charge device Model(2)         -500           +500     V
                     1. Test conditions according to JESD22-A114.
                     2. Test conditions according to JESD22-C101.



                     2.2            Operating conditions
                     Table 3.       Operation conditions
                           Symbol                                    Parameter                             Min      Typ   Max     Unit

                     General electrical characteristics

                             TOP        Operating ambient temperature, all specifications fulfilled         -20           +85      °C
                             TOPF       Operating ambient temperature, functional                           -30           +85      °C
                             TJA        Thermal resistance                                                          50            °C/W
                             VBAT       Battery voltage in normal operation mode                           2.6(1)          5.5     V
                          VBATMAX       Maximum battery voltage (due to charging)                                   4.8    5.5     V
                           VBAT1        Battery voltage in normal operation mode with Vbuck_boost           2.3            5.5     V
                         VBOOSTMAX      Maximum up-converted voltage                                                       6.5     V




                     14/77                                            CD00271682 Rev 3
PM3533                                                                                              General specifications


                     Table 3.         Operation conditions (continued)
                          Symbol                                         Parameter                                       Min       Typ   Max     Unit


                           VUSB           USB supply voltage                                                             4.75       5    5.25     V
                                                                                                                         (2) (3)

                             IAD          Admissible current per ball                                                                    800     mA
                            PMAX                               (4)
                                          Power dissipation                                                                              800     mW
                        VBAT_Iload        Battery current for PM3533                                                                      3       A




                                                                                                                                                         Information classified Company restricted - Do not copy (See last page for obligations)
                            VXO           Digital power supply                                                            2.1      2.5            V
                         VXO_Iload        Digital power supply current load (UVL enabled)                                          120           µA
                             VIO          Driver stage supply voltage                                                     1.7      1.8    1.9     V
                         VIO_Iload        Driver stage supply current Iload                                                        3.5    18     mA
Company restricted




                                          Analog power supply DC                                                         3.339     3.4   3.461
                         Vbuck_boost                                                                                                              V
                                                             TRAN                                                         -0.1           +0.1
                      Vbuck_boost_Iload Analog power supply current load                                                                  25     mA
                           VREF           Reference voltage                                                              1.176     1.2   1.224    V
                            VLOW          Digital input/output low                                                         0             0.67     V
                        VINPUT,HIGH       Digital input high                                                              1.1            1.88     V
                       VOUTPUT,HIGH       Digital output high                                                             1.5            1.88     V

                         Ileak_vbat       Leakage current from Vbat supply                                                               120     µA

                     1. Analog power supply can be supplied from the Baseband Vbuck_boost or directly from the battery. When the Analog
                        supply is fed from battery, PM3533 cut-off voltage is 2.6 V (typical) otherwise cut-off is 2.3 V
                     2. Analog power supply range in the USB mode is according to the USB standard specification.
                     3. USB supply voltage as low as 4.0 V is allowed and even under transient conditions minimum of 3.67 V is possible for a
                        short period of time in the USB 3.0 specification.
                     4. Maximum that is allowed while taking into account internal losses at applicable load condition




                                                                          CD00271682 Rev 3                                                       15/77
Block diagram                                                                          PM3533


                     3           Block diagram

                                 PM3533 block diagram in the closed-loop mode environment is shown below.

                     Figure 6.   PM3533 block diagram




                                                                                                                     Information classified Company restricted - Do not copy (See last page for obligations)
Company restricted




                     16/77                                   CD00271682 Rev 3
PM3533                                                  Reference design schematic


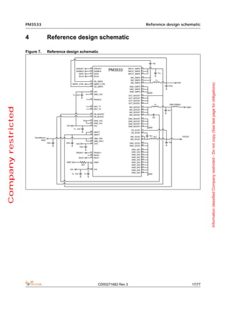
                     4           Reference design schematic

                     Figure 7.   Reference design schematic




                                                                                                          Information classified Company restricted - Do not copy (See last page for obligations)
Company restricted




                                                          CD00271682 Rev 3                        17/77
Company restricted




18/77
                                                                                                             Figure 8.
                                                                                                                                                          Reference design schematic


                                                                                                             USB application reference design schematic




CD00271682 Rev 3
                                                                                                                                                          PM3533




                   Information classified Company restricted - Do not copy (See last page for obligations)
PM3533                                                                                         SMPS for PA


                     5           SMPS for PA

                                 Figure 9 shows the simplified schematic of PM3533 step-down switching regulator with
                                 basic functionality. The converter itself is a Buck converter with synchronous rectification.
                                 The control is realized using the so-called voltage-mode control.

                     Figure 9.   Step-down switching regulator based on Buck converter with voltage-mode control




                                                                                                                                   Information classified Company restricted - Do not copy (See last page for obligations)
Company restricted




                     5.1         Closed-loop mode SMPS full power critical electrical
                                 parameters
                                 The most critical parameters are collected in Table 4.

                                 Table 4.     Electrical characteristics of SMPS full power mode
                                   Symbol                 Parameter                   Min         Typ         Max         Unit

                                     Vin     Input voltage range                      2.3                       6          V
                                     Iout    Max.output current range, bursted                                 2.5         A
                                             Active current consumption with no
                                      Iq                                                           2.8                    mA
                                             load current, 9.5 MHz clock, Vctrl 0V
                                             Efficiency with Iload1.2 A
                                             Vinput=3.6V , Vout=3.2V                   92          94                      %
                                             Freq 9.5MHz (coil loss included)
                                             Max continuous load current in
                                                                                                                2          A
                                             +85 °C ambient temperature




                                                                   CD00271682 Rev 3                                        19/77
SMPS for PA                                                                             PM3533


                               Table 4.     Electrical characteristics of SMPS full power mode (continued)
                                   Symbol                Parameter                   Min   Typ      Max       Unit

                                            Programmable switching frequency
                                                                                     2.1             12       MHz
                                            (5-bit)

                                            Power-up time                                            10        µs



                     5.2       Closed-loop mode SMPS section mode, critical electrical
                               parameters




                                                                                                                      Information classified Company restricted - Do not copy (See last page for obligations)
                               Table 5.     Electrical characteristics of SMPS section mode
                                   Symbol                Parameter                   Min   Typ      Max       Unit

                                            Output current range. Continuous
Company restricted




                                    Iout    current over temp range and over life-                  600       mA
                                            time
                                            Active current consumption with no
                                     Iq     load current, switching freq 9.5 MHz.          2.8                mA
                                            SMPS_cntrl at 0 V
                                            Efficiency with VBAT=3.6 V,
                                            Iout = 80 mA, Vout = 0.95 V,                   82                  %
                                            f = 2.2 MHz
                                            Efficiency with VBAT=3.6V,
                                            Iout = 285 mA,Vout=3.4 V,                      95                  %
                                            f = 2.2 MHz
                                            Max load current, continuous at
                                                                                                 500 (TBD)    mA
                                            application level




                     20/77                                      CD00271682 Rev 3
PM3533                                                                                         SMPS for PA


                     5.3            Operating parameters for SMPS converter
                                    Characteristics to be met over the operating temperature range specified in Table 3:
                                    Operation conditions unless otherwise stated.

                     Table 6.       SMPS operation parameters
                        Symbol                   Parameter           Min       Typ      Max      Unit              Notes

                     Voltage levels and regulation

                                       Operating input voltage                                          Accuracy: +/- 3%
                     Vi_oper1                                        5.82       6       6.18      V




                                                                                                                                       Information classified Company restricted - Do not copy (See last page for obligations)
                                       (full power mode)                                                BOOST OUTPUT

                                       Operating input voltage                                          Accuracy: +/- 3%
                     Vi_oper2                                        5.15      5.3      5.45      V
                                       (full power mode)                                                BOOST OUTPUT

                                       Operating input voltage                                          Accuracy: +/- 3%
                     Vi_oper3                                        3.88       4       4.12      V
Company restricted




                                       (full power mode)                                                BOOST OUTPUT

                                       Operating input voltage                                          Accuracy: +/- 3%
                     Vi_oper4                                        4.18      4.3      4.42      V
                                       (full power mode)                                                BOOST OUTPUT
                                                                                                        Lowest power levels
                                                                                                        Boost-converter is in by-
                                       Operating input voltage               Vbat min                   pass mode when SMPS
                     Vi_oper_low                                                      Vbat min    V
                                       (low power mode)                      - 350 mV                   input voltage is VBAT.
                                                                                                        NOTE: Depends on the
                                                                                                        application usage
                                       smps_ctrl at                                                      (default gain setting)
                                         0.023                       0.066    0.073    0.080            Accuracy: +10.0/- 9.5%
                                          0.03                       0.088    0.095    0.103            Accuracy: +8.0/- 7.9%
                                           0.1                       0.326    0.318    0.311            Accuracy: +2.6/- 2.3%
                                           0.4                       1.269    1.272    1.277            Accuracy: +0.4/-0.2%
                     Vout
                                          0.75                                2.385               V     (used as a ratio reference)
                     -[-30;+85]°C
                                          1.00                                3.195    3.243            Accuracy: +0.2/+0.05%
                                          1.25                                3.982    4.001            Accuracy: +0.65/+0.2%
                                          1.55                                4.964    5.097            Accuracy: +3.4/+0.7%
                                          1.59                                5.097    5.446            Accuracy: +7.7/+0.8%
                                          1.62                                5.198    5.461            Accuracy: +6.0/+0.9%
                                                                                                        Look at smps_ctrl = 0.75V /
                                            g1                                 3.18
                     Gain, Vout                                                                         Vout = 2.385V above
                                            g2                                 3.38                     Optional (via bit control)
                                                                                                        Iload=1.25A @Vi_oper2
                     Dropout         Switching freq 9.5 MHz.
                                                                                                        Included LC DCR/ACR
                     voltage at room Note: Minimum delay setting               370      420      mV
                     temp            used @ Vi_oper2.                                                   values (see Section 5.4
                                                                                                        values)
                                                                                                        Iload=1.25A @Vi_oper2
                     Dropout
                                       Switching frequency typ of                                       Included LC DCR/ACR
                     voltage                                                   270      350      mV
                                       5.0 MHz @ Vi_oper2. (1)                                          values (see Section 5.4
                     -[-30;+85]°C
                                                                                                        values)




                                                                    CD00271682 Rev 3                                           21/77
SMPS for PA                                                                                                 PM3533


                     Table 6.       SMPS operation parameters (continued)
                         Symbol                Parameter             Min        Typ       Max         Unit               Notes

                                                                                                             @Vout max= 4.7 V
                                                                                                             Note: Max currents are
                     Iload            Load current                              1.2       1.7          A     defined during the GSM
                                                                                                             burst. MAX value includes
                                                                                                             PA current consumption in
                                                                                                             worst case VSWR case.
                                      Load current in GSM mode                                               @Vout max= 3.6 V
                                      when Boost-converter is by-




                                                                                                                                                Information classified Company restricted - Do not copy (See last page for obligations)
                                                                                                             Note: Max currents are
                     Iload_mode       passed or PA max power is                           2.5          A
                                                                                                             defined during the GSM
                                      achieved lower than
                                      nominal SMPS Vout value.                                               burst.

                                                                                                             Note: PA is in power-down
                                                                                                             mode.
Company restricted




                                      No load current                                                        Includes internal clock and
                     Inol                                                                                    drivers and internal
                                      consumption                                3        3.5          mA
                     -[-30;+85]°C                                                                            regulator quiescent
                                      Switching freq 9.5MHz                                                  currents.
                                                                                                             Converter in full power
                                                                                                             mode
                                                                                                             Note: PA is in power-down
                                                                                                             mode and PM3533 is in
                     Iidle
                                      Idle current                              0.6        0.8         mA    idle mode.
                     -[-30;+85]°C
                                                                                                             Regulators are on.
                                                                                                             Clock and drivers are off.
                                                                                                             Clock range can be tuned with 5+
                                                                                                             1-bit
                                                                       6.5                 13.5
                                      Adjustable Internal clock                                              (with the 1stset of reduction /
                     f_osc                                          (4.7/7.9)          (11.7 /14.9)   MHz
                                                                                                             increment bits)
                                      (typical values)              [2.1/5.3]           [8.2/10.5]
                                                                                                             [with the 2nd set of reduction /
                                                                                                             increment bits]

                                                                       7.1                10.0               Tuning range over temp, vbat and
                     f_osc_tuning_                                                                           corners.
                                                                      [5.7,               [9.3,
                     range            OTP tuning range                                                MHz    [extended range available
                                                                      4.2,                 5.8,
                                                                                                             dedicated control bits:
                     -[-30;+85]°C                                     3.3]                5.45]              set 1, set2, set3]

                     f_osc_tuning_                                                                           Can be tuned with OTP
                                                                                                             memory and with 4+1-bit
                     acc                                             160        230       350         kHz
                                                                                                             current bias. Absolute
                     -[-30;+85]°C
                                                                                                             accuracy.
                     Delta
                                                                                                             Tuned OTP freq shift over
                     f_osc_shift                                                          450         ΔkHz
                                                                                                             vbat and temp.
                     -[-30;+85]°C
                     f_osc_d1                                                                                Selectable 2MHz dither
                                      Dither deviation 1              1.9        2                    MHz
                     -[-30;+85]°C                                                                            deviation

                     f_osc_d2                                                                                Selectable 4MHz dither
                                      Dither deviation 2              3.7        4                    MHz
                     -[-30;+85]°C                                                                            deviation
                                                                                                           Vin 300mVpp perturbation.
                     Line_tr (2)      Line transient response                                         mVpp Trise/tfall=10 µs.
                                                                                                           Iload = 1.25 A DC



                     22/77                                          CD00271682 Rev 3
PM3533                                                                                  SMPS for PA


                     Table 6.      SMPS operation parameters (continued)
                        Symbol               Parameter              Min      Typ      Max   Unit             Notes

                                                                                                 Vin=Vbat range
                                                                                                 Transients from 10 mA to
                     Load_tr (2)     Load transient response                  (3)
                                                                                            mVpp
                                                                                                 1250 mA.
                                                                                                 Trise = Tfall = 13 µs.
                     PSRR                                                                          sine wave perturbation
                                     Mode1    Iout = 1200 mA         35                      dB
                     [-30;+85]°C                                                                   <10 kHz




                                                                                                                                Information classified Company restricted - Do not copy (See last page for obligations)
                     Efficiency in GSM-mode

                                     Vin = 5 V. Iload 1.25 A @                                     Iload = 1.25A (GSM burst
                     [-30;+85]°C     Vout, typ = 4.6 V               93       95             %     rms current value). Full
                                     Switching freq 9.5 MHz                                        power mode
Company restricted




                                     Vin = 3.6 V. Iload 0.52A @                                    SMPS full power mode,.
                     [-30;+85]°C     Vout = 2 V,                     89       92             %     Boost converter by-passed
                                     Switching freq 9.5 MHz                                        (active mode)

                                     Vin = 3.6 V. Iload 0.17 A @                                   SMPS Section mode,.
                     [-30;+85]°C     Vout = 1.1 V,                   79       83             %     Boost converter by-passed
                                     Switching freq 9.5 MHz                                        (active mode)

                                     Vin = 5.0 V. Iload 0.52 A @
                                                                                                   SMPS full power mode in
                     [-30;+85]°C     Vout = 2 V,                    87.5     90.5            %
                                                                                                   VUSB case
                                     Switching freq 9.5 MHz
                                     Vin = 5.0 V. Iload 0.17 A @
                                     Vout = 1.1 V,                                                 SMPS section mode in
                     [-30;+85]°C                                     74       77             %
                                                                                                   VUSB case
                                     Switching freq 9.5 MHz

                     Efficiency in WCDMA-mode

                                     Vin = 3.6 V. Iload 0.5 A @                                    SMPS Section power
                     [-30;+85]°C     Vout, typ = 3.37 V              93      94.5            %     mode, Boost by-passed
                                     Switching freq 2.1 MHZ                                        (active mode)

                                     Vin = 3.6 V. Iload 0.15 @                                     SMPS section mode,
                     [-30;+85]°C     Vout = 1.6V,                    85       88             %     Boost by-passed (passive
                                     Switching freq 2.1 MHZ                                        mode)
                                     Vin = 3. 6V. Iload 0.045 @                                    SMPS section mode,
                     [-30;+85]°C     Vout = 0.77 V,                  62       68             %     Boost by-passed (passive
                                     Switching freq 2.1 MHZ                                        mode) (4)
                                     Vin = 5.0 V. Iload 0.5 A @
                                     Vout, typ = 3.37 V                                            SMPS section power mode
                     [-30;+85]°C                                     92      93.5            %
                                                                                                   in VUSB case
                                     Switching freq 2.1 MHZ
                                     Vin = 5.0 V. Iload 0.15 @
                                                                                                   SMPS section mode in
                     [-30;+85]°C     Vout = 1.6V,                    81       84             %
                                                                                                   VUSB case
                                     Switching freq 2.1 MHZ
                                     Vin = 5.0 V. Iload 0.045 @
                                                                                                   SMPS section mode in
                     [-30;+85]°C     Vout = 0.77 V,                  56       62             %
                                                                                                   VUSB case
                                     Switching freq 2.1 MHZ




                                                                   CD00271682 Rev 3                                     23/77
SMPS for PA                                                                                                        PM3533


                     Table 6.        SMPS operation parameters (continued)
                          Symbol                   Parameter                   Min         Typ      Max      Unit               Notes

                                         Idle start-up                                                               Initially: regulators on and
                     t_idle                                                                  5                μs
                                         From idle to operation                                                      SMPS is off.

                                         Device start-up
                                                                                                                     Initially: PM3533 is
                     t_on                From shutdown to                                   15                μs
                                                                                                                     shutdown.
                                         operation.
                     1. Minimum delay setting used
                     2. Transient response requirement clarification is illustrated in Figure 10.




                                                                                                                                                    Information classified Company restricted - Do not copy (See last page for obligations)
                     3. These parameters are verified in system measurements in closed-loop mode RF engine platform. It should not inhibit
                        GSMK modulation for burst power-up/down sequences
                     4. BOOST by-passed active mode means that BOOST serial switch is open by having charge pump activated. BOOST by-
                        passed passive mode means that also charge pump is disabled.
Company restricted




                     24/77                                                   CD00271682 Rev 3
PM3533                                                                                                                       SMPS for PA


                     Figure 10. Transient response requirement

                                                                                tr<(mV)
                                          overshoot
                         Vout                                                                                          Vout +/-tolerance
                                                                              overshoot
                                          Tr (mV)                                                                   Note: During rise or fall recovery times, there
                                                                                                                    must be no unstable behaviour. The fall
                                                                                                 T_rec              recovery time is dependant on Cout and load
                                                                                                                    current




                                                                                                                                                                       Information classified Company restricted - Do not copy (See last page for obligations)
                                                           Load rise time = fall = Xus                                 Vin = Vout = constant.
                         Load transient
                                                                                                                       Load step = Iload min to
                                                                                                                       Iloadmax


                         Line transient                      Line fall time = rise = Xus                             Line step: 300mV. xV < Vin < xV
Company restricted




                                                                                                                     Iload = constant = Mode1/Mode2




                     5.4                  Critical external components for SMPS
                                          Inductor

                     Table 7.             SMPS inductor specification
                           Symbol                     Parameter              Min           Typ   Max                            Notes

                     L                      Inductance (µH)                                 1

                                                                                                         Peak current value when inductance is within
                     Ira                    Rated current 1 (A)               1.5                        ± 20 % tolerance, compared to measured typical
                                                                                                         value at 50% Irated.
                     Rdc                    DC resistance (mohm)                                 60      Rdc is measured with Ira bias current
                                                                                                         Coil inductance compared to nominal value in
                                            Inductance tolerance
                                                                                                         nominal temperature should not change more
                     Ltemp                  over temperature                   -5                +5
                                                                                                         than specified over the operating temp. range.
                                            range (%)
                                                                                                         Measured with Ira bias current
                                                                                                         Measured with Ira bias current and Sf switching
                     PL                     Power Loss (mW)                                      160
                                                                                                         freq.
                                            Magnetic shielding                             TBD




                                                                                    CD00271682 Rev 3                                                           25/77
SMPS for PA                                                                                        PM3533


                                     Capacitors
                                     Table 8 lists the specification for SMPS capacitor.

                     Table 8.        SMPS capacitor specification
                                              Parameter                                           Specifications

                     Size (target)                                            0603
                     Dielectric                                               X5R/X7R
                     Temperature range                                        –30°C to +85°C




                                                                                                                                 Information classified Company restricted - Do not copy (See last page for obligations)
                     Rated voltage                                            10 V DC
                     Capacitance (typical) 0V Bias                            470 nF +/-10 %
                     Max. Capacitance change 0-5V DC Bias, over
                                                                              From initial value +/-10%
                     temperature range, after aging
Company restricted




                     ESR @ 9 MHz (max)                                        20 mohm
                     Maximum operating voltage                                5.5 V DC
                     Serial Inductance max.                                   1.8 nH


                     5.4.1           SMPS performance with critical components

                     Table 9.        SMPS performance with critical components
                      Symbol            Parameter         Typ     Unit                               Notes

                                                                           Cout ESR < 20 mohm, L=1 µH, Iload 10 mA to 1200 mA,
                     Vo_ripple       Ripple voltage       3.1    mVpp
                                                                           Switching frequency 9 MHz




                     26/77                                          CD00271682 Rev 3
PM3533                                                                          Boost DC-DC converter


                     6             Boost DC-DC converter

                                   Boost DC-DC-converter’s design topology is the same as SMPS. DC-DC-converter’s output
                                   voltage control is done with reference voltage and dedicated control bits.

                     Figure 11. Boost converter simplified block diagram




                                                                                                                                   Information classified Company restricted - Do not copy (See last page for obligations)
Company restricted




                     6.1           Boost full power electrical parameters
                     Note:         The most critical parameters are collected in Table 10 and Table 13. These tables are
                                   shown separately to ease the reading and best define the converter most critical
                                   parameters.

                     Table 10.     Boost full power mode general electrical characteristics
                          Symbol                               Parameter                           Min   Typ    Max        Unit

                     Vin             Input voltage range                                           2.3           4.4        V
                     Vout1           Output voltage range, no load                                       5.3                V
                     Vout2           Output voltage range, no load                                       4.0                V
                     Vout3           Output voltage range, no load(1)                                    6.0                V
                     Vout4           Output voltage range, no load                                       4.3                V
                     Iout            Boost input current range, bursted                                          3          A
                                     Active current consumption with no load current, full power
                     Iq              mode, 7 MHz clock, over temperature and Vbat range                  14      26        mA
                                     (smps_ctrl=0V)




                                                                     CD00271682 Rev 3                                      27/77
Boost DC-DC converter                                                                                             PM3533


                     Table 10.      Boost full power mode general electrical characteristics (continued)
                         Symbol                                    Parameter                                  Min      Typ      Max      Unit

                                       Efficiency with Iload=1.2 A
                                       VBAT=2.7 V, Vout=5.3 V, Switching frequency 7 MHz, over                80        83                %
                                       temperature
                                       Efficiency with Iload=1.2 A
                                       VBAT=3.6 V, Vout=5.3 V, Switching frequency 7 MHz, over                89        92                %
                                       temperature
                                       Efficiency with Iload=700 mA




                                                                                                                                                 Information classified Company restricted - Do not copy (See last page for obligations)
                                       VBAT=3.6 V, Vout=5.3 V                                                 92        94                %
                                       Switching freq 7 MHz, over temperature
                                       Max continuous input current in +85°C ambient temperature                                 2        A

                                       Programmable switching frequency (4-bit)                               4.5               11.4     MHz
Company restricted




                                       Output settling time (function of load LC circuitry)                            10(2)             µs
                     1. Restricted usage only during production calibration
                     2. For example L=1 µH C=10 µF



                     6.2            Operating requirements for Boost DC-DC converter
                                    Characteristics are to be met over the operating temp range specified in Table 3: Operation
                                    conditions unless otherwise stated.

                     Table 11.      Boost converter operation parameters
                        Symbol              Parameter             Min         Typ    Max      Unit                   Remarks

                     Voltage levels and regulation

                                     Operating input
                        Vi_oper                                   2.3                4.4       V
                                     voltage
                                                                                                     Accuracy +/- 3%. Including ripple voltage
                        Vout_b1      Output voltage              5.15         5.3    5.45      V
                                                                                                     and line/load regulation
                                                                                                     Accuracy +/- 3%. Including ripple voltage
                        Vout_b2      Output voltage                            4               V
                                                                                                     and line/load regulation
                                                                                                     Accuracy +/- 3%. Including ripple voltage
                        Vout_b3      Output voltage                            6               V
                                                                                                     and line/load regulation
                                                                                                     Accuracy +/- 3%. Including ripple voltage
                        Vout_b4      Output voltage                           4.3              V
                                                                                                     and line/load regulation
                                                                                                     Normal mode means that PA is active.
                                                                                                     Max value includes also PA VSWR
                                     Load current in
                          Iload                                    1          1250   1700     mA     current.
                                     normal mode
                                                                                                     Note: Max current is defined during the
                                                                                                     GSM burst.
                                                                                                     Includes power coil ripple current
                           Ibatt     Vbatt Input current                             3450     mA     Note: Max current is defined during the
                                                                                                     GSM burst.


                     28/77                                                CD00271682 Rev 3
PM3533                                                                          Boost DC-DC converter


                     Table 11.       Boost converter operation parameters (continued)
                        Symbol            Parameter           Min    Typ   Max    Unit                   Remarks

                                                                                         Note: PA is in power-down mode and
                                                                                         PM3533 is thus in idle mode
                                     Quiescent current (no                               (i.e.SMPS_ctrl=0V).
                          Iq1        load) Full power mode           14     26     mA    Includes internal clock & control blocks
                                     Switching freq 7 MHz                                and boost trap capacitor circuitry & power
                                                                                         stages, and also internal regulator
                                                                                         quiescent currents
                                     Adjustable Internal




                                                                                                                                       Information classified Company restricted - Do not copy (See last page for obligations)
                         f_osc                                4.5          11.4   MHz    Clock range can be tuned with 5-bit
                                     clock (typical values)
                     f_osc_tuning
                                                                                         Tuning range over temp, vbat and
                        _range    OTP tuning range            6.8           8.0   MHz
                                                                                         corners.
                      [30; +85°C]
Company restricted




                     f_osc_tuning
                                                                                         Can be tuned with OTP memory and with
                         _acc                                 160    220    330   kHz
                                                                                         4-bit current bias. Absolute accuracy.
                      [30; +85°C]
                          Delta
                       f_osc_shift                                          450   ΔkHz   Tuned OTP freq shift over vbat and temp.
                      [-30; +85°C]
                        f_osc_d1
                                   Dither deviation1          1.9     2           MHz    Selectable 2 MHz dither deviation
                      [-30; +85°C]
                        f_osc_d2
                                   Dither deviation2          3.7     4           MHz    Selectable 4 MHz dither deviation
                      [-30; +85°C]
                                                                                       Vin 300 mVpk perturbation.
                        Line_tr(1) Line transient                    (2)               Trise/tfall=10 µs. Iload = 1200 mA.
                                                                                  mVpp
                      [-30; +85°C] response(1).                                        In the application SMPS and BOOST
                                                                                       blocks are in series.
                                                                                       Vin= 3.6 V
                        Load_tr    Load transient
                                                                            250   mVpp Transients from 10 mA to 1250 mA
                      [-30; +85°C] response(1)
                                                                                       Trise = Tfall = 13.3 µs.
                         Line_tr
                                   Line regulation(1).               0.1    0.2    mV    Vin 2.7 – 5.3V, Iload 1200 mA
                      [-30; +85°C]
                         Load_tr                                                         Iload 10 mA – 1200 mA, Vin 5 V,
                                   Load regulation(1)                       20     mV
                      [-30; +85°C]                                                       Vin 2.7 V
                         PSRR      Mode Boost+ SMPS
                                                              35                   dB    sine wave perturbation <10 kHz
                      [-30; +85°C] Iout = 1250 mA

                     Efficiency - condition Vbat = 3.6 V

                                     Vbatt = 3.6 V
                                     Iload 1.2 A
                           η         @ Vout = 5.3 V,          89     92            %     Boost in full power mode
                                     switching freq 7 MHz
                                     over full Temp. range




                                                                    CD00271682 Rev 3                                           29/77
Boost DC-DC converter                                                                                             PM3533


                     Table 11.       Boost converter operation parameters (continued)
                        Symbol              Parameter             Min       Typ       Max    Unit                     Remarks

                                      Vbatt = 3.6 V
                                      Iload 0.7 A
                             η        @ Vout = 5.3 V,              92        94               %     Boost in full power mode
                                      switching freq 7 MHz
                                      over full Temp range
                                      Vin = 2.7V
                                      Iload 1.2A
                             η        @ Vout = 5.3V                80        83               %     Boost in full power mode




                                                                                                                                                Information classified Company restricted - Do not copy (See last page for obligations)
                                      switching freq 7 MHz
                                      over full Temp range
                                      Vin = 2.7 V
                                      Iload 0.35 A
                             η        @ Vout = 5.3 V,              91        94               %     Boost in full power mode
Company restricted




                                      Switching freq 7 MHz
                                      Over full temp range

                     Timing (refer to start-up and mode change section)

                                                                                                    Initial condition: Regulators on Boost-
                                      Idle to operation
                                                                   10        15               µs    converter idle mode. Output capacitor
                                      Sampled soft-start
                                                                                                    charged but not loaded.
                                      Power-off to operation                                        Boost converter initial power-up. Output
                                                                   25        45               µs
                                      Sampled soft-start                                            starts from Vbat - 350mV (typical).
                     1. Transient response requirement is illustrated in Figure 12.
                     2. These parameters are verified in system measurements on the close-loop mode RF engine platform. It should not inhibit
                        GSMK modulation for burst power-up/down sequences




                     30/77                                                 CD00271682 Rev 3
PM3533                                                                                     Boost DC-DC converter


                     Figure 12. Transient response requirement

                                  overshoot                              tr<XXmV
                           Vout                                                                          Vout +/-tolerance
                                                                        overshoot
                                   tr<XXmV                                                            Note: During rise or fall recovery times, there
                                                                                                      must be no unstable behaviour. The fall
                                                                                      T_rec           recovery time is dependant on Cout and load
                                                                                                      current




                                                    Load rise time = fall = 10us                           Vin = Vout = constant.
                           Load transient




                                                                                                                                                         Information classified Company restricted - Do not copy (See last page for obligations)
                                                                                                           Load step = Iload max.

                           Line transient
                                                    Line fall time = rise = 10us                      Line step: 300mV. Iload = constant =Ilaod
                                                                                                      max
Company restricted




                     6.3          Critical external components for Boost DC-DC converter
                                  Inductor

                     Table 12.    Inductor specification
                      Symbol                  Parameter                      Min     Typ        Max      Unit                    Notes

                           L      Inductance                                          1                   µH

                                                                                                                    Peak current value when
                                                                                                                    inductance is within
                           Ira    Rated current 1                              3                           A        ± 20 % tolerance,
                                                                                                                    compared to measured
                                                                                                                    typical value at 50% Irated.
                                                                                                                    Rdc is measured with Ira
                        Rdc       DC resistance                                                 50       mΩ
                                                                                                                    bias current
                                                                                                                    Coil inductance compared
                                                                                                                    to nominal value in
                                                                                                                    nominal temperature
                                  Inductance tolerance over                                                         should not change more
                       Ltemp                                                   -5               +5        %
                                  temperature range                                                                 than specified over the
                                                                                                                    operating temp. range.
                                                                                                                    Measured with Ira bias
                                                                                                                    current
                                                                                                                    Measured with Ira bias
                           PL     Power loss                                         TBD                  W         current and Sf
                                                                                                                    switching freq.




                                                                             CD00271682 Rev 3                                                    31/77
Boost DC-DC converter                                                                   PM3533


                                     Capacitor

                     Table 13.       Capacitor specification for Boost converter
                                            Parameter                                        Specification

                     Size (target)                                        0805
                     Dielectric                                           X5R / X7R
                     Temperature range                                    –30°C to +85°C
                     Rated voltage                                        10 V DC




                                                                                                                      Information classified Company restricted - Do not copy (See last page for obligations)
                     Capacitance (typical) 0V Bias                        11 µF +/-10% or +/-20%,
                     Min capacitance @ 6 V DC Bias                        4 µF
                     ESR @ 7.5 MHz (max)                                  20 mΩ
                     Maximum operating voltage                            6 V DC
Company restricted




                     32/77                                       CD00271682 Rev 3
PM3533                                                                    BUCK DC-DC converter


                     7          BUCK DC-DC converter

                                The BUCK DC-DC-converter design topology used is similar to the SMPS one. DC-DC-
                                converter control is performed via the reference voltage.

                     Figure 13. Buck DC-DC-converter simplified block diagram




                                                                                                                       Information classified Company restricted - Do not copy (See last page for obligations)
Company restricted




                     7.1        DC-DC closed-loop mode, critical electrical parameters
                                The most critical parameters are collected in Table 14.

                                Table 14.      DC-DC closed-loop mode electrical characteristics
                                  Symbol                    Parameter                   Min   Typ     Max    Unit

                                   VBAT        Input voltage range                      2.3           4.4     V
                                   Vout1       Output voltage, programmable                   1.35            V
                                   Vout2       Output voltage, programmable                   1.45            V
                                   Vout3       Output voltage, programmable                   1.65            V
                                   Vout4       Output voltage, programmable                   1.55            V
                                   Vout5       Output voltage, programmable                   1.85            V
                                    Iout       Output current range                                   400     mA
                                               Active current consumption (no load
                                     Iq                                                       3.5     4.5     mA
                                               current (1);
                                               Efficiency with 100mA load
                                 [-30;+85]°C   VBAT 3.6V, switching freq 2.1 MHz,       87    88              %
                                               Vout 1.45 V (coil 3u3, case 2520)



                                                                     CD00271682 Rev 3                          33/77
BUCK DC-DC converter                                                                                              PM3533


                                     Table 14.       DC-DC closed-loop mode electrical characteristics (continued)
                                       Symbol                     Parameter                     Min           Typ            Max          Unit

                                                     Efficiency with 150mA load
                                       [-30;+85]°C   VBAT 3.6V, switching freq 2.1 MHz,             89          90                         %
                                                     Vout 1.45 V (coil 3u3, case 2520)
                                                     Efficiency with 200mA load
                                       [-30;+85]°C   VBAT 3.6V, switching freq 2.1 MHz,             89          90                         %
                                                     Vout 1.45 V (coil 3u3, case 2520)
                                                     Efficiency with 300mA load




                                                                                                                                                    Information classified Company restricted - Do not copy (See last page for obligations)
                                       [-30;+85]°C   VBAT 3.6V, switching freq 2.1 MHz,             88        89.5                         %
                                                     Vout 1.45 V (coil 3u3, case 2520)
                                                     Max continuous load current                                              400         mA
                                                     Programmable switching frequency
                                                                                                1.8                           4.5         MHz
Company restricted




                                                     (5-bit)
                                                     Startup time (function of load LC
                                                                                                              10(2)                        µs
                                                     circuitry)
                                     1. In the continuous conduction mode of coil current
                                     2. For example, C=10 µF, L=2.2 µH



                     7.2             Operating requirements for BUCK DC-DC converter
                                     The following characteristics are to be met over the operating temperature range specified
                                     in Table 3: Operation conditions, unless otherwise stated.

                     Table 15.       Buck DC-DC converter operating parameters
                        Symbol               Parameter              Min           Typ       Max          Unit                  Notes

                     Voltage levels and regulation

                                       Operating input
                     Vi_oper                                        2.3                       4.4         V
                                       voltage
                                                                                                                     Accuracy +/- 3%. Including
                                       Output voltage 1)           1.309         1.350      1.390         V          ripple voltage and line/load
                                       Output voltage 2)           1.406         1.450      1.493         V          regulation.
                     Vout1,2,3,4,5     Output voltage 3)           1.600         1.650      1.699         V          Output voltage can be
                                       Output voltage 4)           1.504         1.550      1.596         V          programmed based on
                                       Output voltage 5)           1.795         1.850      1.905         V          battery voltage information
                                                                                                                     from base band.
                                       Reference voltage                                                             External band-gap
                     Vref                                          1.182         1.200      1.218         V
                                       accuracy                                                                      reference voltage
                                                                                                                     RF IC is also included in
                     Iload             Load current                 10                        400        mA
                                                                                                                     maximum Iload
                                                                                                                     Max. Iload and VBAT at
                                                                                                                     2.7 V
                     Ibatt             VBAT input current                                     250        mA
                                                                                                                     Note: 1.45 V output
                                                                                                                     voltage used.




                     34/77                                                 CD00271682 Rev 3
PM3533                                                                         BUCK DC-DC converter


                     Table 15.      Buck DC-DC converter operating parameters (continued)
                          Symbol          Parameter           Min         Typ          Max   Unit               Notes

                                                                                                     Note: the RF IC is in
                                                                                                     power-down mode and
                                                                                                     PM3533 is in idle mode.
                                     Quiescent current
                                     (no load)                                                       Includes internal clock &
                     Iq                                                   3.5          4.5   mA      control blocks and boost
                                     Switching frequency
                                                                                                     trap capacitor
                                     2 MHz
                                                                                                     circuitry/power stages.Also
                                                                                                     internal regulator




                                                                                                                                   Information classified Company restricted - Do not copy (See last page for obligations)
                                                                                                     quiescent currents.
                                     Adjustable Internal                                             Clock range can be tuned
                     f_osc                                    1.8                      4.5   MHz
                                     clock (typical values)                                          with 5-bit
                     f_osc_
                                                                                                     Tuning range over temp,
                     tuning_range    OTP tuning range         2.5                      2.8   MHz
Company restricted




                                                                                                     vbat and corners.
                     [-30;+85]°C

                     f_osc_tuning_                                                                   Can be tuned with OTP
                                                                                                     memory and with 4-bit
                     acc                                      60                       120   kHz
                                                                                                     current bias. Absolute
                     -[-30;+85]°C
                                                                                                     accuracy.
                     Delta
                     f_osc_shift                                                                     Tuned OTP freq shift over
                                                                                       250   kHz
                                                                                                     vbat and temp.
                     -[-30;+85]°C
                     f_osc_d1                                                                        Selectable 1 MHz dither
                                     Dither deviation1        0.8          1                 MHz
                     -[-30;+85]°C                                                                    deviation

                     f_osc_d2                                                                        Selectable 2 MHz dither
                                     Dither deviation2        1.8          2                 MHz
                     -[-30;+85]°C                                                                    deviation
                                                                                                     Vin 300 mVpk
                     Line_tr         Line transient                                                  perturbation.
                                                                           2            4    mVpp
                     Figure 14       response.                                                       Trise/tfall=10 µs
                                                                                                     Iload = 400 mA.
                                                                                                     Vin=2.3/3.6/ 4.4 V
                     Load_tr
                                     Load transient                                                  Transients from 10 mA to
                     [-30;+85]°C                                          10           20    mVpp
                                     response                                                        400 mA
                     Figure 14
                                                                                                     Trise = Tfall = 10 µs.
                     Line_tr
                                                                                                     Vin 2.3 V – 4.4 V,
                     [-30;+85]°C     Line regulation.                     0.1          0.2   mV
                                                                                                     Iload 400 mA
                     Figure 14
                     Load_tr
                                                                                                     Iload 10 mA – 400 mA,
                     [-30;+85]°C     Load regulation                       1            2    mV
                                                                                                     Vin 4.4 V, Vin 2.3 V
                     Figure 14
                     PSRR            Mode1                                                           sine wave perturbation
                                                              58                              dB
                     [-30;+85]°C     Iout = 400mA                                                    <10 kHz




                                                                    CD00271682 Rev 3                                       35/77
BUCK DC-DC converter                                                                            PM3533


                     Table 15.      Buck DC-DC converter operating parameters (continued)
                        Symbol           Parameter        Min         Typ        Max        Unit             Notes

                     Efficiency measured with coil 3u3 case2520, condition: Vbat 3.6 V closed-loop mode

                                     Vin = 3.6 V.
                                     Iload 300 mA
                                                                                                    DC-DC in normal power
                      [-30;+85]°C    @ Vout = 1.45 V       88         89.5                   %
                                                                                                    mode
                                     Switching freq.
                                     2.1MHz
                                     Vin = 3.6 V.




                                                                                                                              Information classified Company restricted - Do not copy (See last page for obligations)
                                     Iload 200 mA
                                                                                                    DC-DC in normal power
                      [-30;+85]°C    @ Vout = 1.45V        89          90                    %
                                                                                                    mode
                                     Switching freq
                                     2.1MHz
                                     Vin = 3.6 V.
Company restricted




                                     Iload 150 mA
                                                                                                    DC-DC in normal power
                      [-30;+85]°C    @ Vout = 1.45 V       89          90                    %
                                                                                                    mode
                                     Switching freq
                                     2.1MHz
                                     Vin = 3.6 V.
                                     Iload 100 mA
                                                                                                    DC-DC in normal power
                      [-30;+85]°C    @ Vout = 1.45 V       87          88                    %
                                                                                                    mode
                                     Switching freq
                                     2.1 MHz
                                     Vin = 3.6 V.
                                     Iload 60 mA
                                                                                                    DC-DC in normal power
                      [-30;+85]°C    @ Vout = 1.45 V       82          84                    %
                                                                                                    mode
                                     Switching freq
                                     2.1 MHz

                     Efficiency measured with coil 3u3 case2520, condition: VUSB 5.0 V closed-loop mode

                                     Vbatt =5.0 V.
                                     Iload 300 mA
                                                                                                    Buck DC-DC in VUSB
                      [-30;+85]°C    @ Vout = 1.45 V      86.5         88                    %
                                                                                                    case
                                     Switching freq.
                                     2.1MHz
                                     Vin = 5.0 V.
                                     Iload 200 mA
                                                                                                    Buck DC-DC in VUSB
                      [-30;+85]°C    @ Vout = 1.45V        87          89                    %
                                                                                                    case
                                     Switching freq
                                     2.1MHz
                                     Vin = 5.0 V.
                                     Iload 150 mA
                                                                                                    Buck DC-DC in VUSB
                      [-30;+85]°C    @ Vout = 1.45 V       86          87                    %
                                                                                                    case
                                     Switching freq
                                     2.1MHz
                                     Vin = 5.0 V.
                                     Iload 100 mA
                                                                                                    Buck DC-DC in VUSB
                      [-30;+85]°C    @ Vout = 1.45 V       83          84                    %
                                                                                                    case
                                     Switching freq
                                     2.1 MHz



                     36/77                                       CD00271682 Rev 3
PM3533                                                                                    BUCK DC-DC converter


                     Table 15.      Buck DC-DC converter operating parameters (continued)
                        Symbol             Parameter              Min               Typ           Max   Unit                    Notes

                                     Vin = 5.0 V.
                                     Iload 60 mA
                                                                                                                  Buck DC-DC in VUSB
                      [-30;+85]°C    @ Vout = 1.45 V               77               79                   %
                                                                                                                  case
                                     Switching freq
                                     2.1 MHz

                     Timing (refer to start-up and mode change section)

                                                                                                                  Initial condition:




                                                                                                                                                       Information classified Company restricted - Do not copy (See last page for obligations)
                      t_idle_dcdc                                                                                 Regulators on DC-DC-
                                     Idle to operation
                                                                    6               12                  μs        converter off, output
                      [-30;+85]°C    Sampled soft-start
                                                                                                                  capacitor charged but not
                                                                                                                  loaded.

                                     Power-off to
                      T_on_dcdc
Company restricted




                                                                                                                  DC-DC-converter power-
                                     operation                     35               55                  μs
                      [-30;+85]°C                                                                                 up, output at 0V.
                                     Sampled soft-start


                                    Figure 14. Transient response requirement


                                                                         tr<XXmV
                                    overshoot
                         Vout                                                                              Vout +/-tolerance
                                                                        overshoot
                                     tr<XXmV                                                            Note: During rise or fall recovery times,
                                                                                                        there must be no unstable behaviour.
                                                                                          T_rec         The fall recovery time is dependant on
                                                                                                        Cout and load current




                         Load transient           Load rise time = fall = 10us                             Vin = Vout = constant.
                                                                                                           Load step = Iload max.




                          Line transient            Line fall time = rise = 10us                        Line step: 300mV. Iload = constant
                                                                                                        = Ilaod max




                                                                           CD00271682 Rev 3                                                    37/77
BUCK DC-DC converter                                                                                    PM3533


                     7.3             Critical external components for BUCK DC-DC converter

                     7.3.1           Inductor

                     Table 16.       Inductor specification for closed-loop mode DC-DC converter usage
                     Symbol                Parameter          Min      Typ      Max      Unit                   Notes

                     L            Inductance                            3.3               µH

                                                                                                Peak current value when inductance is




                                                                                                                                        Information classified Company restricted - Do not copy (See last page for obligations)
                     Ira          Rated current 1             0.6A                        A     within ± 20 % tolerance, compared to
                                                                                                measured typical value at 50% Irated.
                     Rdc          DC resistance                                 140      mΩ     Rdc is measured with Ira bias current
                                                                                                Coil inductance compared to nominal
Company restricted




                                                                                                value in nominal temperature should
                                  Inductance tolerance over
                     Ltemp                                     -5                +5       %     not change more than specified over
                                  temperature range
                                                                                                the operating temp. range. Measured
                                                                                                with Ira bias current
                                                                                                Measured with Ira bias current and Sf
                     PL           Power loss 1)                        TBD                W
                                                                                                switching freq.


                     7.3.2           Capacitor

                     Table 17.       Capacitor specification for closed-loop mode DC-DC converter usage
                                               Parameter                                                Value

                     Size (target)                                            0603
                     Dielectric                                               X5R / X7R
                     Temperature Range                                        –30°C to +85°C
                     Rated voltage                                            6.3 V DC
                     Capacitance (typical) 0V Bias                            10 µF +/-10% or +/-20%,
                     Min Capacitance @ 2.8V DC Bias                           6 µF
                     Max capacitance @ 0V DC Bias                             12 µF
                     ESR @ 100 kHz (max)                                      20 mΩ
                     Maximum operating voltage                                5.5 V DC




                     38/77                                          CD00271682 Rev 3
PM3533                                                                                        Regulators


                     8            Regulators

                                  PM3533 includes one linear regulator that can be used to supply low-power functions inside
                                  PM3533, RFIC and RF FE components.


                     8.1          VHI regulator
                                  The VHI regulator provides 2.6 V / 2.5 V output voltage. 2.6 V is a default value and 2.5 V
                                  can be selected via SPI interface.




                                                                                                                                      Information classified Company restricted - Do not copy (See last page for obligations)
                     Note:   1    For 2.5 V mode: Full_perf (full performance) Vin>2.7 V, Reduced_perf (reduced
                                  performance) Vin between 2.6 V and 2.7 V;
                                  For 2.6V mode: Full_perf Vin>2.8V, Reduced_perf Vin between 2.7 V and 2.8 V
Company restricted




                     Table 18.    Current output capability / nominal voltage
                                   Parameter                Min        Typ       Max      Unit               Notes

                     VHI output current                                 30       60       mA

                     Table 19.    Regulator specifications(1)
                                   Parameter                Min        Typ       Max      Unit               Notes

                                                                                                 0.02< ESR < 0.1 Ω
                     External compensation capacitance      0.47        1                  µF
                                                                                                 Iout=<60 mA
                                                                                                 Device to device output voltage
                                                                                                 variation.
                     Output voltage device to device        2.510      2.605     2.69      V
                     variation                                                                   Over full temperature range,
                                                            2.425      2.500    2.575      V
                                                                                                 input voltage range, load range
                                                                                                 and Vref range (see Note 1)
                                                                                                 One sample. Over full
                                                            2.530               2.670            temperature range, input
                     Output voltage: one sample variation                                  V
                                                            2.445               2.555            voltage range and load range
                                                                                                 (see Note 1)
                                                             30/
                     Line regulation (1) /(PSRR)                                           dB    F < 10 kHz, Vin>Full_perf
                                                            (50)
                                                             30/
                     Line regulation(2)/(PSRR)                                             dB    F < 100 kHz, Vin>Full_perf
                                                            (40)
                                                                                                 F < 100 kHz, Vin=Reduced_perf
                     Line regulation                         0          10                 dB
                                                                                                 range
                                                                                                 Over full temperature and load
                     Load regulation                                    2         6       mV     range,
                                                                                                 Input voltage >Full_perf
                                                                                                 Over full temperature and load
                                                                                                 range
                     Load regulation                                             35       mV
                                                                                                 Input voltage =Reduced_perf
                                                                                                 range




                                                                   CD00271682 Rev 3                                           39/77
Regulators                                                                                                          PM3533


                     Table 19.       Regulator specifications(1) (continued)
                                     Parameter                        Min         Typ          Max        Unit                 Notes

                     Rise time (1% to 99%)
                                                                                   6            10         µs     C = 1uF
                     Voltage reference already On(3)
                     Overshoot                                                     3                        %     C = 1uF, turn on/off
                     Settling time (0.1% of nominal), 90 mA,
                                                                                                                  C = 1uF, turn on from register
                     depends on load, voltage                                     20            30         µs
                                                                                                                  write latch enable
                     reference/bias already ON
                                                                                                                C = 1 µF




                                                                                                                                                   Information classified Company restricted - Do not copy (See last page for obligations)
                     Total noise density with specified                                                         Iload = 10 mA – 60 mA
                     bandwidth, including VREF noise,                                          155       nVrms @ 1kHz
                     temp, VBAT/Vbuck-boost                                                    50        / √ Hz @ 100kHz
                                                                                               60               @ 1MHz
Company restricted




                     Short-circuit current.
                     Note: the device does not tolerate                           300                      mA     Output shorted to ground
                     continuous short-circuit current
                     Quiescent current                                            230          330         µA     ON mode
                     1. Characteristics above are NOT valid if Vin < Full_perf range (see Note 1).
                     2. Line regulation is 20 dB for f < 100 kHz when battery voltage is lower than Full_perf range.
                     3. For 90 % rise time max is 10 µs. Rise time is defined in case when VREF and VXO are already settled.


                     8.1.1           Power up for VHI regulator
                                     VHI regulator’s power-up-timing-sequence is presented in Figure 15. The VXO supply
                                     voltage is used as enable signal for the VHI regulator. VHI regulator uses VREF as
                                     reference voltage and hence VREF must be activated for VHI to settle to the right output
                                     voltage level. The timing diagram below is representative only and therefore real power-up
                                     timings are linked to different application use cases and external filtering components (for
                                     instance on the external Vref line).

                                     Figure 15. Power up sequence timing diagram for VHI regulator




                     40/77                                                  CD00271682 Rev 3
PM3533                                                        Regulators


                              Table 20.   Power-up timing values
                                          Name                      Time    Unit

                              t0                                      0     µs
                              t1                                     20     µs
                              t2                                     30     µs
                              t3                                     70     µs
                              t4                                     270    µs
                              t5                                     300    µs




                                                                                                Information classified Company restricted - Do not copy (See last page for obligations)
                              t6                                     350    µs
Company restricted




                                                         CD00271682 Rev 3               41/77
Digital to analog converter                                                                       PM3533


                     9             Digital to analog converter

                                   There is one 6–bit D/A converter inside PM3533 designed for PA bias control. The converter
                                   is supplied from VHI –supply and it provides a maximum output current up to a 2.2 V output
                                   voltage level. The DAC output is multiplexed between two different outputs PADAC1 and
                                   PADAC2. The DAC value and multiplexing are controlled via SPI.

                                   Figure 16. DA-converter block diagram




                                                                                                                                Information classified Company restricted - Do not copy (See last page for obligations)
Company restricted




                     Note:         Unused PADAC output should be left floating (it is internally pulled-down while at an off
                                   state).
                                   Operation characteristics are presented in Table 21.


                     Table 21.     D/A-converter characteristics
                      Symbol             Characteristics          Condition       Min      Typ     Max      Unit       Note

                         N        Resolution                                                6               bits
                                  Max output source current       I_CTRL=x,
                      Iout, max                                                   2.2               2.5     mA
                                  DAC1                            Vout<2.3V
                                                                  I_CTRL=0,
                      Iout, min   Min output source current                                 0               mA
                                                                   Vout=0V
                                                                  I_CTRL=x,                Iout,
                                  LSB step size                                                             mA
                                                                   Vo<2.6V                max/63




                     42/77                                        CD00271682 Rev 3
PM3533                                                                      Digital to analog converter


                     Table 21.    D/A-converter characteristics (continued)
                      Symbol             Characteristics           Condition      Min      Typ      Max        Unit       Note

                                                                                                                      Monotonic
                                                                                                                      behavior
                        INL1     Integral non-linearity                                              1.5       LSB
                                                                                                                      required @
                                                                                                                      VHI = 2.5 V
                                                                                                                      Monotonic
                                                                                                                      behavior
                        INL2     Integral non-linearity                                              0.9       LSB
                                                                                                                      required @
                                                                                                                      VHI = 2.6 V




                                                                                                                                      Information classified Company restricted - Do not copy (See last page for obligations)
                        DNL      Differential non-linearity                                          0.5       LSB
                                 Maximum output voltage                                              2.2        V
                                 DAC output voltage in PD                                           100        mV
Company restricted




                                 Internal mux switch
                      Mux_res    (use external resistor of 47ohm                            35       55        mΩ
                                 to get max of 100ohm as worst
                                 case)

                                  In addition to normal usage of the current mode PADAC it is possible to use extra added
                                  feature in order to use a coded output current to have a better accuracy of PADAC output
                                  current. During a mass-production phase and its OTP fusing phase PADAC output current
                                  by a certain code of 48 [in dec] is read/saved to certain register bits so this information can
                                  be taken into use by combining dedicated bits. Look at the register table in the end part of
                                  this datasheet for further details of registers available.
                                  The application sw is able to read these dedicated bits in the following way:
                                        After a normal power-up, read reg15.bit_numbers of [10,5,0] + reg2.bit[7] = MSB…LSB
                                        order of bits for saved value and by looking at the accurate measured output current
                                        value like it is coded in the table below.

                                  Table 22.      PADAC coding table by setting ‘48’ [in dec] for fused values
                                               Coded value [in decimal]                     Corresponding value [mA]

                                                              0                                        1.600
                                                              1                                        1.645
                                                              2                                        1.690
                                                              3                                        1.735
                                                              4                                        1.780
                                                              5                                        1.825
                                                              6                                        1.870
                                                              7                                        1.915
                                                              8                                        1.960
                                                              9                                        2.005
                                                              10                                       2.050
                                                              11                                       2.095



                                                                   CD00271682 Rev 3                                           43/77
Digital to analog converter                                                                     PM3533


                                Table 22.     PADAC coding table by setting ‘48’ [in dec] for fused values
                                             Coded value [in decimal]                     Corresponding value [mA]

                                                       12                                           2.140
                                                       13                                           2.185
                                                       14                                           2.230
                                                       15                                           2.275

                                The following kind of an accuracy can be achieved through setting of reg9.bits[15...9] i.e.
                                ‘1100001’ which equals to 48 [in dec] + enable_bit_of_padac. This setting is used while the




                                                                                                                              Information classified Company restricted - Do not copy (See last page for obligations)
                                coded value is saved like informed for corresponding output current values in the table
                                above, thus being saved during the fusing phase of the mass-production testing

                                Table 23.     I/O pad accuracy
Company restricted




                                   I/O PAD                   Parameter                 Min        Typ        Max       Unit

                                 PADAC1 or
                                                Accuracy by ‘1100001’- value           -50                   +50        μΑ
                                  PADAC2

                                Then it is straightforward to use this information like matching a linear equation with the
                                following characteristic equation:
                                PADAC_output_current(Padac_output_code_wanted)
                                = (y_offset / (48 - 1)) * (Padac_output_code_wanted - 1) + min_LSB_size
                                In which
                                       min_LSB_size = 33uA
                                       y_offset = Coded_value - min_LSB_size
                                                         * Coded_value (in μA) is read from the table PADAC coding table
                                With this added feature the following kind of an accuracy of
                                       PADAC_output_current (Padac_output_code_wanted)
                                can be achieved as a function of different PADAC control bits in Reg9[15...10]:

                                Figure 17. Output current accuracy of PADAC coded characteristic equation




                     44/77                                       CD00271682 Rev 3
PM3533                                                                               RF controls


                     10       RF controls

                              Two state IOs re designed to control the antenna switches.

                              Figure 18. RF control connection




                                                                                                                          Information classified Company restricted - Do not copy (See last page for obligations)
Company restricted




                              Table 24.   RF control voltage output parameters
                                 Signal       Parameter            Min   Typ      Max      Unit           Notes
                                 name

                                           Voltage          HI    2.43            2.6    V @ 0mA
                                                                         2.51
                                                            LO     0              0.05   V @ -1mA
                                           Resistance sink                95
                              RFC1                                                         ohm            ANT1
                                           Resistance source              50
                                           Dynamic load                   10      20       pF
                                           Switching time                          1        us
                                           Voltage          HI    2.43            2.6    V @ 0mA
                                                                         2.51
                                                            LO     0              0.04   V @ -1mA
                                           Resistance sink                95
                              RFC2                                                         ohm            ANT2
                                           Resistance source              50
                                           Dynamic load                   10      20       pF
                                           Switching time                          1        us
                                           Voltage          HI    2.43            2.6    V @ 0mA
                                                                         2.51
                                                            LO     0              0.04   V @ -1mA
                                           Resistance sink                95                         RFCTRL3 (other
                              RFC3                                                         ohm
                                           Resistance source              50                        mode of muxed I/O)
                                           Dynamic load                   10      20       pF
                                           Switching time                          1        us




                                                               CD00271682 Rev 3                                   45/77
Thermal shutdown                                                                            PM3533


                     11            Thermal shutdown

                                   The thermal shutdown block protects the PM3533 from over-heating. The TSD block is used
                                   to shutdown functions when the temperature threshold limit is reached. When the
                                   temperature level is reached TSD shuts down the power stages of all converters, however
                                   all other PM3533 blocks are still active.
                                   The TSD function is enabled automatically whenever a power-up sequence is controlled.
                                   See the power-up diagrams for futher details in Figure 23.




                                                                                                                             Information classified Company restricted - Do not copy (See last page for obligations)
                                   Figure 19. Thermal shutdown functional of modes
Company restricted




                     Table 25.     Thermal shutdown parameter table
                       Parameter          Name        Control bit        Min           Typ            Max          Unit

                     Temperature                    Fuse <1:0>
                                          Tt170                          147           170            183          °C
                     threshold                      =11
                                                    Fuse <1:0>
                                          Tt160                          137           160            173          °C
                                                    =10
                                                    Fuse <1:0>
                                          Tt150                          127           150            163          °C
                                                    =00
                                                    Fuse <1:0>
                                          Tt140                          117           140            153          °C
                                                    =01
                     Hysteresis            ΔT                             13            17                         °C

                     Current                        Temp = 130            14            17
                                           Idd                                                                     µA
                     consumption                    Temp = 170            21            35
                                                    With
                     Accuracy                                                                         <10          °C
                                                    mismatching




                     46/77                                        CD00271682 Rev 3
PM3533                                                                                 OTP memory


                     12         OTP memory

                                One time programmable memory cell (OTP) is used for tuning purposes during PM3533
                                mass-production testing phase.
                                Basic functionality of OTP macro cell: data is programmed serially through SCANIN pin on
                                each CLOCK rising edge. OTP is programmed using an external high voltage HV solder
                                bump at a wafer level. To sense the data stored in cell, a RESET pulse is required after
                                power on. Fuse_ok signal indicates that data is available on D0 to D39 pins. PROG pin is
                                needed to select the 20-bit block for the programming.




                                                                                                                              Information classified Company restricted - Do not copy (See last page for obligations)
                                PM3533 digital cell includes a multiplexer, which needs enabling and Fuse_ok controlling
                                bits. Fuse_ok is generated during the OTP programming procedure, it indicates if the
                                data_set is corrupted. If Fuse_ok is “1” and enable Reg14(15) bit is “0” the data set from
                                antifuse can be used. If Reg14(15) is high and Fuse_ok is low, the multiplexer outputs the
                                data which is programmed in register REG14(15:0). Reg15(15:0), Reg13(3:0) and
Company restricted




                                Reg12(15:0) can be used to read the whole OTP(39:0) memory content of two 20-bit
                                memory blocks, these are available through the SPI (Serial Peripheral Interface) access to
                                read all the OTP memory bits.

                     Figure 20. Simplified OTP bits connection diagram




                                                              CD00271682 Rev 3                                        47/77
Battery monitoring                                                                               PM3533


                     13            Battery monitoring

                                   PM3533 includes a battery monitoring block. This block provides a scaled-down battery
                                   voltage information for a transceiver IC ADC through the MUX1 output ball.

                     Table 26.     Battery monitoring characteristics
                             Parameter          Min        Typ         Max     Unit                     Notes

                                                                                       PM3533 battery information output
                     VBAT_inf                             VBAT/4                 V
                                                                                       voltage.




                                                                                                                               Information classified Company restricted - Do not copy (See last page for obligations)
                                                           0.1%                        Battery monitoring accuracy device to
                     Initial accuracy                                            %
                                                                                       device over temperature range
                                                      0.2% @ 100Meg                    Battery monitoring accuracy vs. load
                     Load accuracy                                               %
                                                       2% @ 10Meg                      resistance
Company restricted




                     48/77                                        CD00271682 Rev 3
PM3533                                                                Under-voltage-lockout block


                     14          Under-voltage-lockout block

                                 PM3533 includes an Under Voltage Lockout block. This block provides special protection
                                 mode to PM3533 and especially to its boost power converter while it is working at full-power
                                 mode and the modes of operation include sudden or abnormal power-downs (i.e.
                                 uncontrolled states of critical supply voltages like those are disappearing suddenly
                                 especially VBAT and/or VXO before XRESET signal is set low by an external control see
                                 Figure 24.)
                                 When UVL triggers it disables the internal control signals of the boost converter block which




                                                                                                                                   Information classified Company restricted - Do not copy (See last page for obligations)
                                 further disables the power stages of this converter making it disabled. This way boost
                                 converter is inhibited to have unwanted overshoots at its output voltage during like out-of-
                                 spec (VBAT/VXO uncontrolled power-downs) situations.
                                 This function is automatically enabled when normal power-up is controlled, as shown in
                                 Figure 23. The function is kept enabled by hard-wired internal control signals. Only the
Company restricted




                                 Xreset signal asserting to '0' disables this function (at the reset state of PM3533).

                                 Figure 21. Under-voltage-lockout block overview




                     Table 27.   Under Voltage Lockout characteristics
                           Parameter           Min         Typ        Max       Unit                    Notes

                                                                                       UVL_Ena at low state & XRESET at high
                     VBAT_trig                 2.35       2.37        2.39       V
                                                                                       state
                                                                                       Boost_off to Boost_on, that is VBAT level
                     VBAT_trig_hyst                        170                  mV
                                                                                       of 2.54 V before boost_turned_on again
                                                                                       UVL_Enal at low state & VXO_Mon_Ena
                     VXO_trig                  1.89       1.90        1.92       V
                                                                                       at low state & XRESET at high state
                                                                                       Boost_off to Boost_on i.e. VXO level of
                     VXO_trig_hyst                         60                   mV
                                                                                       1.96 V before boost_turned_on again




                                                                 CD00271682 Rev 3                                          49/77
Mux structure                                                                                 PM3533


                     15                Mux structure

                                       PM3533 includes several nodes which can be multiplexed to MUX1 output pin or MUX2
                                       output pin.

                     Figure 22. PM3533 multiplexer structure

                                                                                  MUX MAP for KAURA20
                                             b_drw_out




                                                                                                                                 Information classified Company restricted - Do not copy (See last page for obligations)
                                              s_drw_out     1_1


                                              d_drw_out     1_2
                                                                                                                     Mux_boost
                                            Ritsa_drw_out
                                                Ol
                                                            1_3
                                                                                                              8
                      6mA_Vdig                                                                                         Temp
                                                            1_4
                                             THPROTOUT
                                 4_1                                                                          9
Company restricted




                     VREG 50BD
                       VIO                                                                                           Mux_smps
                                                                      2
                                 4_2                                                     15                   10
                        VIO
                      VREG50S                                                                                         Mux dcdc
                                                Empty

                                 4_3                                                                          11       empty
                        VHI                                       3                                  14
                                              D_drw_in

                                                                                                              12
                                 4_4                              4                                                    Batman
                     6mA_boost                  Empty

                                                                                                              13
                      6mA_smps   4_5                              5


                      6mA_dcdc   4_6          B_drw_in            6


                                 4_7                              7



                                        IND_BOOST

                                                                      1
                                       OUT_BOOST

                                                                      2                              MUX1
                                         IND_SMPS

                                                                                              MUX2
                                                                      3
                                        INPUT_SMPS

                                                                      4
                                         IND_DCDC


                                                                      5
                                        IND_DCDC

                                                                      5
                                         Vbb_VRX


                                        GND_DCDC                      6


                                                                          7
                                        GND_BOOST


                                        GND_SMPS                          8


                                                                          9




                     50/77                                                    CD00271682 Rev 3
PM3533                                                                                        Mux structure


                     15.1     MUX 1 controls
                              Table 28.    MUX1 register writings
                              Switch                Reg           Bit value                      Explanation

                                 1     reg6 bits 5,4,3              001
                                 2     Reserved                     011
                                 3     Reserved                     010
                                 4     Reserved                     100




                                                                                                                                   Information classified Company restricted - Do not copy (See last page for obligations)
                                 5     Reserved                     101
                                 6     Reserved                     110
                                 7     Reserved                     111
                                 8     Reg6 bits 2,1,0              001       BOOST_MUX
Company restricted




                                 9     Reserved                     010       TEMP
                                10     Reserved                     011       SMPS_MUX
                                11     Reserved                     100       DCDC-MUX
                                12     Reserved                     101       (empty)
                                13     Reserved                     110       BATMAN
                                14     Reg6 bit 15                  0/1       1 = Enables sw 1-7 output to sw 14
                                15     Reg1 bit 0                   0/1       1 = Enables sw 1,2 output to sw 15
                                1_1    Reg06 bit9,10                1/0       01 = CLK DCDC
                                1_2    Reg06 bit9,10                1/0       10 = CLK SMPS
                                1_3    Reg06 bit9,10                1/0       11 = CLK Boost

                                1_4    Reg06 bit7, Reg06bit9,10               Reg06 bit7 =1, Reg06bit9,10 =00
                                4_1    Reg01 bit 11,10,9            001
                                4_2    Reserved                     010
                                4_3    Reserved                     011
                                4_4    Reserved                     100
                                4_5    Reserved                     101
                                4_6    Reserved                     110
                                4_7    Reserved                     111




                                                             CD00271682 Rev 3                                              51/77
Mux structure                                                                                       PM3533


                     15.1.1      PM3533 self test
                                 PM3533 has several Kelvin nodes which can be multiplexed to output pin MUX1 (see
                                 Figure 22). In closed-loop mode environment PM3533 MUX1 output pin is connected to the
                                 RF IC ADC which enables PM3533 self testing measurements.

                     Table 29.   PM3533 Kelvin nodes for self test purpose
                                                     Expected       Register setup       Register setup
                                     Output ball                                                               Reg06
                                                      voltage           Reg01               Reg06
                      Kelvin node    what will be                                                                          Note
                                                    value at pin
                                     self tested
                                                       MUX1      Bit 11 Bit 10 Bit 9   Bit 2   Bit 1   Bit 0   Bit 15




                                                                                                                                     Information classified Company restricted - Do not copy (See last page for obligations)
                                                       Battery
                                                      voltage                                                           Battery
                     Batman         VBATT                          0      0      0      1       0       0        0
                                                     divided by                                                         monitoring
                                                         four
Company restricted




                                    VBB_VRX,                                                                            Driver
                                    VREF, VIO,                                                                          stage
                     VIO                                0.9        0      1      1      0       0       0        1
                                    GND_VIO,                                                                            supply
                                    VXO                                                                                 voltage
                                    VBB_VRX,                                                                            Driver
                                    VREF, VIO,                                                                          stage
                     VIO                                0.9        0      1      0      0       0       0        1
                                    GND_VIO,                                                                            supply
                                    VXO                                                                                 voltage
                                                                                                                        Regulator
                     VHI                                1.3        1      0      0      0       0       0        1
                                                                                                                        output




                     52/77                                        CD00271682 Rev 3
PM3533                                                                             Modes of operation


                     16       Modes of operation

                              The device has several operating modes. There are a few active modes, power–down mode
                              and several test modes. Most of the blocks can be turned on and off individually through the
                              serial interface. The operating modes are described in the following sections.


                     16.1     Power UP/DOWN sequence
                              Power UP/DOWN sequence described here must always be followed when powering the IC




                                                                                                                                   Information classified Company restricted - Do not copy (See last page for obligations)
                              UP or DOWN (an order of external supply voltages and control signals). Mis-use of the IC
                              can lead to shorter lifetime. The timing diagram below is representative only and therefore
                              real power-up timings are linked to different application use cases and external filtering
                              components (for instance on the external Vref line).
Company restricted




                     Note:    Internal VDIG_int which gives a supply voltage to the digital interface of PM3533 follows
                              approximately a rise time of the Vref line after high state of which (five worst case time
                              constants of RextCext) PM3533 is ready to receive more accesses for controls i.e. external
                              component filtering on the vref line dominates the wake-up time of PM3533 added with max
                              current capability of an external buffer driving this external Vref line during its rising period.
                              After all this Xreset is released and control accesses are allowed.

                              Table 30.    Power up timing values
                                           Name                             Time                              Unit

                              t0                                              0                                μs
                              t1                                              30                               μs
                              t2                                             270                               μs
                              t3                                             300                               μs
                              t4


                              Figure 23. Power up sequence timing diagram




                                                              CD00271682 Rev 3                                             53/77
Modes of operation                                               PM3533


                               Table 31.   Power down timing values
                                           Name                       Time     Unit

                               t5                                              μs
                               t6                                     -40      μs
                               t7                                     -30      μs
                               t8                                  Reference   μs

                               Figure 24. Power down sequence timing diagram




                                                                                               Information classified Company restricted - Do not copy (See last page for obligations)
Company restricted




                     54/77                                CD00271682 Rev 3
PM3533                                                                                 Control interface


                     17         Control interface

                     17.1       Data interface
                                PM3533 is programmed via the serial bus (SLE,SDATA,SCLK and RESET). SDATA data is
                                clocked by SCLK rising edge. The data is fed with MSB first and address bits before data
                                bits. PM3533 is in RESET state, when RESET signal is logical low.

                                Table 32.     Data interface timings




                                                                                                                                 Information classified Company restricted - Do not copy (See last page for obligations)
                                            Levels                       Min                         Max                Unit

                                High                                     1.5                                             V
                                Low                                                                   0.5                V
Company restricted




                     Figure 25. Timing waveform of writes cycle
                                               Address                          Data
                        SCLK




                        SDAT
                                 A7    A6   A5 R/W A4    A3   A2   A1   A0   MSB                               LSB


                          SLE




                     Note:      On SCLK rising edge, one bit of data is shifted in the shift register. SLE should be kept high
                                when the interface is not used

                     Figure 26. Timing waveform of read cycle




                     Note:      Data should read at the falling edge of SCLK.




                                                               CD00271682 Rev 3                                          55/77
Control interface                                                                                   PM3533


                     Figure 27. Serial data input timing
                                tslc
                                tsdc        tch                                                     thcd
                                                     tcl                                                           tlh


                         SCLK
                                                  tclk


                             SDAT




                                                                                                                                  Information classified Company restricted - Do not copy (See last page for obligations)
                                                                                                           tsll
                         SLE
Company restricted




                                    Table 33.        SPI control signal timing table
                                       Symbol                           Parameter           Min                   Max     Unit

                                    tclk            Clock cycle                              52                            ns
                                    tch             SCLK high period                       0.4*tclk          0.6*tclk      ns
                                    tcl             SLK low period                         0.4*tclk          0.6*tclk      ns
                                    tslc            SLE to SCLK setup time                 0.8*tcl            1.2*tcl      ns
                                    tsdc            SDAT to SCLK setup time                0.8*tcl            1.2*tcl      ns
                                    tsll            SLE to last clk setup time             0.8*tcl                tcl      ns
                                    thcd            SCLK to SDAT hold time                 0.8*tch           1.2*tch       ns
                                    tlh             SLE high period                          tclk                          ns

                     Note:          Clocking frequency should be approximately 19.2 MHz.




                     56/77                                              CD00271682 Rev 3
PM3533                                                  Pin description


                     18         Pin description

                     18.1       PM3533 ball-out
                     Figure 28. PM3533 ball-out diagram




                                                                                               Information classified Company restricted - Do not copy (See last page for obligations)
Company restricted




                                                          CD00271682 Rev 3             57/77
Pin description                                                                           PM3533


                     18.2        PM3533 pin description
                     Table 34.   PM3533 pin description
                                                                         ESD
                                            BGA
                             Pin name              Type    Ground       Supply                   Function
                                            ball
                                                                        Voltage

                     FB_DCDC                 A1      I    GND_DIG                  DC-DC-converter feedback
                     MUX1                    C4     O     GND_DIG            VXO   Multiplexer output
                     FB_BOOST                B1      I    GND_DIG                  Boost-converter feedback




                                                                                                                         Information classified Company restricted - Do not copy (See last page for obligations)
                     ANT_T2                  B2     O     GND_DIG                  Buffered digital output
                     ANT_T1                  C2     O     GND_DIG                  Buffered digital output
                     PA_DAC1                 C1     O     GND_DIG                  1st Current DAC output
Company restricted




                     GND_DIG                 E1     G     GND_DIG                  Ground
                     GND_DIG                 A2     G     GND_DIG                  Ground
                     GND_DIG                 B3     G     GND_DIG                  Ground
                     GND_DIG                 C3     G     GND_DIG                  Ground
                     GND_DIG                 D3     G     GND_DIG                  Ground
                     GND_DIG                 D4     G     GND_DIG                  Ground
                     GND_DIG                 E3     G     GND_DIG                  Ground
                     GND_DIG                 E2     G     GND_DIG                  Ground
                     GND_DIG                 F3     G     GND_DIG                  Ground
                     GND_DIG                 G3     G     GND_DIG                  Ground
                     VXO                     D2      S    GND_DIG                  2.5V / 2.15V supply voltage
                     VREF                    D1      S    GND_DIG                  1.2V reference voltage
                     SCLK                    G1      I    GND_DIG            VXO   SPI clock input
                     DATA                    F1      I    GND_DIG            VXO   SPI data input
                     ENABLE                  F2      I    GND_DIG            VXO   SPI enable input
                     XRESET                  E4      I    GND_DIG            VXO   SPI XRESET input
                     SMPS_CTRL               G2      I    GND_DIG            VXO   SMPS-converter control voltage
                     FB_SMPS                 H1      I    GND_DIG                  SMPS-converter feedback
                     VHI                     H2     O     GND_DIG            VHI   2.6V / 2.5V regulated output
                                                                                   Battery input supply voltage for
                     Vbb_VRX                 H3      S    GND_VIO       Vbb_VRX    converter regulators and VHI-
                                                                                   regulator
                     VIO                     H4     O     GND_VIO            VIO   1.8V driver stage supply voltage
                     GND_VIO                 G4     G     GND_VIO                  Ground for VIO
                                                                                   2nd Current DAC output / Additional
                     PADAC2 / RFCTRL3        F4      S    GND_DIG
                                                                                   buffered digital output
                     GND_VIO                 F5     G     GND_VIO                  Ground



                     58/77                                CD00271682 Rev 3
PM3533                                                                            Pin description


                     Table 34.   PM3533 pin description (continued)
                                                                            ESD
                                             BGA
                             Pin name               Type     Ground        Supply                 Function
                                             ball
                                                                           Voltage

                     CB_SMPS                  H5     I      GND_VIO       CB_SMPS SMPS-converter boost-trap input
                     MUX2                     G5     O      GND_VIO        MUX2      High voltage multiplexer output
                     GND_SMPS                 H6     G                               SMPS-converter ground
                     GND_SMPS                 H7     G                               SMPS-converter ground




                                                                                                                               Information classified Company restricted - Do not copy (See last page for obligations)
                     GND_SMPS                 H8     G                               SMPS-converter ground
                     IND_SMPS                 G6     O                               SMPS-converter output
                     IND_SMPS                 G7     O                               SMPS-converter output
                     IND_SMPS                 G8     O                               SMPS-converter output
Company restricted




                     INPUT_SMPS               F6     I                               SMPS-converter input
                     INPUT_SMPS               F7     I                               SMPS-converter input
                     INPUT_SMPS               F8     I                               SMPS-converter input
                     OUT_BOOST                E5     O                               Boost-converter output
                     OUT_BOOST                E6     O                               Boost-converter output
                     OUT_BOOST                E7     O                               Boost-converter output
                     OUT_BOOST                E8     O                               Boost-converter output
                     IND_BOOST                D5     I                               Boost-converter input
                     IND_BOOST                D6     I                               Boost-converter input
                     IND_BOOST                D7     I                               Boost-converter input
                     IND_BOOST                D8     I                               Boost-converter input
                     GND_BOOST                C5     G                               Boost-converter ground
                     GND_BOOST                C6     G                               Boost-converter ground
                     GND_BOOST                C7     G                               Boost-converter ground
                     GND_BOOST                C8     G                               Boost-converter ground
                     VBATT                    B8     S      GND_VIO        VBATT     DC-DC-converter input
                     VBATT                    A8     S      GND_VIO        VBATT     DC-DC-converter input
                     IND_DCDC                 A7     O                               DC-DC-converter output
                     IND_DCDC                 B7     O                               DC-DC-converter output
                     GND_DCDC                 B5     G                               DC-DC-converter ground
                     GND_DCDC                 B6     G                               DC-DC-converter ground
                     CB_BOOST                 A6     I      GND_VIO       CB_BOOST   Boost-converter boost-trap input
                     GND_VIO                  A5     G      GND_VIO
                     CB_DC-DC                 B4     I      GND_VIO       CB_DC-DC   DC-DC-converter boost-trap input




                                                            CD00271682 Rev 3                                           59/77
Pin description                                                                            PM3533


                     Table 34.   PM3533 pin description (continued)
                                                                           ESD
                                             BGA
                             Pin name               Type     Ground       Supply                  Function
                                             ball
                                                                          Voltage

                     VIO                      A4     I      GND_VIO            VIO   1.8V driver stage supply voltage
                     Vbb_VRX1                 A3     S      GND_VIO      VBB_VRX No connection




                                                                                                                         Information classified Company restricted - Do not copy (See last page for obligations)
Company restricted




                     60/77                                  CD00271682 Rev 3
PM3533                                       PM3533 register description for closed-loop mode


                     19          PM3533 register description for closed-loop mode

                                 PM3533 closed-loop mode control registers are listed in this chapter.
                                 SPI device address ID is ‘110’ (in binary format) for address decoding of A7...A5 like in
                                 Figure 25.

                     Table 35.   Register 0
                           Register 0          Valid state              Name                   Bit functional description




                                                                                                                                      Information classified Company restricted - Do not copy (See last page for obligations)
                     bit         0         Reserved
                     bit         1         Reserved
                     bit         2         Reserved
                     bit         3         Reserved
Company restricted




                     bit         4         1                 Common BIAS enable        Enables common bias OpA
                     bit         5         Reserved
                     bit         6         Reserved
                     bit         7         Reserved
                     bit         8         1                 REGU6ma_B_ctrl            Enable for boost_ctrl_int.regu6ma
                     bit         9         1                 REGU6ma_DC-DC_ctrl        Enable for DC-DC_ctrl_int.regu6ma
                     bit         10        1                 REGU6ma_s_ctrl            Enable for smps_ctrl_int.regu6ma
                     bit         11        1                 PADAC_mux_sel             0' for PADAC1; '1' for PADAC2
                                                             closed-loop               closed-loop mode1='0' VHI=2.6 V, closed-
                     bit         12        0/1
                                                             mode_Mode_Sel             loop mode2='1' VHI=2.5V
                                                                                       Enable for REGU_VHI.
                     bit         13        0                 REGU_VHI                  (This is also an internal supply voltage for
                                                                                       the PA_DAC).
                     bit         14        0                 REGU_VHI_Vext             Enable for REGU_VHI
                     bit         15        Reserved

                     Table 36.   Register 1
                           Register 1          Valid state              Name                   Bit functional description

                                                                                       Enable control for the output on MUX1 by
                     bit         0         1                 Input_EN
                                                                                       '001','010' or '011' selections
                     bit         1                           Mux_HV_ctrl C3            (used only in test phase)
                                                                                       Thermal shutdown test-enable (‘1’=test
                     bit         2         1                 TSD TESTENABLE
                                                                                       mode)
                                                                                       Thermal protection enable (‘0’ for
                     bit         3         0                 TSD THSDENA
                                                                                       application mode enable)
                     bit         4         1                 Mux_HV_ctrl C3            (used only in test phase)
                     bit         5         1                 DIG_load                  (used only in test phase)




                                                                CD00271682 Rev 3                                              61/77
PM3533 register description for closed-loop mode                                                    PM3533


                     Table 36.     Register 1 (continued)
                             Register 1         Valid state             Name                     Bit functional description

                                                                                         Enables functional measurement in test
                     bit          6         1                 ENa_TEMP
                                                                                         mode
                                                                                         TSD_temp_ctrl => 00 150C;10 140C; 01
                     bit          7         1                 TSD_fuse1
                                                                                         160C; 11 170C (used in test mode)
                                                                                         TSD_temp_ctrl => 00 150C;10 140C; 01
                     bit          8         1                 TSD_fuse0
                                                                                         160C; 11 170C (used in test mode)
                     bit          9         1                 Mux_VREG_ctrl_C2           (used only in test phase)




                                                                                                                                     Information classified Company restricted - Do not copy (See last page for obligations)
                     bit          10        1                 Mux_VREG_ctrl_C1           (used only in test phase)
                     bit          11        1                 Mux_VREG_ctrl_C0           (used only in test phase)
                     bit          12        1                 Mux_HV_ctrl C2             (used only in test phase)
Company restricted




                     bit          13        1                 Mux_HV_ctrl C1             (used only in test phase)
                     bit          14        1                 Mux_HV ctrl_C0             (used only in test phase)
                     bit          15        1                 OTP_prog_ena               Enables OTP signal paths in test phase

                     Table 37.     Register 2
                             Register2          Valid state             Name                     Bit functional description

                                                                                         Internal AFForce_bit[15].Frequency
                     bit          0         1                 AFForce_bit[15]; RETKU     reduction enable; 1.79MHz minus offset to
                                                                                         the SMPS value in register 14.
                                                                                         Internal AFForce_bit[16].Frequency
                     bit          1         1                 AFForce_bit[16]; ITKU      increasing enable; 1.35MHz plus offset to
                                                                                         the SMPS value in register 14.
                     bit          2         1                 AFForce_bit[17]            Internal AFForce_bit[17]
                     bit          3         1                 AFForce_bit[18]            Internal AFForce_bit[18]
                     bit          4         1                 AFForce_bit[19]            Internal AFForce_bit[19]
                                                                                         FuseData[15]; Programmed OTP RETKU
                     bit          5         read only         FuseData[15]
                                                                                         bit. To read it keep reg15.bit='0'.
                                                                                         FuseData[16]; Programmed OTP ITKU bit.
                     bit          6         read only         FuseData[16]
                                                                                         To read it keep reg15.bit='0'.
                                                                                        FuseData[39]. This is used for in serial
                                                                                        read-out of OTP memory. Keep
                                                              FuseData[39]/AFForce_bit[ reg14.bit15='0' to see this serial clocked
                     bit          7         read only                                   data stream output i.e. D39.
                                                              17]
                                                                                        PADAC coded bit number 0 (LSB), others
                                                                                        look at register 15.
                                                                                         FuseData[18]. Programmed THSD Fuse0
                     bit          8         read only         FuseData[18]
                                                                                         bit. To read it keep reg15.bit='0'.
                                                                                         FuseData[19]. Lower OTP mem MSB bit.
                     bit          9         read only         FuseData[19]               Programmed THSD Fuse1 bit. To read it
                                                                                         keep reg15.bit='0'.




                     62/77                                        CD00271682 Rev 3
PM3533                                      PM3533 register description for closed-loop mode


                     Table 37.   Register 2
                           Register2          Valid state             Name                   Bit functional description

                                                                                     ‘0' for enable sr_latch to output tsd_out
                     bit         10       0/1               tsd_mux1_ena             state in pwmreg1.bit15; '1' reset sr_latch
                                                                                     output node to low state in pwmreg1.bit15.
                                                                                     In test mode smps rds_on low/high side
                     bit         11       0/1               rds_smps_low_high_ena    sw can be set; '0' for low side; '1' for high
                                                                                     side
                                                                                     In test mode boost rds_on low/high side




                                                                                                                                       Information classified Company restricted - Do not copy (See last page for obligations)
                     bit         12       0/1               rds_boost_low_high_ena   sw can be set; '0' for low side; '1' for high
                                                                                     side
                                                                                     In test mode dcdc rds_on low/high side sw
                     bit         13       0/1               rds_dcdc_low_high_ena
                                                                                     can be set; '0' for low side; '1' for high side
                                                                                     In test_mode: '1'->'0' sequence to
                     bit         14       0/1               test_otp_reset
Company restricted




                                                                                     manually set otp_reset_pulse for OTP_cell
                                                                                     SMPS: the 5th delay tune for very high
                     bit         15       1                 long_delay               load impedances; when used set
                                                                                     reg3.bit[3...0]='1000'

                     Table 38.   Register 3
                           Register3          Valid state             Name                   Bit functional description

                                                                                     Delay tune for low side of driver chain;
                     bit         0        1                 SMPS_ast_l               beneficial for having minimum dropout
                                                                                     voltage (used ext coil res affects)
                                                                                     Delay tune for low side of driver chain;
                     bit         1        1                 SMPS_ast_l               beneficial at larger range of power levels
                                                                                     (GSM)
                                                                                     Delay tune for low side of driver chain;
                                                                                     beneficial at larger range of power level
                     bit         2        1                 SMPS_ast_l
                                                                                     (GSM) but with larger dropout voltage
                                                                                     (used ext coil res affects)
                                                                                     Delay tune for low side of driver chain;
                     bit         3        1                 SMPS_ast_l               beneficial mid-to-low-power range loads
                                                                                     (WCDMA)
                     bit         4        1                 Dither bandwidth         0 for 2.8MHz; 1 for 5.6MHz
                     bit         5        1                 SMPS_Dither_ena          SMPS dither enable
                     bit         6        1                 SMPS_drw_inout           SMPS drw in/out enable
                                                            SMPS_CTRL_bias/comp/     Enable for smps_ctrl bias. Enable for
                     bit         7        1
                                                            sawt                     smps_ctrl comparator/sawtooth
                                                                                     SMPS mode selection 00=PD, 01=bypass,
                                                                                     10=section, 11 normal (bits as bit '9', bit '8'
                     bit         8        1                 SMPS mode selection
                                                                                     order) Cdoup_SMPS is enabled also with
                                                                                     01=bypass
                     bit         9        1                 SMPS mode selection      (used with bit 8)




                                                                CD00271682 Rev 3                                               63/77
PM3533 register description for closed-loop mode                                                      PM3533


                     Table 38.     Register 3
                             Register3          Valid state            Name                    Bit functional description

                                                                                       I/O mux control and SMPS opamp enable
                                                                                       control (0 = I/O MUX to TSD_testforce, 1 =
                     bit          10        1                 SMPS_CTRL_opamp
                                                                                       enables SMPS opamp and disables
                                                                                       routing to TSD_testforce)
                     bit          11        Reserved
                     bit          12        Reserved
                     bit          13        Reserved




                                                                                                                                        Information classified Company restricted - Do not copy (See last page for obligations)
                     bit          14        Reserved
                     bit          15        Reserved

                     Table 39.     Register 4
Company restricted




                             Register 4         Valid state            Name                    Bit functional description

                     bit          0         Reserved
                     bit          1         Reserved
                     bit          2         Reserved
                     bit          3         Reserved
                     bit          4         1                 Dither bandwidth         0 for 2.8MHz; 1 for 5.4MHz
                     bit          5         1                 BOOST_XCLR               BOOST dither enable
                     bit          6         1                 BOOST_drw_inout          BOOST drw in/out enable
                                                              BOOST_CTRL_bias/comp Enable for boost_ctrl bias. Enable for
                     bit          7         1
                                                              /sawt                boost_ctrl comparator/sawtooth
                                                                                       Boost mode selection 00=PD, 01=bypass,
                                                                                       10=section, 11 normal (bits as bit '9',bit '8'
                     bit          8         1                 Boost mode selection
                                                                                       order). Cdoup_boost is enabled also with
                                                                                       01=bypass
                     bit          9         1                 Boost mode selection     (used with bit 8)
                                                              BOOST_sampled_start_     Enable for BOOST soft start; starts at
                     bit          10        1
                                                              control                  sampled output voltage
                     bit          11        1                 BOOST_CTRL_opamp         Boost gain opamp enable control
                                                                                       Enable for BOOST soft start; starts at
                                                              BOOST_sampled_start_     sampled output voltage; this bit is left for
                     bit          12        1
                                                              control                  software compatibility (as it was like
                                                                                       fast_start before)
                     bit          13        Reserved
                     bit          14        Reserved
                     bit          15        Reserved




                     64/77                                        CD00271682 Rev 3
PM3533                                     PM3533 register description for closed-loop mode


                     Table 40.   Register 5
                           Register 5         Valid state              Name               Bit functional description

                     bit         0        Reserved
                     bit         1        Reserved
                                                                                  BOOST feedback setting control: enables
                     bit         2        1                 BOOST_loopfb1d
                                                                                  added parallel resistor to resistor divider
                     bit         3        Reserved
                     bit         4        Reserved




                                                                                                                                   Information classified Company restricted - Do not copy (See last page for obligations)
                                                                                  Mux Boost control bits
                     bit         5        1                 Mux B C0
                                                                                  (used only in test phase)
                                                                                  Mux Boost control bits
                     bit         6        1                 Mux B C1
                                                                                  (used only in test phase)
Company restricted




                                                                                  Mux Boost control bits
                     bit         7        1                 Mux B C2
                                                                                  (used only in test phase)
                                                                                  BOOST feedback setting control: enables
                     bit         8        1                 BOOST_loop_fb1a       also lim_opamp when _fb1x (x=a or b or c)
                                                                                  bits are set
                                                                                  BOOST feedback setting control: _fb1a &
                     bit         9        1                 BOOST_loop_fb1b       _fb1b set output-to-ref gain value to
                                                                                  internal decoder
                                                                                  BOOST feedback setting control: _fb1c
                     bit         10       1                 BOOST_loop_fb1c       enables dc path to error opamp. This bit is
                                                                                  internally controlled by boost soft_start bit.
                     bit         11       1                 BOOST_loop_fb2        BOOST feedback setting control
                     bit         12       1                 BOOST_loop_fb2        BOOST feedback setting control
                                                                                  Adds 1.5meg resistor into feedback loop
                     bit         13       1                 BOOST_1,5meg
                                                                                  (used only in test phase)
                     bit         14       1                 BOOST_C_shunt         Adds shunt capacitor into feedback loop
                                                                                  Adds parallel resistor into feedback loop
                     bit         15       1                 BOOST_paraR
                                                                                  (used only in test phase)

                     Table 41.   Register 6
                           Register 6         Valid state              Name               Bit functional description

                                                                                  Set ‘1’ for Battery Monitor mux output
                     bit         0        1                 Mux 1 C0
                                                                                  enable for decoder
                                                                                  Set ‘1’ for Battery Monitor mux output
                     bit         1        1                 Mux 1 C1
                                                                                  enable for decoder
                                                                                  Set ‘1’ for Battery Monitor mux output
                     bit         2        1                 Mux 1 C2
                                                                                  enable for decoder
                     bit         3        1                 Mux 2 C0              (used only in test phase)
                     bit         4        1                 Mux 2 C1              (used only in test phase)
                     bit         5        1                 Mux 2 C2              (used only in test phase)



                                                               CD00271682 Rev 3                                            65/77
PM3533 register description for closed-loop mode                                                       PM3533


                     Table 41.     Register 6 (continued)
                             Register 6         Valid state               Name                Bit functional description

                     bit          6         1                 Batman_ENA             Enable control for Batman_out
                                                                                     ('0' for res_div (set bit8 to '0'); '1' for
                     bit          7         1                 Batman_KelvinH
                                                                                     res_meas (set bit8 to '0'); test structures)
                                                                                     ('0' for res_div (set bit7 to '0'); '1' for hi-Z
                     bit          8         1                 Batman_KelvinL
                                                                                     state (set bit7 to '1'); test structures)
                                                                                     (‘00’ = PD, '10'=DC-DC_clock '01' =
                     bit          9         1                 Clock divider enable   SMPS_CLOCK, 11 = Boost_clock (bits




                                                                                                                                        Information classified Company restricted - Do not copy (See last page for obligations)
                                                                                     9,10 order); used only in test phase)
                     bit          10        1                 Clock divider enable   (used only in test phase)
                                                                                     Enabling digital buffers for ANT_T1,
                                                                                     ANT_T2, RFCTRL3 I/Os,
Company restricted




                                                                                     1= Digital buffers enabled in application
                                                              ANT_T1_T2_RFCTRL3_
                     bit          11        1                                        mode,
                                                              ctrl
                                                                                     0= OTP_clock @ANT_T1 and
                                                                                     TSD_testsense @ANT_T2 enabled in test
                                                                                     mode.
                                                                                     Enable switch for RFCTRL3, 1=digital high
                     bit          12        1                 RFCTRL3_set
                                                                                     state, 0=digital low_state
                                                                                     ANTENNA tuning switch control, 1=digital
                     bit          13        1                 ANT_T1_antsw_set
                                                                                     high state, 0=digital low_state
                                                                                     ANTENNA tuning switch control, 1=digital
                     bit          14        1                 ANT_T2_antsw_set
                                                                                     high state, 0=digital low_state
                                                                                     (0 = mux outputs 8- 13,
                     bit          15        1                 MUX switch
                                                                                     1 = mux outputs 1-7; used in test phase)

                     Table 42.     Register 7
                             Register 7         Valid state               Name                Bit functional description

                                                                                     SMPS feedback setting control: linked to
                                                                                     0x5C01 setting (and alternatively 0x5C0D
                                                                                     with reg2.bit0=’1’ and reg14.bit15=’1’ for
                     bit          0         1                 SMPS_loop_fb3          lowest switching freq), additionally 0x5C05
                                                                                     or 0x5C09 (=recommended) with
                                                                                     reg2.bit0='1' and reg14.bit15='1' for the
                                                                                     semi-lowest switching frequency
                                                                                     Enables open loop gain increment option
                     bit          1         1                 Open_gain_inc
                                                                                     (especially in EER/ET architecture)
                                                                                     Additional smps freq reduction (bits of
                                                                                     [3...2] combines 4 selections); can be used
                     bit          2         1                 Freq_red1
                                                                                     in GSM/WCDMA (in OTP or in free-
                                                                                     running OSC modes)
                                                                                     Additional smps freq reduction (bits of
                                                                                     [3...2] combines 4 selections); can be used
                     bit          3         1                 Freq_red2
                                                                                     in GSM/WCDMA (in OTP or in free-
                                                                                     running OSC modes)




                     66/77                                        CD00271682 Rev 3
PM3533                                      PM3533 register description for closed-loop mode


                     Table 42.   Register 7
                           Register 7         Valid state              Name                 Bit functional description

                                                                                     DC gain increment: '0'=3.18; '1'=3.40; dgc
                     bit         4        1                 dcg_bit
                                                                                     equals to smps_out / smps_ctrl
                     bit         5        1                 Mux S C0                 (Mux SMPS control bits; in test phase)
                     bit         6        1                 Mux S C1                 (Mux SMPS control bits; in test phase)
                     bit         7        1                 Mux S C2                 (Mux SMPS control bits; in test phase)
                                                                                     SMPS feedback setting control (external
                     bit         8        1                 SMPS_loop_fb1




                                                                                                                                      Information classified Company restricted - Do not copy (See last page for obligations)
                                                                                     L-C effects on usage)
                                                                                     SMPS feedback setting control (external
                     bit         9        1                 SMPS_loop_fb1
                                                                                     L-C effects on usage)
                                                                                     SMPS feedback setting control (external
                     bit         10       1                 SMPS_loop_fb1
                                                                                     L-C effects on usage)
Company restricted




                                                                                     SMPS feedback setting control (external
                     bit         11       1                 SMPS_loop_fb2
                                                                                     L-C effects on usage)
                                                                                     SMPS feedback setting control (external
                     bit         12       1                 SMPS_loop_fb2
                                                                                     L-C effects on usage)
                                                                                     SMPS 1uF cap enable bit. Note: enable
                     bit         13       1                 SMPS_1uF                 also bit numbers 10,11 and 14 for
                                                                                     response tuning
                     bit         14       1                 SMPS_C_shunt             Adds shunt capacitor into feedback loop
                                                                                     (Adds parallel resistor into feedback loop;
                     bit         15       1                 SMPS_paraR
                                                                                     used in test phase)

                     Table 43.   Register 8
                           Register 8         Valid state              Name                 Bit functional description

                     bit         0        Reserved
                     bit         1        Reserved
                     bit         2        Reserved
                     bit         3        Reserved
                     bit         4        1                 DC-DC_Dither bandwidth   0' for 1.19MHz; '1' for 2.3MHz
                     bit         5        1                 DC-DC_XCLR               DC-DC_dither enable
                     bit         6        1                 DC-DC_drw_inout          DC-DC drw in/out enable
                                                                                     Enable for DC-DC_ctrl bias. Enable for
                     bit         7        1                 DC-DC_CTRL_bias
                                                                                     boost_ctrl comparator/sawtooth.
                     bit         8        1                 DRV XPD                  Driver stage enable
                                                            DC-DC-                   Enable for DC-DC soft start; starts at
                     bit         9        1
                                                            sampled_start_control    sampled output voltage
                     bit         10       Reserved
                     bit         11       1                 DC-DC_CTRL_opamp         DC-DC control opamp enable




                                                               CD00271682 Rev 3                                               67/77
PM3533 register description for closed-loop mode                                                      PM3533


                     Table 43.      Register 8 (continued)
                             Register 8           Valid state            Name                   Bit functional description

                                                                                        Enable for DC-DC soft start; starts at
                                                                DCDC_                   sampled output voltage; this bit is left for
                     bit           12        1
                                                                sampled_start_control   sw compatibility (because it was like
                                                                                        fast_start before)
                     bit           13        1                  DC-DCmux                (DC-DC mux C0; used in test phase)
                     bit           14        1                  DC-DCmux                (DC-DC mux C1; used in test phase)
                     bit           15        1                  DC-DCmux                (DC-DC mux C2; used in test phase)




                                                                                                                                       Information classified Company restricted - Do not copy (See last page for obligations)
                     Table 44.      Register 9
                             Register 9           Valid state            Name                   Bit functional description

                     bit           0         1                  DC-DC_loop_fb1          DC-DC feedback setting control
Company restricted




                     bit           1         1                  DC-DC_loop_fb1          DC-DC feedback setting control
                     bit           2         1                  DC-DC_loop_fb1          DC-DC feedback setting control
                     bit           3         1                  DC-DC_loop_fb2          DC-DC feedback setting control
                     bit           4         1                  DC-DC_loop_fb2          DC-DC feedback setting control
                     bit           5         Reserved
                     bit           6         1                  DC-DC_C_shunt           Adds shunt capacitor into feedback loop
                                                                                        (Adds parallel resistor into feedback loop;
                     bit           7         1                  DC-DC_paraR
                                                                                        used only in test phase)
                                                                                        (Enables 2.5V @Vref=1.2V; normally not
                     bit           8         1                  OVER2VENA               used in the closed-loop configuration of
                                                                                        SMPS usage in the rf subsystem)
                     bit           9         1                  PA_DAC_XPD              Enable for PA_DAC
                     bit           10        1                  PA_DAC bit0             PA DAC control
                     bit           11        1                  PA_DAC bit1             PA DAC control
                     bit           12        1                  PA_DAC bit2             PA DAC control
                     bit           13        1                  PA_DAC bit3             PA DAC control
                     bit           14        1                  PA_DAC bit4             PA DAC control
                     bit           15        1                  PA_DAC bit5             PA DAC control

                     Table 45.      Register 12
                             Register 12          Valid state            Name                   Bit functional description

                     bit           0         read only          FuseDR[0]               FuseDR[0] (Upper OTP mem LSB bit)
                     bit           1         read only          FuseDR[1]               FuseDR[1]
                     bit           2         read only          FuseDR[2]               FuseDR[2]
                     bit           3         read only          FuseDR[3]               FuseDR[3]
                     bit           4         read only          FuseDR[4]               FuseDR[4]
                     bit           5         read only          FuseDR[5]               FuseDR[5]



                     68/77                                          CD00271682 Rev 3
PM3533                                        PM3533 register description for closed-loop mode


                     Table 45.    Register 12
                           Register 12          Valid state              Name               Bit functional description

                     bit         6         read only          FuseDR[6]             FuseDR[6]
                     bit         7         read only          FuseDR[7]             FuseDR[7]
                     bit         8         read only          FuseDR[8]             FuseDR[8]
                     bit         9         read only          FuseDR[9]             FuseDR[9]
                     bit         10        read only          FuseDR[10]            FuseDR[10]
                     bit         11        read only          FuseDR[11]            FuseDR[11]




                                                                                                                                   Information classified Company restricted - Do not copy (See last page for obligations)
                     bit         12        read only          FuseDR[12]            FuseDR[12]
                     bit         13        read only          FuseDR[13]            FuseDR[13]
                     bit         14        read only          FuseDR[14]            FuseDR[14]
Company restricted




                     bit         15        read only          FuseDR[15]            FuseDR[15]

                     Table 46.    Register 13
                           Register 13          Valid state              Name               Bit functional description

                     bit         0         read only          FuseDR[16]            FuseDR[16]
                     bit         1         read only          FuseDR[17]            FuseDR[17]
                     bit         2         read only          FuseDR[18]            FuseDR[18]
                     bit         3         read only          FuseDR[19]            FuseDR[19] (Upper OTP mem MSB bit)
                     bit         4         read only          Version_bit0          Coding of versions as follows (bit3...bit0)
                                                                                    PM3533: ‘001’ for v1.0
                     bit         5         read only          Version_bit1
                                                                                    PM3533: ‘010’ for v1.0B
                     bit         6         read only          Version_bit2
                     bit         7         read only          Version_bit3
                     bit         8         read only          Family_bit0           Coding of RF PM IC family
                     bit         9         read only          Family_bit1           PM3533: ‘010’
                     bit         10        read only          Family_bit2
                     bit         11        read only          Man_bit0              Coding of RF PM IC manufacturer
                     bit         12        read only          Man_bit1              PM3533: ‘111’
                     bit         13        read only          Man_bit2
                     bit         14        Reserved
                     bit         15        Reserved

                     Table 47.    Register 14
                           Register 14          Valid state              Name               Bit functional description

                                                                                    These bits adjust switching frequency so
                     bit         0         1                  SMPS_clock_freq
                                                                                    that bits 00000 gives minimum freq
                     bit         1         1                  SMPS_clock_freq       and 11111 gives max freq.




                                                                 CD00271682 Rev 3                                          69/77
PM3533 register description for closed-loop mode                                                 PM3533


                     Table 47.      Register 14
                             Register 14          Valid state            Name                Bit functional description

                                                                                      For SMPS: '00000': 6.48 MHz; '01101':
                     bit           2         1                  SMPS_clock_freq
                                                                                      9.54 MHz; '01110': 9.77 MHz;
                     bit           3         1                  SMPS_clock_freq       '11111': 13.59 MHz (typical values)
                                                                                      (SMPS: Calibration range in the OTP used
                     bit           4         1                  SMPS_clock_freq       mode is 7.1 - 10.1 MHz when
                                                                                      reg7.bit[3...2]=’00’)
                                                                                      These bits adjust switching frequency so




                                                                                                                                  Information classified Company restricted - Do not copy (See last page for obligations)
                     bit           5         1                  BOOST_clock_freq
                                                                                      that bits 00000 gives minimum freq
                     bit           6         1                  BOOST_clock_freq      and 11111 gives max freq.
                                                                                      For Boost: '00000': 4.51 MHz; '01101':
                     bit           7         1                  BOOST_clock_freq
                                                                                      7.52 MHz; '01110': 7.74 MHz;
Company restricted




                     bit           8         1                  BOOST_clock_freq      '11111':11.42 MHz (typical values)
                                                                                      (Boost: Calibration range in the OTP used
                     bit           9         1                  BOOST_clock_freq
                                                                                      mode is 6.8 - 8.0 MHz)
                                                                                      These bits adjust switching frequency so
                     bit           10        1                  DC-DC_clock_freq
                                                                                      that bits 0000 gives minimum freq
                     bit           11        1                  DC-DC_clock_freq      and 1111 gives max freq.
                                                                                      For RF-IC DCDC: '00000': 1.62 MHz;
                     bit           12        1                  DC-DC_clock_freq
                                                                                      '01110'': 2.75 MHz;
                                                                                      '01111':2.83 MHz; '11111': 4.09 MHz
                     bit           13        1                  DC-DC_clock_freq
                                                                                      (typical values)
                                                                                      (DCDC: Calibration range in the OTP used
                     bit           14        1                  DC-DC_clock_freq
                                                                                      mode is 2.45 - 2.84 MHz)
                                                                                      0' sets OTP mode which uses trimmed
                     bit           15        1                  DATA_ENA
                                                                                      values; '1' is for user set values.

                     Table 48.      Register 15
                           Reg          15        Valid state            Name                Bit functional description

                                                                                      FuseData[0] (Lower OTP mem LSB bit) /
                     bit           0         read only          FuseData[0]
                                                                                      PADAC coded bit number 1
                                   1         read only          FuseData[1]           FuseData[1]
                                   2         read only          FuseData[2]           FuseData[2]
                                   3         read only          FuseData[3]           FuseData[3]
                                   4         read only          FuseData[4]           FuseData[4]
                                   5         read only          FuseData[5]           FuseData[5] / PADAC coded bit number 2
                                   6         read only          FuseData[6]           FuseData[6]
                                   7         read only          FuseData[7]           FuseData[7]
                                   8         read only          FuseData[8]           FuseData[8]
                                   9         read only          FuseData[9]           FuseData[9]




                     70/77                                         CD00271682 Rev 3
PM3533                                     PM3533 register description for closed-loop mode


                     Table 48.   Register 15 (continued)
                        Reg           15     Valid state            Name                Bit functional description

                                                                                 FuseData[10] / PADAC coded bit number
                                 10        read only       FuseData[10]
                                                                                 3
                                 11        read only       FuseData[11]          FuseData[11]
                                 12        read only       FuseData[12]          FuseData[12]
                                 13        read only       FuseData[13]          FuseData[13]
                                 14        read only       FuseData[14]          FuseData[14] (bits[19...15] in Reg2)




                                                                                                                                Information classified Company restricted - Do not copy (See last page for obligations)
                                 15        read only       FUSE_OK               Internal Fuse_ok
Company restricted




                                                              CD00271682 Rev 3                                          71/77
Example of WCDMA output power distribution curve                                           PM3533


                     20        Example of WCDMA output power distribution curve

                               The most important driver for PM3533 is to increase efficiencies in WCDMA low power
                               levels. Figure 29 presents the DG09 WCDMA output power distribution curve. The power
                               distribution curve shows that in WCDMA system the mobile transmitter is almost all of the
                               time in power level area comprised between 6 dB and -12 dB.

                     Figure 29. DG09 WCDMA output power distribution curve




                                                                                                                           Information classified Company restricted - Do not copy (See last page for obligations)
Company restricted




                     72/77                                   CD00271682 Rev 3
PM3533                                                                                             Package information


                     21       Package information

                     21.1     Package mechanical data
                              Table 49.        VFBGA 3.4 mm x 3.4 mm x 1.0 mm with 0.4 mm pitch and 0.25 mm ball
                                        Ref.                   Min.                    Typ.                      Max.                 Unit
                                  (1)
                              A                                                                                  1.00        mm
                              A1                              0.125                                                          mm




                                                                                                                                                      Information classified Company restricted - Do not copy (See last page for obligations)
                              A2                                                       0.19                                  mm
                              A4                                                      0.585                                  mm
                              b(2)                             0.22                    0.26                      0.30        mm
Company restricted




                              D                                3.30                    3.40                      3.50        mm
                              D1                                                       2.80                                  mm
                              E                                3.30                    3.40                      3.50        mm
                              E1                                                       2.80                                  mm
                              e                                                        0.40                       F          mm
                              Z                                                        0.30                                  mm
                              ddd                                                                                0.08        mm
                              eee(3)                                                                             0.15        mm
                              fff(4)                                                                             0.05        mm
                              1. VFBGA stands for Very thin profile Fine pitch Ball Grid Array.
                                 - Very thin profile:.
                                                                      0.80 < A ≤ 1.00 mm/Fine pitch:e< 1.00 mm
                                   - The total profile height (Dim A) is measured from the seating plane to the top of the component.
                                   - The maximum total package height is calculated by the following methodology:
                                                                                        2    2    2
                                                           A Max = A1Typ + A2 Typ + ( A1 + A2 + A4 tolerance values )

                              2. The typical ball diameter before mounting is 0.25 mm.
                              3. The tolerance of position that controls the location of the pattern of balls with respect to datums A and B.
                                 For each ball there is a cylindrical tolerance zone eee perpendicular to datum C and located on true
                                 position with respect to datums A and B as defined by e. The axis perpendicular to datum C of each ball
                                 must lie within this tolerance zone.
                              4. The tolerance of position that controls the location of the balls within the matrix with respect to each other.
                                 For each ball there is a cylindrical tolerance zone fff perpendicular to datum C and located on true position
                                 as defined by e. The axis perpendicular to datum C of each ball must lie within this tolerance zone. Each
                                 tolerance zone fff in the array is contained entirely in the respective zone eee above The axis of each ball
                                 must lie simultaneously in both tolerance zones.




                                                                      CD00271682 Rev 3                                                        73/77
Package information                                                                                              PM3533


                     Figure 30. VFBGA 3.4 mm x 3.4 mm x 1.0 mm, 0.4 mm pitch, 0.25 mm ball




                                                                                                                                               Information classified Company restricted - Do not copy (See last page for obligations)
Company restricted




                                                 See Note 1




                                1. The terminal A1 corner must be identified on the top surface by using a corner chamfer, ink or metallized
                                   markings, or other feature of package body or integral heatslug.
                                   - A distinguishing feature is allowable on the bottom surface of the package to identify the terminal A1
                                   corner.The exact shape of each corner is optional.




                     74/77                                            CD00271682 Rev 3
PM3533                                                                      Package information


                     21.2     Package marking
                              The package marking consists of one line.

                              Figure 31. Marking composition
                                  PACKAGE FACE : TOP                              LEGEND

                                                                                 Unmarkable Surface

                                                                                 Marking Composition Field




                                                                                                                           Information classified Company restricted - Do not copy (See last page for obligations)
                                              A
                                                                          A -66669 - MARKING AREA
                                                                          B -66668 - Assy Plant
                                                                                          (P)
                                              B   C    D                  C -66670 - Assy Year
                                                                                          (Y)
Company restricted




                                                                          D -66667 - Assy Week
                                                                                          (WW)
                                          E                               E -66671 - DOT




                              Table 50.       Package marking
                                  Item                 Description                      Format             Value

                              A           Marking area - Product code        1st line              P3533




                                                              CD00271682 Rev 3                                     75/77
Ordering information                                                                               PM3533


                     22        Ordering information

                               Table 51.     Ordering information
                                           Order code                       Package                          Packing

                                                               VFBGA
                               PM3533BDKT                      3.4 mm x 3.4 mm x 1.0 mm,         Tape on reel
                                                               0.4 mm pitch, 0.25 mm ball




                                                                                                                                    Information classified Company restricted - Do not copy (See last page for obligations)
                     23        Revision history
Company restricted




                               Table 52.     Document revision history
                                    Date          Revision                                Changes

                                07-May-2010             1    Initial release.
                                                             Updated
                                                             – Table 6: SMPS operation parameters
                                                             – Table 8: SMPS capacitor specification
                                                             – Table 11: Boost converter operation parameters
                                                             – Table 14: DC-DC closed-loop mode electrical characteristics
                                                             – Table 15: Buck DC-DC converter operating parameters
                                                             – Section 8.1: VHI regulator (first sentence)
                                                             – Chapter 11: Thermal shutdown (second paragraph)
                                 26-Oct-2010            2
                                                             – Chapter 14: Under-voltage-lockout block (third paragraph)
                                                             – Table 34: PM3533 pin description (update for VHI)
                                                             – Table 35: Register 0 (bit 5, bit 6, bit 12)
                                                             – Table 46: Register 13 (bit 5)
                                                             – Table 51: Ordering information
                                                             – The Note 1 in Chapter 21: Package information
                                                             Added
                                                             – Section 21.2: Package marking
                                                             Updated
                                                             – The cover page: document title, description, applications and
                                                               feature list
                                                             – Chapter 1: Overview
                                                             – Chapter 2: General specifications
                                                             – Table 6: SMPS operation parameters
                                16-Dec-2010             3
                                                             – Section 8.1: VHI regulator
                                                             – Table 10: Boost full power mode general electrical characteristics
                                                             – Table 11: Boost converter operation parameters
                                                             – Table 25: Thermal shutdown parameter table
                                                             – Table 34: PM3533 pin description
                                                             – Table 40: Register 5, Table 42: Register 7




                     76/77                                    CD00271682 Rev 3
PM3533




                     CONFIDENTIALITY OBLIGATIONS:
                     This document contains sensitive information.
                     Its distribution is subject to the signature of an Non-Disclosure Agreement (NDA).
                     It is classified “COMPANY RESTRICTED.
                     At all times you should comply with the following security rules
                     (Refer to NDA for detailed obligations):
                     Do not copy or reproduce all or part of this document
                     Keep this document locked away
                     Further copies can be provided on a “need to know basis”, please contact your local ST-ERICSSON sales office.




                                                                                                                                                                               Information classified Company restricted - Do not copy (See last page for obligations)
Company restricted




                                                                                   Please Read Carefully:
                     The contents of this document are subject to change without prior notice. ST-Ericsson makes no representation or warranty of any nature
                     whatsoever (neither expressed nor implied) with respect to the matters addressed in this document, including but not limited to warranties of
                     merchantability or fitness for a particular purpose, interpretability or interoperability or, against infringement of third party intellectual property
                     rights, and in no event shall ST-Ericsson be liable to any party for any direct, indirect, incidental and or consequential damages and or loss
                     whatsoever (including but not limited to monetary losses or loss of data), that might arise from the use of this document or the information in it.


                             ST-Ericsson and the ST-Ericsson logo are trademarks of the ST-Ericsson group of companies or used under a license from
                                                           STMicroelectronics NV or Telefonaktiebolaget LM Ericsson.
                                                                All other names are the property of their respective owners.
                                                                          © ST-Ericsson, 2010 - All rights reserved
                                                                Contact information at www.stericsson.com under Contacts
                                                                                    www.stericsson.com




                                                                                   CD00271682 Rev 3                                                                 77/77

CD00271682_PM3533_datasheet_rev3

  • 1.
    PM3533 All-in-one energy management for smart phone RF solutions Preliminary Data Description PM3533 is an all-in-one solution for RF energy Information classified Company restricted - Do not copy (See last page for obligations) management and RF front-end control for GSM/EDGE/WCDMA/TD-SCDMA/LTE RF solutions. It is designed specifically to support Multi-Mode and Multi-Band Power Amplifier (MMMB PA); with >90% efficiency and 2.6 V cut- Company restricted off voltage support, PM3533 enable improved efficiency for PA and RF IC to maximizes the battery life time of smart phones. The PM3533 includes DCDC converters for transceiver and PA, PA bias DAC, linear regulated low noise supply for RF FE, GPIOs for antenna control of tunable antennas and SPI RF FE Features control. • All-in-one RF PMU • Supports 2.6 V to 5.5 V battery voltage range Applications • High efficiency 400 mA DCDC converter for RF • Multi-Mode and Multi-Band PA solutions transceiver • Mobile phones – five level programmable output voltage • Portable communication equipment • High efficiency 600 mA/1.5 A Buck DCDC converter for PA with analog control voltage • Navigation systems and connected devices • Boost DCDC converter for PA – BOOST by-pass mode – Enables support for low VBAT cut-off: 2.6 V • Line regulated low noise 2.5 V supply for RF FE components • PA bias DAC • Three GPIO signals for RF FE control • Battery voltage monitoring circuitry • Under-voltage-lockout circuitry • Thermal shutdown circuitry • Green product: lead-free/RoHs compliant. • VFBGA 3.4 mm x 3.4 mm x 1.0 mm with 0.4 mm pitch December 2010 CD00271682 Rev 3 1/77 This is preliminary information on a new product now in development or undergoing evaluation. Details are subject to www.stericsson.com 4 change without notice.
  • 2.
    PM3533 Device summary Table 1. Device summary Features Range Temperature range -20°C to +85°C All specifications fulfilled Temperature range -30°C to +85°C Functional Information classified Company restricted - Do not copy (See last page for obligations) Battery voltage range 2.6 V to 5.5 V Package VFBGA 3.4 mm x 3.4 mm x 1.0 mm, 64 F8x8 DCDC1 - GSM PA operation Output voltage range 50 mV to 5.5 V Company restricted Control voltage range 0 to 1.5 V Maximum output current 1.5 A Efficiency 90% (combined efficiency of Boost-Buck) Efficiency 95% (Buck) Large signal loop BW 230 kHz DCDC1 – WCDMA PA operation Output voltage range 50 mV to Vin-150 mV Control voltage range 0 to 1.5 V Maximum output current 600 mA Efficiency 96% (Buck) Large signal loop BW 230 kHz DCDC2 for TRX Output voltage (Vout) 1.35 V, 1.45 V or 1.65 V Maximum output current 400 mA Efficiency 90% (Buck) PSRR ≤ 100 kHz 63 dB Start-up time 10 μs IDAC Resolution 6 bits Output current range 0 to 2.3 mA (Vout < 2.3 V) 2.5 V linear regulator Output voltage 2.5 V Maximum output current 60 mA PSRR ≤ 100kHz 40 dB 2/77 CD00271682 Rev 3
  • 3.
    PM3533 Figure 1. DCDC1 GSM operation - Combined Boost-Buck DCDC 1 GSM PA operation (Buck/Boost) - VBAT= 3.6V DCDC 1 GSM PA operation (Buck/Boost) - VBAT= 3.6V 100 100 90 90 80 80 70 70 60 60 Eff (%) Eff (%) 50 50 40 40 30 30 20 20 Information classified Company restricted - Do not copy (See last page for obligations) 10 10 0 0 0.0 1.0 2.0 3.0 4.0 5.0 0.0 0.2 0.4 0.6 0.8 1.0 1.2 1.4 Vout (V) Iload (A) Figure 2. DCDC1 GSM PA operation - Buck Company restricted DCDC 1 GSM PA operation (Buck) - VBAT= 3.6V DCDC 1 GSM PA operation (Buck) - VBAT= 3.6V 100 100 90 90 80 80 70 70 60 60 Eff (%) Eff (%) 50 50 40 40 30 30 20 20 10 10 0 0 0.0 0.5 1.0 1.5 2.0 2.5 3.0 3.5 0.0 0.2 0.4 0.6 0.8 1.0 Vout (V) Iload (A) Figure 3. DCDC1 WCDMA PA operation - Buck DCDC 1 WCDMA PA operation (Buck) - VBAT= 3.6V DCDC 1 WCDMA PA operation (Buck) - VBAT= 3.6V 100 100 90 90 80 80 70 70 60 60 Eff (%) Eff (%) 50 50 40 40 30 30 20 20 10 10 0 0 0.0 0.5 1.0 1.5 2.0 2.5 3.0 3.5 0.0 0.1 0.2 0.3 0.4 0.5 0.6 Vout (V) Iload (A) 3/77 CD00271682 Rev 3
  • 4.
    PM3533 Figure 4. DCDC2 in TRX operation DCDC 2 TRX operation - VBAT= 3.6V, Vout= 1.45V 100 90 80 70 60 Eff (%) 50 40 30 20 Information classified Company restricted - Do not copy (See last page for obligations) 10 0 50 100 150 200 250 300 350 400 Iload (mA) Company restricted 4/77 CD00271682 Rev 3
  • 5.
    PM3533 Contents Contents 1 Overview . . . . . . . . . . . . . . . . . . . . . . . . . . . . . . . . . . . . . . . . . . . . . . . . . 11 1.1 Main features . . . . . . . . . . . . . . . . . . . . . . . . . . . . . . . . . . . . . . . . . . . . . . .11 1.1.1 Special power saving modes . . . . . . . . . . . . . . . . . . . . . . . . . . . . . . . . . 13 2 General specifications . . . . . . . . . . . . . . . . . . . . . . . . . . . . . . . . . . . . . . 14 Information classified Company restricted - Do not copy (See last page for obligations) 2.1 Absolute maximum ratings . . . . . . . . . . . . . . . . . . . . . . . . . . . . . . . . . . . . 14 2.2 Operating conditions . . . . . . . . . . . . . . . . . . . . . . . . . . . . . . . . . . . . . . . . 14 3 Block diagram . . . . . . . . . . . . . . . . . . . . . . . . . . . . . . . . . . . . . . . . . . . . . 16 Company restricted 4 Reference design schematic . . . . . . . . . . . . . . . . . . . . . . . . . . . . . . . . . 17 5 SMPS for PA . . . . . . . . . . . . . . . . . . . . . . . . . . . . . . . . . . . . . . . . . . . . . . 19 5.1 Closed-loop mode SMPS full power critical electrical parameters . . . . . . 19 5.2 Closed-loop mode SMPS section mode, critical electrical parameters . . 20 5.3 Operating parameters for SMPS converter . . . . . . . . . . . . . . . . . . . . . . . 21 5.4 Critical external components for SMPS . . . . . . . . . . . . . . . . . . . . . . . . . . 25 5.4.1 SMPS performance with critical components . . . . . . . . . . . . . . . . . . . . 26 6 Boost DC-DC converter . . . . . . . . . . . . . . . . . . . . . . . . . . . . . . . . . . . . . 27 6.1 Boost full power electrical parameters . . . . . . . . . . . . . . . . . . . . . . . . . . . 27 6.2 Operating requirements for Boost DC-DC converter . . . . . . . . . . . . . . . . 28 6.3 Critical external components for Boost DC-DC converter . . . . . . . . . . . . 31 7 BUCK DC-DC converter . . . . . . . . . . . . . . . . . . . . . . . . . . . . . . . . . . . . . 33 7.1 DC-DC closed-loop mode, critical electrical parameters . . . . . . . . . . . . . 33 7.2 Operating requirements for BUCK DC-DC converter . . . . . . . . . . . . . . . . 34 7.3 Critical external components for BUCK DC-DC converter . . . . . . . . . . . . 38 7.3.1 Inductor . . . . . . . . . . . . . . . . . . . . . . . . . . . . . . . . . . . . . . . . . . . . . . . . . 38 7.3.2 Capacitor . . . . . . . . . . . . . . . . . . . . . . . . . . . . . . . . . . . . . . . . . . . . . . . . 38 8 Regulators . . . . . . . . . . . . . . . . . . . . . . . . . . . . . . . . . . . . . . . . . . . . . . . . 39 8.1 VHI regulator . . . . . . . . . . . . . . . . . . . . . . . . . . . . . . . . . . . . . . . . . . . . . . 39 CD00271682 Rev 3 5/77
  • 6.
    Contents PM3533 8.1.1 Power up for VHI regulator . . . . . . . . . . . . . . . . . . . . . . . . . . . . . . . . . . 40 9 Digital to analog converter . . . . . . . . . . . . . . . . . . . . . . . . . . . . . . . . . . . 42 10 RF controls . . . . . . . . . . . . . . . . . . . . . . . . . . . . . . . . . . . . . . . . . . . . . . . 45 11 Thermal shutdown . . . . . . . . . . . . . . . . . . . . . . . . . . . . . . . . . . . . . . . . . 46 Information classified Company restricted - Do not copy (See last page for obligations) 12 OTP memory . . . . . . . . . . . . . . . . . . . . . . . . . . . . . . . . . . . . . . . . . . . . . . 47 13 Battery monitoring . . . . . . . . . . . . . . . . . . . . . . . . . . . . . . . . . . . . . . . . . 48 Company restricted 14 Under-voltage-lockout block . . . . . . . . . . . . . . . . . . . . . . . . . . . . . . . . . 49 15 Mux structure . . . . . . . . . . . . . . . . . . . . . . . . . . . . . . . . . . . . . . . . . . . . . . 50 15.1 MUX 1 controls . . . . . . . . . . . . . . . . . . . . . . . . . . . . . . . . . . . . . . . . . . . . . 51 15.1.1 PM3533 self test . . . . . . . . . . . . . . . . . . . . . . . . . . . . . . . . . . . . . . . . . . 52 16 Modes of operation . . . . . . . . . . . . . . . . . . . . . . . . . . . . . . . . . . . . . . . . . 53 16.1 Power UP/DOWN sequence . . . . . . . . . . . . . . . . . . . . . . . . . . . . . . . . . . 53 17 Control interface . . . . . . . . . . . . . . . . . . . . . . . . . . . . . . . . . . . . . . . . . . . 55 17.1 Data interface . . . . . . . . . . . . . . . . . . . . . . . . . . . . . . . . . . . . . . . . . . . . . . 55 18 Pin description . . . . . . . . . . . . . . . . . . . . . . . . . . . . . . . . . . . . . . . . . . . . 57 18.1 PM3533 ball-out . . . . . . . . . . . . . . . . . . . . . . . . . . . . . . . . . . . . . . . . . . . 57 18.2 PM3533 pin description . . . . . . . . . . . . . . . . . . . . . . . . . . . . . . . . . . . . . . 58 19 PM3533 register description for closed-loop mode . . . . . . . . . . . . . . . 61 20 Example of WCDMA output power distribution curve . . . . . . . . . . . . . 72 21 Package information . . . . . . . . . . . . . . . . . . . . . . . . . . . . . . . . . . . . . . . . 73 21.1 Package mechanical data . . . . . . . . . . . . . . . . . . . . . . . . . . . . . . . . . . . . 73 21.2 Package marking . . . . . . . . . . . . . . . . . . . . . . . . . . . . . . . . . . . . . . . . . . . 75 22 Ordering information . . . . . . . . . . . . . . . . . . . . . . . . . . . . . . . . . . . . . . . 76 6/77 CD00271682 Rev 3
  • 7.
    PM3533 Contents 23 Revision history . . . . . . . . . . . . . . . . . . . . . . . . . . . . . . . . . . . . . . . . . . . 76 Information classified Company restricted - Do not copy (See last page for obligations) Company restricted CD00271682 Rev 3 7/77
  • 8.
    List of tables PM3533 List of tables Table 1. Device summary . . . . . . . . . . . . . . . . . . . . . . . . . . . . . . . . . . . . . . . . . . . . . . . . . . . . . . . . . . 2 Table 2. Absolute maximum ratings . . . . . . . . . . . . . . . . . . . . . . . . . . . . . . . . . . . . . . . . . . . . . . . . . 14 Table 3. Operation conditions . . . . . . . . . . . . . . . . . . . . . . . . . . . . . . . . . . . . . . . . . . . . . . . . . . . . . . 14 Table 4. Electrical characteristics of SMPS full power mode . . . . . . . . . . . . . . . . . . . . . . . . . . . . . . 19 Table 5. Electrical characteristics of SMPS section mode . . . . . . . . . . . . . . . . . . . . . . . . . . . . . . . . 20 Table 6. SMPS operation parameters . . . . . . . . . . . . . . . . . . . . . . . . . . . . . . . . . . . . . . . . . . . . . . . 21 Table 7. SMPS inductor specification . . . . . . . . . . . . . . . . . . . . . . . . . . . . . . . . . . . . . . . . . . . . . . . . 25 Information classified Company restricted - Do not copy (See last page for obligations) Table 8. SMPS capacitor specification . . . . . . . . . . . . . . . . . . . . . . . . . . . . . . . . . . . . . . . . . . . . . . . 26 Table 9. SMPS performance with critical components . . . . . . . . . . . . . . . . . . . . . . . . . . . . . . . . . . . 26 Table 10. Boost full power mode general electrical characteristics . . . . . . . . . . . . . . . . . . . . . . . . . . 27 Table 11. Boost converter operation parameters . . . . . . . . . . . . . . . . . . . . . . . . . . . . . . . . . . . . . . . . 28 Table 12. Inductor specification . . . . . . . . . . . . . . . . . . . . . . . . . . . . . . . . . . . . . . . . . . . . . . . . . . . . . 31 Company restricted Table 13. Capacitor specification for Boost converter . . . . . . . . . . . . . . . . . . . . . . . . . . . . . . . . . . . . 32 Table 14. DC-DC closed-loop mode electrical characteristics . . . . . . . . . . . . . . . . . . . . . . . . . . . . . . 33 Table 15. Buck DC-DC converter operating parameters . . . . . . . . . . . . . . . . . . . . . . . . . . . . . . . . . . 34 Table 16. Inductor specification for closed-loop mode DC-DC converter usage . . . . . . . . . . . . . . . . 38 Table 17. Capacitor specification for closed-loop mode DC-DC converter usage . . . . . . . . . . . . . . . 38 Table 18. Current output capability / nominal voltage. . . . . . . . . . . . . . . . . . . . . . . . . . . . . . . . . . . . . 39 Table 19. Regulator specifications . . . . . . . . . . . . . . . . . . . . . . . . . . . . . . . . . . . . . . . . . . . . . . . . . . . 39 Table 20. Power-up timing values . . . . . . . . . . . . . . . . . . . . . . . . . . . . . . . . . . . . . . . . . . . . . . . . . . . 41 Table 21. D/A-converter characteristics . . . . . . . . . . . . . . . . . . . . . . . . . . . . . . . . . . . . . . . . . . . . . . . 42 Table 22. PADAC coding table by setting ‘48’ [in dec] for fused values . . . . . . . . . . . . . . . . . . . . . . . 43 Table 23. I/O pad accuracy. . . . . . . . . . . . . . . . . . . . . . . . . . . . . . . . . . . . . . . . . . . . . . . . . . . . . . . . . 44 Table 24. RF control voltage output parameters . . . . . . . . . . . . . . . . . . . . . . . . . . . . . . . . . . . . . . . . 45 Table 25. Thermal shutdown parameter table . . . . . . . . . . . . . . . . . . . . . . . . . . . . . . . . . . . . . . . . . . 46 Table 26. Battery monitoring characteristics. . . . . . . . . . . . . . . . . . . . . . . . . . . . . . . . . . . . . . . . . . . . 48 Table 27. Under Voltage Lockout characteristics . . . . . . . . . . . . . . . . . . . . . . . . . . . . . . . . . . . . . . . . 49 Table 28. MUX1 register writings . . . . . . . . . . . . . . . . . . . . . . . . . . . . . . . . . . . . . . . . . . . . . . . . . . . . 51 Table 29. PM3533 Kelvin nodes for self test purpose . . . . . . . . . . . . . . . . . . . . . . . . . . . . . . . . . . . . 52 Table 30. Power up timing values. . . . . . . . . . . . . . . . . . . . . . . . . . . . . . . . . . . . . . . . . . . . . . . . . . . . 53 Table 31. Power down timing values . . . . . . . . . . . . . . . . . . . . . . . . . . . . . . . . . . . . . . . . . . . . . . . . . 54 Table 32. Data interface timings . . . . . . . . . . . . . . . . . . . . . . . . . . . . . . . . . . . . . . . . . . . . . . . . . . . . . 55 Table 33. SPI control signal timing table . . . . . . . . . . . . . . . . . . . . . . . . . . . . . . . . . . . . . . . . . . . . . . 56 Table 34. PM3533 pin description . . . . . . . . . . . . . . . . . . . . . . . . . . . . . . . . . . . . . . . . . . . . . . . . . . . 58 Table 35. Register 0 . . . . . . . . . . . . . . . . . . . . . . . . . . . . . . . . . . . . . . . . . . . . . . . . . . . . . . . . . . . . . . 61 Table 36. Register 1 . . . . . . . . . . . . . . . . . . . . . . . . . . . . . . . . . . . . . . . . . . . . . . . . . . . . . . . . . . . . . . 61 Table 37. Register 2 . . . . . . . . . . . . . . . . . . . . . . . . . . . . . . . . . . . . . . . . . . . . . . . . . . . . . . . . . . . . . . 62 Table 38. Register 3 . . . . . . . . . . . . . . . . . . . . . . . . . . . . . . . . . . . . . . . . . . . . . . . . . . . . . . . . . . . . . . 63 Table 39. Register 4 . . . . . . . . . . . . . . . . . . . . . . . . . . . . . . . . . . . . . . . . . . . . . . . . . . . . . . . . . . . . . . 64 Table 40. Register 5 . . . . . . . . . . . . . . . . . . . . . . . . . . . . . . . . . . . . . . . . . . . . . . . . . . . . . . . . . . . . . . 65 Table 41. Register 6 . . . . . . . . . . . . . . . . . . . . . . . . . . . . . . . . . . . . . . . . . . . . . . . . . . . . . . . . . . . . . . 65 Table 42. Register 7 . . . . . . . . . . . . . . . . . . . . . . . . . . . . . . . . . . . . . . . . . . . . . . . . . . . . . . . . . . . . . . 66 Table 43. Register 8 . . . . . . . . . . . . . . . . . . . . . . . . . . . . . . . . . . . . . . . . . . . . . . . . . . . . . . . . . . . . . . 67 Table 44. Register 9 . . . . . . . . . . . . . . . . . . . . . . . . . . . . . . . . . . . . . . . . . . . . . . . . . . . . . . . . . . . . . . 68 Table 45. Register 12 . . . . . . . . . . . . . . . . . . . . . . . . . . . . . . . . . . . . . . . . . . . . . . . . . . . . . . . . . . . . . 68 Table 46. Register 13 . . . . . . . . . . . . . . . . . . . . . . . . . . . . . . . . . . . . . . . . . . . . . . . . . . . . . . . . . . . . . 69 Table 47. Register 14 . . . . . . . . . . . . . . . . . . . . . . . . . . . . . . . . . . . . . . . . . . . . . . . . . . . . . . . . . . . . . 69 Table 48. Register 15 . . . . . . . . . . . . . . . . . . . . . . . . . . . . . . . . . . . . . . . . . . . . . . . . . . . . . . . . . . . . . 70 8/77 CD00271682 Rev 3
  • 9.
    PM3533 List of tables Table 49. VFBGA 3.4 mm x 3.4 mm x 1.0 mm with 0.4 mm pitch and 0.25 mm ball . . . . . . . . . . . . . 73 Table 50. Package marking . . . . . . . . . . . . . . . . . . . . . . . . . . . . . . . . . . . . . . . . . . . . . . . . . . . . . . . . 75 Table 51. Ordering information . . . . . . . . . . . . . . . . . . . . . . . . . . . . . . . . . . . . . . . . . . . . . . . . . . . . . . 76 Table 52. Document revision history . . . . . . . . . . . . . . . . . . . . . . . . . . . . . . . . . . . . . . . . . . . . . . . . . 76 Information classified Company restricted - Do not copy (See last page for obligations) Company restricted CD00271682 Rev 3 9/77
  • 10.
    List of figures PM3533 List of figures Figure 1. DCDC1 GSM operation - Combined Boost-Buck . . . . . . . . . . . . . . . . . . . . . . . . . . . . . . . . . 3 Figure 2. DCDC1 GSM PA operation - Buck . . . . . . . . . . . . . . . . . . . . . . . . . . . . . . . . . . . . . . . . . . . . 3 Figure 3. DCDC1 WCDMA PA operation - Buck . . . . . . . . . . . . . . . . . . . . . . . . . . . . . . . . . . . . . . . . . 3 Figure 4. DCDC2 in TRX operation . . . . . . . . . . . . . . . . . . . . . . . . . . . . . . . . . . . . . . . . . . . . . . . . . . . 4 Figure 5. PM3533 functional block diagram. . . . . . . . . . . . . . . . . . . . . . . . . . . . . . . . . . . . . . . . . . . . 11 Figure 6. PM3533 block diagram . . . . . . . . . . . . . . . . . . . . . . . . . . . . . . . . . . . . . . . . . . . . . . . . . . . . 16 Information classified Company restricted - Do not copy (See last page for obligations) Figure 7. Reference design schematic . . . . . . . . . . . . . . . . . . . . . . . . . . . . . . . . . . . . . . . . . . . . . . . 17 Figure 8. USB application reference design schematic . . . . . . . . . . . . . . . . . . . . . . . . . . . . . . . . . . . 18 Figure 9. Step-down switching regulator based on Buck converter with voltage-mode control . . . . . 19 Figure 10. Transient response requirement. . . . . . . . . . . . . . . . . . . . . . . . . . . . . . . . . . . . . . . . . . . . . 25 Figure 11. Boost converter simplified block diagram . . . . . . . . . . . . . . . . . . . . . . . . . . . . . . . . . . . . . 27 Company restricted Figure 12. Transient response requirement. . . . . . . . . . . . . . . . . . . . . . . . . . . . . . . . . . . . . . . . . . . . . 31 Figure 13. Buck DC-DC-converter simplified block diagram . . . . . . . . . . . . . . . . . . . . . . . . . . . . . . . . 33 Figure 14. Transient response requirement. . . . . . . . . . . . . . . . . . . . . . . . . . . . . . . . . . . . . . . . . . . . . 37 Figure 15. Power up sequence timing diagram for VHI regulator . . . . . . . . . . . . . . . . . . . . . . . . . . . . 40 Figure 16. DA-converter block diagram . . . . . . . . . . . . . . . . . . . . . . . . . . . . . . . . . . . . . . . . . . . . . . . . 42 Figure 17. Output current accuracy of PADAC coded characteristic equation . . . . . . . . . . . . . . . . . . 44 Figure 18. RF control connection . . . . . . . . . . . . . . . . . . . . . . . . . . . . . . . . . . . . . . . . . . . . . . . . . . . . . 45 Figure 19. Thermal shutdown functional of modes . . . . . . . . . . . . . . . . . . . . . . . . . . . . . . . . . . . . . . . 46 Figure 20. Simplified OTP bits connection diagram . . . . . . . . . . . . . . . . . . . . . . . . . . . . . . . . . . . . . . . 47 Figure 21. Under-voltage-lockout block overview . . . . . . . . . . . . . . . . . . . . . . . . . . . . . . . . . . . . . . . . 49 Figure 22. PM3533 multiplexer structure . . . . . . . . . . . . . . . . . . . . . . . . . . . . . . . . . . . . . . . . . . . . . . . 50 Figure 23. Power up sequence timing diagram . . . . . . . . . . . . . . . . . . . . . . . . . . . . . . . . . . . . . . . . . . 53 Figure 24. Power down sequence timing diagram . . . . . . . . . . . . . . . . . . . . . . . . . . . . . . . . . . . . . . . . 54 Figure 25. Timing waveform of writes cycle . . . . . . . . . . . . . . . . . . . . . . . . . . . . . . . . . . . . . . . . . . . . . 55 Figure 26. Timing waveform of read cycle . . . . . . . . . . . . . . . . . . . . . . . . . . . . . . . . . . . . . . . . . . . . . . 55 Figure 27. Serial data input timing . . . . . . . . . . . . . . . . . . . . . . . . . . . . . . . . . . . . . . . . . . . . . . . . . . . . 56 Figure 28. PM3533 ball-out diagram . . . . . . . . . . . . . . . . . . . . . . . . . . . . . . . . . . . . . . . . . . . . . . . . . . 57 Figure 29. DG09 WCDMA output power distribution curve . . . . . . . . . . . . . . . . . . . . . . . . . . . . . . . . . 72 Figure 30. VFBGA 3.4 mm x 3.4 mm x 1.0 mm, 0.4 mm pitch, 0.25 mm ball . . . . . . . . . . . . . . . . . . . 74 Figure 31. Marking composition . . . . . . . . . . . . . . . . . . . . . . . . . . . . . . . . . . . . . . . . . . . . . . . . . . . . . . 75 10/77 CD00271682 Rev 3
  • 11.
    PM3533 Overview 1 Overview PM3533 is RF energy management and RF FE control device that contains following functionalities: SMPS (Switched Mode Power Supply), Boost DC-DC converter, Buck DC- DC converter, several regulators for internal use and one regulator for external use. PM3533 also contains two antenna control IOs and two PA bias DAC outputs with the possibility to use the second DAC output also as third GPIO. Figure 5. PM3533 functional block diagram Information classified Company restricted - Do not copy (See last page for obligations) Company restricted 1.1 Main features • Antenna controls and PA control signals – Two antenna-tuning controls. Controls are programmable via the Serial Peripheral Interface (SPI). – One adjustable current reference for PA, with two multiplexed outputs. – One of the outputs can also be used a static control output • SMPS converter – SMPS converter optimized for both GSM and WCDMA power amplifiers – GSM mode bursts ramp-up/ramp-down capability – Two different operating modes, which are controlled via Serial Peripheral Interface (SPI). The operating modes are used to optimize SMPS efficiency at lower power levels. Operation modes are explained in Section 1.1.1. – Internal adjustable switching clock – Dithering. Dithering adds deviation to switching frequency, which lowers switching harmonic at output of SMPS. The deviation of the dithering is adjustable between two different frequencies. – Adjustable delay control for SMPS power switch drivers. – Adjustable integrated loop-filter. • Boost DC-DC converter – Boost DC-DC converter regulates the battery voltage up to 4.0 V, 4.3 V, 5.3 V or 6 V. CD00271682 Rev 3 11/77
  • 12.
    Overview PM3533 – Three different operating modes are controlled by the Serial Peripheral Interface (SPI). The operating modes are used to optimize the power converter efficiency at lower power levels. The operation modes are explained in Section 1.1.1. – Sampled soft-start, to enable smooth transient behavior on Boost DC-DC converter output when starting the device or to continue from earlier idle (with its output already at the correct level) – Internal adjustable switching clock. – Dithering. Dithering adds deviation to switching frequency, which lowers switching harmonic at the output of the boost DC-DC converter. The deviation of the dithering is adjustable between two different frequencies Information classified Company restricted - Do not copy (See last page for obligations) • Buck DC-DC converter – The buck DC-DC converter down-regulates the battery voltage to 1.45 V. The output voltage is adjustable also to 1.65 V or 1.35 V, another normal usage set is 1.85 V or 1.55 V. – Sampled soft-start, to enable smooth transient behavior on Buck DC-DC converter Company restricted output when starting the device or to continue from earlier idle (with its output already at the correct level). – Internal adjustable switching clock. – Dithering. Dithering adds deviation to switching frequency, which lowers switching harmonic at the output of the buck DC-DC converter. The deviation of the dithering is adjustable between two different frequencies. • External regulators – PM3533 has one regulator for external use. VHI regulates the battery voltage to 2.6 V or 2.5 V. VHI is enabled automatically after power-up with default output voltage of 2.5V. • Multiplexer – PM3533 has one programmable multiplexer used to switch several analog node voltages to PM3533 MUX1 I/O. The battery-monitoring block is also connected to the multiplexer. Additionally MUX1 I/O can be used for self-testing purposes.Multiplexer structure is shown in Figure 22. • Serial Peripheral Interface (SPI) for PM3533 control. • Battery monitoring block. This block enables battery voltage monitoring during the operation and can also be used for self-testing purposes in production line. • Under Voltage Lockout block. This block adds special protection by automatically powering-down the boost power converter if abnormal power-downs occur at full power mode. • 40-bit OTP memory. One time programmable memory is needed to switch the frequency tuning for all three converters. Also TSD (Thermal shutdown cell) can be tuned with OTP memory. • Thermal shutdown – Thermal shutdown circuitry monitors the die temperature and fulfills a shutdown when a specified temperature is reached. Thermal protection is enabled automatically after power-up. 12/77 CD00271682 Rev 3
  • 13.
    PM3533 Overview 1.1.1 Special power saving modes DCDC converters have “low power” operation modes, which reduce the current consumption in low power mode. The modes are controlled through the serial control interface. SMPS converter 1. “Low power” mode means that the size of power switches including the drivers are reduced at lower power levels. 2. Power switches are divided into two parts. In high power levels both parts are used Information classified Company restricted - Do not copy (See last page for obligations) while in low power levels only 1/3 part of the switches and their drivers are used. The decision on which mode is used comes from the base-band. Boost DC_DC converter Boost DC_DC converter includes two different power saving modes. Company restricted 1. “Full power” mode means that the boost DCDC converter at normal operational mode with the full output power capability. Enabling of this is coming from the base-band. 2. The boost converter has also a “By-Pass” mode, which corresponds to 100% duty cycle operation. In that mode the converter upper switch is turned on while the converter lower switch is turned off. The boost by-pass function can be used in low power levels by shutting down the boost-converter. CD00271682 Rev 3 13/77
  • 14.
    General specifications PM3533 2 General specifications 2.1 Absolute maximum ratings Note: Absolute Maximum Ratings are those values beyond which damage to the device may occur. Functional operation under these conditions is not implied. Always use the operating conditions mentioned below when using the PM3533 in the application usage or similar kind of, to achieve the correct functionality and performance (look at Section 2.2: Operating conditions for further details). Information classified Company restricted - Do not copy (See last page for obligations) Table 2. Absolute maximum ratings Symbol Parameter Min Typ Max Unit IND_BOOST, INPUT_SMPS, Company restricted Supply voltage level -0.3 9 V VBATT, VBB_VRX SMPS_CTRL, DATA, ENABLE, Supply voltage level / control voltage level -0.3 2.7 V SCLK, XRESET, VREF, VXO Tj Junction temperature 150 °C TS Storage temperature -50 125 °C Electrostatic discharge integrity for pins connected to battery, ESDHBM -1000 +1000 V HBM(1) ESDCDM Electrostatic discharge protection, Charge device Model(2) -500 +500 V 1. Test conditions according to JESD22-A114. 2. Test conditions according to JESD22-C101. 2.2 Operating conditions Table 3. Operation conditions Symbol Parameter Min Typ Max Unit General electrical characteristics TOP Operating ambient temperature, all specifications fulfilled -20 +85 °C TOPF Operating ambient temperature, functional -30 +85 °C TJA Thermal resistance 50 °C/W VBAT Battery voltage in normal operation mode 2.6(1) 5.5 V VBATMAX Maximum battery voltage (due to charging) 4.8 5.5 V VBAT1 Battery voltage in normal operation mode with Vbuck_boost 2.3 5.5 V VBOOSTMAX Maximum up-converted voltage 6.5 V 14/77 CD00271682 Rev 3
  • 15.
    PM3533 General specifications Table 3. Operation conditions (continued) Symbol Parameter Min Typ Max Unit VUSB USB supply voltage 4.75 5 5.25 V (2) (3) IAD Admissible current per ball 800 mA PMAX (4) Power dissipation 800 mW VBAT_Iload Battery current for PM3533 3 A Information classified Company restricted - Do not copy (See last page for obligations) VXO Digital power supply 2.1 2.5 V VXO_Iload Digital power supply current load (UVL enabled) 120 µA VIO Driver stage supply voltage 1.7 1.8 1.9 V VIO_Iload Driver stage supply current Iload 3.5 18 mA Company restricted Analog power supply DC 3.339 3.4 3.461 Vbuck_boost V TRAN -0.1 +0.1 Vbuck_boost_Iload Analog power supply current load 25 mA VREF Reference voltage 1.176 1.2 1.224 V VLOW Digital input/output low 0 0.67 V VINPUT,HIGH Digital input high 1.1 1.88 V VOUTPUT,HIGH Digital output high 1.5 1.88 V Ileak_vbat Leakage current from Vbat supply 120 µA 1. Analog power supply can be supplied from the Baseband Vbuck_boost or directly from the battery. When the Analog supply is fed from battery, PM3533 cut-off voltage is 2.6 V (typical) otherwise cut-off is 2.3 V 2. Analog power supply range in the USB mode is according to the USB standard specification. 3. USB supply voltage as low as 4.0 V is allowed and even under transient conditions minimum of 3.67 V is possible for a short period of time in the USB 3.0 specification. 4. Maximum that is allowed while taking into account internal losses at applicable load condition CD00271682 Rev 3 15/77
  • 16.
    Block diagram PM3533 3 Block diagram PM3533 block diagram in the closed-loop mode environment is shown below. Figure 6. PM3533 block diagram Information classified Company restricted - Do not copy (See last page for obligations) Company restricted 16/77 CD00271682 Rev 3
  • 17.
    PM3533 Reference design schematic 4 Reference design schematic Figure 7. Reference design schematic Information classified Company restricted - Do not copy (See last page for obligations) Company restricted CD00271682 Rev 3 17/77
  • 18.
    Company restricted 18/77 Figure 8. Reference design schematic USB application reference design schematic CD00271682 Rev 3 PM3533 Information classified Company restricted - Do not copy (See last page for obligations)
  • 19.
    PM3533 SMPS for PA 5 SMPS for PA Figure 9 shows the simplified schematic of PM3533 step-down switching regulator with basic functionality. The converter itself is a Buck converter with synchronous rectification. The control is realized using the so-called voltage-mode control. Figure 9. Step-down switching regulator based on Buck converter with voltage-mode control Information classified Company restricted - Do not copy (See last page for obligations) Company restricted 5.1 Closed-loop mode SMPS full power critical electrical parameters The most critical parameters are collected in Table 4. Table 4. Electrical characteristics of SMPS full power mode Symbol Parameter Min Typ Max Unit Vin Input voltage range 2.3 6 V Iout Max.output current range, bursted 2.5 A Active current consumption with no Iq 2.8 mA load current, 9.5 MHz clock, Vctrl 0V Efficiency with Iload1.2 A Vinput=3.6V , Vout=3.2V 92 94 % Freq 9.5MHz (coil loss included) Max continuous load current in 2 A +85 °C ambient temperature CD00271682 Rev 3 19/77
  • 20.
    SMPS for PA PM3533 Table 4. Electrical characteristics of SMPS full power mode (continued) Symbol Parameter Min Typ Max Unit Programmable switching frequency 2.1 12 MHz (5-bit) Power-up time 10 µs 5.2 Closed-loop mode SMPS section mode, critical electrical parameters Information classified Company restricted - Do not copy (See last page for obligations) Table 5. Electrical characteristics of SMPS section mode Symbol Parameter Min Typ Max Unit Output current range. Continuous Company restricted Iout current over temp range and over life- 600 mA time Active current consumption with no Iq load current, switching freq 9.5 MHz. 2.8 mA SMPS_cntrl at 0 V Efficiency with VBAT=3.6 V, Iout = 80 mA, Vout = 0.95 V, 82 % f = 2.2 MHz Efficiency with VBAT=3.6V, Iout = 285 mA,Vout=3.4 V, 95 % f = 2.2 MHz Max load current, continuous at 500 (TBD) mA application level 20/77 CD00271682 Rev 3
  • 21.
    PM3533 SMPS for PA 5.3 Operating parameters for SMPS converter Characteristics to be met over the operating temperature range specified in Table 3: Operation conditions unless otherwise stated. Table 6. SMPS operation parameters Symbol Parameter Min Typ Max Unit Notes Voltage levels and regulation Operating input voltage Accuracy: +/- 3% Vi_oper1 5.82 6 6.18 V Information classified Company restricted - Do not copy (See last page for obligations) (full power mode) BOOST OUTPUT Operating input voltage Accuracy: +/- 3% Vi_oper2 5.15 5.3 5.45 V (full power mode) BOOST OUTPUT Operating input voltage Accuracy: +/- 3% Vi_oper3 3.88 4 4.12 V Company restricted (full power mode) BOOST OUTPUT Operating input voltage Accuracy: +/- 3% Vi_oper4 4.18 4.3 4.42 V (full power mode) BOOST OUTPUT Lowest power levels Boost-converter is in by- Operating input voltage Vbat min pass mode when SMPS Vi_oper_low Vbat min V (low power mode) - 350 mV input voltage is VBAT. NOTE: Depends on the application usage smps_ctrl at (default gain setting) 0.023 0.066 0.073 0.080 Accuracy: +10.0/- 9.5% 0.03 0.088 0.095 0.103 Accuracy: +8.0/- 7.9% 0.1 0.326 0.318 0.311 Accuracy: +2.6/- 2.3% 0.4 1.269 1.272 1.277 Accuracy: +0.4/-0.2% Vout 0.75 2.385 V (used as a ratio reference) -[-30;+85]°C 1.00 3.195 3.243 Accuracy: +0.2/+0.05% 1.25 3.982 4.001 Accuracy: +0.65/+0.2% 1.55 4.964 5.097 Accuracy: +3.4/+0.7% 1.59 5.097 5.446 Accuracy: +7.7/+0.8% 1.62 5.198 5.461 Accuracy: +6.0/+0.9% Look at smps_ctrl = 0.75V / g1 3.18 Gain, Vout Vout = 2.385V above g2 3.38 Optional (via bit control) Iload=1.25A @Vi_oper2 Dropout Switching freq 9.5 MHz. Included LC DCR/ACR voltage at room Note: Minimum delay setting 370 420 mV temp used @ Vi_oper2. values (see Section 5.4 values) Iload=1.25A @Vi_oper2 Dropout Switching frequency typ of Included LC DCR/ACR voltage 270 350 mV 5.0 MHz @ Vi_oper2. (1) values (see Section 5.4 -[-30;+85]°C values) CD00271682 Rev 3 21/77
  • 22.
    SMPS for PA PM3533 Table 6. SMPS operation parameters (continued) Symbol Parameter Min Typ Max Unit Notes @Vout max= 4.7 V Note: Max currents are Iload Load current 1.2 1.7 A defined during the GSM burst. MAX value includes PA current consumption in worst case VSWR case. Load current in GSM mode @Vout max= 3.6 V when Boost-converter is by- Information classified Company restricted - Do not copy (See last page for obligations) Note: Max currents are Iload_mode passed or PA max power is 2.5 A defined during the GSM achieved lower than nominal SMPS Vout value. burst. Note: PA is in power-down mode. Company restricted No load current Includes internal clock and Inol drivers and internal consumption 3 3.5 mA -[-30;+85]°C regulator quiescent Switching freq 9.5MHz currents. Converter in full power mode Note: PA is in power-down mode and PM3533 is in Iidle Idle current 0.6 0.8 mA idle mode. -[-30;+85]°C Regulators are on. Clock and drivers are off. Clock range can be tuned with 5+ 1-bit 6.5 13.5 Adjustable Internal clock (with the 1stset of reduction / f_osc (4.7/7.9) (11.7 /14.9) MHz increment bits) (typical values) [2.1/5.3] [8.2/10.5] [with the 2nd set of reduction / increment bits] 7.1 10.0 Tuning range over temp, vbat and f_osc_tuning_ corners. [5.7, [9.3, range OTP tuning range MHz [extended range available 4.2, 5.8, dedicated control bits: -[-30;+85]°C 3.3] 5.45] set 1, set2, set3] f_osc_tuning_ Can be tuned with OTP memory and with 4+1-bit acc 160 230 350 kHz current bias. Absolute -[-30;+85]°C accuracy. Delta Tuned OTP freq shift over f_osc_shift 450 ΔkHz vbat and temp. -[-30;+85]°C f_osc_d1 Selectable 2MHz dither Dither deviation 1 1.9 2 MHz -[-30;+85]°C deviation f_osc_d2 Selectable 4MHz dither Dither deviation 2 3.7 4 MHz -[-30;+85]°C deviation Vin 300mVpp perturbation. Line_tr (2) Line transient response mVpp Trise/tfall=10 µs. Iload = 1.25 A DC 22/77 CD00271682 Rev 3
  • 23.
    PM3533 SMPS for PA Table 6. SMPS operation parameters (continued) Symbol Parameter Min Typ Max Unit Notes Vin=Vbat range Transients from 10 mA to Load_tr (2) Load transient response (3) mVpp 1250 mA. Trise = Tfall = 13 µs. PSRR sine wave perturbation Mode1 Iout = 1200 mA 35 dB [-30;+85]°C <10 kHz Information classified Company restricted - Do not copy (See last page for obligations) Efficiency in GSM-mode Vin = 5 V. Iload 1.25 A @ Iload = 1.25A (GSM burst [-30;+85]°C Vout, typ = 4.6 V 93 95 % rms current value). Full Switching freq 9.5 MHz power mode Company restricted Vin = 3.6 V. Iload 0.52A @ SMPS full power mode,. [-30;+85]°C Vout = 2 V, 89 92 % Boost converter by-passed Switching freq 9.5 MHz (active mode) Vin = 3.6 V. Iload 0.17 A @ SMPS Section mode,. [-30;+85]°C Vout = 1.1 V, 79 83 % Boost converter by-passed Switching freq 9.5 MHz (active mode) Vin = 5.0 V. Iload 0.52 A @ SMPS full power mode in [-30;+85]°C Vout = 2 V, 87.5 90.5 % VUSB case Switching freq 9.5 MHz Vin = 5.0 V. Iload 0.17 A @ Vout = 1.1 V, SMPS section mode in [-30;+85]°C 74 77 % VUSB case Switching freq 9.5 MHz Efficiency in WCDMA-mode Vin = 3.6 V. Iload 0.5 A @ SMPS Section power [-30;+85]°C Vout, typ = 3.37 V 93 94.5 % mode, Boost by-passed Switching freq 2.1 MHZ (active mode) Vin = 3.6 V. Iload 0.15 @ SMPS section mode, [-30;+85]°C Vout = 1.6V, 85 88 % Boost by-passed (passive Switching freq 2.1 MHZ mode) Vin = 3. 6V. Iload 0.045 @ SMPS section mode, [-30;+85]°C Vout = 0.77 V, 62 68 % Boost by-passed (passive Switching freq 2.1 MHZ mode) (4) Vin = 5.0 V. Iload 0.5 A @ Vout, typ = 3.37 V SMPS section power mode [-30;+85]°C 92 93.5 % in VUSB case Switching freq 2.1 MHZ Vin = 5.0 V. Iload 0.15 @ SMPS section mode in [-30;+85]°C Vout = 1.6V, 81 84 % VUSB case Switching freq 2.1 MHZ Vin = 5.0 V. Iload 0.045 @ SMPS section mode in [-30;+85]°C Vout = 0.77 V, 56 62 % VUSB case Switching freq 2.1 MHZ CD00271682 Rev 3 23/77
  • 24.
    SMPS for PA PM3533 Table 6. SMPS operation parameters (continued) Symbol Parameter Min Typ Max Unit Notes Idle start-up Initially: regulators on and t_idle 5 μs From idle to operation SMPS is off. Device start-up Initially: PM3533 is t_on From shutdown to 15 μs shutdown. operation. 1. Minimum delay setting used 2. Transient response requirement clarification is illustrated in Figure 10. Information classified Company restricted - Do not copy (See last page for obligations) 3. These parameters are verified in system measurements in closed-loop mode RF engine platform. It should not inhibit GSMK modulation for burst power-up/down sequences 4. BOOST by-passed active mode means that BOOST serial switch is open by having charge pump activated. BOOST by- passed passive mode means that also charge pump is disabled. Company restricted 24/77 CD00271682 Rev 3
  • 25.
    PM3533 SMPS for PA Figure 10. Transient response requirement tr<(mV) overshoot Vout Vout +/-tolerance overshoot Tr (mV) Note: During rise or fall recovery times, there must be no unstable behaviour. The fall T_rec recovery time is dependant on Cout and load current Information classified Company restricted - Do not copy (See last page for obligations) Load rise time = fall = Xus Vin = Vout = constant. Load transient Load step = Iload min to Iloadmax Line transient Line fall time = rise = Xus Line step: 300mV. xV < Vin < xV Company restricted Iload = constant = Mode1/Mode2 5.4 Critical external components for SMPS Inductor Table 7. SMPS inductor specification Symbol Parameter Min Typ Max Notes L Inductance (µH) 1 Peak current value when inductance is within Ira Rated current 1 (A) 1.5 ± 20 % tolerance, compared to measured typical value at 50% Irated. Rdc DC resistance (mohm) 60 Rdc is measured with Ira bias current Coil inductance compared to nominal value in Inductance tolerance nominal temperature should not change more Ltemp over temperature -5 +5 than specified over the operating temp. range. range (%) Measured with Ira bias current Measured with Ira bias current and Sf switching PL Power Loss (mW) 160 freq. Magnetic shielding TBD CD00271682 Rev 3 25/77
  • 26.
    SMPS for PA PM3533 Capacitors Table 8 lists the specification for SMPS capacitor. Table 8. SMPS capacitor specification Parameter Specifications Size (target) 0603 Dielectric X5R/X7R Temperature range –30°C to +85°C Information classified Company restricted - Do not copy (See last page for obligations) Rated voltage 10 V DC Capacitance (typical) 0V Bias 470 nF +/-10 % Max. Capacitance change 0-5V DC Bias, over From initial value +/-10% temperature range, after aging Company restricted ESR @ 9 MHz (max) 20 mohm Maximum operating voltage 5.5 V DC Serial Inductance max. 1.8 nH 5.4.1 SMPS performance with critical components Table 9. SMPS performance with critical components Symbol Parameter Typ Unit Notes Cout ESR < 20 mohm, L=1 µH, Iload 10 mA to 1200 mA, Vo_ripple Ripple voltage 3.1 mVpp Switching frequency 9 MHz 26/77 CD00271682 Rev 3
  • 27.
    PM3533 Boost DC-DC converter 6 Boost DC-DC converter Boost DC-DC-converter’s design topology is the same as SMPS. DC-DC-converter’s output voltage control is done with reference voltage and dedicated control bits. Figure 11. Boost converter simplified block diagram Information classified Company restricted - Do not copy (See last page for obligations) Company restricted 6.1 Boost full power electrical parameters Note: The most critical parameters are collected in Table 10 and Table 13. These tables are shown separately to ease the reading and best define the converter most critical parameters. Table 10. Boost full power mode general electrical characteristics Symbol Parameter Min Typ Max Unit Vin Input voltage range 2.3 4.4 V Vout1 Output voltage range, no load 5.3 V Vout2 Output voltage range, no load 4.0 V Vout3 Output voltage range, no load(1) 6.0 V Vout4 Output voltage range, no load 4.3 V Iout Boost input current range, bursted 3 A Active current consumption with no load current, full power Iq mode, 7 MHz clock, over temperature and Vbat range 14 26 mA (smps_ctrl=0V) CD00271682 Rev 3 27/77
  • 28.
    Boost DC-DC converter PM3533 Table 10. Boost full power mode general electrical characteristics (continued) Symbol Parameter Min Typ Max Unit Efficiency with Iload=1.2 A VBAT=2.7 V, Vout=5.3 V, Switching frequency 7 MHz, over 80 83 % temperature Efficiency with Iload=1.2 A VBAT=3.6 V, Vout=5.3 V, Switching frequency 7 MHz, over 89 92 % temperature Efficiency with Iload=700 mA Information classified Company restricted - Do not copy (See last page for obligations) VBAT=3.6 V, Vout=5.3 V 92 94 % Switching freq 7 MHz, over temperature Max continuous input current in +85°C ambient temperature 2 A Programmable switching frequency (4-bit) 4.5 11.4 MHz Company restricted Output settling time (function of load LC circuitry) 10(2) µs 1. Restricted usage only during production calibration 2. For example L=1 µH C=10 µF 6.2 Operating requirements for Boost DC-DC converter Characteristics are to be met over the operating temp range specified in Table 3: Operation conditions unless otherwise stated. Table 11. Boost converter operation parameters Symbol Parameter Min Typ Max Unit Remarks Voltage levels and regulation Operating input Vi_oper 2.3 4.4 V voltage Accuracy +/- 3%. Including ripple voltage Vout_b1 Output voltage 5.15 5.3 5.45 V and line/load regulation Accuracy +/- 3%. Including ripple voltage Vout_b2 Output voltage 4 V and line/load regulation Accuracy +/- 3%. Including ripple voltage Vout_b3 Output voltage 6 V and line/load regulation Accuracy +/- 3%. Including ripple voltage Vout_b4 Output voltage 4.3 V and line/load regulation Normal mode means that PA is active. Max value includes also PA VSWR Load current in Iload 1 1250 1700 mA current. normal mode Note: Max current is defined during the GSM burst. Includes power coil ripple current Ibatt Vbatt Input current 3450 mA Note: Max current is defined during the GSM burst. 28/77 CD00271682 Rev 3
  • 29.
    PM3533 Boost DC-DC converter Table 11. Boost converter operation parameters (continued) Symbol Parameter Min Typ Max Unit Remarks Note: PA is in power-down mode and PM3533 is thus in idle mode Quiescent current (no (i.e.SMPS_ctrl=0V). Iq1 load) Full power mode 14 26 mA Includes internal clock & control blocks Switching freq 7 MHz and boost trap capacitor circuitry & power stages, and also internal regulator quiescent currents Adjustable Internal Information classified Company restricted - Do not copy (See last page for obligations) f_osc 4.5 11.4 MHz Clock range can be tuned with 5-bit clock (typical values) f_osc_tuning Tuning range over temp, vbat and _range OTP tuning range 6.8 8.0 MHz corners. [30; +85°C] Company restricted f_osc_tuning Can be tuned with OTP memory and with _acc 160 220 330 kHz 4-bit current bias. Absolute accuracy. [30; +85°C] Delta f_osc_shift 450 ΔkHz Tuned OTP freq shift over vbat and temp. [-30; +85°C] f_osc_d1 Dither deviation1 1.9 2 MHz Selectable 2 MHz dither deviation [-30; +85°C] f_osc_d2 Dither deviation2 3.7 4 MHz Selectable 4 MHz dither deviation [-30; +85°C] Vin 300 mVpk perturbation. Line_tr(1) Line transient (2) Trise/tfall=10 µs. Iload = 1200 mA. mVpp [-30; +85°C] response(1). In the application SMPS and BOOST blocks are in series. Vin= 3.6 V Load_tr Load transient 250 mVpp Transients from 10 mA to 1250 mA [-30; +85°C] response(1) Trise = Tfall = 13.3 µs. Line_tr Line regulation(1). 0.1 0.2 mV Vin 2.7 – 5.3V, Iload 1200 mA [-30; +85°C] Load_tr Iload 10 mA – 1200 mA, Vin 5 V, Load regulation(1) 20 mV [-30; +85°C] Vin 2.7 V PSRR Mode Boost+ SMPS 35 dB sine wave perturbation <10 kHz [-30; +85°C] Iout = 1250 mA Efficiency - condition Vbat = 3.6 V Vbatt = 3.6 V Iload 1.2 A η @ Vout = 5.3 V, 89 92 % Boost in full power mode switching freq 7 MHz over full Temp. range CD00271682 Rev 3 29/77
  • 30.
    Boost DC-DC converter PM3533 Table 11. Boost converter operation parameters (continued) Symbol Parameter Min Typ Max Unit Remarks Vbatt = 3.6 V Iload 0.7 A η @ Vout = 5.3 V, 92 94 % Boost in full power mode switching freq 7 MHz over full Temp range Vin = 2.7V Iload 1.2A η @ Vout = 5.3V 80 83 % Boost in full power mode Information classified Company restricted - Do not copy (See last page for obligations) switching freq 7 MHz over full Temp range Vin = 2.7 V Iload 0.35 A η @ Vout = 5.3 V, 91 94 % Boost in full power mode Company restricted Switching freq 7 MHz Over full temp range Timing (refer to start-up and mode change section) Initial condition: Regulators on Boost- Idle to operation 10 15 µs converter idle mode. Output capacitor Sampled soft-start charged but not loaded. Power-off to operation Boost converter initial power-up. Output 25 45 µs Sampled soft-start starts from Vbat - 350mV (typical). 1. Transient response requirement is illustrated in Figure 12. 2. These parameters are verified in system measurements on the close-loop mode RF engine platform. It should not inhibit GSMK modulation for burst power-up/down sequences 30/77 CD00271682 Rev 3
  • 31.
    PM3533 Boost DC-DC converter Figure 12. Transient response requirement overshoot tr<XXmV Vout Vout +/-tolerance overshoot tr<XXmV Note: During rise or fall recovery times, there must be no unstable behaviour. The fall T_rec recovery time is dependant on Cout and load current Load rise time = fall = 10us Vin = Vout = constant. Load transient Information classified Company restricted - Do not copy (See last page for obligations) Load step = Iload max. Line transient Line fall time = rise = 10us Line step: 300mV. Iload = constant =Ilaod max Company restricted 6.3 Critical external components for Boost DC-DC converter Inductor Table 12. Inductor specification Symbol Parameter Min Typ Max Unit Notes L Inductance 1 µH Peak current value when inductance is within Ira Rated current 1 3 A ± 20 % tolerance, compared to measured typical value at 50% Irated. Rdc is measured with Ira Rdc DC resistance 50 mΩ bias current Coil inductance compared to nominal value in nominal temperature Inductance tolerance over should not change more Ltemp -5 +5 % temperature range than specified over the operating temp. range. Measured with Ira bias current Measured with Ira bias PL Power loss TBD W current and Sf switching freq. CD00271682 Rev 3 31/77
  • 32.
    Boost DC-DC converter PM3533 Capacitor Table 13. Capacitor specification for Boost converter Parameter Specification Size (target) 0805 Dielectric X5R / X7R Temperature range –30°C to +85°C Rated voltage 10 V DC Information classified Company restricted - Do not copy (See last page for obligations) Capacitance (typical) 0V Bias 11 µF +/-10% or +/-20%, Min capacitance @ 6 V DC Bias 4 µF ESR @ 7.5 MHz (max) 20 mΩ Maximum operating voltage 6 V DC Company restricted 32/77 CD00271682 Rev 3
  • 33.
    PM3533 BUCK DC-DC converter 7 BUCK DC-DC converter The BUCK DC-DC-converter design topology used is similar to the SMPS one. DC-DC- converter control is performed via the reference voltage. Figure 13. Buck DC-DC-converter simplified block diagram Information classified Company restricted - Do not copy (See last page for obligations) Company restricted 7.1 DC-DC closed-loop mode, critical electrical parameters The most critical parameters are collected in Table 14. Table 14. DC-DC closed-loop mode electrical characteristics Symbol Parameter Min Typ Max Unit VBAT Input voltage range 2.3 4.4 V Vout1 Output voltage, programmable 1.35 V Vout2 Output voltage, programmable 1.45 V Vout3 Output voltage, programmable 1.65 V Vout4 Output voltage, programmable 1.55 V Vout5 Output voltage, programmable 1.85 V Iout Output current range 400 mA Active current consumption (no load Iq 3.5 4.5 mA current (1); Efficiency with 100mA load [-30;+85]°C VBAT 3.6V, switching freq 2.1 MHz, 87 88 % Vout 1.45 V (coil 3u3, case 2520) CD00271682 Rev 3 33/77
  • 34.
    BUCK DC-DC converter PM3533 Table 14. DC-DC closed-loop mode electrical characteristics (continued) Symbol Parameter Min Typ Max Unit Efficiency with 150mA load [-30;+85]°C VBAT 3.6V, switching freq 2.1 MHz, 89 90 % Vout 1.45 V (coil 3u3, case 2520) Efficiency with 200mA load [-30;+85]°C VBAT 3.6V, switching freq 2.1 MHz, 89 90 % Vout 1.45 V (coil 3u3, case 2520) Efficiency with 300mA load Information classified Company restricted - Do not copy (See last page for obligations) [-30;+85]°C VBAT 3.6V, switching freq 2.1 MHz, 88 89.5 % Vout 1.45 V (coil 3u3, case 2520) Max continuous load current 400 mA Programmable switching frequency 1.8 4.5 MHz Company restricted (5-bit) Startup time (function of load LC 10(2) µs circuitry) 1. In the continuous conduction mode of coil current 2. For example, C=10 µF, L=2.2 µH 7.2 Operating requirements for BUCK DC-DC converter The following characteristics are to be met over the operating temperature range specified in Table 3: Operation conditions, unless otherwise stated. Table 15. Buck DC-DC converter operating parameters Symbol Parameter Min Typ Max Unit Notes Voltage levels and regulation Operating input Vi_oper 2.3 4.4 V voltage Accuracy +/- 3%. Including Output voltage 1) 1.309 1.350 1.390 V ripple voltage and line/load Output voltage 2) 1.406 1.450 1.493 V regulation. Vout1,2,3,4,5 Output voltage 3) 1.600 1.650 1.699 V Output voltage can be Output voltage 4) 1.504 1.550 1.596 V programmed based on Output voltage 5) 1.795 1.850 1.905 V battery voltage information from base band. Reference voltage External band-gap Vref 1.182 1.200 1.218 V accuracy reference voltage RF IC is also included in Iload Load current 10 400 mA maximum Iload Max. Iload and VBAT at 2.7 V Ibatt VBAT input current 250 mA Note: 1.45 V output voltage used. 34/77 CD00271682 Rev 3
  • 35.
    PM3533 BUCK DC-DC converter Table 15. Buck DC-DC converter operating parameters (continued) Symbol Parameter Min Typ Max Unit Notes Note: the RF IC is in power-down mode and PM3533 is in idle mode. Quiescent current (no load) Includes internal clock & Iq 3.5 4.5 mA control blocks and boost Switching frequency trap capacitor 2 MHz circuitry/power stages.Also internal regulator Information classified Company restricted - Do not copy (See last page for obligations) quiescent currents. Adjustable Internal Clock range can be tuned f_osc 1.8 4.5 MHz clock (typical values) with 5-bit f_osc_ Tuning range over temp, tuning_range OTP tuning range 2.5 2.8 MHz Company restricted vbat and corners. [-30;+85]°C f_osc_tuning_ Can be tuned with OTP memory and with 4-bit acc 60 120 kHz current bias. Absolute -[-30;+85]°C accuracy. Delta f_osc_shift Tuned OTP freq shift over 250 kHz vbat and temp. -[-30;+85]°C f_osc_d1 Selectable 1 MHz dither Dither deviation1 0.8 1 MHz -[-30;+85]°C deviation f_osc_d2 Selectable 2 MHz dither Dither deviation2 1.8 2 MHz -[-30;+85]°C deviation Vin 300 mVpk Line_tr Line transient perturbation. 2 4 mVpp Figure 14 response. Trise/tfall=10 µs Iload = 400 mA. Vin=2.3/3.6/ 4.4 V Load_tr Load transient Transients from 10 mA to [-30;+85]°C 10 20 mVpp response 400 mA Figure 14 Trise = Tfall = 10 µs. Line_tr Vin 2.3 V – 4.4 V, [-30;+85]°C Line regulation. 0.1 0.2 mV Iload 400 mA Figure 14 Load_tr Iload 10 mA – 400 mA, [-30;+85]°C Load regulation 1 2 mV Vin 4.4 V, Vin 2.3 V Figure 14 PSRR Mode1 sine wave perturbation 58 dB [-30;+85]°C Iout = 400mA <10 kHz CD00271682 Rev 3 35/77
  • 36.
    BUCK DC-DC converter PM3533 Table 15. Buck DC-DC converter operating parameters (continued) Symbol Parameter Min Typ Max Unit Notes Efficiency measured with coil 3u3 case2520, condition: Vbat 3.6 V closed-loop mode Vin = 3.6 V. Iload 300 mA DC-DC in normal power [-30;+85]°C @ Vout = 1.45 V 88 89.5 % mode Switching freq. 2.1MHz Vin = 3.6 V. Information classified Company restricted - Do not copy (See last page for obligations) Iload 200 mA DC-DC in normal power [-30;+85]°C @ Vout = 1.45V 89 90 % mode Switching freq 2.1MHz Vin = 3.6 V. Company restricted Iload 150 mA DC-DC in normal power [-30;+85]°C @ Vout = 1.45 V 89 90 % mode Switching freq 2.1MHz Vin = 3.6 V. Iload 100 mA DC-DC in normal power [-30;+85]°C @ Vout = 1.45 V 87 88 % mode Switching freq 2.1 MHz Vin = 3.6 V. Iload 60 mA DC-DC in normal power [-30;+85]°C @ Vout = 1.45 V 82 84 % mode Switching freq 2.1 MHz Efficiency measured with coil 3u3 case2520, condition: VUSB 5.0 V closed-loop mode Vbatt =5.0 V. Iload 300 mA Buck DC-DC in VUSB [-30;+85]°C @ Vout = 1.45 V 86.5 88 % case Switching freq. 2.1MHz Vin = 5.0 V. Iload 200 mA Buck DC-DC in VUSB [-30;+85]°C @ Vout = 1.45V 87 89 % case Switching freq 2.1MHz Vin = 5.0 V. Iload 150 mA Buck DC-DC in VUSB [-30;+85]°C @ Vout = 1.45 V 86 87 % case Switching freq 2.1MHz Vin = 5.0 V. Iload 100 mA Buck DC-DC in VUSB [-30;+85]°C @ Vout = 1.45 V 83 84 % case Switching freq 2.1 MHz 36/77 CD00271682 Rev 3
  • 37.
    PM3533 BUCK DC-DC converter Table 15. Buck DC-DC converter operating parameters (continued) Symbol Parameter Min Typ Max Unit Notes Vin = 5.0 V. Iload 60 mA Buck DC-DC in VUSB [-30;+85]°C @ Vout = 1.45 V 77 79 % case Switching freq 2.1 MHz Timing (refer to start-up and mode change section) Initial condition: Information classified Company restricted - Do not copy (See last page for obligations) t_idle_dcdc Regulators on DC-DC- Idle to operation 6 12 μs converter off, output [-30;+85]°C Sampled soft-start capacitor charged but not loaded. Power-off to T_on_dcdc Company restricted DC-DC-converter power- operation 35 55 μs [-30;+85]°C up, output at 0V. Sampled soft-start Figure 14. Transient response requirement tr<XXmV overshoot Vout Vout +/-tolerance overshoot tr<XXmV Note: During rise or fall recovery times, there must be no unstable behaviour. T_rec The fall recovery time is dependant on Cout and load current Load transient Load rise time = fall = 10us Vin = Vout = constant. Load step = Iload max. Line transient Line fall time = rise = 10us Line step: 300mV. Iload = constant = Ilaod max CD00271682 Rev 3 37/77
  • 38.
    BUCK DC-DC converter PM3533 7.3 Critical external components for BUCK DC-DC converter 7.3.1 Inductor Table 16. Inductor specification for closed-loop mode DC-DC converter usage Symbol Parameter Min Typ Max Unit Notes L Inductance 3.3 µH Peak current value when inductance is Information classified Company restricted - Do not copy (See last page for obligations) Ira Rated current 1 0.6A A within ± 20 % tolerance, compared to measured typical value at 50% Irated. Rdc DC resistance 140 mΩ Rdc is measured with Ira bias current Coil inductance compared to nominal Company restricted value in nominal temperature should Inductance tolerance over Ltemp -5 +5 % not change more than specified over temperature range the operating temp. range. Measured with Ira bias current Measured with Ira bias current and Sf PL Power loss 1) TBD W switching freq. 7.3.2 Capacitor Table 17. Capacitor specification for closed-loop mode DC-DC converter usage Parameter Value Size (target) 0603 Dielectric X5R / X7R Temperature Range –30°C to +85°C Rated voltage 6.3 V DC Capacitance (typical) 0V Bias 10 µF +/-10% or +/-20%, Min Capacitance @ 2.8V DC Bias 6 µF Max capacitance @ 0V DC Bias 12 µF ESR @ 100 kHz (max) 20 mΩ Maximum operating voltage 5.5 V DC 38/77 CD00271682 Rev 3
  • 39.
    PM3533 Regulators 8 Regulators PM3533 includes one linear regulator that can be used to supply low-power functions inside PM3533, RFIC and RF FE components. 8.1 VHI regulator The VHI regulator provides 2.6 V / 2.5 V output voltage. 2.6 V is a default value and 2.5 V can be selected via SPI interface. Information classified Company restricted - Do not copy (See last page for obligations) Note: 1 For 2.5 V mode: Full_perf (full performance) Vin>2.7 V, Reduced_perf (reduced performance) Vin between 2.6 V and 2.7 V; For 2.6V mode: Full_perf Vin>2.8V, Reduced_perf Vin between 2.7 V and 2.8 V Company restricted Table 18. Current output capability / nominal voltage Parameter Min Typ Max Unit Notes VHI output current 30 60 mA Table 19. Regulator specifications(1) Parameter Min Typ Max Unit Notes 0.02< ESR < 0.1 Ω External compensation capacitance 0.47 1 µF Iout=<60 mA Device to device output voltage variation. Output voltage device to device 2.510 2.605 2.69 V variation Over full temperature range, 2.425 2.500 2.575 V input voltage range, load range and Vref range (see Note 1) One sample. Over full 2.530 2.670 temperature range, input Output voltage: one sample variation V 2.445 2.555 voltage range and load range (see Note 1) 30/ Line regulation (1) /(PSRR) dB F < 10 kHz, Vin>Full_perf (50) 30/ Line regulation(2)/(PSRR) dB F < 100 kHz, Vin>Full_perf (40) F < 100 kHz, Vin=Reduced_perf Line regulation 0 10 dB range Over full temperature and load Load regulation 2 6 mV range, Input voltage >Full_perf Over full temperature and load range Load regulation 35 mV Input voltage =Reduced_perf range CD00271682 Rev 3 39/77
  • 40.
    Regulators PM3533 Table 19. Regulator specifications(1) (continued) Parameter Min Typ Max Unit Notes Rise time (1% to 99%) 6 10 µs C = 1uF Voltage reference already On(3) Overshoot 3 % C = 1uF, turn on/off Settling time (0.1% of nominal), 90 mA, C = 1uF, turn on from register depends on load, voltage 20 30 µs write latch enable reference/bias already ON C = 1 µF Information classified Company restricted - Do not copy (See last page for obligations) Total noise density with specified Iload = 10 mA – 60 mA bandwidth, including VREF noise, 155 nVrms @ 1kHz temp, VBAT/Vbuck-boost 50 / √ Hz @ 100kHz 60 @ 1MHz Company restricted Short-circuit current. Note: the device does not tolerate 300 mA Output shorted to ground continuous short-circuit current Quiescent current 230 330 µA ON mode 1. Characteristics above are NOT valid if Vin < Full_perf range (see Note 1). 2. Line regulation is 20 dB for f < 100 kHz when battery voltage is lower than Full_perf range. 3. For 90 % rise time max is 10 µs. Rise time is defined in case when VREF and VXO are already settled. 8.1.1 Power up for VHI regulator VHI regulator’s power-up-timing-sequence is presented in Figure 15. The VXO supply voltage is used as enable signal for the VHI regulator. VHI regulator uses VREF as reference voltage and hence VREF must be activated for VHI to settle to the right output voltage level. The timing diagram below is representative only and therefore real power-up timings are linked to different application use cases and external filtering components (for instance on the external Vref line). Figure 15. Power up sequence timing diagram for VHI regulator 40/77 CD00271682 Rev 3
  • 41.
    PM3533 Regulators Table 20. Power-up timing values Name Time Unit t0 0 µs t1 20 µs t2 30 µs t3 70 µs t4 270 µs t5 300 µs Information classified Company restricted - Do not copy (See last page for obligations) t6 350 µs Company restricted CD00271682 Rev 3 41/77
  • 42.
    Digital to analogconverter PM3533 9 Digital to analog converter There is one 6–bit D/A converter inside PM3533 designed for PA bias control. The converter is supplied from VHI –supply and it provides a maximum output current up to a 2.2 V output voltage level. The DAC output is multiplexed between two different outputs PADAC1 and PADAC2. The DAC value and multiplexing are controlled via SPI. Figure 16. DA-converter block diagram Information classified Company restricted - Do not copy (See last page for obligations) Company restricted Note: Unused PADAC output should be left floating (it is internally pulled-down while at an off state). Operation characteristics are presented in Table 21. Table 21. D/A-converter characteristics Symbol Characteristics Condition Min Typ Max Unit Note N Resolution 6 bits Max output source current I_CTRL=x, Iout, max 2.2 2.5 mA DAC1 Vout<2.3V I_CTRL=0, Iout, min Min output source current 0 mA Vout=0V I_CTRL=x, Iout, LSB step size mA Vo<2.6V max/63 42/77 CD00271682 Rev 3
  • 43.
    PM3533 Digital to analog converter Table 21. D/A-converter characteristics (continued) Symbol Characteristics Condition Min Typ Max Unit Note Monotonic behavior INL1 Integral non-linearity 1.5 LSB required @ VHI = 2.5 V Monotonic behavior INL2 Integral non-linearity 0.9 LSB required @ VHI = 2.6 V Information classified Company restricted - Do not copy (See last page for obligations) DNL Differential non-linearity 0.5 LSB Maximum output voltage 2.2 V DAC output voltage in PD 100 mV Company restricted Internal mux switch Mux_res (use external resistor of 47ohm 35 55 mΩ to get max of 100ohm as worst case) In addition to normal usage of the current mode PADAC it is possible to use extra added feature in order to use a coded output current to have a better accuracy of PADAC output current. During a mass-production phase and its OTP fusing phase PADAC output current by a certain code of 48 [in dec] is read/saved to certain register bits so this information can be taken into use by combining dedicated bits. Look at the register table in the end part of this datasheet for further details of registers available. The application sw is able to read these dedicated bits in the following way: After a normal power-up, read reg15.bit_numbers of [10,5,0] + reg2.bit[7] = MSB…LSB order of bits for saved value and by looking at the accurate measured output current value like it is coded in the table below. Table 22. PADAC coding table by setting ‘48’ [in dec] for fused values Coded value [in decimal] Corresponding value [mA] 0 1.600 1 1.645 2 1.690 3 1.735 4 1.780 5 1.825 6 1.870 7 1.915 8 1.960 9 2.005 10 2.050 11 2.095 CD00271682 Rev 3 43/77
  • 44.
    Digital to analogconverter PM3533 Table 22. PADAC coding table by setting ‘48’ [in dec] for fused values Coded value [in decimal] Corresponding value [mA] 12 2.140 13 2.185 14 2.230 15 2.275 The following kind of an accuracy can be achieved through setting of reg9.bits[15...9] i.e. ‘1100001’ which equals to 48 [in dec] + enable_bit_of_padac. This setting is used while the Information classified Company restricted - Do not copy (See last page for obligations) coded value is saved like informed for corresponding output current values in the table above, thus being saved during the fusing phase of the mass-production testing Table 23. I/O pad accuracy Company restricted I/O PAD Parameter Min Typ Max Unit PADAC1 or Accuracy by ‘1100001’- value -50 +50 μΑ PADAC2 Then it is straightforward to use this information like matching a linear equation with the following characteristic equation: PADAC_output_current(Padac_output_code_wanted) = (y_offset / (48 - 1)) * (Padac_output_code_wanted - 1) + min_LSB_size In which min_LSB_size = 33uA y_offset = Coded_value - min_LSB_size * Coded_value (in μA) is read from the table PADAC coding table With this added feature the following kind of an accuracy of PADAC_output_current (Padac_output_code_wanted) can be achieved as a function of different PADAC control bits in Reg9[15...10]: Figure 17. Output current accuracy of PADAC coded characteristic equation 44/77 CD00271682 Rev 3
  • 45.
    PM3533 RF controls 10 RF controls Two state IOs re designed to control the antenna switches. Figure 18. RF control connection Information classified Company restricted - Do not copy (See last page for obligations) Company restricted Table 24. RF control voltage output parameters Signal Parameter Min Typ Max Unit Notes name Voltage HI 2.43 2.6 V @ 0mA 2.51 LO 0 0.05 V @ -1mA Resistance sink 95 RFC1 ohm ANT1 Resistance source 50 Dynamic load 10 20 pF Switching time 1 us Voltage HI 2.43 2.6 V @ 0mA 2.51 LO 0 0.04 V @ -1mA Resistance sink 95 RFC2 ohm ANT2 Resistance source 50 Dynamic load 10 20 pF Switching time 1 us Voltage HI 2.43 2.6 V @ 0mA 2.51 LO 0 0.04 V @ -1mA Resistance sink 95 RFCTRL3 (other RFC3 ohm Resistance source 50 mode of muxed I/O) Dynamic load 10 20 pF Switching time 1 us CD00271682 Rev 3 45/77
  • 46.
    Thermal shutdown PM3533 11 Thermal shutdown The thermal shutdown block protects the PM3533 from over-heating. The TSD block is used to shutdown functions when the temperature threshold limit is reached. When the temperature level is reached TSD shuts down the power stages of all converters, however all other PM3533 blocks are still active. The TSD function is enabled automatically whenever a power-up sequence is controlled. See the power-up diagrams for futher details in Figure 23. Information classified Company restricted - Do not copy (See last page for obligations) Figure 19. Thermal shutdown functional of modes Company restricted Table 25. Thermal shutdown parameter table Parameter Name Control bit Min Typ Max Unit Temperature Fuse <1:0> Tt170 147 170 183 °C threshold =11 Fuse <1:0> Tt160 137 160 173 °C =10 Fuse <1:0> Tt150 127 150 163 °C =00 Fuse <1:0> Tt140 117 140 153 °C =01 Hysteresis ΔT 13 17 °C Current Temp = 130 14 17 Idd µA consumption Temp = 170 21 35 With Accuracy <10 °C mismatching 46/77 CD00271682 Rev 3
  • 47.
    PM3533 OTP memory 12 OTP memory One time programmable memory cell (OTP) is used for tuning purposes during PM3533 mass-production testing phase. Basic functionality of OTP macro cell: data is programmed serially through SCANIN pin on each CLOCK rising edge. OTP is programmed using an external high voltage HV solder bump at a wafer level. To sense the data stored in cell, a RESET pulse is required after power on. Fuse_ok signal indicates that data is available on D0 to D39 pins. PROG pin is needed to select the 20-bit block for the programming. Information classified Company restricted - Do not copy (See last page for obligations) PM3533 digital cell includes a multiplexer, which needs enabling and Fuse_ok controlling bits. Fuse_ok is generated during the OTP programming procedure, it indicates if the data_set is corrupted. If Fuse_ok is “1” and enable Reg14(15) bit is “0” the data set from antifuse can be used. If Reg14(15) is high and Fuse_ok is low, the multiplexer outputs the data which is programmed in register REG14(15:0). Reg15(15:0), Reg13(3:0) and Company restricted Reg12(15:0) can be used to read the whole OTP(39:0) memory content of two 20-bit memory blocks, these are available through the SPI (Serial Peripheral Interface) access to read all the OTP memory bits. Figure 20. Simplified OTP bits connection diagram CD00271682 Rev 3 47/77
  • 48.
    Battery monitoring PM3533 13 Battery monitoring PM3533 includes a battery monitoring block. This block provides a scaled-down battery voltage information for a transceiver IC ADC through the MUX1 output ball. Table 26. Battery monitoring characteristics Parameter Min Typ Max Unit Notes PM3533 battery information output VBAT_inf VBAT/4 V voltage. Information classified Company restricted - Do not copy (See last page for obligations) 0.1% Battery monitoring accuracy device to Initial accuracy % device over temperature range 0.2% @ 100Meg Battery monitoring accuracy vs. load Load accuracy % 2% @ 10Meg resistance Company restricted 48/77 CD00271682 Rev 3
  • 49.
    PM3533 Under-voltage-lockout block 14 Under-voltage-lockout block PM3533 includes an Under Voltage Lockout block. This block provides special protection mode to PM3533 and especially to its boost power converter while it is working at full-power mode and the modes of operation include sudden or abnormal power-downs (i.e. uncontrolled states of critical supply voltages like those are disappearing suddenly especially VBAT and/or VXO before XRESET signal is set low by an external control see Figure 24.) When UVL triggers it disables the internal control signals of the boost converter block which Information classified Company restricted - Do not copy (See last page for obligations) further disables the power stages of this converter making it disabled. This way boost converter is inhibited to have unwanted overshoots at its output voltage during like out-of- spec (VBAT/VXO uncontrolled power-downs) situations. This function is automatically enabled when normal power-up is controlled, as shown in Figure 23. The function is kept enabled by hard-wired internal control signals. Only the Company restricted Xreset signal asserting to '0' disables this function (at the reset state of PM3533). Figure 21. Under-voltage-lockout block overview Table 27. Under Voltage Lockout characteristics Parameter Min Typ Max Unit Notes UVL_Ena at low state & XRESET at high VBAT_trig 2.35 2.37 2.39 V state Boost_off to Boost_on, that is VBAT level VBAT_trig_hyst 170 mV of 2.54 V before boost_turned_on again UVL_Enal at low state & VXO_Mon_Ena VXO_trig 1.89 1.90 1.92 V at low state & XRESET at high state Boost_off to Boost_on i.e. VXO level of VXO_trig_hyst 60 mV 1.96 V before boost_turned_on again CD00271682 Rev 3 49/77
  • 50.
    Mux structure PM3533 15 Mux structure PM3533 includes several nodes which can be multiplexed to MUX1 output pin or MUX2 output pin. Figure 22. PM3533 multiplexer structure MUX MAP for KAURA20 b_drw_out Information classified Company restricted - Do not copy (See last page for obligations) s_drw_out 1_1 d_drw_out 1_2 Mux_boost Ritsa_drw_out Ol 1_3 8 6mA_Vdig Temp 1_4 THPROTOUT 4_1 9 Company restricted VREG 50BD VIO Mux_smps 2 4_2 15 10 VIO VREG50S Mux dcdc Empty 4_3 11 empty VHI 3 14 D_drw_in 12 4_4 4 Batman 6mA_boost Empty 13 6mA_smps 4_5 5 6mA_dcdc 4_6 B_drw_in 6 4_7 7 IND_BOOST 1 OUT_BOOST 2 MUX1 IND_SMPS MUX2 3 INPUT_SMPS 4 IND_DCDC 5 IND_DCDC 5 Vbb_VRX GND_DCDC 6 7 GND_BOOST GND_SMPS 8 9 50/77 CD00271682 Rev 3
  • 51.
    PM3533 Mux structure 15.1 MUX 1 controls Table 28. MUX1 register writings Switch Reg Bit value Explanation 1 reg6 bits 5,4,3 001 2 Reserved 011 3 Reserved 010 4 Reserved 100 Information classified Company restricted - Do not copy (See last page for obligations) 5 Reserved 101 6 Reserved 110 7 Reserved 111 8 Reg6 bits 2,1,0 001 BOOST_MUX Company restricted 9 Reserved 010 TEMP 10 Reserved 011 SMPS_MUX 11 Reserved 100 DCDC-MUX 12 Reserved 101 (empty) 13 Reserved 110 BATMAN 14 Reg6 bit 15 0/1 1 = Enables sw 1-7 output to sw 14 15 Reg1 bit 0 0/1 1 = Enables sw 1,2 output to sw 15 1_1 Reg06 bit9,10 1/0 01 = CLK DCDC 1_2 Reg06 bit9,10 1/0 10 = CLK SMPS 1_3 Reg06 bit9,10 1/0 11 = CLK Boost 1_4 Reg06 bit7, Reg06bit9,10 Reg06 bit7 =1, Reg06bit9,10 =00 4_1 Reg01 bit 11,10,9 001 4_2 Reserved 010 4_3 Reserved 011 4_4 Reserved 100 4_5 Reserved 101 4_6 Reserved 110 4_7 Reserved 111 CD00271682 Rev 3 51/77
  • 52.
    Mux structure PM3533 15.1.1 PM3533 self test PM3533 has several Kelvin nodes which can be multiplexed to output pin MUX1 (see Figure 22). In closed-loop mode environment PM3533 MUX1 output pin is connected to the RF IC ADC which enables PM3533 self testing measurements. Table 29. PM3533 Kelvin nodes for self test purpose Expected Register setup Register setup Output ball Reg06 voltage Reg01 Reg06 Kelvin node what will be Note value at pin self tested MUX1 Bit 11 Bit 10 Bit 9 Bit 2 Bit 1 Bit 0 Bit 15 Information classified Company restricted - Do not copy (See last page for obligations) Battery voltage Battery Batman VBATT 0 0 0 1 0 0 0 divided by monitoring four Company restricted VBB_VRX, Driver VREF, VIO, stage VIO 0.9 0 1 1 0 0 0 1 GND_VIO, supply VXO voltage VBB_VRX, Driver VREF, VIO, stage VIO 0.9 0 1 0 0 0 0 1 GND_VIO, supply VXO voltage Regulator VHI 1.3 1 0 0 0 0 0 1 output 52/77 CD00271682 Rev 3
  • 53.
    PM3533 Modes of operation 16 Modes of operation The device has several operating modes. There are a few active modes, power–down mode and several test modes. Most of the blocks can be turned on and off individually through the serial interface. The operating modes are described in the following sections. 16.1 Power UP/DOWN sequence Power UP/DOWN sequence described here must always be followed when powering the IC Information classified Company restricted - Do not copy (See last page for obligations) UP or DOWN (an order of external supply voltages and control signals). Mis-use of the IC can lead to shorter lifetime. The timing diagram below is representative only and therefore real power-up timings are linked to different application use cases and external filtering components (for instance on the external Vref line). Company restricted Note: Internal VDIG_int which gives a supply voltage to the digital interface of PM3533 follows approximately a rise time of the Vref line after high state of which (five worst case time constants of RextCext) PM3533 is ready to receive more accesses for controls i.e. external component filtering on the vref line dominates the wake-up time of PM3533 added with max current capability of an external buffer driving this external Vref line during its rising period. After all this Xreset is released and control accesses are allowed. Table 30. Power up timing values Name Time Unit t0 0 μs t1 30 μs t2 270 μs t3 300 μs t4 Figure 23. Power up sequence timing diagram CD00271682 Rev 3 53/77
  • 54.
    Modes of operation PM3533 Table 31. Power down timing values Name Time Unit t5 μs t6 -40 μs t7 -30 μs t8 Reference μs Figure 24. Power down sequence timing diagram Information classified Company restricted - Do not copy (See last page for obligations) Company restricted 54/77 CD00271682 Rev 3
  • 55.
    PM3533 Control interface 17 Control interface 17.1 Data interface PM3533 is programmed via the serial bus (SLE,SDATA,SCLK and RESET). SDATA data is clocked by SCLK rising edge. The data is fed with MSB first and address bits before data bits. PM3533 is in RESET state, when RESET signal is logical low. Table 32. Data interface timings Information classified Company restricted - Do not copy (See last page for obligations) Levels Min Max Unit High 1.5 V Low 0.5 V Company restricted Figure 25. Timing waveform of writes cycle Address Data SCLK SDAT A7 A6 A5 R/W A4 A3 A2 A1 A0 MSB LSB SLE Note: On SCLK rising edge, one bit of data is shifted in the shift register. SLE should be kept high when the interface is not used Figure 26. Timing waveform of read cycle Note: Data should read at the falling edge of SCLK. CD00271682 Rev 3 55/77
  • 56.
    Control interface PM3533 Figure 27. Serial data input timing tslc tsdc tch thcd tcl tlh SCLK tclk SDAT Information classified Company restricted - Do not copy (See last page for obligations) tsll SLE Company restricted Table 33. SPI control signal timing table Symbol Parameter Min Max Unit tclk Clock cycle 52 ns tch SCLK high period 0.4*tclk 0.6*tclk ns tcl SLK low period 0.4*tclk 0.6*tclk ns tslc SLE to SCLK setup time 0.8*tcl 1.2*tcl ns tsdc SDAT to SCLK setup time 0.8*tcl 1.2*tcl ns tsll SLE to last clk setup time 0.8*tcl tcl ns thcd SCLK to SDAT hold time 0.8*tch 1.2*tch ns tlh SLE high period tclk ns Note: Clocking frequency should be approximately 19.2 MHz. 56/77 CD00271682 Rev 3
  • 57.
    PM3533 Pin description 18 Pin description 18.1 PM3533 ball-out Figure 28. PM3533 ball-out diagram Information classified Company restricted - Do not copy (See last page for obligations) Company restricted CD00271682 Rev 3 57/77
  • 58.
    Pin description PM3533 18.2 PM3533 pin description Table 34. PM3533 pin description ESD BGA Pin name Type Ground Supply Function ball Voltage FB_DCDC A1 I GND_DIG DC-DC-converter feedback MUX1 C4 O GND_DIG VXO Multiplexer output FB_BOOST B1 I GND_DIG Boost-converter feedback Information classified Company restricted - Do not copy (See last page for obligations) ANT_T2 B2 O GND_DIG Buffered digital output ANT_T1 C2 O GND_DIG Buffered digital output PA_DAC1 C1 O GND_DIG 1st Current DAC output Company restricted GND_DIG E1 G GND_DIG Ground GND_DIG A2 G GND_DIG Ground GND_DIG B3 G GND_DIG Ground GND_DIG C3 G GND_DIG Ground GND_DIG D3 G GND_DIG Ground GND_DIG D4 G GND_DIG Ground GND_DIG E3 G GND_DIG Ground GND_DIG E2 G GND_DIG Ground GND_DIG F3 G GND_DIG Ground GND_DIG G3 G GND_DIG Ground VXO D2 S GND_DIG 2.5V / 2.15V supply voltage VREF D1 S GND_DIG 1.2V reference voltage SCLK G1 I GND_DIG VXO SPI clock input DATA F1 I GND_DIG VXO SPI data input ENABLE F2 I GND_DIG VXO SPI enable input XRESET E4 I GND_DIG VXO SPI XRESET input SMPS_CTRL G2 I GND_DIG VXO SMPS-converter control voltage FB_SMPS H1 I GND_DIG SMPS-converter feedback VHI H2 O GND_DIG VHI 2.6V / 2.5V regulated output Battery input supply voltage for Vbb_VRX H3 S GND_VIO Vbb_VRX converter regulators and VHI- regulator VIO H4 O GND_VIO VIO 1.8V driver stage supply voltage GND_VIO G4 G GND_VIO Ground for VIO 2nd Current DAC output / Additional PADAC2 / RFCTRL3 F4 S GND_DIG buffered digital output GND_VIO F5 G GND_VIO Ground 58/77 CD00271682 Rev 3
  • 59.
    PM3533 Pin description Table 34. PM3533 pin description (continued) ESD BGA Pin name Type Ground Supply Function ball Voltage CB_SMPS H5 I GND_VIO CB_SMPS SMPS-converter boost-trap input MUX2 G5 O GND_VIO MUX2 High voltage multiplexer output GND_SMPS H6 G SMPS-converter ground GND_SMPS H7 G SMPS-converter ground Information classified Company restricted - Do not copy (See last page for obligations) GND_SMPS H8 G SMPS-converter ground IND_SMPS G6 O SMPS-converter output IND_SMPS G7 O SMPS-converter output IND_SMPS G8 O SMPS-converter output Company restricted INPUT_SMPS F6 I SMPS-converter input INPUT_SMPS F7 I SMPS-converter input INPUT_SMPS F8 I SMPS-converter input OUT_BOOST E5 O Boost-converter output OUT_BOOST E6 O Boost-converter output OUT_BOOST E7 O Boost-converter output OUT_BOOST E8 O Boost-converter output IND_BOOST D5 I Boost-converter input IND_BOOST D6 I Boost-converter input IND_BOOST D7 I Boost-converter input IND_BOOST D8 I Boost-converter input GND_BOOST C5 G Boost-converter ground GND_BOOST C6 G Boost-converter ground GND_BOOST C7 G Boost-converter ground GND_BOOST C8 G Boost-converter ground VBATT B8 S GND_VIO VBATT DC-DC-converter input VBATT A8 S GND_VIO VBATT DC-DC-converter input IND_DCDC A7 O DC-DC-converter output IND_DCDC B7 O DC-DC-converter output GND_DCDC B5 G DC-DC-converter ground GND_DCDC B6 G DC-DC-converter ground CB_BOOST A6 I GND_VIO CB_BOOST Boost-converter boost-trap input GND_VIO A5 G GND_VIO CB_DC-DC B4 I GND_VIO CB_DC-DC DC-DC-converter boost-trap input CD00271682 Rev 3 59/77
  • 60.
    Pin description PM3533 Table 34. PM3533 pin description (continued) ESD BGA Pin name Type Ground Supply Function ball Voltage VIO A4 I GND_VIO VIO 1.8V driver stage supply voltage Vbb_VRX1 A3 S GND_VIO VBB_VRX No connection Information classified Company restricted - Do not copy (See last page for obligations) Company restricted 60/77 CD00271682 Rev 3
  • 61.
    PM3533 PM3533 register description for closed-loop mode 19 PM3533 register description for closed-loop mode PM3533 closed-loop mode control registers are listed in this chapter. SPI device address ID is ‘110’ (in binary format) for address decoding of A7...A5 like in Figure 25. Table 35. Register 0 Register 0 Valid state Name Bit functional description Information classified Company restricted - Do not copy (See last page for obligations) bit 0 Reserved bit 1 Reserved bit 2 Reserved bit 3 Reserved Company restricted bit 4 1 Common BIAS enable Enables common bias OpA bit 5 Reserved bit 6 Reserved bit 7 Reserved bit 8 1 REGU6ma_B_ctrl Enable for boost_ctrl_int.regu6ma bit 9 1 REGU6ma_DC-DC_ctrl Enable for DC-DC_ctrl_int.regu6ma bit 10 1 REGU6ma_s_ctrl Enable for smps_ctrl_int.regu6ma bit 11 1 PADAC_mux_sel 0' for PADAC1; '1' for PADAC2 closed-loop closed-loop mode1='0' VHI=2.6 V, closed- bit 12 0/1 mode_Mode_Sel loop mode2='1' VHI=2.5V Enable for REGU_VHI. bit 13 0 REGU_VHI (This is also an internal supply voltage for the PA_DAC). bit 14 0 REGU_VHI_Vext Enable for REGU_VHI bit 15 Reserved Table 36. Register 1 Register 1 Valid state Name Bit functional description Enable control for the output on MUX1 by bit 0 1 Input_EN '001','010' or '011' selections bit 1 Mux_HV_ctrl C3 (used only in test phase) Thermal shutdown test-enable (‘1’=test bit 2 1 TSD TESTENABLE mode) Thermal protection enable (‘0’ for bit 3 0 TSD THSDENA application mode enable) bit 4 1 Mux_HV_ctrl C3 (used only in test phase) bit 5 1 DIG_load (used only in test phase) CD00271682 Rev 3 61/77
  • 62.
    PM3533 register descriptionfor closed-loop mode PM3533 Table 36. Register 1 (continued) Register 1 Valid state Name Bit functional description Enables functional measurement in test bit 6 1 ENa_TEMP mode TSD_temp_ctrl => 00 150C;10 140C; 01 bit 7 1 TSD_fuse1 160C; 11 170C (used in test mode) TSD_temp_ctrl => 00 150C;10 140C; 01 bit 8 1 TSD_fuse0 160C; 11 170C (used in test mode) bit 9 1 Mux_VREG_ctrl_C2 (used only in test phase) Information classified Company restricted - Do not copy (See last page for obligations) bit 10 1 Mux_VREG_ctrl_C1 (used only in test phase) bit 11 1 Mux_VREG_ctrl_C0 (used only in test phase) bit 12 1 Mux_HV_ctrl C2 (used only in test phase) Company restricted bit 13 1 Mux_HV_ctrl C1 (used only in test phase) bit 14 1 Mux_HV ctrl_C0 (used only in test phase) bit 15 1 OTP_prog_ena Enables OTP signal paths in test phase Table 37. Register 2 Register2 Valid state Name Bit functional description Internal AFForce_bit[15].Frequency bit 0 1 AFForce_bit[15]; RETKU reduction enable; 1.79MHz minus offset to the SMPS value in register 14. Internal AFForce_bit[16].Frequency bit 1 1 AFForce_bit[16]; ITKU increasing enable; 1.35MHz plus offset to the SMPS value in register 14. bit 2 1 AFForce_bit[17] Internal AFForce_bit[17] bit 3 1 AFForce_bit[18] Internal AFForce_bit[18] bit 4 1 AFForce_bit[19] Internal AFForce_bit[19] FuseData[15]; Programmed OTP RETKU bit 5 read only FuseData[15] bit. To read it keep reg15.bit='0'. FuseData[16]; Programmed OTP ITKU bit. bit 6 read only FuseData[16] To read it keep reg15.bit='0'. FuseData[39]. This is used for in serial read-out of OTP memory. Keep FuseData[39]/AFForce_bit[ reg14.bit15='0' to see this serial clocked bit 7 read only data stream output i.e. D39. 17] PADAC coded bit number 0 (LSB), others look at register 15. FuseData[18]. Programmed THSD Fuse0 bit 8 read only FuseData[18] bit. To read it keep reg15.bit='0'. FuseData[19]. Lower OTP mem MSB bit. bit 9 read only FuseData[19] Programmed THSD Fuse1 bit. To read it keep reg15.bit='0'. 62/77 CD00271682 Rev 3
  • 63.
    PM3533 PM3533 register description for closed-loop mode Table 37. Register 2 Register2 Valid state Name Bit functional description ‘0' for enable sr_latch to output tsd_out bit 10 0/1 tsd_mux1_ena state in pwmreg1.bit15; '1' reset sr_latch output node to low state in pwmreg1.bit15. In test mode smps rds_on low/high side bit 11 0/1 rds_smps_low_high_ena sw can be set; '0' for low side; '1' for high side In test mode boost rds_on low/high side Information classified Company restricted - Do not copy (See last page for obligations) bit 12 0/1 rds_boost_low_high_ena sw can be set; '0' for low side; '1' for high side In test mode dcdc rds_on low/high side sw bit 13 0/1 rds_dcdc_low_high_ena can be set; '0' for low side; '1' for high side In test_mode: '1'->'0' sequence to bit 14 0/1 test_otp_reset Company restricted manually set otp_reset_pulse for OTP_cell SMPS: the 5th delay tune for very high bit 15 1 long_delay load impedances; when used set reg3.bit[3...0]='1000' Table 38. Register 3 Register3 Valid state Name Bit functional description Delay tune for low side of driver chain; bit 0 1 SMPS_ast_l beneficial for having minimum dropout voltage (used ext coil res affects) Delay tune for low side of driver chain; bit 1 1 SMPS_ast_l beneficial at larger range of power levels (GSM) Delay tune for low side of driver chain; beneficial at larger range of power level bit 2 1 SMPS_ast_l (GSM) but with larger dropout voltage (used ext coil res affects) Delay tune for low side of driver chain; bit 3 1 SMPS_ast_l beneficial mid-to-low-power range loads (WCDMA) bit 4 1 Dither bandwidth 0 for 2.8MHz; 1 for 5.6MHz bit 5 1 SMPS_Dither_ena SMPS dither enable bit 6 1 SMPS_drw_inout SMPS drw in/out enable SMPS_CTRL_bias/comp/ Enable for smps_ctrl bias. Enable for bit 7 1 sawt smps_ctrl comparator/sawtooth SMPS mode selection 00=PD, 01=bypass, 10=section, 11 normal (bits as bit '9', bit '8' bit 8 1 SMPS mode selection order) Cdoup_SMPS is enabled also with 01=bypass bit 9 1 SMPS mode selection (used with bit 8) CD00271682 Rev 3 63/77
  • 64.
    PM3533 register descriptionfor closed-loop mode PM3533 Table 38. Register 3 Register3 Valid state Name Bit functional description I/O mux control and SMPS opamp enable control (0 = I/O MUX to TSD_testforce, 1 = bit 10 1 SMPS_CTRL_opamp enables SMPS opamp and disables routing to TSD_testforce) bit 11 Reserved bit 12 Reserved bit 13 Reserved Information classified Company restricted - Do not copy (See last page for obligations) bit 14 Reserved bit 15 Reserved Table 39. Register 4 Company restricted Register 4 Valid state Name Bit functional description bit 0 Reserved bit 1 Reserved bit 2 Reserved bit 3 Reserved bit 4 1 Dither bandwidth 0 for 2.8MHz; 1 for 5.4MHz bit 5 1 BOOST_XCLR BOOST dither enable bit 6 1 BOOST_drw_inout BOOST drw in/out enable BOOST_CTRL_bias/comp Enable for boost_ctrl bias. Enable for bit 7 1 /sawt boost_ctrl comparator/sawtooth Boost mode selection 00=PD, 01=bypass, 10=section, 11 normal (bits as bit '9',bit '8' bit 8 1 Boost mode selection order). Cdoup_boost is enabled also with 01=bypass bit 9 1 Boost mode selection (used with bit 8) BOOST_sampled_start_ Enable for BOOST soft start; starts at bit 10 1 control sampled output voltage bit 11 1 BOOST_CTRL_opamp Boost gain opamp enable control Enable for BOOST soft start; starts at BOOST_sampled_start_ sampled output voltage; this bit is left for bit 12 1 control software compatibility (as it was like fast_start before) bit 13 Reserved bit 14 Reserved bit 15 Reserved 64/77 CD00271682 Rev 3
  • 65.
    PM3533 PM3533 register description for closed-loop mode Table 40. Register 5 Register 5 Valid state Name Bit functional description bit 0 Reserved bit 1 Reserved BOOST feedback setting control: enables bit 2 1 BOOST_loopfb1d added parallel resistor to resistor divider bit 3 Reserved bit 4 Reserved Information classified Company restricted - Do not copy (See last page for obligations) Mux Boost control bits bit 5 1 Mux B C0 (used only in test phase) Mux Boost control bits bit 6 1 Mux B C1 (used only in test phase) Company restricted Mux Boost control bits bit 7 1 Mux B C2 (used only in test phase) BOOST feedback setting control: enables bit 8 1 BOOST_loop_fb1a also lim_opamp when _fb1x (x=a or b or c) bits are set BOOST feedback setting control: _fb1a & bit 9 1 BOOST_loop_fb1b _fb1b set output-to-ref gain value to internal decoder BOOST feedback setting control: _fb1c bit 10 1 BOOST_loop_fb1c enables dc path to error opamp. This bit is internally controlled by boost soft_start bit. bit 11 1 BOOST_loop_fb2 BOOST feedback setting control bit 12 1 BOOST_loop_fb2 BOOST feedback setting control Adds 1.5meg resistor into feedback loop bit 13 1 BOOST_1,5meg (used only in test phase) bit 14 1 BOOST_C_shunt Adds shunt capacitor into feedback loop Adds parallel resistor into feedback loop bit 15 1 BOOST_paraR (used only in test phase) Table 41. Register 6 Register 6 Valid state Name Bit functional description Set ‘1’ for Battery Monitor mux output bit 0 1 Mux 1 C0 enable for decoder Set ‘1’ for Battery Monitor mux output bit 1 1 Mux 1 C1 enable for decoder Set ‘1’ for Battery Monitor mux output bit 2 1 Mux 1 C2 enable for decoder bit 3 1 Mux 2 C0 (used only in test phase) bit 4 1 Mux 2 C1 (used only in test phase) bit 5 1 Mux 2 C2 (used only in test phase) CD00271682 Rev 3 65/77
  • 66.
    PM3533 register descriptionfor closed-loop mode PM3533 Table 41. Register 6 (continued) Register 6 Valid state Name Bit functional description bit 6 1 Batman_ENA Enable control for Batman_out ('0' for res_div (set bit8 to '0'); '1' for bit 7 1 Batman_KelvinH res_meas (set bit8 to '0'); test structures) ('0' for res_div (set bit7 to '0'); '1' for hi-Z bit 8 1 Batman_KelvinL state (set bit7 to '1'); test structures) (‘00’ = PD, '10'=DC-DC_clock '01' = bit 9 1 Clock divider enable SMPS_CLOCK, 11 = Boost_clock (bits Information classified Company restricted - Do not copy (See last page for obligations) 9,10 order); used only in test phase) bit 10 1 Clock divider enable (used only in test phase) Enabling digital buffers for ANT_T1, ANT_T2, RFCTRL3 I/Os, Company restricted 1= Digital buffers enabled in application ANT_T1_T2_RFCTRL3_ bit 11 1 mode, ctrl 0= OTP_clock @ANT_T1 and TSD_testsense @ANT_T2 enabled in test mode. Enable switch for RFCTRL3, 1=digital high bit 12 1 RFCTRL3_set state, 0=digital low_state ANTENNA tuning switch control, 1=digital bit 13 1 ANT_T1_antsw_set high state, 0=digital low_state ANTENNA tuning switch control, 1=digital bit 14 1 ANT_T2_antsw_set high state, 0=digital low_state (0 = mux outputs 8- 13, bit 15 1 MUX switch 1 = mux outputs 1-7; used in test phase) Table 42. Register 7 Register 7 Valid state Name Bit functional description SMPS feedback setting control: linked to 0x5C01 setting (and alternatively 0x5C0D with reg2.bit0=’1’ and reg14.bit15=’1’ for bit 0 1 SMPS_loop_fb3 lowest switching freq), additionally 0x5C05 or 0x5C09 (=recommended) with reg2.bit0='1' and reg14.bit15='1' for the semi-lowest switching frequency Enables open loop gain increment option bit 1 1 Open_gain_inc (especially in EER/ET architecture) Additional smps freq reduction (bits of [3...2] combines 4 selections); can be used bit 2 1 Freq_red1 in GSM/WCDMA (in OTP or in free- running OSC modes) Additional smps freq reduction (bits of [3...2] combines 4 selections); can be used bit 3 1 Freq_red2 in GSM/WCDMA (in OTP or in free- running OSC modes) 66/77 CD00271682 Rev 3
  • 67.
    PM3533 PM3533 register description for closed-loop mode Table 42. Register 7 Register 7 Valid state Name Bit functional description DC gain increment: '0'=3.18; '1'=3.40; dgc bit 4 1 dcg_bit equals to smps_out / smps_ctrl bit 5 1 Mux S C0 (Mux SMPS control bits; in test phase) bit 6 1 Mux S C1 (Mux SMPS control bits; in test phase) bit 7 1 Mux S C2 (Mux SMPS control bits; in test phase) SMPS feedback setting control (external bit 8 1 SMPS_loop_fb1 Information classified Company restricted - Do not copy (See last page for obligations) L-C effects on usage) SMPS feedback setting control (external bit 9 1 SMPS_loop_fb1 L-C effects on usage) SMPS feedback setting control (external bit 10 1 SMPS_loop_fb1 L-C effects on usage) Company restricted SMPS feedback setting control (external bit 11 1 SMPS_loop_fb2 L-C effects on usage) SMPS feedback setting control (external bit 12 1 SMPS_loop_fb2 L-C effects on usage) SMPS 1uF cap enable bit. Note: enable bit 13 1 SMPS_1uF also bit numbers 10,11 and 14 for response tuning bit 14 1 SMPS_C_shunt Adds shunt capacitor into feedback loop (Adds parallel resistor into feedback loop; bit 15 1 SMPS_paraR used in test phase) Table 43. Register 8 Register 8 Valid state Name Bit functional description bit 0 Reserved bit 1 Reserved bit 2 Reserved bit 3 Reserved bit 4 1 DC-DC_Dither bandwidth 0' for 1.19MHz; '1' for 2.3MHz bit 5 1 DC-DC_XCLR DC-DC_dither enable bit 6 1 DC-DC_drw_inout DC-DC drw in/out enable Enable for DC-DC_ctrl bias. Enable for bit 7 1 DC-DC_CTRL_bias boost_ctrl comparator/sawtooth. bit 8 1 DRV XPD Driver stage enable DC-DC- Enable for DC-DC soft start; starts at bit 9 1 sampled_start_control sampled output voltage bit 10 Reserved bit 11 1 DC-DC_CTRL_opamp DC-DC control opamp enable CD00271682 Rev 3 67/77
  • 68.
    PM3533 register descriptionfor closed-loop mode PM3533 Table 43. Register 8 (continued) Register 8 Valid state Name Bit functional description Enable for DC-DC soft start; starts at DCDC_ sampled output voltage; this bit is left for bit 12 1 sampled_start_control sw compatibility (because it was like fast_start before) bit 13 1 DC-DCmux (DC-DC mux C0; used in test phase) bit 14 1 DC-DCmux (DC-DC mux C1; used in test phase) bit 15 1 DC-DCmux (DC-DC mux C2; used in test phase) Information classified Company restricted - Do not copy (See last page for obligations) Table 44. Register 9 Register 9 Valid state Name Bit functional description bit 0 1 DC-DC_loop_fb1 DC-DC feedback setting control Company restricted bit 1 1 DC-DC_loop_fb1 DC-DC feedback setting control bit 2 1 DC-DC_loop_fb1 DC-DC feedback setting control bit 3 1 DC-DC_loop_fb2 DC-DC feedback setting control bit 4 1 DC-DC_loop_fb2 DC-DC feedback setting control bit 5 Reserved bit 6 1 DC-DC_C_shunt Adds shunt capacitor into feedback loop (Adds parallel resistor into feedback loop; bit 7 1 DC-DC_paraR used only in test phase) (Enables 2.5V @Vref=1.2V; normally not bit 8 1 OVER2VENA used in the closed-loop configuration of SMPS usage in the rf subsystem) bit 9 1 PA_DAC_XPD Enable for PA_DAC bit 10 1 PA_DAC bit0 PA DAC control bit 11 1 PA_DAC bit1 PA DAC control bit 12 1 PA_DAC bit2 PA DAC control bit 13 1 PA_DAC bit3 PA DAC control bit 14 1 PA_DAC bit4 PA DAC control bit 15 1 PA_DAC bit5 PA DAC control Table 45. Register 12 Register 12 Valid state Name Bit functional description bit 0 read only FuseDR[0] FuseDR[0] (Upper OTP mem LSB bit) bit 1 read only FuseDR[1] FuseDR[1] bit 2 read only FuseDR[2] FuseDR[2] bit 3 read only FuseDR[3] FuseDR[3] bit 4 read only FuseDR[4] FuseDR[4] bit 5 read only FuseDR[5] FuseDR[5] 68/77 CD00271682 Rev 3
  • 69.
    PM3533 PM3533 register description for closed-loop mode Table 45. Register 12 Register 12 Valid state Name Bit functional description bit 6 read only FuseDR[6] FuseDR[6] bit 7 read only FuseDR[7] FuseDR[7] bit 8 read only FuseDR[8] FuseDR[8] bit 9 read only FuseDR[9] FuseDR[9] bit 10 read only FuseDR[10] FuseDR[10] bit 11 read only FuseDR[11] FuseDR[11] Information classified Company restricted - Do not copy (See last page for obligations) bit 12 read only FuseDR[12] FuseDR[12] bit 13 read only FuseDR[13] FuseDR[13] bit 14 read only FuseDR[14] FuseDR[14] Company restricted bit 15 read only FuseDR[15] FuseDR[15] Table 46. Register 13 Register 13 Valid state Name Bit functional description bit 0 read only FuseDR[16] FuseDR[16] bit 1 read only FuseDR[17] FuseDR[17] bit 2 read only FuseDR[18] FuseDR[18] bit 3 read only FuseDR[19] FuseDR[19] (Upper OTP mem MSB bit) bit 4 read only Version_bit0 Coding of versions as follows (bit3...bit0) PM3533: ‘001’ for v1.0 bit 5 read only Version_bit1 PM3533: ‘010’ for v1.0B bit 6 read only Version_bit2 bit 7 read only Version_bit3 bit 8 read only Family_bit0 Coding of RF PM IC family bit 9 read only Family_bit1 PM3533: ‘010’ bit 10 read only Family_bit2 bit 11 read only Man_bit0 Coding of RF PM IC manufacturer bit 12 read only Man_bit1 PM3533: ‘111’ bit 13 read only Man_bit2 bit 14 Reserved bit 15 Reserved Table 47. Register 14 Register 14 Valid state Name Bit functional description These bits adjust switching frequency so bit 0 1 SMPS_clock_freq that bits 00000 gives minimum freq bit 1 1 SMPS_clock_freq and 11111 gives max freq. CD00271682 Rev 3 69/77
  • 70.
    PM3533 register descriptionfor closed-loop mode PM3533 Table 47. Register 14 Register 14 Valid state Name Bit functional description For SMPS: '00000': 6.48 MHz; '01101': bit 2 1 SMPS_clock_freq 9.54 MHz; '01110': 9.77 MHz; bit 3 1 SMPS_clock_freq '11111': 13.59 MHz (typical values) (SMPS: Calibration range in the OTP used bit 4 1 SMPS_clock_freq mode is 7.1 - 10.1 MHz when reg7.bit[3...2]=’00’) These bits adjust switching frequency so Information classified Company restricted - Do not copy (See last page for obligations) bit 5 1 BOOST_clock_freq that bits 00000 gives minimum freq bit 6 1 BOOST_clock_freq and 11111 gives max freq. For Boost: '00000': 4.51 MHz; '01101': bit 7 1 BOOST_clock_freq 7.52 MHz; '01110': 7.74 MHz; Company restricted bit 8 1 BOOST_clock_freq '11111':11.42 MHz (typical values) (Boost: Calibration range in the OTP used bit 9 1 BOOST_clock_freq mode is 6.8 - 8.0 MHz) These bits adjust switching frequency so bit 10 1 DC-DC_clock_freq that bits 0000 gives minimum freq bit 11 1 DC-DC_clock_freq and 1111 gives max freq. For RF-IC DCDC: '00000': 1.62 MHz; bit 12 1 DC-DC_clock_freq '01110'': 2.75 MHz; '01111':2.83 MHz; '11111': 4.09 MHz bit 13 1 DC-DC_clock_freq (typical values) (DCDC: Calibration range in the OTP used bit 14 1 DC-DC_clock_freq mode is 2.45 - 2.84 MHz) 0' sets OTP mode which uses trimmed bit 15 1 DATA_ENA values; '1' is for user set values. Table 48. Register 15 Reg 15 Valid state Name Bit functional description FuseData[0] (Lower OTP mem LSB bit) / bit 0 read only FuseData[0] PADAC coded bit number 1 1 read only FuseData[1] FuseData[1] 2 read only FuseData[2] FuseData[2] 3 read only FuseData[3] FuseData[3] 4 read only FuseData[4] FuseData[4] 5 read only FuseData[5] FuseData[5] / PADAC coded bit number 2 6 read only FuseData[6] FuseData[6] 7 read only FuseData[7] FuseData[7] 8 read only FuseData[8] FuseData[8] 9 read only FuseData[9] FuseData[9] 70/77 CD00271682 Rev 3
  • 71.
    PM3533 PM3533 register description for closed-loop mode Table 48. Register 15 (continued) Reg 15 Valid state Name Bit functional description FuseData[10] / PADAC coded bit number 10 read only FuseData[10] 3 11 read only FuseData[11] FuseData[11] 12 read only FuseData[12] FuseData[12] 13 read only FuseData[13] FuseData[13] 14 read only FuseData[14] FuseData[14] (bits[19...15] in Reg2) Information classified Company restricted - Do not copy (See last page for obligations) 15 read only FUSE_OK Internal Fuse_ok Company restricted CD00271682 Rev 3 71/77
  • 72.
    Example of WCDMAoutput power distribution curve PM3533 20 Example of WCDMA output power distribution curve The most important driver for PM3533 is to increase efficiencies in WCDMA low power levels. Figure 29 presents the DG09 WCDMA output power distribution curve. The power distribution curve shows that in WCDMA system the mobile transmitter is almost all of the time in power level area comprised between 6 dB and -12 dB. Figure 29. DG09 WCDMA output power distribution curve Information classified Company restricted - Do not copy (See last page for obligations) Company restricted 72/77 CD00271682 Rev 3
  • 73.
    PM3533 Package information 21 Package information 21.1 Package mechanical data Table 49. VFBGA 3.4 mm x 3.4 mm x 1.0 mm with 0.4 mm pitch and 0.25 mm ball Ref. Min. Typ. Max. Unit (1) A 1.00 mm A1 0.125 mm Information classified Company restricted - Do not copy (See last page for obligations) A2 0.19 mm A4 0.585 mm b(2) 0.22 0.26 0.30 mm Company restricted D 3.30 3.40 3.50 mm D1 2.80 mm E 3.30 3.40 3.50 mm E1 2.80 mm e 0.40 F mm Z 0.30 mm ddd 0.08 mm eee(3) 0.15 mm fff(4) 0.05 mm 1. VFBGA stands for Very thin profile Fine pitch Ball Grid Array. - Very thin profile:. 0.80 < A ≤ 1.00 mm/Fine pitch:e< 1.00 mm - The total profile height (Dim A) is measured from the seating plane to the top of the component. - The maximum total package height is calculated by the following methodology: 2 2 2 A Max = A1Typ + A2 Typ + ( A1 + A2 + A4 tolerance values ) 2. The typical ball diameter before mounting is 0.25 mm. 3. The tolerance of position that controls the location of the pattern of balls with respect to datums A and B. For each ball there is a cylindrical tolerance zone eee perpendicular to datum C and located on true position with respect to datums A and B as defined by e. The axis perpendicular to datum C of each ball must lie within this tolerance zone. 4. The tolerance of position that controls the location of the balls within the matrix with respect to each other. For each ball there is a cylindrical tolerance zone fff perpendicular to datum C and located on true position as defined by e. The axis perpendicular to datum C of each ball must lie within this tolerance zone. Each tolerance zone fff in the array is contained entirely in the respective zone eee above The axis of each ball must lie simultaneously in both tolerance zones. CD00271682 Rev 3 73/77
  • 74.
    Package information PM3533 Figure 30. VFBGA 3.4 mm x 3.4 mm x 1.0 mm, 0.4 mm pitch, 0.25 mm ball Information classified Company restricted - Do not copy (See last page for obligations) Company restricted See Note 1 1. The terminal A1 corner must be identified on the top surface by using a corner chamfer, ink or metallized markings, or other feature of package body or integral heatslug. - A distinguishing feature is allowable on the bottom surface of the package to identify the terminal A1 corner.The exact shape of each corner is optional. 74/77 CD00271682 Rev 3
  • 75.
    PM3533 Package information 21.2 Package marking The package marking consists of one line. Figure 31. Marking composition PACKAGE FACE : TOP LEGEND Unmarkable Surface Marking Composition Field Information classified Company restricted - Do not copy (See last page for obligations) A A -66669 - MARKING AREA B -66668 - Assy Plant (P) B C D C -66670 - Assy Year (Y) Company restricted D -66667 - Assy Week (WW) E E -66671 - DOT Table 50. Package marking Item Description Format Value A Marking area - Product code 1st line P3533 CD00271682 Rev 3 75/77
  • 76.
    Ordering information PM3533 22 Ordering information Table 51. Ordering information Order code Package Packing VFBGA PM3533BDKT 3.4 mm x 3.4 mm x 1.0 mm, Tape on reel 0.4 mm pitch, 0.25 mm ball Information classified Company restricted - Do not copy (See last page for obligations) 23 Revision history Company restricted Table 52. Document revision history Date Revision Changes 07-May-2010 1 Initial release. Updated – Table 6: SMPS operation parameters – Table 8: SMPS capacitor specification – Table 11: Boost converter operation parameters – Table 14: DC-DC closed-loop mode electrical characteristics – Table 15: Buck DC-DC converter operating parameters – Section 8.1: VHI regulator (first sentence) – Chapter 11: Thermal shutdown (second paragraph) 26-Oct-2010 2 – Chapter 14: Under-voltage-lockout block (third paragraph) – Table 34: PM3533 pin description (update for VHI) – Table 35: Register 0 (bit 5, bit 6, bit 12) – Table 46: Register 13 (bit 5) – Table 51: Ordering information – The Note 1 in Chapter 21: Package information Added – Section 21.2: Package marking Updated – The cover page: document title, description, applications and feature list – Chapter 1: Overview – Chapter 2: General specifications – Table 6: SMPS operation parameters 16-Dec-2010 3 – Section 8.1: VHI regulator – Table 10: Boost full power mode general electrical characteristics – Table 11: Boost converter operation parameters – Table 25: Thermal shutdown parameter table – Table 34: PM3533 pin description – Table 40: Register 5, Table 42: Register 7 76/77 CD00271682 Rev 3
  • 77.
    PM3533 CONFIDENTIALITY OBLIGATIONS: This document contains sensitive information. Its distribution is subject to the signature of an Non-Disclosure Agreement (NDA). It is classified “COMPANY RESTRICTED. At all times you should comply with the following security rules (Refer to NDA for detailed obligations): Do not copy or reproduce all or part of this document Keep this document locked away Further copies can be provided on a “need to know basis”, please contact your local ST-ERICSSON sales office. Information classified Company restricted - Do not copy (See last page for obligations) Company restricted Please Read Carefully: The contents of this document are subject to change without prior notice. ST-Ericsson makes no representation or warranty of any nature whatsoever (neither expressed nor implied) with respect to the matters addressed in this document, including but not limited to warranties of merchantability or fitness for a particular purpose, interpretability or interoperability or, against infringement of third party intellectual property rights, and in no event shall ST-Ericsson be liable to any party for any direct, indirect, incidental and or consequential damages and or loss whatsoever (including but not limited to monetary losses or loss of data), that might arise from the use of this document or the information in it. ST-Ericsson and the ST-Ericsson logo are trademarks of the ST-Ericsson group of companies or used under a license from STMicroelectronics NV or Telefonaktiebolaget LM Ericsson. All other names are the property of their respective owners. © ST-Ericsson, 2010 - All rights reserved Contact information at www.stericsson.com under Contacts www.stericsson.com CD00271682 Rev 3 77/77