BAB IV
                    ANALISIS DAN PERANCANGAN SISTEM




4.1.Analisis Data
           Data diperoleh dari penelitian sensor seperti yang penulis lakukan pada
    bagian sebelumnya pada BAB III. Pada BAB tersebut penulis menggunakan
    media uji yaitu ruangan dengan ukuran 3 x 4 x 3 meter. Kemudian dari ruangan
    tersebut penulis melakukan aktivitas merokok dengan jumlah perokok adalah 1
    orang sebagai simulasi keadaan ada asap rokok. Kemudian didapat analisis
    sebagai berikut :
                            Tabel 4.1 Tabel Analisis Data Pengujian
                                                 Konsentrasi          Keterangan
    No        Volume            Durasi Asap
                                                     Gas              H2O : CO2
     1   Asap tipis              5-10 detik          20%               80 : 20
     2   Asap sedang            10 – 20 detik      25 - 50%            60 : 40
     3   Asap Tebal              > 20 detik         > 50%             CO2 > 55%



4.2 Perancangan Flowchart
           Dalam sebuah system atau alat diperlukan perancangan cara kerja alat
   secara runtut mulai dari alat menyala hingga alat dimatikan, atau proses awal
   hingga akhir, rancangan ini sering disebut sebagai diagram alir atau flowchart.
   Flowchart dari alat ini dapat dilihat pada gambar 4.1.
Flowchart yang penulis buat terdiri dari Flowchart Hardware dan Flowchart
 Software, dalam flowchart hardware adalah menjelaskan bagaiamana proses
 alat bekerja sekaligus urutan proses pendeteksian hingga output dari alat.
 Sedangkan flowchart software adalah menjelaskan proses software dari mulai
 jenis pendeteksian hingga bermacam-macam atau jenis output yang dihasilkan
 berdasarkan dari proses deteksi sensor.




4.2.1   Flowchart Hardware

          MULAI



                             ON       Mikrokontroller ON
           Saklar


                                           Sensor ON
                OFF
          SELESAI

                                      Pembacaan Sensor



                                     Proses Hasil Output
                                     (LCD, Alarm, Kipas)



               Gambar 4.1 Flowchart Alat Detektor Asap Rokok
4.2.2   Flowchart Software

           Perancangan Algoritma Alat Detektor Asap Rokok



                         MULAI




           OFF           Cek
SELESAI                 Mikroko
                        ntroler


                             ON
                    INISIALISASI PORT



                         Sensor         YA
                                             LCD TAMPIL TULISAN   ALARM,    K1
                         0 – 1.5                 “ASAP TIPIS”     LED, ON   ON
                          Volt

                   TIDAK

                                        YA
                         Sensor              LCD TAMPIL TULISAN   ALARM,    K1   K2
                         1.5 – 3               “ASAP SEDANG”      LED, ON   ON   ON
                          Volt

                                                                                 K3
                  TIDAK                                                          ON

                         Sensor
                                        YA
                                             LCD TAMPIL TULISAN   ALARM,    K1   K2
                          3–5                   “ASAP TEBAL”      LED, ON   ON   ON
                          Volt
                   TIDAK



                   Gambar 4.2 Flowchart Sofware Pendeteksi Asap Rokok
Keterangan :

   Inisialisasi Port   = Pengaktifan Port Input Output Sensor dan Motor
   Cek Mikro           = Cek mikrokontroller ON atau OFF
   Sensor Rendah       = Nilai Sensor AF 30 : 0 – 1.5 Volt
   Sensor Sedang       = Nilai Sensor AF 30 : 1.6 – 3 Volt
   Sensor Tinggi       = Nilai Sensor AF 30 : 3.1 – 5 Volt
   Alarm ON            = Alarm berbunyi
   K1                  = Kipas 1 menyala
   K2                  = Kipas 2 menyala
   K3                  = Kipas 3 menyala


4.3 Kebutuhan Perangkat Keras dan Perangkat Lunak
            Kebutuhan perangkat keras atau hardware dan perangkat lunak atau
   software dari alat detector kebocoran gas LPG ini antara lain seperti pada tabel
   4.2 dan tabel 4.3
   A. Perangkat Keras
                               Tabel 4.2 Kebutuhan Perangkat Keras
                    NAMA
      NO                              SPESIFIKASI      Volume        Satuan
                PERANGKAT
        1    Processor                  Core 2 Duo           1       Buah
        2    Motherboard                Intel LGA            1       Buah
        3    Memory 2 GB                  DDR3               2       Buah
        4    Harddisk 500 GB             SATA 2              1       Buah
        5    Multimedia Card             Realtek             1       Buah
        6    Ethernet Card               Realtek             1       Buah
        7    Wireless Adapter            Atheros             1       Buah
        8    DT-HiQ USB ISP               AT89S              1       Buah
B. Perangkat Lunak
                           Tabel 4.3 Kebutuhan Perangkat Lunak
                NO     NAMA Perangkat                 SPESIFIKASI
                 1   Operating System          Windows XP Profesional
                 2   Text Editor               Notepad++
                 3   Assembly Compiler         Small Device C Compiler
                 4   Assembly Compiler         Codevision AVR
                 5   Word Editor               Microsoft Office Word
                 6   Data Calc                 Microsoft Office Excel
                 7   Document Reader           Adobe PDF Reader

4.4 Perancangan Perangkat Alat
     4.4.1     Perancangan Ruang Uji
             Ruang uji dipersiapkan untuk melakukan aktivitas mulai dari pembacaan
             sensor asap, uji coba sensor asap serta pemasangan alat dan tempat dari
             kipas-kipas buang dan alarm yang difungsikan sebagai indikator dari
             adanya asap rokok dan pembersihan dari asap rokok di ruangan tersebut
             yaitu dengan ukuran 40 x 25 x 15 cm yaitu antara lain :
             A. ALAT
                Tabel 4.4 Peralatan Tempat Uji Coba Sensor Asap
                NO       NAMA ALAT                    SPESIFIKASI
                 1   Cutter                    Ukuran sedang
                 2   Obeng Min (-)             4mm-9"
                 3   Obeng Plus (+)            4mm-9"
                 4   Spidol
                 5   Gunting                               -
                 6   Penggaris                             -
                 7   Cutter Kaca                     Pemotong Kaca
B. BAHAN
        Tabel 4.5 Bahan Perakitan Tempat Uji Coba
       NO       NAMA BAHAN             SPESIFIKASI     Volume         Satuan
         1   Kaca                         5 mm           2m             Pcs
         2   Lem                          Plastik         1             Pcs
         3   Lem kaca
         4   Kayu                              -          1             Pcs
         5   Siku alumunium                   3x3         1             Pcs
         6   Kipas                             -          3             Pcs

          Di bawah ini merupakan langkah-langkah yang penulis lakukan
   dalam perakitan papan uji coba :
1. Perancangan dangan menyiapkan dan memotong kaca dengan ukuran 40 x
   25 cm 2 buah
                                      40 cm


                    25 cm




                      Gambar 4.3 Papan kaca 40 x 25 cm


2. Perancangan dangan menyiapkan dan memotong kaca dengan ukuran 40 x
   15 cm 2 buah yang akan dibuat sebagai sisi depan dan belakang papan uji

                                      40 cm

                    15 cm




                      Gambar 4.4 Papan kaca 40 x 15 cm
3. Perancangan dangan menyiapkan dan memotong kaca dengan ukuran 25 x
   15 cm 2 buah yang akan dibuat sebagai sisi kanan dan kiri papan uji

                                       25 cm

                               15 cm




                       Gambar 4.5 Papan kaca 25 x 15 cm

4. Perancangan dan melobangi kaca atas papan uji dengan 3 lobang sebagai
   lobang dari 3 buah kipas.




            Gambar 4.6 Melubangi papan atas dengan 3 lubang kipas


5. Perancangan dengan memasang bahan-bahan perakitan seperti yang
   disebutkan dari langkah 1 – 4, maka dapat dilihat seperti pada gambar 4.6




                      Gambar 4.7 Hasil Perakitan Papan Uji
6. Perancangan dengan pemasangan 3 buah kipas pada atas papan uji




           Gambar 4.8 Pemasangan Kipas pada papan Uji


4.4.2     Perancangan Perangkat Sensor AF 30
                     Perakitan perangkat sensor asap dibuat dengan menggunakan
        peralatan-peralatan elektronika dengan alat dan bahan pada tabel 4.5 dan
        tabel 4.6


        A. ALAT
           Tabel 4.6 Peralatan Perakitan Sensor Asap
           NO           NAMA ALAT               SPESIFIKASI
            1       Cutter                Ukuran sedang
            2       Obeng Min (-)         4mm-9"
            3       Obeng Plus (+)        4mm-9"
            4       Avometer                           -
            5       Solder                       30 / 40 Watt
            6       Penggaris                          -
            7       Pensil                             -
            8       Spidol                             -
            9       Selotip                            -
           10       Bor kecil                          -
B. BAHAN
        Tabel 4.7 Bahan Perakitan Perancangan Sensor Asap
        NO       NAMA BAHAN          SPESIFIKASI     Volume        Satuan
         1    Sensor                    AF 30           1          Buah
         2    Tenol                     20 mm           1          Roll
         3    PCB Lubang                20 cm           1          Buah
         4    Kabel Merah                5 mm           1          Meter
         5    Kabel Putih                5 mm           1          meter
         6    Resistor                  330 Ω           8          Buah

        Di bawah ini merupakan langkah-langkah yang penulis lakukan dalam
perakitan Sensor AF 30 :
     1. Perancangan dengan mempersiapkan alat dan bahan secara lengkap
     2. Pembuatan rangkaian rancangan pembaca sensor asap dengan
        membuat rancangan rangkaian seperti pada gambar 4.8




                Gambar 4.9 Rangkaian Pengaktifan Sensor AF 30


     3. Perancangan pemasangan sensor AF 30 pada papan atau media uji
        coba dipasangkan pada bagian atap atau samping dari ruangan uji,
        seperti pada gambar 4.10
AF 30
           Media Uji




                       Gambar 4.10 Perancangan Penempatan Sensor


        Sensor yang dihubungkan dengan perangkat board mikrokontroller
        AT89S52 kemudian diletakkan pada bagian dinding atau atap dari media
        uji coba, atau dapat dilihat pada gambar 4.10 untuk lebih jelasnya.


                                                                         AF 30
            Media Uji




                 Gambar 4.11 Pemasangan Sensor, Board dan Papan Uji


4.4.3   Perancangan Perangkat Board Mikrokontroller
        Perangkat board mikrokontroller difungsikan untuk menghubungkan
        mikrokontroller dengan semua input output perangkat yang digunakan
        dalam proses pengenalan ranjau darat, yaitu seperti perangkat sensor
        sebagai input-nya dan lengan robot sebagai output-nya. Perangkat board
        mikrokontroller   dibuat    dengan    menggunakan      peralatan-peralatan
        elektronika dengan alat dan bahan pada tabel 4.8 dan tabel 4.9
A. ALAT
  Tabel 4.8 Peralatan Perakitan Board Mikrokontroller
  NO       NAMA ALAT                     SPESIFIKASI
   1   Cutter                   Ukuran sedang
   2   Obeng Min (-)            4mm-9"
   3   Obeng Plus (+)           4mm-9"
   4   Avometer                              -
   5   Solder                          30 / 40 Watt
   6   Penggaris                             -
   7   Larutan Fericlorit                    -
   8   Spidol                                -
   9   Selotip                               -
  10   Bor kecil                             -

B. BAHAN
  Tabel 4.9 Bahan Perakitan Perancangan Board Mikrokontroller
  NO    NAMA BAHAN          SPESIFIKASI       Vol   Satuan         Ket
  1    IC AT89S52               40 Pin         1      Buah   Mikrokontroller
  2    Resistor 1/4watt           6K           1      Buah   Penghambat arus
  3    Resistor 1/4watt          10 K          1      Buah   Penghambat arus
                                                      Roll   IC Regulator
       IC LM7805                 CT
  4                                            1             Tegangan
                                                      Buah   Penyimpan
       Kapasitor keramik         30pF
  5                                            2             tegangan
                                                      Buah   Penyimpan
       Kapasitor              470uF/25V
   6                                           1             tegangan
   7   LED warna merah          5mm            1      Buah   Lampu indikator
   8   LED warna hijau          5mm            1      Buah   Lampu indikator
   9   LED warna kuning         5 mm           1      Buah   Lampu indikator
  10   D-Plug 2-pin           9-12VAC          1      Buah   Input power
                                                      Buah   Input / Output
  11   Pin Header                8 pin
                                               2             Sensor
                                                      Buah   Timer
  12   Crystal               11.050 Mhz
                                               1             mikrokontroller
  13   Tombol reset              kecil         1      Buah   Tombol Reset
                                                      Buah   Untuk mengubah
  14   Jumper Program            2 pin                       ke mode
                                               1             pemprograman
Di bawah ini merupakan langkah-langkah yang penulis lakukan dalam
pembuatan board mikro AT89S52:
   1. Perancangan dengan mempersiapkan alat dan bahan secara lengkap
   2. Perancangan pembuatan jalur-jalur dan letak komponen, seperti pada
      gambar 4.11
   3. Perancangan peletakan komponen pada rancangan rangkaian gambar
      4.11 kepada PCB polos, hasil dari rancangan peletakan penulis
      tampilkan pada gambar 4.12
   4. Perancangan dilanjutkan dengan menuliskan gambar 4.11 pada PCB
      polos yang telah dipersiapkan




     Gambar 4.12 Rancangan Board Rangkaian Mikrokontroller AT89S52
     Sumber : http://mikrokontroler.sekoteng.com/tulisan/2009/08/09/belajar-
       at89s51at89s52-rangkaian-dasar/#more-50 (online, 23 Oktober 2012)
Gambar 4.13 Rancangan Peletakkan Komponen


5. Kemudian perancangan dilanjutkan dengan menyiapkan wadah
   berukuran sesuai PCB yang dibuat dan isi air tidak banyak (kira-kira
   menenggelamkan PCB). Air untuk pelarutan ini dapat air biasa atau air
   panas.
6. Selanjutnya penulis melarutkan bubuk atau bongkahan FeCl3 dan
   menunggu sampai larutan bercampur.
7. Sebelum dimasukkan ke dalam larutan penulis memastikan jalur PCB
   (hasil sablon) tidak ada yang salah atau kasus lain seperti jalur
   menyambung dan jalur yang tipis. Selanjutnya masukkan PCB dalam
   larutan.
8. Setelah dimasukkan maka penulis menunggu dalam waktu 10-15
   menit atau hingga semua lapisan yang tidak terpakai terkelupas.
   Penulis juga melakukan dengan menggoyang-goyangkan wadah untuk
   mempercepat proses. Pada proses ini perlu diperhatikan juga apakah
tinta pada jalur ada yang pudar. Jika terdapat yang demikian, perbaiki
         terlebih dahulu jalur tersebut dengan pena atau spidol permanen.
      9. Setelah selesai penulis melihat kembali apakah lapisan tembaga yang
         tidak terpakai sudah hilang bersih atau belum. Jika sudah, maka PCB
         akan penulis angkat dan bersihkan sisa-sisa larutannya dengan air
         bersih.
      10. Terakhir penulis lakukan pengeboran dengan mini drill lubang-lubang
         pin/kaki-kaki komponen. Setelah Pelubangan selesai, penulis kembali
         membersihkan lagi jalur PCB dengan thinner, bensin, atau amplas. Ini
         bertujuan untuk memudahkan penulis dalam proses penyolderan
         nantinya.
      11. Penulis melakukan penyolderan komponen-komponen elektronika
         pada PCB sesuai dengan keterangan komponen.


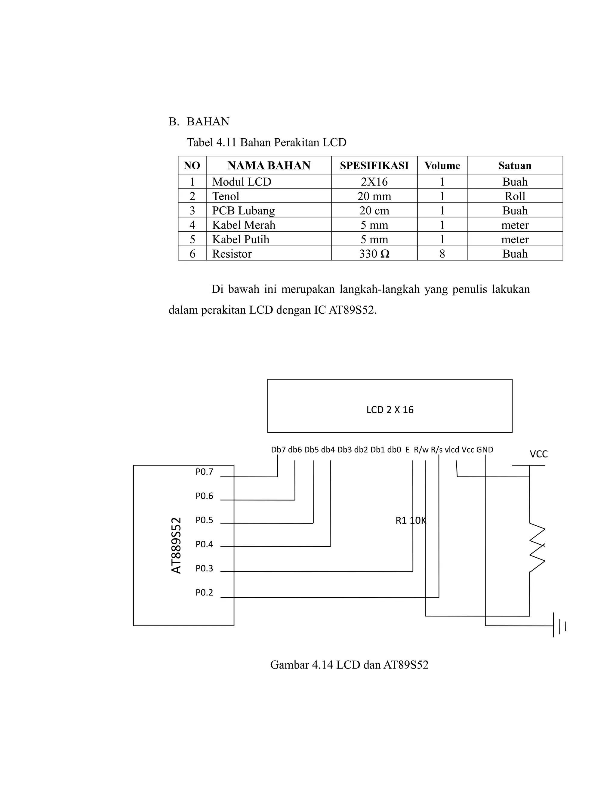
5.4.3 Perancangan LCD
         LCD sebagai papan informasi dan penanda dari konsentrasi Asap
    rokok menunjukkan Level Tipis, Sedang dan Tebal. LCD dirakit dengan
    peralatan alat dan bahan sebagai berikut :
      A. ALAT
         Tabel 4.10 Peralatan Perakitan LCD
         NO        NAMA ALAT                     SPESIFIKASI
          1    Cutter                    Ukuran sedang
          2    Obeng Min (-)             4mm-9"
          3    Obeng Plus (+)            4mm-9"
          4    Avometer                               -
          5    Solder                           30 / 40 Watt
          6    Penggaris                              -
          7    Pensil                                 -
          8    Spidol                                 -
          9    Selotip                                -
         10    Bor kecil                              -
B. BAHAN
           Tabel 4.11 Bahan Perakitan LCD
       NO         NAMA BAHAN              SPESIFIKASI          Volume              Satuan
           1   Modul LCD                       2X16               1                Buah
           2   Tenol                          20 mm               1                Roll
           3   PCB Lubang                     20 cm               1                Buah
           4   Kabel Merah                     5 mm               1                meter
           5   Kabel Putih                     5 mm               1                meter
           6   Resistor                       330 Ω               8                Buah

               Di bawah ini merupakan langkah-langkah yang penulis lakukan
dalam perakitan LCD dengan IC AT89S52.




                                                 LCD 2 X 16


                          Db7 db6 Db5 db4 Db3 db2 Db1 db0 E R/w R/s vlcd Vcc GND
                                                                                           VCC
            P0.7

            P0.6

            P0.5                                        R1 10K
AT889S52




            P0.4

            P0.3

            P0.2




                          Gambar 4.14 LCD dan AT89S52
6.4.3 Perancangan Alarm
         Alarm digunakan sebagai penanda apabila asap terdeteksi pada level
    Tipis, Sedang dan Tebal. Alarm dibuat dengan menggunakan rangkaian
    alarm di pasaran dengan rangkaian dihubungkan pada AT89S52 atau sesuai
    dengan gambar rangkaian pada gambar 4.15. dan perancangan peralatan alat
    dan bahan sebagai berikut :


      A. ALAT
         Tabel 4.12 Peralatan Perakitan Alarm.
         NO       NAMA ALAT                    SPESIFIKASI
          1   Cutter                   Ukuran sedang
          2   Obeng Min (-)            4mm-9"
          3   Obeng Plus (+)           4mm-9"
          4   Avometer                              -
          5   Solder                          30 / 40 Watt
          6   Penggaris                             -
          7   Pensil                                -
          8   Spidol                                -
          9   Selotip                               -
         10   Bor kecil                             -

      B. BAHAN
         Tabel 4.13 Bahan Perakitan Alarm.
         NO      NAMA BAHAN            SPESIFIKASI      Volume       Satuan
          1   Modul Speker                    2 inc          1        Buah
          2   Tenol                          20 mm           1        Roll
          3   PCB Lubang                     20 cm           1        Buah
          4   Kabel Kuning                    5 mm           1        meter
          5   Kabel Putih                     5 mm           1        meter
          6   Resistor                       340 Ω           2        Buah
Mikrokontroler

  AT89S52



          P2.7




                 Gambar 4.15 Gambar Rangkaian Alarm
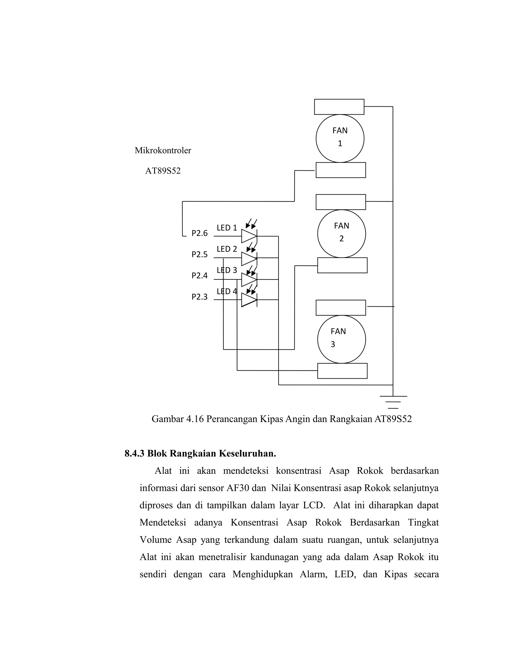
7.4.3   Pemasangan Modul Kipas Angin atau Kipas Pembuangan.
        Kipas angin atau kipas buang berfungsi untuk membuang konsentrasi
   asap rokok di dalam ruangan, metode kerja dari kipas buang adalah :
   apabila Konsentrasi asap Tipis maka Kipas 1 akan berputar, dan bila
   Konsentrasi asap Sedang maka Kipas 1 dan 2 akan berputar, Terakhir bila
   konsentrasi asap rokok tebal maka kipas 1,2 dan 3 akan berputar bersama-
   sama. Rangkaian kipas buang dibuat dengan menghubungkan kepada
   mikrokontroller AT89S52, setelah perhitungan dari jumlah nilai inputan
   dari sensor AF 30. dan perancangan peralatan alat dan bahan sebagai
   berikut :
   A. ALAT
        Tabel 4.14 Peralatan Perakitan Kipas.
        NO         NAMA ALAT                    SPESIFIKASI
         1     Cutter                 Ukuran sedang
         2     Obeng Min (-)          4mm-9"
         3     Obeng Plus (+)         4mm-9"
         4     Avometer                            -
         5     Solder                        30 / 40 Watt
         6     Penggaris                           -
         7     Pensil                              -
         8     Spidol                              -
         9     Selotip                             -
        10     Bor kecil                           -

   B. BAHAN
        Tabel 4.15 Bahan Perakitan Kipas
        NO       NAMA BAHAN            SPESIFIKASI      Volume      Satuan
        1      Modul Kipas                 4 inc              3      Buah
                                       Hijau, merah,
        2      LED                     Kuning, Biru.          4      Buah
        3      Tenol                      20 mm               1      Roll
        4      Kabel Hijau                 5 mm               1      meter
        5      Kabel Abu-abu               5 mm               1      meter
        6      Resistor                   340 Ω               2      Buah
FAN
                                                 1
  Mikrokontroler

    AT89S52




                          LED 1                  FAN
                   P2.6
                                                  2
                          LED 2
                   P2.5
                          LED 3
                   P2.4
                          LED 4
                   P2.3


                                                FAN
                                                3




      Gambar 4.16 Perancangan Kipas Angin dan Rangkaian AT89S52


8.4.3 Blok Rangkaian Keseluruhan.
      Alat ini akan mendeteksi konsentrasi Asap Rokok berdasarkan
   informasi dari sensor AF30 dan Nilai Konsentrasi asap Rokok selanjutnya
   diproses dan di tampilkan dalam layar LCD. Alat ini diharapkan dapat
   Mendeteksi adanya Konsentrasi Asap Rokok Berdasarkan Tingkat
   Volume Asap yang terkandung dalam suatu ruangan, untuk selanjutnya
   Alat ini akan menetralisir kandunagan yang ada dalam Asap Rokok itu
   sendiri dengan cara Menghidupkan Alarm, LED, dan Kipas secara
otomatis tergantung dari Volume asap Rokok yang terkandung dalam
suatu ruangan. Oleh karena itu Alat ini dinamakan “Alat Pendeteksi Asap
Rokok”. Gambar 4.17 menampilkan blok rangkaian yang akan dibuat:




  Gambar 4.17 Blok Rangkaian Alat pendeteksi asap Rokok

Bab iv andri

  • 1.
    BAB IV ANALISIS DAN PERANCANGAN SISTEM 4.1.Analisis Data Data diperoleh dari penelitian sensor seperti yang penulis lakukan pada bagian sebelumnya pada BAB III. Pada BAB tersebut penulis menggunakan media uji yaitu ruangan dengan ukuran 3 x 4 x 3 meter. Kemudian dari ruangan tersebut penulis melakukan aktivitas merokok dengan jumlah perokok adalah 1 orang sebagai simulasi keadaan ada asap rokok. Kemudian didapat analisis sebagai berikut : Tabel 4.1 Tabel Analisis Data Pengujian Konsentrasi Keterangan No Volume Durasi Asap Gas H2O : CO2 1 Asap tipis 5-10 detik 20% 80 : 20 2 Asap sedang 10 – 20 detik 25 - 50% 60 : 40 3 Asap Tebal > 20 detik > 50% CO2 > 55% 4.2 Perancangan Flowchart Dalam sebuah system atau alat diperlukan perancangan cara kerja alat secara runtut mulai dari alat menyala hingga alat dimatikan, atau proses awal hingga akhir, rancangan ini sering disebut sebagai diagram alir atau flowchart. Flowchart dari alat ini dapat dilihat pada gambar 4.1.
  • 2.
    Flowchart yang penulisbuat terdiri dari Flowchart Hardware dan Flowchart Software, dalam flowchart hardware adalah menjelaskan bagaiamana proses alat bekerja sekaligus urutan proses pendeteksian hingga output dari alat. Sedangkan flowchart software adalah menjelaskan proses software dari mulai jenis pendeteksian hingga bermacam-macam atau jenis output yang dihasilkan berdasarkan dari proses deteksi sensor. 4.2.1 Flowchart Hardware MULAI ON Mikrokontroller ON Saklar Sensor ON OFF SELESAI Pembacaan Sensor Proses Hasil Output (LCD, Alarm, Kipas) Gambar 4.1 Flowchart Alat Detektor Asap Rokok
  • 3.
    4.2.2 Flowchart Software Perancangan Algoritma Alat Detektor Asap Rokok MULAI OFF Cek SELESAI Mikroko ntroler ON INISIALISASI PORT Sensor YA LCD TAMPIL TULISAN ALARM, K1 0 – 1.5 “ASAP TIPIS” LED, ON ON Volt TIDAK YA Sensor LCD TAMPIL TULISAN ALARM, K1 K2 1.5 – 3 “ASAP SEDANG” LED, ON ON ON Volt K3 TIDAK ON Sensor YA LCD TAMPIL TULISAN ALARM, K1 K2 3–5 “ASAP TEBAL” LED, ON ON ON Volt TIDAK Gambar 4.2 Flowchart Sofware Pendeteksi Asap Rokok
  • 4.
    Keterangan : Inisialisasi Port = Pengaktifan Port Input Output Sensor dan Motor Cek Mikro = Cek mikrokontroller ON atau OFF Sensor Rendah = Nilai Sensor AF 30 : 0 – 1.5 Volt Sensor Sedang = Nilai Sensor AF 30 : 1.6 – 3 Volt Sensor Tinggi = Nilai Sensor AF 30 : 3.1 – 5 Volt Alarm ON = Alarm berbunyi K1 = Kipas 1 menyala K2 = Kipas 2 menyala K3 = Kipas 3 menyala 4.3 Kebutuhan Perangkat Keras dan Perangkat Lunak Kebutuhan perangkat keras atau hardware dan perangkat lunak atau software dari alat detector kebocoran gas LPG ini antara lain seperti pada tabel 4.2 dan tabel 4.3 A. Perangkat Keras Tabel 4.2 Kebutuhan Perangkat Keras NAMA NO SPESIFIKASI Volume Satuan PERANGKAT 1 Processor Core 2 Duo 1 Buah 2 Motherboard Intel LGA 1 Buah 3 Memory 2 GB DDR3 2 Buah 4 Harddisk 500 GB SATA 2 1 Buah 5 Multimedia Card Realtek 1 Buah 6 Ethernet Card Realtek 1 Buah 7 Wireless Adapter Atheros 1 Buah 8 DT-HiQ USB ISP AT89S 1 Buah
  • 5.
    B. Perangkat Lunak Tabel 4.3 Kebutuhan Perangkat Lunak NO NAMA Perangkat SPESIFIKASI 1 Operating System Windows XP Profesional 2 Text Editor Notepad++ 3 Assembly Compiler Small Device C Compiler 4 Assembly Compiler Codevision AVR 5 Word Editor Microsoft Office Word 6 Data Calc Microsoft Office Excel 7 Document Reader Adobe PDF Reader 4.4 Perancangan Perangkat Alat 4.4.1 Perancangan Ruang Uji Ruang uji dipersiapkan untuk melakukan aktivitas mulai dari pembacaan sensor asap, uji coba sensor asap serta pemasangan alat dan tempat dari kipas-kipas buang dan alarm yang difungsikan sebagai indikator dari adanya asap rokok dan pembersihan dari asap rokok di ruangan tersebut yaitu dengan ukuran 40 x 25 x 15 cm yaitu antara lain : A. ALAT Tabel 4.4 Peralatan Tempat Uji Coba Sensor Asap NO NAMA ALAT SPESIFIKASI 1 Cutter Ukuran sedang 2 Obeng Min (-) 4mm-9" 3 Obeng Plus (+) 4mm-9" 4 Spidol 5 Gunting - 6 Penggaris - 7 Cutter Kaca Pemotong Kaca
  • 6.
    B. BAHAN Tabel 4.5 Bahan Perakitan Tempat Uji Coba NO NAMA BAHAN SPESIFIKASI Volume Satuan 1 Kaca 5 mm 2m Pcs 2 Lem Plastik 1 Pcs 3 Lem kaca 4 Kayu - 1 Pcs 5 Siku alumunium 3x3 1 Pcs 6 Kipas - 3 Pcs Di bawah ini merupakan langkah-langkah yang penulis lakukan dalam perakitan papan uji coba : 1. Perancangan dangan menyiapkan dan memotong kaca dengan ukuran 40 x 25 cm 2 buah 40 cm 25 cm Gambar 4.3 Papan kaca 40 x 25 cm 2. Perancangan dangan menyiapkan dan memotong kaca dengan ukuran 40 x 15 cm 2 buah yang akan dibuat sebagai sisi depan dan belakang papan uji 40 cm 15 cm Gambar 4.4 Papan kaca 40 x 15 cm
  • 7.
    3. Perancangan danganmenyiapkan dan memotong kaca dengan ukuran 25 x 15 cm 2 buah yang akan dibuat sebagai sisi kanan dan kiri papan uji 25 cm 15 cm Gambar 4.5 Papan kaca 25 x 15 cm 4. Perancangan dan melobangi kaca atas papan uji dengan 3 lobang sebagai lobang dari 3 buah kipas. Gambar 4.6 Melubangi papan atas dengan 3 lubang kipas 5. Perancangan dengan memasang bahan-bahan perakitan seperti yang disebutkan dari langkah 1 – 4, maka dapat dilihat seperti pada gambar 4.6 Gambar 4.7 Hasil Perakitan Papan Uji
  • 8.
    6. Perancangan denganpemasangan 3 buah kipas pada atas papan uji Gambar 4.8 Pemasangan Kipas pada papan Uji 4.4.2 Perancangan Perangkat Sensor AF 30 Perakitan perangkat sensor asap dibuat dengan menggunakan peralatan-peralatan elektronika dengan alat dan bahan pada tabel 4.5 dan tabel 4.6 A. ALAT Tabel 4.6 Peralatan Perakitan Sensor Asap NO NAMA ALAT SPESIFIKASI 1 Cutter Ukuran sedang 2 Obeng Min (-) 4mm-9" 3 Obeng Plus (+) 4mm-9" 4 Avometer - 5 Solder 30 / 40 Watt 6 Penggaris - 7 Pensil - 8 Spidol - 9 Selotip - 10 Bor kecil -
  • 9.
    B. BAHAN Tabel 4.7 Bahan Perakitan Perancangan Sensor Asap NO NAMA BAHAN SPESIFIKASI Volume Satuan 1 Sensor AF 30 1 Buah 2 Tenol 20 mm 1 Roll 3 PCB Lubang 20 cm 1 Buah 4 Kabel Merah 5 mm 1 Meter 5 Kabel Putih 5 mm 1 meter 6 Resistor 330 Ω 8 Buah Di bawah ini merupakan langkah-langkah yang penulis lakukan dalam perakitan Sensor AF 30 : 1. Perancangan dengan mempersiapkan alat dan bahan secara lengkap 2. Pembuatan rangkaian rancangan pembaca sensor asap dengan membuat rancangan rangkaian seperti pada gambar 4.8 Gambar 4.9 Rangkaian Pengaktifan Sensor AF 30 3. Perancangan pemasangan sensor AF 30 pada papan atau media uji coba dipasangkan pada bagian atap atau samping dari ruangan uji, seperti pada gambar 4.10
  • 10.
    AF 30 Media Uji Gambar 4.10 Perancangan Penempatan Sensor Sensor yang dihubungkan dengan perangkat board mikrokontroller AT89S52 kemudian diletakkan pada bagian dinding atau atap dari media uji coba, atau dapat dilihat pada gambar 4.10 untuk lebih jelasnya. AF 30 Media Uji Gambar 4.11 Pemasangan Sensor, Board dan Papan Uji 4.4.3 Perancangan Perangkat Board Mikrokontroller Perangkat board mikrokontroller difungsikan untuk menghubungkan mikrokontroller dengan semua input output perangkat yang digunakan dalam proses pengenalan ranjau darat, yaitu seperti perangkat sensor sebagai input-nya dan lengan robot sebagai output-nya. Perangkat board mikrokontroller dibuat dengan menggunakan peralatan-peralatan elektronika dengan alat dan bahan pada tabel 4.8 dan tabel 4.9
  • 11.
    A. ALAT Tabel 4.8 Peralatan Perakitan Board Mikrokontroller NO NAMA ALAT SPESIFIKASI 1 Cutter Ukuran sedang 2 Obeng Min (-) 4mm-9" 3 Obeng Plus (+) 4mm-9" 4 Avometer - 5 Solder 30 / 40 Watt 6 Penggaris - 7 Larutan Fericlorit - 8 Spidol - 9 Selotip - 10 Bor kecil - B. BAHAN Tabel 4.9 Bahan Perakitan Perancangan Board Mikrokontroller NO NAMA BAHAN SPESIFIKASI Vol Satuan Ket 1 IC AT89S52 40 Pin 1 Buah Mikrokontroller 2 Resistor 1/4watt 6K 1 Buah Penghambat arus 3 Resistor 1/4watt 10 K 1 Buah Penghambat arus Roll IC Regulator IC LM7805 CT 4 1 Tegangan Buah Penyimpan Kapasitor keramik 30pF 5 2 tegangan Buah Penyimpan Kapasitor 470uF/25V 6 1 tegangan 7 LED warna merah 5mm 1 Buah Lampu indikator 8 LED warna hijau 5mm 1 Buah Lampu indikator 9 LED warna kuning 5 mm 1 Buah Lampu indikator 10 D-Plug 2-pin 9-12VAC 1 Buah Input power Buah Input / Output 11 Pin Header 8 pin 2 Sensor Buah Timer 12 Crystal 11.050 Mhz 1 mikrokontroller 13 Tombol reset kecil 1 Buah Tombol Reset Buah Untuk mengubah 14 Jumper Program 2 pin ke mode 1 pemprograman
  • 12.
    Di bawah inimerupakan langkah-langkah yang penulis lakukan dalam pembuatan board mikro AT89S52: 1. Perancangan dengan mempersiapkan alat dan bahan secara lengkap 2. Perancangan pembuatan jalur-jalur dan letak komponen, seperti pada gambar 4.11 3. Perancangan peletakan komponen pada rancangan rangkaian gambar 4.11 kepada PCB polos, hasil dari rancangan peletakan penulis tampilkan pada gambar 4.12 4. Perancangan dilanjutkan dengan menuliskan gambar 4.11 pada PCB polos yang telah dipersiapkan Gambar 4.12 Rancangan Board Rangkaian Mikrokontroller AT89S52 Sumber : http://mikrokontroler.sekoteng.com/tulisan/2009/08/09/belajar- at89s51at89s52-rangkaian-dasar/#more-50 (online, 23 Oktober 2012)
  • 13.
    Gambar 4.13 RancanganPeletakkan Komponen 5. Kemudian perancangan dilanjutkan dengan menyiapkan wadah berukuran sesuai PCB yang dibuat dan isi air tidak banyak (kira-kira menenggelamkan PCB). Air untuk pelarutan ini dapat air biasa atau air panas. 6. Selanjutnya penulis melarutkan bubuk atau bongkahan FeCl3 dan menunggu sampai larutan bercampur. 7. Sebelum dimasukkan ke dalam larutan penulis memastikan jalur PCB (hasil sablon) tidak ada yang salah atau kasus lain seperti jalur menyambung dan jalur yang tipis. Selanjutnya masukkan PCB dalam larutan. 8. Setelah dimasukkan maka penulis menunggu dalam waktu 10-15 menit atau hingga semua lapisan yang tidak terpakai terkelupas. Penulis juga melakukan dengan menggoyang-goyangkan wadah untuk mempercepat proses. Pada proses ini perlu diperhatikan juga apakah
  • 14.
    tinta pada jalurada yang pudar. Jika terdapat yang demikian, perbaiki terlebih dahulu jalur tersebut dengan pena atau spidol permanen. 9. Setelah selesai penulis melihat kembali apakah lapisan tembaga yang tidak terpakai sudah hilang bersih atau belum. Jika sudah, maka PCB akan penulis angkat dan bersihkan sisa-sisa larutannya dengan air bersih. 10. Terakhir penulis lakukan pengeboran dengan mini drill lubang-lubang pin/kaki-kaki komponen. Setelah Pelubangan selesai, penulis kembali membersihkan lagi jalur PCB dengan thinner, bensin, atau amplas. Ini bertujuan untuk memudahkan penulis dalam proses penyolderan nantinya. 11. Penulis melakukan penyolderan komponen-komponen elektronika pada PCB sesuai dengan keterangan komponen. 5.4.3 Perancangan LCD LCD sebagai papan informasi dan penanda dari konsentrasi Asap rokok menunjukkan Level Tipis, Sedang dan Tebal. LCD dirakit dengan peralatan alat dan bahan sebagai berikut : A. ALAT Tabel 4.10 Peralatan Perakitan LCD NO NAMA ALAT SPESIFIKASI 1 Cutter Ukuran sedang 2 Obeng Min (-) 4mm-9" 3 Obeng Plus (+) 4mm-9" 4 Avometer - 5 Solder 30 / 40 Watt 6 Penggaris - 7 Pensil - 8 Spidol - 9 Selotip - 10 Bor kecil -
  • 15.
    B. BAHAN Tabel 4.11 Bahan Perakitan LCD NO NAMA BAHAN SPESIFIKASI Volume Satuan 1 Modul LCD 2X16 1 Buah 2 Tenol 20 mm 1 Roll 3 PCB Lubang 20 cm 1 Buah 4 Kabel Merah 5 mm 1 meter 5 Kabel Putih 5 mm 1 meter 6 Resistor 330 Ω 8 Buah Di bawah ini merupakan langkah-langkah yang penulis lakukan dalam perakitan LCD dengan IC AT89S52. LCD 2 X 16 Db7 db6 Db5 db4 Db3 db2 Db1 db0 E R/w R/s vlcd Vcc GND VCC P0.7 P0.6 P0.5 R1 10K AT889S52 P0.4 P0.3 P0.2 Gambar 4.14 LCD dan AT89S52
  • 16.
    6.4.3 Perancangan Alarm Alarm digunakan sebagai penanda apabila asap terdeteksi pada level Tipis, Sedang dan Tebal. Alarm dibuat dengan menggunakan rangkaian alarm di pasaran dengan rangkaian dihubungkan pada AT89S52 atau sesuai dengan gambar rangkaian pada gambar 4.15. dan perancangan peralatan alat dan bahan sebagai berikut : A. ALAT Tabel 4.12 Peralatan Perakitan Alarm. NO NAMA ALAT SPESIFIKASI 1 Cutter Ukuran sedang 2 Obeng Min (-) 4mm-9" 3 Obeng Plus (+) 4mm-9" 4 Avometer - 5 Solder 30 / 40 Watt 6 Penggaris - 7 Pensil - 8 Spidol - 9 Selotip - 10 Bor kecil - B. BAHAN Tabel 4.13 Bahan Perakitan Alarm. NO NAMA BAHAN SPESIFIKASI Volume Satuan 1 Modul Speker 2 inc 1 Buah 2 Tenol 20 mm 1 Roll 3 PCB Lubang 20 cm 1 Buah 4 Kabel Kuning 5 mm 1 meter 5 Kabel Putih 5 mm 1 meter 6 Resistor 340 Ω 2 Buah
  • 17.
    Mikrokontroler AT89S52 P2.7 Gambar 4.15 Gambar Rangkaian Alarm
  • 18.
    7.4.3 Pemasangan Modul Kipas Angin atau Kipas Pembuangan. Kipas angin atau kipas buang berfungsi untuk membuang konsentrasi asap rokok di dalam ruangan, metode kerja dari kipas buang adalah : apabila Konsentrasi asap Tipis maka Kipas 1 akan berputar, dan bila Konsentrasi asap Sedang maka Kipas 1 dan 2 akan berputar, Terakhir bila konsentrasi asap rokok tebal maka kipas 1,2 dan 3 akan berputar bersama- sama. Rangkaian kipas buang dibuat dengan menghubungkan kepada mikrokontroller AT89S52, setelah perhitungan dari jumlah nilai inputan dari sensor AF 30. dan perancangan peralatan alat dan bahan sebagai berikut : A. ALAT Tabel 4.14 Peralatan Perakitan Kipas. NO NAMA ALAT SPESIFIKASI 1 Cutter Ukuran sedang 2 Obeng Min (-) 4mm-9" 3 Obeng Plus (+) 4mm-9" 4 Avometer - 5 Solder 30 / 40 Watt 6 Penggaris - 7 Pensil - 8 Spidol - 9 Selotip - 10 Bor kecil - B. BAHAN Tabel 4.15 Bahan Perakitan Kipas NO NAMA BAHAN SPESIFIKASI Volume Satuan 1 Modul Kipas 4 inc 3 Buah Hijau, merah, 2 LED Kuning, Biru. 4 Buah 3 Tenol 20 mm 1 Roll 4 Kabel Hijau 5 mm 1 meter 5 Kabel Abu-abu 5 mm 1 meter 6 Resistor 340 Ω 2 Buah
  • 19.
    FAN 1 Mikrokontroler AT89S52 LED 1 FAN P2.6 2 LED 2 P2.5 LED 3 P2.4 LED 4 P2.3 FAN 3 Gambar 4.16 Perancangan Kipas Angin dan Rangkaian AT89S52 8.4.3 Blok Rangkaian Keseluruhan. Alat ini akan mendeteksi konsentrasi Asap Rokok berdasarkan informasi dari sensor AF30 dan Nilai Konsentrasi asap Rokok selanjutnya diproses dan di tampilkan dalam layar LCD. Alat ini diharapkan dapat Mendeteksi adanya Konsentrasi Asap Rokok Berdasarkan Tingkat Volume Asap yang terkandung dalam suatu ruangan, untuk selanjutnya Alat ini akan menetralisir kandunagan yang ada dalam Asap Rokok itu sendiri dengan cara Menghidupkan Alarm, LED, dan Kipas secara
  • 20.
    otomatis tergantung dariVolume asap Rokok yang terkandung dalam suatu ruangan. Oleh karena itu Alat ini dinamakan “Alat Pendeteksi Asap Rokok”. Gambar 4.17 menampilkan blok rangkaian yang akan dibuat: Gambar 4.17 Blok Rangkaian Alat pendeteksi asap Rokok