Рекомендовано Міністерством освіти і науки України
(Лист Міністерства освіти і науки України
№ 1/11-2805 від 07.07.03.)
Видано за рахунок державних коштів. Продаж заборонено.
Права авторів та видавничі права УВЦ «Школяр» захищені
Законом України «Про авторське право і суміжні права» від
23.12.1993 р.
Друковане копіювання книги або її частини, будь-які інші
контрафактні видання тягнуть за собою відповідальність згідно зі
ст. 44 п. 1.3 цього Закону.
Сидоренко В. К.
С34 Креслення: Підруч. для учнів загальноосвіт. навч. закл.—
К.: Школяр, 2004.— 239 с.: іл.
І5 І^ 966-7117-60-Х.
ББК ЗО. 11я721
© В. К. Сидоренко, 2003
© УВЦ «Школяр», 2003
© Видавництво «Школяр»,
13ВN 966-7117-60-Х художнє оформлення, 2004
ВСТУП
Для сучасної людини мовне та письмове спілкування є
звичною і постійною життєвою потребою. Проте ще набага
то раніше, ніж з’явилася писемність, люди навчилися вико
нувати графічні зображення. Поблизу іспанського селища
Альтаміра збереглася печера — житло первісної людини, на
стінах якої зображено сцени полювання на бізонів. У Сибіру
н передгір’ях Алатау знайдено графічні зображення людей і
звірів на скелях, виконані людиною понад 30 тисяч років то
му. Ці та інші приклади свідчать про те, що спочатку люди
намагалися графічно відображати свої враження і бачення
навколишнього світу. Поступово виконувані людиною гра­
фічні зображення удосконалювались, ставали більш свідо­
мими і виразними — з’явилися зображення знарядь праці,
плани поселень, храмів тощо. Першим з таких зображень
вважається зображення будівлі у розрізі на глиняній таб­
личці (Новий Вавилон, 2400 р. до н. е.). Складність архітек­
тури палаців, храмів, укріплень та інших споруд у країнах
стародавньої культури (Стародавній Єгипет, Вавилон, Гре­
ція) дають підстави вважати, що вони будувались на основі
креслень.
Вся історія розвитку людського суспільства була тісно по­
в’язана з удосконаленням мистецтва виконання зображень.
Але завжди слід пам’ятати, що поява креслень обумовлена
потребами практичної діяльності людини.
Наскельні зображення людина виконувала шматочком
вугілля, взятим із залишків вогнища. Прообраз сучасного
олівця з’явився пізніше, за доби старогрецької культури: це
були графітові палички. Ще пізніше почали застосовувати
палички чи загострені кружечки із свинцю або срібла, які
також залишали добре помітні сліди на поверхнях твердих
предметів. Відомо, що такими «олівцями» користувався
Леонардо да Вінчі.
Перший «справжній» олівець було виготовлено в Англії
у 1565 р., коли у графстві Камберленд знайшли поклади гра­
фіту. Місцеві майстри здогадалися розпилювати кристали
графіту начтоненькі стержні і вставляти їх у дерев’яні палич-
3
нїї іі итжфими. Ми жаль, поклади графіту швидко скінчи-
,мпси.
Утрпт. олівець «народився» наприкінці XVIII ст., коли
француз Ніколя Ж ак Конте запропонував спосіб «одягати»
графітовий стержень у дерев’яний одяг, а чех Йозеф Хардт-
мут винайшов новий спосіб виробництва графітових стержнів
із суміші графітового порошку з глиною. Американський
винахідник з міста Конкорд сконструював верстат для виго­
товлення дерев’яного «одягу» на олівці.
До удосконалення «графічних знарядь» причетно багато
відомих людей. Досить згадати, що у XVIII ст. організацією
виготовлення олівців у своїй лабораторії займався М.В.Ломо-
носов. Нині у світі виробляється приблизно 400 різноманітних
типів і видів олівців.
Життя сучасної людини насичене найрізноманітнішими
графічними зображеннями: рисунками, кресленнями, схема­
ми, планами, картами, графіками, діаграмами тощо. В цих
умовах словесна форма передачі і збереження інформації втра­
тила свою універсальність.
Мова графічних зображень не знає кордонів, адже вона од­
наково зрозуміла всім людям, незалежно від того, якою
мовою вони розмовляють. Графічну мову набагато легше
призвичаїти для її розуміння електронно-обчислювальною
машиною. Будь-яка графічна інформація відрізняється від
словесної більшою конкретністю, виразністю і лаконічністю.
Серед інших графічних зображень креслення посідають
особливе місце. За кресленнями на виробництві виготовля­
ють різні предмети. За кресленням можна з’ясувати будову
виробу і взаємодію його частин. Значить, креслення потрібні
для складання і ремонту виробів, для вивчення їх будови.
Важко уявити ті галузі практичної діяльності людей, де б не
знаходили застосування креслення. За кресленнями зводять
житлові будинки, будують греблі, шахти, електростанції,
прокладають залізниці й шосейні дороги. За кресленнями ви­
готовляють одяг і меблі, шиють взуття.
Поняття про креслення для вас не нові. Раніше ви вже
одержали деякі відомості про елементи креслення, про утво­
рення зображень на ньому. У цьому підручнику викладено
основні правила виконання та вимоги до оформлення сучас­
них креслень.
1. ЗАГАЛЬНІ ВИМОГИ ДО ОФОРМЛЕННЯ КРЕСЛЕНЬ
1.1. Правила оформлення креслень
Креслення повинні бути однаково зрозумілими для тих,
хто їх виконує, і для тих, хто буде користуватись ними. То­
му існують єдині правила виконання креслень та вимоги до
їх оформлення. Вони містяться у документах, які називають
державними стандартами.
Правила виконання та вимоги до оформлення креслень,
встановлені державними стандартами, є обов’язковими для
нсіх, хто виконує креслення.
Формати креслень. Щоб креслення були зручними для
лберігання і користування ними, їх виконують на аркушах
паперу певного розміру. Розміри аркуша креслярського папе­
ру називають форматом. Формат аркуша визначається розмі­
рами його сторін. У школі користуються аркушами, розміри
сторін яких 297 х 210 мм. Цей формат позначають А4. Це
найменший з форматів, визначених державним стандартом
для виконання креслень.
Рамка і основний напис креслення. Кожне креслення має
рамку?* яка обмежує на форматі місце для побудови зобра­
жень та нанесення різних умовних позначень. Це місце все­
редині рамки називають полем креслення. Лінії рамки про­
водять на відстані 20 мм від лівої межі формату і на відстані
5 мм від верхньої, нижньої і правої меж (рис. 1). Залишена
з лівого боку відстань призначена для підшивання креслень.
У правому нижньому куті поля креслення розміщують ос­
новний напис (рис. 1). До нього заносять відомості про осіб,
іцо мають відношення до виконання креслення, назву зобра­
женого на кресленні виробу та деякі інші дані, необхідні для
кращого розуміння креслення.
Форма і зміст основного напису для креслень визначені
державним стандартом. У школі на учнівських кресленнях
застосовують спрощений основний напис. Його розміри і зра­
зок заповнення показано на рисунку 2.
На аркушах формату А4 основний напис розміщують тіль­
ки уздовж короткої сторони (як на рис. 1). На кресленнях ін­
ших форматів основний напис розміщують уздовж довгої або
уздовж короткої сторони.
5
25 ЗО . , , /5^ *►!
Сх. {< 1
00
70 20 20
& 5
1
а 1
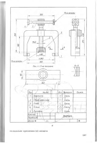
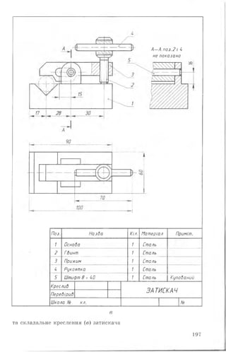
Крес/іиО ТкаченкоМ. ЮМ.97
Прокладко
Перевірив
ШколаЛ£29 9Акл. Гума 1: 1 №3
б
Рис. 2. Основний напис навчального креслення:
а —розміри; б - зразок заповнення
ЗАПИТАННЯ
1. Що являє собою формат креслення?
2. Які розміри має аркуш формату А4?
3. Як утворюється поле креслення?
4. На якій відстані від країв аркуша проводять рамку креслення?
5. Які відомості містить основний напис креслення?
ЗАВДАННЯ
Підготуйте аркуш паперу для виконання креслення: проведіть
рамку і накресліть основний напис (див. рис. 1 і 2).
1.2. Лінії креслення
Для виконання креслень застосовують лінії різної товщи­
ни й начерку. Як видно з рисунка 3, кожна лінія на креслен­
ні має своє призначення. Державним стандартом встановле­
но 9 типів ліній креслення. У шкільному курсі креслення
вивчаються п’ять ліній, основні відомості про які наведено в
таблиці 1. На перших порах найчастіше ви будете застосову­
вати такі лінії: суцільну товсту основну, суцільну тонку,
штрихову і штрихпунктирну. Пізніше ви познайомитесь з ін­
шими типами ліній.
Розглянемо, у чому полягають особливості начерку і приз­
начення основних типів ліній креслення.
Суцільна товста основна лінія призначена для показу ви­
димих контурів предметів. Нею виконують також рамку
креслення, графи основного напису. Її товщина може бути у
межах від 0,5 до 1,4 мм (залежно від розмірів і складності
зображень на кресленні, від формату креслення). Вибрана
товщина лінії має бути однаковою для всіх зображень на
даному кресленні.
/
Суц іл ьна товста основна
(л ін ія видимого конт уру)
Суцільна тонка ^т рихова
Суцільна тонка ]
(розмірна л ін ія )
(виносна лінія) (л ін ія невидимого контуру)
Рис. 3. Призначення основних типів ліній креслення
7
Лінії кресленим Таблиця 1
Назва Начертання Основне призначення
Співвід­
ношення
товщин
ліній
Суцільна товста
основна
Лінії видимого контуру
та ін. (буквою з умовно
позначають товщину
основної лінії, яку взя­
то за одиницю, товщи­
на решти ліній зале­
жить від вибору тов­
щини з)
Від 0,5
до 1,4 мм
Штрихова 3 Лінії невидимого КОН­
ТУРУ
Від 8/3
ДО 8/2
Суцільна
тонка
Розмірні й виносні лінії,
лінії побудов, лінії
штриховки та ін.
Від 8/3
до з/2
ІПтрихпунктирна
тонка
_І.
3 ... 5
| 5...ЗО
Осьові й центрові лінії ВІД 8/3
до 8/2 *
ІПтрихпунктирна
з двома точками
тонка
5.~.І7Г -— -ЗО
Лінії згину на розгорт-
ках. Лінії для зобра­
ження частин виробів в
крайніх або проміжних
положеннях
ВІД 8/3
ДО 8/2
Суцільна тонка лінія використовується для проведення ви­
носних і розмірних ліній. Пізніше ви познайомитесь із застосу­
ванням цієї лінії для штрихування перерізів. Товщина суцільної
тонкої лінії в 2—3 рази менша від товщини суцільної товстої.
Місце перетину
Рис. 4. Проведення штрихових і штрихпунктирних ліній
Штрихова лінія застосовується для показу на зображен­
нях невидимих контурів предметів. Вона складається з окре­
мих штрихів (рисочок) приблизно однакової довжини — у
межах від 2 до 8 мм (на учнівських кресленнях доцільно бра­
ти 4 мм). Відстань між штрихами повинна бути приблизно
однаковою по всій лінії і становити 1—2 мм. Товщину штри­
хів слід брати в 2—3 рази меншою за товщину суцільної
товстої основної лінії.
Штрихова лінія на контурах зображення повинна почина­
тись і закінчуватись тільки штрихами (рис. 4).
Не можна називати штрихову лінію пунктирною, тому що
ця назва не відповідає характеру лінії. Адже пунктирна лінія —
це лінія з точок, а не із штрихів (від німецького «рипкі» —
«точка»).
Штрихпунктирна лінія призначена для показу осьових і
центрових ліній. Вона складається з довгих тонких штрихів
(довжиною від 5 до ЗО мм) і точок (коротких штрихів) між
ними. На учнівських кресленнях довжина штрихів рекомен­
дується 20 мм. Відстань між довгими штрихами від 3 до
5 мм. Товщина штрихів в 2—3 рази менша від товщини
суцільної товстої лінії.
Штрихпунктирні лінії повинні починатись і закінчуватись
тільки штрихами. Якщо штрихпунктирна лінія показує вісь,
вона повинна виступати за контур зображення на 3—5 мм
(рис. 4).
Центрові лінії проводять так, щоб вони обов’язково пере­
тиналися між собою штрихами (рис. 4). Перетин двох штри­
хів визначає центр фігури. Центрові лінії виводять за зобра­
ження на 3—5 мм. Якщо діаметр кола на кресленні менший
12 мм, центрові лінії проводять суцільними тонкими.
Штрихпунктирна з двома точками лінія показує лінії зги­
ну на розгортках. Ця лінія відрізняється від штрихпунктир-
ної трохи більшими проміжками між штрихами — від 4 до
6 мм.
Запам’ятайте, що від товщини суцільної товстої основ­
ної лінії залежить товщина інших ліній. Всі інші лінії
повинні бути в 2—3 рази тоншими від неї.
ЗАПИТАННЯ
1. Які типи ліній ви знаєте?
2. Яку лінію називають суцільною товстою основною? Якої тов­
щини вона повинна бути?
3. Яку лінію називають штриховою? Де її використовують?
4. Яке призначення штрихпунктирної лінії?
5. Якою лінією на розгортці показують лінію згину?
9
ІЛНДЛІІІШ
1. На рисунку 5 показано зображення предметів. На них цифра­
ми позначено різні лінії. Складіть таблицю за наведеним зразком і
заповніть її:
лінії на кресленні Назва Призначення
Рис. 5. Завдання для вправи
2. Виконайте вправу на проведення різних типів ліній у квадраті із
стороною 120 мм (рис. 6). Відстань між лініями 10 мм.
Рис. 6. Завдання для вправи
1.3. Написи на кресленнях
Всі написи на кресленнях виконують креслярським
шрифтом. Це робить креслення більш чіткими й виразни­
ми, полегшуе їх читання.
Літери і цифри креслярського шрифту відрізняються від
тих, якими ви пишете звичайно. Конструкцію літер і цифр
креслярського шрифту визначено державним стандартом.
10
£/
б
Рис. 10. Розміри шрифту:
а — побудова'букви; б — пропорції
Стандарт встановлює начерки двох видів літер українського
і латинського алфавітів: великих і малих (рис. 7 і 8), араб­
ських і римських цифр (рис. 9) та деяких знаків для умов­
них позначень на кресленнях.
Висота великих літер у міліметрах, виміряна перпендику­
лярно до основи рядка, визначає розмір шрифту. Її познача­
ють /г, (рис. 10, а). Написи на кресленнях виконують шриф­
тами таких розмірів: 2,5; 3,5; 5; 7; 10; 14; 20; 28 і 40 мм.
Висота малих літер (її позначають с, рис. 10, а) відпо­
відає висоті великих літер попереднього розміру шрифту.
Н априклад, для шрифту розміру 14 висота малих літер
Школа гайка техніка професія
Рис. 11. Зразки написів креслярським шрифтом
РАКЕТА
ФОРМА Т Деталь
Олівець Підручник
Рис. 12. Завдання для вправи
12
дорівнює 10 мм, для розміру 10—7 мм, для розміру 7—
5 мм і т. д.
Товщину ліній шрифту визначають залежно від висоти
шрифту. Вона дорівнює 0,1/г і позначається с/ (рис. 10, а).
Ширина великої літери (позначають §, рис. 10, а) має до­
рівнювати 0,6Л або бс/. Ширина літер А, Д, Ж, М, Ф, X, Ц, Ш,
Щ, Ю більша за цю величину на с/ або 2сі (включаючи нижні
і верхні елементи), а ширина літер Г, С, 3 — менша на с/. Ш и­
рина більшості малих літер дорівнює 5с/. Ширина літер а, м,
ц, ь дорівнює 6с/, літер ж, т, ф, ш, щ, ю — 7с/, з та с — 4с/.
Частини літер, які виступають з рядка (зверху або знизу),
виконуються за рахунок відстаней між рядками.
Висота всіх цифр дорівнює висоті великих літер Н. Ш ири­
на цифр дорівнює Н/2 (за винятком цифр 1 і 4).
Відстань між літерами і цифрами в словах 0,2/г, або 2(1,
між словами і числами — 0,6Л, або 6сі. Відстань між нижні­
ми лінійками рядків — 1,7/г, або 17с/.
Шрифт може бути з нахилом (близько 75°) та без нього. По­
казаний на рисунках 7 і 8 шрифт є похилим. Нахил шрифту
визначається кутом нахилу літер і цифр до основи рядка
(рис. 10, б). Виконуючи написи на кресленнях, частіше засто­
совують похилий шрифт.
Виконання акуратних і чітких написів креслярським шриф­
том — справа непроста. Щоб забезпечити заданий нахил літер
та цифр, рівномірну відстань між ними та між словами й ряд­
ками, а також щоб полегшити написання літер і цифр, перед
виконанням написів на кресленнях попередньо розмічають сіт­
ку (рис. 11). Написи виконують у два етапи. Спочатку тонкими
лініями намічають контури літер і цифр. Пересвідчившись, що
вони написані правильно, їх обводять м’яким олівцем.
Запам’ятайте, що літери і цифри стандартного шрифту ні
в якому разі не викреслюють, а пишуть від руки.
ЗАПИТАННЯ
1. Чим визначається розмір шрифту?
2. Шрифтами яких розмірів виконуються написи на кресленнях?
3. Як визначити висоту малих літер шрифту?
4. Чому дорівнює висота малих літер шрифту розміру 10?
5. Чим визначається нахил шрифту?
ЗАВДАННЯ
1. На рисунку 12 показано написи, виконані креслярським
шрифтом. Визначте, шрифтом якого розміру написано кожне слово?
2. Виконайте у робочому зошиті за завданням учителя кілька
написів креслярським шрифтом.
13
2. ГЕОМЕТРИЧНІ ПОБУДОВИ НА КРЕСЛЕННЯХ
2.1. Аналіз графічного складу зображення
Контури зображень предметів на кресленнях являють со­
бою плоскі фігури, утворені прямолінійними та криволіній­
ними відрізками. Прямолінійні відрізки можуть зображува­
ти сторони різних геометричних фігур і бути паралельними,
перпендикулярними чи утворювати між собою різні кути.
Криволінійні відрізки найчастіше є дугами кіл.
Побудова фігури контура зображення на кресленні зво­
диться до виконання окремих геометричних побудов. Кожна
геометрична побудова визначає взаємне положення кількох
елементів контура зображення. Найчастіше на кресленнях
виконують побудову геометричних фігур, поділ відрізків
прямих, кутів і кола на рівні частини, побудову відрізків
прямих при заданому їх взаємному розміщенні. Деякі з цих
побудов вам уже відомі з уроків математики (наприклад, по­
будова геометричних фігур), тому в цьому підручнику вони,
не розглядаються. Пізніше ви ознайомитесь з деякими більш
складними побудовами.
Перш ніж почати виконувати креслення, треба з ’ясува­
ти, які геометричні побудови слід застосувати на ньому.
Визначення геометричних побудов, необхідних для вико­
нання креслення, називають аналізом графічного складу
зображення. В основу цього аналізу покладено розчлену­
вання процесу побудови контура зображення на окремі ге­
ометричні побудови.
Розглянемо приклад. На рисунку 13 показано зображення
контура плоского предмета. Щоб
накреслити його, необхідно вико­
нати такі побудови:
провести дві взаємно перпен­
дикулярні центрові лінії;
провести два концентричних
кола діаметром 32 і 50 мм;
провести дві вертикальні лінії
на відстані 28 мм одна від одної;
провести лінію, паралельну го­
ризонтальній центровій лінії на
відстані 45 мм від неї;
поділити коло діаметром
32 мм на три рівні частини;
провести три кола 0 10 мм з
центрами в одержаних точках.
032
Рис. 13. Зображення кон­
тура плоского предмета
14
Визначення побудов, з яких складається контур зображен­
ня, полегшує виконання креслення.
ЗАПИТАННЯ
1. Які геометричні побудови ви знаєте?
2. Як називається розчленування процесу побудови контура зоб­
раження на окремі графічні побудови?
3. Для чого потрібний аналіз графічного складу зображень?
ЗАВДАННЯ
На рисунку 14 показано зображення контурів предметів. Уваж­
но роздивіться їх і визначте, які геометричні побудови потрібно ви­
конати, щоб накреслити кожний із зображених контурів.
Рис. 14. Завдання для вправи
2.2. Проведення паралельних і перпендикулярних
прямих. Побудова кутів
Проведення прямих при заданому їх розміщенні. Вико­
нання креслень потребує проведення значної кількості пара­
лельних і перпендикулярних ліній. Тому ці лінії потрібно
вміти проводити не тільки точно, а й швидко. Щоб витрача­
ти якомога менше часу на проведення паралельних і перпен­
дикулярних ліній, слід користуватися лінійкою і косинцем
(бажано рівнобедреним).
Найчастіше паралельні лінії (горизонтальні, вертикальні і
похилі) проводять так, як показано на рисунку 15. Відстань
між паралельними лініями встановлюють за шкалою на лі­
нійці.
Взаємне розміщення лінійки і косинця під час проведен­
ня паралельних ліній може бути й іншим. Нехай через точ­
ку С потрібно провести пряму, паралельну заданій прямій АВ
15
Рис. 15. Проведення горизонтальних (а), вертикальних (б)
і похилих (в) паралельних ліній за допомогою косинця та лінійки
С С
Рис. 16. Проведення ліній, паралельних заданій прямій
(рис. 16). Для цього суміщують гіпотенузу косинця з заданою
прямою АВ, розташувавши вершину прямого кута внизу.
Притримуючи однією рукою косинець, другою присувають до
одного з катетів лінійку (рис. 16, а). Лінійку в такому поло­
женні міцно притискують до креслення, а другою рукою по­
сувають косинець угору до точки С так, щоб катет не відста­
вав від лінійки. Сумістивши з точкою С гіпотенузу косинця,
проводять по ній шукану пряму (рис. 16, б).
Щоб накреслити ще кілька пара­
лельних ліній, косинець пересувають
вище або нижче точки С, не змінюючи
положення лінійки, і проводять пара­
лельні лінії (рис. 16, в).
Перпендикулярність ліній визначаєть­
ся наявністю прямого кута між ними. То­
му найпростіше виконати побудову двох
взаємно перпендикулярних відрізків за
допомогою косинця й лінійки (рис. 17).
Спочатку проводять горизонтальний від­
різок, а потім за допомогою косинця про­
водять до нього перпендикуляр.
Якщо на одній з прямих задано
Рис. 17. Побудова вза­
ємно перпендикуляр­
них відрізків за допо­
могою косинця і
лінійки
16
точку, через яку повинен пройти перпендикуляр, то його
побудову виконують так. Нехай на прямій АВ є точка С
(рис. 18). З даною прямою суміщують гіпотенузу косинця
і до одного з його катетів прикладають лінійку (рис. 18, а).
Лінійку в такому положенні притискують до креслення, а
косинець перевертають і ставлять на лінійку другим кате­
том так, щоб його гіпотенуза сумістилася з точкою С. Про­
водять шукану пряму лінію, яка буде перпендикуляром до
АВ (рис. 18, б). Якщо на прямій АВ ще є точки, через які
потрібно провести перпендикуляри, то гіпотенузу косинця
знову суміщують з ними і проводять ці перпендикуляри
(рис. 18, в).
На кресленнях паралельні лінії не завжди розміщені гори­
зонтально, а перпендикулярні — вертикально. Часто зобра­
ження на кресленні займає похиле положення. З рисунка 19
видно, що способи проведення паралельних і перпендикуляр­
них ліній від цього не змінюються.
Оскільки під час креслення паралельних і перпендику­
лярних ліній лінійка повинна залишатись нерухомою,
а рухатись має тільки косинець, то користуватись потрібно
Рис. $9. Поб$чябва -взаємно перпендикулярних відрізків за допомогою
бреднвії їйколи Ій^рсинця і лінійки
В Г. Ь-ьЛі ирод*-
2 «Кресання.. Й ітроаеіо г в
лінійкою дерев’яною, а косинцем пласт­
масовим, щоб полегшити пересування
одного інструмента відносно іншого.
Побудувати перпендикуляр в кінці від­
різка прямоі можна за допомогою цирку­
ля. Для цього з довільної точки О, розмі­
щеної над відрізком АВ (рис. 20),
описують коло так, щоб воно пройшло че­
рез точку А (кінець відрізка) і перетнуло
пряму в точці М. Через точку М і центр
кола О проводять пряму до зустрічі з про­
тилежною стороною кола в точці N. Точку N з’єднують прямою
з точкою А. Відрізок АИ і буде перпендикуляром до А В .
Побудова кутів. Як побудувати заданий кут за допомогою
транспортира, вам відомо з уроків математики. Маючи у сво­
єму розпорядженні косинець з кутами 30 , 60 , 90 та 45°, 45
і 90 , можна без транспортира будувати кути 15°, ЗО , 45 , 60°,
75 , 120 , 135 , 150 . Раціональні прийоми побудови цих кутів
показано на рисунку 21.
Рис. 21. Прийоми побудови кутів косинцями і лінійкою
18
ЗАПИТАННЯ
1. Які креслярські інструменти можна застосувати для прове­
дення паралельних і перпендикулярних відрізків прямих?
2. Які способи проведення паралельних і перпендикулярних від­
різків прямих ви знаєте?
3. За допомогою якого креслярського інструмента можна побу­
дувати будь-який кут на кресленні?
4. Які кути можна побудувати за допомогою косинця і лінійки?
2.3. Поділ відрізків і кутів на рівні частини
Поділ відрізків на рівні частини. Багато предметів мають
однакові елементи, рівномірно розташовані уздовж прямої.
Тому виникає необхідність на кресленнях ділити відрізки
прямих на рівні частини. Найпростіше це робити за допомо­
гою лінійки з нанесеною на ній міліметровою шкалою. Але
при такому поділі іноді виникають незручності. Нехай відрі­
зок довжиною 47 мм потрібно поділити на 9 рівних частин
або відрізок, що становить 19 мм, — на 2 частини. Як тут бу­
ти? Ось чому доцільніше застосовувати графічний метод —
коли операція поділу виконується за допомогою циркуля і
лінійки.
Подія відрізка прямої на дві рівні частини. З обох кінців
А і В заданого відрізка розхилом циркуля К, трохи більшим,
ніж половина його довжини, описують дві дуги (рис. 22).
Одержані у місцях перетину дуг точки С і Б з’єднують між
собою. Пряма, що з’єднала точки С і Б, ділить відрізок АВ
на дві рівні частини і перпендикулярна до нього.
Поділ відрізка прямої на довільну кількість рівних частин.
З будь-якого кінця відрізка, наприклад з точки А, проводять під
Рис. 22. Поділ відрізка прямої Рис. 23. Поділ відрізка прямої
Ас
В
на дві рівні частини за допомо­
гою циркуля
на довільне число рівних
частин
2* 19
Рис.24. Поділ кута на дві рівні Рис. 25. Поділ прямого кута
частини за допомогою циркуля на ТрИ рівні частини за допо­
могою циркуля
гострим кутом до нього допоміжну пряму. На ній циркулем або
за допомогою лінійки відкладають потрібну кількість однакових
відрізків довільної довжини (рис. 23). Останню точку з’єднують
з другим кінцем заданого відрізка (з точкою В). З усіх точок по­
ділу за допомогою лінійки і косинця проводять прямі, паралель-,
ні відрізку 9В (див.рис. 16). Ці прямі і поділяють відрізок АВ на
задану кількість рівних частин.
Поділ кутів на рівні частини. Вивчаючи математику, ви
ознайомились з поділом кутів на частини за допомогою тран­
спортира. У кресленні існують прийоми поділу деяких кутів
за допомогою циркуля.
Поділ кута на дві рівні частини. З вершини кута опису­
ють дугу кола довільного радіуса так, щоб вона перетнула
сторони кута (рис. 24). З точок перетину М і N розхилом
циркуля, трохи більшим, ніж половина дуги МАГ, описують
дві дуги до їх перетину між собою. Одержану точку А і вер­
шину О кута з’єднують прямою лінією — це і буде бісектри­
са кута. Розглянутий прийом може бути застосований для по­
ділу гострого, тупого чи прямого кута.
Поділ прямого кута на три рівні частини. З вершини ку­
та описують дугу кола довільного радіуса Я так, щоб вона пе­
ретнула сторони кута (рис. 25). З точок перетину А і В тим
же самим розхилом циркуля проводять допоміжні дуги до їх
перетину з раніше проведеною дугою. Одержані точки М і N
з’єднують прямими лініями з вершиною кута. Цим способом
можна ділити на три рівні частини тільки прямі кути.
ЗАПИТАННЯ
1. У чому полягають недоліки поділу відрізків за допомогою лі­
нійки з міліметровою шкалою?
2. Як графічно поділити відрізок прямої на дві рівні частини?
20
3. Як графічно поділити відрізок прямої на довільне число частин?
4. Чи можна графічно поділити на дві рівні частини прямий кут?
5. Чи можна графічно поділити на три рівні частини гострий кут?
2.4. Поділ кола на рівні частини
Поділ кола на три рівні частини. Для поділу потрібні лі­
нійка й косинець з кутами ЗО , 60, 90 . Косинець більшим
катетом встановлюють паралельно вертикальному діаметру
кола (рис. 26, а). Вздовж гіпотенузи з точки 1 (перша поділ­
ка, вона збігається з кінцем діаметра), проводять хорду і діс­
тають другу поділку — точку 2. Перевернувши косинець і
провівши другу хорду, дістають третю поділку — точку З
(рис. 26, б). З ’єднавши точки 2 і 3 відрізками прямої, діста­
ють рівносторонній трикутник.
Ту саму задачу можна розв’язати за допомогою циркуля.
Поставивши опорну ніжку циркуля у верхньому (чи нижньо­
му) кінці вертикального діаметра (рис. 26, в), описують дугу
радіусом, що дорівнює радіусу Н кола. У місцях перетину
а
а, б —
б
Рис. 26. Поділ кола на три рівні частини:
за допомогою косинця і лінійки; в — циркулем
Рис. 27. Поділ кола на чотири рівні частини за допомогою
косинця і лінійки
21
проведеної дуги з колом діста­
ють точки 1 і 2 — першу і другу
поділки. Третя поділка містить­
ся на протилежному кінці діа­
метра.
Поділ кола на чотири рівні
частини. Щоб поділити коло на
чотири рівні частини, треба про­
вести два взаємно перпендику­
лярних діаметри.
Два випадки таких побудов
показано на рисунку 27. На ри­
сунку 27, а діаметри проведено
Рис. 28. Поділ кола на п ять^ по лінійці та катету рівнобедре-
рівних частин за допомогою ного косинця, а сторони вписа-
циркуля ного квадрата — по його гіпоте­
нузі. На рисунку 27, б і в
навпаки, діаметри проведено по гіпотенузі косинця, а сторо­
ни квадрата — по лінійці та катету косинця.
Поділ кола на п'ять рівних частин. Найпростіше цю за­
дачу можна розв’язати за допомогою транспортира, послідов­
но відкладаючи від одного з діаметрів центральні кути у 72°
(тому що п ’ятій частині кола відповідає такий кут).
За допомогою циркуля поділ виконують у такій послідов­
ності (рис. 28). У кінці горизонтального діаметра ставлять точ­
Рис. 29. Поділ кола на шість рівних частин:
а, б, в — за допомогою косинця і лінійки; г, д — циркулем
22
ку А. Розхилом циркуля, що дорів­
нює радіусу В кола, з точки А про­
водять дугу до перетину з колом у
точках В і В'. Ц і точки з’єднують
прямою лінією, яка перетинає го­
ризонтальний діаметр у точці С. Це
середина відрізка АО.
У верхньому кінці вертикально­
го діаметра ставлять точку 1. Із
точки С описують дугу радіусом НІУ
що дорівнює відстані між точками
С і 1. У місці перетину цієї дуги з
горизонтальним діаметром дістають
точку £>. З точки І як з центра опи­
сують третю дугу розхилом цирку­
ля В.,, що дорівнює відстані між точками 1 і І). У місці перети­
ну цієї дуги з колом дістають точку 2. Точка 1 буде першою
поділкою на колі, а точка 2 — другою. Відстань між точками
/ і 2 відкладають циркулем по колу і дістають точки 3, 4 і 5.
Поділ кола на шість рівних частин. Поділ виконують
за допомогою лінійки і косинця з кутами ЗО , 60 і 90 . Для
цього з кінцевих точок вертикального діаметра кола прово­
дять відрізки по гіпотенузі косинця, прикладеного до л і­
нійки більшим катетом (рис. 29, а, б). Закінчують побудо­
ву проведенням вертикальних відрізків прямих (рис. 29, в).
Ту саму задачу можна розв’язати за допомогою цирку­
ля. Для цього розхил циркуля встановлюють рівним раді­
усу В кола. З протилежних кінців одного з діаметрів кола
(наприклад, точок 1 і 4 Урис. 29, г, д) описують дуги. Точ­
ки перетину цих дуг з колом — точки 2 У 3, 5 у 6 разом з
точками 1 і 4 ділять коло на шість рівних частин.
Поділ кола на вісім рівних частин. Перші чотири точки
поділу 1, 3, 5, 7 знаходяться на перетині центрових ліній з
колом (рис. ЗО). їх проводять за допомогою лінійки та косинця.
Ще чотири точки — 2, 4, 6, 8 знаходять за допомогою гіпоте­
нузи рівнобедреного косинця, яка проходить через центр кола.
ЗАПИТАННЯ
1. На скільки рівних частин можна поділити коло за допомо­
гою лінійки і косинців?
2. Яким косинцем слід скористатися для поділу кола на три
частини? на шість частин? на вісім частин?
3. На скільки рівних частин можна поділити коло за допомогою
циркуля?
4. Чому дорівнює розхил циркуля при поділі кола на три рівні
частини? на шість рівних частин?
вісім рівних частин за
допомогою косинця
і лінійки
23
ЗАВДАННЯ
1. Побудуйте квадрат із стороною 50 мм. Проведіть у ньому вер­
тикальні паралельні лінії на відстані 5 мм одна від одної.
2. Побудуйте рівносторонній трикутник із стороною 60 мм. Про­
ведіть у ньому похилі лінії, паралельні його бічній стороні, на від­
стані 8 мм одна від одної.
3. Побудуйте вписаний у коло діаметром 50 мм рівносторонній
трикутник, вершина якого лежить на горизонтальній центровій лі­
нії праворуч від центра кола.
4. Побудуйте вписаний у коло діаметром 60 мм правильний шес­
тикутник, дві протилежні вершини якого лежать на вертикальній
центровій лінії.
3. КРЕСЛЕННЯ ПЛОСКИХ ПРЕДМЕТІВ
3.1. Зображення плоских предметів
Багато предметів мають незначну товщину (висоту), яка у
багато разів менша за їх довжину і ширину. Такі предмети
називають плоскими — це різні пластини, прокладки, підк­
ладки, кутники тощо. Найчастіше їх виготовляють з листо­
вих матеріалів: картону, жерсті, фанери та інших.
Креслення плоского предмета (рис. 31) містить одне зобра­
ження, яке являє собою фронтальну проекцію (згадайте, чо­
му її так називають). Воно дає повне уявлення про форму
зображеного предмета та його частин. Товщину плоского
предмета на кресленні вказують умовним позначенням. Для
цього застосовують літеру 5 , котру пишуть перед числовим
Рис. 31. Зображення плоского предмета:
а —загальний вигляд; б — креслення
24
Рис. 32. Зображення плоских предметів, що мають форму
правильних многокутників:
а — з однією віссю симетрії; б — з двома осями симетрії
значенням товщини. Умовне позначення наносять на полич­
ку лінії-виноски (рис. 31, б).
Зображення предмета на кресленні вибирають такими, щоб
якнайповніше використовувалось поле креслення. Вам відомо,
що перевагу слід віддавати зображенням предметів у натураль­
ну величину. Але при цьому зображення може бути занадто
малим і на полі креслення залишиться багато вільного місця.
Занадто велике зображення не залишить місця для нанесення
розмірів та інших позначень на кресленні. Тому великі пред­
мети зображують зменшеними, а малі — збільшеними.
Щоб збільшити чи зменшити зображення на кресленні,
застосовують масштаб. На кресленнях зображення предметів
збільшують чи зменшують не в довільну кількість разів.
Масштаби зображень визначені державними стандартами. їх
значення такі:
масштаби зменшення — 1:2; 1:2,5; 1:4; 1:5; 1:10 та ін .;
масштаби збільшення —2:1; 2,5:1; 4:1; 5:1; 10:1 та ін.
Треба пам’ятати, що в якому б масштабі не виконувалося
зображення, розміри на кресленні наносять дійсні.
Вказують масштаб креслення у призначеній для цього
графі основного напису (див. рис. 2). На полі креслення мас­
штаби записують так: М 2:1; М 1:5; М 1:10 і т.д. В основно­
му написі перед позначенням масштабу літеру М не пишуть.
Багато плоских предметів мають форму правильних многокут­
ників: трикутників, чотирикутників, шестикутників і т.ін. Зобра­
ження правильних многокутників з непарною кількістю вершин
мають одну вісь симетрії (рис. 32, а), а з парною — дві (рис. 32, б).
25
Рис. 33. Зображення плоских предметів:
а, б, в — симетричних; г, д — несиметричних
В основі побудови зображення правильного многокутника лежить
поділ кола на рівні частини, з правилами якого ви вже знайомі.
З’єднані між собою прямими лініями точки поділу кола утворю­
ють відповідний многокутник. Многокутник, побудований на ос­
нові поділу кола на рівні частини, називають вписаним.
Зверніть увагу, що вибір початкової точки для поділу кола
впливає на положення осі симетрії зображення многокутника.
Плоскі предмети бувають симетричні і несиметричні. Ви
вже знаєте, що симетричність предметів на кресленнях вка­
зують осями симетрії, які проводять штрихпунктирною ліні­
єю. Зображення симетричних предметів можуть мати одну
(рис. 33, а, б) чи дві (рис. 33, в) осі симетрії. Одна вісь симет­
рії може бути вертикальною (рис. 33, а) або горизонтальною
(рис. 33, б). Несиметричні предмети осей симетрії на зобра­
женнях не мають (рис. 33, г, д).
Симетричність форми плоского предмета визначає послі­
довність побудови його зображення.
Побудову зображення предмета з двома осями симетрії
(рис. 34, а) починають з визначення центру поля креслення.
Його знаходять на перетині діагоналей прямокутника, обме­
женого рамкою креслення (рис. 34, б). Через знайдений
центр проводять осі симетрії (рис. 34, в).
Від точки перетину осей симетрії будують габаритнии пря­
мокутник, який обмежує контур зображення предмета по йо­
го довжині і висоті (рис. 34, г). Габаритний прямокутник ви­
бирають таким, щоб зображення якнайповніше зайняло місце
на полі креслення.
Усередині габаритного прямокутника розмічають положення
26
г д е є
Рис. 34. Послідовність побудови зображення предмета з двома
осями симетрії
центрів і проводять кола й півкола заданих розмірів (рис. 34, д).
Далі розмічають і обводять призматичні елементи контура зоб­
раження — прямокутні й гострокутні вирізи, пази тощо (рис.
34, е). Вважається доцільним будувати елементи контура зобра­
ження спочатку по його довжині, а потім — по висоті.
В останню чергу розмічають і обводять прямолінійні ді­
лянки контура зображення (рис. 34, є).
Якщо зображення плоского предмета має одну вісь симет­
рії (рис. 35, а), то його побудову починають з проведення цієї
осі. Вертикальну вісь розміщують посередині ширини поля
аркуша (рис. 35, б), а горизонтальну — посередині його висо­
ти (див. рис. 34, в). Орієнтиром для правильного розміщення
осі на полі аркуша слід брати його центр, визначений за до­
помогою діагоналей прямокутника, обмеженого рамкою крес­
лення. Відносно осі симетрії будують габаритний прямокут­
ник. Його положення на полі аркуша визначають однаковими
проміжками зліва і справа (/)), а також зверху і знизу (/2) між
самим прямокутником і рамкою креслення (рис. 35, в).
Усередині габаритного прямокутника розмічають положення
центрів і проводять кола й півкола заданих розмірів. Причому
спочатку будують ті елементи, що знаходяться на осі симетрії,
27
Рис. 35. Послідовність побудови зображення предмета з однією
віссю симетрії
а потім — ті, що поза нею (рис. 35, г, д). Далі розмічають і об­
водять призматичні елементи і в останню чергу — прямоліній­
ні ділянки Контура зображення (рис. 35, е, є). Тобто останні по­
будови виконують так само, як і в попередньому випадку.
Зображення несиметричного предмета (рис. 36, а) почи­
нають будувати безпосередньо з габаритного прямокутника.
Його положення на полі креслення визначають однаковими
проміжками між самим прямокутником і рамкою по ширині
і висоті формату (рис. 36, б). Усередині габаритного прямо­
кутника розмічають загальний контур предмета без деталіза­
ції його елементів (рис. 36, в). Далі розмічають положення
центрів і проводять кола й півкола заданих розмірів (рис. 36,
г, д). В останню чергу розмічають і обводять прямолінійні ді­
лянки контура зображення (рис. 36, е, є).
ЗАПИТАННЯ
1. Які предмети слід вважати плоскими?
2. Як на кресленнях позначають товщину плоских предметів?
3. Як відрізнити зображення плоского симетричного предмета від неси­
метричного?
4. Якою лінією проводять на кресленнях осі симетрії?
5. Як побудувати правильний вписаний у коло многокутник?
28
Рис. 36. Послідовність побудови зображення несиметричного
предмета
6. Для чого застосовують масштаби при виконанні креслень?
7. Що означає виконати креслення в масштабі М 1:1? М 1:2? М 5:1?
8. Чи залежать числові значення розмірних чисел на кресленні від його
масштабу?
9. Як знайти положення центра поля креслення?
10. Що таке габаритний прямокутник? Як його розміщують на
полі креслення?
3.2. Розміри на кресленнях
Креслення дає уявлення не тільки про форму зображеного
предмета, а й про його розміри чи розміри його частин. Роз­
міри на кресленнях зазначають розмірними числами на роз­
мірних лініях.
Лінійні розміри на кресленнях, які визначають величини
прямолінійних елементів предмета (довжину, ширину, тов­
щину тощо), дають у міліметрах, але позначення одиниці
фізичної величини не наносять.
Межі вимірювання розміру вказують виносними лініями,
які проводять перпендикулярно до відрізка контура зображен­
ня, розмір якого зазначають (рис. 37). Розмірні лінії проводять
паралельно тим відрізкам, розміри яких визначають. Розмірну
лінію з обох боків обмежують стрілками (рис. 37, а). Якщо
29
розмірна лінія не дозволяє розмістити на ній стрілки, то лінію
продовжують і стрілки наносять з зовнішнього боку від винос­
них ліній (рис. 37, б). Розмірне число наносять зверху розмір-
Розмірне число
Рис. 38. Нанесення розмірних чисел
ЗО
мої лінії ближче до її середини, якщо вона розташована гори-
юнтально або похило, і зліва від неї, якщо вона розташована
вертикально (рис. 38, а). Якщо місця для написання розмірно­
го числа недостатньо, його наносять на продовженні розмірної
лінії (рис. 38, б) або на поличці лінії-виноски (рис. 38, в).
Виносні й розмірні лінії проводять суцільною тонкою лі­
нією. Виносні лінії обов’язково виходять за кінці стрілок
розмірної лінії на 1...5 мм. Відстань між розмірною лінією і
контуром зображення повинна бути не менше 10 мм.
На кресленні може бути кілька розмірних ліній, пара­
лельних між собою (рис. 39). Щоб уникнути перетину винос­
них і розмірних ліній, завжди ближче до контура зображен­
ня наносять менший розмір. Відстань між паралельними
розмірними лініями має бути 6...10 мм. Якщо на кресленні
є більше двох паралельних розмірних ліній, то розмірні чис­
ла на них розміщують у шаховому порядку (див. рис. 39).
19°15'
Рис. 39. Проведення паралельних
розмірних ліній
Рис. 40. Нанесення розмірів
кутів
Кутові розміри (розміри кутів) на кресленнях вказують у
градусах, мінутах і секундах умовними позначеннями
(рис. 40). Виносні лінії кутового розміру являють собою про­
довження сторін вимірюваного кута, а розмірну лінію прово­
дять у вигляді дуги кола з центром у вершині кута.
Про розміри округлих частин предметів (круглі отвори)
свідчать їх діаметри. Для позначення діаметра перед розмір­
ним числом наносять умовний знак 0 (рис. 41). Розмір діа­
метра пишуть над розмірною лінією усередині кола
(рис. 41, а) або за його межами (рис. 41, б).
Розміри заокруглених частин предметів вказують, зазнача­
ючи радіуси дуг, які їх утворюють. Для позначення радіуса пе­
ред розмірним числом наносять умовний знак К (рис. 42). Роз­
мірну лінію проводять з центра дуги і закінчують стрілкою,
яка упирається в точку дуги кола. Якщо розмірна лінія раді­
уса занадто коротка і на ній не можна розмістити умовний
31
Рис. 41. Нанесення розмірів кіл
знак і розмірне число, то їх наносять на продовженні розмір­
ної лінії з зовнішнього боку дуги (рис. 42).
Зображення предмета може мати кілька однакових елемен­
тів. їх розміри наносять лише раз, але зазначають кількість цих
елементів (рис. 43). Наприклад, напис «4 отв. 012» означає, що
предмет має чотири однакових отвори діаметром 12 мм.
4отв. 0 12
Рис. 42. Нанесення розмірів
радіусів
Рис. 43. Нанесення розмірів,
що повторюються
ЗА В Д А Н Н Я
Визначте, на яких кресленнях (рис. 44) нанесено розміри з по­
милками. Відповіді запишіть у таблицю:
Завдання Креслення
1
и
III
IV
V
32
Рис. 44. Завдання для вправи
Як правильно нанести розміри на кресленні предмета?
Для цього слід дотримуватись певної послідовності. Розгля­
немо її на прикладі.
На рисунку 45 показано зображення плоского предмета.
Це прямокутна пластина завтовшки 5 мм. Посередині плас­
тини є круглий отвір 0 24 мм, у верхній частині — два одна­
кових круглих отвори 0 8 мм. Унизу — прямокутний виріз.
Спочатку наносять розміри окремих частин предмета:
діаметри отворів (8 і 24 мм), довжину і висоту прямокут­
ного вирізу (розміри 32 і 6 мм). Діаметри двох однакових
отворів вказують один раз, але перед позначенням розміру
наносять напис «2 отв.».
З «Креслення», 8 -9 кл. 33
2отв. 08
Далі наносять розміри, які визначають взаємне розташу­
вання частин предмета. Такими розмірами є 9, 10, 12 і 22
мм. Розмір 9 мм визначає положення прямокутного вирізу
по ширині пластини. Розміри 10 і 12 мм визначають поло­
ження центрів отворів 0 8 мм по висоті і ширині предмета.
Розмір 22 мм визначає положення центра отвору 0 24 мм по
висоті предмета. Положення центра по ширині визначає вісь
симетрії, тобто отвір розташований точно посередині віднос­
но ширини предмета.
В останню чергу наносять розміри, які визначають най­
більші обриси предмета — їх називають габаритними. На ри­
сунку 45 це розміри 55 і 50 мм, тобто висота і ширина пред­
мета.
Товщину предмета вказують умовно — $5.
ЗАПИТАННЯ
1. В яких одиницях вказують на кресленнях лінійні розміри?
кутові розміри?
2. Якою лінією проводять на кресленні виносні й розмірні лінії?
3. Якою має бути відстань між контуром зображення і розмір­
ною лінією?
4. Як наносять розмірні числа по відношенню до горизонталь­
них, похилих і вертикальних розмірних ліній?
5. Як наносять розміри кількох однакових елементів зображення?
6. У якій послідовності наносять розміри на кресленнях плос­
ких предметів?
34
Я15
ЗАВДАННЯ
І. Прочитайте креслення предметів, давши відповіді на наступні
запитання.
До креслення на рисунку 46, а:
1. Чому дорівнюють габаритні розміри предмета?
2. Яка товщина предмета? Звідки це видно?
3. Скільки осей симетрії має зображення предмета?
4. Що означає напис «2 отв. 0 7»?
5. Чому перед розмірним числом 15 нанесено літеру Я?
6. Якими розмірами визначено положення центра отворів діа­
метром 7 мм?
До креслення на рисунку 46, б:
1. Чому дорівнюють габаритні розміри предмета?
2. З якою метою на кресленні нанесено розмір 80 мм?
3. Скільки осей симетрії має зображення предмета?
35
4. Що означає умовне позначення «8?
5. Що означає знак □ , нанесений перед числом ЗО?
6. Яка умовність використана при нанесенні розмірів двох одна­
кових отворів?
II. Виконайте креслення одного з плоских предметів за подани­
ми половинами симетричних зображень (рис. 47). Нанесіть необхід­
ні розміри, враховуючи, що розмір клітинок дорівнює 5x5 мм. Заз­
начте товщину предмета (5 мм).
Рис. 47. Завдання для вправи
3.3. Ескіз предмета
Уявіть собі, що для ремонту навчального приладу в майс­
терні необхідно виготовити нову деталь. Для цього потрібне
креслення деталі, яка вийшла з ладу. Щоб прискорити про­
цес її виготовлення, креслення в даному випадку можна ви­
конати спрощено — від руки, без застосування креслярських
інструментів, без масштабу, лише додержуючи на око про­
порції між частинами зображуваної деталі. Виконані у такий
спосіб креслення називають ескізами. Для порівняння на ри­
сунку 48 показано ескіз (а) і креслення (б) одного і того ж
предмета.
Рис. 48. Ескіз (а) і креслення (б) предмета
Незважаючи на допустимі спрощення, ескіз повинен давати
уявлення про зображений на ньому предмет. Тому лінії на
ескізі мають бути рівними і чіткими, всі написи і позначен­
ня — акуратними.
Ескізи виконують на папері в клітинку. Це полегшує й
прискорює проведення ліній, виконання необхідних побудов.
За допомогою клітинок легко додержувати пропорційності
частин предмета. Дуги кіл на ескізах розмічають циркулем,
а потім обводять від руки.
Щоб правильно виконати ескіз предмета, дотримуються
такої послідовності:
1. Ознайомлюються з предметом, вивчаючи його будову.
2. Готують аркуш паперу — проводять рамку, розмічають
і креслять основний напис.
3. Визначають положення зображення на полі креслення.
Для цього проводять осі симетрії і розмічають габаритний пря­
мокутник.
4. Послідовно розмічають і обводять контур зображення
предмета. Побудову зображень на ескізах здійснюють так са­
мо, як і на кресленнях.
5. Наносять виносні і розмірні лінії.
6. Обмірюють предмет і наносять розмірні числа.
7. Заповнюють основний напис, де зазначають назву пред­
мета і матеріал, з якого його виготовлено. Масштаб в основ­
ному написі на ескізі не вказують.
Назву предмета в основному написі дають у називному
відмінку, наприклад: «Пластина», «Вушко». Так само пи­
шуть і назву матеріалу: «Жерсть», «Картон», «Гума» тощо.
На закінчення перевіряють ескіз. При цьому необхідно
впевнитись, що зображення побудоване правильно і дає пов­
не уявлення про форму предмета і його окремих частин; зоб­
раження доповнено необхідними розмірами і умовними поз­
наченнями.
Послідовність виконання ескіза предмета показано на рисун­
ку 49.
Під час виконання ескізів предмети обмірюють різними
вимірювальними інструментами. Лінійні величини вимірю­
ють за допомогою лінійки (рис. 50, а). Кути вимірюють тран­
спортиром (рис. 50, б). Діаметри круглих отворів можна ви­
мірювати нутроміром (рис. 50, в). Числове значення діаметра
отвору, вимірюваного нутроміром, визначають за лінійкою
(рис. 50, г).
Деякі розміри визначають опосередковано або за допомо­
гою певних розрахунків, тому що виміряти їх безпосередньо
неможливо. На рисунку 51, а показано частину предмета з
37
а б
Рис. 50. Обмірювання предметів для виконання ескізів:
а — лінійкою; б — транспортиром; в, г — нутроміром
Рис. 51. Опосередковане визначення розмірів
Рис. 52. Завдання для вправи
39
двома циліндричними отворами. Нехай потрібно визначити
відстань А між їх центрами. Ш укана відстань дорівнює відс­
тані В між однойменними точками обох кіл — тобто А=В. Як­
що відстань В виміряти складно, то вимірюють відстань Б.
Тоді А=Б+2( (1/2 )=Б+сІ. Коли діаметри отворів різні
(рис. 51,6), то А=Б+(Б+сІ)/2. На рисунку 51, в показано роз­
рахункову схему для визначення відстані від центра отвору до
краю предмета: А=В+сІ/2.
ЗАПИТАННЯ
1. Яке призначення ескіза?
2. Чим ескіз відрізняється від креслення?
ЗАВДАННЯ
1. Виконайте ескіз одного з предметів за його наочним зобра­
женням (рис. 52).
2. За завданням учителя виконайте з натури ескіз предмета.
4. КРЕСЛЕННЯ В СИСТЕМІ ПРЯМОКУТНИХ
ПРОЕКЦІЙ
4.1. Методи проеціювання
Кожний об’ємний предмет має три виміри: довжину,
ширину і висоту. Виготовляють предмети за кресленнями,
що містять їх зображення на площині (на аркуші паперу).
В основу побудови зображень на кресленнях покладено
метод проеціювання. Він полягає у тому, що зображення
предмета на площині дістають за допомогою проеціюючих
променів.
Проеціювання нагадує утворення тіні предмета. При освіт­
ленні сонячними променями будь-який предмет (дерево, пар­
кан, будівля) відкидає тінь. Вона подібна до обрисів самого
предмета. Якщо предмет (рис. 53) розмістити перед плоскою
стінкою і освітити його ліхтариком, то на стінці утвориться
тінь цього предмета. Утворений світловими променями кон­
тур предмета на площині можна вважати його проекцією.
Утворення зображення предмета на кресленні уявними
проеціюючими променями називають проеціюванням. Утво­
рене методом проеціювання зображення предмета на площи­
ні називають проекцією. Площина, на якій одержують проек­
цію, називається площиною проекцій.
40
Залежно від взаємного розміщення проеціюючих променів
у просторі розрізняють центральне і паралельне проецію­
вання.
Якщо проеціюючі промені виходять з однієї точки, про­
еціювання називають центральним (рис. 54, а). Точку, з
якої виходять промені, називають центром проеціювання.
Проекцію, утворену центральним проеціюванням, назива­
ють центральною. Прикладами центральних проекцій є ті­
ні, відкинуті від предметів променями штучного джерела
освітлення, фотознімки і кінокадри на плівці. Центром про­
еціювання у наведених прикладах є джерело освітлення,
око людини.
Якщо проеціюючі промені паралельні між собою
(рис. 54, б, в), то проеціювання називають паралельним, а
одержану проекцію —паралельною. Ви вже знаєте, що зобра­
ження на кресленнях будують саме за допомогою паралель­
них між собою проеціюючих променів, тобто методом пара­
лельного проеціювання. Центральне проеціювання при
виконанні креслень не використовують — цей метод знайшов
застосування у малюванні.
При паралельному проеціюванні всі промені падають на
площину проекцій під однаковим кутом. Якщо це будь-який
гострий кут, як на рисунку 54, б, то проеціювання називають
осокутним. Якщо проеціюючі промені перпендикулярні до
площини проекцій (рис. 54, в), то проеціювання називають
ірямокутним. Утворена при цьому проекція називається
прямокутною.
Прямокутне проеціювання є більш простим і зручним, то­
му йому віддають перевагу перед косокутним.
41
1
Рис. 54. Методи проеціювання:
а — центральне; б — паралельне косокутне; в — паралельне прямокутне
ЗАПИТАННЯ
1. ІЦо називається проеціюванням?
2. Що таке проекція?
3. Які ви знаєте методи проеціювання?
4. Чим відрізняються між собою центральне і паралельне прое­
ціювання?
5. У чому полягає різниця між косокутним і прямокутним про­
еціюванням?
6. Яким із способів проеціювання одержують прямокутні проекції?
4.2. Прямокутне проеціювання
Проеціювання на одну площину проекцій. Проеціюванням
на одну площину проекцій одержують проекції плоских пред­
метів. Щоб одержати проекцію предмета, через усі його верши-
42
іїй проводять уявні промені у напрямку площини проекцій до
зустрічі з нею (рис. 55). Ці промені називають проеціюючими.
Проводять проеціюючі промені паралельно між собою і під
прямим кутом до площини проекцій. З’єднавши між собою лі­
ніями уявні точки перетину проеціюючих променів з площи­
ною проекцій, одержують проекцію предмета.
Утворена на площині проекція дає уявлення про форму
плоского предмета. На кресленні проекцію доповнюють роз­
мірами (рис. 56). Розміри відображають величину зображе­
ного предмета і його елементів. Товщину предмета познача­
ють умовно за допомогою латинської літери 8. З креслення,
наведеного на рисунку 56, видно, що товщина предмета до­
рівнює 5 мм.
Рис. 55. Проекція плоского Рис. 56. Креслення плоского
предмета предмета
ЗАВДАННЯ
1. За наочними зображеннями предметів (рис. 57) знайдіть їх
проекції. Відповіді запишіть у таблицю на с.44.
2 3 4 5
Рис. 57. Завдання для вправи
43
Наочне зображення
Г'"' .........
Проекція
А
Б
В
Г
д
2. За наочним зображенням (рис. 58) побудуйте проекцію плос­
кого предмета. Нанесіть розміри. Товщину позначте умовно.
Рис. 58. Завдання для вправи
Проеціювання на дві площини проекцій. Одна проекція
не завжди однозначно визначає форму зображуваного пред­
мета. Подивіться на рисунок 59. Різні за формою предмети
утворюють однакові проекції. Це називають невизначеністю
форми об’ємного предмета за однією проекцією. Тому, щоб
одержати уявлення про форму об’ємного предмета, проецію­
вання виконують на дві площини проекцій: горизонтальну
Н і вертикальну V (рис. 60). Вертикальну площину проекцій
називають фронтальною. Площини проекцій у просторі роз­
міщені під прямим кутом одна до одної. Лінію перетину цих
площин (її позначають де) називають віссю проекцій.
44
Рис. 59. Невизначеність форми предмета за однією проекцією
Рис. 60. Проеціювання пред- Рис. 61. Суміщення фронтальної і
мета на дві площини проекцій горизонтальної площин проекцій
Проекція предмета на горизонтальну площину проекцій
називається горизонтальною проекцією. Проекція предмета
на фронтальну (вертикальну) площину проекцій називається
фронтальною проекцією.
Утворені дві проекції предмета розташовані у просторі в
45
різних площинах. Щоб дістати креслення предмета на пло­
щині, обидві площини проекцій суміщують в одну. Для цьо­
го горизонтальну площину проекцій повертають так, щоб во­
на збіглася з фронтальною площиною проекцій (рис. 61).
Виконуючи креслення, горизонтальну проекцію предмета
завжди розміщують під фронтальною — У проекційному
зв'язку (рис. 62). Це правило порушувати забороняється.
Межі площин і лінію їх перетину на кресленні предмета
не показують (рис. 63).
Фронтальна площина
проекцій
Фронтальна проекція
Лінія перетину площин
(вісь проекцій)
Горизонтальна проекція
Горизонтальна площина
проекцій
Рис. 62. Взаємне роміщення фронтальної
і горизонтальної проекцій
ЗАВДАННЯ
Рис. 63. Креслення
предмета, що містить
дві проекції
1. За наочними зображеннями предметів знайдіть відповідні їм
проекції (рис. 64). Відповіді запишіть у таблицю:
Наочне зображення Проекція
А
Б
В
г
д
Е
46
_ ]
п_л
5
и
Рис. 64. Завдання для вправи
Рис. 65. Завдання для вправи
2. Визначте, яка з проекцій предмета (рис. 65) є горизонталь­
ною, а яка фронтальною. Як вони повинні бути розміщені на крес­
ленні одна відносно одної?
3. Накресліть або перенесіть на прозорий папір фронтальну
Рис. 66. Завдання для вправи
47
Рис. 67. Завдання для вправи
Рис. 68. Завдання для вправи
проекцію предмета (рис. 66). Користуючись наочним зображенням,
побудуйте горизонтальну проекцію. Нанесіть розміри.
4. Знайдіть на рисунку 67 дві проекції, що відповідають зображе­
ному предмету.
5. Побудуйте дві проекції зображеного предмета (рис. 68). Нане­
сіть розміри.
Проеціювання на три площини проекцій. Дві проекції пред­
мета — горизонтальна і фронтальна — досить повно та одноз­
начно визначають на кресленнях форму багатьох предметів,
але не всіх. На рисунку 69 показано дві проекції, які відпові­
дають одночасно декільком предметам. Значить, і за двома про­
екціями не завжди можна точно уявити форму предмета.
Щоб побудувати креслення, за яким можна уявити єди­
ний образ зображуваного предмета, користуються трьома
площинами проекцій. У цьому випадку до двох відомих вам
площин проекцій додається ще одна — її називають профіль­
ною. Утворену на профільній площині проекцію називають
48
Рис. 69. Невизначеність форми предмета за двома проекціями
профільною проекцією. Профільна площина проекцій перпен­
дикулярна одночасно до горизонтальної і фронтальної пло­
щин проекцій.
Три взаємно перпендикулярні площини проекцій утворю­
ють тригранний кут (рис. 70). Попарний перетин площин
проекцій утворюють три лінії, що виходять із спільної точки
О. Ці лінії називаються осями проекцій: х, у і г.
Предмет, який проеціюють, вміщують у простір тригран­
ного кута (рис. 71) і послідовно розглядають з трьох боків:
спереду, зверху і зліва. За допомогою умовних проеціюючих
променів утворюють проекції на кожній площині проекцій.
Щоб побудувати креслення предмета, всі три площини
проекцій суміщують в одну площину. Для цього горизонталь­
ну площину повертають вниз, а профільну — вправо (рис. 72,
а) до суміщення з фронтальною площиною проекцій. Здобуте
таким чином креслення складається з трьох прямокутних
2
X
Горизонт а/іьна
площина
пр о е кц ій
Н
Ф ронт альна П роф ільна
площ ина площ ина
п р о е кц ій п р о е кц ій
0 У
У
а У б
Рис. 70. Утворення тригранного кута
4 «Креслення», 8—9 кл. 49
Фронтальна проекція 7
Рис. 71. Проеціювання предмета на три площини проекцій
проекцій предмета (рис. 72, б): фронтальної, горизонтальної і
профільної. На кресленні всі три проекції розміщують у про­
екційному зв’язку, тобто горизонтальну проекцію під фрон­
тальною, а профільну — праворуч від неї. Зверніть увагу на
те, що фронтальна і профільна проекції розміщені на одній
висоті. Осі проекцій і проеціюючі промені на кресленні не по­
казують (рис. 72, в).
ЗАПИТАННЯ
1. Чому за двома проекціями не завжди можна уявити форму
предмета?
2. Як називаються проекції, утворені проеціюванням на три
площини проекцій? Як повинні розміщуватись одна відносно одної
ці проекції?
3. Що означає вираз «проекційний зв’язок»?
ЗАВДАННЯ
1. За наочними зображеннями предметів знайдіть їх прямокут­
ні проекції (рис.73). Відповіді запишіть у таблицю:
50
2
/
V
Рис. 72. Креслення, що містить три проекції предмета
4* 51
Наочне зображення Проекція
А
------------------1
Б
В
г
Д
2. Визначте, яке із запропонованих зображень, позначених літера­
ми (рис. 74), відповідає третій проекції предмета. Відповіді запишіть у
таблицю:
Завдання Третя
проекція
1
2
3
4
5
3. Користуючись наочними зображеннями предметів (рис.75),
доповніть проекції необхідними лініями.
4. На рисунку 76 показано проекції предметів, розміщені до­
вільно. За наочним зображенням визначте, якими літерами позна­
чено горизонтальні, фронтальні і профільні проекції. Відповіді за­
пишіть у таблицю за наведеною формою:
Наочне
зображення
Фронтальна
проекція
Горизонтальна
проекція
Профільна
проекція
а
б
в
53
Рис. 74. Завдання для вправи
54
п .
Рис. 75. Завдання для вправи
Б В
/ Г Г 
Е Л
А В
т :
в
4
Рис. 76. Завдання для вправи
55
с
г
Рис. 77. Завдання для вправи
5. Накресліть або перенесіть на прозорий папір проекції предме­
тів (рис. 77). Доповніть профільні проекції необхідними лініями.
4.3. Вигляди
Розглядаючи проеціювання предметів на одну, дві і три
площини проекцій, ви переконались, що вибір кількості про­
екцій на кресленні залежить від складності форми предмета.
Мабуть, ви звернули увагу й на те, що проекції являють собою
зображення тільки видимих (зовнішніх) частин поверхонь
предмета. Щоб показувати на кресленнях невидимі частини
поверхонь предметів (їх внутрішню будову), застосовують зоб­
раження, які називають перерізами й розрізами. Ці види зоб­
ражень ви будете вивчати пізніше.
Проекції, що дають уявлення про видимі частини повер­
хонь предметів, називають виглядами.
Вигляд — це зображення повернутої до спостерігача час­
тини предмета. Для будь-якого предмета (якщо цього вима­
гає його форма) можуть бути одержані три вигляди.
Зображення, утворене на фронтальній площині проекцій,
називають виглядом спереду.
Зображення на горизонтальній площині проекції назива­
ють виглядом зверху.
Зображення на профільній площині проекцій називають
виглядом зліва.
Зображення на фронтальній площині проекцій вважають
головним. Тому вигляд спереду називають ще й головним.
Відносно нього розміщують інші вигляди на кресленні: виг­
ляд зверху — під ним, вигляд зліва — праворуч від нього і
на одній висоті. За рахунок цього досягається проекційний
зв’язок між виглядами — він є необхідною умовою для ство­
рення цілісного уявлення про форму зображеного предмета.
56
Вигляд
 спереду

Вигляд зліва
Вигляд зверху
Рис. 78. Креслення предмета, утворене трьома виглядами
Виконуючи креслення, зображуваний предмет треба розмі­
щувати відносно фронтальної площини проекцій так, щоб го­
ловний вигляд давав якнайповніше уявлення про форму пред­
мета. На рисунку 78 наведено креслення, яке складається з
трьох виглядів. Зверніть увагу, що за головний прийнято виг­
ляд, котрий передає найбільш характерні контури предмета.
Загальна форма предмета нагадує кутник — і це видно з го­
ловного вигляду. Наявність скосів на горизонтальній частині
і вирізу на вертикальній викликали необхідність застосуван­
ня на кресленні ще двох виглядів — зверху і зліва.
Поряд з виглядами спереду, зверху і зліва для зображен­
ня предмета можуть застосовуватися вигляди справа, знизу,
ззаду. Отже, на кресленні може бути шість виглядів. Але це
зовсім не означає, що будь-який предмет потребує виконан­
ня на кресленні всіх шести (чи навіть трьох) виглядів. Скіль­
ки ж їх повинно бути на кресленні? Зайві зображення на
кресленні потребують надмірних витрат часу і зусиль на їх
виконання, а недостатня кількість зображень робить крес­
лення малозрозумілим. Кількість виглядів на кресленні має
бути доцільною, тобто найменш можливою, але разом з тим
достатньою для повного уявлення про форму всього зображе­
ного предмета і його частин. Пояснимо це на прикладах.
На рисунку 79, а показано три вигляди предмета. Але чи
всі вони потрібні на кресленні? Головний вигляд дає уявлен­
ня про характерний зовнішній контур предмета. Щоб краще
уявити форму заокругленої частини, потрібний ще вигляд
зверху. Вигляд зліва зайвий — без нього форма зображеного
предмета буде цілком зрозумілою. Отже, у даному разі на
кресленні має бути лише два зображення і вони є достатніми
57
Рис. 79. Доцільна кількість виглядів на кресленні:
а — зображення предмета потребує двох виглядів;
б — зображення предмета потребує трьох виглядів
для повного уявлення про форму предмета. Предмет, показа­
ний на рисунку 79, б, потребує наявності всіх трьох виглядів.
Якщо не дати на кресленні вигляду зліва чи зверху, немож­
ливо буде уявити форму окремих частин предмета.
Таким чином, доцільну кількість виглядів на кресленні
слід завжди визначати залежно від форми предмета.
Невидимі частини поверхні предмета показують на вигля­
дах штриховими лініями. Це дає змогу краще уявити форму
окремих частин предмета, а іноді навіть зменшити кількість
зображень на кресленні.
ЗАПИТАННЯ
1. Яке зображення предмета називається виглядом?
2. Як взаємно розміщують вигляди на кресленнях?
3. Який вигляд на кресленні називають головним і чому?
4. Яким вимогам повинен відповідати головний вигляд на крес­
ленні?
5. Від чого залежить кількість виглядів на кресленні?
Рис.80.Завданнядлявправи
Рис. 81. Завдання для вправи
ЗАВДАННЯ
1. За наочними зображеннями предметів (рис.80), позначеними
літерами, знайдіть їхні вигляди спереду, зверху і зліва, які позначе­
ні цифрами. Відповіді запишіть у таблицю за наведеною формою:
Наочне
зображення
Вигляд спереду Вигляд зверху Вигляд зліва
2. На рисунку 81 наведено наочні зображення предметів. Виз­
начте, у якому напрямку — А , Б чи В — слід дивитись на них, щоб
правильно вибрати положення для головного вигляду.
3. На рисунку 82 наведено наочні зображення предметів, умов­
но розділених на дві частини. Поміняйте місцями частини, позна­
чені цифрою 1, переставивши їх з одного предмета на інший. Вико­
найте ескіз одного з утворених предметів, побудувавши необхідні
вигляди. Заново утворений предмет вважайте суцільним.
4. Уявно змініть форму предмета (рис.83), повернувши його еле­
мент 1 так, щоб він став на місце, виділене штриховкою. Вважай­
те утворений предмет суцільним, виконайте його ескіз, побудував­
ши необхідні вигляди.
5. ВИКОНАННЯ І ЧИТАННЯ КРЕСЛЕНЬ
5.1. Послідовність побудови виглядів
Правильна послідовність побудови виглядів дає змогу
уникнути зайвих витрат часу на виконання креслень.
Побудову виглядів починають з розмічання загальних об­
рисів предмета на кожному вигляді. Ц і обриси утворюються
паралелепіпедом, який обмежує предмет спереду і ззаду,
зверху і знизу, зліва і справа. Такий паралелепіпед обмежує
предмет по довжині, висоті і ширині, тому його називають
габаритним. Спроеціювавши габаритний паралелепіпед на
площини проекцій, дістають на них прямокутники, які обме­
жують загальні обриси виглядів предмета. Усередині цих
прямокутників і будують вигляди. Щ об уявити, як це ро­
биться, звернемось до прикладу.
На рисунку 84, а показано предмет, форма якого потребує
побудови на кресленні трьох виглядів (рис. 84, б ). Головному
вигляду відповідає напрям проеціювання за стрілкою А.
Паралелепіпед, яким можна обмежити предмет, має розміри
його найбільшої довжини, висоти і ширини — 50x32x28 мм.
61
Рис. 84. Послідовність побудови
62
є
виглядів на кресленні предмета
Проекції цього паралелепіпеда являють собою прямокутники
(рис. 84, в). На фронтальній площині проекцій прямокутник
визначає довжину і висоту предмета, тобто розміри 50 і 32, на
горизонтальній — довжину і ширину, тобто розміри 50 і 28, на
профільній — ширину і висоту, тобто розміри 28 і 32. Кожний
вимір предмета показано без спотворень двічі: довжину на
фронтальній і горизонтальній площинах, висоту — на фрон­
тальній і профільній, ширину — на горизонтальній і профіль­
ній площинах проекцій. Всі три прямокутники розміщують у
проекційному зв’язку. Контури прямокутників і наступні побу­
дови усередині них виконують спочатку тонкими лініями. Оскіль­
ки предмет симетричний відносно вертикальної поздовжньої пло­
щини, то на виглядах зверху і зліва повинні бути осі симетрії. Для
цього на прямокутниках, які дістали на горизонтальній і профіль­
ній площинах проекцій, проводять штрихпунктирні лінії.
Предмет має два прямокутних вирізи — один з лівого боку
і другий зверху уздовж предмета. Лівий виріз починають буду­
вати на головному вигляді. Для цього на відстані 28 мм від
лівої грані проводять вертикальну лінію, а на відстані 20 мм
від верхньої грані — горизонтальну лінію (рис. 84, г). Д а л і.
будують проекції вирізу на виглядах зверху і зліва. На вигля­
ді зверху на відстані 28 мм від лівої грані проводять вертикаль­
ну лінію, паралельну цій грані. На вигляді зліва проводять
горизонтальну лінію на відстані 20 мм від верхньої грані.
Проведена лінія на вигляді зверху знаходиться на рівні
вертикальної грані зрізу, а на вигляді зліва — на рівні його
горизонтальної грані.
Щоб забезпечити кращий проекційний зв’язок між зобра­
женнями частин предмета на виглядах і прискорити вико­
нання побудов, доцільно скористатись лініями проекційного
зв'язку. Побудову проекції вирізу на вигляді зверху викону­
ють за допомогою вертикальної лін ії зв’язку, а на вигляді
зліва — горизонтальної (лін ії зв’язку на рисунку 84, г пока­
зано стрілками). Л ін ії проекційного зв’язку проводять тон­
кими лініями, які після закінчення всіх побудов стирають.
Поздовжній виріз починають будувати на вигляді зліва.
Для цього відкладають по 8 мм вліво і вправо від осі симетрії
і через знайдені точки проводять дві вертикальні лінії. Потім
на відстані 10 мм від верхньої грані проводять горизонтальну
лінію (рис. 84, д). На головному вигляді контур вирізу (його
нижня грань) буде невидимим. Його будують за допомогою
горизонтальної лін ії проекційного зв’язку і показують
штриховою лінією. Щ об побудувати виріз на вигляді зверху,
проводять лінії проекційного зв’язку між виглядами зліва і
зверху. Д ля цього застосовують допоміжну пряму креслення.
64
Таку назву має лінія, яку проводять праворуч від вигляду
зверху під кутом 45 до рамки креслення.
Щ об побудувати допоміжну пряму, продовжують до взаєм­
ного перетину осі симетрії виглядів зверху і зліва. Через знай­
дену точку К проводять пряму під кутом 45 до осей (рис. 84,
д). Це й буде допоміжна пряма. Коли зображення несиметрич­
ні, то для побудови допоміжної прямої продовжують до пере­
тину горизонтальну і профільну проекції грані, що проецію­
ється у вигляді відрізків прямих. Через знайдену точку К ]
проводять допоміжну пряму.
Вертикальні лінії зв’язку, що йдуть від вигляду зліва, доводять
до допоміжної прямої. З точок їх перетину (рис. 84, д) проводять
горизонтальні лінії зв’язку і виконують необхідні побудови.
Побудову зображення циліндричного отвору (рис. 84, е)
починають з вигляду зверху. Для цього спочатку знаходять
центр кола отвору. Він лежатиме на осі симетрії вигляду і на
відстані 15 мм від лівого краю нижньої частини предмета.
Через знайдену точку проводять другу осьову лінію і крес­
лять коло діаметром 10 мм. Зображення отвору на головному
вигляді і вигляді зліва будують за допомогою ліній проекцій­
ного зв’язку. На цих зображеннях отвір невидимий, тому йо­
го показують штриховими лініями. Осьова лінія отвору на
вигляді зліва збіглася з віссю симетрії вигляду.
З лівого боку предмета на нижній його частині є два похилі
зрізи (скоси). Спочатку їх будують на вигляді зверху (рис. 84,
є), потім на головному вигляді і вигляді зліва. Для цього
проводять вертикальну лінію проекційного зв’язку до головного
вигляду і дві горизонтальні лінії зв’язку до вигляду зліва,
скориставшись допоміжною прямою.
На закінчення всі видимі предмети на зображеннях обво­
дять суцільною товстою основною лінією, а допоміжні лінії,
за допомогою яких велася побудова зображень, стирають.
ЗАПИТАННЯ
1. З якою метою під час побудови виглядів використовують лінії
проекційного зв’язку?
2. Для чого призначена допоміжна пряма креслення?
3. Які способи побудови допоміжної прямої креслення ви знаєте?
У чому вони полягають?
ЗАВДАННЯ
1. Побудуйте лінії проекційного зв’язку між виглядами предме­
та (рис.85).
2. На рисунку 86 наведено наочне зображення і головний виг­
ляд предмета. Побудуйте ще два його вигляди, обмежені габаритни­
ми прямокутниками.
5 «Креслення», 8—9 кл. 65
А
/
Рис. 86. Завдання для вправи
Рис. 87. Завдання для вправи
3. Накресліть або перенесіть на прозорий папір два вигляди пред­
метів, наведені на рисунку 87. Побудуйте відсутні треті вигляди.
4. Доповніть креслення необхідними лініями (рис.88).
66
г
[ _
□
Рис. 88. Завдання для вправи
/
' і І ГП
Т-
Рис. 89. Завдання для вправи
1П
Рис. 90. Завдання для вправи
5* 67
5. За головним виглядом і виглядом зліва (рис.89) побудуйте
вигляд зверху. Нанесіть розміри (одна клітинка дорівнює 10 мм).
6. Побудуйте три вигляди кожного предмета за його наочним
зображенням (рис.90). Нанесіть розміри.
5.2. Нанесення розмірів
Ви вже ознайомились з основними правилами нанесення
розмірів на кресленнях. Ц і правила визначені державними
стандартами, і їх обов’язково дотримуються під час виконан­
ня будь-якого креслення. Важливо також знати, які саме
розміри і де треба наносити на виглядах предмета. Як же це
визначити?
Розміри на кресленні наносять для того, щоб дати якнай­
повніше уявлення про предмет в цілому та співвідношення
його окремих частин. Цій меті підпорядкований і вибір міс­
ця для нанесення розмірів. Розглянемо це на прикладах.
Розмір усього предмета, два вигляди якого показано на ри­
сунку 91, а, визначають його довжина — 50 мм, ширина —
32 мм і висота — 45 мм. Ц і розміри називають габаритними,
тому що вони визначають граничні (найбільші) величини об­
рисів предмета. Габаритні розміри обов’язково мають бути на­
несені на кресленні предмета.
Форма предмета утворена поверхнями двох геометричних
тіл: паралелепіпеда і циліндра. Тобто предмет можна уявно
розчленувати на ці тіла (рис. 91, б). Вам відомо, що розмір
паралелепіпеда визначається його довжиною, шириною і ви-
а б
Рис. 91. Нанесення розмірів на кресленні предмета
68
сотою (товщиною), а розмір циліндра — діаметром основи і
висотою. Числові значення цих величин (рис. 91, а) і повинні
бути на кресленні. ,
Наносячи розміри на кресленні, слід пам’ятати і про те, що
складові частини предмета можуть бути по-різному розміщені
між собою. Отже, на кресленні потрібні ще й розміри, які виз­
начають взаємне положення частин предмета. Такі розміри на­
зивають координуючими. Наприклад, положення циліндра на
паралелепіпеді (рис. 91, а) визначають два розміри: 25 і 16 мм.
Це і є координуючі розміри.
Тепер ми визначили всі розміри, які повинні бути на крес­
ленні предмета. А ле перш ніж наносити їх, слід звернути
увагу на деякі умовності.
Кожний розмір на кресленні зазначають тільки один раз.
Наприклад, якщо на головному вигляді (рис. 91, а) нанести
розмір основи циліндра 024, то на вигляді зверху його нано­
сити не треба. Довжина і ширина паралелепіпеда водночас є
і габаритними розмірами: їх теж необхідно вказати тільки
один раз.
Візьміть до уваги, що розмір, який визначає висоту цилін­
дра, в даному випадку наносити не треба. Висота циліндра
визначається як різниця між загальною висотою предмета
(45 мм) і товщиною основи (15 мм) і дорівнює ЗО мм.
Наносячи розміри на кресленні, менші розмірні лінії роз­
міщують ближче до контура зображення, а більші — далі
іід нього. Так, розмір 15 мм на головному вигляді (рис. 91, а)
знаходиться ближче до зображення, а 45 — далі. Так само
розміщені розміри 25 і 50 мм на вигляді зверху. Розміри 45
(на головному вигляді) і 50 мм (на вигляді зверху) — це габа­
ритні розміри. Отже, габаритні розміри, які завжди більш і
від інших, розміщують далі від зображення, ніж решту.
Додержання цього правила дає змогу уникнути зайвих пере­
тинів розмірних і виносних ліній. Відстань між паралельни­
ми розмірними лініями має бути від 6 до 10 мм.
На рисунку 92, а показано креслення предмета більш
складної форми. Його зовнішня поверхня утворена двома
паралелепіпедами (горизонтальним і вертикальним) і напів-
циліндром, розміщеним на вертикальному паралелепіпеді.
Отвір у вертикальній частині предмета має форму циліндра,
а горизонтальний прямокутний виріз — паралелепіпеда.
Внутрішня і зовнішня циліндричні поверхні співвісні, тобто
мають спільну вісь (вона розміщена горизонтально). Таким
чином, предмет можна умовно розчленувати на три
паралелепіпеди, циліндр і напівциліндр. Розміри цих
геометричних тіл показано на рисунку 92, б.
69
Рис. 92. Нанесення розмірів на кресленні предмета
На кресленні предмета, як і у попередньому випадку,
слід нанести розміри його окремих частин, координуючі й
габаритні розміри. Ц і розміри нанесено, як показано на
рисунку 92, а.
Зверніть увагу, що під час нанесення розмірів були зас­
тосовані деякі умовності. Висота циліндра, який визначає
форму отвору, дорівнює товщині вертикально розміщ ено­
го паралелепіпеда, а також висоті напівциліндра. Цей
розмір — 20 мм — показано один раз. Так само довжина
прямокутного вирізу однакова з шириною горизонтально­
го паралелепіпеда, тому її також окремо не показано. Ш и ­
рина обох паралелепіпедів дорівнює габаритному розміру
всього предмета по його ширині, тобто розмір 40 мм одно­
часно дає уявлення про ширину двох складових частин
предмета і про його граничний розмір по ширині.
На кресленні є два координуючих розміри: 10 і 50 мм. Пер­
ший визначає положення прямокутного вирізу, а другий —
положення осі двох співвісних циліндричних поверхонь.
70
Висота предмета (габаритний розмір) не вказана — вона
дорівнює сумі координуючого розміру 50 мм і радіуса напів-
циліндра — 20 мм. Окремо не вказано висоту вертикального
паралелепіпеда. Її слід визначити як різницю між координу­
ючим розміром 50 мм і товщиною горизонтального паралеле­
піпеда 22 мм.
Всі розміри наносять, як правило, поза контуром зобра­
ження і так, щоб розмірні лінії не перетиналися. Відстань
між контуром зображення і найближчою до нього розмірною
лінією повинна бути не менше 10 мм.
5.3. Спряження
Побудова зображень на кресленнях потребує виконання
різноманітних геометричних побудов. Деякі з них ви вже
вивчали раніше: згадайте проведення паралельних і перпен­
дикулярних прямих, поділ відрізків, кутів і кола на рівні
Рис. 93. Заокруглення на контурах зображень'предметів
71
частини та деякі інші. Тепер розглянемо побудову елементів
контурів зображень, які являють собою заокруглення на різ­
них частинах предметів. Подивіться на рисунок 93. Контури
зображених предметів мають скруглені кути (рис. 93, а),
плавні заокруглені переходи від прямих до кіл (рис. 93, б ),
а також від однієї кривої до іншої (рис. 93, в).
Плавний перехід однієї л ін ії контура зображення в ін ­
шу називають спряженням. Всі спряження на кресленні
виконують дугами к іл заданих радіусів. Точку, з якої
проводять дугу плавного переходу однієї л ін ії до іншої,
називають центром спряження.
Щ об навчитись правильно будувати спряження, слід
завжди пам’ ятати, що перехід від прямої до кола буде
плавним тільки тоді, коли пряма дотикається до кола
(рис. 94, а). У точці дотику прямої до кола відбувається
плавний перехід прямої в дугу кола, тобто ця точка визна­
чає межу між прямою і дугою. Точки плавного переходу
однієї л ін ії в інш у називають точками спряження. Точка
спряження прямої і кола леж ить на радіусі, перпендику­
лярному до цієї прямої (рис. 94, а).
Перехід від одного кола до іншого буде плавним тоді,
коли ці кола дотикаються. Точка спряження двох кіл ле­
жить на прямій, що сполучає центри спряжуваних кіл
(рис. 94, б ).
Отже, побудова спряження завжди зводиться до визна­
чення центра і точок спряження. Побудувавши центр спря­
ження циркулем, розхил якого дорівнює радіусу спряжен­
ня, між точками спряження проводять дугу. Вона і буде
утворювати плавний перехід від однієї лін ії контура зобра­
ження до іншої.
Точка спряження Точка спряження
Рис. 94. Плавний перехід між лініями:
а — прямої і дуги; б — двох дуг
72
Рис. 95. Побудова спряження двох прямих, що перетинаються
Спряження двох прямих, що перетинаються. Дві прямі,
що перетинаються, можуть утворювати прямий, гострий і ту­
пий кути. Для всіх трьох випадків спосіб побудови один і той
же. Він полягає ось у чому. Дуга плавного переходу від одні­
єї прямої до іншої має радіус Я. Якщо це дуга кола, то для
її проведення слід знати положення центра цього кола. Не­
хай таке коло «закотилося» в кут між двома прямими
(рис. 95). Це коло може «закотитися» вздовж прямої а. Тоді
його центр О опише свою траєкторію у вигляді прямої с і на
незмінній відстані від прямої а — ця відстань весь час дорів­
нює радіусу Я. Так само, якщо «закочувати» коло вздовж
прямої Ь, то його центр опише траєкторію у вигляді прямої
сі і на відстані від неї, що також дорівнює радіусу Я.
«Закочене» в кут коло одночасно доторкається до обох пря­
мих (а і Ь), і його дуга утворює плавний перехід між цими
прямими. Центр кола тепер знаходиться на перетині прямих
с і сі, тобто точка перетину прямих с і (І являє собою центр
спряження. Особливістю прямих с і (і є їх паралельність зада­
ним прямим на відстані радіуса спряження Я від них.
Згадайте, що дотична до кола і радіус, проведений у точку
дотику, завжди взаємно перпендикулярні (див. рис. 94, а). То­
му, щоб побудувати точки спряження прямих а і Ь дугою раді­
уса Я, слід опустити перпендикуляри з точки О на задані пря­
мі. Одержані точки 1 і 2 (рис. 95) будуть точками спряження,
через які і повинна бути проведена дуга спряження радіуса Я.
Отже, побудову спряження двох прямих, що перетинають­
ся, дугою заданого радіуса Я (рис. 96, /) виконують у такій пос­
лідовності:
1. Паралельно першій із спряжуваних прямих проводять
допоміжну пряму на відстані радіуса спряження Я від неї
(рис. 96, ї ї ) .
2. Паралельно другій із спряжуваних прямих проводять
другу допоміжну пряму, також на відстані радіуса спряження
73
0
І
№
І ї
о
і  ^ Г

IV
V
а о
Рис. 96. Послідовність побудови спряження двох прямих, що
перетинаються:
а — під прямим кутом; б — під гострим кутом;
в — під тупим кутом
К від неї (рис. 96, I I I ) . У точці перетину обох допоміжних
прямих міститься центр спряження О.
3. З точки О проводять перпендикуляри на спряжувані
прямі. Утворені точки є точками спряження (рис. 96, IV).
4. Поставивши опорну ніжку циркуля в точку О, розхи­
лом циркуля, що дорівнює радіусу спряження Я, між точка­
ми спряження проводять дугу, яка утворює плавний перехід
від однієї прямої до іншої (рис. 96, V).
74
Рис. 97. Побудова спряження двох паралельних прямих
Спряження двох паралельних прямих. Дано дві прямі а і
Ь, відстань між якими дорівнює І (рис. 97, а). На прямій а за­
дано точку спряження 1. Радіус спряження Я дорівнює поло­
вині відстані І між заданими прямими.
Побудову спряження починають з проведення через точку
І перпендикуляра до обох заданих прямих (рис. 97, б). Точ­
ки 1 і 2 будуть точками спряження. Відрізок 1^-2 ділять
навпіл за допомогою циркуля (рис. 97, в). Точка О, що ле­
жить посередині відрізка 1-2, являє собою центр спряження.
Розхилом циркуля, що дорівнює половині відрізка 1-2, з
точки О проводять дугу між точками 1 і 2. Ця дуга утворює
плавний перехід від прямої а до прямої Ь (рис. 97, г).
Спряження дуги кола і прямої. Безпосереднє спряження
дуги кола з прямою відбувається, коли одна лінія плавно пе­
реходить в іншу (рис. 98, а). В іншому разі перехід між ними
здійснюється по допоміжній дузі заданого радіуса (рис. 98, б).
Безпосередній плавний перехід від прямої лін ії до дуги ко­
ла або навпаки — від дуги до прямої — відбувається тільки
тоді, коли радіус кола перпендикулярний до прямої (див. рис.
94, а). Побудова спряження дуги кола і прямої у цьому випад­
ку зводиться до проведення дотичної до кола через задану на
ньому точку за допомогою лінійки і косинця (рис. 99).
Утворення спряження дуги кола радіуса Я і прямої а до­
поміжною дугою радіуса Я, показано на рисунку 100. Знаход­
ження центра спряження О, зводиться до «перекочування»
75
кола радіуса В 1 вздовж спряжу-
ваних елементів. Якщ о коло
«котити» вздовж дуги кола В , то
його центр О, опише траєкторію
у вигляді дуги, рівновіддаленої
від дуги заданого кола на відс­
тань В,. Радіус утвореної дуги Н2
дорівнює сумі радіусів В і В х.
«Перекочування» кола вздовж
прямої а дає трєкторію його цен­
тра О, у вигляді прямої Ь, рівно-
віддаленої від неї на відстань В х.
Траєкторії руху центра кола
(дуга радіуса В., і пряма Ь) пере­
тинаються у точці О, — це і бу­
де центр спряження (рис. 100).
Ви вже знаєте, що плавний
перехід між прямою а і дугою кола радіуса Я, буде у точці, в
якій пряма а і радіус В хперпендикулярні між собою. Для зна­
ходження цієї точки з центра О, дуги спряження опускають
перпендикуляр на пряму а. Точка 1 буде першою точкою
спряження (рис. 100). Друга точка спряження — це точка
плавного переходу дуги радіуса В , в дугу радіуса В. Згадайте,
що точка плавного переходу між двома колами знаходиться
на прямій, яка сполучає їх центри (див. рис. 94, б). З’єднав­
ши центри О і О! прямою, знаходять точку перетину остан­
ньої з дугою радіуса В. Точка перетину 2 буде другою точкою
спряження (рис. 100).
Отже, побудову спряження дуги кола і прямої допоміж­
ною дугою заданого радіуса виконують у такій послідовності
(рис. 101, а):
1. З центра О дуги спряжуваного кола розхилом циркуля,
що дорівнює сумі радіусів кола і дуги Спряження (/?2=І?+Я,),
описують допоміжну дугу (рис. 101, б).
Рис. 99. Побудова дотичної'
до кола за допомогою
косинця і лінійки
Ь
Рис. 100. Побудова спряження дуги кола і прямої
76
Рис. 101. Послідовність побудови спряження дуги кола і прямої
2. Паралельно спряжуваній прямій проводять допоміжну
пряму на відстані радіуса спряження /?, від неї (рис. 101, в).
У точці перетину допоміжної дуги і прямої міститься центр
О, спряження.
3. З центра спряження (точки проводять перпендику­
ляр на спряжувану пряму. Одержана точка 1 є першою точ­
кою спряження (рис. 101, г).
4. З’єднують центр спряження О, з центром спряжуваного
кола О. На перетині прямої ОО, з дугою кола радіуса Н одер­
жують точку 2 — другу точку спряження.
5. Поставивши опорну ніжку циркуля в точку О,, розхи­
лом циркуля, що дорівнює радіусу спряження і?,, між точка­
ми спряження і і 2 проводять дугу (рис. 101, д), яка утворює
плавний перехід від дуги кола до прямої.
ЗАПИТАННЯ
1. Щ о таке спряження?
2. За якої умови перехід від прямої до кола буде плавним?
3. Щ о є ознакою дотику прямої до кола в заданій на ній точці?
4. Як знайти точку спряження двох кіл, що дотикаються?
5. Назвіть елементи, обов’язкові в будь-якому спряженні.
77
6. Як знайти центр спряження при побудові спряження двох
прямих, що перетинаються?
7. Чому дорівнює радіус спряження двох паралельних прямих?
«ЗАВДАННЯ
За наочним зображенням одного з предметів (рис.102) виконай­
те креслення в одному вигляді. Позначте товщину предмета і нане­
сіть розміри. Л інії побудови збережіть. Точки спряжень виділіть
кольоровим олівцем і позначте цифрами (і, 2, ...), а центри спря­
жень — літерами (О,, О.,, ...).
Рис. 102. Завдання для вправи
5.4. Читання креслень
Прочитати креслення — це значить відтворити в уяві фор­
му зображеного на ньому предмета, будову і взаємне розмі­
щення його окремих частин. Читання креслень — дуже
складний процес, який потребує значного розумового напру­
ження і певних умінь.
А н аліз геометричної форми предмета. Придивіться до
навколиш ніх предметів. Багато з них мають форму різних
геометричних тіл або їх частин (рис. 103, а). Інш і предме­
ти мають складніш у форму, утворену сукупністю геомет­
ричних тіл (рис. 103, б).
Щоб визначити форму предмета за кресленням, його уявно
розчленовують на окремі складові частини, що мають форму
простих геометричних тіл. Приклад такого розчленування наве­
дено на рисунку 104. Форма зображеного на ньому предмета ут­
ворена двома паралелепіпедами, трикутною призмою, напівци-
ліндром і циліндром, видаленим з нижньої частини предмета.
Уявне розчленування предмета на геометричні тіла, з яких
він складається, називають аналізом геометричної форми пред­
мета.
78
Вісь
Штифт
Основа
Ролик
Рукоятка
Кришка
б  / Циліндри - х ,
Рис. 103. Предмети, утворені поверхнями геометричних тіл
Рис. 104. Аналіз геометричної форми предмета
79
Циліндри
Конус
Шестикутна призма Паралелепіпед
•
1— п30 -
а
Рис. 105. Вигляди предметів, що включають
Для проведення аналізу геометричної форми предмета за
його кресленням потрібно знати, як зображуються основні
геометричні тіла. З проекціями деяких з них ви ознайоми­
лись раніше.
Щ об згадати, який вигляд мають найбільш поширені гео­
метричні тіла, як вони зображуються на кресленнях, слід
звернутися до таблиці 2 (с. 76,77).
На рисунку 105 наведено вигляди кількох предметів.
80
А$
¥ V
32  И20
і—-------- —
1 1 ‘
і
І
_ (
1
— 'О-
'4-
1 1
1
65
65
920
44 __►
контури зображень геометричних тіл
Всі вони містять контури зображень геометричних тіл,
які утворюють форму цих предметів. Порівнюючи зобра­
ження геометричних тіл, наведені у таблиці 2, з вигляда­
ми показаних на рисунку 105 предметів, спробуйте визна­
чити, якими геометричними тілам и утворено форму
кожного з них. Навчившись виконувати такі порівняння,
ви зможете проводити аналіз геометричної форми предме­
та за кресленням.
(і *Креслення*, 8 -9 кл. 81
Таблиця 2
Зображення геометричних тіл
82
П р одовж ен н я табл. 2
ЗАПИТАННЯ
1. Я к називається процес уявного розчленування предмета на
геометричні тіла, що утворюють його поверхню?
2. Для чого потрібен аналіз геометричної форми предмета?
3. Які геометричні тіла можуть утворювати поверхню предмета?
4. Які характерні ознаки мають проекції циліндра, конуса,
кулі?
5. Чим відрізняються проекції циліндра і конуса? Куба і пря­
мокутного паралелепіпеда?
6. Для яких геометричних тіл при наявності розмірів можна об­
межитись однією проекцією?
7. У яких геометричних тіл всі проекції однакові?
ЗАВДАННЯ
1. Визначте, поверхні яких геометричних тіл утворюють форму
предметів, зображених на рисунку 106?
2. На рисунку 107 наведено вигляди групи геометричних тіл.
Визначте, скільки геометричних тіл входить до кожної групи. Які
це тіла? Які з них знаходяться найдалі від фронтальної площини
проекцій; від профільної?
3. На рисунку 108 зверху наведено по два вигляди предметів,
утворених групою геометричних тіл. Нижче наведено вигляд зліва
кожного предмета. Визначте, яким виглядам, позначеним літерою,
відповідає вигляд зліва, позначений цифрою. Відповідь запишіть у
таблицю:
Завдання Вигляд зліва
А
Б
В
Г
Д
4. За виглядом зверху (рис. 109) побудуйте вигляд спереду одні­
єї з груп геометричних тіл.
5. Доповніть контури зображень необхідними лініями (рис. 110).
Визначте, поєднанням яких геометричних тіл утворено форми зоб­
ражених предметів. Відповідь запишіть у таблицю за наведеною
формою:
84
Отбір
Рис. 106. Завдання для вправи
Рис. 107. Завдання для вправи
85
□
86
□ оо
А
Рис.108.Завданнядлявправи
а б
Рис. 109. Завдання для вправи:
а — 1) прямокутний паралелепіпед з основою 60x20 мм і висотою
40 мм; 2) конус з діаметром основи 40 мм і висотою 60 мм; 3) куб
з розміром ребра 40 мм; б — 1) куля діаметром 40 мм; 2) шестикутна
призма з основою, вписаною в коло діаметром 40 мм і висотою
60 мм; 3) циліндр з діаметром основи 40 мм і висотою 60 мм.
Креслення Геометричні
тіла
6. За наочними зображеннями предметів (рис. 111) знайдіть їх
креслення. Відповіді запишіть у таблицю:
Наочне
зображення Креслення
А
В
В
Г
д
Е
Знаходження проекцій елементів поверхонь на кресленні
предмета. Зображення предметів на кресленнях являють со­
бою плоскі фігури, утворені з точок і відрізків ліній. Будь-
яка точка або лінія на зображенні є проекцією певного еле­
мента предмета: вершини, ребра, грані, кривої поверхні
тощо. Тому читання креслення пов’язане з умінням уявити,
87
А
в
Рис. 110. Завдання для вправи
4—
5
Рис. 111. Завдання для вправи
88
Рис. 112. Проекції елементів предмета на кресленні
зображення якої частини предмета приховане за кожною точ­
кою, відрізком лін ії або фігурою.
Щоб зрозуміти суть цього процесу, звернемось до прикла­
ду. На рисунку 112 показано наочне зображення предмета і
три його вигляди. Предмет розміщено відносно площин про­
екцій так, що всі його ребра і грані паралельні або перпенди­
кулярні до них.
Розглянемо проекції ребра АВ. Вершини А і В лежать на
одному проеціюючому промені, перпендикулярному до гори­
зонтальної площини проекцій. Тому їх горизонтальні проек­
ції а і Ь збігаються1. Оскільки вершина А розташована над
вершиною В, то на горизонтальній площині проекцій її про­
екція а неначе закриває проекцію Ь вершини Б, тобто проек­
ція вершини А буде видима, а проекція вершини В — неви­
дима (на зображенні позначення невидимих точок беруть у
дужки). Ребро АВ перпендикулярне до горизонтальної пло­
щини проекцій і відповідно паралельне фронтальній і про­
фільній площинам проекцій. Тому на фронтальну і профіль­
ну площини воно проеціюється без спотворень — у
натуральну величину. У цьому разі проекції ребра і саме реб­
ро рівні між собою: АВ=а'Ь'=а"Ь"
1Тут і далі проекції точок на горизонтальній площині проекцій
позначатимемо малими літерами, на фронтальній площині — мали­
ми літерами з штрихом, на профільній — літерами з двома штри­
хами.
89
Ребро СВ перпендикулярне до фронтальної площини про­
екцій. Вершини С і і) лежать на одному промені, який прое­
ціює їх на фронтальну площину проекцій. їх фронтальні
проекції с ' і сі' збігаються. Вершина С розташована до нас
ближче, ніж і). Тому на фронтальній площині проекція
вершини С видима, а проекція вершини І) — невидима.
Ребро СБ паралельне горизонтальній і профільній площинам
проекцій, тому на ці площини воно проеціюється у натуральну
величину: СО=ссІ=с"сІ".
Визначте, які ще ребра перпендикулярні до горизонталь­
ної і фронтальної площин проекцій. Які ребра перпендику­
лярні до профільної площини проекцій? Знайдіть їх на наоч­
ному зображенні і на виглядах предмета.
З’єднані попарно фронтальні, горизонтальні і профільні про­
екції вершин утворюють зображення ребер предмета. Причому,
коли ребро паралельне площині проекцій, то на цю площину во­
но проеціюється без спотворень. Якщо ребро перпендикулярне
до площини проекцій, воно проеціюється на неї в точку.
Проекції ребер на виглядах обмежують зображення граней.
Як і ребро, грань, паралельна площині проекцій, проеціюєть­
ся на неї без спотворень. Наприклад, передня грань предме­
та, якій належить ребро АВ, паралельна фронтальній площи­
ні проекцій, тому на неї вона проеціюється в натуральну
величину. На горизонтальну площину проекцій без спотво­
рення спроеціювалися нижня і верхні грані, на профільну —
ліва і права. А ле видимими на зображеннях будуть відповід­
но верхня і ліва грані. Якщо грань перпендикулярна до пло­
щини проекцій, вона проеціюється на неї в лінію.
Знайдіть на рисунку 112 грані предмета, які проеціюються
на площини проекцій в лінію.
Похила грань, якій належить ребро С£>, перпендикулярна
до фронтальної площини проекцій і нахилена до горизон­
тальної і профільної. На фронтальну площину ця грань
проеціюється в лінію, на дві інші — у вигляді прямокутників
із спотвореними розмірами (крім ширини).
Отже, кожний відрізок лін ії на контурі зображення — це
проекція ребра або площини, перпендикулярної до площини
проекцій. Ребра і грані предмета, нахилені до площини
проекцій, проеціюються на неї із спотворенням.
ЗАПИТАННЯ
1. В якому разі проекції точок на зображенні збігаються?
2. Котра з двох точок, проекції яких на горизонтальній
(фронтальній чи профільній) площині збіглися, буде видимою?
90
3. В якому разі відрізок прямої (ребро) проеціюється в натураль­
ну величину? У точку?
4. В якому разі грань проеціюється в натуральну величину? У
відрізок прямої?
5. Як визначити за проекціями предмета його грані, перпенди­
кулярні до горизонтальної (фронтальної чи профільної) площини
проекцій?
6. Як визначити за проекціями предмета його грані, паралельні
горизонтальній (фронтальній чи профільній) площині проекцій?
7. Як, користуючись проекціями предмета, визначити відстань
між двома його паралельними гранями?
ЗАВДАННЯ
1. На рисунку 113 наведено наочне зображення предмета. Виз­
начте відповідність між проекціями поверхонь предмета, позначе­
ними на виглядах цифрами, і самими поверхнями, позначеними л і­
терами на наочному зображенні. Відповіді запишіть у таблицю.
Позначення
Точки (цифрові позначення) на виглядах
поверхні
спереду зверху зліва
9 10 11 12
Рис. 113. Завдання для вправи
91
/П Г
Рис. 114. Завдання для вправи Рис. 115. Завдання для вправи
2. На рисунку 114 наведено три вигляди предмета. Порахуйте,
скільки вершин і граней має зображений предмет. Скільки у предмета
ребер і граней, перпендикулярних до горизонтальної площини проек­
цій? Скільки ребер і граней, паралельних фронтальній площині проек­
цій? Скільки ребер і граней проеціюється на профільну площину про­
екцій у натуральну величину? Відповіді запишіть у таблицю:
Елементи поверхні предмета Кількість
Вершини
Ребра:
перпендикулярні до горизонтальної площини
проекцій
паралельні горизонтальній площині проекцій
проеціюються у натуральну величину
на профільну площину проекцій
Грані:
перпендикулярні до горизонтальної площини
проекцій
паралельні горизонтальній площині проекцій
проеціюються у натуральну величину
на профільну площину проекцій
3. Накресліть або перенесіть на прозорий папір вигляди предме­
та, наведені на рисунку 115. Зафарбуйте на кожному з виглядів од­
ну й ту саму поверхню однаковим кольором (незалежно від того,
зображується вона фігурою чи лінією).
92
Проекції точок, що лежать на поверхні предмета. Щоб
краще уявляти за кресленням форму окремих частин предме­
та, необхідно вміти знаходити на всіх його зображеннях про­
екції окремих точок. Найчастіше виникає необхідність за од­
нією проекцією точки, заданої на поверхні предмета,
знаходити дві інші її проекції.
Спосіб знаходження проекцій точок залежить від того, на
якому з елементів поверхні предмета (ребра чи грані) лежить
задана точка.
На рисунку 116 показано наочне зображення предмета і три
його вигляди, розміщені у проекційному зв’язку. На поверхні
предмета задано точки А, В, С і В. Причому точки А і В знахо­
дяться на ребрах (похилому і горизонтальному), а точки С і і) —
на гранях (вертикальній і похилій). На виглядах вказано фрон­
тальну проекцію точки А і профільну проекцію точки В, фрон­
тальну проекцію точки С і горизонтальну проекцію точки В.
Коли точка задана на якомусь елементі поверхні предме­
та, то її проекції повинні знаходитись на проекціях цього
елемента. Отже, спочатку слід знайти проекції елементів, на
яких задано точки, а потім і проекції точок.
П охиле ребро, на якому задано точку А , проеціюється
на фронтальну площ ину проекцій у натуральну величину,
а на горизонтальну і профільну — із спотворенням. Гори­
зонтальна проекція точки А повинна лежати на горизон­
тальній проекції ребра, а профільна — на профільній.
Знайшовши горизонтальну і профільну проекції ребра, бу­
дують на них відповідні проекції точки А. Д ля цього з точ­
ки а' проводять вертикальну лінію зв’ язку. У місці її пе­
ретину з горизонтальною проекцією ребра леж ить
точка а — горизонтальна проекція точки А. Провівши з
Рис. 116. Проекції точок на зображенні предмета
93
точки а ' горизонтальну лінію зв’язку до перетину з
профільною проекцією ребра, знаходять точку а " —
профільну проекцію точки А.
Ребро, на якому задано точку Б, перпендикулярне до
фронтальної площини проекцій і паралельне горизонтальній
і профільній площинам проекцій. Тому на горизонтальну і
профільну площини воно проеціюється в натуральну величи­
ну, а на фронтальну площину — в точку. Знайшовши фрон­
тальну і горизонтальну проекції ребра, будують на них
проекції точки В (побудову показано стрілками).
Щ об за однією проекцією точки, яка леж ить на грані
предмета, знайти інш і проекції, треба насамперед відшука­
ти проекції цієї грані. Потім за допомогою ліній зв’язку
будують проекції точки, які повинні знаходитись на проек­
ціях граней. Л інію зв’ язку спочатку проводять до тієї
проекції, на якій грань зображується у вигляді відрізка
прямої.
Точку С задано на вертикальній грані, яка паралельна до
фронтальної площини проекцій і перпендикулярна до гори­
зонтальної і профільної площин проекцій. Тому ця грань
проеціюється на фронтальну площину в натуральну величи­
ну, а на горизонтальну і профільну — у вигляді відрізків
прямої. На вигляді спереду показано фронтальну проекцію
точки С. Її горизонтальна і профільна проекції повинні зна­
ходитись відповідно на горизонтальній і профільній проек­
ціях грані. Для їх побудови з точки с' проводять горизон­
тальну і вертикальну лін ії зв’язку до перетину з лініями,
що є проекціями грані. У місці перетину одержують точку
с — горизонтальну проекцію точки С і точку с" — профільну
проекцію точки С.
Точку £> задано на похилій грані предмета. Ця грань
проеціюється на фронтальну площ ину проекцій у вигляді
відрізка прямої (вона перпендикулярна до цієї площ ини
проекцій), на горизонтальну і проф ільну площ ини проек­
цій у вигляді прямокутників, що мають спотворені розм і­
ри по довжині (на горизонтальній проекції) і по висоті
(на профільній проекції). На вигляді зверху вказано
горизонтальну проекцію точки £>. Дві інш і проекції
повинні знаходитись на фронтальній і профільній проек­
ціях грані. Спочатку будую ть ф ронтальну проекцію
точки, провівши вертикальну лінію зв’ язку з точки сі. У
місці її перетину з відрізком прямої — проекцією грані —
леж ить точка сҐ, яка є фронтальною проекцією точки і).
Д алі з точок сі і сі' проводять л ін ії проекційного зв’ язку
до їх перетину у точці сі". Ця точка буде профільною
проекцією точки /).
94
ЗАВДАННЯ
1. На рисунку 117 наведено наочні зображення і три вигляди
предметів. Визначте, якими цифрами на виглядах позначені проек­
ції кожної з точок, заданих на наочному зображенні буквами. Від­
повіді запишіть у таблицю:
Точки на наочному
зображенні
Проекції точок
на виглядах
А
В
С
Б
Е
2. На рисунку 118 наведено два вигляди предмета з нанесеними
на них проекціями точок. Яка з цих точок найнижча, найвища?
Яка з точок на вигляді спереду найдальша від нас? Найближча до
нас? Яка з точок міститься на похилій грані предмета? Відповіді за­
пишіть у таблицю:
Положення точок Номери точок
Найвища точка
Найнижча точка
Найближча точка
Найдальша точка
Точка на похилій грані
3. На рисунку 119 наведено вигляди предметів з позначеними на
них проекціями точок. Визначте, які з точок збігаються з проекці­
ями вершин предметів, які лежать на їх ребрах і які — на гранях.
Відповіді запишіть у таблицю на с. 98.
4. На рисунку 120 наведено наочні зображення і вигляди пред­
метів. Накресліть або перенесіть на прозорий папір вигляди пред-
95
6' б"
с"
-^1—
■т-
ь'Л
1
І о
а "
б'
А
С І а'
* ь
оа
б"
Ь"
а "с '
л
Рис. 119. Завдання для вправи
метів. Знайдіть на них проекції точок, вказаних на наочних зоб­
раженнях.
5. Н а рисунку 121 наведено вигляди предметів. Накресліть або
перенесіть на прозорий папір ці зображення і побудуйте на них
проекції заданих точок.
7 «Креслення», 8—9 кл. 97
Положення точок
Буквене
позначення
точок
На гранях
На ребрах
Збігаються з вершинами
..............................
6. За наочними зображеннями предметів (рис. 122) побудуйте не­
обхідні вигляди. Нанесіть проекції заданих точок.
98
Рис. 120. Завдання для вправи
в
Рис. 121. Завдання для вправи
7 *
Рис. 122. Завдання для вправи
99
6. АКСОНОМЕТРИЧНІ ПРОЕКЦІЇ.
ТЕХНІЧНИЙ РИСУНОК
6.1. Утворення аксонометричних проекцій
Загальні відомості про аксонометричні проекції. Ви вже
знаєте, як утворюються на кресленні вигляди предмета. Для
цього предмет умовно розміщують усередині прямого триг­
ранного кута, сторони якого являють собою площини проек­
цій — фронтальну, горизонтальну і профільну. Послідовним
проеціюванням предмета на ці площини одержують зобра­
ження видимих його сторін — вигляди. Кожний вигляд зок­
рема дає уявлення про форму предмета тільки з одного боку.
Щ об створити уявлення про форму предмета в цілому, пот­
рібно проаналізувати і порівняти між собою окремі вигляди.
Створення цілісного уявлення про предмет за його вигляда­
ми на кресленні — завдання досить складне.
Предмет можна спроеціювати на площину проекцій і таким
чином, щоб на утвореному зображенні було видно декілька йо­
го сторін (рис. 123). Утворене таким чином зображення нази­
вають наочним. За ним уявити форму предмета легше, ніж за
окремими виглядами.
Щ об одержати наочне зображення, предмет певним чином
розміщують відносно координатних осей х, у і 2 і разом з ни­
ми проеціюють його на довільну площину (рис. 124). Цю пло­
щину називають площиною аксонометричних проекцій, а
проекції координатних осей називають аксонометричними
осями. Зображення предмета на площині аксонометричних
проекцій називають аксонометричною проекцією.
На основі аксонометричних проекцій виконують технічні
рисунки, які застосовують для пояснення будови різних
предметів.
Рис. 123. Вигляди і наочне зображення предмета
100
Ь- _
Рис. 124.
Площина
аксонометричних проекцій
Утворення аксонометричної проекції предмета
Аксонометрична
Види аксонометричних проекцій. Залежно від положення
координатних осей, а значить і самого предмета, відносно
площини аксонометричних проекцій, утворюються різні ак­
сонометричні проекції. Розглянемо ті з них, які використо­
вують найчастіше.
Аксонометричне зображення може бути утворене косокут­
ним і прямокутним проеціюванням.
Утворення аксонометричного зображення косокутним
проеціюванням показано на рисунку 125. Предмет розміщу­
ють так, щоб його передній і задній боки, а також осі х і 2, з
Рис. 125. Утворення аксоно
метричної проекції косокут­
ним проеціюванням
Рис. 126. Утворення аксономет­
ричної проекції прямокутним
проеціюванням
101
якими він суміщений, були паралельними площині аксоно­
метричних проекцій. Проеціювання здійснюють паралельни­
ми променями під гострим кутом (меншим за 90 ) до площи­
ни аксонометричних проекцій. На одержаній аксонометрич­
ній проекції передній бік предмета зображується в натураль­
ну величину, а лівий і верхній будуть дещо спотвореними.
Утворену косокутним проеціюванням аксонометричну проек­
цію називають фронтальною диметричною проекцією.
Утворення аксонометричного зображення прямокутним
проеціюванням показано на рисунку 126. Предмет розміщу­
ють так, щоб три його боки з осями х, у і 2 були нахилені до
площини аксонометричних проекцій під однаковими кутами.
Проеціювання здійснюють паралельними променями, спря­
мованими перпендикулярно до площини аксонометричних
проекцій. На одержаній аксонометричній проекції видно три
боки предмета, але з деякими спотвореннями. Утворену пря­
мокутним проеціюванням аксонометричну проекцію назива­
ють ізометричною проекцією.
Осі аксонометричних проекцій. Для побудови аксономет­
ричних проекцій розміри зображень відкладають уздовж ак­
сонометричних осей х, у і г. Тому побудову аксонометричної
проекції починають з проведення аксонометричних осей.
Осі фронтальної диметричної проекції розміщують, як по­
казано на рисунку 127, а: вісь х — горизонтально, вісь г —
вертикально, вісь у — під кутом 45 до горизонтальної лінії.
2 2
Рис. 127. Осі фронтальної диме- Рис. 128. Осі ізометричної
тричної проекції проекції
102
Осі виходять з однієї точки О — початку аксонометричних
осей. Кут 45 будують за допомогою рівнобедреного косинця
(рис. 127, б).
Для побудови зображення у фронтальній диметричній
проекції вздовж осей і і 2 (і паралельно їм) відкладають на­
туральні розміри предмета, по осі у (і паралельно їй) — роз­
міри, зменшені вдвоє. Звідси й походить назва «диметрія»,
що по-грецьки означає «подвійні виміри».
Положення осей ізометричної проекції показано на рисун­
ку 128, а: вісь г проводять вертикально, а осі х і у — під ку­
том ЗО до горизонтальної лін ії (120 між осями). Проводять
осі за допомогою косинця з кутами 30“, 60 і 90 (рис. 128, б).
Для побудови зображення в ізометричній проекції вздовж
осей х, у і 2 (і паралельно їм) відкладають натуральні розміри
предмета. Звідси й походить назва «ізометрія», що по-грецьки
означає «рівні виміри».
З А П И Т А Н Н Я
1. Щ о являє собою аксонометрична проекція? Як вона утворю­
ється?
2. У чому перевага аксонометричного зображення над зображен­
нями в системі прямокутних проекцій?
3. У чому різниця між фронтальною диметричною та ізометрич­
ною проекціями?
4. Як відрізнити між собою аксонометричні зображення одного
предмета, виконані у фронтальній диметричній та в ізометричній
проекціях?
6.2. Побудова аксонометричних проекцій
Аксонометричні проекції плоских фігур. Послідовність
побудови фігур, розміщених вертикально і горизонтально,
наведено у таблицях 3 і 4. Побудову починають з проведення
аксонометричних осей: вертикальну площину визначають осі
х і 2, а горизонтальну — х і у.
Будуючи аксонометричні проекції, слід пам’ятати, що па­
ралельні між собою у просторі лінії залишаються паралель­
ними і на аксонометричних проекціях.
Аксонометричні проекції кіл. Як ви вже знаєте, частина
предмета, розміщена у фронтальній площині, може бути спро-
еційована на аксонометричну площину проекцій без спотво­
рень. Побудова контура зображення круглої частини предмета
у цьому випадку зводиться до проведення звичайного кола чи
його частини (рис. 129, а). Ось чому у тих випадках, коли
предмет має кола і їх треба зберегти на аксонометричній
проекції неспотвореними, зручно застосувати фронтальну
103
тричнихпроекційплоскихфігур,розміщенихвертикально
104
я а
§ «
Ч. о
5?аа
н "я д о 'о .2
І В » Р " й а
2- * І 8 8'й 4
| § 1&&5Я
5 Ча><і) <» и к
И н ^ ^ X О
цтії
- 5 Й І Я І 9
. н й & й ч 55° о З 3 « и «в
Р 2 а ч а>*Н -гнсй
. к Й « з
^ а 3 . 2 ^
3« -в-'о.£2
& к 3-2 *
* I &*и * “а * _ «
о сі
*
м
о
чп „
а
<м
§ ” о *
л й й §
4
**і**Ч ^ ^
£:В-* иЇІЇЧ и
ИX о На) ф в і)
о о о о,
з0)
са ^« о
« З н
З о й
£3 "
* £ а
а, ??
о" ^ °»§ § х
й а
«
а
в
«.З £.2 а о. а 37
И и о а в в с в
*!■ п ~~
А
а
і
2
Й .ЕИм
^ ®8 2 «:'
йй оч « кн8 я
518г8*и м^
о-з§-*£
105
Таблиця 5
Побудова аксонометричних проекцій об’ємного предмета (спосіб І)
Послідовність
побудови
Фронтальна
диметрична проекція
Ізометрична
проекція
Проводять аксономет­
ричні осі. Будують зо­
браження передньої
грані предмета, від­
кладаючи дійсні роз­
міри: довжину — уз­
довж осі де, висоту —
уздовж ОСІ 2
7 2
0 х
З вершини побудо­
ваної фігури прово­
дять ребра паралель­
но осі у. Уздовж них
відкладають ширину
предмета: для фрон­
тальної диметричної
проекції — зменшену
вдвічі, для ізомет­
ричної — дійсну
Через знайдені точки
проводять відрізки
прямих, паралельні
ребрам передньої грані
Перевіряють правиль­
ність виконання побу­
дов. Стирають зайві
лінії. Обводять види­
мий контур товстою
основною лінією
106
Таблиця 6
Побудова аксонометричних проекцій об’ємного предмета (спосіб II)
Послідовність
побудови
Фронтальна
диметрична проекція
Проводять аксоно­
метричні осі. Будують
зображення нижньої
грані предмета, від­
кладаючи уздовж осі
х його довжину, уз­
довж осі у — ширину
(для фронтальної ди-
метричної проекції —
половину ширини)
З вершин побудованої
фігури проводять вер­
тикальні ребра пара­
лельно осі 2. Уздовж
них відкладають ви­
соту предмета в нату­
ральну величину
Через знайдені точки
проводять відрізки
прямих, паралельні
ребрам нижньої грані
Перевіряють правиль­
ність виконання побу­
дов. Стирають зайві
лінії. Обводять види­
мий контур товстою
основною лінією
Ізометрична
проекція
107
диметричну проекцію. Розміщен­
ня площин з колами паралельно
аксонометричній площині проек­
цій дає змогу викреслювати кола
без спотворень. У всіх інших ви­
падках виникає потреба будувати
аксонометричні проекції кіл, які
мають вигляд еліпсів (рис. 129,
б). На практиці замість еліпсів
креслять більш прості, але дуже
схожі на них овали.
Аксонометричні проекції
об’ємних предметів. П ослідов­
ність побудови фронтальної ди-
метричної та ізометричної проек­
цій предметів загалом однакова.
Відмінність полягає в розміщенні
що їх відкладають уздовж осі у.
Починають побудову аксонометричної проекції з зобра­
ження передньої (спосіб І) або нижньої (спосіб II) грані пред­
мета. Далі виконують інші побудови так, як це показано в
таблицях 5 і 6. Таблиці містять побудову аксонометричних
проекцій предметів, зображених на рисунку 130.
осей 1 в довжині відрізків,
З А П И Т А Н Н Я
1. З чого слід починати побудову аксонометричної проекції
плоскої фігури?
2. З чого слід починати побудову аксонометричної проекції
об’ємного предмета?
3. Чи змінюється положення паралельних ліній на аксонометрич­
них проекціях?
4. Які аксонометричні осі визначають горизонтальну і верти­
кальну площини на аксонометричних проекціях?
5. У які фігури проеціюються кола на аксонометричних проек­
ціях?
6. У якому випадку на аксонометричній проекції коло проеціюєть­
ся без спотворень?
З А В Д А Н Н Я
1. Побудуйте ізометричну проекцію рівностороннього трикутника
із стороною 40 мм, фронтальну диметричну проекцію правильного
шестикутника, вписаного у коло діаметром 60 мм, розмістивши їх
паралельно фронтальній площині проекцій.
2. Побудуйте фронтальну диметричну проекцію рівнобедреного
трикутника з основою 30 і висотою 40 мм, ізометричну проекцію
б
Рис. 129. Аксонометричні
проекції кіл
108
'ЗО
28
і
ЙІ
чй і
т
1
1
1
1 Т
_ _____ 45______ н
І
^ ® '
т
20
І—------—
1
Рис. 130. Креслення предметів Рис. 131. Завдання для вправи
чотирикутника з розмірами сторін ЗО і 50 мм, розмістивши їх па­
ралельно горизонтальній площині проекцій.
3. Побудуйте фронтальну диметричну проекцію предмета, зобра­
женого на рисунку 131, а, та ізометричну проекцію предмета, наве­
деного на рисунку 131, б.
6.3. Технічний рисунок
Аксонометричне зображення предмета, виконане від руки,
з додержанням його пропорцій в розмірах на око, називають
пехнічним рисунком. Технічними рисунками користуються
тоді, коли потрібно швидко і зрозуміло показати на папері
форму предмета. Під час виконання технічних рисунків до­
держують тих самих правил, що й під час побудови
аксонометричних проекцій: під тими ж кутами розміщують
осі, розміри відкладають уздовж осей або паралельно їм. Ви­
бір виду аксонометричної проекції, на основі якої буде вико­
нуватись технічний рисунок, залежить від форми зображува-
109
Рис. 132. Побудова аксонометричних осей на папері в клітинку
ного предмета. В першу чергу при цьому враховують просто­
ту побудов на рисунку і можливість якнайповніше передати
форму предмета.
Технічний рисунок зручно виконувати на папері в клітин­
ку. Це полегшує проведення ліній і виконання побудов. На
рисунку 132 показано побудову аксонометричних осей на па­
пері в клітинку. Щ об дістати кут 45 , осі проводять по діаго­
налі клітинок (рис. 132, а). Відношення відрізків завдожки З
і 5 клітинок дає нахил осі під кутом ЗО (рис. 132, б).
На рисунку 133 показано побудову кола та еліпса від ру­
ки по клітинках. Спочатку на осьових лініях на відстані від
центра, що дорівнює радіусу кола, наносять чотири штри­
хи. М іж ними наносять ще чотири штрихи. Потім штрихи
сполучають і проводять коло.
Для кращого виявлення об’ємності предмета на технічних
рисунках наносять штриховку (рис. 134). При цьому передба­
чається, що світло падає на предмет зліва зверху. Освітлені
поверхні залишаються світлими, а затінені заштриховують,
причому штриховка тим густіша, чим темніша поверхня.
** ' N
N
/
—
ч
N
/ 
1
/
1 1
—
Рис. 133. Побудова кола (а) та еліпса (б ) від руки по клітинках
110
Рис. 134. Штриховка поверхонь предметів на технічних рисунках
З А П И Т А Н Н Я
1. Щ о являє собою технічний рисунок предмета?
2. Чим технічний рисунок відрізняється від аксонометричної
проекції?
3. Як полегшують виконання побудов на технічному рисунку?
4. Яким чином підсилюють враження про об’ємність предмета
на технічному рисунку?
З А В Д А Н Н Я
1. Виконайте технічний рисунок предмета за його виглядами,
наведеними на рисунку 135.
2. Виконайте з натури технічний рисунок предмета, запропоно­
ваного вчителем.
. 20.
20
* ‘
3
— -------- ---------- - й
А
- Л -
Рис. 135. Завдання для вправи
111
7. ПЕРЕРІЗИ
7.1. Поняття про переріз
Призначення перерізів. Будь-яке креслення призначене да­
вати якнайповніше уявлення про форму зображеного на ньому
предмета. Вам уже відомо, як на кресленнях зображують пред­
мети за допомогою виглядів. Проте зустрічаються такі предме­
ти або їх частини, форму яких важко визначити за кресленням
тільки з допомогою виглядів. Іноді через наявність на поверхні
предмета заглибини чи виступу виникає необхідність виконува­
ти на кресленні додатковий вигляд, часто досить складний і ма­
лозрозумілий. Отже, крім виглядів на кресленнях бувають ще й
інші зображення, які дають змогу краще виявляти форму пред­
метів. До таких зображень належать перерізи.
Перерізи найчастіше застосовують для того, щоб показу­
вати поперечну форму предметів (рукояток, гайкових клю ­
чів, слюсарних інструментів, деталей з прокату різного про­
філю) та форму отворів, заглибин, зрізів та вирізів на повер­
хнях округлих деталей тощо.
Утворення перерізу. Щ об одержати переріз, предмет
умовно розрізають уявною площиною в тому місці, де необ­
хідно виявити його форму. На рисунку 136, а показано
наочне зображення предмета, умовно перерізаного допоміж­
ною площиною А. Цю уявну площину називають січною.
Щ об побачити фігуру перерізу, ту частину предмета, яка
знаходиться перед січною площиною А, умовно відкидають.
Внаслідок цього, як показано на рисунку 136, б, на уявній
січній площині чітко видно фігуру утвореного перерізу.
а б в
Рис. 136. Утворення перерізу
112
а
Рис. 137. Види перерізів
Утворену умовно на січній площині фігуру суміщують з
площиною креслення і накреслюють на ній зображення фі­
гури, утвореної уявним перерізуванням предмета січною пло­
щиною, і називають перерізом. Як правило, фігуру перерізу
креслять у тому ж масштабі, що й вигляд, до якого належить
переріз (рис. 136, в).
На перерізі показують тільки те, що знаходиться в січній
площині. Усе, що міститься перед цією площиною і поза
нею, вважається уявно видаленим.
Види перерізів. Залежно від розміщення відносно вигляду
зображеного на кресленні предмета переріз може бути вине­
сеним або накладеним.
Винесений переріз розміщують поза контуром вигляду
зображеного на кресленні предмета (рис. 137, а). Накладений
переріз розміщують усередині контуру, тобто безпосередньо
на вигляді зображеного на кресленні предмета (рис. 137, б).
Винесені перерізи розміщують на вільному місці поля
креслення (рис. 137, а) або в розриві вигляду (рис. 137, в).
Під час виконання креслень перевагу слід віддавати вине­
сеним перерізам, оскільки вони не обтяжують креслення зай­
вими лініями і значно зручніші для нанесення розмірів.
З А П И Т А Н Н Я
1. Для чого застосовують перерізи на кресленнях?
2. Яке зображення називають перерізом?
3. Щ о являє собою січна площина?
4. Які бувають перерізи за їх розміщенням на кресленні?
5. Чим відрізняються між собою винесений і накладений перерізи?
6. Яким перерізам слід віддавати перевагу — винесеним чи нак­
ладеним?
З А В Д А Н Н Я
Визначте, які за розміщенням перерізи наведено на рисунку
138. Відповіді запишіть у таблицю за наведеною формою
8 «Креслення», 8—9 кл. 113
Номер перерізу Назва перерізу
Рис. 138. Завдання для вправи
7.2. Виконання та позначення перерізів
Положення січної площини на кресленні вказують лінією
перерізу. Для цього застосовують розімкнуту лінію у вигля­
ді двох штрихів (рис. 139, а). Розімкнута лінія не повинна
перетинати контур вигляду на кресленні і доторкуватись до
нього. Напрям, у якому потрібно дивитися на уявну січну
площину, вказують стрілками. Із зовнішнього боку стрілок
пишуть однакові великі літери українського алфавіту. Л іте­
ри завжди розміщують вертикально. Розміри штрихів розім-
кнутої лінії і стрілок показані на рисунку 139, б.
Контур винесеного перерізу обводять суцільною товстою л і­
нією такої самої товщини, як і видимі контури зображень на
кресленні. Розміщують винесений переріз якнайближче до того
місця, де вказано положення січної площини (див.рис. 139, а).
Щоб креслення було виразнішим, фігуру перерізу виділяють
штриховкою у вигляді паралельних ліній. Штриховку наносять
суцільними тонкими лініями під кутом 45 до рамки креслення.
Відстань між лініями штриховки має бути в межах 1— 10 мм і
однаковою та рівномірною для всіх перерізів одного предмета на
кресленні. На навчальних кресленнях відстань між лініями
114
Рис. 139. Виконання винесеного Рис. 140. Штрихування
перерізу фігури перерізу
штриховки вибирають у межах 2...4 мм. Нахил ліній штрихов-
ки дозволяється виконувати як вліво, так і вправо (рис. 140).
Фігуру перерізу позначають такими ж літерами, якими бу­
ло позначено лінію перерізу: А —А, Б— Б, В— В — тобто двома
однаковими літерами через тире. Напис завжди розміщують
горизонтально.
Якщо фігура перерізу симетрична, то винесений переріз
може бути розміщений на продовженні лін ії перерізу (рис.
141), яку в цьому випадку показують штрихпунктирною л і­
нією. Стрілками і літерами такий переріз не позначають.
Винесений переріз може бути розміщений в розриві того
вигляду, до якого він належить (рис. 142). Умовний розрив
предмета на вигляді обмежують тонкою хвилястою лінією.
Якщо предмет симетричний, лінію перерізу не проводять і ні­
яких додаткових позначень не роблять (рис. 142, а). Для не­
симетричних перерізів, розміщених в розриві, вказують лінію
перерізу за допомогою розімкнутої прямої із стрілками, але
без буквених позначень (рис. 142, б).
Накладений переріз розміщують на самому вигляді, до
якого він належить, і саме там, де проходить січна площина.
Фігуру накладеного перерізу обводять суцільною тонкою л і­
нією. Контурні лін ії вигляду у тому місці, де на нього накла­
дається фігура перерізу, не повинні перериватись (рис. 143).
115
Рис. 141. Винесений переріз,
фігура якого симетрична
Рис. 142. Виконання
винесеного перерізу в розриві:
а — симетрична фігура пере­
різу; б — несиметрична фігура
перерізу
При виконанні накладеного симетричного перерізу лінію пе­
рерізу не проводять і ніяких позначень не роблять. Фігура та­
кого перерізу повинна мати вісь симетрії, проведену у вигляді
штрихпунктирної лінії (рис. 143, а). Для несиметричних нак­
ладених перерізів лінію перерізу проводять у вигляді розімкну-
тої лінії із стрілками, але літерами не позначають (рис. 143, б).
На фігуру перерізу, як і на інші зображення на креслен­
ні, в разі необхідності наносять розміри (рис. 144).
1
б
Рис. 143. Виконання накладе­
ного перерізу:
а — симетрична фігура пере­
різу; б — несиметрична фігура
перерізу
Рис. 144. Нанесення розмірів на
перерізи
116
З А П И Т А Н Н Я -
1. Якою лінією вказують положення січної площини на кресленні?
2. Якою лінією обводять контур винесеного перерізу? Накладе­
ного перерізу?
3. Для чого штрихують фігуру перерізу?
4. Як виконують штриховку перерізів?
5. У яких випадках зображення винесеного перерізу супровод­
жують написом?
6. Чим відрізняється виконання винесених симетричних і несимет­
ричних перерізів?
З А В Д А Н Н Я
1. Знайдіть наочні зображення предметів (позначені літерами)
за виглядом і перерізом (рис. 145). Відповіді запишіть у таблицю:
Наочне
зображення
Креслення
з перерізом
А
Б
В
Г
Шпонкова канавка
Отвір наскрізний
^ 2 А -А
Отвір наскрізний
Б ^ В
Отвір наскрізний
Рис. 145. Завдання для вправи
Шпонкові канавки
117
Перерізи
Завдання
Рис. 146. Завдання для вправи
118
2. Визначте, який з перерізів (рис. 146) відповідає формі предме­
та і правилам виконання перерізів. Відповіді запишіть у таблицю:
Завдання Переріз
І
II
III
IV
V
---------
3. Визначте, яким місцям на предметі, позначеним лініями пе­
рерізу, відповідають перерізи, позначені цифрами (рис. 147). Відпо­
віді запишіть у таблицю:
Позначення
лінії перерізу Номер перерізу
А — А
Б— Б
В— В
Г— Г
Д -Д
Рис. 147. Завдання для вправи
!>-
119
4. Накресліть або перенесіть на прозорий папір головні вигляди
предметів і побудуйте винесені перерізи (рис. 148).
Рис. 148. Завдання для вправи
7.3. Деякі умовності виконання перерізів
Під час виконання перерізу січна площина може проходи­
ти через вісь поверхні обертання, яка обмежуе якийсь отвір
або заглиблення. У цьому випадку на фігурі перерізу разом з
120
А
- 1
А - А Б - Б
Рис. 149. Зображення круглого отвору на фігурі перерізу
контуром отвору або заглиблення, утвореного на січній пло­
щині, показують також контур цього отвору чи заглиблення,
розташований за січною площиною (рис. 149, Б —Б).
Розчленовувати фігуру перерізу на окремі частини не мож­
на. Розглянута умовність стосується тільки зображення по­
верхонь обертання і не поширюється на перерізи отворів чи
заглиблень призматичної форми (наприклад, шпонкових ка­
навок). Якщо січна площина проходить через некруглий от­
вір чи заглиблення, яким переріз ділиться на кілька окремих
частин, то замість перерізу виконують розріз (про нього йти­
ме мова у наступному розділі).
На кресленні одного предмета може бути декілька однако­
вих винесених перерізів. Якщо однакові винесені перерізи на­
лежать одному й тому ж предмету, лінії перерізу позначають
однією літерою і викреслюють одну фігуру перерізу (рис. 150).
Винесений переріз за побудовою і розміщенням повинен
відповідати напряму, вказаному стрілками, що проведені до
штрихів розімкнутої лінії. Якщо необхідно, винесений пере-
А Б А А
1 “І -1 1
.1 - І -І - І
А Б А А
Рис. 150. Зображення однакових перерізів
121
ш
...
ОУ//
Метали і тверді
сплави
Неметалеві
матеріали
ї йш ш
Деревина
Рис. 151. Повернутий переріз Рис. 152. Графічні позначення
матеріалів на перерізах
різ розміщують на кресленні з поворотом відносно лінії пере­
різу. В цьому разі до позначення перерізу літерами додають
умовний знак повороту, як це показано на рисунку 151.
Графічні позначення матеріалів у перерізах. Як ви вже
знаєте, фігуру перерізу, суміщену з площиною креслення,
виділяють штриховкою. Штриховка перерізів не лише надає
кресленню виразності, а й показує умовно, з якого матеріалу
виготовлено предмет. Застосовують різні види штриховок,
які відповідають певним матеріалам.
Штриховки перерізів для деяких найпоширеніших матері­
алів наведено на рисунку 152. їх називають умовними графіч­
ними позначеннями матеріалів на. кресленнях.
ЗАПИТАННЯ
1. Як зображують на перерізі отвори і заглиблення круглої фор­
ми, якщо січна площина проходить через їхню вісь?
2. Як позначають кілька однакових перерізів, які належать од­
ному предмету?
3. Чи може переріз складатися з кількох окремих частин?
8. РОЗРІЗИ
8.1. Поняття про розріз
Призначення розрізів. Багато предметів мають внутрішні
порожнини, обриси яких на кресленнях можна показувати
штриховими лініями. Проте кількість таких ліній залежно
від складності форми предмета може бути значною, деякі з
122
них можуть співпадати між собою або з контурними лініями.
Внаслідок цього креслення стане малозрозумілим, воно не
даватиме повного уявлення про форму зображеного на ньому
предмета. Щоб якнайчіткіше показувати на кресленнях об­
риси внутрішніх контурів предметів, застосовують зображен­
ня, які називають розрізами.
Утворення розрізу. На рисунку 153, а наведено три виг­
ляди предмета: головний, зверху і зліва. Внутрішні конту­
ри показано на виглядах лініями невидимого контуру
(штриховими). На рисунку 153, б показано зображення то­
го самого предмета. Але на місці головного вигляду розмі­
щено більш виразне зображення — на ньому невидимі кон­
тури наведено суцільними основними лініями. Це і є розріз.
Він утворений так само, як і переріз — уявним розрізуван­
ням предмета умовною січною площиною. Передню частину
предмета умовно видалено. Частину предмета, яка знахо­
диться в січній площині, на розрізі виділено штриховкою.
Зверніть увагу на те, що зображення розрізу, суміщене з пло­
щиною креслення, містить не тільки фігуру, одержану в січній
площині, а й ті контури предмета, що знаходяться поза нею
(рис. 153, б). Таким чином, слід вважати, що розріз — це зобра-
Січна площина
Рис. 153. Утворення розрізу
123
Рис. 154. Розріз предмета уздовж тонкої стінки
ження предмета, уявно розрізаного січною площиною. На розрі­
зі зображують те, що утворюється в січній площині і поза нею.
Якщо січна площина проходить уздовж тонкої стінки
(ребро жорсткості), то на кресленні її показують розрізаною,
але не заштриховують (рис. 154).
Слід пам’ятати, що уявний розріз предмета січною площи­
ною не позначається на інших зображеннях цього предмета.
Порівняйте рисунки 153, а і 153, б: вигляди зверху і зліва за­
лишились без змін, тобто виконання розрізу не вплинуло на
їх зображення.
Відмінність між перерізом і розрізом. Утворення перерізів
і розрізів відбувається однаково. Проте між ними є відмін­
ність. Вона полягає у тому, що переріз являє собою тільки ту
фігуру, яка безпосередньо знаходиться в січній площині. На
розрізі крім фігури перерізу показують ще й те, що знахо­
диться за січною площиною. Ось чому слід пам’ятати, що роз­
різ вміщує переріз.
Уявлення про вказану відмінність між перерізом і розрі­
зом дає рисунок 155. На ньому показано переріз і розріз, ут­
ворені однією січною площиною.
ЗАПИТАННЯ
1. Яке зображення називають розрізом?
2. Чи змінюються інші зображення предмета, якщо його роз­
різати січною площиною?
124
розріз
Рис. 156. Завдання для вправи
125
3. Чим відрізняється розріз від перерізу?
4. Як виділяється фігура перерізу, що входить до складу розрізу?
5. Яка частина предмета уявно видаляється під час виконання
розрізу?
ЗАВДАННЯ
На рисунку 156 наведено головні вигляди, перерізи і розрізи
предметів. Визначте, яким предметам відповідає кожний з перері­
зів і розрізів. Відповідь запишіть у таблицю.
Позначення лінії перерізу Переріз Розріз
А—А
Б—Б
В—В
Г—Г
8.2. Види розрізів
Розріз може бути утворений однією або кількома січни­
ми площинами.
Залежно від кількості січних площин розрізи поділяють
на прості і складні.
Прості розрізи. Простим називають розріз, утворений
внаслідок перетину предмета однією січною площиною.
При виконанні розрізів січна площина відносно горизон-
тальноі площини проекцій може займати вертикальне, гори­
зонтальне чи похиле положення. Залежно від положення січ­
ної площини прості розрізи поділяють на вертикальні, гори­
зонтальні і похилі.
Вертикальним називають розріз, утворений січною пло­
щиною, яка перпендикулярна до горизонтальної площини
проекцій. Вертикальна січна площина може бути по-різно­
му розташована відносно фронтальної і профільної площин
проекцій. Залежно від цього розрізняють фронтальні і про­
фільні вертикальні розрізи.
Вертикальний розріз називають ф р о н т а л ь н и м , як ­
що січна площина паралельна фронтальній площині проек­
цій (рис. 157, а). Вертикальний розріз буде п р о ф і л ь ­
н и м , якщо січна площина паралельна профільній площині
проекцій (рис. 157, б).
126
Фронтальний розріз Профільний розріз
Січна площина, паралельна
фронтальній площині проекцій
Січна площина, паралельна
профільній площині проекцій
Січна площина, паралельна
горизонтальній площині
проекцій
Похилий розріз
Похила січна
площина
Гаризонтальний розріз
А г- ■! А
Рис. 157. Прості розрізи:
а — фронтальний; б — профільний;
в — горизонтальний; г — похилий
127
Горизонтальним називають розріз, утворений січною пло­
щиною, яка паралельна горизонтальній площині проекцій
(рис. 157, в).
Похилим називають розріз, утворений січною площиною,
що розташована під будь-яким (але не прямим) кутом до го­
ризонтальної площини проекцій (рис. 157, г).
Залежно від положення січної площини відносно двох ос­
новних вимірів предмета (довжини й висоти) розрізи поділя­
ють на поздовжні й поперечні. Розріз називають поздовж­
нім, якщо січна площина проходить уздовж довжини або ви­
соти предмета (рис. 158, а). Розріз слід вважати поперечним,
якщо січна площина проходить перпендикулярно до довжи­
ни чи висоти предмета (рис. 158, б).
У всіх розглянутих випадках прості розрізи утворені січ-
Паперечна січна
площина
6
Рис. 158. Поздовжній (а) і поперечний (б) розрізи
128
ними площинами, які умовно повністю розрізають предмети
для показу їх внутрішньої будови. Такі розрізи називають
повними.
Щоб показувати на кресленнях внутрішню будову предме­
тів в окремих обмежених місцях, застосовують розрізи, які
називають місцевими.
Місцеві розрізи застосовують на кресленнях суцільних де­
талей, які містять невеликі заглиблення чи отвори. Вико­
нувати повні розрізи для таких деталей недоцільно. Тому
достатньо умовно розрізати тільки ту частину деталі, яка ви­
магає додаткового виявлення її форми.
Звернемося до прикладів. Зображений на рисунку 159, а
Рис. 159. Місцевий розріз
9 «Креслення», 8-9 кл. 129
предмет має наскрізний отвір. Щоб показати його форму, до­
сить обмежитися розрізом тільки тієї частини предмета, в
якій знаходиться отвір.
Повний розріз тут непотрібний. Для предмета, зображено­
го на рисунку 159, б, застосовано два місцевих розрізи, які
виявляють форму отворів на його кінцях. Повний розріз для
такого предмета недоцільний, бо його середня частина су­
цільна.
Місцевий розріз виділяють на вигляді суцільною хвилястою
лінією. Вона не повинна збігатися з іншими лініями на вигля-
Рис. 160. Ступінчастий розріз
130
ді або бути їх продовженням. Проводять суцільну хвилясту лі­
нію від руки.
Складні розрізи. Деякі предмети мають таку внутрішню
будову, яку неможливо показати на розрізі за допомогою од­
нієї січної площини. В таких випадках застосовують розрізи,
утворені за допомогою кількох січних площин. Розрізи, ут­
ворені двома і більше січними площинами, називають склад­
ними.
Залежно від положення січних площин складні розрізи
поділяють на ступінчасті й ламані.
Ступінчастим називають складний розріз, утворений
кількома паралельними січними площинами.
Подивіться на предмет, зображений на рисунку 160, а. Він
має отвори, які розташовано так, що їх неможливо показати
на кресленні, застосувавши одну січну площину. Тому пред­
мет умовно розрізано трьома паралельними січними площи­
нами, кожна з яких виявляє форму окремого отвору (рис.
160, б). У площині креслення всі три січні площини суміще­
ні в одну. Утворений таким чином розріз і буде ступінчастим
(рис. 160, в).
Ламаним називають складний розріз, утворений за допо­
могою площин, які перетинаються.
На рисунку 161, а зображено предмет, форма якого потре­
бує виконання на кресленні ламаного розрізу. Щоб показати
форму перерізу, отвору і заглибини, предмет умовно розріза­
но двома січними площинами, що перетинаються (рис.
161,6). У площині креслення похилу січну площину суміще-
Рис. 161. Ламаний розріз
131
но з вертикальною січною площиною. Одержане таким чином
зображення являє собою ламаний розріз (рис. 161, в).
Суміщуючи січні площини в одну, похилу площину умов­
но повертають. Так уникають спотворення розрізу.
ЗАПИТАННЯ
1. За якою ознакою розрізи поділяють на вертикальні, горизон­
тальні й похилі?
2. Чим відрізняються між собою фронтальний, профільний і го­
ризонтальний розрізи?
3. Який розріз називають простим?
4. Коли застосовують місцевий розріз?
5. Для чого на кресленнях застосовують складні розрізи?
6. Чим відрізняється складний розріз від простого?
7. Залежно від чого складні розрізи поділяють на ступінчасті і
ламані?
А '
А -А
А - А
Рис. 162. Завдання для вправи
132
ЗАВДАННЯ
1. Визначте, який з наведених на рисунку 162 розрізів є фрон­
тальним; горизонтальним; профільним; похилим? На якому рисун­
ку розріз і переріз мають однакові зображення? Відповіді запишіть
у таблицю:
Назва розрізу Номер розрізу
Фронтальний
Горизонтальний
Профільний
Похилий
Переріз і розріз мають
однакове зображення
2. Визначте, на якому з креслень (рис. 163) виконано поздовж­
ній, а на якому поперечний розріз. Відповіді запишіть у таблицю:
Назва розрізу Номер розрізу
Поздовжній
Поперечний
3. За виглядами і розрізами знайдіть наочні зображення предме­
тів (рис. 164). Відповіді запишіть у таблицю:
Креслення з розрізом Наочне зображення
А
.
Б
В
Г
4. На рисунку 165 наведено наочні зображення предметів, їх
вигляди і розрізи. Накресліть або перенесіть на прозорий папір виг­
ляд і розріз предмета. Побудуйте на них проекції точок, позначе­
них на наочних зображеннях літерами.
133
Рис. 163. Завдання для вправи
У77ІЇ77У,
Рис. 164. Завдання для вправи
134
Х777Л
V /.
У
У л
Рис. 165. Завдання для вправи
8.3. Позначення розрізів
і . . •' ^ і
Якщо під час виконання на кресленні розрізу січна площи­
на збігається з площиною симетрії предмета, розріз розміщу­
ють на місці одного з виглядів. Фронтальний розріз звичайно
розміщують на місці головного вигляду, профільний — на міс­
ці вигляду зліва, горизонтальний — на місці вигляду зверху.
При цьому положення січної площини на кресленні не вказу­
ють і сам розріз не позначають (рис. 166). Так само ніяких
позначень не мають і місцеві розрізи.
Якщо під час виконання розрізу січна площина не збіга­
ється з площиною симетрії предмета, її положення позна­
чають, як і на перерізах, розімкнутою лінією із стрілками,
135
А - А
"41
і і
Рис. 166. Позначення розрізів
що вказують напрям погляду (див. рис. 166). Із зовнішньо­
го боку стрілок пишуть однакові великі літери українсько­
го алфавіту. Сам розріз позначають тими ж літерами через
тире.
Під час виконання складних розрізів положення січних
площин вказують розімкнутою лінією, яка має не тільки
початковий та кінцевий ш трихи, а й позначення місць пе­
реходів (місць згинів) між окремими січними площинами
(див. рис. 160, 161). До початкового і кінцевого ш трихів
ставлять стрілки, які показують напрям погляду. Решта
позначень виконується так само, як і для простих роз­
різів.
136
ЗАПИТАННЯ
1. На яких розрізах не роблять позначень?
2. Чим відрізняються між собою позначення січних- площин
простих і складних розрізів?
ЗАВДАННЯ
1. Перенесіть на прозорий папір зображення предмета
(рис. 167), доповніть їх необхідними лініями. Фігуру перерізу виді­
літь штриховкою.
2. За наочним зображенням предмета і виглядом зверху
(рис. 168) докресліть фронтальний розріз. Використайте прозорий
папір.
3. За наочним зображенням предмета і головним виглядом
(рис. 169) докресліть горизонтальний розріз. Використайте прозорий
папір.
4. За наочним зображенням предмета і головним виглядом
(рис. 170) докресліть профільний розріз. Використайте прозорий папір.
5. Уявно з ’єднайте окремі частини в один предмет (рис. 171).
Місця приєднання виділено штриховкою. Виконайте ескіз з побудо­
вою необхідного розрізу.
□ і
. . . . п
— У
--------- '
Рис. 167. Завдання для вправи
Отбір
наскрізний
Рис. 168. Завдання для вправи
137
І
Рис. 169. Завдання для вправи
Рис. 170. Завдання для вправи
6. За головним виглядом та виглядом зліва (рис. 172) побудуй­
те вигляд зверху. Застосуйте необхідні розрізи.
138
018
Рис. 172. Завдання для вправи
8.4. Поєднання вигляду з розрізом
Щоб раціонально скорочувати кількість зображень на крес­
леннях, вдаються до поєднання (суміщення) двох зображень:
частини вигляду з частиною відповідного розрізу. Тоді замість
двох окремих зображень — вигляду і розрізу — на кресленні
одержують одне зображення — поєднання частин вигляду і роз­
різу. Щоб уявити, як це виконується, звернемось до прикладу.
На рисунку 173 показано поєднання на одному зображенні
частини головного вигляду з частиною фронтального розрізу.
Якщо замість частини застосувати повний розріз, то за одним
виглядом зверху неможливо буде уявити форму і положення
виступу на передньому боці предмета. На фронтальному розрі­
зі його не буде зображено, адже цей елемент випадає разом з
умовно видаленою передньою частиною предмета. Тому в дано­
му разі доцільно поєднати частину вигляду з частиною розрізу.
Рис. 173. Поєднання частини вигляду і частини розрізу
139
Поєднані в одному зображенні частину вигляду і частину
відповідного розрізу розділяють суцільною тонкою хвиляс­
тою лінією, яку проводять від руки. Частину розрізу, як пра­
вило, розміщують праворуч від частини вигляду.
Якщо вигляд і поєднуваний з ним розріз фігури симетрич­
ні, то поєднують половину вигляду з половиною відповідного
розрізу. Утворення такого поєднання показано на рисунку 174.
Два вигляди предмета (рис. 174, а) дають повне уявлення про
його зовнішню форму. Фронтальний розріз і вигляд зверху
Рис. 174. Поєднання половини вигляду з половиною розрізу
140
(рис. 174, б) краще виявляють внутрішню будову предмета. Але
зовнішня форма при цьому стає менш зрозумілою. На рисунку
174, в зображено половину головного вигляду, а на рисунку
174, г — половину розрізу тієї ж деталі. Оскільки вигляд і роз­
різ даної деталі симетричні, то другу половину кожного із зобра­
жень легко уявити. Отже, поєднання на кресленні половини виг­
ляду і половини відповідного розрізу дасть повне уявлення як
про зовнішню, так і про внутрішню форми деталі (рис. 174, д).
Межею між поєднаними в одному зображенні половиною
вигляду і половиною розрізу є вісь симетрії (штрихпунктир­
на лінія). Зверніть увагу на те, що на половині вигляду
(див.рис. 174, д) відсутні лінії невидимого контуру (штрихо­
ві). їх недоцільно проводити, бо предмет симетричний віднос­
но вертикальної осі. Ці лінії на половині вигляду повторили б
Рис. 175. Поєднання частини вигляду і частини розрізу для
симетричних зображень
141
обриси внутрішнього контуру, показа­
ного на половині розрізу.
Не для всіх симетричних зображень
можна поєднувати половину вигляду з
половиною розрізу. Предмети, показані
на рисунку 175, мають елементи (ребра
чотири- і шестигранної поверхонь), об­
риси яких збігаються з віссю симетрії
на зображенні розрізу (рис. 175, а) чи
вигляду (рис. 175, б). Якщо на креслен­
ні цих предметів поєднати половину
вигляду з половиною розрізу, розмежу­
вавши їх осьовою лінією, то згадані
елементи не будуть зображені. Тому слід показати на креслен­
ні частину вигляду, поєднану з частиною розрізу, розділених
суцільною хвилястою лінією.
Якщо елемент поверхні предмета, який збігається з віссю си­
метрії, розміщений в отворі, на кресленні показують більш як
половину розрізу (рис. 175, а). Якщо такий елемент знаходиться
зовні, то показують більш як половину вигляду (рис. 175, б). Як
видно з рисунка 175, в обох випадках зображення ребер внут­
рішньої і зовнішньої поверхонь на кресленнях зберігаються.
Зверніть увагу на те, як наносять розміри на зображенні,
що містить поєднання вигляду з розрізом. В результаті тако­
го поєднання внутрішня будова предмета виявляється види­
мою не повністю. Як же показати розміри внутрішніх частин?
У цьому разі розмірні лінії, що стосуються елемента внут­
рішньої частини предмета (наприклад, отвору), проводять
трохи далі від осі і обмежують стрілкою тільки з одного бо­
ку (рис. 176). Розмір зазначають повний.
Доцільно розміри зовнішніх частин предмета наносити з
боку вигляду, а внутрішніх — з боку розрізу.
ЗАПИТАННЯ
1. У яких випадках доцільно поєднувати вигляд з розрізом?
2. Якою лінією на кресленні розділяють частину вигляду і час­
тину розрізу?
3. Коли доцільно застосовувати поєднання половини вигляду з
половиною розрізу? Якою лінією їх розділяють?
ЗАВДАННЯ
1. На рисунку 177 наведено повні розрізи предметів. Перенесіть
на прозорий папір контур зображення, замінивши повний розріз
поєднанням половини вигляду з половиною розрізу.
2. На рисунку 178 наведено фігури перерізів, які входять до скла-
Рис. 176. Нанесення
розмірів внутрішньої
частини предмета
142
Рис. 177. Завдання для вправи
Рис. 178. Завдання для вправи
/1
^— П
З — — * -
х
о, _$
а б
Рис. 179. Завдання для вправи
Єї «а
ду розрізів. Виконайте побудову зображення, поєднавши половину
вигляду з половиною розрізу. Скористайтесь прозорим папером.
3. На рисунку 179 наведено обриси предметів: над осьовою ліні­
єю — видимої поверхні, нижче — невидимої (внутрішньої) поверх­
ні. Доповніть зображення, виконавши поєднання вигляду з розрі­
зом. Скористайтесь прозорим папером.
9. ВИБІР ЗОБРАЖЕНЬ НА КРЕСЛЕННЯХ
9.1. Узагальнене поняття про зображення
Коли говорять про виконання креслення, то мають на ува­
зі відображення на аркуші паперу створених в уяві людини
просторових образів якогось предмета. Надалі за цим креслен­
143
ням інші люди створять у своїй уяві зображений їх поперед­
ником предмет. У цьому і полягає основне призначення будь-
якого креслення — давати якнайповніше уявлення про форму
зображеного на ньому предмета.
Зображують предмети на кресленнях за допомогою вигля­
дів, перерізів і розрізів. З ними ви вже ознайомились. Уміле
і вдале застосування виглядів, перерізів і розрізів дає змогу
відобразити на кресленні форму будь-якого предмета.
Вигляди, перерізи і розрізи — це основні елементи крес­
лення. Вони взаємно доповнюють один одного на кресленні,
між ними є багато спільного, оскільки в основі їх утворення
лежить спосіб прямокутного проеціювання.
Виходячи з однакового призначення виглядів, перерізів і
розрізів — відображати на кресленнях форму предметів — їх
узагальнено називають зображеннями. Отже, зображенням
на кресленні слід вважати і вигляд, і переріз, і розріз.
Тепер можна зробити висновок, що виконання креслення
зводиться до побудови на ньому зображень. Які це будуть
зображення і скільки їх буде на кресленні — залежить від
складності форми предмета.
9.2. Вибір кількості зображень
Приступаючи до виконання креслення, слід перш за все
правильно визначити необхідні зображення. При цьому тре­
ба намагатись, щоб кількість зображень на кресленні була
якнайменшою і водночас достатньою для забезпечення повно­
го уявлення про форму предмета.
Кількість зображень на кресленні залежить головним чи­
ном від складності форми предмета.
У найпростіших випадках для повного уявлення про фор­
му предмета досить одного зображення (вигляду, розрізу чи
915
50
Г*~
а б
Рис. 180. Зображення плоского предмета
144
їх поєднання) з нанесеними відповідними умовними знаками
і написами. Звернемось до прикладів.
Щоб зрозуміти форму плоского предмета, зображеного на
рисунку 180, досить одного вигляду — головного. Вигляди
зверху чи зліва не потрібні. Уявлення про товщину предмета
дає умовне позначення з2, яке замінило вигляд зверху чи злі­
ва. Предмет призматичної форми (рис. 181, а) також потребує
одного зображення (рис. 181, б) — головного вигляду. Вигляд
зверху чи зліва тут замінює умовне позначення М00, яке виз­
начає довжину предмета.
Форма багатьох предметів утворена поверхнями тіл обер­
тання — циліндричними, конічними, сферичними. Прикла­
ди таких деталей наведено на рисунку 182. Уявлення про
форму округлих деталей дає одне зображення (рис. 182, а).
Про те, що предмети мають округлу форму, свідчать умовні
знаки діаметрів (0). Для зображення порожнистих округлих
деталей застосовують розрізи (рис. 182, б). В разі необхіднос­
ті на одному зображенні поєднують половину вигляду з поло­
виною відповідного розрізу (рис. 182, в).
Якщо на поверхні округлого предмета є площини, то їх
умовно виділяють суцільними тонкими лініями, як показано
на рисунку 183, а. Якщо частина округлого предмета являє
собою призматичну поверхню з квадратною основою, то на її
зображення наносять розмір сторони квадрата з умовним
знаком □ (рис. 183, б). У цьому разі відпадає потреба в будь-
яких інших зображеннях.
Кількість зображень більш складних за формою предметів за­
лежить не лише від форми їх складових частин, а й від взаємно­
го їх розміщення. На рисунку 184 показано предмети, складені
Рис. 181. Зображення призматичного предмета
10 «Креслення», 8 -9 юі. 145
-
* 11!
* „V
«я*
Л ,
/
з двох однакових, але по-різному розміщених частин. Це визна­
чає різну кількість зображень на кресленнях предметів. У пер­
шому випадку для показу форми предмета достатньо двох зобра­
жень (рис. 184, а), а у другому їх має бути три (рис., 184, б).
Кількість зображень на кресленні часто залежить також
від вибору положення предмета на головному вигляді.
ЗАПИТАННЯ
1. За яким принципом вибирають кількість зображень на крес­
ленні?
2. Від чого залежить кількість зображень на кресленні?
3. Яка найменша кількість зображень може давати повне уяв­
лення про форму предмета?
4. Як можна скорочувати кількість зображень на кресленні?
146
Рис.
10*
Рис. 183. Умовне зображення плоских поверхонь
184. Вплив взаємного розміщення частин предмета на кількість
його зображень на кресленні
147
А')і
Рис. 186. Завдання для вправи
_ б
Рис. 185. Вибір головного зображення предмета
За головне на кресленні приймають зображення, утворене
на фронтальній площині проекцій. Ним може бути вигляд,
розріз або їх поєднання. Інші зображення на кресленні зай­
мають певне місце відносно головного.
Завжди слід пам’ятати, що головне зображення має давати
найповніше уявлення про форму і розміри предмета. Разом з
тим головне зображення повинне визначатись таким положен­
ням предмета відносно фронтальної площини проекцій, при
якому буде забезпечена найменша кількість зображень на крес­
ленні. Звернемось до прикладу. Якщо для предмета, показано­
го на рисунку 185, а головне зображення обрати за напрямом
стрілки А, то для показу його форми на кресленні необхідно зас­
тосувати три зображення (рис. 185, б). Якщо ж головне зобра­
ження обрати за напрямом стрілки Б, то для повного уявлення
про форму предмета досить двох зображень (рис. 185, в).
ЗАПИТАННЯ
1. Яким вимогам повинно відповідати головне зображення на
кресленні?
2. Чим слід керуватися при виборі головного зображення предме­
та на кресленні?
ЗАВДАННЯ
За одним із наочних зображень (рис. 186) виконайте ескіз пред­
мета. Побудуйте необхідні зображення, застосувавши доцільні роз­
різи. Нанесіть розміри.
9.3. Вибір головного зображення
10. ДЕЯКІ ДОДАТКОВІ ВІДОМОСТІ, НЕОБХІДНІ
ДЛЯ ВИКОНАННЯ ТА ЧИТАННЯ КРЕСЛЕНЬ
10.1. Умовності та спрощення на кресленнях
Виразність креслення забезпечується не тільки вдалим
вибором необхідних зображень, а й скороченням їх графіч­
ного складу. Це досягається застосуванням різних умов­
ностей та спрощень на кресленнях. Розглянемо найбільш
уживані з них.
Якщо предмет симетричний, то його зображення дозво­
ляється викреслювати не повністю. Межею зображення у
цьому разі має бути вісь симетрії (рис. 187, а) або лінія об­
риву (рис. 187, б). Останню проводять так, щоб показати
трохи більше половини вигляду.
149
ш
£" 1 ' 7 ?
%
Рис. 187. Зображення симетричних предметів
1У//Л
У//Л и§.
а
Рис. 188. Умовний розрив на зображенні предмета
Щоб зробити коротшим зображення довгого предмета,
застосовують умовний розрив, як це показано на рисунку
188. Розрив застосовують для предметів з однаковим (рис.
188, а) або рівномірно змінним (рис. 188, б) поперечним
перерізом. Місце обриву показують тонкою хвилястою л і­
нією.
Якщо предмет має кілька однакових рівномірно розміще­
них на його поверхні елементів, то на кресленні допускаєть­
ся показувати один-два з них із зазначенням їх кількості.
Розміщення інших елементів показують умовно (рис. 189).
Іноді, щоб показати розміщення кількох однакових елемен­
тів на поверхні предмета, вдаються до заміни повного зобра­
ження схематичним (рис. 190).
Замість повних зображень окремих елементів поверхонь
предметів (отворів, прорізів) допускається зображувати
тільки їх контури (рис. 191).
150
У///////////////7Л
Рис. 190. Заміна повного
зображення схематичним
Рис. 189. Зображення еле­
ментів предмета однакової
форми
Рис. 191. Заміна повного зображення контурним
10.2. Додаткові та місцеві вигляди
. _Додаткові вигляди. Деякі елементи предметів проецію­
ються на основні площини проекцій із спотворенням. Щоб
уникнути цього, користуються проеціюванням частини пред­
мета на додаткову площину проекцій.
Приклад, що пояснює утворення додаткового вигляду, на­
ведено на рисунку 192. Додаткову площину проекцій розмі­
щують паралельно тій частині предмета, яка на основних
151
Рис. 192. Утворення додаткового вигляду:
а — на площинах проекцій; б — без проекційного зв’язку;
в — у проекційному зв’язку; г — повернутого
.’41' ' ' і ■! ■ :л
площинах проекцій зображується із спотворенням. Одержане
на додатковій площині зображення суміщують з основною
площиною проекцій. Це і є додатковий вигляд. Він дає пов­
не уявлення про форму і розміри похилої частини предмета,
показаного на рисунку 192, о.
Напрям проеціювання, за яким одержують додатковий
вигляд, вказують стрілкою з великою літерою українського
алфавіту над нею. Зображення додаткового вигляду познача­
ють цією ж літерою (рис. 192, б). Літера завжди повинна бути
вертикальною. Коли додатковий вигляд розміщено в проек­
ційному зв’язку, як це зроблено на рисунку 192, в, то немає
потреби вказувати стрілкою напрям проеціювання і виконувати
будь-які написи.
Додатковий вигляд можна повертати (рис. 192, г). При
цьому його позначення доповнюють умовним знаком
повороту о .
Місцеві вигляди. Зображення окремого, обмеженого місця
поверхні предмета називають місцевим виглядом. Застосу­
вання місцевого вигляду дає змогу показати на кресленні
форму і розміри тільки окремих елементів предмета. За ра­
хунок цього уникають зайвих, часом громіздких зображень
на кресленнях.
Місцевий вигляд найчастіше розміщують у проекційному
Ю З
152
'..-у
І.і
а
V У б
Рис. 193. Місцевий вигляд
зв’язку з іншими зображеннями на кресленні (рис. 193).
Зображення місцевого вигляду може бути обмежене лінією
обриву.
Всі зображення слід раціонально розміщувати на полі
креслення (усередині рамки). Завдяки цьому креслення буде
зручним для читання, а його площа якнайповніше і рівно­
мірно використана.
Розміщення зображень на полі креслення називають ком
поновкою креслення. До компоновки креслення приступають
після того, як визначено, які зображення необхідно кресли­
ти, скільки їх буде та які габаритні розміри вони матимуть.
Для раціонального розміщення зображень на полі креслен­
ня необхідно правильно визначити проміжки між зображен­
нями і рамкою креслення та між самими зображеннями. Про­
міжки мають бути рівномірними і достатніми для нанесення
розмірів та необхідних умовних позначень на кресленні.
Звернемось до прикладів.
На рисунку 194, а показано предмет, креслення якого пот­
ребує одного зображення — це буде його головний вигляд з
умовним позначенням товщини предмета. Габаритні розміри
предмета: ширина 100, висота 80 мм. Щоб правильно розміс­
тити зображення на полі креслення, визначимо, якими
1. Для чого виконують додаткові вигляди?
2. У якому разі додатковий вигляд не позначають?
3. Чим відрізняється місцевий вигляд від повного?
10.3. Компоновка зображень на кресленні
153
гМ — М
( Є 
^ і
— V 1— )
а =100
Л
Основний напис
А=185
Рис. 194. Раціональне розміщення на кресленні одного
зображення
♦ • *
повинні бути проміжки між ним та рамкою креслення (рис.
194, б). Обмежимо контур головного вигляду умовним прямо­
кутником з розмірами, що дорівнюють габаритним розмірам
предмета: а=100 мм; Л=80 мм. Вільне поле креслення форма­
ту А4 з урахуванням розмірів рамки і висоти основного на­
пису має розміри в міліметрах: А=210—(20+5)=185;
Н=297—(5+5+22)=265. Необхідні проміжки в міліметрах: по
ширині формату 1Х=(А—а)/2=(185—100)/2=42; по висоті фор­
мату 12=(Н—к)/2=(265—80)/2=82 мм.
Одержавши числові значення проміжків, розмічають на
полі креслення габаритний прямокутник. Далі розмічають осі
симетрії і виконують побудову контура зображення предмета.
Предмет, показаний на рисунку 195, а, потребує виконан­
ня на кресленні двох зображень — головного вигляду і виг­
ляду зверху. Габаритні розміри предмета: ширина 85, висота
154
т
Рис. 195. Раціональне розміщення на кресленні двох зображень
50 і товщина 35 мм. Наявність на кресленні двох зображень
потребує визначення по висоті формату трьох проміжків, по
ширині — двох.
Обмежимо предмет умовним паралелепіпедом з розміра­
ми в міліметрах: а=85; к=50; Ь=35. Зображення предмета
мають бути обмежені умовними габаритними прямокутни­
ками з відповідними розмірами (рис. 195, б): головне зоб­
раження — 85x50 мм; вигляд зверху — 85x35 мм. Розмі­
ри вільного поля креслення такі ж, які і в попередньому
прикладі: А=185 мм; Н —265 мм. Виходячи з цього, визна­
чаємо необхідні проміжки в міліметрах: по ширині форма­
ту /,=(А—а)/2= (185—85)=50; по висоті формату:
Іг =
Н —(Н + Ь) 265 - ( 5 0 +35)
= 60 .
155
Одержані числові значення проміжків дають змогу роз­
мітити на полі креслення габаритні прямокутники зобра­
жень і побудувати усередині них головне зображення і
вигляд зверху предмета.
ЗАПИТАННЯ
1. Що називають компоновкою креслення?
2. Як раціонально розмістити зображення на полі креслення?
ЗАВДАННЯ і
■
І. На рисунку 196 наведено кілька компоновок одного і того ж
креслення. Визначте, на якому з прикладів найбільш вдало сплано­
вано поле креслення? Які недоліки мають інші варіанти компоно­
вок?
' г,', :
«Ц/ІІ.'і
в г
Рис. 196. Завдання для вправи
156
ш
912
Рис. 197. Завдання для вправи
II. Прочитайте креслення предметів, давши відповіді на запи­
тання.
До креслення на ри сун ку 197:
1. Які вигляди виконано на кресленні?
2. Який розріз виконано на кресленні?
3. Чому не позначено розріз на кресленні?
4. Що виявляють місцеві вигляди на кресленні? Чому один з
них має позначення, а другий — ні?
5. Поєднанням яких геометричних тіл утворена форма предмета?
6. Чому дорівнюють габаритні розміри предмета?
7. Які розміри на кресленні є координуючими?
До креслення на ри сун ку 198:
1. Як називають зображення, яке на кресленні є головним?
2. Скільки розрізів виконано на кресленні?
3. Яку назву має розріз А —А?
4. Для чого на кресленні виконано місцевий розріз?
5. Чому дорівнюють габаритні розміри предмета?
6. Що визначає розмір 48 мм на головному зображенні?
7. Які розміри визначають положення центрів отворів діаметром
16 мм?
Д о креслення на ри сун ку 199:
1. Яке зображення на кресленні є головним?
2. Які вигляди виконано на кресленні?
157
2отб.
/?/4 и отб.0І6
Рис. 199. Завдання для вправи
Рис. 198. Завдання для вправи
158
3. Що виявляє місцевий вигляд?
4. Скільки розрізів виконано на кресленні? Чому вони не
позначені?
5. Для чого на кресленні виконано переріз А —А? Який це
переріз?
6. Чому на профільному розрізі частину зображення не заштри­
ховано?
7. Який розмір визначає положення осі отвору діаметром
20 мм?
8. Що означає розмір ЗО мм на місцевому вигляді?
11. СКЛАДАЛЬНІ КРЕСЛЕННЯ
11.1. Призначення і особливості складальних креслень
Багато предметів, якими користуються люди у побуті і на
виробництві, неможливо виготовити суцільними. Окремі їх
частини в процесі використання повинні зазнавати взаємних
переміщень, інші частини спрацьовуються чи руйнуються, і
їх потрібно періодично замінювати. Тому переважна біль­
шість знарядь праці, побутових приладів, засобів пересуван­
ня тощо складаються з окремих частин, певним чином з’єд­
наних і пристосованих одна до одної. Кожна з цих частин
має своє призначення.
Окремо виготовлені частини, з яких складають предмети
різного призначення, називають деталями. Вали, осі, втул­
ки, диски, шківи, кришки, корпуси, кронштейни, важелі —
все це деталі. Слід зауважити, що деталі — це суцільні непо­
дільні предмети.
Виріб, складений з окремих деталей, називають складаль
пою одиницею. Кількість деталей у виробі залежить від
складності його конструкції.
Креслення, які ви вчились виконувати раніше — це крес­
лення деталей. Щоб скласти виріб з окремих деталей або
уявити його будову, потрібне інше креслення — його нази­
вають складальним. На складальному кресленні виріб зобра­
жують у складеному вигляді з усіма деталями, що до нього
входять.
На виробництві спочатку виготовляють кожну деталь за її
кресленням. Потім за складальним кресленням з’єднують їх
у виріб.
Щоб розглянути характерні особливості складального
креслення, звернемось до прикладу. На рисунку 200 наведе­
но складальне креслення підшипника. Такий виріб можна
159
и отб.
Поз. Назва Кіл. Матеріал Приміт.
1 Плита 1 Сталь
2 Основа 1 Сталь
3 Кришка 1 Сталь
4 Болт М5 х38 2 Сталь Купований
5 Гайка М5 Сталь Купована
6 Шайба 5 Сталь Купована
7 Гвинт МЬ 2 Сталь Купований
Креслив
ПІДШИПНИК
Перевірив
Школа N° кл. №
Рис. 200. Складальне креслення підшипника
160
зустріти у багатьох машинах і механізмах (транспортерах,
підйомниках, кранах тощо) як опору для валів і осей.
Креслення містить три основних вигляди: головний, звер­
ху і зліва, а також місцевий А. Ці зображення дають уявлен­
ня про зовнішню форму підшипника і про взаємне розміщен­
ня його частин. На головному вигляді виконано два місцевих
розрізи, призначення яких — показати, як з’єднані між
собою окремі деталі підшипника. Місцеві розрізи на вигляді
зліва необхідні для з’ясування форми отворів. Зверніть ува­
гу, що на розрізах суміжні деталі заштриховано у різних
напрямах. Це зроблено для того, щоб краще відрізняти кон­
тури окремих деталей на складальних кресленнях.
Креслення підшипника має невелику кількість розмірів.
Це також характерна особливість складального креслення.
Як і на всіх кресленнях, у правому нижньому куті скла­
дального креслення розміщують основний напис. У ньому
зазначають назву виробу та деякі інші відомості про нього.
Складальні креслення, на відміну від розглянутих раніше,
містять зображення взаємозв’язаних деталей. Зображений на
рисунку 200 підшипник складається з 11-ти деталей. Усі
вони показані на кресленні. Відомості про кожну деталь (її
назва, кількість у виробі, матеріал деталі) заносять у спеці­
альну таблицю, яку називають специфікацією. Щоб скласти
специфікацію, кожній деталі призначають порядковий
номер, який проставляють на поличках ліній-виносок.
ЗАПИТАННЯ
1. Чому предмети, якими користуються люди, не завжди можуть
бути суцільними?
2. Що таке деталь?
3. Що називають складальною одиницею?
4. У чому різниця між кресленням деталі і кресленням скла­
дальної одиниці?
5. Для чого призначені складальні креслення?
11.2. Основні елементи складального креслення
Зображення. Ними можуть бути вигляди, розрізи й пере­
різи.
Вигляди розташовують у проекційному зв’язку. Крім
основних застосовують місцеві і додаткові вигляди. Наведе­
ний на рисунку 200 місцевий вигляд пояснює розміщення
кріпильних елементів.
Щоб виявити будову виробу, складальні креслення зви­
чайно містять розрізи й перерізи. Розрізи можуть бути
1 1 «Креслення», 8—9 кл. 161
повними й місцевими. На симетричних зображеннях поєдну­
ють половину вигляду з половиною розрізу (чи їх частини).
За допомогою перерізів пояснюють форму окремих деталей,
що входять до складу виробу.
Вибір зображень на складальному креслені залежить від
потреби з’ясування форми і взаємного розміщення деталей
виробу.
Виконують зображення на складальних кресленнях за
вже відомими вам правилами. Тут ми лише нагадаємо деякі
з них.
1. Вигляди, розміщені у проекційному зв’язку, не позна­
чають і не надписують.
2. Додаткові і місцеві вигляди позначають стрілкою з лі­
терою (як на рисунках 192, 193).
3. Розрізи позначають розімкненою лінією із стрілками і лі­
терами.
4. Якщо січна площина збігається з площиною симетрії і
зображення розрізу розміщене на місці відповідного вигляду,
то розріз не позначають.
5. Місцеві розрізи обмежують суцільною тонкою хвиляс­
тою лінією.
6. Штриховка однієї деталі (чи однакових деталей) на всіх
її зображеннях виконується з нахилом 45 в один бік із одна­
ковою відстанню між лініями.
7. Суміжні деталі штрихують в різні сторони.
8. Місце дотику двох суміжних деталей показують однією
суцільною товстою основною лінією без її потовщення (под­
воєння).
9. Якщо в розріз потрапляють три і більше деталей, що
дотикаються, то змінюють відстань між лініями або напрям
штриховки (див. рис. 200).
10. Більшу відстань між лініями штриховки залишають
для більших деталей.
11. Вузькі площі перерізу, ширина яких на кресленні до­
рівнює 2 мм або менше, показують зачорненими.
Розміри. Ви вже знаєте, що за складальним кресленням
виріб збирають з окремих деталей, виготовлених раніше. То­
му розміри окремих деталей на складальному кресленні не
потрібні і їх не наносять. На ньому потрібні лише ті розміри,
які визначають правильне розміщення деталей у виробі, роз­
міри поверхонь чи елементів, якими приєднують складальну
одиницю до інших виробів. На всіх складальних кресленнях
наносять розміри, які визначають найбільші довжину, висо­
ту і ширину виробу, тобто габаритні розміри.
Звернемося до креслення на рисунку 200. Розміри 45, 24
і 18 визначають правильне розміщення деталей у виробі. Для
встановлення і закріплення підшипника за місцем призна­
162
чення передбачені чотири отвори 06 у плиті. їх положення
визначають розміри 60 і 20 — їх називають установочними.
За розмірами 012 і 26 у підшипник встановлюють вал — це
приєднувальні розміри. Габаритні розміри підшипника —
70, 62 і ЗО.
Специфікація і номери позицій. На складальному креслен­
ні всі складові частини виробу нумерують (згадайте, для чого
це роблять). Ці номери називають позиціями. Номери позицій
наносять на горизонтальні полички, від яких проводять лінії-
виноски, що закінчуються точками на зображеннях деталей.
Якщо зображення невелике чи зачорнене у перерізі, лінію-
виноску закінчують стрілкою. Полички і лінії-виноски прово­
дять суцільними тонкими лініями.
Позиції показують на тих зображеннях, на яких відповідні
складові частини проеціюються як видимі, — як правило, на
основних виглядах чи розрізах. Щоб легше було знаходити
номери позицій на складальному кресленні, полички
групують у рядок чи стовпчик на одній лінії і розміщують
паралельно і (або) перпендикулярно до основного напису
(рис. 201, а ). Для групи кріпильних деталей, призначених
для одного місця кріплення (наприклад, болт, гайка і шайба)
застосовують спільну лінію-виноску (рис. 201, б). У цьому ра­
зі полички сполучаються тонкою вертикальною лінією.
Лінії-виноски проводять так, щоб
вони не були паралельними до ліній
штриховки, а також не перетина­
лись між собою і з розмірними ліні­
ями.
Номери позицій, призначені дета­
лям виробу, заносять до специфіка­
ції. Для складних виробів специфіка­
ції виконують на окремих аркушах
формату А4. На навчальних креслен­
нях і на кресленнях формату А4,
якщо виріб не складний, специфі­
кацію суміщують з кресленням і
розташовують над основним напи­
сом, як це показано на рисунку 200.
Форму специфікації наведено на
рисунку 202.
У першій (крайній зліва) графі
специфікації записують зверху вниз
порядкові номери (позиції) деталей
виробу.
У другій графі записують назву
деталі. Для крипільних (або інших
б
Рис. 201. Розміщення
поличок ліній-виносок з
номерами позицій:
а — загальне правило;
б — для групи деталей
163
10 . 25 . ,__ 25_
Поз. Назва Кіл. Матеріал Приміт.
1
2
3
25 ЗО Л15т
Креслий
N
NПеревірив .
Школа кл.
№
20 20
Рис. 202. Специфікація до складального креслення
стандартних деталей) тут же записують їх умовне позначен­
ня. Наприклад, «Гайка М5», «Болт М5 х 38».
У третій графі зазначають кількість кожної з деталей, з
яких складається виріб.
У четвертій графі записують назву матеріалу, з якого ви­
готовлено деталь.
Графа «Примітка» містить додаткові відомості про деталі,
що входять до складу виробу.
ЗАПИТАННЯ
1. Які зображення містить креслення підш ипника, наведене
на рисунку 200?
2. Чому розрізи, суміщ ені з виглядами на кресленні підш ип­
ника (рис. 200), не позначені?
3. Як можна визначити контури зображень сум іж них дета­
лей на складальному кресленні?
4. Чому на складальному кресленні не потрібно наносити
розміри окремих деталей?
5. Для чого на кресленні підш ипника (рис. 200) нанесено
розміри 0 6 , 60 і 24?
6. У яких випадках дозволяється суміщувати специфікацію
з кресленням?
7. Який зв’язок між номерами позицій у специфікації і на
кресленні?
8. Із скількох деталей складається підшипник (рис. 200)? Як
ви це визначили?
164
12. ЗОБРАЖЕННЯ З’ЄДНАНЬ
НА СКЛАДАЛЬНИХ КРЕСЛЕННЯХ
12.1. Види з’єднань
Щоб з деталей- скласти будь-який виріб, їх потрібно певним
чином з’єднати між собою. Тому деталі у виробах утворюють
різноманітні з’єднання.
Багато з них відомі вам з повсякденного життя, з іншими ви
ознайомились на уроках трудового навчання. Спосіб з’єднання
деталей залежить від матеріалу самих деталей. Деталі з деревини
з’єднують цвяхами, шурупами, склеюють. Пластмасові деталі
склеюють, зварюють, з’єднують допоміжними кріпильними дета­
лями. Частини виробів з тонкого листового металу з’єднують
паянням, заклепками, фальцевими швами. Металеві пристрої
приладів, механізмів і машин з’єднують кріпильними деталями з
різьбою, зварюють. З розвитком сучасної молекулярної хімії
значного поширення набуває з’єднання металевих деталей склею­
ванням.
Залежно від характеру виконання з’єднань їх поділяють
на рознімні та нерознімні.
До рознімних з'єднань належать такі, які можна розібра­
ти, не руйнуючи деталей, що входять до їх складу. Це дає
змогу виконувати багаторазове розбирання і складання виро­
бів. У сучасних виробах знаходять застосування такі рознім­
ні з’єднання: болтове, шпилькове, гвинтове, шпонкове,
шлицьове, штифтове.
Нерознімні з'єднання не можна розібрати, не зруйнував­
ши чи не пошкодивши деталей, що входять до їх складу. До
нерознімних з’єднань належать заклепкові, зварні й клейові
з’єднання. Частини виробів з м’яких матеріалів зшивають.
12.2. Креслення різьбових з’єднань
Різьба, її зображення і позначення. З ’єднання за допомо­
гою різьби належать до найпоширеніших. Деталі з’єднують
як за допомогою різьби, утвореної на їх поверхнях, так і за
допомогою кріпильних деталей з різьбою.
Різьба — це утворені на зовнішній чи внутрішній поверх­
ні однакові за формою і розмірами гвинтові виступи і канав­
ки (рис. 203). Залежно від профілю гвинтового виступу чи
канавки різьби бувають трикутні (рис. 204, а), пграпецеї
]альні (рис. 204, б), прямокутні (рис. 204, в) та ін. Для з’єд­
нання деталей у виробах найчастіше застосовують різьбу три­
кутного профілю з кутом при вершині 60 — її називають
м е т р и ч н о ю .
165
Гвинтовий виступ
Канавка''
Рис. 203. Загальний вигляд різьби
Рис. 204. Профілі різьби:
а — трикутний; б — трапецеї­
дальний; в — прямокутний
Зображувати різьбу такою, як ми її бачимо (рис. 204) ду­
же складно, тому на кресленні це роблять спрощено — умов­
но. Незалежно від профілю різьби її умовне зображення зав­
жди однакове.
На зовнішній поверхні (на стержні) по зовнішньому діа­
метру різьбу зображують суцільними лініями як на вигляді
спереду, так і на вигляді зліва (рис. 205). Лінії, що відпові­
дають внутрішньому діаметру різьби, проводять суцільними
тонкими, причому на вигляді зліва проводять дугу, яка приб-
Повний профіль
Рис. 205. Умовне зображення
зовнішньої різьби
Рис. 206. Умовне зображення
внутрішньої різьби
166
Рис. 207. Зображення невидимої різьби
лизно дорівнює 3/4 кола, розімкнутого в будь-якому місці,
але не на центрових лініях. Фаску на вигляді зліва не пока­
зують.
Різьбу на внутрішній поверхні (в отворі) показують су­
цільними тонкими лініями по зовнішньому і суцільними тов­
стими — по внутрішньому діаметру (рис. 206). Фаску на виг­
ляді зліва не показують. Зверніть увагу, що штриховку в роз­
різі завжди доводять до суцільної товстої лінії (рис. 206).
Різьба, показана як невидима, зображується штриховими
лініями і по зовнішньому, і по внутрішньому діаметрах (рис.
207).
Межу видимої різьби проводять до лінії її зовнішнього діа­
метра і показують суцільною товстою основною лінією (див.
рис. 205, 206).
За умовним зображенням неможливо визначити форму і
розміри різьби. Тому тип різьби і її основні розміри — зов­
нішній діаметр і крок показують на кресленні написом —
умовним позначенням. Метричну різьбу позначають літерою
М, розміри вказують у міліметрах. Наприклад, напис М20 х
1 означає: різьба метрична, зовнішній діаметр 20 мм, крок 1
мм (малий крок у позначенні наводять, а великий ні). Поз­
начення різьби, як правило, відносять до її зовнішнього
(більшого) діаметра (див.рис. 205, 206).
ЗАПИТАННЯ
1. Чому різьбу на кресленні зображують умовно?
2. Чим відрізняється умовне зображення різьби на стержні від
умовного зображення різьби в отворі?
3. Для чого на стержнях і в отворі з різьбою виконують фаски?
4. Що таке межа різьби? Як її показують на кресленні?
5. Для чого наводять умовне позначення різьби на кресленні?
6. Чим відрізняються між собою умовні позначення метричної
різьби з малим і великим кроками? Наведіть приклади.
7. Від якого діаметра слід проводити виносні лінії для позначен­
ня різьби?
167
ЗАВДАННЯ
Визначте, на якому із зображених на рисунку 208 отворів не по­
казано різьбу. Під яким номером зображено: вигляд А; переріз Б—
Б; переріз В—В? На якому з зображень позначено різьбу з дрібним
кроком; з великим кроком?
1 2 3 4
Рис. 208. Завдання для вправи
Зображення різьбового з’єднання. Для показу різьби у
з’єднанні застосовують розрізи площиною, яка проходить че­
рез вісь з’єднання (рис. 209). Отвір з різьбою може бути нас­
крізним чи ненаскрізним (глухим). Якщо потрібно, для зоб­
раження деталі із зовнішньою різьбою застосовують місцевий
розріз.
У місці з’єднання двох деталей різьбу зображують так,
щоб в отворі було видно ту частину різьби, яку не затуляє
різьба стержня (рис. 209). Суцільні товсті лінії, що відпові­
дають виступам різьб на стержні, переходять в суцільні тонкі
Стержень
з різьбою
 Різьбовий отвір
Рис. 209. Зображення різьбового з’єднання
168
лінії, що відповідають западинам різьби в отворі. І навпаки,
суцільні тонкі лінії, що відповідають западинам різьби на
стержні, переходять в суцільні товсті лінії, що відповідають
виступам різьби в отворі.
Поперечний переріз різьбового з’єднання (рис. 209) має
характерні особливості: межею між контурами деталей з різь­
бою є суцільна товста лінія, яка відповідає діаметру кола
виступів (зовнішньому діаметру) різьби на стержні. Суцільна
тонка лінія (проведена на 3/4 кола) відповідає западинам
(внутрішньому діаметру) різьби на стержні.
Кріпильні деталі болтового і шпилькового з’єднань. З ’єд­
нання, утворені кріпильними деталями з різьбою, носять
назву цих деталей: болтові, шпилькові, гвинтові тощо.
Кріпильні деталі з різьбою зустрічаються у дуже багатьох
виробах. Щоб упорядкувати застосування цих деталей, їх
форму і розміри стандартизовано. Тому кріпильні деталі з
різьбою називають стандартними. Це дає змогу зосередити їх
виробництво на спеціалізованих підприємствах і спростити
виготовлення виробів.
На кресленнях з’єднань стандартні деталі зображують спроще­
но за відносними розмірами. Це означає, що розміри їх окремих
елементів визначають за співвідношенням із зовнішнім діаметром
різьби (його позначають сі). Співвідношення для таких розрахун­
ків наведено на рисунку 210. Завдяки спрощеному зображенню
кріпильних деталей прискорюється виконання креслень.
Стандартний болт (рис. 210, а) — це циліндричний стер­
жень з шестигранною головкою. На стержні болта нарізана
різьба. Головку болта і кінець стержня обточено на конус
(знято фаски).
Гайка — це шестигранник, усередині якого є отвір з різь­
бою (рис. 210, б). Обидва плоских торці гайки і отвір з різь­
бою мають фаски.
Шпилька — циліндричний стержень (рис. 210, в), на обох
кінцях якого нарізана різьба. З кожного кінця шпильки
знято фаску.
Шайба являє собою кругле кільце (рис. 210, г).
Розміри кріпильних деталей на складальних кресленнях
не наносять, основні дані про них записують у вигляді
умовного позначення до специфікації. Користуючись цим
позначенням, потрібні розміри можна визначити з таблиць у
довідниках.
Умовне позначення болта включає тип і розміри різьби,
довжину його стержня. Запис «Болт М12 х 1,25 х 60» озна­
чає: болт з метричною різьбою діаметром 12 мм, малий крок
1,25 мм, довжина стержня 60 мм.
169
Різь ба
3=1,74
1і=0,7сі
10=24+6 мм
с=0,154
0=24
3=1,74
Н=0,В4
Посадочний кінець
2 фаски
1
-
Іо.
Шайба
1
І 0= 2,24
3=0,154
40=1,14
Рис. 210. Кріпильні деталі:
болт з шестигранною головкою; б — шестигранна гайка;
в — шпилька; г — шайба
170
Для шпильки вказують тип різьби, її розміри і довжину
загвинчуваного кінця, наприклад, «Шпилька М16 х 60». Це
означає, що шпилька має метричну різьбу діаметром 16 мм,
крок різьби великий, довжина загвинчуваного кінця 60 мм.
До позначення гайки входять тип різьби і її розміри.
Запис «Гайка М16» означає, що гайка має метричну різьбу
діаметром 16 мм, крок різьби великий.
Для шайб в умовному позначенні вказують діаметр болта,
наприклад, «Шайба 12». Це означає: шайба для болта діамет­
ром 12 мм.
ЗАПИТАННЯ
1. Для чого застосовують спрощені зображення кріпильних
деталей на складальних кресленнях?
2. Які ви знаєте кріпильні деталі з різьбою?
3. Чим відрізняються болт від шпильки?
4. Скільки зображень потрібно, щоб показати на кресленні болт;
шпильку; гайку; шайбу? Які це повинні бути зображення?
5. Яку довжину має болт, позначення якого «Болт М20 х 55»?
6. Який діаметр різьби має гайка з позначенням «Гайка М22»?
7. Чим відрізняються між собою гайки, якщо їх позначення
«Гайка М24» і «Гайка М24 х 1,25»?
ЗАВДАННЯ
1. За наочним зображенням (рис. 211) виконайте ескіз деталі з
різьбою.
2. Доповніть креслення деталі (рис. 212) зображенням отвору з
різьбою.
Рис. 211. Завдання для вправи
Креслення болтового з’єднання. Загальний вигляд болто­
вого з’єднання показано на рисунку 213, а. У деталях 1 і 2,
які треба з’єднати, просвердлюють отвори, діаметри яких
171
М16
Отвір наскрізний
0 30
трохи більші за діаметр болта 3.
Щоб запобігти руйнуванню деталі
2 при загвинчуванні гайки 4 , на
стержень болта надівають шайбу
5. Креслення такого з’єднання
складається з зображень деталей,
що входять до його складу
(рис. 213, б).
На рисунку 214 показано ета­
пи утворення креслення болтово­
го з’єднання. Спочатку викреслю­
ють з’єднувані деталі (І), потім
докреслюють болт, начебто встав­
лений в отвір у деталях (2). Далі
креслять шайбу, надіту на болт
(3), і в останню чергу — гай­
ку (4). Така послідовність вико­
нання креслення відповідає по­
рядку утворення самого болтово­
го з’єднання.
Болти на складальному кресленні показують нерозсічени-
ми, якщо січна площина проходить вздовж їх осі. Також не-
розсіченими показують гайки і шайби. Зверніть увагу, як
заштриховано з’єднувані деталі і і 2 (див.рис. 213, б).
- т
Рис. 212. Завдання
для вправи
Рис. 213. Болтове з’єднання:
а — загальний вигляд; б — креслення
172
г—*■
+'
і
%¥
-А
1 і
з
Рис. 214. Послідовність утворення зображення болтового з’єднання
ЗАПИТАННЯ
1. Якими деталями утворюється болтове з ’єднання?
2. За рахунок чого відбувається скріплення деталей у болтовому
з ’єднанні?
3. Для чого потрібна шайба у болтовому з’єднанні?
4. Під час виконання розрізу на складальному кресленні січна
площина пройшла вздовж осі болта, гайки і шайби. Чи треба їх
штрихувати?
ЗАВДАННЯ
1. Розгляньте креслення на рисунку 215 і вкажіть, якими циф­
рами позначено болт, гайку, шайбу?
2. Перенесіть на прозорий папір незакінчені зображення (рис.
216) болтового з ’єднання. Докресліть лінії різьби. Добудуйте вигляд
зверху. Виконайте штриховку на розрізі.
5
Рис. 215. Завдання
для вправи Рис. 216. Завдання для вправи
Креслення шпилькового з’єднання. Загальний вигляд
шпилькового з ’єднання показано на рисунку 217, а. До
нього входять з ’єднувані деталі 1 і 2, шпилька 3, гайка 4 і
шайба 5. Одним кінцем ш пилька 3 на всю довжину різьби
173
Рис. 217. Шпилькове з’єднання:
а — загальний вигляд; б — креслення
вгвинчується у глухий (ненаскрізний) отвір з різьбою в де­
талі 1. Зверху надівають деталь 2 з отвором трохи більшо­
го діаметра, ніж діаметр шпильки. На вільний кінець
шпильки нагвинчують гайку 4, під яку підкладають ш ай­
бу 5. Загвинчуючи гайку, деталі і і 2 притискують одну до
одної.
На рисунку 218 показано етапи утворення креслення
шпилькового з’єднання. Спочатку викреслюють деталь з
різьбовим отвором (і), потім докреслюють зображення
шпильки, вгвинченої в отвір з різьбою (2). Далі послідовно
креслять другу з’єднувану деталь, надіту на шпильку (3),
шайбу (4) і гайку (5). Ш пильку на кресленні показують не-
розсіченою, так само як і шайбу з гайкою.
Лінію, що визначає межу різьби на нижньому кінці
шпильки, завжди проводять на рівні поверхні деталі, в
Рис. 218. Послідовність утворення зображення шпилькового
з’єднання
174
/ Г Т ~ 
и яку вгвинчено ш пильку (деталь
1). Подивіться уважно, як зоб­
ражується стержень з різьбою,
вкручений в отвір. Різьбу в от­
ворі показують тільки там, де її
не закриває кінець стерж ня
ш пильки. Нижню частину глу­
хого отвору показують незапов-
неною стержнем. На кінці отво­
ру показують конічне заглиб­
лення, утворене свердлом. Його
креслять з кутом при верши­
ні 120 . Ш триховку доводять до
суцільної товстої лінії.Рис. 219. Завдання для
вправи
ЗАПИТАННЯ
1. Якими деталями утворюється шпилькове з ’єднання?
2. У якій послідовності з ’єднують деталі шпилькою?
3. Скільки зображень має бути на кресленні шпилькового з’єд­
нання?
4. До якої лінії треба наносити штриховку на розрізі отвору з
ЗАВДАННЯ
1. Розгляньте креслення на рисунку 219 і вкажіть, якими циф­
рами позначено шпильку, гайку, шайбу.
2. Зобразіть деталі І і 2 , показані на рисунку 220, з ’єднаними.
Розміри деталей на кресленні з’єднання наносити не потрібно.
3. За вказівкою вчителя виконайте на папері в клітинку ескіз
одного з видів різьбових з ’єднань, вивчених в цьому параграфі.
різьбою?
50
32
ЗО 6
і
І
/ і
Рис. 220. Завдання для вправи
175
12.3. Креслення шпонкових і штифтових з’єднань
Зображення шпонкових з’єднань. Вал з насадженою на
нього деталлю (це може бути шків, маховик, зубчасте коле­
со, важіль тощо) за допомогою шпонки, утворюють шпонко­
ве з’єднання. Такі з ’єднання застосовують у механічних пе­
редачах, коли потрібно, щоб разом з валом оберталась розмі­
щена на ньому деталь.
Шпонка з’єднує вал з іншою деталлю завдяки тому, що
вона одночасно заходить в паз на валу і в такий самий паз в
отворі насадженої на вал деталі. Пази у з’єднуваних деталях
називають шпонковими канавками. Наочне зображення
шпонкового з’єднання показано на рисунку 221. Втулку і вал
показано розрізаними, щоб було добре видно шпонку і її роз­
міщення.
Залежно від умов використання шпонкові з’єднання утво­
рюють за допомогою різних за формою шпонок. Найбільш
поширеними серед них є призматичні шпонки з заокруглени­
ми торцями.
Форму і розміри шпонок стандартизовано. На складально­
му кресленні кожна шпонка має умовне позначення. Для
призматичної шпонки воно включає назву цієї деталі і три
розміри, що визначають її ширину, висоту і довжину. Нап­
риклад, запис «Шпонка 12 х 8 х 60» означає, що призматич­
на шпонка має такі розміри: ширина 12 мм, висота 8 мм,
довжина 60 мм.
На кресленні шпонкового з’єднання виконують зображен­
ня тих деталей, якими воно утворене. Показують таке з’єд­
нання двома зображеннями (рис. 222). На місці вигляду спе-
З
Рис. 221. Шпонкове з’єднання:
а — загальний вигляд; б — деталі
Рис. 222. Креслення шпонкового з ’єднання
реду розміщують поздовжній розріз з’єднання (уздовж осі ва­
ла і з’єднаної з ним деталі). При цьому шпонку показують не-
розсіченою, а на валу виконують тільки місцевий розріз. Так
роблять тоді, коли січна площина проходить уздовж суціль­
ної (непорожнистої) деталі. Поздовжній розріз доповнюють
поперечним, який розміщують на місці вигляду зліва. На
цьому розрізі з’єднувані деталі і шпонку зображують розсіче­
ними.
На кресленні між верхньою площиною шпонки і дном ка­
навки у втулці обов’язково показують невеликий проміжок —
зазор. Він забезпечує можливість складання з’єднання.
ЗАПИТАННЯ
1. Яке призначення шпонкових з ’єднань?
2. Як шпонка з ’єднує вал з насадженою на нього деталлю?
3. За допомогою яких зображень показують будову шпонкового
з’єднання?
4. Які дані можна одержати про шпонку з її умовного позначення?
ЗАВДАННЯ
1. Розгляньте креслення на рисунку 223 і дайте відповіді на за­
питання:
1) із скількох деталей складається з ’єднання?
2) яке це з ’єднання?
3) якій деталі належить поверхня, позначена цифрою 41
4) якій деталі належить поверхня, позначена цифрою 5?
5) у чому контур зображення, позначеного цифрою 3, не заш­
триховано?
6) що означають дві горизонтальні лінії, позначені цифрою 6 ?
2. Виконайте креслення шпонкового з ’єднання деталей, наочні
зображення яких показано на рисунку 224. Розміри призматичної
шпонки і пазів під неї визначте за довідковими даними,
12 «Креслення», 8 -9 кл. 177
7...22 6x 6 3,5 2,8
22...ЗО 8x7 4,0 3,3
ЗО...38 10x8 5,0 3,3
38...44 12x8 5,0 3,3
44...50 14x9 5,5 3,8
50...58 16х 10 6,0 4,3
Зображення штифтових з’єднань. Ш тифтові з ’єднання
утворюють із застосуванням штифтів — деталей цилінд- 1
ричної або конічної форми. За допомогою циліндричних
штифтів забезпечують фіксацію однієї деталі відносно ін­
шої — це запобігає зміщенню деталей, скріплених гвинта- і
ми (рис. 225). Конічні штифти застосовують тоді, коли
Рис. 223. Завдання для вправи
наведеними у таблиці 7. Візьміть до уваги, що довжина шпонки має
бути на 5...6 мм меншою від довжини отвору в деталі. Наносити
розміри на кресленні не потрібно.
Шпонки призматичні, мм Таблиця 7
Діаметр вала Б
Розміри
перерізів Ь х Н
Глибина пазів
вала і
178
Рис. 224. Завдання для вправи
потрібно запобігти взаємному поздовжньому переміщенню
двох деталей (рис. 226).
Особливістю штифтового з’єднання є те, що отвір під
штифт свердлять одночасно у всіх деталях, які підлягають
з ’єднанню. Цим досягається високий ступінь взаємної фікса­
ції з’єднуваних деталей. Штифт вставляють у отвір здебіль­
шого запресовуванням.
Розміри штифтів стандартизовано. Діаметр і довжину
штифта вибирають залежно від розмірів з ’єднуваних
а б
і
Рис. 225. З ’єднання циліндричним штифтом:
а — загальний вигляд; б — креслення
12* 179
Штифт конічний 10 х 70
а
Рис. 226. З ’єднання конічним штифтом:
а — загальний вигляд; б — креслення
деталей. До позначення штифта входять його назва і розмі­
ри, наприклад, «Штифт циліндричний 5 х ЗО». Це означає,
що циліндричний штифт має діаметр 5 мм і довжину ЗО мм.
Напис «Штифт конічний 10 х 70» означає, що в конічного
штифта менший діаметр 10 мм, а довжина 70 мм.
Ш тифтові з ’єднання, як правило, показують за допомо­
гою розрізів (рис. 225, 226). На складальних кресленнях
штифти в розрізі показують, як і інші непорожнисті дета­
лі, нерозсіченими, якщо січна площина проходить уздовж
їх осі.
ЗАПИТАННЯ
1. Що являє собою штифтове з ’єднання?
2. Про що можна дізнатись з умов­
ного позначення штифта?
ЗАВДАННЯ
Рис. 227. Завдання
для вправи
Розгляньте креслення на рисунку
227 і дайте відповіді на запитання:
1) яке з’єднання показано на кресленні?
2) якими деталями воно утворене?
3) чому деталь 3 не заштриховано
у розрізі?
4) для чого на деталі 2 виконано
місцевий розріз?
5) який діаметр штифта 4, якщо
він має позначення «Штифт конічний
12 х 55»?
180
12.4. Креслення нерознімних з’єднань
Характерна особливість нерознімних з’єднань — немож­
ливість роз’єднати їх без руйнування чи значного пошкод­
ження з’єднуваних деталей.
До головних видів нерознімних з’єднань належать:
з’єднання заклепками — металевими стержнями з голов­
ками, які вставляють в отвори з’єднуваних деталей і розкле­
пують;
зварні з’єднання, у яких жорсткий зв’язок між деталями
виникає в результаті плавлення металу;
з’єднання паянням, під час якого деталі в нагрітому стані
скріплюються одна з одною за допомогою додаткового лег­
коплавкого сплаву (припою);
клейові з’єднання, які утворюються за допомогою тонкого
шару швидкотверднучого клею.
Заклепкове з ’єднання (рис. 228, а) креслять з використан­
ням двох зображень: фронтального розрізу на місці головного
вигляду та вигляду зверху чи зліва. На кресленні зображують
всі елементи з’єднуваних деталей і заклепок і вказують роз­
міри з’єднання. Дозволяється показувати не всі заклепки у
шві, а тільки на початку і в кінці шва. Решту заклепок пока­
зують центровими лініями (рис. 228, б).
Типи заклепок і їх розміри стандартизовано. Умовне поз­
начення заклепки дають у специфікації чи на поличці лінії-
виноски (рис. 228, б). До умовного позначення заклепки вхо-
Заклепка В х 20
б
Рис. 228. Заклепкове з’єднання:
а — загальний вигляд; б — креслення
181
Умовне позначення
Зварні
|Умовне позначення |
а б
Рис. 229. Зварний шов:
а — загальний вигляд; б — креслення
дить назва цієї деталі, її діаметр і довжина, наприклад, «Зак­
лепка 8 х 20».
Сукупність певним чином розміщених у з’єднанні закле­
пок утворює заклепковий шов. Залежно від взаємного розмі­
щення склепуваних деталей і розміщення заклепок у шві
існують різні типи заклепкових швів.
Частина зварного з'єднання, утворена плавленням металу
в місці з’єднання, являє собою зварний шов (рис. 229, а).
Зварні шви мають свою класифікацію, яка враховує харак­
тер зварного з’єднання і особливості виконання швів.
Залежно від розташування на виробі зварний шов на крес­
ленні може бути видимим чи невидимим. Видимі зварні шви
зображують суцільними товстими основними лініями, невиди­
мі — штриховими (рис. 229, б ). Умовне зображення шва суп­
роводжують позначенням, до якого входять дані, необхідні зва-
рювальнику для виконання зварювальних робіт. Умовне позна­
чення розміщують над поличкою лінії-виноски (коли шов ви­
димий) чи під нею (коли шов невидимий). Лінія-виноска
починається біля зображення шва однобічною стрілкою.
Основу паяного і клейового з’єднань являють відповідні
шви. їх зображують однаково і на всіх зображеннях показу­
ють лінією, в два рази товщою за суцільну товсту основну
(рис. 230). До лінії умовного зображення шва проводять лі-
нію-виноску. Щоб розрізняти шви, застосовують умовні зна­
ки, які наносять на похилій лінії-виносці (рис. 230). Для поз­
начення паяного шва застосовують умовний знак у вигляді
півкола С , його виконують товстою основною лінією. Для
позначення місця склеювання застосовують умовний знак К,
схожий на літеру К.
182
а б
Рис. 230. Паяне (а) і клейове (б) з’єднання
Якщо зварний, паяний чи клейовий шов виконують по
замкнутій лінії (по периметру), то лінію-виноску закінчують
колом діаметром 3-4 мм (рис. 230).
13. ЧИТАННЯ СКЛАДАЛЬНИХ КРЕСЛЕНЬ
13.1. Порядок читання складальних креслень
Прочитати складальне креслення — це значить з’ясувати
будову зображеного виробу. При цьому визначають взаємодію
та способи з’єднання деталей у виробі, форму кожної з них.
Читання складальних креслень виконують у певній послі­
довності.
1. Ознайомлення з основним написом. З нього дізнаються
про назву виробу. Іноді вона дає уявлення не тільки про
призначення, а й певною мірою про його будову.
2. Ознайомлення з зображеннями. Визначають, які є на
кресленні вигляди, розрізи і перерізи, яке призначення кож­
ного з них. З’ясовують положення січних площин, за допо­
могою яких виконано розрізи й перерізи, а при наявності до­
даткових та місцевих виглядів —, напрями проеціювання, за
якими вони виконані. В результаті аналізу зображень скла­
дається загальне враження про виріб.
3. Вивчення складових частин виробу. За специфікацією
визначають назви деталей. Далі знаходять зображення дета­
лей за номерами їх позицій, причому спочатку це роблять на
тому вигляді чи розрізі, на якому вказаний номер позиції, а
потім на інших. Порівнюючи всі зображення кожної деталі,
подані на кресленні, визначають її форму. Так роблять пос­
лідовно з усіма деталями за порядком їх номерів (позицій) у
специфікації, починаючи з першої.
183
4. Вивчення конструкції виробу. З’ясовують, як з’єднані
між собою деталі. Для нерознімних з’єднань визначають міс­
ця з’єднання. Для рознімних з’єднань знаходять кріпильні
деталі. Якщо є рухомі з’єднання, то визначають, які деталі
переміщуються та по яких поверхнях здійснюється спряжен­
ня їх з іншими деталями.
5. Ознайомлення з іншими відомостями, наведеними на
кресленні (розмірами, написами, умовними позначеннями
тощо).
Головним під час читання складального креслення є
вивчення форми кожної окремої деталі.
Спробуємо прочитати складальне креслення, наведене на
рисунку 231.
З основного напису дізнаємось, що на складальному крес­
ленні зображено домкрат.
Знаючи назву, можемо зробити висновок, що на кресленні
показано механічний пристрій для піднімання вантажів.
Креслення містить чотири зображення: головний вигляд,
суміщений з половиною фронтального розрізу, вигляд
зверху, вигляд зліва з місцевим розрізом та місцевий вигляд.
Домкрат складається з чотирьох деталей та шести
кріпильних елементів — двох гвинтів М6 і чотирьох М І2.
Корпус 1 показано на всіх зображеннях. Його нижня
частина прямокутна, верхня циліндрична. Порожнина всере­
дині нижньої частини корпуса прямокутна — на це вказує
місцевий вигляд А. Отвори на циліндричній частині мають
різьбу під гвинти 5.
Форма втулки 2 повністю визначається половиною
фронтального розрізу. Всередині втулки є різьба.
Гвинт З являє собою стержень, утворений трьома цилінд­
ричними поверхнями різних діаметрів. На найдовшій частині
гвинта нарізано різьбу М І2. За допомогою розрізу показано, що
у головці гвинта перпендикулярно до осі просвердлено наскріз­
ний циліндричний отвір. На наступній за головкою циліндрич­
ній частині є кільцева канавка.
Головка 4 показана на всіх основних зображеннях — вона
кругла. Її плоска опорна поверхня має насічку (це видно з
вигляду зверху). За допомогою фронтального розрізу показано
осьовий глухий циліндричний отвір. Перпендикулярно до йо­
го осі виконано отвори з різьбою під гвинти 6.
Втулка 2 вставляється в корпус 1 і нерухомо закріп­
люється гвинтами 5.
Гвинт З і втулка 2 утворюють рухоме різьбове з’єднання.
Оскільки втулка закріплена в корпусі домкрата нерухомо,
гвинт 3 під час обертання переміщується вниз або вгору
уздовж своєї осі. Обертають гвинт стержнем, вставленим в
отвір на його головці.
184
Поз. Назва Кіл. Матеріал Приміт.
1 Корпус Р Сталь К
2 Втулка - у / / / І Д Сталь
.
3 Гвинт вантажний ( ;
І Г
Сюаль /
и Головка Сталь
і 
5 Гвинт М12х ЗО і Сталь Купований
6 Гвинт М6 х 20 2 Стоільі Купований
Креслив
і
ДОМКРАТ
Перевірив
Школа № кл. №
Рис. 231. Складальне креслення домкрата
185
Рис. 233. Загальний вигляд (а, б) та
Головка 4 з’єднана з гвинтом З
завдяки канавці на ньому таким чи­
ном, що коли гвинт обертається, то
головка залишається нерухомою і пе­
редає зусилля від гвинта на вантаж,
який піднімають.
13.2. Умовності та спрощення
на складальних кресленнях
Під час виконання складальних
креслень зостосовують різні умовнос­
ті^ та спрощення. Це необхідно для
того, щоб зменшувати витрати часу
на виконання креслень та зробити їх
більш виразними і зрозумілими. Для
правильного читання складальних
креслень треба знати, які можуть бу­
ти на них умовності та спрощення.
Якщо на складальному кресленні є
січні площини яких проходять уздовж
осей болтів, шпильок, гвинтів, штифтів, непорожнистих валів,
важелів, шпонок, то їх зображують нерозсіченими. Так само
показують гайки, шайби і кульки (див. рис. 200, 231 та ін.).
Рис. 232. Зображення
на складальному
кресленні деталей,
що повторюються
розрізи та перерізи,
186
складальне креслення (в) знімача
187
Г
Кріпильні різьбові деталі з’єднань показують спрощено —
без фасок. Дозволяється не зображувати зазори між стерж­
нем (наприклад, болта) і отвором у з’єднуваних деталях.
Різьбу можна показувати на всій довжині болта чи шпильки.
Якщо виріз має кілька однакових рівномірно розміщених
деталей на ньому (рис. 232), то зображують тільки одну-дві з
них, а решту показують умовно чи спрощено, записавши пов-
ну*їх кількість у специфікацію.
Дозволяється не зображувати на будь-якому з виглядів
складального креслення Окремі деталі, які заважають ро­
зумінню будови інших деталей. Над таким зображенням
складального креслення виконують напис про те, які де­
талі виробу на ньому не показано. На рисунку 233 на виг­
ляді знімача зверху рукоятку 5 з кільцями 4 не показано.
Форму цих деталей визначають за іншими зображеннями.
Наявність зображення рукоятки з кільцями на вигляді
зверху ускладнює розуміння форми коромисла 1.
Якщо вигляд, розріз чи переріз на складальному крес­
ленні являє собою симетричне зображення, то показують
тільки його половину чи трохи більше половини і
проводять лінію обриву. Для симетричних зображень до­
цільно застосовувати поєднання половини вигляду з поло­
виною відповідного розрізу (див. рис. 231, 233, 234).
а
Рис. 234. Загальний вигляд (а )
188
Кришка Пластмаса
Штир
Плата
Гайка МЗ
Шайба З
Бронза
Пластмаса
Сталь
Сталь
Купована
Купована
Креслив
Перевірив
Школа №
ВИЛКА ШТЕПСЕЛЬНА
Назва Матеріал Приміт.
А—А поз.З
б
та складальне креслення (б ) вилки
189
Пружину зображують умовно розсіченою, показуючи
тільки крайні витки (рис. 235). Замість решти витків про­
водять штрихпунктирні лін ії через центри їх перерізів.
Якщо діаметр дроту пружини 2 мм і менше, то перерізи
витків пружини зачорнюють.
ЗАВДАННЯ
Прочитайте складальні креслення, наведені на рисунках 233—
236. Дайте письмові відповіді на запитання.
Пояснення до складального креслення знімача (рис. 233, в).
Знімач — пристрій для знімання дисків, шківів, коліс та ін­
ших деталей з валів.
Знімач складається з кбромисла і, натискного гвинта 2 і ру­
коятки 5 з кільцями 4. Натискний гвинт з’єднаний з коромис­
лом на різьбі, а кільця закріплені на рукоятці розклепуванням
її кінців. На нижньому кінці натискного гвинта є п’ята 3, з’єд­
нана з ним рухомо.
Вузол, що демонтується, встановлюють на виступи коромис­
ла (рис. 233, а, б). Вал з диска (чи іншої деталі) виштовхується
гвинтом, який обертають рукояткою.
190
Рис. 235. Загальний вигляд (а, б)
Назва Матеріал Приміт.
Корпус
Бойок
Сталь
Сталь
Пружина
Гвинт М10
Сталь Купована
Сталь Купований
Креслив
Перевірив
Школа N°
КЕРНЕР КОМБІНОВАНИЙ
в
та складальне креслення (в) кернера комбінованого
191
З А П И Т А Н Н Я
1. Яке призначення знімача? Поясніть його будову.
2. Скільки зображень виконано на кресленні? Які це зобра­
ження?
3. Скільки місцевих розрізів виконано на кресленні? Покажіть
та поясніть їх призначення.
4. З якою метою вигляд зліва суміщено з розрізом? Чому цей роз­
різ не позначено?
5. Покажіть на кресленні переріз. Поясніть його призначення.
6. Чим з’єднано деталі 2 і 3, 4 і 5?
7. Яку умовність застосовано на вигляді зверху?
8. Які габаритні розміри має пристрій?
Пояснення до складального креслення вилки (рис. 234, б ).
В и лк а призначена для підклю чення до штепсельної розетки
електричних проводів від електроприладів.
(О
а
192
Рис. 236. Загальний вигляд (а, б)
в
§'■»
А -А (2:1)
Поз. Назва Кіл. Матеріал Приміт.
1 Гвинт натискний 1 Сталь
2 Планка верхня 1 Береза
3 Планка вертикальна 1 Береза
и Планка нижня 1 Береза
5 Гвинт стяжний 1 Сталь
в Штифт циліндричний 4 Сталь
7 Гайка М10 1 Сталь Купована
8 Шайба 10 1 Сталь Купована
Креслив
Перевірив,
Школа N°
СТРУБЦИНА
N°
в
та складальне креслення (в) струбцини
13 «Кресленші», 8 -9 кл. 193
Вилка складається з плати 3, на якій гайками закріплені
штирі 2. На плату нагвинчується кришка 1. Провід від спо­
живача електроенергії проходить через отвір у кришці, при­
тискується шайбою 5 і кріпиться гайкою 4 на штирі.
Наочне зображення вилки наведено на рисунку 234, а.
ЗАПИТАННЯ
1. Які зображення виконано на кресленні?
2. З якою метою на головному зображенні суміщено половину
вигляду з половиною розрізу?
3. Я ку умовність застосовано на зображеннях штирів 2 ?
4. Для чого на кресленні виконано розріз А —А?
5. Чому на розрізах деталі 1 і 3 заштриховано навхрест?
6. Як з ’єднані між собою деталі 1 і 3 ? Звідки це видно?
7. Чому дорівнюють габаритні розміри виробу?
Пояснення до складального креслення кернера комбіно­
ваного (рис. 235, в).
Кернер призначений для нанесення на поверхню виробу
центра і контура отвору під час розмітки.
Кернер складається з корпуса 1, бойка 2, пружини 3 і
гвинта 4. Бойок має паз, у який входить кінець гвинта, щоб
утримати бойок усередині корпуса. Під час розмітки молот­
ком ударяють по кернеру (рис. 235, а), бойок стискує пружи­
ну і входить в корпус. На поверхні виробу залишаються точ­
ка і коло — відбитки вістря бойка і круглої загостреної кром­
ки корпуса.
ЗАПИТАННЯ
1. Які зображення виконано на кресленні?
2. З якою метою на кресленні виконано місцевий розріз?
3. Чому на зображенні бойка виконано не повний розріз, а місцевий?
4. Яку умовність використано на головному зображенні кор­
пуса 1?
5. Яку форму має отвір усередині корпуса /?
6. Яку форму має паз на поверхні бойка 2?
7. Для чого призначений гвинт 41
8. Чому гвинт 4, через який пройшла січна площина на голов­
ному зображенні, на розрізі А —А зображено нерозсіченим?
Пояснення до складального креслення струбцини (рис. 236, б).
Струбцина призначена для щільного притискування дета­
лей одна до одної під час склеювання.
Тиск на склеювані деталі створює натискний гвинт і. Ос­
новою струбцини є скоба, зібрана з трьох дерев’яних брусків 2,
З і 4, з’єднаних «в шип» на клею і закріплених штифтами 6.
Жорсткість струбцині надає стяжний гвинт 5 з гайкою 7 і
шайбою 8.
Приклад застосування струбцини показано на рисунку 236, а.
194
ЗАПИТАННЯ
1. Скільки розрізів виконано на кресленні? Які це розрізи?
2. Які деталі попадають у січну площину А — А?
3. З якою метою на кресленні виконано вигляд зліва?
4. Які спрощення використано на кресленні при зображенні
стяжного гвинта 5 і гайки 7?
5. Яку форму має головка гвинта 1?
6. Поясніть, як з’єднані між собою деталі 2, 3 і 4 ?
7. Скільки різьбових з’єднань зображено на кресленні?
14. ДЕТАЛЮВАННЯ СКЛАДАЛЬНИХ КРЕСЛЕНЬ
14.1. Поняття про деталювання
Щоб зробити виріб, який складається з кількох деталей,
спочатку треба виготовити ці деталі. Для виготовлення дета­
лей потрібні їх креслення. Креслення окремих деталей, з
яких складається виріб, виконують за його складальним
кресленням.
Процес виконання деталей за складальним кресленням
виробу називають деталюванням.
Перед початком деталювання слід прочитати складальне
креслення. Це дає змогу визначити будову виробу, взаємодію
його складових частин і їх призначення. Сам процес деталю­
вання передбачає умовне розчленування виробу на окремі де­
талі і виконання креслення кожної з них. За цими креслен­
нями виготовляють деталі і потім з них складають вироби.
Звернемось до прикладу. На рисунку 237 наведено поря­
док роботи, наочне зображення і складальне креслення за­
тискача. Він складається з основи 1, до якої за допомогою
штифта 5 приєднано прижим З, і гвинта 2 з нерухомою ру­
кояткою 4. Пристрій призначений для затискання округлих
деталей під час їх обробки на верстаті. Для цього деталь
вкладають у прямокутний паз на основі 1 і закріплюють при-
жимом 3 за допомогою гвинта 2.
На рисунку 238 наведено наочні зображення деталей, з
яких складається затискач, та їх креслення. Кожне креслен­
ня містить зображення, вибрані залежно від форми деталі, та
її розрізи.
Ви вже знаєте, що кожний виріб складається з оригіналь­
них деталей, призначених тільки для даного виробу, і стандар­
тних. Під час деталювання виконують креслення тільки оригі­
нальних деталей. На стандартні деталі виконувати креслення
не треба, бо вони виготовляються на спеціалізованих підп-
13* 195
риємствах. Інші підприємства їх купують і використовують
вже готовими для складання своїх виробів. Оригінальні деталі
кожне підприємство виготовляє для своїх виробів самостійно.
Затискач, складальне креслення якого наведено на рисун­
ку 237, має 4 оригінальні і 1 стандартну деталь. Тому під час
деталювання виконано креслення чотирьох його деталей.
Рис. 237. Загальний вигляд (а, б)
ЗАПИТАННЯ
1. Для чого виконують деталювання?
2. У чому полягає процес деталювання?
3. Щ о передує деталюванцю складального креслення?
4. Які деталі не підлягають деталюванню? Чому?
196
А—А поз.2 і 4
не показано
тг-п ЬР
90
Поз. Назва Кіл. Матеріал Приміт.
1 Основа 1 Сталь
2 Гвинт 1 Сталь
3 Прижим 1 Сталь
и Рукоятка 1 Сталь
5 Штифт В х 4/7 1 Сталь Купований
Креслий
Перевірив
Школа У№ кл.
ЗАТИСКАЧ
N.?
в
та складальне креслення (в) затискача
197
І
Основа 08 Н12
Прижим
Гвинт
08
Щ
і 32
зи
52
Рукоятка
сої
(1------------------------ [
70
198
Рис. 238. Креслення деталей затискача
14.2. Послідовність деталювання
Щоб полегшити деталювання, його потрібно виконувати у
певній послідовності. Рекомендується такий порядок деталю­
вання складального креслення:
1. Читання складального креслення виробу в розглянутій
раніше послідовності. Вивчення його будови. Головну увагу
звертають на форму деталей, їх призначення і взаємодію.
2. Уявне розчленування виробу на окремі деталі, з яких
він складається.
3. Визначення деталей, креслення яких треба виконати
(згадайте, які деталі не підлягають деталюванню). Почина­
ють деталювання з простих за формою деталей. Уявне вида­
лення цих деталей полегшує визначення форми складніших.
4. Визначення необхідних зображень, потрібних для крес­
лення кожної деталі. Кількість зображень повинна бути міні­
мальною, але достатньою для повного вивчення форми і роз­
мірів деталі. Кількість і склад зображень на кресленні деталі
можуть не відповідати зображенням складального креслення.
5. Вибір масштабу зображень. Під час деталювання не
обов’язково дотримуватись однакового масштабу для всіх де­
талей. Невеликі деталі, особливо складної форми, зображу­
ють у більшому масштабі.
6. Компоновка і послідовна побудова зображення. На
кресленнях деталей зображують і ті елементи, які на скла­
дальному кресленні не показують або показують спрощено
(наприклад, фаски).
7. Нанесення розмірів. їх вимірюють на зображеннях
складального креслення з урахуванням масштабу. Ті розміри
конструктивних елементів, які відсутні _на складальному
кресленні, визначають з довідників. Для спряжуваних повер­
хонь (тобто поверхонь, які взаємодіють між собою) погоджу­
ють розміри.
Кожну деталь креслять на окремому аркуші. На креслен­
нях виконують основний напис. Дані для основного напису
(назву деталі, матеріал тощо) беруть із специфікації скла­
дального креслення.
14.3. Виконання деталювання
На рисунку 239 наведено принцип дії, наочне зображення
і складальне креслення струбцини. Струбцина — це механіч­
ний пристрій, за допомогою якого закріплюють деталі під
час обробки або склеювання. Основні деталі струбцини —
скоба і, втулка 3 і натискний гвинт 2. Втулка з’єднана із
скобою розклепуванням. Гвинт переміщується у втулці по
199
різьбі. Обертають гвинт рукояткою 4. На нижньому кінці
гвинта розклепуванням закріплено кільце 5. На складально­
му кресленні містяться головний вигляд і вигляд зверху. Го­
ловний вигляд виконано з місцевим розрізом на деталі 1 і
повними розрізами деталей 3 і 5. Щоб форма скоби була
більш зрозумілою, на кресленні виконано винесений переріз.
Фігура перерізу симетрична, тому її не позначено.
Зображення на складальному кресленні дають уявлення про
будову виробу та форму всіх деталей, з яких його складено.
Скоба 1 є головною деталлю струбцини. Форма скоби дала
назву цій деталі. У її верхній частині виконано циліндричний
200
Рис. 239. Загальний вигляд (а, б) та
98
Розклепати
в
складальне креслення (в ) струбцини
201
отвір під втулку 3. З обох боків вертикальної частини скоби
вибрано прямокутні пази, заокруглені на кінцях. Це зробле­
но для зменшення маси деталі. Усередині скоби на її нижній
частині міститься опорний циліндричний виступ, до якого
притискується поверхня закріплюваного предмета.
Гвинт 2 складається з трьох циліндрів. У циліндричній
головці гвинта виконано наскрізний отвір під рукоятку 4.
Циліндричний кінець гвинта розклепано, що забезпечує
нерухомість з’єднання з кільцем 5. Робоча поверхня гвинта
має різьбу М І6, по якій гвинт переміщується у втулці 3.
Втулка 3 зовні обмежена двома циліндричними поверхня­
ми, усередині має різьбу М16.
Рукоятка 4 являє собою циліндричний стержень із зріза­
ми біля торців конічними фасками.
Кільце 5 має циліндричну форму. Усередині кільця знято
конічну фаску.
Струбцина не має стандартних деталей, тому креслення
виконують на кожну з них (рис. 240).
На рисунку 240, а наведено креслення деталі 4 —
стержня-рукоятки. На складальному кресленні, де її зобра­
жено разом з іншими деталями, рукоятку показано на двох
зображеннях, а тут — на одному, тому що її форма повністю
виявлена одним виглядом.
На рисунку 240, б наведено креслення кільця 5. Щоб
уявити його форму і розміри, досить виконати одне
зображення — фронтальний розріз. Для зручності читання
креслення вісь зображення розміщено горизонтально.
Втулка 3 також потребує одного зображення — фронталь­
ного розрізу (рис. 240, в) з горизонтально розміщеною віссю.
На рисунку 240, г наведено креслення гвинта 2. Хоч на
складальному кресленні гвинт показано на двох зображен­
нях, на кресленні деталі цього робити не доцільно — досить
і одного вигляду. Але його слід доповнити місцевим розрі­
зом, щоб показати наскрізний отвір під рукоятку 4.
Скоба 1 потребує трьох зображень (рис. 240, д), як і на скла­
дальному кресленні: головного вигляду з місцевим розрізом для
показу отвору під втулку З, вигляду зверху і винесеного перерізу.
Виріб має спряжувані поверхні — зовнішні поверхні руко­
ятки 4, гвинта 2 і втулки 3 спряжені з поверхнями отворів
відповідно у головці гвинта 2, у кільці 5 і скобі 1. Розміри
цих поверхонь повинні мати однакові числові значення.
Через те що під час друкування підручника зображення
довільно зменшили відповідно до формату сторінки, справж­
ні розміри деталей неможливо встановити безпосереднім
вимірюванням на складальному кресленні. Тому слід
застосувати пропорційний (кутовий) масштаб (рис. 241).
202
ОЕ0
М 5’
2 фаски
86 соі
О
А
М 5 ‘
10
1А 55
І 1-"
08
20
54
54
Со
$
Рис. 240. Креслення деталей струбцини
203
Рис. 241.^Кутовий масштаб
Для цього на чистому аркуші паперу проводять горизонталь­
ну пряму і відкладають на ній дійсний розмір, наприклад 86 мм
(довжина рукоятки). З кінця відрізка проводять перпендикуляр.
На ньому від вершини утвореного прямого кута відкладають дов­
жину рукоятки, виміряну на кресленні в підручнику. Кінці обох
відрізків з’єднують.
Щоб визначити розмір будь-якого відрізка на даному
кресленні, відкладають цей відрізок від вершини на верти­
кальній стороні кута і проводять лінію, паралельну похилій
прямій. Вона відмітить на горизонтальній стороні кута дійс­
ний розмір відрізка, довжину якого треба визначити.
ЗАПИТАННЯ
1. Чому не можна копіювати із складального креслення зобра­
ження деталей?
2. Щ о означає погодження розмірів деталей під час деталювання?
3. Для чого застосовують пропорційний масштаб?
ЗАВДАННЯ
За вказівкою вчителя виконайте креслення деталей виробів:
рисунок 231, деталі 2, 3; рисунок 233, деталі 1, 3 ; рисунок 234,
деталі 1, 2 рисунок 235, деталі 2, 2; рисунок 236, деталі 2, 3.
15. ТОПОГРАФІЧНІ КРЕСЛЕННЯ _______
Призначення топографічних креслень. Під час забудови
населених пунктів, прокладання доріг, залізниць, нафто- і
газопроводів, на будівництві гідротехнічних споруд, заводів,
аеропортів користуються топографічними кресленнями. На
них зображують окремі невеликі ділянки земної поверхні.
204
Топографічні креслення містять відомості про рельєф місце­
вості, тобто про форму і розташування нерівностей окремих
ділянок земної поверхні, про розміщення на місцевості
лісових насаджень, водних систем, доріг, систем енергопоста­
чання, населених пунктів тощо.
Методи зображення земної поверхні на кресленнях вивчає
топографія — наука про геометрію земної поверхні. Дані про
місцевість, які наносять на топографічних кресленнях,
одержують на основі фотографування місцевості з повітря (з
літака, дельтаплана тощо).
На основі топографічних креслень створюють географічні
карти.
Зображення на топографічних кресленнях. Земна поверх­
ня має форму, близьку до еліпсоїда. Тому зображення діля­
нок земної поверхні на топографічних кресленнях потребує
спеціальних методів, завдяки яким зменшується спотворен­
ня під час проеціювання кривої поверхні на площину.
Для побудови зображень на топографічних кресленнях
користуються рівневою поверхнею Землі. Вона являє собою
поверхню, яка збігається з поверхнею води в морях і океа­
нах у спокійному їх стані (рис. 242). Рівнева поверхня пере­
тинає поверхню Землі по берегових лініях. Положення будь-
якої точки поверхні визначають за нормаллю до неї (точка
А на рис. 242).
Щоб зобразити невелику ділянку місцевості, обирають
горизонтальну площину, проведену дотично до рівневої
поверхні. Цю площину називають площиною нульового рівня.
Рельєф земної поверхні (підвищення і западини) на топогра­
фічних кресленнях зображують горизонталями, або профілями,
які являють собою перерізи ділянок місцевості горизонтальними
площинами.
Для зображення рельєфу горизонталями поверхню місце­
вості умовно перетинають кількома паралельними площинами
Острів Материк
205
б
Рис. 244. Горизонталі пагорбка
і западини
Рис. 243. Утворення
горизонталей поверхні місцевості
(рис. 243). Перша з цих площин повинна бути площиною ну­
льового рівня Н 0. Відстань між січними площинами назива­
ють висотою перерізу. Проекції ліній, по яких січні площи­
ни перетинають поверхню ділянки місцевості, і є горизонта­
лями. На топографічних кресленнях горизонталі супровод­
жують числовими позначками, які вказують висоту точок
цих ліній від рівневої поверхні.
Зверніть увагу на те, що за зовнішнім виглядом горизон­
талі пагорба і западини будуть однакові. Щоб уникнути цьо­
го, горизонталі доповнюють позначенням пониження поверх­
ні у вигляді рисочок. Ці рисочки завжди спрямовані від
горизонталі у бік пониження місцевості. На зображенні па­
горбка їх проводять іззовні горизонталей (рис. 244, а), а для
западини — усередині (рис. 244, б).
Масштаби топографічних креслень. Масштаб топографічного
креслення — це відношення довжини відрізка на ньому до
довжини відрізка на місцевості. Його виражають відношенням
чисел (як і на звичайних кресленнях), графічно і словесно.
Числовий масштаб — числове відображення масштабу
топографічного креслення у вигляді дробу. Його чисельник
дорівнює одиниці, а знаменник — число, яке показує, у
скільки разів усі відстані на карті менші відповідних їм від­
станей на місцевості. Числові масштаби для топографічних
креслень мають значення від 1:200 до 1:1000000.
206
Відстань на місцевості в метрах або в кілометрах, яка від­
повідає 1 см креслення, називають величиною масштабу.
Наприклад, при масштабі креслення 1:25000 величина мас­
штабу дорівнює 250 м або 0,25 км.
Лінійний масштаб— це графічне відображення числово­
го масштабу. Його показують у вигляді відрізка, поділеного
на рівні частини з написами, що визначають відстані на міс­
цевості. Лінійний масштаб потрібний для вимірювання відс­
таней на кресленні без обчислень.
При словесному вираженні масштабу креслення масштаб
1 : 100000, наприклад, називають стотисячним, 1 : 500000 —
п’ятсоттисячним тощо.
Умовні знаки на топографічних кресленнях. Для показу
місцезнаходження елементів місцевості на топографічних крес­
леннях застосовують умовні знаки, які наведено в таблиці 8.
ЗАПИТАННЯ
1. Про що можна дізнатись з топографічного креслення місцевості?
2. Яку поверхню називають рівневою поверхнею Землі?
3. Щ о таке площина нульового рівня?
4. Щ о таке горизонталь поверхні і як вона утворюється?
5. Чим відрізняються горизонталі пагорбка і западини?
6. Щ о називають масштабом топографічного креслення?
ЗАВДАННЯ
Прочитайте наведене на рисунку 245 топографічне креслення ді­
лянки місцевості. Дотримуйтесь такої послідовності читання:
1) визначте масштаб креслення (числовий і лінійний — вони
вказані під нижньою лінією рамки);
2) знайдіть за умовними позначеннями дороги, населені пункти;
3) відшукайте промислові споруди, мости;
4) визначте рослинний покрив місцевості: приблизну площу, по­
роди дерев, наявність чагарників, городів і т. ін .;
5) встановіть наявність річок, озер, боліт;
6) визначте характер рельєфу місцевості: підвищення, запади­
ни, їх висоту чи глибину;
7) проаналізуйте зміну рельєфу місцевості у вказаному вчителем
напрямі.
16. БУДІВЕЛЬНІ КРЕСЛЕННЯ
16.1. Загальні відомості про будівельні креслення
Будівлі та споруди зводять за будівельними кресленнями,
їх поділяють на архітектурно-будівельні (креслення житло­
вих, громадських і виробничих будівель) та інженерно-буді-
207
г
Таблиця 8
Умовні графічні позначення елементів топографічних креслень
Елементи креслень
Графічні
позначення
Елементи креслень
Графічні
позначення
Грунти і угіддя
Піски V . Рілля
Заболочені землі
~ " т 7 Городи
(присадибні ділянки)
^ *
Болота Ш Ш
Рослинність
Хвойні ліси
о с о
| о о
О 0 0 0
Фруктовий сад
О О О 0
о о о о
0 0 о о
Листяні ліси
° ° о
° о а
о 0 ^
Чагарники
о °°с
Змішані ліси
о ° О
Ф 1 °о
О о °
Луки
1 II II
II II
|і II II
Будівлі і шляхи сполучення
Будівлі
вогнетривкі житлові в Л
Лінії електропередач —
Будівлі
невогнетривкі житлові
Грунтова дорога
Промислові
будівлі з трубами А
Пішоходна стежка ------------------------------
Електростанції
т
Шосе
Башти водонапірні
й
Залізниця
(двоколійна)
Гідрографія
Річки Мости дерев’яні
Ч /
/ ' Ч
Озера
С З
Мости кам’яні
Ч І І /
/ 1 1 ^
Джерела , — ^
Мости металеві
208
1:10000
В 1сантиметрі 100 метрів
Суцільні горизонталі проведені через 2,5 метра
100 О 100 200 м
Рис. 245. Топографічне креслення ділянки місцевості
14 «Креслення», В—9 кл. 209
вельні (креслення інженерних споруд: мостів, шляхопрово­
дів, залізниць, гідротехнічних споруд тощо).
За призначенням будівельні креслення ділять на креслен­
ня будівельних виробів і на будівельно-монтажні креслення.
За кресленнями будівельних виробів на підприємствах будін-
дустрії виготовляють окремі частини і деталі будівель і спо­
руд. За будівельно-монтажними кресленнями на будівельних
майданчиках здійснюють складання і зведення будівель і
споруд.
Виконують будівельні креслення за правилами прямокут­
ного проеціювання на основні площини проекцій (фронталь­
ну, горизонтальну і профільну) із застосуванням розрізів.
Але, зважаючи на специфіку зображуваних предметів, буді­
вельні креслення мають деякі особливості.
Зображення на будівельних кресленнях. Основними
зображеннями на будівельних кресленнях є фасад, план і
розріз.
Фасад — це зображення зовнішнього боку будинку. Виг­
ляд будинку спереду — головний фасад, вигляд зліва чи
справа — бічний фасад. На фасадах (рис. 246) показують роз­
міщення дверей, вікон, архітектурні деталі будинку. Фасад
дає загальне уявлення про розмір будинку і пропорції його
окремих частин. Розміри на фасадах не наносять.
План будинку (чи його поверху) — це розріз горизонталь­
ною площиною на рівні, трохи вищому від підвіконня (рис.
247). Для багатоповерхового будинку плани виконують для
кожного поверху. За планом можна визначити форму і роз­
міри будинку, взаємне розташування приміщень у ньому
(так само і для поверху), розміщення вікон і дверей, товщи­
ну стін і перегородок тощо. На планах наносять умовні зоб­
раження санітарно-технічного обладнання, систем опалення,
водопостачання (рис. 248).
Перерізи стін, виконані з матеріалу, який є для будинку
основним, не штрихують. Окремі ділянки з іншого матеріалу
штрихують. Для кожного приміщення на плані зазначають
площу (у квадратних метрах). Площу вказують цифрою без
позначення одиниці і підкреслюють лінією (див. рис. 248).
На плані показують р о з б и в о ч н і о с і — лінії, які
проходять вздовж зовнішніх і внутрішніх капітальних стін.
З проведення цих осей починають побудову плану будинку.
Вертикальні осі на плані позначають арабськими цифрами,
взятими в кружечки, а горизонтальні — великими літерами
(теж у кружечках).
Щоб показати внутрішню будову будинку, його висоту (чи
висоти поверхів), на будівельних кресленнях застосовують
210
Головний фасад Бічний фасад
Розріз 1 -І
Рис. 246. Зображення на будівельних кресленнях
Січна площина дляСічна площина для
утВарення розрізуутворення плану
Утворення розрізу
 будинку
Утворення плану
будинку
Верхня частина
будинку видалена
Ліва частина
будинку видалена
Рис. 247. Утворення плану та розрізу будинку
14* 211
«
м
«а>
Чс
0)
а
к
оРн
о
к
л
ч0)
ад•
ч
ю
ч
я
в0)
ч
§
а
о
-&
О
00
тґ
<м
о
я
&ч
(41)
Тз
аіо
§
В
в
1 =
©
0581
0991} 0691 '005Ґ ООвг
2 1 2
вертикальні розрізи (поздовжні чи поперечні). Одержують
вертикальні розрізи за допомогою вертикальних січних пло­
щин, котрі, як правило, проходять по віконних і дверних
прорізах. Позначення розрізів виконують як звичайно, але
замість великих літер проставляють римські цифри (див.
рис. 246, 248).
Зверніть увагу на те, що контури стін і перекриттів між
поверхами на планах та в розрізах показують суцільною тов­
стою основною лінією.
Над зображеннями будівельних креслень роблять написи
за типом: «Фасад», «План другого поверху», «Розріз II—II».
Розміри на будівельних кресленнях вказують у м ілі­
метрах без позначення одиниці вимірювання.
Розмірні лінії обмежують короткими штрихами під кутом
45е до цих ліній (див. рис. 248).
На фасадах розмірів не наносять. На планах розміри нано­
сять із зовнішнього боку забражень у кілька рядів (див. рис.
248). У першому рядку (ближчому до зображення) наносять
розміри віконних і дверних прорізів і простінків замкнутим
ланцюжком. У другому рядку — розміри між кожною парою
суміжних осей (теж замкнутим ланцюжком). Третій рядок
містить розміри між крайніми осями на плані. Крім того, на
плані наносять внутрішні розміри приміщень: довжину, ши­
рину, ширину дверних прорізів та інші.
На розрізах наносять розміри між осями, висоту примі­
щень, віконних і дверних прорізів (див. рис. 248).
Крім розмірів на розрізі, а іноді й на фасаді, наносять ви­
сотні позначки (рис. 249). Позначкою називають число, яке
показує висоту точки над нульовою площиною. За нульову
позначку найчастіше обирають рівень підлоги будинку (чи
першого поверху).
Позначки наносять в метрах, числа запису­
ють на поличці знака. Число на позначці пока­
зує, наскільки вище або нижче (зі знаком мі­
нус) від нульової позначки знаходиться рівень,
вказаний даною позначкою. Нульову позначку
записують числом 0,000 (рис. 249).
Наведені на рисунку 248 позначки 2,500 і
4,870 свідчать про те, що висота приміщень у
будинку 2,5 м, а найвища точка будинку має
висоту 4,87 м. Позначка -2,000 означає, що
поверхня підлоги у підвалі нижча від підлоги
будинку на 2 м.
Масштаби будівельних креслень. Оскільки
будівлі і споруди мають великі розміри, на бу­
дівельних кресленнях застосовують масштаби
зменшення 1:100, 1:200, 1:400. Для невеликих
будинків і для фасадів застосовують масштаб
+6,500
_
0,000
-3 ,7 0 0
Рис. 249. Чис­
лові позначки
213
Таблиця 9
Умовні графічні позначення на будівельних кресленнях
214
1:50. Це дає змогу краще виявити на фасаді архітектурні
деталі. Масштаби різних зображень можуть бути різними,
тому масштаб звичайно вказують біля кожного з зображень.
ЗАПИТАННЯ
1. Для чого призначені креслення будівельних виробів і будівель-
но-монтажні креслення?
2. Як називаються основні зображення на будівельних креслен­
нях? Я к їх одержують?
3. Про що можна дізнатися з фасаду?
4. Щ о являє собою план будинку? Про що можна дізнатись з
нього?
5. Для чого на будівельному кресленні застосовують розріз
будинку?
6. Щ о таке висотна позначка? Щ о вважають нульовою позначкою?
16.2. Умовні зображення та позначення
на будівельних кресленнях
Окремі елементи будівель і споруд (віконні і дверні прорізи,
сходові клітки тощо) на будівельних кресленнях мають спро­
щені умовні зображення. Санітарно-технічні та опалювальні
пристрої показують умовними графічними позначеннями.
Умовні зображення елементів будівель. Віконні прорізи
на планах і розрізах показують суцільними тонкими
лініями (рис. 250, а). На місці дверних прорізів у плані
ліній не проводять, але умовно показують полотно дверей і на­
прям, куди двері відчиняються (рис. 250, б). З рисунка 250, б
Графічні позначення матеріалів на перерізах
Таблиця 10
Матеріал Позначення Матеріал Позначення
Грунт природний
Кераміка та силікатні
матеріали для кладки
Камінь природний
^7777
/ / / / А
'////.
Скло та інші
світлопроникні
матеріали
у // У / у //
У / у // У
Бетон Деревина
М і
215
г
Позначення віконних прорізів
на розрізах
Розрізи вертикальні
Розрізи горизонтальні
; ... і— г....і
Позначення дверних прорізів
на планах
□
ЇЬДвері
одностулкові
=д
Двері двостулкові
б
видно, у чому полягає різниця в
зображені одно- і двостулкових
дверей. На вертикальних розрі­
зах у місцях дверних прорізів
наносять тонкі лінії.
Умовні позначення на буді­
вельних кресленнях. Позначення
санітарно-технічних та опалю­
вальних пристроїв на кресленнях
житлових і громадських будівель
виконують у вигляді простих гео­
метричних фігур (табл. 9). Всі
умовні позначення обводять
•суцільною тонкою лінією. Вико­
нують їх у встановленому для
даного креслення масштабі.
Позначення будівельних мате­
ріалів на перерізах. Графічні
позначення матеріалів на перері­
зах стандартизовано. Основні з них
наведено у таблиці 10.
Коли фігура перерізу на
будівельному кресленні має неве­
ликі розміри, то дозволяється не
застосовувати графічного позна­
чення матеріалу, а дати поясню­
вальний напис на полі креслення.
ЗАВДАННЯ
Рис. 250. Умовні зображення
елементів будівель
Прочитайте наведене на рисунку
248 будівельне креслення.
Дотримуйтесь такої послідов­
ності читання:
1) визначте назву будівлі, наведеної на кресленні;
2) встановіть, які наведено зображення (фасади, плани, розрізи);
3) розгляньте одночасно написи і зображення на кресленні;
4) вивчіть взаємне розташування і конструкцію всіх частин
будинку;
5) визначте площу і висоту приміщень, а також загальні
розміри будівлі;
6) з’ясуйте розміщення дверей, вікон, санітарно-технічного та
іншого обладнання в приміщеннях.
Орієнтиром для читання креслення за наведеною послідовністю
можуть бути запитання до нього:
216
1. Яку будівлю зображено на рисунку?
2. Які зображення містить креслення?
3. Де проходять січні площини для плану і розрізу?
4. Скільки кімнат у будинку? Яка їх площа?
5. Яку висоту мають кімнати у будинку?
6. Я ка загальна висота будинку? Чому дорівнює глибина підва­
лу під будинком?
7. Які загальні розміри і площа будинку дверей у будинку?
8. Скільки одностулкових і скільки двостулкових дверей у будинку?
9. Яке опалення у будинку?
17. СХЕМИ
17.1. Загальні відомості про схеми
Уявлення про будову виробу і про те, як з’єднані між со­
бою його складові частини, дає складальне креслення. Проте
вивчити взаємодію деталей у виробі і визначити, які при цьо­
му відбуваються процеси, за складальним кресленням буває
дуже важко, а іноді і неможливо. Ось чому виникла необхід­
ність застосовувати спрощення багатьох складних виробів у
вигляді схем. Схеми дають змогу визначити принцип дії ви­
робів, і ними користуються тоді, коли на кресленні не треба
показувати конструкцію з’єднань та окремих деталей.
Схема являє собою графічне зображення, на якому за до­
помогою умовних позначень показано складові частини виро­
бу і зв’язки між ними. Дійсне просторове розміщення дета­
лей у виробі схема не передає. На відміну від складального
креслення, на схемі показують не всі деталі, які входять до
складу виробу, а лише ті, що потрібні для пояснення прин­
ципу його дії.
Завдяки своїм особливостям, схеми простіші від складаль­
них креслень і за ними легше зрозуміти, як працює виріб.
Залежно від зображених виробів схеми поділяються на кі­
нематичні, гідравлічні, пневматичні, електричні, оптичні та інші.
17.2. Кінематичні схеми
Кінематична схема — зображення, яке пояснює принцип дії
механізму, що передає рух (коробки зміни швидкостей метало­
різального верстата чи автомобіля, механізму повороту крана,
редуктора лебідки, стрічкопротяжного механізму в магнітофо­
ні). За кінематичною схемою можна визначити послідовність
217
передавання руху від його джерела (найчастіше це двигун) до
робочого органу (шпиндель верстата, барабан лебідки).
На рисунку 251 наведено наочне зображення й кінематич­
ну схему коробки зміни швидкостей токарного верстата. Усі
елементи коробки зміни швидкостей на схемі показано умов­
ними графічними позначеннями. В загальних рисах вони
нагадують деталі, які ними зображені. Розміри зображень
елементів на схемі можуть бути довільними, але пропорцій­
ними розмірам цих елементів в натурі.
Найуживаніші умовні позначення для кінематичних схем
наведено в таблиці 11. Користуючись цією таблицею, спро­
буйте визначити, з яких елементів складається коробка
зміни швидкостей, схему якої наведено на рисунку 251.
На кінематичних схемах зображують тільки ті елементи
механізму, які беруть участь у передаванні руху (вали, зуб­
часті колеса, муфти та інші). Схему вписують у спрощений
контур зображення виробу, всередині якого знаходиться
показаний на схемі механізм.
Умовні позначення на кінематичних схемах виконують
суцільними товстими основними лініями. Контур виробу, в
який вписують схему, обводять суцільною тонкою лінією.
Всім елементам кінематичних схем надають порядкові
номери, починаючи від джерела руху. Вали і осі нумерують
римськими цифрами, решту елементів — арабськими. По­
рядкові номери елементів проставляють на поличках ліній-
виносок. Під поличкою вказують деякі параметри елемента
механізму (потужність і частоту обертання вала двигуна,
діаметри шківів, кількість зубів зубчастих коліс).
Тепер, коли ви вже знаєте, як виконують кінематичні схе­
ми, спробуємо з’ясувати будову і принцип дії коробки зміни
швидкостей, зображеної на рисунку 251, і визначити, як во­
на передає рух від двигуна до шпинделя верстата.
Механізм коробки зміни швидкостей складається з трьох
валів І, I I , I I I , зубчастих коліс, фрикційної 2 і кулачкової
12 муфт і рукояток.
Зубчасті колеса 4, 6, 7 виготовлені у вигляді блока зубчастих
коліс. Вони можуть переміщатися вздовж вала І по напрямній
шпонці.
Зубчасті колеса 3, 8, 9, 10 нерухомо насаджені на вал II.
Зубчасті колеса 11 і 14 вільно обертаються на валу I I I , який
є шпинделем верстата. Двостороння кулачкова муфта 12 роз­
міщена між зубчастими колесами 11 і 14. Рукоятка 5 приз­
начена для пересування зубчастих коліс 4, 6, 7, а рукоятка
13 — для переключання кулачкової муфти 12.
Коробка зміни швидкостей дістає рух від електродвигуна 1.
Він з’єднаний з механізмом коробки зміни швидкостей за допо­
могою пасової передачі і фрикційної муфти 2. Валу І передаєть-
218
Рис. 251. Коробка зміни швидкостей:
а — загальний вигляд; б — кінематична схема
ся тільки одна швидкість обертання, бо шківи пасової передачі
одноступінчасті.
Разом з валом І обертаються зубчасті колеса 4, 6, 7, які,
переміщуючись рукояткою 5 по напрямній шпонці, можуть
входити в зачеплення з зубчастими колесами вала II. Це за­
безпечує утворення трьох пар передач із зубчастих коліс: 3—
4, 6—8, 7— 9. Таким чином, проміжному валу можна надати
трьох різних швидкостей обертання.
Зубчасті колеса 3 і 10 перебувають у постійному зачеплен­
ні з колесами 11 і 14, які вільно насаджені на вал I II . Коли
кулачкова муфта 12 перебуває у нейтральному положенні,
Графічні позначення матеріалів на перерізах
Таблиця 11
Елемент Наочне
зображення
Умовне
позначення
Вал, вісь, стержень
Підшипник ковзання і кочення
на валу (без уточнення типу)
радіальний
Ж
—
упорний
---------- II
Передача зубчаста
циліндрична
ґ 1 4
- - Ч - + -
V /
чж '
4 4 4
М '
X -
X-
конічна
ф - ;
Передача черв’ячна
¥ -ь. ч-
2 2 0
Продовження табл. 11
Елемент Наочне
зображення
Умовне
позначення
Передача рейкова
44 йч-іід
Передача плоским пасом
41
Передача ланцюгова
$
фз*
- < * > — фк
Гвинт, що передає рух
і)9)1В
Пружина
т
ІЕлектродвигун її
1
221
Продовження табл. 11
222
Продовження табл. 11
Елемент Наочне
зображення
Умовне
позначення
Шків ступінчастий,
закріплений на валу
-----
о -
З’єднання валів шарнірне • і ! -----------
Ґ
V.
Гайка на валі, що передає рух
нерознімна
рознімна
>
А
т
Важіль переключення
е Ь
—
Маховик
сг
223
0140 1=49 1=34 1=54 ^ 1=62
Рис. 252. Кінематична схема
шпиндель верстата не обертається. Якщо пересуванням вліво
чи вправо вздовж напрямної шпонки включити муфту, шпин­
делеві буде надано обертання від зубчастого колеса 14 або 11.
Таку послідовність вивчення будови механізму і переда­
вання ним руху називають читанням кінематичної схеми.
ЗАПИТАННЯ
1. Чим схема відрізняється від складального креслення?
2. Яка роль умовних позначень на схемах?
3. Чи всі елементи, які входять у виріб, позначають на схемах?
4. Про що можна дізнатися з кінематичної схеми виробу?
ЗАВДАННЯ
За розглянутою в цьому параграфі послідовністю прочитайте кі­
нематичну схему механізму, наведену на рисунку 252.
17.3. Електричні схеми
Електрична схема — це зображення елементів електротех­
нічного виробу чи електричної мережі та зв’язків між ними. За
допомогою електричних схем пояснюють будову радіоприймачів
і телевізорів, телефонних апаратів, ЕОМ, систем електричного
живлення в автомобілях; на електричній схемі можна показати
електромережу житлового будинку чи населеного пункту тощо.
За електричною схемою можна визначити послідовність проход­
ження струму в ланцюгах, утворених сукупністю елементів схе­
ми, і зрозуміти роботу цих елементів та виробу в цілому.
224
Приклад електричної схеми наведено на рисунку 253.
Вона містить умовні графічні позначення елементів виробу,
з’єднаних між собою лініями, які відображають електричні
зв’язки між цими елементами.
На електричних схемах зображують тільки ті елементи
виробу чи мережі, які пояснюють електричні процеси в них.
Розташування деталей на схемі може відрізнятись від прий­
нятого у виробі. На схемі деталі розміщують так, як це
зручно для їх зображення. Слід лише враховувати і зберігати
послідовність проходження струму.
На електричних схемах застосовують умовні позначен­
ня, наведені у таблиці 12. Ці позначення мають прості
обриси. Щоб ними було легше користуватися, кожна з них
має характерні риси зображуваного елемента. Умовні
позначення електричних схем не відображають розмірів
самих елементів, а тільки визначають їх вид (конденсатор,
резистор, вимірювальний прилад, вимикач і т. ін.) Одним
знаком позначають і маленький за розмірами і параметрами
елемент, і великий.
Крім графічних позначень, всі елементи схеми мають
позиційні позначення, які розміщують зверху чи праворуч від
них. Позиційне позначення складається з однієї чи двох вели­
ких латинських літер і цифри. Літери показують вид елемен­
та: С — конденсатори, Я — резистори, УИ — діоди, УТ —
транзистори, Ь — котушки індук­
тивності, ВА — гучномовці, Е Ь —
лампи розжарювання, О — джере­
ла живлення, VО — блоки еле­
ментів живлення, 5 — вимикачі,
— запобіжники плавкі, Т І] —
трансформатори і т.д. Цифра у
позиційному позначенні вказує
порядковий номер елемента на
схемі. Порядкові номери для всіх
елементів з однаковими позначен­
нями записують послідовно зліва
направо чи зверху вниз, врахову­
ючи їх розташування на схемі,
наприклад: Я1, Я2, ЯЗ...
Геометричні елементи умов­
них позначень на електричних
схемах виконують суцільною
Рис. 253. Електрична схема товстою основною лінією. Нею ж
0 -220В 0
15 «Креслення», 8—9 кл. 225
Таблиця 12
Умовні позначення на електричних схемах
Елемент
Умовне
позначення
Елемент
Умовне
позначення
Лінія електричного
зв'язку
Транзистор
Контакти
рознімного  Фотоелемент
*
з’єднання
штир
/
гніздо Джерело живлення
і
Вимикач
Вимірювальний
прилад:
амперметр
- 0 -
Запобіжник
плавкий □ вольтметр
Лампа
розжарювання м8ь- Електричний
дзвінок
Резистор
постійний —
Гучномовець
М -1
змінний
- і -
Котушка
індуктивності
Конденсатор
постійної ємності
1
т
Трансформатор
змінної ємності Електромагніт
Ф
Діод
Логічний
елемент
=0-
226
проводять лінії електричного зв’язку. Окремі елементи схем
(наприклад, осердя трансформатора) виконують потовщеною
лінією, у два рази товщою за суцільну товсту основну. З’єд­
нання провідників електричного струму позначають зачор­
неною точкою.
ЗАПИТАННЯ
1. Про що можна дізнатися з електричної схеми?
2. Чи можна за умовним позначенням на електричній схемі виз­
начити розмір зображеного елемента?
3. Чи відрізняються між собою графічні позначення елементів
електричних схем, якщо вони належать до одного виду, але мають
різні форму і розміри?
4. Для чого роблять позиційні позначення на електричних схе­
мах?
5. Як відрізнити на електричній схемі провідники, що перети­
наються, від провідників, що з’єднуються?
ЗАВДАННЯ
Користуючись таблицею умовних позначень, прочитайте елект­
ричну схему, наведену на рисунку 254.
И1
Рис. 254. Електрична схема
ТЕРМІНОЛОГІЧНИЙ СЛОВНИК
Абревіатура (лат. аЬЬгегіо — скорочую) — складноскорочене
слово, утворене з перших букв словосполучення (наприклад,
ЕОМ — електронно-обчислювальна машина) або з його початкових
слів.
Абрис — обрис предмета, нанесений за допомогою ліній.
Абсциса (лат. аЬзсізза — відрізана) — координата точки по осі
х в декартовій системі координат, що визначає її положення на
площині або у просторі.
Аксонометрія (грец. ахоп — вісь і теігео — вимірюю) — спосіб
зображення предметів на площині, що полягає в паралельному про­
еціюванні на яку-небудь площину предмета разом з обраною систе­
мою координат.
Алгоритм (лат. аІ£огіі1ітиз, що пов’язано з іменем узбецького
вченого IX с т о л і т т я Аль-Хорезм і) — система правил, що визначає
дії чи операції, на основі послідовного виконання яких відбуваєть­
ся розв’язання поставленого завдання.
А наліз графічного складу зображення — визначення геомет­
ричних побудов, необхідних для побудови контура зображення.
Аналогія (грец. апаїо^іа — відповідність) — подібність, схо­
жість між предметами за певними ознаками.
Апліката (лат. арріісаіиз — прикладений) — координата точки
по осі г в декартовій системі координат, що визначає її положення
у просторі.
Апроксимація (лат. арргохіто — наближаюсь) — наближена
заміна складних об’єктів іншими, більш простими (наприклад, за­
міна кривих ліній ламаними).
Арабські цифри — назва десяти математичних знаків 0, 1, 2, З,
4, 5, 6, 7, 8, 9, за допомогою яких у десятковій системі числення
записуються будь-які числа.
Арка (лат. агсиз — дуга, в и г и н ) — криволінійне перекриття
прорізів у стіні (вікон, воріт, дверей) чи прольотів між двома опо­
рами (колонами, стояками мосту тощо).
Архітектура (лат. агсМіесіига — будівничий) — мистецтво
створення (проектування й побудови) будинків, споруд та їхніх
комплексів, а також художній характер будівлі.
Асиметрія (грец. азутш еігіа — нерозмірність, невідповід­
ність) — відсутність або порушення симетрії.
База (грец. Ьазіз — основа) — основа або опора будь-чого. У
кресленні базою називають вихідну поверхню, лінію чи точку, кот­
ра визначає положення деталі у механізмі (конструктивна база) чи
при обробці або вимірюванні (технологічна база).
Бісектриса (лат. Ьіз — двічі і зесо — розсікаю) — пряма, що
проходить через вершину кута і ділить його навпіл.
Вал — поширена у машинах і механізмах деталь, що передає
обертальні зусилля чи підтримує інші деталі, які обертаються на
ньому чи разом з ним (зубчасті колеса, шківи, зірочки тощо).
Ватман (від імені власника англійської паперової фабрики
^Ьаітап) — цупкий папір найвищого гатунку для виконання креслень.
228
Вектор — (лат. УЄСІОГ — той, що несе) — відрізок прямої, що
має певний напрям (направлений відрізок), який вказує стрілка на
його кінці.
Величина — узагальнене поняття таких конкретних понять (дов­
жини, площі, об’єму, ваги), які можна виразити додатним відношен­
ням однорідних їм величин, обраних за одиницю вимірювання.
Вигляд — зображення повернутої до спостерігача видимої
частини поверхні предмета.
Вигляд головний — зображення предмета на фронтальній пло­
щині проекцій, яке дає найбільш повне уявлення про його форму і
розміри.
Вигляд додатковий — зображення предмета або його частини,
утворене на площині, яка не паралельна основним площинам
проекцій.
Вигляд місцевий — зображення окремої, обмеженої частини
поверхні предмета.
Вигляд основний — вигляд, утворений на одній з основних
площин проекцій (горизонтальній, фронтальній чи профільній).
Вигляд, одержаний на фронтальній площині проекцій — в и гл я д
спереду (головний вигляд).
Вигляд, одержаний на горизонтальній площині проекцій —
в и гл я д зве р ху .
Вигляд, одержаний на профільній площині проекцій — в и гл я д
зл ів а .
Видимість на кресленні — прийнята умовність зображення на
кресленні видимих і невидимих контурів предметів. Проявом цієї
умовності є зображення видимих контурів суцільною товстою ос­
новною лінією, а невидимих — штриховою.
Вимірювання — знаходлсення значення фізичної величини дос­
лідним шляхом за допомогою призначених для цього вимірюваль­
них засобів.
Вимірювання розміру — знаходження числового значення л і­
нійної або кутової величини за допомогою вимірювального засобу.
Виріб — предмет чи набір предметів, що підлягають виготов­
ленню на підприємстві.
Відрізок — частина прямої, обмежена з обох боків (позначають
великими буквами, поставленими біля його кінців, наприклад А В ).
Вісь обертання — нерухома пряма лінія, навколо якої оберта­
ється твірна поверхні обертання.
Вісь проекцій — лінія перетину двох взаємно перпендикуляр­
них площин проекцій.
Взаємозамінність — здатність однойменних і однотипних дета­
лей займати своє місце у виробі при його складанні або під час
ремонту без їх додаткової обробки, припасування чи регулювання.
Геометрична побудова — сукупність графічних дій, спрямова­
них на утворення елемента контура зображення на кресленні.
Геометричне тіло — замкнута частина простору, обмежена
плоскими або іншими поверхнями чи їх поєднанням.
Геометрія — (грец. £еоте1гіа — вимірювання Землі) — розділ
математики, що вивчає просторові відношення і форми реального
світу.
229
Геометрія нарисна — наука, що пояснює і обгрунтовує способи
побудови зображень просторових форм на площині і розв’язування
на ній просторових задач.
Готовальня — набір креслярських інструментів, зібраних у спе­
ціальному футлярі.
Грань многогранника — плоский многокутник, що є частиною
поверхні многогранника і обмежений його ребрами.
Графік (грец. йтарЬікоз — зображений) — графічне зображення
кількісної залежності якого-небудь явища чи процесу.
Графіка (грец. £гарЬо — пишу, креслю, малюю) — вид образот­
ворчого мистецтва, основним зображувальним засобом якого є ри­
сунок, виконаний на папері олівцем штрихами і лініями без засто­
сування фарб.
Графічний (грец. дгарЬікоз — зображений) — накреслений,
поданий у вигляді кресленнями рисунка.
Декартова система координат — прямокутна система коорди­
нат, призначена для визначення положення точки на площині (сис­
тема двох координат) або у просторі (система трьох координат), у
якій масштаби по всіх осях однакові.
Деталювання — процес розробки і виконання креслень деталей
за кресленням складальної одиниці.
Деталь — виріб, виготовлений з однорідного за найменуванням
і маркою матеріалу без застосування складальних операцій.
Диметрія — аксонометрична проекція з коефіцієнтами спотво­
рення, однаковими по двох осях.
Діагональ (грец. сНа^опіоз — проведений від кута до кута) —
відрізок прямої, що сполучає дві несуміжні вершини многокут­
ника.
Діаметр (грец. сііатеїгоб — поперечник кола) — найбільша з
відстаней між двома точками кола. Вимірюється відрізком прямої,
який з’єднує ці' точки і проходить через центр кола.
Дотична — пряма, що має із замкненою кривою лише одну
спільну точку.
Дотична до кола — пряма, що проходить через точку кола пер­
пендикулярно до радіуса, проведеного в цю точку.
Дюйм (голл. сіиіт — великий палець) — одиниця довжини в
англійській і американській системах мір. Один дюйм дорівнює
25,4 мм.
Елемент деталі — частина деталі певної форми та конструкції,
призначена для виконання певної функції. До найпоширеніших
елементів деталей належать фаски, канавки, проточки, пази, бур-
тики, плоскі грані, рифлення тощо.
Еліпс (грец. еііеірзіз — нестача) — плоска замкнута крива у
вигляді овала.
Ескіз — графічний документ тимчасового користування, вико­
наний від руки без використання креслярських інструментів, в око­
мірному масштабі із збереженням приблизної пропорційності еле­
ментів зображуваного предмета і дотриманням правил виконання і
оформлення креслень.
230
Зазор — додатна різниця між двома спряженими поверхнями
деталей, що забезпечує можливість їх відносного переміщення у
з’єднанні.
Заокруглення — плавний перехід по дузі кола від одного еле­
мента контура зображення до іншого.
З’єднання деталей — декілька деталей, скріплених між собою
певним способом з метою утворення деякої частини виробу.
З’єднання нерознімне — з’єднання деталей, що не передбачає
можливості їх розбирання, тобто їх не можна розібрати без пошкод­
ження або руйнування самих деталей чи елементів, що їх скріплю­
ють.
З ’єднання рознімне — з’єднання деталей, повторне складання і
розбирання яких можливе без пошкодження чи руйнування самих
деталей і елементів, що їх скріплюють.
Зображення — графічне відображення форми предмета у визна­
ченому масштабі, виконане встановленим способом проеціювання і
призначене для визначення потрібних геометричних властивостей
предмета.
Зображення головне — зображення предмета, утворене на
фронтальній площині проекцій.
Зображення наочне — зображення, призначене давати цілісне
просторове уявлення про об’ємний предмет.
Ізометрія — аксонометрична проекція з коефіцієнтами спотво­
рення, однаковими по всіх трьох осях.
Квадрат — прямокутник, у якого всі сторони однакові.
Коефіцієнт спотворення — відношення довжини проекції
відрізка до справжньої довжини цього відрізка.
Кола концентричні — кола різних радіусів, що проведені з
одного центра.
Коло — плоска замкнута крива, всі точки якої однаково відда­
лені від її центра.
Компоновка креслення — раціональне розміщення зображень
на полі креслення для якнайповнішого і рівномірного, використання
його площі.
Компонувати — утворювати з окремих частин доцільне поєд­
нання.
Конструкція (лат. сопзїгисііо — побудова, складання) — побу­
дова, взаємне розміщення частин виробу, його склад.
Конструювання — створення конструкції виробу відповідно до
проекту або розрахунків.
Контур (франц. сопіоиг — обрис) — обрис якого-небудь предме­
та, лінія, яка окреслює форму.
Контур зображення — сукупність геометричних елементів, ІЦО
окреслюють певне зображення на кресленні.
Конус круговий — геметричне тіло, обмежене замкнутою коніч­
ною поверхнею і круглою основою, яка перетинає всі її твірні.
Конусність — відношення діаметра кола основи прямого кону­
са до його висоти, а для зрізаного конуса — відношення різниці
діаметрів кіл основ до висоти (відстані між центрами цих основ).
Конфігурація (лат. соп^і^игаііо — надання форми, розміщен­
231
ня) — зовнішній вигляд, обрис, а також взаємне розміщення яких-
небудь предметів або їх частин.
Координата (лат. со — разом і огсііпаїиз — упорядкований, визна­
чений) — число, яким визначають положення точки на прямій, площи­
ні, у просторі.
Копія — точне відтворення якого-небудь документа чи зобра­
ження (графічного, текстового тощо).
Косинець — креслярський інструмент у вигляді плоского
прямокутного трикутника для проведення ліній і побудови кутів на
кресленні.
Креслення — технічний документ, що містить графічні зобра­
ження та символи і призначений для точного відображення суттє­
вих просторових ознак об’єкта (зовнішнього вигляду, будови,
розмірів тощо).
Креслення деталі — графічний документ, що містить зображен­
ня деталі і всі інші дані, необхідні для її виготовлення і контролю.
Креслення складальне — графічний документ, що містить зоб­
раження складальної одиниці та інші дані, потрібні для її складан­
ня (виготовлення) і контролю.
Креслярське приладдя — інструменти і пристрої для виконан­
ня креслярсько-графічних робіт.
Круг — частина площини, яка обмежена колом і містить його
центр.
Куб — правильний многогранник, поверхню якого утворюють
шість квадратів.
Кут двогранний — фігура, утворена двома півплощинами (гра­
нями), які виходять із спільної прямої (ребра).
Кут плоский — фігура, утворена двома променями (сторонами),
що виходять з однієї точки (вершини).
Л екало — креслярський інструмент у вигляді фігурної лінійки
для проведення або перевірки на кресленнях кривих ліній.
Л ін ії иобудови — лінії, якими попередньо виконують графічні
побудови зображень на кресленнях.
Лінійка — креслярський інструмент, за допомогою якого про­
водять лінії на площині і виконують лінійні вимірювання.
Лінія (лат. Ііпеа — лляна нитка) — множина всіх послідовних
положень точки, що рухається. За визначенням Евкліда, «лін ія —
це довжина без ш ирини».
Лінія крива — лінія, що утворюється, коли рухома точка весь
час змінює напрям руху.
Лінія ламана — лінія, утворена різнонаправленими відрізками
прямої, які не перетинаються між собою.
Лінія лекальна — лінія змінної кривизни, яку проводять за
допомогою лекала.
Л ін ія плоска — лінія, у якої всі точки належать одній
площ ині.
Лінія проекційного зв’язку — лінія, що сполучає проекції
точки на виглядах креслення.
Лінія пряма — лінія, що утворюється, коли рухома точка має
незмінний прямолінійний напрям руху.
232
Макет — об’ємний засіб навчання, який відображає тільки зов­
нішній вигляд натуральних об’єктів, не пояснюючи їх внутрішньо­
го змісту.
Масштаб — відношення розмірів на кресленні до дійсних роз­
мірів зображеного на ньому предмета.
Многогранник — геометричне тіло, з усіх боків обмежене плос­
кими многокутниками — гранями.
Многокутник — фігура, обмежена плоскою замкнутою ламаною
лінією.
Нанесення розмірів — проведення виносних і розмірних ліній і
постановка розмірних чисел відповідно до існуючих вимог і правил.
Наочність — особливість графічного зображення, що дає мож­
ливість полегшувати уявлення про зображений предмет.
Об’єкт — фрагмент реальності, на яку спрямована активність
пов’язаного з нею суб’єкта.
Обрис поверхні — зовнішній контур поверхні на її проекції.
Овал — опукла геометрична фігура, обмежена попарно спряже­
ними дугами кіл, центри яких знаходяться всередині фігури.
Олівець (рос. карандаш: від тюрк, кара — чорний і даш —
камінь) — графітовий стержень у спеціальній оправі для проведен­
ня ліній і нанесення написів на папері.
Ордината (лат. огсііпаіиз — упорядкований) — координата точ­
ки по осі у в декартовій системі координат, що визначає її положен­
ня на площині або у просторі.
Оригінал (лат. огі^іпаїіз — первісний) — справжній документ
(текстовий, графічний), призначений для відтворення у копіях.
Основний напис (кутовий штамп) — таблиця встановленої фор­
ми, розміщена у правому верхньому куті поля креслення, до якої
заносять відомості про осіб, що мають відношення до виконання
креслення, назву зображеного на креслені виробу та деякі інші
дані, необхідні для кращого розуміння креслення.
Папір креслярський — папір, призначений для виконання
креслярських робіт.
Паралелепіпед — призма, основою якої є паралелограм (зокре­
ма квадрат, ромб, прямокутник)
Паралелепіпед прямокутний — паралелепіпед, у якого бічні
ребра перпендикулярні до площини основи.
Паралелограм — чотирикутник, у якого протилежні сторони пара­
лельні.
П аралельні прямі — прямі, що лежать в одній площині і не
перетинаються (тобто не мають спільних точок).
Переріз — зображення фігури, утвореної уявним перерізуван­
ням предмета січною площиною. На перерізі показують тільки те,
що знаходиться в січній площині.
Периметр (грец. регітеігео — вимірюю навколо) — довжина
замкнутого контура, наприклад, сума всіх сторін многокутника.
Перпендикулярні прямі — прямі, що перетинаються під
прямим кутом.
Перспектива (франц. регзресііуе — дивлюсь наскрізь, ясно бачу) —
233
І
система зображення предметів на площині способом центрального про­
еціювання.
Піраміда (грец. ругашісіоз) — многогранник, одна грань якого
(основа) є многокутник, а всі інші грані (бічні) — трикутники із
спільною вершиною. За кількістю кутів основи розрізняють пірамі­
ди трикутні, чотирикутні і т. ін.
Піраміда зрізана — частина піраміди, обмежена основою, час­
тинами бічних граней і перерізом піраміди площиною, паралель­
ною основі.
Планіметрія — розділ елементарної геометрії, в якому вивча­
ються властивості фігур, що лежать у площині.
Плоский предмет — предмет, що має незначну товщину (висо­
ту), яка в багато разів менша за його довжину і ширину.
Площ а — одна з кількісних характеристик плоских геометрич­
них фігур і поверхонь. Площа будь-якої плоскої фігури визначається
як частина площини, обмежейа плоскою замкнутою лінією.
Площ ина — найпростіша поверхня, положення якої в просторі
визначається трьома точками, що не лежать на одній прямій.
Площина проекцій — площина, на якій одержують проекцію.
Площ ина січна — уявна площина, якою умовно розрізають
предмет у тому місці, де необхідно виявити його форму.
Поверхня — множина всіх послідовних положень лінії, що руха­
ється. У більш загальному випадку поверхню можна розглядати як
спільну частину двох суміжних частин простору або ще як межу
геометричного тіла. За визначенням Евкліда, «поверхнею є те, що має
тільки довжину і ширину».
Поле креслення — місце всередині рамки креслення.
Призма (грец. ргізта — розпилена) — многогранник, дві грані
якого (основи) є рівними многокутниками з відповідно паралельни­
ми сторонами, а всі інші грані (бічні) — паралелограмами. За кіль­
кістю бічних граней призми поділяють на тригранні, чотиригранні
і т. ін.
Призма пряма — призма, у якої бічні грані перпендикулярні до
основи.
Проекція — зображення просторової форми, яке дістали прое­
ціюванням її на будь-яку поверхню.
Проекція аксонометрична — наочне зображення, утворене на
основі паралельного проеціювання предмета разом з обраною систе­
мою координат на яку-небудь площину.
Проекція прямокутна — проекція об’ємного предмета на
площині, утворена прямокутним проеціюванням.
Проеціювання — процес утворення зображення просторової
форми на будь-якій поверхні за допомогою світлових чи уявних
зорових (проеціюючих) променів.
Проеціювання центральне — спосіб проеціювання, при якому всі
проеціюючі промені виходять з однієї точки — центра проеціювання.
Проеціювання паралельне — спосіб проеціювання, при якому
всі проеціюючі промені паралельні між собою і одночасно паралельні
певному напряму проеціювання.
Проеціювання прямокутне — вид паралельного проеціювання,
при якому напрям проеціювання перпендикулярний до площини
проекцій.
234
Промінь — частина прямої, обмежена з одного боку точкою (напів-
пряма).
Промінь проеціюючий — уявний промінь, проведений через
об’єкт проеціювання у напрямі площини проекцій до зустрічі з
нею.
Прямокутник — паралелограм, у якого всі кути прямі.
П ’ятикутник — плоска фігура, обмежена замкнутою ламаною
лінією з п’яти відрізків прямої.
Рамка креслення — розміщений на певній відстані від країв ар­
куша прямокутник, який обмежує місце виконання креслення.
Рейсшина (нім. геі/Зеп — креслити і ЗсЬіепе — рейка) — спеці­
альна креслярська лінійка для виконання геометричних побудов,
яка забезпечує високу точність проведення паралельних ліній.
Рисунок технічний — наочне (аксонометричне) зображення
предмета, виконане від руки, з додержанням його пропорцій в роз­
мірах на око.
Різьба — утворені на зовнішній чи внутрішній поверхні деталі
однакові за формою і розмірами гвинтові виступи і канавки.
Розгортка многогранника — сукупність многокутників, що ут­
ворюють його грані, суміщених із однією площиною.
Розгортка поверхні — плоска фігура, що утворюється, коли по­
верхню тіла розрізати вздовж якоїсь лінії і сумістити з площиною.
Розмір — кількісний вираз лінійної або кутової величини.
Розміри на кресленні — числові дані в певній системі одиниць,
що характеризують лінійні та кутові величини зображеного виробу
і його елементів і не залежать від масштабу й точності виконання
креслення.
Розмітка — нанесення на заготовку плоскої деталі контурів її
зображення, осьових, центрових та інших ліній і знаків.
Розрив — умовний спосіб скорочення на кресленнях зображень
довгих виробів.
Розріз — зображення предмета, уявно розрізаного січною пло­
щиною, на якому зображують те, що знаходиться в січній площині
і поза нею.
Ромб — паралелограм, у якого всі сторони однакові.
Сегмент (лат. зе^тепїиш — відрізок, смуга) — плоска фігура,
обмежена дугою кривої та хордою, що стягує її кінці.
Сегмент круговий — частина круга, обмежена дугою його кола
і хордою, що стягує цю дугу.
Сектор (лат. 8Єсіог — той, що розсікає) — частина плоскої фі­
гури, обмежена двома наиівпрямими, що виходять із внутрішньої
точки фігури, і дугою контура.
Сектор круговий — частина круга, обмежена двома його радіу­
сами і дугою кола цього круга.
Символ (грец. зутЬоІоп — знак, прикмета, ознака) — умовне
позначення будь-якого предмета, величини або явища (символи ма­
тематичні, хімічні, логічні, графічні тощо).
Симетрія (грец. з у т т е іг іа — співрозмірність) — властивість ге­
ометричних фігур, яка полягає у чіткій відповідності розміщення
їх парних частин відносно деякої середньої (центральної) лінії.
235
'
Складальна одиниця — виріб, складові частини якого підляга­
ють з’єднанню між собою за допомогою складальних операцій.
Складальне креслення — графічний документ, який містить
зображення складальної одиниці та інші дані, потрібні для скла­
дання (виготовлення) і контролю.
Специфікація — технічний документ у вигляді таблиці, в яко­
му наводиться перелік частин складальної одиниці.
Спряження ліній — плавний перехід між двома лініями (між
двома прямими, між прямою і дугою або між двома дугами) у вигля­
ді дуги кола.
Стандарт (англ. зіапсіагсі — норма, зразок, мірило) — норматив-
но-технічний документ, який встановлює єдині обов’язкові вимоги
до чогось (наприклад, вимоги до виконання та оформлення крес­
лень).
Стереометрія — розділ елементарної геометрії, в якому вивча­
ються властивості просторових фігур.
Стрілка — гостре закінчення розмірної чи вказівної лінії на крес­
ленні.
Сфера — поверхня, всі точки якої рівновіддалені від однієї
точки — центра сфери.
Схема технічна — графічний документ, на якому показано у виг­
ляді умовних зображень і позначень складові частини виробу і зв’яз­
ки між ними. •" .* |
Твірна — лінія, яка, переміщуючись у просторі, утворює
поверхню.
Технічний рисунок — наочне (аксонометричне) зображення
предметів, побудоване від руки, без застосування креслярських
інструментів, в окомірному масштабі.
Топографія — прикладний розділ геодезії, що вивчає методи
зйомки місцевості з метою зображення її на плані.
Транспортир — креслярський інструмент, призначений для
вимірювання і побудови кутів на кресленні.
Трапеція — чотирикутник, у якого дві протилежні сторони
паралельні (основи), а дві інші — не паралельні (бічні сторони).
Трапеція рівнобічна — трапеція, у якої бічні сторони однакові.
Трафарет — пластинка з металу чи пластмаси, в якій прорізані
фігури, букви, символи тощо, призначені для відтворення.
Трикутник — частина площини, обмежена трьома відрізками
прямих (сторони трикутника), які попарно мають по одному спіль­
ному кінцю (вершини трикутника).
Трикутник гострокутний — трикутник, у якого всі кути гострі.
Трикутник рівнобедрений — трикутник, у якого дві сторони
однакові.
Трикутник рівносторонній — трикутник, у якого всі сторони
однакові.
Трикутник прямокутний — трикутник, у якого один кут пря­
мий.
Трикутник тупокутний — трикутник, у якого один кут тупий.
Фігура (лат. їі^ига) — зовнішній обрис, вигляд, форма
предмета.
236
Фігура геометрична — конкретно визначена сукупність точок,
ліній або поверхонь (наприклад, трикутник, трапеція, піраміди
тощо).
Фігура плоска — фігура, всі точки якої належать одній площині.
Формат креслення — встановлені розміри аркуша креслярського
паперу.
Хорда (грец. сЬогсіе — струна) — відрізок прямої, що сполучає
дві довільні точки кривої лінії.
Циліндр (грец. куііпсігоз — катаю, кручу) — геометричне тіло,
обмежене замкнутою циліндричною поверхнею і двома паралельни­
ми круглими основами, віддаль між якими називають висотою ци­
ліндра.
Циліндр похилий — циліндр, у якого твірні не перпендикуляр­
ні до його основи.
Циліндр прямий — циліндр, у якого твірні перпендикулярні до
його основи.
Циркуль коловий (лат. сігсиїиз — коло, круг) — креслярський
інструмент для проведення кіл заданих розмірів.
Чотирикутник — плоска фігура, утворена замкнутою лінією,
яка складається з чотирьох ланок.
Ш аблон (нім. 8сЬаЬ1опе — взірець, зразок) — інструмент у виг­
ляді плоскої пластини певної форми і розмірів (інколи з проріза­
ми), призначений для проведення кривих ліній або деяких склад­
них контурів на кресленнях.
Шестикутник — плоский многокутник, який має 6 сторін.
Шестикутник правильний — шестикутник, у якого всі сторони
і кути однакові між собою.
Шрифт креслярський — упорядкована сукупність літер, цифр і
знаків, призначених для виконання написів і позначень на всіх ви­
дах креслень і технічних документах.
Штриховка — умовне графічне позначення матеріалів на крес­
ленні за допомогою ліній і штрихів.
ЗМІСТ
В с т у п ....................................................................................................... З
1. Загальні вимоги до оформлення креслень ............................. 5
1.1. Правила оформлення к р е с л е н ь ................................................ 5
1.2. Л інії креслення............................................................................. 7
1.3. Написи на к р е с ле н н я х ................................................................ 10
2. Геометричні побудови на к р е с ле н н я х ........................................ 14
2.1. Аналіз графічного складу зо б р аж ен н я .................................. ..14
2.2. Проведення паралельних і перпендикулярних прямих.
Побудова к у т і в ...............................................................................15
2.3. Поділ відрізків і кутів на рівні частини..................................19
2.4. Поділ кола на рівні ч аст и н и ..................................................... 21
3. Креслення плоских п ред м етів ..................................................... 24
3.1. Зображення плоских предм етів................................................24
3.2. Розміри на кресленнях ............................................................. 29
3.3. Ескіз предмета ............................................................................. 36
4. Креслення в системі прямокутних п р о е к ц ій ...........................40
4.1. Методи проеціювання ................................................................40
4.2. Прямокутне п роец ію вання........................................................42
4.3. В и г л я д и .......................................................................................... 56
5. Виконання і читання креслень .................................................. 61
5.1. Послідовність побудови в и гляд ів ............................................. 61
5.2. Нанесення р о з м ір ів .....................................................................68
5.3. С п р я ж е н н я .......................................................................................71
5.4. Читання к р е с л е н ь ..........................................................................78
6. Аксонометричні проекції. Технічний ри сун ок........................ 100
6.1. Утворення аксонометричних п роек ц ій ...................................100
6.2. Побудова аксонометричних проекцій ...................................103
6.3. Технічний р и с у н о к .....................................................................109
7. П е р е р із и .............................................................................................112
7.1. Поняття про п е р е р із .................................................................. 112
7.2. Виконання та позначення перерізів ..................................... 114
7.3. Деякі умовності виконання перерізів ...................................120
238
,  . V) і ь
8. Р о з р із и ............................................................................................... І «ІУ
8.1. Поняття про розріз .................................................................. ІУУ
8.2. Види р о з р із ів .................................................................. ь . . . . І 2(1
8.3. Позначення розрізів .................................................................. 135
8.4. Поєднання вигляду з р о з р із о м ................................................139
9. Вибір зображень на кресленнях ................................................143
9.1. Узагальнене поняття про зо б р аж ен н я ...................................143
9.2. Вибір кількості зо б р аж ен ь ........................................................144
9.3. Вибір головного зображення .................................................. 149
10. Деякі додаткові відомості, необхідні для виконання
та читання креслень.............................................................................149
10.1. Умовності та спрощення на креслен н я х............................. 149
10.2. Додаткові та місцеві в и г л я д и ................................................151
10.3. Компоновка зображень на к р е с л е н н і...................................153
11. Складальні креслення ................................................................159
11.1. Призначення і особливості складальних креслен ь...........159
11.2. Основні елементи складального к р ес лен н я ........................161
12. Зображення з’єднань на складальних к р ес лен н я х ............. 165
12.1. Види з’є д н а н ь .............................................................................165
12.2. Креслення різьбових з’єд н ан ь ................................................165
12.3. Креслення шпонкових і штифтових з’є д н а н ь ...................176
12.4. Креслення нерознімних з’єд н ан ь.......................................... 181
13. Читання складальних к р ес лен ь ................................................183
13.1. Порядок читання складальних креслень .......................... 183
13.2. Умовності та спрощення на складальних кресленнях . . 186
14. Деталювання складальних креслень ..................................... 195
14.1. Поняття про деталювання .....................................................195
14.2. Послідовність деталювання .................................................. 199
14.3. Виконання деталювання ........................................................199
15. Топографічні креслення ............................................................. 204
16. Будівельні к р е с л е н н я .................................................................. 207
16.1. Загальні відомості про будівельні креслення ...................207
16.2. Умовні зображення та позначення на будівельних кресленнях 2 1Г>
17. С х е м и ............................................................................................... 217
17.1. Загальні відомості про с х е м и ................................................217
17.2. Кінематичні схеми .................................................................. 217
17.3. Електричні с х е м и .................................................................... 224
Термінологічний словник.....................................................................22Н
Навчальне видання
Сидоренко Віктор Костянтинович
КРЕСЛЕННЯ
Рекомендовано Міністерством освіти і науки України
Видано за рахунок державних коштів. Продаж заборонено
Головний редактор В. В. Апанасенко
Відповідальний за випуск А. В. Апанасенко
Художник обкладинки А. А. Зінченко
•
Підписано до друку 20.09.2004 р.
Формат 60x90 ‘/ 16. Папір офсетний. Гарнітура шкільна.
Друк офсетний. Ум. друк. арк. 15,0. Ум. фарбовідб. 30,03.
Обл.-вид. арк. 15,4. Тираж 200 055 пр. (1-й завод 1—100 040 пр).
Замовлення № 4-435.
Учбово-видавничий центр «Школяр»,
02094, Київ, Сергієнка, 18
Свідоцтво ДК № 360 від 14.03.2001 р.
Віддруковано з готових діапозитивів
у ВАТ «Харківська книжкова фабрика ім. М. В. Фрунзе».
61057, Харків, Донсць-Захаржевського, 6/8.

89 Kr s

  • 2.
    Рекомендовано Міністерством освітиі науки України (Лист Міністерства освіти і науки України № 1/11-2805 від 07.07.03.) Видано за рахунок державних коштів. Продаж заборонено. Права авторів та видавничі права УВЦ «Школяр» захищені Законом України «Про авторське право і суміжні права» від 23.12.1993 р. Друковане копіювання книги або її частини, будь-які інші контрафактні видання тягнуть за собою відповідальність згідно зі ст. 44 п. 1.3 цього Закону. Сидоренко В. К. С34 Креслення: Підруч. для учнів загальноосвіт. навч. закл.— К.: Школяр, 2004.— 239 с.: іл. І5 І^ 966-7117-60-Х. ББК ЗО. 11я721 © В. К. Сидоренко, 2003 © УВЦ «Школяр», 2003 © Видавництво «Школяр», 13ВN 966-7117-60-Х художнє оформлення, 2004
  • 3.
    ВСТУП Для сучасної людинимовне та письмове спілкування є звичною і постійною життєвою потребою. Проте ще набага то раніше, ніж з’явилася писемність, люди навчилися вико нувати графічні зображення. Поблизу іспанського селища Альтаміра збереглася печера — житло первісної людини, на стінах якої зображено сцени полювання на бізонів. У Сибіру н передгір’ях Алатау знайдено графічні зображення людей і звірів на скелях, виконані людиною понад 30 тисяч років то му. Ці та інші приклади свідчать про те, що спочатку люди намагалися графічно відображати свої враження і бачення навколишнього світу. Поступово виконувані людиною гра­ фічні зображення удосконалювались, ставали більш свідо­ мими і виразними — з’явилися зображення знарядь праці, плани поселень, храмів тощо. Першим з таких зображень вважається зображення будівлі у розрізі на глиняній таб­ личці (Новий Вавилон, 2400 р. до н. е.). Складність архітек­ тури палаців, храмів, укріплень та інших споруд у країнах стародавньої культури (Стародавній Єгипет, Вавилон, Гре­ ція) дають підстави вважати, що вони будувались на основі креслень. Вся історія розвитку людського суспільства була тісно по­ в’язана з удосконаленням мистецтва виконання зображень. Але завжди слід пам’ятати, що поява креслень обумовлена потребами практичної діяльності людини. Наскельні зображення людина виконувала шматочком вугілля, взятим із залишків вогнища. Прообраз сучасного олівця з’явився пізніше, за доби старогрецької культури: це були графітові палички. Ще пізніше почали застосовувати палички чи загострені кружечки із свинцю або срібла, які також залишали добре помітні сліди на поверхнях твердих предметів. Відомо, що такими «олівцями» користувався Леонардо да Вінчі. Перший «справжній» олівець було виготовлено в Англії у 1565 р., коли у графстві Камберленд знайшли поклади гра­ фіту. Місцеві майстри здогадалися розпилювати кристали графіту начтоненькі стержні і вставляти їх у дерев’яні палич- 3
  • 4.
    нїї іі итжфими.Ми жаль, поклади графіту швидко скінчи- ,мпси. Утрпт. олівець «народився» наприкінці XVIII ст., коли француз Ніколя Ж ак Конте запропонував спосіб «одягати» графітовий стержень у дерев’яний одяг, а чех Йозеф Хардт- мут винайшов новий спосіб виробництва графітових стержнів із суміші графітового порошку з глиною. Американський винахідник з міста Конкорд сконструював верстат для виго­ товлення дерев’яного «одягу» на олівці. До удосконалення «графічних знарядь» причетно багато відомих людей. Досить згадати, що у XVIII ст. організацією виготовлення олівців у своїй лабораторії займався М.В.Ломо- носов. Нині у світі виробляється приблизно 400 різноманітних типів і видів олівців. Життя сучасної людини насичене найрізноманітнішими графічними зображеннями: рисунками, кресленнями, схема­ ми, планами, картами, графіками, діаграмами тощо. В цих умовах словесна форма передачі і збереження інформації втра­ тила свою універсальність. Мова графічних зображень не знає кордонів, адже вона од­ наково зрозуміла всім людям, незалежно від того, якою мовою вони розмовляють. Графічну мову набагато легше призвичаїти для її розуміння електронно-обчислювальною машиною. Будь-яка графічна інформація відрізняється від словесної більшою конкретністю, виразністю і лаконічністю. Серед інших графічних зображень креслення посідають особливе місце. За кресленнями на виробництві виготовля­ ють різні предмети. За кресленням можна з’ясувати будову виробу і взаємодію його частин. Значить, креслення потрібні для складання і ремонту виробів, для вивчення їх будови. Важко уявити ті галузі практичної діяльності людей, де б не знаходили застосування креслення. За кресленнями зводять житлові будинки, будують греблі, шахти, електростанції, прокладають залізниці й шосейні дороги. За кресленнями ви­ готовляють одяг і меблі, шиють взуття. Поняття про креслення для вас не нові. Раніше ви вже одержали деякі відомості про елементи креслення, про утво­ рення зображень на ньому. У цьому підручнику викладено основні правила виконання та вимоги до оформлення сучас­ них креслень.
  • 5.
    1. ЗАГАЛЬНІ ВИМОГИДО ОФОРМЛЕННЯ КРЕСЛЕНЬ 1.1. Правила оформлення креслень Креслення повинні бути однаково зрозумілими для тих, хто їх виконує, і для тих, хто буде користуватись ними. То­ му існують єдині правила виконання креслень та вимоги до їх оформлення. Вони містяться у документах, які називають державними стандартами. Правила виконання та вимоги до оформлення креслень, встановлені державними стандартами, є обов’язковими для нсіх, хто виконує креслення. Формати креслень. Щоб креслення були зручними для лберігання і користування ними, їх виконують на аркушах паперу певного розміру. Розміри аркуша креслярського папе­ ру називають форматом. Формат аркуша визначається розмі­ рами його сторін. У школі користуються аркушами, розміри сторін яких 297 х 210 мм. Цей формат позначають А4. Це найменший з форматів, визначених державним стандартом для виконання креслень. Рамка і основний напис креслення. Кожне креслення має рамку?* яка обмежує на форматі місце для побудови зобра­ жень та нанесення різних умовних позначень. Це місце все­ редині рамки називають полем креслення. Лінії рамки про­ водять на відстані 20 мм від лівої межі формату і на відстані 5 мм від верхньої, нижньої і правої меж (рис. 1). Залишена з лівого боку відстань призначена для підшивання креслень. У правому нижньому куті поля креслення розміщують ос­ новний напис (рис. 1). До нього заносять відомості про осіб, іцо мають відношення до виконання креслення, назву зобра­ женого на кресленні виробу та деякі інші дані, необхідні для кращого розуміння креслення. Форма і зміст основного напису для креслень визначені державним стандартом. У школі на учнівських кресленнях застосовують спрощений основний напис. Його розміри і зра­ зок заповнення показано на рисунку 2. На аркушах формату А4 основний напис розміщують тіль­ ки уздовж короткої сторони (як на рис. 1). На кресленнях ін­ ших форматів основний напис розміщують уздовж довгої або уздовж короткої сторони. 5
  • 6.
    25 ЗО ., , /5^ *►! Сх. {< 1 00 70 20 20 & 5 1 а 1 Крес/іиО ТкаченкоМ. ЮМ.97 Прокладко Перевірив ШколаЛ£29 9Акл. Гума 1: 1 №3 б Рис. 2. Основний напис навчального креслення: а —розміри; б - зразок заповнення
  • 7.
    ЗАПИТАННЯ 1. Що являєсобою формат креслення? 2. Які розміри має аркуш формату А4? 3. Як утворюється поле креслення? 4. На якій відстані від країв аркуша проводять рамку креслення? 5. Які відомості містить основний напис креслення? ЗАВДАННЯ Підготуйте аркуш паперу для виконання креслення: проведіть рамку і накресліть основний напис (див. рис. 1 і 2). 1.2. Лінії креслення Для виконання креслень застосовують лінії різної товщи­ ни й начерку. Як видно з рисунка 3, кожна лінія на креслен­ ні має своє призначення. Державним стандартом встановле­ но 9 типів ліній креслення. У шкільному курсі креслення вивчаються п’ять ліній, основні відомості про які наведено в таблиці 1. На перших порах найчастіше ви будете застосову­ вати такі лінії: суцільну товсту основну, суцільну тонку, штрихову і штрихпунктирну. Пізніше ви познайомитесь з ін­ шими типами ліній. Розглянемо, у чому полягають особливості начерку і приз­ начення основних типів ліній креслення. Суцільна товста основна лінія призначена для показу ви­ димих контурів предметів. Нею виконують також рамку креслення, графи основного напису. Її товщина може бути у межах від 0,5 до 1,4 мм (залежно від розмірів і складності зображень на кресленні, від формату креслення). Вибрана товщина лінії має бути однаковою для всіх зображень на даному кресленні. / Суц іл ьна товста основна (л ін ія видимого конт уру) Суцільна тонка ^т рихова Суцільна тонка ] (розмірна л ін ія ) (виносна лінія) (л ін ія невидимого контуру) Рис. 3. Призначення основних типів ліній креслення 7
  • 8.
    Лінії кресленим Таблиця1 Назва Начертання Основне призначення Співвід­ ношення товщин ліній Суцільна товста основна Лінії видимого контуру та ін. (буквою з умовно позначають товщину основної лінії, яку взя­ то за одиницю, товщи­ на решти ліній зале­ жить від вибору тов­ щини з) Від 0,5 до 1,4 мм Штрихова 3 Лінії невидимого КОН­ ТУРУ Від 8/3 ДО 8/2 Суцільна тонка Розмірні й виносні лінії, лінії побудов, лінії штриховки та ін. Від 8/3 до з/2 ІПтрихпунктирна тонка _І. 3 ... 5 | 5...ЗО Осьові й центрові лінії ВІД 8/3 до 8/2 * ІПтрихпунктирна з двома точками тонка 5.~.І7Г -— -ЗО Лінії згину на розгорт- ках. Лінії для зобра­ ження частин виробів в крайніх або проміжних положеннях ВІД 8/3 ДО 8/2 Суцільна тонка лінія використовується для проведення ви­ носних і розмірних ліній. Пізніше ви познайомитесь із застосу­ ванням цієї лінії для штрихування перерізів. Товщина суцільної тонкої лінії в 2—3 рази менша від товщини суцільної товстої. Місце перетину Рис. 4. Проведення штрихових і штрихпунктирних ліній
  • 9.
    Штрихова лінія застосовуєтьсядля показу на зображен­ нях невидимих контурів предметів. Вона складається з окре­ мих штрихів (рисочок) приблизно однакової довжини — у межах від 2 до 8 мм (на учнівських кресленнях доцільно бра­ ти 4 мм). Відстань між штрихами повинна бути приблизно однаковою по всій лінії і становити 1—2 мм. Товщину штри­ хів слід брати в 2—3 рази меншою за товщину суцільної товстої основної лінії. Штрихова лінія на контурах зображення повинна почина­ тись і закінчуватись тільки штрихами (рис. 4). Не можна називати штрихову лінію пунктирною, тому що ця назва не відповідає характеру лінії. Адже пунктирна лінія — це лінія з точок, а не із штрихів (від німецького «рипкі» — «точка»). Штрихпунктирна лінія призначена для показу осьових і центрових ліній. Вона складається з довгих тонких штрихів (довжиною від 5 до ЗО мм) і точок (коротких штрихів) між ними. На учнівських кресленнях довжина штрихів рекомен­ дується 20 мм. Відстань між довгими штрихами від 3 до 5 мм. Товщина штрихів в 2—3 рази менша від товщини суцільної товстої лінії. Штрихпунктирні лінії повинні починатись і закінчуватись тільки штрихами. Якщо штрихпунктирна лінія показує вісь, вона повинна виступати за контур зображення на 3—5 мм (рис. 4). Центрові лінії проводять так, щоб вони обов’язково пере­ тиналися між собою штрихами (рис. 4). Перетин двох штри­ хів визначає центр фігури. Центрові лінії виводять за зобра­ ження на 3—5 мм. Якщо діаметр кола на кресленні менший 12 мм, центрові лінії проводять суцільними тонкими. Штрихпунктирна з двома точками лінія показує лінії зги­ ну на розгортках. Ця лінія відрізняється від штрихпунктир- ної трохи більшими проміжками між штрихами — від 4 до 6 мм. Запам’ятайте, що від товщини суцільної товстої основ­ ної лінії залежить товщина інших ліній. Всі інші лінії повинні бути в 2—3 рази тоншими від неї. ЗАПИТАННЯ 1. Які типи ліній ви знаєте? 2. Яку лінію називають суцільною товстою основною? Якої тов­ щини вона повинна бути? 3. Яку лінію називають штриховою? Де її використовують? 4. Яке призначення штрихпунктирної лінії? 5. Якою лінією на розгортці показують лінію згину? 9
  • 10.
    ІЛНДЛІІІШ 1. На рисунку5 показано зображення предметів. На них цифра­ ми позначено різні лінії. Складіть таблицю за наведеним зразком і заповніть її: лінії на кресленні Назва Призначення Рис. 5. Завдання для вправи 2. Виконайте вправу на проведення різних типів ліній у квадраті із стороною 120 мм (рис. 6). Відстань між лініями 10 мм. Рис. 6. Завдання для вправи 1.3. Написи на кресленнях Всі написи на кресленнях виконують креслярським шрифтом. Це робить креслення більш чіткими й виразни­ ми, полегшуе їх читання. Літери і цифри креслярського шрифту відрізняються від тих, якими ви пишете звичайно. Конструкцію літер і цифр креслярського шрифту визначено державним стандартом. 10
  • 12.
    £/ б Рис. 10. Розміришрифту: а — побудова'букви; б — пропорції Стандарт встановлює начерки двох видів літер українського і латинського алфавітів: великих і малих (рис. 7 і 8), араб­ ських і римських цифр (рис. 9) та деяких знаків для умов­ них позначень на кресленнях. Висота великих літер у міліметрах, виміряна перпендику­ лярно до основи рядка, визначає розмір шрифту. Її познача­ ють /г, (рис. 10, а). Написи на кресленнях виконують шриф­ тами таких розмірів: 2,5; 3,5; 5; 7; 10; 14; 20; 28 і 40 мм. Висота малих літер (її позначають с, рис. 10, а) відпо­ відає висоті великих літер попереднього розміру шрифту. Н априклад, для шрифту розміру 14 висота малих літер Школа гайка техніка професія Рис. 11. Зразки написів креслярським шрифтом РАКЕТА ФОРМА Т Деталь Олівець Підручник Рис. 12. Завдання для вправи 12
  • 13.
    дорівнює 10 мм,для розміру 10—7 мм, для розміру 7— 5 мм і т. д. Товщину ліній шрифту визначають залежно від висоти шрифту. Вона дорівнює 0,1/г і позначається с/ (рис. 10, а). Ширина великої літери (позначають §, рис. 10, а) має до­ рівнювати 0,6Л або бс/. Ширина літер А, Д, Ж, М, Ф, X, Ц, Ш, Щ, Ю більша за цю величину на с/ або 2сі (включаючи нижні і верхні елементи), а ширина літер Г, С, 3 — менша на с/. Ш и­ рина більшості малих літер дорівнює 5с/. Ширина літер а, м, ц, ь дорівнює 6с/, літер ж, т, ф, ш, щ, ю — 7с/, з та с — 4с/. Частини літер, які виступають з рядка (зверху або знизу), виконуються за рахунок відстаней між рядками. Висота всіх цифр дорівнює висоті великих літер Н. Ш ири­ на цифр дорівнює Н/2 (за винятком цифр 1 і 4). Відстань між літерами і цифрами в словах 0,2/г, або 2(1, між словами і числами — 0,6Л, або 6сі. Відстань між нижні­ ми лінійками рядків — 1,7/г, або 17с/. Шрифт може бути з нахилом (близько 75°) та без нього. По­ казаний на рисунках 7 і 8 шрифт є похилим. Нахил шрифту визначається кутом нахилу літер і цифр до основи рядка (рис. 10, б). Виконуючи написи на кресленнях, частіше засто­ совують похилий шрифт. Виконання акуратних і чітких написів креслярським шриф­ том — справа непроста. Щоб забезпечити заданий нахил літер та цифр, рівномірну відстань між ними та між словами й ряд­ ками, а також щоб полегшити написання літер і цифр, перед виконанням написів на кресленнях попередньо розмічають сіт­ ку (рис. 11). Написи виконують у два етапи. Спочатку тонкими лініями намічають контури літер і цифр. Пересвідчившись, що вони написані правильно, їх обводять м’яким олівцем. Запам’ятайте, що літери і цифри стандартного шрифту ні в якому разі не викреслюють, а пишуть від руки. ЗАПИТАННЯ 1. Чим визначається розмір шрифту? 2. Шрифтами яких розмірів виконуються написи на кресленнях? 3. Як визначити висоту малих літер шрифту? 4. Чому дорівнює висота малих літер шрифту розміру 10? 5. Чим визначається нахил шрифту? ЗАВДАННЯ 1. На рисунку 12 показано написи, виконані креслярським шрифтом. Визначте, шрифтом якого розміру написано кожне слово? 2. Виконайте у робочому зошиті за завданням учителя кілька написів креслярським шрифтом. 13
  • 14.
    2. ГЕОМЕТРИЧНІ ПОБУДОВИНА КРЕСЛЕННЯХ 2.1. Аналіз графічного складу зображення Контури зображень предметів на кресленнях являють со­ бою плоскі фігури, утворені прямолінійними та криволіній­ ними відрізками. Прямолінійні відрізки можуть зображува­ ти сторони різних геометричних фігур і бути паралельними, перпендикулярними чи утворювати між собою різні кути. Криволінійні відрізки найчастіше є дугами кіл. Побудова фігури контура зображення на кресленні зво­ диться до виконання окремих геометричних побудов. Кожна геометрична побудова визначає взаємне положення кількох елементів контура зображення. Найчастіше на кресленнях виконують побудову геометричних фігур, поділ відрізків прямих, кутів і кола на рівні частини, побудову відрізків прямих при заданому їх взаємному розміщенні. Деякі з цих побудов вам уже відомі з уроків математики (наприклад, по­ будова геометричних фігур), тому в цьому підручнику вони, не розглядаються. Пізніше ви ознайомитесь з деякими більш складними побудовами. Перш ніж почати виконувати креслення, треба з ’ясува­ ти, які геометричні побудови слід застосувати на ньому. Визначення геометричних побудов, необхідних для вико­ нання креслення, називають аналізом графічного складу зображення. В основу цього аналізу покладено розчлену­ вання процесу побудови контура зображення на окремі ге­ ометричні побудови. Розглянемо приклад. На рисунку 13 показано зображення контура плоского предмета. Щоб накреслити його, необхідно вико­ нати такі побудови: провести дві взаємно перпен­ дикулярні центрові лінії; провести два концентричних кола діаметром 32 і 50 мм; провести дві вертикальні лінії на відстані 28 мм одна від одної; провести лінію, паралельну го­ ризонтальній центровій лінії на відстані 45 мм від неї; поділити коло діаметром 32 мм на три рівні частини; провести три кола 0 10 мм з центрами в одержаних точках. 032 Рис. 13. Зображення кон­ тура плоского предмета 14
  • 15.
    Визначення побудов, зяких складається контур зображен­ ня, полегшує виконання креслення. ЗАПИТАННЯ 1. Які геометричні побудови ви знаєте? 2. Як називається розчленування процесу побудови контура зоб­ раження на окремі графічні побудови? 3. Для чого потрібний аналіз графічного складу зображень? ЗАВДАННЯ На рисунку 14 показано зображення контурів предметів. Уваж­ но роздивіться їх і визначте, які геометричні побудови потрібно ви­ конати, щоб накреслити кожний із зображених контурів. Рис. 14. Завдання для вправи 2.2. Проведення паралельних і перпендикулярних прямих. Побудова кутів Проведення прямих при заданому їх розміщенні. Вико­ нання креслень потребує проведення значної кількості пара­ лельних і перпендикулярних ліній. Тому ці лінії потрібно вміти проводити не тільки точно, а й швидко. Щоб витрача­ ти якомога менше часу на проведення паралельних і перпен­ дикулярних ліній, слід користуватися лінійкою і косинцем (бажано рівнобедреним). Найчастіше паралельні лінії (горизонтальні, вертикальні і похилі) проводять так, як показано на рисунку 15. Відстань між паралельними лініями встановлюють за шкалою на лі­ нійці. Взаємне розміщення лінійки і косинця під час проведен­ ня паралельних ліній може бути й іншим. Нехай через точ­ ку С потрібно провести пряму, паралельну заданій прямій АВ 15
  • 16.
    Рис. 15. Проведеннягоризонтальних (а), вертикальних (б) і похилих (в) паралельних ліній за допомогою косинця та лінійки С С Рис. 16. Проведення ліній, паралельних заданій прямій (рис. 16). Для цього суміщують гіпотенузу косинця з заданою прямою АВ, розташувавши вершину прямого кута внизу. Притримуючи однією рукою косинець, другою присувають до одного з катетів лінійку (рис. 16, а). Лінійку в такому поло­ женні міцно притискують до креслення, а другою рукою по­ сувають косинець угору до точки С так, щоб катет не відста­ вав від лінійки. Сумістивши з точкою С гіпотенузу косинця, проводять по ній шукану пряму (рис. 16, б). Щоб накреслити ще кілька пара­ лельних ліній, косинець пересувають вище або нижче точки С, не змінюючи положення лінійки, і проводять пара­ лельні лінії (рис. 16, в). Перпендикулярність ліній визначаєть­ ся наявністю прямого кута між ними. То­ му найпростіше виконати побудову двох взаємно перпендикулярних відрізків за допомогою косинця й лінійки (рис. 17). Спочатку проводять горизонтальний від­ різок, а потім за допомогою косинця про­ водять до нього перпендикуляр. Якщо на одній з прямих задано Рис. 17. Побудова вза­ ємно перпендикуляр­ них відрізків за допо­ могою косинця і лінійки 16
  • 17.
    точку, через якуповинен пройти перпендикуляр, то його побудову виконують так. Нехай на прямій АВ є точка С (рис. 18). З даною прямою суміщують гіпотенузу косинця і до одного з його катетів прикладають лінійку (рис. 18, а). Лінійку в такому положенні притискують до креслення, а косинець перевертають і ставлять на лінійку другим кате­ том так, щоб його гіпотенуза сумістилася з точкою С. Про­ водять шукану пряму лінію, яка буде перпендикуляром до АВ (рис. 18, б). Якщо на прямій АВ ще є точки, через які потрібно провести перпендикуляри, то гіпотенузу косинця знову суміщують з ними і проводять ці перпендикуляри (рис. 18, в). На кресленнях паралельні лінії не завжди розміщені гори­ зонтально, а перпендикулярні — вертикально. Часто зобра­ ження на кресленні займає похиле положення. З рисунка 19 видно, що способи проведення паралельних і перпендикуляр­ них ліній від цього не змінюються. Оскільки під час креслення паралельних і перпендику­ лярних ліній лінійка повинна залишатись нерухомою, а рухатись має тільки косинець, то користуватись потрібно Рис. $9. Поб$чябва -взаємно перпендикулярних відрізків за допомогою бреднвії їйколи Ій^рсинця і лінійки В Г. Ь-ьЛі ирод*- 2 «Кресання.. Й ітроаеіо г в
  • 18.
    лінійкою дерев’яною, акосинцем пласт­ масовим, щоб полегшити пересування одного інструмента відносно іншого. Побудувати перпендикуляр в кінці від­ різка прямоі можна за допомогою цирку­ ля. Для цього з довільної точки О, розмі­ щеної над відрізком АВ (рис. 20), описують коло так, щоб воно пройшло че­ рез точку А (кінець відрізка) і перетнуло пряму в точці М. Через точку М і центр кола О проводять пряму до зустрічі з про­ тилежною стороною кола в точці N. Точку N з’єднують прямою з точкою А. Відрізок АИ і буде перпендикуляром до А В . Побудова кутів. Як побудувати заданий кут за допомогою транспортира, вам відомо з уроків математики. Маючи у сво­ єму розпорядженні косинець з кутами 30 , 60 , 90 та 45°, 45 і 90 , можна без транспортира будувати кути 15°, ЗО , 45 , 60°, 75 , 120 , 135 , 150 . Раціональні прийоми побудови цих кутів показано на рисунку 21. Рис. 21. Прийоми побудови кутів косинцями і лінійкою 18
  • 19.
    ЗАПИТАННЯ 1. Які креслярськіінструменти можна застосувати для прове­ дення паралельних і перпендикулярних відрізків прямих? 2. Які способи проведення паралельних і перпендикулярних від­ різків прямих ви знаєте? 3. За допомогою якого креслярського інструмента можна побу­ дувати будь-який кут на кресленні? 4. Які кути можна побудувати за допомогою косинця і лінійки? 2.3. Поділ відрізків і кутів на рівні частини Поділ відрізків на рівні частини. Багато предметів мають однакові елементи, рівномірно розташовані уздовж прямої. Тому виникає необхідність на кресленнях ділити відрізки прямих на рівні частини. Найпростіше це робити за допомо­ гою лінійки з нанесеною на ній міліметровою шкалою. Але при такому поділі іноді виникають незручності. Нехай відрі­ зок довжиною 47 мм потрібно поділити на 9 рівних частин або відрізок, що становить 19 мм, — на 2 частини. Як тут бу­ ти? Ось чому доцільніше застосовувати графічний метод — коли операція поділу виконується за допомогою циркуля і лінійки. Подія відрізка прямої на дві рівні частини. З обох кінців А і В заданого відрізка розхилом циркуля К, трохи більшим, ніж половина його довжини, описують дві дуги (рис. 22). Одержані у місцях перетину дуг точки С і Б з’єднують між собою. Пряма, що з’єднала точки С і Б, ділить відрізок АВ на дві рівні частини і перпендикулярна до нього. Поділ відрізка прямої на довільну кількість рівних частин. З будь-якого кінця відрізка, наприклад з точки А, проводять під Рис. 22. Поділ відрізка прямої Рис. 23. Поділ відрізка прямої Ас В на дві рівні частини за допомо­ гою циркуля на довільне число рівних частин 2* 19
  • 20.
    Рис.24. Поділ кутана дві рівні Рис. 25. Поділ прямого кута частини за допомогою циркуля на ТрИ рівні частини за допо­ могою циркуля гострим кутом до нього допоміжну пряму. На ній циркулем або за допомогою лінійки відкладають потрібну кількість однакових відрізків довільної довжини (рис. 23). Останню точку з’єднують з другим кінцем заданого відрізка (з точкою В). З усіх точок по­ ділу за допомогою лінійки і косинця проводять прямі, паралель-, ні відрізку 9В (див.рис. 16). Ці прямі і поділяють відрізок АВ на задану кількість рівних частин. Поділ кутів на рівні частини. Вивчаючи математику, ви ознайомились з поділом кутів на частини за допомогою тран­ спортира. У кресленні існують прийоми поділу деяких кутів за допомогою циркуля. Поділ кута на дві рівні частини. З вершини кута опису­ ють дугу кола довільного радіуса так, щоб вона перетнула сторони кута (рис. 24). З точок перетину М і N розхилом циркуля, трохи більшим, ніж половина дуги МАГ, описують дві дуги до їх перетину між собою. Одержану точку А і вер­ шину О кута з’єднують прямою лінією — це і буде бісектри­ са кута. Розглянутий прийом може бути застосований для по­ ділу гострого, тупого чи прямого кута. Поділ прямого кута на три рівні частини. З вершини ку­ та описують дугу кола довільного радіуса Я так, щоб вона пе­ ретнула сторони кута (рис. 25). З точок перетину А і В тим же самим розхилом циркуля проводять допоміжні дуги до їх перетину з раніше проведеною дугою. Одержані точки М і N з’єднують прямими лініями з вершиною кута. Цим способом можна ділити на три рівні частини тільки прямі кути. ЗАПИТАННЯ 1. У чому полягають недоліки поділу відрізків за допомогою лі­ нійки з міліметровою шкалою? 2. Як графічно поділити відрізок прямої на дві рівні частини? 20
  • 21.
    3. Як графічноподілити відрізок прямої на довільне число частин? 4. Чи можна графічно поділити на дві рівні частини прямий кут? 5. Чи можна графічно поділити на три рівні частини гострий кут? 2.4. Поділ кола на рівні частини Поділ кола на три рівні частини. Для поділу потрібні лі­ нійка й косинець з кутами ЗО , 60, 90 . Косинець більшим катетом встановлюють паралельно вертикальному діаметру кола (рис. 26, а). Вздовж гіпотенузи з точки 1 (перша поділ­ ка, вона збігається з кінцем діаметра), проводять хорду і діс­ тають другу поділку — точку 2. Перевернувши косинець і провівши другу хорду, дістають третю поділку — точку З (рис. 26, б). З ’єднавши точки 2 і 3 відрізками прямої, діста­ ють рівносторонній трикутник. Ту саму задачу можна розв’язати за допомогою циркуля. Поставивши опорну ніжку циркуля у верхньому (чи нижньо­ му) кінці вертикального діаметра (рис. 26, в), описують дугу радіусом, що дорівнює радіусу Н кола. У місцях перетину а а, б — б Рис. 26. Поділ кола на три рівні частини: за допомогою косинця і лінійки; в — циркулем Рис. 27. Поділ кола на чотири рівні частини за допомогою косинця і лінійки 21
  • 22.
    проведеної дуги зколом діста­ ють точки 1 і 2 — першу і другу поділки. Третя поділка містить­ ся на протилежному кінці діа­ метра. Поділ кола на чотири рівні частини. Щоб поділити коло на чотири рівні частини, треба про­ вести два взаємно перпендику­ лярних діаметри. Два випадки таких побудов показано на рисунку 27. На ри­ сунку 27, а діаметри проведено Рис. 28. Поділ кола на п ять^ по лінійці та катету рівнобедре- рівних частин за допомогою ного косинця, а сторони вписа- циркуля ного квадрата — по його гіпоте­ нузі. На рисунку 27, б і в навпаки, діаметри проведено по гіпотенузі косинця, а сторо­ ни квадрата — по лінійці та катету косинця. Поділ кола на п'ять рівних частин. Найпростіше цю за­ дачу можна розв’язати за допомогою транспортира, послідов­ но відкладаючи від одного з діаметрів центральні кути у 72° (тому що п ’ятій частині кола відповідає такий кут). За допомогою циркуля поділ виконують у такій послідов­ ності (рис. 28). У кінці горизонтального діаметра ставлять точ­ Рис. 29. Поділ кола на шість рівних частин: а, б, в — за допомогою косинця і лінійки; г, д — циркулем 22
  • 23.
    ку А. Розхиломциркуля, що дорів­ нює радіусу В кола, з точки А про­ водять дугу до перетину з колом у точках В і В'. Ц і точки з’єднують прямою лінією, яка перетинає го­ ризонтальний діаметр у точці С. Це середина відрізка АО. У верхньому кінці вертикально­ го діаметра ставлять точку 1. Із точки С описують дугу радіусом НІУ що дорівнює відстані між точками С і 1. У місці перетину цієї дуги з горизонтальним діаметром дістають точку £>. З точки І як з центра опи­ сують третю дугу розхилом цирку­ ля В.,, що дорівнює відстані між точками 1 і І). У місці перети­ ну цієї дуги з колом дістають точку 2. Точка 1 буде першою поділкою на колі, а точка 2 — другою. Відстань між точками / і 2 відкладають циркулем по колу і дістають точки 3, 4 і 5. Поділ кола на шість рівних частин. Поділ виконують за допомогою лінійки і косинця з кутами ЗО , 60 і 90 . Для цього з кінцевих точок вертикального діаметра кола прово­ дять відрізки по гіпотенузі косинця, прикладеного до л і­ нійки більшим катетом (рис. 29, а, б). Закінчують побудо­ ву проведенням вертикальних відрізків прямих (рис. 29, в). Ту саму задачу можна розв’язати за допомогою цирку­ ля. Для цього розхил циркуля встановлюють рівним раді­ усу В кола. З протилежних кінців одного з діаметрів кола (наприклад, точок 1 і 4 Урис. 29, г, д) описують дуги. Точ­ ки перетину цих дуг з колом — точки 2 У 3, 5 у 6 разом з точками 1 і 4 ділять коло на шість рівних частин. Поділ кола на вісім рівних частин. Перші чотири точки поділу 1, 3, 5, 7 знаходяться на перетині центрових ліній з колом (рис. ЗО). їх проводять за допомогою лінійки та косинця. Ще чотири точки — 2, 4, 6, 8 знаходять за допомогою гіпоте­ нузи рівнобедреного косинця, яка проходить через центр кола. ЗАПИТАННЯ 1. На скільки рівних частин можна поділити коло за допомо­ гою лінійки і косинців? 2. Яким косинцем слід скористатися для поділу кола на три частини? на шість частин? на вісім частин? 3. На скільки рівних частин можна поділити коло за допомогою циркуля? 4. Чому дорівнює розхил циркуля при поділі кола на три рівні частини? на шість рівних частин? вісім рівних частин за допомогою косинця і лінійки 23
  • 24.
    ЗАВДАННЯ 1. Побудуйте квадратіз стороною 50 мм. Проведіть у ньому вер­ тикальні паралельні лінії на відстані 5 мм одна від одної. 2. Побудуйте рівносторонній трикутник із стороною 60 мм. Про­ ведіть у ньому похилі лінії, паралельні його бічній стороні, на від­ стані 8 мм одна від одної. 3. Побудуйте вписаний у коло діаметром 50 мм рівносторонній трикутник, вершина якого лежить на горизонтальній центровій лі­ нії праворуч від центра кола. 4. Побудуйте вписаний у коло діаметром 60 мм правильний шес­ тикутник, дві протилежні вершини якого лежать на вертикальній центровій лінії. 3. КРЕСЛЕННЯ ПЛОСКИХ ПРЕДМЕТІВ 3.1. Зображення плоских предметів Багато предметів мають незначну товщину (висоту), яка у багато разів менша за їх довжину і ширину. Такі предмети називають плоскими — це різні пластини, прокладки, підк­ ладки, кутники тощо. Найчастіше їх виготовляють з листо­ вих матеріалів: картону, жерсті, фанери та інших. Креслення плоского предмета (рис. 31) містить одне зобра­ ження, яке являє собою фронтальну проекцію (згадайте, чо­ му її так називають). Воно дає повне уявлення про форму зображеного предмета та його частин. Товщину плоского предмета на кресленні вказують умовним позначенням. Для цього застосовують літеру 5 , котру пишуть перед числовим Рис. 31. Зображення плоского предмета: а —загальний вигляд; б — креслення 24
  • 25.
    Рис. 32. Зображенняплоских предметів, що мають форму правильних многокутників: а — з однією віссю симетрії; б — з двома осями симетрії значенням товщини. Умовне позначення наносять на полич­ ку лінії-виноски (рис. 31, б). Зображення предмета на кресленні вибирають такими, щоб якнайповніше використовувалось поле креслення. Вам відомо, що перевагу слід віддавати зображенням предметів у натураль­ ну величину. Але при цьому зображення може бути занадто малим і на полі креслення залишиться багато вільного місця. Занадто велике зображення не залишить місця для нанесення розмірів та інших позначень на кресленні. Тому великі пред­ мети зображують зменшеними, а малі — збільшеними. Щоб збільшити чи зменшити зображення на кресленні, застосовують масштаб. На кресленнях зображення предметів збільшують чи зменшують не в довільну кількість разів. Масштаби зображень визначені державними стандартами. їх значення такі: масштаби зменшення — 1:2; 1:2,5; 1:4; 1:5; 1:10 та ін .; масштаби збільшення —2:1; 2,5:1; 4:1; 5:1; 10:1 та ін. Треба пам’ятати, що в якому б масштабі не виконувалося зображення, розміри на кресленні наносять дійсні. Вказують масштаб креслення у призначеній для цього графі основного напису (див. рис. 2). На полі креслення мас­ штаби записують так: М 2:1; М 1:5; М 1:10 і т.д. В основно­ му написі перед позначенням масштабу літеру М не пишуть. Багато плоских предметів мають форму правильних многокут­ ників: трикутників, чотирикутників, шестикутників і т.ін. Зобра­ ження правильних многокутників з непарною кількістю вершин мають одну вісь симетрії (рис. 32, а), а з парною — дві (рис. 32, б). 25
  • 26.
    Рис. 33. Зображенняплоских предметів: а, б, в — симетричних; г, д — несиметричних В основі побудови зображення правильного многокутника лежить поділ кола на рівні частини, з правилами якого ви вже знайомі. З’єднані між собою прямими лініями точки поділу кола утворю­ ють відповідний многокутник. Многокутник, побудований на ос­ нові поділу кола на рівні частини, називають вписаним. Зверніть увагу, що вибір початкової точки для поділу кола впливає на положення осі симетрії зображення многокутника. Плоскі предмети бувають симетричні і несиметричні. Ви вже знаєте, що симетричність предметів на кресленнях вка­ зують осями симетрії, які проводять штрихпунктирною ліні­ єю. Зображення симетричних предметів можуть мати одну (рис. 33, а, б) чи дві (рис. 33, в) осі симетрії. Одна вісь симет­ рії може бути вертикальною (рис. 33, а) або горизонтальною (рис. 33, б). Несиметричні предмети осей симетрії на зобра­ женнях не мають (рис. 33, г, д). Симетричність форми плоского предмета визначає послі­ довність побудови його зображення. Побудову зображення предмета з двома осями симетрії (рис. 34, а) починають з визначення центру поля креслення. Його знаходять на перетині діагоналей прямокутника, обме­ женого рамкою креслення (рис. 34, б). Через знайдений центр проводять осі симетрії (рис. 34, в). Від точки перетину осей симетрії будують габаритнии пря­ мокутник, який обмежує контур зображення предмета по йо­ го довжині і висоті (рис. 34, г). Габаритний прямокутник ви­ бирають таким, щоб зображення якнайповніше зайняло місце на полі креслення. Усередині габаритного прямокутника розмічають положення 26
  • 27.
    г д еє Рис. 34. Послідовність побудови зображення предмета з двома осями симетрії центрів і проводять кола й півкола заданих розмірів (рис. 34, д). Далі розмічають і обводять призматичні елементи контура зоб­ раження — прямокутні й гострокутні вирізи, пази тощо (рис. 34, е). Вважається доцільним будувати елементи контура зобра­ ження спочатку по його довжині, а потім — по висоті. В останню чергу розмічають і обводять прямолінійні ді­ лянки контура зображення (рис. 34, є). Якщо зображення плоского предмета має одну вісь симет­ рії (рис. 35, а), то його побудову починають з проведення цієї осі. Вертикальну вісь розміщують посередині ширини поля аркуша (рис. 35, б), а горизонтальну — посередині його висо­ ти (див. рис. 34, в). Орієнтиром для правильного розміщення осі на полі аркуша слід брати його центр, визначений за до­ помогою діагоналей прямокутника, обмеженого рамкою крес­ лення. Відносно осі симетрії будують габаритний прямокут­ ник. Його положення на полі аркуша визначають однаковими проміжками зліва і справа (/)), а також зверху і знизу (/2) між самим прямокутником і рамкою креслення (рис. 35, в). Усередині габаритного прямокутника розмічають положення центрів і проводять кола й півкола заданих розмірів. Причому спочатку будують ті елементи, що знаходяться на осі симетрії, 27
  • 28.
    Рис. 35. Послідовністьпобудови зображення предмета з однією віссю симетрії а потім — ті, що поза нею (рис. 35, г, д). Далі розмічають і об­ водять призматичні елементи і в останню чергу — прямоліній­ ні ділянки Контура зображення (рис. 35, е, є). Тобто останні по­ будови виконують так само, як і в попередньому випадку. Зображення несиметричного предмета (рис. 36, а) почи­ нають будувати безпосередньо з габаритного прямокутника. Його положення на полі креслення визначають однаковими проміжками між самим прямокутником і рамкою по ширині і висоті формату (рис. 36, б). Усередині габаритного прямо­ кутника розмічають загальний контур предмета без деталіза­ ції його елементів (рис. 36, в). Далі розмічають положення центрів і проводять кола й півкола заданих розмірів (рис. 36, г, д). В останню чергу розмічають і обводять прямолінійні ді­ лянки контура зображення (рис. 36, е, є). ЗАПИТАННЯ 1. Які предмети слід вважати плоскими? 2. Як на кресленнях позначають товщину плоских предметів? 3. Як відрізнити зображення плоского симетричного предмета від неси­ метричного? 4. Якою лінією проводять на кресленнях осі симетрії? 5. Як побудувати правильний вписаний у коло многокутник? 28
  • 29.
    Рис. 36. Послідовністьпобудови зображення несиметричного предмета 6. Для чого застосовують масштаби при виконанні креслень? 7. Що означає виконати креслення в масштабі М 1:1? М 1:2? М 5:1? 8. Чи залежать числові значення розмірних чисел на кресленні від його масштабу? 9. Як знайти положення центра поля креслення? 10. Що таке габаритний прямокутник? Як його розміщують на полі креслення? 3.2. Розміри на кресленнях Креслення дає уявлення не тільки про форму зображеного предмета, а й про його розміри чи розміри його частин. Роз­ міри на кресленнях зазначають розмірними числами на роз­ мірних лініях. Лінійні розміри на кресленнях, які визначають величини прямолінійних елементів предмета (довжину, ширину, тов­ щину тощо), дають у міліметрах, але позначення одиниці фізичної величини не наносять. Межі вимірювання розміру вказують виносними лініями, які проводять перпендикулярно до відрізка контура зображен­ ня, розмір якого зазначають (рис. 37). Розмірні лінії проводять паралельно тим відрізкам, розміри яких визначають. Розмірну лінію з обох боків обмежують стрілками (рис. 37, а). Якщо 29
  • 30.
    розмірна лінія недозволяє розмістити на ній стрілки, то лінію продовжують і стрілки наносять з зовнішнього боку від винос­ них ліній (рис. 37, б). Розмірне число наносять зверху розмір- Розмірне число Рис. 38. Нанесення розмірних чисел ЗО
  • 31.
    мої лінії ближчедо її середини, якщо вона розташована гори- юнтально або похило, і зліва від неї, якщо вона розташована вертикально (рис. 38, а). Якщо місця для написання розмірно­ го числа недостатньо, його наносять на продовженні розмірної лінії (рис. 38, б) або на поличці лінії-виноски (рис. 38, в). Виносні й розмірні лінії проводять суцільною тонкою лі­ нією. Виносні лінії обов’язково виходять за кінці стрілок розмірної лінії на 1...5 мм. Відстань між розмірною лінією і контуром зображення повинна бути не менше 10 мм. На кресленні може бути кілька розмірних ліній, пара­ лельних між собою (рис. 39). Щоб уникнути перетину винос­ них і розмірних ліній, завжди ближче до контура зображен­ ня наносять менший розмір. Відстань між паралельними розмірними лініями має бути 6...10 мм. Якщо на кресленні є більше двох паралельних розмірних ліній, то розмірні чис­ ла на них розміщують у шаховому порядку (див. рис. 39). 19°15' Рис. 39. Проведення паралельних розмірних ліній Рис. 40. Нанесення розмірів кутів Кутові розміри (розміри кутів) на кресленнях вказують у градусах, мінутах і секундах умовними позначеннями (рис. 40). Виносні лінії кутового розміру являють собою про­ довження сторін вимірюваного кута, а розмірну лінію прово­ дять у вигляді дуги кола з центром у вершині кута. Про розміри округлих частин предметів (круглі отвори) свідчать їх діаметри. Для позначення діаметра перед розмір­ ним числом наносять умовний знак 0 (рис. 41). Розмір діа­ метра пишуть над розмірною лінією усередині кола (рис. 41, а) або за його межами (рис. 41, б). Розміри заокруглених частин предметів вказують, зазнача­ ючи радіуси дуг, які їх утворюють. Для позначення радіуса пе­ ред розмірним числом наносять умовний знак К (рис. 42). Роз­ мірну лінію проводять з центра дуги і закінчують стрілкою, яка упирається в точку дуги кола. Якщо розмірна лінія раді­ уса занадто коротка і на ній не можна розмістити умовний 31
  • 32.
    Рис. 41. Нанесеннярозмірів кіл знак і розмірне число, то їх наносять на продовженні розмір­ ної лінії з зовнішнього боку дуги (рис. 42). Зображення предмета може мати кілька однакових елемен­ тів. їх розміри наносять лише раз, але зазначають кількість цих елементів (рис. 43). Наприклад, напис «4 отв. 012» означає, що предмет має чотири однакових отвори діаметром 12 мм. 4отв. 0 12 Рис. 42. Нанесення розмірів радіусів Рис. 43. Нанесення розмірів, що повторюються ЗА В Д А Н Н Я Визначте, на яких кресленнях (рис. 44) нанесено розміри з по­ милками. Відповіді запишіть у таблицю: Завдання Креслення 1 и III IV V 32
  • 33.
    Рис. 44. Завданнядля вправи Як правильно нанести розміри на кресленні предмета? Для цього слід дотримуватись певної послідовності. Розгля­ немо її на прикладі. На рисунку 45 показано зображення плоского предмета. Це прямокутна пластина завтовшки 5 мм. Посередині плас­ тини є круглий отвір 0 24 мм, у верхній частині — два одна­ кових круглих отвори 0 8 мм. Унизу — прямокутний виріз. Спочатку наносять розміри окремих частин предмета: діаметри отворів (8 і 24 мм), довжину і висоту прямокут­ ного вирізу (розміри 32 і 6 мм). Діаметри двох однакових отворів вказують один раз, але перед позначенням розміру наносять напис «2 отв.». З «Креслення», 8 -9 кл. 33
  • 34.
    2отв. 08 Далі наносятьрозміри, які визначають взаємне розташу­ вання частин предмета. Такими розмірами є 9, 10, 12 і 22 мм. Розмір 9 мм визначає положення прямокутного вирізу по ширині пластини. Розміри 10 і 12 мм визначають поло­ ження центрів отворів 0 8 мм по висоті і ширині предмета. Розмір 22 мм визначає положення центра отвору 0 24 мм по висоті предмета. Положення центра по ширині визначає вісь симетрії, тобто отвір розташований точно посередині віднос­ но ширини предмета. В останню чергу наносять розміри, які визначають най­ більші обриси предмета — їх називають габаритними. На ри­ сунку 45 це розміри 55 і 50 мм, тобто висота і ширина пред­ мета. Товщину предмета вказують умовно — $5. ЗАПИТАННЯ 1. В яких одиницях вказують на кресленнях лінійні розміри? кутові розміри? 2. Якою лінією проводять на кресленні виносні й розмірні лінії? 3. Якою має бути відстань між контуром зображення і розмір­ ною лінією? 4. Як наносять розмірні числа по відношенню до горизонталь­ них, похилих і вертикальних розмірних ліній? 5. Як наносять розміри кількох однакових елементів зображення? 6. У якій послідовності наносять розміри на кресленнях плос­ ких предметів? 34
  • 35.
    Я15 ЗАВДАННЯ І. Прочитайте кресленняпредметів, давши відповіді на наступні запитання. До креслення на рисунку 46, а: 1. Чому дорівнюють габаритні розміри предмета? 2. Яка товщина предмета? Звідки це видно? 3. Скільки осей симетрії має зображення предмета? 4. Що означає напис «2 отв. 0 7»? 5. Чому перед розмірним числом 15 нанесено літеру Я? 6. Якими розмірами визначено положення центра отворів діа­ метром 7 мм? До креслення на рисунку 46, б: 1. Чому дорівнюють габаритні розміри предмета? 2. З якою метою на кресленні нанесено розмір 80 мм? 3. Скільки осей симетрії має зображення предмета? 35
  • 36.
    4. Що означаєумовне позначення «8? 5. Що означає знак □ , нанесений перед числом ЗО? 6. Яка умовність використана при нанесенні розмірів двох одна­ кових отворів? II. Виконайте креслення одного з плоских предметів за подани­ ми половинами симетричних зображень (рис. 47). Нанесіть необхід­ ні розміри, враховуючи, що розмір клітинок дорівнює 5x5 мм. Заз­ начте товщину предмета (5 мм). Рис. 47. Завдання для вправи 3.3. Ескіз предмета Уявіть собі, що для ремонту навчального приладу в майс­ терні необхідно виготовити нову деталь. Для цього потрібне креслення деталі, яка вийшла з ладу. Щоб прискорити про­ цес її виготовлення, креслення в даному випадку можна ви­ конати спрощено — від руки, без застосування креслярських інструментів, без масштабу, лише додержуючи на око про­ порції між частинами зображуваної деталі. Виконані у такий спосіб креслення називають ескізами. Для порівняння на ри­ сунку 48 показано ескіз (а) і креслення (б) одного і того ж предмета. Рис. 48. Ескіз (а) і креслення (б) предмета
  • 37.
    Незважаючи на допустиміспрощення, ескіз повинен давати уявлення про зображений на ньому предмет. Тому лінії на ескізі мають бути рівними і чіткими, всі написи і позначен­ ня — акуратними. Ескізи виконують на папері в клітинку. Це полегшує й прискорює проведення ліній, виконання необхідних побудов. За допомогою клітинок легко додержувати пропорційності частин предмета. Дуги кіл на ескізах розмічають циркулем, а потім обводять від руки. Щоб правильно виконати ескіз предмета, дотримуються такої послідовності: 1. Ознайомлюються з предметом, вивчаючи його будову. 2. Готують аркуш паперу — проводять рамку, розмічають і креслять основний напис. 3. Визначають положення зображення на полі креслення. Для цього проводять осі симетрії і розмічають габаритний пря­ мокутник. 4. Послідовно розмічають і обводять контур зображення предмета. Побудову зображень на ескізах здійснюють так са­ мо, як і на кресленнях. 5. Наносять виносні і розмірні лінії. 6. Обмірюють предмет і наносять розмірні числа. 7. Заповнюють основний напис, де зазначають назву пред­ мета і матеріал, з якого його виготовлено. Масштаб в основ­ ному написі на ескізі не вказують. Назву предмета в основному написі дають у називному відмінку, наприклад: «Пластина», «Вушко». Так само пи­ шуть і назву матеріалу: «Жерсть», «Картон», «Гума» тощо. На закінчення перевіряють ескіз. При цьому необхідно впевнитись, що зображення побудоване правильно і дає пов­ не уявлення про форму предмета і його окремих частин; зоб­ раження доповнено необхідними розмірами і умовними поз­ наченнями. Послідовність виконання ескіза предмета показано на рисун­ ку 49. Під час виконання ескізів предмети обмірюють різними вимірювальними інструментами. Лінійні величини вимірю­ ють за допомогою лінійки (рис. 50, а). Кути вимірюють тран­ спортиром (рис. 50, б). Діаметри круглих отворів можна ви­ мірювати нутроміром (рис. 50, в). Числове значення діаметра отвору, вимірюваного нутроміром, визначають за лінійкою (рис. 50, г). Деякі розміри визначають опосередковано або за допомо­ гою певних розрахунків, тому що виміряти їх безпосередньо неможливо. На рисунку 51, а показано частину предмета з 37
  • 39.
    а б Рис. 50.Обмірювання предметів для виконання ескізів: а — лінійкою; б — транспортиром; в, г — нутроміром Рис. 51. Опосередковане визначення розмірів Рис. 52. Завдання для вправи 39
  • 40.
    двома циліндричними отворами.Нехай потрібно визначити відстань А між їх центрами. Ш укана відстань дорівнює відс­ тані В між однойменними точками обох кіл — тобто А=В. Як­ що відстань В виміряти складно, то вимірюють відстань Б. Тоді А=Б+2( (1/2 )=Б+сІ. Коли діаметри отворів різні (рис. 51,6), то А=Б+(Б+сІ)/2. На рисунку 51, в показано роз­ рахункову схему для визначення відстані від центра отвору до краю предмета: А=В+сІ/2. ЗАПИТАННЯ 1. Яке призначення ескіза? 2. Чим ескіз відрізняється від креслення? ЗАВДАННЯ 1. Виконайте ескіз одного з предметів за його наочним зобра­ женням (рис. 52). 2. За завданням учителя виконайте з натури ескіз предмета. 4. КРЕСЛЕННЯ В СИСТЕМІ ПРЯМОКУТНИХ ПРОЕКЦІЙ 4.1. Методи проеціювання Кожний об’ємний предмет має три виміри: довжину, ширину і висоту. Виготовляють предмети за кресленнями, що містять їх зображення на площині (на аркуші паперу). В основу побудови зображень на кресленнях покладено метод проеціювання. Він полягає у тому, що зображення предмета на площині дістають за допомогою проеціюючих променів. Проеціювання нагадує утворення тіні предмета. При освіт­ ленні сонячними променями будь-який предмет (дерево, пар­ кан, будівля) відкидає тінь. Вона подібна до обрисів самого предмета. Якщо предмет (рис. 53) розмістити перед плоскою стінкою і освітити його ліхтариком, то на стінці утвориться тінь цього предмета. Утворений світловими променями кон­ тур предмета на площині можна вважати його проекцією. Утворення зображення предмета на кресленні уявними проеціюючими променями називають проеціюванням. Утво­ рене методом проеціювання зображення предмета на площи­ ні називають проекцією. Площина, на якій одержують проек­ цію, називається площиною проекцій. 40
  • 41.
    Залежно від взаємногорозміщення проеціюючих променів у просторі розрізняють центральне і паралельне проецію­ вання. Якщо проеціюючі промені виходять з однієї точки, про­ еціювання називають центральним (рис. 54, а). Точку, з якої виходять промені, називають центром проеціювання. Проекцію, утворену центральним проеціюванням, назива­ ють центральною. Прикладами центральних проекцій є ті­ ні, відкинуті від предметів променями штучного джерела освітлення, фотознімки і кінокадри на плівці. Центром про­ еціювання у наведених прикладах є джерело освітлення, око людини. Якщо проеціюючі промені паралельні між собою (рис. 54, б, в), то проеціювання називають паралельним, а одержану проекцію —паралельною. Ви вже знаєте, що зобра­ ження на кресленнях будують саме за допомогою паралель­ них між собою проеціюючих променів, тобто методом пара­ лельного проеціювання. Центральне проеціювання при виконанні креслень не використовують — цей метод знайшов застосування у малюванні. При паралельному проеціюванні всі промені падають на площину проекцій під однаковим кутом. Якщо це будь-який гострий кут, як на рисунку 54, б, то проеціювання називають осокутним. Якщо проеціюючі промені перпендикулярні до площини проекцій (рис. 54, в), то проеціювання називають ірямокутним. Утворена при цьому проекція називається прямокутною. Прямокутне проеціювання є більш простим і зручним, то­ му йому віддають перевагу перед косокутним. 41
  • 42.
    1 Рис. 54. Методипроеціювання: а — центральне; б — паралельне косокутне; в — паралельне прямокутне ЗАПИТАННЯ 1. ІЦо називається проеціюванням? 2. Що таке проекція? 3. Які ви знаєте методи проеціювання? 4. Чим відрізняються між собою центральне і паралельне прое­ ціювання? 5. У чому полягає різниця між косокутним і прямокутним про­ еціюванням? 6. Яким із способів проеціювання одержують прямокутні проекції? 4.2. Прямокутне проеціювання Проеціювання на одну площину проекцій. Проеціюванням на одну площину проекцій одержують проекції плоских пред­ метів. Щоб одержати проекцію предмета, через усі його верши- 42
  • 43.
    іїй проводять уявніпромені у напрямку площини проекцій до зустрічі з нею (рис. 55). Ці промені називають проеціюючими. Проводять проеціюючі промені паралельно між собою і під прямим кутом до площини проекцій. З’єднавши між собою лі­ ніями уявні точки перетину проеціюючих променів з площи­ ною проекцій, одержують проекцію предмета. Утворена на площині проекція дає уявлення про форму плоского предмета. На кресленні проекцію доповнюють роз­ мірами (рис. 56). Розміри відображають величину зображе­ ного предмета і його елементів. Товщину предмета познача­ ють умовно за допомогою латинської літери 8. З креслення, наведеного на рисунку 56, видно, що товщина предмета до­ рівнює 5 мм. Рис. 55. Проекція плоского Рис. 56. Креслення плоского предмета предмета ЗАВДАННЯ 1. За наочними зображеннями предметів (рис. 57) знайдіть їх проекції. Відповіді запишіть у таблицю на с.44. 2 3 4 5 Рис. 57. Завдання для вправи 43
  • 44.
    Наочне зображення Г'"' ......... Проекція А Б В Г д 2.За наочним зображенням (рис. 58) побудуйте проекцію плос­ кого предмета. Нанесіть розміри. Товщину позначте умовно. Рис. 58. Завдання для вправи Проеціювання на дві площини проекцій. Одна проекція не завжди однозначно визначає форму зображуваного пред­ мета. Подивіться на рисунок 59. Різні за формою предмети утворюють однакові проекції. Це називають невизначеністю форми об’ємного предмета за однією проекцією. Тому, щоб одержати уявлення про форму об’ємного предмета, проецію­ вання виконують на дві площини проекцій: горизонтальну Н і вертикальну V (рис. 60). Вертикальну площину проекцій називають фронтальною. Площини проекцій у просторі роз­ міщені під прямим кутом одна до одної. Лінію перетину цих площин (її позначають де) називають віссю проекцій. 44
  • 45.
    Рис. 59. Невизначеністьформи предмета за однією проекцією Рис. 60. Проеціювання пред- Рис. 61. Суміщення фронтальної і мета на дві площини проекцій горизонтальної площин проекцій Проекція предмета на горизонтальну площину проекцій називається горизонтальною проекцією. Проекція предмета на фронтальну (вертикальну) площину проекцій називається фронтальною проекцією. Утворені дві проекції предмета розташовані у просторі в 45
  • 46.
    різних площинах. Щобдістати креслення предмета на пло­ щині, обидві площини проекцій суміщують в одну. Для цьо­ го горизонтальну площину проекцій повертають так, щоб во­ на збіглася з фронтальною площиною проекцій (рис. 61). Виконуючи креслення, горизонтальну проекцію предмета завжди розміщують під фронтальною — У проекційному зв'язку (рис. 62). Це правило порушувати забороняється. Межі площин і лінію їх перетину на кресленні предмета не показують (рис. 63). Фронтальна площина проекцій Фронтальна проекція Лінія перетину площин (вісь проекцій) Горизонтальна проекція Горизонтальна площина проекцій Рис. 62. Взаємне роміщення фронтальної і горизонтальної проекцій ЗАВДАННЯ Рис. 63. Креслення предмета, що містить дві проекції 1. За наочними зображеннями предметів знайдіть відповідні їм проекції (рис. 64). Відповіді запишіть у таблицю: Наочне зображення Проекція А Б В г д Е 46
  • 47.
    _ ] п_л 5 и Рис. 64.Завдання для вправи Рис. 65. Завдання для вправи 2. Визначте, яка з проекцій предмета (рис. 65) є горизонталь­ ною, а яка фронтальною. Як вони повинні бути розміщені на крес­ ленні одна відносно одної? 3. Накресліть або перенесіть на прозорий папір фронтальну Рис. 66. Завдання для вправи 47
  • 48.
    Рис. 67. Завданнядля вправи Рис. 68. Завдання для вправи проекцію предмета (рис. 66). Користуючись наочним зображенням, побудуйте горизонтальну проекцію. Нанесіть розміри. 4. Знайдіть на рисунку 67 дві проекції, що відповідають зображе­ ному предмету. 5. Побудуйте дві проекції зображеного предмета (рис. 68). Нане­ сіть розміри. Проеціювання на три площини проекцій. Дві проекції пред­ мета — горизонтальна і фронтальна — досить повно та одноз­ начно визначають на кресленнях форму багатьох предметів, але не всіх. На рисунку 69 показано дві проекції, які відпові­ дають одночасно декільком предметам. Значить, і за двома про­ екціями не завжди можна точно уявити форму предмета. Щоб побудувати креслення, за яким можна уявити єди­ ний образ зображуваного предмета, користуються трьома площинами проекцій. У цьому випадку до двох відомих вам площин проекцій додається ще одна — її називають профіль­ ною. Утворену на профільній площині проекцію називають 48
  • 49.
    Рис. 69. Невизначеністьформи предмета за двома проекціями профільною проекцією. Профільна площина проекцій перпен­ дикулярна одночасно до горизонтальної і фронтальної пло­ щин проекцій. Три взаємно перпендикулярні площини проекцій утворю­ ють тригранний кут (рис. 70). Попарний перетин площин проекцій утворюють три лінії, що виходять із спільної точки О. Ці лінії називаються осями проекцій: х, у і г. Предмет, який проеціюють, вміщують у простір тригран­ ного кута (рис. 71) і послідовно розглядають з трьох боків: спереду, зверху і зліва. За допомогою умовних проеціюючих променів утворюють проекції на кожній площині проекцій. Щоб побудувати креслення предмета, всі три площини проекцій суміщують в одну площину. Для цього горизонталь­ ну площину повертають вниз, а профільну — вправо (рис. 72, а) до суміщення з фронтальною площиною проекцій. Здобуте таким чином креслення складається з трьох прямокутних 2 X Горизонт а/іьна площина пр о е кц ій Н Ф ронт альна П роф ільна площ ина площ ина п р о е кц ій п р о е кц ій 0 У У а У б Рис. 70. Утворення тригранного кута 4 «Креслення», 8—9 кл. 49
  • 50.
    Фронтальна проекція 7 Рис.71. Проеціювання предмета на три площини проекцій проекцій предмета (рис. 72, б): фронтальної, горизонтальної і профільної. На кресленні всі три проекції розміщують у про­ екційному зв’язку, тобто горизонтальну проекцію під фрон­ тальною, а профільну — праворуч від неї. Зверніть увагу на те, що фронтальна і профільна проекції розміщені на одній висоті. Осі проекцій і проеціюючі промені на кресленні не по­ казують (рис. 72, в). ЗАПИТАННЯ 1. Чому за двома проекціями не завжди можна уявити форму предмета? 2. Як називаються проекції, утворені проеціюванням на три площини проекцій? Як повинні розміщуватись одна відносно одної ці проекції? 3. Що означає вираз «проекційний зв’язок»? ЗАВДАННЯ 1. За наочними зображеннями предметів знайдіть їх прямокут­ ні проекції (рис.73). Відповіді запишіть у таблицю: 50
  • 51.
    2 / V Рис. 72. Креслення,що містить три проекції предмета 4* 51
  • 53.
    Наочне зображення Проекція А ------------------1 Б В г Д 2.Визначте, яке із запропонованих зображень, позначених літера­ ми (рис. 74), відповідає третій проекції предмета. Відповіді запишіть у таблицю: Завдання Третя проекція 1 2 3 4 5 3. Користуючись наочними зображеннями предметів (рис.75), доповніть проекції необхідними лініями. 4. На рисунку 76 показано проекції предметів, розміщені до­ вільно. За наочним зображенням визначте, якими літерами позна­ чено горизонтальні, фронтальні і профільні проекції. Відповіді за­ пишіть у таблицю за наведеною формою: Наочне зображення Фронтальна проекція Горизонтальна проекція Профільна проекція а б в 53
  • 54.
    Рис. 74. Завданнядля вправи 54
  • 55.
    п . Рис. 75.Завдання для вправи Б В / Г Г Е Л А В т : в 4 Рис. 76. Завдання для вправи 55
  • 56.
    с г Рис. 77. Завданнядля вправи 5. Накресліть або перенесіть на прозорий папір проекції предме­ тів (рис. 77). Доповніть профільні проекції необхідними лініями. 4.3. Вигляди Розглядаючи проеціювання предметів на одну, дві і три площини проекцій, ви переконались, що вибір кількості про­ екцій на кресленні залежить від складності форми предмета. Мабуть, ви звернули увагу й на те, що проекції являють собою зображення тільки видимих (зовнішніх) частин поверхонь предмета. Щоб показувати на кресленнях невидимі частини поверхонь предметів (їх внутрішню будову), застосовують зоб­ раження, які називають перерізами й розрізами. Ці види зоб­ ражень ви будете вивчати пізніше. Проекції, що дають уявлення про видимі частини повер­ хонь предметів, називають виглядами. Вигляд — це зображення повернутої до спостерігача час­ тини предмета. Для будь-якого предмета (якщо цього вима­ гає його форма) можуть бути одержані три вигляди. Зображення, утворене на фронтальній площині проекцій, називають виглядом спереду. Зображення на горизонтальній площині проекції назива­ ють виглядом зверху. Зображення на профільній площині проекцій називають виглядом зліва. Зображення на фронтальній площині проекцій вважають головним. Тому вигляд спереду називають ще й головним. Відносно нього розміщують інші вигляди на кресленні: виг­ ляд зверху — під ним, вигляд зліва — праворуч від нього і на одній висоті. За рахунок цього досягається проекційний зв’язок між виглядами — він є необхідною умовою для ство­ рення цілісного уявлення про форму зображеного предмета. 56
  • 57.
    Вигляд спереду Вигляд зліва Виглядзверху Рис. 78. Креслення предмета, утворене трьома виглядами Виконуючи креслення, зображуваний предмет треба розмі­ щувати відносно фронтальної площини проекцій так, щоб го­ ловний вигляд давав якнайповніше уявлення про форму пред­ мета. На рисунку 78 наведено креслення, яке складається з трьох виглядів. Зверніть увагу, що за головний прийнято виг­ ляд, котрий передає найбільш характерні контури предмета. Загальна форма предмета нагадує кутник — і це видно з го­ ловного вигляду. Наявність скосів на горизонтальній частині і вирізу на вертикальній викликали необхідність застосуван­ ня на кресленні ще двох виглядів — зверху і зліва. Поряд з виглядами спереду, зверху і зліва для зображен­ ня предмета можуть застосовуватися вигляди справа, знизу, ззаду. Отже, на кресленні може бути шість виглядів. Але це зовсім не означає, що будь-який предмет потребує виконан­ ня на кресленні всіх шести (чи навіть трьох) виглядів. Скіль­ ки ж їх повинно бути на кресленні? Зайві зображення на кресленні потребують надмірних витрат часу і зусиль на їх виконання, а недостатня кількість зображень робить крес­ лення малозрозумілим. Кількість виглядів на кресленні має бути доцільною, тобто найменш можливою, але разом з тим достатньою для повного уявлення про форму всього зображе­ ного предмета і його частин. Пояснимо це на прикладах. На рисунку 79, а показано три вигляди предмета. Але чи всі вони потрібні на кресленні? Головний вигляд дає уявлен­ ня про характерний зовнішній контур предмета. Щоб краще уявити форму заокругленої частини, потрібний ще вигляд зверху. Вигляд зліва зайвий — без нього форма зображеного предмета буде цілком зрозумілою. Отже, у даному разі на кресленні має бути лише два зображення і вони є достатніми 57
  • 58.
    Рис. 79. Доцільнакількість виглядів на кресленні: а — зображення предмета потребує двох виглядів; б — зображення предмета потребує трьох виглядів для повного уявлення про форму предмета. Предмет, показа­ ний на рисунку 79, б, потребує наявності всіх трьох виглядів. Якщо не дати на кресленні вигляду зліва чи зверху, немож­ ливо буде уявити форму окремих частин предмета. Таким чином, доцільну кількість виглядів на кресленні слід завжди визначати залежно від форми предмета. Невидимі частини поверхні предмета показують на вигля­ дах штриховими лініями. Це дає змогу краще уявити форму окремих частин предмета, а іноді навіть зменшити кількість зображень на кресленні. ЗАПИТАННЯ 1. Яке зображення предмета називається виглядом? 2. Як взаємно розміщують вигляди на кресленнях? 3. Який вигляд на кресленні називають головним і чому? 4. Яким вимогам повинен відповідати головний вигляд на крес­ ленні? 5. Від чого залежить кількість виглядів на кресленні?
  • 59.
  • 60.
    Рис. 81. Завданнядля вправи
  • 61.
    ЗАВДАННЯ 1. За наочнимизображеннями предметів (рис.80), позначеними літерами, знайдіть їхні вигляди спереду, зверху і зліва, які позначе­ ні цифрами. Відповіді запишіть у таблицю за наведеною формою: Наочне зображення Вигляд спереду Вигляд зверху Вигляд зліва 2. На рисунку 81 наведено наочні зображення предметів. Виз­ начте, у якому напрямку — А , Б чи В — слід дивитись на них, щоб правильно вибрати положення для головного вигляду. 3. На рисунку 82 наведено наочні зображення предметів, умов­ но розділених на дві частини. Поміняйте місцями частини, позна­ чені цифрою 1, переставивши їх з одного предмета на інший. Вико­ найте ескіз одного з утворених предметів, побудувавши необхідні вигляди. Заново утворений предмет вважайте суцільним. 4. Уявно змініть форму предмета (рис.83), повернувши його еле­ мент 1 так, щоб він став на місце, виділене штриховкою. Вважай­ те утворений предмет суцільним, виконайте його ескіз, побудував­ ши необхідні вигляди. 5. ВИКОНАННЯ І ЧИТАННЯ КРЕСЛЕНЬ 5.1. Послідовність побудови виглядів Правильна послідовність побудови виглядів дає змогу уникнути зайвих витрат часу на виконання креслень. Побудову виглядів починають з розмічання загальних об­ рисів предмета на кожному вигляді. Ц і обриси утворюються паралелепіпедом, який обмежує предмет спереду і ззаду, зверху і знизу, зліва і справа. Такий паралелепіпед обмежує предмет по довжині, висоті і ширині, тому його називають габаритним. Спроеціювавши габаритний паралелепіпед на площини проекцій, дістають на них прямокутники, які обме­ жують загальні обриси виглядів предмета. Усередині цих прямокутників і будують вигляди. Щ об уявити, як це ро­ биться, звернемось до прикладу. На рисунку 84, а показано предмет, форма якого потребує побудови на кресленні трьох виглядів (рис. 84, б ). Головному вигляду відповідає напрям проеціювання за стрілкою А. Паралелепіпед, яким можна обмежити предмет, має розміри його найбільшої довжини, висоти і ширини — 50x32x28 мм. 61
  • 62.
  • 63.
  • 64.
    Проекції цього паралелепіпедаявляють собою прямокутники (рис. 84, в). На фронтальній площині проекцій прямокутник визначає довжину і висоту предмета, тобто розміри 50 і 32, на горизонтальній — довжину і ширину, тобто розміри 50 і 28, на профільній — ширину і висоту, тобто розміри 28 і 32. Кожний вимір предмета показано без спотворень двічі: довжину на фронтальній і горизонтальній площинах, висоту — на фрон­ тальній і профільній, ширину — на горизонтальній і профіль­ ній площинах проекцій. Всі три прямокутники розміщують у проекційному зв’язку. Контури прямокутників і наступні побу­ дови усередині них виконують спочатку тонкими лініями. Оскіль­ ки предмет симетричний відносно вертикальної поздовжньої пло­ щини, то на виглядах зверху і зліва повинні бути осі симетрії. Для цього на прямокутниках, які дістали на горизонтальній і профіль­ ній площинах проекцій, проводять штрихпунктирні лінії. Предмет має два прямокутних вирізи — один з лівого боку і другий зверху уздовж предмета. Лівий виріз починають буду­ вати на головному вигляді. Для цього на відстані 28 мм від лівої грані проводять вертикальну лінію, а на відстані 20 мм від верхньої грані — горизонтальну лінію (рис. 84, г). Д а л і. будують проекції вирізу на виглядах зверху і зліва. На вигля­ ді зверху на відстані 28 мм від лівої грані проводять вертикаль­ ну лінію, паралельну цій грані. На вигляді зліва проводять горизонтальну лінію на відстані 20 мм від верхньої грані. Проведена лінія на вигляді зверху знаходиться на рівні вертикальної грані зрізу, а на вигляді зліва — на рівні його горизонтальної грані. Щоб забезпечити кращий проекційний зв’язок між зобра­ женнями частин предмета на виглядах і прискорити вико­ нання побудов, доцільно скористатись лініями проекційного зв'язку. Побудову проекції вирізу на вигляді зверху викону­ ють за допомогою вертикальної лін ії зв’язку, а на вигляді зліва — горизонтальної (лін ії зв’язку на рисунку 84, г пока­ зано стрілками). Л ін ії проекційного зв’язку проводять тон­ кими лініями, які після закінчення всіх побудов стирають. Поздовжній виріз починають будувати на вигляді зліва. Для цього відкладають по 8 мм вліво і вправо від осі симетрії і через знайдені точки проводять дві вертикальні лінії. Потім на відстані 10 мм від верхньої грані проводять горизонтальну лінію (рис. 84, д). На головному вигляді контур вирізу (його нижня грань) буде невидимим. Його будують за допомогою горизонтальної лін ії проекційного зв’язку і показують штриховою лінією. Щ об побудувати виріз на вигляді зверху, проводять лінії проекційного зв’язку між виглядами зліва і зверху. Д ля цього застосовують допоміжну пряму креслення. 64
  • 65.
    Таку назву маєлінія, яку проводять праворуч від вигляду зверху під кутом 45 до рамки креслення. Щ об побудувати допоміжну пряму, продовжують до взаєм­ ного перетину осі симетрії виглядів зверху і зліва. Через знай­ дену точку К проводять пряму під кутом 45 до осей (рис. 84, д). Це й буде допоміжна пряма. Коли зображення несиметрич­ ні, то для побудови допоміжної прямої продовжують до пере­ тину горизонтальну і профільну проекції грані, що проецію­ ється у вигляді відрізків прямих. Через знайдену точку К ] проводять допоміжну пряму. Вертикальні лінії зв’язку, що йдуть від вигляду зліва, доводять до допоміжної прямої. З точок їх перетину (рис. 84, д) проводять горизонтальні лінії зв’язку і виконують необхідні побудови. Побудову зображення циліндричного отвору (рис. 84, е) починають з вигляду зверху. Для цього спочатку знаходять центр кола отвору. Він лежатиме на осі симетрії вигляду і на відстані 15 мм від лівого краю нижньої частини предмета. Через знайдену точку проводять другу осьову лінію і крес­ лять коло діаметром 10 мм. Зображення отвору на головному вигляді і вигляді зліва будують за допомогою ліній проекцій­ ного зв’язку. На цих зображеннях отвір невидимий, тому йо­ го показують штриховими лініями. Осьова лінія отвору на вигляді зліва збіглася з віссю симетрії вигляду. З лівого боку предмета на нижній його частині є два похилі зрізи (скоси). Спочатку їх будують на вигляді зверху (рис. 84, є), потім на головному вигляді і вигляді зліва. Для цього проводять вертикальну лінію проекційного зв’язку до головного вигляду і дві горизонтальні лінії зв’язку до вигляду зліва, скориставшись допоміжною прямою. На закінчення всі видимі предмети на зображеннях обво­ дять суцільною товстою основною лінією, а допоміжні лінії, за допомогою яких велася побудова зображень, стирають. ЗАПИТАННЯ 1. З якою метою під час побудови виглядів використовують лінії проекційного зв’язку? 2. Для чого призначена допоміжна пряма креслення? 3. Які способи побудови допоміжної прямої креслення ви знаєте? У чому вони полягають? ЗАВДАННЯ 1. Побудуйте лінії проекційного зв’язку між виглядами предме­ та (рис.85). 2. На рисунку 86 наведено наочне зображення і головний виг­ ляд предмета. Побудуйте ще два його вигляди, обмежені габаритни­ ми прямокутниками. 5 «Креслення», 8—9 кл. 65
  • 66.
    А / Рис. 86. Завданнядля вправи Рис. 87. Завдання для вправи 3. Накресліть або перенесіть на прозорий папір два вигляди пред­ метів, наведені на рисунку 87. Побудуйте відсутні треті вигляди. 4. Доповніть креслення необхідними лініями (рис.88). 66
  • 67.
    г [ _ □ Рис. 88.Завдання для вправи / ' і І ГП Т- Рис. 89. Завдання для вправи 1П Рис. 90. Завдання для вправи 5* 67
  • 68.
    5. За головнимвиглядом і виглядом зліва (рис.89) побудуйте вигляд зверху. Нанесіть розміри (одна клітинка дорівнює 10 мм). 6. Побудуйте три вигляди кожного предмета за його наочним зображенням (рис.90). Нанесіть розміри. 5.2. Нанесення розмірів Ви вже ознайомились з основними правилами нанесення розмірів на кресленнях. Ц і правила визначені державними стандартами, і їх обов’язково дотримуються під час виконан­ ня будь-якого креслення. Важливо також знати, які саме розміри і де треба наносити на виглядах предмета. Як же це визначити? Розміри на кресленні наносять для того, щоб дати якнай­ повніше уявлення про предмет в цілому та співвідношення його окремих частин. Цій меті підпорядкований і вибір міс­ ця для нанесення розмірів. Розглянемо це на прикладах. Розмір усього предмета, два вигляди якого показано на ри­ сунку 91, а, визначають його довжина — 50 мм, ширина — 32 мм і висота — 45 мм. Ц і розміри називають габаритними, тому що вони визначають граничні (найбільші) величини об­ рисів предмета. Габаритні розміри обов’язково мають бути на­ несені на кресленні предмета. Форма предмета утворена поверхнями двох геометричних тіл: паралелепіпеда і циліндра. Тобто предмет можна уявно розчленувати на ці тіла (рис. 91, б). Вам відомо, що розмір паралелепіпеда визначається його довжиною, шириною і ви- а б Рис. 91. Нанесення розмірів на кресленні предмета 68
  • 69.
    сотою (товщиною), арозмір циліндра — діаметром основи і висотою. Числові значення цих величин (рис. 91, а) і повинні бути на кресленні. , Наносячи розміри на кресленні, слід пам’ятати і про те, що складові частини предмета можуть бути по-різному розміщені між собою. Отже, на кресленні потрібні ще й розміри, які виз­ начають взаємне положення частин предмета. Такі розміри на­ зивають координуючими. Наприклад, положення циліндра на паралелепіпеді (рис. 91, а) визначають два розміри: 25 і 16 мм. Це і є координуючі розміри. Тепер ми визначили всі розміри, які повинні бути на крес­ ленні предмета. А ле перш ніж наносити їх, слід звернути увагу на деякі умовності. Кожний розмір на кресленні зазначають тільки один раз. Наприклад, якщо на головному вигляді (рис. 91, а) нанести розмір основи циліндра 024, то на вигляді зверху його нано­ сити не треба. Довжина і ширина паралелепіпеда водночас є і габаритними розмірами: їх теж необхідно вказати тільки один раз. Візьміть до уваги, що розмір, який визначає висоту цилін­ дра, в даному випадку наносити не треба. Висота циліндра визначається як різниця між загальною висотою предмета (45 мм) і товщиною основи (15 мм) і дорівнює ЗО мм. Наносячи розміри на кресленні, менші розмірні лінії роз­ міщують ближче до контура зображення, а більші — далі іід нього. Так, розмір 15 мм на головному вигляді (рис. 91, а) знаходиться ближче до зображення, а 45 — далі. Так само розміщені розміри 25 і 50 мм на вигляді зверху. Розміри 45 (на головному вигляді) і 50 мм (на вигляді зверху) — це габа­ ритні розміри. Отже, габаритні розміри, які завжди більш і від інших, розміщують далі від зображення, ніж решту. Додержання цього правила дає змогу уникнути зайвих пере­ тинів розмірних і виносних ліній. Відстань між паралельни­ ми розмірними лініями має бути від 6 до 10 мм. На рисунку 92, а показано креслення предмета більш складної форми. Його зовнішня поверхня утворена двома паралелепіпедами (горизонтальним і вертикальним) і напів- циліндром, розміщеним на вертикальному паралелепіпеді. Отвір у вертикальній частині предмета має форму циліндра, а горизонтальний прямокутний виріз — паралелепіпеда. Внутрішня і зовнішня циліндричні поверхні співвісні, тобто мають спільну вісь (вона розміщена горизонтально). Таким чином, предмет можна умовно розчленувати на три паралелепіпеди, циліндр і напівциліндр. Розміри цих геометричних тіл показано на рисунку 92, б. 69
  • 70.
    Рис. 92. Нанесеннярозмірів на кресленні предмета На кресленні предмета, як і у попередньому випадку, слід нанести розміри його окремих частин, координуючі й габаритні розміри. Ц і розміри нанесено, як показано на рисунку 92, а. Зверніть увагу, що під час нанесення розмірів були зас­ тосовані деякі умовності. Висота циліндра, який визначає форму отвору, дорівнює товщині вертикально розміщ ено­ го паралелепіпеда, а також висоті напівциліндра. Цей розмір — 20 мм — показано один раз. Так само довжина прямокутного вирізу однакова з шириною горизонтально­ го паралелепіпеда, тому її також окремо не показано. Ш и ­ рина обох паралелепіпедів дорівнює габаритному розміру всього предмета по його ширині, тобто розмір 40 мм одно­ часно дає уявлення про ширину двох складових частин предмета і про його граничний розмір по ширині. На кресленні є два координуючих розміри: 10 і 50 мм. Пер­ ший визначає положення прямокутного вирізу, а другий — положення осі двох співвісних циліндричних поверхонь. 70
  • 71.
    Висота предмета (габаритнийрозмір) не вказана — вона дорівнює сумі координуючого розміру 50 мм і радіуса напів- циліндра — 20 мм. Окремо не вказано висоту вертикального паралелепіпеда. Її слід визначити як різницю між координу­ ючим розміром 50 мм і товщиною горизонтального паралеле­ піпеда 22 мм. Всі розміри наносять, як правило, поза контуром зобра­ ження і так, щоб розмірні лінії не перетиналися. Відстань між контуром зображення і найближчою до нього розмірною лінією повинна бути не менше 10 мм. 5.3. Спряження Побудова зображень на кресленнях потребує виконання різноманітних геометричних побудов. Деякі з них ви вже вивчали раніше: згадайте проведення паралельних і перпен­ дикулярних прямих, поділ відрізків, кутів і кола на рівні Рис. 93. Заокруглення на контурах зображень'предметів 71
  • 72.
    частини та деякіінші. Тепер розглянемо побудову елементів контурів зображень, які являють собою заокруглення на різ­ них частинах предметів. Подивіться на рисунок 93. Контури зображених предметів мають скруглені кути (рис. 93, а), плавні заокруглені переходи від прямих до кіл (рис. 93, б ), а також від однієї кривої до іншої (рис. 93, в). Плавний перехід однієї л ін ії контура зображення в ін ­ шу називають спряженням. Всі спряження на кресленні виконують дугами к іл заданих радіусів. Точку, з якої проводять дугу плавного переходу однієї л ін ії до іншої, називають центром спряження. Щ об навчитись правильно будувати спряження, слід завжди пам’ ятати, що перехід від прямої до кола буде плавним тільки тоді, коли пряма дотикається до кола (рис. 94, а). У точці дотику прямої до кола відбувається плавний перехід прямої в дугу кола, тобто ця точка визна­ чає межу між прямою і дугою. Точки плавного переходу однієї л ін ії в інш у називають точками спряження. Точка спряження прямої і кола леж ить на радіусі, перпендику­ лярному до цієї прямої (рис. 94, а). Перехід від одного кола до іншого буде плавним тоді, коли ці кола дотикаються. Точка спряження двох кіл ле­ жить на прямій, що сполучає центри спряжуваних кіл (рис. 94, б ). Отже, побудова спряження завжди зводиться до визна­ чення центра і точок спряження. Побудувавши центр спря­ ження циркулем, розхил якого дорівнює радіусу спряжен­ ня, між точками спряження проводять дугу. Вона і буде утворювати плавний перехід від однієї лін ії контура зобра­ ження до іншої. Точка спряження Точка спряження Рис. 94. Плавний перехід між лініями: а — прямої і дуги; б — двох дуг 72
  • 73.
    Рис. 95. Побудоваспряження двох прямих, що перетинаються Спряження двох прямих, що перетинаються. Дві прямі, що перетинаються, можуть утворювати прямий, гострий і ту­ пий кути. Для всіх трьох випадків спосіб побудови один і той же. Він полягає ось у чому. Дуга плавного переходу від одні­ єї прямої до іншої має радіус Я. Якщо це дуга кола, то для її проведення слід знати положення центра цього кола. Не­ хай таке коло «закотилося» в кут між двома прямими (рис. 95). Це коло може «закотитися» вздовж прямої а. Тоді його центр О опише свою траєкторію у вигляді прямої с і на незмінній відстані від прямої а — ця відстань весь час дорів­ нює радіусу Я. Так само, якщо «закочувати» коло вздовж прямої Ь, то його центр опише траєкторію у вигляді прямої сі і на відстані від неї, що також дорівнює радіусу Я. «Закочене» в кут коло одночасно доторкається до обох пря­ мих (а і Ь), і його дуга утворює плавний перехід між цими прямими. Центр кола тепер знаходиться на перетині прямих с і сі, тобто точка перетину прямих с і (І являє собою центр спряження. Особливістю прямих с і (і є їх паралельність зада­ ним прямим на відстані радіуса спряження Я від них. Згадайте, що дотична до кола і радіус, проведений у точку дотику, завжди взаємно перпендикулярні (див. рис. 94, а). То­ му, щоб побудувати точки спряження прямих а і Ь дугою раді­ уса Я, слід опустити перпендикуляри з точки О на задані пря­ мі. Одержані точки 1 і 2 (рис. 95) будуть точками спряження, через які і повинна бути проведена дуга спряження радіуса Я. Отже, побудову спряження двох прямих, що перетинають­ ся, дугою заданого радіуса Я (рис. 96, /) виконують у такій пос­ лідовності: 1. Паралельно першій із спряжуваних прямих проводять допоміжну пряму на відстані радіуса спряження Я від неї (рис. 96, ї ї ) . 2. Паралельно другій із спряжуваних прямих проводять другу допоміжну пряму, також на відстані радіуса спряження 73
  • 74.
    0 І № І ї о і ^ Г IV V а о Рис. 96. Послідовність побудови спряження двох прямих, що перетинаються: а — під прямим кутом; б — під гострим кутом; в — під тупим кутом К від неї (рис. 96, I I I ) . У точці перетину обох допоміжних прямих міститься центр спряження О. 3. З точки О проводять перпендикуляри на спряжувані прямі. Утворені точки є точками спряження (рис. 96, IV). 4. Поставивши опорну ніжку циркуля в точку О, розхи­ лом циркуля, що дорівнює радіусу спряження Я, між точка­ ми спряження проводять дугу, яка утворює плавний перехід від однієї прямої до іншої (рис. 96, V). 74
  • 75.
    Рис. 97. Побудоваспряження двох паралельних прямих Спряження двох паралельних прямих. Дано дві прямі а і Ь, відстань між якими дорівнює І (рис. 97, а). На прямій а за­ дано точку спряження 1. Радіус спряження Я дорівнює поло­ вині відстані І між заданими прямими. Побудову спряження починають з проведення через точку І перпендикуляра до обох заданих прямих (рис. 97, б). Точ­ ки 1 і 2 будуть точками спряження. Відрізок 1^-2 ділять навпіл за допомогою циркуля (рис. 97, в). Точка О, що ле­ жить посередині відрізка 1-2, являє собою центр спряження. Розхилом циркуля, що дорівнює половині відрізка 1-2, з точки О проводять дугу між точками 1 і 2. Ця дуга утворює плавний перехід від прямої а до прямої Ь (рис. 97, г). Спряження дуги кола і прямої. Безпосереднє спряження дуги кола з прямою відбувається, коли одна лінія плавно пе­ реходить в іншу (рис. 98, а). В іншому разі перехід між ними здійснюється по допоміжній дузі заданого радіуса (рис. 98, б). Безпосередній плавний перехід від прямої лін ії до дуги ко­ ла або навпаки — від дуги до прямої — відбувається тільки тоді, коли радіус кола перпендикулярний до прямої (див. рис. 94, а). Побудова спряження дуги кола і прямої у цьому випад­ ку зводиться до проведення дотичної до кола через задану на ньому точку за допомогою лінійки і косинця (рис. 99). Утворення спряження дуги кола радіуса Я і прямої а до­ поміжною дугою радіуса Я, показано на рисунку 100. Знаход­ ження центра спряження О, зводиться до «перекочування» 75
  • 76.
    кола радіуса В1 вздовж спряжу- ваних елементів. Якщ о коло «котити» вздовж дуги кола В , то його центр О, опише траєкторію у вигляді дуги, рівновіддаленої від дуги заданого кола на відс­ тань В,. Радіус утвореної дуги Н2 дорівнює сумі радіусів В і В х. «Перекочування» кола вздовж прямої а дає трєкторію його цен­ тра О, у вигляді прямої Ь, рівно- віддаленої від неї на відстань В х. Траєкторії руху центра кола (дуга радіуса В., і пряма Ь) пере­ тинаються у точці О, — це і бу­ де центр спряження (рис. 100). Ви вже знаєте, що плавний перехід між прямою а і дугою кола радіуса Я, буде у точці, в якій пряма а і радіус В хперпендикулярні між собою. Для зна­ ходження цієї точки з центра О, дуги спряження опускають перпендикуляр на пряму а. Точка 1 буде першою точкою спряження (рис. 100). Друга точка спряження — це точка плавного переходу дуги радіуса В , в дугу радіуса В. Згадайте, що точка плавного переходу між двома колами знаходиться на прямій, яка сполучає їх центри (див. рис. 94, б). З’єднав­ ши центри О і О! прямою, знаходять точку перетину остан­ ньої з дугою радіуса В. Точка перетину 2 буде другою точкою спряження (рис. 100). Отже, побудову спряження дуги кола і прямої допоміж­ ною дугою заданого радіуса виконують у такій послідовності (рис. 101, а): 1. З центра О дуги спряжуваного кола розхилом циркуля, що дорівнює сумі радіусів кола і дуги Спряження (/?2=І?+Я,), описують допоміжну дугу (рис. 101, б). Рис. 99. Побудова дотичної' до кола за допомогою косинця і лінійки Ь Рис. 100. Побудова спряження дуги кола і прямої 76
  • 77.
    Рис. 101. Послідовністьпобудови спряження дуги кола і прямої 2. Паралельно спряжуваній прямій проводять допоміжну пряму на відстані радіуса спряження /?, від неї (рис. 101, в). У точці перетину допоміжної дуги і прямої міститься центр О, спряження. 3. З центра спряження (точки проводять перпендику­ ляр на спряжувану пряму. Одержана точка 1 є першою точ­ кою спряження (рис. 101, г). 4. З’єднують центр спряження О, з центром спряжуваного кола О. На перетині прямої ОО, з дугою кола радіуса Н одер­ жують точку 2 — другу точку спряження. 5. Поставивши опорну ніжку циркуля в точку О,, розхи­ лом циркуля, що дорівнює радіусу спряження і?,, між точка­ ми спряження і і 2 проводять дугу (рис. 101, д), яка утворює плавний перехід від дуги кола до прямої. ЗАПИТАННЯ 1. Щ о таке спряження? 2. За якої умови перехід від прямої до кола буде плавним? 3. Щ о є ознакою дотику прямої до кола в заданій на ній точці? 4. Як знайти точку спряження двох кіл, що дотикаються? 5. Назвіть елементи, обов’язкові в будь-якому спряженні. 77
  • 78.
    6. Як знайтицентр спряження при побудові спряження двох прямих, що перетинаються? 7. Чому дорівнює радіус спряження двох паралельних прямих? «ЗАВДАННЯ За наочним зображенням одного з предметів (рис.102) виконай­ те креслення в одному вигляді. Позначте товщину предмета і нане­ сіть розміри. Л інії побудови збережіть. Точки спряжень виділіть кольоровим олівцем і позначте цифрами (і, 2, ...), а центри спря­ жень — літерами (О,, О.,, ...). Рис. 102. Завдання для вправи 5.4. Читання креслень Прочитати креслення — це значить відтворити в уяві фор­ му зображеного на ньому предмета, будову і взаємне розмі­ щення його окремих частин. Читання креслень — дуже складний процес, який потребує значного розумового напру­ ження і певних умінь. А н аліз геометричної форми предмета. Придивіться до навколиш ніх предметів. Багато з них мають форму різних геометричних тіл або їх частин (рис. 103, а). Інш і предме­ ти мають складніш у форму, утворену сукупністю геомет­ ричних тіл (рис. 103, б). Щоб визначити форму предмета за кресленням, його уявно розчленовують на окремі складові частини, що мають форму простих геометричних тіл. Приклад такого розчленування наве­ дено на рисунку 104. Форма зображеного на ньому предмета ут­ ворена двома паралелепіпедами, трикутною призмою, напівци- ліндром і циліндром, видаленим з нижньої частини предмета. Уявне розчленування предмета на геометричні тіла, з яких він складається, називають аналізом геометричної форми пред­ мета. 78
  • 79.
    Вісь Штифт Основа Ролик Рукоятка Кришка б /Циліндри - х , Рис. 103. Предмети, утворені поверхнями геометричних тіл Рис. 104. Аналіз геометричної форми предмета 79 Циліндри Конус Шестикутна призма Паралелепіпед
  • 80.
    • 1— п30 - а Рис.105. Вигляди предметів, що включають Для проведення аналізу геометричної форми предмета за його кресленням потрібно знати, як зображуються основні геометричні тіла. З проекціями деяких з них ви ознайоми­ лись раніше. Щ об згадати, який вигляд мають найбільш поширені гео­ метричні тіла, як вони зображуються на кресленнях, слід звернутися до таблиці 2 (с. 76,77). На рисунку 105 наведено вигляди кількох предметів. 80
  • 81.
    А$ ¥ V 32 И20 і—-------- — 1 1 ‘ і І _ ( 1 — 'О- '4- 1 1 1 65 65 920 44 __► контури зображень геометричних тіл Всі вони містять контури зображень геометричних тіл, які утворюють форму цих предметів. Порівнюючи зобра­ ження геометричних тіл, наведені у таблиці 2, з вигляда­ ми показаних на рисунку 105 предметів, спробуйте визна­ чити, якими геометричними тілам и утворено форму кожного з них. Навчившись виконувати такі порівняння, ви зможете проводити аналіз геометричної форми предме­ та за кресленням. (і *Креслення*, 8 -9 кл. 81
  • 82.
  • 83.
    П р одовжен н я табл. 2
  • 84.
    ЗАПИТАННЯ 1. Я кназивається процес уявного розчленування предмета на геометричні тіла, що утворюють його поверхню? 2. Для чого потрібен аналіз геометричної форми предмета? 3. Які геометричні тіла можуть утворювати поверхню предмета? 4. Які характерні ознаки мають проекції циліндра, конуса, кулі? 5. Чим відрізняються проекції циліндра і конуса? Куба і пря­ мокутного паралелепіпеда? 6. Для яких геометричних тіл при наявності розмірів можна об­ межитись однією проекцією? 7. У яких геометричних тіл всі проекції однакові? ЗАВДАННЯ 1. Визначте, поверхні яких геометричних тіл утворюють форму предметів, зображених на рисунку 106? 2. На рисунку 107 наведено вигляди групи геометричних тіл. Визначте, скільки геометричних тіл входить до кожної групи. Які це тіла? Які з них знаходяться найдалі від фронтальної площини проекцій; від профільної? 3. На рисунку 108 зверху наведено по два вигляди предметів, утворених групою геометричних тіл. Нижче наведено вигляд зліва кожного предмета. Визначте, яким виглядам, позначеним літерою, відповідає вигляд зліва, позначений цифрою. Відповідь запишіть у таблицю: Завдання Вигляд зліва А Б В Г Д 4. За виглядом зверху (рис. 109) побудуйте вигляд спереду одні­ єї з груп геометричних тіл. 5. Доповніть контури зображень необхідними лініями (рис. 110). Визначте, поєднанням яких геометричних тіл утворено форми зоб­ ражених предметів. Відповідь запишіть у таблицю за наведеною формою: 84
  • 85.
    Отбір Рис. 106. Завданнядля вправи Рис. 107. Завдання для вправи 85
  • 86.
  • 87.
    а б Рис. 109.Завдання для вправи: а — 1) прямокутний паралелепіпед з основою 60x20 мм і висотою 40 мм; 2) конус з діаметром основи 40 мм і висотою 60 мм; 3) куб з розміром ребра 40 мм; б — 1) куля діаметром 40 мм; 2) шестикутна призма з основою, вписаною в коло діаметром 40 мм і висотою 60 мм; 3) циліндр з діаметром основи 40 мм і висотою 60 мм. Креслення Геометричні тіла 6. За наочними зображеннями предметів (рис. 111) знайдіть їх креслення. Відповіді запишіть у таблицю: Наочне зображення Креслення А В В Г д Е Знаходження проекцій елементів поверхонь на кресленні предмета. Зображення предметів на кресленнях являють со­ бою плоскі фігури, утворені з точок і відрізків ліній. Будь- яка точка або лінія на зображенні є проекцією певного еле­ мента предмета: вершини, ребра, грані, кривої поверхні тощо. Тому читання креслення пов’язане з умінням уявити, 87
  • 88.
    А в Рис. 110. Завданнядля вправи 4— 5 Рис. 111. Завдання для вправи 88
  • 89.
    Рис. 112. Проекціїелементів предмета на кресленні зображення якої частини предмета приховане за кожною точ­ кою, відрізком лін ії або фігурою. Щоб зрозуміти суть цього процесу, звернемось до прикла­ ду. На рисунку 112 показано наочне зображення предмета і три його вигляди. Предмет розміщено відносно площин про­ екцій так, що всі його ребра і грані паралельні або перпенди­ кулярні до них. Розглянемо проекції ребра АВ. Вершини А і В лежать на одному проеціюючому промені, перпендикулярному до гори­ зонтальної площини проекцій. Тому їх горизонтальні проек­ ції а і Ь збігаються1. Оскільки вершина А розташована над вершиною В, то на горизонтальній площині проекцій її про­ екція а неначе закриває проекцію Ь вершини Б, тобто проек­ ція вершини А буде видима, а проекція вершини В — неви­ дима (на зображенні позначення невидимих точок беруть у дужки). Ребро АВ перпендикулярне до горизонтальної пло­ щини проекцій і відповідно паралельне фронтальній і про­ фільній площинам проекцій. Тому на фронтальну і профіль­ ну площини воно проеціюється без спотворень — у натуральну величину. У цьому разі проекції ребра і саме реб­ ро рівні між собою: АВ=а'Ь'=а"Ь" 1Тут і далі проекції точок на горизонтальній площині проекцій позначатимемо малими літерами, на фронтальній площині — мали­ ми літерами з штрихом, на профільній — літерами з двома штри­ хами. 89
  • 90.
    Ребро СВ перпендикулярнедо фронтальної площини про­ екцій. Вершини С і і) лежать на одному промені, який прое­ ціює їх на фронтальну площину проекцій. їх фронтальні проекції с ' і сі' збігаються. Вершина С розташована до нас ближче, ніж і). Тому на фронтальній площині проекція вершини С видима, а проекція вершини І) — невидима. Ребро СБ паралельне горизонтальній і профільній площинам проекцій, тому на ці площини воно проеціюється у натуральну величину: СО=ссІ=с"сІ". Визначте, які ще ребра перпендикулярні до горизонталь­ ної і фронтальної площин проекцій. Які ребра перпендику­ лярні до профільної площини проекцій? Знайдіть їх на наоч­ ному зображенні і на виглядах предмета. З’єднані попарно фронтальні, горизонтальні і профільні про­ екції вершин утворюють зображення ребер предмета. Причому, коли ребро паралельне площині проекцій, то на цю площину во­ но проеціюється без спотворень. Якщо ребро перпендикулярне до площини проекцій, воно проеціюється на неї в точку. Проекції ребер на виглядах обмежують зображення граней. Як і ребро, грань, паралельна площині проекцій, проеціюєть­ ся на неї без спотворень. Наприклад, передня грань предме­ та, якій належить ребро АВ, паралельна фронтальній площи­ ні проекцій, тому на неї вона проеціюється в натуральну величину. На горизонтальну площину проекцій без спотво­ рення спроеціювалися нижня і верхні грані, на профільну — ліва і права. А ле видимими на зображеннях будуть відповід­ но верхня і ліва грані. Якщо грань перпендикулярна до пло­ щини проекцій, вона проеціюється на неї в лінію. Знайдіть на рисунку 112 грані предмета, які проеціюються на площини проекцій в лінію. Похила грань, якій належить ребро С£>, перпендикулярна до фронтальної площини проекцій і нахилена до горизон­ тальної і профільної. На фронтальну площину ця грань проеціюється в лінію, на дві інші — у вигляді прямокутників із спотвореними розмірами (крім ширини). Отже, кожний відрізок лін ії на контурі зображення — це проекція ребра або площини, перпендикулярної до площини проекцій. Ребра і грані предмета, нахилені до площини проекцій, проеціюються на неї із спотворенням. ЗАПИТАННЯ 1. В якому разі проекції точок на зображенні збігаються? 2. Котра з двох точок, проекції яких на горизонтальній (фронтальній чи профільній) площині збіглися, буде видимою? 90
  • 91.
    3. В якомуразі відрізок прямої (ребро) проеціюється в натураль­ ну величину? У точку? 4. В якому разі грань проеціюється в натуральну величину? У відрізок прямої? 5. Як визначити за проекціями предмета його грані, перпенди­ кулярні до горизонтальної (фронтальної чи профільної) площини проекцій? 6. Як визначити за проекціями предмета його грані, паралельні горизонтальній (фронтальній чи профільній) площині проекцій? 7. Як, користуючись проекціями предмета, визначити відстань між двома його паралельними гранями? ЗАВДАННЯ 1. На рисунку 113 наведено наочне зображення предмета. Виз­ начте відповідність між проекціями поверхонь предмета, позначе­ ними на виглядах цифрами, і самими поверхнями, позначеними л і­ терами на наочному зображенні. Відповіді запишіть у таблицю. Позначення Точки (цифрові позначення) на виглядах поверхні спереду зверху зліва 9 10 11 12 Рис. 113. Завдання для вправи 91
  • 92.
    /П Г Рис. 114.Завдання для вправи Рис. 115. Завдання для вправи 2. На рисунку 114 наведено три вигляди предмета. Порахуйте, скільки вершин і граней має зображений предмет. Скільки у предмета ребер і граней, перпендикулярних до горизонтальної площини проек­ цій? Скільки ребер і граней, паралельних фронтальній площині проек­ цій? Скільки ребер і граней проеціюється на профільну площину про­ екцій у натуральну величину? Відповіді запишіть у таблицю: Елементи поверхні предмета Кількість Вершини Ребра: перпендикулярні до горизонтальної площини проекцій паралельні горизонтальній площині проекцій проеціюються у натуральну величину на профільну площину проекцій Грані: перпендикулярні до горизонтальної площини проекцій паралельні горизонтальній площині проекцій проеціюються у натуральну величину на профільну площину проекцій 3. Накресліть або перенесіть на прозорий папір вигляди предме­ та, наведені на рисунку 115. Зафарбуйте на кожному з виглядів од­ ну й ту саму поверхню однаковим кольором (незалежно від того, зображується вона фігурою чи лінією). 92
  • 93.
    Проекції точок, щолежать на поверхні предмета. Щоб краще уявляти за кресленням форму окремих частин предме­ та, необхідно вміти знаходити на всіх його зображеннях про­ екції окремих точок. Найчастіше виникає необхідність за од­ нією проекцією точки, заданої на поверхні предмета, знаходити дві інші її проекції. Спосіб знаходження проекцій точок залежить від того, на якому з елементів поверхні предмета (ребра чи грані) лежить задана точка. На рисунку 116 показано наочне зображення предмета і три його вигляди, розміщені у проекційному зв’язку. На поверхні предмета задано точки А, В, С і В. Причому точки А і В знахо­ дяться на ребрах (похилому і горизонтальному), а точки С і і) — на гранях (вертикальній і похилій). На виглядах вказано фрон­ тальну проекцію точки А і профільну проекцію точки В, фрон­ тальну проекцію точки С і горизонтальну проекцію точки В. Коли точка задана на якомусь елементі поверхні предме­ та, то її проекції повинні знаходитись на проекціях цього елемента. Отже, спочатку слід знайти проекції елементів, на яких задано точки, а потім і проекції точок. П охиле ребро, на якому задано точку А , проеціюється на фронтальну площ ину проекцій у натуральну величину, а на горизонтальну і профільну — із спотворенням. Гори­ зонтальна проекція точки А повинна лежати на горизон­ тальній проекції ребра, а профільна — на профільній. Знайшовши горизонтальну і профільну проекції ребра, бу­ дують на них відповідні проекції точки А. Д ля цього з точ­ ки а' проводять вертикальну лінію зв’ язку. У місці її пе­ ретину з горизонтальною проекцією ребра леж ить точка а — горизонтальна проекція точки А. Провівши з Рис. 116. Проекції точок на зображенні предмета 93
  • 94.
    точки а 'горизонтальну лінію зв’язку до перетину з профільною проекцією ребра, знаходять точку а " — профільну проекцію точки А. Ребро, на якому задано точку Б, перпендикулярне до фронтальної площини проекцій і паралельне горизонтальній і профільній площинам проекцій. Тому на горизонтальну і профільну площини воно проеціюється в натуральну величи­ ну, а на фронтальну площину — в точку. Знайшовши фрон­ тальну і горизонтальну проекції ребра, будують на них проекції точки В (побудову показано стрілками). Щ об за однією проекцією точки, яка леж ить на грані предмета, знайти інш і проекції, треба насамперед відшука­ ти проекції цієї грані. Потім за допомогою ліній зв’язку будують проекції точки, які повинні знаходитись на проек­ ціях граней. Л інію зв’ язку спочатку проводять до тієї проекції, на якій грань зображується у вигляді відрізка прямої. Точку С задано на вертикальній грані, яка паралельна до фронтальної площини проекцій і перпендикулярна до гори­ зонтальної і профільної площин проекцій. Тому ця грань проеціюється на фронтальну площину в натуральну величи­ ну, а на горизонтальну і профільну — у вигляді відрізків прямої. На вигляді спереду показано фронтальну проекцію точки С. Її горизонтальна і профільна проекції повинні зна­ ходитись відповідно на горизонтальній і профільній проек­ ціях грані. Для їх побудови з точки с' проводять горизон­ тальну і вертикальну лін ії зв’язку до перетину з лініями, що є проекціями грані. У місці перетину одержують точку с — горизонтальну проекцію точки С і точку с" — профільну проекцію точки С. Точку £> задано на похилій грані предмета. Ця грань проеціюється на фронтальну площ ину проекцій у вигляді відрізка прямої (вона перпендикулярна до цієї площ ини проекцій), на горизонтальну і проф ільну площ ини проек­ цій у вигляді прямокутників, що мають спотворені розм і­ ри по довжині (на горизонтальній проекції) і по висоті (на профільній проекції). На вигляді зверху вказано горизонтальну проекцію точки £>. Дві інш і проекції повинні знаходитись на фронтальній і профільній проек­ ціях грані. Спочатку будую ть ф ронтальну проекцію точки, провівши вертикальну лінію зв’ язку з точки сі. У місці її перетину з відрізком прямої — проекцією грані — леж ить точка сҐ, яка є фронтальною проекцією точки і). Д алі з точок сі і сі' проводять л ін ії проекційного зв’ язку до їх перетину у точці сі". Ця точка буде профільною проекцією точки /). 94
  • 95.
    ЗАВДАННЯ 1. На рисунку117 наведено наочні зображення і три вигляди предметів. Визначте, якими цифрами на виглядах позначені проек­ ції кожної з точок, заданих на наочному зображенні буквами. Від­ повіді запишіть у таблицю: Точки на наочному зображенні Проекції точок на виглядах А В С Б Е 2. На рисунку 118 наведено два вигляди предмета з нанесеними на них проекціями точок. Яка з цих точок найнижча, найвища? Яка з точок на вигляді спереду найдальша від нас? Найближча до нас? Яка з точок міститься на похилій грані предмета? Відповіді за­ пишіть у таблицю: Положення точок Номери точок Найвища точка Найнижча точка Найближча точка Найдальша точка Точка на похилій грані 3. На рисунку 119 наведено вигляди предметів з позначеними на них проекціями точок. Визначте, які з точок збігаються з проекці­ ями вершин предметів, які лежать на їх ребрах і які — на гранях. Відповіді запишіть у таблицю на с. 98. 4. На рисунку 120 наведено наочні зображення і вигляди пред­ метів. Накресліть або перенесіть на прозорий папір вигляди пред- 95
  • 97.
    6' б" с" -^1— ■т- ь'Л 1 І о а" б' А С І а' * ь оа б" Ь" а "с ' л Рис. 119. Завдання для вправи метів. Знайдіть на них проекції точок, вказаних на наочних зоб­ раженнях. 5. Н а рисунку 121 наведено вигляди предметів. Накресліть або перенесіть на прозорий папір ці зображення і побудуйте на них проекції заданих точок. 7 «Креслення», 8—9 кл. 97
  • 98.
    Положення точок Буквене позначення точок На гранях Наребрах Збігаються з вершинами .............................. 6. За наочними зображеннями предметів (рис. 122) побудуйте не­ обхідні вигляди. Нанесіть проекції заданих точок. 98 Рис. 120. Завдання для вправи
  • 99.
    в Рис. 121. Завданнядля вправи 7 * Рис. 122. Завдання для вправи 99
  • 100.
    6. АКСОНОМЕТРИЧНІ ПРОЕКЦІЇ. ТЕХНІЧНИЙРИСУНОК 6.1. Утворення аксонометричних проекцій Загальні відомості про аксонометричні проекції. Ви вже знаєте, як утворюються на кресленні вигляди предмета. Для цього предмет умовно розміщують усередині прямого триг­ ранного кута, сторони якого являють собою площини проек­ цій — фронтальну, горизонтальну і профільну. Послідовним проеціюванням предмета на ці площини одержують зобра­ ження видимих його сторін — вигляди. Кожний вигляд зок­ рема дає уявлення про форму предмета тільки з одного боку. Щ об створити уявлення про форму предмета в цілому, пот­ рібно проаналізувати і порівняти між собою окремі вигляди. Створення цілісного уявлення про предмет за його вигляда­ ми на кресленні — завдання досить складне. Предмет можна спроеціювати на площину проекцій і таким чином, щоб на утвореному зображенні було видно декілька йо­ го сторін (рис. 123). Утворене таким чином зображення нази­ вають наочним. За ним уявити форму предмета легше, ніж за окремими виглядами. Щ об одержати наочне зображення, предмет певним чином розміщують відносно координатних осей х, у і 2 і разом з ни­ ми проеціюють його на довільну площину (рис. 124). Цю пло­ щину називають площиною аксонометричних проекцій, а проекції координатних осей називають аксонометричними осями. Зображення предмета на площині аксонометричних проекцій називають аксонометричною проекцією. На основі аксонометричних проекцій виконують технічні рисунки, які застосовують для пояснення будови різних предметів. Рис. 123. Вигляди і наочне зображення предмета 100 Ь- _
  • 101.
    Рис. 124. Площина аксонометричних проекцій Утворенняаксонометричної проекції предмета Аксонометрична Види аксонометричних проекцій. Залежно від положення координатних осей, а значить і самого предмета, відносно площини аксонометричних проекцій, утворюються різні ак­ сонометричні проекції. Розглянемо ті з них, які використо­ вують найчастіше. Аксонометричне зображення може бути утворене косокут­ ним і прямокутним проеціюванням. Утворення аксонометричного зображення косокутним проеціюванням показано на рисунку 125. Предмет розміщу­ ють так, щоб його передній і задній боки, а також осі х і 2, з Рис. 125. Утворення аксоно метричної проекції косокут­ ним проеціюванням Рис. 126. Утворення аксономет­ ричної проекції прямокутним проеціюванням 101
  • 102.
    якими він суміщений,були паралельними площині аксоно­ метричних проекцій. Проеціювання здійснюють паралельни­ ми променями під гострим кутом (меншим за 90 ) до площи­ ни аксонометричних проекцій. На одержаній аксонометрич­ ній проекції передній бік предмета зображується в натураль­ ну величину, а лівий і верхній будуть дещо спотвореними. Утворену косокутним проеціюванням аксонометричну проек­ цію називають фронтальною диметричною проекцією. Утворення аксонометричного зображення прямокутним проеціюванням показано на рисунку 126. Предмет розміщу­ ють так, щоб три його боки з осями х, у і 2 були нахилені до площини аксонометричних проекцій під однаковими кутами. Проеціювання здійснюють паралельними променями, спря­ мованими перпендикулярно до площини аксонометричних проекцій. На одержаній аксонометричній проекції видно три боки предмета, але з деякими спотвореннями. Утворену пря­ мокутним проеціюванням аксонометричну проекцію назива­ ють ізометричною проекцією. Осі аксонометричних проекцій. Для побудови аксономет­ ричних проекцій розміри зображень відкладають уздовж ак­ сонометричних осей х, у і г. Тому побудову аксонометричної проекції починають з проведення аксонометричних осей. Осі фронтальної диметричної проекції розміщують, як по­ казано на рисунку 127, а: вісь х — горизонтально, вісь г — вертикально, вісь у — під кутом 45 до горизонтальної лінії. 2 2 Рис. 127. Осі фронтальної диме- Рис. 128. Осі ізометричної тричної проекції проекції 102
  • 103.
    Осі виходять зоднієї точки О — початку аксонометричних осей. Кут 45 будують за допомогою рівнобедреного косинця (рис. 127, б). Для побудови зображення у фронтальній диметричній проекції вздовж осей і і 2 (і паралельно їм) відкладають на­ туральні розміри предмета, по осі у (і паралельно їй) — роз­ міри, зменшені вдвоє. Звідси й походить назва «диметрія», що по-грецьки означає «подвійні виміри». Положення осей ізометричної проекції показано на рисун­ ку 128, а: вісь г проводять вертикально, а осі х і у — під ку­ том ЗО до горизонтальної лін ії (120 між осями). Проводять осі за допомогою косинця з кутами 30“, 60 і 90 (рис. 128, б). Для побудови зображення в ізометричній проекції вздовж осей х, у і 2 (і паралельно їм) відкладають натуральні розміри предмета. Звідси й походить назва «ізометрія», що по-грецьки означає «рівні виміри». З А П И Т А Н Н Я 1. Щ о являє собою аксонометрична проекція? Як вона утворю­ ється? 2. У чому перевага аксонометричного зображення над зображен­ нями в системі прямокутних проекцій? 3. У чому різниця між фронтальною диметричною та ізометрич­ ною проекціями? 4. Як відрізнити між собою аксонометричні зображення одного предмета, виконані у фронтальній диметричній та в ізометричній проекціях? 6.2. Побудова аксонометричних проекцій Аксонометричні проекції плоских фігур. Послідовність побудови фігур, розміщених вертикально і горизонтально, наведено у таблицях 3 і 4. Побудову починають з проведення аксонометричних осей: вертикальну площину визначають осі х і 2, а горизонтальну — х і у. Будуючи аксонометричні проекції, слід пам’ятати, що па­ ралельні між собою у просторі лінії залишаються паралель­ ними і на аксонометричних проекціях. Аксонометричні проекції кіл. Як ви вже знаєте, частина предмета, розміщена у фронтальній площині, може бути спро- еційована на аксонометричну площину проекцій без спотво­ рень. Побудова контура зображення круглої частини предмета у цьому випадку зводиться до проведення звичайного кола чи його частини (рис. 129, а). Ось чому у тих випадках, коли предмет має кола і їх треба зберегти на аксонометричній проекції неспотвореними, зручно застосувати фронтальну 103
  • 104.
  • 105.
    я а § « Ч.о 5?аа н "я д о 'о .2 І В » Р " й а 2- * І 8 8'й 4 | § 1&&5Я 5 Ча><і) <» и к И н ^ ^ X О цтії - 5 Й І Я І 9 . н й & й ч 55° о З 3 « и «в Р 2 а ч а>*Н -гнсй . к Й « з ^ а 3 . 2 ^ 3« -в-'о.£2 & к 3-2 * * I &*и * “а * _ « о сі * м о чп „ а <м § ” о * л й й § 4 **і**Ч ^ ^ £:В-* иЇІЇЧ и ИX о На) ф в і) о о о о, з0) са ^« о « З н З о й £3 " * £ а а, ?? о" ^ °»§ § х й а « а в «.З £.2 а о. а 37 И и о а в в с в *!■ п ~~ А а і 2 Й .ЕИм ^ ®8 2 «:' йй оч « кн8 я 518г8*и м^ о-з§-*£ 105
  • 106.
    Таблиця 5 Побудова аксонометричнихпроекцій об’ємного предмета (спосіб І) Послідовність побудови Фронтальна диметрична проекція Ізометрична проекція Проводять аксономет­ ричні осі. Будують зо­ браження передньої грані предмета, від­ кладаючи дійсні роз­ міри: довжину — уз­ довж осі де, висоту — уздовж ОСІ 2 7 2 0 х З вершини побудо­ ваної фігури прово­ дять ребра паралель­ но осі у. Уздовж них відкладають ширину предмета: для фрон­ тальної диметричної проекції — зменшену вдвічі, для ізомет­ ричної — дійсну Через знайдені точки проводять відрізки прямих, паралельні ребрам передньої грані Перевіряють правиль­ ність виконання побу­ дов. Стирають зайві лінії. Обводять види­ мий контур товстою основною лінією 106
  • 107.
    Таблиця 6 Побудова аксонометричнихпроекцій об’ємного предмета (спосіб II) Послідовність побудови Фронтальна диметрична проекція Проводять аксоно­ метричні осі. Будують зображення нижньої грані предмета, від­ кладаючи уздовж осі х його довжину, уз­ довж осі у — ширину (для фронтальної ди- метричної проекції — половину ширини) З вершин побудованої фігури проводять вер­ тикальні ребра пара­ лельно осі 2. Уздовж них відкладають ви­ соту предмета в нату­ ральну величину Через знайдені точки проводять відрізки прямих, паралельні ребрам нижньої грані Перевіряють правиль­ ність виконання побу­ дов. Стирають зайві лінії. Обводять види­ мий контур товстою основною лінією Ізометрична проекція 107
  • 108.
    диметричну проекцію. Розміщен­ няплощин з колами паралельно аксонометричній площині проек­ цій дає змогу викреслювати кола без спотворень. У всіх інших ви­ падках виникає потреба будувати аксонометричні проекції кіл, які мають вигляд еліпсів (рис. 129, б). На практиці замість еліпсів креслять більш прості, але дуже схожі на них овали. Аксонометричні проекції об’ємних предметів. П ослідов­ ність побудови фронтальної ди- метричної та ізометричної проек­ цій предметів загалом однакова. Відмінність полягає в розміщенні що їх відкладають уздовж осі у. Починають побудову аксонометричної проекції з зобра­ ження передньої (спосіб І) або нижньої (спосіб II) грані пред­ мета. Далі виконують інші побудови так, як це показано в таблицях 5 і 6. Таблиці містять побудову аксонометричних проекцій предметів, зображених на рисунку 130. осей 1 в довжині відрізків, З А П И Т А Н Н Я 1. З чого слід починати побудову аксонометричної проекції плоскої фігури? 2. З чого слід починати побудову аксонометричної проекції об’ємного предмета? 3. Чи змінюється положення паралельних ліній на аксонометрич­ них проекціях? 4. Які аксонометричні осі визначають горизонтальну і верти­ кальну площини на аксонометричних проекціях? 5. У які фігури проеціюються кола на аксонометричних проек­ ціях? 6. У якому випадку на аксонометричній проекції коло проеціюєть­ ся без спотворень? З А В Д А Н Н Я 1. Побудуйте ізометричну проекцію рівностороннього трикутника із стороною 40 мм, фронтальну диметричну проекцію правильного шестикутника, вписаного у коло діаметром 60 мм, розмістивши їх паралельно фронтальній площині проекцій. 2. Побудуйте фронтальну диметричну проекцію рівнобедреного трикутника з основою 30 і висотою 40 мм, ізометричну проекцію б Рис. 129. Аксонометричні проекції кіл 108
  • 109.
    'ЗО 28 і ЙІ чй і т 1 1 1 1 Т ______ 45______ н І ^ ® ' т 20 І—------— 1 Рис. 130. Креслення предметів Рис. 131. Завдання для вправи чотирикутника з розмірами сторін ЗО і 50 мм, розмістивши їх па­ ралельно горизонтальній площині проекцій. 3. Побудуйте фронтальну диметричну проекцію предмета, зобра­ женого на рисунку 131, а, та ізометричну проекцію предмета, наве­ деного на рисунку 131, б. 6.3. Технічний рисунок Аксонометричне зображення предмета, виконане від руки, з додержанням його пропорцій в розмірах на око, називають пехнічним рисунком. Технічними рисунками користуються тоді, коли потрібно швидко і зрозуміло показати на папері форму предмета. Під час виконання технічних рисунків до­ держують тих самих правил, що й під час побудови аксонометричних проекцій: під тими ж кутами розміщують осі, розміри відкладають уздовж осей або паралельно їм. Ви­ бір виду аксонометричної проекції, на основі якої буде вико­ нуватись технічний рисунок, залежить від форми зображува- 109
  • 110.
    Рис. 132. Побудовааксонометричних осей на папері в клітинку ного предмета. В першу чергу при цьому враховують просто­ ту побудов на рисунку і можливість якнайповніше передати форму предмета. Технічний рисунок зручно виконувати на папері в клітин­ ку. Це полегшує проведення ліній і виконання побудов. На рисунку 132 показано побудову аксонометричних осей на па­ пері в клітинку. Щ об дістати кут 45 , осі проводять по діаго­ налі клітинок (рис. 132, а). Відношення відрізків завдожки З і 5 клітинок дає нахил осі під кутом ЗО (рис. 132, б). На рисунку 133 показано побудову кола та еліпса від ру­ ки по клітинках. Спочатку на осьових лініях на відстані від центра, що дорівнює радіусу кола, наносять чотири штри­ хи. М іж ними наносять ще чотири штрихи. Потім штрихи сполучають і проводять коло. Для кращого виявлення об’ємності предмета на технічних рисунках наносять штриховку (рис. 134). При цьому передба­ чається, що світло падає на предмет зліва зверху. Освітлені поверхні залишаються світлими, а затінені заштриховують, причому штриховка тим густіша, чим темніша поверхня. ** ' N N / — ч N / 1 / 1 1 — Рис. 133. Побудова кола (а) та еліпса (б ) від руки по клітинках 110
  • 111.
    Рис. 134. Штриховкаповерхонь предметів на технічних рисунках З А П И Т А Н Н Я 1. Щ о являє собою технічний рисунок предмета? 2. Чим технічний рисунок відрізняється від аксонометричної проекції? 3. Як полегшують виконання побудов на технічному рисунку? 4. Яким чином підсилюють враження про об’ємність предмета на технічному рисунку? З А В Д А Н Н Я 1. Виконайте технічний рисунок предмета за його виглядами, наведеними на рисунку 135. 2. Виконайте з натури технічний рисунок предмета, запропоно­ ваного вчителем. . 20. 20 * ‘ 3 — -------- ---------- - й А - Л - Рис. 135. Завдання для вправи 111
  • 112.
    7. ПЕРЕРІЗИ 7.1. Поняттяпро переріз Призначення перерізів. Будь-яке креслення призначене да­ вати якнайповніше уявлення про форму зображеного на ньому предмета. Вам уже відомо, як на кресленнях зображують пред­ мети за допомогою виглядів. Проте зустрічаються такі предме­ ти або їх частини, форму яких важко визначити за кресленням тільки з допомогою виглядів. Іноді через наявність на поверхні предмета заглибини чи виступу виникає необхідність виконува­ ти на кресленні додатковий вигляд, часто досить складний і ма­ лозрозумілий. Отже, крім виглядів на кресленнях бувають ще й інші зображення, які дають змогу краще виявляти форму пред­ метів. До таких зображень належать перерізи. Перерізи найчастіше застосовують для того, щоб показу­ вати поперечну форму предметів (рукояток, гайкових клю ­ чів, слюсарних інструментів, деталей з прокату різного про­ філю) та форму отворів, заглибин, зрізів та вирізів на повер­ хнях округлих деталей тощо. Утворення перерізу. Щ об одержати переріз, предмет умовно розрізають уявною площиною в тому місці, де необ­ хідно виявити його форму. На рисунку 136, а показано наочне зображення предмета, умовно перерізаного допоміж­ ною площиною А. Цю уявну площину називають січною. Щ об побачити фігуру перерізу, ту частину предмета, яка знаходиться перед січною площиною А, умовно відкидають. Внаслідок цього, як показано на рисунку 136, б, на уявній січній площині чітко видно фігуру утвореного перерізу. а б в Рис. 136. Утворення перерізу 112
  • 113.
    а Рис. 137. Видиперерізів Утворену умовно на січній площині фігуру суміщують з площиною креслення і накреслюють на ній зображення фі­ гури, утвореної уявним перерізуванням предмета січною пло­ щиною, і називають перерізом. Як правило, фігуру перерізу креслять у тому ж масштабі, що й вигляд, до якого належить переріз (рис. 136, в). На перерізі показують тільки те, що знаходиться в січній площині. Усе, що міститься перед цією площиною і поза нею, вважається уявно видаленим. Види перерізів. Залежно від розміщення відносно вигляду зображеного на кресленні предмета переріз може бути вине­ сеним або накладеним. Винесений переріз розміщують поза контуром вигляду зображеного на кресленні предмета (рис. 137, а). Накладений переріз розміщують усередині контуру, тобто безпосередньо на вигляді зображеного на кресленні предмета (рис. 137, б). Винесені перерізи розміщують на вільному місці поля креслення (рис. 137, а) або в розриві вигляду (рис. 137, в). Під час виконання креслень перевагу слід віддавати вине­ сеним перерізам, оскільки вони не обтяжують креслення зай­ вими лініями і значно зручніші для нанесення розмірів. З А П И Т А Н Н Я 1. Для чого застосовують перерізи на кресленнях? 2. Яке зображення називають перерізом? 3. Щ о являє собою січна площина? 4. Які бувають перерізи за їх розміщенням на кресленні? 5. Чим відрізняються між собою винесений і накладений перерізи? 6. Яким перерізам слід віддавати перевагу — винесеним чи нак­ ладеним? З А В Д А Н Н Я Визначте, які за розміщенням перерізи наведено на рисунку 138. Відповіді запишіть у таблицю за наведеною формою 8 «Креслення», 8—9 кл. 113
  • 114.
    Номер перерізу Назваперерізу Рис. 138. Завдання для вправи 7.2. Виконання та позначення перерізів Положення січної площини на кресленні вказують лінією перерізу. Для цього застосовують розімкнуту лінію у вигля­ ді двох штрихів (рис. 139, а). Розімкнута лінія не повинна перетинати контур вигляду на кресленні і доторкуватись до нього. Напрям, у якому потрібно дивитися на уявну січну площину, вказують стрілками. Із зовнішнього боку стрілок пишуть однакові великі літери українського алфавіту. Л іте­ ри завжди розміщують вертикально. Розміри штрихів розім- кнутої лінії і стрілок показані на рисунку 139, б. Контур винесеного перерізу обводять суцільною товстою л і­ нією такої самої товщини, як і видимі контури зображень на кресленні. Розміщують винесений переріз якнайближче до того місця, де вказано положення січної площини (див.рис. 139, а). Щоб креслення було виразнішим, фігуру перерізу виділяють штриховкою у вигляді паралельних ліній. Штриховку наносять суцільними тонкими лініями під кутом 45 до рамки креслення. Відстань між лініями штриховки має бути в межах 1— 10 мм і однаковою та рівномірною для всіх перерізів одного предмета на кресленні. На навчальних кресленнях відстань між лініями 114
  • 115.
    Рис. 139. Виконаннявинесеного Рис. 140. Штрихування перерізу фігури перерізу штриховки вибирають у межах 2...4 мм. Нахил ліній штрихов- ки дозволяється виконувати як вліво, так і вправо (рис. 140). Фігуру перерізу позначають такими ж літерами, якими бу­ ло позначено лінію перерізу: А —А, Б— Б, В— В — тобто двома однаковими літерами через тире. Напис завжди розміщують горизонтально. Якщо фігура перерізу симетрична, то винесений переріз може бути розміщений на продовженні лін ії перерізу (рис. 141), яку в цьому випадку показують штрихпунктирною л і­ нією. Стрілками і літерами такий переріз не позначають. Винесений переріз може бути розміщений в розриві того вигляду, до якого він належить (рис. 142). Умовний розрив предмета на вигляді обмежують тонкою хвилястою лінією. Якщо предмет симетричний, лінію перерізу не проводять і ні­ яких додаткових позначень не роблять (рис. 142, а). Для не­ симетричних перерізів, розміщених в розриві, вказують лінію перерізу за допомогою розімкнутої прямої із стрілками, але без буквених позначень (рис. 142, б). Накладений переріз розміщують на самому вигляді, до якого він належить, і саме там, де проходить січна площина. Фігуру накладеного перерізу обводять суцільною тонкою л і­ нією. Контурні лін ії вигляду у тому місці, де на нього накла­ дається фігура перерізу, не повинні перериватись (рис. 143). 115
  • 116.
    Рис. 141. Винесенийпереріз, фігура якого симетрична Рис. 142. Виконання винесеного перерізу в розриві: а — симетрична фігура пере­ різу; б — несиметрична фігура перерізу При виконанні накладеного симетричного перерізу лінію пе­ рерізу не проводять і ніяких позначень не роблять. Фігура та­ кого перерізу повинна мати вісь симетрії, проведену у вигляді штрихпунктирної лінії (рис. 143, а). Для несиметричних нак­ ладених перерізів лінію перерізу проводять у вигляді розімкну- тої лінії із стрілками, але літерами не позначають (рис. 143, б). На фігуру перерізу, як і на інші зображення на креслен­ ні, в разі необхідності наносять розміри (рис. 144). 1 б Рис. 143. Виконання накладе­ ного перерізу: а — симетрична фігура пере­ різу; б — несиметрична фігура перерізу Рис. 144. Нанесення розмірів на перерізи 116
  • 117.
    З А ПИ Т А Н Н Я - 1. Якою лінією вказують положення січної площини на кресленні? 2. Якою лінією обводять контур винесеного перерізу? Накладе­ ного перерізу? 3. Для чого штрихують фігуру перерізу? 4. Як виконують штриховку перерізів? 5. У яких випадках зображення винесеного перерізу супровод­ жують написом? 6. Чим відрізняється виконання винесених симетричних і несимет­ ричних перерізів? З А В Д А Н Н Я 1. Знайдіть наочні зображення предметів (позначені літерами) за виглядом і перерізом (рис. 145). Відповіді запишіть у таблицю: Наочне зображення Креслення з перерізом А Б В Г Шпонкова канавка Отвір наскрізний ^ 2 А -А Отвір наскрізний Б ^ В Отвір наскрізний Рис. 145. Завдання для вправи Шпонкові канавки 117
  • 118.
  • 119.
    2. Визначте, якийз перерізів (рис. 146) відповідає формі предме­ та і правилам виконання перерізів. Відповіді запишіть у таблицю: Завдання Переріз І II III IV V --------- 3. Визначте, яким місцям на предметі, позначеним лініями пе­ рерізу, відповідають перерізи, позначені цифрами (рис. 147). Відпо­ віді запишіть у таблицю: Позначення лінії перерізу Номер перерізу А — А Б— Б В— В Г— Г Д -Д Рис. 147. Завдання для вправи !>- 119
  • 120.
    4. Накресліть абоперенесіть на прозорий папір головні вигляди предметів і побудуйте винесені перерізи (рис. 148). Рис. 148. Завдання для вправи 7.3. Деякі умовності виконання перерізів Під час виконання перерізу січна площина може проходи­ ти через вісь поверхні обертання, яка обмежуе якийсь отвір або заглиблення. У цьому випадку на фігурі перерізу разом з 120
  • 121.
    А - 1 А -А Б - Б Рис. 149. Зображення круглого отвору на фігурі перерізу контуром отвору або заглиблення, утвореного на січній пло­ щині, показують також контур цього отвору чи заглиблення, розташований за січною площиною (рис. 149, Б —Б). Розчленовувати фігуру перерізу на окремі частини не мож­ на. Розглянута умовність стосується тільки зображення по­ верхонь обертання і не поширюється на перерізи отворів чи заглиблень призматичної форми (наприклад, шпонкових ка­ навок). Якщо січна площина проходить через некруглий от­ вір чи заглиблення, яким переріз ділиться на кілька окремих частин, то замість перерізу виконують розріз (про нього йти­ ме мова у наступному розділі). На кресленні одного предмета може бути декілька однако­ вих винесених перерізів. Якщо однакові винесені перерізи на­ лежать одному й тому ж предмету, лінії перерізу позначають однією літерою і викреслюють одну фігуру перерізу (рис. 150). Винесений переріз за побудовою і розміщенням повинен відповідати напряму, вказаному стрілками, що проведені до штрихів розімкнутої лінії. Якщо необхідно, винесений пере- А Б А А 1 “І -1 1 .1 - І -І - І А Б А А Рис. 150. Зображення однакових перерізів 121
  • 122.
    ш ... ОУ// Метали і тверді сплави Неметалеві матеріали їйш ш Деревина Рис. 151. Повернутий переріз Рис. 152. Графічні позначення матеріалів на перерізах різ розміщують на кресленні з поворотом відносно лінії пере­ різу. В цьому разі до позначення перерізу літерами додають умовний знак повороту, як це показано на рисунку 151. Графічні позначення матеріалів у перерізах. Як ви вже знаєте, фігуру перерізу, суміщену з площиною креслення, виділяють штриховкою. Штриховка перерізів не лише надає кресленню виразності, а й показує умовно, з якого матеріалу виготовлено предмет. Застосовують різні види штриховок, які відповідають певним матеріалам. Штриховки перерізів для деяких найпоширеніших матері­ алів наведено на рисунку 152. їх називають умовними графіч­ ними позначеннями матеріалів на. кресленнях. ЗАПИТАННЯ 1. Як зображують на перерізі отвори і заглиблення круглої фор­ ми, якщо січна площина проходить через їхню вісь? 2. Як позначають кілька однакових перерізів, які належать од­ ному предмету? 3. Чи може переріз складатися з кількох окремих частин? 8. РОЗРІЗИ 8.1. Поняття про розріз Призначення розрізів. Багато предметів мають внутрішні порожнини, обриси яких на кресленнях можна показувати штриховими лініями. Проте кількість таких ліній залежно від складності форми предмета може бути значною, деякі з 122
  • 123.
    них можуть співпадатиміж собою або з контурними лініями. Внаслідок цього креслення стане малозрозумілим, воно не даватиме повного уявлення про форму зображеного на ньому предмета. Щоб якнайчіткіше показувати на кресленнях об­ риси внутрішніх контурів предметів, застосовують зображен­ ня, які називають розрізами. Утворення розрізу. На рисунку 153, а наведено три виг­ ляди предмета: головний, зверху і зліва. Внутрішні конту­ ри показано на виглядах лініями невидимого контуру (штриховими). На рисунку 153, б показано зображення то­ го самого предмета. Але на місці головного вигляду розмі­ щено більш виразне зображення — на ньому невидимі кон­ тури наведено суцільними основними лініями. Це і є розріз. Він утворений так само, як і переріз — уявним розрізуван­ ням предмета умовною січною площиною. Передню частину предмета умовно видалено. Частину предмета, яка знахо­ диться в січній площині, на розрізі виділено штриховкою. Зверніть увагу на те, що зображення розрізу, суміщене з пло­ щиною креслення, містить не тільки фігуру, одержану в січній площині, а й ті контури предмета, що знаходяться поза нею (рис. 153, б). Таким чином, слід вважати, що розріз — це зобра- Січна площина Рис. 153. Утворення розрізу 123
  • 124.
    Рис. 154. Розрізпредмета уздовж тонкої стінки ження предмета, уявно розрізаного січною площиною. На розрі­ зі зображують те, що утворюється в січній площині і поза нею. Якщо січна площина проходить уздовж тонкої стінки (ребро жорсткості), то на кресленні її показують розрізаною, але не заштриховують (рис. 154). Слід пам’ятати, що уявний розріз предмета січною площи­ ною не позначається на інших зображеннях цього предмета. Порівняйте рисунки 153, а і 153, б: вигляди зверху і зліва за­ лишились без змін, тобто виконання розрізу не вплинуло на їх зображення. Відмінність між перерізом і розрізом. Утворення перерізів і розрізів відбувається однаково. Проте між ними є відмін­ ність. Вона полягає у тому, що переріз являє собою тільки ту фігуру, яка безпосередньо знаходиться в січній площині. На розрізі крім фігури перерізу показують ще й те, що знахо­ диться за січною площиною. Ось чому слід пам’ятати, що роз­ різ вміщує переріз. Уявлення про вказану відмінність між перерізом і розрі­ зом дає рисунок 155. На ньому показано переріз і розріз, ут­ ворені однією січною площиною. ЗАПИТАННЯ 1. Яке зображення називають розрізом? 2. Чи змінюються інші зображення предмета, якщо його роз­ різати січною площиною? 124
  • 125.
  • 126.
    3. Чим відрізняєтьсярозріз від перерізу? 4. Як виділяється фігура перерізу, що входить до складу розрізу? 5. Яка частина предмета уявно видаляється під час виконання розрізу? ЗАВДАННЯ На рисунку 156 наведено головні вигляди, перерізи і розрізи предметів. Визначте, яким предметам відповідає кожний з перері­ зів і розрізів. Відповідь запишіть у таблицю. Позначення лінії перерізу Переріз Розріз А—А Б—Б В—В Г—Г 8.2. Види розрізів Розріз може бути утворений однією або кількома січни­ ми площинами. Залежно від кількості січних площин розрізи поділяють на прості і складні. Прості розрізи. Простим називають розріз, утворений внаслідок перетину предмета однією січною площиною. При виконанні розрізів січна площина відносно горизон- тальноі площини проекцій може займати вертикальне, гори­ зонтальне чи похиле положення. Залежно від положення січ­ ної площини прості розрізи поділяють на вертикальні, гори­ зонтальні і похилі. Вертикальним називають розріз, утворений січною пло­ щиною, яка перпендикулярна до горизонтальної площини проекцій. Вертикальна січна площина може бути по-різно­ му розташована відносно фронтальної і профільної площин проекцій. Залежно від цього розрізняють фронтальні і про­ фільні вертикальні розрізи. Вертикальний розріз називають ф р о н т а л ь н и м , як ­ що січна площина паралельна фронтальній площині проек­ цій (рис. 157, а). Вертикальний розріз буде п р о ф і л ь ­ н и м , якщо січна площина паралельна профільній площині проекцій (рис. 157, б). 126
  • 127.
    Фронтальний розріз Профільнийрозріз Січна площина, паралельна фронтальній площині проекцій Січна площина, паралельна профільній площині проекцій Січна площина, паралельна горизонтальній площині проекцій Похилий розріз Похила січна площина Гаризонтальний розріз А г- ■! А Рис. 157. Прості розрізи: а — фронтальний; б — профільний; в — горизонтальний; г — похилий 127
  • 128.
    Горизонтальним називають розріз,утворений січною пло­ щиною, яка паралельна горизонтальній площині проекцій (рис. 157, в). Похилим називають розріз, утворений січною площиною, що розташована під будь-яким (але не прямим) кутом до го­ ризонтальної площини проекцій (рис. 157, г). Залежно від положення січної площини відносно двох ос­ новних вимірів предмета (довжини й висоти) розрізи поділя­ ють на поздовжні й поперечні. Розріз називають поздовж­ нім, якщо січна площина проходить уздовж довжини або ви­ соти предмета (рис. 158, а). Розріз слід вважати поперечним, якщо січна площина проходить перпендикулярно до довжи­ ни чи висоти предмета (рис. 158, б). У всіх розглянутих випадках прості розрізи утворені січ- Паперечна січна площина 6 Рис. 158. Поздовжній (а) і поперечний (б) розрізи 128
  • 129.
    ними площинами, якіумовно повністю розрізають предмети для показу їх внутрішньої будови. Такі розрізи називають повними. Щоб показувати на кресленнях внутрішню будову предме­ тів в окремих обмежених місцях, застосовують розрізи, які називають місцевими. Місцеві розрізи застосовують на кресленнях суцільних де­ талей, які містять невеликі заглиблення чи отвори. Вико­ нувати повні розрізи для таких деталей недоцільно. Тому достатньо умовно розрізати тільки ту частину деталі, яка ви­ магає додаткового виявлення її форми. Звернемося до прикладів. Зображений на рисунку 159, а Рис. 159. Місцевий розріз 9 «Креслення», 8-9 кл. 129
  • 130.
    предмет має наскрізнийотвір. Щоб показати його форму, до­ сить обмежитися розрізом тільки тієї частини предмета, в якій знаходиться отвір. Повний розріз тут непотрібний. Для предмета, зображено­ го на рисунку 159, б, застосовано два місцевих розрізи, які виявляють форму отворів на його кінцях. Повний розріз для такого предмета недоцільний, бо його середня частина су­ цільна. Місцевий розріз виділяють на вигляді суцільною хвилястою лінією. Вона не повинна збігатися з іншими лініями на вигля- Рис. 160. Ступінчастий розріз 130
  • 131.
    ді або бутиїх продовженням. Проводять суцільну хвилясту лі­ нію від руки. Складні розрізи. Деякі предмети мають таку внутрішню будову, яку неможливо показати на розрізі за допомогою од­ нієї січної площини. В таких випадках застосовують розрізи, утворені за допомогою кількох січних площин. Розрізи, ут­ ворені двома і більше січними площинами, називають склад­ ними. Залежно від положення січних площин складні розрізи поділяють на ступінчасті й ламані. Ступінчастим називають складний розріз, утворений кількома паралельними січними площинами. Подивіться на предмет, зображений на рисунку 160, а. Він має отвори, які розташовано так, що їх неможливо показати на кресленні, застосувавши одну січну площину. Тому пред­ мет умовно розрізано трьома паралельними січними площи­ нами, кожна з яких виявляє форму окремого отвору (рис. 160, б). У площині креслення всі три січні площини суміще­ ні в одну. Утворений таким чином розріз і буде ступінчастим (рис. 160, в). Ламаним називають складний розріз, утворений за допо­ могою площин, які перетинаються. На рисунку 161, а зображено предмет, форма якого потре­ бує виконання на кресленні ламаного розрізу. Щоб показати форму перерізу, отвору і заглибини, предмет умовно розріза­ но двома січними площинами, що перетинаються (рис. 161,6). У площині креслення похилу січну площину суміще- Рис. 161. Ламаний розріз 131
  • 132.
    но з вертикальноюсічною площиною. Одержане таким чином зображення являє собою ламаний розріз (рис. 161, в). Суміщуючи січні площини в одну, похилу площину умов­ но повертають. Так уникають спотворення розрізу. ЗАПИТАННЯ 1. За якою ознакою розрізи поділяють на вертикальні, горизон­ тальні й похилі? 2. Чим відрізняються між собою фронтальний, профільний і го­ ризонтальний розрізи? 3. Який розріз називають простим? 4. Коли застосовують місцевий розріз? 5. Для чого на кресленнях застосовують складні розрізи? 6. Чим відрізняється складний розріз від простого? 7. Залежно від чого складні розрізи поділяють на ступінчасті і ламані? А ' А -А А - А Рис. 162. Завдання для вправи 132
  • 133.
    ЗАВДАННЯ 1. Визначте, якийз наведених на рисунку 162 розрізів є фрон­ тальним; горизонтальним; профільним; похилим? На якому рисун­ ку розріз і переріз мають однакові зображення? Відповіді запишіть у таблицю: Назва розрізу Номер розрізу Фронтальний Горизонтальний Профільний Похилий Переріз і розріз мають однакове зображення 2. Визначте, на якому з креслень (рис. 163) виконано поздовж­ ній, а на якому поперечний розріз. Відповіді запишіть у таблицю: Назва розрізу Номер розрізу Поздовжній Поперечний 3. За виглядами і розрізами знайдіть наочні зображення предме­ тів (рис. 164). Відповіді запишіть у таблицю: Креслення з розрізом Наочне зображення А . Б В Г 4. На рисунку 165 наведено наочні зображення предметів, їх вигляди і розрізи. Накресліть або перенесіть на прозорий папір виг­ ляд і розріз предмета. Побудуйте на них проекції точок, позначе­ них на наочних зображеннях літерами. 133
  • 134.
    Рис. 163. Завданнядля вправи У77ІЇ77У, Рис. 164. Завдання для вправи 134 Х777Л
  • 135.
    V /. У У л Рис.165. Завдання для вправи 8.3. Позначення розрізів і . . •' ^ і Якщо під час виконання на кресленні розрізу січна площи­ на збігається з площиною симетрії предмета, розріз розміщу­ ють на місці одного з виглядів. Фронтальний розріз звичайно розміщують на місці головного вигляду, профільний — на міс­ ці вигляду зліва, горизонтальний — на місці вигляду зверху. При цьому положення січної площини на кресленні не вказу­ ють і сам розріз не позначають (рис. 166). Так само ніяких позначень не мають і місцеві розрізи. Якщо під час виконання розрізу січна площина не збіга­ ється з площиною симетрії предмета, її положення позна­ чають, як і на перерізах, розімкнутою лінією із стрілками, 135
  • 136.
    А - А "41 іі Рис. 166. Позначення розрізів що вказують напрям погляду (див. рис. 166). Із зовнішньо­ го боку стрілок пишуть однакові великі літери українсько­ го алфавіту. Сам розріз позначають тими ж літерами через тире. Під час виконання складних розрізів положення січних площин вказують розімкнутою лінією, яка має не тільки початковий та кінцевий ш трихи, а й позначення місць пе­ реходів (місць згинів) між окремими січними площинами (див. рис. 160, 161). До початкового і кінцевого ш трихів ставлять стрілки, які показують напрям погляду. Решта позначень виконується так само, як і для простих роз­ різів. 136
  • 137.
    ЗАПИТАННЯ 1. На якихрозрізах не роблять позначень? 2. Чим відрізняються між собою позначення січних- площин простих і складних розрізів? ЗАВДАННЯ 1. Перенесіть на прозорий папір зображення предмета (рис. 167), доповніть їх необхідними лініями. Фігуру перерізу виді­ літь штриховкою. 2. За наочним зображенням предмета і виглядом зверху (рис. 168) докресліть фронтальний розріз. Використайте прозорий папір. 3. За наочним зображенням предмета і головним виглядом (рис. 169) докресліть горизонтальний розріз. Використайте прозорий папір. 4. За наочним зображенням предмета і головним виглядом (рис. 170) докресліть профільний розріз. Використайте прозорий папір. 5. Уявно з ’єднайте окремі частини в один предмет (рис. 171). Місця приєднання виділено штриховкою. Виконайте ескіз з побудо­ вою необхідного розрізу. □ і . . . . п — У --------- ' Рис. 167. Завдання для вправи Отбір наскрізний Рис. 168. Завдання для вправи 137
  • 138.
    І Рис. 169. Завданнядля вправи Рис. 170. Завдання для вправи 6. За головним виглядом та виглядом зліва (рис. 172) побудуй­ те вигляд зверху. Застосуйте необхідні розрізи. 138
  • 139.
    018 Рис. 172. Завданнядля вправи 8.4. Поєднання вигляду з розрізом Щоб раціонально скорочувати кількість зображень на крес­ леннях, вдаються до поєднання (суміщення) двох зображень: частини вигляду з частиною відповідного розрізу. Тоді замість двох окремих зображень — вигляду і розрізу — на кресленні одержують одне зображення — поєднання частин вигляду і роз­ різу. Щоб уявити, як це виконується, звернемось до прикладу. На рисунку 173 показано поєднання на одному зображенні частини головного вигляду з частиною фронтального розрізу. Якщо замість частини застосувати повний розріз, то за одним виглядом зверху неможливо буде уявити форму і положення виступу на передньому боці предмета. На фронтальному розрі­ зі його не буде зображено, адже цей елемент випадає разом з умовно видаленою передньою частиною предмета. Тому в дано­ му разі доцільно поєднати частину вигляду з частиною розрізу. Рис. 173. Поєднання частини вигляду і частини розрізу 139
  • 140.
    Поєднані в одномузображенні частину вигляду і частину відповідного розрізу розділяють суцільною тонкою хвиляс­ тою лінією, яку проводять від руки. Частину розрізу, як пра­ вило, розміщують праворуч від частини вигляду. Якщо вигляд і поєднуваний з ним розріз фігури симетрич­ ні, то поєднують половину вигляду з половиною відповідного розрізу. Утворення такого поєднання показано на рисунку 174. Два вигляди предмета (рис. 174, а) дають повне уявлення про його зовнішню форму. Фронтальний розріз і вигляд зверху Рис. 174. Поєднання половини вигляду з половиною розрізу 140
  • 141.
    (рис. 174, б)краще виявляють внутрішню будову предмета. Але зовнішня форма при цьому стає менш зрозумілою. На рисунку 174, в зображено половину головного вигляду, а на рисунку 174, г — половину розрізу тієї ж деталі. Оскільки вигляд і роз­ різ даної деталі симетричні, то другу половину кожного із зобра­ жень легко уявити. Отже, поєднання на кресленні половини виг­ ляду і половини відповідного розрізу дасть повне уявлення як про зовнішню, так і про внутрішню форми деталі (рис. 174, д). Межею між поєднаними в одному зображенні половиною вигляду і половиною розрізу є вісь симетрії (штрихпунктир­ на лінія). Зверніть увагу на те, що на половині вигляду (див.рис. 174, д) відсутні лінії невидимого контуру (штрихо­ ві). їх недоцільно проводити, бо предмет симетричний віднос­ но вертикальної осі. Ці лінії на половині вигляду повторили б Рис. 175. Поєднання частини вигляду і частини розрізу для симетричних зображень 141
  • 142.
    обриси внутрішнього контуру,показа­ ного на половині розрізу. Не для всіх симетричних зображень можна поєднувати половину вигляду з половиною розрізу. Предмети, показані на рисунку 175, мають елементи (ребра чотири- і шестигранної поверхонь), об­ риси яких збігаються з віссю симетрії на зображенні розрізу (рис. 175, а) чи вигляду (рис. 175, б). Якщо на креслен­ ні цих предметів поєднати половину вигляду з половиною розрізу, розмежу­ вавши їх осьовою лінією, то згадані елементи не будуть зображені. Тому слід показати на креслен­ ні частину вигляду, поєднану з частиною розрізу, розділених суцільною хвилястою лінією. Якщо елемент поверхні предмета, який збігається з віссю си­ метрії, розміщений в отворі, на кресленні показують більш як половину розрізу (рис. 175, а). Якщо такий елемент знаходиться зовні, то показують більш як половину вигляду (рис. 175, б). Як видно з рисунка 175, в обох випадках зображення ребер внут­ рішньої і зовнішньої поверхонь на кресленнях зберігаються. Зверніть увагу на те, як наносять розміри на зображенні, що містить поєднання вигляду з розрізом. В результаті тако­ го поєднання внутрішня будова предмета виявляється види­ мою не повністю. Як же показати розміри внутрішніх частин? У цьому разі розмірні лінії, що стосуються елемента внут­ рішньої частини предмета (наприклад, отвору), проводять трохи далі від осі і обмежують стрілкою тільки з одного бо­ ку (рис. 176). Розмір зазначають повний. Доцільно розміри зовнішніх частин предмета наносити з боку вигляду, а внутрішніх — з боку розрізу. ЗАПИТАННЯ 1. У яких випадках доцільно поєднувати вигляд з розрізом? 2. Якою лінією на кресленні розділяють частину вигляду і час­ тину розрізу? 3. Коли доцільно застосовувати поєднання половини вигляду з половиною розрізу? Якою лінією їх розділяють? ЗАВДАННЯ 1. На рисунку 177 наведено повні розрізи предметів. Перенесіть на прозорий папір контур зображення, замінивши повний розріз поєднанням половини вигляду з половиною розрізу. 2. На рисунку 178 наведено фігури перерізів, які входять до скла- Рис. 176. Нанесення розмірів внутрішньої частини предмета 142
  • 143.
    Рис. 177. Завданнядля вправи Рис. 178. Завдання для вправи /1 ^— П З — — * - х о, _$ а б Рис. 179. Завдання для вправи Єї «а ду розрізів. Виконайте побудову зображення, поєднавши половину вигляду з половиною розрізу. Скористайтесь прозорим папером. 3. На рисунку 179 наведено обриси предметів: над осьовою ліні­ єю — видимої поверхні, нижче — невидимої (внутрішньої) поверх­ ні. Доповніть зображення, виконавши поєднання вигляду з розрі­ зом. Скористайтесь прозорим папером. 9. ВИБІР ЗОБРАЖЕНЬ НА КРЕСЛЕННЯХ 9.1. Узагальнене поняття про зображення Коли говорять про виконання креслення, то мають на ува­ зі відображення на аркуші паперу створених в уяві людини просторових образів якогось предмета. Надалі за цим креслен­ 143
  • 144.
    ням інші людистворять у своїй уяві зображений їх поперед­ ником предмет. У цьому і полягає основне призначення будь- якого креслення — давати якнайповніше уявлення про форму зображеного на ньому предмета. Зображують предмети на кресленнях за допомогою вигля­ дів, перерізів і розрізів. З ними ви вже ознайомились. Уміле і вдале застосування виглядів, перерізів і розрізів дає змогу відобразити на кресленні форму будь-якого предмета. Вигляди, перерізи і розрізи — це основні елементи крес­ лення. Вони взаємно доповнюють один одного на кресленні, між ними є багато спільного, оскільки в основі їх утворення лежить спосіб прямокутного проеціювання. Виходячи з однакового призначення виглядів, перерізів і розрізів — відображати на кресленнях форму предметів — їх узагальнено називають зображеннями. Отже, зображенням на кресленні слід вважати і вигляд, і переріз, і розріз. Тепер можна зробити висновок, що виконання креслення зводиться до побудови на ньому зображень. Які це будуть зображення і скільки їх буде на кресленні — залежить від складності форми предмета. 9.2. Вибір кількості зображень Приступаючи до виконання креслення, слід перш за все правильно визначити необхідні зображення. При цьому тре­ ба намагатись, щоб кількість зображень на кресленні була якнайменшою і водночас достатньою для забезпечення повно­ го уявлення про форму предмета. Кількість зображень на кресленні залежить головним чи­ ном від складності форми предмета. У найпростіших випадках для повного уявлення про фор­ му предмета досить одного зображення (вигляду, розрізу чи 915 50 Г*~ а б Рис. 180. Зображення плоского предмета 144
  • 145.
    їх поєднання) знанесеними відповідними умовними знаками і написами. Звернемось до прикладів. Щоб зрозуміти форму плоского предмета, зображеного на рисунку 180, досить одного вигляду — головного. Вигляди зверху чи зліва не потрібні. Уявлення про товщину предмета дає умовне позначення з2, яке замінило вигляд зверху чи злі­ ва. Предмет призматичної форми (рис. 181, а) також потребує одного зображення (рис. 181, б) — головного вигляду. Вигляд зверху чи зліва тут замінює умовне позначення М00, яке виз­ начає довжину предмета. Форма багатьох предметів утворена поверхнями тіл обер­ тання — циліндричними, конічними, сферичними. Прикла­ ди таких деталей наведено на рисунку 182. Уявлення про форму округлих деталей дає одне зображення (рис. 182, а). Про те, що предмети мають округлу форму, свідчать умовні знаки діаметрів (0). Для зображення порожнистих округлих деталей застосовують розрізи (рис. 182, б). В разі необхіднос­ ті на одному зображенні поєднують половину вигляду з поло­ виною відповідного розрізу (рис. 182, в). Якщо на поверхні округлого предмета є площини, то їх умовно виділяють суцільними тонкими лініями, як показано на рисунку 183, а. Якщо частина округлого предмета являє собою призматичну поверхню з квадратною основою, то на її зображення наносять розмір сторони квадрата з умовним знаком □ (рис. 183, б). У цьому разі відпадає потреба в будь- яких інших зображеннях. Кількість зображень більш складних за формою предметів за­ лежить не лише від форми їх складових частин, а й від взаємно­ го їх розміщення. На рисунку 184 показано предмети, складені Рис. 181. Зображення призматичного предмета 10 «Креслення», 8 -9 юі. 145
  • 146.
    - * 11! * „V «я* Л, / з двох однакових, але по-різному розміщених частин. Це визна­ чає різну кількість зображень на кресленнях предметів. У пер­ шому випадку для показу форми предмета достатньо двох зобра­ жень (рис. 184, а), а у другому їх має бути три (рис., 184, б). Кількість зображень на кресленні часто залежить також від вибору положення предмета на головному вигляді. ЗАПИТАННЯ 1. За яким принципом вибирають кількість зображень на крес­ ленні? 2. Від чого залежить кількість зображень на кресленні? 3. Яка найменша кількість зображень може давати повне уяв­ лення про форму предмета? 4. Як можна скорочувати кількість зображень на кресленні? 146
  • 147.
    Рис. 10* Рис. 183. Умовнезображення плоских поверхонь 184. Вплив взаємного розміщення частин предмета на кількість його зображень на кресленні 147
  • 148.
    А')і Рис. 186. Завданнядля вправи _ б Рис. 185. Вибір головного зображення предмета
  • 149.
    За головне накресленні приймають зображення, утворене на фронтальній площині проекцій. Ним може бути вигляд, розріз або їх поєднання. Інші зображення на кресленні зай­ мають певне місце відносно головного. Завжди слід пам’ятати, що головне зображення має давати найповніше уявлення про форму і розміри предмета. Разом з тим головне зображення повинне визначатись таким положен­ ням предмета відносно фронтальної площини проекцій, при якому буде забезпечена найменша кількість зображень на крес­ ленні. Звернемось до прикладу. Якщо для предмета, показано­ го на рисунку 185, а головне зображення обрати за напрямом стрілки А, то для показу його форми на кресленні необхідно зас­ тосувати три зображення (рис. 185, б). Якщо ж головне зобра­ ження обрати за напрямом стрілки Б, то для повного уявлення про форму предмета досить двох зображень (рис. 185, в). ЗАПИТАННЯ 1. Яким вимогам повинно відповідати головне зображення на кресленні? 2. Чим слід керуватися при виборі головного зображення предме­ та на кресленні? ЗАВДАННЯ За одним із наочних зображень (рис. 186) виконайте ескіз пред­ мета. Побудуйте необхідні зображення, застосувавши доцільні роз­ різи. Нанесіть розміри. 9.3. Вибір головного зображення 10. ДЕЯКІ ДОДАТКОВІ ВІДОМОСТІ, НЕОБХІДНІ ДЛЯ ВИКОНАННЯ ТА ЧИТАННЯ КРЕСЛЕНЬ 10.1. Умовності та спрощення на кресленнях Виразність креслення забезпечується не тільки вдалим вибором необхідних зображень, а й скороченням їх графіч­ ного складу. Це досягається застосуванням різних умов­ ностей та спрощень на кресленнях. Розглянемо найбільш уживані з них. Якщо предмет симетричний, то його зображення дозво­ ляється викреслювати не повністю. Межею зображення у цьому разі має бути вісь симетрії (рис. 187, а) або лінія об­ риву (рис. 187, б). Останню проводять так, щоб показати трохи більше половини вигляду. 149
  • 150.
    ш £" 1 '7 ? % Рис. 187. Зображення симетричних предметів 1У//Л У//Л и§. а Рис. 188. Умовний розрив на зображенні предмета Щоб зробити коротшим зображення довгого предмета, застосовують умовний розрив, як це показано на рисунку 188. Розрив застосовують для предметів з однаковим (рис. 188, а) або рівномірно змінним (рис. 188, б) поперечним перерізом. Місце обриву показують тонкою хвилястою л і­ нією. Якщо предмет має кілька однакових рівномірно розміще­ них на його поверхні елементів, то на кресленні допускаєть­ ся показувати один-два з них із зазначенням їх кількості. Розміщення інших елементів показують умовно (рис. 189). Іноді, щоб показати розміщення кількох однакових елемен­ тів на поверхні предмета, вдаються до заміни повного зобра­ ження схематичним (рис. 190). Замість повних зображень окремих елементів поверхонь предметів (отворів, прорізів) допускається зображувати тільки їх контури (рис. 191). 150
  • 151.
    У///////////////7Л Рис. 190. Замінаповного зображення схематичним Рис. 189. Зображення еле­ ментів предмета однакової форми Рис. 191. Заміна повного зображення контурним 10.2. Додаткові та місцеві вигляди . _Додаткові вигляди. Деякі елементи предметів проецію­ ються на основні площини проекцій із спотворенням. Щоб уникнути цього, користуються проеціюванням частини пред­ мета на додаткову площину проекцій. Приклад, що пояснює утворення додаткового вигляду, на­ ведено на рисунку 192. Додаткову площину проекцій розмі­ щують паралельно тій частині предмета, яка на основних 151
  • 152.
    Рис. 192. Утвореннядодаткового вигляду: а — на площинах проекцій; б — без проекційного зв’язку; в — у проекційному зв’язку; г — повернутого .’41' ' ' і ■! ■ :л площинах проекцій зображується із спотворенням. Одержане на додатковій площині зображення суміщують з основною площиною проекцій. Це і є додатковий вигляд. Він дає пов­ не уявлення про форму і розміри похилої частини предмета, показаного на рисунку 192, о. Напрям проеціювання, за яким одержують додатковий вигляд, вказують стрілкою з великою літерою українського алфавіту над нею. Зображення додаткового вигляду познача­ ють цією ж літерою (рис. 192, б). Літера завжди повинна бути вертикальною. Коли додатковий вигляд розміщено в проек­ ційному зв’язку, як це зроблено на рисунку 192, в, то немає потреби вказувати стрілкою напрям проеціювання і виконувати будь-які написи. Додатковий вигляд можна повертати (рис. 192, г). При цьому його позначення доповнюють умовним знаком повороту о . Місцеві вигляди. Зображення окремого, обмеженого місця поверхні предмета називають місцевим виглядом. Застосу­ вання місцевого вигляду дає змогу показати на кресленні форму і розміри тільки окремих елементів предмета. За ра­ хунок цього уникають зайвих, часом громіздких зображень на кресленнях. Місцевий вигляд найчастіше розміщують у проекційному Ю З 152
  • 153.
    '..-у І.і а V У б Рис.193. Місцевий вигляд зв’язку з іншими зображеннями на кресленні (рис. 193). Зображення місцевого вигляду може бути обмежене лінією обриву. Всі зображення слід раціонально розміщувати на полі креслення (усередині рамки). Завдяки цьому креслення буде зручним для читання, а його площа якнайповніше і рівно­ мірно використана. Розміщення зображень на полі креслення називають ком поновкою креслення. До компоновки креслення приступають після того, як визначено, які зображення необхідно кресли­ ти, скільки їх буде та які габаритні розміри вони матимуть. Для раціонального розміщення зображень на полі креслен­ ня необхідно правильно визначити проміжки між зображен­ нями і рамкою креслення та між самими зображеннями. Про­ міжки мають бути рівномірними і достатніми для нанесення розмірів та необхідних умовних позначень на кресленні. Звернемось до прикладів. На рисунку 194, а показано предмет, креслення якого пот­ ребує одного зображення — це буде його головний вигляд з умовним позначенням товщини предмета. Габаритні розміри предмета: ширина 100, висота 80 мм. Щоб правильно розміс­ тити зображення на полі креслення, визначимо, якими 1. Для чого виконують додаткові вигляди? 2. У якому разі додатковий вигляд не позначають? 3. Чим відрізняється місцевий вигляд від повного? 10.3. Компоновка зображень на кресленні 153
  • 154.
    гМ — М (Є ^ і — V 1— ) а =100 Л Основний напис А=185 Рис. 194. Раціональне розміщення на кресленні одного зображення ♦ • * повинні бути проміжки між ним та рамкою креслення (рис. 194, б). Обмежимо контур головного вигляду умовним прямо­ кутником з розмірами, що дорівнюють габаритним розмірам предмета: а=100 мм; Л=80 мм. Вільне поле креслення форма­ ту А4 з урахуванням розмірів рамки і висоти основного на­ пису має розміри в міліметрах: А=210—(20+5)=185; Н=297—(5+5+22)=265. Необхідні проміжки в міліметрах: по ширині формату 1Х=(А—а)/2=(185—100)/2=42; по висоті фор­ мату 12=(Н—к)/2=(265—80)/2=82 мм. Одержавши числові значення проміжків, розмічають на полі креслення габаритний прямокутник. Далі розмічають осі симетрії і виконують побудову контура зображення предмета. Предмет, показаний на рисунку 195, а, потребує виконан­ ня на кресленні двох зображень — головного вигляду і виг­ ляду зверху. Габаритні розміри предмета: ширина 85, висота 154
  • 155.
    т Рис. 195. Раціональнерозміщення на кресленні двох зображень 50 і товщина 35 мм. Наявність на кресленні двох зображень потребує визначення по висоті формату трьох проміжків, по ширині — двох. Обмежимо предмет умовним паралелепіпедом з розміра­ ми в міліметрах: а=85; к=50; Ь=35. Зображення предмета мають бути обмежені умовними габаритними прямокутни­ ками з відповідними розмірами (рис. 195, б): головне зоб­ раження — 85x50 мм; вигляд зверху — 85x35 мм. Розмі­ ри вільного поля креслення такі ж, які і в попередньому прикладі: А=185 мм; Н —265 мм. Виходячи з цього, визна­ чаємо необхідні проміжки в міліметрах: по ширині форма­ ту /,=(А—а)/2= (185—85)=50; по висоті формату: Іг = Н —(Н + Ь) 265 - ( 5 0 +35) = 60 . 155
  • 156.
    Одержані числові значенняпроміжків дають змогу роз­ мітити на полі креслення габаритні прямокутники зобра­ жень і побудувати усередині них головне зображення і вигляд зверху предмета. ЗАПИТАННЯ 1. Що називають компоновкою креслення? 2. Як раціонально розмістити зображення на полі креслення? ЗАВДАННЯ і ■ І. На рисунку 196 наведено кілька компоновок одного і того ж креслення. Визначте, на якому з прикладів найбільш вдало сплано­ вано поле креслення? Які недоліки мають інші варіанти компоно­ вок? ' г,', : «Ц/ІІ.'і в г Рис. 196. Завдання для вправи 156
  • 157.
    ш 912 Рис. 197. Завданнядля вправи II. Прочитайте креслення предметів, давши відповіді на запи­ тання. До креслення на ри сун ку 197: 1. Які вигляди виконано на кресленні? 2. Який розріз виконано на кресленні? 3. Чому не позначено розріз на кресленні? 4. Що виявляють місцеві вигляди на кресленні? Чому один з них має позначення, а другий — ні? 5. Поєднанням яких геометричних тіл утворена форма предмета? 6. Чому дорівнюють габаритні розміри предмета? 7. Які розміри на кресленні є координуючими? До креслення на ри сун ку 198: 1. Як називають зображення, яке на кресленні є головним? 2. Скільки розрізів виконано на кресленні? 3. Яку назву має розріз А —А? 4. Для чого на кресленні виконано місцевий розріз? 5. Чому дорівнюють габаритні розміри предмета? 6. Що визначає розмір 48 мм на головному зображенні? 7. Які розміри визначають положення центрів отворів діаметром 16 мм? Д о креслення на ри сун ку 199: 1. Яке зображення на кресленні є головним? 2. Які вигляди виконано на кресленні? 157
  • 158.
    2отб. /?/4 и отб.0І6 Рис.199. Завдання для вправи Рис. 198. Завдання для вправи 158
  • 159.
    3. Що виявляємісцевий вигляд? 4. Скільки розрізів виконано на кресленні? Чому вони не позначені? 5. Для чого на кресленні виконано переріз А —А? Який це переріз? 6. Чому на профільному розрізі частину зображення не заштри­ ховано? 7. Який розмір визначає положення осі отвору діаметром 20 мм? 8. Що означає розмір ЗО мм на місцевому вигляді? 11. СКЛАДАЛЬНІ КРЕСЛЕННЯ 11.1. Призначення і особливості складальних креслень Багато предметів, якими користуються люди у побуті і на виробництві, неможливо виготовити суцільними. Окремі їх частини в процесі використання повинні зазнавати взаємних переміщень, інші частини спрацьовуються чи руйнуються, і їх потрібно періодично замінювати. Тому переважна біль­ шість знарядь праці, побутових приладів, засобів пересуван­ ня тощо складаються з окремих частин, певним чином з’єд­ наних і пристосованих одна до одної. Кожна з цих частин має своє призначення. Окремо виготовлені частини, з яких складають предмети різного призначення, називають деталями. Вали, осі, втул­ ки, диски, шківи, кришки, корпуси, кронштейни, важелі — все це деталі. Слід зауважити, що деталі — це суцільні непо­ дільні предмети. Виріб, складений з окремих деталей, називають складаль пою одиницею. Кількість деталей у виробі залежить від складності його конструкції. Креслення, які ви вчились виконувати раніше — це крес­ лення деталей. Щоб скласти виріб з окремих деталей або уявити його будову, потрібне інше креслення — його нази­ вають складальним. На складальному кресленні виріб зобра­ жують у складеному вигляді з усіма деталями, що до нього входять. На виробництві спочатку виготовляють кожну деталь за її кресленням. Потім за складальним кресленням з’єднують їх у виріб. Щоб розглянути характерні особливості складального креслення, звернемось до прикладу. На рисунку 200 наведе­ но складальне креслення підшипника. Такий виріб можна 159
  • 160.
    и отб. Поз. НазваКіл. Матеріал Приміт. 1 Плита 1 Сталь 2 Основа 1 Сталь 3 Кришка 1 Сталь 4 Болт М5 х38 2 Сталь Купований 5 Гайка М5 Сталь Купована 6 Шайба 5 Сталь Купована 7 Гвинт МЬ 2 Сталь Купований Креслив ПІДШИПНИК Перевірив Школа N° кл. № Рис. 200. Складальне креслення підшипника 160
  • 161.
    зустріти у багатьохмашинах і механізмах (транспортерах, підйомниках, кранах тощо) як опору для валів і осей. Креслення містить три основних вигляди: головний, звер­ ху і зліва, а також місцевий А. Ці зображення дають уявлен­ ня про зовнішню форму підшипника і про взаємне розміщен­ ня його частин. На головному вигляді виконано два місцевих розрізи, призначення яких — показати, як з’єднані між собою окремі деталі підшипника. Місцеві розрізи на вигляді зліва необхідні для з’ясування форми отворів. Зверніть ува­ гу, що на розрізах суміжні деталі заштриховано у різних напрямах. Це зроблено для того, щоб краще відрізняти кон­ тури окремих деталей на складальних кресленнях. Креслення підшипника має невелику кількість розмірів. Це також характерна особливість складального креслення. Як і на всіх кресленнях, у правому нижньому куті скла­ дального креслення розміщують основний напис. У ньому зазначають назву виробу та деякі інші відомості про нього. Складальні креслення, на відміну від розглянутих раніше, містять зображення взаємозв’язаних деталей. Зображений на рисунку 200 підшипник складається з 11-ти деталей. Усі вони показані на кресленні. Відомості про кожну деталь (її назва, кількість у виробі, матеріал деталі) заносять у спеці­ альну таблицю, яку називають специфікацією. Щоб скласти специфікацію, кожній деталі призначають порядковий номер, який проставляють на поличках ліній-виносок. ЗАПИТАННЯ 1. Чому предмети, якими користуються люди, не завжди можуть бути суцільними? 2. Що таке деталь? 3. Що називають складальною одиницею? 4. У чому різниця між кресленням деталі і кресленням скла­ дальної одиниці? 5. Для чого призначені складальні креслення? 11.2. Основні елементи складального креслення Зображення. Ними можуть бути вигляди, розрізи й пере­ різи. Вигляди розташовують у проекційному зв’язку. Крім основних застосовують місцеві і додаткові вигляди. Наведе­ ний на рисунку 200 місцевий вигляд пояснює розміщення кріпильних елементів. Щоб виявити будову виробу, складальні креслення зви­ чайно містять розрізи й перерізи. Розрізи можуть бути 1 1 «Креслення», 8—9 кл. 161
  • 162.
    повними й місцевими.На симетричних зображеннях поєдну­ ють половину вигляду з половиною розрізу (чи їх частини). За допомогою перерізів пояснюють форму окремих деталей, що входять до складу виробу. Вибір зображень на складальному креслені залежить від потреби з’ясування форми і взаємного розміщення деталей виробу. Виконують зображення на складальних кресленнях за вже відомими вам правилами. Тут ми лише нагадаємо деякі з них. 1. Вигляди, розміщені у проекційному зв’язку, не позна­ чають і не надписують. 2. Додаткові і місцеві вигляди позначають стрілкою з лі­ терою (як на рисунках 192, 193). 3. Розрізи позначають розімкненою лінією із стрілками і лі­ терами. 4. Якщо січна площина збігається з площиною симетрії і зображення розрізу розміщене на місці відповідного вигляду, то розріз не позначають. 5. Місцеві розрізи обмежують суцільною тонкою хвиляс­ тою лінією. 6. Штриховка однієї деталі (чи однакових деталей) на всіх її зображеннях виконується з нахилом 45 в один бік із одна­ ковою відстанню між лініями. 7. Суміжні деталі штрихують в різні сторони. 8. Місце дотику двох суміжних деталей показують однією суцільною товстою основною лінією без її потовщення (под­ воєння). 9. Якщо в розріз потрапляють три і більше деталей, що дотикаються, то змінюють відстань між лініями або напрям штриховки (див. рис. 200). 10. Більшу відстань між лініями штриховки залишають для більших деталей. 11. Вузькі площі перерізу, ширина яких на кресленні до­ рівнює 2 мм або менше, показують зачорненими. Розміри. Ви вже знаєте, що за складальним кресленням виріб збирають з окремих деталей, виготовлених раніше. То­ му розміри окремих деталей на складальному кресленні не потрібні і їх не наносять. На ньому потрібні лише ті розміри, які визначають правильне розміщення деталей у виробі, роз­ міри поверхонь чи елементів, якими приєднують складальну одиницю до інших виробів. На всіх складальних кресленнях наносять розміри, які визначають найбільші довжину, висо­ ту і ширину виробу, тобто габаритні розміри. Звернемося до креслення на рисунку 200. Розміри 45, 24 і 18 визначають правильне розміщення деталей у виробі. Для встановлення і закріплення підшипника за місцем призна­ 162
  • 163.
    чення передбачені чотириотвори 06 у плиті. їх положення визначають розміри 60 і 20 — їх називають установочними. За розмірами 012 і 26 у підшипник встановлюють вал — це приєднувальні розміри. Габаритні розміри підшипника — 70, 62 і ЗО. Специфікація і номери позицій. На складальному креслен­ ні всі складові частини виробу нумерують (згадайте, для чого це роблять). Ці номери називають позиціями. Номери позицій наносять на горизонтальні полички, від яких проводять лінії- виноски, що закінчуються точками на зображеннях деталей. Якщо зображення невелике чи зачорнене у перерізі, лінію- виноску закінчують стрілкою. Полички і лінії-виноски прово­ дять суцільними тонкими лініями. Позиції показують на тих зображеннях, на яких відповідні складові частини проеціюються як видимі, — як правило, на основних виглядах чи розрізах. Щоб легше було знаходити номери позицій на складальному кресленні, полички групують у рядок чи стовпчик на одній лінії і розміщують паралельно і (або) перпендикулярно до основного напису (рис. 201, а ). Для групи кріпильних деталей, призначених для одного місця кріплення (наприклад, болт, гайка і шайба) застосовують спільну лінію-виноску (рис. 201, б). У цьому ра­ зі полички сполучаються тонкою вертикальною лінією. Лінії-виноски проводять так, щоб вони не були паралельними до ліній штриховки, а також не перетина­ лись між собою і з розмірними ліні­ ями. Номери позицій, призначені дета­ лям виробу, заносять до специфіка­ ції. Для складних виробів специфіка­ ції виконують на окремих аркушах формату А4. На навчальних креслен­ нях і на кресленнях формату А4, якщо виріб не складний, специфі­ кацію суміщують з кресленням і розташовують над основним напи­ сом, як це показано на рисунку 200. Форму специфікації наведено на рисунку 202. У першій (крайній зліва) графі специфікації записують зверху вниз порядкові номери (позиції) деталей виробу. У другій графі записують назву деталі. Для крипільних (або інших б Рис. 201. Розміщення поличок ліній-виносок з номерами позицій: а — загальне правило; б — для групи деталей 163
  • 164.
    10 . 25. ,__ 25_ Поз. Назва Кіл. Матеріал Приміт. 1 2 3 25 ЗО Л15т Креслий N NПеревірив . Школа кл. № 20 20 Рис. 202. Специфікація до складального креслення стандартних деталей) тут же записують їх умовне позначен­ ня. Наприклад, «Гайка М5», «Болт М5 х 38». У третій графі зазначають кількість кожної з деталей, з яких складається виріб. У четвертій графі записують назву матеріалу, з якого ви­ готовлено деталь. Графа «Примітка» містить додаткові відомості про деталі, що входять до складу виробу. ЗАПИТАННЯ 1. Які зображення містить креслення підш ипника, наведене на рисунку 200? 2. Чому розрізи, суміщ ені з виглядами на кресленні підш ип­ ника (рис. 200), не позначені? 3. Як можна визначити контури зображень сум іж них дета­ лей на складальному кресленні? 4. Чому на складальному кресленні не потрібно наносити розміри окремих деталей? 5. Для чого на кресленні підш ипника (рис. 200) нанесено розміри 0 6 , 60 і 24? 6. У яких випадках дозволяється суміщувати специфікацію з кресленням? 7. Який зв’язок між номерами позицій у специфікації і на кресленні? 8. Із скількох деталей складається підшипник (рис. 200)? Як ви це визначили? 164
  • 165.
    12. ЗОБРАЖЕННЯ З’ЄДНАНЬ НАСКЛАДАЛЬНИХ КРЕСЛЕННЯХ 12.1. Види з’єднань Щоб з деталей- скласти будь-який виріб, їх потрібно певним чином з’єднати між собою. Тому деталі у виробах утворюють різноманітні з’єднання. Багато з них відомі вам з повсякденного життя, з іншими ви ознайомились на уроках трудового навчання. Спосіб з’єднання деталей залежить від матеріалу самих деталей. Деталі з деревини з’єднують цвяхами, шурупами, склеюють. Пластмасові деталі склеюють, зварюють, з’єднують допоміжними кріпильними дета­ лями. Частини виробів з тонкого листового металу з’єднують паянням, заклепками, фальцевими швами. Металеві пристрої приладів, механізмів і машин з’єднують кріпильними деталями з різьбою, зварюють. З розвитком сучасної молекулярної хімії значного поширення набуває з’єднання металевих деталей склею­ ванням. Залежно від характеру виконання з’єднань їх поділяють на рознімні та нерознімні. До рознімних з'єднань належать такі, які можна розібра­ ти, не руйнуючи деталей, що входять до їх складу. Це дає змогу виконувати багаторазове розбирання і складання виро­ бів. У сучасних виробах знаходять застосування такі рознім­ ні з’єднання: болтове, шпилькове, гвинтове, шпонкове, шлицьове, штифтове. Нерознімні з'єднання не можна розібрати, не зруйнував­ ши чи не пошкодивши деталей, що входять до їх складу. До нерознімних з’єднань належать заклепкові, зварні й клейові з’єднання. Частини виробів з м’яких матеріалів зшивають. 12.2. Креслення різьбових з’єднань Різьба, її зображення і позначення. З ’єднання за допомо­ гою різьби належать до найпоширеніших. Деталі з’єднують як за допомогою різьби, утвореної на їх поверхнях, так і за допомогою кріпильних деталей з різьбою. Різьба — це утворені на зовнішній чи внутрішній поверх­ ні однакові за формою і розмірами гвинтові виступи і канав­ ки (рис. 203). Залежно від профілю гвинтового виступу чи канавки різьби бувають трикутні (рис. 204, а), пграпецеї ]альні (рис. 204, б), прямокутні (рис. 204, в) та ін. Для з’єд­ нання деталей у виробах найчастіше застосовують різьбу три­ кутного профілю з кутом при вершині 60 — її називають м е т р и ч н о ю . 165
  • 166.
    Гвинтовий виступ Канавка'' Рис. 203.Загальний вигляд різьби Рис. 204. Профілі різьби: а — трикутний; б — трапецеї­ дальний; в — прямокутний Зображувати різьбу такою, як ми її бачимо (рис. 204) ду­ же складно, тому на кресленні це роблять спрощено — умов­ но. Незалежно від профілю різьби її умовне зображення зав­ жди однакове. На зовнішній поверхні (на стержні) по зовнішньому діа­ метру різьбу зображують суцільними лініями як на вигляді спереду, так і на вигляді зліва (рис. 205). Лінії, що відпові­ дають внутрішньому діаметру різьби, проводять суцільними тонкими, причому на вигляді зліва проводять дугу, яка приб- Повний профіль Рис. 205. Умовне зображення зовнішньої різьби Рис. 206. Умовне зображення внутрішньої різьби 166
  • 167.
    Рис. 207. Зображенняневидимої різьби лизно дорівнює 3/4 кола, розімкнутого в будь-якому місці, але не на центрових лініях. Фаску на вигляді зліва не пока­ зують. Різьбу на внутрішній поверхні (в отворі) показують су­ цільними тонкими лініями по зовнішньому і суцільними тов­ стими — по внутрішньому діаметру (рис. 206). Фаску на виг­ ляді зліва не показують. Зверніть увагу, що штриховку в роз­ різі завжди доводять до суцільної товстої лінії (рис. 206). Різьба, показана як невидима, зображується штриховими лініями і по зовнішньому, і по внутрішньому діаметрах (рис. 207). Межу видимої різьби проводять до лінії її зовнішнього діа­ метра і показують суцільною товстою основною лінією (див. рис. 205, 206). За умовним зображенням неможливо визначити форму і розміри різьби. Тому тип різьби і її основні розміри — зов­ нішній діаметр і крок показують на кресленні написом — умовним позначенням. Метричну різьбу позначають літерою М, розміри вказують у міліметрах. Наприклад, напис М20 х 1 означає: різьба метрична, зовнішній діаметр 20 мм, крок 1 мм (малий крок у позначенні наводять, а великий ні). Поз­ начення різьби, як правило, відносять до її зовнішнього (більшого) діаметра (див.рис. 205, 206). ЗАПИТАННЯ 1. Чому різьбу на кресленні зображують умовно? 2. Чим відрізняється умовне зображення різьби на стержні від умовного зображення різьби в отворі? 3. Для чого на стержнях і в отворі з різьбою виконують фаски? 4. Що таке межа різьби? Як її показують на кресленні? 5. Для чого наводять умовне позначення різьби на кресленні? 6. Чим відрізняються між собою умовні позначення метричної різьби з малим і великим кроками? Наведіть приклади. 7. Від якого діаметра слід проводити виносні лінії для позначен­ ня різьби? 167
  • 168.
    ЗАВДАННЯ Визначте, на якомуіз зображених на рисунку 208 отворів не по­ казано різьбу. Під яким номером зображено: вигляд А; переріз Б— Б; переріз В—В? На якому з зображень позначено різьбу з дрібним кроком; з великим кроком? 1 2 3 4 Рис. 208. Завдання для вправи Зображення різьбового з’єднання. Для показу різьби у з’єднанні застосовують розрізи площиною, яка проходить че­ рез вісь з’єднання (рис. 209). Отвір з різьбою може бути нас­ крізним чи ненаскрізним (глухим). Якщо потрібно, для зоб­ раження деталі із зовнішньою різьбою застосовують місцевий розріз. У місці з’єднання двох деталей різьбу зображують так, щоб в отворі було видно ту частину різьби, яку не затуляє різьба стержня (рис. 209). Суцільні товсті лінії, що відпові­ дають виступам різьб на стержні, переходять в суцільні тонкі Стержень з різьбою Різьбовий отвір Рис. 209. Зображення різьбового з’єднання 168
  • 169.
    лінії, що відповідаютьзападинам різьби в отворі. І навпаки, суцільні тонкі лінії, що відповідають западинам різьби на стержні, переходять в суцільні товсті лінії, що відповідають виступам різьби в отворі. Поперечний переріз різьбового з’єднання (рис. 209) має характерні особливості: межею між контурами деталей з різь­ бою є суцільна товста лінія, яка відповідає діаметру кола виступів (зовнішньому діаметру) різьби на стержні. Суцільна тонка лінія (проведена на 3/4 кола) відповідає западинам (внутрішньому діаметру) різьби на стержні. Кріпильні деталі болтового і шпилькового з’єднань. З ’єд­ нання, утворені кріпильними деталями з різьбою, носять назву цих деталей: болтові, шпилькові, гвинтові тощо. Кріпильні деталі з різьбою зустрічаються у дуже багатьох виробах. Щоб упорядкувати застосування цих деталей, їх форму і розміри стандартизовано. Тому кріпильні деталі з різьбою називають стандартними. Це дає змогу зосередити їх виробництво на спеціалізованих підприємствах і спростити виготовлення виробів. На кресленнях з’єднань стандартні деталі зображують спроще­ но за відносними розмірами. Це означає, що розміри їх окремих елементів визначають за співвідношенням із зовнішнім діаметром різьби (його позначають сі). Співвідношення для таких розрахун­ ків наведено на рисунку 210. Завдяки спрощеному зображенню кріпильних деталей прискорюється виконання креслень. Стандартний болт (рис. 210, а) — це циліндричний стер­ жень з шестигранною головкою. На стержні болта нарізана різьба. Головку болта і кінець стержня обточено на конус (знято фаски). Гайка — це шестигранник, усередині якого є отвір з різь­ бою (рис. 210, б). Обидва плоских торці гайки і отвір з різь­ бою мають фаски. Шпилька — циліндричний стержень (рис. 210, в), на обох кінцях якого нарізана різьба. З кожного кінця шпильки знято фаску. Шайба являє собою кругле кільце (рис. 210, г). Розміри кріпильних деталей на складальних кресленнях не наносять, основні дані про них записують у вигляді умовного позначення до специфікації. Користуючись цим позначенням, потрібні розміри можна визначити з таблиць у довідниках. Умовне позначення болта включає тип і розміри різьби, довжину його стержня. Запис «Болт М12 х 1,25 х 60» озна­ чає: болт з метричною різьбою діаметром 12 мм, малий крок 1,25 мм, довжина стержня 60 мм. 169
  • 170.
    Різь ба 3=1,74 1і=0,7сі 10=24+6 мм с=0,154 0=24 3=1,74 Н=0,В4 Посадочнийкінець 2 фаски 1 - Іо. Шайба 1 І 0= 2,24 3=0,154 40=1,14 Рис. 210. Кріпильні деталі: болт з шестигранною головкою; б — шестигранна гайка; в — шпилька; г — шайба 170
  • 171.
    Для шпильки вказуютьтип різьби, її розміри і довжину загвинчуваного кінця, наприклад, «Шпилька М16 х 60». Це означає, що шпилька має метричну різьбу діаметром 16 мм, крок різьби великий, довжина загвинчуваного кінця 60 мм. До позначення гайки входять тип різьби і її розміри. Запис «Гайка М16» означає, що гайка має метричну різьбу діаметром 16 мм, крок різьби великий. Для шайб в умовному позначенні вказують діаметр болта, наприклад, «Шайба 12». Це означає: шайба для болта діамет­ ром 12 мм. ЗАПИТАННЯ 1. Для чого застосовують спрощені зображення кріпильних деталей на складальних кресленнях? 2. Які ви знаєте кріпильні деталі з різьбою? 3. Чим відрізняються болт від шпильки? 4. Скільки зображень потрібно, щоб показати на кресленні болт; шпильку; гайку; шайбу? Які це повинні бути зображення? 5. Яку довжину має болт, позначення якого «Болт М20 х 55»? 6. Який діаметр різьби має гайка з позначенням «Гайка М22»? 7. Чим відрізняються між собою гайки, якщо їх позначення «Гайка М24» і «Гайка М24 х 1,25»? ЗАВДАННЯ 1. За наочним зображенням (рис. 211) виконайте ескіз деталі з різьбою. 2. Доповніть креслення деталі (рис. 212) зображенням отвору з різьбою. Рис. 211. Завдання для вправи Креслення болтового з’єднання. Загальний вигляд болто­ вого з’єднання показано на рисунку 213, а. У деталях 1 і 2, які треба з’єднати, просвердлюють отвори, діаметри яких 171
  • 172.
    М16 Отвір наскрізний 0 30 трохибільші за діаметр болта 3. Щоб запобігти руйнуванню деталі 2 при загвинчуванні гайки 4 , на стержень болта надівають шайбу 5. Креслення такого з’єднання складається з зображень деталей, що входять до його складу (рис. 213, б). На рисунку 214 показано ета­ пи утворення креслення болтово­ го з’єднання. Спочатку викреслю­ ють з’єднувані деталі (І), потім докреслюють болт, начебто встав­ лений в отвір у деталях (2). Далі креслять шайбу, надіту на болт (3), і в останню чергу — гай­ ку (4). Така послідовність вико­ нання креслення відповідає по­ рядку утворення самого болтово­ го з’єднання. Болти на складальному кресленні показують нерозсічени- ми, якщо січна площина проходить вздовж їх осі. Також не- розсіченими показують гайки і шайби. Зверніть увагу, як заштриховано з’єднувані деталі і і 2 (див.рис. 213, б). - т Рис. 212. Завдання для вправи Рис. 213. Болтове з’єднання: а — загальний вигляд; б — креслення 172
  • 173.
    г—*■ +' і %¥ -А 1 і з Рис. 214.Послідовність утворення зображення болтового з’єднання ЗАПИТАННЯ 1. Якими деталями утворюється болтове з ’єднання? 2. За рахунок чого відбувається скріплення деталей у болтовому з ’єднанні? 3. Для чого потрібна шайба у болтовому з’єднанні? 4. Під час виконання розрізу на складальному кресленні січна площина пройшла вздовж осі болта, гайки і шайби. Чи треба їх штрихувати? ЗАВДАННЯ 1. Розгляньте креслення на рисунку 215 і вкажіть, якими циф­ рами позначено болт, гайку, шайбу? 2. Перенесіть на прозорий папір незакінчені зображення (рис. 216) болтового з ’єднання. Докресліть лінії різьби. Добудуйте вигляд зверху. Виконайте штриховку на розрізі. 5 Рис. 215. Завдання для вправи Рис. 216. Завдання для вправи Креслення шпилькового з’єднання. Загальний вигляд шпилькового з ’єднання показано на рисунку 217, а. До нього входять з ’єднувані деталі 1 і 2, шпилька 3, гайка 4 і шайба 5. Одним кінцем ш пилька 3 на всю довжину різьби 173
  • 174.
    Рис. 217. Шпильковез’єднання: а — загальний вигляд; б — креслення вгвинчується у глухий (ненаскрізний) отвір з різьбою в де­ талі 1. Зверху надівають деталь 2 з отвором трохи більшо­ го діаметра, ніж діаметр шпильки. На вільний кінець шпильки нагвинчують гайку 4, під яку підкладають ш ай­ бу 5. Загвинчуючи гайку, деталі і і 2 притискують одну до одної. На рисунку 218 показано етапи утворення креслення шпилькового з’єднання. Спочатку викреслюють деталь з різьбовим отвором (і), потім докреслюють зображення шпильки, вгвинченої в отвір з різьбою (2). Далі послідовно креслять другу з’єднувану деталь, надіту на шпильку (3), шайбу (4) і гайку (5). Ш пильку на кресленні показують не- розсіченою, так само як і шайбу з гайкою. Лінію, що визначає межу різьби на нижньому кінці шпильки, завжди проводять на рівні поверхні деталі, в Рис. 218. Послідовність утворення зображення шпилькового з’єднання 174
  • 175.
    / Г Т~ и яку вгвинчено ш пильку (деталь 1). Подивіться уважно, як зоб­ ражується стержень з різьбою, вкручений в отвір. Різьбу в от­ ворі показують тільки там, де її не закриває кінець стерж ня ш пильки. Нижню частину глу­ хого отвору показують незапов- неною стержнем. На кінці отво­ ру показують конічне заглиб­ лення, утворене свердлом. Його креслять з кутом при верши­ ні 120 . Ш триховку доводять до суцільної товстої лінії.Рис. 219. Завдання для вправи ЗАПИТАННЯ 1. Якими деталями утворюється шпилькове з ’єднання? 2. У якій послідовності з ’єднують деталі шпилькою? 3. Скільки зображень має бути на кресленні шпилькового з’єд­ нання? 4. До якої лінії треба наносити штриховку на розрізі отвору з ЗАВДАННЯ 1. Розгляньте креслення на рисунку 219 і вкажіть, якими циф­ рами позначено шпильку, гайку, шайбу. 2. Зобразіть деталі І і 2 , показані на рисунку 220, з ’єднаними. Розміри деталей на кресленні з’єднання наносити не потрібно. 3. За вказівкою вчителя виконайте на папері в клітинку ескіз одного з видів різьбових з ’єднань, вивчених в цьому параграфі. різьбою? 50 32 ЗО 6 і І / і Рис. 220. Завдання для вправи 175
  • 176.
    12.3. Креслення шпонковихі штифтових з’єднань Зображення шпонкових з’єднань. Вал з насадженою на нього деталлю (це може бути шків, маховик, зубчасте коле­ со, важіль тощо) за допомогою шпонки, утворюють шпонко­ ве з’єднання. Такі з ’єднання застосовують у механічних пе­ редачах, коли потрібно, щоб разом з валом оберталась розмі­ щена на ньому деталь. Шпонка з’єднує вал з іншою деталлю завдяки тому, що вона одночасно заходить в паз на валу і в такий самий паз в отворі насадженої на вал деталі. Пази у з’єднуваних деталях називають шпонковими канавками. Наочне зображення шпонкового з’єднання показано на рисунку 221. Втулку і вал показано розрізаними, щоб було добре видно шпонку і її роз­ міщення. Залежно від умов використання шпонкові з’єднання утво­ рюють за допомогою різних за формою шпонок. Найбільш поширеними серед них є призматичні шпонки з заокруглени­ ми торцями. Форму і розміри шпонок стандартизовано. На складально­ му кресленні кожна шпонка має умовне позначення. Для призматичної шпонки воно включає назву цієї деталі і три розміри, що визначають її ширину, висоту і довжину. Нап­ риклад, запис «Шпонка 12 х 8 х 60» означає, що призматич­ на шпонка має такі розміри: ширина 12 мм, висота 8 мм, довжина 60 мм. На кресленні шпонкового з’єднання виконують зображен­ ня тих деталей, якими воно утворене. Показують таке з’єд­ нання двома зображеннями (рис. 222). На місці вигляду спе- З Рис. 221. Шпонкове з’єднання: а — загальний вигляд; б — деталі
  • 177.
    Рис. 222. Кресленняшпонкового з ’єднання реду розміщують поздовжній розріз з’єднання (уздовж осі ва­ ла і з’єднаної з ним деталі). При цьому шпонку показують не- розсіченою, а на валу виконують тільки місцевий розріз. Так роблять тоді, коли січна площина проходить уздовж суціль­ ної (непорожнистої) деталі. Поздовжній розріз доповнюють поперечним, який розміщують на місці вигляду зліва. На цьому розрізі з’єднувані деталі і шпонку зображують розсіче­ ними. На кресленні між верхньою площиною шпонки і дном ка­ навки у втулці обов’язково показують невеликий проміжок — зазор. Він забезпечує можливість складання з’єднання. ЗАПИТАННЯ 1. Яке призначення шпонкових з ’єднань? 2. Як шпонка з ’єднує вал з насадженою на нього деталлю? 3. За допомогою яких зображень показують будову шпонкового з’єднання? 4. Які дані можна одержати про шпонку з її умовного позначення? ЗАВДАННЯ 1. Розгляньте креслення на рисунку 223 і дайте відповіді на за­ питання: 1) із скількох деталей складається з ’єднання? 2) яке це з ’єднання? 3) якій деталі належить поверхня, позначена цифрою 41 4) якій деталі належить поверхня, позначена цифрою 5? 5) у чому контур зображення, позначеного цифрою 3, не заш­ триховано? 6) що означають дві горизонтальні лінії, позначені цифрою 6 ? 2. Виконайте креслення шпонкового з ’єднання деталей, наочні зображення яких показано на рисунку 224. Розміри призматичної шпонки і пазів під неї визначте за довідковими даними, 12 «Креслення», 8 -9 кл. 177
  • 178.
    7...22 6x 63,5 2,8 22...ЗО 8x7 4,0 3,3 ЗО...38 10x8 5,0 3,3 38...44 12x8 5,0 3,3 44...50 14x9 5,5 3,8 50...58 16х 10 6,0 4,3 Зображення штифтових з’єднань. Ш тифтові з ’єднання утворюють із застосуванням штифтів — деталей цилінд- 1 ричної або конічної форми. За допомогою циліндричних штифтів забезпечують фіксацію однієї деталі відносно ін­ шої — це запобігає зміщенню деталей, скріплених гвинта- і ми (рис. 225). Конічні штифти застосовують тоді, коли Рис. 223. Завдання для вправи наведеними у таблиці 7. Візьміть до уваги, що довжина шпонки має бути на 5...6 мм меншою від довжини отвору в деталі. Наносити розміри на кресленні не потрібно. Шпонки призматичні, мм Таблиця 7 Діаметр вала Б Розміри перерізів Ь х Н Глибина пазів вала і 178
  • 179.
    Рис. 224. Завданнядля вправи потрібно запобігти взаємному поздовжньому переміщенню двох деталей (рис. 226). Особливістю штифтового з’єднання є те, що отвір під штифт свердлять одночасно у всіх деталях, які підлягають з ’єднанню. Цим досягається високий ступінь взаємної фікса­ ції з’єднуваних деталей. Штифт вставляють у отвір здебіль­ шого запресовуванням. Розміри штифтів стандартизовано. Діаметр і довжину штифта вибирають залежно від розмірів з ’єднуваних а б і Рис. 225. З ’єднання циліндричним штифтом: а — загальний вигляд; б — креслення 12* 179
  • 180.
    Штифт конічний 10х 70 а Рис. 226. З ’єднання конічним штифтом: а — загальний вигляд; б — креслення деталей. До позначення штифта входять його назва і розмі­ ри, наприклад, «Штифт циліндричний 5 х ЗО». Це означає, що циліндричний штифт має діаметр 5 мм і довжину ЗО мм. Напис «Штифт конічний 10 х 70» означає, що в конічного штифта менший діаметр 10 мм, а довжина 70 мм. Ш тифтові з ’єднання, як правило, показують за допомо­ гою розрізів (рис. 225, 226). На складальних кресленнях штифти в розрізі показують, як і інші непорожнисті дета­ лі, нерозсіченими, якщо січна площина проходить уздовж їх осі. ЗАПИТАННЯ 1. Що являє собою штифтове з ’єднання? 2. Про що можна дізнатись з умов­ ного позначення штифта? ЗАВДАННЯ Рис. 227. Завдання для вправи Розгляньте креслення на рисунку 227 і дайте відповіді на запитання: 1) яке з’єднання показано на кресленні? 2) якими деталями воно утворене? 3) чому деталь 3 не заштриховано у розрізі? 4) для чого на деталі 2 виконано місцевий розріз? 5) який діаметр штифта 4, якщо він має позначення «Штифт конічний 12 х 55»? 180
  • 181.
    12.4. Креслення нерознімнихз’єднань Характерна особливість нерознімних з’єднань — немож­ ливість роз’єднати їх без руйнування чи значного пошкод­ ження з’єднуваних деталей. До головних видів нерознімних з’єднань належать: з’єднання заклепками — металевими стержнями з голов­ ками, які вставляють в отвори з’єднуваних деталей і розкле­ пують; зварні з’єднання, у яких жорсткий зв’язок між деталями виникає в результаті плавлення металу; з’єднання паянням, під час якого деталі в нагрітому стані скріплюються одна з одною за допомогою додаткового лег­ коплавкого сплаву (припою); клейові з’єднання, які утворюються за допомогою тонкого шару швидкотверднучого клею. Заклепкове з ’єднання (рис. 228, а) креслять з використан­ ням двох зображень: фронтального розрізу на місці головного вигляду та вигляду зверху чи зліва. На кресленні зображують всі елементи з’єднуваних деталей і заклепок і вказують роз­ міри з’єднання. Дозволяється показувати не всі заклепки у шві, а тільки на початку і в кінці шва. Решту заклепок пока­ зують центровими лініями (рис. 228, б). Типи заклепок і їх розміри стандартизовано. Умовне поз­ начення заклепки дають у специфікації чи на поличці лінії- виноски (рис. 228, б). До умовного позначення заклепки вхо- Заклепка В х 20 б Рис. 228. Заклепкове з’єднання: а — загальний вигляд; б — креслення 181
  • 182.
    Умовне позначення Зварні |Умовне позначення| а б Рис. 229. Зварний шов: а — загальний вигляд; б — креслення дить назва цієї деталі, її діаметр і довжина, наприклад, «Зак­ лепка 8 х 20». Сукупність певним чином розміщених у з’єднанні закле­ пок утворює заклепковий шов. Залежно від взаємного розмі­ щення склепуваних деталей і розміщення заклепок у шві існують різні типи заклепкових швів. Частина зварного з'єднання, утворена плавленням металу в місці з’єднання, являє собою зварний шов (рис. 229, а). Зварні шви мають свою класифікацію, яка враховує харак­ тер зварного з’єднання і особливості виконання швів. Залежно від розташування на виробі зварний шов на крес­ ленні може бути видимим чи невидимим. Видимі зварні шви зображують суцільними товстими основними лініями, невиди­ мі — штриховими (рис. 229, б ). Умовне зображення шва суп­ роводжують позначенням, до якого входять дані, необхідні зва- рювальнику для виконання зварювальних робіт. Умовне позна­ чення розміщують над поличкою лінії-виноски (коли шов ви­ димий) чи під нею (коли шов невидимий). Лінія-виноска починається біля зображення шва однобічною стрілкою. Основу паяного і клейового з’єднань являють відповідні шви. їх зображують однаково і на всіх зображеннях показу­ ють лінією, в два рази товщою за суцільну товсту основну (рис. 230). До лінії умовного зображення шва проводять лі- нію-виноску. Щоб розрізняти шви, застосовують умовні зна­ ки, які наносять на похилій лінії-виносці (рис. 230). Для поз­ начення паяного шва застосовують умовний знак у вигляді півкола С , його виконують товстою основною лінією. Для позначення місця склеювання застосовують умовний знак К, схожий на літеру К. 182
  • 183.
    а б Рис. 230.Паяне (а) і клейове (б) з’єднання Якщо зварний, паяний чи клейовий шов виконують по замкнутій лінії (по периметру), то лінію-виноску закінчують колом діаметром 3-4 мм (рис. 230). 13. ЧИТАННЯ СКЛАДАЛЬНИХ КРЕСЛЕНЬ 13.1. Порядок читання складальних креслень Прочитати складальне креслення — це значить з’ясувати будову зображеного виробу. При цьому визначають взаємодію та способи з’єднання деталей у виробі, форму кожної з них. Читання складальних креслень виконують у певній послі­ довності. 1. Ознайомлення з основним написом. З нього дізнаються про назву виробу. Іноді вона дає уявлення не тільки про призначення, а й певною мірою про його будову. 2. Ознайомлення з зображеннями. Визначають, які є на кресленні вигляди, розрізи і перерізи, яке призначення кож­ ного з них. З’ясовують положення січних площин, за допо­ могою яких виконано розрізи й перерізи, а при наявності до­ даткових та місцевих виглядів —, напрями проеціювання, за якими вони виконані. В результаті аналізу зображень скла­ дається загальне враження про виріб. 3. Вивчення складових частин виробу. За специфікацією визначають назви деталей. Далі знаходять зображення дета­ лей за номерами їх позицій, причому спочатку це роблять на тому вигляді чи розрізі, на якому вказаний номер позиції, а потім на інших. Порівнюючи всі зображення кожної деталі, подані на кресленні, визначають її форму. Так роблять пос­ лідовно з усіма деталями за порядком їх номерів (позицій) у специфікації, починаючи з першої. 183
  • 184.
    4. Вивчення конструкціївиробу. З’ясовують, як з’єднані між собою деталі. Для нерознімних з’єднань визначають міс­ ця з’єднання. Для рознімних з’єднань знаходять кріпильні деталі. Якщо є рухомі з’єднання, то визначають, які деталі переміщуються та по яких поверхнях здійснюється спряжен­ ня їх з іншими деталями. 5. Ознайомлення з іншими відомостями, наведеними на кресленні (розмірами, написами, умовними позначеннями тощо). Головним під час читання складального креслення є вивчення форми кожної окремої деталі. Спробуємо прочитати складальне креслення, наведене на рисунку 231. З основного напису дізнаємось, що на складальному крес­ ленні зображено домкрат. Знаючи назву, можемо зробити висновок, що на кресленні показано механічний пристрій для піднімання вантажів. Креслення містить чотири зображення: головний вигляд, суміщений з половиною фронтального розрізу, вигляд зверху, вигляд зліва з місцевим розрізом та місцевий вигляд. Домкрат складається з чотирьох деталей та шести кріпильних елементів — двох гвинтів М6 і чотирьох М І2. Корпус 1 показано на всіх зображеннях. Його нижня частина прямокутна, верхня циліндрична. Порожнина всере­ дині нижньої частини корпуса прямокутна — на це вказує місцевий вигляд А. Отвори на циліндричній частині мають різьбу під гвинти 5. Форма втулки 2 повністю визначається половиною фронтального розрізу. Всередині втулки є різьба. Гвинт З являє собою стержень, утворений трьома цилінд­ ричними поверхнями різних діаметрів. На найдовшій частині гвинта нарізано різьбу М І2. За допомогою розрізу показано, що у головці гвинта перпендикулярно до осі просвердлено наскріз­ ний циліндричний отвір. На наступній за головкою циліндрич­ ній частині є кільцева канавка. Головка 4 показана на всіх основних зображеннях — вона кругла. Її плоска опорна поверхня має насічку (це видно з вигляду зверху). За допомогою фронтального розрізу показано осьовий глухий циліндричний отвір. Перпендикулярно до йо­ го осі виконано отвори з різьбою під гвинти 6. Втулка 2 вставляється в корпус 1 і нерухомо закріп­ люється гвинтами 5. Гвинт З і втулка 2 утворюють рухоме різьбове з’єднання. Оскільки втулка закріплена в корпусі домкрата нерухомо, гвинт 3 під час обертання переміщується вниз або вгору уздовж своєї осі. Обертають гвинт стержнем, вставленим в отвір на його головці. 184
  • 185.
    Поз. Назва Кіл.Матеріал Приміт. 1 Корпус Р Сталь К 2 Втулка - у / / / І Д Сталь . 3 Гвинт вантажний ( ; І Г Сюаль / и Головка Сталь і 5 Гвинт М12х ЗО і Сталь Купований 6 Гвинт М6 х 20 2 Стоільі Купований Креслив і ДОМКРАТ Перевірив Школа № кл. № Рис. 231. Складальне креслення домкрата 185
  • 186.
    Рис. 233. Загальнийвигляд (а, б) та Головка 4 з’єднана з гвинтом З завдяки канавці на ньому таким чи­ ном, що коли гвинт обертається, то головка залишається нерухомою і пе­ редає зусилля від гвинта на вантаж, який піднімають. 13.2. Умовності та спрощення на складальних кресленнях Під час виконання складальних креслень зостосовують різні умовнос­ ті^ та спрощення. Це необхідно для того, щоб зменшувати витрати часу на виконання креслень та зробити їх більш виразними і зрозумілими. Для правильного читання складальних креслень треба знати, які можуть бу­ ти на них умовності та спрощення. Якщо на складальному кресленні є січні площини яких проходять уздовж осей болтів, шпильок, гвинтів, штифтів, непорожнистих валів, важелів, шпонок, то їх зображують нерозсіченими. Так само показують гайки, шайби і кульки (див. рис. 200, 231 та ін.). Рис. 232. Зображення на складальному кресленні деталей, що повторюються розрізи та перерізи, 186
  • 187.
  • 188.
    Г Кріпильні різьбові деталіз’єднань показують спрощено — без фасок. Дозволяється не зображувати зазори між стерж­ нем (наприклад, болта) і отвором у з’єднуваних деталях. Різьбу можна показувати на всій довжині болта чи шпильки. Якщо виріз має кілька однакових рівномірно розміщених деталей на ньому (рис. 232), то зображують тільки одну-дві з них, а решту показують умовно чи спрощено, записавши пов- ну*їх кількість у специфікацію. Дозволяється не зображувати на будь-якому з виглядів складального креслення Окремі деталі, які заважають ро­ зумінню будови інших деталей. Над таким зображенням складального креслення виконують напис про те, які де­ талі виробу на ньому не показано. На рисунку 233 на виг­ ляді знімача зверху рукоятку 5 з кільцями 4 не показано. Форму цих деталей визначають за іншими зображеннями. Наявність зображення рукоятки з кільцями на вигляді зверху ускладнює розуміння форми коромисла 1. Якщо вигляд, розріз чи переріз на складальному крес­ ленні являє собою симетричне зображення, то показують тільки його половину чи трохи більше половини і проводять лінію обриву. Для симетричних зображень до­ цільно застосовувати поєднання половини вигляду з поло­ виною відповідного розрізу (див. рис. 231, 233, 234). а Рис. 234. Загальний вигляд (а ) 188
  • 189.
    Кришка Пластмаса Штир Плата Гайка МЗ ШайбаЗ Бронза Пластмаса Сталь Сталь Купована Купована Креслив Перевірив Школа № ВИЛКА ШТЕПСЕЛЬНА Назва Матеріал Приміт. А—А поз.З б та складальне креслення (б ) вилки 189
  • 190.
    Пружину зображують умовнорозсіченою, показуючи тільки крайні витки (рис. 235). Замість решти витків про­ водять штрихпунктирні лін ії через центри їх перерізів. Якщо діаметр дроту пружини 2 мм і менше, то перерізи витків пружини зачорнюють. ЗАВДАННЯ Прочитайте складальні креслення, наведені на рисунках 233— 236. Дайте письмові відповіді на запитання. Пояснення до складального креслення знімача (рис. 233, в). Знімач — пристрій для знімання дисків, шківів, коліс та ін­ ших деталей з валів. Знімач складається з кбромисла і, натискного гвинта 2 і ру­ коятки 5 з кільцями 4. Натискний гвинт з’єднаний з коромис­ лом на різьбі, а кільця закріплені на рукоятці розклепуванням її кінців. На нижньому кінці натискного гвинта є п’ята 3, з’єд­ нана з ним рухомо. Вузол, що демонтується, встановлюють на виступи коромис­ ла (рис. 233, а, б). Вал з диска (чи іншої деталі) виштовхується гвинтом, який обертають рукояткою. 190 Рис. 235. Загальний вигляд (а, б)
  • 191.
    Назва Матеріал Приміт. Корпус Бойок Сталь Сталь Пружина ГвинтМ10 Сталь Купована Сталь Купований Креслив Перевірив Школа N° КЕРНЕР КОМБІНОВАНИЙ в та складальне креслення (в) кернера комбінованого 191
  • 192.
    З А ПИ Т А Н Н Я 1. Яке призначення знімача? Поясніть його будову. 2. Скільки зображень виконано на кресленні? Які це зобра­ ження? 3. Скільки місцевих розрізів виконано на кресленні? Покажіть та поясніть їх призначення. 4. З якою метою вигляд зліва суміщено з розрізом? Чому цей роз­ різ не позначено? 5. Покажіть на кресленні переріз. Поясніть його призначення. 6. Чим з’єднано деталі 2 і 3, 4 і 5? 7. Яку умовність застосовано на вигляді зверху? 8. Які габаритні розміри має пристрій? Пояснення до складального креслення вилки (рис. 234, б ). В и лк а призначена для підклю чення до штепсельної розетки електричних проводів від електроприладів. (О а 192 Рис. 236. Загальний вигляд (а, б)
  • 193.
    в §'■» А -А (2:1) Поз.Назва Кіл. Матеріал Приміт. 1 Гвинт натискний 1 Сталь 2 Планка верхня 1 Береза 3 Планка вертикальна 1 Береза и Планка нижня 1 Береза 5 Гвинт стяжний 1 Сталь в Штифт циліндричний 4 Сталь 7 Гайка М10 1 Сталь Купована 8 Шайба 10 1 Сталь Купована Креслив Перевірив, Школа N° СТРУБЦИНА N° в та складальне креслення (в) струбцини 13 «Кресленші», 8 -9 кл. 193
  • 194.
    Вилка складається зплати 3, на якій гайками закріплені штирі 2. На плату нагвинчується кришка 1. Провід від спо­ живача електроенергії проходить через отвір у кришці, при­ тискується шайбою 5 і кріпиться гайкою 4 на штирі. Наочне зображення вилки наведено на рисунку 234, а. ЗАПИТАННЯ 1. Які зображення виконано на кресленні? 2. З якою метою на головному зображенні суміщено половину вигляду з половиною розрізу? 3. Я ку умовність застосовано на зображеннях штирів 2 ? 4. Для чого на кресленні виконано розріз А —А? 5. Чому на розрізах деталі 1 і 3 заштриховано навхрест? 6. Як з ’єднані між собою деталі 1 і 3 ? Звідки це видно? 7. Чому дорівнюють габаритні розміри виробу? Пояснення до складального креслення кернера комбіно­ ваного (рис. 235, в). Кернер призначений для нанесення на поверхню виробу центра і контура отвору під час розмітки. Кернер складається з корпуса 1, бойка 2, пружини 3 і гвинта 4. Бойок має паз, у який входить кінець гвинта, щоб утримати бойок усередині корпуса. Під час розмітки молот­ ком ударяють по кернеру (рис. 235, а), бойок стискує пружи­ ну і входить в корпус. На поверхні виробу залишаються точ­ ка і коло — відбитки вістря бойка і круглої загостреної кром­ ки корпуса. ЗАПИТАННЯ 1. Які зображення виконано на кресленні? 2. З якою метою на кресленні виконано місцевий розріз? 3. Чому на зображенні бойка виконано не повний розріз, а місцевий? 4. Яку умовність використано на головному зображенні кор­ пуса 1? 5. Яку форму має отвір усередині корпуса /? 6. Яку форму має паз на поверхні бойка 2? 7. Для чого призначений гвинт 41 8. Чому гвинт 4, через який пройшла січна площина на голов­ ному зображенні, на розрізі А —А зображено нерозсіченим? Пояснення до складального креслення струбцини (рис. 236, б). Струбцина призначена для щільного притискування дета­ лей одна до одної під час склеювання. Тиск на склеювані деталі створює натискний гвинт і. Ос­ новою струбцини є скоба, зібрана з трьох дерев’яних брусків 2, З і 4, з’єднаних «в шип» на клею і закріплених штифтами 6. Жорсткість струбцині надає стяжний гвинт 5 з гайкою 7 і шайбою 8. Приклад застосування струбцини показано на рисунку 236, а. 194
  • 195.
    ЗАПИТАННЯ 1. Скільки розрізіввиконано на кресленні? Які це розрізи? 2. Які деталі попадають у січну площину А — А? 3. З якою метою на кресленні виконано вигляд зліва? 4. Які спрощення використано на кресленні при зображенні стяжного гвинта 5 і гайки 7? 5. Яку форму має головка гвинта 1? 6. Поясніть, як з’єднані між собою деталі 2, 3 і 4 ? 7. Скільки різьбових з’єднань зображено на кресленні? 14. ДЕТАЛЮВАННЯ СКЛАДАЛЬНИХ КРЕСЛЕНЬ 14.1. Поняття про деталювання Щоб зробити виріб, який складається з кількох деталей, спочатку треба виготовити ці деталі. Для виготовлення дета­ лей потрібні їх креслення. Креслення окремих деталей, з яких складається виріб, виконують за його складальним кресленням. Процес виконання деталей за складальним кресленням виробу називають деталюванням. Перед початком деталювання слід прочитати складальне креслення. Це дає змогу визначити будову виробу, взаємодію його складових частин і їх призначення. Сам процес деталю­ вання передбачає умовне розчленування виробу на окремі де­ талі і виконання креслення кожної з них. За цими креслен­ нями виготовляють деталі і потім з них складають вироби. Звернемось до прикладу. На рисунку 237 наведено поря­ док роботи, наочне зображення і складальне креслення за­ тискача. Він складається з основи 1, до якої за допомогою штифта 5 приєднано прижим З, і гвинта 2 з нерухомою ру­ кояткою 4. Пристрій призначений для затискання округлих деталей під час їх обробки на верстаті. Для цього деталь вкладають у прямокутний паз на основі 1 і закріплюють при- жимом 3 за допомогою гвинта 2. На рисунку 238 наведено наочні зображення деталей, з яких складається затискач, та їх креслення. Кожне креслен­ ня містить зображення, вибрані залежно від форми деталі, та її розрізи. Ви вже знаєте, що кожний виріб складається з оригіналь­ них деталей, призначених тільки для даного виробу, і стандар­ тних. Під час деталювання виконують креслення тільки оригі­ нальних деталей. На стандартні деталі виконувати креслення не треба, бо вони виготовляються на спеціалізованих підп- 13* 195
  • 196.
    риємствах. Інші підприємстваїх купують і використовують вже готовими для складання своїх виробів. Оригінальні деталі кожне підприємство виготовляє для своїх виробів самостійно. Затискач, складальне креслення якого наведено на рисун­ ку 237, має 4 оригінальні і 1 стандартну деталь. Тому під час деталювання виконано креслення чотирьох його деталей. Рис. 237. Загальний вигляд (а, б) ЗАПИТАННЯ 1. Для чого виконують деталювання? 2. У чому полягає процес деталювання? 3. Щ о передує деталюванцю складального креслення? 4. Які деталі не підлягають деталюванню? Чому? 196
  • 197.
    А—А поз.2 і4 не показано тг-п ЬР 90 Поз. Назва Кіл. Матеріал Приміт. 1 Основа 1 Сталь 2 Гвинт 1 Сталь 3 Прижим 1 Сталь и Рукоятка 1 Сталь 5 Штифт В х 4/7 1 Сталь Купований Креслий Перевірив Школа У№ кл. ЗАТИСКАЧ N.? в та складальне креслення (в) затискача 197
  • 198.
    І Основа 08 Н12 Прижим Гвинт 08 Щ і32 зи 52 Рукоятка сої (1------------------------ [ 70 198 Рис. 238. Креслення деталей затискача
  • 199.
    14.2. Послідовність деталювання Щобполегшити деталювання, його потрібно виконувати у певній послідовності. Рекомендується такий порядок деталю­ вання складального креслення: 1. Читання складального креслення виробу в розглянутій раніше послідовності. Вивчення його будови. Головну увагу звертають на форму деталей, їх призначення і взаємодію. 2. Уявне розчленування виробу на окремі деталі, з яких він складається. 3. Визначення деталей, креслення яких треба виконати (згадайте, які деталі не підлягають деталюванню). Почина­ ють деталювання з простих за формою деталей. Уявне вида­ лення цих деталей полегшує визначення форми складніших. 4. Визначення необхідних зображень, потрібних для крес­ лення кожної деталі. Кількість зображень повинна бути міні­ мальною, але достатньою для повного вивчення форми і роз­ мірів деталі. Кількість і склад зображень на кресленні деталі можуть не відповідати зображенням складального креслення. 5. Вибір масштабу зображень. Під час деталювання не обов’язково дотримуватись однакового масштабу для всіх де­ талей. Невеликі деталі, особливо складної форми, зображу­ ють у більшому масштабі. 6. Компоновка і послідовна побудова зображення. На кресленнях деталей зображують і ті елементи, які на скла­ дальному кресленні не показують або показують спрощено (наприклад, фаски). 7. Нанесення розмірів. їх вимірюють на зображеннях складального креслення з урахуванням масштабу. Ті розміри конструктивних елементів, які відсутні _на складальному кресленні, визначають з довідників. Для спряжуваних повер­ хонь (тобто поверхонь, які взаємодіють між собою) погоджу­ ють розміри. Кожну деталь креслять на окремому аркуші. На креслен­ нях виконують основний напис. Дані для основного напису (назву деталі, матеріал тощо) беруть із специфікації скла­ дального креслення. 14.3. Виконання деталювання На рисунку 239 наведено принцип дії, наочне зображення і складальне креслення струбцини. Струбцина — це механіч­ ний пристрій, за допомогою якого закріплюють деталі під час обробки або склеювання. Основні деталі струбцини — скоба і, втулка 3 і натискний гвинт 2. Втулка з’єднана із скобою розклепуванням. Гвинт переміщується у втулці по 199
  • 200.
    різьбі. Обертають гвинтрукояткою 4. На нижньому кінці гвинта розклепуванням закріплено кільце 5. На складально­ му кресленні містяться головний вигляд і вигляд зверху. Го­ ловний вигляд виконано з місцевим розрізом на деталі 1 і повними розрізами деталей 3 і 5. Щоб форма скоби була більш зрозумілою, на кресленні виконано винесений переріз. Фігура перерізу симетрична, тому її не позначено. Зображення на складальному кресленні дають уявлення про будову виробу та форму всіх деталей, з яких його складено. Скоба 1 є головною деталлю струбцини. Форма скоби дала назву цій деталі. У її верхній частині виконано циліндричний 200 Рис. 239. Загальний вигляд (а, б) та
  • 201.
  • 202.
    отвір під втулку3. З обох боків вертикальної частини скоби вибрано прямокутні пази, заокруглені на кінцях. Це зробле­ но для зменшення маси деталі. Усередині скоби на її нижній частині міститься опорний циліндричний виступ, до якого притискується поверхня закріплюваного предмета. Гвинт 2 складається з трьох циліндрів. У циліндричній головці гвинта виконано наскрізний отвір під рукоятку 4. Циліндричний кінець гвинта розклепано, що забезпечує нерухомість з’єднання з кільцем 5. Робоча поверхня гвинта має різьбу М І6, по якій гвинт переміщується у втулці 3. Втулка 3 зовні обмежена двома циліндричними поверхня­ ми, усередині має різьбу М16. Рукоятка 4 являє собою циліндричний стержень із зріза­ ми біля торців конічними фасками. Кільце 5 має циліндричну форму. Усередині кільця знято конічну фаску. Струбцина не має стандартних деталей, тому креслення виконують на кожну з них (рис. 240). На рисунку 240, а наведено креслення деталі 4 — стержня-рукоятки. На складальному кресленні, де її зобра­ жено разом з іншими деталями, рукоятку показано на двох зображеннях, а тут — на одному, тому що її форма повністю виявлена одним виглядом. На рисунку 240, б наведено креслення кільця 5. Щоб уявити його форму і розміри, досить виконати одне зображення — фронтальний розріз. Для зручності читання креслення вісь зображення розміщено горизонтально. Втулка 3 також потребує одного зображення — фронталь­ ного розрізу (рис. 240, в) з горизонтально розміщеною віссю. На рисунку 240, г наведено креслення гвинта 2. Хоч на складальному кресленні гвинт показано на двох зображен­ нях, на кресленні деталі цього робити не доцільно — досить і одного вигляду. Але його слід доповнити місцевим розрі­ зом, щоб показати наскрізний отвір під рукоятку 4. Скоба 1 потребує трьох зображень (рис. 240, д), як і на скла­ дальному кресленні: головного вигляду з місцевим розрізом для показу отвору під втулку З, вигляду зверху і винесеного перерізу. Виріб має спряжувані поверхні — зовнішні поверхні руко­ ятки 4, гвинта 2 і втулки 3 спряжені з поверхнями отворів відповідно у головці гвинта 2, у кільці 5 і скобі 1. Розміри цих поверхонь повинні мати однакові числові значення. Через те що під час друкування підручника зображення довільно зменшили відповідно до формату сторінки, справж­ ні розміри деталей неможливо встановити безпосереднім вимірюванням на складальному кресленні. Тому слід застосувати пропорційний (кутовий) масштаб (рис. 241). 202
  • 203.
    ОЕ0 М 5’ 2 фаски 86соі О А М 5 ‘ 10 1А 55 І 1-" 08 20 54 54 Со $ Рис. 240. Креслення деталей струбцини 203
  • 204.
    Рис. 241.^Кутовий масштаб Дляцього на чистому аркуші паперу проводять горизонталь­ ну пряму і відкладають на ній дійсний розмір, наприклад 86 мм (довжина рукоятки). З кінця відрізка проводять перпендикуляр. На ньому від вершини утвореного прямого кута відкладають дов­ жину рукоятки, виміряну на кресленні в підручнику. Кінці обох відрізків з’єднують. Щоб визначити розмір будь-якого відрізка на даному кресленні, відкладають цей відрізок від вершини на верти­ кальній стороні кута і проводять лінію, паралельну похилій прямій. Вона відмітить на горизонтальній стороні кута дійс­ ний розмір відрізка, довжину якого треба визначити. ЗАПИТАННЯ 1. Чому не можна копіювати із складального креслення зобра­ ження деталей? 2. Щ о означає погодження розмірів деталей під час деталювання? 3. Для чого застосовують пропорційний масштаб? ЗАВДАННЯ За вказівкою вчителя виконайте креслення деталей виробів: рисунок 231, деталі 2, 3; рисунок 233, деталі 1, 3 ; рисунок 234, деталі 1, 2 рисунок 235, деталі 2, 2; рисунок 236, деталі 2, 3. 15. ТОПОГРАФІЧНІ КРЕСЛЕННЯ _______ Призначення топографічних креслень. Під час забудови населених пунктів, прокладання доріг, залізниць, нафто- і газопроводів, на будівництві гідротехнічних споруд, заводів, аеропортів користуються топографічними кресленнями. На них зображують окремі невеликі ділянки земної поверхні. 204
  • 205.
    Топографічні креслення містятьвідомості про рельєф місце­ вості, тобто про форму і розташування нерівностей окремих ділянок земної поверхні, про розміщення на місцевості лісових насаджень, водних систем, доріг, систем енергопоста­ чання, населених пунктів тощо. Методи зображення земної поверхні на кресленнях вивчає топографія — наука про геометрію земної поверхні. Дані про місцевість, які наносять на топографічних кресленнях, одержують на основі фотографування місцевості з повітря (з літака, дельтаплана тощо). На основі топографічних креслень створюють географічні карти. Зображення на топографічних кресленнях. Земна поверх­ ня має форму, близьку до еліпсоїда. Тому зображення діля­ нок земної поверхні на топографічних кресленнях потребує спеціальних методів, завдяки яким зменшується спотворен­ ня під час проеціювання кривої поверхні на площину. Для побудови зображень на топографічних кресленнях користуються рівневою поверхнею Землі. Вона являє собою поверхню, яка збігається з поверхнею води в морях і океа­ нах у спокійному їх стані (рис. 242). Рівнева поверхня пере­ тинає поверхню Землі по берегових лініях. Положення будь- якої точки поверхні визначають за нормаллю до неї (точка А на рис. 242). Щоб зобразити невелику ділянку місцевості, обирають горизонтальну площину, проведену дотично до рівневої поверхні. Цю площину називають площиною нульового рівня. Рельєф земної поверхні (підвищення і западини) на топогра­ фічних кресленнях зображують горизонталями, або профілями, які являють собою перерізи ділянок місцевості горизонтальними площинами. Для зображення рельєфу горизонталями поверхню місце­ вості умовно перетинають кількома паралельними площинами Острів Материк 205
  • 206.
    б Рис. 244. Горизонталіпагорбка і западини Рис. 243. Утворення горизонталей поверхні місцевості (рис. 243). Перша з цих площин повинна бути площиною ну­ льового рівня Н 0. Відстань між січними площинами назива­ ють висотою перерізу. Проекції ліній, по яких січні площи­ ни перетинають поверхню ділянки місцевості, і є горизонта­ лями. На топографічних кресленнях горизонталі супровод­ жують числовими позначками, які вказують висоту точок цих ліній від рівневої поверхні. Зверніть увагу на те, що за зовнішнім виглядом горизон­ талі пагорба і западини будуть однакові. Щоб уникнути цьо­ го, горизонталі доповнюють позначенням пониження поверх­ ні у вигляді рисочок. Ці рисочки завжди спрямовані від горизонталі у бік пониження місцевості. На зображенні па­ горбка їх проводять іззовні горизонталей (рис. 244, а), а для западини — усередині (рис. 244, б). Масштаби топографічних креслень. Масштаб топографічного креслення — це відношення довжини відрізка на ньому до довжини відрізка на місцевості. Його виражають відношенням чисел (як і на звичайних кресленнях), графічно і словесно. Числовий масштаб — числове відображення масштабу топографічного креслення у вигляді дробу. Його чисельник дорівнює одиниці, а знаменник — число, яке показує, у скільки разів усі відстані на карті менші відповідних їм від­ станей на місцевості. Числові масштаби для топографічних креслень мають значення від 1:200 до 1:1000000. 206
  • 207.
    Відстань на місцевостів метрах або в кілометрах, яка від­ повідає 1 см креслення, називають величиною масштабу. Наприклад, при масштабі креслення 1:25000 величина мас­ штабу дорівнює 250 м або 0,25 км. Лінійний масштаб— це графічне відображення числово­ го масштабу. Його показують у вигляді відрізка, поділеного на рівні частини з написами, що визначають відстані на міс­ цевості. Лінійний масштаб потрібний для вимірювання відс­ таней на кресленні без обчислень. При словесному вираженні масштабу креслення масштаб 1 : 100000, наприклад, називають стотисячним, 1 : 500000 — п’ятсоттисячним тощо. Умовні знаки на топографічних кресленнях. Для показу місцезнаходження елементів місцевості на топографічних крес­ леннях застосовують умовні знаки, які наведено в таблиці 8. ЗАПИТАННЯ 1. Про що можна дізнатись з топографічного креслення місцевості? 2. Яку поверхню називають рівневою поверхнею Землі? 3. Щ о таке площина нульового рівня? 4. Щ о таке горизонталь поверхні і як вона утворюється? 5. Чим відрізняються горизонталі пагорбка і западини? 6. Щ о називають масштабом топографічного креслення? ЗАВДАННЯ Прочитайте наведене на рисунку 245 топографічне креслення ді­ лянки місцевості. Дотримуйтесь такої послідовності читання: 1) визначте масштаб креслення (числовий і лінійний — вони вказані під нижньою лінією рамки); 2) знайдіть за умовними позначеннями дороги, населені пункти; 3) відшукайте промислові споруди, мости; 4) визначте рослинний покрив місцевості: приблизну площу, по­ роди дерев, наявність чагарників, городів і т. ін .; 5) встановіть наявність річок, озер, боліт; 6) визначте характер рельєфу місцевості: підвищення, запади­ ни, їх висоту чи глибину; 7) проаналізуйте зміну рельєфу місцевості у вказаному вчителем напрямі. 16. БУДІВЕЛЬНІ КРЕСЛЕННЯ 16.1. Загальні відомості про будівельні креслення Будівлі та споруди зводять за будівельними кресленнями, їх поділяють на архітектурно-будівельні (креслення житло­ вих, громадських і виробничих будівель) та інженерно-буді- 207
  • 208.
    г Таблиця 8 Умовні графічніпозначення елементів топографічних креслень Елементи креслень Графічні позначення Елементи креслень Графічні позначення Грунти і угіддя Піски V . Рілля Заболочені землі ~ " т 7 Городи (присадибні ділянки) ^ * Болота Ш Ш Рослинність Хвойні ліси о с о | о о О 0 0 0 Фруктовий сад О О О 0 о о о о 0 0 о о Листяні ліси ° ° о ° о а о 0 ^ Чагарники о °°с Змішані ліси о ° О Ф 1 °о О о ° Луки 1 II II II II |і II II Будівлі і шляхи сполучення Будівлі вогнетривкі житлові в Л Лінії електропередач — Будівлі невогнетривкі житлові Грунтова дорога Промислові будівлі з трубами А Пішоходна стежка ------------------------------ Електростанції т Шосе Башти водонапірні й Залізниця (двоколійна) Гідрографія Річки Мости дерев’яні Ч / / ' Ч Озера С З Мости кам’яні Ч І І / / 1 1 ^ Джерела , — ^ Мости металеві 208
  • 209.
    1:10000 В 1сантиметрі 100метрів Суцільні горизонталі проведені через 2,5 метра 100 О 100 200 м Рис. 245. Топографічне креслення ділянки місцевості 14 «Креслення», В—9 кл. 209
  • 210.
    вельні (креслення інженернихспоруд: мостів, шляхопрово­ дів, залізниць, гідротехнічних споруд тощо). За призначенням будівельні креслення ділять на креслен­ ня будівельних виробів і на будівельно-монтажні креслення. За кресленнями будівельних виробів на підприємствах будін- дустрії виготовляють окремі частини і деталі будівель і спо­ руд. За будівельно-монтажними кресленнями на будівельних майданчиках здійснюють складання і зведення будівель і споруд. Виконують будівельні креслення за правилами прямокут­ ного проеціювання на основні площини проекцій (фронталь­ ну, горизонтальну і профільну) із застосуванням розрізів. Але, зважаючи на специфіку зображуваних предметів, буді­ вельні креслення мають деякі особливості. Зображення на будівельних кресленнях. Основними зображеннями на будівельних кресленнях є фасад, план і розріз. Фасад — це зображення зовнішнього боку будинку. Виг­ ляд будинку спереду — головний фасад, вигляд зліва чи справа — бічний фасад. На фасадах (рис. 246) показують роз­ міщення дверей, вікон, архітектурні деталі будинку. Фасад дає загальне уявлення про розмір будинку і пропорції його окремих частин. Розміри на фасадах не наносять. План будинку (чи його поверху) — це розріз горизонталь­ ною площиною на рівні, трохи вищому від підвіконня (рис. 247). Для багатоповерхового будинку плани виконують для кожного поверху. За планом можна визначити форму і роз­ міри будинку, взаємне розташування приміщень у ньому (так само і для поверху), розміщення вікон і дверей, товщи­ ну стін і перегородок тощо. На планах наносять умовні зоб­ раження санітарно-технічного обладнання, систем опалення, водопостачання (рис. 248). Перерізи стін, виконані з матеріалу, який є для будинку основним, не штрихують. Окремі ділянки з іншого матеріалу штрихують. Для кожного приміщення на плані зазначають площу (у квадратних метрах). Площу вказують цифрою без позначення одиниці і підкреслюють лінією (див. рис. 248). На плані показують р о з б и в о ч н і о с і — лінії, які проходять вздовж зовнішніх і внутрішніх капітальних стін. З проведення цих осей починають побудову плану будинку. Вертикальні осі на плані позначають арабськими цифрами, взятими в кружечки, а горизонтальні — великими літерами (теж у кружечках). Щоб показати внутрішню будову будинку, його висоту (чи висоти поверхів), на будівельних кресленнях застосовують 210
  • 211.
    Головний фасад Бічнийфасад Розріз 1 -І Рис. 246. Зображення на будівельних кресленнях Січна площина дляСічна площина для утВарення розрізуутворення плану Утворення розрізу будинку Утворення плану будинку Верхня частина будинку видалена Ліва частина будинку видалена Рис. 247. Утворення плану та розрізу будинку 14* 211
  • 212.
  • 213.
    вертикальні розрізи (поздовжнічи поперечні). Одержують вертикальні розрізи за допомогою вертикальних січних пло­ щин, котрі, як правило, проходять по віконних і дверних прорізах. Позначення розрізів виконують як звичайно, але замість великих літер проставляють римські цифри (див. рис. 246, 248). Зверніть увагу на те, що контури стін і перекриттів між поверхами на планах та в розрізах показують суцільною тов­ стою основною лінією. Над зображеннями будівельних креслень роблять написи за типом: «Фасад», «План другого поверху», «Розріз II—II». Розміри на будівельних кресленнях вказують у м ілі­ метрах без позначення одиниці вимірювання. Розмірні лінії обмежують короткими штрихами під кутом 45е до цих ліній (див. рис. 248). На фасадах розмірів не наносять. На планах розміри нано­ сять із зовнішнього боку забражень у кілька рядів (див. рис. 248). У першому рядку (ближчому до зображення) наносять розміри віконних і дверних прорізів і простінків замкнутим ланцюжком. У другому рядку — розміри між кожною парою суміжних осей (теж замкнутим ланцюжком). Третій рядок містить розміри між крайніми осями на плані. Крім того, на плані наносять внутрішні розміри приміщень: довжину, ши­ рину, ширину дверних прорізів та інші. На розрізах наносять розміри між осями, висоту примі­ щень, віконних і дверних прорізів (див. рис. 248). Крім розмірів на розрізі, а іноді й на фасаді, наносять ви­ сотні позначки (рис. 249). Позначкою називають число, яке показує висоту точки над нульовою площиною. За нульову позначку найчастіше обирають рівень підлоги будинку (чи першого поверху). Позначки наносять в метрах, числа запису­ ють на поличці знака. Число на позначці пока­ зує, наскільки вище або нижче (зі знаком мі­ нус) від нульової позначки знаходиться рівень, вказаний даною позначкою. Нульову позначку записують числом 0,000 (рис. 249). Наведені на рисунку 248 позначки 2,500 і 4,870 свідчать про те, що висота приміщень у будинку 2,5 м, а найвища точка будинку має висоту 4,87 м. Позначка -2,000 означає, що поверхня підлоги у підвалі нижча від підлоги будинку на 2 м. Масштаби будівельних креслень. Оскільки будівлі і споруди мають великі розміри, на бу­ дівельних кресленнях застосовують масштаби зменшення 1:100, 1:200, 1:400. Для невеликих будинків і для фасадів застосовують масштаб +6,500 _ 0,000 -3 ,7 0 0 Рис. 249. Чис­ лові позначки 213
  • 214.
    Таблиця 9 Умовні графічніпозначення на будівельних кресленнях 214
  • 215.
    1:50. Це даєзмогу краще виявити на фасаді архітектурні деталі. Масштаби різних зображень можуть бути різними, тому масштаб звичайно вказують біля кожного з зображень. ЗАПИТАННЯ 1. Для чого призначені креслення будівельних виробів і будівель- но-монтажні креслення? 2. Як називаються основні зображення на будівельних креслен­ нях? Я к їх одержують? 3. Про що можна дізнатися з фасаду? 4. Щ о являє собою план будинку? Про що можна дізнатись з нього? 5. Для чого на будівельному кресленні застосовують розріз будинку? 6. Щ о таке висотна позначка? Щ о вважають нульовою позначкою? 16.2. Умовні зображення та позначення на будівельних кресленнях Окремі елементи будівель і споруд (віконні і дверні прорізи, сходові клітки тощо) на будівельних кресленнях мають спро­ щені умовні зображення. Санітарно-технічні та опалювальні пристрої показують умовними графічними позначеннями. Умовні зображення елементів будівель. Віконні прорізи на планах і розрізах показують суцільними тонкими лініями (рис. 250, а). На місці дверних прорізів у плані ліній не проводять, але умовно показують полотно дверей і на­ прям, куди двері відчиняються (рис. 250, б). З рисунка 250, б Графічні позначення матеріалів на перерізах Таблиця 10 Матеріал Позначення Матеріал Позначення Грунт природний Кераміка та силікатні матеріали для кладки Камінь природний ^7777 / / / / А '////. Скло та інші світлопроникні матеріали у // У / у // У / у // У Бетон Деревина М і 215
  • 216.
    г Позначення віконних прорізів нарозрізах Розрізи вертикальні Розрізи горизонтальні ; ... і— г....і Позначення дверних прорізів на планах □ ЇЬДвері одностулкові =д Двері двостулкові б видно, у чому полягає різниця в зображені одно- і двостулкових дверей. На вертикальних розрі­ зах у місцях дверних прорізів наносять тонкі лінії. Умовні позначення на буді­ вельних кресленнях. Позначення санітарно-технічних та опалю­ вальних пристроїв на кресленнях житлових і громадських будівель виконують у вигляді простих гео­ метричних фігур (табл. 9). Всі умовні позначення обводять •суцільною тонкою лінією. Вико­ нують їх у встановленому для даного креслення масштабі. Позначення будівельних мате­ ріалів на перерізах. Графічні позначення матеріалів на перері­ зах стандартизовано. Основні з них наведено у таблиці 10. Коли фігура перерізу на будівельному кресленні має неве­ ликі розміри, то дозволяється не застосовувати графічного позна­ чення матеріалу, а дати поясню­ вальний напис на полі креслення. ЗАВДАННЯ Рис. 250. Умовні зображення елементів будівель Прочитайте наведене на рисунку 248 будівельне креслення. Дотримуйтесь такої послідов­ ності читання: 1) визначте назву будівлі, наведеної на кресленні; 2) встановіть, які наведено зображення (фасади, плани, розрізи); 3) розгляньте одночасно написи і зображення на кресленні; 4) вивчіть взаємне розташування і конструкцію всіх частин будинку; 5) визначте площу і висоту приміщень, а також загальні розміри будівлі; 6) з’ясуйте розміщення дверей, вікон, санітарно-технічного та іншого обладнання в приміщеннях. Орієнтиром для читання креслення за наведеною послідовністю можуть бути запитання до нього: 216
  • 217.
    1. Яку будівлюзображено на рисунку? 2. Які зображення містить креслення? 3. Де проходять січні площини для плану і розрізу? 4. Скільки кімнат у будинку? Яка їх площа? 5. Яку висоту мають кімнати у будинку? 6. Я ка загальна висота будинку? Чому дорівнює глибина підва­ лу під будинком? 7. Які загальні розміри і площа будинку дверей у будинку? 8. Скільки одностулкових і скільки двостулкових дверей у будинку? 9. Яке опалення у будинку? 17. СХЕМИ 17.1. Загальні відомості про схеми Уявлення про будову виробу і про те, як з’єднані між со­ бою його складові частини, дає складальне креслення. Проте вивчити взаємодію деталей у виробі і визначити, які при цьо­ му відбуваються процеси, за складальним кресленням буває дуже важко, а іноді і неможливо. Ось чому виникла необхід­ ність застосовувати спрощення багатьох складних виробів у вигляді схем. Схеми дають змогу визначити принцип дії ви­ робів, і ними користуються тоді, коли на кресленні не треба показувати конструкцію з’єднань та окремих деталей. Схема являє собою графічне зображення, на якому за до­ помогою умовних позначень показано складові частини виро­ бу і зв’язки між ними. Дійсне просторове розміщення дета­ лей у виробі схема не передає. На відміну від складального креслення, на схемі показують не всі деталі, які входять до складу виробу, а лише ті, що потрібні для пояснення прин­ ципу його дії. Завдяки своїм особливостям, схеми простіші від складаль­ них креслень і за ними легше зрозуміти, як працює виріб. Залежно від зображених виробів схеми поділяються на кі­ нематичні, гідравлічні, пневматичні, електричні, оптичні та інші. 17.2. Кінематичні схеми Кінематична схема — зображення, яке пояснює принцип дії механізму, що передає рух (коробки зміни швидкостей метало­ різального верстата чи автомобіля, механізму повороту крана, редуктора лебідки, стрічкопротяжного механізму в магнітофо­ ні). За кінематичною схемою можна визначити послідовність 217
  • 218.
    передавання руху відйого джерела (найчастіше це двигун) до робочого органу (шпиндель верстата, барабан лебідки). На рисунку 251 наведено наочне зображення й кінематич­ ну схему коробки зміни швидкостей токарного верстата. Усі елементи коробки зміни швидкостей на схемі показано умов­ ними графічними позначеннями. В загальних рисах вони нагадують деталі, які ними зображені. Розміри зображень елементів на схемі можуть бути довільними, але пропорцій­ ними розмірам цих елементів в натурі. Найуживаніші умовні позначення для кінематичних схем наведено в таблиці 11. Користуючись цією таблицею, спро­ буйте визначити, з яких елементів складається коробка зміни швидкостей, схему якої наведено на рисунку 251. На кінематичних схемах зображують тільки ті елементи механізму, які беруть участь у передаванні руху (вали, зуб­ часті колеса, муфти та інші). Схему вписують у спрощений контур зображення виробу, всередині якого знаходиться показаний на схемі механізм. Умовні позначення на кінематичних схемах виконують суцільними товстими основними лініями. Контур виробу, в який вписують схему, обводять суцільною тонкою лінією. Всім елементам кінематичних схем надають порядкові номери, починаючи від джерела руху. Вали і осі нумерують римськими цифрами, решту елементів — арабськими. По­ рядкові номери елементів проставляють на поличках ліній- виносок. Під поличкою вказують деякі параметри елемента механізму (потужність і частоту обертання вала двигуна, діаметри шківів, кількість зубів зубчастих коліс). Тепер, коли ви вже знаєте, як виконують кінематичні схе­ ми, спробуємо з’ясувати будову і принцип дії коробки зміни швидкостей, зображеної на рисунку 251, і визначити, як во­ на передає рух від двигуна до шпинделя верстата. Механізм коробки зміни швидкостей складається з трьох валів І, I I , I I I , зубчастих коліс, фрикційної 2 і кулачкової 12 муфт і рукояток. Зубчасті колеса 4, 6, 7 виготовлені у вигляді блока зубчастих коліс. Вони можуть переміщатися вздовж вала І по напрямній шпонці. Зубчасті колеса 3, 8, 9, 10 нерухомо насаджені на вал II. Зубчасті колеса 11 і 14 вільно обертаються на валу I I I , який є шпинделем верстата. Двостороння кулачкова муфта 12 роз­ міщена між зубчастими колесами 11 і 14. Рукоятка 5 приз­ начена для пересування зубчастих коліс 4, 6, 7, а рукоятка 13 — для переключання кулачкової муфти 12. Коробка зміни швидкостей дістає рух від електродвигуна 1. Він з’єднаний з механізмом коробки зміни швидкостей за допо­ могою пасової передачі і фрикційної муфти 2. Валу І передаєть- 218
  • 219.
    Рис. 251. Коробказміни швидкостей: а — загальний вигляд; б — кінематична схема ся тільки одна швидкість обертання, бо шківи пасової передачі одноступінчасті. Разом з валом І обертаються зубчасті колеса 4, 6, 7, які, переміщуючись рукояткою 5 по напрямній шпонці, можуть входити в зачеплення з зубчастими колесами вала II. Це за­ безпечує утворення трьох пар передач із зубчастих коліс: 3— 4, 6—8, 7— 9. Таким чином, проміжному валу можна надати трьох різних швидкостей обертання. Зубчасті колеса 3 і 10 перебувають у постійному зачеплен­ ні з колесами 11 і 14, які вільно насаджені на вал I II . Коли кулачкова муфта 12 перебуває у нейтральному положенні,
  • 220.
    Графічні позначення матеріалівна перерізах Таблиця 11 Елемент Наочне зображення Умовне позначення Вал, вісь, стержень Підшипник ковзання і кочення на валу (без уточнення типу) радіальний Ж — упорний ---------- II Передача зубчаста циліндрична ґ 1 4 - - Ч - + - V / чж ' 4 4 4 М ' X - X- конічна ф - ; Передача черв’ячна ¥ -ь. ч- 2 2 0
  • 221.
    Продовження табл. 11 ЕлементНаочне зображення Умовне позначення Передача рейкова 44 йч-іід Передача плоским пасом 41 Передача ланцюгова $ фз* - < * > — фк Гвинт, що передає рух і)9)1В Пружина т ІЕлектродвигун її 1 221
  • 222.
  • 223.
    Продовження табл. 11 ЕлементНаочне зображення Умовне позначення Шків ступінчастий, закріплений на валу ----- о - З’єднання валів шарнірне • і ! ----------- Ґ V. Гайка на валі, що передає рух нерознімна рознімна > А т Важіль переключення е Ь — Маховик сг 223
  • 224.
    0140 1=49 1=341=54 ^ 1=62 Рис. 252. Кінематична схема шпиндель верстата не обертається. Якщо пересуванням вліво чи вправо вздовж напрямної шпонки включити муфту, шпин­ делеві буде надано обертання від зубчастого колеса 14 або 11. Таку послідовність вивчення будови механізму і переда­ вання ним руху називають читанням кінематичної схеми. ЗАПИТАННЯ 1. Чим схема відрізняється від складального креслення? 2. Яка роль умовних позначень на схемах? 3. Чи всі елементи, які входять у виріб, позначають на схемах? 4. Про що можна дізнатися з кінематичної схеми виробу? ЗАВДАННЯ За розглянутою в цьому параграфі послідовністю прочитайте кі­ нематичну схему механізму, наведену на рисунку 252. 17.3. Електричні схеми Електрична схема — це зображення елементів електротех­ нічного виробу чи електричної мережі та зв’язків між ними. За допомогою електричних схем пояснюють будову радіоприймачів і телевізорів, телефонних апаратів, ЕОМ, систем електричного живлення в автомобілях; на електричній схемі можна показати електромережу житлового будинку чи населеного пункту тощо. За електричною схемою можна визначити послідовність проход­ ження струму в ланцюгах, утворених сукупністю елементів схе­ ми, і зрозуміти роботу цих елементів та виробу в цілому. 224
  • 225.
    Приклад електричної схеминаведено на рисунку 253. Вона містить умовні графічні позначення елементів виробу, з’єднаних між собою лініями, які відображають електричні зв’язки між цими елементами. На електричних схемах зображують тільки ті елементи виробу чи мережі, які пояснюють електричні процеси в них. Розташування деталей на схемі може відрізнятись від прий­ нятого у виробі. На схемі деталі розміщують так, як це зручно для їх зображення. Слід лише враховувати і зберігати послідовність проходження струму. На електричних схемах застосовують умовні позначен­ ня, наведені у таблиці 12. Ці позначення мають прості обриси. Щоб ними було легше користуватися, кожна з них має характерні риси зображуваного елемента. Умовні позначення електричних схем не відображають розмірів самих елементів, а тільки визначають їх вид (конденсатор, резистор, вимірювальний прилад, вимикач і т. ін.) Одним знаком позначають і маленький за розмірами і параметрами елемент, і великий. Крім графічних позначень, всі елементи схеми мають позиційні позначення, які розміщують зверху чи праворуч від них. Позиційне позначення складається з однієї чи двох вели­ ких латинських літер і цифри. Літери показують вид елемен­ та: С — конденсатори, Я — резистори, УИ — діоди, УТ — транзистори, Ь — котушки індук­ тивності, ВА — гучномовці, Е Ь — лампи розжарювання, О — джере­ ла живлення, VО — блоки еле­ ментів живлення, 5 — вимикачі, — запобіжники плавкі, Т І] — трансформатори і т.д. Цифра у позиційному позначенні вказує порядковий номер елемента на схемі. Порядкові номери для всіх елементів з однаковими позначен­ нями записують послідовно зліва направо чи зверху вниз, врахову­ ючи їх розташування на схемі, наприклад: Я1, Я2, ЯЗ... Геометричні елементи умов­ них позначень на електричних схемах виконують суцільною Рис. 253. Електрична схема товстою основною лінією. Нею ж 0 -220В 0 15 «Креслення», 8—9 кл. 225
  • 226.
    Таблиця 12 Умовні позначенняна електричних схемах Елемент Умовне позначення Елемент Умовне позначення Лінія електричного зв'язку Транзистор Контакти рознімного Фотоелемент * з’єднання штир / гніздо Джерело живлення і Вимикач Вимірювальний прилад: амперметр - 0 - Запобіжник плавкий □ вольтметр Лампа розжарювання м8ь- Електричний дзвінок Резистор постійний — Гучномовець М -1 змінний - і - Котушка індуктивності Конденсатор постійної ємності 1 т Трансформатор змінної ємності Електромагніт Ф Діод Логічний елемент =0- 226
  • 227.
    проводять лінії електричногозв’язку. Окремі елементи схем (наприклад, осердя трансформатора) виконують потовщеною лінією, у два рази товщою за суцільну товсту основну. З’єд­ нання провідників електричного струму позначають зачор­ неною точкою. ЗАПИТАННЯ 1. Про що можна дізнатися з електричної схеми? 2. Чи можна за умовним позначенням на електричній схемі виз­ начити розмір зображеного елемента? 3. Чи відрізняються між собою графічні позначення елементів електричних схем, якщо вони належать до одного виду, але мають різні форму і розміри? 4. Для чого роблять позиційні позначення на електричних схе­ мах? 5. Як відрізнити на електричній схемі провідники, що перети­ наються, від провідників, що з’єднуються? ЗАВДАННЯ Користуючись таблицею умовних позначень, прочитайте елект­ ричну схему, наведену на рисунку 254. И1 Рис. 254. Електрична схема
  • 228.
    ТЕРМІНОЛОГІЧНИЙ СЛОВНИК Абревіатура (лат.аЬЬгегіо — скорочую) — складноскорочене слово, утворене з перших букв словосполучення (наприклад, ЕОМ — електронно-обчислювальна машина) або з його початкових слів. Абрис — обрис предмета, нанесений за допомогою ліній. Абсциса (лат. аЬзсізза — відрізана) — координата точки по осі х в декартовій системі координат, що визначає її положення на площині або у просторі. Аксонометрія (грец. ахоп — вісь і теігео — вимірюю) — спосіб зображення предметів на площині, що полягає в паралельному про­ еціюванні на яку-небудь площину предмета разом з обраною систе­ мою координат. Алгоритм (лат. аІ£огіі1ітиз, що пов’язано з іменем узбецького вченого IX с т о л і т т я Аль-Хорезм і) — система правил, що визначає дії чи операції, на основі послідовного виконання яких відбуваєть­ ся розв’язання поставленого завдання. А наліз графічного складу зображення — визначення геомет­ ричних побудов, необхідних для побудови контура зображення. Аналогія (грец. апаїо^іа — відповідність) — подібність, схо­ жість між предметами за певними ознаками. Апліката (лат. арріісаіиз — прикладений) — координата точки по осі г в декартовій системі координат, що визначає її положення у просторі. Апроксимація (лат. арргохіто — наближаюсь) — наближена заміна складних об’єктів іншими, більш простими (наприклад, за­ міна кривих ліній ламаними). Арабські цифри — назва десяти математичних знаків 0, 1, 2, З, 4, 5, 6, 7, 8, 9, за допомогою яких у десятковій системі числення записуються будь-які числа. Арка (лат. агсиз — дуга, в и г и н ) — криволінійне перекриття прорізів у стіні (вікон, воріт, дверей) чи прольотів між двома опо­ рами (колонами, стояками мосту тощо). Архітектура (лат. агсМіесіига — будівничий) — мистецтво створення (проектування й побудови) будинків, споруд та їхніх комплексів, а також художній характер будівлі. Асиметрія (грец. азутш еігіа — нерозмірність, невідповід­ ність) — відсутність або порушення симетрії. База (грец. Ьазіз — основа) — основа або опора будь-чого. У кресленні базою називають вихідну поверхню, лінію чи точку, кот­ ра визначає положення деталі у механізмі (конструктивна база) чи при обробці або вимірюванні (технологічна база). Бісектриса (лат. Ьіз — двічі і зесо — розсікаю) — пряма, що проходить через вершину кута і ділить його навпіл. Вал — поширена у машинах і механізмах деталь, що передає обертальні зусилля чи підтримує інші деталі, які обертаються на ньому чи разом з ним (зубчасті колеса, шківи, зірочки тощо). Ватман (від імені власника англійської паперової фабрики ^Ьаітап) — цупкий папір найвищого гатунку для виконання креслень. 228
  • 229.
    Вектор — (лат.УЄСІОГ — той, що несе) — відрізок прямої, що має певний напрям (направлений відрізок), який вказує стрілка на його кінці. Величина — узагальнене поняття таких конкретних понять (дов­ жини, площі, об’єму, ваги), які можна виразити додатним відношен­ ням однорідних їм величин, обраних за одиницю вимірювання. Вигляд — зображення повернутої до спостерігача видимої частини поверхні предмета. Вигляд головний — зображення предмета на фронтальній пло­ щині проекцій, яке дає найбільш повне уявлення про його форму і розміри. Вигляд додатковий — зображення предмета або його частини, утворене на площині, яка не паралельна основним площинам проекцій. Вигляд місцевий — зображення окремої, обмеженої частини поверхні предмета. Вигляд основний — вигляд, утворений на одній з основних площин проекцій (горизонтальній, фронтальній чи профільній). Вигляд, одержаний на фронтальній площині проекцій — в и гл я д спереду (головний вигляд). Вигляд, одержаний на горизонтальній площині проекцій — в и гл я д зве р ху . Вигляд, одержаний на профільній площині проекцій — в и гл я д зл ів а . Видимість на кресленні — прийнята умовність зображення на кресленні видимих і невидимих контурів предметів. Проявом цієї умовності є зображення видимих контурів суцільною товстою ос­ новною лінією, а невидимих — штриховою. Вимірювання — знаходлсення значення фізичної величини дос­ лідним шляхом за допомогою призначених для цього вимірюваль­ них засобів. Вимірювання розміру — знаходження числового значення л і­ нійної або кутової величини за допомогою вимірювального засобу. Виріб — предмет чи набір предметів, що підлягають виготов­ ленню на підприємстві. Відрізок — частина прямої, обмежена з обох боків (позначають великими буквами, поставленими біля його кінців, наприклад А В ). Вісь обертання — нерухома пряма лінія, навколо якої оберта­ ється твірна поверхні обертання. Вісь проекцій — лінія перетину двох взаємно перпендикуляр­ них площин проекцій. Взаємозамінність — здатність однойменних і однотипних дета­ лей займати своє місце у виробі при його складанні або під час ремонту без їх додаткової обробки, припасування чи регулювання. Геометрична побудова — сукупність графічних дій, спрямова­ них на утворення елемента контура зображення на кресленні. Геометричне тіло — замкнута частина простору, обмежена плоскими або іншими поверхнями чи їх поєднанням. Геометрія — (грец. £еоте1гіа — вимірювання Землі) — розділ математики, що вивчає просторові відношення і форми реального світу. 229
  • 230.
    Геометрія нарисна —наука, що пояснює і обгрунтовує способи побудови зображень просторових форм на площині і розв’язування на ній просторових задач. Готовальня — набір креслярських інструментів, зібраних у спе­ ціальному футлярі. Грань многогранника — плоский многокутник, що є частиною поверхні многогранника і обмежений його ребрами. Графік (грец. йтарЬікоз — зображений) — графічне зображення кількісної залежності якого-небудь явища чи процесу. Графіка (грец. £гарЬо — пишу, креслю, малюю) — вид образот­ ворчого мистецтва, основним зображувальним засобом якого є ри­ сунок, виконаний на папері олівцем штрихами і лініями без засто­ сування фарб. Графічний (грец. дгарЬікоз — зображений) — накреслений, поданий у вигляді кресленнями рисунка. Декартова система координат — прямокутна система коорди­ нат, призначена для визначення положення точки на площині (сис­ тема двох координат) або у просторі (система трьох координат), у якій масштаби по всіх осях однакові. Деталювання — процес розробки і виконання креслень деталей за кресленням складальної одиниці. Деталь — виріб, виготовлений з однорідного за найменуванням і маркою матеріалу без застосування складальних операцій. Диметрія — аксонометрична проекція з коефіцієнтами спотво­ рення, однаковими по двох осях. Діагональ (грец. сНа^опіоз — проведений від кута до кута) — відрізок прямої, що сполучає дві несуміжні вершини многокут­ ника. Діаметр (грец. сііатеїгоб — поперечник кола) — найбільша з відстаней між двома точками кола. Вимірюється відрізком прямої, який з’єднує ці' точки і проходить через центр кола. Дотична — пряма, що має із замкненою кривою лише одну спільну точку. Дотична до кола — пряма, що проходить через точку кола пер­ пендикулярно до радіуса, проведеного в цю точку. Дюйм (голл. сіиіт — великий палець) — одиниця довжини в англійській і американській системах мір. Один дюйм дорівнює 25,4 мм. Елемент деталі — частина деталі певної форми та конструкції, призначена для виконання певної функції. До найпоширеніших елементів деталей належать фаски, канавки, проточки, пази, бур- тики, плоскі грані, рифлення тощо. Еліпс (грец. еііеірзіз — нестача) — плоска замкнута крива у вигляді овала. Ескіз — графічний документ тимчасового користування, вико­ наний від руки без використання креслярських інструментів, в око­ мірному масштабі із збереженням приблизної пропорційності еле­ ментів зображуваного предмета і дотриманням правил виконання і оформлення креслень. 230
  • 231.
    Зазор — додатнарізниця між двома спряженими поверхнями деталей, що забезпечує можливість їх відносного переміщення у з’єднанні. Заокруглення — плавний перехід по дузі кола від одного еле­ мента контура зображення до іншого. З’єднання деталей — декілька деталей, скріплених між собою певним способом з метою утворення деякої частини виробу. З’єднання нерознімне — з’єднання деталей, що не передбачає можливості їх розбирання, тобто їх не можна розібрати без пошкод­ ження або руйнування самих деталей чи елементів, що їх скріплю­ ють. З ’єднання рознімне — з’єднання деталей, повторне складання і розбирання яких можливе без пошкодження чи руйнування самих деталей і елементів, що їх скріплюють. Зображення — графічне відображення форми предмета у визна­ ченому масштабі, виконане встановленим способом проеціювання і призначене для визначення потрібних геометричних властивостей предмета. Зображення головне — зображення предмета, утворене на фронтальній площині проекцій. Зображення наочне — зображення, призначене давати цілісне просторове уявлення про об’ємний предмет. Ізометрія — аксонометрична проекція з коефіцієнтами спотво­ рення, однаковими по всіх трьох осях. Квадрат — прямокутник, у якого всі сторони однакові. Коефіцієнт спотворення — відношення довжини проекції відрізка до справжньої довжини цього відрізка. Кола концентричні — кола різних радіусів, що проведені з одного центра. Коло — плоска замкнута крива, всі точки якої однаково відда­ лені від її центра. Компоновка креслення — раціональне розміщення зображень на полі креслення для якнайповнішого і рівномірного, використання його площі. Компонувати — утворювати з окремих частин доцільне поєд­ нання. Конструкція (лат. сопзїгисііо — побудова, складання) — побу­ дова, взаємне розміщення частин виробу, його склад. Конструювання — створення конструкції виробу відповідно до проекту або розрахунків. Контур (франц. сопіоиг — обрис) — обрис якого-небудь предме­ та, лінія, яка окреслює форму. Контур зображення — сукупність геометричних елементів, ІЦО окреслюють певне зображення на кресленні. Конус круговий — геметричне тіло, обмежене замкнутою коніч­ ною поверхнею і круглою основою, яка перетинає всі її твірні. Конусність — відношення діаметра кола основи прямого кону­ са до його висоти, а для зрізаного конуса — відношення різниці діаметрів кіл основ до висоти (відстані між центрами цих основ). Конфігурація (лат. соп^і^игаііо — надання форми, розміщен­ 231
  • 232.
    ня) — зовнішнійвигляд, обрис, а також взаємне розміщення яких- небудь предметів або їх частин. Координата (лат. со — разом і огсііпаїиз — упорядкований, визна­ чений) — число, яким визначають положення точки на прямій, площи­ ні, у просторі. Копія — точне відтворення якого-небудь документа чи зобра­ ження (графічного, текстового тощо). Косинець — креслярський інструмент у вигляді плоского прямокутного трикутника для проведення ліній і побудови кутів на кресленні. Креслення — технічний документ, що містить графічні зобра­ ження та символи і призначений для точного відображення суттє­ вих просторових ознак об’єкта (зовнішнього вигляду, будови, розмірів тощо). Креслення деталі — графічний документ, що містить зображен­ ня деталі і всі інші дані, необхідні для її виготовлення і контролю. Креслення складальне — графічний документ, що містить зоб­ раження складальної одиниці та інші дані, потрібні для її складан­ ня (виготовлення) і контролю. Креслярське приладдя — інструменти і пристрої для виконан­ ня креслярсько-графічних робіт. Круг — частина площини, яка обмежена колом і містить його центр. Куб — правильний многогранник, поверхню якого утворюють шість квадратів. Кут двогранний — фігура, утворена двома півплощинами (гра­ нями), які виходять із спільної прямої (ребра). Кут плоский — фігура, утворена двома променями (сторонами), що виходять з однієї точки (вершини). Л екало — креслярський інструмент у вигляді фігурної лінійки для проведення або перевірки на кресленнях кривих ліній. Л ін ії иобудови — лінії, якими попередньо виконують графічні побудови зображень на кресленнях. Лінійка — креслярський інструмент, за допомогою якого про­ водять лінії на площині і виконують лінійні вимірювання. Лінія (лат. Ііпеа — лляна нитка) — множина всіх послідовних положень точки, що рухається. За визначенням Евкліда, «лін ія — це довжина без ш ирини». Лінія крива — лінія, що утворюється, коли рухома точка весь час змінює напрям руху. Лінія ламана — лінія, утворена різнонаправленими відрізками прямої, які не перетинаються між собою. Лінія лекальна — лінія змінної кривизни, яку проводять за допомогою лекала. Л ін ія плоска — лінія, у якої всі точки належать одній площ ині. Лінія проекційного зв’язку — лінія, що сполучає проекції точки на виглядах креслення. Лінія пряма — лінія, що утворюється, коли рухома точка має незмінний прямолінійний напрям руху. 232
  • 233.
    Макет — об’ємнийзасіб навчання, який відображає тільки зов­ нішній вигляд натуральних об’єктів, не пояснюючи їх внутрішньо­ го змісту. Масштаб — відношення розмірів на кресленні до дійсних роз­ мірів зображеного на ньому предмета. Многогранник — геометричне тіло, з усіх боків обмежене плос­ кими многокутниками — гранями. Многокутник — фігура, обмежена плоскою замкнутою ламаною лінією. Нанесення розмірів — проведення виносних і розмірних ліній і постановка розмірних чисел відповідно до існуючих вимог і правил. Наочність — особливість графічного зображення, що дає мож­ ливість полегшувати уявлення про зображений предмет. Об’єкт — фрагмент реальності, на яку спрямована активність пов’язаного з нею суб’єкта. Обрис поверхні — зовнішній контур поверхні на її проекції. Овал — опукла геометрична фігура, обмежена попарно спряже­ ними дугами кіл, центри яких знаходяться всередині фігури. Олівець (рос. карандаш: від тюрк, кара — чорний і даш — камінь) — графітовий стержень у спеціальній оправі для проведен­ ня ліній і нанесення написів на папері. Ордината (лат. огсііпаіиз — упорядкований) — координата точ­ ки по осі у в декартовій системі координат, що визначає її положен­ ня на площині або у просторі. Оригінал (лат. огі^іпаїіз — первісний) — справжній документ (текстовий, графічний), призначений для відтворення у копіях. Основний напис (кутовий штамп) — таблиця встановленої фор­ ми, розміщена у правому верхньому куті поля креслення, до якої заносять відомості про осіб, що мають відношення до виконання креслення, назву зображеного на креслені виробу та деякі інші дані, необхідні для кращого розуміння креслення. Папір креслярський — папір, призначений для виконання креслярських робіт. Паралелепіпед — призма, основою якої є паралелограм (зокре­ ма квадрат, ромб, прямокутник) Паралелепіпед прямокутний — паралелепіпед, у якого бічні ребра перпендикулярні до площини основи. Паралелограм — чотирикутник, у якого протилежні сторони пара­ лельні. П аралельні прямі — прямі, що лежать в одній площині і не перетинаються (тобто не мають спільних точок). Переріз — зображення фігури, утвореної уявним перерізуван­ ням предмета січною площиною. На перерізі показують тільки те, що знаходиться в січній площині. Периметр (грец. регітеігео — вимірюю навколо) — довжина замкнутого контура, наприклад, сума всіх сторін многокутника. Перпендикулярні прямі — прямі, що перетинаються під прямим кутом. Перспектива (франц. регзресііуе — дивлюсь наскрізь, ясно бачу) — 233
  • 234.
    І система зображення предметівна площині способом центрального про­ еціювання. Піраміда (грец. ругашісіоз) — многогранник, одна грань якого (основа) є многокутник, а всі інші грані (бічні) — трикутники із спільною вершиною. За кількістю кутів основи розрізняють пірамі­ ди трикутні, чотирикутні і т. ін. Піраміда зрізана — частина піраміди, обмежена основою, час­ тинами бічних граней і перерізом піраміди площиною, паралель­ ною основі. Планіметрія — розділ елементарної геометрії, в якому вивча­ ються властивості фігур, що лежать у площині. Плоский предмет — предмет, що має незначну товщину (висо­ ту), яка в багато разів менша за його довжину і ширину. Площ а — одна з кількісних характеристик плоских геометрич­ них фігур і поверхонь. Площа будь-якої плоскої фігури визначається як частина площини, обмежейа плоскою замкнутою лінією. Площ ина — найпростіша поверхня, положення якої в просторі визначається трьома точками, що не лежать на одній прямій. Площина проекцій — площина, на якій одержують проекцію. Площ ина січна — уявна площина, якою умовно розрізають предмет у тому місці, де необхідно виявити його форму. Поверхня — множина всіх послідовних положень лінії, що руха­ ється. У більш загальному випадку поверхню можна розглядати як спільну частину двох суміжних частин простору або ще як межу геометричного тіла. За визначенням Евкліда, «поверхнею є те, що має тільки довжину і ширину». Поле креслення — місце всередині рамки креслення. Призма (грец. ргізта — розпилена) — многогранник, дві грані якого (основи) є рівними многокутниками з відповідно паралельни­ ми сторонами, а всі інші грані (бічні) — паралелограмами. За кіль­ кістю бічних граней призми поділяють на тригранні, чотиригранні і т. ін. Призма пряма — призма, у якої бічні грані перпендикулярні до основи. Проекція — зображення просторової форми, яке дістали прое­ ціюванням її на будь-яку поверхню. Проекція аксонометрична — наочне зображення, утворене на основі паралельного проеціювання предмета разом з обраною систе­ мою координат на яку-небудь площину. Проекція прямокутна — проекція об’ємного предмета на площині, утворена прямокутним проеціюванням. Проеціювання — процес утворення зображення просторової форми на будь-якій поверхні за допомогою світлових чи уявних зорових (проеціюючих) променів. Проеціювання центральне — спосіб проеціювання, при якому всі проеціюючі промені виходять з однієї точки — центра проеціювання. Проеціювання паралельне — спосіб проеціювання, при якому всі проеціюючі промені паралельні між собою і одночасно паралельні певному напряму проеціювання. Проеціювання прямокутне — вид паралельного проеціювання, при якому напрям проеціювання перпендикулярний до площини проекцій. 234
  • 235.
    Промінь — частинапрямої, обмежена з одного боку точкою (напів- пряма). Промінь проеціюючий — уявний промінь, проведений через об’єкт проеціювання у напрямі площини проекцій до зустрічі з нею. Прямокутник — паралелограм, у якого всі кути прямі. П ’ятикутник — плоска фігура, обмежена замкнутою ламаною лінією з п’яти відрізків прямої. Рамка креслення — розміщений на певній відстані від країв ар­ куша прямокутник, який обмежує місце виконання креслення. Рейсшина (нім. геі/Зеп — креслити і ЗсЬіепе — рейка) — спеці­ альна креслярська лінійка для виконання геометричних побудов, яка забезпечує високу точність проведення паралельних ліній. Рисунок технічний — наочне (аксонометричне) зображення предмета, виконане від руки, з додержанням його пропорцій в роз­ мірах на око. Різьба — утворені на зовнішній чи внутрішній поверхні деталі однакові за формою і розмірами гвинтові виступи і канавки. Розгортка многогранника — сукупність многокутників, що ут­ ворюють його грані, суміщених із однією площиною. Розгортка поверхні — плоска фігура, що утворюється, коли по­ верхню тіла розрізати вздовж якоїсь лінії і сумістити з площиною. Розмір — кількісний вираз лінійної або кутової величини. Розміри на кресленні — числові дані в певній системі одиниць, що характеризують лінійні та кутові величини зображеного виробу і його елементів і не залежать від масштабу й точності виконання креслення. Розмітка — нанесення на заготовку плоскої деталі контурів її зображення, осьових, центрових та інших ліній і знаків. Розрив — умовний спосіб скорочення на кресленнях зображень довгих виробів. Розріз — зображення предмета, уявно розрізаного січною пло­ щиною, на якому зображують те, що знаходиться в січній площині і поза нею. Ромб — паралелограм, у якого всі сторони однакові. Сегмент (лат. зе^тепїиш — відрізок, смуга) — плоска фігура, обмежена дугою кривої та хордою, що стягує її кінці. Сегмент круговий — частина круга, обмежена дугою його кола і хордою, що стягує цю дугу. Сектор (лат. 8Єсіог — той, що розсікає) — частина плоскої фі­ гури, обмежена двома наиівпрямими, що виходять із внутрішньої точки фігури, і дугою контура. Сектор круговий — частина круга, обмежена двома його радіу­ сами і дугою кола цього круга. Символ (грец. зутЬоІоп — знак, прикмета, ознака) — умовне позначення будь-якого предмета, величини або явища (символи ма­ тематичні, хімічні, логічні, графічні тощо). Симетрія (грец. з у т т е іг іа — співрозмірність) — властивість ге­ ометричних фігур, яка полягає у чіткій відповідності розміщення їх парних частин відносно деякої середньої (центральної) лінії. 235
  • 236.
    ' Складальна одиниця —виріб, складові частини якого підляга­ ють з’єднанню між собою за допомогою складальних операцій. Складальне креслення — графічний документ, який містить зображення складальної одиниці та інші дані, потрібні для скла­ дання (виготовлення) і контролю. Специфікація — технічний документ у вигляді таблиці, в яко­ му наводиться перелік частин складальної одиниці. Спряження ліній — плавний перехід між двома лініями (між двома прямими, між прямою і дугою або між двома дугами) у вигля­ ді дуги кола. Стандарт (англ. зіапсіагсі — норма, зразок, мірило) — норматив- но-технічний документ, який встановлює єдині обов’язкові вимоги до чогось (наприклад, вимоги до виконання та оформлення крес­ лень). Стереометрія — розділ елементарної геометрії, в якому вивча­ ються властивості просторових фігур. Стрілка — гостре закінчення розмірної чи вказівної лінії на крес­ ленні. Сфера — поверхня, всі точки якої рівновіддалені від однієї точки — центра сфери. Схема технічна — графічний документ, на якому показано у виг­ ляді умовних зображень і позначень складові частини виробу і зв’яз­ ки між ними. •" .* | Твірна — лінія, яка, переміщуючись у просторі, утворює поверхню. Технічний рисунок — наочне (аксонометричне) зображення предметів, побудоване від руки, без застосування креслярських інструментів, в окомірному масштабі. Топографія — прикладний розділ геодезії, що вивчає методи зйомки місцевості з метою зображення її на плані. Транспортир — креслярський інструмент, призначений для вимірювання і побудови кутів на кресленні. Трапеція — чотирикутник, у якого дві протилежні сторони паралельні (основи), а дві інші — не паралельні (бічні сторони). Трапеція рівнобічна — трапеція, у якої бічні сторони однакові. Трафарет — пластинка з металу чи пластмаси, в якій прорізані фігури, букви, символи тощо, призначені для відтворення. Трикутник — частина площини, обмежена трьома відрізками прямих (сторони трикутника), які попарно мають по одному спіль­ ному кінцю (вершини трикутника). Трикутник гострокутний — трикутник, у якого всі кути гострі. Трикутник рівнобедрений — трикутник, у якого дві сторони однакові. Трикутник рівносторонній — трикутник, у якого всі сторони однакові. Трикутник прямокутний — трикутник, у якого один кут пря­ мий. Трикутник тупокутний — трикутник, у якого один кут тупий. Фігура (лат. їі^ига) — зовнішній обрис, вигляд, форма предмета. 236
  • 237.
    Фігура геометрична —конкретно визначена сукупність точок, ліній або поверхонь (наприклад, трикутник, трапеція, піраміди тощо). Фігура плоска — фігура, всі точки якої належать одній площині. Формат креслення — встановлені розміри аркуша креслярського паперу. Хорда (грец. сЬогсіе — струна) — відрізок прямої, що сполучає дві довільні точки кривої лінії. Циліндр (грец. куііпсігоз — катаю, кручу) — геометричне тіло, обмежене замкнутою циліндричною поверхнею і двома паралельни­ ми круглими основами, віддаль між якими називають висотою ци­ ліндра. Циліндр похилий — циліндр, у якого твірні не перпендикуляр­ ні до його основи. Циліндр прямий — циліндр, у якого твірні перпендикулярні до його основи. Циркуль коловий (лат. сігсиїиз — коло, круг) — креслярський інструмент для проведення кіл заданих розмірів. Чотирикутник — плоска фігура, утворена замкнутою лінією, яка складається з чотирьох ланок. Ш аблон (нім. 8сЬаЬ1опе — взірець, зразок) — інструмент у виг­ ляді плоскої пластини певної форми і розмірів (інколи з проріза­ ми), призначений для проведення кривих ліній або деяких склад­ них контурів на кресленнях. Шестикутник — плоский многокутник, який має 6 сторін. Шестикутник правильний — шестикутник, у якого всі сторони і кути однакові між собою. Шрифт креслярський — упорядкована сукупність літер, цифр і знаків, призначених для виконання написів і позначень на всіх ви­ дах креслень і технічних документах. Штриховка — умовне графічне позначення матеріалів на крес­ ленні за допомогою ліній і штрихів.
  • 238.
    ЗМІСТ В с ту п ....................................................................................................... З 1. Загальні вимоги до оформлення креслень ............................. 5 1.1. Правила оформлення к р е с л е н ь ................................................ 5 1.2. Л інії креслення............................................................................. 7 1.3. Написи на к р е с ле н н я х ................................................................ 10 2. Геометричні побудови на к р е с ле н н я х ........................................ 14 2.1. Аналіз графічного складу зо б р аж ен н я .................................. ..14 2.2. Проведення паралельних і перпендикулярних прямих. Побудова к у т і в ...............................................................................15 2.3. Поділ відрізків і кутів на рівні частини..................................19 2.4. Поділ кола на рівні ч аст и н и ..................................................... 21 3. Креслення плоских п ред м етів ..................................................... 24 3.1. Зображення плоских предм етів................................................24 3.2. Розміри на кресленнях ............................................................. 29 3.3. Ескіз предмета ............................................................................. 36 4. Креслення в системі прямокутних п р о е к ц ій ...........................40 4.1. Методи проеціювання ................................................................40 4.2. Прямокутне п роец ію вання........................................................42 4.3. В и г л я д и .......................................................................................... 56 5. Виконання і читання креслень .................................................. 61 5.1. Послідовність побудови в и гляд ів ............................................. 61 5.2. Нанесення р о з м ір ів .....................................................................68 5.3. С п р я ж е н н я .......................................................................................71 5.4. Читання к р е с л е н ь ..........................................................................78 6. Аксонометричні проекції. Технічний ри сун ок........................ 100 6.1. Утворення аксонометричних п роек ц ій ...................................100 6.2. Побудова аксонометричних проекцій ...................................103 6.3. Технічний р и с у н о к .....................................................................109 7. П е р е р із и .............................................................................................112 7.1. Поняття про п е р е р із .................................................................. 112 7.2. Виконання та позначення перерізів ..................................... 114 7.3. Деякі умовності виконання перерізів ...................................120 238
  • 239.
    , .V) і ь 8. Р о з р із и ............................................................................................... І «ІУ 8.1. Поняття про розріз .................................................................. ІУУ 8.2. Види р о з р із ів .................................................................. ь . . . . І 2(1 8.3. Позначення розрізів .................................................................. 135 8.4. Поєднання вигляду з р о з р із о м ................................................139 9. Вибір зображень на кресленнях ................................................143 9.1. Узагальнене поняття про зо б р аж ен н я ...................................143 9.2. Вибір кількості зо б р аж ен ь ........................................................144 9.3. Вибір головного зображення .................................................. 149 10. Деякі додаткові відомості, необхідні для виконання та читання креслень.............................................................................149 10.1. Умовності та спрощення на креслен н я х............................. 149 10.2. Додаткові та місцеві в и г л я д и ................................................151 10.3. Компоновка зображень на к р е с л е н н і...................................153 11. Складальні креслення ................................................................159 11.1. Призначення і особливості складальних креслен ь...........159 11.2. Основні елементи складального к р ес лен н я ........................161 12. Зображення з’єднань на складальних к р ес лен н я х ............. 165 12.1. Види з’є д н а н ь .............................................................................165 12.2. Креслення різьбових з’єд н ан ь ................................................165 12.3. Креслення шпонкових і штифтових з’є д н а н ь ...................176 12.4. Креслення нерознімних з’єд н ан ь.......................................... 181 13. Читання складальних к р ес лен ь ................................................183 13.1. Порядок читання складальних креслень .......................... 183 13.2. Умовності та спрощення на складальних кресленнях . . 186 14. Деталювання складальних креслень ..................................... 195 14.1. Поняття про деталювання .....................................................195 14.2. Послідовність деталювання .................................................. 199 14.3. Виконання деталювання ........................................................199 15. Топографічні креслення ............................................................. 204 16. Будівельні к р е с л е н н я .................................................................. 207 16.1. Загальні відомості про будівельні креслення ...................207 16.2. Умовні зображення та позначення на будівельних кресленнях 2 1Г> 17. С х е м и ............................................................................................... 217 17.1. Загальні відомості про с х е м и ................................................217 17.2. Кінематичні схеми .................................................................. 217 17.3. Електричні с х е м и .................................................................... 224 Термінологічний словник.....................................................................22Н
  • 240.
    Навчальне видання Сидоренко ВікторКостянтинович КРЕСЛЕННЯ Рекомендовано Міністерством освіти і науки України Видано за рахунок державних коштів. Продаж заборонено Головний редактор В. В. Апанасенко Відповідальний за випуск А. В. Апанасенко Художник обкладинки А. А. Зінченко • Підписано до друку 20.09.2004 р. Формат 60x90 ‘/ 16. Папір офсетний. Гарнітура шкільна. Друк офсетний. Ум. друк. арк. 15,0. Ум. фарбовідб. 30,03. Обл.-вид. арк. 15,4. Тираж 200 055 пр. (1-й завод 1—100 040 пр). Замовлення № 4-435. Учбово-видавничий центр «Школяр», 02094, Київ, Сергієнка, 18 Свідоцтво ДК № 360 від 14.03.2001 р. Віддруковано з готових діапозитивів у ВАТ «Харківська книжкова фабрика ім. М. В. Фрунзе». 61057, Харків, Донсць-Захаржевського, 6/8.