Embed presentation
Download to read offline

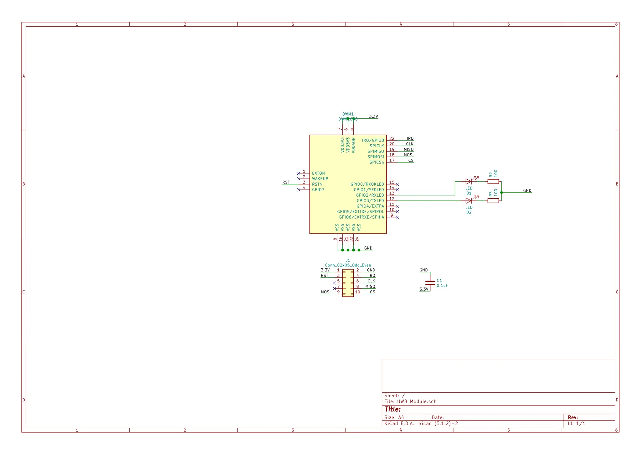
This document is a schematic for a UWB module. It contains various components including capacitors, resistors, LEDs, and a DWM1000 chip connected to a connector with 24 pins. The schematic shows the pin connections and component designations for the UWB module.
