A.Vật liệu sử dụng
+ Bêtôngmác 300:
Ru=130kG/cm2 cường độ chịu nén tính toán của bêtông
+ Thép AII có
Ra=2800kG/cm2: cường độ chịu kéo tính toán của thép
Ran=2800kG/cm2: cường độ chịu nén tính toán của thép
B.Phần dầm
Tính toán lượng cốt thép dọc tăng cường Fattừ hai diều kiện cân bằng
+ Cân bằng về mô men uốn: M=Fa*Ra*(ho-0.5x)+Fat.Ra*(ho+ao-0.5x) (1)
Trong đó :
Fa :tiết diện cốt thép chịu kéo
ho:khoảng cách từ tâm cốt thép chịu kéo đến mép vùng bê tông chịu nén
x: chiều cao vùng nén
Fat: diện tích cốt thép cần tăng cường
+Cân bằng về lực: bxRu=Fa*Ra+Fat*Ra (2)
Trong đó :
b: bề rộng dầm
Ru:cường độ chịu nén tính toán của bêtông
Ra :cường độ chịu kéo tính toán của thép
Ran :cường độ chịu nén tính toán của thép
Từ(1)và(2) ta được:
(M- Fa*Ra*ho)*Ru*b- Fat*Ru*b*(ho+ao)+0.5* (Fa+ Fat)*Ra*Ra=0
 Fat= -A/2-sqrt(A2/4-B)(3)
Trong đó :
A=[Fa*Ra – Ru*b*(ho +ao)]/(0.5Ra)
B=2*(M-Fa*Ra*ho)*Ru*b/ (Ra*Ra)+Fa^2
 Áp dụng vào trường hợp với mô men tăng sau khi gia cường
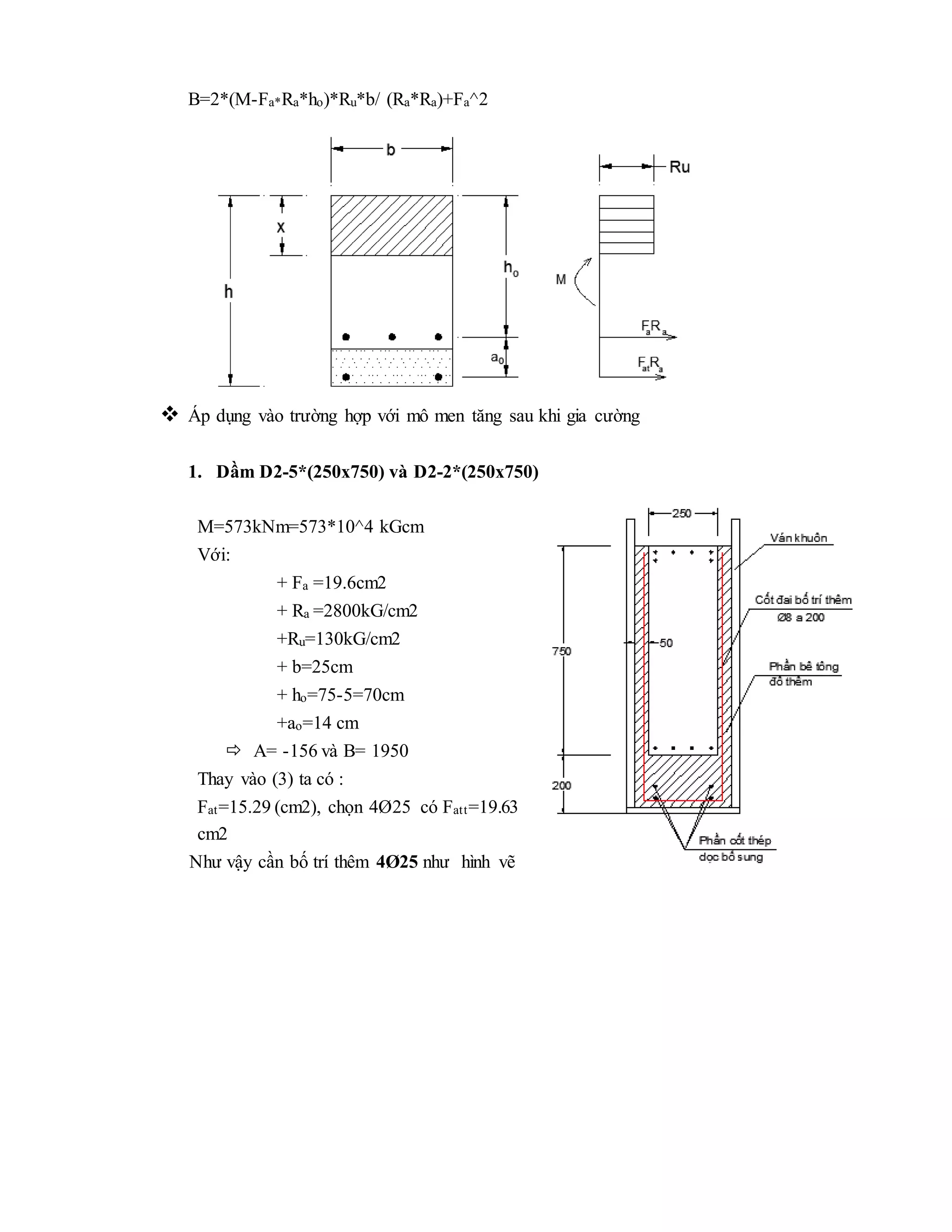
1. Dầm D2-5*(250x750) và D2-2*(250x750)
M=573kNm=573*10^4 kGcm
Với:
+ Fa =19.6cm2
+ Ra =2800kG/cm2
+Ru=130kG/cm2
+ b=25cm
+ ho=75-5=70cm
+ao=14 cm
 A= -156 và B= 1950
Thay vào (3) ta có :
Fat=15.29 (cm2), chọn 4Ø25 có Fatt=19.63
cm2
Như vậy cần bố trí thêm 4Ø25 như hình vẽ
2. Dầm D2-3*(400x500)
Có M=409kNm=409*10^4 kGcm
Với:
+ Fa =15.2cm2
+ Ra =2800kG/cm2
+ Ru=130kG/cm2
+ b=40cm
+ ho=50-5=45cm
+ ao=14 cm
 A= -189và B= 3116
Thay vào (3) ta có :
Fat=18.3 (cm2), chọn4Ø25 cóFatt=19.63
cm2
Như vậy cần bố trí thêm 4Ø25 như hình vẽ
C.PhầnCột
 Tính toán lượng cốt thép dọc tăng cường trong trường hợp lệch tâm lớn
+ Theo điều kiện cân bằng về lực
N-F’a*Ran- b*Ru*x+Fa*Ra+ Fat*Ra=0 (1)
Trong đó :
N: Lực dọc trong cột
F’a: Diện tích tiết diện thép chịu nén
b: bề rộng cột
x: chiều cao vùng nén
Fa: Diện tích tiết diện thép chịu kéo
Fat: Diện tích tiết diện thép chịu kéo bổ sung
Ra: Cường độ tính toán chịu kéo thép
Ran: Cường độ tính toán chịu nén thép
 Chiều cao vùng nén
X= (N- F’a*Ran+ Fa*Ra+ Fat*Ra)/(b*Ru)
-Điều kiện cân bằng về mô men uốn đối với trọng tâm của cốt thép tăng cường Fat
Ne- F’a*Ran*(ho-a’+ao)-bxRu*(ho+ao-0.5x)+Fa*Ra*ao=0
Trong đó:
e=eo+0.5h+ao-a
MI= bxRu*(ho+ao-0.5x) (2)
-Biểu thức (2) là công thức tính mô men uốn tiết diện kích thước b*(ho+ao) trong đó có
một cốt đơn FI
Vậy ta có thể thay thế b*Ru*x trong (1) bằng giá trị tương đương FI*Ra
+FI*Ra=b*Ru*x
+N- F’a* Ran-FI*Ra+ Fa*Ra+ Fat*Ra=0
+MI=N*e- F’a*Ran*(ho-a’+ao)+Fa*Ra*ao(3)
Và
+Fat= F’a* Ran/Ra+ FI- Fa-N/Ra(4)
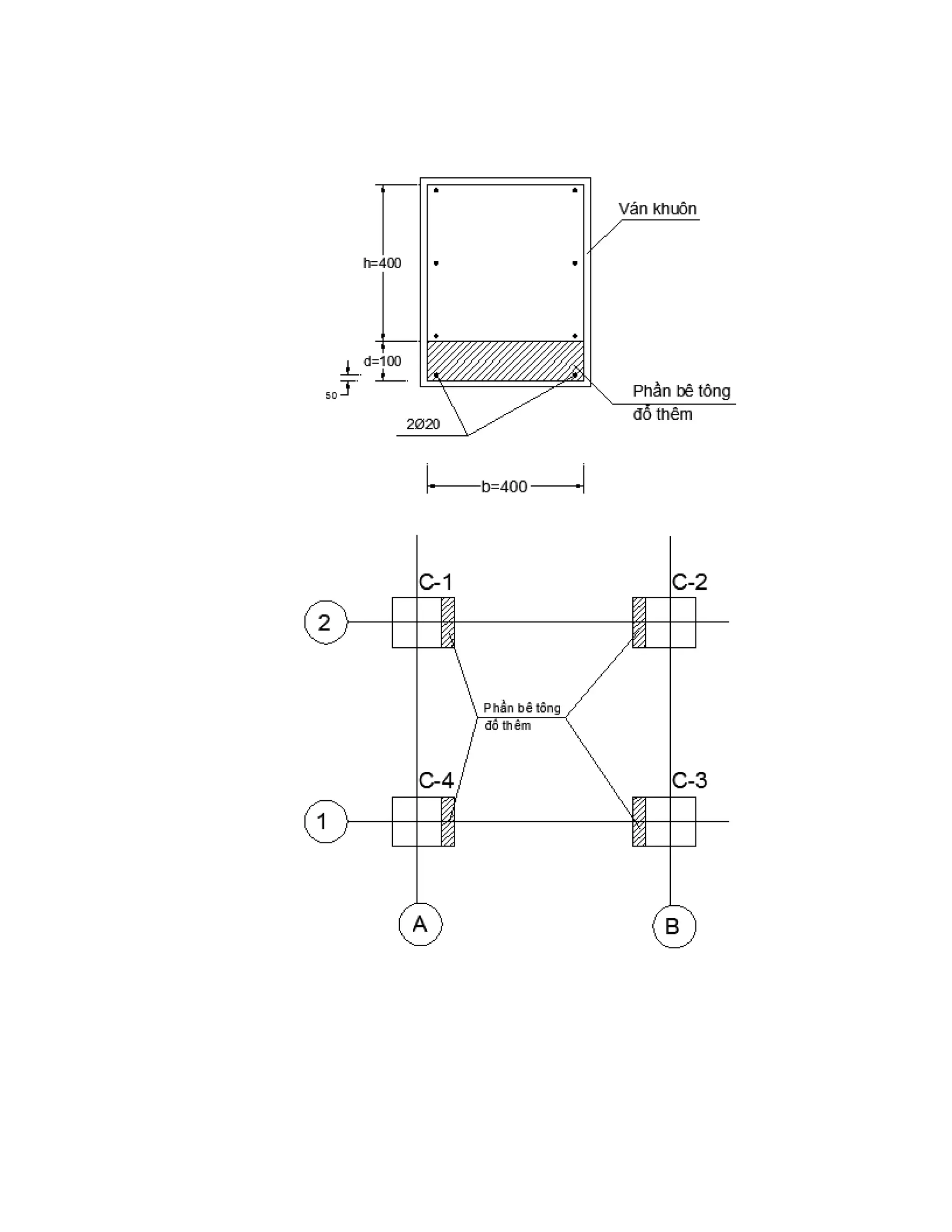
 Áp dụng vào việc tính thép cột
F’a=9.42cm2
Ran=2800kG/cm2
Ra=2800kG/cm2
Fa=9.42cm2
N=162kN=16200kG
FI=cấn tính toán
Độ lệch tâm eo=M/N=1410000/16200=87cm
Đây là trường hợp lêch tâm lớn
Chọn d=ao=10cm
e=0.5*h+ao+eo-a=0.5*40+10+87-5=112cm
Áp dụng (3) để tính MI
MI=891240kGm
Sử dụng bảng tính khi
ho+ao=10+35=45
Ao=MI/[b*(ho+ao)2*Ru]=891240/(40*452*130 )=0.085 =>Ɣo=0.955
=>FI= MI/[Ɣo *(ho+ao)*Ra]=7.5cm2
Sử dụng công thức (4) để tính Fat :
Fat=1.71cm2 =>chọn2Ø20cóFatt=6.28cm2
Phương án xử lý dầm và cột
 Bước 1:
Với dầm D2-5* và dầm D2-2*
-Tạm thời cho các thiết bị dừng hoạt động, tháo dỡ hệ dầm thép.
- Khoan các lỗ vào cột với đường kính 32 mm sâu 250 mm
- Vệ sinh lỗ khoan sạch sẽ
- Đưa hóa chất vào lỗ khoan bằng dụng cụ bơm Hilti, bơm hóa chất từ trong ra ngoài đến
khi thể tích hóa chất chiếm 2/3 thể tích lỗ thì dừng lại
- Cắm thanh thép chờ đã được làm sạch, đưa dần từ ngoài vào trong đồng thời xoay tròn
thanh thép theo chiều kim đồng hồ để đảm bảo hóa chất bám hoàn toàn vào thanh thép. Thời
gian chờ để hóa chất đông cứng là 6-12 tiếng
1
1
D3-2* (250x750) cã s½n
Cos +10.645
D2-5* (250x750) cã s½n
Cos +5.000
Chi tiÕt A
Cos +10.645
DÇm ®æthª m
®Æt thÐp chê 4Ø25
DÇm ®æthª m
Cét 400x400
PhÇn dÇm cã s½n
D2-5* (250x750)
khoan 4 lç
®Æt thÐp chê Ø25
Cos +10.645
MC 1-1
 Bước 2:
Với 2 dầm D2-3*
-Khoan vào dầm D2-2* và D2-5* và đặt cốt thép chờ tương tự như bước 1theo hình vẽ
 Bước 3:
Với các cột C-1*
-Khoan vào dầm D1-2*;D2-5*và D2-2*và đặt cốt thép chờ cột theo bước 1 như hình vẽ
 Bước 4:
Lắp ván khuôn và đổ bêtông dầm,cột , chờ đến cường độ yêu cầu thì tháo ván khuôn và
dưa vào sử dụng
200
200
150
150
2Ø20
Ø20
600
600
D3-2*
D2-5*
D1-2*
MÆT C¾T I-I
CHI TIÕT C
Cos +5.000
Cos +10.465
Cos +14.600

Thep tang cuong

  • 1.
    A.Vật liệu sửdụng + Bêtôngmác 300: Ru=130kG/cm2 cường độ chịu nén tính toán của bêtông + Thép AII có Ra=2800kG/cm2: cường độ chịu kéo tính toán của thép Ran=2800kG/cm2: cường độ chịu nén tính toán của thép B.Phần dầm Tính toán lượng cốt thép dọc tăng cường Fattừ hai diều kiện cân bằng + Cân bằng về mô men uốn: M=Fa*Ra*(ho-0.5x)+Fat.Ra*(ho+ao-0.5x) (1) Trong đó : Fa :tiết diện cốt thép chịu kéo ho:khoảng cách từ tâm cốt thép chịu kéo đến mép vùng bê tông chịu nén x: chiều cao vùng nén Fat: diện tích cốt thép cần tăng cường +Cân bằng về lực: bxRu=Fa*Ra+Fat*Ra (2) Trong đó : b: bề rộng dầm Ru:cường độ chịu nén tính toán của bêtông Ra :cường độ chịu kéo tính toán của thép Ran :cường độ chịu nén tính toán của thép Từ(1)và(2) ta được: (M- Fa*Ra*ho)*Ru*b- Fat*Ru*b*(ho+ao)+0.5* (Fa+ Fat)*Ra*Ra=0  Fat= -A/2-sqrt(A2/4-B)(3) Trong đó : A=[Fa*Ra – Ru*b*(ho +ao)]/(0.5Ra)
  • 2.
    B=2*(M-Fa*Ra*ho)*Ru*b/ (Ra*Ra)+Fa^2  Ápdụng vào trường hợp với mô men tăng sau khi gia cường 1. Dầm D2-5*(250x750) và D2-2*(250x750) M=573kNm=573*10^4 kGcm Với: + Fa =19.6cm2 + Ra =2800kG/cm2 +Ru=130kG/cm2 + b=25cm + ho=75-5=70cm +ao=14 cm  A= -156 và B= 1950 Thay vào (3) ta có : Fat=15.29 (cm2), chọn 4Ø25 có Fatt=19.63 cm2 Như vậy cần bố trí thêm 4Ø25 như hình vẽ
  • 3.
    2. Dầm D2-3*(400x500) CóM=409kNm=409*10^4 kGcm Với: + Fa =15.2cm2 + Ra =2800kG/cm2 + Ru=130kG/cm2 + b=40cm + ho=50-5=45cm + ao=14 cm  A= -189và B= 3116 Thay vào (3) ta có : Fat=18.3 (cm2), chọn4Ø25 cóFatt=19.63 cm2 Như vậy cần bố trí thêm 4Ø25 như hình vẽ
  • 4.
    C.PhầnCột  Tính toánlượng cốt thép dọc tăng cường trong trường hợp lệch tâm lớn + Theo điều kiện cân bằng về lực N-F’a*Ran- b*Ru*x+Fa*Ra+ Fat*Ra=0 (1) Trong đó : N: Lực dọc trong cột F’a: Diện tích tiết diện thép chịu nén b: bề rộng cột x: chiều cao vùng nén Fa: Diện tích tiết diện thép chịu kéo Fat: Diện tích tiết diện thép chịu kéo bổ sung Ra: Cường độ tính toán chịu kéo thép Ran: Cường độ tính toán chịu nén thép  Chiều cao vùng nén
  • 5.
    X= (N- F’a*Ran+Fa*Ra+ Fat*Ra)/(b*Ru) -Điều kiện cân bằng về mô men uốn đối với trọng tâm của cốt thép tăng cường Fat Ne- F’a*Ran*(ho-a’+ao)-bxRu*(ho+ao-0.5x)+Fa*Ra*ao=0 Trong đó: e=eo+0.5h+ao-a MI= bxRu*(ho+ao-0.5x) (2) -Biểu thức (2) là công thức tính mô men uốn tiết diện kích thước b*(ho+ao) trong đó có một cốt đơn FI Vậy ta có thể thay thế b*Ru*x trong (1) bằng giá trị tương đương FI*Ra +FI*Ra=b*Ru*x +N- F’a* Ran-FI*Ra+ Fa*Ra+ Fat*Ra=0 +MI=N*e- F’a*Ran*(ho-a’+ao)+Fa*Ra*ao(3) Và +Fat= F’a* Ran/Ra+ FI- Fa-N/Ra(4)  Áp dụng vào việc tính thép cột F’a=9.42cm2 Ran=2800kG/cm2 Ra=2800kG/cm2 Fa=9.42cm2 N=162kN=16200kG FI=cấn tính toán Độ lệch tâm eo=M/N=1410000/16200=87cm Đây là trường hợp lêch tâm lớn Chọn d=ao=10cm e=0.5*h+ao+eo-a=0.5*40+10+87-5=112cm Áp dụng (3) để tính MI MI=891240kGm Sử dụng bảng tính khi ho+ao=10+35=45 Ao=MI/[b*(ho+ao)2*Ru]=891240/(40*452*130 )=0.085 =>Ɣo=0.955 =>FI= MI/[Ɣo *(ho+ao)*Ra]=7.5cm2 Sử dụng công thức (4) để tính Fat : Fat=1.71cm2 =>chọn2Ø20cóFatt=6.28cm2
  • 7.
    Phương án xửlý dầm và cột  Bước 1: Với dầm D2-5* và dầm D2-2* -Tạm thời cho các thiết bị dừng hoạt động, tháo dỡ hệ dầm thép. - Khoan các lỗ vào cột với đường kính 32 mm sâu 250 mm - Vệ sinh lỗ khoan sạch sẽ - Đưa hóa chất vào lỗ khoan bằng dụng cụ bơm Hilti, bơm hóa chất từ trong ra ngoài đến khi thể tích hóa chất chiếm 2/3 thể tích lỗ thì dừng lại - Cắm thanh thép chờ đã được làm sạch, đưa dần từ ngoài vào trong đồng thời xoay tròn thanh thép theo chiều kim đồng hồ để đảm bảo hóa chất bám hoàn toàn vào thanh thép. Thời gian chờ để hóa chất đông cứng là 6-12 tiếng 1 1 D3-2* (250x750) cã s½n Cos +10.645 D2-5* (250x750) cã s½n Cos +5.000 Chi tiÕt A Cos +10.645 DÇm ®æthª m ®Æt thÐp chê 4Ø25 DÇm ®æthª m Cét 400x400 PhÇn dÇm cã s½n D2-5* (250x750) khoan 4 lç ®Æt thÐp chê Ø25 Cos +10.645 MC 1-1
  • 8.
     Bước 2: Với2 dầm D2-3* -Khoan vào dầm D2-2* và D2-5* và đặt cốt thép chờ tương tự như bước 1theo hình vẽ
  • 9.
     Bước 3: Vớicác cột C-1* -Khoan vào dầm D1-2*;D2-5*và D2-2*và đặt cốt thép chờ cột theo bước 1 như hình vẽ  Bước 4: Lắp ván khuôn và đổ bêtông dầm,cột , chờ đến cường độ yêu cầu thì tháo ván khuôn và dưa vào sử dụng 200 200 150 150 2Ø20 Ø20 600 600 D3-2* D2-5* D1-2* MÆT C¾T I-I CHI TIÕT C Cos +5.000 Cos +10.465 Cos +14.600