Building advanced models
In Solidworks
By Sid Tehrani
Disposable Razor
All in one Hydraulic Actuator
Designed for Oil & Gas industries
The body is transparent
in order to illustrate the
Inside of the component
Tandem Pneumatic shock absorber
Designed and manufactured for
one of our clients.
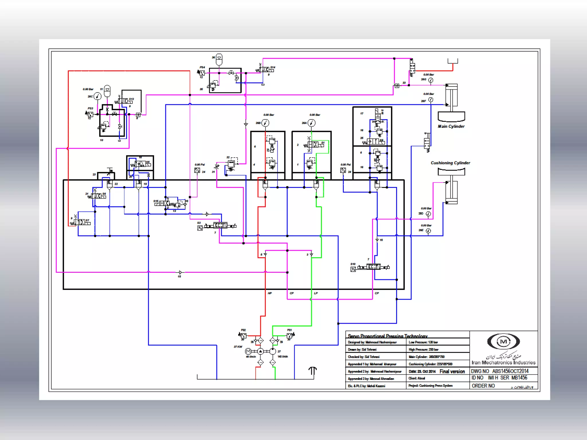
Servo proportional valve equipped manifold block
Designed and manufactured for one of our clients
This block completely automate a 335 ton punch press
Sample projects
Sample projects

Sample projects

  • 1.
    Building advanced models InSolidworks By Sid Tehrani Disposable Razor
  • 4.
    All in oneHydraulic Actuator Designed for Oil & Gas industries The body is transparent in order to illustrate the Inside of the component
  • 5.
    Tandem Pneumatic shockabsorber Designed and manufactured for one of our clients.
  • 7.
    Servo proportional valveequipped manifold block Designed and manufactured for one of our clients This block completely automate a 335 ton punch press