Brochure
Global Office of Lisun Electronics Inc.
http://www.Lisungroup.com
Lisun Group (Hong Kong) Limited
Add: Room 803, Chevalier House, 45-51 Chatham Road South, Tsim Sha Tsui, KL, HK
Tel: 00852-68852050 Fax: 00852-30785638
Email: SalesHK@Lisungroup.com
Lisun Electronics (Shanghai) Co., Ltd
Add: 113-114, No. 1 Building, Nanxiang Zhidi Industry Park, No. 1101, Huyi Road, Jiading
District, Shanghai, 201802, China
Tel: +86(21)5108 3341 Fax: +86(21)5108 3342
Email: SalesSH@Lisungroup.com
Lisun Electronics Inc. (USA)
Add: 445 S. Figueroa Street, Los Angeless, CA 90071, U.S.A.
Email: Sales@Lisungroup.com
Lisun China Factory
Add: NO. 37, Xiangyuan Road, Hangzhou City, Zhejiang Province, China
Tel: +86-189-1799-6096
Email: Engineering@Lisungroup.com
Leader in Lighting & Electrical Test Instruments
Rev. 10/18/2019
Energy Dispersive X-ray
Fluorescence Spectrometer
(EDX-2)
Lisun Electronics Inc. Sales@Lisungroup.com www.Lisungroup.com
-Page 1 -
The quotation includes the following items:
For the purpose of restricting the pollution caused by the dispose of electronic and
electrical products, the RoHS or Lead Free directive was announced by EU on Feb
13th of 2003 and became effective on Jul 1st of 2007. Lisun Group developed an
high accuracy EDXRF spectrometer. The EDX-2 can fully meet the RoHS test
requirements
Lisun Electronics Inc. Sales@Lisungroup.com www.Lisungroup.com
-Page 2 -
Part 1
 Nondestructive measurement, no chemical and physical damage on measured
object
Specification:
 High accuracy which can be similar as chemical test
 Detect and analyze more than 75 chemical elements from Sulfur to Uranium,
test Range: 2ppm~99.99%
 Measure the details for the 5 restricted elements in RoHS Directive:
Cd/Pb/Hg/Cr/Br)
 esting time: 60~300s
 Adopt world-famous electrical cooled detector, reliable and stable, energy
resolving power is less than 160eV
 X-ray tube voltage: 5~50kV; Tube current: 50~1000uA
 High definition camera built-in; USA made high pressure module built-in; Light
enhancement system
 SNR design enhanced, quick test circuit and precise numbering system
 Multi-function software and multi-substrate effect calibration module built-in
 The system includes a PC and printer which have already installed the English
software
Part 2 Installation
2.1 Structure
2.1.1 Front view:
①: Cover
②: Strut Bar
③: Control Column
④: Sample Hole
⑤: Body
Lisun Electronics Inc. Sales@Lisungroup.com www.Lisungroup.com
-Page 3 -
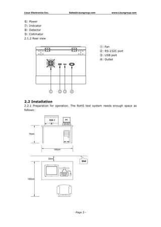
⑥: Power
⑦: Indicator
⑧: Detector
⑨: Collimator
2.1.2 Rear view
①: Fan
②: RS-232C port
③: USB port
④: Outlet
2.2 Installation
2.2.1 Preparation for operation. The RoHS test system needs enough space as
follows:
Lisun Electronics Inc. Sales@Lisungroup.com www.Lisungroup.com
-Page 4 -
2.2.2 Connection
Lisun Electronics Inc. Sales@Lisungroup.com www.Lisungroup.com
-Page 5 -
Part 3 Operation
3.1 RoHS testing process
NO
YES
NO
YES
NO
YES
YES
NO
START
CHECK
CONNECTION
FIRST TEST PREHEAT 30min
TESTING
TIME 200s
SET 200s
INITIALIZATION? PUT IN SILVER TO CALIBRATE
CHOOSE CURVE
CHOOSE COLILIMATOR
TEST
PRINT
END
START TO
PRINT
Lisun Electronics Inc. Sales@Lisungroup.com www.Lisungroup.com
-Page 6 -
3.2 Preparation
Before switching on EDX, check all the connections. Then power on PC, printer,
EDX-2, and preheat 30min.Initiallize EDX-2, put in silver slice, choose 1# collimator,
click” ”, system calibrate automatically.
3.3 Sample test
1. According element needed of sample, choose the right rohs testing mode
(choose the wrong mode lead to a bad accuracy)
2. Put in matching collimator (choose the wrong collimator lead to a bad
accuracy)
3. Choose testing time, 200s is recommended(too long or too short lead a
bad accuracy)
4. Put the unknown sample into the testing bed, observe the cross of
camera is in the center of unknown sample, or you can adjust it by
moving the sample and control column.
5. Close the cover, the protective light on
6. Click “Start”
7. After testing, you can save the data and name
8. If need to print, click ”Total analysis report”, then go to ”report info
setting”
Notice:
 EDX-2 need to calibrate after switching on every time
 Wrong mode and collimator and too short RoHS test time lead to additional
error.
 Too small unknown sample or not in the center of he cross of camera lead error.
 Next page is the test report
ANALYSIS REPORT FOR RoHS REGULATIONS
Sample Name:CFL Tube Sample Batch:No.1250
Sample Source:TUV Operator:Jacky Jiang
Analysis institution:Lisun EDX-2 Analysis Date:2014-03-14
Analysis Duration:200s Tube Voltage(KV): 45kV
Tube Current(uA):400uA Work Curve Used:PE
Element Intensity Content(ppm) Limitation Results
As 0.0020 28.02 1000 Pass
Hg 0.0014 25.26 1000 Pass
Pb 0.0054 94.04 1000 Pass
Br 0.1454 538.68 1000 Pass
Cd 0.0024 121.97 100 False
Note:1)ND stands for contents not larger than 2ppm.
2)All Data are based on sample surface analysis with this X-ray fluorescence Instrument.
3)The Data for Cr&Br are the summation contents respective, their above-limitation
doesn't mean the same thing with VI-valence Cr,PBB and PBDE.
4360
Y-计计计计计计计计
0
500
1000
1500
2000
2500
3000
3500
4000
4500
AsHg PbBr Cd
2048
X-通通通通通通通通0 200 400 600 800 1000 1200 1400 1600 1800 2000
4360
AsHg PbBr Cd
2048
Lisun Electronics Inc.
www.Lisungroup.com
Tel:+86(21)51083342

Rohs testing

  • 1.
    Brochure Global Office ofLisun Electronics Inc. http://www.Lisungroup.com Lisun Group (Hong Kong) Limited Add: Room 803, Chevalier House, 45-51 Chatham Road South, Tsim Sha Tsui, KL, HK Tel: 00852-68852050 Fax: 00852-30785638 Email: SalesHK@Lisungroup.com Lisun Electronics (Shanghai) Co., Ltd Add: 113-114, No. 1 Building, Nanxiang Zhidi Industry Park, No. 1101, Huyi Road, Jiading District, Shanghai, 201802, China Tel: +86(21)5108 3341 Fax: +86(21)5108 3342 Email: SalesSH@Lisungroup.com Lisun Electronics Inc. (USA) Add: 445 S. Figueroa Street, Los Angeless, CA 90071, U.S.A. Email: Sales@Lisungroup.com Lisun China Factory Add: NO. 37, Xiangyuan Road, Hangzhou City, Zhejiang Province, China Tel: +86-189-1799-6096 Email: Engineering@Lisungroup.com Leader in Lighting & Electrical Test Instruments Rev. 10/18/2019 Energy Dispersive X-ray Fluorescence Spectrometer (EDX-2)
  • 2.
    Lisun Electronics Inc.Sales@Lisungroup.com www.Lisungroup.com -Page 1 - The quotation includes the following items: For the purpose of restricting the pollution caused by the dispose of electronic and electrical products, the RoHS or Lead Free directive was announced by EU on Feb 13th of 2003 and became effective on Jul 1st of 2007. Lisun Group developed an high accuracy EDXRF spectrometer. The EDX-2 can fully meet the RoHS test requirements
  • 3.
    Lisun Electronics Inc.Sales@Lisungroup.com www.Lisungroup.com -Page 2 - Part 1  Nondestructive measurement, no chemical and physical damage on measured object Specification:  High accuracy which can be similar as chemical test  Detect and analyze more than 75 chemical elements from Sulfur to Uranium, test Range: 2ppm~99.99%  Measure the details for the 5 restricted elements in RoHS Directive: Cd/Pb/Hg/Cr/Br)  esting time: 60~300s  Adopt world-famous electrical cooled detector, reliable and stable, energy resolving power is less than 160eV  X-ray tube voltage: 5~50kV; Tube current: 50~1000uA  High definition camera built-in; USA made high pressure module built-in; Light enhancement system  SNR design enhanced, quick test circuit and precise numbering system  Multi-function software and multi-substrate effect calibration module built-in  The system includes a PC and printer which have already installed the English software Part 2 Installation 2.1 Structure 2.1.1 Front view: ①: Cover ②: Strut Bar ③: Control Column ④: Sample Hole ⑤: Body
  • 4.
    Lisun Electronics Inc.Sales@Lisungroup.com www.Lisungroup.com -Page 3 - ⑥: Power ⑦: Indicator ⑧: Detector ⑨: Collimator 2.1.2 Rear view ①: Fan ②: RS-232C port ③: USB port ④: Outlet 2.2 Installation 2.2.1 Preparation for operation. The RoHS test system needs enough space as follows:
  • 5.
    Lisun Electronics Inc.Sales@Lisungroup.com www.Lisungroup.com -Page 4 - 2.2.2 Connection
  • 6.
    Lisun Electronics Inc.Sales@Lisungroup.com www.Lisungroup.com -Page 5 - Part 3 Operation 3.1 RoHS testing process NO YES NO YES NO YES YES NO START CHECK CONNECTION FIRST TEST PREHEAT 30min TESTING TIME 200s SET 200s INITIALIZATION? PUT IN SILVER TO CALIBRATE CHOOSE CURVE CHOOSE COLILIMATOR TEST PRINT END START TO PRINT
  • 7.
    Lisun Electronics Inc.Sales@Lisungroup.com www.Lisungroup.com -Page 6 - 3.2 Preparation Before switching on EDX, check all the connections. Then power on PC, printer, EDX-2, and preheat 30min.Initiallize EDX-2, put in silver slice, choose 1# collimator, click” ”, system calibrate automatically. 3.3 Sample test 1. According element needed of sample, choose the right rohs testing mode (choose the wrong mode lead to a bad accuracy) 2. Put in matching collimator (choose the wrong collimator lead to a bad accuracy) 3. Choose testing time, 200s is recommended(too long or too short lead a bad accuracy) 4. Put the unknown sample into the testing bed, observe the cross of camera is in the center of unknown sample, or you can adjust it by moving the sample and control column. 5. Close the cover, the protective light on 6. Click “Start” 7. After testing, you can save the data and name 8. If need to print, click ”Total analysis report”, then go to ”report info setting” Notice:  EDX-2 need to calibrate after switching on every time  Wrong mode and collimator and too short RoHS test time lead to additional error.  Too small unknown sample or not in the center of he cross of camera lead error.  Next page is the test report
  • 8.
    ANALYSIS REPORT FORRoHS REGULATIONS Sample Name:CFL Tube Sample Batch:No.1250 Sample Source:TUV Operator:Jacky Jiang Analysis institution:Lisun EDX-2 Analysis Date:2014-03-14 Analysis Duration:200s Tube Voltage(KV): 45kV Tube Current(uA):400uA Work Curve Used:PE Element Intensity Content(ppm) Limitation Results As 0.0020 28.02 1000 Pass Hg 0.0014 25.26 1000 Pass Pb 0.0054 94.04 1000 Pass Br 0.1454 538.68 1000 Pass Cd 0.0024 121.97 100 False Note:1)ND stands for contents not larger than 2ppm. 2)All Data are based on sample surface analysis with this X-ray fluorescence Instrument. 3)The Data for Cr&Br are the summation contents respective, their above-limitation doesn't mean the same thing with VI-valence Cr,PBB and PBDE. 4360 Y-计计计计计计计计 0 500 1000 1500 2000 2500 3000 3500 4000 4500 AsHg PbBr Cd 2048 X-通通通通通通通通0 200 400 600 800 1000 1200 1400 1600 1800 2000 4360 AsHg PbBr Cd 2048 Lisun Electronics Inc. www.Lisungroup.com Tel:+86(21)51083342