ARIS SUMMARY SHEET
Di -rict Geologist, Victoria Off Confidential: 92.03.06
ASSESSMENT REPORT 21053 MINING DIVISION: Nanaimo
PROPERTY: Wanda, Stat
LOCATION: LAT 50 37 00 LONG 127 40 00
UTM 09 5607827 594329
NTS 092L12W
CLAIM(S): Stat 1-2
OPERATOR(S): Maraga Res.
AUTHOR(S): Dasler, P.G.;Sutton, G.
REPORT YEAR: 1991, 149 Pages
COMMODITIES
SEARCHED FOR: Copper
KEYWORDS: Jurassic,Bonanza Group,Andesites,Quartz monzonites
Argillic alteration,Propyllitic alteration
WORK
DONE: Drilling,Geochemical
ROTD 1749.6 m 17 hole(s);ME
SAMP 559 sample(s) ;ME
................................ ................................
....................DATE STATEMENT OF EXPLORATION AND DEVELOPMENT FILED YEAR OF WORK q.Q.
..... ..............................................PROPERTY NAME(S) .
[ , ' ( " f- f $ '
l / 1 ,: !j :
....................................................................................
....................................................... . . . .COMMODITIES PRESENT .COW.
. . . . . . . . . . . . . . . . . . . . . . . . . . . . . . . . . . . . . . . . . . . . .B.C. MINERAL INVENTORY NUMBER(S), IF KNOWN
MINING D I w s I o N . . . ..naw.mq.. . . . . . . . . . . . . . . . . . . . w s .....gay/2 .............
.................LATITUDE . . . . . . . . . . . 9 . O . .3.?........... LONGITUDE . . . . .!27 P.?.?.
Rovinceof Ministry of
BritishColumbia Energy,Mines and
PetroleumResources
NAMES and NUMBERS of all mineral tenures in good standing (when work was done1that form the property [Examples: TAX 14, FIRE 2
(12 units); PHOENIX (Lot 1706); Mineral Lease M 123; Mining or Certified Mining Lease ML 12 (claims involved)] :
. .rb.!r 3 .(.!23flr?-?.*). . MZY k8.h.3: .+w>.. . !CZ. (.3?4b.-.11?).....
. . . .
u i w ; 1-1 ,
ASS SSMENT REPORT
MAR06 TWE PAG AND SUMMARY
i
MAILING ADDRESS
OPERATOR(S) (that is, Company paying for the work)
(1) . . . . (2) . . . . . . . . . . . . . . . . . . . . . . . . . . . . . . . . . . . . .
MAILING ADDRESS
. . . . . . . . .....................................
. . . . . . ... . . . . . . . . . . . . . . . . . . . . . . . . . . . . . . . . . . . . .
SUMMARY GEOLOGY (lithology, age. structure, alteration, mineralization, size. and attitude):
. . . . . .b ~ . .c1?k?+.% ...c5 5 . . . . . . . . . . . . . .. . . . . . . . .
REFERENCESTO PREVIOUS WORK ............................................................
. . . . . . . . . . . . . . . . . . . . . . . . . . . . . . . . . . . . . . . . . . . . . . . . . . . . . . . . . . . . . . . . . . . . . . . . . . . . . . . . . . . .
(over1
Daiwan Engineering Ltd.
1030609Gmville Suea.Vmmuver, B.C.Cuuda. VIY 105
Phone: (604)688-1506
FILE NO:
ASSESSMENT REPORT OF kzzlYREVERSE CIRCULATION DRILLING
ON THE
WANN PROPERTY
NORTH VANCOUVER ISLAND, BRITISH COLUMBIA
NTS: 92L/12
Latitude: 50" 37'
Longitude: 127"40'
For
Moraga Resources Ltd.
1030 - 609 Granville Street
Vancouver, B.C.
V7Y 1G5
X k
UP!
BY z 0
*a
Peter G. Dasler, M.Sc.. F.G.A.C.
EQ P:
Gary A. Sutton, B.Sc. d h
e z
u w
January 11, 1991
"E
u,
o m
4Ld
o w
ham
C96
i
TABLE OF CONTENTS
SUMMARY
INTRODUCTION
LOCATION AND ACCESS
TOPOGRAPHY AND VEGETATION
PROPERTY
HISTORY
REGIONAL GEOLOGY
REGIONAL MINERALIZATION
PROPERTY GEOLOGY
DRILL PROGRAM
SAMPLE PROCESSING
DISCUSSION OF RESULTS
CONCLUSIONS
RECOMMENDATIONS
STATEMENT OF COSTS
CERTIFICATE OF QUALIFICATIONS
BIBLIOGRAPHY
Figures
Figure 1 - Location Map
Figure 2 - Claim Map
Figure 3 - Regional Geology
Figure 4 - Regional Mineralization
Figure 5 - Property Geology Summary
Figure 6 - Drill Hole Location Map
Appendices
Appendix I - Assay Certificates
Following Page 2
Following Page 3
Following Page 6
Following Page 10
Following Page 10
Following Page 10
Daiwan Engineering Ltd.
1030 - 609 Granville Strea, Vanmuver. B.C. V7Y 1GS
Phone: (604)688-1508
SUMMARY
Moraga Resources Ltd. optioned the WANN property from Acheron Resources Ltd. in May 1990. The
property adjoins the Expo property of Moraga Resources and the Apple property of BHP-Utah Mines
Ltd. Both of these properties are currently being explored for porphyry copper-gold mineralization.
The WANN property formed part of the Expo property until 1982, and then was staked by the current
owner, an ex-BHP geologist.
The property overlies a significant airborne magnetometer anomaly, similar in size and intensity to that
over the nearby Island Copper mine. Fieldwork by BHP-Utah in the 1970's identified significantcopper
in soils and two zones of high IP response adjacent to inferred intrusive dykes. These responses are
similar to local models for porphyry copper style mineralization.
Two drill holes were completed on the property in 1974, both were on the eastern half of the property.
Both holes, though not adjacent, showed strong argillic-phyllicalteration, and are indicated to be within
the alteration halo of a porphyry copper deposit.
Recent explorationby Moraga has focused on reconnaissance soil geochemistry for assessmentpurposes,
and the assembly of the property data. This data suits a model of copper mineralization adjacent to a
porphyry dyke system(s) in the centre and northeast of the property. Outcrop in these areas is sparse,
however the soil geochemistry, IP and magnetometer surveying indicate significant sulphide
mineralization at depth.
A program of 1867 metres of reverse circulation drilling was undertaken in September 1990 to test the
bedrock mineralization in the areas of most significant anomalous copper geochemical and geophysical
responses. This program, costing $120,909.72, is detailed in this report.
Daiwan Engineering Ltd.
1030 - 603 Granville St&, Vancouver. B.C. Vn 1G5
Phone: (604) 688-1508
INTRODUCTION
At the request of Mr. Maurice Young, President of Moraga Resources Ltd., a program of reverse
circulation drilling was completed on the WANN property. This program began on September 21 and
was completed on October 24, 1990.
LOCATION AND ACCESS
The WANN property is located on northern Vancouver Island, approximately 360 km (225 miles)
northwest of Vancouver, British Columbia, Canada (Figure 1). Locally this claim group on the north
side of Holberg Inlet on N.T.S. topographic map 921/12 consists of 29 contiguous claims (see Figure
2). Most areas of the property can be reached by well maintained logging roads and forest tracks. The
main access to the claim block is by forest road "P Main" a branch of "Wanokana Main" which
commences on the outskirts of Coal Harbour.
Regular air service is provided by both Air B.C. and Time Air from Vancouver to Port Hardy, each on
a twice daily schedule. Alternately, there is good highway access, with travel from Vancouver taking
7 hours.
Port Hardy is the local commercialcentre, but there are forestry and fishing centres at Coal Harbour and
Holberg.
TOPOGRAPHY AND VEGETATION
The property is characterized by a central plateau-like area, deeply incised by the Wanokana River
Valley, rising steeply to the north, and dropping approximately 150 metres in the south to sea level.
Elevations range from sea level to over 300 metres (1,000 ft).
Theclaims are located within an activelogging area,consequently forestcovervaries from mature stands
of fir, hemlock, spruce and cedar to dense second growth or to large open clear-cut areas of recent
logging. Low areas, especially along creeks, have thick brush and berry bushes. The Wanokana and
Youghpan Creek drainages are deeply incised into the local topography. These creeks form steep sided
canyons along most of their length.
Daiwan Engineering Ltd.
1030 - 609 Granville Street. Vancouver. B.C. V7Y 1GS
Phone: (604) 688-1508
I MORAGA RESOURCES LTD. I
WANN PROPERTY
NorthernVancouverIsland
LOCATION
MAP
DAlWAN ENGINEERING LTD.
B W
As Shown
DATE FKI
Jan.. 1991 1
Rock exposure is well defined in the areas of high relief, and on the higher ridges. However, thick
humus development on the forested and logged slopes and scattered residual glacial gravels in the valley
bottoms restrict geological mapping in these areas to the logging roads and the creek gulleys.
PROPERTY
The WANN property consists of the following contiguous claims:
Rec. No. -Units Exvirv Owner
Wanda 16-19
Wanda 20-30
Stat 1
Stat 2
Stat 3
H & W 1-8
Bunny
P. Main
Squeeze 1
Squeeze 2
23 March 91
2 June 91
14 April 91
14 April 91
14 April 91
19 July 91
17 April 91
15 March 92
15 March 92
15 March 92
B. Pearson
M. Pearson
M. Pearson
M. Pearson
M. Pearson
R. McBean
Daiwan Engineering Ltd.
B. Pearson
B. Pearson
B. Pearson
Acheron Resources optioned the property from Western Pocasset Resources Ltd., and subsequently
entered into an exploration agreement with Moraga Resources Ltd. The detail of these agreements is
beyond the scope of this report. The P. Main and Squeeze and Bunny claims were staked after the
signing of the exploration agreement with Acheron Resources Ltd., to cover adjacent mineralized claim
blocks, and to consolidate the claim group.
The drilling program referrred to in this report will be filed as assessment to allow 5 years to be applied
to all of the current claims. It is proposed however that the Wanda 16-30claims be allowed to lapse into
the overlying Bunny and P. Main claims.
Daiwan Engineering Ltd.
1030 - 609 Granville St-. Vancouver. B.C. V7Y 1G5
Phone: (604) 688-1508
N o Z e r g
I MAP I
0 .5 1.5 2.5
km.- krn
SCALE
DAIWAN ENGINEERING LTD.
SCALE
As Shown
DATE FKL
Jan.,1991 2
HISTORY
In 1963, the B.C. Department of Mines published the results of a recently completed aeromagnetic
survey covering the northern end of Vancouver Island? Since porphyry deposits were of interest at this
time, considerable exploration activity was generated in the area examining all magnetic anomalies of
interest.
One magnetic anomaly of fairly large areal extent was recorded on the eastern end of Rupert Inlet.
Diligent prospecting in this area located a number of poorly exposed copper occurrences. A large
number of claimswere located in 1966and subsequently the property was acquiredby Utah Construction
and Mining Company, now BHP-Utah Mines Ltd. Over the years, they added to the claim block and
conducted extensive geological-geochemical-geophysical surveys and diamond drilling throughout the
claim block. This work resulted in locating the large copper-molybdenumdeposit which was developed
into Island Copper Mine (Figure 4). The mine commenced production in October 1971. Production to
1987 has been in excess of 200 million tonnes milled, for concentrate sales of 753,000 tonnes of copper,
23.1 million grams gold, 168 million grams silver, and 15.3 tonnes molybdenum'4.
With the discovery of significant copper mineralization on the Utah property, a great deal of interest was
generated in the area by individuals and companies searching for copper. Many copper occurrences were
located but none were found to be economic.
During the height of the exploration activity, Utah Mines Ltd. controlled most of the ground extending
from the east end of Rupert Inlet to the west end of Holberg Inlet. Their properties included the large
block of claims covering the Island Copper deposit, as well as the favourable geology on trend to the
northwest (most of the present Expo group). After exploring the area extensivelyto 1975,Utah dropped
some of the claims. This release included the WANN group.
BHP-Utah and Moraga Resources have continued to develop the Husharnu copper-goldporphyry which
is 8 km northwest of the WANN property, along the regional geological trend.
The Hushamu deposit, and the other alteration zones along a northwest trend from the WANN property
are the targets for gold and copper exploration. The urgency for developing a further copper deposit in
the area is prompted by the expected closure of the Island Copper Mine in 1996due to the exhaustion
of the pit reserves.
Daiwan Engineering Ltd.
1030 - 609 Granville Strca. Vancarver. B.C. V7Y 1GS
Phone: (604)688-1508
Work on the current WANN property has consisted of prospecting, mapping at 1:200' scale, and some
IP and magnetometer surveying by Utah Mines in the early 1970s, when it was part of the Expo group.
In late 1982 the claims lapsed and Mr. Pearson, an ex-Utah employee staked the ground. He has
maintained the ground by limited geological prospecting of the areas surrounding the anomalies found
by Utah Mines.
In 1987 Searchlight Resources Ltd. on behalf of Rochester Minerals Ltd. conducted reconnaissance
sediment sampling on the property to locate epithermal type gold mineralization. Three zones of
significant gold mineralization were identified from the program.
Since 1984the majority of the property has been clear cut logged, providing excellentaccess and several
road cuts and pits which reveal the extensive zones of clay and silica alteration.
REGIONAL GEOLOGY
Vancouver Island, north of Holberg and Rupert Inlets, is underlain by rocks of the Vancouver Group.
These rocks range in age from Upper Triassic to Lower Jurassic. They are intruded by rocks of Jurassic
and Tertiary age and are disconformably overlain by Cretaceous sedimentaryrocks. Figure 3 shows the
geological mapping of the northern part of the Island.
Faulting is prevalent in the area. Large-scale block faults with hundreds to thousands of metres of
displacement are offset by younger strike-slip faults with displacements up to 750 metres (2,500 feet).
The Vancouver Group is composed as fol10ws:~
Basal Sediment - Sill Unit: Middle and Uuuer Triassic Age
Karmutsen Formation: Uuuer Triassic Ape
Quatsino Formation: Upper Triassic Age
Parson's Bay Formation: Uuuer Triassic Age
Harbledown Formation: Lower Jurassic Age
Bonanza Formation: Lower Jurassic Age
Daiwan Engineering Ltd.
1030 - 609Granville dna.Vanmuver. B.C. V7Y 1GS
Phone: (604)688-1508
Cretaceous Sediments
The Vancouver Group is unconformably overlain by non-marine Cretaceous sediments of the Longarm
Formation which are estimated to be about 300 metres (1,000feet) thick in the Port Hardy area. These
sediments,consisting of conglomerate,sandstone, greywacke, and siltstone and some carbonaceousand
impure coal seams, occupy local basins. Early coal mining in the district was from several of these
basins.
Intrusive Rocks
The Vancouver Group rocks are intruded by a number of Jurassic-aged stocks and batholiths. In the
Holberg Inlet area a belt of northwest-trending stocks extend from the east end of Rupert Inlet to the
mouth of Stranby River on the north coast of Vancouver Island".
Quartz-feldspar porphyry dikes and irregular bodies occur along the south edge of the belt of stocks.
Dykes are characterized by coarse, subhedral quartz and plagioclase phenocrysts set in a pink, very fine
grained, quartz and feldspar mamx. They are commonly extensively altered and pyritized. At Isrand
Copper Mine, these porphyries are enveloped by altered, brecciated, mineralized Bonanza wallrocks.
The porphyries, too, are cut by siliceous veins, pyritized, extensively altered, and are mineralized where
they have been brecciated. The quartz-feldspar porphyries are thought to be differentiates of middle
Jurassic, felsic, intrusive rocks.
Other intrusive rocks of lesser significance include felsic dykes and sills around the margins of some
intrusive stocks; dykes of andesitic composition, which cut the Karmutsen, Quatsino and Parson's Bay
Formation, and represent feeders for Bonanza volcanism; and Tertiary basalt-dacite dykes intruding
Cretaceous sediments.
Structure
The structure of the rocks north of Holberg and Rupert Inlets is that of shallow synclinal folding along
a northwesterly fold axis. The steeper southwesterlylimbs of the folds have apparently been truncated
by faults roughly parallel to the fold axis. Failure of limestone during folding may have influenced the
location of some of the faulting as indicated by their proximity of the Dawson and Stranby River Faults
to the Quatsino horizon. Transverse faulting is pronounced and manifested by numerous north and
northeasterly trending faults and topographic lineaments.
Daiwan Engineering Ltd.
1030 - 609 Granville Street. Vancouver. B.C. V7Y 1G5
Phone: (604)688-1508
LEGEND
MIOCENE
Mvb hralt flow~.riUrand dyko
UPPER CRETACEOUS.PALEOQNEBOCENE
Kp QLJEENCHARLOTTEGROW. rilu~one,ihrlegreyw.cLc
UPPER CRETACEOUS
uKN NANAIMOGROUP:r.ndstone.rhlc,oonglmentC
LOWER CRETACEOUS
iKL LONGARM;grcywaJre.coqlomcnte
MIDDLEllTRASSlC
MJqm quartzmonurnitegnniteponwnite
MJgd ~nnodioritc
Klqd qumdiorire
UPPER'IRIASSIC
uTO QUATSINOand PARSON BAY: Smerconecrpillite
SCALE
0 25 !m
______k i l o m e t e r s
WANN PROPERTY
I REGIONAL GEOLOGY I
I MAP I
The northeasterly trending faults comprise a subordinate fault system. In some cases, apparent lateral
displacement,in the order of a several hundred metres, can be measured on certain horizons. Movement,
however, could be entirely vertical with the apparent offset resulting from the regional dip of the beds.
Recent computer modelling of the airborne magnetometer data has provided a very clear understanding
of the relationship of secondary conjugate setsof northeast and north westerly faultsrelated to the major
west-northwest trending break^.^ These conjugate fault sets appear to relate directly to the significant
mineralization at the Island Copper, Hushamu, Hep and Red Dog copperlgold deposits, and are present
on the WANN property.
Generally, regional dip of the bedding is gentle to moderate southwesterly. Locally, in the area west
of Holberg, dips are much steeper, but these are in close proximity to major faults. There is little
folding or flexuring of bedding visible, except along loci of major faults where it is particularly
conspicuous in thinly bedded sediments of Lower Bonanza. Bedding is generally inconspicuous in
massive beds of Karmutsen, Quatsino and Bonanza rocks, particularly inland where outcrops are widely
scattered.
REGIONAL MINERALIZATION
A number of types of mineral occurrences are known on Northern Vancouver Island. These include:
1. Skam deposits: copper-iron and lead-zinc skarns
2. Copper in basic volcanic rocks (Karmutsen): in amygdules, fractures, small shears and quartz-
carbonate veins, with no apparent relationship to intrusive activity
3. Veins: with gold andlor base metal sulphides, related to intrusive rocks
4. Porphyry copper deposits: largely in the country rock surroundingor enveloping granitic rocks
and their porphyritic phases.
Daiwan Engineering Ltd.
1030 - 609 Granville Streu. Vancouver. B.C. V7Y 1GS
Phone: (604) 688-1508
PROPERTY GEOLOGY
The property is underlain by Bonanza Seriesvolcanics,intruded by stocksof quartzmonzoniteor granite
(inferred from the geophysical information and mapping in the Wanokana drainage), and bounded on
the southwest side by a major zone of hot spring(?) silica deposits with associated bedded pyritic
horizons, and re-mobilized pyrite in veins. A large portion of the central part of the property is low
lying, or covered by significantoverburden. A summarized geological map (Figure 5) has been prepared
for this report from 1:2400 scale base mapping.
There are large alteration zones - silica and pyrite replacement in the volcanics, and clay alteration
alongside highly silicified zones in volcanics, the intrusiveto the north, and in Wanokana Creek Canyon.
The rockalterationis typical of zonation (phyllic)within a porphyry copper system,with further imprints
of late epithermal re-mobilization.
DRTLL PROGRAM
Summary of Reverse Circulation Drill Holes
Hole-
Wan-C
Wan-E
W a n 4
Wan-H
Wan-J
Wan-K
Wan-L
Wan-M
Wan-N
w a n e
Wan-P
Wan-Q
wan-R
Wan-S
Wan-T
Daiwan Engineering Ltd.
1030- 609 Granville Streu, Vancouver. B.C. W Y 1GS
Phone: (604) 688-1508
Hole-
TOTAL 6125 (1867m)
Holes abandoned due to overburden
Hole- Angle
* k r d i n a t e s from Western Forest Products Imperial grid.
The drill program was not completed as originally conceived. It was proposed that three fences of drill
holes be completed across the magnetics high, immediately west of Wanokana Creek, and that a further
three holes would be drilled on the east side of the creek in an IP-mag anomaly. Five drill holes were
not able to be accessed by the track mounted drill rig, and there was substitution for drill targets on the
eastern side of Wanokana Creek.
SAMPLE PROCESSING
AlI sampleswere collected at 10foot intervals and riffled on site to obtain approximately 2%kilograms
of representative samplechips which was put into cloth bags. A duplicate sampleof similar weight was
also prepared and left at the drill site in plastic bags for possible later use. (These samples have now
been discarded at the request of the resident Inspector of Mimes.)
Daiwan Engineering Ltd.
1030 - 609 Granville Stm, Vancouver, B.C. V7Y 1G5
Phone: (604)688-1508
The sample for analysis was inspected with a binocular microscope and hand lens for the mineralogy
recorded in the drill hole records. The samples were then shipped to Chemex Labs Ltd., Nonh
Vancouver for gold analyses by standard 10 gm fire assay methods (AA finish), and for analysis for Ag,
Co, Cu, Fe, Mn,Mo, Ni, Pb, Zn by acid dissolution and ICP analysis (ICP-9 standard analysis). All
results are in ppm except FE (%) and Au @pb).
In the latter half of the program assays of each 10 foot interval was discontinued, and only alternate
sample intervals were assayed for the ICP-9 package. Gold was assay over all intervals however.
DISCUSSION OF RESULTS
No significant copper mineralization was encountered in any of the drill holes. This was a surprise, as
in the vicinity of holes L, M, N there is visible chalcopyrite in the road cut material.
It is possible that the inferred copper mineralization in this area is located further to the north of the
current drilling. Two drill sites were located in this area originally, but were not drilled because of
access problems.
The extreme thickness of silica pyrophyllite rock encountered in RDH #V explains the large IPresponse
in the northeastern portion of the property. This silica zone is similar to that found overlying the
Husharnu copper deposit.
Hole T on the western portion of the property also drilled silica cap, but penetrated through the cap at
120 feet. The underlying andesitic tuff unit was not mineralized with copper, but should be tested
further. Drill holes T1-T7 were attempts at penetrating the overburden near the original proposed drill
locality. Typically the drill could not penetrate the overburden where it was over 60 feet in thickness.
This area deserves further evaluation.
Daiwan Engineering Ltd.
1030 - 609 Granville St&. Vanaxlver. B.C. V7Y 1GS
Phone: (604) 688-1508
, lntrusives
. i0.86% Cu.O.1 opt A U ~
MORAGA RESOURCES LTD.
BHP-UTAH MINES LTD.
Volcanics
LEGEND
Scale in Kilometres
0 1
=
NORTHERN VANCOUVER ISLAND, BRITISH COLUMBIA
Magnetic Anomalies
Induced Polarization-
@ Chargeability Anomalies
--- Geological Contact
* Rock Chip Sample
for drill hole coordinates see table
page 8
MORAGA RESOURCES LTD.
WANN PROPERTY
Nanaimo Mining Division
I DRILL HOLE
I LOCATION MAP
DAIWAN ENGINEERING LTD.
I SCALE DATE FG.6
As shown Feb. 91 6
Dioritc
Monzonite
Diamonddrill holes (1971) X X X X X X X
X X X X X X X X .
x x x :
X X X X
-225.000 1
HOLBERG INLET
SUMMARY GEOLOGY
SCALE
0 I 2 3
Kilometers
I MAP
I DAIWAN ENGINEERING LTD.
SCALE DATE
FIG.
1:50.000 Feb. '91 5
CONCLUSIONS
The reverse circulation drill program was not successful in defining extensions of the surface
copper mineralization.
A silica pyrophyllite cap over 480 feet thick was encountered on the eastern portion of the
property, and this may overly a buried Hushamu style porphyry copper-gold deposit.
A number of significant drill sites could not be accessed because of ground conditions.
Hole T on the western side of the property penetrated the silica cap at 120feet. This appears to
show significant regional vertical fault block movement across the Wanokana Creek area.
RECOMMENDATIONS
Further drilling should be attempted across the centre of the high magnetic zone west of Wanokana
Creek, following a re-run of the ground magnetics survey to re-establish the location of the most
anomalous zones.
Further diamond drill holes should be attempted across the low ground immediately north of the
silica knobs south of RDH #T.
Detailed magnetometer surveying should be carried out east of Wanokana Creek north and east of
the Dumortierite showing. This should extend across to the large IP anomaly.
Further diamond drilling should be used to evaluate the mineralization under the northeast silica
cap.
Daiwan Engineering Ltd.
1030 - 609 Granville Stw. Vancouver. B.C. V7Y 1GS
Phone: (602)688-1508
STATEMENT OF COSTS
The following expenses were incurred on the WANN project for the proposal of the reverse circulation
drill program:
Personnel
P. Dasler, M.Sc. - Senior Geologist - 10.4 days @ $280/day $ 3,952.00
R. Husband, B.Sc. - Geologist - 2.75 days @ $260/day
G. Sutton, B.Sc. - Geologist - 40.6 days @ $250/200/day
K. Bilquist - Linecutter/Prep. - 3.5 days @ $200/day
R. Bilquist - Linecutterfiep. - 4.5 days @ $260/day
D. Pawliuk, B.Sc. - Geologist - 20.6 days @ $340/day
T. Sheridan - Draftsperson - 1.5 Days @ $220/day
Field Costs
Food and Accommodation - 60 days @ $29.73/day
Field Supplies
Equipment Rental - microscope, radio
Vehicles - 1 4x4 - 50 days @ $93.44/day
Airline
Drafting - supplies
Office/Secretarial- report
Telephone
Assays
Miscellaneous
Heavy Equipment
Drilling Cost (including mobilization)
Disbursement Fee
TOTAL
Daiwan Engineering Ltd.
1030 - 609 Granville Street. Vancouver. B.C. V7Y IGS
Phone: (604) 688-1508
CERTIFICATE OF QUALIFICATIONS
I, Peter G. Dasler, do hereby certify that:
1. I am a geologist for Daiwan Engineering Ltd. with offices at 1030-609Granville Street, Vancouver,
British Columbia.
2. I am a graduate of the University of Canterbury,Christchurch,New Zealand with a degree of MSc.,
Geology.
3. I am a Fellow of the Geological Association Of Canada, a Member, in good standing, of the
Australasian Institute of Mining and Metallurgy, and a Member of the Geological Society of New
Zealand.
4. I have practised my profession continuously since 1975, and have held senior geological positions
and managerial positions, including Mine Manager, with mining companies in Canada and New
Zealand.
5. This report is based on a personal fieldwork and supervision of the work programmes on the
property since 1987, and from reports of Professional Engineers and others working in the area.
6. I have a part interest in 15000 shares of Moraga Resources Ltd.
7. This report has been prepared for B.C.D.M. assessment purposes only.
Daiwan Engineering Ltd.
1030 - 609 GranvilleStnu. Vanmver. B.C. V7Y 1G5
Phone: (604)688-1508
CERTIFICATE OF OUALTFICATIONS
I, Gary Sutton, do hereby certify that:
1. I am a geologist for Daiwan Engineering Ltd. with offices at 1030-609 GranvilleStreet,Vancouver,
British Columbia.
2. I am a graduate of the University of British Columbia in Vancouver, British Columb'i with a degree
of B.Sc., Geology.
3. I have practised my profession as an exploration Geologist since 1986.
4. I supervised the reverse circulation drill program on the WANN property during September and
October 1990.
5. I have no interest in the property of shares of Moraga Resources Ltd. or in any of the companies
with contiguous property to their claim blocks, nor do I expect to receive any.
6. This report has been prepared for B.C.D.M. assessment purposes only.
~ a jSutton, B.SC.
January 11, 1991
Daiwan Engineering Ltd.
1030 - 609 Granville Strea. Vancouver. B.C. V7Y 1GS
Phone: (604) 688-1548
BIBLIOGRAPHY
Jones, H.M. (1988)
Gableman, J.W.
(1982)
Pickering, Schmidt
Northcote, K.E.
Muller, J.E.,
Northcote, K.E.
Carlisle, D. (1974)
Dasler, P.G. (1989)
Kesler, S.E. (1985)
Magnum, C. Von
Einsiedel (1988)
Magnum, M. (1988)
A report on the Expo property Holberg Inlet for Moraga Resources
Ltd. Filed V.S.E. Qualifying Report,
G.S.C. Geophysics Paper 1734 incl. maps 17346, 1738G.
Geological Occurrence of Gold at Island Copper Internal Report
for Utah Mines, Dec. 1982.
Ore Reserve Husharnu. Internal report for Island Copper Mines
(1983) Ltd.
(1970) - Rupert Inlet - Cape Scott Map - Area in B.C. Dept. of Mines
Petrol. Res. G.E.M. 1970, pp. 250-278.
(1972) - Island Copper, In B.C. Dept. Mines Petrol. Res. G.E.M. 1972,
pp. 293-298.
Geology and Mineral Deposits of Alert Bay - Cape Scott Map -
and Area, British Columbia, Gwl. Surv. Canada Paper 74-8
Report on the Expo Claim Group, Moraga Resources Ltd, private
company files.
Report on Geological Review of the Macintosh - Pemberton Precious
Metal Exploration Area. Private Report to BHP-Utah Mines Ltd., June
1985.
Summary report and proposed exploration program Dorlon project.
February 15, 1988. VSE listing report for SilverDrake ResourcesLtd.
V.S.E. Listing Report Silver Drake Resources Ltd. - July 12, 1988
Daiwan Engineering Ltd.
1030 - 609 Granville Wreet, Vancouver. B.C. WY 1G5
Phone: (604) 688-1508
1988 V.S.E. News Release January 4, 1989 - Crew Natural Resources Ltd..
George Cross News Letter - November 23,1988.
Adamson, R. (1989) Correspondenceto Daiwan EngineeringLtd., and personal discussions
April 1989.
Sillitoe, R.H. (1980) Styles of low-grade gold mineralization in Volcano-plutonic areas.
McMillan et a1 (1986) Mineral Deposits in British Columbia - A review of their Tectonic
settings. Paper in Geoexpo conference Vancouver, B.C. 1986.
B.C.D.M. Records Island Copper Statistics, B.C. Dept. of Mines records to 1984 with
estimates to end of 1986.
Carson DJT 1972 The plutonic rocks of Vancouver Island - Page 72-44
Woods, D.V. (1987) Geophysical Report on Reconnaissance Surface and Bore Hole Pulse
Electro, magnetic Survey on the Expo Project, Vancouver Island,
report for Moraga Resources Ltd.
Holcapek, F. (1975) Progress report for Acheron Mines Ltd. Assessment report #I5758 on
the Ti Mo and Bud claims.
Young, M.(1969) Geological and Geochemical Assessment Report on the Expo Claim
Group for Utah Mines Ltd Assessment Report #I2190
Motterhead, B. (1968) Geological and Geochemical Report on the Ti, Mon and Bud claims,
North Vancouver Island, for Acheron Mines Ltd.
Taylor, D.P. (1973) Report on the Geochemical, Magnetometerand GeologicalSurveys on
the Ti, Mon, Mo, and Bud claims of Acheron Mines Ltd.
Sutherland, R. (1966) Report on the Reconnaissance Exploration program, Nahwitti Lake
Area, Assessment Report #870, for Giant Explorations Ltd.
B.C.D.M. Records Minfile #92L-069, 074-079, 098, 181, 200, 241-245.
Daiwan Engineering Ltd.
1030 - 609 Granville Street, Vancouver. B.C. V7Y 1GS
Phone: (604)688-1508
Dasler, P.G. (1987)
Dasler, P.G. (1987)
Dasler, P.G. (1987)
Husband, R.W. (1990)
Pearson, B.D. (1984)
Pearson B.D. (1983)
Clouthier G. (1971)
Prior, G. (1984)
Pearson, B.D. (1987)
Pearson, B.D. (1984)
Lithogeochemical Assessment Report for Rochester Minerals Ltd.
August 1987. B.C.D.M. Report #16139.
Internal Report for Rochester Minerals Ltd. August 1987.
Report for Western Pocasset Resources Ltd.
GeochemicalAssessment Report on the Wan '90 property for Acheron
Resources Ltd. May 3, 1990.
Rock geochemistry of Wanda claims B.C.D.M. Assessment Report
December 10, 1984.
Geology petrography silt and rock geochemistry of Wanda claims
B.C.D.M. Assessment Report March 22, 1983.
B.C.D.M. Assessment Report #3402.
Lithogeochernical Report on the Wan claim. Homestake Mineral
Development Co. B.C.D.M. Assessment Report #13739.
Rock and soil geochemistry stat - Wanda claims March 14, 1987.
B.C.D.M. Report #15876.
Geology magnetometery and gradiometry Wanda claim March 20,
1984. B.C.D.M. Report #12302.
Daiwan Engineering Ltd.
1030 - 609 Granville Streu. Vancuuver. B.C. WY 1G5
Phone: (604) 688-1508
APPENDIX I
ASSAY CERTIFICATES
Daiwan Engineering Ltd.
1030 - 609 Granville St&. Vanmuver. B.C. V7Y 1GS
Phone: (604) 688-1508
Chemex Labs Ltd.Anatytical Chemists'Geochemists 'RegisteredAssayers
212 Brookshank Ave., NorthVancouver
British Columbia,Canada V7J 2C1
PHONE: 604-984-0221
To: DAIWAN ENGINEERINGLTD.
ATTN: PETER DASLER
1030- 609 GRANVILLE ST.
VANCOUVER. BC
Paae Number :1
.
P.O. Number :
Project : WAN 90
Comments: AlTN: PETER DASLER
I CERTIFICATE OF ANALYSIS A9023774
PREP
CODE Ppm
< 0 . 5
< 0 . 5
2 . 0
< 0 . 5
< 0 . 5
< 0 . 5
< 0 . 5
< 0 . 5
< 0 . 5
< 0 . 5
< 0 . 5
< 0 . 5
< 0 . 5
< 0 . 5
< 0 . 5
< 0 . 5
< 0 . 5
< 0 . 5
< 0 . 5
< 0 . 5
SAMPLE
DESCRIPTION
5 0 3 0 1
To: DAIWAN ENGINEERING LTD.
Chemex Labs Lid. ATrN:1030- 609PETERGRANVILLEDAsLERST.
Analytical Chemists'Geochemists'RegisteredAssayem VANCOUVER, BC
212 BrooksbankAve., NorthVancouver V7Y 1G5
British Cdurnbia, Canada V7J 2C1
PHONE:604-984-0221
PageNumber :1
Total Paaes: 1
bate: 080CT-90
Invoice No. : 1-9023682
P.O.Number :
Project : WAN 90
Comments: ATTN: PETER DASLER CC: DAVID PAWLlUK
CERTIFICATE OF ANALYSIS A9023882
SAMPLE
DESCRIPTION
Chemex Labs Ltd.Analytic4 Chemists'Geochemists 'RegisteredAssayers
212 BmoksbankAve., North Vancouver
British Columbia.Canada V7J 2C1
PHONE:604-984-0221
To: DAIWAN ENGINEERING LTD.
ATTN: PETER DASLER
1030- 609 GRANVILLE ST.
VANCOUVER, BC
V N 1G5 P.O. Number :
Project : WAN~W
Comments: ATTN: PETER DASLER CC: DAVID PAWLINK
I CERTIFICATEOF ANALYSIS A9024069
DESCRIPTION
50357
50358 2 9 4
Chemex Labs Ltd.Anatyucal Chemists 'Geochemists 'RegisteredAssayen
212 Wclbank Ave., No& Vancouver
BritishCdumbis.Canada V7J 2C1
PHONE:604-884-0221
To: DAIWAN ENGINEERING LTD. Paae Number :1
ATTN: PETERDASLER
1030- 609 GRANVILLEST.
VANCOUVER. BC InvoiceNo. : I4024349
P.O. Number :
Project : WAN-90
Comments: ATTN: PETER DASLER CC: DAVID PAULIUK
CERTIFICATE OF ANALYSIS
, ":DESCRIPTION
Chemex Labs Ltd.AnalyticalChemists'Geochemists 'RegsteredAssayen
212 W s b a n k Ave.. NorthVancouver
British Columbia.Canada V7J 2C1
PHONE:604-884-0221
SAMPLE
DESCRIPTION CODE
Pam Number :2
~o&lPrfges; 2
I n w F ate 10-OCT-90
lnwlce No. : I-9024349
P.O. Number :
Project : WAN-90
Comments: ATTN: PETER DASLER CC: DAVID PAULIUK
I CERTIFICATEOF ANALYSIS A9024349
CERTIFICATION: -
Chemex Labs Ltd.AnalyticalChemists'Geochemists ' RegisteredAssayers
212 Brooksbank Ave.. North Vnncouvnr
BritishColumbia,Canada V7J 2C1
PHONE:604-884-0221
To: DAIWAN ENGINEERING LTD.
AlTN: PETER DASLER
1030 - 609 GRANVILLE ST.
VANCOUVER. BC
V7Y 1G5
Page Number :1
Total P es 1
lnvoice%tw! 1-T-gO
Invoice No. : 1-8024350
P.O. Number :
Project : WAN-90
Comments: ATTN: PETER DASLER
1 CERTIFICATE OF ANALYSIS
SAMPLE
DESCRIPTION
Au P P ~ Ag
FA+AA ppm
< 5 < 0 . 5
< 5 -----
< 5 < 0 . 5
< 5 -----
< 5 0 . 5
< 5 -----
< 5 0 . 5
< 5 -----
< 5 0 . 5
< 5 -----
< 5 < 0 . 5
< 5 -----
< 5 0 . 5
< 5 -----
< 5 < 0 . 5
CERTIFICATION:0
Chemex Labs Ltd.Anelytical Chemists 'Geochemists 'RegmeredAssayers
212 BrodtsbankAve., North Vamuver
BritishColumbia,Canada V7J 2C1
PHONE:804-984-0221
To: DAIWAN ENGINEERINGLTD.
ATTN: PETER DASLER
1000- 609 GRANVILLEST.
VANCOUVER. BC
V N lG5
PageNumber :1
Total P es 1
~nvoicextei IOOCT-w
Invoke No. : I-9024449
P.O.Number :
Project : WAN-90
Comments: ATTN: PETER DASLER
I CERTIFICATEOF ANALYSIS A9024449
SAMPLE
DESCRIPTION
PREP
205
205
205
205
205
205
205
205
205
205
205
205
205
205
205
205
205
205
205
205
205
CODE
294
294
294
294
294
294
294
294
294
294
294
294
294
294
294
294
294
294
294
294
294
Chernex Labs Ltd.Analytic4 Chemists 'Geochemists ' Reg~steredAssayers
212 BrwksbankAve., North Vancouver
BritishCdumbia, Canada V7J 2C1
PHONE:604-884-0221
Page Number :1
Total Pages : 1
InvoiceDate: 1-T-90
Invoice No. : 1-9024577
P.O. Number :
Project : WAN
Comments:
I CERTIFICATEOF ANALYSIS A9024577
SAMPLE
DESCRIPTION
50487
50488
50489
50490
5 0 4 9 1
50492
50493
50494
50495
50496
PREP
CODE
N i
Ppm
4
-----
4
-----
3
-----
4
-----
3
-----
CERTIFICATION:
-4
Chemex Labs Ltd.Analytical Chemists 'Geochemists ' RegisteredAssayers
212 Brooksbank Ave.. North Vancouver
BritishColumbia. Canada V7J 2C1
PHONE:604-984-0221
Page Number :1
Total Pages : 1
InvoicaDate: 16-OCT-90
lnvoicaNo. : 1-9024633
P.O.Number :
Project : WAN-9
Comments: ATTN.PETER DASLER
I CERTIFICATEOF ANALYSIS A9024633
SAMPLE
DESCRIPTION
PReP
CODE
A g
Ppm
< 0 . 5
-----
< 0 . 5
-----
< 0 . 5
wCERTIFICATION:
Chemex Labs Ltd.AnatyticaJChemists'Geochem~sts'Registered Assayers
212 BmoksbankAve.. NorthVamuver
British Columbia. Canada V7J 2C1
PHONE:604-984-0221
To: DAIWAN ENGINEERING LTD.
ATTN: PETER DASLER
1030- 609 GRANVILLE ST.
VANCOUVER. BC
V N 1G5
lnvdca No. : 1-9024714
P.O. Number :
Project : WAN-10
Common$: ATTN: PETER DASLER
I CERTIFICATEOF ANALYSIS
SAMPLE
DESCRIPTION
-
PREP
CODE
CERTIFICATION: z37+
Chemex Labs Ltd.Analytical Chemists'Geochemists 'RegisteredAssayers
212 BrooksbankAve..North Vancouver
Mtish Columbia. Canada V7J 2C1
PHONE:604-084-0221
To: DAIWAN ENGINEERING LTD.
ATTN: PETER DASLER
1030- 609 GRANVILLE ST.
VANCOUVER, BC
V7Y 1G5
Paae Number :2
Projoct : WAN-11
Comments:
I
TE OF ANALYSIS A9024989
SAMPLE
DESCRIPTION
CERTIFICATION:
PREP
2 0 5
2 0 5
2 0 5
2 0 5
2 0 5
2 0 5
205
2 0 5
2 0 5
205
2 0 5
2 0 5
205
205
2 0 5
2 0 5
CODE
294
294
294
2 9 4
2 9 4
294
294
294
2 9 4
294
294
2 9 4
294
294
2 9 4
294
Chemex Labs Ltd.AnalyticalChemists 'Geochemists' RqisteredAssayers
212 BrooksbankAve.. North Vancouver
BritishColumbia. Canada V7J 2C1
PHONE:604-884-0221
Paae Number :1
TOLIpages : 1
Invoice Date: 21-OCT-90
InvoiceNo. : I4025082
P.O. Number :
Project : WAN-13
Comments:
I CERTIFICATEOF ANALYSIS A9025082
SAMPLE
DESCRIPTION
PREP
CODE
As
Ppm
Chemex Labs Ltd.AnalyUcalChemists 'Geochemists 'RegisteredAssayera
212 BmoksbankAve., NorthVancouver
British Columbia. Canada V7J 2C1
PHONE:604-984-0221
To: DAIWAN ENGINEERING LTD.
ATTN: PETER DASLER
1030- 609 GRANVILLEST.
VANCOUVER. BC
V N 1G5
Page Number :1
Total Paaes : 2
Invoicedate: 230CT-90
InvoiceNo. : 1-9025188
P.O. Number :
Project : WAN-14
Comments:
I CERTIFICATEOF ANALYSIS A9025189
Mn
Ppm
325
-----
235
-----
250
S W L E PREP Au ppb
DESCRIPTION CODE FA+AA
I
ChemexLabs Ltd.Analytic4 Chemista 'Geochemisu,'Registered Assayers
212 BrodcsbankAve.. Nonh Vancouver
British Columbia,Canada V7J 2C1
PHONE:804-984-0221
To: DAlWAN ENGINEERING LTD. Page Number :2
ATTN: PETER DASLER TotalP es 2
1030 - 609 GRANVILLE ST. ~ n v o ~ y a t e iZ-OCT-W)
VANCOUVER. BC Inwlce No. : CW25189
V N 1G5 P.O. Number :
Project : WAN-14
Commonla:
SAMPLE
DESCRIPTION
PREP
CODE
Au ppb
FA+AA
I CERTIFICATEOF ANALYSIS A9025189
Chemex Labs Ltd.AnalyUd Chemists'Geochemists 'RegisteredAssayers
212 BrodtsbankAve.,NorthVancouver
BritishColumbia,Canada V7J 2C1
PHONE:604-9844221
To: DAIWAN ENGINEERINGLTD.
ATTN: PETER DASLER
1030- 609 GRANVILLE ST.
VANCOUVER, BC
V N 1G5
Page Number :I
Fkg7zi L C T - B O
Invocca No. : 1-8025495
P.O. Number :
Project : WAN 15
Comments: ATTN: PETER DASLER
I CERTIFICATEOF ANALYSIS A90W495
Au ppb
FA+AA
PREP
CODEI s-Y
DESCRIPTION
0*Irnllnl
Ill
III
IIllII
N*Ill
III
III
Ill
III
'npl
Ill
Ill
Ill
Ill
Ill
m'n'n
II
II
II
II
II
ldd
II
'IVIV
II
II
II
moo
m~nl*
wl*;m
nn
.I,I
0101
II
VlVl
II
lnnnn
'VVVV
I****
Im001m
INN.NN
)mnmln
loooo
INNNN
)dNm*
1401m01
jmmmm
)0000
)(D'nWW
Inn
,I.I.
IIOIO
II
IVIV
II
mnmul
VVVV
nnnnnnnnnn
vvvvvvvvvv
7-lnnmnul
vvvvv
**********mmmmulmmmmm
NNNNNNNNNN
:****nhOlhOL
YNNNN
EE-YNNNN
Innnnmnmnnln
DOOOO00000
NNNNNNNNNN
mYNNNN
nwr-(Om
WY'nW'n
mmmmm
00000
WWWW10
l& Chemex Labs Ltd.Analytical Chemists 'Geochemists' RegisteredAssayers
212 h k s b a n k Ave.. North Vancouver
British Columbia,Canada V7J 2C1
PHONE:604-984-0221
io: DAIWAN ENGINEERING LTD.
ATTN: PETER DASLER
1030- 609 GRANVILLEST.
VANCOUVER. BC
V N lG5
Paae Number :1
T O ~ IPajes : 1
Invoice ate: SNOV-90
Invoice No. : 1-9025821
P.O. Number :
Project : WAN 17
Comments:
I CERTIFICATEOF ANALYSIS A9025821
PREP
CODE
4u ppb
?A+AA
SAMPLE
DESCRIPTION
Chemex Labs Ltd.Analytical Chemists'Geochemists ' RegisteredAssayers
212 BrodcsbankAve.. North Vancouver
British Columbia, Canada V7J 2C1
PHONE:604-884-0221
To: DAIWAN ENGINEERING LTD.
ATTN: PETER DASLER
1030 - 609 GRANVILLE ST.
VANCOUVER. BC
V7Y 1G5
Page Number :1
Total P y ; lsNOV-90
lnvoica ate.
Invoice No. : 1-9025822
P.O. Number :
Project : WAN 18
Comments:
I CERTIFICATE OF ANALYSIS A9025822
ku ppb
FA+AA
PREP
CODE
SAMPLE
/ DESCRIPTION
Chemex Labs Ltd.AnalyticalChemists'Geochemists 'RegisteredAssayers
212 BrodtsbankAve.. NorthVancouver
BritishColumbia, Canada V7J 2C1
PHONE:604-984.0221
SAMPLE
DESCRIPTION
PREP
CODE
Co
Ppm
10
Cu
Ppm
Page Number :1
Invoice ate. 180CT-90Total PY=j
Invoice No. : I-9025093
P.O. Number :
Project : WAN
Commonts: CC: DAVID PAWLIUK
I CERTIFICATEOF ANALYSIS A9025093
MO
Ppm
CERTIFICATION: ,<-) <
i
& Chemex Labs Ltd.AnalyticalChemists 'Geochemists'RegisteredAssayers
212 BrooksbankAve.. North Vancouver
British Columbia, Canada V7J 2C1
PHONE:604-984-0221
To: DAIWAN ENGINEERINGLTD.
ATTN: PETER DASLER
1030- 609 GRANVILLE ST.
VANCOUVER, BC
VIY lG5
Invoice No. : 1-9026093
P.O. Number :
Projea : WAN-13
Commentt:
I
I CERTIFICATE OF ANALYSIS
SAMPLE
DESCRIPTION
PREP
CODE
CERTIFICATION: fl+
l& Chemex Labs Ltd.Analytical Chemists 'Geochemists' RegisteredAssayers
212 BrooksbankAve.. North Vancouver
British Columbia,Canada V7J 2C1
PHONE: 604-984-0221
SAMPLE
DESCRIPTION
PREP
CODE
As
Ppm
< 0 . 5
< 0 . 5
< 0 . 5
< 0 . 5
To: DAIWAN ENGINEERING LTD.
ATTN: PETER DASLER
1030- 609 GRANVILLE ST.
VANCOUVER. BC
V N 1G5
Page Number :1
InvocceP?fasiale. 07-NOV-90
Invoice No. : 1-9026094
P.O.Number :
Project : WAN-14
Comments:
I CERTIFICATE OF ANALYSIS A9026094
RING
RAL
3GY
83
E
f
!!'
SULl-
DRI
IDES
.ING
SULP-IDES
ING
!SIZE
t69koX289~0,~.L9hos599hos259hOSGf-19F70SSAMPLE
oo0.INTERVAL
IO~REC'Y.'
l1ll)lll'1111,1111,111,1,111,11lr
0AN
1'7"17"'1'"'1""~"'~'
3FN--EW--nSECTION
00800
RAL
OGY
C)
0
I
Z
m
z4
!?
MIL-
GEC
-
0
m
V)
0
a-0
I-cm
GI
m
0
r
0
GI
<
-
SULl-
DRI
IDES
ING
INTERVAL
L
HOLE
I
.--
SIZE
:SLho~hoJ'fit105!22Lho-S1~40~.50Q0
OLbOs3SAMPLE
>.INTERVAL
O/OREC'Y.
'?.I.hIrh
,------
SAMF!INT.
01
*OU no.:
-I EUV.:
c00nDl)brLI:
t*CLI*bTtO*:
-
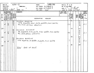
W A N - c W#AJ 90 pa.c no.: 5 OF q
l l O D l D LUV, :
n. L a : / " = /oRef-
AVE CORE
REC'Y / HOLE
D E S C R I P T I V E GEOLOGY
nou no.:
OCIln cuv.:
CoonDlbTLs:
IICunATIOn: -
WAd- C Pno1cT: WAIv PO P A ~ Eno.: 6 01 q
a o m O LUV. :
n. c
AVE CORE
REC'Y / HOLE
-
IN1
ua-
ins
* O U no.:
COW. cuv.:
C 0 0 1 0 1 A T t l :
-
DATE STARTW: SSP -f 30 RIP. 10 CLAIM COILLR:
BATE rlWSNC% O C 7 2
mEAnIM: 4 TOTAL O E n Y :
500' LOIICD W :
COMMENTS: AVE CORE
REC'Y / HOLE
D E S C R I P T I V E GEOLOGY
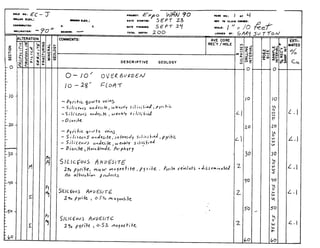
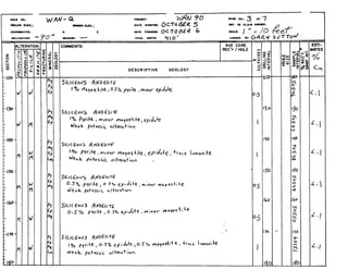
S/LIc Eoo 5 ESr TS
1-2 70 maqnetik,, o . ~ ? ~epiJYie ,w ;fir,,- pclr~+e,t r a c e ~ e ~ j i f e ~ ,
l i m n ; + e. riOdwA+cp o - i a s ~ ; ~nlt e r i l t c k n
wl!SEJCICIT€2
FRACTURING
MINERAL
GEOLOGY
SULl-
DRI
IDES
ING
-INTERVAL
L
HOLE
ISIZE
;SoSoS3ho5oS$fZ0So-SZOSOS&o0SAMPLE
-.INTERVAL
Ma
ins
-
>-
w
0
-1
0
W
w
W
L
+
P
K
0
V)
W
0
Y
..
a',
fi
E
,a
Ma-
ins
-
>
(3
0
J
0
W
0
W
L
k
E
a
U
m
W
P
-
39-
IR
-
)VtlJ
-YJS
I O U ! no.:
mLUn euv.:
C001DIATc.:
I I C U I A T I O I : -
-0 L U V . :
1. e
~CAIIW: - TOTAL ocrr*: 9 30' L O ~ ~ C DDV:
ZOMMENTS: AVE CORE
REC'Y / HOLE
DESCRIPTIVE GEOLOGY
3-
9;:
I >
El-
' 5
60
70
go
70
100
I10
I U )-
e..-
--9-
uFuQ..ze.2-2ir"z2SCUE--fSs
SECTION
RING
RAL
DGY
8L
3:
m
z4
Y!
SULl-
DRI
IDES
INGu
INTERVAL
-
SECTION
SULPHlDES
DRILLING
INTERVAL
OLE
SIZE
SAMPLE
INTERVAL
0%REC'Y.'
SAMPINT.
r
C0'
FRACTURING
MINERAL
GEOLOGY
IDES
-B0INTERVAL
II
DRILLING
I9Aho58Shh"_(2ohhh052Chh05W?.3hos(c:
tYoSAMPLEIhhoS$)INTERVAL
IOAREC'Y'
FRAC-
MI)-
GEl
-
0
rn
V)
ri
w-'11
-I
-<
rn
G)
m
0
I-
0
0
<
-
SULl-
DRI
IRING
RAL
OGY
ri
0
I
Z
m
z4
!!
w
RZ
irn
Lo
I0
0w
rrn
rn
IDES
ING
I
---
SIZE
--1%9gCoSS8F.05~EOS3fg'io~%78to~IgE"!%INTERVALSAMPLE
I%REC'Y.'SAMPINT
nrInnn.Z-C-CC-r&5~Cm5
0'
Y O U no.: gc - n
aCAnl*.: - TOTAL DCPTY:
370' Lom.c~ my:
:OMMENTS: AVE CORE
REC'Y / HOLE
DESCRIPTIVE GEOLOGY
--EST1-
MATED
%
CY
-
ins
SEXIL1~~12
FRACTURING
MINERAL
OGY
C)
0
3:
I
m
z4
!?
w
mP
O<
im
Lo
I0
0w
rm
m
SULIDES
INTERVAL
selcicITEI~
FRACTURING
MINERAL
GEOLOGY
SULPHIDES
DRILLING
INTERVAL
FRACTURING
MINERAL
GEOLOGY
IDES
ING
VAL
FRAC-
MI1-
GE-
0
rn
V)
0
B
-0
ic
m
GI
rn
0
r
0
GI
<
SULPHI
DRILLING
5.INTERVAL
I
D E S C R I P T I V E GEOLOGY
S I L ) C W ~ ~ I ~ v D E S I T E
2% k"iri{e, m,m, lydgndite,mjqor pjr)+lC (Idl~;tev e h s
h e ep;da.te
.RAL
.OGY
I
rn
f
!!=
w
rnD
O<
irn
n
I0
ow
rrnrn
IDES
ING
HOLE
SIZE
NE-
OL
-
-
C
X
'ti-
LL
INTERVAL
It-
FRACTURING
MINERAL
GEOLOGY
SULl-
DRI
INT-
IDES
ING
VAL
. I Q I I D EUV. :
memm: - m om me^ DT: G I
AVE CORE
REC'Y /HOLE
I .-* x
P
--
D E S C R I P T I V E GEOLOGY -w
--EST1-
MATEC
%
CY
n o u no.: & i - 0
ncAn1W: .-C TOTAL .c*Tn: 320 LO*.EO nv:
:OMMENTS: AVE CORE
REC'Y /HOLE
DESCRIPTIVE GEOLOGY
FRACTURING
MINERAL
GEOLOGY
0
rn
U)
C)
1)
-0
4-<
rn
0
rn
0
r
0
G)
-<
-
SULPDES
NG
IAL
MINERAL
GEOLOGY
C)
0
3
3
m
5
!!'
w
81
im
I0
oz
rm
m
X
SULPHIDES
DRILLING
INTERVAL
%CORE
RECOVERED
CORE
!SIZE
:-tz509rzsog$02~09SO8ISo9o'LVo9oSAMPLE
.INTERVAL
0/0REC'Y.
SAMF?INT.
bbnbbh
------Fr~590'
t(a=-
ins
-
>
w
0
J
0
W
w
W
2
I-
0
a
0
Ln
W
0
II
Pr?rJrrn
5-X
SULPHIDES
PJ(u
-!w-4DRILLING
so0o@INTERVAL
i
--
W O U no.:
W u A R cuv.:
COoR011ATEa:
lROLInAT10N: -
-0 cuv. :
*. E
.V -
:OMMENTS: AVE CORE
REC'Y/ HOLE
DESCRIPTIVE GEOLOGY
?r,,l,,,,,r,,,l,,,,1,,,,,,,,,,,,,
s3F$
ifSECTION
0
FRACTURING
MINERAL
GEOLOGY
SULP-
DRll
IDES
ING
INTERVAL
Ma-
ins
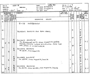
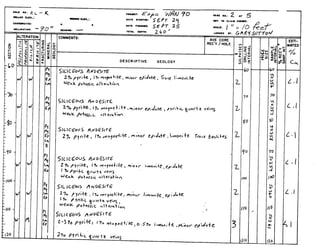
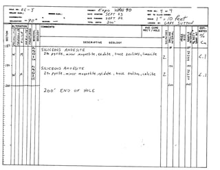
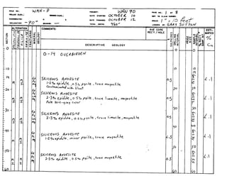
leOLC no.: W A ~ -u pA.1 no.: / OF Lj
-D cuv. :
n. L .
.LARIM: 330 TOTAL D C I I Y : zoo' LD.U!D BY:
COMMENTS: AVE CORE
REC'Y / HOLE
D E S C R I P T I V E GEOLOGY
MINERAL
GEOLOGY
ISULPHIDES
i-DRILLING
3INTERVAL
sJFIC,c,ri+
FRACTURING
MINERAL
GEOLOGY
SULF-
DRII
IDES
ING
VAL
el!s~rc~c~r,2
FRACTURING
SULl-
DRI550
INTERVAL
L
HOLE
SIZE
C67095SAMPLE
hbr09%INTERVAL
%REC'Y.'
SAMF!INT.
Rn
--CI$qg09
sr;.lc,cIT,+
FRACTURING
IDES
NG
VAL
* O U no.:
-I cuv.:
C 0 0 ~ A T c a :
mcLl1aTlo1: -
DESCRIPTIVE GEOLOGY
7
-ESTl-
MATE1
%
G
''11,""~""["",,,,,,,,,1,1111
-----~L"""'~"-2,30-CUJ
35SECTION
00000
FRACTURING
MINERAL
GEOLOGY
SULI-
DRI
INTI-
1DES
ING
VAL
HOLE
SIZE
SAMPLE
&INTERVAL
IO/'REC'Y.'
10
3-----=q4
uwuI1U
INIawvs
A,33MO/o
lVAM31NIoa
3idw*s$bzgg~zyq3~t-o
3-
56025(56ozzi~q60253
321s
37ov
I
I
RQ?
0
LAC/
6SULl
2wVJv.,uJ
-cu,$DRI
8'3000INT
I
[DES
ING
VAL
SECTION
SUL-
DRI
X
PH-
ILL
INTERVAL
IDES
.ING
SAMPLE
IN1ERVAL
%REC'Y.
SAMPINT.
r&$!F0'
FRACTURING
MINERAL
GEOLOGY
SULl-
DRI
INTI-
IDES
ING
VAL
HOLE
SIZE
SAMPLE
INTERVAL
REC'Y'SAM!INT.
nou no.:
c w . :
DEARIM: - TOTAL DECIY: 3 3 0 ' LO~IEO sv:
EOMMENTS: AVE CORE
REC'Y / HOLE
DESCRIPTIVE GEOLOGY
1
--
iF
SAMPLE
INTERVAL
%REC'Y.'SAMF!INT.
nnn
---p860Fm5
0'
RAL
IGY
CI
0
K
I
m
Z
4
??
SULl-
DRI
INT-
IDES
NG
VAL
HOLE
SIZE
%OPYL/TIC
o)'~ofHy~~IS2
5i~lcAf
E
smrrrcIT,
FRACTURING
MINERAL
GEOLOGY
SULPHIDES
"-sDRILLING
"INTERVAL
I1
I
-
SIZE
081093bLto9BL/o9i;L~joy7L/o9i3.S~loqg2SAMPLE
0000,INTERVAL
I%REC'Y.'
FRACTURING
MINERAL
GEOLOGY
0
m
fn
C)
n-w
-I-c
m
6)
m
0
r
0
6)
-<
SULI-
DRII
INTI-
a
g2im
C)
I0
0n
rm
m
IDES
ING
VAL
RAL
3GY
0
0
rI
m
L
-I
!?
Pt-
IU
'El-
YQ.-
ins
a-
z-*F'yZZ*OlPQha-Q
sawCQW
,-,=z'z2
-LNI
tla.-
ins
-
*(3
0
-I
0
W
(3
W
L
I-
P
K
0
ln
W
0
?Fa-re-a-603*<--0-C
QZU
rap
-&usL--uLeu,QUP-IIJc-l
Ma-
ins
0
$Yo
lug;
Urn-
'RACTURING
MINERAL
GEOLOGY
SUL-
DR
IDES-.ING
FRAC-
MI-
GE
SULI-
DRI
INT-
IDES
ING
VAL
HOLE
SIZE
* O U no.:
-. cuv.:
C o o ~ D * A T E I :
I I C L I N A T I O I : -
COMMENTS: AVE CORE
REC'Y / HOLE

RC Drilling near Island Copper

  • 1.
    ARIS SUMMARY SHEET Di-rict Geologist, Victoria Off Confidential: 92.03.06 ASSESSMENT REPORT 21053 MINING DIVISION: Nanaimo PROPERTY: Wanda, Stat LOCATION: LAT 50 37 00 LONG 127 40 00 UTM 09 5607827 594329 NTS 092L12W CLAIM(S): Stat 1-2 OPERATOR(S): Maraga Res. AUTHOR(S): Dasler, P.G.;Sutton, G. REPORT YEAR: 1991, 149 Pages COMMODITIES SEARCHED FOR: Copper KEYWORDS: Jurassic,Bonanza Group,Andesites,Quartz monzonites Argillic alteration,Propyllitic alteration WORK DONE: Drilling,Geochemical ROTD 1749.6 m 17 hole(s);ME SAMP 559 sample(s) ;ME
  • 2.
    ................................ ................................ ....................DATE STATEMENTOF EXPLORATION AND DEVELOPMENT FILED YEAR OF WORK q.Q. ..... ..............................................PROPERTY NAME(S) . [ , ' ( " f- f $ ' l / 1 ,: !j : .................................................................................... ....................................................... . . . .COMMODITIES PRESENT .COW. . . . . . . . . . . . . . . . . . . . . . . . . . . . . . . . . . . . . . . . . . . . . .B.C. MINERAL INVENTORY NUMBER(S), IF KNOWN MINING D I w s I o N . . . ..naw.mq.. . . . . . . . . . . . . . . . . . . . w s .....gay/2 ............. .................LATITUDE . . . . . . . . . . . 9 . O . .3.?........... LONGITUDE . . . . .!27 P.?.?. Rovinceof Ministry of BritishColumbia Energy,Mines and PetroleumResources NAMES and NUMBERS of all mineral tenures in good standing (when work was done1that form the property [Examples: TAX 14, FIRE 2 (12 units); PHOENIX (Lot 1706); Mineral Lease M 123; Mining or Certified Mining Lease ML 12 (claims involved)] : . .rb.!r 3 .(.!23flr?-?.*). . MZY k8.h.3: .+w>.. . !CZ. (.3?4b.-.11?)..... . . . . u i w ; 1-1 , ASS SSMENT REPORT MAR06 TWE PAG AND SUMMARY i MAILING ADDRESS OPERATOR(S) (that is, Company paying for the work) (1) . . . . (2) . . . . . . . . . . . . . . . . . . . . . . . . . . . . . . . . . . . . . MAILING ADDRESS . . . . . . . . ..................................... . . . . . . ... . . . . . . . . . . . . . . . . . . . . . . . . . . . . . . . . . . . . . SUMMARY GEOLOGY (lithology, age. structure, alteration, mineralization, size. and attitude): . . . . . .b ~ . .c1?k?+.% ...c5 5 . . . . . . . . . . . . . .. . . . . . . . . REFERENCESTO PREVIOUS WORK ............................................................ . . . . . . . . . . . . . . . . . . . . . . . . . . . . . . . . . . . . . . . . . . . . . . . . . . . . . . . . . . . . . . . . . . . . . . . . . . . . . . . . . . . . (over1
  • 4.
    Daiwan Engineering Ltd. 1030609GmvilleSuea.Vmmuver, B.C.Cuuda. VIY 105 Phone: (604)688-1506 FILE NO: ASSESSMENT REPORT OF kzzlYREVERSE CIRCULATION DRILLING ON THE WANN PROPERTY NORTH VANCOUVER ISLAND, BRITISH COLUMBIA NTS: 92L/12 Latitude: 50" 37' Longitude: 127"40' For Moraga Resources Ltd. 1030 - 609 Granville Street Vancouver, B.C. V7Y 1G5 X k UP! BY z 0 *a Peter G. Dasler, M.Sc.. F.G.A.C. EQ P: Gary A. Sutton, B.Sc. d h e z u w January 11, 1991 "E u, o m 4Ld o w ham C96
  • 5.
    i TABLE OF CONTENTS SUMMARY INTRODUCTION LOCATIONAND ACCESS TOPOGRAPHY AND VEGETATION PROPERTY HISTORY REGIONAL GEOLOGY REGIONAL MINERALIZATION PROPERTY GEOLOGY DRILL PROGRAM SAMPLE PROCESSING DISCUSSION OF RESULTS CONCLUSIONS RECOMMENDATIONS STATEMENT OF COSTS CERTIFICATE OF QUALIFICATIONS BIBLIOGRAPHY Figures Figure 1 - Location Map Figure 2 - Claim Map Figure 3 - Regional Geology Figure 4 - Regional Mineralization Figure 5 - Property Geology Summary Figure 6 - Drill Hole Location Map Appendices Appendix I - Assay Certificates Following Page 2 Following Page 3 Following Page 6 Following Page 10 Following Page 10 Following Page 10 Daiwan Engineering Ltd. 1030 - 609 Granville Strea, Vanmuver. B.C. V7Y 1GS Phone: (604)688-1508
  • 6.
    SUMMARY Moraga Resources Ltd.optioned the WANN property from Acheron Resources Ltd. in May 1990. The property adjoins the Expo property of Moraga Resources and the Apple property of BHP-Utah Mines Ltd. Both of these properties are currently being explored for porphyry copper-gold mineralization. The WANN property formed part of the Expo property until 1982, and then was staked by the current owner, an ex-BHP geologist. The property overlies a significant airborne magnetometer anomaly, similar in size and intensity to that over the nearby Island Copper mine. Fieldwork by BHP-Utah in the 1970's identified significantcopper in soils and two zones of high IP response adjacent to inferred intrusive dykes. These responses are similar to local models for porphyry copper style mineralization. Two drill holes were completed on the property in 1974, both were on the eastern half of the property. Both holes, though not adjacent, showed strong argillic-phyllicalteration, and are indicated to be within the alteration halo of a porphyry copper deposit. Recent explorationby Moraga has focused on reconnaissance soil geochemistry for assessmentpurposes, and the assembly of the property data. This data suits a model of copper mineralization adjacent to a porphyry dyke system(s) in the centre and northeast of the property. Outcrop in these areas is sparse, however the soil geochemistry, IP and magnetometer surveying indicate significant sulphide mineralization at depth. A program of 1867 metres of reverse circulation drilling was undertaken in September 1990 to test the bedrock mineralization in the areas of most significant anomalous copper geochemical and geophysical responses. This program, costing $120,909.72, is detailed in this report. Daiwan Engineering Ltd. 1030 - 603 Granville St&, Vancouver. B.C. Vn 1G5 Phone: (604) 688-1508
  • 7.
    INTRODUCTION At the requestof Mr. Maurice Young, President of Moraga Resources Ltd., a program of reverse circulation drilling was completed on the WANN property. This program began on September 21 and was completed on October 24, 1990. LOCATION AND ACCESS The WANN property is located on northern Vancouver Island, approximately 360 km (225 miles) northwest of Vancouver, British Columbia, Canada (Figure 1). Locally this claim group on the north side of Holberg Inlet on N.T.S. topographic map 921/12 consists of 29 contiguous claims (see Figure 2). Most areas of the property can be reached by well maintained logging roads and forest tracks. The main access to the claim block is by forest road "P Main" a branch of "Wanokana Main" which commences on the outskirts of Coal Harbour. Regular air service is provided by both Air B.C. and Time Air from Vancouver to Port Hardy, each on a twice daily schedule. Alternately, there is good highway access, with travel from Vancouver taking 7 hours. Port Hardy is the local commercialcentre, but there are forestry and fishing centres at Coal Harbour and Holberg. TOPOGRAPHY AND VEGETATION The property is characterized by a central plateau-like area, deeply incised by the Wanokana River Valley, rising steeply to the north, and dropping approximately 150 metres in the south to sea level. Elevations range from sea level to over 300 metres (1,000 ft). Theclaims are located within an activelogging area,consequently forestcovervaries from mature stands of fir, hemlock, spruce and cedar to dense second growth or to large open clear-cut areas of recent logging. Low areas, especially along creeks, have thick brush and berry bushes. The Wanokana and Youghpan Creek drainages are deeply incised into the local topography. These creeks form steep sided canyons along most of their length. Daiwan Engineering Ltd. 1030 - 609 Granville Street. Vancouver. B.C. V7Y 1GS Phone: (604) 688-1508
  • 8.
    I MORAGA RESOURCESLTD. I WANN PROPERTY NorthernVancouverIsland LOCATION MAP DAlWAN ENGINEERING LTD. B W As Shown DATE FKI Jan.. 1991 1
  • 9.
    Rock exposure iswell defined in the areas of high relief, and on the higher ridges. However, thick humus development on the forested and logged slopes and scattered residual glacial gravels in the valley bottoms restrict geological mapping in these areas to the logging roads and the creek gulleys. PROPERTY The WANN property consists of the following contiguous claims: Rec. No. -Units Exvirv Owner Wanda 16-19 Wanda 20-30 Stat 1 Stat 2 Stat 3 H & W 1-8 Bunny P. Main Squeeze 1 Squeeze 2 23 March 91 2 June 91 14 April 91 14 April 91 14 April 91 19 July 91 17 April 91 15 March 92 15 March 92 15 March 92 B. Pearson M. Pearson M. Pearson M. Pearson M. Pearson R. McBean Daiwan Engineering Ltd. B. Pearson B. Pearson B. Pearson Acheron Resources optioned the property from Western Pocasset Resources Ltd., and subsequently entered into an exploration agreement with Moraga Resources Ltd. The detail of these agreements is beyond the scope of this report. The P. Main and Squeeze and Bunny claims were staked after the signing of the exploration agreement with Acheron Resources Ltd., to cover adjacent mineralized claim blocks, and to consolidate the claim group. The drilling program referrred to in this report will be filed as assessment to allow 5 years to be applied to all of the current claims. It is proposed however that the Wanda 16-30claims be allowed to lapse into the overlying Bunny and P. Main claims. Daiwan Engineering Ltd. 1030 - 609 Granville St-. Vancouver. B.C. V7Y 1G5 Phone: (604) 688-1508
  • 10.
    N o Ze r g I MAP I 0 .5 1.5 2.5 km.- krn SCALE DAIWAN ENGINEERING LTD. SCALE As Shown DATE FKL Jan.,1991 2
  • 11.
    HISTORY In 1963, theB.C. Department of Mines published the results of a recently completed aeromagnetic survey covering the northern end of Vancouver Island? Since porphyry deposits were of interest at this time, considerable exploration activity was generated in the area examining all magnetic anomalies of interest. One magnetic anomaly of fairly large areal extent was recorded on the eastern end of Rupert Inlet. Diligent prospecting in this area located a number of poorly exposed copper occurrences. A large number of claimswere located in 1966and subsequently the property was acquiredby Utah Construction and Mining Company, now BHP-Utah Mines Ltd. Over the years, they added to the claim block and conducted extensive geological-geochemical-geophysical surveys and diamond drilling throughout the claim block. This work resulted in locating the large copper-molybdenumdeposit which was developed into Island Copper Mine (Figure 4). The mine commenced production in October 1971. Production to 1987 has been in excess of 200 million tonnes milled, for concentrate sales of 753,000 tonnes of copper, 23.1 million grams gold, 168 million grams silver, and 15.3 tonnes molybdenum'4. With the discovery of significant copper mineralization on the Utah property, a great deal of interest was generated in the area by individuals and companies searching for copper. Many copper occurrences were located but none were found to be economic. During the height of the exploration activity, Utah Mines Ltd. controlled most of the ground extending from the east end of Rupert Inlet to the west end of Holberg Inlet. Their properties included the large block of claims covering the Island Copper deposit, as well as the favourable geology on trend to the northwest (most of the present Expo group). After exploring the area extensivelyto 1975,Utah dropped some of the claims. This release included the WANN group. BHP-Utah and Moraga Resources have continued to develop the Husharnu copper-goldporphyry which is 8 km northwest of the WANN property, along the regional geological trend. The Hushamu deposit, and the other alteration zones along a northwest trend from the WANN property are the targets for gold and copper exploration. The urgency for developing a further copper deposit in the area is prompted by the expected closure of the Island Copper Mine in 1996due to the exhaustion of the pit reserves. Daiwan Engineering Ltd. 1030 - 609 Granville Strca. Vancarver. B.C. V7Y 1GS Phone: (604)688-1508
  • 12.
    Work on thecurrent WANN property has consisted of prospecting, mapping at 1:200' scale, and some IP and magnetometer surveying by Utah Mines in the early 1970s, when it was part of the Expo group. In late 1982 the claims lapsed and Mr. Pearson, an ex-Utah employee staked the ground. He has maintained the ground by limited geological prospecting of the areas surrounding the anomalies found by Utah Mines. In 1987 Searchlight Resources Ltd. on behalf of Rochester Minerals Ltd. conducted reconnaissance sediment sampling on the property to locate epithermal type gold mineralization. Three zones of significant gold mineralization were identified from the program. Since 1984the majority of the property has been clear cut logged, providing excellentaccess and several road cuts and pits which reveal the extensive zones of clay and silica alteration. REGIONAL GEOLOGY Vancouver Island, north of Holberg and Rupert Inlets, is underlain by rocks of the Vancouver Group. These rocks range in age from Upper Triassic to Lower Jurassic. They are intruded by rocks of Jurassic and Tertiary age and are disconformably overlain by Cretaceous sedimentaryrocks. Figure 3 shows the geological mapping of the northern part of the Island. Faulting is prevalent in the area. Large-scale block faults with hundreds to thousands of metres of displacement are offset by younger strike-slip faults with displacements up to 750 metres (2,500 feet). The Vancouver Group is composed as fol10ws:~ Basal Sediment - Sill Unit: Middle and Uuuer Triassic Age Karmutsen Formation: Uuuer Triassic Ape Quatsino Formation: Upper Triassic Age Parson's Bay Formation: Uuuer Triassic Age Harbledown Formation: Lower Jurassic Age Bonanza Formation: Lower Jurassic Age Daiwan Engineering Ltd. 1030 - 609Granville dna.Vanmuver. B.C. V7Y 1GS Phone: (604)688-1508
  • 13.
    Cretaceous Sediments The VancouverGroup is unconformably overlain by non-marine Cretaceous sediments of the Longarm Formation which are estimated to be about 300 metres (1,000feet) thick in the Port Hardy area. These sediments,consisting of conglomerate,sandstone, greywacke, and siltstone and some carbonaceousand impure coal seams, occupy local basins. Early coal mining in the district was from several of these basins. Intrusive Rocks The Vancouver Group rocks are intruded by a number of Jurassic-aged stocks and batholiths. In the Holberg Inlet area a belt of northwest-trending stocks extend from the east end of Rupert Inlet to the mouth of Stranby River on the north coast of Vancouver Island". Quartz-feldspar porphyry dikes and irregular bodies occur along the south edge of the belt of stocks. Dykes are characterized by coarse, subhedral quartz and plagioclase phenocrysts set in a pink, very fine grained, quartz and feldspar mamx. They are commonly extensively altered and pyritized. At Isrand Copper Mine, these porphyries are enveloped by altered, brecciated, mineralized Bonanza wallrocks. The porphyries, too, are cut by siliceous veins, pyritized, extensively altered, and are mineralized where they have been brecciated. The quartz-feldspar porphyries are thought to be differentiates of middle Jurassic, felsic, intrusive rocks. Other intrusive rocks of lesser significance include felsic dykes and sills around the margins of some intrusive stocks; dykes of andesitic composition, which cut the Karmutsen, Quatsino and Parson's Bay Formation, and represent feeders for Bonanza volcanism; and Tertiary basalt-dacite dykes intruding Cretaceous sediments. Structure The structure of the rocks north of Holberg and Rupert Inlets is that of shallow synclinal folding along a northwesterly fold axis. The steeper southwesterlylimbs of the folds have apparently been truncated by faults roughly parallel to the fold axis. Failure of limestone during folding may have influenced the location of some of the faulting as indicated by their proximity of the Dawson and Stranby River Faults to the Quatsino horizon. Transverse faulting is pronounced and manifested by numerous north and northeasterly trending faults and topographic lineaments. Daiwan Engineering Ltd. 1030 - 609 Granville Street. Vancouver. B.C. V7Y 1G5 Phone: (604)688-1508
  • 14.
    LEGEND MIOCENE Mvb hralt flow~.riUranddyko UPPER CRETACEOUS.PALEOQNEBOCENE Kp QLJEENCHARLOTTEGROW. rilu~one,ihrlegreyw.cLc UPPER CRETACEOUS uKN NANAIMOGROUP:r.ndstone.rhlc,oonglmentC LOWER CRETACEOUS iKL LONGARM;grcywaJre.coqlomcnte MIDDLEllTRASSlC MJqm quartzmonurnitegnniteponwnite MJgd ~nnodioritc Klqd qumdiorire UPPER'IRIASSIC uTO QUATSINOand PARSON BAY: Smerconecrpillite SCALE 0 25 !m ______k i l o m e t e r s WANN PROPERTY I REGIONAL GEOLOGY I I MAP I
  • 15.
    The northeasterly trendingfaults comprise a subordinate fault system. In some cases, apparent lateral displacement,in the order of a several hundred metres, can be measured on certain horizons. Movement, however, could be entirely vertical with the apparent offset resulting from the regional dip of the beds. Recent computer modelling of the airborne magnetometer data has provided a very clear understanding of the relationship of secondary conjugate setsof northeast and north westerly faultsrelated to the major west-northwest trending break^.^ These conjugate fault sets appear to relate directly to the significant mineralization at the Island Copper, Hushamu, Hep and Red Dog copperlgold deposits, and are present on the WANN property. Generally, regional dip of the bedding is gentle to moderate southwesterly. Locally, in the area west of Holberg, dips are much steeper, but these are in close proximity to major faults. There is little folding or flexuring of bedding visible, except along loci of major faults where it is particularly conspicuous in thinly bedded sediments of Lower Bonanza. Bedding is generally inconspicuous in massive beds of Karmutsen, Quatsino and Bonanza rocks, particularly inland where outcrops are widely scattered. REGIONAL MINERALIZATION A number of types of mineral occurrences are known on Northern Vancouver Island. These include: 1. Skam deposits: copper-iron and lead-zinc skarns 2. Copper in basic volcanic rocks (Karmutsen): in amygdules, fractures, small shears and quartz- carbonate veins, with no apparent relationship to intrusive activity 3. Veins: with gold andlor base metal sulphides, related to intrusive rocks 4. Porphyry copper deposits: largely in the country rock surroundingor enveloping granitic rocks and their porphyritic phases. Daiwan Engineering Ltd. 1030 - 609 Granville Streu. Vancouver. B.C. V7Y 1GS Phone: (604) 688-1508
  • 16.
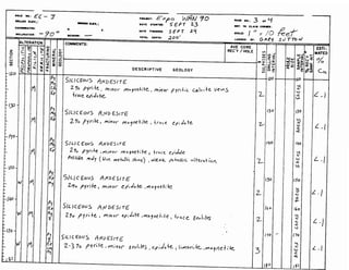
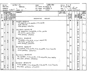
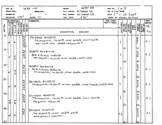
    PROPERTY GEOLOGY The propertyis underlain by Bonanza Seriesvolcanics,intruded by stocksof quartzmonzoniteor granite (inferred from the geophysical information and mapping in the Wanokana drainage), and bounded on the southwest side by a major zone of hot spring(?) silica deposits with associated bedded pyritic horizons, and re-mobilized pyrite in veins. A large portion of the central part of the property is low lying, or covered by significantoverburden. A summarized geological map (Figure 5) has been prepared for this report from 1:2400 scale base mapping. There are large alteration zones - silica and pyrite replacement in the volcanics, and clay alteration alongside highly silicified zones in volcanics, the intrusiveto the north, and in Wanokana Creek Canyon. The rockalterationis typical of zonation (phyllic)within a porphyry copper system,with further imprints of late epithermal re-mobilization. DRTLL PROGRAM Summary of Reverse Circulation Drill Holes Hole- Wan-C Wan-E W a n 4 Wan-H Wan-J Wan-K Wan-L Wan-M Wan-N w a n e Wan-P Wan-Q wan-R Wan-S Wan-T Daiwan Engineering Ltd. 1030- 609 Granville Streu, Vancouver. B.C. W Y 1GS Phone: (604) 688-1508
  • 17.
    Hole- TOTAL 6125 (1867m) Holesabandoned due to overburden Hole- Angle * k r d i n a t e s from Western Forest Products Imperial grid. The drill program was not completed as originally conceived. It was proposed that three fences of drill holes be completed across the magnetics high, immediately west of Wanokana Creek, and that a further three holes would be drilled on the east side of the creek in an IP-mag anomaly. Five drill holes were not able to be accessed by the track mounted drill rig, and there was substitution for drill targets on the eastern side of Wanokana Creek. SAMPLE PROCESSING AlI sampleswere collected at 10foot intervals and riffled on site to obtain approximately 2%kilograms of representative samplechips which was put into cloth bags. A duplicate sampleof similar weight was also prepared and left at the drill site in plastic bags for possible later use. (These samples have now been discarded at the request of the resident Inspector of Mimes.) Daiwan Engineering Ltd. 1030 - 609 Granville Stm, Vancouver, B.C. V7Y 1G5 Phone: (604)688-1508
  • 18.
    The sample foranalysis was inspected with a binocular microscope and hand lens for the mineralogy recorded in the drill hole records. The samples were then shipped to Chemex Labs Ltd., Nonh Vancouver for gold analyses by standard 10 gm fire assay methods (AA finish), and for analysis for Ag, Co, Cu, Fe, Mn,Mo, Ni, Pb, Zn by acid dissolution and ICP analysis (ICP-9 standard analysis). All results are in ppm except FE (%) and Au @pb). In the latter half of the program assays of each 10 foot interval was discontinued, and only alternate sample intervals were assayed for the ICP-9 package. Gold was assay over all intervals however. DISCUSSION OF RESULTS No significant copper mineralization was encountered in any of the drill holes. This was a surprise, as in the vicinity of holes L, M, N there is visible chalcopyrite in the road cut material. It is possible that the inferred copper mineralization in this area is located further to the north of the current drilling. Two drill sites were located in this area originally, but were not drilled because of access problems. The extreme thickness of silica pyrophyllite rock encountered in RDH #V explains the large IPresponse in the northeastern portion of the property. This silica zone is similar to that found overlying the Husharnu copper deposit. Hole T on the western portion of the property also drilled silica cap, but penetrated through the cap at 120 feet. The underlying andesitic tuff unit was not mineralized with copper, but should be tested further. Drill holes T1-T7 were attempts at penetrating the overburden near the original proposed drill locality. Typically the drill could not penetrate the overburden where it was over 60 feet in thickness. This area deserves further evaluation. Daiwan Engineering Ltd. 1030 - 609 Granville St&. Vanaxlver. B.C. V7Y 1GS Phone: (604) 688-1508
  • 20.
    , lntrusives . i0.86%Cu.O.1 opt A U ~ MORAGA RESOURCES LTD. BHP-UTAH MINES LTD. Volcanics LEGEND Scale in Kilometres 0 1 = NORTHERN VANCOUVER ISLAND, BRITISH COLUMBIA Magnetic Anomalies Induced Polarization- @ Chargeability Anomalies --- Geological Contact * Rock Chip Sample for drill hole coordinates see table page 8 MORAGA RESOURCES LTD. WANN PROPERTY Nanaimo Mining Division I DRILL HOLE I LOCATION MAP DAIWAN ENGINEERING LTD. I SCALE DATE FG.6 As shown Feb. 91 6
  • 21.
    Dioritc Monzonite Diamonddrill holes (1971)X X X X X X X X X X X X X X X . x x x : X X X X -225.000 1 HOLBERG INLET SUMMARY GEOLOGY SCALE 0 I 2 3 Kilometers I MAP I DAIWAN ENGINEERING LTD. SCALE DATE FIG. 1:50.000 Feb. '91 5
  • 22.
    CONCLUSIONS The reverse circulationdrill program was not successful in defining extensions of the surface copper mineralization. A silica pyrophyllite cap over 480 feet thick was encountered on the eastern portion of the property, and this may overly a buried Hushamu style porphyry copper-gold deposit. A number of significant drill sites could not be accessed because of ground conditions. Hole T on the western side of the property penetrated the silica cap at 120feet. This appears to show significant regional vertical fault block movement across the Wanokana Creek area. RECOMMENDATIONS Further drilling should be attempted across the centre of the high magnetic zone west of Wanokana Creek, following a re-run of the ground magnetics survey to re-establish the location of the most anomalous zones. Further diamond drill holes should be attempted across the low ground immediately north of the silica knobs south of RDH #T. Detailed magnetometer surveying should be carried out east of Wanokana Creek north and east of the Dumortierite showing. This should extend across to the large IP anomaly. Further diamond drilling should be used to evaluate the mineralization under the northeast silica cap. Daiwan Engineering Ltd. 1030 - 609 Granville Stw. Vancouver. B.C. V7Y 1GS Phone: (602)688-1508
  • 23.
    STATEMENT OF COSTS Thefollowing expenses were incurred on the WANN project for the proposal of the reverse circulation drill program: Personnel P. Dasler, M.Sc. - Senior Geologist - 10.4 days @ $280/day $ 3,952.00 R. Husband, B.Sc. - Geologist - 2.75 days @ $260/day G. Sutton, B.Sc. - Geologist - 40.6 days @ $250/200/day K. Bilquist - Linecutter/Prep. - 3.5 days @ $200/day R. Bilquist - Linecutterfiep. - 4.5 days @ $260/day D. Pawliuk, B.Sc. - Geologist - 20.6 days @ $340/day T. Sheridan - Draftsperson - 1.5 Days @ $220/day Field Costs Food and Accommodation - 60 days @ $29.73/day Field Supplies Equipment Rental - microscope, radio Vehicles - 1 4x4 - 50 days @ $93.44/day Airline Drafting - supplies Office/Secretarial- report Telephone Assays Miscellaneous Heavy Equipment Drilling Cost (including mobilization) Disbursement Fee TOTAL Daiwan Engineering Ltd. 1030 - 609 Granville Street. Vancouver. B.C. V7Y IGS Phone: (604) 688-1508
  • 24.
    CERTIFICATE OF QUALIFICATIONS I,Peter G. Dasler, do hereby certify that: 1. I am a geologist for Daiwan Engineering Ltd. with offices at 1030-609Granville Street, Vancouver, British Columbia. 2. I am a graduate of the University of Canterbury,Christchurch,New Zealand with a degree of MSc., Geology. 3. I am a Fellow of the Geological Association Of Canada, a Member, in good standing, of the Australasian Institute of Mining and Metallurgy, and a Member of the Geological Society of New Zealand. 4. I have practised my profession continuously since 1975, and have held senior geological positions and managerial positions, including Mine Manager, with mining companies in Canada and New Zealand. 5. This report is based on a personal fieldwork and supervision of the work programmes on the property since 1987, and from reports of Professional Engineers and others working in the area. 6. I have a part interest in 15000 shares of Moraga Resources Ltd. 7. This report has been prepared for B.C.D.M. assessment purposes only. Daiwan Engineering Ltd. 1030 - 609 GranvilleStnu. Vanmver. B.C. V7Y 1G5 Phone: (604)688-1508
  • 25.
    CERTIFICATE OF OUALTFICATIONS I,Gary Sutton, do hereby certify that: 1. I am a geologist for Daiwan Engineering Ltd. with offices at 1030-609 GranvilleStreet,Vancouver, British Columbia. 2. I am a graduate of the University of British Columbia in Vancouver, British Columb'i with a degree of B.Sc., Geology. 3. I have practised my profession as an exploration Geologist since 1986. 4. I supervised the reverse circulation drill program on the WANN property during September and October 1990. 5. I have no interest in the property of shares of Moraga Resources Ltd. or in any of the companies with contiguous property to their claim blocks, nor do I expect to receive any. 6. This report has been prepared for B.C.D.M. assessment purposes only. ~ a jSutton, B.SC. January 11, 1991 Daiwan Engineering Ltd. 1030 - 609 Granville Strea. Vancouver. B.C. V7Y 1GS Phone: (604) 688-1548
  • 26.
    BIBLIOGRAPHY Jones, H.M. (1988) Gableman,J.W. (1982) Pickering, Schmidt Northcote, K.E. Muller, J.E., Northcote, K.E. Carlisle, D. (1974) Dasler, P.G. (1989) Kesler, S.E. (1985) Magnum, C. Von Einsiedel (1988) Magnum, M. (1988) A report on the Expo property Holberg Inlet for Moraga Resources Ltd. Filed V.S.E. Qualifying Report, G.S.C. Geophysics Paper 1734 incl. maps 17346, 1738G. Geological Occurrence of Gold at Island Copper Internal Report for Utah Mines, Dec. 1982. Ore Reserve Husharnu. Internal report for Island Copper Mines (1983) Ltd. (1970) - Rupert Inlet - Cape Scott Map - Area in B.C. Dept. of Mines Petrol. Res. G.E.M. 1970, pp. 250-278. (1972) - Island Copper, In B.C. Dept. Mines Petrol. Res. G.E.M. 1972, pp. 293-298. Geology and Mineral Deposits of Alert Bay - Cape Scott Map - and Area, British Columbia, Gwl. Surv. Canada Paper 74-8 Report on the Expo Claim Group, Moraga Resources Ltd, private company files. Report on Geological Review of the Macintosh - Pemberton Precious Metal Exploration Area. Private Report to BHP-Utah Mines Ltd., June 1985. Summary report and proposed exploration program Dorlon project. February 15, 1988. VSE listing report for SilverDrake ResourcesLtd. V.S.E. Listing Report Silver Drake Resources Ltd. - July 12, 1988 Daiwan Engineering Ltd. 1030 - 609 Granville Wreet, Vancouver. B.C. WY 1G5 Phone: (604) 688-1508
  • 27.
    1988 V.S.E. NewsRelease January 4, 1989 - Crew Natural Resources Ltd.. George Cross News Letter - November 23,1988. Adamson, R. (1989) Correspondenceto Daiwan EngineeringLtd., and personal discussions April 1989. Sillitoe, R.H. (1980) Styles of low-grade gold mineralization in Volcano-plutonic areas. McMillan et a1 (1986) Mineral Deposits in British Columbia - A review of their Tectonic settings. Paper in Geoexpo conference Vancouver, B.C. 1986. B.C.D.M. Records Island Copper Statistics, B.C. Dept. of Mines records to 1984 with estimates to end of 1986. Carson DJT 1972 The plutonic rocks of Vancouver Island - Page 72-44 Woods, D.V. (1987) Geophysical Report on Reconnaissance Surface and Bore Hole Pulse Electro, magnetic Survey on the Expo Project, Vancouver Island, report for Moraga Resources Ltd. Holcapek, F. (1975) Progress report for Acheron Mines Ltd. Assessment report #I5758 on the Ti Mo and Bud claims. Young, M.(1969) Geological and Geochemical Assessment Report on the Expo Claim Group for Utah Mines Ltd Assessment Report #I2190 Motterhead, B. (1968) Geological and Geochemical Report on the Ti, Mon and Bud claims, North Vancouver Island, for Acheron Mines Ltd. Taylor, D.P. (1973) Report on the Geochemical, Magnetometerand GeologicalSurveys on the Ti, Mon, Mo, and Bud claims of Acheron Mines Ltd. Sutherland, R. (1966) Report on the Reconnaissance Exploration program, Nahwitti Lake Area, Assessment Report #870, for Giant Explorations Ltd. B.C.D.M. Records Minfile #92L-069, 074-079, 098, 181, 200, 241-245. Daiwan Engineering Ltd. 1030 - 609 Granville Street, Vancouver. B.C. V7Y 1GS Phone: (604)688-1508
  • 28.
    Dasler, P.G. (1987) Dasler,P.G. (1987) Dasler, P.G. (1987) Husband, R.W. (1990) Pearson, B.D. (1984) Pearson B.D. (1983) Clouthier G. (1971) Prior, G. (1984) Pearson, B.D. (1987) Pearson, B.D. (1984) Lithogeochemical Assessment Report for Rochester Minerals Ltd. August 1987. B.C.D.M. Report #16139. Internal Report for Rochester Minerals Ltd. August 1987. Report for Western Pocasset Resources Ltd. GeochemicalAssessment Report on the Wan '90 property for Acheron Resources Ltd. May 3, 1990. Rock geochemistry of Wanda claims B.C.D.M. Assessment Report December 10, 1984. Geology petrography silt and rock geochemistry of Wanda claims B.C.D.M. Assessment Report March 22, 1983. B.C.D.M. Assessment Report #3402. Lithogeochernical Report on the Wan claim. Homestake Mineral Development Co. B.C.D.M. Assessment Report #13739. Rock and soil geochemistry stat - Wanda claims March 14, 1987. B.C.D.M. Report #15876. Geology magnetometery and gradiometry Wanda claim March 20, 1984. B.C.D.M. Report #12302. Daiwan Engineering Ltd. 1030 - 609 Granville Streu. Vancuuver. B.C. WY 1G5 Phone: (604) 688-1508
  • 29.
    APPENDIX I ASSAY CERTIFICATES DaiwanEngineering Ltd. 1030 - 609 Granville St&. Vanmuver. B.C. V7Y 1GS Phone: (604) 688-1508
  • 30.
    Chemex Labs Ltd.AnatyticalChemists'Geochemists 'RegisteredAssayers 212 Brookshank Ave., NorthVancouver British Columbia,Canada V7J 2C1 PHONE: 604-984-0221 To: DAIWAN ENGINEERINGLTD. ATTN: PETER DASLER 1030- 609 GRANVILLE ST. VANCOUVER. BC Paae Number :1 . P.O. Number : Project : WAN 90 Comments: AlTN: PETER DASLER I CERTIFICATE OF ANALYSIS A9023774 PREP CODE Ppm < 0 . 5 < 0 . 5 2 . 0 < 0 . 5 < 0 . 5 < 0 . 5 < 0 . 5 < 0 . 5 < 0 . 5 < 0 . 5 < 0 . 5 < 0 . 5 < 0 . 5 < 0 . 5 < 0 . 5 < 0 . 5 < 0 . 5 < 0 . 5 < 0 . 5 < 0 . 5 SAMPLE DESCRIPTION 5 0 3 0 1
  • 31.
    To: DAIWAN ENGINEERINGLTD. Chemex Labs Lid. ATrN:1030- 609PETERGRANVILLEDAsLERST. Analytical Chemists'Geochemists'RegisteredAssayem VANCOUVER, BC 212 BrooksbankAve., NorthVancouver V7Y 1G5 British Cdurnbia, Canada V7J 2C1 PHONE:604-984-0221 PageNumber :1 Total Paaes: 1 bate: 080CT-90 Invoice No. : 1-9023682 P.O.Number : Project : WAN 90 Comments: ATTN: PETER DASLER CC: DAVID PAWLlUK CERTIFICATE OF ANALYSIS A9023882 SAMPLE DESCRIPTION
  • 32.
    Chemex Labs Ltd.Analytic4Chemists'Geochemists 'RegisteredAssayers 212 BmoksbankAve., North Vancouver British Columbia.Canada V7J 2C1 PHONE:604-984-0221 To: DAIWAN ENGINEERING LTD. ATTN: PETER DASLER 1030- 609 GRANVILLE ST. VANCOUVER, BC V N 1G5 P.O. Number : Project : WAN~W Comments: ATTN: PETER DASLER CC: DAVID PAWLINK I CERTIFICATEOF ANALYSIS A9024069 DESCRIPTION 50357 50358 2 9 4
  • 33.
    Chemex Labs Ltd.AnatyucalChemists 'Geochemists 'RegisteredAssayen 212 Wclbank Ave., No& Vancouver BritishCdumbis.Canada V7J 2C1 PHONE:604-884-0221 To: DAIWAN ENGINEERING LTD. Paae Number :1 ATTN: PETERDASLER 1030- 609 GRANVILLEST. VANCOUVER. BC InvoiceNo. : I4024349 P.O. Number : Project : WAN-90 Comments: ATTN: PETER DASLER CC: DAVID PAULIUK CERTIFICATE OF ANALYSIS , ":DESCRIPTION
  • 34.
    Chemex Labs Ltd.AnalyticalChemists'Geochemists'RegsteredAssayen 212 W s b a n k Ave.. NorthVancouver British Columbia.Canada V7J 2C1 PHONE:604-884-0221 SAMPLE DESCRIPTION CODE Pam Number :2 ~o&lPrfges; 2 I n w F ate 10-OCT-90 lnwlce No. : I-9024349 P.O. Number : Project : WAN-90 Comments: ATTN: PETER DASLER CC: DAVID PAULIUK I CERTIFICATEOF ANALYSIS A9024349 CERTIFICATION: -
  • 35.
    Chemex Labs Ltd.AnalyticalChemists'Geochemists' RegisteredAssayers 212 Brooksbank Ave.. North Vnncouvnr BritishColumbia,Canada V7J 2C1 PHONE:604-884-0221 To: DAIWAN ENGINEERING LTD. AlTN: PETER DASLER 1030 - 609 GRANVILLE ST. VANCOUVER. BC V7Y 1G5 Page Number :1 Total P es 1 lnvoice%tw! 1-T-gO Invoice No. : 1-8024350 P.O. Number : Project : WAN-90 Comments: ATTN: PETER DASLER 1 CERTIFICATE OF ANALYSIS SAMPLE DESCRIPTION Au P P ~ Ag FA+AA ppm < 5 < 0 . 5 < 5 ----- < 5 < 0 . 5 < 5 ----- < 5 0 . 5 < 5 ----- < 5 0 . 5 < 5 ----- < 5 0 . 5 < 5 ----- < 5 < 0 . 5 < 5 ----- < 5 0 . 5 < 5 ----- < 5 < 0 . 5 CERTIFICATION:0
  • 36.
    Chemex Labs Ltd.AnelyticalChemists 'Geochemists 'RegmeredAssayers 212 BrodtsbankAve., North Vamuver BritishColumbia,Canada V7J 2C1 PHONE:804-984-0221 To: DAIWAN ENGINEERINGLTD. ATTN: PETER DASLER 1000- 609 GRANVILLEST. VANCOUVER. BC V N lG5 PageNumber :1 Total P es 1 ~nvoicextei IOOCT-w Invoke No. : I-9024449 P.O.Number : Project : WAN-90 Comments: ATTN: PETER DASLER I CERTIFICATEOF ANALYSIS A9024449 SAMPLE DESCRIPTION PREP 205 205 205 205 205 205 205 205 205 205 205 205 205 205 205 205 205 205 205 205 205 CODE 294 294 294 294 294 294 294 294 294 294 294 294 294 294 294 294 294 294 294 294 294
  • 37.
    Chernex Labs Ltd.Analytic4Chemists 'Geochemists ' Reg~steredAssayers 212 BrwksbankAve., North Vancouver BritishCdumbia, Canada V7J 2C1 PHONE:604-884-0221 Page Number :1 Total Pages : 1 InvoiceDate: 1-T-90 Invoice No. : 1-9024577 P.O. Number : Project : WAN Comments: I CERTIFICATEOF ANALYSIS A9024577 SAMPLE DESCRIPTION 50487 50488 50489 50490 5 0 4 9 1 50492 50493 50494 50495 50496 PREP CODE N i Ppm 4 ----- 4 ----- 3 ----- 4 ----- 3 ----- CERTIFICATION: -4
  • 38.
    Chemex Labs Ltd.AnalyticalChemists 'Geochemists ' RegisteredAssayers 212 Brooksbank Ave.. North Vancouver BritishColumbia. Canada V7J 2C1 PHONE:604-984-0221 Page Number :1 Total Pages : 1 InvoicaDate: 16-OCT-90 lnvoicaNo. : 1-9024633 P.O.Number : Project : WAN-9 Comments: ATTN.PETER DASLER I CERTIFICATEOF ANALYSIS A9024633 SAMPLE DESCRIPTION PReP CODE A g Ppm < 0 . 5 ----- < 0 . 5 ----- < 0 . 5 wCERTIFICATION:
  • 39.
    Chemex Labs Ltd.AnatyticaJChemists'Geochem~sts'RegisteredAssayers 212 BmoksbankAve.. NorthVamuver British Columbia. Canada V7J 2C1 PHONE:604-984-0221 To: DAIWAN ENGINEERING LTD. ATTN: PETER DASLER 1030- 609 GRANVILLE ST. VANCOUVER. BC V N 1G5 lnvdca No. : 1-9024714 P.O. Number : Project : WAN-10 Common$: ATTN: PETER DASLER I CERTIFICATEOF ANALYSIS SAMPLE DESCRIPTION - PREP CODE CERTIFICATION: z37+
  • 41.
    Chemex Labs Ltd.AnalyticalChemists'Geochemists 'RegisteredAssayers 212 BrooksbankAve..North Vancouver Mtish Columbia. Canada V7J 2C1 PHONE:604-084-0221 To: DAIWAN ENGINEERING LTD. ATTN: PETER DASLER 1030- 609 GRANVILLE ST. VANCOUVER, BC V7Y 1G5 Paae Number :2 Projoct : WAN-11 Comments: I TE OF ANALYSIS A9024989 SAMPLE DESCRIPTION CERTIFICATION: PREP 2 0 5 2 0 5 2 0 5 2 0 5 2 0 5 2 0 5 205 2 0 5 2 0 5 205 2 0 5 2 0 5 205 205 2 0 5 2 0 5 CODE 294 294 294 2 9 4 2 9 4 294 294 294 2 9 4 294 294 2 9 4 294 294 2 9 4 294
  • 43.
    Chemex Labs Ltd.AnalyticalChemists'Geochemists' RqisteredAssayers 212 BrooksbankAve.. North Vancouver BritishColumbia. Canada V7J 2C1 PHONE:604-884-0221 Paae Number :1 TOLIpages : 1 Invoice Date: 21-OCT-90 InvoiceNo. : I4025082 P.O. Number : Project : WAN-13 Comments: I CERTIFICATEOF ANALYSIS A9025082 SAMPLE DESCRIPTION PREP CODE As Ppm
  • 44.
    Chemex Labs Ltd.AnalyUcalChemists'Geochemists 'RegisteredAssayera 212 BmoksbankAve., NorthVancouver British Columbia. Canada V7J 2C1 PHONE:604-984-0221 To: DAIWAN ENGINEERING LTD. ATTN: PETER DASLER 1030- 609 GRANVILLEST. VANCOUVER. BC V N 1G5 Page Number :1 Total Paaes : 2 Invoicedate: 230CT-90 InvoiceNo. : 1-9025188 P.O. Number : Project : WAN-14 Comments: I CERTIFICATEOF ANALYSIS A9025189 Mn Ppm 325 ----- 235 ----- 250 S W L E PREP Au ppb DESCRIPTION CODE FA+AA I
  • 45.
    ChemexLabs Ltd.Analytic4 Chemista'Geochemisu,'Registered Assayers 212 BrodcsbankAve.. Nonh Vancouver British Columbia,Canada V7J 2C1 PHONE:804-984-0221 To: DAlWAN ENGINEERING LTD. Page Number :2 ATTN: PETER DASLER TotalP es 2 1030 - 609 GRANVILLE ST. ~ n v o ~ y a t e iZ-OCT-W) VANCOUVER. BC Inwlce No. : CW25189 V N 1G5 P.O. Number : Project : WAN-14 Commonla: SAMPLE DESCRIPTION PREP CODE Au ppb FA+AA I CERTIFICATEOF ANALYSIS A9025189
  • 46.
    Chemex Labs Ltd.AnalyUdChemists'Geochemists 'RegisteredAssayers 212 BrodtsbankAve.,NorthVancouver BritishColumbia,Canada V7J 2C1 PHONE:604-9844221 To: DAIWAN ENGINEERINGLTD. ATTN: PETER DASLER 1030- 609 GRANVILLE ST. VANCOUVER, BC V N 1G5 Page Number :I Fkg7zi L C T - B O Invocca No. : 1-8025495 P.O. Number : Project : WAN 15 Comments: ATTN: PETER DASLER I CERTIFICATEOF ANALYSIS A90W495 Au ppb FA+AA PREP CODEI s-Y DESCRIPTION
  • 47.
  • 48.
    l& Chemex LabsLtd.Analytical Chemists 'Geochemists' RegisteredAssayers 212 h k s b a n k Ave.. North Vancouver British Columbia,Canada V7J 2C1 PHONE:604-984-0221 io: DAIWAN ENGINEERING LTD. ATTN: PETER DASLER 1030- 609 GRANVILLEST. VANCOUVER. BC V N lG5 Paae Number :1 T O ~ IPajes : 1 Invoice ate: SNOV-90 Invoice No. : 1-9025821 P.O. Number : Project : WAN 17 Comments: I CERTIFICATEOF ANALYSIS A9025821 PREP CODE 4u ppb ?A+AA SAMPLE DESCRIPTION
  • 49.
    Chemex Labs Ltd.AnalyticalChemists'Geochemists ' RegisteredAssayers 212 BrodcsbankAve.. North Vancouver British Columbia, Canada V7J 2C1 PHONE:604-884-0221 To: DAIWAN ENGINEERING LTD. ATTN: PETER DASLER 1030 - 609 GRANVILLE ST. VANCOUVER. BC V7Y 1G5 Page Number :1 Total P y ; lsNOV-90 lnvoica ate. Invoice No. : 1-9025822 P.O. Number : Project : WAN 18 Comments: I CERTIFICATE OF ANALYSIS A9025822 ku ppb FA+AA PREP CODE SAMPLE / DESCRIPTION
  • 50.
    Chemex Labs Ltd.AnalyticalChemists'Geochemists'RegisteredAssayers 212 BrodtsbankAve.. NorthVancouver BritishColumbia, Canada V7J 2C1 PHONE:604-984.0221 SAMPLE DESCRIPTION PREP CODE Co Ppm 10 Cu Ppm Page Number :1 Invoice ate. 180CT-90Total PY=j Invoice No. : I-9025093 P.O. Number : Project : WAN Commonts: CC: DAVID PAWLIUK I CERTIFICATEOF ANALYSIS A9025093 MO Ppm CERTIFICATION: ,<-) < i
  • 51.
    & Chemex LabsLtd.AnalyticalChemists 'Geochemists'RegisteredAssayers 212 BrooksbankAve.. North Vancouver British Columbia, Canada V7J 2C1 PHONE:604-984-0221 To: DAIWAN ENGINEERINGLTD. ATTN: PETER DASLER 1030- 609 GRANVILLE ST. VANCOUVER, BC VIY lG5 Invoice No. : 1-9026093 P.O. Number : Projea : WAN-13 Commentt: I I CERTIFICATE OF ANALYSIS SAMPLE DESCRIPTION PREP CODE CERTIFICATION: fl+
  • 52.
    l& Chemex LabsLtd.Analytical Chemists 'Geochemists' RegisteredAssayers 212 BrooksbankAve.. North Vancouver British Columbia,Canada V7J 2C1 PHONE: 604-984-0221 SAMPLE DESCRIPTION PREP CODE As Ppm < 0 . 5 < 0 . 5 < 0 . 5 < 0 . 5 To: DAIWAN ENGINEERING LTD. ATTN: PETER DASLER 1030- 609 GRANVILLE ST. VANCOUVER. BC V N 1G5 Page Number :1 InvocceP?fasiale. 07-NOV-90 Invoice No. : 1-9026094 P.O.Number : Project : WAN-14 Comments: I CERTIFICATE OF ANALYSIS A9026094
  • 53.
  • 54.
  • 55.
  • 56.
  • 57.
    *OU no.: -I EUV.: c00nDl)brLI: t*CLI*bTtO*: - WA N - c W#AJ 90 pa.c no.: 5 OF q l l O D l D LUV, : n. L a : / " = /oRef- AVE CORE REC'Y / HOLE D E S C R I P T I V E GEOLOGY
  • 58.
    nou no.: OCIln cuv.: CoonDlbTLs: IICunATIOn:- WAd- C Pno1cT: WAIv PO P A ~ Eno.: 6 01 q a o m O LUV. : n. c AVE CORE REC'Y / HOLE
  • 59.
  • 60.
    * O Uno.: COW. cuv.: C 0 0 1 0 1 A T t l : - DATE STARTW: SSP -f 30 RIP. 10 CLAIM COILLR: BATE rlWSNC% O C 7 2 mEAnIM: 4 TOTAL O E n Y : 500' LOIICD W : COMMENTS: AVE CORE REC'Y / HOLE D E S C R I P T I V E GEOLOGY S/LIc Eoo 5 ESr TS 1-2 70 maqnetik,, o . ~ ? ~epiJYie ,w ;fir,,- pclr~+e,t r a c e ~ e ~ j i f e ~ , l i m n ; + e. riOdwA+cp o - i a s ~ ; ~nlt e r i l t c k n
  • 62.
  • 63.
  • 64.
  • 69.
    I O U! no.: mLUn euv.: C001DIATc.: I I C U I A T I O I : - -0 L U V . : 1. e ~CAIIW: - TOTAL ocrr*: 9 30' L O ~ ~ C DDV: ZOMMENTS: AVE CORE REC'Y / HOLE DESCRIPTIVE GEOLOGY 3- 9;: I > El- ' 5 60 70 go 70 100 I10 I U )-
  • 70.
  • 71.
  • 72.
  • 73.
  • 76.
  • 77.
    Y O Uno.: gc - n aCAnl*.: - TOTAL DCPTY: 370' Lom.c~ my: :OMMENTS: AVE CORE REC'Y / HOLE DESCRIPTIVE GEOLOGY --EST1- MATED % CY
  • 78.
  • 79.
  • 81.
  • 82.
  • 83.
  • 84.
    I D E SC R I P T I V E GEOLOGY S I L ) C W ~ ~ I ~ v D E S I T E 2% k"iri{e, m,m, lydgndite,mjqor pjr)+lC (Idl~;tev e h s h e ep;da.te
  • 90.
  • 91.
  • 93.
  • 94.
    . I QI I D EUV. : memm: - m om me^ DT: G I AVE CORE REC'Y /HOLE I .-* x P -- D E S C R I P T I V E GEOLOGY -w --EST1- MATEC % CY
  • 95.
    n o uno.: & i - 0 ncAn1W: .-C TOTAL .c*Tn: 320 LO*.EO nv: :OMMENTS: AVE CORE REC'Y /HOLE DESCRIPTIVE GEOLOGY
  • 96.
  • 97.
  • 113.
  • 118.
  • 120.
    -- W O Uno.: W u A R cuv.: COoR011ATEa: lROLInAT10N: - -0 cuv. : *. E .V - :OMMENTS: AVE CORE REC'Y/ HOLE DESCRIPTIVE GEOLOGY
  • 122.
  • 123.
  • 124.
    leOLC no.: WA ~ -u pA.1 no.: / OF Lj -D cuv. : n. L . .LARIM: 330 TOTAL D C I I Y : zoo' LD.U!D BY: COMMENTS: AVE CORE REC'Y / HOLE D E S C R I P T I V E GEOLOGY
  • 125.
  • 126.
  • 127.
  • 128.
  • 129.
    * O Uno.: -I cuv.: C 0 0 ~ A T c a : mcLl1aTlo1: - DESCRIPTIVE GEOLOGY 7 -ESTl- MATE1 % G
  • 130.
  • 131.
  • 133.
  • 135.
  • 137.
  • 138.
    nou no.: c w. : DEARIM: - TOTAL DECIY: 3 3 0 ' LO~IEO sv: EOMMENTS: AVE CORE REC'Y / HOLE DESCRIPTIVE GEOLOGY
  • 140.
  • 141.
  • 142.
  • 143.
  • 146.
  • 147.
  • 148.
  • 149.
  • 150.
  • 151.
  • 152.
    * O Uno.: -. cuv.: C o o ~ D * A T E I : I I C L I N A T I O I : - COMMENTS: AVE CORE REC'Y / HOLE