IAC  プラン B  御説明会 ~終結のブルー・プリント~ 2011 年 6 月 10 日 インターナショナル・アクセス・コーポレーション 佐藤 暁
目次 現状 プラン A  の妥当性 プラン B  の妥当性 結論
1. 現状
12~13m ~33.5m ID 8.9m ~46m ~23.5m ~15m ~11m ~40m 16~17m 燃料交換フロア(オペフロ) 原子炉建屋  (二次格納容器) 一次格納容器 原子炉圧力容器 圧力抑制室(一次格納容器の一部を構成) ドライウェル ペデスタル 原子炉建屋の諸元      ( 784MW )
運転中 原子炉停止直後 蒸気 蒸気 蒸気 空焚き 全交流電源喪失事故( SBO ) 排熱 
運転停止後の核燃料からの 残留熱 定格出力で運転中は、毎時、数千トンの蒸気を発生。 停止直後では~ 5% 。 「原子炉停止」は、照明のスイッチとは異なる。 停止後の経過時間 定格出力との比 号機 1 2 3 燃料集合体の数 400 548 548 電気出力( MW ) 460 784 784 熱出力( MW ) 1,380 2,381 2,381 数時間後の残留熱( 1% )( MW ) 14 24 24
水素脆化 長時間空焚き後の 急冷による燃料破損
さもなければ ・・・ 二酸化ウランの融点= 2800℃ ジルコニウム合金の融点= 1852℃ 燃料被覆管 燃料ペレット 隙間
Kr, Xe, I , Cs Zr + 2H 2 O -> ZrO 2  +  2H 2  ↑+ 576kJ   爆発性気体と放射性気体の発生元 高温の被覆管 水蒸気 ~1,500cal/g 水素 1kg  の爆発エネルギー( 120MJ )  = 30kg-TNT 燃料被覆管 隙間
停止 70 日後における減衰 I-131,  Cs-134, Cs-136, Cs-137, Rb-86,  Te-127m, Ba-140, Sr-89, Sr-90,  Co-58, Co-60, Ru-103, Ru-196,  Am-241, Cm-242, Cm-244, Nb-95, Nd-147, Pr-143, Y-91, Zr-95,  Ce-141, Ce-144, Pu-238, Pu-239, Pu-240, Pu-241 32  種がほぼ消滅、 27  種が残存。 9.5 x 10 -8 3 days 2.9 x 10 -11 2 days 8.5 x 10 -22 1 day Remaining Half-Life
原子炉の「空焚き」からメルトダウンまで             オークリッヂ国立研究所による解析結果 “ BWR Reactor Vessel Bottom Head Failure Modes” (1989) 解析の対象:  Peach Bottom  ( BWR )  1050MWe 経過時間 現象 40 分 炉心上部まで水位が低下 1 時間 21 分 炉心支持板まで水位が低下 2 時間 12 分 炉心崩壊の始まり 2 時間 13 分 炉心支持板のメルト・スルーの始まり 3 時間 43 分 炉心中心部の崩落 4 時間 15 分 原子炉圧力容器底部まで完全に水が蒸発 4 時間 15 分 原子炉圧力容器底部の貫通部が損傷 7 時間 47 分 原子炉圧力容器の全体的な崩落
NRC  職員の研修資料
原子炉の「空焚き」からメルトダウンまで            (ミネソタ州の州民向け原子炉事故対応マニュアルから)
炉心支持板からの融け落ち 冷却機能を喪失してから約 2 時間後には発生が予想  水蒸気爆発が起こらないことは、過去の数度の実験から実証されている。 炉心シュラウド 炉心支持板 炉心(燃料) 溶融した炉心 水 初期の段階で大量の冷水が注入されない限り、再臨界は起こらない。
炉心支持板からの融け落ちが更に進行 実際に炉心冷却機能を喪失してからの経過時間 (5 月 16 日の公式発表による。) 号機  経過時間 1 14h09m 2 06h29m 3 06h43m
原子炉圧力容器底部の損傷 高温クリープによる崩壊は、実際の材料(低合金鋼)の融点(約 1500℃ )よりも約 240℃ 低い温度で始まり、燃料ペレットの破砕片に高レベルの汚染水が混じって流出する。      
潜在的漏洩箇所(代表部位) 原子炉圧力容器の底部の構造と潜在的な漏洩箇所
原子炉圧力容器底部の更なる損傷の進行           ドライウェル・サンプ・ピット ペデスタル ペデスタル入口
原子炉圧力容器の更なる損傷の進行と  CCI 反応(溶融炉心とコンクリートの反応)による放射性エアロゾルの大量発生       ペデスタル入口 ペデスタル       H 2 O, CO 2 H 2 O, CO 2 H 2 , CO エアロゾル エアロゾル エアロゾル エアロゾル
Source: NUREG/CR-6042 Rev.2 溶融炉心とコンクリートの化学反応によって放散される核分裂生成物
      ペデスタル       H 2 , CO H 2 O, CO 2 H 2 O, CO 2  原子炉格納容器のメルト・スルーの始まり ペデスタル入口 エアロゾル エアロゾル エアロゾル エアロゾル
メルト・ダウンの進行による格納容器の大規模な損傷 エアロゾル エアロゾル エアロゾル エアロゾル
大規模な人工岩盤のメルト・スルー(チャイナ・シンドローム) 人工岩盤
Source:  NUREG/CR-2182 “Station Blackout at Browns Ferry Unit One – Accident Sequence Analysis (Nov. 1981) コンクリート(人工岩盤)のメルト・ダウンに対する進展速度解析 ~2cm/ 分
(参考) 最悪のシナリオ 再臨界の可能性 水蒸気爆発の可能性 完全放置された時の炉心溶融の進展
再臨界 炉心シュラウド 制御棒 炉心 溶融炉心 大量の冷却水が速やかに注入された場合 再臨界 放置された場合
蒸気爆発 実験的に蒸気爆発が起こらないことは確認されている。 炉心シュラウド 炉心支持板 炉心 Molten Core Water
実験  60% UO2 16% ZrO2 24%  ステンレス鋼 2700-deg C 1m 出典 :  NUREG/CR-6133 “Fragmentation and Quench Behavior of Corium Melt Streams in Water” (Argonne National Laboratory, Feb. 1994) 冷水 飽和温度水 55 - 72%   凝固 33 - 45%   凝固 溶融炉心を模擬 ~1 %  酸化 ~35 %  酸化 6 回行った実験で、蒸気爆発の発生はゼロ!
 UO2-ZrO2-Zr 出典 :  NUREG/CR-6133 “Fragmentation and Quench Behavior of Corium Melt Streams in Water” (Argonne National Laboratory, Feb. 1994) 溶融炉心を模擬 飽和温度水  UO2-ZrO2 溶融炉心を模擬 飽和温度水
完全放置された炉心溶融の進展 炉心シュラウド 炉心支持板 炉心(燃料) 溶融炉心 水 崩壊した燃料集合体 溶融金属 燃料ペレット (固体)
Mainly metallic debris (Control Blades, Channel Boxes)  Collapsed fuel (ZrO2) from central region of core Continuous boiloff Constant heat source water water
Continuous boiloff Constant heat source Constant heat source In several hours, lower plenum completely dries out. Control Rod Guide Tubes
Constant heat source Relatively undamaged outer radial regions of core Control Rod Guide Tubes
~3m Metallic materials
Catastrophic circumferential failure due to creep rupture could eventually occur,  in case there is no penetration failures . 6 hours   after complete lower plenum dryout
 
溶融物  Peach Bottom  ( 3,514MWt/1,112MWe )の場合 溶融される構造物 重量( kg ) 炉心    A.  ジルカロイ製     被覆管 37,000     チャンネル・ボックス 22,900     スペーサ 2,700    B.  燃料( UO2 ) 172,500    C.  ステンレス鋼構造物 16,300    D.   B 4 C 粉末 1,150 ステンレス鋼構造物    A.  上部格子板 6,900    B.  炉心支持板 9,300    C.  制御棒案内管 88,680 合計 357.43
 
2. プランA の妥当性
ドライウェル冠水 「水棺」、「冷温停止」達成時の予想状態 原子炉 ドライウェル冠水達成のための最低水位 トーラス ダウンカマー ドライウェル メイン・ベント 空気溜り
理想的には、「緑地化」を達成したい・・・
2004 年 4 月 14 日時点で  86%  の進捗
2004 年 9 月 17 日、格納容器を爆破により崩落 2005 年 1 月 19 日現在、 97% の進捗率。
2005 年 5 月 5 日、実質 100% の完了。 2005 年 7 月 25 日、「緑地」を達成。
解体技術における爆破法 爆破法を適用して解体したタービン建屋
基礎とその上に設置された使用済燃料保管キャスク 垂直保管 水平保管
ヤンキー・ロー原子力発電所の場合  533 体の使用済燃料を装荷した 16 基の乾式キャスクが並ぶ保管場所 廃炉作業を開始する前の全景( 1993 年) 大部分の解体作業が完了  (12/12/2006) 廃炉解体コスト : $608M 600MWt PWR  (1963 – 1991)
緑地を達成( 9/5/2007 ) ヤンキー・ロー原子力発電所の実績、及び、今後の解体スケジュール
コンテナ詰め( 11/20/1996 ) 現場から発送( 4/27/1997 ) 鉄路の貨車に積み換えられ、 1800km の輸送に出発 地下埋設の処理のためにバーンウェル施設に到着( 5/7/1997 ) 原子炉圧力容器の撤去 直径 3.6m x  高さ 8.1m 、重量 165 トン。 原子炉圧力容器の内部と外部に 80 トンのコンクリートを充填。
トリチウム( H-3 )によって深くまで汚染した膨大な地下の土壌 数値は、地下水の  H-3 濃度で、単位は  pCi/L 。米国環境保護庁による飲料水の基準は 20,000pCi/L 。
Source: NUREG-1350 Vol.21 再処理を行わない場合の使用済燃料に対する最終処分 ユッカ・マウンテン計画(放棄) 500 ~ 600m  の地下埋設処理施設
スウェーデンの計画  ( 現在も実行に向けて準備中 )
しかし、現実的には余りにも困難が多く、程遠い・・・
Steam Dryer
Moisture Separator
Fuel Assembly
Lower Plenum  (Region below Core Plate)
 
3. プランB の妥当性
号機別対応策 対応策 -A 使用済燃料プールは有意な影響を受けてない 対応策 -II 2 対応策 -B 対応策 -I 原子炉系は有意な影響を受けていない 4 対応策 -B 対応策 -II 3 対応策 -B 対応策 -II 1 使用済燃料プール 原子炉 号機
対応策 -II  号機別運転モード *:  残留熱の推定は  5/11/2011  現在。 **:  各運転モードの詳細は、後述。 ***:  必要最小流量は、特に断りがない限り、冷却媒体の温度上昇 100 度と仮定。 5,000 空気 自然対流 3 5,000 空気 自然対流 3 55,000 He  強制 1 1,400 1 2 1 2 15,000 空気 強制 2,400 残留熱 *  (kWt) 65,000  ( ∆T =  150 deg-C) He  強制 2/3 15,000 空気 強制 必要最小流量 *** (Nm 3 /h) 運転モード ** 号機
Mode 1 Mode 2 Mode 3 Mode 2 Mode 3 1Y 2Y 10Y Mode 1 Mode 2 Mode 1 3Y Mode 3 運転モード切替 < 200 200 - 700 > 700 発生熱量の範囲  (kW) 2,400kW 2 号機 予想される残留熱発生量   5/11/2011 2,400kW 3 号機 該当せず 0 4 号機 1,400kW 1 号機 空気 / 自然対流 空気 / 強制 He/ 強制 冷却方法 3 2 1 運転モード
ヘリウムの価格 :  200 円 /Nm 3 ヘリウム・ガスの使用による排熱性能の向上 J/kg ・ degC 空気 に対する比率 W/m ・ K 4217 - 0.582 H 2 O ( 液体 ) 1012 1 0.0316 空気 2098 0.77 0.0241 H 2 O ( 蒸気 ) 5192 5.53 0.1663 He 比熱 熱伝導率 冷却媒体
将来の高温ガス炉にも採用の計画 GT-MHR (Gas Turbine – Module Helium Reactor)
A* B* 追加 Scrubber/Gas Cooler Ventilation System Mode-1/2 Heat Sink Gravel Flow from Suppression Chamber to Drywell *:  See “proposed line-up” for system interfaces for A and B for each unit. Option A
Heat Sink Gravel Factors to be considered for selection: High thermal conductivity Radiation shielding High performance to absorb radioactive gas/particle.
Copper Sphere Shell Zeolite Mixing several different constituents may be considered
Unit 1  Core Spray System Helium/Air Injection Point Proposed System Lineup A
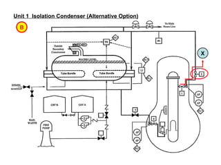
Unit 1  Isolation Condenser (Alternative Option) B X
Unit 1  Atmospheric Control System (Alternative Option) B X
To be added To be added Scrubber/Gas Cooler Ventilation System Rx. Bldg. Truck Bay Mode-1/2 Option B1
To be added To be added Scrubber/Gas Cooler Ventilation System Rx. Bldg. Truck Bay Blower Mode-1/2 Option B2
To be added To be added Scrubber/Gas Cooler Ventilation System Rx. Bldg. Truck Bay Mode-2 Option C
Rx. Bldg. Truck Bay Stack Air Gap for Flow Path Air Flow only by Natural Convection Mode-3 See detail “D”  See detail “E”
 
対応策 -B  号機別運転モード *:  各運転モードの詳細は、後述。 **:  必要最小流量は、特に断りがない限り、冷却媒体の温度上昇 100 度と仮定。 ***:  参考。( 2 号機にはおいては、対応策 -A  が適用可能。) ****:  ヘリウムガスは、熱伝導率が高く、粘性が低い(配管抵抗)ため、より適正。 1 3 2 2 1 3 6,500 空気 自然対流 13,000 空気 強制 1,800 230 460 70 残留熱      (kWt) 6,500 空気 強制 3 18,000 He****  強制 2*** 70,000 He***,  強制 4 1,930 空気 自然対流 1 必要最小流量 ** (Nm 3 /h) 運転モード * 号機
Mode 3 Mode 2 Mode 1 Mode 1 Mode 2 Mode 3 Mode 3 Mode 2 Mode 3 0.5Y 2Y 5Y 5.5Y 10Y 運転モード切替 *:  参考。( 2 号機にはおいては、対応策 -A  が適用可能。) < 100 100 - 350 > 350 発生熱量の範囲  (kW) 460kW Unit 2* 予想される残留熱発生量   5/11/2011 230kW Unit 3 1,800kW Unit 4 70kW Unit 1 空気 / 自然対流 空気 / 強制 He/ 強制 冷却方法 3 2 1 運転モード
Spent Fuel Racks Spent Fuel Racks Gate Cask Pit A A Spent Fuel Pool (top view) N
Water Level Spent Fuel Racks Spent Fuel Racks Spent Fuel Pool (side view) A-A
Finned Heat Sink Chambers (Copper) Step-1 放熱フィン付除熱チェンバーの設置
Cross-Tie Pipes
Step-2 プレファブ配管モジュールを設置
35cm Cold (Inlet) 2-inch Sch#40 Stainless Steel Hot (Outlet) 2-inch Sch#40 Stainless Steel Convection Cooling 2-inch Copper 配管モジュール
Φ10mm     (typ. 4) 50mm Approx. 2000mm Approx. 8000mm
A A View A-A Main Header Main Header Main Header Distribution Header Top View
 
Step-3 除熱材を投入 Water Gravel
Heat Sink Gravel Factors to be considered: High thermal conductivity Radiation shielding High performance to absorb radioactive gas/particle.
Copper Sphere Shell Zeolite Mixing several different constituents may be considered
水面が徐々に低下 Step-4 換気系を始動
換気用ファン、及び、ガス処理系 スクラバー 水面 運手モード  1 、 2
運転モード ヘリウム・ガスの使用による排熱性能の向上 不要 必要 必要 浄化系 3 2 1 モード 自然対流 空気(非汚染) 低 (<100kW) 強制冷却 空気(汚染) 中 (100-350kW) 強制冷却 ヘリウム(汚染) 高 (>350kW) 動力 冷却媒体 処理される 熱発生量 J/kg ・ degC 空気 に対する比率 W/m ・ K 4217 - 0.582 H 2 O ( 液体 ) 1012 1 0.0316 空気 2098 0.77 0.0241 H 2 O ( 蒸気 ) 5192 5.53 0.1663 He 比熱 熱伝導率 冷却媒体
運転モード  3  「自然対流」 Inlet Sleeve Shielded Air Intake Block
 
運転モード  3  における最終状態 全ての汚染機器が原子炉建屋内に封じ込められる。 パラダイム・シフト  !! 本案の採用により、膨大なコストの節約が期待される。但し、従来の廃炉概念からは著しく逸脱するため、事前に国際社会のコンセンサスを得ておく必要がある。
 
汚染水処理  (1) 現在、各所に保管されている高汚染水 ガラス固化 キャニスタ 現地貯蔵庫 濃縮廃液 処理装置 セメント 砂利 汚染したコンクリートの瓦礫  ( オプション ) 処理水  ( ある程度のレベルの汚染は許容する。) 生 < 5,000Bq/cm 3 < 0.065mSv/h 20 v/v%  80 v/v% 石棺化作業
汚染水処理  (2) 淡水化設備 セメント 砂利 生コンクリート < 5,000Bq/cm 3 < 0.065mSv/h 20 v/v%  80 v/v% 取水口にある汚染水 瓦礫密封用として利用 処理水  ( ある程度のレベルの汚染は許容する。) 汚染したコンクリートの瓦礫  ( オプション )
取水口 取水設備 逆洗弁ピット 制御室 タービン建屋 原子炉建屋 放射性廃棄物処理建屋 前 2 号機 1 号機 3 号機 4 号機
石棺化した原子炉建屋 航空機テロに対する防護フェンス 排気筒 その他の建屋を解体して発生した瓦礫を全てまとめて埋設し、コンクリートのブロックに納める。 津波の防波堤 津波バリア 元の海岸線 津波の運動エネルギーを減衰させる障害物 後
福島第一原子力発電所を襲った津波 ? m 約 50m 2 秒後 4 秒後 12 秒後 15 秒後 襲来の直後
使用済燃料と高レベル廃棄物の保管施設 ガラス固化したキャニスターの埋設施設 凡例 : モニタリング・ポスト 地下水サンプリングのポイント 防護区域の境界 入口 新しい敷地境界 監視設備 処理後の敷地内の主要設備の配置
新産業・新コミュニティー開発地区 石棺化した原子炉     (1~4 号機 ) 事故を免れた原子炉   (5 、 6 号機 ) 太陽熱エネルギー(例) 周辺地域の再興 かつての敷地境界
石棺の 1,000 年後・・・
人造物も決して悪くはない・・・ メンテナンス次第では、数百年、数千年も可能かも・・・
Source: “The Future of Nuclear Power” (MIT) 残留熱 1/20
Source: “The Future of Nuclear Power” (MIT) 放射能 1/100
 
4. 結論
「緑地化」は著しく困難な目標です。合理的に達成可能な目標を設定し、早くその計画を立てましょう。 プラン B  は、今はまだ完璧ではありませんが、そのための一案です。 今後の進め方: 代表プラントに対するフィージビリティ・スタディ(コスト、スケジュール、体制)の実施。 Go-No-Go  の決定。 必要な解析、設計。 関係法令、安全審査指針の整備。 国内外のコンセンサスの醸成。 今後の議論を活発化し、国の主導による立案を推進するため、よろしく御支援をお願い致します。

Plan-B JP