“ Plan-B” An Alternative Liquidation* Strategy of Fukushima Daiichi NPP May 21, 2011 Satoshi Sato [email_address] International Access Corporation *:  A term “liquidation” is used in this document to generally mean various activities directly and indirectly associated with restoration of safe state of each affected reactor in Fukushima Daiichi NPP.  This follows a precedent in which workers involved in the emergency actions on the Chernobyl site during the accident and the subsequent clean-up operations were called “Liquidators”.
Abbreviations Standby Gas Treatment System SGTS Emergency Procedure Guidelines EPG BWR Owners Group BWROG Fission Product FP Overhead Crane OHC Fuel Handling Machine FHM Core-Concrete Interaction CCI Reactor Pressure Vessel RPV Spent Fuel Pool SFP Independent Spent Fuel Storage Installation ISFSI Greater Than Class C (Cask for High Level Radiation Waste) GTCC Spent Nuclear Fuel SNF Nuclear Power Plant NPP
 
 
Contents Present Status “ Plan-A”  Ever discussed? Difficulties to dismantle BWR reactor with damaged core Difficulties to retrieve spent fuel from degraded Reactor Bldg. Conventional Decommissioning Processes Definition of “Plan-A” Developing “Plan-B” Worst Case Scenario
Contents (cont’d) “ Plan-B” Liquidation Strategies for Fukushima NPP Reactors and SFPs Water Treatment and Entombment On-Site Above-Ground Repository Design Beyond Millennium Beyond “Liquidation  Next Step
Present Status Reactor Status Reactor Core Reactor Pressure Vessel Primary Containment Reactor Building (Secondary Containment) Residual Heat Generation Spent Fuel Pool Status Fuel Integrity Pool Residual Heat Generation
Summary - Reactor Original Function as Secondary Containment totally lost due to H2 explosion on Refueling Floor. Remaining part of building still reasonably good.  Overhead Crane (OHC) and Fuel Handling Machine (FHM) not available.  Barrier integrity no longer maintained. Details not confirmed. Barrier integrity no longer maintained. Bottom Head Penetrations severely damaged. Totally destroyed 1 Function as Secondary Containment still reasonably maintained even after H2 explosion. OHC and FHM still fully functioning. Barrier integrity severely degraded due to H2 explosion inside or outside Torus. Ditto Ditto 2 Ditto Not affected Not affected Empty 4 Same as Unit 1, except that some portions lower than Refueling Floor also degraded due to H2 explosion Same as Unit 1 Ditto Ditto 3 Reactor Building Primary Containment Reactor Pressure Vessel Reactor  Core Unit Severely damaged Severely damaged Function Severely damaged Possibly still partly maintained but not confirmed Barrier Integrity
Unit 4 Unit 3 Unit 2 Unit 1 State of Reactor Building, Unit 1 to 4 looking from east as of March 20
Unit 3 Unit 4 State of Reactor Building, Unit 3 and 4 looking from west as of March 20
Current Degree of Degradation of each FP Barrier Melt-Down through Core Plate: No Doubt Leakage of RPV Bottom Head: No Doubt Gross Failure of RPV Bottom Head: Not Very Likely Leakage of Primary Containment: Highly Likely Gross Failure of Primary Containment: Unit 1 and Unit 3: Not Very Likely Unit 2: Highly Likely (Suppression Chamber) Major Core-Concrete Interaction ( CCI ) : Not Very Likely Melt-Down through Man-made Rock (Basemat):  Not Likely Reactor Core, Pressure Vessel, and Primary Containment
12~13m ~33.5m ID 8.9m ~46m ~23.5m ~15m ~11m ~40m 16~17m Refueling Floor Rx. Bldg.  (Secondary Containment) Primary Containment Reactor Pressure Vessel Suppression Chamber (part of Primary Containment) Drywell Pedestal Typical Configuration   ( Unit 3, 4 )
Melt-Down through Core Plate Predicted to occur 2 hours following complete loss of cooling capability.  Several previous experiments suggested steam explosion not likely. Core Shroud Core Plate Reactor Core Molten Core Water No Doubt
Further Melt-Down through Core Plate Actual Complete Loss of Cooling Capability (Official Announcement by Government on May 16, 2011) No Doubt 06h43m 3 06h29m 2 14h09m 1 Duration Unit
Degradation of Reactor Pressure Vessel Bottom Head Creep rupture begins to occur at ~240-deg C below melting point (1500-deg C) of vessel material (low alloy steel), allowing some leakage of highly contaminated water containing fractured pieces of fuel pellets.       Highly Likely
Locations of Potential Leakage   (Typ.) Vulnerability of Bottom Head Leakage
Further Degradation of Reactor Pressure Vessel Bottom Head           Drywell Sump Pit Pedestal Pedestal Doorway Possible
Major Degradation of Reactor Pressure Vessel Bottom Head and Core-Concrete Interaction (CCI), Resulting in Significant Amount of Release of Radioactive Aerosol       Pedestal Doorway Pedestal       H 2 O, CO 2 H 2 O, CO 2 H 2 , CO Aerosol Aerosol Aerosol Aerosol Not very likely,  but could have happened depending on cooling evolution during early stage.
Beginning of Primary Containment Failure       Pedestal Doorway Pedestal       Aerosol Aerosol Aerosol Aerosol H 2 , CO H 2 O, CO 2 H 2 O, CO 2  Not very likely,  but could have happened depending on cooling evolution during early stage.
Pedestal Doorway Pedestal Wall Source: NUREG/CR-6042 Rev.2
Beginning of Primary Containment Failure Aerosol Not very likely,  but could have happened depending on cooling evolution during early stage.
Not likely Failure due to Creep Rupture Gross Failure of Primary Containment due to Steam Explosion
Gross Failure of Primary Containment due to Melt-Down Aerosol Aerosol Aerosol Aerosol Not likely
Complete Melt-Down through Man-made Rock (Basemat) Not likely Man-made Rock
Residual Heat Generation 2 months after shutdown 0 2,381 2,381 1,380 Thermal Output (MWt) 0 2.4 2.4 1.4 Estimated Residual Heat (MWt) 0.1% of rated Thermal Output 0 784 784 460 Electrical Output (MWe) 0 548 548 400 # of Fuel Assembly in Rx. 4 3 2 1 Unit
Fuel Integrity No conclusive information so far. Potential thermal damage. (Units 3 and 4) Potential mechanical damage. (Units 1 to 4) Pool Details unknown, but apparently no major damage.  Potential thermal damage due to overheating.   (Units 3 and 4) Potential mechanical damage due to earthquake and/or H2 explosion.   (Units 1 to 4) Summary - SFP
Unit 4 SFP Top view of fuel rack by remote underwater TV camera.  Difficult to draw any conclusion about fuel integrity only based on this information. Fuel inspection by “sipping” is warranted.
Residual Heat Generation 11/30/’10 6/19/’10 9/16/’10 3/25/’10 Hottest Spent Fuel Discharged (Date of beginning of last refueling outage) Spent Fuel Pool New Fuel Storage Vault 1331 514 587 292 1.8 0.23 0.46 0.07 Estimated Residual Heat Generation Rate (MWt) 204 52 28 100 Number of Fuel Assembly 4 3 2 1 Unit
Intentionally left blank
“ Plan-A” Has it ever been discussed? Efforts to achieve so-called  “Cold Shutdown”  have been being made as the single topmost priority. Originally, this term appears to specifically mean a state partially submerging the reactor core from both inside and outside Reactor Pressure Vessel (RPV) to keep the entire metal surface temperature below 200-deg F as defined by Tech Spec. However, after realizing that the barrier integrity of the RPV has been excessively challenged, this term now means a submersion only from outside RPV. In more common wording, “Drywell Flooding”.  Consistent with the intent per BWROG’s EPG.
Drywell Flooding
Issues – Public Perspectives “ Cold Shutdown” is apparently considered to be only the first milestone of the entire “Liquidation” program . It is not a solution or a goal. Nothing has been told to the public beyond that point. Both tax-payers and rate-payers are concerned about the cost and schedule of the entire program, and above all, the capability to ultimately get it done. “ Cold Shutdown” is used as a magic word. Public expects this would drastically improve the radiological environment so that refugees may be able to go home soon after this event. But this will never become true because contamination already there will continue to stay there regardless of the state of reactors.
Issue – Technical Perspectives Applying BWROG’s EPG after having significantly deviated from it currently creates a major “side effect”, that is, generating large volume of  highly contaminated water. The longer they operate “Cold Shutdown”, the more contaminated water they generate and partly leak to the external environment (groundwater and seawater). Cannot apply it for Unit 2 because of major defect caused on the pressure boundary of its Suppression Chamber.  Cannot cool the vicinity of “gas pocket” at the top of Skirt. The NRC report (NUREG/CR-6402 Rev.2) had pointed out a possibility of delayed creep rupture.
Delayed wall creep rupture would eventually occur in the vicinity of gas pocket.
Questions Is “Cold Shutdown” a mandatory milestone even 2 months after cease of chain reaction? Is there any better approach to manage the residual heat which is now only ~0.1% of the rated thermal power? How worse could it be at all if “Cold Shutdown” is abandoned? It has never been achieved to date for a long time anyway. What is the reason to have to stick to it? Achieving “Cold Shutdown” is OK. But, then what?  How long to keep it? Dismantling reactors, next? Back to “Green Field” eventually?
Difficulties to Dismantle BWR Reactors with Damaged Core Reasons why so difficult Requires full restoration of Refuel Floor, a part of Secondary Containment and Reactor Building itself along with its ventilation system, as well as Overhead Crane, Fuel Handling Machine and all other special service tools prior to disassembly of RPV Head. Flooding RPV would result in leakage from the Bottom Head. Removal of  RPV Head  is a challenging task. Studs/Nuts potentially severely galled. Radiation level too high to install/operate Stud Tensioner. Removal of  Steam Dryer  is more challenging due to high radiation level.
Reasons why so difficult (cont’d) Removal of  Moisture Separator  is even more challenging. Shroud Head Bolt possibly galled due to exposure to elevated temperature and cannot be unlatched by following conventional procedure. Possibly requires to sever by remote EDM. Removal of  Fuel Assembly  is yet more challenging if not impossible. Most, if not all, FAs could have been fully destroyed, deformed and fused each other. Most part of core now possibly locates below Core Plate as “core debris”. Complete retrieval of once-molten core debris below Core Plate requires an exhaustive effort.  Once core debris exits RPV and flows into the pedestal region, further efforts are not even theoretically possible unless Primary Containment Vessel is totally flooded.
Steam Dryer
Moisture Separator
Fuel Assembly
Lower Plenum  (Region below Core Plate)
Justification to pursue Efforts to place nuclear material under better inventory control are in line with IAEA requirements for security reason. Efforts to contain nuclear material within certified containers as much as possible are considered more ethical practice. Possible contribution to reduce long term risks associated with decay heat and radio-toxicity.  Opportunity to gain detail technical data to be shared with international community to improve management of severe accident. (e.g. Improving accuracy of analytical codes.) Justification not to pursue Too much technical and financial uncertainties to pursue. Possibility to reduce short term risks associated with safety and security. (e.g. Exposing damaged reactors to unsecured condition for extended period not preferable.)
Conclusions Dismantling BWR Reactors with damaged core is technically extremely challenging due to harsh radiological environment and not fully achievable any way. “ Liquidation” strategy with damaged reactor left as is should be considered as one of the practical options. However, such a shortcut option requires public support domestically (including local communities) and internationally. Concurrence from IAEA may be necessary to comply with requirements for an NPT member country like Japan.
Intentionally left blank
Difficulties to retrieve spent fuel from degraded Reactor Bldg. Why difficult? Currently no place to go and no certified container to load for the damaged fuel assemblies. Therefore, fuel inspection (sipping) or other technically acceptable method to separate damaged fuel from intact fuel is necessary step to proceed. Fuel Handling Machine (FHM) is needed for fuel inspection. Overhead Crane (OHC) with a loading capacity greater than 100MT is needed for lifting spent fuel casks. Both FHM and OHC are not currently functionable. Restoration of OHC requires a major work to repair degraded Reactor Bldg.
Why difficult? (cont’d) Using other type of crane or lifting machine is an optional choice. However, it needs to be certified for safety application when handling spent fuel casks. New analyses and/or experiments may be required for the existing cask designs to be used. All existing cask designs have been certified to meet requirements to survive a set of design basis accidents including 9-meter free drop. However, using other crane may allow exceeding this condition. “ Fuel-Handling Accident” (accidentally dropping one fuel assembly over the core) has been assumed as one of the design basis accidents for safety analysis and licensing both in Japan and the US. Standby Gas Treatment System has been assumed available under this postulated accident. “ Spent Fuel Cask Drop Accident” is another design basis accident considered in the US for licensing, but not in Japan.
 
Justification to pursue Efforts to place nuclear material under better inventory control are in line with IAEA requirements for security reason. Efforts to contain nuclear material within certified casks as much as possible are considered more ethical practice and to be exercised wherever reasonably possible. Possible contribution to reduce long term risks associated with decay heat and radio-toxicity.  Justification not to pursue Too much financial hardship to pursue. Possibility to reduce short term risks associated with safety and security. (e.g. Exposing physically unprotected SFP to unsecured condition for extended period not preferable.)
Conclusions Retrieving SNF from degraded Reactor Bldg. is technically challenging under existing licensing scheme especially when FHM and OHC are not available, and without intact Secondary Containment as well as emergency ventilation system (SGTS). “ Liquidation” strategy with all SNF left in the existing SFP should be considered as one of the practical options for the units where FHM, OHC, Secondary Containment, and SGTS are lost. However, such a shortcut option requires public support domestically (including local communities) and internationally. Concurrence from IAEA may be necessary to comply with requirements for an NPT member country like Japan.
Intentionally left blank
Conventional  Decommissioning Processes Typical Decommissioning Processes in the US Experiences: PWR: Yankee Rowe, Haddam Neck, Maine Yankee, Trojan BWR: Big Rock Point Goal:   back to  “Green Field” Licensing Process: PSDAR (Post Shutdown Decommissioning Activity Report) LTP (License Termination Plan) Spent Fuel: Loaded in Dry-Cask and stored at site (ISFSI) until federal government determines what to do. Major Impacts Previously Experienced: Inflation of Disposal Cost  Significant Soil Contamination
Maine Yankee Experience Reactor Type/Size:  Three-Loop PWR, 2,700MWt/860MWe Operational History: 12/28/1972 – 12/06/1996 (24 years) Decommissioning Activities: Facility Demolition: 1997 – 2005 Original Cost Estimate (as of 1997): $380M Overrun Cost: $26.8M Removal of Spent Fuel: Aug. 2002 – May 2004 Original Cost Estimate (as of 1997): $128M Overrun Cost: $6.8M Personnel Exposure: Original NRC estimate: 11,150men-mSv Actual Result: Approx. half of estimate Techniques Applied: Chemical Decontamination Implosion Underwater High Pressure Abrasive Water Jet Cutting
Maine Yankee Experience (cont’d) Decommissioning Activities (cont’d): Radioactive Waste: Total Amount: ~140,000ton Amount transported to storage site: 88,450ton (63% of total) mostly by train Radioactive Waste (Reactor Internal Components) Activity Weight % Bq % Ton 100 7.26E16 100 165 Total 83 6.03E16 10 16 Loaded in GTCC and stored at site (4 GTCC casks) 15 1.09E16 20 33 Loaded and shipped in casks 2 0.15E16 70 116 Loaded and shipped in RPV
86% completion as of April 14, 2004
Implosion on Containment Bldg., September 17, 2004 97% completion as of January 19, 2005
Essentially 100% completed, as of May 5, 2005 “ Green Field” achieved on July 25, 2005
Implosion Technique Applied for Turbine Bldg.
ISFSI Pad and Spent Fuel Storage Casks Vertical Horizontal
Yankee Rowe Experience  ISFSI for Storage of 16 dry casks containing 533 spent fuel assemblies Prior to Decommissioning Activities (1993) Most Decommissioning Activities done (12/12/2006) Decommissioning cost : $608M 600MWt PWR  (1963 – 1991)
Back to “Green Field” as of 9/5/2007 Actual and Future Yankee Rowe Decommissioning Schedule
Cased in container on 11/20/1996 Departed from site on 4/27/1997 Loaded on to railcar for 1800km transportation Arrival at Barnwell Site for subsurface repository on 5/7/1997 Reactor Vessel Disposal 3.6m-dia. x 8.1m-tall, weighing 165tons 80 tons of concrete poured inside and outside vessel
Large volume of subsurface soil found contaminated with tritium (H-3). Numbers indicate H-3 concentration in groundwater in pCi/L. EPA drinkable level is 20,000pCi/L.
Zion Project 3250 MWt  PWR Operational History Unit 1 thru 1996 Unit 2 thru 1997
Basically just cooling-down Dismantling Activities
30-year long project! Finally Back to Green Field in 2028 SNF Disposition Campaign
Source: NUREG-1350 Vol.21 Ultimate Solution for SNF  if not Recycled Yucca Mountain Project (abandoned) 500 to 600m deep geological repository
Swedish Plan (active)
Intentionally left blank
Definition of “Plan-A” It has never been formally defined yet.  So let’s assume that it is a recovery process, or decommissioning process to achieve  “Green Field”  as traditionally attempted in Japan (e.g. JPDR) and for several NPPs in the US.
Feasibility to apply US Decommissioning Experiences and Lessons-Learned for Fukushima NPP Demolition Techniques: Some applications possible but scope limited. Hindered mostly due to high level radiation/contamination. Site Restoration: “ Back to Green Field” is practically an impossible goal. Wide spread contamination: Soil, Groundwater, Seawater Highly radiotoxic actinide species (Pu) involved. No candidate repository locations available for large volume of heavily contaminated equipment and concrete rubble. Conclusion: “Plan-A” is not a workable option for Fukushima NPP Units.
Note that the dose limit for Emergency Workers is 250mSv. 8,400 18,200 46,500 mSv/h 3 2 1 Unit  Possible for all buildings other than Rx. Bldg. of Unit 1 to 3 after some decontamination efforts. Not practical for Rx. Bldg. of Unit 1 to 3 due to high contamination level. Implosion Already done for Unit 4 Rx.  Not practical for other units due to too much activity load. Chemical Decontamination Possible for Unit 4. Not practical for other units due to harsh radiological environment for workers. (Drywell Dose Rate as of May 20, 2011.) Separate RPV from All Other Connecting Systems Already done for Unit 4. Not practical for other units due to high contamination level. Remove Rx. Internals by High Pressure Abrasive Water Jet Application for Fukushima NPP Units Technique
Intentionally left blank
Developing “Plan-B” Worst Case Scenario Historical worst case: Chernobyl Accident How better is Fukushima NPP’s case relative to Chernobyl? How worse could Fukushima NPP units have been if cooling capability was lost immediately upon SBO? How bad could Fukushima NPP units be if “Cold Shutdown” is terminated now? Unit 1/2/3 Reactors Unit 4 SFP Basic Technical Requirements for “Plan-B”  Transition from “Plan-A” to “Plan-B”
Worst Case Scenario Historical Worst Case: Chernobyl Accident Source: NUREG/CR-6042 Rev.2 Fukushima NPP NISA: 1,700,000Ci NSC: 1,000,000Ci
Chernobyl Accident Facts: Definitely worst from many aspects! Release: 1,760PBq of I-131 Contamination: 3 major “Hot Spots”, including one as far as 500km from the site. Large restricted areas  confiscated zone, closed zone, permanent control zone, periodic control zone Personnel Exposure (out of 400 workers at the site on the day of accident): 140 persons 1 – 2 Gy 55 persons 2 – 4 Gy 21 persons 4 – 6 Gy 21 persons 6 – 16 Gy
Radionuclide Releases During Chernobyl Accident Source: Chernobyl – Ten Years On (OECD/NEA)
Source: NUREG/CR-6042 Rev.2 1MCi = 37,000TBq Daily Release During Chernobyl Accident
Source:   OECD/NEA “Chernobyl Ten Years on Radiological and Health Impact – An Assessment by the NEA Committee on Radiation Protection and Public Health” November 1995 Cs-137 Contamination 10 years later Vicinity of Fukushima NPP 80km Equivalent dose rate of 555kBq/m 2  contamination is 1.8 μ Sv/h or 15.8mSv/y.   Blue colored region on land represents dose rate greater than 0.3 μ Sv/h as of 3/19/2011. 500km
Access Restriction due to High Level Contamination
Worst Case for Fukushima NPP In spite of large amount of release, resulting overall impact was much smaller than that of Chernobyl accident. This is believed to be mostly because of wind blowing west to east. The worst case was avoided by a favorable wind direction. Prediction by WeatherOnline (UK)
Radiological impact estimated by various organizations Japan - estimated cumulative dose in mSv through 3/11/2012
 
Worst Case for Fukushima NPP (cont’d) What if cooling capability was lost immediately upon SBO? Much more heat load, resulting in more aggressive propagation of failures/degradations of FP barriers. (Reactor Pressure Vessel, Primary Containment, and even Man-Made Rock. Note that Man-Made Rock is not credited as an FP barrier against atmospheric release, but it does play a role as an FP barrier against groundwater/soil contamination.) Earlier and much more release of radionuclides, with greater contribution from short-lived species.  Much more CCI, resulting in generation and accumulation of more non-condensable and combustible gases forming radionuclide aerosols containing more radiotoxic particles.
Residual Heat Generation 2 months after shutdown 1 hour after shutdown 0 2,381 2,381 1,380 Thermal Output (MWt) 0 24 24 14 Estimated Residual Heat (MWt) 1% of rated Thermal Output 0 784 784 460 Electrical Output (MWe) 0 548 548 400 # of Fuel Assembly in Rx. 4 3 2 1 Unit
Major Degradation of Reactor Pressure Vessel Bottom Head and Core-Concrete Interaction (CCI), Resulting in Significant Amount of Release of Radioactive Aerosol       Pedestal Doorway Pedestal       H 2 O, CO 2 H 2 O, CO 2 H 2 , CO Aerosol Aerosol Aerosol Aerosol
      Pedestal Doorway Pedestal       Aerosol Aerosol Aerosol Aerosol H 2 , CO H 2 O, CO 2 H 2 O, CO 2  Beginning of Primary Containment Melt-Through
Gross Failure of Primary Containment due to Melt-Down Progression Aerosol Aerosol Aerosol Aerosol
Gross Man-Made Rock (Basemat) Melt-Through Man-made Rock
Source: NUREG/CR-6042 Rev.2 Various Gases and Debris Generated during CCI
Source: NUREG/CR-6042 Rev.2 Breakdown of FP Species
Worst Case for Fukushima NPP (cont’d) How bad could Fukushima NPP units be if “Cold Shutdown” is terminated now (70 days after shutdown)? Much  less  heat load, resulting in  less  aggressive propagation of failures/degradations of FP barriers (Reactor Pressure Vessel and Primary Containment). Much  less  release of radionuclides, with  negligible  contribution from short-lived species.  Much  less  CCI, resulting in generation and accumulation of  less  non-condensable and combustible gases forming radionuclide aerosols containing  less  radiotoxic particles.  Water left on the Drywell floor suppresses CCI.  Dilution of molten core with various metal and non-metal materials would lower temperature and reduces CCI.
Radioactive Decay after 70 days I-131,  Cs-134, Cs-136, Cs-137, Rb-86,  Te-127m, Ba-140, Sr-89, Sr-90,  Co-58, Co-60, Ru-103, Ru-196,  Am-241, Cm-242, Cm-244, Nb-95, Nd-147, Pr-143, Y-91, Zr-95,  Ce-141, Ce-144, Pu-238, Pu-239, Pu-240, Pu-241 32 species gone, 27 species left. 9.5 x 10 -8 3 days 2.9 x 10 -11 2 days 8.5 x 10 -22 1 day Remaining Half-Life
Gross Failure of Primary Containment Melt-Through This would be very slow even if it does take place at all.
Complete Melt-Down through Man-made Rock (Basemat) This is even more unlikely. 12~13m
Intentionally left blank
Basic Technical Requirements for “Plan-B” Achievable and Predictable No optimistic assumptions allowed. (e.g.  Equipment inside Drywell no longer functionable.) Designed for Short-term and Long-term Solution Simplicity and Passiveness Good for 1,000 years with minimum maintenance. Maintain reversibility in case application for long-term solution is abandoned in the future. Short-term and Long-term Safety/Security No Recriticality, H2/Steam Explosions Minimum release of radioactivity to external environment Lowest Cost and Shortest Schedule Least labor intensive, minimum personnel exposure.
Transition  from “Plan-A” to “Plan-B”   Water Cooling to Gas/Air Cooling (Forced Circulation to Natural Circulation) Proposed Remedy for Leaky System Introduce fine glass fiber mixed with SiC/B 4 C powder to clog leak paths, then use some chemical reaction to create precipitants (e.g. Ca 3 (PO 4 ) 2  ) to further reinforce leaking boundary.  Apply knowledge gained from GSI-191 study. Proposed improvement to minimize I-131 airborne inside and outside Rx. Bldg if such an effort is still considered necessary. Spray TSP (Trisodium Phosphate) solution.
Intentionally left blank
“ Plan-B” Liquidation Strategies for Fukushima NPP Reactors and SFPs Strategy-I and II for Reactors Strategy-A and B for SFPs Water Treatment and Entombment On-Site Above-Ground Repository Design Beyond Millennium Beyond “Liquidation”
Liquidation Strategies for Fukushima NPP Reactors and SFPs General Approach New concept replacing traditional and costly practice, that is, full demolition of the facility and eventually returning the entire site to “Green-Field”.  With this new approach, most radioactive material is left as is in the original locations so that significant cost/schedule reduction is expected. Thoroughly engineered design, not like the ad hoc technique applied for Chernobyl Unit 4 under emergency situation. Applicable not only for those plants affected by major reactor accidents, but also for those plants orderly shutdown permanently upon expiration of license as an alternative choice.  Phased approach to shift cooling strategies as decay heat load decreases as a function of time . Forced circulation (Water to Helium, Helium to Air) initially, eventually followed by natural convection with no active component to drive the system.
General Approach (cont’d) This new approach is named as  IE 2 -D  ( I nnovative  E ngineered I n-Situ  E ntombment  D ecommissioning) and comprised of the following general decommissioning processes and specific processes unique to each Strategy described in later sections separately: Remove all new fuel assemblies currently stored in the New Fuel Storage Vault. Remove any equipment reasonably recyclable. All process systems containing water inside are to be drained, filled with N2 gas and isolated from external environment. All rooms and compartments are either solidly filled with concrete, or vented to the general area so as not to allow accumulation of combustible gas.  28 2 204 52 100 # of New Fuel Assy 4 3 1 Unit
Specific Strategies Strategy-A SFP Not Affected Strategy-II 2 Strategy-B Strategy-I Reactor Systems Not Affected 4 Strategy-B Strategy-II 3 Strategy-B Strategy-II 1 Spent Fuel Pool Reactor Unit
Strategy-I Status Implementable only for Unit 4 because this is the only unit where most reactor systems are apparently left unaffected. However, the unit was structurally significantly damaged due to the hydrogen explosion, resulting in losses of OHC and possibly FHM as well. As another impact due to the hydrogen explosion, the integrity of secondary containment is currently lost. Unit 4 Unit 3 Unit 2 Unit 1
Status (cont’d) The unit was in the middle of outage where a major modification project, namely “Shroud Replacement”, was taking place at the time of accident. The reactor configuration during this particular outage was very different from that during normal outages, specifically;  Steam Dryer and Moisture Separator were removed from the vessel and stacked together vertically in the Dryer Separator Pit. All Control Blades, Fuel Support Castings, Control Rod Guide Tubes, and Incore Monitors were removed from the vessel and temporarily stored in the SFP. Many reactor internal components including, Feedwater Spargers, Core Spray Piping and Spargers, Top Guide, Core Shroud, and Core Plate were removed from the vessel and transferred to the Dryer Separator Pit where some of them were sliced into small pieces for disposal.
Key Steps Inspect the Reactor Bldg. and determine degree of impact.  Clean up Refueling Floor. Restore and re-establish capability of Secondary Containment. Move all removed reactor internals currently stored in the Dryer Separator Pit and SFP in an orderly manner back to the vessel. Fill the Reactor Pressure Vessel with concrete. Drain Reactor Cavity and Dryer Separator Pit. (These emptied pools will be used for the storage of various contaminated equipment and debris for the future.) Re-assembly RPV Head, Mirror Insulation, PCV Head. Proceed to the general decommissioning processes.
Intentionally left blank
Strategy-II Proposed Unit-by-Unit Application Mode 1, 2 (Options A, B1, B2, C) Mode 3 Tentative Mode Change Schedule Proposed System Lineup Detail plant unique assessment is necessary. Unit 4 Unit 3 Unit 2 Unit 1
Proposed Unit-by-Unit Application *: Residual heat generation as of 5/11/2011. **:  See conceptual illustrations and proposed system lineup for each operation mode. ***:  Required flow rate is calculated to limit the outlet temperature within 100 degrees above the inlet temperature unless otherwise noted. 5,000 Air, Natural 3 5,000 Air, Natural 3 55,000 He, Forced 1 1,400 1 2 1 2 15,000 Air, Forced 2,400 Heat Load*  (kWt) 65,000  ( ∆T =  150 deg-C) He, Forced 2/3 15,000 Air, Forced Min. Flow Rate*** (Nm 3 /h) Operation Mode** Unit
Mode 1 Mode 2 Mode 3 Mode 2 Mode 3 1Y 2Y 10Y Mode 1 Mode 2 Mode 1 3Y Mode 3 Tentative Mode Change Schedule < 200 200 - 700 > 700 Heat Generation Range (kW) 2,400kW Unit 2 Estimated Heat Generation as of 5/11/2011 2,400kW Unit 3 N/A 0 Unit 4 1,400kW Unit 1 Air/Natural Air/Forced He/Forced Cooling Strategy 3 2 1 Operation Mode
Helium:  200Yen/Nm 3 140Yen/liter (liquid) 0.1248kg/liter Favorable Thermal Characteristic of Helium J/kg ・ degC Air = 1 W/m ・ K 4217 - 0.582 H 2 O (Liquid) 1012 1 0.0316 Air 2098 0.77 0.0241 H 2 O (Steam) 5192 5.53 0.1663 He Heat Capacity Thermal Conductivity Thermal Conductivity Medium
Helium is a standard cooling medium for high temperature gas reactors. GT-MHR (Gas Turbine – Module Helium Reactor)
A* B* To be added Scrubber/Gas Cooler Ventilation System Mode-1/2 Heat Sink Gravel Flow from Suppression Chamber to Drywell *:  See “proposed line-up” for system interfaces for A and B for each unit. Option A
Heat Sink Gravel Factors to be considered for selection: High thermal conductivity Radiation shielding High performance to absorb radioactive gas/particle.
Copper Sphere Shell Zeolite Mixing several different constituents may be considered
Flow from Suppression Chamber to Drywell
Field Assembly of Primary Containment at Browns Ferry Site During Construction Time
Unit 1  Core Spray System Helium/Air Injection Point Proposed System Lineup A
Unit 1  Shutdown Cooling System B This valve may not be opened.
Unit 1  Isolation Condenser (Alternative Option) B X
Unit 2/3  Core Spray System Helium Injection Point A
Unit 2/3  High Pressure Injection System B
Unit 1  Atmospheric Control System (Alternative Option) B X
To be added To be added Scrubber/Gas Cooler Ventilation System Rx. Bldg. Truck Bay Mode-1/2 Option B1
To be added To be added Scrubber/Gas Cooler Ventilation System Rx. Bldg. Truck Bay Blower Mode-1/2 Option B2
To be added To be added Scrubber/Gas Cooler Ventilation System Rx. Bldg. Truck Bay Mode-2 Option C
Rx. Bldg. Truck Bay Stack Air Gap for Flow Path Air Flow only by Natural Convection Mode-3 See detail “D”  See detail “E”
Detail “D”
Detail “D”
Construction Details of Bottom Portion of Primary Containment Vessel (Oyster Creek) (2) Detail “E”
Construction Details of Bottom Portion of Primary Containment Vessel (Oyster Creek) (1) Detail “E”
Intentionally left blank
Strategy-A Implementable only for Unit 2 because both OHC and FHM are seemingly still functionable and available. Key Steps: Inspect (sipping and visual examination) on all fuel assemblies and identify any damage fuel. Load only undamaged/non-degraded fuel assemblies into casks for: Wet Storage at Common Storage Pool or other designated site(s).  Reprocessing for MOX at Rokkasho facility. Dry Storage at site or other designated site(s). Unit 4 Unit 3 Unit 2 Unit 1
Damaged/degraded fuel assemblies are treated differently. No certified cask design currently available. Design and certify special cask only for this group of fuel and transfer to other unit (1, 3, or 4) for Strategy-B. Leave only this group of fuel at Unit 2 and apply Strategy-B.
Intentionally left blank
Strategy-B Proposed Unit-by-Unit Application Mode 1, 2, 3 Comparison with “Plan-A” Advantages vs. Disadvantages General Comparison Cost Schedule Security during implementation Unit 4 Unit 3 Unit 2 Unit 1
Proposed Unit-by-Unit Application *:  See later section for the definition of each operation mode. **:  Required flow rate is calculated to limit the outlet temperature within 100 degrees above the inlet temperature. ***: He is more recommendable because of its higher heat conductivity and lower viscosity (flow friction). 1 3 2 2 1 3 6,500 Air Natural 13,000 Air, Forced 1,800 230 460 70 Heat Generation  (kWt) 6,500 Air, Forced 3 18,000 He***, Forced 2 70,000 He***, Forced 4 1,930 Air Natural 1 Min. Flow Rate** (Nm 3 /h) Recommended Operation Mode* Unit
Mode 3 Mode 2 Mode 1 Mode 1 Mode 2 Mode 3 Mode 3 Mode 2 Mode 3 0.5Y 2Y 5Y 5.5Y 10Y Tentative Mode Change Schedule < 100 100 - 350 > 350 Heat Generation Range (kW) 460kW Unit 2 Estimated Heat Generation as of 5/11/2011 230kW Unit 3 1,800kW Unit 4 70kW Unit 1 Air/Natural Air/Forced He/Forced Cooling Strategy 3 2 1 Operation Mode
Spent Fuel Racks Spent Fuel Racks Gate Cask Pit A A Spent Fuel Pool (top view) N
Water Level Spent Fuel Racks Spent Fuel Racks Spent Fuel Pool (side view) A-A
Finned Heat Sink Chambers (Copper) Step-1 Install Finned Heat Sink Chambers on Spent Fuel Racks.
Cross-Tie Pipes
Step-2 Install Pre-fabricated Pipe Modules.
35cm Cold (Inlet) 2-inch Sch#40 Stainless Steel Hot (Outlet) 2-inch Sch#40 Stainless Steel Convection Cooling 2-inch Copper Pipe Modules
Φ10mm     (typ. 4) 50mm Approx. 2000mm Approx. 8000mm
A A View A-A Main Header Main Header Main Header Distribution Header Top View
 
Step-3 Load Heat Sink Gravel Water Gravel
Heat Sink Gravel Factors to be considered: High thermal conductivity Radiation shielding High performance to absorb radioactive gas/particle.
Copper Sphere Shell Zeolite Mixing several different constituents may be considered
Water level gradually decreases Step-4 Start Ventilation System
To Ventilation Fan and Gas Treatment System Wet Scrubber Water level Operation Mode 1, and Mode 2
Operation Mode Favorable Thermal Characteristic of Helium Not Required Required Required Cleanup System 3 2 1 Mode Natural Convection Non-contaminated Air Low (<100kW) Forced Cooling Contaminated Air Medium (100-350kW) Forced Cooling Contaminated Helium High (>350kW) Power Cooling Medium Heat Load J/kg ・ K Air = 1 W/m ・ K 1012 1 0.0316 Air 5192 5.53 0.1663 He Heat Capacity Relative Thermal Conductivity Thermal Conductivity Medium
Operation Mode 3  “Natural Convection” Inlet Sleeve Shielded Air Intake Block
 
Comparison with “Plan-A” Advantages vs. Disadvantages General Comparison Favorable for “Plan-B” Not required ?? ISFSI Not required. No certified Transportation/Storage Cask for damaged fuel assemblies currently available. Spent Fuel Storage Duration of poor security conditions can be minimized. Currently exposed to very poor conditions. Security Not required. Required Fuel Inspection (Sipping) Not required Ditto OHC Not required. Required but currently not available due to damage caused by H2 explosion. FHM “ Plan-B”  Strategy-B “ Plan-A”
Advantages vs. Disadvantages (cont’d) General Comparison Potential issues associated with “Plan-B” Strategy-B. Various supporting analysis necessary. Design Basis Accident (DBA) Relatively more predictable. Safety Analysis Unknown. Unknown. Public Acceptance Permanent measures including Aircraft Impact Assessment (AIA) necessary. Currently very poor. Security Issue Unknown. No previous experience.  No siting criteria established. Relatively more predictable. Licensing Process Practice not pursued previously. Buried under man-made structure significantly above ground elevation. Can be eventually transferred to this option.  Geological Disposal “ Plan-B”  Strategy-B “ Plan-A”
Cost/Schedule Cost/schedule potentially eliminated by applying “Plan-B” Strategy-B. Cost for “Plan-B” Strategy-B: much less than that for restoring OHC alone. Schedule for “Plan-B” Strategy-B: much shorter than that for unloading spent fuel from SFP alone. ~5 Unload Spent Fuel from SFP Restore FHM Fuel Inspection (Sipping) X billion Procure Spent Fuel Casks X billion  Cost (JPY) Construct ISFSI ~2  Restore OHC Schedule (Year) Activity
Conclusions: Practical approach for Units 1, 3 and 4. (Strategy-A is considered implementable only for Unit 2.) Advantage of “Plan-B” Strategy-B over “Plan-A” is obvious. All associated technical issues are manageable. Two potentially challenging non-technical issues: Licensing Public Acceptance
Ultimate Configuration with Operation Mode 3 All contaminated equipment and materials are permanently buried in-situ. Paradigm Shift !! This concept, in spite of huge cost benefit expected, significantly deviates from the conventional approach.
Intentionally left blank
Water Treatment and Entombment Water Treatment System is a part of “Plan-B” and integrated into IE 2 -D strategies. Low level contaminated water is used as a water source to produce ready-mixed concrete for general purpose. Highly concentrated radioactive water is vitrified (because of relatively high heat generation) and stored at On-Site Repository. Water to be processed: Highly contaminated water currently stored in various pools at site. Contaminated sea water within Intake Area.
Water Treatment (1) Highly Contaminated Water Currently Stored in Various Pools at Site Vitrification Canisters On-site Repository Concentrated Radioactive Liquid Treatment System Cement Aggregate Contaminated Concrete Rubble (Optional) Processed Water (slight contamination allowed) Ready-Mixed Concrete < 5,000Bq/cm 3 < 0.065mSv/h 20 v/v%  80 v/v% For Entombment Work
Dose Rate Calculation of Homogenously Contaminated Concrete Assumption: 500TBq in 10 5  m 3 , or 5,000Bq/cm 3  of processed water Water Content in Ready Mixed Concrete = 20% Calculation: Low enough!
Heat Generation Calculation of Homogenously Contaminated Concrete Assumption: 500TBq in 10 5  m 3  of water, or 5,000Bq/cm 3 Water Content in Ready Mixed Concrete = 20% Energy Release per Disintegration = 1MeV Calculation: Total energy release rate = (1.6 x 10 -13 J) x (5 x 10 14 /sec) = 80W Temperature increase based on black body radiation q” =  σ T 4 σ  = 5.67 x 10 -8   q” = 80/(4 π r 2 ) r = 28.8m q” = 7.7 x 10 -3  W/m 2 T = 19-deg C Low enough!
Water Treatment (2) Desalination System Cement Aggregate Contaminated Concrete Rubble (Optional) Processed Water (still slightly contaminated) Ready-Mixed Concrete < 5,000Bq/cm 3 < 0.065mSv/h 20 v/v%  80 v/v% Contaminated Water within Intake Area For Encasing Concrete Rubble
Intentionally left blank
On-Site Above-Ground Repository New site arrangement consists of three major islands, each enclosed by an individual protected area: ISFSI On-Site Repository for vitrified canisters IE 2 -Ded Reactors
Intake Area Intake Facility (typ.) Backwash Valve Pit (typ.) Control Bldg. (typ.) Turbine Bldg. (typ.) Rx. Bldg. (typ.) RW Bldg. (typ.) Before Unit 2 Unit 1 Unit 3 Unit 4
Entombed Reactors After Protection Fence against Aircraft Impact Stack Concrete rubble generated from demolition of all other structures is encased in the large concrete block(s). Tsunami Barrier Tsunami Barrier Wave Breakers for Tsunami Protection Original Shoreline
ISFSI for SNF and any potential GTCC Waste On-Site Repository for Vitrified Canisters Legend: Monitoring Post Ground Water Sampling Point Protected Area Main Gate New Site Boundary Monitoring Facility Conceptual New Site Arrangement
Intentionally left blank
Design Beyond Millennium IE 2 -Ded Reactors, ISFSI, and On-Site Repository must be qualified for long-term endurance. Traditionally, man-made structures were not credited for this purpose.
But, man-made structures may not be too bad… Possibly good for centuries or even millennia!
Source: “The Future of Nuclear Power” (MIT) Residual Heat 1/20
Source: “The Future of Nuclear Power” (MIT) Radioactivity 1/100
Intentionally left blank
District for New Industry/Community Development Entombed Reactors (Units 1 to 4) Survived Reactors    (Units 5 and 6) Solar Thermal Power Beyond “Liquidation” Previous Site Boundary
Target Overall Schedule FS, Bidding, Design/Engineering Mode 1 Mode 2 Mode 3 Mode 1 Mode 2 Mode 3 Sipping Transportation Campaign Unit 2, SFP Unit 1 to 3, Reactor Construct On-Site Repository Facility Unit 1, 3, and 4, SFP Unit 4, Reactor 4y 6y Public Acceptance (Workshop) 10y 8y 2y Activities EI 2 -D Projects Demolition of other structures Water Treatment, Vitrification Build Liquidators’ Villages Recruit Liquidators Expand On-Site Liquidation Infrastructures New Industry/Community Development Construct ISFSI (for Unit 2 SNF) Construct Intake Area Tsunami Barriers  Licensing Review on EI 2 -D (Safety Analysis)
Intentionally left blank
Next Step Feasibility study by independent organization(s): Technical aspect Financial aspect Political aspect Survey on public opinions. Voices from international communities. Issues: Interactions with decision-makers Financial support to proceed to design phase How to make a go-no-go decision
Analysis for Future Benefit Better predictability and versatility
Time Cooling Efforts Abandoned after Plant Shutdown Release (NG, I, Cs) CCI Penetration Depth Required Evacuation Radius
 
Temperature Monitoring Probes
To be added Rx. Bldg. Truck Bay
 
 

Plan B

  • 1.
    “ Plan-B” AnAlternative Liquidation* Strategy of Fukushima Daiichi NPP May 21, 2011 Satoshi Sato [email_address] International Access Corporation *: A term “liquidation” is used in this document to generally mean various activities directly and indirectly associated with restoration of safe state of each affected reactor in Fukushima Daiichi NPP. This follows a precedent in which workers involved in the emergency actions on the Chernobyl site during the accident and the subsequent clean-up operations were called “Liquidators”.
  • 2.
    Abbreviations Standby GasTreatment System SGTS Emergency Procedure Guidelines EPG BWR Owners Group BWROG Fission Product FP Overhead Crane OHC Fuel Handling Machine FHM Core-Concrete Interaction CCI Reactor Pressure Vessel RPV Spent Fuel Pool SFP Independent Spent Fuel Storage Installation ISFSI Greater Than Class C (Cask for High Level Radiation Waste) GTCC Spent Nuclear Fuel SNF Nuclear Power Plant NPP
  • 3.
  • 4.
  • 5.
    Contents Present Status“ Plan-A” Ever discussed? Difficulties to dismantle BWR reactor with damaged core Difficulties to retrieve spent fuel from degraded Reactor Bldg. Conventional Decommissioning Processes Definition of “Plan-A” Developing “Plan-B” Worst Case Scenario
  • 6.
    Contents (cont’d) “Plan-B” Liquidation Strategies for Fukushima NPP Reactors and SFPs Water Treatment and Entombment On-Site Above-Ground Repository Design Beyond Millennium Beyond “Liquidation Next Step
  • 7.
    Present Status ReactorStatus Reactor Core Reactor Pressure Vessel Primary Containment Reactor Building (Secondary Containment) Residual Heat Generation Spent Fuel Pool Status Fuel Integrity Pool Residual Heat Generation
  • 8.
    Summary - ReactorOriginal Function as Secondary Containment totally lost due to H2 explosion on Refueling Floor. Remaining part of building still reasonably good. Overhead Crane (OHC) and Fuel Handling Machine (FHM) not available. Barrier integrity no longer maintained. Details not confirmed. Barrier integrity no longer maintained. Bottom Head Penetrations severely damaged. Totally destroyed 1 Function as Secondary Containment still reasonably maintained even after H2 explosion. OHC and FHM still fully functioning. Barrier integrity severely degraded due to H2 explosion inside or outside Torus. Ditto Ditto 2 Ditto Not affected Not affected Empty 4 Same as Unit 1, except that some portions lower than Refueling Floor also degraded due to H2 explosion Same as Unit 1 Ditto Ditto 3 Reactor Building Primary Containment Reactor Pressure Vessel Reactor Core Unit Severely damaged Severely damaged Function Severely damaged Possibly still partly maintained but not confirmed Barrier Integrity
  • 9.
    Unit 4 Unit3 Unit 2 Unit 1 State of Reactor Building, Unit 1 to 4 looking from east as of March 20
  • 10.
    Unit 3 Unit4 State of Reactor Building, Unit 3 and 4 looking from west as of March 20
  • 11.
    Current Degree ofDegradation of each FP Barrier Melt-Down through Core Plate: No Doubt Leakage of RPV Bottom Head: No Doubt Gross Failure of RPV Bottom Head: Not Very Likely Leakage of Primary Containment: Highly Likely Gross Failure of Primary Containment: Unit 1 and Unit 3: Not Very Likely Unit 2: Highly Likely (Suppression Chamber) Major Core-Concrete Interaction ( CCI ) : Not Very Likely Melt-Down through Man-made Rock (Basemat): Not Likely Reactor Core, Pressure Vessel, and Primary Containment
  • 12.
    12~13m ~33.5m ID8.9m ~46m ~23.5m ~15m ~11m ~40m 16~17m Refueling Floor Rx. Bldg. (Secondary Containment) Primary Containment Reactor Pressure Vessel Suppression Chamber (part of Primary Containment) Drywell Pedestal Typical Configuration   ( Unit 3, 4 )
  • 13.
    Melt-Down through CorePlate Predicted to occur 2 hours following complete loss of cooling capability. Several previous experiments suggested steam explosion not likely. Core Shroud Core Plate Reactor Core Molten Core Water No Doubt
  • 14.
    Further Melt-Down throughCore Plate Actual Complete Loss of Cooling Capability (Official Announcement by Government on May 16, 2011) No Doubt 06h43m 3 06h29m 2 14h09m 1 Duration Unit
  • 15.
    Degradation of ReactorPressure Vessel Bottom Head Creep rupture begins to occur at ~240-deg C below melting point (1500-deg C) of vessel material (low alloy steel), allowing some leakage of highly contaminated water containing fractured pieces of fuel pellets.       Highly Likely
  • 16.
    Locations of PotentialLeakage   (Typ.) Vulnerability of Bottom Head Leakage
  • 17.
    Further Degradation ofReactor Pressure Vessel Bottom Head           Drywell Sump Pit Pedestal Pedestal Doorway Possible
  • 18.
    Major Degradation ofReactor Pressure Vessel Bottom Head and Core-Concrete Interaction (CCI), Resulting in Significant Amount of Release of Radioactive Aerosol       Pedestal Doorway Pedestal       H 2 O, CO 2 H 2 O, CO 2 H 2 , CO Aerosol Aerosol Aerosol Aerosol Not very likely, but could have happened depending on cooling evolution during early stage.
  • 19.
    Beginning of PrimaryContainment Failure       Pedestal Doorway Pedestal       Aerosol Aerosol Aerosol Aerosol H 2 , CO H 2 O, CO 2 H 2 O, CO 2  Not very likely, but could have happened depending on cooling evolution during early stage.
  • 20.
    Pedestal Doorway PedestalWall Source: NUREG/CR-6042 Rev.2
  • 21.
    Beginning of PrimaryContainment Failure Aerosol Not very likely, but could have happened depending on cooling evolution during early stage.
  • 22.
    Not likely Failuredue to Creep Rupture Gross Failure of Primary Containment due to Steam Explosion
  • 23.
    Gross Failure ofPrimary Containment due to Melt-Down Aerosol Aerosol Aerosol Aerosol Not likely
  • 24.
    Complete Melt-Down throughMan-made Rock (Basemat) Not likely Man-made Rock
  • 25.
    Residual Heat Generation2 months after shutdown 0 2,381 2,381 1,380 Thermal Output (MWt) 0 2.4 2.4 1.4 Estimated Residual Heat (MWt) 0.1% of rated Thermal Output 0 784 784 460 Electrical Output (MWe) 0 548 548 400 # of Fuel Assembly in Rx. 4 3 2 1 Unit
  • 26.
    Fuel Integrity Noconclusive information so far. Potential thermal damage. (Units 3 and 4) Potential mechanical damage. (Units 1 to 4) Pool Details unknown, but apparently no major damage. Potential thermal damage due to overheating. (Units 3 and 4) Potential mechanical damage due to earthquake and/or H2 explosion. (Units 1 to 4) Summary - SFP
  • 27.
    Unit 4 SFPTop view of fuel rack by remote underwater TV camera. Difficult to draw any conclusion about fuel integrity only based on this information. Fuel inspection by “sipping” is warranted.
  • 28.
    Residual Heat Generation11/30/’10 6/19/’10 9/16/’10 3/25/’10 Hottest Spent Fuel Discharged (Date of beginning of last refueling outage) Spent Fuel Pool New Fuel Storage Vault 1331 514 587 292 1.8 0.23 0.46 0.07 Estimated Residual Heat Generation Rate (MWt) 204 52 28 100 Number of Fuel Assembly 4 3 2 1 Unit
  • 29.
  • 30.
    “ Plan-A” Hasit ever been discussed? Efforts to achieve so-called “Cold Shutdown” have been being made as the single topmost priority. Originally, this term appears to specifically mean a state partially submerging the reactor core from both inside and outside Reactor Pressure Vessel (RPV) to keep the entire metal surface temperature below 200-deg F as defined by Tech Spec. However, after realizing that the barrier integrity of the RPV has been excessively challenged, this term now means a submersion only from outside RPV. In more common wording, “Drywell Flooding”. Consistent with the intent per BWROG’s EPG.
  • 31.
  • 32.
    Issues – PublicPerspectives “ Cold Shutdown” is apparently considered to be only the first milestone of the entire “Liquidation” program . It is not a solution or a goal. Nothing has been told to the public beyond that point. Both tax-payers and rate-payers are concerned about the cost and schedule of the entire program, and above all, the capability to ultimately get it done. “ Cold Shutdown” is used as a magic word. Public expects this would drastically improve the radiological environment so that refugees may be able to go home soon after this event. But this will never become true because contamination already there will continue to stay there regardless of the state of reactors.
  • 33.
    Issue – TechnicalPerspectives Applying BWROG’s EPG after having significantly deviated from it currently creates a major “side effect”, that is, generating large volume of highly contaminated water. The longer they operate “Cold Shutdown”, the more contaminated water they generate and partly leak to the external environment (groundwater and seawater). Cannot apply it for Unit 2 because of major defect caused on the pressure boundary of its Suppression Chamber. Cannot cool the vicinity of “gas pocket” at the top of Skirt. The NRC report (NUREG/CR-6402 Rev.2) had pointed out a possibility of delayed creep rupture.
  • 34.
    Delayed wall creeprupture would eventually occur in the vicinity of gas pocket.
  • 35.
    Questions Is “ColdShutdown” a mandatory milestone even 2 months after cease of chain reaction? Is there any better approach to manage the residual heat which is now only ~0.1% of the rated thermal power? How worse could it be at all if “Cold Shutdown” is abandoned? It has never been achieved to date for a long time anyway. What is the reason to have to stick to it? Achieving “Cold Shutdown” is OK. But, then what? How long to keep it? Dismantling reactors, next? Back to “Green Field” eventually?
  • 36.
    Difficulties to DismantleBWR Reactors with Damaged Core Reasons why so difficult Requires full restoration of Refuel Floor, a part of Secondary Containment and Reactor Building itself along with its ventilation system, as well as Overhead Crane, Fuel Handling Machine and all other special service tools prior to disassembly of RPV Head. Flooding RPV would result in leakage from the Bottom Head. Removal of RPV Head is a challenging task. Studs/Nuts potentially severely galled. Radiation level too high to install/operate Stud Tensioner. Removal of Steam Dryer is more challenging due to high radiation level.
  • 37.
    Reasons why sodifficult (cont’d) Removal of Moisture Separator is even more challenging. Shroud Head Bolt possibly galled due to exposure to elevated temperature and cannot be unlatched by following conventional procedure. Possibly requires to sever by remote EDM. Removal of Fuel Assembly is yet more challenging if not impossible. Most, if not all, FAs could have been fully destroyed, deformed and fused each other. Most part of core now possibly locates below Core Plate as “core debris”. Complete retrieval of once-molten core debris below Core Plate requires an exhaustive effort. Once core debris exits RPV and flows into the pedestal region, further efforts are not even theoretically possible unless Primary Containment Vessel is totally flooded.
  • 38.
  • 39.
  • 40.
  • 41.
    Lower Plenum (Region below Core Plate)
  • 42.
    Justification to pursueEfforts to place nuclear material under better inventory control are in line with IAEA requirements for security reason. Efforts to contain nuclear material within certified containers as much as possible are considered more ethical practice. Possible contribution to reduce long term risks associated with decay heat and radio-toxicity. Opportunity to gain detail technical data to be shared with international community to improve management of severe accident. (e.g. Improving accuracy of analytical codes.) Justification not to pursue Too much technical and financial uncertainties to pursue. Possibility to reduce short term risks associated with safety and security. (e.g. Exposing damaged reactors to unsecured condition for extended period not preferable.)
  • 43.
    Conclusions Dismantling BWRReactors with damaged core is technically extremely challenging due to harsh radiological environment and not fully achievable any way. “ Liquidation” strategy with damaged reactor left as is should be considered as one of the practical options. However, such a shortcut option requires public support domestically (including local communities) and internationally. Concurrence from IAEA may be necessary to comply with requirements for an NPT member country like Japan.
  • 44.
  • 45.
    Difficulties to retrievespent fuel from degraded Reactor Bldg. Why difficult? Currently no place to go and no certified container to load for the damaged fuel assemblies. Therefore, fuel inspection (sipping) or other technically acceptable method to separate damaged fuel from intact fuel is necessary step to proceed. Fuel Handling Machine (FHM) is needed for fuel inspection. Overhead Crane (OHC) with a loading capacity greater than 100MT is needed for lifting spent fuel casks. Both FHM and OHC are not currently functionable. Restoration of OHC requires a major work to repair degraded Reactor Bldg.
  • 46.
    Why difficult? (cont’d)Using other type of crane or lifting machine is an optional choice. However, it needs to be certified for safety application when handling spent fuel casks. New analyses and/or experiments may be required for the existing cask designs to be used. All existing cask designs have been certified to meet requirements to survive a set of design basis accidents including 9-meter free drop. However, using other crane may allow exceeding this condition. “ Fuel-Handling Accident” (accidentally dropping one fuel assembly over the core) has been assumed as one of the design basis accidents for safety analysis and licensing both in Japan and the US. Standby Gas Treatment System has been assumed available under this postulated accident. “ Spent Fuel Cask Drop Accident” is another design basis accident considered in the US for licensing, but not in Japan.
  • 47.
  • 48.
    Justification to pursueEfforts to place nuclear material under better inventory control are in line with IAEA requirements for security reason. Efforts to contain nuclear material within certified casks as much as possible are considered more ethical practice and to be exercised wherever reasonably possible. Possible contribution to reduce long term risks associated with decay heat and radio-toxicity. Justification not to pursue Too much financial hardship to pursue. Possibility to reduce short term risks associated with safety and security. (e.g. Exposing physically unprotected SFP to unsecured condition for extended period not preferable.)
  • 49.
    Conclusions Retrieving SNFfrom degraded Reactor Bldg. is technically challenging under existing licensing scheme especially when FHM and OHC are not available, and without intact Secondary Containment as well as emergency ventilation system (SGTS). “ Liquidation” strategy with all SNF left in the existing SFP should be considered as one of the practical options for the units where FHM, OHC, Secondary Containment, and SGTS are lost. However, such a shortcut option requires public support domestically (including local communities) and internationally. Concurrence from IAEA may be necessary to comply with requirements for an NPT member country like Japan.
  • 50.
  • 51.
    Conventional DecommissioningProcesses Typical Decommissioning Processes in the US Experiences: PWR: Yankee Rowe, Haddam Neck, Maine Yankee, Trojan BWR: Big Rock Point Goal: back to “Green Field” Licensing Process: PSDAR (Post Shutdown Decommissioning Activity Report) LTP (License Termination Plan) Spent Fuel: Loaded in Dry-Cask and stored at site (ISFSI) until federal government determines what to do. Major Impacts Previously Experienced: Inflation of Disposal Cost Significant Soil Contamination
  • 52.
    Maine Yankee ExperienceReactor Type/Size: Three-Loop PWR, 2,700MWt/860MWe Operational History: 12/28/1972 – 12/06/1996 (24 years) Decommissioning Activities: Facility Demolition: 1997 – 2005 Original Cost Estimate (as of 1997): $380M Overrun Cost: $26.8M Removal of Spent Fuel: Aug. 2002 – May 2004 Original Cost Estimate (as of 1997): $128M Overrun Cost: $6.8M Personnel Exposure: Original NRC estimate: 11,150men-mSv Actual Result: Approx. half of estimate Techniques Applied: Chemical Decontamination Implosion Underwater High Pressure Abrasive Water Jet Cutting
  • 53.
    Maine Yankee Experience(cont’d) Decommissioning Activities (cont’d): Radioactive Waste: Total Amount: ~140,000ton Amount transported to storage site: 88,450ton (63% of total) mostly by train Radioactive Waste (Reactor Internal Components) Activity Weight % Bq % Ton 100 7.26E16 100 165 Total 83 6.03E16 10 16 Loaded in GTCC and stored at site (4 GTCC casks) 15 1.09E16 20 33 Loaded and shipped in casks 2 0.15E16 70 116 Loaded and shipped in RPV
  • 54.
    86% completion asof April 14, 2004
  • 55.
    Implosion on ContainmentBldg., September 17, 2004 97% completion as of January 19, 2005
  • 56.
    Essentially 100% completed,as of May 5, 2005 “ Green Field” achieved on July 25, 2005
  • 57.
    Implosion Technique Appliedfor Turbine Bldg.
  • 58.
    ISFSI Pad andSpent Fuel Storage Casks Vertical Horizontal
  • 59.
    Yankee Rowe Experience ISFSI for Storage of 16 dry casks containing 533 spent fuel assemblies Prior to Decommissioning Activities (1993) Most Decommissioning Activities done (12/12/2006) Decommissioning cost : $608M 600MWt PWR (1963 – 1991)
  • 60.
    Back to “GreenField” as of 9/5/2007 Actual and Future Yankee Rowe Decommissioning Schedule
  • 61.
    Cased in containeron 11/20/1996 Departed from site on 4/27/1997 Loaded on to railcar for 1800km transportation Arrival at Barnwell Site for subsurface repository on 5/7/1997 Reactor Vessel Disposal 3.6m-dia. x 8.1m-tall, weighing 165tons 80 tons of concrete poured inside and outside vessel
  • 62.
    Large volume ofsubsurface soil found contaminated with tritium (H-3). Numbers indicate H-3 concentration in groundwater in pCi/L. EPA drinkable level is 20,000pCi/L.
  • 63.
    Zion Project 3250MWt PWR Operational History Unit 1 thru 1996 Unit 2 thru 1997
  • 64.
    Basically just cooling-downDismantling Activities
  • 65.
    30-year long project!Finally Back to Green Field in 2028 SNF Disposition Campaign
  • 66.
    Source: NUREG-1350 Vol.21Ultimate Solution for SNF if not Recycled Yucca Mountain Project (abandoned) 500 to 600m deep geological repository
  • 67.
  • 68.
  • 69.
    Definition of “Plan-A”It has never been formally defined yet. So let’s assume that it is a recovery process, or decommissioning process to achieve “Green Field” as traditionally attempted in Japan (e.g. JPDR) and for several NPPs in the US.
  • 70.
    Feasibility to applyUS Decommissioning Experiences and Lessons-Learned for Fukushima NPP Demolition Techniques: Some applications possible but scope limited. Hindered mostly due to high level radiation/contamination. Site Restoration: “ Back to Green Field” is practically an impossible goal. Wide spread contamination: Soil, Groundwater, Seawater Highly radiotoxic actinide species (Pu) involved. No candidate repository locations available for large volume of heavily contaminated equipment and concrete rubble. Conclusion: “Plan-A” is not a workable option for Fukushima NPP Units.
  • 71.
    Note that thedose limit for Emergency Workers is 250mSv. 8,400 18,200 46,500 mSv/h 3 2 1 Unit Possible for all buildings other than Rx. Bldg. of Unit 1 to 3 after some decontamination efforts. Not practical for Rx. Bldg. of Unit 1 to 3 due to high contamination level. Implosion Already done for Unit 4 Rx. Not practical for other units due to too much activity load. Chemical Decontamination Possible for Unit 4. Not practical for other units due to harsh radiological environment for workers. (Drywell Dose Rate as of May 20, 2011.) Separate RPV from All Other Connecting Systems Already done for Unit 4. Not practical for other units due to high contamination level. Remove Rx. Internals by High Pressure Abrasive Water Jet Application for Fukushima NPP Units Technique
  • 72.
  • 73.
    Developing “Plan-B” WorstCase Scenario Historical worst case: Chernobyl Accident How better is Fukushima NPP’s case relative to Chernobyl? How worse could Fukushima NPP units have been if cooling capability was lost immediately upon SBO? How bad could Fukushima NPP units be if “Cold Shutdown” is terminated now? Unit 1/2/3 Reactors Unit 4 SFP Basic Technical Requirements for “Plan-B” Transition from “Plan-A” to “Plan-B”
  • 74.
    Worst Case ScenarioHistorical Worst Case: Chernobyl Accident Source: NUREG/CR-6042 Rev.2 Fukushima NPP NISA: 1,700,000Ci NSC: 1,000,000Ci
  • 75.
    Chernobyl Accident Facts:Definitely worst from many aspects! Release: 1,760PBq of I-131 Contamination: 3 major “Hot Spots”, including one as far as 500km from the site. Large restricted areas confiscated zone, closed zone, permanent control zone, periodic control zone Personnel Exposure (out of 400 workers at the site on the day of accident): 140 persons 1 – 2 Gy 55 persons 2 – 4 Gy 21 persons 4 – 6 Gy 21 persons 6 – 16 Gy
  • 76.
    Radionuclide Releases DuringChernobyl Accident Source: Chernobyl – Ten Years On (OECD/NEA)
  • 77.
    Source: NUREG/CR-6042 Rev.21MCi = 37,000TBq Daily Release During Chernobyl Accident
  • 78.
    Source:   OECD/NEA“Chernobyl Ten Years on Radiological and Health Impact – An Assessment by the NEA Committee on Radiation Protection and Public Health” November 1995 Cs-137 Contamination 10 years later Vicinity of Fukushima NPP 80km Equivalent dose rate of 555kBq/m 2 contamination is 1.8 μ Sv/h or 15.8mSv/y. Blue colored region on land represents dose rate greater than 0.3 μ Sv/h as of 3/19/2011. 500km
  • 79.
    Access Restriction dueto High Level Contamination
  • 80.
    Worst Case forFukushima NPP In spite of large amount of release, resulting overall impact was much smaller than that of Chernobyl accident. This is believed to be mostly because of wind blowing west to east. The worst case was avoided by a favorable wind direction. Prediction by WeatherOnline (UK)
  • 81.
    Radiological impact estimatedby various organizations Japan - estimated cumulative dose in mSv through 3/11/2012
  • 82.
  • 83.
    Worst Case forFukushima NPP (cont’d) What if cooling capability was lost immediately upon SBO? Much more heat load, resulting in more aggressive propagation of failures/degradations of FP barriers. (Reactor Pressure Vessel, Primary Containment, and even Man-Made Rock. Note that Man-Made Rock is not credited as an FP barrier against atmospheric release, but it does play a role as an FP barrier against groundwater/soil contamination.) Earlier and much more release of radionuclides, with greater contribution from short-lived species. Much more CCI, resulting in generation and accumulation of more non-condensable and combustible gases forming radionuclide aerosols containing more radiotoxic particles.
  • 84.
    Residual Heat Generation2 months after shutdown 1 hour after shutdown 0 2,381 2,381 1,380 Thermal Output (MWt) 0 24 24 14 Estimated Residual Heat (MWt) 1% of rated Thermal Output 0 784 784 460 Electrical Output (MWe) 0 548 548 400 # of Fuel Assembly in Rx. 4 3 2 1 Unit
  • 85.
    Major Degradation ofReactor Pressure Vessel Bottom Head and Core-Concrete Interaction (CCI), Resulting in Significant Amount of Release of Radioactive Aerosol       Pedestal Doorway Pedestal       H 2 O, CO 2 H 2 O, CO 2 H 2 , CO Aerosol Aerosol Aerosol Aerosol
  • 86.
         Pedestal Doorway Pedestal       Aerosol Aerosol Aerosol Aerosol H 2 , CO H 2 O, CO 2 H 2 O, CO 2  Beginning of Primary Containment Melt-Through
  • 87.
    Gross Failure ofPrimary Containment due to Melt-Down Progression Aerosol Aerosol Aerosol Aerosol
  • 88.
    Gross Man-Made Rock(Basemat) Melt-Through Man-made Rock
  • 89.
    Source: NUREG/CR-6042 Rev.2Various Gases and Debris Generated during CCI
  • 90.
    Source: NUREG/CR-6042 Rev.2Breakdown of FP Species
  • 91.
    Worst Case forFukushima NPP (cont’d) How bad could Fukushima NPP units be if “Cold Shutdown” is terminated now (70 days after shutdown)? Much less heat load, resulting in less aggressive propagation of failures/degradations of FP barriers (Reactor Pressure Vessel and Primary Containment). Much less release of radionuclides, with negligible contribution from short-lived species. Much less CCI, resulting in generation and accumulation of less non-condensable and combustible gases forming radionuclide aerosols containing less radiotoxic particles. Water left on the Drywell floor suppresses CCI. Dilution of molten core with various metal and non-metal materials would lower temperature and reduces CCI.
  • 92.
    Radioactive Decay after70 days I-131, Cs-134, Cs-136, Cs-137, Rb-86, Te-127m, Ba-140, Sr-89, Sr-90, Co-58, Co-60, Ru-103, Ru-196, Am-241, Cm-242, Cm-244, Nb-95, Nd-147, Pr-143, Y-91, Zr-95, Ce-141, Ce-144, Pu-238, Pu-239, Pu-240, Pu-241 32 species gone, 27 species left. 9.5 x 10 -8 3 days 2.9 x 10 -11 2 days 8.5 x 10 -22 1 day Remaining Half-Life
  • 93.
    Gross Failure ofPrimary Containment Melt-Through This would be very slow even if it does take place at all.
  • 94.
    Complete Melt-Down throughMan-made Rock (Basemat) This is even more unlikely. 12~13m
  • 95.
  • 96.
    Basic Technical Requirementsfor “Plan-B” Achievable and Predictable No optimistic assumptions allowed. (e.g. Equipment inside Drywell no longer functionable.) Designed for Short-term and Long-term Solution Simplicity and Passiveness Good for 1,000 years with minimum maintenance. Maintain reversibility in case application for long-term solution is abandoned in the future. Short-term and Long-term Safety/Security No Recriticality, H2/Steam Explosions Minimum release of radioactivity to external environment Lowest Cost and Shortest Schedule Least labor intensive, minimum personnel exposure.
  • 97.
    Transition from“Plan-A” to “Plan-B” Water Cooling to Gas/Air Cooling (Forced Circulation to Natural Circulation) Proposed Remedy for Leaky System Introduce fine glass fiber mixed with SiC/B 4 C powder to clog leak paths, then use some chemical reaction to create precipitants (e.g. Ca 3 (PO 4 ) 2 ) to further reinforce leaking boundary. Apply knowledge gained from GSI-191 study. Proposed improvement to minimize I-131 airborne inside and outside Rx. Bldg if such an effort is still considered necessary. Spray TSP (Trisodium Phosphate) solution.
  • 98.
  • 99.
    “ Plan-B” LiquidationStrategies for Fukushima NPP Reactors and SFPs Strategy-I and II for Reactors Strategy-A and B for SFPs Water Treatment and Entombment On-Site Above-Ground Repository Design Beyond Millennium Beyond “Liquidation”
  • 100.
    Liquidation Strategies forFukushima NPP Reactors and SFPs General Approach New concept replacing traditional and costly practice, that is, full demolition of the facility and eventually returning the entire site to “Green-Field”. With this new approach, most radioactive material is left as is in the original locations so that significant cost/schedule reduction is expected. Thoroughly engineered design, not like the ad hoc technique applied for Chernobyl Unit 4 under emergency situation. Applicable not only for those plants affected by major reactor accidents, but also for those plants orderly shutdown permanently upon expiration of license as an alternative choice. Phased approach to shift cooling strategies as decay heat load decreases as a function of time . Forced circulation (Water to Helium, Helium to Air) initially, eventually followed by natural convection with no active component to drive the system.
  • 101.
    General Approach (cont’d)This new approach is named as IE 2 -D ( I nnovative E ngineered I n-Situ E ntombment D ecommissioning) and comprised of the following general decommissioning processes and specific processes unique to each Strategy described in later sections separately: Remove all new fuel assemblies currently stored in the New Fuel Storage Vault. Remove any equipment reasonably recyclable. All process systems containing water inside are to be drained, filled with N2 gas and isolated from external environment. All rooms and compartments are either solidly filled with concrete, or vented to the general area so as not to allow accumulation of combustible gas. 28 2 204 52 100 # of New Fuel Assy 4 3 1 Unit
  • 102.
    Specific Strategies Strategy-ASFP Not Affected Strategy-II 2 Strategy-B Strategy-I Reactor Systems Not Affected 4 Strategy-B Strategy-II 3 Strategy-B Strategy-II 1 Spent Fuel Pool Reactor Unit
  • 103.
    Strategy-I Status Implementableonly for Unit 4 because this is the only unit where most reactor systems are apparently left unaffected. However, the unit was structurally significantly damaged due to the hydrogen explosion, resulting in losses of OHC and possibly FHM as well. As another impact due to the hydrogen explosion, the integrity of secondary containment is currently lost. Unit 4 Unit 3 Unit 2 Unit 1
  • 104.
    Status (cont’d) Theunit was in the middle of outage where a major modification project, namely “Shroud Replacement”, was taking place at the time of accident. The reactor configuration during this particular outage was very different from that during normal outages, specifically; Steam Dryer and Moisture Separator were removed from the vessel and stacked together vertically in the Dryer Separator Pit. All Control Blades, Fuel Support Castings, Control Rod Guide Tubes, and Incore Monitors were removed from the vessel and temporarily stored in the SFP. Many reactor internal components including, Feedwater Spargers, Core Spray Piping and Spargers, Top Guide, Core Shroud, and Core Plate were removed from the vessel and transferred to the Dryer Separator Pit where some of them were sliced into small pieces for disposal.
  • 105.
    Key Steps Inspectthe Reactor Bldg. and determine degree of impact. Clean up Refueling Floor. Restore and re-establish capability of Secondary Containment. Move all removed reactor internals currently stored in the Dryer Separator Pit and SFP in an orderly manner back to the vessel. Fill the Reactor Pressure Vessel with concrete. Drain Reactor Cavity and Dryer Separator Pit. (These emptied pools will be used for the storage of various contaminated equipment and debris for the future.) Re-assembly RPV Head, Mirror Insulation, PCV Head. Proceed to the general decommissioning processes.
  • 106.
  • 107.
    Strategy-II Proposed Unit-by-UnitApplication Mode 1, 2 (Options A, B1, B2, C) Mode 3 Tentative Mode Change Schedule Proposed System Lineup Detail plant unique assessment is necessary. Unit 4 Unit 3 Unit 2 Unit 1
  • 108.
    Proposed Unit-by-Unit Application*: Residual heat generation as of 5/11/2011. **: See conceptual illustrations and proposed system lineup for each operation mode. ***: Required flow rate is calculated to limit the outlet temperature within 100 degrees above the inlet temperature unless otherwise noted. 5,000 Air, Natural 3 5,000 Air, Natural 3 55,000 He, Forced 1 1,400 1 2 1 2 15,000 Air, Forced 2,400 Heat Load* (kWt) 65,000 ( ∆T = 150 deg-C) He, Forced 2/3 15,000 Air, Forced Min. Flow Rate*** (Nm 3 /h) Operation Mode** Unit
  • 109.
    Mode 1 Mode2 Mode 3 Mode 2 Mode 3 1Y 2Y 10Y Mode 1 Mode 2 Mode 1 3Y Mode 3 Tentative Mode Change Schedule < 200 200 - 700 > 700 Heat Generation Range (kW) 2,400kW Unit 2 Estimated Heat Generation as of 5/11/2011 2,400kW Unit 3 N/A 0 Unit 4 1,400kW Unit 1 Air/Natural Air/Forced He/Forced Cooling Strategy 3 2 1 Operation Mode
  • 110.
    Helium: 200Yen/Nm3 140Yen/liter (liquid) 0.1248kg/liter Favorable Thermal Characteristic of Helium J/kg ・ degC Air = 1 W/m ・ K 4217 - 0.582 H 2 O (Liquid) 1012 1 0.0316 Air 2098 0.77 0.0241 H 2 O (Steam) 5192 5.53 0.1663 He Heat Capacity Thermal Conductivity Thermal Conductivity Medium
  • 111.
    Helium is astandard cooling medium for high temperature gas reactors. GT-MHR (Gas Turbine – Module Helium Reactor)
  • 112.
    A* B* Tobe added Scrubber/Gas Cooler Ventilation System Mode-1/2 Heat Sink Gravel Flow from Suppression Chamber to Drywell *: See “proposed line-up” for system interfaces for A and B for each unit. Option A
  • 113.
    Heat Sink GravelFactors to be considered for selection: High thermal conductivity Radiation shielding High performance to absorb radioactive gas/particle.
  • 114.
    Copper Sphere ShellZeolite Mixing several different constituents may be considered
  • 115.
    Flow from SuppressionChamber to Drywell
  • 116.
    Field Assembly ofPrimary Containment at Browns Ferry Site During Construction Time
  • 117.
    Unit 1 Core Spray System Helium/Air Injection Point Proposed System Lineup A
  • 118.
    Unit 1 Shutdown Cooling System B This valve may not be opened.
  • 119.
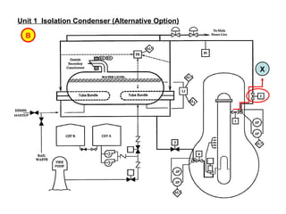
    Unit 1 Isolation Condenser (Alternative Option) B X
  • 120.
    Unit 2/3 Core Spray System Helium Injection Point A
  • 121.
    Unit 2/3 High Pressure Injection System B
  • 122.
    Unit 1 Atmospheric Control System (Alternative Option) B X
  • 123.
    To be addedTo be added Scrubber/Gas Cooler Ventilation System Rx. Bldg. Truck Bay Mode-1/2 Option B1
  • 124.
    To be addedTo be added Scrubber/Gas Cooler Ventilation System Rx. Bldg. Truck Bay Blower Mode-1/2 Option B2
  • 125.
    To be addedTo be added Scrubber/Gas Cooler Ventilation System Rx. Bldg. Truck Bay Mode-2 Option C
  • 126.
    Rx. Bldg. TruckBay Stack Air Gap for Flow Path Air Flow only by Natural Convection Mode-3 See detail “D” See detail “E”
  • 127.
  • 128.
  • 129.
    Construction Details ofBottom Portion of Primary Containment Vessel (Oyster Creek) (2) Detail “E”
  • 130.
    Construction Details ofBottom Portion of Primary Containment Vessel (Oyster Creek) (1) Detail “E”
  • 131.
  • 132.
    Strategy-A Implementable onlyfor Unit 2 because both OHC and FHM are seemingly still functionable and available. Key Steps: Inspect (sipping and visual examination) on all fuel assemblies and identify any damage fuel. Load only undamaged/non-degraded fuel assemblies into casks for: Wet Storage at Common Storage Pool or other designated site(s). Reprocessing for MOX at Rokkasho facility. Dry Storage at site or other designated site(s). Unit 4 Unit 3 Unit 2 Unit 1
  • 133.
    Damaged/degraded fuel assembliesare treated differently. No certified cask design currently available. Design and certify special cask only for this group of fuel and transfer to other unit (1, 3, or 4) for Strategy-B. Leave only this group of fuel at Unit 2 and apply Strategy-B.
  • 134.
  • 135.
    Strategy-B Proposed Unit-by-UnitApplication Mode 1, 2, 3 Comparison with “Plan-A” Advantages vs. Disadvantages General Comparison Cost Schedule Security during implementation Unit 4 Unit 3 Unit 2 Unit 1
  • 136.
    Proposed Unit-by-Unit Application*: See later section for the definition of each operation mode. **: Required flow rate is calculated to limit the outlet temperature within 100 degrees above the inlet temperature. ***: He is more recommendable because of its higher heat conductivity and lower viscosity (flow friction). 1 3 2 2 1 3 6,500 Air Natural 13,000 Air, Forced 1,800 230 460 70 Heat Generation (kWt) 6,500 Air, Forced 3 18,000 He***, Forced 2 70,000 He***, Forced 4 1,930 Air Natural 1 Min. Flow Rate** (Nm 3 /h) Recommended Operation Mode* Unit
  • 137.
    Mode 3 Mode2 Mode 1 Mode 1 Mode 2 Mode 3 Mode 3 Mode 2 Mode 3 0.5Y 2Y 5Y 5.5Y 10Y Tentative Mode Change Schedule < 100 100 - 350 > 350 Heat Generation Range (kW) 460kW Unit 2 Estimated Heat Generation as of 5/11/2011 230kW Unit 3 1,800kW Unit 4 70kW Unit 1 Air/Natural Air/Forced He/Forced Cooling Strategy 3 2 1 Operation Mode
  • 138.
    Spent Fuel RacksSpent Fuel Racks Gate Cask Pit A A Spent Fuel Pool (top view) N
  • 139.
    Water Level SpentFuel Racks Spent Fuel Racks Spent Fuel Pool (side view) A-A
  • 140.
    Finned Heat SinkChambers (Copper) Step-1 Install Finned Heat Sink Chambers on Spent Fuel Racks.
  • 141.
  • 142.
  • 143.
    35cm Cold (Inlet)2-inch Sch#40 Stainless Steel Hot (Outlet) 2-inch Sch#40 Stainless Steel Convection Cooling 2-inch Copper Pipe Modules
  • 144.
    Φ10mm     (typ.4) 50mm Approx. 2000mm Approx. 8000mm
  • 145.
    A A ViewA-A Main Header Main Header Main Header Distribution Header Top View
  • 146.
  • 147.
    Step-3 Load HeatSink Gravel Water Gravel
  • 148.
    Heat Sink GravelFactors to be considered: High thermal conductivity Radiation shielding High performance to absorb radioactive gas/particle.
  • 149.
    Copper Sphere ShellZeolite Mixing several different constituents may be considered
  • 150.
    Water level graduallydecreases Step-4 Start Ventilation System
  • 151.
    To Ventilation Fanand Gas Treatment System Wet Scrubber Water level Operation Mode 1, and Mode 2
  • 152.
    Operation Mode FavorableThermal Characteristic of Helium Not Required Required Required Cleanup System 3 2 1 Mode Natural Convection Non-contaminated Air Low (<100kW) Forced Cooling Contaminated Air Medium (100-350kW) Forced Cooling Contaminated Helium High (>350kW) Power Cooling Medium Heat Load J/kg ・ K Air = 1 W/m ・ K 1012 1 0.0316 Air 5192 5.53 0.1663 He Heat Capacity Relative Thermal Conductivity Thermal Conductivity Medium
  • 153.
    Operation Mode 3 “Natural Convection” Inlet Sleeve Shielded Air Intake Block
  • 154.
  • 155.
    Comparison with “Plan-A”Advantages vs. Disadvantages General Comparison Favorable for “Plan-B” Not required ?? ISFSI Not required. No certified Transportation/Storage Cask for damaged fuel assemblies currently available. Spent Fuel Storage Duration of poor security conditions can be minimized. Currently exposed to very poor conditions. Security Not required. Required Fuel Inspection (Sipping) Not required Ditto OHC Not required. Required but currently not available due to damage caused by H2 explosion. FHM “ Plan-B” Strategy-B “ Plan-A”
  • 156.
    Advantages vs. Disadvantages(cont’d) General Comparison Potential issues associated with “Plan-B” Strategy-B. Various supporting analysis necessary. Design Basis Accident (DBA) Relatively more predictable. Safety Analysis Unknown. Unknown. Public Acceptance Permanent measures including Aircraft Impact Assessment (AIA) necessary. Currently very poor. Security Issue Unknown. No previous experience. No siting criteria established. Relatively more predictable. Licensing Process Practice not pursued previously. Buried under man-made structure significantly above ground elevation. Can be eventually transferred to this option. Geological Disposal “ Plan-B” Strategy-B “ Plan-A”
  • 157.
    Cost/Schedule Cost/schedule potentiallyeliminated by applying “Plan-B” Strategy-B. Cost for “Plan-B” Strategy-B: much less than that for restoring OHC alone. Schedule for “Plan-B” Strategy-B: much shorter than that for unloading spent fuel from SFP alone. ~5 Unload Spent Fuel from SFP Restore FHM Fuel Inspection (Sipping) X billion Procure Spent Fuel Casks X billion Cost (JPY) Construct ISFSI ~2 Restore OHC Schedule (Year) Activity
  • 158.
    Conclusions: Practical approachfor Units 1, 3 and 4. (Strategy-A is considered implementable only for Unit 2.) Advantage of “Plan-B” Strategy-B over “Plan-A” is obvious. All associated technical issues are manageable. Two potentially challenging non-technical issues: Licensing Public Acceptance
  • 159.
    Ultimate Configuration withOperation Mode 3 All contaminated equipment and materials are permanently buried in-situ. Paradigm Shift !! This concept, in spite of huge cost benefit expected, significantly deviates from the conventional approach.
  • 160.
  • 161.
    Water Treatment andEntombment Water Treatment System is a part of “Plan-B” and integrated into IE 2 -D strategies. Low level contaminated water is used as a water source to produce ready-mixed concrete for general purpose. Highly concentrated radioactive water is vitrified (because of relatively high heat generation) and stored at On-Site Repository. Water to be processed: Highly contaminated water currently stored in various pools at site. Contaminated sea water within Intake Area.
  • 162.
    Water Treatment (1)Highly Contaminated Water Currently Stored in Various Pools at Site Vitrification Canisters On-site Repository Concentrated Radioactive Liquid Treatment System Cement Aggregate Contaminated Concrete Rubble (Optional) Processed Water (slight contamination allowed) Ready-Mixed Concrete < 5,000Bq/cm 3 < 0.065mSv/h 20 v/v% 80 v/v% For Entombment Work
  • 163.
    Dose Rate Calculationof Homogenously Contaminated Concrete Assumption: 500TBq in 10 5 m 3 , or 5,000Bq/cm 3 of processed water Water Content in Ready Mixed Concrete = 20% Calculation: Low enough!
  • 164.
    Heat Generation Calculationof Homogenously Contaminated Concrete Assumption: 500TBq in 10 5 m 3 of water, or 5,000Bq/cm 3 Water Content in Ready Mixed Concrete = 20% Energy Release per Disintegration = 1MeV Calculation: Total energy release rate = (1.6 x 10 -13 J) x (5 x 10 14 /sec) = 80W Temperature increase based on black body radiation q” = σ T 4 σ = 5.67 x 10 -8 q” = 80/(4 π r 2 ) r = 28.8m q” = 7.7 x 10 -3 W/m 2 T = 19-deg C Low enough!
  • 165.
    Water Treatment (2)Desalination System Cement Aggregate Contaminated Concrete Rubble (Optional) Processed Water (still slightly contaminated) Ready-Mixed Concrete < 5,000Bq/cm 3 < 0.065mSv/h 20 v/v% 80 v/v% Contaminated Water within Intake Area For Encasing Concrete Rubble
  • 166.
  • 167.
    On-Site Above-Ground RepositoryNew site arrangement consists of three major islands, each enclosed by an individual protected area: ISFSI On-Site Repository for vitrified canisters IE 2 -Ded Reactors
  • 168.
    Intake Area IntakeFacility (typ.) Backwash Valve Pit (typ.) Control Bldg. (typ.) Turbine Bldg. (typ.) Rx. Bldg. (typ.) RW Bldg. (typ.) Before Unit 2 Unit 1 Unit 3 Unit 4
  • 169.
    Entombed Reactors AfterProtection Fence against Aircraft Impact Stack Concrete rubble generated from demolition of all other structures is encased in the large concrete block(s). Tsunami Barrier Tsunami Barrier Wave Breakers for Tsunami Protection Original Shoreline
  • 170.
    ISFSI for SNFand any potential GTCC Waste On-Site Repository for Vitrified Canisters Legend: Monitoring Post Ground Water Sampling Point Protected Area Main Gate New Site Boundary Monitoring Facility Conceptual New Site Arrangement
  • 171.
  • 172.
    Design Beyond MillenniumIE 2 -Ded Reactors, ISFSI, and On-Site Repository must be qualified for long-term endurance. Traditionally, man-made structures were not credited for this purpose.
  • 173.
    But, man-made structuresmay not be too bad… Possibly good for centuries or even millennia!
  • 174.
    Source: “The Futureof Nuclear Power” (MIT) Residual Heat 1/20
  • 175.
    Source: “The Futureof Nuclear Power” (MIT) Radioactivity 1/100
  • 176.
  • 177.
    District for NewIndustry/Community Development Entombed Reactors (Units 1 to 4) Survived Reactors    (Units 5 and 6) Solar Thermal Power Beyond “Liquidation” Previous Site Boundary
  • 178.
    Target Overall ScheduleFS, Bidding, Design/Engineering Mode 1 Mode 2 Mode 3 Mode 1 Mode 2 Mode 3 Sipping Transportation Campaign Unit 2, SFP Unit 1 to 3, Reactor Construct On-Site Repository Facility Unit 1, 3, and 4, SFP Unit 4, Reactor 4y 6y Public Acceptance (Workshop) 10y 8y 2y Activities EI 2 -D Projects Demolition of other structures Water Treatment, Vitrification Build Liquidators’ Villages Recruit Liquidators Expand On-Site Liquidation Infrastructures New Industry/Community Development Construct ISFSI (for Unit 2 SNF) Construct Intake Area Tsunami Barriers Licensing Review on EI 2 -D (Safety Analysis)
  • 179.
  • 180.
    Next Step Feasibilitystudy by independent organization(s): Technical aspect Financial aspect Political aspect Survey on public opinions. Voices from international communities. Issues: Interactions with decision-makers Financial support to proceed to design phase How to make a go-no-go decision
  • 181.
    Analysis for FutureBenefit Better predictability and versatility
  • 182.
    Time Cooling EffortsAbandoned after Plant Shutdown Release (NG, I, Cs) CCI Penetration Depth Required Evacuation Radius
  • 183.
  • 184.
  • 185.
    To be addedRx. Bldg. Truck Bay
  • 186.
  • 187.