MAR EPHRAEM COLLEGE OF ENGINEERING AND TECHNOLOGY
Department of Mechanical Engineering
ME6702 MECHATRONICS ACADEMIC YEAR2019-20
Course file - ME6702-MECHATRONICS
Name of Course instructor A. JUDE FELIX
Email judefelix@marephraem.edu.in
Contact number +91-8903787202
COURSE CONTENT
The whole course is divided into 5 Units.
48 lecture hours.
ME6702 MECHATRONICS L T P
UNITI INTRODUCTION 13 0 0
UNITII 8085 MICROPROCESSORAND 8051 MICROCONTROLLER 8 0 0
UNITIII PROGRAMMABLE PERIPHERALINTERFACE 8 0 0
UNITIV PROGRAMMABLE LOGIC CONTROLLER 8 0 0
UNITV ACTUATORS AND MECHATRONICSYSTEMDESIGN 11 0 0
TOTAL 48 0 0
Prerequisitefortheprogram:
SEMESTERIII– CE6306-StrengthofMaterials
SEMESTERIV – ME6404-Thermal Engineering
Courseoutcomes:
CO1
Discuss the interdiciplinary applications of electronics, electrical,mechanical and computer
systems
CO2 Explain the architecture of 8085 microprocessor and 8051 microcontroller
CO3 Explain the Programmable Peripheral Interface and Architecture of 8255 PPI
CO4 Describe the architecture , programming and application of programmable logic controller.
CO5 Explain the types of motors and actuators in mechatronics system
CO6 Describe the structure and operation of pick and place robot
MAR EPHRAEM COLLEGE OF ENGINEERING AND TECHNOLOGY
Department of Mechanical Engineering
ME6702 MECHATRONICS ACADEMIC YEAR2019-20
Programoutcomes:
POs Statements
PO1
EngineeringKnowledge:
Apply the knowledgeof mathematics, science, engineering fundamentals, and an
engineering specialization to the solution of complex engineering problems.
PO2
Problemanalysis:
Identify,formulate, review research literature, and analyze complex engineering
problem researching substantiated conclusions using first principles of mathematics,
natural sciences, and engineering sciences.
PO3
Design/developmentofsolutions:
Design solutions forcomplex engineering problems and design system components or
processes that meet the specified needs with appropriate consideration for the public
health and safety, and the cultural, societal, and environmental considerations.
PO4
Conductinvestigationsofcomplexproblems:
Use research-based knowledge and research methods including design of experiments,
analysis and interpretation of data, and synthesis of the information to provide valid
conclusions.
PO5
Moderntool usage:
Create, select, and apply appropriate techniques, resources, and modern engineering
and ITtools including prediction and modeling to complex engineering activities with
an understanding of the limitations.
PO6
Theengineerandsociety:
Apply reasoning informed by the contextual knowledge to assess societal, health, safety,
legal and cultural issues and the consequent responsibilities relevant to the professional
engineering practice.
PO7
Environmentandsustainability:
Understand the impact of the professional engineering solutions in societal and
environmental contexts, and demonstrate the knowledge of, and need for sustainable
development.
PO8
Ethics:
Apply ethical principles and commit to professional ethics and responsibilities and
norms of the engineering practice.
PO9
Individual andteam work:
Function effectively asan individual, and as a member or leader in diverse teams, and in
multidisciplinary settings.
PO10
Communication:
Communicate effectively oncomplex engineering activities with the engineering
community and with society at large, such as, being able to comprehend and write
effectivereports and design documentation, make effectivepresentations, and give and
MAR EPHRAEM COLLEGE OF ENGINEERING AND TECHNOLOGY
Department of Mechanical Engineering
ME6702 MECHATRONICS ACADEMIC YEAR2019-20
receive clear instructions.
PO11
Project managementand finance:
Demonstrate knowledge and understanding of the engineering and management
principles and apply these to one’s ownwork,as a member and leader in a team, to
manage projects and in multidisciplinary environments.
PO12
Life-longlearning:
Recognize the need for, and have the preparation and ability to engage in independent
and life-long learning in the broadest context of technological change.
CO PO Mapping:
CO CL PO1 PO2 PO3 PO4 PO5 PO6 PO7 PO8 PO9 PO10 PO11 PO12
CO 1 Re 2 1 - - - - - - - - - -
CO 2 Un 2 1 - - - - - - - - - -
CO 3 Un 2 1 - - - - - - - - - -
CO 4 Un 2 1 - - 2 - - - - - - 2
CO 5 Un 2 1 - - - - - - - - - 2
CO 6 Un 2 1 - - 2 - - - - - - 2
Average 2.00 1.00 - - 2.00 - - - - - - 2.00
CO-PSO Mapping
CO PSO1 PSO 2 PSO 3
CO 1 2 2 -
CO 2 2 2 -
CO 3 2 2 -
CO 4 2 2 -
CO 5 2 2 -
CO 6 2 2 -
Average 2.00 2.00 -
MAR EPHRAEM COLLEGE OF ENGINEERING AND TECHNOLOGY
Department of Mechanical Engineering
ME6702 MECHATRONICS ACADEMIC YEAR2019-20
COURSE SYLLABUS:
Unit
No
Unit Title
Unit wise Syllabus
1 Introduction Introduction to Mechatronics – Systems – Concepts of
Mechatronics approach – Need for Mechatronics –
Emerging areas of Mechatronics – Classification of
Mechatronics. Sensors and Transducers: Static and
dynamic Characteristics of Sensor, Potentiometers –
LVDT – Capacitance sensors – Strain gauges – Eddy
current sensor – Hall effect sensor – Temperature sensors
– Light sensors.
2 8085MICROPROCESSOR
AND
8051
MICROCONTROLLER
Introduction – Architecture of 8085 – Pin Configuration
– Addressing Modes –Instruction set, Timing diagram of
8085 – Concepts of 8051 microcontroller – Block
diagram
3 PROGRAMMABLE
PERIPHERAL
INTERFACE
Introduction – Architecture of 8255, Keyboard
interfacing, LED display –interfacing, ADC and DAC
interface, Temperature Control – Stepper Motor Control
– Traffic Control interface..
4 PROGRAMMABLE
LOGIC CONTROLLER
Introduction – Basic structure – Input and output
processing – Programming – Mnemonics – Timers,
counters and internal relays – Data handling – Selection
of PLC.
5 ACTUATORS AND
MECHATRONIC
SYSTEM DESIGN
Types of Stepper and Servo motors – Construction –
Working Principle – Advantages and Disadvantages.
Design process-stages of design process – Traditional
and Mechatronics design concepts – Case studies of
Mechatronics systems – Pick and place Robot – Engine
Management system – Automatic car park barrier.
ASSESSMENT
DIRECT ASSESSMENT
1. CONTINUOUS INTERNALASSESSMENT (CIA):
 CAE 1
 CAE 2
 MODEL
 ASSIGNMENT 1
 ASSIGNMENT 2
 ASSIGNMENT 3
2. SEMESTER END EXAMINATION (SEE)
INDIRECT ASSESSMENT
 COURSE EXIT SURVEY
MAR EPHRAEM COLLEGE OF ENGINEERING AND TECHNOLOGY
Department of Mechanical Engineering
ME6702 MECHATRONICS ACADEMIC YEAR2019-20
INTERNALASSESSMENTPLAN
Assessment Total Marks Tentative Schedule
CAE 1 50 Feb 2nd week 2019
CAE 2 50 March 3rd week 2019
ME 100 April 1st week 2019
A1 20 To be submitted in Feb 4th week 2019
A2 20 To be submitted in March 2nd week2019
A3 20 To be submitted in April 1st week 2021
CO markssplitup- Internal Assessment:
CO CAE 1 CAE 2 ME A1 A2 A3
CO 1 30 - 17 10 - -
CO 2 20 - 17 10 - -
CO 3 - 17 17 - 10 -
CO 4 - 33 17 - 10 -
CO 5 - - 17 - - 10
CO 6 - - 15 - - 10
NOTE:
CAE 1- CONTINUOUS ASSESSMENT EXAMINATION1
CAE 2- CONTINUOUS ASSESSMENT EXAMINATION2
ME-MODELEXAMINATION1
A1-ASSIGNMENT 1
A2-ASSIGNMENT 2
MAR EPHRAEM COLLEGE OF ENGINEERING AND TECHNOLOGY
Department of Mechanical Engineering
ME6702 MECHATRONICS ACADEMIC YEAR2019-20
A3-ASSIGNMENT 3
Yellowbook:
Timetable:
List of students
Sl no Register Number Name
1.
961416114001 ABHIJITH K
2.
961416114002 ABHINAND D S
3.
961416114003 ABILASH A
4.
961416114004 ABINESH E
5.
961416114005 ABIN S
6.
961416114006 ABIN SAM ABRAHAM
7.
961416114007 AGABOS M JACOB
8.
961416114008 AHIN T A
9.
961416114010 AJASHA J A
10.
961416114011 AJESH B S
11.
961416114012 AJIN J RAJENDRAN
12.
961416114013 AJIN P RAJ
13.
961416114014 AJITH KUMAR R
14.
961416114016 AKHIL K SHIBU
15.
961416114017 AKHILNATH S S
16.
961416114018 AKHIL P JOSE
17.
961416114019 AKHIL RAJ P
18.
961416114020 AKILAN H
19.
961416114021 AKSHAY V NAIR
20.
961416114022 ALAN ALEX
21.
961416114023 ALAN P WILSON
22.
961416114024 ALAN S ABRAHAM
23.
961416114025 ALEN CHRIS BIJU
24.
961416114026 ALEX M JOHNSON
25.
961416114027 ALLEN SABU DANIEL
MAR EPHRAEM COLLEGE OF ENGINEERING AND TECHNOLOGY
Department of Mechanical Engineering
ME6702 MECHATRONICS ACADEMIC YEAR2019-20
26.
961416114028 ALPHIN A
27.
961416114029 AMAL V SKARIA
28.
961416114030 ANANDHU LAL
29.
961416114031 ANISH P
30.
961416114032 ANISH THOMAS
31.
961416114033 ANSLY NITHIN S
32.
961416114034 ANTO RUFUS G
33.
961416114035 ARAVIND A KURUP
34.
961416114036 ARAVIND GOPAL M J
35.
961416114037 ARAVINDHU M
36.
961416114038 ARJUNAN K
37.
961416114040 ASHIK SAJI JOHN
38.
961416114041 BELBIN J
39.
961416114042 BENISH JEBIN S
40.
961416114044 BIBIN FRANCIS
41.
961416114045 BLESSIN S V
42.
961416114046 CYRIAC VARGHESE
43.
961416114047 DHANUSH A
44.
961416114048 DOMINIC THOMAS
45.
961416114049 ELISHA G JOY
46.
961416114050 FELIX JOHN THOMAS
47.
961416114051 GAUTHAM KRISHNA
48.
961416114054 JAISON J THARAKAN
49.
961416114055 JEFFIN BINU JOHN
50.
961416114057 JESBIN JACOB KURIAN
51.
961416114058 JILLS GEEVARUGHESE SIMON
52.
961416114059 JINO MON M
53.
961416114060 JITHIN M ABEY
54.
961416114061 JITHU JOSE
55.
961416114062 JOBIN GEORGE
MAR EPHRAEM COLLEGE OF ENGINEERING AND TECHNOLOGY
Department of Mechanical Engineering
ME6702 MECHATRONICS ACADEMIC YEAR2019-20
56.
961416114063 JOBIN JOSE
57.
961416114064 JOBIN T EAPEN
58.
961416114065 JOEL KURUVILLA MATHEW
59.
961416114066 JOMON M
60.
961416114067 JUSTIN NOYAL
61.
961416114068 KEVIN J MATHEW
62.
961416114069 KIRAN KRISHNA
63.
961416114070 MELVIN SAJI
64.
961416114071 MIDHUN BIJU
65.
961416114072 MOHAMED FARHAN
66.
961416114073 NAYANRAJ S R
67.
961416114074 NEJIN INFANT N C
68.
961416114075 NIHIL ANAND G M
69.
961416114076 NITHIN R V
70.
961416114077 NITHIN SURESH
71.
961416114078 PRABIN G
72.
961416114079 PRABIN Y
73.
961416114080 PRAKASH P
74.
961416114081 RAJ VIMAL S V
75.
961416114082 RAKESH C
76.
961416114083 RATHEESH D
77.
961416114084 RINU THOMAS
78.
961416114086 ROSHAN RAJU
79.
961416114087 SACHIN THOMAS
80.
961416114088 SACHIN VARGHESE MATHEW
81.
961416114090 SALBIN S VARGHESE
82.
961416114092 SARAN S NAIR
83.
961416114093 SEBIN JOSE
84.
961416114094 SHAINU S
85.
961416114095 SHARON SEBASTIAN
MAR EPHRAEM COLLEGE OF ENGINEERING AND TECHNOLOGY
Department of Mechanical Engineering
ME6702 MECHATRONICS ACADEMIC YEAR2019-20
86.
961416114096 SHAWN A MATHEW
87.
961416114097 SHIBU T
88.
961416114098 SHIJO PAUL C M
89.
961416114099 SHIJU V
90.
961416114100 SHON SAM RAJU
91.
961416114101 SHYAM LAMBERT
92.
961416114102 SIBIN VARGHESE B
93.
961416114103 SIGO GEORGE
94.
961416114105 SIVA J
95.
961416114106 SOJU BIJOY
96.
961416114108 SONU ABIN BABU
97.
961416114109 STEFFIN P VARGHESE
98.
961416114110 THOMAS BABU
99.
961416114111 THOMAS KURIAN
100.
961416114112 TOM THOMAS (26-12-1996)
101.
961416114113 TOM THOMAS (21-04-1999)
102.
961416114114 TOM VARGHESE
103.
961416114115 VIBIN JOSE V
104.
961416114116 VIBIN P
105.
961416114117 VIBIN VARGHESE
106.
961416114118 VIJAY A S
107.
961416114119 VINOTH V
108.
961416114120 VISHNU S
109.
961416114301 AJIN DAS Y
110.
961416114302 AJIN MON R S
111.
961416114303 ALEX VARGHESE
112.
961416114304 ASWIN RAJA M R
113.
961416114305 HELWIN JOHN J S
114.
961416114307 LESLIN EMERSON S
115.
961416114308 MUHAMMED HASINSHA P S
MAR EPHRAEM COLLEGE OF ENGINEERING AND TECHNOLOGY
Department of Mechanical Engineering
ME6702 MECHATRONICS ACADEMIC YEAR2019-20
116.
961416114309 PRINCE RAJU
117.
961416114310 RENJITH R
118.
961416114312 SARAVANAN R
119.
961416114313 SHOBIN GEORGE CHERIAN
120.
961416114701 ASWIN GEO S E
121.
961416114702 SOWMIYA M
122.
961416114703 STEBIN S
123.
961416114901 JOHNSTON CHRYSLER A
124.
961416114902 MONISH M
Lesson plan:
SlNo
Unit
Number
Lesson
Number
Lesson Topics L
1. 1 1 Introduction to mechatronics L
2. 1 2
Systems
L
3. 1 3 Need for mechatronics L
4. 1 4 Emerging areas of mechatronics L
5. 1 5 Classification of mechatronics L
6. 1 6 Sensors and transducers L
7. 1 7 Static and dynamic characteristics of sensor L
8. 1 8 Potentiometers and lvdt L
9. 1 9 Capacitance sensors and strain gauges L
10. 1 10 Eddy current sensor L
11. 1 11 Hall effect sensor L
12. 1 12 Temperature sensors L
13. 1 13 Light sensors L
14. 2 14 Introduction of 8085 microprocessor L
15. 2 15 Architecture of 8085 L
MAR EPHRAEM COLLEGE OF ENGINEERING AND TECHNOLOGY
Department of Mechanical Engineering
ME6702 MECHATRONICS ACADEMIC YEAR2019-20
16. 2 16 Pin configuration L
17. 2 17 Addressing modes L
18. 2 18 Instruction set L
19. 2 19 Timing diagram of 8085 L
20. 2 20 Concepts of 8051 microcontroller L
21. 2 21 Block diagram of 8051 microcontroller L
22. 3 22 Introduction of peripheral interface L
23. 3 23 Architecture of 8255 L
24. 3 24 Keyboard interfacing, L
25. 3 25 Led display L
26. 3 26 Interfacing, adc and dac interface L
27. 3 27 Temperature control L
28. 3 28 Stepper motor control L
29. 3 29 Traffic control interface L
30. 4 30 Introduction of plc L
31. 4 31 Basic structure of plc L
32. 4 32 Input and output processing L
33. 4 33 Programming of plc L
34. 4 34 Mnemonics code L
35. 4 35 Timers, counters and internal relays L
36. 4 36 Data handling L
37. 4 37 Selection of plc L
38. 5 38 Introduction to actuators L
39. 5 39 Types of stepper and servo motors L
40. 5 40 Construction and working principle L
41. 5 41 Advantages and disadvantages stepper and servo
motors
L
42. 5 42 Introduction of mechatronic system design L
MAR EPHRAEM COLLEGE OF ENGINEERING AND TECHNOLOGY
Department of Mechanical Engineering
ME6702 MECHATRONICS ACADEMIC YEAR2019-20
43. 5 43 Traditional and mechatronics design concepts L
44. 5 44 Case studies of mechatronics systems L
45. 5 45 Pick and place robot L
46. 5 46 Engine management system L
47. 5 47 Automatic car park barrier. L
48. 5 48 Discussion of case study L
Course content
Lesson Title INTRODUCTIONTO MECHATRONICS
Lesson concept/
Points/Definitions
MECHATRONICS
Mecha –Mechanical
Tronics-Electronics
It field of study that implies the synergistic integration of electronic
engineering, electrical engineering, control engineering and computer
technology maintenance of a wide range of engineering products and
Processes".with mechanical engineering for the design, manufacture,
analyses and processes.
MAR EPHRAEM COLLEGE OF ENGINEERING AND TECHNOLOGY
Department of Mechanical Engineering
ME6702 MECHATRONICS ACADEMIC YEAR2019-20
Teaching
Methodology:
PPT - UNIT I-INTRODUCTION
Learning
Resource (page
number)
T2- (1 to 15)
R1- (10 to 12)
Lesson Title SYSTEMS
Lesson concept/
Points/Definitions
SYSTEM:
A system may be defined as a black box which has an input and an output.
System Concerned only with their relationship between the input and output
and not on the process going inside the box
MAR EPHRAEM COLLEGE OF ENGINEERING AND TECHNOLOGY
Department of Mechanical Engineering
ME6702 MECHATRONICS ACADEMIC YEAR2019-20
MEASUREMENTSYSTEM:
Teaching
Methodology:
PPT - UNIT I-INTRODUCTION
Learning
Resource (page
number)
T1-23
R1- (4 to 5)
Lesson Title NEED FOR MECHATRONICS
Lesson concept/
Points/Definitions
NEED OF MECHATRONICS IN INDUSTRY:-
To produce product on requiredtime and time reducingthe time and manual
1. CHANGING MARKET CONDITIONS.
 Market situation are so volatile that often products become obsolete
because of the changing perceptions of consumers.
 Competition is so tough that the seller market is turning into buyer market
 To satisfy and attract customer the use of mechatronics in manufacturing
industry

2. SHORT PRODUCT RUN
 Short product cycle, batch production and job changeover influence the
possibility of short product run, market demand and obsoletion of features
 Batch production in industry producing production is of diversified specific
not avoidable
3. VARIETYIN PRODUCT RANGE
 Variation in size, shape, feature, performance, are governed by customer
likes and dislikes and needs
 Manufacture are compelled to produce a variety with a wide range
4. GOOD PRODUCT QUALITYAND CONSISTENCY
 For a better reputation, surviving the competition and better export turnover
maintaining product quality and producing the same quality repeatedly is
the achiever philosophy
 Again, to reach the goal, mechatronics is the answer
5. DEMAND FOR INCREASED FLEXIBILITY
 FMS, CNC, machine tool, robot, and AGV are some of advanced
application of mechatronics
MAR EPHRAEM COLLEGE OF ENGINEERING AND TECHNOLOGY
Department of Mechanical Engineering
ME6702 MECHATRONICS ACADEMIC YEAR2019-20
6. DISTRIBUTEDCONTROL ANDLOCALDECISION MARKING
 Industry need centralized locally decision making capacities and
decentralized action control.
Teaching
Methodology:
PPT - UNIT I-INTRODUCTION
Learning
Resource (page
number)
T1-(27-28) ; T2-(73-88)
R1- (10,13 to 26)
Lesson Title EMERGING AREAS OF MECHATRONICS
Lesson concept/
Points/Definitions
Emerging Trends in Mechatronics
 Advanced smart automation technologies in mechatronics.
 MEMS dynamics and control.
 Sensor design and data collection approaches.
 Model-based mechatronic system design.
 Mechatronics and smart manufacturing systems.
 Computational intelligence in mechatronic systems.
Teaching
Methodology:
PPT - UNIT I-INTRODUCTION
Learning
Resource (page
number)
R4- (153,174)
Lesson Title CLASSIFICATION OF MECHATRONICS
Lesson concept/
Points/Definitions
MECHATRONICS CLASSIFIED IN FOUR TYPES
1. PRIMARY LEVEL MECHATRONICS
2. SECOUNDARY LEVEL MECHATRONICS
3. TERTIARY LEVEL MECHATRONICS
4. QUATERNARY LEVEL MECHATRONICS
PRIMARYLEVEL MECHATRONIC
Integrates electric signaling with mechanical action at the basic control level
SECOUNDARYLEVEL MECHATRONICS
Integrates microelectronics into electrical control devices
TERTIARYLEVEL MECHATRONICS
Incorporates advanced control strategy using microelectronics, microprocessor and
other integrated circuits
MAR EPHRAEM COLLEGE OF ENGINEERING AND TECHNOLOGY
Department of Mechanical Engineering
ME6702 MECHATRONICS ACADEMIC YEAR2019-20
QUATERNARYLEVEL MECHATRONICS
To improve smartness a step ahead by introducing intelligence and fault detection
and isolation
Teaching
Methodology:
PPT - UNIT I-INTRODUCTION
Learning
Resource (page
number)
T1- (74 to 91); T2(16-36)
Lesson Title SENSOR AND TRANSDUCERS
Lesson concept/
Points/Definitions
SENSOR
Sensor is define as a element which when subjected to some physical change
experiences a relative change
CLASSIFICATIONOF SENSOR
 Displacement, position and proximity sensor
 Velocity and motion sensor
 Force sensor
 Fluid pressure sensor
 Liquid flow sensor
 Liquid level sensor
 Temperature sensor
TRANSDUCERS
Transducers are device which convert one form of energy into other form
of energy
CLASSIFICATIONOF TRANSDUCERS
 Active and passive transducers
 Analog and digital transducer
Teaching
Methodology:
PPT - UNIT I
Learning
Resource (page
number)
T1- (103 to 105) T2 (89-90)
Lesson Title STATIC AND DYNAMIC CHARACTERISTICS OF SENSOR
Lesson concept/
Points/Definitions
STATIC CHARACTERISTICS:
Range and Span:
The range of a transducer defines the limits between which the input
MAR EPHRAEM COLLEGE OF ENGINEERING AND TECHNOLOGY
Department of Mechanical Engineering
ME6702 MECHATRONICS ACADEMIC YEAR2019-20
can vary.The difference between the limits (maximum value -
minimum value)is known as span.For example a load cell is used to
measure force. An input force can vary from 20 to 100 N. Then the
range of load cell is 20 to 100 N. And the span of load cell is 80 N
(i.e., 10020)
ERROR:
The algebraic difference between the indicated value and the true
value ofThe measured parameter is termed as the error of the device.
Error = Indicated value —true value For example, if the transducer
gives a temperature reading of 30°C when The actual temperature is
29° C, then the error is + 1°C. If the actual Temperature is 3 1° C,
then the error is —1°C.
ACCURACY:
Accuracy is defined as the ability of the instrument to respond to the
true value of the measure variable under the reference conditions.
For example, a thermocouple has an accuracy of ± 1° C. This means
that reading given by the thermocouple can be expected to lie within
+ 1°C (or)— 1°C of the true value.Accuracy is also expressed as a
percentage of the full range out(or) full scale deflection. For
example, a thermocouple can be specified as having an accuracy of
±4 %of full range output. Hence if the range of the thermocouple is
0 to 200°C, thenthe reading given can be expected to be within +
8°C (or)—8°C of the true reading.
SENSITIVITY:
The sensitivity is the relationship showing how much output we can
get perUnit input.sensitivity = output / inputPrecision:it is defined as
the degree of exactness for which the instrument is intended To
perform.
HYSTERESIS ERROR:
when a device is used to measure any parameter plot the graph of
outputVs value of measured quantity.First for increasing values of
the measured quantity and then for decreasing values of the
measured quantity.The two output readings obtained usually differ
from each other.
REPEATABILITY
:
 The repeatability and reproducibility of a transducer are its ability to
give the same output for repeated applications of the same input
value.
RELIABILITY:
 The reliability of a system is defined as the possibility that it will
perform itsassigned functions for a specific period of time under
MAR EPHRAEM COLLEGE OF ENGINEERING AND TECHNOLOGY
Department of Mechanical Engineering
ME6702 MECHATRONICS ACADEMIC YEAR2019-20
given conditions.
STABILITY:
The stability of a transducer is its ability to give the same output
when used to measure a constant input over a period of time.
DRIFT:
 The term drift is the change in output that occurs over time.
DEAD BAND:
 There will be no output for certain range of input values. This is
known as dead band. There will be no output until the input has
reached a particular value.
DEAD TIME:
 It is the time required by a transducer to begin to respond to a
change in input value
RESOLUTION:
 Resolution is defined as the smallest increment in the measured
value that can be detected. The resolution is the smallest change in
the input value which will produce an observable change in the
input.
BACKLASH:
Backlash is defined as the maximum distance (or) angle through
which any part of a mechanical system can be moved in one
direction without causing any motion of the attached part
Teaching
Methodology:
PPT - UNIT I
Learning
Resource (page
number)
R41- (68to 69)
Lesson Title POTENTIOMETERS AND LVDT
Lesson concept/
Points/Definitions
POTENTIOMETERS
A potentiometer is a three-terminal resistor with a sliding or rotating
contact that forms an adjustable voltage divider. ... Potentiometers are
commonly used to control electrical devices such as volume controls on audio
equipment
PRINCIPLE:
 It works on variable resistance transduction principle
 Linear or Rotary potentiometer is a variable resistance displacement
transducer
MAR EPHRAEM COLLEGE OF ENGINEERING AND TECHNOLOGY
Department of Mechanical Engineering
ME6702 MECHATRONICS ACADEMIC YEAR2019-20
 which uses the variable resistance transduction principle in which the
 displacement or rotation is converted into a potential difference due
to the
 movement of sliding contact over a resistive element

CONSTRUCTION & CONSTRUCTION& WORKING:
 A resistor with three terminals.
 Two end terminal & one middle terminal (wiper).
 Two end terminal are connected to external input voltage.
 One middle and one end terminal as output voltage.
 The slider determines the magnitude of the potential difference
developed.
TYPES
 Linear
 Rotary
LINEAR POTENTIOMETER
 A potentiometer is the most common position sensor
 This type of sensor are basically fixed resistor with a moveable tap
that allows the amount of resistance between the tap and either end of
resistor to provide a portion of a total resistor
ROTARYPOTENTIOMETER
 The operation of liner and rotary potentiometer is same
 The difference is that the same shaft of the rotary potentiometer
converts rotary motion into the change in resistance
LVDT
The linear variable differential transformer (LVDT) (also called linear
variable displacement transformer, linear variable displacement transducer,or
simply differential transformer) is a type of electrical transformer used for
measuring linear displacement (position).
MAR EPHRAEM COLLEGE OF ENGINEERING AND TECHNOLOGY
Department of Mechanical Engineering
ME6702 MECHATRONICS ACADEMIC YEAR2019-20
Teaching
Methodology:
PPT - UNIT I
Learning
Resource (page
number)
T2- (93 to 101)
Lesson Title CAPACITANCE SENSORS AND STRAIN GAUGES
Lesson concept/
Points/Definitio
ns
STRAIN GAUGE:
Strain gauges are passive type resistance sensor whose electrical
resistance change when it is stretched or compressed (mechanically
strained)under the application of force. The electrical resistance is changed due to the
change in length (increases) and cross sectional area (decreases)of the strain gauge.
This change in resistance is then usually converted into voltage by
connecting one, two or four similar gauges as an arm of a Wheatstone bridge
(known as Strain Gauge Bridge) and applying excitation to the bridge. The
bridge output voltage is then a measure of strain, sensed by each strain gauge
Classification of Bonded Type Strain Gauges:
 Fine wire gauges
 Metal foil gauges
 Semiconductor filament type
FINE WIRE GAUGES:
 Wire of 3 to 25 microns diameter is arranged in the form of grid consisting of
parallel loops.
MAR EPHRAEM COLLEGE OF ENGINEERING AND TECHNOLOGY
Department of Mechanical Engineering
ME6702 MECHATRONICS ACADEMIC YEAR2019-20
METAL FOIL GAUGES:
 A thin foil of metal, deposited as a grid pattern onto a plastic backing
material using polyimide.
 Foil pattern is terminated at both ends with large metallic pads.
 Entire gauge size 5- 15mm.
 Adhesive directly bonded to the gauge usually epoxy.
SEMICONDUCTOR FILAMENT TYPE:
 The gauges are produced in wafers from silicon or germanium crystals.
 special impurities such as boron is added.
 It is mounted on an epoxy resin backing with copper on nickel leads.
 Filament about 0.05mm thick 0.25mm wide and 1.25 to 12mm length.

CAPACITANCE SENSORS
 It is used for measuring, displacement, velocity, force etc..
MAR EPHRAEM COLLEGE OF ENGINEERING AND TECHNOLOGY
Department of Mechanical Engineering
ME6702 MECHATRONICS ACADEMIC YEAR2019-20
PRINCIPLE:
Noncontact capacitive sensors work by measuring changes in an electrical property
called capacitance. Capacitance describes how two conductive objects with a space
between them respond to a voltage difference applied to them. ... If the polarity of the
voltage is reversed,the charges will also reverse.
Teaching
Methodology:
PPT - UNIT I
Learning
Resource
(page number)
R4- (44 to 48)
Lesson Title EDDY CURRENT SENSOR
Lesson concept/
Points/Definitions
EDDYCURRENT PROXIMITYSENSOR:
PRINCIPLE:
When a coil is supplied with alternating current, an alternating magnetic
field is produced which induces an EMF on it. If there is a metal near to this
alternating magnetic field, on EMF is induced in it. The EMF cause current
to flow. This current flow is eddy current
CONSTRUCTION & WORKING:
MAR EPHRAEM COLLEGE OF ENGINEERING AND TECHNOLOGY
Department of Mechanical Engineering
ME6702 MECHATRONICS ACADEMIC YEAR2019-20
 It has two identical coils.
 One reference coil & another sensing coil which senses the
magnetic current in the object.
 Eddy current start to flow due to AC (conducting object)close to
sensor
 Eddy current produce a magnetic field to oppose the magnetic
field generated by sensing coil.
 Due to this opposition reduction flux is created. To detect
0.001mm.
Teaching
Methodology:
PPT - UNIT I
Learning
Resource (page
number)
T2- (132)
Lesson Title HALL EFFECT SENSOR
Lesson concept/
Points/Definitions
PRINCIPLE:
 When a current carrying semiconductor plate is placed in a
transverse magnetic field, it experiences a force (Lorentz force).
Due to this action a beam of charged particles are forced to get
displaced from its straight path. This is known as Hall Effect.
 A current flowing in a semiconductor plate is like a beam of moving
charged particles and thus can be deflected by a magnetic field. The
side towards which the moving electron deflected becomes
negatively charged and the other side of the plate becomes
positively charged or the electrons moving away from it

 This charge separation produces an electrical voltage which
continues untilthe Lorentz force on the charged particles from the
electric field balances the forces produced by the magnetic field.
The result is a traverse potentialdifference known as Hall voltage.
MAR EPHRAEM COLLEGE OF ENGINEERING AND TECHNOLOGY
Department of Mechanical Engineering
ME6702 MECHATRONICS ACADEMIC YEAR2019-20
CONSTRUCTION & WORKING:
 Current is passed through leads 1 and 2 of the semiconductor plate
and the output leads are connected to the element faces 3 and 4.
 These output faces are at same potential when there is no transverse
magnetic field passing through the element and voltage known as
Hall voltage appears when a transverse magnetic field is passing
through the element.
 This voltage is proportional to the current and the magnetic field.
 The direction of deflection depends on the direction of applied
current and
the direction of magnetic field
Teaching
Methodology:
PPT - UNIT I
Learning
Resource (page
number)
T2- (232 to 237)
Lesson Title TEMPERATURE SENSORS
Lesson concept/
Points/Definitions
BIMETALLIC STRIPS:
 A Bimetallic thermostat consists of two different metal strips
bounded together and they cannot move relative to each other.
 These metals have different coefficients of expansion and when
thetemperature changes the composite strips bends into a curved
strip, with the higher coefficient metal on the outside of the
curve.
 The basic principle in this is all metals try to change their
physical dimensions at different rates when subjected to same
change in temperature.
 This deformation may be used as a temperature- controlled
switch, as inthe simple thermostat.
MAR EPHRAEM COLLEGE OF ENGINEERING AND TECHNOLOGY
Department of Mechanical Engineering
ME6702 MECHATRONICS ACADEMIC YEAR2019-20
RESISTANCE TEMPERATURE DETECTORS (RTDS):
 The materials used for RTDs are Nickel, Iron, Platinum, Copper,
Lead,Tungsten, Mercury, Silver, etc.
 The resistance of most metals increases over a limited
temperature rangeand the relationship between Resistance and
Temperature is shown belo
MAR EPHRAEM COLLEGE OF ENGINEERING AND TECHNOLOGY
Department of Mechanical Engineering
ME6702 MECHATRONICS ACADEMIC YEAR2019-20
 The Resistance temperature detectors are simple and resistive
elements in the form of coils of wire
 The equation which is used to find the linear relationship in RTD
is
Teaching
Methodology:
PPT - UNIT I
Learning
Resource (page
number)
T2- (117 to 125)
Lesson Title LIGHT SENSORS
Lesson concept/
Points/Definition
s
LIGHT SENSORS
PIEZOELECTRIC SENSORS:
 Piezoelectric materials when stretched or compressed generate electric
charges with one face of the managerial becoming positively charged and the
opposite face negatively charged.
 As a result a voltage is produced. The net charge q on a surface is
proportional to the amount x by which the charges have been displaced, and
since the displacement is proportional to the applied force F.
 q = kx= SF
 Where k is a constant and S a constant termed the charge sensitivity.
MAR EPHRAEM COLLEGE OF ENGINEERING AND TECHNOLOGY
Department of Mechanical Engineering
ME6702 MECHATRONICS ACADEMIC YEAR2019-20
TACTILE SENSOR:
 It is used on fingertips of robot hands and for touch display screen
 It uses piezoelectric poly vinylidene fluoride (PVDF) film
 Two layers are separated by soft film.
 The lower PVDF film has an alternating voltage applied to it results in
mechanical oscillations.
 Intermediate film transmits the vibration to upper film.
Teaching
Methodology:
PPT - UNIT I
Learning
Resource
(page number)
T2- (145 to 153)
Lesson Title INTRODUCTION OF 8085 MICROPROCESSOR
Lesson concept/
Points/Definitions
MICROPROCESSOR
Microprocessor is a electronic chip, that functions as the central
processing unit of a computer.
MAR EPHRAEM COLLEGE OF ENGINEERING AND TECHNOLOGY
Department of Mechanical Engineering
ME6702 MECHATRONICS ACADEMIC YEAR2019-20
For example: Washing machines, microwave ovens, mobile phones etc.
Its advance applications are Radar,Satellites, flights.
All processors are use the basic concept of stored program execution.
program or instructions are stored sequentially in the memory. Every
microprocessor has its own associated set of instructions. Instruction set for
microprocessor is in two forms one in mnemonic, which is comparatively
easy to understand and the other is binary machine code.
MICROPROCESSOR 8085
8085 is pronounced as "eighty-eighty-five" microprocessor. It is an 8-bit
microprocessor designed by Intel in 1977 using NMOS technology.
It has the following configuration −
 8-bit data bus
 16-bit address bus, which can address upto 64KB
 A 16-bit program counter
 A 16-bit stack pointer
 Six 8-bit registers arranged in pairs: BC, DE, HL
 Requires +5V supply to operate at 3.2 MHZ single phase clock
It is used in washing machines, microwave ovens, mobile phones, etc
Teaching
Methodology:
PPT - UNIT II
Learning
Resource (page
number)
T2- (304)
Lesson Title ARCHITECTURE OF 8085 MICROPROCESSOR
Lesson concept/
Points/Definitions
ARCHITECTURE OF 8085
Microprocessor - 8085 Architecture. 8085 is pronounced as "eighty-eighty-five"
microprocessor. It is an 8-bit microprocessor designed by Intel in 1977 using NMOS
technology..
It has the following configuration −
 8-bit data bus
 16-bit address bus, which can address upto 64KB
 A 16-bit program counter
 A 16-bit stack pointer
 Six 8-bit registers arranged in pairs: BC, DE, HL
 Requires +5V supply to operate at 3.2 MHZ single phase clock
MAR EPHRAEM COLLEGE OF ENGINEERING AND TECHNOLOGY
Department of Mechanical Engineering
ME6702 MECHATRONICS ACADEMIC YEAR2019-20
It is used in washing machines, microwave ovens, mobile phones, etc.
Teaching
Methodology:
PPT - UNIT II
Learning
Resource (page
number)
R4- (155 to 163)
Lesson Title PIN CONFIGURATION of8085
Lesson concept/
Points/Definitions
PIN CONFIGURATION
The pins of a 8085 microprocessor can be classified into seven
groups
MAR EPHRAEM COLLEGE OF ENGINEERING AND TECHNOLOGY
Department of Mechanical Engineering
ME6702 MECHATRONICS ACADEMIC YEAR2019-20
ADDRESS BUS
 A15-A8, it carries the most significant 8-bits of memory/IO
address.
DATA BUS
 AD7-AD0, it carries the least significant 8-bit address and data
bus.
CONTROL AND STATUS SIGNALS
 These signals are used to identify the nature of operation.
There are 3 control signal and 3 status signals.
 Three control signals are RD, WR & ALE.
 RD − This signal indicates that the selected IO or memory
device is to be read and is ready for accepting data available
on the data bus.
 WR − This signal indicates that the data on the data bus is to
be written into a selected memory or IO location.
MAR EPHRAEM COLLEGE OF ENGINEERING AND TECHNOLOGY
Department of Mechanical Engineering
ME6702 MECHATRONICS ACADEMIC YEAR2019-20
 ALE − It is a positive going pulse generated when a new
operation is started by the microprocessor. When the pulse
goes high, it indicates address. When the pulse goes down it
indicates data.
Three status signals are IO/M, S0 & S1.
IO/M
This signal is used to differentiate between IO and Memory
operations, i.e. when it is high indicates IO operation and when it is
low then it indicates memory operation.
S1 & S0
These signals are used to identify the type of current operation.
Power supply
There are 2 power supply signals − VCC & VSS. VCC indicates
+5v power supply and VSS indicates ground signal.
CLOCK SIGNALS
There are 3 clock signals, i.e. X1, X2, CLK OUT.
 X1, X2 − A crystal (RC, LC N/W) is connected at these two
pins and is used to set frequency of the internal clock
generator. This frequency is internally divided by 2.
 CLK OUT − This signal is used as the system clock for
devices connected with the microprocessor.
INTERRUPTS & EXTERNALLY INITIATED SIGNALS
Interrupts are the signals generated by external devices to request the
microprocessor to perform a task. There are 5 interrupt signals, i.e.
TRAP, RST 7.5, RST 6.5, RST 5.5, and INTR. We will discuss
interrupts in detail in interrupts section.
 INTA − It is an interrupt acknowledgment signal.
 RESET IN − This signal is used to reset the microprocessor
by setting the program counter to zero.
 RESET OUT − This signal is used to reset all the connected
devices when the microprocessor is reset.
 READY − This signal indicates that the device is ready to
send or receive data. If READY is low, then the CPU has to
wait for READY to go high.
 HOLD − This signal indicates that another master is
MAR EPHRAEM COLLEGE OF ENGINEERING AND TECHNOLOGY
Department of Mechanical Engineering
ME6702 MECHATRONICS ACADEMIC YEAR2019-20
requesting the use of the address and data buses.
 HLDA (HOLD Acknowledge) − It indicates that the CPU has
received the HOLD request and it will relinquish the bus in the
next clock cycle. HLDA is set to low after the HOLD signal is
removed.
SERIAL I/O SIGNALS
There are 2 serial signals, i.e. SID and SOD and these signals are used
for serial communication.
 SOD (Serial output data line) − The output SOD is set/reset as
specified by the SIM instruction.
SID (Serial inputdataline) −The data on thisline isloadedintoaccumulator
wheneveraRIM instructionisexecuted
Teaching
Methodology:
PPT - UNIT II
Learning
Resource (page
number)
T2- (101,119)
Lesson Title ADDRESSING MODES Of8085
Lesson concept/
Points/Definitions
ADDRESSING MODES Of 8085
 To perform any operation, we have to give the corresponding
instructions to the microprocessor.
 In each instruction, programmer has to specify 3 things:
1. Operation to be performed.
2. Address of source of data.
3. Address of destination of result.
The instructions MOV B, A or MVI A, 82H are to copy data from a source
into a destination. In these instructions the source can be a register, an input
port, or an 8-bit number (00H to FFH). Similarly, a destination can be a
register or an output port. The sources and destination are operands. The
various formats for specifying operands are called the ADDRESSING
MODES. For 8085, they are:
 1. Immediate addressing.
 2. Register addressing.
 3. Direct addressing.
 4. Indirect addressing.
MAR EPHRAEM COLLEGE OF ENGINEERING AND TECHNOLOGY
Department of Mechanical Engineering
ME6702 MECHATRONICS ACADEMIC YEAR2019-20
Teaching
Methodology:
PPT - UNIT II
Learning
Resource (page
number)
T1- (578,579)
Lesson Title INSTRUCTION SET
Lesson concept/
Points/Definitions
INSTRUCTION SET
 An instruction is a binary pattern designed inside a microprocessor
to perform a specific function.
 8085 has 246 instructions.
 Each instruction is represented by an 8-bit binary value.
There are 5 Types,
(1) Data Transfer Instruction,
(2) Arithmetic Instructions,
(3) Logical Instructions,
(4) Branching Instructions,
(5) Control Instructions,
 MOV Rd, Rs
 MOV M, Rs
 MOV Rd, M
 This instruction copies the contents of the source register into the
destination register.
 The contents of the source register are not altered.
 Example: MOV B,A or MOV M,B or MOV C,M
Teaching
Methodology:
PPT - UNIT II
Learning
Resource (page
number)
T1- (162-166)
Lesson Title TIMING DIAGRAM OF 8085
Lesson concept/
Points/Definitions
TIMING DIAGRAM OF 8085
Timing Diagram is a graphical representation. It represents the execution
time taken by each instruction in a graphical format. The execution time is
represented in T-states.
Instruction Cycle:
Timing Diagram is a graphical representation. It represents the execution
time taken by each instruction in a graphical format. The execution time is
represented in T-states.
Instruction Cycle:
MAR EPHRAEM COLLEGE OF ENGINEERING AND TECHNOLOGY
Department of Mechanical Engineering
ME6702 MECHATRONICS ACADEMIC YEAR2019-20
The time required to execute an instruction .
Machine Cycle:
The time required to access the memory or input/output devices .
T-State:
 The machine cycle and instruction cycle takes multiple clock
periods.
 A portion of an operation carried out in one system clock period is
called as T-state.
 . The 8085 microprocessor has 7 basic machine cycle. They are
1. Op-code Fetch cycle(4T or 6T).
2. Memory read cycle (3T)
3. Memory write cycle(3T)
4. I/O read cycle(3T)
5. I/O write cycle(3T)
6. Interrupt Acknowledge cycle(6T or 12T)
7. Bus idle cycle
Teaching
Methodology:
PPT - UNIT II
Learning
Resource (page
number)
T2- (235to 237)
Lesson Title CONCEPTS OF 8051 MICROCONTROLLER
Lesson concept/
Points/Definitions
CONCEPTS OF 8051 MICROCONTROLLER
A micro controller is an integrated circuit or a chip with a processor
and other support devices like program memory, data memory, I/O
ports, serial communication interface etc integrated together. Unlike a
microprocessor (ex: Intel 8085), a microcontroller does not require
any external interfacing of support devices. Intel 8051 is the most
popular microcontroller ever produced in the world market. Now lets
talk about 8051 microcontroller in detail.
Before going further, it will be interesting for you to understand the
difference between a Microprocessor and Microcontroller. We have a
detailed article which describes the basic difference between both.
MAR EPHRAEM COLLEGE OF ENGINEERING AND TECHNOLOGY
Department of Mechanical Engineering
ME6702 MECHATRONICS ACADEMIC YEAR2019-20
Teaching
Methodology:
PPT - UNIT II
Learning
Resource (page
number)
T2- (159 to 163)
Lesson Title BLOCK DIAGRAM OF 8051 MICROCONTROLLER
Lesson concept/
Points/Definitions BLOCK DIAGRAM OF 8051 MICROCONTROLLER
. The 8051 Microcontroller is one of the basic type of microcontroller,
designed by Intel in 1980's. This microcontroller was based on Harvard
Architecture and developed primarily for use in embedded systems
technology.
Central Processor Unit (CPU)
As we know that the CPU is the brain of any processing device of the
microcontroller. It monitors and controls all operations that are performed
on the Microcontroller units. The User has no control over the work of the
CPU directly . It reads program written in ROM memory and executes them
and do the expected task of that application.
Interrupts
As its name suggests, Interrupt is a subroutine call that interrupts of the
microcontrollers main operations or work and causes it to execute any
other program, which is more important at the time of operation. The
feature of Interrupt is very useful as it helps in case of emergency
operations. An Interrupts gives us a mechanism to put on hold the ongoing
operations, execute a subroutine and then again resumes to another type of
operations.
The Microcontroller 8051 can be configured in such a way that it
temporarily terminates or pause the main program at the occurrence of
interrupts. When a subroutine is completed, Then the execution of main
program starts. Generally five interrupt sources are there in 8051
MAR EPHRAEM COLLEGE OF ENGINEERING AND TECHNOLOGY
Department of Mechanical Engineering
ME6702 MECHATRONICS ACADEMIC YEAR2019-20
Microcontroller. There are 5 vectored interrupts are shown in below
 INTO
 TFO
 INT1
 TF1
 R1/T1
Out of these, (INT0) ̅ and (INT1) ̅ are external interrupts that could be
negative edge triggered or low level triggered. When All these interrupts
are activated, set the corresponding flogs except for serial interrupt,.The
interrupt flags are cleared when the processor branches to the interrupt
service routine (ISR). The external interrupt flags are cleared when the
processor branches to the interrupt service routine, provides the interrupt
is a negative edge triggered whereas the timers and serial port
interrupts two of them are external interrupts, two of them are timer
interruptsandone serial portinterruptterminal ingeneral.
Teaching
Methodology:
PPT - UNIT II
Learning
Resource (page
number)
T2- (303 to 304)
Lesson Title INTRODUCTION OF PERIPHERAL INTERFACE
Peripheral Interface Controllers (PIC) is one of the advanced
microcontrollers developed by microchip technologies. These
microcontrollers are widely used in modern electronics applications. A PIC
controller integrates all type of advanced interfacing ports and memory
modules. These controllers are more advanced than normal microcontroller
like INTEL 8051. The first PIC chip was announced in 1975 (PIC1650). As
like normal microcontroller, the PIC chip also combines
a microprocessor unit called CPU and is integrated with various types of
memory modules (RAM, ROM, EEPROM ,etc), I/O ports, timers/counters,
communication ports, etc
FLASH MEMORY
This is a special type of memory where READ, WRITE, and ERASE
operations can be done many times. This type of memory was
invented by INTEL corporation in 1980. A PIC Chip normally
contains a certain amount of flash memory.
REGISTERS
Information is stored in a CPU memory location called a register.
MAR EPHRAEM COLLEGE OF ENGINEERING AND TECHNOLOGY
Department of Mechanical Engineering
ME6702 MECHATRONICS ACADEMIC YEAR2019-20
Registers can be thought of as the CPU’s tiny scratchpad, temporarily
storing instructions or data. Registers basically classified into the
following.
1) GENERAL PURPOSE REGISTER (GPR)
A general purpose register (or processor register) is a small storage
area available on a CPU whose contents can be accessed more quickly
than other storage that available on PIC. A general purpose register
can store both data addresses simultaneously.
2) SPECIAL FUNCTION REGISTERS (SFR)
These are also a part of RAM memory locations. As compared to
GPR, their purpose is predetermined during the manufacturing time
and cannot be changed by the user. It is only for special dedicated
functions.
INTERRUPTS
Interrupt is the temporary delay in a running program. These delays
stop the current execution for a particular interval. This interval/delay
is usually called as interrupt. When an interrupt request arrives into a
current execution program, then it stops its regular execution.
Interrupt can be performed by externally (hardware interrupt) or
internally (by using software).
BUS
BUS is the communication or data transmission/reception path in a
microcontroller unit. In a normal microcontroller chip, two types
of buses are normally available.
1) DATA BUS
Data bus is used for memory addressing. The function of data bus is
interfacing all the circuitry components inside the PIC chip.
2) ADDRESS BUS
Address bus mostly used for memory addressing. The function of address
bus is to transmit the address from the CPU to memory locations.
Teaching
Methodology:
PPT - UNIT III
Learning
Resource (page
number)
T2- (235)
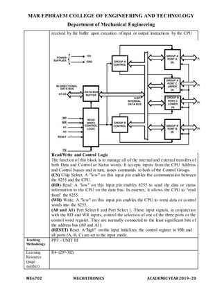
Lesson Title ARCHITECTURE OF 8255
Lesson
concept/
Points/Definiti
ons
ARCHITECTURE OF 8255
255 Programmable Peripheral Interface (PPI) This three-state bi-directional 8-bit
buffer is used to interface the 8255 to the system data bus. Data is transmitted or
MAR EPHRAEM COLLEGE OF ENGINEERING AND TECHNOLOGY
Department of Mechanical Engineering
ME6702 MECHATRONICS ACADEMIC YEAR2019-20
received by the buffer upon execution of input or output instructions by the CPU
Read/Write and Control Logic
The function of this block is to manage all of the internal and external transfers of
both Data and Control or Status words. It accepts inputs from the CPU Address
and Control busses and in turn, issues commands to both of the Control Groups.
(CS) Chip Select. A "low" on this input pin enables the communcation between
the 8255 and the CPU.
(RD) Read. A "low" on this input pin enables 8255 to send the data or status
information to the CPU on the data bus. In essence, it allows the CPU to "read
from" the 8255.
(WR) Write. A "low" on this input pin enables the CPU to write data or control
words into the 8255.
(A0 and A1) Port Select 0 and Port Select 1. These input signals, in conjunction
with the RD and WR inputs, control the selection of one of the three ports or the
control word register. They are normally connected to the least significant bits of
the address bus (A0 and A1).
(RESET) Reset. A "high" on this input initializes the control register to 9Bh and
all ports (A, B, C) are set to the input mode.
Teaching
Methodology
:
PPT - UNIT III
Learning
Resource
(page
number)
R4- (297-302)
MAR EPHRAEM COLLEGE OF ENGINEERING AND TECHNOLOGY
Department of Mechanical Engineering
ME6702 MECHATRONICS ACADEMIC YEAR2019-20
Lesson Title KEYBOARD INTERFACING
Lesson concept/
Points/Definitions
The key board here we are interfacing is a matrix keyboard. This key
board is designed with a particular rows and columns. These rows and
columns are connected to the microcontroller through its ports of the
micro controller 8051
The key board here we are interfacing is a matrix keyboard. This key
board is designed with a particular rows and columns. These rows and
columns are connected to the microcontroller through its ports of the
micro controller 8051. We normally use 8*8 matrix key board. So
only two ports of 8051 can be easily connected to the rows and
columns of the key board.
When ever a key is pressed, a row and a column gets shorted
through that pressed key and all the other keys are left open. When a
key is pressed only a bit in the port goes high. Which indicates
microcontroller that the key is pressed. By this high on the bit key in
the corresponding column is identified.
Once we are sure that one of key in the key board is pressed
MAR EPHRAEM COLLEGE OF ENGINEERING AND TECHNOLOGY
Department of Mechanical Engineering
ME6702 MECHATRONICS ACADEMIC YEAR2019-20
next our aim is to identify that key. To do this we firstly check for
particular row and then we check the corresponding column the key
board.
To check the row of the pressed key in the keyboard, one of the
row is made high by making one of bit in the output port of 8051 high
. This is done until the row is found out. Once we get the row next
out job is to find out the column of the pressed key. The column is
detected by contents in the input ports with the help of a counter. The
content of the input port is rotated with carry until the carry bit is set.
The contents of the counter is then compared and displayed in
the display. This display is designed using a seven segment display
and a BCD to seven segment decoder IC 7447.
The BCD equivalent number of counter is sent through output
part of 8051 displays the number of pressed key.
Teaching
Methodology:
PPT - UNIT III
Learning
Resource (page
number)
T1- (146 to 148)
Lesson Title LED DISPLAY
Lesson concept/
Points/Definitions
This article is about Light-emitting diode (LED) based video displays. For
LED-backlighted displays, see LED-backlit LCD. For matrixed text
displays, see Dot-matrix display.Not to be confused with Vacuum
fluorescent display.
What is an LED Display?
An LED display, or light emitting diode display, is a flat panel display that
uses light emitting diodes as the video display. An LED display panel can be
either a small display or part of a larger display. LED diodes are used in
order to make up an LED display. LED displays are also used in billboards
and store signs. An LED panel consists of severalLEDs, whereas an LED
display consists of severalLED panels. LEDs used in order to make up LED
displays offer severaladvantages in comparison to other light emitting
sources. A light emitting diode is made up of a semiconductor chip which is
surrounded by a transparent plastic case. The plastic case allows the light to
pass through it. The emission of different colors including ultraviolet and
infrared light depends on the semiconductor material which is used in the
diode.
MAR EPHRAEM COLLEGE OF ENGINEERING AND TECHNOLOGY
Department of Mechanical Engineering
ME6702 MECHATRONICS ACADEMIC YEAR2019-20
TYPES OF LED DISPLAYS
There are many different kinds of LED Displays. At Future Electronics we
stock many of the most common types categorized by display type,
digit/alpha/matrix size, color, common pin value, packaging type and
number of digits/alpha/matrix/bars. The parametric filters on our website can
help refine your search results depending on the required specifications.
The most common types for display type are light bar, seven segment and
dot matrix. We also carry many other different types of display.
Digit/Alpha/Matrix Size can range from 0.03 in to 0.40 in, with the most
common sizes being 0.2 in, 0.3 in and 0.4 i
Teaching
Methodology:
PPT - UNIT III
Learning
Resource (page
number)
R4- (76,77)
Lesson Title INTERFACING, ADC AND DAC INTERFACE
Lesson concept/
Points/Definitions INTERFACING, ADC AND DAC INTERFACE
n most of the cases, the PIO 8255 is used for interfacing
the analog to digital converters with microprocessor.
• We have already studied 8255 interfacing with 8086 as an
MAR EPHRAEM COLLEGE OF ENGINEERING AND TECHNOLOGY
Department of Mechanical Engineering
ME6702 MECHATRONICS ACADEMIC YEAR2019-20
I/O port, in previous section. This section we will only
emphasize the interfacing techniques of analog to digital
converters with 8255.
• The analog to digital converters is treaded as an input
device by the microprocessor, that sends an initialising
signal to the ADC to start the analogy to digital data
conversation process. The start of conversation signal is a
pulse of a specific duration.
Teaching
Methodology:
PPT - UNIT III
Learning
Resource (page
number)
R4-213;T2- (289)
Lesson Title TEMPERATURE CONTROL
Lesson concept/
Points/Definitions
TEMPERATURE CONTROL
Temperature control is a process in which change of temperature of a space
(and objects collectively there within) is measured or otherwise detected, and
the passage of heat energy into or out of the space is adjusted to achieve a
desired average temperature
As the name implies, a temperature controller - often called a PID controller
is an instrument used to control temperature. The temperature controller
takes an input from a temperature sensor and has an output that is connected
to a control element such as a heater or fan.
To accurately control process temperature without extensive operator
involvement, a temperature control system relies upon a controller, which
accepts a temperature sensor such as a thermocouple or RTD as input. It
compares the actual temperature to the desired control temperature, or set
point, and provides an output to a control element
MAR EPHRAEM COLLEGE OF ENGINEERING AND TECHNOLOGY
Department of Mechanical Engineering
ME6702 MECHATRONICS ACADEMIC YEAR2019-20
Teaching
Methodology:
PPT - UNIT III
Learning
Resource (page
number)
T2- (305-307);R4-218
Lesson Title STEPPER MOTOR CONTROL
Lesson concept/
Points/Definitions
STEPPER MOTOR CONTROL
.
 Stepper motors are used for precision position control in many
applications like floppy drives, printers, process control instruments,
robotics and machine tool control.
 Here is a microcontroller AT89C51-based stepper motor controller
that can accurately control the rotation direction, speed and number
of revolutions with help of six tactile switches.
MAR EPHRAEM COLLEGE OF ENGINEERING AND TECHNOLOGY
Department of Mechanical Engineering
ME6702 MECHATRONICS ACADEMIC YEAR2019-20
.
 Hex converter (7404) IC:
 7404 is a NOT GATE IC.
 It consists of six inverters (NOT gates).
 The output of an inverter is the complement of its input logic state
Teaching
Methodology:
PPT - UNIT III
MAR EPHRAEM COLLEGE OF ENGINEERING AND TECHNOLOGY
Department of Mechanical Engineering
ME6702 MECHATRONICS ACADEMIC YEAR2019-20
Learning
Resource (page
number)
T1- (183)
Lesson Title TRAFFIC CONTROL INTERFACE
Lesson concept/
Points/Definition
s
TRAFFIC CONTROL INTERFACE
The main aimof thisprojectisto designaTrafficlightcontrollerusing8085
microprocessor.
The 8085 Microprocessorisa popularMicroprocessorusedinIndustriesforvarious
applications.Suchastrafficlightcontrol,temperaturecontrol,steppermotorcontrol,
etc.In thisproject,the trafficlightsare interfacedtoMicroprocessorsystemthrough
bufferandportsof programmable peripheral Interface 8255. Sothe trafficlightscan
be automaticallyswitchedON/OFFindesiredsequence.The Interface boardhasbeen
designedtoworkwithparallel portof Microprocessorsystem.
The hardware of the systemconsistsof twoparts.The firstpart isMicroprocessor
basedsystemwith8085. Microprocessoras CPU andthe peripheral deviceslike
EPROM, RAM, Keyboard&DisplayController8279, Programmable asPeripheral
Interface 8255, 26 pinparallel portconnector,21 keysHexakeypad and six numberof
sevensegmentLED’s.
The secondpart is the trafficlightcontrollerinterface board,whichconsistof 36 LED’s
inwhich20 LED’s are usedfor vehicle trafficandtheyare connectedto20 port linesof
8255 throughBuffer.RemainingLED’sare usedforpedestriantraffic.The trafficlight
interface boardisconnectedtoMain boardusing26 core flatcablesto 26-pinPort
connector.The LED’s can be switchedON/OFFinthe specifiedsequencebythe
Microprocessor.
Teaching PPT - UNIT III
MAR EPHRAEM COLLEGE OF ENGINEERING AND TECHNOLOGY
Department of Mechanical Engineering
ME6702 MECHATRONICS ACADEMIC YEAR2019-20
Methodology:
Learning
Resource
(page number)
T1- (347)
Lesson Title INTRODUCTIONOF PLC
Lesson concept/
Points/Definitions
INTRODUCTIONOF PLC
PLC Connections. When a process is controlled by a PLC it uses inputs
from sensors to make decisions and update outputs to drive actuators, as
shown in See The Separation of Controller and Process. The process is a real
process that will change over time
Control engineering has evolved over time. In the past humans were the
main method for controlling a system. More recently electricity has been
used for control and early electrical control was based on relays. These
relays allow power to be switched on and off without a mechanical switch. It
is common to use relays to make simple logical control decisions. The
development of low cost computer has brought the most recent revolution,
the Programmable Logic Controller (PLC). The advent of the PLC began in
the 1970s, and has become the most common choice for manufacturing
controls.
PLCs have been gaining popularity on the factory floor and will probably
MAR EPHRAEM COLLEGE OF ENGINEERING AND TECHNOLOGY
Department of Mechanical Engineering
ME6702 MECHATRONICS ACADEMIC YEAR2019-20
remain predominant for some time to come. Most of this is because of the
advantages they offer.
· Cost effective for controlling complex systems.
· Flexible and can be reapplied to control other systems quickly and easily.
· Computational abilities allow more sophisticated control.
· Trouble shooting aids make programming easier and reduce downtime.
· Reliable components make these likely to operate for years before failure.
Teaching
Methodology:
PPT - UNIT IV
Learning
Resource (page
number)
R4- (70-72)
Lesson Title BASIC STRUCTURE OF PLC
Lesson concept/
Points/Definitions
BASIC STRUCTURE OF PLC
Programmable logic controllers (PLCs) are present in industry since sixties
years of the previous century. Its are used for control different processes in
steel plants, mains, in automotive, mechanical and chemical enterprises and
so on. A lot of PLCs one can meet in intelligent buildings too. Due to this
fact they should be universal. An universality is obtained by re-
configurability (the PLCs are equipped with different I/O modules) and
programmability (the PLCs are specialized for given control task by
configuring and programming). It seems that the programmable
logic controllers are well known but their structure and the way of operation
are still the subject ofa lot of questions. They are described in many
publications [1, 2, 3, 4, 5, 6, 7] but typically not in details
MAR EPHRAEM COLLEGE OF ENGINEERING AND TECHNOLOGY
Department of Mechanical Engineering
ME6702 MECHATRONICS ACADEMIC YEAR2019-20
Teaching
Methodology:
PPT - UNIT IV
Learning
Resource (page
number)
T2- (158,159)
Lesson Title INPUT AND OUTPUT PROCESSING OF PLC
Lesson concept/
Points/Definitions
Components of a PLC. All PLCs have the same basic components. ...
Without any of these major components, the PLC will fail to function
properly. The basic components include a power supply, central processing
unit (CPU or processor), co-processor modules, input and output modules
(I/O), and a peripheral device
The type of input modules used by a PLC depends on the type of input
device. For example, some respond to digital inputs, which are
eitheronoroffwhile others respond to analog signals. In this case,analog
signals represent machine or process conditions as a range of voltage or
current values. The PLC input circuitry converts signals into logic signals
that the CPU can use. The CPU evaluates the status of inputs, outputs, and
other variables as it executes a stored program. The CPU then sends signals
to update the status of outputs.
Output modules convert control signals from the CPU into digital or analog
values that can be used to control various output devices. The programming
device is used to enter or change the PLCs program or to monitor or change
stored values. Once entered,the program and associated variables are stored
in the CPU. In addition to these basic elements, a PLC system may also
incorporate an operator interface device to simplify monitoring of the
machine or process.
MAR EPHRAEM COLLEGE OF ENGINEERING AND TECHNOLOGY
Department of Mechanical Engineering
ME6702 MECHATRONICS ACADEMIC YEAR2019-20
Teaching
Methodology:
PPT - UNIT IV
Learning
Resource (page
number)
R4- (29,30)
Lesson Title PROGRAMMING OF PLC
Lesson concept/
Points/Definitions
Programming Languages
A program loaded into PLC systems in machine code, a sequence of binary
code numbers to represent the program instructions.
Assembly language based on the use of mnemonics can be used, and a
computer program called an assembler is used to translate the mnemonics
into machine code.
High level Languages (C, BASIC, etc.) can be used.
Programming Devices
PLC can be reprogrammed through an appropriate programming device:
Programming Console
PC
Hand Programmer
Introduction to Ladder Logic
Ladder logic uses graphic symbols similar to relay schematic circuit
diagrams.
Ladder diagram consists of two vertical lines representing the power rails.
Circuits are connected as horizontal lines between these two verticals.
Ladder diagram features
Power flows from left to right.
Output on right side can not be connected directly with left side.
Contact can not be placed on the right of output.
Each rung contains one output at least.
Each output can be used only once in the program.
A particular input a/o output can appear in more than one rung of a ladder.
The inputs a/o outputs are all identified by their addresses,the notation used
depending on the PLC manufacturer.
Programming Languages
A program loaded into PLC systems in machine code, a sequence of
binary code numbers to represent the program instructions.
Assembly language based on the use of mnemonics can be used, and a
computer program called an assembler is used to translate the
mnemonics into machine code.
High level Languages (C, BASIC, etc.) can be used.
Programming Devices
PLC can be reprogrammed through an appropriate programming
MAR EPHRAEM COLLEGE OF ENGINEERING AND TECHNOLOGY
Department of Mechanical Engineering
ME6702 MECHATRONICS ACADEMIC YEAR2019-20
device:
Programming Console
PC
Hand Programmer
Introduction to Ladder Logic
Ladder logic uses graphic symbols similar to relay schematic circuit
diagrams.
Ladder diagram consists of two vertical lines representing the power
rails. Circuits are connected as horizontal lines between these two
verticals.
Ladder diagram features
Power flows from left to right.
Output on right side can not be connected directly with left side.
Contact can not be placed on the right of output.
Each rung contains one output at least.
Each output can be used only once in the program.
A particular input a/o output can appear in more than one rung of a
ladder.
The inputs a/o outputs are all identified by their addresses, the
notation used depending on the PLC manufacturer.
Programming Languages
A program loaded into PLC systems in machine code, a sequence of
binary code numbers to represent the program instructions.
Assembly language based on the use of mnemonics can be used, and a
computer program called an assembler is used to translate the
mnemonics into machine code.
High level Languages (C, BASIC, etc.) can be used.
Programming Devices
PLC can be reprogrammed through an appropriate programming
device:
Programming Console
PC
Hand Programmer
Introduction to Ladder Logic
Ladder logic uses graphic symbols similar to relay schematic circuit
diagrams.
Ladder diagram consists of two vertical lines representing the power
rails. Circuits are connected as horizontal lines between these two
verticals.
Ladder diagram features
Power flows from left to right.Output on right side can not be connected
directly with left side.
MAR EPHRAEM COLLEGE OF ENGINEERING AND TECHNOLOGY
Department of Mechanical Engineering
ME6702 MECHATRONICS ACADEMIC YEAR2019-20
Contact can not be placed on the right of output.Each rung contains one
output at least.Each output can be used only once in the program.
A particular input a/o output can appear in more than one rung of a ladder.
The inputs a/o outputs are all identified by their addresses,the notation used
depending on the PLC manufacturer.
Teaching
Methodology:
PPT - UNIT V-ISOPARAMETRIC FORMULATION
Learning
Resource (page
number)
R4- (44 to 51)
Lesson Title MNEMONICS CODE
Lesson concept/
Points/Definitions
Mnemonic is an abbreviation for an operation. It's entered in the
operation code field of each assembler program instruction. For
example, on an intel microprocessor, inc ("increase by one") is a
mnemonic.
Teaching
Methodology:
PPT - UNIT IV
Learning
Resource (page
number)
R4- (389-392)
Lesson Title TIMERS, COUNTERS ANDINTERNALRELAYS
Lesson concept/
Points/Definitions
TIMERS, COUNTERS AND INTERNAL RELAYS
More complex systems cannot be controlled will the combinatorial
logic alone. The main reason for this is that we cannot, or choose not to add
sensors to detect all conditions. In these cases we can use events to estimate
the condition of the system. Typical events used by a PLC include;first scan
of the PLC - indicating the PLC has just been turned ontime since an input
turned on/off - a delaycount of events - to wait until set number of events
have occurred latch on or unlatch - to lock something on or turn it off
LATCHES
A latch is like a sticky switch - when pushed it will turn on, but stick in
place, it must be pulled to release it and turn it off. A latch in ladder logic
uses one instruction to latch, and a second instruction to unlatch, as shown in
Figure 96. The output with an L nside will turn the output Don when the
input Abecomes true. Dwill stay on even if A turns off. Output Dwill turn
off if input Bbecomes true and the output with a U inside becomes true
(Note: this will seem a little backwards at first). If an output has been
latched on, it will keep its value, even if the power has been turned off.
Teaching
Methodology:
PPT - UNIT IV
MAR EPHRAEM COLLEGE OF ENGINEERING AND TECHNOLOGY
Department of Mechanical Engineering
ME6702 MECHATRONICS ACADEMIC YEAR2019-20
Learning
Resource (page
number)
R4- (433-443)
Lesson Title DATA HANDLING
Lesson concept/
Points/Definitions
DATA HANDLING
Data handling is one of the central activities in which real mathematicians
engage: they are frequently analysing data that they have gathered in various
contexts and looking for patterns and generalities within them
Data handling is one of the central activities in which real
mathematicians engage: they are frequently analysing data that they
have gathered in various contexts and looking for patterns and
generalities within them. In schools we often undertake tasks in which
we encourage children to collect data about themselves and their
friends but the emphasis tends to be on presenting data in a variety of
forms such as bar charts or pictograms. Analysis is often confined to
identifying the most popular or least popular item. These limitations
tend to restrict the interest and variety of the contexts that are
explored, and fail to engage children in any significant mathematical
thinking. Here are some alternative suggestions taken from the NRICH
website that offer a broader view of data and ask some tricky questions
about it.
his question offers children some raw data that they have not had to collect
themselves. This has some advantages: the teacher knows that everyone has
the same information without worrying about the accuracy of their recording
methods. So, we have a data handling problem that focuses on analysis
rather than collection. Now the children need to begin to make sense of the
situation. It is probably helpful to ask them to think about the pictures and to
talk to each other about whatthe problem means. Offer them plenty of
opportunities to think without insisting on quick answers. After they have
had this chance, find out their ideas and, if need be, they can be encouraged
to focus by asking them:
Teaching
Methodology:
PPT - UNIT IV
Learning
Resource (page
number)
R4- (302)
Lesson Title SELECTION OF PLC
Lesson concept/
Points/Definitions
In selecting a PLC,we need to consider the required input, output, and
function of controller.
Types of controller : Rack , Mini, Micro, or software.
Need to consider the followings when choosing a controller;
-Num of logic input/output.
-Memory required, 1K or few bytes.
-Scan time, (price)
MAR EPHRAEM COLLEGE OF ENGINEERING AND TECHNOLOGY
Department of Mechanical Engineering
ME6702 MECHATRONICS ACADEMIC YEAR2019-20
- software,Availabilityof programming.
-Comunications, serial or network.
1. Understand the process to be controlled-num. of input/output-how
the process is to be controlled?
special needs, such as distance between parts of the process.
2.If not already specified, a single vendor should be selected. Factors
considered:-manuals & documentation training he range of product availab
lhaping time for emergency replacement
3. Plan the ladder logic for the controls
Teaching
Methodology:
PPT - UNIT V
Lesson Title INTRODUCTION TO ACTUATORS
Lesson concept/
Points/Definitions
ACTUATORS
 Actuator is a transducer that translates the control signal from one form of
energy into another form.
 During valve operation, the translational motion is transformed into rotary
motion.
It produces an output position that is proportional to its input signal
TYPES
Following are the types of Actuators classified based on their functions:
 Pneumatic Actuators
 Electro pneumatic Actuators
 Hydraulic Actuators
 Electro hydraulic Actuators
 Electric Actuators
PNEUMATICACTUATOR
 Most commonly used process control actuators.
 It is also called as a Spring Actuator.
 The controlled input-air pressure provides sufficient force on the diaphragm
to offset a portion of the spring force.
MAR EPHRAEM COLLEGE OF ENGINEERING AND TECHNOLOGY
Department of Mechanical Engineering
ME6702 MECHATRONICS ACADEMIC YEAR2019-20
ELECTRO PNEUMATIC ACTUATORS
 It is a combination of a current to pressure transducer, a feedback positioner
and a pneumatic spring diaphragm actuator.
 It is used to handle pulse signals from a digital computer controller.
HYDRAULIC ACTUATORS
 It is usually present in the form of hydraulic piston.
 The piston is moved by applying pressurized hydraulic fluid to either side of
the piston with an opposing spring providing for the motion in the other
direction
MAR EPHRAEM COLLEGE OF ENGINEERING AND TECHNOLOGY
Department of Mechanical Engineering
ME6702 MECHATRONICS ACADEMIC YEAR2019-20
ELECTRO HYDRAULIC ACTUATORS
 It consists of an electric-to-hydraulic transducer, a feedback positioner and a
hydraulic piston.
 It is similar to that of pneumatic piston actuator; both need some means of
piston position feedback
Teaching
Methodology:
PPT - UNIT V
Learning
Resource (page
number)
R4- (302)
Lesson Title TYPES OF STEPPER AND SERVO MOTORS
Lesson concept/
Points/Definitions
STEPPER MOTORS
. A stepper motor or step motor or stepping motor is a brushless dc electric motor that
divides a full rotation into a number of equal steps. The motor's position can then be
commanded to move and hold at one of these steps without any feedback sensor (an
open-loop controller), as long as the motor is carefully sized to the application in
respect to torque and speed.
TYPES
 Permanent Magnet
 Variable Reluctance
 Hybrid
MAR EPHRAEM COLLEGE OF ENGINEERING AND TECHNOLOGY
Department of Mechanical Engineering
ME6702 MECHATRONICS ACADEMIC YEAR2019-20
SERVO MOTOR
A servomotor is a rotary actuator or linear actuator that allows for precise
control of angular or linear position, velocity and acceleration.[1]
It consists of a
suitable motor coupled to a sensor for position feedback. It also requires a
relatively sophisticated controller, often a dedicated module designed
specifically for use with servomotors.
MAR EPHRAEM COLLEGE OF ENGINEERING AND TECHNOLOGY
Department of Mechanical Engineering
ME6702 MECHATRONICS ACADEMIC YEAR2019-20
Servomotors are not a specific class of motor although the term servomotor is
often used to refer to a motor suitable for use in a closed-loop control system.
TYPES
 AC servo motor
 DC servo motor
AC SERVO MOTOR
AC servo motors are basically two-phase squirrel cage induction motors
and are used for low power applications. Nowadays, three phase squirrel cage
induction motors have been modified such that they can be used in high power
servo systems.
The main difference between a standard split-phase induction motor and AC
motor is that the squirrel cage rotor of a servo motor has made with thinner
conducting bars, so that the motor resistance is high
DC SERVO MOTOR
A DC servo motor consists of a small DC motor, feedback
potentiometer, gearbox, motor drive electronic circuit and electronic feedback
control loop. It is more or less similar to the normal DC motor.
The stator of the motor consists of a cylindrical frame and the magnet is
MAR EPHRAEM COLLEGE OF ENGINEERING AND TECHNOLOGY
Department of Mechanical Engineering
ME6702 MECHATRONICS ACADEMIC YEAR2019-20
attached to the inside of the frame.
Teaching
Methodology:
PPT - UNIT V
Learning
Resource (page
number)
R4- (302)
Lesson Title CONSTRUCTION AND WORKING PRINCIPLE OF STEPPER AND
SERVO
Lesson concept/
Points/Definition
s
WORKINGPRINCIPLE OF DC SERVOMOTOR
A DC servo motor is an assembly of four major components, namely a DC
motor, a position sensing device, a gear assembly, and a control circuit. The
below figure shows the parts that consisting in RC servo motors in which small
DC motor is employed for driving the loads at precise speed and position.
Internal diagram
A DC reference voltage is set to the value corresponding to the desired output.
This voltage can be applied by using another potentiometer, control pulse width
to voltage converter, or through timers depending on the control circuitry.
The dial on the potentiometer produces a corresponding voltage which is then
applied as one of the inputs to error amplifier.
In some circuits, a control pulse is used to produce DC reference voltage
corresponding to desired position or speed of the motor and it is applied to a
pulse width to voltage converter.
In this converter, the capacitor starts charging at a constant rate when the pulse
high. Then the charge on the capacitor is fed to the buffer amplifier when the
MAR EPHRAEM COLLEGE OF ENGINEERING AND TECHNOLOGY
Department of Mechanical Engineering
ME6702 MECHATRONICS ACADEMIC YEAR2019-20
pulse is low and this charge is further applied to the error amplifier.
So the length of the pulse decides the voltage applied at the error amplifier as a
desired voltage to produce the desired speed or position.
In digital control, microprocessor or microcontroller are used for generating the
PWM pluses in terms of duty cycles to produce more accurate control signals.
The feedback signal corresponding to the present position of the load is obtained
by using a position sensor. This sensor is normally a potentiometer that produces
the voltage corresponding to the absolute angle of the motor shaft through gear
mechanism. Then the feedback voltage value is applied at the input of error
amplifier (comparator).
The error amplifier is a negative feedback amplifier and it reduces the difference
between its inputs. It compares the voltage related to current position of the
motor (obtained by potentiometer) with desired voltage related to desired
position of the motor (obtained by pulse width to voltage converter), and
produces the error either a positive or negative voltage.
This error voltage is applied to the armature of the motor. If the error is more, the
more output is applied to the motor armature.
As long as error exists, the amplifier amplifies the error voltage and
correspondingly powers the armature. The motor rotates till the error becomes
zero. If the error is negative, the armature voltage reverses and hence the
armature rotates in the opposite direction.
STEPPER MOTOR
The schematic diagram of servo system for AC two-phase induction motor is shown in
the figure below. In this, the reference input at which the motor shaft has to maintain at a
certain position is given to the rotor of synchro generator as mechanical input theta. This
rotor is connected to the electrical input at rated voltage at a fixed frequency.
MAR EPHRAEM COLLEGE OF ENGINEERING AND TECHNOLOGY
Department of Mechanical Engineering
ME6702 MECHATRONICS ACADEMIC YEAR2019-20
The three stator terminals of a synchro generator are connected correspondingly
to the terminals of control transformer. The angular position of the two-phase
motor is transmitted to the rotor of control transformer through gear train
arrangement and it represents the control condition alpha.
Initially, there exist a difference between the synchro generator shaft position
and control transformer shaft position. This error is reflected as the voltage
across the control transformer. This error voltage is applied to the servo amplifier
and then to the control phase of the motor.
With the control voltage, the rotor of the motor rotates in required direction till
the error becomes zero. This is how the desired shaft position is ensured in AC
servo motors.
Alternatively, modern AC servo drives are embedded controllers like PLCs,
microprocessors and microcontrollers to achieve variable frequency and variable
voltage in order to drive the motor.
Mostly, pulse width modulation and Proportional-Integral-Derivative (PID)
techniques are used to control the desired frequency and voltage. The block
diagram of AC servo motor system using programmable logic controllers,
position and servo controllers is given below.
MAR EPHRAEM COLLEGE OF ENGINEERING AND TECHNOLOGY
Department of Mechanical Engineering
ME6702 MECHATRONICS ACADEMIC YEAR2019-20
Teaching
Methodology:
PPT - UNIT V
Learning
Resource
(page number)
R4- (302)
Lesson Title ADVANTAGES AND DISADVANTAGES STEPPER AND SERVO
MOTORS
Lesson concept/
Points/Definition
s
SERVO MOTORS
Advantages:
 If a heavy load is placed on the motor, the driver will increase the current
to the motor coil as it attempts to rotate the motor. Basically, there is no
out-of-step condition.
 High-speed operation is possible.
Disadvantages:
 Since the servomotor tries to rotate according to the command pulses, but
lags behind, it is not suitable for precision control of rotation.
 Higher cost.
 When stopped, the motor’s rotor continues to move back and forth one
pulse, so that it is not suitable if you need to prevent vibration
STEPPER MOTORS
ADVANTAGES
 Stable. Can drive a wide range of frictional and inertial loads.
 Needs no feedback. The motor is also the position transducer.
 Inexpensive relative to other motion control systems.
MAR EPHRAEM COLLEGE OF ENGINEERING AND TECHNOLOGY
Department of Mechanical Engineering
ME6702 MECHATRONICS ACADEMIC YEAR2019-20
 Standardized frame size and performance.
 Plug and play. Easy to setup and use.
 Safe. If anything breaks, the motor stops.
 Long life. Bearings are the only wear-out mechanism.
 Excellent low speed torque. Can drive many loads without gearing.
 Excellent repeatability. Returns to the same location accurately.
 Overload safe. Motor cannot be damaged by mechanical overload
DISADVANTAGES
 Low efficiency. Motor draws substantial power regardless of load.
 Torque drops rapidly with speed (torque is the inverse of speed).
 Low accuracy. 1:200 at full load, 1:2000 at light loads.
 Prone to resonances. Requires microstepping to move smoothly.
 No feedback to indicate missed steps.
 Low torque to inertia ratio. Cannot accelerate loads very rapidly.
 Motor gets very hot in high performance configurations.
 Motor will not "pick up" after momentary overload.
 Motor is audibly very noisy at moderate to high speeds.
 Low output power for size and weight
Teaching
Methodology:
PPT - UNIT V
Learning
Resource
(page number)
R4- (302)
Lesson Title INTRODUCTION OF MECHATRONIC SYSTEM DESIGN
Lesson concept/
Points/Definitio
ns
The design of mechatronic systems can be divided into a number of stages.
The
Need:
The design process starts with the need of a customer.
By adequate market research and knowledge, the potential needs of a customer can be
clearly
identified.
Analysis of the Problem:
This is the first stage and also the critical stage in the design process.
After knowing the customer need, analysis should be done to know the true nature of
theproblem.
To define the problem accurately, analysis should be done carefully Preparation of a
Specification:
The second stage of the mechatronic process involves in the preparation of
aspecification
The specification must be given to understand the requirements and the functions to
bemet.
The specification gives mass dimensions, types, accuracy, power requirements,
MAR EPHRAEM COLLEGE OF ENGINEERING AND TECHNOLOGY
Department of Mechanical Engineering
ME6702 MECHATRONICS ACADEMIC YEAR2019-20
load,praying environments, velocity, speed, life etc.
Conceptualization:
The possible solution should be generated for each of the functions required
It is generated by verifying the old problems or some newly developed techniques
maybe used
Optimization:
This stage involves in a selection of a best solution for the problem
Optimization is defined as a technique in which a best solution is selected among a
group of solutions to solve a problem.
Teaching
Methodology:
PPT - UNIT V
Lesson Title TRADITIONAL AND MECHATRONICS DESIGN CONCEPTS
Lesson concept/
Points/Definitio
ns
TraditionaMechatronics:
Engineering design is a complex process involving interactions between
many skills and disciplines. With traditional design, the approach was for the
mechanical engineer to design the mechanical elements, then the control
engineer to come along and design the control system. This gives what might
be termed a sequential approach to the design
POSSIBLEDESIGNSOLUTIONS:
WindScreen–Wiper Motor:
Wind screen wiper is a device which is used to clear from the front glass of the
vehicles,
MAR EPHRAEM COLLEGE OF ENGINEERING AND TECHNOLOGY
Department of Mechanical Engineering
ME6702 MECHATRONICS ACADEMIC YEAR2019-20
during rainy season.
In consists of an arm which oscillates back and forth in an arc like a wind screen
wiper.
Mechanical Solution:
It works like a four bar mechanism, when the crank rotates, the arm 1 rotates.
This makes the arm 2 to oscillate the arm 3.
Teaching
Methodology:
PPT - UNIT V
Lesson Title CASE STUDIES OF MECHATRONICS SYSTEMS
Lesson concept/
Points/Definitio
ns
The robot has three axes and about these three axes only motion occurs.
The following movements are required for this robot
Clockwise and Anti-clockwise rotation of the robot unit on its base
Horizontal Linear movement of the arm to extend or contraction
Upa nd down movement of the arm and
Open or close movement of the gripper
The above movements are accomplished by the use of pneumatic cylinders operated
bysolenoid
controlled values with limit switches.
The limit switches are used to indicate when a motion is completed.
The clockwise rotationof the robotunit can be obtainedfromapistonand cylinder
MAR EPHRAEM COLLEGE OF ENGINEERING AND TECHNOLOGY
Department of Mechanical Engineering
ME6702 MECHATRONICS ACADEMIC YEAR2019-20
Teaching
Methodology:
PPT - UNIT V
Lesson Title PICK AND PLACE ROBOT
Lesson concept/
Points/Definitio
ns
In selecting a PLC,we need to consider the required input, output, and function of
controller.
Types of controller : Rack , Mini, Micro, or software.
Need to consider the followings when choosing a controller; -Num
of logic input/output.
-Memory required, 1K or few bytes.
-Scan time, (price)
- software,Availabilityof programming.
-Comunications, serial or network.
2. Understand the process to be controlled-num. of input/output-how the process is
to be controlled?
special needs, such as distance between parts of the process.
2.If not already specified, a single vendor should be selected. Factors considered:-
manuals & documentation training he range of product availab lhaping time for
emergency replacement
4. Plan the ladder logic for the controls
Teaching
Methodology:
PPT - UNIT IV
Lesson Title SELECTION OF PLC
Lesson concept/
Points/Definitio
ns
The robot has three axes and about these three axes only motion occurs.
 The following movements are required for this robot
 Clockwise and Anti-clockwise rotation of the robot unit on its base
 Horizontal Linear movement of the arm to extend or contraction
 Up and down movement of the arm and
 Open or close movement of the gripper
 The above movements are accomplished by the use of pneumatic cylinders
operated by
solenoid controlled values with limit switches.
 The limit switches are used to indicate when a motion is completed.
MAR EPHRAEM COLLEGE OF ENGINEERING AND TECHNOLOGY
Department of Mechanical Engineering
ME6702 MECHATRONICS ACADEMIC YEAR2019-20
 The clockwise rotation of the robot unit can be obtained from a piston and
cylinder
arrangement during its extension and that of counter clockwise during its
retraction.
 The upward and downward movement of the arm can be obtained from a piston
and
cylinder arrangement during the extension and retraction of a piston
respectively.
 Similarly, the gripper can be opened or closed by the piston in a linear cylinder
during its
extension.
 The micro controller used to control the solenoid values and hence the
movements of the
 robot unit.
 The type of microcontroller used in M68C11.
 A software program is used to control the robot.
 Eight C port lies PC0 – PC7, are used to sense the position of eight separate
limit switches
used for eight different robotic movements.
 Also one line from port D is used to start or stop the robot operation.
 The switch in its one position will provide +5V (a logic high signal), to the
corresponding port lines and the switch in another position will provide 0V (a
logic low
signal), to the port lines.
So the two positions of a switch will provide either a logic high or logic low to
the
 corresponding PC0 – PC7,and PD,lines.
 Eight part B lines (PB0 – PB7) are used to control eight different movement.
These are
Base CW,Base CEW,Arm extends, Arm retract,Arm up, Arm down Gripper
close and
Gripper open of the robot.
 PB0,is connected to the Triac optoisolator through a resistor.
 TRIAC isolator consists of LED and TRIAC.
 For example, when the base has to rotate in clockwise direction, a high signal is
sent
through line PB0
 The diode is forward biased and the TRIAC optoisolation operates,regulating
the supply
 to the solenoid value which in turn operated the piston rod of the pneumatic
cylinder.
The base clockwise continues the rotation till it reader the position of second
limit switch
MAR EPHRAEM COLLEGE OF ENGINEERING AND TECHNOLOGY
Department of Mechanical Engineering
ME6702 MECHATRONICS ACADEMIC YEAR2019-20
Teaching
Methodology:
PPT - UNIT IV
Lesson Title ENGINE MANAGEMENT SYSTEM
Lesson concept/
Points/Definitio
ns
 Engine management system is now-a-days, used in many of the
modem cars
 This car includes many electronic control systems such as
microcontrollers for the
control of various engine factors.
 The main objective of the system is to ensure that the engine is
operated at its optimum
settings.
 The engine management system of a car is responsible for managing
the ignition and
fuelling requirements of the engine.
 The power and speed of the engine are controlled by varying the
ignition timing and the
Air fue1 mixture.
 In modern cars, this is done by microprocessor.
MAR EPHRAEM COLLEGE OF ENGINEERING AND TECHNOLOGY
Department of Mechanical Engineering
ME6702 MECHATRONICS ACADEMIC YEAR2019-20
 To control the ignition delay, the crank shaft drives a distribution
which makes electrical
contacts for each spark plug in turn and a timing wheel.
 This timing wheel generates pulses - to indicate the crankshaft
position.
 The microprocessor then adjusts the timing at which high voltage
pulses are sent to the
distributor so that they occur at right moments of time.
 To control the amount of air-fuel mixture entering into a cylinder during the
suction
stroke, the microprocessor varies the time for which a solenoid is activated to
the inlet
valve on the basis of inputs received by the engine temperature and the throttle
position.
 The amount of fuel to be injected into the air stream can be determined on input
from a
sensor of the mass rate of air, or computed from other measurements.
 The microprocessor then gives as output to control of fuel inject valve.
 The system hence consists of number of sensor for observing vehicle speed,
Engine
temperature,oil and fuel pressure,air flow etc.,
 These sensorssuppliesinputsignalsto the microprocessor after suitable signal
conditioning and provides output signals via drivers to actuate corresponding
actuators.
MAR EPHRAEM COLLEGE OF ENGINEERING AND TECHNOLOGY
Department of Mechanical Engineering
ME6702 MECHATRONICS ACADEMIC YEAR2019-20
A modern car’s Engine Management System consists of a wide range of
electronic and electrical components comprising of engine sensors, relays and
actuators which work together to provide the car’s Engine Control Unit with vital
data parameters essential to govern various engine functions effectively.
Generally speaking, Engine sensors are electro-mechanical devices
which monitor various engine parameters. An engine uses different types of
sensors which primarily consists of Thermo-couple, Resistance Temperature
Detectors (RTDs), and Hall Effect sensors.
Various Engine Sensors
TYPE OF ENGINE SENSORS USED:
Thermo-couples use two different conductors that contact each other at one or
more spots. This produces a voltage which in-turn, sends the signal in the form of
electric current to the ECU. A thermo-couple sensor is a temperature-measuring
device which converts temperature into an electrical charge. Thermo-couples are
commonly used as temperature sensors for measurement and control of
temperature such as Engine Coolant Temperature Sensor.
MAR EPHRAEM COLLEGE OF ENGINEERING AND TECHNOLOGY
Department of Mechanical Engineering
ME6702 MECHATRONICS ACADEMIC YEAR2019-20
Teaching
Methodology:
PPT - UNIT V
Lesson Title AUTOMATIC CAR PARK BARRIER
Lesson concept/
Points/Definitio
ns
Consider the coin-operated car park system with barriers.
 The main requirement of the system is that, the in-barrier is to be opened to
allow the car
inside if correct money (coin) is inserted in the collection box.
 The out barrier is to be opened to allow the car outside, if the car is detected at
the car
 park side of the barrier.
 The automatic car park barrier along with the mechanism to lift and lower it
MAR EPHRAEM COLLEGE OF ENGINEERING AND TECHNOLOGY
Department of Mechanical Engineering
ME6702 MECHATRONICS ACADEMIC YEAR2019-20
 When the current flows through the solenoid A & the piston in the cylinder
extends to
move upward and causes the barrier to rotate about its pivot and thus the barrier
raises to
allow the car inside.
 When the current flows through the solenoid A ceases,the spring on the
solenoid valve
makes the contacts to open and thus makes the valve to its original position.
 When the current flows through solenoid B, the piston in the cylinder moves
downward
end causes the barrier to get down.
 Limit switches are used to detect when the barrier is down and also when fully
up.
 This control can be controlled by PLC
X400- coin operated switch at entrance to car park
X401- switch activated when entrance barrier is out
X402- switch activated when entrance barrier is down
X403- switch activated when car at exit barrier
MAR EPHRAEM COLLEGE OF ENGINEERING AND TECHNOLOGY
Department of Mechanical Engineering
ME6702 MECHATRONICS ACADEMIC YEAR2019-20
X404- switch activated when exit barrier is -up
X405- switch activated when exit barrier is down
Y430- solenoid on valve A for entrance barrier
Y43 1- solenoid on valve B for entrance barrier
Y432- solenoid on valve A for exit barrier
Y433- solenoid on valve B for exit barrier
Six inputs (X400 to X405) is required for the PLC to sense the six limit switch position
namely coin-operated switch, entrance barrier up switch, down switch, car at exit barrier
switch, exit barrier up switch, Exit barrier down switch
Whenever,a switch is operated, 0Vsignal is provided to the corresponding inputs and
otherwise +24v signalis provided to the inputs. Four outputs (Y430 to Y433) are
required to operate the two solenoid valves A and B.
Program:
LD X400
OR Y430
ANI M100
ANI Y431
OUT Y430
LD X401
OUT T450
K 10
LD T450
OUT M100
LD
OR
ANI
MAR EPHRAEM COLLEGE OF ENGINEERING AND TECHNOLOGY
Department of Mechanical Engineering
ME6702 MECHATRONICS ACADEMIC YEAR2019-20
M100
Y431
X402
ANI Y430
OUT Y431
LD X403
OR Y432
ANI M101
ANI Y433
OUT Y432
LD X404
OUT T451
K 10
LD T45 1
OUT M101
LD M101
OR Y433
ANI X405
ANI Y432
OUT Y433
Teaching
Methodology:
PPT - UNIT IV
Lesson Title DISCUSSION OF CASE STUDY
Lesson concept/
Points/Definitions
In this three case study we can able to understand how the
mechatronics play a vital role in modern machinery.now we can able
to understand the important of mechatronics.
It a interdisciplinary activity .
. ENGINE MANAGEMENT SYSTEM
In olden stage engine fully controlled by mechanical system.
Teaching
Methodology:
PPT - UNIT IV
Learning
Resource (page
number)
R4- (433-443)
MAR EPHRAEM COLLEGE OF ENGINEERING AND TECHNOLOGY
Department of Mechanical Engineering
ME6702 MECHATRONICS ACADEMIC YEAR2019-20
QUESTION PAPER
B.E.DEGREE CONTINUOUSASSESSMENT EXAMINATIONI– AUG2017
Seventh Semester
Department of Mechanical Engineering
ME 6702- MECHATRONICS
Time: 1.30 hrs. Maximum: 50 marks
Course Outcomes (COs) for Assessmentinthis Examination
CO1 Discuss the interdiciplinary applications of electronics, electrical,mechanical and computer systems.
CO2 Explain the architecture of 8085 microprocessor and 8051 microcontroller
CL-Cognitive Level;Kn-Knowledge;Un-Understand;Ap-Apply;An-Analyze;Ev-Evaluate;Cr-Create
Answer all questions.
PART A – (5 X 2 = 10 marks)
1. Define Mechatronics Re CO1
2. Define strain gauge sensor Re CO1
3. Define microprocessor Re CO2
4. Write the different types of addressing mode Re CO2
5. Define microcontroller Re CO2
PART B – (2 X 13 = 26 marks)
6 Explain the elements of Mechatronics system Un CO1
7 Explain static and dynamic characteristics of sensor Un CO1
PART C – (1 X 14 = 14 marks)
8 Explain the architecture of 8085 microprocessor Un CO2
MAR EPHRAEM COLLEGE OF ENGINEERING AND TECHNOLOGY
Department of Mechanical Engineering
ME6702 MECHATRONICS ACADEMIC YEAR2019-20
Answer Key
Mar Ephraem
College of Engineering And Technology
B.E. DEGREE CONTINUOUS ASSESSMENT EXAMINATION I - February 2019
Sixth Semester
Department of Mechanical Engineering
ME6603 FINITE ELEMENT ANALYSIS
Time: 1.30hrs. Maximum: 50
marks
Course Outcomes(COs)for Assessment in this Examination
CO1 Summarize the basics of finite element formulation
CO2 Apply finite element methods to solve one dimensional problems
ANSWER KEY
PART A – (5 X 2 = 10 marks)
1. (I.) Experimental methods( II.) Analytical methods (III.) Numerical methods or
approximate methods
2. Each kind of finite element has a specific structural shape and is inter- connected with the
adjacent element by nodal point or nodes.
Types of nodes: 1.Interior Node 2.Exterior Node
3. It is defined as the ratio of the largest dimension of the element to the smallest dimension.
In many cases, as the aspect ratio increases the in accuracy of the solution increases
4. Body force (f) Traction force (T) Point load (P)
5. The art of subdividing a structure in to a convenient number of smaller components is
known as discretization.
PART B – (2 X13 = 26 marks)
6.
MAR EPHRAEM COLLEGE OF ENGINEERING AND TECHNOLOGY
Department of Mechanical Engineering
ME6702 MECHATRONICS ACADEMIC YEAR2019-20
MAR EPHRAEM COLLEGE OF ENGINEERING AND TECHNOLOGY
Department of Mechanical Engineering
ME6702 MECHATRONICS ACADEMIC YEAR2019-20
MAR EPHRAEM COLLEGE OF ENGINEERING AND TECHNOLOGY
Department of Mechanical Engineering
ME6702 MECHATRONICS ACADEMIC YEAR2019-20
MAR EPHRAEM COLLEGE OF ENGINEERING AND TECHNOLOGY
Department of Mechanical Engineering
ME6702 MECHATRONICS ACADEMIC YEAR2019-20
7.
MAR EPHRAEM COLLEGE OF ENGINEERING AND TECHNOLOGY
Department of Mechanical Engineering
ME6702 MECHATRONICS ACADEMIC YEAR2019-20
MAR EPHRAEM COLLEGE OF ENGINEERING AND TECHNOLOGY
Department of Mechanical Engineering
ME6702 MECHATRONICS ACADEMIC YEAR2019-20
MAR EPHRAEM COLLEGE OF ENGINEERING AND TECHNOLOGY
Department of Mechanical Engineering
ME6702 MECHATRONICS ACADEMIC YEAR2019-20
MAR EPHRAEM COLLEGE OF ENGINEERING AND TECHNOLOGY
Department of Mechanical Engineering
ME6702 MECHATRONICS ACADEMIC YEAR2019-20
MAR EPHRAEM COLLEGE OF ENGINEERING AND TECHNOLOGY
Department of Mechanical Engineering
ME6702 MECHATRONICS ACADEMIC YEAR2019-20
PART C – (1 X 14 = 14 marks)
8.
MAR EPHRAEM COLLEGE OF ENGINEERING AND TECHNOLOGY
Department of Mechanical Engineering
ME6702 MECHATRONICS ACADEMIC YEAR2019-20
MAR EPHRAEM COLLEGE OF ENGINEERING AND TECHNOLOGY
Department of Mechanical Engineering
ME6702 MECHATRONICS ACADEMIC YEAR2019-20
MAR EPHRAEM COLLEGE OF ENGINEERING AND TECHNOLOGY
Department of Mechanical Engineering
ME6702 MECHATRONICS ACADEMIC YEAR2019-20
MAR EPHRAEM COLLEGE OF ENGINEERING AND TECHNOLOGY
Department of Mechanical Engineering
ME6702 MECHATRONICS ACADEMIC YEAR2019-20
Mar Ephraem College of Engineering And Technology
B.E. DEGREE CONTINUOUS ASSESSMENT EXAMINATION II - March 2019
Sixth Semester
Department of Mechanical Engineering
ME6603 FINITE ELEMENT ANALYSIS
Time: 1.30hrs. Maximum: 50 marks
Course Outcomes(COs)for Assessment in this Examination
CO3 Apply finite element methods to solve two-dimensional Scalar Problems
CO4 Apply finite element methods to solve two-dimensional Vectorproblems
ANSWER KEY
PART A – (5 X 2 = 10 marks)
1. Six noddedtriangularelementsare knownasLST. It has twelve unknowndisplacementdegrees
of freedom.The displacementfunctionforthe elementsare quadraticinsteadof linearasinthe
CST.
2. Plane stressisdefinedtobe a state of stressin whichthe normal stressand shearstress
directedperpendiculartothe plane are assumedtobe zero
3. Stiffnessmatrix [K]=[B]T
[D ][B]At
[ [D]-Stressstrainmatrix [B]-Straindisplacementmatrix,A- Area,t-thickness
4. Many three dimensional problemin engineeringexhibitsymmetryaboutanaxisof rotationsuch
type of problemare solvedbyspecial twodimensional elementcalledthe axisymmetricelement
5. The problemdomainmustbe symmetricaboutthe axisof revolutionAllboundarycondition
mustbe symmetricaboutthe axisof revolutionAllloadingconditionmustbe symmetricabout
the axisof revolution
PART B – (2 X13 = 26 marks)
6.
MAR EPHRAEM COLLEGE OF ENGINEERING AND TECHNOLOGY
Department of Mechanical Engineering
ME6702 MECHATRONICS ACADEMIC YEAR2019-20
MAR EPHRAEM COLLEGE OF ENGINEERING AND TECHNOLOGY
Department of Mechanical Engineering
ME6702 MECHATRONICS ACADEMIC YEAR2019-20
MAR EPHRAEM COLLEGE OF ENGINEERING AND TECHNOLOGY
Department of Mechanical Engineering
ME6702 MECHATRONICS ACADEMIC YEAR2019-20
7.
MAR EPHRAEM COLLEGE OF ENGINEERING AND TECHNOLOGY
Department of Mechanical Engineering
ME6702 MECHATRONICS ACADEMIC YEAR2019-20
MAR EPHRAEM COLLEGE OF ENGINEERING AND TECHNOLOGY
Department of Mechanical Engineering
ME6702 MECHATRONICS ACADEMIC YEAR2019-20
PART C – (1 X 14 = 14 marks)
8.
MAR EPHRAEM COLLEGE OF ENGINEERING AND TECHNOLOGY
Department of Mechanical Engineering
ME6702 MECHATRONICS ACADEMIC YEAR2019-20
MAR EPHRAEM COLLEGE OF ENGINEERING AND TECHNOLOGY
Department of Mechanical Engineering
ME6702 MECHATRONICS ACADEMIC YEAR2019-20
MAR EPHRAEM COLLEGE OF ENGINEERING AND TECHNOLOGY
Department of Mechanical Engineering
ME6702 MECHATRONICS ACADEMIC YEAR2019-20
MAR EPHRAEM COLLEGE OF ENGINEERING AND TECHNOLOGY
Department of Mechanical Engineering
ME6702 MECHATRONICS ACADEMIC YEAR2019-20
MAR EPHRAEM COLLEGE OF ENGINEERING AND TECHNOLOGY
Department of Mechanical Engineering
ME6702 MECHATRONICS ACADEMIC YEAR2019-20
MAR EPHRAEM COLLEGE OF ENGINEERING AND TECHNOLOGY
Department of Mechanical Engineering
ME6702 MECHATRONICS ACADEMIC YEAR2019-20
Mar Ephraem
College of Engineering And Technology
B.E. DEGREE , MODEL EXAM - April 2019
Sixth Semester
Department of Mechanical Engineering
ME6603 FINITE ELEMENT ANALYSIS
Time: 3.00hrs. Maximum: 50 marks
CourseOutcomes(COs)forAssessmentinthis Examination
CO1 Summarize the basics of finite element formulation
CO2
CO3
CO4
CO5
CO6
Apply finite element methods to solve one dimensional problems
Apply finite element methods to solve two-dimensional Scalar Problems
Apply finite element methods to solve two-dimensional Vectorproblems
Apply finite element methods to solve problems on isoparametric elements.
Solve basic Dynamic problems using Finite element methods
ANSWER
PART A – (5 X 2 = 10 marks)
MAR EPHRAEM COLLEGE OF ENGINEERING AND TECHNOLOGY
Department of Mechanical Engineering
ME6702 MECHATRONICS ACADEMIC YEAR2019-20
1. (I.) Experimental methods( II.) Analytical methods (III.) Numerical methods or
approximate methods
2. Each kind of finite element has a specific structural shape and is inter- connected with the
adjacent element by nodal point or nodes.
3. Body force (f) Traction force (T) Point load (P)
4. The art of subdividing a structure in to a convenient number of smaller components is
known as discretization.
5. Six noddedtriangularelementsare knownasLST. It has twelve unknowndisplacementdegrees
of freedom.The displacementfunctionforthe elementsare quadraticinsteadof linearasinthe
CST.
6. Plane stressisdefinedtobe a state of stressinwhichthe normal stressand shearstress
directedperpendiculartothe plane are assumedtobe zero
7. Stiffnessmatrix [K]=[B]T
[D ][B]At
[ [D]-Stressstrainmatrix [B]-Straindisplacementmatrix,A- Area,t-thickness
8. Many three dimensional probleminengineeringexhibitsymmetryaboutanaxisof rotationsuch
type of problemare solvedbyspecial twodimensional elementcalledthe axisymmetricelement
9. If the shape functionsdefiningthe boundaryanddisplacementsare the same,the elementis
calledasisoparametricelementandall the eightnodesare usedindefiningthe geometryand
displacement
10. (i) ANSYS(ii) NASTRAN (iii) COSMOS
PART B – (5 X 13 = 65 marks)
11.a.
MAR EPHRAEM COLLEGE OF ENGINEERING AND TECHNOLOGY
Department of Mechanical Engineering
ME6702 MECHATRONICS ACADEMIC YEAR2019-20
MAR EPHRAEM COLLEGE OF ENGINEERING AND TECHNOLOGY
Department of Mechanical Engineering
ME6702 MECHATRONICS ACADEMIC YEAR2019-20
MAR EPHRAEM COLLEGE OF ENGINEERING AND TECHNOLOGY
Department of Mechanical Engineering
ME6702 MECHATRONICS ACADEMIC YEAR2019-20
MAR EPHRAEM COLLEGE OF ENGINEERING AND TECHNOLOGY
Department of Mechanical Engineering
ME6702 MECHATRONICS ACADEMIC YEAR2019-20
11 b.
MAR EPHRAEM COLLEGE OF ENGINEERING AND TECHNOLOGY
Department of Mechanical Engineering
ME6702 MECHATRONICS ACADEMIC YEAR2019-20
MAR EPHRAEM COLLEGE OF ENGINEERING AND TECHNOLOGY
Department of Mechanical Engineering
ME6702 MECHATRONICS ACADEMIC YEAR2019-20
MAR EPHRAEM COLLEGE OF ENGINEERING AND TECHNOLOGY
Department of Mechanical Engineering
ME6702 MECHATRONICS ACADEMIC YEAR2019-20
MAR EPHRAEM COLLEGE OF ENGINEERING AND TECHNOLOGY
Department of Mechanical Engineering
ME6702 MECHATRONICS ACADEMIC YEAR2019-20
MAR EPHRAEM COLLEGE OF ENGINEERING AND TECHNOLOGY
Department of Mechanical Engineering
ME6702 MECHATRONICS ACADEMIC YEAR2019-20
12a.
MAR EPHRAEM COLLEGE OF ENGINEERING AND TECHNOLOGY
Department of Mechanical Engineering
ME6702 MECHATRONICS ACADEMIC YEAR2019-20
MAR EPHRAEM COLLEGE OF ENGINEERING AND TECHNOLOGY
Department of Mechanical Engineering
ME6702 MECHATRONICS ACADEMIC YEAR2019-20
MAR EPHRAEM COLLEGE OF ENGINEERING AND TECHNOLOGY
Department of Mechanical Engineering
ME6702 MECHATRONICS ACADEMIC YEAR2019-20
MAR EPHRAEM COLLEGE OF ENGINEERING AND TECHNOLOGY
Department of Mechanical Engineering
ME6702 MECHATRONICS ACADEMIC YEAR2019-20
12 b.
MAR EPHRAEM COLLEGE OF ENGINEERING AND TECHNOLOGY
Department of Mechanical Engineering
ME6702 MECHATRONICS ACADEMIC YEAR2019-20
MAR EPHRAEM COLLEGE OF ENGINEERING AND TECHNOLOGY
Department of Mechanical Engineering
ME6702 MECHATRONICS ACADEMIC YEAR2019-20
MAR EPHRAEM COLLEGE OF ENGINEERING AND TECHNOLOGY
Department of Mechanical Engineering
ME6702 MECHATRONICS ACADEMIC YEAR2019-20
MAR EPHRAEM COLLEGE OF ENGINEERING AND TECHNOLOGY
Department of Mechanical Engineering
ME6702 MECHATRONICS ACADEMIC YEAR2019-20
13 a
MAR EPHRAEM COLLEGE OF ENGINEERING AND TECHNOLOGY
Department of Mechanical Engineering
ME6702 MECHATRONICS ACADEMIC YEAR2019-20
MAR EPHRAEM COLLEGE OF ENGINEERING AND TECHNOLOGY
Department of Mechanical Engineering
ME6702 MECHATRONICS ACADEMIC YEAR2019-20
MAR EPHRAEM COLLEGE OF ENGINEERING AND TECHNOLOGY
Department of Mechanical Engineering
ME6702 MECHATRONICS ACADEMIC YEAR2019-20
MAR EPHRAEM COLLEGE OF ENGINEERING AND TECHNOLOGY
Department of Mechanical Engineering
ME6702 MECHATRONICS ACADEMIC YEAR2019-20
MAR EPHRAEM COLLEGE OF ENGINEERING AND TECHNOLOGY
Department of Mechanical Engineering
ME6702 MECHATRONICS ACADEMIC YEAR2019-20
13.b.
MAR EPHRAEM COLLEGE OF ENGINEERING AND TECHNOLOGY
Department of Mechanical Engineering
ME6702 MECHATRONICS ACADEMIC YEAR2019-20
MAR EPHRAEM COLLEGE OF ENGINEERING AND TECHNOLOGY
Department of Mechanical Engineering
ME6702 MECHATRONICS ACADEMIC YEAR2019-20
MAR EPHRAEM COLLEGE OF ENGINEERING AND TECHNOLOGY
Department of Mechanical Engineering
ME6702 MECHATRONICS ACADEMIC YEAR2019-20
14 a
MAR EPHRAEM COLLEGE OF ENGINEERING AND TECHNOLOGY
Department of Mechanical Engineering
ME6702 MECHATRONICS ACADEMIC YEAR2019-20
MAR EPHRAEM COLLEGE OF ENGINEERING AND TECHNOLOGY
Department of Mechanical Engineering
ME6702 MECHATRONICS ACADEMIC YEAR2019-20
14.b.
MAR EPHRAEM COLLEGE OF ENGINEERING AND TECHNOLOGY
Department of Mechanical Engineering
ME6702 MECHATRONICS ACADEMIC YEAR2019-20
MAR EPHRAEM COLLEGE OF ENGINEERING AND TECHNOLOGY
Department of Mechanical Engineering
ME6702 MECHATRONICS ACADEMIC YEAR2019-20
MAR EPHRAEM COLLEGE OF ENGINEERING AND TECHNOLOGY
Department of Mechanical Engineering
ME6702 MECHATRONICS ACADEMIC YEAR2019-20
MAR EPHRAEM COLLEGE OF ENGINEERING AND TECHNOLOGY
Department of Mechanical Engineering
ME6702 MECHATRONICS ACADEMIC YEAR2019-20
MAR EPHRAEM COLLEGE OF ENGINEERING AND TECHNOLOGY
Department of Mechanical Engineering
ME6702 MECHATRONICS ACADEMIC YEAR2019-20
15 a.
MAR EPHRAEM COLLEGE OF ENGINEERING AND TECHNOLOGY
Department of Mechanical Engineering
ME6702 MECHATRONICS ACADEMIC YEAR2019-20
MAR EPHRAEM COLLEGE OF ENGINEERING AND TECHNOLOGY
Department of Mechanical Engineering
ME6702 MECHATRONICS ACADEMIC YEAR2019-20
15 b.
MAR EPHRAEM COLLEGE OF ENGINEERING AND TECHNOLOGY
Department of Mechanical Engineering
ME6702 MECHATRONICS ACADEMIC YEAR2019-20
MAR EPHRAEM COLLEGE OF ENGINEERING AND TECHNOLOGY
Department of Mechanical Engineering
ME6702 MECHATRONICS ACADEMIC YEAR2019-20
MAR EPHRAEM COLLEGE OF ENGINEERING AND TECHNOLOGY
Department of Mechanical Engineering
ME6702 MECHATRONICS ACADEMIC YEAR2019-20
MAR EPHRAEM COLLEGE OF ENGINEERING AND TECHNOLOGY
Department of Mechanical Engineering
ME6702 MECHATRONICS ACADEMIC YEAR2019-20
Part C
16.
MAR EPHRAEM COLLEGE OF ENGINEERING AND TECHNOLOGY
Department of Mechanical Engineering
ME6702 MECHATRONICS ACADEMIC YEAR2019-20
MAR EPHRAEM COLLEGE OF ENGINEERING AND TECHNOLOGY
Department of Mechanical Engineering
ME6702 MECHATRONICS ACADEMIC YEAR2019-20
MAR EPHRAEM COLLEGE OF ENGINEERING AND TECHNOLOGY
Department of Mechanical Engineering
ME6702 MECHATRONICS ACADEMIC YEAR2019-20
MAR EPHRAEM COLLEGE OF ENGINEERING AND TECHNOLOGY
Department of Mechanical Engineering
ME6702 MECHATRONICS ACADEMIC YEAR2019-20
Marks sheet
CAE-I
COURSE : FINITE ELEMENT ANALYSIS EXAM: CAE-I
Sl
No
REG NO STUDENT NAME CO1 CO2 CO1 CO
2
Total
Marks
Obtained
CO1
Total
Marks
Obtained
CO2
Total
Marks
Obtained
Q1 Q2 Q3 Q4 Q5 Q6 Q7 Q8
2 2 2 2 2 13 13 14 30 20 50
1 961416114001 ABHIJITH K 1 2 2 2 1 10 9 9 22 14 36
2 961416114002 ABHINAND D S 2 2 2 2 2 6 10 10 20 16 36
3 961416114003 ABILASH A 0 1 1 0 2 3 3 4 7 7 14
4 961416114004 ABINESH E 2 0 0 0 0 6 11 11 19 11 30
5 961416114005 ABIN S 0 1 0 1 1 7 6 4 14 6 20
6 961416114006 ABIN SAM ABRAHAM 2 2 1 1 2 8 8 8 20 12 32
7 961416114007 AGABOS M JACOB 0 2 0 2 0 4 4 4 10 6 16
8 961416114008 AHIN TA 0 1 0 2 0 5 4 5 10 7 17
9 961416114010 AJASHAJ A 2 1 1 1 2 6 11 11 20 15 35
10 961416114011 AJESH B S 2 2 2 2 2 10 10 10 24 16 40
11 961416114012 AJIN J RAJENDRAN 2 1 1 1 2 8 7 8 18 12 30
MAR EPHRAEM COLLEGE OF ENGINEERING AND TECHNOLOGY
Department of Mechanical Engineering
ME6702 MECHATRONICS ACADEMIC YEAR2019-20
12 961416114013 AJIN P RAJ 0 0 0 0 2 5 6 4 11 6 17
13 961416114014 AJITH KUMAR R 1 0 1 1 0 7 8 5 16 7 23
14 961416114016 AKHIL K SHIBU 1 0 0 0 1 7 8 9 16 10 26
15 961416114017 AKHILNATH S S 1 1 1 1 1 8 12 9 22 12 34
16 961416114018 AKHIL P JOSE 2 2 2 2 2 10 8 12 22 18 40
17 961416114019 AKHIL RAJ P 2 0 0 1 1 5 3 5 10 7 17
18 961416114020 AKILAN H 1 1 1 1 1 8 9 9 19 12 31
19 961416114021 AKSHAYV NAIR 1 1 2 2 2 4 6 11 12 17 29
20 961416114022 ALAN ALEX 0 2 2 2 2 10 8 10 20 16 36
21 961416114023 ALAN P WILSON 1 2 2 2 1 7 7 6 17 11 28
22 961416114024 ALAN S ABRAHAM 2 1 1 1 2 4 4 11 11 15 26
23 961416114025 ALEN CHRIS BIJU 1 1 2 2 2 6 8 4 16 10 26
24 961416114026 ALEX MJOHNSON 2 2 2 2 2 8 6 10 18 16 34
25 961416114027 ALLEN SABU DANIEL 1 1 0 2 0 5 4 7 11 9 20
26 961416114028 ALPHIN A 0 1 1 2 2 5 4 6 10 11 21
27 961416114029 AMAL V SKARIA 0 0 0 1 1 5 4 4 9 6 15
28 961416114030 ANANDHU LAL 0 1 1 0 0 3 4 4 8 5 13
29 961416114031 ANISH P 0 0 2 0 0 4 3 3 7 5 12
30 961416114032 ANISH THOMAS 2 1 1 1 2 6 10 10 19 14 33
31 961416114033 ANSLYNITHIN S 2 0 0 0 2 6 8 4 16 6 22
32 961416114034 ANTO RUFUS G 0 2 2 2 0 6 11 11 19 15 34
33 961416114035 ARAVIND AKURUP 0 1 1 2 2 5 3 5 9 10 19
34 961416114036 ARAVIND GOPAL MJ 2 2 1 1 2 8 8 8 20 12 32
35 961416114037 ARAVINDHU M 2 2 0 0 0 3 4 5 11 5 16
36 961416114038 ARJUNAN K 1 0 1 2 0 6 3 4 10 7 17
37 961416114039 ARUN DANIEL 2 1 1 1 2 12 12 6 27 10 37
38 961416114040 ASHIK SAJI JOHN 0 1 1 0 2 3 3 4 7 7 14
39 961416114041 BELBIN J 0 1 0 1 1 7 6 4 14 6 20
40 961416114042 BENISH JEBIN S 2 1 2 2 2 6 11 11 20 17 37
41 961416114044 BIBIN FRANCIS 0 2 0 2 0 4 4 4 10 6 16
42 961416114045 BLESSIN S V 0 1 1 1 0 11 11 9 23 11 34
43 961416114046 CYRIAC VARGHESE 1 2 2 2 1 11 11 11 25 16 41
44 961416114047 DHANUSH A 0 1 0 2 0 5 4 5 10 7 17
45 961416114048 DOMINIC THOMAS 2 2 2 2 2 10 10 10 24 16 40
46 961416114049 ELISHAG JOY 0 0 0 0 2 5 6 4 11 6 17
47 961416114050 FELIX JOHN THOMAS 2 2 0 1 1 12 12 12 28 14 42
48 961416114051 GAUTHAM KRISHNA 1 1 2 2 2 6 8 4 16 10 26
49
961416114052
GIBIN VARGHESE
KURUVILLA
1 0 0 0 1 5 11 11 17 12 29
50 961416114053 HITHESHU JOSE 2 2 2 2 2 4 10 10 18 16 34
51 961416114054 JAISON J THARAKAN 2 0 0 1 1 5 3 5 10 7 17
52 961416114055 JEFFIN BINU JOHN 2 2 2 2 2 6 11 11 21 17 38
MAR EPHRAEM COLLEGE OF ENGINEERING AND TECHNOLOGY
Department of Mechanical Engineering
ME6702 MECHATRONICS ACADEMIC YEAR2019-20
53 961416114057 JESBIN JACOB KURIAN 2 0 0 0 2 6 10 10 18 12 30
54
961416114058
JILLS GEEVARUGHESE
SIMON
1 1 2 2 2 6 8 4 16 10 26
55 961416114059 JINO MON M 2 1 1 2 2 10 10 10 23 15 38
56 961416114060 JITHIN MABEY 2 1 1 1 2 8 8 12 19 16 35
57 961416114061 JITHU JOSE 1 1 0 2 0 5 4 7 11 9 20
58 961416114062 JOBIN GEORGE 0 1 1 2 2 5 4 6 10 11 21
59 961416114063 JOBIN JOSE 1 0 0 0 1 7 7 6 15 7 22
60 961416114064 JOBIN TEAPEN 1 2 2 2 1 4 4 11 11 16 27
61
961416114065
JOEL KURUVILLA
MATHEW
0 0 0 1 1 5 4 4 9 6 15
62 961416114066 JOMON M 1 1 1 2 2 8 6 10 16 15 31
63 961416114067 JUSTIN NOYAL 2 2 2 2 2 6 11 11 21 17 38
64 961416114068 KEVIN J MATHEW 2 2 2 2 2 3 5 12 12 18 30
65 961416114069 KIRAN KRISHNA 0 1 1 0 0 3 4 4 8 5 13
66 961416114070 MELVIN SAJI 2 2 2 2 2 4 4 10 12 16 28
67 961416114071 MIDHUN BIJU 0 0 2 0 0 4 3 3 7 5 12
68 961416114072 MOHAMED FARHAN 0 1 1 2 2 5 3 5 9 10 19
69 961416114073 NAYANRAJ S R 2 2 0 0 0 3 4 5 11 5 16
70 961416114074 NEJIN INFANTN C 2 2 2 2 2 6 11 11 21 17 38
71 961416114075 NIHIL ANAND G M 1 0 1 2 0 6 3 4 10 7 17
72 961416114076 NITHIN R V 2 1 1 1 2 8 8 8 19 12 31
73 961416114077 NITHIN SURESH 0 2 2 2 0 9 7 9 18 13 31
74 961416114078 PRABIN G 0 1 1 0 2 3 3 4 7 7 14
75 961416114079 PRABIN Y 1 1 2 2 1 6 9 5 17 10 27
76 961416114080 PRAKASH P 0 1 0 1 1 7 6 4 14 6 20
77 961416114081 RAJ VIMAL S V 0 2 0 2 0 4 4 4 10 6 16
78 961416114082 RAKESH C 0 1 0 2 0 5 4 5 10 7 17
79 961416114083 RATHEESH D 0 0 0 0 2 5 6 4 11 6 17
80 961416114084 RINU THOMAS 2 0 0 1 1 5 3 5 10 7 17
81 961416114085 ROBIN MJOSEPH 1 1 1 1 1 6 12 12 20 15 35
82 961416114086 ROSHAN RAJU 2 2 2 2 2 9 12 12 25 18 43
83 961416114087 SACHIN THOMAS 2 2 2 2 2 6 11 5 21 11 32
84
961416114088
SACHIN VARGHESE
MATHEW
1 1 2 2 2 6 8 4 16 10 26
85 961416114090 SALBIN S VARGHESE 2 2 2 2 2 10 9 11 23 17 40
86 961416114092 SARAN S NAIR 1 1 0 2 0 5 4 7 11 9 20
87 961416114093 SEBIN JOSE 0 1 1 2 2 5 4 6 10 11 21
88 961416114094 SHAINU S 2 2 2 2 2 4 6 11 14 17 31
89 961416114095 SHARON SEBASTIAN 0 0 0 1 1 5 4 4 9 6 15
90 961416114096 SHAWN AMATHEW 0 1 1 0 2 3 3 4 7 7 14
91 961416114097 SHIBU T 2 2 2 2 2 4 4 11 12 17 29
92 961416114098 SHIJO PAUL C M 0 1 0 1 1 7 6 4 14 6 20
MAR EPHRAEM COLLEGE OF ENGINEERING AND TECHNOLOGY
Department of Mechanical Engineering
ME6702 MECHATRONICS ACADEMIC YEAR2019-20
93 961416114099 SHIJU V 2 2 2 0 2 8 6 10 18 14 32
94 961416114100 SHON SAM RAJU 2 2 0 1 1 6 11 11 21 13 34
95 961416114101 SHYAMLAMBERT 0 2 0 2 0 4 4 4 10 6 16
96 961416114102 SIBIN VARGHESEB 0 2 2 2 2 9 12 5 23 11 34
97 961416114103 SIGO GEORGE 0 1 0 2 0 5 4 5 10 7 17
98 961416114105 SIVAJ 1 0 2 2 1 10 9 9 20 14 34
99 961416114106 SOJU BIJOY 2 0 2 2 2 6 10 10 18 16 34
100 961416114107 SOJU RENJITH 1 1 2 2 2 6 8 4 16 10 26
101 961416114108 SONU ABIN BABU 1 1 0 2 0 6 11 11 19 13 32
102 961416114109 STEFFIN P VARGHESE 0 0 0 0 2 5 6 4 11 6 17
103 961416114110 THOMAS BABU 0 0 2 2 2 8 8 8 16 14 30
104 961416114111 THOMAS KURIAN 2 0 0 0 2 9 7 9 18 11 29
105
961416114112
TOM THOMAS (26-12-
1996)
2 0 0 1 1 5 3 5 10 7 17
106
961416114113
TOM THOMAS (21-04-
1999)
0 0 2 2 2 10 10 5 20 11 31
107 961416114114 TOM VARGHESE 2 1 1 2 2 6 10 10 19 15 34
108 961416114115 VIBIN JOSEV 1 1 2 2 2 6 8 4 16 10 26
109 961416114116 VIBIN P 1 1 0 2 0 5 4 7 11 9 20
110 961416114117 VIBIN VARGHESE 1 2 2 2 1 10 10 10 23 15 38
111 961416114118 VIJAYA S 1 2 2 2 1 10 10 10 23 15 38
112 961416114119 VINOTH V 1 2 2 2 1 10 10 10 23 15 38
113 961416114120 VISHNU S 1 2 2 2 1 10 10 10 23 15 38
114 961416114301 AJIN DAS Y 1 2 2 2 1 10 10 10 23 15 38
115 961416114302 AJIN MON R S 1 2 2 2 1 10 10 10 23 15 38
116 961416114303 ALEX VARGHESE 1 2 2 2 1 10 10 10 23 15 38
117 961416114304 ASWIN RAJAMR 2 2 2 2 2 6 11 11 21 17 38
118 961416114305 HELWIN JOHN J S 0 1 1 2 2 5 4 6 10 11 21
119 961416114307 LESLIN EMERSON S 0 2 2 2 2 6 10 5 18 11 29
120
961416114308
MUHAMMED
HASINSHAP S
1 1 1 2 2 4 6 11 12 16 28
121 961416114309 PRINCERAJU 0 2 2 2 2 10 8 10 20 16 36
122 961416114310 RENJITH R 0 0 0 1 1 5 4 4 9 6 15
123 961416114312 SARAVANAN R 2 0 2 2 2 4 4 11 10 17 27
124
961416114313
SHOBIN GEORGE
CHERIAN
0 1 1 0 0 3 4 4 8 5 13
125 961416114701 ASWIN GEO S E 0 0 2 0 0 4 3 3 7 5 12
126 961416114702 SOWMIYAM 0 1 1 2 2 5 3 5 9 10 19
127 961416114703 STEBIN S 2 1 1 2 2 3 5 12 11 17 28
128 961416114501 JITHIN JIJI THOMAS 2 2 0 0 0 3 4 5 11 5 16
129
961416114901
JOHNSTON CHRYSLER
A
1 0 1 2 0 6 3 4 10 7 17
MAR EPHRAEM COLLEGE OF ENGINEERING AND TECHNOLOGY
Department of Mechanical Engineering
ME6702 MECHATRONICS ACADEMIC YEAR2019-20
CAE II
COURSE: FINITEELEMENT ANALYSIS EXAM: CAE
-II
Sl
N
o
REG NO STUDENT NAME CO3 CO4 CO3 CO4 Total
Marks
Obtaine
d
CO3
Total
Marks
Obtaine
d
CO4
Total
Marks
Obtaine
d
Q
1
Q
2
Q
3
Q
4
Q
5
Q6 Q7 Q8
2 2 2 2 2 13 13 14 17 33 50
1 961416114001 ABHIJITH K 2 2 1 1 2 12 11 9 16 24 40
2 961416114002 ABHINAND D S 2 0 0 1 0 10 10 10 12 21 33
3 961416114003 ABILASH A 0 0 0 1 1 5 4 5 5 11 16
4 961416114004 ABINESH E 2 1 1 2 2 6 10 10 9 25 34
5 961416114005 ABIN S 0 1 1 0 0 5 4 4 6 9 15
6
961416114006
ABIN SAM
ABRAHAM
1 1 2 2 2 11 11 11 13 28 41
7 961416114007 AGABOS M JACOB 0 0 2 0 0 4 3 7 4 12 16
8 961416114008 AHIN TA 0 1 1 2 2 5 6 7 6 18 24
9 961416114010 AJASHAJ A 2 0 2 1 2 6 11 6 8 22 30
10 961416114011 AJESH B S 2 2 2 2 1 12 12 12 16 29 45
11
961416114012
AJIN J
RAJENDRAN
2 2 2 2 1 12 5 8 16 18 34
12 961416114013 AJIN P RAJ 2 2 0 0 0 5 7 6 9 13 22
13 961416114014 AJITH KUMAR R 2 1 1 2 2 6 11 11 9 27 36
14 961416114016 AKHIL K SHIBU 0 1 0 1 0 8 7 8 9 16 25
15 961416114017 AKHILNATH S S 0 2 2 2 2 8 9 6 10 21 31
16 961416114018 AKHIL P JOSE 2 0 0 2 2 7 8 5 9 17 26
17 961416114019 AKHIL RAJ P 1 0 1 2 0 5 4 5 6 12 18
18 961416114020 AKILAN H 0 1 0 2 0 8 12 9 9 23 32
19 961416114021 AKSHAYV NAIR 2 2 2 1 1 10 8 12 14 24 38
20 961416114022 ALAN ALEX 1 1 1 2 2 10 10 10 12 25 37
21 961416114023 ALAN P WILSON 1 2 2 2 2 8 9 9 11 24 35
22 961416114024 ALAN S ABRAHAM 2 1 2 1 0 4 6 11 7 20 27
23 961416114025 ALEN CHRIS BIJU 2 2 1 1 2 4 5 6 8 15 23
24 961416114026 ALEX MJOHNSON 2 2 1 2 2 7 7 6 11 18 29
25
961416114027
ALLEN SABU
DANIEL
0 0 0 1 0 6 6 7 6 14 20
26 961416114028 ALPHIN A 1 0 1 1 0 4 4 5 5 11 16
27 961416114029 AMAL V SKARIA 1 1 0 2 0 3 3 4 5 9 14
28 961416114030 ANANDHU LAL 0 0 0 2 2 7 6 4 7 14 21
MAR EPHRAEM COLLEGE OF ENGINEERING AND TECHNOLOGY
Department of Mechanical Engineering
ME6702 MECHATRONICS ACADEMIC YEAR2019-20
29 961416114031 ANISH P 0 1 1 0 2 4 4 4 5 11 16
30 961416114032 ANISH THOMAS 2 1 2 1 0 9 12 5 12 20 32
31 961416114033 ANSLYNITHIN S 1 0 1 2 2 4 4 10 5 19 24
32 961416114034 ANTO RUFUS G 2 1 1 2 2 10 9 9 13 23 36
33
961416114035
ARAVIND A
KURUP
0 0 2 0 1 5 4 5 5 12 17
34
961416114036
ARAVIND GOPAL
M J
1 2 1 2 2 6 8 4 9 17 26
35 961416114037 ARAVINDHU M 1 2 1 0 0 5 6 4 8 11 19
36 961416114038 ARJUNAN K 2 0 1 1 0 5 3 5 7 10 17
37 961416114039 ARUN DANIEL 1 1 2 2 2 8 8 8 10 22 32
38 961416114040 ASHIK SAJI JOHN 0 1 0 0 0 6 8 4 7 12 19
39 961416114041 BELBIN J 2 2 2 0 2 5 4 7 9 15 24
40 961416114042 BENISH JEBIN S 2 2 1 1 2 12 12 6 16 22 38
41 961416114044 BIBIN FRANCIS 0 0 0 1 1 5 4 6 5 12 17
42 961416114045 BLESSIN S V 1 2 1 2 2 10 10 10 13 25 38
43
961416114046
CYRIAC
VARGHESE
2 1 1 2 2 6 11 11 9 27 36
44 961416114047 DHANUSH A 0 1 2 2 2 5 4 4 6 14 20
45
961416114048
DOMINIC
THOMAS
1 2 1 2 2 11 11 9 14 25 39
46 961416114049 ELISHAG JOY 1 1 0 2 0 3 4 4 5 10 15
47
961416114050
FELIX JOHN
THOMAS
1 0 1 1 0 10 10 10 11 22 33
48
961416114051
GAUTHAM
KRISHNA
1 1 2 2 2 10 10 10 12 26 38
49
961416114052
GIBIN VARGHESE
KURUVILLA
0 2 1 2 0 6 11 6 8 20 28
50 961416114053 HITHESHU JOSE 1 0 2 2 2 12 12 12 13 30 43
51
961416114054
JAISON J
THARAKAN
2 2 2 2 1 8 7 8 12 20 32
52 961416114055 JEFFIN BINU JOHN 2 2 2 2 2 8 9 6 12 21 33
53
961416114057
JESBIN JACOB
KURIAN
2 1 2 2 2 7 8 5 10 19 29
54
961416114058
JILLS
GEEVARUGHESE
SIMON
2 2 2 2 2 7 8 9 11 23 34
55 961416114059 JINO MON M 1 2 2 1 2 8 12 9 11 26 37
56 961416114060 JITHIN MABEY 2 1 2 1 1 10 8 12 13 24 37
57 961416114061 JITHU JOSE 1 1 2 1 1 10 10 10 12 24 36
58 961416114062 JOBIN GEORGE 2 2 1 2 2 8 9 9 12 23 35
59 961416114063 JOBIN JOSE 1 2 2 1 2 4 6 11 7 22 29
60 961416114064 JOBIN TEAPEN 1 0 1 0 2 10 8 10 11 21 32
61
961416114065
JOEL KURUVILLA
MATHEW
2 2 2 2 2 7 7 6 11 19 30
62 961416114066 JOMON M 2 0 1 1 0 4 4 11 6 17 23
63 961416114067 JUSTIN NOYAL 1 0 1 1 2 8 6 14 9 24 33
64 961416114068 KEVIN J MATHEW 1 2 2 1 2 8 6 10 11 21 32
65 961416114069 KIRAN KRISHNA 0 0 2 0 2 6 11 11 6 26 32
66 961416114070 MELVIN SAJI 2 2 2 1 2 3 5 12 7 22 29
MAR EPHRAEM COLLEGE OF ENGINEERING AND TECHNOLOGY
Department of Mechanical Engineering
ME6702 MECHATRONICS ACADEMIC YEAR2019-20
67 961416114071 MIDHUN BIJU 0 2 2 2 2 9 12 5 11 23 34
68
961416114072
MOHAMED
FARHAN
2 1 1 1 2 4 4 10 7 18 25
69 961416114073 NAYANRAJ S R 0 0 0 1 1 5 4 5 5 11 16
70 961416114074 NEJIN INFANTN C 2 2 1 2 2 6 10 10 10 25 35
71 961416114075 NIHIL ANAND G M 0 1 1 0 0 5 4 4 6 9 15
72 961416114076 NITHIN R V 2 2 2 2 2 6 11 11 10 28 38
73 961416114077 NITHIN SURESH 2 2 2 2 2 10 9 11 14 26 40
74 961416114078 PRABIN G 0 0 2 0 0 4 3 7 4 12 16
75 961416114079 PRABIN Y 2 2 1 2 2 6 10 5 10 20 30
76 961416114080 PRAKASH P 0 1 1 2 2 5 6 7 6 18 24
77 961416114081 RAJ VIMAL S V 2 2 0 0 0 5 7 6 9 13 22
78 961416114082 RAKESH C 1 0 1 2 0 5 4 5 6 12 18
79 961416114083 RATHEESH D 2 2 1 1 2 4 5 6 8 15 23
80 961416114084 RINU THOMAS 0 0 0 1 0 6 6 7 6 14 20
81 961416114085 ROBIN MJOSEPH 2 1 2 1 2 12 10 10 15 25 40
82 961416114086 ROSHAN RAJU 1 2 2 2 2 10 12 5 13 23 36
83 961416114087 SACHIN THOMAS 1 2 2 1 1 12 7 11 15 22 37
84
961416114088
SACHIN
VARGHESE
MATHEW
1 0 1 1 0 4 4 5 5 11 16
85
961416114090
SALBIN S
VARGHESE
2 2 1 2 2 10 7 10 14 22 36
86 961416114092 SARAN S NAIR 1 1 0 2 0 3 3 4 5 9 14
87 961416114093 SEBIN JOSE 0 0 0 2 2 7 6 4 7 14 21
88 961416114094 SHAINU S 2 0 2 2 2 10 3 5 12 14 26
89
961416114095
SHARON
SEBASTIAN
0 1 1 0 2 4 4 4 5 11 16
90
961416114096
SHAWN A
MATHEW
0 0 2 0 1 5 4 5 5 12 17
91 961416114097 SHIBU T 2 2 1 2 1 6 10 10 10 24 34
92 961416114098 SHIJO PAUL C M 1 2 1 0 0 5 6 4 8 11 19
93 961416114099 SHIJU V 2 2 2 2 2 4 6 10 8 22 30
94 961416114100 SHON SAM RAJU 2 1 2 0 2 11 6 11 14 21 35
95 961416114101 SHYAMLAMBERT 2 0 1 1 0 5 3 5 7 10 17
96
961416114102
SIBIN VARGHESE
B
2 2 2 2 2 7 6 12 11 24 35
97 961416114103 SIGO GEORGE 0 1 0 0 0 6 8 4 7 12 19
98 961416114105 SIVAJ 2 2 2 2 2 8 9 6 12 21 33
99 961416114106 SOJU BIJOY 2 1 1 2 2 7 8 5 10 18 28
100 961416114107 SOJU RENJITH 2 2 1 1 1 7 8 9 11 20 31
101 961416114108 SONU ABIN BABU 1 2 2 2 2 8 12 9 11 27 38
102
961416114109
STEFFIN P
VARGHESE
0 0 0 1 1 5 4 5 5 11 16
103 961416114110 THOMAS BABU 2 0 2 1 2 10 10 10 12 25 37
104 961416114111 THOMAS KURIAN 2 0 2 1 2 8 9 9 10 23 33
105 961416114112 TOM THOMAS 0 1 1 0 0 5 4 4 6 9 15
MAR EPHRAEM COLLEGE OF ENGINEERING AND TECHNOLOGY
Department of Mechanical Engineering
ME6702 MECHATRONICS ACADEMIC YEAR2019-20
(26-12-1996)
106
961416114113
TOM THOMAS
(21-04-1999)
2 1 1 1 1 10 8 10 13 21 34
107 961416114114 TOM VARGHESE 1 1 0 0 1 7 7 6 9 14 23
108 961416114115 VIBIN JOSEV 0 0 2 0 0 4 3 7 4 12 16
109 961416114116 VIBIN P 0 1 1 2 2 5 6 7 6 18 24
110 961416114117 VIBIN VARGHESE 0 1 1 2 2 5 6 7 6 18 24
111 961416114118 VIJAYA S 0 1 1 2 2 5 6 7 6 18 24
112 961416114119 VINOTH V 0 1 1 2 2 5 6 7 6 18 24
113 961416114120 VISHNU S 0 1 1 2 2 5 6 7 6 18 24
114 961416114301 AJIN DAS Y 0 1 1 2 2 5 6 7 6 18 24
115 961416114302 AJIN MON R S 0 1 1 2 2 5 6 7 6 18 24
116 961416114303 ALEX VARGHESE 1 1 2 1 2 8 6 10 10 21 31
117 961416114304 ASWIN RAJAMR 2 1 2 1 0 6 11 11 9 25 34
118 961416114305 HELWIN JOHN J S 2 2 0 0 0 5 7 6 9 13 22
119
961416114307
LESLIN EMERSON
S
0 0 1 1 1 9 12 5 9 20 29
120
961416114308
MUHAMMED
HASINSHAP S
2 1 0 1 1 4 4 10 7 16 23
121 961416114309 PRINCERAJU 2 2 2 2 2 10 9 9 14 24 38
122 961416114310 RENJITH R 1 0 1 2 0 5 4 5 6 12 18
123 961416114312 SARAVANAN R 1 1 1 1 2 6 8 4 8 16 24
124
961416114313
SHOBIN GEORGE
CHERIAN
2 2 1 1 2 4 5 6 8 15 23
125 961416114701 ASWIN GEO S E 0 0 0 1 0 6 6 7 6 14 20
126 961416114702 SOWMIYAM 1 0 1 1 0 4 4 5 5 11 16
127 961416114703 STEBIN S 2 1 2 2 2 9 7 9 12 22 34
128
961416114501
JITHIN JIJI
THOMAS
1 1 0 2 0 3 3 4 5 9 14
129
961416114901
JOHNSTON
CHRYSLER A
0 0 0 2 2 7 6 4 7 14 21
MAR EPHRAEM COLLEGE OF ENGINEERING AND TECHNOLOGY
Department of Mechanical Engineering
ME6702 MECHATRONICS ACADEMIC YEAR2019-20
Model Examination
COURSE: FINITEELEMENT ANALYSIS EXAM: MOD
EL
SlN
o
REG NO STUDENT
NAME
CO1 CO2 CO3 CO4 CO5 CO
1
CO
2
CO
3
CO
4
CO
5
CO
6
Total
Marks
Obtai
ned
Q
1
Q
2
Q
3
Q
4
Q
5
Q
6
Q7 Q
8
Q
9
Q1
0
Q1
1
Q1
2
Q1
3
Q1
4
Q1
5
Q1
6
2 2 2 2 2 2 2 2 2 2 13 13 13 13 13 15 100
1 96141611
4001 ABHIJITH K
2 0 1 2 2 2 0 1 2 2
1
2
1
1
9 4 6
1
1
67
2 96141611
4002
ABHINAND
D S
0 2 1 2 1 0 0 1 1 1
1
0
1
0
1
0
1
0
8
1
0
67
3 96141611
4003 ABILASH A
0 2 1 1 0 0 0 1 1 0 9 0 6 4
1
0
9 44
4 96141611
4004 ABINESH E
2 2 2 2 2 2 2 2 2 2 6
1
0
1
0
4 4
1
1
65
5 96141611
4005 ABIN S 2 0 2 0 2 0 0 0 1 0 5 6 7 8 9 4 46
6 96141611
4006
ABIN SAM
ABRAHAM
1 1 1 1 1 1 1 1 1 1
1
1
1
1
1
1
8 6
1
0
67
7 96141611
4007
AGABOS M
JACOB 1 0 2 0 0 1 0 2 1 1 5 4 5 0 5 2 29
8 96141611
4008 AHIN TA
2 0 1 1 2 0 0 1 1 0 8
1
2
5 5 4 4 46
9 96141611
4010 AJASHAJ A
2 2 0 0 1 2 2 0 0 1 6
1
1
6 9
1
2
5 59
10 96141611
4011 AJESH B S
2 1 2 2 2 2 1 2 2 2
1
2
1
2
1
2
4 4
1
0
72
11 96141611
4012
AJIN J
RAJENDRA
N
2 2 2 0 2 2 2 2 0 2
1
2
5 8
1
0
9 9 69
12 96141611
4013 AJIN P RAJ
2 0 0 1 0 0 2 0 1 1 4 4 6
1
0
5 8 44
13 96141611
4014
AJITH
KUMAR R
2 2 1 1 2 2 2 1 1 2 6
1
1
1
1
6 8 4 62
14 96141611
4016
AKHIL K
SHIBU
2 0 0 1 0 2 0 0 1 0 8 7 8 6
1
1
1
1
57
15 96141611
4017
AKHILNATH
S S
1 1 1 2 2 1 1 1 2 2 8 9 6
1
0
9
1
1
67
16 96141611
4018
AKHIL P
JOSE 2 1 1 2 2 2 1 1 2 2 7 8 5 8 8 8 60
17 96141611
4019
AKHIL RAJ
P 1 1 0 1 2 0 1 0 0 0 7 7 8 5 4 7 44
18 96141611
4020 AKILAN H
1 1 1 2 2 1 1 1 2 2 8
1
2
9 7 8 9 67
19 96141611
4021
AKSHAYV
NAIR
2 0 2 2 2 2 0 0 0 0
1
0
8
1
2
6 9 8 63
20 96141611
4022 ALAN ALEX
2 2 2 1 0 2 2 2 1 0
1
0
1
0
1
0
4 9
1
1
68
21 96141611
4023
ALAN P
WILSON
2 0 2 1 2 2 0 2 1 2 8 9 9 5
1
0
1
0
65
MAR EPHRAEM COLLEGE OF ENGINEERING AND TECHNOLOGY
Department of Mechanical Engineering
ME6702 MECHATRONICS ACADEMIC YEAR2019-20
22 96141611
4024
ALAN S
ABRAHAM
2 2 1 2 1 2 2 1 2 1 4 6
1
1
1
0
5 8 60
23 96141611
4025
ALEN
CHRIS BIJU 1 0 2 0 0 1 2 0 2 2 6 8 4 4 5 4 41
24 96141611
4026
ALEX M
JOHNSON
1 1 0 1 0 1 1 0 1 0 7 7 6
1
2
1
1
9 58
25 96141611
4027
ALLEN
SABU
DANIEL
1 0 1 0 0 0 1 1 0 1 0 6 6 6 5 8 36
26 96141611
4028 ALPHIN A 1 2 0 1 0 1 2 0 1 2 8 7 6 0 7 8 46
27 96141611
4029
AMAL V
SKARIA 0 2 1 1 0 0 2 1 1 1 5 4 5 2 4 6 35
28 96141611
4030
ANANDHU
LAL 0 0 2 2 2 2 0 0 0 0 2 6 5 6 3 8 38
29 96141611
4031 ANISH P 0 0 0 1 0 0 2 0 1 0 0 4 5 2 9 5 29
30 96141611
4032
ANISH
THOMAS
0 1 0 2 0 0 1 0 2 0 9
1
2
5
1
1
1
2
1
1
66
31 96141611
4033
ANSLY
NITHIN S
2 2 2 1 1 2 2 2 1 1 4 4
1
0
5
1
3
9 61
32 96141611
4034
ANTO
RUFUS G
1 1 1 2 2 1 1 1 2 2
1
0
9 9
1
0
9
1
2
73
33 96141611
4035
ARAVIND A
KURUP
0 1 0 1 0 0 1 0 1 0 5 5 4
1
0
6 5 39
34 96141611
4036
ARAVIND
GOPAL MJ
2 1 1 1 0 2 1 1 1 0 6 8 4
1
1
7 7 53
35 96141611
4037
ARAVINDH
U M 0 2 0 1 2 0 0 2 1 0 5 4 4 4 4 9 38
36
96141611
4038 ARJUNAN K 1 2 0 2 0 1 0 2 0 0 5 8 7 7 5 5 45
37 96141611
4039
ARUN
DANIEL
2 0 0 0 1 2 0 0 0 1 8 8 8
1
1
9 9 59
38 96141611
4040
ASHIK SAJI
JOHN 2 1 1 1 0 2 1 1 1 0 6 4 7 8 8 5 48
39 96141611
4041 BELBIN J 0 2 0 1 0 2 2 0 1 1 3 6 5 5 5 6 39
40 96141611
4042
BENISH
JEBIN S
2 2 0 1 2 2 2 0 1 2
1
2
1
2
6 8
1
2
1
2
76
41 96141611
4044
BIBIN
FRANCIS
2 0 1 1 0 2 0 1 1 2
1
0
5 5 0 4 7 41
42 96141611
4045
BLESSIN S
V
2 1 2 1 0 2 1 2 1 0
1
0
1
0
1
0
5 6 6 59
43 96141611
4046
CYRIAC
VARGHESE
1 0 1 2 2 1 0 1 2 2 6
1
1
1
1
1
0
1
0
1
0
70
44 96141611
4047
DHANUSH
A
0 0 1 0 1 0 0 1 0 1 5 5 0
1
1
9 0 34
45 96141611
4048
DOMINIC
THOMAS
2 2 2 1 1 2 2 2 1 1
1
1
1
1
9 5
1
2
1
2
76
46 96141611
4049
ELISHAG
JOY 0 0 0 2 1 2 2 0 0 1 5 3 0 5 9 9 39
47 96141611
4050
FELIX JOHN
THOMAS
0 0 1 0 1 0 0 1 0 1
1
0
1
0
1
0
1
0
1
1
1
3
68
48 96141611
4051
GAUTHAM
KRISHNA
2 2 0 2 1 2 2 0 2 1
1
0
1
0
1
0
5 8 8 65
49 96141611
4052
GIBIN
VARGHESE 1 1 2 2 2 1 1 2 2 2 6 1 6 1 1 1 69
MAR EPHRAEM COLLEGE OF ENGINEERING AND TECHNOLOGY
Department of Mechanical Engineering
ME6702 MECHATRONICS ACADEMIC YEAR2019-20
KURUVILLA 1 0 0 0
50 96141611
4053
HITHESHU
JOSE
2 1 1 1 2 2 1 1 0 2
1
2
1
2
1
2
5
1
2
1
2
78
51 96141611
4054
JAISON J
THARAKAN
0 2 1 0 0 1 2 1 2 2 9 0 6 4
1
0
9 49
52 96141611
4055
JEFFIN
BINU JOHN
2 2 1 1 2 2 2 1 1 2 8 9 6
1
0
1
0
1
0
69
53 96141611
4057
JESBIN
JACOB
KURIAN
2 0 0 1 0 2 0 0 1 0 7 8 5 5
1
0
1
0
51
54 96141611
4058
JILLS
GEEVARUG
HESE
SIMON
0 1 1 2 0 2 1 1 0 1 5 5 4
1
0
6
1
1
50
55 96141611
4059
JINO MON
M
2 1 1 2 2 2 1 1 2 2 8
1
2
9
1
0
1
0
1
0
75
56 96141611
4060
JITHIN M
ABEY
1 1 0 1 1 1 1 0 1 1
1
0
8
1
2
5
1
2
1
2
67
57 96141611
4061 JITHU JOSE
0 2 1 1 0 0 0 1 1 0 9 0 6 4
1
0
9 44
58 96141611
4062
JOBIN
GEORGE 2 0 2 0 2 0 0 0 1 0 5 6 7 8 9 4 46
59 96141611
4063 JOBIN JOSE
1 0 1 2 0 1 0 1 1 0 4 6
1
1
5
1
2
1
2
57
60 96141611
4064
JOBIN T
EAPEN
1 1 2 2 2 1 1 2 1 2
1
0
8
1
0
1
0
1
0
1
0
73
61 96141611
4065
JOEL
KURUVILLA
MATHEW
1 0 2 0 0 1 0 2 1 1 5 4 5 0 5 2 29
62 96141611
4066 JOMON M
1 0 2 0 2 1 0 2 0 2 4 4
1
1
1
2
1
0
1
0
61
63 96141611
4067
JUSTIN
NOYAL
2 2 1 2 2 2 2 1 2 2 8 6
1
1
1
1
1
0
1
0
74
64 96141611
4068
KEVIN J
MATHEW
2 2 1 1 1 2 2 1 1 1 8 6
1
0
9 8 9 64
65 96141611
4069
KIRAN
KRISHNA
2 0 1 1 2 0 0 1 1 0 8
1
2
5 5 4 4 46
66 96141611
4070
MELVIN
SAJI
2 1 1 2 2 2 1 1 2 2 3 5
1
2
1
0
1
1
1
0
67
67 96141611
4071
MIDHUN
BIJU
2 0 0 1 0 0 2 0 1 1 4 4 6
1
0
5 8 44
68 96141611
4072
MOHAMED
FARHAN 1 1 0 1 2 0 1 0 0 0 7 7 8 5 4 7 44
69 96141611
4073
NAYANRAJ
S R 1 0 2 0 0 1 2 0 2 2 6 8 4 4 5 4 41
70 96141611
4074
NEJIN
INFANTN C
2 1 1 1 1 2 1 1 1 1 6
1
0
1
0
9
1
1
1
0
68
71 96141611
4075
NIHIL
ANAND G
M
1 0 1 0 0 0 1 1 0 1 0 6 6 6 5 8 36
72 96141611
4076 NITHIN R V
1 2 2 1 2 2 2 2 1 2 6
1
1
1
1
5 9
1
4
73
73 96141611
4077
NITHIN
SURESH
1 0 1 0 0 2 0 1 0 0
1
0
9
1
1
9
1
0
8 62
74 96141611 PRABIN G 1 2 0 1 0 1 2 0 1 2 8 7 6 0 7 8 46
MAR EPHRAEM COLLEGE OF ENGINEERING AND TECHNOLOGY
Department of Mechanical Engineering
ME6702 MECHATRONICS ACADEMIC YEAR2019-20
4078
75 96141611
4079 PRABIN Y
1 2 1 1 2 1 1 1 1 2 6
1
0
5 7 8 9 58
76 96141611
4080 PRAKASH P 0 2 1 1 0 0 2 1 1 1 5 4 5 2 4 6 35
77
96141611
4081
RAJ VIMAL
S V 0 0 2 2 2 2 0 0 0 0 2 6 5 6 3 8 38
78 96141611
4082 RAKESH C 0 0 0 1 0 0 2 0 1 0 0 4 5 2 9 5 29
79 96141611
4083
RATHEESH
D
0 1 0 1 0 0 1 0 1 0 5 5 4
1
0
6 5 39
80 96141611
4084
RINU
THOMAS 0 2 0 1 2 0 0 2 1 0 5 4 4 4 4 9 38
81 96141611
4085
ROBIN M
JOSEPH
1 0 0 1 2 2 0 0 1 2
1
2
1
0
1
0
7 8 9 65
82 96141611
4086
ROSHAN
RAJU
2 2 1 2 2 2 2 1 2 2
1
0
1
2
5 8
1
2
9 74
83 96141611
4087
SACHIN
THOMAS
2 2 0 1 2 2 2 0 1 2
1
2
7
1
1
1
0
8
1
2
74
84 96141611
4088
SACHIN
VARGHESE
MATHEW
1 2 0 2 0 1 0 2 0 0 5 8 7 7 5 5 45
85 96141611
4090
SALBIN S
VARGHESE
0 2 2 2 2 2 2 2 2 2
1
0
7
1
0
8 9 9 71
86 96141611
4092
SARAN S
NAIR 2 1 1 1 0 2 1 1 1 0 6 4 7 8 8 5 48
87 96141611
4093 SEBIN JOSE 0 2 0 1 0 2 2 0 1 1 3 6 5 5 5 6 39
88 96141611
4094 SHAINU S
0 2 2 2 2 2 2 2 2 2
1
0
3 5 7 7 6 56
89 96141611
4095
SHARON
SEBASTIAN
2 0 1 1 0 2 0 1 1 2
1
0
5 5 0 4 7 41
90 96141611
4096
SHAWN A
MATHEW
0 0 1 0 1 0 0 1 0 1 5 5 0
1
1
9 0 34
91 96141611
4097 SHIBU T
2 2 2 2 2 2 2 2 2 2 6
1
0
1
0
8 6
1
0
70
92 96141611
4098
SHIJO PAUL
C M 0 0 0 2 1 2 2 0 0 1 5 3 0 5 9 9 39
93 96141611
4099 SHIJU V
2 1 1 1 2 2 1 1 1 2 4 6
1
0
3 5
1
2
54
94 96141611
4100
SHON SAM
RAJU
1 2 2 2 2 2 2 2 2 2
1
1
6
1
1
9
1
2
5 73
95 96141611
4101
SHYAM
LAMBERT
0 2 1 0 0 1 2 1 2 2 9 0 6 4
1
0
9 49
96 96141611
4102
SIBIN
VARGHESE
B
0 2 2 2 2 2 2 2 2 2 7 6
1
2
1
0
9 9 71
97 96141611
4103
SIGO
GEORGE
0 1 1 2 0 2 1 1 0 1 5 5 4
1
0
6
1
1
50
98 96141611
4105 SIVAJ 2 2 0 1 2 2 2 0 1 1 8 9 6 6 8 4 54
99 96141611
4106 SOJU BIJOY
2 2 1 2 2 2 2 1 2 2 7 8 5 6
1
1
1
1
66
10
0
96141611
4107
SOJU
RENJITH
0 0 2 2 2 2 0 2 2 2 7 8 9
1
0
9
1
1
68
MAR EPHRAEM COLLEGE OF ENGINEERING AND TECHNOLOGY
Department of Mechanical Engineering
ME6702 MECHATRONICS ACADEMIC YEAR2019-20
10
1
96141611
4108
SONU ABIN
BABU
2 2 1 1 2 2 2 1 1 2 8
1
2
9 8 8 8 69
10
2
96141611
4109
STEFFIN P
VARGHESE
0 2 1 2 0 0 2 1 1 0 5 4 4 4 4 9 39
10
3
96141611
4110
THOMAS
BABU
0 2 1 2 2 2 2 1 2 1
1
0
1
0
1
0
8
1
1
8 72
10
4
96141611
4111
THOMAS
KURIAN
0 2 2 1 2 2 2 2 1 2 8 9 9
1
2
1
2
6 72
10
5 96141611
4112
TOM
THOMAS
(26-12-
1996)
1 0 2 0 0 1 0 2 0 0 0 8 7 7 5 5 38
10
6 96141611
4113
TOM
THOMAS
(21-04-
1999)
2 1 1 2 2 2 1 1 0 2
1
0
8
1
0
1
0
1
0
1
0
72
10
7
96141611
4114
TOM
VARGHESE
0 2 1 1 0 0 0 1 1 0 7 7 6 6
1
1
1
1
54
10
8
96141611
4115
VIBIN JOSE
V
0 2 1 1 0 0 0 1 1 0 7 7 6 6
1
1
1
1
54
10
9
96141611
4116 VIBIN P
0 2 1 1 0 0 0 1 1 0 7 7 6 6
1
1
1
1
54
11
0
96141611
4117
VIBIN
VARGHESE
0 2 1 1 0 0 0 1 1 0 7 7 6 6
1
1
1
1
54
11
1
96141611
4118 VIJAYA S
0 2 1 1 0 0 0 1 1 0 7 7 6 6
1
1
1
1
54
11
2
96141611
4119 VINOTH V
0 2 1 1 0 0 0 1 1 0 7 7 6 6
1
1
1
1
54
11
3
96141611
4120 VISHNU S
0 2 1 1 0 0 0 1 1 0 7 7 6 6
1
1
1
1
54
11
4
96141611
4301 AJIN DAS Y
1 0 1 1 0 1 2 1 1 2 6 4 7 8 8 5 48
11
5
96141611
4302
AJIN MON
R S
2 1 2 1 1 2 1 0 0 1 3 6 5 5 5 6 41
11
6
96141611
4303
ALEX
VARGHESE
2 2 2 2 2 2 2 2 2 2 8 6
1
0
1
1
1
1
1
1
77
11
7
96141611
4304
ASWIN
RAJAMR
2 1 1 2 2 2 1 1 2 2 6
1
1
1
1
1
0
1
0
1
0
74
11
8
96141611
4305
HELWIN
JOHN J S
0 1 1 1 2 0 1 1 1 2 3 6 5 5 5 6 40
11
9
96141611
4307
LESLIN
EMERSON
S
1 2 1 2 2 1 2 1 2 2 9
1
2
5 6
1
1
6 65
12
0 96141611
4308
MUHAMM
ED
HASINSHA
P S
1 2 2 2 2 1 2 2 2 2 4 4
1
0
1
2
1
2
1
2
72
12
1
96141611
4309
PRINCE
RAJU
2 0 1 1 2 2 0 1 1 0
1
0
9 9 6 8 4 56
12
2
96141611
4310 RENJITH R
1 0 0 0 0 0 2 0 2 0 4 5 5 0 4 7 30
12
3
96141611
4312
SARAVANA
N R
2 2 2 2 1 2 2 2 2 1 6 8 4 4
1
0
1
0
60
MAR EPHRAEM COLLEGE OF ENGINEERING AND TECHNOLOGY
Department of Mechanical Engineering
ME6702 MECHATRONICS ACADEMIC YEAR2019-20
12
4
96141611
4313
SHOBIN
GEORGE
CHERIAN
0 0 2 2 0 0 0 0 0 0 5 5 0
1
1
9 0 34
12
5
96141611
4701
ASWIN
GEO S E
0 0 1 1 0 0 2 1 1 0 5 3 0 5 9 9 37
12
6
96141611
4702
SOWMIYA
M
0 2 1 1 0 0 0 1 1 0 9 0 6 4
1
0
9 44
12
7
96141611
4703 STEBIN S
2 2 0 1 2 2 2 0 1 2 9 7 9
1
2
1
2
1
2
75
12
8
96141611
4501
JITHIN JIJI
THOMAS
2 0 2 0 2 0 0 0 1 0 5 6 7 8 9 4 46
12
9
96141611
4901
JOHNSTON
CHRYSLER
A
1 0 2 0 0 1 0 2 1 1 5 4 5 0 5 2 29
University Question papers
MAR EPHRAEM COLLEGE OF ENGINEERING AND TECHNOLOGY
Department of Mechanical Engineering
ME6702 MECHATRONICS ACADEMIC YEAR2019-20
MAR EPHRAEM COLLEGE OF ENGINEERING AND TECHNOLOGY
Department of Mechanical Engineering
ME6702 MECHATRONICS ACADEMIC YEAR2019-20
MAR EPHRAEM COLLEGE OF ENGINEERING AND TECHNOLOGY
Department of Mechanical Engineering
ME6702 MECHATRONICS ACADEMIC YEAR2019-20
MAR EPHRAEM COLLEGE OF ENGINEERING AND TECHNOLOGY
Department of Mechanical Engineering
ME6702 MECHATRONICS ACADEMIC YEAR2019-20
MAR EPHRAEM COLLEGE OF ENGINEERING AND TECHNOLOGY
Department of Mechanical Engineering
ME6702 MECHATRONICS ACADEMIC YEAR2019-20
MAR EPHRAEM COLLEGE OF ENGINEERING AND TECHNOLOGY
Department of Mechanical Engineering
ME6702 MECHATRONICS ACADEMIC YEAR2019-20
MAR EPHRAEM COLLEGE OF ENGINEERING AND TECHNOLOGY
Department of Mechanical Engineering
ME6702 MECHATRONICS ACADEMIC YEAR2019-20
MAR EPHRAEM COLLEGE OF ENGINEERING AND TECHNOLOGY
Department of Mechanical Engineering
ME6702 MECHATRONICS ACADEMIC YEAR2019-20
MAR EPHRAEM COLLEGE OF ENGINEERING AND TECHNOLOGY
Department of Mechanical Engineering
ME6702 MECHATRONICS ACADEMIC YEAR2019-20
MAR EPHRAEM COLLEGE OF ENGINEERING AND TECHNOLOGY
Department of Mechanical Engineering
ME6702 MECHATRONICS ACADEMIC YEAR2019-20
MAR EPHRAEM COLLEGE OF ENGINEERING AND TECHNOLOGY
Department of Mechanical Engineering
ME6702 MECHATRONICS ACADEMIC YEAR2019-20
MAR EPHRAEM COLLEGE OF ENGINEERING AND TECHNOLOGY
Department of Mechanical Engineering
ME6702 MECHATRONICS ACADEMIC YEAR2019-20
MAR EPHRAEM COLLEGE OF ENGINEERING AND TECHNOLOGY
Department of Mechanical Engineering
ME6702 MECHATRONICS ACADEMIC YEAR2019-20
MAR EPHRAEM COLLEGE OF ENGINEERING AND TECHNOLOGY
Department of Mechanical Engineering
ME6702 MECHATRONICS ACADEMIC YEAR2019-20
MAR EPHRAEM COLLEGE OF ENGINEERING AND TECHNOLOGY
Department of Mechanical Engineering
ME6702 MECHATRONICS ACADEMIC YEAR2019-20
MAR EPHRAEM COLLEGE OF ENGINEERING AND TECHNOLOGY
Department of Mechanical Engineering
ME6702 MECHATRONICS ACADEMIC YEAR2019-20
MAR EPHRAEM COLLEGE OF ENGINEERING AND TECHNOLOGY
Department of Mechanical Engineering
ME6702 MECHATRONICS ACADEMIC YEAR2019-20
RESULT ANALYSIS FOR EXTERNAL EXAMS (UNIVERSITY)
SlNo REG NO STUDENTNAME Grade
1 961416114001 ABHIJITH K UA
2 961416114002 ABHINAND D S U
3 961416114003 ABILASH A D
4 961416114004 ABINESH E E
5 961416114005 ABIN S C
6 961416114006 ABIN SAM ABRAHAM E
7 961416114007 AGABOS M JACOB U
8 961416114008 AHIN TA E
9 961416114010 AJASHAJ A E
10 961416114011 AJESH B S U
11 961416114012 AJIN J RAJENDRAN U
12 961416114013 AJIN P RAJ E
13 961416114014 AJITH KUMAR R UA
14 961416114016 AKHIL K SHIBU U
15 961416114017 AKHILNATH S S U
16 961416114018 AKHIL P JOSE U
17 961416114019 AKHIL RAJ P U
18 961416114020 AKILAN H E
19 961416114021 AKSHAYV NAIR U
20 961416114022 ALAN ALEX U
21 961416114023 ALAN P WILSON U
22 961416114024 ALAN S ABRAHAM E
23 961416114025 ALEN CHRIS BIJU U
24 961416114026 ALEX MJOHNSON U
25 961416114027 ALLEN SABU DANIEL E
26 961416114028 ALPHIN A D
27 961416114029 AMAL V SKARIA U
28 961416114030 ANANDHU LAL U
29 961416114031 ANISH P U
30 961416114032 ANISH THOMAS E
31 961416114033 ANSLYNITHIN S U
32 961416114034 ANTO RUFUS G U
33 961416114035 ARAVIND AKURUP U
34 961416114036 ARAVIND GOPAL MJ U
35 961416114037 ARAVINDHU M E
36 961416114038 ARJUNAN K E
37 961416114039 ARUN DANIEL UA
MAR EPHRAEM COLLEGE OF ENGINEERING AND TECHNOLOGY
Department of Mechanical Engineering
ME6702 MECHATRONICS ACADEMIC YEAR2019-20
38 961416114040 ASHIK SAJI JOHN B
39 961416114041 BELBIN J UA
40 961416114042 BENISH JEBIN S U
41 961416114044 BIBIN FRANCIS UA
42 961416114045 BLESSIN S V U
43 961416114046 CYRIAC VARGHESE E
44 961416114047 DHANUSH A U
45 961416114048 DOMINIC THOMAS U
46 961416114049 ELISHAG JOY E
47 961416114050 FELIX JOHN THOMAS E
48 961416114051 GAUTHAMKRISHNA C
49 961416114052 GIBIN VARGHESEKURUVILLA U
50 961416114053 HITHESHU JOSE U
51 961416114054 JAISON J THARAKAN U
52 961416114055 JEFFIN BINU JOHN U
53 961416114057 JESBIN JACOB KURIAN U
54 961416114058 JILLS GEEVARUGHESESIMON E
55 961416114059 JINO MON M E
56 961416114060 JITHIN MABEY E
57 961416114061 JITHU JOSE D
58 961416114062 JOBIN GEORGE E
59 961416114063 JOBIN JOSE E
60 961416114064 JOBIN TEAPEN D
61 961416114065 JOEL KURUVILLAMATHEW U
62 961416114066 JOMON M U
63 961416114067 JUSTIN NOYAL U
64 961416114068 KEVIN J MATHEW B
65 961416114069 KIRAN KRISHNA E
66 961416114070 MELVIN SAJI C
67 961416114071 MIDHUN BIJU U
68 961416114072 MOHAMED FARHAN E
69 961416114073 NAYANRAJ S R U
70 961416114074 NEJIN INFANTN C D
71 961416114075 NIHIL ANAND G M U
72 961416114076 NITHIN R V U
73 961416114077 NITHIN SURESH E
74 961416114078 PRABIN G E
75 961416114079 PRABIN Y E
76 961416114080 PRAKASH P UA
77 961416114081 RAJ VIMAL S V U
78 961416114082 RAKESH C E
MAR EPHRAEM COLLEGE OF ENGINEERING AND TECHNOLOGY
Department of Mechanical Engineering
ME6702 MECHATRONICS ACADEMIC YEAR2019-20
79 961416114083 RATHEESH D E
80 961416114084 RINU THOMAS E
81 961416114085 ROBIN MJOSEPH U
82 961416114086 ROSHAN RAJU U
83 961416114087 SACHIN THOMAS D
84 961416114088 SACHIN VARGHESEMATHEW U
85 961416114090 SALBIN S VARGHESE E
86 961416114092 SARAN S NAIR U
87 961416114093 SEBIN JOSE E
88 961416114094 SHAINU S E
89 961416114095 SHARON SEBASTIAN UA
90 961416114096 SHAWN AMATHEW U
91 961416114097 SHIBU T U
92 961416114098 SHIJO PAUL C M E
93 961416114099 SHIJU V U
94 961416114100 SHON SAM RAJU E
95 961416114101 SHYAMLAMBERT U
96 961416114102 SIBIN VARGHESEB E
97 961416114103 SIGO GEORGE U
98 961416114105 SIVAJ C
99 961416114106 SOJU BIJOY E
100 961416114107 SOJU RENJITH UA
101 961416114108 SONU ABIN BABU D
102 961416114109 STEFFIN P VARGHESE U
103 961416114110 THOMAS BABU E
104 961416114111 THOMAS KURIAN U
105 961416114112 TOM THOMAS (26-12-1996) E
106 961416114113 TOM THOMAS (21-04-1999) D
107 961416114114 TOM VARGHESE E
108 961416114115 VIBIN JOSEV D
109 961416114116 VIBIN P A
110 961416114117 VIBIN VARGHESE E
111 961416114118 VIJAYA S U
112 961416114119 VINOTH V U
113 961416114120 VISHNU S U
114 961416114301 AJIN DAS Y E
115 961416114302 AJIN MON R S U
116 961416114303 ALEX VARGHESE U
117 961416114304 ASWIN RAJAMR D
118 961416114305 HELWIN JOHN J S E
119 961416114307 LESLIN EMERSON S U
MAR EPHRAEM COLLEGE OF ENGINEERING AND TECHNOLOGY
Department of Mechanical Engineering
ME6702 MECHATRONICS ACADEMIC YEAR2019-20
120 961416114308 MUHAMMED HASINSHAP S U
121 961416114309 PRINCERAJU U
122 961416114310 RENJITH R U
123 961416114312 SARAVANAN R UA
124 961416114313 SHOBIN GEORGECHERIAN C
125 961416114701 ASWIN GEO S E UA
126 961416114702 SOWMIYAM UA
127 961416114703 STEBIN S C
128 961416114501 JITHIN JIJI THOMAS E
129 961416114901 JOHNSTON CHRYSLER A UA
ASSIGNMENTS (BEST, WORST, AVERAGE)
RUBRICS FOREVALUATION
Parameter for
Assessment
Excellent (16-
20marks)
Good (11–15
marks)
Fair (06-10
marks)
Unsatisfactory
(<=5 marks)
Application of
Learned
Concepts
Applied the learned
concepts and
explained the results
Applied the
learned
concepts
Tried to apply
the learned
concepts
Not Applied any
learned Concepts
Reference of
Resources
Referred more than 2
resources
Referred up to
2 resources
Referred one
resource
has not referred
any resource
Uniqueness of
Content
Unique 30% copied 60% copied Not submitted
Timely
Submission
Submitted on time
Late
submission
with
justification
Submitted very
late without any
explanation
Not submitted
Neatness of the
Report
Very neat with charts,
table, references as
per the given
instructions
Report is in
satisfactory
form
Report is in
undesirable form
Not submitted
ASSIGNMENT 1:
A simple supported beam subjected to uniformly distributed load over entire span and it is
subjected to a point load at the centre of the span. Calculate the maximum deflectionand
bending moment using Rayleigh-Ritz method and compare with exact solutions (10
marks)
For the beam and loading shown in figure, calculatethe rotations at B and C. Take E = 210
GPa and I= 6 x106 mm4(10 marks)
CO1
CO2
MAR EPHRAEM COLLEGE OF ENGINEERING AND TECHNOLOGY
Department of Mechanical Engineering
ME6702 MECHATRONICS ACADEMIC YEAR2019-20
ASSIGNMENT 2:
Determine the stiffness matrix for the CST Element shown in Figure. The
coordinates are given in mm. Assume plane strain condition. E = 210 GPa, v = 0.25
and t = 10 mm(10 marks)
For the axisymmetric element shown determine stiffness matrix. Take E=200GPa and
poisson’s ratio = 0.25 (10 marks)
CO3
CO4
ASSIGNMENT 3:
Evaluate the Jacobian matrix at the local coordinates ε=η= 0.5 forthe linear
quadrilateral element with its global coordinates as shown in fig. Also evaluate
the strain-displacement matrix and Element stress.
MAR EPHRAEM COLLEGE OF ENGINEERING AND TECHNOLOGY
Department of Mechanical Engineering
ME6702 MECHATRONICS ACADEMIC YEAR2019-20
(10 marks)
Determine the natural frequency of vibration for a beam fixed at both ends as shown in
fig. The beam has mass density ρ, modulus of elasticity E, cross sectional areaA, moment
of inertia I and length 2L.The beam is discretized into two elements of length L
(10 marks)
CO5
CO6
AnswerKey:
Assignment1
 Rayleigh-Ritz method






Beam:
MAR EPHRAEM COLLEGE OF ENGINEERING AND TECHNOLOGY
Department of Mechanical Engineering
ME6702 MECHATRONICS ACADEMIC YEAR2019-20



Assignment2
CST
 A=2700mm2



MAR EPHRAEM COLLEGE OF ENGINEERING AND TECHNOLOGY
Department of Mechanical Engineering
ME6702 MECHATRONICS ACADEMIC YEAR2019-20

Axisymmetric



MAR EPHRAEM COLLEGE OF ENGINEERING AND TECHNOLOGY
Department of Mechanical Engineering
ME6702 MECHATRONICS ACADEMIC YEAR2019-20
Assignment3
Jacobian

Vibration

MAR EPHRAEM COLLEGE OF ENGINEERING AND TECHNOLOGY
Department of Mechanical Engineering
ME6702 MECHATRONICS ACADEMIC YEAR2019-20


AssignmentMarks
Sl
No
REG NO STUDENT NAME Assignment 01 Assignment 02 Assignment
03
CO1&CO2 CO3&CO4 CO5&CO6
20 20 20
1 961416114001 ABHIJITH K 18 18 18
2 961416114002 ABHINAND D S 17 17 17
3 961416114003 ABILASH A 20 20 20
4 961416114004 ABINESH E 14 14 14
5 961416114005 ABIN S 8 8 8
6 961416114006 ABIN SAM ABRAHAM 12 12 12
7 961416114007 AGABOS M JACOB 4 4 4
8 961416114008 AHIN TA 19 19 19
9 961416114010 AJASHAJ A 16 16 16
10 961416114011 AJESH B S 17 17 17
11 961416114012 AJIN J RAJENDRAN 18 18 18
12 961416114013 AJIN P RAJ 17 17 17
13 961416114014 AJITH KUMAR R 20 20 20
14 961416114016 AKHIL K SHIBU 14 14 14
15 961416114017 AKHILNATH S S 8 8 8
16 961416114018 AKHIL P JOSE 12 12 12
MAR EPHRAEM COLLEGE OF ENGINEERING AND TECHNOLOGY
Department of Mechanical Engineering
ME6702 MECHATRONICS ACADEMIC YEAR2019-20
17 961416114019 AKHIL RAJ P 4 4 4
18 961416114020 AKILAN H 19 19 19
19 961416114021 AKSHAYV NAIR 16 16 16
20 961416114022 ALAN ALEX 17 17 17
21 961416114023 ALAN P WILSON 18 18 18
22 961416114024 ALAN S ABRAHAM 17 17 17
23 961416114025 ALEN CHRIS BIJU 20 20 20
24 961416114026 ALEX MJOHNSON 14 14 14
25 961416114027 ALLEN SABU DANIEL 8 8 8
26 961416114028 ALPHIN A 12 12 12
27 961416114029 AMAL V SKARIA 4 4 4
28 961416114030 ANANDHU LAL 19 19 19
29 961416114031 ANISH P 16 16 16
30 961416114032 ANISH THOMAS 17 17 17
31 961416114033 ANSLYNITHIN S 18 18 18
32 961416114034 ANTO RUFUS G 17 17 17
33 961416114035 ARAVIND AKURUP 20 20 20
34 961416114036 ARAVIND GOPAL MJ 14 14 14
35 961416114037 ARAVINDHU M 8 8 8
36 961416114038 ARJUNAN K 12 12 12
37 961416114039 ARUN DANIEL 4 4 4
38 961416114040 ASHIK SAJI JOHN 19 19 19
39 961416114041 BELBIN J 16 16 16
40 961416114042 BENISH JEBIN S 17 17 17
41 961416114044 BIBIN FRANCIS 18 18 18
42 961416114045 BLESSIN S V 17 17 17
43 961416114046 CYRIAC VARGHESE 20 20 20
44 961416114047 DHANUSH A 14 14 14
45 961416114048 DOMINIC THOMAS 8 8 8
46 961416114049 ELISHAG JOY 12 12 12
47 961416114050 FELIX JOHN THOMAS 4 4 4
48 961416114051 GAUTHAMKRISHNA 19 19 19
49 961416114052 GIBIN VARGHESEKURUVILLA 16 16 16
50 961416114053 HITHESHU JOSE 17 17 17
51 961416114054 JAISON J THARAKAN 18 18 18
52 961416114055 JEFFIN BINU JOHN 17 17 17
53 961416114057 JESBIN JACOB KURIAN 20 20 20
54 961416114058 JILLS GEEVARUGHESESIMON 14 14 14
55 961416114059 JINO MON M 8 8 8
56 961416114060 JITHIN MABEY 12 12 12
57 961416114061 JITHU JOSE 4 4 4
MAR EPHRAEM COLLEGE OF ENGINEERING AND TECHNOLOGY
Department of Mechanical Engineering
ME6702 MECHATRONICS ACADEMIC YEAR2019-20
58 961416114062 JOBIN GEORGE 19 19 19
59 961416114063 JOBIN JOSE 16 16 16
60 961416114064 JOBIN TEAPEN 17 17 17
61 961416114065 JOEL KURUVILLAMATHEW 18 18 18
62 961416114066 JOMON M 17 17 17
63 961416114067 JUSTIN NOYAL 20 20 20
64 961416114068 KEVIN J MATHEW 14 14 14
65 961416114069 KIRAN KRISHNA 8 8 8
66 961416114070 MELVIN SAJI 12 12 12
67 961416114071 MIDHUN BIJU 4 4 4
68 961416114072 MOHAMED FARHAN 19 19 19
69 961416114073 NAYANRAJ S R 16 16 16
70 961416114074 NEJIN INFANT N C 17 17 17
71 961416114075 NIHIL ANAND G M 18 18 18
72 961416114076 NITHIN R V 17 17 17
73 961416114077 NITHIN SURESH 20 20 20
74 961416114078 PRABIN G 14 14 14
75 961416114079 PRABIN Y 8 8 8
76 961416114080 PRAKASH P 12 12 12
77 961416114081 RAJ VIMAL S V 4 4 4
78 961416114082 RAKESH C 19 19 19
79 961416114083 RATHEESH D 16 16 16
80 961416114084 RINU THOMAS 17 17 17
81 961416114085 ROBIN MJOSEPH 18 18 18
82 961416114086 ROSHAN RAJU 17 17 17
83 961416114087 SACHIN THOMAS 20 20 20
84 961416114088 SACHIN VARGHESEMATHEW 14 14 14
85 961416114090 SALBIN S VARGHESE 8 8 8
86 961416114092 SARAN S NAIR 12 12 12
87 961416114093 SEBIN JOSE 4 4 4
88 961416114094 SHAINU S 19 19 19
89 961416114095 SHARON SEBASTIAN 16 16 16
90 961416114096 SHAWN AMATHEW 17 17 17
91 961416114097 SHIBU T 18 18 18
92 961416114098 SHIJO PAUL C M 17 17 17
93 961416114099 SHIJU V 20 20 20
94 961416114100 SHON SAM RAJU 14 14 14
95 961416114101 SHYAMLAMBERT 8 8 8
96 961416114102 SIBIN VARGHESEB 12 12 12
97 961416114103 SIGO GEORGE 4 4 4
98 961416114105 SIVAJ 19 19 19
MAR EPHRAEM COLLEGE OF ENGINEERING AND TECHNOLOGY
Department of Mechanical Engineering
ME6702 MECHATRONICS ACADEMIC YEAR2019-20
99 961416114106 SOJU BIJOY 16 16 16
100 961416114107 SOJU RENJITH 17 17 17
101 961416114108 SONU ABIN BABU 18 18 18
102 961416114109 STEFFIN P VARGHESE 17 17 17
103 961416114110 THOMAS BABU 20 20 20
104 961416114111 THOMAS KURIAN 14 14 14
105 961416114112 TOM THOMAS (26-12-1996) 8 8 8
106 961416114113 TOM THOMAS (21-04-1999) 12 12 12
107 961416114114 TOM VARGHESE 4 4 4
108 961416114115 VIBIN JOSEV 19 19 19
109 961416114116 VIBIN P 16 16 16
110 961416114117 VIBIN VARGHESE 17 17 17
111 961416114118 VIJAYA S 18 18 18
112 961416114119 VINOTH V 17 17 17
113 961416114120 VISHNU S 20 20 20
114 961416114301 AJIN DAS Y 14 14 14
115 961416114302 AJIN MON R S 8 8 8
116 961416114303 ALEX VARGHESE 12 12 12
117 961416114304 ASWIN RAJAMR 4 4 4
118 961416114305 HELWIN JOHN J S 19 19 19
119 961416114307 LESLIN EMERSON S 16 16 16
120 961416114308 MUHAMMED HASINSHAP S 17 17 17
121 961416114309 PRINCERAJU 18 18 18
122 961416114310 RENJITH R 17 17 17
123 961416114312 SARAVANAN R 20 20 20
124 961416114313 SHOBIN GEORGECHERIAN 17 17 17
125 961416114701 ASWIN GEO S E 18 18 18
126 961416114702 SOWMIYAM 17 17 17
127 961416114703 STEBIN S 20 20 20
128 961416114501 JITHIN JIJI THOMAS 17 17 17
129 961416114901 JOHNSTON CHRYSLER A 20 20 20
TARGET FIXING DETAILS
 For 2014-18 batch the target % is 50%; For 2015-19 batch the target % is 55%
 Now, For this batch 2016-20 batch the target % is retained as 55%;
MAR EPHRAEM COLLEGE OF ENGINEERING AND TECHNOLOGY
Department of Mechanical Engineering
ME6702 MECHATRONICS ACADEMIC YEAR2019-20
COURSE EXIT SURVEY
SlNo REG NO STUDENT NAME
COs
1 2 3 4 5 6
1 961416114001 ABHIJITH K 4 5 4 5 4 3
2 961416114002 ABHINAND D S 4 4 4 3 4 4
3 961416114003 ABILASH A 4 5 4 3 3 4
4 961416114004 ABINESH E 5 3 4 4 3 4
5 961416114005 ABIN S 3 3 5 4 4 4
6 961416114006 ABIN SAM ABRAHAM 3 4 3 5 4 5
7 961416114007 AGABOS M JACOB 4 4 3 3 4 3
8 961416114008 AHIN TA 4 5 4 3 4 3
9 961416114010 AJASHAJ A 5 5 4 4 5 4
10 961416114011 AJESH B S 5 4 5 4 3 4
11 961416114012 AJIN J RAJENDRAN 4 4 4 5 3 5
12 961416114013 AJIN P RAJ 4 3 5 5 4 4
13 961416114014 AJITH KUMAR R 2 2 3 4 4 5
14 961416114016 AKHIL K SHIBU 3 4 3 3 5 3
15 961416114017 AKHILNATH S S 4 4 4 4 4 3
16 961416114018 AKHIL P JOSE 4 4 4 2 5 4
17 961416114019 AKHIL RAJ P 4 4 5 4 3 4
18 961416114020 AKILAN H 4 2 5 4 3 4
19 961416114021 AKSHAYV NAIR 5 3 4 5 4 4
20 961416114022 ALAN ALEX 3 3 3 3 4 5
21 961416114023 ALAN P WILSON 3 4 4 3 5 3
22 961416114024 ALAN S ABRAHAM 4 2 2 2 5 3
23 961416114025 ALEN CHRIS BIJU 4 5 4 4 4 4
24 961416114026 ALEX MJOHNSON 5 4 4 5 4 4
25 961416114027 ALLEN SABU DANIEL 5 5 5 4 3 5
26 961416114028 ALPHIN A 4 3 3 5 3 4
27 961416114029 AMAL V SKARIA 4 3 3 3 4 5
28 961416114030 ANANDHU LAL 3 4 4 3 4 3
29 961416114031 ANISH P 4 5 4 3 4 3
30 961416114032 ANISH THOMAS 5 5 4 4 5 4
31 961416114033 ANSLYNITHIN S 5 4 5 4 3 4
32 961416114034 ANTO RUFUS G 4 4 4 5 3 5
33 961416114035 ARAVIND AKURUP 4 3 5 5 4 4
34 961416114036 ARAVIND GOPAL MJ 2 2 3 4 4 5
35 961416114037 ARAVINDHU M 3 4 3 3 5 3
MAR EPHRAEM COLLEGE OF ENGINEERING AND TECHNOLOGY
Department of Mechanical Engineering
ME6702 MECHATRONICS ACADEMIC YEAR2019-20
36 961416114038 ARJUNAN K 4 4 4 4 4 3
37 961416114039 ARUN DANIEL 4 4 4 2 5 4
38 961416114040 ASHIK SAJI JOHN 4 4 5 4 3 4
39 961416114041 BELBIN J 4 2 5 4 3 4
40 961416114042 BENISH JEBIN S 5 3 4 5 4 4
41 961416114044 BIBIN FRANCIS 3 3 5 4 4 4
42 961416114045 BLESSIN S V 3 4 3 5 4 5
43 961416114046 CYRIAC VARGHESE 4 4 3 3 4 3
44 961416114047 DHANUSH A 4 5 4 3 4 3
45 961416114048 DOMINIC THOMAS 5 5 4 4 5 4
46 961416114049 ELISHAG JOY 5 4 5 4 3 4
47 961416114050 FELIX JOHN THOMAS 4 4 4 5 3 5
48 961416114051 GAUTHAMKRISHNA 4 3 5 5 4 4
49 961416114052 GIBIN VARGHESEKURUVILLA 2 2 3 4 4 5
50 961416114053 HITHESHU JOSE 3 4 3 3 5 3
51 961416114054 JAISON J THARAKAN 4 4 4 4 4 3
52 961416114055 JEFFIN BINU JOHN 4 4 4 2 5 4
53 961416114057 JESBIN JACOB KURIAN 4 4 5 4 3 4
54 961416114058 JILLS GEEVARUGHESESIMON 4 2 5 4 3 4
55 961416114059 JINO MON M 5 3 4 5 4 4
56 961416114060 JITHIN MABEY 3 3 3 3 4 5
57 961416114061 JITHU JOSE 3 4 4 3 5 3
58 961416114062 JOBIN GEORGE 4 2 2 2 5 3
59 961416114063 JOBIN JOSE 4 5 4 4 4 4
60 961416114064 JOBIN TEAPEN 5 4 4 5 4 4
61 961416114065 JOEL KURUVILLAMATHEW 5 5 5 4 3 5
62 961416114066 JOMON M 4 3 3 5 3 4
63 961416114067 JUSTIN NOYAL 4 3 3 3 4 5
64 961416114068 KEVIN J MATHEW 3 4 4 3 4 3
65 961416114069 KIRAN KRISHNA 4 5 4 3 4 3
66 961416114070 MELVIN SAJI 5 5 4 4 5 4
67 961416114071 MIDHUN BIJU 5 4 5 4 3 4
68 961416114072 MOHAMED FARHAN 4 4 4 5 3 5
69 961416114073 NAYANRAJ S R 4 3 5 5 4 4
70 961416114074 NEJIN INFANTN C 3 3 5 4 4 4
71 961416114075 NIHIL ANAND G M 3 4 3 5 4 5
72 961416114076 NITHIN R V 4 4 3 3 4 3
73 961416114077 NITHIN SURESH 4 5 4 3 4 3
74 961416114078 PRABIN G 5 5 4 4 5 4
75 961416114079 PRABIN Y 5 4 5 4 3 4
76 961416114080 PRAKASH P 4 4 4 5 3 5
MAR EPHRAEM COLLEGE OF ENGINEERING AND TECHNOLOGY
Department of Mechanical Engineering
ME6702 MECHATRONICS ACADEMIC YEAR2019-20
77 961416114081 RAJ VIMAL S V 4 3 5 5 4 4
78 961416114082 RAKESH C 2 2 3 4 4 5
79 961416114083 RATHEESH D 3 4 3 3 5 3
80 961416114084 RINU THOMAS 4 4 4 4 4 3
81 961416114085 ROBIN MJOSEPH 4 4 4 2 5 4
82 961416114086 ROSHAN RAJU 4 4 5 4 3 4
83 961416114087 SACHIN THOMAS 4 2 5 4 3 4
84 961416114088 SACHIN VARGHESEMATHEW 5 3 4 5 4 4
85 961416114090 SALBIN S VARGHESE 3 3 3 3 4 5
86 961416114092 SARAN S NAIR 3 4 4 3 5 3
87 961416114093 SEBIN JOSE 4 2 2 2 5 3
88 961416114094 SHAINU S 4 5 4 4 4 4
89 961416114095 SHARON SEBASTIAN 5 4 4 5 4 4
90 961416114096 SHAWN AMATHEW 5 5 5 4 3 5
91 961416114097 SHIBU T 4 3 3 5 3 4
92 961416114098 SHIJO PAUL C M 4 3 3 3 4 5
93 961416114099 SHIJU V 3 4 4 3 4 3
94 961416114100 SHON SAM RAJU 4 5 4 3 4 3
95 961416114101 SHYAMLAMBERT 5 5 4 4 5 4
96 961416114102 SIBIN VARGHESEB 5 4 5 4 3 4
97 961416114103 SIGO GEORGE 4 4 4 5 3 5
98 961416114105 SIVAJ 4 3 5 5 4 4
99 961416114106 SOJU BIJOY 2 2 3 4 4 5
100 961416114107 SOJU RENJITH 3 4 3 3 5 3
101 961416114108 SONU ABIN BABU 4 4 4 4 4 3
102 961416114109 STEFFIN P VARGHESE 4 4 4 2 5 4
103 961416114110 THOMAS BABU 4 4 5 4 3 4
104 961416114111 THOMAS KURIAN 4 2 5 4 3 4
105 961416114112 TOM THOMAS (26-12-1996) 5 3 4 5 4 4
106 961416114113 TOM THOMAS (21-04-1999) 3 3 3 3 4 5
107 961416114114 TOM VARGHESE 3 4 4 3 5 3
108 961416114115 VIBIN JOSEV 4 2 2 2 5 3
109 961416114116 VIBIN P 4 5 4 4 4 4
110 961416114117 VIBIN VARGHESE 5 4 4 5 4 4
111 961416114118 VIJAYA S 5 5 5 4 3 5
112 961416114119 VINOTH V 4 3 3 5 3 4
113 961416114120 VISHNU S 4 3 3 3 4 5
114 961416114301 AJIN DAS Y 3 4 4 3 4 3
115 961416114302 AJIN MON R S 3 4 4 4 4 3
116 961416114303 ALEX VARGHESE 4 5 5 4 4 4
117 961416114304 ASWIN RAJAMR 4 5 4 5 5 4
MAR EPHRAEM COLLEGE OF ENGINEERING AND TECHNOLOGY
Department of Mechanical Engineering
ME6702 MECHATRONICS ACADEMIC YEAR2019-20
118 961416114305 HELWIN JOHN J S 4 4 5 3 3 5
119 961416114307 LESLIN EMERSON S 4 4 3 3 3 5
120 961416114308 MUHAMMED HASINSHAP S 5 3 3 4 4 4
121 961416114309 PRINCERAJU 4 3 3 4 3 4
122 961416114310 RENJITH R 4 4 3 3 3 5
123 961416114312 SARAVANAN R 5 3 3 4 4 4
124 961416114313 SHOBIN GEORGECHERIAN 4 3 3 4 3 4
125 961416114701 ASWIN GEO S E 4 4 3 3 3 5
126 961416114702 SOWMIYAM 5 3 3 4 4 4
127 961416114703 STEBIN S 4 3 3 4 3 4
128 961416114501 JITHIN JIJI THOMAS 3 2 4 5 2 5
129 961416114901 JOHNSTON CHRYSLER A 4 4 4 2 4 3
MAR EPHRAEM COLLEGE OF ENGINEERING AND TECHNOLOGY
Department of Mechanical Engineering
ME6702 MECHATRONICS ACADEMIC YEAR2019-20
ATTAINMENT CALCULATION
ATTAINMENT SHEET
CO ATTAINMENT
CO ATTAINMENT
Course Code ME6603
Course Name FINITE ELEMENT ANALYSIS
Staff handling I.JACKSON THANGA ROY
ATTAINMENT THROUGH INTERNAL ASSESSMENT (CAE & MODEL)
Cos CO1 CO2 CO3 CO4 CO5 CO6
Attainment % 57.36 64.34 66.67 65.89 79.84 73.64
Level 2 3 3 3 3 3
AVG 2.83
ATTAINMENT THROUGH UNIVERSITY EXAMINATION
Cos CO1 CO2 CO3 CO4 CO5 CO6
Level 1 1 1 1 1 1
AVG 1
Direct Assessment Attainment Level : (Internal)*40%+(University)*60%
Cos CO1 CO2 CO3 CO4 CO5 CO6
Level 1.4 1.8 1.8 1.8 1.8 1.8
AVG 1.73
Indirect Assessment Attainment Level(Course Exit Survey )
Cos CO1 CO2 CO3 CO4 CO5 CO6
Level 3 3 3 3 3 3
AVG 3
Overall Attainment Level : Direct Assessment 80%, Indirect Assessment 20%
Cos CO1 CO2 CO3 CO4 CO5 CO6
Level 1.72 2.04 2.04 2.04 2.04 2.04
AVG 1.99
COURSE OUTCOMES CO1 CO2 CO3 CO4 CO5 CO6
ATTAINMENT RESULT N Y Y Y Y Y
MAR EPHRAEM COLLEGE OF ENGINEERING AND TECHNOLOGY
Department of Mechanical Engineering
ME6702 MECHATRONICS ACADEMIC YEAR2019-20
PO ATTAINMENT:
CO
ATTAINED
CO PO1 PO2 PO3 PO4 PO5 PO6 PO7 PO8 PO9 PO10 PO11 PO12
1.72 CO1 2 1 - - 2 - - - - - - -
2.04 CO2 3 2 1 2 2 - - - - - - 2
2.04 CO3 3 2 1 2 2 - - - - - - 2
2.04 CO4 3 2 1 2 0 - - - - - - 2
2.04 CO5 3 2 1 - 0 - - - - - - 0
2.04 CO6 3 2 1 - 2 - - - - - - 2
1.89 1.23 0.68 1.36 1.31
- - - - - - 1.36
PSO ATTAINMENT:
FINITE
ELEMENT
ANALYSIS
CO K3 K4 K3
CO ATTAINED PSO1 PSO2 PSO3
1.72 CO1 2 2 -
2.04 CO2 2 2 -
2.04 CO3 2 2 -
2.04 CO4 2 2 -
2.04 CO5 0 0 -
2.04 CO6 2 2 -
1.32 1.32 -
ACTION PLAN FOR ENHANCING TARGET/ CLOSING THE GAP
Co Target
Attainment
Value
Attainment Status
(Y/N)
Action Plan For Next Academic Year
C01 2 1.72 N
More Assignments will given based on
C01 to enhance the attained value.
C02 2 2.04 Y
CO3 2 2.04 Y
CO4 2 2.04 Y
CO5 2 2.04 Y
CO6 2 2.04 Y

MECHATRONICS COURSE FILE UPDATED (1).docx

  • 1.
    MAR EPHRAEM COLLEGEOF ENGINEERING AND TECHNOLOGY Department of Mechanical Engineering ME6702 MECHATRONICS ACADEMIC YEAR2019-20 Course file - ME6702-MECHATRONICS Name of Course instructor A. JUDE FELIX Email judefelix@marephraem.edu.in Contact number +91-8903787202 COURSE CONTENT The whole course is divided into 5 Units. 48 lecture hours. ME6702 MECHATRONICS L T P UNITI INTRODUCTION 13 0 0 UNITII 8085 MICROPROCESSORAND 8051 MICROCONTROLLER 8 0 0 UNITIII PROGRAMMABLE PERIPHERALINTERFACE 8 0 0 UNITIV PROGRAMMABLE LOGIC CONTROLLER 8 0 0 UNITV ACTUATORS AND MECHATRONICSYSTEMDESIGN 11 0 0 TOTAL 48 0 0 Prerequisitefortheprogram: SEMESTERIII– CE6306-StrengthofMaterials SEMESTERIV – ME6404-Thermal Engineering Courseoutcomes: CO1 Discuss the interdiciplinary applications of electronics, electrical,mechanical and computer systems CO2 Explain the architecture of 8085 microprocessor and 8051 microcontroller CO3 Explain the Programmable Peripheral Interface and Architecture of 8255 PPI CO4 Describe the architecture , programming and application of programmable logic controller. CO5 Explain the types of motors and actuators in mechatronics system CO6 Describe the structure and operation of pick and place robot
  • 2.
    MAR EPHRAEM COLLEGEOF ENGINEERING AND TECHNOLOGY Department of Mechanical Engineering ME6702 MECHATRONICS ACADEMIC YEAR2019-20 Programoutcomes: POs Statements PO1 EngineeringKnowledge: Apply the knowledgeof mathematics, science, engineering fundamentals, and an engineering specialization to the solution of complex engineering problems. PO2 Problemanalysis: Identify,formulate, review research literature, and analyze complex engineering problem researching substantiated conclusions using first principles of mathematics, natural sciences, and engineering sciences. PO3 Design/developmentofsolutions: Design solutions forcomplex engineering problems and design system components or processes that meet the specified needs with appropriate consideration for the public health and safety, and the cultural, societal, and environmental considerations. PO4 Conductinvestigationsofcomplexproblems: Use research-based knowledge and research methods including design of experiments, analysis and interpretation of data, and synthesis of the information to provide valid conclusions. PO5 Moderntool usage: Create, select, and apply appropriate techniques, resources, and modern engineering and ITtools including prediction and modeling to complex engineering activities with an understanding of the limitations. PO6 Theengineerandsociety: Apply reasoning informed by the contextual knowledge to assess societal, health, safety, legal and cultural issues and the consequent responsibilities relevant to the professional engineering practice. PO7 Environmentandsustainability: Understand the impact of the professional engineering solutions in societal and environmental contexts, and demonstrate the knowledge of, and need for sustainable development. PO8 Ethics: Apply ethical principles and commit to professional ethics and responsibilities and norms of the engineering practice. PO9 Individual andteam work: Function effectively asan individual, and as a member or leader in diverse teams, and in multidisciplinary settings. PO10 Communication: Communicate effectively oncomplex engineering activities with the engineering community and with society at large, such as, being able to comprehend and write effectivereports and design documentation, make effectivepresentations, and give and
  • 3.
    MAR EPHRAEM COLLEGEOF ENGINEERING AND TECHNOLOGY Department of Mechanical Engineering ME6702 MECHATRONICS ACADEMIC YEAR2019-20 receive clear instructions. PO11 Project managementand finance: Demonstrate knowledge and understanding of the engineering and management principles and apply these to one’s ownwork,as a member and leader in a team, to manage projects and in multidisciplinary environments. PO12 Life-longlearning: Recognize the need for, and have the preparation and ability to engage in independent and life-long learning in the broadest context of technological change. CO PO Mapping: CO CL PO1 PO2 PO3 PO4 PO5 PO6 PO7 PO8 PO9 PO10 PO11 PO12 CO 1 Re 2 1 - - - - - - - - - - CO 2 Un 2 1 - - - - - - - - - - CO 3 Un 2 1 - - - - - - - - - - CO 4 Un 2 1 - - 2 - - - - - - 2 CO 5 Un 2 1 - - - - - - - - - 2 CO 6 Un 2 1 - - 2 - - - - - - 2 Average 2.00 1.00 - - 2.00 - - - - - - 2.00 CO-PSO Mapping CO PSO1 PSO 2 PSO 3 CO 1 2 2 - CO 2 2 2 - CO 3 2 2 - CO 4 2 2 - CO 5 2 2 - CO 6 2 2 - Average 2.00 2.00 -
  • 4.
    MAR EPHRAEM COLLEGEOF ENGINEERING AND TECHNOLOGY Department of Mechanical Engineering ME6702 MECHATRONICS ACADEMIC YEAR2019-20 COURSE SYLLABUS: Unit No Unit Title Unit wise Syllabus 1 Introduction Introduction to Mechatronics – Systems – Concepts of Mechatronics approach – Need for Mechatronics – Emerging areas of Mechatronics – Classification of Mechatronics. Sensors and Transducers: Static and dynamic Characteristics of Sensor, Potentiometers – LVDT – Capacitance sensors – Strain gauges – Eddy current sensor – Hall effect sensor – Temperature sensors – Light sensors. 2 8085MICROPROCESSOR AND 8051 MICROCONTROLLER Introduction – Architecture of 8085 – Pin Configuration – Addressing Modes –Instruction set, Timing diagram of 8085 – Concepts of 8051 microcontroller – Block diagram 3 PROGRAMMABLE PERIPHERAL INTERFACE Introduction – Architecture of 8255, Keyboard interfacing, LED display –interfacing, ADC and DAC interface, Temperature Control – Stepper Motor Control – Traffic Control interface.. 4 PROGRAMMABLE LOGIC CONTROLLER Introduction – Basic structure – Input and output processing – Programming – Mnemonics – Timers, counters and internal relays – Data handling – Selection of PLC. 5 ACTUATORS AND MECHATRONIC SYSTEM DESIGN Types of Stepper and Servo motors – Construction – Working Principle – Advantages and Disadvantages. Design process-stages of design process – Traditional and Mechatronics design concepts – Case studies of Mechatronics systems – Pick and place Robot – Engine Management system – Automatic car park barrier. ASSESSMENT DIRECT ASSESSMENT 1. CONTINUOUS INTERNALASSESSMENT (CIA):  CAE 1  CAE 2  MODEL  ASSIGNMENT 1  ASSIGNMENT 2  ASSIGNMENT 3 2. SEMESTER END EXAMINATION (SEE) INDIRECT ASSESSMENT  COURSE EXIT SURVEY
  • 5.
    MAR EPHRAEM COLLEGEOF ENGINEERING AND TECHNOLOGY Department of Mechanical Engineering ME6702 MECHATRONICS ACADEMIC YEAR2019-20 INTERNALASSESSMENTPLAN Assessment Total Marks Tentative Schedule CAE 1 50 Feb 2nd week 2019 CAE 2 50 March 3rd week 2019 ME 100 April 1st week 2019 A1 20 To be submitted in Feb 4th week 2019 A2 20 To be submitted in March 2nd week2019 A3 20 To be submitted in April 1st week 2021 CO markssplitup- Internal Assessment: CO CAE 1 CAE 2 ME A1 A2 A3 CO 1 30 - 17 10 - - CO 2 20 - 17 10 - - CO 3 - 17 17 - 10 - CO 4 - 33 17 - 10 - CO 5 - - 17 - - 10 CO 6 - - 15 - - 10 NOTE: CAE 1- CONTINUOUS ASSESSMENT EXAMINATION1 CAE 2- CONTINUOUS ASSESSMENT EXAMINATION2 ME-MODELEXAMINATION1 A1-ASSIGNMENT 1 A2-ASSIGNMENT 2
  • 6.
    MAR EPHRAEM COLLEGEOF ENGINEERING AND TECHNOLOGY Department of Mechanical Engineering ME6702 MECHATRONICS ACADEMIC YEAR2019-20 A3-ASSIGNMENT 3 Yellowbook: Timetable: List of students Sl no Register Number Name 1. 961416114001 ABHIJITH K 2. 961416114002 ABHINAND D S 3. 961416114003 ABILASH A 4. 961416114004 ABINESH E 5. 961416114005 ABIN S 6. 961416114006 ABIN SAM ABRAHAM 7. 961416114007 AGABOS M JACOB 8. 961416114008 AHIN T A 9. 961416114010 AJASHA J A 10. 961416114011 AJESH B S 11. 961416114012 AJIN J RAJENDRAN 12. 961416114013 AJIN P RAJ 13. 961416114014 AJITH KUMAR R 14. 961416114016 AKHIL K SHIBU 15. 961416114017 AKHILNATH S S 16. 961416114018 AKHIL P JOSE 17. 961416114019 AKHIL RAJ P 18. 961416114020 AKILAN H 19. 961416114021 AKSHAY V NAIR 20. 961416114022 ALAN ALEX 21. 961416114023 ALAN P WILSON 22. 961416114024 ALAN S ABRAHAM 23. 961416114025 ALEN CHRIS BIJU 24. 961416114026 ALEX M JOHNSON 25. 961416114027 ALLEN SABU DANIEL
  • 7.
    MAR EPHRAEM COLLEGEOF ENGINEERING AND TECHNOLOGY Department of Mechanical Engineering ME6702 MECHATRONICS ACADEMIC YEAR2019-20 26. 961416114028 ALPHIN A 27. 961416114029 AMAL V SKARIA 28. 961416114030 ANANDHU LAL 29. 961416114031 ANISH P 30. 961416114032 ANISH THOMAS 31. 961416114033 ANSLY NITHIN S 32. 961416114034 ANTO RUFUS G 33. 961416114035 ARAVIND A KURUP 34. 961416114036 ARAVIND GOPAL M J 35. 961416114037 ARAVINDHU M 36. 961416114038 ARJUNAN K 37. 961416114040 ASHIK SAJI JOHN 38. 961416114041 BELBIN J 39. 961416114042 BENISH JEBIN S 40. 961416114044 BIBIN FRANCIS 41. 961416114045 BLESSIN S V 42. 961416114046 CYRIAC VARGHESE 43. 961416114047 DHANUSH A 44. 961416114048 DOMINIC THOMAS 45. 961416114049 ELISHA G JOY 46. 961416114050 FELIX JOHN THOMAS 47. 961416114051 GAUTHAM KRISHNA 48. 961416114054 JAISON J THARAKAN 49. 961416114055 JEFFIN BINU JOHN 50. 961416114057 JESBIN JACOB KURIAN 51. 961416114058 JILLS GEEVARUGHESE SIMON 52. 961416114059 JINO MON M 53. 961416114060 JITHIN M ABEY 54. 961416114061 JITHU JOSE 55. 961416114062 JOBIN GEORGE
  • 8.
    MAR EPHRAEM COLLEGEOF ENGINEERING AND TECHNOLOGY Department of Mechanical Engineering ME6702 MECHATRONICS ACADEMIC YEAR2019-20 56. 961416114063 JOBIN JOSE 57. 961416114064 JOBIN T EAPEN 58. 961416114065 JOEL KURUVILLA MATHEW 59. 961416114066 JOMON M 60. 961416114067 JUSTIN NOYAL 61. 961416114068 KEVIN J MATHEW 62. 961416114069 KIRAN KRISHNA 63. 961416114070 MELVIN SAJI 64. 961416114071 MIDHUN BIJU 65. 961416114072 MOHAMED FARHAN 66. 961416114073 NAYANRAJ S R 67. 961416114074 NEJIN INFANT N C 68. 961416114075 NIHIL ANAND G M 69. 961416114076 NITHIN R V 70. 961416114077 NITHIN SURESH 71. 961416114078 PRABIN G 72. 961416114079 PRABIN Y 73. 961416114080 PRAKASH P 74. 961416114081 RAJ VIMAL S V 75. 961416114082 RAKESH C 76. 961416114083 RATHEESH D 77. 961416114084 RINU THOMAS 78. 961416114086 ROSHAN RAJU 79. 961416114087 SACHIN THOMAS 80. 961416114088 SACHIN VARGHESE MATHEW 81. 961416114090 SALBIN S VARGHESE 82. 961416114092 SARAN S NAIR 83. 961416114093 SEBIN JOSE 84. 961416114094 SHAINU S 85. 961416114095 SHARON SEBASTIAN
  • 9.
    MAR EPHRAEM COLLEGEOF ENGINEERING AND TECHNOLOGY Department of Mechanical Engineering ME6702 MECHATRONICS ACADEMIC YEAR2019-20 86. 961416114096 SHAWN A MATHEW 87. 961416114097 SHIBU T 88. 961416114098 SHIJO PAUL C M 89. 961416114099 SHIJU V 90. 961416114100 SHON SAM RAJU 91. 961416114101 SHYAM LAMBERT 92. 961416114102 SIBIN VARGHESE B 93. 961416114103 SIGO GEORGE 94. 961416114105 SIVA J 95. 961416114106 SOJU BIJOY 96. 961416114108 SONU ABIN BABU 97. 961416114109 STEFFIN P VARGHESE 98. 961416114110 THOMAS BABU 99. 961416114111 THOMAS KURIAN 100. 961416114112 TOM THOMAS (26-12-1996) 101. 961416114113 TOM THOMAS (21-04-1999) 102. 961416114114 TOM VARGHESE 103. 961416114115 VIBIN JOSE V 104. 961416114116 VIBIN P 105. 961416114117 VIBIN VARGHESE 106. 961416114118 VIJAY A S 107. 961416114119 VINOTH V 108. 961416114120 VISHNU S 109. 961416114301 AJIN DAS Y 110. 961416114302 AJIN MON R S 111. 961416114303 ALEX VARGHESE 112. 961416114304 ASWIN RAJA M R 113. 961416114305 HELWIN JOHN J S 114. 961416114307 LESLIN EMERSON S 115. 961416114308 MUHAMMED HASINSHA P S
  • 10.
    MAR EPHRAEM COLLEGEOF ENGINEERING AND TECHNOLOGY Department of Mechanical Engineering ME6702 MECHATRONICS ACADEMIC YEAR2019-20 116. 961416114309 PRINCE RAJU 117. 961416114310 RENJITH R 118. 961416114312 SARAVANAN R 119. 961416114313 SHOBIN GEORGE CHERIAN 120. 961416114701 ASWIN GEO S E 121. 961416114702 SOWMIYA M 122. 961416114703 STEBIN S 123. 961416114901 JOHNSTON CHRYSLER A 124. 961416114902 MONISH M Lesson plan: SlNo Unit Number Lesson Number Lesson Topics L 1. 1 1 Introduction to mechatronics L 2. 1 2 Systems L 3. 1 3 Need for mechatronics L 4. 1 4 Emerging areas of mechatronics L 5. 1 5 Classification of mechatronics L 6. 1 6 Sensors and transducers L 7. 1 7 Static and dynamic characteristics of sensor L 8. 1 8 Potentiometers and lvdt L 9. 1 9 Capacitance sensors and strain gauges L 10. 1 10 Eddy current sensor L 11. 1 11 Hall effect sensor L 12. 1 12 Temperature sensors L 13. 1 13 Light sensors L 14. 2 14 Introduction of 8085 microprocessor L 15. 2 15 Architecture of 8085 L
  • 11.
    MAR EPHRAEM COLLEGEOF ENGINEERING AND TECHNOLOGY Department of Mechanical Engineering ME6702 MECHATRONICS ACADEMIC YEAR2019-20 16. 2 16 Pin configuration L 17. 2 17 Addressing modes L 18. 2 18 Instruction set L 19. 2 19 Timing diagram of 8085 L 20. 2 20 Concepts of 8051 microcontroller L 21. 2 21 Block diagram of 8051 microcontroller L 22. 3 22 Introduction of peripheral interface L 23. 3 23 Architecture of 8255 L 24. 3 24 Keyboard interfacing, L 25. 3 25 Led display L 26. 3 26 Interfacing, adc and dac interface L 27. 3 27 Temperature control L 28. 3 28 Stepper motor control L 29. 3 29 Traffic control interface L 30. 4 30 Introduction of plc L 31. 4 31 Basic structure of plc L 32. 4 32 Input and output processing L 33. 4 33 Programming of plc L 34. 4 34 Mnemonics code L 35. 4 35 Timers, counters and internal relays L 36. 4 36 Data handling L 37. 4 37 Selection of plc L 38. 5 38 Introduction to actuators L 39. 5 39 Types of stepper and servo motors L 40. 5 40 Construction and working principle L 41. 5 41 Advantages and disadvantages stepper and servo motors L 42. 5 42 Introduction of mechatronic system design L
  • 12.
    MAR EPHRAEM COLLEGEOF ENGINEERING AND TECHNOLOGY Department of Mechanical Engineering ME6702 MECHATRONICS ACADEMIC YEAR2019-20 43. 5 43 Traditional and mechatronics design concepts L 44. 5 44 Case studies of mechatronics systems L 45. 5 45 Pick and place robot L 46. 5 46 Engine management system L 47. 5 47 Automatic car park barrier. L 48. 5 48 Discussion of case study L Course content Lesson Title INTRODUCTIONTO MECHATRONICS Lesson concept/ Points/Definitions MECHATRONICS Mecha –Mechanical Tronics-Electronics It field of study that implies the synergistic integration of electronic engineering, electrical engineering, control engineering and computer technology maintenance of a wide range of engineering products and Processes".with mechanical engineering for the design, manufacture, analyses and processes.
  • 13.
    MAR EPHRAEM COLLEGEOF ENGINEERING AND TECHNOLOGY Department of Mechanical Engineering ME6702 MECHATRONICS ACADEMIC YEAR2019-20 Teaching Methodology: PPT - UNIT I-INTRODUCTION Learning Resource (page number) T2- (1 to 15) R1- (10 to 12) Lesson Title SYSTEMS Lesson concept/ Points/Definitions SYSTEM: A system may be defined as a black box which has an input and an output. System Concerned only with their relationship between the input and output and not on the process going inside the box
  • 14.
    MAR EPHRAEM COLLEGEOF ENGINEERING AND TECHNOLOGY Department of Mechanical Engineering ME6702 MECHATRONICS ACADEMIC YEAR2019-20 MEASUREMENTSYSTEM: Teaching Methodology: PPT - UNIT I-INTRODUCTION Learning Resource (page number) T1-23 R1- (4 to 5) Lesson Title NEED FOR MECHATRONICS Lesson concept/ Points/Definitions NEED OF MECHATRONICS IN INDUSTRY:- To produce product on requiredtime and time reducingthe time and manual 1. CHANGING MARKET CONDITIONS.  Market situation are so volatile that often products become obsolete because of the changing perceptions of consumers.  Competition is so tough that the seller market is turning into buyer market  To satisfy and attract customer the use of mechatronics in manufacturing industry  2. SHORT PRODUCT RUN  Short product cycle, batch production and job changeover influence the possibility of short product run, market demand and obsoletion of features  Batch production in industry producing production is of diversified specific not avoidable 3. VARIETYIN PRODUCT RANGE  Variation in size, shape, feature, performance, are governed by customer likes and dislikes and needs  Manufacture are compelled to produce a variety with a wide range 4. GOOD PRODUCT QUALITYAND CONSISTENCY  For a better reputation, surviving the competition and better export turnover maintaining product quality and producing the same quality repeatedly is the achiever philosophy  Again, to reach the goal, mechatronics is the answer 5. DEMAND FOR INCREASED FLEXIBILITY  FMS, CNC, machine tool, robot, and AGV are some of advanced application of mechatronics
  • 15.
    MAR EPHRAEM COLLEGEOF ENGINEERING AND TECHNOLOGY Department of Mechanical Engineering ME6702 MECHATRONICS ACADEMIC YEAR2019-20 6. DISTRIBUTEDCONTROL ANDLOCALDECISION MARKING  Industry need centralized locally decision making capacities and decentralized action control. Teaching Methodology: PPT - UNIT I-INTRODUCTION Learning Resource (page number) T1-(27-28) ; T2-(73-88) R1- (10,13 to 26) Lesson Title EMERGING AREAS OF MECHATRONICS Lesson concept/ Points/Definitions Emerging Trends in Mechatronics  Advanced smart automation technologies in mechatronics.  MEMS dynamics and control.  Sensor design and data collection approaches.  Model-based mechatronic system design.  Mechatronics and smart manufacturing systems.  Computational intelligence in mechatronic systems. Teaching Methodology: PPT - UNIT I-INTRODUCTION Learning Resource (page number) R4- (153,174) Lesson Title CLASSIFICATION OF MECHATRONICS Lesson concept/ Points/Definitions MECHATRONICS CLASSIFIED IN FOUR TYPES 1. PRIMARY LEVEL MECHATRONICS 2. SECOUNDARY LEVEL MECHATRONICS 3. TERTIARY LEVEL MECHATRONICS 4. QUATERNARY LEVEL MECHATRONICS PRIMARYLEVEL MECHATRONIC Integrates electric signaling with mechanical action at the basic control level SECOUNDARYLEVEL MECHATRONICS Integrates microelectronics into electrical control devices TERTIARYLEVEL MECHATRONICS Incorporates advanced control strategy using microelectronics, microprocessor and other integrated circuits
  • 16.
    MAR EPHRAEM COLLEGEOF ENGINEERING AND TECHNOLOGY Department of Mechanical Engineering ME6702 MECHATRONICS ACADEMIC YEAR2019-20 QUATERNARYLEVEL MECHATRONICS To improve smartness a step ahead by introducing intelligence and fault detection and isolation Teaching Methodology: PPT - UNIT I-INTRODUCTION Learning Resource (page number) T1- (74 to 91); T2(16-36) Lesson Title SENSOR AND TRANSDUCERS Lesson concept/ Points/Definitions SENSOR Sensor is define as a element which when subjected to some physical change experiences a relative change CLASSIFICATIONOF SENSOR  Displacement, position and proximity sensor  Velocity and motion sensor  Force sensor  Fluid pressure sensor  Liquid flow sensor  Liquid level sensor  Temperature sensor TRANSDUCERS Transducers are device which convert one form of energy into other form of energy CLASSIFICATIONOF TRANSDUCERS  Active and passive transducers  Analog and digital transducer Teaching Methodology: PPT - UNIT I Learning Resource (page number) T1- (103 to 105) T2 (89-90) Lesson Title STATIC AND DYNAMIC CHARACTERISTICS OF SENSOR Lesson concept/ Points/Definitions STATIC CHARACTERISTICS: Range and Span: The range of a transducer defines the limits between which the input
  • 17.
    MAR EPHRAEM COLLEGEOF ENGINEERING AND TECHNOLOGY Department of Mechanical Engineering ME6702 MECHATRONICS ACADEMIC YEAR2019-20 can vary.The difference between the limits (maximum value - minimum value)is known as span.For example a load cell is used to measure force. An input force can vary from 20 to 100 N. Then the range of load cell is 20 to 100 N. And the span of load cell is 80 N (i.e., 10020) ERROR: The algebraic difference between the indicated value and the true value ofThe measured parameter is termed as the error of the device. Error = Indicated value —true value For example, if the transducer gives a temperature reading of 30°C when The actual temperature is 29° C, then the error is + 1°C. If the actual Temperature is 3 1° C, then the error is —1°C. ACCURACY: Accuracy is defined as the ability of the instrument to respond to the true value of the measure variable under the reference conditions. For example, a thermocouple has an accuracy of ± 1° C. This means that reading given by the thermocouple can be expected to lie within + 1°C (or)— 1°C of the true value.Accuracy is also expressed as a percentage of the full range out(or) full scale deflection. For example, a thermocouple can be specified as having an accuracy of ±4 %of full range output. Hence if the range of the thermocouple is 0 to 200°C, thenthe reading given can be expected to be within + 8°C (or)—8°C of the true reading. SENSITIVITY: The sensitivity is the relationship showing how much output we can get perUnit input.sensitivity = output / inputPrecision:it is defined as the degree of exactness for which the instrument is intended To perform. HYSTERESIS ERROR: when a device is used to measure any parameter plot the graph of outputVs value of measured quantity.First for increasing values of the measured quantity and then for decreasing values of the measured quantity.The two output readings obtained usually differ from each other. REPEATABILITY :  The repeatability and reproducibility of a transducer are its ability to give the same output for repeated applications of the same input value. RELIABILITY:  The reliability of a system is defined as the possibility that it will perform itsassigned functions for a specific period of time under
  • 18.
    MAR EPHRAEM COLLEGEOF ENGINEERING AND TECHNOLOGY Department of Mechanical Engineering ME6702 MECHATRONICS ACADEMIC YEAR2019-20 given conditions. STABILITY: The stability of a transducer is its ability to give the same output when used to measure a constant input over a period of time. DRIFT:  The term drift is the change in output that occurs over time. DEAD BAND:  There will be no output for certain range of input values. This is known as dead band. There will be no output until the input has reached a particular value. DEAD TIME:  It is the time required by a transducer to begin to respond to a change in input value RESOLUTION:  Resolution is defined as the smallest increment in the measured value that can be detected. The resolution is the smallest change in the input value which will produce an observable change in the input. BACKLASH: Backlash is defined as the maximum distance (or) angle through which any part of a mechanical system can be moved in one direction without causing any motion of the attached part Teaching Methodology: PPT - UNIT I Learning Resource (page number) R41- (68to 69) Lesson Title POTENTIOMETERS AND LVDT Lesson concept/ Points/Definitions POTENTIOMETERS A potentiometer is a three-terminal resistor with a sliding or rotating contact that forms an adjustable voltage divider. ... Potentiometers are commonly used to control electrical devices such as volume controls on audio equipment PRINCIPLE:  It works on variable resistance transduction principle  Linear or Rotary potentiometer is a variable resistance displacement transducer
  • 19.
    MAR EPHRAEM COLLEGEOF ENGINEERING AND TECHNOLOGY Department of Mechanical Engineering ME6702 MECHATRONICS ACADEMIC YEAR2019-20  which uses the variable resistance transduction principle in which the  displacement or rotation is converted into a potential difference due to the  movement of sliding contact over a resistive element  CONSTRUCTION & CONSTRUCTION& WORKING:  A resistor with three terminals.  Two end terminal & one middle terminal (wiper).  Two end terminal are connected to external input voltage.  One middle and one end terminal as output voltage.  The slider determines the magnitude of the potential difference developed. TYPES  Linear  Rotary LINEAR POTENTIOMETER  A potentiometer is the most common position sensor  This type of sensor are basically fixed resistor with a moveable tap that allows the amount of resistance between the tap and either end of resistor to provide a portion of a total resistor ROTARYPOTENTIOMETER  The operation of liner and rotary potentiometer is same  The difference is that the same shaft of the rotary potentiometer converts rotary motion into the change in resistance LVDT The linear variable differential transformer (LVDT) (also called linear variable displacement transformer, linear variable displacement transducer,or simply differential transformer) is a type of electrical transformer used for measuring linear displacement (position).
  • 20.
    MAR EPHRAEM COLLEGEOF ENGINEERING AND TECHNOLOGY Department of Mechanical Engineering ME6702 MECHATRONICS ACADEMIC YEAR2019-20 Teaching Methodology: PPT - UNIT I Learning Resource (page number) T2- (93 to 101) Lesson Title CAPACITANCE SENSORS AND STRAIN GAUGES Lesson concept/ Points/Definitio ns STRAIN GAUGE: Strain gauges are passive type resistance sensor whose electrical resistance change when it is stretched or compressed (mechanically strained)under the application of force. The electrical resistance is changed due to the change in length (increases) and cross sectional area (decreases)of the strain gauge. This change in resistance is then usually converted into voltage by connecting one, two or four similar gauges as an arm of a Wheatstone bridge (known as Strain Gauge Bridge) and applying excitation to the bridge. The bridge output voltage is then a measure of strain, sensed by each strain gauge Classification of Bonded Type Strain Gauges:  Fine wire gauges  Metal foil gauges  Semiconductor filament type FINE WIRE GAUGES:  Wire of 3 to 25 microns diameter is arranged in the form of grid consisting of parallel loops.
  • 21.
    MAR EPHRAEM COLLEGEOF ENGINEERING AND TECHNOLOGY Department of Mechanical Engineering ME6702 MECHATRONICS ACADEMIC YEAR2019-20 METAL FOIL GAUGES:  A thin foil of metal, deposited as a grid pattern onto a plastic backing material using polyimide.  Foil pattern is terminated at both ends with large metallic pads.  Entire gauge size 5- 15mm.  Adhesive directly bonded to the gauge usually epoxy. SEMICONDUCTOR FILAMENT TYPE:  The gauges are produced in wafers from silicon or germanium crystals.  special impurities such as boron is added.  It is mounted on an epoxy resin backing with copper on nickel leads.  Filament about 0.05mm thick 0.25mm wide and 1.25 to 12mm length.  CAPACITANCE SENSORS  It is used for measuring, displacement, velocity, force etc..
  • 22.
    MAR EPHRAEM COLLEGEOF ENGINEERING AND TECHNOLOGY Department of Mechanical Engineering ME6702 MECHATRONICS ACADEMIC YEAR2019-20 PRINCIPLE: Noncontact capacitive sensors work by measuring changes in an electrical property called capacitance. Capacitance describes how two conductive objects with a space between them respond to a voltage difference applied to them. ... If the polarity of the voltage is reversed,the charges will also reverse. Teaching Methodology: PPT - UNIT I Learning Resource (page number) R4- (44 to 48) Lesson Title EDDY CURRENT SENSOR Lesson concept/ Points/Definitions EDDYCURRENT PROXIMITYSENSOR: PRINCIPLE: When a coil is supplied with alternating current, an alternating magnetic field is produced which induces an EMF on it. If there is a metal near to this alternating magnetic field, on EMF is induced in it. The EMF cause current to flow. This current flow is eddy current CONSTRUCTION & WORKING:
  • 23.
    MAR EPHRAEM COLLEGEOF ENGINEERING AND TECHNOLOGY Department of Mechanical Engineering ME6702 MECHATRONICS ACADEMIC YEAR2019-20  It has two identical coils.  One reference coil & another sensing coil which senses the magnetic current in the object.  Eddy current start to flow due to AC (conducting object)close to sensor  Eddy current produce a magnetic field to oppose the magnetic field generated by sensing coil.  Due to this opposition reduction flux is created. To detect 0.001mm. Teaching Methodology: PPT - UNIT I Learning Resource (page number) T2- (132) Lesson Title HALL EFFECT SENSOR Lesson concept/ Points/Definitions PRINCIPLE:  When a current carrying semiconductor plate is placed in a transverse magnetic field, it experiences a force (Lorentz force). Due to this action a beam of charged particles are forced to get displaced from its straight path. This is known as Hall Effect.  A current flowing in a semiconductor plate is like a beam of moving charged particles and thus can be deflected by a magnetic field. The side towards which the moving electron deflected becomes negatively charged and the other side of the plate becomes positively charged or the electrons moving away from it   This charge separation produces an electrical voltage which continues untilthe Lorentz force on the charged particles from the electric field balances the forces produced by the magnetic field. The result is a traverse potentialdifference known as Hall voltage.
  • 24.
    MAR EPHRAEM COLLEGEOF ENGINEERING AND TECHNOLOGY Department of Mechanical Engineering ME6702 MECHATRONICS ACADEMIC YEAR2019-20 CONSTRUCTION & WORKING:  Current is passed through leads 1 and 2 of the semiconductor plate and the output leads are connected to the element faces 3 and 4.  These output faces are at same potential when there is no transverse magnetic field passing through the element and voltage known as Hall voltage appears when a transverse magnetic field is passing through the element.  This voltage is proportional to the current and the magnetic field.  The direction of deflection depends on the direction of applied current and the direction of magnetic field Teaching Methodology: PPT - UNIT I Learning Resource (page number) T2- (232 to 237) Lesson Title TEMPERATURE SENSORS Lesson concept/ Points/Definitions BIMETALLIC STRIPS:  A Bimetallic thermostat consists of two different metal strips bounded together and they cannot move relative to each other.  These metals have different coefficients of expansion and when thetemperature changes the composite strips bends into a curved strip, with the higher coefficient metal on the outside of the curve.  The basic principle in this is all metals try to change their physical dimensions at different rates when subjected to same change in temperature.  This deformation may be used as a temperature- controlled switch, as inthe simple thermostat.
  • 25.
    MAR EPHRAEM COLLEGEOF ENGINEERING AND TECHNOLOGY Department of Mechanical Engineering ME6702 MECHATRONICS ACADEMIC YEAR2019-20 RESISTANCE TEMPERATURE DETECTORS (RTDS):  The materials used for RTDs are Nickel, Iron, Platinum, Copper, Lead,Tungsten, Mercury, Silver, etc.  The resistance of most metals increases over a limited temperature rangeand the relationship between Resistance and Temperature is shown belo
  • 26.
    MAR EPHRAEM COLLEGEOF ENGINEERING AND TECHNOLOGY Department of Mechanical Engineering ME6702 MECHATRONICS ACADEMIC YEAR2019-20  The Resistance temperature detectors are simple and resistive elements in the form of coils of wire  The equation which is used to find the linear relationship in RTD is Teaching Methodology: PPT - UNIT I Learning Resource (page number) T2- (117 to 125) Lesson Title LIGHT SENSORS Lesson concept/ Points/Definition s LIGHT SENSORS PIEZOELECTRIC SENSORS:  Piezoelectric materials when stretched or compressed generate electric charges with one face of the managerial becoming positively charged and the opposite face negatively charged.  As a result a voltage is produced. The net charge q on a surface is proportional to the amount x by which the charges have been displaced, and since the displacement is proportional to the applied force F.  q = kx= SF  Where k is a constant and S a constant termed the charge sensitivity.
  • 27.
    MAR EPHRAEM COLLEGEOF ENGINEERING AND TECHNOLOGY Department of Mechanical Engineering ME6702 MECHATRONICS ACADEMIC YEAR2019-20 TACTILE SENSOR:  It is used on fingertips of robot hands and for touch display screen  It uses piezoelectric poly vinylidene fluoride (PVDF) film  Two layers are separated by soft film.  The lower PVDF film has an alternating voltage applied to it results in mechanical oscillations.  Intermediate film transmits the vibration to upper film. Teaching Methodology: PPT - UNIT I Learning Resource (page number) T2- (145 to 153) Lesson Title INTRODUCTION OF 8085 MICROPROCESSOR Lesson concept/ Points/Definitions MICROPROCESSOR Microprocessor is a electronic chip, that functions as the central processing unit of a computer.
  • 28.
    MAR EPHRAEM COLLEGEOF ENGINEERING AND TECHNOLOGY Department of Mechanical Engineering ME6702 MECHATRONICS ACADEMIC YEAR2019-20 For example: Washing machines, microwave ovens, mobile phones etc. Its advance applications are Radar,Satellites, flights. All processors are use the basic concept of stored program execution. program or instructions are stored sequentially in the memory. Every microprocessor has its own associated set of instructions. Instruction set for microprocessor is in two forms one in mnemonic, which is comparatively easy to understand and the other is binary machine code. MICROPROCESSOR 8085 8085 is pronounced as "eighty-eighty-five" microprocessor. It is an 8-bit microprocessor designed by Intel in 1977 using NMOS technology. It has the following configuration −  8-bit data bus  16-bit address bus, which can address upto 64KB  A 16-bit program counter  A 16-bit stack pointer  Six 8-bit registers arranged in pairs: BC, DE, HL  Requires +5V supply to operate at 3.2 MHZ single phase clock It is used in washing machines, microwave ovens, mobile phones, etc Teaching Methodology: PPT - UNIT II Learning Resource (page number) T2- (304) Lesson Title ARCHITECTURE OF 8085 MICROPROCESSOR Lesson concept/ Points/Definitions ARCHITECTURE OF 8085 Microprocessor - 8085 Architecture. 8085 is pronounced as "eighty-eighty-five" microprocessor. It is an 8-bit microprocessor designed by Intel in 1977 using NMOS technology.. It has the following configuration −  8-bit data bus  16-bit address bus, which can address upto 64KB  A 16-bit program counter  A 16-bit stack pointer  Six 8-bit registers arranged in pairs: BC, DE, HL  Requires +5V supply to operate at 3.2 MHZ single phase clock
  • 29.
    MAR EPHRAEM COLLEGEOF ENGINEERING AND TECHNOLOGY Department of Mechanical Engineering ME6702 MECHATRONICS ACADEMIC YEAR2019-20 It is used in washing machines, microwave ovens, mobile phones, etc. Teaching Methodology: PPT - UNIT II Learning Resource (page number) R4- (155 to 163) Lesson Title PIN CONFIGURATION of8085 Lesson concept/ Points/Definitions PIN CONFIGURATION The pins of a 8085 microprocessor can be classified into seven groups
  • 30.
    MAR EPHRAEM COLLEGEOF ENGINEERING AND TECHNOLOGY Department of Mechanical Engineering ME6702 MECHATRONICS ACADEMIC YEAR2019-20 ADDRESS BUS  A15-A8, it carries the most significant 8-bits of memory/IO address. DATA BUS  AD7-AD0, it carries the least significant 8-bit address and data bus. CONTROL AND STATUS SIGNALS  These signals are used to identify the nature of operation. There are 3 control signal and 3 status signals.  Three control signals are RD, WR & ALE.  RD − This signal indicates that the selected IO or memory device is to be read and is ready for accepting data available on the data bus.  WR − This signal indicates that the data on the data bus is to be written into a selected memory or IO location.
  • 31.
    MAR EPHRAEM COLLEGEOF ENGINEERING AND TECHNOLOGY Department of Mechanical Engineering ME6702 MECHATRONICS ACADEMIC YEAR2019-20  ALE − It is a positive going pulse generated when a new operation is started by the microprocessor. When the pulse goes high, it indicates address. When the pulse goes down it indicates data. Three status signals are IO/M, S0 & S1. IO/M This signal is used to differentiate between IO and Memory operations, i.e. when it is high indicates IO operation and when it is low then it indicates memory operation. S1 & S0 These signals are used to identify the type of current operation. Power supply There are 2 power supply signals − VCC & VSS. VCC indicates +5v power supply and VSS indicates ground signal. CLOCK SIGNALS There are 3 clock signals, i.e. X1, X2, CLK OUT.  X1, X2 − A crystal (RC, LC N/W) is connected at these two pins and is used to set frequency of the internal clock generator. This frequency is internally divided by 2.  CLK OUT − This signal is used as the system clock for devices connected with the microprocessor. INTERRUPTS & EXTERNALLY INITIATED SIGNALS Interrupts are the signals generated by external devices to request the microprocessor to perform a task. There are 5 interrupt signals, i.e. TRAP, RST 7.5, RST 6.5, RST 5.5, and INTR. We will discuss interrupts in detail in interrupts section.  INTA − It is an interrupt acknowledgment signal.  RESET IN − This signal is used to reset the microprocessor by setting the program counter to zero.  RESET OUT − This signal is used to reset all the connected devices when the microprocessor is reset.  READY − This signal indicates that the device is ready to send or receive data. If READY is low, then the CPU has to wait for READY to go high.  HOLD − This signal indicates that another master is
  • 32.
    MAR EPHRAEM COLLEGEOF ENGINEERING AND TECHNOLOGY Department of Mechanical Engineering ME6702 MECHATRONICS ACADEMIC YEAR2019-20 requesting the use of the address and data buses.  HLDA (HOLD Acknowledge) − It indicates that the CPU has received the HOLD request and it will relinquish the bus in the next clock cycle. HLDA is set to low after the HOLD signal is removed. SERIAL I/O SIGNALS There are 2 serial signals, i.e. SID and SOD and these signals are used for serial communication.  SOD (Serial output data line) − The output SOD is set/reset as specified by the SIM instruction. SID (Serial inputdataline) −The data on thisline isloadedintoaccumulator wheneveraRIM instructionisexecuted Teaching Methodology: PPT - UNIT II Learning Resource (page number) T2- (101,119) Lesson Title ADDRESSING MODES Of8085 Lesson concept/ Points/Definitions ADDRESSING MODES Of 8085  To perform any operation, we have to give the corresponding instructions to the microprocessor.  In each instruction, programmer has to specify 3 things: 1. Operation to be performed. 2. Address of source of data. 3. Address of destination of result. The instructions MOV B, A or MVI A, 82H are to copy data from a source into a destination. In these instructions the source can be a register, an input port, or an 8-bit number (00H to FFH). Similarly, a destination can be a register or an output port. The sources and destination are operands. The various formats for specifying operands are called the ADDRESSING MODES. For 8085, they are:  1. Immediate addressing.  2. Register addressing.  3. Direct addressing.  4. Indirect addressing.
  • 33.
    MAR EPHRAEM COLLEGEOF ENGINEERING AND TECHNOLOGY Department of Mechanical Engineering ME6702 MECHATRONICS ACADEMIC YEAR2019-20 Teaching Methodology: PPT - UNIT II Learning Resource (page number) T1- (578,579) Lesson Title INSTRUCTION SET Lesson concept/ Points/Definitions INSTRUCTION SET  An instruction is a binary pattern designed inside a microprocessor to perform a specific function.  8085 has 246 instructions.  Each instruction is represented by an 8-bit binary value. There are 5 Types, (1) Data Transfer Instruction, (2) Arithmetic Instructions, (3) Logical Instructions, (4) Branching Instructions, (5) Control Instructions,  MOV Rd, Rs  MOV M, Rs  MOV Rd, M  This instruction copies the contents of the source register into the destination register.  The contents of the source register are not altered.  Example: MOV B,A or MOV M,B or MOV C,M Teaching Methodology: PPT - UNIT II Learning Resource (page number) T1- (162-166) Lesson Title TIMING DIAGRAM OF 8085 Lesson concept/ Points/Definitions TIMING DIAGRAM OF 8085 Timing Diagram is a graphical representation. It represents the execution time taken by each instruction in a graphical format. The execution time is represented in T-states. Instruction Cycle: Timing Diagram is a graphical representation. It represents the execution time taken by each instruction in a graphical format. The execution time is represented in T-states. Instruction Cycle:
  • 34.
    MAR EPHRAEM COLLEGEOF ENGINEERING AND TECHNOLOGY Department of Mechanical Engineering ME6702 MECHATRONICS ACADEMIC YEAR2019-20 The time required to execute an instruction . Machine Cycle: The time required to access the memory or input/output devices . T-State:  The machine cycle and instruction cycle takes multiple clock periods.  A portion of an operation carried out in one system clock period is called as T-state.  . The 8085 microprocessor has 7 basic machine cycle. They are 1. Op-code Fetch cycle(4T or 6T). 2. Memory read cycle (3T) 3. Memory write cycle(3T) 4. I/O read cycle(3T) 5. I/O write cycle(3T) 6. Interrupt Acknowledge cycle(6T or 12T) 7. Bus idle cycle Teaching Methodology: PPT - UNIT II Learning Resource (page number) T2- (235to 237) Lesson Title CONCEPTS OF 8051 MICROCONTROLLER Lesson concept/ Points/Definitions CONCEPTS OF 8051 MICROCONTROLLER A micro controller is an integrated circuit or a chip with a processor and other support devices like program memory, data memory, I/O ports, serial communication interface etc integrated together. Unlike a microprocessor (ex: Intel 8085), a microcontroller does not require any external interfacing of support devices. Intel 8051 is the most popular microcontroller ever produced in the world market. Now lets talk about 8051 microcontroller in detail. Before going further, it will be interesting for you to understand the difference between a Microprocessor and Microcontroller. We have a detailed article which describes the basic difference between both.
  • 35.
    MAR EPHRAEM COLLEGEOF ENGINEERING AND TECHNOLOGY Department of Mechanical Engineering ME6702 MECHATRONICS ACADEMIC YEAR2019-20 Teaching Methodology: PPT - UNIT II Learning Resource (page number) T2- (159 to 163) Lesson Title BLOCK DIAGRAM OF 8051 MICROCONTROLLER Lesson concept/ Points/Definitions BLOCK DIAGRAM OF 8051 MICROCONTROLLER . The 8051 Microcontroller is one of the basic type of microcontroller, designed by Intel in 1980's. This microcontroller was based on Harvard Architecture and developed primarily for use in embedded systems technology. Central Processor Unit (CPU) As we know that the CPU is the brain of any processing device of the microcontroller. It monitors and controls all operations that are performed on the Microcontroller units. The User has no control over the work of the CPU directly . It reads program written in ROM memory and executes them and do the expected task of that application. Interrupts As its name suggests, Interrupt is a subroutine call that interrupts of the microcontrollers main operations or work and causes it to execute any other program, which is more important at the time of operation. The feature of Interrupt is very useful as it helps in case of emergency operations. An Interrupts gives us a mechanism to put on hold the ongoing operations, execute a subroutine and then again resumes to another type of operations. The Microcontroller 8051 can be configured in such a way that it temporarily terminates or pause the main program at the occurrence of interrupts. When a subroutine is completed, Then the execution of main program starts. Generally five interrupt sources are there in 8051
  • 36.
    MAR EPHRAEM COLLEGEOF ENGINEERING AND TECHNOLOGY Department of Mechanical Engineering ME6702 MECHATRONICS ACADEMIC YEAR2019-20 Microcontroller. There are 5 vectored interrupts are shown in below  INTO  TFO  INT1  TF1  R1/T1 Out of these, (INT0) ̅ and (INT1) ̅ are external interrupts that could be negative edge triggered or low level triggered. When All these interrupts are activated, set the corresponding flogs except for serial interrupt,.The interrupt flags are cleared when the processor branches to the interrupt service routine (ISR). The external interrupt flags are cleared when the processor branches to the interrupt service routine, provides the interrupt is a negative edge triggered whereas the timers and serial port interrupts two of them are external interrupts, two of them are timer interruptsandone serial portinterruptterminal ingeneral. Teaching Methodology: PPT - UNIT II Learning Resource (page number) T2- (303 to 304) Lesson Title INTRODUCTION OF PERIPHERAL INTERFACE Peripheral Interface Controllers (PIC) is one of the advanced microcontrollers developed by microchip technologies. These microcontrollers are widely used in modern electronics applications. A PIC controller integrates all type of advanced interfacing ports and memory modules. These controllers are more advanced than normal microcontroller like INTEL 8051. The first PIC chip was announced in 1975 (PIC1650). As like normal microcontroller, the PIC chip also combines a microprocessor unit called CPU and is integrated with various types of memory modules (RAM, ROM, EEPROM ,etc), I/O ports, timers/counters, communication ports, etc FLASH MEMORY This is a special type of memory where READ, WRITE, and ERASE operations can be done many times. This type of memory was invented by INTEL corporation in 1980. A PIC Chip normally contains a certain amount of flash memory. REGISTERS Information is stored in a CPU memory location called a register.
  • 37.
    MAR EPHRAEM COLLEGEOF ENGINEERING AND TECHNOLOGY Department of Mechanical Engineering ME6702 MECHATRONICS ACADEMIC YEAR2019-20 Registers can be thought of as the CPU’s tiny scratchpad, temporarily storing instructions or data. Registers basically classified into the following. 1) GENERAL PURPOSE REGISTER (GPR) A general purpose register (or processor register) is a small storage area available on a CPU whose contents can be accessed more quickly than other storage that available on PIC. A general purpose register can store both data addresses simultaneously. 2) SPECIAL FUNCTION REGISTERS (SFR) These are also a part of RAM memory locations. As compared to GPR, their purpose is predetermined during the manufacturing time and cannot be changed by the user. It is only for special dedicated functions. INTERRUPTS Interrupt is the temporary delay in a running program. These delays stop the current execution for a particular interval. This interval/delay is usually called as interrupt. When an interrupt request arrives into a current execution program, then it stops its regular execution. Interrupt can be performed by externally (hardware interrupt) or internally (by using software). BUS BUS is the communication or data transmission/reception path in a microcontroller unit. In a normal microcontroller chip, two types of buses are normally available. 1) DATA BUS Data bus is used for memory addressing. The function of data bus is interfacing all the circuitry components inside the PIC chip. 2) ADDRESS BUS Address bus mostly used for memory addressing. The function of address bus is to transmit the address from the CPU to memory locations. Teaching Methodology: PPT - UNIT III Learning Resource (page number) T2- (235) Lesson Title ARCHITECTURE OF 8255 Lesson concept/ Points/Definiti ons ARCHITECTURE OF 8255 255 Programmable Peripheral Interface (PPI) This three-state bi-directional 8-bit buffer is used to interface the 8255 to the system data bus. Data is transmitted or
  • 38.
    MAR EPHRAEM COLLEGEOF ENGINEERING AND TECHNOLOGY Department of Mechanical Engineering ME6702 MECHATRONICS ACADEMIC YEAR2019-20 received by the buffer upon execution of input or output instructions by the CPU Read/Write and Control Logic The function of this block is to manage all of the internal and external transfers of both Data and Control or Status words. It accepts inputs from the CPU Address and Control busses and in turn, issues commands to both of the Control Groups. (CS) Chip Select. A "low" on this input pin enables the communcation between the 8255 and the CPU. (RD) Read. A "low" on this input pin enables 8255 to send the data or status information to the CPU on the data bus. In essence, it allows the CPU to "read from" the 8255. (WR) Write. A "low" on this input pin enables the CPU to write data or control words into the 8255. (A0 and A1) Port Select 0 and Port Select 1. These input signals, in conjunction with the RD and WR inputs, control the selection of one of the three ports or the control word register. They are normally connected to the least significant bits of the address bus (A0 and A1). (RESET) Reset. A "high" on this input initializes the control register to 9Bh and all ports (A, B, C) are set to the input mode. Teaching Methodology : PPT - UNIT III Learning Resource (page number) R4- (297-302)
  • 39.
    MAR EPHRAEM COLLEGEOF ENGINEERING AND TECHNOLOGY Department of Mechanical Engineering ME6702 MECHATRONICS ACADEMIC YEAR2019-20 Lesson Title KEYBOARD INTERFACING Lesson concept/ Points/Definitions The key board here we are interfacing is a matrix keyboard. This key board is designed with a particular rows and columns. These rows and columns are connected to the microcontroller through its ports of the micro controller 8051 The key board here we are interfacing is a matrix keyboard. This key board is designed with a particular rows and columns. These rows and columns are connected to the microcontroller through its ports of the micro controller 8051. We normally use 8*8 matrix key board. So only two ports of 8051 can be easily connected to the rows and columns of the key board. When ever a key is pressed, a row and a column gets shorted through that pressed key and all the other keys are left open. When a key is pressed only a bit in the port goes high. Which indicates microcontroller that the key is pressed. By this high on the bit key in the corresponding column is identified. Once we are sure that one of key in the key board is pressed
  • 40.
    MAR EPHRAEM COLLEGEOF ENGINEERING AND TECHNOLOGY Department of Mechanical Engineering ME6702 MECHATRONICS ACADEMIC YEAR2019-20 next our aim is to identify that key. To do this we firstly check for particular row and then we check the corresponding column the key board. To check the row of the pressed key in the keyboard, one of the row is made high by making one of bit in the output port of 8051 high . This is done until the row is found out. Once we get the row next out job is to find out the column of the pressed key. The column is detected by contents in the input ports with the help of a counter. The content of the input port is rotated with carry until the carry bit is set. The contents of the counter is then compared and displayed in the display. This display is designed using a seven segment display and a BCD to seven segment decoder IC 7447. The BCD equivalent number of counter is sent through output part of 8051 displays the number of pressed key. Teaching Methodology: PPT - UNIT III Learning Resource (page number) T1- (146 to 148) Lesson Title LED DISPLAY Lesson concept/ Points/Definitions This article is about Light-emitting diode (LED) based video displays. For LED-backlighted displays, see LED-backlit LCD. For matrixed text displays, see Dot-matrix display.Not to be confused with Vacuum fluorescent display. What is an LED Display? An LED display, or light emitting diode display, is a flat panel display that uses light emitting diodes as the video display. An LED display panel can be either a small display or part of a larger display. LED diodes are used in order to make up an LED display. LED displays are also used in billboards and store signs. An LED panel consists of severalLEDs, whereas an LED display consists of severalLED panels. LEDs used in order to make up LED displays offer severaladvantages in comparison to other light emitting sources. A light emitting diode is made up of a semiconductor chip which is surrounded by a transparent plastic case. The plastic case allows the light to pass through it. The emission of different colors including ultraviolet and infrared light depends on the semiconductor material which is used in the diode.
  • 41.
    MAR EPHRAEM COLLEGEOF ENGINEERING AND TECHNOLOGY Department of Mechanical Engineering ME6702 MECHATRONICS ACADEMIC YEAR2019-20 TYPES OF LED DISPLAYS There are many different kinds of LED Displays. At Future Electronics we stock many of the most common types categorized by display type, digit/alpha/matrix size, color, common pin value, packaging type and number of digits/alpha/matrix/bars. The parametric filters on our website can help refine your search results depending on the required specifications. The most common types for display type are light bar, seven segment and dot matrix. We also carry many other different types of display. Digit/Alpha/Matrix Size can range from 0.03 in to 0.40 in, with the most common sizes being 0.2 in, 0.3 in and 0.4 i Teaching Methodology: PPT - UNIT III Learning Resource (page number) R4- (76,77) Lesson Title INTERFACING, ADC AND DAC INTERFACE Lesson concept/ Points/Definitions INTERFACING, ADC AND DAC INTERFACE n most of the cases, the PIO 8255 is used for interfacing the analog to digital converters with microprocessor. • We have already studied 8255 interfacing with 8086 as an
  • 42.
    MAR EPHRAEM COLLEGEOF ENGINEERING AND TECHNOLOGY Department of Mechanical Engineering ME6702 MECHATRONICS ACADEMIC YEAR2019-20 I/O port, in previous section. This section we will only emphasize the interfacing techniques of analog to digital converters with 8255. • The analog to digital converters is treaded as an input device by the microprocessor, that sends an initialising signal to the ADC to start the analogy to digital data conversation process. The start of conversation signal is a pulse of a specific duration. Teaching Methodology: PPT - UNIT III Learning Resource (page number) R4-213;T2- (289) Lesson Title TEMPERATURE CONTROL Lesson concept/ Points/Definitions TEMPERATURE CONTROL Temperature control is a process in which change of temperature of a space (and objects collectively there within) is measured or otherwise detected, and the passage of heat energy into or out of the space is adjusted to achieve a desired average temperature As the name implies, a temperature controller - often called a PID controller is an instrument used to control temperature. The temperature controller takes an input from a temperature sensor and has an output that is connected to a control element such as a heater or fan. To accurately control process temperature without extensive operator involvement, a temperature control system relies upon a controller, which accepts a temperature sensor such as a thermocouple or RTD as input. It compares the actual temperature to the desired control temperature, or set point, and provides an output to a control element
  • 43.
    MAR EPHRAEM COLLEGEOF ENGINEERING AND TECHNOLOGY Department of Mechanical Engineering ME6702 MECHATRONICS ACADEMIC YEAR2019-20 Teaching Methodology: PPT - UNIT III Learning Resource (page number) T2- (305-307);R4-218 Lesson Title STEPPER MOTOR CONTROL Lesson concept/ Points/Definitions STEPPER MOTOR CONTROL .  Stepper motors are used for precision position control in many applications like floppy drives, printers, process control instruments, robotics and machine tool control.  Here is a microcontroller AT89C51-based stepper motor controller that can accurately control the rotation direction, speed and number of revolutions with help of six tactile switches.
  • 44.
    MAR EPHRAEM COLLEGEOF ENGINEERING AND TECHNOLOGY Department of Mechanical Engineering ME6702 MECHATRONICS ACADEMIC YEAR2019-20 .  Hex converter (7404) IC:  7404 is a NOT GATE IC.  It consists of six inverters (NOT gates).  The output of an inverter is the complement of its input logic state Teaching Methodology: PPT - UNIT III
  • 45.
    MAR EPHRAEM COLLEGEOF ENGINEERING AND TECHNOLOGY Department of Mechanical Engineering ME6702 MECHATRONICS ACADEMIC YEAR2019-20 Learning Resource (page number) T1- (183) Lesson Title TRAFFIC CONTROL INTERFACE Lesson concept/ Points/Definition s TRAFFIC CONTROL INTERFACE The main aimof thisprojectisto designaTrafficlightcontrollerusing8085 microprocessor. The 8085 Microprocessorisa popularMicroprocessorusedinIndustriesforvarious applications.Suchastrafficlightcontrol,temperaturecontrol,steppermotorcontrol, etc.In thisproject,the trafficlightsare interfacedtoMicroprocessorsystemthrough bufferandportsof programmable peripheral Interface 8255. Sothe trafficlightscan be automaticallyswitchedON/OFFindesiredsequence.The Interface boardhasbeen designedtoworkwithparallel portof Microprocessorsystem. The hardware of the systemconsistsof twoparts.The firstpart isMicroprocessor basedsystemwith8085. Microprocessoras CPU andthe peripheral deviceslike EPROM, RAM, Keyboard&DisplayController8279, Programmable asPeripheral Interface 8255, 26 pinparallel portconnector,21 keysHexakeypad and six numberof sevensegmentLED’s. The secondpart is the trafficlightcontrollerinterface board,whichconsistof 36 LED’s inwhich20 LED’s are usedfor vehicle trafficandtheyare connectedto20 port linesof 8255 throughBuffer.RemainingLED’sare usedforpedestriantraffic.The trafficlight interface boardisconnectedtoMain boardusing26 core flatcablesto 26-pinPort connector.The LED’s can be switchedON/OFFinthe specifiedsequencebythe Microprocessor. Teaching PPT - UNIT III
  • 46.
    MAR EPHRAEM COLLEGEOF ENGINEERING AND TECHNOLOGY Department of Mechanical Engineering ME6702 MECHATRONICS ACADEMIC YEAR2019-20 Methodology: Learning Resource (page number) T1- (347) Lesson Title INTRODUCTIONOF PLC Lesson concept/ Points/Definitions INTRODUCTIONOF PLC PLC Connections. When a process is controlled by a PLC it uses inputs from sensors to make decisions and update outputs to drive actuators, as shown in See The Separation of Controller and Process. The process is a real process that will change over time Control engineering has evolved over time. In the past humans were the main method for controlling a system. More recently electricity has been used for control and early electrical control was based on relays. These relays allow power to be switched on and off without a mechanical switch. It is common to use relays to make simple logical control decisions. The development of low cost computer has brought the most recent revolution, the Programmable Logic Controller (PLC). The advent of the PLC began in the 1970s, and has become the most common choice for manufacturing controls. PLCs have been gaining popularity on the factory floor and will probably
  • 47.
    MAR EPHRAEM COLLEGEOF ENGINEERING AND TECHNOLOGY Department of Mechanical Engineering ME6702 MECHATRONICS ACADEMIC YEAR2019-20 remain predominant for some time to come. Most of this is because of the advantages they offer. · Cost effective for controlling complex systems. · Flexible and can be reapplied to control other systems quickly and easily. · Computational abilities allow more sophisticated control. · Trouble shooting aids make programming easier and reduce downtime. · Reliable components make these likely to operate for years before failure. Teaching Methodology: PPT - UNIT IV Learning Resource (page number) R4- (70-72) Lesson Title BASIC STRUCTURE OF PLC Lesson concept/ Points/Definitions BASIC STRUCTURE OF PLC Programmable logic controllers (PLCs) are present in industry since sixties years of the previous century. Its are used for control different processes in steel plants, mains, in automotive, mechanical and chemical enterprises and so on. A lot of PLCs one can meet in intelligent buildings too. Due to this fact they should be universal. An universality is obtained by re- configurability (the PLCs are equipped with different I/O modules) and programmability (the PLCs are specialized for given control task by configuring and programming). It seems that the programmable logic controllers are well known but their structure and the way of operation are still the subject ofa lot of questions. They are described in many publications [1, 2, 3, 4, 5, 6, 7] but typically not in details
  • 48.
    MAR EPHRAEM COLLEGEOF ENGINEERING AND TECHNOLOGY Department of Mechanical Engineering ME6702 MECHATRONICS ACADEMIC YEAR2019-20 Teaching Methodology: PPT - UNIT IV Learning Resource (page number) T2- (158,159) Lesson Title INPUT AND OUTPUT PROCESSING OF PLC Lesson concept/ Points/Definitions Components of a PLC. All PLCs have the same basic components. ... Without any of these major components, the PLC will fail to function properly. The basic components include a power supply, central processing unit (CPU or processor), co-processor modules, input and output modules (I/O), and a peripheral device The type of input modules used by a PLC depends on the type of input device. For example, some respond to digital inputs, which are eitheronoroffwhile others respond to analog signals. In this case,analog signals represent machine or process conditions as a range of voltage or current values. The PLC input circuitry converts signals into logic signals that the CPU can use. The CPU evaluates the status of inputs, outputs, and other variables as it executes a stored program. The CPU then sends signals to update the status of outputs. Output modules convert control signals from the CPU into digital or analog values that can be used to control various output devices. The programming device is used to enter or change the PLCs program or to monitor or change stored values. Once entered,the program and associated variables are stored in the CPU. In addition to these basic elements, a PLC system may also incorporate an operator interface device to simplify monitoring of the machine or process.
  • 49.
    MAR EPHRAEM COLLEGEOF ENGINEERING AND TECHNOLOGY Department of Mechanical Engineering ME6702 MECHATRONICS ACADEMIC YEAR2019-20 Teaching Methodology: PPT - UNIT IV Learning Resource (page number) R4- (29,30) Lesson Title PROGRAMMING OF PLC Lesson concept/ Points/Definitions Programming Languages A program loaded into PLC systems in machine code, a sequence of binary code numbers to represent the program instructions. Assembly language based on the use of mnemonics can be used, and a computer program called an assembler is used to translate the mnemonics into machine code. High level Languages (C, BASIC, etc.) can be used. Programming Devices PLC can be reprogrammed through an appropriate programming device: Programming Console PC Hand Programmer Introduction to Ladder Logic Ladder logic uses graphic symbols similar to relay schematic circuit diagrams. Ladder diagram consists of two vertical lines representing the power rails. Circuits are connected as horizontal lines between these two verticals. Ladder diagram features Power flows from left to right. Output on right side can not be connected directly with left side. Contact can not be placed on the right of output. Each rung contains one output at least. Each output can be used only once in the program. A particular input a/o output can appear in more than one rung of a ladder. The inputs a/o outputs are all identified by their addresses,the notation used depending on the PLC manufacturer. Programming Languages A program loaded into PLC systems in machine code, a sequence of binary code numbers to represent the program instructions. Assembly language based on the use of mnemonics can be used, and a computer program called an assembler is used to translate the mnemonics into machine code. High level Languages (C, BASIC, etc.) can be used. Programming Devices PLC can be reprogrammed through an appropriate programming
  • 50.
    MAR EPHRAEM COLLEGEOF ENGINEERING AND TECHNOLOGY Department of Mechanical Engineering ME6702 MECHATRONICS ACADEMIC YEAR2019-20 device: Programming Console PC Hand Programmer Introduction to Ladder Logic Ladder logic uses graphic symbols similar to relay schematic circuit diagrams. Ladder diagram consists of two vertical lines representing the power rails. Circuits are connected as horizontal lines between these two verticals. Ladder diagram features Power flows from left to right. Output on right side can not be connected directly with left side. Contact can not be placed on the right of output. Each rung contains one output at least. Each output can be used only once in the program. A particular input a/o output can appear in more than one rung of a ladder. The inputs a/o outputs are all identified by their addresses, the notation used depending on the PLC manufacturer. Programming Languages A program loaded into PLC systems in machine code, a sequence of binary code numbers to represent the program instructions. Assembly language based on the use of mnemonics can be used, and a computer program called an assembler is used to translate the mnemonics into machine code. High level Languages (C, BASIC, etc.) can be used. Programming Devices PLC can be reprogrammed through an appropriate programming device: Programming Console PC Hand Programmer Introduction to Ladder Logic Ladder logic uses graphic symbols similar to relay schematic circuit diagrams. Ladder diagram consists of two vertical lines representing the power rails. Circuits are connected as horizontal lines between these two verticals. Ladder diagram features Power flows from left to right.Output on right side can not be connected directly with left side.
  • 51.
    MAR EPHRAEM COLLEGEOF ENGINEERING AND TECHNOLOGY Department of Mechanical Engineering ME6702 MECHATRONICS ACADEMIC YEAR2019-20 Contact can not be placed on the right of output.Each rung contains one output at least.Each output can be used only once in the program. A particular input a/o output can appear in more than one rung of a ladder. The inputs a/o outputs are all identified by their addresses,the notation used depending on the PLC manufacturer. Teaching Methodology: PPT - UNIT V-ISOPARAMETRIC FORMULATION Learning Resource (page number) R4- (44 to 51) Lesson Title MNEMONICS CODE Lesson concept/ Points/Definitions Mnemonic is an abbreviation for an operation. It's entered in the operation code field of each assembler program instruction. For example, on an intel microprocessor, inc ("increase by one") is a mnemonic. Teaching Methodology: PPT - UNIT IV Learning Resource (page number) R4- (389-392) Lesson Title TIMERS, COUNTERS ANDINTERNALRELAYS Lesson concept/ Points/Definitions TIMERS, COUNTERS AND INTERNAL RELAYS More complex systems cannot be controlled will the combinatorial logic alone. The main reason for this is that we cannot, or choose not to add sensors to detect all conditions. In these cases we can use events to estimate the condition of the system. Typical events used by a PLC include;first scan of the PLC - indicating the PLC has just been turned ontime since an input turned on/off - a delaycount of events - to wait until set number of events have occurred latch on or unlatch - to lock something on or turn it off LATCHES A latch is like a sticky switch - when pushed it will turn on, but stick in place, it must be pulled to release it and turn it off. A latch in ladder logic uses one instruction to latch, and a second instruction to unlatch, as shown in Figure 96. The output with an L nside will turn the output Don when the input Abecomes true. Dwill stay on even if A turns off. Output Dwill turn off if input Bbecomes true and the output with a U inside becomes true (Note: this will seem a little backwards at first). If an output has been latched on, it will keep its value, even if the power has been turned off. Teaching Methodology: PPT - UNIT IV
  • 52.
    MAR EPHRAEM COLLEGEOF ENGINEERING AND TECHNOLOGY Department of Mechanical Engineering ME6702 MECHATRONICS ACADEMIC YEAR2019-20 Learning Resource (page number) R4- (433-443) Lesson Title DATA HANDLING Lesson concept/ Points/Definitions DATA HANDLING Data handling is one of the central activities in which real mathematicians engage: they are frequently analysing data that they have gathered in various contexts and looking for patterns and generalities within them Data handling is one of the central activities in which real mathematicians engage: they are frequently analysing data that they have gathered in various contexts and looking for patterns and generalities within them. In schools we often undertake tasks in which we encourage children to collect data about themselves and their friends but the emphasis tends to be on presenting data in a variety of forms such as bar charts or pictograms. Analysis is often confined to identifying the most popular or least popular item. These limitations tend to restrict the interest and variety of the contexts that are explored, and fail to engage children in any significant mathematical thinking. Here are some alternative suggestions taken from the NRICH website that offer a broader view of data and ask some tricky questions about it. his question offers children some raw data that they have not had to collect themselves. This has some advantages: the teacher knows that everyone has the same information without worrying about the accuracy of their recording methods. So, we have a data handling problem that focuses on analysis rather than collection. Now the children need to begin to make sense of the situation. It is probably helpful to ask them to think about the pictures and to talk to each other about whatthe problem means. Offer them plenty of opportunities to think without insisting on quick answers. After they have had this chance, find out their ideas and, if need be, they can be encouraged to focus by asking them: Teaching Methodology: PPT - UNIT IV Learning Resource (page number) R4- (302) Lesson Title SELECTION OF PLC Lesson concept/ Points/Definitions In selecting a PLC,we need to consider the required input, output, and function of controller. Types of controller : Rack , Mini, Micro, or software. Need to consider the followings when choosing a controller; -Num of logic input/output. -Memory required, 1K or few bytes. -Scan time, (price)
  • 53.
    MAR EPHRAEM COLLEGEOF ENGINEERING AND TECHNOLOGY Department of Mechanical Engineering ME6702 MECHATRONICS ACADEMIC YEAR2019-20 - software,Availabilityof programming. -Comunications, serial or network. 1. Understand the process to be controlled-num. of input/output-how the process is to be controlled? special needs, such as distance between parts of the process. 2.If not already specified, a single vendor should be selected. Factors considered:-manuals & documentation training he range of product availab lhaping time for emergency replacement 3. Plan the ladder logic for the controls Teaching Methodology: PPT - UNIT V Lesson Title INTRODUCTION TO ACTUATORS Lesson concept/ Points/Definitions ACTUATORS  Actuator is a transducer that translates the control signal from one form of energy into another form.  During valve operation, the translational motion is transformed into rotary motion. It produces an output position that is proportional to its input signal TYPES Following are the types of Actuators classified based on their functions:  Pneumatic Actuators  Electro pneumatic Actuators  Hydraulic Actuators  Electro hydraulic Actuators  Electric Actuators PNEUMATICACTUATOR  Most commonly used process control actuators.  It is also called as a Spring Actuator.  The controlled input-air pressure provides sufficient force on the diaphragm to offset a portion of the spring force.
  • 54.
    MAR EPHRAEM COLLEGEOF ENGINEERING AND TECHNOLOGY Department of Mechanical Engineering ME6702 MECHATRONICS ACADEMIC YEAR2019-20 ELECTRO PNEUMATIC ACTUATORS  It is a combination of a current to pressure transducer, a feedback positioner and a pneumatic spring diaphragm actuator.  It is used to handle pulse signals from a digital computer controller. HYDRAULIC ACTUATORS  It is usually present in the form of hydraulic piston.  The piston is moved by applying pressurized hydraulic fluid to either side of the piston with an opposing spring providing for the motion in the other direction
  • 55.
    MAR EPHRAEM COLLEGEOF ENGINEERING AND TECHNOLOGY Department of Mechanical Engineering ME6702 MECHATRONICS ACADEMIC YEAR2019-20 ELECTRO HYDRAULIC ACTUATORS  It consists of an electric-to-hydraulic transducer, a feedback positioner and a hydraulic piston.  It is similar to that of pneumatic piston actuator; both need some means of piston position feedback Teaching Methodology: PPT - UNIT V Learning Resource (page number) R4- (302) Lesson Title TYPES OF STEPPER AND SERVO MOTORS Lesson concept/ Points/Definitions STEPPER MOTORS . A stepper motor or step motor or stepping motor is a brushless dc electric motor that divides a full rotation into a number of equal steps. The motor's position can then be commanded to move and hold at one of these steps without any feedback sensor (an open-loop controller), as long as the motor is carefully sized to the application in respect to torque and speed. TYPES  Permanent Magnet  Variable Reluctance  Hybrid
  • 56.
    MAR EPHRAEM COLLEGEOF ENGINEERING AND TECHNOLOGY Department of Mechanical Engineering ME6702 MECHATRONICS ACADEMIC YEAR2019-20 SERVO MOTOR A servomotor is a rotary actuator or linear actuator that allows for precise control of angular or linear position, velocity and acceleration.[1] It consists of a suitable motor coupled to a sensor for position feedback. It also requires a relatively sophisticated controller, often a dedicated module designed specifically for use with servomotors.
  • 57.
    MAR EPHRAEM COLLEGEOF ENGINEERING AND TECHNOLOGY Department of Mechanical Engineering ME6702 MECHATRONICS ACADEMIC YEAR2019-20 Servomotors are not a specific class of motor although the term servomotor is often used to refer to a motor suitable for use in a closed-loop control system. TYPES  AC servo motor  DC servo motor AC SERVO MOTOR AC servo motors are basically two-phase squirrel cage induction motors and are used for low power applications. Nowadays, three phase squirrel cage induction motors have been modified such that they can be used in high power servo systems. The main difference between a standard split-phase induction motor and AC motor is that the squirrel cage rotor of a servo motor has made with thinner conducting bars, so that the motor resistance is high DC SERVO MOTOR A DC servo motor consists of a small DC motor, feedback potentiometer, gearbox, motor drive electronic circuit and electronic feedback control loop. It is more or less similar to the normal DC motor. The stator of the motor consists of a cylindrical frame and the magnet is
  • 58.
    MAR EPHRAEM COLLEGEOF ENGINEERING AND TECHNOLOGY Department of Mechanical Engineering ME6702 MECHATRONICS ACADEMIC YEAR2019-20 attached to the inside of the frame. Teaching Methodology: PPT - UNIT V Learning Resource (page number) R4- (302) Lesson Title CONSTRUCTION AND WORKING PRINCIPLE OF STEPPER AND SERVO Lesson concept/ Points/Definition s WORKINGPRINCIPLE OF DC SERVOMOTOR A DC servo motor is an assembly of four major components, namely a DC motor, a position sensing device, a gear assembly, and a control circuit. The below figure shows the parts that consisting in RC servo motors in which small DC motor is employed for driving the loads at precise speed and position. Internal diagram A DC reference voltage is set to the value corresponding to the desired output. This voltage can be applied by using another potentiometer, control pulse width to voltage converter, or through timers depending on the control circuitry. The dial on the potentiometer produces a corresponding voltage which is then applied as one of the inputs to error amplifier. In some circuits, a control pulse is used to produce DC reference voltage corresponding to desired position or speed of the motor and it is applied to a pulse width to voltage converter. In this converter, the capacitor starts charging at a constant rate when the pulse high. Then the charge on the capacitor is fed to the buffer amplifier when the
  • 59.
    MAR EPHRAEM COLLEGEOF ENGINEERING AND TECHNOLOGY Department of Mechanical Engineering ME6702 MECHATRONICS ACADEMIC YEAR2019-20 pulse is low and this charge is further applied to the error amplifier. So the length of the pulse decides the voltage applied at the error amplifier as a desired voltage to produce the desired speed or position. In digital control, microprocessor or microcontroller are used for generating the PWM pluses in terms of duty cycles to produce more accurate control signals. The feedback signal corresponding to the present position of the load is obtained by using a position sensor. This sensor is normally a potentiometer that produces the voltage corresponding to the absolute angle of the motor shaft through gear mechanism. Then the feedback voltage value is applied at the input of error amplifier (comparator). The error amplifier is a negative feedback amplifier and it reduces the difference between its inputs. It compares the voltage related to current position of the motor (obtained by potentiometer) with desired voltage related to desired position of the motor (obtained by pulse width to voltage converter), and produces the error either a positive or negative voltage. This error voltage is applied to the armature of the motor. If the error is more, the more output is applied to the motor armature. As long as error exists, the amplifier amplifies the error voltage and correspondingly powers the armature. The motor rotates till the error becomes zero. If the error is negative, the armature voltage reverses and hence the armature rotates in the opposite direction. STEPPER MOTOR The schematic diagram of servo system for AC two-phase induction motor is shown in the figure below. In this, the reference input at which the motor shaft has to maintain at a certain position is given to the rotor of synchro generator as mechanical input theta. This rotor is connected to the electrical input at rated voltage at a fixed frequency.
  • 60.
    MAR EPHRAEM COLLEGEOF ENGINEERING AND TECHNOLOGY Department of Mechanical Engineering ME6702 MECHATRONICS ACADEMIC YEAR2019-20 The three stator terminals of a synchro generator are connected correspondingly to the terminals of control transformer. The angular position of the two-phase motor is transmitted to the rotor of control transformer through gear train arrangement and it represents the control condition alpha. Initially, there exist a difference between the synchro generator shaft position and control transformer shaft position. This error is reflected as the voltage across the control transformer. This error voltage is applied to the servo amplifier and then to the control phase of the motor. With the control voltage, the rotor of the motor rotates in required direction till the error becomes zero. This is how the desired shaft position is ensured in AC servo motors. Alternatively, modern AC servo drives are embedded controllers like PLCs, microprocessors and microcontrollers to achieve variable frequency and variable voltage in order to drive the motor. Mostly, pulse width modulation and Proportional-Integral-Derivative (PID) techniques are used to control the desired frequency and voltage. The block diagram of AC servo motor system using programmable logic controllers, position and servo controllers is given below.
  • 61.
    MAR EPHRAEM COLLEGEOF ENGINEERING AND TECHNOLOGY Department of Mechanical Engineering ME6702 MECHATRONICS ACADEMIC YEAR2019-20 Teaching Methodology: PPT - UNIT V Learning Resource (page number) R4- (302) Lesson Title ADVANTAGES AND DISADVANTAGES STEPPER AND SERVO MOTORS Lesson concept/ Points/Definition s SERVO MOTORS Advantages:  If a heavy load is placed on the motor, the driver will increase the current to the motor coil as it attempts to rotate the motor. Basically, there is no out-of-step condition.  High-speed operation is possible. Disadvantages:  Since the servomotor tries to rotate according to the command pulses, but lags behind, it is not suitable for precision control of rotation.  Higher cost.  When stopped, the motor’s rotor continues to move back and forth one pulse, so that it is not suitable if you need to prevent vibration STEPPER MOTORS ADVANTAGES  Stable. Can drive a wide range of frictional and inertial loads.  Needs no feedback. The motor is also the position transducer.  Inexpensive relative to other motion control systems.
  • 62.
    MAR EPHRAEM COLLEGEOF ENGINEERING AND TECHNOLOGY Department of Mechanical Engineering ME6702 MECHATRONICS ACADEMIC YEAR2019-20  Standardized frame size and performance.  Plug and play. Easy to setup and use.  Safe. If anything breaks, the motor stops.  Long life. Bearings are the only wear-out mechanism.  Excellent low speed torque. Can drive many loads without gearing.  Excellent repeatability. Returns to the same location accurately.  Overload safe. Motor cannot be damaged by mechanical overload DISADVANTAGES  Low efficiency. Motor draws substantial power regardless of load.  Torque drops rapidly with speed (torque is the inverse of speed).  Low accuracy. 1:200 at full load, 1:2000 at light loads.  Prone to resonances. Requires microstepping to move smoothly.  No feedback to indicate missed steps.  Low torque to inertia ratio. Cannot accelerate loads very rapidly.  Motor gets very hot in high performance configurations.  Motor will not "pick up" after momentary overload.  Motor is audibly very noisy at moderate to high speeds.  Low output power for size and weight Teaching Methodology: PPT - UNIT V Learning Resource (page number) R4- (302) Lesson Title INTRODUCTION OF MECHATRONIC SYSTEM DESIGN Lesson concept/ Points/Definitio ns The design of mechatronic systems can be divided into a number of stages. The Need: The design process starts with the need of a customer. By adequate market research and knowledge, the potential needs of a customer can be clearly identified. Analysis of the Problem: This is the first stage and also the critical stage in the design process. After knowing the customer need, analysis should be done to know the true nature of theproblem. To define the problem accurately, analysis should be done carefully Preparation of a Specification: The second stage of the mechatronic process involves in the preparation of aspecification The specification must be given to understand the requirements and the functions to bemet. The specification gives mass dimensions, types, accuracy, power requirements,
  • 63.
    MAR EPHRAEM COLLEGEOF ENGINEERING AND TECHNOLOGY Department of Mechanical Engineering ME6702 MECHATRONICS ACADEMIC YEAR2019-20 load,praying environments, velocity, speed, life etc. Conceptualization: The possible solution should be generated for each of the functions required It is generated by verifying the old problems or some newly developed techniques maybe used Optimization: This stage involves in a selection of a best solution for the problem Optimization is defined as a technique in which a best solution is selected among a group of solutions to solve a problem. Teaching Methodology: PPT - UNIT V Lesson Title TRADITIONAL AND MECHATRONICS DESIGN CONCEPTS Lesson concept/ Points/Definitio ns TraditionaMechatronics: Engineering design is a complex process involving interactions between many skills and disciplines. With traditional design, the approach was for the mechanical engineer to design the mechanical elements, then the control engineer to come along and design the control system. This gives what might be termed a sequential approach to the design POSSIBLEDESIGNSOLUTIONS: WindScreen–Wiper Motor: Wind screen wiper is a device which is used to clear from the front glass of the vehicles,
  • 64.
    MAR EPHRAEM COLLEGEOF ENGINEERING AND TECHNOLOGY Department of Mechanical Engineering ME6702 MECHATRONICS ACADEMIC YEAR2019-20 during rainy season. In consists of an arm which oscillates back and forth in an arc like a wind screen wiper. Mechanical Solution: It works like a four bar mechanism, when the crank rotates, the arm 1 rotates. This makes the arm 2 to oscillate the arm 3. Teaching Methodology: PPT - UNIT V Lesson Title CASE STUDIES OF MECHATRONICS SYSTEMS Lesson concept/ Points/Definitio ns The robot has three axes and about these three axes only motion occurs. The following movements are required for this robot Clockwise and Anti-clockwise rotation of the robot unit on its base Horizontal Linear movement of the arm to extend or contraction Upa nd down movement of the arm and Open or close movement of the gripper The above movements are accomplished by the use of pneumatic cylinders operated bysolenoid controlled values with limit switches. The limit switches are used to indicate when a motion is completed. The clockwise rotationof the robotunit can be obtainedfromapistonand cylinder
  • 65.
    MAR EPHRAEM COLLEGEOF ENGINEERING AND TECHNOLOGY Department of Mechanical Engineering ME6702 MECHATRONICS ACADEMIC YEAR2019-20 Teaching Methodology: PPT - UNIT V Lesson Title PICK AND PLACE ROBOT Lesson concept/ Points/Definitio ns In selecting a PLC,we need to consider the required input, output, and function of controller. Types of controller : Rack , Mini, Micro, or software. Need to consider the followings when choosing a controller; -Num of logic input/output. -Memory required, 1K or few bytes. -Scan time, (price) - software,Availabilityof programming. -Comunications, serial or network. 2. Understand the process to be controlled-num. of input/output-how the process is to be controlled? special needs, such as distance between parts of the process. 2.If not already specified, a single vendor should be selected. Factors considered:- manuals & documentation training he range of product availab lhaping time for emergency replacement 4. Plan the ladder logic for the controls Teaching Methodology: PPT - UNIT IV Lesson Title SELECTION OF PLC Lesson concept/ Points/Definitio ns The robot has three axes and about these three axes only motion occurs.  The following movements are required for this robot  Clockwise and Anti-clockwise rotation of the robot unit on its base  Horizontal Linear movement of the arm to extend or contraction  Up and down movement of the arm and  Open or close movement of the gripper  The above movements are accomplished by the use of pneumatic cylinders operated by solenoid controlled values with limit switches.  The limit switches are used to indicate when a motion is completed.
  • 66.
    MAR EPHRAEM COLLEGEOF ENGINEERING AND TECHNOLOGY Department of Mechanical Engineering ME6702 MECHATRONICS ACADEMIC YEAR2019-20  The clockwise rotation of the robot unit can be obtained from a piston and cylinder arrangement during its extension and that of counter clockwise during its retraction.  The upward and downward movement of the arm can be obtained from a piston and cylinder arrangement during the extension and retraction of a piston respectively.  Similarly, the gripper can be opened or closed by the piston in a linear cylinder during its extension.  The micro controller used to control the solenoid values and hence the movements of the  robot unit.  The type of microcontroller used in M68C11.  A software program is used to control the robot.  Eight C port lies PC0 – PC7, are used to sense the position of eight separate limit switches used for eight different robotic movements.  Also one line from port D is used to start or stop the robot operation.  The switch in its one position will provide +5V (a logic high signal), to the corresponding port lines and the switch in another position will provide 0V (a logic low signal), to the port lines. So the two positions of a switch will provide either a logic high or logic low to the  corresponding PC0 – PC7,and PD,lines.  Eight part B lines (PB0 – PB7) are used to control eight different movement. These are Base CW,Base CEW,Arm extends, Arm retract,Arm up, Arm down Gripper close and Gripper open of the robot.  PB0,is connected to the Triac optoisolator through a resistor.  TRIAC isolator consists of LED and TRIAC.  For example, when the base has to rotate in clockwise direction, a high signal is sent through line PB0  The diode is forward biased and the TRIAC optoisolation operates,regulating the supply  to the solenoid value which in turn operated the piston rod of the pneumatic cylinder. The base clockwise continues the rotation till it reader the position of second limit switch
  • 67.
    MAR EPHRAEM COLLEGEOF ENGINEERING AND TECHNOLOGY Department of Mechanical Engineering ME6702 MECHATRONICS ACADEMIC YEAR2019-20 Teaching Methodology: PPT - UNIT IV Lesson Title ENGINE MANAGEMENT SYSTEM Lesson concept/ Points/Definitio ns  Engine management system is now-a-days, used in many of the modem cars  This car includes many electronic control systems such as microcontrollers for the control of various engine factors.  The main objective of the system is to ensure that the engine is operated at its optimum settings.  The engine management system of a car is responsible for managing the ignition and fuelling requirements of the engine.  The power and speed of the engine are controlled by varying the ignition timing and the Air fue1 mixture.  In modern cars, this is done by microprocessor.
  • 68.
    MAR EPHRAEM COLLEGEOF ENGINEERING AND TECHNOLOGY Department of Mechanical Engineering ME6702 MECHATRONICS ACADEMIC YEAR2019-20  To control the ignition delay, the crank shaft drives a distribution which makes electrical contacts for each spark plug in turn and a timing wheel.  This timing wheel generates pulses - to indicate the crankshaft position.  The microprocessor then adjusts the timing at which high voltage pulses are sent to the distributor so that they occur at right moments of time.  To control the amount of air-fuel mixture entering into a cylinder during the suction stroke, the microprocessor varies the time for which a solenoid is activated to the inlet valve on the basis of inputs received by the engine temperature and the throttle position.  The amount of fuel to be injected into the air stream can be determined on input from a sensor of the mass rate of air, or computed from other measurements.  The microprocessor then gives as output to control of fuel inject valve.  The system hence consists of number of sensor for observing vehicle speed, Engine temperature,oil and fuel pressure,air flow etc.,  These sensorssuppliesinputsignalsto the microprocessor after suitable signal conditioning and provides output signals via drivers to actuate corresponding actuators.
  • 69.
    MAR EPHRAEM COLLEGEOF ENGINEERING AND TECHNOLOGY Department of Mechanical Engineering ME6702 MECHATRONICS ACADEMIC YEAR2019-20 A modern car’s Engine Management System consists of a wide range of electronic and electrical components comprising of engine sensors, relays and actuators which work together to provide the car’s Engine Control Unit with vital data parameters essential to govern various engine functions effectively. Generally speaking, Engine sensors are electro-mechanical devices which monitor various engine parameters. An engine uses different types of sensors which primarily consists of Thermo-couple, Resistance Temperature Detectors (RTDs), and Hall Effect sensors. Various Engine Sensors TYPE OF ENGINE SENSORS USED: Thermo-couples use two different conductors that contact each other at one or more spots. This produces a voltage which in-turn, sends the signal in the form of electric current to the ECU. A thermo-couple sensor is a temperature-measuring device which converts temperature into an electrical charge. Thermo-couples are commonly used as temperature sensors for measurement and control of temperature such as Engine Coolant Temperature Sensor.
  • 70.
    MAR EPHRAEM COLLEGEOF ENGINEERING AND TECHNOLOGY Department of Mechanical Engineering ME6702 MECHATRONICS ACADEMIC YEAR2019-20 Teaching Methodology: PPT - UNIT V Lesson Title AUTOMATIC CAR PARK BARRIER Lesson concept/ Points/Definitio ns Consider the coin-operated car park system with barriers.  The main requirement of the system is that, the in-barrier is to be opened to allow the car inside if correct money (coin) is inserted in the collection box.  The out barrier is to be opened to allow the car outside, if the car is detected at the car  park side of the barrier.  The automatic car park barrier along with the mechanism to lift and lower it
  • 71.
    MAR EPHRAEM COLLEGEOF ENGINEERING AND TECHNOLOGY Department of Mechanical Engineering ME6702 MECHATRONICS ACADEMIC YEAR2019-20  When the current flows through the solenoid A & the piston in the cylinder extends to move upward and causes the barrier to rotate about its pivot and thus the barrier raises to allow the car inside.  When the current flows through the solenoid A ceases,the spring on the solenoid valve makes the contacts to open and thus makes the valve to its original position.  When the current flows through solenoid B, the piston in the cylinder moves downward end causes the barrier to get down.  Limit switches are used to detect when the barrier is down and also when fully up.  This control can be controlled by PLC X400- coin operated switch at entrance to car park X401- switch activated when entrance barrier is out X402- switch activated when entrance barrier is down X403- switch activated when car at exit barrier
  • 72.
    MAR EPHRAEM COLLEGEOF ENGINEERING AND TECHNOLOGY Department of Mechanical Engineering ME6702 MECHATRONICS ACADEMIC YEAR2019-20 X404- switch activated when exit barrier is -up X405- switch activated when exit barrier is down Y430- solenoid on valve A for entrance barrier Y43 1- solenoid on valve B for entrance barrier Y432- solenoid on valve A for exit barrier Y433- solenoid on valve B for exit barrier Six inputs (X400 to X405) is required for the PLC to sense the six limit switch position namely coin-operated switch, entrance barrier up switch, down switch, car at exit barrier switch, exit barrier up switch, Exit barrier down switch Whenever,a switch is operated, 0Vsignal is provided to the corresponding inputs and otherwise +24v signalis provided to the inputs. Four outputs (Y430 to Y433) are required to operate the two solenoid valves A and B. Program: LD X400 OR Y430 ANI M100 ANI Y431 OUT Y430 LD X401 OUT T450 K 10 LD T450 OUT M100 LD OR ANI
  • 73.
    MAR EPHRAEM COLLEGEOF ENGINEERING AND TECHNOLOGY Department of Mechanical Engineering ME6702 MECHATRONICS ACADEMIC YEAR2019-20 M100 Y431 X402 ANI Y430 OUT Y431 LD X403 OR Y432 ANI M101 ANI Y433 OUT Y432 LD X404 OUT T451 K 10 LD T45 1 OUT M101 LD M101 OR Y433 ANI X405 ANI Y432 OUT Y433 Teaching Methodology: PPT - UNIT IV Lesson Title DISCUSSION OF CASE STUDY Lesson concept/ Points/Definitions In this three case study we can able to understand how the mechatronics play a vital role in modern machinery.now we can able to understand the important of mechatronics. It a interdisciplinary activity . . ENGINE MANAGEMENT SYSTEM In olden stage engine fully controlled by mechanical system. Teaching Methodology: PPT - UNIT IV Learning Resource (page number) R4- (433-443)
  • 74.
    MAR EPHRAEM COLLEGEOF ENGINEERING AND TECHNOLOGY Department of Mechanical Engineering ME6702 MECHATRONICS ACADEMIC YEAR2019-20 QUESTION PAPER B.E.DEGREE CONTINUOUSASSESSMENT EXAMINATIONI– AUG2017 Seventh Semester Department of Mechanical Engineering ME 6702- MECHATRONICS Time: 1.30 hrs. Maximum: 50 marks Course Outcomes (COs) for Assessmentinthis Examination CO1 Discuss the interdiciplinary applications of electronics, electrical,mechanical and computer systems. CO2 Explain the architecture of 8085 microprocessor and 8051 microcontroller CL-Cognitive Level;Kn-Knowledge;Un-Understand;Ap-Apply;An-Analyze;Ev-Evaluate;Cr-Create Answer all questions. PART A – (5 X 2 = 10 marks) 1. Define Mechatronics Re CO1 2. Define strain gauge sensor Re CO1 3. Define microprocessor Re CO2 4. Write the different types of addressing mode Re CO2 5. Define microcontroller Re CO2 PART B – (2 X 13 = 26 marks) 6 Explain the elements of Mechatronics system Un CO1 7 Explain static and dynamic characteristics of sensor Un CO1 PART C – (1 X 14 = 14 marks) 8 Explain the architecture of 8085 microprocessor Un CO2
  • 75.
    MAR EPHRAEM COLLEGEOF ENGINEERING AND TECHNOLOGY Department of Mechanical Engineering ME6702 MECHATRONICS ACADEMIC YEAR2019-20 Answer Key Mar Ephraem College of Engineering And Technology B.E. DEGREE CONTINUOUS ASSESSMENT EXAMINATION I - February 2019 Sixth Semester Department of Mechanical Engineering ME6603 FINITE ELEMENT ANALYSIS Time: 1.30hrs. Maximum: 50 marks Course Outcomes(COs)for Assessment in this Examination CO1 Summarize the basics of finite element formulation CO2 Apply finite element methods to solve one dimensional problems ANSWER KEY PART A – (5 X 2 = 10 marks) 1. (I.) Experimental methods( II.) Analytical methods (III.) Numerical methods or approximate methods 2. Each kind of finite element has a specific structural shape and is inter- connected with the adjacent element by nodal point or nodes. Types of nodes: 1.Interior Node 2.Exterior Node 3. It is defined as the ratio of the largest dimension of the element to the smallest dimension. In many cases, as the aspect ratio increases the in accuracy of the solution increases 4. Body force (f) Traction force (T) Point load (P) 5. The art of subdividing a structure in to a convenient number of smaller components is known as discretization. PART B – (2 X13 = 26 marks) 6.
  • 76.
    MAR EPHRAEM COLLEGEOF ENGINEERING AND TECHNOLOGY Department of Mechanical Engineering ME6702 MECHATRONICS ACADEMIC YEAR2019-20
  • 77.
    MAR EPHRAEM COLLEGEOF ENGINEERING AND TECHNOLOGY Department of Mechanical Engineering ME6702 MECHATRONICS ACADEMIC YEAR2019-20
  • 78.
    MAR EPHRAEM COLLEGEOF ENGINEERING AND TECHNOLOGY Department of Mechanical Engineering ME6702 MECHATRONICS ACADEMIC YEAR2019-20
  • 79.
    MAR EPHRAEM COLLEGEOF ENGINEERING AND TECHNOLOGY Department of Mechanical Engineering ME6702 MECHATRONICS ACADEMIC YEAR2019-20 7.
  • 80.
    MAR EPHRAEM COLLEGEOF ENGINEERING AND TECHNOLOGY Department of Mechanical Engineering ME6702 MECHATRONICS ACADEMIC YEAR2019-20
  • 81.
    MAR EPHRAEM COLLEGEOF ENGINEERING AND TECHNOLOGY Department of Mechanical Engineering ME6702 MECHATRONICS ACADEMIC YEAR2019-20
  • 82.
    MAR EPHRAEM COLLEGEOF ENGINEERING AND TECHNOLOGY Department of Mechanical Engineering ME6702 MECHATRONICS ACADEMIC YEAR2019-20
  • 83.
    MAR EPHRAEM COLLEGEOF ENGINEERING AND TECHNOLOGY Department of Mechanical Engineering ME6702 MECHATRONICS ACADEMIC YEAR2019-20
  • 84.
    MAR EPHRAEM COLLEGEOF ENGINEERING AND TECHNOLOGY Department of Mechanical Engineering ME6702 MECHATRONICS ACADEMIC YEAR2019-20 PART C – (1 X 14 = 14 marks) 8.
  • 85.
    MAR EPHRAEM COLLEGEOF ENGINEERING AND TECHNOLOGY Department of Mechanical Engineering ME6702 MECHATRONICS ACADEMIC YEAR2019-20
  • 86.
    MAR EPHRAEM COLLEGEOF ENGINEERING AND TECHNOLOGY Department of Mechanical Engineering ME6702 MECHATRONICS ACADEMIC YEAR2019-20
  • 87.
    MAR EPHRAEM COLLEGEOF ENGINEERING AND TECHNOLOGY Department of Mechanical Engineering ME6702 MECHATRONICS ACADEMIC YEAR2019-20
  • 88.
    MAR EPHRAEM COLLEGEOF ENGINEERING AND TECHNOLOGY Department of Mechanical Engineering ME6702 MECHATRONICS ACADEMIC YEAR2019-20 Mar Ephraem College of Engineering And Technology B.E. DEGREE CONTINUOUS ASSESSMENT EXAMINATION II - March 2019 Sixth Semester Department of Mechanical Engineering ME6603 FINITE ELEMENT ANALYSIS Time: 1.30hrs. Maximum: 50 marks Course Outcomes(COs)for Assessment in this Examination CO3 Apply finite element methods to solve two-dimensional Scalar Problems CO4 Apply finite element methods to solve two-dimensional Vectorproblems ANSWER KEY PART A – (5 X 2 = 10 marks) 1. Six noddedtriangularelementsare knownasLST. It has twelve unknowndisplacementdegrees of freedom.The displacementfunctionforthe elementsare quadraticinsteadof linearasinthe CST. 2. Plane stressisdefinedtobe a state of stressin whichthe normal stressand shearstress directedperpendiculartothe plane are assumedtobe zero 3. Stiffnessmatrix [K]=[B]T [D ][B]At [ [D]-Stressstrainmatrix [B]-Straindisplacementmatrix,A- Area,t-thickness 4. Many three dimensional problemin engineeringexhibitsymmetryaboutanaxisof rotationsuch type of problemare solvedbyspecial twodimensional elementcalledthe axisymmetricelement 5. The problemdomainmustbe symmetricaboutthe axisof revolutionAllboundarycondition mustbe symmetricaboutthe axisof revolutionAllloadingconditionmustbe symmetricabout the axisof revolution PART B – (2 X13 = 26 marks) 6.
  • 89.
    MAR EPHRAEM COLLEGEOF ENGINEERING AND TECHNOLOGY Department of Mechanical Engineering ME6702 MECHATRONICS ACADEMIC YEAR2019-20
  • 90.
    MAR EPHRAEM COLLEGEOF ENGINEERING AND TECHNOLOGY Department of Mechanical Engineering ME6702 MECHATRONICS ACADEMIC YEAR2019-20
  • 91.
    MAR EPHRAEM COLLEGEOF ENGINEERING AND TECHNOLOGY Department of Mechanical Engineering ME6702 MECHATRONICS ACADEMIC YEAR2019-20 7.
  • 92.
    MAR EPHRAEM COLLEGEOF ENGINEERING AND TECHNOLOGY Department of Mechanical Engineering ME6702 MECHATRONICS ACADEMIC YEAR2019-20
  • 93.
    MAR EPHRAEM COLLEGEOF ENGINEERING AND TECHNOLOGY Department of Mechanical Engineering ME6702 MECHATRONICS ACADEMIC YEAR2019-20 PART C – (1 X 14 = 14 marks) 8.
  • 94.
    MAR EPHRAEM COLLEGEOF ENGINEERING AND TECHNOLOGY Department of Mechanical Engineering ME6702 MECHATRONICS ACADEMIC YEAR2019-20
  • 95.
    MAR EPHRAEM COLLEGEOF ENGINEERING AND TECHNOLOGY Department of Mechanical Engineering ME6702 MECHATRONICS ACADEMIC YEAR2019-20
  • 96.
    MAR EPHRAEM COLLEGEOF ENGINEERING AND TECHNOLOGY Department of Mechanical Engineering ME6702 MECHATRONICS ACADEMIC YEAR2019-20
  • 97.
    MAR EPHRAEM COLLEGEOF ENGINEERING AND TECHNOLOGY Department of Mechanical Engineering ME6702 MECHATRONICS ACADEMIC YEAR2019-20
  • 98.
    MAR EPHRAEM COLLEGEOF ENGINEERING AND TECHNOLOGY Department of Mechanical Engineering ME6702 MECHATRONICS ACADEMIC YEAR2019-20
  • 99.
    MAR EPHRAEM COLLEGEOF ENGINEERING AND TECHNOLOGY Department of Mechanical Engineering ME6702 MECHATRONICS ACADEMIC YEAR2019-20 Mar Ephraem College of Engineering And Technology B.E. DEGREE , MODEL EXAM - April 2019 Sixth Semester Department of Mechanical Engineering ME6603 FINITE ELEMENT ANALYSIS Time: 3.00hrs. Maximum: 50 marks CourseOutcomes(COs)forAssessmentinthis Examination CO1 Summarize the basics of finite element formulation CO2 CO3 CO4 CO5 CO6 Apply finite element methods to solve one dimensional problems Apply finite element methods to solve two-dimensional Scalar Problems Apply finite element methods to solve two-dimensional Vectorproblems Apply finite element methods to solve problems on isoparametric elements. Solve basic Dynamic problems using Finite element methods ANSWER PART A – (5 X 2 = 10 marks)
  • 100.
    MAR EPHRAEM COLLEGEOF ENGINEERING AND TECHNOLOGY Department of Mechanical Engineering ME6702 MECHATRONICS ACADEMIC YEAR2019-20 1. (I.) Experimental methods( II.) Analytical methods (III.) Numerical methods or approximate methods 2. Each kind of finite element has a specific structural shape and is inter- connected with the adjacent element by nodal point or nodes. 3. Body force (f) Traction force (T) Point load (P) 4. The art of subdividing a structure in to a convenient number of smaller components is known as discretization. 5. Six noddedtriangularelementsare knownasLST. It has twelve unknowndisplacementdegrees of freedom.The displacementfunctionforthe elementsare quadraticinsteadof linearasinthe CST. 6. Plane stressisdefinedtobe a state of stressinwhichthe normal stressand shearstress directedperpendiculartothe plane are assumedtobe zero 7. Stiffnessmatrix [K]=[B]T [D ][B]At [ [D]-Stressstrainmatrix [B]-Straindisplacementmatrix,A- Area,t-thickness 8. Many three dimensional probleminengineeringexhibitsymmetryaboutanaxisof rotationsuch type of problemare solvedbyspecial twodimensional elementcalledthe axisymmetricelement 9. If the shape functionsdefiningthe boundaryanddisplacementsare the same,the elementis calledasisoparametricelementandall the eightnodesare usedindefiningthe geometryand displacement 10. (i) ANSYS(ii) NASTRAN (iii) COSMOS PART B – (5 X 13 = 65 marks) 11.a.
  • 101.
    MAR EPHRAEM COLLEGEOF ENGINEERING AND TECHNOLOGY Department of Mechanical Engineering ME6702 MECHATRONICS ACADEMIC YEAR2019-20
  • 102.
    MAR EPHRAEM COLLEGEOF ENGINEERING AND TECHNOLOGY Department of Mechanical Engineering ME6702 MECHATRONICS ACADEMIC YEAR2019-20
  • 103.
    MAR EPHRAEM COLLEGEOF ENGINEERING AND TECHNOLOGY Department of Mechanical Engineering ME6702 MECHATRONICS ACADEMIC YEAR2019-20
  • 104.
    MAR EPHRAEM COLLEGEOF ENGINEERING AND TECHNOLOGY Department of Mechanical Engineering ME6702 MECHATRONICS ACADEMIC YEAR2019-20 11 b.
  • 105.
    MAR EPHRAEM COLLEGEOF ENGINEERING AND TECHNOLOGY Department of Mechanical Engineering ME6702 MECHATRONICS ACADEMIC YEAR2019-20
  • 106.
    MAR EPHRAEM COLLEGEOF ENGINEERING AND TECHNOLOGY Department of Mechanical Engineering ME6702 MECHATRONICS ACADEMIC YEAR2019-20
  • 107.
    MAR EPHRAEM COLLEGEOF ENGINEERING AND TECHNOLOGY Department of Mechanical Engineering ME6702 MECHATRONICS ACADEMIC YEAR2019-20
  • 108.
    MAR EPHRAEM COLLEGEOF ENGINEERING AND TECHNOLOGY Department of Mechanical Engineering ME6702 MECHATRONICS ACADEMIC YEAR2019-20
  • 109.
    MAR EPHRAEM COLLEGEOF ENGINEERING AND TECHNOLOGY Department of Mechanical Engineering ME6702 MECHATRONICS ACADEMIC YEAR2019-20 12a.
  • 110.
    MAR EPHRAEM COLLEGEOF ENGINEERING AND TECHNOLOGY Department of Mechanical Engineering ME6702 MECHATRONICS ACADEMIC YEAR2019-20
  • 111.
    MAR EPHRAEM COLLEGEOF ENGINEERING AND TECHNOLOGY Department of Mechanical Engineering ME6702 MECHATRONICS ACADEMIC YEAR2019-20
  • 112.
    MAR EPHRAEM COLLEGEOF ENGINEERING AND TECHNOLOGY Department of Mechanical Engineering ME6702 MECHATRONICS ACADEMIC YEAR2019-20
  • 113.
    MAR EPHRAEM COLLEGEOF ENGINEERING AND TECHNOLOGY Department of Mechanical Engineering ME6702 MECHATRONICS ACADEMIC YEAR2019-20 12 b.
  • 114.
    MAR EPHRAEM COLLEGEOF ENGINEERING AND TECHNOLOGY Department of Mechanical Engineering ME6702 MECHATRONICS ACADEMIC YEAR2019-20
  • 115.
    MAR EPHRAEM COLLEGEOF ENGINEERING AND TECHNOLOGY Department of Mechanical Engineering ME6702 MECHATRONICS ACADEMIC YEAR2019-20
  • 116.
    MAR EPHRAEM COLLEGEOF ENGINEERING AND TECHNOLOGY Department of Mechanical Engineering ME6702 MECHATRONICS ACADEMIC YEAR2019-20
  • 117.
    MAR EPHRAEM COLLEGEOF ENGINEERING AND TECHNOLOGY Department of Mechanical Engineering ME6702 MECHATRONICS ACADEMIC YEAR2019-20 13 a
  • 118.
    MAR EPHRAEM COLLEGEOF ENGINEERING AND TECHNOLOGY Department of Mechanical Engineering ME6702 MECHATRONICS ACADEMIC YEAR2019-20
  • 119.
    MAR EPHRAEM COLLEGEOF ENGINEERING AND TECHNOLOGY Department of Mechanical Engineering ME6702 MECHATRONICS ACADEMIC YEAR2019-20
  • 120.
    MAR EPHRAEM COLLEGEOF ENGINEERING AND TECHNOLOGY Department of Mechanical Engineering ME6702 MECHATRONICS ACADEMIC YEAR2019-20
  • 121.
    MAR EPHRAEM COLLEGEOF ENGINEERING AND TECHNOLOGY Department of Mechanical Engineering ME6702 MECHATRONICS ACADEMIC YEAR2019-20
  • 122.
    MAR EPHRAEM COLLEGEOF ENGINEERING AND TECHNOLOGY Department of Mechanical Engineering ME6702 MECHATRONICS ACADEMIC YEAR2019-20 13.b.
  • 123.
    MAR EPHRAEM COLLEGEOF ENGINEERING AND TECHNOLOGY Department of Mechanical Engineering ME6702 MECHATRONICS ACADEMIC YEAR2019-20
  • 124.
    MAR EPHRAEM COLLEGEOF ENGINEERING AND TECHNOLOGY Department of Mechanical Engineering ME6702 MECHATRONICS ACADEMIC YEAR2019-20
  • 125.
    MAR EPHRAEM COLLEGEOF ENGINEERING AND TECHNOLOGY Department of Mechanical Engineering ME6702 MECHATRONICS ACADEMIC YEAR2019-20 14 a
  • 126.
    MAR EPHRAEM COLLEGEOF ENGINEERING AND TECHNOLOGY Department of Mechanical Engineering ME6702 MECHATRONICS ACADEMIC YEAR2019-20
  • 127.
    MAR EPHRAEM COLLEGEOF ENGINEERING AND TECHNOLOGY Department of Mechanical Engineering ME6702 MECHATRONICS ACADEMIC YEAR2019-20 14.b.
  • 128.
    MAR EPHRAEM COLLEGEOF ENGINEERING AND TECHNOLOGY Department of Mechanical Engineering ME6702 MECHATRONICS ACADEMIC YEAR2019-20
  • 129.
    MAR EPHRAEM COLLEGEOF ENGINEERING AND TECHNOLOGY Department of Mechanical Engineering ME6702 MECHATRONICS ACADEMIC YEAR2019-20
  • 130.
    MAR EPHRAEM COLLEGEOF ENGINEERING AND TECHNOLOGY Department of Mechanical Engineering ME6702 MECHATRONICS ACADEMIC YEAR2019-20
  • 131.
    MAR EPHRAEM COLLEGEOF ENGINEERING AND TECHNOLOGY Department of Mechanical Engineering ME6702 MECHATRONICS ACADEMIC YEAR2019-20
  • 132.
    MAR EPHRAEM COLLEGEOF ENGINEERING AND TECHNOLOGY Department of Mechanical Engineering ME6702 MECHATRONICS ACADEMIC YEAR2019-20 15 a.
  • 133.
    MAR EPHRAEM COLLEGEOF ENGINEERING AND TECHNOLOGY Department of Mechanical Engineering ME6702 MECHATRONICS ACADEMIC YEAR2019-20
  • 134.
    MAR EPHRAEM COLLEGEOF ENGINEERING AND TECHNOLOGY Department of Mechanical Engineering ME6702 MECHATRONICS ACADEMIC YEAR2019-20 15 b.
  • 135.
    MAR EPHRAEM COLLEGEOF ENGINEERING AND TECHNOLOGY Department of Mechanical Engineering ME6702 MECHATRONICS ACADEMIC YEAR2019-20
  • 136.
    MAR EPHRAEM COLLEGEOF ENGINEERING AND TECHNOLOGY Department of Mechanical Engineering ME6702 MECHATRONICS ACADEMIC YEAR2019-20
  • 137.
    MAR EPHRAEM COLLEGEOF ENGINEERING AND TECHNOLOGY Department of Mechanical Engineering ME6702 MECHATRONICS ACADEMIC YEAR2019-20
  • 138.
    MAR EPHRAEM COLLEGEOF ENGINEERING AND TECHNOLOGY Department of Mechanical Engineering ME6702 MECHATRONICS ACADEMIC YEAR2019-20 Part C 16.
  • 139.
    MAR EPHRAEM COLLEGEOF ENGINEERING AND TECHNOLOGY Department of Mechanical Engineering ME6702 MECHATRONICS ACADEMIC YEAR2019-20
  • 140.
    MAR EPHRAEM COLLEGEOF ENGINEERING AND TECHNOLOGY Department of Mechanical Engineering ME6702 MECHATRONICS ACADEMIC YEAR2019-20
  • 141.
    MAR EPHRAEM COLLEGEOF ENGINEERING AND TECHNOLOGY Department of Mechanical Engineering ME6702 MECHATRONICS ACADEMIC YEAR2019-20
  • 142.
    MAR EPHRAEM COLLEGEOF ENGINEERING AND TECHNOLOGY Department of Mechanical Engineering ME6702 MECHATRONICS ACADEMIC YEAR2019-20 Marks sheet CAE-I COURSE : FINITE ELEMENT ANALYSIS EXAM: CAE-I Sl No REG NO STUDENT NAME CO1 CO2 CO1 CO 2 Total Marks Obtained CO1 Total Marks Obtained CO2 Total Marks Obtained Q1 Q2 Q3 Q4 Q5 Q6 Q7 Q8 2 2 2 2 2 13 13 14 30 20 50 1 961416114001 ABHIJITH K 1 2 2 2 1 10 9 9 22 14 36 2 961416114002 ABHINAND D S 2 2 2 2 2 6 10 10 20 16 36 3 961416114003 ABILASH A 0 1 1 0 2 3 3 4 7 7 14 4 961416114004 ABINESH E 2 0 0 0 0 6 11 11 19 11 30 5 961416114005 ABIN S 0 1 0 1 1 7 6 4 14 6 20 6 961416114006 ABIN SAM ABRAHAM 2 2 1 1 2 8 8 8 20 12 32 7 961416114007 AGABOS M JACOB 0 2 0 2 0 4 4 4 10 6 16 8 961416114008 AHIN TA 0 1 0 2 0 5 4 5 10 7 17 9 961416114010 AJASHAJ A 2 1 1 1 2 6 11 11 20 15 35 10 961416114011 AJESH B S 2 2 2 2 2 10 10 10 24 16 40 11 961416114012 AJIN J RAJENDRAN 2 1 1 1 2 8 7 8 18 12 30
  • 143.
    MAR EPHRAEM COLLEGEOF ENGINEERING AND TECHNOLOGY Department of Mechanical Engineering ME6702 MECHATRONICS ACADEMIC YEAR2019-20 12 961416114013 AJIN P RAJ 0 0 0 0 2 5 6 4 11 6 17 13 961416114014 AJITH KUMAR R 1 0 1 1 0 7 8 5 16 7 23 14 961416114016 AKHIL K SHIBU 1 0 0 0 1 7 8 9 16 10 26 15 961416114017 AKHILNATH S S 1 1 1 1 1 8 12 9 22 12 34 16 961416114018 AKHIL P JOSE 2 2 2 2 2 10 8 12 22 18 40 17 961416114019 AKHIL RAJ P 2 0 0 1 1 5 3 5 10 7 17 18 961416114020 AKILAN H 1 1 1 1 1 8 9 9 19 12 31 19 961416114021 AKSHAYV NAIR 1 1 2 2 2 4 6 11 12 17 29 20 961416114022 ALAN ALEX 0 2 2 2 2 10 8 10 20 16 36 21 961416114023 ALAN P WILSON 1 2 2 2 1 7 7 6 17 11 28 22 961416114024 ALAN S ABRAHAM 2 1 1 1 2 4 4 11 11 15 26 23 961416114025 ALEN CHRIS BIJU 1 1 2 2 2 6 8 4 16 10 26 24 961416114026 ALEX MJOHNSON 2 2 2 2 2 8 6 10 18 16 34 25 961416114027 ALLEN SABU DANIEL 1 1 0 2 0 5 4 7 11 9 20 26 961416114028 ALPHIN A 0 1 1 2 2 5 4 6 10 11 21 27 961416114029 AMAL V SKARIA 0 0 0 1 1 5 4 4 9 6 15 28 961416114030 ANANDHU LAL 0 1 1 0 0 3 4 4 8 5 13 29 961416114031 ANISH P 0 0 2 0 0 4 3 3 7 5 12 30 961416114032 ANISH THOMAS 2 1 1 1 2 6 10 10 19 14 33 31 961416114033 ANSLYNITHIN S 2 0 0 0 2 6 8 4 16 6 22 32 961416114034 ANTO RUFUS G 0 2 2 2 0 6 11 11 19 15 34 33 961416114035 ARAVIND AKURUP 0 1 1 2 2 5 3 5 9 10 19 34 961416114036 ARAVIND GOPAL MJ 2 2 1 1 2 8 8 8 20 12 32 35 961416114037 ARAVINDHU M 2 2 0 0 0 3 4 5 11 5 16 36 961416114038 ARJUNAN K 1 0 1 2 0 6 3 4 10 7 17 37 961416114039 ARUN DANIEL 2 1 1 1 2 12 12 6 27 10 37 38 961416114040 ASHIK SAJI JOHN 0 1 1 0 2 3 3 4 7 7 14 39 961416114041 BELBIN J 0 1 0 1 1 7 6 4 14 6 20 40 961416114042 BENISH JEBIN S 2 1 2 2 2 6 11 11 20 17 37 41 961416114044 BIBIN FRANCIS 0 2 0 2 0 4 4 4 10 6 16 42 961416114045 BLESSIN S V 0 1 1 1 0 11 11 9 23 11 34 43 961416114046 CYRIAC VARGHESE 1 2 2 2 1 11 11 11 25 16 41 44 961416114047 DHANUSH A 0 1 0 2 0 5 4 5 10 7 17 45 961416114048 DOMINIC THOMAS 2 2 2 2 2 10 10 10 24 16 40 46 961416114049 ELISHAG JOY 0 0 0 0 2 5 6 4 11 6 17 47 961416114050 FELIX JOHN THOMAS 2 2 0 1 1 12 12 12 28 14 42 48 961416114051 GAUTHAM KRISHNA 1 1 2 2 2 6 8 4 16 10 26 49 961416114052 GIBIN VARGHESE KURUVILLA 1 0 0 0 1 5 11 11 17 12 29 50 961416114053 HITHESHU JOSE 2 2 2 2 2 4 10 10 18 16 34 51 961416114054 JAISON J THARAKAN 2 0 0 1 1 5 3 5 10 7 17 52 961416114055 JEFFIN BINU JOHN 2 2 2 2 2 6 11 11 21 17 38
  • 144.
    MAR EPHRAEM COLLEGEOF ENGINEERING AND TECHNOLOGY Department of Mechanical Engineering ME6702 MECHATRONICS ACADEMIC YEAR2019-20 53 961416114057 JESBIN JACOB KURIAN 2 0 0 0 2 6 10 10 18 12 30 54 961416114058 JILLS GEEVARUGHESE SIMON 1 1 2 2 2 6 8 4 16 10 26 55 961416114059 JINO MON M 2 1 1 2 2 10 10 10 23 15 38 56 961416114060 JITHIN MABEY 2 1 1 1 2 8 8 12 19 16 35 57 961416114061 JITHU JOSE 1 1 0 2 0 5 4 7 11 9 20 58 961416114062 JOBIN GEORGE 0 1 1 2 2 5 4 6 10 11 21 59 961416114063 JOBIN JOSE 1 0 0 0 1 7 7 6 15 7 22 60 961416114064 JOBIN TEAPEN 1 2 2 2 1 4 4 11 11 16 27 61 961416114065 JOEL KURUVILLA MATHEW 0 0 0 1 1 5 4 4 9 6 15 62 961416114066 JOMON M 1 1 1 2 2 8 6 10 16 15 31 63 961416114067 JUSTIN NOYAL 2 2 2 2 2 6 11 11 21 17 38 64 961416114068 KEVIN J MATHEW 2 2 2 2 2 3 5 12 12 18 30 65 961416114069 KIRAN KRISHNA 0 1 1 0 0 3 4 4 8 5 13 66 961416114070 MELVIN SAJI 2 2 2 2 2 4 4 10 12 16 28 67 961416114071 MIDHUN BIJU 0 0 2 0 0 4 3 3 7 5 12 68 961416114072 MOHAMED FARHAN 0 1 1 2 2 5 3 5 9 10 19 69 961416114073 NAYANRAJ S R 2 2 0 0 0 3 4 5 11 5 16 70 961416114074 NEJIN INFANTN C 2 2 2 2 2 6 11 11 21 17 38 71 961416114075 NIHIL ANAND G M 1 0 1 2 0 6 3 4 10 7 17 72 961416114076 NITHIN R V 2 1 1 1 2 8 8 8 19 12 31 73 961416114077 NITHIN SURESH 0 2 2 2 0 9 7 9 18 13 31 74 961416114078 PRABIN G 0 1 1 0 2 3 3 4 7 7 14 75 961416114079 PRABIN Y 1 1 2 2 1 6 9 5 17 10 27 76 961416114080 PRAKASH P 0 1 0 1 1 7 6 4 14 6 20 77 961416114081 RAJ VIMAL S V 0 2 0 2 0 4 4 4 10 6 16 78 961416114082 RAKESH C 0 1 0 2 0 5 4 5 10 7 17 79 961416114083 RATHEESH D 0 0 0 0 2 5 6 4 11 6 17 80 961416114084 RINU THOMAS 2 0 0 1 1 5 3 5 10 7 17 81 961416114085 ROBIN MJOSEPH 1 1 1 1 1 6 12 12 20 15 35 82 961416114086 ROSHAN RAJU 2 2 2 2 2 9 12 12 25 18 43 83 961416114087 SACHIN THOMAS 2 2 2 2 2 6 11 5 21 11 32 84 961416114088 SACHIN VARGHESE MATHEW 1 1 2 2 2 6 8 4 16 10 26 85 961416114090 SALBIN S VARGHESE 2 2 2 2 2 10 9 11 23 17 40 86 961416114092 SARAN S NAIR 1 1 0 2 0 5 4 7 11 9 20 87 961416114093 SEBIN JOSE 0 1 1 2 2 5 4 6 10 11 21 88 961416114094 SHAINU S 2 2 2 2 2 4 6 11 14 17 31 89 961416114095 SHARON SEBASTIAN 0 0 0 1 1 5 4 4 9 6 15 90 961416114096 SHAWN AMATHEW 0 1 1 0 2 3 3 4 7 7 14 91 961416114097 SHIBU T 2 2 2 2 2 4 4 11 12 17 29 92 961416114098 SHIJO PAUL C M 0 1 0 1 1 7 6 4 14 6 20
  • 145.
    MAR EPHRAEM COLLEGEOF ENGINEERING AND TECHNOLOGY Department of Mechanical Engineering ME6702 MECHATRONICS ACADEMIC YEAR2019-20 93 961416114099 SHIJU V 2 2 2 0 2 8 6 10 18 14 32 94 961416114100 SHON SAM RAJU 2 2 0 1 1 6 11 11 21 13 34 95 961416114101 SHYAMLAMBERT 0 2 0 2 0 4 4 4 10 6 16 96 961416114102 SIBIN VARGHESEB 0 2 2 2 2 9 12 5 23 11 34 97 961416114103 SIGO GEORGE 0 1 0 2 0 5 4 5 10 7 17 98 961416114105 SIVAJ 1 0 2 2 1 10 9 9 20 14 34 99 961416114106 SOJU BIJOY 2 0 2 2 2 6 10 10 18 16 34 100 961416114107 SOJU RENJITH 1 1 2 2 2 6 8 4 16 10 26 101 961416114108 SONU ABIN BABU 1 1 0 2 0 6 11 11 19 13 32 102 961416114109 STEFFIN P VARGHESE 0 0 0 0 2 5 6 4 11 6 17 103 961416114110 THOMAS BABU 0 0 2 2 2 8 8 8 16 14 30 104 961416114111 THOMAS KURIAN 2 0 0 0 2 9 7 9 18 11 29 105 961416114112 TOM THOMAS (26-12- 1996) 2 0 0 1 1 5 3 5 10 7 17 106 961416114113 TOM THOMAS (21-04- 1999) 0 0 2 2 2 10 10 5 20 11 31 107 961416114114 TOM VARGHESE 2 1 1 2 2 6 10 10 19 15 34 108 961416114115 VIBIN JOSEV 1 1 2 2 2 6 8 4 16 10 26 109 961416114116 VIBIN P 1 1 0 2 0 5 4 7 11 9 20 110 961416114117 VIBIN VARGHESE 1 2 2 2 1 10 10 10 23 15 38 111 961416114118 VIJAYA S 1 2 2 2 1 10 10 10 23 15 38 112 961416114119 VINOTH V 1 2 2 2 1 10 10 10 23 15 38 113 961416114120 VISHNU S 1 2 2 2 1 10 10 10 23 15 38 114 961416114301 AJIN DAS Y 1 2 2 2 1 10 10 10 23 15 38 115 961416114302 AJIN MON R S 1 2 2 2 1 10 10 10 23 15 38 116 961416114303 ALEX VARGHESE 1 2 2 2 1 10 10 10 23 15 38 117 961416114304 ASWIN RAJAMR 2 2 2 2 2 6 11 11 21 17 38 118 961416114305 HELWIN JOHN J S 0 1 1 2 2 5 4 6 10 11 21 119 961416114307 LESLIN EMERSON S 0 2 2 2 2 6 10 5 18 11 29 120 961416114308 MUHAMMED HASINSHAP S 1 1 1 2 2 4 6 11 12 16 28 121 961416114309 PRINCERAJU 0 2 2 2 2 10 8 10 20 16 36 122 961416114310 RENJITH R 0 0 0 1 1 5 4 4 9 6 15 123 961416114312 SARAVANAN R 2 0 2 2 2 4 4 11 10 17 27 124 961416114313 SHOBIN GEORGE CHERIAN 0 1 1 0 0 3 4 4 8 5 13 125 961416114701 ASWIN GEO S E 0 0 2 0 0 4 3 3 7 5 12 126 961416114702 SOWMIYAM 0 1 1 2 2 5 3 5 9 10 19 127 961416114703 STEBIN S 2 1 1 2 2 3 5 12 11 17 28 128 961416114501 JITHIN JIJI THOMAS 2 2 0 0 0 3 4 5 11 5 16 129 961416114901 JOHNSTON CHRYSLER A 1 0 1 2 0 6 3 4 10 7 17
  • 146.
    MAR EPHRAEM COLLEGEOF ENGINEERING AND TECHNOLOGY Department of Mechanical Engineering ME6702 MECHATRONICS ACADEMIC YEAR2019-20 CAE II COURSE: FINITEELEMENT ANALYSIS EXAM: CAE -II Sl N o REG NO STUDENT NAME CO3 CO4 CO3 CO4 Total Marks Obtaine d CO3 Total Marks Obtaine d CO4 Total Marks Obtaine d Q 1 Q 2 Q 3 Q 4 Q 5 Q6 Q7 Q8 2 2 2 2 2 13 13 14 17 33 50 1 961416114001 ABHIJITH K 2 2 1 1 2 12 11 9 16 24 40 2 961416114002 ABHINAND D S 2 0 0 1 0 10 10 10 12 21 33 3 961416114003 ABILASH A 0 0 0 1 1 5 4 5 5 11 16 4 961416114004 ABINESH E 2 1 1 2 2 6 10 10 9 25 34 5 961416114005 ABIN S 0 1 1 0 0 5 4 4 6 9 15 6 961416114006 ABIN SAM ABRAHAM 1 1 2 2 2 11 11 11 13 28 41 7 961416114007 AGABOS M JACOB 0 0 2 0 0 4 3 7 4 12 16 8 961416114008 AHIN TA 0 1 1 2 2 5 6 7 6 18 24 9 961416114010 AJASHAJ A 2 0 2 1 2 6 11 6 8 22 30 10 961416114011 AJESH B S 2 2 2 2 1 12 12 12 16 29 45 11 961416114012 AJIN J RAJENDRAN 2 2 2 2 1 12 5 8 16 18 34 12 961416114013 AJIN P RAJ 2 2 0 0 0 5 7 6 9 13 22 13 961416114014 AJITH KUMAR R 2 1 1 2 2 6 11 11 9 27 36 14 961416114016 AKHIL K SHIBU 0 1 0 1 0 8 7 8 9 16 25 15 961416114017 AKHILNATH S S 0 2 2 2 2 8 9 6 10 21 31 16 961416114018 AKHIL P JOSE 2 0 0 2 2 7 8 5 9 17 26 17 961416114019 AKHIL RAJ P 1 0 1 2 0 5 4 5 6 12 18 18 961416114020 AKILAN H 0 1 0 2 0 8 12 9 9 23 32 19 961416114021 AKSHAYV NAIR 2 2 2 1 1 10 8 12 14 24 38 20 961416114022 ALAN ALEX 1 1 1 2 2 10 10 10 12 25 37 21 961416114023 ALAN P WILSON 1 2 2 2 2 8 9 9 11 24 35 22 961416114024 ALAN S ABRAHAM 2 1 2 1 0 4 6 11 7 20 27 23 961416114025 ALEN CHRIS BIJU 2 2 1 1 2 4 5 6 8 15 23 24 961416114026 ALEX MJOHNSON 2 2 1 2 2 7 7 6 11 18 29 25 961416114027 ALLEN SABU DANIEL 0 0 0 1 0 6 6 7 6 14 20 26 961416114028 ALPHIN A 1 0 1 1 0 4 4 5 5 11 16 27 961416114029 AMAL V SKARIA 1 1 0 2 0 3 3 4 5 9 14 28 961416114030 ANANDHU LAL 0 0 0 2 2 7 6 4 7 14 21
  • 147.
    MAR EPHRAEM COLLEGEOF ENGINEERING AND TECHNOLOGY Department of Mechanical Engineering ME6702 MECHATRONICS ACADEMIC YEAR2019-20 29 961416114031 ANISH P 0 1 1 0 2 4 4 4 5 11 16 30 961416114032 ANISH THOMAS 2 1 2 1 0 9 12 5 12 20 32 31 961416114033 ANSLYNITHIN S 1 0 1 2 2 4 4 10 5 19 24 32 961416114034 ANTO RUFUS G 2 1 1 2 2 10 9 9 13 23 36 33 961416114035 ARAVIND A KURUP 0 0 2 0 1 5 4 5 5 12 17 34 961416114036 ARAVIND GOPAL M J 1 2 1 2 2 6 8 4 9 17 26 35 961416114037 ARAVINDHU M 1 2 1 0 0 5 6 4 8 11 19 36 961416114038 ARJUNAN K 2 0 1 1 0 5 3 5 7 10 17 37 961416114039 ARUN DANIEL 1 1 2 2 2 8 8 8 10 22 32 38 961416114040 ASHIK SAJI JOHN 0 1 0 0 0 6 8 4 7 12 19 39 961416114041 BELBIN J 2 2 2 0 2 5 4 7 9 15 24 40 961416114042 BENISH JEBIN S 2 2 1 1 2 12 12 6 16 22 38 41 961416114044 BIBIN FRANCIS 0 0 0 1 1 5 4 6 5 12 17 42 961416114045 BLESSIN S V 1 2 1 2 2 10 10 10 13 25 38 43 961416114046 CYRIAC VARGHESE 2 1 1 2 2 6 11 11 9 27 36 44 961416114047 DHANUSH A 0 1 2 2 2 5 4 4 6 14 20 45 961416114048 DOMINIC THOMAS 1 2 1 2 2 11 11 9 14 25 39 46 961416114049 ELISHAG JOY 1 1 0 2 0 3 4 4 5 10 15 47 961416114050 FELIX JOHN THOMAS 1 0 1 1 0 10 10 10 11 22 33 48 961416114051 GAUTHAM KRISHNA 1 1 2 2 2 10 10 10 12 26 38 49 961416114052 GIBIN VARGHESE KURUVILLA 0 2 1 2 0 6 11 6 8 20 28 50 961416114053 HITHESHU JOSE 1 0 2 2 2 12 12 12 13 30 43 51 961416114054 JAISON J THARAKAN 2 2 2 2 1 8 7 8 12 20 32 52 961416114055 JEFFIN BINU JOHN 2 2 2 2 2 8 9 6 12 21 33 53 961416114057 JESBIN JACOB KURIAN 2 1 2 2 2 7 8 5 10 19 29 54 961416114058 JILLS GEEVARUGHESE SIMON 2 2 2 2 2 7 8 9 11 23 34 55 961416114059 JINO MON M 1 2 2 1 2 8 12 9 11 26 37 56 961416114060 JITHIN MABEY 2 1 2 1 1 10 8 12 13 24 37 57 961416114061 JITHU JOSE 1 1 2 1 1 10 10 10 12 24 36 58 961416114062 JOBIN GEORGE 2 2 1 2 2 8 9 9 12 23 35 59 961416114063 JOBIN JOSE 1 2 2 1 2 4 6 11 7 22 29 60 961416114064 JOBIN TEAPEN 1 0 1 0 2 10 8 10 11 21 32 61 961416114065 JOEL KURUVILLA MATHEW 2 2 2 2 2 7 7 6 11 19 30 62 961416114066 JOMON M 2 0 1 1 0 4 4 11 6 17 23 63 961416114067 JUSTIN NOYAL 1 0 1 1 2 8 6 14 9 24 33 64 961416114068 KEVIN J MATHEW 1 2 2 1 2 8 6 10 11 21 32 65 961416114069 KIRAN KRISHNA 0 0 2 0 2 6 11 11 6 26 32 66 961416114070 MELVIN SAJI 2 2 2 1 2 3 5 12 7 22 29
  • 148.
    MAR EPHRAEM COLLEGEOF ENGINEERING AND TECHNOLOGY Department of Mechanical Engineering ME6702 MECHATRONICS ACADEMIC YEAR2019-20 67 961416114071 MIDHUN BIJU 0 2 2 2 2 9 12 5 11 23 34 68 961416114072 MOHAMED FARHAN 2 1 1 1 2 4 4 10 7 18 25 69 961416114073 NAYANRAJ S R 0 0 0 1 1 5 4 5 5 11 16 70 961416114074 NEJIN INFANTN C 2 2 1 2 2 6 10 10 10 25 35 71 961416114075 NIHIL ANAND G M 0 1 1 0 0 5 4 4 6 9 15 72 961416114076 NITHIN R V 2 2 2 2 2 6 11 11 10 28 38 73 961416114077 NITHIN SURESH 2 2 2 2 2 10 9 11 14 26 40 74 961416114078 PRABIN G 0 0 2 0 0 4 3 7 4 12 16 75 961416114079 PRABIN Y 2 2 1 2 2 6 10 5 10 20 30 76 961416114080 PRAKASH P 0 1 1 2 2 5 6 7 6 18 24 77 961416114081 RAJ VIMAL S V 2 2 0 0 0 5 7 6 9 13 22 78 961416114082 RAKESH C 1 0 1 2 0 5 4 5 6 12 18 79 961416114083 RATHEESH D 2 2 1 1 2 4 5 6 8 15 23 80 961416114084 RINU THOMAS 0 0 0 1 0 6 6 7 6 14 20 81 961416114085 ROBIN MJOSEPH 2 1 2 1 2 12 10 10 15 25 40 82 961416114086 ROSHAN RAJU 1 2 2 2 2 10 12 5 13 23 36 83 961416114087 SACHIN THOMAS 1 2 2 1 1 12 7 11 15 22 37 84 961416114088 SACHIN VARGHESE MATHEW 1 0 1 1 0 4 4 5 5 11 16 85 961416114090 SALBIN S VARGHESE 2 2 1 2 2 10 7 10 14 22 36 86 961416114092 SARAN S NAIR 1 1 0 2 0 3 3 4 5 9 14 87 961416114093 SEBIN JOSE 0 0 0 2 2 7 6 4 7 14 21 88 961416114094 SHAINU S 2 0 2 2 2 10 3 5 12 14 26 89 961416114095 SHARON SEBASTIAN 0 1 1 0 2 4 4 4 5 11 16 90 961416114096 SHAWN A MATHEW 0 0 2 0 1 5 4 5 5 12 17 91 961416114097 SHIBU T 2 2 1 2 1 6 10 10 10 24 34 92 961416114098 SHIJO PAUL C M 1 2 1 0 0 5 6 4 8 11 19 93 961416114099 SHIJU V 2 2 2 2 2 4 6 10 8 22 30 94 961416114100 SHON SAM RAJU 2 1 2 0 2 11 6 11 14 21 35 95 961416114101 SHYAMLAMBERT 2 0 1 1 0 5 3 5 7 10 17 96 961416114102 SIBIN VARGHESE B 2 2 2 2 2 7 6 12 11 24 35 97 961416114103 SIGO GEORGE 0 1 0 0 0 6 8 4 7 12 19 98 961416114105 SIVAJ 2 2 2 2 2 8 9 6 12 21 33 99 961416114106 SOJU BIJOY 2 1 1 2 2 7 8 5 10 18 28 100 961416114107 SOJU RENJITH 2 2 1 1 1 7 8 9 11 20 31 101 961416114108 SONU ABIN BABU 1 2 2 2 2 8 12 9 11 27 38 102 961416114109 STEFFIN P VARGHESE 0 0 0 1 1 5 4 5 5 11 16 103 961416114110 THOMAS BABU 2 0 2 1 2 10 10 10 12 25 37 104 961416114111 THOMAS KURIAN 2 0 2 1 2 8 9 9 10 23 33 105 961416114112 TOM THOMAS 0 1 1 0 0 5 4 4 6 9 15
  • 149.
    MAR EPHRAEM COLLEGEOF ENGINEERING AND TECHNOLOGY Department of Mechanical Engineering ME6702 MECHATRONICS ACADEMIC YEAR2019-20 (26-12-1996) 106 961416114113 TOM THOMAS (21-04-1999) 2 1 1 1 1 10 8 10 13 21 34 107 961416114114 TOM VARGHESE 1 1 0 0 1 7 7 6 9 14 23 108 961416114115 VIBIN JOSEV 0 0 2 0 0 4 3 7 4 12 16 109 961416114116 VIBIN P 0 1 1 2 2 5 6 7 6 18 24 110 961416114117 VIBIN VARGHESE 0 1 1 2 2 5 6 7 6 18 24 111 961416114118 VIJAYA S 0 1 1 2 2 5 6 7 6 18 24 112 961416114119 VINOTH V 0 1 1 2 2 5 6 7 6 18 24 113 961416114120 VISHNU S 0 1 1 2 2 5 6 7 6 18 24 114 961416114301 AJIN DAS Y 0 1 1 2 2 5 6 7 6 18 24 115 961416114302 AJIN MON R S 0 1 1 2 2 5 6 7 6 18 24 116 961416114303 ALEX VARGHESE 1 1 2 1 2 8 6 10 10 21 31 117 961416114304 ASWIN RAJAMR 2 1 2 1 0 6 11 11 9 25 34 118 961416114305 HELWIN JOHN J S 2 2 0 0 0 5 7 6 9 13 22 119 961416114307 LESLIN EMERSON S 0 0 1 1 1 9 12 5 9 20 29 120 961416114308 MUHAMMED HASINSHAP S 2 1 0 1 1 4 4 10 7 16 23 121 961416114309 PRINCERAJU 2 2 2 2 2 10 9 9 14 24 38 122 961416114310 RENJITH R 1 0 1 2 0 5 4 5 6 12 18 123 961416114312 SARAVANAN R 1 1 1 1 2 6 8 4 8 16 24 124 961416114313 SHOBIN GEORGE CHERIAN 2 2 1 1 2 4 5 6 8 15 23 125 961416114701 ASWIN GEO S E 0 0 0 1 0 6 6 7 6 14 20 126 961416114702 SOWMIYAM 1 0 1 1 0 4 4 5 5 11 16 127 961416114703 STEBIN S 2 1 2 2 2 9 7 9 12 22 34 128 961416114501 JITHIN JIJI THOMAS 1 1 0 2 0 3 3 4 5 9 14 129 961416114901 JOHNSTON CHRYSLER A 0 0 0 2 2 7 6 4 7 14 21
  • 150.
    MAR EPHRAEM COLLEGEOF ENGINEERING AND TECHNOLOGY Department of Mechanical Engineering ME6702 MECHATRONICS ACADEMIC YEAR2019-20 Model Examination COURSE: FINITEELEMENT ANALYSIS EXAM: MOD EL SlN o REG NO STUDENT NAME CO1 CO2 CO3 CO4 CO5 CO 1 CO 2 CO 3 CO 4 CO 5 CO 6 Total Marks Obtai ned Q 1 Q 2 Q 3 Q 4 Q 5 Q 6 Q7 Q 8 Q 9 Q1 0 Q1 1 Q1 2 Q1 3 Q1 4 Q1 5 Q1 6 2 2 2 2 2 2 2 2 2 2 13 13 13 13 13 15 100 1 96141611 4001 ABHIJITH K 2 0 1 2 2 2 0 1 2 2 1 2 1 1 9 4 6 1 1 67 2 96141611 4002 ABHINAND D S 0 2 1 2 1 0 0 1 1 1 1 0 1 0 1 0 1 0 8 1 0 67 3 96141611 4003 ABILASH A 0 2 1 1 0 0 0 1 1 0 9 0 6 4 1 0 9 44 4 96141611 4004 ABINESH E 2 2 2 2 2 2 2 2 2 2 6 1 0 1 0 4 4 1 1 65 5 96141611 4005 ABIN S 2 0 2 0 2 0 0 0 1 0 5 6 7 8 9 4 46 6 96141611 4006 ABIN SAM ABRAHAM 1 1 1 1 1 1 1 1 1 1 1 1 1 1 1 1 8 6 1 0 67 7 96141611 4007 AGABOS M JACOB 1 0 2 0 0 1 0 2 1 1 5 4 5 0 5 2 29 8 96141611 4008 AHIN TA 2 0 1 1 2 0 0 1 1 0 8 1 2 5 5 4 4 46 9 96141611 4010 AJASHAJ A 2 2 0 0 1 2 2 0 0 1 6 1 1 6 9 1 2 5 59 10 96141611 4011 AJESH B S 2 1 2 2 2 2 1 2 2 2 1 2 1 2 1 2 4 4 1 0 72 11 96141611 4012 AJIN J RAJENDRA N 2 2 2 0 2 2 2 2 0 2 1 2 5 8 1 0 9 9 69 12 96141611 4013 AJIN P RAJ 2 0 0 1 0 0 2 0 1 1 4 4 6 1 0 5 8 44 13 96141611 4014 AJITH KUMAR R 2 2 1 1 2 2 2 1 1 2 6 1 1 1 1 6 8 4 62 14 96141611 4016 AKHIL K SHIBU 2 0 0 1 0 2 0 0 1 0 8 7 8 6 1 1 1 1 57 15 96141611 4017 AKHILNATH S S 1 1 1 2 2 1 1 1 2 2 8 9 6 1 0 9 1 1 67 16 96141611 4018 AKHIL P JOSE 2 1 1 2 2 2 1 1 2 2 7 8 5 8 8 8 60 17 96141611 4019 AKHIL RAJ P 1 1 0 1 2 0 1 0 0 0 7 7 8 5 4 7 44 18 96141611 4020 AKILAN H 1 1 1 2 2 1 1 1 2 2 8 1 2 9 7 8 9 67 19 96141611 4021 AKSHAYV NAIR 2 0 2 2 2 2 0 0 0 0 1 0 8 1 2 6 9 8 63 20 96141611 4022 ALAN ALEX 2 2 2 1 0 2 2 2 1 0 1 0 1 0 1 0 4 9 1 1 68 21 96141611 4023 ALAN P WILSON 2 0 2 1 2 2 0 2 1 2 8 9 9 5 1 0 1 0 65
  • 151.
    MAR EPHRAEM COLLEGEOF ENGINEERING AND TECHNOLOGY Department of Mechanical Engineering ME6702 MECHATRONICS ACADEMIC YEAR2019-20 22 96141611 4024 ALAN S ABRAHAM 2 2 1 2 1 2 2 1 2 1 4 6 1 1 1 0 5 8 60 23 96141611 4025 ALEN CHRIS BIJU 1 0 2 0 0 1 2 0 2 2 6 8 4 4 5 4 41 24 96141611 4026 ALEX M JOHNSON 1 1 0 1 0 1 1 0 1 0 7 7 6 1 2 1 1 9 58 25 96141611 4027 ALLEN SABU DANIEL 1 0 1 0 0 0 1 1 0 1 0 6 6 6 5 8 36 26 96141611 4028 ALPHIN A 1 2 0 1 0 1 2 0 1 2 8 7 6 0 7 8 46 27 96141611 4029 AMAL V SKARIA 0 2 1 1 0 0 2 1 1 1 5 4 5 2 4 6 35 28 96141611 4030 ANANDHU LAL 0 0 2 2 2 2 0 0 0 0 2 6 5 6 3 8 38 29 96141611 4031 ANISH P 0 0 0 1 0 0 2 0 1 0 0 4 5 2 9 5 29 30 96141611 4032 ANISH THOMAS 0 1 0 2 0 0 1 0 2 0 9 1 2 5 1 1 1 2 1 1 66 31 96141611 4033 ANSLY NITHIN S 2 2 2 1 1 2 2 2 1 1 4 4 1 0 5 1 3 9 61 32 96141611 4034 ANTO RUFUS G 1 1 1 2 2 1 1 1 2 2 1 0 9 9 1 0 9 1 2 73 33 96141611 4035 ARAVIND A KURUP 0 1 0 1 0 0 1 0 1 0 5 5 4 1 0 6 5 39 34 96141611 4036 ARAVIND GOPAL MJ 2 1 1 1 0 2 1 1 1 0 6 8 4 1 1 7 7 53 35 96141611 4037 ARAVINDH U M 0 2 0 1 2 0 0 2 1 0 5 4 4 4 4 9 38 36 96141611 4038 ARJUNAN K 1 2 0 2 0 1 0 2 0 0 5 8 7 7 5 5 45 37 96141611 4039 ARUN DANIEL 2 0 0 0 1 2 0 0 0 1 8 8 8 1 1 9 9 59 38 96141611 4040 ASHIK SAJI JOHN 2 1 1 1 0 2 1 1 1 0 6 4 7 8 8 5 48 39 96141611 4041 BELBIN J 0 2 0 1 0 2 2 0 1 1 3 6 5 5 5 6 39 40 96141611 4042 BENISH JEBIN S 2 2 0 1 2 2 2 0 1 2 1 2 1 2 6 8 1 2 1 2 76 41 96141611 4044 BIBIN FRANCIS 2 0 1 1 0 2 0 1 1 2 1 0 5 5 0 4 7 41 42 96141611 4045 BLESSIN S V 2 1 2 1 0 2 1 2 1 0 1 0 1 0 1 0 5 6 6 59 43 96141611 4046 CYRIAC VARGHESE 1 0 1 2 2 1 0 1 2 2 6 1 1 1 1 1 0 1 0 1 0 70 44 96141611 4047 DHANUSH A 0 0 1 0 1 0 0 1 0 1 5 5 0 1 1 9 0 34 45 96141611 4048 DOMINIC THOMAS 2 2 2 1 1 2 2 2 1 1 1 1 1 1 9 5 1 2 1 2 76 46 96141611 4049 ELISHAG JOY 0 0 0 2 1 2 2 0 0 1 5 3 0 5 9 9 39 47 96141611 4050 FELIX JOHN THOMAS 0 0 1 0 1 0 0 1 0 1 1 0 1 0 1 0 1 0 1 1 1 3 68 48 96141611 4051 GAUTHAM KRISHNA 2 2 0 2 1 2 2 0 2 1 1 0 1 0 1 0 5 8 8 65 49 96141611 4052 GIBIN VARGHESE 1 1 2 2 2 1 1 2 2 2 6 1 6 1 1 1 69
  • 152.
    MAR EPHRAEM COLLEGEOF ENGINEERING AND TECHNOLOGY Department of Mechanical Engineering ME6702 MECHATRONICS ACADEMIC YEAR2019-20 KURUVILLA 1 0 0 0 50 96141611 4053 HITHESHU JOSE 2 1 1 1 2 2 1 1 0 2 1 2 1 2 1 2 5 1 2 1 2 78 51 96141611 4054 JAISON J THARAKAN 0 2 1 0 0 1 2 1 2 2 9 0 6 4 1 0 9 49 52 96141611 4055 JEFFIN BINU JOHN 2 2 1 1 2 2 2 1 1 2 8 9 6 1 0 1 0 1 0 69 53 96141611 4057 JESBIN JACOB KURIAN 2 0 0 1 0 2 0 0 1 0 7 8 5 5 1 0 1 0 51 54 96141611 4058 JILLS GEEVARUG HESE SIMON 0 1 1 2 0 2 1 1 0 1 5 5 4 1 0 6 1 1 50 55 96141611 4059 JINO MON M 2 1 1 2 2 2 1 1 2 2 8 1 2 9 1 0 1 0 1 0 75 56 96141611 4060 JITHIN M ABEY 1 1 0 1 1 1 1 0 1 1 1 0 8 1 2 5 1 2 1 2 67 57 96141611 4061 JITHU JOSE 0 2 1 1 0 0 0 1 1 0 9 0 6 4 1 0 9 44 58 96141611 4062 JOBIN GEORGE 2 0 2 0 2 0 0 0 1 0 5 6 7 8 9 4 46 59 96141611 4063 JOBIN JOSE 1 0 1 2 0 1 0 1 1 0 4 6 1 1 5 1 2 1 2 57 60 96141611 4064 JOBIN T EAPEN 1 1 2 2 2 1 1 2 1 2 1 0 8 1 0 1 0 1 0 1 0 73 61 96141611 4065 JOEL KURUVILLA MATHEW 1 0 2 0 0 1 0 2 1 1 5 4 5 0 5 2 29 62 96141611 4066 JOMON M 1 0 2 0 2 1 0 2 0 2 4 4 1 1 1 2 1 0 1 0 61 63 96141611 4067 JUSTIN NOYAL 2 2 1 2 2 2 2 1 2 2 8 6 1 1 1 1 1 0 1 0 74 64 96141611 4068 KEVIN J MATHEW 2 2 1 1 1 2 2 1 1 1 8 6 1 0 9 8 9 64 65 96141611 4069 KIRAN KRISHNA 2 0 1 1 2 0 0 1 1 0 8 1 2 5 5 4 4 46 66 96141611 4070 MELVIN SAJI 2 1 1 2 2 2 1 1 2 2 3 5 1 2 1 0 1 1 1 0 67 67 96141611 4071 MIDHUN BIJU 2 0 0 1 0 0 2 0 1 1 4 4 6 1 0 5 8 44 68 96141611 4072 MOHAMED FARHAN 1 1 0 1 2 0 1 0 0 0 7 7 8 5 4 7 44 69 96141611 4073 NAYANRAJ S R 1 0 2 0 0 1 2 0 2 2 6 8 4 4 5 4 41 70 96141611 4074 NEJIN INFANTN C 2 1 1 1 1 2 1 1 1 1 6 1 0 1 0 9 1 1 1 0 68 71 96141611 4075 NIHIL ANAND G M 1 0 1 0 0 0 1 1 0 1 0 6 6 6 5 8 36 72 96141611 4076 NITHIN R V 1 2 2 1 2 2 2 2 1 2 6 1 1 1 1 5 9 1 4 73 73 96141611 4077 NITHIN SURESH 1 0 1 0 0 2 0 1 0 0 1 0 9 1 1 9 1 0 8 62 74 96141611 PRABIN G 1 2 0 1 0 1 2 0 1 2 8 7 6 0 7 8 46
  • 153.
    MAR EPHRAEM COLLEGEOF ENGINEERING AND TECHNOLOGY Department of Mechanical Engineering ME6702 MECHATRONICS ACADEMIC YEAR2019-20 4078 75 96141611 4079 PRABIN Y 1 2 1 1 2 1 1 1 1 2 6 1 0 5 7 8 9 58 76 96141611 4080 PRAKASH P 0 2 1 1 0 0 2 1 1 1 5 4 5 2 4 6 35 77 96141611 4081 RAJ VIMAL S V 0 0 2 2 2 2 0 0 0 0 2 6 5 6 3 8 38 78 96141611 4082 RAKESH C 0 0 0 1 0 0 2 0 1 0 0 4 5 2 9 5 29 79 96141611 4083 RATHEESH D 0 1 0 1 0 0 1 0 1 0 5 5 4 1 0 6 5 39 80 96141611 4084 RINU THOMAS 0 2 0 1 2 0 0 2 1 0 5 4 4 4 4 9 38 81 96141611 4085 ROBIN M JOSEPH 1 0 0 1 2 2 0 0 1 2 1 2 1 0 1 0 7 8 9 65 82 96141611 4086 ROSHAN RAJU 2 2 1 2 2 2 2 1 2 2 1 0 1 2 5 8 1 2 9 74 83 96141611 4087 SACHIN THOMAS 2 2 0 1 2 2 2 0 1 2 1 2 7 1 1 1 0 8 1 2 74 84 96141611 4088 SACHIN VARGHESE MATHEW 1 2 0 2 0 1 0 2 0 0 5 8 7 7 5 5 45 85 96141611 4090 SALBIN S VARGHESE 0 2 2 2 2 2 2 2 2 2 1 0 7 1 0 8 9 9 71 86 96141611 4092 SARAN S NAIR 2 1 1 1 0 2 1 1 1 0 6 4 7 8 8 5 48 87 96141611 4093 SEBIN JOSE 0 2 0 1 0 2 2 0 1 1 3 6 5 5 5 6 39 88 96141611 4094 SHAINU S 0 2 2 2 2 2 2 2 2 2 1 0 3 5 7 7 6 56 89 96141611 4095 SHARON SEBASTIAN 2 0 1 1 0 2 0 1 1 2 1 0 5 5 0 4 7 41 90 96141611 4096 SHAWN A MATHEW 0 0 1 0 1 0 0 1 0 1 5 5 0 1 1 9 0 34 91 96141611 4097 SHIBU T 2 2 2 2 2 2 2 2 2 2 6 1 0 1 0 8 6 1 0 70 92 96141611 4098 SHIJO PAUL C M 0 0 0 2 1 2 2 0 0 1 5 3 0 5 9 9 39 93 96141611 4099 SHIJU V 2 1 1 1 2 2 1 1 1 2 4 6 1 0 3 5 1 2 54 94 96141611 4100 SHON SAM RAJU 1 2 2 2 2 2 2 2 2 2 1 1 6 1 1 9 1 2 5 73 95 96141611 4101 SHYAM LAMBERT 0 2 1 0 0 1 2 1 2 2 9 0 6 4 1 0 9 49 96 96141611 4102 SIBIN VARGHESE B 0 2 2 2 2 2 2 2 2 2 7 6 1 2 1 0 9 9 71 97 96141611 4103 SIGO GEORGE 0 1 1 2 0 2 1 1 0 1 5 5 4 1 0 6 1 1 50 98 96141611 4105 SIVAJ 2 2 0 1 2 2 2 0 1 1 8 9 6 6 8 4 54 99 96141611 4106 SOJU BIJOY 2 2 1 2 2 2 2 1 2 2 7 8 5 6 1 1 1 1 66 10 0 96141611 4107 SOJU RENJITH 0 0 2 2 2 2 0 2 2 2 7 8 9 1 0 9 1 1 68
  • 154.
    MAR EPHRAEM COLLEGEOF ENGINEERING AND TECHNOLOGY Department of Mechanical Engineering ME6702 MECHATRONICS ACADEMIC YEAR2019-20 10 1 96141611 4108 SONU ABIN BABU 2 2 1 1 2 2 2 1 1 2 8 1 2 9 8 8 8 69 10 2 96141611 4109 STEFFIN P VARGHESE 0 2 1 2 0 0 2 1 1 0 5 4 4 4 4 9 39 10 3 96141611 4110 THOMAS BABU 0 2 1 2 2 2 2 1 2 1 1 0 1 0 1 0 8 1 1 8 72 10 4 96141611 4111 THOMAS KURIAN 0 2 2 1 2 2 2 2 1 2 8 9 9 1 2 1 2 6 72 10 5 96141611 4112 TOM THOMAS (26-12- 1996) 1 0 2 0 0 1 0 2 0 0 0 8 7 7 5 5 38 10 6 96141611 4113 TOM THOMAS (21-04- 1999) 2 1 1 2 2 2 1 1 0 2 1 0 8 1 0 1 0 1 0 1 0 72 10 7 96141611 4114 TOM VARGHESE 0 2 1 1 0 0 0 1 1 0 7 7 6 6 1 1 1 1 54 10 8 96141611 4115 VIBIN JOSE V 0 2 1 1 0 0 0 1 1 0 7 7 6 6 1 1 1 1 54 10 9 96141611 4116 VIBIN P 0 2 1 1 0 0 0 1 1 0 7 7 6 6 1 1 1 1 54 11 0 96141611 4117 VIBIN VARGHESE 0 2 1 1 0 0 0 1 1 0 7 7 6 6 1 1 1 1 54 11 1 96141611 4118 VIJAYA S 0 2 1 1 0 0 0 1 1 0 7 7 6 6 1 1 1 1 54 11 2 96141611 4119 VINOTH V 0 2 1 1 0 0 0 1 1 0 7 7 6 6 1 1 1 1 54 11 3 96141611 4120 VISHNU S 0 2 1 1 0 0 0 1 1 0 7 7 6 6 1 1 1 1 54 11 4 96141611 4301 AJIN DAS Y 1 0 1 1 0 1 2 1 1 2 6 4 7 8 8 5 48 11 5 96141611 4302 AJIN MON R S 2 1 2 1 1 2 1 0 0 1 3 6 5 5 5 6 41 11 6 96141611 4303 ALEX VARGHESE 2 2 2 2 2 2 2 2 2 2 8 6 1 0 1 1 1 1 1 1 77 11 7 96141611 4304 ASWIN RAJAMR 2 1 1 2 2 2 1 1 2 2 6 1 1 1 1 1 0 1 0 1 0 74 11 8 96141611 4305 HELWIN JOHN J S 0 1 1 1 2 0 1 1 1 2 3 6 5 5 5 6 40 11 9 96141611 4307 LESLIN EMERSON S 1 2 1 2 2 1 2 1 2 2 9 1 2 5 6 1 1 6 65 12 0 96141611 4308 MUHAMM ED HASINSHA P S 1 2 2 2 2 1 2 2 2 2 4 4 1 0 1 2 1 2 1 2 72 12 1 96141611 4309 PRINCE RAJU 2 0 1 1 2 2 0 1 1 0 1 0 9 9 6 8 4 56 12 2 96141611 4310 RENJITH R 1 0 0 0 0 0 2 0 2 0 4 5 5 0 4 7 30 12 3 96141611 4312 SARAVANA N R 2 2 2 2 1 2 2 2 2 1 6 8 4 4 1 0 1 0 60
  • 155.
    MAR EPHRAEM COLLEGEOF ENGINEERING AND TECHNOLOGY Department of Mechanical Engineering ME6702 MECHATRONICS ACADEMIC YEAR2019-20 12 4 96141611 4313 SHOBIN GEORGE CHERIAN 0 0 2 2 0 0 0 0 0 0 5 5 0 1 1 9 0 34 12 5 96141611 4701 ASWIN GEO S E 0 0 1 1 0 0 2 1 1 0 5 3 0 5 9 9 37 12 6 96141611 4702 SOWMIYA M 0 2 1 1 0 0 0 1 1 0 9 0 6 4 1 0 9 44 12 7 96141611 4703 STEBIN S 2 2 0 1 2 2 2 0 1 2 9 7 9 1 2 1 2 1 2 75 12 8 96141611 4501 JITHIN JIJI THOMAS 2 0 2 0 2 0 0 0 1 0 5 6 7 8 9 4 46 12 9 96141611 4901 JOHNSTON CHRYSLER A 1 0 2 0 0 1 0 2 1 1 5 4 5 0 5 2 29 University Question papers
  • 156.
    MAR EPHRAEM COLLEGEOF ENGINEERING AND TECHNOLOGY Department of Mechanical Engineering ME6702 MECHATRONICS ACADEMIC YEAR2019-20
  • 157.
    MAR EPHRAEM COLLEGEOF ENGINEERING AND TECHNOLOGY Department of Mechanical Engineering ME6702 MECHATRONICS ACADEMIC YEAR2019-20
  • 158.
    MAR EPHRAEM COLLEGEOF ENGINEERING AND TECHNOLOGY Department of Mechanical Engineering ME6702 MECHATRONICS ACADEMIC YEAR2019-20
  • 159.
    MAR EPHRAEM COLLEGEOF ENGINEERING AND TECHNOLOGY Department of Mechanical Engineering ME6702 MECHATRONICS ACADEMIC YEAR2019-20
  • 160.
    MAR EPHRAEM COLLEGEOF ENGINEERING AND TECHNOLOGY Department of Mechanical Engineering ME6702 MECHATRONICS ACADEMIC YEAR2019-20
  • 161.
    MAR EPHRAEM COLLEGEOF ENGINEERING AND TECHNOLOGY Department of Mechanical Engineering ME6702 MECHATRONICS ACADEMIC YEAR2019-20
  • 162.
    MAR EPHRAEM COLLEGEOF ENGINEERING AND TECHNOLOGY Department of Mechanical Engineering ME6702 MECHATRONICS ACADEMIC YEAR2019-20
  • 163.
    MAR EPHRAEM COLLEGEOF ENGINEERING AND TECHNOLOGY Department of Mechanical Engineering ME6702 MECHATRONICS ACADEMIC YEAR2019-20
  • 164.
    MAR EPHRAEM COLLEGEOF ENGINEERING AND TECHNOLOGY Department of Mechanical Engineering ME6702 MECHATRONICS ACADEMIC YEAR2019-20
  • 165.
    MAR EPHRAEM COLLEGEOF ENGINEERING AND TECHNOLOGY Department of Mechanical Engineering ME6702 MECHATRONICS ACADEMIC YEAR2019-20
  • 166.
    MAR EPHRAEM COLLEGEOF ENGINEERING AND TECHNOLOGY Department of Mechanical Engineering ME6702 MECHATRONICS ACADEMIC YEAR2019-20
  • 167.
    MAR EPHRAEM COLLEGEOF ENGINEERING AND TECHNOLOGY Department of Mechanical Engineering ME6702 MECHATRONICS ACADEMIC YEAR2019-20
  • 168.
    MAR EPHRAEM COLLEGEOF ENGINEERING AND TECHNOLOGY Department of Mechanical Engineering ME6702 MECHATRONICS ACADEMIC YEAR2019-20
  • 169.
    MAR EPHRAEM COLLEGEOF ENGINEERING AND TECHNOLOGY Department of Mechanical Engineering ME6702 MECHATRONICS ACADEMIC YEAR2019-20
  • 170.
    MAR EPHRAEM COLLEGEOF ENGINEERING AND TECHNOLOGY Department of Mechanical Engineering ME6702 MECHATRONICS ACADEMIC YEAR2019-20
  • 171.
    MAR EPHRAEM COLLEGEOF ENGINEERING AND TECHNOLOGY Department of Mechanical Engineering ME6702 MECHATRONICS ACADEMIC YEAR2019-20
  • 172.
    MAR EPHRAEM COLLEGEOF ENGINEERING AND TECHNOLOGY Department of Mechanical Engineering ME6702 MECHATRONICS ACADEMIC YEAR2019-20 RESULT ANALYSIS FOR EXTERNAL EXAMS (UNIVERSITY) SlNo REG NO STUDENTNAME Grade 1 961416114001 ABHIJITH K UA 2 961416114002 ABHINAND D S U 3 961416114003 ABILASH A D 4 961416114004 ABINESH E E 5 961416114005 ABIN S C 6 961416114006 ABIN SAM ABRAHAM E 7 961416114007 AGABOS M JACOB U 8 961416114008 AHIN TA E 9 961416114010 AJASHAJ A E 10 961416114011 AJESH B S U 11 961416114012 AJIN J RAJENDRAN U 12 961416114013 AJIN P RAJ E 13 961416114014 AJITH KUMAR R UA 14 961416114016 AKHIL K SHIBU U 15 961416114017 AKHILNATH S S U 16 961416114018 AKHIL P JOSE U 17 961416114019 AKHIL RAJ P U 18 961416114020 AKILAN H E 19 961416114021 AKSHAYV NAIR U 20 961416114022 ALAN ALEX U 21 961416114023 ALAN P WILSON U 22 961416114024 ALAN S ABRAHAM E 23 961416114025 ALEN CHRIS BIJU U 24 961416114026 ALEX MJOHNSON U 25 961416114027 ALLEN SABU DANIEL E 26 961416114028 ALPHIN A D 27 961416114029 AMAL V SKARIA U 28 961416114030 ANANDHU LAL U 29 961416114031 ANISH P U 30 961416114032 ANISH THOMAS E 31 961416114033 ANSLYNITHIN S U 32 961416114034 ANTO RUFUS G U 33 961416114035 ARAVIND AKURUP U 34 961416114036 ARAVIND GOPAL MJ U 35 961416114037 ARAVINDHU M E 36 961416114038 ARJUNAN K E 37 961416114039 ARUN DANIEL UA
  • 173.
    MAR EPHRAEM COLLEGEOF ENGINEERING AND TECHNOLOGY Department of Mechanical Engineering ME6702 MECHATRONICS ACADEMIC YEAR2019-20 38 961416114040 ASHIK SAJI JOHN B 39 961416114041 BELBIN J UA 40 961416114042 BENISH JEBIN S U 41 961416114044 BIBIN FRANCIS UA 42 961416114045 BLESSIN S V U 43 961416114046 CYRIAC VARGHESE E 44 961416114047 DHANUSH A U 45 961416114048 DOMINIC THOMAS U 46 961416114049 ELISHAG JOY E 47 961416114050 FELIX JOHN THOMAS E 48 961416114051 GAUTHAMKRISHNA C 49 961416114052 GIBIN VARGHESEKURUVILLA U 50 961416114053 HITHESHU JOSE U 51 961416114054 JAISON J THARAKAN U 52 961416114055 JEFFIN BINU JOHN U 53 961416114057 JESBIN JACOB KURIAN U 54 961416114058 JILLS GEEVARUGHESESIMON E 55 961416114059 JINO MON M E 56 961416114060 JITHIN MABEY E 57 961416114061 JITHU JOSE D 58 961416114062 JOBIN GEORGE E 59 961416114063 JOBIN JOSE E 60 961416114064 JOBIN TEAPEN D 61 961416114065 JOEL KURUVILLAMATHEW U 62 961416114066 JOMON M U 63 961416114067 JUSTIN NOYAL U 64 961416114068 KEVIN J MATHEW B 65 961416114069 KIRAN KRISHNA E 66 961416114070 MELVIN SAJI C 67 961416114071 MIDHUN BIJU U 68 961416114072 MOHAMED FARHAN E 69 961416114073 NAYANRAJ S R U 70 961416114074 NEJIN INFANTN C D 71 961416114075 NIHIL ANAND G M U 72 961416114076 NITHIN R V U 73 961416114077 NITHIN SURESH E 74 961416114078 PRABIN G E 75 961416114079 PRABIN Y E 76 961416114080 PRAKASH P UA 77 961416114081 RAJ VIMAL S V U 78 961416114082 RAKESH C E
  • 174.
    MAR EPHRAEM COLLEGEOF ENGINEERING AND TECHNOLOGY Department of Mechanical Engineering ME6702 MECHATRONICS ACADEMIC YEAR2019-20 79 961416114083 RATHEESH D E 80 961416114084 RINU THOMAS E 81 961416114085 ROBIN MJOSEPH U 82 961416114086 ROSHAN RAJU U 83 961416114087 SACHIN THOMAS D 84 961416114088 SACHIN VARGHESEMATHEW U 85 961416114090 SALBIN S VARGHESE E 86 961416114092 SARAN S NAIR U 87 961416114093 SEBIN JOSE E 88 961416114094 SHAINU S E 89 961416114095 SHARON SEBASTIAN UA 90 961416114096 SHAWN AMATHEW U 91 961416114097 SHIBU T U 92 961416114098 SHIJO PAUL C M E 93 961416114099 SHIJU V U 94 961416114100 SHON SAM RAJU E 95 961416114101 SHYAMLAMBERT U 96 961416114102 SIBIN VARGHESEB E 97 961416114103 SIGO GEORGE U 98 961416114105 SIVAJ C 99 961416114106 SOJU BIJOY E 100 961416114107 SOJU RENJITH UA 101 961416114108 SONU ABIN BABU D 102 961416114109 STEFFIN P VARGHESE U 103 961416114110 THOMAS BABU E 104 961416114111 THOMAS KURIAN U 105 961416114112 TOM THOMAS (26-12-1996) E 106 961416114113 TOM THOMAS (21-04-1999) D 107 961416114114 TOM VARGHESE E 108 961416114115 VIBIN JOSEV D 109 961416114116 VIBIN P A 110 961416114117 VIBIN VARGHESE E 111 961416114118 VIJAYA S U 112 961416114119 VINOTH V U 113 961416114120 VISHNU S U 114 961416114301 AJIN DAS Y E 115 961416114302 AJIN MON R S U 116 961416114303 ALEX VARGHESE U 117 961416114304 ASWIN RAJAMR D 118 961416114305 HELWIN JOHN J S E 119 961416114307 LESLIN EMERSON S U
  • 175.
    MAR EPHRAEM COLLEGEOF ENGINEERING AND TECHNOLOGY Department of Mechanical Engineering ME6702 MECHATRONICS ACADEMIC YEAR2019-20 120 961416114308 MUHAMMED HASINSHAP S U 121 961416114309 PRINCERAJU U 122 961416114310 RENJITH R U 123 961416114312 SARAVANAN R UA 124 961416114313 SHOBIN GEORGECHERIAN C 125 961416114701 ASWIN GEO S E UA 126 961416114702 SOWMIYAM UA 127 961416114703 STEBIN S C 128 961416114501 JITHIN JIJI THOMAS E 129 961416114901 JOHNSTON CHRYSLER A UA ASSIGNMENTS (BEST, WORST, AVERAGE) RUBRICS FOREVALUATION Parameter for Assessment Excellent (16- 20marks) Good (11–15 marks) Fair (06-10 marks) Unsatisfactory (<=5 marks) Application of Learned Concepts Applied the learned concepts and explained the results Applied the learned concepts Tried to apply the learned concepts Not Applied any learned Concepts Reference of Resources Referred more than 2 resources Referred up to 2 resources Referred one resource has not referred any resource Uniqueness of Content Unique 30% copied 60% copied Not submitted Timely Submission Submitted on time Late submission with justification Submitted very late without any explanation Not submitted Neatness of the Report Very neat with charts, table, references as per the given instructions Report is in satisfactory form Report is in undesirable form Not submitted ASSIGNMENT 1: A simple supported beam subjected to uniformly distributed load over entire span and it is subjected to a point load at the centre of the span. Calculate the maximum deflectionand bending moment using Rayleigh-Ritz method and compare with exact solutions (10 marks) For the beam and loading shown in figure, calculatethe rotations at B and C. Take E = 210 GPa and I= 6 x106 mm4(10 marks) CO1 CO2
  • 176.
    MAR EPHRAEM COLLEGEOF ENGINEERING AND TECHNOLOGY Department of Mechanical Engineering ME6702 MECHATRONICS ACADEMIC YEAR2019-20 ASSIGNMENT 2: Determine the stiffness matrix for the CST Element shown in Figure. The coordinates are given in mm. Assume plane strain condition. E = 210 GPa, v = 0.25 and t = 10 mm(10 marks) For the axisymmetric element shown determine stiffness matrix. Take E=200GPa and poisson’s ratio = 0.25 (10 marks) CO3 CO4 ASSIGNMENT 3: Evaluate the Jacobian matrix at the local coordinates ε=η= 0.5 forthe linear quadrilateral element with its global coordinates as shown in fig. Also evaluate the strain-displacement matrix and Element stress.
  • 177.
    MAR EPHRAEM COLLEGEOF ENGINEERING AND TECHNOLOGY Department of Mechanical Engineering ME6702 MECHATRONICS ACADEMIC YEAR2019-20 (10 marks) Determine the natural frequency of vibration for a beam fixed at both ends as shown in fig. The beam has mass density ρ, modulus of elasticity E, cross sectional areaA, moment of inertia I and length 2L.The beam is discretized into two elements of length L (10 marks) CO5 CO6 AnswerKey: Assignment1  Rayleigh-Ritz method       Beam:
  • 178.
    MAR EPHRAEM COLLEGEOF ENGINEERING AND TECHNOLOGY Department of Mechanical Engineering ME6702 MECHATRONICS ACADEMIC YEAR2019-20    Assignment2 CST  A=2700mm2   
  • 179.
    MAR EPHRAEM COLLEGEOF ENGINEERING AND TECHNOLOGY Department of Mechanical Engineering ME6702 MECHATRONICS ACADEMIC YEAR2019-20  Axisymmetric   
  • 180.
    MAR EPHRAEM COLLEGEOF ENGINEERING AND TECHNOLOGY Department of Mechanical Engineering ME6702 MECHATRONICS ACADEMIC YEAR2019-20 Assignment3 Jacobian  Vibration 
  • 181.
    MAR EPHRAEM COLLEGEOF ENGINEERING AND TECHNOLOGY Department of Mechanical Engineering ME6702 MECHATRONICS ACADEMIC YEAR2019-20   AssignmentMarks Sl No REG NO STUDENT NAME Assignment 01 Assignment 02 Assignment 03 CO1&CO2 CO3&CO4 CO5&CO6 20 20 20 1 961416114001 ABHIJITH K 18 18 18 2 961416114002 ABHINAND D S 17 17 17 3 961416114003 ABILASH A 20 20 20 4 961416114004 ABINESH E 14 14 14 5 961416114005 ABIN S 8 8 8 6 961416114006 ABIN SAM ABRAHAM 12 12 12 7 961416114007 AGABOS M JACOB 4 4 4 8 961416114008 AHIN TA 19 19 19 9 961416114010 AJASHAJ A 16 16 16 10 961416114011 AJESH B S 17 17 17 11 961416114012 AJIN J RAJENDRAN 18 18 18 12 961416114013 AJIN P RAJ 17 17 17 13 961416114014 AJITH KUMAR R 20 20 20 14 961416114016 AKHIL K SHIBU 14 14 14 15 961416114017 AKHILNATH S S 8 8 8 16 961416114018 AKHIL P JOSE 12 12 12
  • 182.
    MAR EPHRAEM COLLEGEOF ENGINEERING AND TECHNOLOGY Department of Mechanical Engineering ME6702 MECHATRONICS ACADEMIC YEAR2019-20 17 961416114019 AKHIL RAJ P 4 4 4 18 961416114020 AKILAN H 19 19 19 19 961416114021 AKSHAYV NAIR 16 16 16 20 961416114022 ALAN ALEX 17 17 17 21 961416114023 ALAN P WILSON 18 18 18 22 961416114024 ALAN S ABRAHAM 17 17 17 23 961416114025 ALEN CHRIS BIJU 20 20 20 24 961416114026 ALEX MJOHNSON 14 14 14 25 961416114027 ALLEN SABU DANIEL 8 8 8 26 961416114028 ALPHIN A 12 12 12 27 961416114029 AMAL V SKARIA 4 4 4 28 961416114030 ANANDHU LAL 19 19 19 29 961416114031 ANISH P 16 16 16 30 961416114032 ANISH THOMAS 17 17 17 31 961416114033 ANSLYNITHIN S 18 18 18 32 961416114034 ANTO RUFUS G 17 17 17 33 961416114035 ARAVIND AKURUP 20 20 20 34 961416114036 ARAVIND GOPAL MJ 14 14 14 35 961416114037 ARAVINDHU M 8 8 8 36 961416114038 ARJUNAN K 12 12 12 37 961416114039 ARUN DANIEL 4 4 4 38 961416114040 ASHIK SAJI JOHN 19 19 19 39 961416114041 BELBIN J 16 16 16 40 961416114042 BENISH JEBIN S 17 17 17 41 961416114044 BIBIN FRANCIS 18 18 18 42 961416114045 BLESSIN S V 17 17 17 43 961416114046 CYRIAC VARGHESE 20 20 20 44 961416114047 DHANUSH A 14 14 14 45 961416114048 DOMINIC THOMAS 8 8 8 46 961416114049 ELISHAG JOY 12 12 12 47 961416114050 FELIX JOHN THOMAS 4 4 4 48 961416114051 GAUTHAMKRISHNA 19 19 19 49 961416114052 GIBIN VARGHESEKURUVILLA 16 16 16 50 961416114053 HITHESHU JOSE 17 17 17 51 961416114054 JAISON J THARAKAN 18 18 18 52 961416114055 JEFFIN BINU JOHN 17 17 17 53 961416114057 JESBIN JACOB KURIAN 20 20 20 54 961416114058 JILLS GEEVARUGHESESIMON 14 14 14 55 961416114059 JINO MON M 8 8 8 56 961416114060 JITHIN MABEY 12 12 12 57 961416114061 JITHU JOSE 4 4 4
  • 183.
    MAR EPHRAEM COLLEGEOF ENGINEERING AND TECHNOLOGY Department of Mechanical Engineering ME6702 MECHATRONICS ACADEMIC YEAR2019-20 58 961416114062 JOBIN GEORGE 19 19 19 59 961416114063 JOBIN JOSE 16 16 16 60 961416114064 JOBIN TEAPEN 17 17 17 61 961416114065 JOEL KURUVILLAMATHEW 18 18 18 62 961416114066 JOMON M 17 17 17 63 961416114067 JUSTIN NOYAL 20 20 20 64 961416114068 KEVIN J MATHEW 14 14 14 65 961416114069 KIRAN KRISHNA 8 8 8 66 961416114070 MELVIN SAJI 12 12 12 67 961416114071 MIDHUN BIJU 4 4 4 68 961416114072 MOHAMED FARHAN 19 19 19 69 961416114073 NAYANRAJ S R 16 16 16 70 961416114074 NEJIN INFANT N C 17 17 17 71 961416114075 NIHIL ANAND G M 18 18 18 72 961416114076 NITHIN R V 17 17 17 73 961416114077 NITHIN SURESH 20 20 20 74 961416114078 PRABIN G 14 14 14 75 961416114079 PRABIN Y 8 8 8 76 961416114080 PRAKASH P 12 12 12 77 961416114081 RAJ VIMAL S V 4 4 4 78 961416114082 RAKESH C 19 19 19 79 961416114083 RATHEESH D 16 16 16 80 961416114084 RINU THOMAS 17 17 17 81 961416114085 ROBIN MJOSEPH 18 18 18 82 961416114086 ROSHAN RAJU 17 17 17 83 961416114087 SACHIN THOMAS 20 20 20 84 961416114088 SACHIN VARGHESEMATHEW 14 14 14 85 961416114090 SALBIN S VARGHESE 8 8 8 86 961416114092 SARAN S NAIR 12 12 12 87 961416114093 SEBIN JOSE 4 4 4 88 961416114094 SHAINU S 19 19 19 89 961416114095 SHARON SEBASTIAN 16 16 16 90 961416114096 SHAWN AMATHEW 17 17 17 91 961416114097 SHIBU T 18 18 18 92 961416114098 SHIJO PAUL C M 17 17 17 93 961416114099 SHIJU V 20 20 20 94 961416114100 SHON SAM RAJU 14 14 14 95 961416114101 SHYAMLAMBERT 8 8 8 96 961416114102 SIBIN VARGHESEB 12 12 12 97 961416114103 SIGO GEORGE 4 4 4 98 961416114105 SIVAJ 19 19 19
  • 184.
    MAR EPHRAEM COLLEGEOF ENGINEERING AND TECHNOLOGY Department of Mechanical Engineering ME6702 MECHATRONICS ACADEMIC YEAR2019-20 99 961416114106 SOJU BIJOY 16 16 16 100 961416114107 SOJU RENJITH 17 17 17 101 961416114108 SONU ABIN BABU 18 18 18 102 961416114109 STEFFIN P VARGHESE 17 17 17 103 961416114110 THOMAS BABU 20 20 20 104 961416114111 THOMAS KURIAN 14 14 14 105 961416114112 TOM THOMAS (26-12-1996) 8 8 8 106 961416114113 TOM THOMAS (21-04-1999) 12 12 12 107 961416114114 TOM VARGHESE 4 4 4 108 961416114115 VIBIN JOSEV 19 19 19 109 961416114116 VIBIN P 16 16 16 110 961416114117 VIBIN VARGHESE 17 17 17 111 961416114118 VIJAYA S 18 18 18 112 961416114119 VINOTH V 17 17 17 113 961416114120 VISHNU S 20 20 20 114 961416114301 AJIN DAS Y 14 14 14 115 961416114302 AJIN MON R S 8 8 8 116 961416114303 ALEX VARGHESE 12 12 12 117 961416114304 ASWIN RAJAMR 4 4 4 118 961416114305 HELWIN JOHN J S 19 19 19 119 961416114307 LESLIN EMERSON S 16 16 16 120 961416114308 MUHAMMED HASINSHAP S 17 17 17 121 961416114309 PRINCERAJU 18 18 18 122 961416114310 RENJITH R 17 17 17 123 961416114312 SARAVANAN R 20 20 20 124 961416114313 SHOBIN GEORGECHERIAN 17 17 17 125 961416114701 ASWIN GEO S E 18 18 18 126 961416114702 SOWMIYAM 17 17 17 127 961416114703 STEBIN S 20 20 20 128 961416114501 JITHIN JIJI THOMAS 17 17 17 129 961416114901 JOHNSTON CHRYSLER A 20 20 20 TARGET FIXING DETAILS  For 2014-18 batch the target % is 50%; For 2015-19 batch the target % is 55%  Now, For this batch 2016-20 batch the target % is retained as 55%;
  • 185.
    MAR EPHRAEM COLLEGEOF ENGINEERING AND TECHNOLOGY Department of Mechanical Engineering ME6702 MECHATRONICS ACADEMIC YEAR2019-20 COURSE EXIT SURVEY SlNo REG NO STUDENT NAME COs 1 2 3 4 5 6 1 961416114001 ABHIJITH K 4 5 4 5 4 3 2 961416114002 ABHINAND D S 4 4 4 3 4 4 3 961416114003 ABILASH A 4 5 4 3 3 4 4 961416114004 ABINESH E 5 3 4 4 3 4 5 961416114005 ABIN S 3 3 5 4 4 4 6 961416114006 ABIN SAM ABRAHAM 3 4 3 5 4 5 7 961416114007 AGABOS M JACOB 4 4 3 3 4 3 8 961416114008 AHIN TA 4 5 4 3 4 3 9 961416114010 AJASHAJ A 5 5 4 4 5 4 10 961416114011 AJESH B S 5 4 5 4 3 4 11 961416114012 AJIN J RAJENDRAN 4 4 4 5 3 5 12 961416114013 AJIN P RAJ 4 3 5 5 4 4 13 961416114014 AJITH KUMAR R 2 2 3 4 4 5 14 961416114016 AKHIL K SHIBU 3 4 3 3 5 3 15 961416114017 AKHILNATH S S 4 4 4 4 4 3 16 961416114018 AKHIL P JOSE 4 4 4 2 5 4 17 961416114019 AKHIL RAJ P 4 4 5 4 3 4 18 961416114020 AKILAN H 4 2 5 4 3 4 19 961416114021 AKSHAYV NAIR 5 3 4 5 4 4 20 961416114022 ALAN ALEX 3 3 3 3 4 5 21 961416114023 ALAN P WILSON 3 4 4 3 5 3 22 961416114024 ALAN S ABRAHAM 4 2 2 2 5 3 23 961416114025 ALEN CHRIS BIJU 4 5 4 4 4 4 24 961416114026 ALEX MJOHNSON 5 4 4 5 4 4 25 961416114027 ALLEN SABU DANIEL 5 5 5 4 3 5 26 961416114028 ALPHIN A 4 3 3 5 3 4 27 961416114029 AMAL V SKARIA 4 3 3 3 4 5 28 961416114030 ANANDHU LAL 3 4 4 3 4 3 29 961416114031 ANISH P 4 5 4 3 4 3 30 961416114032 ANISH THOMAS 5 5 4 4 5 4 31 961416114033 ANSLYNITHIN S 5 4 5 4 3 4 32 961416114034 ANTO RUFUS G 4 4 4 5 3 5 33 961416114035 ARAVIND AKURUP 4 3 5 5 4 4 34 961416114036 ARAVIND GOPAL MJ 2 2 3 4 4 5 35 961416114037 ARAVINDHU M 3 4 3 3 5 3
  • 186.
    MAR EPHRAEM COLLEGEOF ENGINEERING AND TECHNOLOGY Department of Mechanical Engineering ME6702 MECHATRONICS ACADEMIC YEAR2019-20 36 961416114038 ARJUNAN K 4 4 4 4 4 3 37 961416114039 ARUN DANIEL 4 4 4 2 5 4 38 961416114040 ASHIK SAJI JOHN 4 4 5 4 3 4 39 961416114041 BELBIN J 4 2 5 4 3 4 40 961416114042 BENISH JEBIN S 5 3 4 5 4 4 41 961416114044 BIBIN FRANCIS 3 3 5 4 4 4 42 961416114045 BLESSIN S V 3 4 3 5 4 5 43 961416114046 CYRIAC VARGHESE 4 4 3 3 4 3 44 961416114047 DHANUSH A 4 5 4 3 4 3 45 961416114048 DOMINIC THOMAS 5 5 4 4 5 4 46 961416114049 ELISHAG JOY 5 4 5 4 3 4 47 961416114050 FELIX JOHN THOMAS 4 4 4 5 3 5 48 961416114051 GAUTHAMKRISHNA 4 3 5 5 4 4 49 961416114052 GIBIN VARGHESEKURUVILLA 2 2 3 4 4 5 50 961416114053 HITHESHU JOSE 3 4 3 3 5 3 51 961416114054 JAISON J THARAKAN 4 4 4 4 4 3 52 961416114055 JEFFIN BINU JOHN 4 4 4 2 5 4 53 961416114057 JESBIN JACOB KURIAN 4 4 5 4 3 4 54 961416114058 JILLS GEEVARUGHESESIMON 4 2 5 4 3 4 55 961416114059 JINO MON M 5 3 4 5 4 4 56 961416114060 JITHIN MABEY 3 3 3 3 4 5 57 961416114061 JITHU JOSE 3 4 4 3 5 3 58 961416114062 JOBIN GEORGE 4 2 2 2 5 3 59 961416114063 JOBIN JOSE 4 5 4 4 4 4 60 961416114064 JOBIN TEAPEN 5 4 4 5 4 4 61 961416114065 JOEL KURUVILLAMATHEW 5 5 5 4 3 5 62 961416114066 JOMON M 4 3 3 5 3 4 63 961416114067 JUSTIN NOYAL 4 3 3 3 4 5 64 961416114068 KEVIN J MATHEW 3 4 4 3 4 3 65 961416114069 KIRAN KRISHNA 4 5 4 3 4 3 66 961416114070 MELVIN SAJI 5 5 4 4 5 4 67 961416114071 MIDHUN BIJU 5 4 5 4 3 4 68 961416114072 MOHAMED FARHAN 4 4 4 5 3 5 69 961416114073 NAYANRAJ S R 4 3 5 5 4 4 70 961416114074 NEJIN INFANTN C 3 3 5 4 4 4 71 961416114075 NIHIL ANAND G M 3 4 3 5 4 5 72 961416114076 NITHIN R V 4 4 3 3 4 3 73 961416114077 NITHIN SURESH 4 5 4 3 4 3 74 961416114078 PRABIN G 5 5 4 4 5 4 75 961416114079 PRABIN Y 5 4 5 4 3 4 76 961416114080 PRAKASH P 4 4 4 5 3 5
  • 187.
    MAR EPHRAEM COLLEGEOF ENGINEERING AND TECHNOLOGY Department of Mechanical Engineering ME6702 MECHATRONICS ACADEMIC YEAR2019-20 77 961416114081 RAJ VIMAL S V 4 3 5 5 4 4 78 961416114082 RAKESH C 2 2 3 4 4 5 79 961416114083 RATHEESH D 3 4 3 3 5 3 80 961416114084 RINU THOMAS 4 4 4 4 4 3 81 961416114085 ROBIN MJOSEPH 4 4 4 2 5 4 82 961416114086 ROSHAN RAJU 4 4 5 4 3 4 83 961416114087 SACHIN THOMAS 4 2 5 4 3 4 84 961416114088 SACHIN VARGHESEMATHEW 5 3 4 5 4 4 85 961416114090 SALBIN S VARGHESE 3 3 3 3 4 5 86 961416114092 SARAN S NAIR 3 4 4 3 5 3 87 961416114093 SEBIN JOSE 4 2 2 2 5 3 88 961416114094 SHAINU S 4 5 4 4 4 4 89 961416114095 SHARON SEBASTIAN 5 4 4 5 4 4 90 961416114096 SHAWN AMATHEW 5 5 5 4 3 5 91 961416114097 SHIBU T 4 3 3 5 3 4 92 961416114098 SHIJO PAUL C M 4 3 3 3 4 5 93 961416114099 SHIJU V 3 4 4 3 4 3 94 961416114100 SHON SAM RAJU 4 5 4 3 4 3 95 961416114101 SHYAMLAMBERT 5 5 4 4 5 4 96 961416114102 SIBIN VARGHESEB 5 4 5 4 3 4 97 961416114103 SIGO GEORGE 4 4 4 5 3 5 98 961416114105 SIVAJ 4 3 5 5 4 4 99 961416114106 SOJU BIJOY 2 2 3 4 4 5 100 961416114107 SOJU RENJITH 3 4 3 3 5 3 101 961416114108 SONU ABIN BABU 4 4 4 4 4 3 102 961416114109 STEFFIN P VARGHESE 4 4 4 2 5 4 103 961416114110 THOMAS BABU 4 4 5 4 3 4 104 961416114111 THOMAS KURIAN 4 2 5 4 3 4 105 961416114112 TOM THOMAS (26-12-1996) 5 3 4 5 4 4 106 961416114113 TOM THOMAS (21-04-1999) 3 3 3 3 4 5 107 961416114114 TOM VARGHESE 3 4 4 3 5 3 108 961416114115 VIBIN JOSEV 4 2 2 2 5 3 109 961416114116 VIBIN P 4 5 4 4 4 4 110 961416114117 VIBIN VARGHESE 5 4 4 5 4 4 111 961416114118 VIJAYA S 5 5 5 4 3 5 112 961416114119 VINOTH V 4 3 3 5 3 4 113 961416114120 VISHNU S 4 3 3 3 4 5 114 961416114301 AJIN DAS Y 3 4 4 3 4 3 115 961416114302 AJIN MON R S 3 4 4 4 4 3 116 961416114303 ALEX VARGHESE 4 5 5 4 4 4 117 961416114304 ASWIN RAJAMR 4 5 4 5 5 4
  • 188.
    MAR EPHRAEM COLLEGEOF ENGINEERING AND TECHNOLOGY Department of Mechanical Engineering ME6702 MECHATRONICS ACADEMIC YEAR2019-20 118 961416114305 HELWIN JOHN J S 4 4 5 3 3 5 119 961416114307 LESLIN EMERSON S 4 4 3 3 3 5 120 961416114308 MUHAMMED HASINSHAP S 5 3 3 4 4 4 121 961416114309 PRINCERAJU 4 3 3 4 3 4 122 961416114310 RENJITH R 4 4 3 3 3 5 123 961416114312 SARAVANAN R 5 3 3 4 4 4 124 961416114313 SHOBIN GEORGECHERIAN 4 3 3 4 3 4 125 961416114701 ASWIN GEO S E 4 4 3 3 3 5 126 961416114702 SOWMIYAM 5 3 3 4 4 4 127 961416114703 STEBIN S 4 3 3 4 3 4 128 961416114501 JITHIN JIJI THOMAS 3 2 4 5 2 5 129 961416114901 JOHNSTON CHRYSLER A 4 4 4 2 4 3
  • 189.
    MAR EPHRAEM COLLEGEOF ENGINEERING AND TECHNOLOGY Department of Mechanical Engineering ME6702 MECHATRONICS ACADEMIC YEAR2019-20 ATTAINMENT CALCULATION ATTAINMENT SHEET CO ATTAINMENT CO ATTAINMENT Course Code ME6603 Course Name FINITE ELEMENT ANALYSIS Staff handling I.JACKSON THANGA ROY ATTAINMENT THROUGH INTERNAL ASSESSMENT (CAE & MODEL) Cos CO1 CO2 CO3 CO4 CO5 CO6 Attainment % 57.36 64.34 66.67 65.89 79.84 73.64 Level 2 3 3 3 3 3 AVG 2.83 ATTAINMENT THROUGH UNIVERSITY EXAMINATION Cos CO1 CO2 CO3 CO4 CO5 CO6 Level 1 1 1 1 1 1 AVG 1 Direct Assessment Attainment Level : (Internal)*40%+(University)*60% Cos CO1 CO2 CO3 CO4 CO5 CO6 Level 1.4 1.8 1.8 1.8 1.8 1.8 AVG 1.73 Indirect Assessment Attainment Level(Course Exit Survey ) Cos CO1 CO2 CO3 CO4 CO5 CO6 Level 3 3 3 3 3 3 AVG 3 Overall Attainment Level : Direct Assessment 80%, Indirect Assessment 20% Cos CO1 CO2 CO3 CO4 CO5 CO6 Level 1.72 2.04 2.04 2.04 2.04 2.04 AVG 1.99 COURSE OUTCOMES CO1 CO2 CO3 CO4 CO5 CO6 ATTAINMENT RESULT N Y Y Y Y Y
  • 190.
    MAR EPHRAEM COLLEGEOF ENGINEERING AND TECHNOLOGY Department of Mechanical Engineering ME6702 MECHATRONICS ACADEMIC YEAR2019-20 PO ATTAINMENT: CO ATTAINED CO PO1 PO2 PO3 PO4 PO5 PO6 PO7 PO8 PO9 PO10 PO11 PO12 1.72 CO1 2 1 - - 2 - - - - - - - 2.04 CO2 3 2 1 2 2 - - - - - - 2 2.04 CO3 3 2 1 2 2 - - - - - - 2 2.04 CO4 3 2 1 2 0 - - - - - - 2 2.04 CO5 3 2 1 - 0 - - - - - - 0 2.04 CO6 3 2 1 - 2 - - - - - - 2 1.89 1.23 0.68 1.36 1.31 - - - - - - 1.36 PSO ATTAINMENT: FINITE ELEMENT ANALYSIS CO K3 K4 K3 CO ATTAINED PSO1 PSO2 PSO3 1.72 CO1 2 2 - 2.04 CO2 2 2 - 2.04 CO3 2 2 - 2.04 CO4 2 2 - 2.04 CO5 0 0 - 2.04 CO6 2 2 - 1.32 1.32 - ACTION PLAN FOR ENHANCING TARGET/ CLOSING THE GAP Co Target Attainment Value Attainment Status (Y/N) Action Plan For Next Academic Year C01 2 1.72 N More Assignments will given based on C01 to enhance the attained value. C02 2 2.04 Y CO3 2 2.04 Y CO4 2 2.04 Y CO5 2 2.04 Y CO6 2 2.04 Y