Synchronous Design Process
1. Construct a state diagram and/or state/output
   table corresponding to the word description or
   specification
2. Minimize the number of states
3. Choose a set of state variables and assign
   state variable combinations to the named
   states
4. Obtain the transition/output table
5. Determine the number of flip-flops and select
   the type of flip-flop to be used (D is often the
   default)
6. Construct the excitation table
7. Derive excitation equations
8. Derive output equations                          1
Design a clocked synchronous state machine
 which detects a sequence of three or more
 consecutive 1’s in a string of bits coming
 through an input line.

Mealy machine with D flip flops
Moore machine with D flip flops
Moore machine with JK flip flops
ealy machine with D flip flops (change of encoding
Assuming Mealy machine design
Let the input be X and output be Z
Obtaining the state Diagram
 Assume initial condition to be Z = 0
 Let the initial state be represented by state
 A
    If X = 0, then output Z = 0, same state A
X/Z     = 1, then output Z = 0, goes to state B
              1/0
0/0      A          B                 Mealy machine




          A    1    B
  0                                  Moore machine
          0         0
Obtaining the state Diagram
 Assume machine has moved to state B
   If X = 0, then output Z = 0, goes back to
 state A
       = 1, then output Z = 0, goes to state C
X/Z

              1/0       1/0
0/0       A         B         C      Mealy machine

              0/0


          A    1    B    1    C
      0                              Moore machine
          0         0         0
               0
Obtaining the state Diagram
 Assume machine has moved to state C
   If X = 0, then output Z = 0, goes back to
 state A
       = 1, then output Z = 1, same state C
X/Z

              1/0         1/0
0/0       A         B           C        1/1 Mealy machine

              0/0   0/0


          A    1    B      1    C0   1     C1
      0                                           1
          0         0            0         1
               0                                  Moore
                     0          0                 machin
Obtaining the state/output table
    Mealy machine                   Moore machine
  State/output table           State/output table
    State      Input X         State      Input X      Output

     S        0      1          S        0      1        Z

     A       A,0    B,0         A        A      B        0

     B       A,0    C,0         B        A     C0        0

     C       A,0    C,1        C0        A     C1        0

                               C1        A     C1        1
            Next State S*, Z

                                       Next State S*
Assigning state variable to obtain
      Mealy machine
transition/output table     Moore machine
                        Transition/output table
  Transition/output table
     State     Input X        State    Input X   Output

     Q1Q0     0      1        Q1Q0    0      1     Z

      00     00,0   01,0       00     00    01     0

      01     00,0   10,0       01     00    10     0

      10     00,0   10,1       10     00    11     0

                               11     00    11     1
       Next State Q1*Q0*, Z
Encoding
A = 00, B =         Choosing D Next State Q1*Q0*
01                  type flip flop
Constructing the excitation table
     Mealy machine               Moore machine
 Excitation/output table Excitation/output table
     State     Input X     State    Input X     Output

     Q1Q0     0      1     Q1Q0     0       1     Z

      00     00,0   01,0    00     00    01       0

      01     00,0   10,0    01     00    10       0

      10     00,0   10,1    10     00    11       0

                            11     00    11       1
              D1D0, Z

                                     D1D0
Transferring onto K-maps to derive excitation
equations (Mealy Machine)
Excitation/      State  Input X              State     Input X
output table     Q1Q0  0       1             Q1Q0     0       1
 State     Input X
                        00     0      0       00      0       1
Q1Q0       0       1
                        01     0      1       01      0       0
  00     00,0   01,0
                        11     X      X       11      X       X
  01     00,0   10,0
                        10     0      1       10      0       0
  10     00,0   10,1
                                D1                    D0
         D1D0, Z       D1 = Q0 ⋅ X + Q1⋅ X     D 0 = Q1 ⋅ Q 0 ⋅ X
Transferring onto K-maps to derive output
 equation (Mealy Machine)
Excitation/output         State       Input X
table
                           Q1Q0      0         1
  State     Input X
                            00       0         0
 Q1Q0       0       1
                            01       0         0
   00     00,0   01,0
                            11       X         X
   01     00,0   10,0
                            10       0         1
   10     00,0   10,1
                                         Z
          D1D0, Z                 Z = Q1 ⋅ X
Circuit (logic) diagram
                      Mealy machine

 D 0 = Q1 ⋅ Q 0 ⋅ X             D1 = Q0 ⋅ X + Q1⋅ Xexcitation equations

                                Z = Q1 ⋅ X              output equation

            X   Q0 Q0' Q1 Q1'

                                                                    Z
                                             D0         Q0
                                                  D Q

                                                    Q



                                             D1 D Q Q1

                                                    Q
      Clk
Transferring onto K-maps to derive excitation
equation (Moore Machine)
Excitation       State  Input X            State     Input X
table           Q1Q0   0       1           Q1Q0     0      1
 State    Input X
                      00      0      0      00      0      1
Q1Q0     0       1
                      01      0      1      01      0      0
  00     00    01
                      11      0      1      11      0      1
  01     00    10
                      10      0      1      10      0      1
  10     00    11
                              D1                    D0
  11     00    11    D1 = Q0 ⋅ X + Q1⋅ X D 0 = Q1 ⋅ X + Q 0 ⋅ X

          D1D0
Transferring onto K-maps to derive output
equation (Moore Machine)
Excitation/output
table
  State  Input X  Output

 Q1Q0   0       1   Z

  00    00   01     0

  01    00   10     0   Z = Q1⋅ Q0

  10    00   11     0

  11    00   11     1

         D1D0
Circuit (logic) diagramMoore machine

D 0 = Q1 ⋅ X + Q 0 ⋅ X    D1 = Q0 ⋅ X + Q1⋅ Xexcitation equations
                          Z = Q1⋅ Q0              output equation

          X   Q0 Q0' Q1
                                                            Z
                                       D0         Q0
                                            D Q

                                              Q



                                       D1 D Q Q1

                                              Q
Clk
Moore machine with JK flip flops
Assigning state variable to obtain
transition/output table
    Transition/output table Excitation table for
      State  Input X  Output JK flip flop
     Q1Q0     0     1      Z    Q    Q*    J   K

      00      00    01     0    0    0    0    X

      01      00    10     0    0    1    1    X

      10      00    11     0    1    0    X    1

      11      00    11     1    1    1    X    0

            Next State Q1*Q0*
Constructing the excitation table

Transition/output table         Excitation/output table
  State      Input X   Output   State         Input X       Output

 Q1Q0       0      1     Z      Q1Q0      0             1     Z

   00       00    01     0       00     0X, 0X 0X, 1X         0

   01       00    10     0       01     0X, X1 1X, X1         0

   10       00    11     0       10     X1, 0X X0, 1X         0

   11       00    11     1       11     X1, X1 X0, X0         1

          Next State Q1*Q0*              J1K1,J0K0
Transferring onto K-maps to derive excitation
equations
Excitation                  State      Input X       State     Input X
table                       Q1Q0      0          1   Q1Q0     0       1
State         Input X
                             00       0          0    00      X       X
Q1Q0      0             1
                             01       0          1    01      X       X
 00     0X, 0X 0X, 1X
                             11       X          X    11      1       0
 01     0X, X1 1X, X1
                             10       X          X    10      1       0
 10     X1, 0X X0, 1X
                                       J1                     K1
 11     X1, X1 X0, X0
                                  J 1 = Q0 ⋅ X               K1 = X

          J1K1,J0K0
Transferring onto K-maps to derive excitation
equations
Excitation                  State     Input X    State      Input X
table                       Q1Q0      0      1   Q1Q0      0      1
State         Input X
                             00       0      1    00       X      X
Q1Q0      0             1
                             01       X      X    01       1      1
 00     0X, 0X 0X, 1X
                             11       X      X    11       1      0
 01     0X, X1 1X, X1
                             10       0      1    10       X      X
 10     X1, 0X X0, 1X
                                      J0                   K0
 11     X1, X1 X0, X0
                                    J0 = X             K 0 = Q1 + X
          J1K1,J0K0
Transferring onto K-maps to derive output
equation
 Excitation/output table
 State         Input X       Output

 Q1Q0      0             1     Z

  00     0X, 0X 0X, 1X         0

  01     0X, X1 1X, X1         0      Z = Q1⋅ Q0
  10     X1, 0X X0, 1X         0

  11     X1, X1 X0, X0         1

          J1K1,J0K0
Circuit (logic) diagram
excitation equations              output equation
 J 1 = Q0 ⋅ X     K1 = X                  Z = Q1⋅ Q0
 J0 = X           K 0 = Q1 + X
  X       X' Q0      Q1'
                                                       Z
                                 J0           Q0
                                      J   Q

                                      K   Q
                                 K0


                                 J1           Q1
                                      J   Q

                                      K   Q
Clk                              K1
Assigning state variable to obtain
transition/output table machine
                   Mealy
               Transition/output table
                   State     Input X

  Change           Q1Q0     0      1
  of                00     00,0   01,0
  Encoding
  A = 00            01     00,0   11,0
  B = 01            11     00,0   11,1
  C = 11
                     Next State Q1*Q0*, Z

                    Choosing D
                    type flip flop
Constructing the excitation table

                   M ealy machine
              Excitation/output table
                   State     Input X

                  Q1Q0      0      1

                    00     00,0   01,0

                    01     00,0   11,0

                    11     00,0   11,1

                            D1D0, Z
Transferring onto K-maps to derive excitation
equations (Mealy Machine)
Excitation/      State  Input X            State     Input X
output table     Q1Q0  0       1           Q1Q0     0       1
 State     Input X
                       00    0         0    00      0       1
Q1Q0       0       1
                       01    0         1    01      0       1
  00     00,0   01,0
                       11    0         1    11      0       1
  01     00,0   11,0
                       10    X         X    10      X       X
  11     00,0   11,1
                             D1                      D0
         D1D0, Z        D1 = Q 0 ⋅ X               D0 = X
Transferring onto K-maps to derive output
 equation (Mealy Machine)
Excitation/output         State       Input X
table
                           Q1Q0      0         1
  State     Input X
                            00       0         0
 Q1Q0       0       1
                            01       0         0
   00     00,0   01,0
                            11       0         1
   01     00,0   11,0
                            10       X         X
   11     00,0   11,1
                                         Z
          D1D0, Z                 Z = Q1 ⋅ X
Circuit (logic) diagram
                      Mealy machine

    D0 = X           D1 = Q0 ⋅ X     excitation equations

                  Z = Q1 ⋅ X            output equation

             X

                                            Z
                     D0         Q0
                          D Q

                            Q



                     D1 D Q Q1

                            Q
       Clk
Example 1: State Diagram
• Design the FSM for the given state diagram
  – Graphical version of states, inputs, transitions and
    outputs


  W             Z



                       State
  X             Y   assignment


Given state diagram               Assigned state diagram

                                                           26
Example 1: State Table
     • For each current-state, specify next-state(s) as
       a function of the present inputs
     • For each current-state, specify the output(s) as
       a function of the present inputs


State Variables

We often use Q0, Q1,
Q2, etc. to acknowledge
that state variables are
F-F outputs


                                                     27
Example 1: Alternate State Table
    • State table, alternate format emphasizing state
      transitions
    • Notation: A → Q(t) and A+ → Q(t+1), used to
      indicate the change in state variable needed
      for the desired transition

 Q1(t) Q0(t) →
Q1(t+1) Q0(t+1)        (             )
    a more
  descriptive
   notation


                                                   28
Example 1: Flip-Flop Excitation Tables
• Use these tables to “move” Q to next state
• Used to design the memory control CL circuit




                      We will use the D F-F      29
Example 1: Flip-Flop Excitation Tables
• Why are we are interested in the D Flip-Flop
  for this design?

                      Q(t)   Q(t+1)   D    Operation
                       0       0      0     Reset
                       0       1      1      Set
                       1       0      0     Reset
                       1       1      1      Set



   We select D Flip-Flops because the D input is
   simply the value of Q(t+1) that we desire


                                                   30
Example 1: Block Diagram
• We need to use two
  D flip-flops              x                        y
                                      (output)
• The sequential circuit
  would look as shown                 (next state)
                                 Q1         D1
• We will design the CL
  for a 3-input, 3-output        Q2         D2
  circuit
  – CL for Output (y)
  – CL for Next State
    controls (D1 and D2)
                                inputs = x, Q1, Q2
                                outputs = y, D1, D2
                                                     31
Example 1: Truth Table
• The truth table for this 3-input, 3-output circuit
  can be generated from the original state table
• We will need to minimize each output function
  using Karnaugh maps, mindful of overlap



            0
            1
            2
            3
minterms    4
            5
            6
            7                                          32
Example 1: Karnaugh Maps
    • Minimizing each of the three outputs:

A+                            B+



            1    1     1           1      1
      A+ = x ∙ Q1 + x ∙ Q2             B+ = x ∙ Q1

y
                                   A = Q1 and B = Q2
            1    1     1


      y = x ∙ Q1 + x ∙ Q2                            33
Example 1: Circuit Diagram
• The circuit that results from these equations is
  shown below:

 y = x ∙ Q1 + x ∙ Q2
 y = x ∙ (Q1 + Q2)



 A+ = x ∙ Q1 + x ∙ Q2
 A+ = x ∙ (Q1 + Q2)

 B+ = x ∙ Q1


                                                 34
Design: Example 2
• Given the state diagram as follows, design the
  sequential circuit using JK Flip-Flops

         D




  A              C



         B           state assignment
                        A = 01
                        B = 10
                        C = 11
                        D = 00
                                                   35
Design: Example 2
• Note that this is a state diagram for a Mealy machine




                     inputs                    outputs
                                                     36
Design: Example 2
• Block diagram, signal identification


                                         Input, x Sequential
                                                    Logic
                                           1-bit   Circuit


                                                      CP




 We need to
  determine
what goes in
      here?                                            37
Design: Example 2
• From state table, get input flip-flop function




                        KB = Ax + A’x’
                        KB = Ax + A’x’             38
Design: Example 2
• Input flip-flop function

                                                       JA
                                   Input, x   A
                                              B
                                                       KA
                                              x        JB
• Logic Diagram                     1-bit              KB




                                                  CP
                          x



            x′ B    A x
      x B




                                                  39
CLK


QA



QD


QC



QB

          0   1     2       3       4       8        9       10        11   12   0




                  101 overlap M oore machine

                        1                        1

              A     1       B           0       C0       1        C1
      0
              0             0                    0                1
                                0
                                                         0
CLK

QD

QC

QB

QA

LD

            5      6     7   8   9   10   11   12   13   14     5

      Initial Counting                                   Reloading
      Loading starts
1110 Moore machine




                                                     1
                0                        1
          A 1        B   1       C   1       D   0       E
      0   0          0       0
                                 0           0           1
                                         0           0
43
State      Input X
                        Output
 S        0      1
                          Z
 A        A      B
                          0
 B        A     C0
                          0
 C        A     C1
                          0
 D        A     C1
                          1

        Next State S*
                              44
X        Q0     Q1
      X'        Q0'

                       D0         Q0
                            D Q

                              Q



                       D1 D Q Q1

                              Q


                       D2 D Q Q2       Z

Clk                           Q
State      Input X      Output

 S        0      1        Z

 A        A      B        0

 B        A     C0        0

C0        A     C1        0

C1        A     C1        1

        Next State S*
                              46

Synchronous design process

  • 1.
    Synchronous Design Process 1.Construct a state diagram and/or state/output table corresponding to the word description or specification 2. Minimize the number of states 3. Choose a set of state variables and assign state variable combinations to the named states 4. Obtain the transition/output table 5. Determine the number of flip-flops and select the type of flip-flop to be used (D is often the default) 6. Construct the excitation table 7. Derive excitation equations 8. Derive output equations 1
  • 2.
    Design a clockedsynchronous state machine which detects a sequence of three or more consecutive 1’s in a string of bits coming through an input line. Mealy machine with D flip flops Moore machine with D flip flops Moore machine with JK flip flops ealy machine with D flip flops (change of encoding Assuming Mealy machine design Let the input be X and output be Z
  • 3.
    Obtaining the stateDiagram Assume initial condition to be Z = 0 Let the initial state be represented by state A If X = 0, then output Z = 0, same state A X/Z = 1, then output Z = 0, goes to state B 1/0 0/0 A B Mealy machine A 1 B 0 Moore machine 0 0
  • 4.
    Obtaining the stateDiagram Assume machine has moved to state B If X = 0, then output Z = 0, goes back to state A = 1, then output Z = 0, goes to state C X/Z 1/0 1/0 0/0 A B C Mealy machine 0/0 A 1 B 1 C 0 Moore machine 0 0 0 0
  • 5.
    Obtaining the stateDiagram Assume machine has moved to state C If X = 0, then output Z = 0, goes back to state A = 1, then output Z = 1, same state C X/Z 1/0 1/0 0/0 A B C 1/1 Mealy machine 0/0 0/0 A 1 B 1 C0 1 C1 0 1 0 0 0 1 0 Moore 0 0 machin
  • 6.
    Obtaining the state/outputtable Mealy machine Moore machine State/output table State/output table State Input X State Input X Output S 0 1 S 0 1 Z A A,0 B,0 A A B 0 B A,0 C,0 B A C0 0 C A,0 C,1 C0 A C1 0 C1 A C1 1 Next State S*, Z Next State S*
  • 7.
    Assigning state variableto obtain Mealy machine transition/output table Moore machine Transition/output table Transition/output table State Input X State Input X Output Q1Q0 0 1 Q1Q0 0 1 Z 00 00,0 01,0 00 00 01 0 01 00,0 10,0 01 00 10 0 10 00,0 10,1 10 00 11 0 11 00 11 1 Next State Q1*Q0*, Z Encoding A = 00, B = Choosing D Next State Q1*Q0* 01 type flip flop
  • 8.
    Constructing the excitationtable Mealy machine Moore machine Excitation/output table Excitation/output table State Input X State Input X Output Q1Q0 0 1 Q1Q0 0 1 Z 00 00,0 01,0 00 00 01 0 01 00,0 10,0 01 00 10 0 10 00,0 10,1 10 00 11 0 11 00 11 1 D1D0, Z D1D0
  • 9.
    Transferring onto K-mapsto derive excitation equations (Mealy Machine) Excitation/ State Input X State Input X output table Q1Q0 0 1 Q1Q0 0 1 State Input X 00 0 0 00 0 1 Q1Q0 0 1 01 0 1 01 0 0 00 00,0 01,0 11 X X 11 X X 01 00,0 10,0 10 0 1 10 0 0 10 00,0 10,1 D1 D0 D1D0, Z D1 = Q0 ⋅ X + Q1⋅ X D 0 = Q1 ⋅ Q 0 ⋅ X
  • 10.
    Transferring onto K-mapsto derive output equation (Mealy Machine) Excitation/output State Input X table Q1Q0 0 1 State Input X 00 0 0 Q1Q0 0 1 01 0 0 00 00,0 01,0 11 X X 01 00,0 10,0 10 0 1 10 00,0 10,1 Z D1D0, Z Z = Q1 ⋅ X
  • 11.
    Circuit (logic) diagram Mealy machine D 0 = Q1 ⋅ Q 0 ⋅ X D1 = Q0 ⋅ X + Q1⋅ Xexcitation equations Z = Q1 ⋅ X output equation X Q0 Q0' Q1 Q1' Z D0 Q0 D Q Q D1 D Q Q1 Q Clk
  • 12.
    Transferring onto K-mapsto derive excitation equation (Moore Machine) Excitation State Input X State Input X table Q1Q0 0 1 Q1Q0 0 1 State Input X 00 0 0 00 0 1 Q1Q0 0 1 01 0 1 01 0 0 00 00 01 11 0 1 11 0 1 01 00 10 10 0 1 10 0 1 10 00 11 D1 D0 11 00 11 D1 = Q0 ⋅ X + Q1⋅ X D 0 = Q1 ⋅ X + Q 0 ⋅ X D1D0
  • 13.
    Transferring onto K-mapsto derive output equation (Moore Machine) Excitation/output table State Input X Output Q1Q0 0 1 Z 00 00 01 0 01 00 10 0 Z = Q1⋅ Q0 10 00 11 0 11 00 11 1 D1D0
  • 14.
    Circuit (logic) diagramMooremachine D 0 = Q1 ⋅ X + Q 0 ⋅ X D1 = Q0 ⋅ X + Q1⋅ Xexcitation equations Z = Q1⋅ Q0 output equation X Q0 Q0' Q1 Z D0 Q0 D Q Q D1 D Q Q1 Q Clk
  • 15.
    Moore machine withJK flip flops Assigning state variable to obtain transition/output table Transition/output table Excitation table for State Input X Output JK flip flop Q1Q0 0 1 Z Q Q* J K 00 00 01 0 0 0 0 X 01 00 10 0 0 1 1 X 10 00 11 0 1 0 X 1 11 00 11 1 1 1 X 0 Next State Q1*Q0*
  • 16.
    Constructing the excitationtable Transition/output table Excitation/output table State Input X Output State Input X Output Q1Q0 0 1 Z Q1Q0 0 1 Z 00 00 01 0 00 0X, 0X 0X, 1X 0 01 00 10 0 01 0X, X1 1X, X1 0 10 00 11 0 10 X1, 0X X0, 1X 0 11 00 11 1 11 X1, X1 X0, X0 1 Next State Q1*Q0* J1K1,J0K0
  • 17.
    Transferring onto K-mapsto derive excitation equations Excitation State Input X State Input X table Q1Q0 0 1 Q1Q0 0 1 State Input X 00 0 0 00 X X Q1Q0 0 1 01 0 1 01 X X 00 0X, 0X 0X, 1X 11 X X 11 1 0 01 0X, X1 1X, X1 10 X X 10 1 0 10 X1, 0X X0, 1X J1 K1 11 X1, X1 X0, X0 J 1 = Q0 ⋅ X K1 = X J1K1,J0K0
  • 18.
    Transferring onto K-mapsto derive excitation equations Excitation State Input X State Input X table Q1Q0 0 1 Q1Q0 0 1 State Input X 00 0 1 00 X X Q1Q0 0 1 01 X X 01 1 1 00 0X, 0X 0X, 1X 11 X X 11 1 0 01 0X, X1 1X, X1 10 0 1 10 X X 10 X1, 0X X0, 1X J0 K0 11 X1, X1 X0, X0 J0 = X K 0 = Q1 + X J1K1,J0K0
  • 19.
    Transferring onto K-mapsto derive output equation Excitation/output table State Input X Output Q1Q0 0 1 Z 00 0X, 0X 0X, 1X 0 01 0X, X1 1X, X1 0 Z = Q1⋅ Q0 10 X1, 0X X0, 1X 0 11 X1, X1 X0, X0 1 J1K1,J0K0
  • 20.
    Circuit (logic) diagram excitationequations output equation J 1 = Q0 ⋅ X K1 = X Z = Q1⋅ Q0 J0 = X K 0 = Q1 + X X X' Q0 Q1' Z J0 Q0 J Q K Q K0 J1 Q1 J Q K Q Clk K1
  • 21.
    Assigning state variableto obtain transition/output table machine Mealy Transition/output table State Input X Change Q1Q0 0 1 of 00 00,0 01,0 Encoding A = 00 01 00,0 11,0 B = 01 11 00,0 11,1 C = 11 Next State Q1*Q0*, Z Choosing D type flip flop
  • 22.
    Constructing the excitationtable M ealy machine Excitation/output table State Input X Q1Q0 0 1 00 00,0 01,0 01 00,0 11,0 11 00,0 11,1 D1D0, Z
  • 23.
    Transferring onto K-mapsto derive excitation equations (Mealy Machine) Excitation/ State Input X State Input X output table Q1Q0 0 1 Q1Q0 0 1 State Input X 00 0 0 00 0 1 Q1Q0 0 1 01 0 1 01 0 1 00 00,0 01,0 11 0 1 11 0 1 01 00,0 11,0 10 X X 10 X X 11 00,0 11,1 D1 D0 D1D0, Z D1 = Q 0 ⋅ X D0 = X
  • 24.
    Transferring onto K-mapsto derive output equation (Mealy Machine) Excitation/output State Input X table Q1Q0 0 1 State Input X 00 0 0 Q1Q0 0 1 01 0 0 00 00,0 01,0 11 0 1 01 00,0 11,0 10 X X 11 00,0 11,1 Z D1D0, Z Z = Q1 ⋅ X
  • 25.
    Circuit (logic) diagram Mealy machine D0 = X D1 = Q0 ⋅ X excitation equations Z = Q1 ⋅ X output equation X Z D0 Q0 D Q Q D1 D Q Q1 Q Clk
  • 26.
    Example 1: StateDiagram • Design the FSM for the given state diagram – Graphical version of states, inputs, transitions and outputs W Z State X Y assignment Given state diagram Assigned state diagram 26
  • 27.
    Example 1: StateTable • For each current-state, specify next-state(s) as a function of the present inputs • For each current-state, specify the output(s) as a function of the present inputs State Variables We often use Q0, Q1, Q2, etc. to acknowledge that state variables are F-F outputs 27
  • 28.
    Example 1: AlternateState Table • State table, alternate format emphasizing state transitions • Notation: A → Q(t) and A+ → Q(t+1), used to indicate the change in state variable needed for the desired transition Q1(t) Q0(t) → Q1(t+1) Q0(t+1) ( ) a more descriptive notation 28
  • 29.
    Example 1: Flip-FlopExcitation Tables • Use these tables to “move” Q to next state • Used to design the memory control CL circuit We will use the D F-F 29
  • 30.
    Example 1: Flip-FlopExcitation Tables • Why are we are interested in the D Flip-Flop for this design? Q(t) Q(t+1) D Operation 0 0 0 Reset 0 1 1 Set 1 0 0 Reset 1 1 1 Set We select D Flip-Flops because the D input is simply the value of Q(t+1) that we desire 30
  • 31.
    Example 1: BlockDiagram • We need to use two D flip-flops x y (output) • The sequential circuit would look as shown (next state) Q1 D1 • We will design the CL for a 3-input, 3-output Q2 D2 circuit – CL for Output (y) – CL for Next State controls (D1 and D2) inputs = x, Q1, Q2 outputs = y, D1, D2 31
  • 32.
    Example 1: TruthTable • The truth table for this 3-input, 3-output circuit can be generated from the original state table • We will need to minimize each output function using Karnaugh maps, mindful of overlap 0 1 2 3 minterms 4 5 6 7 32
  • 33.
    Example 1: KarnaughMaps • Minimizing each of the three outputs: A+ B+ 1 1 1 1 1 A+ = x ∙ Q1 + x ∙ Q2 B+ = x ∙ Q1 y A = Q1 and B = Q2 1 1 1 y = x ∙ Q1 + x ∙ Q2 33
  • 34.
    Example 1: CircuitDiagram • The circuit that results from these equations is shown below: y = x ∙ Q1 + x ∙ Q2 y = x ∙ (Q1 + Q2) A+ = x ∙ Q1 + x ∙ Q2 A+ = x ∙ (Q1 + Q2) B+ = x ∙ Q1 34
  • 35.
    Design: Example 2 •Given the state diagram as follows, design the sequential circuit using JK Flip-Flops D A C B state assignment A = 01 B = 10 C = 11 D = 00 35
  • 36.
    Design: Example 2 •Note that this is a state diagram for a Mealy machine inputs outputs 36
  • 37.
    Design: Example 2 •Block diagram, signal identification Input, x Sequential Logic 1-bit Circuit CP We need to determine what goes in here? 37
  • 38.
    Design: Example 2 •From state table, get input flip-flop function KB = Ax + A’x’ KB = Ax + A’x’ 38
  • 39.
    Design: Example 2 •Input flip-flop function JA Input, x A B KA x JB • Logic Diagram 1-bit KB CP x x′ B A x x B 39
  • 40.
    CLK QA QD QC QB 0 1 2 3 4 8 9 10 11 12 0 101 overlap M oore machine 1 1 A 1 B 0 C0 1 C1 0 0 0 0 1 0 0
  • 41.
    CLK QD QC QB QA LD 5 6 7 8 9 10 11 12 13 14 5 Initial Counting Reloading Loading starts
  • 42.
    1110 Moore machine 1 0 1 A 1 B 1 C 1 D 0 E 0 0 0 0 0 0 1 0 0
  • 43.
  • 44.
    State Input X Output S 0 1 Z A A B 0 B A C0 0 C A C1 0 D A C1 1 Next State S* 44
  • 45.
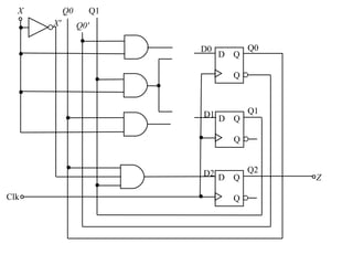
    X Q0 Q1 X' Q0' D0 Q0 D Q Q D1 D Q Q1 Q D2 D Q Q2 Z Clk Q
  • 46.
    State Input X Output S 0 1 Z A A B 0 B A C0 0 C0 A C1 0 C1 A C1 1 Next State S* 46