A note to our customers, parts managers and dealers:
This manual has been prepared to assist you in the proper use, daily care, and operation of
your new Krause equipment. It contains specific information on the many built--in features
of your equipment, the accessories and options that are available, general specifications, and
instructions for making minor adjustments.
Read this manual carefully before operating your Krause equipment, and keep it in a
convenient location for later reference.
In order to ensure that you have the most current owner’s manual available for your
implement, we have added a revision code to each manual. Please note the information
listed below and specify when placing service calls or ordering parts.
Manual for Model: TL 3000
This manual covers models beginning with Serial No. 1001
Owner’s Manual #: TL 3000--1
Parts Manual #: TL 3000--2
ISSUED TO: ISSUED BY:
Owner’s Name Krause Dealer
Mailing Address City
City State
State Date of Purchase
Printed APR11 SN1111
Warranty Policy
(Krause Serial Numbered Wholegoods purchased subsequent to May 1, 2008)
Note: This warranty is limited to the equipment and parts sold in North America and all
warranty work must be accomplished by a Krause Corporation Authorized Service
Center rated to perform maintenance on Krause Corporation Products.
A. KRAUSE CORPORATION (“KRAUSE”) LIMITED WARRANTY.
(1) Subject to the limitations and conditions hereinafter set forth, Krause warrants, at the time of delivery
by Krause to be free from (i) defects in materials or workmanship, and (ii) defects in design that in the
view of the state of the art as of the date of manufacture should have been foreseen provided, however,
that the defect must be discovered and reported to Krause within the periods specified as follows. For
a period of one year all new serial numbered production agricultural units covered by this warranty;
for a period of thirty--six (36) months the tongue weldment, center frame weldment, wing frame
weldments, disc harrow gang bearings and K--Tine field cultivator shanks.
(2) Krause does not warrant disc blades, shanks, hydraulic cylinders, accessories and other parts not
manufactured by it, but supplied with or as a part of its products. Krause will, however, obtain and
pass on any adjustments provided by the manufacturers of such parts under these manufacturer’s
warranties. Tires supplied on Krause products, will be warranted by the tire manufacturer’s retail
outlets.
(3) The entire extent of Krause’s liability shall be limited to that of either reimbursing Buyer for its costs
of purchasing a rebuilt, over--hauled or repaired part from either Krause or a proper Krause
Authorized Service Center or, at Krause’s election, reimbursing buyer for its costs of having the part
repaired at a proper Krause Authorized Service Center. If Krause elects not to repair the part and if
neither a rebuilt, over--hauled or repaired part is, in Krause’s opinion, timely available then Krause
will reimburse buyer for its costs of purchasing a new part from either Krause or a proper Krause
Authorized Service Center. The labor necessary to remove from the product such part or parts and to
install in the product such part or parts, as well as any repair made as the result of improper
installations by Krause, shall be covered by this warranty, provided the work is performed at a proper
Krause Authorized Service Center.K If return of the defective part is required, it must be returned
shipping prepaid to Krause. Krause’s limited warranty will apply to any part repaired or replaced by
a proper Krause Authorized Service Center pursuant to Krause’s Limited Warranty: however, the
applicable warranty for such part repaired or replaced shall be limited to the unexpired portion of
Krause’s Limited Warranty described in paragraph (1) or (2) above, as applicable. In other words, the
warranty period of the part repaired or replaced does not start over from the date of reinstallation.
K[Krause Corporation will repair or replace, free of charge, any part of the product found to be defective,
within the specified warranty periods, after an inspection of the part has deemed it to be defective.
Inspection must be performed by an authorized agent of Krause Corporation, or returned to the Krause
factory for inspection and disposition. Warranty labor will be considered during the first year of
warranty only. Krause Corporation will establish and publish an hourly flat rate for shop labor and
reimbursement during the first year of the warranty period. Krause Corporation does not allow credit
for the cost of travel time, mileage or hauling as a warranty allowance. During the remaining second
and third year, when applicable, Krause will repair or replace the defective part, without consideration
of labor charges.]
(4) Routine services (such as inspections, field settings, adjustments, etc.) and replacement of items which
deteriorate from expected normal wear and tear or exposure (such as paint, tires, hoses, blades,
sweeps, etc.) are not covered by this Limited Warranty. Such routine services and replacements
required during the course of operation are not considered to be the result of any defect in the product.
B. LIMITATIONS APPLICABLE TO KRAUSE’S LIMITED WARRANTY.
(1) This Warranty Policy only applies to equipment and parts sold in North America. Krause will be
relieved of all obligations and liability under this warranty if:
(i) The alleged defect in the part is due to misuse or neglect on the part of someone other than Krause;
or
(ii) Krause’s identification mark or name or serial number has been removed from the part in question;
or
(iii) The product and/or equipment have not been maintained, operated or stored either in accordance
with applicable manuals, communications or other written instructions of Krause or any
manufacturer of the part involved, or in accordance with applicable regulations and advisory
circulars unless buyer shows that such maintenance, operation or storage was not a contributory
cause of the defect; or
(iv) The part in question has been modified or altered after delivery other than by the manufacturer
or in accordance with a modification or alternation scheme approved in writing by the
manufacturer; or
(v) The product is used for purposes other than conventional owner/operator usage. Usage not
considered conventional owner/operator includes, but is not limited to, operation conditions that
consist of rocks or other obstructions.
(2) For the purpose of this Warranty, no part of the product or equipment will be regarded as breaching
the limited warranty merely because, subsequent to its delivery, some modification or alteration
becomes necessary for product improvements or in order to meet a change in the requirements of any
applicable regulation.
(3) TO THE EXTENT ALLOWED BY APPLICABLE LAW, BUYER WAIVES AS TO KRAUSE ALL
OTHER WARRANTIES, WHETHER OF MERCHANTABILITY, FITNESS OR OTHERWISE, THERE
ARE NO WARRANTIES WHICH EXTEND BEYOND THE DESCRIPTION ON THE FACT HEREOF.
(4) TO THE EXTENT ALLOWED BY APPLICABLE LAW, THE OBLIGATIONS OF KRAUSE SET
FORTH HEREIN SHALL BE THE EXCLUSIVE REMEDIES FOR ANY BREACH OF WARRANTY
HEREUNDER, AND, TO THE SAME EXTENT, KRAUSE SHALL NOT BE LIABLE FOR ANY
GENERAL, CONSEQUENTIAL OR INCIDENTAL DAMAGES, INCLUDING, WITHOUT
LIMITATION, ANY DAMAGES FOR DIMINUTION OF MARKET VALUE, LOSS OF USE OR LOSS
OF PROFITS, OR ANY DAMAGES TO THE PRODUCT CLAIMED BY BUYER OR ANY OTHER
PERSON OR ENTITY UPON THE THEORIES OF NEGLIGENCE OR STRICT LIABILITY IN TORT.
(5) ANY ACTION BY BUYER FOR BREACH OF THIS WARRANTY BY EITHER KRAUSE OR SELLER
MUST BE COMMENCED WITHIN (1) YEAR AFTER THE CAUSE OF ACTION ACCRUES.
Establishing Customer Warranty
Customer’s Obligation
1. The customer is responsible for reading the operation manual supplied with each serial
numbered unit. The manual describes the safe and correct operating procedures of the specific
product. The operation manual will also instruct the user on recommended lubrication and
maintenance of the product.
2. The customer will advise the dealer of the anticipated start date of the product so a dealer
representative can be on hand to make necessary field adjustments.
3. The owner is also responsible for inspecting the product during and after use. If a part has failed
or is in need of repair, it should be replaced. When continued use of the product would result in
excessive wear of other components, the part should be replaced before operation is continued.
Continued use of the product may void warranty on other parts damaged from this condition.
The user must make the machine available to the dealer for a warranty repair.
4. It is the customer’s responsibility to deliver his machine to an authorized Krause dealer for
completion of a warranty repair. If the dealer agrees to make a service trip to the customer’s
residence, it is an agreement between the dealer and the customer. Krause will not allow
warranty credit for the cost of travel, mileage, or hauling.
5. Warranty labor consideration will only be given during the first year of warranty. Any labor
charge for the 2nd or 3rd year on the limited warranty will be at the customer’s expense.
This warranty gives you specific rights, and you may also have other rights which vary from state to state.
1
TL 3000 SERIES DISC RIPPER
DEALER PREDELIVERY CHECK SHEET
TO BE CHECKED BY DEALER
CUSTOMER DATE
ADDRESS
DEALER
ADDRESS
MODEL SERIAL NUMBER
DEALER CHECK:
1. Check to see that all rocker shaft bolts are tight.
2. Check to see that hydraulic cylinders are full of oil (air bled out of cylinders). Clevis
pins with cotter pins should be in place and spread.
3. Examine hydraulic hoses to see that they are protected from damage.
4. Bolts attaching the spindle weldments to the rocker shaft should be tight. Check to
see that bearings have been adjusted and greased.
5. Check lug bolts and nuts holding wheels to the hub to see that they are torqued as
follows: 9/16” Wheel Bolts to 120 Ft. Lbs. (6--Bolt Wheels)
5/8” Wheel Nuts to 170 Ft. Lbs. (8--Bolt Wheels)
6. The correct size of tires should be on the implement with proper inflation:
12.5L x 15, 12--Ply = 52 PSI
12.5L x 15, FI = 90 PSI
16.5L x 16, FI -- 60 PSI
7. Check to see that bolts attaching tongue to frame and bolts attaching hitch to tongue
are in place and secured.
8. Jack should be operational for support of tongue when implement is not attached to
a tractor.
9. All decals are in place per page P49 of this owner’s manual.
10. Transport Lock Valve is correctly installed and operates satisfactorily.
11. Customer review sheet filled out and signed.
12. Review lighting requirements. Light kits are standard.
13. Check to see that Owner’s Manual is in the storage canister.
14. Check to see that the SMV emblem is clean and in place.
DELIVERED BY
DATE
3
Table of Contents APR11
WARRANTY
DEALER PREDELIVERY CHECK SHEET 1
CUSTOMER REVIEW SHEET 2
TABLE OF CONTENTS 3
SPECIFICATIONS 4
GENERAL INFORMATION DRAWING 5
SAFETY DECAL INFORMATION 6
OPERATING SECTION
ABOUT YOUR DISC RIPPER O1
PREPARING DISC RIPPER FOR OPERATION O1
PREPARING THE TRACTOR O1
HYDRAULIC SYSTEM O2
UNDERSTANDING YOUR DISC RIPPER O2
HYDRAULIC SAFETY (READ CAREFULLY) O2
HEATING NEAR PRESSURIZED HYDRAULICS O3
HITCHING AND UNHITCHING O3
Hitching to Tractor O4
Unhitching from the Tractor O4
TRANSPORTING O5
Transport Lock Valves O5
Raising The Wings O5
Lowering The Wings O5
Transport Safety O5
FIELD ADJUSTMENTS O6
Front to Rear Leveling O6
Side To Side Leveling O7
Hydraulic Depth Control Adjustment O7
Flexibility O7
DISC GANG ANGLE ADJUSTMENTS O8
DISC GANG DEPTH ADJUSTMENT O8
Rigid Scraper Adjustment O8
Turning in the Field O8
SUBSOIL SHANKS O9
SERVICING O9
General Maintenance O9
Disc Gangs O9
Lubrication O10
Wheel Bearings O10
Walking Beams O11
GENERAL INFORMATION O11
STORAGE SUGGESTIONS O11
Repair Parts O11
TROUBLESHOOTING SECTION O12--14
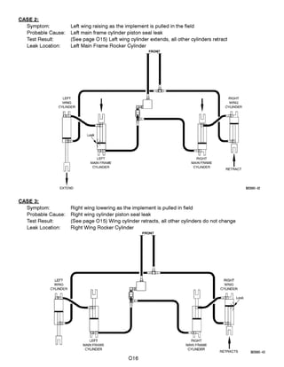
PROCEDURE FOR LOCATING HYD. LEAKS O15--17
PARTS SECTION
CENTER FRAME (5 & 7 RIGID) P1
CENTER FRAME (7 & 9 FOLDING) P3
TONGUE P5
CUSHION TONGUE (OPTION) P7
DEPTH LINKAGE ASSEMBLY P9
DECAL & SMV MOUNT P10
CENTER ROCKER (5 & 7 RIGID) P11
CENTER ROCKER (7 FOLDING) P12
CENTER ROCKER (9 FOLDING) P13
WING ROCKER (7 FOLDING) P14
WING ROCKER (9 FOLDING) P15
WALKING BEAM (5 & 7 RIGID -- CENTER) P16
WALKING BEAM (7 FOLDING -- CENTER) P17
WALKING BEAM (9 FOLDING -- CENTER) P18
HUB ASSEMBLY (7 FOLDING -- WING) P19
WALKING BEAM (9 FOLDING -- WING) P20
WHEELS & TIRES P21
GANG BEAM ASSEMBLY P23
DEPTH ADJUSMTENT -- RATCHET JACK P24
DISC GANG ASSEMBLY P25
SUBSOIL SHANK ASSY -- RIGID SER# -- 1110 P26
SUBSOIL SHANK ASSY -- RIGID SER# 1111 -- P27
SUBSOIL SHANK ASSY -- SPRING SER# --1110 P28
SUBSOIL SHANK ASSY -- SPRING SER# 1111-- P29
HYDRAULICS -- DEPTH 5 & 7 RIGID P31
HYDRAULICS -- DEPTH 7 & 9 FOLDING P33
HYDRAULICS -- WING FOLD 7 & 9 FOLDING P35
HYDRAULICS -- DISC GANG 5 & 7 RIGID P37
HYDRAULICS -- DISC GANG 7 & 9 FOLDING P39
HYDRAULIC HOSE W/ PLASTIC GRIP ASSM. P40
HYDRAULIC CYLINDER -- 3--3/4 X 8 P41
HYDRAULIC CYLNDER -- 4 X 8 P42
HYDRAULIC CYLINDER -- 4--1/4 X 8 P43
HYDRAULIC CYLINDER -- 4--1/2 X 8 P44
HYDRAULIC CYLINDER -- 3--3/4 X 16 P45
HYDRAULIC CYLINDER -- 4 X 16 P46
HYDRAULIC CYLINDER -- 5 X 32 P47
CABLE GUIDE ASSEMBLY P48
DECALS & REFLECTORS P49
LIGHT KIT P50
ASSEMBLY SECTION
GENERAL ASSEMBLY INFORMATION A2
CENTER FRAME AND ROCKER ASSEMBLY A2
WING ASSEMBLY (7 & 9 SHANK FOLDING) A5
WING ROCKERS (7 & 9 SHANK FOLDING) A6
HYDRAULIC ASSEMBLY A7
CHARGING THE CYLINDERS A9
DISC GANG ASSEMBLY A10
SUBSOIL SHANK ASSEMBLY A12
LIGHT KIT A12
DECALS A13
PLACEMENT DRAWINGS:
TL 3000 5 SHANK RIGID A14
TL 3000 7 SHANK RIGID A15
TL 3000 7 SHANK FOLDING A16
TL 3000 9 SHANK FOLDING A17
PARTS INDEX Index 1--3
O1
OPERATING INSTRUCTIONS
Elimination of the hazards listed in this manual should not be construed as providing guarantees
that the equipment will meet or exceed all standards or regulations, or will be completely safe to all
personnel. The operator should inspect and review the implement after it is in his possession.
READALLOFTHE SAFETY DECALS ON THE DISC RIPPERAND REVIEWTHE
SAFETY FIRST SUGGESTIONS ON THE BACK COVER OF THIS MANUAL TO
REFRESH YOUR MEMORY. WATCH FOR THE SAFETY SYMBOL AND READ
THE INFORMATION. THIS IS FOR YOUR OWN SAFETY.
ABOUT YOUR DISC RIPPER
This DISC RIPPER was designed for deep fallow tillage or stubble--mulch tillage. Your disc ripper
will operate over a wide range of speeds, ranging from 3 to 6--1/2 miles per hour. Exercise caution
in rocky or extremely hard conditions. If rocky conditions exist in your fields, operate at a slow
speed and equip your DISC RIPPER with spring shanks.
Horsepower requirements generally will range from 35 to 50 HP per shank (do not exceed 50 HP
per shank.)
Adding attachments should be limited to Krause original equipment options or attachments that
weigh no more than 90 pounds per foot of cut.
PREPARING THE DISC RIPPER FOR OPERATION
1. Check that the transport lock valve is closed, the tongue jack is supporting the tongue, and the
hydraulic cylinders are pinned and full of oil.
2. Check for loose bolts and tighten if needed. Check again for loose bolts after the first half day of
operation.
3. Check the tire pressure and correct if necessary. Inflate 8--ply tires to 45 PSI.
Caution: Frequently check to see that wheel lug bolts are torqued to
proper tightness (6--Bolt wheels to 120 Ft./Lbs.; 8--Bolt
wheels to 170 Ft./Lbs.), particularly during the initial
transporting andoperation ofthe tillage tool. The bolts may
work loose resulting in the loss of a wheel and subsequent
loss of control of the tool and / or tractor.
4. Make sure that all grease zerk locations have been sufficiently greased. Grease zerks will be
found on the rocker shaft pivots, disc bearings, walking beams and wheel hubs. USE EXTREME
CAUTION WHEN WORKING AROUND SHARP DISC RIPPER POINTS, AND DISC BLADES.
5. Check and adjust tightness of wheel bearings and walking beam bearings before operation, after
the first week, and periodically thereafter. (See Service Section of this book)
PREPARING THE TRACTOR
Read your tractor owner’s manual. It will describe safe methods of operation. Make sure your
tractor has proper added ballast, and that its hydraulic system if full of oil and working properly.
Check tractor brakes and warning lights, make sure they are in working order.
O2
HYDRAULIC SYSTEM
Inspect the hydraulic system for tell--tale leaks and loose fittings. Tighten if needed. If you are
plumbing the implement with JIC/O--Ring fittings it is not necessary to use a tape type or liquid
sealer. MAKE SURE THE RESTRICTORS ARE IN THE ROD END PORTS OF THE WING LIFT
CYLINDERS. If not previously filled, 5 & 7 Rigid Shank Models will require 7 Quarts / 6.6 Liters
of your tractor manufacturer’s recommended oil; 7 & 9 Shank Folding Models will require 43
Quarts / 40.7 Liters. Read the “HYDRAULIC SAFETY” section below before filling the system.
Caution: Air in hydraulic system could allow disc ripper or wings to
drop suddenly.
Do not operate the wing hydraulics until you have read
wing lift and lock operating instructions under
“TRANSPORTING”.
UNDERSTANDING YOUR DISC RIPPER
The TL 3000 Series 7 & 9 Shank Disc Ripper uses a master and slave system for depth control.
As oil is pumped into the base of the master cylinder, oil is forced out of the rod end and into
the base end of its slave cylinder. In turn, this forces oil out of the slave cylinder which then
returns to the tractor hydraulic reservoir.
Since there is a smaller volume of oil which passes from the rod end of the master cylinder to
the base end of each slave cylinder, the cylinders must be progressively smaller in diameter. The
7 and 9 Shank Folding Models use depth control master cylinders which are 4--1/2” Diameter;
the wing slaves are 4” in diameter. All of the rocker cylinders have a 16” stroke length.
When the disc ripper is raised completely out of the ground, these specially designed cylinders
are synchronized for uniform lifting by holding the tractor remote hydraulic control lever in the raise
position for a few seconds. This allows a small volume of oil to bypass from the base of the
master cylinder to the base end of the slave cylinder, and back to the tractor. Consequently, all
of the cylinders are fully extended simultaneously. To maintain a precise working depth, it may
be necessary to synchronize the slave cylinders once or twice during each hour of use. This can
be easily done when the unit is being raised to make a turn. The disc gang cylinders are
synchronized by fully raising the gangs and holding the lever.
When working with this kind of arrangement, be sure all of the cylinders are mounted in proper
sequence. Hoses must be attached in the proper order, and all air bled from the hoses and the
cylinders.
REPAIR OF HYDRAULIC CYLINDERS SHOULD BE MADE BY AN AUTHORIZED KRAUSE
DEALER ONLY.
HYDRAULIC HOSE AND CYLINDER DRAWINGS CAN BE FOUND ON PAGES P26 THROUGH
P43 OF THE PARTS SECTION IN THIS MANUAL.
HYDRAULIC SAFETY (PLEASE READ CAREFULLY)
If the implement hydraulic system has never been used, stored over a period of time or disassembled
for any reason, unpin the rod ends of the cylinders and support the cylinders so the rod ends will
clear frame members when fully extended. Back the tractor to the front of the implement and connect
the hydraulic hoses. Check the tractor hydraulic reservoir and make sure it is full of the
manufacturer’s recommended oil. If you are sure the implement hydraulic hose connections are tight,
begin filling the system by extending and retracting the cylinders. Hold the control lever open and
pause at the end of each stroke to bleed the air from the system. Continue the cycles until the
cylinders respond with immediate solid actuation. When you are sure the systems are free of air,
pin the rod ends of the cylinders to the implement cylinder lugs.
Cart.43
O4
HITCHING TO TRACTOR
A. The implement must be in a raised position and the
transport lock valve in place before hitching to the
tractor.
B. Unpin the tractor drawbar so it can be moved from
side to side.
C. Back the tractor to the implement.
D. Attach the clevis to the tractor drawbar with
clevis pin that fits the hole size in the tractor
drawbar. Make sure pin is locked or bolted in
place to prevent loss.
E. Connect hydraulic hoses to the tractor.
F. Place tongue jack in storage position.
G. Attach the safety chain. See page O5.
IMPORTANT: BEFORE MOVING THE IMPLEMENT BE SURE
THAT THE LOWER ARMS OF THE THREE POINT
HITCH HAVE BEEN RAISED TO THE TOP AND
SECURED TO PREVENT DAMAGE TO THE
CLEVIS AND TONGUE WHEN MAKING TURNS.
UNHITCHING FROM THE TRACTOR
If the implement is not to be used for the remainder of the day, select a good parking place that
will permit the lowering of the wings (7 and 9 Shank Folding Models ONLY). The implement
should be parked in the storage position with the transport lock valve closed. If the implement
is to remain parked for storage over a long period of time, be sure to read the storage
suggestions listed on page O11.
1. To unhitch the implement from the tractor, place the tractor in park or neutral and set the
hand brake. If you are not parking on level ground, block the implement tires to prevent
damage to the jack.
2. Close Transport Lock Valve, turn off the tractor power and relieve any pressure that might
be in the implement hydraulic system by moving the tractor control lever back and forth.
3. Using the tongue jack, raise the tongue height until the clevis pin can be removed.
NOTE: If rear attachments have been added, and the implement is tail--heavy, lower the
unit close to the ground before closing transport lock valve. This will transfer weight
to the tongue.
4. Disconnect the hydraulic hoses, and the tractor may be moved away.
Warning: Escaping fluid under pressure can penetrate the skin causing serious
injury. Avoid the hazard by relieving pressure before disconnecting
hydraulic lines. Tighten all connections before applying pressure.
Search for leaks with a piece of cardboard. Protect hands and body from
high pressure fluids.
Ifanaccidentoccurs, see a doctor immediately. Any fluidinjected intothe
skin must be surgically removed within a few hours or gangrene may
result.
Caution: Do not stand on or straddle the tongue when unhitching. If rear
attachments have been added to the rear of the implement, it may affect
the balance of the implement, causing the tongue to raise up suddenly
when unhitching.
CART25
O10
NOTE: 5 & 7 Shank Rigid Models: Attach the maintenance locks to the depth control link for
storage when not in use (see illustration on page P8). 7& 9 Shank Folding Models: Attach the
maintenance locks to the wing stop weldments for storage (see illustration on page P2).
Check the disc gang tie rods frequently. To tighten, attach a 5--1/2 ft. pipe over the tie rod
wrench handle. Tighten the nut to 1,200 Ft. Lbs. by applying approximately 200 lbs. of weight
to the end of the pipe.
Caution: Be sure that the disc gang is locked with a tie rod wrench on the
opposite end before force is applied.
Danger: Due to their sharpness and weight, serious injury can be inflicted
by disc blades and gangs if not handled safely. Watch for unsafe
conditions, Keep co--workers safety in mind. Should personal
injury occur, have medical treatment administered immediately.
Use the same procedure as described when setting up a new unit. Make sure the top of the
bearing arms are parallel with the bottom of the frame before tightening the U--Bolts.
LUBRICATION
The initial lubrication of all grease fittings will assure long life and satisfactory
performance from the implement. Use a multi--purpose type grease at all grease
zerk locations after each 24 hours of operation. Points of lubrication are: walking
tandem bearings, shanks, and wheel hubs. Disc gang bearing should be greased
with a high quality multi--purpose type grease after each use and after long
periods of storage. The disc bearings cannot be overgreased and should be
greased until grease is visible past the seals.
WHEEL BEARINGS
Grease wheel bearings every 24 hours of use. Check for excessive end play each time that
the bearings are greased. Once a year, clean and repack the wheel bearings with EP#2
Grease. Replace seals each time that the bearings are removed. Replace any worn or
damaged parts. Use light oil on the seal surface and use extreme care when pushing seal
over the spindle. Install outer bearings, flat washer, and slotted nut. Tighten nut while turning
hub until there is resistance to rotation. Then back off nut 1 to 2 slots until hub turns freely
without end play. Secure nut with clinched cotter pin.
O11
WALKING BEAMS
Grease the walking beam bearing every 24 hours of use. When greasing the bearings, lower
the unit onto the points and raise the walking beams off the ground. Check each walking
beam for any slack in the pivot bearings. When slack is found tighten the axle nut until slack is
eliminated and tighten 5 to 10 ft. lbs. of preload on the bearings. DO NOT BACK THE AXLE
NUT OFF. Check, clean, and repack the walking beam bearings each year in a procedure that
is similar to that of the wheel bearings.
GENERAL INFORMATION
If problems are encountered in the field, and the operator requires aid or a possible remedy for the
problem, a special troubleshooting section titled “Possible Remedies for Field Problems” has been
added at the end of this section.
STORAGE SUGGESTIONS
Make sure transport lock valve is in the closed position. For long term storage, coat disc blades
and hydraulic cylinder rods with rust preventative. For added safety, lower the implement to the
ground. Cylinder rods may also be unpinned and retracted to protect the polished rod surfaces.
Inspect the implement for worn or damaged parts and replace as necessary to avoid delays the
next season.
REPAIR PARTS
Refer to the Assembly Section of this book when repairing or replacing parts, and follow the
same procedure as used when assembling a new unit. Reverse this procedure for
disassembly. The Parts Section of this manual will show a breakdown of assemblies, location
of parts, and part numbers.
It is recommended that KRAUSE replacement parts be used. KRAUSE PARTS WERE
DEVELOPED AND TESTED FOR THESE IMPLEMENTS.
Caution: If replacing hydraulic hose, use only hose that meets of
exceeds 3,000 PSI working pressure.
IMPORTANT: REPAIR OF HYDRAULIC CYLINDERS SHOULD BE MADE BY AN AUTHORIZED
KRAUSE DEALER.
AVOID HEATING NEAR PRESSURIZED FLUID LINES
Flammable spray can be generated by heating near pressurized fluid lines, resulting in severe
burns to yourself and bystanders. Do not heat by welding, soldering, or using a torch near
pressurized fluid lines or other flammable materials. Pressurized lines can be accidentally cut
when heat goes beyond the immediate flame area.
Caution: Explosive separation of a tire and rim parts can
cause serious injury or death.
Always maintain the correct tire
pressure. Do not inflate the tires above
the recommended pressure. Inspecttires
and wheels daily. Do not operate with low
pressure, cuts, bubbles, damaged rims or
missing lug bolts and nuts.
P7
CUSHION TONGUE ASSEMBLY (OPTIONAL)
FOR MODELS -- TL3000 5, 7, 9 SHANK APR11
Item Part Number Part Description Qty.
1 53--113 Wear Sleeve 1.50od X 1.28id X .75 2
2 53--135 Wear Sleeve 1.50od X 1.28id X .62 2
3 53--166 Wear Sleeve 1.75od X 1.53id X .75 4
4 60--106 FAS Pin 1
5 60--606 Roll Pin 1/4”D x 2” Z/P 4
6 60--616 Roll Pin 3/8”D x 2--1/4” Z/P 10
7 60--621 Roll Pin 1/2”D x 2--1/2” Z/P 2
8 60--626 Roll Pin 3/16”D x 1--1/2” Z/P 1
9 60--716 #3 Hair Pin Cotter 1
10 62--176 Cap Screw 5/8NC x 3--1/2” GD5 3
11 62--191 Cap Screw 3/4NC x 1--1/2” GD5 1
12 62--251 Cap Screw 1NC x 6--1/2” GD5 2
13 62--569 Cap Screw 1/2NC x 1--1/2” GD5 4
14 62--821 Cap Screw 3/4NC x 8” 2
15 63--108 Lock Nut, Nylon--Top 1/2NC 2
16 63--110 Lock Nut, Oval 5/8NC 3
17 63--113 Jam Nut, Hex 3/4NC 2
18 63--117 Nut, Finished Hex 1NC 2
19 64--108 Flat Washer, STD 1/2” 4
20 64--112 Lock Washer, Medium STD 3/4” 1
21 64--118 Lock Washer, Medium STD 1” 2
22 64--147 Washer, Special 2.000 x .812 x 2 2
23 64--154 Bushing, Machine 3--1/8 x 2--1/8 x 10Ga 2
24 64--215 Washer, Special 2000 x .812 x 2 2
25 65--101 Zerk, STD 1/8 2
26 65--114 Zerk, Thread Cutting 1/4” 2
27 72--352 Safety Chain, 20,000# 1
27 72--356 Safety Chain, 30,000# 1
28 76--231 Spring, Urethane 2.0od x 1.0id x 2.75 2
29 99--243 Skid Plate, Poly 2
30 2135--54--0 Clevis, Crawler 2” Pin 1
31 4830--35--0 Turnbuckle 1
32 4881--0000--3 Hitch Pin 1
33 4881--0000--38 Spacer 1
34 4881--0000--4 Pin 1--1/2 x 6--3/4 1
35 4881--0000--5A Pin, Pivot 2
36 4881--7071--0 Pivot 1
37 4881--7086--0A Shock Mount, Hitch 2
38 4881--9030--0 Tongue 1
39 4881--9032--0 Swing Hitch 1
40 4885--0--4A Pin, Tongue 1--3/4 x 9--12 2
41 4885--0--5 Pin, Hitch 1
42 4885--0--6 Hitch Bushing 1
43 4956--56--0 Jack Assembly (Includes Item 4) 1
44 6127--0--11 Pin, Turnbuckle 2
45 6142--82--0 Threaded End, Right Hand 1
46 6142--83--0 Threaded End, Left Hand 1
47 6200--90--0 Pin Assembly (Includes Items 8, 9 & 48) 1
48 6200--90--1 Pin 1
P23
GANG BEAM ASSEMBLY
FOR MODELS -- TL3000 5, 7, 9 SHANK APR11
Item Part Number Part Description Qty
1 4881--5034--0 5 Shank Rt. Front Beam 1
4881--5035--0 5 Shank Lt. Front Beam 1
4881--5036--0 5 Shank Rt. Rear Beam 1
4881--5037--0 5 Shank Lt. Rear Beam 1
4881--7134--0 7 Shank Rt. Front Beam 1
4881--7135--0 7 Shank Lt. Front Beam 1
4881--7136--0 7 Shank Rt. Rear Beam 1
4881--7137--0 7 Shank Lt. Rear Beam 1
4881--7034--0 7 & 9 Shank Front Beam 2
4881--7036--0 7 & 9 Shank Rt. Rear Beam 1
4881--7037--0 7 & 9 Shank Lt. Rear Beam 1
4881--7038--0 7 Shank Rt. Front Wing Beam 1
4881--7039--0 7 Shank Lt. Front Wing Beam 1
4881--7040--0A 7 Shank Rt. Rear Wing Beam 1
4881--7041--0A 7 Shank Lt. Rear Wing Beam 1
4881--9038--0 9 Shank Rt. Front Wing Beam 1
4881--9039--0 9 Shank Lt. Front Wing Beam 1
4881--9040--0 9 Shank Rt. Rear Wing Beam 1
4881--9041--0 9 Shank Lt. Rear Wing Beam 1
2 4881--7028--0 Outside Pivot Weldment,5 & 7 Rigid
(for Rear Gangs)
2
2 4881--7028--0 Outside Pivot Weldment, 9 Shank
(for Rear Gangs)
4
3 53--109 Wear Sleeve, 5 & 7 Rigid (for Rear
Gangs)
16
3 53--109 Wear Sleeve, 9 Shank (for Rear
Gangs)
32
4 60--710 Cotter Pin,1/4 x 2--1/2 5 & 7 Rigid 8
4 60--710 Cotter Pin, 1/4 x 2--1/2, 7 & 9 Fold 16
5 4881--78--0 Pin Weldment, 5 & 7 Rigid 8
5 4881--78--0 Pin Weldment, 7 & 9 Fold 16
6 60--212 Clevis Pin, 1/2 x 2, 5 & 7 Rigid (for
Rear Gangs)
2
6 60--212 Clevis Pin, 1/2 x 2, 7 & 9 Fold (for
Rear Gangs)
4
7 60--716 #3 Hair Pin Cotter, 5 & 7 Rigid
(for Rear Gangs)
2
7 60--716 #3 Hair Pin Cotter, 7 & 9 Fold
(for Rear Gangs)
4
8 4881--5026--0 Slide Arm,5 & 7 Rigid (for Rear
Gangs)
2
8 4881--5026--0 Slide Arm,7 & 9 Fold (for Rear
Gangs)
4
8 4881--7026--0 Slide Arm, 7 Rigid only 2
9 4885--0--9 1--1/2” Heavy Washer, 5 & 7 Rigid
(for Rear Gangs)
2
9 4885--0--9 1--1/2” Heavy Washer, 7 & 9 Fold
(for Rear Gangs)
4
10 63--128 1--1/2NC Slotted Nut 5 & 7 Rigid (for
Rear Gang)
4
10 63--128 1--1/2NC Slotted Nut, 7 & 9 Fold
(for Rear Gang)
8
Item Part Number Part Description Qty
11 60--103 PTO Lock Pin, 5 & 7 Rigid
(for Rear Gangs)
2
11 60--103 PTO Lock Pin, 7 & 9 Fold
(for Rear Gangs)
4
12 4881--7024--0 Inside Pivot Weldment, 5 & 7 Rigid
(For Rear Gangs)
2
12 4881--7024--0 Inside Pivot Weldment, 7 & 9 Fold
(Rear Gangs Only)
4
13 45--106 Side Ring
14 40--173 Bearing Assembly
15 62--217 3/4NC x 7--1/2”GD5 Cap Screw
16 7500--211--2 Lower Brg. Housing
17 7500--211--1 Upper Brg. Housing
18 65--123 1/8NPT Extended Zerk
19 64--113 3/4” Flat Washer
20 64--112 3/4” Lock Washer
21 63--112 3/4NC Hex Nut
22 61--119 U--Bolt, 5/8
23 64--110 5/8” Flat Washer
24 64--109 5/8” Lock Washer
25 63--109 5/8NC Hex Nut
26 4885--0--1B Lt. Scraper Arm
27 4885--0--2B Rt. Scraper Arm
28 61--111 U--Bolt, 3/4D x 6.06W x 7.50L
29 4850--0--20 Shank Base
30 31--185 Shank, 1--1/4 x 2--1/2”
31 4850--0--21 Bolt Plate
32 53--101 Wear Sleeve
33 53--102 Wear Sleeve
34 32--124 Scraper Blade (Lt. Fr. -- Rt. Rr.)
35 32--125 Scraper Blade (Rt. Fr. -- Lt. Rr.)
36 63--106 1/2NC Hex Nut
37 64--107 1/2” Lock Washer
38 7404--186--3 Clamp
39 61--145 U--Bolt, .50D x 2.06W x 3.50L
40 2008--1--625B 62--1/2” Scraper Tube
4850--1--705 70--1/2” Scraper Tube
2008--1--480 48” Scraper Tube
2008--1--1085B 108--1/2” Scraper Tube
2008--1--535 53--1/2” Scraper Tube
2007--1--370 37” Scraper Tube
2008--1--81 81” Scraper Tube
41 63--125 1--1/4NC Slotted Hex Nut, 5 & 7
Rigid
8
42 63--125 1--1/4NC Slotted Hex Nut, 7 & 9
Fold
16
43 64--129 1--1/2”STD Flat Washer
44 4881--7035--0 Bolt On Lug (7 Rigid only) 2
45 61--120 3/4” DIA. U--Bolts (7 Rigid only) 4
A10
IV. CHARGING THE CYLINDERS
1. Attach the hydraulic hoses to the tractor. Check the tractor hydraulic reservoir and make sure
it is full of the tractor manufacturer’s recommended oil.
Warning: Escaping fluid under pressure can penetrate the skin causing serious
injury. Avoid the hazard by relieving pressure before disconnecting
hydraulic lines. Tighten all connections before applying pressure.
Search for leaks with a piece of cardboard. Protect hands and body
from high pressure fluids.
If an accident occurs, see a doctor immediately. Any fluid injected into
the skin must be surgically removed within a few hours or gangrene
may result.
When you are sure all connections are tight and leakproof, open the road lock valve and raise
the unit. Hold the tractor lever in the raised position to fill each rocker shaft cylinder.
2. Cycle the hydraulic cylinders until all air is purged from the system. When cycling the
cylinders, hold the lever for 30 to 45 seconds in the fully raised position to rephase the
cylinders.
Continue the cycles until the cylinders respond with immediate solid actuation.
3. When the cylinders are fully extended, install the cylinder locks on the center rocker cylinders.
4. Close the transport lock valve.
5. Remove the stands. The center frame should be free--standing on its own tires.
Warning: Have all persons stand clear before removing the frame stands.
Serious injury or death can occur from being pinned under the frame.
V. DISC GANG ASSEMBLY
Warning: Due to their sharpness and weight, serious injury or death can be
inflicted by the disc blades and disc gangs if not handled safely. Keep
your co--workers safety in mind. Should personal injury occur, have
medical treatment administered immediately.
1. Refer to the placement pages at the back of this manual to help select the correct location
for each gang assembly.
TL3000 DISC RIPPER PARTS INDEX APR11
Part Number Page Item Part Number Page Item Part Number Page Item Part Number Page Item
1000-10580-0 P21 1 21-2228 P44 6 P31 8 P37 22
1000-12520-0 P21 1 P41 8 P33 13 P37 33
1000-12540-01 P21 1 P42 8 P39 20 P39 11
1000-16540-01 P21 1 P41 3 P37 28 P39 38
1027-18-1 P25 9 P42 3 P39 25 P40 4
1918-14-0A P20 3 P43 3 P37 37 P40 4
2008-1-1085B P23 40 P44 3 P39 42 P40 4
2008-1-370 P23 40 P41 12 24-238R P33 11 P40 4
2008-1-480 P23 40 P42 13 24-240R P39 12 P40 4
2008-1-535 P23 40 P43 13 24-246R P35 16 P40 5
2008-1-625B P23 40 P44 13 24-249R P37 11 P40 5
2008-1-81 P23 40 21-288 P46 3 24-257R P37 14 P40 4
P37 12 21-296 P45 11 P31 25 P40 5
P39 22 21-296 P46 13 P33 26 P40 5
P41 A 21-337 P42 4 P35 28 P40 3
P37 9 2135-12-0 P19 1 P37 31 P40 3
P39 19 P16 16 P39 36 P40 3
P42 A P19 2 24-263R P39 35 P40 3
P39 13 P5 2 24-265R P39 21 P40 3
P43 A P7 30 P35 15 P40 3
P39 17 P41 10 P37 5 P40 3
P44 A P42 11 P39 9 P40 3
P31 11 P43 11 24-277R P33 15 P40 4
P33 28 P44 11 P39 32 P40 5
P33 16 P45 9 P39 46 P40 5
P45 A P46 11 24-282R P39 14 P40 4
21-1028 P46 A P47 11 P31 6 P40 5
P35 14 21-443 P45 23 P33 17 P40 5
P47 A 21-507 P47 19 P31 7 P31 16
21-2059 P42 21-694 P41 2 P31 9 P33 7
21-2060 P43 P41 9 P33 12 P8 17
P43 12 P42 9 P31 3 25-2536 P8 19
P44 10 P43 9 P33 9 25-2537 P8 20
21-2072 P43 4 P44 9 P40 2 P31 13
21-2073 P43 5 P45 10 P40 2 P33 4
21-2080 P44 P46 9 P31 4 P35 30
21-2083 P44 4 21-704 P42 2 P33 8 P37 36
21-2084 P44 5 21-803 P41 5 P16 9 P39 41
21-2102 P46 2 P41 11 P17 9 P31 10
21-2105 P41 4 P42 10 2490-96-0 P17 16 P33 25
21-2122 P44 1 21-808 P41 P31 17 P35 9
P43 7 21-810 P42 5 P33 18 P37 6
P44 7 P43 8 P35 19 P39 7
P41 7 P44 8 P37 15 P39 15
P42 7 P45 7 P39 26 P31 5
P41 24 P46 8 P1 12 P33 29
P42 12 P47 P3 14 P35 18
P43 10 P47 4 25-126 P50 6 P37 13
P44 12 21-869 P47 5 P31 24 P39 23
P41 1 21-870 P47 6 P33 24 25-306 P35 26
P42 1 21-871 P47 8 P35 25 P37 40
21-2140 P44 2 21-872 P47 9 P37 17 P39 45
21-2142 P46 21-882 P46 4 P39 34 P31 12
21-2143 P45 P1 14 P31 19 P33 3
21-2151 P46 1 P3 16 P33 10 P35 17
21-2152 P46 5 21-917 P47 1 P35 12 P37 38
21-2153 P46 6 21-918 P47 2 P37 30 P39 43
P45 8 21-919 P47 3 P39 8 P37 34
P46 7 24-207R P37 29 P37 35 P39 39
21-2156 P46 12 24-2103R P33 14 P39 40 P31 27
P45 22 P40 2 P40 7 P37 39
P46 10 P40 2 P40 7 P39 44
21-2158 P45 21 P40 2 P40 7 P31 15
21-2159 P45 1 P40 2 P40 7 P33 6
21-2160 P45 6 P40 2 P40 7 P37 7
21-2161 P45 2 P40 2 P40 7 P37 23
21-2162 P45 5 P35 27 P40 7 P39 33
21-2163 P45 4 P37 27 P40 7 30-149 P25 11
21-2164 P45 3 24-2116R P39 24 P31 14 30-220S P25 10
P42 6 24-2117R P35 10 P33 5 30-221 P25 10
P43 1 P37 10 P35 8 30-241S P25 10
21-2213 P41 6 P39 18 30-242 P25 10
21-2216 P43 2 24-221R P35 11 3112-69-1 P8 15
21-2217 P43 6 3112-69-2 P8 16
25-309
25-310
25-314
25-317
25-320
25-328
25-2535
25-300
25-301
25-303
25-304
25-307
25-2278
25-2289
25-2290
25-2291
25-2295
25-2509
25-2510
25-2272
25-1153
25-1163
25-127
25-128
25-151
25-221
24-286R
24-297R
24-314R
24-330R
24-349R
2490-90-3
24-223R
24-225R
24-235R
2426-170-5
24-272R
24-281R
24-2105R
24-2115R
24-218R
21-404
21-702
21-807
21-819
21-858
2191-35-0
21-225
21-259
21-260
2135-14-0A
2135-54-0
21-2212
21-2125
21-2126
21-2127
21-2128
21-2154
21-2157
21-189
21-2069
21-1002
21-1003
21-1004
21-1005
21-1028
21-1029
Index - 1
TL3000 DISC RIPPER PARTS INDEX APR11
Part Number Page Item Part Number Page Item Part Number Page Item Part Number Page Item
31-185 P23 30 4850-0-20 P23 29 P31 20 4881-9173-0 P50 15
P26 1 4850-0-21 P23 31 P33 22 4881-9174-0 P50 16
P27 35 P26 30 P35 23 4885-0-1B P23 26
P28 1 P27 31 P37 20 4885-0-2B P23 27
P29 37 P28 33 P39 30 P5 28
P26 2 P29 33 4881-5051-0 P48 1 P7 40
P27 1 P26 31 4881-5052-0 P48 15 P5 4
P28 2 P28 34 4881-5053-0 P48 4 P7 41
P29 1 P27 32 P35 1 P5 3
3131-77-0 P3 34 P29 34 P40 1 P7 42
32-124 P23 34 4850-1-705 P23 40 4881-7000-1 P14 20 4885-0-9 P23 9
32-125 P23 35 P27 36 4881-7018-0 P1 2 P26 34
P26 3 P29 38 4881-7020-0 P1 3 P28 39
P27 2 P27 37 4881-7024-0 P23 12 P28 40
P28 3 P29 39 4881-7026-0 P23 8 P29 42
P29 2 P27 34 4881-7028-0 P23 2 P26 35
P26 4 P29 36 4881-7030-0 P5 1 P27 38
P27 3 P28 35 4881-7034-0 P23 1 P28 41
P28 4 P29 40 4881-7035-0 P23 43 P29 43
P29 3 4850-9090-0 P28 38 4881-7036-0 P23 1 P26 36
40-173 P23 14 P26 32 4881-7037-0 P23 1 P27 33
P16 20 P28 36 4881-7038-0 P23 1 P28 42
P17 21 P28 37 4881-7039-0 P23 1 P29 35
P19 8 P29 41 4881-7040-0A P23 1 P28 43
P20 16 4881-0000-11 P15 17 4881-7041-0A P23 1 P29 44
41-113 P20 11 P11 9 P1 18 P28 44
P16 2 P12 9 P3 24 P29 45
P16 14 P13 9 P5 23 P26 37
P17 2 4881-0000-18 P48 20 P7 36 P27 39
P17 14 4881-0000-2 P3 10 P11 6 P26 38
P19 5 4881-0000-22 P35 3 P12 6 P27 40
41-121 P20 28 4881-0000-3 P7 32 P13 6 P26 39
41-122 P18 2 P11 16 4881-7086-0A P7 37 P27 41
41-123 P18 18 P12 16 P31 1 P5 15
41-124 P18 12 P13 16 P33 1 P7 43
P16 19 4881-0000-36 P8 28 P40 1 P35 13
P17 20 4881-0000-37 P3 38 4881-7134-0 P23 1 P37 8
P19 7 P5 33 4881-7135-0 P23 1 P39 16
P20 15 P7 33 4881-7136-0 P23 1 P11 13
P20 27 P5 25 4881-7137-0 P23 1 P12 13
41-209 P20 12 P7 34 P37 1 P13 13
P16 1 4881-0000-50 P48 19 P39 1 P14 7
P16 15 4881-0000-5A P7 35 P40 1 4987-0-1 P15 3
P17 1 4881-0000-7 P48 6 P37 2 4987-29-1 P20 4
P17 15 4881-0000-9 P50 10 P39 2 4987-29-2 P20 30
P19 6 4881-0-1 P9 2 P40 1 4987-49-0 P20 1
41-220 P18 1 4881-0-11 P25 8 P37 3 4987-53-0 P20 25]
41-221 P18 17 4881-0-13 P25 8 P39 3 4987-53-2 P20 21
41-222 P18 13 4881-0-14 P25 6 P40 1 4987-54-0 P16 5
42-108 P20 10 4881-0-15 P25 7 P37 4 4987-54-0 P17 5
P16 13 4881-0-2 P9 1 P39 4 P16 4
P17 13 4881-1009-1 P18 6 P40 1 P17 4
P19 4 4881-1009-2 P18 23 P35 2 51-103 P21 2
P16 3 4881-1010-0 P13 1 P40 1 P21 4
P17 3 4881-1054-0 P18 4 P31 2 P21 4
42-135 P18 3 4881-1070-0 P3 29 P33 2 P21 4
42-136 P18 11 4881-1080-2 P8 38 P40 1 P21 4
4218-13-3 P20 29 4881-1080-4 P8 37 4881-78-0 P23 5 51-123 P21 2
45-106 P23 13 4881-1081-0 P8 21 4881-9001-0A P3 1 51-132 P21 2
P11 18 4881-1083-0 P8 33 P11 1 51-134 P21 2
P12 18 4881-1084-0 P8 14 P12 1 P21 5
P13 18 4881-1085-0 P8 32 P14 2 P21 5
P14 10 4881-1086-0 P8 39 P15 2 52-114 P21 5
P15 8 4881-1096-0 P18 10 P14 1 52-115 P21 5
4800-170-3 P50 11 4881-18-1 P25 9 P15 1 P16 24
P26 29 4881-20-1 P25 9 4881-9018-0A P3 2 P17 25
P28 32 4881-22-1 P25 9 4881-9020-0A P3 3 P18 22
P14 14 4881-24-1 P25 9 4881-9030-0 P7 38 P19 11
P15 10 4881-5001-0A P1 1 4881-9032-0 P7 39 P20 20
P3 32 4881-5026-0 P23 8 4881-9038-0 P23 1 P1 8
P8 42 4881-5034-0 P23 1 4881-9039-0 P23 1 P23 32
P3 32 4881-5035-0 P23 1 4881-9040-0 P23 1 P26 5
P8 43 4881-5036-0 P23 1 4881-9041-0 P23 1 P28 5
P5 20 4881-5037-0 P23 1 4881-9044-0 P3 17 P3 5
P7 31 4881-9090-0 P26 33
53-101
4956-75-0
4987-0-1
4987-9-1
51-107
52-103
52-302
4885-80-3
4885-87-0B
4885-88-0B
4885-93-0
4885-97-0
4885-98-0
4885-0-4A
4885-0-5
4885-0-6
4885-76-1
4885-80-1
4885-80-2
4881-77-0
4881-9010-0A
4881-9012-0
4881-9013-0
4881-71-0
4881-72-0
4881-73-0
4881-74-0
4881-75-0
4881-76-0
4881-5040-0
4881-70-0
4881-7070-0
4881-7071-0
4881-7084-0A
4881-0000-12
4881-0000-33
4881-0000-38
4881-0000-4
4850-25-1
4850-25-2
4850-25-3
4850-90-0B
4850-9096-0
4850-92-0
4850-0-66
4850-136-0
4850-136-0A
4808-26-3
4815-44-0
4830-117-0
4830-117-1
4830-35-0
41-114
41-208
41-210
42-109
42-131
4716-0-10
31-190
31-206P
33-207
33-209A
41-112
4956-56-0
Index - 2
TL3000 DISC RIPPER PARTS INDEX APR11
Part Number Page Item Part Number Page Item Part Number Page Item Part Number Page Item
P1 11 60-608 P26 9 P26 12 P14 17
P23 33 60-613 P3 31 P27 12 P15 13
P3 7 P28 10 P28 13 P7 13
P8 22 P5 26 P29 12 P8 40
P26 6 P7 6 P11 14 62-635 P8 1
P27 4 P11 11 P12 14 62-636 P8 13
P28 6 P12 11 P13 14 P40 6
P29 4 P13 11 P14 8 P40 6
53-105 P20 2 P25 21 P15 4 P40 6
P15 16 P27 9 P28 14 P40 6
P16 8 P29 9 P29 13 P40 6
P17 8 P5 30 62-162 P50 22 P40 6
P19 12 P7 7 62-167 P25 17 P40 6
P1 10 P5 31 P27 13 P40 6
P11 4 P7 8 P29 14 P31 26
P12 4 P8 9 P5 5 P33 27
P13 4 P8 31 P7 10 P35 29
P23 3 P16 23 P16 6 P37 32
P3 8 P17 24 P17 6 P39 37
P3 35 P19 10 P18 7 P26 17
P1 9 P20 18 62-191 P7 11 P27 18
P3 6 P8 36 62-195 P1 4 P28 19
P11 3 60-703 P24 4 62-197 P5 7 P29 19
P12 3 P18 21 P20 22 P37 24
P13 3 P24 5 P8 25 P39 10
P14 11 P31 21 62-203 P14 4 P26 18
P15 6 P33 23 P26 13 P28 20
P5 24 P35 24 P27 14 62-821 P7 14
P7 1 P37 21 P28 15 P35 6
P26 7 P39 31 P29 15 P37 26
P27 5 60-709 P25 12 62-217 P23 15 P39 6
53-118 P3 4 P16 12 62-222 P1 7 P8 4
P28 7 P17 12 P1 15 P9 16
P29 5 P18 26 P3 25 63-102 P9 11
53-126 P8 23 P20 9 P26 14 63-103 P48 10
P5 18 P23 4 P27 15 63-106 P14 19
P7 2 60-711 P3 13 62-251 P7 12 P15 15
P26 8 60-714 P25 1 62-270 P25 15 P23 36
P27 6 P23 7 62-295 P16 18 P3 23
P28 8 P5 14 P19 3 P50 14
P29 6 P7 9 P20 13 P9 5
53-137 P8 24 61-111 P23 28 P17 17 P11 15
P14 13 61-119 P23 22 P18 14 P12 15
P15 7 61-120 P23 44 P26 15 P13 15
P11 5 61-145 P23 39 P27 16 P14 9
P12 5 P3 21 P28 16 P15 5
P13 5 P9 3 P29 16 P26 19
P5 27 61-263 P48 24 P28 17 P27 19
P7 3 P5 16 P29 17 P28 21
53-174 P18 9 P7 44 62-352 P50 22 P29 20
53-175 P18 5 P26 10 62-377 P8 34 P48 25
P27 7 P27 10 62-385 P8 7 P26 20
P29 7 P28 11 62-394 P35 7 P27 20
P27 8 P29 10 P50 12 P28 22
P29 8 P26 11 P9 6 P29 21
5430-0-24 P3 9 P28 12 62-422 P48 5 P7 15
5630-0-34 P9 8 P27 11 62-424 P3 18 P8 35
P23 11 P29 11 62-432 P15 18 P23 25
P3 33 P5 19 P26 16 P25 19
P8 44 P7 45 P28 18 P27 21
60-106 P7 4 P5 22 62-459 P48 21 P29 22
60-200 P24 3 P7 46 P27 17 P3 20
60-211 P8 30 P5 12 P29 18 P16 7
60-212 P23 6 P7 47 P31 18 P17 7
P48 13 P5 13 P33 19 P18 8
P8 29 P7 48 P35 20 P20 6
P11 17 P31 23 P37 16 P26 21
P12 17 P33 20 P39 27 P27 22
P13 17 P35 21 62-493 P9 9 P28 23
P14 12 P37 18 P35 4 P29 23
P15 9 P39 28 P50 2 P3 39
P28 9 P48 16 P50 24 P5 6
P3 37 62-120 P48 9 P9 13 P7 16
P5 17 62-509 P20 5
P7 5
63-110
62-742
62-806
62-817
63-100
63-107
62-569
62-656
62-692
63-108
63-109
63-106
62-441
62-483
62-491
62-507
62-242
62-295
62-311
62-339
62-351
62-420
62-169
62-176
62-178
62-199
62-205
62-237
62-151
62-154
6142-82-0
6142-83-0
6200-90-0
6200-90-1
62-111
60-716
61-244
6127-0-11
61-296
61-300
61-306
60-621
60-626
60-632
60-708
60-710
60-702
60-616
60-617
60-606
53-166
53-183
53-185
60-103
53-103
53-108
53-109
53-110
60-602
53-117
53-119
53-135
53-136
53-149
53-102
53-113
Index - 3
TL3000 DISC RIPPER PARTS INDEX APR11
Part Number Page Item Part Number Page Item Part Number Page Item Part Number Page Item
P1 6 P14 18 P1 19 74-674 P49 16
P14 6 P15 14 P11 2 74-675 P49 17
P19 15 P23 37 P12 2 7500-0-1 P25 5
P20 24 P3 22 P13 2 7500-0-3 P25 16
P23 21 P50 13 P20 26 7500-0-4 P25 14
63-113 P7 17 P9 4 P5 32 7500-211-1 P23 17
P1 17 P26 26 P7 25 7500-211-2 P23 16
P14 16 P27 27 P28 31 76-102 P8 10
P15 12 P28 28 P29 32 P11 8
P26 22 P29 28 P5 21 P12 8
P27 23 P7 19 P7 26 P13 8
P28 24 P8 41 P16 17 76-198 P48 3
P29 24 P9 7 P17 19 76-231 P7 28
P3 27 P25 18 P18 16 79-297 P50 4
P7 18 P27 28 P19 16 79-397 P50 1
P26 23 P29 29 P20 14 79-546 P50 7
P27 24 P3 19 65-123 P23 18 79-549 P50 20
P28 25 P23 23 70-212 P24 1 79-551 P50 21
P29 25 P23 24 70-212-1 P24 2 79-552 P50 23
63-124 P3 30 P26 27 70-217 P48 23 79-553 P50 5
63-125 P23 41 P28 29 72-133 P48 12 79-577 P50 8
P26 24 P1 5 72-134 P48 14 79-578 P50 9
P27 25 P14 5 P5 8 8300-0-6 P25 6
P28 26 P19 14 P7 27 99-215 P8 11
P29 26 P20 23 P5 8 99-218 P1 13
P11 10 P23 20 P7 27 99-218 P3 15
P23 10 P5 10 7300-83-3 P8 6 99-243 P7 29
P31 22 P7 20 7300-83-5 P8 2
P33 21 P23 19 7300-84-0 P8 8
P35 22 P8 26 7300-87-1 P8 3
P37 19 P1 16 7400-0-2 P25 20
P39 29 P14 15 7404-186-3 P23 38
P48 17 P15 11 74-102 P49 10
P8 18 P26 28 P21 3
P26 25 P27 29 P21 3
P27 26 P28 30 P21 3
P28 27 P29 30 P21 3
P29 27 P3 26 P49 8
P5 11 P7 21 P41 25
P8 27 P16 21 P42 25
P48 8 P17 22 P43 25
P50 3 P19 17 P44 25
P15 19 P20 17 P45 24
P48 22 64-124 P25 22 P46 23
63-180 P25 13 P27 30 P47 7
P12 10 P29 31 P49 13
P13 10 P3 36 74-121 P49 9
P25 2 P11 7 74-276 P49 1
P16 22 P12 7 P9 45
P17 23 P13 7 P49 11
P19 9 P23 42 74-465 P49 3
P20 19 64-136 P25 4 74-487 P9 12
63-205 P18 20 64-138 P18 19 74-489 P49 15
P17 18 64-145 P3 12 P48 18
P18 15 P5 9 P49 5
P16 11 P7 22 74-570 P49 2
P17 11 P5 29 74-571 P49 12
P18 25 P7 23 74-572 P49 12
P20 8 P48 2 74-573 P49 12
P35 5 P8 12 74-574 P49 12
P37 25 P16 10 74-575 P50 17
P39 5 P17 10 74-576 P50 18
P8 5 P18 24 P49 14
P9 15 P20 7 P50 19
P48 7 64-203 P19 13 74-602 P49 6
P9 14 64-215 P7 24 74-603 P49 4
64-103 P9 10 65-100 P3 28 74-648 P49 7
64-104 P48 11
76-164
74-387
74-530
74-577
65-114
65-122
72-352
72-356
74-109
74-113
65-101
65-110
64-126
64-129
64-147
64-154
64-162
64-167
64-109
64-110
64-112
64-113
64-118
64-120
64-108
64-107
63-204
63-208
63-231
64-100
64-101
63-128
63-134
63-162
63-164
63-167
63-181
63-112
63-117
63-119
63-126
Index - 4

Kuhn drd 3000 7R

  • 1.
    A note toour customers, parts managers and dealers: This manual has been prepared to assist you in the proper use, daily care, and operation of your new Krause equipment. It contains specific information on the many built--in features of your equipment, the accessories and options that are available, general specifications, and instructions for making minor adjustments. Read this manual carefully before operating your Krause equipment, and keep it in a convenient location for later reference. In order to ensure that you have the most current owner’s manual available for your implement, we have added a revision code to each manual. Please note the information listed below and specify when placing service calls or ordering parts. Manual for Model: TL 3000 This manual covers models beginning with Serial No. 1001 Owner’s Manual #: TL 3000--1 Parts Manual #: TL 3000--2 ISSUED TO: ISSUED BY: Owner’s Name Krause Dealer Mailing Address City City State State Date of Purchase Printed APR11 SN1111
  • 3.
    Warranty Policy (Krause SerialNumbered Wholegoods purchased subsequent to May 1, 2008) Note: This warranty is limited to the equipment and parts sold in North America and all warranty work must be accomplished by a Krause Corporation Authorized Service Center rated to perform maintenance on Krause Corporation Products. A. KRAUSE CORPORATION (“KRAUSE”) LIMITED WARRANTY. (1) Subject to the limitations and conditions hereinafter set forth, Krause warrants, at the time of delivery by Krause to be free from (i) defects in materials or workmanship, and (ii) defects in design that in the view of the state of the art as of the date of manufacture should have been foreseen provided, however, that the defect must be discovered and reported to Krause within the periods specified as follows. For a period of one year all new serial numbered production agricultural units covered by this warranty; for a period of thirty--six (36) months the tongue weldment, center frame weldment, wing frame weldments, disc harrow gang bearings and K--Tine field cultivator shanks. (2) Krause does not warrant disc blades, shanks, hydraulic cylinders, accessories and other parts not manufactured by it, but supplied with or as a part of its products. Krause will, however, obtain and pass on any adjustments provided by the manufacturers of such parts under these manufacturer’s warranties. Tires supplied on Krause products, will be warranted by the tire manufacturer’s retail outlets. (3) The entire extent of Krause’s liability shall be limited to that of either reimbursing Buyer for its costs of purchasing a rebuilt, over--hauled or repaired part from either Krause or a proper Krause Authorized Service Center or, at Krause’s election, reimbursing buyer for its costs of having the part repaired at a proper Krause Authorized Service Center. If Krause elects not to repair the part and if neither a rebuilt, over--hauled or repaired part is, in Krause’s opinion, timely available then Krause will reimburse buyer for its costs of purchasing a new part from either Krause or a proper Krause Authorized Service Center. The labor necessary to remove from the product such part or parts and to install in the product such part or parts, as well as any repair made as the result of improper installations by Krause, shall be covered by this warranty, provided the work is performed at a proper Krause Authorized Service Center.K If return of the defective part is required, it must be returned shipping prepaid to Krause. Krause’s limited warranty will apply to any part repaired or replaced by a proper Krause Authorized Service Center pursuant to Krause’s Limited Warranty: however, the applicable warranty for such part repaired or replaced shall be limited to the unexpired portion of Krause’s Limited Warranty described in paragraph (1) or (2) above, as applicable. In other words, the warranty period of the part repaired or replaced does not start over from the date of reinstallation. K[Krause Corporation will repair or replace, free of charge, any part of the product found to be defective, within the specified warranty periods, after an inspection of the part has deemed it to be defective. Inspection must be performed by an authorized agent of Krause Corporation, or returned to the Krause factory for inspection and disposition. Warranty labor will be considered during the first year of warranty only. Krause Corporation will establish and publish an hourly flat rate for shop labor and reimbursement during the first year of the warranty period. Krause Corporation does not allow credit for the cost of travel time, mileage or hauling as a warranty allowance. During the remaining second and third year, when applicable, Krause will repair or replace the defective part, without consideration of labor charges.] (4) Routine services (such as inspections, field settings, adjustments, etc.) and replacement of items which deteriorate from expected normal wear and tear or exposure (such as paint, tires, hoses, blades, sweeps, etc.) are not covered by this Limited Warranty. Such routine services and replacements required during the course of operation are not considered to be the result of any defect in the product.
  • 4.
    B. LIMITATIONS APPLICABLETO KRAUSE’S LIMITED WARRANTY. (1) This Warranty Policy only applies to equipment and parts sold in North America. Krause will be relieved of all obligations and liability under this warranty if: (i) The alleged defect in the part is due to misuse or neglect on the part of someone other than Krause; or (ii) Krause’s identification mark or name or serial number has been removed from the part in question; or (iii) The product and/or equipment have not been maintained, operated or stored either in accordance with applicable manuals, communications or other written instructions of Krause or any manufacturer of the part involved, or in accordance with applicable regulations and advisory circulars unless buyer shows that such maintenance, operation or storage was not a contributory cause of the defect; or (iv) The part in question has been modified or altered after delivery other than by the manufacturer or in accordance with a modification or alternation scheme approved in writing by the manufacturer; or (v) The product is used for purposes other than conventional owner/operator usage. Usage not considered conventional owner/operator includes, but is not limited to, operation conditions that consist of rocks or other obstructions. (2) For the purpose of this Warranty, no part of the product or equipment will be regarded as breaching the limited warranty merely because, subsequent to its delivery, some modification or alteration becomes necessary for product improvements or in order to meet a change in the requirements of any applicable regulation. (3) TO THE EXTENT ALLOWED BY APPLICABLE LAW, BUYER WAIVES AS TO KRAUSE ALL OTHER WARRANTIES, WHETHER OF MERCHANTABILITY, FITNESS OR OTHERWISE, THERE ARE NO WARRANTIES WHICH EXTEND BEYOND THE DESCRIPTION ON THE FACT HEREOF. (4) TO THE EXTENT ALLOWED BY APPLICABLE LAW, THE OBLIGATIONS OF KRAUSE SET FORTH HEREIN SHALL BE THE EXCLUSIVE REMEDIES FOR ANY BREACH OF WARRANTY HEREUNDER, AND, TO THE SAME EXTENT, KRAUSE SHALL NOT BE LIABLE FOR ANY GENERAL, CONSEQUENTIAL OR INCIDENTAL DAMAGES, INCLUDING, WITHOUT LIMITATION, ANY DAMAGES FOR DIMINUTION OF MARKET VALUE, LOSS OF USE OR LOSS OF PROFITS, OR ANY DAMAGES TO THE PRODUCT CLAIMED BY BUYER OR ANY OTHER PERSON OR ENTITY UPON THE THEORIES OF NEGLIGENCE OR STRICT LIABILITY IN TORT. (5) ANY ACTION BY BUYER FOR BREACH OF THIS WARRANTY BY EITHER KRAUSE OR SELLER MUST BE COMMENCED WITHIN (1) YEAR AFTER THE CAUSE OF ACTION ACCRUES.
  • 6.
    Establishing Customer Warranty Customer’sObligation 1. The customer is responsible for reading the operation manual supplied with each serial numbered unit. The manual describes the safe and correct operating procedures of the specific product. The operation manual will also instruct the user on recommended lubrication and maintenance of the product. 2. The customer will advise the dealer of the anticipated start date of the product so a dealer representative can be on hand to make necessary field adjustments. 3. The owner is also responsible for inspecting the product during and after use. If a part has failed or is in need of repair, it should be replaced. When continued use of the product would result in excessive wear of other components, the part should be replaced before operation is continued. Continued use of the product may void warranty on other parts damaged from this condition. The user must make the machine available to the dealer for a warranty repair. 4. It is the customer’s responsibility to deliver his machine to an authorized Krause dealer for completion of a warranty repair. If the dealer agrees to make a service trip to the customer’s residence, it is an agreement between the dealer and the customer. Krause will not allow warranty credit for the cost of travel, mileage, or hauling. 5. Warranty labor consideration will only be given during the first year of warranty. Any labor charge for the 2nd or 3rd year on the limited warranty will be at the customer’s expense. This warranty gives you specific rights, and you may also have other rights which vary from state to state.
  • 7.
    1 TL 3000 SERIESDISC RIPPER DEALER PREDELIVERY CHECK SHEET TO BE CHECKED BY DEALER CUSTOMER DATE ADDRESS DEALER ADDRESS MODEL SERIAL NUMBER DEALER CHECK: 1. Check to see that all rocker shaft bolts are tight. 2. Check to see that hydraulic cylinders are full of oil (air bled out of cylinders). Clevis pins with cotter pins should be in place and spread. 3. Examine hydraulic hoses to see that they are protected from damage. 4. Bolts attaching the spindle weldments to the rocker shaft should be tight. Check to see that bearings have been adjusted and greased. 5. Check lug bolts and nuts holding wheels to the hub to see that they are torqued as follows: 9/16” Wheel Bolts to 120 Ft. Lbs. (6--Bolt Wheels) 5/8” Wheel Nuts to 170 Ft. Lbs. (8--Bolt Wheels) 6. The correct size of tires should be on the implement with proper inflation: 12.5L x 15, 12--Ply = 52 PSI 12.5L x 15, FI = 90 PSI 16.5L x 16, FI -- 60 PSI 7. Check to see that bolts attaching tongue to frame and bolts attaching hitch to tongue are in place and secured. 8. Jack should be operational for support of tongue when implement is not attached to a tractor. 9. All decals are in place per page P49 of this owner’s manual. 10. Transport Lock Valve is correctly installed and operates satisfactorily. 11. Customer review sheet filled out and signed. 12. Review lighting requirements. Light kits are standard. 13. Check to see that Owner’s Manual is in the storage canister. 14. Check to see that the SMV emblem is clean and in place. DELIVERED BY DATE
  • 9.
    3 Table of ContentsAPR11 WARRANTY DEALER PREDELIVERY CHECK SHEET 1 CUSTOMER REVIEW SHEET 2 TABLE OF CONTENTS 3 SPECIFICATIONS 4 GENERAL INFORMATION DRAWING 5 SAFETY DECAL INFORMATION 6 OPERATING SECTION ABOUT YOUR DISC RIPPER O1 PREPARING DISC RIPPER FOR OPERATION O1 PREPARING THE TRACTOR O1 HYDRAULIC SYSTEM O2 UNDERSTANDING YOUR DISC RIPPER O2 HYDRAULIC SAFETY (READ CAREFULLY) O2 HEATING NEAR PRESSURIZED HYDRAULICS O3 HITCHING AND UNHITCHING O3 Hitching to Tractor O4 Unhitching from the Tractor O4 TRANSPORTING O5 Transport Lock Valves O5 Raising The Wings O5 Lowering The Wings O5 Transport Safety O5 FIELD ADJUSTMENTS O6 Front to Rear Leveling O6 Side To Side Leveling O7 Hydraulic Depth Control Adjustment O7 Flexibility O7 DISC GANG ANGLE ADJUSTMENTS O8 DISC GANG DEPTH ADJUSTMENT O8 Rigid Scraper Adjustment O8 Turning in the Field O8 SUBSOIL SHANKS O9 SERVICING O9 General Maintenance O9 Disc Gangs O9 Lubrication O10 Wheel Bearings O10 Walking Beams O11 GENERAL INFORMATION O11 STORAGE SUGGESTIONS O11 Repair Parts O11 TROUBLESHOOTING SECTION O12--14 PROCEDURE FOR LOCATING HYD. LEAKS O15--17 PARTS SECTION CENTER FRAME (5 & 7 RIGID) P1 CENTER FRAME (7 & 9 FOLDING) P3 TONGUE P5 CUSHION TONGUE (OPTION) P7 DEPTH LINKAGE ASSEMBLY P9 DECAL & SMV MOUNT P10 CENTER ROCKER (5 & 7 RIGID) P11 CENTER ROCKER (7 FOLDING) P12 CENTER ROCKER (9 FOLDING) P13 WING ROCKER (7 FOLDING) P14 WING ROCKER (9 FOLDING) P15 WALKING BEAM (5 & 7 RIGID -- CENTER) P16 WALKING BEAM (7 FOLDING -- CENTER) P17 WALKING BEAM (9 FOLDING -- CENTER) P18 HUB ASSEMBLY (7 FOLDING -- WING) P19 WALKING BEAM (9 FOLDING -- WING) P20 WHEELS & TIRES P21 GANG BEAM ASSEMBLY P23 DEPTH ADJUSMTENT -- RATCHET JACK P24 DISC GANG ASSEMBLY P25 SUBSOIL SHANK ASSY -- RIGID SER# -- 1110 P26 SUBSOIL SHANK ASSY -- RIGID SER# 1111 -- P27 SUBSOIL SHANK ASSY -- SPRING SER# --1110 P28 SUBSOIL SHANK ASSY -- SPRING SER# 1111-- P29 HYDRAULICS -- DEPTH 5 & 7 RIGID P31 HYDRAULICS -- DEPTH 7 & 9 FOLDING P33 HYDRAULICS -- WING FOLD 7 & 9 FOLDING P35 HYDRAULICS -- DISC GANG 5 & 7 RIGID P37 HYDRAULICS -- DISC GANG 7 & 9 FOLDING P39 HYDRAULIC HOSE W/ PLASTIC GRIP ASSM. P40 HYDRAULIC CYLINDER -- 3--3/4 X 8 P41 HYDRAULIC CYLNDER -- 4 X 8 P42 HYDRAULIC CYLINDER -- 4--1/4 X 8 P43 HYDRAULIC CYLINDER -- 4--1/2 X 8 P44 HYDRAULIC CYLINDER -- 3--3/4 X 16 P45 HYDRAULIC CYLINDER -- 4 X 16 P46 HYDRAULIC CYLINDER -- 5 X 32 P47 CABLE GUIDE ASSEMBLY P48 DECALS & REFLECTORS P49 LIGHT KIT P50 ASSEMBLY SECTION GENERAL ASSEMBLY INFORMATION A2 CENTER FRAME AND ROCKER ASSEMBLY A2 WING ASSEMBLY (7 & 9 SHANK FOLDING) A5 WING ROCKERS (7 & 9 SHANK FOLDING) A6 HYDRAULIC ASSEMBLY A7 CHARGING THE CYLINDERS A9 DISC GANG ASSEMBLY A10 SUBSOIL SHANK ASSEMBLY A12 LIGHT KIT A12 DECALS A13 PLACEMENT DRAWINGS: TL 3000 5 SHANK RIGID A14 TL 3000 7 SHANK RIGID A15 TL 3000 7 SHANK FOLDING A16 TL 3000 9 SHANK FOLDING A17 PARTS INDEX Index 1--3
  • 15.
    O1 OPERATING INSTRUCTIONS Elimination ofthe hazards listed in this manual should not be construed as providing guarantees that the equipment will meet or exceed all standards or regulations, or will be completely safe to all personnel. The operator should inspect and review the implement after it is in his possession. READALLOFTHE SAFETY DECALS ON THE DISC RIPPERAND REVIEWTHE SAFETY FIRST SUGGESTIONS ON THE BACK COVER OF THIS MANUAL TO REFRESH YOUR MEMORY. WATCH FOR THE SAFETY SYMBOL AND READ THE INFORMATION. THIS IS FOR YOUR OWN SAFETY. ABOUT YOUR DISC RIPPER This DISC RIPPER was designed for deep fallow tillage or stubble--mulch tillage. Your disc ripper will operate over a wide range of speeds, ranging from 3 to 6--1/2 miles per hour. Exercise caution in rocky or extremely hard conditions. If rocky conditions exist in your fields, operate at a slow speed and equip your DISC RIPPER with spring shanks. Horsepower requirements generally will range from 35 to 50 HP per shank (do not exceed 50 HP per shank.) Adding attachments should be limited to Krause original equipment options or attachments that weigh no more than 90 pounds per foot of cut. PREPARING THE DISC RIPPER FOR OPERATION 1. Check that the transport lock valve is closed, the tongue jack is supporting the tongue, and the hydraulic cylinders are pinned and full of oil. 2. Check for loose bolts and tighten if needed. Check again for loose bolts after the first half day of operation. 3. Check the tire pressure and correct if necessary. Inflate 8--ply tires to 45 PSI. Caution: Frequently check to see that wheel lug bolts are torqued to proper tightness (6--Bolt wheels to 120 Ft./Lbs.; 8--Bolt wheels to 170 Ft./Lbs.), particularly during the initial transporting andoperation ofthe tillage tool. The bolts may work loose resulting in the loss of a wheel and subsequent loss of control of the tool and / or tractor. 4. Make sure that all grease zerk locations have been sufficiently greased. Grease zerks will be found on the rocker shaft pivots, disc bearings, walking beams and wheel hubs. USE EXTREME CAUTION WHEN WORKING AROUND SHARP DISC RIPPER POINTS, AND DISC BLADES. 5. Check and adjust tightness of wheel bearings and walking beam bearings before operation, after the first week, and periodically thereafter. (See Service Section of this book) PREPARING THE TRACTOR Read your tractor owner’s manual. It will describe safe methods of operation. Make sure your tractor has proper added ballast, and that its hydraulic system if full of oil and working properly. Check tractor brakes and warning lights, make sure they are in working order.
  • 16.
    O2 HYDRAULIC SYSTEM Inspect thehydraulic system for tell--tale leaks and loose fittings. Tighten if needed. If you are plumbing the implement with JIC/O--Ring fittings it is not necessary to use a tape type or liquid sealer. MAKE SURE THE RESTRICTORS ARE IN THE ROD END PORTS OF THE WING LIFT CYLINDERS. If not previously filled, 5 & 7 Rigid Shank Models will require 7 Quarts / 6.6 Liters of your tractor manufacturer’s recommended oil; 7 & 9 Shank Folding Models will require 43 Quarts / 40.7 Liters. Read the “HYDRAULIC SAFETY” section below before filling the system. Caution: Air in hydraulic system could allow disc ripper or wings to drop suddenly. Do not operate the wing hydraulics until you have read wing lift and lock operating instructions under “TRANSPORTING”. UNDERSTANDING YOUR DISC RIPPER The TL 3000 Series 7 & 9 Shank Disc Ripper uses a master and slave system for depth control. As oil is pumped into the base of the master cylinder, oil is forced out of the rod end and into the base end of its slave cylinder. In turn, this forces oil out of the slave cylinder which then returns to the tractor hydraulic reservoir. Since there is a smaller volume of oil which passes from the rod end of the master cylinder to the base end of each slave cylinder, the cylinders must be progressively smaller in diameter. The 7 and 9 Shank Folding Models use depth control master cylinders which are 4--1/2” Diameter; the wing slaves are 4” in diameter. All of the rocker cylinders have a 16” stroke length. When the disc ripper is raised completely out of the ground, these specially designed cylinders are synchronized for uniform lifting by holding the tractor remote hydraulic control lever in the raise position for a few seconds. This allows a small volume of oil to bypass from the base of the master cylinder to the base end of the slave cylinder, and back to the tractor. Consequently, all of the cylinders are fully extended simultaneously. To maintain a precise working depth, it may be necessary to synchronize the slave cylinders once or twice during each hour of use. This can be easily done when the unit is being raised to make a turn. The disc gang cylinders are synchronized by fully raising the gangs and holding the lever. When working with this kind of arrangement, be sure all of the cylinders are mounted in proper sequence. Hoses must be attached in the proper order, and all air bled from the hoses and the cylinders. REPAIR OF HYDRAULIC CYLINDERS SHOULD BE MADE BY AN AUTHORIZED KRAUSE DEALER ONLY. HYDRAULIC HOSE AND CYLINDER DRAWINGS CAN BE FOUND ON PAGES P26 THROUGH P43 OF THE PARTS SECTION IN THIS MANUAL. HYDRAULIC SAFETY (PLEASE READ CAREFULLY) If the implement hydraulic system has never been used, stored over a period of time or disassembled for any reason, unpin the rod ends of the cylinders and support the cylinders so the rod ends will clear frame members when fully extended. Back the tractor to the front of the implement and connect the hydraulic hoses. Check the tractor hydraulic reservoir and make sure it is full of the manufacturer’s recommended oil. If you are sure the implement hydraulic hose connections are tight, begin filling the system by extending and retracting the cylinders. Hold the control lever open and pause at the end of each stroke to bleed the air from the system. Continue the cycles until the cylinders respond with immediate solid actuation. When you are sure the systems are free of air, pin the rod ends of the cylinders to the implement cylinder lugs.
  • 18.
    Cart.43 O4 HITCHING TO TRACTOR A.The implement must be in a raised position and the transport lock valve in place before hitching to the tractor. B. Unpin the tractor drawbar so it can be moved from side to side. C. Back the tractor to the implement. D. Attach the clevis to the tractor drawbar with clevis pin that fits the hole size in the tractor drawbar. Make sure pin is locked or bolted in place to prevent loss. E. Connect hydraulic hoses to the tractor. F. Place tongue jack in storage position. G. Attach the safety chain. See page O5. IMPORTANT: BEFORE MOVING THE IMPLEMENT BE SURE THAT THE LOWER ARMS OF THE THREE POINT HITCH HAVE BEEN RAISED TO THE TOP AND SECURED TO PREVENT DAMAGE TO THE CLEVIS AND TONGUE WHEN MAKING TURNS. UNHITCHING FROM THE TRACTOR If the implement is not to be used for the remainder of the day, select a good parking place that will permit the lowering of the wings (7 and 9 Shank Folding Models ONLY). The implement should be parked in the storage position with the transport lock valve closed. If the implement is to remain parked for storage over a long period of time, be sure to read the storage suggestions listed on page O11. 1. To unhitch the implement from the tractor, place the tractor in park or neutral and set the hand brake. If you are not parking on level ground, block the implement tires to prevent damage to the jack. 2. Close Transport Lock Valve, turn off the tractor power and relieve any pressure that might be in the implement hydraulic system by moving the tractor control lever back and forth. 3. Using the tongue jack, raise the tongue height until the clevis pin can be removed. NOTE: If rear attachments have been added, and the implement is tail--heavy, lower the unit close to the ground before closing transport lock valve. This will transfer weight to the tongue. 4. Disconnect the hydraulic hoses, and the tractor may be moved away. Warning: Escaping fluid under pressure can penetrate the skin causing serious injury. Avoid the hazard by relieving pressure before disconnecting hydraulic lines. Tighten all connections before applying pressure. Search for leaks with a piece of cardboard. Protect hands and body from high pressure fluids. Ifanaccidentoccurs, see a doctor immediately. Any fluidinjected intothe skin must be surgically removed within a few hours or gangrene may result. Caution: Do not stand on or straddle the tongue when unhitching. If rear attachments have been added to the rear of the implement, it may affect the balance of the implement, causing the tongue to raise up suddenly when unhitching.
  • 24.
    CART25 O10 NOTE: 5 &7 Shank Rigid Models: Attach the maintenance locks to the depth control link for storage when not in use (see illustration on page P8). 7& 9 Shank Folding Models: Attach the maintenance locks to the wing stop weldments for storage (see illustration on page P2). Check the disc gang tie rods frequently. To tighten, attach a 5--1/2 ft. pipe over the tie rod wrench handle. Tighten the nut to 1,200 Ft. Lbs. by applying approximately 200 lbs. of weight to the end of the pipe. Caution: Be sure that the disc gang is locked with a tie rod wrench on the opposite end before force is applied. Danger: Due to their sharpness and weight, serious injury can be inflicted by disc blades and gangs if not handled safely. Watch for unsafe conditions, Keep co--workers safety in mind. Should personal injury occur, have medical treatment administered immediately. Use the same procedure as described when setting up a new unit. Make sure the top of the bearing arms are parallel with the bottom of the frame before tightening the U--Bolts. LUBRICATION The initial lubrication of all grease fittings will assure long life and satisfactory performance from the implement. Use a multi--purpose type grease at all grease zerk locations after each 24 hours of operation. Points of lubrication are: walking tandem bearings, shanks, and wheel hubs. Disc gang bearing should be greased with a high quality multi--purpose type grease after each use and after long periods of storage. The disc bearings cannot be overgreased and should be greased until grease is visible past the seals. WHEEL BEARINGS Grease wheel bearings every 24 hours of use. Check for excessive end play each time that the bearings are greased. Once a year, clean and repack the wheel bearings with EP#2 Grease. Replace seals each time that the bearings are removed. Replace any worn or damaged parts. Use light oil on the seal surface and use extreme care when pushing seal over the spindle. Install outer bearings, flat washer, and slotted nut. Tighten nut while turning hub until there is resistance to rotation. Then back off nut 1 to 2 slots until hub turns freely without end play. Secure nut with clinched cotter pin.
  • 25.
    O11 WALKING BEAMS Grease thewalking beam bearing every 24 hours of use. When greasing the bearings, lower the unit onto the points and raise the walking beams off the ground. Check each walking beam for any slack in the pivot bearings. When slack is found tighten the axle nut until slack is eliminated and tighten 5 to 10 ft. lbs. of preload on the bearings. DO NOT BACK THE AXLE NUT OFF. Check, clean, and repack the walking beam bearings each year in a procedure that is similar to that of the wheel bearings. GENERAL INFORMATION If problems are encountered in the field, and the operator requires aid or a possible remedy for the problem, a special troubleshooting section titled “Possible Remedies for Field Problems” has been added at the end of this section. STORAGE SUGGESTIONS Make sure transport lock valve is in the closed position. For long term storage, coat disc blades and hydraulic cylinder rods with rust preventative. For added safety, lower the implement to the ground. Cylinder rods may also be unpinned and retracted to protect the polished rod surfaces. Inspect the implement for worn or damaged parts and replace as necessary to avoid delays the next season. REPAIR PARTS Refer to the Assembly Section of this book when repairing or replacing parts, and follow the same procedure as used when assembling a new unit. Reverse this procedure for disassembly. The Parts Section of this manual will show a breakdown of assemblies, location of parts, and part numbers. It is recommended that KRAUSE replacement parts be used. KRAUSE PARTS WERE DEVELOPED AND TESTED FOR THESE IMPLEMENTS. Caution: If replacing hydraulic hose, use only hose that meets of exceeds 3,000 PSI working pressure. IMPORTANT: REPAIR OF HYDRAULIC CYLINDERS SHOULD BE MADE BY AN AUTHORIZED KRAUSE DEALER. AVOID HEATING NEAR PRESSURIZED FLUID LINES Flammable spray can be generated by heating near pressurized fluid lines, resulting in severe burns to yourself and bystanders. Do not heat by welding, soldering, or using a torch near pressurized fluid lines or other flammable materials. Pressurized lines can be accidentally cut when heat goes beyond the immediate flame area. Caution: Explosive separation of a tire and rim parts can cause serious injury or death. Always maintain the correct tire pressure. Do not inflate the tires above the recommended pressure. Inspecttires and wheels daily. Do not operate with low pressure, cuts, bubbles, damaged rims or missing lug bolts and nuts.
  • 41.
    P7 CUSHION TONGUE ASSEMBLY(OPTIONAL) FOR MODELS -- TL3000 5, 7, 9 SHANK APR11 Item Part Number Part Description Qty. 1 53--113 Wear Sleeve 1.50od X 1.28id X .75 2 2 53--135 Wear Sleeve 1.50od X 1.28id X .62 2 3 53--166 Wear Sleeve 1.75od X 1.53id X .75 4 4 60--106 FAS Pin 1 5 60--606 Roll Pin 1/4”D x 2” Z/P 4 6 60--616 Roll Pin 3/8”D x 2--1/4” Z/P 10 7 60--621 Roll Pin 1/2”D x 2--1/2” Z/P 2 8 60--626 Roll Pin 3/16”D x 1--1/2” Z/P 1 9 60--716 #3 Hair Pin Cotter 1 10 62--176 Cap Screw 5/8NC x 3--1/2” GD5 3 11 62--191 Cap Screw 3/4NC x 1--1/2” GD5 1 12 62--251 Cap Screw 1NC x 6--1/2” GD5 2 13 62--569 Cap Screw 1/2NC x 1--1/2” GD5 4 14 62--821 Cap Screw 3/4NC x 8” 2 15 63--108 Lock Nut, Nylon--Top 1/2NC 2 16 63--110 Lock Nut, Oval 5/8NC 3 17 63--113 Jam Nut, Hex 3/4NC 2 18 63--117 Nut, Finished Hex 1NC 2 19 64--108 Flat Washer, STD 1/2” 4 20 64--112 Lock Washer, Medium STD 3/4” 1 21 64--118 Lock Washer, Medium STD 1” 2 22 64--147 Washer, Special 2.000 x .812 x 2 2 23 64--154 Bushing, Machine 3--1/8 x 2--1/8 x 10Ga 2 24 64--215 Washer, Special 2000 x .812 x 2 2 25 65--101 Zerk, STD 1/8 2 26 65--114 Zerk, Thread Cutting 1/4” 2 27 72--352 Safety Chain, 20,000# 1 27 72--356 Safety Chain, 30,000# 1 28 76--231 Spring, Urethane 2.0od x 1.0id x 2.75 2 29 99--243 Skid Plate, Poly 2 30 2135--54--0 Clevis, Crawler 2” Pin 1 31 4830--35--0 Turnbuckle 1 32 4881--0000--3 Hitch Pin 1 33 4881--0000--38 Spacer 1 34 4881--0000--4 Pin 1--1/2 x 6--3/4 1 35 4881--0000--5A Pin, Pivot 2 36 4881--7071--0 Pivot 1 37 4881--7086--0A Shock Mount, Hitch 2 38 4881--9030--0 Tongue 1 39 4881--9032--0 Swing Hitch 1 40 4885--0--4A Pin, Tongue 1--3/4 x 9--12 2 41 4885--0--5 Pin, Hitch 1 42 4885--0--6 Hitch Bushing 1 43 4956--56--0 Jack Assembly (Includes Item 4) 1 44 6127--0--11 Pin, Turnbuckle 2 45 6142--82--0 Threaded End, Right Hand 1 46 6142--83--0 Threaded End, Left Hand 1 47 6200--90--0 Pin Assembly (Includes Items 8, 9 & 48) 1 48 6200--90--1 Pin 1
  • 57.
    P23 GANG BEAM ASSEMBLY FORMODELS -- TL3000 5, 7, 9 SHANK APR11 Item Part Number Part Description Qty 1 4881--5034--0 5 Shank Rt. Front Beam 1 4881--5035--0 5 Shank Lt. Front Beam 1 4881--5036--0 5 Shank Rt. Rear Beam 1 4881--5037--0 5 Shank Lt. Rear Beam 1 4881--7134--0 7 Shank Rt. Front Beam 1 4881--7135--0 7 Shank Lt. Front Beam 1 4881--7136--0 7 Shank Rt. Rear Beam 1 4881--7137--0 7 Shank Lt. Rear Beam 1 4881--7034--0 7 & 9 Shank Front Beam 2 4881--7036--0 7 & 9 Shank Rt. Rear Beam 1 4881--7037--0 7 & 9 Shank Lt. Rear Beam 1 4881--7038--0 7 Shank Rt. Front Wing Beam 1 4881--7039--0 7 Shank Lt. Front Wing Beam 1 4881--7040--0A 7 Shank Rt. Rear Wing Beam 1 4881--7041--0A 7 Shank Lt. Rear Wing Beam 1 4881--9038--0 9 Shank Rt. Front Wing Beam 1 4881--9039--0 9 Shank Lt. Front Wing Beam 1 4881--9040--0 9 Shank Rt. Rear Wing Beam 1 4881--9041--0 9 Shank Lt. Rear Wing Beam 1 2 4881--7028--0 Outside Pivot Weldment,5 & 7 Rigid (for Rear Gangs) 2 2 4881--7028--0 Outside Pivot Weldment, 9 Shank (for Rear Gangs) 4 3 53--109 Wear Sleeve, 5 & 7 Rigid (for Rear Gangs) 16 3 53--109 Wear Sleeve, 9 Shank (for Rear Gangs) 32 4 60--710 Cotter Pin,1/4 x 2--1/2 5 & 7 Rigid 8 4 60--710 Cotter Pin, 1/4 x 2--1/2, 7 & 9 Fold 16 5 4881--78--0 Pin Weldment, 5 & 7 Rigid 8 5 4881--78--0 Pin Weldment, 7 & 9 Fold 16 6 60--212 Clevis Pin, 1/2 x 2, 5 & 7 Rigid (for Rear Gangs) 2 6 60--212 Clevis Pin, 1/2 x 2, 7 & 9 Fold (for Rear Gangs) 4 7 60--716 #3 Hair Pin Cotter, 5 & 7 Rigid (for Rear Gangs) 2 7 60--716 #3 Hair Pin Cotter, 7 & 9 Fold (for Rear Gangs) 4 8 4881--5026--0 Slide Arm,5 & 7 Rigid (for Rear Gangs) 2 8 4881--5026--0 Slide Arm,7 & 9 Fold (for Rear Gangs) 4 8 4881--7026--0 Slide Arm, 7 Rigid only 2 9 4885--0--9 1--1/2” Heavy Washer, 5 & 7 Rigid (for Rear Gangs) 2 9 4885--0--9 1--1/2” Heavy Washer, 7 & 9 Fold (for Rear Gangs) 4 10 63--128 1--1/2NC Slotted Nut 5 & 7 Rigid (for Rear Gang) 4 10 63--128 1--1/2NC Slotted Nut, 7 & 9 Fold (for Rear Gang) 8 Item Part Number Part Description Qty 11 60--103 PTO Lock Pin, 5 & 7 Rigid (for Rear Gangs) 2 11 60--103 PTO Lock Pin, 7 & 9 Fold (for Rear Gangs) 4 12 4881--7024--0 Inside Pivot Weldment, 5 & 7 Rigid (For Rear Gangs) 2 12 4881--7024--0 Inside Pivot Weldment, 7 & 9 Fold (Rear Gangs Only) 4 13 45--106 Side Ring 14 40--173 Bearing Assembly 15 62--217 3/4NC x 7--1/2”GD5 Cap Screw 16 7500--211--2 Lower Brg. Housing 17 7500--211--1 Upper Brg. Housing 18 65--123 1/8NPT Extended Zerk 19 64--113 3/4” Flat Washer 20 64--112 3/4” Lock Washer 21 63--112 3/4NC Hex Nut 22 61--119 U--Bolt, 5/8 23 64--110 5/8” Flat Washer 24 64--109 5/8” Lock Washer 25 63--109 5/8NC Hex Nut 26 4885--0--1B Lt. Scraper Arm 27 4885--0--2B Rt. Scraper Arm 28 61--111 U--Bolt, 3/4D x 6.06W x 7.50L 29 4850--0--20 Shank Base 30 31--185 Shank, 1--1/4 x 2--1/2” 31 4850--0--21 Bolt Plate 32 53--101 Wear Sleeve 33 53--102 Wear Sleeve 34 32--124 Scraper Blade (Lt. Fr. -- Rt. Rr.) 35 32--125 Scraper Blade (Rt. Fr. -- Lt. Rr.) 36 63--106 1/2NC Hex Nut 37 64--107 1/2” Lock Washer 38 7404--186--3 Clamp 39 61--145 U--Bolt, .50D x 2.06W x 3.50L 40 2008--1--625B 62--1/2” Scraper Tube 4850--1--705 70--1/2” Scraper Tube 2008--1--480 48” Scraper Tube 2008--1--1085B 108--1/2” Scraper Tube 2008--1--535 53--1/2” Scraper Tube 2007--1--370 37” Scraper Tube 2008--1--81 81” Scraper Tube 41 63--125 1--1/4NC Slotted Hex Nut, 5 & 7 Rigid 8 42 63--125 1--1/4NC Slotted Hex Nut, 7 & 9 Fold 16 43 64--129 1--1/2”STD Flat Washer 44 4881--7035--0 Bolt On Lug (7 Rigid only) 2 45 61--120 3/4” DIA. U--Bolts (7 Rigid only) 4
  • 96.
    A10 IV. CHARGING THECYLINDERS 1. Attach the hydraulic hoses to the tractor. Check the tractor hydraulic reservoir and make sure it is full of the tractor manufacturer’s recommended oil. Warning: Escaping fluid under pressure can penetrate the skin causing serious injury. Avoid the hazard by relieving pressure before disconnecting hydraulic lines. Tighten all connections before applying pressure. Search for leaks with a piece of cardboard. Protect hands and body from high pressure fluids. If an accident occurs, see a doctor immediately. Any fluid injected into the skin must be surgically removed within a few hours or gangrene may result. When you are sure all connections are tight and leakproof, open the road lock valve and raise the unit. Hold the tractor lever in the raised position to fill each rocker shaft cylinder. 2. Cycle the hydraulic cylinders until all air is purged from the system. When cycling the cylinders, hold the lever for 30 to 45 seconds in the fully raised position to rephase the cylinders. Continue the cycles until the cylinders respond with immediate solid actuation. 3. When the cylinders are fully extended, install the cylinder locks on the center rocker cylinders. 4. Close the transport lock valve. 5. Remove the stands. The center frame should be free--standing on its own tires. Warning: Have all persons stand clear before removing the frame stands. Serious injury or death can occur from being pinned under the frame. V. DISC GANG ASSEMBLY Warning: Due to their sharpness and weight, serious injury or death can be inflicted by the disc blades and disc gangs if not handled safely. Keep your co--workers safety in mind. Should personal injury occur, have medical treatment administered immediately. 1. Refer to the placement pages at the back of this manual to help select the correct location for each gang assembly.
  • 105.
    TL3000 DISC RIPPERPARTS INDEX APR11 Part Number Page Item Part Number Page Item Part Number Page Item Part Number Page Item 1000-10580-0 P21 1 21-2228 P44 6 P31 8 P37 22 1000-12520-0 P21 1 P41 8 P33 13 P37 33 1000-12540-01 P21 1 P42 8 P39 20 P39 11 1000-16540-01 P21 1 P41 3 P37 28 P39 38 1027-18-1 P25 9 P42 3 P39 25 P40 4 1918-14-0A P20 3 P43 3 P37 37 P40 4 2008-1-1085B P23 40 P44 3 P39 42 P40 4 2008-1-370 P23 40 P41 12 24-238R P33 11 P40 4 2008-1-480 P23 40 P42 13 24-240R P39 12 P40 4 2008-1-535 P23 40 P43 13 24-246R P35 16 P40 5 2008-1-625B P23 40 P44 13 24-249R P37 11 P40 5 2008-1-81 P23 40 21-288 P46 3 24-257R P37 14 P40 4 P37 12 21-296 P45 11 P31 25 P40 5 P39 22 21-296 P46 13 P33 26 P40 5 P41 A 21-337 P42 4 P35 28 P40 3 P37 9 2135-12-0 P19 1 P37 31 P40 3 P39 19 P16 16 P39 36 P40 3 P42 A P19 2 24-263R P39 35 P40 3 P39 13 P5 2 24-265R P39 21 P40 3 P43 A P7 30 P35 15 P40 3 P39 17 P41 10 P37 5 P40 3 P44 A P42 11 P39 9 P40 3 P31 11 P43 11 24-277R P33 15 P40 4 P33 28 P44 11 P39 32 P40 5 P33 16 P45 9 P39 46 P40 5 P45 A P46 11 24-282R P39 14 P40 4 21-1028 P46 A P47 11 P31 6 P40 5 P35 14 21-443 P45 23 P33 17 P40 5 P47 A 21-507 P47 19 P31 7 P31 16 21-2059 P42 21-694 P41 2 P31 9 P33 7 21-2060 P43 P41 9 P33 12 P8 17 P43 12 P42 9 P31 3 25-2536 P8 19 P44 10 P43 9 P33 9 25-2537 P8 20 21-2072 P43 4 P44 9 P40 2 P31 13 21-2073 P43 5 P45 10 P40 2 P33 4 21-2080 P44 P46 9 P31 4 P35 30 21-2083 P44 4 21-704 P42 2 P33 8 P37 36 21-2084 P44 5 21-803 P41 5 P16 9 P39 41 21-2102 P46 2 P41 11 P17 9 P31 10 21-2105 P41 4 P42 10 2490-96-0 P17 16 P33 25 21-2122 P44 1 21-808 P41 P31 17 P35 9 P43 7 21-810 P42 5 P33 18 P37 6 P44 7 P43 8 P35 19 P39 7 P41 7 P44 8 P37 15 P39 15 P42 7 P45 7 P39 26 P31 5 P41 24 P46 8 P1 12 P33 29 P42 12 P47 P3 14 P35 18 P43 10 P47 4 25-126 P50 6 P37 13 P44 12 21-869 P47 5 P31 24 P39 23 P41 1 21-870 P47 6 P33 24 25-306 P35 26 P42 1 21-871 P47 8 P35 25 P37 40 21-2140 P44 2 21-872 P47 9 P37 17 P39 45 21-2142 P46 21-882 P46 4 P39 34 P31 12 21-2143 P45 P1 14 P31 19 P33 3 21-2151 P46 1 P3 16 P33 10 P35 17 21-2152 P46 5 21-917 P47 1 P35 12 P37 38 21-2153 P46 6 21-918 P47 2 P37 30 P39 43 P45 8 21-919 P47 3 P39 8 P37 34 P46 7 24-207R P37 29 P37 35 P39 39 21-2156 P46 12 24-2103R P33 14 P39 40 P31 27 P45 22 P40 2 P40 7 P37 39 P46 10 P40 2 P40 7 P39 44 21-2158 P45 21 P40 2 P40 7 P31 15 21-2159 P45 1 P40 2 P40 7 P33 6 21-2160 P45 6 P40 2 P40 7 P37 7 21-2161 P45 2 P40 2 P40 7 P37 23 21-2162 P45 5 P35 27 P40 7 P39 33 21-2163 P45 4 P37 27 P40 7 30-149 P25 11 21-2164 P45 3 24-2116R P39 24 P31 14 30-220S P25 10 P42 6 24-2117R P35 10 P33 5 30-221 P25 10 P43 1 P37 10 P35 8 30-241S P25 10 21-2213 P41 6 P39 18 30-242 P25 10 21-2216 P43 2 24-221R P35 11 3112-69-1 P8 15 21-2217 P43 6 3112-69-2 P8 16 25-309 25-310 25-314 25-317 25-320 25-328 25-2535 25-300 25-301 25-303 25-304 25-307 25-2278 25-2289 25-2290 25-2291 25-2295 25-2509 25-2510 25-2272 25-1153 25-1163 25-127 25-128 25-151 25-221 24-286R 24-297R 24-314R 24-330R 24-349R 2490-90-3 24-223R 24-225R 24-235R 2426-170-5 24-272R 24-281R 24-2105R 24-2115R 24-218R 21-404 21-702 21-807 21-819 21-858 2191-35-0 21-225 21-259 21-260 2135-14-0A 2135-54-0 21-2212 21-2125 21-2126 21-2127 21-2128 21-2154 21-2157 21-189 21-2069 21-1002 21-1003 21-1004 21-1005 21-1028 21-1029 Index - 1
  • 106.
    TL3000 DISC RIPPERPARTS INDEX APR11 Part Number Page Item Part Number Page Item Part Number Page Item Part Number Page Item 31-185 P23 30 4850-0-20 P23 29 P31 20 4881-9173-0 P50 15 P26 1 4850-0-21 P23 31 P33 22 4881-9174-0 P50 16 P27 35 P26 30 P35 23 4885-0-1B P23 26 P28 1 P27 31 P37 20 4885-0-2B P23 27 P29 37 P28 33 P39 30 P5 28 P26 2 P29 33 4881-5051-0 P48 1 P7 40 P27 1 P26 31 4881-5052-0 P48 15 P5 4 P28 2 P28 34 4881-5053-0 P48 4 P7 41 P29 1 P27 32 P35 1 P5 3 3131-77-0 P3 34 P29 34 P40 1 P7 42 32-124 P23 34 4850-1-705 P23 40 4881-7000-1 P14 20 4885-0-9 P23 9 32-125 P23 35 P27 36 4881-7018-0 P1 2 P26 34 P26 3 P29 38 4881-7020-0 P1 3 P28 39 P27 2 P27 37 4881-7024-0 P23 12 P28 40 P28 3 P29 39 4881-7026-0 P23 8 P29 42 P29 2 P27 34 4881-7028-0 P23 2 P26 35 P26 4 P29 36 4881-7030-0 P5 1 P27 38 P27 3 P28 35 4881-7034-0 P23 1 P28 41 P28 4 P29 40 4881-7035-0 P23 43 P29 43 P29 3 4850-9090-0 P28 38 4881-7036-0 P23 1 P26 36 40-173 P23 14 P26 32 4881-7037-0 P23 1 P27 33 P16 20 P28 36 4881-7038-0 P23 1 P28 42 P17 21 P28 37 4881-7039-0 P23 1 P29 35 P19 8 P29 41 4881-7040-0A P23 1 P28 43 P20 16 4881-0000-11 P15 17 4881-7041-0A P23 1 P29 44 41-113 P20 11 P11 9 P1 18 P28 44 P16 2 P12 9 P3 24 P29 45 P16 14 P13 9 P5 23 P26 37 P17 2 4881-0000-18 P48 20 P7 36 P27 39 P17 14 4881-0000-2 P3 10 P11 6 P26 38 P19 5 4881-0000-22 P35 3 P12 6 P27 40 41-121 P20 28 4881-0000-3 P7 32 P13 6 P26 39 41-122 P18 2 P11 16 4881-7086-0A P7 37 P27 41 41-123 P18 18 P12 16 P31 1 P5 15 41-124 P18 12 P13 16 P33 1 P7 43 P16 19 4881-0000-36 P8 28 P40 1 P35 13 P17 20 4881-0000-37 P3 38 4881-7134-0 P23 1 P37 8 P19 7 P5 33 4881-7135-0 P23 1 P39 16 P20 15 P7 33 4881-7136-0 P23 1 P11 13 P20 27 P5 25 4881-7137-0 P23 1 P12 13 41-209 P20 12 P7 34 P37 1 P13 13 P16 1 4881-0000-50 P48 19 P39 1 P14 7 P16 15 4881-0000-5A P7 35 P40 1 4987-0-1 P15 3 P17 1 4881-0000-7 P48 6 P37 2 4987-29-1 P20 4 P17 15 4881-0000-9 P50 10 P39 2 4987-29-2 P20 30 P19 6 4881-0-1 P9 2 P40 1 4987-49-0 P20 1 41-220 P18 1 4881-0-11 P25 8 P37 3 4987-53-0 P20 25] 41-221 P18 17 4881-0-13 P25 8 P39 3 4987-53-2 P20 21 41-222 P18 13 4881-0-14 P25 6 P40 1 4987-54-0 P16 5 42-108 P20 10 4881-0-15 P25 7 P37 4 4987-54-0 P17 5 P16 13 4881-0-2 P9 1 P39 4 P16 4 P17 13 4881-1009-1 P18 6 P40 1 P17 4 P19 4 4881-1009-2 P18 23 P35 2 51-103 P21 2 P16 3 4881-1010-0 P13 1 P40 1 P21 4 P17 3 4881-1054-0 P18 4 P31 2 P21 4 42-135 P18 3 4881-1070-0 P3 29 P33 2 P21 4 42-136 P18 11 4881-1080-2 P8 38 P40 1 P21 4 4218-13-3 P20 29 4881-1080-4 P8 37 4881-78-0 P23 5 51-123 P21 2 45-106 P23 13 4881-1081-0 P8 21 4881-9001-0A P3 1 51-132 P21 2 P11 18 4881-1083-0 P8 33 P11 1 51-134 P21 2 P12 18 4881-1084-0 P8 14 P12 1 P21 5 P13 18 4881-1085-0 P8 32 P14 2 P21 5 P14 10 4881-1086-0 P8 39 P15 2 52-114 P21 5 P15 8 4881-1096-0 P18 10 P14 1 52-115 P21 5 4800-170-3 P50 11 4881-18-1 P25 9 P15 1 P16 24 P26 29 4881-20-1 P25 9 4881-9018-0A P3 2 P17 25 P28 32 4881-22-1 P25 9 4881-9020-0A P3 3 P18 22 P14 14 4881-24-1 P25 9 4881-9030-0 P7 38 P19 11 P15 10 4881-5001-0A P1 1 4881-9032-0 P7 39 P20 20 P3 32 4881-5026-0 P23 8 4881-9038-0 P23 1 P1 8 P8 42 4881-5034-0 P23 1 4881-9039-0 P23 1 P23 32 P3 32 4881-5035-0 P23 1 4881-9040-0 P23 1 P26 5 P8 43 4881-5036-0 P23 1 4881-9041-0 P23 1 P28 5 P5 20 4881-5037-0 P23 1 4881-9044-0 P3 17 P3 5 P7 31 4881-9090-0 P26 33 53-101 4956-75-0 4987-0-1 4987-9-1 51-107 52-103 52-302 4885-80-3 4885-87-0B 4885-88-0B 4885-93-0 4885-97-0 4885-98-0 4885-0-4A 4885-0-5 4885-0-6 4885-76-1 4885-80-1 4885-80-2 4881-77-0 4881-9010-0A 4881-9012-0 4881-9013-0 4881-71-0 4881-72-0 4881-73-0 4881-74-0 4881-75-0 4881-76-0 4881-5040-0 4881-70-0 4881-7070-0 4881-7071-0 4881-7084-0A 4881-0000-12 4881-0000-33 4881-0000-38 4881-0000-4 4850-25-1 4850-25-2 4850-25-3 4850-90-0B 4850-9096-0 4850-92-0 4850-0-66 4850-136-0 4850-136-0A 4808-26-3 4815-44-0 4830-117-0 4830-117-1 4830-35-0 41-114 41-208 41-210 42-109 42-131 4716-0-10 31-190 31-206P 33-207 33-209A 41-112 4956-56-0 Index - 2
  • 107.
    TL3000 DISC RIPPERPARTS INDEX APR11 Part Number Page Item Part Number Page Item Part Number Page Item Part Number Page Item P1 11 60-608 P26 9 P26 12 P14 17 P23 33 60-613 P3 31 P27 12 P15 13 P3 7 P28 10 P28 13 P7 13 P8 22 P5 26 P29 12 P8 40 P26 6 P7 6 P11 14 62-635 P8 1 P27 4 P11 11 P12 14 62-636 P8 13 P28 6 P12 11 P13 14 P40 6 P29 4 P13 11 P14 8 P40 6 53-105 P20 2 P25 21 P15 4 P40 6 P15 16 P27 9 P28 14 P40 6 P16 8 P29 9 P29 13 P40 6 P17 8 P5 30 62-162 P50 22 P40 6 P19 12 P7 7 62-167 P25 17 P40 6 P1 10 P5 31 P27 13 P40 6 P11 4 P7 8 P29 14 P31 26 P12 4 P8 9 P5 5 P33 27 P13 4 P8 31 P7 10 P35 29 P23 3 P16 23 P16 6 P37 32 P3 8 P17 24 P17 6 P39 37 P3 35 P19 10 P18 7 P26 17 P1 9 P20 18 62-191 P7 11 P27 18 P3 6 P8 36 62-195 P1 4 P28 19 P11 3 60-703 P24 4 62-197 P5 7 P29 19 P12 3 P18 21 P20 22 P37 24 P13 3 P24 5 P8 25 P39 10 P14 11 P31 21 62-203 P14 4 P26 18 P15 6 P33 23 P26 13 P28 20 P5 24 P35 24 P27 14 62-821 P7 14 P7 1 P37 21 P28 15 P35 6 P26 7 P39 31 P29 15 P37 26 P27 5 60-709 P25 12 62-217 P23 15 P39 6 53-118 P3 4 P16 12 62-222 P1 7 P8 4 P28 7 P17 12 P1 15 P9 16 P29 5 P18 26 P3 25 63-102 P9 11 53-126 P8 23 P20 9 P26 14 63-103 P48 10 P5 18 P23 4 P27 15 63-106 P14 19 P7 2 60-711 P3 13 62-251 P7 12 P15 15 P26 8 60-714 P25 1 62-270 P25 15 P23 36 P27 6 P23 7 62-295 P16 18 P3 23 P28 8 P5 14 P19 3 P50 14 P29 6 P7 9 P20 13 P9 5 53-137 P8 24 61-111 P23 28 P17 17 P11 15 P14 13 61-119 P23 22 P18 14 P12 15 P15 7 61-120 P23 44 P26 15 P13 15 P11 5 61-145 P23 39 P27 16 P14 9 P12 5 P3 21 P28 16 P15 5 P13 5 P9 3 P29 16 P26 19 P5 27 61-263 P48 24 P28 17 P27 19 P7 3 P5 16 P29 17 P28 21 53-174 P18 9 P7 44 62-352 P50 22 P29 20 53-175 P18 5 P26 10 62-377 P8 34 P48 25 P27 7 P27 10 62-385 P8 7 P26 20 P29 7 P28 11 62-394 P35 7 P27 20 P27 8 P29 10 P50 12 P28 22 P29 8 P26 11 P9 6 P29 21 5430-0-24 P3 9 P28 12 62-422 P48 5 P7 15 5630-0-34 P9 8 P27 11 62-424 P3 18 P8 35 P23 11 P29 11 62-432 P15 18 P23 25 P3 33 P5 19 P26 16 P25 19 P8 44 P7 45 P28 18 P27 21 60-106 P7 4 P5 22 62-459 P48 21 P29 22 60-200 P24 3 P7 46 P27 17 P3 20 60-211 P8 30 P5 12 P29 18 P16 7 60-212 P23 6 P7 47 P31 18 P17 7 P48 13 P5 13 P33 19 P18 8 P8 29 P7 48 P35 20 P20 6 P11 17 P31 23 P37 16 P26 21 P12 17 P33 20 P39 27 P27 22 P13 17 P35 21 62-493 P9 9 P28 23 P14 12 P37 18 P35 4 P29 23 P15 9 P39 28 P50 2 P3 39 P28 9 P48 16 P50 24 P5 6 P3 37 62-120 P48 9 P9 13 P7 16 P5 17 62-509 P20 5 P7 5 63-110 62-742 62-806 62-817 63-100 63-107 62-569 62-656 62-692 63-108 63-109 63-106 62-441 62-483 62-491 62-507 62-242 62-295 62-311 62-339 62-351 62-420 62-169 62-176 62-178 62-199 62-205 62-237 62-151 62-154 6142-82-0 6142-83-0 6200-90-0 6200-90-1 62-111 60-716 61-244 6127-0-11 61-296 61-300 61-306 60-621 60-626 60-632 60-708 60-710 60-702 60-616 60-617 60-606 53-166 53-183 53-185 60-103 53-103 53-108 53-109 53-110 60-602 53-117 53-119 53-135 53-136 53-149 53-102 53-113 Index - 3
  • 108.
    TL3000 DISC RIPPERPARTS INDEX APR11 Part Number Page Item Part Number Page Item Part Number Page Item Part Number Page Item P1 6 P14 18 P1 19 74-674 P49 16 P14 6 P15 14 P11 2 74-675 P49 17 P19 15 P23 37 P12 2 7500-0-1 P25 5 P20 24 P3 22 P13 2 7500-0-3 P25 16 P23 21 P50 13 P20 26 7500-0-4 P25 14 63-113 P7 17 P9 4 P5 32 7500-211-1 P23 17 P1 17 P26 26 P7 25 7500-211-2 P23 16 P14 16 P27 27 P28 31 76-102 P8 10 P15 12 P28 28 P29 32 P11 8 P26 22 P29 28 P5 21 P12 8 P27 23 P7 19 P7 26 P13 8 P28 24 P8 41 P16 17 76-198 P48 3 P29 24 P9 7 P17 19 76-231 P7 28 P3 27 P25 18 P18 16 79-297 P50 4 P7 18 P27 28 P19 16 79-397 P50 1 P26 23 P29 29 P20 14 79-546 P50 7 P27 24 P3 19 65-123 P23 18 79-549 P50 20 P28 25 P23 23 70-212 P24 1 79-551 P50 21 P29 25 P23 24 70-212-1 P24 2 79-552 P50 23 63-124 P3 30 P26 27 70-217 P48 23 79-553 P50 5 63-125 P23 41 P28 29 72-133 P48 12 79-577 P50 8 P26 24 P1 5 72-134 P48 14 79-578 P50 9 P27 25 P14 5 P5 8 8300-0-6 P25 6 P28 26 P19 14 P7 27 99-215 P8 11 P29 26 P20 23 P5 8 99-218 P1 13 P11 10 P23 20 P7 27 99-218 P3 15 P23 10 P5 10 7300-83-3 P8 6 99-243 P7 29 P31 22 P7 20 7300-83-5 P8 2 P33 21 P23 19 7300-84-0 P8 8 P35 22 P8 26 7300-87-1 P8 3 P37 19 P1 16 7400-0-2 P25 20 P39 29 P14 15 7404-186-3 P23 38 P48 17 P15 11 74-102 P49 10 P8 18 P26 28 P21 3 P26 25 P27 29 P21 3 P27 26 P28 30 P21 3 P28 27 P29 30 P21 3 P29 27 P3 26 P49 8 P5 11 P7 21 P41 25 P8 27 P16 21 P42 25 P48 8 P17 22 P43 25 P50 3 P19 17 P44 25 P15 19 P20 17 P45 24 P48 22 64-124 P25 22 P46 23 63-180 P25 13 P27 30 P47 7 P12 10 P29 31 P49 13 P13 10 P3 36 74-121 P49 9 P25 2 P11 7 74-276 P49 1 P16 22 P12 7 P9 45 P17 23 P13 7 P49 11 P19 9 P23 42 74-465 P49 3 P20 19 64-136 P25 4 74-487 P9 12 63-205 P18 20 64-138 P18 19 74-489 P49 15 P17 18 64-145 P3 12 P48 18 P18 15 P5 9 P49 5 P16 11 P7 22 74-570 P49 2 P17 11 P5 29 74-571 P49 12 P18 25 P7 23 74-572 P49 12 P20 8 P48 2 74-573 P49 12 P35 5 P8 12 74-574 P49 12 P37 25 P16 10 74-575 P50 17 P39 5 P17 10 74-576 P50 18 P8 5 P18 24 P49 14 P9 15 P20 7 P50 19 P48 7 64-203 P19 13 74-602 P49 6 P9 14 64-215 P7 24 74-603 P49 4 64-103 P9 10 65-100 P3 28 74-648 P49 7 64-104 P48 11 76-164 74-387 74-530 74-577 65-114 65-122 72-352 72-356 74-109 74-113 65-101 65-110 64-126 64-129 64-147 64-154 64-162 64-167 64-109 64-110 64-112 64-113 64-118 64-120 64-108 64-107 63-204 63-208 63-231 64-100 64-101 63-128 63-134 63-162 63-164 63-167 63-181 63-112 63-117 63-119 63-126 Index - 4