1
CHÖÔNG 2
HOÄP SOÁ VAØ HOÄP SỐ PHAÂN PHOÁI
Muïc tieâu:
Sau khi hoïc xong chöông naøy caùc sinh vieân coù khaû naêng:
1. Trình baøy ñöôïc coâng duïng, yeâu caàu vaø phaân loaïi hoäp soá.
2. Veõ ñöôïc sô ñoà ñoäng hoïc vaø neâu ñöôïc nguyeân lyù laøm vieäc cuûa caùc loaïi hoäp soá.
3. Trình baøy ñöôïc trình töï tính toaùn hoäp soá coù caáp.
4. Xaùc ñònh ñöôïc caùc tæ soá truyeàn cuûa hoäp soá.
5. Tính ñöôïc caùc thoâng soá hình hoïc cuûa baùnh raêng hoäp soá.
6. Trình baøy ñöôïc caáu taïo vaø nguyeân lyù laøm vieäc cuûa boä ñoàng toác.
7. Neâu ñöôïc khaùi quaùt veà hoäp soá töï ñoäng.
8. Trình baøy ñöôïc sô ñoà caáu taïo, nguyeân lyù laøm vieäc vaø caùc ñöôøng ñaëc tính cuûa bieán
moâmen thuûy löïc.
9. Tính toaùn ñöôïc ñoäng hoïc vaø ñoäng löïc hoïc cuûa hoäp soá haønh tinh.
10. Trình baøy ñöôïc heä thoáng ñieàu khieån hoäp soá töï ñoäng.
11. Trình baøy ñöôïc ñöôïc nguyeân taéc phaân phoái coâng suaát cho caùc caàu cuûa xe nhieàu caàu chuû
ñoäng.
Bài tập cuối chương: Tính toán và thiết kế:
1. Hộp số 2 trục (3, 4, 5, 6 …số);
2. Hộp số 3 trục (3, 4, 5, 6 …số);
3. Hộp số tự động có cấp;
4. Hộp số tự động vô cấp;
5. Hộp số phân phối.
2
MỤC LỤC
BÀI 1 – HỘP SỐ CHÍNH Ô TÔ ....................................................................................................3
A – KẾT CẤU HỘP SỐ CHÍNH Ô TÔ ............................................................................................ 3
I. CÔNG DỤNG, YÊU CẦU VÀ PHÂN LOẠI................................................................................3
II. CẤU TẠO CHUNG CỦA HỘP SỐ Ô TÔ ...................................................................................4
1. Cấu tạo chung............................................................................................................................... 4
2. Đặc điểm kết cấu các bộ phận của hộp số......................................................................................9
3. Đặc điểm kết cấu của một số loại hộp số..................................................................................... 16
3.1. Hộp số hai trục (3 số tiến, 1 số lùi)....................................................................................16
3.2. Hộp số ba trục (3 số tiến, 1 số lùi).....................................................................................18
3.3. Hộp số ba trục (4 số tiến, 1 số lùi).....................................................................................20
3.4. Hộp số ba trục (5 số tiến, 1 số lùi, tỷ số truyền tăng) .........................................................21
4. Hộp số phụ trên ô tô ............................................................................................................23
B – TÍNH TOÁN VÀ THIẾT KẾ HỘP SỐ .................................................................................... 25
III. CÁC THÔNG SỐ KỸ THUẬT CỦA HỘP SỐ......................................................................... 25
IV. ĐỘNG HỌC VÀ ĐỘNG LỰC HỌC CỦA HỘP SỐ................................................................. 25
BÀI 2 – HỘP SỐ TỰ ĐỘNG........................................................................................................ 33
A – KẾT CẤU HỘP SỐ TỰ ĐỘNG............................................................................................... 33
I. CÔNG DỤNG, YÊU CẦU VÀ PHÂN LOẠI.............................................................................. 33
II. ĐẶC ĐIỂM KẾT CẤU CỦA HỘP SỐ TỰ DỘNG.................................................................... 33
1. Cấu tạo chung............................................................................................................................. 33
2. Đặc điểm kết cấu các bộ phận của hộp số tự động....................................................................... 36
3. Đặc điểm kết cấu của một số loại hộp số tự động........................................................................ 46
3.1. Hộp số tự động có cấp ......................................................................................................47
3.2. Hộp số tự động vô cấp ......................................................................................................48
B – TÍNH TOÁN VÀ THIẾT KẾ HỘP SỐ TỰ ĐỘNG .................................................................. 54
III. CÁC THÔNG SỐ KỸ THUẬT CỦA HỘP SỐ TỰ ĐỘNG ...................................................... 54
IV. TÍNH ĐỘNG HỌC VÀ ĐỘNG LỰC HỌC CỦA HỘP SỐ TỰ ĐỘNG.................................... 54
BÀI 3 – HỘP SỐ PHÂN PHỐI .................................................................................................... 68
A – KẾT CẤU HỘP SỐ PHÂN PHỐI............................................................................................ 68
II. ĐẶC ĐIỂM KẾT CẤU CỦA HỘP SỐ PHÂN PHỐI................................................................. 68
1. Cấu tạo chung............................................................................................................................. 68
2. Đặc điểm kết cấu các bộ phận của hộp số phân phối ................................................................... 70
3. Đặc điểm kết cấu của một số loại hộp số phân phối..................................................................... 70
B – TÍNH TOÁN VÀ THIẾT KẾ HỘP SỐ PHÂN PHỐI ............................................................... 73
III. CÁC THÔNG SỐ KỸ THUẬT CỦA HỘP SỐ PHÂN PHỐI ................................................... 73
IV. TÍNH ĐỘNG HỌC VÀ ĐỘNG LỰC HỌC CỦA HỘP SỐ PHÂN PHỐI ................................. 73
CÂU HỎI ÔN TẬP ........................................................................................................................ 78
3
BÀI 1 – HỘP SỐ CHÍNH Ô TÔ
A – KẾT CẤU HỘP SỐ CHÍNH Ô TÔ
I. CÔNG DỤNG, YÊU CẦU VÀ PHÂN LOẠI
1. Công dụng
 Nhaèm thay ñoåi tyû soá truyeàn vaø moâmen xoaén töø ñoäng cô ñeán caùc baùnh xe chuû ñoäng phuø
hôïp vôùi moâmen caûn luoân thay ñoåi vaø nhaèm taän duïng toái ña coâng suaát cuûa ñoäng cô.
 Giuùp cho xe thay ñoåi ñöôïc chieàu chuyeån ñoäng (cho xe chạy lùi).
 Ñaûm baûo cho xe döøng taïi choã maø khoâng caàn taét maùy hoaëc khoâng caàn taùch ly hôïp (cắt
động cơ ra khỏi hệ thống truyền lực trong thời gian dài).
 Daãn ñoäng moâmen xoaén ra ngoaøi cho caùc boä phaän ñaëc bieät ñoái vôùi caùc xe chuyeân duïng.
2. Yêu cầu
Yêu cầu chung đối với hộp số: làm việc có độ tin cậy cao; đơn giản trong bảo dưỡng; kích
thước và kết cấu nhỏ gọn; giá thành hạ.
Với chức năng là hộp số ô tô:
 Coù daõy tyû soá truyeàn phuø hôïp nhaèm naâng cao tính naêng ñoäng löïc hoïc vaø tính naêng
kinh teá cuûa oâ toâ.
 Phaûi coù hieäu suaát truyeàn löïc cao, khoâng coù tieáng oàn khi laøm vieäc, sang soá nheï
nhaøng, khoâng sinh ra löïc va ñaäp ôû caùc baùnh raêng khi gaøi soá.
 Phaûi coù keát caáu goïn beàn chaéc, deã ñieàu khieån, deã baûo döôõng hoaëc kieåm tra vaø söûa
chöõa khi coù hö hoûng.
 Có khả năng trich công suất để dùng cho các thiết bị khác lắp trên ô tô.
3. Phân loại
Hình – Sơ đồ phân loại hộp số
HỘP SỐ
HS CÓ
CẤP
Theo sơ đồ
động học
Loại có trục cố định (
HS hai trục, HS ba
trục,..)
Loại có trục không cố
định (HS hành tinh một
cấp, hai cấp,..)
Theo dãy số
truyền
Một dãy tỉ số truyền ( 3
số, 4 số, 5 số,..)
Hai dãy tỉ số truyền
Theo phương
pháp điều
khiển
HS điều khiển bằng tay
HS tự động
HS VÔ
CẤP
HS ma sát
HS thủy lực (tĩnh và động)
HS điện
4
Tùy theo đặc tính sử dụng của từng loại ô tô, có thể được trang bị các loại hộp số sau:
+ Hộp số chính;
+ Hộp số phụ:
+ Hộp số phân phối.
Theo phöông phaùp thay ñoåi tyû soá truyeàn, hoäp soá ñöôïc chia thaønh: hoäp soá coù caáp vaø hoäp soá voâ
caáp.
3.1. Hoäp soá coù caáp ñöôïc chia theo
* Sô ñoà ñoäng hoïc goàm coù:
+ Loaïi coù truïc coá ñònh (hoäp soá hai truïc, hoäp soá ba truïc…).
+ Loaïi coù truïc khoâng coá ñònh (hoäp soá haønh tinh moät caáp, hai caáp…).
* Daõy soá truyeàn goàm coù:
+ Moät daõy tyû soá truyeàn (3 soá, 4 soá, 5 soá…).
+ Hai daõy tyû soá truyeàn.
* Phöông phaùp sang soá goàm coù:
+ Hoäp soá ñieàu khieån baèng tay.
+ Hoäp soá töï ñoäng.
* Theo phương pháp điều khiển:
+ Hộp số điều khiển tự động;
+ Hộp số điều khiển bán tự động;
+ Hộp số điều khiển cưỡng bức;
+ Hộp số điều khiển trực tiếp và điều khiển gián tiếp.
3.2. Hoäp soá voâ caáp gồm
+ Hoäp soá thuûy löïc (hoäp soá thuûy tónh, hoäp soá thuûy ñoäng).
+ Hoäp soá ñieän.
+ Hoäp soá ma saùt.
II. CẤU TẠO CHUNG CỦA HỘP SỐ Ô TÔ
1. Cấu tạo chung
Cấu tạo chung của hộp số gồm các cụm và bộ phận chính sau:
a) Cácte hộp số (vỏ hộp số);
b) Các trục và bánh răng hộp số: trục sơ cấp, trục thứ cấp, trục trung gian;
c) Trục số lùi và bánh răng số lùi;
d) Bộ đồng tốc;
e) Cơ cấu truyền số;
f) Cần tay số.
5
Hình 1 – Kết cấu chung của hộp số cơ khí
1 – Trục bánh răng bán trục của vi sai; 2 – Cácte ly hợp; 3 – Trục sơ cấp; 4 – Áo bọc bảo vệ bụi; 5
– Cơ cấu ngắt đường truyền; 6 – Đầu cấm dẫn động ngắt ly hợp; 7 – Giá ở miếng đệm dây dẫn; 8 –
Tay treo vỏ dây cáp truyền động ngắt ly hợp; 9 – Nắp phía sau; 10 - Ống nối ống thông gió; 11 – Lỗ
đặt cảm biến vận tốc ô tô; 12 - Vỏ bọc khớp nối bên trong của truyền động bánh xe bên trái; 13 –
Công tắc đèn chạy lùi; 14 – Vỏ hộp số; 15 – Nút lỗ châm dầu
Hình 2 – Kết cấu hộp số
1 – Nắp phía sau của hộp số; 2 – Cảm biến vận tốc; 3 – Công tắc đèn số lùi; 4 – Cần sang số; 5 –
Lỗ thông gió; 6 – Thanh kéo trung gian để chọn số; 7 – Vòng bít kín của bán trục; 8 – Bán trục
phải; 9 – Bán trục trái; 10 – Nút lỗ để chăm dầu; 11 – Nút của nắp sau hộp số; 12 – Cần ngắt ly
hợp; 13 – Cácte hộp số; 14 – Cácte ly hợp
6
Hình 3 – Kết cấu hộp số ma sát 6 số của Audi
Hình 4 – Sơ đồ kết cấu các bộ phận chính của hộp số
1 – Trục sơ cấp; 2 – Vòng bít kín trục sơ cấp; 3 – Cácte ly hợp; 4 – Vòng đệm cao su; 5 – Lỗ thông
gió; 6 – Vòng bi hình kim của trục thứ cấp; 7 – Vánh răng của bộ đồng tốc cấp truyền số 4; 8 – Dĩa
sang số từ số 3 sang số 4; 9 – Khớp trượt của bộ đồng tốc số 3 và số 4; 10 – Moay ơ khớp nối của
bộ đồng tốc số 3 và số 4; 11 – Bánh răng và vành răng của bộ đồng tốc số 3; 12 - Bánh răng và
vành răng của bộ đồng tốc số 2; 13 - Dĩa sang số từ số 1 sang số 2; 14 – Khớp sang số 1 và số 2; 15
- Bánh răng và vành răng của bộ đồng tốc số 1; 16 - Ổ trục trung gian của trục thứ cấp; 17 – Bánh
răng truyền số 5; 18 – Cần sang số; 19 – Vỏ cần sang số; 20 - Ống cách; 21 – Bích khớp mềm; 22 –
Trục thứ cấp; 23 - Vòng bít kín ổ trục sau của trục thứ cấp; 24 - Ổ trục sau của trục thứ cấp; 25 –
Vòng đệm bộ phận hắt dầu; 26 - Ổ trục của bộ bánh răng truyền số 5 và số lùi; 27 – Bộ bánh răng
số 5 và số lùi; 28 – Moay ơ của bộ đồng tốc truyền số 5; 29 – Bánh răng trung gian của số lùi; 30 –
Nắp hộp số phía sau; 31 - Ổ trục phía sau của trục trung gian; 32 – Khớp trượt cùa bộ đồng tốc
truyền số 1 và số 2; 33 – Nắp lỗ chăm dầu; 34 – Trục trung gian; 35 - Ổ trục trước của trục trung
gian; 36 – Cácte hộp số; 37 - Ổ trục sau của trục sơ sấp; 38 - Ống dẫn hướng
7
* Khái niệm về truyền động bánh răng:
Hình 5 – Kết cấu của hộp số chính
8
Hình 6 – Hai bánh răng A và B có đường kính
bằng nhau, khớp răng với nhau sẽ quay cùng
vận tốc
Hình 7 – Bánh răng A bé dẫn động bánh răng B
lớn (bánh răng A quay nhanh, bánh răng B quay
chậm)
a) b)
Hình 8 – Tỉ số truyền
a) Một cặp bánh răng; b) Hai cặp bánh răng
9
Hình 9 – Sơ đồ làm việc của hộp số chính
1 – Trục sơ cấp; 2 – Cần tay số; 3 – Cơ cấu truyền; 4 – Trục thứ cấp; 5 – Nút chăm dầu; 6 –
Trục trung gian; 7 – Các te hộp số
Hình 10 – Sơ đồ truyền mômen xoắn khi mở truyền số lùi
1 – Trục sơ cấp; 2 – Bánh răng của trục sơ cấp; 3 – Trục trung gian; 4 – Bánh răng truyền của số
lùi; 5 – Trục thứ cấp
2. Đặc điểm kết cấu các bộ phận của hộp số
2.1. Các bộ phận chính của hộp số
2.1.1. Vỏ và nắp hộp số
10
2.1.2. Trục sơ cấp
Hình 11 – Trục sơ cấp
2.1.3. Trục trung gian
Hình 12 – Trục trung gian
2.1.4. Trục thứ cấp
11
Hình 13 – Trục thứ cấp
2.1.5. Trục số lùi
2.1.6. Cơ cấu sang số
12
Hình 14 – Cơ cấu sang số
1 – Cần sang số; 2 – Nắp hộp số; 3, 9 – Cáp sang số; 4, 5 – Lò xo và đạn đhhh vị; 6, 7 - Ống trượt;
8 – Chốt hãm; 10 – Khớp gạt số; 11 – Khớp hình cầu và chốt giữ cần số
13
Hình 15 – Cơ cấu điều khiển hộp số
1 - Ống lót (moay ơ); 2 – Chốt định vị tay gạt; 3 – Cần tay gạt sang số; 4 – Tay cầm của cần tay
gạt; 5 – Vỏ hộp của cơ cấu điều khiển hộp số
2.1.7. Bộ đồng tốc
b) Cấu tạo:
Hình 16 – Kết cấu bộ động tốc
14
Hình 17 – Bộ đồng tốc hộp số xe GAZ
15
Hình 18 – Kết cấu bộ đồng tốc của hộp số
1 – Bánh răng truyền số 1; 2 – Vòng điệm trung gian; 3 – Vòng khóa; 4 – Khớp nối đồng tốc; 5 –
Moay ơ của khớp nối đồng tốc; 6 – Chốt định vị; 7 – Bánh răng truyền số 2
A – VAZ 2110 và B - VAZ 2181
16
2.2. Đặc điểm cấu tạo của cơ cấu điều khiển hộp số
3. Đặc điểm kết cấu của một số loại hộp số
Hình 19 – Các ký hiệu cách lắp bánh răng trong hộp số
3.1. Hộp số hai trục (3 số tiến, 1 số lùi)
a) Cấu tạo
b) Sơ đồ động học và nguyên lý làm việc
Hình 20 - Sô ñoà ñoäng hoïc hoäp soá hai truïc 3 soá tieán 1 soá luøi
Nguyeân lyù laøm vieäc:
Moâmen xoaén töø ñoäng cô truyeàn ñeán truïc sô caáp vaø töø truïc sô caáp truyeàn sang truïc thöù caáp
ñöôïc tieán haønh nhö sau:
ÔÛ tay soá I baùnh raêng 4 seõ aên khôùp vôùi baùnh raêng 1. Moâmen xoaén töø truïc sô caáp thoâng qua
caëp baùnh raêng 1 vaø 4 seõ truyeàn ñeán truïc thöù caáp. Tay soá II ñöôïc gaøi khi baùnh raêng 5 aên khôùp baùnh
raêng 2, luùc ñoù baùnh raêng 4 vaø 6 phaûi ôû vò trí trung gian nhö ôû hình 20. Tay soá III seõ hoaït ñoäng khi
17
chuùng ta gaøi baùnh raêng 6 vaøo aên khôùp vôùi baùnh raêng 3, luùc ñoù baùnh raêng 4 vaø 5 phaûi ôû vò trí trung
gian. Muoán ñi tay soá luøi, chuùng ta phaûi ñöa baùnh raêng 4 gaøi vaøo vôùi baùnh raêng trung gian soá 8
naèm ôû beân hoâng. Luùc naøy moâmen xoaén ñi töø baùnh raêng 7 qua baùnh raêng 8 roài truyeàn ñeán baùnh
raêng 4. Bôûi vaäy baùnh raêng 4 seõ ñoåi chieàu quay, töùc laø truïc thöù caáp cuõng seõ ñoåi chieàu quay vaø xe seõ
chuyeån ñoäng luøi.
Hình 21 – Sơ đồ động học hộp số 2 trục 3 số tiến 1 số
c) Những điều lưu ý
18
3.2. Hộp số ba trục (3 số tiến, 1 số lùi)
a) Cấu tạo
b) Sơ đồ động học và nguyên lý làm việc
Thanh
tröôït
Truïc
sô caáp
Truïc
thöù caáp
4
6
5
2
1
3
8
7
III II
Boä ñoàng
toác
Truïc
trung gian
I
Lu
øi
Truïc trung
gian
tay soá luøi
Gaép
soá
Hình 22 – Sơ đồ động học hộp số 3 trục 3 số tiến 1 số lùi
Nguyeân lyù laøm vieäc:
Momen xoaén töø ñoäng cô truyeàn ñeán truïc sô caáp, thoâng qua caëp baùnh raêng 1 vaø 2 seõ truyeàn
sang trục trung gian. Töø truïc trung gian, thoâng qua caùc caëp baùnh raêng töông öùng moâmen xoaén seõ
truyeàn ñeán truïc thöù caáp nhö sau:
ÔÛ tay soá I baùnh raêng 4 seõ ñöôïc gaøi vôùi baùnh raêng 3. Moâmen xoaén töø truïc trung gian thoâng
qua caëp baùnh raêng 3 vaø 4 seõ truyeàn sang truïc thöù caáp. Tay soá II seõ hoaït ñoäng khi chuùng ta duøng
boä ñoàng toác gaøi cöùng baùnh raêng 6 vaøo vôùi truïc thöù caáp. Luùc naøy moâmen xoaén töø baùnh raêng 5
truyeàn qua baùnh raêng 6, töø baùnh raêng 6 truyeàn qua boä ñoàng toác vaø töø boä ñoàng toác moâmen xoaén
seõ truyeàn sang truïc thöù caáp. Luùc naøy baùnh raêng 4 phaûi ôû vò trí trung gian nhö ôû hình 4.2. Tay soá
III seõ ñöôïc thöïc hieän khi ta ñöa boä ñoàng toác veà beân traùi ñeå gaøi cöùng baùnh raêng 1 vôùi truïc thöù
caáp. Luùc naøy moâmen xoaén truyeàn tröïc tieáp töø truïc sô caáp sang truïc thöù caáp thoâng qua baùnh raêng
1 vaø boä ñoàng toác (soá truyeàn thaúng). Muoán ñi tay soá luøi, chuùng ta phaûi gaøi baùnh raêng 4 vaøo aên
khôùp baùnh raêng trung gian soá 8 naèm ôû beân hoâng. Luùc naøy moâmen xoaén töø truïc trung gian qua
baùnh raêng 7 truyeàn ñeán baùnh raêng 8 vaø töø baùnh raêng 8 thoâng qua baùnh raêng 4 seõ truyeàn ñeán truïc
19
thöù caáp. Do baùnh raêng 4 ñoåi chieàu quay so vôùi caùc tay soá vöøa neâu treân, neân truïc thöù caáp seõ ñoåi
chieàu quay vaø xe seõ chaïy luøi.
Hình 23 – Sơ đồ động học hộp số 3 trục 3 số tiến 1 số lùi
20
c) Những điều lưu ý
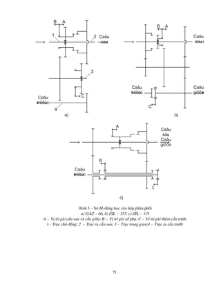
3.3. Hộp số ba trục (4 số tiến, 1 số lùi)
a) Cấu tạo
b) Sơ đồ động học và nguyên lý làm việc
Hình 24 – Sơ đồ động học hộp số 3 trục 4 số tiến 1 số lùi
21
c) Những điều lưu ý
3.4. Hộp số ba trục (5 số tiến, 1 số lùi, tỷ số truyền tăng)
a) Cấu tạo
b) Sơ đồ động học và nguyên lý làm việc
22
Hình 25 – Sơ đồ động học hộp số 3 trục 5 số tiến 1 số lùi
23
c) Những điều lưu ý
4. Hộp số phụ trên ô tô
24
Hình 26 – Sơ đồ động học hộp số phụ 3 cấp
25
B – TÍNH TOÁN VÀ THIẾT KẾ HỘP SỐ
III. CÁC THÔNG SỐ KỸ THUẬT CỦA HỘP SỐ
IV. ĐỘNG HỌC VÀ ĐỘNG LỰC HỌC CỦA HỘP SỐ
Trình töï tính toaùn hoäp soá coù caáp
Coâng vieäc tính toaùn thieát keá hoäp soá oâ toâ coù hai böôùc chính nhö sau:
* Xaùc ñònh tyû soá truyeàn ñaûm baûo tính chaát keùo vaø tính kinh teá theo ñieàu kieän laøm vieäc
ñaõ cho tröôùc.
* Xaùc ñònh kích thöôùc caùc chi tieát cuûa hoäp soá.
Hai böôùc lôùn treân ñöôïc cuï theå hoùa bôûi caùc böôùc cuï theå sau:
1. Treân cô sôû cuûa ñieàu kieän söû duïng vaø ñieàu kieän kyõ thuaät cho tröôùc, cuøng vôùi ñieàu kieän
cheá taïo, chuùng ta choïn sô ñoà ñoäng hoïc vaø döï kieán soá caáp cuûa hoäp soá.
2. Tính toaùn löïc keùo cuûa oâtoâ, xaùc ñònh tæ soá truyeàn chung cuûa caû heä thoáng truyeàn löïc khi
gaøi caùc soá khaùc nhau.
3. Phaân chia phuø hôïp tæ soà truyeàn cuûa heä thoáng truyeàn löïc theo töøng cuïm (hoäp soá, hoäp soá
phuï, truyeàn löïc chính, truyeàn löïc cuoái cuøng).
4. Tính toaùn xaùc ñònh tæ soá truyeàn cuûa hoäp soá.
5. Xaùc ñònh kích thöôùc cuûa caùc chi tieát, boá trí caùc chi tieát cuûa hoäp soá vaø kieåm tra söï lieân
quan laøm vieäc giöõa caùc chi tieát vôùi nhau.
1. Xaùc ñònh tæ soá truyeàn cuûa hoäp soá
Tæ soá truyeàn cuûa hoäp soá oâ toâ ñöôïc xaùc ñònh treân cô sôû tính toaùn löïc keùo ôû caùc tay soá. Trong
ñoù quan troïng nhaát laø tæ soá truyeàn ôû tay soá I. Tæ soá truyeàn ih1 ñöôïc xaùc ñònh theo coâng thöùc cuûa
vieän só Chuñacoáp:
tl
o
emax
max
bx
h1
η
i
M
.ψ
G.r
i


 (4.1)
ÔÛ ñaây :
G – Troïng löôïng toaøn boä cuûa xe (N).
max – Heä soá caûn chuyeån ñoäng lôùn nhaát.
rbx – Baùn kính laên cuûa baùnh xe coù tính ñeán söï bieán daïng cuûa loáp (m).
io – Tyû soá truyeàn cuûa truyeàn löïc chính.
tl – Hieäu suaát cuûa heä thoáng truyeàn löïc.
Tyû soá truyeàn cuûa truyeàn löïc chính ñöôïc xaùc ñònh:
2,65
r
θ
i bx
o  (4.2)
ÔÛ ñaây:
 - Heä soá voøng quay cuûa ñoäng cô
Ñoái vôùi xe du lòch :  = 30  40
Ñoái vôùi xe taûi :  = 40  50
Neáu hoäp soá coù 3 caáp vôùi soá III laø soá truyeàn thaúng thì :
ih3 =1 ; ih2 = 1
h
i
Neáu hoäp soá coù 4 caáp vôùi soá IV laø soá truyeàn thaúng thì :
26
ih4 = 1 ; 3
1
h
3
h i
i  ; 3
h1
2
h2 i
i 
Neáu hoäp soá coù 5 caáp vôùi soá V laø soá truyeàn thaúng thì :
ih5 = 1 ; ih4 = 4
1
h
i ; ih3 =
4 2
1
h
i ; ih2 = 4 3
1
h
i
Neáu hoäp soá coù 5 caáp vôùi soá V laø soá truyeàn taêng vaø soá IV laø soá truyeàn thaúng thì:
ih5 =
3
hi
i
1
; ih4 = 1 ; ih3 = 3
1
h
i ; ih3 = 3 2
1
h
i
Soá truyeàn cao nhaát cuûa hoäp soá neân laøm soá truyeàn thaúng hay soá truyeàn taêng laø tuøy thuoäc vaøo
thôøi gian söû duïng. Neân choïn soá truyeàn laøm vieäc nhieàu nhaát ñeå laøm soá truyeàn thaúng ñeå giaûm tieâu
hao khi truyeàn löïc vaø taêng tuoåi thoï cuûa hoäp soá.
2. Tính toaùn caùc thoâng soá hình hoïc cuûa baùnh raêng hoäp soá
2.1. Choïn khoaûng caùch giöõa caùc truïc cuûa caùc baùnh raêng
Khoaûng caùch A giöõa caùc truïc ñöôïc choïn theo coâng thöùc kinh nghieäm sau:
A= 3
max
e
M
C (mm) (4.3)
ÔÛ ñaây:
Memax - Moâmen xoaén cöïc ñaïi cuûa ñoäng cô (Nm)
C - Heä soá kinh nghieäm:
Ñoái vôùi xe du lòch : C = 1316
Ñoái vôùi xe taûi : C =1719
Ñoái vôùi xe duøng ñoäng cô diezel: C =2021
2.2. Choïn moâñuyn phaùp tuyeán cuûa baùnh raêng
Chuùng ta coù hai phöông phaùp löïa choïn:
Coù theå choïn theo coâng thöùc kinh nghieäm sau:
m = (0,0320,040).A (4.4)
Hoaëc coù theå söû duïng ñoà thò kinh nghieäm nhö ôû hình 4.3.
27
Hình 27 - Ñoà thò ñeå choïn moâñuyn phaùp tuyeán cuûa baùnh raêng
a - Duøng cho baùnh raêng coù raêng thaúng; b - Duøng cho baùnh raêng coù raêng xieân
ÔÛ ñaây:
m - Moâñuyn phaùp tuyeán.
M - Moâmen xoaén ñöôïc tính:
M= Memax.ih1.0,96
2.3. Xaùc ñònh soá raêng cuûa caùc baùnh raêng
2.3.1. Ñoái vôùi hoäp soá hai truïc
ÔÛ hình 4.4 laø sô ñoà hoäp soá hai truïc ñeå xaùc ñònh soá raêng. Baùnh raêng laép vôùi truïc baèng then
hoa vaø tröôït treân truïc khi caàn gaøi soá.
Hình 28 - Sô ñoà tính toaùn soá raêng cuûa baùnh raêng hoäp soá 2 truïc
ÔÛ hoäp soá hai truïc coù theå xaùc ñònh khoaûng caùch A theo coâng thöùc sau:
m[mm] M [kN.m]
a
b
Z 1
2
Z
i
Z
1
Z'
2
Z'
i
Z'
A
28
A=
i
i
i
i
2
2
2
2
1
1
1
1
β
cos
2
)
z
(z
m
....
β
cos
2
)
z
(z
m
β
cos
2
)
z
(z
m 








(4.5)
Sau ñoù thay: ih1=
1
1
z
z
ih2=
2
2
z
z
…………………….
ihi=
i
i
z
z
vaøo bieåu thöùc tính A, chuùng ta nhaän ñöôïc coâng thöùc toång quaùt ñeå xaùc ñònh zi vaø zi
/
:
zi =
)
i
(1
m
2Acosβ
hi
i
i

(4.6)
i
z = zi .ihi (4.7)
ÔÛ ñaây:
z1,z2, … zi – Soá raêng cuûa caùc baùnh raêng ôû truïc sô caáp.
1
z , 2
z … i
z – Soá raêng cuûa caùc baùnh raêng ôû truïc thöù caáp.
A – Khoaûng caùch giöõa 2 truïc.
i – Goùc nghieâng cuûa caëp baùnh raêng thöù i.
mi – Moâñuyn phaùp tuyeán cuûa caëp baùnh raêng thöù i.
2.3.2. Ñoái vôùi hoäp soá ba truïc
ÔÛ treân hình 29 laø sô ñoà hoäp soá ba truïc ñeå xaùc ñònh soá raêng
Hình 29 - Sô ñoà tính toaùn soá raêng cuûa baùnh raêng hoäp soá 3 truïc
1 - Truïc sô caáp.
2 - Truïc trung gian.
3 - Truïc thöù caáp.
A- Khoaûng caùch giöõa caùc truïc.
za , a
z – Soá raêng cuûa caëp baùnh raêng luoân aên khôùp.
z1, z2,…, zi – Soá raêng cuûa caùc baùnh raêng treân truïc trung gian.
1
z , 2
z ,…, i
z – Soá raêng cuûa caùc baùnh raêng treân truïc thöù caáp.
Za 1
Z'
Z'2
Z'i
Z'a
Z1
Z2
Zi
A A
29
Khoaûng caùch A ñöôïc tính nhö sau:
A =
a
a
a
a
a
a
a
a
β
cos
2
)
i
1
(
.z
m
β
cos
2
)
z
(z
m 



(4.8)
Bôûi vaäy: ia = 1
.z
m
β
cos
A.
2
a
a
a
 (4.9)
ÔÛ ñaây: ia – Tyû soá truyeàn cuûa caëp baùnh raêng luoân aên khôùp.
ma – Moâ ñuyn phaùp tuyeán cuûa caëp baùnh raêng luoân aên khôùp.
a – Goùc nghieâng cuûa raêng cuûa caëp baùnh raêng luoân aên khôùp.
Soá raêng a
z cuûa baùnh raêng bò ñoäng ôû caëp baùnh raêng luoân aên khôùp seõ ñöôïc xaùc ñònh:
a
z = za. ia
Tyû soá truyeàn cuûa caùc caëp baùnh raêng ñöôïc gaøi igi seõ laø:
igi=
a
hi
i
i
Soá raêng cuûa caùc baùnh raêng treân truïc trung gian vaø thöù caáp ñöôïc xaùc ñònh:
zi =
)
i
1
(
m
β
cos
A
2
gi
i
i

(4.10)
i
z = zi .igi (4.11)
Trong ñoù: zi – Soá raêng cuûa baùnh raêng thöù i treân truïc trung gian.
i
z – Soá raêng cuûa baùnh raêng thöù i treân truïc thöù caáp.
i – Goùc nghieâng cuûa raêng cuûa caëp baùnh raêng thöù i.
mi – Moâñuyn phaùp tuyeán cuûa caëp baùnh raêng thöù i.
2.4. Boä ñoàng toác
Khi sang soá, cho duø ñaõ taùch ly hôïp, nhöng do quaùn tính neân caùc baùnh raêng vaãn coøn quay vôùi
caùc vaän toác goùc khaùc nhau, neáu gaøi vaøo nhau thì sinh löïc va ñaäp. Ñeå khaéc phuïc hieän töôïng treân vaø
ñôn giaûn hoùa caùc quaù trình thao taùc cuûa taøi xeá, ngöôøi ta duøng boä ñoàng toác.
Xeùt tröôøng hôïp chuyeån töø soá cao veà soá thaáp ñeå tìm hieåu nguyeân lyù vaø phaân tích löïc (hình
30).
Hình 30 - Caáu taïo cuûa boä ñoàng toác
1; 4 – Baùnh raêng; 2 – Choát; 3– OÁng raêng; 5 – Bi; 6 – OÁng gait; 7 – OÁng loàng; 8 – Truïc
30
2.4.1. Giai ñoaïn dòch chuyeån töï do (luùc maët coân cuûa oáng loàng 7 chöa tieáp xuùc vôùi maët coân
cuûa baùnh raêng 4):
Vì voøng gaït 6 lieân keát cöùng vôùi oáng raêng 3 vaø oáng naøy laïi lieân keát ñaøn hoài vôùi oáng loàng 7,
cho neân khi gaït 6 veà phía baùnh raêng 4, caû khoái chi tieát 6-2-3-5-7 ñeàu dòch chuyeån. Khi hai maët
coân tieáp xuùc vôùi nhau thì taïm thôøi döøng laïi vaø baét ñaàu giai ñoaïn hai.
2.4.2. Giai ñoaïn chöa ñoàng toác
Do taùc duïng cuûa ñaø quaùn tính neân oáng raêng 3 vaãn coøn quay vôùi toác ñoä goùc cuûa soá cuõ:
3 =
c
m
i

Trong ñoù:
3 – Vaän toác goùc cuûa oáng raêng.
m – Vaän toác goùc cuûa truïc.
ic – Tæ soá truyeàn soá cao.
Trong khi ñoù baùnh raêng 4 luoân luoân aên khôùp vôùi baùnh raêng cuûa truïc trung gian vaø bôûi vaäy:
4 =
t
m
i

4 – Vaän toác goùc cuûa baùnh raêng 4.
it – Tæ soá truyeàn soá thaáp.
Bôûi vì: ic < it neân 3 > 4
OÁng loàng 7 vöøa coù lieân heä vôùi baùnh raêng 4 vöøa coù lieân heä vôùi oáng raêng 3 neân toác ñoä goùc cuûa
noù laø 7 naèm trong giôùi haïn:
4 < 7 < 3
Keát quaû laø choát 2 bò haõm trong hoác A cuûa oáng 7 vaø oáng raêng 3 (hình 6.7) khoâng dòch chuyeån
ñöôïc nöõa.
Sau ñaây chuùng ta phaân tích löïc ñeå thaáy ñöôïc vì sao choát 2 bò haõm:
Döôùi taùc duïng cuûa löïc eùp chieàu truïc Q1 (löïc taùc duïng cuûa ngöôøi laùi thoâng qua cô caáu ñoøn baåy
chuyeån ñeán) tình traïng chòu löïc cuûa 3 chi tieát nhö ôû hình 4.7.
Trong giai ñoaïn chöa ñoàng toác maët coân cuûa oáng loàng 7 tröôït treân maët coân cuûa baùnh raêng 4,
neân giöõa chuùng coù löïc ma saùt .N, trong ñoù:
N =

sin
Q1
(4.12)
ÔÛ ñaây:
 – Goùc nghieâng cuûa maët coân.
N – Phaûn löïc.
31
Hình 31 - Sô ñoà chòu löïc cuûa caùc chi tieát 2,4,7
Löïc ma saùt seõ caân baèng vôùi löïc voøng P taùc duïng töông hoã giöõa chi tieát 7 vaø 2 theo ñieàu kieän
sau:
P.r1 = .N.r  P=
1
r
r
.
N
.

Trong ñoù:
 – Heä soá ma saùt
r, r1 – Baùn kính ñieåm ñaët löïc.
Thay N baèng bieåu thöùc (4.12) ta coù:
P=


sin
.
r
r
.
Q
.
1
1
(4.13)
Taïi maët xieân goùc  cuûa coå vuoâng choát 2 taùc duïng moät phaûn löïc Q phaân tích töø P:
Q=

tg
P
(4.14)
Löïc Q chính laø löïc haõm coå vuoâng B cuûa choát 2 trong hoác A cuûa oáng loàng 7, do ñoù Q phaûi
thoõa maõn ñieàu kieän haõm sau ñaây:
Q > Q1  1
1
1
Q
.tg
.sin
r
.r
.Q

β
α
μ
Töùc laø:
tg <
α
sin
.
r
μ.r
1
(4.15)
Bieåu thöùc (4.15) laø cô sôû ñeå thieát keá goùc  ñuû ñeå haõm choát 2 vaø giöõ khoâng cho oáng raêng 3
dòch chuyeån khi chöa ñoàng toác.

Q
Q
Q
N
N
Q P
r1 r

1
1
A
N
Q1
B
2
P


7
32
2.4.3. Giai ñoaïn ñoàng toác
Do ma saùt neân ñaø quaùn tính daàn daàn bò trieät tieâu vaø cuoái cuøng:
3 = 7 = 4
Khi ñaõ ñoàng toác thì löïc ma saùt N cuõng khoâng coøn nöõa vaø do ñoù löïc haõm baèng khoâng. Tay
cuûa ngöôøi laùi chæ taùc duïng nheï laø ñuû ñeå thaéng ñònh vò loø xo bi 5 vaø gaït oáng raêng 3 aên khôùp vôùi
vaønh raêng cuûa baùnh raêng 4 moät caùch eâm dòu vì chuùng ñaõ ñoàng ñeàu vaän toác goùc.
Khi thieát keá thöôøng choïn heä soá ma saùt  = 0,050,1; goùc nghieâng  = 70
120
;
Q1=(49).(50100)N; tyû soá truyeàn cuûa caàn soá: 49; löïc taùc duïng leân caàn soá: 50100 N.
33
BÀI 2 – HỘP SỐ TỰ ĐỘNG
A – KẾT CẤU HỘP SỐ TỰ ĐỘNG
I. CÔNG DỤNG, YÊU CẦU VÀ PHÂN LOẠI
1. Coâng duïng
Hoäp soá töï ñoäng cho pheùp ñôn giaûn hoùa vieäc ñieàu khieån hoäp soá. Quaù trình chuyeån soá eâm dòu,
khoâng caàn caét coâng suaát truyeàn töø ñoäng cô xuoáng khi sang soá. Hoäp soá töï ñoäng töï choïn tæ soá truyeàn
phuø hôïp vôùi ñieàu kieän chuyeån ñoäng, do ñoù taïo ñieàu kieän söû duïng gaàn nhö toái öu coâng suaát cuûa
ñoäng cô.
2. Yeâu caàu
 Thao taùc ñieàu khieån hoäp soá ñôn giaûn, nheï nhaøng;
 Ñaûm baûo chaát löôïng ñoäng löïc keùo cao;
 Hieäu suaát truyeàn ñoäng phaûi töông ñoái lôùn;
 Ñoä tin caäy lôùn, ít hö hoûng,tuoåi thoï cao;
 Keát caáu phaûi goïn, troïng löôïng nhoû.
3. Phaân loaïi
Hieän nay, söû duïng treân xe coù hai loaïi hoäp soá töï ñoäng:
* Hoäp soá töï ñoäng coù caáp.
* Hoäp soá töï ñoäng voâ caáp.
Cho ñeán nay, hoäp soá töï ñoäng coù caáp ñöôïc söû duïng roäng raõi hôn nhieàu so vôùi hoäp soá töï ñoäng
voâ caáp. Bôûi vaäy, trong chöông naøy chuùng ta chæ nghieân cöùu veà hoäp soá töï ñoäng coù caáp. Coøn hoäp soá
töï ñoäng voâ caáp, chuùng ta tham khaûo theâm ôû caùc chuyeân ñeà.
II. ĐẶC ĐIỂM KẾT CẤU CỦA HỘP SỐ TỰ DỘNG
1. Cấu tạo chung
Cấu tạo chung của hộp số tự động gồm:
a) Biến mô;
b) Bộ bánh rắng hành tinh;
c) Hệ thống điều khiển thủy lực.
34
Hình 1 – Kết cấu hộp số tự động
35
Hình 2 – Kết cấu của hộp số tự động
1 – Bộ bin mô; 2 – Bộ truyền bánh răng hành tinh; 3 – Hệ thống điều khiển thủy lực
c) Hệ thống điều khiển thủy lực: hệ thống này sẽ điều khiển bộ truyền bành răng
hành tinh.
36
2. Đặc điểm kết cấu các bộ phận của hộp số tự động
2.1. Các bộ phận chính của hộp số tự động
2.1.1. Bộ truyền bánh răng hành tinh 3 tốc độ
Hình 3 – Sơ đồ bộ truyền bánh răng hành tinh 3 tốc độ
37
Hình 4 – Sơ đồ hệ thống điều khiển bộ truyền bánh răng hành tinh 3 tốc độ
* Hoäp soá haønh tinh
Hoäp soá haønh tinh ñöôïc duøng ôû hoäp soá töï ñoäng coù caáp vaø hoäp soá nöûa töï ñoäng. Noù coù nhöõng öu
ñieåm chính sau ñaây so vôùi hoäp soá thöôøng:
 Laøm vieäc khoâng oàn, khoâng caàn boä ñoàng toác.
 Vieäc gaøi soá thöïc hieän nhôø ly hôïp vaø phanh, neân taïo ñieàu kieän thuaän lôïi cho vieäc töï ñoäng
quaù trình gaøi soá.
 Keát caáu goïn gaøng nhôø aên khôùp beân trong.
 Khi coù cuøng kích thöôùc ñöôøng kính baùnh raêng, hoäp soá haønh tinh seõ coù tæ soá truyeàn lôùn
hôn.
 Coù theå sang soá maø khoâng caàn caét coâng suaát truyeàn töø ñoäng cô xuoáng,do ñoù thôøi gian vaø
haønh trình gia toác ngaén hôn.
 Coù hieäu suaát cao hôn hoäp soá thöôøng .
Khuyeát ñieåm cuûa hoäp soá haønh tinh laø keát caáu phöùc taïp, cheá taïo khoù, giaù thaønh cao.
38
Treân oâ toâ thöôøng söû duïng hoäp soá haønh tinh hai hoaëc ba caáp.
Caùc sô ñoà ñoäng hoïc cuûa hoäp soá haønh tinh
Hình 5 – Sô ñoà hoäp soá haønh tinh phöùc taïp (2 caáp)
Treân hình 5 laø hoäp soá haønh tinh phöùc taïp goàm coù hai cuïm baùnh raêng haønh tinh ñôn giaûn. Cô
caáu ñieàu khieån ñeå gaøi soá bao goàm hai ly hôïp ma saùt LH1, LH2, ba phanh daûi T1, T2, T3, caùc khôùp
noái moät chieàu M1, M2.
Hoäp soá naøy goàm ba soá:
Phanh T2 laép tröïc tieáp leân truïc cuûa baùnh raêng trung taâm1 cuûa daõy beân traùi, coøn phanh T3
qua khôùp noái moät chieàu M2 lieân keát vôùi truïc cuûa baùnh raêng trung taâm3.
Soá 1 ñöôïc gaøi baèng caùch haõm hai phanh T2 , T3 ñeå gaøi cöùng khôùp M2 vaø baùnh raêng 3. Coâng
suaát ñöôïc truyeàn thöù töï qua hai daõy haønh tinh, neân hieäu suaát cao (0,97).
Soá 2 ñöôïc gaøi baèng caùch ñoùng ly hôïp LH2 roài nhaû phanh T1, coøn T2 vaãn bò haõm. Khôùp moät
chieàu M1 ñöôïc laép sao cho khoâng caûn trôû söï quay cuûa truïc baùnh raêng1. Do ñoùng ly hôïp LH2 neân
caùc baùnh raêng daõy traùi bò gaøi cöùng, chæ coù daõy phaûi hoaït ñoäng, hieäu suaát ñaït tôùi 0,985.
Soá 3 (truyeàn thaúng) ñöôïc gaøi baèng caùch ñoùng ly hôïp LH1.
Soá luøi ñöôïc gaøi baèng caùch haõm phanh T1, baùnh raêng bao 4 aên khôùp trong bò giöõ laïi, daõy traùi
laøm vieäc nhö moät boä truyeàn haønh tinh ñôn giaûn. Coâng suaát truyeàn töø baùnh raêng 1 qua khôùp noái M1
ñeán baùnh raêng trung taâm daõy phaûi vaø daãn ra ngoaøi. Hieäu suaát truyeàn löïc cuûa soá luøi khaù thaáp .
Trong thöïc teá coù nhieàu sô ñoà hoäp soá haønh tinh khaùc nhau. Hoäp soá haønh tinh ñôn giaûn chæ coù
moät daõy baùnh raêng haønh tinh. Hoäp soá haønh tinh phöùc taïp (nhieàu caáp) coù töø hai daõy baùnh raêng haønh
tinh trôû leân.
Treân hình 6 laø hoäp soá haønh tinh goàm boán daõy baùnh raêng haønh tinh (moãi daõy baùnh raêng haønh
tinh laø moät boä baùnh raêng haønh tinh ñôn giaûn). ÔÛ vò trí soá “0” hoäp soá coù hai baäc töï do. Ñeå gaøi soá
trong hoäp soá phaûi söû duïng boán phanh daûi vaø moät ly hôïp hình noùn (cho soá truyeàn thaúng). Moãi
phanh daûi duøng ñeå gaøi moät soá. Nhö vaäy hoäp soá naøy coù boán soá tieán vaø moät soá luøi.
39
1 2 3 4
LH
2 4 8
C1 C3 5
C 7
C
1 3
5 7
6
Hình 6 – Sô ñoà hoäp soá haønh tinh phöùc taïp (4 caáp)
1; 3; 5; 7: caùc baùnh raêng trung taâm;
2; 4; 6; 8: caùc baùnh raêng bao (voøng raêng).
C1; C3; C5; C7: caùc caàn daãn.
T1; T2; T3; T4: caùc phanh daûi.
LH: ly hôïp hình noùn.
ÔÛ hình 7 laø caáu taïo nhöõng boä phaän chính cuûa moät hoäp soá haønh tinh.
1 2
3
4
5
6
7 8
9
10
10
11 11
12 14
13
15
16
Hình 7 – Caùc boä phaän chính cuûa hoäp soá haønh tinh
1  Truïc sô caáp hoäp soá; 2  Tang troáng chuû ñoäng; 3  Ñóa chuû ñoäng baèng theùp; 4  Ñóa bò ñoäng; 5
 Phanh daûi tröôùc; 6  Tang troáng bò ñoäng; 7  Phanh daûi sau; 8  Tang troáng bò ñoäng; 9  Caàn
daãn; 10  Baùnh raêng haønh tinh; 11  Truïc cuûa baùnh raêng haønh tinh; 12  Baùnh raêng trung taâm;
13; 16  Voøng raêng; 14  Baùnh raêng trung taâm; 15  Truïc thöù caáp cuûa hoäp soá
40
2.1.3. Bieán moâmen thuûy löïc
Caáu taïo vaø nguyeân lyù laøm vieäc
Bieán moâmen thuûy löïc coù 3 boä phaän chính (hình 19):
Ñóa bôm (B) ñöôïc noái vôùi truïc 1 laø truïc chuû ñoäng. Truïc naøy noái tröïc tieáp vôùi truïc khuyûu ñoäng
cô.
Ñóa tuoác bin (T) ñöôïc noái vôùi truïc 2 laø truïc bò ñoäng cuûa bieán moâmen thuûy löïc.
Ñóa phaûn xaï (P) coøn ñöôïc goïi laø boä phaän daãn höôùng. Ñóa P ñoùng vai troø trong vieäc laøm
taêng moâmen xoaén.
ÔÛ treân hình 8 laø tröôøng hôïp ñóa P noái cöùng vôùi voû cuûa bieán moâmen.
Hình 8 – Caùc boä phaän chính cuûa bieán moâmen thuyû löïc
Taát caû ñöôïc ñaët trong voû coá ñònh, beân trong ñöôïc naïp ñaày chaát loûng.
Giöõa B, T vaø P laø caùc khe hôû voâ cuøng nhoû. Treân caùc ñóa B, T vaø P coù gaén caùc caùnh ñöôïc
uoán cong, taïo thaønh caùc raõnh, maø trong chuùng doøng chaát loûng seõ chuyeån ñoäng tuaàn hoaøn.
Bieán moâmen thuûy löïc coù hai chöùc naêng: taêng moâmen xoaén cuûa ñoäng cô vaø töï ñoäng ñieàu
chænh moâmen xoaén.
Khi ñoäng cô laøm vieäc, ñóa B quay. Chaát loûng ôû giöõa caùc caùnh cuûa B nhaän ñöôïc naêng löôïng
seõ chuyeån ñoäng töø taâm ñeán rìa ñóa B, vaän toác caøng ra xa taâm caøng taêng. Khi rôøi B, doøng chaát loûng
vôùi vaän toác lôùn va ñaäp vaøo caùc caùnh cuûa T. Caùc löïc va ñaäp naøy taïo thaønh moâmen xoaén taùc duïng
leân ñóa T, töùc laø moâmen Mt .
Ñeå moâmen xoaén lôùn hôn moâmen cuûa ñóa B, thì phaûi taêng vaän toác cuûa doøng chaát
loûng khi ra khoûi ñóa B vaø phaûi höôùng ñöôïc caùc doøng chaûy vaøo caùc caùnh cuûa T vôùi goùc ñoä thích hôïp
ñeå taïo thaønh caùc löïc eùp lôùn.
Ñóa phaûn xaï P (hay boä phaän daãn höôùng) ñaûm nhaän nhieäm vuï quan troïng naøy:
Khi doøng chaát loûng ñi qua ñóa P, thì noù nhaän moâmen xoaén vaø truyeàn ñeán voû coá ñònh (ñieåm
töïa). Neáu ñóa P quay töï do thì moâmen xoaén cuõng khoâng taêng leân ñöôïc. Nhö vaäy ñieàu quan troïng
laø ñóa phaûn xaï phaûi coá ñònh. Vaän toác doøng chaát loûng qua ñóa P seõ taêng daàn nhôø caùc caùnh ñóa P laøm
heïp doøng chaûy. Höôùng cuûa doøng chaát loûng cuõng ñöôïc thay ñoåi toát hôn nhôø caùnh cuûa ñóa P ñöôïc
uoán cong vôùi goùc ñoä yeâu caàu.
T B
P
P
T B
Mb
b

b
n nt t t
M
1
2
t
M b
M
41
Bôûi vaäy, sau khi ñi qua P doøng chaát loûng ñi vaøo ñóa T seõ coù vaän toác lôùn hôn (neân ñoäng naêng
taêng leân) vaø ñi vaøo vôùi goùc ñoä thích hôïp hôn. Nhôø vaäy löïc eùp leân ñóa T seõ taêng vaø keát quaû laø laøm
taêng moâmen xoaén cuûa ñóa T so vôùi moâ men xoaén cuûa ñóa B.
Khi chuyeån ñoäng qua P, ñoäng naêng cuûa doøng chaûy taêng vaø aùp naêng cuûa doøng chaûy giaûm
neân toång naêng löôïng cuûa doøng chaûy vaãn khoâng ñoåi vaø baèng toång naêng löôïng cuûa doøng chaûy
chuyeån ñoäng ôû ñóa bôm.
Khaû naêng thöù hai cuûa bieán moâmen thuûy löïc laø töï ñoäng ñieàu chænh lieân tuïc moâmen xoaén vaø
soá voøng quay cuûa ñóa T theo giaù trò moâmen caûn ôû beân ngoaøi taùc duïng leân truïc ñóa T:
ÔÛ cheá ñoä laøm vieäc oån ñònh: moâmen xoaén vaø moâmen caûn taùc duïng leân truïc ñóa T luoân
baèng nhau veà trò soá. Khi moâmen caûn taêng leân lôùn hôn thì ñóa T quay chaäm laïi (maø coâng suaát
treân truïc N= M., do ñoù khi N khoâng ñoåi thì  giaûm daån ñeán M taêng). Moâmen xoaén cuûa T seõ taêng
cho ñeán khi baèng moâmen caûn, luùc ñoù  seõ khoâng giaûm nöõa.
Neáu moâmen caûn giaûm xuoáng (taûi troïng beân ngoaøi giaûm), quaù trình seõ bieán ñoåi ngöôïc laïi.
2.2. Đặc điểm cấu tạo của hệ thống điều khiển hộp số tự động
2.2.1. Heä thoáng ñieàu khieån baèng thuûy löïc
Hoäp soá ñieàu khieån thuûy löïc hoaøn toaøn hoaït ñoäng bôûi söï bieán ñoåi moät caùch cô khí toác ñoä cuûa
xe thaønh aùp suaát ly taâm vaø ñoä môû böôùm ga thaønh aùp suaát böôùm ga roài duøng caùc aùp suaát thuûy löïc
naøy ñeå ñieàu khieån hoaït ñoäng cuûa caùc ly hôïp vaø caùc phanh trong cuïm baùnh raêng haønh tinh, do ñoù
ñieàu khieån thôøi ñieåm leân hoaëc veà soá. Noù ñöôïc goïi laø “Phöông phaùp ñieàu khieån baèng thuûy löïc”.
Heä thoáng ñieàu khieån baèng thuûy löïc bao goàm: Bôm daàu, thaân van, caùc van ñieän töû, cuõng nhö
caùc ñöôøng daàu ñeå noái taát caû nhöõng chi tieát naøy. Döïa treân aùp suaát daàu ñöôïc sinh ra bôûi bôm, heä
thoáng ñieàu khieån thuûy löïc ñieàu chænh aùp suaát daàu taùc duïng leân bieán moâ, caùc ly hôïp, caùc phanh phuø
hôïp vôùi ñieàu kieän chuyeån ñoäng cuûa xe.
Coù 3 van ñieän trong thaân van. Nhöõng van ñieän naøy môû vaø ñoùng bôûi tín hieäu töø ECU ñeå ñieàu
khieån caùc van gaøi soá. Noù ñoùng môû ñöôøng daàu ñeán bieán moâ, caùc ly hôïp vaø caùc phanh ñeå ñieàu khieån
bieán moâ vaø caùc cuïm baùnh raêng haønh tinh (löu yù: tröø van ñieän, heä thoáng ñieàu khieån thuûy löïc cuûa
ECT veà cô baûn gioáng nhö cuûa hoäp soá töï ñoäng ñieàu khieån thuûy löïc hoaøn toaøn) (hình 9).
t
M
t
M
42
Böôùm ga
Ñieàu khieån aùp suaát
thuûy löïc
Chuyeån ñöôøng
daàu
Caùc van ñieän
töû
Boä baùnh
raêng
haønh tinh
Bieán
moâ
VAN THAÂN VAN
HEÄ THOÁNG ÑIEÀU KHIEÅN BAÈNG
THUÛY LÖÏC
Bôm daàu
Caùc phanh
& ly
hôïpï
ECU
Hình 9 - Sô ñoà nguyeân lyù ñieàu khieån baèng thuûy löïc
Vieäc chuyeån soá ôû hoäp soá töï ñoäng ñieàu khieån baèng thuûy löïc hoaøn toaøn ñöôïc thöïc hieän bôûi boä
ñieàu khieån thuûy löïc theo caùch sau:
BOÄ ÑIEÀU KHIEÅN THUÛY LÖÏC
AÙp suaát ly taâm vaø aùp suaát böôùm ga laøm
caùc van chuyeån soá trong boä ñieàu khieån thuûy
löïc hoaït ñoäng; ñoä lôùn caùc aùp suaát naøy ñieàu
khieån chuyeån ñoäng cuûa caùc van chuyeån soá,
vaø nhöõng van naøy laïi ñieàu khieån aùp suaát
thuûy löïc taùc duïng leân caùc ly hôïp vaø phanh
trong cuïm baùnh raêng haønh tinh ñeå ñieàu
khieån vieäc chuyeån soá.
VAN LY TAÂM
Van ly taâm sinh ra aùp suaát daàu tyû
leä vôùi toác ñoä xe; aùp suaát naøy (goïi laø
aùp suaát ly taâm) coù taùc duïng nhö “tín
hieäu” toác ñoä xe ñeán boä ñieàu khieån
thuûy löïc.
BÖÔÙM GA
Böôùm ga trong boä ñieàu khieån thuûy
thuûy löïc sinh ra aùp suaát thuûy löïc tyû leä
vôùi möùc ñaïp chaân ga; aùp suaát naøy
(ñöôïc goïi laø aùp suaát böôùm ga) coù taùc
duïng nhö “Tín hieäu” taûi ñoäng cô ñeán
boä ñieàu khieån thuûy löïc.
43
Hình 10 - Sô ñoà khoái hoäp soá töï ñoäng ñieàu khieån baèng thuûy löïc
2.2.2. Heä thoáng ñieàu khieån baèng ñieän töû ECT (Electronically Controlled Transmission)
ECT laø hoäp soá töï ñoäng söû duïng caùc coâng ngheä ñieàu khieån ñieän töû hieän ñaïi ñeå ñieàu khieån hoäp
soá. Baûn thaân hoäp soá töï ñoäng (tröø thaân van) thöïc teá gioáng nhö hoäp soá ñieàu khieån thuûy löïc hoaøn
toaøn, nhöng noù coøn bao goàm caùc chi tieát ñieän töû, caùc caûm bieán, moät ECU (boä ñieàu khieån ñieän töû)
vaø vaøi cô caáu chaáp haønh.
Voû hoäp soá ECT coù hình daùng cô baûn gioáng vôùi voû hoäp soá ñieàu khieån thuûy löïc hoaøn toaøn neân
noù chæ coù theå phaân bieät bôûi söï coù maët cuûa moät caûm bieán toác ñoä. (Hoäp soá töï ñoäng ñieàu khieån thuûy
löïc hoaøn toaøn coù moät van ñieàu chænh ly taâm nhöng ôû ECT ngöôøi ta thay van baèng moät caûm bieán
toác ñoä) (hình 11).
ÔÛ hoäp soá ECT caùc caûm bieán phaùt hieän toác ñoä xe vaø ñoä môû böôùm ga, bieán chuùng thaønh tín
hieäu ñieän töû göûi veà boä ñieàu khieån ñieän töû (sau naøy ñöôïc vieát taét laø ECU). ECU sau ñoù ñieàu khieån
caùc hoaït ñoäng cuûa caùc ly hôïp, phanh treân cô sôû nhöõng tín hieäu naøy. Vì vaäy ñieàu khieån thôøi ñieåm
chuyeån soá ñeå leân hoaëc veà soá.
44
Hình 11 - Hoäp soá ECT
Neáu khoâng coù ECU ñeå ñieàu khieån vieäc chuyeån soá treân cô sôû caùc tín hieäu ñieän veà toác ñoä xe
vaø ñoä môû böôùm ga thì ECT veà cô baûn gioáng nhö hoäp soá töï ñoäng ñieàu khieån thuûy löïc hoaøn toaøn.
Heä thoáng ñieàu khieån baèng ñieän töû cuûa ECT ñieàu khieån thôøi ñieåm chuyeån soá vaø khoùa bieán
moâ trong ECT, bao goàm ba kieåu chi tieát: Caùc caûm bieán khaùc nhau, moät ECU vaø caùc loaïi van ñieän
töø. Sô ñoà sau chæ ra moái lieân heä giöõa caùc chi tieát naøy (hình 12):
Hình 12 - Sô ñoà nguyeân lyù ñieàu khieån baèng ñieän töû
45
Hoäp soá ECT ñieàu khieån vieäc chuyeån soá theo phöông phaùp sau (hình 13):
Hình 13 - Sô ñoà khoái hoäp soá töï ñoäng ñieàu khieån baèng ñieän töû
CAÛM BIEÁN VÒ TRÍ BÖÔÙM GA
Goùc môû böôùm ga ñöôïc phaùt hieän
bôûi caûm bieán vò trí böôùm ga, caûm bieán
bieán ñoåi caùc tín hieäu naøy thaønh tín
hieäu ñieän roài göûi ñeán ECU qua ECU
ñoäng cô.
ECU
ECU quyeát ñònh thôøi ñieåm chuyeån soá
treân cô sôû caùc tín hieäu veà toác ñoä xe vaø goùc
môû böôùm ga, vaø ñieàu khieån van ñieän trong
boä ñieàu khieån thuûy löïc vì vaäy ñieàu khieån
chuyeån ñoäng cuûa caùc van chuyeån soá. Nhöõng
van naøy laïi ñieàu khieån aùp suaát thuûy löïc ñeán
caùc ly hôïp vaø phanh trong cuïm baùnh raêng
haønh tinh ñeå ñieàu khieån vieäc chuyeån soá.
CAÛM BIEÁN TOÁC ÑOÄ XE
Caûm bieán toác ñoä xe phaùt hieän toác
ñoä cuûa xe vaø göûi tín hieäu naøy naøy ñeán
ECU döôùi daïng caùc tín hieäu ñieän.
46
3. Đặc điểm kết cấu của một số loại hộp số tự động
Khaùi quaùt veà hoäp soá töï ñoäng:
Quaù trình ñieàu khieån hoäp soá töï ñoäng xaûy ra hoaøn toaøn töï ñoäng treân cô sôû choïn tröôùc cheá ñoä
hoaït ñoäng cuûa noù. Ngöôøi laùi coù theå can thieäp baèng tay vaø quaù trình ñieàu khieån nhôø caàn choïn cheá
ñoä hoaït ñoäng cuûa hoäp soá. Thoâng thöôøng caàn choïn cheá ñoä hoaït ñoäng coù caùc vò trí nhö sau:
P – Parking: ñoã xe (giöõ cho xe khoâng bò troâi töï do).
R – Reverse: chaïy luøi.
N – Neutral: soá 0.
D – Drive: chuyeån ñoäng tieán (töï ñoäng chuyeån ñoåi giöõa taát caû caùc tay soá).
L – Low: chuyeån ñoäng leân doác.
Ñoâi khi ôû moät soá hoäp soá töï ñoäng khaùc cuõng coù caùc vò trí nhö sau:
P – Parking: ñoã xe (giöõ cho xe khoâng bò troâi töï do).
R – Reverse: chaïy luøi.
N – Neutral: soá 0.
D – Drive: chuyeån ñoäng tieán (töï ñoäng chuyeån ñoåi giöõa taát caû caùc tay soá).
3 – Chæ ñi tay soá 1 ñeán tay soá 3.
2 – Chæ ñi tay soá 1 ñeán tay soá 2.
1 – Chæ ñi tay soá 1.
Hình 14 – Sơ đồ vị trí cần tay số của bộ chọn hộp số tự động
47
Hình 15 – Kết cấu của cần sang số tự động
3.1. Hộp số tự động có cấp
Tröôùc khi ñi vaøo nghieân cöùu caùc boä phaän chính cuûa hoäp soá töï ñoäng coù caáp, chuùng ta seõ giôùi
thieäu khaùi quaùt veà chuùng.
ÔÛ treân hình 16 laø sô ñoà cuûa moät hoäp soá töï ñoäng coù caáp, noù goàm coù ba boä phaän chính:
– Truyeàn ñoäng thuûy ñoäng (ly hôïp thuûy ñoäng hoaëc bieán moâmen thuûy löïc).
– Hoäp soá haønh tinh.
– Heä thoáng ñieàu khieån.
Hình 16 – Sô ñoà động học của hoäp soá töï ñoäng coù caáp
Treân hình 17 laø keát caáu cuûa hoäp soá töï ñoäng coù caáp trong thöïc teá.
48
Hình 17 – Keát caáu cuûa hoäp soá töï ñoäng coù caáp
3.2. Hộp số tự động vô cấp
So vôùi hoäp soá töï ñoäng coù caáp, hoäp soá töï ñoäng voâ caáp coù nhieàu öu ñieåm hôn, ñaëc bieät laø khaû
naêng taän duïng trieät ñeå coâng suaát cuûa ñoäng cô.
Tuy nhieân noù vaãn bò haïn cheá bôûi khaû naêng truyeàn moâmen xoaén vaø coâng ngheä cheá taïo phöùc
taïp.
Hoäp soá töï ñoäng voâ caáp thöôøng coù caùc boä phaän chính nhö sau:
– Bieán moâmen thuûy löïc.
– Boä baùnh raêng haønh tinh ñeå ñoåi chieàu quay truïc sô caáp.
– Truyeàn ñoäng voâ caáp nhôø ma saùt.
– Heä thoáng ñieàu khieån.
Sau ñaây chuùng ta seõ tìm hieåu hai daïng hoäp soá töï ñoäng voâ caáp ñaëc tröng coù phöông phaùp
truyeàn moâmen xoaén khaùc nhau.
3.2.1. Hoäp soá töï ñoäng voâ caáp FORD CTX (Continuously Variable Transaxle)
ÔÛ treân hình 18 laø keát caáu cuûa hoäp soá töï ñoäng voâ caáp FORD CTX.
49
1
3
2
4
Hình 18 – Keát caáu cuûa hoäp soá
1 – Caëp beà maët ma saùt hình coân chuû ñoäng; 2 – Caëp beà maët ma saùt hình coân bò ñoäng; 3 – Caùc
phaàn töû naèm ngang cuûa ñai truyeàn; 4 – Caùc lôùp theùp moûng chaïy theo chieàu doïc cuûa ñai truyeàn
Hoäp soá goàm coù hai truïc: truïc sô caáp vaø truïc thöù caáp, boä phaän quan troïng nhaát cuûa hoäp soá
Ford CTX laø hai caëp beà maët ma saùt hình coân cheá taïo baèng theùp. ÔÛ moãi caëp coù moät beà maët coá ñònh
vaø moät beà maët di ñoäng theo chieàu doïc truïc, moâmen xoaén ñöôïc truyeàn töø caëp beà maët ma saùt chuû
ñoäng sang caëp beà maët ma saùt bò ñoäng nhôø moät ñai truyeàn deûo baèng theùp ñöôïc cheá taïo theo moät
nguyeân lyù hoaøn toaøn môùi. Ñai truyeàn naøy goàm 320 phaàn töû baèng theùp ñöôïc xeáp caïnh nhau vaø ñaët
naèm ngang so vôùi ñöôøng truïc cuûa sôïi ñai truyeàn. Moâmen xoaén ñöôïc truyeàn töø truïc chuû ñoäng sang
truïc bò ñoäng laø nhôø ma saùt giöõa caùc phaàn töû naèm ngang vaø caùc beà maët hình coân. Khi laøm vieäc caùc
phaàn töû naøy seõ chòu moät aùp suaát raát lôùn giöõa beà maët cuûa chuùng vaø beà maët cuûa caùc ñóa hình coân.
Maët khaùc caùc lôùp theùp chaïy theo chieàu doïc laïi chòu moät söùc caêng raát lôùn (moãi lôùp sôïi theùp moûng
coù beà daøy 0,1 mm vaø ñöôïc ñaët choàng leân nhau thaønh nhieàu lôùp). Heä soá ma saùt giöõa beà maët cuûa ñai
truyeàn vaø beà maët cuûa taám ma saùt töông ñoái nhoû, do ñoù ñeå truyeàn moâmen xoaén maø khoâng bò tröôït
thì giöõa caùc ñai truyeàn vaø caùc beà maët ma saùt hình coân phaûi xuaát hieän moät löïc neùn raát lôùn
(20.000N).
Theo höôùng truyeàn moâmen xoaén töø ñoäng cô xuoáng, ngay sau baùnh ñaø ñoäng cô laø boä phaän
giaûm chaán xoaén. Noù coù taùc duïng giôùi haïn caùc rung ñoäng khi chaïy khoâng taûi vaø laøm giaûm caùc taûi
troïng ñoäng töø ñoäng cô leân heä thoáng truyeàn löïc trong tröôøng hôïp taøi xeá taêng hoaëc giaûm ga ñoät ngoät.
50
a) b)
Hình 19 – Sô ñoà truyeàn moâmen xoaén vaø nguyeân lyù ñoåi chieàu quay caùc truïc cuûa hoäp soá
a – Xe chaïy theo chieàu tieán; b – Xe chaïy luøi
Töø truïc thöù caáp cuûa giaûm chaán xoaén, moâmen xoaén ñöôïc truyeàn ñeán caàn cuûa boä baùnh raêng
haønh tinh (xem hình 19) caùc truïc cuûa baùnh raêng veä tinh moät ñaàu ñöôïc noái vôùi caàn (loàng raêng) vaø
ñaàu kia ñöôïc noái vôùi ly hôïp 1 (ly hôïp cho chuyeån ñoäng tieán), ly hôïp naøy ñoùng hay môû laø nhôø söï
thay ñoåi aùp suaát cuûa daàu thuûy löïc ñieàu khieån noù (ly hôïp ma saùt öôùt). Maët khaùc baùnh raêng bao cuûa
boä baùnh raêng haønh tinh ñöôïc noái vôùi ly hôïp 3 (ly hôïp cho chuyeån ñoäng luøi) cuõng laø loaïi ma saùt
öôùt. Neáu ly hôïp 1 ñoùng vaø ly hôïp 3 môû, laäp töùc boä baùnh raêng haønh tinh bò haõm (caùc baùnh raêng veä
tinh khoâng quay) luùc naøy caùc boä phaän cuûa boä baùnh raêng haønh tinh ñeàu quay nhö moät khoái ñoäng
hoïc lieàn (khoâng coù söï maát naêng löôïng trong boä baùnh raêng haønh tinh) bôûi vaäy moâmen xoaén ñöôïc
truyeàn tröïc tieáp töø caàn cuûa boä baùnh raêng haønh tinh qua caëp ñóa ma saùt hình coân treân truïc chuû ñoäng
cuûa hoäp soá. Do ñoù chieàu quay cuûa truïc sô caáp hoäp soá seõ cuøng chieàu vôùi chieàu quay cuûa truïc khuyûu
ñoäng cô vaø luùc naøy xe chuyeån ñoäng theo chieàu tieán (xem hình 14a).
Tröôøng hôïp ngöôïc laïi, neáu ly hôïp 1 môû vaø ly hôïp 3 ñoùng, laäp töùc boä baùnh raêng haønh tinh trôû
laïi traïng thaùi laøm vieäc töï do (khoâng bò haõm) caùc baùnh raêng veä tinh quay theo chieàu muõi teân (xem
hình 14b). Nhôø vaäy, truïc sô caáp cuûa hoäp soá seõ ñoåi chieàu quay vaø quay ngöôïc vôùi chieàu quay cuûa
coát maùy, luùc naøy chieàu quay cuûa baùnh xe chuû ñoäng cuõng bò ñoåi chieàu vaø xe seõ chuyeån ñoäng luøi.
Nguyeân lyù laøm vieäc cuûa hoäp soá FORD CTX raát ñôn giaûn: moâmen xoaén ñöôïc truyeàn bôûi ñai
truyeàn naèm giöõa caùc beà maët ma saùt hình coân. Söï dòch chuyeån töông ñoái giöõa chuùng theo chieàu truïc
seõ thay ñoåi lieân tuïc tyû soá truyeàn, ñieàu naøy phuï thuoäc vaøo vò trí töông ñoái giöõa ñai truyeàn vaø truïc
töông öùng. Khi caùc beà maët ma saùt xa nhau ra treân moät truïc naøo ñoù thì taïi truïc ñoù khoaûng caùch giöõa
ñai truyeàn vaø truïc ñoù giaûm daàn, ngöôïc laïi neáu hai beà maët ma saùt hình coân tieán laïi gaàn nhau thì
khoaûng caùch giöõa ñai truyeàn vaø truïc töông öùng seõ taêng leân.
51
Hai quaù trình naøy xaûy ra ñoàng thôøi ôû treân hai truïc vaø ngöôïc chieàu nhau bôûi vaäy tyû soá truyeàn
töø truïc chuû ñoäng sang truïc bò ñoäng seõ taêng hoaëc giaûm lieân tuïc do söï chuyeån ñoäng cuûa caùc beà maët
ma saùt di ñoäng so vôùi beà maët ma saùt coá ñònh laø lieân tuïc. Quaù trình thay ñoåi tyû soá truyeàn ñöôïc toùm
taét nhö sau:
B
A
2
1
1
R
2
R
K
Hình 20 – Nguyeân lyù thay ñoåi voâ caáp tyû soá truyeàn
Tyû soá truyeàn i12 töø truïc sô caáp 1 sang truïc thöù caáp 2 ñöôïc tính: i12 = R2/R1.
Khi xe döøng, do ñoäng cô khoâng laøm vieäc, aùp suaát daàu thuûy löïc trong buoàng A vaø B coù giaù trò
cöïc tieåu. Luùc ñoù loø xo K (coù löïc eùp raát lôùn) seõ ñaåy maët ma saùt hình coân di ñoäng treân truïc 2 ñeán saùt
maët ma saùt coá ñònh, luùc naøy R2 = R2max (xem hình 15) vaø do söùc caêng cuûa ñai truyeàn neân beà maët
coân di ñoäng cuûa truïc 1 thaéng ñöôïc aùp löïc daàu, bôûi vaäy noù bò eùp veà phía phaûi ñeán vò trí cuoái cuøng.
Nhö vaäy luùc naøy R1 = R1min vaø i12 = R2max /R1min = i12max.
Khi khôûi ñoäng ñoäng cô, caàn choïn cheá ñoä ñi phaûi ôû vò trí N (chaïy khoâng taûi, luùc naøy ly hôïp 1
vaø 3 ñeàu môû).
Khi taøi xeá muoán ñi theo chieàu tieán, caàn choïn cheá ñoä ñi phaûi ñöa veà vò trí D vaø taêng chaân
ga. Vôùi söùc caûn chuyeån ñoäng giaûm daàn vaø aùp suaát daàu trong buoàng A vaø B taêng daàn, aùp löïc daàu ôû
B thaéng söùc eùp loø xo K, ñaåy ñóa di ñoäng treân truïc 2 veà beân traùi nghóa laø R2 giaûm daàn vaø R1 taêng
daàn, luùc ñoù tyû soá truyeàn: i12=R2 giaûm daàn / R1 taêng daàn . Do ñoù i12 giaûm daàn.
Ñeán moät luùc naøo ñoù, öùng vôùi luùc söùc caûn chuyeån ñoäng ñaït giaù trò cöïc tieåu, taøi xeá ñaïp chaân ga
ñeán vò trí saâu nhaát, soá voøng quay ñoäng cô ñaït giaù trò cöïc ñaïi vaø aùp suaát daàu trong buoàng A vaø B
cuõng ñaït giaù trò cöïc ñaïi, luùc naøy hai ñóa di ñoäng treân truïc 1 vaø 2 ñeàu bò eùp veà vò trí taän cuøng beân
traùi cho neân: R1 = R1max, R2=R2min. Luùc naøy tyû soá truyeàn: i12 = R2min / R1max = i12min
Trong quaù trình i12 thay ñoåi töø i12max ñeán i12min do caùc ñóa di ñoäng bò eùp lieân tuïc neân R1 taêng
lieân tuïc vaø R2 giaûm xuoáng lieân tuïc bôûi vaäy i12 cuõng giaûm xuoáng lieân tuïc töø i12max ñeán giaù trò i12min.
Neáu gaëp söùc caûn chuyeån ñoäng cuûa maët ñöôøng taêng (chaúng haïn ñoä doác cuûa maët ñöôøng taêng) nhôø söï
ñieàu khieån cuûa trung taâm ñieàu khieån maø aùp suaát daàu trong A vaø B seõ giaûm. Do söùc eùp cuûa loø xo K,
ñóa di ñoäng treân truïc 2 bò ñaåy töø traùi qua phaûi cho neân R2 taêng daàn leân. Do ñai truyeàn bò keùo dòch
52
veà phía truïc 2 neân löïc eùp giöõa maët beân ñai truyeàn vaø maët beân cuûa ñóa di ñoäng treân truïc 1 seõ thaéng
aùp löïc daàu ôû A vaø ñaåy ñóa ma saùt veà beân phaûi, bôûi vaäy R1 giaûm xuoáng. Luùc naøy tyû soá truyeàn laø:
i12 = R2 taêng daàn / R1 giaûm daàn. Do ñoù i12 taêng daàn.
Neáu söùc caûn chuyeån ñoäng taêng leân lieân tuïc thì i12 cuõng taêng leân lieân tuïc.Quaù trình taêng hoaëc
giaûm tyû soá truyeàn laø caùc quaù trình lieân tuïc (khoâng nhaûy töøng baäc nhö ôû hoäp soá coù caáp). Ñoù laø
nguyeân lyù thay ñoåi voâ caáp tyû soá truyeàn cuûa hoäp soá FORD CTX.
3.2.2. Hoäp soá töï ñoäng voâ caáp Extroid CVT (Continuously Variable Automatic
Transmission) cuûa Nissan
Haõng Nissan vöøa cho ra ñôøi hoäp soá töï ñoäng voâ caáp vôùi moät phöông thöùc truyeàn ñoäng hoaøn
toaøn môùi so vôùi nhöõng hoäp soá töï ñoäng voâ caáp tröôùc ñaây. Moâmen xoaén ñöôïc truyeàn nhôø caùc beà maët
ma saùt vaø hoäp soá naøy truyeàn ñöôïc moâ men xoaén coù giaù trò ñeán 400 Nm.
Treân hình 21 laø caáu taïo cuûa hoäp soá. Töø traùi sang phaûi, boä phaän thöù nhaát laø bieán moâ thuûy löïc,
boä phaän thöù 2 laø boä baùnh raêng haønh tinh ñeå taïo ra soá luøi cho hoäp soá, boä phaän thöù 3 laø truyeàn ñoäng
voâ caáp nhôø ma saùt, boä phaän thöù 4 laø 2 caëp baùnh raêng truï ñeå taêng tyû soá truyeàn cho hoäp soá.
Hình 21 – Caáu taïo cuûa hoäp soá
Boä phaän quan troïng nhaát cuûa hoäp soá ñeå taïo ra tyû soá truyeàn voâ caáp laø 2 caëp ñóa ma saùt hình
coân loõm. ÔÛ moãi caëp ñóa ma saùt hình coân loõm coù 2 ñóa quay ñöôïc eùp tì vaøo ñeå truyeàn moâmen xoaén
töø ñóa chuû ñoäng sang ñóa bò ñoäng.
ÔÛ caëp ñóa ma saùt hình coân loõm thöù nhaát (caëp beân traùi): ñóa chuû ñoäng ôû beân traùi, ñóa bò ñoäng ôû
beân phaûi, coøn ôû caëp ñóa ma saùt hình coân loõm thöù 2 thì ngöôïc laïi. Hai ñóa ma saùt hình coân loõm chuû
ñoäng noái cöùng vôùi truïc sô caáp, coøn 2 ñóa bò ñoäng thì quay trôn treân truïc, nhöng chuùng laïi noái cöùng
vôùi baùnh raêng thöù nhaát vaø baùnh raêng naøy cuõng quay trôn treân truïc sô caáp. Moâmen xoaén töø truïc sô
caáp ñi qua 2 ñóa hình coân loõm chuû ñoäng, sau ñoù noù ñöôïc truyeàn ñeán 2 ñóa hình coân loõm bò ñoäng
thoâng qua 4 ñóa eùp, töø 2 ñóa hình coân loõm bò ñoäng moâmen xoaén ñi qua baùnh raêng thöù nhaát, thöù 2,
thöù 3, thöù 4 vaø sau ñoù ñi ra ngoaøi theo truïc thöù caáp.
Hình 22 – Nguyeân lyù thay ñoåi voâ caáp tyû soá truyeàn
Nguyeân lyù thay ñoåi voâ caáp tyû soá truyeàn ñöôïc chæ roõ ôû hình 22. Tyû soá truyeàn voâ caáp ñöôïc tính:
i = ro / r1
Thoâng qua heä thoáng ñieàu khieån, neáu chuùng ta thay ñoåi ñoä nghieâng cuûa caùc ñóa eùp lieân tuïc thì
baùn kính r1 seõ taêng (hoaëc giaûm) lieân tuïc vaø baùn kính ro seõ giaûm (hoaëc taêng) lieân tuïc. Bôûi vaäy tyû soá
truyeàn i seõõ giaûm (hoaëc taêng) lieân tuïc.
Heä thoáng ñieàu khieån hoäp soá ñöôïc theå hieän ôû hình 18. Caùc tín hieäu töø caùc boä caûm bieán ñöôïc
truyeàn veà boä phaän ñieàu khieån. Boä phaän ñieàu khieån xöû lyù caùc tín hieäu vaø ñieàu khieån boä phaän chaáp
haønh (van ñaûo chieàu) ñeå ñoùng hoaëc môû caùc maïch daàu thích hôïp ñeán caùc boä phaän trôï löïc thuûy löïc.
Caùc boä phaän trôï löïc thuûy löïc naøy coù nhieäm vuï laøm xoay caùc truïc ñeå thay ñoåi ñoä nghieâng cuûa caùc
ñóa eùp. Quaù trình thay ñoåi ñoä nghieâng cuûa caùc ñóa eùp xaûy ra phaûi raát chính xaùc vaø ñoàng boä giöõa
caùc ñóa.
Caùc tín hieäu ñieàu khieån bao goàm : vò trí böôùm ga, soá voøng quay cuûa ñoäng cô, soá voøng quay
cuûa ñóa chuû ñoäng vaø bò ñoäng, vò trí caàn choïn cheá ñoä chuyeån ñoäng vaø nhieät ñoä cuûa daàu.
Hình 23 – Heä thoáng ñieàu khieån hoäp soá
54
B – TÍNH TOÁN VÀ THIẾT KẾ HỘP SỐ TỰ ĐỘNG
III. CÁC THÔNG SỐ KỸ THUẬT CỦA HỘP SỐ TỰ ĐỘNG
IV. TÍNH ĐỘNG HỌC VÀ ĐỘNG LỰC HỌC CỦA HỘP SỐ TỰ ĐỘNG
3. Tính toaùn bieán moâmen thuûy löïc
Khi caùc phaàn töû chaát loûng chuyeån ñoäng qua caùc caùch cuûa B, T vaø P vaän toác tuyeät ñoái bao
goàm vaän toác töông ñoái vaø vaän toác theo :
Khi ñi vaøo ñóa B, doøng chaát loûng coù caùc vaän toác vb1, wb1, ub1 (ôû hình 24). Khi ra khoûi ñóa B
caùc vaän toác cuûa doøng chaát loûng laø vb2 , wb2, ub2.
Hình 24 – Sô ñoà vaän toác cuûa chaát loûng khi chuyeån ñoäng theo caùnh cuûa bôm (B)
Chuùng ta kí hieäu laø khoái löôïng cuûa chaát loûng ñi qua caùc caùnh ñóa B trong moät giaây,
thì moâmen xoaén cuûa truïc ñóa B seõ laø: (Theo moân Maùy thuûy löïc)
= (4.16)
Caùc giaù trò OA, OB, rb1, rb2, b1, b2 ñöôïc bieåu thò treân hình (23).
v

w

u

u
w
v





v
B
b1
b1
u
b1
w
b2
u
b2
v
b2
w
2
1
A
rb1
b2
r
b
b1

b2
b1
b2
O
g
G
m 
)
cos
.
r
.
v
cos
.
r
.
v
.(
g
G
M 1
b
1
b
1
b
2
b
2
b
2
b
b 



)
OA
.
v
OB
.
v
.(
g
G
1
b
2
b 
55
Doøng chaát loûng sau khi ñi ra khoûi B taïi ñieåm 2 laäp töùc ñi vaøo T taïi ñieåm 1. Vì khe hôû giöõa B
vaø T voâ cuøng nhoû neân moâmen ñoäng löôïng cuûa doøng chaát loûng ra khoûi B baèng moâmen ñoäng löôïng
cuûa doøng chaát loûng ñi vaøo T:
(4.17)
Vì vaän toác vt2 ngöôïc chieàu quay cuûa T, neân vt2 coù höôùng aâm. Bôûi vaäy, moâmen treân truïc T seõ
laø:
(4.18)
Caùc giaù trò OC, OD, rt1, rt2, t1, t2 bieåu thò treân hình 25.
Hình 25 – Sô ñoà vaän toác cuûa chaát loûng khi chuyeån ñoäng theo caùnh cuûa tuoác bin (T)
Do moâmen ñoäng löôïng cuûa doøng chaát loûng ra khoûi T baèng moâmen ñoäng löôïng ñi vaøo P vaø
moâ men ñoäng löôïng ra khoûi P baèng moâmen ñoäng löôïng ñi vaøo B, neân moâmen cuûa ñóa P laø:
= (4.19)
Töø caùc bieåu thöùc (4.16); (4.18); (4.19) suy ra:
-Mt = Mb + Mp (4.20)
Daáu tröø ôû giaù trò Mt theå hieän tuoácbin nhaän moâmen cuûa doøng chaát loûng.
OC
.
v
.
g
G
OB
.
v
.
g
G
1
t
2
b 
)
OC
.
v
OD
.
v
(
g
G
M 1
t
2
t
t 


)
OB
.
v
OD
.
v
(
g
G
2
b
2
t 


u t1
t1
v
t1
w
t2
u
t2
w t2
v
t

t2
r
t1
r
1
2
D
o
C
t1
t2
't2
t2
t1
 
)
OD
.
v
(
OA
.
v
g
G
M 2
t
1
b
p 


)
OD
.
v
OA
.
v
(
g
G
2
t
1
b 
56
Bieåu thöùc (4.20) chöùng toû moâmen xoaén cuûa tuoác bin taêng leân ñöôïc laø nhôø coù ñóa phaûn xaï.
Ñeå ñaëc tröng cho khaû naêng taêng moâmen xoaén cuûa bieán moâmen thuûy löïc, ngöôøi ta ñöa ra heä
soá bieán moâmen K:
(4.21)
Khaû naêng taêng moâmen xoaén lôùn nhaát laø ôû giaù trò K = K0 khi ñóa tuoác bin ñöùng yeân:
nt = 0.
Hieäu suaát cuûa bieán moâmen thuûy löïc ñöôïc tính:
(4.22)
Trong ñoù:
itb – Tyû soá voøng quay cuûa T so vôùi B.
S – Ñoä tröôït cuûa ñóa T so vôùi ñóa B.
S= (4.23)
Caùc ñöôøng ñaëc tính cuûa bieán moâmen thuûy löïc
So vôùi ly hôïp thuûy löïc, ñöôøng ñaëc tính cuûa bieán moâmen thuûy löïc coù söï khaùc bieät. Bôûi vì, ôû
bieán moâmen thuûy löïc chaát loûng ñöôïc naïp ñaày vaø coù moät aùp suaát dö nhaát ñònh, do bieán moâmen
thuûy löïc chæ laøm vieäc oån ñònh trong ñieàu kieän chaát loûng khoâng coù boït khí.
Ñöôøng ñaëc tính cuûa bieán moâ men thuûy löïc coù ñóa phaûn xaï coá ñònh ñöôïc xaùc ñònh baèng thöïc
nghieäm (hình 26).
Hình 26 – Ñöôøng ñaëc tính ngoaøi cuûa bieán moâmen thuûy löïc coù ñóa phaûn xaï coá ñònh (khi nb = const)
Töø ñöôøng ñaëc tính cho thaáy, khi nt taêng daàn ñeán gaàn giaù trò nb thì Mt vaø K giaûm xuoáng.
ÔÛ beân traùi ñieåm C giaù trò Mp  0 neân Mt = Mb + Mp bôûi vaäy Mt  Mb vaø K 1.
b
t
M
M
K 
S)
K(1
K.i
n
n
K
.ω
M
.ω
M
η tb
b
t
b
b
t
t
b 




b
t
n
n
1
Mp
Mb
nt
K=1
A
B
M,K,
D
C
0
Mt
l

b

tA tC tD
n n n
(+)
()
K
57
Taïi ñieåm C giaù trò Mp = 0 neân Mt = Mb vaø K = 1.
ÔÛ beân phaûi ñieåm C (öùng vôùi nt ntc) ñóa phaûn xaï P trôû thaønh boä phaän haõm. Nguyeân nhaân laø
töø soá voøng quay nt  ntc caùc phaàn töû chaát loûng bò ñoåi höôùng vaø ñaäp vaøo sau löng caùc caùnh cuûa ñóa
P, neân luùc naøy moâmen Mp ñoåi chieàu vaø coù giaù trò aâm (xem hình 4.20), Mp  0 neân Mt = Mb - Mp
vaø K 1.
Hieäu suaát cuûa bieán moâmen thuûy löïc b bieán thieân theo ñöôøng cong baäc hai vaø b = bmax taïi
ñieåm A öùng vôùi soá voøng quay nt = ntA. Ñeå tieän so saùnh, treân ñöôøng ñaëc tính coù veõ theâm ñöôøng
hieäu suaát cuûa ly hôïp thuûy löïc l. Vôùi 0  nt  ntc thì b>t vaø k>1.
ÖÙng vôùi ntc  nt  ntD do söï maát maùt trong ñóa P neân b giaûm nhanh vaø keát quûa laøb<l.
Töø hình 4.19 chuùng ta thaáy: khi ñóa P coá ñònh thì töø soá voøng quay nt  ntc trôû ñi Mt  Mb.
Ñaây laø nhöôïc ñieåm lôùn caàn khaéc phuïc. Bôûi vaäy khi ñaët ñóa P treân khôùp quay moät chieàu thì seõ
khaéc phuïc ñöôïc nhöôïc ñieåm treân (hình 26). Beân döôùi hình 27 bieåu dieãn phöông, chieàu cuûa caùc
phaàn töû chaát loûng ñaäp vaøo caùc caùnh cuûa ñóa P ôû caùc thôøi ñieåm nt khaùc nhau. Vôùi soá voøng quay nt 
ntc trôû ñi caùc phaàn töû chaát loûng ñaäp vaøo sau löng caùc caùnh cuûa P. Neáu luùc naøy ñóa P quay töï do thì
noù khoâng coøn laø boä phaän haõm nöõa. Luùc naøy bieán moâmen thuûy löïc laøm vieäc theo nguyeân lyù cuûa ly
hôïp thuûy löïc.
Söï thay ñoåi höôùng va ñaäp cuûa caùc phaàn töû chaát loûng leân caùnh cuûa ñóa P khi nt thay ñoåi
Hình 27 – Ñöôøng ñaëc tính ngoaøi cuûa bieán moâmen thuûy löïc coù ñóa phaûn xaï ñaët
treân khôùp quay 1 chieàu (khi nb = const)
A
B
M,K,
D
C
0
Mt
tA tC tD
n n n
(+)
K
Mp
Mb
nt
K=1
b
Mt b
= M
b


l
58
4. Tính toán động học và động lực học của hộp số hành tinh
Tröôùc heát chuùng ta khaûo saùt ñoäng hoïc vaø ñoäng löïc hoïc cuûa boä baùnh raêng haønh tinh ñôn giaûn
ôû trong hoäp soá haønh tinh 1 caáp.
Boä baùnh raêng haønh tinh ñôn giaûn goàm coù caùc phaàn töû sau (hình 28):
 Baùnh raêng trung taâm (C): coù soá voøng quay laø nC , vaän toác goùc laø C.
 Baùnh raêng bao (voøng raêng) (K): coù soá voøng quay laø nK, vaän toác goùc laø K.
 Caùc baùnh raêng haønh tinh (S): coù soá voøng quay laø n S, vaän toác goùc laø S.
 Caàn daãn (U): coù soá voøng quay laø nU, vaän toác goùc laø U.
Hình 28 – Sô ñoà boä baùnh raêng haønh tinh ñôn giaûn
Chuùng ta seõ xaùc ñònh caùc quan heä ñoäng hoïc vaø ñoäng löïc hoïc cho boä baùnh raêng haønh tinh ñôn
giaûn theo hình 28.
Töø ñieàu kieän caân baèng ôû baùnh raêng haønh tinh (S) ta coù:
Fs =
C
C
r
M
=
K
K
r
M
 MC = K
K
C
M
.
r
r
(4.24)
Toång moâmen treân caû 3 phaàn töû coù truïc ñi ra ngoaøi (ñoù laø C, U, vaø K) phaûi baèng khoâng (vôùi
giaû thieát hieäu suaát = 1)
MC + MK – MU = 0 (4.25)
ÔÛ ñaây:
MC  Moâmen ôû baùnh raêng trung taâm.
MK  Moâmen ôû baùnh raêng bao.
MU  Moâmen ôû caàn daãn.
59
Hình 29 – Quan heä cuûa caùc löïc vaø moâmen trong boä baùnh raêng haønh tinh ñôn giaûn
Thay giaù trò MC töø (4.24) vaøo (4.25) ta coù:
MU = MC + MK = (1 +
C
K
M
M
). MC (4.26)
= (1 +
K
C
M
M
). MK = (1 +
C
K
r
r
).MC = (1 + K
K
C
M
).
r
r
Vôùi giaû thieát = 1 thì coâng suaát ôû ñaàu vaøo PV baèng coâng suaát ôû ñaàu ra PR:
PV = PR
Töùc laø: MV. V = MR.R
Hoaëc: MV.nv = MR.nR
ÔÛ ñaây:
V Vaän toác goùc ôû ñaàu vaøo.
R Vaän toác goùc ôû ñaàu ra.
MV  Moâmen ôû ñaàu vaøo.
MR  Moâmen ôû ñaàu ra.
nv  Soá voøng quay ôû ñaàu vaøo.
nR  Soá voøng quay ôû ñaàu ra.
Töø ñoù chuùng ta xaùc ñònh ñöôïc tyû soá truyeàn:
i =
R
V


=
V
R
M
M
=
R
V
n
n
(4.27)
Nhôø caùc phöông trình treân chuùng ta coù theå xaùc ñònh ñöôïc taát caû caùc tyû soá truyeàn coù theå xaûy
ra.
Khi haõm baùnh raêng bao (nK = 0), ñaàu vaøo ñöôïc choïn laø truïc cuûa baùnh raêng trung taâm vaø ñaàu
ra laø truïc cuûa caàn daãn, ta coù:
nV = nC ; MV = MC
nR = nU ; MR = MU
Tyû soá truyeàn theo (4.27) seõ laø:
i =
U
C
n
n
=
C
U
M
M
Vaø bôûi vì theo (4.26) quan heä moâmen laø
C
U
M
M
= 1 +
C
K
r
r
neân chuùng ta nhaän ñöôïc:
60
i = 1 +
C
K
r
r
Khi haõm baùnh raêng trung taâm (nC = 0), ñaàu vaøo laø truïc cuûa caàn daãn, ñaàu ra laø truïc cuûa baùnh
raêng bao, ta coù:
nV = nU ; MV = MU
nR = nK ; MR = MK
Tyû soá truyeàn trong tröôøng hôïp naøy seõ laø:
i =
K
U
n
n
=
U
K
M
M
Töø phöông trình (4.26) suy ra:
i =
U
K
M
M
=
K
C
r
r
1
1

Quan heä giöõa caùc vaän toác tieáp tuyeán (vaän toác daøi) cuûa caùc phaàn töû ôû trong boä baùnh raêng
haønh tinh ñôn giaûn ñöôïc theå hieän treân hình (4.26).
Theo caùc coâng thöùc ôû cô hoïc, ta coù:
vC = rC. C ; vK = rK. K
 vU =
2
1
(vC + vK) =
2
1
( rK. K + rC. C)
Trong ñoù:
vC  Vaän toác tieáp tuyeán cuûa baùnh raêng trung taâm ôû taïi voøng troøn cô sôû.
vK  Vaän toác tieáp tuyeán cuûa baùnh raêng bao ôû taïi voøng troøn cô sôû.
vU  Vaän toác tieáp tuyeán cuûa caàn daãn ôû taïi taâm cuûa baùnh raêng haønh tinh.
Boä baùnh raêng haønh tinh ñôn giaûn coù theå taïo ra nhieàu tæ soá truyeàn khaùc nhau. Trong baûng
(4.1) ñaõ lieät keâ taát caû caùc tröôøng hôïp coù theå gaëp. Tuy nhieân trong soá ñoù chæ coù vaøi tröôøng hôïp laø coù
theå öùng duïng vaøo thöïc teá cho hoäp soá haønh tinh vaø hoäp soá töï ñoäng coù caáp.
Töø baûng 4.1 cho ta thaáy moät boä baùnh raêng haønh tinh ñôn giaûn coù theå cho ra 7 tæ soá truyeàn
khaùc nhau.
61
Baûng 4.1:
Sau ñaây chuùng ta seõ xeùt ñeán hoäp soá haønh tinh phöùc taïp (hoäp soá haønh tinh nhieàu caáp).
Hoäp soá haønh tinh nhieàu caáp ñöôïc keát noái töø caùc boä baùnh raêng haønh tinh ñôn giaûn laïi vôùi
nhau. Thoâng thöôøng soá boä baùnh raêng haønh tinh ñôn giaûn keát hôïp vôùi nhau laø 2 hoaëc 3, ñaëc bieät coù
tröôøng hôïp laø 4 boä.
Xeùt tröôøng hôïp keát noái hai boä baùnh raêng haønh tinh ñôn giaûn (hình 30). Luùc naøy chuùng ta coù
theå nhaän ñöôïc 7 x 7 = 49 tæ soá truyeàn khaùc nhau. Ñaùng tieác laø trong soá ñoù chæ coù vaøi tæ soá truyeàn laø
coù theå öùng duïng trong thöïc teá.
Tyû soá truyeàn toaøn boä ñöôïc tính:
i = i1. i2
Trong ñoù:
i1  Tyû soá truyeàn cuûa boä baùnh raêng haønh tinh ñôn giaûn thöù nhaát.
i2  Tyû soá truyeàn cuûa boä baùnh raêng haønh tinh ñôn giaûn thöù 2.
62
Theo tröôøng hôïp ôû hình 30 vaø keát hôïp vôùi caùc tæ soá truyeàn ñaõ tính ñöôïc ôû baûng 4.1 thì tæ soá
truyeàn toaøn boä seõ laø:
i = (1+
K1
C1
r
r
).(1 +
K2
C2
r
r
)
Hình 30 – Sô ñoà keát noái 2 boä baùnh raêng haønh tinh ñôn giaûn thoâng qua moät truïc
Khaû naêng lieân keát thöù hai laø söï keát noái giöõa hai phaàn töû cuûa boä baùnh raêng haønh tinh thöù nhaát
vôùi hai phaàn töû cuûa boä baùnh raêng haønh tinh thöù hai (keát noái thoâng qua hai truïc). Moät ví duï cho
tröôøng hôïp naøy laø sô ñoà ôû treân hình 31.
Hình 31 – Sô ñoà keát noái hai boä baùnh raêng haønh tinh ñôn giaûn thoâng qua hai truïc
63
Hieän nay ôû caùc hoäp soá töï ñoäng coù 3 soá tieán vaø 1 soá luøi thöôøng söû duïng beân trong noù laø hoäp soá
haønh tinh Ravigneaux hoaëc Simpson. Sau ñaây chuùng ta seõ khaûo saùt caû hai loaïi hoäp soá naøy.
Treân hình 32 a,b laø sô ñoà hoäp soá Ravigneaux. Noù goàm coù 2 baùnh raêng trung taâm C1, C2, hai
nhoùm baùnh raêng haønh tinh S1, S2, moät caàn daãn U vaø moät baùnh raêng bao K.
ÔÛ baûng 4.2 lieät keâ taát caû caùc tæ soá truyeàn ñöôïc öùng duïng vaø ñaàu vaøo, ñaàu ra cuûa hoäp soá ôû caùc
tröôøng hôïp cuï theå.
Hình 32 – Hoäp soá haønh tinh Ravigneaux
a, b – Sô ñoà cuûa hoäp soá; c – Caùc löïc vaø moâmen taùc duïng ôû tay soá 1; d – Caùc löïc vaø moâmen
taùc duïng ôû tay soá 2; e – Caùc löïc vaø moâmen taùc duïng ôû tay soá luøi
64
Baûng 4.2: Caùc tyû soá truyeàn cuûa hoäp soá Ravigneaux
Hoäp soá haønh tinh tieáp theo ñöôïc söû duïng khaù thöôøng xuyeân laø hoäp soá Simpson (hình 33).
Hoäp soá naøy coù 2 boä baùnh raêng haønh tinh ñôn giaûn. Hai baùnh raêng trung taâm C1 vaø C2 ñöôïc noái vôùi
nhau bôûi moät truïc. Hai nhoùm baùnh raêng haønh tinh S1, S2 coù kích thöôùc khaùc nhau. Hai baùnh raêng
bao K1, K2 cuõng coù kích thöôùc khaùc nhau. Caàn daãn U2 ñöôïc noái vôùi baùnh raêng bao K1.
Hình 33 – Sô ñoà hoäp soá haønh tinh Simpson
65
Taát caû caùc soá lieäu quan troïng vaø caùc tyû soá truyeàn cuûa hoäp soá haønh tinh Simpson ñöôïc lieät keâ
ôû baûng 4.3.
Baûng 4.3: Caùc tyû soá truyeàn cuûa hoäp soá Simpson
4.1. Phöông phaùp choïn soá raêng cho hoäp soá haønh tinh
Soá raêng cuûa hoäp soá haønh tinh ñöôïc choïn theo coâng thöùc sau:
(4.28)
Trong ñoù:
z1, z2  Soá raêng cuûa baùnh raêng trung taâm vaø baùnh raêng bao.
zh  Soá raêng cuûa baùnh raêng haønh tinh.
x  Soá löôïng baùnh raêng haønh tinh.
K=  Thoâng soá cuûa cô caáu (tæ soá truyeàn beân trong).
Baèng caùch choïn tröôùc soá löôïng raêng cuûa baùnh raêng nhoû nhaát theo kích thöôùc ñeå traùnh hieän
töôïng caét chaân raêng vaø theo khaû naêng boá trí treân truïc cuõng nhö baèng caùch choïn tröôùc soá löôïng
baùnh raêng haønh tinh vaø thoâng soá K, chuùng ta xaùc ñònh ñöôïc soá löôïng raêng cuûa baùnh raêng coøn laïi.
Soá raêng vöøa tính ñöôïc ôû phaàn treân caàn quy troøn thaønh soá nguyeân vaø kieåm tra ñeå ñaûm baûo
ñieàu kieän ñoàng truïc, ñieàu kieän laép gheùp vaø ñieàu kieän keà.
Ñieàu kieän ñoàng truïc ñöôïc theå hieän theo coâng thöùc:
z2 - z1 = 2 zh (4.29)
Ñeå ñaûm baûo ñaàu raêng cuûa baùnh raêng haønh tinh truøng vôùi chaân raêng cuûa baùnh raêng trung
taâm vaø baùnh raêng bao, chuùng ta phaûi tuaân theo ñieàu kieän laép gheùp sau:
z1 + z2 = nx (4.30)
ÔÛ ñaây: n  Soá nguyeân baát kyø.
Ñieàu kieän keà ñaûm baûo coù khe hôû giöõa caùc raêng cuûa caùc baùnh raêng laân caän. Muoán vaäy phaûi
thoûa maõn baát phöông trình sau:
)
1
K
(
x
z
:
K
z
:
)
1
K
(
z
z
:
z
x
z
z
:
z
:
z
:
z 1
1
2
1
1
2
1
2
h
1 



1
2
z
z
66
0
)
x
π
sin
(1
z
x
π
sin
z h
1 

 (4.31)
Neáu soá raêng nhaän ñöôïc khoâng thoûa maõn ñieàu kieän ñoàng truïc thì phaûi duøng phöông phaùp dòch
chænh.
4.2. Xaùc ñònh tyû soá truyeàn theo soá raêng
Tröôùc heát chuùng ta xaùc ñònh tæ soá truyeàn cuûa hoäp soá haønh tinh ñôn giaûn (cô caáu haønh tinh
moät daõy).
Caùc phaàn töû cuûa cô caáu haønh tinh bao goàm:
Baùnh raêng trung taâm coù vaän toác goùc 1 vaø soá raêng z1.
Baùnh raêng bao coù vaän toác goác 2 vaø soá raêng z2.
Baùnh raêng haønh tinh coù vaän toác goác h vaø soá raêng zh.
Loàng raêng (caàn daãn) coù vaän toác goùc c.
Khi moät phaàn töû naøo ñoù cuûa cô caáu haønh tinh ñöôïc noái vôùi truïc sô caáp cuûa hoäp soá thì vaän toác
goùc cuûa phaàn töû ñoù baèng vaän toác goác ñaàu vaøo v.
Khi moät phaàn töû naøo ñoù cuûa cô caáu haønh tinh ñöôïc noái vôùi truïc thöù caáp cuûa hoäp soá thì vaän
toác goùc cuûa phaàn töû ñoù baèng vaän toác goác ñaàu ra R.
Tyû soá truyeàn cuûa hoäp soá ôû moät tay soá thöù i naøo ñoù ñöôïc xaùc ñònh bôûi tæ soá:
(4.32)
Ñeå xaùc ñònh ñöôïc tæ soá treân, chuùng ta phaûi döïa vaøo coâng thöùc Willys:
(4.32)
Hoaëc nhôø phöông trình ñoäng hoïc cuûa cô caáu haønh tinh moät daõy:
1z1 + 2z2 = c(z1 + z2) (4.33)
Thoâng thöôøng chæ vôùi phöông trình ñoäng hoïc thì chöa ñuû ñeå tìm ñöôïc ihi. Chuùng ta phaûi keát
hôïp vôùi caùc phöông trình bieåu dieãn moái lieân keát giöõa caùc phaàn töû cuûa cô caáu haønh tinh vôùi caùc
phaàn töû cuûa cô caáu ñieàu khieån (caùc ly hôïp ma saùt hoaëc caùc phanh daûi).
Caùc phöông trình treân laäp thaønh moät heä phöông trình. Giaûi heä phöông trình ñoù, chuùng ta seõ
xaùc ñònh ñöôïc tæ soá truyeàn.
Nguyeân taéc chung ñeå vieát caùc phöông trình lieân keát:
 Khi hai phaàn töû ñöôïc noái vôùi nhau thì vaän toác goùc cuûa chuùng phaûi baèng nhau.
 Khi moät phaàn töû bò haõm laïi thì vaän toác goùc cuûa noù baèng khoâng.
Ñoái vôùi hoäp soá haønh tinh phöùc taïp chöùa n - cô caáu haønh tinh moät daõy (n  2) thì chuùng ta seõ
laäp ñöôïc n  phöông trình ñoäâng hoïc cho töøng cô caáu haønh tinh moät daõy. Ngoaøi ra keát hôïp vôùi caùc
phöông trình bieåu dieãn söï lieân keát giöõa caùc phaàn töû cuûa caùc cô caáu haønh tinh vôùi nhau vaø giöõa caùc
R
v
hi
ω
ω
i 
1
2
c
2
c
1
z
z








67
phaàn töû cuûa cô caáu haønh tinh vôùi caùc phaàn töû ñieàu khieån. Töø ñoù, chuùng ta seõ nhaän ñöôïc moät heä
phương trình. Giaûi heä phöông trình ñoù, ta nhaän ñöôïc tæ soá truyeàn hoäp soá haønh tinh phöùc taïp ôû moät
tay soá nhaát ñònh.
ÔÛ caùc tay soá khaùc nhau, chuùng ta seõ laäp ñöôïc caùc heä phöông trình khaùc nhau.
Tæ soá truyeàn cuûa hoäp soá haønh tinh phöùc taïp ôû tay soá thöù i naøo ñoù vaãn ñöôïc xaùc ñònh theo
coâng thöùc (4.32).
Khi ñi tìm tæ soá truyeàn cuûa hoäp soá haønh tinh chuùng ta phaûi bieát tröôùc soá raêng cuûa caùc baùnh
raêng trung taâm vaø baùnh raêng bao.
Hoäp soá haønh tinh ñôn giaûn ñöôïc goïi laø hoäp soá haønh tinh moät caáp.
Hoäp soá haønh tinh phöùc taïp coù n - cô caáu haønh tinh moät daõy ñöôïc goïi laø hoäp soá haønh tinh
nhieàu caáp.
68
BÀI 3 – HỘP SỐ PHÂN PHỐI
A – KẾT CẤU HỘP SỐ PHÂN PHỐI
I. CÔNG DỤNG, YÊU CẦU VÀ PHÂN LOẠI
1. Coâng duïng
2. Yeâu caàu
3. Phaân loaïi
II. ĐẶC ĐIỂM KẾT CẤU CỦA HỘP SỐ PHÂN PHỐI
1. Cấu tạo chung
69
Hình 1 – Sơ đồ kết cấu các bộ phận chính của hộp số phân phối
1 – Dĩa khớp nối khóa vi sai; 2 – Thanh trượt dĩa khớp nối khóa vi sai; 3 – Áo bọc thanh trượt; 4 –
Vòng đệm hãm; 5 - Ống lót cần trục; 6 – Cần trục; 7 – Bu lông hãm dĩa khớp; 8 – Công tắc đèn
kiểm tra khóa vi sai; 9 – Thanh trượt sang số; 10 – Cần gạt khóa vi sai; 11 - Ống lót cách; 12 – Cần
trục sang số; 13 – Gối trục; 14 – Dĩa khớp sang số; 15 – Cần sang số; 16 - Ống lót cao su định vị;
17 – Lò xo và bi định vị; 18 – Bích trục chủ động; 19 – Nắp trước; 20 – Vòng bít kín trục chủ động;
21 – Vòng chặn ổ bi; 22 - Ổ bi trước của trục chủ động; 23 – Bánh răng số truyền cao nhất; 24 –
Khớp nối sang số; 25 – Các te hộp số phân phối; 26 - Bánh răng số truyền nhỏ nhất; 27 - Ổ bi sau
của trục chủ động; 28 – Vòng định vị ổ trục của trục chủ động; 29 – Trục chủ động; 30 - Ống lót; 31
– Moay ơ; 32 – Nắp sau; 33 - Ổ trục sau của trục trung gian; 34 – Trục trung gian; 35 - Ổ trục của
trục truyền động cầu sau; 36 - Ổ trục sau của vi sai; 37 – Bích; 38 – Vòng bích kín trục dẫn động
của cầu sau; 39 – Vỏ sau của vi sai; 40 – Vòng đệm tựa; 41- Bánh răng dẫn động cầu sau; 42 –
Trục bánh răng hành tinh; 43 – Vòng hãm; 44 – Vòng đệm cao su; 45 – Giá treo; 46 – Vòng đệm
chặn của bánh răng hành tinh; 47 – Các te dẫn động cầu trước; 48 – Bánh răng hành tinh; 49 –
Bánh răng bị động của vi sai; 50 – Vỏ trước của vi sai
70
2. Đặc điểm kết cấu các bộ phận của hộp số phân phối
2.1. Các bộ phận chính của hộp số phân phối
2.2. Đặc điểm cấu tạo của cơ cấu điều khiển hộp số phân phối
3. Đặc điểm kết cấu của một số loại hộp số phân phối
a) Cấu tạo
Hình 2 – Sơ đồ động học của hộp số phân phối
3.2. Sô ñoà ñoäng hoïc cuûa caùc loaïi hoäp phaân phoái
71
Hình 3 – Sô ñoà ñoäng hoïc cuûa hoäp phaân phoái
a) GAZ – 66, b) ZIL – 157, c) ZIL – 131
A – Vò trí gaøi caàu sau vaø caàu giöõa; B – Vò trí gaøi soá phuï; C – Vò trí gaøi theâm caàu tröôùc
1– Truïc chuû ñoäng; 2 – Truïc ra caàu sau; 3 – Truïc trung gian;4 – Truïc ra caàu tröôùc
72
Hình 4 – Sô ñoà ñoäng hoïc cuûa hoäp phaân phoái coù laép theâm boä vi sai giöõa caùc caàu
a) VAZ – 2121, b) URAL – 375
A – Vò trí gaøi caàu tröôùc; B – Vò trí gaøi caàu sau; G – Khoùa vi sai
1 – Truïc chuû ñoäng; 2 – Truïc trung gian; 3 – Truïc ra caàu tröôùc; 4 – Boä vi sai; 5 – Truïc ra caàu sau
73
B – TÍNH TOÁN VÀ THIẾT KẾ HỘP SỐ PHÂN PHỐI
III. CÁC THÔNG SỐ KỸ THUẬT CỦA HỘP SỐ PHÂN PHỐI
IV. TÍNH ĐỘNG HỌC VÀ ĐỘNG LỰC HỌC CỦA HỘP SỐ PHÂN PHỐI
Hình 5 – Sơ đồ động học của hộp số phân phối ba trục
1. Nguyeân taéc phaân phoái coâng suaát cho caùc caàu cuûa xe nhieàu caàu chuû ñoäng
Hieän nay treân oâ toâ coâng suaát phaân phoái cho caùc caàu chuû ñoäng ñöôïc thöïc hieän nhôø hoäp phaân
phoái. Nguyeân taéc phaân phoái coâng suaát ñöôïc theå hieän qua hai phöông phaùp sau:
– Phaân phoái coâng suaát cho caùc caàu chuû ñoäng coù duøng vi sai.
– Phaân phoái coâng suaát cho caùc caàu chuû ñoäng khoâng duøng vi sai.
Sau ñaây chuùng ta seõ laàn löôït khaûo saùt caû hai phöông phaùp vöøa neâu:
1.1. Phaân phoái coâng suaát cho caùc caàu chuû ñoäng coù duøng vi sai
Vi sai ñaët ôû hoäp phaân phoái nhaèm phaân phoái coâng suaát vaø moâmen xoaén cho caùc truïc theo moät
tæ leä xaùc ñònh. Vi sai laø moät cô caáu coù ít nhaát 2 baäc töï do. Treân xe thöôøng söû duïng caùc loaïi vi sai
sau (hình 6). ÔÛ hoäp phaân phoái thöôøng boá trí vi sai khoâng ñoái xöùng ñeå phaân phoái moâmen cho caùc
caàu theo ñieàu kieän baùm.
Hình 6 – Sô ñoà ñoäng hoïc caùc loaïi vi sai
a – Vi sai baùnh raêng noùn; b – Vi sai baùnh raêng truï; c – Vi sai truïc vít; d – Vi sai haønh tinh
Chuùng ta kí hieäu hai truïc ra laø e vaø i vôùi qui öôùc: truïc e laø truïc quay nhanh hôn, töùc laø truïc
daãn ñeán caàu tröôït quay nhieàu hôn hoaëc chuyeån ñoäng nhanh hôn khi quay voøng. Truïc i laø truïc quay
chaäm hôn hay caàu tröôït quay ít hôn.
Trong tröôøng hôïp boû qua toån hao naêng löôïng do ma saùt trong vi sai, ta coù:
Me / Mi = -ir
ie
Me / Mr = - ii
re = -1/(1- ir
ei )
Mi / Mr = -ie
ri = -1/(1- ir
ie )
Neáu vi sai laø ñoái xöùng thì: i r
ie = ir
ei = ir
= -1
Vaø luùc ñoù thì:
Me / Mi = 1
Me / Mr = Mi / Mr = -1/2
ÔÛ ñaây:
Mr – Moâmen truyeàn ñeán voû vi sai.
Me – Moâmen truyeàn ñeán truïc e.
Mi – Moâmen truyeàn ñeán truïc i.
ir
ie ; ir
ei – Tæ soá truyeàn töø truïc i ñeán truïc e vaø ngöôïc laïi khi phaàn töû r (voû vi sai) ñöôïc giöõ
coá ñònh.
r
ie
 ; r
ei
 – Hieäu suaát truyeàn ñoäng töø truïc i ñeán truïc e vaø ngöôïc laïi.
Neáu vi sai laø vi sai ñoái xöùng thì:
ir
ie = ir
ei = ir
= -1
r
ie
 = r
ei
 = r

r
 – Hieäu suaát rieâng cuûa vi sai.
75
Nhö vaäy khi boû qua toån hao naêng löôïng trong vi sai (vi sai khoâng ma saùt) thì moâmen xoaén
phaân boá cho 2 truïc luoân baèng nhau.
Me = Mi = 0,5 Mr
Qui öôùc veà daáu cuûa moâmen vaø vaän toác goùc cuûa caùc phaàn töû trong vi sai ñöôïc chæ roõ ôû baûng
4.4.
Baûng 4.4: Qui öôùc daáu cuûa moâmen vaø vaän toác goùc cuûa caùc phaàn töû
Caàu chuû ñoäng Caàu ñang phanh Daáu cuûa 
Daáu cuûa Mr + - > 0
Daáu cuûa Mi - + i
 > 0
Daáu cuûa Me - + e
 > 0
Tieáp theo laø tröôøng hôïp coù tính ñeán toån hao do ma saùt. Chuùng ta seõ khaûo saùt tröôøng hôïp
doøng coâng suaát ñi töø ñoäng cô ñeán hoäp phaân phoái vaø töø ñoù ñöôïc phaân boá ñeán caùc caàu chuû ñoäng, sau
cuøng ñeán caùc baùnh xe.
Xeùt truyeàn ñoäng töø phaàn töû r (voû vi sai) ñeán caùc truïc e vaø i. Theo qui öôùc ban ñaàu: truïc quay
nhanh laø e, truïc quay chaäm laø i neân:
e
 > r
 > i

Trong ñoù:
e
 – Vaän toác goùc cuûa truïc e.
i
 – Vaän toác goùc cuûa truïc i.
r
 – Vaän toác goùc cuûa voû vi sai.
Bôûi vaäy ta coù:
e
 - r
 = er
 > 0
i
 - r
 = ir
 < 0
Do ñoù coâng suaát theá naêng cuûa caùc truïc e vaø i seõ laø:
P r
e= Me. er
 < 0 do Me < 0 vaø er
 > 0
P r
i = Mi. ir
 > 0 do Mi < 0 vaø ir
 < 0
Nhö vaäy khi tính ñeán toån hao do ma saùt (chæ xuaát hieän khi coù cheânh leäch vaän toác goùc giöõa
truïc e; i vaø voû vi sai r) vaø theo hai bieåu thöùc treân ta thaáy Pr
i > Pr
e neân doøng coâng suaát theá naêng seõ
ñi töø truïc i tôùi truïc e. Nghóa laø: coâng suaát treân truïc i seõ lôùn hôn coâng suaát treân truïc e ñuùng baèng
moät löôïng maát maùt laø (1- r
 )%.
Veà quan heä moâmen cuûa caùc phaàn töû chuùng ta coù:
Me/Mi = - i r
ie .
r
ie
 = -ir
. r

Vaø phöông trình caân baèng moâmen:
Me + Mi + Mr = 0
Töø ñoù suy ra caùc moái quan heä:
Me/ Mr = ir
. r
 /(1- ir
. r
 )
Mi/ Mr = 1/( ir
. r
 -1)
r

76
Vaø do ñoù: Me/ Mi = - ir
. r

Neáu vi sai laø vi sai ñoái xöùng thì ir
= -1 do ñoù:
Me/ Mi = r
 <1  Me< Mi
Me/ Mr = - r
 /(1+ r
 )
Mi/ Mr = -1/(1+ r
 )
Nhö vaäy khi coù tính ñeán toån hao do ma saùt thì tyû soá moâmen giöõa truïc e vaø i laø khoâng ñoåi vaø
baèng hieäu suaát rieâng r
 . ÔÛ vi sai ñoái xöùng khoâng ma saùt thì r
 = 1, do ñoù moâmen seõ phaân phoái
ñeàu cho hai truïc.
1.2. Phaân phoái coâng suaát cho caùc caàu chuû ñoäng khoâng duøng vi sai
ÔÛ moät soá hoäp phaân phoái vieäc phaân boá coâng suaát cho caùc caàu chuû ñoäng khoâng duøng vi sai
maø thoâng qua moät lieân keát cöùng (coù khi laø khôùp moät chieàu). Chuùng ta seõ xeùt tröôøng hôïp caëp baùnh
xe chuû ñoäng hoaëc caëp caàu chuû ñoäng ñöôïc noái vôùi nhau baèng moät quan heä cô hoïc cöùng vôùi sô ñoà
phaân phoái naêng löôïng nhö hình 7:
Hình 7 – Caùc sô ñoà phaân phoái coâng suaát khoâng duøng vi sai
Khi khaûo saùt chuùng ta söû duïng caùc giaû thieát sau:
– Caùc hieän töôïng ñöôïc khaûo saùt trong heä toïa cuûa xe, theo heä toïa naøy thì maët ñöôøng seõ
chuyeån ñoäng vôùi vaän toác v1, v2.
– Doøng naêng löôïng ñöôïc noái vôùi xe chæ taïi moät vò trí – ñoù laø truïc A.
– Doøng naêng löôïng noái vôùi maët ñöôøng thoâng qua caùc ñieåm 1 vaø 2.
Tröôùc heát chuùng ta ñònh nghóa moät soá tæ soá truyeàn:
i12 =
2
k
1
k


= i
Thoâng thöôøng laø i = 1, coøn khi coù söï khaùc bieät giöõa caùc vaân toác goùc thì i 1
77
i1 =
1
k


; i2 =
2
k


Do ñoù: i12 = i2/ i1
Toác ñoä tònh tieán v1, v2 seõ tæ leä vôùi quaõng ñöôøng töông öùng khi quay voøng, coøn khi chuyeån
ñoäng thaúng thì v1= v2.
Moâmen treân truïc A ñöôïc chia thaønh MA1 vaø MA2 vaø ta coù phöông trình caân baèng moâmen:
MA= MA1 + MA2
Caùc moâmen naøy thoâng qua caùc truyeàn ñoäng töông öùng truyeàn tôùi caùc truïc 1 vaø 2 cuûa caùc
baùnh xe:
Mk1= MA1.i1. 1

Mk2= MA2.i2. 2

ÔÛ ñaây: 1
 ; 2
 - hieäu suaát truyeàn ñoäng töø truïc 1 vaø 2 tôùi caùc baùnh xe.
Luùc naøy löïc keùo tieáp tuyeán taïi caùc baùnh xe seõ laø:
Fk1 = Mk1/rd1 ; Fk2 = Mk2/rd2
Trong ñoù:
rd1; rd2 – Caùc baùn kính ñoäng hoïc cuûa caùc baùnh xe, coù theå laáy gaàn baèng baùn kính tính
toaùn r.
Löïc keùo tieáp tuyeán cuûa caû caàu ñöôïc tính:
Fk = Fk1 + Fk2
Quan heä veà phaân phoái naêng löôïng ñöôïc moâ taû baèng caùc phöông trình caân baèng coâng suaát nhö
sau:
PA = MA. A
 = PA1 + PA2
Pk1= PA1. 1
 = Mk1. 1
k

Pk2= PA2. 2
 = Mk2. 2
k

Taïi ñieåm tieáp xuùc 1 vaø 2 ta coù:
P1; 2 = X1; 2 – v1; 2 = Pk1; 2 – Pf1; 2 - P 2
;
1

ÔÛ ñaây:
P1; 2 – Caùc coâng suaát truyeàn xuoáng maët ñöôøng hay coâng suaát ñaåy vaøo khung.
X1; 2 – Caùc phaûn löïc tieáp tuyeán: X1; 2 = Fk1; 2 – Of1;2
Pk1; 2 – Caùc coâng suaát keùo taïi caùc baùnh xe.
Pf1; 2 – Caùc coâng suaát tieâu hao cho caûn laên.
P 2
;
1
 – Caùc coâng suaát tieâu hao cho söï tröôït taïi caùc baùnh xe.
Fk1; 2 – Caùc löïc keùo tieáp tuyeán cuûa caùc baùnh xe taïi ñieåm 1 vaø 2.
Of1; 2. – Caùc löïc caûn laên taùc duïng leân caùc baùnh xe taïi ñieåm 1 vaø 2.
78
CÂU HỎI ÔN TẬP
1. Nêu công dụng, yêu cầu và phân loại hộp số chính dùng trên ô tô?
2. Nêu công dụng, yêu cầu và phân loại hộp số phụ dùng trên ô tô. Sơ đồ động học và
nguyên lý hoạt động của hộp số phụ?
3. Nêu công dụng, yêu cầu và phân loại hộp số tự động dùng trên ô tô?
4. Nêu công dụng, yêu cầu và phân loại hộp số phân phối dùng trên ô tô?
5. Hãy trình bày cấu tạo chung của hộp số chính dùng trên ô tô và công dụng của từng
cụm chi tiết chính của hộp số?
6. Hãy trình bày cấu tạo chung của hộp số tự động dùng trên ô tô và công dụng của từng
cụm chi tiết chính của hộp số?
7. Hãy trình bày cấu tạo, sơ đồ động học và nguyên lý hoạt động của bộ đồng tốc?
8. Hãy trình bày cấu tạo, sơ đồ động học và nguyên lý hoạt động của hộp số hai trục 3
số tiến, 1 số lùi?
9. Hãy trình bày cấu tạo, sơ đồ động học và nguyên lý hoạt động của hộp số ba trục 3
số tiến, 1 số lùi?
10. Hãy trình bày cấu tạo, sơ đồ động học và nguyên lý hoạt động của hộp số ba trục 4 số
tiến, 1 số lùi?
11. Hãy trình bày cấu tạo, sơ đồ động học và nguyên lý hoạt động của hộp số ba trục 5 số
tiến, 1 số lùi?
12. Hãy trình bày các kiểu điều khiển hộp số?
13. Hãy trình bày cấu tạo, sơ đồ động học và nguyên lý hoạt động của bộ biến mô thủy
lực?
14. Hãy trình bày cấu tạo, sơ đồ động học và nguyên lý hoạt động của hộp số hành tinh
phức tạp 2 cấp?
15. Hãy trình bày cấu tạo, sơ đồ động học và nguyên lý hoạt động của hộp số hành tinh
phức tạp 4 cấp?
16. Hãy trình bày cấu tạo, sơ đồ động học và nguyên lý hoạt động của hộp số tự động có
cấp?
17. Hãy trình bày cấu tạo, sơ đồ động học và nguyên lý hoạt động của hộp số tự động vô
cấp?
18.
19. Hãy trình bày các thông số kỹ thuật của hộp số?
20. Hãy trình bày cấu tạo, sơ đồ động học và nguyên lý hoạt động của hộp số phân phối
không gắn vi sai?
21. Hãy trình bày cấu tạo, sơ đồ động học và nguyên lý hoạt động của hộp số phân phối
có gắn vi sai?

Hộp số

  • 1.
    1 CHÖÔNG 2 HOÄP SOÁVAØ HOÄP SỐ PHAÂN PHOÁI Muïc tieâu: Sau khi hoïc xong chöông naøy caùc sinh vieân coù khaû naêng: 1. Trình baøy ñöôïc coâng duïng, yeâu caàu vaø phaân loaïi hoäp soá. 2. Veõ ñöôïc sô ñoà ñoäng hoïc vaø neâu ñöôïc nguyeân lyù laøm vieäc cuûa caùc loaïi hoäp soá. 3. Trình baøy ñöôïc trình töï tính toaùn hoäp soá coù caáp. 4. Xaùc ñònh ñöôïc caùc tæ soá truyeàn cuûa hoäp soá. 5. Tính ñöôïc caùc thoâng soá hình hoïc cuûa baùnh raêng hoäp soá. 6. Trình baøy ñöôïc caáu taïo vaø nguyeân lyù laøm vieäc cuûa boä ñoàng toác. 7. Neâu ñöôïc khaùi quaùt veà hoäp soá töï ñoäng. 8. Trình baøy ñöôïc sô ñoà caáu taïo, nguyeân lyù laøm vieäc vaø caùc ñöôøng ñaëc tính cuûa bieán moâmen thuûy löïc. 9. Tính toaùn ñöôïc ñoäng hoïc vaø ñoäng löïc hoïc cuûa hoäp soá haønh tinh. 10. Trình baøy ñöôïc heä thoáng ñieàu khieån hoäp soá töï ñoäng. 11. Trình baøy ñöôïc ñöôïc nguyeân taéc phaân phoái coâng suaát cho caùc caàu cuûa xe nhieàu caàu chuû ñoäng. Bài tập cuối chương: Tính toán và thiết kế: 1. Hộp số 2 trục (3, 4, 5, 6 …số); 2. Hộp số 3 trục (3, 4, 5, 6 …số); 3. Hộp số tự động có cấp; 4. Hộp số tự động vô cấp; 5. Hộp số phân phối.
  • 2.
    2 MỤC LỤC BÀI 1– HỘP SỐ CHÍNH Ô TÔ ....................................................................................................3 A – KẾT CẤU HỘP SỐ CHÍNH Ô TÔ ............................................................................................ 3 I. CÔNG DỤNG, YÊU CẦU VÀ PHÂN LOẠI................................................................................3 II. CẤU TẠO CHUNG CỦA HỘP SỐ Ô TÔ ...................................................................................4 1. Cấu tạo chung............................................................................................................................... 4 2. Đặc điểm kết cấu các bộ phận của hộp số......................................................................................9 3. Đặc điểm kết cấu của một số loại hộp số..................................................................................... 16 3.1. Hộp số hai trục (3 số tiến, 1 số lùi)....................................................................................16 3.2. Hộp số ba trục (3 số tiến, 1 số lùi).....................................................................................18 3.3. Hộp số ba trục (4 số tiến, 1 số lùi).....................................................................................20 3.4. Hộp số ba trục (5 số tiến, 1 số lùi, tỷ số truyền tăng) .........................................................21 4. Hộp số phụ trên ô tô ............................................................................................................23 B – TÍNH TOÁN VÀ THIẾT KẾ HỘP SỐ .................................................................................... 25 III. CÁC THÔNG SỐ KỸ THUẬT CỦA HỘP SỐ......................................................................... 25 IV. ĐỘNG HỌC VÀ ĐỘNG LỰC HỌC CỦA HỘP SỐ................................................................. 25 BÀI 2 – HỘP SỐ TỰ ĐỘNG........................................................................................................ 33 A – KẾT CẤU HỘP SỐ TỰ ĐỘNG............................................................................................... 33 I. CÔNG DỤNG, YÊU CẦU VÀ PHÂN LOẠI.............................................................................. 33 II. ĐẶC ĐIỂM KẾT CẤU CỦA HỘP SỐ TỰ DỘNG.................................................................... 33 1. Cấu tạo chung............................................................................................................................. 33 2. Đặc điểm kết cấu các bộ phận của hộp số tự động....................................................................... 36 3. Đặc điểm kết cấu của một số loại hộp số tự động........................................................................ 46 3.1. Hộp số tự động có cấp ......................................................................................................47 3.2. Hộp số tự động vô cấp ......................................................................................................48 B – TÍNH TOÁN VÀ THIẾT KẾ HỘP SỐ TỰ ĐỘNG .................................................................. 54 III. CÁC THÔNG SỐ KỸ THUẬT CỦA HỘP SỐ TỰ ĐỘNG ...................................................... 54 IV. TÍNH ĐỘNG HỌC VÀ ĐỘNG LỰC HỌC CỦA HỘP SỐ TỰ ĐỘNG.................................... 54 BÀI 3 – HỘP SỐ PHÂN PHỐI .................................................................................................... 68 A – KẾT CẤU HỘP SỐ PHÂN PHỐI............................................................................................ 68 II. ĐẶC ĐIỂM KẾT CẤU CỦA HỘP SỐ PHÂN PHỐI................................................................. 68 1. Cấu tạo chung............................................................................................................................. 68 2. Đặc điểm kết cấu các bộ phận của hộp số phân phối ................................................................... 70 3. Đặc điểm kết cấu của một số loại hộp số phân phối..................................................................... 70 B – TÍNH TOÁN VÀ THIẾT KẾ HỘP SỐ PHÂN PHỐI ............................................................... 73 III. CÁC THÔNG SỐ KỸ THUẬT CỦA HỘP SỐ PHÂN PHỐI ................................................... 73 IV. TÍNH ĐỘNG HỌC VÀ ĐỘNG LỰC HỌC CỦA HỘP SỐ PHÂN PHỐI ................................. 73 CÂU HỎI ÔN TẬP ........................................................................................................................ 78
  • 3.
    3 BÀI 1 –HỘP SỐ CHÍNH Ô TÔ A – KẾT CẤU HỘP SỐ CHÍNH Ô TÔ I. CÔNG DỤNG, YÊU CẦU VÀ PHÂN LOẠI 1. Công dụng  Nhaèm thay ñoåi tyû soá truyeàn vaø moâmen xoaén töø ñoäng cô ñeán caùc baùnh xe chuû ñoäng phuø hôïp vôùi moâmen caûn luoân thay ñoåi vaø nhaèm taän duïng toái ña coâng suaát cuûa ñoäng cô.  Giuùp cho xe thay ñoåi ñöôïc chieàu chuyeån ñoäng (cho xe chạy lùi).  Ñaûm baûo cho xe döøng taïi choã maø khoâng caàn taét maùy hoaëc khoâng caàn taùch ly hôïp (cắt động cơ ra khỏi hệ thống truyền lực trong thời gian dài).  Daãn ñoäng moâmen xoaén ra ngoaøi cho caùc boä phaän ñaëc bieät ñoái vôùi caùc xe chuyeân duïng. 2. Yêu cầu Yêu cầu chung đối với hộp số: làm việc có độ tin cậy cao; đơn giản trong bảo dưỡng; kích thước và kết cấu nhỏ gọn; giá thành hạ. Với chức năng là hộp số ô tô:  Coù daõy tyû soá truyeàn phuø hôïp nhaèm naâng cao tính naêng ñoäng löïc hoïc vaø tính naêng kinh teá cuûa oâ toâ.  Phaûi coù hieäu suaát truyeàn löïc cao, khoâng coù tieáng oàn khi laøm vieäc, sang soá nheï nhaøng, khoâng sinh ra löïc va ñaäp ôû caùc baùnh raêng khi gaøi soá.  Phaûi coù keát caáu goïn beàn chaéc, deã ñieàu khieån, deã baûo döôõng hoaëc kieåm tra vaø söûa chöõa khi coù hö hoûng.  Có khả năng trich công suất để dùng cho các thiết bị khác lắp trên ô tô. 3. Phân loại Hình – Sơ đồ phân loại hộp số HỘP SỐ HS CÓ CẤP Theo sơ đồ động học Loại có trục cố định ( HS hai trục, HS ba trục,..) Loại có trục không cố định (HS hành tinh một cấp, hai cấp,..) Theo dãy số truyền Một dãy tỉ số truyền ( 3 số, 4 số, 5 số,..) Hai dãy tỉ số truyền Theo phương pháp điều khiển HS điều khiển bằng tay HS tự động HS VÔ CẤP HS ma sát HS thủy lực (tĩnh và động) HS điện
  • 4.
    4 Tùy theo đặctính sử dụng của từng loại ô tô, có thể được trang bị các loại hộp số sau: + Hộp số chính; + Hộp số phụ: + Hộp số phân phối. Theo phöông phaùp thay ñoåi tyû soá truyeàn, hoäp soá ñöôïc chia thaønh: hoäp soá coù caáp vaø hoäp soá voâ caáp. 3.1. Hoäp soá coù caáp ñöôïc chia theo * Sô ñoà ñoäng hoïc goàm coù: + Loaïi coù truïc coá ñònh (hoäp soá hai truïc, hoäp soá ba truïc…). + Loaïi coù truïc khoâng coá ñònh (hoäp soá haønh tinh moät caáp, hai caáp…). * Daõy soá truyeàn goàm coù: + Moät daõy tyû soá truyeàn (3 soá, 4 soá, 5 soá…). + Hai daõy tyû soá truyeàn. * Phöông phaùp sang soá goàm coù: + Hoäp soá ñieàu khieån baèng tay. + Hoäp soá töï ñoäng. * Theo phương pháp điều khiển: + Hộp số điều khiển tự động; + Hộp số điều khiển bán tự động; + Hộp số điều khiển cưỡng bức; + Hộp số điều khiển trực tiếp và điều khiển gián tiếp. 3.2. Hoäp soá voâ caáp gồm + Hoäp soá thuûy löïc (hoäp soá thuûy tónh, hoäp soá thuûy ñoäng). + Hoäp soá ñieän. + Hoäp soá ma saùt. II. CẤU TẠO CHUNG CỦA HỘP SỐ Ô TÔ 1. Cấu tạo chung Cấu tạo chung của hộp số gồm các cụm và bộ phận chính sau: a) Cácte hộp số (vỏ hộp số); b) Các trục và bánh răng hộp số: trục sơ cấp, trục thứ cấp, trục trung gian; c) Trục số lùi và bánh răng số lùi; d) Bộ đồng tốc; e) Cơ cấu truyền số; f) Cần tay số.
  • 5.
    5 Hình 1 –Kết cấu chung của hộp số cơ khí 1 – Trục bánh răng bán trục của vi sai; 2 – Cácte ly hợp; 3 – Trục sơ cấp; 4 – Áo bọc bảo vệ bụi; 5 – Cơ cấu ngắt đường truyền; 6 – Đầu cấm dẫn động ngắt ly hợp; 7 – Giá ở miếng đệm dây dẫn; 8 – Tay treo vỏ dây cáp truyền động ngắt ly hợp; 9 – Nắp phía sau; 10 - Ống nối ống thông gió; 11 – Lỗ đặt cảm biến vận tốc ô tô; 12 - Vỏ bọc khớp nối bên trong của truyền động bánh xe bên trái; 13 – Công tắc đèn chạy lùi; 14 – Vỏ hộp số; 15 – Nút lỗ châm dầu Hình 2 – Kết cấu hộp số 1 – Nắp phía sau của hộp số; 2 – Cảm biến vận tốc; 3 – Công tắc đèn số lùi; 4 – Cần sang số; 5 – Lỗ thông gió; 6 – Thanh kéo trung gian để chọn số; 7 – Vòng bít kín của bán trục; 8 – Bán trục phải; 9 – Bán trục trái; 10 – Nút lỗ để chăm dầu; 11 – Nút của nắp sau hộp số; 12 – Cần ngắt ly hợp; 13 – Cácte hộp số; 14 – Cácte ly hợp
  • 6.
    6 Hình 3 –Kết cấu hộp số ma sát 6 số của Audi Hình 4 – Sơ đồ kết cấu các bộ phận chính của hộp số 1 – Trục sơ cấp; 2 – Vòng bít kín trục sơ cấp; 3 – Cácte ly hợp; 4 – Vòng đệm cao su; 5 – Lỗ thông gió; 6 – Vòng bi hình kim của trục thứ cấp; 7 – Vánh răng của bộ đồng tốc cấp truyền số 4; 8 – Dĩa sang số từ số 3 sang số 4; 9 – Khớp trượt của bộ đồng tốc số 3 và số 4; 10 – Moay ơ khớp nối của bộ đồng tốc số 3 và số 4; 11 – Bánh răng và vành răng của bộ đồng tốc số 3; 12 - Bánh răng và vành răng của bộ đồng tốc số 2; 13 - Dĩa sang số từ số 1 sang số 2; 14 – Khớp sang số 1 và số 2; 15 - Bánh răng và vành răng của bộ đồng tốc số 1; 16 - Ổ trục trung gian của trục thứ cấp; 17 – Bánh răng truyền số 5; 18 – Cần sang số; 19 – Vỏ cần sang số; 20 - Ống cách; 21 – Bích khớp mềm; 22 – Trục thứ cấp; 23 - Vòng bít kín ổ trục sau của trục thứ cấp; 24 - Ổ trục sau của trục thứ cấp; 25 – Vòng đệm bộ phận hắt dầu; 26 - Ổ trục của bộ bánh răng truyền số 5 và số lùi; 27 – Bộ bánh răng số 5 và số lùi; 28 – Moay ơ của bộ đồng tốc truyền số 5; 29 – Bánh răng trung gian của số lùi; 30 – Nắp hộp số phía sau; 31 - Ổ trục phía sau của trục trung gian; 32 – Khớp trượt cùa bộ đồng tốc truyền số 1 và số 2; 33 – Nắp lỗ chăm dầu; 34 – Trục trung gian; 35 - Ổ trục trước của trục trung gian; 36 – Cácte hộp số; 37 - Ổ trục sau của trục sơ sấp; 38 - Ống dẫn hướng
  • 7.
    7 * Khái niệmvề truyền động bánh răng: Hình 5 – Kết cấu của hộp số chính
  • 8.
    8 Hình 6 –Hai bánh răng A và B có đường kính bằng nhau, khớp răng với nhau sẽ quay cùng vận tốc Hình 7 – Bánh răng A bé dẫn động bánh răng B lớn (bánh răng A quay nhanh, bánh răng B quay chậm) a) b) Hình 8 – Tỉ số truyền a) Một cặp bánh răng; b) Hai cặp bánh răng
  • 9.
    9 Hình 9 –Sơ đồ làm việc của hộp số chính 1 – Trục sơ cấp; 2 – Cần tay số; 3 – Cơ cấu truyền; 4 – Trục thứ cấp; 5 – Nút chăm dầu; 6 – Trục trung gian; 7 – Các te hộp số Hình 10 – Sơ đồ truyền mômen xoắn khi mở truyền số lùi 1 – Trục sơ cấp; 2 – Bánh răng của trục sơ cấp; 3 – Trục trung gian; 4 – Bánh răng truyền của số lùi; 5 – Trục thứ cấp 2. Đặc điểm kết cấu các bộ phận của hộp số 2.1. Các bộ phận chính của hộp số 2.1.1. Vỏ và nắp hộp số
  • 10.
    10 2.1.2. Trục sơcấp Hình 11 – Trục sơ cấp 2.1.3. Trục trung gian Hình 12 – Trục trung gian 2.1.4. Trục thứ cấp
  • 11.
    11 Hình 13 –Trục thứ cấp 2.1.5. Trục số lùi 2.1.6. Cơ cấu sang số
  • 12.
    12 Hình 14 –Cơ cấu sang số 1 – Cần sang số; 2 – Nắp hộp số; 3, 9 – Cáp sang số; 4, 5 – Lò xo và đạn đhhh vị; 6, 7 - Ống trượt; 8 – Chốt hãm; 10 – Khớp gạt số; 11 – Khớp hình cầu và chốt giữ cần số
  • 13.
    13 Hình 15 –Cơ cấu điều khiển hộp số 1 - Ống lót (moay ơ); 2 – Chốt định vị tay gạt; 3 – Cần tay gạt sang số; 4 – Tay cầm của cần tay gạt; 5 – Vỏ hộp của cơ cấu điều khiển hộp số 2.1.7. Bộ đồng tốc b) Cấu tạo: Hình 16 – Kết cấu bộ động tốc
  • 14.
    14 Hình 17 –Bộ đồng tốc hộp số xe GAZ
  • 15.
    15 Hình 18 –Kết cấu bộ đồng tốc của hộp số 1 – Bánh răng truyền số 1; 2 – Vòng điệm trung gian; 3 – Vòng khóa; 4 – Khớp nối đồng tốc; 5 – Moay ơ của khớp nối đồng tốc; 6 – Chốt định vị; 7 – Bánh răng truyền số 2 A – VAZ 2110 và B - VAZ 2181
  • 16.
    16 2.2. Đặc điểmcấu tạo của cơ cấu điều khiển hộp số 3. Đặc điểm kết cấu của một số loại hộp số Hình 19 – Các ký hiệu cách lắp bánh răng trong hộp số 3.1. Hộp số hai trục (3 số tiến, 1 số lùi) a) Cấu tạo b) Sơ đồ động học và nguyên lý làm việc Hình 20 - Sô ñoà ñoäng hoïc hoäp soá hai truïc 3 soá tieán 1 soá luøi Nguyeân lyù laøm vieäc: Moâmen xoaén töø ñoäng cô truyeàn ñeán truïc sô caáp vaø töø truïc sô caáp truyeàn sang truïc thöù caáp ñöôïc tieán haønh nhö sau: ÔÛ tay soá I baùnh raêng 4 seõ aên khôùp vôùi baùnh raêng 1. Moâmen xoaén töø truïc sô caáp thoâng qua caëp baùnh raêng 1 vaø 4 seõ truyeàn ñeán truïc thöù caáp. Tay soá II ñöôïc gaøi khi baùnh raêng 5 aên khôùp baùnh raêng 2, luùc ñoù baùnh raêng 4 vaø 6 phaûi ôû vò trí trung gian nhö ôû hình 20. Tay soá III seõ hoaït ñoäng khi
  • 17.
    17 chuùng ta gaøibaùnh raêng 6 vaøo aên khôùp vôùi baùnh raêng 3, luùc ñoù baùnh raêng 4 vaø 5 phaûi ôû vò trí trung gian. Muoán ñi tay soá luøi, chuùng ta phaûi ñöa baùnh raêng 4 gaøi vaøo vôùi baùnh raêng trung gian soá 8 naèm ôû beân hoâng. Luùc naøy moâmen xoaén ñi töø baùnh raêng 7 qua baùnh raêng 8 roài truyeàn ñeán baùnh raêng 4. Bôûi vaäy baùnh raêng 4 seõ ñoåi chieàu quay, töùc laø truïc thöù caáp cuõng seõ ñoåi chieàu quay vaø xe seõ chuyeån ñoäng luøi. Hình 21 – Sơ đồ động học hộp số 2 trục 3 số tiến 1 số c) Những điều lưu ý
  • 18.
    18 3.2. Hộp sốba trục (3 số tiến, 1 số lùi) a) Cấu tạo b) Sơ đồ động học và nguyên lý làm việc Thanh tröôït Truïc sô caáp Truïc thöù caáp 4 6 5 2 1 3 8 7 III II Boä ñoàng toác Truïc trung gian I Lu øi Truïc trung gian tay soá luøi Gaép soá Hình 22 – Sơ đồ động học hộp số 3 trục 3 số tiến 1 số lùi Nguyeân lyù laøm vieäc: Momen xoaén töø ñoäng cô truyeàn ñeán truïc sô caáp, thoâng qua caëp baùnh raêng 1 vaø 2 seõ truyeàn sang trục trung gian. Töø truïc trung gian, thoâng qua caùc caëp baùnh raêng töông öùng moâmen xoaén seõ truyeàn ñeán truïc thöù caáp nhö sau: ÔÛ tay soá I baùnh raêng 4 seõ ñöôïc gaøi vôùi baùnh raêng 3. Moâmen xoaén töø truïc trung gian thoâng qua caëp baùnh raêng 3 vaø 4 seõ truyeàn sang truïc thöù caáp. Tay soá II seõ hoaït ñoäng khi chuùng ta duøng boä ñoàng toác gaøi cöùng baùnh raêng 6 vaøo vôùi truïc thöù caáp. Luùc naøy moâmen xoaén töø baùnh raêng 5 truyeàn qua baùnh raêng 6, töø baùnh raêng 6 truyeàn qua boä ñoàng toác vaø töø boä ñoàng toác moâmen xoaén seõ truyeàn sang truïc thöù caáp. Luùc naøy baùnh raêng 4 phaûi ôû vò trí trung gian nhö ôû hình 4.2. Tay soá III seõ ñöôïc thöïc hieän khi ta ñöa boä ñoàng toác veà beân traùi ñeå gaøi cöùng baùnh raêng 1 vôùi truïc thöù caáp. Luùc naøy moâmen xoaén truyeàn tröïc tieáp töø truïc sô caáp sang truïc thöù caáp thoâng qua baùnh raêng 1 vaø boä ñoàng toác (soá truyeàn thaúng). Muoán ñi tay soá luøi, chuùng ta phaûi gaøi baùnh raêng 4 vaøo aên khôùp baùnh raêng trung gian soá 8 naèm ôû beân hoâng. Luùc naøy moâmen xoaén töø truïc trung gian qua baùnh raêng 7 truyeàn ñeán baùnh raêng 8 vaø töø baùnh raêng 8 thoâng qua baùnh raêng 4 seõ truyeàn ñeán truïc
  • 19.
    19 thöù caáp. Dobaùnh raêng 4 ñoåi chieàu quay so vôùi caùc tay soá vöøa neâu treân, neân truïc thöù caáp seõ ñoåi chieàu quay vaø xe seõ chaïy luøi. Hình 23 – Sơ đồ động học hộp số 3 trục 3 số tiến 1 số lùi
  • 20.
    20 c) Những điềulưu ý 3.3. Hộp số ba trục (4 số tiến, 1 số lùi) a) Cấu tạo b) Sơ đồ động học và nguyên lý làm việc Hình 24 – Sơ đồ động học hộp số 3 trục 4 số tiến 1 số lùi
  • 21.
    21 c) Những điềulưu ý 3.4. Hộp số ba trục (5 số tiến, 1 số lùi, tỷ số truyền tăng) a) Cấu tạo b) Sơ đồ động học và nguyên lý làm việc
  • 22.
    22 Hình 25 –Sơ đồ động học hộp số 3 trục 5 số tiến 1 số lùi
  • 23.
    23 c) Những điềulưu ý 4. Hộp số phụ trên ô tô
  • 24.
    24 Hình 26 –Sơ đồ động học hộp số phụ 3 cấp
  • 25.
    25 B – TÍNHTOÁN VÀ THIẾT KẾ HỘP SỐ III. CÁC THÔNG SỐ KỸ THUẬT CỦA HỘP SỐ IV. ĐỘNG HỌC VÀ ĐỘNG LỰC HỌC CỦA HỘP SỐ Trình töï tính toaùn hoäp soá coù caáp Coâng vieäc tính toaùn thieát keá hoäp soá oâ toâ coù hai böôùc chính nhö sau: * Xaùc ñònh tyû soá truyeàn ñaûm baûo tính chaát keùo vaø tính kinh teá theo ñieàu kieän laøm vieäc ñaõ cho tröôùc. * Xaùc ñònh kích thöôùc caùc chi tieát cuûa hoäp soá. Hai böôùc lôùn treân ñöôïc cuï theå hoùa bôûi caùc böôùc cuï theå sau: 1. Treân cô sôû cuûa ñieàu kieän söû duïng vaø ñieàu kieän kyõ thuaät cho tröôùc, cuøng vôùi ñieàu kieän cheá taïo, chuùng ta choïn sô ñoà ñoäng hoïc vaø döï kieán soá caáp cuûa hoäp soá. 2. Tính toaùn löïc keùo cuûa oâtoâ, xaùc ñònh tæ soá truyeàn chung cuûa caû heä thoáng truyeàn löïc khi gaøi caùc soá khaùc nhau. 3. Phaân chia phuø hôïp tæ soà truyeàn cuûa heä thoáng truyeàn löïc theo töøng cuïm (hoäp soá, hoäp soá phuï, truyeàn löïc chính, truyeàn löïc cuoái cuøng). 4. Tính toaùn xaùc ñònh tæ soá truyeàn cuûa hoäp soá. 5. Xaùc ñònh kích thöôùc cuûa caùc chi tieát, boá trí caùc chi tieát cuûa hoäp soá vaø kieåm tra söï lieân quan laøm vieäc giöõa caùc chi tieát vôùi nhau. 1. Xaùc ñònh tæ soá truyeàn cuûa hoäp soá Tæ soá truyeàn cuûa hoäp soá oâ toâ ñöôïc xaùc ñònh treân cô sôû tính toaùn löïc keùo ôû caùc tay soá. Trong ñoù quan troïng nhaát laø tæ soá truyeàn ôû tay soá I. Tæ soá truyeàn ih1 ñöôïc xaùc ñònh theo coâng thöùc cuûa vieän só Chuñacoáp: tl o emax max bx h1 η i M .ψ G.r i    (4.1) ÔÛ ñaây : G – Troïng löôïng toaøn boä cuûa xe (N). max – Heä soá caûn chuyeån ñoäng lôùn nhaát. rbx – Baùn kính laên cuûa baùnh xe coù tính ñeán söï bieán daïng cuûa loáp (m). io – Tyû soá truyeàn cuûa truyeàn löïc chính. tl – Hieäu suaát cuûa heä thoáng truyeàn löïc. Tyû soá truyeàn cuûa truyeàn löïc chính ñöôïc xaùc ñònh: 2,65 r θ i bx o  (4.2) ÔÛ ñaây:  - Heä soá voøng quay cuûa ñoäng cô Ñoái vôùi xe du lòch :  = 30  40 Ñoái vôùi xe taûi :  = 40  50 Neáu hoäp soá coù 3 caáp vôùi soá III laø soá truyeàn thaúng thì : ih3 =1 ; ih2 = 1 h i Neáu hoäp soá coù 4 caáp vôùi soá IV laø soá truyeàn thaúng thì :
  • 26.
    26 ih4 = 1; 3 1 h 3 h i i  ; 3 h1 2 h2 i i  Neáu hoäp soá coù 5 caáp vôùi soá V laø soá truyeàn thaúng thì : ih5 = 1 ; ih4 = 4 1 h i ; ih3 = 4 2 1 h i ; ih2 = 4 3 1 h i Neáu hoäp soá coù 5 caáp vôùi soá V laø soá truyeàn taêng vaø soá IV laø soá truyeàn thaúng thì: ih5 = 3 hi i 1 ; ih4 = 1 ; ih3 = 3 1 h i ; ih3 = 3 2 1 h i Soá truyeàn cao nhaát cuûa hoäp soá neân laøm soá truyeàn thaúng hay soá truyeàn taêng laø tuøy thuoäc vaøo thôøi gian söû duïng. Neân choïn soá truyeàn laøm vieäc nhieàu nhaát ñeå laøm soá truyeàn thaúng ñeå giaûm tieâu hao khi truyeàn löïc vaø taêng tuoåi thoï cuûa hoäp soá. 2. Tính toaùn caùc thoâng soá hình hoïc cuûa baùnh raêng hoäp soá 2.1. Choïn khoaûng caùch giöõa caùc truïc cuûa caùc baùnh raêng Khoaûng caùch A giöõa caùc truïc ñöôïc choïn theo coâng thöùc kinh nghieäm sau: A= 3 max e M C (mm) (4.3) ÔÛ ñaây: Memax - Moâmen xoaén cöïc ñaïi cuûa ñoäng cô (Nm) C - Heä soá kinh nghieäm: Ñoái vôùi xe du lòch : C = 1316 Ñoái vôùi xe taûi : C =1719 Ñoái vôùi xe duøng ñoäng cô diezel: C =2021 2.2. Choïn moâñuyn phaùp tuyeán cuûa baùnh raêng Chuùng ta coù hai phöông phaùp löïa choïn: Coù theå choïn theo coâng thöùc kinh nghieäm sau: m = (0,0320,040).A (4.4) Hoaëc coù theå söû duïng ñoà thò kinh nghieäm nhö ôû hình 4.3.
  • 27.
    27 Hình 27 -Ñoà thò ñeå choïn moâñuyn phaùp tuyeán cuûa baùnh raêng a - Duøng cho baùnh raêng coù raêng thaúng; b - Duøng cho baùnh raêng coù raêng xieân ÔÛ ñaây: m - Moâñuyn phaùp tuyeán. M - Moâmen xoaén ñöôïc tính: M= Memax.ih1.0,96 2.3. Xaùc ñònh soá raêng cuûa caùc baùnh raêng 2.3.1. Ñoái vôùi hoäp soá hai truïc ÔÛ hình 4.4 laø sô ñoà hoäp soá hai truïc ñeå xaùc ñònh soá raêng. Baùnh raêng laép vôùi truïc baèng then hoa vaø tröôït treân truïc khi caàn gaøi soá. Hình 28 - Sô ñoà tính toaùn soá raêng cuûa baùnh raêng hoäp soá 2 truïc ÔÛ hoäp soá hai truïc coù theå xaùc ñònh khoaûng caùch A theo coâng thöùc sau: m[mm] M [kN.m] a b Z 1 2 Z i Z 1 Z' 2 Z' i Z' A
  • 28.
    28 A= i i i i 2 2 2 2 1 1 1 1 β cos 2 ) z (z m .... β cos 2 ) z (z m β cos 2 ) z (z m          (4.5) Sau ñoùthay: ih1= 1 1 z z ih2= 2 2 z z ……………………. ihi= i i z z vaøo bieåu thöùc tính A, chuùng ta nhaän ñöôïc coâng thöùc toång quaùt ñeå xaùc ñònh zi vaø zi / : zi = ) i (1 m 2Acosβ hi i i  (4.6) i z = zi .ihi (4.7) ÔÛ ñaây: z1,z2, … zi – Soá raêng cuûa caùc baùnh raêng ôû truïc sô caáp. 1 z , 2 z … i z – Soá raêng cuûa caùc baùnh raêng ôû truïc thöù caáp. A – Khoaûng caùch giöõa 2 truïc. i – Goùc nghieâng cuûa caëp baùnh raêng thöù i. mi – Moâñuyn phaùp tuyeán cuûa caëp baùnh raêng thöù i. 2.3.2. Ñoái vôùi hoäp soá ba truïc ÔÛ treân hình 29 laø sô ñoà hoäp soá ba truïc ñeå xaùc ñònh soá raêng Hình 29 - Sô ñoà tính toaùn soá raêng cuûa baùnh raêng hoäp soá 3 truïc 1 - Truïc sô caáp. 2 - Truïc trung gian. 3 - Truïc thöù caáp. A- Khoaûng caùch giöõa caùc truïc. za , a z – Soá raêng cuûa caëp baùnh raêng luoân aên khôùp. z1, z2,…, zi – Soá raêng cuûa caùc baùnh raêng treân truïc trung gian. 1 z , 2 z ,…, i z – Soá raêng cuûa caùc baùnh raêng treân truïc thöù caáp. Za 1 Z' Z'2 Z'i Z'a Z1 Z2 Zi A A
  • 29.
    29 Khoaûng caùch Añöôïc tính nhö sau: A = a a a a a a a a β cos 2 ) i 1 ( .z m β cos 2 ) z (z m     (4.8) Bôûi vaäy: ia = 1 .z m β cos A. 2 a a a  (4.9) ÔÛ ñaây: ia – Tyû soá truyeàn cuûa caëp baùnh raêng luoân aên khôùp. ma – Moâ ñuyn phaùp tuyeán cuûa caëp baùnh raêng luoân aên khôùp. a – Goùc nghieâng cuûa raêng cuûa caëp baùnh raêng luoân aên khôùp. Soá raêng a z cuûa baùnh raêng bò ñoäng ôû caëp baùnh raêng luoân aên khôùp seõ ñöôïc xaùc ñònh: a z = za. ia Tyû soá truyeàn cuûa caùc caëp baùnh raêng ñöôïc gaøi igi seõ laø: igi= a hi i i Soá raêng cuûa caùc baùnh raêng treân truïc trung gian vaø thöù caáp ñöôïc xaùc ñònh: zi = ) i 1 ( m β cos A 2 gi i i  (4.10) i z = zi .igi (4.11) Trong ñoù: zi – Soá raêng cuûa baùnh raêng thöù i treân truïc trung gian. i z – Soá raêng cuûa baùnh raêng thöù i treân truïc thöù caáp. i – Goùc nghieâng cuûa raêng cuûa caëp baùnh raêng thöù i. mi – Moâñuyn phaùp tuyeán cuûa caëp baùnh raêng thöù i. 2.4. Boä ñoàng toác Khi sang soá, cho duø ñaõ taùch ly hôïp, nhöng do quaùn tính neân caùc baùnh raêng vaãn coøn quay vôùi caùc vaän toác goùc khaùc nhau, neáu gaøi vaøo nhau thì sinh löïc va ñaäp. Ñeå khaéc phuïc hieän töôïng treân vaø ñôn giaûn hoùa caùc quaù trình thao taùc cuûa taøi xeá, ngöôøi ta duøng boä ñoàng toác. Xeùt tröôøng hôïp chuyeån töø soá cao veà soá thaáp ñeå tìm hieåu nguyeân lyù vaø phaân tích löïc (hình 30). Hình 30 - Caáu taïo cuûa boä ñoàng toác 1; 4 – Baùnh raêng; 2 – Choát; 3– OÁng raêng; 5 – Bi; 6 – OÁng gait; 7 – OÁng loàng; 8 – Truïc
  • 30.
    30 2.4.1. Giai ñoaïndòch chuyeån töï do (luùc maët coân cuûa oáng loàng 7 chöa tieáp xuùc vôùi maët coân cuûa baùnh raêng 4): Vì voøng gaït 6 lieân keát cöùng vôùi oáng raêng 3 vaø oáng naøy laïi lieân keát ñaøn hoài vôùi oáng loàng 7, cho neân khi gaït 6 veà phía baùnh raêng 4, caû khoái chi tieát 6-2-3-5-7 ñeàu dòch chuyeån. Khi hai maët coân tieáp xuùc vôùi nhau thì taïm thôøi döøng laïi vaø baét ñaàu giai ñoaïn hai. 2.4.2. Giai ñoaïn chöa ñoàng toác Do taùc duïng cuûa ñaø quaùn tính neân oáng raêng 3 vaãn coøn quay vôùi toác ñoä goùc cuûa soá cuõ: 3 = c m i  Trong ñoù: 3 – Vaän toác goùc cuûa oáng raêng. m – Vaän toác goùc cuûa truïc. ic – Tæ soá truyeàn soá cao. Trong khi ñoù baùnh raêng 4 luoân luoân aên khôùp vôùi baùnh raêng cuûa truïc trung gian vaø bôûi vaäy: 4 = t m i  4 – Vaän toác goùc cuûa baùnh raêng 4. it – Tæ soá truyeàn soá thaáp. Bôûi vì: ic < it neân 3 > 4 OÁng loàng 7 vöøa coù lieân heä vôùi baùnh raêng 4 vöøa coù lieân heä vôùi oáng raêng 3 neân toác ñoä goùc cuûa noù laø 7 naèm trong giôùi haïn: 4 < 7 < 3 Keát quaû laø choát 2 bò haõm trong hoác A cuûa oáng 7 vaø oáng raêng 3 (hình 6.7) khoâng dòch chuyeån ñöôïc nöõa. Sau ñaây chuùng ta phaân tích löïc ñeå thaáy ñöôïc vì sao choát 2 bò haõm: Döôùi taùc duïng cuûa löïc eùp chieàu truïc Q1 (löïc taùc duïng cuûa ngöôøi laùi thoâng qua cô caáu ñoøn baåy chuyeån ñeán) tình traïng chòu löïc cuûa 3 chi tieát nhö ôû hình 4.7. Trong giai ñoaïn chöa ñoàng toác maët coân cuûa oáng loàng 7 tröôït treân maët coân cuûa baùnh raêng 4, neân giöõa chuùng coù löïc ma saùt .N, trong ñoù: N =  sin Q1 (4.12) ÔÛ ñaây:  – Goùc nghieâng cuûa maët coân. N – Phaûn löïc.
  • 31.
    31 Hình 31 -Sô ñoà chòu löïc cuûa caùc chi tieát 2,4,7 Löïc ma saùt seõ caân baèng vôùi löïc voøng P taùc duïng töông hoã giöõa chi tieát 7 vaø 2 theo ñieàu kieän sau: P.r1 = .N.r  P= 1 r r . N .  Trong ñoù:  – Heä soá ma saùt r, r1 – Baùn kính ñieåm ñaët löïc. Thay N baèng bieåu thöùc (4.12) ta coù: P=   sin . r r . Q . 1 1 (4.13) Taïi maët xieân goùc  cuûa coå vuoâng choát 2 taùc duïng moät phaûn löïc Q phaân tích töø P: Q=  tg P (4.14) Löïc Q chính laø löïc haõm coå vuoâng B cuûa choát 2 trong hoác A cuûa oáng loàng 7, do ñoù Q phaûi thoõa maõn ñieàu kieän haõm sau ñaây: Q > Q1  1 1 1 Q .tg .sin r .r .Q  β α μ Töùc laø: tg < α sin . r μ.r 1 (4.15) Bieåu thöùc (4.15) laø cô sôû ñeå thieát keá goùc  ñuû ñeå haõm choát 2 vaø giöõ khoâng cho oáng raêng 3 dòch chuyeån khi chöa ñoàng toác.  Q Q Q N N Q P r1 r  1 1 A N Q1 B 2 P   7
  • 32.
    32 2.4.3. Giai ñoaïnñoàng toác Do ma saùt neân ñaø quaùn tính daàn daàn bò trieät tieâu vaø cuoái cuøng: 3 = 7 = 4 Khi ñaõ ñoàng toác thì löïc ma saùt N cuõng khoâng coøn nöõa vaø do ñoù löïc haõm baèng khoâng. Tay cuûa ngöôøi laùi chæ taùc duïng nheï laø ñuû ñeå thaéng ñònh vò loø xo bi 5 vaø gaït oáng raêng 3 aên khôùp vôùi vaønh raêng cuûa baùnh raêng 4 moät caùch eâm dòu vì chuùng ñaõ ñoàng ñeàu vaän toác goùc. Khi thieát keá thöôøng choïn heä soá ma saùt  = 0,050,1; goùc nghieâng  = 70 120 ; Q1=(49).(50100)N; tyû soá truyeàn cuûa caàn soá: 49; löïc taùc duïng leân caàn soá: 50100 N.
  • 33.
    33 BÀI 2 –HỘP SỐ TỰ ĐỘNG A – KẾT CẤU HỘP SỐ TỰ ĐỘNG I. CÔNG DỤNG, YÊU CẦU VÀ PHÂN LOẠI 1. Coâng duïng Hoäp soá töï ñoäng cho pheùp ñôn giaûn hoùa vieäc ñieàu khieån hoäp soá. Quaù trình chuyeån soá eâm dòu, khoâng caàn caét coâng suaát truyeàn töø ñoäng cô xuoáng khi sang soá. Hoäp soá töï ñoäng töï choïn tæ soá truyeàn phuø hôïp vôùi ñieàu kieän chuyeån ñoäng, do ñoù taïo ñieàu kieän söû duïng gaàn nhö toái öu coâng suaát cuûa ñoäng cô. 2. Yeâu caàu  Thao taùc ñieàu khieån hoäp soá ñôn giaûn, nheï nhaøng;  Ñaûm baûo chaát löôïng ñoäng löïc keùo cao;  Hieäu suaát truyeàn ñoäng phaûi töông ñoái lôùn;  Ñoä tin caäy lôùn, ít hö hoûng,tuoåi thoï cao;  Keát caáu phaûi goïn, troïng löôïng nhoû. 3. Phaân loaïi Hieän nay, söû duïng treân xe coù hai loaïi hoäp soá töï ñoäng: * Hoäp soá töï ñoäng coù caáp. * Hoäp soá töï ñoäng voâ caáp. Cho ñeán nay, hoäp soá töï ñoäng coù caáp ñöôïc söû duïng roäng raõi hôn nhieàu so vôùi hoäp soá töï ñoäng voâ caáp. Bôûi vaäy, trong chöông naøy chuùng ta chæ nghieân cöùu veà hoäp soá töï ñoäng coù caáp. Coøn hoäp soá töï ñoäng voâ caáp, chuùng ta tham khaûo theâm ôû caùc chuyeân ñeà. II. ĐẶC ĐIỂM KẾT CẤU CỦA HỘP SỐ TỰ DỘNG 1. Cấu tạo chung Cấu tạo chung của hộp số tự động gồm: a) Biến mô; b) Bộ bánh rắng hành tinh; c) Hệ thống điều khiển thủy lực.
  • 34.
    34 Hình 1 –Kết cấu hộp số tự động
  • 35.
    35 Hình 2 –Kết cấu của hộp số tự động 1 – Bộ bin mô; 2 – Bộ truyền bánh răng hành tinh; 3 – Hệ thống điều khiển thủy lực c) Hệ thống điều khiển thủy lực: hệ thống này sẽ điều khiển bộ truyền bành răng hành tinh.
  • 36.
    36 2. Đặc điểmkết cấu các bộ phận của hộp số tự động 2.1. Các bộ phận chính của hộp số tự động 2.1.1. Bộ truyền bánh răng hành tinh 3 tốc độ Hình 3 – Sơ đồ bộ truyền bánh răng hành tinh 3 tốc độ
  • 37.
    37 Hình 4 –Sơ đồ hệ thống điều khiển bộ truyền bánh răng hành tinh 3 tốc độ * Hoäp soá haønh tinh Hoäp soá haønh tinh ñöôïc duøng ôû hoäp soá töï ñoäng coù caáp vaø hoäp soá nöûa töï ñoäng. Noù coù nhöõng öu ñieåm chính sau ñaây so vôùi hoäp soá thöôøng:  Laøm vieäc khoâng oàn, khoâng caàn boä ñoàng toác.  Vieäc gaøi soá thöïc hieän nhôø ly hôïp vaø phanh, neân taïo ñieàu kieän thuaän lôïi cho vieäc töï ñoäng quaù trình gaøi soá.  Keát caáu goïn gaøng nhôø aên khôùp beân trong.  Khi coù cuøng kích thöôùc ñöôøng kính baùnh raêng, hoäp soá haønh tinh seõ coù tæ soá truyeàn lôùn hôn.  Coù theå sang soá maø khoâng caàn caét coâng suaát truyeàn töø ñoäng cô xuoáng,do ñoù thôøi gian vaø haønh trình gia toác ngaén hôn.  Coù hieäu suaát cao hôn hoäp soá thöôøng . Khuyeát ñieåm cuûa hoäp soá haønh tinh laø keát caáu phöùc taïp, cheá taïo khoù, giaù thaønh cao.
  • 38.
    38 Treân oâ toâthöôøng söû duïng hoäp soá haønh tinh hai hoaëc ba caáp. Caùc sô ñoà ñoäng hoïc cuûa hoäp soá haønh tinh Hình 5 – Sô ñoà hoäp soá haønh tinh phöùc taïp (2 caáp) Treân hình 5 laø hoäp soá haønh tinh phöùc taïp goàm coù hai cuïm baùnh raêng haønh tinh ñôn giaûn. Cô caáu ñieàu khieån ñeå gaøi soá bao goàm hai ly hôïp ma saùt LH1, LH2, ba phanh daûi T1, T2, T3, caùc khôùp noái moät chieàu M1, M2. Hoäp soá naøy goàm ba soá: Phanh T2 laép tröïc tieáp leân truïc cuûa baùnh raêng trung taâm1 cuûa daõy beân traùi, coøn phanh T3 qua khôùp noái moät chieàu M2 lieân keát vôùi truïc cuûa baùnh raêng trung taâm3. Soá 1 ñöôïc gaøi baèng caùch haõm hai phanh T2 , T3 ñeå gaøi cöùng khôùp M2 vaø baùnh raêng 3. Coâng suaát ñöôïc truyeàn thöù töï qua hai daõy haønh tinh, neân hieäu suaát cao (0,97). Soá 2 ñöôïc gaøi baèng caùch ñoùng ly hôïp LH2 roài nhaû phanh T1, coøn T2 vaãn bò haõm. Khôùp moät chieàu M1 ñöôïc laép sao cho khoâng caûn trôû söï quay cuûa truïc baùnh raêng1. Do ñoùng ly hôïp LH2 neân caùc baùnh raêng daõy traùi bò gaøi cöùng, chæ coù daõy phaûi hoaït ñoäng, hieäu suaát ñaït tôùi 0,985. Soá 3 (truyeàn thaúng) ñöôïc gaøi baèng caùch ñoùng ly hôïp LH1. Soá luøi ñöôïc gaøi baèng caùch haõm phanh T1, baùnh raêng bao 4 aên khôùp trong bò giöõ laïi, daõy traùi laøm vieäc nhö moät boä truyeàn haønh tinh ñôn giaûn. Coâng suaát truyeàn töø baùnh raêng 1 qua khôùp noái M1 ñeán baùnh raêng trung taâm daõy phaûi vaø daãn ra ngoaøi. Hieäu suaát truyeàn löïc cuûa soá luøi khaù thaáp . Trong thöïc teá coù nhieàu sô ñoà hoäp soá haønh tinh khaùc nhau. Hoäp soá haønh tinh ñôn giaûn chæ coù moät daõy baùnh raêng haønh tinh. Hoäp soá haønh tinh phöùc taïp (nhieàu caáp) coù töø hai daõy baùnh raêng haønh tinh trôû leân. Treân hình 6 laø hoäp soá haønh tinh goàm boán daõy baùnh raêng haønh tinh (moãi daõy baùnh raêng haønh tinh laø moät boä baùnh raêng haønh tinh ñôn giaûn). ÔÛ vò trí soá “0” hoäp soá coù hai baäc töï do. Ñeå gaøi soá trong hoäp soá phaûi söû duïng boán phanh daûi vaø moät ly hôïp hình noùn (cho soá truyeàn thaúng). Moãi phanh daûi duøng ñeå gaøi moät soá. Nhö vaäy hoäp soá naøy coù boán soá tieán vaø moät soá luøi.
  • 39.
    39 1 2 34 LH 2 4 8 C1 C3 5 C 7 C 1 3 5 7 6 Hình 6 – Sô ñoà hoäp soá haønh tinh phöùc taïp (4 caáp) 1; 3; 5; 7: caùc baùnh raêng trung taâm; 2; 4; 6; 8: caùc baùnh raêng bao (voøng raêng). C1; C3; C5; C7: caùc caàn daãn. T1; T2; T3; T4: caùc phanh daûi. LH: ly hôïp hình noùn. ÔÛ hình 7 laø caáu taïo nhöõng boä phaän chính cuûa moät hoäp soá haønh tinh. 1 2 3 4 5 6 7 8 9 10 10 11 11 12 14 13 15 16 Hình 7 – Caùc boä phaän chính cuûa hoäp soá haønh tinh 1  Truïc sô caáp hoäp soá; 2  Tang troáng chuû ñoäng; 3  Ñóa chuû ñoäng baèng theùp; 4  Ñóa bò ñoäng; 5  Phanh daûi tröôùc; 6  Tang troáng bò ñoäng; 7  Phanh daûi sau; 8  Tang troáng bò ñoäng; 9  Caàn daãn; 10  Baùnh raêng haønh tinh; 11  Truïc cuûa baùnh raêng haønh tinh; 12  Baùnh raêng trung taâm; 13; 16  Voøng raêng; 14  Baùnh raêng trung taâm; 15  Truïc thöù caáp cuûa hoäp soá
  • 40.
    40 2.1.3. Bieán moâmenthuûy löïc Caáu taïo vaø nguyeân lyù laøm vieäc Bieán moâmen thuûy löïc coù 3 boä phaän chính (hình 19): Ñóa bôm (B) ñöôïc noái vôùi truïc 1 laø truïc chuû ñoäng. Truïc naøy noái tröïc tieáp vôùi truïc khuyûu ñoäng cô. Ñóa tuoác bin (T) ñöôïc noái vôùi truïc 2 laø truïc bò ñoäng cuûa bieán moâmen thuûy löïc. Ñóa phaûn xaï (P) coøn ñöôïc goïi laø boä phaän daãn höôùng. Ñóa P ñoùng vai troø trong vieäc laøm taêng moâmen xoaén. ÔÛ treân hình 8 laø tröôøng hôïp ñóa P noái cöùng vôùi voû cuûa bieán moâmen. Hình 8 – Caùc boä phaän chính cuûa bieán moâmen thuyû löïc Taát caû ñöôïc ñaët trong voû coá ñònh, beân trong ñöôïc naïp ñaày chaát loûng. Giöõa B, T vaø P laø caùc khe hôû voâ cuøng nhoû. Treân caùc ñóa B, T vaø P coù gaén caùc caùnh ñöôïc uoán cong, taïo thaønh caùc raõnh, maø trong chuùng doøng chaát loûng seõ chuyeån ñoäng tuaàn hoaøn. Bieán moâmen thuûy löïc coù hai chöùc naêng: taêng moâmen xoaén cuûa ñoäng cô vaø töï ñoäng ñieàu chænh moâmen xoaén. Khi ñoäng cô laøm vieäc, ñóa B quay. Chaát loûng ôû giöõa caùc caùnh cuûa B nhaän ñöôïc naêng löôïng seõ chuyeån ñoäng töø taâm ñeán rìa ñóa B, vaän toác caøng ra xa taâm caøng taêng. Khi rôøi B, doøng chaát loûng vôùi vaän toác lôùn va ñaäp vaøo caùc caùnh cuûa T. Caùc löïc va ñaäp naøy taïo thaønh moâmen xoaén taùc duïng leân ñóa T, töùc laø moâmen Mt . Ñeå moâmen xoaén lôùn hôn moâmen cuûa ñóa B, thì phaûi taêng vaän toác cuûa doøng chaát loûng khi ra khoûi ñóa B vaø phaûi höôùng ñöôïc caùc doøng chaûy vaøo caùc caùnh cuûa T vôùi goùc ñoä thích hôïp ñeå taïo thaønh caùc löïc eùp lôùn. Ñóa phaûn xaï P (hay boä phaän daãn höôùng) ñaûm nhaän nhieäm vuï quan troïng naøy: Khi doøng chaát loûng ñi qua ñóa P, thì noù nhaän moâmen xoaén vaø truyeàn ñeán voû coá ñònh (ñieåm töïa). Neáu ñóa P quay töï do thì moâmen xoaén cuõng khoâng taêng leân ñöôïc. Nhö vaäy ñieàu quan troïng laø ñóa phaûn xaï phaûi coá ñònh. Vaän toác doøng chaát loûng qua ñóa P seõ taêng daàn nhôø caùc caùnh ñóa P laøm heïp doøng chaûy. Höôùng cuûa doøng chaát loûng cuõng ñöôïc thay ñoåi toát hôn nhôø caùnh cuûa ñóa P ñöôïc uoán cong vôùi goùc ñoä yeâu caàu. T B P P T B Mb b  b n nt t t M 1 2 t M b M
  • 41.
    41 Bôûi vaäy, saukhi ñi qua P doøng chaát loûng ñi vaøo ñóa T seõ coù vaän toác lôùn hôn (neân ñoäng naêng taêng leân) vaø ñi vaøo vôùi goùc ñoä thích hôïp hôn. Nhôø vaäy löïc eùp leân ñóa T seõ taêng vaø keát quaû laø laøm taêng moâmen xoaén cuûa ñóa T so vôùi moâ men xoaén cuûa ñóa B. Khi chuyeån ñoäng qua P, ñoäng naêng cuûa doøng chaûy taêng vaø aùp naêng cuûa doøng chaûy giaûm neân toång naêng löôïng cuûa doøng chaûy vaãn khoâng ñoåi vaø baèng toång naêng löôïng cuûa doøng chaûy chuyeån ñoäng ôû ñóa bôm. Khaû naêng thöù hai cuûa bieán moâmen thuûy löïc laø töï ñoäng ñieàu chænh lieân tuïc moâmen xoaén vaø soá voøng quay cuûa ñóa T theo giaù trò moâmen caûn ôû beân ngoaøi taùc duïng leân truïc ñóa T: ÔÛ cheá ñoä laøm vieäc oån ñònh: moâmen xoaén vaø moâmen caûn taùc duïng leân truïc ñóa T luoân baèng nhau veà trò soá. Khi moâmen caûn taêng leân lôùn hôn thì ñóa T quay chaäm laïi (maø coâng suaát treân truïc N= M., do ñoù khi N khoâng ñoåi thì  giaûm daån ñeán M taêng). Moâmen xoaén cuûa T seõ taêng cho ñeán khi baèng moâmen caûn, luùc ñoù  seõ khoâng giaûm nöõa. Neáu moâmen caûn giaûm xuoáng (taûi troïng beân ngoaøi giaûm), quaù trình seõ bieán ñoåi ngöôïc laïi. 2.2. Đặc điểm cấu tạo của hệ thống điều khiển hộp số tự động 2.2.1. Heä thoáng ñieàu khieån baèng thuûy löïc Hoäp soá ñieàu khieån thuûy löïc hoaøn toaøn hoaït ñoäng bôûi söï bieán ñoåi moät caùch cô khí toác ñoä cuûa xe thaønh aùp suaát ly taâm vaø ñoä môû böôùm ga thaønh aùp suaát böôùm ga roài duøng caùc aùp suaát thuûy löïc naøy ñeå ñieàu khieån hoaït ñoäng cuûa caùc ly hôïp vaø caùc phanh trong cuïm baùnh raêng haønh tinh, do ñoù ñieàu khieån thôøi ñieåm leân hoaëc veà soá. Noù ñöôïc goïi laø “Phöông phaùp ñieàu khieån baèng thuûy löïc”. Heä thoáng ñieàu khieån baèng thuûy löïc bao goàm: Bôm daàu, thaân van, caùc van ñieän töû, cuõng nhö caùc ñöôøng daàu ñeå noái taát caû nhöõng chi tieát naøy. Döïa treân aùp suaát daàu ñöôïc sinh ra bôûi bôm, heä thoáng ñieàu khieån thuûy löïc ñieàu chænh aùp suaát daàu taùc duïng leân bieán moâ, caùc ly hôïp, caùc phanh phuø hôïp vôùi ñieàu kieän chuyeån ñoäng cuûa xe. Coù 3 van ñieän trong thaân van. Nhöõng van ñieän naøy môû vaø ñoùng bôûi tín hieäu töø ECU ñeå ñieàu khieån caùc van gaøi soá. Noù ñoùng môû ñöôøng daàu ñeán bieán moâ, caùc ly hôïp vaø caùc phanh ñeå ñieàu khieån bieán moâ vaø caùc cuïm baùnh raêng haønh tinh (löu yù: tröø van ñieän, heä thoáng ñieàu khieån thuûy löïc cuûa ECT veà cô baûn gioáng nhö cuûa hoäp soá töï ñoäng ñieàu khieån thuûy löïc hoaøn toaøn) (hình 9). t M t M
  • 42.
    42 Böôùm ga Ñieàu khieånaùp suaát thuûy löïc Chuyeån ñöôøng daàu Caùc van ñieän töû Boä baùnh raêng haønh tinh Bieán moâ VAN THAÂN VAN HEÄ THOÁNG ÑIEÀU KHIEÅN BAÈNG THUÛY LÖÏC Bôm daàu Caùc phanh & ly hôïpï ECU Hình 9 - Sô ñoà nguyeân lyù ñieàu khieån baèng thuûy löïc Vieäc chuyeån soá ôû hoäp soá töï ñoäng ñieàu khieån baèng thuûy löïc hoaøn toaøn ñöôïc thöïc hieän bôûi boä ñieàu khieån thuûy löïc theo caùch sau: BOÄ ÑIEÀU KHIEÅN THUÛY LÖÏC AÙp suaát ly taâm vaø aùp suaát böôùm ga laøm caùc van chuyeån soá trong boä ñieàu khieån thuûy löïc hoaït ñoäng; ñoä lôùn caùc aùp suaát naøy ñieàu khieån chuyeån ñoäng cuûa caùc van chuyeån soá, vaø nhöõng van naøy laïi ñieàu khieån aùp suaát thuûy löïc taùc duïng leân caùc ly hôïp vaø phanh trong cuïm baùnh raêng haønh tinh ñeå ñieàu khieån vieäc chuyeån soá. VAN LY TAÂM Van ly taâm sinh ra aùp suaát daàu tyû leä vôùi toác ñoä xe; aùp suaát naøy (goïi laø aùp suaát ly taâm) coù taùc duïng nhö “tín hieäu” toác ñoä xe ñeán boä ñieàu khieån thuûy löïc. BÖÔÙM GA Böôùm ga trong boä ñieàu khieån thuûy thuûy löïc sinh ra aùp suaát thuûy löïc tyû leä vôùi möùc ñaïp chaân ga; aùp suaát naøy (ñöôïc goïi laø aùp suaát böôùm ga) coù taùc duïng nhö “Tín hieäu” taûi ñoäng cô ñeán boä ñieàu khieån thuûy löïc.
  • 43.
    43 Hình 10 -Sô ñoà khoái hoäp soá töï ñoäng ñieàu khieån baèng thuûy löïc 2.2.2. Heä thoáng ñieàu khieån baèng ñieän töû ECT (Electronically Controlled Transmission) ECT laø hoäp soá töï ñoäng söû duïng caùc coâng ngheä ñieàu khieån ñieän töû hieän ñaïi ñeå ñieàu khieån hoäp soá. Baûn thaân hoäp soá töï ñoäng (tröø thaân van) thöïc teá gioáng nhö hoäp soá ñieàu khieån thuûy löïc hoaøn toaøn, nhöng noù coøn bao goàm caùc chi tieát ñieän töû, caùc caûm bieán, moät ECU (boä ñieàu khieån ñieän töû) vaø vaøi cô caáu chaáp haønh. Voû hoäp soá ECT coù hình daùng cô baûn gioáng vôùi voû hoäp soá ñieàu khieån thuûy löïc hoaøn toaøn neân noù chæ coù theå phaân bieät bôûi söï coù maët cuûa moät caûm bieán toác ñoä. (Hoäp soá töï ñoäng ñieàu khieån thuûy löïc hoaøn toaøn coù moät van ñieàu chænh ly taâm nhöng ôû ECT ngöôøi ta thay van baèng moät caûm bieán toác ñoä) (hình 11). ÔÛ hoäp soá ECT caùc caûm bieán phaùt hieän toác ñoä xe vaø ñoä môû böôùm ga, bieán chuùng thaønh tín hieäu ñieän töû göûi veà boä ñieàu khieån ñieän töû (sau naøy ñöôïc vieát taét laø ECU). ECU sau ñoù ñieàu khieån caùc hoaït ñoäng cuûa caùc ly hôïp, phanh treân cô sôû nhöõng tín hieäu naøy. Vì vaäy ñieàu khieån thôøi ñieåm chuyeån soá ñeå leân hoaëc veà soá.
  • 44.
    44 Hình 11 -Hoäp soá ECT Neáu khoâng coù ECU ñeå ñieàu khieån vieäc chuyeån soá treân cô sôû caùc tín hieäu ñieän veà toác ñoä xe vaø ñoä môû böôùm ga thì ECT veà cô baûn gioáng nhö hoäp soá töï ñoäng ñieàu khieån thuûy löïc hoaøn toaøn. Heä thoáng ñieàu khieån baèng ñieän töû cuûa ECT ñieàu khieån thôøi ñieåm chuyeån soá vaø khoùa bieán moâ trong ECT, bao goàm ba kieåu chi tieát: Caùc caûm bieán khaùc nhau, moät ECU vaø caùc loaïi van ñieän töø. Sô ñoà sau chæ ra moái lieân heä giöõa caùc chi tieát naøy (hình 12): Hình 12 - Sô ñoà nguyeân lyù ñieàu khieån baèng ñieän töû
  • 45.
    45 Hoäp soá ECTñieàu khieån vieäc chuyeån soá theo phöông phaùp sau (hình 13): Hình 13 - Sô ñoà khoái hoäp soá töï ñoäng ñieàu khieån baèng ñieän töû CAÛM BIEÁN VÒ TRÍ BÖÔÙM GA Goùc môû böôùm ga ñöôïc phaùt hieän bôûi caûm bieán vò trí böôùm ga, caûm bieán bieán ñoåi caùc tín hieäu naøy thaønh tín hieäu ñieän roài göûi ñeán ECU qua ECU ñoäng cô. ECU ECU quyeát ñònh thôøi ñieåm chuyeån soá treân cô sôû caùc tín hieäu veà toác ñoä xe vaø goùc môû böôùm ga, vaø ñieàu khieån van ñieän trong boä ñieàu khieån thuûy löïc vì vaäy ñieàu khieån chuyeån ñoäng cuûa caùc van chuyeån soá. Nhöõng van naøy laïi ñieàu khieån aùp suaát thuûy löïc ñeán caùc ly hôïp vaø phanh trong cuïm baùnh raêng haønh tinh ñeå ñieàu khieån vieäc chuyeån soá. CAÛM BIEÁN TOÁC ÑOÄ XE Caûm bieán toác ñoä xe phaùt hieän toác ñoä cuûa xe vaø göûi tín hieäu naøy naøy ñeán ECU döôùi daïng caùc tín hieäu ñieän.
  • 46.
    46 3. Đặc điểmkết cấu của một số loại hộp số tự động Khaùi quaùt veà hoäp soá töï ñoäng: Quaù trình ñieàu khieån hoäp soá töï ñoäng xaûy ra hoaøn toaøn töï ñoäng treân cô sôû choïn tröôùc cheá ñoä hoaït ñoäng cuûa noù. Ngöôøi laùi coù theå can thieäp baèng tay vaø quaù trình ñieàu khieån nhôø caàn choïn cheá ñoä hoaït ñoäng cuûa hoäp soá. Thoâng thöôøng caàn choïn cheá ñoä hoaït ñoäng coù caùc vò trí nhö sau: P – Parking: ñoã xe (giöõ cho xe khoâng bò troâi töï do). R – Reverse: chaïy luøi. N – Neutral: soá 0. D – Drive: chuyeån ñoäng tieán (töï ñoäng chuyeån ñoåi giöõa taát caû caùc tay soá). L – Low: chuyeån ñoäng leân doác. Ñoâi khi ôû moät soá hoäp soá töï ñoäng khaùc cuõng coù caùc vò trí nhö sau: P – Parking: ñoã xe (giöõ cho xe khoâng bò troâi töï do). R – Reverse: chaïy luøi. N – Neutral: soá 0. D – Drive: chuyeån ñoäng tieán (töï ñoäng chuyeån ñoåi giöõa taát caû caùc tay soá). 3 – Chæ ñi tay soá 1 ñeán tay soá 3. 2 – Chæ ñi tay soá 1 ñeán tay soá 2. 1 – Chæ ñi tay soá 1. Hình 14 – Sơ đồ vị trí cần tay số của bộ chọn hộp số tự động
  • 47.
    47 Hình 15 –Kết cấu của cần sang số tự động 3.1. Hộp số tự động có cấp Tröôùc khi ñi vaøo nghieân cöùu caùc boä phaän chính cuûa hoäp soá töï ñoäng coù caáp, chuùng ta seõ giôùi thieäu khaùi quaùt veà chuùng. ÔÛ treân hình 16 laø sô ñoà cuûa moät hoäp soá töï ñoäng coù caáp, noù goàm coù ba boä phaän chính: – Truyeàn ñoäng thuûy ñoäng (ly hôïp thuûy ñoäng hoaëc bieán moâmen thuûy löïc). – Hoäp soá haønh tinh. – Heä thoáng ñieàu khieån. Hình 16 – Sô ñoà động học của hoäp soá töï ñoäng coù caáp Treân hình 17 laø keát caáu cuûa hoäp soá töï ñoäng coù caáp trong thöïc teá.
  • 48.
    48 Hình 17 –Keát caáu cuûa hoäp soá töï ñoäng coù caáp 3.2. Hộp số tự động vô cấp So vôùi hoäp soá töï ñoäng coù caáp, hoäp soá töï ñoäng voâ caáp coù nhieàu öu ñieåm hôn, ñaëc bieät laø khaû naêng taän duïng trieät ñeå coâng suaát cuûa ñoäng cô. Tuy nhieân noù vaãn bò haïn cheá bôûi khaû naêng truyeàn moâmen xoaén vaø coâng ngheä cheá taïo phöùc taïp. Hoäp soá töï ñoäng voâ caáp thöôøng coù caùc boä phaän chính nhö sau: – Bieán moâmen thuûy löïc. – Boä baùnh raêng haønh tinh ñeå ñoåi chieàu quay truïc sô caáp. – Truyeàn ñoäng voâ caáp nhôø ma saùt. – Heä thoáng ñieàu khieån. Sau ñaây chuùng ta seõ tìm hieåu hai daïng hoäp soá töï ñoäng voâ caáp ñaëc tröng coù phöông phaùp truyeàn moâmen xoaén khaùc nhau. 3.2.1. Hoäp soá töï ñoäng voâ caáp FORD CTX (Continuously Variable Transaxle) ÔÛ treân hình 18 laø keát caáu cuûa hoäp soá töï ñoäng voâ caáp FORD CTX.
  • 49.
    49 1 3 2 4 Hình 18 –Keát caáu cuûa hoäp soá 1 – Caëp beà maët ma saùt hình coân chuû ñoäng; 2 – Caëp beà maët ma saùt hình coân bò ñoäng; 3 – Caùc phaàn töû naèm ngang cuûa ñai truyeàn; 4 – Caùc lôùp theùp moûng chaïy theo chieàu doïc cuûa ñai truyeàn Hoäp soá goàm coù hai truïc: truïc sô caáp vaø truïc thöù caáp, boä phaän quan troïng nhaát cuûa hoäp soá Ford CTX laø hai caëp beà maët ma saùt hình coân cheá taïo baèng theùp. ÔÛ moãi caëp coù moät beà maët coá ñònh vaø moät beà maët di ñoäng theo chieàu doïc truïc, moâmen xoaén ñöôïc truyeàn töø caëp beà maët ma saùt chuû ñoäng sang caëp beà maët ma saùt bò ñoäng nhôø moät ñai truyeàn deûo baèng theùp ñöôïc cheá taïo theo moät nguyeân lyù hoaøn toaøn môùi. Ñai truyeàn naøy goàm 320 phaàn töû baèng theùp ñöôïc xeáp caïnh nhau vaø ñaët naèm ngang so vôùi ñöôøng truïc cuûa sôïi ñai truyeàn. Moâmen xoaén ñöôïc truyeàn töø truïc chuû ñoäng sang truïc bò ñoäng laø nhôø ma saùt giöõa caùc phaàn töû naèm ngang vaø caùc beà maët hình coân. Khi laøm vieäc caùc phaàn töû naøy seõ chòu moät aùp suaát raát lôùn giöõa beà maët cuûa chuùng vaø beà maët cuûa caùc ñóa hình coân. Maët khaùc caùc lôùp theùp chaïy theo chieàu doïc laïi chòu moät söùc caêng raát lôùn (moãi lôùp sôïi theùp moûng coù beà daøy 0,1 mm vaø ñöôïc ñaët choàng leân nhau thaønh nhieàu lôùp). Heä soá ma saùt giöõa beà maët cuûa ñai truyeàn vaø beà maët cuûa taám ma saùt töông ñoái nhoû, do ñoù ñeå truyeàn moâmen xoaén maø khoâng bò tröôït thì giöõa caùc ñai truyeàn vaø caùc beà maët ma saùt hình coân phaûi xuaát hieän moät löïc neùn raát lôùn (20.000N). Theo höôùng truyeàn moâmen xoaén töø ñoäng cô xuoáng, ngay sau baùnh ñaø ñoäng cô laø boä phaän giaûm chaán xoaén. Noù coù taùc duïng giôùi haïn caùc rung ñoäng khi chaïy khoâng taûi vaø laøm giaûm caùc taûi troïng ñoäng töø ñoäng cô leân heä thoáng truyeàn löïc trong tröôøng hôïp taøi xeá taêng hoaëc giaûm ga ñoät ngoät.
  • 50.
    50 a) b) Hình 19– Sô ñoà truyeàn moâmen xoaén vaø nguyeân lyù ñoåi chieàu quay caùc truïc cuûa hoäp soá a – Xe chaïy theo chieàu tieán; b – Xe chaïy luøi Töø truïc thöù caáp cuûa giaûm chaán xoaén, moâmen xoaén ñöôïc truyeàn ñeán caàn cuûa boä baùnh raêng haønh tinh (xem hình 19) caùc truïc cuûa baùnh raêng veä tinh moät ñaàu ñöôïc noái vôùi caàn (loàng raêng) vaø ñaàu kia ñöôïc noái vôùi ly hôïp 1 (ly hôïp cho chuyeån ñoäng tieán), ly hôïp naøy ñoùng hay môû laø nhôø söï thay ñoåi aùp suaát cuûa daàu thuûy löïc ñieàu khieån noù (ly hôïp ma saùt öôùt). Maët khaùc baùnh raêng bao cuûa boä baùnh raêng haønh tinh ñöôïc noái vôùi ly hôïp 3 (ly hôïp cho chuyeån ñoäng luøi) cuõng laø loaïi ma saùt öôùt. Neáu ly hôïp 1 ñoùng vaø ly hôïp 3 môû, laäp töùc boä baùnh raêng haønh tinh bò haõm (caùc baùnh raêng veä tinh khoâng quay) luùc naøy caùc boä phaän cuûa boä baùnh raêng haønh tinh ñeàu quay nhö moät khoái ñoäng hoïc lieàn (khoâng coù söï maát naêng löôïng trong boä baùnh raêng haønh tinh) bôûi vaäy moâmen xoaén ñöôïc truyeàn tröïc tieáp töø caàn cuûa boä baùnh raêng haønh tinh qua caëp ñóa ma saùt hình coân treân truïc chuû ñoäng cuûa hoäp soá. Do ñoù chieàu quay cuûa truïc sô caáp hoäp soá seõ cuøng chieàu vôùi chieàu quay cuûa truïc khuyûu ñoäng cô vaø luùc naøy xe chuyeån ñoäng theo chieàu tieán (xem hình 14a). Tröôøng hôïp ngöôïc laïi, neáu ly hôïp 1 môû vaø ly hôïp 3 ñoùng, laäp töùc boä baùnh raêng haønh tinh trôû laïi traïng thaùi laøm vieäc töï do (khoâng bò haõm) caùc baùnh raêng veä tinh quay theo chieàu muõi teân (xem hình 14b). Nhôø vaäy, truïc sô caáp cuûa hoäp soá seõ ñoåi chieàu quay vaø quay ngöôïc vôùi chieàu quay cuûa coát maùy, luùc naøy chieàu quay cuûa baùnh xe chuû ñoäng cuõng bò ñoåi chieàu vaø xe seõ chuyeån ñoäng luøi. Nguyeân lyù laøm vieäc cuûa hoäp soá FORD CTX raát ñôn giaûn: moâmen xoaén ñöôïc truyeàn bôûi ñai truyeàn naèm giöõa caùc beà maët ma saùt hình coân. Söï dòch chuyeån töông ñoái giöõa chuùng theo chieàu truïc seõ thay ñoåi lieân tuïc tyû soá truyeàn, ñieàu naøy phuï thuoäc vaøo vò trí töông ñoái giöõa ñai truyeàn vaø truïc töông öùng. Khi caùc beà maët ma saùt xa nhau ra treân moät truïc naøo ñoù thì taïi truïc ñoù khoaûng caùch giöõa ñai truyeàn vaø truïc ñoù giaûm daàn, ngöôïc laïi neáu hai beà maët ma saùt hình coân tieán laïi gaàn nhau thì khoaûng caùch giöõa ñai truyeàn vaø truïc töông öùng seõ taêng leân.
  • 51.
    51 Hai quaù trìnhnaøy xaûy ra ñoàng thôøi ôû treân hai truïc vaø ngöôïc chieàu nhau bôûi vaäy tyû soá truyeàn töø truïc chuû ñoäng sang truïc bò ñoäng seõ taêng hoaëc giaûm lieân tuïc do söï chuyeån ñoäng cuûa caùc beà maët ma saùt di ñoäng so vôùi beà maët ma saùt coá ñònh laø lieân tuïc. Quaù trình thay ñoåi tyû soá truyeàn ñöôïc toùm taét nhö sau: B A 2 1 1 R 2 R K Hình 20 – Nguyeân lyù thay ñoåi voâ caáp tyû soá truyeàn Tyû soá truyeàn i12 töø truïc sô caáp 1 sang truïc thöù caáp 2 ñöôïc tính: i12 = R2/R1. Khi xe döøng, do ñoäng cô khoâng laøm vieäc, aùp suaát daàu thuûy löïc trong buoàng A vaø B coù giaù trò cöïc tieåu. Luùc ñoù loø xo K (coù löïc eùp raát lôùn) seõ ñaåy maët ma saùt hình coân di ñoäng treân truïc 2 ñeán saùt maët ma saùt coá ñònh, luùc naøy R2 = R2max (xem hình 15) vaø do söùc caêng cuûa ñai truyeàn neân beà maët coân di ñoäng cuûa truïc 1 thaéng ñöôïc aùp löïc daàu, bôûi vaäy noù bò eùp veà phía phaûi ñeán vò trí cuoái cuøng. Nhö vaäy luùc naøy R1 = R1min vaø i12 = R2max /R1min = i12max. Khi khôûi ñoäng ñoäng cô, caàn choïn cheá ñoä ñi phaûi ôû vò trí N (chaïy khoâng taûi, luùc naøy ly hôïp 1 vaø 3 ñeàu môû). Khi taøi xeá muoán ñi theo chieàu tieán, caàn choïn cheá ñoä ñi phaûi ñöa veà vò trí D vaø taêng chaân ga. Vôùi söùc caûn chuyeån ñoäng giaûm daàn vaø aùp suaát daàu trong buoàng A vaø B taêng daàn, aùp löïc daàu ôû B thaéng söùc eùp loø xo K, ñaåy ñóa di ñoäng treân truïc 2 veà beân traùi nghóa laø R2 giaûm daàn vaø R1 taêng daàn, luùc ñoù tyû soá truyeàn: i12=R2 giaûm daàn / R1 taêng daàn . Do ñoù i12 giaûm daàn. Ñeán moät luùc naøo ñoù, öùng vôùi luùc söùc caûn chuyeån ñoäng ñaït giaù trò cöïc tieåu, taøi xeá ñaïp chaân ga ñeán vò trí saâu nhaát, soá voøng quay ñoäng cô ñaït giaù trò cöïc ñaïi vaø aùp suaát daàu trong buoàng A vaø B cuõng ñaït giaù trò cöïc ñaïi, luùc naøy hai ñóa di ñoäng treân truïc 1 vaø 2 ñeàu bò eùp veà vò trí taän cuøng beân traùi cho neân: R1 = R1max, R2=R2min. Luùc naøy tyû soá truyeàn: i12 = R2min / R1max = i12min Trong quaù trình i12 thay ñoåi töø i12max ñeán i12min do caùc ñóa di ñoäng bò eùp lieân tuïc neân R1 taêng lieân tuïc vaø R2 giaûm xuoáng lieân tuïc bôûi vaäy i12 cuõng giaûm xuoáng lieân tuïc töø i12max ñeán giaù trò i12min. Neáu gaëp söùc caûn chuyeån ñoäng cuûa maët ñöôøng taêng (chaúng haïn ñoä doác cuûa maët ñöôøng taêng) nhôø söï ñieàu khieån cuûa trung taâm ñieàu khieån maø aùp suaát daàu trong A vaø B seõ giaûm. Do söùc eùp cuûa loø xo K, ñóa di ñoäng treân truïc 2 bò ñaåy töø traùi qua phaûi cho neân R2 taêng daàn leân. Do ñai truyeàn bò keùo dòch
  • 52.
    52 veà phía truïc2 neân löïc eùp giöõa maët beân ñai truyeàn vaø maët beân cuûa ñóa di ñoäng treân truïc 1 seõ thaéng aùp löïc daàu ôû A vaø ñaåy ñóa ma saùt veà beân phaûi, bôûi vaäy R1 giaûm xuoáng. Luùc naøy tyû soá truyeàn laø: i12 = R2 taêng daàn / R1 giaûm daàn. Do ñoù i12 taêng daàn. Neáu söùc caûn chuyeån ñoäng taêng leân lieân tuïc thì i12 cuõng taêng leân lieân tuïc.Quaù trình taêng hoaëc giaûm tyû soá truyeàn laø caùc quaù trình lieân tuïc (khoâng nhaûy töøng baäc nhö ôû hoäp soá coù caáp). Ñoù laø nguyeân lyù thay ñoåi voâ caáp tyû soá truyeàn cuûa hoäp soá FORD CTX. 3.2.2. Hoäp soá töï ñoäng voâ caáp Extroid CVT (Continuously Variable Automatic Transmission) cuûa Nissan Haõng Nissan vöøa cho ra ñôøi hoäp soá töï ñoäng voâ caáp vôùi moät phöông thöùc truyeàn ñoäng hoaøn toaøn môùi so vôùi nhöõng hoäp soá töï ñoäng voâ caáp tröôùc ñaây. Moâmen xoaén ñöôïc truyeàn nhôø caùc beà maët ma saùt vaø hoäp soá naøy truyeàn ñöôïc moâ men xoaén coù giaù trò ñeán 400 Nm. Treân hình 21 laø caáu taïo cuûa hoäp soá. Töø traùi sang phaûi, boä phaän thöù nhaát laø bieán moâ thuûy löïc, boä phaän thöù 2 laø boä baùnh raêng haønh tinh ñeå taïo ra soá luøi cho hoäp soá, boä phaän thöù 3 laø truyeàn ñoäng voâ caáp nhôø ma saùt, boä phaän thöù 4 laø 2 caëp baùnh raêng truï ñeå taêng tyû soá truyeàn cho hoäp soá. Hình 21 – Caáu taïo cuûa hoäp soá Boä phaän quan troïng nhaát cuûa hoäp soá ñeå taïo ra tyû soá truyeàn voâ caáp laø 2 caëp ñóa ma saùt hình coân loõm. ÔÛ moãi caëp ñóa ma saùt hình coân loõm coù 2 ñóa quay ñöôïc eùp tì vaøo ñeå truyeàn moâmen xoaén töø ñóa chuû ñoäng sang ñóa bò ñoäng. ÔÛ caëp ñóa ma saùt hình coân loõm thöù nhaát (caëp beân traùi): ñóa chuû ñoäng ôû beân traùi, ñóa bò ñoäng ôû beân phaûi, coøn ôû caëp ñóa ma saùt hình coân loõm thöù 2 thì ngöôïc laïi. Hai ñóa ma saùt hình coân loõm chuû ñoäng noái cöùng vôùi truïc sô caáp, coøn 2 ñóa bò ñoäng thì quay trôn treân truïc, nhöng chuùng laïi noái cöùng vôùi baùnh raêng thöù nhaát vaø baùnh raêng naøy cuõng quay trôn treân truïc sô caáp. Moâmen xoaén töø truïc sô caáp ñi qua 2 ñóa hình coân loõm chuû ñoäng, sau ñoù noù ñöôïc truyeàn ñeán 2 ñóa hình coân loõm bò ñoäng thoâng qua 4 ñóa eùp, töø 2 ñóa hình coân loõm bò ñoäng moâmen xoaén ñi qua baùnh raêng thöù nhaát, thöù 2, thöù 3, thöù 4 vaø sau ñoù ñi ra ngoaøi theo truïc thöù caáp.
  • 53.
    Hình 22 –Nguyeân lyù thay ñoåi voâ caáp tyû soá truyeàn Nguyeân lyù thay ñoåi voâ caáp tyû soá truyeàn ñöôïc chæ roõ ôû hình 22. Tyû soá truyeàn voâ caáp ñöôïc tính: i = ro / r1 Thoâng qua heä thoáng ñieàu khieån, neáu chuùng ta thay ñoåi ñoä nghieâng cuûa caùc ñóa eùp lieân tuïc thì baùn kính r1 seõ taêng (hoaëc giaûm) lieân tuïc vaø baùn kính ro seõ giaûm (hoaëc taêng) lieân tuïc. Bôûi vaäy tyû soá truyeàn i seõõ giaûm (hoaëc taêng) lieân tuïc. Heä thoáng ñieàu khieån hoäp soá ñöôïc theå hieän ôû hình 18. Caùc tín hieäu töø caùc boä caûm bieán ñöôïc truyeàn veà boä phaän ñieàu khieån. Boä phaän ñieàu khieån xöû lyù caùc tín hieäu vaø ñieàu khieån boä phaän chaáp haønh (van ñaûo chieàu) ñeå ñoùng hoaëc môû caùc maïch daàu thích hôïp ñeán caùc boä phaän trôï löïc thuûy löïc. Caùc boä phaän trôï löïc thuûy löïc naøy coù nhieäm vuï laøm xoay caùc truïc ñeå thay ñoåi ñoä nghieâng cuûa caùc ñóa eùp. Quaù trình thay ñoåi ñoä nghieâng cuûa caùc ñóa eùp xaûy ra phaûi raát chính xaùc vaø ñoàng boä giöõa caùc ñóa. Caùc tín hieäu ñieàu khieån bao goàm : vò trí böôùm ga, soá voøng quay cuûa ñoäng cô, soá voøng quay cuûa ñóa chuû ñoäng vaø bò ñoäng, vò trí caàn choïn cheá ñoä chuyeån ñoäng vaø nhieät ñoä cuûa daàu. Hình 23 – Heä thoáng ñieàu khieån hoäp soá
  • 54.
    54 B – TÍNHTOÁN VÀ THIẾT KẾ HỘP SỐ TỰ ĐỘNG III. CÁC THÔNG SỐ KỸ THUẬT CỦA HỘP SỐ TỰ ĐỘNG IV. TÍNH ĐỘNG HỌC VÀ ĐỘNG LỰC HỌC CỦA HỘP SỐ TỰ ĐỘNG 3. Tính toaùn bieán moâmen thuûy löïc Khi caùc phaàn töû chaát loûng chuyeån ñoäng qua caùc caùch cuûa B, T vaø P vaän toác tuyeät ñoái bao goàm vaän toác töông ñoái vaø vaän toác theo : Khi ñi vaøo ñóa B, doøng chaát loûng coù caùc vaän toác vb1, wb1, ub1 (ôû hình 24). Khi ra khoûi ñóa B caùc vaän toác cuûa doøng chaát loûng laø vb2 , wb2, ub2. Hình 24 – Sô ñoà vaän toác cuûa chaát loûng khi chuyeån ñoäng theo caùnh cuûa bôm (B) Chuùng ta kí hieäu laø khoái löôïng cuûa chaát loûng ñi qua caùc caùnh ñóa B trong moät giaây, thì moâmen xoaén cuûa truïc ñóa B seõ laø: (Theo moân Maùy thuûy löïc) = (4.16) Caùc giaù trò OA, OB, rb1, rb2, b1, b2 ñöôïc bieåu thò treân hình (23). v  w  u  u w v      v B b1 b1 u b1 w b2 u b2 v b2 w 2 1 A rb1 b2 r b b1  b2 b1 b2 O g G m  ) cos . r . v cos . r . v .( g G M 1 b 1 b 1 b 2 b 2 b 2 b b     ) OA . v OB . v .( g G 1 b 2 b 
  • 55.
    55 Doøng chaát loûngsau khi ñi ra khoûi B taïi ñieåm 2 laäp töùc ñi vaøo T taïi ñieåm 1. Vì khe hôû giöõa B vaø T voâ cuøng nhoû neân moâmen ñoäng löôïng cuûa doøng chaát loûng ra khoûi B baèng moâmen ñoäng löôïng cuûa doøng chaát loûng ñi vaøo T: (4.17) Vì vaän toác vt2 ngöôïc chieàu quay cuûa T, neân vt2 coù höôùng aâm. Bôûi vaäy, moâmen treân truïc T seõ laø: (4.18) Caùc giaù trò OC, OD, rt1, rt2, t1, t2 bieåu thò treân hình 25. Hình 25 – Sô ñoà vaän toác cuûa chaát loûng khi chuyeån ñoäng theo caùnh cuûa tuoác bin (T) Do moâmen ñoäng löôïng cuûa doøng chaát loûng ra khoûi T baèng moâmen ñoäng löôïng ñi vaøo P vaø moâ men ñoäng löôïng ra khoûi P baèng moâmen ñoäng löôïng ñi vaøo B, neân moâmen cuûa ñóa P laø: = (4.19) Töø caùc bieåu thöùc (4.16); (4.18); (4.19) suy ra: -Mt = Mb + Mp (4.20) Daáu tröø ôû giaù trò Mt theå hieän tuoácbin nhaän moâmen cuûa doøng chaát loûng. OC . v . g G OB . v . g G 1 t 2 b  ) OC . v OD . v ( g G M 1 t 2 t t    ) OB . v OD . v ( g G 2 b 2 t    u t1 t1 v t1 w t2 u t2 w t2 v t  t2 r t1 r 1 2 D o C t1 t2 't2 t2 t1   ) OD . v ( OA . v g G M 2 t 1 b p    ) OD . v OA . v ( g G 2 t 1 b 
  • 56.
    56 Bieåu thöùc (4.20)chöùng toû moâmen xoaén cuûa tuoác bin taêng leân ñöôïc laø nhôø coù ñóa phaûn xaï. Ñeå ñaëc tröng cho khaû naêng taêng moâmen xoaén cuûa bieán moâmen thuûy löïc, ngöôøi ta ñöa ra heä soá bieán moâmen K: (4.21) Khaû naêng taêng moâmen xoaén lôùn nhaát laø ôû giaù trò K = K0 khi ñóa tuoác bin ñöùng yeân: nt = 0. Hieäu suaát cuûa bieán moâmen thuûy löïc ñöôïc tính: (4.22) Trong ñoù: itb – Tyû soá voøng quay cuûa T so vôùi B. S – Ñoä tröôït cuûa ñóa T so vôùi ñóa B. S= (4.23) Caùc ñöôøng ñaëc tính cuûa bieán moâmen thuûy löïc So vôùi ly hôïp thuûy löïc, ñöôøng ñaëc tính cuûa bieán moâmen thuûy löïc coù söï khaùc bieät. Bôûi vì, ôû bieán moâmen thuûy löïc chaát loûng ñöôïc naïp ñaày vaø coù moät aùp suaát dö nhaát ñònh, do bieán moâmen thuûy löïc chæ laøm vieäc oån ñònh trong ñieàu kieän chaát loûng khoâng coù boït khí. Ñöôøng ñaëc tính cuûa bieán moâ men thuûy löïc coù ñóa phaûn xaï coá ñònh ñöôïc xaùc ñònh baèng thöïc nghieäm (hình 26). Hình 26 – Ñöôøng ñaëc tính ngoaøi cuûa bieán moâmen thuûy löïc coù ñóa phaûn xaï coá ñònh (khi nb = const) Töø ñöôøng ñaëc tính cho thaáy, khi nt taêng daàn ñeán gaàn giaù trò nb thì Mt vaø K giaûm xuoáng. ÔÛ beân traùi ñieåm C giaù trò Mp  0 neân Mt = Mb + Mp bôûi vaäy Mt  Mb vaø K 1. b t M M K  S) K(1 K.i n n K .ω M .ω M η tb b t b b t t b      b t n n 1 Mp Mb nt K=1 A B M,K, D C 0 Mt l  b  tA tC tD n n n (+) () K
  • 57.
    57 Taïi ñieåm Cgiaù trò Mp = 0 neân Mt = Mb vaø K = 1. ÔÛ beân phaûi ñieåm C (öùng vôùi nt ntc) ñóa phaûn xaï P trôû thaønh boä phaän haõm. Nguyeân nhaân laø töø soá voøng quay nt  ntc caùc phaàn töû chaát loûng bò ñoåi höôùng vaø ñaäp vaøo sau löng caùc caùnh cuûa ñóa P, neân luùc naøy moâmen Mp ñoåi chieàu vaø coù giaù trò aâm (xem hình 4.20), Mp  0 neân Mt = Mb - Mp vaø K 1. Hieäu suaát cuûa bieán moâmen thuûy löïc b bieán thieân theo ñöôøng cong baäc hai vaø b = bmax taïi ñieåm A öùng vôùi soá voøng quay nt = ntA. Ñeå tieän so saùnh, treân ñöôøng ñaëc tính coù veõ theâm ñöôøng hieäu suaát cuûa ly hôïp thuûy löïc l. Vôùi 0  nt  ntc thì b>t vaø k>1. ÖÙng vôùi ntc  nt  ntD do söï maát maùt trong ñóa P neân b giaûm nhanh vaø keát quûa laøb<l. Töø hình 4.19 chuùng ta thaáy: khi ñóa P coá ñònh thì töø soá voøng quay nt  ntc trôû ñi Mt  Mb. Ñaây laø nhöôïc ñieåm lôùn caàn khaéc phuïc. Bôûi vaäy khi ñaët ñóa P treân khôùp quay moät chieàu thì seõ khaéc phuïc ñöôïc nhöôïc ñieåm treân (hình 26). Beân döôùi hình 27 bieåu dieãn phöông, chieàu cuûa caùc phaàn töû chaát loûng ñaäp vaøo caùc caùnh cuûa ñóa P ôû caùc thôøi ñieåm nt khaùc nhau. Vôùi soá voøng quay nt  ntc trôû ñi caùc phaàn töû chaát loûng ñaäp vaøo sau löng caùc caùnh cuûa P. Neáu luùc naøy ñóa P quay töï do thì noù khoâng coøn laø boä phaän haõm nöõa. Luùc naøy bieán moâmen thuûy löïc laøm vieäc theo nguyeân lyù cuûa ly hôïp thuûy löïc. Söï thay ñoåi höôùng va ñaäp cuûa caùc phaàn töû chaát loûng leân caùnh cuûa ñóa P khi nt thay ñoåi Hình 27 – Ñöôøng ñaëc tính ngoaøi cuûa bieán moâmen thuûy löïc coù ñóa phaûn xaï ñaët treân khôùp quay 1 chieàu (khi nb = const) A B M,K, D C 0 Mt tA tC tD n n n (+) K Mp Mb nt K=1 b Mt b = M b   l
  • 58.
    58 4. Tính toánđộng học và động lực học của hộp số hành tinh Tröôùc heát chuùng ta khaûo saùt ñoäng hoïc vaø ñoäng löïc hoïc cuûa boä baùnh raêng haønh tinh ñôn giaûn ôû trong hoäp soá haønh tinh 1 caáp. Boä baùnh raêng haønh tinh ñôn giaûn goàm coù caùc phaàn töû sau (hình 28):  Baùnh raêng trung taâm (C): coù soá voøng quay laø nC , vaän toác goùc laø C.  Baùnh raêng bao (voøng raêng) (K): coù soá voøng quay laø nK, vaän toác goùc laø K.  Caùc baùnh raêng haønh tinh (S): coù soá voøng quay laø n S, vaän toác goùc laø S.  Caàn daãn (U): coù soá voøng quay laø nU, vaän toác goùc laø U. Hình 28 – Sô ñoà boä baùnh raêng haønh tinh ñôn giaûn Chuùng ta seõ xaùc ñònh caùc quan heä ñoäng hoïc vaø ñoäng löïc hoïc cho boä baùnh raêng haønh tinh ñôn giaûn theo hình 28. Töø ñieàu kieän caân baèng ôû baùnh raêng haønh tinh (S) ta coù: Fs = C C r M = K K r M  MC = K K C M . r r (4.24) Toång moâmen treân caû 3 phaàn töû coù truïc ñi ra ngoaøi (ñoù laø C, U, vaø K) phaûi baèng khoâng (vôùi giaû thieát hieäu suaát = 1) MC + MK – MU = 0 (4.25) ÔÛ ñaây: MC  Moâmen ôû baùnh raêng trung taâm. MK  Moâmen ôû baùnh raêng bao. MU  Moâmen ôû caàn daãn.
  • 59.
    59 Hình 29 –Quan heä cuûa caùc löïc vaø moâmen trong boä baùnh raêng haønh tinh ñôn giaûn Thay giaù trò MC töø (4.24) vaøo (4.25) ta coù: MU = MC + MK = (1 + C K M M ). MC (4.26) = (1 + K C M M ). MK = (1 + C K r r ).MC = (1 + K K C M ). r r Vôùi giaû thieát = 1 thì coâng suaát ôû ñaàu vaøo PV baèng coâng suaát ôû ñaàu ra PR: PV = PR Töùc laø: MV. V = MR.R Hoaëc: MV.nv = MR.nR ÔÛ ñaây: V Vaän toác goùc ôû ñaàu vaøo. R Vaän toác goùc ôû ñaàu ra. MV  Moâmen ôû ñaàu vaøo. MR  Moâmen ôû ñaàu ra. nv  Soá voøng quay ôû ñaàu vaøo. nR  Soá voøng quay ôû ñaàu ra. Töø ñoù chuùng ta xaùc ñònh ñöôïc tyû soá truyeàn: i = R V   = V R M M = R V n n (4.27) Nhôø caùc phöông trình treân chuùng ta coù theå xaùc ñònh ñöôïc taát caû caùc tyû soá truyeàn coù theå xaûy ra. Khi haõm baùnh raêng bao (nK = 0), ñaàu vaøo ñöôïc choïn laø truïc cuûa baùnh raêng trung taâm vaø ñaàu ra laø truïc cuûa caàn daãn, ta coù: nV = nC ; MV = MC nR = nU ; MR = MU Tyû soá truyeàn theo (4.27) seõ laø: i = U C n n = C U M M Vaø bôûi vì theo (4.26) quan heä moâmen laø C U M M = 1 + C K r r neân chuùng ta nhaän ñöôïc:
  • 60.
    60 i = 1+ C K r r Khi haõm baùnh raêng trung taâm (nC = 0), ñaàu vaøo laø truïc cuûa caàn daãn, ñaàu ra laø truïc cuûa baùnh raêng bao, ta coù: nV = nU ; MV = MU nR = nK ; MR = MK Tyû soá truyeàn trong tröôøng hôïp naøy seõ laø: i = K U n n = U K M M Töø phöông trình (4.26) suy ra: i = U K M M = K C r r 1 1  Quan heä giöõa caùc vaän toác tieáp tuyeán (vaän toác daøi) cuûa caùc phaàn töû ôû trong boä baùnh raêng haønh tinh ñôn giaûn ñöôïc theå hieän treân hình (4.26). Theo caùc coâng thöùc ôû cô hoïc, ta coù: vC = rC. C ; vK = rK. K  vU = 2 1 (vC + vK) = 2 1 ( rK. K + rC. C) Trong ñoù: vC  Vaän toác tieáp tuyeán cuûa baùnh raêng trung taâm ôû taïi voøng troøn cô sôû. vK  Vaän toác tieáp tuyeán cuûa baùnh raêng bao ôû taïi voøng troøn cô sôû. vU  Vaän toác tieáp tuyeán cuûa caàn daãn ôû taïi taâm cuûa baùnh raêng haønh tinh. Boä baùnh raêng haønh tinh ñôn giaûn coù theå taïo ra nhieàu tæ soá truyeàn khaùc nhau. Trong baûng (4.1) ñaõ lieät keâ taát caû caùc tröôøng hôïp coù theå gaëp. Tuy nhieân trong soá ñoù chæ coù vaøi tröôøng hôïp laø coù theå öùng duïng vaøo thöïc teá cho hoäp soá haønh tinh vaø hoäp soá töï ñoäng coù caáp. Töø baûng 4.1 cho ta thaáy moät boä baùnh raêng haønh tinh ñôn giaûn coù theå cho ra 7 tæ soá truyeàn khaùc nhau.
  • 61.
    61 Baûng 4.1: Sau ñaâychuùng ta seõ xeùt ñeán hoäp soá haønh tinh phöùc taïp (hoäp soá haønh tinh nhieàu caáp). Hoäp soá haønh tinh nhieàu caáp ñöôïc keát noái töø caùc boä baùnh raêng haønh tinh ñôn giaûn laïi vôùi nhau. Thoâng thöôøng soá boä baùnh raêng haønh tinh ñôn giaûn keát hôïp vôùi nhau laø 2 hoaëc 3, ñaëc bieät coù tröôøng hôïp laø 4 boä. Xeùt tröôøng hôïp keát noái hai boä baùnh raêng haønh tinh ñôn giaûn (hình 30). Luùc naøy chuùng ta coù theå nhaän ñöôïc 7 x 7 = 49 tæ soá truyeàn khaùc nhau. Ñaùng tieác laø trong soá ñoù chæ coù vaøi tæ soá truyeàn laø coù theå öùng duïng trong thöïc teá. Tyû soá truyeàn toaøn boä ñöôïc tính: i = i1. i2 Trong ñoù: i1  Tyû soá truyeàn cuûa boä baùnh raêng haønh tinh ñôn giaûn thöù nhaát. i2  Tyû soá truyeàn cuûa boä baùnh raêng haønh tinh ñôn giaûn thöù 2.
  • 62.
    62 Theo tröôøng hôïpôû hình 30 vaø keát hôïp vôùi caùc tæ soá truyeàn ñaõ tính ñöôïc ôû baûng 4.1 thì tæ soá truyeàn toaøn boä seõ laø: i = (1+ K1 C1 r r ).(1 + K2 C2 r r ) Hình 30 – Sô ñoà keát noái 2 boä baùnh raêng haønh tinh ñôn giaûn thoâng qua moät truïc Khaû naêng lieân keát thöù hai laø söï keát noái giöõa hai phaàn töû cuûa boä baùnh raêng haønh tinh thöù nhaát vôùi hai phaàn töû cuûa boä baùnh raêng haønh tinh thöù hai (keát noái thoâng qua hai truïc). Moät ví duï cho tröôøng hôïp naøy laø sô ñoà ôû treân hình 31. Hình 31 – Sô ñoà keát noái hai boä baùnh raêng haønh tinh ñôn giaûn thoâng qua hai truïc
  • 63.
    63 Hieän nay ôûcaùc hoäp soá töï ñoäng coù 3 soá tieán vaø 1 soá luøi thöôøng söû duïng beân trong noù laø hoäp soá haønh tinh Ravigneaux hoaëc Simpson. Sau ñaây chuùng ta seõ khaûo saùt caû hai loaïi hoäp soá naøy. Treân hình 32 a,b laø sô ñoà hoäp soá Ravigneaux. Noù goàm coù 2 baùnh raêng trung taâm C1, C2, hai nhoùm baùnh raêng haønh tinh S1, S2, moät caàn daãn U vaø moät baùnh raêng bao K. ÔÛ baûng 4.2 lieät keâ taát caû caùc tæ soá truyeàn ñöôïc öùng duïng vaø ñaàu vaøo, ñaàu ra cuûa hoäp soá ôû caùc tröôøng hôïp cuï theå. Hình 32 – Hoäp soá haønh tinh Ravigneaux a, b – Sô ñoà cuûa hoäp soá; c – Caùc löïc vaø moâmen taùc duïng ôû tay soá 1; d – Caùc löïc vaø moâmen taùc duïng ôû tay soá 2; e – Caùc löïc vaø moâmen taùc duïng ôû tay soá luøi
  • 64.
    64 Baûng 4.2: Caùctyû soá truyeàn cuûa hoäp soá Ravigneaux Hoäp soá haønh tinh tieáp theo ñöôïc söû duïng khaù thöôøng xuyeân laø hoäp soá Simpson (hình 33). Hoäp soá naøy coù 2 boä baùnh raêng haønh tinh ñôn giaûn. Hai baùnh raêng trung taâm C1 vaø C2 ñöôïc noái vôùi nhau bôûi moät truïc. Hai nhoùm baùnh raêng haønh tinh S1, S2 coù kích thöôùc khaùc nhau. Hai baùnh raêng bao K1, K2 cuõng coù kích thöôùc khaùc nhau. Caàn daãn U2 ñöôïc noái vôùi baùnh raêng bao K1. Hình 33 – Sô ñoà hoäp soá haønh tinh Simpson
  • 65.
    65 Taát caû caùcsoá lieäu quan troïng vaø caùc tyû soá truyeàn cuûa hoäp soá haønh tinh Simpson ñöôïc lieät keâ ôû baûng 4.3. Baûng 4.3: Caùc tyû soá truyeàn cuûa hoäp soá Simpson 4.1. Phöông phaùp choïn soá raêng cho hoäp soá haønh tinh Soá raêng cuûa hoäp soá haønh tinh ñöôïc choïn theo coâng thöùc sau: (4.28) Trong ñoù: z1, z2  Soá raêng cuûa baùnh raêng trung taâm vaø baùnh raêng bao. zh  Soá raêng cuûa baùnh raêng haønh tinh. x  Soá löôïng baùnh raêng haønh tinh. K=  Thoâng soá cuûa cô caáu (tæ soá truyeàn beân trong). Baèng caùch choïn tröôùc soá löôïng raêng cuûa baùnh raêng nhoû nhaát theo kích thöôùc ñeå traùnh hieän töôïng caét chaân raêng vaø theo khaû naêng boá trí treân truïc cuõng nhö baèng caùch choïn tröôùc soá löôïng baùnh raêng haønh tinh vaø thoâng soá K, chuùng ta xaùc ñònh ñöôïc soá löôïng raêng cuûa baùnh raêng coøn laïi. Soá raêng vöøa tính ñöôïc ôû phaàn treân caàn quy troøn thaønh soá nguyeân vaø kieåm tra ñeå ñaûm baûo ñieàu kieän ñoàng truïc, ñieàu kieän laép gheùp vaø ñieàu kieän keà. Ñieàu kieän ñoàng truïc ñöôïc theå hieän theo coâng thöùc: z2 - z1 = 2 zh (4.29) Ñeå ñaûm baûo ñaàu raêng cuûa baùnh raêng haønh tinh truøng vôùi chaân raêng cuûa baùnh raêng trung taâm vaø baùnh raêng bao, chuùng ta phaûi tuaân theo ñieàu kieän laép gheùp sau: z1 + z2 = nx (4.30) ÔÛ ñaây: n  Soá nguyeân baát kyø. Ñieàu kieän keà ñaûm baûo coù khe hôû giöõa caùc raêng cuûa caùc baùnh raêng laân caän. Muoán vaäy phaûi thoûa maõn baát phöông trình sau: ) 1 K ( x z : K z : ) 1 K ( z z : z x z z : z : z : z 1 1 2 1 1 2 1 2 h 1     1 2 z z
  • 66.
    66 0 ) x π sin (1 z x π sin z h 1   (4.31) Neáu soá raêng nhaän ñöôïc khoâng thoûa maõn ñieàu kieän ñoàng truïc thì phaûi duøng phöông phaùp dòch chænh. 4.2. Xaùc ñònh tyû soá truyeàn theo soá raêng Tröôùc heát chuùng ta xaùc ñònh tæ soá truyeàn cuûa hoäp soá haønh tinh ñôn giaûn (cô caáu haønh tinh moät daõy). Caùc phaàn töû cuûa cô caáu haønh tinh bao goàm: Baùnh raêng trung taâm coù vaän toác goùc 1 vaø soá raêng z1. Baùnh raêng bao coù vaän toác goác 2 vaø soá raêng z2. Baùnh raêng haønh tinh coù vaän toác goác h vaø soá raêng zh. Loàng raêng (caàn daãn) coù vaän toác goùc c. Khi moät phaàn töû naøo ñoù cuûa cô caáu haønh tinh ñöôïc noái vôùi truïc sô caáp cuûa hoäp soá thì vaän toác goùc cuûa phaàn töû ñoù baèng vaän toác goác ñaàu vaøo v. Khi moät phaàn töû naøo ñoù cuûa cô caáu haønh tinh ñöôïc noái vôùi truïc thöù caáp cuûa hoäp soá thì vaän toác goùc cuûa phaàn töû ñoù baèng vaän toác goác ñaàu ra R. Tyû soá truyeàn cuûa hoäp soá ôû moät tay soá thöù i naøo ñoù ñöôïc xaùc ñònh bôûi tæ soá: (4.32) Ñeå xaùc ñònh ñöôïc tæ soá treân, chuùng ta phaûi döïa vaøo coâng thöùc Willys: (4.32) Hoaëc nhôø phöông trình ñoäng hoïc cuûa cô caáu haønh tinh moät daõy: 1z1 + 2z2 = c(z1 + z2) (4.33) Thoâng thöôøng chæ vôùi phöông trình ñoäng hoïc thì chöa ñuû ñeå tìm ñöôïc ihi. Chuùng ta phaûi keát hôïp vôùi caùc phöông trình bieåu dieãn moái lieân keát giöõa caùc phaàn töû cuûa cô caáu haønh tinh vôùi caùc phaàn töû cuûa cô caáu ñieàu khieån (caùc ly hôïp ma saùt hoaëc caùc phanh daûi). Caùc phöông trình treân laäp thaønh moät heä phöông trình. Giaûi heä phöông trình ñoù, chuùng ta seõ xaùc ñònh ñöôïc tæ soá truyeàn. Nguyeân taéc chung ñeå vieát caùc phöông trình lieân keát:  Khi hai phaàn töû ñöôïc noái vôùi nhau thì vaän toác goùc cuûa chuùng phaûi baèng nhau.  Khi moät phaàn töû bò haõm laïi thì vaän toác goùc cuûa noù baèng khoâng. Ñoái vôùi hoäp soá haønh tinh phöùc taïp chöùa n - cô caáu haønh tinh moät daõy (n  2) thì chuùng ta seõ laäp ñöôïc n  phöông trình ñoäâng hoïc cho töøng cô caáu haønh tinh moät daõy. Ngoaøi ra keát hôïp vôùi caùc phöông trình bieåu dieãn söï lieân keát giöõa caùc phaàn töû cuûa caùc cô caáu haønh tinh vôùi nhau vaø giöõa caùc R v hi ω ω i  1 2 c 2 c 1 z z        
  • 67.
    67 phaàn töû cuûacô caáu haønh tinh vôùi caùc phaàn töû ñieàu khieån. Töø ñoù, chuùng ta seõ nhaän ñöôïc moät heä phương trình. Giaûi heä phöông trình ñoù, ta nhaän ñöôïc tæ soá truyeàn hoäp soá haønh tinh phöùc taïp ôû moät tay soá nhaát ñònh. ÔÛ caùc tay soá khaùc nhau, chuùng ta seõ laäp ñöôïc caùc heä phöông trình khaùc nhau. Tæ soá truyeàn cuûa hoäp soá haønh tinh phöùc taïp ôû tay soá thöù i naøo ñoù vaãn ñöôïc xaùc ñònh theo coâng thöùc (4.32). Khi ñi tìm tæ soá truyeàn cuûa hoäp soá haønh tinh chuùng ta phaûi bieát tröôùc soá raêng cuûa caùc baùnh raêng trung taâm vaø baùnh raêng bao. Hoäp soá haønh tinh ñôn giaûn ñöôïc goïi laø hoäp soá haønh tinh moät caáp. Hoäp soá haønh tinh phöùc taïp coù n - cô caáu haønh tinh moät daõy ñöôïc goïi laø hoäp soá haønh tinh nhieàu caáp.
  • 68.
    68 BÀI 3 –HỘP SỐ PHÂN PHỐI A – KẾT CẤU HỘP SỐ PHÂN PHỐI I. CÔNG DỤNG, YÊU CẦU VÀ PHÂN LOẠI 1. Coâng duïng 2. Yeâu caàu 3. Phaân loaïi II. ĐẶC ĐIỂM KẾT CẤU CỦA HỘP SỐ PHÂN PHỐI 1. Cấu tạo chung
  • 69.
    69 Hình 1 –Sơ đồ kết cấu các bộ phận chính của hộp số phân phối 1 – Dĩa khớp nối khóa vi sai; 2 – Thanh trượt dĩa khớp nối khóa vi sai; 3 – Áo bọc thanh trượt; 4 – Vòng đệm hãm; 5 - Ống lót cần trục; 6 – Cần trục; 7 – Bu lông hãm dĩa khớp; 8 – Công tắc đèn kiểm tra khóa vi sai; 9 – Thanh trượt sang số; 10 – Cần gạt khóa vi sai; 11 - Ống lót cách; 12 – Cần trục sang số; 13 – Gối trục; 14 – Dĩa khớp sang số; 15 – Cần sang số; 16 - Ống lót cao su định vị; 17 – Lò xo và bi định vị; 18 – Bích trục chủ động; 19 – Nắp trước; 20 – Vòng bít kín trục chủ động; 21 – Vòng chặn ổ bi; 22 - Ổ bi trước của trục chủ động; 23 – Bánh răng số truyền cao nhất; 24 – Khớp nối sang số; 25 – Các te hộp số phân phối; 26 - Bánh răng số truyền nhỏ nhất; 27 - Ổ bi sau của trục chủ động; 28 – Vòng định vị ổ trục của trục chủ động; 29 – Trục chủ động; 30 - Ống lót; 31 – Moay ơ; 32 – Nắp sau; 33 - Ổ trục sau của trục trung gian; 34 – Trục trung gian; 35 - Ổ trục của trục truyền động cầu sau; 36 - Ổ trục sau của vi sai; 37 – Bích; 38 – Vòng bích kín trục dẫn động của cầu sau; 39 – Vỏ sau của vi sai; 40 – Vòng đệm tựa; 41- Bánh răng dẫn động cầu sau; 42 – Trục bánh răng hành tinh; 43 – Vòng hãm; 44 – Vòng đệm cao su; 45 – Giá treo; 46 – Vòng đệm chặn của bánh răng hành tinh; 47 – Các te dẫn động cầu trước; 48 – Bánh răng hành tinh; 49 – Bánh răng bị động của vi sai; 50 – Vỏ trước của vi sai
  • 70.
    70 2. Đặc điểmkết cấu các bộ phận của hộp số phân phối 2.1. Các bộ phận chính của hộp số phân phối 2.2. Đặc điểm cấu tạo của cơ cấu điều khiển hộp số phân phối 3. Đặc điểm kết cấu của một số loại hộp số phân phối a) Cấu tạo Hình 2 – Sơ đồ động học của hộp số phân phối 3.2. Sô ñoà ñoäng hoïc cuûa caùc loaïi hoäp phaân phoái
  • 71.
    71 Hình 3 –Sô ñoà ñoäng hoïc cuûa hoäp phaân phoái a) GAZ – 66, b) ZIL – 157, c) ZIL – 131 A – Vò trí gaøi caàu sau vaø caàu giöõa; B – Vò trí gaøi soá phuï; C – Vò trí gaøi theâm caàu tröôùc 1– Truïc chuû ñoäng; 2 – Truïc ra caàu sau; 3 – Truïc trung gian;4 – Truïc ra caàu tröôùc
  • 72.
    72 Hình 4 –Sô ñoà ñoäng hoïc cuûa hoäp phaân phoái coù laép theâm boä vi sai giöõa caùc caàu a) VAZ – 2121, b) URAL – 375 A – Vò trí gaøi caàu tröôùc; B – Vò trí gaøi caàu sau; G – Khoùa vi sai 1 – Truïc chuû ñoäng; 2 – Truïc trung gian; 3 – Truïc ra caàu tröôùc; 4 – Boä vi sai; 5 – Truïc ra caàu sau
  • 73.
    73 B – TÍNHTOÁN VÀ THIẾT KẾ HỘP SỐ PHÂN PHỐI III. CÁC THÔNG SỐ KỸ THUẬT CỦA HỘP SỐ PHÂN PHỐI IV. TÍNH ĐỘNG HỌC VÀ ĐỘNG LỰC HỌC CỦA HỘP SỐ PHÂN PHỐI Hình 5 – Sơ đồ động học của hộp số phân phối ba trục 1. Nguyeân taéc phaân phoái coâng suaát cho caùc caàu cuûa xe nhieàu caàu chuû ñoäng Hieän nay treân oâ toâ coâng suaát phaân phoái cho caùc caàu chuû ñoäng ñöôïc thöïc hieän nhôø hoäp phaân phoái. Nguyeân taéc phaân phoái coâng suaát ñöôïc theå hieän qua hai phöông phaùp sau: – Phaân phoái coâng suaát cho caùc caàu chuû ñoäng coù duøng vi sai. – Phaân phoái coâng suaát cho caùc caàu chuû ñoäng khoâng duøng vi sai. Sau ñaây chuùng ta seõ laàn löôït khaûo saùt caû hai phöông phaùp vöøa neâu: 1.1. Phaân phoái coâng suaát cho caùc caàu chuû ñoäng coù duøng vi sai Vi sai ñaët ôû hoäp phaân phoái nhaèm phaân phoái coâng suaát vaø moâmen xoaén cho caùc truïc theo moät tæ leä xaùc ñònh. Vi sai laø moät cô caáu coù ít nhaát 2 baäc töï do. Treân xe thöôøng söû duïng caùc loaïi vi sai sau (hình 6). ÔÛ hoäp phaân phoái thöôøng boá trí vi sai khoâng ñoái xöùng ñeå phaân phoái moâmen cho caùc caàu theo ñieàu kieän baùm.
  • 74.
    Hình 6 –Sô ñoà ñoäng hoïc caùc loaïi vi sai a – Vi sai baùnh raêng noùn; b – Vi sai baùnh raêng truï; c – Vi sai truïc vít; d – Vi sai haønh tinh Chuùng ta kí hieäu hai truïc ra laø e vaø i vôùi qui öôùc: truïc e laø truïc quay nhanh hôn, töùc laø truïc daãn ñeán caàu tröôït quay nhieàu hôn hoaëc chuyeån ñoäng nhanh hôn khi quay voøng. Truïc i laø truïc quay chaäm hôn hay caàu tröôït quay ít hôn. Trong tröôøng hôïp boû qua toån hao naêng löôïng do ma saùt trong vi sai, ta coù: Me / Mi = -ir ie Me / Mr = - ii re = -1/(1- ir ei ) Mi / Mr = -ie ri = -1/(1- ir ie ) Neáu vi sai laø ñoái xöùng thì: i r ie = ir ei = ir = -1 Vaø luùc ñoù thì: Me / Mi = 1 Me / Mr = Mi / Mr = -1/2 ÔÛ ñaây: Mr – Moâmen truyeàn ñeán voû vi sai. Me – Moâmen truyeàn ñeán truïc e. Mi – Moâmen truyeàn ñeán truïc i. ir ie ; ir ei – Tæ soá truyeàn töø truïc i ñeán truïc e vaø ngöôïc laïi khi phaàn töû r (voû vi sai) ñöôïc giöõ coá ñònh. r ie  ; r ei  – Hieäu suaát truyeàn ñoäng töø truïc i ñeán truïc e vaø ngöôïc laïi. Neáu vi sai laø vi sai ñoái xöùng thì: ir ie = ir ei = ir = -1 r ie  = r ei  = r  r  – Hieäu suaát rieâng cuûa vi sai.
  • 75.
    75 Nhö vaäy khiboû qua toån hao naêng löôïng trong vi sai (vi sai khoâng ma saùt) thì moâmen xoaén phaân boá cho 2 truïc luoân baèng nhau. Me = Mi = 0,5 Mr Qui öôùc veà daáu cuûa moâmen vaø vaän toác goùc cuûa caùc phaàn töû trong vi sai ñöôïc chæ roõ ôû baûng 4.4. Baûng 4.4: Qui öôùc daáu cuûa moâmen vaø vaän toác goùc cuûa caùc phaàn töû Caàu chuû ñoäng Caàu ñang phanh Daáu cuûa  Daáu cuûa Mr + - > 0 Daáu cuûa Mi - + i  > 0 Daáu cuûa Me - + e  > 0 Tieáp theo laø tröôøng hôïp coù tính ñeán toån hao do ma saùt. Chuùng ta seõ khaûo saùt tröôøng hôïp doøng coâng suaát ñi töø ñoäng cô ñeán hoäp phaân phoái vaø töø ñoù ñöôïc phaân boá ñeán caùc caàu chuû ñoäng, sau cuøng ñeán caùc baùnh xe. Xeùt truyeàn ñoäng töø phaàn töû r (voû vi sai) ñeán caùc truïc e vaø i. Theo qui öôùc ban ñaàu: truïc quay nhanh laø e, truïc quay chaäm laø i neân: e  > r  > i  Trong ñoù: e  – Vaän toác goùc cuûa truïc e. i  – Vaän toác goùc cuûa truïc i. r  – Vaän toác goùc cuûa voû vi sai. Bôûi vaäy ta coù: e  - r  = er  > 0 i  - r  = ir  < 0 Do ñoù coâng suaát theá naêng cuûa caùc truïc e vaø i seõ laø: P r e= Me. er  < 0 do Me < 0 vaø er  > 0 P r i = Mi. ir  > 0 do Mi < 0 vaø ir  < 0 Nhö vaäy khi tính ñeán toån hao do ma saùt (chæ xuaát hieän khi coù cheânh leäch vaän toác goùc giöõa truïc e; i vaø voû vi sai r) vaø theo hai bieåu thöùc treân ta thaáy Pr i > Pr e neân doøng coâng suaát theá naêng seõ ñi töø truïc i tôùi truïc e. Nghóa laø: coâng suaát treân truïc i seõ lôùn hôn coâng suaát treân truïc e ñuùng baèng moät löôïng maát maùt laø (1- r  )%. Veà quan heä moâmen cuûa caùc phaàn töû chuùng ta coù: Me/Mi = - i r ie . r ie  = -ir . r  Vaø phöông trình caân baèng moâmen: Me + Mi + Mr = 0 Töø ñoù suy ra caùc moái quan heä: Me/ Mr = ir . r  /(1- ir . r  ) Mi/ Mr = 1/( ir . r  -1) r 
  • 76.
    76 Vaø do ñoù:Me/ Mi = - ir . r  Neáu vi sai laø vi sai ñoái xöùng thì ir = -1 do ñoù: Me/ Mi = r  <1  Me< Mi Me/ Mr = - r  /(1+ r  ) Mi/ Mr = -1/(1+ r  ) Nhö vaäy khi coù tính ñeán toån hao do ma saùt thì tyû soá moâmen giöõa truïc e vaø i laø khoâng ñoåi vaø baèng hieäu suaát rieâng r  . ÔÛ vi sai ñoái xöùng khoâng ma saùt thì r  = 1, do ñoù moâmen seõ phaân phoái ñeàu cho hai truïc. 1.2. Phaân phoái coâng suaát cho caùc caàu chuû ñoäng khoâng duøng vi sai ÔÛ moät soá hoäp phaân phoái vieäc phaân boá coâng suaát cho caùc caàu chuû ñoäng khoâng duøng vi sai maø thoâng qua moät lieân keát cöùng (coù khi laø khôùp moät chieàu). Chuùng ta seõ xeùt tröôøng hôïp caëp baùnh xe chuû ñoäng hoaëc caëp caàu chuû ñoäng ñöôïc noái vôùi nhau baèng moät quan heä cô hoïc cöùng vôùi sô ñoà phaân phoái naêng löôïng nhö hình 7: Hình 7 – Caùc sô ñoà phaân phoái coâng suaát khoâng duøng vi sai Khi khaûo saùt chuùng ta söû duïng caùc giaû thieát sau: – Caùc hieän töôïng ñöôïc khaûo saùt trong heä toïa cuûa xe, theo heä toïa naøy thì maët ñöôøng seõ chuyeån ñoäng vôùi vaän toác v1, v2. – Doøng naêng löôïng ñöôïc noái vôùi xe chæ taïi moät vò trí – ñoù laø truïc A. – Doøng naêng löôïng noái vôùi maët ñöôøng thoâng qua caùc ñieåm 1 vaø 2. Tröôùc heát chuùng ta ñònh nghóa moät soá tæ soá truyeàn: i12 = 2 k 1 k   = i Thoâng thöôøng laø i = 1, coøn khi coù söï khaùc bieät giöõa caùc vaân toác goùc thì i 1
  • 77.
    77 i1 = 1 k   ; i2= 2 k   Do ñoù: i12 = i2/ i1 Toác ñoä tònh tieán v1, v2 seõ tæ leä vôùi quaõng ñöôøng töông öùng khi quay voøng, coøn khi chuyeån ñoäng thaúng thì v1= v2. Moâmen treân truïc A ñöôïc chia thaønh MA1 vaø MA2 vaø ta coù phöông trình caân baèng moâmen: MA= MA1 + MA2 Caùc moâmen naøy thoâng qua caùc truyeàn ñoäng töông öùng truyeàn tôùi caùc truïc 1 vaø 2 cuûa caùc baùnh xe: Mk1= MA1.i1. 1  Mk2= MA2.i2. 2  ÔÛ ñaây: 1  ; 2  - hieäu suaát truyeàn ñoäng töø truïc 1 vaø 2 tôùi caùc baùnh xe. Luùc naøy löïc keùo tieáp tuyeán taïi caùc baùnh xe seõ laø: Fk1 = Mk1/rd1 ; Fk2 = Mk2/rd2 Trong ñoù: rd1; rd2 – Caùc baùn kính ñoäng hoïc cuûa caùc baùnh xe, coù theå laáy gaàn baèng baùn kính tính toaùn r. Löïc keùo tieáp tuyeán cuûa caû caàu ñöôïc tính: Fk = Fk1 + Fk2 Quan heä veà phaân phoái naêng löôïng ñöôïc moâ taû baèng caùc phöông trình caân baèng coâng suaát nhö sau: PA = MA. A  = PA1 + PA2 Pk1= PA1. 1  = Mk1. 1 k  Pk2= PA2. 2  = Mk2. 2 k  Taïi ñieåm tieáp xuùc 1 vaø 2 ta coù: P1; 2 = X1; 2 – v1; 2 = Pk1; 2 – Pf1; 2 - P 2 ; 1  ÔÛ ñaây: P1; 2 – Caùc coâng suaát truyeàn xuoáng maët ñöôøng hay coâng suaát ñaåy vaøo khung. X1; 2 – Caùc phaûn löïc tieáp tuyeán: X1; 2 = Fk1; 2 – Of1;2 Pk1; 2 – Caùc coâng suaát keùo taïi caùc baùnh xe. Pf1; 2 – Caùc coâng suaát tieâu hao cho caûn laên. P 2 ; 1  – Caùc coâng suaát tieâu hao cho söï tröôït taïi caùc baùnh xe. Fk1; 2 – Caùc löïc keùo tieáp tuyeán cuûa caùc baùnh xe taïi ñieåm 1 vaø 2. Of1; 2. – Caùc löïc caûn laên taùc duïng leân caùc baùnh xe taïi ñieåm 1 vaø 2.
  • 78.
    78 CÂU HỎI ÔNTẬP 1. Nêu công dụng, yêu cầu và phân loại hộp số chính dùng trên ô tô? 2. Nêu công dụng, yêu cầu và phân loại hộp số phụ dùng trên ô tô. Sơ đồ động học và nguyên lý hoạt động của hộp số phụ? 3. Nêu công dụng, yêu cầu và phân loại hộp số tự động dùng trên ô tô? 4. Nêu công dụng, yêu cầu và phân loại hộp số phân phối dùng trên ô tô? 5. Hãy trình bày cấu tạo chung của hộp số chính dùng trên ô tô và công dụng của từng cụm chi tiết chính của hộp số? 6. Hãy trình bày cấu tạo chung của hộp số tự động dùng trên ô tô và công dụng của từng cụm chi tiết chính của hộp số? 7. Hãy trình bày cấu tạo, sơ đồ động học và nguyên lý hoạt động của bộ đồng tốc? 8. Hãy trình bày cấu tạo, sơ đồ động học và nguyên lý hoạt động của hộp số hai trục 3 số tiến, 1 số lùi? 9. Hãy trình bày cấu tạo, sơ đồ động học và nguyên lý hoạt động của hộp số ba trục 3 số tiến, 1 số lùi? 10. Hãy trình bày cấu tạo, sơ đồ động học và nguyên lý hoạt động của hộp số ba trục 4 số tiến, 1 số lùi? 11. Hãy trình bày cấu tạo, sơ đồ động học và nguyên lý hoạt động của hộp số ba trục 5 số tiến, 1 số lùi? 12. Hãy trình bày các kiểu điều khiển hộp số? 13. Hãy trình bày cấu tạo, sơ đồ động học và nguyên lý hoạt động của bộ biến mô thủy lực? 14. Hãy trình bày cấu tạo, sơ đồ động học và nguyên lý hoạt động của hộp số hành tinh phức tạp 2 cấp? 15. Hãy trình bày cấu tạo, sơ đồ động học và nguyên lý hoạt động của hộp số hành tinh phức tạp 4 cấp? 16. Hãy trình bày cấu tạo, sơ đồ động học và nguyên lý hoạt động của hộp số tự động có cấp? 17. Hãy trình bày cấu tạo, sơ đồ động học và nguyên lý hoạt động của hộp số tự động vô cấp? 18. 19. Hãy trình bày các thông số kỹ thuật của hộp số? 20. Hãy trình bày cấu tạo, sơ đồ động học và nguyên lý hoạt động của hộp số phân phối không gắn vi sai? 21. Hãy trình bày cấu tạo, sơ đồ động học và nguyên lý hoạt động của hộp số phân phối có gắn vi sai?