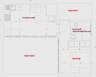
Conceptual Granny Flat Design, designed for Australian based company "Panelup.com.au" It has 38 sqmt interior area combining of 2 units.