FINAL
REPORT
05/05/2015
Prepared by:
Jessica Castro
Brian Mitchell
Van Anh Nguyen
Junhuan Ding
Carlos Quintas
Erez Miller
Fluid Processing Solutions
10 West 33rd Street, Chicago, IL, 60616
TABLE OF CONTENTS
Table of Contents
Executive Summary______________________________________________________________________________________ 1
Objective and Statement of Problem ___________________________________________________________________ 2
Introduction and Background:__________________________________________________________________________ 3
Design Approach_________________________________________________________________________________________ 6
Process Description______________________________________________________________________________________ 7
Process Status to Date: _________________________________________________________________________________ 20
Ethical and Societal Issues:_____________________________________________________________________________ 54
Work to be Completed: _________________________________________________________________________________ 72
Project Management: ___________________________________________________________________________________ 73
Contact Information ____________________________________________________________________________________ 84
Company Information __________________________________________________________________________________ 84
References_______________________________________________________________________________________________ 85
EXECUTIVE SUMMARY
Page 1
Executive summary
Natural gas is an important source of energy that has different application in our daily activity such as fuel,
heating, electricity, paints, fertilizers, etc. However, the raw natural gas feed from wellhead contains acid
gas and water. These two type of gasses will cause a great deal of damage to a facility due to corrosion,
which in turn causes a decrease in market value of the product stream. Therefore, raw natural gas streams
must be processed to remove the sour and acidic impurities before it can be transported and used as fuel.
In this project, Fluid Processing Solutions will design a natural gas processing plant to separate the three
main impurities in the raw feed stream. These are Hydrogen Sulfide (H2S), Carbon Dioxide (CO2) and
Water (H2O). Amine sweetening technology and glycol dehydration technology will be used to separate the
acid gas and water respectively. However, since H2S and CO2 are more corrosive then water, the amine
sweetening process will be prioritized before other. A 400 MMSCFD stream of raw feed will be processed
to obtain a sweet gas stream with an amount of H2S less than 0.5 ppm and an amount of CO2 less than
100ppmv. After that, the sweet gas will be passed through a glycol dehydration process to separate the
water from the main stream which will contain less than 4lb of water per MMSCF of product.
This final report will deliver a summarizing of our progress from January to May. In this project timeline,
we focused on researching amine and glycol technology to define a clear problem statement and
methodology before attempting to design a process in HYSYS. Different solvents such as MDEA, DEA, and
MEA for amine processes and TEG and DEG for glycol processes were studied. Based on the results of this
research, DEA and DEG were selected as two solvents for our design. A HYSYS design of an amine
sweetening process and a glycol dehydration process were constructed. Once completed, a combustion
reactor was designed to utilize the waste streams to create steam and power to make the design self-
sufficient in terms of energy, both heat and electricity. Beyond this, multiple refrigeration cycles were
added and the process was optimized as much as possible within the timeframe to maximize product flow
and higher heating value, while minimizing excess energy production from the waste stream.
Along with the process design, a complete economic analysis was also conducted to calculate the cost of
total capital investment (CTCI) in two ways. First by using the order of magnitude method. The order of
magnitude method is +/- 50% for low pressure designs. Our design has numerous high pressure points
and therefore the order of magnitude method was found to be more than a power of 10 off from the
accurate number. The second method that we used was a combination of Guthrie’s Method and Busche’s
Method to find CTCI and the annualized cost, CA, which was used to calculate the cost per MSCF of product.
The total cost was amended every week based on the most updated HYSYS design. This was used to cost
justify the proposed design and to identify odd pricing spikes which could identify problematic or
unnecessary unit operations within the design.
Also, a complete report on Health, Safety, Security, and Environment (HSSE) of the project will be
presented within this report to indicate the impact of the design on society and the company itself.
OBJECTIVE AND STATEMENT OF PROBLEM
Page 2
Objective and Statement of Problem
The project objective is to design a technically sound process for the dehydration and sweetening of natural
gas. Certain elements such as safety, ethics, environmental impact, and economics must be taken into
consideration.
The economic analysis will assess the cost of the entire plant and provide as accurate as possible an
estimate for the cost per unit volume of processed natural gas.
The plant will have a 50 year life span, will be built in 2015 in the state of Illinois, will run 330 days out of
the year, and will produce 400 MMSCFD of processed gas at the following specs:
Figure 1: Component Specifications for Natural Gas
COMPONENT INLET (MOLE %) OUTLET
CH4 84 -
C2H6 3.3 -
C3H8 2 -
C4H10 1 -
C5H12 1 -
CO2 7 ≤ 100 ppmv
N2 0.5 -
H2S 1 ≤ 0.5 ppmv
H2O 0.2 4 lb / MMSCF
INTRODUCTION AND BACKGROUND:
Page 3
Introduction and Background:
SWEETENING
One of the multiple sub processes in the production of natural gas is known as sweetening. Sweeting is the
removing of a vast majority of the sulfur (in the form of H2S) and carbon dioxide (CO2) content from within
the gas.
As seen in the above images, both H2S and CO2 are toxic and corrosive to other metals normally associated
with natural gas processing and distribution. The removal of these contaminants is important to avoid the
damage shown above as well as to meet the specs provided to us so as to successfully complete the project.
There are both pros and cons associated with the usage of Amines in the sweetening of acid gas. Some of
the pros are that amine sweeting is a time tested and well established technology. Over 95 percent of U.S.
gas sweetening operations use amine chemical absorption over other absorption technologies such as
membranes. Amines remove a high concentration of acid gases and also run in a continuous fashion which
makes the process desirable. Some cons associated with amines are the costs of continuously running the
system and replacing lost material.
Amines typically used in industry are monoethanolamine (MEA (IUPAC: 2-aminoethanol)), diethanolamine
(DEA, (IUPAC: 2,2’- iminodiethanol)) and methyldiethanolamine (MDEA, (IUPAC: Bis(2-
hydroxyethyl)methylamine)). After conducting appropriate research on the above listed amines, the
Figure 2: Images of Corrosion in Piping
Figure 2A: Pitting Corrosion caused by the
presence of CO2 in the pipe
Figure 2B: Oil and gas pipeline under sour
corrosion due to contact with hydrogen
sulfides and water
INTRODUCTION AND BACKGROUND:
Page 4
conclusion was that DEA should be used to perform the sweetening operation. Detailed findings on the
research can be seen in the following table.
Figure 3: Comparison of Amines
Amines Advantages Disadvantages Team
Decision
MEA
* Stable (does not decompose at
temperatures lower than boiling point)
* Corrosive
* Poor Amine Stripping
* High Amine Regeneration Energy
NO
DEA
* Less Corrosive than MEA
* Dual Removal of CO2/H2S
* Low Amine Solvent Loss
* High Recirculation Rate
YES
MDEA
* Less Corrosive than DEA
* Selective Removal of H2S
* Low Amine Regeneration Energy
* Wide Range of Operating Conditions
* Most Expensive of the Amines
NO
DEHYDRATION
Beyond the sweetening of the acid gas, the feed will contain excess amounts of water in vapor and/or liquid
form. This water must be removed from the stream. Should the water condensate in the feed, it can form
unwanted gas hydrates and also cause corrosion, as well as lower the heating value of the gas.
Just as with amine sweetening, there are pros and cons associated with using glycol absorption as the
preferred method of dehydration. Some pros include glycol being inexpensive and widely available making
installation and replenishment both considerably easier, the vast availability of data at different conditions,
and the fact that the process is continuous. A major con to consider would be the possible contamination
of the gas stream with the glycol, producing a final product with a higher than desired corrosively.
The most common glycols and their general properties are laid out in the following table.
INTRODUCTION AND BACKGROUND:
Page 5
Figure 4: General Properties of Common Glycols
The following table displays the pros and cons of the three most common glycols used in an industrial
sweetening process.
Figure 5: Comparison of Glycols Used in the Dehydration Process
Glycol Advantages Disadvantages Team Decision
DEG
* Least Expensive
* Mostly Used at Lower Temperatures
* Well Establish in Industrial Dehydration Processes
-
YES
TEG
* Commonly Used Glycol
* Well Establish in Industrial Dehydration Processes
- NO
T4EG/TREG * Can Withstand Higher Regeneration Temperatures * Most expensive NO
Due to the lack of apparent disadvantages, there was a great degree of freedom in the choice. The group
decided to use DEG based on the potential range of temperature and that DEG is well established in
industry.
DESIGN APPROACH
Page 6
Design Approach
Detailed research has been carried out in efforts to properly proceed with the project. Team decisions
were influenced by the project constraints, in terms of both the product feed requirements and economics.
Per research and team decision, the process will begin with the amine sweetening followed by the glycol
dehydration.
SWEETENING THROUGH ABSORPTION USING DEA
Given the fact that the H2S and the CO2 need to be removed simultaneously, chemical absorption through
an amine is the best option in terms of sweetening technology. The solvent used by the team, based on the
previous research, is the amine known as DEA. It is less acidic in structure than MEA and other amines,
which are more corrosive both in nature and in the remaining portions of the natural gas processing.
DEHYDRATION THROUGH ABSORPTION USING DEG
Given that other dehydration technologies are more appropriate at low gas flow rates, chemical absorption
through a glycol is the best option in terms of dehydration technology. The solvent used by the team, based
on the previous research, is the glycol known as DEG. The reasoning for establishing DEG as our preferred
glycol can be seen by referring to Figure 5.
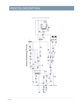
PROCESS DESCRIPTION
Page 7
Process description
AMINE SWEETENING
Figure 8: Acid Gas Sweetening Example Process Flow Diagram
PROCESS DESCRIPTION
Page 8
Figure 9: Amine Sweetening PFD
PROCESS DESCRIPTION
Page 9
AMINE SWEETENING PROCESS DESCRIPTION:
The initial feed of sour gas enters the amine absorber at a temperature of 60 F and 1000 psig.
Figure 10: Sour Gas Stream
The bottom of the column contains a heavy amine solution including the undesirable sour elements, which
still require separation from the amine. This stream is known as the rich amine. It is flashed in a vessel to
remove the light hydrocarbons and to relieve some of the duty which would otherwise have been put on
the reboiler by removing some of the sour elements before the stream hits the regenerator.
Methane 0.84
Propane 3.30E-02
Ethane 2.00E-02
n-Butane 1.00E-02
Nitrogen 1.00E-02
H2S 5.00E-03
CO2 2.00E-03
n-Pentane 1.00E-02
H2O 7.00E-02
DEAmine 0
DEGlycol 0
60
1000
Sour Gas
Flow Rate (lbmol/hr) 43921.87739
Compenents(MoleFraction)
Pressure (psi)
Temperature (°F)
PROCESS DESCRIPTION
Page 10
Figure 11: Amine Streams
The rich amine is sent to the regenerator in which the undesirable sour elements are removed as a waste
gas and the amine is once again existing in its original aqueous stream, known as the lean amine. The
stream is pre-heated via a heat exchanger before entering the regenerator to reach desirable conditions for
separation within the regenerator. This lean amine is then pumped back to the original pressure of the
sour gas feed and is prepared for recycling through a mixture of make-up streams to account for any amine
lost through the waste streams in the process. This mixed stream is then cooled to original conditions via a
refrigeration cycle that will be discussed later in this section. The process then continually cycles.
Methane 1.70E-03
Propane 9.18E-05
Ethane 1.55E-04
n-Butane 2.32E-06
Nitrogen 2.81E-06
H2S 1.15E-02
CO2 8.17E-02
n-Pentane 7.37E-03
H2O 0.584891181
DEAmine 0.312619149
DEGlycol 0
Compenents(MoleFraction)
Flow Rate (lbmol/hr) 38162.99288
Saturated Amine to Flash
Temperature (°F) 181.4
Pressure (psi) 95
Methane 5.60E-05
Propane 6.11E-06
Ethane 1.02E-05
n-Butane 5.00E-07
Nitrogen 7.29E-07
H2S 1.14E-02
CO2 8.18E-02
n-Pentane 7.38E-03
H2O 0.586061218
DEAmine 0.313301237
DEGlycol 0
38079.90639
Liquid Rich Amine Hot
Temperature (°F)
251.9
Pressure (psi)
90
Compenents(MoleFraction)
Flow Rate (lbmol/hr)
PROCESS DESCRIPTION
Page 11
Figure 12: Amine Streams
The make-up streams consist of a mixed stream of DI Water and amine and another stream from a post
absorption flash vessel that returns some amine as well as trace amounts of the other elements of the feed.
These make-up streams allow for the process to run continuously.
Methane 5.03E-08
Propane 7.81E-10
Ethane 1.77E-09
n-Butane 2.02E-10
Nitrogen 1.66E-10
H2S 3.88E-06
CO2 1.29E-03
n-Pentane 1.08E-05
H2O 0.650220936
DEAmine 0.348472784
DEGlycol 0
Pressure (psi) 1000
Lean Amine
Flow Rate (lbmol/hr) 34236.49251
Temperature (°F) 80
Compenents(MoleFraction)
Methane 1.49E-15
Propane 1.48E-16
Ethane 4.82E-15
n-Butane 1.16E-22
Nitrogen 5.50E-21
H2S 3.89E-06
CO2 1.29E-03
n-Pentane 1.08E-05
H2O 0.649641831
DEAmine 0.349049762
DEGlycol 0
Pressure (psi) 1000
Regenerated Amine to Mix
Flow Rate (lbmol/hr) 34179.88803
Temperature (°F) 271.2
Compenents(MoleFraction)
PROCESS DESCRIPTION
Page 12
Figure 13: Amine Streams
The recycling of the process then brings us back to the absorption column. The gas feed is then sent up the
column as the liquid amine solution is run down the column, satisfactorily interacting with each other and
removing the undesired sour elements from the gas, namely the H2S and the CO2. From here, the top
stream of the absorption column, known as the treated wet gas, is sent on to the glycol dehydration portion
of the process.
Methane 0
Propane 0
Ethane 0
n-Butane 0
Nitrogen 0
H2S 0
CO2 0
n-Pentane 0
H2O 0.99999008
DEAmine 9.92E-06
DEGlycol 0
Amine Make Up to Mix
Flow Rate (lbmol/hr) 56.56671562
Temperature (°F) 61.29
Pressure (psi) 1000
Compenents(MoleFraction)
Methane 5.97E-05
Propane 1.59E-06
Ethane 2.41E-06
n-Butane 1.97E-07
Nitrogen 1.64E-07
H2S 3.57E-08
CO2 1.08E-03
n-Pentane 6.57E-06
H2O 3.30E-02
DEAmine 3.40E-03
DEGlycol 0
Flashed Amine to Mix
Flow Rate (lbmol/hr) 3.76E-02
Temperature (°F) 65.02
Pressure (psi) 1000
Compenents(MoleFraction)
PROCESS DESCRIPTION
Page 13
Figure 14: Amine Stream
Methane 0.92084789
Propane 2.19E-02
Ethane 3.61E-02
n-Butane 1.10E-02
Nitrogen 5.49E-03
H2S 2.20E-08
CO2 6.45E-05
n-Pentane 3.95E-03
H2O 6.98E-04
DEAmine 2.61E-09
DEGlycol 0
Pressure (psi) 991
Sweet Gas to Glycol
Flow Rate (lbmol/hr) 39995.33946
Temperature (°F) 65
Compenents(MoleFraction)
PROCESS DESCRIPTION
Page 14
GLYCOL DEHYDRATION:
Figure 15: Glycol Dehydration Example Process Flow Diagram
PROCESS DESCRIPTION
Page 15
Figure 16: Glycol Dehydration PFD
PROCESS DESCRIPTION
Page 16
GLYCOL DEHYDRATION PROCESS DESCRIPTION:
The wet gas that resulted from the amine sweetening portion of our process enters the glycol absorber at a
temperature of 135.8 F and 996 psig. A trace amount of the amine is still contained in the stream. This is
acceptable, as the trace amounts do not wind up unfavorably impacting the VLE in the glycol dehydration
cycle. The amount is so small, that any attempt to add unit operations to the design to remove the
remaining amine would prove to be economically undesirable.
Figure 17: Glycol Feed Stream
The gas feed is then sent up the column as the liquid glycol solution is run down the column, satisfactorily
interacting with each other and removing the H2O. From here, the treated dehydrated gas is sent on to the
next portion of the natural gas preparation process.
The bottom of the column contains a heavy glycol solution including the H2O removed from the feed. This
is known as the rich glycol. After exchanging heat to bring the rich glycol stream to favorable separation
conditions and to relieve the glycol reboiler of some duty, the rich glycol stream is then sent to a
regenerator in which the undesirable H2O is removed and the glycol is once again existing in its original
solution, known as the lean glycol.
Methane 0.92084789
Ethane 3.61E-02
Propane 2.19E-02
n-Butane 1.10E-02
n-Pentane 3.95E-03
Nitrogen 5.49E-03
H20 6.98E-04
H2S 2.20E-08
CO2 6.45E-05
DEAmine 2.61E-09
DEGlycol 0
Gas to Glycol Absorber
Flow Rate (lbmol/hr) 39995.33946
Temperature (°F) 65
Pressure (psi) 991
Compenents(MoleFraction)
PROCESS DESCRIPTION
Page 17
Figure 18: Glycol Streams
Before being pumped back to the temperature and pressure of the initial glycol dehydration feed, the lean
glycol is mixed with both a glycol make-up stream and a stream of deionized water before being recycled
back into the original column for additional glycol dehydration. Much like in the amine sweetening
process, this make-up allows for the process to cycle continuously.
Methane 0.448663919
Ethane 4.70E-03
Propane 4.24E-03
n-Butane 1.17E-03
n-Pentane 1.96E-04
Nitrogen 3.41E-03
H20 68.82902908
H2S 3.98E-06
CO2 1.58E-03
DEAmine 4.80E-02
DEGlycol 85.65692185
Glycol to Regenerator
Flow Rate (lbmol/hr) 154.9978874
Temperature (°F) 290
Pressure (psi) 20
Compenents(MoleFraction)
Methane 2.06E-13
Ethane 1.37E-15
Propane 3.04E-15
n-Butane 8.40E-16
n-Pentane 1.10E-16
Nitrogen 3.73E-17
H20 0.336266843
H2S 1.97E-12
CO2 3.44E-12
DEAmine 3.73E-04
DEGlycol 0.663360645
Glycol to Mix
Flow Rate (lbmol/hr) 128.6466758
Temperature (°F) 223.8
Pressure (psi) 15.25
Compenents(MoleFraction)
PROCESS DESCRIPTION
Page 18
Figure 19: Glycol Streams
This recycle then brings the focus back to the glycol absorption column. The gas feed is sent up the column
as the liquid glycol solution is run down the column, satisfactorily interacting with each other and
removing the H2O. From here, the treated dehydrated gas is compressed to 1000 psi and exported as our
final product.
Methane 0
Ethane 0
Propane 0
n-Butane 0
n-Pentane 0
Nitrogen 0
H20 1
H2S 0
CO2 0
DEAmine 0
DEGlycol 0
GWater Addition
Flow Rate (lbmol/hr) 0.790883283
Temperature (°F) 60
Pressure (psi) 14.7
Compenents(MoleFraction)
Methane 0
Ethane 0
Propane 0
n-Butane 0
n-Pentane 0
Nitrogen 0
H20 0
H2S 0
CO2 0
DEAmine 0
DEGlycol 1
Glycol Addition
Flow Rate (lbmol/hr) 0.325510361
Temperature (°F) 60
Pressure (psi) 14.7
Compenents(MoleFraction)
PROCESS DESCRIPTION
Page 19
Figure 20: Product Stream
Methane 0.921418037
Ethane 3.61E-02
Propane 2.19E-02
n-Butane 1.10E-02
n-Pentane 3.96E-03
Nitrogen 5.49E-03
H20 7.80E-05
H2S 2.19E-08
CO2 6.45E-05
DEAmine 5.20E-11
DEGlycol 1.93E-07
Product
Flow Rate (lbmol/hr) 39970.1046
Temperature (°F) 70.3
Pressure (psi) 1000
Compenents(MoleFraction)
PROCESS DESCRIPTION
Page 20
STEAM CYCLE
Figure 21: Steam Cycle PFD
PROCESS DESCRIPTION
Page 21
STEAM CYCLE PROCESS DESCRIPTION
To power our plant we burn our waste streams from the amine and glycol processes. In the amine
regenerator, the overhead contains H2S, which burns to give SO2, as well as small amounts of alkane gases,
which combust to give CO2 and water. The glycol regenerator overhead stream is added to the amine
regenerator overhead, as well as the overhead from the flash tank in the amine regeneration cycle. These
together have a flow of about 4000 lbmol/hr, and are mixed with air at a ratio of 1.05*(stoichiometric
amount of air needed). The air comes into the plant at ambient conditions (77 F and 14.7 psia) and is
compressed to 35 psia, so that we can simulate regular pressure drops across equipment. The air and
combined waste streams then enter a combustor where they react completely.
Figure 22: Steam Streams
Methane 1.63E-02
Ethane 1.48E-03
Propane 8.75E-04
n-Butane 2.23E-05
n-Pentane 7.01E-02
CO2 0.766177201
SO2 0
O2 0
Nitrogen 2.76E-05
H2O 3.54E-02
H2S 0.109545508
DEAmine 1.52E-07
DEGlycol 7.93E-05
Compenents(MoleFraction)
Pressure (psi) 30
Temperature (°F) 134
To Reactor
Flow Rate (lbmol/hr) 4009.456065
Methane 0
Ethane 0
Propane 0
n-Butane 0
n-Pentane 0
CO2 0.231213426
SO2 2.22E-02
O2 7.79E-03
Nitrogen 0.615622509
H2O 0.123132105
H2S 0
DEAmine 0
DEGlycol 0
Compenents(MoleFraction)
Pressure (psi) 30
Temperature (°F) 3144
Flue Gas
Flow Rate (lbmol/hr) 19749.59186
PROCESS DESCRIPTION
Page 22
The flue gas out of the combustor is the split between the steam cycle and the power cycle to be discussed
next. In both cycles, the flue gas first goes through a heat exchanger that simulates the cooling in a
combustion reactor, where coils pass pressurized water to evaporate around the reactor like a water jacket
and come out as steam. This type of water cooling for the reactor creates a constraint that the flue gas
leaving the heat exchanger must be 200 F hotter than the hottest steam leaving the heat exchanger.
In the steam cycle, the steam leaving this heat exchanger (the evaporator) then condenses in a heat
exchanger with the reboiler of the amine regenerator cycle, the hottest part of the gas cleaning processes.
As the steam condenses it loses only 1 F in temperature and exits the heat exchanger at 367 F.
Figure 23: Steam Streams
This helps minimize the flow rate of water needed in the steam cycle, because for water the heat of
evaporation is greater than the heat capacity of liquid and vapor phases, meaning less water needs to be
used. This can be seen from the two equations:
Q=M*Cp*ΔT
Methane 0
Ethane 0
Propane 0
n-Butane 0
n-Pentane 0
CO2 0
SO2 0
O2 0
Nitrogen 0
H2O 1
H2S 0
DEAmine 0
DEGlycol 0
Stream to Amine Reboiler
Flow Rate (lbmol/hr)
Temperature (°F) 368
Pressure (psi) 168.3
Compenents(MoleFraction)
18294.05333
Methane 0
Ethane 0
Propane 0
n-Butane 0
n-Pentane 0
CO2 0
SO2 0
O2 0
Nitrogen 0
H2O 1
H2S 0
DEAmine 0
DEGlycol 0
Compenents(MoleFraction)
18294.05333
Stream From Amine Reboiler
Flow Rate (lbmol/hr)
Temperature (°F) 367
Pressure (psi) 168.3
PROCESS DESCRIPTION
Page 23
Q=M*H
The top equation applies when sensible heat is used to heat the reboiler, the bottom equation applies when
latent heat (in this case of vaporization) is used to heat the reboiler. If both types of heat are used then
both equations will be applied simultaneously, such that their sum will be equal to Q.
Q is the heat needed to heat the reboiler (a fixed quantity), M is the flow rate of steam, Cp is the heat
capacity of the water at those conditions (P, T) and ΔT is the temperature difference of the water stream
between the inlet and outlet of the heat exchanger. For the bottom equation, M represents the same thing,
the flow of water-steam, and H is the latent heat of vaporization. Since H>Cp, to solve the top equation so
that M is minimized (lower cost), we would have to maximize ΔT, but this creates a difficulty, since the
minimum temperature of the water stream heating the reboiler has to be 20 F hotter than the reboiler
temperature (min. approach=20 F). This means we need hotter and hotter steam to start with, which
consumes more energy, if we want to minimize M. The bottom equation offers an alternative. M is already
much smaller for a given temperature of steam, because H is relatvely large, and solving this equation we
can find a minimum M that allows for the condensation of steam in the heat exchanger to heat the reboiler.
Figure 24: Steam Streams
Methane 0
Ethane 0
Propane 0
n-Butane 0
n-Pentane 0
CO2 0
SO2 0
O2 0
Nitrogen 0
H2O 1
H2S 0
DEAmine 0
DEGlycol 0
Compenents(MoleFraction)
18294.05333
Stream to HX 107
Flow Rate (lbmol/hr)
Temperature (°F) 360.1
Pressure (psi) 171.3
Methane 0
Ethane 0
Propane 0
n-Butane 0
n-Pentane 0
CO2 0
SO2 0
O2 0
Nitrogen 0
H2O 1
H2S 0
DEAmine 0
DEGlycol 0
Stream to Amine Reboiler
Flow Rate (lbmol/hr)
Temperature (°F) 368
Pressure (psi) 168.3
Compenents(MoleFraction)
18294.05333
PROCESS DESCRIPTION
Page 24
Figure 25: Steam Streams
After the amine regenerator reboiler, the hot water stream (the steam is now all liquid) heats the glycol
regenerator reboiler in a heat exchanger, then preheats the saturated glycol stream into the regenerator
and dumps the rest of its heat in the power cycle, preheating the water in it before being pumped back up
to pressure and finishing the cycle. The cool flue gas from this cycle preheats the air stream entering the
reactor to burn with the waste stream.
Methane 0
Ethane 0
Propane 0
n-Butane 0
n-Pentane 0
CO2 0
SO2 0
O2 0
Nitrogen 0
H2O 1
H2S 0
DEAmine 0
DEGlycol 0
Compenents(MoleFraction)
18294.05333
Stream From Amine Reboiler
Flow Rate (lbmol/hr)
Temperature (°F) 367
Pressure (psi) 168.3
Methane 0
Ethane 0
Propane 0
n-Butane 0
n-Pentane 0
CO2 0
SO2 0
O2 0
Nitrogen 0
H2O 1
H2S 0
DEAmine 0
DEGlycol 0
Compenents(MoleFraction)
18294.05333
Stream From Glycol PreHeater
Flow Rate (lbmol/hr)
Temperature (°F) 362.5
Pressure (psi) 168.3
PROCESS DESCRIPTION
Page 25
POWER CYCLE
PROCESS DESCRIPTION
Page 26
Figure 26: Power Cycle PFD
POWER CYCLE PROCESS DESCRIPTION
PROCESS DESCRIPTION
Page 27
The water in the power cycle is preheated in several heat exchangers, the first with the steam cycle water
mentioned previously in the steam cycle process description, then the cool flue gas from the power cycle
and finally evaporates in the simulated coils-in-the-reactor heat exchanger.
Figure 27: Power Streams
Methane 0
Ethane 0
Propane 0
n-Butane 0
n-Pentane 0
CO2 0
SO2 0
O2 0
Nitrogen 0
H2O 1
H2S 0
DEAmine 0
DEGlycol 0
Compenents(MoleFraction)
10500
Preheat Water
Flow Rate (lbmol/hr)
Temperature (°F) 130.9
Pressure (psi) 693.3
Methane 0
Ethane 0
Propane 0
n-Butane 0
n-Pentane 0
CO2 0
SO2 0
O2 0
Nitrogen 0
H2O 1
H2S 0
DEAmine 0
DEGlycol 0
Preheat Water 2
Flow Rate (lbmol/hr)
Temperature (°F) 135.8
Pressure (psi) 688.3
Compenents(MoleFraction)
10500
PROCESS DESCRIPTION
Page 28
Figure 28: Power Streams
This steam is then run through a turbine that generates all the power the plant needs and more, is
condensed in a condenser with utility water and then pumped back up to pressure before completing the
cycle.
Methane 0
Ethane 0
Propane 0
n-Butane 0
n-Pentane 0
CO2 0
SO2 0
O2 0
Nitrogen 0
H2O 1
H2S 0
DEAmine 0
DEGlycol 0
Compenents(MoleFraction)
10500
Water In
Flow Rate (lbmol/hr)
Temperature (°F) 377
Pressure (psi) 683.3
Methane 0
Ethane 0
Propane 0
n-Butane 0
n-Pentane 0
CO2 0
SO2 0
O2 0
Nitrogen 0
H2O 1
H2S 0
DEAmine 0
DEGlycol 0
Steam Out
Flow Rate (lbmol/hr)
Temperature (°F) 670
Pressure (psi) 680.3
Compenents(MoleFraction)
10500
PROCESS DESCRIPTION
Page 29
Figure 29: Power Streams
The power needed for the plant was calculated in a spreadsheet, and the turbine was made to produce
33% more power than the plant needed, or 2771 hp, which can be used by additional unit operations upon
contingency or plant expansion, or can be sold to utilities in the event of actual surplus. This extra energy
was in part from the optimization of the steam process to use the smallest amount of energy needed for it.
The energy requirements and supply can be seen in the following figure.
Methane 0
Ethane 0
Propane 0
n-Butane 0
n-Pentane 0
CO2 0
SO2 0
O2 0
Nitrogen 0
H2O 1
H2S 0
DEAmine 0
DEGlycol 0
Compenents(MoleFraction)
10500
From Turbine
Flow Rate (lbmol/hr)
Temperature (°F) 130
Pressure (psi) 2.209
Methane 0
Ethane 0
Propane 0
n-Butane 0
n-Pentane 0
CO2 0
SO2 0
O2 0
Nitrogen 0
H2O 1
H2S 0
DEAmine 0
DEGlycol 0
To Pump
Flow Rate (lbmol/hr)
Temperature (°F) 130
Pressure (psi) 2.209
Compenents(MoleFraction)
10500
PROCESS DESCRIPTION
Page 30
Figure 30: Power Requirements and Supply
It may be possible in the future to improve the process so that the turbine can produce even more power,
as the flue gasses leaving the plant at a temperature of 237.5 F, hotter than the minimum possible
(calculated as 150 F) but this will require additional energy integration.
Energy Streams Power Needed (hp) Power Supplied (hp)
QPG 14.28016438
QPGLY 359.5293658
Qpump 2329.415286
Qpump2 1.29E-05 Difference (hp)
Qpump3 1.560976443
QSC1 8452.084131
QSPP1 3.520523475
QRCOMP 843.997911
QWPump 3149.46322
QRComp2 5400.629831 Actual Difference (hp)
QSPcomp 8.92928438
QPPPump1 206.1925169
Total w/o QWPump: 17620.14
Actual total: 20769.60322
23540.50704
5920.367041
2770.903821
PROCESS DESCRIPTION
Page 31
REFRIGERATION CYCLE
Figure 31: Refrigeration Cycle PFD
PROCESS DESCRIPTION
Page 32
REFRIGERATION CYCLE PROCESS DESCRIPTION
Our refrigeration cycle will use propane as the liquid coolant. At the beginning of the process, the
circulating propane stream is fed into a compressor. In this unit, the vapor phase propane stream is
compressed to high pressure which will also raise the temperature of refrigerant to superheated
temperature. It is then fully condensed to liquid phase at a high pressure.
Figure 32: Refrigeration Streams
Methane 0
Ethane 0
Propane 1
n-Butane 0
n-Pentane 0
Nitrogen 0
H20 0
H2S 0
CO2 0
DEAmine 0
DEGlycol 0
Propane From Evaporator
Flow Rate (lbmol/hr)
Temperature (°F) 62.35
Pressure (psi) 82.37
Compenents(MoleFraction)
1501.762202
Methane 0
Ethane 0
Propane 1
n-Butane 0
n-Pentane 0
Nitrogen 0
H20 0
H2S 0
CO2 0
DEAmine 0
DEGlycol 0
Compenents(MoleFraction)
1501.762202
Propane From Compressor
Flow Rate (lbmol/hr)
Temperature (°F) 166.9
Pressure (psi) 260
PROCESS DESCRIPTION
Page 33
Figure 33: Refrigeration Streams
After that, the high pressure liquid refrigerant is passed through the throttle valve to release the pressure
of the liquid stream which results in a mixture of liquid and vapor at a lower temperature and pressure.
This mixture stream is used to cool the process by feeding it to an evaporator coil in which the propane is
completely vaporized. Finally it is recycled back to the compressor and the cycle is repeated.
In our process, there are two streams that required refrigeration cycles. These are the lean amine being fed
back into the amine absorption column and the sweet gas after amine absorber. After the regenerator,
recycled amine stream is at a higher temperature than that of the feed stream of the amine absorber. For
this reason, the refrigeration cycle was added to reduce the temperature of amine stream before it can be
recycled back to the amine absorber. The second refrigeration cycle was also added into the system to cool
the sweet gas after leaving the amine absorber. This cycle was added in order to help separate the
remaining amine in the sweet gas via a flash drum as well as to make the stream’s condition more
compatible with the adsorption column in the glycol dehydration process.
Methane 0
Ethane 0
Propane 1
n-Butane 0
n-Pentane 0
Nitrogen 0
H20 0
H2S 0
CO2 0
DEAmine 0
DEGlycol 0
Propane to Expander
Flow Rate (lbmol/hr)
Temperature (°F) 110
Pressure (psi) 257
Compenents(MoleFraction)
1501.762202
Methane 0
Ethane 0
Propane 1
n-Butane 0
n-Pentane 0
Nitrogen 0
H20 0
H2S 0
CO2 0
DEAmine 0
DEGlycol 0
Compenents(MoleFraction)
1501.762202
Propane to Evaporator 1
Flow Rate (lbmol/hr)
Temperature (°F) 45
Pressure (psi) 85.37
RESULTS AND DISCUSSION:
Page 34
Results and Discussion:
SPECS
The Amine process and glycol process were used to convert wet sour gas to dry sweet gas by using DEA and
DEG as solvents. As a result, the amount of hydrogen sulfide, carbon dioxide and water stream in product
stream were reduced significantly (See table below). Also, during the optimization process, the loss of
valuable product and the amount of solvents require in the system are minimized while maintaining the
robustness of the process (See table below). Our product stream has met the required specs for saleable
pipeline natural gas in that the contents of hydrogen sulfide, carbon dioxide and water are lower than
0.5ppmv, 100ppmv and 4lb/ MMSCF respectively.
Figure 34: Difference in Composition between Feed and Product Streams
Composition
Raw Feed
Stream
(lbmole/hr)
Product Stream
(lbmole/hr)
Difference
(lbmole/hr)
Methane 36894.37701 36829.17531 65.2017033
Propane 8.78E+02 874.9305755 3.506972353
Ethane 1.45E+03 1443.48728 5.934674313
n-Butane 4.39E+02 439.1292147 0.08955925
Nitrogen 2.20E+02 219.4987048 0.110682112
H2S 4.39E+02 8.76E-04 439.2178976
CO2 3074.531417 2.576343851 3071.955074
n-Pentane 4.39E+02 158.1801011 281.0386729
H2O 8.78E+01 3.118463385 84.7252914
DEAmine 0 2.08E-06 2.07974E-06
DEGlycol 0 7.73E-03 0.00773032
Total 43921.87739 39970.1046 3951.772794
RESULTS AND DISCUSSION:
Page 35
Figure 35: Product Stream Meeting Specifications
Maximum Allowed
8.41E-05
5.00E-07
1.00E-04
2.19E-08
6.45E-05
5.20E-11
1.93E-07
1
DEAmine
DEGlycol
Total
0.921418037
3.61E-02
2.19E-02
1.10E-02
3.96E-03
5.49E-03
7.80E-05
n-Butane
n-Pentane
Nitrogen
H20
H2S
CO2
Propane
Product Stream Components
Component Mole Fraction
Methane
Ethane
RESULTS AND DISCUSSION:
Page 36
SIZING
Figure 36: Amine Cycle Volume Calculation
The above figure illustrates the volumes of the amine fluid within the unit operations in the amine sweeting
process. HYSYS generously provides heights, lengths, and cross sectional areas for most unit operations
making the total volumes quite simple to calculate. However, in this project we were tasked with finding
the volume of the amine within unit operation, which required additional analysis and assumption. We will
first discuss the distillation towers and regenerators.
Figure 37: Amine Cycle Columns
Volume Unit Operation (From Above) Volume (ft^3) Length of Pipe (L) (Assumed)Area of Pipe (ft^2) (Determined)Volume of Piping (ft^3) (Calculated)
T-100 Amine Absorber Column 53.63 80 0.785398163 62.83
Amine
Regenerator
Amine Regenerator Column 8.58 80 0.785398163 62.83
V-101 Amine Flash 1 100.00 80 0.785398163 62.83
V-100 Amine Flash 2 100.00 80 0.785398163 62.83
E-115 Sweet Amine Cooler 87.20 80 0.785398163 62.83
E-104 Amine Regenerator Pre-Heater 87.20 80 0.785398163 62.83
E-113 Amine Regneration Stream Cooler 1 87.20 80 0.785398163 62.83
E-117 Amine Regeneration Stream Cooler 2 87.20 80 0.785398163 62.83
TBD Amine Reboiler 35.32 80 0.785398163 62.83
TBD Amine Condenser 35.32 80 0.785398163 62.83
Total Amine Unit Operations Volume
(ft^3):
681.64 Total Amine Pipe Volume (ft^3): 628.32
Total Amine Volume
(ft^3):
1,309.96
PO (psi) 997.5
D (ft.) 4.921
ρ (lb/in^3) 0.284
# Trays 25
Volume (ft^3) 858
Price (million $) $1.56
Amine Absorber Column
PO (psi) 89.25
D (ft.) 4.921
ρ (lb/in^3) 0.284
# Trays 4
Volume (ft^3) 137.28
Price (million $) $0.21
Amine Regenerator Column
RESULTS AND DISCUSSION:
Page 37
The above figures indicate the total volume of the unit operations. However, to find the volume of amine
fluid within the unit operation as stated in the first table, we assumed that an inch and a half of fluid would
be present on each tray which allowed us to make the final calculations in the table. The amine absorption
column has an amine volume of 53.63 ft3 and 25 trays, sizing it at 50 feet high. The amine regeneration
column has an amine volume of 8.58 ft3 and 4 trays, sizing it at 8 feet high. It has a condenser and a
reboiler, both with a volume of 35.32 ft3. These are considered to be 100% filled with amine and the
reboiler has a reflux ratio of .3.
The two flash tanks in the amine process both had a total volume of 200 ft3. We assumed that they would
operate at half capacity during the operation therefore the volume of total amine within the flash tanks is
100 ft3.
The heat exchangers in the amine process all had shell volumes of 87.2 ft3. It was assumed that they would
operate at 100% volumetric capacity therefore the volume of the amine inside the heat exchanger shell was
also 87.2 ft3, which gave the total volume of amine in the unit operations to be 681.64 ft3.
It was assumed, for the amine cycle, that the length of pipe per unit operation is 80ft. Based on the
standard grading of piping, we had to select a pipe diameter that was a multiple of 2 inches. For the amine
process, we selected 12 inch diameters which gave us a total piping volume of 628.32 ft3 and, when added
to the unit operation total, gave the grand total initial volume of amine to be 1309.96 ft3.
Figure 38: Glycol Cycle Volume Calculation
The above figure illustrates the volumes of the amine fluid within the unit operations in the glycol
dehydration process. We will now discuss the distillation towers and regenerators.
Volume
T-102 Glycol Absorber Column 21.45 50 0.021816616 1.09
T-101 Glycol Regenerator Column 10.73 50 0.021816616 1.09
E-105 Glycol Regeneration Pre-Heater 1 87.20 50 0.021816616 1.09
E-110 Glycol Regeneration Pre-Heater 2 87.20 50 0.021816616 1.09
TBD Glycol Reboiler 35.32 50 0.021816616 1.09
TBD Glycol Condenser 35.32 50 0.021816616 1.09
Total Glycol Unit Operations Volume
(ft^3):
277.21 Total Glycol Piping Volume (ft^3): 6.54
Total Glycol Volume (ft^3): 283.76
RESULTS AND DISCUSSION:
Page 38
Figure 39: Glycol Cycle Columns
To find the volume of glycol fluid within the unit operation as stated in the first table, we assumed that an
inch and a half of fluid would be present on each tray which allowed us to make the final calculations in the
table. The glycol absorption column has a glycol volume of 21.45 ft3 and 10 trays, sizing it at 20 feet high.
The glycol regeneration column has a glycol volume of 10.73 ft3 and 5 trays, sizing it at 10 feet high. It has a
condenser and a reboiler, both with a volume of 35.32 ft3. These are considered to be 100% filled with
glycol and the reboiler has a reflux ratio of .0001235.
The heat exchangers in the glycol dehydration process all had shell volumes of 87.2 ft3. It was assumed that
they would operate at 100% volumetric capacity therefore the volume of the glycol inside the heat
exchanger shell was also 87.2 ft3, which gave the total volume of glycol in the unit operations to be 277.21
ft3.
It was assumed, for the glycol dehydration cycle, that the length of pipe per unit operation is 50ft. We
selected 2 inch diameters which gave us a total piping volume of 6.54 ft3 and, when added to the unit
operation total, gave the grand total initial volume of amine to be 283.76 ft3.
PO (psi) 985
D (ft.) 4.921
ρ (lb/in^3) 0.284
# Trays 10
Volume (ft^3) 343.2
Glycol Absorber Column
PO (psi) 20
D (ft.) 4.921
ρ (lb/in^3) 0.284
# Trays 5
Volume (ft^3) 171.6
Glycol Regenerator Column
RESULTS AND DISCUSSION:
Page 39
Figure 40: Refrigeration Cycle Volume Calculation
There are two refrigeration cycles to consider, however since they equal each other in both total unit
operation and piping volume as well as total propane volume, we will discuss them simultaneously.
The coolers and condensers all have unit operational volumes of 80.24 ft3. It is assumed that the propane
will occupy 100% of this volume making the total volume of necessary propane from the unit operations to
be 320.96 ft3.
It was assumed, for the refrigeration cycle, that the length of pipe per unit operation is 50 ft. We selected 2
inch diameters for one cycle and 8 inch diameters for the other, which gave us a total piping volume of
74.18 ft3 and, when added to the unit operation total, gave the grand total initial volume of propane to be
395.14 ft3.
The choice of diameter dictates the velocity of fluid in the pipes. We wanted to make sure that our flow
rates for the cycles were realistic so we performed a flow analysis by varying pipe diameter and length per
unit operation. The flow rate of fluid through the unit operations is determined by the heat exchanger
equations. Because we know CP and set ΔT, HYSYS calculates the flow rate and heat exchange through an
iterative process between the streams. Once we know the flow rate of the fluid in the pipes, we can assume
an acceptable range of fluid velocity in the pipes and vary the diameter and length of pipes reasonably until
we come to a diameter in that range. Once we have the velocity, we can then divide the total length of pipe
by it to obtain the residence time. The following table displays the data for all of the above mentioned
cycles.
Volume
E-115 Sweet Amine Cooler 80.24 50 0.34906585 17.45329252
E-116 Refrigeration Condenser 1 80.24 50 0.34906585 17.45329252
K-105 Amine Refrigeration Compressor 2 0 50 0.34906585 17.45329252
Valve Valve 1 0 50 0.34906585 17.45329252
E-117 Amine Regeneration Stream Cooler 2 80.24 50 0.021816616 1.090830782
E-118 Refrigeration Condenser 2 80.24 50 0.021816616 1.090830782
K-103 Amine Refrigeration Compressor 1 0 50 0.021816616 1.090830782
Valve Valve 2 0 50 0.021816616 1.090830782
Total Propane Unit Operations Volume
(ft^3):
320.96
Total Propane Piping Volume
(ft^3):
74.17649321
Total Propane Volume
(ft^3):
395.14
RESULTS AND DISCUSSION:
Page 40
Figure 41: Calculation of Cycle Velocity and Residence Time
As the power cycle and steam cycle used steam that was sourced from a free water supply, they did not
undergo this sizing procedure, and instead only required the simple volumes provided by HYSYS.
Flow (m3/hr) Total Length of Pipe (ft) Diameter (in) Velocity (ft/s) Residence Time (min)
Amine Sweetening 689.7547735 800 12 8.62 1.55
Glycol Dehydration 4.113122521 300 2 1.85 2.70
Refrigeration 1 244.2081054 200 8 6.86 0.49
Refrigeration 2 4.113122521 200 2 1.85 1.80
RESULTS AND DISCUSSION:
Page 41
UTILITY CONSUMPTION
The plant aims to be completely self-sufficient, meaning no incoming or outgoing streams that aren’t raw
material or product, with the exception of cooling water (CW), which as part of the premise of the project,
is free to use abundantly. To achieve this, all the heat needed in the plant is generated in the plant, as well
as cooling and electrical power.
To generate these utilities, waste gas was combusted as described above.
Cold water drawn into the plant for cooling is pumped at a rate of 23.7 million lbs/hr (106 ft3/s) at a
temperature of 90°F (to assume worst case) and ambient pressure, cools the plant and returned to the
river at a temperature of 110 °F. This water is used to cool down the plant’s condensers in both distillation
regenerators (amine and glycol), and to cool down the propane in the refrigeration cycle, as well as cooling
the regenerated amine stream to 110 °F (it is then cooled further by a refrigeration cycle) and condensing
the steam in the power cycle and the propane in the refrigeration cycle.
This is a large amount of water, but the state of Illinois is allowing such usage as they believe our plant will
stimulate the Illinois economy, and that the environmental impact from using this much water and heating
it by 20 °F acceptable. Data from USGS for Illinois river-water-discharges suggests that there are many
rivers in Illinois that can accommodate such a flow, all that remains is to find a suitable site that is close
enough to such a river.
The steam used in the plant, heated by flue gas from combustion of waste streams, is raised for both the
power and steam cycle. In the steam cycle it is raised to a temperature of 368 °F and a pressure of 168.3
psia, and in the power cycle it is raised to a temperature of 670°F and a pressure of 680.3 psia, staying clear
of the critical region of 705 °F and 3200 psia. The steam material flow rate in the steam cycle is 32,960
lb/hr, and in the power cycle it’s 18,920 lb/hr, for a combined total of 51,880 lb/hr. This number is at about
1.25 that of the flow of the incoming raw gas feed. The steam heating duties are 2.86E8 BTU/hr in the
amine regenerator, 2.28E5 BTU/hr in the glycol regenerator, 1.45E6 BTU/hr preheating the glycol going
into the regenerator and 9.5E5 BTU/hr preheating the water in the power cycle. This gives a combined
duty of 2.89E8 BTU/hr. It can be seen that the biggest heat user in the plant by far is the amine regenerator
reboiler. This is because it runs at a relatively high temperature and has to heat a large material flow of
amine. Since the amount of amine in the process and the reboiler temperature have both already been
minimized, this team believes the heat duty in this reboiler is the lowest it can be.
There are two places in the plant where refrigeration is required, to cool the lean amine down from 110°F
to 80 °F, and to cool the sweet gas coming from the amine absorber from 82.5°F to 65°F. These two
refrigeration cycles pass 27,280 lb/hr of propane in the former and 66,220 lb/hr of propane in the latter
cycle for a combined 93,500 lb/hr of propane. The propane in the sweet gas refrigeration cycle is cooled to
45 °F. The propane in the amine refrigeration only has to reach a relatively warm 60 °F, but due to pressure
requirements it is cooled down to 20 °F through throttling. The refrigeration cycles are big draws of energy,
drawing 844 hp in the sweet gas refrigeration and 5401 hp in the lean amine refrigeration. As will be seen
below, this is considerable.
RESULTS AND DISCUSSION:
Page 42
The plant’s pumps and compressors need a combined 20,770 hp in order to run. The power cycle in the
plant is actually able to provide 23,540 hp, or 2771 hp more than needed for plant operations. This excess
power can be sold to the utilities to make up for some cost of running the plant. It is worth noting that it is
possible to generate even more power, as some material streams (flue gases) are leaving the plant hotter
than the absolute minimum possible for those streams. If more energy was extracted from those streams,
more power would be generated. The biggest power user in the plant is the compressor pressurizing the
air coming into the plant, using 8452 hp, and then the compressor working the refrigeration cycle
mentioned above, using 5401 hp. Together they use 67% of all the power needed in the plant. The pump
that pumps CW in the plant uses 3149 hp, or another 15%. Together, these three units account for 82% of
the power needed in the plant. If any of these power needs can be reduced by increasing the efficiency of
any one of these units, or just reducing the flow through them and thus the duty needed of them, more
power can be sold to the utility company as opposed to being used in-plant.
RESULTS AND DISCUSSION:
Page 43
COSTING AND ECONOMICS:
The first goal of the economics team is to determine the cost of the total capital investment (CTCI). We have
decided to use a hybrid costing method for this task. First we will cost all the equipment and resources
using Guthrie’s method. All of the equations used to cost the equipment are standard industry approved
costing equations found in Chapter 22 of the Sieder Seader Design Principles textbook. The second step
will be to take these totals as a combined cost of total bare module investment (CTBM), and use Busche’s
method to find CTCI using Table 22.9 on page 547 of the same textbook. The following tables contain the
parameters needed to cost the indicated unit operations as well as the final cost (given in millions of US
dollars) after their particular costing equation has been applied.
Figure 42: Pricing of Columns
Amine Glycol Other/Price From HYSYS
PO (psi) 997.5 PO (psi) 985 PO (psi) 89.25
D (ft.) 4.921 D (ft.) 4.921 D (ft.) 4.921
ρ (lb/in^3) 0.284 ρ (lb/in^3) 0.284 ρ (lb/in^3) 0.284
# Trays 25 # Trays 10 # Trays 4
Volume (ft^3) 858 Volume (ft^3) 343.2 Volume (ft^3) 137.28
Price (million $) $1.56 Price (million $) $0.86 Price (million $) $0.21
Amine Absorber Column Glycol Absorber Column Amine Regenerator Column
RESULTS AND DISCUSSION:
Page 44
PO (psi) 20 PO (psi) 991 PO (psi) 95
D (ft.) 4.921 D (ft.) 1.5 D (ft.) 1.5
ρ (lb/in^3) 0.284 ρ (lb/in^3) 0.284 ρ (lb/in^3) 0.284
# Trays 5 Volume (ft^3) 200 Volume (ft^3) 200
Volume (ft^3) 171.6
Price (million $) $0.18
Price (million $) $0.07 Price (million $) $0.03
Glycol Regenerator Column Amine Flash 1 Amine Flash 2
PO (psi) 90 PO (psi) 88.5 PO (psi) 20.25
D (ft.) 3.914 D (ft.) 3.914 D (ft.) 3.914
ρ (lb/in^3) 0.284 ρ (lb/in^3) 0.284 ρ (lb/in^3) 0.284
L (ft.) 5.871 L (ft.) 5.871 L (ft.) 5.871
Volume (ft^3) 70.63884741 Volume (ft^3) 70.63884741 Volume (ft^3) 70.63884741
Price (million $) $0.18 Price (million $) $0.32 Price (million $) $0.09
Amine Reboiler Amine Condenser Glycol Reboiler
PO (psi) 19.75
D (ft.) 3.914
ρ (lb/in^3) 0.284
L (ft.) 5.871
Volume (ft^3) 70.63884741
Price (million $) $0.08
Glycol Condenser
RESULTS AND DISCUSSION:
Page 45
Figure 43: Pricing of Pumps
Figure 44: Pricing of Motors
Q (USGPS) 0.0007176 Q (USGPS) 54.55 Q (USGPS) 0.3207
H (ft fluid) 20.67 H (ft fluid) 2088 H (ft fluid) 2150
ρ (lb/ft3
) 62.7 ρ (lb/ft3
) 63.09 ρ (lb/ft3
) 65.48
PB (hp) 0.0003014 PB (hp) 2329 PB (hp) 14.63
Price (million $) $0.01 Price (million $) $0.15 Price (million $) $0.02
Amine Pump 1 Glycol PumpAmine Pump 2
Q (USGPS) 0.03316 Q (USGPS) 12.57 Q (USGPS) 796.7
H (ft fluid) 2275 H (ft fluid) 15.86 H (ft fluid) 197.7
ρ (lb/ft3
) 62.475 ρ (lb/ft3
) 54.47 ρ (lb/ft3
) 62.14
PB (hp) 1.529 PB (hp) 3.521 PB (hp) 3171
Price (million $) $0.02 Price (million $) $0.03 Price (million $) $0.43
Steam Cycle PumpAmine Make Up Pump Plant Water Pump
Q (USGPS) 6.387
H (ft fluid) 1298
ρ (lb/gal) 61.54
PB (hp) 165.3
Price (million $) $0.04
Electric Cycle Pump
RESULTS AND DISCUSSION:
Page 46
Figure 45: Pricing of Heat Exchangers
Price (million $) $0.00 Price (million $) $0.23 Price (million $) $0.02
Price (million $) $0.06 Price (million $) $0.09 Price (million $) $0.20
Glycol Motor
Amine Make Up Motor
Amine Motor 1
Plant Water MotorSteam Cycle Motor
Amine Motor 2
Price (million $) $0.08
Electric Cycle Motor
UA 285700 UA 1335000 UA 2999000
U 440.1 U 2057 U 4618
Shell P (psi) 83.87 Shell P (psi) 92.5 Shell P (psi) 1000
Volume (ft^3) 87.2 Volume (ft^3) 87.2 Volume (ft^3) 87.2
Price (million $) $0.06 Price (million $) $0.06 Price (million $) $0.08
Sweet Amine Cooler Amine Regneration Stream Cooler 1Amine Regenerator Pre-Heater
UA 525200 UA 3855 UA 12110
U 809 U 5.937 U 18.65
Shell P (psi) 52.87 Shell P (psi) 27.5 Shell P (psi) 168.3
Volume (ft^3) 87.2 Volume (ft^3) 87.2 Volume (ft^3) 87.2
Price (million $) $0.06 Price (million $) $0.06 Price (million $) $0.06
Amine Regeneration Stream Cooler 2 Glycol Regeneration Pre-Heater 2Glycol Regeneration Pre-Heater 1
RESULTS AND DISCUSSION:
Page 47
Figure 46: Pricing of Compressors and Turbines
UA 4105 UA 6072000 UA 152400
U 6.322 U 9351 U 234.7
Shell P (psi) 166.8 Shell P (psi) 2.209 Shell P (psi) 544.7
Volume (ft^3) 87.2 Volume (ft^3) 87.2 Volume (ft^3) 87.2
Price (million $) $0.06 Price (million $) $0.06 Price (million $) $0.07
Steam 4 Power 1 Steam 5
UA 680200 UA 280400 UA 205100
U 1048 U 431.9 U 315.9
Shell P (psi) 32.5 Shell P (psi) 169.8 Shell P (psi) 23.5
Volume (ft^3) 87.2 Volume (ft^3) 87.2 Volume (ft^3) 87.2
Price (million $) $0.06 Price (million $) $0.06 Price (million $) $0.06
Steam 2 (Air Pre-Heater) Steam 1 (Evaporator) Steam 3 (Flu Gas Re-Heater)
UA 389300 UA 1603000
U 599.6 U 2468
Shell P (psi) 258.5 Shell P (psi) 258.5
Volume (ft^3) 87.2 Volume (ft^3) 87.2
Price (million $) $0.06 Price (million $) $0.06
Refrigeration Condenser 1 Refrigeration Condenser 2
RESULTS AND DISCUSSION:
Page 48
Figure 47: Total Equipment Cost
These numbers provide us with an accurate estimate for CTBM according to Busche’s method for calculating
CTCI, which can be seen on the following table.
PC (hp) 353 PC (hp) 844 PC (hp) 5401
Price (million $) $0.63 Price (million $) $1.27 Price (million $) $5.62
PC (hp) 8452 PC (hp) 8.722 S (hp) 10940
Price (million $) $8.04 Price (million $) $0.03 Price (million $) $1.01
Turbine 1Pentane Compressor
Amine Refrigeration Compressor 1 Amine Refrigeration Compressor 2Glycol Compressor
Air Compressor for Combustion
Price (million $) $22.45
Equipment Total
RESULTS AND DISCUSSION:
Page 49
Figure 48: Busche’s Method of Calculating CTCI
Our assessment of this cost is seen in the following table:
RESULTS AND DISCUSSION:
Page 50
Figure 49: Busche’s Method of Calculating CTCI
Most of the other factors in Busche’s method are small multiplicative factors of the cost at the top of the
column. However, the allocated costs consist of the cost of the amine, glycol, and propane required to start
the plant. These total volumes have been previously mentioned in the sizing section. When the total
volumes are applied to the given of prices of amine, glycol ($2000/ton), and propane ($8527.83/ton), the
cost of fluid can be calculated, as shown in the following table.
Figure 50: Price of Solvents and Coolant
These costs are now summed to obtain CTCI. The total depreciable capital (CTDC) is also obtained along the
trail of addition leading to CTCI. Both can be seen in the following figures.
Calculate CTCI
CEQ (Equipment) $22.45
CSPARE (Spares) $1.12 //Set at 5% of CEQ
CTBM
(Total Bare
Module
$23.57
CSITE (Site Preparation) $3.54 //Set at 15% of CTBM
CSERV
(Servcie
Facitilies, Utility
$1.77 //Percent Ratio from Table 22.15
CALLOC
(Cost of Amine,
Glycol, and
$0.16
CDPI
(Total of Direct Permanent
Investment)
$29.03
CCONT Contingencies $4.35 //Set at 15% of CDPI
CTDC (Total Depreciable Capital) $33.39
CLAND (Cost of Land) $0.00 //Company already owns the land.
CROYALTIES (Cost of Royalties) $0.67 //Intial Royalty of 2% CTDC from p.551
CCONTROL (Cost of Pipes, Valves, Tees, and Controls) $11.69 //Set at 35% of CTDC
CSTARTUP (Start Up Costs) $3.34 //Set at 10% of CTDC
CTPI (Total Permanent Investment) $49.08
CWC (Working Capital) $2.9448
//Percent Ratio from Table
22.15
CTCI (Total Capital Investment) $52.02
Price (million $) $0.09
Initial Amine Total
Price (million $) $0.02
Initial Glycol Total
Price (million $) $0.05
Initial Coolant Total
RESULTS AND DISCUSSION:
Page 51
Figure 51: CTCI and CTDC
With these figures, our annualized cost (CA) can be calculated. The equation for CA is seen below:
Figure 52: Calculating CA
The first term is calculated via a standard loan calculation using CTCI, a project lifetime of 50 years and an
interest rate of 5%. The second term is the amount of deductions we can subtract from our tax cost each
year based on CTDC and a tax rate of 20%. This term counts as a benefit to us and is therefore subtracted
from our total CA. The third term is our cost of sales, which can be calculated by taking the molar flow rate
by year and using the density and cost/ton to determine the total make up cost. The following table
displays the cost of make up for our process.
Figure 53: Cost of Make Up
The fourth term represents the difference in potential income between our product and an ideal product
from an imaginary splitter where all the project specs were met exactly and no hydrocarbons were lost in
the amine or glycol cycle. Of everything we calculated, this term best represents what could be called an
efficiency measurement of our proposed product. The calculation of this term is shown below.
Price (million $) $52.02
CTCI
Price (million $) $33.39
CTDC
CA = (PMT(CTCI) - (CTDC/50)(Tax Rate) + COS + Δ(ᴍ*Heating Value)*5/(1,000,000) - Hp*(.7457)*(24)*(330)*(.07)
Price (million $) $1.09 Price (million $) $0.30 Price (million $) $0.01
Make Up Glycol Total Make Up DI Water TotalMake Up Amine Total
RESULTS AND DISCUSSION:
Page 52
Figure 54: Cost of Lost Product
And finally, the 5th term in our CA equation is the sale of excess electricity. Much like the second term, this
acts as a benefit to our cause and is therefore subtracted from the total CA. The final equation with all
elements is displayed below.
Figure 55: Final Calculation of CA
When summed together, we get our final CA.
Figure 56: Annualized Cost
Using the total CA, we can find our final desired cost, which is the price per MSCF of product.
ᴍideal (lb/hr) Hvideal (BTU/lb) ᴍideal * Hvideal (BTU/hr)
731500 23290 17036635000
ᴍproduct (lb/hr) Hvproduct (BTU/lb) ᴍproduct * Hvproduct (BTU/hr)
716100 23160 16584876000
Δ(ᴍ*Heating Value)
Δ(ᴍ*Heating Value)*5/(1,000,000)
(Million USD/yr)
451759000 $17.89
(Loan Payment) (Tax Deduction) (Cost of Sales) (Cost of Operation) (Sale of Excess Electricity)
$2.85 $0.13 $1.40 $17.89 $1.15
CA = (PMT(CTCI) - (CTDC/50)(Tax Rate) + COS + Δ(ᴍ*Heating Value)*5/(1,000,000) - Hp*(.7457)*(24)*(330)*(.07)
Price (million $) $20.86
CA
RESULTS AND DISCUSSION:
Page 53
Figure 57: Cost of Product per MSCF
CA (Million $/Yr) MMSCFD MSCFD MSCFY Cost ($) / MSCF
$20.86 363.3 363300 119889000 $0.174
Price ($) $0.17
Cost Per MSCF
RESULTS AND DISCUSSION:
Page 54
SAFTEY AND ENVIRONMENTAL ISSUES
There are some safety and environmental issues to consider in terms of this proposed plant. One would be
the waste streams emitted by the plant. They contain some hazardous material such as SO2, DEA, DEG, and
some others. Luckily, a facility nearby in Illinois that specializes in handling waste such as ours has agreed
to continuously retrieve it from our plant at the same rate that we produce it at no cost to us. It has been
verified that they handle the material in a manner that does not ethically violate any humans or harm the
environment.
Another safety issue to consider is the pressurized portions of the facility. Some of the unit operations and
corresponding piping reach 1000 psi, which is roughly 67 times the pressure of the atmosphere. Proper
equipment will be worn by our employees at all time as detailed in the next section should any rupturing
take place.
Finally, the water source must be considered. Our facility does use a copious amount of water, however,
with the genius planning of being so close to Lake Michigan, this is feasible. Our water streams come from
and return to the lake at an acceptable temperature.
ETHICAL AND SOCIETAL ISSUES:
Page 55
Ethical and Societal issues:
The following items are some environmental regulations that our company will certainly consider before
throughout the lifetime of our process:
(415 ILCS 5/25b-2) (From Ch. 111 1/2, par. 1025b-2)
Sec. 25b-2. (a) Facilities which are required to file toxic chemical release forms with the State pursuant to
Section 313 of the federal Emergency Planning and Community Right-to-Know Act of 1986 shall file such
forms with the Illinois Environmental Protection Agency.
(415 ILCS 5/25b-5) (From Ch. 111 1/2, par. 1025b-5)
Sec. 25b-5. Review of toxic chemical status. The Agency shall periodically review the status of toxic
chemicals and types of facilities covered under the reporting requirements of Section 313 of the federal
Emergency Planning and Community Right-to-Know Act of 1986.
(Source: P.A. 92-574, eff. 6-26-02.)
(415 ILCS 5/25b-3) (From Ch. 111 1/2, par. 1025b-3)
Sec. 25b-3. In cooperation with the United States Environmental Protection Agency, the Agency shall
provide in a computer data base an Illinois Toxic Chemical Inventory. The Inventory shall be based on the
toxic chemical release forms filed pursuant to Section 313 of the federal Emergency Planning and
Community Right-to-know Act of 1986 and may include, to the extent practicable, any other information on
emissions, discharges, source reduction activities, and recycling of toxic contaminants submitted to the
Agency pursuant to this Act. The Agency shall maintain the data in the Inventory by individual facility and
company name, standard industrial classification, type of chemical, and geographic location.
(Source: P.A. 94-580, eff. 8-12-05.)
Guidelines:
The jurisdiction and cooperation between agencies and that the Clean Air Act establishes both federal and
state requirements set to protect the health of the public. The enforcement tools would be through
lawsuits, court orders, notice of violation etc. The state should have a way to calculate penalties. Emissions
data should be provided to agencies upon request.
ETHICAL AND SOCIETAL ISSUES:
Page 56
Risks of operation:
Possible risks include the following:
 Poor well casing or cement jobs can increase the chance of methane leaks or groundwater
contamination, so it's crucial that every aspect of the drilling process—including how the well is
constructed—is executed properly.
 If wastewater is mishandled, it can contaminate surface and groundwater. And improperly sited
and operated deep well injection sites (a common disposal method) may be linked to small
tremors.
 Emissions of toxic and smog-forming pollutants—like benzene, a known carcinogen—can lead to
health problems like asthma, cancer and long-term lung damage in people who live nearby.
 The more methane is lost into the atmosphere, the less using natural gas—as compared to other
fossil fuels—delivers climate benefits. We must reduce venting and fix leaks.
 If companies aren't required to name the chemicals they use, or monitor their air emissions, it's
impossible for a community to assess risks. And if companies can proceed without input from
communities, people may be overwhelmed by traffic and noise.
 Fire and explosion hazards at LNG facilities may result from the presence of combustible gases and
liquids, oxygen, and ignition sources during loading and unloading activities, and / or leaks and
spills of flammable products. Possible ignition sources include sparks associated with the buildup
of static electricity, lightning, and open flames.
Hazardous Materials Management
The storage, transfer, and transportation of LNG (Liquid Natural Gas) may result in leaks or accidental
release from tanks, pipes, hoses, and pumps at land installations and on LNG transport vessels. The storage
and transfer of LNG also poses a risk of fire and, if under pressure, explosion due to the flammable
characteristics of its boil-off gas.
 LNG storage tanks and components (e.g. pipes, valves, and pumps) should meet international
standards for structural design integrity and operational performance to avoid catastrophic
failures and to prevent fires and explosions during normal operations and during exposure to
natural hazards. Applicable international standards may include provisions for overfill protection,
secondary containment, metering and flow control, fire protection (including flame arresting
devices), and grounding (to prevent electrostatic charge).
ETHICAL AND SOCIETAL ISSUES:
Page 57
 Storage tanks and components (e.g. roofs and seals) should undergo periodic inspection for
corrosion and structural integrity and be subject to regular maintenance and replacement of
equipment (e.g. pipes, seals, connectors, and valves).
 A cathodic protection system should be installed to prevent or minimize corrosion, as necessary
 Loading / unloading activities (e.g. transfer of cargo between LNG carriers and terminals) should
be conducted by properly trained personnel according to pre-established formal procedures to
prevent accidental releases and fire / explosion hazards. Procedures should include all aspects of
the delivery or loading operation from arrival to departure, connection of grounding systems,
verification of proper hose connection and disconnection, adherence to no-smoking and no-naked
light policies for personnel and
Chemical Hazards
The design of the facility should reduce exposure of personnel to chemical substances, fuels, and products
containing hazardous substances. Use of substances and products classified as very toxic, carcinogenic,
allergenic, mutagenic, teratogenic, or strongly corrosive should be identified and substituted by less
hazardous alternatives, wherever possible. Each chemical used needs to be implemented into the Material
Safety Data Sheet (MSDS) which should be available and readily accessible at the facility.
Offensive Conditions:
Waters of the State shall be free from sludge or bottom deposits, floating debris, visible oil, odor, plant or
algal growth, color or turbidity of other than natural origin.
Waste Management:
Waste materials should be separated into two categories, non-hazardous and hazardous wastes, they
should also be considered for re-use / recycling prior to disposal. A waste management plan should be
developed that contains a waste tracking mechanism from the originating location to the final waste
reception location. Storage, handling and disposal of hazardous and nonhazardous waste should be
conducted in a way that is consistent with EPA and OSHA regulations.
Spills:
LNG is a cryogenic liquid at a temperature around –162°C (–259°F) that is not flammable in liquid form.
However, boil-off gas (methane) forms as the LNG warms, and under certain conditions could result in a
vapor cloud if released. Uncontrolled releases of LNG could lead to jet or pool fires if an ignition source is
present, or a methane vapor cloud which is potentially flammable (flash fire) under unconfined or confined
conditions(such as storage locations) if an ignition source is present. LNG spilled directly onto a warm
surface (such as water) could result in a sudden phase change known as a Rapid Phase Transition. Which
will cause the LNG to change into its gas from and be of environmental, safety and health concern.
Recommended measures to prevent and respond to LNG spills include the following:
ETHICAL AND SOCIETAL ISSUES:
Page 58
 Conduct a spill risk assessment for the facilities and related transport / shipping activities;
 Develop a formal spill prevention and control plan that addresses significant scenarios and
magnitude of releases.
 The plan should be supported by the necessary resources and training. Spill response equipment
should be conveniently available to address all types of spills, including small spills.
 Spill control response plans should be developed in coordination with the relevant local regulatory
agencies, as well as location conditions.
 Facilities should be equipped with a system for the early detection of gas releases, designed to
identify the existence of a gas release and to help pinpoint its source so that operator-initiated
electronic shut downs can be initiated rapidly to minimizing the inventory of gas releases.
 An Emergency Shutdown and Detection (ESD/D) system should be available to initiate automatic
transfer shutdown actions in case of a significant LNG leak;
 For unloading / loading activities involving vessels and terminals, preparing and implementing
spill prevention procedures for tanker loading and off-loading according to applicable standards
and guidelines which specifically address advance communications and planning with the
receiving terminal.
Wastewater plant integration:
The use of water for process cooling at LNG liquefaction facilities and for revaporization heating at LNG
receiving terminals may result in significant water use and discharge streams. Recommendations to control
cooling and cold water use and discharge streams include the following: Water conservation opportunities
should be considered for
LNG facility cooling systems (e.g. air cooled heat exchangers in place of water cooled heat exchangers and
opportunities for the integration of cold water discharges with other proximate industrial or power plant
facilities). Cooling or cold water should be discharged to surface waters in a location that will allow
maximum mixing and cooling of the thermal plume to ensure that the temperature is within 3 degrees
Celsius of ambient temperature at the edge of the mixing zone or within 100 meters of the discharge point.
ETHICAL AND SOCIETAL ISSUES:
Page 59
Permits:
Figure 58: Permits Pre-Filling Phase
There are several factors taken into account when FERC establishes a schedule for the environmental
review, including the scope and complexity of the project, the requirements of any cooperating agencies,
and the requested time frame of the applicant.
Figure 59: Permits Application Phase
ETHICAL AND SOCIETAL ISSUES:
Page 60
Environmental permits issued by federal agencies can also vary by state or by region. The type of permit
used depends on the type and the extent of proposed impacts on aquatic resources and whether a general
permit is available to authorize such impacts. The Corps issues individual permits for specific projects that
may have more than minimal impacts on aquatic resources, either individually or cumulatively, or are not
otherwise authorized by general permits. The Corps issues general permits for activities resulting in no
more than minimal adverse effects on the aquatic environment. The following three types of general
permits are used for natural gas pipeline construction projects that require the discharge of dredged or fill
material into waters.
Three types of permits
Nationwide permit: This type of general permit is intended to streamline and expedite the evaluation and
approval process throughout the nation for certain types of activities that have only minimal impacts. One
of the Corps’ eight division offices may add regional conditions to these permits in order to protect local
aquatic ecosystems or to minimize adverse effects on ecologically critical areas or other valuable resources.
Regional general permit: This type of permit authorizes activities that commonly occur in that region.
Programmatic General Permit: This type of general permit is established in those states or localities where
there is a similar existing state, local, or other federal agency regulatory program. It is designed to avoid
ETHICAL AND SOCIETAL ISSUES:
Page 61
regulatory duplication. These types of permits may allow activities, including work in waters of the United
States associated with pipeline projects, to have greater impact on waters than the nationwide general
permits, provided there is still no more than minimal adverse effect on the environment.
Agencies:
F.E.R.C. = The Federal Energy Regulatory Commission (FERC) is an independent agency that regulates
the interstate transmission of electricity, natural gas, and oil. FERC also reviews proposals to build liquefied
natural gas (LNG) terminals and interstate natural gas pipelines as well as licensing hydropower projects
O.S.H.A. = Congress enacted the Occupational Safety and Health Act of 1970 which created
the Occupational Safety and Health Administration (OSHA). Its mission is to help employers and
employees reduce on the job injuries, illnesses and deaths.
E.P.A. = The United States Environmental Protection Agency (EPA or sometimes USEPA) is an agency of
the U.S. federal government which was created for the purpose of protecting human health and the
environment by writing and enforcing regulations based on laws passed by Congress.
Health and Safety
Safety Management Plan including Environmental Management Plan
It may be required to make a Safety Management Plan and an Environmental Management plan that is
specific to the scope of work. The Safety Management Plan should include details on how the workers will
manage safety for all of its operations and personnel on the site during the course of the project. The Safety
Management Plan and Environment Management Plan will be submitted for approval.
NO…
1. Eating
2. Drinking
3. Smoking
4. Electronic matches
5. Electronic lighters
Must……
1. Skin: hear personal protective clothing.
2. Eyes: hear eye protection.
3. Wash Skin: In case of a spill workers should wash the spilled chemical from the body and normal
washing.
ETHICAL AND SOCIETAL ISSUES:
Page 62
4. Change: Routine for clothing changing.
5. The company must have an eyewash fountains and/or quick drench facilities.
Prohibited Items
The following items are prohibited onsite:
1. Firearms
2. Explosives
3. Illegal drugs
4. Illicit substances
5. Alcohol
6. Cigarette lighters and matches
Safety Equipment
This includes items such as fall arrest equipment such as inertia reels. In some cases specialist contractors
may be required to bring their own equipment such as Catalyst Handling. Specific safety equipment is to be
supplied by the contractor. Under no circumstances shall safety equipment be modified from
manufacturers’ specifications without appropriate company approval. This may lead to instant dismissal
from the site.
Respirators:
The two types of respirators that will be used will be elastrometric half-mask respirators and elastrometric
full-facepiece respirators fitted with the appropriate filters in order to ensure the safety of the individual
using the mask.
Figure 60: Typical Half and Full Respirator Masks
ETHICAL AND SOCIETAL ISSUES:
Page 63
Health effects:
The production of oil and natural gas emit benzene, toluene, ethylbenzene, and xylenes (BTEX) as well as n-
hexane and VOC.
 Benzene
 Exposure to benzene may cause
 Irritation of the skin, eyes, and upper respiratory tract.
 Blisters on the skin.
 Exposure to benzene over a long period of time may cause blood disorders, reproductive
and developmental disorders, and cancer.
 EPA's Health Effects Notebook has more information related to the potential health effects
of exposure tobenzene.
 Toluene
 Exposure to toluene over a long time may cause nervous system effects, irritation of the
skin, eyes, and respiratory tract, dizziness, headaches, difficulty with sleep, birth defects.
 EPA's Health Effects Notebook has more information related to the potential health effects
of exposure totoluene.
 Ethylbenzene
ETHICAL AND SOCIETAL ISSUES:
Page 64
 Short-term exposure may cause throat and eye irritation, chest constriction, and dizziness.
 Long-term exposure may cause blood disorders.
 EPA's Health Effects Notebook has more information related to the potential health effects
of exposure toethylbenzene.
 Xylenes
 Short-term exposure to high levels of mixed xylenes may cause
 Irritation of the nose and throat.
 Nausea.
 Vomiting.
 Gastric irritation.
 Mild transient eye irritation.
o Neurological effects.
 Long-term exposure to high levels of xylene may impact the nervous system.
 EPA's Health Effects Notebook has more information related to the potential health effects
of exposure toxylenes.
 n-Hexane
 Short-term exposure to hexane can cause dizziness, giddiness, slight nausea, and a
headache.
 Long-term exposure to hexane can cause numbness in extremities, muscular weakness,
blurred vision, headaches, and fatigue.
 EPA's Health Effects Notebook has more information related to the potential health effects
of exposure tohexane.
 VOC
 VOC is released during the production of oil and natural gas.
 The chemicals in VOC can form ground-level ozone (smog) which can cause breathing
difficulties, especially with those who are young, elderly, or have existing respiratory
problems such as asthma.
 EPA has an extensive Web site devoted to ground-level ozone.
Neighboring Residents:
ETHICAL AND SOCIETAL ISSUES:
Page 65
To build the LNG plant, which would be process fracked gas for export, we should definitely be concerned
about the environmental effects on the air and local water, and the safety of the residents of nearby. The
requirements and operational rules set up by the EPA and OSHA would be strictly followed and something
like building fence around the company would be done to ensure that no one unsuspectingly wanders into
a dangerous area. Should the company house explosive materials, they would be put in a way so that the
blast radius is at least that of the fence built. After getting the required permits from the government, our
risk calculations should also get verified by at least one third party.
In addition, we need to consider whether the greenhouse gasses produced by drilling, piping, cooling,
heating and shipping of natural gas per day would have any potential impacts on the climate. The company
would ensure that no waste dumping into the environment occurs and that any disposal of waste will be
made in a way that it will not contaminate the water supply of the people. In the case that any opposition
from the local residents occurs, the company should be ready for anything from complaints to a lawsuit.
Control of Work (CoW)
Work shall not commence in the Refinery unless the appropriate permits have been granted.
Other relevant procedures could include, but may not be limited to:
• Confined Space Entry – Confined Space Entry Procedure
• Excavation – Excavation Procedure
• Working at Heights – Working at Heights Procedure
• Energy Isolation – Electrical Lockout Procedure, High-Voltage Switching, Access & Testing
Procedure
• Electrical Safety – Electrical Exclusion Zones for Cranes and EWPs
• Radiation Safety – Radiation Safety and Protection Plan
• Mobile Plant – Mobile Plant Procedure
• Grinders – Grinder Procedure
• Scaffolding – Scaffolding Procedure
• Barricading – Barricading Procedure
The following rules must be followed by all contractors:
1. Work with a permit at ALL times
2. Conduct gas tests, when necessary. Supervisor should inform the contractor of when this
could be the case.
ETHICAL AND SOCIETAL ISSUES:
Page 66
3. Obtain authorization before entering a confined space, making changes to a safety critical
equipment.
4. In case of working at height protect yourself against a fall.
5. Follow management plan.
6. Wear protected equipment, if necessary.
Job Hazard Analysis
The preparation of a Job Hazard Analysis or comparative risk assessments for all of its operations which
have a pre-task classification of ‘medium risk’ or ‘high risk’ will need to be done. All analysis need to be
reviewed and approved by company prior to the commencement of any work.
Confined Spaces
Confined space hazards, as in any other industry sector, are potentially fatal to workers. Confined space
entry by workers and the potential for accidents may vary among LNG terminal facilities depending on
design, on-site equipment, and infrastructure. Confined spaces may include storage tanks, secondary
containment areas, and storm water / wastewater management infrastructure.
Material Safety Data Sheets:
The Contractor shall provide MSDS’s for all chemicals/products they intend to use onsite for approval prior
to introduction to site for approval. The company should have a MSDS database. Chemicals/products
intended for use onsite that are not already on the MSDS System must be accompanied by an approved
MSDS and Chemical Risk Assessment.
High Risk Construction Activities:
High Risk Construction Activities must provide a compliant Work Method Statement for approval prior to
commencing work. If they are required to undertake a high risk construction activity, work will not be
permitted to commence without first being provided with a copy of a compliant Work Method Statement.
Compliant Work Method Statements are to be kept with the HSSE Plan relevant to the work being
undertaken.
Prescribed Activities:
The contractor must not take on activities that were prescribed unless they are certified to do so.
Work Health and Safety Advisor Requirements:
Contractors who provide 25 or more employees in any 24-hour period to service the Scope of Work
outlined in this Contract shall provide a safety representative, the individual must have completed a
minimum of a Certificate IV in Occupational Health and Safety. The safety representative will form part of
the Safety Committee and is expected to attend each scheduled committee meeting.
ETHICAL AND SOCIETAL ISSUES:
Page 67
Personal Protective Equipment:
The Contractor shall provide the necessary Personal Protective Equipment in the appropriate quantity and
comply with the relevant Standards. Task specific Personal Protective Equipment requirements for the
work being conducted must be stated in the Job Hazard Analysis prior to the work commencing.
Emergency Response:
All contract personnel shall be made aware of the company’s emergency response protocols, signage and
muster point locations. In the event of an emergency (highlighted by the sounding of the site alarms and
flashing lights) all contract staff must follow the protocols and adhere to any instructions provided by
Emergency Personnel.
Incident Reporting and Investigations:
Contractors shall report all incidents that occur onsite to their representative immediately. In the event of
an incident, the scene shall be preserved as far as reasonably practicable until a workplace health and
safety inspector arrives. Everyone relevant to the investigation will be expected to participate in the
investigation when requested by the company, if they have been involved in the incident, or have
knowledge that may assist in the investigation outcome.
Near Miss and Hazard Reporting:
A paper based system with a pocket sized notepad used to record hazards and near miss information to
enable learning and intervention where appropriate. This will help prevent incident from occurring.
First Aid:
The company provides first aid facilities and trained first aid personnel onsite. All injuries must be
reported by visiting the site medical center. When a contractor employee attends the company’s medical
center, their supervisor shall accompany them.
HSSE Audits:
The company reserves the right to audit the contractor’s onsite work and adherence to a HSSE system,
procedures, and the content of the contract.
Fitness for Work:
All personnel entering the worksite, depending on the work they perform, may be required to have passed
a full medical examination and D&A testing. Confirmation that a medical has been completed is required in
order to receive a valid site access card.
ETHICAL AND SOCIETAL ISSUES:
Page 68
Random Drug and Alcohol (D&A) Testing:
The company reserves the right to conduct random drug and alcohol testing. The Contractor must comply
with the company’s drug and alcohol testing requirements.
Work Hours and Fatigue Management:
The company has working hours and fatigue management procedure to ensure workers have adequate
opportunity to rest.
Occupational Health & Hygiene Monitoring:
Depending on the work activity being undertaken or area of plant being worked on, occupational health
monitoring may be required. In the event such monitoring is required, contractor personal shall follow all
instructions from HSSE and Operations Branches in relation to:
• Exclusion zones
• Access requirements
• Personal Protective Equipment to be worn
• Health surveillance requirements
Competency and Qualifications:
The Contractor shall supply labor appropriately qualified to safely and competently complete the tasks
within their Contract work scope.
The Contractor is required to have a defined competency assurance process. A competency assurance
program is required for tasks including (but not limited to), high pressure water blasting, bundle extraction
and vacuum truck operations are some examples).
Inductions:
Prior to commencing work on site all personnel are required to have completed inductions to cover the
work they intend to do. This may include the following:
• HSSE / H2S Induction (Mandatory for site entry).
• Turnaround / Project Specific Induction.
• Confined Space Entry.
• Alkylation Unit Induction.
• Fire watch/Vessel Entry Watch/BA (Bottle) Watch.
High Risk Work:
ETHICAL AND SOCIETAL ISSUES:
Page 69
Contractors required to undertake ‘high risk work’, will be required to hold the appropriate and current
WH&S high risk work license and be capable of providing this qualification upon request. Persons who
cannot provide proof of a license will be required to cease work, until such time as proof can be provided.
All documentation shall be forwarded as soon as practicable upon request. If appropriate qualification is
not substantiated the contractor may be asked to remove the employee from the site.
Equipment:
General Condition of equipment:
All equipment brought onto the worksite by the Contractor, their employees and their subcontractors, shall
be ‘fit for service’. It shall have a full service history, which can be produced upon request. The Contractor
shall demonstrate to the company the key equipment reliability issues, and the proposed mitigation plans
in the event of a failure. The Contractor shall detail the equipment spares held at the site during the
operations. Where instructed by the company, the Contractor shall demonstrate the operation of
equipment. All equipment shall be within its current service endorsement period. Poor quality equipment
or equipment not within its current service endorsement shall be replaced at the Contractor’s expense=
Breakdown:
All working contractors who are required to bring equipment to the site shall an outline of their
breakdown and repair strategy on request.
Spark Containment:
Company may request that any combustion engine equipment brought onto the Refinery by the contractor
be fitted with a spark arrest device. This includes welders, generators, pumps etc
Electrical Requirements:
All electrical equipment brought onto the site shall be within a current electrical test period by a registered
electrical testing contractor. All electrical items shall be used with a suitable Residual Current Device.
Instrument Control and Electrical:
The Instrument Control and Electrical department may inspect any electrical items. Any non-compliant
items will be immediately removed from site at the contractor’s expense.
Vehicles:
If the Contractor requires the use of a vehicle to complete their BP work scope, then they shall contact the
company’s representative for a copy of the standard.
Some of the examples from the Standard include, but aren’t limited to:
• Anti-lock braking system (ABS)
ETHICAL AND SOCIETAL ISSUES:
Page 70
• Air bags
• Side impact protection
• Emergency lights
• Safety screens and load constraint features
Lay Down Areas:
The Contractor shall specify required lay down areas for work or equipment. These shall be detailed as an
area in square meters (m2) and by dimensions. The best efforts will be made to perform requests
Hot Work Areas:
Prior to commencing work on site, the contractor will be advised if an area will be required for hot work
(hot work includes burning, welding and grinding activities). These areas are very restricted.
Subcontractors:
All subcontractors must be prequalified by the company before being authorized to conduct work onsite.
The Contractor shall inform the company representative in advance if it’s proposed to use subcontractors
in undertaking the Scope of Work.
Security
Facility Access:
 Unauthorized access to facilities should be avoided by perimeter fencing surrounding the facility
and controlled access points (guarded gates/entrances). Public access control should be
implemented.
 Appropriate fencing should be in place to not only ensure that only authorized people access the
facility but to also ensure that no one accidently wanders in and gets hurt or worse.
 Adequate signs and closed areas should establish the areas where security controls begin at the
property boundaries. Vehicular traffic signs should clearly designate the separate entrances for
trucks / deliveries and visitor / employee vehicles
 Only those who are authorized to be in certain sections of the facility are allowed to be there. Even
those that have the security clearance; are not to be allowed without the proper permissions.
 Exclusion zones may include vital or dangerous parts of the process
Surveillance:
Most areas of the facility will be video recorded, the advantage of video recording is the following:
ETHICAL AND SOCIETAL ISSUES:
Page 71
 Recorded video may assist with an investigation.
 Security would be more easily be able to detect if an un-authorized personnel would enter the
facility
 An integrated security console will assist the guards in effective surveillance.
Means for detecting intrusion (for example, closed-circuit television) and motion sensors should be
considered. To maximize opportunities for surveillance and minimize possibilities for trespassers, the
facility should have adequate lighting.
Material Safety Data Management:
The company has its own MSDS data base that accounts for most of the chemicals dealt with at the facility.
However, there may be a time where a chemical is introduced that is not in the data base. When this occurs,
the need to insert the chemical into the database. For this to happen, the information that will be inserted
into the database will need to be revised to ensure the validity of the information and then it will need to be
approved. The MSDS database will be readily available to anyone in the facility.
Incident reporting:
Any security related incident should be reported to security who will have to go to the location and
acquired information as needed to help identify the root cause of the incident. Employees or those involved
are expected to participate in the investigation that will follow the incident. There will be phones readily
available so that an individual could easily call and make a report.
CONCLUSION:
Page 72
Conclusion:
Figure 61: Final Product
Should our plant be built in Illinois, it will create jobs, enrich the community, and fuel the lives of millions of
people, enriching their lives. Based on these facts and everything else presented thus far, it can be seen
above that our product meets all specific requirements stated in the project guidelines. However, our
product is more than just technically robust. At the low cost per MSCF of just 17 cents, our product is also
economically advantageous.
Propane
Product Stream Components
Component Mole Fraction
Methane
Ethane
DEAmine
DEGlycol
Total
0.921418037
3.61E-02
2.19E-02
1.10E-02
3.96E-03
5.49E-03
7.80E-05
n-Butane
n-Pentane
Nitrogen
H20
H2S
CO2
2.19E-08
6.45E-05
5.20E-11
1.93E-07
1
Product Specifications
Annulized Cost
(MMUSD/yr)
$20.86
$ / MSCF $0.17
Maximum Allowed
8.41E-05
5.00E-07
1.00E-04
PROJECT MANAGEMENT:
Page 73
Project Management:
TEAM ORGANIZATION:
Figure 23: Team Organization Chart
1) Jessica Castro
a) General Manager
i) SPA for Project Plan, Project overview, Resources management
The GM directs the project in the direction she believes it should go, with input and participation from the
team. She plans and runs meetings, suggest weekly goals, plans the schedule and all other SPAs report to
her. The GM makes sure the project is on schedule. She also assisted team members when they needed it
help in their designated area. She also communicated with the SPA’s to know the status of each area.
2) Brian Mitchell
a) Product Manager
i) SPA for Compiling, Gantt Chart, References
The Product Manager synthesizes individual team member contributions into deliverable reports (weekly,
midterm, final, etc.). The product manager also keeps up the Gantt chart to show actual and planned
project progress. The PM also compiles all scholarly references in all reports.
3) Carlos Quintas
PROJECT MANAGEMENT:
Page 74
a) HSSE & Social Performance Lead
i) SPA for HSSE & Social Performance
Investigate all possible Health, Safety, Security, Environmental and Social Performance impacts the plant
might have on its surrounding and all those who may come in contact with it or any of its associated
materials. Of particular note are any regulations and common practices that exist within the region the
plant is to be built and operated. The final plant design must comply with those at a minimum and no
significant harmful effects to any of these areas are acceptable (these also pose a liability risk for the
company should they be ignored).
ii) SPA for HSSE & Social Performance met with GM to discuss the status of this section.
4) Jessica Castro
a) Research and HSSE
i) SPA for Risks & Mitigation, Stakeholders, and Communication
This position includes recording all possible risks for the project and creating mitigation plans for them to
ensure the project team can adapt quickly to any contingency that may arise during the project life.
Additionally, this position includes managing the Stakeholders and Communication areas. Any overlap
between the Risks area and the HSSE area are handled by this position, which is also expected to assist in
HSSE research.
5) Junhuan Ding
a) HYSYS Lead
i) SPA for HYSYS.4
The HYSYS Lead oversees the process simulation of various designs, optimizing the process so that the
smallest amount of energy is needed to achieve the required technical specifications of the product,
collecting data on each and delivering this information to other areas as appropriate. Any sizing
information and energy needs will be delivered to the Economic Analysis team, and any information on
emissions or chemicals will be delivered to the HSSE team, so that it can be analyzed from those
perspectives.
ii) Met with GM and assisted to the meetings held with Abbasian and Carlos.
6) Erez Miller
a) Volunteer
i) Erez assisted in HYSYS. He created a DEA and DEG design.
7) Van Anh Nguyen
PROJECT MANAGEMENT:
Page 75
a) Technical Background and Economic Analysis Lead
i) SPA for Technical Background and Economic Analysis
This position is divided into two in time: initially, when the Technical Background is researched, the person
in this position oversees the team collecting information on all possible chemicals, unit operations and
other related processes and delivering them to their appropriate areas. Once the initial information
gathering is complete, the person in this position will oversee the development of Economic Analysis tools
and procedures, and their application to the designs created by the HYSYS team. Each design will be
evaluated in terms of initial cost and in operating cost. Finally the design will be evaluated in terms of
investment viability.
As the project progressed two main sub-teams were created. These teams were economics and HYSYS
team. The HYSYS team was formed by Ding, Carlos and Erez. While the economics team consisted of Anh
and Brian. Anh and Brian also formed the midterm report and presentation team. The GM participated in
helping the teams.
COMMUNICATIONS:
The Fluid Processing Solutions team met every Tuesday night. The meetings were length varied, the time
depended on the problems that needed to be solved. During most of the meetings were held HYSYS
discussions, which involved team making decisions. The GM was responsible for note taking. Most of the
note taking was done on a white board. Later that night the GM was responsible for uploading the meeting
log to Google Drive.
In addition to the weekly meetings there were meetings held with each sub team member and the GM. The
economics and midterm report team met on Thursday at 4 pm. The meetings usually lasted about thirty
minutes. The approaches needed to work on the midterm and economics were discussed. Weekly goals
were also assigned. The members in the midterm and economics team also met without the GM. These
meetings were used to work on the goals. The HYSYS team and the GM met on Wednesday at 12 pm for one
hour. During the meetings the HYSYS team updated the GM with the status of the HYSYS process. Questions
that the GM had were answered by the HYSYS team. The HYSYS team also met without the GM. The official
meeting day was Monday, but this varied depending on how much work was required.
Weekly reports and presentations allowed the team to communicate with professor Abbasian. The weekly
reports also allowed the GM to see the overall status of the project and the actual hours spend by each team
member. The weekly report forms were used to compose the weekly reports. A project plan was also
another method used to communicate with professor Abbasian.
The communication within the group was via emails, text messages, Skype and phone calls. The GM send
emails requesting for updates and logs from each team member. Each member used these sources to bring
up problems to the other team members. Emails were also used to communicate when working the
PROJECT MANAGEMENT:
Page 76
presentations. The PowerPoint presentations and report files were attached to the emails. In addition to
the emails the production manager created a Google Drive. The goal drive consisted of weekly folders.
Inside each folder each team member had their respective folder. The team members were asked to upload
every working file to the drive. The files were saved as: Name of the part of the project_Version #_Name of
the creator. After uploading their work the team members send an email informing others of it.
MAN-HOUR TABLE:
Figure 24: Team Man-Hour Table
Task Subtasks SPA Volunteers Man
Hours
Research Anh 50
Amine Research
Glycol Research
Method Research
Anh
Anh
Anh
Jessica
Brian
15
15
20
Risks and
Mitigation
Jessica 14
Possible Risks:
Identify Risks
Categorize Risks
Color Code
Corresponding Mitigations:
Identify Mitigations
Match Mitigations to Appropriate
Risks
Jessica
Jessica
Jessica
Jessica
Jessica
2
4
4
2
2
HSSE Carlos
Ding
(before
week5)
Jessica 60
Health
Safety
Security
Social Performance
Environment
Carlos
Carlos
Carlos
Carlos
Carlos
Jessica
Jessica
Jessica
8
8
8
8
8
Economic Analysis Anh Brian 50
PROJECT MANAGEMENT:
Page 77
Simulation Design:
Research and Planning:
Guthrie’s Method
Busche’s Method
Cost of Materials:
Amine
Glycol
Cost of Operating Parameters:
Circulation Rate
Equipment
Material Usage
Energy
Working Capital
Total Capital Investment:
Collecting CTBM
Calculating CTCI
Anh
Anh
Anh
Anh
Anh
Anh
Anh
Anh
Anh
Anh
Anh
Anh
Anh
Brian
Brian
Brian
Brian
Brian
Brian
Brian
Brian
Brian
Brian
Brian
Brian
Brian
6
6
6
6
2
8
4
4
4
2
2
Chemical Process
Simulator
Ding Carlos,
Erez
122
Compare HYSYS Research with
Amine and Glycol Research:
Identify multiple suitable Amines in
HYSYS
Identify multiple suitable Glycols in
HYSYS
Identify Fluid Package
Create a Simulation:
Compare Ideas with HYSYS Group
MDEA & TEG Design
DEA & DEG Design
Find Designs from Companies with
Similar Projects
Sizing Unit Operations
Troubleshooting the Simulations
Problems with Converge
Questionable Operating Conditions
Ding
Ding
Ding
Ding
Erez
Ding
Ding
Ding
Ding
Carlos
Carlos, Jessica
Carlos, Jessica
1
1
1
15
2
2
60
40
Communication Brian ALL 58
PROJECT MANAGEMENT:
Page 78
Weekly Report
Compile From Template
PowerPoint Presentation
GM Approval
Final Compilation and Edit
Project Plan
Cover Page
Team Composition
Team Governance
Objectives
Motivation
Technical Background
Approach
Chemical Process Simulator
Economics Objective
Gantt Chart
Resource Estimates
Risk/Mitigation
Shareholders/Communication
HSSE/Social Performance
GM Approval
Final Compilation and Edit
Midterm Report
Cover Page
Team Composition
Team Governance
Objectives
Motivation
Technical Background
HYSYS
Approach
Chemical Process Simulator
Economic Objectives
Gantt Chart
Resource Estimates
Risk/Mitigation
HSSE
Final Compilation and Edit
Brian
Brian
Brian
Brian
Brian
Brian
Brian
Brian
Brian
Brian
Brian
Brian
Brian
Brian
Brian
Brian
Brian
Jessica
Brian
Brian
Brian
Brian
Brian
Brian
Brian
Brian
Brian
Brian
Brian
Brian
Brian
Brian
Brian
Brian
Brian
Anh,
Jessica
Anh
Carlos,Ding
Anh
Erez
Anh
Jessica
Jessica,
Ding
Carlos
Jessica
Anh,
Jessica
Anh
1
1
1
1
.5
1
1
1
1
2
1
3
4
1
1
1
1
2
5
2
.5
1
2
1
1
1
2
2
3
4
1
1
1
3
3
PROJECT MANAGEMENT:
Page 79
GANTT CHART
Our team’s Gantt Chart clearly depicts the schedule for all tasks and subtasks that have been completed
over the course of the project can be viewed in the following embedded file.
Try as we might, the chart itself is simply too large to capture any meaningful images that can fit within the
size limitations of this page.
Figure 25: Gantt Chart
F.P.S. Gantt
Chart.xlsx
PROJECT MANAGEMENT:
Page 80
RISK MAP
Throughout the project, our ongoing goal is to minimize risks that directly affect the ability of our group to
successfully complete their assigned tasks.
The goal of the Risk & Mitigations Map is to identify and successfully mitigate the maximum number of
known risks of this type. To do this, a list will be formulated and sorted to track potential risks and identify
their respective mitigations. The following list does that along with stating the single point of
accountability for each risk, the likelihood of the risk and the impact of the risk on a scale of one to ten, and
the timeframe allowed for mitigation before the action becomes a problem.
Figure 26: Risk and Mitigation Chart
Risk SPA Likelihood Impact Mitigation Time Frame
Late
Submission of
Deliverables
ALL 8 9 A due date for deliverables has been
set to prevent this from happening. If a
team member is unable to meet the
deadline, EVERY TEAM MEMBER
MUST BE NOTIFIED. If the due date
is validated then the team member will
face potential penalties or loss.
Each team
member cannot
violate the due
dates more than
two times before a
penalty is
considered.
Unpunctual to
Meetings
ALL 7 8 Group Leader must talk to the person
who is not punctual. Weather
conditions need to be taken into
consideration. The person arriving late
should notify others. Everyone has a
grace period of ten minutes. If the
team member does not arrive on time
after ten minutes the meeting should
begin.
Grace period of
ten minutes.
Sickness ALL 4 4 If the SPA falls sick then a volunteer
should replace the SPA until recovery
is reached.
The sick group member MUST notify
the other group members.
If anything interferes with the
volunteer’s portion of the project, then
a second volunteer should take
responsibility.
Depends on the
sickness of the
person.
Conflict of
Opinions
Team
Governance
5 5 The issue will be discussed as a team.
Then the team governance will be
applied.
No more than 1
day to resolve the
conflict.
PROJECT MANAGEMENT:
Page 81
Lost
Deliverables
ALL 2 9 Data should be saved in multiple
locations and uploaded to the Google
Drive. The group member responsible
for the loss is duly responsible for
recovering the loss. The General
Manager and the SPA will determine
the level of importance of the lost
data.
2-4 days given to
recover the data.
(If more days are
needed SPA must
notify the
manager and
provide a reason.)
Changing SPA ALL 5 5 If SPA positions change the persons
changing must notify other group
members.
02-13-2015 last
day to change
SPA.
Unable to
Perform Tasks
ALL 3 7 If this becomes a frequent issue the
team is obligated to discuss the issue.
And propose a solution.
HYSYS Not
Converging
Carlos
Quintas
8 9 The SPA should attempt to make the
process converge. If not successful,
they must request volunteers.
Manager should be notified of any
such problem.
2-5 days given to
fix the problem
HYSYS:
Wrong
Equipment
Used and/or
Wrong
Assumptions
and/or
Wrong Fluid
Package
Carlos
Quintas
7 8 Carlos must talk to Ding to find out
the best equipment, based on the
economic and HSSE analysis. This
could prevent the used of wrong
equipment. Carlos and Ding are
responsible for deciding the best
equipment to be used and must notify
the other team members. If the
problem is time sensitive, the team
manager will make the final decision.
2-6 days to solve
the problem
Changing
Project
Direction
Erez Miller 5 9 Team manager will be responsible
should a change to the direction of the
project be found necessary. General
Manager will be provide the team with
a proposed plan. The team will decide
the action to take.
Erez has 1-3 days
to propose a plan.
Unresponsive ALL 4 9 Every team member should reply to
emails, if it concerns them, within two
days.
Plagiarism Brian
Mitchell
2 7 Everyone is required to provide
sources. If plagiarism occurs before
the written report is sent to the
professor the individual group
member responsible will face the
consequences.
Immediate Action.
PROJECT MANAGEMENT:
Page 82
Confidentiality ALL 2 4 NOONE HAS THE RIGHT TO
DISCLOSE THE TEAMS WORK. To
respect team members’ work, other
team members should not expose their
part nor the teams work to outsiders
unless agreed upon by a group
majority.
Objectivity Brian
Mitchell
5 5 Brian will have to call for a team
meeting to discuss the need for group
members to try to be more objective.
Unreliable
Sources
Anh 2 6 If Anh encounters another team
member that uses an unreliable source,
she has to notify the General Manager.
Incorrect Data
Provided
Anh 2 9 Anh will review all the research and is
responsible for distinguishing between
correct and incorrect information.
Improper
Citation
Brian
Mitchell
2 7 In order to prevent this from
happening, everyone is required to put
their references on a word document
every week. If this is not received,
Product Manager is responsible for
asking the specific member to provide
that information.
1-2 days after they
are asked to
provide citations,
the person has to
submit references.
Lack of
Information
for Good
Estimates
Ding 7 9 Ding will decide if enough
information is provided. If not, Ding
will select the approach to take.
No design is
Economically
Feasible
Ding 5 8 Ding will provide a template to be
reviewed with General Manager. Both
will decide if anything else is needed.
Failure to
Communicate
w/
Stakeholders
Erez 3 5 If Professor Zalc takes long to reply to
a question then the General Manager
should contact Professor Abbassian.
To further categorize the risks, a color coded map was created based on likelihood and impact. It can be
seen in the following figure.
Figure 27: Risk Map
PROJECT MANAGEMENT:
Page 83
CONTACT INFORMATION
Page 84
Contact Information
JESSICA CASTRO
PROJECT MANAGER
BRIAN MITCHELL
PRODUCT MANAGER
VAN ANH NGUYEN
TEAM MEMBER
Email : jcastro5@hawk.iit.edu Email: bmitche2@hawk.iit.edu Email: vnguye10@hawk.iit.edu
JUNHUAN DING
TEAM MEMBER
CARLOS QUINTAS
TEAM MEMBER
EREZ MILLER
TEAM MEMBER
Email :dingjunhuan@gmail.com Email: cquintas@hawk.iit.edu Email: emiller7@hawk.iit.edu
Company Information
Fluid Processing Solutions
10 West 33rd Street, Chicago, IL, 60616
Tel (773) 640-0764
REFERENCES
Page 85
References
Beychok, M. ( 2011, October 7). Amine gas treating. Retrieved from The Encyclopedia of Earth:
http://www.eoearth.org/view/article/170697/
Branislav M. Jacimovic, S. B. (2010). Estimation of the number of trays for natural gas triethylene. chemical
engineering research and design, 561-572.
Christensen, D. L. (2009). Gas Dehydration: Thermodynamic simulation of the water/glycol mixture.
Denmark : Aalborg University Esbjerg .
Corporation, I. F. (2007). Environmental, Health, and Safety Guidlines for Liquefied Natural Gas (LNG)
Facilities.
GAO. (2013). Pipeline permitting: Interstate and intrastate natural gas permitting processes include multiple
steps, and time frames way. United States Goverment Accountability Office.
KEVIN M. LUNSFORD,JERRY A. BULLIN,. (1996). Optimization of Amine Sweetening Units. New York:
American Institute of Chemical Engineers.
Lekan Taofeek Popoola, Alhaji Shehu Grema, Ganiyu Kayode Latinwo, Babagana Gutti. (2013). Corrosion
problems during oil and gas. International Journal of Industrial Chemistry, 1-15.
Mohammad M. Ghiasi,Alireza Bahadori,Sohrab Zendehboudi,Ioannis Chatzis. (2015). Rigorous models to
optimise stripping gas rate in natural gas. Fuel 140, 421-428.
Polak, L. (2009). Modelling absorption drying of natural gas. Trondheim: Department of Petroleum
Engineering and Applied Geophysics.
Shell commitment and policy on health, security, safety, the environment and social performance. (20115).
Retrieved from Shell.com: https://www.shell.com/global/products-services/solutions-for-
businesses/marine-products/hsse.html
(Shell commitment and policy on health, security, safety, the environment and social performance, 20115)
(GAO, 2013)
(Corporation, 2007)

FPS Final Report

  • 1.
    FINAL REPORT 05/05/2015 Prepared by: Jessica Castro BrianMitchell Van Anh Nguyen Junhuan Ding Carlos Quintas Erez Miller Fluid Processing Solutions 10 West 33rd Street, Chicago, IL, 60616
  • 2.
    TABLE OF CONTENTS Tableof Contents Executive Summary______________________________________________________________________________________ 1 Objective and Statement of Problem ___________________________________________________________________ 2 Introduction and Background:__________________________________________________________________________ 3 Design Approach_________________________________________________________________________________________ 6 Process Description______________________________________________________________________________________ 7 Process Status to Date: _________________________________________________________________________________ 20 Ethical and Societal Issues:_____________________________________________________________________________ 54 Work to be Completed: _________________________________________________________________________________ 72 Project Management: ___________________________________________________________________________________ 73 Contact Information ____________________________________________________________________________________ 84 Company Information __________________________________________________________________________________ 84 References_______________________________________________________________________________________________ 85
  • 3.
    EXECUTIVE SUMMARY Page 1 Executivesummary Natural gas is an important source of energy that has different application in our daily activity such as fuel, heating, electricity, paints, fertilizers, etc. However, the raw natural gas feed from wellhead contains acid gas and water. These two type of gasses will cause a great deal of damage to a facility due to corrosion, which in turn causes a decrease in market value of the product stream. Therefore, raw natural gas streams must be processed to remove the sour and acidic impurities before it can be transported and used as fuel. In this project, Fluid Processing Solutions will design a natural gas processing plant to separate the three main impurities in the raw feed stream. These are Hydrogen Sulfide (H2S), Carbon Dioxide (CO2) and Water (H2O). Amine sweetening technology and glycol dehydration technology will be used to separate the acid gas and water respectively. However, since H2S and CO2 are more corrosive then water, the amine sweetening process will be prioritized before other. A 400 MMSCFD stream of raw feed will be processed to obtain a sweet gas stream with an amount of H2S less than 0.5 ppm and an amount of CO2 less than 100ppmv. After that, the sweet gas will be passed through a glycol dehydration process to separate the water from the main stream which will contain less than 4lb of water per MMSCF of product. This final report will deliver a summarizing of our progress from January to May. In this project timeline, we focused on researching amine and glycol technology to define a clear problem statement and methodology before attempting to design a process in HYSYS. Different solvents such as MDEA, DEA, and MEA for amine processes and TEG and DEG for glycol processes were studied. Based on the results of this research, DEA and DEG were selected as two solvents for our design. A HYSYS design of an amine sweetening process and a glycol dehydration process were constructed. Once completed, a combustion reactor was designed to utilize the waste streams to create steam and power to make the design self- sufficient in terms of energy, both heat and electricity. Beyond this, multiple refrigeration cycles were added and the process was optimized as much as possible within the timeframe to maximize product flow and higher heating value, while minimizing excess energy production from the waste stream. Along with the process design, a complete economic analysis was also conducted to calculate the cost of total capital investment (CTCI) in two ways. First by using the order of magnitude method. The order of magnitude method is +/- 50% for low pressure designs. Our design has numerous high pressure points and therefore the order of magnitude method was found to be more than a power of 10 off from the accurate number. The second method that we used was a combination of Guthrie’s Method and Busche’s Method to find CTCI and the annualized cost, CA, which was used to calculate the cost per MSCF of product. The total cost was amended every week based on the most updated HYSYS design. This was used to cost justify the proposed design and to identify odd pricing spikes which could identify problematic or unnecessary unit operations within the design. Also, a complete report on Health, Safety, Security, and Environment (HSSE) of the project will be presented within this report to indicate the impact of the design on society and the company itself.
  • 4.
    OBJECTIVE AND STATEMENTOF PROBLEM Page 2 Objective and Statement of Problem The project objective is to design a technically sound process for the dehydration and sweetening of natural gas. Certain elements such as safety, ethics, environmental impact, and economics must be taken into consideration. The economic analysis will assess the cost of the entire plant and provide as accurate as possible an estimate for the cost per unit volume of processed natural gas. The plant will have a 50 year life span, will be built in 2015 in the state of Illinois, will run 330 days out of the year, and will produce 400 MMSCFD of processed gas at the following specs: Figure 1: Component Specifications for Natural Gas COMPONENT INLET (MOLE %) OUTLET CH4 84 - C2H6 3.3 - C3H8 2 - C4H10 1 - C5H12 1 - CO2 7 ≤ 100 ppmv N2 0.5 - H2S 1 ≤ 0.5 ppmv H2O 0.2 4 lb / MMSCF
  • 5.
    INTRODUCTION AND BACKGROUND: Page3 Introduction and Background: SWEETENING One of the multiple sub processes in the production of natural gas is known as sweetening. Sweeting is the removing of a vast majority of the sulfur (in the form of H2S) and carbon dioxide (CO2) content from within the gas. As seen in the above images, both H2S and CO2 are toxic and corrosive to other metals normally associated with natural gas processing and distribution. The removal of these contaminants is important to avoid the damage shown above as well as to meet the specs provided to us so as to successfully complete the project. There are both pros and cons associated with the usage of Amines in the sweetening of acid gas. Some of the pros are that amine sweeting is a time tested and well established technology. Over 95 percent of U.S. gas sweetening operations use amine chemical absorption over other absorption technologies such as membranes. Amines remove a high concentration of acid gases and also run in a continuous fashion which makes the process desirable. Some cons associated with amines are the costs of continuously running the system and replacing lost material. Amines typically used in industry are monoethanolamine (MEA (IUPAC: 2-aminoethanol)), diethanolamine (DEA, (IUPAC: 2,2’- iminodiethanol)) and methyldiethanolamine (MDEA, (IUPAC: Bis(2- hydroxyethyl)methylamine)). After conducting appropriate research on the above listed amines, the Figure 2: Images of Corrosion in Piping Figure 2A: Pitting Corrosion caused by the presence of CO2 in the pipe Figure 2B: Oil and gas pipeline under sour corrosion due to contact with hydrogen sulfides and water
  • 6.
    INTRODUCTION AND BACKGROUND: Page4 conclusion was that DEA should be used to perform the sweetening operation. Detailed findings on the research can be seen in the following table. Figure 3: Comparison of Amines Amines Advantages Disadvantages Team Decision MEA * Stable (does not decompose at temperatures lower than boiling point) * Corrosive * Poor Amine Stripping * High Amine Regeneration Energy NO DEA * Less Corrosive than MEA * Dual Removal of CO2/H2S * Low Amine Solvent Loss * High Recirculation Rate YES MDEA * Less Corrosive than DEA * Selective Removal of H2S * Low Amine Regeneration Energy * Wide Range of Operating Conditions * Most Expensive of the Amines NO DEHYDRATION Beyond the sweetening of the acid gas, the feed will contain excess amounts of water in vapor and/or liquid form. This water must be removed from the stream. Should the water condensate in the feed, it can form unwanted gas hydrates and also cause corrosion, as well as lower the heating value of the gas. Just as with amine sweetening, there are pros and cons associated with using glycol absorption as the preferred method of dehydration. Some pros include glycol being inexpensive and widely available making installation and replenishment both considerably easier, the vast availability of data at different conditions, and the fact that the process is continuous. A major con to consider would be the possible contamination of the gas stream with the glycol, producing a final product with a higher than desired corrosively. The most common glycols and their general properties are laid out in the following table.
  • 7.
    INTRODUCTION AND BACKGROUND: Page5 Figure 4: General Properties of Common Glycols The following table displays the pros and cons of the three most common glycols used in an industrial sweetening process. Figure 5: Comparison of Glycols Used in the Dehydration Process Glycol Advantages Disadvantages Team Decision DEG * Least Expensive * Mostly Used at Lower Temperatures * Well Establish in Industrial Dehydration Processes - YES TEG * Commonly Used Glycol * Well Establish in Industrial Dehydration Processes - NO T4EG/TREG * Can Withstand Higher Regeneration Temperatures * Most expensive NO Due to the lack of apparent disadvantages, there was a great degree of freedom in the choice. The group decided to use DEG based on the potential range of temperature and that DEG is well established in industry.
  • 8.
    DESIGN APPROACH Page 6 DesignApproach Detailed research has been carried out in efforts to properly proceed with the project. Team decisions were influenced by the project constraints, in terms of both the product feed requirements and economics. Per research and team decision, the process will begin with the amine sweetening followed by the glycol dehydration. SWEETENING THROUGH ABSORPTION USING DEA Given the fact that the H2S and the CO2 need to be removed simultaneously, chemical absorption through an amine is the best option in terms of sweetening technology. The solvent used by the team, based on the previous research, is the amine known as DEA. It is less acidic in structure than MEA and other amines, which are more corrosive both in nature and in the remaining portions of the natural gas processing. DEHYDRATION THROUGH ABSORPTION USING DEG Given that other dehydration technologies are more appropriate at low gas flow rates, chemical absorption through a glycol is the best option in terms of dehydration technology. The solvent used by the team, based on the previous research, is the glycol known as DEG. The reasoning for establishing DEG as our preferred glycol can be seen by referring to Figure 5.
  • 9.
    PROCESS DESCRIPTION Page 7 Processdescription AMINE SWEETENING Figure 8: Acid Gas Sweetening Example Process Flow Diagram
  • 10.
    PROCESS DESCRIPTION Page 8 Figure9: Amine Sweetening PFD
  • 11.
    PROCESS DESCRIPTION Page 9 AMINESWEETENING PROCESS DESCRIPTION: The initial feed of sour gas enters the amine absorber at a temperature of 60 F and 1000 psig. Figure 10: Sour Gas Stream The bottom of the column contains a heavy amine solution including the undesirable sour elements, which still require separation from the amine. This stream is known as the rich amine. It is flashed in a vessel to remove the light hydrocarbons and to relieve some of the duty which would otherwise have been put on the reboiler by removing some of the sour elements before the stream hits the regenerator. Methane 0.84 Propane 3.30E-02 Ethane 2.00E-02 n-Butane 1.00E-02 Nitrogen 1.00E-02 H2S 5.00E-03 CO2 2.00E-03 n-Pentane 1.00E-02 H2O 7.00E-02 DEAmine 0 DEGlycol 0 60 1000 Sour Gas Flow Rate (lbmol/hr) 43921.87739 Compenents(MoleFraction) Pressure (psi) Temperature (°F)
  • 12.
    PROCESS DESCRIPTION Page 10 Figure11: Amine Streams The rich amine is sent to the regenerator in which the undesirable sour elements are removed as a waste gas and the amine is once again existing in its original aqueous stream, known as the lean amine. The stream is pre-heated via a heat exchanger before entering the regenerator to reach desirable conditions for separation within the regenerator. This lean amine is then pumped back to the original pressure of the sour gas feed and is prepared for recycling through a mixture of make-up streams to account for any amine lost through the waste streams in the process. This mixed stream is then cooled to original conditions via a refrigeration cycle that will be discussed later in this section. The process then continually cycles. Methane 1.70E-03 Propane 9.18E-05 Ethane 1.55E-04 n-Butane 2.32E-06 Nitrogen 2.81E-06 H2S 1.15E-02 CO2 8.17E-02 n-Pentane 7.37E-03 H2O 0.584891181 DEAmine 0.312619149 DEGlycol 0 Compenents(MoleFraction) Flow Rate (lbmol/hr) 38162.99288 Saturated Amine to Flash Temperature (°F) 181.4 Pressure (psi) 95 Methane 5.60E-05 Propane 6.11E-06 Ethane 1.02E-05 n-Butane 5.00E-07 Nitrogen 7.29E-07 H2S 1.14E-02 CO2 8.18E-02 n-Pentane 7.38E-03 H2O 0.586061218 DEAmine 0.313301237 DEGlycol 0 38079.90639 Liquid Rich Amine Hot Temperature (°F) 251.9 Pressure (psi) 90 Compenents(MoleFraction) Flow Rate (lbmol/hr)
  • 13.
    PROCESS DESCRIPTION Page 11 Figure12: Amine Streams The make-up streams consist of a mixed stream of DI Water and amine and another stream from a post absorption flash vessel that returns some amine as well as trace amounts of the other elements of the feed. These make-up streams allow for the process to run continuously. Methane 5.03E-08 Propane 7.81E-10 Ethane 1.77E-09 n-Butane 2.02E-10 Nitrogen 1.66E-10 H2S 3.88E-06 CO2 1.29E-03 n-Pentane 1.08E-05 H2O 0.650220936 DEAmine 0.348472784 DEGlycol 0 Pressure (psi) 1000 Lean Amine Flow Rate (lbmol/hr) 34236.49251 Temperature (°F) 80 Compenents(MoleFraction) Methane 1.49E-15 Propane 1.48E-16 Ethane 4.82E-15 n-Butane 1.16E-22 Nitrogen 5.50E-21 H2S 3.89E-06 CO2 1.29E-03 n-Pentane 1.08E-05 H2O 0.649641831 DEAmine 0.349049762 DEGlycol 0 Pressure (psi) 1000 Regenerated Amine to Mix Flow Rate (lbmol/hr) 34179.88803 Temperature (°F) 271.2 Compenents(MoleFraction)
  • 14.
    PROCESS DESCRIPTION Page 12 Figure13: Amine Streams The recycling of the process then brings us back to the absorption column. The gas feed is then sent up the column as the liquid amine solution is run down the column, satisfactorily interacting with each other and removing the undesired sour elements from the gas, namely the H2S and the CO2. From here, the top stream of the absorption column, known as the treated wet gas, is sent on to the glycol dehydration portion of the process. Methane 0 Propane 0 Ethane 0 n-Butane 0 Nitrogen 0 H2S 0 CO2 0 n-Pentane 0 H2O 0.99999008 DEAmine 9.92E-06 DEGlycol 0 Amine Make Up to Mix Flow Rate (lbmol/hr) 56.56671562 Temperature (°F) 61.29 Pressure (psi) 1000 Compenents(MoleFraction) Methane 5.97E-05 Propane 1.59E-06 Ethane 2.41E-06 n-Butane 1.97E-07 Nitrogen 1.64E-07 H2S 3.57E-08 CO2 1.08E-03 n-Pentane 6.57E-06 H2O 3.30E-02 DEAmine 3.40E-03 DEGlycol 0 Flashed Amine to Mix Flow Rate (lbmol/hr) 3.76E-02 Temperature (°F) 65.02 Pressure (psi) 1000 Compenents(MoleFraction)
  • 15.
    PROCESS DESCRIPTION Page 13 Figure14: Amine Stream Methane 0.92084789 Propane 2.19E-02 Ethane 3.61E-02 n-Butane 1.10E-02 Nitrogen 5.49E-03 H2S 2.20E-08 CO2 6.45E-05 n-Pentane 3.95E-03 H2O 6.98E-04 DEAmine 2.61E-09 DEGlycol 0 Pressure (psi) 991 Sweet Gas to Glycol Flow Rate (lbmol/hr) 39995.33946 Temperature (°F) 65 Compenents(MoleFraction)
  • 16.
    PROCESS DESCRIPTION Page 14 GLYCOLDEHYDRATION: Figure 15: Glycol Dehydration Example Process Flow Diagram
  • 17.
    PROCESS DESCRIPTION Page 15 Figure16: Glycol Dehydration PFD
  • 18.
    PROCESS DESCRIPTION Page 16 GLYCOLDEHYDRATION PROCESS DESCRIPTION: The wet gas that resulted from the amine sweetening portion of our process enters the glycol absorber at a temperature of 135.8 F and 996 psig. A trace amount of the amine is still contained in the stream. This is acceptable, as the trace amounts do not wind up unfavorably impacting the VLE in the glycol dehydration cycle. The amount is so small, that any attempt to add unit operations to the design to remove the remaining amine would prove to be economically undesirable. Figure 17: Glycol Feed Stream The gas feed is then sent up the column as the liquid glycol solution is run down the column, satisfactorily interacting with each other and removing the H2O. From here, the treated dehydrated gas is sent on to the next portion of the natural gas preparation process. The bottom of the column contains a heavy glycol solution including the H2O removed from the feed. This is known as the rich glycol. After exchanging heat to bring the rich glycol stream to favorable separation conditions and to relieve the glycol reboiler of some duty, the rich glycol stream is then sent to a regenerator in which the undesirable H2O is removed and the glycol is once again existing in its original solution, known as the lean glycol. Methane 0.92084789 Ethane 3.61E-02 Propane 2.19E-02 n-Butane 1.10E-02 n-Pentane 3.95E-03 Nitrogen 5.49E-03 H20 6.98E-04 H2S 2.20E-08 CO2 6.45E-05 DEAmine 2.61E-09 DEGlycol 0 Gas to Glycol Absorber Flow Rate (lbmol/hr) 39995.33946 Temperature (°F) 65 Pressure (psi) 991 Compenents(MoleFraction)
  • 19.
    PROCESS DESCRIPTION Page 17 Figure18: Glycol Streams Before being pumped back to the temperature and pressure of the initial glycol dehydration feed, the lean glycol is mixed with both a glycol make-up stream and a stream of deionized water before being recycled back into the original column for additional glycol dehydration. Much like in the amine sweetening process, this make-up allows for the process to cycle continuously. Methane 0.448663919 Ethane 4.70E-03 Propane 4.24E-03 n-Butane 1.17E-03 n-Pentane 1.96E-04 Nitrogen 3.41E-03 H20 68.82902908 H2S 3.98E-06 CO2 1.58E-03 DEAmine 4.80E-02 DEGlycol 85.65692185 Glycol to Regenerator Flow Rate (lbmol/hr) 154.9978874 Temperature (°F) 290 Pressure (psi) 20 Compenents(MoleFraction) Methane 2.06E-13 Ethane 1.37E-15 Propane 3.04E-15 n-Butane 8.40E-16 n-Pentane 1.10E-16 Nitrogen 3.73E-17 H20 0.336266843 H2S 1.97E-12 CO2 3.44E-12 DEAmine 3.73E-04 DEGlycol 0.663360645 Glycol to Mix Flow Rate (lbmol/hr) 128.6466758 Temperature (°F) 223.8 Pressure (psi) 15.25 Compenents(MoleFraction)
  • 20.
    PROCESS DESCRIPTION Page 18 Figure19: Glycol Streams This recycle then brings the focus back to the glycol absorption column. The gas feed is sent up the column as the liquid glycol solution is run down the column, satisfactorily interacting with each other and removing the H2O. From here, the treated dehydrated gas is compressed to 1000 psi and exported as our final product. Methane 0 Ethane 0 Propane 0 n-Butane 0 n-Pentane 0 Nitrogen 0 H20 1 H2S 0 CO2 0 DEAmine 0 DEGlycol 0 GWater Addition Flow Rate (lbmol/hr) 0.790883283 Temperature (°F) 60 Pressure (psi) 14.7 Compenents(MoleFraction) Methane 0 Ethane 0 Propane 0 n-Butane 0 n-Pentane 0 Nitrogen 0 H20 0 H2S 0 CO2 0 DEAmine 0 DEGlycol 1 Glycol Addition Flow Rate (lbmol/hr) 0.325510361 Temperature (°F) 60 Pressure (psi) 14.7 Compenents(MoleFraction)
  • 21.
    PROCESS DESCRIPTION Page 19 Figure20: Product Stream Methane 0.921418037 Ethane 3.61E-02 Propane 2.19E-02 n-Butane 1.10E-02 n-Pentane 3.96E-03 Nitrogen 5.49E-03 H20 7.80E-05 H2S 2.19E-08 CO2 6.45E-05 DEAmine 5.20E-11 DEGlycol 1.93E-07 Product Flow Rate (lbmol/hr) 39970.1046 Temperature (°F) 70.3 Pressure (psi) 1000 Compenents(MoleFraction)
  • 22.
    PROCESS DESCRIPTION Page 20 STEAMCYCLE Figure 21: Steam Cycle PFD
  • 23.
    PROCESS DESCRIPTION Page 21 STEAMCYCLE PROCESS DESCRIPTION To power our plant we burn our waste streams from the amine and glycol processes. In the amine regenerator, the overhead contains H2S, which burns to give SO2, as well as small amounts of alkane gases, which combust to give CO2 and water. The glycol regenerator overhead stream is added to the amine regenerator overhead, as well as the overhead from the flash tank in the amine regeneration cycle. These together have a flow of about 4000 lbmol/hr, and are mixed with air at a ratio of 1.05*(stoichiometric amount of air needed). The air comes into the plant at ambient conditions (77 F and 14.7 psia) and is compressed to 35 psia, so that we can simulate regular pressure drops across equipment. The air and combined waste streams then enter a combustor where they react completely. Figure 22: Steam Streams Methane 1.63E-02 Ethane 1.48E-03 Propane 8.75E-04 n-Butane 2.23E-05 n-Pentane 7.01E-02 CO2 0.766177201 SO2 0 O2 0 Nitrogen 2.76E-05 H2O 3.54E-02 H2S 0.109545508 DEAmine 1.52E-07 DEGlycol 7.93E-05 Compenents(MoleFraction) Pressure (psi) 30 Temperature (°F) 134 To Reactor Flow Rate (lbmol/hr) 4009.456065 Methane 0 Ethane 0 Propane 0 n-Butane 0 n-Pentane 0 CO2 0.231213426 SO2 2.22E-02 O2 7.79E-03 Nitrogen 0.615622509 H2O 0.123132105 H2S 0 DEAmine 0 DEGlycol 0 Compenents(MoleFraction) Pressure (psi) 30 Temperature (°F) 3144 Flue Gas Flow Rate (lbmol/hr) 19749.59186
  • 24.
    PROCESS DESCRIPTION Page 22 Theflue gas out of the combustor is the split between the steam cycle and the power cycle to be discussed next. In both cycles, the flue gas first goes through a heat exchanger that simulates the cooling in a combustion reactor, where coils pass pressurized water to evaporate around the reactor like a water jacket and come out as steam. This type of water cooling for the reactor creates a constraint that the flue gas leaving the heat exchanger must be 200 F hotter than the hottest steam leaving the heat exchanger. In the steam cycle, the steam leaving this heat exchanger (the evaporator) then condenses in a heat exchanger with the reboiler of the amine regenerator cycle, the hottest part of the gas cleaning processes. As the steam condenses it loses only 1 F in temperature and exits the heat exchanger at 367 F. Figure 23: Steam Streams This helps minimize the flow rate of water needed in the steam cycle, because for water the heat of evaporation is greater than the heat capacity of liquid and vapor phases, meaning less water needs to be used. This can be seen from the two equations: Q=M*Cp*ΔT Methane 0 Ethane 0 Propane 0 n-Butane 0 n-Pentane 0 CO2 0 SO2 0 O2 0 Nitrogen 0 H2O 1 H2S 0 DEAmine 0 DEGlycol 0 Stream to Amine Reboiler Flow Rate (lbmol/hr) Temperature (°F) 368 Pressure (psi) 168.3 Compenents(MoleFraction) 18294.05333 Methane 0 Ethane 0 Propane 0 n-Butane 0 n-Pentane 0 CO2 0 SO2 0 O2 0 Nitrogen 0 H2O 1 H2S 0 DEAmine 0 DEGlycol 0 Compenents(MoleFraction) 18294.05333 Stream From Amine Reboiler Flow Rate (lbmol/hr) Temperature (°F) 367 Pressure (psi) 168.3
  • 25.
    PROCESS DESCRIPTION Page 23 Q=M*H Thetop equation applies when sensible heat is used to heat the reboiler, the bottom equation applies when latent heat (in this case of vaporization) is used to heat the reboiler. If both types of heat are used then both equations will be applied simultaneously, such that their sum will be equal to Q. Q is the heat needed to heat the reboiler (a fixed quantity), M is the flow rate of steam, Cp is the heat capacity of the water at those conditions (P, T) and ΔT is the temperature difference of the water stream between the inlet and outlet of the heat exchanger. For the bottom equation, M represents the same thing, the flow of water-steam, and H is the latent heat of vaporization. Since H>Cp, to solve the top equation so that M is minimized (lower cost), we would have to maximize ΔT, but this creates a difficulty, since the minimum temperature of the water stream heating the reboiler has to be 20 F hotter than the reboiler temperature (min. approach=20 F). This means we need hotter and hotter steam to start with, which consumes more energy, if we want to minimize M. The bottom equation offers an alternative. M is already much smaller for a given temperature of steam, because H is relatvely large, and solving this equation we can find a minimum M that allows for the condensation of steam in the heat exchanger to heat the reboiler. Figure 24: Steam Streams Methane 0 Ethane 0 Propane 0 n-Butane 0 n-Pentane 0 CO2 0 SO2 0 O2 0 Nitrogen 0 H2O 1 H2S 0 DEAmine 0 DEGlycol 0 Compenents(MoleFraction) 18294.05333 Stream to HX 107 Flow Rate (lbmol/hr) Temperature (°F) 360.1 Pressure (psi) 171.3 Methane 0 Ethane 0 Propane 0 n-Butane 0 n-Pentane 0 CO2 0 SO2 0 O2 0 Nitrogen 0 H2O 1 H2S 0 DEAmine 0 DEGlycol 0 Stream to Amine Reboiler Flow Rate (lbmol/hr) Temperature (°F) 368 Pressure (psi) 168.3 Compenents(MoleFraction) 18294.05333
  • 26.
    PROCESS DESCRIPTION Page 24 Figure25: Steam Streams After the amine regenerator reboiler, the hot water stream (the steam is now all liquid) heats the glycol regenerator reboiler in a heat exchanger, then preheats the saturated glycol stream into the regenerator and dumps the rest of its heat in the power cycle, preheating the water in it before being pumped back up to pressure and finishing the cycle. The cool flue gas from this cycle preheats the air stream entering the reactor to burn with the waste stream. Methane 0 Ethane 0 Propane 0 n-Butane 0 n-Pentane 0 CO2 0 SO2 0 O2 0 Nitrogen 0 H2O 1 H2S 0 DEAmine 0 DEGlycol 0 Compenents(MoleFraction) 18294.05333 Stream From Amine Reboiler Flow Rate (lbmol/hr) Temperature (°F) 367 Pressure (psi) 168.3 Methane 0 Ethane 0 Propane 0 n-Butane 0 n-Pentane 0 CO2 0 SO2 0 O2 0 Nitrogen 0 H2O 1 H2S 0 DEAmine 0 DEGlycol 0 Compenents(MoleFraction) 18294.05333 Stream From Glycol PreHeater Flow Rate (lbmol/hr) Temperature (°F) 362.5 Pressure (psi) 168.3
  • 27.
  • 28.
    PROCESS DESCRIPTION Page 26 Figure26: Power Cycle PFD POWER CYCLE PROCESS DESCRIPTION
  • 29.
    PROCESS DESCRIPTION Page 27 Thewater in the power cycle is preheated in several heat exchangers, the first with the steam cycle water mentioned previously in the steam cycle process description, then the cool flue gas from the power cycle and finally evaporates in the simulated coils-in-the-reactor heat exchanger. Figure 27: Power Streams Methane 0 Ethane 0 Propane 0 n-Butane 0 n-Pentane 0 CO2 0 SO2 0 O2 0 Nitrogen 0 H2O 1 H2S 0 DEAmine 0 DEGlycol 0 Compenents(MoleFraction) 10500 Preheat Water Flow Rate (lbmol/hr) Temperature (°F) 130.9 Pressure (psi) 693.3 Methane 0 Ethane 0 Propane 0 n-Butane 0 n-Pentane 0 CO2 0 SO2 0 O2 0 Nitrogen 0 H2O 1 H2S 0 DEAmine 0 DEGlycol 0 Preheat Water 2 Flow Rate (lbmol/hr) Temperature (°F) 135.8 Pressure (psi) 688.3 Compenents(MoleFraction) 10500
  • 30.
    PROCESS DESCRIPTION Page 28 Figure28: Power Streams This steam is then run through a turbine that generates all the power the plant needs and more, is condensed in a condenser with utility water and then pumped back up to pressure before completing the cycle. Methane 0 Ethane 0 Propane 0 n-Butane 0 n-Pentane 0 CO2 0 SO2 0 O2 0 Nitrogen 0 H2O 1 H2S 0 DEAmine 0 DEGlycol 0 Compenents(MoleFraction) 10500 Water In Flow Rate (lbmol/hr) Temperature (°F) 377 Pressure (psi) 683.3 Methane 0 Ethane 0 Propane 0 n-Butane 0 n-Pentane 0 CO2 0 SO2 0 O2 0 Nitrogen 0 H2O 1 H2S 0 DEAmine 0 DEGlycol 0 Steam Out Flow Rate (lbmol/hr) Temperature (°F) 670 Pressure (psi) 680.3 Compenents(MoleFraction) 10500
  • 31.
    PROCESS DESCRIPTION Page 29 Figure29: Power Streams The power needed for the plant was calculated in a spreadsheet, and the turbine was made to produce 33% more power than the plant needed, or 2771 hp, which can be used by additional unit operations upon contingency or plant expansion, or can be sold to utilities in the event of actual surplus. This extra energy was in part from the optimization of the steam process to use the smallest amount of energy needed for it. The energy requirements and supply can be seen in the following figure. Methane 0 Ethane 0 Propane 0 n-Butane 0 n-Pentane 0 CO2 0 SO2 0 O2 0 Nitrogen 0 H2O 1 H2S 0 DEAmine 0 DEGlycol 0 Compenents(MoleFraction) 10500 From Turbine Flow Rate (lbmol/hr) Temperature (°F) 130 Pressure (psi) 2.209 Methane 0 Ethane 0 Propane 0 n-Butane 0 n-Pentane 0 CO2 0 SO2 0 O2 0 Nitrogen 0 H2O 1 H2S 0 DEAmine 0 DEGlycol 0 To Pump Flow Rate (lbmol/hr) Temperature (°F) 130 Pressure (psi) 2.209 Compenents(MoleFraction) 10500
  • 32.
    PROCESS DESCRIPTION Page 30 Figure30: Power Requirements and Supply It may be possible in the future to improve the process so that the turbine can produce even more power, as the flue gasses leaving the plant at a temperature of 237.5 F, hotter than the minimum possible (calculated as 150 F) but this will require additional energy integration. Energy Streams Power Needed (hp) Power Supplied (hp) QPG 14.28016438 QPGLY 359.5293658 Qpump 2329.415286 Qpump2 1.29E-05 Difference (hp) Qpump3 1.560976443 QSC1 8452.084131 QSPP1 3.520523475 QRCOMP 843.997911 QWPump 3149.46322 QRComp2 5400.629831 Actual Difference (hp) QSPcomp 8.92928438 QPPPump1 206.1925169 Total w/o QWPump: 17620.14 Actual total: 20769.60322 23540.50704 5920.367041 2770.903821
  • 33.
    PROCESS DESCRIPTION Page 31 REFRIGERATIONCYCLE Figure 31: Refrigeration Cycle PFD
  • 34.
    PROCESS DESCRIPTION Page 32 REFRIGERATIONCYCLE PROCESS DESCRIPTION Our refrigeration cycle will use propane as the liquid coolant. At the beginning of the process, the circulating propane stream is fed into a compressor. In this unit, the vapor phase propane stream is compressed to high pressure which will also raise the temperature of refrigerant to superheated temperature. It is then fully condensed to liquid phase at a high pressure. Figure 32: Refrigeration Streams Methane 0 Ethane 0 Propane 1 n-Butane 0 n-Pentane 0 Nitrogen 0 H20 0 H2S 0 CO2 0 DEAmine 0 DEGlycol 0 Propane From Evaporator Flow Rate (lbmol/hr) Temperature (°F) 62.35 Pressure (psi) 82.37 Compenents(MoleFraction) 1501.762202 Methane 0 Ethane 0 Propane 1 n-Butane 0 n-Pentane 0 Nitrogen 0 H20 0 H2S 0 CO2 0 DEAmine 0 DEGlycol 0 Compenents(MoleFraction) 1501.762202 Propane From Compressor Flow Rate (lbmol/hr) Temperature (°F) 166.9 Pressure (psi) 260
  • 35.
    PROCESS DESCRIPTION Page 33 Figure33: Refrigeration Streams After that, the high pressure liquid refrigerant is passed through the throttle valve to release the pressure of the liquid stream which results in a mixture of liquid and vapor at a lower temperature and pressure. This mixture stream is used to cool the process by feeding it to an evaporator coil in which the propane is completely vaporized. Finally it is recycled back to the compressor and the cycle is repeated. In our process, there are two streams that required refrigeration cycles. These are the lean amine being fed back into the amine absorption column and the sweet gas after amine absorber. After the regenerator, recycled amine stream is at a higher temperature than that of the feed stream of the amine absorber. For this reason, the refrigeration cycle was added to reduce the temperature of amine stream before it can be recycled back to the amine absorber. The second refrigeration cycle was also added into the system to cool the sweet gas after leaving the amine absorber. This cycle was added in order to help separate the remaining amine in the sweet gas via a flash drum as well as to make the stream’s condition more compatible with the adsorption column in the glycol dehydration process. Methane 0 Ethane 0 Propane 1 n-Butane 0 n-Pentane 0 Nitrogen 0 H20 0 H2S 0 CO2 0 DEAmine 0 DEGlycol 0 Propane to Expander Flow Rate (lbmol/hr) Temperature (°F) 110 Pressure (psi) 257 Compenents(MoleFraction) 1501.762202 Methane 0 Ethane 0 Propane 1 n-Butane 0 n-Pentane 0 Nitrogen 0 H20 0 H2S 0 CO2 0 DEAmine 0 DEGlycol 0 Compenents(MoleFraction) 1501.762202 Propane to Evaporator 1 Flow Rate (lbmol/hr) Temperature (°F) 45 Pressure (psi) 85.37
  • 36.
    RESULTS AND DISCUSSION: Page34 Results and Discussion: SPECS The Amine process and glycol process were used to convert wet sour gas to dry sweet gas by using DEA and DEG as solvents. As a result, the amount of hydrogen sulfide, carbon dioxide and water stream in product stream were reduced significantly (See table below). Also, during the optimization process, the loss of valuable product and the amount of solvents require in the system are minimized while maintaining the robustness of the process (See table below). Our product stream has met the required specs for saleable pipeline natural gas in that the contents of hydrogen sulfide, carbon dioxide and water are lower than 0.5ppmv, 100ppmv and 4lb/ MMSCF respectively. Figure 34: Difference in Composition between Feed and Product Streams Composition Raw Feed Stream (lbmole/hr) Product Stream (lbmole/hr) Difference (lbmole/hr) Methane 36894.37701 36829.17531 65.2017033 Propane 8.78E+02 874.9305755 3.506972353 Ethane 1.45E+03 1443.48728 5.934674313 n-Butane 4.39E+02 439.1292147 0.08955925 Nitrogen 2.20E+02 219.4987048 0.110682112 H2S 4.39E+02 8.76E-04 439.2178976 CO2 3074.531417 2.576343851 3071.955074 n-Pentane 4.39E+02 158.1801011 281.0386729 H2O 8.78E+01 3.118463385 84.7252914 DEAmine 0 2.08E-06 2.07974E-06 DEGlycol 0 7.73E-03 0.00773032 Total 43921.87739 39970.1046 3951.772794
  • 37.
    RESULTS AND DISCUSSION: Page35 Figure 35: Product Stream Meeting Specifications Maximum Allowed 8.41E-05 5.00E-07 1.00E-04 2.19E-08 6.45E-05 5.20E-11 1.93E-07 1 DEAmine DEGlycol Total 0.921418037 3.61E-02 2.19E-02 1.10E-02 3.96E-03 5.49E-03 7.80E-05 n-Butane n-Pentane Nitrogen H20 H2S CO2 Propane Product Stream Components Component Mole Fraction Methane Ethane
  • 38.
    RESULTS AND DISCUSSION: Page36 SIZING Figure 36: Amine Cycle Volume Calculation The above figure illustrates the volumes of the amine fluid within the unit operations in the amine sweeting process. HYSYS generously provides heights, lengths, and cross sectional areas for most unit operations making the total volumes quite simple to calculate. However, in this project we were tasked with finding the volume of the amine within unit operation, which required additional analysis and assumption. We will first discuss the distillation towers and regenerators. Figure 37: Amine Cycle Columns Volume Unit Operation (From Above) Volume (ft^3) Length of Pipe (L) (Assumed)Area of Pipe (ft^2) (Determined)Volume of Piping (ft^3) (Calculated) T-100 Amine Absorber Column 53.63 80 0.785398163 62.83 Amine Regenerator Amine Regenerator Column 8.58 80 0.785398163 62.83 V-101 Amine Flash 1 100.00 80 0.785398163 62.83 V-100 Amine Flash 2 100.00 80 0.785398163 62.83 E-115 Sweet Amine Cooler 87.20 80 0.785398163 62.83 E-104 Amine Regenerator Pre-Heater 87.20 80 0.785398163 62.83 E-113 Amine Regneration Stream Cooler 1 87.20 80 0.785398163 62.83 E-117 Amine Regeneration Stream Cooler 2 87.20 80 0.785398163 62.83 TBD Amine Reboiler 35.32 80 0.785398163 62.83 TBD Amine Condenser 35.32 80 0.785398163 62.83 Total Amine Unit Operations Volume (ft^3): 681.64 Total Amine Pipe Volume (ft^3): 628.32 Total Amine Volume (ft^3): 1,309.96 PO (psi) 997.5 D (ft.) 4.921 ρ (lb/in^3) 0.284 # Trays 25 Volume (ft^3) 858 Price (million $) $1.56 Amine Absorber Column PO (psi) 89.25 D (ft.) 4.921 ρ (lb/in^3) 0.284 # Trays 4 Volume (ft^3) 137.28 Price (million $) $0.21 Amine Regenerator Column
  • 39.
    RESULTS AND DISCUSSION: Page37 The above figures indicate the total volume of the unit operations. However, to find the volume of amine fluid within the unit operation as stated in the first table, we assumed that an inch and a half of fluid would be present on each tray which allowed us to make the final calculations in the table. The amine absorption column has an amine volume of 53.63 ft3 and 25 trays, sizing it at 50 feet high. The amine regeneration column has an amine volume of 8.58 ft3 and 4 trays, sizing it at 8 feet high. It has a condenser and a reboiler, both with a volume of 35.32 ft3. These are considered to be 100% filled with amine and the reboiler has a reflux ratio of .3. The two flash tanks in the amine process both had a total volume of 200 ft3. We assumed that they would operate at half capacity during the operation therefore the volume of total amine within the flash tanks is 100 ft3. The heat exchangers in the amine process all had shell volumes of 87.2 ft3. It was assumed that they would operate at 100% volumetric capacity therefore the volume of the amine inside the heat exchanger shell was also 87.2 ft3, which gave the total volume of amine in the unit operations to be 681.64 ft3. It was assumed, for the amine cycle, that the length of pipe per unit operation is 80ft. Based on the standard grading of piping, we had to select a pipe diameter that was a multiple of 2 inches. For the amine process, we selected 12 inch diameters which gave us a total piping volume of 628.32 ft3 and, when added to the unit operation total, gave the grand total initial volume of amine to be 1309.96 ft3. Figure 38: Glycol Cycle Volume Calculation The above figure illustrates the volumes of the amine fluid within the unit operations in the glycol dehydration process. We will now discuss the distillation towers and regenerators. Volume T-102 Glycol Absorber Column 21.45 50 0.021816616 1.09 T-101 Glycol Regenerator Column 10.73 50 0.021816616 1.09 E-105 Glycol Regeneration Pre-Heater 1 87.20 50 0.021816616 1.09 E-110 Glycol Regeneration Pre-Heater 2 87.20 50 0.021816616 1.09 TBD Glycol Reboiler 35.32 50 0.021816616 1.09 TBD Glycol Condenser 35.32 50 0.021816616 1.09 Total Glycol Unit Operations Volume (ft^3): 277.21 Total Glycol Piping Volume (ft^3): 6.54 Total Glycol Volume (ft^3): 283.76
  • 40.
    RESULTS AND DISCUSSION: Page38 Figure 39: Glycol Cycle Columns To find the volume of glycol fluid within the unit operation as stated in the first table, we assumed that an inch and a half of fluid would be present on each tray which allowed us to make the final calculations in the table. The glycol absorption column has a glycol volume of 21.45 ft3 and 10 trays, sizing it at 20 feet high. The glycol regeneration column has a glycol volume of 10.73 ft3 and 5 trays, sizing it at 10 feet high. It has a condenser and a reboiler, both with a volume of 35.32 ft3. These are considered to be 100% filled with glycol and the reboiler has a reflux ratio of .0001235. The heat exchangers in the glycol dehydration process all had shell volumes of 87.2 ft3. It was assumed that they would operate at 100% volumetric capacity therefore the volume of the glycol inside the heat exchanger shell was also 87.2 ft3, which gave the total volume of glycol in the unit operations to be 277.21 ft3. It was assumed, for the glycol dehydration cycle, that the length of pipe per unit operation is 50ft. We selected 2 inch diameters which gave us a total piping volume of 6.54 ft3 and, when added to the unit operation total, gave the grand total initial volume of amine to be 283.76 ft3. PO (psi) 985 D (ft.) 4.921 ρ (lb/in^3) 0.284 # Trays 10 Volume (ft^3) 343.2 Glycol Absorber Column PO (psi) 20 D (ft.) 4.921 ρ (lb/in^3) 0.284 # Trays 5 Volume (ft^3) 171.6 Glycol Regenerator Column
  • 41.
    RESULTS AND DISCUSSION: Page39 Figure 40: Refrigeration Cycle Volume Calculation There are two refrigeration cycles to consider, however since they equal each other in both total unit operation and piping volume as well as total propane volume, we will discuss them simultaneously. The coolers and condensers all have unit operational volumes of 80.24 ft3. It is assumed that the propane will occupy 100% of this volume making the total volume of necessary propane from the unit operations to be 320.96 ft3. It was assumed, for the refrigeration cycle, that the length of pipe per unit operation is 50 ft. We selected 2 inch diameters for one cycle and 8 inch diameters for the other, which gave us a total piping volume of 74.18 ft3 and, when added to the unit operation total, gave the grand total initial volume of propane to be 395.14 ft3. The choice of diameter dictates the velocity of fluid in the pipes. We wanted to make sure that our flow rates for the cycles were realistic so we performed a flow analysis by varying pipe diameter and length per unit operation. The flow rate of fluid through the unit operations is determined by the heat exchanger equations. Because we know CP and set ΔT, HYSYS calculates the flow rate and heat exchange through an iterative process between the streams. Once we know the flow rate of the fluid in the pipes, we can assume an acceptable range of fluid velocity in the pipes and vary the diameter and length of pipes reasonably until we come to a diameter in that range. Once we have the velocity, we can then divide the total length of pipe by it to obtain the residence time. The following table displays the data for all of the above mentioned cycles. Volume E-115 Sweet Amine Cooler 80.24 50 0.34906585 17.45329252 E-116 Refrigeration Condenser 1 80.24 50 0.34906585 17.45329252 K-105 Amine Refrigeration Compressor 2 0 50 0.34906585 17.45329252 Valve Valve 1 0 50 0.34906585 17.45329252 E-117 Amine Regeneration Stream Cooler 2 80.24 50 0.021816616 1.090830782 E-118 Refrigeration Condenser 2 80.24 50 0.021816616 1.090830782 K-103 Amine Refrigeration Compressor 1 0 50 0.021816616 1.090830782 Valve Valve 2 0 50 0.021816616 1.090830782 Total Propane Unit Operations Volume (ft^3): 320.96 Total Propane Piping Volume (ft^3): 74.17649321 Total Propane Volume (ft^3): 395.14
  • 42.
    RESULTS AND DISCUSSION: Page40 Figure 41: Calculation of Cycle Velocity and Residence Time As the power cycle and steam cycle used steam that was sourced from a free water supply, they did not undergo this sizing procedure, and instead only required the simple volumes provided by HYSYS. Flow (m3/hr) Total Length of Pipe (ft) Diameter (in) Velocity (ft/s) Residence Time (min) Amine Sweetening 689.7547735 800 12 8.62 1.55 Glycol Dehydration 4.113122521 300 2 1.85 2.70 Refrigeration 1 244.2081054 200 8 6.86 0.49 Refrigeration 2 4.113122521 200 2 1.85 1.80
  • 43.
    RESULTS AND DISCUSSION: Page41 UTILITY CONSUMPTION The plant aims to be completely self-sufficient, meaning no incoming or outgoing streams that aren’t raw material or product, with the exception of cooling water (CW), which as part of the premise of the project, is free to use abundantly. To achieve this, all the heat needed in the plant is generated in the plant, as well as cooling and electrical power. To generate these utilities, waste gas was combusted as described above. Cold water drawn into the plant for cooling is pumped at a rate of 23.7 million lbs/hr (106 ft3/s) at a temperature of 90°F (to assume worst case) and ambient pressure, cools the plant and returned to the river at a temperature of 110 °F. This water is used to cool down the plant’s condensers in both distillation regenerators (amine and glycol), and to cool down the propane in the refrigeration cycle, as well as cooling the regenerated amine stream to 110 °F (it is then cooled further by a refrigeration cycle) and condensing the steam in the power cycle and the propane in the refrigeration cycle. This is a large amount of water, but the state of Illinois is allowing such usage as they believe our plant will stimulate the Illinois economy, and that the environmental impact from using this much water and heating it by 20 °F acceptable. Data from USGS for Illinois river-water-discharges suggests that there are many rivers in Illinois that can accommodate such a flow, all that remains is to find a suitable site that is close enough to such a river. The steam used in the plant, heated by flue gas from combustion of waste streams, is raised for both the power and steam cycle. In the steam cycle it is raised to a temperature of 368 °F and a pressure of 168.3 psia, and in the power cycle it is raised to a temperature of 670°F and a pressure of 680.3 psia, staying clear of the critical region of 705 °F and 3200 psia. The steam material flow rate in the steam cycle is 32,960 lb/hr, and in the power cycle it’s 18,920 lb/hr, for a combined total of 51,880 lb/hr. This number is at about 1.25 that of the flow of the incoming raw gas feed. The steam heating duties are 2.86E8 BTU/hr in the amine regenerator, 2.28E5 BTU/hr in the glycol regenerator, 1.45E6 BTU/hr preheating the glycol going into the regenerator and 9.5E5 BTU/hr preheating the water in the power cycle. This gives a combined duty of 2.89E8 BTU/hr. It can be seen that the biggest heat user in the plant by far is the amine regenerator reboiler. This is because it runs at a relatively high temperature and has to heat a large material flow of amine. Since the amount of amine in the process and the reboiler temperature have both already been minimized, this team believes the heat duty in this reboiler is the lowest it can be. There are two places in the plant where refrigeration is required, to cool the lean amine down from 110°F to 80 °F, and to cool the sweet gas coming from the amine absorber from 82.5°F to 65°F. These two refrigeration cycles pass 27,280 lb/hr of propane in the former and 66,220 lb/hr of propane in the latter cycle for a combined 93,500 lb/hr of propane. The propane in the sweet gas refrigeration cycle is cooled to 45 °F. The propane in the amine refrigeration only has to reach a relatively warm 60 °F, but due to pressure requirements it is cooled down to 20 °F through throttling. The refrigeration cycles are big draws of energy, drawing 844 hp in the sweet gas refrigeration and 5401 hp in the lean amine refrigeration. As will be seen below, this is considerable.
  • 44.
    RESULTS AND DISCUSSION: Page42 The plant’s pumps and compressors need a combined 20,770 hp in order to run. The power cycle in the plant is actually able to provide 23,540 hp, or 2771 hp more than needed for plant operations. This excess power can be sold to the utilities to make up for some cost of running the plant. It is worth noting that it is possible to generate even more power, as some material streams (flue gases) are leaving the plant hotter than the absolute minimum possible for those streams. If more energy was extracted from those streams, more power would be generated. The biggest power user in the plant is the compressor pressurizing the air coming into the plant, using 8452 hp, and then the compressor working the refrigeration cycle mentioned above, using 5401 hp. Together they use 67% of all the power needed in the plant. The pump that pumps CW in the plant uses 3149 hp, or another 15%. Together, these three units account for 82% of the power needed in the plant. If any of these power needs can be reduced by increasing the efficiency of any one of these units, or just reducing the flow through them and thus the duty needed of them, more power can be sold to the utility company as opposed to being used in-plant.
  • 45.
    RESULTS AND DISCUSSION: Page43 COSTING AND ECONOMICS: The first goal of the economics team is to determine the cost of the total capital investment (CTCI). We have decided to use a hybrid costing method for this task. First we will cost all the equipment and resources using Guthrie’s method. All of the equations used to cost the equipment are standard industry approved costing equations found in Chapter 22 of the Sieder Seader Design Principles textbook. The second step will be to take these totals as a combined cost of total bare module investment (CTBM), and use Busche’s method to find CTCI using Table 22.9 on page 547 of the same textbook. The following tables contain the parameters needed to cost the indicated unit operations as well as the final cost (given in millions of US dollars) after their particular costing equation has been applied. Figure 42: Pricing of Columns Amine Glycol Other/Price From HYSYS PO (psi) 997.5 PO (psi) 985 PO (psi) 89.25 D (ft.) 4.921 D (ft.) 4.921 D (ft.) 4.921 ρ (lb/in^3) 0.284 ρ (lb/in^3) 0.284 ρ (lb/in^3) 0.284 # Trays 25 # Trays 10 # Trays 4 Volume (ft^3) 858 Volume (ft^3) 343.2 Volume (ft^3) 137.28 Price (million $) $1.56 Price (million $) $0.86 Price (million $) $0.21 Amine Absorber Column Glycol Absorber Column Amine Regenerator Column
  • 46.
    RESULTS AND DISCUSSION: Page44 PO (psi) 20 PO (psi) 991 PO (psi) 95 D (ft.) 4.921 D (ft.) 1.5 D (ft.) 1.5 ρ (lb/in^3) 0.284 ρ (lb/in^3) 0.284 ρ (lb/in^3) 0.284 # Trays 5 Volume (ft^3) 200 Volume (ft^3) 200 Volume (ft^3) 171.6 Price (million $) $0.18 Price (million $) $0.07 Price (million $) $0.03 Glycol Regenerator Column Amine Flash 1 Amine Flash 2 PO (psi) 90 PO (psi) 88.5 PO (psi) 20.25 D (ft.) 3.914 D (ft.) 3.914 D (ft.) 3.914 ρ (lb/in^3) 0.284 ρ (lb/in^3) 0.284 ρ (lb/in^3) 0.284 L (ft.) 5.871 L (ft.) 5.871 L (ft.) 5.871 Volume (ft^3) 70.63884741 Volume (ft^3) 70.63884741 Volume (ft^3) 70.63884741 Price (million $) $0.18 Price (million $) $0.32 Price (million $) $0.09 Amine Reboiler Amine Condenser Glycol Reboiler PO (psi) 19.75 D (ft.) 3.914 ρ (lb/in^3) 0.284 L (ft.) 5.871 Volume (ft^3) 70.63884741 Price (million $) $0.08 Glycol Condenser
  • 47.
    RESULTS AND DISCUSSION: Page45 Figure 43: Pricing of Pumps Figure 44: Pricing of Motors Q (USGPS) 0.0007176 Q (USGPS) 54.55 Q (USGPS) 0.3207 H (ft fluid) 20.67 H (ft fluid) 2088 H (ft fluid) 2150 ρ (lb/ft3 ) 62.7 ρ (lb/ft3 ) 63.09 ρ (lb/ft3 ) 65.48 PB (hp) 0.0003014 PB (hp) 2329 PB (hp) 14.63 Price (million $) $0.01 Price (million $) $0.15 Price (million $) $0.02 Amine Pump 1 Glycol PumpAmine Pump 2 Q (USGPS) 0.03316 Q (USGPS) 12.57 Q (USGPS) 796.7 H (ft fluid) 2275 H (ft fluid) 15.86 H (ft fluid) 197.7 ρ (lb/ft3 ) 62.475 ρ (lb/ft3 ) 54.47 ρ (lb/ft3 ) 62.14 PB (hp) 1.529 PB (hp) 3.521 PB (hp) 3171 Price (million $) $0.02 Price (million $) $0.03 Price (million $) $0.43 Steam Cycle PumpAmine Make Up Pump Plant Water Pump Q (USGPS) 6.387 H (ft fluid) 1298 ρ (lb/gal) 61.54 PB (hp) 165.3 Price (million $) $0.04 Electric Cycle Pump
  • 48.
    RESULTS AND DISCUSSION: Page46 Figure 45: Pricing of Heat Exchangers Price (million $) $0.00 Price (million $) $0.23 Price (million $) $0.02 Price (million $) $0.06 Price (million $) $0.09 Price (million $) $0.20 Glycol Motor Amine Make Up Motor Amine Motor 1 Plant Water MotorSteam Cycle Motor Amine Motor 2 Price (million $) $0.08 Electric Cycle Motor UA 285700 UA 1335000 UA 2999000 U 440.1 U 2057 U 4618 Shell P (psi) 83.87 Shell P (psi) 92.5 Shell P (psi) 1000 Volume (ft^3) 87.2 Volume (ft^3) 87.2 Volume (ft^3) 87.2 Price (million $) $0.06 Price (million $) $0.06 Price (million $) $0.08 Sweet Amine Cooler Amine Regneration Stream Cooler 1Amine Regenerator Pre-Heater UA 525200 UA 3855 UA 12110 U 809 U 5.937 U 18.65 Shell P (psi) 52.87 Shell P (psi) 27.5 Shell P (psi) 168.3 Volume (ft^3) 87.2 Volume (ft^3) 87.2 Volume (ft^3) 87.2 Price (million $) $0.06 Price (million $) $0.06 Price (million $) $0.06 Amine Regeneration Stream Cooler 2 Glycol Regeneration Pre-Heater 2Glycol Regeneration Pre-Heater 1
  • 49.
    RESULTS AND DISCUSSION: Page47 Figure 46: Pricing of Compressors and Turbines UA 4105 UA 6072000 UA 152400 U 6.322 U 9351 U 234.7 Shell P (psi) 166.8 Shell P (psi) 2.209 Shell P (psi) 544.7 Volume (ft^3) 87.2 Volume (ft^3) 87.2 Volume (ft^3) 87.2 Price (million $) $0.06 Price (million $) $0.06 Price (million $) $0.07 Steam 4 Power 1 Steam 5 UA 680200 UA 280400 UA 205100 U 1048 U 431.9 U 315.9 Shell P (psi) 32.5 Shell P (psi) 169.8 Shell P (psi) 23.5 Volume (ft^3) 87.2 Volume (ft^3) 87.2 Volume (ft^3) 87.2 Price (million $) $0.06 Price (million $) $0.06 Price (million $) $0.06 Steam 2 (Air Pre-Heater) Steam 1 (Evaporator) Steam 3 (Flu Gas Re-Heater) UA 389300 UA 1603000 U 599.6 U 2468 Shell P (psi) 258.5 Shell P (psi) 258.5 Volume (ft^3) 87.2 Volume (ft^3) 87.2 Price (million $) $0.06 Price (million $) $0.06 Refrigeration Condenser 1 Refrigeration Condenser 2
  • 50.
    RESULTS AND DISCUSSION: Page48 Figure 47: Total Equipment Cost These numbers provide us with an accurate estimate for CTBM according to Busche’s method for calculating CTCI, which can be seen on the following table. PC (hp) 353 PC (hp) 844 PC (hp) 5401 Price (million $) $0.63 Price (million $) $1.27 Price (million $) $5.62 PC (hp) 8452 PC (hp) 8.722 S (hp) 10940 Price (million $) $8.04 Price (million $) $0.03 Price (million $) $1.01 Turbine 1Pentane Compressor Amine Refrigeration Compressor 1 Amine Refrigeration Compressor 2Glycol Compressor Air Compressor for Combustion Price (million $) $22.45 Equipment Total
  • 51.
    RESULTS AND DISCUSSION: Page49 Figure 48: Busche’s Method of Calculating CTCI Our assessment of this cost is seen in the following table:
  • 52.
    RESULTS AND DISCUSSION: Page50 Figure 49: Busche’s Method of Calculating CTCI Most of the other factors in Busche’s method are small multiplicative factors of the cost at the top of the column. However, the allocated costs consist of the cost of the amine, glycol, and propane required to start the plant. These total volumes have been previously mentioned in the sizing section. When the total volumes are applied to the given of prices of amine, glycol ($2000/ton), and propane ($8527.83/ton), the cost of fluid can be calculated, as shown in the following table. Figure 50: Price of Solvents and Coolant These costs are now summed to obtain CTCI. The total depreciable capital (CTDC) is also obtained along the trail of addition leading to CTCI. Both can be seen in the following figures. Calculate CTCI CEQ (Equipment) $22.45 CSPARE (Spares) $1.12 //Set at 5% of CEQ CTBM (Total Bare Module $23.57 CSITE (Site Preparation) $3.54 //Set at 15% of CTBM CSERV (Servcie Facitilies, Utility $1.77 //Percent Ratio from Table 22.15 CALLOC (Cost of Amine, Glycol, and $0.16 CDPI (Total of Direct Permanent Investment) $29.03 CCONT Contingencies $4.35 //Set at 15% of CDPI CTDC (Total Depreciable Capital) $33.39 CLAND (Cost of Land) $0.00 //Company already owns the land. CROYALTIES (Cost of Royalties) $0.67 //Intial Royalty of 2% CTDC from p.551 CCONTROL (Cost of Pipes, Valves, Tees, and Controls) $11.69 //Set at 35% of CTDC CSTARTUP (Start Up Costs) $3.34 //Set at 10% of CTDC CTPI (Total Permanent Investment) $49.08 CWC (Working Capital) $2.9448 //Percent Ratio from Table 22.15 CTCI (Total Capital Investment) $52.02 Price (million $) $0.09 Initial Amine Total Price (million $) $0.02 Initial Glycol Total Price (million $) $0.05 Initial Coolant Total
  • 53.
    RESULTS AND DISCUSSION: Page51 Figure 51: CTCI and CTDC With these figures, our annualized cost (CA) can be calculated. The equation for CA is seen below: Figure 52: Calculating CA The first term is calculated via a standard loan calculation using CTCI, a project lifetime of 50 years and an interest rate of 5%. The second term is the amount of deductions we can subtract from our tax cost each year based on CTDC and a tax rate of 20%. This term counts as a benefit to us and is therefore subtracted from our total CA. The third term is our cost of sales, which can be calculated by taking the molar flow rate by year and using the density and cost/ton to determine the total make up cost. The following table displays the cost of make up for our process. Figure 53: Cost of Make Up The fourth term represents the difference in potential income between our product and an ideal product from an imaginary splitter where all the project specs were met exactly and no hydrocarbons were lost in the amine or glycol cycle. Of everything we calculated, this term best represents what could be called an efficiency measurement of our proposed product. The calculation of this term is shown below. Price (million $) $52.02 CTCI Price (million $) $33.39 CTDC CA = (PMT(CTCI) - (CTDC/50)(Tax Rate) + COS + Δ(ᴍ*Heating Value)*5/(1,000,000) - Hp*(.7457)*(24)*(330)*(.07) Price (million $) $1.09 Price (million $) $0.30 Price (million $) $0.01 Make Up Glycol Total Make Up DI Water TotalMake Up Amine Total
  • 54.
    RESULTS AND DISCUSSION: Page52 Figure 54: Cost of Lost Product And finally, the 5th term in our CA equation is the sale of excess electricity. Much like the second term, this acts as a benefit to our cause and is therefore subtracted from the total CA. The final equation with all elements is displayed below. Figure 55: Final Calculation of CA When summed together, we get our final CA. Figure 56: Annualized Cost Using the total CA, we can find our final desired cost, which is the price per MSCF of product. ᴍideal (lb/hr) Hvideal (BTU/lb) ᴍideal * Hvideal (BTU/hr) 731500 23290 17036635000 ᴍproduct (lb/hr) Hvproduct (BTU/lb) ᴍproduct * Hvproduct (BTU/hr) 716100 23160 16584876000 Δ(ᴍ*Heating Value) Δ(ᴍ*Heating Value)*5/(1,000,000) (Million USD/yr) 451759000 $17.89 (Loan Payment) (Tax Deduction) (Cost of Sales) (Cost of Operation) (Sale of Excess Electricity) $2.85 $0.13 $1.40 $17.89 $1.15 CA = (PMT(CTCI) - (CTDC/50)(Tax Rate) + COS + Δ(ᴍ*Heating Value)*5/(1,000,000) - Hp*(.7457)*(24)*(330)*(.07) Price (million $) $20.86 CA
  • 55.
    RESULTS AND DISCUSSION: Page53 Figure 57: Cost of Product per MSCF CA (Million $/Yr) MMSCFD MSCFD MSCFY Cost ($) / MSCF $20.86 363.3 363300 119889000 $0.174 Price ($) $0.17 Cost Per MSCF
  • 56.
    RESULTS AND DISCUSSION: Page54 SAFTEY AND ENVIRONMENTAL ISSUES There are some safety and environmental issues to consider in terms of this proposed plant. One would be the waste streams emitted by the plant. They contain some hazardous material such as SO2, DEA, DEG, and some others. Luckily, a facility nearby in Illinois that specializes in handling waste such as ours has agreed to continuously retrieve it from our plant at the same rate that we produce it at no cost to us. It has been verified that they handle the material in a manner that does not ethically violate any humans or harm the environment. Another safety issue to consider is the pressurized portions of the facility. Some of the unit operations and corresponding piping reach 1000 psi, which is roughly 67 times the pressure of the atmosphere. Proper equipment will be worn by our employees at all time as detailed in the next section should any rupturing take place. Finally, the water source must be considered. Our facility does use a copious amount of water, however, with the genius planning of being so close to Lake Michigan, this is feasible. Our water streams come from and return to the lake at an acceptable temperature.
  • 57.
    ETHICAL AND SOCIETALISSUES: Page 55 Ethical and Societal issues: The following items are some environmental regulations that our company will certainly consider before throughout the lifetime of our process: (415 ILCS 5/25b-2) (From Ch. 111 1/2, par. 1025b-2) Sec. 25b-2. (a) Facilities which are required to file toxic chemical release forms with the State pursuant to Section 313 of the federal Emergency Planning and Community Right-to-Know Act of 1986 shall file such forms with the Illinois Environmental Protection Agency. (415 ILCS 5/25b-5) (From Ch. 111 1/2, par. 1025b-5) Sec. 25b-5. Review of toxic chemical status. The Agency shall periodically review the status of toxic chemicals and types of facilities covered under the reporting requirements of Section 313 of the federal Emergency Planning and Community Right-to-Know Act of 1986. (Source: P.A. 92-574, eff. 6-26-02.) (415 ILCS 5/25b-3) (From Ch. 111 1/2, par. 1025b-3) Sec. 25b-3. In cooperation with the United States Environmental Protection Agency, the Agency shall provide in a computer data base an Illinois Toxic Chemical Inventory. The Inventory shall be based on the toxic chemical release forms filed pursuant to Section 313 of the federal Emergency Planning and Community Right-to-know Act of 1986 and may include, to the extent practicable, any other information on emissions, discharges, source reduction activities, and recycling of toxic contaminants submitted to the Agency pursuant to this Act. The Agency shall maintain the data in the Inventory by individual facility and company name, standard industrial classification, type of chemical, and geographic location. (Source: P.A. 94-580, eff. 8-12-05.) Guidelines: The jurisdiction and cooperation between agencies and that the Clean Air Act establishes both federal and state requirements set to protect the health of the public. The enforcement tools would be through lawsuits, court orders, notice of violation etc. The state should have a way to calculate penalties. Emissions data should be provided to agencies upon request.
  • 58.
    ETHICAL AND SOCIETALISSUES: Page 56 Risks of operation: Possible risks include the following:  Poor well casing or cement jobs can increase the chance of methane leaks or groundwater contamination, so it's crucial that every aspect of the drilling process—including how the well is constructed—is executed properly.  If wastewater is mishandled, it can contaminate surface and groundwater. And improperly sited and operated deep well injection sites (a common disposal method) may be linked to small tremors.  Emissions of toxic and smog-forming pollutants—like benzene, a known carcinogen—can lead to health problems like asthma, cancer and long-term lung damage in people who live nearby.  The more methane is lost into the atmosphere, the less using natural gas—as compared to other fossil fuels—delivers climate benefits. We must reduce venting and fix leaks.  If companies aren't required to name the chemicals they use, or monitor their air emissions, it's impossible for a community to assess risks. And if companies can proceed without input from communities, people may be overwhelmed by traffic and noise.  Fire and explosion hazards at LNG facilities may result from the presence of combustible gases and liquids, oxygen, and ignition sources during loading and unloading activities, and / or leaks and spills of flammable products. Possible ignition sources include sparks associated with the buildup of static electricity, lightning, and open flames. Hazardous Materials Management The storage, transfer, and transportation of LNG (Liquid Natural Gas) may result in leaks or accidental release from tanks, pipes, hoses, and pumps at land installations and on LNG transport vessels. The storage and transfer of LNG also poses a risk of fire and, if under pressure, explosion due to the flammable characteristics of its boil-off gas.  LNG storage tanks and components (e.g. pipes, valves, and pumps) should meet international standards for structural design integrity and operational performance to avoid catastrophic failures and to prevent fires and explosions during normal operations and during exposure to natural hazards. Applicable international standards may include provisions for overfill protection, secondary containment, metering and flow control, fire protection (including flame arresting devices), and grounding (to prevent electrostatic charge).
  • 59.
    ETHICAL AND SOCIETALISSUES: Page 57  Storage tanks and components (e.g. roofs and seals) should undergo periodic inspection for corrosion and structural integrity and be subject to regular maintenance and replacement of equipment (e.g. pipes, seals, connectors, and valves).  A cathodic protection system should be installed to prevent or minimize corrosion, as necessary  Loading / unloading activities (e.g. transfer of cargo between LNG carriers and terminals) should be conducted by properly trained personnel according to pre-established formal procedures to prevent accidental releases and fire / explosion hazards. Procedures should include all aspects of the delivery or loading operation from arrival to departure, connection of grounding systems, verification of proper hose connection and disconnection, adherence to no-smoking and no-naked light policies for personnel and Chemical Hazards The design of the facility should reduce exposure of personnel to chemical substances, fuels, and products containing hazardous substances. Use of substances and products classified as very toxic, carcinogenic, allergenic, mutagenic, teratogenic, or strongly corrosive should be identified and substituted by less hazardous alternatives, wherever possible. Each chemical used needs to be implemented into the Material Safety Data Sheet (MSDS) which should be available and readily accessible at the facility. Offensive Conditions: Waters of the State shall be free from sludge or bottom deposits, floating debris, visible oil, odor, plant or algal growth, color or turbidity of other than natural origin. Waste Management: Waste materials should be separated into two categories, non-hazardous and hazardous wastes, they should also be considered for re-use / recycling prior to disposal. A waste management plan should be developed that contains a waste tracking mechanism from the originating location to the final waste reception location. Storage, handling and disposal of hazardous and nonhazardous waste should be conducted in a way that is consistent with EPA and OSHA regulations. Spills: LNG is a cryogenic liquid at a temperature around –162°C (–259°F) that is not flammable in liquid form. However, boil-off gas (methane) forms as the LNG warms, and under certain conditions could result in a vapor cloud if released. Uncontrolled releases of LNG could lead to jet or pool fires if an ignition source is present, or a methane vapor cloud which is potentially flammable (flash fire) under unconfined or confined conditions(such as storage locations) if an ignition source is present. LNG spilled directly onto a warm surface (such as water) could result in a sudden phase change known as a Rapid Phase Transition. Which will cause the LNG to change into its gas from and be of environmental, safety and health concern. Recommended measures to prevent and respond to LNG spills include the following:
  • 60.
    ETHICAL AND SOCIETALISSUES: Page 58  Conduct a spill risk assessment for the facilities and related transport / shipping activities;  Develop a formal spill prevention and control plan that addresses significant scenarios and magnitude of releases.  The plan should be supported by the necessary resources and training. Spill response equipment should be conveniently available to address all types of spills, including small spills.  Spill control response plans should be developed in coordination with the relevant local regulatory agencies, as well as location conditions.  Facilities should be equipped with a system for the early detection of gas releases, designed to identify the existence of a gas release and to help pinpoint its source so that operator-initiated electronic shut downs can be initiated rapidly to minimizing the inventory of gas releases.  An Emergency Shutdown and Detection (ESD/D) system should be available to initiate automatic transfer shutdown actions in case of a significant LNG leak;  For unloading / loading activities involving vessels and terminals, preparing and implementing spill prevention procedures for tanker loading and off-loading according to applicable standards and guidelines which specifically address advance communications and planning with the receiving terminal. Wastewater plant integration: The use of water for process cooling at LNG liquefaction facilities and for revaporization heating at LNG receiving terminals may result in significant water use and discharge streams. Recommendations to control cooling and cold water use and discharge streams include the following: Water conservation opportunities should be considered for LNG facility cooling systems (e.g. air cooled heat exchangers in place of water cooled heat exchangers and opportunities for the integration of cold water discharges with other proximate industrial or power plant facilities). Cooling or cold water should be discharged to surface waters in a location that will allow maximum mixing and cooling of the thermal plume to ensure that the temperature is within 3 degrees Celsius of ambient temperature at the edge of the mixing zone or within 100 meters of the discharge point.
  • 61.
    ETHICAL AND SOCIETALISSUES: Page 59 Permits: Figure 58: Permits Pre-Filling Phase There are several factors taken into account when FERC establishes a schedule for the environmental review, including the scope and complexity of the project, the requirements of any cooperating agencies, and the requested time frame of the applicant. Figure 59: Permits Application Phase
  • 62.
    ETHICAL AND SOCIETALISSUES: Page 60 Environmental permits issued by federal agencies can also vary by state or by region. The type of permit used depends on the type and the extent of proposed impacts on aquatic resources and whether a general permit is available to authorize such impacts. The Corps issues individual permits for specific projects that may have more than minimal impacts on aquatic resources, either individually or cumulatively, or are not otherwise authorized by general permits. The Corps issues general permits for activities resulting in no more than minimal adverse effects on the aquatic environment. The following three types of general permits are used for natural gas pipeline construction projects that require the discharge of dredged or fill material into waters. Three types of permits Nationwide permit: This type of general permit is intended to streamline and expedite the evaluation and approval process throughout the nation for certain types of activities that have only minimal impacts. One of the Corps’ eight division offices may add regional conditions to these permits in order to protect local aquatic ecosystems or to minimize adverse effects on ecologically critical areas or other valuable resources. Regional general permit: This type of permit authorizes activities that commonly occur in that region. Programmatic General Permit: This type of general permit is established in those states or localities where there is a similar existing state, local, or other federal agency regulatory program. It is designed to avoid
  • 63.
    ETHICAL AND SOCIETALISSUES: Page 61 regulatory duplication. These types of permits may allow activities, including work in waters of the United States associated with pipeline projects, to have greater impact on waters than the nationwide general permits, provided there is still no more than minimal adverse effect on the environment. Agencies: F.E.R.C. = The Federal Energy Regulatory Commission (FERC) is an independent agency that regulates the interstate transmission of electricity, natural gas, and oil. FERC also reviews proposals to build liquefied natural gas (LNG) terminals and interstate natural gas pipelines as well as licensing hydropower projects O.S.H.A. = Congress enacted the Occupational Safety and Health Act of 1970 which created the Occupational Safety and Health Administration (OSHA). Its mission is to help employers and employees reduce on the job injuries, illnesses and deaths. E.P.A. = The United States Environmental Protection Agency (EPA or sometimes USEPA) is an agency of the U.S. federal government which was created for the purpose of protecting human health and the environment by writing and enforcing regulations based on laws passed by Congress. Health and Safety Safety Management Plan including Environmental Management Plan It may be required to make a Safety Management Plan and an Environmental Management plan that is specific to the scope of work. The Safety Management Plan should include details on how the workers will manage safety for all of its operations and personnel on the site during the course of the project. The Safety Management Plan and Environment Management Plan will be submitted for approval. NO… 1. Eating 2. Drinking 3. Smoking 4. Electronic matches 5. Electronic lighters Must…… 1. Skin: hear personal protective clothing. 2. Eyes: hear eye protection. 3. Wash Skin: In case of a spill workers should wash the spilled chemical from the body and normal washing.
  • 64.
    ETHICAL AND SOCIETALISSUES: Page 62 4. Change: Routine for clothing changing. 5. The company must have an eyewash fountains and/or quick drench facilities. Prohibited Items The following items are prohibited onsite: 1. Firearms 2. Explosives 3. Illegal drugs 4. Illicit substances 5. Alcohol 6. Cigarette lighters and matches Safety Equipment This includes items such as fall arrest equipment such as inertia reels. In some cases specialist contractors may be required to bring their own equipment such as Catalyst Handling. Specific safety equipment is to be supplied by the contractor. Under no circumstances shall safety equipment be modified from manufacturers’ specifications without appropriate company approval. This may lead to instant dismissal from the site. Respirators: The two types of respirators that will be used will be elastrometric half-mask respirators and elastrometric full-facepiece respirators fitted with the appropriate filters in order to ensure the safety of the individual using the mask. Figure 60: Typical Half and Full Respirator Masks
  • 65.
    ETHICAL AND SOCIETALISSUES: Page 63 Health effects: The production of oil and natural gas emit benzene, toluene, ethylbenzene, and xylenes (BTEX) as well as n- hexane and VOC.  Benzene  Exposure to benzene may cause  Irritation of the skin, eyes, and upper respiratory tract.  Blisters on the skin.  Exposure to benzene over a long period of time may cause blood disorders, reproductive and developmental disorders, and cancer.  EPA's Health Effects Notebook has more information related to the potential health effects of exposure tobenzene.  Toluene  Exposure to toluene over a long time may cause nervous system effects, irritation of the skin, eyes, and respiratory tract, dizziness, headaches, difficulty with sleep, birth defects.  EPA's Health Effects Notebook has more information related to the potential health effects of exposure totoluene.  Ethylbenzene
  • 66.
    ETHICAL AND SOCIETALISSUES: Page 64  Short-term exposure may cause throat and eye irritation, chest constriction, and dizziness.  Long-term exposure may cause blood disorders.  EPA's Health Effects Notebook has more information related to the potential health effects of exposure toethylbenzene.  Xylenes  Short-term exposure to high levels of mixed xylenes may cause  Irritation of the nose and throat.  Nausea.  Vomiting.  Gastric irritation.  Mild transient eye irritation. o Neurological effects.  Long-term exposure to high levels of xylene may impact the nervous system.  EPA's Health Effects Notebook has more information related to the potential health effects of exposure toxylenes.  n-Hexane  Short-term exposure to hexane can cause dizziness, giddiness, slight nausea, and a headache.  Long-term exposure to hexane can cause numbness in extremities, muscular weakness, blurred vision, headaches, and fatigue.  EPA's Health Effects Notebook has more information related to the potential health effects of exposure tohexane.  VOC  VOC is released during the production of oil and natural gas.  The chemicals in VOC can form ground-level ozone (smog) which can cause breathing difficulties, especially with those who are young, elderly, or have existing respiratory problems such as asthma.  EPA has an extensive Web site devoted to ground-level ozone. Neighboring Residents:
  • 67.
    ETHICAL AND SOCIETALISSUES: Page 65 To build the LNG plant, which would be process fracked gas for export, we should definitely be concerned about the environmental effects on the air and local water, and the safety of the residents of nearby. The requirements and operational rules set up by the EPA and OSHA would be strictly followed and something like building fence around the company would be done to ensure that no one unsuspectingly wanders into a dangerous area. Should the company house explosive materials, they would be put in a way so that the blast radius is at least that of the fence built. After getting the required permits from the government, our risk calculations should also get verified by at least one third party. In addition, we need to consider whether the greenhouse gasses produced by drilling, piping, cooling, heating and shipping of natural gas per day would have any potential impacts on the climate. The company would ensure that no waste dumping into the environment occurs and that any disposal of waste will be made in a way that it will not contaminate the water supply of the people. In the case that any opposition from the local residents occurs, the company should be ready for anything from complaints to a lawsuit. Control of Work (CoW) Work shall not commence in the Refinery unless the appropriate permits have been granted. Other relevant procedures could include, but may not be limited to: • Confined Space Entry – Confined Space Entry Procedure • Excavation – Excavation Procedure • Working at Heights – Working at Heights Procedure • Energy Isolation – Electrical Lockout Procedure, High-Voltage Switching, Access & Testing Procedure • Electrical Safety – Electrical Exclusion Zones for Cranes and EWPs • Radiation Safety – Radiation Safety and Protection Plan • Mobile Plant – Mobile Plant Procedure • Grinders – Grinder Procedure • Scaffolding – Scaffolding Procedure • Barricading – Barricading Procedure The following rules must be followed by all contractors: 1. Work with a permit at ALL times 2. Conduct gas tests, when necessary. Supervisor should inform the contractor of when this could be the case.
  • 68.
    ETHICAL AND SOCIETALISSUES: Page 66 3. Obtain authorization before entering a confined space, making changes to a safety critical equipment. 4. In case of working at height protect yourself against a fall. 5. Follow management plan. 6. Wear protected equipment, if necessary. Job Hazard Analysis The preparation of a Job Hazard Analysis or comparative risk assessments for all of its operations which have a pre-task classification of ‘medium risk’ or ‘high risk’ will need to be done. All analysis need to be reviewed and approved by company prior to the commencement of any work. Confined Spaces Confined space hazards, as in any other industry sector, are potentially fatal to workers. Confined space entry by workers and the potential for accidents may vary among LNG terminal facilities depending on design, on-site equipment, and infrastructure. Confined spaces may include storage tanks, secondary containment areas, and storm water / wastewater management infrastructure. Material Safety Data Sheets: The Contractor shall provide MSDS’s for all chemicals/products they intend to use onsite for approval prior to introduction to site for approval. The company should have a MSDS database. Chemicals/products intended for use onsite that are not already on the MSDS System must be accompanied by an approved MSDS and Chemical Risk Assessment. High Risk Construction Activities: High Risk Construction Activities must provide a compliant Work Method Statement for approval prior to commencing work. If they are required to undertake a high risk construction activity, work will not be permitted to commence without first being provided with a copy of a compliant Work Method Statement. Compliant Work Method Statements are to be kept with the HSSE Plan relevant to the work being undertaken. Prescribed Activities: The contractor must not take on activities that were prescribed unless they are certified to do so. Work Health and Safety Advisor Requirements: Contractors who provide 25 or more employees in any 24-hour period to service the Scope of Work outlined in this Contract shall provide a safety representative, the individual must have completed a minimum of a Certificate IV in Occupational Health and Safety. The safety representative will form part of the Safety Committee and is expected to attend each scheduled committee meeting.
  • 69.
    ETHICAL AND SOCIETALISSUES: Page 67 Personal Protective Equipment: The Contractor shall provide the necessary Personal Protective Equipment in the appropriate quantity and comply with the relevant Standards. Task specific Personal Protective Equipment requirements for the work being conducted must be stated in the Job Hazard Analysis prior to the work commencing. Emergency Response: All contract personnel shall be made aware of the company’s emergency response protocols, signage and muster point locations. In the event of an emergency (highlighted by the sounding of the site alarms and flashing lights) all contract staff must follow the protocols and adhere to any instructions provided by Emergency Personnel. Incident Reporting and Investigations: Contractors shall report all incidents that occur onsite to their representative immediately. In the event of an incident, the scene shall be preserved as far as reasonably practicable until a workplace health and safety inspector arrives. Everyone relevant to the investigation will be expected to participate in the investigation when requested by the company, if they have been involved in the incident, or have knowledge that may assist in the investigation outcome. Near Miss and Hazard Reporting: A paper based system with a pocket sized notepad used to record hazards and near miss information to enable learning and intervention where appropriate. This will help prevent incident from occurring. First Aid: The company provides first aid facilities and trained first aid personnel onsite. All injuries must be reported by visiting the site medical center. When a contractor employee attends the company’s medical center, their supervisor shall accompany them. HSSE Audits: The company reserves the right to audit the contractor’s onsite work and adherence to a HSSE system, procedures, and the content of the contract. Fitness for Work: All personnel entering the worksite, depending on the work they perform, may be required to have passed a full medical examination and D&A testing. Confirmation that a medical has been completed is required in order to receive a valid site access card.
  • 70.
    ETHICAL AND SOCIETALISSUES: Page 68 Random Drug and Alcohol (D&A) Testing: The company reserves the right to conduct random drug and alcohol testing. The Contractor must comply with the company’s drug and alcohol testing requirements. Work Hours and Fatigue Management: The company has working hours and fatigue management procedure to ensure workers have adequate opportunity to rest. Occupational Health & Hygiene Monitoring: Depending on the work activity being undertaken or area of plant being worked on, occupational health monitoring may be required. In the event such monitoring is required, contractor personal shall follow all instructions from HSSE and Operations Branches in relation to: • Exclusion zones • Access requirements • Personal Protective Equipment to be worn • Health surveillance requirements Competency and Qualifications: The Contractor shall supply labor appropriately qualified to safely and competently complete the tasks within their Contract work scope. The Contractor is required to have a defined competency assurance process. A competency assurance program is required for tasks including (but not limited to), high pressure water blasting, bundle extraction and vacuum truck operations are some examples). Inductions: Prior to commencing work on site all personnel are required to have completed inductions to cover the work they intend to do. This may include the following: • HSSE / H2S Induction (Mandatory for site entry). • Turnaround / Project Specific Induction. • Confined Space Entry. • Alkylation Unit Induction. • Fire watch/Vessel Entry Watch/BA (Bottle) Watch. High Risk Work:
  • 71.
    ETHICAL AND SOCIETALISSUES: Page 69 Contractors required to undertake ‘high risk work’, will be required to hold the appropriate and current WH&S high risk work license and be capable of providing this qualification upon request. Persons who cannot provide proof of a license will be required to cease work, until such time as proof can be provided. All documentation shall be forwarded as soon as practicable upon request. If appropriate qualification is not substantiated the contractor may be asked to remove the employee from the site. Equipment: General Condition of equipment: All equipment brought onto the worksite by the Contractor, their employees and their subcontractors, shall be ‘fit for service’. It shall have a full service history, which can be produced upon request. The Contractor shall demonstrate to the company the key equipment reliability issues, and the proposed mitigation plans in the event of a failure. The Contractor shall detail the equipment spares held at the site during the operations. Where instructed by the company, the Contractor shall demonstrate the operation of equipment. All equipment shall be within its current service endorsement period. Poor quality equipment or equipment not within its current service endorsement shall be replaced at the Contractor’s expense= Breakdown: All working contractors who are required to bring equipment to the site shall an outline of their breakdown and repair strategy on request. Spark Containment: Company may request that any combustion engine equipment brought onto the Refinery by the contractor be fitted with a spark arrest device. This includes welders, generators, pumps etc Electrical Requirements: All electrical equipment brought onto the site shall be within a current electrical test period by a registered electrical testing contractor. All electrical items shall be used with a suitable Residual Current Device. Instrument Control and Electrical: The Instrument Control and Electrical department may inspect any electrical items. Any non-compliant items will be immediately removed from site at the contractor’s expense. Vehicles: If the Contractor requires the use of a vehicle to complete their BP work scope, then they shall contact the company’s representative for a copy of the standard. Some of the examples from the Standard include, but aren’t limited to: • Anti-lock braking system (ABS)
  • 72.
    ETHICAL AND SOCIETALISSUES: Page 70 • Air bags • Side impact protection • Emergency lights • Safety screens and load constraint features Lay Down Areas: The Contractor shall specify required lay down areas for work or equipment. These shall be detailed as an area in square meters (m2) and by dimensions. The best efforts will be made to perform requests Hot Work Areas: Prior to commencing work on site, the contractor will be advised if an area will be required for hot work (hot work includes burning, welding and grinding activities). These areas are very restricted. Subcontractors: All subcontractors must be prequalified by the company before being authorized to conduct work onsite. The Contractor shall inform the company representative in advance if it’s proposed to use subcontractors in undertaking the Scope of Work. Security Facility Access:  Unauthorized access to facilities should be avoided by perimeter fencing surrounding the facility and controlled access points (guarded gates/entrances). Public access control should be implemented.  Appropriate fencing should be in place to not only ensure that only authorized people access the facility but to also ensure that no one accidently wanders in and gets hurt or worse.  Adequate signs and closed areas should establish the areas where security controls begin at the property boundaries. Vehicular traffic signs should clearly designate the separate entrances for trucks / deliveries and visitor / employee vehicles  Only those who are authorized to be in certain sections of the facility are allowed to be there. Even those that have the security clearance; are not to be allowed without the proper permissions.  Exclusion zones may include vital or dangerous parts of the process Surveillance: Most areas of the facility will be video recorded, the advantage of video recording is the following:
  • 73.
    ETHICAL AND SOCIETALISSUES: Page 71  Recorded video may assist with an investigation.  Security would be more easily be able to detect if an un-authorized personnel would enter the facility  An integrated security console will assist the guards in effective surveillance. Means for detecting intrusion (for example, closed-circuit television) and motion sensors should be considered. To maximize opportunities for surveillance and minimize possibilities for trespassers, the facility should have adequate lighting. Material Safety Data Management: The company has its own MSDS data base that accounts for most of the chemicals dealt with at the facility. However, there may be a time where a chemical is introduced that is not in the data base. When this occurs, the need to insert the chemical into the database. For this to happen, the information that will be inserted into the database will need to be revised to ensure the validity of the information and then it will need to be approved. The MSDS database will be readily available to anyone in the facility. Incident reporting: Any security related incident should be reported to security who will have to go to the location and acquired information as needed to help identify the root cause of the incident. Employees or those involved are expected to participate in the investigation that will follow the incident. There will be phones readily available so that an individual could easily call and make a report.
  • 74.
    CONCLUSION: Page 72 Conclusion: Figure 61:Final Product Should our plant be built in Illinois, it will create jobs, enrich the community, and fuel the lives of millions of people, enriching their lives. Based on these facts and everything else presented thus far, it can be seen above that our product meets all specific requirements stated in the project guidelines. However, our product is more than just technically robust. At the low cost per MSCF of just 17 cents, our product is also economically advantageous. Propane Product Stream Components Component Mole Fraction Methane Ethane DEAmine DEGlycol Total 0.921418037 3.61E-02 2.19E-02 1.10E-02 3.96E-03 5.49E-03 7.80E-05 n-Butane n-Pentane Nitrogen H20 H2S CO2 2.19E-08 6.45E-05 5.20E-11 1.93E-07 1 Product Specifications Annulized Cost (MMUSD/yr) $20.86 $ / MSCF $0.17 Maximum Allowed 8.41E-05 5.00E-07 1.00E-04
  • 75.
    PROJECT MANAGEMENT: Page 73 ProjectManagement: TEAM ORGANIZATION: Figure 23: Team Organization Chart 1) Jessica Castro a) General Manager i) SPA for Project Plan, Project overview, Resources management The GM directs the project in the direction she believes it should go, with input and participation from the team. She plans and runs meetings, suggest weekly goals, plans the schedule and all other SPAs report to her. The GM makes sure the project is on schedule. She also assisted team members when they needed it help in their designated area. She also communicated with the SPA’s to know the status of each area. 2) Brian Mitchell a) Product Manager i) SPA for Compiling, Gantt Chart, References The Product Manager synthesizes individual team member contributions into deliverable reports (weekly, midterm, final, etc.). The product manager also keeps up the Gantt chart to show actual and planned project progress. The PM also compiles all scholarly references in all reports. 3) Carlos Quintas
  • 76.
    PROJECT MANAGEMENT: Page 74 a)HSSE & Social Performance Lead i) SPA for HSSE & Social Performance Investigate all possible Health, Safety, Security, Environmental and Social Performance impacts the plant might have on its surrounding and all those who may come in contact with it or any of its associated materials. Of particular note are any regulations and common practices that exist within the region the plant is to be built and operated. The final plant design must comply with those at a minimum and no significant harmful effects to any of these areas are acceptable (these also pose a liability risk for the company should they be ignored). ii) SPA for HSSE & Social Performance met with GM to discuss the status of this section. 4) Jessica Castro a) Research and HSSE i) SPA for Risks & Mitigation, Stakeholders, and Communication This position includes recording all possible risks for the project and creating mitigation plans for them to ensure the project team can adapt quickly to any contingency that may arise during the project life. Additionally, this position includes managing the Stakeholders and Communication areas. Any overlap between the Risks area and the HSSE area are handled by this position, which is also expected to assist in HSSE research. 5) Junhuan Ding a) HYSYS Lead i) SPA for HYSYS.4 The HYSYS Lead oversees the process simulation of various designs, optimizing the process so that the smallest amount of energy is needed to achieve the required technical specifications of the product, collecting data on each and delivering this information to other areas as appropriate. Any sizing information and energy needs will be delivered to the Economic Analysis team, and any information on emissions or chemicals will be delivered to the HSSE team, so that it can be analyzed from those perspectives. ii) Met with GM and assisted to the meetings held with Abbasian and Carlos. 6) Erez Miller a) Volunteer i) Erez assisted in HYSYS. He created a DEA and DEG design. 7) Van Anh Nguyen
  • 77.
    PROJECT MANAGEMENT: Page 75 a)Technical Background and Economic Analysis Lead i) SPA for Technical Background and Economic Analysis This position is divided into two in time: initially, when the Technical Background is researched, the person in this position oversees the team collecting information on all possible chemicals, unit operations and other related processes and delivering them to their appropriate areas. Once the initial information gathering is complete, the person in this position will oversee the development of Economic Analysis tools and procedures, and their application to the designs created by the HYSYS team. Each design will be evaluated in terms of initial cost and in operating cost. Finally the design will be evaluated in terms of investment viability. As the project progressed two main sub-teams were created. These teams were economics and HYSYS team. The HYSYS team was formed by Ding, Carlos and Erez. While the economics team consisted of Anh and Brian. Anh and Brian also formed the midterm report and presentation team. The GM participated in helping the teams. COMMUNICATIONS: The Fluid Processing Solutions team met every Tuesday night. The meetings were length varied, the time depended on the problems that needed to be solved. During most of the meetings were held HYSYS discussions, which involved team making decisions. The GM was responsible for note taking. Most of the note taking was done on a white board. Later that night the GM was responsible for uploading the meeting log to Google Drive. In addition to the weekly meetings there were meetings held with each sub team member and the GM. The economics and midterm report team met on Thursday at 4 pm. The meetings usually lasted about thirty minutes. The approaches needed to work on the midterm and economics were discussed. Weekly goals were also assigned. The members in the midterm and economics team also met without the GM. These meetings were used to work on the goals. The HYSYS team and the GM met on Wednesday at 12 pm for one hour. During the meetings the HYSYS team updated the GM with the status of the HYSYS process. Questions that the GM had were answered by the HYSYS team. The HYSYS team also met without the GM. The official meeting day was Monday, but this varied depending on how much work was required. Weekly reports and presentations allowed the team to communicate with professor Abbasian. The weekly reports also allowed the GM to see the overall status of the project and the actual hours spend by each team member. The weekly report forms were used to compose the weekly reports. A project plan was also another method used to communicate with professor Abbasian. The communication within the group was via emails, text messages, Skype and phone calls. The GM send emails requesting for updates and logs from each team member. Each member used these sources to bring up problems to the other team members. Emails were also used to communicate when working the
  • 78.
    PROJECT MANAGEMENT: Page 76 presentations.The PowerPoint presentations and report files were attached to the emails. In addition to the emails the production manager created a Google Drive. The goal drive consisted of weekly folders. Inside each folder each team member had their respective folder. The team members were asked to upload every working file to the drive. The files were saved as: Name of the part of the project_Version #_Name of the creator. After uploading their work the team members send an email informing others of it. MAN-HOUR TABLE: Figure 24: Team Man-Hour Table Task Subtasks SPA Volunteers Man Hours Research Anh 50 Amine Research Glycol Research Method Research Anh Anh Anh Jessica Brian 15 15 20 Risks and Mitigation Jessica 14 Possible Risks: Identify Risks Categorize Risks Color Code Corresponding Mitigations: Identify Mitigations Match Mitigations to Appropriate Risks Jessica Jessica Jessica Jessica Jessica 2 4 4 2 2 HSSE Carlos Ding (before week5) Jessica 60 Health Safety Security Social Performance Environment Carlos Carlos Carlos Carlos Carlos Jessica Jessica Jessica 8 8 8 8 8 Economic Analysis Anh Brian 50
  • 79.
    PROJECT MANAGEMENT: Page 77 SimulationDesign: Research and Planning: Guthrie’s Method Busche’s Method Cost of Materials: Amine Glycol Cost of Operating Parameters: Circulation Rate Equipment Material Usage Energy Working Capital Total Capital Investment: Collecting CTBM Calculating CTCI Anh Anh Anh Anh Anh Anh Anh Anh Anh Anh Anh Anh Anh Brian Brian Brian Brian Brian Brian Brian Brian Brian Brian Brian Brian Brian 6 6 6 6 2 8 4 4 4 2 2 Chemical Process Simulator Ding Carlos, Erez 122 Compare HYSYS Research with Amine and Glycol Research: Identify multiple suitable Amines in HYSYS Identify multiple suitable Glycols in HYSYS Identify Fluid Package Create a Simulation: Compare Ideas with HYSYS Group MDEA & TEG Design DEA & DEG Design Find Designs from Companies with Similar Projects Sizing Unit Operations Troubleshooting the Simulations Problems with Converge Questionable Operating Conditions Ding Ding Ding Ding Erez Ding Ding Ding Ding Carlos Carlos, Jessica Carlos, Jessica 1 1 1 15 2 2 60 40 Communication Brian ALL 58
  • 80.
    PROJECT MANAGEMENT: Page 78 WeeklyReport Compile From Template PowerPoint Presentation GM Approval Final Compilation and Edit Project Plan Cover Page Team Composition Team Governance Objectives Motivation Technical Background Approach Chemical Process Simulator Economics Objective Gantt Chart Resource Estimates Risk/Mitigation Shareholders/Communication HSSE/Social Performance GM Approval Final Compilation and Edit Midterm Report Cover Page Team Composition Team Governance Objectives Motivation Technical Background HYSYS Approach Chemical Process Simulator Economic Objectives Gantt Chart Resource Estimates Risk/Mitigation HSSE Final Compilation and Edit Brian Brian Brian Brian Brian Brian Brian Brian Brian Brian Brian Brian Brian Brian Brian Brian Brian Jessica Brian Brian Brian Brian Brian Brian Brian Brian Brian Brian Brian Brian Brian Brian Brian Brian Brian Anh, Jessica Anh Carlos,Ding Anh Erez Anh Jessica Jessica, Ding Carlos Jessica Anh, Jessica Anh 1 1 1 1 .5 1 1 1 1 2 1 3 4 1 1 1 1 2 5 2 .5 1 2 1 1 1 2 2 3 4 1 1 1 3 3
  • 81.
    PROJECT MANAGEMENT: Page 79 GANTTCHART Our team’s Gantt Chart clearly depicts the schedule for all tasks and subtasks that have been completed over the course of the project can be viewed in the following embedded file. Try as we might, the chart itself is simply too large to capture any meaningful images that can fit within the size limitations of this page. Figure 25: Gantt Chart F.P.S. Gantt Chart.xlsx
  • 82.
    PROJECT MANAGEMENT: Page 80 RISKMAP Throughout the project, our ongoing goal is to minimize risks that directly affect the ability of our group to successfully complete their assigned tasks. The goal of the Risk & Mitigations Map is to identify and successfully mitigate the maximum number of known risks of this type. To do this, a list will be formulated and sorted to track potential risks and identify their respective mitigations. The following list does that along with stating the single point of accountability for each risk, the likelihood of the risk and the impact of the risk on a scale of one to ten, and the timeframe allowed for mitigation before the action becomes a problem. Figure 26: Risk and Mitigation Chart Risk SPA Likelihood Impact Mitigation Time Frame Late Submission of Deliverables ALL 8 9 A due date for deliverables has been set to prevent this from happening. If a team member is unable to meet the deadline, EVERY TEAM MEMBER MUST BE NOTIFIED. If the due date is validated then the team member will face potential penalties or loss. Each team member cannot violate the due dates more than two times before a penalty is considered. Unpunctual to Meetings ALL 7 8 Group Leader must talk to the person who is not punctual. Weather conditions need to be taken into consideration. The person arriving late should notify others. Everyone has a grace period of ten minutes. If the team member does not arrive on time after ten minutes the meeting should begin. Grace period of ten minutes. Sickness ALL 4 4 If the SPA falls sick then a volunteer should replace the SPA until recovery is reached. The sick group member MUST notify the other group members. If anything interferes with the volunteer’s portion of the project, then a second volunteer should take responsibility. Depends on the sickness of the person. Conflict of Opinions Team Governance 5 5 The issue will be discussed as a team. Then the team governance will be applied. No more than 1 day to resolve the conflict.
  • 83.
    PROJECT MANAGEMENT: Page 81 Lost Deliverables ALL2 9 Data should be saved in multiple locations and uploaded to the Google Drive. The group member responsible for the loss is duly responsible for recovering the loss. The General Manager and the SPA will determine the level of importance of the lost data. 2-4 days given to recover the data. (If more days are needed SPA must notify the manager and provide a reason.) Changing SPA ALL 5 5 If SPA positions change the persons changing must notify other group members. 02-13-2015 last day to change SPA. Unable to Perform Tasks ALL 3 7 If this becomes a frequent issue the team is obligated to discuss the issue. And propose a solution. HYSYS Not Converging Carlos Quintas 8 9 The SPA should attempt to make the process converge. If not successful, they must request volunteers. Manager should be notified of any such problem. 2-5 days given to fix the problem HYSYS: Wrong Equipment Used and/or Wrong Assumptions and/or Wrong Fluid Package Carlos Quintas 7 8 Carlos must talk to Ding to find out the best equipment, based on the economic and HSSE analysis. This could prevent the used of wrong equipment. Carlos and Ding are responsible for deciding the best equipment to be used and must notify the other team members. If the problem is time sensitive, the team manager will make the final decision. 2-6 days to solve the problem Changing Project Direction Erez Miller 5 9 Team manager will be responsible should a change to the direction of the project be found necessary. General Manager will be provide the team with a proposed plan. The team will decide the action to take. Erez has 1-3 days to propose a plan. Unresponsive ALL 4 9 Every team member should reply to emails, if it concerns them, within two days. Plagiarism Brian Mitchell 2 7 Everyone is required to provide sources. If plagiarism occurs before the written report is sent to the professor the individual group member responsible will face the consequences. Immediate Action.
  • 84.
    PROJECT MANAGEMENT: Page 82 ConfidentialityALL 2 4 NOONE HAS THE RIGHT TO DISCLOSE THE TEAMS WORK. To respect team members’ work, other team members should not expose their part nor the teams work to outsiders unless agreed upon by a group majority. Objectivity Brian Mitchell 5 5 Brian will have to call for a team meeting to discuss the need for group members to try to be more objective. Unreliable Sources Anh 2 6 If Anh encounters another team member that uses an unreliable source, she has to notify the General Manager. Incorrect Data Provided Anh 2 9 Anh will review all the research and is responsible for distinguishing between correct and incorrect information. Improper Citation Brian Mitchell 2 7 In order to prevent this from happening, everyone is required to put their references on a word document every week. If this is not received, Product Manager is responsible for asking the specific member to provide that information. 1-2 days after they are asked to provide citations, the person has to submit references. Lack of Information for Good Estimates Ding 7 9 Ding will decide if enough information is provided. If not, Ding will select the approach to take. No design is Economically Feasible Ding 5 8 Ding will provide a template to be reviewed with General Manager. Both will decide if anything else is needed. Failure to Communicate w/ Stakeholders Erez 3 5 If Professor Zalc takes long to reply to a question then the General Manager should contact Professor Abbassian. To further categorize the risks, a color coded map was created based on likelihood and impact. It can be seen in the following figure. Figure 27: Risk Map
  • 85.
  • 86.
    CONTACT INFORMATION Page 84 ContactInformation JESSICA CASTRO PROJECT MANAGER BRIAN MITCHELL PRODUCT MANAGER VAN ANH NGUYEN TEAM MEMBER Email : jcastro5@hawk.iit.edu Email: bmitche2@hawk.iit.edu Email: vnguye10@hawk.iit.edu JUNHUAN DING TEAM MEMBER CARLOS QUINTAS TEAM MEMBER EREZ MILLER TEAM MEMBER Email :dingjunhuan@gmail.com Email: cquintas@hawk.iit.edu Email: emiller7@hawk.iit.edu Company Information Fluid Processing Solutions 10 West 33rd Street, Chicago, IL, 60616 Tel (773) 640-0764
  • 87.
    REFERENCES Page 85 References Beychok, M.( 2011, October 7). Amine gas treating. Retrieved from The Encyclopedia of Earth: http://www.eoearth.org/view/article/170697/ Branislav M. Jacimovic, S. B. (2010). Estimation of the number of trays for natural gas triethylene. chemical engineering research and design, 561-572. Christensen, D. L. (2009). Gas Dehydration: Thermodynamic simulation of the water/glycol mixture. Denmark : Aalborg University Esbjerg . Corporation, I. F. (2007). Environmental, Health, and Safety Guidlines for Liquefied Natural Gas (LNG) Facilities. GAO. (2013). Pipeline permitting: Interstate and intrastate natural gas permitting processes include multiple steps, and time frames way. United States Goverment Accountability Office. KEVIN M. LUNSFORD,JERRY A. BULLIN,. (1996). Optimization of Amine Sweetening Units. New York: American Institute of Chemical Engineers. Lekan Taofeek Popoola, Alhaji Shehu Grema, Ganiyu Kayode Latinwo, Babagana Gutti. (2013). Corrosion problems during oil and gas. International Journal of Industrial Chemistry, 1-15. Mohammad M. Ghiasi,Alireza Bahadori,Sohrab Zendehboudi,Ioannis Chatzis. (2015). Rigorous models to optimise stripping gas rate in natural gas. Fuel 140, 421-428. Polak, L. (2009). Modelling absorption drying of natural gas. Trondheim: Department of Petroleum Engineering and Applied Geophysics. Shell commitment and policy on health, security, safety, the environment and social performance. (20115). Retrieved from Shell.com: https://www.shell.com/global/products-services/solutions-for- businesses/marine-products/hsse.html (Shell commitment and policy on health, security, safety, the environment and social performance, 20115) (GAO, 2013) (Corporation, 2007)