Embed presentation
Download to read offline



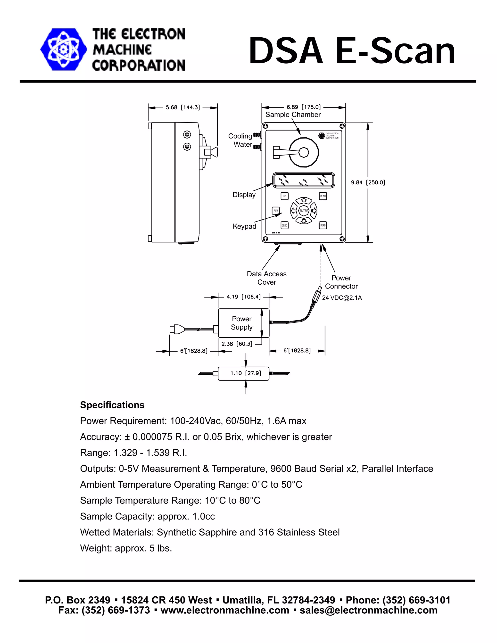
The DSA E-Scan is a compact and robust dissolved solids analyzer that uses advanced technology for fast and accurate measurements of liquid samples. It features a digital display, a temperature-controlled chamber, and can measure various parameters such as percent dissolved solids and refractive index. The instrument is suitable for both field and laboratory applications, supporting different sample types and conditions.

