D B SUPER THERMAL POWER PROJECT-2 X 600 MW
Village Baradarha, Janjgir-Champa, Chhattisgarh.
BALANCE OF PLANT PACKAGE
OWNER:
D B POWER LIMITED
OWNER’S CONSULTANT:
DEVELOPMENT CONSULTANTS PRIVATE LIMITED
EPC CONTRACTOR:
LARSEN & TOUBRO LIMITED
EPC CONTRACTOR’S CONSULTANT:
L&T-SARGENT & LUNDY LIMITED
MANUFACTURER::
L&T PROJECT No.: DBC104
TITLE:
Operation & Maintenance Manual for Butterfly Valves & Actuators
VENDOR DOC. NO. : 40408-VAL-O&M-01 SPEC. NO.: VOLUME :II B/14
LTP DOC. NO. :
REV : A
TOTAL NO. OF PAGES. :
TOTAL NO. OF ATTACHMENTS : 0
LARSEN & TOUBRO LIMITED OWNER / OWNER’S CONSULTANT
DOC. CATEGORY:
(USE TICK MARK)
REVIEW / APPROVAL CODE: TL No.:
1 DISTRIBUTED
2 APPROVED
3
APPROVED EXCEPT AS NOTED, FORWARD FINAL
DRAWING
4
APPROVED EXCEPT AS NOTED, RESUBMISSION
REQUIRED
5 DISAPPROVED.SEE ACCOMPANYING LETTER

6 FOR INFORMATION AND RECORD ONLY
ISSUED FOR
√ INFORMATION  APPROVAL
INQUIRY ORDER
CONSTRUCTION/
DESIGN
AS BUILT
NAME SIGN. DATE NAME DISCIPLINE SIGN. DATE
REVISION CERTIFICATION
REVISION No. PREPARED REVIEWED APPROVED
NAME DATE
NAME
DATE NAME DATE
MECH CIVIL ELEC C&I
A KAK 06.09.13 JKN 06.09.13 JKN 06.09.13
L&T VALVES / AUDCO INDIA LTD
A √I
DBP-L006-ME-OTH-BFV-001
LARSEN & TOUBRO LIMITED
D B SUPER THERMAL POWER PROJECT-2 X 600 MW
Village Baradarha, Janjgir-Champa, Chhattisgarh.
BALANCE OF PLANT PACKAGE L&T-S&L LIMITED
BOP PACKAGE
Operation & Maintenance Manual for Butterfly
Valve & actuators
Rev.: A
Date: 06.09.2013
LARSEN & TOUBRO LIMITED Vendor Document No.: 40408-VAL-O&M-01
REVISION SUMMARY SHEET
REV. DETAILS / DESCRIPTION DATE
A Operation & Maintenance Manual for Butterfly Valves &
Actuators
06.09.13
". :,.
aUR1a [india] pvt Itd
Operation instruction
SA 3 - SA 100
SAR 3 - SAR 100
"
63
6/Yl
==0
.....
==50%
220 I 380 ........
127 I 220
I I 21.0 I 1.15 141
171
380 I 660
(21
-0 ,... ------ =- 181 _
-',
,
r),l (6)
(31
 I 19)
3 1 2- 4
NONC NCNO
2
z
o-I-::)
<
o
~ - .
OO"C, "- .-
0-0
~§>o C
-.-
OQ)~
Q) C C
(5 etSetS~ a. ~
a.ca;
.- 3:
0"C
-Q) ~
_ ::J
"COO
Q) Q) Q)
"CC(/)._ c-
e; 0 Q)~O_
a.Q)C
.oetS
Q)"ca..~ -
etS::J-
o ~~ .-
~(/)E
~Q)~
O(/)~
;t:::Q)
3: ~ ~
(/)I-~~ Q)
0
(/)((
0)-
Ec-
~ ::0 ':;
Q) c 0
~.- ....
I- 3:0'
1. Electric connection
For 3 phase AC -motors:
Check whether terminal links arefitted to suit type of motor and power supply (jig. 1).Connect wires
R-S-T to terminal pins V,-V,-W, (jig. 2).for flame proof enclosure at clip-on terminals.
Por single - phase or DC - motors see instructions in terminal compartment.
Connect control wires according to wiring diagram. Te'rminalplan is inside the terminal compartment.
Note: The two circuits of each switch (jig. 3) are suitable only for the same potential.
,2. Remove cover at switch compartment (jig. 4).
Valve completely closed: WSR tripped
Check whether limit-switch has tripped (jig. 5).
Valve completely opened: WOLtripped
3. Engage manual drive :
Push declutch lever as indicated by arrow (jig. 6). Ifresistance isfelt. turn handwheel slowly while
lever is pressed till manual drive engages.. -:".
,-
4. Operate valve to intermediate position manually (jig. 7).
Direction OPEN ~ ) turn handwheel anti-clockwise. Direction CLOSED(:I:) turn handwheel
clockwise. Switch cam at:I: (Z) or::: (0) should rotate 900 and release the switch (jig. 8). if set
properly.
5. Ensure sealingfaces at control plug are clean and check whether O-ringis ok. apply thin film ofnon-
acid grease to sealing faces. then replace plug cover (jig. 9). 3
...r1CD@
& LJ, @ :t=
(10)
CP?CP eo ! auina = 0"Z STOP?
116)
TE"T
13 §
U:r.N..
.----
TEST
STOP?
.(14) l I (
It r ____-100"
----
I 
(12)
TEST
(X III I i..
STOP?)[I=. n".
(15) .
. -OYe =100%
:t: (18)
4
6. Connect to mains. Switch on motor momentarily. Manual drive will be disengaged automatically.
Check direction of rotation (fig. 10), observing arrows at limit switch counter gear (fig. 11).
Ifincorrect, stop immediately and change sense of rotation (if 3 phase AC-motor, exchange any two
phases).
7. Start actuator in OPENdirection and switch off by manually tripping limit switch WOL(fig. 12).
8. Start actuator in CLOSEDdirection and switch off by manually tripping torque switch DSR. Tip
switch operating lever easily only! (fig. 13). For actuators with double torque switch check OPE'N
direction in the sameway. . .
9. For position seated closing: Start actuator in CLOSEDdirection and switch off by manually tripping
limit switch WSR(fig. 14).
10. If actuator does not stop check connection of terminals and the control wiring.
11. Determine over-run of actuator in both directions by visual inspection (amount of additional rotation
of spindle or valve movement after actuator is switched off).
12. Engage manual drive and operate actuator to fully closed position (fig. 15), while observing the
switch cam for limit switch WSR.' ,.
For position seating: When the switch has tripped (fig. 16) continue turning hand~heel to the final
position and check whether the remaining travel corresponds to the over-run. If not, reset to
suit. seepoint 14.
For torque seating: Limit switch WSR must trip shortly before reaching end-position CLOSED
(fig. 16).
13. Operate actuator manually to OPEN-position (fig. 17). Check in the same way as described abovefor
position seating, see point 12 (fig. 18).
5
thrustbolt
.'"
1211
6
14. Resetting limit-switching:
Operate valve away from end-position to account for over-run or to the desired switch tripping
point.
Push thrust bolt I inwards and turn (fig. 19). The bolt remains in this position.
For CLOSEDposition turn spindle marked:£: (Z). (jor OPENposition spindle marked::: .0)
slowly as indicated by arrow (fig. 19). Distinct "clicks" can befelt and heard. Continue turning
the spindle until the cam operates the switch. At this stage the spindle should not "click" any
more and shouldnot be turned anyfurther. ..'
Ifinadvertently you override the tripping point. continue turning the spindle slowly in the same
direction till the'switch cam goes back to its original position. Repeat setting instructions as
abovedescribed. . .
Turn thrust bolt I till it snaps back into its original position by sprin!j action.
15. Torque sWitching (fig. 20).
If the actuator is switched offby torque switch over its travel before reaching an end-position please
check whether the valve stem is damaged or dirt adhering to it. If necessary, and with the valve
maker's consent, the setting of the tripping torque may be raised slightly.
16. Setting: figures on the torque switch operating cam indicate the valves in Nm (1 mkp .. 10 Nm.
Ilbsft. = 1.36 Nm). Loosen screw and turn the cam till the desired torque coincides with the arrow
mark. then fasten lock-screw.
17. lp1m~diately after start-up: Ensure sealing faces at cover and housing are clean. Check whether 0-
ring is correctly in position and apply a thin film of non-acid grease. Replace.th~ cover and fasten
with 4 screws (fig. 21).
Fasten control cover screws and tighten glands at conduit entries.18.
7
8
(24)
setting spindle
1231
'. .
tV
(AI- t kO)
2210V..,
(ttOV-)
Setting of optional equipment
19. Mechanical position indicator: The two dials have aslip clutch for easy adjustment. At valve fully
closed turn di(ll + (CLOSlJ7J)till the arrow is in alignment with the mark on the show glass.
Operate valve into fully OPENposition and adjust dial marked + (OPEN)till the arrow mark is in
alignment with the mark on the cover.
Note: The dial + (CLOSED)must be held in position while adjusting dial '+ (OPEN),(fig. 22).
20, Electric position transmitter
Through a reduction gearing (selected to suit turns required by valve travel) a potentiometer will be
driven. A suitable power supply unit supplies a low voltage current. The valve position can be read
on a remote instrument with a percentage scale.
21. Setting '::
Operate valve to the fully CLOSEDposition (= 0%). Set potentiometer to its starting position by
turning the wiper'), which has a slip clutch (fig. 23).
Adjust the position meter to zero by trimming potentiometer in the power supply unit (fig. 24).
Operate valve to the fully OPENposition (= 100%).Adjust the position meter to max. range with the
help of the trimming potentiometer in the power supply unit (fig. 24). Check indication for both end
positions. If required, make slight re-adjustment. . .
') applies only to open potentiometer as shown in figure 23.
9
SA 3 - SA100
SAR 3 - SAR 100
SA 3 - SA 100
SAR 3 - SAR 100
Procedure for enlaraina the Dilotbore of 'E' TVDeoutDut drive sockets used in actuators and aearboxes.
L*
o
$.
'E' tYPeDrivesocket (Pilotbore)
Pilot bore Dia
l
Maxbore
ActuatorModel I (D) Dia
Note: Alldimensions are in mm
Procedure:-
> Dismantle the Drive socket Part No.4.75 by
loosening draw bolt part No.4.06.
> Enlarge the pilot bore to required size.
> Enlarged bor~.Iength of the drive socket
shannotexceedthe lengthL* as indicated
in the table.
> Key way position should be in line with the
relief hole provided in the drive socket.
> The hole is provided to do the keyway
slotting on slotting ma~~ine.
Note: Ifyou find any difficultywhile enlarging the pilot bore drive socket, please feel free to contact auma
India for assistance at emailID:service@auma.co.in
ISA3-SA6 10 20 67
I
SA12-SA15 10 32 67
SA25 -SA60 15 45 72
SA100 20 60 112
I
All auma actuators are 100% tested andfactory checked. Actuators are supplied readyjOr seroice. Most of the actua-
tors are supplied to valve manufacturers for mounting to valves. It is usual for the valve manufacturer to set the
switchef and test the motorisea valve.
Special care should be taken when commissioning. Wrong connection or faulty control wiring may result in
damage to the motorised valve.
1n case the actuators will not be mounted or commissioned for a long period, take carefor adequate (dry) stotClfle.
refer to our instruction sheet "Transport. StorClfleand Commissionirlf} of auma-actuators".
'"
auma [india] pvt Itd
Plot No. 39-B, IIPhase
Peenya Industrial Area
Bangalore - 560.058.
Telephone: 28394365-6, 28394655
Fax :28392809
E-Mail: info@auma.co.in DD/MN-001 ISSUE 3/05

Cw butterfly valve

  • 1.
    D B SUPERTHERMAL POWER PROJECT-2 X 600 MW Village Baradarha, Janjgir-Champa, Chhattisgarh. BALANCE OF PLANT PACKAGE OWNER: D B POWER LIMITED OWNER’S CONSULTANT: DEVELOPMENT CONSULTANTS PRIVATE LIMITED EPC CONTRACTOR: LARSEN & TOUBRO LIMITED EPC CONTRACTOR’S CONSULTANT: L&T-SARGENT & LUNDY LIMITED MANUFACTURER:: L&T PROJECT No.: DBC104 TITLE: Operation & Maintenance Manual for Butterfly Valves & Actuators VENDOR DOC. NO. : 40408-VAL-O&M-01 SPEC. NO.: VOLUME :II B/14 LTP DOC. NO. : REV : A TOTAL NO. OF PAGES. : TOTAL NO. OF ATTACHMENTS : 0 LARSEN & TOUBRO LIMITED OWNER / OWNER’S CONSULTANT DOC. CATEGORY: (USE TICK MARK) REVIEW / APPROVAL CODE: TL No.: 1 DISTRIBUTED 2 APPROVED 3 APPROVED EXCEPT AS NOTED, FORWARD FINAL DRAWING 4 APPROVED EXCEPT AS NOTED, RESUBMISSION REQUIRED 5 DISAPPROVED.SEE ACCOMPANYING LETTER  6 FOR INFORMATION AND RECORD ONLY ISSUED FOR √ INFORMATION  APPROVAL INQUIRY ORDER CONSTRUCTION/ DESIGN AS BUILT NAME SIGN. DATE NAME DISCIPLINE SIGN. DATE REVISION CERTIFICATION REVISION No. PREPARED REVIEWED APPROVED NAME DATE NAME DATE NAME DATE MECH CIVIL ELEC C&I A KAK 06.09.13 JKN 06.09.13 JKN 06.09.13 L&T VALVES / AUDCO INDIA LTD A √I DBP-L006-ME-OTH-BFV-001
  • 2.
    LARSEN & TOUBROLIMITED D B SUPER THERMAL POWER PROJECT-2 X 600 MW Village Baradarha, Janjgir-Champa, Chhattisgarh. BALANCE OF PLANT PACKAGE L&T-S&L LIMITED BOP PACKAGE Operation & Maintenance Manual for Butterfly Valve & actuators Rev.: A Date: 06.09.2013 LARSEN & TOUBRO LIMITED Vendor Document No.: 40408-VAL-O&M-01 REVISION SUMMARY SHEET REV. DETAILS / DESCRIPTION DATE A Operation & Maintenance Manual for Butterfly Valves & Actuators 06.09.13
  • 7.
    ". :,. aUR1a [india]pvt Itd Operation instruction SA 3 - SA 100 SAR 3 - SAR 100 " 63
  • 8.
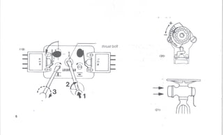
    6/Yl ==0 ..... ==50% 220 I 380........ 127 I 220 I I 21.0 I 1.15 141 171 380 I 660 (21 -0 ,... ------ =- 181 _ -', , r),l (6) (31 I 19) 3 1 2- 4 NONC NCNO 2
  • 9.
    z o-I-::) < o ~ - . OO"C,"- .- 0-0 ~§>o C -.- OQ)~ Q) C C (5 etSetS~ a. ~ a.ca; .- 3: 0"C -Q) ~ _ ::J "COO Q) Q) Q) "CC(/)._ c- e; 0 Q)~O_ a.Q)C .oetS Q)"ca..~ - etS::J- o ~~ .- ~(/)E ~Q)~ O(/)~ ;t:::Q) 3: ~ ~ (/)I-~~ Q) 0 (/)(( 0)- Ec- ~ ::0 ':; Q) c 0 ~.- .... I- 3:0' 1. Electric connection For 3 phase AC -motors: Check whether terminal links arefitted to suit type of motor and power supply (jig. 1).Connect wires R-S-T to terminal pins V,-V,-W, (jig. 2).for flame proof enclosure at clip-on terminals. Por single - phase or DC - motors see instructions in terminal compartment. Connect control wires according to wiring diagram. Te'rminalplan is inside the terminal compartment. Note: The two circuits of each switch (jig. 3) are suitable only for the same potential. ,2. Remove cover at switch compartment (jig. 4). Valve completely closed: WSR tripped Check whether limit-switch has tripped (jig. 5). Valve completely opened: WOLtripped 3. Engage manual drive : Push declutch lever as indicated by arrow (jig. 6). Ifresistance isfelt. turn handwheel slowly while lever is pressed till manual drive engages.. -:". ,- 4. Operate valve to intermediate position manually (jig. 7). Direction OPEN ~ ) turn handwheel anti-clockwise. Direction CLOSED(:I:) turn handwheel clockwise. Switch cam at:I: (Z) or::: (0) should rotate 900 and release the switch (jig. 8). if set properly. 5. Ensure sealingfaces at control plug are clean and check whether O-ringis ok. apply thin film ofnon- acid grease to sealing faces. then replace plug cover (jig. 9). 3
  • 10.
    ...r1CD@ & LJ, @:t= (10) CP?CP eo ! auina = 0"Z STOP? 116) TE"T 13 § U:r.N.. .---- TEST STOP? .(14) l I ( It r ____-100" ---- I (12) TEST (X III I i.. STOP?)[I=. n". (15) . . -OYe =100% :t: (18) 4
  • 11.
    6. Connect tomains. Switch on motor momentarily. Manual drive will be disengaged automatically. Check direction of rotation (fig. 10), observing arrows at limit switch counter gear (fig. 11). Ifincorrect, stop immediately and change sense of rotation (if 3 phase AC-motor, exchange any two phases). 7. Start actuator in OPENdirection and switch off by manually tripping limit switch WOL(fig. 12). 8. Start actuator in CLOSEDdirection and switch off by manually tripping torque switch DSR. Tip switch operating lever easily only! (fig. 13). For actuators with double torque switch check OPE'N direction in the sameway. . . 9. For position seated closing: Start actuator in CLOSEDdirection and switch off by manually tripping limit switch WSR(fig. 14). 10. If actuator does not stop check connection of terminals and the control wiring. 11. Determine over-run of actuator in both directions by visual inspection (amount of additional rotation of spindle or valve movement after actuator is switched off). 12. Engage manual drive and operate actuator to fully closed position (fig. 15), while observing the switch cam for limit switch WSR.' ,. For position seating: When the switch has tripped (fig. 16) continue turning hand~heel to the final position and check whether the remaining travel corresponds to the over-run. If not, reset to suit. seepoint 14. For torque seating: Limit switch WSR must trip shortly before reaching end-position CLOSED (fig. 16). 13. Operate actuator manually to OPEN-position (fig. 17). Check in the same way as described abovefor position seating, see point 12 (fig. 18). 5
  • 12.
  • 13.
    14. Resetting limit-switching: Operatevalve away from end-position to account for over-run or to the desired switch tripping point. Push thrust bolt I inwards and turn (fig. 19). The bolt remains in this position. For CLOSEDposition turn spindle marked:£: (Z). (jor OPENposition spindle marked::: .0) slowly as indicated by arrow (fig. 19). Distinct "clicks" can befelt and heard. Continue turning the spindle until the cam operates the switch. At this stage the spindle should not "click" any more and shouldnot be turned anyfurther. ..' Ifinadvertently you override the tripping point. continue turning the spindle slowly in the same direction till the'switch cam goes back to its original position. Repeat setting instructions as abovedescribed. . . Turn thrust bolt I till it snaps back into its original position by sprin!j action. 15. Torque sWitching (fig. 20). If the actuator is switched offby torque switch over its travel before reaching an end-position please check whether the valve stem is damaged or dirt adhering to it. If necessary, and with the valve maker's consent, the setting of the tripping torque may be raised slightly. 16. Setting: figures on the torque switch operating cam indicate the valves in Nm (1 mkp .. 10 Nm. Ilbsft. = 1.36 Nm). Loosen screw and turn the cam till the desired torque coincides with the arrow mark. then fasten lock-screw. 17. lp1m~diately after start-up: Ensure sealing faces at cover and housing are clean. Check whether 0- ring is correctly in position and apply a thin film of non-acid grease. Replace.th~ cover and fasten with 4 screws (fig. 21). Fasten control cover screws and tighten glands at conduit entries.18. 7
  • 14.
  • 15.
    Setting of optionalequipment 19. Mechanical position indicator: The two dials have aslip clutch for easy adjustment. At valve fully closed turn di(ll + (CLOSlJ7J)till the arrow is in alignment with the mark on the show glass. Operate valve into fully OPENposition and adjust dial marked + (OPEN)till the arrow mark is in alignment with the mark on the cover. Note: The dial + (CLOSED)must be held in position while adjusting dial '+ (OPEN),(fig. 22). 20, Electric position transmitter Through a reduction gearing (selected to suit turns required by valve travel) a potentiometer will be driven. A suitable power supply unit supplies a low voltage current. The valve position can be read on a remote instrument with a percentage scale. 21. Setting ':: Operate valve to the fully CLOSEDposition (= 0%). Set potentiometer to its starting position by turning the wiper'), which has a slip clutch (fig. 23). Adjust the position meter to zero by trimming potentiometer in the power supply unit (fig. 24). Operate valve to the fully OPENposition (= 100%).Adjust the position meter to max. range with the help of the trimming potentiometer in the power supply unit (fig. 24). Check indication for both end positions. If required, make slight re-adjustment. . . ') applies only to open potentiometer as shown in figure 23. 9
  • 16.
    SA 3 -SA100 SAR 3 - SAR 100
  • 17.
    SA 3 -SA 100 SAR 3 - SAR 100
  • 18.
    Procedure for enlarainathe Dilotbore of 'E' TVDeoutDut drive sockets used in actuators and aearboxes. L* o $. 'E' tYPeDrivesocket (Pilotbore) Pilot bore Dia l Maxbore ActuatorModel I (D) Dia Note: Alldimensions are in mm Procedure:- > Dismantle the Drive socket Part No.4.75 by loosening draw bolt part No.4.06. > Enlarge the pilot bore to required size. > Enlarged bor~.Iength of the drive socket shannotexceedthe lengthL* as indicated in the table. > Key way position should be in line with the relief hole provided in the drive socket. > The hole is provided to do the keyway slotting on slotting ma~~ine. Note: Ifyou find any difficultywhile enlarging the pilot bore drive socket, please feel free to contact auma India for assistance at emailID:service@auma.co.in ISA3-SA6 10 20 67 I SA12-SA15 10 32 67 SA25 -SA60 15 45 72 SA100 20 60 112
  • 19.
    I All auma actuatorsare 100% tested andfactory checked. Actuators are supplied readyjOr seroice. Most of the actua- tors are supplied to valve manufacturers for mounting to valves. It is usual for the valve manufacturer to set the switchef and test the motorisea valve. Special care should be taken when commissioning. Wrong connection or faulty control wiring may result in damage to the motorised valve. 1n case the actuators will not be mounted or commissioned for a long period, take carefor adequate (dry) stotClfle. refer to our instruction sheet "Transport. StorClfleand Commissionirlf} of auma-actuators". '" auma [india] pvt Itd Plot No. 39-B, IIPhase Peenya Industrial Area Bangalore - 560.058. Telephone: 28394365-6, 28394655 Fax :28392809 E-Mail: info@auma.co.in DD/MN-001 ISSUE 3/05