่ ื้ ้วงจรคอมบิเนชันเบืองต้น
(COMBINATIONAL LOGIC CIRCUIT)(COMBINATIONAL LOGIC CIRCUIT)
อ.นคินทร พัฒนชัย
COMBINATIONAL LOGIC CIRCUIT
วงจรคอมบิเนชั่นเบื้องต้น COMBINATIONAL LOGICวงจรคอมบเนชนเบองตน COMBINATIONAL LOGIC
CIRCUIT เป็นวงจรดิจิตอลที่ให้ค่า output ตามค่าที่ถูก
ํ ี่ โ ั ี ั ใ โ ไ ่ ใ ่กําหนดที input โดยตรงทันทีทันใด โดยไม่สนใจค่า input
ก่อนหน้านี้
 วงจรบวกเลข (Adder)
 วงจรลบเลข (S bt t ) วงจรลบเลข (Subtractor)
 วงจรเข้ารหัส (Encoder)
 วงจรถอดรหัส (Decoder)
26
ั ่ตัวอยางการออกแบบทางตรรกะ
วงจรการบวกเลขฐานสอง (Bi Add )วงจรการบวกเลขฐานสอง (Binary Adder)
HALF ADDER เป็นวงจรบวกโดยไม่คํานึงถึงตัวทดHALF ADDER เปนวงจรบวกโดยไมคานงถงตวทด
จากหลักอื่น
A S
B CHALF ADDER
27
HALF ADDER
28
HALF ADDER
สร้างตารางค่าความจริงโดยอาศัยหลักการบวกสรางตารางคาความจรงโดยอาศยหลกการบวก
เลขฐานสองฐ
- เขียนฟังก์ชันแบบ Positive จากตาราง
A B S C S= AB + AB C = AB
ลดทอนฟังก์ชัน0 0 0 0
0 1 1 0
- ลดทอนฟงกชน
-เขียนวงจร
1 0 1 0
1 1 0 11 1 0 1
29
วงจร HALF ADDER
วงจรวงจร
A AA
B
A AB
B
A AB
AB+AB
A AB
A C=AB
B
C AB
30
ป ี ีตรรกะเปรียบเทียบเลข
วงจรเปรียบเทียบเลข 2 จํานวนๆ ละ 1 บิท
ตารางความจริง เขียนฟังชันแบบ Positive
0 0 0 0 1
< F1 = XY
F2 XY
Y X
0 0 0 0 1
1 0 1 0 0
> F2 = XY
= F3 = XY+XY
0 1 0 1 0
1 1 0 0 11 1 0 0 1
31
ป ี ีวงจรเปรียบเทียบเลข
วงจรเปรียบเทียบเลข 2 จํานวนๆ ล 1 บิทวงจรเปรยบเทยบเลข 2 จานวนๆ ละ 1 บท
X XY
F3 XY XYY
XY
F3= XY + XY
F2 = XY
F1 = XY
32
เป็นวงจรบวกที่คํานึงถึงตัวทดจากหลักก่อน
FULL ADDER
เปนวงจรบวกทคานงถงตวทดจากหลกกอน
เป็นวงจรบวกเลข Binary โดยมี 3 input คือ ตัวตั้ง,ตัวบวก
และตัวทดเข้า และ มี 2 output คือ ผลบวกและตัวทด
33
FULL ADDER
An Bn Cn-1
F ll ddFull adder
Cn Sn
A
H.A
H A
Sn
Cn
An
Bn
H.A CnCn-1
34
Full Adder
35
 Th E d d D d diff t ki d
The Encoder and Decoder
 The Encoder and Decoder are different kind
of combinational circuits which are used to convert binary
information to decimal,octal and hexa decimal and vice-versa.
36
้ ัวงจรเข้ารหัส (Encoder)
เป็นวงจรการให้รหัสกับข้อมลโดยรหัสที่ได้จ อย่ในเปนวงจรการใหรหสกบขอมูลโดยรหสทไดจะอยูใน
รูป Binary เช่น Keyboard ซึ่งเป็น standard input ของู y y p
คอมพิวเตอร์ตัวอักษรแต่ละตัวเมื่อถูกกดจะส่ง
ั ้ ่ ์ ่ ้ ั ไ ้สัญญาณเข้าสู่ระบบคอมพิวเตอร์ผ่านวงจรเข้ารหัสได้
เป็น รหัส 8 บิทเปน รหส 8 บท
วงจร1 1
Encoder2
M
2
nm =< 2n
M nm =< 2
37
ั ่ ้ ัตัวอยาง วงจรเข้ารหัสแทนเลขฐาน 10
38
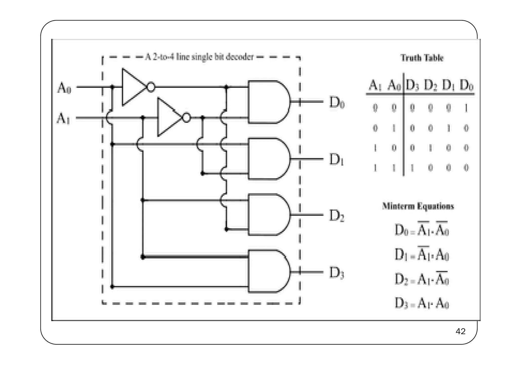
ัวงจรถอดรหัส (Decoder)
เป็นวงจรถอดรหัสหนึ่งเป็นอีกรหัส เช่น ถอดรหัสฐานเปนวงจรถอดรหสหนงเปนอกรหส เชน ถอดรหสฐาน
สองในเครื่องให้เป็นเลขฐาน 10 วงจรถอดรหัสจะส่งฐ
ผลลัพธ์ออกมาเป็น Active 0 หรือ Active 1นอกนั้น
็ ั ้ ่ ั ์ ้ ี่เป็นสัญญาณตรงข้ามแต่ละผลลัพธ์จะ แทนข้อมูลที
แน่นอนอย่างหนึ่งแนนอนอยางหนง
39
ั ิ ป็วงจรถอดรหัสเลขฐานสอง 2 บิทเป็น ฐาน 10
รหัสฐานข้อมล ความหมาย (ฐาน 10)รหสฐานขอมูล ความหมาย (ฐาน 10)
00 000 0
01 1
10 2
11 3
40
D dDecoder
A decoder is combinational circuit which is used for toA decoder is combinational circuit which is used for to
convert n it binary information to 2n unique outputs. so that
a decoder circuit is used for to convert a binary informationa eco e c cu t s use o to co ve t a a y o at o
to decimal,octal and hexa decimal. a decoder circuit is a
variable circuit called as nxm decoder.
The outputs are D0,D1,D2,D3,D4.The inputs are
connected to 4 AND gates and derive Unique outputs. If we
have Enable it will come along with input line.This is used to
h f d d h hstart the process of decoder circuit.Weather is Zero the
inputs representing with xx called don't care conditions.
42

58210401202 งาน 1 ss