48

                                                    Chương 4
                                               HỆ MÀU NTSC

           4.1 Đại cương
NTSC viết tắt của chữ NATIONAL TELEVISION SYSTEM COMMITEE. Hệ màu
này ra đời tại Mỹ, phát sóng vào năm 1954, dựa theo chuẩn FCC (4,5MHz).

           4.2 Các tiêu chuẩn của hệ màu NTSC

           4.2.1 Chọn lại băng tần VHF (12 kênh) và UHF (69 kênh) của FCC đen
           trắng
Chọn
             f RF         , f RF , f 0
       +            VID            S


       +     f IF         , f IF
                    VID            S


       +     f RF − f RF               = 4,5MHz do đó: f IF − f IF = 4 ,5MHz
                    S          VID                         VID    S

       + Khổ rộng băng thông 6MHz
       + 525 dòng 1 ảnh, 30 ảnh/giây
       + fH = 15750Hz, fv = 60Hz

           4.2.2 Định khu vực màu và Y trong dải tần
 Av
                                   fsc = 3,58 MHz


                                                               Y: 0 ÷ 3MHz
              Y
                                                               Màu: 3,08MHz ÷ 4,08MHz
                                                               Tần số sóng mang phụ:
                                                               fsc = 3,58MHz
  O                       3,08 4,08                   f(MHz)
       Luma
                    Chrominance

           4.2.3 Điều chế màu
Màu được điều chế bằng phương pháp điều chế biên độ cân bằng triệt sóng mang còn
gọi là điều biên   nén SAM (Suppressed AM.)




       + Tại mức mà tín hiệu = 0 thì không còn sóng mang phụ nữa
49
     + Tần số sóng mang phụ mang tín hiệu vẫn là 3,58MHz
     + Biên độ đỉnh - đỉnh = chính biên độ đỉnh - đỉnh của tín hiệu
      + Mỗi khi điện áp đổi chiều từ dương sang âm hay ngược lại thì sóng mang phụ
lại đảo pha 180o

       4.3 Mạch tạo tín hiệu Video NTSC tổng hợp tại đài phát

       4.3.1 Bước thứ nhất
Tạo ra tín hiệu (B - Y), (R - Y) và tín hiệu chói Y từ camera màu.

       4.3.2 Bước thứ hai
Tạo ra hai tín hiệu sắc I và Q từ tín hiệu (B - Y) và (R - Y) như sau:
                      I = 0,74 (R - Y) - 0,27 (B - Y)
                      Q = 0,48 (R - Y) + 0,41 (B -Y)
                         (B – Y)
                                                                      I (0  1,2 MHz)
                                         MATRIX
                         (R – Y)
                                                                      Q (0  0,5 MHz)

Tọa độ màu của (B – Y), (R - Y) và I, Q như sau:
                                                  (R –Y)

                                   I
                                                                      Q
                                                                                I: Inphase
                                                                                Q: Quadrature
                                                  123o
                                                         33o               (B –Y)



        Hệ NTSC xoay hệ trục toạ độ màu đi 33 o và xác định toạ độ bằng I, Q. Điều
này giúp ta giảm được băng thông của hai tín hiệu sắc I chỉ còn 1,2MHz và Q chỉ còn
0,5MHz mà màu sắc vẫn không bị giảm chất lượng.
        Chú ý: là trong phép xoay hệ trục đi 33o nói trên, các vị trí điểm màu không
thay đổi (R, G, B chẳng hạn) mà chỉ thay đổi toạ độ m((R - Y) , (B - Y)) bằng toạ độ
(I ,Q).
                                                           I
                                       Màu bất kỳ:         
                                                           Q
       4.3.3 Bước thứ ba
                                                                      
                                              I                       C1
                     (B – Y)                       SAM                      
                                MATRIX                                    +
                                                                            C
                     (R – Y)
                                              Q SAM                   
                                                                      C2
                         3,58
                                       +33o                    +90o
                          0o
50




      Tạo ra 2 sóng mang phụ 3,58 (33o) cho tín hiệu sắc Q và 3,58 (123o) cho I.
I và Q được điều chế biên độ theo phương pháp điều chế cân bằng triệt sóng mang
(còn gọi là điều biên nén SAM).
                                           
                                        C=+ C
                                              2



                                             
                                C1            C2

                                                                              I
                                  C     = C1 + C 2 và            φ=       arctg Q
                                                                    
       Hai sóng điều biên nén của I và Q ( C1 và C 2 ) sau đó được nhập chung để có
                  
1 sóng C = C1 + C 2 duy nhất rồi lại nhập chung tín hiệu chói Y. Vì Y đi thẳng còn
                                                                   
C trong quá trình tạo ra lại có đường đi dài hơn nên trước khi gặp C Y qua dây trễ
              
0,7us để Y và C đến đồng thời, tránh được hiện tượng sai pha.

4.3.4 Bước thứ tư
       Tạo ra tín hiệu xung đồng bộ ngang và dọc, xung xoá hồi ngang, đồng thời
thêm 8 ÷ 12 chu kỳ sóng sin 3,58MHz có pha 180 o nằm gọn tại thềm sau của xung
đồng bộ ngang gọi là lóc màu (color burst). Tín hiệu này được tách ra ở máy thu để
điều khiển quá trình giải mã màu.

4.3.5 Bước thứ năm

                                                 HORIZONTAL                            H+V
                                                  BLANKING                           SYNCHRO

                                                 DELAY
                              Y: 0÷3M                            0,7

   R                      I
                               SAM
                        0÷1,2M                                          Y
   G                                                             C                      COMPOSITE
               MATRIX                                        +         +         +
                                                                                          VIDEO
   B                      Q                                                  B
                               SAM
                        0÷0,5M
                                                                            BURST
       3,58               o                      o                   fH     GATE
                    +33                    +90
        0o


                                                         +180o


              Hình 4.1 Sơ đồ khối phần tạo tín hiệu Video tổng hợp của hệ NTSC
51




                   Y                   C
                                                                  Cmax 133%
                                                                  Ymax 100%




   Synchro                                                         B:±20%
                                                                        Ymin 0%(BLKG)
                                              Cmin -33%
                                                                        SYNC -40%

         Hình 4.2 Các tín hiệu và mức biên độ trong video tổng hợp hệ NTSC


    Ở đầu ra ta có tín hiệu video tổng hợp của NTSC chứa các thành phần sau đây:
      + Ba tín hiệu đầu dành cho truyền hình trắng đen là: tín hiệu về sáng tối: Y,
đồng bộ dọc và đồng bộ ngang.
Y nằm trên mức zero (mức xoá xung BLKG) biên độ tối đa là 100%.
Hai tín hiệu đồng bộ nằm dưới mức zero có biên độ -40%.
      + Hai tín hiệu vẽ màu I và Q nằm trong 2 sóng điều biên nén vuông góc tần số
3,58MHz. Khi nhập chung với tín hiệu chói biên độ nó có thể lên tối đa +133% và tối
thiểu là -33%.
      + Tín hiệu cuối cùng là loé màu (color burst) là tín hiệu cần thiết để tách sóng
điều biên nén trong quá trình giải mã màu ở máy thu. Nó có biên độ ±20% nằm gọn
trong thềm sau của xung đồng bộ ngang, độc lập với các tín hiệu trên.

      4.4 Phần truyền hình màu của đài phát

    CAMERA             COMPOSITE Y+C+B
     MÀU                 VIDEO                     AM


                                     f RF = 187,25MHz                 AM – FM
                                                                     DIPLEXER
                                        VID
                         AUDIO                  FM
                          AMP
      MICRO

                                                fRF = 191,75MHz
      Hình 4.3 Phần truyền hình màu của đài S phát hệ NTSC, tương ứng với kênh 9
52

    Tín hiệu hình được điều chế AM với tần số sóng mang hình f RF/VID, còn tiếng
được điều chế FM với fRF/S. Hai phần này được ghép bởi bộ AM – FM phối ghép
DIPLEXER và khuếch đại cao tần để đưa ra anten (ở trên là ví dụ với kênh 9FCC).

       4.5 Sơ đồ khối phần TUNER


                             RFAMP                  MIXER               f RF
                                                                        f RF VID
                                                                              S


                                                       OSCI


       Tín hiệu đài phát đến anten máy thu ở mức qui định 50uv (ở cách đài phát 10
km). Về phần tuner và trung tần trên phương diện tần số thì không có gì thay đổi do
vấn đề tương hợp giữa trắng đen và màu.
       Linh kiện sử dụng trong phần tuner thay đổi từ loại transistor lưỡng cực như
2SC929, 2SC535 đến mosfet như 35K452 và từ trống xoay (turret) cho đến hiện tại là
biến trở thay đổi điện một chiều để thay đổi pha và f o gọi là loại nút bấm rơle "voltage
synthesizer". Sau cùng là loại nút bấm Auto search (Tìm đài tự động) bằng điện thế 1
chiều nạp vào tụ rồi lấy điện thế ấy phân cực cho diode biến dung Cv để tìm đài.




                                            CV

                                                                    +25V


                               82PF     C4
                            68P     C3             +
                         42PF                    C _
                       10P          C2
4.6 Sơ đồ khối phần                 C
                        VIDIFAMP 1VÀ VIDEO DETECTOR
              (-V)      V1 V2 V3 V4 0

                                                 4,5MHz




                              39,75 41,25                 45,75 47,75
                                                                        MHz

                                                                            SIF
                                 VIDEO                         VIDEO               SOUND
                               DETECTOR                       DAMPER               VIDEO
                     IFAGC                                               Y+C+B

                                   AGC
           RFAGC
53

       Về cấu trúc mạch, chỉ có IC khác tên, còn các tầng không có gì thay đổi so với
TV trắng đen. Tầng tiền khuếch đại video ưu tiên khuếch đại cho âm thanh và làm
tầng đệm cho tín hiệu video (tín hiệu video cực tính âm khoảng 5,1Vpp).

4.7 Giai đoạn xử lý tín hiệu VIDEO NTSC 3,58 (hoặc N3)

4.7.1 Tách Y ra khỏi B và C
   Tách tín hiệu Y ra khỏi C + Burst. Điều này rất dễ vì chỉ cần 2 bộ lọc: Lọc thông
thấp 0  3MHz cho Y và lọc băng thông 3,08 ÷ 4,08MHz cho C + B.

                               LỌCTHÔNG            Y       DELAY                Y
                                 THẤP                        0,7
      Y+C+B

                                                                                C+B


                           C              L

                                               3,08        4,08 MHz


   Ở đài phát Y qua ít mạch hơn nên nó đi mau hơn màu 0,7µs ÷ 0,79µs. Do đó phải
cho đen trắng qua dây trễ 0,7µs để bù lại cho 2 phần đến với nhau cùng một thời điểm.

4.7.2 Tách B và màu C
Việc tách B và màu C khó hơn vì cả 2 đều là sóng 3,58MHz. Tuy nhiên chúng lại ở 2
thời điểm khác nhau:
      + B ở vùng xoá đường hồi
     + C ở vùng tiến của xung quét ngang
Vậy ta dùng 2 BJT phân cực chạy ở hai thời điểm khác nhau là tách được B ra khỏi C.

                   B                                   BURST SEP                      B
                                                          T1
               C               C+B

                                                   CHROMA AMP                         C
                                                       T2



          56           8
                                                                      FlyBack
54
Ta dùng 2 Transistor T1 và T2 dẫn điện ở 2 thời gian khác nhau nhờ phân cực bằng
xung FlyBack và tín hiệu đảo của nó.

4.7.3 Mạch giữ biên độ tín hiệu màu
Mạch giữ biên độ tín hiệu màu không yếu đi và sửa pha của hai sóng tải phụ:
Ta cần giữ biên độ tín hiệu màu C ít thay đổi. Vậy phải dùng mạch tương tự như mạch
AGC cho màu. Khi C mạnh thì AGC phân cực yếu và đổi lại khi C yếu thì AGC cho
phép phân cực mạnh. Với màu AGC có tên là ACC
(Automatic Color Control).                                               R
                                                                             cos ϕ =
                                                                                          Z
 C                                     2 nd     SUB COLOR    COLOR              RC
                                     CHROMA
                                       AMP                                                    B+

                                                                                              VR
                                                                                     TINT     10K
          ACC                   ACC
          DET.




Khi qua nhiều mạch, sóng tải phụ đổi pha nên sắc của màu bị sai, ta sửa pha lại bằng
cách cho qua mạch RC. Chỉnh R để sửa pha lại cho đúng. R là điện trở động của 1 BJT
                                         v CE
do vCE của nó tạo ra: R =
                                          IE
Thay đổi điện áp cung cấp Vcc là vCE thay đổi và R đổi nên pha thay đổi vì:
            R
cos ϕ =
            Z
Với Z = R 2 + Z C
                2


Ta có thể dùng biến trở TINT hay HUE để thay đổi Vcc
* Chú ý thêm
1. Mạch tích phân
                   VV                           Vra                     VR            I
                                     R                            Vra          Vra
                                           C                            VV


Vra chậm pha hơn Vv một góc ϕ
                IZ c              Zc
cos ϕ =                     =
            V +V
             2
            ra         R
                        2
                                R + Z c2
                                 2


       1
Zc =                   với ω = Cte  ( ω = 2π ⋅ 3,58 chẳng hạn)
       ωc

                        C >>  Zc  0  cos  0  90o
                        C <<  Zc >>  cos  1  0o  đồng pha
55




2. Mạch vi phân
                     VV                     Vra                           Vra = VR
                             C                                       VC
                                          VR                                  VV

Vra nhanh pha hơn Vv: ϕ
             R
cos ϕ =
            R + Zc
             2   2



       R  0  cos  0  90o
       R   cos  1 v 0o
Như vậy khi thay đổi R (
                         CE
                            = R ) thì tín hiệu lấy ra sẽ thay đổi pha so với tín hiệu
                             IE
vào.
4.7.4 Tách đồng bộ (Giải mã màu NTSC)

                                     TÁCH SÓNG Đ.BỘ                           LỌC
                                           Q                                  3,58                Q

        C
                                                                                     L
                                                                       Z=0
                                                                                     C
                                     TÁCH SÓNG Đ.BỘ                           LỌC
                                            I                                 3,58                I


                                                                                     L
                                                                       Z=0
                                                                                     C
 3,58
                 +33o              +90o
 (0o)

Sử dụng cách biểu diễn trực quan:
Trong mạch tách sóng Q:
{3,58 (33o) + Q} + {3,58 (123o ) + I} – 3,58 (33o)  Q + {3,58 (123o) + I}
Qua mạch lọc 3,58  chỉ còn Q
Trong mạch tách sóng I:
{3,58 (33o) + Q} + {3,58 (123o ) + I} – 3,58 (123o)  I + {3,58 (33o) + Q}
Qua mạch lọc 3,58  chỉ còn I
Như vậy trước hết phải đồng bộ sóng 3,58MHz ở máy thu với B.

                                               C        3,58(0o)                         B
                                                                    +180o
                                                    P
                     XTAL    VPC                                   Dịch pha          3,58(180o)

                   3,58MHz          LPF



                                           3,58(0o)
                                          Đã so pha
56




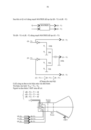
Sau khi có Q và I dùng mạch MATRIX để tạo lại (B - Y) và (R - Y)


                      Q            MATRIX                 (B – Y)

                      I                                   (R – Y)


Từ (B - Y) và (R - Y) dùng mạch MATRIX để tạo (G - Y)

                                                                    (B – Y)
                (B – Y)

                                       R1      100K


                                       R2     20K

                                                                    (G – Y)
                (R – Y)
                                                                 100K
                                       R3     56K


                                       R4     56K


                                                                    (R – Y)
                                        1           1
                            (G − Y ) = − ( B − Y ) − ( R − Y )
                                        6           2
                                 (Chung cho mọi hệ)
Cuối cùng ta đưa ra tín hiệu màu vào đèn hình:
Tín hiệu vào lưới: VGK = VG - VK
Người ta đưa thêm 3 BJT màu để có:
              -(B - Y) – Y = -B
              -(G - Y) – Y = -G
              -(R - Y) – Y = -R
                  Y                         Screen
                                            +500V




                                                  5KV
                                                  Focus
     (B–Y)    BJT – (B–Y)
     (G–Y)    BJT – (G–Y)                                            24KV
    (R–Y)     BJT – (R–Y)
57
58



             4.8 SƠ ĐỒ TỔNG QUÁT MÁY THU NTSC 3,58                                                     B+

                                                                                                       CONSTRAST


                                                                                     LUMA                                                 Y
     TUNER               IF           VIDEO                                          AMP2
                                       DET
                                                                     B+
                                                                                                                                                      BRIGHTNESS
      0           3 MHz                                               BRIGHT
            LPF      Y    DELAY         LUMA             Y
                            0,7         AMP1                                                                              Q
                                                                                                         Q
                                                                                                                                              (B–Y)
                                                                                                       DEMOD          C                                AMP
                                                                                 o
                                                                           +33       3,58(33 )
                                                                                            0
                                                                                                                      L   TRAP
      0           3 MHz                                                                                           o              MATRIX
                                                                                                            +90                               (G–Y)    AMP
                              BURST       +180o              P
                               SEP.
                                                                 C                                                                            (R–Y)
                               AMP                                                                                                                     AMP
                                                                                        3,58                               I
                                              3,58(0 )
                                                    0
                                                                                                         I
     3,08         4,08                                                                                 DEMOD
                                 fH                                  LPF
            BPF B+C                                                                                                   C
                                                                                                                      L   TRAP
                                         ACC                                           3,58(00)        COLOR
                                         DET                                                           KILLER

                              CHROMA C                           CHROMA               TINT
                                 I                                  II
fH
                                                                                                  +B

                               ACC                                                                 TINT


                                  SUB COLOR COLOR
59

Chương 4: Hệ màu NTSC

  • 1.
    48 Chương 4 HỆ MÀU NTSC 4.1 Đại cương NTSC viết tắt của chữ NATIONAL TELEVISION SYSTEM COMMITEE. Hệ màu này ra đời tại Mỹ, phát sóng vào năm 1954, dựa theo chuẩn FCC (4,5MHz). 4.2 Các tiêu chuẩn của hệ màu NTSC 4.2.1 Chọn lại băng tần VHF (12 kênh) và UHF (69 kênh) của FCC đen trắng Chọn f RF , f RF , f 0 + VID S + f IF , f IF VID S + f RF − f RF = 4,5MHz do đó: f IF − f IF = 4 ,5MHz S VID VID S + Khổ rộng băng thông 6MHz + 525 dòng 1 ảnh, 30 ảnh/giây + fH = 15750Hz, fv = 60Hz 4.2.2 Định khu vực màu và Y trong dải tần Av fsc = 3,58 MHz Y: 0 ÷ 3MHz Y Màu: 3,08MHz ÷ 4,08MHz Tần số sóng mang phụ: fsc = 3,58MHz O 3,08 4,08 f(MHz) Luma Chrominance 4.2.3 Điều chế màu Màu được điều chế bằng phương pháp điều chế biên độ cân bằng triệt sóng mang còn gọi là điều biên nén SAM (Suppressed AM.) + Tại mức mà tín hiệu = 0 thì không còn sóng mang phụ nữa
  • 2.
    49 + Tần số sóng mang phụ mang tín hiệu vẫn là 3,58MHz + Biên độ đỉnh - đỉnh = chính biên độ đỉnh - đỉnh của tín hiệu + Mỗi khi điện áp đổi chiều từ dương sang âm hay ngược lại thì sóng mang phụ lại đảo pha 180o 4.3 Mạch tạo tín hiệu Video NTSC tổng hợp tại đài phát 4.3.1 Bước thứ nhất Tạo ra tín hiệu (B - Y), (R - Y) và tín hiệu chói Y từ camera màu. 4.3.2 Bước thứ hai Tạo ra hai tín hiệu sắc I và Q từ tín hiệu (B - Y) và (R - Y) như sau: I = 0,74 (R - Y) - 0,27 (B - Y) Q = 0,48 (R - Y) + 0,41 (B -Y) (B – Y) I (0  1,2 MHz) MATRIX (R – Y) Q (0  0,5 MHz) Tọa độ màu của (B – Y), (R - Y) và I, Q như sau: (R –Y) I Q I: Inphase Q: Quadrature 123o 33o (B –Y) Hệ NTSC xoay hệ trục toạ độ màu đi 33 o và xác định toạ độ bằng I, Q. Điều này giúp ta giảm được băng thông của hai tín hiệu sắc I chỉ còn 1,2MHz và Q chỉ còn 0,5MHz mà màu sắc vẫn không bị giảm chất lượng. Chú ý: là trong phép xoay hệ trục đi 33o nói trên, các vị trí điểm màu không thay đổi (R, G, B chẳng hạn) mà chỉ thay đổi toạ độ m((R - Y) , (B - Y)) bằng toạ độ (I ,Q). I Màu bất kỳ:  Q 4.3.3 Bước thứ ba  I C1 (B – Y) SAM  MATRIX + C (R – Y) Q SAM  C2 3,58 +33o +90o 0o
  • 3.
    50 Tạo ra 2 sóng mang phụ 3,58 (33o) cho tín hiệu sắc Q và 3,58 (123o) cho I. I và Q được điều chế biên độ theo phương pháp điều chế cân bằng triệt sóng mang (còn gọi là điều biên nén SAM).   C=+ C 2   C1 C2    I C = C1 + C 2 và φ= arctg Q   Hai sóng điều biên nén của I và Q ( C1 và C 2 ) sau đó được nhập chung để có    1 sóng C = C1 + C 2 duy nhất rồi lại nhập chung tín hiệu chói Y. Vì Y đi thẳng còn   C trong quá trình tạo ra lại có đường đi dài hơn nên trước khi gặp C Y qua dây trễ  0,7us để Y và C đến đồng thời, tránh được hiện tượng sai pha. 4.3.4 Bước thứ tư Tạo ra tín hiệu xung đồng bộ ngang và dọc, xung xoá hồi ngang, đồng thời thêm 8 ÷ 12 chu kỳ sóng sin 3,58MHz có pha 180 o nằm gọn tại thềm sau của xung đồng bộ ngang gọi là lóc màu (color burst). Tín hiệu này được tách ra ở máy thu để điều khiển quá trình giải mã màu. 4.3.5 Bước thứ năm HORIZONTAL H+V BLANKING SYNCHRO DELAY Y: 0÷3M 0,7 R I SAM 0÷1,2M Y G C COMPOSITE MATRIX + + + VIDEO B Q B SAM 0÷0,5M BURST 3,58 o o fH GATE +33 +90 0o +180o Hình 4.1 Sơ đồ khối phần tạo tín hiệu Video tổng hợp của hệ NTSC
  • 4.
    51 Y C Cmax 133% Ymax 100% Synchro B:±20% Ymin 0%(BLKG) Cmin -33% SYNC -40% Hình 4.2 Các tín hiệu và mức biên độ trong video tổng hợp hệ NTSC Ở đầu ra ta có tín hiệu video tổng hợp của NTSC chứa các thành phần sau đây: + Ba tín hiệu đầu dành cho truyền hình trắng đen là: tín hiệu về sáng tối: Y, đồng bộ dọc và đồng bộ ngang. Y nằm trên mức zero (mức xoá xung BLKG) biên độ tối đa là 100%. Hai tín hiệu đồng bộ nằm dưới mức zero có biên độ -40%. + Hai tín hiệu vẽ màu I và Q nằm trong 2 sóng điều biên nén vuông góc tần số 3,58MHz. Khi nhập chung với tín hiệu chói biên độ nó có thể lên tối đa +133% và tối thiểu là -33%. + Tín hiệu cuối cùng là loé màu (color burst) là tín hiệu cần thiết để tách sóng điều biên nén trong quá trình giải mã màu ở máy thu. Nó có biên độ ±20% nằm gọn trong thềm sau của xung đồng bộ ngang, độc lập với các tín hiệu trên. 4.4 Phần truyền hình màu của đài phát CAMERA COMPOSITE Y+C+B MÀU VIDEO AM f RF = 187,25MHz AM – FM DIPLEXER VID AUDIO FM AMP MICRO fRF = 191,75MHz Hình 4.3 Phần truyền hình màu của đài S phát hệ NTSC, tương ứng với kênh 9
  • 5.
    52 Tín hiệu hình được điều chế AM với tần số sóng mang hình f RF/VID, còn tiếng được điều chế FM với fRF/S. Hai phần này được ghép bởi bộ AM – FM phối ghép DIPLEXER và khuếch đại cao tần để đưa ra anten (ở trên là ví dụ với kênh 9FCC). 4.5 Sơ đồ khối phần TUNER RFAMP MIXER f RF f RF VID S OSCI Tín hiệu đài phát đến anten máy thu ở mức qui định 50uv (ở cách đài phát 10 km). Về phần tuner và trung tần trên phương diện tần số thì không có gì thay đổi do vấn đề tương hợp giữa trắng đen và màu. Linh kiện sử dụng trong phần tuner thay đổi từ loại transistor lưỡng cực như 2SC929, 2SC535 đến mosfet như 35K452 và từ trống xoay (turret) cho đến hiện tại là biến trở thay đổi điện một chiều để thay đổi pha và f o gọi là loại nút bấm rơle "voltage synthesizer". Sau cùng là loại nút bấm Auto search (Tìm đài tự động) bằng điện thế 1 chiều nạp vào tụ rồi lấy điện thế ấy phân cực cho diode biến dung Cv để tìm đài. CV +25V 82PF C4 68P C3 + 42PF C _ 10P C2 4.6 Sơ đồ khối phần C VIDIFAMP 1VÀ VIDEO DETECTOR (-V) V1 V2 V3 V4 0 4,5MHz 39,75 41,25 45,75 47,75 MHz SIF VIDEO VIDEO SOUND DETECTOR DAMPER VIDEO IFAGC Y+C+B AGC RFAGC
  • 6.
    53 Về cấu trúc mạch, chỉ có IC khác tên, còn các tầng không có gì thay đổi so với TV trắng đen. Tầng tiền khuếch đại video ưu tiên khuếch đại cho âm thanh và làm tầng đệm cho tín hiệu video (tín hiệu video cực tính âm khoảng 5,1Vpp). 4.7 Giai đoạn xử lý tín hiệu VIDEO NTSC 3,58 (hoặc N3) 4.7.1 Tách Y ra khỏi B và C Tách tín hiệu Y ra khỏi C + Burst. Điều này rất dễ vì chỉ cần 2 bộ lọc: Lọc thông thấp 0  3MHz cho Y và lọc băng thông 3,08 ÷ 4,08MHz cho C + B. LỌCTHÔNG Y DELAY Y THẤP 0,7 Y+C+B C+B C L 3,08 4,08 MHz Ở đài phát Y qua ít mạch hơn nên nó đi mau hơn màu 0,7µs ÷ 0,79µs. Do đó phải cho đen trắng qua dây trễ 0,7µs để bù lại cho 2 phần đến với nhau cùng một thời điểm. 4.7.2 Tách B và màu C Việc tách B và màu C khó hơn vì cả 2 đều là sóng 3,58MHz. Tuy nhiên chúng lại ở 2 thời điểm khác nhau: + B ở vùng xoá đường hồi + C ở vùng tiến của xung quét ngang Vậy ta dùng 2 BJT phân cực chạy ở hai thời điểm khác nhau là tách được B ra khỏi C. B BURST SEP B T1 C C+B CHROMA AMP C T2 56 8 FlyBack
  • 7.
    54 Ta dùng 2Transistor T1 và T2 dẫn điện ở 2 thời gian khác nhau nhờ phân cực bằng xung FlyBack và tín hiệu đảo của nó. 4.7.3 Mạch giữ biên độ tín hiệu màu Mạch giữ biên độ tín hiệu màu không yếu đi và sửa pha của hai sóng tải phụ: Ta cần giữ biên độ tín hiệu màu C ít thay đổi. Vậy phải dùng mạch tương tự như mạch AGC cho màu. Khi C mạnh thì AGC phân cực yếu và đổi lại khi C yếu thì AGC cho phép phân cực mạnh. Với màu AGC có tên là ACC (Automatic Color Control). R cos ϕ = Z C 2 nd SUB COLOR COLOR RC CHROMA AMP B+ VR TINT 10K ACC ACC DET. Khi qua nhiều mạch, sóng tải phụ đổi pha nên sắc của màu bị sai, ta sửa pha lại bằng cách cho qua mạch RC. Chỉnh R để sửa pha lại cho đúng. R là điện trở động của 1 BJT v CE do vCE của nó tạo ra: R = IE Thay đổi điện áp cung cấp Vcc là vCE thay đổi và R đổi nên pha thay đổi vì: R cos ϕ = Z Với Z = R 2 + Z C 2 Ta có thể dùng biến trở TINT hay HUE để thay đổi Vcc * Chú ý thêm 1. Mạch tích phân VV Vra VR I R Vra Vra C VV Vra chậm pha hơn Vv một góc ϕ IZ c Zc cos ϕ = = V +V 2 ra R 2 R + Z c2 2 1 Zc = với ω = Cte  ( ω = 2π ⋅ 3,58 chẳng hạn) ωc C >>  Zc  0  cos  0  90o C <<  Zc >>  cos  1  0o  đồng pha
  • 8.
    55 2. Mạch viphân VV Vra Vra = VR C VC VR VV Vra nhanh pha hơn Vv: ϕ R cos ϕ = R + Zc 2 2 R  0  cos  0  90o R   cos  1 v 0o Như vậy khi thay đổi R ( CE = R ) thì tín hiệu lấy ra sẽ thay đổi pha so với tín hiệu IE vào. 4.7.4 Tách đồng bộ (Giải mã màu NTSC) TÁCH SÓNG Đ.BỘ LỌC Q 3,58 Q C L Z=0 C TÁCH SÓNG Đ.BỘ LỌC I 3,58 I L Z=0 C 3,58 +33o +90o (0o) Sử dụng cách biểu diễn trực quan: Trong mạch tách sóng Q: {3,58 (33o) + Q} + {3,58 (123o ) + I} – 3,58 (33o)  Q + {3,58 (123o) + I} Qua mạch lọc 3,58  chỉ còn Q Trong mạch tách sóng I: {3,58 (33o) + Q} + {3,58 (123o ) + I} – 3,58 (123o)  I + {3,58 (33o) + Q} Qua mạch lọc 3,58  chỉ còn I Như vậy trước hết phải đồng bộ sóng 3,58MHz ở máy thu với B. C 3,58(0o) B +180o P XTAL VPC Dịch pha 3,58(180o) 3,58MHz LPF 3,58(0o) Đã so pha
  • 9.
    56 Sau khi cóQ và I dùng mạch MATRIX để tạo lại (B - Y) và (R - Y) Q MATRIX (B – Y) I (R – Y) Từ (B - Y) và (R - Y) dùng mạch MATRIX để tạo (G - Y) (B – Y) (B – Y) R1 100K R2 20K (G – Y) (R – Y) 100K R3 56K R4 56K (R – Y) 1 1 (G − Y ) = − ( B − Y ) − ( R − Y ) 6 2 (Chung cho mọi hệ) Cuối cùng ta đưa ra tín hiệu màu vào đèn hình: Tín hiệu vào lưới: VGK = VG - VK Người ta đưa thêm 3 BJT màu để có: -(B - Y) – Y = -B -(G - Y) – Y = -G -(R - Y) – Y = -R Y Screen +500V 5KV Focus (B–Y) BJT – (B–Y) (G–Y) BJT – (G–Y) 24KV (R–Y) BJT – (R–Y)
  • 10.
  • 11.
    58 4.8 SƠ ĐỒ TỔNG QUÁT MÁY THU NTSC 3,58 B+ CONSTRAST LUMA Y TUNER IF VIDEO AMP2 DET B+ BRIGHTNESS 0 3 MHz BRIGHT LPF Y DELAY LUMA Y 0,7 AMP1 Q Q (B–Y) DEMOD C AMP o +33 3,58(33 ) 0 L TRAP 0 3 MHz o MATRIX +90 (G–Y) AMP BURST +180o P SEP. C (R–Y) AMP AMP 3,58 I 3,58(0 ) 0 I 3,08 4,08 DEMOD fH LPF BPF B+C C L TRAP ACC 3,58(00) COLOR DET KILLER CHROMA C CHROMA TINT I II fH +B ACC TINT SUB COLOR COLOR
  • 12.