Rev. B - 17/03/2006 ENXUTA 2960PD 3
ÍNDICE
QUADRO 08/10L 6
QUADRO 12 L 8
ESTRIBO E CORRIMAO 10
EIXO RODA DE TRANSPORTE 08/10L 12
EIXO RODA DE TRANSPORTE 12L 14
RODAGEM 08/10/12L 16
CABECALHO MG/EX 08/10/12L 20
TURBINA 540RPM 08/10L 22
CARDAN HOMOCINETICO C/RODA LIVRE 24
SISTEMA PNEUM TUBULAÇÃO DE AR 08/10L 26
ADUBADORA ROSCA SEM FIM 08/10/12L 28
DOSADOR FERTISYSTEM STD 32
DEPOSITO DE FERTILIZANTE 08L 34
DEPOSITO DE FERTILIZANTE 10L 36
DEPOSITO DE FERTILIZANTE 12L 38
TRANSMISSAO DA CATRACA (STANDARD) 40
TRANSMISSAO DA CATRACA (OPCIONAL) 42
CAMBIO DO ADUBO 44
CAMBIO DA SEMENTE 46
SISTEMA HIDRAULICO 08/10L 50
SISTEMA HIDRAULICO 12L 52
MARCADOR LINHA HIDRAULICO 08L 54
MARCADOR LINHA HIDRAULICO 12L 56
MARCADOR DE LINHA HIDRAULICO 10L 58
UNIDADE SEMENTE EX CURTA 60
UNIDADE SEMENTE EX LONGA 62
UNID SEMEADORA PIVOTADA CURTA/ LONGA 64
TRANSMISSÃO DIREITA DO CARRINHO 68
TRANSMISSAO ESQUERDO DO CARRINHO 70
DISTRIBUIDOR SEMENTES 72
CONJ BANDA CONTR PROFUND 4.1/2X15 76
BANDA CONTR PROFUNDIDADE 78
CONJ COMPACTADOR "V" 80
COMPACTADOR FLUTUANTE CONCAVO 82
COMPACTADOR FLUTUANTE LISA 84
DISCO DUPLO SEMEADOR 14"-PARALELO 86
DISCO SEMEADOR 14" DESENC (R.CON) 88
DISCO SEMEADOR 14"" PARALELO (R.CON) 90
DISCO DUPLO SEMEADOR 14" - DESENC 92
CONJ BANDA CONTROLE PROFUNDIDADE 94
BANDA COMPACTADORA CONCAVA 96
BANDA COMPACTADORA LARGA 98
COMPACTADOR FLUTUANTE EM "V" REG 100
COMPACTADOR FLUTUANTE EM "V" 102
BANDA CONTROLE PROFUNDIDADE 106
KIT COBRIDOR ADUBO COM DISCO 108
KIT COBRIDOR/ VARREDOR 110
DISCO CORTE 17" 112
ADUBADOR 114
DISCO ADUBADOR 15" - DESENCONTRADO 116
SULCADOR 118
SULCADOR LONGO (OPCIONAL) 120
COLANTES 08/10/12L 122
Rev. B - 17/03/2006 ENXUTA 2960PD 5
6 ENXUTA 2960PD Rev. B - 17/03/2006
2293 QUADRO 08/10L
REF. CÓDIGO DESCRIÇÃO OBSERVAÇÃO
1 2730410 CONJ PE DE APOIO
2 7004274 PF SEXT RP MA12X80 DIN931-8.8 ZN
3 0427400 BRACADEIRA
4 7016010 TRAVA DE ACO 5/32"X69
5 7019157 ARRUELA DE PRESSAO B12 DIN127 ZN
6 7011355 PORCA SEXT MA12 DIN 934-5 ZN
7 2718277 PINO TRAVA
8 2718313 SUPORTE DO PE DE APOIO
9 2730171 PE DE APOIO
10 5001038 PINO DE ENGATE
11 2741070 QUADRO 10L
11 2741060 QUADRO 08L
12 7016026 TRAVA DE ACO 3/16"X94
Rev. B - 17/03/2006 ENXUTA 2960PD 7
8 ENXUTA 2960PD Rev. B - 17/03/2006
2661 QUADRO 12 L
REF. CÓDIGO DESCRIÇÃO OBSERVAÇÃO
1 2730410 CONJ PE DE APOIO
2 7004274 PF SEXT RP MA12X80 DIN931-8.8 ZN
3 0427400 BRACADEIRA
4 7016010 TRAVA DE ACO 5/32"X69
5 7019157 ARRUELA DE PRESSAO B12 DIN127 ZN
6 7011355 PORCA SEXT MA12 DIN 934-5 ZN
7 2718277 PINO TRAVA
8 2718313 SUPORTE DO PE DE APOIO
9 2730171 PE DE APOIO
10 7004318 PF SEXT RP MA18X130 DIN 931-8.8 - ZN
11 7004323 PF SEXT RP MA18X180 DIN 931-8.8 - ZN
12 2741541 SUPORTE DE UNIAO
13 7016026 TRAVA DE ACO 3/16"X94
14 5001038 PINO DE ENGATE
15 7011357 PORCA SEXT MA18 DIN 934-5 ZN
16 7019160 ARRUELA PRESSAO B18-DIN 127 ZN
17 0417048 ALGEMA 100X100-M20
18 2741533 QUADRO 12L
19 2741539 CHAPA SUPERIOR
Rev. B - 17/03/2006 ENXUTA 2960PD 9
10 ENXUTA 2960PD Rev. B - 17/03/2006
2292 ESTRIBO E CORRIMAO
REF. CÓDIGO DESCRIÇÃO OBSERVAÇÃO
1 2741389 CORRIMAO ESQ 8L (2761036C)
1 2741387 CORRIMAO ESQ 10L (2761034C)
1 2741495 CORRIMAO ESQ 12L (2761041C)
2 7004437 PF SEXT RT MA12X35 DIN933-5.6 ZN
3 2741384 PLATAFORMA ESQ 10L
3 2741386 PLATAFORMA ESQ 8L (2761033C)
3 2741491 PLATAFORMA ESQ 12L
4 2741390 CORRIMAO DIR 8L (2761037C)
4 2741388 CORRIMAO DIR 10L (2761035C)
4 2741492 CORRIMAO DIR 12L (2761040C)
5 2741150 ESCADA ARTICULAVEL
6 2741202 BUCHA ESPACADORA
7 7011355 PORCA SEXT MA12 DIN 934-5 ZN
8 7019157 ARRUELA DE PRESSAO B12 DIN127 ZN
9 2741383 PLATAFORMA DIR 10L
9 2741490 PLATAFORMA DIR 12L
9 2741385 PLATAFORMA DIR 8L (2761032C)
10 2741143 CHAPA DE FIXACAO
11 7018013 ARRUELA LISA 1/2"
12 7004274 PF SEXT RP MA12X80 DIN931-8.8 ZN
13 0427218 BRACADEIRA
14 2741166 SUPORTE DA PLATAFORMA
15 2741154 CORRIMAO AUXILIAR DIREITO
16 2741155 CORRIMAO AUXILIAR ESQUERDO
17 9001057 TAPO F32XA35
Rev. B - 17/03/2006 ENXUTA 2960PD 11
12 ENXUTA 2960PD Rev. B - 17/03/2006
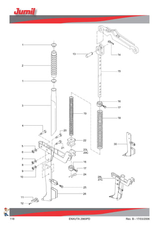
2309 EIXO RODA DE TRANSPORTE 08/10L
REF. CÓDIGO DESCRIÇÃO OBSERVAÇÃO
1 9304003 GRAXEIRA CURVA M8X1-45 DIN71412B
2 2715096 MANCAL ARTICULADO CILINDRO
3 7004698 PF SEXT RT MA12X45 DIN933-8.8 - ZN
4 7014205 PORCA AUTOTRAVANTE MA12 DIN 980-8
5 2741260 CALCO DO CILINDRO
6 2729437 ENGATE DO CILINDRO
7 7004668 PF SEXT RT MA10X35 DIN 933-8.8 ZN
8 2730330 KIT REPARO CILINDRO 4.1/2"X2"
9 2741059 CILINDRO HIDRAULICO 4.1/2"X2"-169
10 7004231 PF SEXT RP MA6X80 DIN931-8.8 - ZN
11 7014202 PORCA AUTOTRAVANTE MA6 DIN 980-8
12 2730584 CALCO DE REGULAGEM
13 2730414 TRAVA SEG TRANSPORTE
14 7016001 TRAVA DE ACO 1/8''X49
15 7019153 ARRUELA PRESSAO B6-DIN 127 ZN
16 7004354 PF SEXT RT MA6X12 DIN 933-5.6 ZN
17 7019156 ARRUELA DE PRESSAO B10 DIN127 ZN
18 7011354 PORCA SEXT MA10 DIN 934-5 ZN
19 9305005 GRAXEIRA RETA M8X1 DIN71412A
20 2730417 PINO REMANCHADO 5/16"X90
21 2741273 TAMPA DO MANCAL
22 2741178 EIXO RODA TRANSPORTE 10L
22 2741219 EIXO RODA DE TRANSPORTE 08L
23 2730413 CONJ TRAVA SEGURANCA TRANSPORTE
24 0427203 SUPORTE DE APOIO DO EIXO
25 7017025 CONTRAPINO 3/16" X 1.1/2"
26 7012526 PORCA CASTEL0 MB22 DIN 937-5
27 7018001 ARRUELA LISA I7/8"XE41,27XESP1,50 - ZN
28 2729550 EIXO DE ARTICULACAO CILINDRO
29 2728130 PINO DE FIXACAO
30 2730583 CONJ CALCO DO CILINDRO
Rev. B - 17/03/2006 ENXUTA 2960PD 13
14 ENXUTA 2960PD Rev. B - 17/03/2006
2662 EIXO RODA DE TRANSPORTE 12L
REF. CÓDIGO DESCRIÇÃO OBSERVAÇÃO
1 2741555 PINO REMANCHADO CIL HIDRAULICO
2 7017025 CONTRAPINO 3/16" X 1.1/2"
3 2741542 CILINDRO HIDR 3.1/2"X1.1/2"-180
4 2741552 TRAVA DE SEGURANCA P/TRANSPORTE
5 7016001 TRAVA DE ACO 1/8''X49
6 2730417 PINO REMANCHADO 5/16"X90
7 7004231 PF SEXT RP MA6X80 DIN931-8.8 - ZN
8 7014202 PORCA AUTOTRAVANTE MA6 DIN 980-8
9 2741553 CALCO DE REGULAGEM
10 2741554 FLANGE DE APOIO
11 2741259 ENGATE DO CILINDRO
12 9305005 GRAXEIRA RETA M8X1 DIN71412A
13 7018001 ARRUELA LISA I7/8"XE41,27XESP1,50 - ZN
14 7012526 PORCA CASTEL0 MB22 DIN 937-5
15 2741273 TAMPA DO MANCAL
16 7019153 ARRUELA PRESSAO B6-DIN 127 ZN
17 7004354 PF SEXT RT MA6X12 DIN 933-5.6 ZN
18 2729550 EIXO DE ARTICULACAO CILINDRO
19 2741537 EIXO RODA TRANSPORTE 12L
20 9304003 GRAXEIRA CURVA M8X1-45 DIN71412B
21 0427203 SUPORTE DE APOIO DO EIXO
22 2728130 PINO DE FIXACAO
23 2741568 CONJ CALCO DO CILINDRO
24 2741567 CONJ TRAVA SEGURANCA TRANSPORTE
25 2741549 KIT REPARO CILINDRO 3.1/2"X1.1/2"
26 7004668 PF SEXT RT MA10X35 DIN 933-8.8 ZN
27 7019156 ARRUELA DE PRESSAO B10 DIN127 ZN
28 7011354 PORCA SEXT MA10 DIN 934-5 ZN
Rev. B - 17/03/2006 ENXUTA 2960PD 15
16 ENXUTA 2960PD Rev. B - 17/03/2006
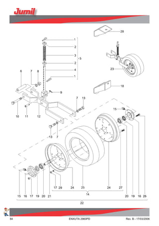
2314 RODAGEM 08/10/12L
REF. CÓDIGO DESCRIÇÃO OBSERVAÇÃO
1 7017026 CONTRAPINO 3/16" X 1"
2 7018075 ARRUELA LISA 3/4"
3 2730139 ENGRENAGEM ESTICADOR
4 2730134 REGULADOR DO ESTICADOR
5 2730514 MOLA DO ESTICADOR RODAGEM
6 2741053 MANCAL MAIOR RODAGEM
7 2730113 EIXO PIVO
8 2718685 ARRUELA DE ENCOSTO
9 7019159 ARRUELA DE PRESSAO B16 DIN127 ZN
10 7004717 PF SEXT RT MA16X40 DIN 933-8.8 ZN
11 9305005 GRAXEIRA RETA M8X1 DIN71412A
12 0450011 APOIO DA MOLA
13 2729446 MOLA COMPRESSAO D13,5 DI43,0LO145
14 2731239 TUBO REDONDO
15 2730133 CONJ ESTICADOR DE CORRENTE
16 2730116 HASTE REGULADORA RODAGEM
17 2730124 EIXO FIX HASTE
18 7017025 CONTRAPINO 3/16" X 1.1/2"
19 7011353 PORCA SEXT MA8 DIN 934-5 ZN
20 7019155 ARRUELA DE PRESSAO B8 DIN127 ZN
21 8101005 RETENTOR 60,0X90,0X10,0 00517-BR
22 2729822 BUCHA ESPACADORA
23 7302201 ROLAMENTO ROLOS CONICOS 32210
24 2729555 PORCA DA RODA MB16
25 9602019 PNEU DIAGONAL 7.00-16 10L
25 9602012 PNEU MILITAR 4X4 7.00-16 12L OPCIONAL
26 9601027 CAMARA DE AR 7.00-16/TR-15
27 9603035 RODA 5.50K X 16
28 7014038 PORCA INSERTO NYLON MB18 DIN985-6
29 0427006 BRACADEIRA
30 2741054 MANCAL MENOR RODAGEM
31 7019157 ARRUELA DE PRESSAO B12 DIN127 ZN
32 7018013 ARRUELA LISA 1/2"
33 7011384 PORCA SEXT MB12 DIN 934-5
34 2741408 SUPORTE DIREITO DA RODA (2760114C)
35 2741409 SUPORTE ESQUERDO DA RODA (2760115C)
36 8304003 EMENDA TIPO 26 ABNT 210A
37 8301137 CORRENTE ROLOS ABNT 210AX67 ELOS
38 7004878 PF SEXT RP MB18X95 DIN 960-8.8
39 2741394 PROTETOR DIREITO
40 7019156 ARRUELA DE PRESSAO B10 DIN127 ZN
41 7004663 PF SEXT RT MA10X20 DIN 933-8.8 - ZN
42 2730132 ENGRENAGEM MOTORA Z-18
43 7101352 CHAVETA PARALELA A10X8X32 DIN6885
44 7012548 PORCA CASTELO MB24X2,00 DIN935-5
45 7302165 ROLAMENTO ROLOS CONICOS 30208
46 8101035 RETENTOR 55,0X80,0X10,0 00459-BR
47 2730122 MANCAL
48 7041011 PF RODA MB16X50
49 2730119 EIXO DA RODA
50 2729829 PROTETOR
51 7004638 PF SEXT RT MA8X20 DIN933-8.8 ZN
52 2730118 EIXO DIREITO DA RODA
53 2730129 EIXO ESQUERDO DA RODA
54 2741429 RODAGEM COMPLETA ESQUERDA 700X160
55 2741428 RODAGEM COMPLETA DIREITA 700X160
56 2741427 CONJ SUPORTE ESQUERDO DA RODA
Rev. B - 17/03/2006 ENXUTA 2960PD 17
18 ENXUTA 2960PD Rev. B - 17/03/2006
2314 RODAGEM 08/10/12L
REF. CÓDIGO DESCRIÇÃO OBSERVAÇÃO
57 2741426 CONJ SUPORTE DIREITO DA RODA
58 7041012 PARAFUSO RODA MB16X50 RE
59 2729556 PORCA DA RODA MB16-RE
60 2732428 BUCHA CILINDRICA 19,0X23X33
61 2741397 PROTETOR ESQUERDO
62 3240531 ARRUELA POSICIONADORA
Rev. B - 17/03/2006 ENXUTA 2960PD 19
20 ENXUTA 2960PD Rev. B - 17/03/2006
2371 CABECALHO MG/EX 08/10/12L
REF. CÓDIGO DESCRIÇÃO OBSERVAÇÃO
1 2732546 PINO DE ENGATE 32X155 (2760073C)
2 2749237 ENGATE F33
3 7016026 TRAVA DE ACO 3/16"X94
4 2730371 PINO REMANCHADO 1.1/8"X215
5 2718333 GRAMPO DE FIXACAO
6 7014209 PORCA AUTOTRAVANTE MA20 DIN 980-8
7 0417048 ALGEMA 100X100-M20
8 7016153 PINO TRAVA C/ ARGOLA 5/16X2"
9 2734283 SUPORTE CABECALHO
10 2716049 PINO DA ARTICULACAO
11 7004355 PF SEXT RT MA6X16 DIN 933-5.6 ZN
12 7004733 PF SEXT RP MA20X180 DIN 931-8.8 - ZN
13 2734287 SUPORTE ARTICULACAO
14 0427191 BRACADEIRA
15 2702500 CONJ DO LEVANTE MECANICO
16 2741065 CABECALHO 08/10L (2760113C)
16 2741510 CABECALHO 12L (2760116C)
17 7019157 ARRUELA DE PRESSAO B12 DIN127 ZN
18 7011355 PORCA SEXT MA12 DIN 934-5 ZN
19 2702702 MANIVELA
20 7023038 REBITE CAB RED 1/4X1.1/2-SAE J492
21 2702600 TUBO EXTERNO
22 7302393 ROLAMENTO AXIAL ESF 51204
23 2702800 CONJ EIXO REGULADOR
24 2702900 CONJ TUBO INTERNO DO LEVANTE
25 2725556 GUIA DO FLEXIVEL
26 5001038 PINO DE ENGATE
27 9305005 GRAXEIRA RETA M8X1 DIN71412A
28 3719186 REGULADOR CABECALHO
29 3701091 PINO DE ENGATE DO CILINDRO
Rev. B - 17/03/2006 ENXUTA 2960PD 21
22 ENXUTA 2960PD Rev. B - 17/03/2006
2390 TURBINA 540RPM 08/10L
REF. CÓDIGO DESCRIÇÃO OBSERVAÇÃO
1 2726182 EIXO DA VENTOINHA
2 8402053 CORREIA POLY V 1287 J16
3 7104005 ANEL RETENCAO 80X2,50-DIN 472
4 7101403 CHAVETA B8X7X32 DIN 6885
5 7004614 PF SEXT RT MA6X16 DIN 933-8.8 - ZN
6 7019153 ARRUELA PRESSAO B6-DIN 127 ZN
7 2726161 POLIA 305J16
8 2734664 EIXO TOMADA DE POTENCIA
9 7018013 ARRUELA LISA 1/2"
10 7011355 PORCA SEXT MA12 DIN 934-5 ZN
11 7019157 ARRUELA DE PRESSAO B12 DIN127 ZN
12 7004695 PF SEXT RT MA12X30 DIN933-8.8 - ZN
13 7303056 ROLAMENTO FIXO ESF 6208-RS/C3
14 2726134 BUCHA ESPACADORA
15 7004685 PF SEXT RT MA10X140 DIN933-8.8 ZN
16 7011354 PORCA SEXT MA10 DIN 934-5 ZN
17 2726132 SUPORTE MANCAL
18 7014202 PORCA AUTOTRAVANTE MA6 DIN 980-8
19 2734361 TAMPA FRONTAL DA TURBINA
20 2726172 CONJ VENTOINHA
21 7018005 ARRUELA LISA 1/4"
22 2730699 CONDUTOR SAIDA DE AR
23 7004233 PF SEXT RP MA6X90 DIN931-8.8 ZN
24 2734360 TAMPA TRASEIRA DA TURBINA
25 7004613 PF SEXT RT MA6X12 DIN 933-8.8 ZN
26 2738758 COLETOR DIANTEIRO DE AR
27 7014018 PORCA INSERTO NYLON MA18 DIN985-6
28 7018078 ARRUELA LISA I3/4"XE39,00XESP3,00 - ZN
29 2715633 BUCHA ESPACADORA
30 2715640 ABRACADEIRA
31 2729947 PROTETOR
32 2729274 PARAF BORBOLETA M8X16
33 7018004 ARRUELA LISA 5/16"
34 2742050 CONJ TURBINA C/SUP 540RPM
35 2726180 CONJ MANCAL SUPERIOR-540 RPM
36 8901266 COLANTE AT AJUSTE CARDAN-UNI
37 8901273 COLANTE AT REDUZA ACELERACAO
38 8901308 COLANTE AMARELO 540RPM-UNI
39 2715636 SUPORTE DE FIXACAO DA TURBINA
40 2704805 FIXADOR DA MANGUEIRA
41 7106067 ABRACADEIRA ROSCA S/FIM 102-121
42 2730708 MANGUEIRA COND SAIDA AR 4"X1500
44 9305005 GRAXEIRA RETA M8X1 DIN71412A
45 9304003 GRAXEIRA CURVA M8X1-45 DIN71412B
46 2734350 BASE DA TURBINA
47 0427732 ALGEMA
48 7004322 PF SEXT RP MA18X170 DIN 931-8.8
49 7014208 PORCA AUTOTRAVANTE MA18 DIN 980-8
50 7104004 ANEL RETENCAO 72X2,50-DIN 472
51 7303057 ROLAMENTO FIXO ESF 6306-RS/C3
52 7004255 PF SEXT RP MA10X70 DIN931-8.8 ZN
53 7014014 PORCA INSERTO NYLON MA10 DIN985-6
Rev. B - 17/03/2006 ENXUTA 2960PD 23
24 ENXUTA 2960PD Rev. B - 17/03/2006
2468 CARDAN HOMOCINETICO C/RODA LIVRE
REF. CÓDIGO DESCRIÇÃO OBSERVAÇÃO
1 2732470 GARFO C/ ENGATE RAPIDO
2 8501004 CRUZETA 23,8X61,1-22,0X74,0
3 2732471 GARFO DUPLO
4 2732472 GARFO DO EIXO
5 7025230 PINO ELASTICO 10X65-DIN 1481
6 2732473 TUBO PERF INT 34,5X40,1X3,5X850
7 2732474 TUBO PERF EXT 41,2X48X2,8X850
8 2732475 GARFO DO TUBO
9 8501005 CRUZETA 23,8X61,1
10 2732484 CONJ RODA LIVRE C/ GARFO
11 2732477 COIFA DE PROTECAO
12 2732478 ANEL DE ROLAMENTO COIFA
13 2732479 ANEL DE ROLAMENTO
14 2732480 PROTETOR EXTERNO
15 2732481 PROTETOR INTERNO
16 2732482 PROTETOR MACHO
17 2732483 PROTETOR FEMEA
18 2730705 CARDAN HRL1.3/8Z6X1.3/8Z6 CT1337P
19 2730789 CONJ RODA LIVRE C/ GARFO
20 2731316 CONJ HOMOCINETICO C/ TERMINAIS
21 2730688 ADAPTADOR TDP 1.3/4-Z20X1.3/8-Z6 CASE
21 2730689 ADAPTADOR TDP 1.3/8-Z21X1.3/8-Z6 JOHN DEERE
Rev. B - 17/03/2006 ENXUTA 2960PD 25
26 ENXUTA 2960PD Rev. B - 17/03/2006
2312 SISTEMA PNEUM TUBULAÇÃO DE AR 08/10L
REF. CÓDIGO DESCRIÇÃO OBSERVAÇÃO
1 7019153 ARRUELA PRESSAO B6-DIN 127 ZN
2 7004614 PF SEXT RT MA6X16 DIN 933-8.8 - ZN
3 2738758 COLETOR DIANTEIRO DE AR
4 7106062 ABRACADEIRA ROSCA S/FIM 64-83
5 2741315 MANGUEIRA COND AR 3"X1440
6 2741314 TUBO DE ASPIRACAO 1.1/2"X2300
7 2741232 CONDUTOR DE AR
8 7106057 ABRACADEIRA ROSCA S/FIM 38-51
9 2741313 TUBO DE ASPIRACAO 1.1/2"X1900
10 7011353 PORCA SEXT MA8 DIN 934-5 ZN
11 7016155 PINO TRAVA C/ ARGOLA 1/4"X 1.1/2"
12 7004644 PF SEXT RT MA8X40 DIN 933-8.8
13 9001059 TAPO F37XA37
Rev. B - 17/03/2006 ENXUTA 2960PD 27
28 ENXUTA 2960PD Rev. B - 17/03/2006
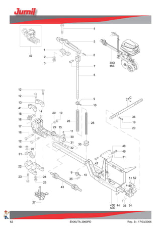
2373 ADUBADORA ROSCA SEM FIM 08/10/12L
REF. CÓDIGO DESCRIÇÃO OBSERVAÇÃO
1 2730077 TAPO DO SUPORTE DO ADUBO
2 7004616 PF SEXT RT MA6X20 DIN 933-8.8 ZN
3 2730804 SUPORTE DISTRIBUIDOR ADUBO 12L
3 2731214 SUPORTE DIR DISTR ADUBO 10L
3 2731212 SUPORTE DIR DISTR ADUBO 08L
4 7011353 PORCA SEXT MA8 DIN 934-5 ZN
5 7019155 ARRUELA DE PRESSAO B8 DIN127 ZN
6 7004640 PF SEXT RT MA8X25 DIN 933-8.8 ZN
7 7033001 ARRUELA LISA FQ E45X1,5-F16,3
8 2725579 EIXO SEXTAVADO 11/16"X1450 08L
8 2736538 EIXO SEXTAVADO 11/16"X2300 12L
8 2741328 EIXO SEXTAVADO 11/16"X1700 10L
9 7004636 PF SEXT RT MA8X16 DIN933-8.8 - ZN
10 7018013 ARRUELA LISA 1/2"
11 7019157 ARRUELA DE PRESSAO B12 DIN127 ZN
12 7011384 PORCA SEXT MB12 DIN 934-5
13 1732151 ENGRENAGEM Z-19
14 2730486 EIXO DO ESTICADOR DE CORRENTE
15 1732143 ENGRENAGEM Z-12
16 7103017 ANEL RETENCAO 19X1,20-DIN 471
17 8301058 CORRENTE ROLOS ABNT 08AX113
18 8304002 EMENDA TIPO 26 ABNT 08A-1
19 2725135 BUCHA DE FIXACAO
20 7019153 ARRUELA PRESSAO B6-DIN 127 ZN
21 7011352 PORCA SEXT MA6 DIN 934-5 ZN
22 7017026 CONTRAPINO 3/16" X 1"
23 2728544 ARRUELA LISA FQ E51X1,5-F16,3
24 0427227 ENGRENAGEM CONICA Z-20
25 2728511 BUCHA N. VI
26 2728543 BUCHA N.3
27 9304003 GRAXEIRA CURVA M8X1-45 DIN71412B
28 2728503 TAMPA DO DISTRIBUIDOR
29 2728519 BUCHA N.V
30 0427228 ENGRENAGEM CONICA Z-16
31 7007535 PF FRANCES MA8X25 DIN 603-4.6
32 7006235 PF ALLEN S/CAB MA8X10 DIN916-12.9
33 7501070 CONJ MANCAL C/ROL AUTOCOMP 11/16
34 7018004 ARRUELA LISA 5/16"
35 2718129 CORPO DISTRIBUIDOR ADUBO C/ TUBO
36 9305005 GRAXEIRA RETA M8X1 DIN71412A
37 3524155 CONDUTOR HELECOIDAL 25X265 DIR OPCIONAL
37 2730320 CONDUTOR HELICOIDAL DIR 48X267
38 2725707 CONJ ESTICADOR CORRENTE
39 2730549 CONJ DISTRIBUIDOR ADUBO R SEM FIM
40 7502021 MANCAL FLANGETE 52 MST
41 7601011 ROL ESF AUTOCOMPENSADOR FS-11/16
42 2728514 EIXO TRANSMISSAO 5/8X406
43 2731215 SUPORTE ESQ DISTR ADUBO 10L
43 2731213 SUPORTE ESQ DISTR ADUBO 08L
44 2732420 APOIO DUPLO BERCINHO JM2880/2980
45 2737124 TAMPA DO DISTRIBUIDOR DO ADUBO
46 7017006 CONTRAPINO 1/8" X 2"
47 0427634 DEFLETOR
48 2741420 CONJ DISTR ADUBO ROSCA SEM FIM
49 2741421 CORPO DISTRIBUIDOR ABUDO C/ TUBO
50 2741392 EIXO SEXTAVADO 11/16"X1540
50 2741329 EIXO SEXTAVADO 11/16"X1800
Rev. B - 17/03/2006 ENXUTA 2960PD 29
30 ENXUTA 2960PD Rev. B - 17/03/2006
2373 ADUBADORA ROSCA SEM FIM 08/10/12L
REF. CÓDIGO DESCRIÇÃO OBSERVAÇÃO
50 2731747 EIXO SEXTAVADO 11/16"X2180
Rev. B - 17/03/2006 ENXUTA 2960PD 31
32 ENXUTA 2960PD Rev. B - 17/03/2006
3420 DOSADOR FERTISYSTEM STD
REF. CÓDIGO DESCRIÇÃO OBSERVAÇÃO
1 2730077 TAPO DO SUPORTE DO ADUBO
2 7004616 PF SEXT RT MA6X20 DIN 933-8.8 ZN
3 7019153 ARRUELA PRESSAO B6-DIN 127 ZN
4 7011352 PORCA SEXT MA6 DIN 934-5 ZN
5 7003385 PF PANELA FEN INOX MA6X20-DIN85A2
6 1737289 ADAPTADOR FERTISYSTEM
7 2744557 CORPO PRINCIPAL JM NG
8 7019183 ARRUELA PRESSAO INOX B6 DIN127-A2
9 7011411 PORCA SEXT INOX MA6 DIN934-A2
10 7004636 PF SEXT RT MA8X16 DIN933-8.8 - ZN
11 7018004 ARRUELA LISA 5/16"
12 7019155 ARRUELA DE PRESSAO B8 DIN127 ZN
13 7011353 PORCA SEXT MA8 DIN 934-5 ZN
14 2744559 FECHO INOX
15 2744556 CJ TAMPA BOCAL NG
16 2744561 TUBO FIXADOR
17 8001219 ANEL O'RING N219 SAE AS568A NBR70
18 2733313 EIXO REVESTIDO
19 2733312 ARRUELA LIMPEZA
20 2733311 FELTRO
21 2733310 REVESTIMENTO
22 2733323 PINHAO MOVIDO Z-14
23 2733320 ARRUELA 30
24 7303035 ROLAMENTO FIXO ESF 6006-2RS
25 2733328 TUBO MANUTENCAO
26 8101029 RETENTOR 30,0X52,0X8,0 02813-BRG
27 2733318 BUCHA
28 7004640 PF SEXT RT MA8X25 DIN 933-8.8 ZN
29 2733325 PROTETOR ROLAMENTO
30 2733324 MANCAL AUTO-LUB
31 2733326 PINHAO ACIONADOR Z-14
32 2733306 ROSCA SEM-FIM S 2D
33 2733308 ROSCA SEM-FIM S 1D OPCIONAL
34 2733304 TUBO BLOQUEADOR
35 2733301 TAMPA TRANSVERSAL
36 2733163 DOSADOR FERTISYSTEM STD RSF2 DIR
36 2733162 DOSADOR FERTISYSTEM STD RSF1 DIR OPCIONAL
37 2744560 BOCAL NG
38 7017026 CONTRAPINO 3/16" X 1"
39 2733309 ARRUELA QUADRADA INOX
40 8001209 ANEL O'RING N209 SAE AS568A NBR70
41 2733317 ANEL TRAVA
Rev. B - 17/03/2006 ENXUTA 2960PD 33
34 ENXUTA 2960PD Rev. B - 17/03/2006
2354 DEPOSITO DE FERTILIZANTE 08L
REF. CÓDIGO DESCRIÇÃO OBSERVAÇÃO
1 2730044 TAMPA DEPOSITO 305L
2 9001055 TAPO 10X25
3 7018298 ARRUELA LISA INOX 8,40 DIN9021-A2
4 2730933 SUPORTE DA PENEIRA
5 2730661 DEPOSITO FERTILIZANTES PB230L
6 6011411 PORCA SEXT INOX MA6 DIN934-A2
7 7019183 ARRUELA PRESSAO INOX B6 DIN127-A2
8 7018296 ARRUELA LISA INOX 6,40 DIN9021-A2
9 7017001 CONTRAPINO 1/8" X 1"
10 7004640 PF SEXT RT MA8X25 DIN 933-8.8 ZN
11 2741090 LATERAL DIREITA 08/10L
12 7014013 PORCA INSERTO NYLON MA8 DIN985-6
13 7019157 ARRUELA DE PRESSAO B12 DIN127 ZN
14 7011355 PORCA SEXT MA12 DIN 934-5 ZN
15 7034196 PF SEXT RT INOX MA6X25 DIN933-A2
16 2741210 BASE FIXACAO DEPOSITO 08L
17 2730660 CONJ DEPOSITO FERTILIZANTE PB230L
18 7018013 ARRUELA LISA 1/2"
19 3240304 BUCHA ESPACADORA
20 7018074 ARRUELA LISA 1/2"
21 7004437 PF SEXT RT MA12X35 DIN933-5.6 ZN
22 2741308 CONJ DEPOSITO FERTILIZ 08L
23 2730767 TRAVESSA TRASEIRA 08/21L
24 2730934 CONJ PENEIRA DEPOSITO MENOR
25 2730764 AGULHA DE TRAVAMENTO
26 2730073 EIXO DA DOBRADICA
27 2730926 QUADRO PENEIRA MENOR
28 2718091 PINO DE FIXACAO M12X1,75
29 2741223 TRAVESSA DIANTEIRA 08L
30 2718092 PORCA BORBOLETA M12
31 2741087 LATERAL ESQUERDA 08/10L
Rev. B - 17/03/2006 ENXUTA 2960PD 35
36 ENXUTA 2960PD Rev. B - 17/03/2006
2356 DEPOSITO DE FERTILIZANTE 10L
REF. CÓDIGO DESCRIÇÃO OBSERVAÇÃO
1 2730044 TAMPA DEPOSITO 305L
2 9001055 TAPO 10X25
3 2730930 QUADRO PENEIRA MAIOR
4 2730933 SUPORTE DA PENEIRA
5 2730661 DEPOSITO FERTILIZANTES PB230L
6 7011411 PORCA SEXT INOX MA6 DIN934-A2
7 7019183 ARRUELA PRESSAO INOX B6 DIN127-A2
8 7018296 ARRUELA LISA INOX 6,40 DIN9021-A2
9 7017001 CONTRAPINO 1/8" X 1"
10 7004640 PF SEXT RT MA8X25 DIN 933-8.8 ZN
11 2741208 LATERAL DIREITA 10L
12 7014013 PORCA INSERTO NYLON MA8 DIN985-6
13 7019157 ARRUELA DE PRESSAO B12 DIN127 ZN
14 7011355 PORCA SEXT MA12 DIN 934-5 ZN
15 7034196 PF SEXT RT INOX MA6X25 DIN933-A2
16 2741091 BASE DIR FIXACAO DEPOSITO 10L
17 2741092 BASE ESQ FIXACAO DEPOSITO 10L
18 7018013 ARRUELA LISA 1/2"
19 3240304 BUCHA ESPACADORA
20 7018074 ARRUELA LISA 1/2"
21 7004437 PF SEXT RT MA12X35 DIN933-5.6 ZN
22 2741307 BASE ESQ FIXACAO DEPOSITO 10L
23 2730771 TRAVESSA TRASEIRA 10L
24 2741309 CONJ PECAS EMBAL P/ EXPECICAO 08L
25 2730764 AGULHA DE TRAVAMENTO
26 2730073 EIXO DA DOBRADICA
27 2730926 QUADRO PENEIRA MENOR
28 2730045 TAMPA DEPOSITO 325/420L
29 2730663 DEPOSITO FERTILIZANTES GB325L
30 2718092 PORCA BORBOLETA M12
31 2741087 LATERAL ESQUERDA 08/10L
32 2718091 PINO DE FIXACAO M12X1,75
33 2730934 CONJ PENEIRA DEPOSITO MENOR
34 2730935 CONJ PENEIRA DEPOSITO MAIOR
35 2741306 CONJ DIR DEPOSITO FERTILIZ 10L
36 2730662 CONJ DEPOSITO FERTILIZANTE GB325L
37 2730660 CONJ DEPOSITO FERTILIZANTE PB230L
38 2741090 LATERAL DIREITA 08/10L
39 2741224 TRAVESSA DIANTEIRA 10L
40 7018298 ARRUELA LISA INOX 8,40 DIN9021-A2
Rev. B - 17/03/2006 ENXUTA 2960PD 37
38 ENXUTA 2960PD Rev. B - 17/03/2006
2663 DEPOSITO DE FERTILIZANTE 12L
REF. CÓDIGO DESCRIÇÃO OBSERVAÇÃO
1 2730044 TAMPA DEPOSITO 305L
2 9001055 TAPO 10X25
3 7018298 ARRUELA LISA INOX 8,40 DIN9021-A2
4 2730933 SUPORTE DA PENEIRA
5 2730661 DEPOSITO FERTILIZANTES PB230L
6 7011411 PORCA SEXT INOX MA6 DIN934-A2
7 7019183 ARRUELA PRESSAO INOX B6 DIN127-A2
8 7018296 ARRUELA LISA INOX 6,40 DIN9021-A2
9 7017001 CONTRAPINO 1/8" X 1"
10 7004640 PF SEXT RT MA8X25 DIN 933-8.8 ZN
11 2741090 LATERAL DIREITA 08/10L
12 7014013 PORCA INSERTO NYLON MA8 DIN985-6
13 7019157 ARRUELA DE PRESSAO B12 DIN127 ZN
14 7011355 PORCA SEXT MA12 DIN 934-5 ZN
15 7034196 PF SEXT RT INOX MA6X25 DIN933-A2
16 2741507 BASE FIXACAO DEPOSITO 12L
17 2730660 CONJ DEPOSITO FERTILIZANTE PB230L
18 7018013 ARRUELA LISA 1/2"
19 3240304 BUCHA ESPACADORA
20 7018074 ARRUELA LISA 1/2"
21 7004437 PF SEXT RT MA12X35 DIN933-5.6 ZN
22 2741557 CONJ DEPOSITO FERTILIZ 12L
23 2730775 TRAVESSA TRASEIRA 12L
24 2730934 CONJ PENEIRA DEPOSITO MENOR
25 2730764 AGULHA DE TRAVAMENTO
26 2730073 EIXO DA DOBRADICA
27 2730926 QUADRO PENEIRA MENOR
28 2718091 PINO DE FIXACAO M12X1,75
29 2741497 TRAVESSA DIANTEIRA 12
30 2718092 PORCA BORBOLETA M12
31 2741087 LATERAL ESQUERDA 08/10L
Rev. B - 17/03/2006 ENXUTA 2960PD 39
40 ENXUTA 2960PD Rev. B - 17/03/2006
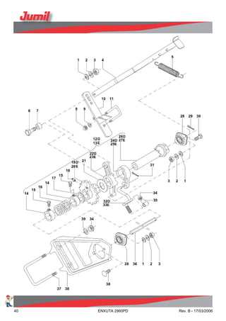
2483 TRANSMISSAO DA CATRACA (STANDARD)
REF. CÓDIGO DESCRIÇÃO OBSERVAÇÃO
1 7018008 ARRUELA LISA 3/8"
2 7019156 ARRUELA DE PRESSAO B10 DIN127 ZN
3 7011354 PORCA SEXT MA10 DIN 934-5 ZN
4 2741674 ALAVANCA DIR DE ACIONAMENTO
4 2741676 ALAVANCA ESQ DE ACIONAMENTO
5 6001595 MOLA TRACAO
6 7004409 PF SEXT RT MA10X35 DIN 933-5.6 ZN
7 2728231 BUCHA ESPACADORA (2760524C)
8 7011355 PORCA SEXT MA12 DIN 934-5 ZN
9 7019157 ARRUELA DE PRESSAO B12 DIN127 ZN
10 2741381 BRACO DESARME CATRACA
11 2725573 GRAMPO DE FIXACAO
12 2728300 CONJ CATRACA DIREITA
13 2728304 CONJ CATRACA ESQUERDA
14 2705306 ANEL DE FIXACAO
15 7004665 PF SEXT RT MA10X25 DIN 933-8.8
16 2705308 MOLA DA CATRACA
17 2734677 ARRUELA DE ENCOSTO
18 9305005 GRAXEIRA RETA M8X1 DIN71412A
19 2728303 ENGRENAGEM ENGATE DIREITO
20 2728307 ENGRENAGEM ENGATE ESQUERDA
21 2734676 ARRUELA DE ENCOSTO
22 2728213 BRACO DIREITO DE DESARME
23 2728220 BRACO ESQUERDO DE DESARME
24 2728212 BRACO FIXO DIREITO
25 2728219 BRACO FIXO ESQUERDO
26 2728301 ENGATE DIREITO DA CATRACA
27 2728305 ENGATE ESQUERDO DA CATRACA
28 7501071 CONJ MANCAL C/ ROL AUTOCOM 1.1/16
29 7017041 CONTRAPINO 1/4" X 1.1/2"
30 7007555 PF FRANCES RT MA10X30 DIN 603-4.6
31 7017001 CONTRAPINO 1/8" X 1"
32 2741377 BRACO ESTABILIZADOR DIREITO
33 2741379 BRACO ESTABILIZADOR ESQUERDO
34 7011356 PORCA SEXT MA16 DIN 934-5 ZN
35 2730087 REGULADOR DA CATRACA
36 2731223 EIXO SEXTAVADO 1.1/16"X1921 10L
36 2741272 EIXO SEXTAVADO 1.1/16"X1590 2F 08L
36 2730337 EIXO SEXTAVADO 1.1/16"X2373 12L
37 2718333 GRAMPO DE FIXACAO
38 0427401 SUPORTE DO MANCAL
39 7019159 ARRUELA DE PRESSAO B16 DIN127 ZN
Rev. B - 17/03/2006 ENXUTA 2960PD 41
42 ENXUTA 2960PD Rev. B - 17/03/2006
2372 TRANSMISSAO DA CATRACA (OPCIONAL)
REF. CÓDIGO DESCRIÇÃO OBSERVAÇÃO
1 3240430 MANOPLA
2 2718330 ALAVANCA DIREITA ACIONAMENTO
3 2718331 ALAVANCA ESQUERDA ACIONAMENTO
4 7004409 PF SEXT RT MA10X35 DIN 933-5.6 ZN
5 2728231 BUCHA ESPACADORA (2760524C)
6 7018008 ARRUELA LISA 3/8"
7 7019156 ARRUELA DE PRESSAO B10 DIN127 ZN
8 7011354 PORCA SEXT MA10 DIN 934-5 ZN
9 7004274 PF SEXT RP MA12X80 DIN931-8.8 ZN
10 2718311 SUPORTE DA ALAVANCA
11 0427554 BRACADEIRA T100 - F13
12 7019157 ARRUELA DE PRESSAO B12 DIN127 ZN
13 7011355 PORCA SEXT MA12 DIN 934-5 ZN
14 6001595 MOLA TRACAO
15 2731223 EIXO SEXTAVADO 1.1/16"X1921 10L
15 2730337 EIXO SEXTAVADO 1.1/16"X2373 12L
15 2741272 EIXO SEXTAVADO 1.1/16"X1590 2F 08L
16 2705306 ANEL DE FIXACAO
17 7004665 PF SEXT RT MA10X25 DIN 933-8.8
18 2705308 MOLA DA CATRACA
19 9305005 GRAXEIRA RETA M8X1 DIN71412A
20 2728303 ENGRENAGEM ENGATE DIREITO
21 2728307 ENGRENAGEM ENGATE ESQUERDA
22 2728213 BRACO DIREITO DE DESARME
23 2728220 BRACO ESQUERDO DE DESARME
24 2728212 BRACO FIXO DIREITO
25 2728219 BRACO FIXO ESQUERDO
26 2728301 ENGATE DIREITO DA CATRACA
27 2728305 ENGATE ESQUERDO DA CATRACA
28 2728300 CONJ CATRACA DIREITA
29 2728304 CONJ CATRACA ESQUERDA
30 7017001 CONTRAPINO 1/8" X 1"
31 2741362 BRACO ESTABILIZADOR DIREITO
32 2741365 BRACO ESTABILIZADOR ESQUERDO
33 2730087 REGULADOR DA CATRACA
34 7017041 CONTRAPINO 1/4" X 1.1/2"
35 2731491 ALAVANCA ESQ DE ACIONAMENTO
36 7501071 CONJ MANCAL C/ ROL AUTOCOM 1.1/16
37 2731490 ALAVANCA DIR DE ACIONAMENTO
38 0427401 SUPORTE DO MANCAL
39 2718333 GRAMPO DE FIXACAO
40 7007555 PF FRANCES RT MA10X30 DIN 603-4.6
41 2729558 PF SEXT C/PONTA CILINDRICA
42 2734677 ARRUELA DE ENCOSTO
43 2734676 ARRUELA DE ENCOSTO
44 7011356 PORCA SEXT MA16 DIN 934-5 ZN
45 7019159 ARRUELA DE PRESSAO B16 DIN127 ZN
Rev. B - 17/03/2006 ENXUTA 2960PD 43
44 ENXUTA 2960PD Rev. B - 17/03/2006
2296 CAMBIO DO ADUBO
REF. CÓDIGO DESCRIÇÃO OBSERVAÇÃO
1 2741196 CAPA CENTRAL DIREITA
2 7025014 PINO ELASTICO 8X16-DIN 1481
3 1732159 ENGRENAGEM Z-27
4 8301136 CORRENTE ROLOS ABNT 08AX43 ELOS
5 7004636 PF SEXT RT MA8X16 DIN933-8.8 - ZN
6 2725135 BUCHA DE FIXACAO
7 8304002 EMENDA TIPO 26 ABNT 08A-1
8 7017041 CONTRAPINO 1/4" X 1.1/2"
9 2730300 ENGRENAGEM Z15-FS1.1/16"
10 7103017 ANEL RETENCAO 19X1,20-DIN 471
11 2730486 EIXO DO ESTICADOR DE CORRENTE
12 7019157 ARRUELA DE PRESSAO B12 DIN127 ZN
13 7011355 PORCA SEXT MA12 DIN 934-5 ZN
14 7007555 PF FRANCES RT MA10X30 DIN 603-4.6
15 2741140 REGULADOR ESQ ESTICADOR
16 7501071 CONJ MANCAL C/ ROL AUTOCOM 1.1/16
17 1732143 ENGRENAGEM Z-12
18 2730332 TRAVA ELASTICA 27
19 2731600 ENGRENAGEM Z-35
20 2741126 SUPORTE DIR ESTICADOR
21 7018008 ARRUELA LISA 3/8"
22 7019156 ARRUELA DE PRESSAO B10 DIN127 ZN
23 7011354 PORCA SEXT MA10 DIN 934-5 ZN
24 2730311 ENGRENAGEM Z-28
25 2730309 ENGRENAGEM Z-25
26 2730306 ENGRENAGEM Z-21
27 2741371 ALAVANCA DIR DO ESTICADOR
28 2730303 ENGRENAGEM Z-19
29 8301055 CORRENTE ROLOS ABNT 08AX79 ELOS
30 2730313 ENGRENAGEM Z-31
31 2741326 EIXO SEXTAVADO 1.1/16"X355
32 2731223 EIXO SEXTAVADO 1.1/16"X1921 10L
32 2741272 EIXO SEXTAVADO 1.1/16"X1590 2F 08L
32 2730337 EIXO SEXTAVADO 1.1/16"X2373 12L
33 2729274 PARAF BORBOLETA M8X16
34 2730302 ENGRENAGEM Z-17
35 2741197 CAPA CENTRAL ESQUERDA
36 2728235 ANEL DE FIXACAO
37 2741125 CONJ ESTICADOR ESQ
38 2741127 SUPORTE ESQ ESTICADOR
39 7004663 PF SEXT RT MA10X20 DIN 933-8.8 - ZN
40 2741134 SUPORTE DO ESTICADOR
41 7004667 PF SEXT RT M10X30 DIN933-8.8 ZN
42 7025002 PINO ELASTICO 6 X 20 -DIN 1487
43 2741139 REGULADOR DIR ESTICADOR
44 6001595 MOLA TRACAO
45 2741135 ALAVANCA ESQ DO ESTICADOR
Rev. B - 17/03/2006 ENXUTA 2960PD 45
46 ENXUTA 2960PD Rev. B - 17/03/2006
2297 CAMBIO DA SEMENTE
REF. CÓDIGO DESCRIÇÃO OBSERVAÇÃO
1 2729274 PARAF BORBOLETA M8X16
2 2741270 EIXO SEXTAVADO 1.1/16"X320 2F
3 2741117 CAPA CORRENTE ESQ
4 7018008 ARRUELA LISA 3/8"
5 7019156 ARRUELA DE PRESSAO B10 DIN127 ZN
6 7011354 PORCA SEXT MA10 DIN 934-5 ZN
7 2730312 ENGRENAGEM Z-30
8 2730306 ENGRENAGEM Z-21
9 2730303 ENGRENAGEM Z-19
10 2730302 ENGRENAGEM Z-17
11 2730300 ENGRENAGEM Z15-FS1.1/16"
12 2741118 CAPA CORRENTE DIR
13 7501071 CONJ MANCAL C/ ROL AUTOCOM 1.1/16
14 7017041 CONTRAPINO 1/4" X 1.1/2"
15 7007555 PF FRANCES RT MA10X30 DIN 603-4.6
16 2741140 REGULADOR ESQ ESTICADOR
17 8301079 CORRENTE DE ROLO ABNT 08AX89 ELOS
18 8304002 EMENDA TIPO 26 ABNT 08A-1
19 1732143 ENGRENAGEM Z-12
20 7103017 ANEL RETENCAO 19X1,20-DIN 471
21 7004697 PF SEXT RT MA12X40 DIN933-8.8
22 2730305 ENGRENAGEM Z-21
23 2731223 EIXO SEXTAVADO 1.1/16"X1921 10L
23 2730337 EIXO SEXTAVADO 1.1/16"X2373 12L
23 2741272 EIXO SEXTAVADO 1.1/16"X1590 2F 08L
24 2718367 SUPORTE DO MANCAL
25 7004437 PF SEXT RT MA12X35 DIN933-5.6 ZN
26 7019157 ARRUELA DE PRESSAO B12 DIN127 ZN
27 7011355 PORCA SEXT MA12 DIN 934-5 ZN
28 2725485 REGULADOR DO ESTICADOR ADUBO
29 2730377 EIXO SEXTAVADO 11/16"X2373 12L
29 2730631 EIXO SEXTAVADO 11/16"X1750 08L
29 2730634 EIXO SEXTAVADO 11/16"X2060 10L
30 2741182 CAPA LATERAL DIREITA
31 2730314 ENGRENAGEM Z-33
32 2741126 SUPORTE DIR ESTICADOR
33 2730311 ENGRENAGEM Z-28
34 2741371 ALAVANCA DIR DO ESTICADOR
35 2725484 CONJ ESTICADOR CORRENTE ADUBO
36 2730309 ENGRENAGEM Z-25
37 2741125 CONJ ESTICADOR ESQ
38 2731600 ENGRENAGEM Z-35
39 2741169 CAPA LATERAL ESQUERDA
40 2741127 SUPORTE ESQ ESTICADOR
41 8301057 CORRENTE DE ROLO ABNT 08AX83 ELOS
42 2730332 TRAVA ELASTICA 27
43 2741134 SUPORTE DO ESTICADOR
44 7004667 PF SEXT RT M10X30 DIN933-8.8 ZN
45 7025002 PINO ELASTICO 6 X 20 -DIN 1487
46 7004663 PF SEXT RT MA10X20 DIN 933-8.8 - ZN
47 7025014 PINO ELASTICO 8X16-DIN 1481
48 2741139 REGULADOR DIR ESTICADOR
49 6001595 MOLA TRACAO
50 2741135 ALAVANCA ESQ DO ESTICADOR
51 2728235 ANEL DE FIXACAO
52 7007535 PF FRANCES MA8X25 DIN 603-4.6
53 7501070 CONJ MANCAL C/ROL AUTOCOMP 11/16
Rev. B - 17/03/2006 ENXUTA 2960PD 47
48 ENXUTA 2960PD Rev. B - 17/03/2006
2297 CAMBIO DA SEMENTE
REF. CÓDIGO DESCRIÇÃO OBSERVAÇÃO
54 7018004 ARRUELA LISA 5/16"
55 7019155 ARRUELA DE PRESSAO B8 DIN127 ZN
56 7011353 PORCA SEXT MA8 DIN 934-5 ZN
57 7018013 ARRUELA LISA 1/2"
Rev. B - 17/03/2006 ENXUTA 2960PD 49
50 ENXUTA 2960PD Rev. B - 17/03/2006
2704 SISTEMA HIDRAULICO 08/10L
REF. CÓDIGO DESCRIÇÃO OBSERVAÇÃO
1 9202102 PROTETOR FEMEA BIT-8
2 9202005 ENGATE RAPIDO MACHO 1/2NPT X 30
3 9212017 FH DKO 1/2NPTFXM1/2"X3500XM22-FRT
4 9212002 FH DKO FRT-M16XM1/4"X3060XM16-90º 08L
4 9212004 FH DKO M16XM1/4XM16X3100 10L
5 9205156 UNIAO MACHO 10LX9/16"UNF+O ST
6 9205158 UNIAO MACHO 12LX9/16"UNF+O ST
7 9201021 VALVULA DIVISORA FLUXO - VENTURI
8 9205159 UNIAO MACHO 12LX3/4"UNF+O ST
9 9212192 FH DKO FRT-M18XM3/8"X400XM18-90º
10 7019155 ARRUELA DE PRESSAO B8 DIN127 ZN
11 7004640 PF SEXT RT MA8X25 DIN 933-8.8 ZN
12 7018004 ARRUELA LISA 5/16"
13 2741061 SUPORTE DA VALVULA
14 7011354 PORCA SEXT MA10 DIN 934-5 ZN
15 7004408 PF SEXT RT MA10X30 DIN 933-5.6 ZN
16 7018008 ARRUELA LISA 3/8"
17 7019156 ARRUELA DE PRESSAO B10 DIN127 ZN
18 2731862 REDUTOR DE VAZAO -6-6C+O F1,2
19 9205161 UNIAO MACHO 15LX3/4"UNF+O ST
Rev. B - 17/03/2006 ENXUTA 2960PD 51
52 ENXUTA 2960PD Rev. B - 17/03/2006
2694 SISTEMA HIDRAULICO 12L
REF. CÓDIGO DESCRIÇÃO OBSERVAÇÃO
1 9202102 PROTETOR FEMEA BIT-8
2 9202005 ENGATE RAPIDO MACHO 1/2NPT X 30
3 9212017 FH DKO 1/2NPTFXM1/2"X3500XM22-FRT
4 9205161 UNIAO MACHO 15LX3/4"UNF+O ST
5 9205156 UNIAO MACHO 10LX9/16"UNF+O ST
6 2731862 REDUTOR DE VAZAO -6-6C+O F1,2
7 9212191 FH DKO FRT-M18XM3/8"X1700XM18-90º
8 9212190 FH DKO FRT-M16XM1/4"X3760XM16-90º
9 7011354 PORCA SEXT MA10 DIN 934-5 ZN
10 9205383 TE BOLEADO CENTRAL 12L DIN3943 ST
11 9201021 VALVULA DIVISORA FLUXO - VENTURI
12 9205159 UNIAO MACHO 12LX3/4"UNF+O ST
13 2741061 SUPORTE DA VALVULA
14 7004408 PF SEXT RT MA10X30 DIN 933-5.6 ZN
15 7018008 ARRUELA LISA 3/8"
16 7019156 ARRUELA DE PRESSAO B10 DIN127 ZN
17 7019155 ARRUELA DE PRESSAO B8 DIN127 ZN
18 7018004 ARRUELA LISA 5/16"
19 7004640 PF SEXT RT MA8X25 DIN 933-8.8 ZN
Rev. B - 17/03/2006 ENXUTA 2960PD 53
54 ENXUTA 2960PD Rev. B - 17/03/2006
2308 MARCADOR LINHA HIDRAULICO 08L
REF. CÓDIGO DESCRIÇÃO OBSERVAÇÃO
1 7017026 CONTRAPINO 3/16" X 1"
2 2741115 EIXO DE ARTICULACAO
3 7004717 PF SEXT RT MA16X40 DIN 933-8.8 ZN
4 7011356 PORCA SEXT MA16 DIN 934-5 ZN
5 7019159 ARRUELA DE PRESSAO B16 DIN127 ZN
6 2741110 CHAPA DE FIXACAO DIR
7 2701310 BATENTE
8 2741116 BRACO DIR DO MARCADOR
9 7014205 PORCA AUTOTRAVANTE MA12 DIN 980-8
10 2741102 BRACO ESQ DO MARCADOR
11 7016001 TRAVA DE ACO 1/8''X49
12 2730825 PINO FIXACAO MARCADOR
13 2741112 CHAPA DE FIXACAO ESQ
14 2725597 CONJ DISCO MARCADOR 13"
15 3719450 EIXO MARCADOR LINHA
16 2715084 FIXADOR TUBO INTERNO
17 3719284 GRAMPO DE FIXACAO M12X54X85
18 2728269 PINO REMANCHADO 3/4"X72
19 3719465 CILINDRO HIDRAULICO 2"X1.1/4"-215
20 7025004 PINO ELASTICO 8 X 40 -DIN 1481
21 3719455 SUPLEMENTO DA HASTE
22 2741288 BRACO DO MARCADOR
23 2741304 CONJ MARCADOR LINHA 08L DIREITO
24 2741303 CONJ MARCADOR LINHA 08L ESQUERDO
25 0432068 CASTANHA DENTADA
26 9305005 GRAXEIRA RETA M8X1 DIN71412A
27 2741294 SUPORTE DO DISCO MARCADOR
28 7004300 PF SEXT RP MA16X140 DIN 931-8.8
29 7014041 PORCA INSERTO NYLON MB24 DIN985-6
30 7004379 PF SEXT RT MA8X20 DIN 933-5.6
31 9901051 DISCO CONCAVO COM RECORTES 13"
32 2729718 JUNTA DE VEDACAO
33 7014017 PORCA INSERTO NYLON MA16 DIN985-6
34 7104013 ANEL RETENCAO 47X1,75-DIN 472
35 7301122 ROLAMENTO FIXO ESF 6204
36 2729714 BUCHA ESPACADORA
37 8101007 RETENTOR 25,0X36,0X7,0 01515-BR
38 2729713 MANCAL DO DISCO MARCADOR
39 7019155 ARRUELA DE PRESSAO B8 DIN127 ZN
40 7011353 PORCA SEXT MA8 DIN 934-5 ZN
Rev. B - 17/03/2006 ENXUTA 2960PD 55
56 ENXUTA 2960PD Rev. B - 17/03/2006
2665 MARCADOR LINHA HIDRAULICO 12L
REF. CÓDIGO DESCRIÇÃO OBSERVAÇÃO
1 7017026 CONTRAPINO 3/16" X 1"
2 2741524 PINO FIX MARCADOR
3 7004717 PF SEXT RT MA16X40 DIN 933-8.8 ZN
4 7011356 PORCA SEXT MA16 DIN 934-5 ZN
5 7019159 ARRUELA DE PRESSAO B16 DIN127 ZN
6 2741526 CHAPA DIR DE FIXACAO
7 2701310 BATENTE
8 2741515 BRACO DIR MARCADOR 12L
9 7014205 PORCA AUTOTRAVANTE MA12 DIN 980-8
10 2741519 CHAPA ESQ DE FIXACAO
11 3719469 CONJ CILINDRO HIDRAULICO 2"
12 2741514 BRACO ESQ MARCADOR 12L
13 2741517 CONJ DIR MARCADOR LINHA 12L
14 7019155 ARRUELA DE PRESSAO B8 DIN127 ZN
15 2739533 TUBO PROLONGADOR INTERNO 12L
16 2739248 FIXADOR DO TUBO INTERNO
17 1732048 GRAMPO DE FIXACAO M12X64X85
18 2730825 PINO FIXACAO MARCADOR
19 3719465 CILINDRO HIDRAULICO 2"X1.1/4"-215
20 7025004 PINO ELASTICO 8 X 40 -DIN 1481
21 3719455 SUPLEMENTO DA HASTE
22 0432068 CASTANHA DENTADA
23 2741516 CONJ ESQ MARCADOR LINHA 12L
24 7007534 PF FRANCES MA8X20 DIN 603-4. ZN
25 2734722 SUPORTE DISCO MARCADOR DE LINHAS
26 7004302 PF SEXT RP MA16X160 DIN 931-8.8
27 7011353 PORCA SEXT MA8 DIN 934-5 ZN
28 7018206 ARRUELA LISA A8,40 DIN125-ST
29 2731827 LIMPADOR DISCO 18"
30 7014041 PORCA INSERTO NYLON MB24 DIN985-6
31 7004665 PF SEXT RT MA10X25 DIN 933-8.8
32 9901054 DISCO CONCAVO COM RECORTES 18"
33 2729718 JUNTA DE VEDACAO
34 7014017 PORCA INSERTO NYLON MA16 DIN985-6
35 7104013 ANEL RETENCAO 47X1,75-DIN 472
36 7301122 ROLAMENTO FIXO ESF 6204
37 2729714 BUCHA ESPACADORA
38 8101007 RETENTOR 25,0X36,0X7,0 01515-BR
39 2729719 CONJ BRACO LONGO C/GARRA
40 7019156 ARRUELA DE PRESSAO B10 DIN127 ZN
41 7011354 PORCA SEXT MA10 DIN 934-5 ZN
42 9305005 GRAXEIRA RETA M8X1 DIN71412A
43 3719450 EIXO MARCADOR LINHA
44 2730810 CONJ DISCO MARCADOR 18"
45 2734740 CONJ SUPORTE DO MARCADOR
46 3719466 KIT REPARO CILINDRO 2"X1.1/4"
47 2739534 CONJ DISCO MARC C/SUP 12L
Rev. B - 17/03/2006 ENXUTA 2960PD 57
58 ENXUTA 2960PD Rev. B - 17/03/2006
2295 MARCADOR DE LINHA HIDRAULICO 10L
REF. CÓDIGO DESCRIÇÃO OBSERVAÇÃO
1 7017026 CONTRAPINO 3/16" X 1"
2 2741115 EIXO DE ARTICULACAO
3 7004717 PF SEXT RT MA16X40 DIN 933-8.8 ZN
4 7011356 PORCA SEXT MA16 DIN 934-5 ZN
5 7019159 ARRUELA DE PRESSAO B16 DIN127 ZN
6 2741110 CHAPA DE FIXACAO DIR
7 2701310 BATENTE
8 2741116 BRACO DIR DO MARCADOR
9 7014205 PORCA AUTOTRAVANTE MA12 DIN 980-8
10 2741112 CHAPA DE FIXACAO ESQ
11 2730225 PROLONGADOR EXT 8L
12 2741102 BRACO ESQ DO MARCADOR
13 2741311 CONJ MARCADOR LINHA 10L DIREITO
14 2715084 FIXADOR TUBO INTERNO
15 3719284 GRAMPO DE FIXACAO M12X54X85
16 2739248 FIXADOR DO TUBO INTERNO
17 1732048 GRAMPO DE FIXACAO M12X64X85
18 2728269 PINO REMANCHADO 3/4"X72
19 3719465 CILINDRO HIDRAULICO 2"X1.1/4"-215
20 7025004 PINO ELASTICO 8 X 40 -DIN 1481
21 3719455 SUPLEMENTO DA HASTE
22 2730833 TUBO PROLONGADOR C655
23 2741312 CONJ MARCADOR LINHA 10L ESQUERDO
24 2725597 CONJ DISCO MARCADOR 13"
25 0432068 CASTANHA DENTADA
26 3719450 EIXO MARCADOR LINHA
27 2731832 SUPORTE DISCO MARC LINHA
28 7004300 PF SEXT RP MA16X140 DIN 931-8.8
29 7014041 PORCA INSERTO NYLON MB24 DIN985-6
30 7004665 PF SEXT RT MA10X25 DIN 933-8.8
31 9901051 DISCO CONCAVO COM RECORTES 13"
32 2729718 JUNTA DE VEDACAO
33 7014017 PORCA INSERTO NYLON MA16 DIN985-6
34 7104013 ANEL RETENCAO 47X1,75-DIN 472
35 7301172 ROLAMENTO FIXO ESF 6207-ZZ
36 2729714 BUCHA ESPACADORA
37 8101007 RETENTOR 25,0X36,0X7,0 01515-BR
38 2729713 MANCAL DO DISCO MARCADOR
39 7019156 ARRUELA DE PRESSAO B10 DIN127 ZN
40 7011354 PORCA SEXT MA10 DIN 934-5 ZN
41 9305005 GRAXEIRA RETA M8X1 DIN71412A
Rev. B - 17/03/2006 ENXUTA 2960PD 59
60 ENXUTA 2960PD Rev. B - 17/03/2006
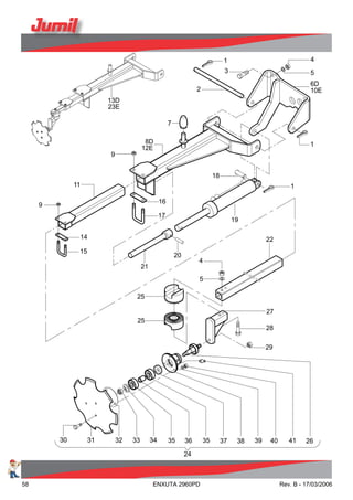
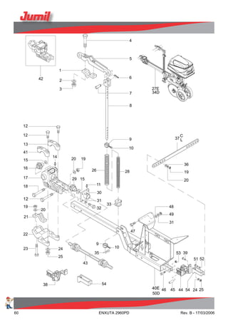
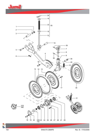
2474 UNIDADE SEMENTE EX CURTA
REF. CÓDIGO DESCRIÇÃO OBSERVAÇÃO
1 0437050 BRACADEIRA T100 - F18
2 7019378 ARRUELA DE PRESSAO B16 DIN127 KTL
3 7011586 PORCA SEXT MA16 DIN 934-5 KTL
4 7004995 PF SEX RP MA16X80 DIN931-8.8 KTL
5 0427716 SUPORTE FIXACAO HASTE
6 7017026 CONTRAPINO 3/16" X 1"
7 2704323 PINO MAIOR DO ESTABILIZADOR
8 2732263 HASTE REGULADORA PROFUNDIDADE
9 2729484 BUCHA DE FIXACAO
10 7004983 PF SEX RT MA12X30 DIN933-8.8 KTL
11 9305005 GRAXEIRA RETA M8X1 DIN71412A
12 7004048 PF SEXT RP MA12X90 DIN931-5.6
13 0427245 BRACADEIRA MENOR
14 9305004 GRAXEIRA RETA M6X1 DIN71412A
15 2728649 ARRUELA DE ENCOSTO
16 2728647 PINHAO EIXO ACIONAMENTO
17 2728645 SUPORTE TRANSMISSAO
18 7004050 PF SEXT RP MA12X100 DIN931-5.6
19 7011584 PORCA SEXT MA12 DIN 934-5 KTL
20 7019376 ARRUELA DE PRESSAO B12 DIN127 KTL
21 0427400 BRACADEIRA
22 0427399 FIXADOR SUPORTE
23 7004984 PF SEX RP MA12X80 DIN931-8.8 KTL
24 7019157 ARRUELA DE PRESSAO B12 DIN127 ZN
25 7011355 PORCA SEXT MA12 DIN 934-5 ZN
26 2728495 MOLA EXTERNA
27 2742017 UNID AV SEM EX CURTA ESQ DDD14"
28 2710509 MOLA COMPRESSAO
29 2728646 PINHAO DO CARDAN
30 2728648 MANCAL DO CARDAN
31 7019153 ARRUELA PRESSAO B6-DIN 127 ZN
32 7004614 PF SEXT RT MA6X16 DIN 933-8.8 - ZN
33 0427687 CASTANHA DA HASTE
34 2742015 UNID AV SEM EX CURTA DIR DDD14"
35 7016010 TRAVA DE ACO 5/32"X69
36 7018013 ARRUELA LISA 1/2"
37 2728692 BARRA ESTABILIZADORA CURTA
37 2728951 BARRA ESTABILIZADORA LONGA
38 2741252 SUPORTE UNIDADE CURTA UTILIZADO C/
CONTROLADOR PARALELO
39 7004696 PF SEXT RT MA12X35 DIN 933-8.8
40 2741473 QUADRO ESQ UNID SEMEADORA CURTA
41 0427244 BRACADEIRA MAIOR
42 2718658 CONJ SUPORTE TRANSMISSAO
43 2741480 CARDAN CURTO C1052
44 2741099 SUPORTE UNIDADE CURTA MG/EX UTILIZADO C/
CONTROLADOR "V"
45 2728775 BUCHA ESPACADORA
46 7004251 PF SEXT RP MA10X50 DIN 931-8.8
47 7004357 PF SEXT RT MA6X20 DIN933-5.6 ZN
48 7018005 ARRUELA LISA 1/4"
49 7011352 PORCA SEXT MA6 DIN 934-5 ZN
50 2741472 QUADRO DIR UNID SEMEADORA CURTA
51 7004699 PF SEXT RT MA12X50 DIN933-8.8 - ZN
52 2710610 BUCHA ESPACADORA
53 7014014 PORCA INSERTO NYLON MA10 DIN985-6
54 0427737 PROLONGADOR DO SUPORTE
Rev. B - 17/03/2006 ENXUTA 2960PD 61
62 ENXUTA 2960PD Rev. B - 17/03/2006
2475 UNIDADE SEMENTE EX LONGA
REF. CÓDIGO DESCRIÇÃO OBSERVAÇÃO
1 0437050 BRACADEIRA T100 - F18
2 7019378 ARRUELA DE PRESSAO B16 DIN127 KTL
3 7011586 PORCA SEXT MA16 DIN 934-5 KTL
4 7004995 PF SEX RP MA16X80 DIN931-8.8 KTL
5 0427716 SUPORTE FIXACAO HASTE
6 7017026 CONTRAPINO 3/16" X 1"
7 2704323 PINO MAIOR DO ESTABILIZADOR
8 2732263 HASTE REGULADORA PROFUNDIDADE
9 2729484 BUCHA DE FIXACAO
10 7004983 PF SEX RT MA12X30 DIN933-8.8 KTL
11 9305005 GRAXEIRA RETA M8X1 DIN71412A
12 7004048 PF SEXT RP MA12X90 DIN931-5.6
13 0427245 BRACADEIRA MENOR
14 9305004 GRAXEIRA RETA M6X1 DIN71412A
15 2728649 ARRUELA DE ENCOSTO
16 2728647 PINHAO EIXO ACIONAMENTO
17 2728645 SUPORTE TRANSMISSAO
18 7004050 PF SEXT RP MA12X100 DIN931-5.6
19 7011584 PORCA SEXT MA12 DIN 934-5 KTL
20 7019376 ARRUELA DE PRESSAO B12 DIN127 KTL
21 0427400 BRACADEIRA
22 0427399 FIXADOR SUPORTE
23 7004984 PF SEX RP MA12X80 DIN931-8.8 KTL
24 7019157 ARRUELA DE PRESSAO B12 DIN127 ZN
25 7011355 PORCA SEXT MA12 DIN 934-5 ZN
26 2728495 MOLA EXTERNA
27 2741250 SUPORTE UNIDADE LONGA UTILIZADO C/
CONTROLADOR PARALELO
28 2710509 MOLA COMPRESSAO
29 2728646 PINHAO DO CARDAN
30 2728648 MANCAL DO CARDAN
31 7019153 ARRUELA PRESSAO B6-DIN 127 ZN
32 7004614 PF SEXT RT MA6X16 DIN 933-8.8 - ZN
33 0427687 CASTANHA DA HASTE
34 2741251 SUPORTE UNIDADE LONGA UTILIZADO C/
CONTROLADOR "V"
35 7016010 TRAVA DE ACO 5/32"X69
36 7018013 ARRUELA LISA 1/2"
37 2728692 BARRA ESTABILIZADORA CURTA
37 2728951 BARRA ESTABILIZADORA LONGA
38 2728775 BUCHA ESPACADORA
39 2742016 "UNID AV SEM EX LONGA DIR DDD14"""
40 7014014 PORCA INSERTO NYLON MA10 DIN985-6
41 0427244 BRACADEIRA MAIOR
42 2718658 CONJ SUPORTE TRANSMISSAO
43 2741482 CARDAN LONGO C1257
44 7004251 PF SEXT RP MA10X50 DIN 931-8.8
45 2741475 QUADRO ESQ UNID SEMEADORA LONGA
46 2742018 UNID AV SEM EX LONGA ESQ DDD14"
47 7004357 PF SEXT RT MA6X20 DIN933-5.6 ZN
48 7018005 ARRUELA LISA 1/4"
49 7011352 PORCA SEXT MA6 DIN 934-5 ZN
50 2741474 QUADRO DIR UNID SEMEADORA LONGA
51 7004699 PF SEXT RT MA12X50 DIN933-8.8 - ZN
52 2710610 BUCHA ESPACADORA
Rev. B - 17/03/2006 ENXUTA 2960PD 63
64 ENXUTA 2960PD Rev. B - 17/03/2006
3458 UNID SEMEADORA PIVOTADA CURTA/ LONGA
REF. CÓDIGO DESCRIÇÃO OBSERVAÇÃO
1 0437050 BRACADEIRA T100 - F18
2 7019378 ARRUELA DE PRESSAO B16 DIN127 KTL
3 7011586 PORCA SEXT MA16 DIN 934-5 KTL
4 7004995 PF SEX RP MA16X80 DIN931-8.8 KTL
5 0427716 SUPORTE FIXACAO HASTE
6 7017026 CONTRAPINO 3/16" X 1"
7 2704323 PINO MAIOR DO ESTABILIZADOR
8 2732263 HASTE REGULADORA PROFUNDIDADE
9 2729484 BUCHA DE FIXACAO
10 7004983 PF SEX RT MA12X30 DIN933-8.8 KTL
11 9305005 GRAXEIRA RETA M8X1 DIN71412A
12 7004048 PF SEXT RP MA12X90 DIN931-5.6
13 0427245 BRACADEIRA MENOR
14 9305004 GRAXEIRA RETA M6X1 DIN71412A
15 2728649 ARRUELA DE ENCOSTO
16 2728647 PINHAO EIXO ACIONAMENTO
17 2728645 SUPORTE TRANSMISSAO
18 7004050 PF SEXT RP MA12X100 DIN931-5.6
19 7011584 PORCA SEXT MA12 DIN 934-5 KTL
20 7019376 ARRUELA DE PRESSAO B12 DIN127 KTL
21 0427400 BRACADEIRA
22 0427399 FIXADOR SUPORTE
23 7004984 PF SEX RP MA12X80 DIN931-8.8 KTL
24 7019157 ARRUELA DE PRESSAO B12 DIN127 ZN
25 7011355 PORCA SEXT MA12 DIN 934-5 ZN
26 2728495 MOLA EXTERNA
27 7022807 REBITE DE REPUXO 6,2X22,0
28 2710509 MOLA COMPRESSAO
29 2728646 PINHAO DO CARDAN
30 2728648 MANCAL DO CARDAN
31 7019153 ARRUELA PRESSAO B6-DIN 127 ZN
32 7004614 PF SEXT RT MA6X16 DIN 933-8.8 - ZN
33 0427687 CASTANHA DA HASTE
34 2718814 SUPORTE REG PROFUNDIDADE
35 7016010 TRAVA DE ACO 5/32"X69
36 7018013 ARRUELA LISA 1/2"
37 2728951 BARRA ESTABILIZADORA LONGA
37 2728692 BARRA ESTABILIZADORA CURTA
38 2729165 BALANCIM
39 2742085 UNID AV SEM EX CURTA DIR DDD14"
39 2742086 UNID AV SEM EX LONGA DIR DDD14"
40 2718858 SUPORTE BARRA ESTABILIZADORA
41 0427244 BRACADEIRA MAIOR
42 2718658 CONJ SUPORTE TRANSMISSAO
43 2742051 QUADRO DIR UNID SEMEADORA CURTA
43 2742053 QUADRO DIR UNID SEMEADORA LONGA
44 7004434 PF SEXT RT MA12X25 DIN 933-5.6
45 2741482 CARDAN LONGO C1257
45 2741480 CARDAN CURTO C1052
46 2742087 UNID AV SEM EX CURTA ESQ DDD14"
46 2742088 UNID AV SEM EX LONGA ESQ DDD14"
47 7004357 PF SEXT RT MA6X20 DIN933-5.6 ZN
48 7018005 ARRUELA LISA 1/4"
49 7011352 PORCA SEXT MA6 DIN 934-5 ZN
50 2742054 QUADRO ESQ UNID SEMEADORA LONGA
50 2742052 QUADRO ESQ UNID SEMEADORA CURTA
51 7004699 PF SEXT RT MA12X50 DIN933-8.8 - ZN
Rev. B - 17/03/2006 ENXUTA 2960PD 65
66 ENXUTA 2960PD Rev. B - 17/03/2006
3458 UNID SEMEADORA PIVOTADA CURTA/ LONGA
REF. CÓDIGO DESCRIÇÃO OBSERVAÇÃO
52 2710610 BUCHA ESPACADORA
53 3521294 ARRUELA ESPACADORA
54 2729178 EIXO FIXACAO MOLA
55 2730970 KIT REGULADOR BALANCIM
56 2718943 REFORCO REG PROFUNDIDADE
57 2718947 KIT REGULADOR DE PROFUNDIDADE
58 7025002 PINO ELASTICO 6 X 20 -DIN 1487
59 2718945 GUIA DO REG PROFUNDIDADE
60 2718940 PUXADOR
61 2718786 MOLA COMPRESSAO D2,5 DI19,0 LO35
62 2718944 PINO REMANCHADO 1/2X97
Rev. B - 17/03/2006 ENXUTA 2960PD 67
68 ENXUTA 2960PD Rev. B - 17/03/2006
2404 TRANSMISSÃO DIREITA DO CARRINHO
REF. CÓDIGO DESCRIÇÃO OBSERVAÇÃO
1 2729850 CONJ MANCAL DIR TRANSMISSAO
2 2729809 CONJ ESTICADOR DE CORRENTE
3 2741256 CARDAN C1200 LONGO/ LARGO
3 2741253 CARDAN C1000 CURTO/ CORTO
4 7103043 ANEL RETENCAO 33X1,50-DIN 471
5 2728649 ARRUELA DE ENCOSTO
6 9305005 GRAXEIRA RETA M8X1 DIN71412A
7 2729816 MANCAL DIR TRANSMISSAO
8 2729566 COROA Z-24
9 7025020 PINO ELASTICO 6X32-DIN 1481
10 2729197 ENGRENAGEM Z-20
11 9304003 GRAXEIRA CURVA M8X1-45 DIN71412B
12 3250116 MOLA LEVA DESARME
13 2729810 REGULADOR DO ESTICADOR
14 2729815 ENGRENAGEM Z-20
15 2729817 EIXO DIR TRANSMISSAO
16 2729813 PROTETOR DIREITO
17 7018004 ARRUELA LISA 5/16"
18 2729274 PARAF BORBOLETA M8X16
19 7011354 PORCA SEXT MA10 DIN 934-5 ZN
20 7019156 ARRUELA DE PRESSAO B10 DIN127 ZN
21 2729838 CONJ EIXO DIR TRANSMISSAO
22 8304016 EMENDA TIPO 26-ABNT084
23 7004408 PF SEXT RT MA10X30 DIN 933-5.6 ZN
24 8301036 CORRENTE ROLOS ABNT 084X55 ELOS
25 7017004 CONTRAPINO 1/8" X 5/8"
26 2729567 PINHAO Z-12
27 2729210 ENGRENAGEM Z-10
28 7025022 PINO ELASTICO 6X36 - DIN 1481
Rev. B - 17/03/2006 ENXUTA 2960PD 69
70 ENXUTA 2960PD Rev. B - 17/03/2006
2403 TRANSMISSAO ESQUERDO DO CARRINHO
REF. CÓDIGO DESCRIÇÃO OBSERVAÇÃO
1 2729851 CONJ MANCAL ESQ TRANSMISSAO
2 2729809 CONJ ESTICADOR DE CORRENTE
3 2741253 CARDAN C1000 CURTO/ CORTO
3 2741256 CARDAN C1200 LONGO/ LARGO
4 7103043 ANEL RETENCAO 33X1,50-DIN 471
5 2728649 ARRUELA DE ENCOSTO
6 9305005 GRAXEIRA RETA M8X1 DIN71412A
7 2729565 PROTETOR
8 7019155 ARRUELA DE PRESSAO B8 DIN127 ZN
9 7004377 PF SEXT RT MA8X16 DIN 933-5.6 ZN
10 2729806 MANCAL ESQ TRANSMISSAO
11 2729567 PINHAO Z-12
12 2741095 PROTETOR ESQUERDO
13 2729274 PARAF BORBOLETA M8X16
14 7018004 ARRUELA LISA 5/16"
15 7025020 PINO ELASTICO 6X32-DIN 1481
16 2729197 ENGRENAGEM Z-20
17 9304003 GRAXEIRA CURVA M8X1-45 DIN71412B
18 3250116 MOLA LEVA DESARME
19 2729810 REGULADOR DO ESTICADOR
20 7017004 CONTRAPINO 1/8" X 5/8"
21 7025022 PINO ELASTICO 6X36 - DIN 1481
22 2729210 ENGRENAGEM Z-10
23 8301036 CORRENTE ROLOS ABNT 084X55 ELOS
24 8304016 EMENDA TIPO 26-ABNT084
25 7011354 PORCA SEXT MA10 DIN 934-5 ZN
26 7019156 ARRUELA DE PRESSAO B10 DIN127 ZN
27 2729807 EIXO ESQ TRANSMISSAO
28 7004408 PF SEXT RT MA10X30 DIN 933-5.6 ZN
29 2729815 ENGRENAGEM Z-20
30 2729839 CONJ EIXO ESQ TRANSMISSAO
31 2729808 BUCHA ESPACADORA
32 2729566 COROA Z-24
Rev. B - 17/03/2006 ENXUTA 2960PD 71
72 ENXUTA 2960PD Rev. B - 17/03/2006
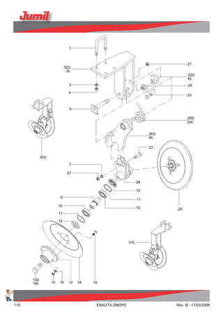
1247 DISTRIBUIDOR SEMENTES
REF. CÓDIGO DESCRIÇÃO OBSERVAÇÃO
1 2732047 CONJ DEPOSITO SEMENTES EX 55L
2 2729585 INSERTO DE APOIO DO DISCO
2 2734755 INSERTO DE APOIO DO DISCO INSERTO ANTI-PALHA/
INSERTO ANTI-PAJA
3 2729586 PRATO DE FIXACAO DO INSERTO
4 7003385 PF PANELA FEN INOX MA6X20-DIN85A2
5 7004031 PF SEXT RP MA10X90 DIN931-5.6 ZN
6 2729581 CORPO DO DISTRIBUIDOR
7 7003367 PF PANELA FEN INOX MA5X10-DIN85A2
8 2729593 SELECTOR STANDARD
8 2729594 SELETOR PARA SOJA OPICIONAL
9 7303045 ROLAMENTO FIXO ESF 6004-2RS
10 2729582 EIXO DE ACIONAMENTO
11 7104049 ANEL RETENCAO 42X1,75-DIN 472
12 2729592 PRISIONEIRO DE FIXACAO DA TAMPA
13 2729587 EIXO GUIA DO SELETOR
14 7025180 PINO ELASTICO 8X50-DIN 1481
15 2729583 BASE DO INSERTO
16 2729584 PF ESPECIAL RT MA5X6
17 2729990 BASE DO DEPOSITO
18 7018007 ARRUELA LISA 3/8"
19 7019156 ARRUELA DE PRESSAO B10 DIN127 ZN
20 7011413 PORCA SEXT INOX MA10 DIN934-A2
21 2729597 VISOR DE INSPECAO
22 8001011 ANEL O'RING N011 SAE AS568A NBR70
23 7023040 REBITE CAB RED 1/4X1.1/4-SAE J492
24 7103016 ANEL RETENCAO 20X1,20-DIN 471
25 2729823 PINO DE FIXACAO PROTETOR
26 0427390 REGULADOR DO SELETOR
27 2729589 MOLA COMPRESSAO D1,8 DI14,0 LO27
28 2729588 EIXO REGULADOR DO SELETOR
29 7025124 PINO ELASTICO 4X36-DIN 1481
30 7011411 PORCA SEXT INOX MA6 DIN934-A2
31 2731095 TELA DE NIVEL
32 7017040 CONTRAPINO 1/4" X 1"
33 2731991 CONDUTOR DA SEMENTE EX
34 2729801 PLACA DE NIVEL-POR
35 7019153 ARRUELA PRESSAO B6-DIN 127 ZN
36 2729614 CONJ DISCO SOJA 75FSXF4,5 MONTAGEM PADRAO DA
MAQUINA/ MONTAJE PATRON
DE LA MAQUINA
36 2729328 CONJ DISCO FEIJAO/SOJA 60FSXF4,5 OPCIONAL
36 2729318 CONJ DISCO MILHO 30FSXF3,7 OPCIONAL
36 2729320 CONJ DISCO MILHO 30FSXF5,0 OPCIONAL
36 2729321 CONJ DISCO MILHO GRAUDO 30FSXF6,0 OPCIONAL
36 2729929 CONJ DISCO FEIJAO JALO 45FSXF6.0 OPCIONAL
36 2729575 CONJ DISCO TOMATE 54FXF1,2 OPCIONAL
36 2729574 CONJ DISCO ALGODAO 45FSXF3,7 OPCIONAL
36 2729573 CONJ DISCO SORGO/GIRASSOL 45FSXF2,5 OPCIONAL
36 2729331 CONJ DISCO COLZA 120FSXF1,2 OPCIONAL
36 2729322 CONJ DISCO AMENDOIM 30FSXF6,5 OPCIONAL
36 2729327 CONJ DISCO FEIJAO/SOJA 60FSXF3,5 OPCIONAL
37 2729604 MOLA COMPRESSAO D0,8 DI6,7 LO15
38 2729600 MOLA COMPRESSAO D0,8 DI6,5 LO31
39 2729656 ANEL DE RETENCAO 6
40 7034167 PF SEXT RT INOX MA5X6 DIN933-A2
41 2729302 DISCO FEIJAO/SOJA 60FSXE1,5XF4,5 OPCIONAL
41 2729613 DISCO SOJA 75FSXE1,5XF4,5 MONTAGEM PADRAO DA
MAQUINA/ MONTAJE PATRON
DE LA MAQUINA
41 2729292 DISCO MILHO 30FSXE1,5XF3,7 OPCIONAL
41 2729294 DISCO MILHO 30FSXE1,5XF5,0 MONTAGEM PADRAO DA
MAQUINA/ MONTAJE PATRON
DE LA MAQUINA
Rev. B - 17/03/2006 ENXUTA 2960PD 73
74 ENXUTA 2960PD Rev. B - 17/03/2006
1247 DISTRIBUIDOR SEMENTES
REF. CÓDIGO DESCRIÇÃO OBSERVAÇÃO
41 2729295 DISCO MILHO GRAUDO 30FSXE1,5XF6,0 OPCIONAL
41 2729805 DISCO FEIJAO JALO 45FSXF6.0 OPCIONAL
41 2729301 DISCO FEIJAO/SOJA 60FSXE1,5XF3,5 OPCIONAL
41 2729226 DISCO FEIJAO 45FSXE1,5XF5,0 OPCIONAL
41 2729493 DISCO ALGODAO 45FSXE1,5XF3,7 OPCIONAL
41 2731093 DISCO ARROZ 240FDXE1,5XF1,5 OPCIONAL
41 2731091 DISCO ARROZ 240FDXE1,5XF1,2 OPCIONAL
41 2729492 DISCO SORGO/GIRASS 45FSXE1,5XF2,5 OPCIONAL
41 2731096 DISCO AVEIA 240FDXE1,5XF0,8 OPCIONAL
41 2729296 DISCO AMENDOIM 30FSXE1,5XF6,5 OPCIONAL
41 2729494 DISCO TOMATE 54FSXE1,5XF1,2 OPCIONAL
41 2729305 DISCO COLZA 120FSXE1,5X1,2 OPCIONAL
42 2729279 DISCO AGITADOR
43 2729599 EIXO DE PRESSAO DO SELETOR
44 7018295 ARRUELA LISA INOX 5,30 DIN9021-A2
45 7002517 PF CAB CH C/FEN MA6X16 DIN963-4.8
46 7011525 PORCA BORBOLETA ZAMAK MA10
47 2729611 MOLA DA TAMPA LIMPEZA
48 2729608 TAMPA DE LIMPEZA
49 7025187 PINO ELASTICO 6X70-DIN 1481
50 2729603 BUCHA DO EJETOR
51 2729602 EJETOR PADRAO (LATAO)/ PATRON
(LATON)
51 2729601 EJETOR B - OPCIONAL (ALUMINIO)
52 7011410 PORCA SEXT INOX MA5 DIN934-A2
53 2729595 CONJ TAMPA DO DISTRIBUIDOR
54 2729580 CONJ CORPO DO DISTRIBUIDOR
55 2729399 CONJ DISTRIBUIDOR SEMENTE PIVO MI CONJ. DETALHADO VIDE
4077/ CONJ. DETALLADO
VIDE 4077
56 2729596 TAMPA DO DISTRIBUIDOR
57 2729815 ENGRENAGEM Z-20
58 7025020 PINO ELASTICO 6X32-DIN 1481
59 7004643 PF SEXT RT MA8X35 DIN 933-8.8 ZN
60 2729991 COMPORTA DA BASE
61 7011353 PORCA SEXT MA8 DIN 934-5 ZN
62 7011514 PORCA BORBOLETA ESTAMPADA MA8
63 2729989 CONJ BASE DEPOSITO C/ COMPORTA
Rev. B - 17/03/2006 ENXUTA 2960PD 75
76 ENXUTA 2960PD Rev. B - 17/03/2006
2258 CONJ BANDA CONTR PROFUND 4.1/2X15
REF. CÓDIGO DESCRIÇÃO OBSERVAÇÃO
1 2734212 CONJ BANDA CONTR PROFUND 4.1/2X15
2 2734052 ARO BANDA CONTR PROFUNDIDADE
3 7019155 ARRUELA DE PRESSAO B8 DIN127 ZN
4 7011353 PORCA SEXT MA8 DIN 934-5 ZN
5 2729698 JUNTA DE VEDACAO
6 2729687 TAMPA DO CUBO DA RODA
7 7004355 PF SEXT RT MA6X16 DIN 933-5.6 ZN
8 7019153 ARRUELA PRESSAO B6-DIN 127 ZN
9 7007536 PF FRANCES MA8X30 DIN 603-4.6
10 2734053 CUBO DA RODA
11 9305005 GRAXEIRA RETA M8X1 DIN71412A
12 8101007 RETENTOR 25,0X36,0X7,0 01515-BR
13 7301121 ROLAMENTO FIXO ESF 6203
14 2729154 BUCHA ESPACADORA
15 7104002 ANEL RETENCAO 40X1,75-DIN 472
16 7014017 PORCA INSERTO NYLON MA16 DIN985-6
17 2734051 BANDA CONTROLE PROFUNDIDADE
18 2734211 BRACO CONTROLE PROFUNDIDADE
19 2729151 EIXO CONTROLE PRONFUNDIDADE
20 7025204 PINO ELASTICO 8X45-DIN 1481
21 2729218 BUCHA ESPACADORA
22 2730955 BUCHA CILINDRICA 2530-25
23 2734186 BRACO CONTROLE PROFUNDIDADE
24 2729724 ARRUELA DE ENCOSTO (7018358C)
25 7019157 ARRUELA DE PRESSAO B12 DIN127 ZN
26 7004693 PF SEXT RT MA12X25 DIN 933-8.8
27 0111040 ADESIVO ANAEOROBICO LOCTITE 638
Rev. B - 17/03/2006 ENXUTA 2960PD 77
78 ENXUTA 2960PD Rev. B - 17/03/2006
1816 BANDA CONTR PROFUNDIDADE
REF. CÓDIGO DESCRIÇÃO OBSERVAÇÃO
1 9305005 GRAXEIRA RETA M8X1 DIN71412A
2 7004355 PF SEXT RT MA6X16 DIN 933-5.6 ZN
3 7019153 ARRUELA PRESSAO B6-DIN 127 ZN
4 2729687 TAMPA DO CUBO DA RODA
5 7014017 PORCA INSERTO NYLON MA16 DIN985-6
6 7104002 ANEL RETENCAO 40X1,75-DIN 472
7 7301121 ROLAMENTO FIXO ESF 6203
8 2729154 BUCHA ESPACADORA
9 7007536 PF FRANCES MA8X30 DIN 603-4.6
10 8101007 RETENTOR 25,0X36,0X7,0 01515-BR
11 2729682 ARO DA BANDA COMPACTADORA
12 2728828 BANDA COMPACTADORA 95X10
13 2729686 CUBO DA RODA
14 7019155 ARRUELA DE PRESSAO B8 DIN127 ZN
15 7011353 PORCA SEXT MA8 DIN 934-5 ZN
16 7004693 PF SEXT RT MA12X25 DIN 933-8.8
17 7019157 ARRUELA DE PRESSAO B12 DIN127 ZN
18 2729724 ARRUELA DE ENCOSTO (7018358C)
19 2732859 BRACO CONTROLE PROFUNDIDADE
20 2729218 BUCHA ESPACADORA
21 2732858 CONJ BANDA CONTR PROFUND 95X10
22 0111040 ADESIVO ANAEOROBICO LOCTITE 638
Rev. B - 17/03/2006 ENXUTA 2960PD 79
80 ENXUTA 2960PD Rev. B - 17/03/2006
0391 CONJ COMPACTADOR "V"
REF. CÓDIGO DESCRIÇÃO OBSERVAÇÃO
1 2710610 BUCHA ESPACADORA
2 7004280 PF SEXT RP MA12X120 DIN931-8.8
3 7014015 PORCA INSERTO NYLON MA12 DIN985-6
4 3240430 MANOPLA
5 2718809 SUPORTE BANDA COMPACTADORA
6 2102623 PINO REMANCHADO 1/2"X105 (2760231C)
7 0427427 ALAVANCA REG. BANDA COMPACTADORA
8 2718878 BALANCIM
9 2718813 MOLA PRESSAO COMPACTADOR
10 2718812 MOLA COMPRESSAO D4,5 DI20,0 LO48
11 7017026 CONTRAPINO 3/16" X 1"
12 6001311 BUCHA ESPACADORA
13 7011354 PORCA SEXT MA10 DIN 934-5 ZN
14 7019156 ARRUELA DE PRESSAO B10 DIN127 ZN
15 3704344 CONJ BANDA COMPACTADORA
16 7007555 PF FRANCES RT MA10X30 DIN 603-4.6
17 2718807 EIXO BANDA COMPACTADORA
18 9305005 GRAXEIRA RETA M8X1 DIN71412A
19 2729697 TAMPA DO MANCAL
20 7011353 PORCA SEXT MA8 DIN 934-5 ZN
21 7104044 ANEL RETENCAO 35X1,50-DIN 472
22 7301120 ROLAMENTO FIXO ESF 6202
23 2729696 BUCHA ESPACADORA
24 8101004 RETENTOR 19,0X29,1X6,4 01909-BR
25 2729695 MANCAL DO COMPACTADOR
26 7004379 PF SEXT RT MA8X20 DIN 933-5.6
27 3704363 ARO BANDA COMPACTADORA
28 2730968 BANDA COMPACTADORA 25X295
29 7019155 ARRUELA DE PRESSAO B8 DIN127 ZN
30 2718805 CONJ BANDA COMPACTADORA "V"
31 2718806 CONJ BANDA COMPACTADORA "V"
32 7004377 PF SEXT RT MA8X16 DIN 933-5.6 ZN
Rev. B - 17/03/2006 ENXUTA 2960PD 81
82 ENXUTA 2960PD Rev. B - 17/03/2006
1696 COMPACTADOR FLUTUANTE CONCAVO
REF. CÓDIGO DESCRIÇÃO OBSERVAÇÃO
1 7016026 TRAVA DE ACO 3/16"X94
2 7018062 ARRUELA LISA 1/2"
3 3705027 MOLA COMPRESSAO D3,6 DI20,0 LO120
4 2728773 HASTE REGULADORA
5 2728786 CONJ HASTE REG COMPACTADORA
6 2728775 BUCHA ESPACADORA
7 7019157 ARRUELA DE PRESSAO B12 DIN127 ZN
8 7011355 PORCA SEXT MA12 DIN 934-5 ZN
9 7017004 CONTRAPINO 1/8" X 5/8"
10 7004049 PF SEXT RP MA12X95 DIN931-5.6
11 3501915 PINO FIXADOR HASTE
12 2731564 BRACO DA BANDA COMPACTADORA
13 7004436 PF SEXT RT MA12X30 DIN 933-5.6
14 2728788 CONJ BANDA COMPACTADORA CONCAVA
15 9305005 GRAXEIRA RETA M8X1 DIN71412A
16 2728781 MANCAL
17 7014202 PORCA AUTOTRAVANTE MA6 DIN 980-8
18 2731567 SUPORTE LONGO
19 8101073 RETENTOR 19,0X35,0X7,0 00784-BR
20 7301122 ROLAMENTO FIXO ESF 6204
21 2718219 EIXO DA BANDA COMPACTADORA
22 2728782 CONJ BANDA COMPACTADORA CONCAVA
23 2731563 CONJ BANDA COMPACTADORA CONCAVA
24 2728772 ARO BANDA COMPACTADORA
25 2728605 BANDA COMPACTADORA CONCAVA
26 7004618 PF SEXT RT MA6X25 DIN 933-8.8 ZN
27 7004613 PF SEXT RT MA6X12 DIN 933-8.8 ZN
28 2731566 SUPORTE CURTO
29 7019153 ARRUELA PRESSAO B6-DIN 127 ZN
Rev. B - 17/03/2006 ENXUTA 2960PD 83
84 ENXUTA 2960PD Rev. B - 17/03/2006
1849 COMPACTADOR FLUTUANTE LISA
REF. CÓDIGO DESCRIÇÃO OBSERVAÇÃO
1 7016026 TRAVA DE ACO 3/16"X94
2 7018062 ARRUELA LISA 1/2"
3 3705027 MOLA COMPRESSAO D3,6 DI20,0 LO120
4 2728773 HASTE REGULADORA
5 2728786 CONJ HASTE REG COMPACTADORA
6 2728775 BUCHA ESPACADORA
7 7019157 ARRUELA DE PRESSAO B12 DIN127 ZN
8 7011355 PORCA SEXT MA12 DIN 934-5 ZN
9 7017004 CONTRAPINO 1/8" X 5/8"
10 7004049 PF SEXT RP MA12X95 DIN931-5.6
11 3501915 PINO FIXADOR HASTE
12 2731564 BRACO DA BANDA COMPACTADORA
13 7004436 PF SEXT RT MA12X30 DIN 933-5.6
14 2728771 CONJ BANDA COMPACTADORA LISA
15 9305005 GRAXEIRA RETA M8X1 DIN71412A
16 2728781 MANCAL
17 7014202 PORCA AUTOTRAVANTE MA6 DIN 980-8
18 2731567 SUPORTE LONGO
19 8101073 RETENTOR 19,0X35,0X7,0 00784-BR
20 7301122 ROLAMENTO FIXO ESF 6204
21 2718219 EIXO DA BANDA COMPACTADORA
22 2728783 CONJ BANDA COMPACTADORA LISA
23 2731572 CONJ BANDA COMPACTADORA LISA
24 2728772 ARO BANDA COMPACTADORA
25 2728600 PNEU COMPACTADOR LISO
26 7004618 PF SEXT RT MA6X25 DIN 933-8.8 ZN
27 7004613 PF SEXT RT MA6X12 DIN 933-8.8 ZN
28 2731566 SUPORTE CURTO
29 7019153 ARRUELA PRESSAO B6-DIN 127 ZN
Rev. B - 17/03/2006 ENXUTA 2960PD 85
86 ENXUTA 2960PD Rev. B - 17/03/2006
2268 DISCO DUPLO SEMEADOR 14"-PARALELO
REF. CÓDIGO DESCRIÇÃO OBSERVAÇÃO
1 7004280 PF SEXT RP MA12X120 DIN931-8.8
2 2729633 SUPORTE DISCO SEMEADOR 14"-PARAL
3 7019156 ARRUELA DE PRESSAO B10 DIN127 ZN
4 7014205 PORCA AUTOTRAVANTE MA12 DIN 980-8
5 7004241 PF SEXT RP MA8X70 DIN931-8.8
6 2731981 LIMPADOR ESQUERDO
7 2731982 LIMPADOR DIREITO
8 2731980 MOLA COMPRESSAO D1,2 DI9,0 LO30
9 7011353 PORCA SEXT MA8 DIN 934-5 ZN
10 7019155 ARRUELA DE PRESSAO B8 DIN127 ZN
11 2731888 CONJ LIMPADOR D.D ESQ/DIR
12 0111024 ADESIVO ANAEOROBICO LOCTITE 277
13 7014013 PORCA INSERTO NYLON MA8 DIN985-6
14 2729458 CONJ COMPLETO DISCO ESQUERDO 14"
15 7025002 PINO ELASTICO 6 X 20 -DIN 1487
16 2729147 INSERTO DO DISCO DUPLO
17 9305005 GRAXEIRA RETA M8X1 DIN71412A
18 7004614 PF SEXT RT MA6X16 DIN 933-8.8 - ZN
19 7019153 ARRUELA PRESSAO B6-DIN 127 ZN
20 2708105 TAMPA DO MANCAL
21 7004718 PF SEXT RT MA16X50 DIN933-8.8 ZN
21 7004750 PF SEXT RP MA16-REX50 DIN 931-8.8 - ZN ESQUERDO/ IZQUIERDO
22 2734748 FIXADOR DISCO DUPLO UNID ESQ
22 2734749 FIXADOR DISCO DUPLO UNID DIR
23 2729448 ARRUELA DE ENCOSTO
24 7301124 ROLAMENTO FIXO ESF 6206
25 3705055 BUCHA DO ROLAMENTO
26 8101006 RETENTOR 25,0X47,0X10,0 00266-BR
27 2729408 MANCAL DO DISCO (2729428P)
28 2729453 CONJ DISCO SEMEADOR 14"-PARAL
29 9901046 DISCO PLANO-14"
30 7002610 PF CAB CH C/FEN MA8X22 DIN963-8.8
30 7002611 PF CAB CH C/FEN MA8X25 DIN963-8.8
31 2708106 TAMPA DO RETENTOR
32 7011354 PORCA SEXT MA10 DIN 934-5 ZN
33 7004667 PF SEXT RT M10X30 DIN933-8.8 ZN
35 2729243 GUARDA PO
37 7009688 PF SEXT RT MA8X40 DIN 933-8.8X10X35
Rev. B - 17/03/2006 ENXUTA 2960PD 87
88 ENXUTA 2960PD Rev. B - 17/03/2006
2269 DISCO SEMEADOR 14" DESENC (R.CON)
REF. CÓDIGO DESCRIÇÃO OBSERVAÇÃO
1 7004280 PF SEXT RP MA12X120 DIN931-8.8
2 2729374 SUPORTE DISCO SEMEADOR 14"-DESENC
3 2734748 FIXADOR DISCO DUPLO UNID ESQ
3 2734749 FIXADOR DISCO DUPLO UNID DIR
4 7014205 PORCA AUTOTRAVANTE MA12 DIN 980-8
5 7025002 PINO ELASTICO 6 X 20 -DIN 1487
6 2729147 INSERTO DO DISCO DUPLO
7 7004241 PF SEXT RP MA8X70 DIN931-8.8
8 2731981 LIMPADOR ESQUERDO
9 2731982 LIMPADOR DIREITO
10 2731980 MOLA COMPRESSAO D1,2 DI9,0 LO30
11 7014013 PORCA INSERTO NYLON MA8 DIN985-6
12 2729943 CONJ DISCO SEMEADOR 14"-DESENC
13 9305005 GRAXEIRA RETA M8X1 DIN71412A
14 7011353 PORCA SEXT MA8 DIN 934-5 ZN
15 7019155 ARRUELA DE PRESSAO B8 DIN127 ZN
16 2731956 CONJ DISCO SEMEADOR ESQ 14"DESENC
17 2731957 SUPORTE DISCO SEM ESQ 14"-DESENC
18 2731888 CONJ LIMPADOR D.D ESQ/DIR
19 0111024 ADESIVO ANAEOROBICO LOCTITE 277
20 7004355 PF SEXT RT MA6X16 DIN 933-5.6 ZN
21 7019153 ARRUELA PRESSAO B6-DIN 127 ZN
22 2729244 TAMPA DO MANCAL
23 2729245 JUNTA DE VEDACAO
24 2718717 PINO DA PORCA
25 7012524 PORCA CASTELO MB18 DIN 937-5
26 7302161 ROLAMENTO ROLOS CONICOS 30204
27 7104013 ANEL RETENCAO 47X1,75-DIN 472
28 2718714 MANCAL DO DISCO
29 2718715 EIXO DIR DO DISCO
30 2718716 EIXO ESQ DO DISCO
31 8101006 RETENTOR 25,0X47,0X10,0 00266-BR
32 9901046 DISCO PLANO-14"
33 2708106 TAMPA DO RETENTOR
34 2729243 GUARDA PO
35 7002610 PF CAB CH C/FEN MA8X22 DIN963-8.8
36 7004667 PF SEXT RT M10X30 DIN933-8.8 ZN
37 7009688 PF SEXT RT MA8X40 DIN 933-8.8X10X35
38 7019156 ARRUELA DE PRESSAO B10 DIN127 ZN
Rev. B - 17/03/2006 ENXUTA 2960PD 89
90 ENXUTA 2960PD Rev. B - 17/03/2006
2465 DISCO SEMEADOR 14"" PARALELO (R.CON)
REF. CÓDIGO DESCRIÇÃO OBSERVAÇÃO
1 7004280 PF SEXT RP MA12X120 DIN931-8.8
2 2729633 SUPORTE DISCO SEMEADOR 14"-PARAL
3 2734748 FIXADOR DISCO DUPLO UNID ESQ
3 2734749 FIXADOR DISCO DUPLO UNID DIR
4 7014205 PORCA AUTOTRAVANTE MA12 DIN 980-8
5 7025176 PINO ELASTICO 6X22-DIN 1481
6 2729147 INSERTO DO DISCO DUPLO
7 7004241 PF SEXT RP MA8X70 DIN931-8.8
8 2731981 LIMPADOR ESQUERDO
9 2731982 LIMPADOR DIREITO
10 2731980 MOLA COMPRESSAO D1,2 DI9,0 LO30
11 7014013 PORCA INSERTO NYLON MA8 DIN985-6
12 2729940 CONJ DISCO SEMEADOR 14"-PARAL
13 9305005 GRAXEIRA RETA M8X1 DIN71412A
14 7011353 PORCA SEXT MA8 DIN 934-5 ZN
15 7019155 ARRUELA DE PRESSAO B8 DIN127 ZN
16 2729941 CONJ COMPLETO DISCO DIR 14"
17 2729942 CONJ COMPLETO DISCO ESQ 14"
18 2731888 CONJ LIMPADOR D.D ESQ/DIR
19 0111024 ADESIVO ANAEOROBICO LOCTITE 277
20 7004355 PF SEXT RT MA6X16 DIN 933-5.6 ZN
21 7019153 ARRUELA PRESSAO B6-DIN 127 ZN
22 2729244 TAMPA DO MANCAL
23 2729245 JUNTA DE VEDACAO
24 2718717 PINO DA PORCA
25 7012524 PORCA CASTELO MB18 DIN 937-5
26 7302161 ROLAMENTO ROLOS CONICOS 30204
27 7104013 ANEL RETENCAO 47X1,75-DIN 472
28 2718714 MANCAL DO DISCO
29 2718715 EIXO DIR DO DISCO
30 2718716 EIXO ESQ DO DISCO
31 8101006 RETENTOR 25,0X47,0X10,0 00266-BR
32 9901046 DISCO PLANO-14"
33 2708106 TAMPA DO RETENTOR
34 2729243 GUARDA PO
35 7002610 PF CAB CH C/FEN MA8X22 DIN963-8.8
36 7004667 PF SEXT RT M10X30 DIN933-8.8 ZN
37 7009688 PF SEXT RT MA8X40 DIN 933-8.8X10X35
38 7019156 ARRUELA DE PRESSAO B10 DIN127 ZN
Rev. B - 17/03/2006 ENXUTA 2960PD 91
92 ENXUTA 2960PD Rev. B - 17/03/2006
2267 DISCO DUPLO SEMEADOR 14" - DESENC
REF. CÓDIGO DESCRIÇÃO OBSERVAÇÃO
1 7004280 PF SEXT RP MA12X120 DIN931-8.8
2 2729374 SUPORTE DISCO SEMEADOR 14"-DESENC
3 7019156 ARRUELA DE PRESSAO B10 DIN127 ZN
4 7014205 PORCA AUTOTRAVANTE MA12 DIN 980-8
5 7004241 PF SEXT RP MA8X70 DIN931-8.8
6 2731981 LIMPADOR ESQUERDO
7 2731982 LIMPADOR DIREITO
8 2731980 MOLA COMPRESSAO D1,2 DI9,0 LO30
9 7011353 PORCA SEXT MA8 DIN 934-5 ZN
10 7019155 ARRUELA DE PRESSAO B8 DIN127 ZN
11 2731957 SUPORTE DISCO SEM ESQ 14"-DESENC
12 2731557 CONJ DISCO SEMEADOR ESQ 14"-DESEN
13 2731888 CONJ LIMPADOR D.D ESQ/DIR
14 0111024 ADESIVO ANAEOROBICO LOCTITE 277
15 7025002 PINO ELASTICO 6 X 20 -DIN 1487
16 2729147 INSERTO DO DISCO DUPLO
17 9305005 GRAXEIRA RETA M8X1 DIN71412A
18 7004355 PF SEXT RT MA6X16 DIN 933-5.6 ZN
19 7019153 ARRUELA PRESSAO B6-DIN 127 ZN
20 2708105 TAMPA DO MANCAL
21 7004466 PF SEXT RT MA16X50 DIN 933-5.6
21 7004755 PF SEXT RT MA16-REX50 DIN 933-5.6
22 2734748 FIXADOR DISCO DUPLO UNID ESQ
22 2734749 FIXADOR DISCO DUPLO UNID DIR
23 2729448 ARRUELA DE ENCOSTO
24 7301124 ROLAMENTO FIXO ESF 6206
25 3705055 BUCHA DO ROLAMENTO
26 8101006 RETENTOR 25,0X47,0X10,0 00266-BR
27 2729428 MANCAL DO DISCO
28 2729451 CONJ DISCO SEMEADOR 14"-DESENC
29 9901046 DISCO PLANO-14"
30 7002610 PF CAB CH C/FEN MA8X22 DIN963-8.8
31 2708106 TAMPA DO RETENTOR
32 2729457 CONJ COMPLETO DISCO DIR 14"
33 2729458 CONJ COMPLETO DISCO ESQUERDO 14"
34 7004013 PF SEXT RP MA8X70 DIN931-5.6
35 2729243 GUARDA PO
36 7004667 PF SEXT RT M10X30 DIN933-8.8 ZN
37 7011354 PORCA SEXT MA10 DIN 934-5 ZN
Rev. B - 17/03/2006 ENXUTA 2960PD 93
94 ENXUTA 2960PD Rev. B - 17/03/2006
3450 CONJ BANDA CONTROLE PROFUNDIDADE
REF. CÓDIGO DESCRIÇÃO OBSERVAÇÃO
1 3738408 ALCA DO CONTROLE PROF
2 7017001 CONTRAPINO 1/8" X 1"
3 7018013 ARRUELA LISA 1/2"
4 7019156 ARRUELA DE PRESSAO B10 DIN127 ZN
5 7025176 PINO ELASTICO 6X22-DIN 1481
6 9720601 MANOPLA M12
7 2741445 ALAVANCA REG COMPACTADOR
8 7004670 PF SEXT RT MA10X45 DIN 933-8.8
9 2741446 CONJ HASTE REGULADORA
10 2729589 MOLA COMPRESSAO D1,8 DI14,0 LO27
11 3738454 CONJUNTO REGULADORA
12 7011354 PORCA SEXT MA10 DIN 934-5 ZN
13 0850132 BUCHA ESPACADORA
14 2727056 ARO BANDA CONTR PROFUNDIDADE
15 2727055 BANDA CONTR PROFUNDIDADE 3X13.1/4
16 7004768 PF SEXT RP MA16-REX90 DIN 931-8.8
17 2735998 GUARDA PO
18 7007536 PF FRANCES MA8X30 DIN 603-4.6
19 7011353 PORCA SEXT MA8 DIN 934-5 ZN
20 7011355 PORCA SEXT MA12 DIN 934-5 ZN
21 2738652 CUBO DA RODA RAIADA
22 2731366 TAMPA DO VEDADOR
23 8001321 ANEL O'RING N321 SAE AS568A NBR70
24 2731365 VEDADOR AXIAL (2760732C)
25 7301123 ROLAMENTO FIXO ESF 6205
26 2731329 BUCHA DO MANCAL
27 3738451 CONJ BANDA CONTROLE PROFUND FIXA
28 3738452 HASTE REGULADORA
29 2738651 CONJ CUBO DA RODA RAIADA
Rev. B - 17/03/2006 ENXUTA 2960PD 95
96 ENXUTA 2960PD Rev. B - 17/03/2006
3451 BANDA COMPACTADORA CONCAVA
REF. CÓDIGO DESCRIÇÃO OBSERVAÇÃO
1 7004277 PF SEXT RP MA12X95 DIN931-8.8
2 7004615 PF SEXT RT MA6X18 DIN 933-8.8
3 7014015 PORCA INSERTO NYLON MA12 DIN985-6
4 2729484 BUCHA DE FIXACAO
5 7004695 PF SEXT RT MA12X30 DIN933-8.8 - ZN
6 3240417 MOLA COMPRESSAO D4,5 DI20,0 LO165
7 3738474 BRACO BANDA COMPACTADORA CONCAVA
8 2727112 HASTE REGULADORA
9 7016010 TRAVA DE ACO 5/32"X69
10 7004693 PF SEXT RT MA12X25 DIN 933-8.8
11 7019157 ARRUELA DE PRESSAO B12 DIN127 ZN
12 7017004 CONTRAPINO 1/8" X 5/8"
13 2732319 PINO REMANCHADO 3/8"X46
14 9305005 GRAXEIRA RETA M8X1 DIN71412A
15 7014202 PORCA AUTOTRAVANTE MA6 DIN 980-8
16 2728781 MANCAL
17 8101073 RETENTOR 19,0X35,0X7,0 00784-BR
18 7301122 ROLAMENTO FIXO ESF 6204
19 2732308 EIXO BANDA COMPACTADORA
20 2732307 ARO BANDA COMPACTADORA
21 2732309 BANDA COMPACTADORA 110X315
22 7004620 PF SEXT RT MA6X30 DIN 933-8.8
23 2732306 CONJ BANDA COMPACTADORA
24 3738458 KIT BANDA COMPACTADORA CONCAVA
Rev. B - 17/03/2006 ENXUTA 2960PD 97
98 ENXUTA 2960PD Rev. B - 17/03/2006
3452 BANDA COMPACTADORA LARGA
REF. CÓDIGO DESCRIÇÃO OBSERVAÇÃO
1 7014015 PORCA INSERTO NYLON MA12 DIN985-6
2 2729484 BUCHA DE FIXACAO
3 7004695 PF SEXT RT MA12X30 DIN933-8.8 - ZN
4 3240417 MOLA COMPRESSAO D4,5 DI20,0 LO165
5 3738472 BRACO BANDA COMPACTADORA LARGA
6 7004277 PF SEXT RP MA12X95 DIN931-8.8
7 2727112 HASTE REGULADORA
8 2732319 PINO REMANCHADO 3/8"X46
9 7016010 TRAVA DE ACO 5/32"X69
10 7017004 CONTRAPINO 1/8" X 5/8"
11 7004763 PF SEXT RP MA12X235 DIN 931-8.8
12 7004377 PF SEXT RT MA8X16 DIN 933-5.6 ZN
13 2739309 ARO DA BANDA COMPACTADORA
14 1732087 BUCHA ESPACADORA
15 7011353 PORCA SEXT MA8 DIN 934-5 ZN
16 7602001 ROL DUAS CARREIRAS 12X38,1X63,5
17 2739308 BANDA COMPACTADORA 6.1/2X12
18 7019155 ARRUELA DE PRESSAO B8 DIN127 ZN
19 2739330 CONJ BANDA COMPACTADORA 6.1/2X12
20 3738456 KIT BANDA COMPACTADORA LARGA
Rev. B - 17/03/2006 ENXUTA 2960PD 99
100 ENXUTA 2960PD Rev. B - 17/03/2006
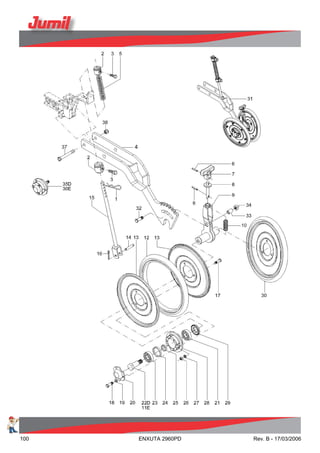
3453 COMPACTADOR FLUTUANTE EM "V" REG
REF. CÓDIGO DESCRIÇÃO OBSERVAÇÃO
1 7016010 TRAVA DE ACO 5/32"X69
2 2729484 BUCHA DE FIXACAO
3 7004695 PF SEXT RT MA12X30 DIN933-8.8 - ZN
4 3738473 BRACO DA BANDA
5 3240417 MOLA COMPRESSAO D4,5 DI20,0 LO165
6 7025176 PINO ELASTICO 6X22-DIN 1481
7 2738689 PUXADOR
8 2738693 HASTE REGULADORA
9 2732320 REGULADOR
10 2729589 MOLA COMPRESSAO D1,8 DI14,0 LO27
11 2731702 EIXO ESQ MANCAL COMPACTADOR (2731702P)
12 2730968 BANDA COMPACTADORA 25X295
13 3704363 ARO BANDA COMPACTADORA
14 2732319 PINO REMANCHADO 3/8"X46
15 2741580 HASTE REGULADORA
16 7017004 CONTRAPINO 1/8" X 5/8"
17 7004638 PF SEXT RT MA8X20 DIN933-8.8 ZN
18 7004355 PF SEXT RT MA6X16 DIN 933-5.6 ZN
19 7019153 ARRUELA PRESSAO B6-DIN 127 ZN
20 2731697 TAMPA DO MANCAL
21 7301154 ROLAMENTO FIXO ESF 6204-Z
22 2731698 EIXO DIR MANCAL COMPACTADOR
23 7301122 ROLAMENTO FIXO ESF 6204
24 2731694 BUCHA ESPACADORA (2731694P)
25 2731699 BUCHA ESPACADORA (2731699P)
26 7011353 PORCA SEXT MA8 DIN 934-5 ZN
27 7019155 ARRUELA DE PRESSAO B8 DIN127 ZN
28 2731696 MANCAL DO COMPACTADOR
29 2731700 GUARDA PO
30 2731667 CONJ BANDA COMPACTADORA ESQ
30 2731664 CONJ BANDA COMPACTADORA DIR
31 3738457 CONJ BANDA COMPACTADORA EM V
32 7004644 PF SEXT RT MA8X40 DIN 933-8.8
33 2732365 BUCHA ESPACADORA
34 7014013 PORCA INSERTO NYLON MA8 DIN985-6
35 2731712 CONJ MANCAL DIR C/ROLAMENTO
36 2731713 CONJ MANCAL ESQ C/ROLAMENTO
37 7004277 PF SEXT RP MA12X95 DIN931-8.8
38 7014015 PORCA INSERTO NYLON MA12 DIN985-6
Rev. B - 17/03/2006 ENXUTA 2960PD 101
102 ENXUTA 2960PD Rev. B - 17/03/2006
2299 COMPACTADOR FLUTUANTE EM "V"
REF. CÓDIGO DESCRIÇÃO OBSERVAÇÃO
1 7011355 PORCA SEXT MA12 DIN 934-5 ZN
2 7019157 ARRUELA DE PRESSAO B12 DIN127 ZN
3 2728775 BUCHA ESPACADORA
4 2718753 BRACO BANDA COMPACTADORA
5 7004049 PF SEXT RP MA12X95 DIN931-5.6
6 7017004 CONTRAPINO 1/8" X 5/8"
7 7019156 ARRUELA DE PRESSAO B10 DIN127 ZN
8 7011354 PORCA SEXT MA10 DIN 934-5 ZN
9 3704363 ARO BANDA COMPACTADORA
10 3705016 BANDA COMPACTADORA DE SEMENTES
11 2718755 REGULADOR DA BANDA COMPACTADORA
12 7011353 PORCA SEXT MA8 DIN 934-5 ZN
13 7019155 ARRUELA DE PRESSAO B8 DIN127 ZN
14 7004377 PF SEXT RT MA8X16 DIN 933-5.6 ZN
15 2729697 TAMPA DO MANCAL
16 9305005 GRAXEIRA RETA M8X1 DIN71412A
17 3501915 PINO FIXADOR HASTE
18 7007557 PF FRANCES RT MA10X40 DIN 603-4.6
19 7014015 PORCA INSERTO NYLON MA12 DIN985-6
20 7104044 ANEL RETENCAO 35X1,50-DIN 472
21 7301120 ROLAMENTO FIXO ESF 6202
22 2729696 BUCHA ESPACADORA
23 3704344 CONJ BANDA COMPACTADORA
24 8101004 RETENTOR 19,0X29,1X6,4 01909-BR
25 2729695 MANCAL DO COMPACTADOR
26 2728786 CONJ HASTE REG COMPACTADORA
27 2718751 CONJ BANDA COMPACTADORA "V"
28 7004379 PF SEXT RT MA8X20 DIN 933-5.6
29 7016026 TRAVA DE ACO 3/16"X94
30 7018062 ARRUELA LISA 1/2"
31 3705027 MOLA COMPRESSAO D3,6 DI20,0 LO120
32 2728773 HASTE REGULADORA
Rev. B - 17/03/2006 ENXUTA 2960PD 103
104 ENXUTA 2960PD Rev. B - 17/03/2006
2511 COMPACTADOR FLUTUANTE EM "V" REG
REF. CÓDIGO DESCRIÇÃO OBSERVAÇÃO
1 7011355 PORCA SEXT MA12 DIN 934-5 ZN
2 7019157 ARRUELA DE PRESSAO B12 DIN127 ZN
3 2728775 BUCHA ESPACADORA
4 2741439 BRACO DO COMP FLUTUANTE EM "V"
5 7004049 PF SEXT RP MA12X95 DIN931-5.6
6 7017004 CONTRAPINO 1/8" X 5/8"
7 2738689 PUXADOR
8 2738693 HASTE REGULADORA
9 2732320 REGULADOR
10 2729589 MOLA COMPRESSAO D1,8 DI14,0 LO27
11 2731702 EIXO ESQ MANCAL COMPACTADOR (2731702P)
12 2730968 BANDA COMPACTADORA 25X295
13 3704363 ARO BANDA COMPACTADORA
14 3501915 PINO FIXADOR HASTE
15 2728773 HASTE REGULADORA
16 7018062 ARRUELA LISA 1/2"
17 7004638 PF SEXT RT MA8X20 DIN933-8.8 ZN
18 7004355 PF SEXT RT MA6X16 DIN 933-5.6 ZN
19 7019153 ARRUELA PRESSAO B6-DIN 127 ZN
20 2731697 TAMPA DO MANCAL
21 7301154 ROLAMENTO FIXO ESF 6204-Z
22 2731698 EIXO DIR MANCAL COMPACTADOR
23 7301122 ROLAMENTO FIXO ESF 6204
24 2731694 BUCHA ESPACADORA (2731694P)
25 2731699 BUCHA ESPACADORA (2731699P)
26 7011353 PORCA SEXT MA8 DIN 934-5 ZN
27 7019155 ARRUELA DE PRESSAO B8 DIN127 ZN
28 2731696 MANCAL DO COMPACTADOR
29 2731700 GUARDA PO
30 3704344 CONJ BANDA COMPACTADORA
31 2741477 CONJ BANDA COMPACTADORA "V" REG
32 7004644 PF SEXT RT MA8X40 DIN 933-8.8
33 3705027 MOLA COMPRESSAO D3,6 DI20,0 LO120
34 7016026 TRAVA DE ACO 3/16"X94
35 2728786 CONJ HASTE REG COMPACTADORA
36 7025176 PINO ELASTICO 6X22-DIN 1481
37 2731712 CONJ MANCAL DIR C/ROLAMENTO
38 2731713 CONJ MANCAL ESQ C/ROLAMENTO
39 7014013 PORCA INSERTO NYLON MA8 DIN985-6
40 2732365 BUCHA ESPACADORA
Rev. B - 17/03/2006 ENXUTA 2960PD 105
106 ENXUTA 2960PD Rev. B - 17/03/2006
2648 BANDA CONTROLE PROFUNDIDADE
REF. CÓDIGO DESCRIÇÃO OBSERVAÇÃO
1 2718167 CONJ BANDA CONTROLE PROFUNDIDADE
2 7011353 PORCA SEXT MA8 DIN 934-5 ZN
3 7004268 PF SEXT RP MA12X50 DIN931-8.8
4 2710610 BUCHA ESPACADORA
5 7019155 ARRUELA DE PRESSAO B8 DIN127 ZN
6 2729682 ARO DA BANDA COMPACTADORA
7 7018013 ARRUELA LISA 1/2"
8 7019157 ARRUELA DE PRESSAO B12 DIN127 ZN
9 7011355 PORCA SEXT MA12 DIN 934-5 ZN
10 2728828 BANDA COMPACTADORA 95X10
11 7007535 PF FRANCES MA8X25 DIN 603-4.6
12 7104002 ANEL RETENCAO 40X1,75-DIN 472
13 7016001 TRAVA DE ACO 1/8''X49
14 7025007 PINO ELASTICO 12X80-DIN 1481
15 2741252 SUPORTE UNIDADE CURTA
16 2718479 PINO TRAVA
17 7024052 PINO RANHURADO 10X60-DIN1470
18 2718586 EIXO DE ARTICULACAO
19 2718597 BARRA REG PROFUNDIDADE
20 9305005 GRAXEIRA RETA M8X1 DIN71412A
21 2729686 CUBO DA RODA
22 8101007 RETENTOR 25,0X36,0X7,0 01515-BR
23 7301121 ROLAMENTO FIXO ESF 6203
24 2729154 BUCHA ESPACADORA
25 7004355 PF SEXT RT MA6X16 DIN 933-5.6 ZN
26 7019153 ARRUELA PRESSAO B6-DIN 127 ZN
27 2729687 TAMPA DO CUBO DA RODA
28 7014017 PORCA INSERTO NYLON MA16 DIN985-6
28 2729698 JUNTA DE VEDACAO
Rev. B - 17/03/2006 ENXUTA 2960PD 107
108 ENXUTA 2960PD Rev. B - 17/03/2006
2374 KIT COBRIDOR ADUBO COM DISCO
REF. CÓDIGO DESCRIÇÃO OBSERVAÇÃO
1 2732367 EIXO PANTOGRAFO
2 0427697 FIXADOR DIR DO BRACO
2 0427698 FIXADOR ESQ DO BRACO
3 7014037 PORCA INSERTO NYLON MB16 DIN985-6
4 1732048 GRAMPO DE FIXACAO M12X64X85
5 7014014 PORCA INSERTO NYLON MA10 DIN985-6
6 2732950 REGULADOR DIREITO DA MOLA
6 2732949 REGULADOR ESQUERDO DA MOLA
7 2732924 SUPORTE DIR FIXACAO
7 2732928 SUPORTE ESQ FIXACAO
8 7004757 PF SEXT RP MA16-REX80 DIN 931-8.8
9 7004251 PF SEXT RP MA10X50 DIN 931-8.8
10 2738279 CONJ MANCAL
11 2732938 MOLA ESQ DE TORCAO
11 2732920 MOLA DIR DE TORCAO
12 2734602 CONJ BRACO ARTIC DIREITO
12 2734603 CONJ BRACO ARTIC ESQUERDO
13 2731592 ARRUELA LISA
14 7004698 PF SEXT RT MA12X45 DIN933-8.8 - ZN
15 7018013 ARRUELA LISA 1/2"
16 7011355 PORCA SEXT MA12 DIN 934-5 ZN
17 7019157 ARRUELA DE PRESSAO B12 DIN127 ZN
18 8101050 RETENTOR 25,0X47,0X8,0 3332-BRGG
19 7104013 ANEL RETENCAO 47X1,75-DIN 472
20 7301083 ROLAMENTO FIXO ESF 6005-Z
21 2738281 BUCHA DO MANCAL
22 2738280 MANCAL
23 7011353 PORCA SEXT MA8 DIN 934-5 ZN
24 7019155 ARRUELA DE PRESSAO B8 DIN127 ZN
25 2734534 DISCO COBRIDOR
26 7004640 PF SEXT RT MA8X25 DIN 933-8.8 ZN
27 7004292 PF SEXT RP MA16X80 DIN 931-8.8
28 2732416 KIT COBRIDOR ADUBO ESQUERDO
28 2732417 KIT COBRIDOR ADUBO DIREITO
29 2734550 CONJ DISCO COBRIDOR ESQUERDO
29 2734643 CONJ DISCO COBRIDOR DIREITO
Rev. B - 17/03/2006 ENXUTA 2960PD 109
110 ENXUTA 2960PD Rev. B - 17/03/2006
3454 KIT COBRIDOR/ VARREDOR
REF. CÓDIGO DESCRIÇÃO OBSERVAÇÃO
1 1732048 GRAMPO DE FIXACAO M12X64X85
2 2732785 SUPORTE FIXACAO ESQUERDO
3 7019157 ARRUELA DE PRESSAO B12 DIN127 ZN
4 7011355 PORCA SEXT MA12 DIN 934-5 ZN
5 2732367 EIXO PANTOGRAFO
6 2732950 REGULADOR DIREITO DA MOLA
7 7018237 ARRUELA LISA A10,50 DIN125-ZN
8 2734545 BRACO ARTICULACAO ESQUERDO
9 2738281 BUCHA DO MANCAL
10 7301083 ROLAMENTO FIXO ESF 6005-Z
11 7104013 ANEL RETENCAO 47X1,75-DIN 472
12 8101050 RETENTOR 25,0X47,0X8,0 3332-BRGG
13 7004292 PF SEXT RP MA16X80 DIN 931-8.8
14 7004757 PF SEXT RP MA16-REX80 DIN 931-8.8
15 7011353 PORCA SEXT MA8 DIN 934-5 ZN
16 7019155 ARRUELA DE PRESSAO B8 DIN127 ZN
17 2738280 MANCAL
18 2734534 DISCO COBRIDOR
19 7004642 PF SEXT RT MA8X30 DIN 933-8.8
20 2732800 CONJ DISCO COBRIDOR EXTERNO
21 7014014 PORCA INSERTO NYLON MA10 DIN985-6
22 2732949 REGULADOR ESQUERDO DA MOLA
23 7004250 PF SEXT RP MA10X45 DIN931-8.8
24 2732938 MOLA ESQ DE TORCAO
25 2732920 MOLA DIR DE TORCAO
26 2734547 BRACO ARTICULACAO DIREITO
27 7007557 PF FRANCES RT MA10X40 DIN 603-4.6
28 2732795 REGULADOR DO DISCO
29 7014017 PORCA INSERTO NYLON MA16 DIN985-6
30 2732778 KIT COBRIDOR/VARREDOR DIR PIVO
31 2732779 KIT COBRIDOR/VARREDOR ESQ PIVO
32 2732780 SUPORTE FIXACAO DIREITO
Rev. B - 17/03/2006 ENXUTA 2960PD 111
112 ENXUTA 2960PD Rev. B - 17/03/2006
2451 DISCO CORTE 17"
REF. CÓDIGO DESCRIÇÃO OBSERVAÇÃO
1 7011357 PORCA SEXT MA18 DIN 934-5 ZN
2 0427673 APOIO DA MOLA
3 2738069 MOLA COMPR D11,0 DI40,0 LO263,5
4 2738068 TUBO LIMITADOR
5 2727120 HASTE REGULADORA
6 7016010 TRAVA DE ACO 5/32"X69
7 2725645 PINO REMANCHADO 5/8"X98
8 7004889 PF SEXT RP MB20X150 DIN 960-8.8
9 7014039 PORCA INSERTO NYLON MB20 DIN985-6
10 2741369 CONJ DISCO DE CORTE 17" LISO
11 2741366 BRACO DE ARTICULACAO
12 7024054 PINO RANHURADO 12X80DIN1470-ST45
13 9305005 GRAXEIRA RETA M8X1 DIN71412A
14 2741370 BRACO DISCO DE CORTE
15 7004303 PF SEXT RP MA16X170 DIN 931-8.8
16 7014207 PORCA AUTOTRAVANTE MA16 DIN 980-8
17 2731582 KIT VEDADOR AXIAL 25X52X14
18 7301123 ROLAMENTO FIXO ESF 6205
19 2732438 BUCHA DO MANCAL
20 7004667 PF SEXT RT M10X30 DIN933-8.8 ZN
21 2731639 MANCAL DISCO CORTE 20"
22 9901057 DISCO CORTE 17"
23 7019156 ARRUELA DE PRESSAO B10 DIN127 ZN
24 7011354 PORCA SEXT MA10 DIN 934-5 ZN
25 0427587 FLANGE DE ENCOSTO
26 7018019 ARRUELA LISA 1"
27 2741399 CONJ DISCO CORTE 17"RANHURADO
28 2718286 GUARDA-PO
29 9901058 DISCO RANHURADO 17"
30 2741410 CONJ LIMPADOR DISCO DE CORTE
Rev. B - 17/03/2006 ENXUTA 2960PD 113
114 ENXUTA 2960PD Rev. B - 17/03/2006
2370 ADUBADOR
REF. CÓDIGO DESCRIÇÃO OBSERVAÇÃO
1 7004991 PF SEX RP MA20X100 DIN931-8.8 KTL
2 2727080 GARRA FIXACAO ADUBADOR
3 7004889 PF SEXT RP MB20X150 DIN 960-8.8
4 7014039 PORCA INSERTO NYLON MB20 DIN985-6
5 2741265 BRACO ADUBADOR
6 0427355 BRACADEIRA
7 2738790 PROLONGADOR DISCO CORTE
8 7014259 PORCA AUTOTRAV MA20 DIN 908-8 KTL
9 2741024 UNID AV AD CURTA DDD15" C/DCR 17"
9 2741017 UNID AV AD CURTA DDD15" C/DCL 17"
10 7004296 PF SEXT RP MA16X100 DIN931-8.8 ZN
11 7019159 ARRUELA DE PRESSAO B16 DIN127 ZN
12 7011356 PORCA SEXT MA16 DIN 934-5 ZN
13 2741019 UNID AV AD CURTA SULC C/DCL 17"
13 2741015 UNID AV AD CURTA SULC C/DCR 17"
14 2741025 UNID AV AD LONGA DDD15"" C/DCL 17"""
14 2741018 UNID AV AD LONGA DDD15" C/DCR 17"
15 2741020 UNID AV AD LONGA SULC C/DCL 17"
15 2741016 UNID AV AD LONGA SULC C/DCR 17"
Rev. B - 17/03/2006 ENXUTA 2960PD 115
116 ENXUTA 2960PD Rev. B - 17/03/2006
2315 DISCO ADUBADOR 15" - DESENCONTRADO
REF. CÓDIGO DESCRIÇÃO OBSERVAÇÃO
1 2704323 PINO MAIOR DO ESTABILIZADOR
2 7017026 CONTRAPINO 3/16" X 1"
3 2732263 HASTE REGULADORA PROFUNDIDADE
4 2729484 BUCHA DE FIXACAO
5 7004695 PF SEXT RT MA12X30 DIN933-8.8 - ZN
6 2708005 TRAVA INF DO MANGOTE
7 3201176 MANGOTE N.5
8 2718303 CONDUTOR ADUBO
9 0111024 ADESIVO ANAEOROBICO LOCTITE 277
10 7011353 PORCA SEXT MA8 DIN 934-5 ZN
11 7019155 ARRUELA DE PRESSAO B8 DIN127 ZN
12 7302161 ROLAMENTO ROLOS CONICOS 30204
13 8101006 RETENTOR 25,0X47,0X10,0 00266-BR
14 2718716 EIXO ESQ DO DISCO
15 7004355 PF SEXT RT MA6X16 DIN 933-5.6 ZN
16 7019153 ARRUELA PRESSAO B6-DIN 127 ZN
17 2729244 TAMPA DO MANCAL
18 2729245 JUNTA DE VEDACAO
19 7012524 PORCA CASTELO MB18 DIN 937-5
20 7004698 PF SEXT RT MA12X45 DIN933-8.8 - ZN
21 7002610 PF CAB CH C/FEN MA8X22 DIN963-8.8
22 2728495 MOLA EXTERNA
23 2710509 MOLA COMPRESSAO
24 0427687 CASTANHA DA HASTE
25 7014205 PORCA AUTOTRAVANTE MA12 DIN 980-8
26 2741295 SUPORTE HASTE UNID CURTA
27 7016010 TRAVA DE ACO 5/32"X69
28 7014013 PORCA INSERTO NYLON MA8 DIN985-6
29 2731980 MOLA COMPRESSAO D1,2 DI9,0 LO30
30 2731982 LIMPADOR DIREITO
31 7004241 PF SEXT RP MA8X70 DIN931-8.8
32 2731981 LIMPADOR ESQUERDO
33 2741296 SUPORTE HASTE UNID LONGA
34 2718714 MANCAL DO DISCO
35 1732377 CONJ DISCO ADUB DIR 15"-DESENC
36 2718715 EIXO DIR DO DISCO
37 2729243 GUARDA PO
38 9901038 DISCO PLANO 15"
39 2718722 CONJ COMPLETO DISCO DIR 15"
40 2718720 CONJ COMPLETO DISCO ESQ 15"
41 2718717 PINO DA PORCA
42 7104013 ANEL RETENCAO 47X1,75-DIN 472
43 9305005 GRAXEIRA RETA M8X1 DIN71412A
44 1732490 CONJ DISCO ADUB ESQ 15"-DESENC
45 1732378 SUPORTE DISCO ADUBADOR 15"DESENC
46 1732491 SUPORTE DISCO ADUBADOR 15"-DESENC
Rev. B - 17/03/2006 ENXUTA 2960PD 117
118 ENXUTA 2960PD Rev. B - 17/03/2006
3455 SULCADOR
REF. CÓDIGO DESCRIÇÃO OBSERVAÇÃO
1 2708005 TRAVA INF DO MANGOTE
2 3201176 MANGOTE N.5
3 2739598 CONDUTOR ADUBO C520X30
4 7004296 PF SEXT RP MA16X100 DIN931-8.8 ZN
5 7019159 ARRUELA DE PRESSAO B16 DIN127 ZN
6 7011356 PORCA SEXT MA16 DIN 934-5 ZN
7 7019156 ARRUELA DE PRESSAO B10 DIN127 ZN
8 7011354 PORCA SEXT MA10 DIN 934-5 ZN
9 7011355 PORCA SEXT MA12 DIN 934-5 ZN
10 7019157 ARRUELA DE PRESSAO B12 DIN127 ZN
11 0427728 PONTEIRA DO SULCADOR
12 7025177 PINO ELASTICO 6X24-DIN 1481
13 2704323 PINO MAIOR DO ESTABILIZADOR
14 7017026 CONTRAPINO 3/16" X 1"
15 2732263 HASTE REGULADORA PROFUNDIDADE
16 2718304 BASE REGULADORA DA MOLA
17 7004695 PF SEXT RT MA12X30 DIN933-8.8 - ZN
18 2728495 MOLA EXTERNA
19 2710509 MOLA COMPRESSAO
20 7004699 PF SEXT RT MA12X50 DIN933-8.8 - ZN
21 7004250 PF SEXT RP MA10X45 DIN931-8.8
22 0427687 CASTANHA DA HASTE
23 2741185 SUPORTE DO SULCADOR LONGO
24 7016010 TRAVA DE ACO 5/32"X69
25 7004663 PF SEXT RT MA10X20 DIN 933-8.8 - ZN
26 2733254 HASTE DO SULCADOR
27 2742089 CONJ SULCADOR ESCAMOT CURTO C/CON
28 2742090 CONJ SULCADOR ESCAMOT LONGO C/CON
29 2741156 SUPORTE DO SULCADOR CURTO
30 2733258 CONJ HASTE SULCADOR
Rev. B - 17/03/2006 ENXUTA 2960PD 119
120 ENXUTA 2960PD Rev. B - 17/03/2006
3456 SULCADOR LONGO (OPCIONAL)
REF. CÓDIGO DESCRIÇÃO OBSERVAÇÃO
1 2733258 CONJ HASTE SULCADOR
2 3501440 MANGOTE N.3
3 2741652 CONDUTOR DUPLO DO ADUBO
4 7004296 PF SEXT RP MA16X100 DIN931-8.8 ZN
5 7019159 ARRUELA DE PRESSAO B16 DIN127 ZN
6 7011356 PORCA SEXT MA16 DIN 934-5 ZN
7 7019156 ARRUELA DE PRESSAO B10 DIN127 ZN
8 7011354 PORCA SEXT MA10 DIN 934-5 ZN
9 7011355 PORCA SEXT MA12 DIN 934-5 ZN
10 7019157 ARRUELA DE PRESSAO B12 DIN127 ZN
11 0427728 PONTEIRA DO SULCADOR
12 7025177 PINO ELASTICO 6X24-DIN 1481
13 2704323 PINO MAIOR DO ESTABILIZADOR
14 7017026 CONTRAPINO 3/16" X 1"
15 2732263 HASTE REGULADORA PROFUNDIDADE
16 2718304 BASE REGULADORA DA MOLA
17 7004695 PF SEXT RT MA12X30 DIN933-8.8 - ZN
18 2728495 MOLA EXTERNA
19 2710509 MOLA COMPRESSAO
20 7004699 PF SEXT RT MA12X50 DIN933-8.8 - ZN
21 7004250 PF SEXT RP MA10X45 DIN931-8.8
22 0427687 CASTANHA DA HASTE
23 2741185 SUPORTE DO SULCADOR LONGO
24 7016010 TRAVA DE ACO 5/32"X69
25 7004663 PF SEXT RT MA10X20 DIN 933-8.8 - ZN
26 2733254 HASTE DO SULCADOR
27 2741655 CJ SULC ESC LONGO COND CURVO ESQ
28 2741654 CJ SULC ESQ LONGO COND CURVO DIR
Rev. B - 17/03/2006 ENXUTA 2960PD 121
122 ENXUTA 2960PD Rev. B - 17/03/2006
2381 COLANTES 08/10/12L
REF. CÓDIGO DESCRIÇÃO OBSERVAÇÃO
1 8901215 COLANTE TRANSP MOTORA
2 8901214 COLANTE TRANSP MOVIDA
3 8901213 COLANTE ATENCAO PARAF ROSCA ESQ
4 8901220 COLANTE ATENCAO REAPERTAR PARAF
5 8901307 COLANTE LER MANUAL INSTRUCOES-UNI
6 8901321 COLANTE PR TRANSP PESSOAS-PORT
7 8901320 COLANTE AT MARCADOR DE LINHA
8 8901700 COLANTE IMP VELOC TRABALHO-UNI
9 8901399 COLANTE MADE IN BRAZIL
10 8901719 COLANTE AT REGUL INADEQUADA-UNI
11 8901292 COLANTE VERM PRETO N08
12 8901293 COLANTE VERM PRETO N10
13 8901294 COLANTE VERM PRETO N12
14 8901660 COLANTE VERM E PRETO JUMIL
15 8901702 COLANTE TAB FER JM2860/2960PD-POR
16 8901714 COLANTE VERM PRETO
17 8901704 COLANTE TAB DIST SEM JM2960PD-POR
18 8901713 COLANTE VERM PRETO 2960PD
19 8901298 COLANTE VERMELHO E PRETO EXACTA
20 2741359 KIT COLANTE JM2960 EX 08L
21 2741360 KIT COLANTE JM2960 EX 10L
22 2741581 BRACO SUPORTE LIMPADOR DIR
Rev. B - 17/03/2006 ENXUTA 2960PD 123
Cod. Pag. Ref.
0111024 87 12
0111024 89 19
0111024 91 19
0111024 93 14
0111024 117 9
0111040 77 27
0111040 79 22
0417048 9 17
0417048 21 7
0427006 17 29
0427191 21 14
0427203 13 24
0427203 15 21
0427218 11 13
0427227 29 24
0427228 29 30
0427244 61 41
0427244 63 41
0427244 65 41
0427245 61 13
0427245 63 13
0427245 65 13
0427355 115 6
0427390 73 26
0427399 61 22
0427399 63 22
0427399 65 22
0427400 7 3
0427400 9 3
0427400 61 21
0427400 63 21
0427400 65 21
0427401 41 38
0427401 43 38
0427427 81 7
0427554 43 11
0427587 113 25
0427634 29 47
0427673 113 2
0427687 61 33
0427687 63 33
0427687 65 33
0427687 117 24
0427687 119 22
0427687 121 22
0427697 109 2
0427698 109 2
0427716 61 5
0427716 63 5
0427716 65 5
0427728 119 11
0427728 121 11
0427732 23 47
0427737 61 54
0432068 55 25
Cod. Pag. Ref.
0432068 57 22
0432068 59 25
0437050 61 1
0437050 63 1
0437050 65 1
0450011 17 12
0850132 95 13
1732048 57 17
1732048 59 17
1732048 109 4
1732048 111 1
1732087 99 14
1732143 29 15
1732143 45 17
1732143 47 19
1732151 29 13
1732159 45 3
1732377 117 35
1732378 117 45
1732490 117 44
1732491 117 46
1737289 33 6
2102623 81 6
2701310 55 7
2701310 57 7
2701310 59 7
2702500 21 15
2702600 21 21
2702702 21 19
2702800 21 23
2702900 21 24
2704323 61 7
2704323 63 7
2704323 65 7
2704323 117 1
2704323 119 13
2704323 121 13
2704805 23 40
2705306 41 14
2705306 43 16
2705308 41 16
2705308 43 18
2708005 117 6
2708005 119 1
2708105 87 20
2708105 93 20
2708106 87 31
2708106 89 33
2708106 91 33
2708106 93 31
2710509 61 28
2710509 63 28
2710509 65 28
2710509 117 23
2710509 119 19
Cod. Pag. Ref.
2710509 121 19
2710610 61 52
2710610 63 52
2710610 67 52
2710610 81 1
2710610 107 4
2715084 55 16
2715084 59 14
2715096 13 2
2715633 23 29
2715636 23 39
2715640 23 30
2716049 21 10
2718091 35 28
2718091 37 32
2718091 39 28
2718092 35 30
2718092 37 30
2718092 39 30
2718129 29 35
2718167 107 1
2718219 83 21
2718219 85 21
2718277 7 7
2718277 9 7
2718286 113 28
2718303 117 8
2718304 119 16
2718304 121 16
2718311 43 10
2718313 7 8
2718313 9 8
2718330 43 2
2718331 43 3
2718333 21 5
2718333 41 37
2718333 43 39
2718367 47 24
2718479 107 16
2718586 107 18
2718597 107 19
2718658 61 42
2718658 63 42
2718658 65 42
2718685 17 8
2718714 89 28
2718714 91 28
2718714 117 34
2718715 89 29
2718715 91 29
2718715 117 36
2718716 89 30
2718716 91 30
2718716 117 14
2718717 89 24
124 ENXUTA 2960PD Rev. B - 17/03/2006
Cod. Pag. Ref.
2718717 91 24
2718717 117 41
2718720 117 40
2718722 117 39
2718751 103 27
2718753 103 4
2718755 103 11
2718786 67 61
2718805 81 30
2718806 81 31
2718807 81 17
2718809 81 5
2718812 81 10
2718813 81 9
2718814 65 34
2718858 65 40
2718878 81 8
2718940 67 60
2718943 67 56
2718944 67 62
2718945 67 59
2718947 67 57
2725135 29 19
2725135 45 6
2725484 47 35
2725485 47 28
2725556 21 25
2725573 41 11
2725579 29 8
2725597 55 14
2725597 59 24
2725645 113 7
2725707 29 38
2726132 23 17
2726134 23 14
2726161 23 7
2726172 23 20
2726180 23 35
2726182 23 1
2727055 95 15
2727056 95 14
2727080 115 2
2727112 97 8
2727112 99 7
2727120 113 5
2728130 13 29
2728130 15 22
2728212 41 24
2728212 43 24
2728213 41 22
2728213 43 22
2728219 41 25
2728219 43 25
2728220 41 23
2728220 43 23
Cod. Pag. Ref.
2728231 41 7
2728231 43 5
2728235 45 36
2728235 47 51
2728269 55 18
2728269 59 18
2728300 41 12
2728300 43 28
2728301 41 26
2728301 43 26
2728303 41 19
2728303 43 20
2728304 41 13
2728304 43 29
2728305 41 27
2728305 43 27
2728307 41 20
2728307 43 21
2728495 61 26
2728495 63 26
2728495 65 26
2728495 117 22
2728495 119 18
2728495 121 18
2728503 29 28
2728511 29 25
2728514 29 42
2728519 29 29
2728543 29 26
2728544 29 23
2728600 85 25
2728605 83 25
2728645 61 17
2728645 63 17
2728645 65 17
2728646 61 29
2728646 63 29
2728646 65 29
2728647 61 16
2728647 63 16
2728647 65 16
2728648 61 30
2728648 63 30
2728648 65 30
2728649 61 15
2728649 63 15
2728649 65 15
2728649 69 5
2728649 71 5
2728692 61 37
2728692 63 37
2728692 65 37
2728771 85 14
2728772 83 24
2728772 85 24
Cod. Pag. Ref.
2728773 83 4
2728773 85 4
2728773 103 32
2728773 105 15
2728775 61 45
2728775 63 38
2728775 83 6
2728775 85 6
2728775 103 3
2728775 105 3
2728781 83 16
2728781 85 16
2728781 97 16
2728782 83 22
2728783 85 22
2728786 83 5
2728786 85 5
2728786 103 26
2728786 105 35
2728788 83 14
2728828 79 12
2728828 107 10
2728951 61 37
2728951 63 37
2728951 65 37
2729147 87 16
2729147 89 6
2729147 91 6
2729147 93 16
2729151 77 19
2729154 77 14
2729154 79 8
2729154 107 24
2729165 65 38
2729178 67 54
2729197 69 10
2729197 71 16
2729210 69 27
2729210 71 22
2729218 77 21
2729218 79 20
2729226 75 41
2729243 87 35
2729243 89 34
2729243 91 34
2729243 93 35
2729243 117 37
2729244 89 22
2729244 91 22
2729244 117 17
2729245 89 23
2729245 91 23
2729245 117 18
2729274 23 32
2729274 45 33
Rev. B - 17/03/2006 ENXUTA 2960PD 125
Cod. Pag. Ref.
2729274 47 1
2729274 69 18
2729274 71 13
2729279 75 42
2729292 73 41
2729294 73 41
2729295 75 41
2729296 75 41
2729301 75 41
2729302 73 41
2729305 75 41
2729318 73 36
2729320 73 36
2729321 73 36
2729322 73 36
2729327 73 36
2729328 73 36
2729331 73 36
2729374 89 2
2729374 93 2
2729399 75 55
2729408 87 27
2729428 93 27
2729437 13 6
2729446 17 13
2729448 87 23
2729448 93 23
2729451 93 28
2729453 87 28
2729457 93 32
2729458 87 14
2729458 93 33
2729484 61 9
2729484 63 9
2729484 65 9
2729484 97 4
2729484 99 2
2729484 101 2
2729484 117 4
2729492 75 41
2729493 75 41
2729494 75 41
2729550 13 28
2729550 15 18
2729555 17 24
2729556 19 59
2729558 43 41
2729565 71 7
2729566 69 8
2729566 71 32
2729567 69 26
2729567 71 11
2729573 73 36
2729574 73 36
2729575 73 36
Cod. Pag. Ref.
2729580 75 54
2729581 73 6
2729582 73 10
2729583 73 15
2729584 73 16
2729585 73 2
2729586 73 3
2729587 73 13
2729588 73 28
2729589 73 27
2729589 95 10
2729589 101 10
2729589 105 10
2729592 73 12
2729593 73 8
2729594 73 8
2729595 75 53
2729596 75 56
2729597 73 21
2729599 75 43
2729600 73 38
2729601 75 51
2729602 75 51
2729603 75 50
2729604 73 37
2729608 75 48
2729611 75 47
2729613 73 41
2729614 73 36
2729633 87 2
2729633 91 2
2729656 73 39
2729682 79 11
2729682 107 6
2729686 79 13
2729686 107 21
2729687 77 6
2729687 79 4
2729687 107 27
2729695 81 25
2729695 103 25
2729696 81 23
2729696 103 22
2729697 81 19
2729697 103 15
2729698 77 5
2729698 107 28
2729713 55 38
2729713 59 38
2729714 55 36
2729714 57 37
2729714 59 36
2729718 55 32
2729718 57 33
2729718 59 32
Cod. Pag. Ref.
2729719 57 39
2729724 77 24
2729724 79 18
2729801 73 34
2729805 75 41
2729806 71 10
2729807 71 27
2729808 71 31
2729809 69 2
2729809 71 2
2729810 69 13
2729810 71 19
2729813 69 16
2729815 69 14
2729815 71 29
2729815 75 57
2729816 69 7
2729817 69 15
2729822 17 22
2729823 73 25
2729829 17 50
2729838 69 21
2729839 71 30
2729850 69 1
2729851 71 1
2729929 73 36
2729940 91 12
2729941 91 16
2729942 91 17
2729943 89 12
2729947 23 31
2729989 75 63
2729990 73 17
2729991 75 60
2730044 35 1
2730044 37 1
2730044 39 1
2730045 37 28
2730073 35 26
2730073 37 26
2730073 39 26
2730077 29 1
2730077 33 1
2730087 41 35
2730087 43 33
2730113 17 7
2730116 17 16
2730118 17 52
2730119 17 49
2730122 17 47
2730124 17 17
2730129 17 53
2730132 17 42
2730133 17 15
2730134 17 4
126 ENXUTA 2960PD Rev. B - 17/03/2006
Cod. Pag. Ref.
2730139 17 3
2730171 7 9
2730171 9 9
2730225 59 11
2730300 45 9
2730300 47 11
2730302 45 34
2730302 47 10
2730303 45 28
2730303 47 9
2730305 47 22
2730306 45 26
2730306 47 8
2730309 45 25
2730309 47 36
2730311 45 24
2730311 47 33
2730312 47 7
2730313 45 30
2730314 47 31
2730320 29 37
2730330 13 8
2730332 45 18
2730332 47 42
2730337 41 36
2730337 43 15
2730337 45 32
2730337 47 23
2730371 21 4
2730377 47 29
2730410 7 1
2730410 9 1
2730413 13 23
2730414 13 13
2730417 13 20
2730417 15 6
2730486 29 14
2730486 45 11
2730514 17 5
2730549 29 39
2730583 13 30
2730584 13 12
2730631 47 29
2730634 47 29
2730660 35 17
2730660 37 37
2730660 39 17
2730661 35 5
2730661 37 5
2730661 39 5
2730662 37 36
2730663 37 29
2730688 25 21
2730689 25 21
2730699 23 22
Cod. Pag. Ref.
2730705 25 18
2730708 23 42
2730764 35 25
2730764 37 25
2730764 39 25
2730767 35 23
2730771 37 23
2730775 39 23
2730789 25 19
2730804 29 3
2730810 57 44
2730825 55 12
2730825 57 18
2730833 59 22
2730926 35 27
2730926 37 27
2730926 39 27
2730930 37 3
2730933 35 4
2730933 37 4
2730933 39 4
2730934 35 24
2730934 37 33
2730934 39 24
2730935 37 34
2730955 77 22
2730968 81 28
2730968 101 12
2730968 105 12
2730970 67 55
2731091 75 41
2731093 75 41
2731095 73 31
2731096 75 41
2731212 29 3
2731213 29 43
2731214 29 3
2731215 29 43
2731223 41 36
2731223 43 15
2731223 45 32
2731223 47 23
2731239 17 14
2731316 25 20
2731329 95 26
2731365 95 24
2731366 95 22
2731490 43 37
2731491 43 35
2731557 93 12
2731563 83 23
2731564 83 12
2731564 85 12
2731566 83 28
2731566 85 28
Cod. Pag. Ref.
2731567 83 18
2731567 85 18
2731572 85 23
2731582 113 17
2731592 109 13
2731600 45 19
2731600 47 38
2731639 113 21
2731664 101 30
2731667 101 30
2731694 101 24
2731694 105 24
2731696 101 28
2731696 105 28
2731697 101 20
2731697 105 20
2731698 101 22
2731698 105 22
2731699 101 25
2731699 105 25
2731700 101 29
2731700 105 29
2731702 101 11
2731702 105 11
2731712 101 35
2731712 105 37
2731713 101 36
2731713 105 38
2731747 31 50
2731827 57 29
2731832 59 27
2731862 51 18
2731862 53 6
2731888 87 11
2731888 89 18
2731888 91 18
2731888 93 13
2731956 89 16
2731957 89 17
2731957 93 11
2731980 87 8
2731980 89 10
2731980 91 10
2731980 93 8
2731980 117 29
2731981 87 6
2731981 89 8
2731981 91 8
2731981 93 6
2731981 117 32
2731982 87 7
2731982 89 9
2731982 91 9
2731982 93 7
2731982 117 30
Rev. B - 17/03/2006 ENXUTA 2960PD 127
Cod. Pag. Ref.
2731991 73 33
2732047 73 1
2732263 61 8
2732263 63 8
2732263 65 8
2732263 117 3
2732263 119 15
2732263 121 15
2732306 97 23
2732307 97 20
2732308 97 19
2732309 97 21
2732319 97 13
2732319 99 8
2732319 101 14
2732320 101 9
2732320 105 9
2732365 101 33
2732365 105 40
2732367 109 1
2732367 111 5
2732416 109 28
2732417 109 28
2732420 29 44
2732428 19 60
2732438 113 19
2732470 25 1
2732471 25 3
2732472 25 4
2732473 25 6
2732474 25 7
2732475 25 8
2732477 25 11
2732478 25 12
2732479 25 13
2732480 25 14
2732481 25 15
2732482 25 16
2732483 25 17
2732484 25 10
2732546 21 1
2732778 111 30
2732779 111 31
2732780 111 32
2732785 111 2
2732795 111 28
2732800 111 20
2732858 79 21
2732859 79 19
2732920 109 11
2732920 111 25
2732924 109 7
2732928 109 7
2732938 109 11
2732938 111 24
Cod. Pag. Ref.
2732949 109 6
2732949 111 22
2732950 109 6
2732950 111 6
2733162 33 36
2733163 33 36
2733254 119 26
2733254 121 26
2733258 119 30
2733258 121 1
2733301 33 35
2733304 33 34
2733306 33 32
2733308 33 33
2733309 33 39
2733310 33 21
2733311 33 20
2733312 33 19
2733313 33 18
2733317 33 41
2733318 33 27
2733320 33 23
2733323 33 22
2733324 33 30
2733325 33 29
2733326 33 31
2733328 33 25
2734051 77 17
2734052 77 2
2734053 77 10
2734186 77 23
2734211 77 18
2734212 77 1
2734283 21 9
2734287 21 13
2734350 23 46
2734360 23 24
2734361 23 19
2734534 109 25
2734534 111 18
2734545 111 8
2734547 111 26
2734550 109 29
2734602 109 12
2734603 109 12
2734643 109 29
2734664 23 8
2734676 41 21
2734676 43 43
2734677 41 17
2734677 43 42
2734722 57 25
2734740 57 45
2734748 87 22
2734748 89 3
Cod. Pag. Ref.
2734748 91 3
2734748 93 22
2734749 87 22
2734749 89 3
2734749 91 3
2734749 93 22
2734755 73 2
2735998 95 17
2736538 29 8
2737124 29 45
2738068 113 4
2738069 113 3
2738279 109 10
2738280 109 22
2738280 111 17
2738281 109 21
2738281 111 9
2738651 95 29
2738652 95 21
2738689 101 7
2738689 105 7
2738693 101 8
2738693 105 8
2738758 23 26
2738758 27 3
2738790 115 7
2739248 57 16
2739248 59 16
2739308 99 17
2739309 99 13
2739330 99 19
2739533 57 15
2739534 57 47
2739598 119 3
2741015 115 13
2741016 115 15
2741017 115 9
2741018 115 14
2741019 115 13
2741020 115 15
2741024 115 9
2741025 115 14
2741053 17 6
2741054 17 30
2741059 13 9
2741060 7 11
2741061 51 13
2741061 53 13
2741065 21 16
2741070 7 11
2741087 35 31
2741087 37 31
2741087 39 31
2741090 35 11
2741090 37 38
128 ENXUTA 2960PD Rev. B - 17/03/2006
Cod. Pag. Ref.
2741090 39 11
2741091 37 16
2741092 37 17
2741095 71 12
2741099 61 44
2741102 55 10
2741102 59 12
2741110 55 6
2741110 59 6
2741112 55 13
2741112 59 10
2741115 55 2
2741115 59 2
2741116 55 8
2741116 59 8
2741117 47 3
2741118 47 12
2741125 45 37
2741125 47 37
2741126 45 20
2741126 47 32
2741127 45 38
2741127 47 40
2741134 45 40
2741134 47 43
2741135 45 45
2741135 47 50
2741139 45 43
2741139 47 48
2741140 45 15
2741140 47 16
2741143 11 10
2741150 11 5
2741154 11 15
2741155 11 16
2741156 119 29
2741166 11 14
2741169 47 39
2741178 13 22
2741182 47 30
2741185 119 23
2741185 121 23
2741196 45 1
2741197 45 35
2741202 11 6
2741208 37 11
2741210 35 16
2741219 13 22
2741223 35 29
2741224 37 39
2741232 27 7
2741250 63 27
2741251 63 34
2741252 61 38
2741252 107 15
Cod. Pag. Ref.
2741253 69 3
2741253 71 3
2741256 69 3
2741256 71 3
2741259 15 11
2741260 13 5
2741265 115 5
2741270 47 2
2741272 41 36
2741272 43 15
2741272 45 32
2741272 47 23
2741273 13 21
2741273 15 15
2741288 55 22
2741294 55 27
2741295 117 26
2741296 117 33
2741303 55 24
2741304 55 23
2741306 37 35
2741307 37 22
2741308 35 22
2741309 37 24
2741311 59 13
2741312 59 23
2741313 27 9
2741314 27 6
2741315 27 5
2741326 45 31
2741328 29 8
2741329 29 50
2741359 123 20
2741360 123 21
2741362 43 31
2741365 43 32
2741366 113 11
2741369 113 10
2741370 113 14
2741371 45 27
2741371 47 34
2741377 41 32
2741379 41 33
2741381 41 10
2741383 11 9
2741384 11 3
2741385 11 9
2741386 11 3
2741387 11 1
2741388 11 4
2741389 11 1
2741390 11 4
2741392 29 50
2741394 17 39
2741397 19 61
Cod. Pag. Ref.
2741399 113 27
2741408 17 34
2741409 17 35
2741410 113 30
2741420 29 48
2741421 29 49
2741426 19 57
2741427 17 56
2741428 17 55
2741429 17 54
2741439 105 4
2741445 95 7
2741446 95 9
2741472 61 50
2741473 61 40
2741474 63 50
2741475 63 45
2741477 105 31
2741480 61 43
2741480 65 45
2741482 63 43
2741482 65 45
2741490 11 9
2741491 11 3
2741492 11 4
2741495 11 1
2741497 39 29
2741507 39 16
2741510 21 16
2741514 57 12
2741515 57 8
2741516 57 23
2741517 57 13
2741519 57 10
2741524 57 2
2741526 57 6
2741533 9 18
2741537 15 19
2741539 9 19
2741541 9 12
2741542 15 3
2741549 15 25
2741552 15 4
2741553 15 9
2741554 15 10
2741555 15 1
2741557 39 22
2741567 15 24
2741568 15 23
2741580 101 15
2741581 123 22
2741652 121 3
2741654 121 28
2741655 121 27
2741674 41 4
Rev. B - 17/03/2006 ENXUTA 2960PD 129
Cod. Pag. Ref.
2741676 41 4
2742015 61 34
2742016 63 39
2742017 61 27
2742018 63 46
2742050 23 34
2742051 65 43
2742052 65 50
2742053 65 43
2742054 65 50
2742085 65 39
2742086 65 39
2742087 65 46
2742088 65 46
2742089 119 27
2742090 119 28
2744556 33 15
2744557 33 7
2744559 33 14
2744560 33 37
2744561 33 16
2749237 21 2
3201176 117 7
3201176 119 2
3240304 35 19
3240304 37 19
3240304 39 19
3240417 97 6
3240417 99 4
3240417 101 5
3240430 43 1
3240430 81 4
3240531 19 62
3250116 69 12
3250116 71 18
3501440 121 2
3501915 83 11
3501915 85 11
3501915 103 17
3501915 105 14
3521294 67 53
3524155 29 37
3701091 21 29
3704344 81 15
3704344 103 23
3704344 105 30
3704363 81 27
3704363 101 13
3704363 103 9
3704363 105 13
3705016 103 10
3705027 83 3
3705027 85 3
3705027 103 31
3705027 105 33
Cod. Pag. Ref.
3705055 87 25
3705055 93 25
3719186 21 28
3719284 55 17
3719284 59 15
3719450 55 15
3719450 57 43
3719450 59 26
3719455 55 21
3719455 57 21
3719455 59 21
3719465 55 19
3719465 57 19
3719465 59 19
3719466 57 46
3719469 57 11
3738408 95 1
3738451 95 27
3738452 95 28
3738454 95 11
3738456 99 20
3738457 101 31
3738458 97 24
3738472 99 5
3738473 101 4
3738474 97 7
5001038 7 10
5001038 9 14
5001038 21 26
6001311 81 12
6001595 41 5
6001595 43 14
6001595 45 44
6001595 47 49
6011411 35 6
7002517 75 45
7002610 87 30
7002610 89 35
7002610 91 35
7002610 93 30
7002610 117 21
7002611 87 30
7003367 73 7
7003385 33 5
7003385 73 4
7004013 93 34
7004031 73 5
7004048 61 12
7004048 63 12
7004048 65 12
7004049 83 10
7004049 85 10
7004049 103 5
7004049 105 5
7004050 61 18
Cod. Pag. Ref.
7004050 63 18
7004050 65 18
7004231 13 10
7004231 15 7
7004233 23 23
7004241 87 5
7004241 89 7
7004241 91 7
7004241 93 5
7004241 117 31
7004250 111 23
7004250 119 21
7004250 121 21
7004251 61 46
7004251 63 44
7004251 109 9
7004255 23 52
7004268 107 3
7004274 7 2
7004274 9 2
7004274 11 12
7004274 43 9
7004277 97 1
7004277 99 6
7004277 101 37
7004280 81 2
7004280 87 1
7004280 89 1
7004280 91 1
7004280 93 1
7004292 109 27
7004292 111 13
7004296 115 10
7004296 119 4
7004296 121 4
7004300 55 28
7004300 59 28
7004302 57 26
7004303 113 15
7004318 9 10
7004322 23 48
7004323 9 11
7004354 13 16
7004354 15 17
7004355 21 11
7004355 77 7
7004355 79 2
7004355 89 20
7004355 91 20
7004355 93 18
7004355 101 18
7004355 105 18
7004355 107 25
7004355 117 15
7004357 61 47
130 ENXUTA 2960PD Rev. B - 17/03/2006
Cod. Pag. Ref.
7004357 63 47
7004357 65 47
7004377 71 9
7004377 81 32
7004377 99 12
7004377 103 14
7004379 55 30
7004379 81 26
7004379 103 28
7004408 51 15
7004408 53 14
7004408 69 23
7004408 71 28
7004409 41 6
7004409 43 4
7004434 65 44
7004436 83 13
7004436 85 13
7004437 11 2
7004437 35 21
7004437 37 21
7004437 39 21
7004437 47 25
7004466 93 21
7004613 23 25
7004613 83 27
7004613 85 27
7004614 23 5
7004614 27 2
7004614 61 32
7004614 63 32
7004614 65 32
7004614 87 18
7004615 97 2
7004616 29 2
7004616 33 2
7004618 83 26
7004618 85 26
7004620 97 22
7004636 29 9
7004636 33 10
7004636 45 5
7004638 17 51
7004638 101 17
7004638 105 17
7004640 29 6
7004640 33 28
7004640 35 10
7004640 37 10
7004640 39 10
7004640 51 11
7004640 53 19
7004640 109 26
7004642 111 19
7004643 75 59
Cod. Pag. Ref.
7004644 27 12
7004644 101 32
7004644 105 32
7004663 17 41
7004663 45 39
7004663 47 46
7004663 119 25
7004663 121 25
7004665 41 15
7004665 43 17
7004665 57 31
7004665 59 30
7004667 45 41
7004667 47 44
7004667 87 33
7004667 89 36
7004667 91 36
7004667 93 36
7004667 113 20
7004668 13 7
7004668 15 26
7004670 95 8
7004685 23 15
7004693 77 26
7004693 79 16
7004693 97 10
7004695 23 12
7004695 97 5
7004695 99 3
7004695 101 3
7004695 117 5
7004695 119 17
7004695 121 17
7004696 61 39
7004697 47 21
7004698 13 3
7004698 109 14
7004698 117 20
7004699 61 51
7004699 63 51
7004699 65 51
7004699 119 20
7004699 121 20
7004717 17 10
7004717 55 3
7004717 57 3
7004717 59 3
7004718 87 21
7004733 21 12
7004750 87 21
7004755 93 21
7004757 109 8
7004757 111 14
7004763 99 11
7004768 95 16
Cod. Pag. Ref.
7004878 17 38
7004889 113 8
7004889 115 3
7004983 61 10
7004983 63 10
7004983 65 10
7004984 61 23
7004984 63 23
7004984 65 23
7004991 115 1
7004995 61 4
7004995 63 4
7004995 65 4
7006235 29 32
7007534 57 24
7007535 29 31
7007535 47 52
7007535 107 11
7007536 77 9
7007536 79 9
7007536 95 18
7007555 41 30
7007555 43 40
7007555 45 14
7007555 47 15
7007555 81 16
7007557 103 18
7007557 111 27
7009688 87 37
7009688 89 37
7009688 91 37
7011352 29 21
7011352 33 4
7011352 61 49
7011352 63 49
7011352 65 49
7011353 17 19
7011353 27 10
7011353 29 4
7011353 33 13
7011353 49 56
7011353 55 40
7011353 57 27
7011353 75 61
7011353 77 4
7011353 79 15
7011353 81 20
7011353 87 9
7011353 89 14
7011353 91 14
7011353 93 9
7011353 95 19
7011353 99 15
7011353 101 26
7011353 103 12
Rev. B - 17/03/2006 ENXUTA 2960PD 131
Cod. Pag. Ref.
7011353 105 26
7011353 107 2
7011353 109 23
7011353 111 15
7011353 117 10
7011354 13 18
7011354 15 28
7011354 23 16
7011354 41 3
7011354 43 8
7011354 45 23
7011354 47 6
7011354 51 14
7011354 53 9
7011354 57 41
7011354 59 40
7011354 69 19
7011354 71 25
7011354 81 13
7011354 87 32
7011354 93 37
7011354 95 12
7011354 103 8
7011354 113 24
7011354 119 8
7011354 121 8
7011355 7 6
7011355 9 6
7011355 11 7
7011355 21 18
7011355 23 10
7011355 35 14
7011355 37 14
7011355 39 14
7011355 41 8
7011355 43 13
7011355 45 13
7011355 47 27
7011355 61 25
7011355 63 25
7011355 65 25
7011355 83 8
7011355 85 8
7011355 95 20
7011355 103 1
7011355 105 1
7011355 107 9
7011355 109 16
7011355 111 4
7011355 119 9
7011355 121 9
7011356 41 34
7011356 43 44
7011356 55 4
7011356 57 4
Cod. Pag. Ref.
7011356 59 4
7011356 115 12
7011356 119 6
7011356 121 6
7011357 9 15
7011357 113 1
7011384 17 33
7011384 29 12
7011410 75 52
7011411 33 9
7011411 37 6
7011411 39 6
7011411 73 30
7011413 73 20
7011514 75 62
7011525 75 46
7011584 61 19
7011584 63 19
7011584 65 19
7011586 61 3
7011586 63 3
7011586 65 3
7012524 89 25
7012524 91 25
7012524 117 19
7012526 13 26
7012526 15 14
7012548 17 44
7014013 35 12
7014013 37 12
7014013 39 12
7014013 87 13
7014013 89 11
7014013 91 11
7014013 101 34
7014013 105 39
7014013 117 28
7014014 23 53
7014014 61 53
7014014 63 40
7014014 109 5
7014014 111 21
7014015 81 3
7014015 97 3
7014015 99 1
7014015 101 38
7014015 103 19
7014017 55 33
7014017 57 34
7014017 59 33
7014017 77 16
7014017 79 5
7014017 107 28
7014017 111 29
7014018 23 27
Cod. Pag. Ref.
7014037 109 3
7014038 17 28
7014039 113 9
7014039 115 4
7014041 55 29
7014041 57 30
7014041 59 29
7014202 13 11
7014202 15 8
7014202 23 18
7014202 83 17
7014202 85 17
7014202 97 15
7014205 13 4
7014205 55 9
7014205 57 9
7014205 59 9
7014205 87 4
7014205 89 4
7014205 91 4
7014205 93 4
7014205 117 25
7014207 113 16
7014208 23 49
7014209 21 6
7014259 115 8
7016001 13 14
7016001 15 5
7016001 55 11
7016001 107 13
7016010 7 4
7016010 9 4
7016010 61 35
7016010 63 35
7016010 65 35
7016010 97 9
7016010 99 9
7016010 101 1
7016010 113 6
7016010 117 27
7016010 119 24
7016010 121 24
7016026 7 12
7016026 9 13
7016026 21 3
7016026 83 1
7016026 85 1
7016026 103 29
7016026 105 34
7016153 21 8
7016155 27 11
7017001 35 9
7017001 37 9
7017001 39 9
7017001 41 31
132 ENXUTA 2960PD Rev. B - 17/03/2006
Cod. Pag. Ref.
7017001 43 30
7017001 95 2
7017004 69 25
7017004 71 20
7017004 83 9
7017004 85 9
7017004 97 12
7017004 99 10
7017004 101 16
7017004 103 6
7017004 105 6
7017006 29 46
7017025 13 25
7017025 15 2
7017025 17 18
7017026 17 1
7017026 29 22
7017026 33 38
7017026 55 1
7017026 57 1
7017026 59 1
7017026 61 6
7017026 63 6
7017026 65 6
7017026 81 11
7017026 117 2
7017026 119 14
7017026 121 14
7017040 73 32
7017041 41 29
7017041 43 34
7017041 45 8
7017041 47 14
7018001 13 27
7018001 15 13
7018004 23 33
7018004 29 34
7018004 33 11
7018004 49 54
7018004 51 12
7018004 53 18
7018004 69 17
7018004 71 14
7018005 23 21
7018005 61 48
7018005 63 48
7018005 65 48
7018007 73 18
7018008 41 1
7018008 43 6
7018008 45 21
7018008 47 4
7018008 51 16
7018008 53 15
7018013 11 11
Cod. Pag. Ref.
7018013 17 32
7018013 23 9
7018013 29 10
7018013 35 18
7018013 37 18
7018013 39 18
7018013 49 57
7018013 61 36
7018013 63 36
7018013 65 36
7018013 95 3
7018013 107 7
7018013 109 15
7018019 113 26
7018062 83 2
7018062 85 2
7018062 103 30
7018062 105 16
7018074 35 20
7018074 37 20
7018074 39 20
7018075 17 2
7018078 23 28
7018206 57 28
7018237 111 7
7018295 75 44
7018296 35 8
7018296 37 8
7018296 39 8
7018298 35 3
7018298 37 40
7018298 39 3
7019153 13 15
7019153 15 16
7019153 23 6
7019153 27 1
7019153 29 20
7019153 33 3
7019153 61 31
7019153 63 31
7019153 65 31
7019153 73 35
7019153 77 8
7019153 79 3
7019153 83 29
7019153 85 29
7019153 87 19
7019153 89 21
7019153 91 21
7019153 93 19
7019153 101 19
7019153 105 19
7019153 107 26
7019153 117 16
7019155 17 20
Cod. Pag. Ref.
7019155 29 5
7019155 33 12
7019155 49 55
7019155 51 10
7019155 53 17
7019155 55 39
7019155 57 14
7019155 71 8
7019155 77 3
7019155 79 14
7019155 81 29
7019155 87 10
7019155 89 15
7019155 91 15
7019155 93 10
7019155 99 18
7019155 101 27
7019155 103 13
7019155 105 27
7019155 107 5
7019155 109 24
7019155 111 16
7019155 117 11
7019156 13 17
7019156 15 27
7019156 17 40
7019156 41 2
7019156 43 7
7019156 45 22
7019156 47 5
7019156 51 17
7019156 53 16
7019156 57 40
7019156 59 39
7019156 69 20
7019156 71 26
7019156 73 19
7019156 81 14
7019156 87 3
7019156 89 38
7019156 91 38
7019156 93 3
7019156 95 4
7019156 103 7
7019156 113 23
7019156 119 7
7019156 121 7
7019157 7 5
7019157 9 5
7019157 11 8
7019157 17 31
7019157 21 17
7019157 23 11
7019157 29 11
7019157 35 13
Rev. B - 17/03/2006 ENXUTA 2960PD 133
Cod. Pag. Ref.
7019157 37 13
7019157 39 13
7019157 41 9
7019157 43 12
7019157 45 12
7019157 47 26
7019157 61 24
7019157 63 24
7019157 65 24
7019157 77 25
7019157 79 17
7019157 83 7
7019157 85 7
7019157 97 11
7019157 103 2
7019157 105 2
7019157 107 8
7019157 109 17
7019157 111 3
7019157 119 10
7019157 121 10
7019159 17 9
7019159 41 39
7019159 43 45
7019159 55 5
7019159 57 5
7019159 59 5
7019159 115 11
7019159 119 5
7019159 121 5
7019160 9 16
7019183 33 8
7019183 35 7
7019183 37 7
7019183 39 7
7019376 61 20
7019376 63 20
7019376 65 20
7019378 61 2
7019378 63 2
7019378 65 2
7022807 65 27
7023038 21 20
7023040 73 23
7024052 107 17
7024054 113 12
7025002 45 42
7025002 47 45
7025002 67 58
7025002 87 15
7025002 89 5
7025002 93 15
7025004 55 20
7025004 57 20
7025004 59 20
Cod. Pag. Ref.
7025007 107 14
7025014 45 2
7025014 47 47
7025020 69 9
7025020 71 15
7025020 75 58
7025022 69 28
7025022 71 21
7025124 73 29
7025176 91 5
7025176 95 5
7025176 101 6
7025176 105 36
7025177 119 12
7025177 121 12
7025180 73 14
7025187 75 49
7025204 77 20
7025230 25 5
7033001 29 7
7034167 73 40
7034196 35 15
7034196 37 15
7034196 39 15
7041011 17 48
7041012 19 58
7101352 17 43
7101403 23 4
7103016 73 24
7103017 29 16
7103017 45 10
7103017 47 20
7103043 69 4
7103043 71 4
7104002 77 15
7104002 79 6
7104002 107 12
7104004 23 50
7104005 23 3
7104013 55 34
7104013 57 35
7104013 59 34
7104013 89 27
7104013 91 27
7104013 109 19
7104013 111 11
7104013 117 42
7104044 81 21
7104044 103 20
7104049 73 11
7106057 27 8
7106062 27 4
7106067 23 41
7301083 109 20
7301083 111 10
Cod. Pag. Ref.
7301120 81 22
7301120 103 21
7301121 77 13
7301121 79 7
7301121 107 23
7301122 55 35
7301122 57 36
7301122 83 20
7301122 85 20
7301122 97 18
7301122 101 23
7301122 105 23
7301123 95 25
7301123 113 18
7301124 87 24
7301124 93 24
7301154 101 21
7301154 105 21
7301172 59 35
7302161 89 26
7302161 91 26
7302161 117 12
7302165 17 45
7302201 17 23
7302393 21 22
7303035 33 24
7303045 73 9
7303056 23 13
7303057 23 51
7501070 29 33
7501070 47 53
7501071 41 28
7501071 43 36
7501071 45 16
7501071 47 13
7502021 29 40
7601011 29 41
7602001 99 16
8001011 73 22
8001209 33 40
8001219 33 17
8001321 95 23
8101004 81 24
8101004 103 24
8101005 17 21
8101006 87 26
8101006 89 31
8101006 91 31
8101006 93 26
8101006 117 13
8101007 55 37
8101007 57 38
8101007 59 37
8101007 77 12
8101007 79 10
134 ENXUTA 2960PD Rev. B - 17/03/2006
Cod. Pag. Ref.
8101007 107 22
8101029 33 26
8101035 17 46
8101050 109 18
8101050 111 12
8101073 83 19
8101073 85 19
8101073 97 17
8301036 69 24
8301036 71 23
8301055 45 29
8301057 47 41
8301058 29 17
8301079 47 17
8301136 45 4
8301137 17 37
8304002 29 18
8304002 45 7
8304002 47 18
8304003 17 36
8304016 69 22
8304016 71 24
8402053 23 2
8501004 25 2
8501005 25 9
8901213 123 3
8901214 123 2
8901215 123 1
8901220 123 4
8901266 23 36
8901273 23 37
8901292 123 11
8901293 123 12
8901294 123 13
8901298 123 19
8901307 123 5
8901308 23 38
8901320 123 7
8901321 123 6
8901399 123 9
8901660 123 14
8901700 123 8
8901702 123 15
8901704 123 17
8901713 123 18
8901714 123 16
8901719 123 10
9001055 35 2
9001055 37 2
9001055 39 2
9001057 11 17
9001059 27 13
9201021 51 7
9201021 53 11
9202005 51 2
Cod. Pag. Ref.
9202005 53 2
9202102 51 1
9202102 53 1
9205156 51 5
9205156 53 5
9205158 51 6
9205159 51 8
9205159 53 12
9205161 51 19
9205161 53 4
9205383 53 10
9212002 51 4
9212004 51 4
9212017 51 3
9212017 53 3
9212190 53 8
9212191 53 7
9212192 51 9
9304003 13 1
9304003 15 20
9304003 23 45
9304003 29 27
9304003 69 11
9304003 71 17
9305004 61 14
9305004 63 14
9305004 65 14
9305005 13 19
9305005 15 12
9305005 17 11
9305005 21 27
9305005 23 44
9305005 29 36
9305005 41 18
9305005 43 19
9305005 55 26
9305005 57 42
9305005 59 41
9305005 61 11
9305005 63 11
9305005 65 11
9305005 69 6
9305005 71 6
9305005 77 11
9305005 79 1
9305005 81 18
9305005 83 15
9305005 85 15
9305005 87 17
9305005 89 13
9305005 91 13
9305005 93 17
9305005 97 14
9305005 103 16
9305005 107 20
Cod. Pag. Ref.
9305005 113 13
9305005 117 43
9601027 17 26
9602012 17 25
9602019 17 25
9603035 17 27
9720601 95 6
9901038 117 38
9901046 87 29
9901046 89 32
9901046 91 32
9901046 93 29
9901051 55 31
9901051 59 31
9901054 57 32
9901057 113 22
9901058 113 29
Rev. B - 17/03/2006 ENXUTA 2960PD 135
Cat jm2960   por
Cat jm2960   por
Cat jm2960   por

Cat jm2960 por

  • 3.
    Rev. B -17/03/2006 ENXUTA 2960PD 3
  • 5.
    ÍNDICE QUADRO 08/10L 6 QUADRO12 L 8 ESTRIBO E CORRIMAO 10 EIXO RODA DE TRANSPORTE 08/10L 12 EIXO RODA DE TRANSPORTE 12L 14 RODAGEM 08/10/12L 16 CABECALHO MG/EX 08/10/12L 20 TURBINA 540RPM 08/10L 22 CARDAN HOMOCINETICO C/RODA LIVRE 24 SISTEMA PNEUM TUBULAÇÃO DE AR 08/10L 26 ADUBADORA ROSCA SEM FIM 08/10/12L 28 DOSADOR FERTISYSTEM STD 32 DEPOSITO DE FERTILIZANTE 08L 34 DEPOSITO DE FERTILIZANTE 10L 36 DEPOSITO DE FERTILIZANTE 12L 38 TRANSMISSAO DA CATRACA (STANDARD) 40 TRANSMISSAO DA CATRACA (OPCIONAL) 42 CAMBIO DO ADUBO 44 CAMBIO DA SEMENTE 46 SISTEMA HIDRAULICO 08/10L 50 SISTEMA HIDRAULICO 12L 52 MARCADOR LINHA HIDRAULICO 08L 54 MARCADOR LINHA HIDRAULICO 12L 56 MARCADOR DE LINHA HIDRAULICO 10L 58 UNIDADE SEMENTE EX CURTA 60 UNIDADE SEMENTE EX LONGA 62 UNID SEMEADORA PIVOTADA CURTA/ LONGA 64 TRANSMISSÃO DIREITA DO CARRINHO 68 TRANSMISSAO ESQUERDO DO CARRINHO 70 DISTRIBUIDOR SEMENTES 72 CONJ BANDA CONTR PROFUND 4.1/2X15 76 BANDA CONTR PROFUNDIDADE 78 CONJ COMPACTADOR "V" 80 COMPACTADOR FLUTUANTE CONCAVO 82 COMPACTADOR FLUTUANTE LISA 84 DISCO DUPLO SEMEADOR 14"-PARALELO 86 DISCO SEMEADOR 14" DESENC (R.CON) 88 DISCO SEMEADOR 14"" PARALELO (R.CON) 90 DISCO DUPLO SEMEADOR 14" - DESENC 92 CONJ BANDA CONTROLE PROFUNDIDADE 94 BANDA COMPACTADORA CONCAVA 96 BANDA COMPACTADORA LARGA 98 COMPACTADOR FLUTUANTE EM "V" REG 100 COMPACTADOR FLUTUANTE EM "V" 102 BANDA CONTROLE PROFUNDIDADE 106 KIT COBRIDOR ADUBO COM DISCO 108 KIT COBRIDOR/ VARREDOR 110 DISCO CORTE 17" 112 ADUBADOR 114 DISCO ADUBADOR 15" - DESENCONTRADO 116 SULCADOR 118 SULCADOR LONGO (OPCIONAL) 120 COLANTES 08/10/12L 122 Rev. B - 17/03/2006 ENXUTA 2960PD 5
  • 6.
    6 ENXUTA 2960PDRev. B - 17/03/2006
  • 7.
    2293 QUADRO 08/10L REF.CÓDIGO DESCRIÇÃO OBSERVAÇÃO 1 2730410 CONJ PE DE APOIO 2 7004274 PF SEXT RP MA12X80 DIN931-8.8 ZN 3 0427400 BRACADEIRA 4 7016010 TRAVA DE ACO 5/32"X69 5 7019157 ARRUELA DE PRESSAO B12 DIN127 ZN 6 7011355 PORCA SEXT MA12 DIN 934-5 ZN 7 2718277 PINO TRAVA 8 2718313 SUPORTE DO PE DE APOIO 9 2730171 PE DE APOIO 10 5001038 PINO DE ENGATE 11 2741070 QUADRO 10L 11 2741060 QUADRO 08L 12 7016026 TRAVA DE ACO 3/16"X94 Rev. B - 17/03/2006 ENXUTA 2960PD 7
  • 8.
    8 ENXUTA 2960PDRev. B - 17/03/2006
  • 9.
    2661 QUADRO 12L REF. CÓDIGO DESCRIÇÃO OBSERVAÇÃO 1 2730410 CONJ PE DE APOIO 2 7004274 PF SEXT RP MA12X80 DIN931-8.8 ZN 3 0427400 BRACADEIRA 4 7016010 TRAVA DE ACO 5/32"X69 5 7019157 ARRUELA DE PRESSAO B12 DIN127 ZN 6 7011355 PORCA SEXT MA12 DIN 934-5 ZN 7 2718277 PINO TRAVA 8 2718313 SUPORTE DO PE DE APOIO 9 2730171 PE DE APOIO 10 7004318 PF SEXT RP MA18X130 DIN 931-8.8 - ZN 11 7004323 PF SEXT RP MA18X180 DIN 931-8.8 - ZN 12 2741541 SUPORTE DE UNIAO 13 7016026 TRAVA DE ACO 3/16"X94 14 5001038 PINO DE ENGATE 15 7011357 PORCA SEXT MA18 DIN 934-5 ZN 16 7019160 ARRUELA PRESSAO B18-DIN 127 ZN 17 0417048 ALGEMA 100X100-M20 18 2741533 QUADRO 12L 19 2741539 CHAPA SUPERIOR Rev. B - 17/03/2006 ENXUTA 2960PD 9
  • 10.
    10 ENXUTA 2960PDRev. B - 17/03/2006
  • 11.
    2292 ESTRIBO ECORRIMAO REF. CÓDIGO DESCRIÇÃO OBSERVAÇÃO 1 2741389 CORRIMAO ESQ 8L (2761036C) 1 2741387 CORRIMAO ESQ 10L (2761034C) 1 2741495 CORRIMAO ESQ 12L (2761041C) 2 7004437 PF SEXT RT MA12X35 DIN933-5.6 ZN 3 2741384 PLATAFORMA ESQ 10L 3 2741386 PLATAFORMA ESQ 8L (2761033C) 3 2741491 PLATAFORMA ESQ 12L 4 2741390 CORRIMAO DIR 8L (2761037C) 4 2741388 CORRIMAO DIR 10L (2761035C) 4 2741492 CORRIMAO DIR 12L (2761040C) 5 2741150 ESCADA ARTICULAVEL 6 2741202 BUCHA ESPACADORA 7 7011355 PORCA SEXT MA12 DIN 934-5 ZN 8 7019157 ARRUELA DE PRESSAO B12 DIN127 ZN 9 2741383 PLATAFORMA DIR 10L 9 2741490 PLATAFORMA DIR 12L 9 2741385 PLATAFORMA DIR 8L (2761032C) 10 2741143 CHAPA DE FIXACAO 11 7018013 ARRUELA LISA 1/2" 12 7004274 PF SEXT RP MA12X80 DIN931-8.8 ZN 13 0427218 BRACADEIRA 14 2741166 SUPORTE DA PLATAFORMA 15 2741154 CORRIMAO AUXILIAR DIREITO 16 2741155 CORRIMAO AUXILIAR ESQUERDO 17 9001057 TAPO F32XA35 Rev. B - 17/03/2006 ENXUTA 2960PD 11
  • 12.
    12 ENXUTA 2960PDRev. B - 17/03/2006
  • 13.
    2309 EIXO RODADE TRANSPORTE 08/10L REF. CÓDIGO DESCRIÇÃO OBSERVAÇÃO 1 9304003 GRAXEIRA CURVA M8X1-45 DIN71412B 2 2715096 MANCAL ARTICULADO CILINDRO 3 7004698 PF SEXT RT MA12X45 DIN933-8.8 - ZN 4 7014205 PORCA AUTOTRAVANTE MA12 DIN 980-8 5 2741260 CALCO DO CILINDRO 6 2729437 ENGATE DO CILINDRO 7 7004668 PF SEXT RT MA10X35 DIN 933-8.8 ZN 8 2730330 KIT REPARO CILINDRO 4.1/2"X2" 9 2741059 CILINDRO HIDRAULICO 4.1/2"X2"-169 10 7004231 PF SEXT RP MA6X80 DIN931-8.8 - ZN 11 7014202 PORCA AUTOTRAVANTE MA6 DIN 980-8 12 2730584 CALCO DE REGULAGEM 13 2730414 TRAVA SEG TRANSPORTE 14 7016001 TRAVA DE ACO 1/8''X49 15 7019153 ARRUELA PRESSAO B6-DIN 127 ZN 16 7004354 PF SEXT RT MA6X12 DIN 933-5.6 ZN 17 7019156 ARRUELA DE PRESSAO B10 DIN127 ZN 18 7011354 PORCA SEXT MA10 DIN 934-5 ZN 19 9305005 GRAXEIRA RETA M8X1 DIN71412A 20 2730417 PINO REMANCHADO 5/16"X90 21 2741273 TAMPA DO MANCAL 22 2741178 EIXO RODA TRANSPORTE 10L 22 2741219 EIXO RODA DE TRANSPORTE 08L 23 2730413 CONJ TRAVA SEGURANCA TRANSPORTE 24 0427203 SUPORTE DE APOIO DO EIXO 25 7017025 CONTRAPINO 3/16" X 1.1/2" 26 7012526 PORCA CASTEL0 MB22 DIN 937-5 27 7018001 ARRUELA LISA I7/8"XE41,27XESP1,50 - ZN 28 2729550 EIXO DE ARTICULACAO CILINDRO 29 2728130 PINO DE FIXACAO 30 2730583 CONJ CALCO DO CILINDRO Rev. B - 17/03/2006 ENXUTA 2960PD 13
  • 14.
    14 ENXUTA 2960PDRev. B - 17/03/2006
  • 15.
    2662 EIXO RODADE TRANSPORTE 12L REF. CÓDIGO DESCRIÇÃO OBSERVAÇÃO 1 2741555 PINO REMANCHADO CIL HIDRAULICO 2 7017025 CONTRAPINO 3/16" X 1.1/2" 3 2741542 CILINDRO HIDR 3.1/2"X1.1/2"-180 4 2741552 TRAVA DE SEGURANCA P/TRANSPORTE 5 7016001 TRAVA DE ACO 1/8''X49 6 2730417 PINO REMANCHADO 5/16"X90 7 7004231 PF SEXT RP MA6X80 DIN931-8.8 - ZN 8 7014202 PORCA AUTOTRAVANTE MA6 DIN 980-8 9 2741553 CALCO DE REGULAGEM 10 2741554 FLANGE DE APOIO 11 2741259 ENGATE DO CILINDRO 12 9305005 GRAXEIRA RETA M8X1 DIN71412A 13 7018001 ARRUELA LISA I7/8"XE41,27XESP1,50 - ZN 14 7012526 PORCA CASTEL0 MB22 DIN 937-5 15 2741273 TAMPA DO MANCAL 16 7019153 ARRUELA PRESSAO B6-DIN 127 ZN 17 7004354 PF SEXT RT MA6X12 DIN 933-5.6 ZN 18 2729550 EIXO DE ARTICULACAO CILINDRO 19 2741537 EIXO RODA TRANSPORTE 12L 20 9304003 GRAXEIRA CURVA M8X1-45 DIN71412B 21 0427203 SUPORTE DE APOIO DO EIXO 22 2728130 PINO DE FIXACAO 23 2741568 CONJ CALCO DO CILINDRO 24 2741567 CONJ TRAVA SEGURANCA TRANSPORTE 25 2741549 KIT REPARO CILINDRO 3.1/2"X1.1/2" 26 7004668 PF SEXT RT MA10X35 DIN 933-8.8 ZN 27 7019156 ARRUELA DE PRESSAO B10 DIN127 ZN 28 7011354 PORCA SEXT MA10 DIN 934-5 ZN Rev. B - 17/03/2006 ENXUTA 2960PD 15
  • 16.
    16 ENXUTA 2960PDRev. B - 17/03/2006
  • 17.
    2314 RODAGEM 08/10/12L REF.CÓDIGO DESCRIÇÃO OBSERVAÇÃO 1 7017026 CONTRAPINO 3/16" X 1" 2 7018075 ARRUELA LISA 3/4" 3 2730139 ENGRENAGEM ESTICADOR 4 2730134 REGULADOR DO ESTICADOR 5 2730514 MOLA DO ESTICADOR RODAGEM 6 2741053 MANCAL MAIOR RODAGEM 7 2730113 EIXO PIVO 8 2718685 ARRUELA DE ENCOSTO 9 7019159 ARRUELA DE PRESSAO B16 DIN127 ZN 10 7004717 PF SEXT RT MA16X40 DIN 933-8.8 ZN 11 9305005 GRAXEIRA RETA M8X1 DIN71412A 12 0450011 APOIO DA MOLA 13 2729446 MOLA COMPRESSAO D13,5 DI43,0LO145 14 2731239 TUBO REDONDO 15 2730133 CONJ ESTICADOR DE CORRENTE 16 2730116 HASTE REGULADORA RODAGEM 17 2730124 EIXO FIX HASTE 18 7017025 CONTRAPINO 3/16" X 1.1/2" 19 7011353 PORCA SEXT MA8 DIN 934-5 ZN 20 7019155 ARRUELA DE PRESSAO B8 DIN127 ZN 21 8101005 RETENTOR 60,0X90,0X10,0 00517-BR 22 2729822 BUCHA ESPACADORA 23 7302201 ROLAMENTO ROLOS CONICOS 32210 24 2729555 PORCA DA RODA MB16 25 9602019 PNEU DIAGONAL 7.00-16 10L 25 9602012 PNEU MILITAR 4X4 7.00-16 12L OPCIONAL 26 9601027 CAMARA DE AR 7.00-16/TR-15 27 9603035 RODA 5.50K X 16 28 7014038 PORCA INSERTO NYLON MB18 DIN985-6 29 0427006 BRACADEIRA 30 2741054 MANCAL MENOR RODAGEM 31 7019157 ARRUELA DE PRESSAO B12 DIN127 ZN 32 7018013 ARRUELA LISA 1/2" 33 7011384 PORCA SEXT MB12 DIN 934-5 34 2741408 SUPORTE DIREITO DA RODA (2760114C) 35 2741409 SUPORTE ESQUERDO DA RODA (2760115C) 36 8304003 EMENDA TIPO 26 ABNT 210A 37 8301137 CORRENTE ROLOS ABNT 210AX67 ELOS 38 7004878 PF SEXT RP MB18X95 DIN 960-8.8 39 2741394 PROTETOR DIREITO 40 7019156 ARRUELA DE PRESSAO B10 DIN127 ZN 41 7004663 PF SEXT RT MA10X20 DIN 933-8.8 - ZN 42 2730132 ENGRENAGEM MOTORA Z-18 43 7101352 CHAVETA PARALELA A10X8X32 DIN6885 44 7012548 PORCA CASTELO MB24X2,00 DIN935-5 45 7302165 ROLAMENTO ROLOS CONICOS 30208 46 8101035 RETENTOR 55,0X80,0X10,0 00459-BR 47 2730122 MANCAL 48 7041011 PF RODA MB16X50 49 2730119 EIXO DA RODA 50 2729829 PROTETOR 51 7004638 PF SEXT RT MA8X20 DIN933-8.8 ZN 52 2730118 EIXO DIREITO DA RODA 53 2730129 EIXO ESQUERDO DA RODA 54 2741429 RODAGEM COMPLETA ESQUERDA 700X160 55 2741428 RODAGEM COMPLETA DIREITA 700X160 56 2741427 CONJ SUPORTE ESQUERDO DA RODA Rev. B - 17/03/2006 ENXUTA 2960PD 17
  • 18.
    18 ENXUTA 2960PDRev. B - 17/03/2006
  • 19.
    2314 RODAGEM 08/10/12L REF.CÓDIGO DESCRIÇÃO OBSERVAÇÃO 57 2741426 CONJ SUPORTE DIREITO DA RODA 58 7041012 PARAFUSO RODA MB16X50 RE 59 2729556 PORCA DA RODA MB16-RE 60 2732428 BUCHA CILINDRICA 19,0X23X33 61 2741397 PROTETOR ESQUERDO 62 3240531 ARRUELA POSICIONADORA Rev. B - 17/03/2006 ENXUTA 2960PD 19
  • 20.
    20 ENXUTA 2960PDRev. B - 17/03/2006
  • 21.
    2371 CABECALHO MG/EX08/10/12L REF. CÓDIGO DESCRIÇÃO OBSERVAÇÃO 1 2732546 PINO DE ENGATE 32X155 (2760073C) 2 2749237 ENGATE F33 3 7016026 TRAVA DE ACO 3/16"X94 4 2730371 PINO REMANCHADO 1.1/8"X215 5 2718333 GRAMPO DE FIXACAO 6 7014209 PORCA AUTOTRAVANTE MA20 DIN 980-8 7 0417048 ALGEMA 100X100-M20 8 7016153 PINO TRAVA C/ ARGOLA 5/16X2" 9 2734283 SUPORTE CABECALHO 10 2716049 PINO DA ARTICULACAO 11 7004355 PF SEXT RT MA6X16 DIN 933-5.6 ZN 12 7004733 PF SEXT RP MA20X180 DIN 931-8.8 - ZN 13 2734287 SUPORTE ARTICULACAO 14 0427191 BRACADEIRA 15 2702500 CONJ DO LEVANTE MECANICO 16 2741065 CABECALHO 08/10L (2760113C) 16 2741510 CABECALHO 12L (2760116C) 17 7019157 ARRUELA DE PRESSAO B12 DIN127 ZN 18 7011355 PORCA SEXT MA12 DIN 934-5 ZN 19 2702702 MANIVELA 20 7023038 REBITE CAB RED 1/4X1.1/2-SAE J492 21 2702600 TUBO EXTERNO 22 7302393 ROLAMENTO AXIAL ESF 51204 23 2702800 CONJ EIXO REGULADOR 24 2702900 CONJ TUBO INTERNO DO LEVANTE 25 2725556 GUIA DO FLEXIVEL 26 5001038 PINO DE ENGATE 27 9305005 GRAXEIRA RETA M8X1 DIN71412A 28 3719186 REGULADOR CABECALHO 29 3701091 PINO DE ENGATE DO CILINDRO Rev. B - 17/03/2006 ENXUTA 2960PD 21
  • 22.
    22 ENXUTA 2960PDRev. B - 17/03/2006
  • 23.
    2390 TURBINA 540RPM08/10L REF. CÓDIGO DESCRIÇÃO OBSERVAÇÃO 1 2726182 EIXO DA VENTOINHA 2 8402053 CORREIA POLY V 1287 J16 3 7104005 ANEL RETENCAO 80X2,50-DIN 472 4 7101403 CHAVETA B8X7X32 DIN 6885 5 7004614 PF SEXT RT MA6X16 DIN 933-8.8 - ZN 6 7019153 ARRUELA PRESSAO B6-DIN 127 ZN 7 2726161 POLIA 305J16 8 2734664 EIXO TOMADA DE POTENCIA 9 7018013 ARRUELA LISA 1/2" 10 7011355 PORCA SEXT MA12 DIN 934-5 ZN 11 7019157 ARRUELA DE PRESSAO B12 DIN127 ZN 12 7004695 PF SEXT RT MA12X30 DIN933-8.8 - ZN 13 7303056 ROLAMENTO FIXO ESF 6208-RS/C3 14 2726134 BUCHA ESPACADORA 15 7004685 PF SEXT RT MA10X140 DIN933-8.8 ZN 16 7011354 PORCA SEXT MA10 DIN 934-5 ZN 17 2726132 SUPORTE MANCAL 18 7014202 PORCA AUTOTRAVANTE MA6 DIN 980-8 19 2734361 TAMPA FRONTAL DA TURBINA 20 2726172 CONJ VENTOINHA 21 7018005 ARRUELA LISA 1/4" 22 2730699 CONDUTOR SAIDA DE AR 23 7004233 PF SEXT RP MA6X90 DIN931-8.8 ZN 24 2734360 TAMPA TRASEIRA DA TURBINA 25 7004613 PF SEXT RT MA6X12 DIN 933-8.8 ZN 26 2738758 COLETOR DIANTEIRO DE AR 27 7014018 PORCA INSERTO NYLON MA18 DIN985-6 28 7018078 ARRUELA LISA I3/4"XE39,00XESP3,00 - ZN 29 2715633 BUCHA ESPACADORA 30 2715640 ABRACADEIRA 31 2729947 PROTETOR 32 2729274 PARAF BORBOLETA M8X16 33 7018004 ARRUELA LISA 5/16" 34 2742050 CONJ TURBINA C/SUP 540RPM 35 2726180 CONJ MANCAL SUPERIOR-540 RPM 36 8901266 COLANTE AT AJUSTE CARDAN-UNI 37 8901273 COLANTE AT REDUZA ACELERACAO 38 8901308 COLANTE AMARELO 540RPM-UNI 39 2715636 SUPORTE DE FIXACAO DA TURBINA 40 2704805 FIXADOR DA MANGUEIRA 41 7106067 ABRACADEIRA ROSCA S/FIM 102-121 42 2730708 MANGUEIRA COND SAIDA AR 4"X1500 44 9305005 GRAXEIRA RETA M8X1 DIN71412A 45 9304003 GRAXEIRA CURVA M8X1-45 DIN71412B 46 2734350 BASE DA TURBINA 47 0427732 ALGEMA 48 7004322 PF SEXT RP MA18X170 DIN 931-8.8 49 7014208 PORCA AUTOTRAVANTE MA18 DIN 980-8 50 7104004 ANEL RETENCAO 72X2,50-DIN 472 51 7303057 ROLAMENTO FIXO ESF 6306-RS/C3 52 7004255 PF SEXT RP MA10X70 DIN931-8.8 ZN 53 7014014 PORCA INSERTO NYLON MA10 DIN985-6 Rev. B - 17/03/2006 ENXUTA 2960PD 23
  • 24.
    24 ENXUTA 2960PDRev. B - 17/03/2006
  • 25.
    2468 CARDAN HOMOCINETICOC/RODA LIVRE REF. CÓDIGO DESCRIÇÃO OBSERVAÇÃO 1 2732470 GARFO C/ ENGATE RAPIDO 2 8501004 CRUZETA 23,8X61,1-22,0X74,0 3 2732471 GARFO DUPLO 4 2732472 GARFO DO EIXO 5 7025230 PINO ELASTICO 10X65-DIN 1481 6 2732473 TUBO PERF INT 34,5X40,1X3,5X850 7 2732474 TUBO PERF EXT 41,2X48X2,8X850 8 2732475 GARFO DO TUBO 9 8501005 CRUZETA 23,8X61,1 10 2732484 CONJ RODA LIVRE C/ GARFO 11 2732477 COIFA DE PROTECAO 12 2732478 ANEL DE ROLAMENTO COIFA 13 2732479 ANEL DE ROLAMENTO 14 2732480 PROTETOR EXTERNO 15 2732481 PROTETOR INTERNO 16 2732482 PROTETOR MACHO 17 2732483 PROTETOR FEMEA 18 2730705 CARDAN HRL1.3/8Z6X1.3/8Z6 CT1337P 19 2730789 CONJ RODA LIVRE C/ GARFO 20 2731316 CONJ HOMOCINETICO C/ TERMINAIS 21 2730688 ADAPTADOR TDP 1.3/4-Z20X1.3/8-Z6 CASE 21 2730689 ADAPTADOR TDP 1.3/8-Z21X1.3/8-Z6 JOHN DEERE Rev. B - 17/03/2006 ENXUTA 2960PD 25
  • 26.
    26 ENXUTA 2960PDRev. B - 17/03/2006
  • 27.
    2312 SISTEMA PNEUMTUBULAÇÃO DE AR 08/10L REF. CÓDIGO DESCRIÇÃO OBSERVAÇÃO 1 7019153 ARRUELA PRESSAO B6-DIN 127 ZN 2 7004614 PF SEXT RT MA6X16 DIN 933-8.8 - ZN 3 2738758 COLETOR DIANTEIRO DE AR 4 7106062 ABRACADEIRA ROSCA S/FIM 64-83 5 2741315 MANGUEIRA COND AR 3"X1440 6 2741314 TUBO DE ASPIRACAO 1.1/2"X2300 7 2741232 CONDUTOR DE AR 8 7106057 ABRACADEIRA ROSCA S/FIM 38-51 9 2741313 TUBO DE ASPIRACAO 1.1/2"X1900 10 7011353 PORCA SEXT MA8 DIN 934-5 ZN 11 7016155 PINO TRAVA C/ ARGOLA 1/4"X 1.1/2" 12 7004644 PF SEXT RT MA8X40 DIN 933-8.8 13 9001059 TAPO F37XA37 Rev. B - 17/03/2006 ENXUTA 2960PD 27
  • 28.
    28 ENXUTA 2960PDRev. B - 17/03/2006
  • 29.
    2373 ADUBADORA ROSCASEM FIM 08/10/12L REF. CÓDIGO DESCRIÇÃO OBSERVAÇÃO 1 2730077 TAPO DO SUPORTE DO ADUBO 2 7004616 PF SEXT RT MA6X20 DIN 933-8.8 ZN 3 2730804 SUPORTE DISTRIBUIDOR ADUBO 12L 3 2731214 SUPORTE DIR DISTR ADUBO 10L 3 2731212 SUPORTE DIR DISTR ADUBO 08L 4 7011353 PORCA SEXT MA8 DIN 934-5 ZN 5 7019155 ARRUELA DE PRESSAO B8 DIN127 ZN 6 7004640 PF SEXT RT MA8X25 DIN 933-8.8 ZN 7 7033001 ARRUELA LISA FQ E45X1,5-F16,3 8 2725579 EIXO SEXTAVADO 11/16"X1450 08L 8 2736538 EIXO SEXTAVADO 11/16"X2300 12L 8 2741328 EIXO SEXTAVADO 11/16"X1700 10L 9 7004636 PF SEXT RT MA8X16 DIN933-8.8 - ZN 10 7018013 ARRUELA LISA 1/2" 11 7019157 ARRUELA DE PRESSAO B12 DIN127 ZN 12 7011384 PORCA SEXT MB12 DIN 934-5 13 1732151 ENGRENAGEM Z-19 14 2730486 EIXO DO ESTICADOR DE CORRENTE 15 1732143 ENGRENAGEM Z-12 16 7103017 ANEL RETENCAO 19X1,20-DIN 471 17 8301058 CORRENTE ROLOS ABNT 08AX113 18 8304002 EMENDA TIPO 26 ABNT 08A-1 19 2725135 BUCHA DE FIXACAO 20 7019153 ARRUELA PRESSAO B6-DIN 127 ZN 21 7011352 PORCA SEXT MA6 DIN 934-5 ZN 22 7017026 CONTRAPINO 3/16" X 1" 23 2728544 ARRUELA LISA FQ E51X1,5-F16,3 24 0427227 ENGRENAGEM CONICA Z-20 25 2728511 BUCHA N. VI 26 2728543 BUCHA N.3 27 9304003 GRAXEIRA CURVA M8X1-45 DIN71412B 28 2728503 TAMPA DO DISTRIBUIDOR 29 2728519 BUCHA N.V 30 0427228 ENGRENAGEM CONICA Z-16 31 7007535 PF FRANCES MA8X25 DIN 603-4.6 32 7006235 PF ALLEN S/CAB MA8X10 DIN916-12.9 33 7501070 CONJ MANCAL C/ROL AUTOCOMP 11/16 34 7018004 ARRUELA LISA 5/16" 35 2718129 CORPO DISTRIBUIDOR ADUBO C/ TUBO 36 9305005 GRAXEIRA RETA M8X1 DIN71412A 37 3524155 CONDUTOR HELECOIDAL 25X265 DIR OPCIONAL 37 2730320 CONDUTOR HELICOIDAL DIR 48X267 38 2725707 CONJ ESTICADOR CORRENTE 39 2730549 CONJ DISTRIBUIDOR ADUBO R SEM FIM 40 7502021 MANCAL FLANGETE 52 MST 41 7601011 ROL ESF AUTOCOMPENSADOR FS-11/16 42 2728514 EIXO TRANSMISSAO 5/8X406 43 2731215 SUPORTE ESQ DISTR ADUBO 10L 43 2731213 SUPORTE ESQ DISTR ADUBO 08L 44 2732420 APOIO DUPLO BERCINHO JM2880/2980 45 2737124 TAMPA DO DISTRIBUIDOR DO ADUBO 46 7017006 CONTRAPINO 1/8" X 2" 47 0427634 DEFLETOR 48 2741420 CONJ DISTR ADUBO ROSCA SEM FIM 49 2741421 CORPO DISTRIBUIDOR ABUDO C/ TUBO 50 2741392 EIXO SEXTAVADO 11/16"X1540 50 2741329 EIXO SEXTAVADO 11/16"X1800 Rev. B - 17/03/2006 ENXUTA 2960PD 29
  • 30.
    30 ENXUTA 2960PDRev. B - 17/03/2006
  • 31.
    2373 ADUBADORA ROSCASEM FIM 08/10/12L REF. CÓDIGO DESCRIÇÃO OBSERVAÇÃO 50 2731747 EIXO SEXTAVADO 11/16"X2180 Rev. B - 17/03/2006 ENXUTA 2960PD 31
  • 32.
    32 ENXUTA 2960PDRev. B - 17/03/2006
  • 33.
    3420 DOSADOR FERTISYSTEMSTD REF. CÓDIGO DESCRIÇÃO OBSERVAÇÃO 1 2730077 TAPO DO SUPORTE DO ADUBO 2 7004616 PF SEXT RT MA6X20 DIN 933-8.8 ZN 3 7019153 ARRUELA PRESSAO B6-DIN 127 ZN 4 7011352 PORCA SEXT MA6 DIN 934-5 ZN 5 7003385 PF PANELA FEN INOX MA6X20-DIN85A2 6 1737289 ADAPTADOR FERTISYSTEM 7 2744557 CORPO PRINCIPAL JM NG 8 7019183 ARRUELA PRESSAO INOX B6 DIN127-A2 9 7011411 PORCA SEXT INOX MA6 DIN934-A2 10 7004636 PF SEXT RT MA8X16 DIN933-8.8 - ZN 11 7018004 ARRUELA LISA 5/16" 12 7019155 ARRUELA DE PRESSAO B8 DIN127 ZN 13 7011353 PORCA SEXT MA8 DIN 934-5 ZN 14 2744559 FECHO INOX 15 2744556 CJ TAMPA BOCAL NG 16 2744561 TUBO FIXADOR 17 8001219 ANEL O'RING N219 SAE AS568A NBR70 18 2733313 EIXO REVESTIDO 19 2733312 ARRUELA LIMPEZA 20 2733311 FELTRO 21 2733310 REVESTIMENTO 22 2733323 PINHAO MOVIDO Z-14 23 2733320 ARRUELA 30 24 7303035 ROLAMENTO FIXO ESF 6006-2RS 25 2733328 TUBO MANUTENCAO 26 8101029 RETENTOR 30,0X52,0X8,0 02813-BRG 27 2733318 BUCHA 28 7004640 PF SEXT RT MA8X25 DIN 933-8.8 ZN 29 2733325 PROTETOR ROLAMENTO 30 2733324 MANCAL AUTO-LUB 31 2733326 PINHAO ACIONADOR Z-14 32 2733306 ROSCA SEM-FIM S 2D 33 2733308 ROSCA SEM-FIM S 1D OPCIONAL 34 2733304 TUBO BLOQUEADOR 35 2733301 TAMPA TRANSVERSAL 36 2733163 DOSADOR FERTISYSTEM STD RSF2 DIR 36 2733162 DOSADOR FERTISYSTEM STD RSF1 DIR OPCIONAL 37 2744560 BOCAL NG 38 7017026 CONTRAPINO 3/16" X 1" 39 2733309 ARRUELA QUADRADA INOX 40 8001209 ANEL O'RING N209 SAE AS568A NBR70 41 2733317 ANEL TRAVA Rev. B - 17/03/2006 ENXUTA 2960PD 33
  • 34.
    34 ENXUTA 2960PDRev. B - 17/03/2006
  • 35.
    2354 DEPOSITO DEFERTILIZANTE 08L REF. CÓDIGO DESCRIÇÃO OBSERVAÇÃO 1 2730044 TAMPA DEPOSITO 305L 2 9001055 TAPO 10X25 3 7018298 ARRUELA LISA INOX 8,40 DIN9021-A2 4 2730933 SUPORTE DA PENEIRA 5 2730661 DEPOSITO FERTILIZANTES PB230L 6 6011411 PORCA SEXT INOX MA6 DIN934-A2 7 7019183 ARRUELA PRESSAO INOX B6 DIN127-A2 8 7018296 ARRUELA LISA INOX 6,40 DIN9021-A2 9 7017001 CONTRAPINO 1/8" X 1" 10 7004640 PF SEXT RT MA8X25 DIN 933-8.8 ZN 11 2741090 LATERAL DIREITA 08/10L 12 7014013 PORCA INSERTO NYLON MA8 DIN985-6 13 7019157 ARRUELA DE PRESSAO B12 DIN127 ZN 14 7011355 PORCA SEXT MA12 DIN 934-5 ZN 15 7034196 PF SEXT RT INOX MA6X25 DIN933-A2 16 2741210 BASE FIXACAO DEPOSITO 08L 17 2730660 CONJ DEPOSITO FERTILIZANTE PB230L 18 7018013 ARRUELA LISA 1/2" 19 3240304 BUCHA ESPACADORA 20 7018074 ARRUELA LISA 1/2" 21 7004437 PF SEXT RT MA12X35 DIN933-5.6 ZN 22 2741308 CONJ DEPOSITO FERTILIZ 08L 23 2730767 TRAVESSA TRASEIRA 08/21L 24 2730934 CONJ PENEIRA DEPOSITO MENOR 25 2730764 AGULHA DE TRAVAMENTO 26 2730073 EIXO DA DOBRADICA 27 2730926 QUADRO PENEIRA MENOR 28 2718091 PINO DE FIXACAO M12X1,75 29 2741223 TRAVESSA DIANTEIRA 08L 30 2718092 PORCA BORBOLETA M12 31 2741087 LATERAL ESQUERDA 08/10L Rev. B - 17/03/2006 ENXUTA 2960PD 35
  • 36.
    36 ENXUTA 2960PDRev. B - 17/03/2006
  • 37.
    2356 DEPOSITO DEFERTILIZANTE 10L REF. CÓDIGO DESCRIÇÃO OBSERVAÇÃO 1 2730044 TAMPA DEPOSITO 305L 2 9001055 TAPO 10X25 3 2730930 QUADRO PENEIRA MAIOR 4 2730933 SUPORTE DA PENEIRA 5 2730661 DEPOSITO FERTILIZANTES PB230L 6 7011411 PORCA SEXT INOX MA6 DIN934-A2 7 7019183 ARRUELA PRESSAO INOX B6 DIN127-A2 8 7018296 ARRUELA LISA INOX 6,40 DIN9021-A2 9 7017001 CONTRAPINO 1/8" X 1" 10 7004640 PF SEXT RT MA8X25 DIN 933-8.8 ZN 11 2741208 LATERAL DIREITA 10L 12 7014013 PORCA INSERTO NYLON MA8 DIN985-6 13 7019157 ARRUELA DE PRESSAO B12 DIN127 ZN 14 7011355 PORCA SEXT MA12 DIN 934-5 ZN 15 7034196 PF SEXT RT INOX MA6X25 DIN933-A2 16 2741091 BASE DIR FIXACAO DEPOSITO 10L 17 2741092 BASE ESQ FIXACAO DEPOSITO 10L 18 7018013 ARRUELA LISA 1/2" 19 3240304 BUCHA ESPACADORA 20 7018074 ARRUELA LISA 1/2" 21 7004437 PF SEXT RT MA12X35 DIN933-5.6 ZN 22 2741307 BASE ESQ FIXACAO DEPOSITO 10L 23 2730771 TRAVESSA TRASEIRA 10L 24 2741309 CONJ PECAS EMBAL P/ EXPECICAO 08L 25 2730764 AGULHA DE TRAVAMENTO 26 2730073 EIXO DA DOBRADICA 27 2730926 QUADRO PENEIRA MENOR 28 2730045 TAMPA DEPOSITO 325/420L 29 2730663 DEPOSITO FERTILIZANTES GB325L 30 2718092 PORCA BORBOLETA M12 31 2741087 LATERAL ESQUERDA 08/10L 32 2718091 PINO DE FIXACAO M12X1,75 33 2730934 CONJ PENEIRA DEPOSITO MENOR 34 2730935 CONJ PENEIRA DEPOSITO MAIOR 35 2741306 CONJ DIR DEPOSITO FERTILIZ 10L 36 2730662 CONJ DEPOSITO FERTILIZANTE GB325L 37 2730660 CONJ DEPOSITO FERTILIZANTE PB230L 38 2741090 LATERAL DIREITA 08/10L 39 2741224 TRAVESSA DIANTEIRA 10L 40 7018298 ARRUELA LISA INOX 8,40 DIN9021-A2 Rev. B - 17/03/2006 ENXUTA 2960PD 37
  • 38.
    38 ENXUTA 2960PDRev. B - 17/03/2006
  • 39.
    2663 DEPOSITO DEFERTILIZANTE 12L REF. CÓDIGO DESCRIÇÃO OBSERVAÇÃO 1 2730044 TAMPA DEPOSITO 305L 2 9001055 TAPO 10X25 3 7018298 ARRUELA LISA INOX 8,40 DIN9021-A2 4 2730933 SUPORTE DA PENEIRA 5 2730661 DEPOSITO FERTILIZANTES PB230L 6 7011411 PORCA SEXT INOX MA6 DIN934-A2 7 7019183 ARRUELA PRESSAO INOX B6 DIN127-A2 8 7018296 ARRUELA LISA INOX 6,40 DIN9021-A2 9 7017001 CONTRAPINO 1/8" X 1" 10 7004640 PF SEXT RT MA8X25 DIN 933-8.8 ZN 11 2741090 LATERAL DIREITA 08/10L 12 7014013 PORCA INSERTO NYLON MA8 DIN985-6 13 7019157 ARRUELA DE PRESSAO B12 DIN127 ZN 14 7011355 PORCA SEXT MA12 DIN 934-5 ZN 15 7034196 PF SEXT RT INOX MA6X25 DIN933-A2 16 2741507 BASE FIXACAO DEPOSITO 12L 17 2730660 CONJ DEPOSITO FERTILIZANTE PB230L 18 7018013 ARRUELA LISA 1/2" 19 3240304 BUCHA ESPACADORA 20 7018074 ARRUELA LISA 1/2" 21 7004437 PF SEXT RT MA12X35 DIN933-5.6 ZN 22 2741557 CONJ DEPOSITO FERTILIZ 12L 23 2730775 TRAVESSA TRASEIRA 12L 24 2730934 CONJ PENEIRA DEPOSITO MENOR 25 2730764 AGULHA DE TRAVAMENTO 26 2730073 EIXO DA DOBRADICA 27 2730926 QUADRO PENEIRA MENOR 28 2718091 PINO DE FIXACAO M12X1,75 29 2741497 TRAVESSA DIANTEIRA 12 30 2718092 PORCA BORBOLETA M12 31 2741087 LATERAL ESQUERDA 08/10L Rev. B - 17/03/2006 ENXUTA 2960PD 39
  • 40.
    40 ENXUTA 2960PDRev. B - 17/03/2006
  • 41.
    2483 TRANSMISSAO DACATRACA (STANDARD) REF. CÓDIGO DESCRIÇÃO OBSERVAÇÃO 1 7018008 ARRUELA LISA 3/8" 2 7019156 ARRUELA DE PRESSAO B10 DIN127 ZN 3 7011354 PORCA SEXT MA10 DIN 934-5 ZN 4 2741674 ALAVANCA DIR DE ACIONAMENTO 4 2741676 ALAVANCA ESQ DE ACIONAMENTO 5 6001595 MOLA TRACAO 6 7004409 PF SEXT RT MA10X35 DIN 933-5.6 ZN 7 2728231 BUCHA ESPACADORA (2760524C) 8 7011355 PORCA SEXT MA12 DIN 934-5 ZN 9 7019157 ARRUELA DE PRESSAO B12 DIN127 ZN 10 2741381 BRACO DESARME CATRACA 11 2725573 GRAMPO DE FIXACAO 12 2728300 CONJ CATRACA DIREITA 13 2728304 CONJ CATRACA ESQUERDA 14 2705306 ANEL DE FIXACAO 15 7004665 PF SEXT RT MA10X25 DIN 933-8.8 16 2705308 MOLA DA CATRACA 17 2734677 ARRUELA DE ENCOSTO 18 9305005 GRAXEIRA RETA M8X1 DIN71412A 19 2728303 ENGRENAGEM ENGATE DIREITO 20 2728307 ENGRENAGEM ENGATE ESQUERDA 21 2734676 ARRUELA DE ENCOSTO 22 2728213 BRACO DIREITO DE DESARME 23 2728220 BRACO ESQUERDO DE DESARME 24 2728212 BRACO FIXO DIREITO 25 2728219 BRACO FIXO ESQUERDO 26 2728301 ENGATE DIREITO DA CATRACA 27 2728305 ENGATE ESQUERDO DA CATRACA 28 7501071 CONJ MANCAL C/ ROL AUTOCOM 1.1/16 29 7017041 CONTRAPINO 1/4" X 1.1/2" 30 7007555 PF FRANCES RT MA10X30 DIN 603-4.6 31 7017001 CONTRAPINO 1/8" X 1" 32 2741377 BRACO ESTABILIZADOR DIREITO 33 2741379 BRACO ESTABILIZADOR ESQUERDO 34 7011356 PORCA SEXT MA16 DIN 934-5 ZN 35 2730087 REGULADOR DA CATRACA 36 2731223 EIXO SEXTAVADO 1.1/16"X1921 10L 36 2741272 EIXO SEXTAVADO 1.1/16"X1590 2F 08L 36 2730337 EIXO SEXTAVADO 1.1/16"X2373 12L 37 2718333 GRAMPO DE FIXACAO 38 0427401 SUPORTE DO MANCAL 39 7019159 ARRUELA DE PRESSAO B16 DIN127 ZN Rev. B - 17/03/2006 ENXUTA 2960PD 41
  • 42.
    42 ENXUTA 2960PDRev. B - 17/03/2006
  • 43.
    2372 TRANSMISSAO DACATRACA (OPCIONAL) REF. CÓDIGO DESCRIÇÃO OBSERVAÇÃO 1 3240430 MANOPLA 2 2718330 ALAVANCA DIREITA ACIONAMENTO 3 2718331 ALAVANCA ESQUERDA ACIONAMENTO 4 7004409 PF SEXT RT MA10X35 DIN 933-5.6 ZN 5 2728231 BUCHA ESPACADORA (2760524C) 6 7018008 ARRUELA LISA 3/8" 7 7019156 ARRUELA DE PRESSAO B10 DIN127 ZN 8 7011354 PORCA SEXT MA10 DIN 934-5 ZN 9 7004274 PF SEXT RP MA12X80 DIN931-8.8 ZN 10 2718311 SUPORTE DA ALAVANCA 11 0427554 BRACADEIRA T100 - F13 12 7019157 ARRUELA DE PRESSAO B12 DIN127 ZN 13 7011355 PORCA SEXT MA12 DIN 934-5 ZN 14 6001595 MOLA TRACAO 15 2731223 EIXO SEXTAVADO 1.1/16"X1921 10L 15 2730337 EIXO SEXTAVADO 1.1/16"X2373 12L 15 2741272 EIXO SEXTAVADO 1.1/16"X1590 2F 08L 16 2705306 ANEL DE FIXACAO 17 7004665 PF SEXT RT MA10X25 DIN 933-8.8 18 2705308 MOLA DA CATRACA 19 9305005 GRAXEIRA RETA M8X1 DIN71412A 20 2728303 ENGRENAGEM ENGATE DIREITO 21 2728307 ENGRENAGEM ENGATE ESQUERDA 22 2728213 BRACO DIREITO DE DESARME 23 2728220 BRACO ESQUERDO DE DESARME 24 2728212 BRACO FIXO DIREITO 25 2728219 BRACO FIXO ESQUERDO 26 2728301 ENGATE DIREITO DA CATRACA 27 2728305 ENGATE ESQUERDO DA CATRACA 28 2728300 CONJ CATRACA DIREITA 29 2728304 CONJ CATRACA ESQUERDA 30 7017001 CONTRAPINO 1/8" X 1" 31 2741362 BRACO ESTABILIZADOR DIREITO 32 2741365 BRACO ESTABILIZADOR ESQUERDO 33 2730087 REGULADOR DA CATRACA 34 7017041 CONTRAPINO 1/4" X 1.1/2" 35 2731491 ALAVANCA ESQ DE ACIONAMENTO 36 7501071 CONJ MANCAL C/ ROL AUTOCOM 1.1/16 37 2731490 ALAVANCA DIR DE ACIONAMENTO 38 0427401 SUPORTE DO MANCAL 39 2718333 GRAMPO DE FIXACAO 40 7007555 PF FRANCES RT MA10X30 DIN 603-4.6 41 2729558 PF SEXT C/PONTA CILINDRICA 42 2734677 ARRUELA DE ENCOSTO 43 2734676 ARRUELA DE ENCOSTO 44 7011356 PORCA SEXT MA16 DIN 934-5 ZN 45 7019159 ARRUELA DE PRESSAO B16 DIN127 ZN Rev. B - 17/03/2006 ENXUTA 2960PD 43
  • 44.
    44 ENXUTA 2960PDRev. B - 17/03/2006
  • 45.
    2296 CAMBIO DOADUBO REF. CÓDIGO DESCRIÇÃO OBSERVAÇÃO 1 2741196 CAPA CENTRAL DIREITA 2 7025014 PINO ELASTICO 8X16-DIN 1481 3 1732159 ENGRENAGEM Z-27 4 8301136 CORRENTE ROLOS ABNT 08AX43 ELOS 5 7004636 PF SEXT RT MA8X16 DIN933-8.8 - ZN 6 2725135 BUCHA DE FIXACAO 7 8304002 EMENDA TIPO 26 ABNT 08A-1 8 7017041 CONTRAPINO 1/4" X 1.1/2" 9 2730300 ENGRENAGEM Z15-FS1.1/16" 10 7103017 ANEL RETENCAO 19X1,20-DIN 471 11 2730486 EIXO DO ESTICADOR DE CORRENTE 12 7019157 ARRUELA DE PRESSAO B12 DIN127 ZN 13 7011355 PORCA SEXT MA12 DIN 934-5 ZN 14 7007555 PF FRANCES RT MA10X30 DIN 603-4.6 15 2741140 REGULADOR ESQ ESTICADOR 16 7501071 CONJ MANCAL C/ ROL AUTOCOM 1.1/16 17 1732143 ENGRENAGEM Z-12 18 2730332 TRAVA ELASTICA 27 19 2731600 ENGRENAGEM Z-35 20 2741126 SUPORTE DIR ESTICADOR 21 7018008 ARRUELA LISA 3/8" 22 7019156 ARRUELA DE PRESSAO B10 DIN127 ZN 23 7011354 PORCA SEXT MA10 DIN 934-5 ZN 24 2730311 ENGRENAGEM Z-28 25 2730309 ENGRENAGEM Z-25 26 2730306 ENGRENAGEM Z-21 27 2741371 ALAVANCA DIR DO ESTICADOR 28 2730303 ENGRENAGEM Z-19 29 8301055 CORRENTE ROLOS ABNT 08AX79 ELOS 30 2730313 ENGRENAGEM Z-31 31 2741326 EIXO SEXTAVADO 1.1/16"X355 32 2731223 EIXO SEXTAVADO 1.1/16"X1921 10L 32 2741272 EIXO SEXTAVADO 1.1/16"X1590 2F 08L 32 2730337 EIXO SEXTAVADO 1.1/16"X2373 12L 33 2729274 PARAF BORBOLETA M8X16 34 2730302 ENGRENAGEM Z-17 35 2741197 CAPA CENTRAL ESQUERDA 36 2728235 ANEL DE FIXACAO 37 2741125 CONJ ESTICADOR ESQ 38 2741127 SUPORTE ESQ ESTICADOR 39 7004663 PF SEXT RT MA10X20 DIN 933-8.8 - ZN 40 2741134 SUPORTE DO ESTICADOR 41 7004667 PF SEXT RT M10X30 DIN933-8.8 ZN 42 7025002 PINO ELASTICO 6 X 20 -DIN 1487 43 2741139 REGULADOR DIR ESTICADOR 44 6001595 MOLA TRACAO 45 2741135 ALAVANCA ESQ DO ESTICADOR Rev. B - 17/03/2006 ENXUTA 2960PD 45
  • 46.
    46 ENXUTA 2960PDRev. B - 17/03/2006
  • 47.
    2297 CAMBIO DASEMENTE REF. CÓDIGO DESCRIÇÃO OBSERVAÇÃO 1 2729274 PARAF BORBOLETA M8X16 2 2741270 EIXO SEXTAVADO 1.1/16"X320 2F 3 2741117 CAPA CORRENTE ESQ 4 7018008 ARRUELA LISA 3/8" 5 7019156 ARRUELA DE PRESSAO B10 DIN127 ZN 6 7011354 PORCA SEXT MA10 DIN 934-5 ZN 7 2730312 ENGRENAGEM Z-30 8 2730306 ENGRENAGEM Z-21 9 2730303 ENGRENAGEM Z-19 10 2730302 ENGRENAGEM Z-17 11 2730300 ENGRENAGEM Z15-FS1.1/16" 12 2741118 CAPA CORRENTE DIR 13 7501071 CONJ MANCAL C/ ROL AUTOCOM 1.1/16 14 7017041 CONTRAPINO 1/4" X 1.1/2" 15 7007555 PF FRANCES RT MA10X30 DIN 603-4.6 16 2741140 REGULADOR ESQ ESTICADOR 17 8301079 CORRENTE DE ROLO ABNT 08AX89 ELOS 18 8304002 EMENDA TIPO 26 ABNT 08A-1 19 1732143 ENGRENAGEM Z-12 20 7103017 ANEL RETENCAO 19X1,20-DIN 471 21 7004697 PF SEXT RT MA12X40 DIN933-8.8 22 2730305 ENGRENAGEM Z-21 23 2731223 EIXO SEXTAVADO 1.1/16"X1921 10L 23 2730337 EIXO SEXTAVADO 1.1/16"X2373 12L 23 2741272 EIXO SEXTAVADO 1.1/16"X1590 2F 08L 24 2718367 SUPORTE DO MANCAL 25 7004437 PF SEXT RT MA12X35 DIN933-5.6 ZN 26 7019157 ARRUELA DE PRESSAO B12 DIN127 ZN 27 7011355 PORCA SEXT MA12 DIN 934-5 ZN 28 2725485 REGULADOR DO ESTICADOR ADUBO 29 2730377 EIXO SEXTAVADO 11/16"X2373 12L 29 2730631 EIXO SEXTAVADO 11/16"X1750 08L 29 2730634 EIXO SEXTAVADO 11/16"X2060 10L 30 2741182 CAPA LATERAL DIREITA 31 2730314 ENGRENAGEM Z-33 32 2741126 SUPORTE DIR ESTICADOR 33 2730311 ENGRENAGEM Z-28 34 2741371 ALAVANCA DIR DO ESTICADOR 35 2725484 CONJ ESTICADOR CORRENTE ADUBO 36 2730309 ENGRENAGEM Z-25 37 2741125 CONJ ESTICADOR ESQ 38 2731600 ENGRENAGEM Z-35 39 2741169 CAPA LATERAL ESQUERDA 40 2741127 SUPORTE ESQ ESTICADOR 41 8301057 CORRENTE DE ROLO ABNT 08AX83 ELOS 42 2730332 TRAVA ELASTICA 27 43 2741134 SUPORTE DO ESTICADOR 44 7004667 PF SEXT RT M10X30 DIN933-8.8 ZN 45 7025002 PINO ELASTICO 6 X 20 -DIN 1487 46 7004663 PF SEXT RT MA10X20 DIN 933-8.8 - ZN 47 7025014 PINO ELASTICO 8X16-DIN 1481 48 2741139 REGULADOR DIR ESTICADOR 49 6001595 MOLA TRACAO 50 2741135 ALAVANCA ESQ DO ESTICADOR 51 2728235 ANEL DE FIXACAO 52 7007535 PF FRANCES MA8X25 DIN 603-4.6 53 7501070 CONJ MANCAL C/ROL AUTOCOMP 11/16 Rev. B - 17/03/2006 ENXUTA 2960PD 47
  • 48.
    48 ENXUTA 2960PDRev. B - 17/03/2006
  • 49.
    2297 CAMBIO DASEMENTE REF. CÓDIGO DESCRIÇÃO OBSERVAÇÃO 54 7018004 ARRUELA LISA 5/16" 55 7019155 ARRUELA DE PRESSAO B8 DIN127 ZN 56 7011353 PORCA SEXT MA8 DIN 934-5 ZN 57 7018013 ARRUELA LISA 1/2" Rev. B - 17/03/2006 ENXUTA 2960PD 49
  • 50.
    50 ENXUTA 2960PDRev. B - 17/03/2006
  • 51.
    2704 SISTEMA HIDRAULICO08/10L REF. CÓDIGO DESCRIÇÃO OBSERVAÇÃO 1 9202102 PROTETOR FEMEA BIT-8 2 9202005 ENGATE RAPIDO MACHO 1/2NPT X 30 3 9212017 FH DKO 1/2NPTFXM1/2"X3500XM22-FRT 4 9212002 FH DKO FRT-M16XM1/4"X3060XM16-90º 08L 4 9212004 FH DKO M16XM1/4XM16X3100 10L 5 9205156 UNIAO MACHO 10LX9/16"UNF+O ST 6 9205158 UNIAO MACHO 12LX9/16"UNF+O ST 7 9201021 VALVULA DIVISORA FLUXO - VENTURI 8 9205159 UNIAO MACHO 12LX3/4"UNF+O ST 9 9212192 FH DKO FRT-M18XM3/8"X400XM18-90º 10 7019155 ARRUELA DE PRESSAO B8 DIN127 ZN 11 7004640 PF SEXT RT MA8X25 DIN 933-8.8 ZN 12 7018004 ARRUELA LISA 5/16" 13 2741061 SUPORTE DA VALVULA 14 7011354 PORCA SEXT MA10 DIN 934-5 ZN 15 7004408 PF SEXT RT MA10X30 DIN 933-5.6 ZN 16 7018008 ARRUELA LISA 3/8" 17 7019156 ARRUELA DE PRESSAO B10 DIN127 ZN 18 2731862 REDUTOR DE VAZAO -6-6C+O F1,2 19 9205161 UNIAO MACHO 15LX3/4"UNF+O ST Rev. B - 17/03/2006 ENXUTA 2960PD 51
  • 52.
    52 ENXUTA 2960PDRev. B - 17/03/2006
  • 53.
    2694 SISTEMA HIDRAULICO12L REF. CÓDIGO DESCRIÇÃO OBSERVAÇÃO 1 9202102 PROTETOR FEMEA BIT-8 2 9202005 ENGATE RAPIDO MACHO 1/2NPT X 30 3 9212017 FH DKO 1/2NPTFXM1/2"X3500XM22-FRT 4 9205161 UNIAO MACHO 15LX3/4"UNF+O ST 5 9205156 UNIAO MACHO 10LX9/16"UNF+O ST 6 2731862 REDUTOR DE VAZAO -6-6C+O F1,2 7 9212191 FH DKO FRT-M18XM3/8"X1700XM18-90º 8 9212190 FH DKO FRT-M16XM1/4"X3760XM16-90º 9 7011354 PORCA SEXT MA10 DIN 934-5 ZN 10 9205383 TE BOLEADO CENTRAL 12L DIN3943 ST 11 9201021 VALVULA DIVISORA FLUXO - VENTURI 12 9205159 UNIAO MACHO 12LX3/4"UNF+O ST 13 2741061 SUPORTE DA VALVULA 14 7004408 PF SEXT RT MA10X30 DIN 933-5.6 ZN 15 7018008 ARRUELA LISA 3/8" 16 7019156 ARRUELA DE PRESSAO B10 DIN127 ZN 17 7019155 ARRUELA DE PRESSAO B8 DIN127 ZN 18 7018004 ARRUELA LISA 5/16" 19 7004640 PF SEXT RT MA8X25 DIN 933-8.8 ZN Rev. B - 17/03/2006 ENXUTA 2960PD 53
  • 54.
    54 ENXUTA 2960PDRev. B - 17/03/2006
  • 55.
    2308 MARCADOR LINHAHIDRAULICO 08L REF. CÓDIGO DESCRIÇÃO OBSERVAÇÃO 1 7017026 CONTRAPINO 3/16" X 1" 2 2741115 EIXO DE ARTICULACAO 3 7004717 PF SEXT RT MA16X40 DIN 933-8.8 ZN 4 7011356 PORCA SEXT MA16 DIN 934-5 ZN 5 7019159 ARRUELA DE PRESSAO B16 DIN127 ZN 6 2741110 CHAPA DE FIXACAO DIR 7 2701310 BATENTE 8 2741116 BRACO DIR DO MARCADOR 9 7014205 PORCA AUTOTRAVANTE MA12 DIN 980-8 10 2741102 BRACO ESQ DO MARCADOR 11 7016001 TRAVA DE ACO 1/8''X49 12 2730825 PINO FIXACAO MARCADOR 13 2741112 CHAPA DE FIXACAO ESQ 14 2725597 CONJ DISCO MARCADOR 13" 15 3719450 EIXO MARCADOR LINHA 16 2715084 FIXADOR TUBO INTERNO 17 3719284 GRAMPO DE FIXACAO M12X54X85 18 2728269 PINO REMANCHADO 3/4"X72 19 3719465 CILINDRO HIDRAULICO 2"X1.1/4"-215 20 7025004 PINO ELASTICO 8 X 40 -DIN 1481 21 3719455 SUPLEMENTO DA HASTE 22 2741288 BRACO DO MARCADOR 23 2741304 CONJ MARCADOR LINHA 08L DIREITO 24 2741303 CONJ MARCADOR LINHA 08L ESQUERDO 25 0432068 CASTANHA DENTADA 26 9305005 GRAXEIRA RETA M8X1 DIN71412A 27 2741294 SUPORTE DO DISCO MARCADOR 28 7004300 PF SEXT RP MA16X140 DIN 931-8.8 29 7014041 PORCA INSERTO NYLON MB24 DIN985-6 30 7004379 PF SEXT RT MA8X20 DIN 933-5.6 31 9901051 DISCO CONCAVO COM RECORTES 13" 32 2729718 JUNTA DE VEDACAO 33 7014017 PORCA INSERTO NYLON MA16 DIN985-6 34 7104013 ANEL RETENCAO 47X1,75-DIN 472 35 7301122 ROLAMENTO FIXO ESF 6204 36 2729714 BUCHA ESPACADORA 37 8101007 RETENTOR 25,0X36,0X7,0 01515-BR 38 2729713 MANCAL DO DISCO MARCADOR 39 7019155 ARRUELA DE PRESSAO B8 DIN127 ZN 40 7011353 PORCA SEXT MA8 DIN 934-5 ZN Rev. B - 17/03/2006 ENXUTA 2960PD 55
  • 56.
    56 ENXUTA 2960PDRev. B - 17/03/2006
  • 57.
    2665 MARCADOR LINHAHIDRAULICO 12L REF. CÓDIGO DESCRIÇÃO OBSERVAÇÃO 1 7017026 CONTRAPINO 3/16" X 1" 2 2741524 PINO FIX MARCADOR 3 7004717 PF SEXT RT MA16X40 DIN 933-8.8 ZN 4 7011356 PORCA SEXT MA16 DIN 934-5 ZN 5 7019159 ARRUELA DE PRESSAO B16 DIN127 ZN 6 2741526 CHAPA DIR DE FIXACAO 7 2701310 BATENTE 8 2741515 BRACO DIR MARCADOR 12L 9 7014205 PORCA AUTOTRAVANTE MA12 DIN 980-8 10 2741519 CHAPA ESQ DE FIXACAO 11 3719469 CONJ CILINDRO HIDRAULICO 2" 12 2741514 BRACO ESQ MARCADOR 12L 13 2741517 CONJ DIR MARCADOR LINHA 12L 14 7019155 ARRUELA DE PRESSAO B8 DIN127 ZN 15 2739533 TUBO PROLONGADOR INTERNO 12L 16 2739248 FIXADOR DO TUBO INTERNO 17 1732048 GRAMPO DE FIXACAO M12X64X85 18 2730825 PINO FIXACAO MARCADOR 19 3719465 CILINDRO HIDRAULICO 2"X1.1/4"-215 20 7025004 PINO ELASTICO 8 X 40 -DIN 1481 21 3719455 SUPLEMENTO DA HASTE 22 0432068 CASTANHA DENTADA 23 2741516 CONJ ESQ MARCADOR LINHA 12L 24 7007534 PF FRANCES MA8X20 DIN 603-4. ZN 25 2734722 SUPORTE DISCO MARCADOR DE LINHAS 26 7004302 PF SEXT RP MA16X160 DIN 931-8.8 27 7011353 PORCA SEXT MA8 DIN 934-5 ZN 28 7018206 ARRUELA LISA A8,40 DIN125-ST 29 2731827 LIMPADOR DISCO 18" 30 7014041 PORCA INSERTO NYLON MB24 DIN985-6 31 7004665 PF SEXT RT MA10X25 DIN 933-8.8 32 9901054 DISCO CONCAVO COM RECORTES 18" 33 2729718 JUNTA DE VEDACAO 34 7014017 PORCA INSERTO NYLON MA16 DIN985-6 35 7104013 ANEL RETENCAO 47X1,75-DIN 472 36 7301122 ROLAMENTO FIXO ESF 6204 37 2729714 BUCHA ESPACADORA 38 8101007 RETENTOR 25,0X36,0X7,0 01515-BR 39 2729719 CONJ BRACO LONGO C/GARRA 40 7019156 ARRUELA DE PRESSAO B10 DIN127 ZN 41 7011354 PORCA SEXT MA10 DIN 934-5 ZN 42 9305005 GRAXEIRA RETA M8X1 DIN71412A 43 3719450 EIXO MARCADOR LINHA 44 2730810 CONJ DISCO MARCADOR 18" 45 2734740 CONJ SUPORTE DO MARCADOR 46 3719466 KIT REPARO CILINDRO 2"X1.1/4" 47 2739534 CONJ DISCO MARC C/SUP 12L Rev. B - 17/03/2006 ENXUTA 2960PD 57
  • 58.
    58 ENXUTA 2960PDRev. B - 17/03/2006
  • 59.
    2295 MARCADOR DELINHA HIDRAULICO 10L REF. CÓDIGO DESCRIÇÃO OBSERVAÇÃO 1 7017026 CONTRAPINO 3/16" X 1" 2 2741115 EIXO DE ARTICULACAO 3 7004717 PF SEXT RT MA16X40 DIN 933-8.8 ZN 4 7011356 PORCA SEXT MA16 DIN 934-5 ZN 5 7019159 ARRUELA DE PRESSAO B16 DIN127 ZN 6 2741110 CHAPA DE FIXACAO DIR 7 2701310 BATENTE 8 2741116 BRACO DIR DO MARCADOR 9 7014205 PORCA AUTOTRAVANTE MA12 DIN 980-8 10 2741112 CHAPA DE FIXACAO ESQ 11 2730225 PROLONGADOR EXT 8L 12 2741102 BRACO ESQ DO MARCADOR 13 2741311 CONJ MARCADOR LINHA 10L DIREITO 14 2715084 FIXADOR TUBO INTERNO 15 3719284 GRAMPO DE FIXACAO M12X54X85 16 2739248 FIXADOR DO TUBO INTERNO 17 1732048 GRAMPO DE FIXACAO M12X64X85 18 2728269 PINO REMANCHADO 3/4"X72 19 3719465 CILINDRO HIDRAULICO 2"X1.1/4"-215 20 7025004 PINO ELASTICO 8 X 40 -DIN 1481 21 3719455 SUPLEMENTO DA HASTE 22 2730833 TUBO PROLONGADOR C655 23 2741312 CONJ MARCADOR LINHA 10L ESQUERDO 24 2725597 CONJ DISCO MARCADOR 13" 25 0432068 CASTANHA DENTADA 26 3719450 EIXO MARCADOR LINHA 27 2731832 SUPORTE DISCO MARC LINHA 28 7004300 PF SEXT RP MA16X140 DIN 931-8.8 29 7014041 PORCA INSERTO NYLON MB24 DIN985-6 30 7004665 PF SEXT RT MA10X25 DIN 933-8.8 31 9901051 DISCO CONCAVO COM RECORTES 13" 32 2729718 JUNTA DE VEDACAO 33 7014017 PORCA INSERTO NYLON MA16 DIN985-6 34 7104013 ANEL RETENCAO 47X1,75-DIN 472 35 7301172 ROLAMENTO FIXO ESF 6207-ZZ 36 2729714 BUCHA ESPACADORA 37 8101007 RETENTOR 25,0X36,0X7,0 01515-BR 38 2729713 MANCAL DO DISCO MARCADOR 39 7019156 ARRUELA DE PRESSAO B10 DIN127 ZN 40 7011354 PORCA SEXT MA10 DIN 934-5 ZN 41 9305005 GRAXEIRA RETA M8X1 DIN71412A Rev. B - 17/03/2006 ENXUTA 2960PD 59
  • 60.
    60 ENXUTA 2960PDRev. B - 17/03/2006
  • 61.
    2474 UNIDADE SEMENTEEX CURTA REF. CÓDIGO DESCRIÇÃO OBSERVAÇÃO 1 0437050 BRACADEIRA T100 - F18 2 7019378 ARRUELA DE PRESSAO B16 DIN127 KTL 3 7011586 PORCA SEXT MA16 DIN 934-5 KTL 4 7004995 PF SEX RP MA16X80 DIN931-8.8 KTL 5 0427716 SUPORTE FIXACAO HASTE 6 7017026 CONTRAPINO 3/16" X 1" 7 2704323 PINO MAIOR DO ESTABILIZADOR 8 2732263 HASTE REGULADORA PROFUNDIDADE 9 2729484 BUCHA DE FIXACAO 10 7004983 PF SEX RT MA12X30 DIN933-8.8 KTL 11 9305005 GRAXEIRA RETA M8X1 DIN71412A 12 7004048 PF SEXT RP MA12X90 DIN931-5.6 13 0427245 BRACADEIRA MENOR 14 9305004 GRAXEIRA RETA M6X1 DIN71412A 15 2728649 ARRUELA DE ENCOSTO 16 2728647 PINHAO EIXO ACIONAMENTO 17 2728645 SUPORTE TRANSMISSAO 18 7004050 PF SEXT RP MA12X100 DIN931-5.6 19 7011584 PORCA SEXT MA12 DIN 934-5 KTL 20 7019376 ARRUELA DE PRESSAO B12 DIN127 KTL 21 0427400 BRACADEIRA 22 0427399 FIXADOR SUPORTE 23 7004984 PF SEX RP MA12X80 DIN931-8.8 KTL 24 7019157 ARRUELA DE PRESSAO B12 DIN127 ZN 25 7011355 PORCA SEXT MA12 DIN 934-5 ZN 26 2728495 MOLA EXTERNA 27 2742017 UNID AV SEM EX CURTA ESQ DDD14" 28 2710509 MOLA COMPRESSAO 29 2728646 PINHAO DO CARDAN 30 2728648 MANCAL DO CARDAN 31 7019153 ARRUELA PRESSAO B6-DIN 127 ZN 32 7004614 PF SEXT RT MA6X16 DIN 933-8.8 - ZN 33 0427687 CASTANHA DA HASTE 34 2742015 UNID AV SEM EX CURTA DIR DDD14" 35 7016010 TRAVA DE ACO 5/32"X69 36 7018013 ARRUELA LISA 1/2" 37 2728692 BARRA ESTABILIZADORA CURTA 37 2728951 BARRA ESTABILIZADORA LONGA 38 2741252 SUPORTE UNIDADE CURTA UTILIZADO C/ CONTROLADOR PARALELO 39 7004696 PF SEXT RT MA12X35 DIN 933-8.8 40 2741473 QUADRO ESQ UNID SEMEADORA CURTA 41 0427244 BRACADEIRA MAIOR 42 2718658 CONJ SUPORTE TRANSMISSAO 43 2741480 CARDAN CURTO C1052 44 2741099 SUPORTE UNIDADE CURTA MG/EX UTILIZADO C/ CONTROLADOR "V" 45 2728775 BUCHA ESPACADORA 46 7004251 PF SEXT RP MA10X50 DIN 931-8.8 47 7004357 PF SEXT RT MA6X20 DIN933-5.6 ZN 48 7018005 ARRUELA LISA 1/4" 49 7011352 PORCA SEXT MA6 DIN 934-5 ZN 50 2741472 QUADRO DIR UNID SEMEADORA CURTA 51 7004699 PF SEXT RT MA12X50 DIN933-8.8 - ZN 52 2710610 BUCHA ESPACADORA 53 7014014 PORCA INSERTO NYLON MA10 DIN985-6 54 0427737 PROLONGADOR DO SUPORTE Rev. B - 17/03/2006 ENXUTA 2960PD 61
  • 62.
    62 ENXUTA 2960PDRev. B - 17/03/2006
  • 63.
    2475 UNIDADE SEMENTEEX LONGA REF. CÓDIGO DESCRIÇÃO OBSERVAÇÃO 1 0437050 BRACADEIRA T100 - F18 2 7019378 ARRUELA DE PRESSAO B16 DIN127 KTL 3 7011586 PORCA SEXT MA16 DIN 934-5 KTL 4 7004995 PF SEX RP MA16X80 DIN931-8.8 KTL 5 0427716 SUPORTE FIXACAO HASTE 6 7017026 CONTRAPINO 3/16" X 1" 7 2704323 PINO MAIOR DO ESTABILIZADOR 8 2732263 HASTE REGULADORA PROFUNDIDADE 9 2729484 BUCHA DE FIXACAO 10 7004983 PF SEX RT MA12X30 DIN933-8.8 KTL 11 9305005 GRAXEIRA RETA M8X1 DIN71412A 12 7004048 PF SEXT RP MA12X90 DIN931-5.6 13 0427245 BRACADEIRA MENOR 14 9305004 GRAXEIRA RETA M6X1 DIN71412A 15 2728649 ARRUELA DE ENCOSTO 16 2728647 PINHAO EIXO ACIONAMENTO 17 2728645 SUPORTE TRANSMISSAO 18 7004050 PF SEXT RP MA12X100 DIN931-5.6 19 7011584 PORCA SEXT MA12 DIN 934-5 KTL 20 7019376 ARRUELA DE PRESSAO B12 DIN127 KTL 21 0427400 BRACADEIRA 22 0427399 FIXADOR SUPORTE 23 7004984 PF SEX RP MA12X80 DIN931-8.8 KTL 24 7019157 ARRUELA DE PRESSAO B12 DIN127 ZN 25 7011355 PORCA SEXT MA12 DIN 934-5 ZN 26 2728495 MOLA EXTERNA 27 2741250 SUPORTE UNIDADE LONGA UTILIZADO C/ CONTROLADOR PARALELO 28 2710509 MOLA COMPRESSAO 29 2728646 PINHAO DO CARDAN 30 2728648 MANCAL DO CARDAN 31 7019153 ARRUELA PRESSAO B6-DIN 127 ZN 32 7004614 PF SEXT RT MA6X16 DIN 933-8.8 - ZN 33 0427687 CASTANHA DA HASTE 34 2741251 SUPORTE UNIDADE LONGA UTILIZADO C/ CONTROLADOR "V" 35 7016010 TRAVA DE ACO 5/32"X69 36 7018013 ARRUELA LISA 1/2" 37 2728692 BARRA ESTABILIZADORA CURTA 37 2728951 BARRA ESTABILIZADORA LONGA 38 2728775 BUCHA ESPACADORA 39 2742016 "UNID AV SEM EX LONGA DIR DDD14""" 40 7014014 PORCA INSERTO NYLON MA10 DIN985-6 41 0427244 BRACADEIRA MAIOR 42 2718658 CONJ SUPORTE TRANSMISSAO 43 2741482 CARDAN LONGO C1257 44 7004251 PF SEXT RP MA10X50 DIN 931-8.8 45 2741475 QUADRO ESQ UNID SEMEADORA LONGA 46 2742018 UNID AV SEM EX LONGA ESQ DDD14" 47 7004357 PF SEXT RT MA6X20 DIN933-5.6 ZN 48 7018005 ARRUELA LISA 1/4" 49 7011352 PORCA SEXT MA6 DIN 934-5 ZN 50 2741474 QUADRO DIR UNID SEMEADORA LONGA 51 7004699 PF SEXT RT MA12X50 DIN933-8.8 - ZN 52 2710610 BUCHA ESPACADORA Rev. B - 17/03/2006 ENXUTA 2960PD 63
  • 64.
    64 ENXUTA 2960PDRev. B - 17/03/2006
  • 65.
    3458 UNID SEMEADORAPIVOTADA CURTA/ LONGA REF. CÓDIGO DESCRIÇÃO OBSERVAÇÃO 1 0437050 BRACADEIRA T100 - F18 2 7019378 ARRUELA DE PRESSAO B16 DIN127 KTL 3 7011586 PORCA SEXT MA16 DIN 934-5 KTL 4 7004995 PF SEX RP MA16X80 DIN931-8.8 KTL 5 0427716 SUPORTE FIXACAO HASTE 6 7017026 CONTRAPINO 3/16" X 1" 7 2704323 PINO MAIOR DO ESTABILIZADOR 8 2732263 HASTE REGULADORA PROFUNDIDADE 9 2729484 BUCHA DE FIXACAO 10 7004983 PF SEX RT MA12X30 DIN933-8.8 KTL 11 9305005 GRAXEIRA RETA M8X1 DIN71412A 12 7004048 PF SEXT RP MA12X90 DIN931-5.6 13 0427245 BRACADEIRA MENOR 14 9305004 GRAXEIRA RETA M6X1 DIN71412A 15 2728649 ARRUELA DE ENCOSTO 16 2728647 PINHAO EIXO ACIONAMENTO 17 2728645 SUPORTE TRANSMISSAO 18 7004050 PF SEXT RP MA12X100 DIN931-5.6 19 7011584 PORCA SEXT MA12 DIN 934-5 KTL 20 7019376 ARRUELA DE PRESSAO B12 DIN127 KTL 21 0427400 BRACADEIRA 22 0427399 FIXADOR SUPORTE 23 7004984 PF SEX RP MA12X80 DIN931-8.8 KTL 24 7019157 ARRUELA DE PRESSAO B12 DIN127 ZN 25 7011355 PORCA SEXT MA12 DIN 934-5 ZN 26 2728495 MOLA EXTERNA 27 7022807 REBITE DE REPUXO 6,2X22,0 28 2710509 MOLA COMPRESSAO 29 2728646 PINHAO DO CARDAN 30 2728648 MANCAL DO CARDAN 31 7019153 ARRUELA PRESSAO B6-DIN 127 ZN 32 7004614 PF SEXT RT MA6X16 DIN 933-8.8 - ZN 33 0427687 CASTANHA DA HASTE 34 2718814 SUPORTE REG PROFUNDIDADE 35 7016010 TRAVA DE ACO 5/32"X69 36 7018013 ARRUELA LISA 1/2" 37 2728951 BARRA ESTABILIZADORA LONGA 37 2728692 BARRA ESTABILIZADORA CURTA 38 2729165 BALANCIM 39 2742085 UNID AV SEM EX CURTA DIR DDD14" 39 2742086 UNID AV SEM EX LONGA DIR DDD14" 40 2718858 SUPORTE BARRA ESTABILIZADORA 41 0427244 BRACADEIRA MAIOR 42 2718658 CONJ SUPORTE TRANSMISSAO 43 2742051 QUADRO DIR UNID SEMEADORA CURTA 43 2742053 QUADRO DIR UNID SEMEADORA LONGA 44 7004434 PF SEXT RT MA12X25 DIN 933-5.6 45 2741482 CARDAN LONGO C1257 45 2741480 CARDAN CURTO C1052 46 2742087 UNID AV SEM EX CURTA ESQ DDD14" 46 2742088 UNID AV SEM EX LONGA ESQ DDD14" 47 7004357 PF SEXT RT MA6X20 DIN933-5.6 ZN 48 7018005 ARRUELA LISA 1/4" 49 7011352 PORCA SEXT MA6 DIN 934-5 ZN 50 2742054 QUADRO ESQ UNID SEMEADORA LONGA 50 2742052 QUADRO ESQ UNID SEMEADORA CURTA 51 7004699 PF SEXT RT MA12X50 DIN933-8.8 - ZN Rev. B - 17/03/2006 ENXUTA 2960PD 65
  • 66.
    66 ENXUTA 2960PDRev. B - 17/03/2006
  • 67.
    3458 UNID SEMEADORAPIVOTADA CURTA/ LONGA REF. CÓDIGO DESCRIÇÃO OBSERVAÇÃO 52 2710610 BUCHA ESPACADORA 53 3521294 ARRUELA ESPACADORA 54 2729178 EIXO FIXACAO MOLA 55 2730970 KIT REGULADOR BALANCIM 56 2718943 REFORCO REG PROFUNDIDADE 57 2718947 KIT REGULADOR DE PROFUNDIDADE 58 7025002 PINO ELASTICO 6 X 20 -DIN 1487 59 2718945 GUIA DO REG PROFUNDIDADE 60 2718940 PUXADOR 61 2718786 MOLA COMPRESSAO D2,5 DI19,0 LO35 62 2718944 PINO REMANCHADO 1/2X97 Rev. B - 17/03/2006 ENXUTA 2960PD 67
  • 68.
    68 ENXUTA 2960PDRev. B - 17/03/2006
  • 69.
    2404 TRANSMISSÃO DIREITADO CARRINHO REF. CÓDIGO DESCRIÇÃO OBSERVAÇÃO 1 2729850 CONJ MANCAL DIR TRANSMISSAO 2 2729809 CONJ ESTICADOR DE CORRENTE 3 2741256 CARDAN C1200 LONGO/ LARGO 3 2741253 CARDAN C1000 CURTO/ CORTO 4 7103043 ANEL RETENCAO 33X1,50-DIN 471 5 2728649 ARRUELA DE ENCOSTO 6 9305005 GRAXEIRA RETA M8X1 DIN71412A 7 2729816 MANCAL DIR TRANSMISSAO 8 2729566 COROA Z-24 9 7025020 PINO ELASTICO 6X32-DIN 1481 10 2729197 ENGRENAGEM Z-20 11 9304003 GRAXEIRA CURVA M8X1-45 DIN71412B 12 3250116 MOLA LEVA DESARME 13 2729810 REGULADOR DO ESTICADOR 14 2729815 ENGRENAGEM Z-20 15 2729817 EIXO DIR TRANSMISSAO 16 2729813 PROTETOR DIREITO 17 7018004 ARRUELA LISA 5/16" 18 2729274 PARAF BORBOLETA M8X16 19 7011354 PORCA SEXT MA10 DIN 934-5 ZN 20 7019156 ARRUELA DE PRESSAO B10 DIN127 ZN 21 2729838 CONJ EIXO DIR TRANSMISSAO 22 8304016 EMENDA TIPO 26-ABNT084 23 7004408 PF SEXT RT MA10X30 DIN 933-5.6 ZN 24 8301036 CORRENTE ROLOS ABNT 084X55 ELOS 25 7017004 CONTRAPINO 1/8" X 5/8" 26 2729567 PINHAO Z-12 27 2729210 ENGRENAGEM Z-10 28 7025022 PINO ELASTICO 6X36 - DIN 1481 Rev. B - 17/03/2006 ENXUTA 2960PD 69
  • 70.
    70 ENXUTA 2960PDRev. B - 17/03/2006
  • 71.
    2403 TRANSMISSAO ESQUERDODO CARRINHO REF. CÓDIGO DESCRIÇÃO OBSERVAÇÃO 1 2729851 CONJ MANCAL ESQ TRANSMISSAO 2 2729809 CONJ ESTICADOR DE CORRENTE 3 2741253 CARDAN C1000 CURTO/ CORTO 3 2741256 CARDAN C1200 LONGO/ LARGO 4 7103043 ANEL RETENCAO 33X1,50-DIN 471 5 2728649 ARRUELA DE ENCOSTO 6 9305005 GRAXEIRA RETA M8X1 DIN71412A 7 2729565 PROTETOR 8 7019155 ARRUELA DE PRESSAO B8 DIN127 ZN 9 7004377 PF SEXT RT MA8X16 DIN 933-5.6 ZN 10 2729806 MANCAL ESQ TRANSMISSAO 11 2729567 PINHAO Z-12 12 2741095 PROTETOR ESQUERDO 13 2729274 PARAF BORBOLETA M8X16 14 7018004 ARRUELA LISA 5/16" 15 7025020 PINO ELASTICO 6X32-DIN 1481 16 2729197 ENGRENAGEM Z-20 17 9304003 GRAXEIRA CURVA M8X1-45 DIN71412B 18 3250116 MOLA LEVA DESARME 19 2729810 REGULADOR DO ESTICADOR 20 7017004 CONTRAPINO 1/8" X 5/8" 21 7025022 PINO ELASTICO 6X36 - DIN 1481 22 2729210 ENGRENAGEM Z-10 23 8301036 CORRENTE ROLOS ABNT 084X55 ELOS 24 8304016 EMENDA TIPO 26-ABNT084 25 7011354 PORCA SEXT MA10 DIN 934-5 ZN 26 7019156 ARRUELA DE PRESSAO B10 DIN127 ZN 27 2729807 EIXO ESQ TRANSMISSAO 28 7004408 PF SEXT RT MA10X30 DIN 933-5.6 ZN 29 2729815 ENGRENAGEM Z-20 30 2729839 CONJ EIXO ESQ TRANSMISSAO 31 2729808 BUCHA ESPACADORA 32 2729566 COROA Z-24 Rev. B - 17/03/2006 ENXUTA 2960PD 71
  • 72.
    72 ENXUTA 2960PDRev. B - 17/03/2006
  • 73.
    1247 DISTRIBUIDOR SEMENTES REF.CÓDIGO DESCRIÇÃO OBSERVAÇÃO 1 2732047 CONJ DEPOSITO SEMENTES EX 55L 2 2729585 INSERTO DE APOIO DO DISCO 2 2734755 INSERTO DE APOIO DO DISCO INSERTO ANTI-PALHA/ INSERTO ANTI-PAJA 3 2729586 PRATO DE FIXACAO DO INSERTO 4 7003385 PF PANELA FEN INOX MA6X20-DIN85A2 5 7004031 PF SEXT RP MA10X90 DIN931-5.6 ZN 6 2729581 CORPO DO DISTRIBUIDOR 7 7003367 PF PANELA FEN INOX MA5X10-DIN85A2 8 2729593 SELECTOR STANDARD 8 2729594 SELETOR PARA SOJA OPICIONAL 9 7303045 ROLAMENTO FIXO ESF 6004-2RS 10 2729582 EIXO DE ACIONAMENTO 11 7104049 ANEL RETENCAO 42X1,75-DIN 472 12 2729592 PRISIONEIRO DE FIXACAO DA TAMPA 13 2729587 EIXO GUIA DO SELETOR 14 7025180 PINO ELASTICO 8X50-DIN 1481 15 2729583 BASE DO INSERTO 16 2729584 PF ESPECIAL RT MA5X6 17 2729990 BASE DO DEPOSITO 18 7018007 ARRUELA LISA 3/8" 19 7019156 ARRUELA DE PRESSAO B10 DIN127 ZN 20 7011413 PORCA SEXT INOX MA10 DIN934-A2 21 2729597 VISOR DE INSPECAO 22 8001011 ANEL O'RING N011 SAE AS568A NBR70 23 7023040 REBITE CAB RED 1/4X1.1/4-SAE J492 24 7103016 ANEL RETENCAO 20X1,20-DIN 471 25 2729823 PINO DE FIXACAO PROTETOR 26 0427390 REGULADOR DO SELETOR 27 2729589 MOLA COMPRESSAO D1,8 DI14,0 LO27 28 2729588 EIXO REGULADOR DO SELETOR 29 7025124 PINO ELASTICO 4X36-DIN 1481 30 7011411 PORCA SEXT INOX MA6 DIN934-A2 31 2731095 TELA DE NIVEL 32 7017040 CONTRAPINO 1/4" X 1" 33 2731991 CONDUTOR DA SEMENTE EX 34 2729801 PLACA DE NIVEL-POR 35 7019153 ARRUELA PRESSAO B6-DIN 127 ZN 36 2729614 CONJ DISCO SOJA 75FSXF4,5 MONTAGEM PADRAO DA MAQUINA/ MONTAJE PATRON DE LA MAQUINA 36 2729328 CONJ DISCO FEIJAO/SOJA 60FSXF4,5 OPCIONAL 36 2729318 CONJ DISCO MILHO 30FSXF3,7 OPCIONAL 36 2729320 CONJ DISCO MILHO 30FSXF5,0 OPCIONAL 36 2729321 CONJ DISCO MILHO GRAUDO 30FSXF6,0 OPCIONAL 36 2729929 CONJ DISCO FEIJAO JALO 45FSXF6.0 OPCIONAL 36 2729575 CONJ DISCO TOMATE 54FXF1,2 OPCIONAL 36 2729574 CONJ DISCO ALGODAO 45FSXF3,7 OPCIONAL 36 2729573 CONJ DISCO SORGO/GIRASSOL 45FSXF2,5 OPCIONAL 36 2729331 CONJ DISCO COLZA 120FSXF1,2 OPCIONAL 36 2729322 CONJ DISCO AMENDOIM 30FSXF6,5 OPCIONAL 36 2729327 CONJ DISCO FEIJAO/SOJA 60FSXF3,5 OPCIONAL 37 2729604 MOLA COMPRESSAO D0,8 DI6,7 LO15 38 2729600 MOLA COMPRESSAO D0,8 DI6,5 LO31 39 2729656 ANEL DE RETENCAO 6 40 7034167 PF SEXT RT INOX MA5X6 DIN933-A2 41 2729302 DISCO FEIJAO/SOJA 60FSXE1,5XF4,5 OPCIONAL 41 2729613 DISCO SOJA 75FSXE1,5XF4,5 MONTAGEM PADRAO DA MAQUINA/ MONTAJE PATRON DE LA MAQUINA 41 2729292 DISCO MILHO 30FSXE1,5XF3,7 OPCIONAL 41 2729294 DISCO MILHO 30FSXE1,5XF5,0 MONTAGEM PADRAO DA MAQUINA/ MONTAJE PATRON DE LA MAQUINA Rev. B - 17/03/2006 ENXUTA 2960PD 73
  • 74.
    74 ENXUTA 2960PDRev. B - 17/03/2006
  • 75.
    1247 DISTRIBUIDOR SEMENTES REF.CÓDIGO DESCRIÇÃO OBSERVAÇÃO 41 2729295 DISCO MILHO GRAUDO 30FSXE1,5XF6,0 OPCIONAL 41 2729805 DISCO FEIJAO JALO 45FSXF6.0 OPCIONAL 41 2729301 DISCO FEIJAO/SOJA 60FSXE1,5XF3,5 OPCIONAL 41 2729226 DISCO FEIJAO 45FSXE1,5XF5,0 OPCIONAL 41 2729493 DISCO ALGODAO 45FSXE1,5XF3,7 OPCIONAL 41 2731093 DISCO ARROZ 240FDXE1,5XF1,5 OPCIONAL 41 2731091 DISCO ARROZ 240FDXE1,5XF1,2 OPCIONAL 41 2729492 DISCO SORGO/GIRASS 45FSXE1,5XF2,5 OPCIONAL 41 2731096 DISCO AVEIA 240FDXE1,5XF0,8 OPCIONAL 41 2729296 DISCO AMENDOIM 30FSXE1,5XF6,5 OPCIONAL 41 2729494 DISCO TOMATE 54FSXE1,5XF1,2 OPCIONAL 41 2729305 DISCO COLZA 120FSXE1,5X1,2 OPCIONAL 42 2729279 DISCO AGITADOR 43 2729599 EIXO DE PRESSAO DO SELETOR 44 7018295 ARRUELA LISA INOX 5,30 DIN9021-A2 45 7002517 PF CAB CH C/FEN MA6X16 DIN963-4.8 46 7011525 PORCA BORBOLETA ZAMAK MA10 47 2729611 MOLA DA TAMPA LIMPEZA 48 2729608 TAMPA DE LIMPEZA 49 7025187 PINO ELASTICO 6X70-DIN 1481 50 2729603 BUCHA DO EJETOR 51 2729602 EJETOR PADRAO (LATAO)/ PATRON (LATON) 51 2729601 EJETOR B - OPCIONAL (ALUMINIO) 52 7011410 PORCA SEXT INOX MA5 DIN934-A2 53 2729595 CONJ TAMPA DO DISTRIBUIDOR 54 2729580 CONJ CORPO DO DISTRIBUIDOR 55 2729399 CONJ DISTRIBUIDOR SEMENTE PIVO MI CONJ. DETALHADO VIDE 4077/ CONJ. DETALLADO VIDE 4077 56 2729596 TAMPA DO DISTRIBUIDOR 57 2729815 ENGRENAGEM Z-20 58 7025020 PINO ELASTICO 6X32-DIN 1481 59 7004643 PF SEXT RT MA8X35 DIN 933-8.8 ZN 60 2729991 COMPORTA DA BASE 61 7011353 PORCA SEXT MA8 DIN 934-5 ZN 62 7011514 PORCA BORBOLETA ESTAMPADA MA8 63 2729989 CONJ BASE DEPOSITO C/ COMPORTA Rev. B - 17/03/2006 ENXUTA 2960PD 75
  • 76.
    76 ENXUTA 2960PDRev. B - 17/03/2006
  • 77.
    2258 CONJ BANDACONTR PROFUND 4.1/2X15 REF. CÓDIGO DESCRIÇÃO OBSERVAÇÃO 1 2734212 CONJ BANDA CONTR PROFUND 4.1/2X15 2 2734052 ARO BANDA CONTR PROFUNDIDADE 3 7019155 ARRUELA DE PRESSAO B8 DIN127 ZN 4 7011353 PORCA SEXT MA8 DIN 934-5 ZN 5 2729698 JUNTA DE VEDACAO 6 2729687 TAMPA DO CUBO DA RODA 7 7004355 PF SEXT RT MA6X16 DIN 933-5.6 ZN 8 7019153 ARRUELA PRESSAO B6-DIN 127 ZN 9 7007536 PF FRANCES MA8X30 DIN 603-4.6 10 2734053 CUBO DA RODA 11 9305005 GRAXEIRA RETA M8X1 DIN71412A 12 8101007 RETENTOR 25,0X36,0X7,0 01515-BR 13 7301121 ROLAMENTO FIXO ESF 6203 14 2729154 BUCHA ESPACADORA 15 7104002 ANEL RETENCAO 40X1,75-DIN 472 16 7014017 PORCA INSERTO NYLON MA16 DIN985-6 17 2734051 BANDA CONTROLE PROFUNDIDADE 18 2734211 BRACO CONTROLE PROFUNDIDADE 19 2729151 EIXO CONTROLE PRONFUNDIDADE 20 7025204 PINO ELASTICO 8X45-DIN 1481 21 2729218 BUCHA ESPACADORA 22 2730955 BUCHA CILINDRICA 2530-25 23 2734186 BRACO CONTROLE PROFUNDIDADE 24 2729724 ARRUELA DE ENCOSTO (7018358C) 25 7019157 ARRUELA DE PRESSAO B12 DIN127 ZN 26 7004693 PF SEXT RT MA12X25 DIN 933-8.8 27 0111040 ADESIVO ANAEOROBICO LOCTITE 638 Rev. B - 17/03/2006 ENXUTA 2960PD 77
  • 78.
    78 ENXUTA 2960PDRev. B - 17/03/2006
  • 79.
    1816 BANDA CONTRPROFUNDIDADE REF. CÓDIGO DESCRIÇÃO OBSERVAÇÃO 1 9305005 GRAXEIRA RETA M8X1 DIN71412A 2 7004355 PF SEXT RT MA6X16 DIN 933-5.6 ZN 3 7019153 ARRUELA PRESSAO B6-DIN 127 ZN 4 2729687 TAMPA DO CUBO DA RODA 5 7014017 PORCA INSERTO NYLON MA16 DIN985-6 6 7104002 ANEL RETENCAO 40X1,75-DIN 472 7 7301121 ROLAMENTO FIXO ESF 6203 8 2729154 BUCHA ESPACADORA 9 7007536 PF FRANCES MA8X30 DIN 603-4.6 10 8101007 RETENTOR 25,0X36,0X7,0 01515-BR 11 2729682 ARO DA BANDA COMPACTADORA 12 2728828 BANDA COMPACTADORA 95X10 13 2729686 CUBO DA RODA 14 7019155 ARRUELA DE PRESSAO B8 DIN127 ZN 15 7011353 PORCA SEXT MA8 DIN 934-5 ZN 16 7004693 PF SEXT RT MA12X25 DIN 933-8.8 17 7019157 ARRUELA DE PRESSAO B12 DIN127 ZN 18 2729724 ARRUELA DE ENCOSTO (7018358C) 19 2732859 BRACO CONTROLE PROFUNDIDADE 20 2729218 BUCHA ESPACADORA 21 2732858 CONJ BANDA CONTR PROFUND 95X10 22 0111040 ADESIVO ANAEOROBICO LOCTITE 638 Rev. B - 17/03/2006 ENXUTA 2960PD 79
  • 80.
    80 ENXUTA 2960PDRev. B - 17/03/2006
  • 81.
    0391 CONJ COMPACTADOR"V" REF. CÓDIGO DESCRIÇÃO OBSERVAÇÃO 1 2710610 BUCHA ESPACADORA 2 7004280 PF SEXT RP MA12X120 DIN931-8.8 3 7014015 PORCA INSERTO NYLON MA12 DIN985-6 4 3240430 MANOPLA 5 2718809 SUPORTE BANDA COMPACTADORA 6 2102623 PINO REMANCHADO 1/2"X105 (2760231C) 7 0427427 ALAVANCA REG. BANDA COMPACTADORA 8 2718878 BALANCIM 9 2718813 MOLA PRESSAO COMPACTADOR 10 2718812 MOLA COMPRESSAO D4,5 DI20,0 LO48 11 7017026 CONTRAPINO 3/16" X 1" 12 6001311 BUCHA ESPACADORA 13 7011354 PORCA SEXT MA10 DIN 934-5 ZN 14 7019156 ARRUELA DE PRESSAO B10 DIN127 ZN 15 3704344 CONJ BANDA COMPACTADORA 16 7007555 PF FRANCES RT MA10X30 DIN 603-4.6 17 2718807 EIXO BANDA COMPACTADORA 18 9305005 GRAXEIRA RETA M8X1 DIN71412A 19 2729697 TAMPA DO MANCAL 20 7011353 PORCA SEXT MA8 DIN 934-5 ZN 21 7104044 ANEL RETENCAO 35X1,50-DIN 472 22 7301120 ROLAMENTO FIXO ESF 6202 23 2729696 BUCHA ESPACADORA 24 8101004 RETENTOR 19,0X29,1X6,4 01909-BR 25 2729695 MANCAL DO COMPACTADOR 26 7004379 PF SEXT RT MA8X20 DIN 933-5.6 27 3704363 ARO BANDA COMPACTADORA 28 2730968 BANDA COMPACTADORA 25X295 29 7019155 ARRUELA DE PRESSAO B8 DIN127 ZN 30 2718805 CONJ BANDA COMPACTADORA "V" 31 2718806 CONJ BANDA COMPACTADORA "V" 32 7004377 PF SEXT RT MA8X16 DIN 933-5.6 ZN Rev. B - 17/03/2006 ENXUTA 2960PD 81
  • 82.
    82 ENXUTA 2960PDRev. B - 17/03/2006
  • 83.
    1696 COMPACTADOR FLUTUANTECONCAVO REF. CÓDIGO DESCRIÇÃO OBSERVAÇÃO 1 7016026 TRAVA DE ACO 3/16"X94 2 7018062 ARRUELA LISA 1/2" 3 3705027 MOLA COMPRESSAO D3,6 DI20,0 LO120 4 2728773 HASTE REGULADORA 5 2728786 CONJ HASTE REG COMPACTADORA 6 2728775 BUCHA ESPACADORA 7 7019157 ARRUELA DE PRESSAO B12 DIN127 ZN 8 7011355 PORCA SEXT MA12 DIN 934-5 ZN 9 7017004 CONTRAPINO 1/8" X 5/8" 10 7004049 PF SEXT RP MA12X95 DIN931-5.6 11 3501915 PINO FIXADOR HASTE 12 2731564 BRACO DA BANDA COMPACTADORA 13 7004436 PF SEXT RT MA12X30 DIN 933-5.6 14 2728788 CONJ BANDA COMPACTADORA CONCAVA 15 9305005 GRAXEIRA RETA M8X1 DIN71412A 16 2728781 MANCAL 17 7014202 PORCA AUTOTRAVANTE MA6 DIN 980-8 18 2731567 SUPORTE LONGO 19 8101073 RETENTOR 19,0X35,0X7,0 00784-BR 20 7301122 ROLAMENTO FIXO ESF 6204 21 2718219 EIXO DA BANDA COMPACTADORA 22 2728782 CONJ BANDA COMPACTADORA CONCAVA 23 2731563 CONJ BANDA COMPACTADORA CONCAVA 24 2728772 ARO BANDA COMPACTADORA 25 2728605 BANDA COMPACTADORA CONCAVA 26 7004618 PF SEXT RT MA6X25 DIN 933-8.8 ZN 27 7004613 PF SEXT RT MA6X12 DIN 933-8.8 ZN 28 2731566 SUPORTE CURTO 29 7019153 ARRUELA PRESSAO B6-DIN 127 ZN Rev. B - 17/03/2006 ENXUTA 2960PD 83
  • 84.
    84 ENXUTA 2960PDRev. B - 17/03/2006
  • 85.
    1849 COMPACTADOR FLUTUANTELISA REF. CÓDIGO DESCRIÇÃO OBSERVAÇÃO 1 7016026 TRAVA DE ACO 3/16"X94 2 7018062 ARRUELA LISA 1/2" 3 3705027 MOLA COMPRESSAO D3,6 DI20,0 LO120 4 2728773 HASTE REGULADORA 5 2728786 CONJ HASTE REG COMPACTADORA 6 2728775 BUCHA ESPACADORA 7 7019157 ARRUELA DE PRESSAO B12 DIN127 ZN 8 7011355 PORCA SEXT MA12 DIN 934-5 ZN 9 7017004 CONTRAPINO 1/8" X 5/8" 10 7004049 PF SEXT RP MA12X95 DIN931-5.6 11 3501915 PINO FIXADOR HASTE 12 2731564 BRACO DA BANDA COMPACTADORA 13 7004436 PF SEXT RT MA12X30 DIN 933-5.6 14 2728771 CONJ BANDA COMPACTADORA LISA 15 9305005 GRAXEIRA RETA M8X1 DIN71412A 16 2728781 MANCAL 17 7014202 PORCA AUTOTRAVANTE MA6 DIN 980-8 18 2731567 SUPORTE LONGO 19 8101073 RETENTOR 19,0X35,0X7,0 00784-BR 20 7301122 ROLAMENTO FIXO ESF 6204 21 2718219 EIXO DA BANDA COMPACTADORA 22 2728783 CONJ BANDA COMPACTADORA LISA 23 2731572 CONJ BANDA COMPACTADORA LISA 24 2728772 ARO BANDA COMPACTADORA 25 2728600 PNEU COMPACTADOR LISO 26 7004618 PF SEXT RT MA6X25 DIN 933-8.8 ZN 27 7004613 PF SEXT RT MA6X12 DIN 933-8.8 ZN 28 2731566 SUPORTE CURTO 29 7019153 ARRUELA PRESSAO B6-DIN 127 ZN Rev. B - 17/03/2006 ENXUTA 2960PD 85
  • 86.
    86 ENXUTA 2960PDRev. B - 17/03/2006
  • 87.
    2268 DISCO DUPLOSEMEADOR 14"-PARALELO REF. CÓDIGO DESCRIÇÃO OBSERVAÇÃO 1 7004280 PF SEXT RP MA12X120 DIN931-8.8 2 2729633 SUPORTE DISCO SEMEADOR 14"-PARAL 3 7019156 ARRUELA DE PRESSAO B10 DIN127 ZN 4 7014205 PORCA AUTOTRAVANTE MA12 DIN 980-8 5 7004241 PF SEXT RP MA8X70 DIN931-8.8 6 2731981 LIMPADOR ESQUERDO 7 2731982 LIMPADOR DIREITO 8 2731980 MOLA COMPRESSAO D1,2 DI9,0 LO30 9 7011353 PORCA SEXT MA8 DIN 934-5 ZN 10 7019155 ARRUELA DE PRESSAO B8 DIN127 ZN 11 2731888 CONJ LIMPADOR D.D ESQ/DIR 12 0111024 ADESIVO ANAEOROBICO LOCTITE 277 13 7014013 PORCA INSERTO NYLON MA8 DIN985-6 14 2729458 CONJ COMPLETO DISCO ESQUERDO 14" 15 7025002 PINO ELASTICO 6 X 20 -DIN 1487 16 2729147 INSERTO DO DISCO DUPLO 17 9305005 GRAXEIRA RETA M8X1 DIN71412A 18 7004614 PF SEXT RT MA6X16 DIN 933-8.8 - ZN 19 7019153 ARRUELA PRESSAO B6-DIN 127 ZN 20 2708105 TAMPA DO MANCAL 21 7004718 PF SEXT RT MA16X50 DIN933-8.8 ZN 21 7004750 PF SEXT RP MA16-REX50 DIN 931-8.8 - ZN ESQUERDO/ IZQUIERDO 22 2734748 FIXADOR DISCO DUPLO UNID ESQ 22 2734749 FIXADOR DISCO DUPLO UNID DIR 23 2729448 ARRUELA DE ENCOSTO 24 7301124 ROLAMENTO FIXO ESF 6206 25 3705055 BUCHA DO ROLAMENTO 26 8101006 RETENTOR 25,0X47,0X10,0 00266-BR 27 2729408 MANCAL DO DISCO (2729428P) 28 2729453 CONJ DISCO SEMEADOR 14"-PARAL 29 9901046 DISCO PLANO-14" 30 7002610 PF CAB CH C/FEN MA8X22 DIN963-8.8 30 7002611 PF CAB CH C/FEN MA8X25 DIN963-8.8 31 2708106 TAMPA DO RETENTOR 32 7011354 PORCA SEXT MA10 DIN 934-5 ZN 33 7004667 PF SEXT RT M10X30 DIN933-8.8 ZN 35 2729243 GUARDA PO 37 7009688 PF SEXT RT MA8X40 DIN 933-8.8X10X35 Rev. B - 17/03/2006 ENXUTA 2960PD 87
  • 88.
    88 ENXUTA 2960PDRev. B - 17/03/2006
  • 89.
    2269 DISCO SEMEADOR14" DESENC (R.CON) REF. CÓDIGO DESCRIÇÃO OBSERVAÇÃO 1 7004280 PF SEXT RP MA12X120 DIN931-8.8 2 2729374 SUPORTE DISCO SEMEADOR 14"-DESENC 3 2734748 FIXADOR DISCO DUPLO UNID ESQ 3 2734749 FIXADOR DISCO DUPLO UNID DIR 4 7014205 PORCA AUTOTRAVANTE MA12 DIN 980-8 5 7025002 PINO ELASTICO 6 X 20 -DIN 1487 6 2729147 INSERTO DO DISCO DUPLO 7 7004241 PF SEXT RP MA8X70 DIN931-8.8 8 2731981 LIMPADOR ESQUERDO 9 2731982 LIMPADOR DIREITO 10 2731980 MOLA COMPRESSAO D1,2 DI9,0 LO30 11 7014013 PORCA INSERTO NYLON MA8 DIN985-6 12 2729943 CONJ DISCO SEMEADOR 14"-DESENC 13 9305005 GRAXEIRA RETA M8X1 DIN71412A 14 7011353 PORCA SEXT MA8 DIN 934-5 ZN 15 7019155 ARRUELA DE PRESSAO B8 DIN127 ZN 16 2731956 CONJ DISCO SEMEADOR ESQ 14"DESENC 17 2731957 SUPORTE DISCO SEM ESQ 14"-DESENC 18 2731888 CONJ LIMPADOR D.D ESQ/DIR 19 0111024 ADESIVO ANAEOROBICO LOCTITE 277 20 7004355 PF SEXT RT MA6X16 DIN 933-5.6 ZN 21 7019153 ARRUELA PRESSAO B6-DIN 127 ZN 22 2729244 TAMPA DO MANCAL 23 2729245 JUNTA DE VEDACAO 24 2718717 PINO DA PORCA 25 7012524 PORCA CASTELO MB18 DIN 937-5 26 7302161 ROLAMENTO ROLOS CONICOS 30204 27 7104013 ANEL RETENCAO 47X1,75-DIN 472 28 2718714 MANCAL DO DISCO 29 2718715 EIXO DIR DO DISCO 30 2718716 EIXO ESQ DO DISCO 31 8101006 RETENTOR 25,0X47,0X10,0 00266-BR 32 9901046 DISCO PLANO-14" 33 2708106 TAMPA DO RETENTOR 34 2729243 GUARDA PO 35 7002610 PF CAB CH C/FEN MA8X22 DIN963-8.8 36 7004667 PF SEXT RT M10X30 DIN933-8.8 ZN 37 7009688 PF SEXT RT MA8X40 DIN 933-8.8X10X35 38 7019156 ARRUELA DE PRESSAO B10 DIN127 ZN Rev. B - 17/03/2006 ENXUTA 2960PD 89
  • 90.
    90 ENXUTA 2960PDRev. B - 17/03/2006
  • 91.
    2465 DISCO SEMEADOR14"" PARALELO (R.CON) REF. CÓDIGO DESCRIÇÃO OBSERVAÇÃO 1 7004280 PF SEXT RP MA12X120 DIN931-8.8 2 2729633 SUPORTE DISCO SEMEADOR 14"-PARAL 3 2734748 FIXADOR DISCO DUPLO UNID ESQ 3 2734749 FIXADOR DISCO DUPLO UNID DIR 4 7014205 PORCA AUTOTRAVANTE MA12 DIN 980-8 5 7025176 PINO ELASTICO 6X22-DIN 1481 6 2729147 INSERTO DO DISCO DUPLO 7 7004241 PF SEXT RP MA8X70 DIN931-8.8 8 2731981 LIMPADOR ESQUERDO 9 2731982 LIMPADOR DIREITO 10 2731980 MOLA COMPRESSAO D1,2 DI9,0 LO30 11 7014013 PORCA INSERTO NYLON MA8 DIN985-6 12 2729940 CONJ DISCO SEMEADOR 14"-PARAL 13 9305005 GRAXEIRA RETA M8X1 DIN71412A 14 7011353 PORCA SEXT MA8 DIN 934-5 ZN 15 7019155 ARRUELA DE PRESSAO B8 DIN127 ZN 16 2729941 CONJ COMPLETO DISCO DIR 14" 17 2729942 CONJ COMPLETO DISCO ESQ 14" 18 2731888 CONJ LIMPADOR D.D ESQ/DIR 19 0111024 ADESIVO ANAEOROBICO LOCTITE 277 20 7004355 PF SEXT RT MA6X16 DIN 933-5.6 ZN 21 7019153 ARRUELA PRESSAO B6-DIN 127 ZN 22 2729244 TAMPA DO MANCAL 23 2729245 JUNTA DE VEDACAO 24 2718717 PINO DA PORCA 25 7012524 PORCA CASTELO MB18 DIN 937-5 26 7302161 ROLAMENTO ROLOS CONICOS 30204 27 7104013 ANEL RETENCAO 47X1,75-DIN 472 28 2718714 MANCAL DO DISCO 29 2718715 EIXO DIR DO DISCO 30 2718716 EIXO ESQ DO DISCO 31 8101006 RETENTOR 25,0X47,0X10,0 00266-BR 32 9901046 DISCO PLANO-14" 33 2708106 TAMPA DO RETENTOR 34 2729243 GUARDA PO 35 7002610 PF CAB CH C/FEN MA8X22 DIN963-8.8 36 7004667 PF SEXT RT M10X30 DIN933-8.8 ZN 37 7009688 PF SEXT RT MA8X40 DIN 933-8.8X10X35 38 7019156 ARRUELA DE PRESSAO B10 DIN127 ZN Rev. B - 17/03/2006 ENXUTA 2960PD 91
  • 92.
    92 ENXUTA 2960PDRev. B - 17/03/2006
  • 93.
    2267 DISCO DUPLOSEMEADOR 14" - DESENC REF. CÓDIGO DESCRIÇÃO OBSERVAÇÃO 1 7004280 PF SEXT RP MA12X120 DIN931-8.8 2 2729374 SUPORTE DISCO SEMEADOR 14"-DESENC 3 7019156 ARRUELA DE PRESSAO B10 DIN127 ZN 4 7014205 PORCA AUTOTRAVANTE MA12 DIN 980-8 5 7004241 PF SEXT RP MA8X70 DIN931-8.8 6 2731981 LIMPADOR ESQUERDO 7 2731982 LIMPADOR DIREITO 8 2731980 MOLA COMPRESSAO D1,2 DI9,0 LO30 9 7011353 PORCA SEXT MA8 DIN 934-5 ZN 10 7019155 ARRUELA DE PRESSAO B8 DIN127 ZN 11 2731957 SUPORTE DISCO SEM ESQ 14"-DESENC 12 2731557 CONJ DISCO SEMEADOR ESQ 14"-DESEN 13 2731888 CONJ LIMPADOR D.D ESQ/DIR 14 0111024 ADESIVO ANAEOROBICO LOCTITE 277 15 7025002 PINO ELASTICO 6 X 20 -DIN 1487 16 2729147 INSERTO DO DISCO DUPLO 17 9305005 GRAXEIRA RETA M8X1 DIN71412A 18 7004355 PF SEXT RT MA6X16 DIN 933-5.6 ZN 19 7019153 ARRUELA PRESSAO B6-DIN 127 ZN 20 2708105 TAMPA DO MANCAL 21 7004466 PF SEXT RT MA16X50 DIN 933-5.6 21 7004755 PF SEXT RT MA16-REX50 DIN 933-5.6 22 2734748 FIXADOR DISCO DUPLO UNID ESQ 22 2734749 FIXADOR DISCO DUPLO UNID DIR 23 2729448 ARRUELA DE ENCOSTO 24 7301124 ROLAMENTO FIXO ESF 6206 25 3705055 BUCHA DO ROLAMENTO 26 8101006 RETENTOR 25,0X47,0X10,0 00266-BR 27 2729428 MANCAL DO DISCO 28 2729451 CONJ DISCO SEMEADOR 14"-DESENC 29 9901046 DISCO PLANO-14" 30 7002610 PF CAB CH C/FEN MA8X22 DIN963-8.8 31 2708106 TAMPA DO RETENTOR 32 2729457 CONJ COMPLETO DISCO DIR 14" 33 2729458 CONJ COMPLETO DISCO ESQUERDO 14" 34 7004013 PF SEXT RP MA8X70 DIN931-5.6 35 2729243 GUARDA PO 36 7004667 PF SEXT RT M10X30 DIN933-8.8 ZN 37 7011354 PORCA SEXT MA10 DIN 934-5 ZN Rev. B - 17/03/2006 ENXUTA 2960PD 93
  • 94.
    94 ENXUTA 2960PDRev. B - 17/03/2006
  • 95.
    3450 CONJ BANDACONTROLE PROFUNDIDADE REF. CÓDIGO DESCRIÇÃO OBSERVAÇÃO 1 3738408 ALCA DO CONTROLE PROF 2 7017001 CONTRAPINO 1/8" X 1" 3 7018013 ARRUELA LISA 1/2" 4 7019156 ARRUELA DE PRESSAO B10 DIN127 ZN 5 7025176 PINO ELASTICO 6X22-DIN 1481 6 9720601 MANOPLA M12 7 2741445 ALAVANCA REG COMPACTADOR 8 7004670 PF SEXT RT MA10X45 DIN 933-8.8 9 2741446 CONJ HASTE REGULADORA 10 2729589 MOLA COMPRESSAO D1,8 DI14,0 LO27 11 3738454 CONJUNTO REGULADORA 12 7011354 PORCA SEXT MA10 DIN 934-5 ZN 13 0850132 BUCHA ESPACADORA 14 2727056 ARO BANDA CONTR PROFUNDIDADE 15 2727055 BANDA CONTR PROFUNDIDADE 3X13.1/4 16 7004768 PF SEXT RP MA16-REX90 DIN 931-8.8 17 2735998 GUARDA PO 18 7007536 PF FRANCES MA8X30 DIN 603-4.6 19 7011353 PORCA SEXT MA8 DIN 934-5 ZN 20 7011355 PORCA SEXT MA12 DIN 934-5 ZN 21 2738652 CUBO DA RODA RAIADA 22 2731366 TAMPA DO VEDADOR 23 8001321 ANEL O'RING N321 SAE AS568A NBR70 24 2731365 VEDADOR AXIAL (2760732C) 25 7301123 ROLAMENTO FIXO ESF 6205 26 2731329 BUCHA DO MANCAL 27 3738451 CONJ BANDA CONTROLE PROFUND FIXA 28 3738452 HASTE REGULADORA 29 2738651 CONJ CUBO DA RODA RAIADA Rev. B - 17/03/2006 ENXUTA 2960PD 95
  • 96.
    96 ENXUTA 2960PDRev. B - 17/03/2006
  • 97.
    3451 BANDA COMPACTADORACONCAVA REF. CÓDIGO DESCRIÇÃO OBSERVAÇÃO 1 7004277 PF SEXT RP MA12X95 DIN931-8.8 2 7004615 PF SEXT RT MA6X18 DIN 933-8.8 3 7014015 PORCA INSERTO NYLON MA12 DIN985-6 4 2729484 BUCHA DE FIXACAO 5 7004695 PF SEXT RT MA12X30 DIN933-8.8 - ZN 6 3240417 MOLA COMPRESSAO D4,5 DI20,0 LO165 7 3738474 BRACO BANDA COMPACTADORA CONCAVA 8 2727112 HASTE REGULADORA 9 7016010 TRAVA DE ACO 5/32"X69 10 7004693 PF SEXT RT MA12X25 DIN 933-8.8 11 7019157 ARRUELA DE PRESSAO B12 DIN127 ZN 12 7017004 CONTRAPINO 1/8" X 5/8" 13 2732319 PINO REMANCHADO 3/8"X46 14 9305005 GRAXEIRA RETA M8X1 DIN71412A 15 7014202 PORCA AUTOTRAVANTE MA6 DIN 980-8 16 2728781 MANCAL 17 8101073 RETENTOR 19,0X35,0X7,0 00784-BR 18 7301122 ROLAMENTO FIXO ESF 6204 19 2732308 EIXO BANDA COMPACTADORA 20 2732307 ARO BANDA COMPACTADORA 21 2732309 BANDA COMPACTADORA 110X315 22 7004620 PF SEXT RT MA6X30 DIN 933-8.8 23 2732306 CONJ BANDA COMPACTADORA 24 3738458 KIT BANDA COMPACTADORA CONCAVA Rev. B - 17/03/2006 ENXUTA 2960PD 97
  • 98.
    98 ENXUTA 2960PDRev. B - 17/03/2006
  • 99.
    3452 BANDA COMPACTADORALARGA REF. CÓDIGO DESCRIÇÃO OBSERVAÇÃO 1 7014015 PORCA INSERTO NYLON MA12 DIN985-6 2 2729484 BUCHA DE FIXACAO 3 7004695 PF SEXT RT MA12X30 DIN933-8.8 - ZN 4 3240417 MOLA COMPRESSAO D4,5 DI20,0 LO165 5 3738472 BRACO BANDA COMPACTADORA LARGA 6 7004277 PF SEXT RP MA12X95 DIN931-8.8 7 2727112 HASTE REGULADORA 8 2732319 PINO REMANCHADO 3/8"X46 9 7016010 TRAVA DE ACO 5/32"X69 10 7017004 CONTRAPINO 1/8" X 5/8" 11 7004763 PF SEXT RP MA12X235 DIN 931-8.8 12 7004377 PF SEXT RT MA8X16 DIN 933-5.6 ZN 13 2739309 ARO DA BANDA COMPACTADORA 14 1732087 BUCHA ESPACADORA 15 7011353 PORCA SEXT MA8 DIN 934-5 ZN 16 7602001 ROL DUAS CARREIRAS 12X38,1X63,5 17 2739308 BANDA COMPACTADORA 6.1/2X12 18 7019155 ARRUELA DE PRESSAO B8 DIN127 ZN 19 2739330 CONJ BANDA COMPACTADORA 6.1/2X12 20 3738456 KIT BANDA COMPACTADORA LARGA Rev. B - 17/03/2006 ENXUTA 2960PD 99
  • 100.
    100 ENXUTA 2960PDRev. B - 17/03/2006
  • 101.
    3453 COMPACTADOR FLUTUANTEEM "V" REG REF. CÓDIGO DESCRIÇÃO OBSERVAÇÃO 1 7016010 TRAVA DE ACO 5/32"X69 2 2729484 BUCHA DE FIXACAO 3 7004695 PF SEXT RT MA12X30 DIN933-8.8 - ZN 4 3738473 BRACO DA BANDA 5 3240417 MOLA COMPRESSAO D4,5 DI20,0 LO165 6 7025176 PINO ELASTICO 6X22-DIN 1481 7 2738689 PUXADOR 8 2738693 HASTE REGULADORA 9 2732320 REGULADOR 10 2729589 MOLA COMPRESSAO D1,8 DI14,0 LO27 11 2731702 EIXO ESQ MANCAL COMPACTADOR (2731702P) 12 2730968 BANDA COMPACTADORA 25X295 13 3704363 ARO BANDA COMPACTADORA 14 2732319 PINO REMANCHADO 3/8"X46 15 2741580 HASTE REGULADORA 16 7017004 CONTRAPINO 1/8" X 5/8" 17 7004638 PF SEXT RT MA8X20 DIN933-8.8 ZN 18 7004355 PF SEXT RT MA6X16 DIN 933-5.6 ZN 19 7019153 ARRUELA PRESSAO B6-DIN 127 ZN 20 2731697 TAMPA DO MANCAL 21 7301154 ROLAMENTO FIXO ESF 6204-Z 22 2731698 EIXO DIR MANCAL COMPACTADOR 23 7301122 ROLAMENTO FIXO ESF 6204 24 2731694 BUCHA ESPACADORA (2731694P) 25 2731699 BUCHA ESPACADORA (2731699P) 26 7011353 PORCA SEXT MA8 DIN 934-5 ZN 27 7019155 ARRUELA DE PRESSAO B8 DIN127 ZN 28 2731696 MANCAL DO COMPACTADOR 29 2731700 GUARDA PO 30 2731667 CONJ BANDA COMPACTADORA ESQ 30 2731664 CONJ BANDA COMPACTADORA DIR 31 3738457 CONJ BANDA COMPACTADORA EM V 32 7004644 PF SEXT RT MA8X40 DIN 933-8.8 33 2732365 BUCHA ESPACADORA 34 7014013 PORCA INSERTO NYLON MA8 DIN985-6 35 2731712 CONJ MANCAL DIR C/ROLAMENTO 36 2731713 CONJ MANCAL ESQ C/ROLAMENTO 37 7004277 PF SEXT RP MA12X95 DIN931-8.8 38 7014015 PORCA INSERTO NYLON MA12 DIN985-6 Rev. B - 17/03/2006 ENXUTA 2960PD 101
  • 102.
    102 ENXUTA 2960PDRev. B - 17/03/2006
  • 103.
    2299 COMPACTADOR FLUTUANTEEM "V" REF. CÓDIGO DESCRIÇÃO OBSERVAÇÃO 1 7011355 PORCA SEXT MA12 DIN 934-5 ZN 2 7019157 ARRUELA DE PRESSAO B12 DIN127 ZN 3 2728775 BUCHA ESPACADORA 4 2718753 BRACO BANDA COMPACTADORA 5 7004049 PF SEXT RP MA12X95 DIN931-5.6 6 7017004 CONTRAPINO 1/8" X 5/8" 7 7019156 ARRUELA DE PRESSAO B10 DIN127 ZN 8 7011354 PORCA SEXT MA10 DIN 934-5 ZN 9 3704363 ARO BANDA COMPACTADORA 10 3705016 BANDA COMPACTADORA DE SEMENTES 11 2718755 REGULADOR DA BANDA COMPACTADORA 12 7011353 PORCA SEXT MA8 DIN 934-5 ZN 13 7019155 ARRUELA DE PRESSAO B8 DIN127 ZN 14 7004377 PF SEXT RT MA8X16 DIN 933-5.6 ZN 15 2729697 TAMPA DO MANCAL 16 9305005 GRAXEIRA RETA M8X1 DIN71412A 17 3501915 PINO FIXADOR HASTE 18 7007557 PF FRANCES RT MA10X40 DIN 603-4.6 19 7014015 PORCA INSERTO NYLON MA12 DIN985-6 20 7104044 ANEL RETENCAO 35X1,50-DIN 472 21 7301120 ROLAMENTO FIXO ESF 6202 22 2729696 BUCHA ESPACADORA 23 3704344 CONJ BANDA COMPACTADORA 24 8101004 RETENTOR 19,0X29,1X6,4 01909-BR 25 2729695 MANCAL DO COMPACTADOR 26 2728786 CONJ HASTE REG COMPACTADORA 27 2718751 CONJ BANDA COMPACTADORA "V" 28 7004379 PF SEXT RT MA8X20 DIN 933-5.6 29 7016026 TRAVA DE ACO 3/16"X94 30 7018062 ARRUELA LISA 1/2" 31 3705027 MOLA COMPRESSAO D3,6 DI20,0 LO120 32 2728773 HASTE REGULADORA Rev. B - 17/03/2006 ENXUTA 2960PD 103
  • 104.
    104 ENXUTA 2960PDRev. B - 17/03/2006
  • 105.
    2511 COMPACTADOR FLUTUANTEEM "V" REG REF. CÓDIGO DESCRIÇÃO OBSERVAÇÃO 1 7011355 PORCA SEXT MA12 DIN 934-5 ZN 2 7019157 ARRUELA DE PRESSAO B12 DIN127 ZN 3 2728775 BUCHA ESPACADORA 4 2741439 BRACO DO COMP FLUTUANTE EM "V" 5 7004049 PF SEXT RP MA12X95 DIN931-5.6 6 7017004 CONTRAPINO 1/8" X 5/8" 7 2738689 PUXADOR 8 2738693 HASTE REGULADORA 9 2732320 REGULADOR 10 2729589 MOLA COMPRESSAO D1,8 DI14,0 LO27 11 2731702 EIXO ESQ MANCAL COMPACTADOR (2731702P) 12 2730968 BANDA COMPACTADORA 25X295 13 3704363 ARO BANDA COMPACTADORA 14 3501915 PINO FIXADOR HASTE 15 2728773 HASTE REGULADORA 16 7018062 ARRUELA LISA 1/2" 17 7004638 PF SEXT RT MA8X20 DIN933-8.8 ZN 18 7004355 PF SEXT RT MA6X16 DIN 933-5.6 ZN 19 7019153 ARRUELA PRESSAO B6-DIN 127 ZN 20 2731697 TAMPA DO MANCAL 21 7301154 ROLAMENTO FIXO ESF 6204-Z 22 2731698 EIXO DIR MANCAL COMPACTADOR 23 7301122 ROLAMENTO FIXO ESF 6204 24 2731694 BUCHA ESPACADORA (2731694P) 25 2731699 BUCHA ESPACADORA (2731699P) 26 7011353 PORCA SEXT MA8 DIN 934-5 ZN 27 7019155 ARRUELA DE PRESSAO B8 DIN127 ZN 28 2731696 MANCAL DO COMPACTADOR 29 2731700 GUARDA PO 30 3704344 CONJ BANDA COMPACTADORA 31 2741477 CONJ BANDA COMPACTADORA "V" REG 32 7004644 PF SEXT RT MA8X40 DIN 933-8.8 33 3705027 MOLA COMPRESSAO D3,6 DI20,0 LO120 34 7016026 TRAVA DE ACO 3/16"X94 35 2728786 CONJ HASTE REG COMPACTADORA 36 7025176 PINO ELASTICO 6X22-DIN 1481 37 2731712 CONJ MANCAL DIR C/ROLAMENTO 38 2731713 CONJ MANCAL ESQ C/ROLAMENTO 39 7014013 PORCA INSERTO NYLON MA8 DIN985-6 40 2732365 BUCHA ESPACADORA Rev. B - 17/03/2006 ENXUTA 2960PD 105
  • 106.
    106 ENXUTA 2960PDRev. B - 17/03/2006
  • 107.
    2648 BANDA CONTROLEPROFUNDIDADE REF. CÓDIGO DESCRIÇÃO OBSERVAÇÃO 1 2718167 CONJ BANDA CONTROLE PROFUNDIDADE 2 7011353 PORCA SEXT MA8 DIN 934-5 ZN 3 7004268 PF SEXT RP MA12X50 DIN931-8.8 4 2710610 BUCHA ESPACADORA 5 7019155 ARRUELA DE PRESSAO B8 DIN127 ZN 6 2729682 ARO DA BANDA COMPACTADORA 7 7018013 ARRUELA LISA 1/2" 8 7019157 ARRUELA DE PRESSAO B12 DIN127 ZN 9 7011355 PORCA SEXT MA12 DIN 934-5 ZN 10 2728828 BANDA COMPACTADORA 95X10 11 7007535 PF FRANCES MA8X25 DIN 603-4.6 12 7104002 ANEL RETENCAO 40X1,75-DIN 472 13 7016001 TRAVA DE ACO 1/8''X49 14 7025007 PINO ELASTICO 12X80-DIN 1481 15 2741252 SUPORTE UNIDADE CURTA 16 2718479 PINO TRAVA 17 7024052 PINO RANHURADO 10X60-DIN1470 18 2718586 EIXO DE ARTICULACAO 19 2718597 BARRA REG PROFUNDIDADE 20 9305005 GRAXEIRA RETA M8X1 DIN71412A 21 2729686 CUBO DA RODA 22 8101007 RETENTOR 25,0X36,0X7,0 01515-BR 23 7301121 ROLAMENTO FIXO ESF 6203 24 2729154 BUCHA ESPACADORA 25 7004355 PF SEXT RT MA6X16 DIN 933-5.6 ZN 26 7019153 ARRUELA PRESSAO B6-DIN 127 ZN 27 2729687 TAMPA DO CUBO DA RODA 28 7014017 PORCA INSERTO NYLON MA16 DIN985-6 28 2729698 JUNTA DE VEDACAO Rev. B - 17/03/2006 ENXUTA 2960PD 107
  • 108.
    108 ENXUTA 2960PDRev. B - 17/03/2006
  • 109.
    2374 KIT COBRIDORADUBO COM DISCO REF. CÓDIGO DESCRIÇÃO OBSERVAÇÃO 1 2732367 EIXO PANTOGRAFO 2 0427697 FIXADOR DIR DO BRACO 2 0427698 FIXADOR ESQ DO BRACO 3 7014037 PORCA INSERTO NYLON MB16 DIN985-6 4 1732048 GRAMPO DE FIXACAO M12X64X85 5 7014014 PORCA INSERTO NYLON MA10 DIN985-6 6 2732950 REGULADOR DIREITO DA MOLA 6 2732949 REGULADOR ESQUERDO DA MOLA 7 2732924 SUPORTE DIR FIXACAO 7 2732928 SUPORTE ESQ FIXACAO 8 7004757 PF SEXT RP MA16-REX80 DIN 931-8.8 9 7004251 PF SEXT RP MA10X50 DIN 931-8.8 10 2738279 CONJ MANCAL 11 2732938 MOLA ESQ DE TORCAO 11 2732920 MOLA DIR DE TORCAO 12 2734602 CONJ BRACO ARTIC DIREITO 12 2734603 CONJ BRACO ARTIC ESQUERDO 13 2731592 ARRUELA LISA 14 7004698 PF SEXT RT MA12X45 DIN933-8.8 - ZN 15 7018013 ARRUELA LISA 1/2" 16 7011355 PORCA SEXT MA12 DIN 934-5 ZN 17 7019157 ARRUELA DE PRESSAO B12 DIN127 ZN 18 8101050 RETENTOR 25,0X47,0X8,0 3332-BRGG 19 7104013 ANEL RETENCAO 47X1,75-DIN 472 20 7301083 ROLAMENTO FIXO ESF 6005-Z 21 2738281 BUCHA DO MANCAL 22 2738280 MANCAL 23 7011353 PORCA SEXT MA8 DIN 934-5 ZN 24 7019155 ARRUELA DE PRESSAO B8 DIN127 ZN 25 2734534 DISCO COBRIDOR 26 7004640 PF SEXT RT MA8X25 DIN 933-8.8 ZN 27 7004292 PF SEXT RP MA16X80 DIN 931-8.8 28 2732416 KIT COBRIDOR ADUBO ESQUERDO 28 2732417 KIT COBRIDOR ADUBO DIREITO 29 2734550 CONJ DISCO COBRIDOR ESQUERDO 29 2734643 CONJ DISCO COBRIDOR DIREITO Rev. B - 17/03/2006 ENXUTA 2960PD 109
  • 110.
    110 ENXUTA 2960PDRev. B - 17/03/2006
  • 111.
    3454 KIT COBRIDOR/VARREDOR REF. CÓDIGO DESCRIÇÃO OBSERVAÇÃO 1 1732048 GRAMPO DE FIXACAO M12X64X85 2 2732785 SUPORTE FIXACAO ESQUERDO 3 7019157 ARRUELA DE PRESSAO B12 DIN127 ZN 4 7011355 PORCA SEXT MA12 DIN 934-5 ZN 5 2732367 EIXO PANTOGRAFO 6 2732950 REGULADOR DIREITO DA MOLA 7 7018237 ARRUELA LISA A10,50 DIN125-ZN 8 2734545 BRACO ARTICULACAO ESQUERDO 9 2738281 BUCHA DO MANCAL 10 7301083 ROLAMENTO FIXO ESF 6005-Z 11 7104013 ANEL RETENCAO 47X1,75-DIN 472 12 8101050 RETENTOR 25,0X47,0X8,0 3332-BRGG 13 7004292 PF SEXT RP MA16X80 DIN 931-8.8 14 7004757 PF SEXT RP MA16-REX80 DIN 931-8.8 15 7011353 PORCA SEXT MA8 DIN 934-5 ZN 16 7019155 ARRUELA DE PRESSAO B8 DIN127 ZN 17 2738280 MANCAL 18 2734534 DISCO COBRIDOR 19 7004642 PF SEXT RT MA8X30 DIN 933-8.8 20 2732800 CONJ DISCO COBRIDOR EXTERNO 21 7014014 PORCA INSERTO NYLON MA10 DIN985-6 22 2732949 REGULADOR ESQUERDO DA MOLA 23 7004250 PF SEXT RP MA10X45 DIN931-8.8 24 2732938 MOLA ESQ DE TORCAO 25 2732920 MOLA DIR DE TORCAO 26 2734547 BRACO ARTICULACAO DIREITO 27 7007557 PF FRANCES RT MA10X40 DIN 603-4.6 28 2732795 REGULADOR DO DISCO 29 7014017 PORCA INSERTO NYLON MA16 DIN985-6 30 2732778 KIT COBRIDOR/VARREDOR DIR PIVO 31 2732779 KIT COBRIDOR/VARREDOR ESQ PIVO 32 2732780 SUPORTE FIXACAO DIREITO Rev. B - 17/03/2006 ENXUTA 2960PD 111
  • 112.
    112 ENXUTA 2960PDRev. B - 17/03/2006
  • 113.
    2451 DISCO CORTE17" REF. CÓDIGO DESCRIÇÃO OBSERVAÇÃO 1 7011357 PORCA SEXT MA18 DIN 934-5 ZN 2 0427673 APOIO DA MOLA 3 2738069 MOLA COMPR D11,0 DI40,0 LO263,5 4 2738068 TUBO LIMITADOR 5 2727120 HASTE REGULADORA 6 7016010 TRAVA DE ACO 5/32"X69 7 2725645 PINO REMANCHADO 5/8"X98 8 7004889 PF SEXT RP MB20X150 DIN 960-8.8 9 7014039 PORCA INSERTO NYLON MB20 DIN985-6 10 2741369 CONJ DISCO DE CORTE 17" LISO 11 2741366 BRACO DE ARTICULACAO 12 7024054 PINO RANHURADO 12X80DIN1470-ST45 13 9305005 GRAXEIRA RETA M8X1 DIN71412A 14 2741370 BRACO DISCO DE CORTE 15 7004303 PF SEXT RP MA16X170 DIN 931-8.8 16 7014207 PORCA AUTOTRAVANTE MA16 DIN 980-8 17 2731582 KIT VEDADOR AXIAL 25X52X14 18 7301123 ROLAMENTO FIXO ESF 6205 19 2732438 BUCHA DO MANCAL 20 7004667 PF SEXT RT M10X30 DIN933-8.8 ZN 21 2731639 MANCAL DISCO CORTE 20" 22 9901057 DISCO CORTE 17" 23 7019156 ARRUELA DE PRESSAO B10 DIN127 ZN 24 7011354 PORCA SEXT MA10 DIN 934-5 ZN 25 0427587 FLANGE DE ENCOSTO 26 7018019 ARRUELA LISA 1" 27 2741399 CONJ DISCO CORTE 17"RANHURADO 28 2718286 GUARDA-PO 29 9901058 DISCO RANHURADO 17" 30 2741410 CONJ LIMPADOR DISCO DE CORTE Rev. B - 17/03/2006 ENXUTA 2960PD 113
  • 114.
    114 ENXUTA 2960PDRev. B - 17/03/2006
  • 115.
    2370 ADUBADOR REF. CÓDIGODESCRIÇÃO OBSERVAÇÃO 1 7004991 PF SEX RP MA20X100 DIN931-8.8 KTL 2 2727080 GARRA FIXACAO ADUBADOR 3 7004889 PF SEXT RP MB20X150 DIN 960-8.8 4 7014039 PORCA INSERTO NYLON MB20 DIN985-6 5 2741265 BRACO ADUBADOR 6 0427355 BRACADEIRA 7 2738790 PROLONGADOR DISCO CORTE 8 7014259 PORCA AUTOTRAV MA20 DIN 908-8 KTL 9 2741024 UNID AV AD CURTA DDD15" C/DCR 17" 9 2741017 UNID AV AD CURTA DDD15" C/DCL 17" 10 7004296 PF SEXT RP MA16X100 DIN931-8.8 ZN 11 7019159 ARRUELA DE PRESSAO B16 DIN127 ZN 12 7011356 PORCA SEXT MA16 DIN 934-5 ZN 13 2741019 UNID AV AD CURTA SULC C/DCL 17" 13 2741015 UNID AV AD CURTA SULC C/DCR 17" 14 2741025 UNID AV AD LONGA DDD15"" C/DCL 17""" 14 2741018 UNID AV AD LONGA DDD15" C/DCR 17" 15 2741020 UNID AV AD LONGA SULC C/DCL 17" 15 2741016 UNID AV AD LONGA SULC C/DCR 17" Rev. B - 17/03/2006 ENXUTA 2960PD 115
  • 116.
    116 ENXUTA 2960PDRev. B - 17/03/2006
  • 117.
    2315 DISCO ADUBADOR15" - DESENCONTRADO REF. CÓDIGO DESCRIÇÃO OBSERVAÇÃO 1 2704323 PINO MAIOR DO ESTABILIZADOR 2 7017026 CONTRAPINO 3/16" X 1" 3 2732263 HASTE REGULADORA PROFUNDIDADE 4 2729484 BUCHA DE FIXACAO 5 7004695 PF SEXT RT MA12X30 DIN933-8.8 - ZN 6 2708005 TRAVA INF DO MANGOTE 7 3201176 MANGOTE N.5 8 2718303 CONDUTOR ADUBO 9 0111024 ADESIVO ANAEOROBICO LOCTITE 277 10 7011353 PORCA SEXT MA8 DIN 934-5 ZN 11 7019155 ARRUELA DE PRESSAO B8 DIN127 ZN 12 7302161 ROLAMENTO ROLOS CONICOS 30204 13 8101006 RETENTOR 25,0X47,0X10,0 00266-BR 14 2718716 EIXO ESQ DO DISCO 15 7004355 PF SEXT RT MA6X16 DIN 933-5.6 ZN 16 7019153 ARRUELA PRESSAO B6-DIN 127 ZN 17 2729244 TAMPA DO MANCAL 18 2729245 JUNTA DE VEDACAO 19 7012524 PORCA CASTELO MB18 DIN 937-5 20 7004698 PF SEXT RT MA12X45 DIN933-8.8 - ZN 21 7002610 PF CAB CH C/FEN MA8X22 DIN963-8.8 22 2728495 MOLA EXTERNA 23 2710509 MOLA COMPRESSAO 24 0427687 CASTANHA DA HASTE 25 7014205 PORCA AUTOTRAVANTE MA12 DIN 980-8 26 2741295 SUPORTE HASTE UNID CURTA 27 7016010 TRAVA DE ACO 5/32"X69 28 7014013 PORCA INSERTO NYLON MA8 DIN985-6 29 2731980 MOLA COMPRESSAO D1,2 DI9,0 LO30 30 2731982 LIMPADOR DIREITO 31 7004241 PF SEXT RP MA8X70 DIN931-8.8 32 2731981 LIMPADOR ESQUERDO 33 2741296 SUPORTE HASTE UNID LONGA 34 2718714 MANCAL DO DISCO 35 1732377 CONJ DISCO ADUB DIR 15"-DESENC 36 2718715 EIXO DIR DO DISCO 37 2729243 GUARDA PO 38 9901038 DISCO PLANO 15" 39 2718722 CONJ COMPLETO DISCO DIR 15" 40 2718720 CONJ COMPLETO DISCO ESQ 15" 41 2718717 PINO DA PORCA 42 7104013 ANEL RETENCAO 47X1,75-DIN 472 43 9305005 GRAXEIRA RETA M8X1 DIN71412A 44 1732490 CONJ DISCO ADUB ESQ 15"-DESENC 45 1732378 SUPORTE DISCO ADUBADOR 15"DESENC 46 1732491 SUPORTE DISCO ADUBADOR 15"-DESENC Rev. B - 17/03/2006 ENXUTA 2960PD 117
  • 118.
    118 ENXUTA 2960PDRev. B - 17/03/2006
  • 119.
    3455 SULCADOR REF. CÓDIGODESCRIÇÃO OBSERVAÇÃO 1 2708005 TRAVA INF DO MANGOTE 2 3201176 MANGOTE N.5 3 2739598 CONDUTOR ADUBO C520X30 4 7004296 PF SEXT RP MA16X100 DIN931-8.8 ZN 5 7019159 ARRUELA DE PRESSAO B16 DIN127 ZN 6 7011356 PORCA SEXT MA16 DIN 934-5 ZN 7 7019156 ARRUELA DE PRESSAO B10 DIN127 ZN 8 7011354 PORCA SEXT MA10 DIN 934-5 ZN 9 7011355 PORCA SEXT MA12 DIN 934-5 ZN 10 7019157 ARRUELA DE PRESSAO B12 DIN127 ZN 11 0427728 PONTEIRA DO SULCADOR 12 7025177 PINO ELASTICO 6X24-DIN 1481 13 2704323 PINO MAIOR DO ESTABILIZADOR 14 7017026 CONTRAPINO 3/16" X 1" 15 2732263 HASTE REGULADORA PROFUNDIDADE 16 2718304 BASE REGULADORA DA MOLA 17 7004695 PF SEXT RT MA12X30 DIN933-8.8 - ZN 18 2728495 MOLA EXTERNA 19 2710509 MOLA COMPRESSAO 20 7004699 PF SEXT RT MA12X50 DIN933-8.8 - ZN 21 7004250 PF SEXT RP MA10X45 DIN931-8.8 22 0427687 CASTANHA DA HASTE 23 2741185 SUPORTE DO SULCADOR LONGO 24 7016010 TRAVA DE ACO 5/32"X69 25 7004663 PF SEXT RT MA10X20 DIN 933-8.8 - ZN 26 2733254 HASTE DO SULCADOR 27 2742089 CONJ SULCADOR ESCAMOT CURTO C/CON 28 2742090 CONJ SULCADOR ESCAMOT LONGO C/CON 29 2741156 SUPORTE DO SULCADOR CURTO 30 2733258 CONJ HASTE SULCADOR Rev. B - 17/03/2006 ENXUTA 2960PD 119
  • 120.
    120 ENXUTA 2960PDRev. B - 17/03/2006
  • 121.
    3456 SULCADOR LONGO(OPCIONAL) REF. CÓDIGO DESCRIÇÃO OBSERVAÇÃO 1 2733258 CONJ HASTE SULCADOR 2 3501440 MANGOTE N.3 3 2741652 CONDUTOR DUPLO DO ADUBO 4 7004296 PF SEXT RP MA16X100 DIN931-8.8 ZN 5 7019159 ARRUELA DE PRESSAO B16 DIN127 ZN 6 7011356 PORCA SEXT MA16 DIN 934-5 ZN 7 7019156 ARRUELA DE PRESSAO B10 DIN127 ZN 8 7011354 PORCA SEXT MA10 DIN 934-5 ZN 9 7011355 PORCA SEXT MA12 DIN 934-5 ZN 10 7019157 ARRUELA DE PRESSAO B12 DIN127 ZN 11 0427728 PONTEIRA DO SULCADOR 12 7025177 PINO ELASTICO 6X24-DIN 1481 13 2704323 PINO MAIOR DO ESTABILIZADOR 14 7017026 CONTRAPINO 3/16" X 1" 15 2732263 HASTE REGULADORA PROFUNDIDADE 16 2718304 BASE REGULADORA DA MOLA 17 7004695 PF SEXT RT MA12X30 DIN933-8.8 - ZN 18 2728495 MOLA EXTERNA 19 2710509 MOLA COMPRESSAO 20 7004699 PF SEXT RT MA12X50 DIN933-8.8 - ZN 21 7004250 PF SEXT RP MA10X45 DIN931-8.8 22 0427687 CASTANHA DA HASTE 23 2741185 SUPORTE DO SULCADOR LONGO 24 7016010 TRAVA DE ACO 5/32"X69 25 7004663 PF SEXT RT MA10X20 DIN 933-8.8 - ZN 26 2733254 HASTE DO SULCADOR 27 2741655 CJ SULC ESC LONGO COND CURVO ESQ 28 2741654 CJ SULC ESQ LONGO COND CURVO DIR Rev. B - 17/03/2006 ENXUTA 2960PD 121
  • 122.
    122 ENXUTA 2960PDRev. B - 17/03/2006
  • 123.
    2381 COLANTES 08/10/12L REF.CÓDIGO DESCRIÇÃO OBSERVAÇÃO 1 8901215 COLANTE TRANSP MOTORA 2 8901214 COLANTE TRANSP MOVIDA 3 8901213 COLANTE ATENCAO PARAF ROSCA ESQ 4 8901220 COLANTE ATENCAO REAPERTAR PARAF 5 8901307 COLANTE LER MANUAL INSTRUCOES-UNI 6 8901321 COLANTE PR TRANSP PESSOAS-PORT 7 8901320 COLANTE AT MARCADOR DE LINHA 8 8901700 COLANTE IMP VELOC TRABALHO-UNI 9 8901399 COLANTE MADE IN BRAZIL 10 8901719 COLANTE AT REGUL INADEQUADA-UNI 11 8901292 COLANTE VERM PRETO N08 12 8901293 COLANTE VERM PRETO N10 13 8901294 COLANTE VERM PRETO N12 14 8901660 COLANTE VERM E PRETO JUMIL 15 8901702 COLANTE TAB FER JM2860/2960PD-POR 16 8901714 COLANTE VERM PRETO 17 8901704 COLANTE TAB DIST SEM JM2960PD-POR 18 8901713 COLANTE VERM PRETO 2960PD 19 8901298 COLANTE VERMELHO E PRETO EXACTA 20 2741359 KIT COLANTE JM2960 EX 08L 21 2741360 KIT COLANTE JM2960 EX 10L 22 2741581 BRACO SUPORTE LIMPADOR DIR Rev. B - 17/03/2006 ENXUTA 2960PD 123
  • 124.
    Cod. Pag. Ref. 011102487 12 0111024 89 19 0111024 91 19 0111024 93 14 0111024 117 9 0111040 77 27 0111040 79 22 0417048 9 17 0417048 21 7 0427006 17 29 0427191 21 14 0427203 13 24 0427203 15 21 0427218 11 13 0427227 29 24 0427228 29 30 0427244 61 41 0427244 63 41 0427244 65 41 0427245 61 13 0427245 63 13 0427245 65 13 0427355 115 6 0427390 73 26 0427399 61 22 0427399 63 22 0427399 65 22 0427400 7 3 0427400 9 3 0427400 61 21 0427400 63 21 0427400 65 21 0427401 41 38 0427401 43 38 0427427 81 7 0427554 43 11 0427587 113 25 0427634 29 47 0427673 113 2 0427687 61 33 0427687 63 33 0427687 65 33 0427687 117 24 0427687 119 22 0427687 121 22 0427697 109 2 0427698 109 2 0427716 61 5 0427716 63 5 0427716 65 5 0427728 119 11 0427728 121 11 0427732 23 47 0427737 61 54 0432068 55 25 Cod. Pag. Ref. 0432068 57 22 0432068 59 25 0437050 61 1 0437050 63 1 0437050 65 1 0450011 17 12 0850132 95 13 1732048 57 17 1732048 59 17 1732048 109 4 1732048 111 1 1732087 99 14 1732143 29 15 1732143 45 17 1732143 47 19 1732151 29 13 1732159 45 3 1732377 117 35 1732378 117 45 1732490 117 44 1732491 117 46 1737289 33 6 2102623 81 6 2701310 55 7 2701310 57 7 2701310 59 7 2702500 21 15 2702600 21 21 2702702 21 19 2702800 21 23 2702900 21 24 2704323 61 7 2704323 63 7 2704323 65 7 2704323 117 1 2704323 119 13 2704323 121 13 2704805 23 40 2705306 41 14 2705306 43 16 2705308 41 16 2705308 43 18 2708005 117 6 2708005 119 1 2708105 87 20 2708105 93 20 2708106 87 31 2708106 89 33 2708106 91 33 2708106 93 31 2710509 61 28 2710509 63 28 2710509 65 28 2710509 117 23 2710509 119 19 Cod. Pag. Ref. 2710509 121 19 2710610 61 52 2710610 63 52 2710610 67 52 2710610 81 1 2710610 107 4 2715084 55 16 2715084 59 14 2715096 13 2 2715633 23 29 2715636 23 39 2715640 23 30 2716049 21 10 2718091 35 28 2718091 37 32 2718091 39 28 2718092 35 30 2718092 37 30 2718092 39 30 2718129 29 35 2718167 107 1 2718219 83 21 2718219 85 21 2718277 7 7 2718277 9 7 2718286 113 28 2718303 117 8 2718304 119 16 2718304 121 16 2718311 43 10 2718313 7 8 2718313 9 8 2718330 43 2 2718331 43 3 2718333 21 5 2718333 41 37 2718333 43 39 2718367 47 24 2718479 107 16 2718586 107 18 2718597 107 19 2718658 61 42 2718658 63 42 2718658 65 42 2718685 17 8 2718714 89 28 2718714 91 28 2718714 117 34 2718715 89 29 2718715 91 29 2718715 117 36 2718716 89 30 2718716 91 30 2718716 117 14 2718717 89 24 124 ENXUTA 2960PD Rev. B - 17/03/2006
  • 125.
    Cod. Pag. Ref. 271871791 24 2718717 117 41 2718720 117 40 2718722 117 39 2718751 103 27 2718753 103 4 2718755 103 11 2718786 67 61 2718805 81 30 2718806 81 31 2718807 81 17 2718809 81 5 2718812 81 10 2718813 81 9 2718814 65 34 2718858 65 40 2718878 81 8 2718940 67 60 2718943 67 56 2718944 67 62 2718945 67 59 2718947 67 57 2725135 29 19 2725135 45 6 2725484 47 35 2725485 47 28 2725556 21 25 2725573 41 11 2725579 29 8 2725597 55 14 2725597 59 24 2725645 113 7 2725707 29 38 2726132 23 17 2726134 23 14 2726161 23 7 2726172 23 20 2726180 23 35 2726182 23 1 2727055 95 15 2727056 95 14 2727080 115 2 2727112 97 8 2727112 99 7 2727120 113 5 2728130 13 29 2728130 15 22 2728212 41 24 2728212 43 24 2728213 41 22 2728213 43 22 2728219 41 25 2728219 43 25 2728220 41 23 2728220 43 23 Cod. Pag. Ref. 2728231 41 7 2728231 43 5 2728235 45 36 2728235 47 51 2728269 55 18 2728269 59 18 2728300 41 12 2728300 43 28 2728301 41 26 2728301 43 26 2728303 41 19 2728303 43 20 2728304 41 13 2728304 43 29 2728305 41 27 2728305 43 27 2728307 41 20 2728307 43 21 2728495 61 26 2728495 63 26 2728495 65 26 2728495 117 22 2728495 119 18 2728495 121 18 2728503 29 28 2728511 29 25 2728514 29 42 2728519 29 29 2728543 29 26 2728544 29 23 2728600 85 25 2728605 83 25 2728645 61 17 2728645 63 17 2728645 65 17 2728646 61 29 2728646 63 29 2728646 65 29 2728647 61 16 2728647 63 16 2728647 65 16 2728648 61 30 2728648 63 30 2728648 65 30 2728649 61 15 2728649 63 15 2728649 65 15 2728649 69 5 2728649 71 5 2728692 61 37 2728692 63 37 2728692 65 37 2728771 85 14 2728772 83 24 2728772 85 24 Cod. Pag. Ref. 2728773 83 4 2728773 85 4 2728773 103 32 2728773 105 15 2728775 61 45 2728775 63 38 2728775 83 6 2728775 85 6 2728775 103 3 2728775 105 3 2728781 83 16 2728781 85 16 2728781 97 16 2728782 83 22 2728783 85 22 2728786 83 5 2728786 85 5 2728786 103 26 2728786 105 35 2728788 83 14 2728828 79 12 2728828 107 10 2728951 61 37 2728951 63 37 2728951 65 37 2729147 87 16 2729147 89 6 2729147 91 6 2729147 93 16 2729151 77 19 2729154 77 14 2729154 79 8 2729154 107 24 2729165 65 38 2729178 67 54 2729197 69 10 2729197 71 16 2729210 69 27 2729210 71 22 2729218 77 21 2729218 79 20 2729226 75 41 2729243 87 35 2729243 89 34 2729243 91 34 2729243 93 35 2729243 117 37 2729244 89 22 2729244 91 22 2729244 117 17 2729245 89 23 2729245 91 23 2729245 117 18 2729274 23 32 2729274 45 33 Rev. B - 17/03/2006 ENXUTA 2960PD 125
  • 126.
    Cod. Pag. Ref. 272927447 1 2729274 69 18 2729274 71 13 2729279 75 42 2729292 73 41 2729294 73 41 2729295 75 41 2729296 75 41 2729301 75 41 2729302 73 41 2729305 75 41 2729318 73 36 2729320 73 36 2729321 73 36 2729322 73 36 2729327 73 36 2729328 73 36 2729331 73 36 2729374 89 2 2729374 93 2 2729399 75 55 2729408 87 27 2729428 93 27 2729437 13 6 2729446 17 13 2729448 87 23 2729448 93 23 2729451 93 28 2729453 87 28 2729457 93 32 2729458 87 14 2729458 93 33 2729484 61 9 2729484 63 9 2729484 65 9 2729484 97 4 2729484 99 2 2729484 101 2 2729484 117 4 2729492 75 41 2729493 75 41 2729494 75 41 2729550 13 28 2729550 15 18 2729555 17 24 2729556 19 59 2729558 43 41 2729565 71 7 2729566 69 8 2729566 71 32 2729567 69 26 2729567 71 11 2729573 73 36 2729574 73 36 2729575 73 36 Cod. Pag. Ref. 2729580 75 54 2729581 73 6 2729582 73 10 2729583 73 15 2729584 73 16 2729585 73 2 2729586 73 3 2729587 73 13 2729588 73 28 2729589 73 27 2729589 95 10 2729589 101 10 2729589 105 10 2729592 73 12 2729593 73 8 2729594 73 8 2729595 75 53 2729596 75 56 2729597 73 21 2729599 75 43 2729600 73 38 2729601 75 51 2729602 75 51 2729603 75 50 2729604 73 37 2729608 75 48 2729611 75 47 2729613 73 41 2729614 73 36 2729633 87 2 2729633 91 2 2729656 73 39 2729682 79 11 2729682 107 6 2729686 79 13 2729686 107 21 2729687 77 6 2729687 79 4 2729687 107 27 2729695 81 25 2729695 103 25 2729696 81 23 2729696 103 22 2729697 81 19 2729697 103 15 2729698 77 5 2729698 107 28 2729713 55 38 2729713 59 38 2729714 55 36 2729714 57 37 2729714 59 36 2729718 55 32 2729718 57 33 2729718 59 32 Cod. Pag. Ref. 2729719 57 39 2729724 77 24 2729724 79 18 2729801 73 34 2729805 75 41 2729806 71 10 2729807 71 27 2729808 71 31 2729809 69 2 2729809 71 2 2729810 69 13 2729810 71 19 2729813 69 16 2729815 69 14 2729815 71 29 2729815 75 57 2729816 69 7 2729817 69 15 2729822 17 22 2729823 73 25 2729829 17 50 2729838 69 21 2729839 71 30 2729850 69 1 2729851 71 1 2729929 73 36 2729940 91 12 2729941 91 16 2729942 91 17 2729943 89 12 2729947 23 31 2729989 75 63 2729990 73 17 2729991 75 60 2730044 35 1 2730044 37 1 2730044 39 1 2730045 37 28 2730073 35 26 2730073 37 26 2730073 39 26 2730077 29 1 2730077 33 1 2730087 41 35 2730087 43 33 2730113 17 7 2730116 17 16 2730118 17 52 2730119 17 49 2730122 17 47 2730124 17 17 2730129 17 53 2730132 17 42 2730133 17 15 2730134 17 4 126 ENXUTA 2960PD Rev. B - 17/03/2006
  • 127.
    Cod. Pag. Ref. 273013917 3 2730171 7 9 2730171 9 9 2730225 59 11 2730300 45 9 2730300 47 11 2730302 45 34 2730302 47 10 2730303 45 28 2730303 47 9 2730305 47 22 2730306 45 26 2730306 47 8 2730309 45 25 2730309 47 36 2730311 45 24 2730311 47 33 2730312 47 7 2730313 45 30 2730314 47 31 2730320 29 37 2730330 13 8 2730332 45 18 2730332 47 42 2730337 41 36 2730337 43 15 2730337 45 32 2730337 47 23 2730371 21 4 2730377 47 29 2730410 7 1 2730410 9 1 2730413 13 23 2730414 13 13 2730417 13 20 2730417 15 6 2730486 29 14 2730486 45 11 2730514 17 5 2730549 29 39 2730583 13 30 2730584 13 12 2730631 47 29 2730634 47 29 2730660 35 17 2730660 37 37 2730660 39 17 2730661 35 5 2730661 37 5 2730661 39 5 2730662 37 36 2730663 37 29 2730688 25 21 2730689 25 21 2730699 23 22 Cod. Pag. Ref. 2730705 25 18 2730708 23 42 2730764 35 25 2730764 37 25 2730764 39 25 2730767 35 23 2730771 37 23 2730775 39 23 2730789 25 19 2730804 29 3 2730810 57 44 2730825 55 12 2730825 57 18 2730833 59 22 2730926 35 27 2730926 37 27 2730926 39 27 2730930 37 3 2730933 35 4 2730933 37 4 2730933 39 4 2730934 35 24 2730934 37 33 2730934 39 24 2730935 37 34 2730955 77 22 2730968 81 28 2730968 101 12 2730968 105 12 2730970 67 55 2731091 75 41 2731093 75 41 2731095 73 31 2731096 75 41 2731212 29 3 2731213 29 43 2731214 29 3 2731215 29 43 2731223 41 36 2731223 43 15 2731223 45 32 2731223 47 23 2731239 17 14 2731316 25 20 2731329 95 26 2731365 95 24 2731366 95 22 2731490 43 37 2731491 43 35 2731557 93 12 2731563 83 23 2731564 83 12 2731564 85 12 2731566 83 28 2731566 85 28 Cod. Pag. Ref. 2731567 83 18 2731567 85 18 2731572 85 23 2731582 113 17 2731592 109 13 2731600 45 19 2731600 47 38 2731639 113 21 2731664 101 30 2731667 101 30 2731694 101 24 2731694 105 24 2731696 101 28 2731696 105 28 2731697 101 20 2731697 105 20 2731698 101 22 2731698 105 22 2731699 101 25 2731699 105 25 2731700 101 29 2731700 105 29 2731702 101 11 2731702 105 11 2731712 101 35 2731712 105 37 2731713 101 36 2731713 105 38 2731747 31 50 2731827 57 29 2731832 59 27 2731862 51 18 2731862 53 6 2731888 87 11 2731888 89 18 2731888 91 18 2731888 93 13 2731956 89 16 2731957 89 17 2731957 93 11 2731980 87 8 2731980 89 10 2731980 91 10 2731980 93 8 2731980 117 29 2731981 87 6 2731981 89 8 2731981 91 8 2731981 93 6 2731981 117 32 2731982 87 7 2731982 89 9 2731982 91 9 2731982 93 7 2731982 117 30 Rev. B - 17/03/2006 ENXUTA 2960PD 127
  • 128.
    Cod. Pag. Ref. 273199173 33 2732047 73 1 2732263 61 8 2732263 63 8 2732263 65 8 2732263 117 3 2732263 119 15 2732263 121 15 2732306 97 23 2732307 97 20 2732308 97 19 2732309 97 21 2732319 97 13 2732319 99 8 2732319 101 14 2732320 101 9 2732320 105 9 2732365 101 33 2732365 105 40 2732367 109 1 2732367 111 5 2732416 109 28 2732417 109 28 2732420 29 44 2732428 19 60 2732438 113 19 2732470 25 1 2732471 25 3 2732472 25 4 2732473 25 6 2732474 25 7 2732475 25 8 2732477 25 11 2732478 25 12 2732479 25 13 2732480 25 14 2732481 25 15 2732482 25 16 2732483 25 17 2732484 25 10 2732546 21 1 2732778 111 30 2732779 111 31 2732780 111 32 2732785 111 2 2732795 111 28 2732800 111 20 2732858 79 21 2732859 79 19 2732920 109 11 2732920 111 25 2732924 109 7 2732928 109 7 2732938 109 11 2732938 111 24 Cod. Pag. Ref. 2732949 109 6 2732949 111 22 2732950 109 6 2732950 111 6 2733162 33 36 2733163 33 36 2733254 119 26 2733254 121 26 2733258 119 30 2733258 121 1 2733301 33 35 2733304 33 34 2733306 33 32 2733308 33 33 2733309 33 39 2733310 33 21 2733311 33 20 2733312 33 19 2733313 33 18 2733317 33 41 2733318 33 27 2733320 33 23 2733323 33 22 2733324 33 30 2733325 33 29 2733326 33 31 2733328 33 25 2734051 77 17 2734052 77 2 2734053 77 10 2734186 77 23 2734211 77 18 2734212 77 1 2734283 21 9 2734287 21 13 2734350 23 46 2734360 23 24 2734361 23 19 2734534 109 25 2734534 111 18 2734545 111 8 2734547 111 26 2734550 109 29 2734602 109 12 2734603 109 12 2734643 109 29 2734664 23 8 2734676 41 21 2734676 43 43 2734677 41 17 2734677 43 42 2734722 57 25 2734740 57 45 2734748 87 22 2734748 89 3 Cod. Pag. Ref. 2734748 91 3 2734748 93 22 2734749 87 22 2734749 89 3 2734749 91 3 2734749 93 22 2734755 73 2 2735998 95 17 2736538 29 8 2737124 29 45 2738068 113 4 2738069 113 3 2738279 109 10 2738280 109 22 2738280 111 17 2738281 109 21 2738281 111 9 2738651 95 29 2738652 95 21 2738689 101 7 2738689 105 7 2738693 101 8 2738693 105 8 2738758 23 26 2738758 27 3 2738790 115 7 2739248 57 16 2739248 59 16 2739308 99 17 2739309 99 13 2739330 99 19 2739533 57 15 2739534 57 47 2739598 119 3 2741015 115 13 2741016 115 15 2741017 115 9 2741018 115 14 2741019 115 13 2741020 115 15 2741024 115 9 2741025 115 14 2741053 17 6 2741054 17 30 2741059 13 9 2741060 7 11 2741061 51 13 2741061 53 13 2741065 21 16 2741070 7 11 2741087 35 31 2741087 37 31 2741087 39 31 2741090 35 11 2741090 37 38 128 ENXUTA 2960PD Rev. B - 17/03/2006
  • 129.
    Cod. Pag. Ref. 274109039 11 2741091 37 16 2741092 37 17 2741095 71 12 2741099 61 44 2741102 55 10 2741102 59 12 2741110 55 6 2741110 59 6 2741112 55 13 2741112 59 10 2741115 55 2 2741115 59 2 2741116 55 8 2741116 59 8 2741117 47 3 2741118 47 12 2741125 45 37 2741125 47 37 2741126 45 20 2741126 47 32 2741127 45 38 2741127 47 40 2741134 45 40 2741134 47 43 2741135 45 45 2741135 47 50 2741139 45 43 2741139 47 48 2741140 45 15 2741140 47 16 2741143 11 10 2741150 11 5 2741154 11 15 2741155 11 16 2741156 119 29 2741166 11 14 2741169 47 39 2741178 13 22 2741182 47 30 2741185 119 23 2741185 121 23 2741196 45 1 2741197 45 35 2741202 11 6 2741208 37 11 2741210 35 16 2741219 13 22 2741223 35 29 2741224 37 39 2741232 27 7 2741250 63 27 2741251 63 34 2741252 61 38 2741252 107 15 Cod. Pag. Ref. 2741253 69 3 2741253 71 3 2741256 69 3 2741256 71 3 2741259 15 11 2741260 13 5 2741265 115 5 2741270 47 2 2741272 41 36 2741272 43 15 2741272 45 32 2741272 47 23 2741273 13 21 2741273 15 15 2741288 55 22 2741294 55 27 2741295 117 26 2741296 117 33 2741303 55 24 2741304 55 23 2741306 37 35 2741307 37 22 2741308 35 22 2741309 37 24 2741311 59 13 2741312 59 23 2741313 27 9 2741314 27 6 2741315 27 5 2741326 45 31 2741328 29 8 2741329 29 50 2741359 123 20 2741360 123 21 2741362 43 31 2741365 43 32 2741366 113 11 2741369 113 10 2741370 113 14 2741371 45 27 2741371 47 34 2741377 41 32 2741379 41 33 2741381 41 10 2741383 11 9 2741384 11 3 2741385 11 9 2741386 11 3 2741387 11 1 2741388 11 4 2741389 11 1 2741390 11 4 2741392 29 50 2741394 17 39 2741397 19 61 Cod. Pag. Ref. 2741399 113 27 2741408 17 34 2741409 17 35 2741410 113 30 2741420 29 48 2741421 29 49 2741426 19 57 2741427 17 56 2741428 17 55 2741429 17 54 2741439 105 4 2741445 95 7 2741446 95 9 2741472 61 50 2741473 61 40 2741474 63 50 2741475 63 45 2741477 105 31 2741480 61 43 2741480 65 45 2741482 63 43 2741482 65 45 2741490 11 9 2741491 11 3 2741492 11 4 2741495 11 1 2741497 39 29 2741507 39 16 2741510 21 16 2741514 57 12 2741515 57 8 2741516 57 23 2741517 57 13 2741519 57 10 2741524 57 2 2741526 57 6 2741533 9 18 2741537 15 19 2741539 9 19 2741541 9 12 2741542 15 3 2741549 15 25 2741552 15 4 2741553 15 9 2741554 15 10 2741555 15 1 2741557 39 22 2741567 15 24 2741568 15 23 2741580 101 15 2741581 123 22 2741652 121 3 2741654 121 28 2741655 121 27 2741674 41 4 Rev. B - 17/03/2006 ENXUTA 2960PD 129
  • 130.
    Cod. Pag. Ref. 274167641 4 2742015 61 34 2742016 63 39 2742017 61 27 2742018 63 46 2742050 23 34 2742051 65 43 2742052 65 50 2742053 65 43 2742054 65 50 2742085 65 39 2742086 65 39 2742087 65 46 2742088 65 46 2742089 119 27 2742090 119 28 2744556 33 15 2744557 33 7 2744559 33 14 2744560 33 37 2744561 33 16 2749237 21 2 3201176 117 7 3201176 119 2 3240304 35 19 3240304 37 19 3240304 39 19 3240417 97 6 3240417 99 4 3240417 101 5 3240430 43 1 3240430 81 4 3240531 19 62 3250116 69 12 3250116 71 18 3501440 121 2 3501915 83 11 3501915 85 11 3501915 103 17 3501915 105 14 3521294 67 53 3524155 29 37 3701091 21 29 3704344 81 15 3704344 103 23 3704344 105 30 3704363 81 27 3704363 101 13 3704363 103 9 3704363 105 13 3705016 103 10 3705027 83 3 3705027 85 3 3705027 103 31 3705027 105 33 Cod. Pag. Ref. 3705055 87 25 3705055 93 25 3719186 21 28 3719284 55 17 3719284 59 15 3719450 55 15 3719450 57 43 3719450 59 26 3719455 55 21 3719455 57 21 3719455 59 21 3719465 55 19 3719465 57 19 3719465 59 19 3719466 57 46 3719469 57 11 3738408 95 1 3738451 95 27 3738452 95 28 3738454 95 11 3738456 99 20 3738457 101 31 3738458 97 24 3738472 99 5 3738473 101 4 3738474 97 7 5001038 7 10 5001038 9 14 5001038 21 26 6001311 81 12 6001595 41 5 6001595 43 14 6001595 45 44 6001595 47 49 6011411 35 6 7002517 75 45 7002610 87 30 7002610 89 35 7002610 91 35 7002610 93 30 7002610 117 21 7002611 87 30 7003367 73 7 7003385 33 5 7003385 73 4 7004013 93 34 7004031 73 5 7004048 61 12 7004048 63 12 7004048 65 12 7004049 83 10 7004049 85 10 7004049 103 5 7004049 105 5 7004050 61 18 Cod. Pag. Ref. 7004050 63 18 7004050 65 18 7004231 13 10 7004231 15 7 7004233 23 23 7004241 87 5 7004241 89 7 7004241 91 7 7004241 93 5 7004241 117 31 7004250 111 23 7004250 119 21 7004250 121 21 7004251 61 46 7004251 63 44 7004251 109 9 7004255 23 52 7004268 107 3 7004274 7 2 7004274 9 2 7004274 11 12 7004274 43 9 7004277 97 1 7004277 99 6 7004277 101 37 7004280 81 2 7004280 87 1 7004280 89 1 7004280 91 1 7004280 93 1 7004292 109 27 7004292 111 13 7004296 115 10 7004296 119 4 7004296 121 4 7004300 55 28 7004300 59 28 7004302 57 26 7004303 113 15 7004318 9 10 7004322 23 48 7004323 9 11 7004354 13 16 7004354 15 17 7004355 21 11 7004355 77 7 7004355 79 2 7004355 89 20 7004355 91 20 7004355 93 18 7004355 101 18 7004355 105 18 7004355 107 25 7004355 117 15 7004357 61 47 130 ENXUTA 2960PD Rev. B - 17/03/2006
  • 131.
    Cod. Pag. Ref. 700435763 47 7004357 65 47 7004377 71 9 7004377 81 32 7004377 99 12 7004377 103 14 7004379 55 30 7004379 81 26 7004379 103 28 7004408 51 15 7004408 53 14 7004408 69 23 7004408 71 28 7004409 41 6 7004409 43 4 7004434 65 44 7004436 83 13 7004436 85 13 7004437 11 2 7004437 35 21 7004437 37 21 7004437 39 21 7004437 47 25 7004466 93 21 7004613 23 25 7004613 83 27 7004613 85 27 7004614 23 5 7004614 27 2 7004614 61 32 7004614 63 32 7004614 65 32 7004614 87 18 7004615 97 2 7004616 29 2 7004616 33 2 7004618 83 26 7004618 85 26 7004620 97 22 7004636 29 9 7004636 33 10 7004636 45 5 7004638 17 51 7004638 101 17 7004638 105 17 7004640 29 6 7004640 33 28 7004640 35 10 7004640 37 10 7004640 39 10 7004640 51 11 7004640 53 19 7004640 109 26 7004642 111 19 7004643 75 59 Cod. Pag. Ref. 7004644 27 12 7004644 101 32 7004644 105 32 7004663 17 41 7004663 45 39 7004663 47 46 7004663 119 25 7004663 121 25 7004665 41 15 7004665 43 17 7004665 57 31 7004665 59 30 7004667 45 41 7004667 47 44 7004667 87 33 7004667 89 36 7004667 91 36 7004667 93 36 7004667 113 20 7004668 13 7 7004668 15 26 7004670 95 8 7004685 23 15 7004693 77 26 7004693 79 16 7004693 97 10 7004695 23 12 7004695 97 5 7004695 99 3 7004695 101 3 7004695 117 5 7004695 119 17 7004695 121 17 7004696 61 39 7004697 47 21 7004698 13 3 7004698 109 14 7004698 117 20 7004699 61 51 7004699 63 51 7004699 65 51 7004699 119 20 7004699 121 20 7004717 17 10 7004717 55 3 7004717 57 3 7004717 59 3 7004718 87 21 7004733 21 12 7004750 87 21 7004755 93 21 7004757 109 8 7004757 111 14 7004763 99 11 7004768 95 16 Cod. Pag. Ref. 7004878 17 38 7004889 113 8 7004889 115 3 7004983 61 10 7004983 63 10 7004983 65 10 7004984 61 23 7004984 63 23 7004984 65 23 7004991 115 1 7004995 61 4 7004995 63 4 7004995 65 4 7006235 29 32 7007534 57 24 7007535 29 31 7007535 47 52 7007535 107 11 7007536 77 9 7007536 79 9 7007536 95 18 7007555 41 30 7007555 43 40 7007555 45 14 7007555 47 15 7007555 81 16 7007557 103 18 7007557 111 27 7009688 87 37 7009688 89 37 7009688 91 37 7011352 29 21 7011352 33 4 7011352 61 49 7011352 63 49 7011352 65 49 7011353 17 19 7011353 27 10 7011353 29 4 7011353 33 13 7011353 49 56 7011353 55 40 7011353 57 27 7011353 75 61 7011353 77 4 7011353 79 15 7011353 81 20 7011353 87 9 7011353 89 14 7011353 91 14 7011353 93 9 7011353 95 19 7011353 99 15 7011353 101 26 7011353 103 12 Rev. B - 17/03/2006 ENXUTA 2960PD 131
  • 132.
    Cod. Pag. Ref. 7011353105 26 7011353 107 2 7011353 109 23 7011353 111 15 7011353 117 10 7011354 13 18 7011354 15 28 7011354 23 16 7011354 41 3 7011354 43 8 7011354 45 23 7011354 47 6 7011354 51 14 7011354 53 9 7011354 57 41 7011354 59 40 7011354 69 19 7011354 71 25 7011354 81 13 7011354 87 32 7011354 93 37 7011354 95 12 7011354 103 8 7011354 113 24 7011354 119 8 7011354 121 8 7011355 7 6 7011355 9 6 7011355 11 7 7011355 21 18 7011355 23 10 7011355 35 14 7011355 37 14 7011355 39 14 7011355 41 8 7011355 43 13 7011355 45 13 7011355 47 27 7011355 61 25 7011355 63 25 7011355 65 25 7011355 83 8 7011355 85 8 7011355 95 20 7011355 103 1 7011355 105 1 7011355 107 9 7011355 109 16 7011355 111 4 7011355 119 9 7011355 121 9 7011356 41 34 7011356 43 44 7011356 55 4 7011356 57 4 Cod. Pag. Ref. 7011356 59 4 7011356 115 12 7011356 119 6 7011356 121 6 7011357 9 15 7011357 113 1 7011384 17 33 7011384 29 12 7011410 75 52 7011411 33 9 7011411 37 6 7011411 39 6 7011411 73 30 7011413 73 20 7011514 75 62 7011525 75 46 7011584 61 19 7011584 63 19 7011584 65 19 7011586 61 3 7011586 63 3 7011586 65 3 7012524 89 25 7012524 91 25 7012524 117 19 7012526 13 26 7012526 15 14 7012548 17 44 7014013 35 12 7014013 37 12 7014013 39 12 7014013 87 13 7014013 89 11 7014013 91 11 7014013 101 34 7014013 105 39 7014013 117 28 7014014 23 53 7014014 61 53 7014014 63 40 7014014 109 5 7014014 111 21 7014015 81 3 7014015 97 3 7014015 99 1 7014015 101 38 7014015 103 19 7014017 55 33 7014017 57 34 7014017 59 33 7014017 77 16 7014017 79 5 7014017 107 28 7014017 111 29 7014018 23 27 Cod. Pag. Ref. 7014037 109 3 7014038 17 28 7014039 113 9 7014039 115 4 7014041 55 29 7014041 57 30 7014041 59 29 7014202 13 11 7014202 15 8 7014202 23 18 7014202 83 17 7014202 85 17 7014202 97 15 7014205 13 4 7014205 55 9 7014205 57 9 7014205 59 9 7014205 87 4 7014205 89 4 7014205 91 4 7014205 93 4 7014205 117 25 7014207 113 16 7014208 23 49 7014209 21 6 7014259 115 8 7016001 13 14 7016001 15 5 7016001 55 11 7016001 107 13 7016010 7 4 7016010 9 4 7016010 61 35 7016010 63 35 7016010 65 35 7016010 97 9 7016010 99 9 7016010 101 1 7016010 113 6 7016010 117 27 7016010 119 24 7016010 121 24 7016026 7 12 7016026 9 13 7016026 21 3 7016026 83 1 7016026 85 1 7016026 103 29 7016026 105 34 7016153 21 8 7016155 27 11 7017001 35 9 7017001 37 9 7017001 39 9 7017001 41 31 132 ENXUTA 2960PD Rev. B - 17/03/2006
  • 133.
    Cod. Pag. Ref. 701700143 30 7017001 95 2 7017004 69 25 7017004 71 20 7017004 83 9 7017004 85 9 7017004 97 12 7017004 99 10 7017004 101 16 7017004 103 6 7017004 105 6 7017006 29 46 7017025 13 25 7017025 15 2 7017025 17 18 7017026 17 1 7017026 29 22 7017026 33 38 7017026 55 1 7017026 57 1 7017026 59 1 7017026 61 6 7017026 63 6 7017026 65 6 7017026 81 11 7017026 117 2 7017026 119 14 7017026 121 14 7017040 73 32 7017041 41 29 7017041 43 34 7017041 45 8 7017041 47 14 7018001 13 27 7018001 15 13 7018004 23 33 7018004 29 34 7018004 33 11 7018004 49 54 7018004 51 12 7018004 53 18 7018004 69 17 7018004 71 14 7018005 23 21 7018005 61 48 7018005 63 48 7018005 65 48 7018007 73 18 7018008 41 1 7018008 43 6 7018008 45 21 7018008 47 4 7018008 51 16 7018008 53 15 7018013 11 11 Cod. Pag. Ref. 7018013 17 32 7018013 23 9 7018013 29 10 7018013 35 18 7018013 37 18 7018013 39 18 7018013 49 57 7018013 61 36 7018013 63 36 7018013 65 36 7018013 95 3 7018013 107 7 7018013 109 15 7018019 113 26 7018062 83 2 7018062 85 2 7018062 103 30 7018062 105 16 7018074 35 20 7018074 37 20 7018074 39 20 7018075 17 2 7018078 23 28 7018206 57 28 7018237 111 7 7018295 75 44 7018296 35 8 7018296 37 8 7018296 39 8 7018298 35 3 7018298 37 40 7018298 39 3 7019153 13 15 7019153 15 16 7019153 23 6 7019153 27 1 7019153 29 20 7019153 33 3 7019153 61 31 7019153 63 31 7019153 65 31 7019153 73 35 7019153 77 8 7019153 79 3 7019153 83 29 7019153 85 29 7019153 87 19 7019153 89 21 7019153 91 21 7019153 93 19 7019153 101 19 7019153 105 19 7019153 107 26 7019153 117 16 7019155 17 20 Cod. Pag. Ref. 7019155 29 5 7019155 33 12 7019155 49 55 7019155 51 10 7019155 53 17 7019155 55 39 7019155 57 14 7019155 71 8 7019155 77 3 7019155 79 14 7019155 81 29 7019155 87 10 7019155 89 15 7019155 91 15 7019155 93 10 7019155 99 18 7019155 101 27 7019155 103 13 7019155 105 27 7019155 107 5 7019155 109 24 7019155 111 16 7019155 117 11 7019156 13 17 7019156 15 27 7019156 17 40 7019156 41 2 7019156 43 7 7019156 45 22 7019156 47 5 7019156 51 17 7019156 53 16 7019156 57 40 7019156 59 39 7019156 69 20 7019156 71 26 7019156 73 19 7019156 81 14 7019156 87 3 7019156 89 38 7019156 91 38 7019156 93 3 7019156 95 4 7019156 103 7 7019156 113 23 7019156 119 7 7019156 121 7 7019157 7 5 7019157 9 5 7019157 11 8 7019157 17 31 7019157 21 17 7019157 23 11 7019157 29 11 7019157 35 13 Rev. B - 17/03/2006 ENXUTA 2960PD 133
  • 134.
    Cod. Pag. Ref. 701915737 13 7019157 39 13 7019157 41 9 7019157 43 12 7019157 45 12 7019157 47 26 7019157 61 24 7019157 63 24 7019157 65 24 7019157 77 25 7019157 79 17 7019157 83 7 7019157 85 7 7019157 97 11 7019157 103 2 7019157 105 2 7019157 107 8 7019157 109 17 7019157 111 3 7019157 119 10 7019157 121 10 7019159 17 9 7019159 41 39 7019159 43 45 7019159 55 5 7019159 57 5 7019159 59 5 7019159 115 11 7019159 119 5 7019159 121 5 7019160 9 16 7019183 33 8 7019183 35 7 7019183 37 7 7019183 39 7 7019376 61 20 7019376 63 20 7019376 65 20 7019378 61 2 7019378 63 2 7019378 65 2 7022807 65 27 7023038 21 20 7023040 73 23 7024052 107 17 7024054 113 12 7025002 45 42 7025002 47 45 7025002 67 58 7025002 87 15 7025002 89 5 7025002 93 15 7025004 55 20 7025004 57 20 7025004 59 20 Cod. Pag. Ref. 7025007 107 14 7025014 45 2 7025014 47 47 7025020 69 9 7025020 71 15 7025020 75 58 7025022 69 28 7025022 71 21 7025124 73 29 7025176 91 5 7025176 95 5 7025176 101 6 7025176 105 36 7025177 119 12 7025177 121 12 7025180 73 14 7025187 75 49 7025204 77 20 7025230 25 5 7033001 29 7 7034167 73 40 7034196 35 15 7034196 37 15 7034196 39 15 7041011 17 48 7041012 19 58 7101352 17 43 7101403 23 4 7103016 73 24 7103017 29 16 7103017 45 10 7103017 47 20 7103043 69 4 7103043 71 4 7104002 77 15 7104002 79 6 7104002 107 12 7104004 23 50 7104005 23 3 7104013 55 34 7104013 57 35 7104013 59 34 7104013 89 27 7104013 91 27 7104013 109 19 7104013 111 11 7104013 117 42 7104044 81 21 7104044 103 20 7104049 73 11 7106057 27 8 7106062 27 4 7106067 23 41 7301083 109 20 7301083 111 10 Cod. Pag. Ref. 7301120 81 22 7301120 103 21 7301121 77 13 7301121 79 7 7301121 107 23 7301122 55 35 7301122 57 36 7301122 83 20 7301122 85 20 7301122 97 18 7301122 101 23 7301122 105 23 7301123 95 25 7301123 113 18 7301124 87 24 7301124 93 24 7301154 101 21 7301154 105 21 7301172 59 35 7302161 89 26 7302161 91 26 7302161 117 12 7302165 17 45 7302201 17 23 7302393 21 22 7303035 33 24 7303045 73 9 7303056 23 13 7303057 23 51 7501070 29 33 7501070 47 53 7501071 41 28 7501071 43 36 7501071 45 16 7501071 47 13 7502021 29 40 7601011 29 41 7602001 99 16 8001011 73 22 8001209 33 40 8001219 33 17 8001321 95 23 8101004 81 24 8101004 103 24 8101005 17 21 8101006 87 26 8101006 89 31 8101006 91 31 8101006 93 26 8101006 117 13 8101007 55 37 8101007 57 38 8101007 59 37 8101007 77 12 8101007 79 10 134 ENXUTA 2960PD Rev. B - 17/03/2006
  • 135.
    Cod. Pag. Ref. 8101007107 22 8101029 33 26 8101035 17 46 8101050 109 18 8101050 111 12 8101073 83 19 8101073 85 19 8101073 97 17 8301036 69 24 8301036 71 23 8301055 45 29 8301057 47 41 8301058 29 17 8301079 47 17 8301136 45 4 8301137 17 37 8304002 29 18 8304002 45 7 8304002 47 18 8304003 17 36 8304016 69 22 8304016 71 24 8402053 23 2 8501004 25 2 8501005 25 9 8901213 123 3 8901214 123 2 8901215 123 1 8901220 123 4 8901266 23 36 8901273 23 37 8901292 123 11 8901293 123 12 8901294 123 13 8901298 123 19 8901307 123 5 8901308 23 38 8901320 123 7 8901321 123 6 8901399 123 9 8901660 123 14 8901700 123 8 8901702 123 15 8901704 123 17 8901713 123 18 8901714 123 16 8901719 123 10 9001055 35 2 9001055 37 2 9001055 39 2 9001057 11 17 9001059 27 13 9201021 51 7 9201021 53 11 9202005 51 2 Cod. Pag. Ref. 9202005 53 2 9202102 51 1 9202102 53 1 9205156 51 5 9205156 53 5 9205158 51 6 9205159 51 8 9205159 53 12 9205161 51 19 9205161 53 4 9205383 53 10 9212002 51 4 9212004 51 4 9212017 51 3 9212017 53 3 9212190 53 8 9212191 53 7 9212192 51 9 9304003 13 1 9304003 15 20 9304003 23 45 9304003 29 27 9304003 69 11 9304003 71 17 9305004 61 14 9305004 63 14 9305004 65 14 9305005 13 19 9305005 15 12 9305005 17 11 9305005 21 27 9305005 23 44 9305005 29 36 9305005 41 18 9305005 43 19 9305005 55 26 9305005 57 42 9305005 59 41 9305005 61 11 9305005 63 11 9305005 65 11 9305005 69 6 9305005 71 6 9305005 77 11 9305005 79 1 9305005 81 18 9305005 83 15 9305005 85 15 9305005 87 17 9305005 89 13 9305005 91 13 9305005 93 17 9305005 97 14 9305005 103 16 9305005 107 20 Cod. Pag. Ref. 9305005 113 13 9305005 117 43 9601027 17 26 9602012 17 25 9602019 17 25 9603035 17 27 9720601 95 6 9901038 117 38 9901046 87 29 9901046 89 32 9901046 91 32 9901046 93 29 9901051 55 31 9901051 59 31 9901054 57 32 9901057 113 22 9901058 113 29 Rev. B - 17/03/2006 ENXUTA 2960PD 135