Tr−êng ®¹i häc x©y dùng
Khoa x©y dùng d©n dông & c«ng nghiÖp
--------o0o--------
BµI TËP
®éng lùc häc c«ng tr×nh
Gvhd: Ts.nguyÔn v¨n ph−îng
HäC VI£N: NGUYÔN §×NH TRUNG
LíP : CH08XD
H Néi, n¨m 2009.
®éng lùc häc c«ng tr×nh
NguyÔn §×nh Trung –CHXD08 1
PhÇn Lý THUYÕT
§Ò t i :Tæng quan vÒ tÝnh dao ®éng cña hÖ khung ph¼ng.
Cã nhiÒu ph−¬ng ph¸p tÝnh dao ®éng hÖ kÕt cÊu chÞu t¸c dông cña t¶i träng ®éng
nh»m thùc hiÖn ®−îc c¸c nhiÖm vô cña b i to¸n dao ®éng:
• X¸c ®Þnh quy luËt chuyÓn ®éng cña c¸c khèi l−îng trªn hÖ kÕt cÊu ®Ó kiÓm tra
®iÒu kiÖn bÒn.
• X¸c ®Þnh chuyÓn vÞ ®éng trong hÖ ®Ó kiÓm tra ®iÒu kiÖn cøng.
• X¸c ®Þnh tÇn sè dao ®éng riªng ®Ó kiÓm tra kh¶ n¨ng x¶y ra hiÖn t−îng céng
h−ëng.
VËy nªn viÖc gi¶i quyÕt b i to¸n dao ®éng l hÕt søc quan träng v cã ý nghÜa thùc
tiÔn.
C¸c ph−¬ng ph¸p tÝnh vÒ c¬ b¶n cã thÓ ph©n th nh hai lo¹i ph−¬ng ph¸p:
• Ph−¬ng ph¸p tÜnh
• Ph−¬ng ph¸p n¨ng l−îng.
Ph−¬ng ph¸p tÜnh ®−îc x©y dùng theo c¸c nguyªn t¾c c©n b»ng tÜnh häc trong
®ã cÇn bæ sung lùc qu¸n tÝnh ®Æt t¹i c¸c khèi l−îng trªn hÖ v ®−îc x¸c ®Þnh trªn c¬
së nguyªn lý D.Alembert.
Ph−¬ng ph¸p n¨ng l−îng ®−îc x©y dùng trªn c¬ së nguyªn lý b¶o to n n¨ng
l−îng: Trong qu¸ tr×nh dao ®éng, tæng ®éng n¨ng K cña c¸c khèi l−îng trªn hÖ v thÕ
n¨ng U cña hÖ l mét ®¹i l−îng kh«ng ®æi. Trong vËn dông ph−¬ng ph¸p n¨ng l−îng
th−êng ®−îc x©y dùng tªn c¬ së nguyªn lý c«ng kh¶ dÜ.
Khung ph¼ng ®−îc xem nh− hÖ cã cÊu t¹o tõ hai lo¹i phÇn tö dÇm (phÇn
tö ngang v cét (phÇn tö ®øng). PhÇn tö dÇm chÞu uèn l chÝnh, cßn cét chÞu nÐn v
®éng lùc häc c«ng tr×nh
NguyÔn §×nh Trung –CHXD08 2
nÐn uèn (khi cã t¶i ngang), liªn kÕt gi÷a dÇm v cét th−êng ë d¹ng nót cøng. Tr−íc
®©y ta ® nghiªn cøu ph−¬ng ph¸p chÝnh x¸c tÝnh tÇn sè dao ®éng riªng cña c¸c ph©n
tö.
Ph−¬ng ph¸p chÝnh x¸c: Khi xem khèi l−îng cña c¸c thanh ph©n bè theo
chiÒu d i th× dao déng cña hÖ khung ®−îc tÝnh to¸n nh− dao ®éng cña hÖ cã bËc tù do
b»ng v« cïng, ®ång thêi qu¸ tr×nh tÝnh to¸n ®−îc thùc hiÖn theo s¬ ®å biÕn d¹ng cña
hÖ v cã kÓ ®Õn c¸c d¹ng lùc qu¸n tÝnh.
ViÖc ¸p dông trùc tiÕp c¸c nghiªn cøu ®ã ®Ó tÝnh hÖ khung l rÊt phøc t¹p v
thùc tÕ kh«ng ¸p dông ®èi víi hÖ khung nhiÒu tÇng cña c«ng tr×nh thùc tÕ. V× vËy ta sÏ
nghiªn cøu c¸c ph−¬ng ph¸p ®¬n gi¶n h¬n ®Ó x¸c ®Þnh c¸c tÇn sè c¬ b¶n cña khung,
kÓ c¶ nh÷ng khung phøc t¹p. Ta sÏ xuÊt ph¸t tõ c¸c ph−¬ng ph¸p tÝnh khung chÞu t¶i
träng tÜnh trong CHHKC: ph−¬ng ph¸p lùc & ph−¬ng ph¸p chuyÓn vÞ.
Khi hÖ cã sè bËc tù do lín h¬n 3 b i to¸n tÝnh dao ®éng b»ng ph−¬ng
ph¸p tÝnh chÝnh x¸c theo ph−¬ng tr×nh vi ph©n cña dao ®éng sÏ trë nªn c«ng kÒnh,
phøc t¹p. Do vËy víi b i to¸n cã sè bËc tù do lín h¬n 3 ta sÏ sö dông c¸c ph−¬ng ph¸p
gÇn ®óng m kÕt qu¶ kh«ng sai kh¸c nhiÒu so víi ph−¬ng ph¸p tÝnh chÝnh x¸c. Trong
ph¹m vi b i thu ho¹ch em xin tr×nh b y mét sè ph−¬ng ph¸p gÇn ®óng tÝnh dao déng
cho hÖ thanh sau:
1. Ph−¬ng ph¸p n¨ng l−îng RayLeigh
2. Ph−¬ng ph¸p Sigalov.
3. Ph−¬ng ph¸p phÇn tö h÷u h¹n.
4. Ph−¬ng ph¸p sai ph©n h÷u h¹n.
5. Ph−¬ng ph¸p thay thÕ khèi l−îng.
C¸c ph−¬ng ph¸p n y cho kÕt qu¶ t−¬ng ®èi chÝnh x¸c ®èi víi c¸c tÇn sè c¬ b¶n iω .
XÐt dao ®éng cña hÖ khung chÞu lùc kÝch thÝch thay ®æi theo thêi gian P(t).
®éng lùc häc c«ng tr×nh
NguyÔn §×nh Trung –CHXD08 3
Do thanh cã khèi l−îng ph©n bè theo chiÒu d i thanh nªn b i to¸n dao ®éng cña hÖ
khung cã sè bËc tù do b»ng v« cïng. Dïng ph−¬ng ph¸p thay thÕ khèi l−îng ®Ó ®−a
vÒ b i to¸n tÝnh dao ®éng hÖ khung cã sè bËc tù do h÷u h¹n.
Ph−¬ng ph¸p thay thÕ khèi l−îng: Thay thÕ khèi l−îng ph©n bè b»ng mét sè khèi
l−îng tËp trung. Chia thanh ®ã th nh nhiÒu ®o¹n råi thay thÕ khèi l−îng ph©n bè trªn
®o¹n ®ã b»ng khèi l−îng tËp trung theo mét trong hai c¸ch sau:
• TËp trung khèi l−îng vÒ träng t©m kho¶ng chia.
• TËp trung khèi l−îng vÒ th nh 2 khèi l−îng tËp trung ®Æt ë 2 ®Çu ®o¹n chia.(
Hay dïng theo c¸ch n y v× mét sè khèi l−îng ®−îc ®Æt v o vÞ trÝ ®Æc biÖt
kh«ng tham gia dao ®éng l m gi¶m sè bËc tù do cña hÖ.)
ViÖc sö dông ph−¬ng ph¸p thay thÕ khèi l−îng cho kÕt qu¶ sai kh¸c víi c¸ch tÝnh
chÝnh x¸c 1%-2% khi x¸c ®Þnh 1ω (TÇn sè dao ®éng c¬ b¶n) v sai sè t¨ng nhanh khi
x¸c ®Þnh c¸c tÇn sè riªng bËc cao.
Khi tÝnh dao ®éng c−ìng bøc theo s¬ ®å khèi l−îng thay thÕ nÕu cã tÇn sè cña lùc
kÝch thich ωθ < (tÇn sè dao ®éng riªng cña hÖ) th× sai sè kh¸ nhá.
Nh− vËy ta chÊp nhËn mét sai sè cho phÐp ®Ó ®−a b i to¸n tÝnh dao ®éng cña hÖ
khung cã bËc tù do n b»ng v« cïng vÒ b i to¸n tÝnh gÇn ®óng dao ®éng cña hÖ cã sè
bËc tù do h÷u h¹n.
ViÖc ph©n tÝch dao ®éng cña hÖ cã bËc tù do b»ng n ®−îc ®−a vÒ kh¶o s¸t dao ®éng
cña n hÖ t−¬ng ®−¬ng mçi hÖ cã bËc tù do b»ng 1.
§Ó tËp trung v o viÖc tr×nh b y c¸c ph−¬ng ph¸p tÝnh, em gi¶i quyÕt b i to¸n tÝnh dao
®éng riªng kh«ng c¶n.
a. Ph−¬ng ph¸p lùc tÝnh dao ®éng hÖ khung.
Ta cã ph−¬ng tr×nh tÇn sè (2.9):
®éng lùc häc c«ng tr×nh
NguyÔn §×nh Trung –CHXD08 4
0
)(.....
....................
.....)(
.....)(
2211
2222211
1122111
=
−
−
−
−−−−−−
−−−−−−
−−−−−−
innnnn
nni
nni
ummm
mumm
mmum
δδδ
δδδ
δδδ
Trong ®ã:
• km : khèi l−îng tËp trung trªn hÖ, k=1, 2,.., n
• kiδ : ChuyÓn vÞ t¹i khèi l−îng km do lùc 1=iZ t¸c dông tÜnh t¹i vÞ trÝ cña khèi
l−îng im g©y ra.
•
o
k
k
m
m
m =
−
;
o
ki
ki
δ
δ
δ =
−
l c¸c hÖ sè kh«ng thø nguyªn; oom δ, l c¸c gi¸ trÞ chän bÊt kú.
• 2
..
1
ioo
i
m
u
ωδ
=
Dïng ph−¬ng ph¸p lùc ®Ó x¸c ®Þnh c¸c kiδ :
- T¹i vÞ trÝ im ®Æt lùc 1=iZ .
- VÏ biÓu ®å m«men uèn
−
iM do 1=iZ g©y ra trong hÖ b»ng ph−¬ng ph¸p lùc.
(Chän hÖ c¬ b¶n b»ng c¸ch thay c¸c liªn kÕt siªu tÜnh b»ng c¸c lùc X1, X2,… Xj
víi j l bËc siªu tÜnh cña hÖ.)
- T¹i vÞ trÝ km ®Æt lùc 1=kP .
- VÏ biÓu ®å m«men uèn
−
kM do 1=kK g©y ra trong hÖ b»ng ph−¬ng ph¸p lùc.
(Chän hÖ c¬ b¶n b»ng c¸ch thay c¸c liªn kÕt siªu tÜnh b»ng c¸c lùc X1, X2,… Xj
víi j l bËc siªu tÜnh cña hÖ.)
- KÕt qu¶ kiδ =(
−
kM ).(
−
iM ).
Khai triÓn ®Þnh thøc (2.9) ®Ó gi¶i ph−¬ng tr×nh t×m ui ®Ó x¸c ®Þnh iω .
®éng lùc häc c«ng tr×nh
NguyÔn §×nh Trung –CHXD08 5
§èi víi hÖ cã bËc tù do b»ng n ta lu«n t×m ®−îc n gi¸ trÞ tÇn sè dao ®éng riªng. øng
víi mçi tÇn sè dao ®éng riªng iω cã mét d¹ng chÝnh cña dao ®éng x¸c ®Þhn b»ng c¸c
chuyÓn vÞ niii yyy ....,, 21 cña c¸c khèi l−îng.
§Ó x¸c ®Þnh c¸c chuyÓn vÞ niii yyy ....,, 21 cña c¸c khèi l−îng ta thay kÕt qu¶ c¸c gi¸ trÞ
ui ® t×m ®−îc v o ph−¬ng tr×nh (2.8)
0).(.......
....................
0......).(.
0.......).(
222111
222221211
121221111
=−
=−
=−
−−−−−−
−−−−−−
−−−−−−
niinnninin
ninniii
ninniii
yumymym
ymyumym
ymymyum
δδδ
δδδ
δδδ
Ta cã hÖ n Èn sè l c¸c chuyÓn vÞ, cã (n-1) ph−¬ng tr×nh ( v× mét ph−¬ng tr×nh phô
thuéc). Cho nªn ph¶i chän mét gi¸ trÞ ban ®Çu ®Ó x¸c ®Þnh c¸c chuyÓn vÞ cßn l¹i.
b. Ph−¬ng ph¸p chuyÓn vÞ tÝnh dao ®éng hÖ khung
Ta cã ph−¬ng tr×nh tÇn sè (2.9):
0
)(.....
....................
.....)(
.....)(
2211
2222211
1122111
=
−
−
−
−−−−−−
−−−−−−
−−−−−−
innnnn
nni
nni
ummm
mumm
mmum
δδδ
δδδ
δδδ
Dïng ph−¬ng ph¸p chuyÓn vÞ ®Ó x¸c ®Þnh c¸c kiδ :
- T¹i vÞ trÝ im ®Æt lùc 1=iZ .
- VÏ biÓu ®å m«men uèn
−
iM do 1=iZ g©y ra trong hÖ b»ng ph−¬ng ph¸p chuyÓn
vÞ. (Chän hÖ c¬ b¶n b»ng c¸ch thªm v o hÖ c¸c liªn kÕt phô ®Ó ng¨n c¶n
chuyÓn vÞ xoay, chuyÓn vÞ th¼ng cña c¸c nót. )
- T¹i vÞ trÝ km ®Æt lùc 1=kP .
- VÏ biÓu ®å m«men uèn
−
kM do 1=kK g©y ra trong hÖ b»ng ph−¬ng ph¸p
®éng lùc häc c«ng tr×nh
NguyÔn §×nh Trung –CHXD08 6
- KÕt qu¶ kiδ =(
−
kM ).(
−
iM ).
Khai triÓn ®Þnh thøc (2.9) ®Ó gi¶i ph−¬ng tr×nh t×m ui ®Ó x¸c ®Þnh iω .
Sau ®ã tiÕp tôc thùc hiÖn c¸c yªu cÇu cßn l¹i cña b i to¸n nh− ® tr×nh b y ë phÇn a.
NhËn xÐt:
ViÖc khai triÓn ®Þnh thøc (2.9) v gi¶i hÖ ph−¬ng tr×nh t×m tÇn sè dao ®éng riªng,
t×m c¸c chuyÓn vÞ l phøc t¹p khi hÖ cã sè bËc tù do lín. Bªn c¹nh ®ã sö dông ph−¬ng
ph¸p lùc v ph−¬ng ph¸p vhuyÓn vÞ ®Ó vÏ biÓu ®å m« men, nh©n biÓu ®å còng sÏ cång
kÒnh nÕu hÖ cã bËc siªu tÜnh lín.
c. Ph−¬ng ph¸p n¨ng l−îng Ray-Leigh
Dùa v o nguyªn ly b¶o to n n¨ng l−îng víi ®−êng ® n håi gi¶ ®Þnh tr−íc.
Khi dao ®éng:
- T¹i vÞ trÝ xa ®iÓm c©n b»ng nhÊt khèi l−îng ®¹t thÕ n¨ng lín nhÊt Umax v ®éng
n¨ng K=0.
- T¹i vÞ trÝ c©n b»ng khèi l−îng ®¹t ®éng n¨ng lín nhÊt Kmax v thÕ n¨ng U=0.
Theo ®Þnh luËt b¶o to n n¨ng l−îng: K+U=const.
maxmax 00 KU +=+⇒ maxmax KU =⇒
Chän d¹ng dao ®éng tzytzy ii ωsin).(),( =
ThÕ n¨ng Umax: dz
i
EI
U zy ))(( ''.
2
2
max ∑∫=
§éng n¨ng : dz
vzm
K z
.
2
).(
2
1 2
max ∑ ∫= ; tzytzyv iiiiz ωω cos.).(),( ==
•
KÕt qu¶:
dzzyzm
dz
i
EI
i
i
zy
.)().(
''.
2
2
2
))((
∑∫
∑∫=ω
®éng lùc häc c«ng tr×nh
NguyÔn §×nh Trung –CHXD08 7
BiÕt ®−îc qui luËt ph©n bè khèi l−îng m(z) trªn c¸c phÇn tö thanh thùc hiÖn tÝnh tÝch
ph©n víi d¹ng dao ®éng ® chän ta t×m ®−îc tÇn sè dao ®éng riªng cña hÖ.
NhËn xÐt:
Ph−¬ng ph¸p n¨ng l−îng Rayleigh tÝnh to¸n kh«ng phô thuéc sè bËc tù do cña hÖ m
phô thuéc v o viÖc chän d¹ng dao ®éng riªng. ViÖc chän d¹ng dao ®éng riªng phô
thuéc v o d¹ng ®−êng ® n håi do c¸c t¶i träng tËp trung, t¶i träng ph©n bè ®Òu hay t¶i
träng ph©n bè h×nh thang,…t¸c dông lªn hÖ khung.
d. Ph−¬ng ph¸p Sigalov.
Ph−¬ng ph¸p Sigalov gi¶ thiÕt s n cøng, cïng chuyÓn vÞ ngang víi hÖ khung.
Dao ®éng cña khung kh«ng gian cho bëi mÆt b»ng khung ®−îc thay b»ng khung
ph¼ng t−¬ng ®−¬ng, ®é cøng cña khung ph¼ng t−¬ng ®−¬ng:
• §é cøng cét ∑= cic EIEI / 1 tÇng
• §é cøng dÇm ∑ ®= id EIEI / 1 tÇng
Khi chuyÓn vÞ xem gãc xoay t¹i c¸c nót trªn ph¹m vi tÇng l nh− nhau.
Tr×nh tù c¸c b−íc x¸c ®Þnh gÇn ®óng tÇn sè dao ®éng cña hÖ khung:
- Buíc 1: X¸c ®Þhn ®é cøng ®¬n vÞ dÇm, cét trªn tõng tÇng:
•
i
di
kdi
k
l
EI
i = ; li: nhÞp cña dÇm.
•
i
ci
kci
k
h
EI
i = ; hi: chiÒu cao tÇng.
- B−íc 2: X¸c ®Þhn tæng ®é cøng ®¬n vÞ dÇm, cét trong ph¹m vi tÇng:
• Tæng ®é cøng ®¬n vÞ cña c¸c dÇm trong tÇng thø k ∑=
)(i
di
kk ir
• Tæng ®é cøng ®¬n vÞ cña c¸c cét trong tÇng thø k ∑=
)(i
ci
kk iS
- Buíc 3: X¸c ®Þnh chuyÓn vÞ ngang t−¬ng ®èi cña tÇng thø k do P=1 ®Æt t¹i tÇng
thø k g©y ra Ck:
®éng lùc häc c«ng tr×nh
NguyÔn §×nh Trung –CHXD08 8





 +
+=






+
+
+=
+
k
kk
k
k
k
r
hh
S
h
C
Sr
hh
S
h
C
.4
)(
12
1
.33,0.4
)(
12
1
2
1
2
11
2
21
1
2
1
1
- Buíc 3: X¸c ®Þnh chuyÓn vÞ ngang tÇng trªn cïng.
11
1
)(
48
1
. ++
=
∑∑ +−= kkk
k
k
n
k
kkn hhh
r
G
QCy
Qk: tæng lùc c¾t trong c¸c cét thuéc tÇng thø k ∑=
n
ik PQ
1
- Buíc 4: X¸c ®Þnh tÇn sè dao ®éng riªng.
§èi víi hÖ khung nhiÒu tÇng nhiÒu nhÞp d¹ng biÕn d¹ng cã thÓ xem l do mét hÖ lùc
n o ®ã g©y ra.
Khi khung dao ®éng khèi l−îng cña c¸c c©u kiÖn cét, dÇm, s n ®−îc tËp trung vÒ nót
khung do ®ã hÖ t¶i träng tËp trung P1, P2,…, Pn xem l nh÷ng lùc qu¸n tÝnh t−¬ng øng.
Lùc qu¸n tÝnh t¸c dông ë cao ®é s n Z(t) ®−îc ph©n tÝch th nh lùc qu¸n tÝnh ph©n bè
trªn cao ®é tÇng.
Theo c¸c gi¶ thiÕt trªn ph−¬ng ph¸p Sigalov ®−a ra c«ng thøc x¸c ®Þnh tÇn sè dao
®æng riªng øng víi 3 d¹ng dao ®éng riªng chÝnh:
•
ny
k1
1 =ω ;
∑
= n
kk Cm
k
1
3,2
3,2
.
ω
Trong ®ã c¸c hÖ sè k lÊy theo b¶ng sau:
TÇng 4 5 6 7 >7
k1 34,5 35,1 35,8 36,4 nn 2).1(.2,49 +
k2 4 4,35 4,55 4,65 4,72
k3 6,15 7,1 7,6 7,8 7,85
®éng lùc häc c«ng tr×nh
NguyÔn §×nh Trung –CHXD08 9
NhËn xÐt: Ph−¬ng ph¸p Sigalov cho phÐp x¸c ®Þnh gÇn ®óng c¸c tÇn sè dao ®éng
riªng ®Çu tiªn cña khung mét c¸ch thuËn lîi trong ph©n tÝch v tÝnh to¸n kÕt cÊu c«ng
tr×nh thùc tÕ.
e. Ph−¬ng ph¸p sai ph©n h÷u h¹n.
Néi dung cña ph−¬ng ph¸p sai ph©n l gi¶i gÇn ®óng ph−¬ng tr×nh vi ph©n cña dao
®éng b»ng gi¶i hÖ ph−¬ng tr×nh sai ph©n.
§Ó thùc hiÖn ta chia hÖ th nh nhiÒu ®o¹n , t¹i mçi ®iÓm chia thay ®¹o h m b»ng
c¸c sai ph©n ®Ó lËp ph−¬ng tr×nh sai ph©n t−¬ng øng.
Ph−¬ng tr×nh vi ph©n biÓu thÞ dao ®éng tù do cña thanh mang khèi l−îng ph©n bè
®Òu m, chiÒu d i l v tiÕi diÖn kh«ng ®æi EI cã d¹ng:
0)(
)( 4
4
4
=− zyk
dz
zyd
víi
EI
lm
k
24
4 .. ω
=
Chia thanh th nh n ®o¹n b»ng nhau, mçi ®o¹n chia cã chiÒu d i z∆ , ta cã:
;. znl ∆= ξ∆=∆ .lz n/1=∆ξ
Ph−¬ng tr×nh vi ph©n biÓu thÞ gÇn ®óng d−íi d¹ng sai ph©n:
04
4
4
=−
∆
∆
yk
y
ξ
Ph−¬ng tr×nh sai ph©n cho ®iÓm chia thø i:
0.4).6(.4 214
4
12 =++−+− ++−− iiii yyy
n
k
yy víi i=1,2…,(n-1).
Nh− vËy víi mçi ®iÓm chia ta ®−îc mét ph−¬ng tr×nh ®¹i sè tuyÕn tÝnh. Khi chia
hÖ th nh n ®o¹n ta sÏ cã (n-1) ph−¬ng tr×nh sai ph©n víi (n+1) Èn sè, do ®ã cÇn bæ
sung thªm hai ®iÒu kiÖn biªn ®Ó cã ®−îc hÖ kÝn.
§Ó tån t¹i dao ®éng th× ®Þnh thøc c¸c hÖ sè cña hÖ ph−¬ng tr×nh b»ng kh«ng, khai
triÓn ®Þnh thøc gi¶i ph−¬ng tr×nh víi Èn sè l k. Sau khi t×m ®−îc k ta x¸c ®Þnh tÇn
sè dao ®éng riªng theo:
®éng lùc häc c«ng tr×nh
NguyÔn §×nh Trung –CHXD08 10
m
EI
l
k
2
2
=ω
NhËn xÐt: §é chÝnh x¸c cña b i to¸n phô thuéc v o sè ®iÓm chia, nÕu sè ®iÓm
chia c ng nhiÒu th× kÕt qu¶ c ng chÝnh x¸c song sè ph−¬ng tr×nh ®¹i sè tuyÕn tÝnh
còng sÏ t¨ng ®−a ®Õn khèi l−îng tÝnh to¸n c ng lín.
®éng lùc häc c«ng tr×nh
NguyÔn §×nh Trung –CHXD08 1
PhÇn bµi tËp
B i 1: Cho hÖ cã s¬ ®å nh− h×nh vÏ:
10.6θ ω=
Víi ω1 l tÇn sè c¬ b¶n
a) X¸c ®Þnh tÇn sè dao ®éng riªng ω
b) X¸c ®Þnh hÖ sè K®
c)VÏ biÓu ®å m«men uèn ®éng( M®
P)
B i l m:
a, X¸c ®Þnh tÇn sè dao ®éng riªng ωωωω:
*XÐt dao d¹ng dao ®éng ®èi xøng :
l
l
m2 = m m3 = mm1 = m
q(t) = q(0)sinθt
2EI
EI EI
l
®éng lùc häc c«ng tr×nh
NguyÔn §×nh Trung –CHXD08 2
+VÏ biÓu ®å momen : Mj
HÖ siªu tÜnh bËc 1
Dïng ph−¬ng ph¸p lùc ®Ó vÏ biÓu ®å Momen Mj :
11 1 1 0pxXδ + ∆ =
®éng lùc häc c«ng tr×nh
NguyÔn §×nh Trung –CHXD08 3
1 1 2 1 5
11 ( 1)( 1) .1. . .1. .1
2 3 2 6
l
M M l l
EI EI EI
δ
 
= = + = 
 
2
1 1 2 1 1 7
1 ( 1)( 1 ) . . . . . . .1
2 3 2 2 12
l
p M M p l l l l
EI EI EI
δ
− − −   
= = + =   
   
1
7
10
l
X⇒ =
BiÓu ®å Momen Mj:
®éng lùc häc c«ng tr×nh
NguyÔn §×nh Trung –CHXD08 4
BiÓu ®å Momen Mk:
ChuyÓn vÞ kh¸i qu¸t : 11 ( ).( )kq j kM Mδ δ= =
3
1 1 3 2 1 1 2 7 11
. . . . . . . . . . . . .
2 10 3 2 2 3 10 2 120
kq
l l
l l l l l l l l
EI EI EI
δ
   
= + − =   
   
3 3
1 1
2.7
3 11..
. .
2 120.
dx
kq
EI
m lM ml
EI
ω
δ
= = =
®éng lùc häc c«ng tr×nh
NguyÔn §×nh Trung –CHXD08 5
*XÐt dao d¹ng dao ®éng ph¶n xøng :
+VÏ biÓu ®å momen : Mj
HÖ tÝnh ®Þnh : 11 1 1( ).( )kq M Mδ δ= =
®éng lùc häc c«ng tr×nh
NguyÔn §×nh Trung –CHXD08 6
3
11 1 1
1 1 2 1 1 2
( ).( ) ( . . . ) ( . . . )
2 3 2. 2 3 2
kq
l
M M l l l l l l
EI EI EI
δ δ= = = + =
3 3
1 1
1.15
3.
. .
2 2
dx
kq
EI
m lM ml
EI
ω
δ
= = =
b, X¸c ®Þnh hÖ sè ®éng riªng K®:
2
2
2
1 1
1.5625
0.6
1 ( )(1 )
dK
ωθ
ωω
= = =
 
−−   
c. VÏ biÓu ®å m«men uèn ®éng( M®
P) : ( ) .( )d d t
P pM K M=
* VÏ biÓu ®å m«men uèn ®éng( Mt
P) :
®éng lùc häc c«ng tr×nh
NguyÔn §×nh Trung –CHXD08 7
HÖ siªu tÜnh bËc 1
Dïng ph−¬ng ph¸p lùc ®Ó vÏ biÓu ®å Momen Mj :
11 1 1 0pxXδ + ∆ =
®éng lùc häc c«ng tr×nh
NguyÔn §×nh Trung –CHXD08 8
11
1 1 2 1 5
( 1)( 1) .1. . .1. .1
2 3 2 6
l
M M l l
EI EI EI
δ
 
= = + = 
 
2 2 2 3
0 0 0 0
1
. . .1 1 1 1 2
( 1)( 1 ) . . .1 . . . .1 . . .1
2 2 2 2 2 3 8 3
P
q l q l q l q l
M M p l l l
EI EI EI
δ
    −− −
= = + − =   
   
2
0
1
2. .
5
q l
X⇒ =
BiÓu ®å Momen( Mt
P): t
P 1 1(M ) ( ). ( )PM X M= +
®éng lùc häc c«ng tr×nh
NguyÔn §×nh Trung –CHXD08 9
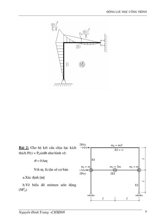
B i 2: Cho hÖ kÕt cÊu chÞu lùc kÝch
thÝch P(t) = P0sinθt nh− h×nh vÏ:
10.6θ ω=
Víi ω1 l tÇn sè c¬ b¶n
a.X¸c ®Þnh [ω]
b.VÏ biÓu ®å m«men uèn ®éng
(M®
P)
2P(t)
2P(t)
m2 = 2mm1 = m
2EI
EI
EI
l l
l
EI = ∞
l
m1 = m
m0 = m/l
®éng lùc häc c«ng tr×nh
NguyÔn §×nh Trung –CHXD08 10
B i l m:
a, X¸c ®Þnh tÇn sè dao ®éng riªng ωωωω:
*XÐt dao d¹ng dao ®éng ®èi xøng :
NhËn xÐt :
-HÖ bËc tù do b»ng 1
+VÏ biÓu ®å momen : Mj
®éng lùc häc c«ng tr×nh
NguyÔn §×nh Trung –CHXD08 11
NhËn xÐt :
-HÖ siªu tÜnh bËc 2
Dïng ph−¬ng ph¸p lùc ®Ó vÏ biÓu ®å Momen Mj :
11 1 12 2 1
21 1 22 2 2
. . 0
. . 0
p
p
X X
X X
δ δ
δ δ
+ + ∆ =
+ + ∆ =
1 1 1 2 1 5
11 ( 1)( 1) 2. . . .1. .1 .
2 2 3 2 6
l
M M l l
EI EI EI
δ
 
= = + = 
 
®éng lùc häc c«ng tr×nh
NguyÔn §×nh Trung –CHXD08 12
1 1 1 2 1
22 ( 2)( 2) 2. . . .
2 2 3 3
l
M M l
EI EI
δ
 
= = = 
 
12 21 0δ δ= =
2
0
1
1 1 2 1 1 7
1 ( )( ) 2. . . . . . .1 .
2 2 3 2 2 12
p
l l
p M M l l l
EI EI EI
 
∆ = = + = 
 
2 0p∆ =
1 2
7
, 0
10
l
X X
−
⇒ = =
0
1 21 2( ) ( ). ( ). ( )j pM M X M X M= + +
ChuyÓn vÞ kh¸i qu¸t : ( ).( )kkq jM Mδ =
3
1 1 17 2 1 1 2 7 109
2. . . . . . . . . . .
2 20 3 2 2 3 10 2 120
kq
l l l l
l l l l l l
EI EI EI
δ
   
= + + =   
   
3 3
1 1
1.66
109..
3 . .
120.
dx
kq
EI
lM ml
m
EI
ω
δ
= = =
®éng lùc häc c«ng tr×nh
NguyÔn §×nh Trung –CHXD08 13
*XÐt dao d¹ng dao ®éng ph¶n xøng :
NhËn xÐt :
-HÖ bËc tù do b»ng 2
+VÏ biÓu ®å momen : Mj
HÖ cã hai bËc tù do. B»ng c¸ch nh©n biÓu ®å Vªnªsaghin ta cã:
®éng lùc häc c«ng tr×nh
NguyÔn §×nh Trung –CHXD08 14
3
1 1 2. 1 1 2.2. 4
11 ( 1)( 1) 2. . . . .2. . .
2 3 2 2 3 3
l l l
M M l l l l
EI EI EI
δ
   
= = + =   
   
3
1 1 2. 1 1 2.
22 ( 2)( 2) . . . . . .
2 3 2 2 3 2
l l l
M M l l l l
EI EI EI
δ
   
= = + =   
   
3
1 1 2 1 1 2 2
12 21 . . . .2 . .
2 3 2 2 3 3
l l l
l l l l
EI EI EI
δ δ
   
= = + =   
   
m1=m; m2=m
Chän
3
4
0 11
3
l
EI
δ δ= = ; m0=m ta cã:
11
0
3
22
3
0
3
21
3
0
11 1;
3 3
22 .
2 4 8
2 3 1
12 21 .
3 4 2
l EI
EI l
l EI
EI l
δ
δ
δ
δ
δ
δ
δ
δ δ
δ
= =
= = =
= = = =
;11 =m 2 1m =
Ta cã ph−¬ng tr×nh :
( )
( ) 0
22.221.1
12.211.1
=
−
−
uimm
muim
δδ
δδ
( )
1.1
1.1
2
0
1 3
1. 1.
2 8
i
i
u
u
−
=
 
− 
 
2 11 1
0
8 8
i iu u⇔ − + =
1 1.277
2 0.098
u
u
=
⇔  =
Suy ra:
1 3 3
1 1
0.77
40. 0. 2
. . .1,277
3
px EI
lm u ml
m
EI
ω
δ
= = =
®éng lùc häc c«ng tr×nh
NguyÔn §×nh Trung –CHXD08 15
2 3 3
1 1
2.76
40. 0. 1
. . .0,098
3
px EI
lm u ml
m
EI
ω
δ
= = =
Theo nguyªn lÝ céng t¸c dông ta cã biÓu ®å m«men tÜnh :
10.9θ ω=
HÖ ph−¬ng tr×nh t×m biªn ®é cña lùc qu¸n tÝnh J1, J2 :






=∆+





−+
=∆++





−
022
2
221.21
012.121.
1
11
pJ
m
u
J
pJJ
m
u
θ
θ
δδ
δδ
2 2
1
1 1 1 1.277
1.58
0. 0. 0. 0.0,81. 0.81 0.81
u
u
m m
θ
δ θ δ ω
= = = = =
3 3 3
4 2 4 0
1 11.2 0 12.2 0 .2 0
3 3
l l l P
p P P P
EI EI EI
δ δ
 
∆ = + = + = 
 
3
1
3
0
4 3
1 . 3
4
p l Po EI
p Po
EI l
δ
δ
∆ = = =
3 3 3
2 7 0
2 21.2 0 22.2 0 .2 0
2 3 3
l l l P
P P P P
EI EI EI
δ δ
 
∆ = + = + = 
 
®éng lùc häc c«ng tr×nh
NguyÔn §×nh Trung –CHXD08 16
3
2
3
0
7 3 7
2 .
3 4 4
p l Po EI Po
P
EI l
δ
δ
∆ = = =
Ta cã hÖ ph−¬ng tr×nh :
( )1 1,58 1 0,5. 2 3 0
3 7
0,5. 1 1,58 2 0
8 4
J J Po
Po
J J
 − + + =

  
+ − + = 
 
0,58. 1 0,5. 2 3 0
0,5. 1 1,205. 2 1,75 0
J J Po
J J Po
− + + =

− + =
1 23. 0
2 11. 0
J P
J P
=
⇔ 
=
( )( ) ( )( ) ( )1 223. 0 11. 0d t
p J J pM M P M P M= + +
BiÓu ®å ( )d
pM
®éng lùc häc c«ng tr×nh
NguyÔn §×nh Trung –CHXD08 17
B i 3: Cho hÖ kÕt cÊu chÞu lùc kÝch thÝch
P(t)=P0sinθt nh− h×nh vÏ:
19.0 ωθ =
Víi ω1 l tÇn sè c¬ b¶n
- X¸c ®Þnh [ω]
- X¸c ®Þnh [yi]
- VÏ biÓu ®å m«men uèn ®éng (M®
P)
B i l m:
a, X¸c ®Þnh tÇn sè dao ®éng riªng ωωωω:
*XÐt dao d¹ng dao ®éng ®èi xøng :
NhËn xÐt :
m1 = 2m
l l
l
EI = const
l
P(t)
m2 = 2m
®éng lùc häc c«ng tr×nh
NguyÔn §×nh Trung –CHXD08 18
-HÖ bËc tù do b»ng 2
+VÏ biÓu ®å momen : Mj
NhËn xÐt :
-HÖ siªu tÜnh bËc 4
Dïng ph−¬ng ph¸p lùc ®Ó vÏ biÓu ®å Momen Mj :
11 1 12 2 13 3 14 4 1
21 1 22 2 23 3 24 4 2
31 1 32 2 33 3 34 4 3
41 1 42 2 43 3 44 4 4
. . . . 0
. . . . 0
. . . . 0
. . . . 0
p
p
p
p
X X X X
X X X X
X X X X
X X X X
δ δ δ δ
δ δ δ δ
δ δ δ δ
δ δ δ δ
+ + + + ∆ =
+ + + + ∆ =
+ + + + ∆ =
+ + + + ∆ =
Ta cã biÓu ®å m«men :
®éng lùc häc c«ng tr×nh
NguyÔn §×nh Trung –CHXD08 19
Ta cã:
EI
l
ll
EI
3
2
.
3
8
2.
3
2
.4.
2
11
11 =





=δ
( ) EI
l
l
EI
2
2 2
1.2
1
12 ==δ
®éng lùc häc c«ng tr×nh
NguyÔn §×nh Trung –CHXD08 20
EI
ll
ll
EI
3
2
6
5
3
2
2
1
.
1
13 =











+=δ
EI
ll
ll
EI
2
2
3
2
.
1
14 =











+=δ
( )
EI
l
ll
EI
3
2
1
22 =+=δ
EI
ll
EI 2
1.
2
1
23
22
=







=δ
( )
EI
l
l
EI
== 1.
1
24δ
EI
lll
EI 33
2
.
2
1
33
32
=







=δ
EI
ll
EI 2
1.
2
1
34
22
=







=δ
( )
EI
l
ll
EI
21
44 =+=δ
Khi t¶i träng ®¬n vÞ ®Æt t¹i m1 ta cã biÓu ®å m«men:
EI
ll
ll
EI
p
2
3
2
1
1
2
2
=











+=∆
®éng lùc häc c«ng tr×nh
NguyÔn §×nh Trung –CHXD08 21
( ) EI
l
l
EI
p
2
2
1.
1
2 ==∆
EI
ll
l
EI
p
22
.
1
3
3
2
=





=∆
EI
ll
l
EI
p
2
3
2
1
4
22
2
=







+=∆
HÖ ph−¬ng tr×nh:











=++++
=++++
=++++
=++++
0
2
3
423
2
21
2
3
0
2
4
2
1
3
3
2
2
1
1
6
5
043
2
231.2
0
2
3
4
2
3
3.
6
5
221.
3
8
lXX
l
XX
l
l
XX
l
XX
l
lXX
l
XXl
lXXlXXl











−=
−=
=
−=
⇔
41
23
4
41
6
3
41
2
41
9
1
l
X
X
l
X
X
BiÓu ®å m«men trong hÖ siªu tÜnh khi t¶i träng ®¬n vÞ ®Æt t¹i m1:
Khi t¶i träng ®¬n vÞ ®Æt t¹i m2 ta cã biÓu ®å m«men:
®éng lùc häc c«ng tr×nh
NguyÔn §×nh Trung –CHXD08 22
( ) EI
l
ll
EI
p
3
2 2
.2
1
1 ==∆
( )
EI
l
ll
EI
p
2
2
.2
1
2 ==∆
EI
l
l
l
EI
p
2
.
2
1
3
32
=







=∆
( )
EI
l
ll
EI
p
2
.
1
4 ==∆
HÖ ph−¬ng tr×nh:











=++++
=++++
=++++
=++++
0423
2
21
2
3
0
2
4
2
1
3
3
2
2
1
1
6
5
0243
2
231.2
024
2
3
3.
6
5
221.
3
8
lXX
l
XX
l
l
XX
l
XX
l
lXX
l
XXl
lXXlXXl











=
=
−=
−=
⇔
41
2
4
41
54
3
41
9
2
41
42
1
l
X
X
l
X
X
BiÓu ®å m«men trong hÖ siªu tÜnh khi t¶i träng ®¬n vÞ ®Æt t¹i m2:
®éng lùc häc c«ng tr×nh
NguyÔn §×nh Trung –CHXD08 23
Ta cã ph−¬ng tr×nh :
( )
( ) 0
22.221.1
12.211.1
=
−
−
uimm
muim
δδ
δδ
( )( )
3
1 1
112
11
83
j j
l
M M
EI
δ = =
( )( )
3
2 2
793
22
246
j j
l
M M
EI
δ = =
( )( )
3
1 2
71
12 21
41
j j
l
M M
EI
δ δ= = =
Chän 110 δδ = ; m0=m
111=⇒ δ ;
339
793
22 =δ ;
113
142
12 =δ
( )
0
339
793
113
142
113
142
1.1
=






−
−
ui
ui
0
113
142
339
793
339
1132
2
2
2
=−+−⇔ ii uu



=
=
⇔
246.02
094.31
u
u
Suy ra:
®éng lùc häc c«ng tr×nh
NguyÔn §×nh Trung –CHXD08 24
331 426.0
094,3..
82
113
.
1
1.0.0
1
ml
EI
EI
l
m
um
px
===
δ
ω
332 718.1
246,0..
82
113
.
1
2.0.0
1
ml
EI
EI
l
m
um
px
===
δ
ω
b, X¸c ®Þnh [y]:
C¸c d¹ng dao ®éng riªng ph¶n xøng:
( )1 1 2 21. 11 . . 12. 0im ui y m yδ δ− + =
Víi u1=3.094 ta cã:
( ) 11 21
142
1.1 3.094 . 0
113
y y− + =
Chän y11=1 666.121 =⇒ y
Víi u2=0.246 ta cã:
( ) 12 22
142
1.1 0.246 . 0
113
y y− + =
Chän y22=1 77.112 −=⇒ y
Ta cã d¹ng dao ®éng nh− h×nh vÏ :
Theo nguyªn lÝ céng t¸c dông ta cã biÓu ®å m«men tÜnh :
®éng lùc häc c«ng tr×nh
NguyÔn §×nh Trung –CHXD08 25
BiÓu ®å( )t
pM
10.9θ ω=
HÖ ph−¬ng tr×nh t×m biªn ®é cña lùc qu¸n tÝnh J1, J2 :






=∆+





−+
=∆++





−
022
2
221.21
012.121.
1
11
pJ
m
u
J
pJJ
m
u
θ
θ
δδ
δδ
82.3
81.0
094.3
81.0
1
.81,0.0.0
1
.0.0
1
2
1
2
=====
u
mm
u
ωδθδ
θ
2
0
.111
P
p δ=∆
2
0
1
P
p =∆
2
0
.212
P
P δ=∆
0
113.2
142
2 PP =∆
Ta cã hÖ ph−¬ng tr×nh :
®éng lùc häc c«ng tr×nh
NguyÔn §×nh Trung –CHXD08 26
( )






=+





+
=++−
0
226
0142
2
339
793
1
113
142
0
2
0
2.
113
142
182.31
P
JJ
P
JJ



=
−=
⇔
0294.02
0046.01
PJ
PJ
( )( ) ( )( ) ( )t
pJJ
d
p MPMPMM ++−= 0294.00046.0 21
BiÓu ®å ( )d
pM
®éng lùc häc c«ng tr×nh
NguyÔn §×nh Trung –CHXD08 27
®éng lùc häc c«ng tr×nh
NguyÔn §×nh Trung –CHXD08
- -
1
B i 4
a. S¬ ®å tÝnh nh− trªn h×nh vÏ.
b. Sè liÖu tÝnh to¸n:
m1 = m4 = 2m
m2 = m3 = m
m/g = 10 (t)
b = 0,22 (m)
h = 0,60 (m)
E = 2,4 . 106
(t/m2
)
I*E = 9504 (tm2
)
c. TiÕn h nh chia hÖ th nh hai hÖ ®èi xøng
v ph¶n xøng nh− trªn h×nh vÏ .
Bá qua biÕn d¹ng däc trôc, ta chØ xÐt
®èi víi hÖ ph¶n xøng.
HÖ cã bËc tù do l 4. §Ó tÝnh c¸c
chuyÓn vÞ ngang t¹i c¸c ®iÓm ®Æt khèi
l−îng ta sö dông ch−¬ng tr×nh tÝnh
Sap2000.
δ11 = 6,757*10-4
(m)
δ12 = 9,568*10-4
(m)
δ13 = 10,16*10-4
(m)
δ14 = 10,34*10-4
(m)
δ21 = 9,568*10-4
(m)
δ22 = 22,54*10-4
(m)
δ23 = 26,73*10-4
(m)
δ24 = 27,8*10-4
(m)
δ31 = 10,16*10-4
(m)
δ32 = 26,73*10-4
(m)
δ33 = 41,37*10-4
(m)
δ34 = 46,33*10-4
(m)
δ41 = 10,34*10-4
(m)
δ42 = 27,8*10-4
(m)
δ43 = 46,33*10-4
(m)
δ44 = 62,53*10-4
(m)
d. Chän δ0 = 6,757*10-4
(m) ; m0 = m =10*g (t);
®éng lùc häc c«ng tr×nh
NguyÔn §×nh Trung –CHXD08
- -
2
δij = δij/δ0 ; mi = mi/m0 suy ra
δ11 = 1
m1 = 2.
δ12 = 1,42
m2 = 1.
δ13 = 1,5
m3 = 1.
δ14 = 1,53
m4 = 2.
δ21 = 1,42 δ22 = 3,34 δ23 = 3,96 δ24 = 4,11
δ31 = 1,5 δ32 = 3,96 δ33 = 6,12 δ34 = 6,86
δ41 = 1,53 δ42 = 4,11 δ43 = 6,86 δ44 = 9,25
e. Tõ ®©y ta cã ph−¬ng tr×nh tÇn sè:
11 1 i 12 2 13 3 14 4
21 1 22 2 i 23 3 24 4
31 1 32 2 33 3 i 34 4
41 1 42 2 43 3 44 4 i
m u m m m
m m u m m
0
m m m u m
m m m m u
δ − δ δ δ
δ δ − δ δ
=
δ δ δ − δ
δ δ δ δ −
Thay sè v o ta cã ph−¬ng tr×nh
i
i
i
i
2 u 1.42 1.5 3.06
2.84 3.34 u 3.96 8.22
0
3 3.96 6.12 u 13.72
3.06 4.11 6.86 18.5 u
−
−
=
−
−
Trong ®ã ui = 1/(δ0m0ωi
2
)
Khai triÓn ®Þnh thøc ta cã ph−¬ng tr×nh
u4
- 29.96u3
+ 89.8894u2
- 62.238528u + 10.05515472 = 0.
Gi¶i ph−¬ng tr×nh n y ta ®−îc c¸c nghiÖm ui ⇒ ωi
u1 = 0,2353 ⇒ ω1 = )/(1 100 umδ = 8 (1/s)
u2 = 0,6753⇒ ω2 = )/(1 200 umδ = 4,73 (1/s)
u3 = 2,3719⇒ ω3 = )/(1 300 umδ = 2,52 (1/s)
u4 = 26,6774⇒ ω4 = )/(1 400 umδ = 0,75 (1/s)
®éng lùc häc c«ng tr×nh
NguyÔn §×nh Trung –CHXD08
- -
3
f.D¹ng giao ®éng cña hÖ t−¬ng øng víi ui, ωi
( )
( )
( )
( )
i 1i 2i 3i 4i
1i i 2i 3i 4i
1i 2i i 3i 4i
i 1i 2
2 u y 1,42y 1,5y 3,06y 0
2,84y 3,34 u y 3,96y 8,22y = 0
3y 3,96y 6,12 u y 13,72y = 0
2 u y +1,42y
− + + + =
+ − + +
+ + − +
− i 3i 4i1,5y 3,06y = 0





 + +
(1)
f1)Víi u1, ω1:
u1 = 0,2353; chän y11 = 1;
HÖ ph−¬ng tr×nh (1) trë vÒ hÖ ba Èn:
21 31 41
21 31 41
21 31 41
1,42y 1,5y 3,06y 1,7647
3,1047y 3,96y 8,22y 2,84
3,96y 5,8847y 13,72y 3
+ + = −

+ + = −
 + + = −
(2)
Gi¶i hÖ (2) ®−îc c¸c nghiÖm:
y21 = -2,9248
y31 = 2,53
y41 = -0,4596
f2)Víi u2, ω2:
u2 = 0,6753; chän y12 = 1;
HÖ ph−¬ng tr×nh (1) trë vÒ hÖ ba Èn:
22 32 42
22 32 42
22 32 42
1,42y 1,5y 3,06y 1,3247
2,6647y 3,96y 8,22y 2,84
3,96y 5,4447y 13,72y 3
+ + = −

+ + = −
 + + = −
(3)
Gi¶i hÖ (3) ®−îc c¸c nghiÖm:
y22 = -0,5485
y32 = -1,2642
y42 = 0,4415
f3)Víi u3, ω3:
u3 = 2.372; chän y13 = 1;
HÖ ph−¬ng tr×nh (1) trë vÒ hÖ ba Èn:
®éng lùc häc c«ng tr×nh
NguyÔn §×nh Trung –CHXD08
- -
4
23 33 43
23 33 43
23 33 43
1,42y 1,5y 3,06y 0,3719
0,968y 3,96y 8,22y 2,84
3,96y 3,748y 13,72y 3
+ + =

+ + = −
 + + = −
(4)
Gi¶i hÖ (4) ®−îc c¸c nghiÖm:
y23 = 1,3369
y33 = 0,487
y43 = -0,7376
f4)Víi u4, ω4:
u3 = 26,6774; chän y14 = 1;
HÖ ph−¬ng tr×nh (1) trë vÒ hÖ ba Èn:
24 34 44
24 34 44
24 34 44
1,42y 1,5y 3,06y 24,6774
23,3374y 3,96y 8,22y 2,84
3,96y 20,5574y 13,72y 3
+ + =

− + + = −
 − + = −
(5)
Gi¶i hÖ (5) ®−îc c¸c nghiÖm:
y24 = 2,536
y34 = 3,9417
y44 = 4,9555
g. D¹ng dao ®éng cña hÖ t−¬ng øng víi ui, ωi
g1) Dao ®éng c¬ b¶n øng víi ωmin:
ωmin = ω4 = 0,75 (1/s)
y14 = 1
y24 = 2,536
y34 = 3,9417
y44 = 4,9555
®éng lùc häc c«ng tr×nh
NguyÔn §×nh Trung –CHXD08
- -
5
Dao ®éng thø 2 øng víi ω3 = 2,52 (1/s)
y13 = 1
y23 = 1,3369
y33 = 0,487
y43 = -0,7376
g2) Dao ®éng thø 3 øng víi ω2 = 4,73 (1/s)
y12 = 1
y22 = -0,5485
y32 = -1,2642
y42 = 0,4415
g3) Dao ®éng thø 4 øng víi ω1 = 8 (1/s)
y11 = 1
y21 = -2,9248
y31 = 2,53
y41 = -0,4596
h. X¸c ®Þnh lùc ®éng ®Êt lªn khung.
®éng lùc häc c«ng tr×nh
NguyÔn §×nh Trung –CHXD08
- -
6
C«ng thøc x¸c ®Þnh lùc ®éng ®Êt lªn khèi l−îng mk trong d¹ng dao ®éng
thø i :
Zki = k * A * Gk * ηki * βi
Trong ®ã :
k = k1 * k2 * kψ
k1-HÖ sè cho phÐp trong c«ng tr×nh ®−îc phÐp xuÊt hiÖn nh÷ng h−
háng giíi h¹n, th«ng th−êng lÊy k trong kho¶ng 0,12-0,25.
Trong tr−êng hîp n y ta chän k1 = 0,12.
k2-HÖ sè kÓ ®Õn nh÷ng ®Æc ®iÓm vÒ gi¶i ph¸p kÕt cÊu c«ng tr×nh
(nh khung, nh x©y, nh tÊm, sè l−îng tÇng) th«ng th−êng lÊy
k2 trong kho¶ng 0,5-1,5. Trong tr−êng hîp n y ta chän
k2 = 0,5
kψ-HÖ sè kÓ ®Õn sù gi¶m ¶nh h−ëng cña lùc c¶n, th«ng th−êng lÊy
kψ trong kho¶ng 1-1,5. Trong tr−êng hîp n y ta chän
kψ = 1.
⇒ k = 0,12 * 0,5 * 1 = 0,06
A- HÖ sè kÓ phô thuéc cÊp ®éng ®Êt, th«ng th−êng lÊy Atrong
kho¶ng 0,1- 0,25- 0,4 øng víi cÊp ®éng ®Êt 7-8-9 ®é Richer.
Trong tr−êng hîp n y ta chän A = 0,1.
Gk- Träng l−îng tÇng thø k. Gk
ηki - §−îc tÝnh theo c«ng thøc
∑
∑
=
=
= n
1j
2
jij
n
1j
jijki
ki
ym
ymy
η
βi – HÖ sè ®éng ®Êt kÓ ®Õn sù phô thuéc cña gia tèc v lùc ®éng
®Êt v o chu kú Ti cña dao ®éng riªng, th«ng th−êng lÊy βi trong
kho¶ng 0,8 < βi = a/Ti ≤ βmax
®éng lùc häc c«ng tr×nh
NguyÔn §×nh Trung –CHXD08
- -
7
a- HÖ sè phô thuéc v o lo¹i ®Êt nÒn d−íi mãng. Víi ®Êt lo¹i III th×
a=1,5
g4) Víi ω1, T1:
ω1 = 8 (1/s)
T1 = 2π/ω1 = 0,785 (s).
β1 = 1,5/0,393 = 1,91
∑
∑
=
=
= n
1j
2
j1j
4
1j
j1j11
11
ym
ymy
η = 0,0395
Z11 = 0,06 * 0,1 * 1,91*G1 * 0,0395 = G * 9,05 * 10-4
∑
∑
=
=
= n
1j
2
j1j
4
1j
j1j21
21
ym
ymy
η = -0,115
Z21 = -0,06 * 0,1 * 1,91*G2 * 0,115 = -1,32 * G * 10-3
∑
∑
=
=
= n
1j
2
j1j
4
1j
j1j31
31
ym
ymy
η = 0,1
Z31 = 0,06 * 0,1 * 1,91*G3 * 0,1 = 1,15 * G * 10-3
∑
∑
=
=
= n
1j
2
j1j
4
1j
j1j41
41
ym
ymy
η = -0,0181
Z41 = -0,06 * 0,1 * 1,91*G4 * 0,0181 = -4,15 * G * 10-4
Víi G = m = 10 (t) thay sè v o ta cã:
Z11 = 0,0091 (t)
Z21 = -0,0132 (t)
Z31 = 0,0115 (t)
Z41 = -0,00415 (t)
®éng lùc häc c«ng tr×nh
NguyÔn §×nh Trung –CHXD08
- -
8
g5) Víi ω2, T2:
ω2 = 4,73 (1/s)
T2 = 2π/ω2 = 1,33 (s).
β2 = 1,5/1,33 = 1,13
∑
∑
=
=
= n
1j
2
j2j
4
1j
j2j12
12
ym
ymy
η = 0,25
Z12 = 0,06 * 0,1 * 1,13*G1 * 0,25 = 3.39 * G * 10-3
∑
∑
=
=
= n
1j
2
j2j
4
1j
j2j22
22
ym
ymy
η = -0,137
Z22 = -0,06 * 0,1 * 1,13*G2* 0,137 = -9,29 * G * 10-4
∑
∑
=
=
= n
1j
2
j2j
4
1j
j2j32
32
ym
ymy
η = -0,315
Z32 = -0,06 * 0,1 * 1,13*G3 * 0,315 = -2,14 * G * 10-3
∑
∑
=
=
= n
1j
2
j2j
4
1j
j2j42
42
ym
ymy
η = 0,11
Z42 = 0,06 * 0,1 * 1,13*G4 * 0,11 = 1,49 * G * 10-3
Víi G = 2m = 20 (t) thay sè v o ta cã:
Z12 = 0,0339 (t)
Z22 = -0,00929 (t)
Z32 = 0,0214 (t)
Z42 = -0,0149 (t)
g6) Víi ω3, T3:
ω3 = 2,52 (1/s)
®éng lùc häc c«ng tr×nh
NguyÔn §×nh Trung –CHXD08
- -
9
T3 = 2π/ω3 = 2,49 (s).
β3 = 1,5/2,49 = 0,6 < 0,8.
Chän β3 = 0,8
∑
∑
=
=
= n
1j
2
j3j
4
1j
j3j13
13
ym
ymy
η = 0,46
Z13 = 0,06 * 0,1 * 0,8*G1 * 0,46 = 4,42 * G * 10-3
∑
∑
=
=
= n
1j
2
j3j
4
1j
j3j23
23
ym
ymy
η = 0,61
Z23 = 0,06 * 0,1 * 0,8*G2* 0,61 = 2,93 * G * 10-3
∑
∑
=
=
= n
1j
2
j3j
4
1j
j3j33
33
ym
ymy
η = 0,224
Z33 = 0,06 * 0,1 * 0,8*G3 * 0,224 = 1,08 * G * 10-3
∑
∑
=
=
= n
1j
2
j3j
4
1j
j3j43
43
ym
ymy
η = -0,34
Z43 = -0,06 * 0,1 * 0,8*G4 * 0,34 = -3,26 * G * 10-3
Z13 = 0,0442 (t)
Z23 = 0,0293 (t)
Z33 = 0,0108 (t)
Z43 = -0,0326 (t)
g7) Víi ω4, T4:
ω4 = 0,75 (1/s)
T4 = 2π/ω3 = 8,37 (s).
®éng lùc häc c«ng tr×nh
NguyÔn §×nh Trung –CHXD08
- -
10
β4 = 1,5/8,37 = 0,18< 0,8.
Chän β4 = 0,8
∑
∑
=
=
= n
1j
2
j4j
4
1j
j4j14
14
ym
ymy
η = 0,252
Z14 = 0,06 * 0,1 * 0,8*G1 * 0,252 = 2,42 * G * 10-3
∑
∑
=
=
= n
1j
2
j4j
4
1j
j4j24
24
ym
ymy
η = 0,638
Z24 = 0,06 * 0,1 * 0,8*G2* 0,638 = 3,06 * G * 10-3
∑
∑
=
=
= n
1j
2
j4j
4
1j
j4j34
34
ym
ymy
η = 0,992
Z34 = 0,06 * 0,1 * 0,8*G3 * 0,992 = 4,75 * G * 10-3
∑
∑
=
=
= n
1j
2
j4j
4
1j
j4j44
44
ym
ymy
η = 1,25
Z44 = -0,06 * 0,1 * 0,8*G4 * 1,25 = 12 * G * 10-3
Z14 = 0,0242 (t)
Z24 = 0,0306 (t)
Z34 = 0,0475 (t)
Z44 = 0,12 (t)

Bt dl hdong luc hoc ct

  • 1.
    Tr−êng ®¹i häcx©y dùng Khoa x©y dùng d©n dông & c«ng nghiÖp --------o0o-------- BµI TËP ®éng lùc häc c«ng tr×nh Gvhd: Ts.nguyÔn v¨n ph−îng HäC VI£N: NGUYÔN §×NH TRUNG LíP : CH08XD H Néi, n¨m 2009.
  • 2.
    ®éng lùc häcc«ng tr×nh NguyÔn §×nh Trung –CHXD08 1 PhÇn Lý THUYÕT §Ò t i :Tæng quan vÒ tÝnh dao ®éng cña hÖ khung ph¼ng. Cã nhiÒu ph−¬ng ph¸p tÝnh dao ®éng hÖ kÕt cÊu chÞu t¸c dông cña t¶i träng ®éng nh»m thùc hiÖn ®−îc c¸c nhiÖm vô cña b i to¸n dao ®éng: • X¸c ®Þnh quy luËt chuyÓn ®éng cña c¸c khèi l−îng trªn hÖ kÕt cÊu ®Ó kiÓm tra ®iÒu kiÖn bÒn. • X¸c ®Þnh chuyÓn vÞ ®éng trong hÖ ®Ó kiÓm tra ®iÒu kiÖn cøng. • X¸c ®Þnh tÇn sè dao ®éng riªng ®Ó kiÓm tra kh¶ n¨ng x¶y ra hiÖn t−îng céng h−ëng. VËy nªn viÖc gi¶i quyÕt b i to¸n dao ®éng l hÕt søc quan träng v cã ý nghÜa thùc tiÔn. C¸c ph−¬ng ph¸p tÝnh vÒ c¬ b¶n cã thÓ ph©n th nh hai lo¹i ph−¬ng ph¸p: • Ph−¬ng ph¸p tÜnh • Ph−¬ng ph¸p n¨ng l−îng. Ph−¬ng ph¸p tÜnh ®−îc x©y dùng theo c¸c nguyªn t¾c c©n b»ng tÜnh häc trong ®ã cÇn bæ sung lùc qu¸n tÝnh ®Æt t¹i c¸c khèi l−îng trªn hÖ v ®−îc x¸c ®Þnh trªn c¬ së nguyªn lý D.Alembert. Ph−¬ng ph¸p n¨ng l−îng ®−îc x©y dùng trªn c¬ së nguyªn lý b¶o to n n¨ng l−îng: Trong qu¸ tr×nh dao ®éng, tæng ®éng n¨ng K cña c¸c khèi l−îng trªn hÖ v thÕ n¨ng U cña hÖ l mét ®¹i l−îng kh«ng ®æi. Trong vËn dông ph−¬ng ph¸p n¨ng l−îng th−êng ®−îc x©y dùng tªn c¬ së nguyªn lý c«ng kh¶ dÜ. Khung ph¼ng ®−îc xem nh− hÖ cã cÊu t¹o tõ hai lo¹i phÇn tö dÇm (phÇn tö ngang v cét (phÇn tö ®øng). PhÇn tö dÇm chÞu uèn l chÝnh, cßn cét chÞu nÐn v
  • 3.
    ®éng lùc häcc«ng tr×nh NguyÔn §×nh Trung –CHXD08 2 nÐn uèn (khi cã t¶i ngang), liªn kÕt gi÷a dÇm v cét th−êng ë d¹ng nót cøng. Tr−íc ®©y ta ® nghiªn cøu ph−¬ng ph¸p chÝnh x¸c tÝnh tÇn sè dao ®éng riªng cña c¸c ph©n tö. Ph−¬ng ph¸p chÝnh x¸c: Khi xem khèi l−îng cña c¸c thanh ph©n bè theo chiÒu d i th× dao déng cña hÖ khung ®−îc tÝnh to¸n nh− dao ®éng cña hÖ cã bËc tù do b»ng v« cïng, ®ång thêi qu¸ tr×nh tÝnh to¸n ®−îc thùc hiÖn theo s¬ ®å biÕn d¹ng cña hÖ v cã kÓ ®Õn c¸c d¹ng lùc qu¸n tÝnh. ViÖc ¸p dông trùc tiÕp c¸c nghiªn cøu ®ã ®Ó tÝnh hÖ khung l rÊt phøc t¹p v thùc tÕ kh«ng ¸p dông ®èi víi hÖ khung nhiÒu tÇng cña c«ng tr×nh thùc tÕ. V× vËy ta sÏ nghiªn cøu c¸c ph−¬ng ph¸p ®¬n gi¶n h¬n ®Ó x¸c ®Þnh c¸c tÇn sè c¬ b¶n cña khung, kÓ c¶ nh÷ng khung phøc t¹p. Ta sÏ xuÊt ph¸t tõ c¸c ph−¬ng ph¸p tÝnh khung chÞu t¶i träng tÜnh trong CHHKC: ph−¬ng ph¸p lùc & ph−¬ng ph¸p chuyÓn vÞ. Khi hÖ cã sè bËc tù do lín h¬n 3 b i to¸n tÝnh dao ®éng b»ng ph−¬ng ph¸p tÝnh chÝnh x¸c theo ph−¬ng tr×nh vi ph©n cña dao ®éng sÏ trë nªn c«ng kÒnh, phøc t¹p. Do vËy víi b i to¸n cã sè bËc tù do lín h¬n 3 ta sÏ sö dông c¸c ph−¬ng ph¸p gÇn ®óng m kÕt qu¶ kh«ng sai kh¸c nhiÒu so víi ph−¬ng ph¸p tÝnh chÝnh x¸c. Trong ph¹m vi b i thu ho¹ch em xin tr×nh b y mét sè ph−¬ng ph¸p gÇn ®óng tÝnh dao déng cho hÖ thanh sau: 1. Ph−¬ng ph¸p n¨ng l−îng RayLeigh 2. Ph−¬ng ph¸p Sigalov. 3. Ph−¬ng ph¸p phÇn tö h÷u h¹n. 4. Ph−¬ng ph¸p sai ph©n h÷u h¹n. 5. Ph−¬ng ph¸p thay thÕ khèi l−îng. C¸c ph−¬ng ph¸p n y cho kÕt qu¶ t−¬ng ®èi chÝnh x¸c ®èi víi c¸c tÇn sè c¬ b¶n iω . XÐt dao ®éng cña hÖ khung chÞu lùc kÝch thÝch thay ®æi theo thêi gian P(t).
  • 4.
    ®éng lùc häcc«ng tr×nh NguyÔn §×nh Trung –CHXD08 3 Do thanh cã khèi l−îng ph©n bè theo chiÒu d i thanh nªn b i to¸n dao ®éng cña hÖ khung cã sè bËc tù do b»ng v« cïng. Dïng ph−¬ng ph¸p thay thÕ khèi l−îng ®Ó ®−a vÒ b i to¸n tÝnh dao ®éng hÖ khung cã sè bËc tù do h÷u h¹n. Ph−¬ng ph¸p thay thÕ khèi l−îng: Thay thÕ khèi l−îng ph©n bè b»ng mét sè khèi l−îng tËp trung. Chia thanh ®ã th nh nhiÒu ®o¹n råi thay thÕ khèi l−îng ph©n bè trªn ®o¹n ®ã b»ng khèi l−îng tËp trung theo mét trong hai c¸ch sau: • TËp trung khèi l−îng vÒ träng t©m kho¶ng chia. • TËp trung khèi l−îng vÒ th nh 2 khèi l−îng tËp trung ®Æt ë 2 ®Çu ®o¹n chia.( Hay dïng theo c¸ch n y v× mét sè khèi l−îng ®−îc ®Æt v o vÞ trÝ ®Æc biÖt kh«ng tham gia dao ®éng l m gi¶m sè bËc tù do cña hÖ.) ViÖc sö dông ph−¬ng ph¸p thay thÕ khèi l−îng cho kÕt qu¶ sai kh¸c víi c¸ch tÝnh chÝnh x¸c 1%-2% khi x¸c ®Þnh 1ω (TÇn sè dao ®éng c¬ b¶n) v sai sè t¨ng nhanh khi x¸c ®Þnh c¸c tÇn sè riªng bËc cao. Khi tÝnh dao ®éng c−ìng bøc theo s¬ ®å khèi l−îng thay thÕ nÕu cã tÇn sè cña lùc kÝch thich ωθ < (tÇn sè dao ®éng riªng cña hÖ) th× sai sè kh¸ nhá. Nh− vËy ta chÊp nhËn mét sai sè cho phÐp ®Ó ®−a b i to¸n tÝnh dao ®éng cña hÖ khung cã bËc tù do n b»ng v« cïng vÒ b i to¸n tÝnh gÇn ®óng dao ®éng cña hÖ cã sè bËc tù do h÷u h¹n. ViÖc ph©n tÝch dao ®éng cña hÖ cã bËc tù do b»ng n ®−îc ®−a vÒ kh¶o s¸t dao ®éng cña n hÖ t−¬ng ®−¬ng mçi hÖ cã bËc tù do b»ng 1. §Ó tËp trung v o viÖc tr×nh b y c¸c ph−¬ng ph¸p tÝnh, em gi¶i quyÕt b i to¸n tÝnh dao ®éng riªng kh«ng c¶n. a. Ph−¬ng ph¸p lùc tÝnh dao ®éng hÖ khung. Ta cã ph−¬ng tr×nh tÇn sè (2.9):
  • 5.
    ®éng lùc häcc«ng tr×nh NguyÔn §×nh Trung –CHXD08 4 0 )(..... .................... .....)( .....)( 2211 2222211 1122111 = − − − −−−−−− −−−−−− −−−−−− innnnn nni nni ummm mumm mmum δδδ δδδ δδδ Trong ®ã: • km : khèi l−îng tËp trung trªn hÖ, k=1, 2,.., n • kiδ : ChuyÓn vÞ t¹i khèi l−îng km do lùc 1=iZ t¸c dông tÜnh t¹i vÞ trÝ cña khèi l−îng im g©y ra. • o k k m m m = − ; o ki ki δ δ δ = − l c¸c hÖ sè kh«ng thø nguyªn; oom δ, l c¸c gi¸ trÞ chän bÊt kú. • 2 .. 1 ioo i m u ωδ = Dïng ph−¬ng ph¸p lùc ®Ó x¸c ®Þnh c¸c kiδ : - T¹i vÞ trÝ im ®Æt lùc 1=iZ . - VÏ biÓu ®å m«men uèn − iM do 1=iZ g©y ra trong hÖ b»ng ph−¬ng ph¸p lùc. (Chän hÖ c¬ b¶n b»ng c¸ch thay c¸c liªn kÕt siªu tÜnh b»ng c¸c lùc X1, X2,… Xj víi j l bËc siªu tÜnh cña hÖ.) - T¹i vÞ trÝ km ®Æt lùc 1=kP . - VÏ biÓu ®å m«men uèn − kM do 1=kK g©y ra trong hÖ b»ng ph−¬ng ph¸p lùc. (Chän hÖ c¬ b¶n b»ng c¸ch thay c¸c liªn kÕt siªu tÜnh b»ng c¸c lùc X1, X2,… Xj víi j l bËc siªu tÜnh cña hÖ.) - KÕt qu¶ kiδ =( − kM ).( − iM ). Khai triÓn ®Þnh thøc (2.9) ®Ó gi¶i ph−¬ng tr×nh t×m ui ®Ó x¸c ®Þnh iω .
  • 6.
    ®éng lùc häcc«ng tr×nh NguyÔn §×nh Trung –CHXD08 5 §èi víi hÖ cã bËc tù do b»ng n ta lu«n t×m ®−îc n gi¸ trÞ tÇn sè dao ®éng riªng. øng víi mçi tÇn sè dao ®éng riªng iω cã mét d¹ng chÝnh cña dao ®éng x¸c ®Þhn b»ng c¸c chuyÓn vÞ niii yyy ....,, 21 cña c¸c khèi l−îng. §Ó x¸c ®Þnh c¸c chuyÓn vÞ niii yyy ....,, 21 cña c¸c khèi l−îng ta thay kÕt qu¶ c¸c gi¸ trÞ ui ® t×m ®−îc v o ph−¬ng tr×nh (2.8) 0).(....... .................... 0......).(. 0.......).( 222111 222221211 121221111 =− =− =− −−−−−− −−−−−− −−−−−− niinnninin ninniii ninniii yumymym ymyumym ymymyum δδδ δδδ δδδ Ta cã hÖ n Èn sè l c¸c chuyÓn vÞ, cã (n-1) ph−¬ng tr×nh ( v× mét ph−¬ng tr×nh phô thuéc). Cho nªn ph¶i chän mét gi¸ trÞ ban ®Çu ®Ó x¸c ®Þnh c¸c chuyÓn vÞ cßn l¹i. b. Ph−¬ng ph¸p chuyÓn vÞ tÝnh dao ®éng hÖ khung Ta cã ph−¬ng tr×nh tÇn sè (2.9): 0 )(..... .................... .....)( .....)( 2211 2222211 1122111 = − − − −−−−−− −−−−−− −−−−−− innnnn nni nni ummm mumm mmum δδδ δδδ δδδ Dïng ph−¬ng ph¸p chuyÓn vÞ ®Ó x¸c ®Þnh c¸c kiδ : - T¹i vÞ trÝ im ®Æt lùc 1=iZ . - VÏ biÓu ®å m«men uèn − iM do 1=iZ g©y ra trong hÖ b»ng ph−¬ng ph¸p chuyÓn vÞ. (Chän hÖ c¬ b¶n b»ng c¸ch thªm v o hÖ c¸c liªn kÕt phô ®Ó ng¨n c¶n chuyÓn vÞ xoay, chuyÓn vÞ th¼ng cña c¸c nót. ) - T¹i vÞ trÝ km ®Æt lùc 1=kP . - VÏ biÓu ®å m«men uèn − kM do 1=kK g©y ra trong hÖ b»ng ph−¬ng ph¸p
  • 7.
    ®éng lùc häcc«ng tr×nh NguyÔn §×nh Trung –CHXD08 6 - KÕt qu¶ kiδ =( − kM ).( − iM ). Khai triÓn ®Þnh thøc (2.9) ®Ó gi¶i ph−¬ng tr×nh t×m ui ®Ó x¸c ®Þnh iω . Sau ®ã tiÕp tôc thùc hiÖn c¸c yªu cÇu cßn l¹i cña b i to¸n nh− ® tr×nh b y ë phÇn a. NhËn xÐt: ViÖc khai triÓn ®Þnh thøc (2.9) v gi¶i hÖ ph−¬ng tr×nh t×m tÇn sè dao ®éng riªng, t×m c¸c chuyÓn vÞ l phøc t¹p khi hÖ cã sè bËc tù do lín. Bªn c¹nh ®ã sö dông ph−¬ng ph¸p lùc v ph−¬ng ph¸p vhuyÓn vÞ ®Ó vÏ biÓu ®å m« men, nh©n biÓu ®å còng sÏ cång kÒnh nÕu hÖ cã bËc siªu tÜnh lín. c. Ph−¬ng ph¸p n¨ng l−îng Ray-Leigh Dùa v o nguyªn ly b¶o to n n¨ng l−îng víi ®−êng ® n håi gi¶ ®Þnh tr−íc. Khi dao ®éng: - T¹i vÞ trÝ xa ®iÓm c©n b»ng nhÊt khèi l−îng ®¹t thÕ n¨ng lín nhÊt Umax v ®éng n¨ng K=0. - T¹i vÞ trÝ c©n b»ng khèi l−îng ®¹t ®éng n¨ng lín nhÊt Kmax v thÕ n¨ng U=0. Theo ®Þnh luËt b¶o to n n¨ng l−îng: K+U=const. maxmax 00 KU +=+⇒ maxmax KU =⇒ Chän d¹ng dao ®éng tzytzy ii ωsin).(),( = ThÕ n¨ng Umax: dz i EI U zy ))(( ''. 2 2 max ∑∫= §éng n¨ng : dz vzm K z . 2 ).( 2 1 2 max ∑ ∫= ; tzytzyv iiiiz ωω cos.).(),( == • KÕt qu¶: dzzyzm dz i EI i i zy .)().( ''. 2 2 2 ))(( ∑∫ ∑∫=ω
  • 8.
    ®éng lùc häcc«ng tr×nh NguyÔn §×nh Trung –CHXD08 7 BiÕt ®−îc qui luËt ph©n bè khèi l−îng m(z) trªn c¸c phÇn tö thanh thùc hiÖn tÝnh tÝch ph©n víi d¹ng dao ®éng ® chän ta t×m ®−îc tÇn sè dao ®éng riªng cña hÖ. NhËn xÐt: Ph−¬ng ph¸p n¨ng l−îng Rayleigh tÝnh to¸n kh«ng phô thuéc sè bËc tù do cña hÖ m phô thuéc v o viÖc chän d¹ng dao ®éng riªng. ViÖc chän d¹ng dao ®éng riªng phô thuéc v o d¹ng ®−êng ® n håi do c¸c t¶i träng tËp trung, t¶i träng ph©n bè ®Òu hay t¶i träng ph©n bè h×nh thang,…t¸c dông lªn hÖ khung. d. Ph−¬ng ph¸p Sigalov. Ph−¬ng ph¸p Sigalov gi¶ thiÕt s n cøng, cïng chuyÓn vÞ ngang víi hÖ khung. Dao ®éng cña khung kh«ng gian cho bëi mÆt b»ng khung ®−îc thay b»ng khung ph¼ng t−¬ng ®−¬ng, ®é cøng cña khung ph¼ng t−¬ng ®−¬ng: • §é cøng cét ∑= cic EIEI / 1 tÇng • §é cøng dÇm ∑ ®= id EIEI / 1 tÇng Khi chuyÓn vÞ xem gãc xoay t¹i c¸c nót trªn ph¹m vi tÇng l nh− nhau. Tr×nh tù c¸c b−íc x¸c ®Þnh gÇn ®óng tÇn sè dao ®éng cña hÖ khung: - Buíc 1: X¸c ®Þhn ®é cøng ®¬n vÞ dÇm, cét trªn tõng tÇng: • i di kdi k l EI i = ; li: nhÞp cña dÇm. • i ci kci k h EI i = ; hi: chiÒu cao tÇng. - B−íc 2: X¸c ®Þhn tæng ®é cøng ®¬n vÞ dÇm, cét trong ph¹m vi tÇng: • Tæng ®é cøng ®¬n vÞ cña c¸c dÇm trong tÇng thø k ∑= )(i di kk ir • Tæng ®é cøng ®¬n vÞ cña c¸c cét trong tÇng thø k ∑= )(i ci kk iS - Buíc 3: X¸c ®Þnh chuyÓn vÞ ngang t−¬ng ®èi cña tÇng thø k do P=1 ®Æt t¹i tÇng thø k g©y ra Ck:
  • 9.
    ®éng lùc häcc«ng tr×nh NguyÔn §×nh Trung –CHXD08 8       + +=       + + += + k kk k k k r hh S h C Sr hh S h C .4 )( 12 1 .33,0.4 )( 12 1 2 1 2 11 2 21 1 2 1 1 - Buíc 3: X¸c ®Þnh chuyÓn vÞ ngang tÇng trªn cïng. 11 1 )( 48 1 . ++ = ∑∑ +−= kkk k k n k kkn hhh r G QCy Qk: tæng lùc c¾t trong c¸c cét thuéc tÇng thø k ∑= n ik PQ 1 - Buíc 4: X¸c ®Þnh tÇn sè dao ®éng riªng. §èi víi hÖ khung nhiÒu tÇng nhiÒu nhÞp d¹ng biÕn d¹ng cã thÓ xem l do mét hÖ lùc n o ®ã g©y ra. Khi khung dao ®éng khèi l−îng cña c¸c c©u kiÖn cét, dÇm, s n ®−îc tËp trung vÒ nót khung do ®ã hÖ t¶i träng tËp trung P1, P2,…, Pn xem l nh÷ng lùc qu¸n tÝnh t−¬ng øng. Lùc qu¸n tÝnh t¸c dông ë cao ®é s n Z(t) ®−îc ph©n tÝch th nh lùc qu¸n tÝnh ph©n bè trªn cao ®é tÇng. Theo c¸c gi¶ thiÕt trªn ph−¬ng ph¸p Sigalov ®−a ra c«ng thøc x¸c ®Þnh tÇn sè dao ®æng riªng øng víi 3 d¹ng dao ®éng riªng chÝnh: • ny k1 1 =ω ; ∑ = n kk Cm k 1 3,2 3,2 . ω Trong ®ã c¸c hÖ sè k lÊy theo b¶ng sau: TÇng 4 5 6 7 >7 k1 34,5 35,1 35,8 36,4 nn 2).1(.2,49 + k2 4 4,35 4,55 4,65 4,72 k3 6,15 7,1 7,6 7,8 7,85
  • 10.
    ®éng lùc häcc«ng tr×nh NguyÔn §×nh Trung –CHXD08 9 NhËn xÐt: Ph−¬ng ph¸p Sigalov cho phÐp x¸c ®Þnh gÇn ®óng c¸c tÇn sè dao ®éng riªng ®Çu tiªn cña khung mét c¸ch thuËn lîi trong ph©n tÝch v tÝnh to¸n kÕt cÊu c«ng tr×nh thùc tÕ. e. Ph−¬ng ph¸p sai ph©n h÷u h¹n. Néi dung cña ph−¬ng ph¸p sai ph©n l gi¶i gÇn ®óng ph−¬ng tr×nh vi ph©n cña dao ®éng b»ng gi¶i hÖ ph−¬ng tr×nh sai ph©n. §Ó thùc hiÖn ta chia hÖ th nh nhiÒu ®o¹n , t¹i mçi ®iÓm chia thay ®¹o h m b»ng c¸c sai ph©n ®Ó lËp ph−¬ng tr×nh sai ph©n t−¬ng øng. Ph−¬ng tr×nh vi ph©n biÓu thÞ dao ®éng tù do cña thanh mang khèi l−îng ph©n bè ®Òu m, chiÒu d i l v tiÕi diÖn kh«ng ®æi EI cã d¹ng: 0)( )( 4 4 4 =− zyk dz zyd víi EI lm k 24 4 .. ω = Chia thanh th nh n ®o¹n b»ng nhau, mçi ®o¹n chia cã chiÒu d i z∆ , ta cã: ;. znl ∆= ξ∆=∆ .lz n/1=∆ξ Ph−¬ng tr×nh vi ph©n biÓu thÞ gÇn ®óng d−íi d¹ng sai ph©n: 04 4 4 =− ∆ ∆ yk y ξ Ph−¬ng tr×nh sai ph©n cho ®iÓm chia thø i: 0.4).6(.4 214 4 12 =++−+− ++−− iiii yyy n k yy víi i=1,2…,(n-1). Nh− vËy víi mçi ®iÓm chia ta ®−îc mét ph−¬ng tr×nh ®¹i sè tuyÕn tÝnh. Khi chia hÖ th nh n ®o¹n ta sÏ cã (n-1) ph−¬ng tr×nh sai ph©n víi (n+1) Èn sè, do ®ã cÇn bæ sung thªm hai ®iÒu kiÖn biªn ®Ó cã ®−îc hÖ kÝn. §Ó tån t¹i dao ®éng th× ®Þnh thøc c¸c hÖ sè cña hÖ ph−¬ng tr×nh b»ng kh«ng, khai triÓn ®Þnh thøc gi¶i ph−¬ng tr×nh víi Èn sè l k. Sau khi t×m ®−îc k ta x¸c ®Þnh tÇn sè dao ®éng riªng theo:
  • 11.
    ®éng lùc häcc«ng tr×nh NguyÔn §×nh Trung –CHXD08 10 m EI l k 2 2 =ω NhËn xÐt: §é chÝnh x¸c cña b i to¸n phô thuéc v o sè ®iÓm chia, nÕu sè ®iÓm chia c ng nhiÒu th× kÕt qu¶ c ng chÝnh x¸c song sè ph−¬ng tr×nh ®¹i sè tuyÕn tÝnh còng sÏ t¨ng ®−a ®Õn khèi l−îng tÝnh to¸n c ng lín.
  • 12.
    ®éng lùc häcc«ng tr×nh NguyÔn §×nh Trung –CHXD08 1 PhÇn bµi tËp B i 1: Cho hÖ cã s¬ ®å nh− h×nh vÏ: 10.6θ ω= Víi ω1 l tÇn sè c¬ b¶n a) X¸c ®Þnh tÇn sè dao ®éng riªng ω b) X¸c ®Þnh hÖ sè K® c)VÏ biÓu ®å m«men uèn ®éng( M® P) B i l m: a, X¸c ®Þnh tÇn sè dao ®éng riªng ωωωω: *XÐt dao d¹ng dao ®éng ®èi xøng : l l m2 = m m3 = mm1 = m q(t) = q(0)sinθt 2EI EI EI l
  • 13.
    ®éng lùc häcc«ng tr×nh NguyÔn §×nh Trung –CHXD08 2 +VÏ biÓu ®å momen : Mj HÖ siªu tÜnh bËc 1 Dïng ph−¬ng ph¸p lùc ®Ó vÏ biÓu ®å Momen Mj : 11 1 1 0pxXδ + ∆ =
  • 14.
    ®éng lùc häcc«ng tr×nh NguyÔn §×nh Trung –CHXD08 3 1 1 2 1 5 11 ( 1)( 1) .1. . .1. .1 2 3 2 6 l M M l l EI EI EI δ   = = + =    2 1 1 2 1 1 7 1 ( 1)( 1 ) . . . . . . .1 2 3 2 2 12 l p M M p l l l l EI EI EI δ − − −    = = + =        1 7 10 l X⇒ = BiÓu ®å Momen Mj:
  • 15.
    ®éng lùc häcc«ng tr×nh NguyÔn §×nh Trung –CHXD08 4 BiÓu ®å Momen Mk: ChuyÓn vÞ kh¸i qu¸t : 11 ( ).( )kq j kM Mδ δ= = 3 1 1 3 2 1 1 2 7 11 . . . . . . . . . . . . . 2 10 3 2 2 3 10 2 120 kq l l l l l l l l l l EI EI EI δ     = + − =        3 3 1 1 2.7 3 11.. . . 2 120. dx kq EI m lM ml EI ω δ = = =
  • 16.
    ®éng lùc häcc«ng tr×nh NguyÔn §×nh Trung –CHXD08 5 *XÐt dao d¹ng dao ®éng ph¶n xøng : +VÏ biÓu ®å momen : Mj HÖ tÝnh ®Þnh : 11 1 1( ).( )kq M Mδ δ= =
  • 17.
    ®éng lùc häcc«ng tr×nh NguyÔn §×nh Trung –CHXD08 6 3 11 1 1 1 1 2 1 1 2 ( ).( ) ( . . . ) ( . . . ) 2 3 2. 2 3 2 kq l M M l l l l l l EI EI EI δ δ= = = + = 3 3 1 1 1.15 3. . . 2 2 dx kq EI m lM ml EI ω δ = = = b, X¸c ®Þnh hÖ sè ®éng riªng K®: 2 2 2 1 1 1.5625 0.6 1 ( )(1 ) dK ωθ ωω = = =   −−    c. VÏ biÓu ®å m«men uèn ®éng( M® P) : ( ) .( )d d t P pM K M= * VÏ biÓu ®å m«men uèn ®éng( Mt P) :
  • 18.
    ®éng lùc häcc«ng tr×nh NguyÔn §×nh Trung –CHXD08 7 HÖ siªu tÜnh bËc 1 Dïng ph−¬ng ph¸p lùc ®Ó vÏ biÓu ®å Momen Mj : 11 1 1 0pxXδ + ∆ =
  • 19.
    ®éng lùc häcc«ng tr×nh NguyÔn §×nh Trung –CHXD08 8 11 1 1 2 1 5 ( 1)( 1) .1. . .1. .1 2 3 2 6 l M M l l EI EI EI δ   = = + =    2 2 2 3 0 0 0 0 1 . . .1 1 1 1 2 ( 1)( 1 ) . . .1 . . . .1 . . .1 2 2 2 2 2 3 8 3 P q l q l q l q l M M p l l l EI EI EI δ     −− − = = + − =        2 0 1 2. . 5 q l X⇒ = BiÓu ®å Momen( Mt P): t P 1 1(M ) ( ). ( )PM X M= +
  • 20.
    ®éng lùc häcc«ng tr×nh NguyÔn §×nh Trung –CHXD08 9 B i 2: Cho hÖ kÕt cÊu chÞu lùc kÝch thÝch P(t) = P0sinθt nh− h×nh vÏ: 10.6θ ω= Víi ω1 l tÇn sè c¬ b¶n a.X¸c ®Þnh [ω] b.VÏ biÓu ®å m«men uèn ®éng (M® P) 2P(t) 2P(t) m2 = 2mm1 = m 2EI EI EI l l l EI = ∞ l m1 = m m0 = m/l
  • 21.
    ®éng lùc häcc«ng tr×nh NguyÔn §×nh Trung –CHXD08 10 B i l m: a, X¸c ®Þnh tÇn sè dao ®éng riªng ωωωω: *XÐt dao d¹ng dao ®éng ®èi xøng : NhËn xÐt : -HÖ bËc tù do b»ng 1 +VÏ biÓu ®å momen : Mj
  • 22.
    ®éng lùc häcc«ng tr×nh NguyÔn §×nh Trung –CHXD08 11 NhËn xÐt : -HÖ siªu tÜnh bËc 2 Dïng ph−¬ng ph¸p lùc ®Ó vÏ biÓu ®å Momen Mj : 11 1 12 2 1 21 1 22 2 2 . . 0 . . 0 p p X X X X δ δ δ δ + + ∆ = + + ∆ = 1 1 1 2 1 5 11 ( 1)( 1) 2. . . .1. .1 . 2 2 3 2 6 l M M l l EI EI EI δ   = = + =   
  • 23.
    ®éng lùc häcc«ng tr×nh NguyÔn §×nh Trung –CHXD08 12 1 1 1 2 1 22 ( 2)( 2) 2. . . . 2 2 3 3 l M M l EI EI δ   = = =    12 21 0δ δ= = 2 0 1 1 1 2 1 1 7 1 ( )( ) 2. . . . . . .1 . 2 2 3 2 2 12 p l l p M M l l l EI EI EI   ∆ = = + =    2 0p∆ = 1 2 7 , 0 10 l X X − ⇒ = = 0 1 21 2( ) ( ). ( ). ( )j pM M X M X M= + + ChuyÓn vÞ kh¸i qu¸t : ( ).( )kkq jM Mδ = 3 1 1 17 2 1 1 2 7 109 2. . . . . . . . . . . 2 20 3 2 2 3 10 2 120 kq l l l l l l l l l l EI EI EI δ     = + + =        3 3 1 1 1.66 109.. 3 . . 120. dx kq EI lM ml m EI ω δ = = =
  • 24.
    ®éng lùc häcc«ng tr×nh NguyÔn §×nh Trung –CHXD08 13 *XÐt dao d¹ng dao ®éng ph¶n xøng : NhËn xÐt : -HÖ bËc tù do b»ng 2 +VÏ biÓu ®å momen : Mj HÖ cã hai bËc tù do. B»ng c¸ch nh©n biÓu ®å Vªnªsaghin ta cã:
  • 25.
    ®éng lùc häcc«ng tr×nh NguyÔn §×nh Trung –CHXD08 14 3 1 1 2. 1 1 2.2. 4 11 ( 1)( 1) 2. . . . .2. . . 2 3 2 2 3 3 l l l M M l l l l EI EI EI δ     = = + =        3 1 1 2. 1 1 2. 22 ( 2)( 2) . . . . . . 2 3 2 2 3 2 l l l M M l l l l EI EI EI δ     = = + =        3 1 1 2 1 1 2 2 12 21 . . . .2 . . 2 3 2 2 3 3 l l l l l l l EI EI EI δ δ     = = + =        m1=m; m2=m Chän 3 4 0 11 3 l EI δ δ= = ; m0=m ta cã: 11 0 3 22 3 0 3 21 3 0 11 1; 3 3 22 . 2 4 8 2 3 1 12 21 . 3 4 2 l EI EI l l EI EI l δ δ δ δ δ δ δ δ δ δ = = = = = = = = = ;11 =m 2 1m = Ta cã ph−¬ng tr×nh : ( ) ( ) 0 22.221.1 12.211.1 = − − uimm muim δδ δδ ( ) 1.1 1.1 2 0 1 3 1. 1. 2 8 i i u u − =   −    2 11 1 0 8 8 i iu u⇔ − + = 1 1.277 2 0.098 u u = ⇔  = Suy ra: 1 3 3 1 1 0.77 40. 0. 2 . . .1,277 3 px EI lm u ml m EI ω δ = = =
  • 26.
    ®éng lùc häcc«ng tr×nh NguyÔn §×nh Trung –CHXD08 15 2 3 3 1 1 2.76 40. 0. 1 . . .0,098 3 px EI lm u ml m EI ω δ = = = Theo nguyªn lÝ céng t¸c dông ta cã biÓu ®å m«men tÜnh : 10.9θ ω= HÖ ph−¬ng tr×nh t×m biªn ®é cña lùc qu¸n tÝnh J1, J2 :       =∆+      −+ =∆++      − 022 2 221.21 012.121. 1 11 pJ m u J pJJ m u θ θ δδ δδ 2 2 1 1 1 1 1.277 1.58 0. 0. 0. 0.0,81. 0.81 0.81 u u m m θ δ θ δ ω = = = = = 3 3 3 4 2 4 0 1 11.2 0 12.2 0 .2 0 3 3 l l l P p P P P EI EI EI δ δ   ∆ = + = + =    3 1 3 0 4 3 1 . 3 4 p l Po EI p Po EI l δ δ ∆ = = = 3 3 3 2 7 0 2 21.2 0 22.2 0 .2 0 2 3 3 l l l P P P P P EI EI EI δ δ   ∆ = + = + =   
  • 27.
    ®éng lùc häcc«ng tr×nh NguyÔn §×nh Trung –CHXD08 16 3 2 3 0 7 3 7 2 . 3 4 4 p l Po EI Po P EI l δ δ ∆ = = = Ta cã hÖ ph−¬ng tr×nh : ( )1 1,58 1 0,5. 2 3 0 3 7 0,5. 1 1,58 2 0 8 4 J J Po Po J J  − + + =     + − + =    0,58. 1 0,5. 2 3 0 0,5. 1 1,205. 2 1,75 0 J J Po J J Po − + + =  − + = 1 23. 0 2 11. 0 J P J P = ⇔  = ( )( ) ( )( ) ( )1 223. 0 11. 0d t p J J pM M P M P M= + + BiÓu ®å ( )d pM
  • 28.
    ®éng lùc häcc«ng tr×nh NguyÔn §×nh Trung –CHXD08 17 B i 3: Cho hÖ kÕt cÊu chÞu lùc kÝch thÝch P(t)=P0sinθt nh− h×nh vÏ: 19.0 ωθ = Víi ω1 l tÇn sè c¬ b¶n - X¸c ®Þnh [ω] - X¸c ®Þnh [yi] - VÏ biÓu ®å m«men uèn ®éng (M® P) B i l m: a, X¸c ®Þnh tÇn sè dao ®éng riªng ωωωω: *XÐt dao d¹ng dao ®éng ®èi xøng : NhËn xÐt : m1 = 2m l l l EI = const l P(t) m2 = 2m
  • 29.
    ®éng lùc häcc«ng tr×nh NguyÔn §×nh Trung –CHXD08 18 -HÖ bËc tù do b»ng 2 +VÏ biÓu ®å momen : Mj NhËn xÐt : -HÖ siªu tÜnh bËc 4 Dïng ph−¬ng ph¸p lùc ®Ó vÏ biÓu ®å Momen Mj : 11 1 12 2 13 3 14 4 1 21 1 22 2 23 3 24 4 2 31 1 32 2 33 3 34 4 3 41 1 42 2 43 3 44 4 4 . . . . 0 . . . . 0 . . . . 0 . . . . 0 p p p p X X X X X X X X X X X X X X X X δ δ δ δ δ δ δ δ δ δ δ δ δ δ δ δ + + + + ∆ = + + + + ∆ = + + + + ∆ = + + + + ∆ = Ta cã biÓu ®å m«men :
  • 30.
    ®éng lùc häcc«ng tr×nh NguyÔn §×nh Trung –CHXD08 19 Ta cã: EI l ll EI 3 2 . 3 8 2. 3 2 .4. 2 11 11 =      =δ ( ) EI l l EI 2 2 2 1.2 1 12 ==δ
  • 31.
    ®éng lùc häcc«ng tr×nh NguyÔn §×nh Trung –CHXD08 20 EI ll ll EI 3 2 6 5 3 2 2 1 . 1 13 =            +=δ EI ll ll EI 2 2 3 2 . 1 14 =            +=δ ( ) EI l ll EI 3 2 1 22 =+=δ EI ll EI 2 1. 2 1 23 22 =        =δ ( ) EI l l EI == 1. 1 24δ EI lll EI 33 2 . 2 1 33 32 =        =δ EI ll EI 2 1. 2 1 34 22 =        =δ ( ) EI l ll EI 21 44 =+=δ Khi t¶i träng ®¬n vÞ ®Æt t¹i m1 ta cã biÓu ®å m«men: EI ll ll EI p 2 3 2 1 1 2 2 =            +=∆
  • 32.
    ®éng lùc häcc«ng tr×nh NguyÔn §×nh Trung –CHXD08 21 ( ) EI l l EI p 2 2 1. 1 2 ==∆ EI ll l EI p 22 . 1 3 3 2 =      =∆ EI ll l EI p 2 3 2 1 4 22 2 =        +=∆ HÖ ph−¬ng tr×nh:            =++++ =++++ =++++ =++++ 0 2 3 423 2 21 2 3 0 2 4 2 1 3 3 2 2 1 1 6 5 043 2 231.2 0 2 3 4 2 3 3. 6 5 221. 3 8 lXX l XX l l XX l XX l lXX l XXl lXXlXXl            −= −= = −= ⇔ 41 23 4 41 6 3 41 2 41 9 1 l X X l X X BiÓu ®å m«men trong hÖ siªu tÜnh khi t¶i träng ®¬n vÞ ®Æt t¹i m1: Khi t¶i träng ®¬n vÞ ®Æt t¹i m2 ta cã biÓu ®å m«men:
  • 33.
    ®éng lùc häcc«ng tr×nh NguyÔn §×nh Trung –CHXD08 22 ( ) EI l ll EI p 3 2 2 .2 1 1 ==∆ ( ) EI l ll EI p 2 2 .2 1 2 ==∆ EI l l l EI p 2 . 2 1 3 32 =        =∆ ( ) EI l ll EI p 2 . 1 4 ==∆ HÖ ph−¬ng tr×nh:            =++++ =++++ =++++ =++++ 0423 2 21 2 3 0 2 4 2 1 3 3 2 2 1 1 6 5 0243 2 231.2 024 2 3 3. 6 5 221. 3 8 lXX l XX l l XX l XX l lXX l XXl lXXlXXl            = = −= −= ⇔ 41 2 4 41 54 3 41 9 2 41 42 1 l X X l X X BiÓu ®å m«men trong hÖ siªu tÜnh khi t¶i träng ®¬n vÞ ®Æt t¹i m2:
  • 34.
    ®éng lùc häcc«ng tr×nh NguyÔn §×nh Trung –CHXD08 23 Ta cã ph−¬ng tr×nh : ( ) ( ) 0 22.221.1 12.211.1 = − − uimm muim δδ δδ ( )( ) 3 1 1 112 11 83 j j l M M EI δ = = ( )( ) 3 2 2 793 22 246 j j l M M EI δ = = ( )( ) 3 1 2 71 12 21 41 j j l M M EI δ δ= = = Chän 110 δδ = ; m0=m 111=⇒ δ ; 339 793 22 =δ ; 113 142 12 =δ ( ) 0 339 793 113 142 113 142 1.1 =       − − ui ui 0 113 142 339 793 339 1132 2 2 2 =−+−⇔ ii uu    = = ⇔ 246.02 094.31 u u Suy ra:
  • 35.
    ®éng lùc häcc«ng tr×nh NguyÔn §×nh Trung –CHXD08 24 331 426.0 094,3.. 82 113 . 1 1.0.0 1 ml EI EI l m um px === δ ω 332 718.1 246,0.. 82 113 . 1 2.0.0 1 ml EI EI l m um px === δ ω b, X¸c ®Þnh [y]: C¸c d¹ng dao ®éng riªng ph¶n xøng: ( )1 1 2 21. 11 . . 12. 0im ui y m yδ δ− + = Víi u1=3.094 ta cã: ( ) 11 21 142 1.1 3.094 . 0 113 y y− + = Chän y11=1 666.121 =⇒ y Víi u2=0.246 ta cã: ( ) 12 22 142 1.1 0.246 . 0 113 y y− + = Chän y22=1 77.112 −=⇒ y Ta cã d¹ng dao ®éng nh− h×nh vÏ : Theo nguyªn lÝ céng t¸c dông ta cã biÓu ®å m«men tÜnh :
  • 36.
    ®éng lùc häcc«ng tr×nh NguyÔn §×nh Trung –CHXD08 25 BiÓu ®å( )t pM 10.9θ ω= HÖ ph−¬ng tr×nh t×m biªn ®é cña lùc qu¸n tÝnh J1, J2 :       =∆+      −+ =∆++      − 022 2 221.21 012.121. 1 11 pJ m u J pJJ m u θ θ δδ δδ 82.3 81.0 094.3 81.0 1 .81,0.0.0 1 .0.0 1 2 1 2 ===== u mm u ωδθδ θ 2 0 .111 P p δ=∆ 2 0 1 P p =∆ 2 0 .212 P P δ=∆ 0 113.2 142 2 PP =∆ Ta cã hÖ ph−¬ng tr×nh :
  • 37.
    ®éng lùc häcc«ng tr×nh NguyÔn §×nh Trung –CHXD08 26 ( )       =+      + =++− 0 226 0142 2 339 793 1 113 142 0 2 0 2. 113 142 182.31 P JJ P JJ    = −= ⇔ 0294.02 0046.01 PJ PJ ( )( ) ( )( ) ( )t pJJ d p MPMPMM ++−= 0294.00046.0 21 BiÓu ®å ( )d pM
  • 38.
    ®éng lùc häcc«ng tr×nh NguyÔn §×nh Trung –CHXD08 27
  • 39.
    ®éng lùc häcc«ng tr×nh NguyÔn §×nh Trung –CHXD08 - - 1 B i 4 a. S¬ ®å tÝnh nh− trªn h×nh vÏ. b. Sè liÖu tÝnh to¸n: m1 = m4 = 2m m2 = m3 = m m/g = 10 (t) b = 0,22 (m) h = 0,60 (m) E = 2,4 . 106 (t/m2 ) I*E = 9504 (tm2 ) c. TiÕn h nh chia hÖ th nh hai hÖ ®èi xøng v ph¶n xøng nh− trªn h×nh vÏ . Bá qua biÕn d¹ng däc trôc, ta chØ xÐt ®èi víi hÖ ph¶n xøng. HÖ cã bËc tù do l 4. §Ó tÝnh c¸c chuyÓn vÞ ngang t¹i c¸c ®iÓm ®Æt khèi l−îng ta sö dông ch−¬ng tr×nh tÝnh Sap2000. δ11 = 6,757*10-4 (m) δ12 = 9,568*10-4 (m) δ13 = 10,16*10-4 (m) δ14 = 10,34*10-4 (m) δ21 = 9,568*10-4 (m) δ22 = 22,54*10-4 (m) δ23 = 26,73*10-4 (m) δ24 = 27,8*10-4 (m) δ31 = 10,16*10-4 (m) δ32 = 26,73*10-4 (m) δ33 = 41,37*10-4 (m) δ34 = 46,33*10-4 (m) δ41 = 10,34*10-4 (m) δ42 = 27,8*10-4 (m) δ43 = 46,33*10-4 (m) δ44 = 62,53*10-4 (m) d. Chän δ0 = 6,757*10-4 (m) ; m0 = m =10*g (t);
  • 40.
    ®éng lùc häcc«ng tr×nh NguyÔn §×nh Trung –CHXD08 - - 2 δij = δij/δ0 ; mi = mi/m0 suy ra δ11 = 1 m1 = 2. δ12 = 1,42 m2 = 1. δ13 = 1,5 m3 = 1. δ14 = 1,53 m4 = 2. δ21 = 1,42 δ22 = 3,34 δ23 = 3,96 δ24 = 4,11 δ31 = 1,5 δ32 = 3,96 δ33 = 6,12 δ34 = 6,86 δ41 = 1,53 δ42 = 4,11 δ43 = 6,86 δ44 = 9,25 e. Tõ ®©y ta cã ph−¬ng tr×nh tÇn sè: 11 1 i 12 2 13 3 14 4 21 1 22 2 i 23 3 24 4 31 1 32 2 33 3 i 34 4 41 1 42 2 43 3 44 4 i m u m m m m m u m m 0 m m m u m m m m m u δ − δ δ δ δ δ − δ δ = δ δ δ − δ δ δ δ δ − Thay sè v o ta cã ph−¬ng tr×nh i i i i 2 u 1.42 1.5 3.06 2.84 3.34 u 3.96 8.22 0 3 3.96 6.12 u 13.72 3.06 4.11 6.86 18.5 u − − = − − Trong ®ã ui = 1/(δ0m0ωi 2 ) Khai triÓn ®Þnh thøc ta cã ph−¬ng tr×nh u4 - 29.96u3 + 89.8894u2 - 62.238528u + 10.05515472 = 0. Gi¶i ph−¬ng tr×nh n y ta ®−îc c¸c nghiÖm ui ⇒ ωi u1 = 0,2353 ⇒ ω1 = )/(1 100 umδ = 8 (1/s) u2 = 0,6753⇒ ω2 = )/(1 200 umδ = 4,73 (1/s) u3 = 2,3719⇒ ω3 = )/(1 300 umδ = 2,52 (1/s) u4 = 26,6774⇒ ω4 = )/(1 400 umδ = 0,75 (1/s)
  • 41.
    ®éng lùc häcc«ng tr×nh NguyÔn §×nh Trung –CHXD08 - - 3 f.D¹ng giao ®éng cña hÖ t−¬ng øng víi ui, ωi ( ) ( ) ( ) ( ) i 1i 2i 3i 4i 1i i 2i 3i 4i 1i 2i i 3i 4i i 1i 2 2 u y 1,42y 1,5y 3,06y 0 2,84y 3,34 u y 3,96y 8,22y = 0 3y 3,96y 6,12 u y 13,72y = 0 2 u y +1,42y − + + + = + − + + + + − + − i 3i 4i1,5y 3,06y = 0       + + (1) f1)Víi u1, ω1: u1 = 0,2353; chän y11 = 1; HÖ ph−¬ng tr×nh (1) trë vÒ hÖ ba Èn: 21 31 41 21 31 41 21 31 41 1,42y 1,5y 3,06y 1,7647 3,1047y 3,96y 8,22y 2,84 3,96y 5,8847y 13,72y 3 + + = −  + + = −  + + = − (2) Gi¶i hÖ (2) ®−îc c¸c nghiÖm: y21 = -2,9248 y31 = 2,53 y41 = -0,4596 f2)Víi u2, ω2: u2 = 0,6753; chän y12 = 1; HÖ ph−¬ng tr×nh (1) trë vÒ hÖ ba Èn: 22 32 42 22 32 42 22 32 42 1,42y 1,5y 3,06y 1,3247 2,6647y 3,96y 8,22y 2,84 3,96y 5,4447y 13,72y 3 + + = −  + + = −  + + = − (3) Gi¶i hÖ (3) ®−îc c¸c nghiÖm: y22 = -0,5485 y32 = -1,2642 y42 = 0,4415 f3)Víi u3, ω3: u3 = 2.372; chän y13 = 1; HÖ ph−¬ng tr×nh (1) trë vÒ hÖ ba Èn:
  • 42.
    ®éng lùc häcc«ng tr×nh NguyÔn §×nh Trung –CHXD08 - - 4 23 33 43 23 33 43 23 33 43 1,42y 1,5y 3,06y 0,3719 0,968y 3,96y 8,22y 2,84 3,96y 3,748y 13,72y 3 + + =  + + = −  + + = − (4) Gi¶i hÖ (4) ®−îc c¸c nghiÖm: y23 = 1,3369 y33 = 0,487 y43 = -0,7376 f4)Víi u4, ω4: u3 = 26,6774; chän y14 = 1; HÖ ph−¬ng tr×nh (1) trë vÒ hÖ ba Èn: 24 34 44 24 34 44 24 34 44 1,42y 1,5y 3,06y 24,6774 23,3374y 3,96y 8,22y 2,84 3,96y 20,5574y 13,72y 3 + + =  − + + = −  − + = − (5) Gi¶i hÖ (5) ®−îc c¸c nghiÖm: y24 = 2,536 y34 = 3,9417 y44 = 4,9555 g. D¹ng dao ®éng cña hÖ t−¬ng øng víi ui, ωi g1) Dao ®éng c¬ b¶n øng víi ωmin: ωmin = ω4 = 0,75 (1/s) y14 = 1 y24 = 2,536 y34 = 3,9417 y44 = 4,9555
  • 43.
    ®éng lùc häcc«ng tr×nh NguyÔn §×nh Trung –CHXD08 - - 5 Dao ®éng thø 2 øng víi ω3 = 2,52 (1/s) y13 = 1 y23 = 1,3369 y33 = 0,487 y43 = -0,7376 g2) Dao ®éng thø 3 øng víi ω2 = 4,73 (1/s) y12 = 1 y22 = -0,5485 y32 = -1,2642 y42 = 0,4415 g3) Dao ®éng thø 4 øng víi ω1 = 8 (1/s) y11 = 1 y21 = -2,9248 y31 = 2,53 y41 = -0,4596 h. X¸c ®Þnh lùc ®éng ®Êt lªn khung.
  • 44.
    ®éng lùc häcc«ng tr×nh NguyÔn §×nh Trung –CHXD08 - - 6 C«ng thøc x¸c ®Þnh lùc ®éng ®Êt lªn khèi l−îng mk trong d¹ng dao ®éng thø i : Zki = k * A * Gk * ηki * βi Trong ®ã : k = k1 * k2 * kψ k1-HÖ sè cho phÐp trong c«ng tr×nh ®−îc phÐp xuÊt hiÖn nh÷ng h− háng giíi h¹n, th«ng th−êng lÊy k trong kho¶ng 0,12-0,25. Trong tr−êng hîp n y ta chän k1 = 0,12. k2-HÖ sè kÓ ®Õn nh÷ng ®Æc ®iÓm vÒ gi¶i ph¸p kÕt cÊu c«ng tr×nh (nh khung, nh x©y, nh tÊm, sè l−îng tÇng) th«ng th−êng lÊy k2 trong kho¶ng 0,5-1,5. Trong tr−êng hîp n y ta chän k2 = 0,5 kψ-HÖ sè kÓ ®Õn sù gi¶m ¶nh h−ëng cña lùc c¶n, th«ng th−êng lÊy kψ trong kho¶ng 1-1,5. Trong tr−êng hîp n y ta chän kψ = 1. ⇒ k = 0,12 * 0,5 * 1 = 0,06 A- HÖ sè kÓ phô thuéc cÊp ®éng ®Êt, th«ng th−êng lÊy Atrong kho¶ng 0,1- 0,25- 0,4 øng víi cÊp ®éng ®Êt 7-8-9 ®é Richer. Trong tr−êng hîp n y ta chän A = 0,1. Gk- Träng l−îng tÇng thø k. Gk ηki - §−îc tÝnh theo c«ng thøc ∑ ∑ = = = n 1j 2 jij n 1j jijki ki ym ymy η βi – HÖ sè ®éng ®Êt kÓ ®Õn sù phô thuéc cña gia tèc v lùc ®éng ®Êt v o chu kú Ti cña dao ®éng riªng, th«ng th−êng lÊy βi trong kho¶ng 0,8 < βi = a/Ti ≤ βmax
  • 45.
    ®éng lùc häcc«ng tr×nh NguyÔn §×nh Trung –CHXD08 - - 7 a- HÖ sè phô thuéc v o lo¹i ®Êt nÒn d−íi mãng. Víi ®Êt lo¹i III th× a=1,5 g4) Víi ω1, T1: ω1 = 8 (1/s) T1 = 2π/ω1 = 0,785 (s). β1 = 1,5/0,393 = 1,91 ∑ ∑ = = = n 1j 2 j1j 4 1j j1j11 11 ym ymy η = 0,0395 Z11 = 0,06 * 0,1 * 1,91*G1 * 0,0395 = G * 9,05 * 10-4 ∑ ∑ = = = n 1j 2 j1j 4 1j j1j21 21 ym ymy η = -0,115 Z21 = -0,06 * 0,1 * 1,91*G2 * 0,115 = -1,32 * G * 10-3 ∑ ∑ = = = n 1j 2 j1j 4 1j j1j31 31 ym ymy η = 0,1 Z31 = 0,06 * 0,1 * 1,91*G3 * 0,1 = 1,15 * G * 10-3 ∑ ∑ = = = n 1j 2 j1j 4 1j j1j41 41 ym ymy η = -0,0181 Z41 = -0,06 * 0,1 * 1,91*G4 * 0,0181 = -4,15 * G * 10-4 Víi G = m = 10 (t) thay sè v o ta cã: Z11 = 0,0091 (t) Z21 = -0,0132 (t) Z31 = 0,0115 (t) Z41 = -0,00415 (t)
  • 46.
    ®éng lùc häcc«ng tr×nh NguyÔn §×nh Trung –CHXD08 - - 8 g5) Víi ω2, T2: ω2 = 4,73 (1/s) T2 = 2π/ω2 = 1,33 (s). β2 = 1,5/1,33 = 1,13 ∑ ∑ = = = n 1j 2 j2j 4 1j j2j12 12 ym ymy η = 0,25 Z12 = 0,06 * 0,1 * 1,13*G1 * 0,25 = 3.39 * G * 10-3 ∑ ∑ = = = n 1j 2 j2j 4 1j j2j22 22 ym ymy η = -0,137 Z22 = -0,06 * 0,1 * 1,13*G2* 0,137 = -9,29 * G * 10-4 ∑ ∑ = = = n 1j 2 j2j 4 1j j2j32 32 ym ymy η = -0,315 Z32 = -0,06 * 0,1 * 1,13*G3 * 0,315 = -2,14 * G * 10-3 ∑ ∑ = = = n 1j 2 j2j 4 1j j2j42 42 ym ymy η = 0,11 Z42 = 0,06 * 0,1 * 1,13*G4 * 0,11 = 1,49 * G * 10-3 Víi G = 2m = 20 (t) thay sè v o ta cã: Z12 = 0,0339 (t) Z22 = -0,00929 (t) Z32 = 0,0214 (t) Z42 = -0,0149 (t) g6) Víi ω3, T3: ω3 = 2,52 (1/s)
  • 47.
    ®éng lùc häcc«ng tr×nh NguyÔn §×nh Trung –CHXD08 - - 9 T3 = 2π/ω3 = 2,49 (s). β3 = 1,5/2,49 = 0,6 < 0,8. Chän β3 = 0,8 ∑ ∑ = = = n 1j 2 j3j 4 1j j3j13 13 ym ymy η = 0,46 Z13 = 0,06 * 0,1 * 0,8*G1 * 0,46 = 4,42 * G * 10-3 ∑ ∑ = = = n 1j 2 j3j 4 1j j3j23 23 ym ymy η = 0,61 Z23 = 0,06 * 0,1 * 0,8*G2* 0,61 = 2,93 * G * 10-3 ∑ ∑ = = = n 1j 2 j3j 4 1j j3j33 33 ym ymy η = 0,224 Z33 = 0,06 * 0,1 * 0,8*G3 * 0,224 = 1,08 * G * 10-3 ∑ ∑ = = = n 1j 2 j3j 4 1j j3j43 43 ym ymy η = -0,34 Z43 = -0,06 * 0,1 * 0,8*G4 * 0,34 = -3,26 * G * 10-3 Z13 = 0,0442 (t) Z23 = 0,0293 (t) Z33 = 0,0108 (t) Z43 = -0,0326 (t) g7) Víi ω4, T4: ω4 = 0,75 (1/s) T4 = 2π/ω3 = 8,37 (s).
  • 48.
    ®éng lùc häcc«ng tr×nh NguyÔn §×nh Trung –CHXD08 - - 10 β4 = 1,5/8,37 = 0,18< 0,8. Chän β4 = 0,8 ∑ ∑ = = = n 1j 2 j4j 4 1j j4j14 14 ym ymy η = 0,252 Z14 = 0,06 * 0,1 * 0,8*G1 * 0,252 = 2,42 * G * 10-3 ∑ ∑ = = = n 1j 2 j4j 4 1j j4j24 24 ym ymy η = 0,638 Z24 = 0,06 * 0,1 * 0,8*G2* 0,638 = 3,06 * G * 10-3 ∑ ∑ = = = n 1j 2 j4j 4 1j j4j34 34 ym ymy η = 0,992 Z34 = 0,06 * 0,1 * 0,8*G3 * 0,992 = 4,75 * G * 10-3 ∑ ∑ = = = n 1j 2 j4j 4 1j j4j44 44 ym ymy η = 1,25 Z44 = -0,06 * 0,1 * 0,8*G4 * 1,25 = 12 * G * 10-3 Z14 = 0,0242 (t) Z24 = 0,0306 (t) Z34 = 0,0475 (t) Z44 = 0,12 (t)