(8411- )
(8411- )
(8411- )
(8411- )2L#
(8411- )2L#
(8411- )2L#
(8411- )2L#
(8411- )2L#
(8510- )2LT
(8411- )2L#
(8411- )2L#
(8411- )2L#
(8411- )2L#
(8411- )2L#
(8411- )2L#
(8510- )2LT
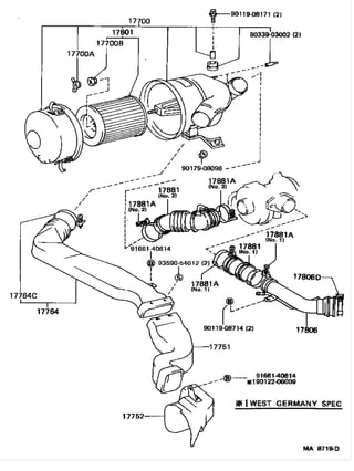
ILLUST.NO. 1OF2
(8411- )
(8510- )2LT
ILLUST.NO. 1OF2
(8510- )2LT
ILLUST.NO. 2OF2
(8411- )2L#
(8510- )2LT
(8411- )2LT,22R,13BT
(8510- )2LT
(8411- )
(8411- )2L#
(8411- )2L#
(8411- )2L#
(8411- )2L#
(8411- )2L#
(8411- )2L#
(8411- )2L#
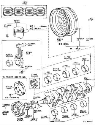
(8510- )2LT
ILLUST.NO. 1OF2
(8510- )2LT
ILLUST.NO. 2OF2
(8510- )2LT