2

3

4

C22
220uF 100V

C1
47uF 100V

D

C3
47uF 100V

1N4007

R55
2k2

RCA

47uF Bipolar

R65

R63
4k7

BC546B

C34
R65 2n2 MKT
470

BC546B

C31

100
R50
4k7

R58
400

47uF Bipolar

Q9
IRFP240

470

68pF

R29

Q21
IRF610

R46

C

C36

Q8
IRFP240

470
R28

Q30

4k7
C33
2n2 MKT

Q7
IRFP240

470
R27

R64

470

Q6
IRFP240

470
R26

10pF

2SC2240
ZD5
1N4744

Q31
C35

C10
47uF 100V

Q5
IRFP240

470
R25

C26

Q28

2SC2240

CON1

R24

Q24

2SA1306

C9
47uF 100V

Q4
IRFP240

470

2SA1306

C8
47uF 100V

Q3
IRFP240

470
R23

10pF

C7
47uF 100V

D

R22

C27

C6
47uF 100V

Q2
IRFP240

470

Q29

C5
47uF 100V

Q1
IRFP240

R21

R51
100

Q25

C4
47uF 100V

+ 100V

100
R56
10k 1Watt

C2
47uF 100V

6

D4

R47

R54
2k2

5

ZD4

R30

100

1N4737

R57
400

Q10
IRFP240

470

R41

470
ZD1
6.8V

C
R1
.22

R2
.22

R3
.22

R4
.22

R5
.22

R6
.22

R7
.22

R8
.22

R9
.22

R10
.22

Feedback

1

R65
4k7

D1
DIODE

D5
1N4936

P1
Q32
C28
100nF

R66

R54
10k 1Watt

Q23
IRF610

C24

R43
330

Sub-woofer

1uF MKT
D2
DIODE

5k

10k 1Watt

D6
1N4936

R48
56 Ohm 5 Watt

8 Ohm 600W

BD681

ZD6
1N4744

R62
10k

R20
.22

Feedback

C38

R19
.22

R18
.22

R17
.22

R16
.22

R15
.22

R14
.22

R13
.22

R12
.22

R11
.22

ZD2
6.8V

47uF

R59
4k3

C32
68pF

R48
100

C37

R61
15k
B

R49
1k

ZD3
R45

1N4737

100

68pF
R60
390

100nF MKP x2

R42

R31

100

470
R32

Q22
IRF9610

Q11
IRFP9240
Q12
IRFP9240

470
R33

B
Q13
IRFP9240

470
R34
C30
100nf MKT

Q14
IRFP9240

470

C29
220uF

R35

Q15
IRFP9240

470
R36
Q26

Q27

Q16
IRFP9240

470
R37

2SC3298

Q17
IRFP9240

470
R38

2SC3298

Q18
IRFP9240

470
R39

R53
100

Q19
IRFP9240

470
R40

R52
100

Q20
IRFP9240

470
R44
100

D3
- 100V
1N4007

C23
220uF 100V

A

C21

C20
47uF 100V

C19
47uF 100V

C18
47uF 100V

C17
47uF 100V

C16
47uF 100V

C15
47uF 100V

C14
47uF 100V

C13
47uF 100V

C12
47uF 100V

C11
47uF 100V

A

Title
Size

Number

Revision

B
Date:
File:
1

2

3

4

5

25-Jan-2002
Sheet of
D:Mis documentosElectronicaAudioAmplificadoresAnthony Holton Power Amplifiers - www.aussieamplifiers.comA
Drawn By:
6

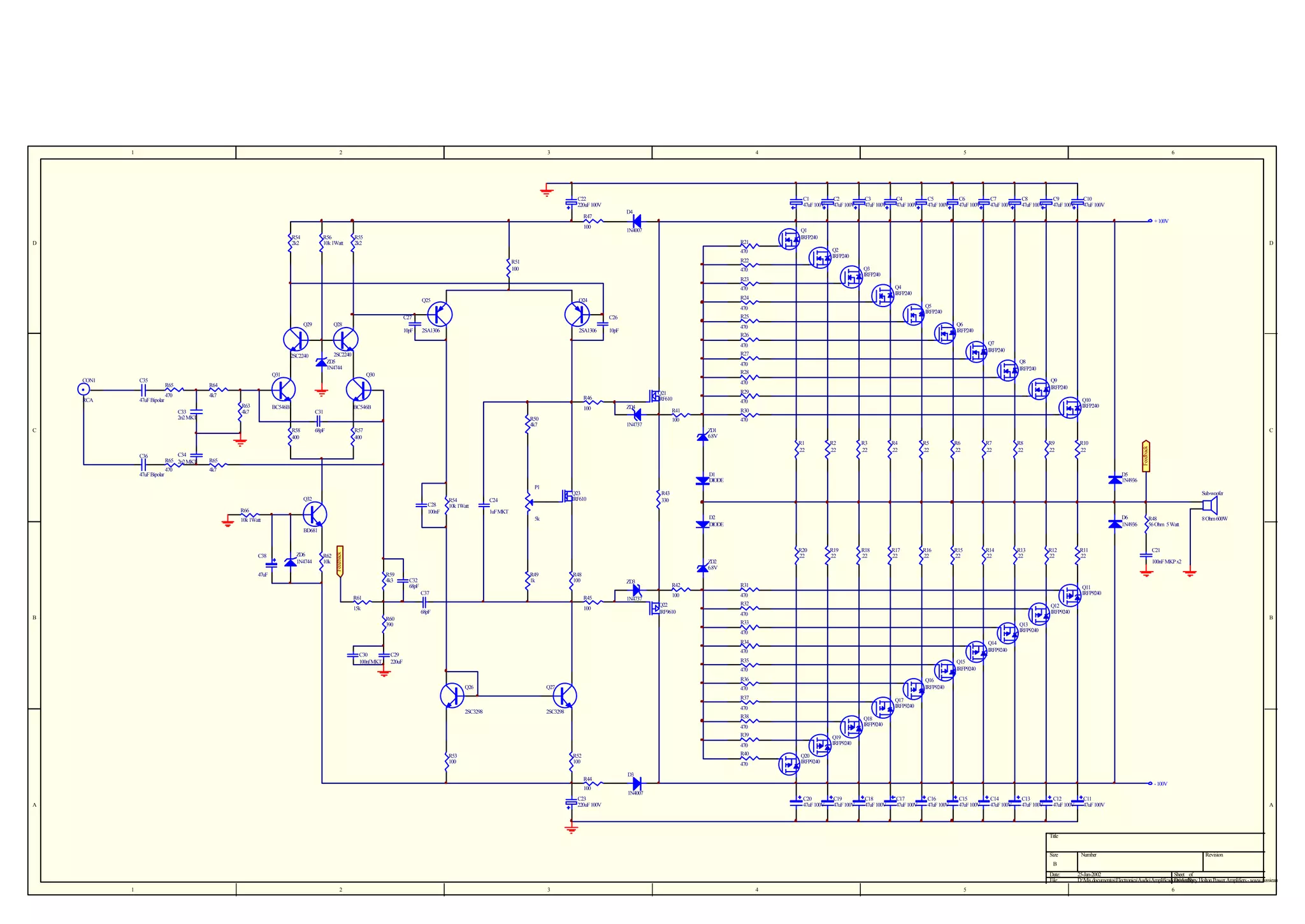
1000w ampli com fets

  • 1.
    2 3 4 C22 220uF 100V C1 47uF 100V D C3 47uF100V 1N4007 R55 2k2 RCA 47uF Bipolar R65 R63 4k7 BC546B C34 R65 2n2 MKT 470 BC546B C31 100 R50 4k7 R58 400 47uF Bipolar Q9 IRFP240 470 68pF R29 Q21 IRF610 R46 C C36 Q8 IRFP240 470 R28 Q30 4k7 C33 2n2 MKT Q7 IRFP240 470 R27 R64 470 Q6 IRFP240 470 R26 10pF 2SC2240 ZD5 1N4744 Q31 C35 C10 47uF 100V Q5 IRFP240 470 R25 C26 Q28 2SC2240 CON1 R24 Q24 2SA1306 C9 47uF 100V Q4 IRFP240 470 2SA1306 C8 47uF 100V Q3 IRFP240 470 R23 10pF C7 47uF 100V D R22 C27 C6 47uF 100V Q2 IRFP240 470 Q29 C5 47uF 100V Q1 IRFP240 R21 R51 100 Q25 C4 47uF 100V + 100V 100 R56 10k 1Watt C2 47uF 100V 6 D4 R47 R54 2k2 5 ZD4 R30 100 1N4737 R57 400 Q10 IRFP240 470 R41 470 ZD1 6.8V C R1 .22 R2 .22 R3 .22 R4 .22 R5 .22 R6 .22 R7 .22 R8 .22 R9 .22 R10 .22 Feedback 1 R65 4k7 D1 DIODE D5 1N4936 P1 Q32 C28 100nF R66 R54 10k 1Watt Q23 IRF610 C24 R43 330 Sub-woofer 1uF MKT D2 DIODE 5k 10k 1Watt D6 1N4936 R48 56 Ohm 5 Watt 8 Ohm 600W BD681 ZD6 1N4744 R62 10k R20 .22 Feedback C38 R19 .22 R18 .22 R17 .22 R16 .22 R15 .22 R14 .22 R13 .22 R12 .22 R11 .22 ZD2 6.8V 47uF R59 4k3 C32 68pF R48 100 C37 R61 15k B R49 1k ZD3 R45 1N4737 100 68pF R60 390 100nF MKP x2 R42 R31 100 470 R32 Q22 IRF9610 Q11 IRFP9240 Q12 IRFP9240 470 R33 B Q13 IRFP9240 470 R34 C30 100nf MKT Q14 IRFP9240 470 C29 220uF R35 Q15 IRFP9240 470 R36 Q26 Q27 Q16 IRFP9240 470 R37 2SC3298 Q17 IRFP9240 470 R38 2SC3298 Q18 IRFP9240 470 R39 R53 100 Q19 IRFP9240 470 R40 R52 100 Q20 IRFP9240 470 R44 100 D3 - 100V 1N4007 C23 220uF 100V A C21 C20 47uF 100V C19 47uF 100V C18 47uF 100V C17 47uF 100V C16 47uF 100V C15 47uF 100V C14 47uF 100V C13 47uF 100V C12 47uF 100V C11 47uF 100V A Title Size Number Revision B Date: File: 1 2 3 4 5 25-Jan-2002 Sheet of D:Mis documentosElectronicaAudioAmplificadoresAnthony Holton Power Amplifiers - www.aussieamplifiers.comA Drawn By: 6