第 10 章 齒輪 1
第 10 章 齒輪
重要觀念
1. 需瞭解齒輪的種類、用途與傳動之基本定律。
2. 需瞭解齒形的種類及齒形與齒輪規格。
3. 需瞭解各種齒輪之功用。
重點整理
10-1 齒輪的用途與種類
1. 齒輪的用途大致可分三類,可分為: 傳達動力 、 改變運動方向 、 改
變旋轉速度 。
2. 齒輪之優點:
(1) 速比固定。
(2) 大小動力均可傳達。
(3) 高低速傳動均可。
(4) 變速操作容易。
(5) 占用空間少。
3. 齒輪之種類可概括分為三大類:
(1) 連接兩相交軸之齒輪- 斜齒輪系 ,其種類為:
直齒斜齒輪、冠狀齒輪及蝸線斜齒輪。
(2) 連接兩平行軸之齒輪- 正齒輪系 ,其種類為:
外齒輪、內齒輪、螺旋齒輪、人字齒輪、齒條與小齒輪及針齒輪。
(3) 連接不平行亦不相交兩軸之齒輪系- 歪齒輪系 ,其種類為:
雙曲面齒輪、戟齒輪、交叉螺旋齒輪及蝸桿與蝸輪。
2 第 10 章 齒輪
10-2 齒輪各部名稱
1. 齒輪各部之名稱如圖(1)~(4)所示。
圖(1) 圖(2)
圖(3) 圖(4)
(1) 節圓:為兩相嚙合之齒輪,在接觸點所滾動成之圓。
(2) 節面:為齒輪之理想面,正齒輪之節面為圓柱面,斜齒輪之節面為圓錐面。
(3) 節點:兩相嚙合齒輪節圓間之相切點。
(4) 節徑:節圓之直徑。
(5) 齒頂圓:為齒輪之最外圓,又稱 齒冠圓 ,其直徑又稱為 齒輪外徑 。
外圓= 節徑+2×齒冠
(6) 齒冠:齒頂圓與節圓之半徑差,或稱為 齒頂 。
(7) 齒根圓:為通過齒輪根部之圓,或稱內圓。
內圓= 節徑-2×齒根
(8) 齒根:齒根圓與節圓之半徑差稱之。
(9) 齒厚:齒輪節圓上所量得之弧線長。
(10) 齒間:相鄰兩齒輪,節圓上所量得之弧線長,實際上設計時為避免兩齒輪
無嚙合運轉,所以齒間略大於齒厚。
(11) 齒面:齒頂圓至節圓間之輪齒曲面。
(12) 齒腹:齒根圓至節圓間之曲面。
第 10 章 齒輪 3
(13) 齒面寬:齒輪沿軸向所量得之長度,又稱齒寬。
(14) 背隙:齒輪之齒間與相嚙合齒輪之齒厚間之空隙,或稱為 齒隙 。
(15) 間隙:齒輪之齒根圓與相嚙合齒輪之齒頂圓間之空隙,或稱為 餘隙 。
(16) 工作深度:兩嚙合齒輪之齒冠和,亦等於兩倍齒冠。
(17) 全齒深:又稱為齒高,齒冠與齒根之和。
(18) 周節:節圓上齒輪上一點至相鄰齒同位置點之弧線長度,常以 Pc 表示。若
節圓直徑為 D(mm),齒數為 T,則 c
D
P
T

= 。
(19) 徑節:表示英制齒輪之大小,常以 Pd 表示。若節圓直徑為 D(in),齒數為 T,
則 d
T
P
D
= 。
(20) 模數:表示公制齒輪之大小,常以 M 表示。若節圓直徑為 D(mm),齒數
為 T,則
D
M
T
= 。
※ 由周節、徑節與模數可得知其關係式為下列三式:
a.
d
25.4
M
P
= 。 b. cP πM= 。
c. c dP P π=× 。(在英制中)
(21) 作用線:兩嚙合齒輪中一對齒輪之接觸點至節點的連線。
(22) 壓力角:兩嚙合齒輪作用線與過節點所作節圓切線所夾之角度。常用齒輪
之壓力角在 14.5°~22.5° 。
(23) 漸近角:兩嚙合齒輪從開始接觸至節點,兩齒輪所旋轉之角度。
(24) 漸遠角:兩嚙合齒輪從節點至接觸結束,兩齒輪所旋轉之角度。
(25) 漸近弧:為漸近角所對應之節圓弧長。
(26) 漸遠弧:為漸遠角所對應之節圓弧長。
(27) 作用角:為漸近角與漸遠角之和。
(28) 作用弧:為作用角所對應之節圓弧長。
(29) 接觸線:兩相嚙合齒輪之接觸點,於傳動時所行走之軌跡。
(30) 接觸率:為作用弧與周節之比值,其值不得小於 1 ,否則於旋轉時會造
成噪音或不能旋轉,又稱為 接觸比 。
(31) 中心距:兩嚙合齒輪之軸線距離,常以 C 表示。
(32) 基圓:兩嚙合齒輪,自齒輪軸心分別做與作用線相切之圓。用以展開漸開
線以形成齒形的假想圓。
4 第 10 章 齒輪
2. 齒輪傳動之特性:
(1) 1 2
2 1
N D
N D
= ,轉速與節圓直徑成 反比 。
(2) 1 2
2 1
N T
N T
= ,轉速與齒數成 反比 。
(3) 2 2
1 1
D T
D T
= ,節圓直徑與齒數成 正比 。
(4) 1 2
2 1
D
D


= ,作用角與節圓直徑成 反比 。
(5) 1 2
2 1
T
T


= ,作用角與齒數成 反比 。
10-3 齒輪的基本定律
1. 兩嚙合齒輪之輪齒在接觸點公切線的法線必經過節點,即可維持等角速比之
傳動,亦可將兩軸之迴轉比恆為常數。
e= 2 1 1
1 2 2
N D T
N D T
= =
10-4 齒形的種類
1. 齒輪之齒形曲線可分為兩大類:
(1) 漸開線 齒形齒輪;(2) 擺線 齒形齒輪。其中以 漸開線 齒形齒輪
為最常被使用。
2. 漸開線齒形齒輪其主要特點為:
(1)漸開線齒形齒輪大小,依 基圓 而定。
(2)漸開線齒輪接觸點之軌跡為一 直線 。
(3)漸開線齒輪之 壓力角 為一定值。
(4)漸開線齒輪若需互換,僅需 周節 和 壓力角 相等,即可互換。
3. 擺線齒形齒輪分為三種,分別為:
(1)正擺線;(2)外擺線;(3)內擺線。
擺線齒形齒輪主要特點為:
(1) 擺線齒輪齒形大小,依 節圓 與 滾圓直徑 而定。
(2) 擺線齒輪接觸點之軌跡為一 曲線 。
(3) 擺線齒輪之 壓力角 隨時在改變。
(4) 擺線齒輪若需互換,其 周節 與 滾圓直徑 必需相同,方可互換。
1T :主動輪齒數
2T :從動輪齒數
1D :主動輪節圓直徑
2D :從動輪節圓直徑
1N :主動輪轉速(rpm)
2N :從動輪轉速(rpm)
1 :主動輪作用角
2 :從動輪作用角
第 10 章 齒輪 5
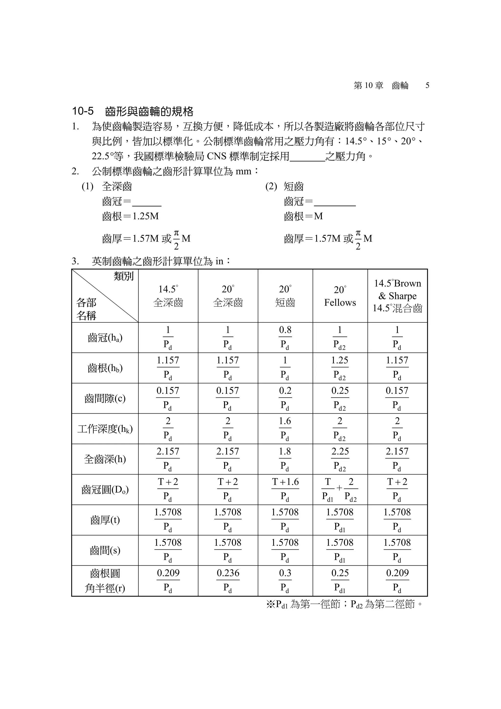
10-5 齒形與齒輪的規格
1. 為使齒輪製造容易,互換方便,降低成本,所以各製造廠將齒輪各部位尺寸
與比例,皆加以標準化。公制標準齒輪常用之壓力角有:14.5°、15°、20°、
22.5°等,我國標準檢驗局 CNS 標準制定採用 20° 之壓力角。
2. 公制標準齒輪之齒形計算單位為 mm:
(1) 全深齒 (2) 短齒
齒冠= M 齒冠= 0.8M
齒根=1.25M 齒根=M
齒厚=1.57M 或
π
2
M 齒厚=1.57M 或
π
2
M
3. 英制齒輪之齒形計算單位為 in:
類別
各部
名稱
14.5°
全深齒
20°
全深齒
20°
短齒
20°
Fellows
14.5°Brown
& Sharpe
14.5°混合齒
齒冠(ha)
d
1
P d
1
P d
0.8
P d2
1
P d
1
P
齒根(hb)
d
1.157
P d
1.157
P d
1
P d2
1.25
P d
1.157
P
齒間隙(c)
d
0.157
P d
0.157
P d
0.2
P d2
0.25
P d
0.157
P
工作深度(hk)
d
2
P d
2
P d
1.6
P d2
2
P d
2
P
全齒深(h)
d
2.157
P d
2.157
P d
1.8
P d2
2.25
P d
2.157
P
齒冠圓(Do)
d
T 2
P

d
T 2
P

d
T 1.6
P

d1
T
P
+
d2
2
P d
T 2
P

齒厚(t)
d
1.5708
P d
1.5708
P d
1.5708
P d1
1.5708
P d
1.5708
P
齒間(s)
d
1.5708
P d
1.5708
P d
1.5708
P d1
1.5708
P d
1.5708
P
齒根圓
角半徑(r) d
0.209
P d
0.236
P d
0.3
P d1
0.25
P d
0.209
P
※Pd1 為第一徑節;Pd2 為第二徑節。
6 第 10 章 齒輪
自我練習 題前加註「※」表示有難題解析
( A ) 1. 齒輪傳動中,若兩軸互相平行,其應採用何種齒輪? (A)正齒輪
(B)斜齒輪 (C)蝸輪與蝸桿 (D)戟齒輪。
( C ) 2. 齒輪之接觸率愈大 (A)傳動效率愈低 (B)轉速比愈大 (C)傳動
效率愈高 (D)轉速比愈小。
※( D ) 3. A、B 兩正齒輪相互嚙合,A 輪為 80 齒,每分鐘迴轉 160 次,B 輪為
20 齒,則每分鐘迴轉 (A) 80 次 (B)160 次 (C)320 次 (D)640 次。
※( A ) 4. 已知模數為 2 之兩正齒輪,齒數分別為 15 齒和 30 齒,若外接於兩
軸上,則兩軸之中心距離為 (A)45 (B)30 (C)15 (D)60 mm。
( B ) 5. 在標準齒制,工作深度等於齒頂之 (A)1.6 倍 (B)2 倍 (C)2.25 倍
(D)2.5 倍。
※( A ) 6. 兩軸之中心距離 10 吋,其上有 B 輪內切於 A 輪,而以同方向旋轉之
軸 A 之轉速為每分 20 次,B 為每分 60 次,則兩輪之直徑各為 (A)30
吋,10 吋 (B)36 吋,12 吋 (C)48 吋,16 吋 (D)18 吋,6 吋。
( C ) 7. 齒輪傳動時,從接觸點到離開點,一齒輪所轉動的角度稱為 (A)壓
力角 (B)漸近角 (C)作用角 (D)漸遠角。
※( D ) 8. 模數為 3 之兩齒輪內接嚙合傳動,若其齒數分別為 140 齒與 40 齒時,
兩輪間的中心距離應為若干 mm? (A)125 (B)131 (C)140 (D)150。
( B ) 9. 兩嚙合外齒輪的齒數分別為 60 齒及 100 齒,模數為 4,則其中心距
離為 (A)200 (B)320 (C)280 (D)300 mm。
※( C )10. 兩軸相距 80cm,一軸上裝 50 齒之正齒輪,周節為 62.8mm,外接相
配合之另一輪之轉速為 250rpm,則 50 齒之輪轉速為 (A)100rpm
(B)200rpm (C)150rpm (D)250rpm。
※( C )11. 一英制齒輪之徑節為 6,齒數為 48 齒之正齒輪,其節徑為 (A)10in
(B)9in (C)8in (D)7in。
( B )12. 一般而言,漸開線齒輪與擺線齒輪之性質比較,前者均優於後者,但
例外者為 (A)角速比 (B)摩擦損耗 (C)互換性 (D)製造難易度。
※( D )13. 壓力角為 20 度的正齒輪,齒數為 100 齒,模數為 5mm,其節圓半徑
為 (A)100 (B)150 (C)200 (D)250 mm。
( C )14. 齒輪的周節與徑節相乘積等於 (A)0 (B)1 (C)π (D)
1
π
。
※( B )15. 模數 5mm 之齒形與徑節 5 之齒形兩者比較 (A)前者輪齒較大 (B)
後者輪齒較大 (C)兩者輪齒一樣大 (D)以上皆可。
第 10 章 齒輪 7
( A )16. 公制齒輪之齒形大小以 (A)M (B)Pd (C)Pc (D)D 來表示。
( D )17. 工程或機械常用之大負荷齒輪,其齒輪曲線是 (A)正擺線 (B)內擺
線 (C)外擺線 (D)漸開線。
※( B )18. 一齒輪節圓直徑為 600mm,齒數 150 齒,則周節為 (A)4 in
(B)4 mm (C)2 in (D)2 mm。
※( A )19. 壓力角各為 14.5°與 20°之兩相同模數的全齒制標準齒輪,其相異之
處為 (A)齒根的厚度 (B)齒高的高度 (C)齒頂的高度 (D)全齒的
高度。
※( C )20. 擺線齒輪之齒形曲線在節圓以下為何種擺線? (A)正擺線 (B)外
擺線 (C)內擺線 (D)外擺線與內擺線。
8 第 10 章 齒輪
歷屆試題觀摩
( B ) 1. 一正齒輪的齒數為 42,節圓直徑為 126mm,則該齒輪的模數 M 與周
節 PC 各為多少? (A)M=2,PC=2mm (B)M=3,PC=3mm
(C)M=4,PC=4mm (D)M=5,PC=5mm。
( A ) 2. 一對漸開線正齒輪嚙合傳動,其輪齒自開始接觸至終止,其接觸點永遠落
在何處? (A)壓力線上 (B)節點上 (C)節圓上 (D)基圓上。
( D ) 3. 一對漸開線標準正齒輪在組裝時,因尺度公差使兩軸中心距離改
變,下列敘述何者正確? (A)齒頂圓直徑改變 (B)齒根圓直徑改變
(C)基圓直徑改變 (D)節圓直徑改變。
( B ) 4. 一壓力角 20°之公制全深齒正齒輪,其齒冠等於模數,齒根等於 1.25
倍模數。若齒深為 9mm,外徑為 128mm,則其齒數應為多少? (A)29
(B)30 (C)31 (D)32。
( C ) 5. 以下有關漸開線齒輪之敘述,何者正確? (A)漸開線齒輪的優點之
一,是傳動過程不會發生干涉(interference) 現象 (B)將軸心距離稍
微加大後,漸開線齒輪的壓力角仍然保持不變 (C)將軸心距離稍微
加大後,漸開線齒輪的基圓直徑仍然保持不變 (D)將軸心距離稍微
加大後,漸開線齒輪的節圓直徑仍然保持不變。
( D ) 6. 已知模數為 5 之兩正齒輪,齒數分別為 60 和 90,若兩軸轉向相同,
則兩軸之中心距離為多少 mm? (A)750 (B)375 (C)150 (D)75。
( C ) 7. 下列有關人字齒輪的敘述,何者錯誤? (A)傳動圓滑且噪音小 (B)
又稱為雙螺旋齒輪 (C)會產生較大的軸向推力 (D)由一左旋及一右
旋的螺旋齒輪所組成。
( D ) 8. 下列有關齒輪各部名稱的敘述,何者錯誤? (A)齒腹為節圓至齒根
圓的輪齒曲面 (B)徑節為每吋節圓直徑所含之齒數 (C)齒冠為節圓
至齒頂圓的徑向長度 (D)壓力角為作用線與齒輪中心連線的夾角。
( C ) 9. 兩嚙合外接正齒輪,轉速比為 3:2,輪軸中心
距為 75 mm,兩齒輪接觸率為 1.4,若大齒輪之
作 用 角 為 14 , 則 兩 齒 輪 齒 數 分 別 為 何 ?
(A)34、51 (B)28、42 (C)24、36 (D)22、33。
( A )10. 如圖(1)所示之兩平行軸以兩螺旋齒輪 P、Q 嚙合
傳動,依螺旋旋向及箭頭所指之旋轉方向,若 P
齒輪為主動輪,則兩軸安裝止推軸承位置何者正
確? (A)A、D (B)B、C (C)A、C (D)B、D。
圖(1)

機件原理ⅱ第10章隨堂講義學用本

  • 1.
    第 10 章齒輪 1 第 10 章 齒輪 重要觀念 1. 需瞭解齒輪的種類、用途與傳動之基本定律。 2. 需瞭解齒形的種類及齒形與齒輪規格。 3. 需瞭解各種齒輪之功用。 重點整理 10-1 齒輪的用途與種類 1. 齒輪的用途大致可分三類,可分為: 傳達動力 、 改變運動方向 、 改 變旋轉速度 。 2. 齒輪之優點: (1) 速比固定。 (2) 大小動力均可傳達。 (3) 高低速傳動均可。 (4) 變速操作容易。 (5) 占用空間少。 3. 齒輪之種類可概括分為三大類: (1) 連接兩相交軸之齒輪- 斜齒輪系 ,其種類為: 直齒斜齒輪、冠狀齒輪及蝸線斜齒輪。 (2) 連接兩平行軸之齒輪- 正齒輪系 ,其種類為: 外齒輪、內齒輪、螺旋齒輪、人字齒輪、齒條與小齒輪及針齒輪。 (3) 連接不平行亦不相交兩軸之齒輪系- 歪齒輪系 ,其種類為: 雙曲面齒輪、戟齒輪、交叉螺旋齒輪及蝸桿與蝸輪。
  • 2.
    2 第 10章 齒輪 10-2 齒輪各部名稱 1. 齒輪各部之名稱如圖(1)~(4)所示。 圖(1) 圖(2) 圖(3) 圖(4) (1) 節圓:為兩相嚙合之齒輪,在接觸點所滾動成之圓。 (2) 節面:為齒輪之理想面,正齒輪之節面為圓柱面,斜齒輪之節面為圓錐面。 (3) 節點:兩相嚙合齒輪節圓間之相切點。 (4) 節徑:節圓之直徑。 (5) 齒頂圓:為齒輪之最外圓,又稱 齒冠圓 ,其直徑又稱為 齒輪外徑 。 外圓= 節徑+2×齒冠 (6) 齒冠:齒頂圓與節圓之半徑差,或稱為 齒頂 。 (7) 齒根圓:為通過齒輪根部之圓,或稱內圓。 內圓= 節徑-2×齒根 (8) 齒根:齒根圓與節圓之半徑差稱之。 (9) 齒厚:齒輪節圓上所量得之弧線長。 (10) 齒間:相鄰兩齒輪,節圓上所量得之弧線長,實際上設計時為避免兩齒輪 無嚙合運轉,所以齒間略大於齒厚。 (11) 齒面:齒頂圓至節圓間之輪齒曲面。 (12) 齒腹:齒根圓至節圓間之曲面。
  • 3.
    第 10 章齒輪 3 (13) 齒面寬:齒輪沿軸向所量得之長度,又稱齒寬。 (14) 背隙:齒輪之齒間與相嚙合齒輪之齒厚間之空隙,或稱為 齒隙 。 (15) 間隙:齒輪之齒根圓與相嚙合齒輪之齒頂圓間之空隙,或稱為 餘隙 。 (16) 工作深度:兩嚙合齒輪之齒冠和,亦等於兩倍齒冠。 (17) 全齒深:又稱為齒高,齒冠與齒根之和。 (18) 周節:節圓上齒輪上一點至相鄰齒同位置點之弧線長度,常以 Pc 表示。若 節圓直徑為 D(mm),齒數為 T,則 c D P T  = 。 (19) 徑節:表示英制齒輪之大小,常以 Pd 表示。若節圓直徑為 D(in),齒數為 T, 則 d T P D = 。 (20) 模數:表示公制齒輪之大小,常以 M 表示。若節圓直徑為 D(mm),齒數 為 T,則 D M T = 。 ※ 由周節、徑節與模數可得知其關係式為下列三式: a. d 25.4 M P = 。 b. cP πM= 。 c. c dP P π=× 。(在英制中) (21) 作用線:兩嚙合齒輪中一對齒輪之接觸點至節點的連線。 (22) 壓力角:兩嚙合齒輪作用線與過節點所作節圓切線所夾之角度。常用齒輪 之壓力角在 14.5°~22.5° 。 (23) 漸近角:兩嚙合齒輪從開始接觸至節點,兩齒輪所旋轉之角度。 (24) 漸遠角:兩嚙合齒輪從節點至接觸結束,兩齒輪所旋轉之角度。 (25) 漸近弧:為漸近角所對應之節圓弧長。 (26) 漸遠弧:為漸遠角所對應之節圓弧長。 (27) 作用角:為漸近角與漸遠角之和。 (28) 作用弧:為作用角所對應之節圓弧長。 (29) 接觸線:兩相嚙合齒輪之接觸點,於傳動時所行走之軌跡。 (30) 接觸率:為作用弧與周節之比值,其值不得小於 1 ,否則於旋轉時會造 成噪音或不能旋轉,又稱為 接觸比 。 (31) 中心距:兩嚙合齒輪之軸線距離,常以 C 表示。 (32) 基圓:兩嚙合齒輪,自齒輪軸心分別做與作用線相切之圓。用以展開漸開 線以形成齒形的假想圓。
  • 4.
    4 第 10章 齒輪 2. 齒輪傳動之特性: (1) 1 2 2 1 N D N D = ,轉速與節圓直徑成 反比 。 (2) 1 2 2 1 N T N T = ,轉速與齒數成 反比 。 (3) 2 2 1 1 D T D T = ,節圓直徑與齒數成 正比 。 (4) 1 2 2 1 D D   = ,作用角與節圓直徑成 反比 。 (5) 1 2 2 1 T T   = ,作用角與齒數成 反比 。 10-3 齒輪的基本定律 1. 兩嚙合齒輪之輪齒在接觸點公切線的法線必經過節點,即可維持等角速比之 傳動,亦可將兩軸之迴轉比恆為常數。 e= 2 1 1 1 2 2 N D T N D T = = 10-4 齒形的種類 1. 齒輪之齒形曲線可分為兩大類: (1) 漸開線 齒形齒輪;(2) 擺線 齒形齒輪。其中以 漸開線 齒形齒輪 為最常被使用。 2. 漸開線齒形齒輪其主要特點為: (1)漸開線齒形齒輪大小,依 基圓 而定。 (2)漸開線齒輪接觸點之軌跡為一 直線 。 (3)漸開線齒輪之 壓力角 為一定值。 (4)漸開線齒輪若需互換,僅需 周節 和 壓力角 相等,即可互換。 3. 擺線齒形齒輪分為三種,分別為: (1)正擺線;(2)外擺線;(3)內擺線。 擺線齒形齒輪主要特點為: (1) 擺線齒輪齒形大小,依 節圓 與 滾圓直徑 而定。 (2) 擺線齒輪接觸點之軌跡為一 曲線 。 (3) 擺線齒輪之 壓力角 隨時在改變。 (4) 擺線齒輪若需互換,其 周節 與 滾圓直徑 必需相同,方可互換。 1T :主動輪齒數 2T :從動輪齒數 1D :主動輪節圓直徑 2D :從動輪節圓直徑 1N :主動輪轉速(rpm) 2N :從動輪轉速(rpm) 1 :主動輪作用角 2 :從動輪作用角
  • 5.
    第 10 章齒輪 5 10-5 齒形與齒輪的規格 1. 為使齒輪製造容易,互換方便,降低成本,所以各製造廠將齒輪各部位尺寸 與比例,皆加以標準化。公制標準齒輪常用之壓力角有:14.5°、15°、20°、 22.5°等,我國標準檢驗局 CNS 標準制定採用 20° 之壓力角。 2. 公制標準齒輪之齒形計算單位為 mm: (1) 全深齒 (2) 短齒 齒冠= M 齒冠= 0.8M 齒根=1.25M 齒根=M 齒厚=1.57M 或 π 2 M 齒厚=1.57M 或 π 2 M 3. 英制齒輪之齒形計算單位為 in: 類別 各部 名稱 14.5° 全深齒 20° 全深齒 20° 短齒 20° Fellows 14.5°Brown & Sharpe 14.5°混合齒 齒冠(ha) d 1 P d 1 P d 0.8 P d2 1 P d 1 P 齒根(hb) d 1.157 P d 1.157 P d 1 P d2 1.25 P d 1.157 P 齒間隙(c) d 0.157 P d 0.157 P d 0.2 P d2 0.25 P d 0.157 P 工作深度(hk) d 2 P d 2 P d 1.6 P d2 2 P d 2 P 全齒深(h) d 2.157 P d 2.157 P d 1.8 P d2 2.25 P d 2.157 P 齒冠圓(Do) d T 2 P  d T 2 P  d T 1.6 P  d1 T P + d2 2 P d T 2 P  齒厚(t) d 1.5708 P d 1.5708 P d 1.5708 P d1 1.5708 P d 1.5708 P 齒間(s) d 1.5708 P d 1.5708 P d 1.5708 P d1 1.5708 P d 1.5708 P 齒根圓 角半徑(r) d 0.209 P d 0.236 P d 0.3 P d1 0.25 P d 0.209 P ※Pd1 為第一徑節;Pd2 為第二徑節。
  • 6.
    6 第 10章 齒輪 自我練習 題前加註「※」表示有難題解析 ( A ) 1. 齒輪傳動中,若兩軸互相平行,其應採用何種齒輪? (A)正齒輪 (B)斜齒輪 (C)蝸輪與蝸桿 (D)戟齒輪。 ( C ) 2. 齒輪之接觸率愈大 (A)傳動效率愈低 (B)轉速比愈大 (C)傳動 效率愈高 (D)轉速比愈小。 ※( D ) 3. A、B 兩正齒輪相互嚙合,A 輪為 80 齒,每分鐘迴轉 160 次,B 輪為 20 齒,則每分鐘迴轉 (A) 80 次 (B)160 次 (C)320 次 (D)640 次。 ※( A ) 4. 已知模數為 2 之兩正齒輪,齒數分別為 15 齒和 30 齒,若外接於兩 軸上,則兩軸之中心距離為 (A)45 (B)30 (C)15 (D)60 mm。 ( B ) 5. 在標準齒制,工作深度等於齒頂之 (A)1.6 倍 (B)2 倍 (C)2.25 倍 (D)2.5 倍。 ※( A ) 6. 兩軸之中心距離 10 吋,其上有 B 輪內切於 A 輪,而以同方向旋轉之 軸 A 之轉速為每分 20 次,B 為每分 60 次,則兩輪之直徑各為 (A)30 吋,10 吋 (B)36 吋,12 吋 (C)48 吋,16 吋 (D)18 吋,6 吋。 ( C ) 7. 齒輪傳動時,從接觸點到離開點,一齒輪所轉動的角度稱為 (A)壓 力角 (B)漸近角 (C)作用角 (D)漸遠角。 ※( D ) 8. 模數為 3 之兩齒輪內接嚙合傳動,若其齒數分別為 140 齒與 40 齒時, 兩輪間的中心距離應為若干 mm? (A)125 (B)131 (C)140 (D)150。 ( B ) 9. 兩嚙合外齒輪的齒數分別為 60 齒及 100 齒,模數為 4,則其中心距 離為 (A)200 (B)320 (C)280 (D)300 mm。 ※( C )10. 兩軸相距 80cm,一軸上裝 50 齒之正齒輪,周節為 62.8mm,外接相 配合之另一輪之轉速為 250rpm,則 50 齒之輪轉速為 (A)100rpm (B)200rpm (C)150rpm (D)250rpm。 ※( C )11. 一英制齒輪之徑節為 6,齒數為 48 齒之正齒輪,其節徑為 (A)10in (B)9in (C)8in (D)7in。 ( B )12. 一般而言,漸開線齒輪與擺線齒輪之性質比較,前者均優於後者,但 例外者為 (A)角速比 (B)摩擦損耗 (C)互換性 (D)製造難易度。 ※( D )13. 壓力角為 20 度的正齒輪,齒數為 100 齒,模數為 5mm,其節圓半徑 為 (A)100 (B)150 (C)200 (D)250 mm。 ( C )14. 齒輪的周節與徑節相乘積等於 (A)0 (B)1 (C)π (D) 1 π 。 ※( B )15. 模數 5mm 之齒形與徑節 5 之齒形兩者比較 (A)前者輪齒較大 (B) 後者輪齒較大 (C)兩者輪齒一樣大 (D)以上皆可。
  • 7.
    第 10 章齒輪 7 ( A )16. 公制齒輪之齒形大小以 (A)M (B)Pd (C)Pc (D)D 來表示。 ( D )17. 工程或機械常用之大負荷齒輪,其齒輪曲線是 (A)正擺線 (B)內擺 線 (C)外擺線 (D)漸開線。 ※( B )18. 一齒輪節圓直徑為 600mm,齒數 150 齒,則周節為 (A)4 in (B)4 mm (C)2 in (D)2 mm。 ※( A )19. 壓力角各為 14.5°與 20°之兩相同模數的全齒制標準齒輪,其相異之 處為 (A)齒根的厚度 (B)齒高的高度 (C)齒頂的高度 (D)全齒的 高度。 ※( C )20. 擺線齒輪之齒形曲線在節圓以下為何種擺線? (A)正擺線 (B)外 擺線 (C)內擺線 (D)外擺線與內擺線。
  • 8.
    8 第 10章 齒輪 歷屆試題觀摩 ( B ) 1. 一正齒輪的齒數為 42,節圓直徑為 126mm,則該齒輪的模數 M 與周 節 PC 各為多少? (A)M=2,PC=2mm (B)M=3,PC=3mm (C)M=4,PC=4mm (D)M=5,PC=5mm。 ( A ) 2. 一對漸開線正齒輪嚙合傳動,其輪齒自開始接觸至終止,其接觸點永遠落 在何處? (A)壓力線上 (B)節點上 (C)節圓上 (D)基圓上。 ( D ) 3. 一對漸開線標準正齒輪在組裝時,因尺度公差使兩軸中心距離改 變,下列敘述何者正確? (A)齒頂圓直徑改變 (B)齒根圓直徑改變 (C)基圓直徑改變 (D)節圓直徑改變。 ( B ) 4. 一壓力角 20°之公制全深齒正齒輪,其齒冠等於模數,齒根等於 1.25 倍模數。若齒深為 9mm,外徑為 128mm,則其齒數應為多少? (A)29 (B)30 (C)31 (D)32。 ( C ) 5. 以下有關漸開線齒輪之敘述,何者正確? (A)漸開線齒輪的優點之 一,是傳動過程不會發生干涉(interference) 現象 (B)將軸心距離稍 微加大後,漸開線齒輪的壓力角仍然保持不變 (C)將軸心距離稍微 加大後,漸開線齒輪的基圓直徑仍然保持不變 (D)將軸心距離稍微 加大後,漸開線齒輪的節圓直徑仍然保持不變。 ( D ) 6. 已知模數為 5 之兩正齒輪,齒數分別為 60 和 90,若兩軸轉向相同, 則兩軸之中心距離為多少 mm? (A)750 (B)375 (C)150 (D)75。 ( C ) 7. 下列有關人字齒輪的敘述,何者錯誤? (A)傳動圓滑且噪音小 (B) 又稱為雙螺旋齒輪 (C)會產生較大的軸向推力 (D)由一左旋及一右 旋的螺旋齒輪所組成。 ( D ) 8. 下列有關齒輪各部名稱的敘述,何者錯誤? (A)齒腹為節圓至齒根 圓的輪齒曲面 (B)徑節為每吋節圓直徑所含之齒數 (C)齒冠為節圓 至齒頂圓的徑向長度 (D)壓力角為作用線與齒輪中心連線的夾角。 ( C ) 9. 兩嚙合外接正齒輪,轉速比為 3:2,輪軸中心 距為 75 mm,兩齒輪接觸率為 1.4,若大齒輪之 作 用 角 為 14 , 則 兩 齒 輪 齒 數 分 別 為 何 ? (A)34、51 (B)28、42 (C)24、36 (D)22、33。 ( A )10. 如圖(1)所示之兩平行軸以兩螺旋齒輪 P、Q 嚙合 傳動,依螺旋旋向及箭頭所指之旋轉方向,若 P 齒輪為主動輪,則兩軸安裝止推軸承位置何者正 確? (A)A、D (B)B、C (C)A、C (D)B、D。 圖(1)