http://vnx.su/
ГОСТ 3.1105-84
Лист 2
ИзмЛист№документаПодписьДатаИзм.Лист№документаПодпиИзм.Лист
№документаПодписьДата
сПрудскихД.А.18.06.12
РеваВ.В.26.10.12
ХристовП.Н.01.11.12
РеваВ.В.27.10.12
ПрудскихД.А.26.10.12
ьДата
Дубликат
Взам.
Подп.
3100.25100.20582
ТИ Технологическая инструкция
ОАО "АВТОВАЗ"
1 ОБЩИЕ ТРЕБОВАНИЯ
Работы выполнять в соответствии с требованиями "Межотраслевых правил по охране
труда на автомобильном транспорте" ПОТ РМ-027-2003 г. и инструкций по охране труда для
слесарей, действующих на предприятии.
При выполнении работ допускается применять аттестованное оборудование и инстру-
мент, функционально аналогичные указанным в технологических инструкциях, применение ко-
торых обеспечивает требуемую производительность, безопасность и качество работ.
При замене и доливке масел и эксплуатационных жидкостей допускается использовать
только материалы, указанные в действующем "Кодификаторе основных и вспомогательных ма-
териалов, применяемых при ТО и ремонте автомобилей LADA" К 3100.25100.00018.
При доливке и замене охлаждающей жидкости не допускается применение смесей жид-
костей разных марок.
2 ОБЩЕЕ ОПИСАНИЕ
На автомобиль LADA VESTA, в зависимости от комплектации, устанавливается 8-ми или
16-ти клапанный двигатель.
Двигатели укомплектованы рампой с форсунками в сборе с однотрубной топливной ма-
гистралью, пластмассовым интегрированным модулем впуска, дроссельным патрубком с элек-
троприводом дроссельной заслонки, выпускным коллектором, объединенным с нейтрализато-
ром, автоматическим натяжителем ремня привода газораспределительного механизма.
Основные параметры и характеристики двигателей приведены в таблице 1.
http://vnx.su/
ГОСТ 3.1105-84
Лист 3
ИзмЛист№документаПодписьДатаИзм.Лист№документаПодпиИзм.Лист
№документаПодписьДата
сПрудскихД.А.18.06.12
РеваВ.В.26.10.12
ХристовП.Н.01.11.12
РеваВ.В.27.10.12
ПрудскихД.А.26.10.12
ьДата
Дубликат
Взам.
Подп.
3100.25100.20582
ТИ Технологическая инструкция
ОАО "АВТОВАЗ"
Таблица 1
Наименование показателя
Значения показателя для двигателя
11189 21129 HR16
Рабочий объем, см3
1596 1596 1598
Регулирование фаз газораспределения на
впуске (VVT)
нет нет есть
Регулирование длин каналов нет есть нет
Количество цилиндров, шт 4 4 4
Число клапанов на цилиндр, шт 2 4 4
Расстояние между цилиндрами, мм 89 89 85
Диаметр цилиндров, мм 82 82 78
Ход поршня, мм 75,6 75,6 83,6
Степень сжатия 10,3 10,45 10,7
Октановое число бензина 95
Длина шатуна, мм 133,32 133,32 129,89
Максимальная мощность двигателя по ГОСТ
14846 [4], кВт
64 78 84
Частота вращения коленчатого вала при
максимальной мощности, мин-1 5100 5800 6000
Максимальный крутящий момент по ГОСТ
14846 [4], Н·м
140 148 156
Частота вращения коленчатого вала при
максимальном крутящем моменте, мин-1 3800 4200 4000
Момент крутящий по внешней скоростной
характеристике при n=1000 мин-1
, Н·м
(* – при активированном VVT)
100 104 104/115*
Момент крутящий по внешней скоростной
характеристике при n=2500 мин-1
, Н·м
130 134 -
Минимальная частота вращения на холостом
ходу, мин-1 840 840 650
Частота вращения коленчатого вала отсечки
подачи топлива, мин-1 6600 6600 6600
Нормы токсичности EURO-V/VI
Минимальная температура пуска холодного
двигателя без дополнительных
приспособлений, °С
– 27
http://vnx.su/
ГОСТ 3.1105-84
Лист 4
ИзмЛист№документаПодписьДатаИзм.Лист№документаПодпиИзм.Лист
№документаПодписьДата
сПрудскихД.А.18.06.12
РеваВ.В.26.10.12
ХристовП.Н.01.11.12
РеваВ.В.27.10.12
ПрудскихД.А.26.10.12
ьДата
Дубликат
Взам.
Подп.
3100.25100.20582
ТИ Технологическая инструкция
ОАО "АВТОВАЗ"
Рисунок 3-1 – Крышка люка бензо-
насоса:
1 – крышка люка бензонасоса
Рисунок 3-2 – Разъем жгута проводов
заднего к бензонасосу:
1 – разъем жгута проводов заднего;
2 – бензонасос
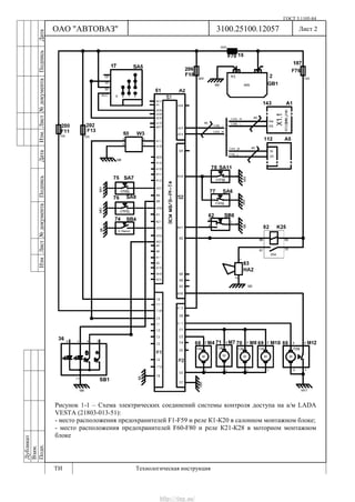
3 СИЛОВОЙ АГРЕГАТ В СБОРЕ – СНЯТИЕ / УСТАНОВКА
Снятие
Для автомобилей всех комплектаций
Установить автомобиль на двухстоечный подъемник, затормозить стояночным тормозом
и выключить зажигание (подъемник электрогидравлический типа П-3,2Г грузоподъемностью
3,2 т).
Откинуть вперед подушку заднего сиденья, снять крышку 1, рисунок 3-1, люка бензона-
соса и отсоединить разъем 1, рисунок 3-2, жгута проводов заднего от бензонасоса 2.
Запустить двигатель и дать ему поработать до полной остановки для сброса давления в
топливном трубопроводе (катушка вытяжная с вентилятором типа SERF/SP ф. "СовПлим").
Присоединить разъем 1, рисунок 3-2, жгута проводов заднего к бензонасосу 2, установить
крышку 1, рисунок 3-1, люка бензонасоса и опустить подушку заднего сиденья.
Выключить зажигание, открыть капот и отсоединить клемму провода "массы" от аккуму-
ляторной батареи (ключ гаечный 10).
http://vnx.su/
ГОСТ 3.1105-84
Лист 5
ИзмЛист№документаПодписьДатаИзм.Лист№документаПодпиИзм.Лист
№документаПодписьДата
сПрудскихД.А.18.06.12
РеваВ.В.26.10.12
ХристовП.Н.01.11.12
РеваВ.В.27.10.12
ПрудскихД.А.26.10.12
ьДата
Дубликат
Взам.
Подп.
3100.25100.20582
ТИ Технологическая инструкция
ОАО "АВТОВАЗ"
Рисунок 3-4 – Воздушный фильтр
со шлангом впускной трубы в сбо-
ре:
1 – хомут крепления верхнего
шланга вентиляции картера;
2 – хомут крепления шланга впуск-
ной трубы;
3 – верхний шланг вентиляции
картера;
4 – шланг впускной трубы;
5 – болт крепления воздушного
фильтра;
6 – воздушный фильтр;
7 – крышка головки цилиндров
Рисунок 3-3 – Резонатор впуска:
1 – резонатор впуска;
2 – патрубок воздушного фильтра;
3 – патрубок воздухозаборника
Для автомобилей с системой кондиционирования
Произвести полную выгрузку хладагента из системы кондиционирования в соответствии
с требованиями инструкции по эксплуатации сервисного оборудования.
Для автомобилей всех комплектаций
Отсоединить патрубки резонатора 1, рисунок 3-3, впуска от воздухозаборника и корпуса
воздушного фильтра, отвернуть два болта крепления и снять резонатор (головка сменная 10,
вороток).
Снять экран модуля впуска.
Отжать хомут 1, рисунок 3-4, крепления и отсоединить верхний шланг 3 вентиляции кар-
тера от патрубка крышки 7 головки цилиндров (плоскогубцы).
Ослабить хомут 2 крепления и отсоединить шланг 4 впускной трубы от модуля впуска
(отвертка крестообразная).
Отвернуть болт 5 крепления, отсоединить воздушный фильтр 6 от опор и снять воздуш-
ный фильтр со шлангом впускной трубы в сборе (головка сменная 13, вороток).
Отсоединить наконечник 1, рисунок 3-5, трубки клапана адсорбера и саму трубку от мо-
дуля 2 впуска.
http://vnx.su/
ГОСТ 3.1105-84
Лист 6
ИзмЛист№документаПодписьДатаИзм.Лист№документаПодпиИзм.Лист
№документаПодписьДата
сПрудскихД.А.18.06.12
РеваВ.В.26.10.12
ХристовП.Н.01.11.12
РеваВ.В.27.10.12
ПрудскихД.А.26.10.12
ьДата
Дубликат
Взам.
Подп.
3100.25100.20582
ТИ Технологическая инструкция
ОАО "АВТОВАЗ"
Рисунок 3-6 – Датчик положения
коленчатого вала:
1 – датчик положения коленчатого
вала;
2 – жгут проводов системы зажига-
ния
Рисунок 3-5 – Трубка клапана адсор-
бера:
1 – наконечник трубки клапана ад-
сорбера;
2 – модуль впуска
Рисунок 3-7 – Датчик давления и
температуры воздуха, клапан за-
слонки впускной трубы:
1 – датчик давления и температуры
воздуха;
2 – клапан заслонки впускной трубы;
3 – жгут проводов системы зажига-
ния
Отсоединить колодки и разъемы жгута проводов системы зажигания от разъемов:
- датчика 1, рисунок 3-6, положения коленчатого вала;
- датчика 1, рисунок 3-7, давления и температуры воздуха;
- клапана 2 заслонки впускной трубы (для двигателя 21129);
http://vnx.su/
ГОСТ 3.1105-84
Лист 7
ИзмЛист№документаПодписьДатаИзм.Лист№документаПодпиИзм.Лист
№документаПодписьДата
сПрудскихД.А.18.06.12
РеваВ.В.26.10.12
ХристовП.Н.01.11.12
РеваВ.В.27.10.12
ПрудскихД.А.26.10.12
ьДата
Дубликат
Взам.
Подп.
3100.25100.20582
ТИ Технологическая инструкция
ОАО "АВТОВАЗ"
Рисунок 3-8 – Соединения жгута
проводов системы зажигания:
1 – дроссельный патрубок;
2 – датчики содержания кислорода;
3 – датчик температуры охлаждаю-
щей жидкости;
4 – жгут проводов системы зажига-
ния;
5 – жгут проводов форсунок;
6 – датчик контрольной лампы дав-
ления масла;
7 – жгут проводов катушек зажига-
ния
Рисунок 3-9 – Выключатель света
заднего хода:
1 – выключатель света заднего хода;
2 – коробка передач;
3 – жгут проводов системы зажига-
ния
- дроссельного патрубка 1, рисунок 3-8;
- датчиков 2 содержания кислорода;
- датчика 3 температуры охлаждающей жидкости;
- жгута 5 проводов форсунок;
- датчика 6 контрольной лампы давления масла;
- жгута 7 проводов катушек зажигания (для двигателя 21129);
- выключателя 1, рисунок 3-9, света заднего хода на коробке 2 передач.
Отсоединить фиксаторы, разрезать хомуты крепления и отвести в сторону жгут проводов
системы зажигания (отвертка плоская, плоскогубцы, нож технологический).
Снять передние колеса в соответствии с требованиями ТИ 3100.25100.20584.
Отвернуть тринадцать болтов 1, рисунок 3-10, крепления и снять брызговик 2 двигателя
(головка сменная 10, вороток и удлинитель).
http://vnx.su/
ГОСТ 3.1105-84
Лист 8
ИзмЛист№документаПодписьДатаИзм.Лист№документаПодпиИзм.Лист
№документаПодписьДата
сПрудскихД.А.18.06.12
РеваВ.В.26.10.12
ХристовП.Н.01.11.12
РеваВ.В.27.10.12
ПрудскихД.А.26.10.12
ьДата
Дубликат
Взам.
Подп.
3100.25100.20582
ТИ Технологическая инструкция
ОАО "АВТОВАЗ"
Рисунок 3-10 – Брызговик двигателя:
1 – болт крепления;
2 – брызговик двигателя
Рисунок 3-12 – Соединение клеммы
и колодки жгута проводов со стар-
тером:
1 – гайка;
2 – клемма жгута проводов перед-
него к стартеру;
3 – колодка жгута проводов перед-
него к стартеру;
4 – стартер
Рисунок 3-11 – Цилиндр гидроприво-
да сцепления:
1 – болт;
2 – цилиндр гидропривода сцепления;
3 – трубка гидропривода сцепления;
4 – кронштейн крепления цилиндра
гидропривода сцепления;
5 – коробка передач;
6 – вилка выключения сцепления
Для автомобилей с МКП
Отвернуть два болта 1, рисунок 3-11, крепления, снять цилиндр 2 гидропривода сцепле-
ния, не отсоединяя от трубки 3 гидропривода, и подвесить цилиндр на технологический крючок
(головка сменная 13, ключ трещоточный, крючок технологический).
Для автомобилей всех комплектаций
http://vnx.su/
ГОСТ 3.1105-84
Лист 9
ИзмЛист№документаПодписьДатаИзм.Лист№документаПодпиИзм.Лист
№документаПодписьДата
сПрудскихД.А.18.06.12
РеваВ.В.26.10.12
ХристовП.Н.01.11.12
РеваВ.В.27.10.12
ПрудскихД.А.26.10.12
ьДата
Дубликат
Взам.
Подп.
3100.25100.20582
ТИ Технологическая инструкция
ОАО "АВТОВАЗ"
Рисунок 3-13 – Крепление стартера:
1 – болт;
2 – кронштейн крепления цилиндра
гидропривода сцепления;
3 – стартер
Рисунок 3-14 – Шланг отводящий
радиатора:
1 – хомут крепления шланга отво-
дящего радиатора;
2 – шланг отводящий радиатора;
3 – радиатор системы охлаждения
двигателя
Отвернуть гайку 1, рисунок 3-12, и отсоединить от тягового реле стартера 4 клемму 2 и
колодку 3 жгута проводов (головка сменная 13, удлинитель, ключ трещоточный).
Отвернуть три болта 1, рисунок 3-13, снять кронштейн 2 крепления цилиндра гидропри-
вода сцепления (для автомобилей с МКП) и стартер 3 (головка сменная Torx E10, удлинитель,
ключ трещоточный).
Слить охлаждающую жидкость:
- отвернуть сливную пробку на блоке цилиндров и ввернуть на ее место штуцер шланга
для слива жидкости (головка сменная 13, вороток, шланг технологический);
- разжать хомут 1, рисунок 3-14, крепления и отсоединить отводящий шланг 2 от патруб-
ка радиатора 3 (плоскогубцы);
- отвернуть пробку на расширительном бачке и слить охлаждающую жидкость (емкость
технологическая);
- установить отводящий шланг 2 радиатора на патрубок радиатора 3 и закрепить хомутом
1 (плоскогубцы);
- вывернуть штуцер и завернуть сливную пробку отверстия на блоке цилиндров (головка
сменная 13, вороток).
http://vnx.su/
ГОСТ 3.1105-84
Лист 10
ИзмЛист№документаПодписьДатаИзм.Лист№документаПодпиИзм.Лист
№документаПодписьДата
сПрудскихД.А.18.06.12
РеваВ.В.26.10.12
ХристовП.Н.01.11.12
РеваВ.В.27.10.12
ПрудскихД.А.26.10.12
ьДата
Дубликат
Взам.
Подп.
3100.25100.20582
ТИ Технологическая инструкция
ОАО "АВТОВАЗ"
Рисунок 3-16 – Термостат и шланги
системы охлаждения двигателя и
отопления салона:
1, 3, 5, 7 – хомут;
2 – термостат;
4 – шланг подводящий отопителя;
6 – шланг отводящий отопителя;
8 – шланг отводящий радиатора;
9 – шланг подводящий радиатора
Рисунок 3-15 – Соединение топлив-
ных трубок:
1 – трубка топливного трубопрово-
да промежуточная;
2 – трубка передняя топливного
трубопровода;
3 – скоба крепления трубопроводов;
4 – модуль впуска
Нажать на фиксаторы и отсоединить наконечник трубки 1, рисунок 3-15, промежуточной
от трубки 2 передней топливного трубопровода и скобы 3 крепления трубопроводов на модуле
4 впуска (для двигателя 21129).
Разжать хомут 1, рисунок 3-16, и отсоединить от термостата 2 шланг 9 подводящий ра-
диатора (плоскогубцы).
Разжать хомут 3 и отсоединить от термостата шланг 4 подводящий отопителя (плоско-
губцы).
Разжать хомут 5 и отсоединить от трубы подводящей водяного насоса шланг 6 отводя-
щий отопителя (плоскогубцы).
Разжать хомут 7 и отсоединить от трубы подводящей водяного насоса шланг 8 радиатора
(плоскогубцы).
Разрезать хомут крепления отводящего шланга радиатора к кронштейну на коробке пере-
дач (нож технологический).
Разжать хомут 1, рисунок 3-17, и отсоединить от трубы 2 подводящей водяного насоса
шланг 3 заправочный (плоскогубцы).
http://vnx.su/
ГОСТ 3.1105-84
Лист 11
ИзмЛист№документаПодписьДатаИзм.Лист№документаПодпиИзм.Лист
№документаПодписьДата
сПрудскихД.А.18.06.12
РеваВ.В.26.10.12
ХристовП.Н.01.11.12
РеваВ.В.27.10.12
ПрудскихД.А.26.10.12
ьДата
Дубликат
Взам.
Подп.
3100.25100.20582
ТИ Технологическая инструкция
ОАО "АВТОВАЗ"
Рисунок 3-18 – Крепление клеммы
жгута проводов переднего к генера-
тору:
1 – гайка;
2 – клемма жгута проводов переднего
к генератору;
3 – хомут;
4 – генератор
Рисунок 3-17 – Шланг заправочный
системы охлаждения двигателя:
1 – хомут;
2 – труба подводящая водяного
насоса;
3 – шланг заправочный
Рисунок 3-19 – Крепление клеммы
жгута провода "массы" к коробке пе-
редач:
1 – гайка;
2 – клемма провода "массы";
3 – коробка передач
Отсоединить жгут проводов передний от двигателя, для чего необходимо:
- отвернуть гайку 1, рисунок 3-18, крепления и отсоединить от генератора 4 клемму 2
жгута проводов переднего (головка сменная 13, удлинитель, вороток);
- разрезать хомуты 3 крепления и отвести жгут проводов передний в сторону от двигате-
ля (нож технологический).
http://vnx.su/
ГОСТ 3.1105-84
Лист 12
ИзмЛист№документаПодписьДатаИзм.Лист№документаПодпиИзм.Лист
№документаПодписьДата
сПрудскихД.А.18.06.12
РеваВ.В.26.10.12
ХристовП.Н.01.11.12
РеваВ.В.27.10.12
ПрудскихД.А.26.10.12
ьДата
Дубликат
Взам.
Подп.
3100.25100.20582
ТИ Технологическая инструкция
ОАО "АВТОВАЗ"
Рисунок 3-20 – Крепление клеммы
жгута провода "массы" к кронштейну
навесных агрегатов:
1 – болт;
2 – клемма провода "массы";
3 – кронштейн навесных агрегатов
Рисунок 3-21 – Шланг вакуумного
усилителя тормозов:
1 – хомут;
2 – шланг вакуумного усилителя
тормозов;
3 – модуль впуска
Отвернуть гайку 1, рисунок 3-19, крепления клеммы 2 провода "массы" от шпильки на
коробке 3 передач и отсоединить клемму (головка сменная 17, удлинитель, ключ трещоточ-
ный);
Отвернуть болт 1, рисунок 3-20, крепления клеммы 2 провода "массы" на кронштейне 3
навесных агрегатов и отсоединить клемму (головка сменная 13, ключ трещоточный).
Ослабить хомут 1, рисунок 3-21, крепления и отсоединить шланг 2 вакуумного усилителя
тормозов от модуля 3 впуска (отвертка крестообразная или головка сменная 8 и вороток).
Для автомобилей с МКП
Нажать на фиксаторы 1, рисунок 3-22, наконечников и отсоединить наконечники 2 тросов
переключения передач от рычагов механизма 6 переключения передач.
Отвести фиксаторы 3 вдоль оси тросов 4 в направлении от кронштейна 5 и вывести тросы
из пазов кронштейна на коробке 7 передач.
http://vnx.su/
ГОСТ 3.1105-84
Лист 13
ИзмЛист№документаПодписьДатаИзм.Лист№документаПодпиИзм.Лист
№документаПодписьДата
сПрудскихД.А.18.06.12
РеваВ.В.26.10.12
ХристовП.Н.01.11.12
РеваВ.В.27.10.12
ПрудскихД.А.26.10.12
ьДата
Дубликат
Взам.
Подп.
3100.25100.20582
ТИ Технологическая инструкция
ОАО "АВТОВАЗ"
Рисунок 3-22 – Тросы переключения
передач:
1 – фиксатор наконечника;
2 – наконечник троса переключения
передач;
3 – фиксатор троса;
4 – трос переключения передач;
5 – кронштейн крепления тросов
переключения передач;
6 – механизм переключения пере-
дач;
7 – коробка передач
Рисунок 3-23 – Компрессор системы
кондиционирования воздуха:
1 – болт;
2 – трубопроводы системы конди-
ционирования;
3 – компрессор системы кондицио-
нирования воздуха
Для автомобилей с системой кондиционирования
Отвернуть два болта 1, рисунок 3-23, крепления трубопроводов 2 к компрессору 3 систе-
мы кондиционирования воздуха и отсоединить трубопроводы (головка сменная 8, ключ трещо-
точный).
Установить на трубопроводы и в отверстия компрессора технологические заглушки (за-
глушки технологические).
Для автомобилей всех комплектаций
Расконтрить три шайбы 1, рисунок 3-24, контрящие и отвернуть три гайки 3 шпилек кре-
пления дополнительного глушителя 2 к приемной трубе 5 глушителя с нейтрализатором в сбо-
ре, отсоединить дополнительный глушитель от приемной трубы глушителя и снять прокладку 4
(отвертка плоская, ключ гаечный 10, головка сменная 10, удлинитель и ключ трещоточный).
http://vnx.su/
ГОСТ 3.1105-84
Лист 14
ИзмЛист№документаПодписьДатаИзм.Лист№документаПодпиИзм.Лист
№документаПодписьДата
сПрудскихД.А.18.06.12
РеваВ.В.26.10.12
ХристовП.Н.01.11.12
РеваВ.В.27.10.12
ПрудскихД.А.26.10.12
ьДата
Дубликат
Взам.
Подп.
3100.25100.20582
ТИ Технологическая инструкция
ОАО "АВТОВАЗ"
Рисунок 3-24 – Соединение допол-
нительного глушителя с приемной
трубой глушителя с нейтрализато-
ром в сборе:
1 – шайба контрящая;
2 – глушитель дополнительный;
3 – гайка;
4 – прокладка фланца глушителя;
5 – труба приемная глушителя с ней-
трализатором в сборе
Рисунок 3-25 – Задняя опора подвес-
ки силового агрегата:
1 – болт крепления штанги задней
подвески двигателя;
2 – болт крепления кронштейна;
3 – кронштейн;
4 – силовой агрегат;
5 – штанга задней подвески силового
агрегата;
6 – подрамник передней подвески
Рисунок 3-26 – Пробки для слива и
заправки масла коробки передач:
1 – пробка отверстия для слива мас-
ла;
2 – пробка отверстия для заливки
масла;
3 – коробка передач
Отвернуть болты 1 и 2, рисунок 3-25, крепления кронштейна 3 и штанги 5 к силовому аг-
регату 4 и снять кронштейн (головка сменная 18, ключ трещоточный).
Снять подрамник 6 передней подвески в сборе в соответствии с требованиями
ТИ 3100.25100.20584.
Отвернуть пробку 1, рисунок 3-26, и слить масло из коробки 3 передач (ключ кольцевой
17, установка типа 24164 ф. "ALFA" (Италия) для сбора отработанного масла).
http://vnx.su/
ГОСТ 3.1105-84
Лист 15
ИзмЛист№документаПодписьДатаИзм.Лист№документаПодпиИзм.Лист
№документаПодписьДата
сПрудскихД.А.18.06.12
РеваВ.В.26.10.12
ХристовП.Н.01.11.12
РеваВ.В.27.10.12
ПрудскихД.А.26.10.12
ьДата
Дубликат
Взам.
Подп.
3100.25100.20582
ТИ Технологическая инструкция
ОАО "АВТОВАЗ"
Рисунок 3-27 – Приводы передних
колес:
1 – левый привод колеса;
2 – коробка передач;
3 – правый привод колеса
Рисунок 3-28 – Рым подвески силово-
го агрегата на двигателе
Обезжирить резьбу в картере коробки передач и на пробке, нанести на резьбовую часть
пробки герметик (уайт-спирит, норма расхода 2 г; герметик ПС-1 согласно действующему "Ко-
дификатору основных и вспомогательных материалов, применяемых при ТО и ремонте авто-
мобилей LADA" К 3100.25100.00018, норма расхода 1 г).
Установить пробку 1, рисунок 3-26, в отверстие для слива масла в картере коробки 3 пе-
редач. Момент затяжки пробки 29…46 Н.м (2,9…4,6 кгс.м) (головка сменная 17, вороток, ключ
моментный).
Выбить и вывести внутренние шарниры приводов 1 и 3, рисунок 3-27, передних колес из
шестерен полуосей дифференциала коробки 2 передач и установить на их место транспортные
заглушки (приспособление для выбивания приводов из коробки передач).
Завести крюки грузоподъемного захвата в проушины рымов, рисунки 3-28 и 3-29, сило-
вого агрегата и вывесить силовой агрегат (кран гидравлический типа ОМА-587, захват ТСО
3/379.000).
http://vnx.su/
ГОСТ 3.1105-84
Лист 16
ИзмЛист№документаПодписьДатаИзм.Лист№документаПодпиИзм.Лист
№документаПодписьДата
сПрудскихД.А.18.06.12
РеваВ.В.26.10.12
ХристовП.Н.01.11.12
РеваВ.В.27.10.12
ПрудскихД.А.26.10.12
ьДата
Дубликат
Взам.
Подп.
3100.25100.20582
ТИ Технологическая инструкция
ОАО "АВТОВАЗ"
Рисунок 3-29 – Рым подвески
силового агрегата на коробке
передач
Рисунок 3-30 – Кронштейн воздуш-
ного фильтра:
1 – болт;
2 – кронштейн воздушного фильтра;
3 – левая опора подвески силового
агрегата
Рисунок 3-31 – Левая опора подвес-
ки силового агрегата:
1 – болт;
2 – левая опора подвески силового
агрегата;
3 – кронштейн левый подвески си-
лового агрегата
Ослабить болт 1, рисунок 3-30, крепления кронштейна 2 воздушного фильтра и снять
кронштейн с левой опоры 3 подвески силового агрегата (головка сменная 16, удлинитель, воро-
ток).
Отвернуть и извлечь два болта 1, рисунок 3-31, крепления силового агрегата к левой опо-
ре 2 подвески силового агрегата (головка сменная 18, удлинитель, вороток).
Отвернуть и извлечь два болта 1, рисунок 3-32, крепления силового агрегата к правой
опоре 2 подвески силового агрегата (головка сменная Torx E12, удлинитель, вороток).
http://vnx.su/
ГОСТ 3.1105-84
Лист 17
ИзмЛист№документаПодписьДатаИзм.Лист№документаПодпиИзм.Лист
№документаПодписьДата
сПрудскихД.А.18.06.12
РеваВ.В.26.10.12
ХристовП.Н.01.11.12
РеваВ.В.27.10.12
ПрудскихД.А.26.10.12
ьДата
Дубликат
Взам.
Подп.
3100.25100.20582
ТИ Технологическая инструкция
ОАО "АВТОВАЗ"
Рисунок 3-32 – Правая опора подвес-
ки силового агрегата:
1 – болт;
2 – правая опора подвески силового
агрегата
Опустить силовой агрегат на тележку, извлечь крюки грузоподъемного захвата из про-
ушин рымов и вывести силовой агрегат из-под автомобиля (тележка типа 67.50.004).
Установка
Подвести силовой агрегат на тележке под моторный отсек автомобиля (тележка типа
67.50.004).
Завести крюки грузоподъемного захвата в проушины рымов, рисунки 3-28 и 3-29, сило-
вого агрегата, поднять силовой агрегат и установить два болта 1, рисунок 3-31, крепления си-
лового агрегата к левой опоре 2 и два болта 1, рисунок 3-32, крепления силового агрегата к
правой опоре 2. Операцию выполнять с помощником (кран гидравлический типа ОМА-587 , за-
хват ТСО 3/379.000, тележка типа 67.50.004, головки сменные 18 и Torx E12, удлинитель, воро-
ток).
Моменты затяжки болтов крепления силового агрегата:
- к правой опоре подвески силового агрегата 53…71 Н.м (5,3…7,1 кгс.м) (головка смен-
ная Torx E12, удлинитель, ключ моментный);
- к левой опоре подвески силового агрегата 90…120 Н.м (9…12 кгс.м) (головка сменная
18, удлинитель, ключ моментный).
Извлечь крюки грузоподъемного захвата из проушин рымов силового агрегата.
Установить кронштейн 2, рисунок 3-30, воздушного фильтра на левую опору 3 подвески
силового агрегата до упора и затянуть болт 1 крепления моментом 53…71 Н.м (5,3…7,1 кгс.м)
(головка сменная 16, удлинитель, вороток, ключ моментный).
Снять старые и установить новые стопорные кольца на наконечники внутренних шарни-
ров приводов колес. Повторное использование стопорных колец не допускается (отвертка пло-
ская).
Извлечь одну транспортную заглушку из дифференциала коробки передач. Ввести шли-
цевую часть внутреннего шарнира одного из приводов в сальник полуоси, провернуть вал при-
вода и совместить шлицы шарнира с впадинами шестерни полуоси. Резким движением стойки с
поворотным кулаком запрессовать привод в шестерню полуоси, рисунок 3-27.
http://vnx.su/
ГОСТ 3.1105-84
Лист 18
ИзмЛист№документаПодписьДатаИзм.Лист№документаПодпиИзм.Лист
№документаПодписьДата
сПрудскихД.А.18.06.12
РеваВ.В.26.10.12
ХристовП.Н.01.11.12
РеваВ.В.27.10.12
ПрудскихД.А.26.10.12
ьДата
Дубликат
Взам.
Подп.
3100.25100.20582
ТИ Технологическая инструкция
ОАО "АВТОВАЗ"
Убедиться в фиксации привода путем перемещения внутреннего шарнира усилием рук в
сторону поворотного кулака.
Выполнить операции по установке для второго привода колеса.
Установить подрамник 6, рисунок 3-25, передней подвески в сборе в соответствии с тре-
бованиями ТИ 3100.25100.20584.
Для автомобилей с климатической системой
Извлечь заглушки из отверстий компрессора и трубопроводов.
Установить на трубопроводы новые уплотнительные кольца. На уплотнительные кольца
нанести масло компрессорное SANDEN SP-10, присоединить трубопроводы 2, рисунок 3-23, к
компрессору 3 и установить два болта 1 крепления трубопроводов. Момент затяжки болтов
7…9 Н.м (0,7…0,9 кгс.м) (головка сменная 8, удлинитель, ключ трещоточный, ключ момент-
ный).
Для автомобилей всех комплектаций
Установить на фланец приемной трубы 5, рисунок 3-24, с нейтрализатором в сборе новую
прокладку 4, присоединить дополнительный глушитель 2, установить контрящие шайбы 1. За-
вернуть и затянуть три гайки 3 шпилек крепления дополнительного глушителя к приемной тру-
бе и законтрить. Момент затяжки гаек 21…25 Н.м (2,1…2,5 кгс.м) (головка сменная 10, ключ
трещоточный, ключ моментный, притупленное зубило, молоток).
Установить стартер 3, рисунок 3-13, кронштейн 2 крепления цилиндра гидропривода (для
автомобилей с МКП) и закрепить его тремя болтами 1. Момент затяжки болтов 18…24 Н.м
(1,8…2,4 кгс.м) (головка сменная Torx E10, удлинитель, ключ трещоточный, ключ моментный).
Для автомобилей с МКП
Установить цилиндр 2, рисунок 3-11, гидропривода сцепления и закрепить двумя болта-
ми 1. Момент затяжки болтов 18…24 Н.м (1,8…2,4 кгс.м) (головка сменная 13, ключ трещоточ-
ный, ключ моментный).
Для автомобилей всех комплектаций
Отвернуть пробку 2, рисунок 3-26, отверстия для заливки масла на картере коробки пере-
дач (головка сменная 17, вороток).
Залить масло в коробку передач. Контрольный уровень масла должен находиться на
нижней кромке заливного отверстия (установка заправочная С-223-1 для трансмиссионных ма-
сел, масло трансмиссионное Татнефть ТМ-4-12 SAE 75W-85 API GL-4 или Роснефть Kinetik
SAE 75W-85 API GL-4, норма расхода: для КП 2180/2182 – 2,25 л; для КП JHQ – 2,34 л).
Обезжирить резьбу в картере коробки передач и на пробке, нанести на резьбовую часть
пробки герметик (уайт-спирит, норма расхода 2 г; герметик ПС-1 согласно действующему "Ко-
дификатору основных и вспомогательных материалов, применяемых при ТО и ремонте авто-
мобилей LADA" К 3100.25100.00018, норма расхода 1 г).
Установить пробку отверстия для заливки масла в картер коробки передач. Момент за-
тяжки пробки 29…46 Н.м (2,9…4,6 кгс.м) (головка сменная 17, вороток, ключ моментный).
Установить передние колеса в соответствии с требованиями ТИ 3100.25100.20584.
http://vnx.su/
ГОСТ 3.1105-84
Лист 19
ИзмЛист№документаПодписьДатаИзм.Лист№документаПодпиИзм.Лист
№документаПодписьДата
сПрудскихД.А.18.06.12
РеваВ.В.26.10.12
ХристовП.Н.01.11.12
РеваВ.В.27.10.12
ПрудскихД.А.26.10.12
ьДата
Дубликат
Взам.
Подп.
3100.25100.20582
ТИ Технологическая инструкция
ОАО "АВТОВАЗ"
Для автомобилей с МКП
Отвести фиксаторы 3, рисунок 3-22, в направлении вдоль оси тросов 4 и установить тро-
сы переключения передач в пазы кронштейна 5 на коробке передач.
Нанести на сферические пальцы рычагов механизма 6 переключения передач смазку и
подсоединить наконечники 2 тросов к рычагам (смазка АЗМОЛ ЛСЦ-15 согласно действующе-
му "Кодификатору основных и вспомогательных материалов, применяемых при ТО и ремонте
автомобилей LADA" К 3100.25100.00018, норма расхода 1 г).
Для автомобилей всех комплектаций
Присоединить в последовательности обратной снятию:
- шланг 2, рисунок 3-21, усилителя тормоза;
- колодки жгутов проводов электрооборудования;
- шланги 4 и 6, рисунок 3-16, отопителя;
- шланги 8 и 9 радиатора системы охлаждения;
- шланг 3, рисунок 3-17, заправочный.
При установке жгутов проводов и отводящего шланга радиатора срезанные хомуты заме-
нить новыми.
Моменты затяжки:
- гайки 1, рисунок 3-12, крепления клеммы 2 жгута проводов к тяговому реле стартера
10…13 Н.м (1,0…1,3 кгс.м);
- гайки 1, рисунок 3-18, крепления клеммы 2 жгута проводов к генератору 10…13 Н.м
(1,0…1,3 кгс.м);
- болта 1, рисунок 3-20, крепления клеммы 2 провода "массы" к кронштейну навесных аг-
регатов 18…22 Н.м (1,8…2,2 кгс.м);
- гайки 1, рисунок 3-19, крепления клеммы 2 провода "массы" к коробке передач
10…13 Н.м (3,8…4,4 кгс.м) (головки сменные 13, 17, удлинитель, ключ трещоточный, ключ
моментный).
Подсоединить наконечник топливной трубки 1, рисунок 3-15, промежуточной к трубке 2
передней топливного трубопровода до характерного щелчка. Наконечник должен быть надежно
зафиксирован в соединении. Проверить надежность фиксации методом пробного отведения на-
конечника вдоль оси трубки с небольшим усилием.
Зафиксировать топливные трубки в скобе 3 крепления трубопроводов на модуле 4 впуска
(для двигателя 21129).
Установить воздушный фильтр 6, рисунок 3-4, со шлангом впускной трубы в сборе на
три опоры крепления и закрепить болтом 5 (головка сменная 13, вороток).
Присоединить резонатор 1, рисунок 3-3, впуска к корпусу воздушного фильтра и возду-
хозаборнику и закрепить к кузову двумя болтами (головка сменная 10, вороток).
http://vnx.su/
ГОСТ 3.1105-84
Лист 20
ИзмЛист№документаПодписьДатаИзм.Лист№документаПодпиИзм.Лист
№документаПодписьДата
сПрудскихД.А.18.06.12
РеваВ.В.26.10.12
ХристовП.Н.01.11.12
РеваВ.В.27.10.12
ПрудскихД.А.26.10.12
ьДата
Дубликат
Взам.
Подп.
3100.25100.20582
ТИ Технологическая инструкция
ОАО "АВТОВАЗ"
Присоединить разъем 1, рисунок 3-5, трубки клапана адсорбера к модулю 2 впуска.
Присоединить шланг 4, рисунок 3-4, впускной трубы к модулю впуска и затянуть хомут 2
крепления (отвертка крестообразная).
Надеть верхний шланг 3 вентиляции картера на патрубок крышки 7 головки цилиндров и
зафиксировать хомутом 1 (плоскогубцы).
Проверить и при необходимости довести до нормы уровень масла в картере двигателя
(установка типа 24065 для заправки моторным маслом ф. "Альфа" (Италия), масло моторное
согласно действующему "Кодификатору основных и вспомогательных материалов, применяе-
мых при ТО и ремонте автомобилей LADA" К 3100.25100.00018).
Уровень масла должен быть в зоне рифления указателя уровня.
Залить охлаждающую жидкость в расширительный бачок и установить пробку расшири-
тельного бачка. Уровень охлаждающей жидкости должен быть между метками "min" и "max"
на расширительном бачке. Объем охлаждающей жидкости, включая систему отопления салона:
для автомобилей с двигателями 11189/21129 – 8,7 л; для автомобилей с двигателем HR16 –
7,0 л (жидкость охлаждающая согласно действующему "Кодификатору основных и вспомога-
тельных материалов, применяемых при ТО и ремонте автомобилей LADA"
К 3100.25100.00018).
Присоединить клемму провода "массы" к аккумуляторной батарее в соответствии с тре-
бованиями ТИ 3100.25100.20587.
Установить экран модуля впуска.
Для автомобилей с системой кондиционирования
Выполнить вакуумирование системы кондиционирования и произвести загрузку хлада-
гента в систему в соответствии с требованиями инструкции по эксплуатации на сервисное обо-
рудование и ТИ 3100.25100.20590. (хладагент R134a согласно действующему "Кодификатору
основных и вспомогательных материалов, применяемых при ТО и ремонте автомобилей
LADA" К 3100.25100.00018, масса заправляемого в систему хладагента 475 ± 20 г).
Для автомобилей всех комплектаций
Запустить двигатель и дать ему поработать 2 - 3 минуты на холостых оборотах для уда-
ления воздушных пробок в системе охлаждения.
Проверить работоспособность отопителя.
После остановки двигателя проверить уровень охлаждающей жидкости и отсутствие сле-
дов подтекания, при необходимости довести уровень жидкости до нормы. Уровень охлаждаю-
щей жидкости должен быть между метками "min" и "max" на расширительном бачке (катушка
вытяжная с вентилятором типа SERF/SP ф. "СовПлим").
При работающем двигателе контрольная лампа "Проверьте двигатель" на панели прибо-
ров не должна загораться. При загорании лампы перевести электронную систему управления
двигателем в режим диагностического отображения согласно требованиям
ТИ 3100.25100.12056, определить код неисправности и устранить причину.
Установить автомобиль на четырехстоечный подъемник, затормозить стояночным тормо-
зом и вывесить его (подъемник четырехстоечный электромеханический типа П-178Д-03 грузо-
подъемностью 3,5 т).
Прожать переднюю подвеску усилием рук 2 - 3 раза для самоустановки ее узлов, прикла-
дывая усилие 400…500 Н (40…50 кгс) в районе переднего бампера.
http://vnx.su/
ГОСТ 3.1105-84
Лист 21
ИзмЛист№документаПодписьДатаИзм.Лист№документаПодпиИзм.Лист
№документаПодписьДата
сПрудскихД.А.18.06.12
РеваВ.В.26.10.12
ХристовП.Н.01.11.12
РеваВ.В.27.10.12
ПрудскихД.А.26.10.12
ьДата
Дубликат
Взам.
Подп.
3100.25100.20582
ТИ Технологическая инструкция
ОАО "АВТОВАЗ"
Рисунок 3-33 – Крепление рычага
передней подвески к подрамнику:
1 – болт;
2 – рычаг передней подвески;
3 – подрамник передней подвески
Рисунок 3-34 – Лонжероны передней
подвески:
1 – болт;
2 – лонжерон передней подвески;
3 – гайка;
4 – болт;
5 – подрамник передней подвески;
6 – поперечина рамки радиатора
Затянуть окончательно болты крепления передних шарниров рычагов передней подвески
и установить лонжероны подрамника в соответствии с требованиями ТИ 3100.25100.20583.
Моменты затяжки резьбовых соединений:
- болтов 1, рисунок 3-33, крепления передних шарниров рычагов 2 передней подвески к
подрамнику 90…120 Н.м (9…12 кгс.м) (головка сменная 18, удлинитель, вороток, ключ мо-
ментный);
- болтов 1, рисунок 3-34, крепления лонжеронов 2 к поперечине 6 рамки радиатора
18…24 Н.м (1,8…2,4 кгс.м) (головка сменная 13, вороток, ключ моментный);
- гаек 3 болтов 4 крепления лонжеронов 2 к подрамнику 5 передней подвески 18…24 Н.м
(1,8…2,4 кгс.м) (головки сменные 10, 13, вороток, ключ моментный).
Установить брызговик 2, рисунок 3-10, двигателя и затянуть тринадцать болтов 1 крепле-
ния (головка сменная 10, вороток и удлинитель).
Проверить и при необходимости отрегулировать углы установки передних колес в соот-
ветствии с требованиями ТИ 3100.25100.13070.
Предъявить автомобиль ОТК. ОТК проверить автомобиль на соответствие требовани-
ям ТУ 017200-254-00232934 пп. 1.19.5, 1.19.6, 1.19.9, 1.19.10, 1.19.14, 1.19.15, 1.19.19.6,
1.19.21.3, 1.19.21.6.
http://vnx.su/
ГОСТ 3.1105-84
Лист 22
ИзмЛист№документаПодписьДатаИзм.Лист№документаПодпиИзм.Лист
№документаПодписьДата
сПрудскихД.А.18.06.12
РеваВ.В.26.10.12
ХристовП.Н.01.11.12
РеваВ.В.27.10.12
ПрудскихД.А.26.10.12
ьДата
Дубликат
Взам.
Подп.
3100.25100.20582
ТИ Технологическая инструкция
ОАО "АВТОВАЗ"
Рисунок 4-1 – Снятие щитка правого
переднего крыла:
1 – щиток правого переднего крыла
Рисунок 4-2 – Брызговик двигателя:
1 – болт крепления;
2 – брызговик двигателя
4 РЕМЕНЬ ПРИВОДА НАВЕСНЫХ АГРЕГАТОВ – СНЯТИЕ / УСТАНОВКА
(НА АВТОМОБИЛЕ)
Снятие
Для автомобилей всех комплектаций
Установить автомобиль на двухстоечный подъемник, затормозить стояночным тормозом,
выключить зажигание (подъемник электрогидравлический типа П-3,2Г грузоподъемностью
3,2 т, ключ гаечный 10).
Снять правое переднее колесо в соответствии с требованиями ТИ 3100.25100.20584.
Поднять автомобиль на высоту, удобную для выполнения работы.
Снять щиток 1, рисунок 4-1, правого переднего крыла в соответствии с требованиями
ТИ 3100.25100.20589.
Для автомобилей без климатической системы
Отвернуть тринадцать болтов 1, рисунок 4-2, крепления и снять брызговик 2 двигателя
(головка сменная 10, вороток и удлинитель).
http://vnx.su/
ГОСТ 3.1105-84
Лист 23
ИзмЛист№документаПодписьДатаИзм.Лист№документаПодпиИзм.Лист
№документаПодписьДата
сПрудскихД.А.18.06.12
РеваВ.В.26.10.12
ХристовП.Н.01.11.12
РеваВ.В.27.10.12
ПрудскихД.А.26.10.12
ьДата
Дубликат
Взам.
Подп.
3100.25100.20582
ТИ Технологическая инструкция
ОАО "АВТОВАЗ"
Рисунок 4-3 – Цилиндр гидропривода
сцепления:
1 – болт;
2 – цилиндр гидропривода сцепления;
3 – трубка гидропривода сцепления;
4 – кронштейн крепления цилиндра
гидропривода сцепления;
5 – коробка передач;
6 – вилка выключения сцепления
Рисунок 4-4 – Крепление стартера:
1 – болт;
2 – кронштейн крепления цилиндра
гидропривода сцепления;
3 – стартер
Для автомобилей с МКП дополнительно
Отвернуть два болта 1, рисунок 4-3, крепления, снять цилиндр 2 гидропривода сцепле-
ния, не отсоединяя от трубки 3 гидропривода, и подвесить цилиндр на технологический крючок
(головка сменная 13, ключ трещоточный, крючок технологический).
Для автомобилей без климатической системы
Отвернуть три болта 1, рисунок 4-4, снять кронштейн 2 крепления цилиндра гидроприво-
да сцепления (для автомобилей с МКП), снять стартер 3 не отсоединяя клемму и разъем жгутов
проводов, подходящие к стартеру, и подвесить его на технологический крючок (головка смен-
ная Torx E10, удлинитель, ключ трещоточный, крючок технологический).
Установить приспособление для стопорения маховика в отверстия для болтов крепления
стартера на коробке передач.
Для автомобилей с климатической системой (с натяжным роликом ремня привода
навесных агрегатов)
Снять заглушку натяжного ролика, ослабить гайку 1, рисунок 4-5, крепления и перевести
натяжной ролик 2 в направлении против часовой стрелки в верхнее положение (головка смен-
ная 13, вороток, насадка Torx T55).
http://vnx.su/
ГОСТ 3.1105-84
Лист 24
ИзмЛист№документаПодписьДатаИзм.Лист№документаПодпиИзм.Лист
№документаПодписьДата
сПрудскихД.А.18.06.12
РеваВ.В.26.10.12
ХристовП.Н.01.11.12
РеваВ.В.27.10.12
ПрудскихД.А.26.10.12
ьДата
Дубликат
Взам.
Подп.
3100.25100.20582
ТИ Технологическая инструкция
ОАО "АВТОВАЗ"
Рисунок 4-5 – Ремень привода на-
весных агрегатов на автомобилях с
климатической системой:
1 – гайка крепления натяжного
ролика;
2 – натяжной ролик;
3 – шкив генератора;
4 – шкив компрессора кондиционе-
ра;
5 – ремень привода навесных
агрегатов
6 – демпфер коленчатого вала;
7 – болт крепления демпфера;
8 – шайба
Для автомобилей без климатической системы
Отвернуть болт 7 крепления демпфера, осторожно снять шайбу 8 и демпфер 6 коленчато-
го вала (головка сменная 17, ключ трещоточный и удлинитель).
Для автомобилей всех комплектаций
Снять ремень 5 привода навесных агрегатов.
Установка
Для автомобилей без климатической системы
Установить на коленчатый вал демпфер, шайбу и закрепить болтом. Момент затяжки
болта крепления демпфера 95…115 Н.м (9,5…11,5 кгс.м) (головка сменная 17, ключ трещоточ-
ный, ключ моментный).
Установить монтажное приспособление 67.7834-9703 на шкив демпфера (приспособле-
ние 67.7834-9703 для установки эластичного ремня привода вспомогательных агрегатов).
Установить ремень на шкив генератора и надеть на демпфер через приспособление
67.7834-9703.
Вращая демпфер за головку болта крепления в направлении движения часовой стрелки на
¾ оборота, надеть ремень на канавки демпфера (ключ кольцевой 17).
Прекратить вращение демпфера после освобождения от ремня приспособления 67.7834-
9703 и снять приспособление со шкива демпфера.
Установить стартер 3, рисунок 4-4, и кронштейн 2 крепления цилиндра гидропривода
сцепления (для автомобилей с МКП) и закрепить тремя болтами 1. Момент затяжки болтов
18…24 Н.м (1,8…2,4 кгс.м) (головка сменная Torx E10, удлинитель, ключ трещоточный, ключ
моментный).
Для автомобилей с МКП дополнительно
Установить цилиндр 2, рисунок 4-3, гидропривода сцепления и закрепить двумя
болтами 1. Момент затяжки болтов 18…24 Н.м (1,8…2,4 кгс.м) (головка сменная 13, ключ тре-
щоточный, ключ моментный).
http://vnx.su/
ГОСТ 3.1105-84
Лист 25
ИзмЛист№документаПодписьДатаИзм.Лист№документаПодпиИзм.Лист
№документаПодписьДата
сПрудскихД.А.18.06.12
РеваВ.В.26.10.12
ХристовП.Н.01.11.12
РеваВ.В.27.10.12
ПрудскихД.А.26.10.12
ьДата
Дубликат
Взам.
Подп.
3100.25100.20582
ТИ Технологическая инструкция
ОАО "АВТОВАЗ"
Для автомобилей без климатической системы
Установить брызговик 2, рисунок 4-2, двигателя и затянуть тринадцать болтов 1 крепле-
ния (головка сменная 10, вороток и удлинитель).
Для автомобилей с климатической системой (с натяжным роликом ремня привода
навесных агрегатов)
Установить ремень 5, рисунок 4-5, привода навесных агрегатов в последовательности:
- демпфер 6 коленчатого вала;
- шкив 4 компрессора кондиционера;
- шкив 3 генератора;
- ролик 2 натяжной.
Перевести натяжной ролик 2 в нижнее положение в направлении по часовой стрелке и за-
тянуть гайку 1 крепления натяжного ролика. Момент затяжки гайки 30…36 Н.м (3,0…3,6 кгс.м)
(головка сменная 13, насадка Torx T55, вороток, ключ моментный).
Установить заглушку натяжного ролика.
Для автомобилей всех комплектаций
Установить щиток правого переднего крыла в соответствии с требованиями
ТИ 3100.25100.20589.
Установить правое переднее колесо в соответствии с требованиями ТИ 3100.25100.20584.
Предъявить автомобиль ОТК. ОТК проверить автомобиль на соответствие требовани-
ям ТУ 017200-254-00232934 пп. 1.19.5, 1.19.6, 1.19.14.
http://vnx.su/
ГОСТ 3.1105-84
Лист 26
ИзмЛист№документаПодписьДатаИзм.Лист№документаПодпиИзм.Лист
№документаПодписьДата
сПрудскихД.А.18.06.12
РеваВ.В.26.10.12
ХристовП.Н.01.11.12
РеваВ.В.27.10.12
ПрудскихД.А.26.10.12
ьДата
Дубликат
Взам.
Подп.
3100.25100.20582
ТИ Технологическая инструкция
ОАО "АВТОВАЗ"
Рисунок 5-1 – Ремень привода на-
весных агрегатов на автомобилях с
климатической системой:
1 – гайка крепления натяжного
ролика;
2 – натяжной ролик;
3 – шкив генератора;
4 – шкив компрессора кондиционе-
ра;
5 – ремень привода навесных
агрегатов
6 – демпфер коленчатого вала;
7 – болт крепления демпфера;
8 – шайба
Рисунок 5-2 – Лонжерон подрамника
дополнительный:
1 – гайка;
2 – рамка радиатора;
3 – болт крепления лонжерона к рамке
радиатора;
4 – лонжерон подрамника дополни-
тельный;
5 – болт крепления лонжерона к под-
рамнику;
6 – подрамник передней подвески
5 РОЛИК НАТЯЖНОЙ РЕМНЯ ПРИВОДА НАВЕСНЫХ АГРЕГАТОВ – СНЯТИЕ /
УСТАНОВКА (НА АВТОМОБИЛЕ)
Снятие
Установить автомобиль на двухстоечный подъемник, затормозить стояночным тормозом,
выключить зажигание (подъемник электрогидравлический типа П-3,2Г грузоподъемностью
3,2 т, ключ гаечный 10).
Снять правое переднее колесо в соответствии с требованиями ТИ 3100.25100.20584.
Поднять автомобиль на высоту, удобную для выполнения работы.
Снять щиток 1, рисунок 4-1, правого переднего крыла в соответствии с требованиями
ТИ 3100.25100.20589.
Снять ремень 5, рисунок 5-1, привода навесных агрегатов в соответствии с требованиями
раздела 4 настоящей технологической инструкции.
Отвернуть две гайки 1, рисунок 5-2, болтов 5 крепления лонжерона к подрамнику 6 и из-
влечь болты (ключ кольцевой 13, головка сменная 10, вороток).
http://vnx.su/
ГОСТ 3.1105-84
Лист 27
ИзмЛист№документаПодписьДатаИзм.Лист№документаПодпиИзм.Лист
№документаПодписьДата
сПрудскихД.А.18.06.12
РеваВ.В.26.10.12
ХристовП.Н.01.11.12
РеваВ.В.27.10.12
ПрудскихД.А.26.10.12
ьДата
Дубликат
Взам.
Подп.
3100.25100.20582
ТИ Технологическая инструкция
ОАО "АВТОВАЗ"
Рисунок 5-3 – Вывешивание силового
агрегата:
1 – траверса для вывешивания сило-
вого агрегата;
2 – крюк траверсы;
3 – рым двигателя
Рисунок 5-4 – Правая опора подвески
силового агрегата:
1 – болт;
2 – правая опора подвески силового
агрегата
Отвернуть болт 3 крепления лонжерона к рамке 2 радиатора и снять правый лонжерон 4
подрамника дополнительный (головка сменная 16, вороток).
Установить на автомобиль траверсу 1, рисунок 5-3, для вывешивания силового агрегата,
завести крюк 2 траверсы в проушину 3 правого рыма и вывесить силовой агрегат с правой сто-
роны (траверса для вывешивания силового агрегата).
Отвернуть и извлечь два болта 1, рисунок 5-4, крепления силового агрегата к правой опо-
ре 2 подвески силового агрегата (головка сменная Torx E12, удлинитель, вороток).
Опустить крюк 2, рисунок 5-3, траверсы с подвешенным силовым агрегатом на величину,
достаточную для снятия ролика со шпильки крепления.
Отвернуть гайку 1, рисунок 5-1, крепления натяжного ролика и снять натяжной ролик 2
(головка сменная 13, вороток).
http://vnx.su/
ГОСТ 3.1105-84
Лист 28
ИзмЛист№документаПодписьДатаИзм.Лист№документаПодпиИзм.Лист
№документаПодписьДата
сПрудскихД.А.18.06.12
РеваВ.В.26.10.12
ХристовП.Н.01.11.12
РеваВ.В.27.10.12
ПрудскихД.А.26.10.12
ьДата
Дубликат
Взам.
Подп.
3100.25100.20582
ТИ Технологическая инструкция
ОАО "АВТОВАЗ"
Установка
Установить натяжной ролик 2, рисунок 5-1, на шпильку и закрепить гайкой 1 не затяги-
вая (головка сменная 13, вороток).
Поднять крюк 2, рисунок 5-3, траверсы с подвешенным силовым агрегатом, установить
два болта 1, рисунок 5-4, крепления силового агрегата к правой опоре 2 подвески силового аг-
регата. Момент затяжки болтов крепления силового агрегата к правой опоре 53…71 Н.м
(5,3…7,1 кгс.м) (головка сменная Torx E12, удлинитель, вороток, ключ моментный).
Извлечь крюк 2, рисунок 5-3, траверсы из проушины правого рыма 3 на двигателе и снять
траверсу 1 для вывешивания силового агрегата с автомобиля.
Установить правый лонжерон 4, рисунок 5-2, подрамника дополнительный. Моменты за-
тяжки:
- гаек 1 болтов 5 крепления лонжерона 4 к подрамнику 6 передней подвески 18…24 Н.м
(1,8…2,4 кгс.м) (ключ кольцевой 13, головка сменная 10, вороток, ключ моментный);
- болта 3 крепления лонжерона 4 к рамке 2 радиатора 18…24 Н.м (1,8…2,4 кгс.м) (голов-
ка сменная 16, вороток, ключ моментный).
Установить ремень 5, рисунок 5-1, привода навесных агрегатов в соответствии с требова-
ниями раздела 4 настоящей технологической инструкции.
Окончательный момент затяжки гайки 1 крепления натяжного ролика 2 после установки
ремня привода навесных агрегатов 30…36 Н.м (3,0…3,6 кгс.м) (головка сменная 13, вороток,
ключ моментный).
Предъявить автомобиль ОТК. ОТК проверить автомобиль на соответствие требовани-
ям ТУ 017200-254-00232934 пп. 1.19.5, 1.19.6, 1.19.14.
http://vnx.su/
ГОСТ 3.1105-84
Лист 29
ИзмЛист№документаПодписьДатаИзм.Лист№документаПодпиИзм.Лист
№документаПодписьДата
сПрудскихД.А.18.06.12
РеваВ.В.26.10.12
ХристовП.Н.01.11.12
РеваВ.В.27.10.12
ПрудскихД.А.26.10.12
ьДата
Дубликат
Взам.
Подп.
3100.25100.20582
ТИ Технологическая инструкция
ОАО "АВТОВАЗ"
Рисунок 6-2 – Вывешивание силового
агрегата:
1 – траверса для вывешивания сило-
вого агрегата;
2 – крюк траверсы;
3 – рым двигателя
Рисунок 6-1 – Демпфер коленчатого
вала:
1 – болт крепления демпфера;
2 – шайба;
3 – демпфер коленчатого вала
6 РЕМЕНЬ ПРИВОДА ГАЗОРАСПРЕДЕЛИТЕЛЬНОГО МЕХАНИЗМА (ГРМ) –
СНЯТИЕ / УСТАНОВКА (НА АВТОМОБИЛЕ)
Снятие
Для автомобилей всех комплектаций
Установить автомобиль на двухстоечный подъемник, затормозить стояночным тормозом,
выключить зажигание и отсоединить клемму провода "массы" от аккумуляторной батареи
(подъемник электрогидравлический типа П-3,2Г грузоподъемностью 3,2 т, ключ гаечный 10).
Снять ремень привода навесных агрегатов, брызговик двигателя и установить приспособ-
ление для стопорения маховика в соответствии с требованиями раздела 4 настоящей техноло-
гической инструкции.
Отвернуть болт 1, рисунок 6-1, крепления демпфера, снять шайбу 2 и демпфер 3 коленча-
того вала (головка сменная 17, ключ трещоточный и удлинитель).
Завернуть на место болт крепления демпфера.
Снять приспособление для стопорения маховика двигателя.
Установить на автомобиль траверсу 1, рисунок 6-2, для вывешивания силового агрегата,
завести крюк 2 траверсы в проушину 3 правого рыма, и вывесить силовой агрегат с правой сто-
роны (траверса для вывешивания силового агрегата).
http://vnx.su/
ГОСТ 3.1105-84
Лист 30
ИзмЛист№документаПодписьДатаИзм.Лист№документаПодпиИзм.Лист
№документаПодписьДата
сПрудскихД.А.18.06.12
РеваВ.В.26.10.12
ХристовП.Н.01.11.12
РеваВ.В.27.10.12
ПрудскихД.А.26.10.12
ьДата
Дубликат
Взам.
Подп.
3100.25100.20582
ТИ Технологическая инструкция
ОАО "АВТОВАЗ"
Рисунок 6-4 – Передние защитные
крышки привода ГРМ двигателя
21129:
1 – передняя верхняя защитная
крышка привода ГРМ;
2 – передняя нижняя защитная
крышка привода ГРМ
Рисунок 6-3 – Правая опора подвески
силового агрегата:
1 – болт крепления силового агрегата
к правой опоре;
2 – правая опора подвески силового
агрегата;
3 – болт крепления правой опоры
подвески силового агрегата к кузову
Отвернуть и извлечь два болта 1, рисунок 6-3, крепления силового агрегата к правой опо-
ре 2 подвески силового агрегата (головка сменная Torx E12, удлинитель, вороток).
Отметить маркером на кузове положение правой опоры подвески двигателя.
Отвернуть и извлечь два болта 3 крепления правой опоры подвески силового агрегата к
кузову и снять правую опору (головка сменная Torx E12, удлинитель, вороток).
Отвернуть пять болтов с шайбами, и снять переднюю верхнюю защитную крышку 1, ри-
сунок 6-4, привода ГРМ (ключ 5 под внутренний шестигранник).
Отвернуть три болта с шайбами и снять переднюю нижнюю защитную крышку 2 привода
ГРМ (ключ 5 под внутренний шестигранник).
Совместить метки шкивов ГРМ, поворачивая коленчатый вал за болт крепления демпфе-
ра. При этом метка зубчатого шкива коленчатого вала должна совпасть с меткой на корпусе
масляного насоса, а метки шкивов распределительных валов должны совпасть с метками на
крышке защитной задней (ключ гаечный кольцевой 17).
Ослабить болт 1, рисунок 6-5, крепления автоматического натяжителя 2, отвернув его на
2 - 3 оборота, и снять со шкива коленчатого вала дистанционную шайбу и ремень 3 привода
ГРМ (ключ кольцевой 17, отвертка плоская – 2 шт.).
http://vnx.su/
ГОСТ 3.1105-84
Лист 31
ИзмЛист№документаПодписьДатаИзм.Лист№документаПодпиИзм.Лист
№документаПодписьДата
сПрудскихД.А.18.06.12
РеваВ.В.26.10.12
ХристовП.Н.01.11.12
РеваВ.В.27.10.12
ПрудскихД.А.26.10.12
ьДата
Дубликат
Взам.
Подп.
3100.25100.20582
ТИ Технологическая инструкция
ОАО "АВТОВАЗ"
Установка
Внимание. Регулировку и контроль натяжения зубчатого ремня привода ГРМ выпол-
нять на холодном двигателе при температуре охлаждающей жидкости +15°…+35°C.
Для автомобилей с двигателем 11189
Совместить установочную метку "С" шкива распределительного вала с меткой "D" на
крышке защитной задней привода ГРМ, а метку "А" на шкиве коленчатого вала с меткой "В" на
корпусе масляного насоса поворотом коленчатого вала за болт крепления демпфера в кратчай-
шем угловом направлении, как показано на рисунке 6-6 (головка сменная 17, вороток, удлини-
тель).
Установить ремень 6, рисунок 6-6, привода ГРМ на шкив 1 коленчатого вала и, натягивая
обе ветви ремня, надеть одну ветвь на шкив 2 водяного насоса и завести ее за автоматический
натяжитель 4. Натягивая ветвь "а" надеть ремень на шкив 5 распределительного вала. При не-
обходимости довернуть шкив распределительного вала в сторону наименьшего хода до совпа-
дения зубцов ремня с впадинами шкива распределительного вала.
Завернуть гайку 4 крепления автоматического натяжителя с моментом 5 Н.м (0,5 кгс.м)
(головка сменная 15, ключ моментный).
Рисунок 6-5 – Снятие ремня приво-
да ГРМ на двигателе 21129:
1 – болт крепления автоматическо-
го натяжителя;
2 – автоматический натяжитель
зубчатого ремня;
3 – ремень зубчатый привода ГРМ;
A, B, C, D – метки установочные
Рисунок 6-6 – Детали привода газо-
распределительного механизма двига-
теля 11189:
1 – шкив коленчатого вала;
2 – шкив водяного насоса;
3 – автоматический натяжитель зуб-
чатого ремня;
4 – гайка крепления автоматического
натяжителя;
5 – шкив распределительного вала;
6 – ремень привода ГРМ;
A, B, C, D – метки установочные;
а – ветвь ремня
http://vnx.su/
ГОСТ 3.1105-84
Лист 32
ИзмЛист№документаПодписьДатаИзм.Лист№документаПодпиИзм.Лист
№документаПодписьДата
сПрудскихД.А.18.06.12
РеваВ.В.26.10.12
ХристовП.Н.01.11.12
РеваВ.В.27.10.12
ПрудскихД.А.26.10.12
ьДата
Дубликат
Взам.
Подп.
3100.25100.20582
ТИ Технологическая инструкция
ОАО "АВТОВАЗ"
Для автомобилей с двигателем 21129
Совместить установочные метки "A" и "D" на шкивах распределительных валов с метка-
ми "B" и "C" на крышке защитной задней привода ГРМ, как показано на рисунке 6-7, и зафик-
сировать шкивы при помощи приспособления 67.7811-9516 (приспособление 67.7811-9516 для
фиксации шкивов распределительных валов).
Совместить установочную метку "F" на шкиве коленчатого вала с меткой "Е" на крышке
масляного насоса поворотом коленчатого вала за болт крепления демпфера в кратчайшем угло-
вом направлении (головка сменная 17, вороток, удлинитель).
Завернуть болт 4 крепления автоматического натяжителя с моментом 5 Н.м (0,5 кгс.м)
(головка сменная 15, ключ моментный).
Установить ремень 8 привода ГРМ на шкивы 5 и 6 распределительных валов, опорный
ролик 7, автоматический натяжитель 3, шкив 2 водяного насоса и шкив 1 коленчатого вала, как
показано на рисунке 6-7, сохраняя положение установочных меток на шкивах.
Для автомобилей всех комплектаций
Установить ключ для натяжения в пазы опорной пластины автоматического натяжителя
1, рисунок 6-8, повернуть натяжитель против хода часовой стрелки в крайнее положение до
легкого касания стопоров рычага натяжителя. Повернуть ключ по часовой стрелке до совмеще-
ния меток автоматического натяжителя и затянуть болт крепления натяжителя. Момент затяж-
ки болта 30…36 Н.м (3,0…3,6 кгс.м) (ключ 67.7812.9573-01 для автоматического натяжителя
ремня ГРМ, головка сменная 15, ключ моментный).
ПРЕДУПРЕЖДЕНИЕ. При натяжении ремня не допускается проворачивать колен-
чатый вал вращением шкива распределительного вала.
Снять приспособление 67.7811-9516 (для автомобилей с двигателем 21129).
Повернуть коленчатый вал на два оборота (ключ кольцевой 17).
При отклонении метки "A" за пределы метки "B", выполнить повторное натяжение рем-
ня, предварительно отвернув болт крепления автоматического натяжителя и завернув с момен-
том 5 Н.м (0,5 кгс.м) (ключи кольцевые 15, 17; головка сменная 15, ключ моментный).
Рисунок 6-7 – Детали привода газо-
распределительного механизма двига-
теля 21129:
1 – шкив коленчатого вала;
2 – шкив водяного насоса;
3 – автоматический натяжитель
зубчатого ремня;
4 – болт крепления автоматического
натяжителя;
5 – шкив распределительного вала
выпускной;
6 – шкив распределительного вала
впускной;
7 – ролик опорный;
8 – ремень привода ГРМ;
A, B, C, D, E, F – метки установочные
http://vnx.su/
ГОСТ 3.1105-84
Лист 33
ИзмЛист№документаПодписьДатаИзм.Лист№документаПодпиИзм.Лист
№документаПодписьДата
сПрудскихД.А.18.06.12
РеваВ.В.26.10.12
ХристовП.Н.01.11.12
РеваВ.В.27.10.12
ПрудскихД.А.26.10.12
ьДата
Дубликат
Взам.
Подп.
3100.25100.20582
ТИ Технологическая инструкция
ОАО "АВТОВАЗ"
Установить на шкив коленчатого вала дистанционную шайбу.
Внимание. При установке ремня привода ГРМ из запасных частей, проверить состоя-
ние автоматического натяжителя. При повреждении заменить автоматический натяжи-
тель.
Проверку работоспособности автоматического натяжителя проводить в соответствии с
требованиями ТИ 3100.25100.40157.
Установить поочередно передние защитные крышки привода ГРМ, сначала нижнюю 2,
рисунок 6-4, затем верхнюю 1, при этом верхняя крышка должна войти в пазы нижней крышки
и состыковаться с ней (ключ 5 под внутренний шестигранник).
Установить на кузов правую опору 2, рисунок 6-3, подвески силового агрегата.
Установить, не затягивая, два болта 1 крепления правой опоры подвески силового агрега-
та к кронштейну подвески силового агрегата (головка сменная Torx E12, удлинитель, вороток).
Установить, не затягивая, два болта 3 крепления правой опоры подвески силового агрега-
та к кузову (головка сменная Torx E12, удлинитель, вороток).
Затянуть два болта крепления правой опоры подвески силового агрегата к кронштейну
подвески силового агрегата с моментом 53…71 Н.м (5,3…7,1 кгс.м) (головка сменная Torx E12,
удлинитель, ключ моментный).
Установить правую опору подвески силового агрегата по меткам на кузове, нанесенным
при ее снятии, и затянуть два болта крепления правой опоры подвески силового агрегата к ку-
зову с моментом 53…71 Н.м (5,3…7,1 кгс.м) (головка сменная Torx E12, удлинитель, ключ мо-
ментный).
Извлечь крюк 2, рисунок 6-2, траверсы для вывешивания силового агрегата из проушины
правого рыма 3 на двигателе и снять траверсу 1 с автомобиля.
Установить приспособление для стопорения маховика двигателя в отверстия болтов кре-
пления стартера на коробке передач (приспособление для стопорения маховика двигателя).
Вывернуть болт крепления демпфера коленчатого вала (ключ кольцевой 17).
Рисунок 6-8 – Натяжение ремня
привода ГРМ:
1 – автоматический натяжитель
зубчатого ремня;
2 – ремень привода ГРМ;
3 – болт крепления автоматического
натяжителя;
А, В – метки установочные
http://vnx.su/
ГОСТ 3.1105-84
Лист 34
ИзмЛист№документаПодписьДатаИзм.Лист№документаПодпиИзм.Лист
№документаПодписьДата
сПрудскихД.А.18.06.12
РеваВ.В.26.10.12
ХристовП.Н.01.11.12
РеваВ.В.27.10.12
ПрудскихД.А.26.10.12
ьДата
Дубликат
Взам.
Подп.
3100.25100.20582
ТИ Технологическая инструкция
ОАО "АВТОВАЗ"
Установить на коленчатый вал демпфер, шайбу и закрепить болтом. Момент затяжки
болта крепления демпфера 95…115 Н.м (9,5…11,5 кгс.м) (головка сменная 17, ключ трещоточ-
ный, ключ моментный).
Установить ремень привода навесных агрегатов и стартер в соответствии с требованиями
раздела 4 настоящей технологической инструкции.
Для автомобилей с МКП дополнительно
Установить кронштейн крепления цилиндра гидропривода сцепления и цилиндр гидро-
привода сцепления в соответствии с требованиями раздела 4 настоящей технологической инст-
рукции.
Для автомобилей всех комплектаций
Установить брызговик двигателя в соответствии с требованиями раздела 4 настоящей
технологической инструкции.
Установить щиток правого переднего крыла в соответствии с требованиями
ТИ 3100.25100.20589.
Установить правое переднее колесо в соответствии с требованиями ТИ 3100.25100.20584.
Присоединить клемму провода "массы" к аккумуляторной батарее в соответствии с тре-
бованиями ТИ 3100.25100.20587.
Предъявить автомобиль ОТК. ОТК проверить автомобиль на соответствие требовани-
ям ТУ 017200-254-00232934 пп. 1.19.5, 1.19.6, 1.19.14.
http://vnx.su/
ГОСТ 3.1105-84
Лист 35
ИзмЛист№документаПодписьДатаИзм.Лист№документаПодпиИзм.Лист
№документаПодписьДата
сПрудскихД.А.18.06.12
РеваВ.В.26.10.12
ХристовП.Н.01.11.12
РеваВ.В.27.10.12
ПрудскихД.А.26.10.12
ьДата
Дубликат
Взам.
Подп.
3100.25100.20582
ТИ Технологическая инструкция
ОАО "АВТОВАЗ"
7 ЭЛЕМЕНТЫ СИСТЕМЫ ПИТАНИЯ – СНЯТИЕ / УСТАНОВКА
Рисунок 7-1 – Элементы системы питания:
1 – труба наливная топливного бака; 2 – бак топливный; 3 – трубка паропровода задняя;
4 – трубка топливного трубопровода задняя; 5 – трубка топливного трубопровода; 6 – трубка
паропровода; 7 – трубка переднего топливного трубопровода; 8 – рампа форсунок; 9 – трубка
передняя топливного трубопровода; 10 – адсорбер; 11 – трубка паропровода передняя;
12 – трубка паропровода от адсорбера к клапану продувки адсорбера; 13 – клапан продувки ад-
сорбера; 14 – трубка паропровода от клапана продувки адсорбера к модулю впуска
7.1 Модуль электробензонасоса (МЭБН)
Снятие
Установить автомобиль на рабочее место и затормозить стояночным тормозом. Откинуть
вперед подушку заднего сиденья.
Снять крышку 1, рисунок 7-2, люка бензонасоса.
Отсоединить колодку 3, рисунок 7-3, жгута проводов заднего от модуля электробензона-
соса 2.
Запустить двигатель и дать ему поработать на оборотах холостого хода до полной оста-
новки для сброса давления в топливной системе, обеспечив отвод выхлопных газов (катушка
вытяжная с вентилятором типа SERF/SP ф. "СовПлим"). Выключить зажигание.
Отсоединить клемму провода "массы" от аккумуляторной батареи (ключ гаечный 10).
http://vnx.su/
ГОСТ 3.1105-84
Лист 36
ИзмЛист№документаПодписьДатаИзм.Лист№документаПодпиИзм.Лист
№документаПодписьДата
сПрудскихД.А.18.06.12
РеваВ.В.26.10.12
ХристовП.Н.01.11.12
РеваВ.В.27.10.12
ПрудскихД.А.26.10.12
ьДата
Дубликат
Взам.
Подп.
3100.25100.20582
ТИ Технологическая инструкция
ОАО "АВТОВАЗ"
Рисунок 7-2 – Крышка люка бензо-
насоса:
1 – крышка люка бензонасоса
Рисунок 7-3 – Модуль электробен-
зонасоса (МЭБН):
1 – МЭБН;
2 – кольцо прижимное;
3 – колодка жгута проводов задне-
го к МЭБН;
4 – бак топливный;
5 – трубка топливного трубопро-
вода задняя
Нажать на пружинные фиксаторы наконечника трубки 5 топливного трубопровода задней
и движением вдоль оси штуцера отсоединить трубку от МЭБН 1.
Повернуть прижимное кольцо 2 против хода часовой стрелки, снять кольцо и МЭБН
(ключ 67.7812-9709 для снятия и установки прижимного кольца МЭБН).
Установка
Установить МЭБН 1, рисунок 7-3, в топливный бак 4, установить прижимное кольцо 2 и
повернуть его по ходу часовой стрелки (ключ 67.7812-9709 для снятия и установки прижимно-
го кольца МЭБН).
Присоединить трубку 5 топливного трубопровода заднюю к МЭБН движением вдоль оси
штуцера до щелчка пружинного фиксатора соединителя. Проверить надежность фиксации
трубки.
Присоединить колодку 3 жгута проводов заднего к МЭБН.
Установить крышку 1, рисунок 7-2, люка бензонасоса.
Опустить подушку заднего сиденья.
Присоединить клемму провода "массы" к аккумуляторной батарее в соответствии с тре-
бованиями ТИ 3100.25100.20587.
http://vnx.su/
ГОСТ 3.1105-84
Лист 37
ИзмЛист№документаПодписьДатаИзм.Лист№документаПодпиИзм.Лист
№документаПодписьДата
сПрудскихД.А.18.06.12
РеваВ.В.26.10.12
ХристовП.Н.01.11.12
РеваВ.В.27.10.12
ПрудскихД.А.26.10.12
ьДата
Дубликат
Взам.
Подп.
3100.25100.20582
ТИ Технологическая инструкция
ОАО "АВТОВАЗ"
Рисунок 7-4 – Крепление наливной
горловины топливного бака:
1 – винт самонарезающий;
2 – наливная горловина топливного
бака;
3 – люк наливной горловины топ-
ливного бака
7.2 Топливный бак
Снятие
Установить автомобиль на двухстоечный подъемник и затормозить стояночным тормо-
зом (подъемник электрогидравлический типа П-3,2Г грузоподъемностью 3,2 т). Откинуть впе-
ред подушку заднего сиденья.
Снять крышку 1, рисунок 7-2, люка бензонасоса.
Отсоединить колодку 3, рисунок 7-3, от МЭБН 1.
Запустить двигатель и дать ему поработать на оборотах холостого хода до полной оста-
новки для сброса давления в топливной системе, обеспечив отвод выхлопных газов (катушка
вытяжная с вентилятором типа SERF/SP ф. "СовПлим"). Выключить зажигание.
Отсоединить клемму провода "массы" от аккумуляторной батареи (ключ гаечный 10).
Приподнять автомобиль и слить максимально возможное количество топлива из топлив-
ного бака. При откачке топлива принять меры по исключению утечки (насос кистевой, канист-
ра для топлива).
Снять правое заднее колесо в соответствии с требованиями ТИ 3100.25100.20584.
Отвернуть три винта 1, рисунок 7-4, самонарезающих крепления наливной горловины 2
топливного бака к кузову (отвертка с насадкой Torx Т20).
Поднять автомобиль на высоту, удобную для выполнения работ.
Отвернуть гайку 1, рисунок 7-5, крепления наливной трубы 2 топливного бака к кузову
(головка сменная 13, удлинитель, вороток).
Снять клемму провода 3 "массы" со шпильки крепления на кузове под аркой заднего пра-
вого колеса.
Снять глушитель 1, рисунок 7-6, дополнительный системы выпуска отработавших газов в
соответствии с требованиями раздела 8 настоящей технологической инструкции.
Сместить глушитель 5 основной системы выпуска отработавших газов влево и закрепить
на левом рычаге 4 задней подвески.
http://vnx.su/
ГОСТ 3.1105-84
Лист 38
ИзмЛист№документаПодписьДатаИзм.Лист№документаПодпиИзм.Лист
№документаПодписьДата
сПрудскихД.А.18.06.12
РеваВ.В.26.10.12
ХристовП.Н.01.11.12
РеваВ.В.27.10.12
ПрудскихД.А.26.10.12
ьДата
Дубликат
Взам.
Подп.
3100.25100.20582
ТИ Технологическая инструкция
ОАО "АВТОВАЗ"
Рисунок 7-5 – Крепление наливной
трубы топливного бака:
1 – гайка;
2 – наливная труба топливного бака;
3 – провод "массы"
Рисунок 7-6 – Теплозащитный экран
топливного бака:
1 – глушитель дополнительный сис-
темы выпуска отработавших газов;
2 – держатель;
3 – экран теплозащитный топливно-
го бака;
4 – рычаг задней подвески левый;
5 – глушитель основной системы
выпуска отработавших газов;
6 –бак топливный
Рисунок 7-7 – Трубки топливного
трубопровода и паропровода:
1 – трубка паропровода задняя;
2 – трубка топливного трубопрово-
да задняя;
3 – топливный бак;
4 – трубка топливного трубопрово-
да;
5 – скоба крепления трубопрово-
дов;
6 – трубка паропровода
Снять держатели 2 экрана теплозащитного и экран 3 теплозащитный топливного бака 6
(отвертка плоская).
Нажать на пружинные фиксаторы наконечников трубок и отсоединить движением вдоль
оси штуцера трубку 1, рисунок 7-7, паропровода заднюю от трубки 6 паропровода и трубку 2
топливного трубопровода заднюю от трубки 4 топливного трубопровода.
http://vnx.su/
ГОСТ 3.1105-84
Лист 39
ИзмЛист№документаПодписьДатаИзм.Лист№документаПодпиИзм.Лист
№документаПодписьДата
сПрудскихД.А.18.06.12
РеваВ.В.26.10.12
ХристовП.Н.01.11.12
РеваВ.В.27.10.12
ПрудскихД.А.26.10.12
ьДата
Дубликат
Взам.
Подп.
3100.25100.20582
ТИ Технологическая инструкция
ОАО "АВТОВАЗ"
Рисунок 7-8 – Крепление топливно-
го бака:
1 – болт;
2 – хомут крепления топливного
бака;
3 – бак топливный;
4 – держатели хомутов
Отвернуть четыре болта 1, рисунок 7-8, крепления хомутов топливного бака 3 (головка
сменная 13, удлинитель, вороток).
Отсоединить держатели 4 хомутов топливного бака и снять хомуты 3 (отвертка плоская)
Снять топливный бак. Операцию выполнять с помощником.
Установка
Установить топливный бак 3, рисунок 7-8. Операцию выполнять с помощником.
Установить левый и правый хомуты 2 крепления на топливный бак 3 и зафиксировать их
держателями 4.
Установить болты 1 крепления хомутов топливного бака. Момент затяжки болтов креп-
ления хомутов топливного бака 18…24 Н.м (1,8…2,4 кгс.м) (головка сменная 13, удлинитель,
вороток, ключ моментный).
Присоединить трубку 1, рисунок 7-7, паропровода заднюю к трубке 6 паропровода дви-
жением вдоль оси штуцера до щелчка пружинного фиксатора наконечника.
Присоединить трубку 2 топливного трубопровода заднюю к трубке 4 топливного трубо-
провода движением вдоль оси штуцера до щелчка пружинного фиксатора наконечника.
Проверить надежность фиксации трубок.
Установить теплозащитный экран 3, рисунок 7-6, топливного бака и закрепить держате-
лями 2 теплозащитного экрана. Вышедшие из строя держатели заменить новыми.
Установить дополнительный глушитель 1 системы отработавших газов в соответствии с
требованиями раздела 8 настоящей технологической инструкции.
Закрепить винтами 1, рисунок 7-4, самонарезающими наливную горловину 2 топливного
бака к кузову (отвертка с насадкой Torx Т20).
Установить на шпильку крепления наливной трубы к кузову клемму провода 3 "массы".
http://vnx.su/
ГОСТ 3.1105-84
Лист 40
ИзмЛист№документаПодписьДатаИзм.Лист№документаПодпиИзм.Лист
№документаПодписьДата
сПрудскихД.А.18.06.12
РеваВ.В.26.10.12
ХристовП.Н.01.11.12
РеваВ.В.27.10.12
ПрудскихД.А.26.10.12
ьДата
Дубликат
Взам.
Подп.
3100.25100.20582
ТИ Технологическая инструкция
ОАО "АВТОВАЗ"
Завернуть гайку 1 крепления наливной трубы 2 топливного бака. Момент затяжки гайки
крепления наливной трубы 4 Н.м (0,4 кгс.м) (головка сменная 13, удлинитель, вороток, ключ
моментный).
Установить правое заднее колесо в соответствии с требованиями ТИ 3100.25100.20584.
Присоединить колодку 3, рисунок 7-3, жгута проводов заднего к МЭБН 1.
Установить крышку 1, рисунок 7-2, люка бензонасоса.
Опустить подушку заднего сиденья.
Присоединить клемму провода "массы" к аккумуляторной батарее согласно требованиям
ТИ 3100.25100.20587.
7.3 Топливный трубопровод
Снятие
Установить автомобиль на двухстоечный подъемник и затормозить стояночным тормо-
зом (подъемник электрогидравлический типа П-3,2Г грузоподъемностью 3,2 т).
Откинуть вперед подушку заднего сиденья.
Снять крышку 1, рисунок 7-2, люка бензонасоса.
Отсоединить колодку 3, рисунок 7-3, жгута проводов заднего от МЭБН 1.
Запустить двигатель и дать ему поработать на оборотах холостого хода до полной оста-
новки для сброса давления в топливной системе, обеспечив отвод выхлопных газов (катушка
вытяжная с вентилятором типа SERF/SP ф. "СовПлим"). Выключить зажигание.
Отсоединить клемму провода "массы" от аккумуляторной батареи (ключ гаечный 10).
Трубка передняя топливного трубопровода
Снять экран модуля впуска.
Отсоединить трубки 1 и 2, рисунок 7-9, топливного трубопровода от скобы 3 крепления
топливного трубопровода на модуле 4 впуска (для двигателя 21129).
Нажать на пружинные фиксаторы и отсоединить движением вдоль оси штуцера наконеч-
ник топливной трубки 1 переднего топливного трубопровода от трубки 2 передней топливного
трубопровода.
Снять модуль впуска в соответствии с разделом 7.6 настоящей технологической инструк-
ции.
http://vnx.su/
ГОСТ 3.1105-84
Лист 41
ИзмЛист№документаПодписьДатаИзм.Лист№документаПодпиИзм.Лист
№документаПодписьДата
сПрудскихД.А.18.06.12
РеваВ.В.26.10.12
ХристовП.Н.01.11.12
РеваВ.В.27.10.12
ПрудскихД.А.26.10.12
ьДата
Дубликат
Взам.
Подп.
3100.25100.20582
ТИ Технологическая инструкция
ОАО "АВТОВАЗ"
Рисунок 7-9 – Соединение топлив-
ных трубок (для двигателя 21129):
1 – трубка переднего топливного
трубопровода;
2 – трубка топливного трубопрово-
да передняя;
3 – скоба крепления топливного
трубопровода;
4 – модуль впуска
Рисунок 7-10 – Трубка топливного
трубопровода передняя (для двига-
теля 21129):
1 – трубка передняя топливного
трубопровода;
2 – рампа форсунок;
3 – скоба крепления топливного
трубопровода;
4 – головка цилиндров
Нажать на пружинные фиксаторы и движением вдоль оси штуцера отсоединить наконеч-
ник трубки 1, рисунок 7-10, передней топливного трубопровода от рампы 2 форсунок.
Отсоединить скобу 3 крепления и снять трубку переднюю топливного трубопровода (от-
вертка плоская).
Трубка переднего топливного трубопровода
Снять экран модуля впуска.
Отсоединить трубки 1, рисунок 7-9, переднего топливного трубопровода и переднюю 2
топливного трубопровода от скобы 3 крепления топливного трубопровода на модуле 4 впуска
(для двигателя 21129).
Нажать на пружинные фиксаторы и отсоединить движением вдоль оси штуцера наконеч-
ник трубки переднего топливного трубопровода от трубки передней топливного трубопровода.
Нажать на пружинные фиксаторы и отсоединить движением вдоль оси штуцера наконеч-
ник трубки 7, рисунок 7-1, переднего топливного трубопровода от трубки 5 топливного трубо-
провода.
http://vnx.su/
ГОСТ 3.1105-84
Лист 42
ИзмЛист№документаПодписьДатаИзм.Лист№документаПодпиИзм.Лист
№документаПодписьДата
сПрудскихД.А.18.06.12
РеваВ.В.26.10.12
ХристовП.Н.01.11.12
РеваВ.В.27.10.12
ПрудскихД.А.26.10.12
ьДата
Дубликат
Взам.
Подп.
3100.25100.20582
ТИ Технологическая инструкция
ОАО "АВТОВАЗ"
Трубка топливного трубопровода
Нажать на пружинные фиксаторы и отсоединить движением вдоль оси штуцера наконеч-
ник трубки 7, рисунок 7-1, переднего топливного трубопровода от трубки 5 топливного трубо-
провода.
Поднять автомобиль на подъемнике на высоту, удобную для выполнения работ.
Нажать на пружинные фиксаторы наконечника трубки и отсоединить движением вдоль
оси штуцера трубку 2, рисунок 7-7, топливного трубопровода заднюю от трубки 4 топливного
трубопровода.
Отсоединить трубку 4 топливного трубопровода среднюю от скоб 5 и снять с автомоби-
ля.
Трубка топливного трубопровода задняя
Нажать на пружинные фиксаторы наконечника трубки 5, рисунок 7-2, топливного трубо-
провода задней и движением вдоль оси штуцера отсоединить трубку от штуцера МЭБН 1.
Поднять автомобиль на подъемнике на высоту, удобную для выполнения работ.
Нажать на пружинные фиксаторы наконечника трубки 2, рисунок 7-7, топливного трубо-
провода задней и движением вдоль оси штуцера отсоединить от трубки 4 топливного трубо-
провода, снять трубку топливного трубопровода заднюю.
Установка
Установку трубок топливного трубопровода на автомобиль выполнять в порядке обрат-
ном снятию.
Внимание. Наконечники трубок топливного трубопровода имеют зеленый цвет фиксато-
ров.
При установке трубок топливного трубопровода наконечники трубок присоединять к
штуцерам до щелчка пружинного фиксатора. После установки проверить надежность фиксации
трубок.
Присоединить колодку 3, рисунок 7-3, жгута проводов заднего к МЭБН 1.
Установить крышку 1, рисунок 7-2, люка бензонасоса.
Опустить подушку заднего сиденья.
Присоединить клемму провода "массы" к аккумуляторной батарее согласно требованиям
ТИ 3100.25100.20587.
http://vnx.su/
ГОСТ 3.1105-84
Лист 43
ИзмЛист№документаПодписьДатаИзм.Лист№документаПодпиИзм.Лист
№документаПодписьДата
сПрудскихД.А.18.06.12
РеваВ.В.26.10.12
ХристовП.Н.01.11.12
РеваВ.В.27.10.12
ПрудскихД.А.26.10.12
ьДата
Дубликат
Взам.
Подп.
3100.25100.20582
ТИ Технологическая инструкция
ОАО "АВТОВАЗ"
7.4 Трубки паропровода системы улавливания паров топлива
Снятие
Трубки паропровода, рисунок 7-1:
- передняя 11;
- от адсорбера к клапану продувки адсорбера 12;
- от клапана продувки адсорбера к модулю впуска 14.
Установить автомобиль на рабочее место, затормозить стояночным тормозом и выклю-
чить зажигание.
Снять экран модуля впуска (для снятия трубки от клапана продувки адсорбера к модулю
впуска).
Нажать на пружинные фиксаторы наконечников соответствующей трубки паропровода и
движением вдоль оси штуцера отсоединить трубку от штуцера, снять трубку с автомобиля.
Трубка паропровода
Установить автомобиль на двухстоечный подъемник и затормозить стояночным тормо-
зом (подъемник электрогидравлический типа П-3,2Г грузоподъемностью 3,2 т).
Нажать на пружинные фиксаторы наконечника трубки 11, рисунок 7-1, паропровода пе-
редней и движением вдоль оси штуцера отсоединить от трубки 6 паропровода.
Поднять автомобиль на подъемнике на высоту, удобную для выполнения работ.
Нажать на пружинные фиксаторы наконечника трубки 1, рисунок 7-7, паропровода зад-
ней и движением вдоль оси штуцера отсоединить от трубки 6 паропровода.
Отсоединить трубку паропровода от скоб 5 крепления и снять с автомобиля.
Установка
Установку трубок паропровода на автомобиль выполнять в порядке обратном снятию.
Внимание. Наконечники трубок паропровода имеют желтый и черный цвет фиксаторов.
При установке трубок паропровода наконечники трубок присоединять к штуцерам до
щелчка пружинного фиксатора. После установки проверить надежность фиксации трубок.
http://vnx.su/
ГОСТ 3.1105-84
Лист 44
ИзмЛист№документаПодписьДатаИзм.Лист№документаПодпиИзм.Лист
№документаПодписьДата
сПрудскихД.А.18.06.12
РеваВ.В.26.10.12
ХристовП.Н.01.11.12
РеваВ.В.27.10.12
ПрудскихД.А.26.10.12
ьДата
Дубликат
Взам.
Подп.
3100.25100.20582
ТИ Технологическая инструкция
ОАО "АВТОВАЗ"
Рисунок 7-11 – Клапан продувки
адсорбера:
1 – колодка жгута проводов перед-
него к клапану продувки адсорбера;
2 – трубка паропровода к модулю
впуска;
3 – клапан продувки адсорбера;
4 – трубка паропровода от адсорбе-
ра
7.5 Клапан продувки адсорбера
Снятие
Установить автомобиль на рабочее место, затормозить стояночным тормозом и выклю-
чить зажигание.
Отсоединить клемму провода "массы" от аккумуляторной батареи (ключ гаечный 10).
Отсоединить колодку 1, рисунок 7-11, жгута проводов переднего от клапана 3 продувки
адсорбера.
Нажать на пружинные фиксаторы наконечника трубки 2 паропровода к модулю впуска и
движением вдоль оси штуцера отсоединить трубку от клапана продувки адсорбера.
Нажать на пружинные фиксаторы наконечника трубки 4 паропровода от адсорбера и
движением вдоль оси штуцера отсоединить трубку от клапана продувки адсорбера.
Снять клапан продувки адсорбера с кронштейна на кузове автомобиля.
Установка
Установку клапана продувки адсорбера выполнять в порядке обратном снятию.
При установке трубок паропровода наконечники трубок присоединять к штуцерам кла-
пана продувки адсорбера до щелчка пружинного фиксатора. После установки проверить на-
дежность фиксации трубок.
http://vnx.su/
ГОСТ 3.1105-84
Лист 45
ИзмЛист№документаПодписьДатаИзм.Лист№документаПодпиИзм.Лист
№документаПодписьДата
сПрудскихД.А.18.06.12
РеваВ.В.26.10.12
ХристовП.Н.01.11.12
РеваВ.В.27.10.12
ПрудскихД.А.26.10.12
ьДата
Дубликат
Взам.
Подп.
3100.25100.20582
ТИ Технологическая инструкция
ОАО "АВТОВАЗ"
Рисунок 7-12 – Воздушный фильтр
со шлангом впускной трубы в сбо-
ре:
1 – хомут крепления верхнего
шланга вентиляции картера;
2 – хомут крепления шланга впуск-
ной трубы;
3 – верхний шланг вентиляции
картера;
4 – шланг впускной трубы;
5 – воздушный фильтр;
6 – крышка головки цилиндров
Рисунок 7-13 – Шланги и трубки,
подходящие к модулю впуска (для
двигателя 21129):
1 – хомут;
2 – шланг вакуумного усилителя
тормозов;
3 – хомут;
4 – трубка вентиляции картера;
5 – наконечник трубки клапана ад-
сорбера;
6 – модуль впуска
7.6 Модуль впуска
Снятие
Для автомобилей с двигателем 21129: установить автомобиль на двухстоечный подъ-
емник и затормозить стояночным тормозом (подъемник электрогидравлический типа П-3,2Г
грузоподъемностью 3,2 т).
Для автомобилей с двигателем 11189: установить автомобиль на рабочее место и
затормозить стояночным тормозом.
Для автомобилей всех комплектаций
Отсоединить клемму провода "массы" от аккумуляторной батареи (ключ гаечный 10).
Снять экран модуля впуска.
Отжать хомут 1, рисунок 7-12, крепления и отсоединить верхний шланг 3 вентиляции
картера от патрубка крышки 6 головки цилиндров (плоскогубцы).
Ослабить хомут 2 крепления и отсоединить шланг 4 впускной трубы от дроссельного
патрубка (отвертка крестообразная).
Ослабить хомут 1, рисунок 7-13, и отсоединить шланг 2 вакуумного усилителя тормозов
от модуля 6 впуска (отвертка крестообразная или головка сменная 8 и вороток).
http://vnx.su/
ГОСТ 3.1105-84
Лист 46
ИзмЛист№документаПодписьДатаИзм.Лист№документаПодпиИзм.Лист
№документаПодписьДата
сПрудскихД.А.18.06.12
РеваВ.В.26.10.12
ХристовП.Н.01.11.12
РеваВ.В.27.10.12
ПрудскихД.А.26.10.12
ьДата
Дубликат
Взам.
Подп.
3100.25100.20582
ТИ Технологическая инструкция
ОАО "АВТОВАЗ"
Рисунок 7-15 – Датчик положения
коленчатого вала:
1 – датчик положения коленчатого
вала;
2 – жгут проводов системы зажига-
ния
Рисунок 7-14 – Крепление топлив-
ных трубок (для двигателя 21129):
1 – трубка топливного трубопрово-
да промежуточная;
2 – трубка передняя топливного
трубопровода;
3 – скоба крепления трубопроводов;
4 – модуль впуска
Рисунок 7-16 – Соединения жгута
проводов системы зажигания (для
двигателя 21129):
1 – датчик давления и температуры
воздуха;
2 – дроссельный патрубок;
3 – жгут проводов системы зажига-
ния;
4 – клапан заслонки впускной трубы
Отжать хомут 3 и отсоединить трубку 4 вентиляции картера от модуля впуска (плоско-
губцы).
Нажать на пружинные фиксаторы и движением вдоль оси штуцера отсоединить наконеч-
ник 5 трубки клапана адсорбера и саму трубку от модуля впуска.
Отсоединить трубки 1 и 2, рисунок 7-14, топливного трубопровода со скобой 3 крепления
в сборе от модуля 4 впуска (для автомобилей с двигателем 21129).
Отсоединить колодки жгута проводов системы зажигания от разъемов:
- датчика 1, рисунок 7-15, положения коленчатого вала;
http://vnx.su/
ГОСТ 3.1105-84
Лист 47
ИзмЛист№документаПодписьДатаИзм.Лист№документаПодпиИзм.Лист
№документаПодписьДата
сПрудскихД.А.18.06.12
РеваВ.В.26.10.12
ХристовП.Н.01.11.12
РеваВ.В.27.10.12
ПрудскихД.А.26.10.12
ьДата
Дубликат
Взам.
Подп.
3100.25100.20582
ТИ Технологическая инструкция
ОАО "АВТОВАЗ"
Рисунок 7-17 – Соединения жгута
проводов катушек зажигания (для
двигателя 21129):
1 – жгут проводов катушек зажига-
ния;
2 – хомут;
3 – модуль впуска;
4 – катушка зажигания
Рисунок 7-18 – Крепление модуля
впуска (для двигателя 21129):
1 – гайка крепления модуля впуска;
2 – шайба специальная;
3 – модуль впуска
- датчика 1, рисунок 7-16, давления и температуры воздуха;
- дроссельного патрубка 2;
- клапана 4 заслонки впускной трубы (для двигателя 21129);
Отсоединить хомуты крепления жгута проводов системы зажигания от модуля впуска и
отвести жгут в сторону (отвертка плоская, плоскогубцы).
Для автомобилей с двигателем 21129
Отсоединить колодки жгута 1, рисунок 7-17, проводов от катушек 4 зажигания, отсоеди-
нить хомуты 2 от модуля 3 впуска и отвести жгут катушек зажигания в сторону (плоскогубцы).
Отвернуть три гайки и снять дроссельный патрубок с модуля впуска (головка сменная 10,
вороток).
Отвернуть две гайки 1, рисунок 7-18, крепления модуля 3 впуска к головке цилиндров и
снять шайбы 2 специальные (головка сменная 10, удлинитель, вороток).
Отсоединить хомут крепления жгута проводов форсунок от модуля впуска (отвертка пло-
ская, плоскогубцы).
http://vnx.su/
ГОСТ 3.1105-84
Лист 48
ИзмЛист№документаПодписьДатаИзм.Лист№документаПодпиИзм.Лист
№документаПодписьДата
сПрудскихД.А.18.06.12
РеваВ.В.26.10.12
ХристовП.Н.01.11.12
РеваВ.В.27.10.12
ПрудскихД.А.26.10.12
ьДата
Дубликат
Взам.
Подп.
3100.25100.20582
ТИ Технологическая инструкция
ОАО "АВТОВАЗ"
Рисунок 7-19 – Брызговик двигателя:
1 – болт крепления;
2 – брызговик двигателя
Рисунок 7-20 – Снятие модуля
впуска:
1 – винт;
2 – хомут;
3 – жгут проводов;
4 – шланг нижний вентиляции кар-
тера;
5 – хомут;
6 – трубка направляющая указателя
уровня масла;
7 – ремень привода навесных агрега-
тов
Отвернуть тринадцать болтов 1, рисунок 7-19, крепления и снять брызговик 2 двигателя
(головка сменная 10, вороток и удлинитель).
Отвернуть винт 1, рисунок 7-20, крепления трубки 6 направляющей указателя уровня
масла к модулю впуска и снять трубку с указателем уровня масла в сборе (отвертка крестооб-
разная).
Разрезать хомут 2 крепления жгута 3 проводов к шлангу 4 вентиляции картера нижнему
(нож технологический).
Отжать хомут 5 и отсоединить шланг вентиляции картера нижний от патрубка блока ци-
линдров (плоскогубцы).
Снять ремень 7 привода навесных агрегатов в соответствии с требованиями раздела 4 на-
стоящей технологической инструкции.
Для автомобилей с двигателем 21129 и системой кондиционирования
Отвернуть три болта 1, рисунок 7-21, крепления, снять компрессор 2 системы кондицио-
нирования не нарушая герметичности системы и подвесить на технологический крючок (голов-
ка сменная 10, вороток, крючок технологический).
http://vnx.su/
ГОСТ 3.1105-84
Лист 49
ИзмЛист№документаПодписьДатаИзм.Лист№документаПодпиИзм.Лист
№документаПодписьДата
сПрудскихД.А.18.06.12
РеваВ.В.26.10.12
ХристовП.Н.01.11.12
РеваВ.В.27.10.12
ПрудскихД.А.26.10.12
ьДата
Дубликат
Взам.
Подп.
3100.25100.20582
ТИ Технологическая инструкция
ОАО "АВТОВАЗ"
Рисунок 7-22 – Подключение жгутов
проводов к генератору:
1 – гайка;
2 – клемма жгута проводов к генера-
тору;
3 – жгут проводов;
4 – хомут;
5 – генератор
Рисунок 7-21 – Снятие компрессора
системы кондиционирования:
1 – болт;
2 – компрессор системы кондицио-
нирования;
3 – кронштейн навесных агрегатов
Рисунок 7-23 – Крепление генерато-
ра:
1 – болт;
2 – генератор;
3 – кронштейн навесных агрегатов
Для автомобилей с двигателем 21129
Отвернуть гайку 1, рисунок 7-22, крепления и отсоединить от генератора 5 клемму 2 жгу-
та проводов (головка сменная 13, удлинитель, вороток).
Отсоединить колодку жгута 3 проводов от генератора.
Отвернуть четыре болта 1, рисунок 7-23, крепления и снять генератор 2 (головка сменная
10, вороток).
http://vnx.su/
ГОСТ 3.1105-84
Лист 50
ИзмЛист№документаПодписьДатаИзм.Лист№документаПодпиИзм.Лист
№документаПодписьДата
сПрудскихД.А.18.06.12
РеваВ.В.26.10.12
ХристовП.Н.01.11.12
РеваВ.В.27.10.12
ПрудскихД.А.26.10.12
ьДата
Дубликат
Взам.
Подп.
3100.25100.20582
ТИ Технологическая инструкция
ОАО "АВТОВАЗ"
Рисунок 7-24 – Крепление клеммы
жгута провода "массы" к кронштейну
навесных агрегатов:
1 – болт;
2 – клемма провода "массы";
3 – кронштейн навесных агрегатов
Рисунок 7-25 – Крепление клеммы
жгута провода "массы" к кронштейну
навесных агрегатов:
1 – болт М8;
2 – болт М10;
3 – кронштейн навесных агрегатов
Рисунок 7-26 – Датчик фаз:
1 – колодка жгута проводов;
2 – датчик фаз
Отвернуть болт 1, рисунок 7-24, крепления клеммы 2 провода "массы" на кронштейне 3
навесных агрегатов и отсоединить клемму (головка сменная 13, ключ трещоточный).
Отвернуть болты 1 и 2, рисунок 7-25, крепления и снять кронштейн 3 навесных агрегатов
(головка сменная 13, 17, удлинитель, вороток).
Отсоединить колодку 1, рисунок 7-26, жгута проводов от датчика 2 фаз.
http://vnx.su/
ГОСТ 3.1105-84
Лист 51
ИзмЛист№документаПодписьДатаИзм.Лист№документаПодпиИзм.Лист
№документаПодписьДата
сПрудскихД.А.18.06.12
РеваВ.В.26.10.12
ХристовП.Н.01.11.12
РеваВ.В.27.10.12
ПрудскихД.А.26.10.12
ьДата
Дубликат
Взам.
Подп.
3100.25100.20582
ТИ Технологическая инструкция
ОАО "АВТОВАЗ"
Рисунок 7-27 – Соединение допол-
нительного глушителя с приемной
трубой глушителя с нейтрализато-
ром в сборе:
1 – шайба контрящая;
2 – глушитель дополнительный;
3 – гайка;
4 – прокладка фланца глушителя;
5 – труба приемная глушителя с ней-
трализатором в сборе
Рисунок 7-28 – Задняя опора подвес-
ки силового агрегата:
1 – болт;
2 – силовой агрегат;
3 – штанга задней подвески силового
агрегата;
4 – подрамник передней подвески
Отсоединить хомут крепления жгута проводов от модуля впуска и отвести жгут проводов
в сторону (плоскогубцы, отвертка плоская).
Расконтрить три шайбы 1, рисунок 7-27, контрящие и отвернуть три гайки 3 шпилек кре-
пления дополнительного глушителя 2 к приемной трубе 5 глушителя с нейтрализатором в сбо-
ре, отсоединить дополнительный глушитель от приемной трубы глушителя и снять прокладку 4
(отвертка плоская, ключ гаечный 10, головка сменная 10, удлинитель и ключ трещоточный).
Отвернуть болты 1 и 2, рисунок 7-28, крепления штанги 5 к силовому агрегату 4 и снять
кронштейн 3 (головка сменная 18, вороток).
Отвернуть два болта 1, рисунок 7-29, и три гайки 2 с шайбами 4 крепления модуля 3
впуска к головке цилиндров 5 (головка сменная 13, вороток и удлинитель).
Осторожно наклонить двигатель в направлении от радиатора системы охлаждения и
снять модуль впуска.
http://vnx.su/
ГОСТ 3.1105-84
Лист 52
ИзмЛист№документаПодписьДатаИзм.Лист№документаПодпиИзм.Лист
№документаПодписьДата
сПрудскихД.А.18.06.12
РеваВ.В.26.10.12
ХристовП.Н.01.11.12
РеваВ.В.27.10.12
ПрудскихД.А.26.10.12
ьДата
Дубликат
Взам.
Подп.
3100.25100.20582
ТИ Технологическая инструкция
ОАО "АВТОВАЗ"
Рисунок 7-29 – Крепление модуля
впуска:
1 – болт;
2 – гайка;
3 – модуль впуска;
4 – шайба;
5 – головка цилиндров
Рисунок 7-30 – Снятие опорного
кронштейна модуля впуска (для дви-
гателя 11189):
1 – гайка крепления кронштейна
опорного;
2 – кронштейн опорный
Рисунок 7-31 – Модуль впуска (для
двигателя 11189):
1 – гайка крепления модуля впуска;
2 – модуль впуска
Для автомобилей с двигателем 11189
Отвернуть три гайки 1, рисунок 7-30, и снять кронштейн 2 (головка сменная 10, вороток,
удлинитель).
Отвернуть пять гаек 1, рисунок 7-31, крепления модуля впуска со стороны щитка передка
и снять модуль 2 впуска (головка сменная 13, ключ трещоточный, удлинитель).
http://vnx.su/
ГОСТ 3.1105-84
Лист 53
ИзмЛист№документаПодписьДатаИзм.Лист№документаПодпиИзм.Лист
№документаПодписьДата
сПрудскихД.А.18.06.12
РеваВ.В.26.10.12
ХристовП.Н.01.11.12
РеваВ.В.27.10.12
ПрудскихД.А.26.10.12
ьДата
Дубликат
Взам.
Подп.
3100.25100.20582
ТИ Технологическая инструкция
ОАО "АВТОВАЗ"
Установка
Для автомобилей с двигателем 21129
Осторожно наклонить двигатель в направлении от радиатора системы охлаждения и ус-
тановить модуль 3, рисунок 7-29, впуска на головку 5 цилиндров. Завернуть и затянуть два бол-
та 1 и три гайки 2 с шайбами 4 крепления модуля впуска. Момент затяжки болтов и гаек
2,1…2,5 Н.м (21…25 кгс.м) (головка сменная, вороток, удлинитель, ключ моментный).
Установить кронштейн 3, рисунок 7-28, и болты 1 и 2 крепления штанги 5 к силовому аг-
регату 4. Момент затяжки болтов 90…120 Н.м (9…120 кгс.м) (головка сменная 18, вороток,
ключ моментный).
Установить на фланец приемной трубы 5, рисунок 7-27, с нейтрализатором в сборе новую
прокладку 4, присоединить дополнительный глушитель 2, установить контрящие шайбы 1. За-
вернуть и затянуть три гайки 3 шпилек крепления дополнительного глушителя к приемной тру-
бе и законтрить. Момент затяжки гаек 21…25 Н.м (2,1…2,5 кгс.м) (головка сменная 10, ключ
трещоточный, ключ моментный, притупленное зубило, молоток).
Присоединить колодку 1, рисунок 7-26, жгута проводов к датчику 2 фаз и хомут крепле-
ния жгута проводов к модулю впуска.
Установить кронштейн 3, рисунок 7-25, навесных агрегатов и закрепить болтами. Мо-
мент затяжки болтов: 1 (М8) – 15…24 Н.м (1,5…2,4 кгс.м); 2 (М10) – 33…52 Н.м
(3,3…5,2 кгс.м) (головка сменная 13, 17, удлинитель, вороток, ключ моментный).
Установить клемму 2, рисунок 7-24, провода "массы" на кронштейн 3 навесных агрегатов
и зафиксировать болтом 1. Момент затяжки болта 18…22 Н.м (1,8…2,2 кгс.м) (головка сменная
13, ключ трещоточный, ключ моментный).
Установить генератор 2, рисунок 7-23, в соответствии с требованиями
ТИ 3100.25100.20587.
Для автомобилей с двигателем 21129 и системой кондиционирования
Установить компрессор 2, рисунок 7-21, системы кондиционирования в соответствии с
требованиями ТИ 3100.25100.20590.
Для автомобилей с двигателем 21129
Установить ремень 7, рисунок 7-20, привода навесных агрегатов в соответствии с требо-
ваниями раздела 4 настоящей технологической инструкции.
Установить шланг 4 вентиляции картера нижний на патрубок блока цилиндров и закре-
пить хомутом 5 (плоскогубцы).
Зафиксировать новым хомутом 2 жгут 3 проводов к шлангу 4 вентиляции картера ниж-
нему.
Установить трубку 6 направляющую указателя уровня масла и закрепить винтом 1 к мо-
дулю впуска. Момент затяжки винта 3…8 Н.м (0,3…0,8 кгс.м) (насадка крестообразная, ключ
моментный).
Установить брызговик 2, рисунок 7-19, двигателя и закрепить болтами 1 (головка смен-
ная 10, вороток и удлинитель).
http://vnx.su/
ГОСТ 3.1105-84
Лист 54
ИзмЛист№документаПодписьДатаИзм.Лист№документаПодпиИзм.Лист
№документаПодписьДата
сПрудскихД.А.18.06.12
РеваВ.В.26.10.12
ХристовП.Н.01.11.12
РеваВ.В.27.10.12
ПрудскихД.А.26.10.12
ьДата
Дубликат
Взам.
Подп.
3100.25100.20582
ТИ Технологическая инструкция
ОАО "АВТОВАЗ"
Установить две шайбы 2, рисунок 7-18, завернуть и затянуть две гайки 1 крепления мо-
дуля впуска 3 к головке цилиндров. Момент затяжки гаек 3…5 Н.м (0,3…0,5 кгс.м) (головка
сменная 10, вороток, удлинитель, ключ моментный).
Присоединить хомут крепления жгута проводов форсунок к модулю впуска.
Установить дроссельный патрубок на модуль впуска и закрепить тремя гайками. Момент
затяжки гаек крепления модуля впуска 5…8 Н.м (0,5…0,8 кгс.м)
Присоединить колодки жгута 1, рисунок 7-17, проводов к катушкам 4 зажигания, присое-
динить хомуты 2 к модулю 3 впуска.
Присоединить колодки жгута проводов системы зажигания к разъемам датчиков и ис-
полнительных механизмов в порядке обратном снятию.
Присоединить хомуты крепления жгута проводов к модулю впуска.
Присоединить трубки 1 и 2, рисунок 7-14, топливного трубопровода со скобой 3 крепле-
ния в сборе к модулю 4 впуска.
Для автомобилей с двигателем 11189
Установить модуль 2, рисунок 7-31, впуска на впускную трубу. Навернуть и затянуть
гайки 1 крепления модуля впуска со стороны щитка передка. Момент затяжки гаек 7…15 Н.м
(0,7…1,5 кгс.м) (головка сменная 13, вороток и удлинитель, вставка сменная код 58 25 30 04,
ключ моментный типа Service-MANOSKOP 730 код 50 18 00 02 ф. "STAHLWILLE").
Установить кронштейн 2, рисунок 7-30, и закрепить гайками 1. Момент затяжки гаек
2…5 Н.м (0,2…0,5 кгс.м) (головка сменная 10, ключ моментный типа Serien-MANOSKOP 755
код 50 10 00 01 ф. "STAHLWILLE").
Для автомобилей всех комплектаций
Присоединить движением вдоль оси штуцера наконечник 5, рисунок 7-13, трубки клапа-
на адсорбера до щелчка пружинного фиксатора. После установки проверить надежность фик-
сации трубки.
Установить трубку клапана адсорбера в элементы крепления на модуле 6 впуска.
Присоединить трубку 4, рисунок 7-13, вентиляции картера, шланг 2 вакуумного усилите-
ля тормозов, шланг 4, рисунок 7-12, впускной трубы и верхний шланг 3 вентиляции картера в
порядке обратном снятию (отвертка крестообразная, плоскогубцы).
Установить экран модуля впуска.
Присоединить клемму провода "массы" к аккумуляторной батарее в соответствии с тре-
бованиями ТИ 3100.25100.20587.
Предъявить автомобиль ОТК. ОТК проверить автомобиль на соответствие требовани-
ям ТУ 017200-254-00232934 пп. 1.19.10, 1.19.14, 1.19.21.3 в объеме выполненных работ.
http://vnx.su/
ГОСТ 3.1105-84
Лист 55
ИзмЛист№документаПодписьДатаИзм.Лист№документаПодпиИзм.Лист
№документаПодписьДата
сПрудскихД.А.18.06.12
РеваВ.В.26.10.12
ХристовП.Н.01.11.12
РеваВ.В.27.10.12
ПрудскихД.А.26.10.12
ьДата
Дубликат
Взам.
Подп.
3100.25100.20582
ТИ Технологическая инструкция
ОАО "АВТОВАЗ"
Рисунок 7-30 – Трубка передняя
топливного трубопровода двигателя
21129:
1 – трубка передняя топливного
трубопровода;
2 – рампа форсунок;
3 – скоба крепления топливного
трубопровода;
4 – головка цилиндров
7.7 Рампа форсунок
Снятие
Для автомобилей с двигателем 11189: установить автомобиль на рабочее место и за-
тормозить стояночным тормозом.
Для автомобилей с двигателем 21129: установить автомобиль на двухстоечный подъ-
емник и затормозить стояночным тормозом (подъемник электрогидравлический типа П-3,2Г
грузоподъемностью 3,2 т).
Для автомобилей всех комплектаций
Откинуть вперед подушку заднего сиденья.
Снять крышку 1, рисунок 7-2, люка бензонасоса.
Отсоединить колодку 3, рисунок 7-3, жгута проводов заднего от МЭБН 1.
Запустить двигатель и дать ему поработать на оборотах холостого хода до полной оста-
новки для сброса давления в топливной системе, обеспечив отвод выхлопных газов (катушка
вытяжная с вентилятором типа SERF/SP ф. "СовПлим"). Выключить зажигание.
Отсоединить клемму провода "массы" от аккумуляторной батареи (ключ гаечный 10).
Снять модуль впуска в соответствии с требованиями раздела 7.6 настоящей технологиче-
ской инструкции.
Нажать на пружинные фиксаторы и движением вдоль оси штуцера отсоединить наконеч-
ник трубки 1, рисунок 7-30, передней топливного трубопровода от рампы 2 форсунок.
Для автомобилей с двигателем 21129 дополнительно отсоединить скобу 3 крепления и
отвести в сторону трубку переднюю топливного трубопровода (отвертка плоская).
Отсоединить колодки жгута 1, рисунок 7-31, проводов от топливных форсунок 2, разре-
зать два хомута 3 (для автомобилей с двигателем 21129) крепления и отвести жгут в сторону
(нож технологический).
http://vnx.su/
ГОСТ 3.1105-84
Лист 56
ИзмЛист№документаПодписьДатаИзм.Лист№документаПодпиИзм.Лист
№документаПодписьДата
сПрудскихД.А.18.06.12
РеваВ.В.26.10.12
ХристовП.Н.01.11.12
РеваВ.В.27.10.12
ПрудскихД.А.26.10.12
ьДата
Дубликат
Взам.
Подп.
3100.25100.20582
ТИ Технологическая инструкция
ОАО "АВТОВАЗ"
Рисунок 7-31 – Жгут проводов фор-
сунок двигателя 21129:
1 – жгут проводов форсунок;
2 – топливная форсунка;
3 – хомут крепления жгута
проводов форсунок
Рисунок 7-32 – Рампа форсунок:
1 – болт крепления рампы форсунок;
2 – рампа форсунок
Отвернуть два болта 1, рисунок 7-17, снять рампу 2 с форсунками в сборе (ключ 5 для
внутреннего шестигранника).
Установка
Перед установкой рампы 2, рисунок 7-32, уплотнительные кольца форсунок смазать мо-
торным маслом (масло моторное согласно действующему "Кодификатору основных и вспомо-
гательных материалов, применяемых при ТО и ремонте автомобилей LADA"
К 3100.25100.00018).
Установить рампу 2 с форсунками в сборе на двигатель. Завернуть и затянуть болты 1.
Момент затяжки болтов 9…14 Н.м (0,9…1,4 кгс.м) (ключ 5 для внутреннего шестигранника,
насадка для внутреннего шестигранника, ключ моментный).
Присоединить колодки жгута 1, рисунок 7-31, проводов к топливным форсункам 2 и за-
крепить жгут двумя новыми хомутами 3 к рампе форсунок (для автомобилей с двигателем
21129).
Присоединить трубку 1, рисунок 7-30, переднюю топливного трубопровода к штуцеру
рампы 2. При установке наконечник трубки присоединить к штуцеру до щелчка пружинного
фиксатора. После установки проверить надежность фиксации трубки.
http://vnx.su/
ГОСТ 3.1105-84
Лист 57
ИзмЛист№документаПодписьДатаИзм.Лист№документаПодпиИзм.Лист
№документаПодписьДата
сПрудскихД.А.18.06.12
РеваВ.В.26.10.12
ХристовП.Н.01.11.12
РеваВ.В.27.10.12
ПрудскихД.А.26.10.12
ьДата
Дубликат
Взам.
Подп.
3100.25100.20582
ТИ Технологическая инструкция
ОАО "АВТОВАЗ"
Для автомобилей с двигателем 21129: присоединить скобу 3 крепления топливного
трубопровода к рампе форсунок.
Установить модуль впуска в сборе на головку цилиндров в соответствии с требованиями
раздела 7.6 настоящей технологической инструкции
Присоединить колодку 3, рисунок 7-3, жгута проводов заднего к МЭБН 1.
Установить крышку 1, рисунок 7-2, люка бензонасоса.
Опустить подушку заднего сиденья.
Присоединить клемму провода "массы" к аккумуляторной батарее в соответствии с тре-
бованиями ТИ 3100.25100.20587.
Предъявить автомобиль ОТК. ОТК проверить автомобиль на соответствие требовани-
ям ТУ 017200-254-00232934 пп. 1.19.10, 1.19.14, 1.19.21.3 в объеме выполненных работ.
http://vnx.su/
ГОСТ 3.1105-84
Лист 58
ИзмЛист№документаПодписьДатаИзм.Лист№документаПодпиИзм.Лист
№документаПодписьДата
сПрудскихД.А.18.06.12
РеваВ.В.26.10.12
ХристовП.Н.01.11.12
РеваВ.В.27.10.12
ПрудскихД.А.26.10.12
ьДата
Дубликат
Взам.
Подп.
3100.25100.20582
ТИ Технологическая инструкция
ОАО "АВТОВАЗ"
8 ЭЛЕМЕНТЫ СИСТЕМЫ ВЫПУСКА ОТРАБОТАВШИХ ГАЗОВ – СНЯТИЕ /
УСТАНОВКА
8.1 Особенности устройства
Отработавшие газы отводятся из двигателя через приемную трубу 1, рисунок 8-1, глуши-
теля с нейтрализатором в сборе, глушитель 1, рисунок 8-5, дополнительный и глушитель 1, ри-
сунок 8-8, основной. Между фланцами приемной трубы и дополнительного глушителя устанав-
ливается уплотнительная прокладка 9, рисунок 8-1. На трубе дополнительного глушителя име-
ется компенсатор колебаний. Трубы основного и дополнительного глушителей соединяются
между собой развальцованными концами через промежуточное кольцо с помощью хомута.
Система выпуска газов крепится к кузову автомобиля с помощью подушек подвески глушите-
ля.
8.2 Труба приемная глушителя с нейтрализатором в сборе
Рисунок 8-1 – Приемная труба глушителя с нейтрализатором в сборе:
1 – труба приемная глушителя с нейтрализатором в сборе; 2 – прокладка газопровода; 3 – болт
М8х18; 4 – шайба 8 пружинная; 5 – шайба 8; 6 – кронштейн приемной трубы; 7 – опора крон-
штейна приемной трубы; 8 – болт М8х16; 9 – прокладка фланца глушителя; 10 – шайба кон-
трящая; 11 – гайка крепления глушителя; 12 – диагностический датчик концентрации кислоро-
да; 13 –управляющий датчик концентрации кислорода; 14 – гайка М8
Снятие
Установить автомобиль на двухстоечный подъемник и затормозить стояночным тормо-
зом. Открыть капот и отсоединить клемму провода "массы" от аккумуляторной батареи (подъ-
емник электрогидравлический типа П-3,2Г грузоподъемностью 3,2 т, ключ гаечный 10).
Отсоединить колодки жгутов датчиков 12 и 13, рисунок 8-1, концентрации кислорода от
кронштейнов на силовом агрегате и от разъемов жгута проводов системы зажигания.
Поднять автомобиль на высоту, удобную для работы, и снять брызговик двигателя со-
гласно требованиям раздела 2 настоящей технологической инструкции.
http://vnx.su/
ГОСТ 3.1105-84
Лист 59
ИзмЛист№документаПодписьДатаИзм.Лист№документаПодпиИзм.Лист
№документаПодписьДата
сПрудскихД.А.18.06.12
РеваВ.В.26.10.12
ХристовП.Н.01.11.12
РеваВ.В.27.10.12
ПрудскихД.А.26.10.12
ьДата
Дубликат
Взам.
Подп.
3100.25100.20582
ТИ Технологическая инструкция
ОАО "АВТОВАЗ"
Рисунок 8-2 – Соединение дополни-
тельного глушителя с приемной тру-
бой глушителя с нейтрализатором в
сборе:
1 – шайба контрящая;
2 – глушитель дополнительный;
3 – гайка;
4 – прокладка фланца глушителя;
5 – труба приемная глушителя с ней-
трализатором в сборе
Рисунок 8-3 – Экран термозащитный
приемной трубы глушителя с ней-
трализатором в сборе (вид сверху):
1 – болт М6;
2 – болт М8;
3 – экран термозащитный приемной
трубы глушителя с нейтрализатором
в сборе
Рисунок 8-4 – Экран термозащитный
приемной трубы глушителя с ней-
трализатором в сборе (вид со сторо-
ны щитка передка):
1 – болт М6;
2 – экран термозащитный приемной
трубы глушителя с нейтрализатором
в сборе
Расконтрить шайбы 1, рисунок 8-2, и отвернуть три гайки 3, шпилек крепления дополни-
тельного глушителя 2 к приемной трубе 5 с нейтрализатором в сборе (отвертка плоская, ключ
гаечный 10, головка сменная 10, удлинитель и вороток трещоточный).
Отвернуть болт 1, рисунок 8-3, два болта 2, два болта 1, рисунок 8-4, с шайбами и снять
термозащитный экран приемной трубы глушителя с нейтрализатором в сборе (головка сменная
10, 13, удлинитель, вороток).
http://vnx.su/
ГОСТ 3.1105-84
Лист 60
ИзмЛист№документаПодписьДатаИзм.Лист№документаПодпиИзм.Лист
№документаПодписьДата
сПрудскихД.А.18.06.12
РеваВ.В.26.10.12
ХристовП.Н.01.11.12
РеваВ.В.27.10.12
ПрудскихД.А.26.10.12
ьДата
Дубликат
Взам.
Подп.
3100.25100.20582
ТИ Технологическая инструкция
ОАО "АВТОВАЗ"
Отвернуть гайку М8 крепления кронштейна трубы подводящей водяного насоса, снять
шайбу (головка сменная 13, удлинитель, вороток).
Ослабить гайку крепления приемной трубы глушителя на шпильке крепления кронштей-
на трубы подводящей водяного насоса (ключ гаечный 13).
Отвернуть семь гаек 14, рисунок 8-1, снять шайбы 5, снять приемную трубу 1 глушителя
с нейтрализатором в сборе, снять прокладку 2 газопровода и прокладку 9 фланца глушителя.
Гайки шпилек крепления приемной трубы к головке цилиндров заменить новыми (головка
сменная 13, удлинитель, вороток).
Вывернуть датчики 12 и 13 концентрации кислорода из приемной трубы 1 глушителя с
нейтрализатором в сборе (ключ гаечный 22).
Установка
Установить датчики 12 и 13, рисунок 8-1, концентрации кислорода на приемную трубу 1
глушителя с нейтрализатором в сборе. Момент затяжки датчиков 40…60 Н.м (4,0…6,0 кгс.м)
(ключ гаечный 22, вставка сменная 22 из набора типа 811382 ф. "USAG", ключ моментный).
Установить новую прокладку 2 газопровода, приемную трубу 1 глушителя с нейтрализа-
тором в сборе, шайбы 5, навернуть и затянуть новые гайки 14 шпилек крепления приемной
трубы к головке цилиндров. Момент затяжки гаек 21…25 Н.м (2,1…2,5 кгс.м) (ключ гаечный
13, головка сменная 13, удлинитель, вороток, вставка сменная 13 типа 58211013 ф. "Stahlwille",
ключ моментный).
Установить шайбу и навернуть гайку М8 крепления кронштейна трубы подводящей во-
дяного насоса. Момент затяжки гайки 21…25 Н.м (2,1…2,5 кгс.м) (головка сменная 13, удлини-
тель, вороток, ключ моментный).
Установить термозащитный экран приемной трубы глушителя с нейтрализатором в сборе
и закрепить болтами 1 и 2, рисунок 8-3, болтами 1, рисунок 8-4, крепления с шайбами. Момент
затяжки болтов: М6 – 7…9 Н.м (0,7…0,9 кгс.м); М8 – 18…24 Н.м (1,8…2,4 кгс.м) (головка
сменная 10, 13, удлинитель, вороток, ключ моментный).
Установить новую прокладку 4, рисунок 8-2, фланца приемной трубы глушителя, при-
соединить фланец дополнительного глушителя 2, установить контрящие шайбы 1, установить и
затянуть три гайки 3 шпилек крепления дополнительного глушителя к приемной трубе и закон-
трить. Момент затяжки гаек 21…25 Н.м (2,1…2,5 кгс.м) (ключ гаечный 10, головка сменная 10,
удлинитель, ключ трещоточный, ключ моментный, притупленное зубило, молоток).
Установить брызговик двигателя согласно требованиям раздела 2 настоящей технологи-
ческой инструкции.
Опустить автомобиль, присоединить колодки жгутов датчиков 12 и 13 концентрации ки-
слорода к разъемам жгута проводов системы зажигания и кронштейнам на силовом агрегате.
Присоединить клемму провода "массы" к аккумуляторной батарее согласно требованиям
ТИ 3100.25100.20587.
Предъявить автомобиль ОТК. ОТК проверить автомобиль на соответствие требовани-
ям ТУ 017200-254-00232934 пп. 1.19.14.2, 1.19.21.3 в объеме выполненных работ.
http://vnx.su/
ГОСТ 3.1105-84
Лист 61
ИзмЛист№документаПодписьДатаИзм.Лист№документаПодпиИзм.Лист
№документаПодписьДата
сПрудскихД.А.18.06.12
РеваВ.В.26.10.12
ХристовП.Н.01.11.12
РеваВ.В.27.10.12
ПрудскихД.А.26.10.12
ьДата
Дубликат
Взам.
Подп.
3100.25100.20582
ТИ Технологическая инструкция
ОАО "АВТОВАЗ"
8.3 Глушитель дополнительный
Снятие
Установить автомобиль на двухстоечный подъемник и затормозить стояночным тормо-
зом (подъемник электрогидравлический типа П-3,2Г грузоподъемностью 3,2 т).
Поднять автомобиль на высоту, удобную для работы, и снять брызговик двигателя со-
гласно требованиям раздела 2 настоящей технологической инструкции.
Расконтрить шайбы 1, рисунок 8-2, и отвернуть три гайки 3, шпилек крепления дополни-
тельного глушителя 2 к приемной трубе 5 с нейтрализатором в сборе (отвертка плоская, ключ
гаечный 10, головка сменная 10, удлинитель и вороток трещоточный).
Снять прокладку 4 фланца приемной трубы глушителя (отвертка плоская).
Отвернуть две гайки 3, рисунок 8-6, болтов 5, стягивающих хомут 2, извлечь болты,
снять хомут и уплотнительное кольцо (ключ кольцевой 10, ключ гаечный 13, головка сменная,
удлинитель, вороток).
Отвернуть четыре гайки 1, рисунок 8-7, крепления кронштейнов 2 к кузову и снять до-
полнительный глушитель 3 с подушками 4 подвески и кронштейнами в сборе. Операцию вы-
полнять с помощником (головка сменная 13, удлинитель, вороток).
Рисунок 8-5 – Глушители дополни-
тельный:
1 – глушитель дополнительный;
2 – подушка подвески глушителя;
3 – кронштейн подвески глушителя
Рисунок 8-6 – Соединение основного
и дополнительного глушителей:
1 – глушитель дополнительный;
2 – хомут соединительный;
3 – гайка;
4 – глушитель основной;
5 – болт
http://vnx.su/
ГОСТ 3.1105-84
Лист 62
ИзмЛист№документаПодписьДатаИзм.Лист№документаПодпиИзм.Лист
№документаПодписьДата
сПрудскихД.А.18.06.12
РеваВ.В.26.10.12
ХристовП.Н.01.11.12
РеваВ.В.27.10.12
ПрудскихД.А.26.10.12
ьДата
Дубликат
Взам.
Подп.
3100.25100.20582
ТИ Технологическая инструкция
ОАО "АВТОВАЗ"
Смазать мыльным раствором и снять с дополнительного глушителя и кронштейнов под-
вески глушителя подушки подвески (кисть, тара технологическая, мыльный раствор, отвертка
плоская).
Установка
Смазать мыльным раствором и установить на кронштейны глушителя 3, рисунок 8-7, до-
полнительного и кронштейны 2 подвески глушителя подушки 4 подвески (кисть, тара техноло-
гическая, мыльный раствор, отвертка плоская).
Установить глушитель3 дополнительный с помощью кронштейнов 2 подвески глушителя
на шпильки крепления на кузове и закрепить четырьмя гайками 1. Момент затяжки гаек
18…24 Н.м (1,8…2,4 кгс.м). Операцию выполнять с помощником (головка сменная 13, удлини-
тель, вороток, ключ моментный).
Установить новую прокладку 4, рисунок 8-2, фланца приемной трубы глушителя, при-
соединить фланец дополнительного глушителя 2, установить контрящие шайбы 1, установить и
затянуть три гайки 3 шпилек крепления дополнительного глушителя к приемной трубе и закон-
трить. Момент затяжки гаек 21…25 Н.м (2,1…2,5 кгс.м) (ключ гаечный 10, головка сменная 10,
удлинитель, ключ трещоточный, ключ моментный, притупленное зубило, молоток).
Установить уплотнительное кольцо между фланцами дополнительного 1, рисунок 8-6, и
основного 4 глушителей, установить хомут 2 соединительный, как показано на рисунке, навер-
нуть две гайки 3 болтов 5 хомута. Момент затяжки гаек болтов хомута 14…16 Н.м
(1,4…1,6 кгс.м) (ключ кольцевой 10, ключ гаечный 13, головка сменная 13, вороток, ключ мо-
ментный).
Установить брызговик двигателя согласно требованиям раздела 2 настоящей технологи-
ческой инструкции.
Предъявить автомобиль ОТК. ОТК проверить автомобиль на соответствие требовани-
ям ТУ 017200-254-00232934 п. 1.19.14.2 в объеме выполненных работ.
Рисунок 8-7 – Элементы подвески
глушителя дополнительного к кузо-
ву:
1 – гайка;
2 – кронштейн подвески глушителя;
3 – глушитель дополнительный;
4 – подушка подвески глушителя
http://vnx.su/
ГОСТ 3.1105-84
Лист 63
ИзмЛист№документаПодписьДатаИзм.Лист№документаПодпиИзм.Лист
№документаПодписьДата
сПрудскихД.А.18.06.12
РеваВ.В.26.10.12
ХристовП.Н.01.11.12
РеваВ.В.27.10.12
ПрудскихД.А.26.10.12
ьДата
Дубликат
Взам.
Подп.
3100.25100.20582
ТИ Технологическая инструкция
ОАО "АВТОВАЗ"
8.4 Глушитель основной
Снятие
Установить автомобиль на двухстоечный подъемник и затормозить стояночным тормо-
зом (подъемник электрогидравлический типа П-3,2Г грузоподъемностью 3,2 т).
Поднять автомобиль на высоту, удобную для работы, отвернуть две гайки 3, рисунок 8-6,
болтов 5, стягивающих хомут 2, извлечь болты, снять хомут и уплотнительное кольцо (ключ
кольцевой 10, ключ гаечный 13, головка сменная 13, удлинитель, вороток).
Смазать мыльным раствором и извлечь кронштейны основного глушителя 1, рисунок 8-8,
из отверстий подушек 2 подвески глушителя и снять основной глушитель. Операцию выпол-
нять с помощником (кисть, тара технологическая, мыльный раствор, отвертка плоская).
Установка
Смазать кронштейны основного глушителя мыльным раствором и подвесить основной
глушитель 1, рисунок 8-8, на подушки 2 подвески (кисть, тара технологическая, мыльный рас-
твор, отвертка плоская).
Установить уплотнительное кольцо между фланцами дополнительного 1, рисунок 8-6, и
основного 4 глушителей, установить хомут 2 соединительный, как показано на рисунке, навер-
нуть две гайки 3 болтов 5 хомута. Момент затяжки гаек болтов хомута 14…16 Н.м
(1,4…1,6 кгс.м) (ключ кольцевой 10, ключ гаечный 13, головка сменная 13, вороток, ключ мо-
ментный).
Предъявить автомобиль ОТК. ОТК проверить автомобиль на соответствие требовани-
ям ТУ 017200-254-00232934 п. 1.19.14.2 в объеме выполненных работ.
Рисунок 8-8 – Элементы подвески
глушителя основного к кузову:
1 – глушитель основной;
2 – подушка подвески глушителя
http://vnx.su/
ГОСТ 3.1105-84
Лист 64
ИзмЛист№документаПодписьДатаИзм.Лист№документаПодпиИзм.Лист
№документаПодписьДата
сПрудскихД.А.18.06.12
РеваВ.В.26.10.12
ХристовП.Н.01.11.12
РеваВ.В.27.10.12
ПрудскихД.А.26.10.12
ьДата
Дубликат
Взам.
Подп.
3100.25100.20582
ТИ Технологическая инструкция
ОАО "АВТОВАЗ"
9 СИСТЕМА ОХЛАЖДЕНИЯ
9.1 Особенности устройства
Система охлаждения двигателя закрытого типа под давлением. В пробке расширительно-
го бачка имеется предохранительный клапан.
Система охлаждения включает в себя: радиатор системы охлаждения двигателя; водяной
насос; термостат; радиатор отопления салона; расширительный бачок.
Заправочный объем системы охлаждения двигателя:
- 11189 и 21129 (в комплектации без предпускового подогревателя) – 8,7 л;
- 11189 и 21129 (в комплектации с предпусковым подогревателем) – 9,3 л;
- HR16 (в комплектации без предпускового подогревателя) – 7,0 л;
- HR16 (в комплектации с предпусковым подогревателем) – 7,6 л.
Температура начала открытия клапана термостата – 85±2ºС.
Температура полного открытия клапана термостата – 97±2ºС.
http://vnx.su/
ГОСТ 3.1105-84
Лист 65
ИзмЛист№документаПодписьДатаИзм.Лист№документаПодпиИзм.Лист
№документаПодписьДата
сПрудскихД.А.18.06.12
РеваВ.В.26.10.12
ХристовП.Н.01.11.12
РеваВ.В.27.10.12
ПрудскихД.А.26.10.12
ьДата
Дубликат
Взам.
Подп.
3100.25100.20582
ТИ Технологическая инструкция
ОАО "АВТОВАЗ"
Рисунок 9-1 – Шланг отводящий
радиатора:
1 – хомут крепления шланга отво-
дящего радиатора;
2 – шланг отводящий радиатора;
3 – радиатор системы охлаждения
двигателя
Рисунок 9-2 – Расширительный ба-
чок системы охлаждения двигателя:
1 – пробка расширительного бачка;
2 – расширительный бачок системы
охлаждения двигателя
9.2 Замена охлаждающей жидкости
Слив охлаждающей жидкости
Установить автомобиль на двухстоечный подъемник, затормозить стояночным тормозом,
выключить зажигание и отсоединить клемму провода "массы" от аккумуляторной батареи
(подъемник электрогидравлический типа П-3,2Г грузоподъемностью 3,2 т, ключ гаечный 10).
Снять брызговик двигателя в соответствии с требованиями раздела 2 настоящей техноло-
гической инструкции.
Снять стартер в соответствии с требованиями ТИ 3100.25100.20587.
Установить технологическую емкость для сбора охлаждающей жидкости (емкость техно-
логическая).
Отвернуть сливную пробку на блоке цилиндров и ввернуть на ее место штуцер шланга
для слива жидкости (головка сменная 13, вороток, шланг технологический).
Разжать хомут 1, рисунок 9-1, крепления и отсоединить отводящий шланг 2 от патрубка
радиатора 3 (плоскогубцы);
Отвернуть пробку 1, рисунок 9-2, на расширительном бачке 2 и слить охлаждающую
жидкость (емкость технологическая);
http://vnx.su/
ГОСТ 3.1105-84
Лист 66
ИзмЛист№документаПодписьДатаИзм.Лист№документаПодпиИзм.Лист
№документаПодписьДата
сПрудскихД.А.18.06.12
РеваВ.В.26.10.12
ХристовП.Н.01.11.12
РеваВ.В.27.10.12
ПрудскихД.А.26.10.12
ьДата
Дубликат
Взам.
Подп.
3100.25100.20582
ТИ Технологическая инструкция
ОАО "АВТОВАЗ"
Промывка системы охлаждения
Заполнить систему охлаждения водой через горловину расширительного бачка.
Пролить воду через систему охлаждения, пока вытекающая вода не станет чистой.
Заполнение системы охлаждения
Вывернуть штуцер шланга для слива жидкости и завернуть сливную пробку отверстия на
блоке цилиндров (головка сменная 13, вороток).
Установить отводящий шланг 2, рисунок 9-1, радиатора на патрубок радиатора 3 системы
охлаждения двигателя.
Установить хомут 1 отводящего шланга радиатора системы охлаждения (плоскогубцы).
Установить стартер в соответствии с требованиями ТИ 3100.25100.20587.
Заполнить систему охлаждения двигателя охлаждающей жидкостью, заливая ее в расши-
рительный бачок (жидкость охлаждающая в соответствии с действующим "Кодификатором ос-
новных и вспомогательных материалов, применяемых при ТО и ремонте автомобилей LADA"
К 3100.25100.00018).
Установить пробку 1, рисунок 9-2, расширительного бачка.
Присоединить клемму провода "массы" к аккумуляторной батарее согласно требованиям
ТИ 3100.25100.20587.
Запустить двигатель и дать ему поработать 2 - 3 минуты на холостых оборотах для уда-
ления воздушных пробок в системе охлаждения.
Проверить работоспособность отопителя.
После остановки двигателя проверить уровень охлаждающей жидкости и отсутствие сле-
дов подтекания, при необходимости довести уровень жидкости до нормы. Уровень охлаждаю-
щей жидкости должен быть между метками "min" и "max" на расширительном бачке (катушка
вытяжная с вентилятором типа SERF/SP ф. "СовПлим").
Установить брызговик двигателя согласно требованиям раздела 2 настоящей технологи-
ческой инструкции.
Предъявить автомобиль ОТК. ОТК проверить автомобиль на соответствие требовани-
ям ТУ 017200-254-00232934 пп. 1.19.6, 1.19.9, 1.19.10, 1.19.14.
http://vnx.su/
ГОСТ 3.1105-84
Лист 67
ИзмЛист№документаПодписьДатаИзм.Лист№документаПодпиИзм.Лист
№документаПодписьДата
сПрудскихД.А.18.06.12
РеваВ.В.26.10.12
ХристовП.Н.01.11.12
РеваВ.В.27.10.12
ПрудскихД.А.26.10.12
ьДата
Дубликат
Взам.
Подп.
3100.25100.20582
ТИ Технологическая инструкция
ОАО "АВТОВАЗ"
Рисунок 9-3 – Балка переднего
бампера и воздухоотражатель:
1 – балка переднего бампера;
2 –воздухоотражатель
Рисунок 9-4 – Балка переднего
бампера и воздухоотражатель:
1 – датчик температуры окружаю-
щего воздуха;
2 –воздухоотражатель
9.3 Радиатор системы охлаждения
Снятие
Установить автомобиль на двухстоечный подъемник, затормозить стояночным тормозом,
выключить зажигание и отсоединить клемму провода "массы" от аккумуляторной батареи
(подъемник электрогидравлический типа П-3,2Г грузоподъемностью 3,2 т, ключ гаечный 10).
Снять брызговик двигателя в соответствии с требованиями раздела 2 настоящей техноло-
гической инструкции.
Снять передний бампер в соответствии с требованиями ТИ 3100.25100.20589.
Снять балку 1, рисунок 9-3, переднего бампера в соответствии с требованиями ТИ
3100.25100.20589.
Отжать фиксаторы и отсоединить патрубок воздухозаборника от воздухоотражателя 2.
Отжать фиксаторы и отсоединить датчик 1, рисунок 9-4, температуры окружающего воз-
духа от воздухоотражателя 2.
Отжать фиксаторы и снять воздухоотражатель 2.
http://vnx.su/
ГОСТ 3.1105-84
Лист 68
ИзмЛист№документаПодписьДатаИзм.Лист№документаПодпиИзм.Лист
№документаПодписьДата
сПрудскихД.А.18.06.12
РеваВ.В.26.10.12
ХристовП.Н.01.11.12
РеваВ.В.27.10.12
ПрудскихД.А.26.10.12
ьДата
Дубликат
Взам.
Подп.
3100.25100.20582
ТИ Технологическая инструкция
ОАО "АВТОВАЗ"
Рисунок 9-5 – Термостат и шланги
системы охлаждения двигателя:
1 – шланг подводящий радиатора
2 – хомут;
3 – термостат;
4 – шланг отводящий радиатора
Рисунок 9-6 – Расширительный ба-
чок и шланги системы охлаждения
двигателя:
1 – шланг пароотводящий;
2 – пробка расширительного бачка;
3 – расширительный бачок системы
охлаждения двигателя;
4 – хомут
Слить жидкость из системы охлаждения двигателя в соответствии с требованиями разде-
ла 9.2 настоящей технологической инструкции.
Разжать хомуты крепления и отсоединить:
- подводящий шланг 1, рисунок 9-5, радиатора от патрубка термостата 3;
- отводящий шланг 4 радиатора от патрубка трубы подводящей водяного насоса;
- пароотводящий шланг 1, рисунок 9-6, от патрубка расширительного бачка 3 (плоско-
губцы).
Разрезать хомуты крепления шлангов к верхней поперечине рамки радиатора и крон-
штейну на коробке передач (нож технологический).
Отсоединить разъемы жгута 1, рисунок 9-7, проводов переднего от разъемов блока 2 реле
электровентилятора, звукового сигнала 3 и электровентилятора 4 радиатора.
Разрезать хомут 5 крепления жгута 1 проводов переднего к кожуху электровентилятора
(нож технологический).
Для автомобилей с кондиционером
Отжать фиксаторы, отсоединить и отвести в сторону конденсор 1, рисунок 9-8, системы
кондиционирования от радиатора 2 системы охлаждения двигателя.
http://vnx.su/
ГОСТ 3.1105-84
Лист 69
ИзмЛист№документаПодписьДатаИзм.Лист№документаПодпиИзм.Лист
№документаПодписьДата
сПрудскихД.А.18.06.12
РеваВ.В.26.10.12
ХристовП.Н.01.11.12
РеваВ.В.27.10.12
ПрудскихД.А.26.10.12
ьДата
Дубликат
Взам.
Подп.
3100.25100.20582
ТИ Технологическая инструкция
ОАО "АВТОВАЗ"
Рисунок 9-7 – Электровентилятор
радиатора системы охлаждения
двигателя:
1 – жгут проводов передний;
2 – блок реле электровентилятора;
3 – звуковой сигнал;
4 – электровентилятор радиатора
системы охлаждения двигателя;
5 – хомут
Рисунок 9-8 – Конденсор системы
кондиционирования:
1 – конденсор системы кондицио-
нирования;
2 – радиатор системы охлаждения
двигателя
Операции для всех комплектаций автомобилей
Повернуть и извлечь из кронштейнов 1, рисунок 9-9, на верхней поперечине рамки ра-
диатора фиксаторы 2 крепления радиатора 3.
Извлечь радиатор 2, рисунок 9-8, из крепления на нижней поперечине рамки радиатора и
снять радиатор в сборе с электровентилятором и шлангами.
Отжать фиксаторы и отсоединить электровентилятор системы охлаждения двигателя от
радиатора.
Рисунок 9-9 – Верхнее крепление
радиатора системы охлаждения дви-
гателя:
1 – кронштейн;
2 – фиксатор крепления радиатора;
3 – радиатор системы охлаждения
двигателя
http://vnx.su/
ГОСТ 3.1105-84
Лист 70
ИзмЛист№документаПодписьДатаИзм.Лист№документаПодпиИзм.Лист
№документаПодписьДата
сПрудскихД.А.18.06.12
РеваВ.В.26.10.12
ХристовП.Н.01.11.12
РеваВ.В.27.10.12
ПрудскихД.А.26.10.12
ьДата
Дубликат
Взам.
Подп.
3100.25100.20582
ТИ Технологическая инструкция
ОАО "АВТОВАЗ"
Установка
Установить электровентилятор системы охлаждения двигателя на радиатор.
Установить радиатор 2, рисунок 9-8, системы охлаждения двигателя с электровентилято-
ром и шлангами в сборе в элементы крепления нижней поперечины рамки радиатора.
Закрепить радиатор 3, рисунок 9-9, системы охлаждения двигателя двумя фиксаторами 2
к кронштейнам 1.
Присоединить подводящий, отводящий и пароотводящий шланги радиатора системы ох-
лаждения двигателя к соответствующим патрубкам и закрепить хомутами крепления, рисунки
9-5 и 9-6 (плоскогубцы).
Установить новые хомуты крепления шлангов к верхней поперечине рамки радиатора и
кронштейну на коробке передач.
Для автомобилей с кондиционером
Установить и зафиксировать конденсор 1, рисунок 9-8, системы кондиционирования на
радиаторе 2.
Операции для всех комплектаций автомобилей
Установить и зафиксировать воздухоотражатель 2, рисунок 9-3, на радиатор.
Установить датчик 1, рисунок 9-4, температуры окружающего воздуха на воздухоотража-
тель 2.
Присоединить патрубок воздухозаборника к воздухоотражателю.
Присоединить разъемы жгута 1, рисунок 9-7, проводов переднего к разъемам блока 2 ре-
ле электровентилятора, звукового сигнала 3 и электровентилятора 4 радиатора.
Установить новый хомут 5 крепления жгута 1 проводов переднего к кожуху электровен-
тилятора радиатора.
Установить балку 1, рисунок 9-3, переднего бампера в соответствии с требованиями
ТИ 3100.25100.20589.
Установить передний бампер в соответствии с требованиями ТИ 3100.25100.20589.
Заполнить систему охлаждения двигателя в соответствии с требованиями раздела 9.2 на-
стоящей технологической инструкции.
Присоединить клемму провода "массы" к аккумуляторной батарее согласно требованиям
ТИ 3100.25100.20587.
Запустить двигатель и дать ему поработать 2 - 3 минуты на холостых оборотах для уда-
ления воздушных пробок в системе охлаждения.
Проверить работоспособность отопителя.
После остановки двигателя проверить уровень охлаждающей жидкости и отсутствие сле-
дов подтекания, при необходимости довести уровень жидкости до нормы. Уровень охлаждаю-
щей жидкости должен быть между метками "min" и "max" на расширительном бачке (катушка
вытяжная с вентилятором типа SERF/SP ф. "СовПлим").
Установить брызговик двигателя согласно требованиям раздела 2 настоящей технологи-
ческой инструкции.
Предъявить автомобиль ОТК. ОТК проверить автомобиль на соответствие требовани-
ям ТУ 017200-254-00232934 пп. 1.19.6, 1.19.9, 1.19.10, 1.19.14.
http://vnx.su/
ГОСТ 3.1105-84
Лист 71
ИзмЛист№документаПодписьДатаИзм.Лист№документаПодпиИзм.Лист
№документаПодписьДата
сПрудскихД.А.18.06.12
РеваВ.В.26.10.12
ХристовП.Н.01.11.12
РеваВ.В.27.10.12
ПрудскихД.А.26.10.12
ьДата
Дубликат
Взам.
Подп.
3100.25100.20582
ТИ Технологическая инструкция
ОАО "АВТОВАЗ"
Рисунок 10-2 – Кронштейн воздуш-
ного фильтра:
1 – болт;
2 – кронштейн воздушного фильтра;
3 – левая опора подвески силового
агрегата
Рисунок 10-1 – Контроллер ЭСУД:
1 – разъем жгута проводов системы
зажигания;
2 – разъем жгута проводов переднего;
3 – контроллер ЭСУД
10 ЭЛЕМЕНТЫ ПОДВЕСКИ СИЛОВОГО АГРЕГАТА – СНЯТИЕ / УСТАНОВКА
10.1 Левая опора подвески силового агрегата
Снятие
Установить автомобиль на рабочий пост, затормозить стояночным тормозом, выключить
зажигание и отсоединить клемму провода "массы" от аккумуляторной батареи (подъемник
электрогидравлический типа П-3,2Г грузоподъемностью 3,2 т, ключ гаечный 10).
Снять резонатор и воздушный фильтр в соответствии с требованиями раздела 3 настоя-
щей технологической инструкции.
Отсоединить разъемы жгута проводов системы зажигания 1, рисунок 10-1, и жгута про-
водов переднего 2 от контроллера 3 ЭСУД и отвести жгуты в сторону.
Ослабить болт 1, рисунок 10-2, крепления кронштейна 2 воздушного фильтра и снять
кронштейн с левой опоры 3 подвески силового агрегата (головка сменная 16, удлинитель, воро-
ток).
Установить технологический рым 1, рисунок 10-3, на верхнюю шпильку крепления тер-
мостата и закрепить его гайкой 2 (головка сменная 13, вороток).
Установить на автомобиль траверсу 4 для вывешивания силового агрегата, завести крюк
3 траверсы в проушину технологического рыма с левой стороны двигателя и вывесить силовой
агрегат (траверса для вывешивания силового агрегата).
http://vnx.su/
ГОСТ 3.1105-84
Лист 72
ИзмЛист№документаПодписьДатаИзм.Лист№документаПодпиИзм.Лист
№документаПодписьДата
сПрудскихД.А.18.06.12
РеваВ.В.26.10.12
ХристовП.Н.01.11.12
РеваВ.В.27.10.12
ПрудскихД.А.26.10.12
ьДата
Дубликат
Взам.
Подп.
3100.25100.20582
ТИ Технологическая инструкция
ОАО "АВТОВАЗ"
Рисунок 10-4 – Крепление левой
опоры подвески силового агрегата к
коробке передач:
1 – болт крепления силового агрега-
та к левой опоре;
2 – левая опора подвески силового
агрегата;
3 – болт крепления кронштейна к
коробке передач
4 – кронштейн
Рисунок 10-3 – Вывешивание сило-
вого агрегата:
1 – рым технологический;
2 – гайка;
3 – крюк траверсы;
4 – траверса для вывешивания сило-
вого агрегата
Рисунок 10-5 – Крепление левой
опоры подвески силового агрегата к
кузову:
1 – болт крепления левой опоры под-
вески силового агрегата к кузову;
2 – левая опора подвески силового
агрегата
Отвернуть и извлечь два болта 1, рисунок 10-4, крепления силового агрегата к левой опо-
ре 2 (головка сменная 18, удлинитель, вороток).
Отвернуть три болта 3 крепления кронштейна 4 левой опоры к коробке передач и снять
кронштейн (головка сменная Torx E12, удлинитель, вороток).
Отвернуть четыре болта 1, рисунок 10-5, крепления левой опоры 2 подвески силового аг-
регата к кузову и снять левую опору (головка сменная 16, удлинитель, вороток)
http://vnx.su/
ГОСТ 3.1105-84
Лист 73
ИзмЛист№документаПодписьДатаИзм.Лист№документаПодпиИзм.Лист
№документаПодписьДата
сПрудскихД.А.18.06.12
РеваВ.В.26.10.12
ХристовП.Н.01.11.12
РеваВ.В.27.10.12
ПрудскихД.А.26.10.12
ьДата
Дубликат
Взам.
Подп.
3100.25100.20582
ТИ Технологическая инструкция
ОАО "АВТОВАЗ"
Установка
Установить левую опору 2, рисунок 10-5, подвески силового агрегата на кузов автомоби-
ля и закрепить болтами 1. Болт крепления кронштейна воздушного фильтра окончательно не
заворачивать. Момент затяжки трех болтов крепления левой опоры подвески силового агрегата
к кузову 53…71 Н.м (5,3…7,1 кгс.м) (головка сменная 16, удлинитель, вороток, ключ момент-
ный).
Установить кронштейн 4, рисунок 10-4, левой опоры подвески силового агрегата на ко-
робку передач и закрепить болтами 3. Момент затяжки болтов 53…71 Н.м (5,3…7,1 кгс.м) (го-
ловка сменная Torx E12, удлинитель, вороток).
Установить два болта 1 крепления силового агрегата к левой опоре 2 подвески силового
агрегата. Момент затяжки болтов 90…120 Н.м (9…12 кгс.м) (головка сменная 18, удлинитель,
вороток, ключ моментный).
Установить и задвинуть до упора в кузов кронштейн 2, рисунок 10-2, воздушного
фильтра. Момент затяжки болта 1 крепления левой опоры подвески силового агрегата к кузову
53…71 Н.м (5,3…7,1 кгс.м) (головка сменная 16, удлинитель, вороток, ключ моментный).
Извлечь крюк 3, рисунок 10-3, траверсы 4 для вывешивания силового агрегата из про-
ушины технологического рыма 1 и снять траверсу с автомобиля.
Отвернуть гайку 2 и снять с верхней шпильки крепления термостата технологический
рым (головка сменная 13, вороток).
Присоединить разъемы 1 и 2, рисунок 10-1, жгутов проводов к контроллеру 3.
Установить резонатор и воздушный фильтр в соответствии с требованиями раздела 3 на-
стоящей технологической инструкции.
Присоединить клемму провода "массы" к аккумуляторной батарее согласно требованиям
ТИ 3100.25100.20587.
Предъявить автомобиль ОТК. ОТК проверить автомобиль на соответствие требовани-
ям ТУ 017200-254-00232934 пп. 1.19.6 в объеме выполненных работ.
http://vnx.su/
ГОСТ 3.1105-84
Лист 74
ИзмЛист№документаПодписьДатаИзм.Лист№документаПодпиИзм.Лист
№документаПодписьДата
сПрудскихД.А.18.06.12
РеваВ.В.26.10.12
ХристовП.Н.01.11.12
РеваВ.В.27.10.12
ПрудскихД.А.26.10.12
ьДата
Дубликат
Взам.
Подп.
3100.25100.20582
ТИ Технологическая инструкция
ОАО "АВТОВАЗ"
Рисунок 10-6 – Вывешивание силово-
го агрегата:
1 – траверса для вывешивания сило-
вого агрегата;
2 – крюк траверсы;
3 – рым двигателя
Рисунок 10-7 – Правая опора подвес-
ки силового агрегата:
1 – болт крепления силового агрегата
к правой опоре;
2 – правая опора подвески силового
агрегата;
3 – болт крепления правой опоры
подвески силового агрегата к кузову
10.2 Правая опора подвески силового агрегата
Снятие
Установить автомобиль на рабочий пост, затормозить стояночным тормозом, выключить
зажигание и отсоединить клемму провода "массы" от аккумуляторной батареи (подъемник
электрогидравлический типа П-3,2Г грузоподъемностью 3,2 т, ключ гаечный 10).
Установить на автомобиль траверсу 1, рисунок 10-6, для вывешивания силового агрегата,
завести крюк 2 траверсы в проушину 3 правого рыма, и вывесить силовой агрегат с правой сто-
роны (траверса для вывешивания силового агрегата).
Для автомобилей с двигателями 11189 и 21129
Отвернуть и извлечь два болта 1, рисунок 10-7, крепления силового агрегата к правой
опоре 2 подвески силового агрегата (головка сменная Torx E12, удлинитель, вороток).
Отметить маркером на кузове положение правой опоры подвески двигателя.
Отвернуть и извлечь два болта 3 крепления правой опоры подвески силового агрегата к
кузову и снять правую опору (головка сменная Torx E12, удлинитель, вороток).
http://vnx.su/
ГОСТ 3.1105-84
Лист 75
ИзмЛист№документаПодписьДатаИзм.Лист№документаПодпиИзм.Лист
№документаПодписьДата
сПрудскихД.А.18.06.12
РеваВ.В.26.10.12
ХристовП.Н.01.11.12
РеваВ.В.27.10.12
ПрудскихД.А.26.10.12
ьДата
Дубликат
Взам.
Подп.
3100.25100.20582
ТИ Технологическая инструкция
ОАО "АВТОВАЗ"
Рисунок 10-8 – Правая опора подвес-
ки силового агрегата HR16:
1 – трубка топливная;
2 – трубка системы улавливания па-
ров бензина;
3 – болт крепления кронштейна пра-
вой опоры подвески к двигателю;
4 – болт крепления правой опоры
подвески силового агрегата к кузову;
5 – правая опора подвески силового
агрегата
Для автомобилей с двигателем HR16
Отсоединить от держателей топливную трубку 1, рисунок 10-8, и трубку 2 системы улав-
ливания паров бензина.
Отметить маркером на кузове положение правой опоры подвески силового агрегата.
Отвернуть болты 3 крепления кронштейна правой опоры подвески к двигателю (головка
сменная 16, удлинитель, вороток).
Отвернуть болты 4 крепления правой опоры подвески силового агрегата к кузову и снять
правую опору 5 (головка сменная 16, удлинитель, вороток).
Установка
Для автомобилей с двигателями 11189 и 21129
Установить на кузов правую опору 2, рисунок 10-7, подвески силового агрегата.
Установить, не затягивая, два болта 1 крепления правой опоры подвески силового агрега-
та к кронштейну подвески силового агрегата (головка сменная Torx E12, удлинитель, вороток).
Установить, не затягивая, два болта 3 крепления правой опоры подвески силового агрега-
та к кузову (головка сменная Torx E12, удлинитель, вороток).
Затянуть два болта крепления правой опоры подвески силового агрегата к кронштейну
подвески силового агрегата с моментом 53…71 Н.м (5,3…7,1 кгс.м) (головка сменная Torx E12,
удлинитель, ключ моментный).
Установить правую опору подвески силового агрегата по меткам на кузове, нанесенным
при ее снятии, и затянуть два болта крепления правой опоры подвески силового агрегата к ку-
зову с моментом 53…71 Н.м (5,3…7,1 кгс.м) (головка сменная Torx E12, удлинитель, ключ мо-
ментный).
Для автомобилей с двигателем HR16
Установить правую опору 5, рисунок 10-8, подвески силового агрегата по меткам на ку-
зове, нанесенным при ее снятии, и закрепить болтами 3 и 4 крепления правой опоры подвески к
двигателю и кузову (головка сменная 16, удлинитель, вороток).
http://vnx.su/
ГОСТ 3.1105-84
Лист 76
ИзмЛист№документаПодписьДатаИзм.Лист№документаПодпиИзм.Лист
№документаПодписьДата
сПрудскихД.А.18.06.12
РеваВ.В.26.10.12
ХристовП.Н.01.11.12
РеваВ.В.27.10.12
ПрудскихД.А.26.10.12
ьДата
Дубликат
Взам.
Подп.
3100.25100.20582
ТИ Технологическая инструкция
ОАО "АВТОВАЗ"
Затянуть требуемым моментом:
- болты крепления кронштейна правой опоры подвески к двигателю 53…71 Н.м
(5,3…7,1 кгс.м);
- болты крепления правой опоры подвески к кузову 53…71 Н.м (5,3…7,1 кгс.м) (головка
сменная 16, удлинитель, ключ моментный).
Установить в держатели топливную трубку 1 и трубку 2 системы улавливания паров бен-
зина.
Операции для всех комплектаций автомобилей
Извлечь крюк 2, рисунок 10-6, траверсы для вывешивания силового агрегата из проуши-
ны правого рыма 3 на двигателе и снять траверсу 1 с автомобиля.
Присоединить клемму провода "массы" к аккумуляторной батарее согласно требованиям
ТИ 3100.25100.20587.
Предъявить автомобиль ОТК. ОТК проверить автомобиль на соответствие требовани-
ям ТУ 017200-254-00232934 пп. 1.19.6 в объеме выполненных работ.
http://vnx.su/
ГОСТ 3.1105-84
Лист 77
ИзмЛист№документаПодписьДатаИзм.Лист№документаПодпиИзм.Лист
№документаПодписьДата
сПрудскихД.А.18.06.12
РеваВ.В.26.10.12
ХристовП.Н.01.11.12
РеваВ.В.27.10.12
ПрудскихД.А.26.10.12
ьДата
Дубликат
Взам.
Подп.
3100.25100.20582
ТИ Технологическая инструкция
ОАО "АВТОВАЗ"
Рисунок 10-9 – Задняя опора подвес-
ки силового агрегата:
1 – болт крепления штанги задней
подвески силового агрегата;
2 – болт крепления кронштейна;
3 – кронштейн;
4 – коробка передач;
5 – штанга задней подвески силового
агрегата;
6 – гайка;
7 – болт крепления штанги задней
опоры подвески силового агрегата к
подрамнику;
8 – подрамник передней подвески
10.3 Задняя опора подвески силового агрегата
Снятие
Установить автомобиль на двухстоечный подъемник, затормозить стояночным тормозом,
выключить зажигание и отсоединить клемму провода "массы" от аккумуляторной батареи
(подъемник электрогидравлический типа П-3,2Г грузоподъемностью 3,2 т, ключ гаечный 10).
Снять брызговик двигателя согласно требованиям раздела 2 настоящей технологической
инструкции.
Отвернуть болты 1 и 2, рисунок 10-9, крепления кронштейна 3 и штанги 5 к коробке 4
передач и снять кронштейн 3 (головка сменная 18, удлинитель, вороток).
Отвернуть гайку 6 болта 7 крепления штанги 5 задней опоры подвески силового агрегата
к подрамнику 8 и снять штангу (ключ кольцевой 18, головка сменная 18, удлинитель, вороток).
Установка
Установить штангу 5, рисунок 10-9, задней опоры подвески силового агрегата на под-
рамник 8, зафиксировать болтом 7 и навернуть гайку 6, не затягивая ее окончательно (головка
сменная 18, удлинитель, вороток).
Установить кронштейн 3 и завернуть болты 1 и 2 крепления кронштейна 3 и штанги 5 к
коробке 4 передач (ключ кольцевой 18, головка сменная 18, удлинитель, вороток).
Затянуть требуемым моментом:
- болт 1 крепления штанги 5 задней опоры подвески силового агрегата к коробке передач
90…120 Н.м (9…12 кгс.м);
- болт 2 крепления кронштейна 3 к коробке передач 90…120 Н.м (9…12 кгс.м);
- гайку 6 болта 7 крепления штанги 5 задней опоры подвески силового агрегата к под-
рамнику 6 передней подвески 90…120 Н.м (9…12 кгс.м) (ключ кольцевой 18, головка сменная
18, удлинитель, вороток, ключ моментный).
Установить брызговик двигателя согласно требованиям раздела 2 настоящей технологи-
ческой инструкции.
Предъявить автомобиль ОТК. ОТК проверить автомобиль на соответствие требовани-
ям ТУ 017200-254-00232934 пп. 1.19.6 в объеме выполненных работ.
http://vnx.su/
ГОСТ 3.1105-84
Лист Листов
1 310
Дубликат
Взам.
Подп.
3100.25100.12056ОАО "АВТОВАЗ"
ТИ Технологическая инструкция
Разработ.
Проверил
Утвердил
Т.контр.
Н.контр.Изм. Лист № документа Подпись Дата
Зимин В.А. 25.11.15г
Христов П.Н. 27.11.15г
Попов А.С. 27.11.15г
Христов П.Н. 27.11.15г
Прудских Д.А. 26.11.15г
ИзмЛист№документаПодписьДатаИзм.Лист№документаПодписьДата
ЭЛЕКТРОННАЯ СИСТЕМА УПРАВЛЕНИЯ ДВИГАТЕЛЕМ 21129 АВТОМОБИЛЕЙ
СЕМЕЙСТВА LADA VESTA С КОНТРОЛЛЕРОМ М86 ЕВРО-5 –
УСТРОЙСТВО И ДИАГНОСТИКА
В данной инструкции описывается устройство и диагностика электронной системы
управления двигателем 21129 с контроллером М86 автомобилей семейства LADA VESTA
по состоянию конструкторской документации на ноябрь 2015 г.
Схема электрических соединений ЭСУД с контроллером М86 приведена в разделе 2
"Диагностика".
Перечень приборов и специнструмента для диагностики и ремонта системы приведен
в приложении А.
Снятие / установка элементов ЭСУД см. ТИ 3100.25100.20582.
Работы выполнять в соответствии с требованиями "Межотраслевых правил по охране
труда на автомобильном транспорте" ПОТ РМ-027-2003 и инструкции по охране труда для
слесарей, действующей на предприятии.
Сокращения
а/м – автомобиль
ЭСУД – электронная система управления двигателем
КСУД – контроллер системы управления двигателем
АЦП – аналого-цифровой преобразователь
ОЗУ – оперативное запоминающее устройство
ПЗУ – постоянное запоминающее устройство
ЭРПЗУ – электрически репрограммируемое запоминающее устройство
ДДТВ – датчик давления и температуры воздуха
ДАД – датчик абсолютного давления
ДТВ – датчик температуры воздуха
ДПКВ – датчик положения коленчатого вала
ЭПА – электронная педаль акселератора
ДППА – датчик положения педали акселератора
ЭДП – дроссельный патрубок с электроприводом
ДПДЗ – датчик положения дроссельной заслонки
УДК – управляющий датчик кислорода
ДДК – диагностический датчик кислорода
ДТОЖ – датчик температуры охлаждающей жидкости
ДД – датчик детонации
ДФ – датчик фаз
ДСА – датчик скорости автомобиля
ЭБН – электробензонасос
СУПБ – система улавливания паров бензина
КПА – клапан продувки адсорбера
ВСТ – выключатель сигнала торможения
ВСППС – выключатель сигнала положения педали сцепления
УОЗ – угол опережения зажигания
ДДХ – датчик давления хладагента
АМТ – автоматизированная механическая трансмиссия
МКП – механическая коробка передач
АБС – антиблокировочная система тормозов
http://vnx.su/
ГОСТ 3.1105-84
Лист 2Дубликат
Взам.
Подп.
3100.25100.12056
ТИ Технологическая инструкция
ОАО "АВТОВАЗ"
ИзмЛист№документаПодписьДатаИзм.Лист№документаПодписьДата
1 УСТРОЙСТВО
ОБЩЕЕ ОПИСАНИЕ
Электронная система управления двигателем состоит из датчиков параметров состоя-
ния двигателя и автомобиля, контроллера и исполнительных устройств (см. функциональ-
ную схему ЭСУД ниже).
Датчики Контроллер Исп-ные устройства
Датчики синхронизации: Входные параметры Функции управления
Датчик положения коленча-
того вала
Положение коленвала
Скорость вращения
Синхронизация фазы топ-
ливоподачи
Реле ЭБН, ЭБН
Топливные форсунки
коленчатого вала Синхронизация фазы зажи-
гания
Катушка и свечи зажига-
ния
Датчик фаз Положение распредвала Определение ВМТ на такте
сжатия 1 цилиндра
Топливные форсунки
Система зажигания
Датчики нагрузки:
Электронная педаль акселе-
ратора
Положение педали акселе-
ратора
Определение режима рабо-
ты ДВС (пуск, х.х., частич-
ная или полная нагрузка,
отсечка топливоподачи)
Расчет задаваемого момента
Дроссельный патрубок с
электроприводом
Топливные форсунки
Система зажигания
Датчик абсолютного давле-
ния
На основе данных о давле-
нии рассчитывается количе-
ство всасываемого воздуха
Определение параметра
нагрузки двигателя
Топливные форсунки
Система зажигания
Датчик температуры охлаж-
дающей жидкости
Датчик температуры возду-
ха
Температура охлаждающей
жидкости
Температура всасываемого
воздуха
Коррекция оборотов х.х.,
топливоподачи, у.о.з., по-
ложения дроссельной за-
слонки, определение доба-
вочного момента при
вкл/выкл вентилятора
Коррекция у.о.з. (детона-
ция)
Топливные форсунки
Система зажигания
Реле вентилятора
ЭДП
УДК, ДДК
Датчик детонации
Напряжение, характери-
зующее наличие кислорода
до и после нейтрализатора
Степень детонации
Управление нагревателем
УДК, ДДК
Коррекция топливоподачи
Коррекция УОЗ
Нагреватель УДК, ДДК
Топливные форсунки
Система зажигания
Датчик скорости автомоби-
ля (сигнал от АБС)
Скорость автомобиля Информация о скорости
автомобиля
Выключатель сигнала по-
ложения педали сцепления
(сигнал от ЦБКЭ)
Информация о вкл / выкл
состоянии датчика
Определение и реализация
добавочного момента на
режиме начала движения
автомобиля, переключения
передач
Дроссельный патрубок с
электроприводом
Топливные форсунки
Система зажигания
Выключатель сигнала тор-
можения
Информация о вкл / выкл
состоянии датчика
Реализация функции безо-
пасности
Дроссельный патрубок с
электроприводом
Цепь сигнала запроса вклю-
чения кондиционера
Запрос включения
кондиционера
Управление муфтой ком-
прессора кондиционера,
определение и реализация
добавочного момента при
вкл / выкл кондиционера
Реле кондиционера (муф-
та компрессора кондиц.)
ЭДП
Топливные форсунки
Система зажигания
Датчик давления хладагента Степень нагрузки компрес-
сора кондиционера
Управление муфтой ком-
прессора кондиционера
Реле кондиционера (муф-
та компрессора кондиц.)
Прочие:
Иммобилизатор
(сигнал от ЦБКЭ)
Взаимодействие с ЦБКЭ Управление доступом к
запуску двигателя
Топливные форсунки
Диагностический
прибор*
Взаимодействие с внешним диагностическим оборудова-
нием
* Подключается во время диагностики ЭСУД
http://vnx.su/
ГОСТ 3.1105-84
Лист 3
Дубликат
Взам.
Подп.
3100.25100.12056
ТИ Технологическая инструкция
ОАО "АВТОВАЗ"
ИзмЛист№документаПодписьДатаИзм.Лист№документаПодписьДата
1.1 КОНТРОЛЛЕР И ДАТЧИКИ
КОНТРОЛЛЕР
Контроллер (КСУД) является центральным устройством системы управления двига-
телем. Он получает информацию от датчиков и управляет исполнительными механизмами,
обеспечивая оптимальную работу двигателя при заданном уровне показателей автомобиля.
На автомобилях LADA VESTA контроллер расположен в агрегатном отсеке автомобиля на
левой опоре стойки передней подвески (рис. 1.1-01).
Рис. 1.1-01. Расположение контрол-
лера в подкапотном пространстве
автомобилей семейства LADA
VESTA:
1 – контроллер
Контроллер управляет исполнительными механизмами, такими как топливные фор-
сунки, дроссельный патрубок с электроприводом, катушка зажигания, нагреватель датчика
кислорода, клапан продувки адсорбера и различными реле.
Контроллер управляет включением и выключением главного реле (реле зажигания),
через которое напряжение питания от аккумуляторной батареи поступает на элементы сис-
темы. Контроллер включает главное реле при включении зажигания. При выключении за-
жигания контроллер задерживает выключение главного реле на время, необходимое для
подготовки к следующему включению (завершение вычислений, установка дроссельной за-
слонки в положение, предшествующее запуску двигателя).
КСУД выполняет функцию иммобилизации, обмениваясь кодами с ЦБКЭ (контролле-
ром ВСМ). Если в результате обмена определяется, что коды не корректны, то блокировка
запуска двигателя в КСУД не снимается (подробно описание работы иммобилизатора см.
ТИ 3100.25100.12057).
Контроллер выполняет также функцию диагностики системы. Он определяет наличие
неисправностей элементов системы, включает сигнализатор и сохраняет в своей памяти ко-
ды, обозначающие характер неисправности и помогающие механику осуществить ремонт.
Дополнительные сведения об использовании диагностической функции контроллера см. в
разделе 2 "Диагностика".
На а/м LADA VESTA реализован интерфейс обмена данными между контроллером
ЭСУД, колодкой диагностики и контроллерами (блоками управления) других систем авто-
мобиля по шине CAN.
По шине CAN происходит обмен кодами иммобилизатора между контроллером ЭСУД
и ЦБКЭ, обмен информацией о параметрах работы двигателя, трансмиссии, АБС, состоянии
датчиков и т. д.
Шина CAN представляет собой двухпроводную линию:
- линия низкого уровня CAN L (контакты "X1.1/Н5", "Х1.2/D5" контроллера ЭСУД);
- линия высокого уровня CAN H (контакты "X1.1/Н4", "Х1.2/D4" контроллера ЭСУД).
http://vnx.su/
ГОСТ 3.1105-84
Лист 4Дубликат
Взам.
Подп.
3100.25100.12056
ТИ Технологическая инструкция
ОАО "АВТОВАЗ"
ИзмЛист№документаПодписьДатаИзм.Лист№документаПодписьДата
ВНИМАНИЕ.
Контроллер является сложным электронным прибором, ремонт которого должен
производиться только на заводе-изготовителе. Во время эксплуатации и технического
обслуживания автомобиля разборка контроллера запрещается.
Несанкционированная модификация программного обеспечения контроллера
может привести к ухудшению эксплуатационных характеристик двигателя и даже к
его поломке.
При этом гарантийные обязательства завода-изготовителя автомобиля на техни-
ческое обслуживание и ремонт двигателя и системы управления утрачиваются.
Контроллер подает на различные устройства напряжение питания 5 В или 12 В. В не-
которых случаях оно подается через резисторы контроллера, имеющие столь высокое номи-
нальное сопротивление, что при включении в цепь контрольной лампочки она не загорается.
В большинстве случаев обычный вольтметр с низким внутренним сопротивлением не дает
точных показаний.
Для контроля напряжения выходных сигналов контроллера необходим цифровой
вольтметр с внутренним сопротивлением не менее 10 МОм.
Память контроллера
Контроллер имеет три типа памяти: программируемое постоянное запоминающее уст-
ройство (ПЗУ), оперативное запоминающее устройство (ОЗУ) и электрически репрограмми-
руемое запоминающее устройство (ЭРПЗУ).
Память контроллера является энергонезависимой, т.е. ее содержимое сохраняется при
отключении питания.
Постоянное запоминающее устройство (ПЗУ)
В ПЗУ хранится программа управления, которая содержит последовательность рабо-
чих команд и калибровочную информацию. Калибровочная информация представляет собой
данные управления впрыском, зажиганием, холостым ходом и т.п., которые в свою очередь
зависят от массы автомобиля, типа и мощности двигателя, от передаточных отношений
трансмиссии и других факторов.
Оперативное запоминающее устройство (ОЗУ)
Оперативное запоминающее устройство используется микропроцессором для времен-
ного хранения измеряемых параметров, результатов вычислений, кодов неисправностей.
Микропроцессор может по мере необходимости вносить в ОЗУ данные или считывать их.
Электрически репрограммируемое запоминающее устройство (ЭРПЗУ)
ЭРПЗУ используется для хранения идентификаторов контроллера, двигателя и авто-
мобиля, а также кодов-паролей иммобилизатора. Коды-пароли, принимаемые контроллером
ЭСУД от ЦБКЭ, сравниваются с хранимыми в ЭРПЗУ и меняются микропроцессором по
определенному закону.
ВНИМАНИЕ. Для предотвращения повреждений контроллера при отсоединении
провода от клеммы "минус" аккумуляторной батареи или жгута проводов от кон-
троллера зажигание должно быть выключено.
ВНИМАНИЕ. В случае неисправности контроллера для замены необходимо ис-
пользовать "чистый" (необученный) контроллер (см. ТИ 3100.25100.12057).
Проверка работоспособности контроллера
1 После замены контроллера или сброса контроллера с помощью диагностического
прибора (режим "Тест функций; Сброс ЭБУ с инициализацией") необходимо выполнить
процедуру адаптации нуля дроссельной заслонки и процедуру адаптации функции диагно-
стики пропусков воспламенения.
Процедура адаптации нуля дроссельной заслонки:
- на стоящем автомобиле необходимо включить зажигание, выждать 30 с, выключить
зажигание, дождаться отключения главного реле.
Адаптация будет прервана, если:
http://vnx.su/
ГОСТ 3.1105-84
Лист 5
Дубликат
Взам.
Подп.
3100.25100.12056
ТИ Технологическая инструкция
ОАО "АВТОВАЗ"
ИзмЛист№документаПодписьДатаИзм.Лист№документаПодписьДата
- прокручивается двигатель;
- автомобиль движется;
- нажата педаль акселератора;
- температура двигателя ниже 5 °С или выше 100 °С;
- температура окружающего воздуха ниже 5 °С.
Процедура адаптации функции диагностики пропусков воспламенения:
- прогреть двигатель до рабочей температуры (значение параметра "Температура ох-
лаждающей жидкости" = 60...90 °С);
- разогнать автомобиль на 2-й передаче до достижения повышенных оборотов колен-
чатого вала (значение параметра "Частота вращения коленчатого вала двигателя" =
4000 мин-1) и произвести торможение двигателем ("Частота вращения коленчатого вала
двигателя" = 1000 мин-1);
- выполнить торможение двигателем шесть раз за одну поездку.
2 Провести диагностику (см. порядок в карте А "Проверка диагностической цепи").
ДАТЧИК ДАВЛЕНИЯ И ТЕМПЕРАТУРЫ ВОЗДУХА (ДДТВ)
Датчик давления и температуры воздуха (ДДТВ) установлен на модуле впуска (рис.
1.1-02). В состав ДДТВ входит датчик абсолютного давления во впускном коллекторе
(ДАД) и датчик температуры впускного воздуха (ДТВ).
Рис. 1.1-02. Расположение ДДТВ в
подкапотном пространстве автомо-
билей семейства LADA VESTA:
1 – ДДТВ
Выходной сигнал подключенного к контроллеру ДАД представляет собой напряжение
постоянного тока в диапазоне 0,15...4,6 В, величина которого зависит от давления во впуск-
ном коллекторе. По данному сигналу контроллер рассчитывает количество воздуха всасы-
ваемого во впускной коллектор за цикл.
При возникновении неисправности цепи ДАД контроллер заносит в свою память ее
код и включает сигнализатор. В этом случае контроллер рассчитывает количество всасы-
ваемого воздуха по частоте вращения коленчатого вала и положению дроссельной заслонки.
Чувствительным элементом ДТВ является термистор (резистор, изменяющий сопро-
тивление в зависимости от температуры, см. табл. 1.1-01). Выходной сигнал подключенного
к контроллеру ДТВ представляет собой напряжение постоянного тока в диапазоне 0,3...4,9
В, величина которого зависит от температуры воздуха, проходящего через датчик.
При возникновении неисправности цепи ДТВ контроллер заносит в свою память ее
код и включает сигнализатор. В этом случае контроллер заменяет показания датчика фикси-
рованным значением температуры воздуха (32 °С).
http://vnx.su/
ГОСТ 3.1105-84
Лист 6Дубликат
Взам.
Подп.
3100.25100.12056
ТИ Технологическая инструкция
ОАО "АВТОВАЗ"
ИзмЛист№документаПодписьДатаИзм.Лист№документаПодписьДата
Таблица 1.1-01
Таблица зависимости сопротивления ДТВ от температуры всасываемого воздуха
Температура воздуха,
°С
Сопротивление,
Ом
Температура возду-
ха, °С
Сопротивление,
Ом
-40 42661-54224 +40 1113-1291
-30 23970-30015 +50 792-913
-20 14039-17333 +60 572-655
-10 8529,5-10399 +70 418-476
0 5358-6458 +80 310-350
+5 4296-5150 +90 232-261
+10 3469-4137 +100 176-197
+20 2309-2727 +110 134-150
+30 1586-1853 +120 103-116
ДАТЧИКИ ПОЛОЖЕНИЯ ДРОССЕЛЬНОЙ ЗАСЛОНКИ
В системе с ЭДП применяются два ДПДЗ. ДПДЗ входят в состав дроссельного пат-
рубка с электроприводом.
ДПДЗ представляет собой резистор потенциометрического типа, на один из выводов
которого подается опорное напряжение (5 В) с контроллера, а на второй "масса" с контрол-
лера. С вывода, соединенного с подвижным контактом потенциометра, подается выходной
сигнал ДПДЗ на контроллер.
Контроллер управляет положением дроссельной заслонки с помощью электропривода
в соответствии с положением педали акселератора. По показаниям ДПДЗ контроллер от-
слеживает положение дроссельной заслонки.
При включении зажигания контроллер устанавливает заслонку в предпусковое поло-
жение, степень открытия которой зависит от температуры охлаждающей жидкости. В пред-
пусковом положении дроссельной заслонки выходной сигнал ДПДЗ 1 должен быть в преде-
лах 0,58...0,70 В, выходной сигнал ДПДЗ 2 в пределах 4,30...4,42 В.
Если в течение 15 секунд не запустить двигатель и не нажать на педаль акселератора,
то контроллер обесточивает электропривод дроссельного патрубка и дроссельная заслонка
устанавливается в положение 6-7 % открытия дросселя. В обесточенном состоянии (LIMP
HOME) электропривода дроссельной заслонки выходной сигнал ДПДЗ 1 находится в преде-
лах 0,70...0,75 В, выходной сигнал ДПДЗ 2 в пределах 4,25...4,30 В. Далее если в течении 15
секунд не проводить никаких действий наступит режим проверки ("обучения") 0-положения
дроссельной заслонки - полное закрытие и открытие дроссельной заслонки на предпусковое
положение и в дальнейшем электропривод дроссельной заслонки снова перейдет в обесто-
ченный режим.
При любом положении дроссельной заслонки сумма сигналов ДПДЗ 1 и ДПДЗ 2
должна быть равна (5±0,1) В.
При возникновении неисправности цепей ДПДЗ контроллер обесточивает электро-
привод дроссельной заслонки, заносит в свою память ее код и включает сигнализатор. При
этом дроссельная заслонка устанавливается в положение 6-7 % открытия дросселя.
ЭЛЕКТРОННАЯ ПЕДАЛЬ АКСЕЛЕРАТОРА (ЭПА)
На автомобилях с ЭДП применяется электронная педаль акселератора (ЭПА), которая
электрически передает сигнал о положении педали акселератора контроллеру. ЭПА распо-
лагается на кронштейне под правой ногой водителя.
В ЭПА используются два датчика положения педали акселератора (ДППА). ДППА
представляют собой резисторы потенциометрического типа, на которые подается питание
5 В от контроллера. ДППА механически связаны с приводом от рычага педали. Две незави-
http://vnx.su/
ГОСТ 3.1105-84
Лист 7
Дубликат
Взам.
Подп.
3100.25100.12056
ТИ Технологическая инструкция
ОАО "АВТОВАЗ"
ИзмЛист№документаПодписьДатаИзм.Лист№документаПодписьДата
симые пружины между рычагом педали и корпусом создают возвратное усилие. Получая
аналоговый электрический сигнал от ЭПА, контроллер формирует сигнал для управления
положением дроссельной заслонки.
Выходное напряжение ДППА меняется пропорционально нажатию педали акселера-
тора. При отпущенной педали акселератора сигнал ДППА 1 должен быть в пределах
0,50…0,85 В, сигнал ДППА 2 в пределах 0,25…0,43 В. При полностью нажатой педали ак-
селератора сигнал ДППА 1 должен быть в пределах 4,19…4,59 В, сигнал ДППА 2 в преде-
лах 2,095…2,295 В. При любом положении педали акселератора сигнал ДППА 1 должен
быть в два раза больше сигнала ДППА 2.
Рис. 1.1-03. Расположение элек-
тронной педали акселератора в са-
лоне автомобилей семейства LADA
VESTA:
1 – электронная педаль акселератора
ДАТЧИК ТЕМПЕРАТУРЫ ОХЛАЖДАЮЩЕЙ ЖИДКОСТИ (ДТОЖ)
Датчик установлен в потоке охлаждающей жидкости двигателя на термостате, на го-
ловке цилиндров (рис. 1.1-04).
Рис. 1.1-04. Расположение датчика
температуры охлаждающей жидко-
сти в подкапотном пространстве ав-
томобилей семейства LADA
VESTA:
1 - датчик температуры охлаждаю-
щей жидкости
Чувствительным элементом датчика температуры охлаждающей жидкости является
термистор, т. е. резистор, электрическое сопротивление которого изменяется в зависимости
от температуры. Высокая температура вызывает низкое сопротивление, а низкая температу-
ра охлаждающей жидкости - высокое сопротивление (см. табл. 1.1-02). Контроллер выдает в
цепь датчика температуры охлаждающей жидкости напряжение 5 В.
http://vnx.su/
ГОСТ 3.1105-84
Лист 8Дубликат
Взам.
Подп.
3100.25100.12056
ТИ Технологическая инструкция
ОАО "АВТОВАЗ"
ИзмЛист№документаПодписьДатаИзм.Лист№документаПодписьДата
Температуру охлаждающей жидкости контроллер рассчитывает по падению напряже-
ния на ДТОЖ. Падение напряжения относительно высокое на холодном двигателе и низкое
на прогретом. Температура охлаждающей жидкости используется в большинстве функций
управления двигателем.
При возникновении неисправности цепей ДТОЖ контроллер заносит в свою память ее
код, включает сигнализатор и вентилятор системы охлаждения и рассчитывает значение
температуры охлаждающей жидкости по специальному алгоритму.
ВНИМАНИЕ. При работе с датчиком соблюдать осторожность. Повреждение
датчика может привести к нарушению нормальной работы системы управления дви-
гателем.
Таблица 1.1-02
Таблица зависимости сопротивления ДТОЖ от температуры охлаждающей жидкости
(±2% )
Температура,
°С
Сопрот.,
Ом
Температура,
°С
Сопрот.,
Ом
Температура,
°С
Сопрот.,
Ом
-40 100700 +5 7280 +45 1188
-30 52700 +10 5670 +50 973
-20 28680 +15 4450 +60 667
-15 21450 +20 3520 +70 467
-10 16180 +25 2796 +80 332
-5 12300 +30 2238 +90 241
0 9420 +40 1459 +100 177
ДАТЧИК ДЕТОНАЦИИ (ДД)
Датчик детонации (ДД) установлен на блоке цилиндров (рис. 1.1-05). Пьезокерамиче-
ский чувствительный элемент ДД генерирует сигнал напряжения переменного тока, ампли-
туда и частота которого соответствуют параметрам вибраций двигателя.
Рис. 1.1-05. Расположение датчика
детонации на двигателе 21129:
1 - датчик детонации
При возникновении детонации амплитуда вибраций определенной частоты повышает-
ся. Контроллер при этом корректирует угол опережения зажигания для гашения детонации.
http://vnx.su/
ГОСТ 3.1105-84
Лист 9
Дубликат
Взам.
Подп.
3100.25100.12056
ТИ Технологическая инструкция
ОАО "АВТОВАЗ"
ИзмЛист№документаПодписьДатаИзм.Лист№документаПодписьДата
При возникновении неисправности цепей ДД контроллер заносит в свою память ее
код и включает сигнализатор. Для определения и устранения неисправности необходимо
использовать соответствующую диагностическую карту.
УПРАВЛЯЮЩИЙ ДАТЧИК КИСЛОРОДА (УДК)
Наиболее эффективное снижение токсичности отработавших газов бензиновых двига-
телей достигается при массовом соотношении воздуха и топлива в смеси (14,5...14,6) : 1.
Данное соотношение называется стехиометрическим. При этом составе топливовоздушной
смеси каталитический нейтрализатор наиболее эффективно снижает количество углеводо-
родов, окиси углерода и окислов азота, выбрасываемых с отработавшими газами. Для опти-
мизации состава отработавших газов с целью достижения наибольшей эффективности рабо-
ты нейтрализатора применяется управление топливоподачей по замкнутому контуру с об-
ратной связью по наличию кислорода в отработавших газах.
Контроллер рассчитывает длительность импульса впрыска по таким параметрам, как
массовый расход воздуха, частота вращения коленчатого вала, температура охлаждающей
жидкости и т.д. Для корректировки расчетов длительности импульса впрыска используется
информация о наличии кислорода в отработавших газах, которую выдает датчик кислорода.
Рис. 1.1-06. Расположение УДК и
ДДК в подкапотном пространстве
автомобилей семейства LADA
VESTA:
1 - управляющий датчик кислорода;
2 - диагностический датчик кисло-
рода
УДК устанавливается на трубе приемной (рис. 1.1-06). Его чувствительный элемент
находится в потоке отработавших газов. УДК генерирует напряжение, изменяющееся в диа-
пазоне 180...950 мВ. Это выходное напряжение зависит от наличия или отсутствия кислоро-
да в отработавших газах и от температуры чувствительного элемента УДК.
Когда УДК находится в холодном состоянии, выходной сигнал датчика отсутствует,
поскольку в этом состоянии его внутреннее электрическое сопротивление очень высокое -
несколько МОм. По мере прогрева датчика сопротивление падает и появляется способность
генерировать выходной сигнал.
Для эффективной работы УДК должен иметь температуру не ниже 300°С. Для быст-
рого прогрева после запуска двигателя УДК снабжен внутренним электрическим подогре-
вающим элементом, которым управляет контроллер. Коэффициент заполнения импульсных
сигналов управления нагревателем (отношение длительности включенного состояния к пе-
риоду следования импульсов) зависит от температуры УДК и режима работы двигателя.
Если температура датчика выше 300°С, то в момент перехода через точку стехиомет-
рии, выходной сигнал датчика переключается между низким уровнем (180…250 мВ) и вы-
соким (850...950 мВ). Низкий уровень сигнала соответствует бедной смеси (наличие кисло-
рода), высокий - богатой (отсутствует кислород).
http://vnx.su/
ГОСТ 3.1105-84
Лист 10Дубликат
Взам.
Подп.
3100.25100.12056
ТИ Технологическая инструкция
ОАО "АВТОВАЗ"
ИзмЛист№документаПодписьДатаИзм.Лист№документаПодписьДата
Описание работы цепи
Контроллер выдает в цепь УДК стабильное опорное напряжение 1,7 В. Когда УДК не
прогрет, напряжение выходного сигнала датчика находится в диапазоне 1,2...1,7 В. По мере
прогрева датчика его внутреннее сопротивление уменьшается, и он начинает генерировать
меняющееся напряжение, выходящее за пределы этого диапазона. По изменению напряже-
ния контроллер определяет, что УДК прогрелся, и его выходной сигнал может быть исполь-
зован для управления топливоподачей в режиме замкнутого контура.
При нормальной работе системы подачи топлива в режиме замкнутого контура вы-
ходное напряжение УДК изменяется между низким и высоким уровнями.
Отравление датчика кислорода
УДК может быть отравлен в результате применения этилированного бензина или ис-
пользования при сборке вулканизирующихся при комнатной температуре герметиков, со-
держащих в большом количестве силикон (соединения кремния) с высокой летучестью. Ис-
парения силикона могут попасть в систему вентиляции картера и присутствовать при про-
цессе сгорания. Присутствие соединений свинца или кремния в отработавших газах может
привести к выходу УДК из строя.
Неисправности цепей УДК, дефект датчика, его отравление или непрогретое состоя-
ние могут вызвать длительное нахождение напряжения сигнала в диапазоне 1,2...1,7 В. При
этом в память контроллера занесется соответствующий код неисправности. Управление то-
пливоподачей будет осуществляться по разомкнутому контуру.
Если контроллер получает сигнал с напряжением, свидетельствующим о длительном
состоянии обедненности смеси, в его память заносится соответствующий код неисправно-
сти (низкий уровень сигнала датчика кислорода). Причиной неисправности может быть за-
мыкание выходной цепи УДК на "массу", негерметичность системы впуска воздуха или по-
ниженное давление топлива.
Если контроллер получает сигнал с напряжением, свидетельствующим о длительном
состоянии обогащенности смеси, в его память заносится соответствующий код неисправно-
сти (высокий уровень сигнала датчика кислорода). Причиной неисправности может быть
замыкание выходной цепи УДК на источник напряжения или повышенное давление топлива
в рампе форсунок.
При возникновении кодов неисправности датчика кислорода контроллер осуществля-
ет управление топливоподачей в режиме разомкнутого контура.
Техническое обслуживание датчика кислорода
При повреждениях жгута, колодки или штекеров датчика кислорода, ДК необходимо
заменить. Ремонт жгута, колодки или штекеров не допускается. Для нормальной работы ДК
должен сообщаться с атмосферным воздухом. Сообщение с атмосферным воздухом обеспе-
чивается воздушными зазорами проводов датчика. Попытка отремонтировать провода, ко-
лодки или штекеры может привести к нарушению сообщения с атмосферным воздухом и
ухудшению работы ДК.
При обслуживании ДК необходимо соблюдать следующие требования:
Не допускается попадание жидкости для чистки контактов или других материалов на
датчик или колодки жгутов. Эти материалы могут попасть в ДК и вызвать нарушение рабо-
ты. Кроме того, не допускаются повреждения изоляции проводов, приводящие к их оголе-
нию.
Запрещается сильно сгибать или перекручивать жгут ДК и присоединяемый к нему
жгут проводов системы впрыска. Это может нарушить поступление атмосферного воздуха в
ДК.
Для исключения неисправности в результате попадания воды необходимо не допус-
кать повреждений уплотнения на периферии колодки жгута системы управления.
ВНИМАНИЕ. С новым датчиком обращаться осторожно. Не допускать попада-
ния смазки или грязи на колодку жгута проводов датчика и конец корпуса датчика с
прорезями.
http://vnx.su/
ГОСТ 3.1105-84
Лист 11
Дубликат
Взам.
Подп.
3100.25100.12056
ТИ Технологическая инструкция
ОАО "АВТОВАЗ"
ИзмЛист№документаПодписьДатаИзм.Лист№документаПодписьДата
ДИАГНОСТИЧЕСКИЙ ДАТЧИК КИСЛОРОДА (ДДК)
Для снижения содержания углеводородов, окиси углерода и окислов азота в отрабо-
тавших газах используется каталитический нейтрализатор (см. раздел 1.9). Нейтрализатор
окисляет углеводороды и окись углерода, в результате чего они преобразуются в водяной
пар и углекислый газ. Нейтрализатор также восстанавливает азот из окислов азота. Кон-
троллер следит за окислительно-восстановительными свойствами нейтрализатора, анализи-
руя сигнал диагностического датчика кислорода, установленного после нейтрализатора
(рис. 1.1-06).
ДДК работает по тому же принципу, что и УДК. УДК генерирует сигнал, указываю-
щий на присутствие кислорода в отработавших газах на входе в нейтрализатор. Сигнал, ге-
нерируемый ДДК, указывает на присутствие кислорода в отработавших газах после нейтра-
лизатора. Если нейтрализатор работает нормально, показания ДДК будут значительно отли-
чаться от показаний УДК.
Выходной сигнал прогретого диагностического датчика кислорода при работе в ре-
жиме обратной связи, при исправном нейтрализаторе в установившемся режиме должен на-
ходится в диапазоне от 590 до 750 мВ и не должен повторять сигнал УДК.
При возникновении неисправности цепей или самого диагностического датчика ки-
слорода контроллер заносит в свою память ее код и включает сигнализатор, сигнализируя о
наличии неполадки.
Требования к техническому обслуживанию ДДК не отличаются от описанных выше
для УДК.
ДАТЧИК ПОЛОЖЕНИЯ КОЛЕНЧАТОГО ВАЛА (ДПКВ)
Датчик положения коленчатого вала установлен на крышке масляного насоса (рис.
1.1-07) на расстоянии 0,9±0,5 мм от вершины зубца задающего диска, закрепленного на ко-
ленчатом валу двигателя.
Задающий диск объединен со шкивом привода генератора и представляет собой зуб-
чатое колесо с 58 зубьями, расположенными с шагом 6°, и "длинной" впадиной для синхро-
низации, образованной двумя пропущенными зубьями. При совмещении середины первого
зуба зубчатого сектора диска после "длинной" впадины с осью ДПКВ коленчатый вал дви-
гателя находится в положении 114° (19 зубьев) до верхней мертвой точки 1-го и 4-го цилин-
дров.
Рис. 1.1-07. Расположение датчика
положения коленчатого вала на дви-
гателе 21129:
1 - датчик положения коленчатого
вала
При вращении задающего диска изменяется магнитный поток в магнитопроводе дат-
чика, наводя импульсы напряжения переменного тока в его обмотке. Контроллер определя-
ет положение и частоту вращения коленчатого вала по количеству и частоте следования
http://vnx.su/
ГОСТ 3.1105-84
Лист 12Дубликат
Взам.
Подп.
3100.25100.12056
ТИ Технологическая инструкция
ОАО "АВТОВАЗ"
ИзмЛист№документаПодписьДатаИзм.Лист№документаПодписьДата
этих импульсов и рассчитывает фазу и длительность импульсов управления форсунками и
катушкой зажигания.
Провода ДПКВ защищаются от помех экраном, замкнутым на массу.
При возникновении неисправности в цепи датчика положения коленчатого вала дви-
гатель перестает работать, контроллер заносит в свою память код неисправности и включает
сигнализатор.
ДАТЧИК ФАЗ (ДФ)
Рис. 1.1-08. Расположение датчика
фаз на двигателе 21129 (модуль
впуска снят):
1 -датчик фаз
Датчик фаз двигателя 21129 устанавливается на головке блока цилиндров возле шкива
впускного распредвала (рис. 1.1-08). Принцип действия датчика основан на эффекте Холла.
На шкиве впускного распредвала расположен задающий диск с прорезью. Когда прорезь
проходит через паз датчика фаз, датчик выдает на контроллер импульс напряжения уровня
"земли" (около 0 В), что соответствует положению поршня 1-го цилиндра в такте сжатия.
Сигнал датчика фаз используется контроллером для организации последовательного
впрыска топлива в соответствии с порядком работы цилиндров двигателя.
При возникновении неисправности цепей или самого датчика фаз контроллер заносит
в свою память ее код и включает сигнализатор.
ДАТЧИК СКОРОСТИ АВТОМОБИЛЯ (ДСА)
На а/м семейства LADA VESTA информация о скорости движения автомобиля посту-
пает на контроллер ЭСУД с блока управления АБС по шине CAN.
ВЫКЛЮЧАТЕЛЬ СИГНАЛА ТОРМОЖЕНИЯ
Выключатель сигнала торможения входит в состав узла педали тормоза (рис. 1.1-09) и
предназначен для подачи на контроллер ЭСУД соответствующих сигналов о нажатии
/отпускании водителем педали тормоза. В системах управлением дроссельной заслонкой по
проводам (Е-газ) сигналы выключателя педали тормоза играют важную роль, поскольку ис-
пользуются функцией безопасности ПО контроллера ЭСУД. По этой причине очень важно
обеспечить, чтобы выключатель сигнала торможения всегда находился в рабочем состоя-
нии. В случае неисправности электрических цепей выключателя, двигатель автомобиля мо-
жет переходить в аварийный режим работы с принудительно уменьшенной мощностью.
Выключатель сигнала торможения имеет две группы контактов, первая из которых комму-
тирует напряжение с Кл. 15, а вторая - напряжение с Кл. 30, поступающее на питание лампы
стоп-сигнала. Оба эти сигнала поступают на контроллер ЭСУД. В состоянии отпущенной
http://vnx.su/
ГОСТ 3.1105-84
Лист 13
Дубликат
Взам.
Подп.
3100.25100.12056
ТИ Технологическая инструкция
ОАО "АВТОВАЗ"
ИзмЛист№документаПодписьДатаИзм.Лист№документаПодписьДата
педали тормоза контакты первой группы должны быть нормально замкнуты, а контакты
второй – нормально разомкнуты.
Рис. 1.1-09. Расположение выключа-
теля сигнала торможения и выклю-
чателя сигнала положения педали
сцепления в салоне автомобилей
семейства LADA VESTA:
1 – выключатель сигнала торможе-
ния; 2 – выключатель сигнала поло-
жения педали сцепления
ВЫКЛЮЧАТЕЛЬ СИГНАЛА ПОЛОЖЕНИЯ ПЕДАЛИ СЦЕПЛЕНИЯ (ВСППС)
Выключатель сигнала положения педали сцепления устанавливается на автомобили
семейства LADA VESTA с МКП. Выключатель входит в состав узла педали сцепления (рис.
1.1-09) и предназначен для подачи на блоки управления сигнала о нажатой педали сцепле-
ния. Выключатель имеет одну группу контактов, коммутирующую напряжение с Кл. 15.
При нажатой педали сцепления контакты разомкнуты. Сигнал выключателя положения пе-
дали сцепления используется ПО контроллера ЭСУД для улучшения ездовых характеристик
автомобиля.
На а/м семейства LADA VESTA информация о состоянии ВСППС поступает на кон-
троллер ЭСУД с контроллера ВСМ по шине CAN.
http://vnx.su/
ГОСТ 3.1105-84
Лист 14Дубликат
Взам.
Подп.
3100.25100.12056
ТИ Технологическая инструкция
ОАО "АВТОВАЗ"
ИзмЛист№документаПодписьДатаИзм.Лист№документаПодписьДата
1.2 СИСТЕМА ПОДАЧИ ТОПЛИВА
ОБЩЕЕ ОПИСАНИЕ
На автомобилях семейства LADA VESTA применяется система подачи топлива с бес-
сливной топливной рампой (рис. 1.2-01).
Рис. 1.2-01. Система подачи топлива:
1 – рампа форсунок; 2 – передняя топливная трубка; 3 – трубка переднего топливного тру-
бопровода; 4 – трубка топливного трубопровода; 5 – топливная трубка электробензонасоса;
6 – модуль электробензонасоса с фильтром тонкой очистки; 7 – топливный бак
Функцией системы подачи топлива является обеспечение подачи необходимого коли-
чества топлива в двигатель на всех рабочих режимах. Топливо подается в двигатель фор-
сунками, установленными во впускной трубе.
Электробензонасос, установленный в топливном баке, подает топливо через топлив-
ные трубки на рампу форсунок.
Встроенный в электробензонасос регулятор давления топлива поддерживает давление
топлива, подаваемого на форсунки, в пределах 364...400 кПа в зависимости от режима рабо-
ты двигателя.
http://vnx.su/
ГОСТ 3.1105-84
Лист 15
Дубликат
Взам.
Подп.
3100.25100.12056
ТИ Технологическая инструкция
ОАО "АВТОВАЗ"
ИзмЛист№документаПодписьДатаИзм.Лист№документаПодписьДата
Контроллер включает топливные форсунки последовательно. Каждая из форсунок
включается через каждые 720° поворота коленчатого вала.
Сигнал контроллера, управляющий форсункой, представляет собой импульс, длитель-
ность которого соответствует количеству топлива, требующегося двигателю. Этот импульс
подается в определенный момент поворота коленчатого вала, который зависит от режима
работы двигателя.
Подаваемый на форсунку управляющий сигнал открывает нормально закрытый кла-
пан форсунки, подавая во впускной канал топливо под давлением.
Количество подаваемого топлива пропорционально времени, в течение которого фор-
сунки находятся в открытом состоянии (длительность импульса впрыска). Контроллер под-
держивает оптимальное соотношение воздух/топливо путем изменения длительности им-
пульсов.
Увеличение длительности импульса впрыска приводит к увеличению количества по-
даваемого топлива при постоянном расходе воздуха (обогащение смеси). Уменьшение дли-
тельности импульса впрыска приводит к уменьшению количества подаваемого топлива при
постоянном расходе воздуха (обеднение смеси).
ВНИМАНИЕ.
Для предотвращения травм или повреждений автомобиля при демонтаже и мон-
таже элементов системы подачи топлива в результате случайного пуска необходимо
отсоединять провод от клеммы "минус" аккумуляторной батареи до проведения об-
служивания и присоединять его после завершения работ.
Перед обслуживанием топливной аппаратуры необходимо сбросить давление в
системе подачи топлива (см. "Порядок сбрасывания давления в системе подачи топ-
лива").
Порядок сбрасывания давления в системе подачи топлива
1 Включить нейтральную передачу, затормозить автомобиль стояночным тормозом.
2 Извлечь предохранитель F26 (15А) из монтажного блока.
3 Запустить двигатель и дать ему поработать на холостом ходу до остановки из-за вы-
работки топлива.
4 Включить стартер на 3 с для стравливания давления в трубопроводах. После этого
можно безопасно работать с системой подачи топлива.
5 После стравливания давления и завершения работ вставить предохранитель F26
(15А) в монтажный блок.
МОДУЛЬ ЭЛЕКТРОБЕНЗОНАСОСА (МЭБН)
Рис. 1.2-02. Расположение модуля
электробензонасоса в салоне авто-
мобилей семейства LADA VESTA:
1 - модуль электробензонасоса
http://vnx.su/
ГОСТ 3.1105-84
Лист 16Дубликат
Взам.
Подп.
3100.25100.12056
ТИ Технологическая инструкция
ОАО "АВТОВАЗ"
ИзмЛист№документаПодписьДатаИзм.Лист№документаПодписьДата
МЭБН погружного типа установлен в топливном баке (рис. 1.2-02).
Модуль электробензонасоса включает в себя электробензонасос турбинного типа, ре-
гулятор давления топлива, фильтр тонкой очистки топлива и датчик уровня топлива.
Насос обеспечивает подачу топлива из топливного бака через магистральный топлив-
ный фильтр на рампу форсунок.
Электробензонасос включается контроллером через реле. При включении зажигания
контроллер запитывает реле на 2 секунды для создания необходимого давления топлива в
рампе форсунок.
Если в течение этого времени прокрутка двигателя не начинается, контроллер выклю-
чает реле и ожидает начала прокрутки. После ее начала контроллер вновь включает реле.
Если зажигание включалось три раза без прокрутки двигателя, то следующее включе-
ние реле электробензонасоса возможно только с началом прокрутки.
ВНИМАНИЕ. Никогда не допускайте полной выработки топлива, так как это
может привести к преждевременному износу и выходу из строя электробензонасоса.
РАМПА ФОРСУНОК
Рампа форсунок (рис. 1.2-03) представляет собой полую трубку с установленными на
ней форсунками. Рампа форсунок закреплена двумя болтами на двигателе (рис. 1.2-04).
Рис. 1.2-03. Рампа форсунок в сборе двигателя 21129:
1 – рампа форсунок; 2 – штуцер для контроля давления топлива; 3 – форсунка; 4 – уплотни-
тельное кольцо; 5 – клипса форсунки
Рис. 1.2-04. Расположение рампы
форсунок на двигателе 21129 (мо-
дуль впуска снят):
1 - рампа форсунок
http://vnx.su/
ГОСТ 3.1105-84
Лист 17
Дубликат
Взам.
Подп.
3100.25100.12056
ТИ Технологическая инструкция
ОАО "АВТОВАЗ"
ИзмЛист№документаПодписьДатаИзм.Лист№документаПодписьДата
Топливо под давлением подается во внутреннюю полость рампы, а оттуда через фор-
сунки во впускную трубу.
На рампе форсунок расположен штуцер 2 (рис. 1.2-03) для контроля давления топли-
ва, закрытый резьбовой пробкой.
Ряд диагностических процедур при техническом обслуживании автомобиля или при
поиске неисправностей требуют проведения контроля давления топлива.
С помощью манометра, подключенного к штуцеру, можно определить давление топ-
лива, подаваемого на форсунки.
ТОПЛИВНЫЕ ФОРСУНКИ
Форсунка (рис. 1.2-03) системы распределенного впрыска представляет собой элек-
тромагнитное устройство, дозирующее подачу топлива под давлением во впускную трубу
двигателя.
Форсунки 3 закреплены на рампе с помощью клипс 5. Верхний и нижний концы фор-
сунок герметизируются уплотнительными кольцами 4. Контроллер управляет электромаг-
нитным клапаном форсунки, который пропускает топливо через направляющую пластину,
обеспечивающую распыление топлива.
Направляющая пластина имеет отверстия, которые направляют топливо, образуя ко-
нический факел.
Факел топлива направлен на впускной клапан. До попадания топлива в камеру сгора-
ния происходит его испарение и перемешивание с воздухом.
Форсунка, у которой произошел прихват клапана в частично открытом состоянии, вы-
зывает потерю давления в рампе форсунок после выключения электробензонасоса, поэтому
на некоторых двигателях будет наблюдаться увеличение времени прокрутки. Кроме того,
форсунка с прихваченным клапаном может вызвать калильное зажигание, т.к. некоторое ко-
личество топлива будет попадать в двигатель после того, как он заглушён.
РЕЖИМЫ УПРАВЛЕНИЯ ПОДАЧЕЙ ТОПЛИВА
Как упоминалось выше в этой главе, количеством топлива, подаваемого через фор-
сунки, управляет контроллер.
Топливо подается по одному из двух разных методов: синхронному, т.е. в определен-
ном положении коленчатого вала, или асинхронному, т.е. без синхронизации с вращением
коленчатого вала.
Синхронная подача топлива является преимущественно применяемым методом.
Синхронизация срабатывания форсунок обеспечивается использованием сигналов
датчика положения коленчатого вала и датчика фаз (см. раздел 1.1).
Контроллер рассчитывает момент включения каждой форсунки, причем топливо
впрыскивается один раз за один полный рабочий цикл соответствующего цилиндра. Такой
метод позволяет более точно дозировать топливо по цилиндрам и понизить уровень токсич-
ности отработавших газов.
Асинхронная подача топлива используется на режиме пуска и динамических режимах
работы двигателя.
Контроллер обрабатывает сигналы датчиков, определяет режим работы двигателя и
рассчитывает длительность импульса впрыска топлива.
Для увеличения количества подаваемого топлива длительность импульса впрыска
увеличивается, для уменьшения - сокращается.
Длительность импульса впрыска может быть проконтролирована с помощью диагно-
стического прибора.
Управление топливоподачей осуществляется в одном из нескольких режимов, опи-
санных ниже.
Отключение подачи топлива
Подача топлива не производится в следующих случаях:
http://vnx.su/
ГОСТ 3.1105-84
Лист 18Дубликат
Взам.
Подп.
3100.25100.12056
ТИ Технологическая инструкция
ОАО "АВТОВАЗ"
ИзмЛист№документаПодписьДатаИзм.Лист№документаПодписьДата
- зажигание выключено (это предотвращает калильное зажигание);
- коленчатый вал двигателя не вращается (отсутствует сигнал ДПКВ);
- если контроллер определил наличие пропусков зажигания в одном или нескольких
цилиндрах - подача топлива в эти цилиндры прекращается и сигнализатор неисправностей
начинает мигать;
- частота вращения коленчатого вала двигателя превышает предельное значение около
6200 об/мин (отключение подачи топлива производится совместно с закрытием дроссельной
заслонки и понижением УОЗ);
- при "выкатке" на передаче, при "перегазовке" на стоящем автомобиле, если обороты
двигателя превышают 2000 об/мин, педаль акселератора не нажата, температура охлаж-
дающей жидкости выше 40 °С.
Режим пуска
При включении зажигания контроллер с помощью реле включает электробензонасос,
который создает давление топлива в рампе форсунок.
Контроллер обрабатывает сигнал датчика температуры охлаждающей жидкости для
определения необходимой для пуска длительности импульсов впрыска.
Когда коленчатый вал двигателя при пуске начинает проворачиваться, контроллер
формирует импульс включения форсунок, длительность которого зависит от температуры
охлаждающей жидкости, времени прокрутки и нарастания оборотов. На холодном двигателе
импульс впрыска увеличивается для увеличения количества топлива, а на прогретом - дли-
тельность импульса уменьшается.
Система работает в режиме пуска до достижения определенной частоты вращения ко-
ленчатого вала (желаемые обороты холостого хода), значение которой зависит от темпера-
туры охлаждающей жидкости.
ВНИМАНИЕ. Необходимым условием запуска двигателя является достижение
оборотов двигателя при прокрутке стартером значения не ниже 80 об/мин, напряжение
в бортсети автомобиля при этом не должно быть ниже 6 В.
Режим управления топливоподачей по разомкнутому контуру
После пуска двигателя и до выполнения условий вхождения в режим замкнутого кон-
тура (управляющий датчик кислорода прогрет до необходимой температуры) контроллер
управляет подачей топлива в режиме разомкнутого контура. В режиме разомкнутого конту-
ра контроллер рассчитывает длительность импульсов впрыска без учета наличия кислорода
в выхлопных газах. Расчеты осуществляются на базе данных по частоте вращения коленча-
того вала, массовому расходу воздуха, температуре охлаждающей жидкости и запрашивае-
мому моменту (это выражается в положении дроссельной заслонки, УОЗ и непосредственно
в топливоподаче), на который дополнительно может влиять включение электропотребите-
лей (свет, обогрев сидений, вентилятор и т.д.).
Режим мощностного обогащения
Контроллер следит за положением педали акселератора и частотой вращения коленча-
того вала для определения моментов, когда необходима максимальная мощность двигателя.
Для развития максимальной мощности требуется более богатый состав топливной
смеси (режим регулирования по УДК отключается), что осуществляется путем увеличения
длительности импульсов впрыска.
Компенсация изменения напряжения бортовой сети
При понижении напряжении бортсети накопление энергии в катушках зажигания
происходит медленнее, и механическое движение электромагнитного клапана форсунки за-
нимает больше времени.
Контроллер компенсирует падение напряжения бортсети путем увеличения времени
накопления энергии в катушке зажигания и длительности импульсов впрыска.
Соответственно, при возрастании напряжения в бортовой сети автомобиля контроллер
уменьшает время накопления энергии в катушке зажигания и длительность импульсов
впрыска.
http://vnx.su/
ГОСТ 3.1105-84
Лист 19
Дубликат
Взам.
Подп.
3100.25100.12056
ТИ Технологическая инструкция
ОАО "АВТОВАЗ"
ИзмЛист№документаПодписьДатаИзм.Лист№документаПодписьДата
Регулирование подачи топлива по замкнутому контуру
Система входит в режим замкнутого контура при выполнении всех следующих усло-
вий:
1 Управляющий датчик кислорода достаточно прогрет для нормальной работы (прой-
дена "точка росы" - температура на керамике чувствительного элемента УДК превышает
температуру, определенную в зависимости от температуры окружающей среды, выходной
сигнал выходит за пределы диапазона 1,2…1,7 В).
2 Температура охлаждающей жидкости выше определенного значения.
3 С момента запуска двигатель проработал определенный период времени, зависящий
от температуры охлаждающей жидкости в момент пуска.
4 Двигатель не работает ни в одном из нижеперечисленных режимов: пуск двигателя,
отключение подачи топлива, режим максимальной мощности, режим защиты элементов
ЭСУД.
5 Двигатель работает в определенном диапазоне по параметру нагрузки.
В режиме управления топливоподачей по замкнутому контуру контроллер первона-
чально рассчитывает длительность импульсов впрыска по данным тех же датчиков, что и
для режима разомкнутого контура (базовый расчет). Отличие заключается в том, что в ре-
жиме замкнутого контура контроллер использует сигнал управляющего датчика кислорода
для корректировки расчетов длительности импульсов впрыска в целях обеспечения макси-
мальной эффективности работы каталитического нейтрализатора.
Существует два вида корректировки подачи топлива - текущая и корректировка само-
обучения.
Первая (текущая) корректировка рассчитывается по показаниям датчика кислорода и
может изменяться относительно быстро, чтобы компенсировать текущие отклонения соста-
ва смеси от стехиометрического.
Вторая (корректировка самообучения) рассчитывается для каждой совокупности па-
раметров "обороты-нагрузка" на основе текущей корректировки и изменяется относительно
медленно.
Текущая корректировка обнуляется при каждом выключении зажигания. Корректи-
ровка самообучения хранится в памяти контроллера постоянно, до выполнения режима
"Сброс ЭБУ с инициализацией" с помощью диагностического прибора.
Целью корректировки по результатам самообучения является компенсация отклоне-
ний состава топливовоздушной смеси от стехиометрического, возникающих в результате
разброса характеристик элементов ЭСУД, допусков при изготовлении двигателя, а также
отклонений параметров двигателя в период эксплуатации (износ, закоксовка и т.д.).
Для более точной компенсации возникающих отклонений весь диапазон работы дви-
гателя разбит на 4 характерные зоны обучения:
- холостой ход;
- высокие обороты при малой нагрузке;
- частичные нагрузки;
- высокие нагрузки.
При работе двигателя в любой из зон по определенной логике происходит коррекция
длительности импульсов впрыска до тех пор, пока реальный состав смеси не достигнет оп-
тимального значения.
При смене режима работы двигателя в оперативной памяти контроллера (ОЗУ) сохра-
няется последнее значение коэффициента коррекции для данной зоны.
Полученные таким образом коэффициенты коррекции характеризуют конкретный
двигатель и участвуют в расчете длительности импульса впрыска при работе системы в ре-
жиме разомкнутого контура и при пуске, не имея при этом возможности изменяться.
Значение корректировки, при котором регулирование подачи топлива по замкнутому
контуру не требуется, равно 1 (для параметра корректировки топливоподачи по результатам
самообучения на холостом ходу оно равно 0). Любое изменение от 1(0) указывает на то, что
функция регулирования топливоподачи по замкнутому контуру изменяет длительность им-
пульса впрыска. Если значение корректировки топливоподачи по замкнутому контуру
http://vnx.su/
ГОСТ 3.1105-84
Лист 20Дубликат
Взам.
Подп.
3100.25100.12056
ТИ Технологическая инструкция
ОАО "АВТОВАЗ"
ИзмЛист№документаПодписьДатаИзм.Лист№документаПодписьДата
больше 1(0), происходит увеличение длительности импульса впрыска, т.е. увеличение пода-
чи топлива. Если значение корректировки топливоподачи по замкнутому контуру меньше
1(0), происходит уменьшение длительности импульса впрыска, т.е. уменьшение подачи топ-
лива. Предельным диапазоном изменения текущей корректировки топливоподачи и коррек-
тировки самообучением является диапазон 1±0,25 (±5). Выход любого из коэффициентов
коррекции за пределы регулирования в сторону обогащения или обеднения смеси свиде-
тельствует о наличии неисправности в двигателе или ЭСУД (отклонение давления топлива,
подсос воздуха, негерметичность в системе выпуска и т.д.).
Коррекция самообучения для регулирования топливоподачи на автомобилях с катали-
тическим нейтрализатором является непрерывным процессом в течение всего срока экс-
плуатации автомобиля и обеспечивает выполнение жестких норм по токсичности отрабо-
тавших газов.
В данной ЭСУД при отключении аккумуляторной батареи значения адаптационных
коэффициентов коррекции не обнуляются.
1.3 СИСТЕМА ЗАЖИГАНИЯ
ОБЩЕЕ ОПИСАНИЕ
В системе зажигания двигателя 21129 применяются 4 индивидуальные катушки зажи-
гания (рис. 1.3-01). Система зажигания не имеет подвижных деталей, и поэтому не требует
обслуживания и регулировок, за исключением свечей зажигания.
Управление током в первичных обмотках катушек зажигания осуществляется кон-
троллером, использующим информацию о режиме работы двигателя, получаемую от датчи-
ков системы управления двигателем. Для коммутации первичных обмоток катушек зажига-
ния контроллер использует мощные транзисторные вентили (рис. 1.3-01).
Рис. 1.3-01. Система зажигания двигателя 21129:
1 - аккумуляторная батарея; 2 - реле главное; 3 - выключатель зажигания; 4 - свечи зажига-
ния; 5 - катушка зажигания; 6 - контроллер; 7 - датчик положения коленчатого вала; 8 - за-
дающий диск
КАТУШКА ЗАЖИГАНИЯ
Катушки зажигания имеют следующие цепи:
Цепь питания первичных обмоток
http://vnx.su/
ГОСТ 3.1105-84
Лист 21
Дубликат
Взам.
Подп.
3100.25100.12056
ТИ Технологическая инструкция
ОАО "АВТОВАЗ"
ИзмЛист№документаПодписьДатаИзм.Лист№документаПодписьДата
Напряжение бортсети автомобиля поступает с главного реле (реле зажигания) на кон-
такт "3" индивидуальной катушки зажигания.
Цепь управления первичной обмоткой катушки зажигания
Контроллер коммутирует на массу цепь первичной обмотки катушки зажигания, вы-
дающей высокое напряжение на свечи зажигания соответствующих цилиндров:
- контакт "1" индивидуальной катушки зажигания.
Рис. 1.3-02. Расположение индиви-
дуальных катушек зажигания на
двигателе 21129:
1 - катушки зажигания
ГАШЕНИЕ ДЕТОНАЦИИ
Для предотвращения выхода из строя двигателя в результате продолжительной дето-
нации ЭСУД корректирует угол опережения зажигания.
Для обнаружения детонации в системе имеется датчик детонации, см. раздел 1.1.
Контроллер анализирует сигнал этого датчика и при обнаружении детонации, харак-
теризующейся повышением амплитуды вибраций двигателя в определенном диапазоне час-
тот, корректирует угол опережения зажигания по специальному алгоритму.
Корректировка угла опережения зажигания для гашения детонации производится ин-
дивидуально по цилиндрам, т.е. определяется, в каком цилиндре происходит детонация, и
уменьшается угол опережения зажигания только для этого цилиндра.
В случае неисправности датчика детонации в память контроллера заносится соответ-
ствующий код неисправности и включается сигнализатор неисправностей. Кроме того, кон-
троллер на определенных режимах работы двигателя устанавливает пониженный угол опе-
режения зажигания, исключающий появление детонации.
1.4 ВЕНТИЛЯТОР СИСТЕМЫ ОХЛАЖДЕНИЯ
Контроллер управляет блоком реле включения электровентилятора системы охлажде-
ния двигателя. Электровентилятор включается и выключается в зависимости от температу-
ры двигателя.
Электровентилятор работает в двух режимах - с максимальной скоростью и с пони-
женной скоростью.
Пониженная скорость электровентилятора включается при температуре охлаждающей
жидкости выше 102 °С, а также при наличии в памяти контроллера кодов неисправностей
ДТОЖ или при работающем кондиционере. При этом управление блоком реле электровен-
тилятора осуществляется с контакта "Х1.1/Н2" контроллера.
Пониженная скорость электровентилятора выключается после падения температуры
охлаждающей жидкости ниже 98 °С.
http://vnx.su/
ГОСТ 3.1105-84
Лист 22Дубликат
Взам.
Подп.
3100.25100.12056
ТИ Технологическая инструкция
ОАО "АВТОВАЗ"
ИзмЛист№документаПодписьДатаИзм.Лист№документаПодписьДата
Максимальная производительность электровентилятора включается при температуре
охлаждающей жидкости выше 103 °С, а также при высоком давлении хладагента в магист-
рали как при работающем кондиционере, так и неработающем кондиционере. При этом
управление блоком реле электровентилятора осуществляется с контакта "Х1.1/Н3" контрол-
лера.
Максимальная производительность электровентилятора выключается после падения
температуры охлаждающей жидкости ниже 98 °С.
Рис. 1.4-01. Электрическая цепь вентилятора системы охлаждения двигателя автомобилей
семейства LADA VESTA
Рис. 1.5-01. Система вентиляции картера двигателя 21129:
1 - модуль впуска; 2 - шланг первого контура; 3 - крышка головки цилиндров; 4 - шланг вто-
рого контура; 5 - шланг впускной трубы; 6 - вытяжной шланг
http://vnx.su/
ГОСТ 3.1105-84
Лист 23
Дубликат
Взам.
Подп.
3100.25100.12056
ТИ Технологическая инструкция
ОАО "АВТОВАЗ"
ИзмЛист№документаПодписьДатаИзм.Лист№документаПодписьДата
1.5 СИСТЕМА ВЕНТИЛЯЦИИ КАРТЕРА
Система вентиляции картера (рис. 1.5-01) обеспечивает удаление картерных газов.
Картерные газы по вытяжному шлангу поступают в маслоотделитель, расположенный
в крышке головки цилиндров на двигателе 21129.
Шланги первого и второго контуров представляют собой два шланга (один малого
диаметра, другой большого), по которым картерные газы, прошедшие маслоотделитель, по-
даются в камеру сгорания.
Первый контур имеет калиброванное отверстие диаметром 1,7 мм. Калибровочное от-
верстие расположено в трубке крышки головки цилиндров. К трубке крышки головки ци-
линдров (штуцеру маслоотделителя) присоединяется шланг первого контура (шланг малого
диаметра). Шланг первого контура идет от маслоотделителя к модулю впуска.
Шланг второго контура (шланг большего диаметра) идет от маслоотделителя к шлан-
гу впускной трубы.
На режиме холостого хода все картерные газы подаются через жиклер первого конту-
ра (шланг малого диаметра). На этом режиме во впускной трубе создается высокое разреже-
ние, и картерные газы эффективно отсасываются в задроссельное пространство. Жиклер ог-
раничивает объем отсасываемых газов, чтобы не нарушалась работа двигателя на холостом
ходу.
На режимах под нагрузкой, когда дроссельная заслонка открыта частично или полно-
стью, через жиклер первого контура проходит небольшое количество картерных газов. В
этом случае их основной объем проходит через второй контур (шланг большого диаметра) в
шланг впускной трубы перед дроссельным патрубком и затем сжигается в камере сгорания.
ВНИМАНИЕ. При нарушении герметичности шланга первого контура (подсосе
воздуха вне калибровочного отверстия 1,7 мм) ЭСУД ошибочно определяет завышен-
ное значение перетечек через дроссельную заслонку (номинальное значение опреде-
ленное производителем составляет 3 - 5 кг/час), что приводит к нестабильности оборо-
тов холостого хода.
1.6 СИСТЕМА ВПУСКА ВОЗДУХА
Наружный воздух засасывается через патрубок забора воздуха в резонатор и далее в
корпус воздушного фильтра.
Воздушный фильтр (рис. 1.6-01) служит для очистки воздуха от механических частиц.
Фильтрующий элемент воздушного фильтра является расходным материалом и имеет огра-
ниченный срок службы. После фильтрующего элемента воздушного фильтра воздух прохо-
дит в шланг впускной трубы и дроссельный патрубок.
После дроссельного патрубка воздух направляется в каналы модуля впуска и впуск-
ной трубы, а затем в головку цилиндров и в цилиндры.
Дроссельный патрубок с электроприводом системы распределенного впрыска топлива
закреплен на модуле впуска. Он дозирует количество воздуха, поступающего во впускную
трубу. Поступление воздуха в двигатель дозируется дроссельной заслонкой с электроприво-
дом, управляемой контроллером.
Дроссельный патрубок имеет в своем составе два датчика положения дроссельной за-
слонки и связанный с ними электропривод.
На модуле впуска двигателя 21129 применяется система изменения длины впускного
коллектора, которая позволяет и снизить токсичность отработавших газов.
Регулирование длины впускного коллектора обеспечивает лучшее наполнение камеры
сгорания воздухом и соответственно более полное сгорание топливно-воздушной смеси на
всем диапазоне оборотов двигателя.
http://vnx.su/
ГОСТ 3.1105-84
Лист 24Дубликат
Взам.
Подп.
3100.25100.12056
ТИ Технологическая инструкция
ОАО "АВТОВАЗ"
ИзмЛист№документаПодписьДатаИзм.Лист№документаПодписьДата
Рис. 1.6-01. Система впуска воздуха двигателя 21129:
1 - электромагнитный клапан управления механизмом заслонок модуля впуска; 2 - модуль
впуска; 3 - датчик давления и температуры воздуха; 4 - дроссельный патрубок с электропри-
водом; 5 - шланг впускной трубы; 6 - воздушный фильтр; 7 - пневмопривод оси воздушных
заслонок
Рис. 1.6-02. Расположение пневмо-
привода оси воздушных заслонок на
двигателе 21129:
1 - пневмопривод оси воздушных
заслонок
Переключение с одной длины на другую осуществляется с помощью пневмопривода
оси воздушных заслонок (рис. 1.6-02) в зависимости от оборотов двигателя и нагрузки на
двигатель.
http://vnx.su/
ГОСТ 3.1105-84
Лист 25
Дубликат
Взам.
Подп.
3100.25100.12056
ТИ Технологическая инструкция
ОАО "АВТОВАЗ"
ИзмЛист№документаПодписьДатаИзм.Лист№документаПодписьДата
Управление пневмоприводом осуществляется контроллером ЭСУД по шлангам сис-
темы пневмопривода с помощью электромагнитного клапана управления механизмом за-
слонок модуля впуска (рис. 1.6-03).
Рис. 1.6-03. Расположение электро-
магнитного клапана управления ме-
ханизмом заслонок модуля впуска
на двигателе 21129:
1 - электромагнитный клапан управ-
ления механизмом заслонок модуля
впуска
ХОЛОСТОЙ ХОД (ХХ)
Контроллер управляет частотой вращения коленчатого вала на режиме холостого хо-
да. Исполнительным устройством, дозирующим поступающий воздух в двигатель, является
дроссельная заслонка, угол открытия которой на холостом ходу задается контроллером в за-
висимости от температуры охлаждающей жидкости, включенных потребителей (кондицио-
нер, обогрев сидений, вентилятор и др.) Кроме этого для поддержания оборотов ХХ кон-
троллер управляет УОЗ и топливоподачей. Стоит помнить, что при движении автомобиля с
отпущенной педалью акселератора на 1, 2 или 3 передаче заданные обороты ХХ отличаются
от заданных оборотов стоящего автомобиля и зависят от температуры охлаждающей жидко-
сти двигателя. Состояние работы двигателя на холостом ходу можно определить по пара-
метрам текущей коррекции ХХ ("Желаемое изменение момента для поддержания холо-
стого хода (интегральная часть)" % и Желаемое изменение момента для поддержания
холостого хода (пропорциональная часть)" %) и параметра адаптации момента ("Пара-
метр адаптации регулировки холостого хода" %). Параметр адаптации момента опреде-
ляется только на прогретом двигателе, но используется как аддитивная добавка во всем
температурном диапазоне работы двигателя.
1.7 СИСТЕМА УЛАВЛИВАНИЯ ПАРОВ БЕНЗИНА
Система улавливания паров бензина (СУПБ) состоит из угольного адсорбера с элек-
тромагнитным клапаном продувки и соединительных трубопроводов.
Пары бензина из топливного бака подаются в улавливающую емкость (адсорбер с ак-
тивированным углем) (рис. 1.7-01) для удержания их при неработающем двигателе. Пары
поступают через патрубок, обозначенный надписью "TANK".
Контроллер, управляя электромагнитным клапаном, осуществляет продувку адсорбе-
ра после того, как двигатель проработает заданный период времени с момента перехода на
режим управления топливоподачей по замкнутому контуру. Воздух подводится в адсорбер
через патрубок "AIR", где смешивается с парами бензина. Образовавшаяся таким образом
смесь засасывается во впускную трубу двигателя для сжигания в ходе рабочего процесса.
Контроллер регулирует степень продувки адсорбера в зависимости от режима работы
двигателя, подавая на клапан сигнал с изменяемой частотой импульса (16 Гц, 32 Гц). Кон-
троллер постоянно отслеживает влияние продувки (состояние по наполняемости парами то-
http://vnx.su/
ГОСТ 3.1105-84
Лист 26Дубликат
Взам.
Подп.
3100.25100.12056
ТИ Технологическая инструкция
ОАО "АВТОВАЗ"
ИзмЛист№документаПодписьДатаИзм.Лист№документаПодписьДата
плива адсорбера) на работу двигателя по информации сигнала с УДК. Если адсорбер имеет
большой % наполнения парами топлива, контроллер уменьшает топливоподачу (значение
параметра "Коэффициент концентрации топлива в адсорбере" около 2%, соответствен-
но, если % наполняемости парами топлива низкий – значение параметра "Коэффициент
концентрации топлива в адсорбере" около 0%). Контроллер при каждой поездке на про-
гретом двигателе проверяет состояние клапана продувки адсорбера, полностью закрывая его
и открывая на значение, превышающее установленное для данного режима работы двигате-
ля. По отклонению фактора коррекции топливоподачи контроллер определяет состояние
клапана продувки адсорбера.
Рис. 1.7-01. Расположение адсорбе-
ра в подкапотном пространстве ав-
томобилей семейства LADA
VESTA:
1 – адсорбер
Рис. 1.7-02. Расположение клапана
продувки адсорбера в подкапотном
пространстве автомобилей семейст-
ва LADA VESTA:
1 - клапан продувки адсорбера
Диагностический прибор отображает коэффициент заполнения управляющего сигна-
ла. Коэффициент 0% означает, что продувка адсорбера не осуществляется. Коэффициент
100% означает, что происходит максимальная продувка.
Контроллер включает электромагнитный клапан продувки когда:
- температура охлаждающей жидкости выше определенного значения;
- система работает в режиме обратной связи по сигналу датчика кислорода;
- система исправна.
Неисправности и их причины
Нестабильность холостого хода, остановка двигателя, повышенная токсичность и
ухудшение ездовых качеств могут быть вызваны следующими причинами:
http://vnx.su/
ГОСТ 3.1105-84
Лист 27
Дубликат
Взам.
Подп.
3100.25100.12056
ТИ Технологическая инструкция
ОАО "АВТОВАЗ"
ИзмЛист№документаПодписьДатаИзм.Лист№документаПодписьДата
- неисправность электромагнитного клапана продувки;
- повреждение адсорбера;
- переполнение адсорбера;
- повреждения или неправильные соединения шлангов;
- пережатие или засорение шлангов.
Визуальный контроль адсорбера и клапана продувки адсорбера
Осмотреть электромагнитный клапан и адсорбер (рис. 1.7-01, 1.7-02). При наличии
трещин или повреждений корпуса узел заменить.
Проверить надежность соединения шлангов подвода разрежения и паров из бензобака.
1.8 КАТАЛИТИЧЕСКИЙ НЕЙТРАЛИЗАТОР
Для выполнения норм Евро-5 на содержание вредных веществ в отработавших газах
необходимо применение каталитического нейтрализатора в системе выпуска. Применение
каталитического нейтрализатора дает значительное снижение выбросов углеводородов, оки-
си углерода и окислов азота с отработавшими газами при условии точного управления про-
цессом сгорания в двигателе.
Рис. 1.8-01. Расположение катали-
тического нейтрализатора на двига-
теле 21129:
1 - каталитический нейтрализатор
При эксплуатации неисправного двигателя нейтрализатор может выйти из строя из-за
тепловых напряжений (выше 970 °С), которым он подвергается при окислении избыточных
количеств углеводородов. При тепловых напряжениях керамические блоки нейтрализатора
могут разрушиться (закупориться), вызвав повышение давления отработавших газов. Воз-
можной причиной выхода из строя нейтрализатора является применение этилированного
бензина. Содержащийся в нем тетраэтилсвинец за короткое время приводит к отравлению
нейтрализатора, что значительно снижает эффективность его действия.
Также причиной выхода из строя нейтрализатора является применение прокладок, со-
держащий силикон, и использование не рекомендованных типов моторных масел с повы-
шенным содержанием серы и фосфора.
Диагностика состояния нейтрализатора осуществляется контроллером, который со-
поставляет сигналы датчиков кислорода до и после нейтрализатора. В случае обнаружения
снижения эффективности нейтрализатора, способного вызвать выход количества вредных
выбросов за пределы норм Евро-5, контроллер формирует соответствующий код неисправ-
ности и включает сигнализатор.
http://vnx.su/
ГОСТ 3.1105-84
Лист 28Дубликат
Взам.
Подп.
3100.25100.12056
ТИ Технологическая инструкция
ОАО "АВТОВАЗ"
ИзмЛист№документаПодписьДатаИзм.Лист№документаПодписьДата
1.9 КОНДИЦИОНЕР
Контроллер включает реле компрессора кондиционера при поступлении сигнала за-
проса включения кондиционера. Компрессор кондиционера включается в зависимости от
давления хладагента в системе кондиционирования.
Рис. 1.9-01. Схема включения муфты компрессора кондиционера на автомобилях LADA
VESTA с системой кондиционирования
Сигнал запроса включения кондиционера поступает на контакт "Х1.1/J5" контроллера
ЭСУД (рис. 1.9-01).
На автомобилях с климатической системой сигнал запроса включения кондиционера
поступает на контроллер ЭСУД по шине CAN с контроллера системы автоматического
управления климатической установкой.
Рис. 1.9-02. Расположение датчика
давления хладагента в подкапотном
пространстве автомобилей семейст-
ва LADA VESTA:
1 - датчик давления хладагента
Датчик давления хладагента (рис. 1.9-02) установлен в моторном отсеке на трубопро-
воде высокого давления справа от радиатора системы охлаждения двигателя.
http://vnx.su/
ГОСТ 3.1105-84
Лист 29
Дубликат
Взам.
Подп.
3100.25100.12056
ТИ Технологическая инструкция
ОАО "АВТОВАЗ"
ИзмЛист№документаПодписьДатаИзм.Лист№документаПодписьДата
2 ДИАГНОСТИКА
2.1 ВВЕДЕНИЕ
Диагностика электронной системы управления двигателем достаточно проста при ус-
ловии понимания принципа работы ЭСУД, чёткого представления, чем исправное состояние
отличается от неисправного и при соблюдении рекомендуемой последовательности её про-
ведения. При этом важно наличие необходимых диагностических средств.
ЭСУД способна самостоятельно осуществлять в определенном объёме самодиагно-
стику. При обнаружении неисправности контроллер ЭСУД заносит в память код неисправ-
ности и может включить сигнализатор неисправности "MIL" в комбинации приборов.
Включение сигнализатора неисправности означает, что необходимо в возможно короткий
срок провести диагностику двигателя и ЭСУД.
Настоящее руководство включает раздел 1 "Устройство", в котором изложены основ-
ные принципы работы исправной системы. Ознакомление с разделом 1 является началом
для понимания процесса работы ЭСУД и её элементов, и перед проведением диагностики
необходимо обязательно ознакомиться с этим разделом.
Следует помнить, что за электроникой стоит базовый двигатель внутреннего сгорания
и работоспособность системы управления двигателем зависит от исправности механических
систем. Ниже приводится ряд отклонений, вызывающих неисправности, которые могут
быть ошибочно приписаны электронной части системы управления двигателем:
- недостаточная компрессия;
- подсос воздуха;
- ограничение проходимости системы впуска / выпуска;
- отклонения фаз газораспределения;
- неисправности, вызванные износом деталей, неправильной сборкой и несоблюдени-
ем сроков ТО;
- плохое качество топлива.
Описание диагностики ЭСУД условно разделяется на пять частей:
Информация общего характера
Содержит информацию о мерах безопасности, общие сведения о диагностике, порядке
проведения диагностики и работе с диагностическим прибором. Также приводится описание
электрических соединений системы управления двигателем и назначение контактов разъема
контроллера.
Часть "А" и диагностические карты "А"
Содержит начальные сведения о порядке проведения диагностики, диагностические
карты для сигнализатора неисправностей, меры на случай невозможности запустить двига-
тель и прочие карты общего характера.
Карты кодов неисправностей
Данные карты используются, если в памяти контроллера присутствует один или не-
сколько кодов неисправности.
При наличии в памяти кодов неисправности U0001 (неисправна шина CAN), U0009
(замыкание в шине CAN), Р0560 (неверное напряжение бортсети) или Р0562 (пониженное
напряжение бортсети) вместе с какими-либо другими кодами анализ и устранение неис-
правностей необходимо всегда начинать с кодов U0001, U0009, Р0560 и Р0562.
Часть "В". Диагностические карты неисправностей.
Данные карты используются для диагностики неисправностей, не приводящих к воз-
никновению кода неисправности или его непостоянстве, например неисправности, прояв-
ляющиеся в ездовых свойствах.
Часть "С" и диагностические карты "С" (карты проверки узлов системы управ-
ления двигателем).
Данная часть содержит информацию по проверке конкретных элементов системы
управления двигателем, а также по их обслуживанию. В ней есть сведения по элементам
системы подачи топлива, по системе зажигания и т.д.
http://vnx.su/
ГОСТ 3.1105-84
Лист 30Дубликат
Взам.
Подп.
3100.25100.12056
ТИ Технологическая инструкция
ОАО "АВТОВАЗ"
ИзмЛист№документаПодписьДатаИзм.Лист№документаПодписьДата
2.2 МЕРЫ БЕЗОПАСНОСТИ
При работе на автомобиле необходимо соблюдать следующие требования:
1 Перед демонтажем контроллера необходимо отсоединить провод "массы" от акку-
муляторной батареи.
2 Не допускается пуск двигателя без надежного подключения аккумуляторной бата-
реи.
3 Не допускается отключение аккумуляторной батареи от бортовой сети при рабо-
тающем двигателе.
4 При зарядке аккумуляторная батарея должна быть отключена от бортовой сети.
5 Необходимо контролировать надежность контактов жгутов проводов и поддержи-
вать чистоту клемм аккумуляторной батареи.
6 Конструкция колодок жгутов проводов предусматривает их соединение с ответной
частью только при определенной ориентации.
При правильной ориентации соединение колодки жгута с ответной частью выполня-
ется без усилия. Соединение с неправильной ориентацией колодки может привести к выхо-
ду из строя колодки, модуля или другого элемента системы.
7 Не допускается соединение или разъединение колодок элементов ЭСУД при вклю-
ченном зажигании.
8 Перед проведением электросварочных работ необходимо отсоединить провода от
аккумуляторной батареи и колодку от контроллера.
9 Для исключения коррозии контактов при мойке двигателя струей воды под давлени-
ем не направлять распылитель на элементы системы.
10 Измерения напряжения выполнять с помощью цифрового вольтметра с номиналь-
ным внутренним сопротивлением более 10 Мом.
11 Если предусмотрено применение пробника с контрольной лампой, необходимо ис-
пользовать лампу с током потребления не более 0,25 А (250 мА).
12 Для предотвращения повреждений электростатическим разрядом элементов элек-
троники запрещается разбирать металлический корпус контроллера и касаться штекеров
разъема.
http://vnx.su/
ГОСТ 3.1105-84
Лист 31
Дубликат
Взам.
Подп.
3100.25100.12056
ТИ Технологическая инструкция
ОАО "АВТОВАЗ"
ИзмЛист№документаПодписьДатаИзм.Лист№документаПодписьДата
Таблица 2.3-01 Диагностические коды контроллера М86
Код Описание
Р0030 Нагреватель ДК до нейтрализатора, цепь неисправна
Р0031 Нагреватель ДК до нейтрализатора, замыкание цепи управления на массу
Р0032 Нагреватель ДК до нейтрализатора, замыкание цепи управления на бортовую сеть
Р0036 Нагреватель ДК после нейтрализатора, цепь неисправна
Р0037 Нагреватель ДК после нейтрализатора, замыкание цепи управления на массу
Р0038
Нагреватель ДК после нейтрализатора, замыкание цепи управления на бортовую
сеть
Р0106
Цепь датчика давления воздуха на впуске, выход сигнала из допустимого диапазо-
на
Р0107 Цепь датчика давления воздуха на впуске, низкий уровень сигнала
Р0108 Цепь датчика давления воздуха на впуске, высокий уровень сигнала
Р0111
Цепь датчика температуры впускного воздуха, выход сигнала из допустимого диа-
пазона
Р0112 Цепь датчика температуры впускного воздуха, низкий уровень сигнала
Р0113 Цепь датчика температуры впускного воздуха, высокий уровень сигнала
Р0116 Цепь ДТОЖ, выход сигнала из допустимого диапазона
Р0117 Цепь ДТОЖ, низкий уровень сигнала
Р0118 Цепь ДТОЖ, высокий уровень сигнала
Р0122 Цепь ДПДЗ А, низкий уровень сигнала
Р0123 Цепь ДПДЗ А, высокий уровень сигнала
Р0130 Датчик кислорода до нейтрализатора неисправен
Р0131 Цепь ДК до нейтрализатора, низкий уровень выходного сигнала
Р0132 Цепь ДК до нейтрализатора, высокий уровень выходного сигнала
Р0133 Цепь ДК до нейтрализатора, медленный отклик на изменение состава смеси
Р0134 Цепь датчика кислорода до нейтрализатора неактивна
Р0135 ДК до нейтрализатора, нагреватель неисправен
Р0136 Датчик кислорода после нейтрализатора неисправен
Р0137 Цепь ДК после нейтрализатора, низкий уровень сигнала
Р0138 Цепь ДК после нейтрализатора, высокий уровень сигнала
Р0140 Цепь датчика кислорода после нейтрализатора неактивна
Р0141 ДК после нейтрализатора, нагреватель неисправен
Р0171 Система топливоподачи слишком бедная
Р0172 Система топливоподачи слишком богатая
Р0201 Форсунка цилиндра 1, цепь неисправна
Р0202 Форсунка цилиндра 2, цепь неисправна
Р0203 Форсунка цилиндра 3, цепь неисправна
Р0204 Форсунка цилиндра 4, цепь неисправна
Р0217 Температура двигателя выше допустимой
Р0222 Цепь ДПДЗ В, низкий уровень сигнала
Р0223 Цепь ДПДЗ В, высокий уровень сигнала
Р0261 Форсунка цилиндра 1, замыкание цепи управления на массу
Р0262 Форсунка цилиндра 1, замыкание цепи управления на бортовую сеть
Р0264 Форсунка цилиндра 2, замыкание цепи управления на массу
Р0265 Форсунка цилиндра 2, замыкание цепи управления на бортовую сеть
Р0267 Форсунка цилиндра 3, замыкание цепи управления на массу
Р0268 Форсунка цилиндра 3, замыкание цепи управления на бортовую сеть
Р0270 Форсунка цилиндра 4, замыкание цепи управления на массу
Р0271 Форсунка цилиндра 4, замыкание цепи управления на бортовую сеть
Р0300 Обнаружены случайные/множественные пропуски воспламенения
http://vnx.su/
ГОСТ 3.1105-84
Лист 32Дубликат
Взам.
Подп.
3100.25100.12056
ТИ Технологическая инструкция
ОАО "АВТОВАЗ"
ИзмЛист№документаПодписьДатаИзм.Лист№документаПодписьДата
Код Описание
Р0301 Цилиндр 1, обнаружены пропуски воспламенения
Р0302 Цилиндр 2, обнаружены пропуски воспламенения
Р0303 Цилиндр 3, обнаружены пропуски воспламенения
Р0304 Цилиндр 4, обнаружены пропуски воспламенения
Р0327 Цепь датчика детонации, низкий уровень сигнала
Р0328 Цепь датчика детонации, высокий уровень сигнала
Р0335 Цепь датчика положения коленчатого вала неисправна
Р0336 Цепь ДПКВ, выход сигнала из допустимого диапазона
Р0340 Датчик положения распределительного вала (датчик фаз) неисправен
Р0342
Цепь датчика положения распределительного вала (датчика фаз), низкий уровень
сигнала
Р0343
Цепь датчика положения распределительного вала(датчика фаз), высокий уровень
сигнала
Р0351 Катушка зажигания цилиндра 1, обрыв цепи управления
Р0352 Катушка зажигания цилиндра 2, обрыв цепи управления
Р0353 Катушка зажигания цилиндра 3, обрыв цепи управления
Р0354 Катушка зажигания цилиндра 4, обрыв цепи управления
Р0363
Обнаружены пропуски воспламенения, отключена топливоподача в неработающих
цилиндрах
Р0422 Эффективность нейтрализатора ниже порога
Р0441 Система улавливания паров бензина, неверный расход воздуха через КПА
Р0443 Клапан продувки адсорбера, цепь неисправна
Р0444 Клапан продувки адсорбера, обрыв цепи управления
Р0458 Клапан продувки адсорбера, замыкание цепи управления на массу
Р0459 Клапан продувки адсорбера, замыкание цепи управления на бортовую сеть
Р0480 Реле вентилятора 1, цепь неисправна
Р0481 Реле вентилятора 2, цепь неисправна
Р0504 Выключатели "А/В" педали тормоза, рассогласование сигналов
Р0513 Некорректный ключ иммобилизатора
Р0522 Цепь датчика давления масла, низкий уровень сигнала
Р0523 Цепь датчика давления масла, высокий уровень сигнала
Р0560 Напряжение бортовой сети автомобиля
Р0561 Напряжение бортовой сети нестабильно
Р0562 Напряжение бортовой сети, низкий уровень
Р0563 Напряжение бортовой сети, высокий уровень
Р0601 Контроллер СУД, ошибка контрольной суммы ПЗУ
Р0603 Контроллер СУД, ошибка внутреннего ОЗУ
Р0604 Контроллер СУД, ошибка внешнего ОЗУ
Р0606 Контроллер СУД, ошибка процессора
Р0627 Реле бензонасоса, цепь неисправна
Р0628 Реле бензонасоса, замыкание цепи управления на массу
P0629 Реле бензонасоса, замыкание цепи управления на бортовую сеть
P062F Ошибка внутреннего EEPROM
Р0641 Цепь питания датчиков, обрыв
Р0642 Цепь питания датчиков, низкий уровень сигнала
Р0643 Цепь питания датчиков, высокий уровень сигнала
Р0645 Реле муфты компрессора кондиционера, цепь неисправна
Р0646 Реле муфты компрессора кондиционера, замыкание цепи управления на массу
P0647
Реле муфты компрессора кондиционера, замыкание цепи управления на бортовую
сеть
Р0660 Клапан управления длиной каналов системы впуска, обрыв цепи
http://vnx.su/
ГОСТ 3.1105-84
Лист 33
Дубликат
Взам.
Подп.
3100.25100.12056
ТИ Технологическая инструкция
ОАО "АВТОВАЗ"
ИзмЛист№документаПодписьДатаИзм.Лист№документаПодписьДата
Код Описание
Р0661
Клапан управления длиной каналов системы впуска, замыкание цепи управления
на массу
Р0662
Клапан управления длиной каналов системы впуска, замыкание цепи управления
на бортовую сеть
Р0691 Реле вентилятора 1, замыкание цепи управления на массу
Р0692 Реле вентилятора 1, замыкание цепи управления на бортовую сеть
Р0693 Реле вентилятора 2, замыкание цепи управления на массу
Р0694 Реле вентилятора 2, замыкание цепи управления на бортовую сеть
Р1301 Цилиндр 1, обнаружены пропуски воспламенения, критичные для нейтрализатора
Р1302 Цилиндр 2, обнаружены пропуски воспламенения, критичные для нейтрализатора
Р1303 Цилиндр 3, обнаружены пропуски воспламенения, критичные для нейтрализатора
Р1304 Цилиндр 4, обнаружены пропуски воспламенения, критичные для нейтрализатора
Р1335
Мониторинг управления приводом дроссельной заслонки, положение дроссельной
заслонки вне допустимого диапазона
Р1336
Мониторинг управления приводом дроссельной заслонки, рассогласование сигна-
лов датчиков "А" / "В" положения дроссельной заслонки
Р1388
Мониторинг управления приводом дроссельной заслонки, рассогласование сигна-
лов датчиков "А" / "В" положения педали акселератора
Р1389
Мониторинг управления приводом дроссельной заслонки, обороты двигателя вне
допустимого диапазона
Р1390
Мониторинг управления приводом дроссельной заслонки, некорректная реакция
на неисправность в системе
Р1391
Мониторинг управления приводом дроссельной заслонки, отсутствует реакция на
неисправность в системе
Р1545 Привод дроссельной заслонки, положение заслонки вне допустимого диапазона
Р1558 Привод дроссельной заслонки, возвратная пружина неисправна
Р1559
Привод дроссельной заслонки, положение заслонки в состоянии покоя вне допус-
тимого диапазона
Р1564
Система управления приводом дроссельной заслонки, адаптация положения нуля
заслонки прервана в связи с пониженным напряжением бортсети
P1570 Иммобилизатор, цепь неисправна
Р1578
Система управления приводом дроссельной заслонки, величина адаптации поло-
жения нуля вне допустимого диапазона
Р1579
Система управления приводом дроссельной заслонки, адаптация положения нуля
заслонки прервана в связи с внешними условиями
Р1602 Контроллер СУД, пропадание напряжения питания
Р1640 Контроллер СУД, ошибка чтения-записи EEPROM
Р2100 Электропривод дроссельной заслонки, обрыв цепи управления
Р2101 Электропривод дроссельной заслонки, цепь управления неисправна
Р2102 Электропривод дроссельной заслонки, замыкание цепи управления на массу
Р2103
Электропривод дроссельной заслонки, замыкание цепи управления на бортовую
сеть
Р2122 Цепь датчика положения педали А, низкий уровень сигнала
Р2123 Цепь датчика положения педали А, высокий уровень сигнала
Р2127 Цепь датчика положения педали В, низкий уровень сигнала
Р2128 Цепь датчика положения педали В, высокий уровень сигнала
Р2135 Датчики "А" / "В" положения дроссельной заслонки, рассогласование сигналов
Р2138 Датчики "А" / "В" положения педали акселератора, рассогласование сигналов
Р2176
Система управления приводом дроссельной заслонки, адаптация положения нуля
заслонки не выполнена
Р2187 Система топливоподачи слишком бедная на холостом ходу
http://vnx.su/
ГОСТ 3.1105-84
Лист 34Дубликат
Взам.
Подп.
3100.25100.12056
ТИ Технологическая инструкция
ОАО "АВТОВАЗ"
ИзмЛист№документаПодписьДатаИзм.Лист№документаПодписьДата
Код Описание
Р2188 Система топливоподачи слишком богатая на холостом ходу
Р2270 ДК после нейтрализатора, отсутствие отклика на обогащение смеси
Р2271 ДК после нейтрализатора, отсутствие отклика на обеднение смеси
Р2301 Катушка зажигания цилиндра 1, замыкание цепи управления на бортовую сеть
Р2304 Катушка зажигания цилиндра 2, замыкание цепи управления на бортовую сеть
Р2307 Катушка зажигания цилиндра 3, замыкание цепи управления на бортовую сеть
Р2310 Катушка зажигания цилиндра 4, замыкание цепи управления на бортовую сеть
U0001 Шина CAN неисправна
U0002 Шина CAN, общая неисправность
U0009 Шина CAN, короткое замыкание линии L на линию Н
U0073 Шина CAN отключена
U0121 Шина CAN, нет данных от контроллера АБС
U0122 Шина CAN, нет данных от контроллера ESP
U0155 Шина CAN, нет данных от комбинации приборов
U0167 Шина CAN, нет связи с иммобилизатором
U0415 Шина CAN, неверные данные от контроллера АБС
U0416 Шина CAN, неверные данные от контроллера ESP
U0426 Шина CAN, неверные данные от иммобилизатора
http://vnx.su/
ГОСТ 3.1105-84
Лист 35
Дубликат
Взам.
Подп.
3100.25100.12056
ТИ Технологическая инструкция
ОАО "АВТОВАЗ"
ИзмЛист№документаПодписьДатаИзм.Лист№документаПодписьДата
2.3 ОБЩЕЕ ОПИСАНИЕ БОРТОВОЙ ДИАГНОСТИКИ
Под "бортовой диагностикой" понимается система программно-аппаратных средств
(контроллер, датчики, исполнительные механизмы), которая выполняет следующие задачи:
1) определение и идентификация ошибок функционирования ЭСУД и двигателя, ко-
торые могут приводить:
- к превышению предельных значений по токсичности отработавших газов автомоби-
лей, которые определяются действующими в настоящее время в соответствующей стране
экологическими нормами для легковых автомобилей;
- к снижению мощности и крутящего момента двигателя, увеличению расхода топли-
ва, ухудшению ездовых качеств автомобиля;
- к выходу из строя двигателя и его компонентов (прогорание поршней из-за детона-
ции или повреждение каталитического нейтрализатора в случае возникновения пропусков
зажигания);
- к аварийно-опасному поведению автомобиля. В системах управления с электронным
приводом дроссельной заслонкой отсутствует механическая связь между педалью акселера-
тора и дроссельной заслонкой. В связи с этим к бортовой диагностике предъявляются по-
вышенные требования к обеспечению безопасного поведения автомобиля при возникнове-
нии различных неисправностей.
2) информирование водителя о наличии неисправности включением сигнализатора
неисправностей.
3) сохранение информации о неисправности. В момент обнаружения в память кон-
троллера заносится следующая информация:
- код неисправности согласно международной классификации (см. табл. 2.3-01);
- статус-флаги (признаки), характеризующие неисправность в момент сеанса обмена
информацией с диагностическим прибором;
- так называемый стоп-кадр - значения важных для ЭСУД параметров в момент реги-
страции ошибки.
4) активизация аварийных режимов работы ЭСУД. При обнаружении неисправности
система переходит на аварийные режимы работы, обеспечивающие возможность в безопас-
ном режиме доехать до станции технического обслуживания. Поведение автомобиля в ава-
рийном режиме зависит от конкретной обнаруженной неисправности. Например, в случае
неисправности датчика температуры охлаждающей жидкости, для управления двигателем
используются замещающие значения температуры двигателя, рассчитанные по косвенным
параметрам, а также включается вентилятор системы охлаждения. При обнаружении любой
неисправности дроссельного узла (механической или электрической) контроллер обесточи-
вает электропривод дроссельной заслонки, а также ограничивает максимальные обороты
двигателя.
5) обеспечение взаимодействия с диагностическим оборудованием. О наличии неис-
правности система бортовой диагностики сигнализирует включением сигнализатора. Затем
система бортовой диагностики должна обеспечить при помощи специального оборудования
получение диагностической информации, хранящейся в памяти контроллера. Для этого в
системе управления двигателем организован последовательный канал передачи информа-
ции, в состав которого входят контроллер ЭСУД, стандартизованная колодка для подклю-
чения диагностического прибора (рис. 2.3-01) и соединяющие их провода (шина CAN). По-
мимо колодки стандартизованы также протокол передачи информации и формат передавае-
мых сообщений. Кроме получения информации о выявленных неисправностях и состоянии
системы управления двигателем, система бортовой диагностики позволяет выполнить ряд
проверочных тестов, управляя исполнительными механизмами.
Основным компонентом системы бортовой диагностики является контроллер ЭСУД.
Помимо своей главной задачи (управление процессами горения топливной смеси) он осуще-
ствляет самодиагностику.
При выполнении этой функции контроллер отслеживает сигналы различных датчиков
и исполнительных механизмов ЭСУД. Эти сигналы сравниваются с контрольными значе-
http://vnx.su/
ГОСТ 3.1105-84
Лист 36Дубликат
Взам.
Подп.
3100.25100.12056
ТИ Технологическая инструкция
ОАО "АВТОВАЗ"
ИзмЛист№документаПодписьДатаИзм.Лист№документаПодписьДата
ниями, хранящимися в памяти контроллера. Если какой-либо сигнал выходит за пределы
контрольных значений, то контроллер оценивает это состояние как неисправность (напри-
мер, напряжение на выходе датчика стало равным нулю - короткое замыкание на "массу"),
формирует и записывает в память ошибок соответствующую диагностическую информацию
(см. выше), включает контрольную лампу (сигнализатор) индикации неисправностей, а так-
же переходит на аварийные режимы работы ЭСУД.
Рис. 2.3-01. Расположение колодки
диагностики в салоне автомобилей
семейства LADA VESTA:
1 - колодка диагностики
Система бортовой диагностики начинает функционировать с момента включения за-
жигания и прекращает после перехода контроллера в режим "stand by" (наступает после вы-
ключения главного реле). Момент активизации того или иного алгоритма диагностики и его
работа определяются соответствующими режимами работы двигателя. Диагностические ал-
горитмы могут быть разделены на три группы:
1) Диагностика датчиков. Контроллер, отслеживая значение выходного сигнала дат-
чика, определяет наличие или отсутствие неисправности.
2) Диагностика исполнительных механизмов ЭСУД (драйверная диагностика). Кон-
троллер проверяет цепи управления на обрыв, замыкание на массу или источник питания.
3) Диагностика подсистем ЭСУД (функциональная диагностика).
В системе управления двигателем можно выделить несколько подсистем - зажигания,
топливоподачи, поддержания оборотов холостого хода, нейтрализации отработавших газов,
улавливания паров бензина и т.д. Функциональная диагностика дает заключение о качестве
их работы. В данном случае система следит уже не за отдельно взятыми датчиками или ис-
полнительными механизмами, а за параметрами, которые характеризуют работу всей под-
системы в целом. Например, о качестве работы подсистемы зажигания можно судить по на-
личию пропусков воспламенения в камерах сгорания двигателя. Параметры адаптации топ-
ливоподачи дают информацию о состоянии подсистемы топливоподачи. К каждой из под-
систем предъявляются свои требования по величине предельно допустимых отклонений ее
параметров от средних значений.
СИГНАЛИЗАТОР НЕИСПРАВНОСТЕЙ
Сигнализатор неисправностей ЭСУД автомобилей семейства VESTA находится в
комбинации приборов. Контроллер ЭСУД управляет сигнализатором по шине CAN.
Включение сигнализатора говорит о том, что бортовая система диагностики обнару-
жила неисправность ЭСУД и дальнейшее движение автомобиля происходит в аварийном
режиме.
Мигание сигнализатора свидетельствует о наличии неисправности, которая может
привести к серьезным повреждениям элементов ЭСУД (например, пропуски воспламенения
способны повредить каталитический нейтрализатор).
http://vnx.su/
ГОСТ 3.1105-84
Лист 37
Дубликат
Взам.
Подп.
3100.25100.12056
ТИ Технологическая инструкция
ОАО "АВТОВАЗ"
ИзмЛист№документаПодписьДатаИзм.Лист№документаПодписьДата
При включении зажигания сигнализатор должен загореться - таким образом, ЭСУД
проверяет исправность сигнализатора и цепи его управления. После запуска двигателя сиг-
нализатор должен погаснуть, если в памяти контроллера отсутствуют условия для его вклю-
чения.
Для защиты от случайных, кратковременно проявляющихся ошибок, которые могут
быть вызваны потерей контакта в электрических соединителях или нестабильной работой
двигателя, сигнализатор включается через определенный промежуток времени после обна-
ружения неисправности ЭСУД. В течение этого промежутка система бортовой диагностики
проверяет наличие неисправности.
После устранения причин неисправности сигнализатор будет выключен через опреде-
ленное время задержки, в течение которого неисправность не проявляется, и при условии,
что в памяти контроллера отсутствуют другие коды неисправностей, требующие включения
сигнализатора.
При очистке (удалении) кодов неисправностей из памяти контроллера с помощью ди-
агностического оборудования сигнализатор гаснет.
ПОРЯДОК ПРОВЕДЕНИЯ ДИАГНОСТИКИ
После осмотра подкапотного пространства все диагностические работы должны
начинаться с карты А "Проверка диагностической цепи", раздел 2.7А.
Проверка диагностической цепи обеспечивает начальную проверку системы и затем
отсылает к другим картам данной инструкции.
Диагностика неисправности предполагает выполнение трех следующих основных ша-
гов:
1 Проверка работоспособности бортовой системы диагностики.
Проверка осуществляется путем выполнения проверки диагностической цепи.
Если бортовая диагностика не работает, проверка диагностической цепи выводит на
конкретную диагностическую карту. Если бортовая диагностика работает исправно, перехо-
дят к шагу 2.
2 Проверка наличия кода неисправности.
В случае наличия кода необходимо обратиться непосредственно к диагностической
карте с соответствующим номером. В случае отсутствия кода переходят к шагу 3.
3 Контроль данных, передаваемых контроллером.
Отображаемые диагностическим прибором параметры сравниваются с типовыми зна-
чениями и могут быть использованы для проверки исправности ЭСУД при отсутствии диаг-
ностических кодов неисправностей.
Типовые значения параметров для конкретных условий работы приведены в таблице
2.4-01.
Если все значения укладываются в допустимый диапазон, то см. раздел 2.7В "Диагно-
стические карты неисправностей".
2.4 ПОРЯДОК РАБОТЫ С ДИАГНОСТИЧЕСКИМ ПРИБОРОМ
Диагностический прибор позволяет:
1) в режиме "Идентификатор аппаратной и программной частей":
- просмотреть информацию о контроллере ЭСУД (номер контроллера, калибровки,
дата программирования и т.д.);
2) в режиме "Коды неисправностей":
- просмотреть диагностическую информацию по кодам неисправностей, хранящимся в
памяти ошибок контроллера;
- стереть информацию из памяти ошибок.
3) в режиме "Мониторинг сигналов":
- просмотреть текущие значения выбранных параметров ЭСУД и каналов АЦП. Дан-
ный режим позволяет контролировать значения параметров, которые выдает контроллер, и
http://vnx.su/
ГОСТ 3.1105-84
Лист 38Дубликат
Взам.
Подп.
3100.25100.12056
ТИ Технологическая инструкция
ОАО "АВТОВАЗ"
ИзмЛист№документаПодписьДатаИзм.Лист№документаПодписьДата
удобен для сравнения текущих значений параметров с теми, которые приведены в таблице
2.4-01;
- просмотреть графическое отображение значений выбранных параметров ЭСУД и
каналов АЦП;
- произвести запись и последующий просмотр графиков изменения выбранных пара-
метров в заданный период времени;
4) в режиме "Тест функций" выполнить сброс и перезагрузку контроллера;
5) в режиме "Активные тесты" выполнить проверку функционирования выбранного
исполнительного механизма.
Параметры ЭСУД, отображаемые в режиме "Мониторинг сигналов"
Количество ошибок
Общее количество ошибок.
Температура охлаждающей жидкости (°С)
Контроллер измеряет падение напряжения на датчике температуры охлаждающей
жидкости и преобразует его в значение температуры в градусах Цельсия.
Значения должны быть близкими к температуре воздуха, когда двигатель не прогрет,
и должны повышаться по мере прогрева двигателя. После пуска двигателя температура
должна равномерно повышаться до 94-102 °С.
Температура впускного воздуха (°C)
Температура впускного воздуха, измеренная с помощью датчика, встроенного в дат-
чик давления и температуры воздуха.
Напряжение бортсети (В)
Отображается напряжение бортсети автомобиля, поступающее на контакт "Х1.1/A5"
контроллера.
Скорость автомобиля (км/ч)
Отображается интерпретация контроллером сигнала датчика скорости автомобиля.
Положение дроссельной заслонки (%)
Отображаемый параметр представляет собой угол открытия дроссельной заслонки,
рассчитываемый контроллером в зависимости от напряжения входного сигнала датчика по-
ложения дроссельной заслонки. 0 % соответствует полностью закрытой дроссельной за-
слонке, 100 % - полностью открытой.
Положение педали акселератора (%)
Отображаемый параметр представляет собой положение педали акселератора, рассчи-
тываемое контроллером в зависимости от напряжения входного сигнала датчика положения
педали акселератора. 0 % соответствует отпущенной педали, 100 % - нажатой.
Желаемые обороты холостого хода (об/мин)
В режиме холостого хода частотой вращения коленчатого вала управляет контроллер.
Желаемыми оборотами называется оптимальное значение частоты вращения коленчатого
вала, определяемое контроллером в зависимости от температуры охлаждающей жидкости. С
ростом температуры желаемые обороты уменьшаются.
Частота вращения коленчатого вала двигателя (об/мин)
Отображаемые данные соответствуют интерпретации контроллером фактических
оборотов коленчатого вала двигателя по сигналу датчика положения коленчатого вала с
дискретностью 40 об/мин.
Расход воздуха (кг/ч)
Параметр представляет собой потребление воздуха двигателем, выраженное в кило-
граммах в час.
Угол опережения зажигания (° по к.в.)
Отображается угол опережения зажигания по коленчатому валу относительно верхней
мертвой точки.
Коррекция УО3 по детонации (° по к.в.)
Величина, на которую уменьшен в данный момент угол опережения зажигания для
предотвращения детонации.
http://vnx.su/
ГОСТ 3.1105-84
Лист 39
Дубликат
Взам.
Подп.
3100.25100.12056
ТИ Технологическая инструкция
ОАО "АВТОВАЗ"
ИзмЛист№документаПодписьДатаИзм.Лист№документаПодписьДата
Параметр нагрузки (% )
Параметр характеризует нагрузку на двигатель.
Фактор высотной адаптации
Величина, косвенно отражающая высоту над уровнем моря. Уменьшение фактора вы-
сотной адаптации на 0,01 примерно соответствует подъему на 100 м.
Длительность импульса впрыска топлива (мс)
Параметр представляет собой длительность (в миллисекундах) включенного состоя-
ния форсунки.
Параметр адаптации регулировки холостого хода (%)
Отображается значение коррекции самообучением момента двигателя для поддержа-
ния желаемых оборотов холостого хода. Характеризует отклонение мехпотерь двигателя.
Напряжение в цепи датчика кислорода до нейтрализатора (В)
Отображается напряжение сигнала датчика кислорода в вольтах. Когда датчик не про-
грет, напряжение стабильное на уровне 1,7 В. После прогрева датчика подогревающим эле-
ментом при работе двигателя напряжение колеблется в диапазоне 0,18...0,95 В. При вклю-
ченном зажигании и заглушенном двигателе напряжение сигнала прогретого ДК постепенно
падает до уровня 0,18 В в течение нескольких минут.
Напряжение в цепи датчика кислорода после нейтрализатора (В)
Отображается напряжение сигнала диагностического датчика кислорода в вольтах.
Когда датчик не прогрет, напряжение стабильное на уровне 1,7 В. При исправном нейтрали-
заторе и работе двигателя на средних нагрузках напряжение сигнала прогретого датчика
меняется в диапазоне 0,59…0,75 В.
Текущий коэффициент коррекции длительности импульса впрыска топлива по
сигналу датчика кислорода
Отображается во сколько раз изменяется длительность импульса впрыска для компен-
сации текущих отклонений состава смеси от стехиометрического.
Параметр адаптации топливоподачи на частичных нагрузках
Отображается коэффициент коррекции самообучения на базе параметра "Текущий ко-
эффициент коррекции длительности импульса впрыска", на значение которого изменяется
длительность импульса впрыска на частичных нагрузках.
Коэффициент продувки адсорбера (% )
Данный параметр отражает в процентах степень продувки адсорбера в зависимости от
режима работы двигателя.
Коэффициент концентрации топлива в адсорбере (% )
Данный параметр отражает в процентах степень загруженности адсорбера топливом.
Параметр адаптации топливоподачи на холостом ходу
Отображается значение коррекции самообучением, на которое изменяется длитель-
ность импульса впрыска на режимах холостого хода и близких к нему. Рассчитывается кон-
троллером на базе сигнала датчика кислорода при работе системы в режиме замкнутого
контура регулирования состава топливовоздушной смеси.
Перетечки через закрытый дроссель на холостом ходу (кг/ч)
Данный параметр отражает потребление воздуха через закрытый дроссель и систему
вентиляции картера. Параметр характеризует изменение воздушного зазора закрытого со-
стояния дроссельной заслонки в процессе эксплуатации.
Период сигнала датчика кислорода до нейтрализатора (с)
Отображается измеренный контроллером период сигнала управляющего датчика ки-
слорода.
Желаемое изменение момента для поддержания холостого хода (интегральная
часть) (%)
Отображается значение, соответствующее дополнительному моменту двигателя, ко-
торый необходим для компенсации механических потерь с целью поддержания желаемых
оборотов холостого хода.
http://vnx.su/
ГОСТ 3.1105-84
Лист 40Дубликат
Взам.
Подп.
3100.25100.12056
ТИ Технологическая инструкция
ОАО "АВТОВАЗ"
ИзмЛист№документаПодписьДатаИзм.Лист№документаПодписьДата
Желаемое изменение момента для поддержания холостого хода (пропорциональ-
ная часть) (%)
Отображается значение, соответствующее дополнительному моменту двигателя, ко-
торый необходим для компенсации механических потерь с целью поддержания желаемых
оборотов холостого хода.
Фактор старения нейтрализатора
Значение параметра изменяется в пределах от 0 до 1. Чем меньше его значение, тем
выше эффективность работы нейтрализатора.
Температура охлаждающей жидкости при пуске (°С)
Признак работы двигателя в режиме холостого хода (да/нет)
Отображается - задействован ли режим холостого хода.
Признак работы в зоне регулировки по сигналу управляющего датчика кислоро-
да
Переход от разомкнутого к замкнутому контуру регулирования состава топливовоз-
душной смеси зависит от времени с момента запуска двигателя, готовности управляющего
датчика кислорода и температуры охлаждающей жидкости.
Базовая адаптация смеси (да/нет)
При включении флага происходит обучение "параметра адаптации топливоподачи на
частичных нагрузках" или "параметра адаптации топливоподачи на холостом ходу" в зави-
симости от режима двигателя.
Готовность датчика кислорода до нейтрализатора (да/нет)
Флаг устанавливается после выхода напряжения датчика кислорода за пределы диапа-
зона 1,2...1,7 В.
Готовность датчика кислорода после нейтрализатора (да/нет)
Флаг устанавливается после выхода напряжения датчика кислорода за пределы диапа-
зона 1,2...1,7 В.
Готовность нейтрализатора (да/нет)
Флаг устанавливается после разрешения лямбда-регулирования и прохождения значе-
ний, определяемых температурной моделью отработавших газов в нейтрализаторе.
Проверка датчика кислорода до нейтрализатора (да/нет)
Флаг устанавливается после проверки выходного сигнала с датчика в определенных
режимах работы двигателя.
Проверка датчика кислорода после нейтрализатора (да/нет)
Флаг устанавливается после проверки выходного сигнала с датчика в определенных
режимах работы двигателя.
Продувка адсорбера активирована (да/нет)
Флаг устанавливается при открытии клапана продувки адсорбера для подачи во впу-
скную систему паров бензина, скопившихся в адсорбере.
Проверка СУПБ (да/нет)
Флаг устанавливается после проверки клапана системы улавливания паров бензина.
Датчик педали сцепления (да/нет)
Флаг устанавливается после нажатия педали сцепления.
Датчик 1 педали тормоза (да/нет)
Флаг устанавливается после нажатия педали тормоза (срабатывания контактов 3-4 вы-
ключателя сигнала торможения).
Датчик 2 педали тормоза (да/нет)
Флаг устанавливается после нажатия педали тормоза (срабатывания контактов 1-2 вы-
ключателя сигнала торможения).
Контрольная сумма
Контрольная сумма ПЗУ.
Запрос на включение кондиционера (да/нет)
Отображается наличие запроса на включение кондиционера, поступающего в кон-
троллер.
http://vnx.su/
ГОСТ 3.1105-84
Лист 41
Дубликат
Взам.
Подп.
3100.25100.12056
ТИ Технологическая инструкция
ОАО "АВТОВАЗ"
ИзмЛист№документаПодписьДатаИзм.Лист№документаПодписьДата
Включение реле кондиционера (да/нет)
Отображается наличие команды контроллера на включение кондиционера.
Расход топлива (л/час)
Признак включения электробензонасоса (да/нет)
Отображается наличие команды контроллера на включение электробензонасоса.
Высокое давление в системе кондиционирования (да/нет)
Флаг устанавливается при высоком давлении хладагента в магистрали.
Признак включения реле 1 электровентилятора (да/нет)
Отображается наличие команды контроллера на включение реле 1 электровентилятора
системы охлаждения.
Признак включения реле 2 электровентилятора (да/нет)
Отображается наличие команды контроллера на включение реле 2 электровентилятора
системы охлаждения.
Признак включения контрольной лампы (да/нет)
Отображается наличие команды на включение или выключение сигнализатора неис-
правностей.
Контроль детонации активен (да/нет)
Включение этого бита означает, что все условия для контроля по детонации выполне-
ны.
Отсечка топливоподачи (да/нет)
Флаг устанавливается на режиме торможения двигателем.
Клапан управления длиной каналов системы впуска (да/нет)
Цикловое наполнение по датчику абсолютного давления во впускном коллекто-
ре (мг/цикл)
Количество воздуха всасываемого во впускной коллектор за цикл, рассчитанное по
сигналу ДАД.
Измеренное давление во впускном коллекторе (мБар)
Давление воздуха, измеренное с помощью датчика, встроенного в датчик давления и
температуры воздуха.
Обнаружение пропусков зажигания приостановлено (да/нет)
Значение бита равно 1, когда обнаружение пропусков зажигания приостановлено.
Счетчик пропусков зажигания, влияющих на токсичность, цилиндр 1 (2, 3, 4)
Используется для определения процента пропусков воспламенения в соответствую-
щем цилиндре двигателя, влияющих на токсичность отработавших газов. Отображает коли-
чество зафиксированных пропусков воспламенения за тысячу оборотов коленчатого вала.
После обнаружения очередного пропуска счётчик инкрементируется на 1. Значение счётчи-
ка обнуляется через каждую тысячу оборотов коленчатого вала.
Счетчик пропусков воспламенения, влияющих на работоспособность нейтрали-
затора
Используется для определения процента пропусков воспламенения, приводящих к по-
вреждению нейтрализатора. После обнаружения очередного пропуска значение счётчика
увеличивается на величину, которая зависит от режима работы двигателя. Значение счётчи-
ка обнуляется через каждые двести оборотов коленчатого вала.
Счетчик пропусков за текущую поездку, цилиндр 1 (2, 3, 4)
Обучение шкива (да/нет)
Флаг устанавливается после прохождения обучения шкива коленвала конкретного
двигателя в указанной зоне разрешения.
Параметр адаптации демпфера
Служит для компенсации погрешности расчета неравномерности вращения коленча-
того вала двигателя.
http://vnx.su/
ГОСТ 3.1105-84
Лист 42Дубликат
Взам.
Подп.
3100.25100.12056
ТИ Технологическая инструкция
ОАО "АВТОВАЗ"
ИзмЛист№документаПодписьДатаИзм.Лист№документаПодписьДата
Параметры каналов АЦП (ADC), отображаемые в режиме "Мониторинг сигна-
лов"
Напряжение ДТОЖ, В
Напряжение сигнала в цепи датчика температуры охлаждающей жидкости.
Напряжение ДТВ, В
Напряжение сигнала в цепи датчика температуры впускного воздуха.
Напряжение ДАД, В
Напряжение сигнала в цепи датчика абсолютного давления.
Напряжение датчика кислорода до нейтрализатора, В
Напряжение сигнала в цепи управляющего датчика кислорода.
Напряжение датчика кислорода после нейтрализатора, В
Напряжение сигнала в цепи диагностического датчика кислорода.
Сопротивление датчика кислорода до нейтрализатора, Ом
Внутреннее сопротивление управляющего датчика кислорода.
Сопротивление датчика кислорода после нейтрализатора, Ом
Внутреннее сопротивление диагностического датчика кислорода.
Уровень сигнала датчика детонации, В
Напряжение сигнала в цепи датчика детонации.
Напряжение датчика давления фреона, В
Напряжение сигнала в цепи датчика давления хладагента.
Напряжение батареи, В
Напряжение бортовой сети. Отображается напряжение бортсети автомобиля, посту-
пающее на контакты "Х1.1/L3" и "X1.1/K3" контроллера.
Напряжение датчика дроссельной заслонки 1, В
Напряжение сигнала в цепи датчика положения дроссельной заслонки 1.
Напряжение датчика дроссельной заслонки 2, В
Напряжение сигнала в цепи датчика положения дроссельной заслонки 2.
Напряжение датчика педали акселератора 1, В
Напряжение сигнала в цепи датчика положения педали акселератора 1.
Напряжение датчика педали акселератора 2, В
Напряжение сигнала в цепи датчика положения педали акселератора 2.
Исполнительные механизмы, контролируемые в режиме "Активные тесты"
Диагностический прибор способен выдавать контроллеру команды на включение ис-
полнительных механизмов. Это обеспечивает возможность быстрой проверки работоспо-
собности элементов системы.
Выбрав пункт меню прибора "Активные тесты", затем можно выбрать следующее:
- управление выходом форсунки 1 (2, 3, 4)
При работающем двигателе позволяет отключать топливоподачу в одном из цилинд-
ров. Наблюдая при этом за уменьшением частоты вращения коленчатого вала двигателя,
можно определить эффективность работы соответствующего цилиндра. При включенном
зажигании позволяет подавать на форсунки серию импульсов;
- управление выходом зажигания 1 (2, 3, 4)
Выполняется при включенном зажигании и позволяет проверить наличие искры на
разряднике;
- управление выходом реле топливного насоса
Выполняется при включенном зажигании и неработающем двигателе. Данная команда
удобна при диагностике топливной системы, например, для контроля давления топлива или
при проверке на герметичность;
- управление выходом реле вентилятора 1 (2) системы охлаждения
Позволяет проконтролировать на слух включение электровентилятора системы охла-
ждения на пониженной (высокой) скорости;
- управление выходом реле кондиционера
http://vnx.su/
ГОСТ 3.1105-84
Лист 43
Дубликат
Взам.
Подп.
3100.25100.12056
ТИ Технологическая инструкция
ОАО "АВТОВАЗ"
ИзмЛист№документаПодписьДатаИзм.Лист№документаПодписьДата
Позволяет проконтролировать на слух включение муфты при работе двигателя на хо-
лостом ходу и выключателе кондиционера в положении "включено";
- управление выходом индикатора неисправности
Позволяет визуально проконтролировать включение сигнализатора неисправностей;
- управление выходом реле стартера
Позволяет проконтролировать на слух включение реле стартера;
- управление выходом клапана впускного коллектора
При работающем двигателе позволяет проконтролировать включение электромагнит-
ного клапана управления механизмом заслонок модуля впуска;
- управление выходом клапана продувки адсорбера
Позволяет управлять электромагнитным клапаном продувки адсорбера;
- управление оборотами холостого хода
Выполняется при работающем двигателе и позволяет управлять оборотами холостого
хода, задавая увеличение или уменьшение оборотов холостого хода.
Параметры, отображаемые в режиме "Коды неисправностей"
Контроллер выполняет функцию диагностики ЭСУД. Она осуществляется в течение
так называемого "драйв-цикла", который начинается через 5 сек после пуска двигателя и за-
канчивается в момент остановки двигателя. В случае возникновения неисправности кон-
троллер заносит в свою память соответствующий код и включает сигнализатор неисправно-
стей. Для исключения отображения ложных ошибок сигнализатор включается через опреде-
ленный промежуток времени (параметр FLC), в течение которого неисправность постоянно
присутствует.
Если обнаруженная неисправность после её регистрации исчезает, то сигнализатор
продолжает гореть в течение определенного времени (параметр HLC), а затем гаснет, но ди-
агностический код этой неисправности сохраняется в памяти контроллера в течение опреде-
ленного промежутка времени (параметр DLC) или до очистки кодов.
Информация о зафиксированной неисправности может быть считана из памяти кон-
троллера с помощью диагностического прибора в режиме "Коды неисправностей".
Каждому коду неисправности сопутствует дополнительная информация, которую
можно просмотреть в режиме "Коды неисправностей; Запомненные данные".
Дополнительная информация включает в себя:
♦ параметры, характеризующие статус и тип данной неисправности:
- активная неисправность (присутствует в настоящее время);
- сигнал выше максимального порогового значения;
- сигнал ниже минимального порогового значения;
- нет сигнала;
- недопустимый сигнал;
- ошибка более одного раза;
- по данному коду горит сигнализатор неисправностей;
- по данному коду мигает сигнализатор неисправностей.
♦ параметр Значение задержки до включения сигнализатора после обнаружения
неисправности (FLC)
Для разных кодов неисправностей задержка может быть задана в секундах или в
драйв-циклах.
В исходном состоянии параметр имеет предустановленное значение. При возникнове-
нии неисправности значение параметра начинает уменьшаться. Сигнализатор включается,
когда значение FLC становится равным нулю. При исчезновении неисправности предуста-
новленное значение параметра восстанавливается.
♦ параметр Значение задержки до выключения сигнализатора после того, как код
неисправности стал неактивным (HLC)
Отображается значение задержки в драйв-циклах после того, как неисправность ис-
чезла.
http://vnx.su/
ГОСТ 3.1105-84
Лист 44Дубликат
Взам.
Подп.
3100.25100.12056
ТИ Технологическая инструкция
ОАО "АВТОВАЗ"
ИзмЛист№документаПодписьДатаИзм.Лист№документаПодписьДата
В исходном состоянии параметр имеет предустановленное значение. При исчезнове-
нии неисправности значение параметра начинает уменьшаться. Сигнализатор выключается,
когда значение HLC становится равным нулю.
♦ параметр Значение задержки до стирания кода неисправности из памяти кон-
троллера после того, как код стал неактивным (DLC)
Отображается значение задержки в циклах прогрева.
В исходном состоянии параметр имеет предустановленное значение (40 циклов про-
грева). При исчезновении неисправности значение параметра начинает уменьшаться после
каждого цикла прогрева, под которым понимают промежуток времени с момента запуска
двигателя до его прогрева выше заданного значения. Код неисправности стирается из памя-
ти контроллера, когда значение DLC становится равным нулю.
♦ параметр Количество случаев возникновения кода неисправности (HZ)
♦ параметр Время активного состояния кода неисправности в течение текущего
драйв-цикла (TSF)
Отображается время в секундах.
♦ параметры, характеризующие условия работы ЭСУД, при которых возникла неис-
правность.
Удаление кодов неисправностей
Для удаления кодов из памяти контроллера после завершения ремонта или в целях
контроля на повторное возникновение необходимо стереть коды с помощью диагностиче-
ского прибора в режиме "Коды неиспраностей; Стереть и обновить".
ВНИМАНИЕ. Для предотвращения повреждения контроллера при отключении
или подключении его питания зажигание должно быть выключено.
http://vnx.su/
ГОСТ 3.1105-84
Лист 45
Дубликат
Взам.
Подп.
3100.25100.12056
ТИ Технологическая инструкция
ОАО "АВТОВАЗ"
ИзмЛист№документаПодписьДатаИзм.Лист№документаПодписьДата
Таблица 2.4-01 Перечень параметров, отображаемых диагностическим прибором и исполь-
зуемых для диагностики ЭСУД автомобилей семейства LADA VESTA с контроллером М86
Параметры Холостой ход 3000 об/мин
Температура впускного воздуха ° С 15 - 45 15 - 45
Температура охлаждающей жидкости ° С 90 - 103 90 - 103
Напряжение бортсети B 13,0 - 14,5 13,0 - 14,5
Положение педали акселератора % 0 10 - 15
Положение дроссельной заслонки % 1 - 4 6 - 10
Желаемые обороты холостого хода об/мин 840 -
Частота вращения коленчатого вала двигателя об/мин 840±40 3000±100
Расход воздуха кг/ч 7,0 - 12 27 - 35
Цикловое наполнение по ДАД во впускном коллекто-
ре
мг/цикл 115 - 125 -
Измеренное давление во впускном коллекторе мБар 38,0 - 41,0 -
Угол опережения зажигания ° по к.в. 9±5 30 - 35
Коррекция УОЗ по детонации ° по к.в. 0 -2,5 - 5
Параметр нагрузки % 16 - 26 16 - 26
Фактор высотной адаптации 0,89 - 1,02 0,89 - 1,02
Длительность импульса впрыска топлива мс 2,7 - 3,9 2,1 - 5,3
Параметр адаптации регулировки холостого хода % ±5 ±5
Текущий коэффициент коррекции длительности им-
пульса впрыска топлива по сигналу датчика кислоро-
да
1,00±0,15 1,00±0,15
Параметр адаптации топливоподачи на частичных
нагрузках
1,00±0,15 1,00±0,15
Коэффициент продувки адсорбера % 0 - 12 0 - 18
Коэффициент концентрации топлива в адсорбере % 0 - 2 0 - 2
Параметр адаптации топливоподачи на холостом хо-
ду
±2,5 ±2,5
Перетечки через закрытый дроссель на холостом хо-
ду
кг/ч 3 - 5 -
Период сигнала датчика кислорода до нейтрализатора с < 1,8 < 1,8
Счетчик пропусков зажигания, влияющих на токсич-
ность, цилиндр 1 (2, 3, 4)
0 0
Счетчик пропусков воспламенения, влияющих на ра-
ботоспособность нейтрализатора
0 0
Желаемое изменение момента для поддержания хо-
лостого хода (интегральная часть)
% ±8 -
Желаемое изменение момента для поддержания хо-
лостого хода (пропорциональная часть)
% ±8 -
Фактор старения нейтрализатора ≤ 0,45 ≤ 0,45
АЦП Напряжение батареи B 13,0 - 14,5 13,0 - 14,5
АЦП Напряжение датчика кислорода до нейтрализа-
тора
В 0,18 - 0,95 0,18 - 0,95
АЦП Напряжение датчика кислорода после нейтра-
лизатора
В 0,59 - 0,75 0,59 - 0,75
АЦП Напряжение датчика дроссельной заслонки 1 В 0,58 - 0,70 -
АЦП Напряжение датчика дроссельной заслонки 2 В 4,30 - 4,42 -
АЦП Напряжение датчика педали акселератора 1 В 0,50 - 0,85 -
АЦП Напряжение датчика педали акселератора 2 В 0,25 - 0,43 -
АЦП Напряжение датчика абсолютного давления В 1,56 - 1,66 -
http://vnx.su/
ГОСТ 3.1105-84
Лист 46Дубликат
Взам.
Подп.
3100.25100.12056
ТИ Технологическая инструкция
ОАО "АВТОВАЗ"
ИзмЛист№документаПодписьДатаИзм.Лист№документаПодписьДата
Параметры Холостой ход 3000 об/мин
Признак работы двигателя в режиме холостого хода да/нет да нет
Признак работы в зоне регулировки по сигналу
управляющего датчика кислорода
да/нет да да
Базовая адаптация смеси да/нет да/нет да/нет
Готовность датчика кислорода до нейтрализатора да/нет да да
Готовность датчика кислорода после нейтрализатора да/нет да/нет да/нет
Готовность нейтрализатора да/нет да/нет да/нет
Проверка датчика кислорода до нейтрализатора да/нет да да
Проверка датчика кислорода после нейтрализатора да/нет да/нет да/нет
Обучение шкива да/нет да/нет да/нет
Продувка адсорбера активирована да/нет да/нет да/нет
Проверка СУПБ да/нет да/нет да/нет
Датчик педали сцепления да/нет да/нет да/нет
Датчик 1 педали тормоза да/нет да/нет да/нет
Датчик 2 педали тормоза да/нет да/нет да/нет
Количество ошибок 0 0
В таблице приведены значения параметров для положительной температуры окру-
жающего воздуха. Значения параметров носят рекомендательный характер.
2.5 СХЕМА ЭЛЕКТРИЧЕСКИХ СОЕДИНЕНИЙ ЭСУД М86 ЕВРО-5
Схема электрических соединений ЭСУД с контроллером М86 приведена на рисунке
2.5-01.
http://vnx.su/
ГОСТ 3.1105-84
Лист 47
Дубликат
Взам.
Подп.
3100.25100.12056
ТИ Технологическая инструкция
ОАО "АВТОВАЗ"
ИзмЛист№документаПодписьДатаИзм.Лист№документаПодписьДата
Продолжение рисунка см. следующий лист
http://vnx.su/
ГОСТ 3.1105-84
Лист 48Дубликат
Взам.
Подп.
3100.25100.12056
ТИ Технологическая инструкция
ОАО "АВТОВАЗ"
ИзмЛист№документаПодписьДатаИзм.Лист№документаПодписьДата
начало рисунка см. предыдущий лист
Рис. 2.5-01. Схема электрических соединений ЭСУД автомобиля LADA VESTA в ком-
плектации Comfort AT c контроллером М86 ЕВРО-5 (21803-0000013-51):
1 – генератор; 2 – батарея аккумуляторная; 3 – стартер; 15 – предохранитель 60 А (F70); 17 –
выключатель зажигания; 18 – предохранитель 60 А (F71); 19 – предохранитель 60 А (F72);
51 – ЦБКЭ (контроллер ВСМ); 63 – предохранитель 10 А (F32); 107 – блок управления
СНПБ; 110 – реле муфты компрессора кондиционера; 111 – муфта компрессора кондицио-
нера; 112 - комбинация приборов; 118 – датчик давления хладагента (фреона) аналоговый;
120 – дополнительное реле стартера; 121 – реле электробензонасоса; 122 – модуль электро-
бензонасоса; 123 – главное реле (реле зажигания); 124 – катушка зажигания 1 цилиндра; 125
– катушка зажигания 2 цилиндра; 126 – катушка зажигания 3 цилиндра; 127 – катушка зажи-
гания 4 цилиндра; 128 – форсунка 1 цилиндра; 129 – форсунка 2 цилиндра; 130 – форсунка 3
цилиндра; 131 – форсунка 4 цилиндра; 132 – электровентилятор системы охлаждения двига-
теля; 133 – блок реле электровентилятора; 134 – выключатель сигнала торможения; 135 –
дроссельный патрубок с электроприводом; 137 – конденсатор помехоподавляющий; 140 –
датчик давления и температуры воздуха; 141 – контроллер АМТ (КУРКП); 142 – датчик
контрольной лампы давления масла; 143 – контроллер ЭСУД М86; 144 – педаль акселерато-
ра электронная; 145 – датчик положения коленчатого вала; 146 – датчик детонации; 147 –
датчик фаз; 148 – датчик кислорода 1 (управляющий); 149 – датчик кислорода 2 (диагности-
ческий); 150 – датчик температуры охлаждающей жидкости; 151 – электромагнитный кла-
пан продувки адсорбера; 153 – электромагнитный клапан управления механизмом заслонок
модуля впуска; 164 – панель управления кондиционером; 166 – колодка диагностики; 176 –
гидроагрегат антиблокировочной системы тормозов; 178 – электромеханический усилитель
рулевого управления; 184 – блок Эра-ГЛОНАСС; 188 – предохранитель 15 А (F69); 199 –
предохранитель 7,5 А (F78); 203 – предохранитель 10 А (F14); 205 – предохранитель 5 А
(F16); 209 – предохранитель 40 А (F79); 210 – предохранитель 15 А (F63); 212 – предохрани-
тель 15 А (F26); 213 – предохранитель 10 А (F36);
- место расположения предохранителей F1-F59 и реле К1-К20 в салонном монтажном блоке;
- место расположения предохранителей F60-F80 и реле К21-К28 в моторном монтажном
блоке
http://vnx.su/
ГОСТ 3.1105-84
Лист 49
Дубликат
Взам.
Подп.
3100.25100.12056
ТИ Технологическая инструкция
ОАО "АВТОВАЗ"
ИзмЛист№документаПодписьДатаИзм.Лист№документаПодписьДата
2.6 НАЗНАЧЕНИЕ КОНТАКТОВ КОНТРОЛЛЕРА М86
контакт цепь
Разъем X1.1
А1 Не используется.
А2 Не используется.
А3 Не используется.
А4 Не используется.
А5
Вход. Клемма "15" выключателя зажигания. Номинальное напряжение при
включенном зажигании и неработающем двигателе составляет 12 В. При рабо-
тающем двигателе - 13,5-15,2 В.
В1 Не используется.
В2 Не используется.
В3 Не используется.
В4 Не используется.
В5 Не используется.
С1 Не используется.
С2 Вход. Круиз контроль дискретный 1. Не используется.
С3 Вход. Круиз контроль дискретный 2. Не используется.
С4
Вход. Выключатель 1 педали тормоза. При отпущенной педали тормоза на
контакте присутствует напряжение бортсети с клеммы "15" выключателя зажи-
гания.
С5
Вход. Выключатель 2 педали тормоза. При нажатой педали тормоза на кон-
такте присутствует напряжение бортсети с клеммы "30" выключателя зажига-
ния.
D1 Не используется.
D2
Выход. Питание 5 В датчика положения педали акселератора 1. На контакт
подается опорное напряжение 5 В.
D3
Выход. Питание 5 В датчика давления хладагента. На контакт подается
опорное напряжение 5 В.
D4
Вход. Датчик педали акселератора 1. При отпущенной педали акселератора
сигнал должен быть в пределах 0,5…0,85 В. При полностью нажатой педали
акселератора сигнал должен быть в пределах 4,19…4,59 В.
D5
Масса датчика педали акселератора 1. Напряжение на контакте должно быть
равным нулю.
Е1 Не используется.
Е2
Выход. Питание 5 В датчика положения педали акселератора 2. На контакт
подается опорное напряжение 5 В.
Е3 Вход. Круиз контроль аналоговый. Не используется.
Е4
Вход. Датчик педали акселератора 2. При отпущенной педали акселератора
сигнал должен быть в пределах 0,25…0,43 В. При полностью нажатой педали
акселератора сигнал должен быть в пределах 2,095…2,295 В.
Е5
Масса датчика педали акселератора 2. Напряжение на контакте должно быть
равным нулю.
F1 Не используется.
F2
Выход. Управление реле муфты кондиционера (-). Сигнал управления дис-
кретный, активный уровень - низкий, не более 1 В, выдается при разрешении
включения кондиционера.
F3 Не используется.
F4
Вход. Датчик давления хладагента. Напряжение на контакте зависит от дав-
ления хладагента в системе кондиционирования.
http://vnx.su/
ГОСТ 3.1105-84
Лист 50Дубликат
Взам.
Подп.
3100.25100.12056
ТИ Технологическая инструкция
ОАО "АВТОВАЗ"
ИзмЛист№документаПодписьДатаИзм.Лист№документаПодписьДата
контакт цепь
F5
Масса датчика давления хладагента. Напряжение на контакте должно быть
равным нулю.
G1 Не используется.
G2 Выход. Управление реле стартера 1 (-). Не используется.
G3 Не используется.
G4 Не используется.
G5 Не используется.
Н1 Не используется.
Н2
Выход. Управление реле 1 вентилятора системы охлаждения двигателя (-).
Напряжение питания обмотки реле вентилятора поступает с выхода (клемма
"87") главного реле. Сигнал управления дискретный, активный уровень - низ-
кий, не более 1 В. Контроллер включает реле при температуре охлаждающей
жидкости выше 102 °С, а также при наличии в памяти контроллера кодов неис-
правностей ДТОЖ или при работающем кондиционере.
Н3
Выход. Управление реле 2 вентилятора системы охлаждения двигателя (-).
Напряжение питания обмотки реле вентилятора поступает с выхода (клемма
"87") главного реле. Сигнал управления дискретный, активный уровень - низ-
кий, не более 1 В. Контроллер включает реле при температуре охлаждающей
жидкости выше 103 °С, а также при высоком давлении хладагента в магистрали
как при работающем кондиционере, так и неработающем кондиционере.
Н4 Вход/Выход. CAN - H.
Н5 Вход/Выход. CAN - L.
J1 Не используется.
J2
Выход. Управление клапаном продувки адсорбера (-). Напряжение питания
клапана продувки адсорбера поступает с выхода (клемма "87") главного реле.
Сигнал управления импульсный, активный уровень - низкий, не более 1 В. Ко-
эффициент заполнения изменяется в зависимости от режима работы двигателя
в диапазоне 0...100%.
J3
Выход. Управление главным реле (-). Напряжение питания поступает на об-
мотку реле с клеммы "плюс" аккумуляторной батареи. Сигнал управления дис-
кретный, активный уровень - низкий, не более 1,5 В. При переводе замка зажи-
гания из положения "выключено" в положение "включено" реле должно вклю-
чаться немедленно. При переводе замка зажигания из положения "включено" в
положение "выключено" контроллер задерживает выключение главного реле на
время около 10 с.
J4
Выход. Управление реле электробензонасоса (-). Напряжение питания об-
мотки реле электробензонасоса поступает с клеммы "15" выключателя зажига-
ния. Сигнал управления дискретный, активный уровень - низкий, не более 1 В,
выдается при разрешении топливоподачи.
J5
Вход. Сигнал запроса на включение кондиционера. В отсутствии сигнала
запроса данный контакт соединен с массой через внутренний резистор кон-
троллера. При включении выключателя кондиционера на контакт подается на-
пряжение бортсети.
На а/м в комплектации с климатической системой данный вход не использует-
ся, сигнал запроса включения кондиционера поступает на контроллер ЭСУД с
контроллера САУКУ по шине CAN.
К1 Не используется.
К2 Не используется.
К3
Вход. Напряжение бортовой сети на выходе главного реле. Напряжение с
выхода главного реле (клемма "87") при неработающем двигателе (в течение
неограниченного времени после включения зажигания без запуска двигателя, а
также в течение 10 секунд после выключения зажигания) составляет 12 В. При
http://vnx.su/
ГОСТ 3.1105-84
Лист 51
Дубликат
Взам.
Подп.
3100.25100.12056
ТИ Технологическая инструкция
ОАО "АВТОВАЗ"
ИзмЛист№документаПодписьДатаИзм.Лист№документаПодписьДата
контакт цепь
работающем двигателе - 13,5-15,2 В.
К4
Масса силовых каскадов. Используется для соединения массы выходных
ключей управления исполнительными устройствами с кузовом автомобиля.
К5
Масса силовых каскадов. Используется для соединения массы выходных
ключей управления исполнительными устройствами с кузовом автомобиля.
L1 Не используется.
L2 Не используется.
L3
Вход. Напряжение бортовой сети на выходе главного реле. Напряжение с
выхода главного реле (клемма "87") при неработающем двигателе (в течение
неограниченного времени после включения зажигания без запуска двигателя, а
также в течение 10 секунд после выключения зажигания) составляет 12 В. При
работающем двигателе - 13,5-15,2 В.
L4
Масса силовых каскадов. Используется для соединения массы выходных
ключей управления исполнительными устройствами с кузовом автомобиля.
L5 Масса силовых каскадов зажигания. Не используется.
Разъем X1.2
А1 Выход. Привод дроссельной заслонки - контакт "1" (+).
А2
Выход. Управление нагревателем управляющего датчика кислорода. На-
пряжение питания нагревателя датчика кислорода поступает с выхода (клемма
"87") главного реле. Сигнал управления импульсный, активный уровень - низ-
кий, не более 2 В. Коэффициент заполнения изменяется в диапазоне 0...100% в
зависимости от температуры и влажности в области установки датчика.
А3
Выход. Управление нагревателем диагностического датчика кислорода.
Напряжение питания нагревателя датчика кислорода поступает с выхода
(клемма "87") главного реле. Сигнал управления импульсный, активный уро-
вень - низкий, не более 2 В. Коэффициент заполнения изменяется в диапазоне
0...100% в зависимости от температуры и влажности в области установки дат-
чика.
А4 Выход. Привод дроссельной заслонки - контакт "2" (-).
А5 Не используется.
В1 Не используется.
В2
Выход. Управление форсункой 1 цилиндра (-). Напряжение питания обмотки
форсунки поступает с выхода (клемма "87") главного реле. Сигнал управления
импульсный, активный уровень - низкий, не более 1,5 В. Длительность зависит
от режима работы двигателя и составляет от нескольких до десятков миллисе-
кунд.
В3 Не используется.
В4
Вход. Сигнал датчика положения коленчатого вала - контакт "А". При
вращении коленчатого вала двигателя на контакте присутствует сигнал напря-
жения переменного тока, близкий по форме к синусоиде. Частота и амплитуда
сигнала пропорциональны частоте вращения коленчатого вала.
В5
Вход. Сигнал датчика положения коленчатого вала - контакт "В". При
вращении коленчатого вала двигателя на контакте присутствует сигнал напря-
жения переменного тока, близкий по форме к синусоиде. Частота и амплитуда
сигнала пропорциональны частоте вращения коленчатого вала.
С1 Не используется.
С2
Выход. Управление форсункой 2 цилиндра (-). Напряжение питания обмотки
форсунки поступает с выхода (клемма "87") главного реле. Сигнал управления
импульсный, активный уровень - низкий, не более 1,5 В. Длительность зависит
от режима работы двигателя и составляет от нескольких до десятков миллисе-
кунд.
С3 Выход. Управление форсункой 3 цилиндра (-). Напряжение питания обмотки
http://vnx.su/
ГОСТ 3.1105-84
Лист 52Дубликат
Взам.
Подп.
3100.25100.12056
ТИ Технологическая инструкция
ОАО "АВТОВАЗ"
ИзмЛист№документаПодписьДатаИзм.Лист№документаПодписьДата
контакт цепь
форсунки поступает с выхода (клемма "87") главного реле. Сигнал управления
импульсный, активный уровень - низкий, не более 1,5 В. Длительность зависит
от режима работы двигателя и составляет от нескольких до десятков миллисе-
кунд.
С4 Вход/Выход LIN.
С5 Масса электроники. Напряжение на контакте должно быть равным нулю.
D1 Не используется.
D2
Выход. Управление форсункой 4 цилиндра (-). Напряжение питания обмотки
форсунки поступает с выхода (клемма "87") главного реле. Сигнал управления
импульсный, активный уровень - низкий, не более 1,5 В. Длительность зависит
от режима работы двигателя и составляет от нескольких до десятков миллисе-
кунд.
D3 Не используется.
D4 Вход/Выход. CAN - H.
D5 Вход/Выход. CAN - L.
Е1 Не используется.
Е2 Не используется.
Е3
Выход. Питание 5 В датчиков положения дроссельной заслонки. На контакт
подается опорное напряжение 5 В.
Е4
Вход. Сигнал датчика фаз. В отсутствии сигнала на данный контакт подается
напряжение бортсети через внутренний резистор контроллера. Датчик им-
пульсно замыкает цепь на массу один раз за оборот распределительного вала,
что позволяет обеспечить распознавание порядка работы цилиндров двигателя.
Е5 Не используется.
F1 Не используется.
F2
Выход. Управление клапаном воздушной заслонки впускной трубы. На-
пряжение питания клапана продувки адсорбера поступает с выхода (клемма
"87") главного реле. Сигнал управления импульсный, активный уровень - низ-
кий, не более 1 В.
F3
Выход. Питание 5 В датчика абсолютного давления. На контакт подается
стабилизированное напряжение 5 В.
F4 Не используется.
F5
Масса датчиков положения дроссельной заслонки. Напряжение на контакте
должно быть равным нулю.
G1 Не используется.
G2
Вход. Сигнал датчика положения дроссельной заслонки 1. При включенном
зажигании на входе должен быть сигнал напряжения постоянного тока, вели-
чина которого зависит от степени открытия дроссельной заслонки: при полно-
стью закрытой заслонке 0,30…0,58 В.
G3
Вход. Сигнал датчика положения дроссельной заслонки 2. При включенном
зажигании на входе должен быть сигнал напряжения постоянного тока, вели-
чина которого зависит от степени открытия дроссельной заслонки: при полно-
стью закрытой заслонке 4,42…4,70 В.
G4
Вход. Сигнал управляющего датчика кислорода. Если датчик кислорода
имеет температуру ниже 150 °С (не прогрет) на контакте присутствует напря-
жение 1,7 В. Когда датчик кислорода прогрет, то при работающем двигателе в
режиме замкнутого контура напряжение несколько раз в секунду переключает-
ся между низким значением 180…250 мВ и высоким 850...950 мВ.
G5
Масса управляющего датчика кислорода. Напряжение на контакте должно
быть равным нулю.
Н1 Не используется.
Н2 Вход. Сигнал датчика детонации - контакт "1" (+). Сигнал представляет со-
http://vnx.su/
ГОСТ 3.1105-84
Лист 53
Дубликат
Взам.
Подп.
3100.25100.12056
ТИ Технологическая инструкция
ОАО "АВТОВАЗ"
ИзмЛист№документаПодписьДатаИзм.Лист№документаПодписьДата
контакт цепь
бой напряжение переменного тока, амплитуда и частота которого зависят от
вибраций блока цилиндров двигателя.
Н3
Вход. Сигнал датчика детонации - контакт "2" (-). Сигнал представляет со-
бой напряжение переменного тока, амплитуда и частота которого зависят от
вибраций блока цилиндров двигателя.
Н4
Вход. Сигнал диагностического датчика кислорода. Если датчик кислорода
имеет температуру ниже 150 °С (не прогрет) на контакте присутствует напря-
жение 1.7 В. Когда датчик кислорода прогрет, то при работе в режиме обратной
связи и при исправном нейтрализаторе в установившемся режиме напряжение
должно меняться в диапазоне 590...750 мВ.
Н5
Масса диагностического датчика кислорода. Напряжение на контакте долж-
но быть равным нулю.
J1 Не используется.
J2
Вход. Сигнал датчика температуры воздуха на впуске. Напряжение на кон-
такте зависит от температуры поступающего в двигатель воздуха: при темпера-
туре 25 °С напряжение около 2,35 В. При обрыве в цепи датчика напряжение на
контакте 5±0,1 В.
J3
Вход. Сигнал ДТОЖ. Напряжение на контакте зависит от температуры охлаж-
дающей жидкости: при температуре 20 °С напряжение около 3,0 В. При обрыве
в цепи датчика напряжение на контакте 5±0,1 В.
J4
Вход. Сигнал датчика абсолютного давления во впускном коллекторе. На-
пряжение на контакте зависит от давления во впускном коллекторе: при вклю-
ченном зажигании и неработающем двигателе напряжение около 4,07 В.
J5
Масса датчиков абсолютного давления, температуры воздуха, температу-
ры охлаждающей жидкости. Напряжение на контакте должно быть равным
нулю.
К1 Не используется.
К2 Не используется.
К3 Не используется.
К4 Вход. Сигнал датчика давления масла дискретный.
К5 Не используется.
L1 Не используется.
L2 Не используется.
L3 Не используется.
L4 Не используется.
L5 Не используется.
М1 Не используется.
М2 Не используется.
М3 Не используется.
М4 Не используется.
М5 Не используется.
N1 Не используется.
N2
Выход. Управление первичной обмоткой катушки зажигания 4 цилиндра
(-). Напряжение питания первичной обмотки катушки зажигания поступает с
выхода (клемма "87") главного реле. Сигнал управления импульсный, активный
уровень - низкий, не более 2,5 В. Длительность зависит от напряжения бортсети
- от нескольких до десятков миллисекунд.
N3
Выход. Управление первичной обмоткой катушки зажигания 3 цилиндра
(-). Напряжение питания первичной обмотки катушки зажигания поступает с
выхода (клемма "87") главного реле. Сигнал управления импульсный, активный
уровень - низкий, не более 2,5 В. Длительность зависит от напряжения бортсети
- от нескольких до десятков миллисекунд.
http://vnx.su/
ГОСТ 3.1105-84
Лист 54Дубликат
Взам.
Подп.
3100.25100.12056
ТИ Технологическая инструкция
ОАО "АВТОВАЗ"
ИзмЛист№документаПодписьДатаИзм.Лист№документаПодписьДата
контакт цепь
N4
Выход. Управление первичной обмоткой катушки зажигания 2 цилиндра
(-). Напряжение питания первичной обмотки катушки зажигания поступает с
выхода (клемма "87") главного реле. Сигнал управления импульсный, активный
уровень - низкий, не более 2,5 В. Длительность зависит от напряжения бортсети
- от нескольких до десятков миллисекунд.
N5
Выход. Управление первичной обмоткой катушки зажигания 1 цилиндра
(-). Напряжение питания первичной обмотки катушки зажигания поступает с
выхода (клемма "87") главного реле. Сигнал управления импульсный, активный
уровень - низкий, не более 2,5 В. Длительность зависит от напряжения бортсети
- от нескольких до десятков миллисекунд.
http://vnx.su/
ГОСТ 3.1105-84
Лист 55
Дубликат
Взам.
Подп.
3100.25100.12056
ТИ Технологическая инструкция
ОАО "АВТОВАЗ"
ИзмЛист№документаПодписьДатаИзм.Лист№документаПодписьДата
2.7 ДИАГНОСТИЧЕСКИЕ КАРТЫ
Каждая диагностическая карта состоит из двух страниц: "Дополнительной информа-
ции" и "Диаграммы поиска неисправностей". "Дополнительная информация" содержит ус-
ловия занесения кода неисправности, схемы соединений и пояснения к блокам диаграммы
поиска неисправности.
Поиск и устранение неисправности осуществляется в соответствии с диаграммой по-
следовательности поиска неисправности.
При диагностике любой неисправности необходимо всегда начинать с проверки
диагностической цепи.
Проверка диагностической цепи приводит к другим картам. Использование карты ко-
да неисправности без предварительной проверки диагностической цепи не допускается. Это
может привести к неверному диагнозу и замене исправных деталей.
2.7А ДИАГНОСТИЧЕСКИЕ КАРТЫ А
(карты первоначальной проверки и карты кодов неисправностей)
Карта А
Проверка диагностической цепи
Описание проверок
Последовательность соответствует цифрам на карте.
1 Проверяется исправность сигнализатора неисправностей.
2 Проверяется возможность передачи последовательных данных с контроллера на ди-
агностический прибор.
3 Проверяется возможность запуска двигателя.
4 Проверяется наличие в памяти контроллера кодов неисправностей, требующих про-
ведения ремонта.
5 Проверяется наличие отклонений параметров при включенном зажигании и двига-
теле, работающем на холостом ходу.
6 При наличии отклонений параметров от установленных типовых значений проверя-
ется работоспособность соответствующих узлов или систем с помощью карт раздела 2.7С -
"Диагностические карты проверки узлов системы управления двигателем".
http://vnx.su/
ГОСТ 3.1105-84
Лист 56Дубликат
Взам.
Подп.
3100.25100.12056
ТИ Технологическая инструкция
ОАО "АВТОВАЗ"
ИзмЛист№документаПодписьДатаИзм.Лист№документаПодписьДата
Карта А Проверка диагностической цепи
1 Зажигание включено, двигатель не работает. Как работает сигнализатор неисправ-
ностей?
↓ ↓
Горит постоянно Не горит
↓ ↓
↓ Неисправна комбинация приборов
↓
2 Подсоединить диагностический прибор.
Отображает ли диагностический прибор данные?
↓ ↓
Да Нет → См. Карту А-2
↓
3 Запускается ли двигатель?
↓ ↓
Да Нет → См. Карту А-3
↓
4 На диагностическом приборе в режиме "Коды неисправностей" проверить нали-
чие кодов. При необходимости выполнить пробную поездку.
Отображаются ли коды неисправностей?
↓ ↓
Да Нет
↓ ↓
См. соответствующую карту
кода неисправности. Начи-
нать с кодов U0001, U0009,
Р0560 и Р0562, либо с наи-
меньшего номера кода.
На диагностическом приборе в режиме "Мо-
ниторинг сигналов" сравнить каждый пара-
метр с типовым значением, указанным в таб-
лицах 2.4-01 данной инструкции.
Являются ли значения нормальными?
5
↓ ↓
Да Нет
↓ ↓
См. Раздел 2.7В "Диагностические кар-
ты неисправностей"
См. Раздел 2.7С "Карты проверки
узлов системы"
6
http://vnx.su/
ГОСТ 3.1105-84
Лист 57
Дубликат
Взам.
Подп.
3100.25100.12056
ТИ Технологическая инструкция
ОАО "АВТОВАЗ"
ИзмЛист№документаПодписьДатаИзм.Лист№документаПодписьДата
Карта А-2
Нет данных с колодки диагностики
Описание цепи
На а/м LADA VESTA реализован интерфейс обмена данными между контроллером
ЭСУД, колодкой диагностики и контроллерами (блоками управления) других систем авто-
мобиля по шине CAN.
Шина CAN представляет собой двухпроводную линию:
- линия низкого уровня CAN L (контакты "X1.1/Н5", "Х1.2/D5" контроллера ЭСУД);
- линия высокого уровня CAN H (контакты "X1.1/Н4", "Х1.2/D4" контроллера ЭСУД).
Описание проверок
Последовательность соответствует цифрам на карте.
1 Проверяется исправность соединения между колодкой диагностики (контакты "6",
"14") и контроллером (контакты "X1.1/Н4", "X1.1/Н5").
Карта А-2 Нет данных с колодки диагностики
См. карту А.
↓
1 Выключить зажигание.
Проверить на обрыв цепь между контактом "X1.1/Н5" контроллера и контактом
"14" колодки диагностики, и контактом "X1.1/Н4" контроллера и контактом "6"
колодки диагностики - см. "Проверки электрических цепей", раздел 2.7В. Цепь
исправна?
↓ ↓
Да Нет → Устранить неисправность.
↓
Заменить контроллер.
http://vnx.su/
ГОСТ 3.1105-84
Лист 58Дубликат
Взам.
Подп.
3100.25100.12056
ТИ Технологическая инструкция
ОАО "АВТОВАЗ"
ИзмЛист№документаПодписьДатаИзм.Лист№документаПодписьДата
Карта А-3 (Лист 1 из 2)
Двигатель не запускается
Описание проверок
Последовательность соответствует цифрам на карте.
1 Проверка состояния ЭСУД с помощью диагностического прибора.
2 Т.к. вторичная цепь катушек зажигания замыкается через массу, провод массы раз-
рядника должен соединяться с массой двигателя.
3 Пониженное давление топлива может привести к переобеднённости смеси. См. Кар-
ту А-6.
4 Выполняется проверка компрессии в цилиндрах и фаз газораспределения.
Диагностическая информация
При отрицательной температуре окружающего воздуха невозможность запуска двига-
теля может быть вызвана присутствием воды или посторонних веществ в топливе.
http://vnx.su/
ГОСТ 3.1105-84
Лист 59
Дубликат
Взам.
Подп.
3100.25100.12056
ТИ Технологическая инструкция
ОАО "АВТОВАЗ"
ИзмЛист№документаПодписьДатаИзм.Лист№документаПодписьДата
Карта А-3 (Лист 1 из 2) Двигатель не запускается
Коленчатый вал двигателя прокручивается?
↓ ↓
Да Нет
↓ ↓
↓ Проверить цепь управления дополнительного реле стартера.
↓
1 С помощью диагностического прибора убедиться в том, что иммобилизатор снят с
охраны (см. ТИ 3100.25100.12057).
Осуществить проверку главного реле и силовой цепи, см. Карту А-4.
С помощью диагностического прибора проверить следующее:
наличие кодов Р0201, Р0202, Р0203, Р0204, Р0261, Р0262, Р0264, Р0265, Р0267,
Р0268, Р0270, Р0271, Р0335, Р0351, Р0352, Р0353, Р0354, Р0627, Р0628, Р0629,
Р1570, Р2301, Р2304, Р2307, Р2310 и если они имеются - использовать соответст-
вующие карты;
температуру охлаждающей жидкости. Если приборная и фактическая не совпада-
ют - использовать "Диагностическую информацию" для кодов Р0117, Р0118;
частоту вращения коленвала двигателя. Если прибор не показывает оборотов во
время прокрутки - использовать карту кода Р0335.
Проверить свечи на нагар или топливо на загрязненность.
Проверить включение электробензонасоса с помощью диагностического прибора.
Электробензонасос включается?
↓ ↓
Да Нет
↓ ↓
↓
↓
Выполнить проверку электрической цепи системы топливоподачи по Карте
А-5.
↓
2 Выбрать на диагностическом приборе режим "Активные тесты; Управление выхо-
дом зажигания 1 (2, 3, 4)".
Проверить искру на индивидуальных катушках зажигания, используя разрядник.
Проверять по одной катушке зажигания, присоединив провод массы разрядника к
надежной массе двигателя (на удалении от элементов электроники). Во время
проверки остальные катушки зажигания должны быть соединены со свечами.
Имеется ли искра на всех 4-х индивидуальных катушках зажигания?
↓ ↓
Да Нет → Использовать Карту А-3 (лист 2 из 2).
↓
3 Использовать Карту диагностики системы топливоподачи А-6. Система топливо-
подачи исправна?
↓ ↓
Да Нет → Устранить неисправность.
↓
4 Проверить компрессию в цилиндрах.
http://vnx.su/
ГОСТ 3.1105-84
Лист 60Дубликат
Взам.
Подп.
3100.25100.12056
ТИ Технологическая инструкция
ОАО "АВТОВАЗ"
ИзмЛист№документаПодписьДатаИзм.Лист№документаПодписьДата
Карта А-3 (лист 2 из 2)
Двигатель не запускается
Описание цепи
Система зажигания двигателей 21126 имеет четыре индивидуальные катушки зажига-
ния.
Первичные цепи катушек зажигания коммутируются силовыми электронными клю-
чами, расположенными внутри контроллера.
Описание проверок
Последовательность соответствует цифрам на карте.
Для получения искры провод массы разрядника должен быть соединен с массой дви-
гателя.
1 Определяется наличие питания +12 В на катушках зажигания.
2 Определяется наличие обрыва в цепи заземления катушек зажигания.
3 Определяется наличие обрыва или замыкания цепей управления зажиганием.
4 В результате проверки определяется наличие неисправности контроллера или ка-
тушки зажигания.
http://vnx.su/
ГОСТ 3.1105-84
Лист 61
Дубликат
Взам.
Подп.
3100.25100.12056
ТИ Технологическая инструкция
ОАО "АВТОВАЗ"
ИзмЛист№документаПодписьДатаИзм.Лист№документаПодписьДата
Карта А-3 (Лист 2 из 2) Двигатель не запускается
См. Карту А-3 (лист 1 из 2).
↓ ↓
Искры
нет.
Есть искра на одной или более, но не на всех индивидуальных
катушках зажигания.
↓ ↓
1 Выключить зажигание. Отсоединить колодку жгута от катушки зажи-
гания. Включить зажигание. Провести измерение напряжение на кон-
такте "3" колодки жгута - см. "Измерение напряжения на контактах
жгута проводов", раздел 2.7В. Вольтметр должен показать значение,
близкое к напряжению бортсети.
Так ли это?
↓
↓
↓
↓
↓
↓
↓ ↓ ↓
Да Нет ↓
↓ ↓ ↓
↓
↓
Обрыв в цепи между главным реле (реле зажигания) и катушкой
зажигания, или неисправно главное реле, или предохранитель.
↓
↓
↓ ↓
2 Выполнить проверку целостности электрической цепи между контак-
том "2" колодки к катушке зажигания и "массой" – см. "Проверка це-
лостности электрической цепи", раздел 2.7В.
Цепь исправна?
↓
↓
↓
↓
↓ ↓ ↓
Да Нет ↓
↓ ↓ ↓
↓ Обрыв в цепи между "массой" и катушкой зажигания ↓
↓ ↓
3 Проверить провода между контактом "1" колодки к катушке зажигания и соответ-
ствующим контактом к контроллеру на обрыв и замыкание - см. "Проверки элек-
трических цепей", раздел 2.7В. Цепи исправны?
↓ ↓
Да Нет → Устранить неисправность.
↓
4 Установить заведомо исправную катушку зажигания.
Выбрать на диагностическом приборе режим: "Активные тесты; Управление вы-
ходом зажигания 1 (2, 3, 4)".
Используя диагностический прибор и разрядник, проверить наличие искры.
Искра есть?
↓ ↓
Да Нет → Заменить контроллер.
↓
Прежняя катушка зажигания была неисправна.
http://vnx.su/
ГОСТ 3.1105-84
Лист 62Дубликат
Взам.
Подп.
3100.25100.12056
ТИ Технологическая инструкция
ОАО "АВТОВАЗ"
ИзмЛист№документаПодписьДатаИзм.Лист№документаПодписьДата
Карта А-4
Проверка главного реле и силовой цепи
Описание цепи
При включении зажигания напряжение с выключателя зажигания подается на контакт
"Х1.1/А5" контроллера. Контроллер через контакт "X1.1/J3" включает главное реле, через
которое напряжение питания поступает на контакты "Х1.1/L3" и "Х1.1/K3" контроллера, а
также на датчики и некоторые управляемые устройства (клапан продувки адсорбера, фор-
сунки, реле).
Описание проверок
1 На контакт "Х1.1/A5" контроллера напряжение подается с выключателя зажигания.
2 Диагностический прибор показывает напряжение бортовой сети, определяемое кон-
троллером по напряжению на контактах "Х1.1/L3" и "Х1.1/K3". Оно не должно отличаться
более чем на 1 В от напряжения на аккумуляторной батарее.
3 На контактах колодки жгута к клеммам "85" и "30" реле должно присутствовать на-
пряжение аккумуляторной батареи. Если питание присутствует на обоих контактах, лам-
почка пробника, соединенного с массой, должна загораться при касании к ним.
4 Предыдущей проверкой определялось наличие напряжения на контакте колодки
жгута к клемме "85" реле. Данной проверкой контролируется цепь управления главным ре-
ле, которая должна быть замкнута контроллером на массу.
5 Проверяется исправность главного реле.
Причиной неверного значения напряжения бортсети, определяемого контроллером по
напряжению на контактах "Х1.1/L3" и "Х1.1/K3", может быть замыкание на массу в цепях
подачи питания на реле и исполнительные устройства, а также некорректно подключенные
противоугонные устройства.
http://vnx.su/
ГОСТ 3.1105-84
Лист 63
Дубликат
Взам.
Подп.
3100.25100.12056
ТИ Технологическая инструкция
ОАО "АВТОВАЗ"
ИзмЛист№документаПодписьДатаИзм.Лист№документаПодписьДата
Карта А-4 Проверка главного реле и силовой цепи
Проверить предохранитель F70 (60А). Он исправен?
↓ ↓
Да Нет → Устранить неисправность.
↓
1 Выключить зажигание. Отсоединить колодку жгута от контроллера. Включить
зажигание. Проверить контакт "Х1.1/А5" колодки жгута пробником, соединенным
с массой. Загорается ли лампочка пробника?
↓ ↓
Да Нет
↓ ↓
↓
↓
Проверить цепи соединения контроллера с выключателем зажигания на на-
личие обрыва или замыкания цепи.
↓
2 Выключить зажигание. Присоединить колодку к контроллеру. Включить зажига-
ние. Подключить диагностический прибор и выбрать "Мониторинг сигналов;
АЦП Напряжение батареи".
Показывает ли прибор напряжение бортсети, близкое к напряжению аккумуля-
торной батареи?
↓ ↓
Нет Да → Неисправности нет.
↓
3 Снять главное реле.
Проверить контакты колодки жгута к клеммам "85" и "30" реле пробником, со-
единенным с массой. Загорается ли лампочка пробника?
↓ ↓
Лампочка загорается на обоих
контактах.
Лампочка не загорается на одном или
обоих контактах.
↓ ↓
4 Пробником соединить контакты
колодки жгута к клеммам "85" и
"86" реле.
Горит ли лампочка пробника?
Устранить обрыв или замыкание цепи,
при проверке которой лампочка проб-
ника не загорелась.
↓ ↓
Нет Да
↓ ↓
Обрыв цепи управле-
ния главным реле или
неисправен контрол-
лер.
Соединить перемычкой контакты колодки жгута к
клеммам "30" и "87" реле. Показывает ли диагно-
стический прибор напряжение сети, близкое к на-
пряжению аккумуляторной батареи?
5
↓ ↓
Ненадежное соединение или неисправно главное реле. ← Да Нет
↓
Неисправность проводов, соединяющих главное реле с контактами "Х1.1/L3" и
"Х1.1/K3" контроллера, неисправен предохранитель или неисправен контроллер.
http://vnx.su/
ГОСТ 3.1105-84
Лист 64Дубликат
Взам.
Подп.
3100.25100.12056
ТИ Технологическая инструкция
ОАО "АВТОВАЗ"
ИзмЛист№документаПодписьДатаИзм.Лист№документаПодписьДата
Карта А-5
Проверка электрической цепи системы подачи топлива.
Описание цепи
При включении зажигания контроллер включает реле электробензонасоса и электро-
бензонасос начинает работать. При отсутствии опорных импульсов от датчика положения
коленчатого вала (двигатель не работает), контроллер выключает электробензонасос через
2 с после включения зажигания.
Описание проверок
Последовательность соответствует цифрам на карте.
1 Выполняется принудительное включение электробензонасоса.
2 Проверяется наличие напряжения +12 В на контактах реле электробензонасоса.
3 При включении зажигания и прокрутке двигателя контроллер должен включать
электробензонасос.
http://vnx.su/
ГОСТ 3.1105-84
Лист 65
Дубликат
Взам.
Подп.
3100.25100.12056
ТИ Технологическая инструкция
ОАО "АВТОВАЗ"
ИзмЛист№документаПодписьДатаИзм.Лист№документаПодписьДата
Карта А-5 Проверка электрической цепи системы подачи топлива.
1 Выключить зажигание. Снять реле электробензонасоса. Подать напряжение борт-
сети на контакт колодки к клемме "87" реле ЭБН. Проконтролировать на слух
включение электробензонасоса. Электробензонасос работает?
↓ ↓
Да Нет
↓ ↓
↓
↓
↓
Неисправное соединение или обрыв в проводах, соединяющих электробен-
зонасос с колодкой диагностики и реле, или неисправен электробензонасос,
или неисправно соединение электробензонасоса с массой.
↓
2 Зажигание включено, двигатель не работает.
Пробником, соединенным с массой, проверить контакты колодки к клеммам "30",
"85" реле.
В обоих случаях лампочка пробника должна загораться. Так ли это?
↓ ↓
Да Нет
↓ ↓
↓
↓
Неисправное соединение или обрыв провода той цепи, в которой не горит
лампочка пробника. Проверить предохранитель электробензонасоса.
↓
3 Выключить зажигание.
Пробник, соединенный с "+" АКБ, подключить к контакту колодки жгута к клем-
ме "86" реле. Снять иммобилизатор с режима "охрана". Включить зажигание, про-
крутить двигатель. Загорается ли лампочка пробника?
↓ ↓
Да Нет → Неисправна цепь или контроллер.
↓
3 Выключить зажигание. Подсоединить реле электробензонасоса. Пробник, соеди-
ненный с массой, подключить к контакту колодки к клемме "87" реле.
Снять иммобилизатор с режима "охрана". Включить зажигание, прокрутить дви-
гатель. Загорается ли лампочка пробника?
↓ ↓
Да Нет → Неисправно реле электробензонасоса.
↓
Проверка цепи системы подачи топлива выполнена.
http://vnx.su/
ГОСТ 3.1105-84
Лист 66Дубликат
Взам.
Подп.
3100.25100.12056
ТИ Технологическая инструкция
ОАО "АВТОВАЗ"
ИзмЛист№документаПодписьДатаИзм.Лист№документаПодписьДата
Рампа форсунок в сборе двигателя 21129:
1 – рампа форсунок; 2 – штуцер для контроля давления топлива; 3 – форсунка; 4 – уплотни-
тельное кольцо; 5 – клипса форсунки
Карта А-6 (Лист 1 из 2)
Диагностика системы подачи топлива
Описание цепи
При включении зажигания контроллер включает электробензонасос. Он работает до
тех пор, пока двигатель работает и контроллер получает опорные импульсы от датчика по-
ложения коленчатого вала. При отсутствии опорных импульсов контроллер выключает
электробензонасос через 2 с после включения зажигания.
Электробензонасос подает топливо в топливную рампу и с помощью встроенного ре-
гулятора поддерживает постоянное давление топлива на форсунках.
Электробензонасос можно включить с помощью диагностического прибора (см. раз-
дел 2.4).
Описание проверок
Последовательность соответствует цифрам на карте.
1 Проверяется давление топлива и работоспособность системы.
2 Проверяются герметичность и соединения магистрали между электробензонасосом
и рампой форсунок.
3 Прихват клапана форсунки в открытом состоянии лучше всего определяется про-
веркой свечей на наличие нагара или на намокание.
Если определить негерметичность форсунки по нагару или намоканию свечей невоз-
можно, необходимо проверить баланс форсунок по карте С-3.
Диагностическая информация
Отклонение давления топлива может вызвать следующие неполадки:
- стартер проворачивает коленчатый вал, но двигатель не запускается;
- двигатель глохнет, как при неполадке системы зажигания;
- большой расход топлива, потеря мощности;
- неустойчивая работа двигателя.
http://vnx.su/
ГОСТ 3.1105-84
Лист 67
Дубликат
Взам.
Подп.
3100.25100.12056
ТИ Технологическая инструкция
ОАО "АВТОВАЗ"
ИзмЛист№документаПодписьДатаИзм.Лист№документаПодписьДата
Карта А-6 (Лист 1 из 2) Диагностика системы подачи топлива
1 Предварительно должна быть выполнена проверка электрической цепи системы
подачи топлива по карте А-5. Убедиться в том, что количество топлива в норме.
Сбросить давление в системе подачи топлива (см. раздел 1.3)
Выключить зажигание. Присоединить манометр к штуцеру для контроля давления
топлива, расположенному на конце топливной рампы.
Включить электробензонасос на 10 секунд с помощью диагностического прибора.
В течение этих 10 секунд давление топлива должно быть в пределах 364-400 кПа.
Так ли это?
↓ ↓
Да Нет → См. Карту А-6 (Лист 2 из 2).
↓
После остановки электробензонасоса давление может незначительно уменьшиться
и затем должно стабилизироваться. Что происходите давлением?
↓ ↓
Давление продолжает падать. Давление стабильное.
↓ ↓
2 Вновь включить электробензонасос.
Сразу после остановки насоса полно-
стью пережать резиновый шланг 8 (см.
лист 2 карты А-6).
Стабилизируется ли давление?
Пустить двигатель. Он должен
работать на холостом ходу. Дав-
ление топлива должно быть в пре-
делах 364-400 кПа.
Так ли это?
↓ ↓ ↓ ↓
Нет Да Да Нет
↓ ↓ ↓ ↓
↓
↓
↓
↓
Проверить герметичность и нали-
чие ослабших соединений. Если
все указанное в норме - заменить
электробензонасос.
↓
↓
↓
↓
Неисправен регулятор
давления. Заменить
электробензонасос.
↓ ↓
3 Определить и заменить негерметичную
форсунку.
Неисправность не обнаружена.
http://vnx.su/
ГОСТ 3.1105-84
Лист 68Дубликат
Взам.
Подп.
3100.25100.12056
ТИ Технологическая инструкция
ОАО "АВТОВАЗ"
ИзмЛист№документаПодписьДатаИзм.Лист№документаПодписьДата
Рис. 1.2-01. Система подачи топлива:
1 – рампа форсунок; 2 – передняя топливная трубка; 3 – трубка переднего топливного тру-
бопровода; 4 – трубка топливного трубопровода; 5 – топливная трубка электробензонасоса;
6 – модуль электробензонасоса с фильтром тонкой очистки; 7 – топливный бак
Карта А-6 (Лист 2 из 2)
Диагностика системы подачи топлива
Описание проверок
Последовательность соответствует цифрам на карте.
4 Проверку герметичности соединений проводить по наличию характерных пятен в
местах подтекания топлива.
http://vnx.su/
ГОСТ 3.1105-84
Лист 69
Дубликат
Взам.
Подп.
3100.25100.12056
ТИ Технологическая инструкция
ОАО "АВТОВАЗ"
ИзмЛист№документаПодписьДатаИзм.Лист№документаПодписьДата
Карта А-6 (Лист 2 из 2) Диагностика системы подачи топлива
См. Карту А-6 (лист 1 из 2).
↓ ↓
Давление менее 364 кПа. Давление более 400 кПа.
↓ ↓
↓ Неисправен регулятор давления. Заменить электробензонасос.
↓
Проконтролировать на слух работу электробензонасоса. Он работает?
↓ ↓
Нет Да
↓ ↓
↓
↓
↓
Проверить следующее:
- герметичность, наличие ослабших соединений;
Если все указанное в норме - заменить электробензонасос.
4
↓
Проверить следующее:
- сочленение колодки электробензонасоса;
- цепь электробензонасоса на обрыв между колодкой электробензонасоса и реле
электробензонасоса.
Если указанное в норме - отсоединить колодку жгута от электробензонасоса и
подключить его к источнику питания и массе. Электробензонасос работает?
↓ ↓
Да → Заменить контроллер. Нет → Заменить ЭБН.
http://vnx.su/
ГОСТ 3.1105-84
Лист 70Дубликат
Взам.
Подп.
3100.25100.12056
ТИ Технологическая инструкция
ОАО "АВТОВАЗ"
ИзмЛист№документаПодписьДатаИзм.Лист№документаПодписьДата
Код Р0030
Нагреватель ДК до нейтрализатора, цепь неисправна
Код Р0030 заносится если:
- двигатель работает;
- самодиагностика драйвера нагревателя определила отсутствие нагрузки на выходе.
Сигнализатор неисправностей загорается через 2 драйв-цикла после возникновения
кода неисправности.
Описание проверок
Последовательность соответствует цифрам на карте.
1 Проверяется наличие постоянной неисправности.
2 Проверяется цепь питания нагревателя УДК.
3 Проверяется цепь управления нагревателем УДК.
4 Проверяется исправность нагревателя УДК.
Диагностическая информация
В контроллере M86 используется драйвер нагревателя датчика кислорода, обладаю-
щий функцией самодиагностики. Он может определять наличие таких неисправностей, как
обрыв, короткое замыкание на массу или источник питания цепи управления нагревателем.
http://vnx.su/
ГОСТ 3.1105-84
Лист 71
Дубликат
Взам.
Подп.
3100.25100.12056
ТИ Технологическая инструкция
ОАО "АВТОВАЗ"
ИзмЛист№документаПодписьДатаИзм.Лист№документаПодписьДата
Код Р0030 Нагреватель ДК до нейтрализатора, цепь неисправна
1 Подключить диагностический прибор.
Выбрать режим "Коды неисправностей".
Запустить двигатель. Проверить, активен ли код неисправности в данный момент?
↓ ↓
Да Нет
↓ ↓
↓
↓
Код Р0030 – непостоянный. В случае отсутствия других кодов – см. "Непо-
стоянные неисправности", раздел 2.7В.
↓
2 Выключить зажигание. Отсоединить колодку жгута от УДК. Включить зажигание.
Провести измерение напряжения на контакте "4" - см. "Измерение напряжения на
контактах жгута проводов", раздел 2.7В. Напряжение равно напряжению питания?
↓ ↓
Да Нет → Обрыв в цепи питания нагревателя УДК.
↓
3 Провести измерение напряжения на контакте "3" - см. "Измерение напряжения на
контактах жгута проводов", раздел 2.7В. Напряжение менее 1 В?
↓ ↓
Да Нет → Обрыв в цепи управления нагревателем УДК.
↓
4 Провести измерение сопротивления между контактов "3" и "4" УДК. Сопротивле-
ние больше 1 кОм?
↓ ↓
Да → Неисправен УДК. Нет → Неисправен контроллер.
После ремонта запустить двигатель, сбросить коды и убедиться в отсутствии не-
исправности.
http://vnx.su/
ГОСТ 3.1105-84
Лист 72Дубликат
Взам.
Подп.
3100.25100.12056
ТИ Технологическая инструкция
ОАО "АВТОВАЗ"
ИзмЛист№документаПодписьДатаИзм.Лист№документаПодписьДата
Код Р0031
Нагреватель ДК до нейтрализатора, замыкание цепи управления на массу
Код Р0031 заносится если:
- двигатель работает;
- самодиагностика драйвера нагревателя определила на выходе замыкание на массу.
Сигнализатор неисправностей загорается через 2 драйв-цикла после возникновения
кода неисправности.
Описание проверок
Последовательность соответствует цифрам на карте.
1 Проверяется наличие постоянной неисправности.
2 Определяется наличие замыкания на массу цепи управления нагревателем УДК.
3 Проверяется исправность нагревателя УДК.
Диагностическая информация
В контроллере M86 используется драйвер нагревателя датчика кислорода, обладаю-
щий функцией самодиагностики. Он может определять наличие таких неисправностей, как
обрыв, короткое замыкание на массу или источник питания цепи управления нагревателем.
http://vnx.su/
ГОСТ 3.1105-84
Лист 73
Дубликат
Взам.
Подп.
3100.25100.12056
ТИ Технологическая инструкция
ОАО "АВТОВАЗ"
ИзмЛист№документаПодписьДатаИзм.Лист№документаПодписьДата
Код Р0031 Нагреватель ДК до нейтрализатора, замыкание цепи управления на массу
1 Подключить диагностический прибор.
Выбрать режим "Коды неисправностей".
Запустить двигатель. Проверить, активен ли код неисправности в данный момент?
↓ ↓
Да Нет
↓ ↓
↓
↓
Код Р0031 - непостоянный. В случае отсутствия других кодов - см. "Непо-
стоянные неисправности", раздел 2.7В.
↓
2 Выключить зажигание. Отсоединить колодку жгута от контроллера. Провести
проверку замыкания контакта "Х1.2/А2" колодки жгута проводов на массу – см.
"Проверка замыкания цепи на массу", раздел 2.7В. Замыкание есть?
↓ ↓
Да Нет → Неисправен контроллер.
↓
3 Отсоединить колодку жгута от УДК. Поочередно провести проверку замыкания
контактов "3" и "4" колодки жгута проводов на массу – см. "Проверка замыкания
цепи на массу", раздел 2.7В. Замыкание есть?
↓ ↓
Да Нет → Неисправен УДК.
↓
Неисправен жгут проводов.
После ремонта запустить двигатель, сбросить коды и убедиться в отсутствии не-
исправности.
http://vnx.su/
ГОСТ 3.1105-84
Лист 74Дубликат
Взам.
Подп.
3100.25100.12056
ТИ Технологическая инструкция
ОАО "АВТОВАЗ"
ИзмЛист№документаПодписьДатаИзм.Лист№документаПодписьДата
Код Р0032
Нагреватель ДК до нейтрализатора, замыкание цепи управления на бортовую сеть
Код Р0032 заносится если:
- двигатель работает;
- самодиагностика драйвера нагревателя определила на выходе замыкание на борто-
вую сеть.
Сигнализатор неисправностей загорается через 2 драйв-цикла после возникновения
кода неисправности.
Описание проверок
Последовательность соответствует цифрам на карте.
1 Проверяется наличие постоянной неисправности.
2 Определяется наличие замыкания цепи управления нагревателем УДК на бортовую
сеть.
3 Проверяется исправность нагревателя УДК.
Диагностическая информация
В контроллере M86 используется драйвер нагревателя датчика кислорода, обладаю-
щий функцией самодиагностики. Он может определять наличие таких неисправностей, как
обрыв, короткое замыкание на массу или источник питания цепи управления нагревателем.
http://vnx.su/
ГОСТ 3.1105-84
Лист 75
Дубликат
Взам.
Подп.
3100.25100.12056
ТИ Технологическая инструкция
ОАО "АВТОВАЗ"
ИзмЛист№документаПодписьДатаИзм.Лист№документаПодписьДата
Код Р0032 Нагреватель ДК до нейтрализатора, замыкание цепи управления на бортовую
сеть
1 Подключить диагностический прибор.
Выбрать режим "Коды неисправностей".
Запустить двигатель. Проверить, активен ли код неисправности в данный момент?
↓ ↓
Да Нет
↓ ↓
↓
↓
Код Р0032 – непостоянный. В случае отсутствия других кодов – см. "Непо-
стоянные неисправности", раздел 2.7В.
↓
2 Выключить зажигание. Отсоединить колодку жгута проводов от УДК. Включить
зажигание. Провести проверку замыкания контакта "3" колодки жгута проводов к
УДК на бортовую сеть – см. "Проверка замыкания цепи на бортовую сеть", раздел
2.7В. Замыкание есть?
↓ ↓
Нет Да → Неисправен жгут проводов или контроллер.
↓
3 Омметром измерить сопротивление между контактов "3" и "4" УДК. Сопротивле-
ние меньше 3 Ом?
↓ ↓
Да → Неисправен УДК. Нет → Неисправен контроллер.
После ремонта запустить двигатель, сбросить коды и убедиться в отсутствии не-
исправности.
http://vnx.su/
ГОСТ 3.1105-84
Лист 76Дубликат
Взам.
Подп.
3100.25100.12056
ТИ Технологическая инструкция
ОАО "АВТОВАЗ"
ИзмЛист№документаПодписьДатаИзм.Лист№документаПодписьДата
Код Р0036
Нагреватель ДК после нейтрализатора, цепь неисправна
Код Р0036 заносится если:
- двигатель работает;
- самодиагностика драйвера нагревателя определила отсутствие нагрузки на выходе.
Сигнализатор неисправностей загорается через 2 драйв-цикла после возникновения
кода неисправности.
Описание проверок
Последовательность соответствует цифрам на карте.
1 Проверяется наличие постоянной неисправности.
2 Проверяется цепь питания нагревателя ДДК.
3 Проверяется цепь управления нагревателем ДДК.
4 Проверяется исправность нагревателя ДДК.
Диагностическая информация
В контроллере M86 используется драйвер нагревателя датчика кислорода, обладаю-
щий функцией самодиагностики. Он может определять наличие таких неисправностей, как
обрыв, короткое замыкание на массу или источник питания цепи управления нагревателем.
http://vnx.su/
ГОСТ 3.1105-84
Лист 77
Дубликат
Взам.
Подп.
3100.25100.12056
ТИ Технологическая инструкция
ОАО "АВТОВАЗ"
ИзмЛист№документаПодписьДатаИзм.Лист№документаПодписьДата
Код Р0036 Нагреватель ДК после нейтрализатора, цепь неисправна
1 Подключить диагностический прибор.
Выбрать режим "Коды неисправностей".
Запустить двигатель. Проверить, активен ли код неисправности в данный момент?
↓ ↓
Да Нет
↓ ↓
↓
↓
Код Р0036 – непостоянный. В случае отсутствия других кодов – см. "Непо-
стоянные неисправности", раздел 2.7В.
↓
2 Выключить зажигание. Отсоединить колодку жгута от ДДК. Включить зажигание.
Провести измерение напряжения на контакте "4" - см. "Измерение напряжения на
контактах жгута проводов", раздел 2.7В. Напряжение равно напряжению питания?
↓ ↓
Да Нет → Обрыв в цепи питания нагревателя ДДК.
↓
3 Провести измерение напряжения на контакте "3" - см. "Измерение напряжения на
контактах жгута проводов", раздел 2.7В. Напряжение менее 1 В?
↓ ↓
Да Нет → Обрыв в цепи управления нагревателем ДДК.
↓
4 Провести измерение сопротивления между контактов "3" и "4" ДДК. Сопротивле-
ние больше 1 кОм?
↓ ↓
Да → Неисправен ДДК. Нет → Неисправен контроллер.
После ремонта запустить двигатель, сбросить коды и убедиться в отсутствии не-
исправности.
http://vnx.su/
ГОСТ 3.1105-84
Лист 78Дубликат
Взам.
Подп.
3100.25100.12056
ТИ Технологическая инструкция
ОАО "АВТОВАЗ"
ИзмЛист№документаПодписьДатаИзм.Лист№документаПодписьДата
Код Р0037
Нагреватель ДК после нейтрализатора, замыкание цепи управления на массу
Код Р0037 заносится если:
- двигатель работает;
- самодиагностика драйвера нагревателя определила на выходе замыкание на массу.
Сигнализатор неисправностей загорается через 2 драйв-цикла после возникновения
кода неисправности.
Описание проверок
Последовательность соответствует цифрам на карте.
1 Проверяется наличие постоянной неисправности.
2 Определяется наличие замыкания на массу цепи управления нагревателем ДДК.
3 Проверяется исправность нагревателя ДДК.
Диагностическая информация
В контроллере M86 используется драйвер нагревателя датчика кислорода, обладаю-
щий функцией самодиагностики. Он может определять наличие таких неисправностей, как
обрыв, короткое замыкание на массу или источник питания цепи управления нагревателем.
http://vnx.su/
ГОСТ 3.1105-84
Лист 79
Дубликат
Взам.
Подп.
3100.25100.12056
ТИ Технологическая инструкция
ОАО "АВТОВАЗ"
ИзмЛист№документаПодписьДатаИзм.Лист№документаПодписьДата
Код Р0037 Нагреватель ДК после нейтрализатора, замыкание цепи управления на массу
1 Подключить диагностический прибор.
Выбрать режим "Коды неисправностей".
Запустить двигатель. Проверить, активен ли код неисправности в данный момент?
↓ ↓
Да Нет
↓ ↓
↓
↓
Код Р0037 - непостоянный. В случае отсутствия других кодов - см. "Непо-
стоянные неисправности", раздел 2.7В.
↓
2 Выключить зажигание. Отсоединить колодку жгута от контроллера. Провести
проверку замыкания контакта "Х1.2/А3" колодки жгута проводов на массу – см.
"Проверка замыкания цепи на массу", раздел 2.7В. Замыкание есть?
↓ ↓
Да Нет → Неисправен контроллер.
↓
3 Отсоединить колодку жгута от ДДК. Поочередно провести проверку замыкания
контактов "3" и "4" колодки жгута проводов на массу – см. "Проверка замыкания
цепи на массу", раздел 2.7В. Замыкание есть?
↓ ↓
Да Нет → Неисправен УДК.
↓
Неисправен жгут проводов.
После ремонта запустить двигатель, сбросить коды и убедиться в отсутствии не-
исправности.
http://vnx.su/
ГОСТ 3.1105-84
Лист 80Дубликат
Взам.
Подп.
3100.25100.12056
ТИ Технологическая инструкция
ОАО "АВТОВАЗ"
ИзмЛист№документаПодписьДатаИзм.Лист№документаПодписьДата
Код Р0038
Нагреватель ДК после нейтрализатора, замыкание цепи управления на бортовую сеть
Код Р0038 заносится если:
- двигатель работает;
- самодиагностика драйвера нагревателя определила на выходе замыкание на борто-
вую сеть.
Сигнализатор неисправностей загорается через 2 драйв-цикла после возникновения
кода неисправности.
Описание проверок
Последовательность соответствует цифрам на карте.
1 Проверяется наличие постоянной неисправности.
2 Определяется наличие замыкания цепи управления нагревателем ДДК на бортовую
сеть.
3 Проверяется исправность нагревателя ДДК.
Диагностическая информация
В контроллере M86 используется драйвер нагревателя датчика кислорода, обладаю-
щий функцией самодиагностики. Он может определять наличие таких неисправностей, как
обрыв, короткое замыкание на массу или источник питания цепи управления нагревателем.
http://vnx.su/
ГОСТ 3.1105-84
Лист 81
Дубликат
Взам.
Подп.
3100.25100.12056
ТИ Технологическая инструкция
ОАО "АВТОВАЗ"
ИзмЛист№документаПодписьДатаИзм.Лист№документаПодписьДата
Код Р0038 Нагреватель ДК после нейтрализатора, замыкание цепи управления на бор-
товую сеть
1 Подключить диагностический прибор.
Выбрать режим "Коды неисправностей".
Запустить двигатель. Проверить, активен ли код неисправности в данный момент?
↓ ↓
Да Нет
↓ ↓
↓
↓
Код Р0038 – непостоянный. В случае отсутствия других кодов – см. "Непо-
стоянные неисправности", раздел 2.7В.
↓
2 Выключить зажигание. Отсоединить колодку жгута проводов от ДДК. Включить
зажигание. Провести проверку замыкания контакта "3" колодки жгута проводов к
ДДК на бортовую сеть – см. "Проверка замыкания цепи на бортовую сеть", раздел
2.7В. Замыкание есть?
↓ ↓
Нет Да → Неисправен жгут проводов или контроллер.
↓
3 Омметром измерить сопротивление между контактов "3" и "4" ДДК. Сопротивле-
ние меньше 3 Ом?
↓ ↓
Да → Неисправен ДДК. Нет → Неисправен контроллер.
После ремонта запустить двигатель, сбросить коды и убедиться в отсутствии не-
исправности.
http://vnx.su/
ГОСТ 3.1105-84
Лист 82Дубликат
Взам.
Подп.
3100.25100.12056
ТИ Технологическая инструкция
ОАО "АВТОВАЗ"
ИзмЛист№документаПодписьДатаИзм.Лист№документаПодписьДата
Код Р0106
Цепь датчика давления воздуха на впуске, выход сигнала из допустимого диапазона
Код Р0101 заносится, если:
- зажигание включено;
- в течение 5 секунд напряжение сигнала датчика (параметр АЦП "Напряжение
ДАД") ниже 2,21В.
или
- двигатель проработал более 3 секунд;
- отсутствуют коды неисправностей Р0107, Р0108 и коды неисправностей ЭДП;
- температура ОЖ находится в диапазоне 10…100 °С;
- расхождение между цикловым наполнением цилиндров воздухом (параметр "Цик-
ловое наполнение по датчику абсолютного давления во впускном коллекторе"), опре-
деленное по показаниям датчика давления расходиться больше чем на 200 мг/цикл со значе-
нием, рассчитанным через положение дроссельной заслонки с учетом температурных кор-
рекций.
При возникновении этого кода сигнализатор неисправностей не загорается.
Описание проверок
Последовательность соответствует цифрам на карте.
1 Проверяется, определяет ли контроллер неисправность в данный момент.
Диагностическая информация
При обнаружении данной неисправности система перейдет в аварийный режим: рас-
чет воздуха осуществляется по дублирующему алгоритму через положение дроссельной за-
слонки с учетом температурной коррекции.
Необходимо убедиться в отсутствии следующих неисправностей:
- Засорение воздушного фильтра в системе впуска воздуха. При необходимости заме-
нить фильтрующий элемент.
- Подсос неучтенного воздуха. Осмотреть и проверить систему впуска на отсутствие
подсоса.
- Неверно установлены фазы ГРМ. Проверить правильность установки фаз ГРМ и при
необходимости отрегулировать.
http://vnx.su/
ГОСТ 3.1105-84
Лист 83
Дубликат
Взам.
Подп.
3100.25100.12056
ТИ Технологическая инструкция
ОАО "АВТОВАЗ"
ИзмЛист№документаПодписьДатаИзм.Лист№документаПодписьДата
Код Р0106 Цепь датчика давления воздуха на впуске, выход сигнала из допустимого
диапазона
1 Подключить диагностический прибор.
Выбрать режим "Коды неисправностей".
Запустить двигатель. Проверить, активен ли код неисправности в данный момент?
↓ ↓
Да Нет
↓ ↓
↓
↓
Код Р0106 - непостоянный. В случае отсутствия других кодов - см. "Допол-
нительную информацию" по коду неисправности.
↓
Убедиться в надёжности контактов разъёма ДДТВ, исправности жгута проводов и
надежном соединении ДДТВ с "массой". Присутствуют ли данные неисправно-
сти?
↓ ↓
Нет Да
↓ ↓
↓ Устранить обнаруженные неисправности.
↓
Механическая неисправность двигателя или системы впуска. Тщательно осмот-
реть и проверить систему впуска на отсутствие подсоса воздуха и убедиться, что
воздушный фильтр не засорен. Проверить правильность установки фаз ГРМ. Не-
исправности обнаружены?
↓ ↓
Нет Да
↓ ↓
↓ Устранить обнаруженные неисправности.
↓
Неисправен ДДТВ.
После ремонта запустить двигатель, сбросить коды и убедиться в отсутствии не-
исправности.
http://vnx.su/
ГОСТ 3.1105-84
Лист 84Дубликат
Взам.
Подп.
3100.25100.12056
ТИ Технологическая инструкция
ОАО "АВТОВАЗ"
ИзмЛист№документаПодписьДатаИзм.Лист№документаПодписьДата
Код Р0107
Цепь датчика давления воздуха на впуске, низкий уровень сигнала
Код Р0107 заносится, если напряжение сигнала датчика (параметр АЦП "Напряже-
ние ДАД") менее 0,1 В.
Сигнализатор неисправностей загорается на 3-ей поездке после возникновения устой-
чивой неисправности.
Описание проверок
Последовательность соответствует цифрам на карте.
1 С помощью диагностического прибора проверяется, активен ли код Р0107 в момент
диагностики.
2 Проверяется исправность цепи питания ДАД.
3 Проверяется исправность цепи входного сигнала ДАД.
Диагностическая информация
При обнаружении данной неисправности система перейдет в аварийный режим: рас-
чет воздуха осуществляется по дублирующему алгоритму через положение дроссельной за-
слонки с учетом температурной коррекции.
Неисправность непостоянного характера может быть вызвана повреждением изоляции
или жилы провода, замыканием на массу в цепи входного сигнала.
Необходимо убедиться в надежности соединения контактов в разъеме к ДДТВ и в
разъеме к контроллеру, исправности жгута проводов, надежности соединения массы кон-
троллера.
http://vnx.su/
ГОСТ 3.1105-84
Лист 85
Дубликат
Взам.
Подп.
3100.25100.12056
ТИ Технологическая инструкция
ОАО "АВТОВАЗ"
ИзмЛист№документаПодписьДатаИзм.Лист№документаПодписьДата
Код Р0107 Цепь датчика давления воздуха на впуске, низкий уровень сигнала
1 Подключить диагностический прибор. Включить зажигание.
Выбрать режим "Коды неисправностей".
Проверить, активен ли код неисправности в данный момент?
↓ ↓
Да Нет
↓ ↓
↓
↓
Код Р0107 - непостоянный. В случае отсутствия других кодов - см. "Диагно-
стическую информацию".
↓
2 Выключить зажигание. Отсоединить колодку жгута системы зажигания от ДДТВ.
Включить зажигание.
Провести измерение напряжения на контакте "3" колодки к ДДТВ - см. "Измере-
ние напряжения на контактах жгута проводов", раздел 2.7В.
Напряжение равно 5 В?
↓ ↓
Да Нет
↓ ↓
↓
↓
Обрыв в цепи питания ДАД от контакта "Х1.2/F3" колодки к контроллеру до
контакта "3" колодки к ДДТВ.
↓
3 Выключить зажигание. Отсоединить колодку Х1.2 жгута системы зажигания от
контроллера. Выполнить проверки электрической цепи от контакта "Х1.2/J4" ко-
лодки к контроллеру до контакта "4" колодки к ДДТВ на отсутствие обрыва и за-
мыкания на массу – см. "Проверки электрических цепей", раздел 2.7В. Цепь ис-
правна?
↓ ↓
Да Нет
↓ ↓
↓ Обрыв или замыкание на массу в цепи сигнала ДАД.
↓
Заменить ДДТВ на заведомо исправный. Заносится ли код неисправности Р0107?
↓ ↓
Да Нет → Неисправен ДДТВ.
↓
Неисправен контроллер.
После ремонта запустить двигатель, сбросить коды и убедиться в отсутствии не-
исправности.
http://vnx.su/
ГОСТ 3.1105-84
Лист 86Дубликат
Взам.
Подп.
3100.25100.12056
ТИ Технологическая инструкция
ОАО "АВТОВАЗ"
ИзмЛист№документаПодписьДатаИзм.Лист№документаПодписьДата
Код Р0108
Цепь датчика давления воздуха на впуске, высокий уровень сигнала
Код Р0108 заносится, если напряжение сигнала датчика (параметр АЦП "Напряже-
ние ДАД") более 4,65 В.
Сигнализатор неисправностей загорается на 3-ей поездке после возникновения устой-
чивой неисправности.
Описание проверок
Последовательность соответствует цифрам на карте.
1 С помощью диагностического прибора проверяется, активен ли код Р0108 в момент
диагностики.
2 Проверяется исправность цепи заземления ДАД.
3 Проверяется исправность цепи входного сигнала ДАД.
Диагностическая информация
При обнаружении данной неисправности система перейдет в аварийный режим: рас-
чет воздуха осуществляется по дублирующему алгоритму через положение дроссельной за-
слонки с учетом температурной коррекции.
Неисправность непостоянного характера может быть вызвана повреждением изоляции
или жилы провода, замыканием на массу в цепи входного сигнала.
Необходимо убедиться в надежности соединения контактов в разъеме к ДДТВ и в
разъеме к контроллеру, исправности жгута проводов, надежности соединения массы кон-
троллера.
http://vnx.su/
ГОСТ 3.1105-84
Лист 87
Дубликат
Взам.
Подп.
3100.25100.12056
ТИ Технологическая инструкция
ОАО "АВТОВАЗ"
ИзмЛист№документаПодписьДатаИзм.Лист№документаПодписьДата
Код Р0108 Цепь датчика давления воздуха на впуске, высокий уровень сигнала
1 Подключить диагностический прибор. Включить зажигание.
Выбрать режим "Коды неисправностей".
Проверить, активен ли код неисправности в данный момент?
↓ ↓
Да Нет
↓ ↓
↓
↓
Код Р0108 - непостоянный. В случае отсутствия других кодов - см. "Диагно-
стическую информацию".
↓
2 Выключить зажигание. Отсоединить колодку жгута системы зажигания от ДДТВ.
Пробником, соединенным с "+" АКБ, проверить контакт "1" колодки к ДДТВ. Го-
рит ли лампа пробника?
↓ ↓
Да Нет
↓ ↓
↓
↓
Обрыв в цепи заземления ДАД от контакта "Х1.2/J5" колодки к контроллеру
до контакта "1" колодки к ДДТВ.
↓
3 Отсоединить колодку Х1 жгута системы зажигания от контроллера. Провести
проверку замыкания контакта "Х1.2/J4" колодки жгута проводов на бортовую сеть
– см. "Проверка замыкания цепи на бортовую сеть", раздел 2.7В. Замыкание есть?
↓ ↓
Нет Да
↓ ↓
↓ Неисправен жгут проводов.
↓
Заменить ДДТВ на заведомо исправный. Заносится ли код неисправности Р0108?
↓ ↓
Да Нет → Неисправен ДДТВ.
↓
Неисправен контроллер.
После ремонта запустить двигатель, сбросить коды и убедиться в отсутствии не-
исправности.
http://vnx.su/
ГОСТ 3.1105-84
Лист 88Дубликат
Взам.
Подп.
3100.25100.12056
ТИ Технологическая инструкция
ОАО "АВТОВАЗ"
ИзмЛист№документаПодписьДатаИзм.Лист№документаПодписьДата
Код Р0111
Цепь датчика температуры впускного воздуха, выход сигнала из допустимого диапа-
зона
Код Р0111 вводится в память контроллера, если:
- двигатель работает;
- расчетная температура превышает измеренную на величину порога.
Сигнализатор неисправностей загорается на 3-ей поездке после возникновения устой-
чивой неисправности.
Описание проверок
Последовательность соответствует цифрам на карте.
1 Проверяется исправность цепи выходного сигнала датчика.
2 Проверяется исправность цепи заземления датчика.
3 Измеряется сопротивление датчика и определяется причина возникновения кода -
неисправность датчика или системы охлаждения двигателя.
Диагностическая информация
Контроллер выдает в цепь ДТВ напряжение 5 В через внутренний резистор.
При обнаружении неисправности датчика температуры воздуха контроллер заменяет
показания датчика фиксированным значением температуры воздуха (32 °С).
Необходимо проверить цепь заземления датчика на наличие неисправной проводки
или соединения. Проверить контакты датчика на надежность соединений.
Необходимо проверить сопротивление датчика на соответствие номинальному значе-
нию.
Таблица зависимости сопротивления ДТВ от температуры всасываемого воздуха
Температура воздуха,
°С
Сопротивление,
Ом
Температура возду-
ха, °С
Сопротивление,
Ом
-40 42661-54224 +40 1113-1291
-30 23970-30015 +50 792-913
-20 14039-17333 +60 572-655
-10 8529,5-10399 +70 418-476
0 5358-6458 +80 310-350
+5 4296-5150 +90 232-261
+10 3469-4137 +100 176-197
+20 2309-2727 +110 134-150
+30 1586-1853 +120 103-116
http://vnx.su/
ГОСТ 3.1105-84
Лист 89
Дубликат
Взам.
Подп.
3100.25100.12056
ТИ Технологическая инструкция
ОАО "АВТОВАЗ"
ИзмЛист№документаПодписьДатаИзм.Лист№документаПодписьДата
Код Р0111 Цепь датчика температуры впускного воздуха, выход сигнала из допустимого
диапазона
1 Выключить зажигание. Отсоединить колодку жгута от ДДТВ. Включить зажига-
ние. Вольтметром измерить напряжение между контактом "2" колодки жгута к
ДДТВ и массой. Вольтметр должен показать 5 В.
Так ли это?
↓ ↓
Да Нет
↓ ↓
↓
↓
Неисправен контроллер, ненадежное соединение в колодке контроллера или
в колодке датчика, поврежден жгут проводов.
↓
2 Омметром измерить сопротивление между контактом "1" колодки жгута и массой.
Сопротивление должно быть менее 1 Ом. Так ли это?
↓ ↓
Да Нет
↓ ↓
↓ Ненадежное соединение в колодке датчика или обрыв в цепи на массу.
↓
3 Омметром измерить сопротивление датчика для двух значений температуры воз-
духа (для холодного и горячего двигателя).
Измеренное сопротивление соответствует данным таблицы зависимости сопро-
тивления ДТВ от температуры воздуха?
↓ ↓
Да Нет
↓ ↓
↓ Заменить датчик температуры воздуха.
↓
Неисправность в системе охлаждения двигателя.
После ремонта запустить двигатель, сбросить коды и убедиться в отсутствии не-
исправности.
http://vnx.su/
ГОСТ 3.1105-84
Лист 90Дубликат
Взам.
Подп.
3100.25100.12056
ТИ Технологическая инструкция
ОАО "АВТОВАЗ"
ИзмЛист№документаПодписьДатаИзм.Лист№документаПодписьДата
Код Р0112
Цепь датчика температуры впускного воздуха, низкий уровень сигнала
Код Р0112 заносится, если напряжение сигнала датчика (параметр АЦП "Напряже-
ние ДТВ") менее 0,25 В.
Сигнализатор неисправностей загорается на 3-ей поездке после возникновения устой-
чивой неисправности.
Описание проверок
Последовательность соответствует цифрам на карте.
1 С помощью диагностического прибора проверяется, активен ли код Р0112 в момент
диагностики.
2 Проверяется целостность жгута и исправность цепи входного сигнала.
Диагностическая информация
Контроллер выдает в цепь ДТВ напряжение 5 В через внутренний резистор.
При обнаружении неисправности датчика температуры воздуха контроллер заменяет
показания датчика фиксированным значением температуры воздуха (32 °С).
Неисправность непостоянного характера может быть вызвана повреждением изоляции
или жилы провода, замыканием на массу в цепи входного сигнала.
Необходимо убедиться в отсутствии повреждений жгута.
http://vnx.su/
ГОСТ 3.1105-84
Лист 91
Дубликат
Взам.
Подп.
3100.25100.12056
ТИ Технологическая инструкция
ОАО "АВТОВАЗ"
ИзмЛист№документаПодписьДатаИзм.Лист№документаПодписьДата
Код Р0112 Цепь датчика температуры впускного воздуха, низкий уровень сигнала
1 Подключить диагностический прибор.
Выбрать режим "Коды неисправностей".
Запустить двигатель. Проверить, активен ли код неисправности в данный момент?
↓ ↓
Да Нет
↓ ↓
↓
↓
Код Р0112 - непостоянный. В случае отсутствия других кодов - см. "Диагно-
стическую информацию".
↓
2 Убедиться в надежности соединения контактов в разъеме к ДДТВ и в разъеме к
контроллеру, исправности жгута проводов, надежности соединения массы кон-
троллера. Неисправности обнаружены?
↓ ↓
Нет Да
↓ ↓
↓ Устранить обнаруженные неисправности.
↓
2 Выключить зажигание. Отсоединить колодку жгута системы зажигания от ДДТВ.
Включить зажигание.
Вольтметром измерить напряжение между контактами "2" и "1" колодки жгута к
ДДТВ.
Вольтметр должен показать напряжение около 5 В.
На диагностическом приборе в режиме "Мониторинг сигналов; Параметры АЦП"
проверить напряжение выходного сигнала ДТВ.
Напряжение больше 4,9 В?
↓ ↓
Нет Да → Заменить ДДТВ.
↓
Замыкание на массу в цепи сигнала ДТВ или неисправен контроллер.
После ремонта запустить двигатель, сбросить коды и убедиться в отсутствии не-
исправности.
http://vnx.su/
ГОСТ 3.1105-84
Лист 92Дубликат
Взам.
Подп.
3100.25100.12056
ТИ Технологическая инструкция
ОАО "АВТОВАЗ"
ИзмЛист№документаПодписьДатаИзм.Лист№документаПодписьДата
Код Р0113
Цепь датчика температуры впускного воздуха, высокий уровень сигнала
Код Р0112 заносится, если напряжение сигнала датчика (параметр АЦП "Напряже-
ние ДТВ") более 4,96 В.
Сигнализатор неисправностей загорается на 3-ей поездке после возникновения устой-
чивой неисправности.
Описание проверок
Последовательность соответствует цифрам на карте.
1 С помощью диагностического прибора проверяется, активен ли код Р0113 в момент
диагностики.
2 Проверяется целостность жгута и исправность цепи входного сигнала.
Диагностическая информация
Контроллер выдает в цепь ДТВ напряжение 5 В через внутренний резистор.
При обнаружении неисправности датчика температуры воздуха контроллер заменяет
показания датчика фиксированным значением температуры воздуха (32 °С).
Неисправность непостоянного характера может быть вызвана плохим контактом, по-
вреждением жилы провода, замыканием на бортсеть цепи сигнала ДТВ.
Необходимо убедиться в отсутствии следующих неисправностей:
- Ненадежное соединение контактов "X1.2/J2", "X1.2/J5" колодки жгута системы за-
жигания и контроллера. Осмотреть колодку жгута и разъем контроллера на полноту и пра-
вильность сочленения, повреждения замков, наличие поврежденных контактов и качество
соединения контактов с проводом.
- Повреждения жгута. Проверить жгут на наличие повреждений.
http://vnx.su/
ГОСТ 3.1105-84
Лист 93
Дубликат
Взам.
Подп.
3100.25100.12056
ТИ Технологическая инструкция
ОАО "АВТОВАЗ"
ИзмЛист№документаПодписьДатаИзм.Лист№документаПодписьДата
Код Р0113 Цепь датчика температуры впускного воздуха, высокий уровень сигнала
1 Подключить диагностический прибор.
Выбрать режим "Коды неисправностей".
Запустить двигатель. Проверить, активен ли код неисправности в данный момент?
↓ ↓
Да Нет
↓ ↓
↓
↓
Код Р0113 - непостоянный. В случае отсутствия других кодов - см. "Диагно-
стическую информацию".
↓
2 Убедиться в надежности соединения контактов в разъеме к ДДТВ и в разъеме к
контроллеру, исправности жгута проводов, надежности соединения массы кон-
троллера. Неисправности обнаружены?
↓ ↓
Нет Да
↓ ↓
↓ Устранить обнаруженные неисправности.
↓
2 Выключить зажигание. Отсоединить колодку жгута системы зажигания от ДДТВ.
Включить зажигание. Перемычкой замкнуть между собой контакты "1" и "2" ко-
лодки жгута к ДДТВ.
На диагностическом приборе в режиме "Мониторинг сигналов; Параметры АЦП"
проверить напряжение выходного сигнала ДТВ.
Напряжение меньше 0,1 В?
↓ ↓
Нет Да → Заменить ДДТВ.
↓
Обрыв или замыкание на источник питания в цепи сигнала ДТВ, или неисправен
контроллер.
После ремонта запустить двигатель, сбросить коды и убедиться в отсутствии не-
исправности.
http://vnx.su/
ГОСТ 3.1105-84
Лист 94Дубликат
Взам.
Подп.
3100.25100.12056
ТИ Технологическая инструкция
ОАО "АВТОВАЗ"
ИзмЛист№документаПодписьДатаИзм.Лист№документаПодписьДата
Код Р0116
Цепь датчика температуры охлаждающей жидкости, выход сигнала из допустимого
диапазона
Код Р0116 вводится в память контроллера, если:
- двигатель работает;
- расчетная температура превышает измеренную на величину порога.
Сигнализатор неисправностей загорается на 3-ей поездке после возникновения устой-
чивой неисправности.
Описание проверок
Последовательность соответствует цифрам на карте.
1 Проверяется исправность цепи выходного сигнала датчика.
2 Проверяется исправность цепи заземления датчика.
3 Измеряется сопротивление датчика и определяется причина возникновения кода -
неисправность датчика или системы охлаждения двигателя.
Диагностическая информация
Контроллер выдает в цепь ДТОЖ напряжение 5 В через внутренний резистор.
При обнаружении неисправности ДТОЖ контроллер рассчитывает значение темпера-
туры охлаждающей жидкости по специальному алгоритму.
Необходимо проверить цепь заземления датчика на наличие неисправной проводки
или соединения. Проверить контакты датчика на надежность соединений.
Необходимо проверить сопротивление датчика на соответствие номинальному значе-
нию.
Неисправность в системе охлаждения двигателя (открытый термостат и т.д.) может
стать причиной возникновения кода Р0116.
Таблица зависимости сопротивления ДТОЖ от температуры охлаждающей жидкости
(±2%)
Температура,
°С
Сопрот.,
Ом
Температу-
ра, °С
Сопрот.,
Ом
Температу-
ра, °С
Сопрот.,
Ом
-40 100700 +5 7280 +45 1188
-30 52700 +10 5670 +50 973
-20 28680 +15 4450 +60 667
-15 21450 + 20 3520 +70 467
-10 16180 + 25 2796 +80 332
-5 12300 +30 2238 +90 241
0 9420 + 40 1459 +100 177
http://vnx.su/
ГОСТ 3.1105-84
Лист 95
Дубликат
Взам.
Подп.
3100.25100.12056
ТИ Технологическая инструкция
ОАО "АВТОВАЗ"
ИзмЛист№документаПодписьДатаИзм.Лист№документаПодписьДата
Код Р0116 Цепь датчика температуры охлаждающей жидкости, выход сигнала из допус-
тимого диапазона
1 Выключить зажигание. Отсоединить колодку жгута от датчика. Включить зажига-
ние. Вольтметром измерить напряжение между контактом "2" колодки жгута к
ДТОЖ и массой. Вольтметр должен показать 5 В.
Так ли это?
↓ ↓
Да Нет
↓ ↓
↓
↓
Неисправен контроллер, ненадежное соединение в колодке контроллера или
в колодке датчика, поврежден жгут проводов.
↓
2 Омметром измерить сопротивление между контактом "1" колодки жгута и массой.
Сопротивление должно быть менее 1 Ом. Так ли это?
↓ ↓
Да Нет
↓ ↓
↓ Ненадежное соединение в колодке датчика или обрыв в цепи на массу.
↓
3 Омметром измерить сопротивление датчика для двух значений температуры ох-
лаждающей жидкости (для холодного и горячего двигателя).
Измеренное сопротивление соответствует данным таблицы зависимости сопро-
тивления ДТОЖ от температуры охлаждающей жидкости?
↓ ↓
Да Нет
↓ ↓
↓ Заменить датчик температуры охлаждающей жидкости.
↓
Неисправность в системе охлаждения двигателя.
После ремонта запустить двигатель, сбросить коды и убедиться в отсутствии не-
исправности.
http://vnx.su/
ГОСТ 3.1105-84
Лист 96Дубликат
Взам.
Подп.
3100.25100.12056
ТИ Технологическая инструкция
ОАО "АВТОВАЗ"
ИзмЛист№документаПодписьДатаИзм.Лист№документаПодписьДата
Код Р0117
Цепь датчика температуры охлаждающей жидкости, низкий уровень сигнала
Код Р0117 вводится в память контроллера, если напряжение сигнала датчика (пара-
метр АЦП "Напряжение ДТОЖ") менее 0,097 В.
Сигнализатор неисправностей загорается через 2 драйв-цикла после возникновения
кода неисправности.
Описание проверок
1 Определяется наличие замыкания на массу в цепи сигнала датчика.
Диагностическая информация
Контроллер выдает в цепь ДТОЖ напряжение 5 В через внутренний резистор.
При обнаружении неисправности ДТОЖ контроллер рассчитывает значение темпера-
туры охлаждающей жидкости по специальному алгоритму.
Необходимо проверить цепь сигнала датчика на наличие неисправной проводки и за-
мыкания на массу.
Неисправность непостоянного характера может быть вызвана перегревом двигателя
выше +130 °С.
http://vnx.su/
ГОСТ 3.1105-84
Лист 97
Дубликат
Взам.
Подп.
3100.25100.12056
ТИ Технологическая инструкция
ОАО "АВТОВАЗ"
ИзмЛист№документаПодписьДатаИзм.Лист№документаПодписьДата
Код Р0117 Цепь датчика температуры охлаждающей жидкости, низкий уровень сигнала
Зажигание включено, двигатель не работает. Подключить диагностический при-
бор.
На диагностическом приборе в режиме "Мониторинг сигналов; Параметры АЦП"
проверить напряжение выходного сигнала датчика температуры охлаждающей
жидкости. Напряжение меньше 0,1 В?
↓ ↓
Да Нет
↓ ↓
↓
↓
Код Р0117 - непостоянный. В случае отсутствия других кодов - см. "Непо-
стоянные неисправности", раздел 2.7В.
↓
1 Отсоединить колодку жгута от датчика.
Напряжение выходного сигнала датчика температуры охлаждающей жидкости по
прибору больше 4,9 В?
↓ ↓
Да Нет
↓ ↓
↓ Замыкание на массу в цепи сигнала ДТОЖ или неисправен контроллер.
↓
Заменить датчик температуры охлаждающей жидкости.
После ремонта запустить двигатель, сбросить коды и убедиться в отсутствии не-
исправности.
http://vnx.su/
ГОСТ 3.1105-84
Лист 98Дубликат
Взам.
Подп.
3100.25100.12056
ТИ Технологическая инструкция
ОАО "АВТОВАЗ"
ИзмЛист№документаПодписьДатаИзм.Лист№документаПодписьДата
Код Р0118
Цепь датчика температуры охлаждающей жидкости, высокий уровень сигнала
Код Р0118 вводится в память контроллера, если напряжение сигнала датчика (пара-
метр АЦП "Напряжение ДТОЖ") более 4,88 В.
Сигнализатор неисправностей загорается через 2 драйв-цикла после возникновения
кода неисправности.
Описание проверок
1 В ходе этой проверки моделируются условия кода Р0117 - высокая температу-
ра/низкое сопротивление датчика.
Если контроллер получает сигнал низкого напряжения (высокая температура), а диаг-
ностический прибор показывает 135 °С и выше, то контроллер и цепь датчика температуры
охлаждающей жидкости исправны.
2 Проверяется цепь сигнала датчика на обрыв.
3 При отключенном датчике напряжение между контактами "1" и "2" колодки жгута к
ДТОЖ должно быть около +5 В.
Диагностическая информация
Контроллер выдает в цепь ДТОЖ напряжение 5 В через внутренний резистор.
При обнаружении неисправности ДТОЖ контроллер рассчитывает значение темпера-
туры охлаждающей жидкости по специальному алгоритму.
Необходимо проверить цепь заземления датчиков на наличие неисправной проводки
или соединения. Проверьте контакты датчика на надежность соединений.
http://vnx.su/
ГОСТ 3.1105-84
Лист 99
Дубликат
Взам.
Подп.
3100.25100.12056
ТИ Технологическая инструкция
ОАО "АВТОВАЗ"
ИзмЛист№документаПодписьДатаИзм.Лист№документаПодписьДата
Код Р0118 Цепь датчика температуры охлаждающей жидкости, высокий уровень
сигнала
Зажигание включено, двигатель не работает. Подключить диагностический при-
бор.
На диагностическом приборе в режиме "Мониторинг сигналов; Параметры АЦП"
проверить напряжение выходного сигнала датчика температуры охлаждающей
жидкости. Напряжение больше 4,88 В?
↓ ↓
Да Нет
↓ ↓
↓
↓
Код Р0118 - непостоянный. В случае отсутствия других кодов - см. "Непо-
стоянные неисправности", раздел 2.7В.
↓
1 Отсоединить колодку жгута от датчика температуры охлаждающей жидкости.
Перемкнуть контакты колодки жгута перемычкой.
Напряжение выходного сигнала датчика температуры охлаждающей жидкости по
прибору меньше 0,1 В?
↓ ↓
Нет Да
↓ ↓
2 Снять перемычку.
Соединить перемычкой контакт "2" ко-
лодки жгута к ДТОЖ с массой.
Напряжение выходного сигнала датчика
температуры охлаждающей жидкости
по прибору меньше 0,1 В?
Снять перемычку.
Вольтметром измерить напряже-
ние между контактами "1" и "2"
колодки жгута к ДТОЖ.
Вольтметр должен показать 5 В.
Так ли это?
3
↓ ↓ ↓ ↓
Да Нет Да Нет
↓ ↓ ↓ ↓
↓
↓
↓
Обрыв в цепи сигнала ДТОЖ,
слабое соединение или неиспра-
вен контроллер.
↓
↓
↓
Цепь сигнала ДТОЖ
замкнута на источник
питания.
↓ ↓
Обрыв цепи заземления ДТОЖ, слабое
соединение или неисправен контроллер.
Слабое соединение или неиспра-
вен ДТОЖ.
После ремонта запустить двигатель, сбросить коды и убедиться в отсутствии не-
исправности.
http://vnx.su/
ГОСТ 3.1105-84
Лист 100Дубликат
Взам.
Подп.
3100.25100.12056
ТИ Технологическая инструкция
ОАО "АВТОВАЗ"
ИзмЛист№документаПодписьДатаИзм.Лист№документаПодписьДата
Код Р0122
Цепь датчика положения дроссельной заслонки А, низкий уровень сигнала
Код Р0122 заносится, если:
- зажигание включено;
- напряжение сигнала датчика положения дроссельной заслонки (параметр АЦП "На-
пряжение датчика дроссельной заслонки 1") менее 0,25 В в течение 0,12 с.
Сигнализатор неисправностей загорается через 5 c после возникновения кода неис-
правности.
Описание проверок
Последовательность соответствует цифрам на карте.
1 С помощью диагностического прибора проверяется, активен ли код Р0122 в момент
диагностики. Если фиксируется только код Р0122, то неисправность необходимо искать в
сигнальной цепи ДПДЗ А. Если одновременно фиксируются коды Р0122 и Р0222, то неис-
правность необходимо искать в цепи питания ДПДЗ А и ДПДЗ В.
2 Выполняется проверка цепи от контакта "Х1.2/G2" контроллера до контакта "3"
ЭДП.
3 Выполняется проверка контроллера: при перемыкании контактов "3" и "5" колодки к
ЭДП с помощью пробника сигнал ДПДЗ А на диагностическом приборе должен изменяться.
4 Выполняется проверка цепи от контакта "Х1.2/E3" контроллера до контакта "5"
ЭДП.
5 Выполняется проверка контроллера: на контакт "5" колодки к ЭДП должно посту-
пать опорное напряжение 5 В с контроллера.
Диагностическая информация
При обнаружении неисправности цепи ДПДЗ А система управления двигателем будет
работать в аварийном режиме до конца текущей поездки.
Возможны следующие аварийные режимы:
- ограничение мощности двигателя, если исправна цепь ДПДЗ В;
- обесточивание электропривода дроссельной заслонки и ограничение оборотов дви-
гателя (2500 об/мин), если неисправны цепи ДПДЗ А и ДПДЗ В.
Диагностический прибор в режиме "Мониторинг сигналов" показывает сигналы
ДПДЗ А (параметр АЦП "Напряжение датчика дроссельной заслонки 1") и ДПДЗ В (па-
раметр АЦП "Напряжение датчика дроссельной заслонки 2") в вольтах.
При открытии дроссельной заслонки сигнал ДПДЗ А увеличивается, сигнал ДПДЗ В
уменьшается.
http://vnx.su/
ГОСТ 3.1105-84
Лист 101
Дубликат
Взам.
Подп.
3100.25100.12056
ТИ Технологическая инструкция
ОАО "АВТОВАЗ"
ИзмЛист№документаПодписьДатаИзм.Лист№документаПодписьДата
При полностью закрытой дроссельной заслонке сигнал ДПДЗ А должен находится в
диапазоне 0,30…0,58 В, сигнал ДПДЗ В должен находится в диапазоне 4,42…4,70 В.
Сумма сигналов ДПДЗ А и ДПДЗ В должна быть равна (5±0,1) В при любом положе-
нии дроссельной заслонки.
В случае замены ЭДП или контроллера ЭСУД, или сброса контроллера с помощью
диагностического прибора (режим "Тест функций; Сброс ЭБУ с инициализацией") необхо-
димо выполнить процедуру адаптации нуля дроссельной заслонки.
Для этого на стоящем автомобиле необходимо включить зажигание, выждать 30 с,
выключить зажигание, дождаться отключения главного реле.
Адаптация будет прервана, если:
- прокручивается двигатель;
- автомобиль движется;
- нажата педаль акселератора;
- температура двигателя ниже 5 °С или выше 100 °С;
- температура окружающего воздуха ниже 5 °С.
Если электропривод дроссельной заслонки обесточен, с помощью прямой и возврат-
ной пружин дроссельная заслонка удерживается в положении Limp home (6-7%).
http://vnx.su/
ГОСТ 3.1105-84
Лист 102Дубликат
Взам.
Подп.
3100.25100.12056
ТИ Технологическая инструкция
ОАО "АВТОВАЗ"
ИзмЛист№документаПодписьДатаИзм.Лист№документаПодписьДата
Код Р0122 Цепь датчика положения дроссельной заслонки А, низкий уровень сигнала
1 Подключить диагностический прибор. Включить зажигание. Несколько раз на-
жать педаль акселератора. Выбрать на приборе режим "Коды неисправностей".
Проверить, активен ли код неисправности в данный момент?
↓ ↓
Да Нет
↓ ↓
↓
↓
Код Р0122 - непостоянный. В случае отсутствия других кодов - см. "Непо-
стоянные неисправности", раздел 2.7В.
↓
Фиксируется ли код неисправности Р0222 одновременно с Р0122?
↓ ↓
Нет Да → Переход на проверку 4.
↓
2 Выключить зажигание. Отсоединить колодку от ЭДП и колодку Х1.2 от контрол-
лера. Выполнить проверки электрической цепи от контакта "Х1.2/G2" колодки к
контроллеру до контакта "3" колодки к ЭДП на отсутствие обрыва и замыкания на
массу – см. "Проверки электрических цепей", раздел 2.7В. Цепь исправна?
↓ ↓
Да Нет → Устранить неисправность цепи.
↓
3 Подключить колодку Х1.2 к контроллеру. Включить зажигание. Пробником пе-
ремкнуть контакты "3" и "5" колодки к ЭДП. На диагностическом приборе в ре-
жиме "Мониторинг сигналов; Параметры АЦП" проверить напряжение ДПДЗ А.
Напряжение равно 5 В?
↓ ↓
Да Нет → Неисправен контроллер.
↓
Неисправен ДПДЗ А. Заменить ЭДП на заведомо исправный.
4 Выключить зажигание. Отсоединить колодку от ЭДП и колодку Х1.2 от контрол-
лера. Выполнить проверки электрической цепи от контакта "Х1.2/E3" колодки к
контроллеру до контакта "5" колодки к ЭДП на отсутствие обрыва и замыкания на
массу – см. "Проверки электрических цепей", раздел 2.7В. Цепь исправна?
↓ ↓
Да Нет → Устранить неисправность цепи.
↓
5 Подключить колодку Х1.2 к контроллеру. Включить зажигание. Провести измере-
ние напряжения на контакте "5" колодки к ЭДП - см. "Измерение напряжения на
контактах жгута проводов", раздел 2.7В. Напряжение равно 5 В?
↓ ↓
Да Нет → Неисправен контроллер.
↓
Неисправен ЭДП. Заменить ЭДП на заведомо исправный.
После ремонта запустить двигатель, сбросить коды и убедиться в отсутствии не-
исправности.
http://vnx.su/
ГОСТ 3.1105-84
Лист 103
Дубликат
Взам.
Подп.
3100.25100.12056
ТИ Технологическая инструкция
ОАО "АВТОВАЗ"
ИзмЛист№документаПодписьДатаИзм.Лист№документаПодписьДата
Код Р0123
Цепь датчика положения дроссельной заслонки А, высокий уровень сигнала
Код Р0123 заносится, если:
- зажигание включено;
- напряжение сигнала датчика положения дроссельной заслонки (параметр АЦП "На-
пряжение датчика дроссельной заслонки 1") более 4,75 В в течение 0,12 с.
Сигнализатор неисправностей загорается через 5 c после возникновения кода неис-
правности.
Описание проверок
Последовательность соответствует цифрам на карте.
1 С помощью диагностического прибора проверяется, активен ли код Р0123 в момент
диагностики. Если фиксируется только код Р0123, то неисправность необходимо искать в
сигнальной цепи ДПДЗ А. Если одновременно фиксируются коды Р0123 и Р0223, то неис-
правность необходимо искать в цепи массы ДПДЗ А и ДПДЗ В.
2 Выполняется проверка напряжения в сигнальной цепи ДПДЗ А с отключенным дат-
чиком. Напряжение должно быть около 0 В.
3 Выполняется проверка сигнальной цепи на наличие замыкания на источник питания.
4 Выполняется проверка цепи массы ДПДЗ А и ДПДЗ В.
Диагностическая информация
При обнаружении неисправности цепи ДПДЗ А система управления двигателем будет
работать в аварийном режиме до конца текущей поездки.
Возможны следующие аварийные режимы:
- ограничение мощности двигателя, если исправна цепь ДПДЗ В;
- обесточивание электропривода дроссельной заслонки и ограничение оборотов дви-
гателя (2500 об/мин), если неисправны цепи ДПДЗ А и ДПДЗ В.
Диагностический прибор в режиме "Мониторинг сигналов" показывает сигналы
ДПДЗ А (параметр АЦП "Напряжение датчика дроссельной заслонки 1") и ДПДЗ В (па-
раметр АЦП "Напряжение датчика дроссельной заслонки 2") в вольтах.
При открытии дроссельной заслонки сигнал ДПДЗ А увеличивается, сигнал ДПДЗ В
уменьшается.
При полностью закрытой дроссельной заслонке сигнал ДПДЗ А должен находится в
диапазоне 0,30…0,58 В, сигнал ДПДЗ В должен находится в диапазоне 4,42…4,70 В.
Сумма сигналов ДПДЗ А и ДПДЗ В должна быть равна (5±0,1) В при любом положе-
нии дроссельной заслонки.
http://vnx.su/
ГОСТ 3.1105-84
Лист 104Дубликат
Взам.
Подп.
3100.25100.12056
ТИ Технологическая инструкция
ОАО "АВТОВАЗ"
ИзмЛист№документаПодписьДатаИзм.Лист№документаПодписьДата
В случае замены ЭДП или контроллера ЭСУД, или сброса контроллера с помощью
диагностического прибора (режим "Тест функций; Сброс ЭБУ с инициализацией") необхо-
димо выполнить процедуру адаптации нуля дроссельной заслонки.
Для этого на стоящем автомобиле необходимо включить зажигание, выждать 30 с,
выключить зажигание, дождаться отключения главного реле.
Адаптация будет прервана, если:
- прокручивается двигатель;
- автомобиль движется;
- нажата педаль акселератора;
- температура двигателя ниже 5 °С или выше 100 °С;
- температура окружающего воздуха ниже 5 °С.
Если электропривод дроссельной заслонки обесточен, с помощью прямой и возврат-
ной пружин дроссельная заслонка удерживается в положении Limp home (6-7%).
http://vnx.su/
ГОСТ 3.1105-84
Лист 105
Дубликат
Взам.
Подп.
3100.25100.12056
ТИ Технологическая инструкция
ОАО "АВТОВАЗ"
ИзмЛист№документаПодписьДатаИзм.Лист№документаПодписьДата
Код Р0123 Цепь датчика положения дроссельной заслонки А, высокий уровень сигнала
1 Подключить диагностический прибор. Включить зажигание. Несколько раз на-
жать педаль акселератора. Выбрать на приборе режим "Коды неисправностей".
Проверить, активен ли код неисправности в данный момент?
↓ ↓
Да Нет
↓ ↓
↓
↓
Код Р0123 - непостоянный. В случае отсутствия других кодов - см. "Непо-
стоянные неисправности", раздел 2.7В.
↓
Фиксируется ли код неисправности Р0223 одновременно с Р0123?
↓ ↓
Нет Да → Переход на проверку 4.
↓
2 Выключить зажигание. Отсоединить колодку от ЭДП. Включить зажигание. Про-
вести измерение напряжения на контакте "3" колодки к ЭДП - см. "Измерение на-
пряжения на контактах жгута проводов", раздел 2.7В. Напряжение около 0 В?
↓ ↓
Нет Да → Неисправен ЭДП.
↓
3 Выключить зажигание. Отсоединить колодку Х1.2 от контроллера. Провести про-
верку замыкания контакта "Х1.2/G2" колодки жгута проводов на бортовую сеть –
см. "Проверка замыкания цепи на бортовую сеть", раздел 2.7В. Замыкание есть?
↓ ↓
Да Нет → Неисправен контроллер.
↓
Устранить неисправность цепи.
4 Выключить зажигание. Отсоединить колодку от ЭДП. Пробником, соединенным с
"+" АКБ, проверить контакт "4" колодки к ЭДП. Горит ли лампа пробника?
↓ ↓
Нет Да → Неисправен ЭДП.
↓
Отсоединить колодку Х1.2 от контроллера. Выполнить проверку электрической
цепи от контакта "Х1.2/F5" колодки к контроллеру до контакта "4" колодки к ЭДП
на отсутствие обрыва – см. "Проверки электрических цепей", раздел 2.7В. Цепь
исправна?
↓ ↓
Нет Да → Неисправен контроллер.
↓
Устранить неисправность цепи.
После ремонта запустить двигатель, сбросить коды и убедиться в отсутствии не-
исправности.
http://vnx.su/
ГОСТ 3.1105-84
Лист 106Дубликат
Взам.
Подп.
3100.25100.12056
ТИ Технологическая инструкция
ОАО "АВТОВАЗ"
ИзмЛист№документаПодписьДатаИзм.Лист№документаПодписьДата
Код Р0130
Датчик кислорода до нейтрализатора неисправен
Код Р0130 заносится, если:
- двигатель проработал время, достаточное для прогрева датчика кислорода (до
10 мин, определяется температурой ОЖ при старте);
- сигнал УДК повторяет по форме сигнал управления нагревателем (замыкание цепи
выходного сигнала на цепь управления нагревателем);
или напряжение сигнала прогретого УДК (параметр АЦП "Напряжение датчика ки-
слорода до нейтрализатора") находится в диапазоне от 0,6 до 1,5 В, а напряжение сигнала
ДДК (параметр АЦП "Напряжение датчика кислорода после нейтрализатора") меньше
0,1 В, при этом система осуществляет топливоподачу в режиме обратной связи по сигналу
УДК (значение параметра "Признак работы в зоне регулировки по сигналу управляю-
щего датчика кислорода" = Да);
или напряжение сигнала прогретого УДК находится в диапазоне от 60 до 400 мВ, а
напряжение сигнала ДДК больше 0,5 В, при этом система осуществляет топливоподачу в
режиме обратной связи по сигналу УДК (значение параметра "Признак работы в зоне ре-
гулировки по сигналу управляющего датчика кислорода" = Да).
Сигнализатор неисправностей загорается на 3-ей поездке после возникновения устой-
чивой неисправности.
Описание проверок
Последовательность соответствует цифрам на карте.
1 Проверяется с помощью диагностического прибора значение напряжения сигнала
управляющего датчика кислорода.
2 Проверяется исправность цепи сигнала датчика.
Диагностическая информация
Напряжение на контакте "2" холодного датчика кислорода равно 1,7 В.
Для прогретого датчика напряжение при работе по замкнутому контуру изменяется в
диапазоне 180...950 мВ.
http://vnx.su/
ГОСТ 3.1105-84
Лист 107
Дубликат
Взам.
Подп.
3100.25100.12056
ТИ Технологическая инструкция
ОАО "АВТОВАЗ"
ИзмЛист№документаПодписьДатаИзм.Лист№документаПодписьДата
Код Р0130 Датчик кислорода до нейтрализатора неисправен
1 Подключить диагностический прибор.
Включить зажигание.
Напряжение сигнала УДК по диагностическому прибору (параметры АЦП) долж-
но быть 1,7 В. Какое напряжение показывает прибор?
↓ ↓ ↓
Больше 2 В Меньше 0,4 В Около 1,7 В
↓ ↓ ↓
2 ↓
↓
↓
↓
↓
↓
↓
↓
Выключить зажигание.
Отсоединить колодку жгута
от УДК. Включить зажига-
ние. Напряжение сигнала
датчика по диагностическо-
му прибору (параметры
АЦП) должно быть 1,7 В.
Так ли это?
Проанализировать дополнительную ин-
формацию, сопутствующую коду Р0130.
Очистить коды. Запустить двигатель.
Используя диагностический прибор, по-
пытаться воспроизвести условия воз-
никновения кода неисправности.
Заносится ли код Р0130?
↓ ↓ ↓ ↓ ↓
↓ Нет Да Да Нет
↓ ↓ ↓ ↓ ↓
↓ ↓ Неисправен УДК. ↓
↓ ↓ ↓
↓
↓
↓
Цепь сигнала УДК замкнута
на массу или неисправен
контроллер.
Код Р0130 - непостоянный. В случае
отсутствия других кодов - см. "Непосто-
янные неисправности", раздел 2.7В.
↓
2 Выключить зажигание.
Отсоединить колодку жгута от управляющего датчика кислорода.
Включить зажигание.
Напряжение сигнала датчика по диагностическому прибору (параметры АЦП)
должно быть 1,7 В.
Так ли это?
↓ ↓
Нет Да
↓ ↓
Замыкание цепи сигнала ДК на цепь управления нагрева-
телем или неисправен контроллер.
Неисправен
УДК.
После ремонта запустить двигатель, сбросить коды и убедиться в отсутствии не-
исправности.
http://vnx.su/
ГОСТ 3.1105-84
Лист 108Дубликат
Взам.
Подп.
3100.25100.12056
ТИ Технологическая инструкция
ОАО "АВТОВАЗ"
ИзмЛист№документаПодписьДатаИзм.Лист№документаПодписьДата
Код Р0131
Цепь датчика кислорода до нейтрализатора, низкий уровень выходного сигнала
Код Р0131 заносится, если:
- двигатель проработал время, достаточное для прогрева датчика кислорода (до
10 мин, определяется температурой ОЖ при старте);
- напряжение сигнала холодного управляющего датчика кислорода (параметр АЦП
"Напряжение датчика кислорода до нейтрализатора") ниже 60 мВ в течение 5 с;
или в течение 10 секунд напряжение сигнала прогретого УДК (параметр АЦП "На-
пряжение датчика кислорода до нейтрализатора") меньше 60 мВ, а напряжение сигнала
ДДК (параметр АЦП "Напряжение датчика кислорода после нейтрализатора") больше
0,5 В, при этом система осуществляет топливоподачу в режиме обратной связи по сигналу
УДК (значение параметра "Признак работы в зоне регулировки по сигналу управляю-
щего датчика кислорода" = Да).
Сигнализатор неисправностей загорается на 3-ей поездке после возникновения устой-
чивой неисправности.
Описание проверок
Последовательность соответствует цифрам на карте.
1 Проверяется с помощью диагностического прибора значение напряжения сигнала
управляющего датчика кислорода.
2 Проверяется исправность цепи сигнала датчика.
Диагностическая информация
Напряжение на контакте "2" холодного датчика кислорода равно 1,7 В.
Для прогретого датчика напряжение при работе по замкнутому контуру изменяется в
диапазоне 180...950 мВ.
http://vnx.su/
ГОСТ 3.1105-84
Лист 109
Дубликат
Взам.
Подп.
3100.25100.12056
ТИ Технологическая инструкция
ОАО "АВТОВАЗ"
ИзмЛист№документаПодписьДатаИзм.Лист№документаПодписьДата
Код Р0131 Цепь датчика кислорода до нейтрализатора, низкий уровень выходного сиг-
нала
1 Подключить диагностический прибор.
Включить зажигание.
Напряжение сигнала УДК по диагностическому прибору (параметры АЦП) мень-
ше 60 мВ?
↓ ↓
Да Нет
↓ ↓
↓
↓
Код Р0131 - непостоянный. В случае отсутствия других кодов - см. "Допол-
нительную информацию" по коду неисправности.
↓
2 Выключить зажигание.
Отсоединить колодку жгута от датчика кислорода.
Включить зажигание.
Напряжение сигнала датчика по диагностическому прибору (параметры АЦП)
меньше 60 мВ?
↓ ↓
Да Нет
↓ ↓
Цепь сигнала УДК замкнута на массу или неисправен
контроллер.
Неисправен
УДК.
После ремонта запустить двигатель, сбросить коды и убедиться в отсутствии не-
исправности.
http://vnx.su/
ГОСТ 3.1105-84
Лист 110Дубликат
Взам.
Подп.
3100.25100.12056
ТИ Технологическая инструкция
ОАО "АВТОВАЗ"
ИзмЛист№документаПодписьДатаИзм.Лист№документаПодписьДата
Код Р0132
Цепь датчика кислорода до нейтрализатора, высокий уровень выходного сигнала
Код Р0132 заносится, если:
- двигатель проработал время, достаточное для прогрева датчика кислорода (до
10 мин, определяется температурой ОЖ при старте);
- напряжение сигнала управляющего датчика кислорода (параметр АЦП "Напряже-
ние датчика кислорода до нейтрализатора") выше 1,2 В в течение 5 с.
Сигнализатор неисправностей загорается на 3-ей поездке после возникновения устой-
чивой неисправности.
Описание проверок
Последовательность соответствует цифрам на карте.
1 Проверяется с помощью диагностического прибора значение напряжения сигнала
управляющего датчика кислорода.
2 Проверяется исправность цепи сигнала датчика.
Диагностическая информация
Напряжение на контакте "2" холодного датчика кислорода равно 1,7 В.
Для прогретого датчика напряжение при работе по замкнутому контуру изменяется в
диапазоне 180...950мВ.
http://vnx.su/
ГОСТ 3.1105-84
Лист 111
Дубликат
Взам.
Подп.
3100.25100.12056
ТИ Технологическая инструкция
ОАО "АВТОВАЗ"
ИзмЛист№документаПодписьДатаИзм.Лист№документаПодписьДата
Код Р0132 Цепь датчика кислорода до нейтрализатора, высокий уровень выходного сиг-
нала
1 Подключить диагностический прибор.
Включить зажигание.
Напряжение сигнала УДК по диагностическому прибору (параметры АЦП) боль-
ше 1,2 В?
↓ ↓
Да Нет
↓ ↓
↓
↓
Код Р0132 - непостоянный. В случае отсутствия других кодов - см. "Допол-
нительную информацию" по коду неисправности.
↓
2 Выключить зажигание.
Отсоединить колодку жгута от датчика кислорода.
Включить зажигание.
Напряжение сигнала датчика по диагностическому прибору (параметры АЦП)
больше 1,2 В?
↓ ↓
Да Нет
↓ ↓
Цепь сигнала УДК замкнута на источник питания или не-
исправен контроллер.
Неисправен
УДК.
После ремонта запустить двигатель, сбросить коды и убедиться в отсутствии не-
исправности.
http://vnx.su/
ГОСТ 3.1105-84
Лист 112Дубликат
Взам.
Подп.
3100.25100.12056
ТИ Технологическая инструкция
ОАО "АВТОВАЗ"
ИзмЛист№документаПодписьДатаИзм.Лист№документаПодписьДата
Код Р0133
Цепь датчика кислорода до нейтрализатора, медленный отклик на изменение состава
смеси
Код Р0133 заносится, если:
- периода сигнала УДК (параметр "Период сигнала датчика кислорода до нейтра-
лизатора") больше 2 секунд;
- отсутствуют коды неисправностей Р0030, Р0031, Р0032, Р0441, Р0444, Р0458, Р0459,
Р0560, Р0562, Р0563;
- управление топливоподачей осуществляется в режиме обратной связи по сигналу
управляющего датчика кислорода (значение параметра "Признак работы в зоне регули-
ровки по сигналу управляющего датчика кислорода" = Да);
- нейтрализатор прогрелся до рабочей температуры;
- значение параметра "Частота вращения коленчатого вала двигателя" находится
в диапазоне от 1440 до 2880 об/мин;
- значение параметра "Параметр нагрузки" находится в диапазоне от 15 до 50 %;
- прошло более 10 секунд после выключения продувки адсорбера.
Сигнализатор неисправностей загорается на 3-ей поездке после возникновения устой-
чивой неисправности.
Описание проверок
Последовательность соответствует цифрам на карте.
1 Проверяется наличие других неисправностей.
2 Проверяется наличие постоянной неисправности.
3 Проверяется возможность возникновения кода вследствие неисправности в системе
выпуска или нарушения контакта, проверяется цепь заземления датчика.
4 Проверяется исправность цепи выходного сигнала датчика.
5 Проверяется исправность цепи выходного сигнала датчика.
Диагностическая информация
Неисправность непостоянного характера может быть вызвана наличием следующих
неисправностей:
Неверное или ненадежное соединение контактов колодок жгута системы зажига-
ния, датчика и контроллера. Осмотреть разъемы датчика и контроллера, колодки жгута на
полноту и правильность сочленения, повреждения замков, наличие поврежденных контак-
тов и качество соединения контактов с проводом.
Повреждения жгута. Проверить жгут на наличие повреждений.
http://vnx.su/
ГОСТ 3.1105-84
Лист 113
Дубликат
Взам.
Подп.
3100.25100.12056
ТИ Технологическая инструкция
ОАО "АВТОВАЗ"
ИзмЛист№документаПодписьДатаИзм.Лист№документаПодписьДата
Код Р0133 Цепь датчика кислорода до нейтрализатора, медленный отклик на изменение
состава смеси
1 Подключить диагностический прибор.
Выбрать режим "Коды неисправностей".
Присутствуют ли другие коды неисправностей?
↓ ↓
Нет Да → Сначала устранить эти неисправности.
↓
2 Запустить двигатель. Стереть коды неисправностей.
Воспроизвести условия возникновения кода неисправности.
- значение параметра "Признак работы в зоне регулировки по сигналу управ-
ляющего датчика кислорода" = Да;
- двигатель и нейтрализатор прогреты до рабочей температуры;
- значение параметра "Частота вращения коленчатого вала двигателя" нахо-
дится в диапазоне от 1440 до 2880 об/мин;
- значение параметра "Параметр нагрузки" находится в диапазоне от 15 до 50 %;
- прошло более 10 секунд после выключения продувки адсорбера.
Заносится ли код Р0133?
↓ ↓
Да Нет → См. "Диагностическую информацию".
↓
3 Заглушить двигатель. Проверить систему выпуска отработавших газов. В случае
обнаружения утечки устранить неисправность. Проверить управляющий датчик
кислорода на надежность установки и отсутствие повреждений корпуса. Прове-
рить контакты датчика и присоединяемой колодки жгута на отсутствие коррозии и
деформации. Отсоединить колодку жгута от управляющего датчика кислорода.
Омметром измерить сопротивление между контактом "1" колодки жгута и массой.
Сопротивление должно быть менее 1 Ом. Так ли это?
↓ ↓
Да Нет → Обрыв цепи заземления датчика.
↓
4 Включить зажигание. Напряжение сигнала УДК по диагностическому прибору
(параметр АЦП) должно быть около 1,7 В. Так ли это?
↓ ↓
Да Нет
↓ ↓
↓ Замыкание на массу или источник питания цепи сигнала УДК.
↓
5 Соединить контакт "2" колодки жгута с надежной массой. Напряжение сигнала
УДК по диагностическому прибору должно быть ниже 150 мВ. Так ли это?
↓ ↓
Да Нет
↓ ↓
↓ Обрыв или плохой контакт в цепи сигнала УДК.
↓
Неисправен управляющий датчик кислорода.
После ремонта запустить двигатель, сбросить коды и убедиться в отсутствии не-
исправности.
http://vnx.su/
ГОСТ 3.1105-84
Лист 114Дубликат
Взам.
Подп.
3100.25100.12056
ТИ Технологическая инструкция
ОАО "АВТОВАЗ"
ИзмЛист№документаПодписьДатаИзм.Лист№документаПодписьДата
Код Р0134
Цепь датчика кислорода до нейтрализатора неактивна
Код Р0134 заносится, если:
- двигатель проработал время, достаточное для прогрева датчика кислорода (до
10 мин, определяется температурой ОЖ при старте);
- напряжение сигнала УДК (параметр "Период сигнала датчика кислорода до ней-
трализатора") находилось в диапазоне 1,2...1,7 В в течение 5 с.
Сигнализатор неисправностей загорается на 3-ей поездке после возникновения устой-
чивой неисправности.
Описание проверок
Последовательность соответствует цифрам на карте.
1 Если напряжение находится в указанных пределах, то датчик кислорода не прогрел-
ся или неисправна цепь выходного сигнала датчика.
2 Проверяется исправность цепи входного сигнала датчика путем измерения напря-
жения между контактом "2" колодки жгута и массой.
Диагностическая информация
Напряжение на контакте "2" холодного датчика кислорода равно 1,7 В.
Для прогретого датчика напряжение при работе по замкнутому контуру изменяется в
диапазоне 180...950 мВ.
Причиной возникновения кода Р0134 могут быть:
- недостаточная мощность нагревателя датчика кислорода;
- установка датчика кислорода другого типа;
- ненадежный контакт в колодках жгута и датчика.
Если одновременно с кодом Р0134 фиксируются:
- код Р0030, то вероятной причиной возникновения неисправности является отсоеди-
нение колодки датчика кислорода от жгута проводов и устранение неисправности следует
начинать с карты кода Р0030.
http://vnx.su/
ГОСТ 3.1105-84
Лист 115
Дубликат
Взам.
Подп.
3100.25100.12056
ТИ Технологическая инструкция
ОАО "АВТОВАЗ"
ИзмЛист№документаПодписьДатаИзм.Лист№документаПодписьДата
Код Р0134 Цепь датчика кислорода до нейтрализатора неактивна
1 Подключить диагностический прибор.
Запустить двигатель, прогреть датчик кислорода до рабочей температуры (на ре-
жиме холостого хода около 10 мин).
Напряжение сигнала УДК по диагностическому прибору (параметры АЦП) в пре-
делах 1,2...1,7 В?
↓ ↓
Да Нет
↓ ↓
↓
↓
↓
↓
Код Р0134 - непостоянный. Необходимо проанализировать условия возник-
новения кода - см. "Дополнительную информацию" по коду неисправности.
Проверить контакты датчика и присоединяемой колодки жгута на отсутст-
вие коррозии и деформации.
↓
2 Выключить зажигание.
Отсоединить колодку жгута от датчика кислорода.
Включить зажигание.
Вольтметром измерить напряжение между контактами "2" и "1" колодки жгута к
датчику кислорода. Напряжение должно быть 1,7 В. Так ли это?
↓ ↓
Нет Да → Неисправен УДК.
↓
Обрыв или плохой контакт в цепи сигнала УДК, или неисправен контроллер.
После ремонта запустить двигатель, сбросить коды и убедиться в отсутствии не-
исправности.
http://vnx.su/
ГОСТ 3.1105-84
Лист 116Дубликат
Взам.
Подп.
3100.25100.12056
ТИ Технологическая инструкция
ОАО "АВТОВАЗ"
ИзмЛист№документаПодписьДатаИзм.Лист№документаПодписьДата
Код Р0135
Датчик кислорода до нейтрализатора, нагреватель неисправен
Код Р0135 заносится, если:
- двигатель работает;
- рассчитанная контроллером температура нейтрализатора выше порога;
- рассчитанное контроллером сопротивление УДК выше порога.
Сигнализатор неисправностей загорается на 3-ей поездке после возникновения устой-
чивой неисправности.
Описание проверок
Последовательность соответствует цифрам на карте.
1. Проверяется надежность соединения датчика кислорода со жгутом проводов.
Диагностическая информация
Контроллер в процессе работы рассчитывает сопротивление чувствительного элемен-
та УДК, которое зависит от рабочей температуры датчика. Она в свою очередь определяется
температурой его нагревателя и выпускных газов. В зависимости от режима работы двига-
теля, сопротивление датчика кислорода может изменяться в диапазоне 90...550 Ом.
Если одновременно с кодом Р0135 фиксируется код Р0030, то устранение неисправно-
сти следует начинать с карты кода Р0030.
Причиной возникновения кода Р0135 могут быть:
- установка датчика кислорода другого типа;
- ненадежный контакт в колодках жгута и датчика.
http://vnx.su/
ГОСТ 3.1105-84
Лист 117
Дубликат
Взам.
Подп.
3100.25100.12056
ТИ Технологическая инструкция
ОАО "АВТОВАЗ"
ИзмЛист№документаПодписьДатаИзм.Лист№документаПодписьДата
Код Р0135 Датчик кислорода до нейтрализатора, нагреватель неисправен
Подключить диагностический прибор.
Запустить двигатель, прогреть датчик кислорода до рабочей температуры (на ре-
жиме холостого хода около 10 мин).
Сопротивление УДК по диагностическому прибору (параметр АЦП "Сопротив-
ление датчика кислорода до нейтрализатора") больше 550 Ом?
↓ ↓
Да Нет
↓ ↓
↓
↓
Код Р0135 - непостоянный. Необходимо проанализировать условия возник-
новения кода - см. "Дополнительную информацию" по коду неисправности.
↓
1 Выключить зажигание.
Отсоединить колодку жгута от датчика кислорода.
Проверить контакты датчика и присоединяемой колодки жгута на надежность со-
единения, отсутствие коррозии и деформации.
Если соединение исправно, то заменить УДК.
После ремонта запустить двигатель, сбросить коды и убедиться в отсутствии не-
исправности.
http://vnx.su/
ГОСТ 3.1105-84
Лист 118Дубликат
Взам.
Подп.
3100.25100.12056
ТИ Технологическая инструкция
ОАО "АВТОВАЗ"
ИзмЛист№документаПодписьДатаИзм.Лист№документаПодписьДата
Код Р0136
Датчик кислорода после нейтрализатора неисправен
Код Р0136 заносится, если:
- двигатель проработал время, достаточное для прогрева датчика кислорода (до
30 мин, определяется температурой ОЖ при старте);
- сигнал ДДК повторяет по форме сигнал управления нагревателем (замыкание цепи
выходного сигнала на цепь управления нагревателем).
Сигнализатор неисправностей загорается на 3-ей поездке после возникновения устой-
чивой неисправности.
Описание проверок
Последовательность соответствует цифрам на карте.
1 Проверяется значение напряжения выходного сигнала диагностического датчика ки-
слорода.
2 Проверяется наличие постоянной неисправности.
3 Проверяется исправность датчика.
Диагностическая информация
Напряжение на контакте "2" холодного диагностического датчика кислорода равно 1,7
В.
Для прогретого датчика напряжение сигнала при работе в режиме обратной связи, на
частичных нагрузках и при исправном нейтрализаторе в установившемся режиме изменяет-
ся в диапазоне от 590 до 750 мВ.
Неисправность непостоянного характера может быть вызвана наличием следующих
неисправностей:
Неправильная трасса жгута проводов. Убедиться в том, что отвод к датчику не ка-
сается элементов системы выпуска отработавших газов.
Переобедненный состав топливовоздушной смеси. Провести диагностику системы
топливоподачи по карте А-6.
http://vnx.su/
ГОСТ 3.1105-84
Лист 119
Дубликат
Взам.
Подп.
3100.25100.12056
ТИ Технологическая инструкция
ОАО "АВТОВАЗ"
ИзмЛист№документаПодписьДатаИзм.Лист№документаПодписьДата
Код Р0136 Датчик кислорода после нейтрализатора неисправен
1 Подключить диагностический прибор. Включить зажигание.
Выбрать режим "Мониторинг сигналов; Параметры АЦП". При наличии данной
неисправности напряжение сигнала диагностического датчика кислорода (пара-
метр АЦП "Напряжение датчика кислорода после нейтрализатора") по диаг-
ностическому прибору должно быть больше 2 В.
Так ли это?
↓ ↓
Нет Да
↓ ↓
2 Запустить двигатель.
Используя диагностический при-
бор, попытаться воспроизвести
условия возникновения кода не-
исправности.
Код Р0136 активен?
Выключить зажигание.
Отсоединить колодку жгута от диагно-
стического датчика кислорода.
Включить зажигание.
Напряжение сигнала ДДК по диагно-
стическому прибору (параметры АЦП)
должно быть около 1,7 В.
Так ли это?
3
↓ ↓ ↓ ↓
Нет Да Да Нет
↓ ↓ ↓ ↓
↓ Неисправен ДДК. ↓
↓ ↓
Код Р0136 - непостоянный. В слу-
чае отсутствия других кодов - см.
"Диагностическую информацию".
Цепь сигнала ДДК замкнута на цепь
управления нагревателем или неиспра-
вен контроллер.
После ремонта запустить двигатель, сбросить коды и убедиться в отсутствии не-
исправности.
http://vnx.su/
ГОСТ 3.1105-84
Лист 120Дубликат
Взам.
Подп.
3100.25100.12056
ТИ Технологическая инструкция
ОАО "АВТОВАЗ"
ИзмЛист№документаПодписьДатаИзм.Лист№документаПодписьДата
Код Р0137
Цепь датчика кислорода после нейтрализатора, низкий уровень сигнала
Код Р0137 заносится, если:
- двигатель проработал время, достаточное для прогрева датчика кислорода (до
30 мин, определяется температурой ОЖ при старте);
- напряжение сигнала холодного диагностического датчика кислорода (параметр АЦП
"Напряжение датчика кислорода после нейтрализатора") меньше 60 мВ;
или в течение 40 секунд напряжение сигнала прогретого ДДК меньше 60 мВ, при этом
система осуществляет топливоподачу в режиме обратной связи по сигналу УДК.
Сигнализатор неисправностей загорается на 3-ей поездке после возникновения устой-
чивой неисправности.
Описание проверок
Последовательность соответствует цифрам на карте.
1 Проверяется значение напряжения выходного сигнала диагностического датчика ки-
слорода.
2 Проверяется наличие постоянной неисправности.
3 Проверяется исправность датчика.
Диагностическая информация
Напряжение на контакте "2" холодного диагностического датчика кислорода равно 1,7
В.
Для прогретого датчика напряжение сигнала при работе в режиме обратной связи, на
частичных нагрузках и при исправном нейтрализаторе в установившемся режиме изменяет-
ся в диапазоне от 590 до 750 мВ.
Неисправность непостоянного характера может быть вызвана наличием следующих
неисправностей:
Ненадежное соединение контактов колодок жгута системы зажигания, датчика и
контроллера. Осмотреть разъемы датчика и контроллера, колодки жгута на полноту и пра-
вильность сочленения, повреждения замков, наличие поврежденных контактов и качество
соединения контактов с проводом.
Неправильная трасса жгута проводов. Убедиться в том, что отвод к датчику не ка-
сается элементов системы выпуска отработавших газов.
Переобедненный состав топливовоздушной смеси. Провести диагностику системы
топливоподачи по карте А-6.
http://vnx.su/
ГОСТ 3.1105-84
Лист 121
Дубликат
Взам.
Подп.
3100.25100.12056
ТИ Технологическая инструкция
ОАО "АВТОВАЗ"
ИзмЛист№документаПодписьДатаИзм.Лист№документаПодписьДата
Код Р0137 Цепь датчика кислорода после нейтрализатора, низкий уровень сигнала
1 Подключить диагностический прибор. Запустить двигатель.
Выбрать режим "Мониторинг сигналов; Параметры АЦП".
При наличии данной неисправности напряжение сигнала диагностического датчи-
ка кислорода по диагностическому прибору должно быть меньше 60 мВ.
Так ли это?
↓ ↓
Нет Да
↓ ↓
2 Просмотреть и запомнить дополнительную информацию к коду неис-
правности Р0137. Очистить коды. Используя диагностический прибор,
попытаться воспроизвести условия возникновения кода неисправно-
сти. Заносится ли код Р0137?
↓
↓
↓
↓
↓ ↓ ↓
Нет Да ↓
↓ ↓ ↓
↓
↓
↓
↓
Выключить зажигание. Отсоединить колодку жгута от диагностического
датчика кислорода. Включить зажигание. Напряжение сигнала диагностиче-
ского датчика кислорода по диагностическому прибору (параметры АЦП)
должно быть около 1,7 В. Так ли это?
3
↓ ↓ ↓
↓ Да Нет
↓ ↓ ↓
↓
↓
Неисправен
ДДК.
Неисправен контроллер или замыкание цепи сигна-
ла ДДК на массу.
↓
Код Р0137 - непостоянный. В случае отсутствия других кодов -см. "Диагностиче-
скую информацию".
После ремонта запустить двигатель, сбросить коды и убедиться в отсутствии не-
исправности.
http://vnx.su/
ГОСТ 3.1105-84
Лист 122Дубликат
Взам.
Подп.
3100.25100.12056
ТИ Технологическая инструкция
ОАО "АВТОВАЗ"
ИзмЛист№документаПодписьДатаИзм.Лист№документаПодписьДата
Код Р0138
Цепь датчика кислорода после нейтрализатора, высокий уровень сигнала
Код Р0138 заносится, если:
- двигатель проработал время, достаточное для прогрева датчика кислорода (до
30 мин, определяется температурой ОЖ при старте);
- напряжение сигнала диагностического датчика кислорода (параметр АЦП "Напря-
жение датчика кислорода после нейтрализатора") больше 1,2 В в течение 5 с.
Сигнализатор неисправностей загорается на 3-ей поездке после возникновения устой-
чивой неисправности.
Описание проверок
Последовательность соответствует цифрам на карте.
1 Проверяется значение напряжения выходного сигнала диагностического датчика ки-
слорода.
2 Проверяется наличие постоянной неисправности.
3 Проверяется исправность датчика.
Диагностическая информация
Напряжение на контакте "2" холодного диагностического датчика кислорода равно 1,7
В.
Для прогретого датчика напряжение сигнала при работе в режиме обратной связи, на
частичных нагрузках и при исправном нейтрализаторе в установившемся режиме изменяет-
ся в диапазоне от 590 до 750 мВ.
Неисправность непостоянного характера может быть вызвана наличием следующих
неисправностей:
Неправильная трасса жгута проводов. Убедиться в том, что отвод к датчику не ка-
сается элементов системы выпуска отработавших газов.
Загрязнение кремнием поверхности датчика. Проверить рабочую часть датчика на
наличие белого налета.
http://vnx.su/
ГОСТ 3.1105-84
Лист 123
Дубликат
Взам.
Подп.
3100.25100.12056
ТИ Технологическая инструкция
ОАО "АВТОВАЗ"
ИзмЛист№документаПодписьДатаИзм.Лист№документаПодписьДата
Код Р0138 Цепь датчика кислорода после нейтрализатора, высокий уровень сигнала
1 Подключить диагностический прибор.
Запустить двигатель и дать поработать в режиме холостого хода 5 минут. Выбрать
режим "Мониторинг сигналов; Параметры АЦП".
При наличии данной неисправности напряжение сигнала диагностического датчи-
ка кислорода по диагностическому прибору должно быть больше 1,2 В.
Так ли это?
↓ ↓
Нет Да
↓ ↓
2 Просмотреть и запомнить дополнительную информацию к коду неис-
правности Р0138. Очистить коды. Используя диагностический прибор,
попытаться воспроизвести условия возникновения кода неисправно-
сти. Заносится ли код Р0138?
↓
↓
↓
↓
↓ ↓ ↓
Нет Да ↓
↓ ↓ ↓
↓
↓
↓
↓
Выключить зажигание. Отсоединить колодку жгута от диагностического
датчика кислорода. Включить зажигание. Напряжение сигнала диагностиче-
ского датчика кислорода по диагностическому прибору (параметры АЦП)
должно быть около 1,7 В. Так ли это?
3
↓ ↓ ↓
↓ Да Нет
↓ ↓ ↓
↓
↓
Неисправен
ДДК.
Замыкание цепи сигнала ДДК на источник питания
или неисправен контроллер.
↓
Код Р0138 - непостоянный. В случае отсутствия других кодов -см. "Диагностиче-
скую информацию".
После ремонта запустить двигатель, сбросить коды и убедиться в отсутствии не-
исправности.
http://vnx.su/
ГОСТ 3.1105-84
Лист 124Дубликат
Взам.
Подп.
3100.25100.12056
ТИ Технологическая инструкция
ОАО "АВТОВАЗ"
ИзмЛист№документаПодписьДатаИзм.Лист№документаПодписьДата
Код Р0140
Цепь датчика кислорода после нейтрализатора неактивна
Код Р0140 заносится, если:
- двигатель проработал время, достаточное для прогрева датчика кислорода (до
30 мин, определяется температурой ОЖ при старте);
- напряжение сигнала диагностического датчика кислорода (параметр АЦП "Напря-
жение датчика кислорода после нейтрализатора") находится в диапазоне 1,2...1,7 В.
Сигнализатор неисправностей загорается на 3-ей поездке после возникновения устой-
чивой неисправности.
Описание проверок
Последовательность соответствует цифрам на карте.
1 Проверяется значение напряжения выходного сигнала диагностического датчика ки-
слорода.
2 Проверяется наличие постоянной неисправности.
3 Проверяется исправность датчика.
Диагностическая информация
Напряжение на контакте "2" холодного диагностического датчика кислорода равно 1,7
В.
Для прогретого датчика напряжение сигнала при работе в режиме обратной связи, на
частичных нагрузках и при исправном нейтрализаторе в установившемся режиме изменяет-
ся в диапазоне от 590 до 750 мВ.
Неисправность непостоянного характера может быть вызвана наличием следующих
неисправностей:
Ненадежное соединение контактов колодок жгута системы зажигания, датчика и
контроллера. Осмотреть разъемы датчика и контроллера, колодки жгута на полноту и пра-
вильность сочленения, повреждения замков, наличие поврежденных контактов и качество
соединения контактов с проводом.
Если одновременно с кодом Р0140 фиксируются:
- код Р0036, то наиболее вероятной причиной неисправности является отключение ди-
агностического датчика кислорода от жгута проводов и устранение неисправности следует
начинать с карты кода Р0036.
http://vnx.su/
ГОСТ 3.1105-84
Лист 125
Дубликат
Взам.
Подп.
3100.25100.12056
ТИ Технологическая инструкция
ОАО "АВТОВАЗ"
ИзмЛист№документаПодписьДатаИзм.Лист№документаПодписьДата
Код Р0140 Цепь датчика кислорода после нейтрализатора неактивна
1 Подключить диагностический прибор.
Запустить двигатель дать поработать на режиме холостого хода около 10 мин.
Выбрать режим "Мониторинг сигналов; Параметры АЦП". При наличии данной
неисправности напряжение сигнала диагностического датчика кислорода по диаг-
ностическому прибору должно быть в пределах 1,2...1,7 В.
Так ли это?
↓ ↓
Нет Да
↓ ↓
2 Просмотреть и запомнить дополнительную информацию к коду неис-
правности Р0140. Очистить коды. Используя диагностический прибор,
попытаться воспроизвести условия возникновения кода неисправно-
сти. Заносится ли код Р0140?
↓
↓
↓
↓
↓ ↓ ↓
Нет Да ↓
↓ ↓ ↓
↓
↓
↓
↓
Выключить зажигание. Отсоединить колодку жгута от ДДК.
Соединить контакты "2" и "1" колодки жгута с надежной массой.
Включить зажигание. Напряжение сигнала ДДК по диагностическому при-
бору (параметры АЦП) должно быть меньше 150 мВ. Так ли это?
3
↓ ↓ ↓
↓ Да Нет
↓ ↓ ↓
↓
↓
Неисправен
ДДК.
Обрыв цепи сигнала ДДК или неисправен контрол-
лер.
↓
Код Р0140 - непостоянный. В случае отсутствия других кодов -см. "Диагностиче-
скую информацию".
После ремонта запустить двигатель, сбросить коды и убедиться в отсутствии не-
исправности.
http://vnx.su/
ГОСТ 3.1105-84
Лист 126Дубликат
Взам.
Подп.
3100.25100.12056
ТИ Технологическая инструкция
ОАО "АВТОВАЗ"
ИзмЛист№документаПодписьДатаИзм.Лист№документаПодписьДата
Код Р0141
Датчик кислорода после нейтрализатора, нагреватель неисправен
Код Р0141 заносится, если:
- двигатель работает;
- рассчитанная контроллером температура нейтрализатора выше порога;
- рассчитанное контроллером сопротивление ДДК выше порога.
Сигнализатор неисправностей загорается на 3-ей поездке после возникновения устой-
чивой неисправности.
Описание проверок
Последовательность соответствует цифрам на карте.
1. Проверяется надежность соединения датчика кислорода со жгутом проводов.
Диагностическая информация
Контроллер в процессе работы рассчитывает сопротивление чувствительного элемен-
та ДДК, которое зависит от рабочей температуры датчика. Она в свою очередь определяется
температурой его нагревателя и выпускных газов. В зависимости от режима работы двига-
теля, сопротивление датчика кислорода может изменяться в диапазоне 90...550 Ом.
Если одновременно с кодом Р0141 фиксируется код Р0036, то устранение неисправно-
сти следует начинать с карты кода Р0036.
Причиной возникновения кода Р0141 могут быть:
- установка датчика кислорода другого типа;
- ненадежный контакт в колодках жгута и датчика.
http://vnx.su/
ГОСТ 3.1105-84
Лист 127
Дубликат
Взам.
Подп.
3100.25100.12056
ТИ Технологическая инструкция
ОАО "АВТОВАЗ"
ИзмЛист№документаПодписьДатаИзм.Лист№документаПодписьДата
Код Р0141 Датчик кислорода после нейтрализатора, нагреватель неисправен
Подключить диагностический прибор.
Запустить двигатель, прогреть датчик кислорода до рабочей температуры (на ре-
жиме холостого хода около 10 мин).
Сопротивление ДДК по диагностическому прибору (параметр АЦП "Сопротив-
ление датчика кислорода после нейтрализатора") больше 550 Ом?
↓ ↓
Да Нет
↓ ↓
↓
↓
Код Р0141 - непостоянный. Необходимо проанализировать условия возник-
новения кода - см. "Дополнительную информацию" по коду неисправности.
↓
1 Выключить зажигание.
Отсоединить колодку жгута от датчика кислорода.
Проверить контакты датчика и присоединяемой колодки жгута на надежность со-
единения, отсутствие коррозии и деформации.
Если соединение исправно, то заменить ДДК.
После ремонта запустить двигатель, сбросить коды и убедиться в отсутствии не-
исправности.
http://vnx.su/
ГОСТ 3.1105-84
Лист 128Дубликат
Взам.
Подп.
3100.25100.12056
ТИ Технологическая инструкция
ОАО "АВТОВАЗ"
ИзмЛист№документаПодписьДатаИзм.Лист№документаПодписьДата
Код Р0171
Система топливоподачи слишком бедная
Код P0171 заносится, если:
- двигатель работает;
- управление топливоподачей осуществляется в режиме обратной связи по сигналу
датчика кислорода (значение параметра "Признак работы в зоне регулировки по сигналу
управляющего датчика кислорода" = Да);
- активизирована функция адаптации топливоподачи (значение параметра "Базовая
адаптация смеси" = Да);
- значение параметра "Параметр адаптации топливоподачи на частичных нагруз-
ках" выходит за верхний предел допустимого диапазона (больше 1,25).
Сигнализатор неисправностей загорается на 3-ей поездке после возникновения устой-
чивой неисправности.
Описание проверок
Последовательность соответствует цифрам на карте.
1 Анализируется диагностическая информация.
2 На работающем двигателе с помощью диагностического прибора имитируются ус-
ловия возникновения неисправности.
3 Проверяются системы и узлы, неисправность которых может привести к возникно-
вению кода.
4 При проведении повторной проверки №2 после устранения возможной причины не-
исправности значение параметра "Текущий коэффициент коррекции длительности им-
пульса впрыска топлива по сигналу датчика кислорода" не должно выходить за преде-
лы диапазона 1±0,1.
Диагностическая информация
Неисправность непостоянного характера может быть вызвана наличием следующих
неисправностей:
Ненадежное соединение контактов колодок жгута системы зажигания, датчика и
контроллера. Осмотреть разъемы датчика и контроллера, колодки жгута на полноту и пра-
вильность сочленения, повреждения замков, наличие поврежденных контактов и качество
соединения контактов с проводом.
Неправильная трасса жгута проводов. Убедиться в том, что отвод к датчику не ка-
сается элементов системы выпуска отработавших газов.
Повреждения жгута. Проверить жгут на наличие повреждений. Если жгут внешне в
норме, пошевелить соответствующую колодку и жгут, одновременно наблюдая за показа-
ниями диагностического прибора.
Ненадежное заземление контроллера. Проверить надежность присоединения прово-
дов жгута системы зажигания к блоку цилиндров. Убедиться в отсутствии загрязнения кон-
тактов.
Деградация УДК. Заменить УДК.
http://vnx.su/
ГОСТ 3.1105-84
Лист 129
Дубликат
Взам.
Подп.
3100.25100.12056
ТИ Технологическая инструкция
ОАО "АВТОВАЗ"
ИзмЛист№документаПодписьДатаИзм.Лист№документаПодписьДата
Код Р0171 Система топливоподачи слишком бедная
1 Подключить диагностический прибор. Выбрать режим "Коды неисправностей". Проверить
наличие других кодов, и если они имеются - использовать соответствующие карты. Про-
смотреть и запомнить дополнительную информацию к коду неисправности Р0171.
В режиме "Мониторинг сигналов" сравнить значение параметра "Параметр адаптации
топливоподачи на частичных нагрузках" с приведенным в табл. 2.4-01.
↓
2 Выбрать в диагностическом приборе режим: "Тесты функций; Сброс ЭБУ с инициализа-
цией". Перезагрузить контроллер. Запустить двигатель. Используя диагностический при-
бор, попытаться воспроизвести условия возникновения кода неисправности Р0171. Значе-
ние параметра "Текущий коэффициент коррекции длительности импульса впрыска
топлива по сигналу датчика кислорода" превышает 1,2?
↓ ↓
Да Нет
↓ ↓
↓ Код Р0171 - непостоянный. См. "Диагностическую информацию".
↓
3 Заглушить двигатель. Проверить:
- топливо на наличие воды, грязи и других посторонних примесей;
- ЭДП на наличие повреждений;
- все вакуумные шланги (системы вентиляции картера и улавливания паров бензина) на
правильность подсоединения, наличие повреждений, трещин.
Обнаружена ли неисправность?
↓ ↓
Нет Да
↓ ↓
↓ После устранения неисправности выполнить проверку №2. 4
↓
3 С помощью разветвителя сигналов разъединить цепь выходного сигнала ДАД.
Выполнить проверку №2. Значение параметра "Текущий коэффициент коррекции дли-
тельности импульса впрыска топлива по сигналу датчика кислорода" должно стать
равным 0,95...1,05. Так ли это?
↓ ↓
Нет Да
↓ ↓
↓ Заменить ДДТВ. После замены выполнить проверку №2. 4
↓
3 Проверить давление топлива по карте А-6. Проверить баланс форсунок по карте С-3. Об-
наружена ли неисправность?
↓ ↓
Нет Да
↓ ↓
↓ После устранения неисправности выполнить проверку №2. 4
↓
3 Проверить систему выпуска на наличие утечки отработавших газов. Обнаружена ли неис-
правность?
↓ ↓
Нет Да
↓ ↓
↓ После устранения неисправности выполнить проверку №2. 4
↓
Заменить УДК. После замены выполнить проверку №2.
После ремонта запустить двигатель, сбросить коды и убедиться в отсутствии неисправно-
сти.
http://vnx.su/
ГОСТ 3.1105-84
Лист 130Дубликат
Взам.
Подп.
3100.25100.12056
ТИ Технологическая инструкция
ОАО "АВТОВАЗ"
ИзмЛист№документаПодписьДатаИзм.Лист№документаПодписьДата
Код Р0172
Система топливоподачи слишком богатая
Код P0172 заносится, если:
- двигатель работает;
- управление топливоподачей осуществляется в режиме обратной связи по сигналу
управляющего датчика кислорода (значение параметра "Признак работы в зоне регули-
ровки по сигналу управляющего датчика кислорода" = Да);
- активизирована функция адаптации топливоподачи (значение параметра "Базовая
адаптация смеси" = Да);
- значение параметра "Параметр адаптации топливоподачи на частичных нагруз-
ках" выходит за нижний предел допустимого диапазона (меньше 0,75).
Сигнализатор неисправностей загорается на 3-ей поездке после возникновения устой-
чивой неисправности.
Описание проверок
Последовательность соответствует цифрам на карте.
1 Анализируется диагностическая информация.
2 На работающем двигателе с помощью диагностического прибора имитируются ус-
ловия возникновения неисправности.
3 Проверяются системы и узлы, неисправность которых может привести к возникно-
вению кода.
4 При проведении повторной проверки №2 после устранения возможной причины не-
исправности значение параметра "Текущий коэффициент коррекции длительности им-
пульса впрыска топлива по сигналу датчика кислорода" не должно выходить за преде-
лы диапазона 1±0,1.
Диагностическая информация
Неисправность непостоянного характера может быть вызвана наличием следующих
неисправностей:
Ненадежное соединение контактов колодок жгута системы зажигания, датчика и
контроллера. Осмотреть разъемы датчика и контроллера, колодки жгута на полноту и пра-
вильность сочленения, повреждения замков, наличие поврежденных контактов и качество
соединения контактов с проводом.
Неправильная трасса жгута проводов. Убедиться в том, что отвод к датчику не ка-
сается элементов системы выпуска отработавших газов.
Повреждения жгута. Проверить жгут на наличие повреждений. Если жгут внешне в
норме, пошевелить соответствующую колодку и жгут, одновременно наблюдая за показа-
ниями диагностического прибора.
Ненадежное заземление контроллера. Проверить надежность присоединения прово-
дов жгута системы зажигания к блоку цилиндров. Убедиться в отсутствии загрязнения кон-
тактов.
Деградация УДК. Заменить УДК.
http://vnx.su/
ГОСТ 3.1105-84
Лист 131
Дубликат
Взам.
Подп.
3100.25100.12056
ТИ Технологическая инструкция
ОАО "АВТОВАЗ"
ИзмЛист№документаПодписьДатаИзм.Лист№документаПодписьДата
Код Р0172 Система топливоподачи слишком богатая
1 Подключить диагностический прибор. Выбрать режим "Коды неисправностей".
Проверить наличие других кодов, и если они имеются - использовать соответст-
вующие карты. Просмотреть и запомнить дополнительную информацию к коду
неисправности Р0172.
В режиме "Мониторинг сигналов" сравнить значение параметра "Параметр
адаптации топливоподачи на частичных нагрузках" с приведенным в табл.
2.4-01.
↓
2 Выбрать в диагностическом приборе режим: "Тест функций; Сброс ЭБУ с ини-
циализацией". Перезагрузить контроллер. Запустить двигатель. Используя диагно-
стический прибор, попытаться воспроизвести условия возникновения кода неис-
правности Р0172. Значение параметра "Текущий коэффициент коррекции дли-
тельности импульса впрыска топлива по сигналу датчика кислорода" мень-
ше 0,8?
↓ ↓
Да Нет
↓ ↓
↓ Код Р0172 - непостоянный. См. "Диагностическую информацию".
↓
3 Заглушить двигатель. Проверить:
- фильтрующий элемент воздушного фильтра на наличие загрязнения;
- шланг впускной трубы, ЭДП на наличие повреждений, препятствующих проходу
воздуха.
Обнаружена ли неисправность?
↓ ↓
Нет Да
↓ ↓
↓ После устранения неисправности выполнить проверку №2. 4
↓
3 Запустить двигатель. На холостом ходу, используя диагностический прибор, срав-
нить значения параметров:
- "Частота вращения коленчатого вала двигателя";
- "Цикловое наполнение по датчику абсолютного давления во впускном кол-
лекторе";
- "Параметр нагрузки";
- "Желаемое изменение момента для поддержания холостого хода (инте-
гральная часть)";
- "Текущий коэффициент коррекции длительности импульса впрыска топ-
лива по сигналу датчика кислорода";
- "Параметр адаптации регулировки холостого хода"
со значениями, указанными в табл. 2.4-01. Обнаружены замечания?
↓ ↓
Нет Да
↓ ↓
↓
↓
Выполнить проверку по карте С-4. После устранения выявленных замеча-
ний выполнить проверку №2.
4
↓
↓
↓
↓
http://vnx.su/
ГОСТ 3.1105-84
Лист 132Дубликат
Взам.
Подп.
3100.25100.12056
ТИ Технологическая инструкция
ОАО "АВТОВАЗ"
ИзмЛист№документаПодписьДатаИзм.Лист№документаПодписьДата
↓
3 С помощью разветвителя сигналов разъединить цепь выходного сигнала ДАД.
Выполнить проверку №2. Значение параметра "Текущий коэффициент коррек-
ции длительности импульса впрыска топлива по сигналу датчика кислоро-
да" должно быть 0,95...1,05. Так ли это?
↓ ↓
Нет Да
↓ ↓
↓ Заменить ДДТВ. После замены выполнить проверку №2. 4
↓
3 Проверить давление топлива по карте А-6. Проверить баланс форсунок по карте
С-3.
Обнаружена ли неисправность?
↓ ↓
Нет Да
↓ ↓
↓ После устранения неисправности выполнить проверку №2. 4
↓
Заменить УДК. После замены выполнить проверку №2.
После ремонта запустить двигатель, сбросить коды и убедиться в отсутствии не-
исправности.
http://vnx.su/
ГОСТ 3.1105-84
Лист 133
Дубликат
Взам.
Подп.
3100.25100.12056
ТИ Технологическая инструкция
ОАО "АВТОВАЗ"
ИзмЛист№документаПодписьДатаИзм.Лист№документаПодписьДата
Код Р0201 (Р0202, Р0203, Р0204)
Форсунка цилиндра 1 (2, 3, 4), цепь неисправна
Код Р0201 (Р0202, P0203, Р0204) заносится, если:
- двигатель работает;
- самодиагностика драйвера форсунок определила отсутствие нагрузки на одном или
нескольких выходах.
Сигнализатор неисправностей загорается через 5 секунд после возникновения кода
неисправности.
Описание проверок
Последовательность соответствует цифрам на карте.
1 Проверяется наличие постоянной неисправности.
2 Проверяется сопротивление форсунки неработающего цилиндра.
3 Проверяется сопротивление цепи между колодкой жгута системы зажигания к кон-
троллеру и колодкой жгута к форсунке.
Диагностическая информация
В контроллере используется драйвер форсунок, обладающий функцией самодиагно-
стики. Он может определять наличие таких неисправностей, как обрыв, короткое замыкание
на массу или источник питания цепей управления форсунками.
http://vnx.su/
ГОСТ 3.1105-84
Лист 134Дубликат
Взам.
Подп.
3100.25100.12056
ТИ Технологическая инструкция
ОАО "АВТОВАЗ"
ИзмЛист№документаПодписьДатаИзм.Лист№документаПодписьДата
Код Р0201 (Р0202, Р0203, Р0204) Форсунка цилиндра 1 (2, 3, 4), цепь неисправна
1 Подключить диагностический прибор. Запустить двигатель.
Выбрать на диагностическом приборе режим "Коды неисправностей".
Проверить, активен ли код неисправности в данный момент?
↓ ↓
Да Нет
↓ ↓
↓
↓
Код Р0201 (Р0202, Р0203, Р0204) - непостоянный. В случае отсутствия дру-
гих кодов - см. "Непостоянные неисправности", раздел 2.7В.
↓
2 Заглушить двигатель.
Отсоединить колодку жгута проводов от форсунки цилиндра 1 (2, 3, 4). Измерить
омметром сопротивление форсунки. Сопротивление должно быть в пределах
11...15 Ом. Так ли это?
↓ ↓
Да Нет
↓ ↓
↓ Неисправна форсунка.
↓
↓
3 Отсоединить колодку жгута проводов от разъема Х1.2 контроллера. Выполнить
проверку целостности электрической цепи между контактом "Х1.2/В2" (X1.2/С2,
X1.2/С3, X1.2/D2) колодки к контроллеру и контактом "-" колодки к форсунке ци-
линдра 1 (2, 3, 4) – см. "Проверка целостности электрической цепи", раздел 2.7В.
Цепь исправна?
↓ ↓
Нет Да → Неисправен контроллер.
↓
Обрыв провода между колодкой жгута системы зажигания к контроллеру и ко-
лодкой к форсунке.
После ремонта запустить двигатель, сбросить коды и убедиться в отсутствии не-
исправности.
http://vnx.su/
ГОСТ 3.1105-84
Лист 135
Дубликат
Взам.
Подп.
3100.25100.12056
ТИ Технологическая инструкция
ОАО "АВТОВАЗ"
ИзмЛист№документаПодписьДатаИзм.Лист№документаПодписьДата
Электрическая цепь вентилятора системы охлаждения двигателя автомобилей семейства
LADA VESTA
Код Р0217
Температура двигателя выше допустимой
Код Р0217 заносится, если:
- двигатель работает более 3 минут;
- значение параметра "Температура охлаждающей жидкости" выше 125 °С;
- отсутствуют коды неисправностей Р0116, Р0117, Р0118.
Сигнализатор неисправностей загорается через 5 с после возникновения кода неис-
правности.
Описание проверок
Последовательность соответствует цифрам на карте.
1 На непрогретом двигателе при отсутствии кодов Р0116, Р0117, Р0118, Р0480
(Р0481), Р0691 (Р0693), Р0692 (Р0694) электровентилятор работать не должен.
2 Проверяется способность контроллера управлять реле электровентилятора.
3 Проверяется исправность блока реле электровентилятора.
4 Проверяется исправность цепи управления электровентилятором.
Диагностическая информация
Причиной перегрева двигателя может стать неисправный термостат, отсутствие или
низкий уровень охлаждающей жидкости системы охлаждения двигателя, неработающий
электровентилятор. Код Р0217 может возникать ложно, при неисправном ДТОЖ или нека-
чественных контактах разъёма, или некачественной массе жгута системы зажигания.
После запуска холодного двигателя температура должна равномерно повышаться до
77…93 °С, затем стабилизироваться при открытии термостата. После прогрева всего объёма
охлаждающей жидкости температура так же равномерно повышается до включения макси-
мальной производительности электровентилятора при температуре выше 103 °С. После
включения электровентилятора температура равномерно снижается до выключения элек-
тровентилятора при температуре ниже 99 °С.
http://vnx.su/
ГОСТ 3.1105-84
Лист 136Дубликат
Взам.
Подп.
3100.25100.12056
ТИ Технологическая инструкция
ОАО "АВТОВАЗ"
ИзмЛист№документаПодписьДатаИзм.Лист№документаПодписьДата
Код Р0217 Температура двигателя выше допустимой
1 Подключить диагностический прибор, выбрать режим: "Коды неисправностей".
Проверить наличие кодов P0116, Р0117, P0118, Р0480 (Р0481), Р0691 (Р0693),
Р0692 (Р0694). Если они есть, сначала устранить по соответствующим картам
причины возникновения этих кодов. Запустить двигатель. Прогреть двигатель до
температуры 98 °С. Электровентилятор включен?
↓ ↓
Нет Да
↓ ↓
↓
↓
Замыкание в цепи питания электровентилятора, или неисправен блок реле
электровентилятора.
↓
2 Выключить и включить зажигание. Выбрать на приборе режим "Активные тесты;
Управление выходом реле вентилятора 2 системы охлаждения". Используя прибор
управлять включением максимальной производительности электровентилятора.
Электровентилятор включаются и выключаются?
↓ ↓
Нет Да
↓ ↓
↓
↓
↓
↓
↓
Проверить уровень охлаждающей жидкости. При необходимости долить.
Прогреть двигатель до момента включения электровентилятора. Если после
этого охлаждающая жидкость закипает, проверить систему охлаждения на
герметичность. Убедиться, что при температуре выше 90 °С термостат от-
крывается, и охлаждающая жидкость циркулирует по кругу.
↓
3 Выключить зажигание. Отсоединить колодку жгута проводов от разъема Х1 блока
реле электровентилятора. Перемычкой замкнуть в колодке контакты "1" и "2".
Вентилятор включается?
↓ ↓
Нет Неисправен блок реле электровентилятора или пло-
хой контакт в соединении.
← Да
↓
↓
4 Снять перемычку. Пробником, соединенным с источником питания, проверить
контакт "1" в колодке к разъему "Х1" блока реле электровентилятора. Горит ли
лампочка пробника?
↓ ↓
Да Нет
↓ ↓
↓
↓
Обрыв в цепи: контакт "1" колодки к разъему "Х1" блока реле электровен-
тилятора – электровентилятор – "масса".
↓
Обрыв в цепи: контакт "2" колодки к разъему "Х1" блока реле электровентилятора
– предохранитель F79 – "+" АКБ..
После ремонта запустить двигатель, сбросить коды и убедиться в отсутствии не-
исправности.
http://vnx.su/
ГОСТ 3.1105-84
Лист 137
Дубликат
Взам.
Подп.
3100.25100.12056
ТИ Технологическая инструкция
ОАО "АВТОВАЗ"
ИзмЛист№документаПодписьДатаИзм.Лист№документаПодписьДата
Код Р0222
Цепь датчика положения дроссельной заслонки В, низкий уровень сигнала
Код Р0222 заносится, если:
- зажигание включено;
- напряжение сигнала датчика положения дроссельной заслонки (параметр АЦП "На-
пряжение датчика дроссельной заслонки 2") менее 0,25 В в течение 0,12 с.
Сигнализатор неисправностей загорается через 5 c после возникновения кода неис-
правности.
Описание проверок
Последовательность соответствует цифрам на карте.
1 С помощью диагностического прибора проверяется, активен ли код Р0222 в момент
диагностики. Если фиксируется только код Р0222, то неисправность необходимо искать в
сигнальной цепи ДПДЗ В. Если одновременно фиксируются коды Р0122 и Р0222, то неис-
правность необходимо искать в цепи питания ДПДЗ А и ДПДЗ В.
2 Выполняется проверка цепи от контакта "Х1.2/G3" контроллера до контакта "6"
ЭДП.
3 Выполняется проверка контроллера: при перемыкании контактов "6" и "5" колодки к
ЭДП с помощью пробника сигнал ДПДЗ B на диагностическом приборе должен изменяться.
4 Выполняется проверка цепи от контакта "Х1.2/E3" контроллера до контакта "5"
ЭДП.
5 Выполняется проверка контроллера: на контакт "5" колодки к ЭДП должно посту-
пать опорное напряжение 5 В с контроллера.
Диагностическая информация
При обнаружении неисправности цепи ДПДЗ B система управления двигателем будет
работать в аварийном режиме до конца текущей поездки.
Возможны следующие аварийные режимы:
- ограничение мощности двигателя, если исправна цепь ДПДЗ A;
- обесточивание электропривода дроссельной заслонки и ограничение оборотов дви-
гателя (2500 об/мин), если неисправны цепи ДПДЗ А и ДПДЗ В.
Диагностический прибор в режиме "Мониторинг сигналов" показывает сигналы
ДПДЗ А (параметр АЦП "Напряжение датчика дроссельной заслонки 1") и ДПДЗ В (па-
раметр АЦП "Напряжение датчика дроссельной заслонки 2") в вольтах.
При открытии дроссельной заслонки сигнал ДПДЗ А увеличивается, сигнал ДПДЗ В
уменьшается.
http://vnx.su/
ГОСТ 3.1105-84
Лист 138Дубликат
Взам.
Подп.
3100.25100.12056
ТИ Технологическая инструкция
ОАО "АВТОВАЗ"
ИзмЛист№документаПодписьДатаИзм.Лист№документаПодписьДата
При полностью закрытой дроссельной заслонке сигнал ДПДЗ А должен находится в
диапазоне 0,30…0,58 В, сигнал ДПДЗ В должен находится в диапазоне 4,42…4,70 В.
Сумма сигналов ДПДЗ А и ДПДЗ В должна быть равна (5±0,1) В при любом положе-
нии дроссельной заслонки.
В случае замены ЭДП или контроллера ЭСУД, или сброса контроллера с помощью
диагностического прибора (режим "Тест функций; Сброс ЭБУ с инициализацией") необхо-
димо выполнить процедуру адаптации нуля дроссельной заслонки.
Для этого на стоящем автомобиле необходимо включить зажигание, выждать 30 с,
выключить зажигание, дождаться отключения главного реле.
Адаптация будет прервана, если:
- прокручивается двигатель;
- автомобиль движется;
- нажата педаль акселератора;
- температура двигателя ниже 5 °С или выше 100 °С;
- температура окружающего воздуха ниже 5 °С.
Если электропривод дроссельной заслонки обесточен, с помощью прямой и возврат-
ной пружин дроссельная заслонка удерживается в положении Limp home (6-7%).
http://vnx.su/
ГОСТ 3.1105-84
Лист 139
Дубликат
Взам.
Подп.
3100.25100.12056
ТИ Технологическая инструкция
ОАО "АВТОВАЗ"
ИзмЛист№документаПодписьДатаИзм.Лист№документаПодписьДата
Код Р0222 Цепь датчика положения дроссельной заслонки B, низкий уровень сигнала
1 Подключить диагностический прибор. Включить зажигание. Несколько раз на-
жать педаль акселератора. Выбрать на приборе режим "Коды неисправностей".
Проверить, активен ли код неисправности в данный момент?
↓ ↓
Да Нет
↓ ↓
↓
↓
Код Р0222 - непостоянный. В случае отсутствия других кодов - см. "Непо-
стоянные неисправности", раздел 2.7В.
↓
Фиксируется ли код неисправности Р0122 одновременно с Р0222?
↓ ↓
Нет Да → Переход на проверку 4.
↓
2 Выключить зажигание. Отсоединить колодку от ЭДП и колодку Х1.2 от контрол-
лера. Выполнить проверки электрической цепи от контакта "Х1.2/G3" колодки к
контроллеру до контакта "6" колодки к ЭДП на отсутствие обрыва и замыкания на
массу – см. "Проверки электрических цепей", раздел 2.7В. Цепь исправна?
↓ ↓
Да Нет → Устранить неисправность цепи.
↓
3 Подключить колодку Х1.2 к контроллеру. Включить зажигание. Пробником пе-
ремкнуть контакты "6" и "5" колодки к ЭДП. Выбрать на приборе режим "Мони-
торинг сигналов; Параметры АЦП". Напряжение ДПДЗ В равно 5 В?
↓ ↓
Да Нет → Неисправен контроллер.
↓
Неисправен ДПДЗ B. Заменить ЭДП на заведомо исправный.
4 Выключить зажигание. Отсоединить колодку от ЭДП и колодку Х1.2 от контрол-
лера. Выполнить проверки электрической цепи от контакта "Х1.2/E3" колодки к
контроллеру до контакта "5" колодки к ЭДП на отсутствие обрыва и замыкания на
массу – см. "Проверки электрических цепей", раздел 2.7В. Цепь исправна?
↓ ↓
Да Нет → Устранить неисправность цепи.
↓
5 Подключить колодку Х1.2 к контроллеру. Включить зажигание. Провести измере-
ние напряжения на контакте "5" колодки к ЭДП - см. "Измерение напряжения на
контактах жгута проводов", раздел 2.7В. Напряжение равно 5 В?
↓ ↓
Да Нет → Неисправен контроллер.
↓
Неисправен ЭДП. Заменить ЭДП на заведомо исправный.
После ремонта запустить двигатель, сбросить коды и убедиться в отсутствии не-
исправности.
http://vnx.su/
ГОСТ 3.1105-84
Лист 140Дубликат
Взам.
Подп.
3100.25100.12056
ТИ Технологическая инструкция
ОАО "АВТОВАЗ"
ИзмЛист№документаПодписьДатаИзм.Лист№документаПодписьДата
Код Р0223
Цепь датчика положения дроссельной заслонки В, высокий уровень сигнала
Код Р0223 заносится, если:
- зажигание включено;
- напряжение сигнала датчика положения дроссельной заслонки (параметр АЦП "На-
пряжение датчика дроссельной заслонки 2") более 4,75 В в течение 0,12 с.
Сигнализатор неисправностей загорается через 5 c после возникновения кода неис-
правности.
Описание проверок
Последовательность соответствует цифрам на карте.
1 С помощью диагностического прибора проверяется, активен ли код Р0223 в момент
диагностики. Если фиксируется только код Р0223, то неисправность необходимо искать в
сигнальной цепи ДПДЗ B. Если одновременно фиксируются коды Р0123 и Р0223, то неис-
правность необходимо искать в цепи массы ДПДЗ А и ДПДЗ В.
2 Выполняется проверка напряжения в сигнальной цепи ДПДЗ B с отключенным дат-
чиком. Напряжение должно быть около 0 В.
3 Выполняется проверка сигнальной цепи на наличие замыкания на источник питания.
4 Выполняется проверка цепи массы ДПДЗ А и ДПДЗ В.
Диагностическая информация
При обнаружении неисправности цепи ДПДЗ B система управления двигателем будет
работать в аварийном режиме до конца текущей поездки.
Возможны следующие аварийные режимы:
- ограничение мощности двигателя, если исправна цепь ДПДЗ A;
- обесточивание электропривода дроссельной заслонки и ограничение оборотов дви-
гателя (2500 об/мин), если неисправны цепи ДПДЗ А и ДПДЗ В.
Диагностический прибор в режиме "Мониторинг сигналов" показывает сигналы
ДПДЗ А (параметр АЦП "Напряжение датчика дроссельной заслонки 1") и ДПДЗ В (па-
раметр АЦП "Напряжение датчика дроссельной заслонки 2") в вольтах.
При открытии дроссельной заслонки сигнал ДПДЗ А увеличивается, сигнал ДПДЗ В
уменьшается.
При полностью закрытой дроссельной заслонке сигнал ДПДЗ А должен находится в
диапазоне 0,30…0,58 В, сигнал ДПДЗ В должен находится в диапазоне 4,42…4,70 В.
Сумма сигналов ДПДЗ А и ДПДЗ В должна быть равна (5±0,1) В при любом положе-
нии дроссельной заслонки.
http://vnx.su/
ГОСТ 3.1105-84
Лист 141
Дубликат
Взам.
Подп.
3100.25100.12056
ТИ Технологическая инструкция
ОАО "АВТОВАЗ"
ИзмЛист№документаПодписьДатаИзм.Лист№документаПодписьДата
В случае замены ЭДП или контроллера ЭСУД, или сброса контроллера с помощью
диагностического прибора (режим "Тест функций; Сброс ЭБУ с инициализацией") необхо-
димо выполнить процедуру адаптации нуля дроссельной заслонки.
Для этого на стоящем автомобиле необходимо включить зажигание, выждать 30 с,
выключить зажигание, дождаться отключения главного реле.
Адаптация будет прервана, если:
- прокручивается двигатель;
- автомобиль движется;
- нажата педаль акселератора;
- температура двигателя ниже 5 °С или выше 100 °С;
- температура окружающего воздуха ниже 5 °С.
Если электропривод дроссельной заслонки обесточен, с помощью прямой и возврат-
ной пружин дроссельная заслонка удерживается в положении Limp home (6-7%).
http://vnx.su/
ГОСТ 3.1105-84
Лист 142Дубликат
Взам.
Подп.
3100.25100.12056
ТИ Технологическая инструкция
ОАО "АВТОВАЗ"
ИзмЛист№документаПодписьДатаИзм.Лист№документаПодписьДата
Код Р0223 Цепь датчика положения дроссельной заслонки В, высокий уровень сигнала
1 Подключить диагностический прибор. Включить зажигание. Несколько раз на-
жать педаль акселератора. Выбрать на приборе режим "Коды неисправностей".
Проверить, активен ли код неисправности в данный момент?
↓ ↓
Да Нет
↓ ↓
↓
↓
Код Р0223 - непостоянный. В случае отсутствия других кодов - см. "Непо-
стоянные неисправности", раздел 2.7В.
↓
Фиксируется ли код неисправности Р0123 одновременно с Р0223?
↓ ↓
Нет Да → Переход на проверку 4.
↓
2 Выключить зажигание. Отсоединить колодку от ЭДП. Включить зажигание. Про-
вести измерение напряжения на контакте "6" колодки к ЭДП - см. "Измерение на-
пряжения на контактах жгута проводов", раздел 2.7В. Напряжение около 0 В?
↓ ↓
Нет Да → Неисправен ЭДП.
↓
3 Выключить зажигание. Отсоединить колодку Х1.2 от контроллера. Провести про-
верку замыкания контакта "Х1.2/G3" колодки жгута проводов на бортовую сеть –
см. "Проверка замыкания цепи на бортовую сеть", раздел 2.7В. Замыкание есть?
↓ ↓
Да Нет → Неисправен контроллер.
↓
Устранить неисправность цепи.
4 Выключить зажигание. Отсоединить колодку от ЭДП. Пробником, соединенным с
"+" АКБ, проверить контакт "4" колодки к ЭДП. Горит ли лампа пробника?
↓ ↓
Нет Да → Неисправен ЭДП.
↓
Отсоединить колодку Х1.2 от контроллера. Выполнить проверку электрической
цепи от контакта "Х1.2/F5" колодки к контроллеру до контакта "4" колодки к ЭДП
на отсутствие обрыва – см. "Проверки электрических цепей", раздел 2.7В. Цепь
исправна?
↓ ↓
Нет Да → Неисправен контроллер.
↓
Устранить неисправность цепи.
После ремонта запустить двигатель, сбросить коды и убедиться в отсутствии не-
исправности.
http://vnx.su/
ГОСТ 3.1105-84
Лист 143
Дубликат
Взам.
Подп.
3100.25100.12056
ТИ Технологическая инструкция
ОАО "АВТОВАЗ"
ИзмЛист№документаПодписьДатаИзм.Лист№документаПодписьДата
Код Р0261 (Р0264, Р0267, Р0270)
Форсунка цилиндра 1 (2, 3, 4), замыкание цепи управления на массу
Код Р0261 (Р0264, Р0267, Р0270) заносится, если:
- двигатель работает;
- самодиагностика драйвера форсунок определила замыкание одного или нескольких
выходов на массу.
Сигнализатор неисправностей загорается через 5 секунд после возникновения кода
неисправности.
Описание проверок
Последовательность соответствует цифрам на карте.
1 Проверяется наличие постоянной неисправности.
2 Проверяется замыкание на массу в жгуте проводов.
Диагностическая информация
В контроллере используется драйвер форсунок, обладающий функцией самодиагно-
стики. Он может определять наличие таких неисправностей, как обрыв, короткое замыкание
на массу или источник питания цепей управления форсунками.
http://vnx.su/
ГОСТ 3.1105-84
Лист 144Дубликат
Взам.
Подп.
3100.25100.12056
ТИ Технологическая инструкция
ОАО "АВТОВАЗ"
ИзмЛист№документаПодписьДатаИзм.Лист№документаПодписьДата
Код Р0261 (Р0264, Р0267, Р0270) Форсунка цилиндра 1 (2, 3, 4), замыкание цепи управле-
ния на массу
1 Подключить диагностический прибор. Запустить двигатель.
Выбрать на диагностическом приборе режим "Коды неисправностей".
Проверить, активен ли код неисправности в данный момент?
↓ ↓
Да Нет
↓ ↓
↓
↓
Код Р0261 (Р0264, Р0267, Р0270) - непостоянный. В случае отсутствия дру-
гих кодов - см. "Непостоянные неисправности", раздел 2.7В.
↓
2 Заглушить двигатель.
Отсоединить колодку жгута проводов от форсунки цилиндра 1 (2, 3, 4) и колодку
жгута проводов от разъема Х1.2 контроллера.
Провести проверку замыкания контакта "Х1.2/В2" (X1.2/С2, X1.2/С3, X1.2/D2)
колодки жгута проводов на массу – см. "Проверка замыкания цепи на массу", раз-
дел 2.7В.
Замыкание есть?
↓ ↓
Да Нет
↓ ↓
↓ Неисправен контроллер.
↓
Неисправен жгут проводов.
После ремонта запустить двигатель, сбросить коды и убедиться в отсутствии не-
исправности.
http://vnx.su/
ГОСТ 3.1105-84
Лист 145
Дубликат
Взам.
Подп.
3100.25100.12056
ТИ Технологическая инструкция
ОАО "АВТОВАЗ"
ИзмЛист№документаПодписьДатаИзм.Лист№документаПодписьДата
Код Р0262 (Р0265, Р0268, Р0271)
Форсунка цилиндра 1 (2, 3, 4), замыкание цепи управления на бортовую сеть
Код Р0262 (Р0265, Р0268, Р0271) заносится, если:
- двигатель работает;
- самодиагностика драйвера форсунок определила замыкание одного или нескольких
выходов на источник, питания.
Сигнализатор неисправностей загорается через 5 секунд после возникновения кода
неисправности.
Описание проверок
Последовательность соответствует цифрам на карте.
1 Проверяется наличие постоянной неисправности.
2 Проверяется наличие замыкания в жгуте проводов.
Диагностическая информация
В контроллере используется драйвер форсунок, обладающий функцией самодиагно-
стики. Он может определять наличие таких неисправностей, как обрыв, короткое замыкание
на массу или источник питания цепей управления форсунками.
Возникновение кода Р0262 (Р0265, Р0268, Р0271) может быть вызвано неисправно-
стью соответствующей форсунки (межвитковое замыкание).
http://vnx.su/
ГОСТ 3.1105-84
Лист 146Дубликат
Взам.
Подп.
3100.25100.12056
ТИ Технологическая инструкция
ОАО "АВТОВАЗ"
ИзмЛист№документаПодписьДатаИзм.Лист№документаПодписьДата
Код Р0262 (Р0265, Р0268, Р0271) Форсунка цилиндра 1 (2, 3, 4), замыкание цепи управле-
ния на бортовую сеть
1 Подключить диагностический прибор. Запустить двигатель.
Выбрать на диагностическом приборе режим "Коды неисправностей".
Проверить, активен ли код неисправности в данный момент?
↓ ↓
Да Нет
↓ ↓
↓
↓
Код Р0262 (Р0265, Р0268, Р0271) - непостоянный. В случае отсутствия дру-
гих кодов - см. "Непостоянные неисправности", раздел 2.7В.
↓
2 Заглушить двигатель.
Отсоединить колодку жгута проводов от форсунки цилиндра 1 (2, 3, 4) и колодку
жгута проводов от разъема Х1.2 контроллера.
Провести проверку замыкания контакта "Х1.2/В2" (X1.2/С2, X1.2/С3, X1.2/D2)
колодки жгута проводов на бортовую сеть – см. "Проверка замыкания цепи на
бортовую сеть", раздел 2.7В.
Замыкание есть?
↓ ↓
Да Нет
↓ ↓
↓ Неисправен контроллер.
↓
Неисправен жгут проводов.
После ремонта запустить двигатель, сбросить коды и убедиться в отсутствии не-
исправности.
http://vnx.su/
ГОСТ 3.1105-84
Лист 147
Дубликат
Взам.
Подп.
3100.25100.12056
ТИ Технологическая инструкция
ОАО "АВТОВАЗ"
ИзмЛист№документаПодписьДатаИзм.Лист№документаПодписьДата
Код Р0300 Обнаружены случайные/множественные пропуски воспламенения
Код Р0301 (Р0302, Р0303, Р0304) Цилиндр 1 (2, 3, 4), обнаружены пропуски воспламене-
ния
Коды Р0300, Р0301 (Р0302, Р0303, Р0304) заносятся, если:
- двигатель работает;
- значение параметра "Частота вращения коленчатого вала двигателя" находится
в диапазоне 600...5300 об/мин;
- система осуществляет диагностику распознавания пропусков зажигания (значение
параметра "Обнаружение пропусков зажигания приостановлено" = Нет);
- измеренная контроллером неравномерность вращения коленчатого вала превышает
порог;
- отсутствует код неисправности Р0336.
Сигнализатор неисправностей загорается на 3-ей поездке после возникновения устой-
чивой неисправности.
Описание проверок
Последовательность соответствует цифрам на карте.
1 Проверить, фиксируются ли пропуски воспламенения в момент запроса.
2 Выполнить проверку системы зажигания.
3 Выполнить проверку системы топливоподачи.
4 Выполнить проверку системы впуска.
5 Выполнить проверку компрессии.
Дополнительные проверки
Если пропуски воспламенения носят непостоянный характер, необходимо проверить:
- надежность крепления клемм заземления жгута системы зажигания;
- механические повреждения двигателя (низкая компрессия, повреждения поршней,
распредвала, клапанов и т.д.);
- систему впуска на отсутствие подсоса воздуха (проверить систему впуска на отсут-
ствие подсоса воздуха, убедиться в том, что вакуумные шланги присоединены надежно и не
имеют повреждений);
http://vnx.su/
ГОСТ 3.1105-84
Лист 148Дубликат
Взам.
Подп.
3100.25100.12056
ТИ Технологическая инструкция
ОАО "АВТОВАЗ"
ИзмЛист№документаПодписьДатаИзм.Лист№документаПодписьДата
- неисправность элементов системы топливоподачи (см. карту А-6);
- неисправность элементов системы зажигания (см. карту А-3);
- крепление ДПКВ;
- радиальное биение венца демпфера (задающего диска) должно быть не более 0,4 мм.
Диагностическая информация
Коды Р0300, Р0301, Р0302, Р0303, Р0304 возникают при пропусках воспламенения,
влияющих на токсичность.
Диагностический прибор в режиме "Мониторинг сигналов" показывает:
- параметр "Счетчик пропусков зажигания, влияющих на токсичность, цилиндр 1
(2, 3, 4)";
- параметр "Обнаружение пропусков зажигания приостановлено".
Если одновременно с кодами Р0300, Р0301, Р0302, Р0303, Р0304 фиксируются коды
неисправностей цепей управления катушками зажигания или форсунками, то устранение
неисправности следует начинать с карты соответствующего кода неисправности цепей
управления.
http://vnx.su/
ГОСТ 3.1105-84
Лист 149
Дубликат
Взам.
Подп.
3100.25100.12056
ТИ Технологическая инструкция
ОАО "АВТОВАЗ"
ИзмЛист№документаПодписьДатаИзм.Лист№документаПодписьДата
Код Р0300 Обнаружены случайные/множественные пропуски воспламенения
Код Р0301 (Р0302, Р0303, Р0304) Цилиндр 1 (2, 3, 4), обнаружены пропуски воспламене-
ния
1 Подключить диагностический прибор. Включить зажигание. Запустить двигатель.
Выбрать на диагностическом приборе режим: "Мониторинг сигналов".
Воспроизвести условия возникновения кода. Проверить фиксируются ли пропуски
воспламенения (Изменяется ли значение параметра "Счетчик пропусков зажи-
гания, влияющих на токсичность, цилиндр 1 (2, 3, 4)")?
↓ ↓
Да Нет
↓ ↓
↓
↓
Код Р0300, Р0301 (Р0302, Р0303, Р0304) - непостоянный. Выполнить допол-
нительные проверки.
↓
2 Проверить систему зажигания по карте А-3. Устранить обнаруженные неисправ-
ности. Проверить фиксируются ли пропуски воспламенения (см. проверку 1).
↓ ↓
Да Нет
↓ ↓
↓
↓
Стереть коды неисправностей. При повторном возникновении кодов выпол-
нить дополнительные проверки.
↓
3 Проверить систему топливоподачи по карте А-6. Устранить обнаруженные неис-
правности. Проверить фиксируются ли пропуски воспламенения (см. проверку 1).
↓ ↓
Да Нет
↓ ↓
↓
↓
Стереть коды неисправностей. При повторном возникновении кодов выпол-
нить дополнительные проверки.
↓
4 Проверить систему впуска на наличие подсоса воздуха. Устранить обнаруженные
неисправности. Проверить фиксируются ли пропуски воспламенения (см. провер-
ку 1).
↓ ↓
Да Нет
↓ ↓
↓
↓
Стереть коды неисправностей. При повторном возникновении кодов выпол-
нить дополнительные проверки.
↓
5 Неисправность связана с механическими повреждениями двигателя. Измерить
компрессию.
После ремонта запустить двигатель, сбросить коды и убедиться в отсутствии не-
исправности.
http://vnx.su/
ГОСТ 3.1105-84
Лист 150Дубликат
Взам.
Подп.
3100.25100.12056
ТИ Технологическая инструкция
ОАО "АВТОВАЗ"
ИзмЛист№документаПодписьДатаИзм.Лист№документаПодписьДата
Код Р0327 Цепь датчика детонации, низкий уровень сигнала
Код Р0327 заносится, если в течение 5 секунд:
- значение параметра "Частота вращения коленчатого вала двигателя" больше
2000 об/мин;
- значение параметра "Контроль детонации активен" = Да;
- амплитуда сигнала датчика детонации ниже порога.
Сигнализатор неисправностей загорается на 3-ей поездке после возникновения устой-
чивой неисправности.
Описание проверок
Последовательность соответствует цифрам на карте.
1 Проверяется существование условий для возникновения кода Р0327.
2 Проверяется исправность проводов, соединяющих датчик детонации с контролле-
ром.
Диагностическая информация
Необходимо проверить разъем датчика детонации на предмет попадания в него посто-
ронних жидкостей (моторного масла), грязи и пыли.
Необходимо проверить момент затяжки болта крепления датчика детонации. При не-
достаточном моменте затяжки снижается амплитуда сигнала датчика.
См. "Непостоянные неисправности", раздел 2.7В.
См. "Проверка системы гашения детонации", раздел 2.7С, карта С-5.
http://vnx.su/
ГОСТ 3.1105-84
Лист 151
Дубликат
Взам.
Подп.
3100.25100.12056
ТИ Технологическая инструкция
ОАО "АВТОВАЗ"
ИзмЛист№документаПодписьДатаИзм.Лист№документаПодписьДата
Код Р0327 Цепь датчика детонации, низкий уровень сигнала
1 Подключить диагностический прибор. Проанализировать условия возникновения
кода.
Запустить двигатель и прогреть до температуры охлаждающей жидкости 90 °С.
Используя диагностический прибор, попытаться воспроизвести условия возник-
новения кода неисправности.
Проверить, активен ли код неисправности в данный момент?
↓ ↓
Да Нет
↓ ↓
↓
↓
↓
Код Р0327 - непостоянный. В случае отсутствия других кодов - см. "Диагно-
стическую информацию".
Необходимо проанализировать условия возникновения кода.
↓
2 Выключить зажигание.
Отсоединить колодки жгута от контроллера и датчика детонации.
Выполнить проверку целостности электрической цепи между контактом
"Х1.2/Н2" ("X1.2/Н3") колодки к контроллеру и контактом "1" ("2") колодки к
датчику детонации – см. "Проверка целостности электрической цепи", раздел
2.7В.
Цепь исправна?
↓ ↓
Да Нет → Устранить обнаруженные неисправности.
↓
Неисправен датчик детонации или контроллер.
После ремонта запустить двигатель, сбросить коды и убедиться в отсутствии не-
исправности.
http://vnx.su/
ГОСТ 3.1105-84
Лист 152Дубликат
Взам.
Подп.
3100.25100.12056
ТИ Технологическая инструкция
ОАО "АВТОВАЗ"
ИзмЛист№документаПодписьДатаИзм.Лист№документаПодписьДата
Код Р0328 Цепь датчика детонации, высокий уровень сигнала
Код Р0328 заносится, если в течение 5 секунд:
- значение параметра "Частота вращения коленчатого вала двигателя" больше
1800 об/мин;
- значение параметра "Контроль детонации активен" = Да;
- амплитуда сигнала датчика детонации выше порога.
Сигнализатор неисправностей загорается на 3-ей поездке после возникновения устой-
чивой неисправности.
Описание проверок
Последовательность соответствует цифрам на карте.
1 Проверяется существование условий для возникновения кода Р0328.
2 Проверяется исправность экрана проводов, соединяющих датчик детонации с кон-
троллером.
Диагностическая информация
Диагностика датчика детонации в общем случае определяет исправность самого дат-
чика и его подключения, включая момент затяжки датчика, неисправность в жгуте проводов
или его экранирования. Кроме того, в рамках диагностики датчика, получение от системы
управления сигнала "повышенный шум двигателя" (код Р0328) может сигнализировать о
неисправности или ухудшении состояния деталей двигателя. В этом случае необходимо
провести диагностику, в том числе на слух, механического состояния деталей двигателя, об-
ращая особое внимание на состояние элементов газораспределительного и кривошипно-
шатунного механизмов.
Убедиться в том, что жгут с проводами датчика не проложен вблизи высоковольтных
проводов.
См. "Проверка системы гашения детонации", раздел 2.7С, карта С-5.
http://vnx.su/
ГОСТ 3.1105-84
Лист 153
Дубликат
Взам.
Подп.
3100.25100.12056
ТИ Технологическая инструкция
ОАО "АВТОВАЗ"
ИзмЛист№документаПодписьДатаИзм.Лист№документаПодписьДата
Код Р0328 Цепь датчика детонации, высокий уровень сигнала
1 Подключить диагностический прибор. Проанализировать условия возникновения
кода.
Запустить двигатель и прогреть до температуры охлаждающей жидкости 60 °С.
Используя диагностический прибор, попытаться воспроизвести условия возник-
новения кода неисправности.
Проверить, заносится ли код неисправности?
↓ ↓
Да Нет
↓ ↓
↓
↓
↓
Код Р0328 - непостоянный. В случае отсутствия других кодов - см. "Диагно-
стическую информацию".
Необходимо проанализировать условия возникновения кода.
↓
2 Проверить исправность экрана, соединение экрана с контактом "Х1.2/С5" и "мас-
сой".
Выявлены ли замечания?
↓ ↓
Нет Да → Устранить неисправность.
↓
Неисправен датчик детонации или контроллер.
После ремонта запустить двигатель, сбросить коды и убедиться в отсутствии не-
исправности.
http://vnx.su/
ГОСТ 3.1105-84
Лист 154Дубликат
Взам.
Подп.
3100.25100.12056
ТИ Технологическая инструкция
ОАО "АВТОВАЗ"
ИзмЛист№документаПодписьДатаИзм.Лист№документаПодписьДата
Код Р0335 Цепь датчика положения коленчатого вала неисправна
Код Р0335 заносится, если:
- коленчатый вал проворачивается;
- изменение сигнала ДМРВ выше определенного значения;
- нет сигнала датчика положения коленчатого вала.
При возникновении этого кода сигнализатор неисправностей не загорается.
Описание проверок
Последовательность соответствует цифрам на карте.
1 Проверяются провода и сопротивление датчика положения коленчатого вала. Со-
противление может незначительно изменяться при повышении температуры.
2 Выходной сигнал датчика должен иметь амплитуду напряжения переменного тока
не менее 0,3 В при оборотах прокручивания коленчатого вала стартером.
Диагностическая информация
Нарушение контактов в колодке датчика или контроллера может вызвать занесение
непостоянного кода Р0335.
Проверить задающий диск на шкиве коленчатого вала на повреждение зубьев, биение
(радиальное биение венца демпфера должно быть не более 0,4 мм) или другие повреждения.
http://vnx.su/
ГОСТ 3.1105-84
Лист 155
Дубликат
Взам.
Подп.
3100.25100.12056
ТИ Технологическая инструкция
ОАО "АВТОВАЗ"
ИзмЛист№документаПодписьДатаИзм.Лист№документаПодписьДата
Код Р0335 Цепь датчика положения коленчатого вала неисправна
Очистить коды диагностическим прибором.
Проворачивать коленчатый вал в течение 10 с или до пуска двигателя.
Заносится ли код Р0335?
↓ ↓
Да Нет
↓ ↓
↓
↓
↓
Код Р0335 - непостоянный. В случае отсутствия других кодов - см. "Диагно-
стическую информацию".
Необходимо проанализировать условия возникновения кода.
↓
1 Выключить зажигание.
Отсоединить колодку Х1.2 жгута от контроллера.
Измерить омметром сопротивление между контактами "Х1.2/В4" и "Х1.2/В5" ко-
лодки жгута.
Сопротивление должно быть в пределах 570-750 Ом. Так ли это?
↓ ↓
Да Менее 570 Ом ← Нет → Более 750 Ом
↓ ↓ ↓
↓
↓
Провода датчика замкнуты между
собой или неисправен датчик.
Неисправны соединения или
неисправен датчик.
↓
2 Подготовить вольтметр для измерения напряжения переменного тока.
Проворачивая стартером коленчатый вал, контролировать напряжение между кон-
тактами "Х1.2/В4" и "Х1.2/В5" колодки жгута.
Напряжение должно быть выше 0,3 В.
Так ли это?
↓ ↓
Да Нет → Неисправные соединения или неисправен датчик.
↓
Присоединить колодку Х1.2 жгута к контроллеру.
Очистить коды диагностическим прибором.
Поворачивать коленчатый вал в течение 10 с или до пуска двигателя.
Если код Р0335 заносится повторно - проверить состояние задающего диска - см.
"Диагностическую информацию".
Диск исправен?
↓ ↓
Да Нет → Заменить шкив с задающим диском.
↓ ↓
Очистить коды диагностическим прибором.
Поворачивать коленчатый вал в течение 10 с или до пуска двигателя.
Если код Р0335 заносится повторно - заменить контроллер.
После ремонта запустить двигатель, сбросить коды и убедиться в отсутствии не-
исправности.
http://vnx.su/
ГОСТ 3.1105-84
Лист 156Дубликат
Взам.
Подп.
3100.25100.12056
ТИ Технологическая инструкция
ОАО "АВТОВАЗ"
ИзмЛист№документаПодписьДатаИзм.Лист№документаПодписьДата
Код Р0336 Цепь датчика положения коленчатого вала, выход сигнала из допустимого
диапазона
Код Р0336 заносится, если:
- коленчатый вал проворачивается;
- за один поворот коленчатого вала контроллер определяет смещение опорной метки.
Сигнализатор неисправностей загорается на 3-ей поездке после возникновения устой-
чивой неисправности.
Описание проверок
Последовательность соответствует цифрам на карте.
1 Проверяются провода и сопротивление датчика положения коленчатого вала. Со-
противление может незначительно изменяться при повышении температуры.
2 Выходной сигнал датчика должен иметь амплитуду напряжения переменного тока
не менее 0,3 В при оборотах прокручивания коленчатого вала стартером.
Диагностическая информация
Проверить задающий диск на шкиве коленчатого вала на повреждение зубьев, биение
(радиальное биение венца демпфера должно быть не более 0,4 мм) или другие повреждения.
Нарушение контактов в колодке датчика или контроллера может вызвать занесение
непостоянного кода Р0336.
Также занесение непостоянного кода Р0336 может вызвать поврежденный экран жгу-
та датчика.
http://vnx.su/
ГОСТ 3.1105-84
Лист 157
Дубликат
Взам.
Подп.
3100.25100.12056
ТИ Технологическая инструкция
ОАО "АВТОВАЗ"
ИзмЛист№документаПодписьДатаИзм.Лист№документаПодписьДата
Код Р0336 Цепь датчика положения коленчатого вала, выход сигнала из допустимого
диапазона
Очистить коды диагностическим прибором.
Проворачивать коленчатый вал в течение 10 с или до пуска двигателя.
Заносится ли код Р0336?
↓ ↓
Да Нет
↓ ↓
↓
↓
↓
Код Р0336 - непостоянный. В случае отсутствия других кодов - см. "Диагно-
стическую информацию".
Необходимо проанализировать условия возникновения кода.
↓
1 Выключить зажигание.
Отсоединить колодку Х1.2 жгута от контроллера.
Измерить омметром сопротивление между контактами "Х1.2/В4" и "Х1.2/В5" ко-
лодки жгута.
Сопротивление должно быть в пределах 570-750 Ом. Так ли это?
↓ ↓
Да Менее 570 Ом ← Нет → Более 750 Ом
↓ ↓ ↓
↓
↓
Провода датчика замкнуты между
собой или неисправен датчик.
Неисправны соединения или
неисправен датчик.
↓
2 Подготовить вольтметр для измерения напряжения переменного тока.
Проворачивая стартером коленчатый вал, контролировать напряжение между кон-
тактами "Х1.2/В4" и "Х1.2/В5" колодки жгута.
Напряжение должно быть выше 0,3 В.
Так ли это?
↓ ↓
Да Нет → Неисправные соединения или неисправен датчик.
↓
Присоединить колодку Х1.2 жгута к контроллеру.
Очистить коды диагностическим прибором.
Поворачивать коленчатый вал в течение 10 с или до пуска двигателя.
Если код Р0336 заносится повторно - проверить состояние задающего диска - см.
"Диагностическую информацию".
Диск исправен?
↓ ↓
Да Нет → Заменить шкив с задающим диском.
↓ ↓
Очистить коды диагностическим прибором.
Поворачивать коленчатый вал в течение 10 с или до пуска двигателя.
Если код Р0336 заносится повторно - заменить контроллер.
После ремонта запустить двигатель, сбросить коды и убедиться в отсутствии не-
исправности.
http://vnx.su/
ГОСТ 3.1105-84
Лист 158Дубликат
Взам.
Подп.
3100.25100.12056
ТИ Технологическая инструкция
ОАО "АВТОВАЗ"
ИзмЛист№документаПодписьДатаИзм.Лист№документаПодписьДата
Код Р0340 Датчик фаз неисправен
Код Р0340 заносится, если:
- коленчатый вал проворачивается;
- последовательность импульсов имеет непериодический характер.
Сигнализатор неисправностей загорается на 3-ей поездке после возникновения устой-
чивой неисправности.
Описание проверок
Последовательность соответствует цифрам на карте.
1 Проверяется наличие постоянной неисправности.
2 Проверяется надежность соединения датчика фаз со жгутом проводов.
Диагностическая информация
Принцип действия датчика фаз двигателя 21127 основан на эффекте Холла. На шкиве
впускного распредвала расположен задающий диск с прорезью. Когда прорезь проходит че-
рез паз датчика фаз, датчик выдает на контроллер импульс напряжения уровня "земли"
(около 0 В).
Неисправность непостоянного характера может быть вызвана наличием следующих
неисправностей.
Ненадежное соединение контактов колодок жгута системы зажигания, датчика и
контроллера. Осмотреть разъемы датчика и контроллера, колодки жгута на надежность со-
единения, отсутствие повреждений замков колодок и поврежденных контактов.
Повреждения жгута. Проверить жгут на наличие повреждений.
http://vnx.su/
ГОСТ 3.1105-84
Лист 159
Дубликат
Взам.
Подп.
3100.25100.12056
ТИ Технологическая инструкция
ОАО "АВТОВАЗ"
ИзмЛист№документаПодписьДатаИзм.Лист№документаПодписьДата
Код Р0340 Датчик фаз неисправен
1 Подключить диагностический прибор.
Запустить двигатель и прогреть до температуры охлаждающей жидкости 90 °С.
Используя диагностический прибор, попытаться воспроизвести условия возник-
новения кода неисправности.
Проверить, активен ли код неисправности в данный момент?
↓ ↓
Да Нет
↓ ↓
↓
↓
↓
Код Р0340 - непостоянный. В случае отсутствия других кодов - см. "Диагно-
стическую информацию".
Необходимо проанализировать условия возникновения кода.
↓
2 Выключить зажигание.
Отсоединить колодки жгута от контроллера и датчика фаз.
Выполнить проверку целостности электрических цепей между контактом
"Х1.2/Е4" колодки к контроллеру и контактом "3" колодки к датчику фаз, между
контактом "Х1.2/С5" колодки к контроллеру и контактом "1" колодки к датчику
фаз, между главным реле и контактом "2" колодки к датчику фаз – см. "Проверка
целостности электрической цепи", раздел 2.7В.
Проверить контакты датчика и присоединяемой колодки жгута на надежность со-
единения, отсутствие коррозии и деформации.
Если цепи и соединения исправны, то заменить датчик фаз на заведомо исправ-
ный, и проверить заносится ли код неисправности повторно.
Если код Р0340 заносится повторно - заменить контроллер.
После ремонта запустить двигатель, сбросить коды и убедиться в отсутствии не-
исправности.
http://vnx.su/
ГОСТ 3.1105-84
Лист 160Дубликат
Взам.
Подп.
3100.25100.12056
ТИ Технологическая инструкция
ОАО "АВТОВАЗ"
ИзмЛист№документаПодписьДатаИзм.Лист№документаПодписьДата
Код Р0342 Цепь датчика фаз, низкий уровень сигнала
Код Р0342 заносится, если:
- коленчатый вал проворачивается;
- в течение нескольких оборотов коленчатого вала на входе контроллера (контакт
"Х1.2/Е4") присутствует сигнал низкого уровня.
Сигнализатор неисправностей загорается на 3-ей поездке после возникновения устой-
чивой неисправности.
Описание проверок
Последовательность соответствует цифрам на карте.
1 Проверяется наличие постоянной неисправности.
2 Проверяется исправность цепи выходного сигнала датчика.
3 Проверяются условия возникновения кода Р0342.
Диагностическая информация
Принцип действия датчика фаз двигателя 21127 основан на эффекте Холла. На шкиве
впускного распредвала расположен задающий диск с прорезью. Когда прорезь проходит че-
рез паз датчика фаз, датчик выдает на контроллер импульс напряжения уровня "земли"
(около 0 В).
Неисправность непостоянного характера может быть вызвана наличием следующих
неисправностей.
Ненадежное соединение контактов колодок жгута системы зажигания, датчика и
контроллера. Осмотреть разъемы датчика и контроллера, колодки жгута на надежность со-
единения, отсутствие повреждений замков колодок и поврежденных контактов.
Повреждения жгута. Проверить жгут на наличие повреждений.
Неисправный датчик фаз. Заменить на заведомо исправный и проверить на повтор-
ное возникновение кода.
http://vnx.su/
ГОСТ 3.1105-84
Лист 161
Дубликат
Взам.
Подп.
3100.25100.12056
ТИ Технологическая инструкция
ОАО "АВТОВАЗ"
ИзмЛист№документаПодписьДатаИзм.Лист№документаПодписьДата
Код Р0342 Цепь датчика фаз, низкий уровень сигнала
1 Подключить диагностический прибор.
Запустить двигатель и прогреть до температуры охлаждающей жидкости 90 °С.
Используя диагностический прибор, попытаться воспроизвести условия возник-
новения кода неисправности.
Проверить, активен ли код неисправности в данный момент?
↓ ↓
Да Нет
↓ ↓
↓
↓
↓
Код Р0342 - непостоянный. В случае отсутствия других кодов - см. "Диагно-
стическую информацию".
Необходимо проанализировать условия возникновения кода.
↓
2 Выключить зажигание.
Отсоединить колодку жгута от датчика фаз.
Включить зажигание. Провести измерение напряжение на контактах "2" и "3" ко-
лодки жгута - см. "Измерение напряжения на контактах жгута проводов", раздел
2.7В. Вольтметр должен показать на контакте "2" значение, близкое к напряжению
бортсети, на контакте "3" значение более 9 В.
Так ли это?
↓ ↓
Да Нет
↓ ↓
↓
↓
↓
↓
↓
↓
Выключить зажигание. Отсоединить колодку Х1 жгута от контроллера. Вы-
полнить проверку целостности электрических цепей между контактом
"Х1.2/Е4" колодки к контроллеру и контактом "3" колодки к датчику фаз,
между главным реле и контактом "2" колодки к датчику фаз – см. "Проверка
целостности электрической цепи", раздел 2.7В.
Если цепи и соединения исправны - заменить контроллер.
↓
3 Очистить коды диагностическим прибором. Запустить двигатель.
Заносится ли код Р0342?
↓ ↓
Нет Неисправен контроллер ← Да
↓
Неисправен датчик фаз или отсутствует задающий диск с прорезью на шкиве впу-
скного распредвала.
После ремонта запустить двигатель, сбросить коды и убедиться в отсутствии не-
исправности.
http://vnx.su/
ГОСТ 3.1105-84
Лист 162Дубликат
Взам.
Подп.
3100.25100.12056
ТИ Технологическая инструкция
ОАО "АВТОВАЗ"
ИзмЛист№документаПодписьДатаИзм.Лист№документаПодписьДата
Код Р0343 Цепь датчика фаз, высокий уровень сигнала
Код Р0343 заносится, если:
- коленчатый вал проворачивается;
- в течение нескольких оборотов коленчатого вала на входе контроллера (контакт
"Х1.2/Е4") присутствует сигнал высокого уровня.
Сигнализатор неисправностей загорается на 3-ей поездке после возникновения устой-
чивой неисправности.
Описание проверок
Последовательность соответствует цифрам на карте.
1 Проверяется наличие постоянной неисправности.
2 Проверяется исправность цепи выходного сигнала датчика.
3 Проверяются условия возникновения кода Р0343.
Диагностическая информация
Принцип действия датчика фаз двигателя 21126 основан на эффекте Холла. На шкиве
впускного распредвала расположен задающий диск с прорезью. Когда прорезь проходит че-
рез паз датчика фаз, датчик выдает на контроллер импульс напряжения уровня "земли"
(около 0 В).
Неисправность непостоянного характера может быть вызвана наличием следующих
неисправностей.
Ненадежное соединение контактов колодок жгута системы зажигания, датчика и
контроллера. Осмотреть разъемы датчика и контроллера, колодки жгута на надежность со-
единения, отсутствие повреждений замков колодок и поврежденных контактов.
Повреждения жгута. Проверить жгут на наличие повреждений.
Неисправный датчик фаз. Заменить на заведомо исправный и проверить на повтор-
ное возникновение кода.
http://vnx.su/
ГОСТ 3.1105-84
Лист 163
Дубликат
Взам.
Подп.
3100.25100.12056
ТИ Технологическая инструкция
ОАО "АВТОВАЗ"
ИзмЛист№документаПодписьДатаИзм.Лист№документаПодписьДата
Код Р0343 Цепь датчика фаз, высокий уровень сигнала
1 Подключить диагностический прибор.
Запустить двигатель и прогреть до температуры охлаждающей жидкости 90 °С.
Используя диагностический прибор, попытаться воспроизвести условия возник-
новения кода неисправности.
Проверить, активен ли код неисправности в данный момент?
↓ ↓
Да Нет
↓ ↓
↓
↓
↓
Код Р0343 - непостоянный. В случае отсутствия других кодов - см. "Диагно-
стическую информацию".
Необходимо проанализировать условия возникновения кода.
↓
2 Выключить зажигание.
Отсоединить колодку жгута от датчика фаз.
Включить зажигание. Провести измерение напряжение на контактах "1", "2" и "3"
колодки жгута - см. "Измерение напряжения на контактах жгута проводов", раздел
2.7В. Вольтметр должен показать на контакте "2" значение, близкое к напряжению
бортсети, на контакте "3" значение более 9 В, на контакте "1" - 0 В.
Так ли это?
↓ ↓
Да Нет
↓ ↓
↓
↓
↓
↓
↓
↓
↓
Выключить зажигание. Отсоединить колодку Х1.2 жгута от контроллера.
Выполнить проверку целостности электрических цепей между контактом
"Х1.2/Е4" колодки к контроллеру и контактом "3" колодки к датчику фаз,
между контактом "Х1.2/С5" колодки к контроллеру и контактом "1" колодки
к датчику фаз, между главным реле и контактом "2" колодки к датчику фаз –
см. "Проверка целостности электрической цепи", раздел 2.7В.
Если цепи и соединения исправны - заменить контроллер.
↓
3 Выключить зажигание. Снять датчик фаз и присоединить к нему колодку жгута.
Включить зажигание. Очистить коды диагностическим прибором. Запустить дви-
гатель. Заносится ли код Р0343?
↓ ↓
Нет Неисправен контроллер ← Да
↓
Неисправен датчик фаз.
После ремонта запустить двигатель, сбросить коды и убедиться в отсутствии не-
исправности.
http://vnx.su/
ГОСТ 3.1105-84
Лист 164Дубликат
Взам.
Подп.
3100.25100.12056
ТИ Технологическая инструкция
ОАО "АВТОВАЗ"
ИзмЛист№документаПодписьДатаИзм.Лист№документаПодписьДата
Код Р0351 (Р0352, Р0353, Р0354) Катушка зажигания цилиндра 1 (2, 3, 4) обрыв цепи
управления
Код Р0351 (Р0352, Р0353, Р0354) заносится, если:
- двигатель работает;
- самодиагностика зафиксировала отсутствие тока через катушку зажигания.
Сигнализатор неисправностей загорается через 5 с после возникновения кода неис-
правности.
Описание проверок
Последовательность соответствует цифрам на карте.
1 Проверяется наличие постоянной неисправности.
2 Проверяется исправность цепи питания.
3 Проверяется исправность цепи управления.
4 Проверяется исправность катушки зажигания.
Диагностическая информация
В контроллере М86 проводится постоянный мониторинг величины тока через катуш-
ку зажигания. В случае отсутствия тока или недостаточной его величины фиксируется код
неисправности.
http://vnx.su/
ГОСТ 3.1105-84
Лист 165
Дубликат
Взам.
Подп.
3100.25100.12056
ТИ Технологическая инструкция
ОАО "АВТОВАЗ"
ИзмЛист№документаПодписьДатаИзм.Лист№документаПодписьДата
Код Р0351 (Р0352, Р0353, Р0354) Катушка зажигания цилиндра 1 (2, 3, 4) обрыв цепи
управления
1 Подключить диагностический прибор. Запустить двигатель.
Выбрать режим "Коды неисправностей".
Проверить, активен ли код неисправности в данный момент?
↓ ↓
Да Нет
↓ ↓
↓
↓
Код Р0351 (Р0352, Р0353, Р0354) - непостоянный. В случае отсутствия дру-
гих кодов - см. "Непостоянные неисправности", раздел 2.7В.
↓
2 Выключить зажигание.
Отсоединить колодку жгута от соответствующей катушки зажигания.
Включить зажигание.
Провести измерение напряжения на контакте "3" колодки к катушке зажигания -
см. "Измерение напряжения на контактах жгута проводов", раздел 2.7В. Напряже-
ние равно напряжению бортсети?
↓ ↓
Да Нет → Неисправен жгут проводов.
↓
3 Выключить зажигание. Отсоединить колодку Х1.2 жгута от контроллера. Выпол-
нить проверку целостности электрической цепи между контактом "X1.2/N5"
(X1.2/N4, Х1.2/N3, Х1.2/N2) колодки к контроллеру и контактом "1" колодки к
соответствующей катушке зажигания – см. "Проверка целостности электрической
цепи", раздел 2.7В.
Цепь исправна?
↓ ↓
Да Нет → Неисправен жгут проводов.
↓
4 Измерить сопротивление между контактами "3" и "1" соответствующей катушки
зажигания.
Сопротивление более 1 кОм?
↓ ↓
Да Нет → Неисправен контроллер.
↓
Неисправна катушка зажигания.
После ремонта запустить двигатель, сбросить коды и убедиться в отсутствии не-
исправности.
http://vnx.su/
ГОСТ 3.1105-84
Лист 166Дубликат
Взам.
Подп.
3100.25100.12056
ТИ Технологическая инструкция
ОАО "АВТОВАЗ"
ИзмЛист№документаПодписьДатаИзм.Лист№документаПодписьДата
Код Р0363 Обнаружены пропуски воспламенения, отключена топливоподача в нерабо-
тающих цилиндрах
Код Р1301 (Р1302, Р1303, Р1304)
Цилиндр 1 (2, 3, 4), обнаружены пропуски воспламенения, критичные для нейтрализа-
тора
Коды Р0363, Р1301 (Р1302, Р1303, Р1304) заносятся, если:
- двигатель работает;
- значение параметра "Частота вращения коленчатого вала двигателя" находится
в диапазоне 600...5300 об/мин;
- система осуществляет диагностику распознавания пропусков зажигания (значение
параметра "Обнаружение пропусков зажигания приостановлено" = Нет);
- измеренная контроллером неравномерность вращения коленчатого вала превышает
порог;
- отсутствует код неисправности Р0336.
Сигнализатор неисправностей начинает мигать сразу после возникновения устойчи-
вой неисправности. С целью защиты каталитического нейтрализатора может быть отключе-
на топливоподача в тех цилиндрах, в которых были зарегистрированы пропуски.
Описание проверок
Последовательность соответствует цифрам на карте.
1 Проверить, фиксируются ли пропуски воспламенения в момент запроса.
2 Выполнить проверку системы зажигания.
3 Выполнить проверку системы топливоподачи.
4 Выполнить проверку системы впуска.
5 Выполнить проверку компрессии.
Дополнительные проверки
Если пропуски воспламенения носят непостоянный характер, необходимо проверить:
- надежность крепления клемм заземления жгута системы зажигания;
- механические повреждения двигателя (низкая компрессия, повреждения поршней,
распредвала, клапанов и т.д.);
http://vnx.su/
ГОСТ 3.1105-84
Лист 167
Дубликат
Взам.
Подп.
3100.25100.12056
ТИ Технологическая инструкция
ОАО "АВТОВАЗ"
ИзмЛист№документаПодписьДатаИзм.Лист№документаПодписьДата
- систему впуска на отсутствие подсоса воздуха (проверить систему впуска на отсут-
ствие подсоса воздуха, убедиться в том, что вакуумные шланги присоединены надежно и не
имеют повреждений);
- неисправность элементов системы топливоподачи (см. карту А-6);
- неисправность элементов системы зажигания (см. карту А-3);
- крепление ДПКВ;
- радиальное биение венца демпфера (задающего диска) должно быть не более 0,4 мм.
Диагностическая информация
Коды Р0363, Р1301, Р1302, Р1303, Р1304 возникают при пропусках воспламенения,
приводящих к повреждению каталитического нейтрализатора.
Диагностический прибор в режиме "Мониторинг сигналов" показывает:
- параметр "Счетчик пропусков зажигания, влияющих на токсичность, цилиндр 1
(2, 3, 4)";
- параметр "Обнаружение пропусков зажигания приостановлено".
Если одновременно с кодами Р0363, Р1301, Р1302, Р1303, Р1304 фиксируются коды
неисправностей цепей управления катушками зажигания или форсунками, то устранение
неисправности следует начинать с карты соответствующего кода неисправности цепей
управления.
http://vnx.su/
ГОСТ 3.1105-84
Лист 168Дубликат
Взам.
Подп.
3100.25100.12056
ТИ Технологическая инструкция
ОАО "АВТОВАЗ"
ИзмЛист№документаПодписьДатаИзм.Лист№документаПодписьДата
Код Р0363 Обнаружены пропуски воспламенения, отключена топливоподача в нерабо-
тающих цилиндрах
Код Р1301 (Р1302, Р1303, Р1304)
Цилиндр 1 (2, 3, 4), обнаружены пропуски воспламенения, критичные для нейтрализато-
ра
1 Подключить диагностический прибор. Включить зажигание. Запустить двигатель.
Выбрать на диагностическом приборе режим: "Мониторинг сигналов".
Воспроизвести условия возникновения кода. Проверить фиксируются ли пропуски
воспламенения (Изменяется ли значение параметра "Счетчик пропусков зажи-
гания, влияющих на токсичность, цилиндр 1 (2, 3, 4)")?
↓ ↓
Да Нет
↓ ↓
↓
↓
Код Р0363, Р1301 (Р1302, Р1303, Р1304) - непостоянный. Выполнить допол-
нительные проверки.
↓
2 Проверить систему зажигания по карте А-3. Устранить обнаруженные неисправ-
ности. Проверить фиксируются ли пропуски воспламенения (см. проверку 1).
↓ ↓
Да Нет
↓ ↓
↓
↓
Стереть коды неисправностей. При повторном возникновении кодов выпол-
нить дополнительные проверки.
↓
3 Проверить систему топливоподачи по карте А-6. Устранить обнаруженные неис-
правности. Проверить фиксируются ли пропуски воспламенения (см. проверку 1).
↓ ↓
Да Нет
↓ ↓
↓
↓
Стереть коды неисправностей. При повторном возникновении кодов выпол-
нить дополнительные проверки.
↓
4 Проверить систему впуска на наличие подсоса воздуха. Устранить обнаруженные
неисправности. Проверить фиксируются ли пропуски воспламенения (см. провер-
ку 1).
↓ ↓
Да Нет
↓ ↓
↓
↓
Стереть коды неисправностей. При повторном возникновении кодов выпол-
нить дополнительные проверки.
↓
5 Неисправность связана с механическими повреждениями двигателя. Измерить
компрессию.
После ремонта запустить двигатель, сбросить коды и убедиться в отсутствии не-
исправности.
http://vnx.su/
ГОСТ 3.1105-84
Лист 169
Дубликат
Взам.
Подп.
3100.25100.12056
ТИ Технологическая инструкция
ОАО "АВТОВАЗ"
ИзмЛист№документаПодписьДатаИзм.Лист№документаПодписьДата
Код Р0422 Эффективность нейтрализатора ниже порога
Код Р0422 заносится, если:
- отсутствуют коды неисправностей Р0106, Р0107, Р0108, Р0111, Р0112, РО113, Р0116,
Р0117, Р0118, Р0122, Р0123, Р0130, Р0131, Р0132, Р0133, Р0134, Р0136, Р0137, Р0138, Р0140,
Р0222, Р0223, P0300, Р0301, Р0302, Р0303, Р0304, Р0363, Р0441, Р0443, Р0444, P0458, P0459,
Р0560, Р0561, Р0562, Р0563, Р1301, Р1302, Р1303, Р1304.
- управление топливоподачей осуществляется в режиме обратной связи по сигналу
управляющего датчика кислорода (значение параметра "Признак работы в зоне регули-
ровки по сигналу управляющего датчика кислорода" = Да);
- выполняются условия проведения цикла диагностики нейтрализатора;
- контроллер определяет, что степень деградации нейтрализатора выше порога.
Сигнализатор неисправностей загорается на 3-ей поездке после возникновения устой-
чивой неисправности.
Описание проверок
Последовательность соответствует цифрам на карте.
1 Проверяется соответствие типа нейтрализатора.
2 Проверяется нейтрализатор на наличие повреждений.
3 Проверяется наличие неисправностей в выпускной системе.
Диагностическая информация
Контроллер следит за состоянием нейтрализатора, анализируя сигналы управляющего
и диагностического датчиков кислорода, установленных до и после нейтрализатора. Если
нейтрализатор работает эффективно, то значение параметра "Фактор старения нейтрали-
затора", отображаемого диагностическим прибором, будет стремиться к 0. Чем больше
нейтрализатор деградирует, тем больше значение указанного параметра.
Контроллер осуществляет цикл диагностики нейтрализатора, если:
- температура охлаждающей жидкости не менее 70 °С;
- температура воздуха на впуске не ниже -10 °С;
- частота вращения коленчатого вала двигателя в пределах 1800... 2500 об/мин;
- нагрузка двигателя (параметр RL) имеет стабильное значение в пределах 15…50%.
Выполнение этих условий гарантирует, что нейтрализатор достаточно прогрет, и кон-
троллер может проводить цикл диагностики.
http://vnx.su/
ГОСТ 3.1105-84
Лист 170Дубликат
Взам.
Подп.
3100.25100.12056
ТИ Технологическая инструкция
ОАО "АВТОВАЗ"
ИзмЛист№документаПодписьДатаИзм.Лист№документаПодписьДата
Код Р0422 Эффективность нейтрализатора ниже порога
1 Убедитесь в том, что на автомобиль установлен соответствующий тип нейтрали-
затора. Несоответствие обнаружено?
↓ ↓
Нет Да → Заменить нейтрализатор по причине его несоответствия.
↓
2 Проверить наличие других кодов неисправности, и если они имеются - использо-
вать соответствующие диагностические карты.
Осмотреть нейтрализатор на наличие повреждений. При осмотре обратить внима-
ние на:
- внешние повреждения корпуса, связанные с эксплуатацией (вмятины, пробои и
т.д.);
- повреждения корпуса, связанные с качеством изготовления (трещины корпуса,
газоприемника, выпускных труб и т.д.).
Проверить визуально состояние матрицы каталитического нейтрализатора на на-
личие повреждений. Замечания обнаружены?
↓ ↓
Нет Да
↓ ↓
↓
↓
↓
↓
↓
Заменить нейтрализатор.
В случае разрушения матрицы каталитического нейтрализатора установить
причину возникновения пропусков воспламенения, выполнив проверку по
картам кодов Р0363 (Р1301, Р1302, Р1303, Р1304) и проверку качества топ-
лива на наличие металлосодержащих присадок.
↓
3 Проверить систему выпуска между нейтрализатором и основным глушителем на
наличие негерметичности, повреждений, некомплектности.
Проверить диагностический датчик кислорода. Убедиться в том, что на датчике
нет повреждений, а жгут проводов, разъем не контактируют с системой выпуска и
не повреждены. Неисправности обнаружены?
↓ ↓
Да Нет → Заменить нейтрализатор.
↓ ↓
Устранить выявленные неисправности. ↓
↓ ↓
Просмотреть и запомнить дополнительную информацию к коду неисправности
Р0422. Очистить коды неисправности диагностическим прибором.
Запустить двигатель и прогреть его до температуры охлаждающей жидкости не
менее 70 °С.
Используя диагностический прибор, создать условия проведения цикла диагно-
стики эффективности нейтрализатора.
Заносится ли код Р0422 после завершения цикла диагностики?
↓ ↓
Да Нет → Неисправность устранена.
↓
Заменить нейтрализатор по причине низкой эффективности.
После ремонта запустить двигатель, сбросить коды и убедиться в отсутствии не-
исправности.
http://vnx.su/
ГОСТ 3.1105-84
Лист 171
Дубликат
Взам.
Подп.
3100.25100.12056
ТИ Технологическая инструкция
ОАО "АВТОВАЗ"
ИзмЛист№документаПодписьДатаИзм.Лист№документаПодписьДата
Код Р0441
Система улавливания паров бензина, неверный расход воздуха через клапан продувки
адсорбера
Код Р0441 заносится, если:
- двигатель работает больше 1200 секунд;
- двигатель работает на холостом ходу;
- проверка системой управления клапана продувки адсорбера дала отрицательный ре-
зультат.
Сигнализатор неисправностей загорается на 3-ей поездке после возникновения устой-
чивой неисправности.
Описание проверок
Последовательность соответствует цифрам на карте.
1 Проверяется наличие постоянной неисправности.
2 Проверяется исправность клапана продувки адсорбера.
Диагностическая информация
Процедура проверки клапана продувки адсорбера выполняется следующим образом:
- на холостом ходу плавно изменяется пропускная способность клапана продувки ад-
сорбера от 0 до 92%;
- система при этом контролирует изменение состава топливовоздушной смеси и зна-
чения массового расхода воздуха. Если изменения не зафиксированы, то неисправен клапан
продувки или соединительные шланги.
Процедура проверки выполняется один раз за поездку при положительном результате
и два раза при отрицательном результате первой проверки. Проверка может быть прервана,
если двигатель работает нестабильно.
Причиной возникновения кода неисправности могут быть:
- заклиненный в открытом или закрытом состоянии клапан продувки адсорбера, кото-
рый начинает открываться только при большом коэффициенте продувки адсорбера (выше
70%);
- пережатие или засорение шлангов, соединяющих адсорбер с двигателем;
- неправильное подключение шлангов к клапану продувки адсорбера;
- утечка разрежения в системе улавливания паров бензина.
http://vnx.su/
ГОСТ 3.1105-84
Лист 172Дубликат
Взам.
Подп.
3100.25100.12056
ТИ Технологическая инструкция
ОАО "АВТОВАЗ"
ИзмЛист№документаПодписьДатаИзм.Лист№документаПодписьДата
Код Р0441 Система улавливания паров бензина, неверный расход воздуха через клапан
продувки адсорбера
1 Проверить шланги на правильность и надежность соединения.
Если замечаний нет, подключить диагностический прибор и завести двигатель.
Выбрать на диагностическом приборе режим "Активные тесты; Управление выхо-
дом клапана продувки адсорбера".
С помощью диагностического прибора открыть клапан, следя за поведением па-
раметра "Текущий коэффициент коррекции длительности импульса впрыска
топлива по сигналу датчика кислорода".
При открытии клапана с 0 до 96% переменная "Текущий коэффициент коррек-
ции длительности импульса впрыска топлива по сигналу датчика кислоро-
да" изменяется на 10-20% (обеднение или обогащение топливовоздушной смеси).
Соответствует ли реальное поведение указанного параметра вышеописанному?
↓ ↓
Нет Да → См. "Диагностическую информацию".
↓
2 Заглушить двигатель.
Отсоединить шланги, соединяющие клапан с адсорбером и двигателем.
Проверить шланги, соединяющие КПА с адсорбером и двигателем, и штуцер в
модуле впуска на наличие пережатий, засорение и т.д.
Неисправности обнаружены?
↓ ↓
Нет Да → Устранить неисправности.
↓
Заменить КПА.
После ремонта запустить двигатель, сбросить коды и убедиться в отсутствии не-
исправности.
http://vnx.su/
ГОСТ 3.1105-84
Лист 173
Дубликат
Взам.
Подп.
3100.25100.12056
ТИ Технологическая инструкция
ОАО "АВТОВАЗ"
ИзмЛист№документаПодписьДатаИзм.Лист№документаПодписьДата
Код Р0443
Клапан продувки адсорбера, цепь неисправна
Код Р0443 заносится, если:
- двигатель работает;
- самодиагностика драйвера клапана продувки адсорбера определила неисправность.
Сигнализатор неисправностей загорается через 2 драйв-цикла после возникновения
кода неисправности.
Описание проверок
Последовательность соответствует цифрам на карте.
1 Проверяется наличие постоянной неисправности.
2 Проверяется наличие обрыва цепи управления КПА.
3 Проверяется наличие замыкания на массу цепи управления КПА.
4 Проверяется наличие замыкания на бортовую сеть цепи управления КПА.
Диагностическая информация
В контроллере используется драйвер клапана продувки адсорбера, обладающий функ-
цией самодиагностики. Он может определять наличие таких неисправностей, как обрыв, ко-
роткое замыкание на массу или источник питания цепи управления клапаном продувки ад-
сорбера.
Управлять состоянием клапана можно с помощью диагностического прибора в режи-
ме: "2 - Управление ИМ".
http://vnx.su/
ГОСТ 3.1105-84
Лист 174Дубликат
Взам.
Подп.
3100.25100.12056
ТИ Технологическая инструкция
ОАО "АВТОВАЗ"
ИзмЛист№документаПодписьДатаИзм.Лист№документаПодписьДата
Код Р0443 Клапан продувки адсорбера, цепь неисправна
1 Подключить диагностический прибор.
Запустить двигатель. Выбрать на диагностическом приборе режим "Коды неис-
правностей".
Проверить, активен ли код неисправности в данный момент?
↓ ↓
Да Нет
↓ ↓
↓
↓
Код Р0443 - непостоянный. В случае отсутствия других кодов - см. "Непо-
стоянные неисправности", раздел 2.7В.
↓
2 Выключить зажигание.
Отсоединить колодку жгута от клапана продувки адсорбера и колодку Х1.1 жгута
от контроллера.
Выполнить проверку целостности электрической цепи между контактом "X1.1/J2"
колодки к контроллеру и контактом "1" колодки к клапану, между контактом "2"
колодки к клапану и главным реле – см. "Проверка целостности электрической
цепи", раздел 2.7В.
Цепь исправна?
↓ ↓
Да Нет → Неисправен жгут проводов.
↓
3 Провести проверку замыкания контакта "X1.1/J2" колодки жгута к контроллеру на
массу – см. "Проверка замыкания цепи на массу", раздел 2.7В.
Замыкание есть?
↓ ↓
Нет Да
↓ ↓
↓ Неисправен жгут проводов.
↓
4 Провести проверку замыкания контакта "X1.1/J2" колодки жгута к контроллеру на
бортовую сеть – см. "Проверка замыкания цепи на бортовую сеть", раздел 2.7В.
Замыкание есть?
↓ ↓
Нет Да → Неисправен жгут проводов.
↓
Неисправен контроллер или КПА.
После ремонта запустить двигатель, сбросить коды и убедиться в отсутствии не-
исправности.
http://vnx.su/
ГОСТ 3.1105-84
Лист 175
Дубликат
Взам.
Подп.
3100.25100.12056
ТИ Технологическая инструкция
ОАО "АВТОВАЗ"
ИзмЛист№документаПодписьДатаИзм.Лист№документаПодписьДата
Код Р0444
Клапан продувки адсорбера, обрыв цепи управления
Код Р0444 заносится, если:
- двигатель работает;
- самодиагностика драйвера клапана продувки адсорбера определила на выходе отсут-
ствие нагрузки.
Сигнализатор неисправностей загорается через 2 драйв-цикла после возникновения
кода неисправности.
Описание проверок
Последовательность соответствует цифрам на карте.
1 Проверяется наличие постоянной неисправности.
2 Проверяется цепь питания клапана продувки адсорбера.
3 Проверяется цепь управления клапаном продувки на обрыв.
4 Проверяется исправность электромагнитного клапана продувки адсорбера.
Диагностическая информация
В контроллере используется драйвер клапана продувки адсорбера, обладающий функ-
цией самодиагностики. Он может определять наличие таких неисправностей, как обрыв, ко-
роткое замыкание на массу или источник питания цепи управления клапаном продувки ад-
сорбера.
Управлять состоянием клапана можно с помощью диагностического прибора в режи-
ме: "2 - Управление ИМ".
http://vnx.su/
ГОСТ 3.1105-84
Лист 176Дубликат
Взам.
Подп.
3100.25100.12056
ТИ Технологическая инструкция
ОАО "АВТОВАЗ"
ИзмЛист№документаПодписьДатаИзм.Лист№документаПодписьДата
Код Р0444 Клапан продувки адсорбера, обрыв цепи управления
1 Подключить диагностический прибор.
Запустить двигатель. Выбрать на диагностическом приборе режим "Коды неис-
правностей".
Проверить, активен ли код неисправности в данный момент?
↓ ↓
Да Нет
↓ ↓
↓
↓
Код Р0444 - непостоянный. В случае отсутствия других кодов - см. "Непо-
стоянные неисправности", раздел 2.7В.
↓
2 Выключить зажигание. Отсоединить колодку жгута от клапана продувки адсорбе-
ра.
Выполнить проверку целостности электрической цепи между контактом "2" ко-
лодки к клапану и главным реле – см. "Проверка целостности электрической це-
пи", раздел 2.7В.
Цепь исправна?
↓ ↓
Да Нет → Неисправен жгут проводов.
↓
3 Выключить зажигание. Отсоединить колодку Х1.1 жгута от контроллера.
Выполнить проверку целостности электрической цепи между контактом "X1.1/J2"
колодки к контроллеру и контактом "1" колодки к клапану – см. "Проверка цело-
стности электрической цепи", раздел 2.7В.
Цепь исправна?
↓ ↓
Да Нет
↓ ↓
↓ Неисправен жгут проводов.
↓
4 Измерить сопротивление между контактами "1" и "2" клапана продувки адсорбе-
ра. Сопротивление больше 1 МОм?
↓ ↓
Да Нет → Неисправен контроллер.
↓
Неисправен клапан продувки адсорбера.
После ремонта запустить двигатель, сбросить коды и убедиться в отсутствии не-
исправности.
http://vnx.su/
ГОСТ 3.1105-84
Лист 177
Дубликат
Взам.
Подп.
3100.25100.12056
ТИ Технологическая инструкция
ОАО "АВТОВАЗ"
ИзмЛист№документаПодписьДатаИзм.Лист№документаПодписьДата
Код Р0458
Клапан продувки адсорбера, замыкание цепи управления на массу
Код Р0458 заносится, если:
- двигатель работает;
- самодиагностика драйвера клапана продувки адсорбера определила на выходе замы-
кание на массу.
Сигнализатор неисправностей загорается через 2 драйв-цикла после возникновения
кода неисправности.
Описание проверок
Последовательность соответствует цифрам на карте.
1 Проверяется наличие постоянной неисправности.
2 Определяется наличие замыкания на массу цепи управления клапаном продувки.
Диагностическая информация
В контроллере M86 используется драйвер клапана продувки адсорбера, обладающий
функцией самодиагностики. Он может определять наличие таких неисправностей, как об-
рыв, короткое замыкание на массу или источник питания цепи управления клапаном про-
дувки адсорбера.
http://vnx.su/
ГОСТ 3.1105-84
Лист 178Дубликат
Взам.
Подп.
3100.25100.12056
ТИ Технологическая инструкция
ОАО "АВТОВАЗ"
ИзмЛист№документаПодписьДатаИзм.Лист№документаПодписьДата
Код Р0458 Клапан продувки адсорбера, замыкание цепи управления на массу
1 Подключить диагностический прибор.
Запустить двигатель. Выбрать на диагностическом приборе режим "Коды неис-
правностей".
Проверить, активен ли код неисправности в данный момент?
↓ ↓
Да Нет
↓ ↓
↓
↓
Код Р0458 - непостоянный. В случае отсутствия других кодов - см. "Непо-
стоянные неисправности", раздел 2.7В.
↓
2 Выключить зажигание.
Отсоединить колодку Х1.1 жгута от контроллера.
Провести проверку замыкания контакта "X1.1/J2" колодки жгута к контроллеру на
массу – см. "Проверка замыкания цепи на массу", раздел 2.7В.
Замыкание есть?
↓ ↓
Да Нет → Неисправен контроллер.
↓
Неисправен жгут проводов.
После ремонта запустить двигатель, сбросить коды и убедиться в отсутствии не-
исправности.
http://vnx.su/
ГОСТ 3.1105-84
Лист 179
Дубликат
Взам.
Подп.
3100.25100.12056
ТИ Технологическая инструкция
ОАО "АВТОВАЗ"
ИзмЛист№документаПодписьДатаИзм.Лист№документаПодписьДата
Код Р0459
Клапан продувки адсорбера, замыкание цепи управления на бортовую сеть
Код Р0459 заносится, если:
- двигатель работает;
- самодиагностика драйвера клапана продувки адсорбера определила на выходе замы-
кание на источник питания.
Сигнализатор неисправностей загорается через 2 драйв-цикла после возникновения
кода неисправности.
Описание проверок
Последовательность соответствует цифрам на карте.
1 Проверяется наличие постоянной неисправности.
2 Определяется наличие замыкания на источник питания цепи управления клапаном
продувки.
3 Проверяется исправность электромагнитного клапана продувки адсорбера.
Диагностическая информация
В контроллере M86 используется драйвер клапана продувки адсорбера, обладающий
функцией самодиагностики. Он может определять наличие таких неисправностей, как об-
рыв, короткое замыкание на массу или источник питания цепи управления клапаном про-
дувки адсорбера.
http://vnx.su/
ГОСТ 3.1105-84
Лист 180Дубликат
Взам.
Подп.
3100.25100.12056
ТИ Технологическая инструкция
ОАО "АВТОВАЗ"
ИзмЛист№документаПодписьДатаИзм.Лист№документаПодписьДата
Код Р0459 Клапан продувки адсорбера, замыкание цепи управления на бортовую сеть
1 Подключить диагностический прибор.
Запустить двигатель. Выбрать на диагностическом приборе режим "Коды неис-
правностей".
Проверить, активен ли код неисправности в данный момент?
↓ ↓
Да Нет
↓ ↓
↓
↓
Код Р0459 - непостоянный. В случае отсутствия других кодов - см. "Непо-
стоянные неисправности", раздел 2.7В.
↓
2 Выключить зажигание.
Отсоединить колодку Х1.1 жгута от контроллера.
Провести проверку замыкания контакта "X1.1/J2" колодки жгута к контроллеру на
бортовую сеть – см. "Проверка замыкания цепи на бортовую сеть", раздел 2.7В.
Замыкание есть?
↓ ↓
Да Нет
↓ ↓
↓ Неисправен контроллер.
↓
3 Отсоединить колодку жгута от КПА. Измерить сопротивление между контактами
"А" и "В" разъема клапана продувки адсорбера.
Сопротивление меньше 20 Ом?
↓ ↓
Нет Да → Неисправен клапан продувки адсорбера.
↓
Неисправен жгут проводов.
После ремонта запустить двигатель, сбросить коды и убедиться в отсутствии не-
исправности.
http://vnx.su/
ГОСТ 3.1105-84
Лист 181
Дубликат
Взам.
Подп.
3100.25100.12056
ТИ Технологическая инструкция
ОАО "АВТОВАЗ"
ИзмЛист№документаПодписьДатаИзм.Лист№документаПодписьДата
Электрическая цепь вентилятора системы охлаждения двигателя автомобилей семейства
LADA VESTA
Код Р0480 (Р0481)
Реле вентилятора 1 (2), цепь неисправна
Код Р0480 (Р0481) заносится, если:
- двигатель работает;
- самодиагностика драйвера реле вентилятора определила на выходе отсутствие на-
грузки.
Сигнализатор неисправностей загорается через 2 драйв-цикла после возникновения
кода неисправности.
Описание проверок
Последовательность соответствует цифрам на карте.
1 Проверяется наличие постоянной неисправности.
2 Проверяется цепь питания и массы блока реле вентилятора.
3 Проверяется цепь управления реле вентилятора на обрыв.
4 Проверяется исправность блока реле вентилятора.
Диагностическая информация
В контроллере используется драйвер реле вентилятора, обладающий функцией само-
диагностики. Он может определять наличие таких неисправностей, как обрыв, короткое за-
мыкание на массу или источник питания цепи управления реле.
Замыкание цепи управления на источник питания может быть определено в момент,
когда контроллер выдает команду на включение вентилятора.
Электродвигатель вентилятора может быть включен с помощью диагностического
прибора в режиме "Активные тесты; Управление выходом реле вентилятора 1 (2) системы
охлаждения".
http://vnx.su/
ГОСТ 3.1105-84
Лист 182Дубликат
Взам.
Подп.
3100.25100.12056
ТИ Технологическая инструкция
ОАО "АВТОВАЗ"
ИзмЛист№документаПодписьДатаИзм.Лист№документаПодписьДата
Код Р0480 (Р0481) Реле вентилятора 1 (2), цепь неисправна
1 Подключить диагностический прибор.
Запустить двигатель. Выбрать на диагностическом приборе режим "Коды неис-
правностей".
Проверить, активен ли код неисправности в данный момент?
↓ ↓
Да Нет
↓ ↓
↓
↓
Код Р0480 (Р0481) - непостоянный. В случае отсутствия других кодов - см.
"Непостоянные неисправности", раздел 2.7 В.
↓
2 Выключить зажигание. Отсоединить колодку Х2 от блока реле электровентилято-
ра. Выполнить проверку целостности электрической цепи между контактом "2"
колодки Х2 и главным реле и между контактом "1" колодки Х2 и массой – см.
"Проверка целостности электрической цепи", раздел 2.7В.
Цепь исправна?
↓ ↓
Да Нет → Неисправен жгут проводов.
↓
3 Отсоединить колодку Х1.1 жгута проводов от контроллера.
Выполнить проверку целостности электрической цепи между контактом
"X1.1/Н2" ("X1.1/Н3") колодки к контроллеру и контактом "3" ("4") колодки Х2 к
блоку реле – см. "Проверка целостности электрической цепи", раздел 2.7В.
Цепь исправна?
↓ ↓
Да Нет
↓ ↓
↓ Неисправен жгут проводов.
↓
4 Заменить блок реле вентилятора на заведомо исправный. Присоединить колодку
Х1.1 к контроллеру и колодку Х2 к блоку реле. Запустить двигатель.
Проверить, активен ли код неисправности в данный момент?
↓ ↓
Нет Да → Неисправен контроллер.
↓
Неисправно реле вентилятора.
После ремонта запустить двигатель, сбросить коды и убедиться в отсутствии не-
исправности.
http://vnx.su/
ГОСТ 3.1105-84
Лист 183
Дубликат
Взам.
Подп.
3100.25100.12056
ТИ Технологическая инструкция
ОАО "АВТОВАЗ"
ИзмЛист№документаПодписьДатаИзм.Лист№документаПодписьДата
Код Р0504
Выключатели "А/В" педали тормоза, рассогласование сигналов
Код Р0504 заносится если:
- сигналы концевых выключателей "3-4/1-2" педали тормоза рассогласованы более 200
секунд на запущенном двигателе в режиме холостого хода;
- или количество нажатий на педаль тормоза, определяемых по сигналам двух конце-
вых выключателей "3-4/1-2" отличается на величину диагностического порога на движу-
щемся автомобиле.
Сигнализатор неисправностей загорается на 3-ей поездке после возникновения устой-
чивой неисправности.
Описание проверок
Последовательность соответствует цифрам на карте.
1 Проверяется, активен ли код Р0504 в момент запроса.
2 Выполняется проверка электрических цепей.
3 Проверяется установка выключателя педали тормоза.
Диагностическая информация
Диагностический прибор в режиме "Мониторинг сигналов" показывает бит состояния
контактов "3-4" (параметр "Датчик 1 педали тормоза") и бит состояния контактов "1-2"
(параметр "Датчик 2 педали тормоза") выключателя педали тормоза.
Контроль состояния контактов "1-2" также проводить по лампам стоп-сигналов.
При обнаружении рассогласования сигналов выключателей "1-4/2-3" система управ-
ления двигателем будет работать в аварийном режиме до конца текущей поездки.
http://vnx.su/
ГОСТ 3.1105-84
Лист 184Дубликат
Взам.
Подп.
3100.25100.12056
ТИ Технологическая инструкция
ОАО "АВТОВАЗ"
ИзмЛист№документаПодписьДатаИзм.Лист№документаПодписьДата
Код Р0504 Выключатели "А/В" педали тормоза, рассогласование сигналов
1 Подключить диагностический прибор. Воспроизвести условия возникновения ко-
да. Выбрать на диагностическом приборе режим "Коды неисправностей".
Проверить, активен ли код неисправности в данный момент?
↓ ↓
Да Нет
↓ ↓
↓
↓
↓
↓
Код Р0504 - непостоянный. В дополнительной информации к коду Р0504
найти значение параметра DLC (задержка до стирания кода неисправности
из памяти контроллера – см. раздел 2.4). Если значение DLC>38, то выпол-
нить проверку 2. Если значение DLC<38, то стереть код.
↓
2 1 Если при нажатии на педаль тормоза периодически или постоянно не загораются
стоп-сигналы, проверить:
- нет ли заклинивания штока выключателя педали тормоза при нажатии на педаль
тормоза;
- проверить наличие бортового напряжения на контактах "1" и "2" выключателя
педали тормоза в свободном и нажатом состоянии в соответствии с принципом
работы выключателя;
- проверить исправность соответствующих предохранителей цепей стоп-сигналов;
- проверить состояние и надежность соединения контактов в колодке выключате-
ля педали тормоза.
2 Если при нажатии на педаль тормоза при включенных габаритных огнях, указа-
телях поворота, заднего хода, противотуманных огнях наблюдается слабое свече-
ние стоп-сигналов, проверить надежность цепи "массы" задних фонарей.
3 Проверить наличие бортового напряжения на контактах "3" и "4" выключателя
педали тормоза в свободном и нажатом состоянии в соответствии с принципом
работы выключателя.
4 Выполнить проверку целостности электрической цепи между контактом
"X1.1/С5" колодки к контроллеру и контактом "2" колодки к выключателю, между
контактом "X1.1/С4" колодки к контроллеру и контактом "4" колодки к выключа-
телю - см. "Проверка целостности электрической цепи", раздел 2.7В.
Неисправности обнаружены?
↓ ↓
Нет Да
↓ ↓
↓
↓
Устранить обнаруженные неисправности. При необходимости заменить вы-
ключатель педали тормоза.
↓
3 Проверить надежность крепления выключателя педали тормоза, надежность при-
соединения колодки жгута проводов к выключателю педали тормоза.
Стереть код неисправности и воспроизвести условия возникновения кода.
При повторном занесении кода заменить контроллер.
После ремонта запустить двигатель, сбросить коды и убедиться в отсутствии не-
исправности.
http://vnx.su/
ГОСТ 3.1105-84
Лист 185
Дубликат
Взам.
Подп.
3100.25100.12056
ТИ Технологическая инструкция
ОАО "АВТОВАЗ"
ИзмЛист№документаПодписьДатаИзм.Лист№документаПодписьДата
Код Р0513
Некорректный ключ иммобилизатора
Код Р0513 заносится, если:
- в результате кодированного обмена данными контроллер ВСМ (ЦБКЭ) определил,
что ключ зажигания не "свой".
Сигнализатор неисправностей загорается через 5 с после возникновения кода неис-
правности.
Описание проверок
Последовательность соответствует цифрам на карте.
1 Если неисправность периодически фиксируется, необходимо выполнить диагности-
ку иммобилизатора по ТИ 3100.25100.12057.
Диагностическая информация
В случае замены контроллера необходимо выполнить процедуру адаптации нуля
дроссельной заслонки и процедуру адаптации функции диагностики пропусков воспламене-
ния - см. раздел 1.1.
Код Р0513 Некорректный ключ иммобилизатора
1 Подключить диагностический прибор. Включить зажигание.
Стереть коды с помощью диагностического прибора в режиме "Коды неиспрано-
стей; Стереть и обновить".
При повторном возникновении кода необходимо выполнить диагностику иммоби-
лизатора по ТИ 3100.25100.12057.
После ремонта запустить двигатель, сбросить коды и убедиться в отсутствии не-
исправности.
http://vnx.su/
ГОСТ 3.1105-84
Лист 186Дубликат
Взам.
Подп.
3100.25100.12056
ТИ Технологическая инструкция
ОАО "АВТОВАЗ"
ИзмЛист№документаПодписьДатаИзм.Лист№документаПодписьДата
Код Р0522
Цепь датчика давления масла, низкий уровень сигнала
Код Р0522 заносится, если:
- двигатель работает;
- состояние датчика не изменяется после запуска двигателя.
Описание проверок
Последовательность соответствует цифрам на карте.
1 Проверяется наличие неисправности.
2 Проверяется работоспособность датчика давления масла (ДДМ).
3 Определяется наличие замыкания на массу цепи к ДДМ.
Диагностическая информация
Причиной возникновения кода Р0522 может быть неисправность ДДМ или понижен-
ное давление масла в системе смазки по причине неисправности редукционного клапана, за-
грязнения масляного фильтра, засорения сетки маслоприемника и т.д.
http://vnx.su/
ГОСТ 3.1105-84
Лист 187
Дубликат
Взам.
Подп.
3100.25100.12056
ТИ Технологическая инструкция
ОАО "АВТОВАЗ"
ИзмЛист№документаПодписьДатаИзм.Лист№документаПодписьДата
Код Р0522 Цепь датчика давления масла, низкий уровень сигнала
1 Подключить диагностический прибор. Включить зажигание.
Стереть коды с помощью диагностического прибора в режиме "Коды неиспрано-
стей; Стереть и обновить".
Запустить двигатель.
Код Р0522 заносится повторно?
↓ ↓
Да Нет
↓ ↓
↓
↓
Код Р0522 - непостоянный. В случае отсутствия других кодов - см. "Непо-
стоянные неисправности", раздел 2.7В.
↓
2 Выключить зажигание. Отсоединить колодку жгута от ДДМ.
Запустить двигатель. Провести проверку замыкания контакта ДДМ на массу – см.
"Проверка замыкания цепи на массу", раздел 2.7В. Замыкание есть?
↓ ↓
Нет Да → Неисправен ДДМ или низкое давление масла.
↓
3 Выключить зажигание. Отсоединить колодку Х1.2 жгута от контроллера. Провес-
ти проверку замыкания контакта "Х1.2/K4" колодки жгута проводов на массу –
см. "Проверка замыкания цепи на массу", раздел 2.7В. Замыкание есть?
↓ ↓
Да Нет → Неисправен контроллер.
↓
Неисправен жгут проводов.
После ремонта запустить двигатель, сбросить коды и убедиться в отсутствии не-
исправности.
http://vnx.su/
ГОСТ 3.1105-84
Лист 188Дубликат
Взам.
Подп.
3100.25100.12056
ТИ Технологическая инструкция
ОАО "АВТОВАЗ"
ИзмЛист№документаПодписьДатаИзм.Лист№документаПодписьДата
Код Р0523
Цепь датчика давления масла, высокий уровень сигнала
Код Р0523 заносится, если:
- двигатель работает;
- состояние датчика не изменяется после запуска двигателя.
Описание проверок
Последовательность соответствует цифрам на карте.
1 Проверяется наличие неисправности.
2 Проверяется работоспособность датчика давления масла (ДДМ).
3 Определяется наличие обрыва цепи к ДДМ.
Диагностическая информация
Причиной возникновения кода Р0523 может быть неисправность ДДМ.
http://vnx.su/
ГОСТ 3.1105-84
Лист 189
Дубликат
Взам.
Подп.
3100.25100.12056
ТИ Технологическая инструкция
ОАО "АВТОВАЗ"
ИзмЛист№документаПодписьДатаИзм.Лист№документаПодписьДата
Код Р0523 Цепь датчика давления масла, высокий уровень сигнала
1 Подключить диагностический прибор. Включить зажигание.
Стереть коды с помощью диагностического прибора в режиме "Коды неиспрано-
стей; Стереть и обновить".
Запустить двигатель.
Код Р0523 заносится повторно?
↓ ↓
Да Нет
↓ ↓
↓
↓
Код Р0523 - непостоянный. В случае отсутствия других кодов - см. "Непо-
стоянные неисправности", раздел 2.7В.
↓
2 Выключить зажигание. Отсоединить колодку жгута от ДДМ.
Включить зажигание. Провести проверку замыкания контакта ДДМ на массу – см.
"Проверка замыкания цепи на массу", раздел 2.7В. Замыкание есть?
↓ ↓
Да Нет → Неисправен ДДМ.
↓
3 Выключить зажигание. Отсоединить колодку Х1.2 жгута от контроллера. Выпол-
нить проверку целостности электрической цепи между контактом "Х1.2/K4" ко-
лодки к контроллеру и контактом колодки к ДДМ – см. "Проверка целостности
электрической цепи", раздел 2.7В. Цепь исправна?
↓ ↓
Нет Да → Неисправен контроллер.
↓
Неисправен жгут проводов.
После ремонта запустить двигатель, сбросить коды и убедиться в отсутствии не-
исправности.
http://vnx.su/
ГОСТ 3.1105-84
Лист 190Дубликат
Взам.
Подп.
3100.25100.12056
ТИ Технологическая инструкция
ОАО "АВТОВАЗ"
ИзмЛист№документаПодписьДатаИзм.Лист№документаПодписьДата
Код Р0560
Напряжение бортовой сети автомобиля
Код Р0560 заносится, если:
- напряжение на контактах "Х1.1/L3", "X1.1/K3" контроллера отличается на величину
диагностического порога от напряжения на контакте "Х1.1/A5";
- двигатель работает.
Сигнализатор неисправностей загорается через 5 с после возникновения кода неис-
правности.
Описание проверок
Последовательность соответствует цифрам на карте.
1 Проверяется, активен ли код в настоящий момент.
2 Выполнить проверку напряжения бортовой сети при помощи диагностического при-
бора.
Диагностическая информация
Диагностический прибор в режиме "Мониторинг сигналов" показывает напряжение
бортсети измеренное на контакте "Х1.1/A5" (параметр "Напряжение бортсети") и напря-
жение бортсети измеренное на контактах "Х1.1/L3", "X1.1/K3" (параметр АЦП "Напряже-
ние батареи").
При наличии устойчивой неисправности система управления двигателем перейдет в
аварийный режим в текущей поездке.
http://vnx.su/
ГОСТ 3.1105-84
Лист 191
Дубликат
Взам.
Подп.
3100.25100.12056
ТИ Технологическая инструкция
ОАО "АВТОВАЗ"
ИзмЛист№документаПодписьДатаИзм.Лист№документаПодписьДата
Код Р0560 Напряжение бортовой сети автомобиля
1 Подключить диагностический прибор.
Запустить двигатель. Выбрать на диагностическом приборе режим "Коды неис-
правностей".
При наличии кодов по драйверной диагностике исполнительных механизмов (ко-
ды Р0032, Р0038, Р0262, Р0265, Р0268, Р0271, Р0459, Р0629, Р0647, Р0692, P0694)
перейти на соответствующие диагностические карты.
Проверить, активен ли код Р0560 в данный момент?
↓ ↓
Да Нет
↓ ↓
↓
↓
↓
↓
↓
Код Р0560 - непостоянный. В дополнительной информации к коду Р0560
найти значение параметра DLC (задержка до стирания кода неисправности
из памяти контроллера – см. раздел 2.4).
Если значение DLC>38, то выполнить проверку 2.
Если значение DLC<38, то стереть код.
↓
2 При отключенных электрических нагрузках определить напряжение бортовой се-
ти, фиксируемое диагностическим прибором. Значения напряжений для параметра
"Напряжение бортсети" и параметра АЦП "Напряжение батареи" отличаются
друг от друга более, чем на 3 В?
↓ ↓
Да Нет
↓ ↓
↓
↓
↓
↓
↓
Код Р0560 - непостоянный. Выполнить проверку целостности электриче-
ской цепи до контактов "Х1.1/L3", "X1.1/K3", "Х1.1/A5" колодки к контрол-
леру - см. "Проверка целостности электрической цепи", раздел 2.7В. Выпол-
нить проверку силовых цепей и цепи управления главным реле в соответст-
вии с картой А-4.
↓
Выполнить проверку целостности электрической цепи до контактов "Х1.1/L3",
"X1.1/K3", "Х1.1/A5" колодки к контроллеру - см. "Проверка целостности элек-
трической цепи", раздел 2.7В.
Выполнить проверку силовых цепей и цепи управления главным реле в соответст-
вии с картой А-4.
Устранить обнаруженные неисправности.
Стереть код неисправности и воспроизвести условия возникновения кода.
При повторном занесении кода заменить контроллер.
После ремонта запустить двигатель, сбросить коды и убедиться в отсутствии не-
исправности.
http://vnx.su/
ГОСТ 3.1105-84
Лист 192Дубликат
Взам.
Подп.
3100.25100.12056
ТИ Технологическая инструкция
ОАО "АВТОВАЗ"
ИзмЛист№документаПодписьДатаИзм.Лист№документаПодписьДата
Код Р0561
Напряжение бортовой сети нестабильно
Код Р0560 заносится, если:
- мгновенные изменения напряжения на контактах "Х1.1/L3", "X1.1/K3" контроллера
выше порогового значения;
- двигатель работает.
Сигнализатор неисправностей загорается через 5 с после возникновения кода неис-
правности.
Описание проверок
Последовательность соответствует цифрам на карте.
1 Проверяется, активен ли код в настоящий момент.
2 Проверяется надежность крепления клемм к АКБ.
Диагностическая информация
Диагностический прибор в режиме "Мониторинг сигналов" показывает напряжение
бортсети измеренное на контакте "Х1.1/A5" (параметр "Напряжение бортсети") и напря-
жение бортсети измеренное на контактах "Х1.1/L3", "X1.1/K3" (параметр АЦП "Напряже-
ние батареи").
При наличии устойчивой неисправности система управления двигателем перейдет в
аварийный режим в текущей поездке.
http://vnx.su/
ГОСТ 3.1105-84
Лист 193
Дубликат
Взам.
Подп.
3100.25100.12056
ТИ Технологическая инструкция
ОАО "АВТОВАЗ"
ИзмЛист№документаПодписьДатаИзм.Лист№документаПодписьДата
Код Р0561 Напряжение бортовой сети нестабильно
1 Подключить диагностический прибор.
Запустить двигатель. Выбрать на диагностическом приборе режим "Коды неис-
правностей".
Проверить, активен ли код Р0561 в данный момент?
↓ ↓
Да Нет
↓ ↓
↓
↓
↓
↓
↓
Код Р0561 - непостоянный. В дополнительной информации к коду Р0561
найти значение параметра DLC (задержка до стирания кода неисправности
из памяти контроллера – см. раздел 2.4).
Если значение DLC>38, то выполнить проверку 2.
Если значение DLC<38, то стереть код.
↓
2 Проверить состояние и надежность крепления клемм к АКБ.
Выполнить проверку целостности электрической цепи до контактов "Х1.1/L3",
"X1.1/K3", "Х1.1/A5" колодки к контроллеру - см. "Проверка целостности элек-
трической цепи", раздел 2.7В.
Выполнить проверку силовых цепей и цепи управления главным реле в соответст-
вии с картой А-4.
Устранить обнаруженные неисправности.
Стереть код неисправности и воспроизвести условия возникновения кода.
При повторном занесении кода заменить контроллер.
После ремонта запустить двигатель, сбросить коды и убедиться в отсутствии не-
исправности.
http://vnx.su/
ГОСТ 3.1105-84
Лист 194Дубликат
Взам.
Подп.
3100.25100.12056
ТИ Технологическая инструкция
ОАО "АВТОВАЗ"
ИзмЛист№документаПодписьДатаИзм.Лист№документаПодписьДата
Код Р0562
Напряжение бортовой сети, низкий уровень
Код Р0562 заносится, если:
- напряжение на контактах "Х1.1/L3", "X1.1/K3" контроллера ниже 10 В;
- двигатель работает.
Сигнализатор неисправностей загорается через 5 с после возникновения кода неис-
правности.
Описание проверок
Последовательность соответствует цифрам на карте.
1 Проверяется, активен ли код в настоящий момент.
2 Выполнить проверку напряжения бортовой сети при помощи диагностического при-
бора.
3 Выполнить проверку напряжения бортовой сети на клеммах АКБ.
Диагностическая информация
Диагностический прибор в режиме "Мониторинг сигналов" показывает напряжение
бортсети измеренное на контакте "Х1.1/A5" (параметр "Напряжение бортсети") и напря-
жение бортсети измеренное на контактах "Х1.1/L3", "X1.1/K3" (параметр АЦП "Напряже-
ние батареи").
При наличии устойчивой неисправности система управления двигателем перейдет в
аварийный режим в текущей поездке.
http://vnx.su/
ГОСТ 3.1105-84
Лист 195
Дубликат
Взам.
Подп.
3100.25100.12056
ТИ Технологическая инструкция
ОАО "АВТОВАЗ"
ИзмЛист№документаПодписьДатаИзм.Лист№документаПодписьДата
Код Р0562 Напряжение бортовой сети, низкий уровень
1 Подключить диагностический прибор.
Запустить двигатель. Выбрать на диагностическом приборе режим "Коды неис-
правностей".
Проверить, активен ли код Р0562 в данный момент?
↓ ↓
Да Нет
↓ ↓
↓
↓
↓
↓
↓
Код Р0562 - непостоянный. В дополнительной информации к коду Р0562
найти значение параметра DLC (задержка до стирания кода неисправности
из памяти контроллера – см. раздел 2.4).
Если значение DLC>38, то выполнить проверку 2.
Если значение DLC<38, то стереть код.
↓
2 При отключенных электрических нагрузках определить напряжение бортовой се-
ти, фиксируемое диагностическим прибором. Значения напряжений для параметра
"Напряжение бортсети" и параметра АЦП "Напряжение батареи" менее 10 В?
↓ ↓
Да Нет
↓ ↓
↓
↓
↓
Код Р0562 - непостоянный. Выполнить проверку натяжения ремня привода
генератора. Выполнить проверку силовых цепей и цепи управления главным
реле в соответствии с картой А-4.
↓
3 При отключенных электрических нагрузках вольтметром измерить напряжение
бортовой сети на клеммах АКБ. Значение напряжения менее 10 В?
↓ ↓
Нет Да
↓ ↓
↓ Выполнить проверку генератора и АКБ.
↓
Выполнить проверку целостности электрической цепи до контактов "Х1.1/L3",
"X1.1/K3", "Х1.1/A5" колодки к контроллеру - см. "Проверка целостности элек-
трической цепи", раздел 2.7В.
Выполнить проверку силовых цепей и цепи управления главным реле в соответст-
вии с картой А-4.
Устранить обнаруженные неисправности.
Стереть код неисправности и воспроизвести условия возникновения кода.
При повторном занесении кода заменить контроллер.
После ремонта запустить двигатель, сбросить коды и убедиться в отсутствии не-
исправности.
http://vnx.su/
ГОСТ 3.1105-84
Лист 196Дубликат
Взам.
Подп.
3100.25100.12056
ТИ Технологическая инструкция
ОАО "АВТОВАЗ"
ИзмЛист№документаПодписьДатаИзм.Лист№документаПодписьДата
Код Р0563
Напряжение бортовой сети, высокий уровень
Код Р0563 заносится, если:
- напряжение на контактах "Х1.1/L3", "X1.1/K3" контроллера больше 17 В;
- двигатель работает.
Сигнализатор неисправностей загорается через 5 с после возникновения кода неис-
правности.
Описание проверок
Последовательность соответствует цифрам на карте.
1 Проверяется, активен ли код в настоящий момент.
2 Выполнить проверку напряжения бортовой сети при помощи диагностического при-
бора.
3 Выполнить проверку напряжения бортовой сети на клеммах АКБ.
Диагностическая информация
Диагностический прибор в режиме "Мониторинг сигналов" показывает напряжение
бортсети измеренное на контакте "Х1.1/A5" (параметр "Напряжение бортсети") и напря-
жение бортсети измеренное на контактах "Х1.1/L3", "X1.1/K3" (параметр АЦП "Напряже-
ние батареи").
При наличии устойчивой неисправности система управления двигателем перейдет в
аварийный режим в текущей поездке.
http://vnx.su/
ГОСТ 3.1105-84
Лист 197
Дубликат
Взам.
Подп.
3100.25100.12056
ТИ Технологическая инструкция
ОАО "АВТОВАЗ"
ИзмЛист№документаПодписьДатаИзм.Лист№документаПодписьДата
Код Р0563 Напряжение бортовой сети, высокий уровень
1 Подключить диагностический прибор.
Запустить двигатель. Выбрать на диагностическом приборе режим "Коды неис-
правностей".
Проверить, активен ли код Р0563 в данный момент?
↓ ↓
Да Нет
↓ ↓
↓
↓
↓
↓
↓
Код Р0563 - непостоянный. В дополнительной информации к коду Р0563
найти значение параметра DLC (задержка до стирания кода неисправности
из памяти контроллера – см. раздел 2.4).
Если значение DLC>38, то выполнить проверку 2.
Если значение DLC<38, то стереть код.
↓
2 При отключенных электрических нагрузках определить напряжение бортовой се-
ти, фиксируемое диагностическим прибором. Значения напряжений для параметра
"Напряжение бортсети" и параметра АЦП "Напряжение батареи" более 17 В?
↓ ↓
Да Нет
↓ ↓
↓
↓
↓
Код Р0563 - непостоянный. Выполнить проверку натяжения ремня привода
генератора. Выполнить проверку силовых цепей и цепи управления главным
реле в соответствии с картой А-4.
↓
3 При отключенных электрических нагрузках вольтметром измерить напряжение
бортовой сети на клеммах АКБ. Значение напряжения более 17 В?
↓ ↓
Нет Да
↓ ↓
↓ Выполнить проверку генератора.
↓
Выполнить проверку целостности электрической цепи до контактов "Х1.1/L3",
"X1.1/K3", "Х1.1/A5" колодки к контроллеру - см. "Проверка целостности элек-
трической цепи", раздел 2.7В.
Выполнить проверку силовых цепей и цепи управления главным реле в соответст-
вии с картой А-4.
Устранить обнаруженные неисправности.
Стереть код неисправности и воспроизвести условия возникновения кода.
При повторном занесении кода заменить контроллер.
После ремонта запустить двигатель, сбросить коды и убедиться в отсутствии не-
исправности.
http://vnx.su/
ГОСТ 3.1105-84
Лист 198Дубликат
Взам.
Подп.
3100.25100.12056
ТИ Технологическая инструкция
ОАО "АВТОВАЗ"
ИзмЛист№документаПодписьДатаИзм.Лист№документаПодписьДата
Код Р0601
Контроллер СУД, ошибка контрольной суммы ПЗУ
Код Р0601 заносится, если:
- двигатель работает;
- контрольная сумма ПЗУ не соответствует запрограммированному значению.
Сигнализатор неисправностей загорается на 3-ей поездке после возникновения устой-
чивой неисправности.
Описание проверок
Последовательность соответствует цифрам на карте.
1 Сбросить код.
2 Заменить контроллер на заведомо исправный.
Диагностическая информация
Диагностический прибор в режиме "Мониторинг сигналов" показывает контрольную
сумму ПЗУ ( параметр "Контрольная сумма").
В случае замены контроллера необходимо выполнить процедуру адаптации нуля
дроссельной заслонки и процедуру адаптации функции диагностики пропусков воспламене-
ния - см. раздел 1.1.
Код Р0601 Контроллер СУД, ошибка контрольной суммы ПЗУ
1 Подключить диагностический прибор. Включить зажигание.
Стереть коды с помощью диагностического прибора в режиме "Коды неиспрано-
стей; Стереть и обновить".
↓
2 При повторном возникновении кода заменить контроллер.
После ремонта запустить двигатель, сбросить коды и убедиться в отсутствии не-
исправности.
http://vnx.su/
ГОСТ 3.1105-84
Лист 199
Дубликат
Взам.
Подп.
3100.25100.12056
ТИ Технологическая инструкция
ОАО "АВТОВАЗ"
ИзмЛист№документаПодписьДатаИзм.Лист№документаПодписьДата
Код Р0603
Контроллер СУД, ошибка внутреннего ОЗУ
Код Р0603 заносится, если:
- произошла ошибка при проведении контроллером внутреннего теста "чтение – за-
пись" в ОЗУ.
При возникновении этого кода сигнализатор неисправностей не загорается.
Описание проверок
Последовательность соответствует цифрам на карте.
1 Если неисправность периодически фиксируется, необходимо заменить контроллер.
Диагностическая информация
В случае замены контроллера необходимо выполнить процедуру адаптации нуля
дроссельной заслонки и процедуру адаптации функции диагностики пропусков воспламене-
ния - см. раздел 1.1.
Код Р0603 Контроллер СУД, ошибка внутреннего ОЗУ
1 Подключить диагностический прибор. Включить зажигание.
Стереть коды с помощью диагностического прибора в режиме "Коды неиспрано-
стей; Стереть и обновить".
Запустить несколько раз двигатель.
При повторном возникновении кода заменить контроллер.
После ремонта запустить двигатель, сбросить коды и убедиться в отсутствии не-
исправности.
Код Р0604
Контроллер СУД, ошибка внешнего ОЗУ
Код Р0604 заносится, если:
- произошла ошибка при проведении контроллером внутреннего теста "чтение – за-
пись" в ОЗУ.
При возникновении этого кода сигнализатор неисправностей не загорается.
Описание проверок
Последовательность соответствует цифрам на карте.
1 Если неисправность периодически фиксируется, необходимо заменить контроллер.
Диагностическая информация
В случае замены контроллера необходимо выполнить процедуру адаптации нуля
дроссельной заслонки и процедуру адаптации функции диагностики пропусков воспламене-
ния - см. раздел 1.1.
Код Р0604 Контроллер СУД, ошибка внешнего ОЗУ
1 Подключить диагностический прибор. Включить зажигание.
Стереть коды с помощью диагностического прибора в режиме "Коды неиспрано-
стей; Стереть и обновить".
Запустить несколько раз двигатель.
При повторном возникновении кода заменить контроллер.
После ремонта запустить двигатель, сбросить коды и убедиться в отсутствии не-
исправности.
http://vnx.su/
ГОСТ 3.1105-84
Лист 200Дубликат
Взам.
Подп.
3100.25100.12056
ТИ Технологическая инструкция
ОАО "АВТОВАЗ"
ИзмЛист№документаПодписьДатаИзм.Лист№документаПодписьДата
Код Р0606
Контроллер СУД, ошибка процессора
Код Р0606 заносится, если:
- зажигание включено;
- внутренние тесты контроллера определили неисправность процессора.
Сигнализатор неисправностей загорается через 5 с после возникновения кода неис-
правности.
Описание проверок
Последовательность соответствует цифрам на карте.
1 Если неисправность периодически фиксируется, необходимо заменить контроллер.
Диагностическая информация
С момента включения зажигания и до момента отключения главного реле контроллер
выполняет внутренние проверки, направленные на определение неисправности аппаратуры
процессора.
Часть проверок выполняется однократно при включении и выключении зажигания.
Часть проверок выполняется циклически.
При обнаружении неисправности выполняется сброс и инициализация процессора.
В случае замены контроллера необходимо выполнить процедуру адаптации нуля
дроссельной заслонки и процедуру адаптации функции диагностики пропусков воспламене-
ния - см. раздел 1.1.
Код Р0606 Контроллер СУД, ошибка процессора
1 Подключить диагностический прибор. Включить зажигание.
Стереть коды с помощью диагностического прибора в режиме "Коды неиспрано-
стей; Стереть и обновить".
Запустить несколько раз двигатель.
При повторном возникновении кода заменить контроллер.
После ремонта запустить двигатель, сбросить коды и убедиться в отсутствии не-
исправности.
http://vnx.su/
ГОСТ 3.1105-84
Лист 201
Дубликат
Взам.
Подп.
3100.25100.12056
ТИ Технологическая инструкция
ОАО "АВТОВАЗ"
ИзмЛист№документаПодписьДатаИзм.Лист№документаПодписьДата
Код Р0627
Реле бензонасоса, цепь неисправна
Код Р0627 заносится, если:
- двигатель работает;
- самодиагностика драйвера реле бензонасоса определила неисправность.
При возникновении этого кода сигнализатор неисправностей не загорается.
Описание проверок
Последовательность соответствует цифрам на карте.
1 Проверяется наличие постоянной неисправности.
2 Проверяется цепь питания реле бензонасоса.
3 Проверяется цепь управления реле бензонасоса на обрыв.
4 Проверяется исправность реле бензонасоса.
Диагностическая информация
В контроллере используется драйвер реле бензонасоса, обладающий функцией само-
диагностики. Он может определять наличие таких неисправностей, как обрыв, короткое за-
мыкание на массу или источник питания цепи управления реле.
Управлять включением реле бензонасоса можно с помощью диагностического прибо-
ра в режиме "Активные тесты".
http://vnx.su/
ГОСТ 3.1105-84
Лист 202Дубликат
Взам.
Подп.
3100.25100.12056
ТИ Технологическая инструкция
ОАО "АВТОВАЗ"
ИзмЛист№документаПодписьДатаИзм.Лист№документаПодписьДата
Код Р0627 Реле бензонасоса, цепь неисправна
1 Подключить диагностический прибор.
Выбрать на диагностическом приборе режим "Коды неисправностей".
Попытаться запустить двигатель.
Проверить, активен ли код неисправности в данный момент?
↓ ↓
Да Нет
↓ ↓
↓
↓
Код Р0627 - непостоянный. В случае отсутствия других кодов - см. "Непо-
стоянные неисправности", раздел 2.7 В.
↓
2 Выключить зажигание. Снять реле бензонасоса. Отсоединить колодку Х2 жгута от
контроллера.
Выполнить проверку целостности электрической цепи между клеммой "15" вы-
ключателя зажигания и контактом колодки к клемме "85" реле К7 – см. "Проверка
целостности электрической цепи", раздел 2.7В.
Цепь исправна?
↓ ↓
Да Нет → Неисправен жгут проводов.
↓
3 Выполнить проверку целостности электрической цепи между контактом колодки
к клемме "86" реле К7 и контактом "X1.1/J4" колодки к контроллеру – см. "Про-
верка целостности электрической цепи", раздел 2.7В.
Цепь исправна?
↓ ↓
Да Нет
↓ ↓
↓ Неисправен жгут проводов.
↓
4 Заменить реле бензонасоса на заведомо исправное. Присоединить колодку жгута к
контроллеру. Попытаться запустить двигатель.
Проверить, активен ли код неисправности в данный момент?
↓ ↓
Нет Да → Неисправен контроллер.
↓
Неисправно реле бензонасоса.
После ремонта запустить двигатель, сбросить коды и убедиться в отсутствии не-
исправности.
http://vnx.su/
ГОСТ 3.1105-84
Лист 203
Дубликат
Взам.
Подп.
3100.25100.12056
ТИ Технологическая инструкция
ОАО "АВТОВАЗ"
ИзмЛист№документаПодписьДатаИзм.Лист№документаПодписьДата
Код Р0628
Реле бензонасоса, замыкание цепи управления на массу
Код Р628 заносится, если:
- двигатель работает;
- самодиагностика драйвера реле бензонасоса определила на выходе замыкание на
массу.
При возникновении этого кода сигнализатор неисправностей не загорается.
Описание проверок
Последовательность соответствует цифрам на карте.
1 Проверяется наличие постоянной неисправности.
2 Определяется наличие замыкания на массу цепи управления реле бензонасоса.
Диагностическая информация
В контроллере используется драйвер реле бензонасоса, обладающий функцией само-
диагностики. Он может определять наличие таких неисправностей, как обрыв, короткое за-
мыкание на массу или источник питания цепи управления реле.
Управлять включением реле бензонасоса можно с помощью диагностического прибо-
ра в режиме "Активные тесты".
http://vnx.su/
ГОСТ 3.1105-84
Лист 204Дубликат
Взам.
Подп.
3100.25100.12056
ТИ Технологическая инструкция
ОАО "АВТОВАЗ"
ИзмЛист№документаПодписьДатаИзм.Лист№документаПодписьДата
Код Р0628 Реле бензонасоса, замыкание цепи управления на массу
1 Подключить диагностический прибор.
Выбрать на диагностическом приборе режим "Коды неисправностей".
Попытаться запустить двигатель.
Проверить, активен ли код неисправности в данный момент?
↓ ↓
Да Нет
↓ ↓
↓
↓
Код Р0628 - непостоянный. В случае отсутствия других кодов - см. "Непо-
стоянные неисправности", раздел 2.7В.
↓
2 Выключить зажигание.
Отсоединить колодку Х1.1 жгута от контроллера.
Провести проверку замыкания контакта "X1.1/J4" колодки жгута к контроллеру на
массу – см. "Проверка замыкания цепи на массу", раздел 2.7В.
Замыкание есть?
↓ ↓
Да Нет → Неисправен контроллер.
↓
Неисправен жгут проводов.
После ремонта запустить двигатель, сбросить коды и убедиться в отсутствии не-
исправности.
http://vnx.su/
ГОСТ 3.1105-84
Лист 205
Дубликат
Взам.
Подп.
3100.25100.12056
ТИ Технологическая инструкция
ОАО "АВТОВАЗ"
ИзмЛист№документаПодписьДатаИзм.Лист№документаПодписьДата
Код Р0629
Реле бензонасоса, замыкание цепи управления на бортовую сеть
Код Р0629 заносится, если:
- двигатель работает;
- самодиагностика драйвера реле бензонасоса определила на выходе замыкание на ис-
точник питания.
При возникновении этого кода сигнализатор неисправностей не загорается.
Описание проверок
Последовательность соответствует цифрам на карте.
1 Проверяется наличие постоянной неисправности.
2 Определяется наличие замыкания на источник питания цепи управления реле бензо-
насоса.
3 Проверяется исправность реле бензонасоса.
Диагностическая информация
В контроллере используется драйвер реле бензонасоса, обладающий функцией само-
диагностики. Он может определять наличие таких неисправностей, как обрыв, короткое за-
мыкание на массу или источник питания цепи управления реле.
Управлять включением реле бензонасоса можно с помощью диагностического прибо-
ра в режиме "Активные тесты".
http://vnx.su/
ГОСТ 3.1105-84
Лист 206Дубликат
Взам.
Подп.
3100.25100.12056
ТИ Технологическая инструкция
ОАО "АВТОВАЗ"
ИзмЛист№документаПодписьДатаИзм.Лист№документаПодписьДата
Код Р0629 Реле бензонасоса, замыкание цепи управления на бортовую сеть
1 Подключить диагностический прибор.
Выбрать на диагностическом приборе режим "Коды неисправностей".
Попытаться запустить двигатель.
Проверить, активен ли код неисправности в данный момент?
↓ ↓
Да Нет
↓ ↓
↓
↓
Код Р0629 - непостоянный. В случае отсутствия других кодов - см. "Непо-
стоянные неисправности", раздел 2.7В.
↓
2 Выключить зажигание.
Отсоединить колодку Х1.1 жгута от контроллера.
Провести проверку замыкания контакта "X1.1/J4" колодки жгута к контроллеру на
бортовую сеть – см. "Проверка замыкания цепи на бортовую сеть", раздел 2.7В.
Замыкание есть?
↓ ↓
Да Нет
↓ ↓
↓ Неисправен контроллер.
↓
3 Заменить реле бензонасоса на заведомо исправное. Присоединить колодку жгута к
контроллеру. Попытаться запустить двигатель.
Проверить, активен ли код неисправности в данный момент?
↓ ↓
Да Нет → Неисправно реле бензонасоса.
↓
Неисправен жгут проводов.
После ремонта запустить двигатель, сбросить коды и убедиться в отсутствии не-
исправности.
http://vnx.su/
ГОСТ 3.1105-84
Лист 207
Дубликат
Взам.
Подп.
3100.25100.12056
ТИ Технологическая инструкция
ОАО "АВТОВАЗ"
ИзмЛист№документаПодписьДатаИзм.Лист№документаПодписьДата
Код Р062F
Ошибка внутреннего EEPROM
Код Р062F заносится, если:
- произошла ошибка при проведении контроллером внутреннего теста "чтение – за-
пись" в ЭРПЗУ.
При возникновении этого кода сигнализатор неисправностей не загорается.
Описание проверок
Последовательность соответствует цифрам на карте.
1 Если неисправность периодически фиксируется, необходимо заменить контроллер.
Диагностическая информация
В случае замены контроллера необходимо выполнить процедуру адаптации нуля
дроссельной заслонки и процедуру адаптации функции диагностики пропусков воспламене-
ния - см. раздел 1.1.
Код Р062F Ошибка внутреннего EEPROM
1 Подключить диагностический прибор. Включить зажигание.
Стереть коды с помощью диагностического прибора в режиме "Коды неиспрано-
стей; Стереть и обновить".
При повторном возникновении кода заменить контроллер.
После ремонта запустить двигатель, сбросить коды и убедиться в отсутствии не-
исправности.
Код Р0641
Цепь питания датчиков, обрыв
Код Р0641 заносится, если:
- зажигание включено;
- внутренние тесты контроллера определили отсутствие нагрузки в цепи питания +5 В
датчиков ЭСУД.
Сигнализатор неисправностей загорается через 5 с после возникновения кода неис-
правности.
Описание проверок
Последовательность соответствует цифрам на карте.
1 Если неисправность периодически фиксируется, необходимо заменить контроллер.
Диагностическая информация
В случае замены контроллера необходимо выполнить процедуру адаптации нуля
дроссельной заслонки и процедуру адаптации функции диагностики пропусков воспламене-
ния - см. раздел 1.1.
Код Р0641 Цепь питания датчиков, обрыв
1 Подключить диагностический прибор. Включить зажигание.
Стереть коды с помощью диагностического прибора в режиме "Коды неиспрано-
стей; Стереть и обновить".
При повторном возникновении кода заменить контроллер.
После ремонта запустить двигатель, сбросить коды и убедиться в отсутствии не-
исправности.
http://vnx.su/
ГОСТ 3.1105-84
Лист 208Дубликат
Взам.
Подп.
3100.25100.12056
ТИ Технологическая инструкция
ОАО "АВТОВАЗ"
ИзмЛист№документаПодписьДатаИзм.Лист№документаПодписьДата
Код Р0642
Цепь питания датчиков, низкий уровень сигнала
Код Р0642 заносится, если:
- зажигание включено;
- внутренние тесты контроллера определили напряжение ниже допустимого уровня в
цепи питания +5 В датчиков ЭСУД.
Сигнализатор неисправностей загорается через 5 с после возникновения кода неис-
правности.
Описание проверок
Последовательность соответствует цифрам на карте.
1 Определяется наличие замыкания на массу цепей питания +5 В датчиков ЭСУД.
2 Если неисправность периодически фиксируется, необходимо заменить контроллер.
Диагностическая информация
В случае замены контроллера необходимо выполнить процедуру адаптации нуля
дроссельной заслонки и процедуру адаптации функции диагностики пропусков воспламене-
ния - см. раздел 1.1.
Код Р0642 Цепь питания датчиков, низкий уровень сигнала
1 Выключить зажигание.
Отсоединить колодки Х1.1 и Х1.2 жгута от контроллера.
Провести проверку замыкания контактов "X1.1/D2", "X1.1/D3", "X1.1/E2",
"X1.2/E3", "X1.2/F3" колодок жгута к контроллеру на массу – см. "Проверка замы-
кания цепи на массу", раздел 2.7В.
Замыкание есть?
↓ ↓
Нет Да → Неисправен жгут проводов.
↓
2 Присоединить колодки Х1.1 и Х1.2 жгута к контроллеру.
Подключить диагностический прибор. Включить зажигание.
Стереть коды с помощью диагностического прибора в режиме "Коды неиспрано-
стей; Стереть и обновить".
При повторном возникновении кода заменить контроллер.
После ремонта запустить двигатель, сбросить коды и убедиться в отсутствии не-
исправности.
http://vnx.su/
ГОСТ 3.1105-84
Лист 209
Дубликат
Взам.
Подп.
3100.25100.12056
ТИ Технологическая инструкция
ОАО "АВТОВАЗ"
ИзмЛист№документаПодписьДатаИзм.Лист№документаПодписьДата
Код Р0643
Цепь питания датчиков, высокий уровень сигнала
Код Р0643 заносится, если:
- зажигание включено;
- внутренние тесты контроллера определили напряжение выше допустимого уровня в
цепи питания +5 В датчиков ЭСУД.
Сигнализатор неисправностей загорается через 5 с после возникновения кода неис-
правности.
Описание проверок
Последовательность соответствует цифрам на карте.
1 Определяется наличие замыкания на бортовую сеть цепей питания +5 В датчиков
ЭСУД.
2 Если неисправность периодически фиксируется, необходимо заменить контроллер.
Диагностическая информация
В случае замены контроллера необходимо выполнить процедуру адаптации нуля
дроссельной заслонки и процедуру адаптации функции диагностики пропусков воспламене-
ния - см. раздел 1.1.
Код Р0643 Цепь питания датчиков, высокий уровень сигнала
1 Выключить зажигание.
Отсоединить колодки Х1.1 и Х1.2 жгута от контроллера.
Провести проверку замыкания контактов "X1.1/D2", "X1.1/D3", "X1.1/E2",
"X1.2/E3", "X1.2/F3" колодок жгута к контроллеру на бортовую сеть – см. "Про-
верка замыкания цепи на бортовую сеть", раздел 2.7В.
Замыкание есть?
↓ ↓
Нет Да → Неисправен жгут проводов.
↓
2 Присоединить колодки Х1.1 и Х1.2 жгута к контроллеру.
Подключить диагностический прибор. Включить зажигание.
Стереть коды с помощью диагностического прибора в режиме "Коды неиспрано-
стей; Стереть и обновить".
При повторном возникновении кода заменить контроллер.
После ремонта запустить двигатель, сбросить коды и убедиться в отсутствии не-
исправности.
http://vnx.su/
ГОСТ 3.1105-84
Лист 210Дубликат
Взам.
Подп.
3100.25100.12056
ТИ Технологическая инструкция
ОАО "АВТОВАЗ"
ИзмЛист№документаПодписьДатаИзм.Лист№документаПодписьДата
Схема включения муфты компрессора кондиционера на автомобилях LADA VESTA с сис-
темой кондиционирования
Код Р0645
Реле муфты компрессора кондиционера, цепь неисправна
Код Р0645 заносится, если:
- двигатель работает;
- команда на включение кондиционера выполнена (параметр "Включение реле кон-
диционера" = Да);
- самодиагностика драйвера реле муфты компрессора кондиционера определила неис-
правность.
Сигнализатор неисправностей загорается через 2 драйв-цикла после возникновения
кода неисправности.
Описание проверок
Последовательность соответствует цифрам на карте.
1 Проверяется наличие постоянной неисправности.
2 Проверяется цепь питания реле муфты компрессора кондиционера.
3 Проверяется цепь управления реле муфты компрессора кондиционера на обрыв.
4 Проверяется исправность реле муфты компрессора кондиционера.
Диагностическая информация
В контроллере используется драйвер реле муфты компрессора кондиционера, обла-
дающий функцией самодиагностики. Он может определять наличие таких неисправностей,
как обрыв, короткое замыкание на массу или источник питания цепи управления реле.
Управлять включением реле муфты компрессора кондиционера можно с помощью
диагностического прибора в режиме "Активные тесты".
http://vnx.su/
ГОСТ 3.1105-84
Лист 211
Дубликат
Взам.
Подп.
3100.25100.12056
ТИ Технологическая инструкция
ОАО "АВТОВАЗ"
ИзмЛист№документаПодписьДатаИзм.Лист№документаПодписьДата
Код Р0645 Реле муфты компрессора кондиционера, цепь неисправна
1 Подключить диагностический прибор.
Выбрать на диагностическом приборе режим "Коды неисправностей".
Запустить двигатель. Включить кондиционер.
Проверить, активен ли код неисправности в данный момент?
↓ ↓
Да Нет
↓ ↓
↓
↓
Код Р0645 - непостоянный. В случае отсутствия других кодов - см. "Непо-
стоянные неисправности", раздел 2.7 В.
↓
2 Выключить зажигание. Снять реле муфты компрессора кондиционера.
Выполнить проверку целостности электрической цепи между контактом колодки
к клемме "85" реле муфты и главным реле – см. "Проверка целостности электри-
ческой цепи", раздел 2.7В.
Цепь исправна?
↓ ↓
Да Нет → Неисправен жгут проводов.
↓
3 Отсоединить колодку Х1.1 жгута от контроллера.
Выполнить проверку целостности электрической цепи между контактом колодки
к клемме "86" реле муфты и контактом "X1.1/F2" колодки к контроллеру – см.
"Проверка целостности электрической цепи", раздел 2.7В.
Цепь исправна?
↓ ↓
Да Нет
↓ ↓
↓ Неисправен жгут проводов.
↓
4 Заменить реле муфты компрессора кондиционера на заведомо исправное. Присое-
динить колодку жгута к контроллеру. Запустить двигатель. Включить кондицио-
нер.
Проверить, активен ли код неисправности в данный момент?
↓ ↓
Нет Да → Неисправен контроллер.
↓
Неисправно реле муфты компрессора кондиционера.
После ремонта запустить двигатель, сбросить коды и убедиться в отсутствии не-
исправности.
http://vnx.su/
ГОСТ 3.1105-84
Лист 212Дубликат
Взам.
Подп.
3100.25100.12056
ТИ Технологическая инструкция
ОАО "АВТОВАЗ"
ИзмЛист№документаПодписьДатаИзм.Лист№документаПодписьДата
Схема включения муфты компрессора кондиционера на автомобилях LADA VESTA с сис-
темой кондиционирования
Код Р0646
Реле муфты компрессора кондиционера, замыкание цепи управления на массу
Код Р646 заносится, если:
- двигатель работает;
- команда на включение кондиционера выполнена (параметр "Включение реле кон-
диционера" = Да);
- самодиагностика драйвера реле муфты компрессора кондиционера определила на
выходе замыкание на массу.
Сигнализатор неисправностей загорается через 2 драйв-цикла после возникновения
кода неисправности.
Описание проверок
Последовательность соответствует цифрам на карте.
1 Проверяется наличие постоянной неисправности.
2 Определяется наличие замыкания на массу цепи управления реле муфты компрессо-
ра кондиционера.
Диагностическая информация
В контроллере используется драйвер реле муфты компрессора кондиционера, обла-
дающий функцией самодиагностики. Он может определять наличие таких неисправностей,
как обрыв, короткое замыкание на массу или источник питания цепи управления реле.
Управлять включением реле муфты компрессора кондиционера можно с помощью
диагностического прибора в режиме "Активные тесты".
http://vnx.su/
ГОСТ 3.1105-84
Лист 213
Дубликат
Взам.
Подп.
3100.25100.12056
ТИ Технологическая инструкция
ОАО "АВТОВАЗ"
ИзмЛист№документаПодписьДатаИзм.Лист№документаПодписьДата
Код Р0646 Реле муфты компрессора кондиционера, замыкание цепи управления
на массу
1 Подключить диагностический прибор.
Выбрать на диагностическом приборе режим "Коды неисправностей".
Запустить двигатель. Включить кондиционер.
Проверить, активен ли код неисправности в данный момент?
↓ ↓
Да Нет
↓ ↓
↓
↓
Код Р0646 - непостоянный. В случае отсутствия других кодов - см. "Непо-
стоянные неисправности", раздел 2.7В.
↓
2 Выключить зажигание.
Отсоединить колодку Х1.1 жгута от контроллера.
Провести проверку замыкания контакта "X1.1/F2" колодки жгута к контроллеру
на массу – см. "Проверка замыкания цепи на массу", раздел 2.7В.
Замыкание есть?
↓ ↓
Да Нет → Неисправен контроллер.
↓
Неисправен жгут проводов.
После ремонта запустить двигатель, сбросить коды и убедиться в отсутствии не-
исправности.
http://vnx.su/
ГОСТ 3.1105-84
Лист 214Дубликат
Взам.
Подп.
3100.25100.12056
ТИ Технологическая инструкция
ОАО "АВТОВАЗ"
ИзмЛист№документаПодписьДатаИзм.Лист№документаПодписьДата
Схема включения муфты компрессора кондиционера на автомобилях LADA VESTA с сис-
темой кондиционирования
Код Р0647
Реле муфты компрессора кондиционера, замыкание цепи управления на бортовую
сеть
Код Р0647 заносится, если:
- двигатель работает;
- команда на включение кондиционера выполнена (параметр "Включение реле кон-
диционера" = Да);
- самодиагностика драйвера реле муфты компрессора кондиционера определила на
выходе замыкание на источник питания.
Сигнализатор неисправностей загорается через 2 драйв-цикла после возникновения
кода неисправности.
Описание проверок
Последовательность соответствует цифрам на карте.
1 Проверяется наличие постоянной неисправности.
2 Определяется наличие замыкания на источник питания цепи управления реле муфты
компрессора кондиционера.
3 Проверяется исправность реле муфты компрессора кондиционера.
Диагностическая информация
В контроллере используется драйвер реле муфты компрессора кондиционера, обла-
дающий функцией самодиагностики. Он может определять наличие таких неисправностей,
как обрыв, короткое замыкание на массу или источник питания цепи управления реле.
Управлять включением реле муфты компрессора кондиционера можно с помощью
диагностического прибора в режиме "Активные тесты".
http://vnx.su/
ГОСТ 3.1105-84
Лист 215
Дубликат
Взам.
Подп.
3100.25100.12056
ТИ Технологическая инструкция
ОАО "АВТОВАЗ"
ИзмЛист№документаПодписьДатаИзм.Лист№документаПодписьДата
Код Р0647 Реле муфты компрессора кондиционера, замыкание цепи управления на бор-
товую сеть
1 Подключить диагностический прибор.
Выбрать на диагностическом приборе режим "Коды неисправностей".
Запустить двигатель. Включить кондиционер.
Проверить, активен ли код неисправности в данный момент?
↓ ↓
Да Нет
↓ ↓
↓
↓
Код Р0647 - непостоянный. В случае отсутствия других кодов - см. "Непо-
стоянные неисправности", раздел 2.7В.
↓
2 Выключить зажигание.
Отсоединить колодку Х1.1 жгута от контроллера.
Провести проверку замыкания контакта "X1.1/F2" колодки жгута к контроллеру
на бортовую сеть – см. "Проверка замыкания цепи на бортовую сеть", раздел 2.7В.
Замыкание есть?
↓ ↓
Да Нет
↓ ↓
↓ Неисправен контроллер.
↓
3 Заменить реле муфты компрессора кондиционера на заведомо исправное. Присое-
динить колодку жгута к контроллеру. Попытаться запустить двигатель.
Проверить, активен ли код неисправности в данный момент?
↓ ↓
Да Нет → Неисправно реле муфты компрессора кондиционера.
↓
Неисправен жгут проводов.
После ремонта запустить двигатель, сбросить коды и убедиться в отсутствии не-
исправности.
http://vnx.su/
ГОСТ 3.1105-84
Лист 216Дубликат
Взам.
Подп.
3100.25100.12056
ТИ Технологическая инструкция
ОАО "АВТОВАЗ"
ИзмЛист№документаПодписьДатаИзм.Лист№документаПодписьДата
Код Р0660
Клапан управления длиной каналов системы впуска, обрыв цепи
Код Р0660 заносится, если:
- двигатель работает;
- самодиагностика драйвера клапана определила на выходе отсутствие нагрузки.
Сигнализатор неисправностей загорается через 2 драйв-цикла после возникновения
кода неисправности.
Описание проверок
Последовательность соответствует цифрам на карте.
1 Проверяется наличие постоянной неисправности.
2 Проверяется цепь питания клапана.
3 Проверяется цепь управления клапаном на обрыв.
3 Проверяется исправность электромагнитного клапана.
Диагностическая информация
В контроллере используется драйвер клапана, обладающий функцией самодиагности-
ки. Он может определять наличие таких неисправностей, как обрыв, короткое замыкание на
массу или источник питания цепи управления клапаном.
Управлять состоянием клапана можно с помощью диагностического прибора в режи-
ме "Активные тесты".
http://vnx.su/
ГОСТ 3.1105-84
Лист 217
Дубликат
Взам.
Подп.
3100.25100.12056
ТИ Технологическая инструкция
ОАО "АВТОВАЗ"
ИзмЛист№документаПодписьДатаИзм.Лист№документаПодписьДата
Код Р0660 Клапан управления длиной каналов системы впуска, обрыв цепи
1 Подключить диагностический прибор.
Запустить двигатель. Выбрать на диагностическом приборе режим "Коды неис-
правностей".
Проверить, активен ли код неисправности в данный момент?
↓ ↓
Да Нет
↓ ↓
↓
↓
Код Р0660 - непостоянный. В случае отсутствия других кодов - см. "Непо-
стоянные неисправности", раздел 2.7В.
↓
2 Выключить зажигание. Отсоединить колодку жгута от клапана.
Выполнить проверку целостности электрической цепи между контактом "А" ко-
лодки к клапану и главным реле – см. "Проверка целостности электрической це-
пи", раздел 2.7В.
Цепь исправна?
↓ ↓
Да Нет → Неисправен жгут проводов.
↓
3 Отсоединить колодку Х1.2 жгута от контроллера.
Выполнить проверку целостности электрической цепи между контактом "X1.2/F2"
колодки к контроллеру и контактом "В" колодки к клапану – см. "Проверка цело-
стности электрической цепи", раздел 2.7В.
Цепь исправна?
↓ ↓
Да Нет
↓ ↓
↓ Неисправен жгут проводов.
↓
4 Измерить сопротивление между контактами "А" и "В" клапана.
Сопротивление больше 1 МОм?
↓ ↓
Да Нет → Неисправен контроллер.
↓
Неисправен клапан.
После ремонта запустить двигатель, сбросить коды и убедиться в отсутствии не-
исправности.
http://vnx.su/
ГОСТ 3.1105-84
Лист 218Дубликат
Взам.
Подп.
3100.25100.12056
ТИ Технологическая инструкция
ОАО "АВТОВАЗ"
ИзмЛист№документаПодписьДатаИзм.Лист№документаПодписьДата
Код Р0661
Клапан управления длиной каналов системы впуска, замыкание цепи управления на
массу
Код Р0660 заносится, если:
- двигатель работает;
- самодиагностика драйвера клапана определила на выходе замыкание на массу.
Сигнализатор неисправностей загорается через 2 драйв-цикла после возникновения
кода неисправности.
Описание проверок
Последовательность соответствует цифрам на карте.
1 Проверяется наличие постоянной неисправности.
2 Проверяется наличие замыкания на массу цепи управления клапаном.
Диагностическая информация
В контроллере используется драйвер клапана, обладающий функцией самодиагности-
ки. Он может определять наличие таких неисправностей, как обрыв, короткое замыкание на
массу или источник питания цепи управления клапаном.
Управлять состоянием клапана можно с помощью диагностического прибора в режи-
ме "Активные тесты".
http://vnx.su/
ГОСТ 3.1105-84
Лист 219
Дубликат
Взам.
Подп.
3100.25100.12056
ТИ Технологическая инструкция
ОАО "АВТОВАЗ"
ИзмЛист№документаПодписьДатаИзм.Лист№документаПодписьДата
Код Р0661 Клапан управления длиной каналов системы впуска, замыкание цепи управ-
ления на массу
1 Подключить диагностический прибор.
Запустить двигатель. Выбрать на диагностическом приборе режим "Коды неис-
правностей".
Проверить, активен ли код неисправности в данный момент?
↓ ↓
Да Нет
↓ ↓
↓
↓
Код Р0443 - непостоянный. В случае отсутствия других кодов - см. "Непо-
стоянные неисправности", раздел 2.7В.
↓
2 Выключить зажигание.
Отсоединить колодку Х1.2 жгута от контроллера.
Провести проверку замыкания контакта "X1.2/F2" колодки жгута к контроллеру
на массу – см. "Проверка замыкания цепи на массу", раздел 2.7В.
Замыкание есть?
↓ ↓
Да Нет → Неисправен контроллер.
↓
Неисправен жгут проводов.
После ремонта запустить двигатель, сбросить коды и убедиться в отсутствии не-
исправности.
http://vnx.su/
ГОСТ 3.1105-84
Лист 220Дубликат
Взам.
Подп.
3100.25100.12056
ТИ Технологическая инструкция
ОАО "АВТОВАЗ"
ИзмЛист№документаПодписьДатаИзм.Лист№документаПодписьДата
Код Р0662
Клапан управления длиной каналов системы впуска, замыкание цепи управления на
бортовую сеть
Код Р0662 заносится, если:
- двигатель работает;
- самодиагностика драйвера клапана определила на выходе замыкание на источник
питания.
Сигнализатор неисправностей загорается через 2 драйв-цикла после возникновения
кода неисправности.
Описание проверок
Последовательность соответствует цифрам на карте.
1 Проверяется наличие постоянной неисправности.
2 Определяется наличие замыкания на источник питания цепи управления клапаном.
3 Проверяется исправность электромагнитного клапана.
Диагностическая информация
В контроллере используется драйвер клапана, обладающий функцией самодиагности-
ки. Он может определять наличие таких неисправностей, как обрыв, короткое замыкание на
массу или источник питания цепи управления клапаном.
Управлять состоянием клапана можно с помощью диагностического прибора в режи-
ме "Активные тесты".
http://vnx.su/
ГОСТ 3.1105-84
Лист 221
Дубликат
Взам.
Подп.
3100.25100.12056
ТИ Технологическая инструкция
ОАО "АВТОВАЗ"
ИзмЛист№документаПодписьДатаИзм.Лист№документаПодписьДата
Код Р0662 Клапан управления длиной каналов системы впуска, замыкание цепи управ-
ления на бортовую сеть
1 Подключить диагностический прибор.
Запустить двигатель. Выбрать на диагностическом приборе режим "Коды неис-
правностей".
Проверить, активен ли код неисправности в данный момент?
↓ ↓
Да Нет
↓ ↓
↓
↓
Код Р0662 - непостоянный. В случае отсутствия других кодов - см. "Непо-
стоянные неисправности", раздел 2.7В.
↓
2 Выключить зажигание.
Отсоединить колодку Х1.2 жгута от контроллера.
Провести проверку замыкания контакта "X1.2/F2" колодки жгута к контроллеру
на бортовую сеть – см. "Проверка замыкания цепи на бортовую сеть", раздел 2.7В.
Замыкание есть?
↓ ↓
Да Нет
↓ ↓
↓ Неисправен контроллер.
↓
3 Отсоединить колодку жгута от клапана. Измерить сопротивление между контак-
тами "А" и "В" разъема клапана.
Сопротивление меньше 20 Ом?
↓ ↓
Нет Да → Неисправен клапан.
↓
Неисправен жгут проводов.
После ремонта запустить двигатель, сбросить коды и убедиться в отсутствии не-
исправности.
http://vnx.su/
ГОСТ 3.1105-84
Лист 222Дубликат
Взам.
Подп.
3100.25100.12056
ТИ Технологическая инструкция
ОАО "АВТОВАЗ"
ИзмЛист№документаПодписьДатаИзм.Лист№документаПодписьДата
Электрическая цепь вентилятора системы охлаждения двигателя автомобилей семейства
LADA VESTA
Код Р0691 (Р0693)
Реле вентилятора 1 (2), замыкание цепи управления на массу
Код Р0691 (Р0693) заносится, если:
- двигатель работает;
- самодиагностика драйвера реле вентилятора определила на выходе замыкание на
массу.
Сигнализатор неисправностей загорается через 2 драйв-цикла после возникновения
кода неисправности.
Описание проверок
Последовательность соответствует цифрам на карте.
1 Проверяется наличие постоянной неисправности.
2 Определяется наличие замыкания на массу цепи управления реле вентилятора.
Диагностическая информация
В контроллере используется драйвер реле вентилятора, обладающий функцией само-
диагностики. Он может определять наличие таких неисправностей, как обрыв, короткое за-
мыкание на массу или источник питания цепи управления реле.
Замыкание цепи управления на источник питания может быть определено в момент,
когда контроллер выдает команду на включение вентилятора.
Электродвигатель вентилятора может быть включен с помощью диагностического
прибора в режиме "Активные тесты; Управление выходом реле вентилятора 1 (2) системы
охлаждения".
http://vnx.su/
ГОСТ 3.1105-84
Лист 223
Дубликат
Взам.
Подп.
3100.25100.12056
ТИ Технологическая инструкция
ОАО "АВТОВАЗ"
ИзмЛист№документаПодписьДатаИзм.Лист№документаПодписьДата
Код Р0691 (Р0693) Реле вентилятора 1 (2), замыкание цепи управления на массу
1 Подключить диагностический прибор.
Выбрать на диагностическом приборе режим "Коды неисправностей".
Запустить двигатель.
Проверить, активен ли код неисправности в данный момент?
↓ ↓
Да Нет
↓ ↓
↓
↓
Код Р0691 (Р0693) - непостоянный. В случае отсутствия других кодов - см.
"Непостоянные неисправности", раздел 2.7В.
↓
2 Выключить зажигание.
Отсоединить колодку X1.1 жгута проводов от контроллера.
Провести проверку замыкания контакта "X1.1/Н2" ("X1.1/Н3") колодки жгута к
контроллеру на массу – см. "Проверка замыкания цепи на массу", раздел 2.7В.
Замыкание есть?
↓ ↓
Да Нет → Неисправен контроллер.
↓
Неисправен жгут проводов.
После ремонта запустить двигатель, сбросить коды и убедиться в отсутствии не-
исправности.
http://vnx.su/
ГОСТ 3.1105-84
Лист 224Дубликат
Взам.
Подп.
3100.25100.12056
ТИ Технологическая инструкция
ОАО "АВТОВАЗ"
ИзмЛист№документаПодписьДатаИзм.Лист№документаПодписьДата
Электрическая цепь вентилятора системы охлаждения двигателя автомобилей семейства
LADA VESTA
Код Р0692 (Р0694)
Реле вентилятора 1 (2), замыкание цепи управления на бортовую сеть
Код Р0692 (Р0694) заносится, если:
- двигатель работает;
- самодиагностика драйвера реле вентилятора определила на выходе замыкание на ис-
точник питания.
Сигнализатор неисправностей загорается через 2 драйв-цикла после возникновения
кода неисправности.
Описание проверок
Последовательность соответствует цифрам на карте.
1 Проверяется наличие постоянной неисправности.
2 Определяется наличие замыкания на источник питания цепи управления реле венти-
лятора.
3 Проверяется исправность блока реле вентилятора.
Диагностическая информация
В контроллере используется драйвер реле вентилятора, обладающий функцией само-
диагностики. Он может определять наличие таких неисправностей, как обрыв, короткое за-
мыкание на массу или источник питания цепи управления реле.
Замыкание цепи управления на источник питания может быть определено в момент,
когда контроллер выдает команду на включение вентилятора.
Электродвигатель вентилятора может быть включен с помощью диагностического
прибора в режиме "Активные тесты; Управление выходом реле вентилятора 1 (2) системы
охлаждения".
http://vnx.su/
ГОСТ 3.1105-84
Лист 225
Дубликат
Взам.
Подп.
3100.25100.12056
ТИ Технологическая инструкция
ОАО "АВТОВАЗ"
ИзмЛист№документаПодписьДатаИзм.Лист№документаПодписьДата
Код Р0692 (Р0694) Реле вентилятора 1 (2), замыкание цепи управления
на бортовую сеть
1 Подключить диагностический прибор.
Выбрать на диагностическом приборе режим "Коды неисправностей".
Запустить двигатель.
Проверить, активен ли код неисправности в данный момент?
↓ ↓
Да Нет
↓ ↓
↓
↓
Код Р0692 (Р0694) - непостоянный. В случае отсутствия других кодов - см.
"Непостоянные неисправности", раздел 2.7В.
↓
2 Выключить зажигание.
Отсоединить колодку X1.1 жгута проводов от контроллера.
Провести проверку замыкания контакта "X1.1/Н2" ("X1.1/Н3") колодки жгута к
контроллеру на бортовую сеть – см. "Проверка замыкания цепи на бортовую
сеть", раздел 2.7В.
Замыкание есть?
↓ ↓
Да Нет
↓ ↓
↓ Неисправен контроллер.
↓
3 Заменить блок реле вентилятора на заведомо исправный. Присоединить колодку
жгута к контроллеру. Попытаться запустить двигатель.
Проверить, активен ли код неисправности в данный момент?
↓ ↓
Да Нет → Неисправно реле вентилятора.
↓
Неисправен жгут проводов.
После ремонта запустить двигатель, сбросить коды и убедиться в отсутствии не-
исправности.
http://vnx.su/
ГОСТ 3.1105-84
Лист 226Дубликат
Взам.
Подп.
3100.25100.12056
ТИ Технологическая инструкция
ОАО "АВТОВАЗ"
ИзмЛист№документаПодписьДатаИзм.Лист№документаПодписьДата
Код Р1335
Мониторинг управления приводом дроссельной заслонки, положение заслонки вне до-
пустимого диапазона
Код Р1335 заносится, если:
- зажигание включено;
- положение дроссельной заслонки превышает максимально допустимое в течение
0,5 с;
- дроссельная заслонка находится в максимально допустимом положении в течение
3 с.
Сигнализатор неисправностей загорается через 5 c после возникновения кода неис-
правности.
Описание проверок
Последовательность соответствует цифрам на карте.
1 С помощью диагностического прибора проверяется наличие кодов Р0122, Р0123,
Р0222, Р0223, Р2135, Р1545, Р1558, Р1559, Р1602, Р1336, Р1388, Р1389, Р0606. Поиск неис-
правности необходимо начинать с этих кодов.
2 Если неисправность периодически фиксируется, необходимо заменить контроллер.
Диагностическая информация
С момента включения зажигания и до момента отключения главного реле контроллер
выполняет мониторинг положения дроссельной заслонки. Максимально допустимое поло-
жение дроссельной заслонки рассчитывается в зависимости от оборотов двигателя, положе-
ния педали акселератора, температуры двигателя и т.д.
При обнаружении неисправности система управления двигателем будет работать в
аварийном режиме до конца текущей поездки:
- обесточивание электропривода дроссельной заслонки и ограничение оборотов дви-
гателя (2500 об/мин).
Причиной фиксации кода Р1335 могут быть неисправность аппаратуры процессора
или ошибки программного обеспечения, приводящие к некорректному расчету заданного
положения дроссельной заслонки.
http://vnx.su/
ГОСТ 3.1105-84
Лист 227
Дубликат
Взам.
Подп.
3100.25100.12056
ТИ Технологическая инструкция
ОАО "АВТОВАЗ"
ИзмЛист№документаПодписьДатаИзм.Лист№документаПодписьДата
Код Р1335 Мониторинг управления приводом дроссельной заслонки, положение заслон-
ки вне допустимого диапазона
1 Подключить диагностический прибор. Включить зажигание.
Выбрать на диагностическом приборе режим "Коды неисправностей".
Проверить, фиксируются ли одновременно с кодом Р1335 коды Р0122, Р0123,
Р0222, Р0223, Р2135, Р1545, Р1558, Р1559, Р1602, Р1336, Р1388, Р1389, Р0606?
↓ ↓
Нет Да
↓ ↓
↓
↓
↓
Устранить неисправность в соответствии с картами для кодов Р0122, Р0123,
Р0222, Р0223, Р2135, Р1545, Р1558, Р1559, Р1602, Р1336, Р1388, Р1389,
Р0606. Выполнить проверку 2.
↓
2 Стереть коды с помощью диагностического прибора в режиме "Коды неиспрано-
стей; Стереть и обновить".
Выполнить тестовую поездку на автомобиле.
Если код Р1335 заносится повторно, заменить контроллер.
После ремонта запустить двигатель, сбросить коды и убедиться в отсутствии не-
исправности.
http://vnx.su/
ГОСТ 3.1105-84
Лист 228Дубликат
Взам.
Подп.
3100.25100.12056
ТИ Технологическая инструкция
ОАО "АВТОВАЗ"
ИзмЛист№документаПодписьДатаИзм.Лист№документаПодписьДата
Код Р1336
Мониторинг управления приводом дроссельной заслонки, рассогласование сигналов
датчиков "А" / "В" положения дроссельной заслонки
Код Р1336 заносится, если:
- зажигание включено;
- сумма сигналов ДПДЗ А и ДПДЗ В отличаются от опорного напряжения 5 В более
чем на 0,3 В в течение 0,5 с.
Сигнализатор неисправностей загорается через 5 c после возникновения кода неис-
правности.
Описание проверок
Последовательность соответствует цифрам на карте.
1 С помощью диагностического прибора проверяется, активен ли код Р1336 в момент
диагностики.
2 Выполняется проверка в соответствии с картой для кода Р2135.
Диагностическая информация
Диагностический прибор в режиме "Мониторинг сигналов" показывает сигналы
ДПДЗ А (параметр АЦП "Напряжение датчика дроссельной заслонки 1") и ДПДЗ В (па-
раметр АЦП "Напряжение датчика дроссельной заслонки 2") в вольтах.
При открытии дроссельной заслонки сигнал ДПДЗ А увеличивается, сигнал ДПДЗ В
уменьшается.
При полностью закрытой дроссельной заслонке сигнал ДПДЗ А должен находится в
диапазоне 0,30…0,58 В, сигнал ДПДЗ В должен находится в диапазоне 4,42…4,70 В.
Контроллер пересчитывает вольтовые сигналы ДПДЗ А и ДПДЗ В в процент открытия
дроссельной заслонки.
Диагностический прибор в режиме "Мониторинг сигналов" отображает процент от-
крытия дроссельной заслонки (параметр "Положение дроссельной заслонки"), который
рассчитывается как среднее арифметическое сигналов ДПДЗ А (%) и ДПДЗ В (%). 0 % соот-
ветствует полностью закрытой дроссельной заслонке. 100 % соответствует максимальному
открытию дроссельной заслонки.
Сигналы ДПДЗ А и ДПДЗ В рассогласованы, если выполняется следующее условие:
|5 В – (UДПДЗА + UДПДЗВ)| > 0,3 В
При обнаружении рассогласования сигналов ДПДЗ А и ДПДЗ В, система управления
двигателем будет работать в аварийном режиме до конца текущей поездки:
http://vnx.su/
ГОСТ 3.1105-84
Лист 229
Дубликат
Взам.
Подп.
3100.25100.12056
ТИ Технологическая инструкция
ОАО "АВТОВАЗ"
ИзмЛист№документаПодписьДатаИзм.Лист№документаПодписьДата
- обесточивание электропривода дроссельной заслонки и ограничение оборотов дви-
гателя (2500 об/мин).
В случае замены ЭДП или контроллера ЭСУД, или сброса контроллера с помощью
диагностического прибора (режим "Тест функций; Сброс ЭБУ с инициализацией") необхо-
димо выполнить процедуру адаптации нуля дроссельной заслонки.
Для этого на стоящем автомобиле необходимо включить зажигание, выждать 30 с,
выключить зажигание, дождаться отключения главного реле.
Адаптация будет прервана, если:
- прокручивается двигатель;
- автомобиль движется;
- нажата педаль акселератора;
- температура двигателя ниже 5 °С или выше 100 °С;
- температура окружающего воздуха ниже 5 °С.
Если электропривод дроссельной заслонки обесточен, с помощью прямой и возврат-
ной пружин дроссельная заслонка удерживается в положении Limp home (6-7%).
Код Р1336 Мониторинг управления приводом дроссельной заслонки, рассогласование
сигналов датчиков "А" / "В" положения дроссельной заслонки
1 Подключить диагностический прибор. Включить зажигание. Несколько раз плав-
но нажать педаль акселератора.
Выбрать на диагностическом приборе режим "Коды неисправностей".
Проверить, активен ли код неисправности в данный момент?
↓ ↓
Да Нет
↓ ↓
↓
↓
Код Р1336 - непостоянный. В случае отсутствия других кодов - см. "Непо-
стоянные неисправности", раздел 2.7В.
↓
2 Выполнить проверки, описанные в карте для кода Р2135.
Неисправность обнаружена?
↓ ↓
Да Нет → Неисправен контроллер.
↓
Устранить неисправность.
После ремонта запустить двигатель, сбросить коды и убедиться в отсутствии не-
исправности.
http://vnx.su/
ГОСТ 3.1105-84
Лист 230Дубликат
Взам.
Подп.
3100.25100.12056
ТИ Технологическая инструкция
ОАО "АВТОВАЗ"
ИзмЛист№документаПодписьДатаИзм.Лист№документаПодписьДата
Код Р1388
Мониторинг управления приводом дроссельной заслонки, рассогласование сигналов
датчиков "А"/"В" положения педали акселератора
Код Р1388 заносится, если:
- зажигание включено;
- сигнал датчика положения педали акселератора А (параметр АЦП "Напряжение
датчика педали акселератора 1") и удвоенный сигнал датчика положения педали акселе-
ратора В (параметр АЦП "Напряжение датчика педали акселератора 2") отличаются на
величину порога в течение 0,5 с.
Сигнализатор неисправностей загорается через 5 c после возникновения кода неис-
правности.
Описание проверок
Последовательность соответствует цифрам на карте.
1 С помощью диагностического прибора проверяется, активен ли код Р1388 в момент
диагностики.
2 Выполняется проверка в соответствии с картой для кода Р2138.
Диагностическая информация
При обнаружении рассогласования сигналов ДППА А и ДППА В, система управления
двигателем будет работать в аварийном режиме до конца текущей поездки:
- обесточивание электропривода дроссельной заслонки и ограничение оборотов дви-
гателя (2500 об/мин).
Диагностический прибор в режиме "Мониторинг сигналов" показывает сигналы
ДППА А (параметр АЦП "Напряжение датчика педали акселератора 1") и ДППА В (па-
раметр АЦП "Напряжение датчика педали акселератора 2") в вольтах.
Сигналы ДППА А и ДППА В увеличиваются пропорционально нажатию педали аксе-
лератора. При любом положении педали акселератора сигнал ДППА А должен быть в два
раза больше сигнала ДППА В.
При отпущенной педали акселератора сигнал ДППА А должен находится в диапазоне
0,50…0,85 В, сигнал ДППА В должен находится в диапазоне 0,25…0,43 В.
Для расчета положения педали акселератора, выраженного в процентах (параметр
"Положение педали акселератора"), используется минимальный сигнал из UДППАА и 2 ×
UДППАВ.
При каждом включении зажигания, контроллер определяет нулевое положение педали
акселератора. Значение 100 % педали акселератора (параметр "Положение педали акселе-
http://vnx.su/
ГОСТ 3.1105-84
Лист 231
Дубликат
Взам.
Подп.
3100.25100.12056
ТИ Технологическая инструкция
ОАО "АВТОВАЗ"
ИзмЛист№документаПодписьДатаИзм.Лист№документаПодписьДата
ратора") достигается при напряжении 3,50 В / 1,75 В с датчика ДППА А / ДППА В. При
полностью нажатой педали акселератора параметр АЦП сигнала ДППА А должен находить-
ся в диапазоне 4,19…4,59 В, параметр АЦП сигнала ДППА В должен находиться в диапазо-
не 2,095…2,295 В.
Код Р1388 Мониторинг управления приводом дроссельной заслонки, рассогласование
сигналов датчиков "А" / "В" положения педали акселератора
1 Подключить диагностический прибор. Включить зажигание. Несколько раз плав-
но нажать педаль акселератора.
Выбрать на диагностическом приборе режим "Коды неисправностей".
Проверить, активен ли код неисправности в данный момент?
↓ ↓
Да Нет
↓ ↓
↓
↓
Код Р1388 - непостоянный. В случае отсутствия других кодов - см. "Непо-
стоянные неисправности", раздел 2.7В.
↓
2 Выполнить проверки, описанные в карте для кода Р2138.
Неисправность обнаружена?
↓ ↓
Да Нет → Неисправен контроллер.
↓
Устранить неисправность.
После ремонта запустить двигатель, сбросить коды и убедиться в отсутствии не-
исправности.
http://vnx.su/
ГОСТ 3.1105-84
Лист 232Дубликат
Взам.
Подп.
3100.25100.12056
ТИ Технологическая инструкция
ОАО "АВТОВАЗ"
ИзмЛист№документаПодписьДатаИзм.Лист№документаПодписьДата
Код Р1389
Мониторинг управления приводом дроссельной заслонки, обороты двигателя вне до-
пустимого диапазона
Код Р1389 заносится, если:
- двигатель работает;
- обороты двигателя, рассчитанные разными методами, отличаются более чем на
300 об/мин в течение 0,3 с.
Сигнализатор неисправностей загорается через 5 c после возникновения кода неис-
правности.
Описание проверок
Последовательность соответствует цифрам на карте.
1 Выполняется проверка ДПКВ, демпфера в соответствии с картой для кода Р0336.
2 Если неисправность периодически фиксируется, необходимо заменить контроллер.
Диагностическая информация
Обороты двигателя рассчитываются по сигналу ДПКВ. Для повышения достоверности
расчет оборотов двигателя выполняется двумя разными методами. При этом контроллер ве-
дет постоянный мониторинг рассогласования значений, получаемых двумя разными мето-
дами.
Если рассогласование превышает 300 об/мин в течение 0,3 с, система управления дви-
гателем будет работать в аварийном режиме до конца текущей поездки:
- обесточивание электропривода дроссельной заслонки и ограничение оборотов дви-
гателя (2500 об/мин).
Причиной фиксации кода Р1389 могут быть неисправность цепи ДПКВ (пропадание
сигнала, повреждение экрана и др.).
http://vnx.su/
ГОСТ 3.1105-84
Лист 233
Дубликат
Взам.
Подп.
3100.25100.12056
ТИ Технологическая инструкция
ОАО "АВТОВАЗ"
ИзмЛист№документаПодписьДатаИзм.Лист№документаПодписьДата
Код Р1389 Мониторинг управления приводом дроссельной заслонки, обороты двигателя
вне допустимого диапазона
1 Выполнить проверки ДПКВ, цепей ДПКВ, демпфера в соответствии с картой для
кода Р0336.
Неисправность обнаружена?
↓ ↓
Нет Да
↓ ↓
↓ Устранить неисправность. Выполнить проверку 2.
↓
2 Стереть коды с помощью диагностического прибора в режиме "Коды неиспрано-
стей; Стереть и обновить".
Выполнить тестовую поездку на автомобиле.
Если код Р1389 заносится повторно, заменить контроллер.
После ремонта запустить двигатель, сбросить коды и убедиться в отсутствии не-
исправности.
Код Р1390
Мониторинг управления приводом дроссельной заслонки, некорректная реакция на
неисправность в системе
Код Р1390 заносится, если:
- двигатель работает;
- некорректная реакция двигателя на запрос ограничения оборотов от функции мони-
торинга.
Сигнализатор неисправностей загорается через 5 c после возникновения кода неис-
правности.
Описание проверок
Последовательность соответствует цифрам на карте.
1 Если неисправность периодически фиксируется, необходимо заменить контроллер.
Диагностическая информация
В случае обнаружения какой-либо неисправности электропривода дроссельной за-
слонки (механическая неисправность, неисправность электрических цепей) система управ-
ления двигателем будет работать в аварийном режиме до конца текущей поездки:
- обесточивание электропривода дроссельной заслонки и ограничение оборотов дви-
гателя (2500 об/мин).
Бортовая диагностика контролирует поведение двигателя в аварийном режиме.
Код Р1390 Мониторинг управления приводом дроссельной заслонки, некорректная ре-
акция на неисправность в системе
1 Подключить диагностический прибор. Включить зажигание.
Стереть коды с помощью диагностического прибора в режиме "Коды неиспрано-
стей; Стереть и обновить". Выполнить тестовую поездку на автомобиле.
Если код Р1390 заносится повторно, заменить контроллер.
После ремонта запустить двигатель, сбросить коды и убедиться в отсутствии не-
исправности.
http://vnx.su/
ГОСТ 3.1105-84
Лист 234Дубликат
Взам.
Подп.
3100.25100.12056
ТИ Технологическая инструкция
ОАО "АВТОВАЗ"
ИзмЛист№документаПодписьДатаИзм.Лист№документаПодписьДата
Код Р1391
Мониторинг управления приводом дроссельной заслонки, отсутствует реакция на не-
исправность в системе
Код Р1391 заносится, если:
- двигатель работает;
- нет реакции двигателя на запрос ограничения оборотов от функции мониторинга.
Сигнализатор неисправностей загорается через 5 c после возникновения кода неис-
правности.
Описание проверок
Последовательность соответствует цифрам на карте.
1 Если неисправность периодически фиксируется, необходимо заменить контроллер.
Диагностическая информация
В случае обнаружения какой-либо неисправности электропривода дроссельной за-
слонки (механическая неисправность, неисправность электрических цепей) система управ-
ления двигателем будет работать в аварийном режиме до конца текущей поездки:
- обесточивание электропривода дроссельной заслонки и ограничение оборотов дви-
гателя (2500 об/мин).
Бортовая диагностика контролирует поведение двигателя в аварийном режиме.
Код Р1391 Мониторинг управления приводом дроссельной заслонки, отсутствует реак-
ция на неисправность в системе
1 Подключить диагностический прибор. Включить зажигание.
Стереть коды с помощью диагностического прибора в режиме "Коды неиспрано-
стей; Стереть и обновить".
Выполнить тестовую поездку на автомобиле.
Если код Р1391 заносится повторно, заменить контроллер.
После ремонта запустить двигатель, сбросить коды и убедиться в отсутствии не-
исправности.
http://vnx.su/
ГОСТ 3.1105-84
Лист 235
Дубликат
Взам.
Подп.
3100.25100.12056
ТИ Технологическая инструкция
ОАО "АВТОВАЗ"
ИзмЛист№документаПодписьДатаИзм.Лист№документаПодписьДата
Код Р1545
Привод дроссельной заслонки, положение заслонки вне допустимого диапазона
Код Р1545 заносится, если:
- зажигание включено;
- реальное положение дроссельной заслонки отличается от заданного на величину по-
рога в течение 0,5 с.
или
- значения ПИД-регулятора превышают пороговое значение в течение 5 с.
Сигнализатор неисправностей загорается через 5 c после возникновения кода неис-
правности.
Описание проверок
Последовательность соответствует цифрам на карте.
1 С помощью диагностического прибора проверяется, фиксируется ли одновременно с
кодом Р1545 коды Р0113, Р0118, Р0123, Р0223, Р2123, Р2128, Р2100, Р2101. Если фиксиру-
ются, то поиск неисправности необходимо начинать с этих кодов.
2 Выполняется проверка механических и электрических узлов дроссельного патрубка.
3 Выполняется проверка цепей управления электроприводом дроссельной заслонки.
Диагностическая информация
При обнаружении неисправности Р1545 система управления двигателем будет рабо-
тать в аварийном режиме до конца текущей поездки:
- обесточивание электропривода дроссельной заслонки и ограничение оборотов дви-
гателя (до 3500 об/мин в зависимости от положения педали акселератора).
Диагностический прибор в режиме "Мониторинг сигналов" отображает процент от-
крытия дроссельной заслонки (параметр "Положение дроссельной заслонки").
В случае замены ЭДП или контроллера ЭСУД, или сброса контроллера с помощью
диагностического прибора (режим "Тест функций; Сброс ЭБУ с инициализацией") необхо-
димо выполнить процедуру адаптации нуля дроссельной заслонки.
Для этого на стоящем автомобиле необходимо включить зажигание, выждать 30 с,
выключить зажигание, дождаться отключения главного реле.
Адаптация будет прервана, если:
- прокручивается двигатель;
- автомобиль движется;
- нажата педаль акселератора;
- температура двигателя ниже 5 °С или выше 100 °С;
http://vnx.su/
ГОСТ 3.1105-84
Лист 236Дубликат
Взам.
Подп.
3100.25100.12056
ТИ Технологическая инструкция
ОАО "АВТОВАЗ"
ИзмЛист№документаПодписьДатаИзм.Лист№документаПодписьДата
- температура окружающего воздуха ниже 5 °С.
Если электропривод дроссельной заслонки обесточен, с помощью прямой и возврат-
ной пружин дроссельная заслонка удерживается в положении Limp home (6-7%).
Код Р1545 Привод дроссельной заслонки, положение заслонки вне допустимого диапазо-
на
1 Подключить диагностический прибор. Включить зажигание.
Выбрать на диагностическом приборе режим "Коды неисправностей".
Проверить, фиксируются ли одновременно с кодом Р1545 коды Р0113, Р0118,
Р0123, Р0223, Р2123, Р2128, Р2100, Р2101?
↓ ↓
Нет Да
↓ ↓
↓
↓
↓
Устранить неисправность в соответствии с картами для кодов Р0113, Р0118,
Р0123, Р0223, Р2123, Р2128, Р2100, Р2101. Выполнить тестовую поездку.
Если код Р1545 продолжает фиксироваться, то выполнить проверку 2.
↓
2 Выключить зажигание. Демонтировать ЭДП.
Проверить разъём ЭДП на наличие следующих повреждений:
- грязь, влага, следы коррозии на контактах;
- деформированные контакты;
- трещины, сколы, следы оплавления на разъёме.
Проверить цепь электродвигателя (клеммы "1", "2") на отсутствие обрыва.
Визуально осмотреть ЭДП, полностью открыть / закрыть дроссельную заслонку.
Проверить наличие следующих повреждений:
- деформация дроссельной заслонки;
- подклинивание дроссельной заслонки в каком-либо положении;
- дроссельная заслонка не закрывается до нулевого положения.
Повреждения обнаружены?
↓ ↓
Нет Да
↓ ↓
↓
↓
↓
Устранить повреждения, если это возможно или заменить ЭДП на заведомо
исправный. Выполнить тестовую поездку и убедиться в отсутствии неис-
правности.
↓
3 Отсоединить колодку Х1 от контроллера. Выполнить проверки электрической це-
пи от контакта "Х1.2/А1", "X1.2/А4" колодки к контроллеру до контакта "1", "2"
соответственно колодки к ЭДП на отсутствие обрыва и замыкания на массу или
бортовую сеть – см. "Проверки электрических цепей", раздел 2.7В. Цепь исправ-
на?
↓ ↓
Нет Да
↓ ↓
↓
↓
Заменить контроллер на заведомо исправный. Выполнить тестовую поездку
и убедиться в отсутствии неисправности.
↓
Устранить неисправность. Выполнить тестовую поездку и убедиться в отсутствии
неисправности.
После ремонта запустить двигатель, сбросить коды и убедиться в отсутствии не-
исправности.
http://vnx.su/
ГОСТ 3.1105-84
Лист 237
Дубликат
Взам.
Подп.
3100.25100.12056
ТИ Технологическая инструкция
ОАО "АВТОВАЗ"
ИзмЛист№документаПодписьДатаИзм.Лист№документаПодписьДата
Код Р1558
Привод дроссельной заслонки, возвратная пружина неисправна
Код Р1558 заносится, если:
- зажигание включено;
- тест возвратной пружины выполнен с отрицательным результатом.
Сигнализатор неисправностей загорается через 5 c после возникновения кода неис-
правности.
Описание проверок
Последовательность соответствует цифрам на карте.
1 С помощью диагностического прибора проверяется, активен ли код Р1558 в момент
диагностики.
2 Выполняется проверка механических и электрических узлов дроссельного патрубка.
3 Выполняется проверка цепей управления электроприводом дроссельной заслонки.
Диагностическая информация
При обнаружении неисправности Р1558 система управления двигателем будет рабо-
тать в аварийном режиме до конца текущей поездки:
- электропривод дроссельной заслонки не обесточен, но дроссельная заслонка посто-
янно находится в положении Limp home (6-7%);
- ограничение оборотов двигателя (до 3500 об/мин в зависимости от положения педа-
ли акселератора).
Диагностический прибор в режиме "Мониторинг сигналов" отображает процент от-
крытия дроссельной заслонки (параметр "Положение дроссельной заслонки").
При включении зажигания контроллер проводит:
- тест возвратной пружины;
- проверку положения заслонки при обесточенном электроприводе;
- адаптацию нуля положения дроссельной заслонки;
- тест прямой пружины.
Во время теста возвратной пружины дроссельная заслонка открывается на заданную
величину, после чего электропривод обесточивается. Контроллер фиксирует время возвра-
щения дроссельной заслонки в положение Limp home. Если время превышает пороговое
значение, тест считается завершенным с отрицательным результатом.
http://vnx.su/
ГОСТ 3.1105-84
Лист 238Дубликат
Взам.
Подп.
3100.25100.12056
ТИ Технологическая инструкция
ОАО "АВТОВАЗ"
ИзмЛист№документаПодписьДатаИзм.Лист№документаПодписьДата
Код Р1558 Привод дроссельной заслонки, возвратная пружина неисправна
1 Подключить диагностический прибор. Включить зажигание.
Выбрать на диагностическом приборе режим "Коды неисправностей".
Проверить, активен ли код неисправности в данный момент?
↓ ↓
Да Нет
↓ ↓
↓
↓
↓
↓
↓
Код Р1558 - непостоянный. В дополнительной информации к коду Р1558
найти значение параметра DLC (задержка до стирания кода неисправности
из памяти контроллера – см. раздел 2.4).
Если значение DLC>38, то выполнить проверку 2.
Если значение DLC<38, то стереть код.
↓
2 Выключить зажигание. Демонтировать ЭДП.
Проверить разъём ЭДП на наличие следующих повреждений:
- грязь, влага, следы коррозии на контактах;
- деформированные контакты;
- трещины, сколы, следы оплавления на разъёме.
Проверить цепь электродвигателя (клеммы "1", "2") на отсутствие обрыва.
Визуально осмотреть ЭДП, полностью открыть / закрыть дроссельную заслонку.
Проверить наличие следующих повреждений:
- деформация дроссельной заслонки;
- подклинивание дроссельной заслонки в каком-либо положении;
- дроссельная заслонка не закрывается до нулевого положения;
- грязь внутри дроссельного патрубка.
Повреждения обнаружены?
↓ ↓
Нет Да
↓ ↓
↓
↓
↓
Устранить повреждения, если это возможно или заменить ЭДП на заведомо
исправный. Выполнить процедуру адаптации нуля дроссельной заслонки и
убедиться в отсутствии неисправности.
↓
3 Отсоединить колодку Х1 от контроллера. Выполнить проверки электрической це-
пи от контакта "Х1.2/А1", "X1.2/А4" колодки к контроллеру до контакта "1", "2"
соответственно колодки к ЭДП на отсутствие обрыва и замыкания на массу или
бортовую сеть – см. "Проверки электрических цепей", раздел 2.7В. Цепь исправ-
на?
↓ ↓
Нет Да
↓ ↓
↓
↓
Заменить контроллер на заведомо исправный. Выполнить процедуру адап-
тации нуля дроссельной заслонки и убедиться в отсутствии неисправности.
↓
Устранить неисправность. Выполнить тестовую поездку и убедиться в отсутствии
неисправности.
После ремонта запустить двигатель, сбросить коды и убедиться в отсутствии не-
исправности.
http://vnx.su/
ГОСТ 3.1105-84
Лист 239
Дубликат
Взам.
Подп.
3100.25100.12056
ТИ Технологическая инструкция
ОАО "АВТОВАЗ"
ИзмЛист№документаПодписьДатаИзм.Лист№документаПодписьДата
Код Р1559
Привод дроссельной заслонки, положение заслонки в состоянии покоя вне допустимо-
го диапазона
Код Р1559 заносится, если:
- зажигание включено;
- положение дроссельной заслонки в обесточенном состоянии выходит за допустимый
диапазон.
Сигнализатор неисправностей загорается через 5 c после возникновения кода неис-
правности.
Описание проверок
Последовательность соответствует цифрам на карте.
1 С помощью диагностического прибора проверяется, активен ли код Р1559 в момент
диагностики.
2 Выполняется проверка механических и электрических узлов дроссельного патрубка.
Диагностическая информация
При обнаружении неисправности Р1559 система управления двигателем будет рабо-
тать в штатном режиме.
Диагностический прибор в режиме "Мониторинг сигналов" отображает процент от-
крытия дроссельной заслонки (параметр "Положение дроссельной заслонки").
При включении зажигания контроллер проводит:
- тест возвратной пружины;
- проверку положения заслонки при обесточенном электроприводе;
- адаптацию нуля положения дроссельной заслонки;
- тест прямой пружины.
http://vnx.su/
ГОСТ 3.1105-84
Лист 240Дубликат
Взам.
Подп.
3100.25100.12056
ТИ Технологическая инструкция
ОАО "АВТОВАЗ"
ИзмЛист№документаПодписьДатаИзм.Лист№документаПодписьДата
Код Р1559 Привод дроссельной заслонки, положение заслонки в состоянии покоя вне до-
пустимого диапазона
1 Подключить диагностический прибор. Включить зажигание.
Выбрать на диагностическом приборе режим "Коды неисправностей".
Проверить, активен ли код неисправности в данный момент?
↓ ↓
Да Нет
↓ ↓
↓
↓
↓
↓
↓
Код Р1559 - непостоянный. В дополнительной информации к коду Р1559
найти значение параметра DLC (задержка до стирания кода неисправности
из памяти контроллера – см. раздел 2.4).
Если значение DLC>38, то выполнить проверку 2.
Если значение DLC<38, то стереть код.
↓
2 Если одновременно с кодом Р1559 фиксируются коды Р0122, Р0123, Р0222, Р0223,
Р2135, Р1545, то поиск неисправности необходимо начинать с этих кодов.
Выключить зажигание. Демонтировать ЭДП.
Проверить разъём ЭДП на наличие следующих повреждений:
- грязь, влага, следы коррозии на контактах;
- деформированные контакты;
- трещины, сколы, следы оплавления на разъёме.
Визуально осмотреть ЭДП, полностью открыть / закрыть дроссельную заслонку.
Проверить наличие следующих повреждений:
- подклинивание дроссельной заслонки в каком-либо положении;
- грязь внутри дроссельного патрубка.
Устранить повреждения, если это возможно, или заменить ЭДП на заведомо ис-
правный. Выполнить процедуру адаптации нуля дроссельной заслонки и убедить-
ся в отсутствии неисправности.
После ремонта запустить двигатель, сбросить коды и убедиться в отсутствии не-
исправности.
http://vnx.su/
ГОСТ 3.1105-84
Лист 241
Дубликат
Взам.
Подп.
3100.25100.12056
ТИ Технологическая инструкция
ОАО "АВТОВАЗ"
ИзмЛист№документаПодписьДатаИзм.Лист№документаПодписьДата
Код Р1564
Система управления приводом дроссельной заслонки, адаптация положения нуля за-
слонки прервана в связи с пониженным напряжением бортсети
Код Р1564 заносится, если:
- зажигание включено;
- процедура переадаптации положения нуля дроссельной заслонки прервана в связи с
некорректным напряжением бортсети.
Сигнализатор неисправностей загорается через 5 c после возникновения кода неис-
правности.
Описание проверок
Последовательность соответствует цифрам на карте.
1 С помощью диагностического прибора проверяется наличие кодов Р0560, Р0562.
Если коды присутствуют, то поиск неисправности необходимо начинать с этих кодов.
2 Выполняется проверка цепей питания контроллера.
Диагностическая информация
При обнаружении неисправности Р1564 система управления двигателем будет рабо-
тать в штатном режиме, для расчета положения дроссельной заслонки будут использоваться
значения, полученные в предыдущей процедуре адаптации.
Диагностический прибор в режиме "Мониторинг сигналов" отображает процент от-
крытия дроссельной заслонки (параметр "Положение дроссельной заслонки").
При включении зажигания контроллер проводит:
- тест возвратной пружины;
- проверку положения заслонки при обесточенном электроприводе;
- адаптацию нуля положения дроссельной заслонки;
- тест прямой пружины.
Если контроллер новый (адаптация проводится в первый раз), то все вышеописанные
процедуры выполняются сразу после включения зажигания в течение 1,5 секунд.
Если контроллер был обучен ранее, то сразу после включения зажигания выполняется
тест возвратной пружины. Остальные процедуры будут выполнены в течение следующих
30 секунд, если в это время не будет нарушено ни одно из условий:
- двигатель не прокручивается;
- автомобиль не движется;
- педаль акселератора не нажата;
- температура двигателя выше 5 °С и ниже 100 °С;
http://vnx.su/
ГОСТ 3.1105-84
Лист 242Дубликат
Взам.
Подп.
3100.25100.12056
ТИ Технологическая инструкция
ОАО "АВТОВАЗ"
ИзмЛист№документаПодписьДатаИзм.Лист№документаПодписьДата
- температура окружающего воздуха выше 5 °С.
Если электропривод дроссельной заслонки обесточен, с помощью прямой и возврат-
ной пружин дроссельная заслонка удерживается в положении Limp home (6-7%).
Код Р1564 Система управления приводом дроссельной заслонки, адаптация положения
нуля заслонки прервана в связи с пониженным напряжением бортсети
1 Подключить диагностический прибор. Включить зажигание.
Выбрать на диагностическом приборе режим "Коды неисправностей".
Проверить, фиксируются ли одновременно с кодом Р1564 коды Р0560, Р0562?
↓ ↓
Нет Да
↓ ↓
↓
↓
↓
↓
Устранить неисправность в соответствии с картами для кодов Р0560, Р0562.
Стереть ошибки из памяти контроллера. Выполнить повторно процедуру
адаптации нуля дроссельной заслонки. Если код Р1564 фиксируется вновь,
то выполнить проверку 2.
↓
2 Проверить состояние и надежность крепления клемм к АКБ.
Выполнить проверку силовых цепей и цепи управления главным реле в соответст-
вии с картой А-4.
Устранить обнаруженные неисправности.
Выполнить процедуру адаптации нуля дроссельной заслонки и убедиться в отсут-
ствии неисправности.
После ремонта запустить двигатель, сбросить коды и убедиться в отсутствии не-
исправности.
http://vnx.su/
ГОСТ 3.1105-84
Лист 243
Дубликат
Взам.
Подп.
3100.25100.12056
ТИ Технологическая инструкция
ОАО "АВТОВАЗ"
ИзмЛист№документаПодписьДатаИзм.Лист№документаПодписьДата
Код Р1570
Иммобилизатор, цепь неисправна
Код Р1570 заносится, если:
- контроллер и ЦБКЭ "обучены";
- контроллер не получает ответ от ЦБКЭ.
При возникновении этого кода сигнализатор неисправностей не загорается.
Описание проверок
Последовательность соответствует цифрам на карте.
1 Проверяется наличие постоянной неисправности.
2 Проверяется исправность соединения между ЦБКЭ (контакты "S1/A24", "S1/A23") и
контроллером (контакты "X1.1/H4", "X1.1/H5").
Диагностическая информация
С включенной функцией иммобилизации работа двигателя возможна только при по-
лучении контроллером ЭСУД правильного пароля от ЦБКЭ, в противном случае заносится
код Р1570.
ЦБКЭ обменивается данными с контроллером ЭСУД по шине CAN.
Шина CAN представляет собой двухпроводную линию:
- линия низкого уровня CAN L (контакт "X1.1/H5" контроллера ЭСУД – контакт
"S1/A23" ЦБКЭ);
- линия высокого уровня CAN H (контакт "X1.1/H4" контроллера ЭСУД – контакт
"S1/A24" ЦБКЭ).
Причиной возникновения данного кода могут быть ненадежное соединение в колод-
ках к ЦБКЭ и контроллеру.
Необходимо проверить соединения на полноту и правильность сочленения, повреж-
дения замков, наличие поврежденных контактов и качество соединения контактов с прово-
дом.
http://vnx.su/
ГОСТ 3.1105-84
Лист 244Дубликат
Взам.
Подп.
3100.25100.12056
ТИ Технологическая инструкция
ОАО "АВТОВАЗ"
ИзмЛист№документаПодписьДатаИзм.Лист№документаПодписьДата
Код Р1570 Иммобилизатор, цепь неисправна
1 Подключить диагностический прибор. Включить зажигание.
С помощью диагностического прибора выпонить сброс контроллера (режим "Тест
функций; Сброс ЭБУ с инициализацией").
Запустить двигатель. Двигатель запускается?
↓ ↓
Нет Да
↓ ↓
↓
↓
Код Р1570 - непостоянный. В случае отсутствия других кодов - см. "Диагно-
стическую информацию".
↓
2 Выключить зажигание.
Отсоединить колодку Х1.1 жгута от контроллера и колодку S1 от ЦБКЭ.
Выполнить проверку целостности электрической цепи между контактом
"X1.1/H4" колодки к контроллеру и контактом "S1/A24" колодки к ЦБКЭ и между
контактом "X1.1/H5" колодки к контроллеру и контактом "S1/A23" колодки к
ЦБКЭ – см. "Проверка целостности электрической цепи", раздел 2.7В.
Цепь исправна?
↓ ↓
Да Нет → Устранить неисправность.
↓
Выполнить проверку цепей питания и массы ЦБКЭ.
После ремонта запустить двигатель, сбросить коды и убедиться в отсутствии не-
исправности.
http://vnx.su/
ГОСТ 3.1105-84
Лист 245
Дубликат
Взам.
Подп.
3100.25100.12056
ТИ Технологическая инструкция
ОАО "АВТОВАЗ"
ИзмЛист№документаПодписьДатаИзм.Лист№документаПодписьДата
Код Р1578
Система управления приводом дроссельной заслонки, величина адаптации положения
нуля вне допустимого диапазона
Код Р1578 заносится, если:
- зажигание включено;
- выполнена процедура переадаптации положения нуля дроссельной заслонки;
- величина адаптации положения нуля дроссельной заслонки выходит за допустимый
предел.
Сигнализатор неисправностей загорается через 5 c после возникновения кода неис-
правности.
Описание проверок
Последовательность соответствует цифрам на карте.
1 С помощью диагностического прибора проверяется наличие кодов Р0122, Р0123,
Р0222, Р0223, Р2135, Р1545, Р1558, Р1559. Если коды присутствуют, то поиск неисправно-
сти необходимо начинать с этих кодов.
2 Выполняется проверка механических и электрических узлов дроссельного патрубка.
Диагностическая информация
При обнаружении неисправности Р1578 система управления двигателем будет рабо-
тать в штатном режиме, для расчета положения дроссельной заслонки будут использоваться
значения, полученные в предыдущей процедуре адаптации.
Диагностический прибор в режиме "Мониторинг сигналов" отображает процент от-
крытия дроссельной заслонки (параметр "Положение дроссельной заслонки").
При включении зажигания контроллер проводит:
- тест возвратной пружины;
- проверку положения заслонки при обесточенном электроприводе;
- адаптацию нуля положения дроссельной заслонки;
- тест прямой пружины.
Если контроллер новый (адаптация проводится в первый раз), то все вышеописанные
процедуры выполняются сразу после включения зажигания в течение 1,5 секунд.
Если контроллер был обучен ранее, то сразу после включения зажигания выполняется
тест возвратной пружины. Остальные процедуры будут выполнены в течение следующих
30 секунд, если в это время не будет нарушено ни одно из условий:
- двигатель не прокручивается;
- автомобиль не движется;
http://vnx.su/
ГОСТ 3.1105-84
Лист 246Дубликат
Взам.
Подп.
3100.25100.12056
ТИ Технологическая инструкция
ОАО "АВТОВАЗ"
ИзмЛист№документаПодписьДатаИзм.Лист№документаПодписьДата
- педаль акселератора не нажата;
- температура двигателя выше 5 °С и ниже 100 °С;
- температура окружающего воздуха выше 5 °С.
Если электропривод дроссельной заслонки обесточен, с помощью прямой и возврат-
ной пружин дроссельная заслонка удерживается в положении Limp home (6-7%).
Код Р1578 Система управления приводом дроссельной заслонки, величина адаптации
положения нуля вне допустимого диапазона
1 Подключить диагностический прибор. Включить зажигание.
Выбрать на диагностическом приборе режим "Коды неисправностей".
Проверить, фиксируются ли одновременно с кодом Р1578 коды Р0122, Р0123,
Р0222, Р0223, Р2135, Р1545, Р1558, Р1559?
↓ ↓
Нет Да
↓ ↓
↓
↓
↓
↓
Устранить неисправность в соответствии с картами для кодов Р0122, Р0123,
Р0222, Р0223, Р2135, Р1545, Р1558, Р1559. Стереть ошибки из памяти кон-
троллера. Выполнить повторно процедуру адаптации нуля дроссельной за-
слонки. Если код Р1578 фиксируется вновь, то выполнить проверку 2.
↓
2 Выключить зажигание. Демонтировать ЭДП.
Проверить разъём ЭДП на наличие следующих повреждений:
- грязь, влага, следы коррозии на контактах;
- деформированные контакты;
- трещины, сколы, следы оплавления на разъёме.
Проверить цепь электродвигателя (клеммы "1", "2") на отсутствие обрыва.
Визуально осмотреть ЭДП, несколько раз полностью открыть / закрыть дроссель-
ную заслонку. Проверить наличие следующих повреждений:
- деформация дроссельной заслонки;
- подклинивание дроссельной заслонки в каком-либо положении;
- дроссельная заслонка не закрывается до нулевого положения;
- грязь внутри дроссельного патрубка.
Устранить повреждения, если это возможно, или заменить ЭДП на заведомо ис-
правный. Выполнить процедуру адаптации нуля дроссельной заслонки и убедить-
ся в отсутствии неисправности.
После ремонта запустить двигатель, сбросить коды и убедиться в отсутствии не-
исправности.
http://vnx.su/
ГОСТ 3.1105-84
Лист 247
Дубликат
Взам.
Подп.
3100.25100.12056
ТИ Технологическая инструкция
ОАО "АВТОВАЗ"
ИзмЛист№документаПодписьДатаИзм.Лист№документаПодписьДата
Код Р1579
Система управления приводом дроссельной заслонки, адаптация положения нуля за-
слонки прервана в связи с внешними условиями
Код Р1579 заносится, если:
- зажигание включено;
- адаптация положения нуля дроссельной заслонки прервана в связи с некорректными
внешними условиями.
Сигнализатор неисправностей загорается через 5 c после возникновения кода неис-
правности.
Описание проверок
Последовательность соответствует цифрам на карте.
1 С помощью диагностического прибора проверяется наличие кодов Р0112, Р0113,
Р0116, Р0117, Р0118, Р2122, Р2123, Р2127, Р2128, Р2138. Если коды присутствуют, то поиск
неисправности необходимо начинать с этих кодов.
2 Проверяется выполнение условий проведения адаптации нуля заслонки.
Диагностическая информация
При обнаружении неисправности Р1579 система управления двигателем будет рабо-
тать в аварийном режиме до конца текущей поездки:
- электропривод дроссельной заслонки обесточен;
- ограничение оборотов двигателя (до 2500 об/мин в зависимости от положения педа-
ли акселератора).
Диагностический прибор в режиме "Мониторинг сигналов" отображает процент от-
крытия дроссельной заслонки (параметр "Положение дроссельной заслонки").
При включении зажигания контроллер проводит:
- тест возвратной пружины;
- проверку положения заслонки при обесточенном электроприводе;
- адаптацию нуля положения дроссельной заслонки;
- тест прямой пружины.
Если контроллер новый (адаптация проводится в первый раз), то все вышеописанные
процедуры выполняются сразу после включения зажигания в течение 1,5 секунд.
Если контроллер был обучен ранее, то сразу после включения зажигания выполняется
тест возвратной пружины. Остальные процедуры будут выполнены в течение следующих
30 секунд, если в это время не будет нарушено ни одно из условий:
- двигатель не прокручивается;
http://vnx.su/
ГОСТ 3.1105-84
Лист 248Дубликат
Взам.
Подп.
3100.25100.12056
ТИ Технологическая инструкция
ОАО "АВТОВАЗ"
ИзмЛист№документаПодписьДатаИзм.Лист№документаПодписьДата
- автомобиль не движется;
- педаль акселератора не нажата;
- температура двигателя выше 5 °С и ниже 100 °С;
- температура окружающего воздуха выше 5 °С.
Код Р1579 указывает на то, что первое обучение контроллера было прервано в связи с
нарушением условий проведения адаптации (см. выше).
Если электропривод дроссельной заслонки обесточен, с помощью прямой и возврат-
ной пружин дроссельная заслонка удерживается в положении Limp home (6-7%).
Код Р1579 Система управления приводом дроссельной заслонки, адаптация положения
нуля заслонки прервана в связи с внешними условиями
1 Подключить диагностический прибор. Включить зажигание.
Выбрать на диагностическом приборе режим "Коды неисправностей".
Проверить, фиксируются ли одновременно с кодом Р1579 коды Р0112, Р0113,
Р0116, Р0117, Р0118, Р2122, Р2123, Р2127, Р2128, Р2138?
↓ ↓
Нет Да
↓ ↓
↓
↓
↓
↓
↓
Устранить неисправность в соответствии с картами для кодов Р0112, Р0113,
Р0116, Р0117, Р0118, Р2122, Р2123, Р2127, Р2128, Р2138. Стереть ошибки из
памяти контроллера. Выполнить повторно процедуру адаптации нуля поло-
жения дроссельной заслонки. Если код Р1579 фиксируется вновь, то выпол-
нить проверку 2.
↓
2 Стереть ошибки из памяти контроллера.
Проверить выполнение условий проведения адаптации нуля положения дроссель-
ной заслонки (см. выше).
Выполнить процедуру адаптации нуля дроссельной заслонки и убедиться в отсут-
ствии неисправности.
После ремонта запустить двигатель, сбросить коды и убедиться в отсутствии не-
исправности.
http://vnx.su/
ГОСТ 3.1105-84
Лист 249
Дубликат
Взам.
Подп.
3100.25100.12056
ТИ Технологическая инструкция
ОАО "АВТОВАЗ"
ИзмЛист№документаПодписьДатаИзм.Лист№документаПодписьДата
Код Р1602
Контроллер СУД, пропадание напряжения питания
Код Р1602 заносится, если:
- зажигание включено;
- контроллер обнаружил пропадание напряжения питания.
При возникновении этого кода сигнализатор неисправностей не загорается.
Описание проверок
Последовательность соответствует цифрам на карте.
1 Сбросить код.
2 Проверить силовые цепи в соответствии с картой А-4.
Диагностическая информация
В случае замены контроллера необходимо выполнить процедуру адаптации нуля
дроссельной заслонки и процедуру адаптации функции диагностики пропусков воспламене-
ния - см. раздел 1.1.
Код Р1602 Контроллер СУД, пропадание напряжения питания
1 Подключить диагностический прибор. Включить зажигание. Стереть коды с по-
мощью диагностического прибора в режиме "Коды неиспраностей; Стереть и об-
новить".
↓
2 При повторном занесении кода выполнить проверку силовых цепей и цепи управ-
ления главным реле в соответствии с картой А-4.
Если цепи исправны, заменить контроллер.
После ремонта запустить двигатель, сбросить коды и убедиться в отсутствии не-
исправности.
Код Р1640
Контроллер СУД, ошибка чтения – записи EEPROM
Код Р1640 заносится, если:
- произошла потеря данных в ЭРПЗУ при проведении контроллером внутреннего тес-
та "чтение – запись".
При возникновении этого кода сигнализатор неисправностей не загорается.
Описание проверок
Последовательность соответствует цифрам на карте.
1 Если неисправность периодически фиксируется, необходимо заменить контроллер.
Диагностическая информация
В случае замены контроллера необходимо выполнить процедуру адаптации нуля
дроссельной заслонки и процедуру адаптации функции диагностики пропусков воспламене-
ния - см. раздел 1.1.
Код Р1640 Контроллер СУД, ошибка чтения – записи EEPROM
1 Подключить диагностический прибор. Включить зажигание. Стереть коды с по-
мощью диагностического прибора в режиме "Коды неиспраностей; Стереть и об-
новить". При повторном возникновении кода заменить контроллер.
После ремонта запустить двигатель, сбросить коды и убедиться в отсутствии не-
исправности.
http://vnx.su/
ГОСТ 3.1105-84
Лист 250Дубликат
Взам.
Подп.
3100.25100.12056
ТИ Технологическая инструкция
ОАО "АВТОВАЗ"
ИзмЛист№документаПодписьДатаИзм.Лист№документаПодписьДата
Код Р2100
Электропривод дроссельной заслонки, обрыв цепи управления
Код Р2100 заносится, если:
- двигатель работает;
- самодиагностика драйвера электропривода дроссельной заслонки определила на вы-
ходе отсутствие нагрузки.
Сигнализатор неисправностей загорается через 5 c после возникновения кода неис-
правности.
Описание проверок
Последовательность соответствует цифрам на карте.
1 Проверяется наличие постоянной неисправности.
2 Проверяется цепь электродвигателя на отсутствие обрыва.
3 Проверяется цепь питания электропривода дроссельной заслонки на обрыв.
Диагностическая информация
В контроллере используется драйвер электропривода дроссельной заслонки, обла-
дающий функцией самодиагностики. Он может определять наличие таких неисправностей,
как обрыв, короткое замыкание на массу или источник питания цепи управления реле.
http://vnx.su/
ГОСТ 3.1105-84
Лист 251
Дубликат
Взам.
Подп.
3100.25100.12056
ТИ Технологическая инструкция
ОАО "АВТОВАЗ"
ИзмЛист№документаПодписьДатаИзм.Лист№документаПодписьДата
Код Р2100 Электропривод дроссельной заслонки, обрыв цепи управления
1 Подключить диагностический прибор.
Выбрать на диагностическом приборе режим "Коды неисправностей".
Запустить двигатель.
Проверить, активен ли код неисправности в данный момент?
↓ ↓
Да Нет
↓ ↓
↓
↓
Код Р2100 - непостоянный. В случае отсутствия других кодов - см. "Непо-
стоянные неисправности", раздел 2.7 В.
↓
2 Выключить зажигание. Отсоединить колодку жгута от ЭДП.
Проверить цепь электродвигателя (клеммы "1", "2") на отсутствие обрыва.
Цепь исправна?
↓ ↓
Да Нет → Неисправен ЭДП.
↓
3 Отсоединить колодку Х1.2 от контроллера. Выполнить проверку целостности
электрической цепи между контактом "Х1.2/А1" колодки к контроллеру и контак-
том "1" колодки к ЭДП, и между контактом "X1.2/А4" колодки к контроллеру и
контактом "2" колодки к ЭДП – см. "Проверка целостности электрической цепи"
раздел 2.7В. Цепь исправна?
↓ ↓
Да Нет
↓ ↓
↓ Неисправен жгут проводов.
↓
Неисправен контроллер.
После ремонта запустить двигатель, сбросить коды и убедиться в отсутствии не-
исправности.
http://vnx.su/
ГОСТ 3.1105-84
Лист 252Дубликат
Взам.
Подп.
3100.25100.12056
ТИ Технологическая инструкция
ОАО "АВТОВАЗ"
ИзмЛист№документаПодписьДатаИзм.Лист№документаПодписьДата
Код Р2101
Электропривод дроссельной заслонки, цепь управления неисправна
Код Р2101 заносится, если:
- двигатель работает;
- самодиагностика драйвера электропривода дроссельной заслонки определила неис-
правность.
Сигнализатор неисправностей загорается через 5 c после возникновения кода неис-
правности.
Описание проверок
Последовательность соответствует цифрам на карте.
1 Проверяется наличие постоянной неисправности.
2 Проверяется наличие замыкания на массу цепи управления электроприводом.
3 Проверяется наличие замыкания на бортовую сеть цепи управления электроприво-
дом.
Диагностическая информация
В контроллере используется драйвер электропривода дроссельной заслонки, обла-
дающий функцией самодиагностики. Он может определять наличие таких неисправностей,
как обрыв, короткое замыкание на массу или источник питания цепи управления реле.
http://vnx.su/
ГОСТ 3.1105-84
Лист 253
Дубликат
Взам.
Подп.
3100.25100.12056
ТИ Технологическая инструкция
ОАО "АВТОВАЗ"
ИзмЛист№документаПодписьДатаИзм.Лист№документаПодписьДата
Код Р2101 Электропривод дроссельной заслонки, цепь управления неисправна
1 Подключить диагностический прибор.
Выбрать на диагностическом приборе режим "Коды неисправностей".
Запустить двигатель.
Проверить, активен ли код неисправности в данный момент?
↓ ↓
Да Нет
↓ ↓
↓
↓
Код Р2101 - непостоянный. В случае отсутствия других кодов - см. "Непо-
стоянные неисправности", раздел 2.7 В.
↓
2 Выключить зажигание. Отсоединить колодку жгута от ЭДП. Отсоединить колодку
Х1.2 от контроллера.
Провести проверку замыкания контакта "1", "2" колодки к ЭДП на массу – см.
"Проверка замыкания цепи на массу", раздел 2.7В.
Замыкание есть?
↓ ↓
Нет Да → Неисправен жгут проводов.
↓
3 Провести проверку замыкания контакта "1", "2" колодки к ЭДП на бортовую сеть
– см. "Проверка замыкания цепи на бортовую сеть", раздел 2.7В.
Замыкание есть?
↓ ↓
Нет Да
↓ ↓
↓ Неисправен жгут проводов.
↓
Неисправен контроллер или ЭДП.
После ремонта запустить двигатель, сбросить коды и убедиться в отсутствии не-
исправности.
http://vnx.su/
ГОСТ 3.1105-84
Лист 254Дубликат
Взам.
Подп.
3100.25100.12056
ТИ Технологическая инструкция
ОАО "АВТОВАЗ"
ИзмЛист№документаПодписьДатаИзм.Лист№документаПодписьДата
Код Р2102
Электропривод дроссельной заслонки, замыкание цепи управления на массу
Код Р2102 заносится, если:
- двигатель работает;
- самодиагностика драйвера электропривода дроссельной заслонки определила замы-
кание на массу.
Сигнализатор неисправностей загорается через 5 c после возникновения кода неис-
правности.
Описание проверок
Последовательность соответствует цифрам на карте.
1 Проверяется наличие постоянной неисправности.
2 Проверяется наличие замыкания на массу цепи управления электроприводом.
Диагностическая информация
В контроллере используется драйвер электропривода дроссельной заслонки, обла-
дающий функцией самодиагностики. Он может определять наличие таких неисправностей,
как обрыв, короткое замыкание на массу или источник питания цепи управления реле.
http://vnx.su/
ГОСТ 3.1105-84
Лист 255
Дубликат
Взам.
Подп.
3100.25100.12056
ТИ Технологическая инструкция
ОАО "АВТОВАЗ"
ИзмЛист№документаПодписьДатаИзм.Лист№документаПодписьДата
Код Р2102 Электропривод дроссельной заслонки, замыкание цепи управления на массу
1 Подключить диагностический прибор.
Выбрать на диагностическом приборе режим "Коды неисправностей".
Запустить двигатель.
Проверить, активен ли код неисправности в данный момент?
↓ ↓
Да Нет
↓ ↓
↓
↓
Код Р2102 - непостоянный. В случае отсутствия других кодов - см. "Непо-
стоянные неисправности", раздел 2.7 В.
↓
2 Выключить зажигание. Отсоединить колодку жгута от ЭДП. Отсоединить колодку
Х1.2 от контроллера.
Провести проверку замыкания контакта "1", "2" колодки к ЭДП на массу – см.
"Проверка замыкания цепи на массу", раздел 2.7В.
Замыкание есть?
↓ ↓
Нет Да → Неисправен жгут проводов.
↓
Неисправен контроллер или ЭДП.
После ремонта запустить двигатель, сбросить коды и убедиться в отсутствии не-
исправности.
http://vnx.su/
ГОСТ 3.1105-84
Лист 256Дубликат
Взам.
Подп.
3100.25100.12056
ТИ Технологическая инструкция
ОАО "АВТОВАЗ"
ИзмЛист№документаПодписьДатаИзм.Лист№документаПодписьДата
Код Р2103
Электропривод дроссельной заслонки, замыкание цепи управления на бортовую сеть
Код Р2103 заносится, если:
- двигатель работает;
- самодиагностика драйвера электропривода дроссельной заслонки определила замы-
кание на бортовую сеть.
Сигнализатор неисправностей загорается через 5 c после возникновения кода неис-
правности.
Описание проверок
Последовательность соответствует цифрам на карте.
1 Проверяется наличие постоянной неисправности.
2 Проверяется наличие замыкания на бортовую сеть цепи управления электроприво-
дом.
Диагностическая информация
В контроллере используется драйвер электропривода дроссельной заслонки, обла-
дающий функцией самодиагностики. Он может определять наличие таких неисправностей,
как обрыв, короткое замыкание на массу или источник питания цепи управления реле.
http://vnx.su/
ГОСТ 3.1105-84
Лист 257
Дубликат
Взам.
Подп.
3100.25100.12056
ТИ Технологическая инструкция
ОАО "АВТОВАЗ"
ИзмЛист№документаПодписьДатаИзм.Лист№документаПодписьДата
Код Р2103 Электропривод дроссельной заслонки, замыкание цепи управления на борто-
вую сеть
1 Подключить диагностический прибор.
Выбрать на диагностическом приборе режим "Коды неисправностей".
Запустить двигатель.
Проверить, активен ли код неисправности в данный момент?
↓ ↓
Да Нет
↓ ↓
↓
↓
Код Р2103 - непостоянный. В случае отсутствия других кодов - см. "Непо-
стоянные неисправности", раздел 2.7 В.
↓
2 Выключить зажигание. Отсоединить колодку жгута от ЭДП. Отсоединить колодку
Х1.2 от контроллера.
Провести проверку замыкания контакта "1", "2" колодки к ЭДП на бортовую сеть
– см. "Проверка замыкания цепи на бортовую сеть", раздел 2.7В.
Замыкание есть?
↓ ↓
Нет Да → Неисправен жгут проводов.
↓
Неисправен контроллер или ЭДП.
После ремонта запустить двигатель, сбросить коды и убедиться в отсутствии не-
исправности.
http://vnx.su/
ГОСТ 3.1105-84
Лист 258Дубликат
Взам.
Подп.
3100.25100.12056
ТИ Технологическая инструкция
ОАО "АВТОВАЗ"
ИзмЛист№документаПодписьДатаИзм.Лист№документаПодписьДата
Код Р2122
Цепь датчика положения педали А, низкий уровень сигнала
Код Р2122 заносится, если:
- зажигание включено;
- сигнал датчика положения педали акселератора А (параметр АЦП "Напряжение
датчика педали акселератора 1") меньше 0,45 В в течение 0,2 с.
Сигнализатор неисправностей загорается через 5 c после возникновения кода неис-
правности.
Описание проверок
Последовательность соответствует цифрам на карте.
1 С помощью диагностического прибора проверяется, активен ли код Р2122 в момент
диагностики.
2 Выполняется проверка контроллера: на контакт "2" колодки к ДППА должно посту-
пать опорное напряжение 5 В с контроллера.
3 Выполняется проверка сигнальной цепи на наличие обрыва или замыкания на массу.
4 Выполняется проверка контроллера: при перемыкании контактов "2" и "4" колодки к
ДППА с помощью пробника сигнал ДППА А на диагностическом приборе должен изме-
няться.
Диагностическая информация
При обнаружении неисправности цепи ДППА А система управления двигателем будет
работать в аварийном режиме до конца текущей поездки.
Возможны следующие аварийные режимы:
- ограничение мощности двигателя, если исправна цепь ДППА В;
- холостой ход, если неисправны цепи ДППА А и ДППА В.
Диагностический прибор в режиме "Мониторинг сигналов" показывает сигналы
ДППА А (параметр АЦП "Напряжение датчика педали акселератора 1") и ДППА В (па-
раметр АЦП "Напряжение датчика педали акселератора 2") в вольтах.
Сигналы ДППА А и ДППА В увеличиваются пропорционально нажатию педали аксе-
лератора. При любом положении педали акселератора сигнал ДППА А должен быть в два
раза больше сигнала ДППА В.
При отпущенной педали акселератора сигнал ДППА А должен находится в диапазоне
0,50…0,85 В, сигнал ДППА В должен находится в диапазоне 0,25…0,43 В.
http://vnx.su/
ГОСТ 3.1105-84
Лист 259
Дубликат
Взам.
Подп.
3100.25100.12056
ТИ Технологическая инструкция
ОАО "АВТОВАЗ"
ИзмЛист№документаПодписьДатаИзм.Лист№документаПодписьДата
Для расчета положения педали акселератора, выраженного в процентах (параметр
"Положение педали акселератора"), используется минимальный сигнал из UДППАА и 2 ×
UДППАВ.
При каждом включении зажигания, контроллер определяет нулевое положение педали
акселератора. Значение 100 % педали акселератора (параметр "Положение педали акселе-
ратора") достигается при напряжении 3,50 В / 1,75 В с датчика ДППА А / ДППА В. При
полностью нажатой педали акселератора параметр АЦП сигнала ДППА А должен находить-
ся в диапазоне 4,19…4,59 В, параметр АЦП сигнала ДППА В должен находиться в диапазо-
не 2,095…2,295 В.
Код Р2122 Цепь датчика положения педали А, низкий уровень сигнала
1 Подключить диагностический прибор. Включить зажигание. Несколько раз на-
жать педаль акселератора. Выбрать на приборе режим "Коды неисправностей".
Проверить, активен ли код неисправности в данный момент?
↓ ↓
Да Нет
↓ ↓
↓
↓
Код Р2122 - непостоянный. В случае отсутствия других кодов - см. "Непо-
стоянные неисправности", раздел 2.7В.
↓
2 Выключить зажигание. Отсоединить колодку от ДППА. Включить зажигание.
Вольтметром измерить напряжение на контакте "2" колодки к ДППА - см. "Изме-
рение напряжения на контактах жгута проводов", раздел 2.7В.
Напряжение должно быть 5 В ± 10%. Так ли это?
↓ ↓
Да Нет
↓ ↓
↓
↓
↓
↓
↓
Выключить зажигание. Отсоединить колодку Х1.1 от контроллера. Выпол-
нить проверки электрической цепи от контакта "Х1.1/D2" колодки к кон-
троллеру до контакта "2" колодки к ДППА на отсутствие обрыва и замыка-
ния на массу – см. "Проверки электрических цепей", раздел 2.7В.
Если цепь исправна, то неисправен контроллер.
↓
3 Выключить зажигание. Отсоединить колодку Х1.1 от контроллера. Выполнить
проверки электрической цепи от контакта "Х1.1/D4" колодки к контроллеру до
контакта "4" колодки к ДППА на отсутствие обрыва и замыкания на массу – см.
"Проверки электрических цепей", раздел 2.7В. Цепь исправна?
↓ ↓
Да Нет → Устранить неисправность цепи.
↓
4 Присоединить колодку Х1.1 к контроллеру. Включить зажигание. Пробником пе-
ремкнуть контакты "2" и "4" колодки к ЭДП. На диагностическом приборе в ре-
жиме "Мониторинг сигналов; Параметры АЦП" проверить напряжение ДППА А.
Напряжение ДППА А равно 5 В?
↓ ↓
Да Нет → Неисправен контроллер.
↓
Неисправен ДППА А. Заменить блок ЭПА.
После ремонта запустить двигатель, сбросить коды и убедиться в отсутствии не-
исправности.
http://vnx.su/
ГОСТ 3.1105-84
Лист 260Дубликат
Взам.
Подп.
3100.25100.12056
ТИ Технологическая инструкция
ОАО "АВТОВАЗ"
ИзмЛист№документаПодписьДатаИзм.Лист№документаПодписьДата
Код Р2123
Цепь датчика положения педали А, высокий уровень сигнала
Код Р2123 заносится, если:
- зажигание включено;
- сигнал датчика положения педали акселератора А (параметр АЦП "Напряжение
датчика педали акселератора 1") больше 4,78 В в течение 0,2 с.
Сигнализатор неисправностей загорается через 5 c после возникновения кода неис-
правности.
Описание проверок
Последовательность соответствует цифрам на карте.
1 С помощью диагностического прибора проверяется, активен ли код Р2123 в момент
диагностики.
2 Выполняется проверка напряжения в сигнальной цепи ДППА А с отключенным дат-
чиком. Напряжение должно быть около 0 В.
3 Выполняется проверка цепи массы ДППА А на наличие обрыва.
4 Повторно выполняется проверка напряжения в сигнальной цепи ДППА А после за-
мены контроллера.
Диагностическая информация
При обнаружении неисправности цепи ДППА А система управления двигателем будет
работать в аварийном режиме до конца текущей поездки.
Возможны следующие аварийные режимы:
- ограничение мощности двигателя, если исправна цепь ДППА В;
- холостой ход, если неисправны цепи ДППА А и ДППА В.
Диагностический прибор в режиме "Мониторинг сигналов" показывает сигналы
ДППА А (параметр АЦП "Напряжение датчика педали акселератора 1") и ДППА В (па-
раметр АЦП "Напряжение датчика педали акселератора 2") в вольтах.
Сигналы ДППА А и ДППА В увеличиваются пропорционально нажатию педали аксе-
лератора. При любом положении педали акселератора сигнал ДППА А должен быть в два
раза больше сигнала ДППА В.
При отпущенной педали акселератора сигнал ДППА А должен находится в диапазоне
0,50…0,85 В, сигнал ДППА В должен находится в диапазоне 0,25…0,43 В.
Для расчета положения педали акселератора, выраженного в процентах (параметр
"Положение педали акселератора"), используется минимальный сигнал из UДППАА и 2 ×
UДППАВ.
http://vnx.su/
ГОСТ 3.1105-84
Лист 261
Дубликат
Взам.
Подп.
3100.25100.12056
ТИ Технологическая инструкция
ОАО "АВТОВАЗ"
ИзмЛист№документаПодписьДатаИзм.Лист№документаПодписьДата
При каждом включении зажигания, контроллер определяет нулевое положение педали
акселератора. Значение 100 % педали акселератора (параметр "Положение педали акселе-
ратора") достигается при напряжении 3,50 В / 1,75 В с датчика ДППА А / ДППА В. При
полностью нажатой педали акселератора параметр АЦП сигнала ДППА А должен находить-
ся в диапазоне 4,19…4,59 В, параметр АЦП сигнала ДППА В должен находиться в диапазо-
не 2,095…2,295 В.
Код Р2123 Цепь датчика положения педали А, высокий уровень сигнала
1 Подключить диагностический прибор. Включить зажигание. Несколько раз на-
жать педаль акселератора. Выбрать на приборе режим "Коды неисправностей".
Проверить, активен ли код неисправности в данный момент?
↓ ↓
Да Нет
↓ ↓
↓
↓
Код Р2123 - непостоянный. В случае отсутствия других кодов - см. "Непо-
стоянные неисправности", раздел 2.7В.
↓
2 Выключить зажигание. Отсоединить колодку от ДППА. Включить зажигание.
Вольтметром измерить напряжение на контакте "4" колодки к ДППА - см. "Изме-
рение напряжения на контактах жгута проводов", раздел 2.7В.
Напряжение должно быть 0 В. Так ли это?
↓ ↓
Да Нет → Переход на проверку 4.
↓
3 Выключить зажигание. Пробником, соединенным с "+" АКБ, проверить контакт
"3" колодки к ДППА. Загорается ли лампа пробника?
↓ ↓
Нет Да → Неисправен блок ЭПА.
↓
3 Отсоединить колодку Х1.1 от контроллера. Выполнить проверку электрической
цепи от контакта "Х1.1/D5" колодки к контроллеру до контакта "3" колодки к
ДППА на отсутствие обрыва – см. "Проверки целостности электрической цепи",
раздел 2.7В. Цепь исправна?
↓ ↓
Да Нет → Устранить неисправность цепи.
↓
Неисправен контроллер.
4 Заменить контроллер на заведомо исправный, и повторно выполнить проверку 2.
Напряжение должно быть 0 В. Так ли это?
↓ ↓
Нет Да → Неисправен бывший контроллер.
↓
Замыкание сигнальной цепи на источник питания.
После ремонта запустить двигатель, сбросить коды и убедиться в отсутствии не-
исправности.
http://vnx.su/
ГОСТ 3.1105-84
Лист 262Дубликат
Взам.
Подп.
3100.25100.12056
ТИ Технологическая инструкция
ОАО "АВТОВАЗ"
ИзмЛист№документаПодписьДатаИзм.Лист№документаПодписьДата
Код Р2127
Цепь датчика положения педали В, низкий уровень сигнала
Код Р2127 заносится, если:
- зажигание включено;
- сигнал датчика положения педали акселератора В (параметр АЦП "Напряжение
датчика педали акселератора 2") меньше 0,16 В в течение 0,2 с.
Сигнализатор неисправностей загорается через 5 c после возникновения кода неис-
правности.
Описание проверок
Последовательность соответствует цифрам на карте.
1 С помощью диагностического прибора проверяется, активен ли код Р2127 в момент
диагностики.
2 Выполняется проверка контроллера: на контакт "1" колодки к ДППА должно посту-
пать опорное напряжение 5 В с контроллера.
3 Выполняется проверка сигнальной цепи на наличие обрыва или замыкания на массу.
4 Выполняется проверка контроллера: при перемыкании контактов "1" и "6" колодки к
ДППА с помощью пробника сигнал ДППА В на диагностическом приборе должен изме-
няться.
Диагностическая информация
При обнаружении неисправности цепи ДППА В система управления двигателем будет
работать в аварийном режиме до конца текущей поездки.
Возможны следующие аварийные режимы:
- ограничение мощности двигателя, если исправна цепь ДППА А;
- холостой ход, если неисправны цепи ДППА А и ДППА В.
Диагностический прибор в режиме "Мониторинг сигналов" показывает сигналы
ДППА А (параметр АЦП "Напряжение датчика педали акселератора 1") и ДППА В (па-
раметр АЦП "Напряжение датчика педали акселератора 2") в вольтах.
Сигналы ДППА А и ДППА В увеличиваются пропорционально нажатию педали аксе-
лератора. При любом положении педали акселератора сигнал ДППА А должен быть в два
раза больше сигнала ДППА В.
При отпущенной педали акселератора сигнал ДППА А должен находится в диапазоне
0,50…0,85 В, сигнал ДППА В должен находится в диапазоне 0,25…0,43 В.
http://vnx.su/
ГОСТ 3.1105-84
Лист 263
Дубликат
Взам.
Подп.
3100.25100.12056
ТИ Технологическая инструкция
ОАО "АВТОВАЗ"
ИзмЛист№документаПодписьДатаИзм.Лист№документаПодписьДата
Для расчета положения педали акселератора, выраженного в процентах (параметр
"Положение педали акселератора"), используется минимальный сигнал из UДППАА и 2 ×
UДППАВ.
При каждом включении зажигания, контроллер определяет нулевое положение педали
акселератора. Значение 100 % педали акселератора (параметр "Положение педали акселе-
ратора") достигается при напряжении 3,50 В / 1,75 В с датчика ДППА А / ДППА В. При
полностью нажатой педали акселератора параметр АЦП сигнала ДППА А должен находить-
ся в диапазоне 4,19…4,59 В, параметр АЦП сигнала ДППА В должен находиться в диапазо-
не 2,095…2,295 В.
Код Р2127 Цепь датчика положения педали В, низкий уровень сигнала
1 Подключить диагностический прибор. Включить зажигание. Несколько раз на-
жать педаль акселератора. Выбрать на приборе режим "Коды неисправностей".
Проверить, активен ли код неисправности в данный момент?
↓ ↓
Да Нет
↓ ↓
↓
↓
Код Р2127 - непостоянный. В случае отсутствия других кодов - см. "Непо-
стоянные неисправности", раздел 2.7В.
↓
2 Выключить зажигание. Отсоединить колодку от ДППА. Включить зажигание.
Вольтметром измерить напряжение на контакте "1" колодки к ДППА - см. "Изме-
рение напряжения на контактах жгута проводов", раздел 2.7В.
Напряжение должно быть 5 В ± 10%. Так ли это?
↓ ↓
Да Нет
↓ ↓
↓
↓
↓
↓
↓
Выключить зажигание. Отсоединить колодку Х1.1 от контроллера. Выпол-
нить проверки электрической цепи от контакта "Х1.1/Е2" колодки к кон-
троллеру до контакта "1" колодки к ДППА на отсутствие обрыва и замыка-
ния на массу – см. "Проверки электрических цепей", раздел 2.7В.
Если цепь исправна, то неисправен контроллер.
↓
3 Выключить зажигание. Отсоединить колодку Х1.1 от контроллера. Выполнить
проверки электрической цепи от контакта "Х1.1/Е4" колодки к контроллеру до
контакта "6" колодки к ДППА на отсутствие обрыва и замыкания на массу – см.
"Проверки электрических цепей", раздел 2.7В. Цепь исправна?
↓ ↓
Да Нет → Устранить неисправность цепи.
↓
4 Присоединить колодку Х1.1 к контроллеру. Включить зажигание. Пробником пе-
ремкнуть контакты "1" и "6" колодки к ЭДП. На диагностическом приборе в ре-
жиме "Мониторинг сигналов; Параметры АЦП" проверить напряжение ДППА В.
Напряжение ДППА В равно 5 В?
↓ ↓
Да Нет → Неисправен контроллер.
↓
Неисправен ДППА В. Заменить блок ЭПА.
После ремонта запустить двигатель, сбросить коды и убедиться в отсутствии не-
исправности.
http://vnx.su/
ГОСТ 3.1105-84
Лист 264Дубликат
Взам.
Подп.
3100.25100.12056
ТИ Технологическая инструкция
ОАО "АВТОВАЗ"
ИзмЛист№документаПодписьДатаИзм.Лист№документаПодписьДата
Код Р2128
Цепь датчика положения педали В, высокий уровень сигнала
Код Р2128 заносится, если:
- зажигание включено;
- сигнал датчика положения педали акселератора В (параметр АЦП "Напряжение
датчика педали акселератора 2") больше 2,39 В в течение 0,2 с.
Сигнализатор неисправностей загорается через 5 c после возникновения кода неис-
правности.
Описание проверок
Последовательность соответствует цифрам на карте.
1 С помощью диагностического прибора проверяется, активен ли код Р2128 в момент
диагностики.
2 Выполняется проверка напряжения в сигнальной цепи ДППА В с отключенным дат-
чиком. Напряжение должно быть около 0 В.
3 Выполняется проверка цепи массы ДППА В на наличие обрыва.
4 Повторно выполняется проверка напряжения в сигнальной цепи ДППА В после за-
мены контроллера.
Диагностическая информация
При обнаружении неисправности цепи ДППА В система управления двигателем будет
работать в аварийном режиме до конца текущей поездки.
Возможны следующие аварийные режимы:
- ограничение мощности двигателя, если исправна цепь ДППА А;
- холостой ход, если неисправны цепи ДППА А и ДППА В.
Диагностический прибор в режиме "Мониторинг сигналов" показывает сигналы
ДППА А (параметр АЦП "Напряжение датчика педали акселератора 1") и ДППА В (па-
раметр АЦП "Напряжение датчика педали акселератора 2") в вольтах.
Сигналы ДППА А и ДППА В увеличиваются пропорционально нажатию педали аксе-
лератора. При любом положении педали акселератора сигнал ДППА А должен быть в два
раза больше сигнала ДППА В.
При отпущенной педали акселератора сигнал ДППА А должен находится в диапазоне
0,50…0,85 В, сигнал ДППА В должен находится в диапазоне 0,25…0,43 В.
Для расчета положения педали акселератора, выраженного в процентах (параметр
"Положение педали акселератора"), используется минимальный сигнал из UДППАА и 2 ×
UДППАВ.
http://vnx.su/
ГОСТ 3.1105-84
Лист 265
Дубликат
Взам.
Подп.
3100.25100.12056
ТИ Технологическая инструкция
ОАО "АВТОВАЗ"
ИзмЛист№документаПодписьДатаИзм.Лист№документаПодписьДата
При каждом включении зажигания, контроллер определяет нулевое положение педали
акселератора. Значение 100 % педали акселератора (параметр "Положение педали акселе-
ратора") достигается при напряжении 3,50 В / 1,75 В с датчика ДППА А / ДППА В. При
полностью нажатой педали акселератора параметр АЦП сигнала ДППА А должен находить-
ся в диапазоне 4,19…4,59 В, параметр АЦП сигнала ДППА В должен находиться в диапазо-
не 2,095…2,295 В.
Код Р2128 Цепь датчика положения педали В, высокий уровень сигнала
1 Подключить диагностический прибор. Включить зажигание. Несколько раз на-
жать педаль акселератора. Выбрать на приборе режим "Коды неисправностей".
Проверить, активен ли код неисправности в данный момент?
↓ ↓
Да Нет
↓ ↓
↓
↓
Код Р2128 - непостоянный. В случае отсутствия других кодов - см. "Непо-
стоянные неисправности", раздел 2.7В.
↓
2 Выключить зажигание. Отсоединить колодку от ДППА. Включить зажигание.
Вольтметром измерить напряжение на контакте "6" колодки к ДППА - см. "Изме-
рение напряжения на контактах жгута проводов", раздел 2.7В.
Напряжение должно быть 0 В. Так ли это?
↓ ↓
Да Нет → Переход на проверку 4.
↓
3 Выключить зажигание. Пробником, соединенным с "+" АКБ, проверить контакт
"5" колодки к ДППА. Загорается ли лампа пробника?
↓ ↓
Нет Да → Неисправен блок ЭПА.
↓
3 Отсоединить колодку Х1.1 от контроллера. Выполнить проверку электрической
цепи от контакта "Х1.1/Е5" колодки к контроллеру до контакта "5" колодки к
ДППА на отсутствие обрыва – см. "Проверки целостности электрической цепи",
раздел 2.7В. Цепь исправна?
↓ ↓
Да Нет → Устранить неисправность цепи.
↓
Неисправен контроллер.
4 Заменить контроллер на заведомо исправный, и повторно выполнить проверку 2.
Напряжение должно быть 0 В. Так ли это?
↓ ↓
Нет Да → Неисправен бывший контроллер.
↓
Замыкание сигнальной цепи на источник питания.
После ремонта запустить двигатель, сбросить коды и убедиться в отсутствии не-
исправности.
http://vnx.su/
ГОСТ 3.1105-84
Лист 266Дубликат
Взам.
Подп.
3100.25100.12056
ТИ Технологическая инструкция
ОАО "АВТОВАЗ"
ИзмЛист№документаПодписьДатаИзм.Лист№документаПодписьДата
Код Р2135
Датчики "А" / "В" положения дроссельной заслонки, рассогласование сигналов
Код Р2135 заносится, если:
- зажигание включено;
- сигналы ДПДЗ А и ДПДЗ В отличаются более чем на 6% в течение 0,3 с.
Сигнализатор неисправностей загорается через 5 c после возникновения кода неис-
правности.
Описание проверок
Последовательность соответствует цифрам на карте.
1 С помощью диагностического прибора проверяется, активен ли код Р2135 в момент
диагностики.
2 Выполняется проверка цепей ДПДЗ А и ДПДЗ В на наличие обрыва.
3 Измеряется сопротивление сигнальных цепей ДПДЗ А и ДПДЗ В (контакты "6" и
"3") относительно массы автомобиля.
4 Измеряется сопротивление цепи массы ДПДЗ (контакт "4") относительно массы ав-
томобиля.
5 Измеряется напряжение в цепях ДПДЗ относительно массы автомобиля.
6 Повторно измеряется напряжение в цепях ДПДЗ относительно массы автомобиля
при замененном контроллере.
7 Повторно измеряется сопротивление сигнальных цепей ДПДЗ А и ДПДЗ В (контак-
ты "6" и "3") относительно массы автомобиля при замененном контроллере.
Диагностическая информация
Диагностический прибор в режиме "Мониторинг сигналов" показывает сигналы
ДПДЗ А (параметр АЦП "Напряжение датчика дроссельной заслонки 1") и ДПДЗ В (па-
раметр АЦП "Напряжение датчика дроссельной заслонки 2") в вольтах.
При открытии дроссельной заслонки сигнал ДПДЗ А увеличивается, сигнал ДПДЗ В
уменьшается.
При полностью закрытой дроссельной заслонке сигнал ДПДЗ А должен находится в
диапазоне 0,30…0,58 В, сигнал ДПДЗ В должен находится в диапазоне 4,42…4,70 В.
Сумма сигналов ДПДЗ А и ДПДЗ В должна быть равна (5±0,1) В при любом положе-
нии дроссельной заслонки.
Контроллер пересчитывает напряжение сигналов ДПДЗ А и ДПДЗ В в процент откры-
тия дроссельной заслонки.
http://vnx.su/
ГОСТ 3.1105-84
Лист 267
Дубликат
Взам.
Подп.
3100.25100.12056
ТИ Технологическая инструкция
ОАО "АВТОВАЗ"
ИзмЛист№документаПодписьДатаИзм.Лист№документаПодписьДата
Диагностический прибор в режиме "Мониторинг сигналов" отображает процент от-
крытия дроссельной заслонки (параметр "Положение дроссельной заслонки"), который
рассчитывается как среднее арифметическое сигналов ДПДЗ А (%) и ДПДЗ В (%). 0 % соот-
ветствует полностью закрытой дроссельной заслонке. 100 % соответствует максимальному
открытию дроссельной заслонки.
Для контроля рассогласования используются сигналы ДПДЗ А (%) и ДПДЗ В (%).
При обнаружении рассогласования сигналов ДПДЗ А и ДПДЗ В система управления
двигателем будет работать в аварийном режиме до конца текущей поездки.
Возможны следующие аварийные режимы:
- ограничение мощности двигателя, если контроллер определил, какой из датчиков
неисправен;
- обесточивание электропривода дроссельной заслонки и ограничение оборотов дви-
гателя (2500 об/мин), если контроллер не доверяет сигналам обоих датчиков.
Если электропривод дроссельной заслонки обесточен, с помощью прямой и возврат-
ной пружин дроссельная заслонка удерживается в положении Limp home (6-7%).
В случае замены ЭДП или контроллера ЭСУД, или сброса контроллера с помощью
диагностического прибора (режим "Тест функций; Сброс ЭБУ с инициализацией") необхо-
димо выполнить процедуру адаптации нуля дроссельной заслонки.
Для этого на стоящем автомобиле необходимо включить зажигание, выждать 30 с,
выключить зажигание, дождаться отключения главного реле.
Адаптация будет прервана, если:
- прокручивается двигатель;
- автомобиль движется;
- нажата педаль акселератора;
- температура двигателя ниже 5 °С или выше 100 °С;
- температура окружающего воздуха ниже 5 °С.
http://vnx.su/
ГОСТ 3.1105-84
Лист 268Дубликат
Взам.
Подп.
3100.25100.12056
ТИ Технологическая инструкция
ОАО "АВТОВАЗ"
ИзмЛист№документаПодписьДатаИзм.Лист№документаПодписьДата
Код Р2135 Датчики "А" / "В" положения дроссельной заслонки, рассогласование сигна-
лов
1 Подключить диагностический прибор. Включить зажигание. Несколько раз плав-
но нажать педаль акселератора. Выбрать на приборе режим "Коды неисправно-
стей". Проверить, активен ли код неисправности в данный момент?
↓ ↓
Да Нет
↓ ↓
↓
↓
Код Р2135 - непостоянный. В случае отсутствия других кодов - см. "Непо-
стоянные неисправности", раздел 2.7В.
↓
2 Выключить зажигание. Отсоединить колодку от ЭДП. Отсоединить колодку Х1.2
от контроллера. Выполнить проверку электрических цепей от контактов
"Х1.2/G2", "X1.2/E3", "X1.2/G3", "X1.2/F5" колодки к контроллеру до контактов
"3", "5", "6", "4" колодки к ЭДП соответственно на отсутствие обрыва – см. "Про-
верки целостности электрической цепи", раздел 2.7В. Цепи исправны?
↓ ↓
Да Нет → Неисправен жгут проводов.
↓
3 Присоединить колодку Х1.2 к контроллеру. Омметром измерить сопротивления
между контактами "6" и "3" колодки к ЭДП и массой автомобиля.
R 6-масса = 169 кОм ± 5%; R 3-масса = 169 кОм ± 5%.
Соответствуют ли измеренные значения приведённым выше?
↓ ↓
Да Нет → Переход на проверку 7.
↓
4 Омметром измерить сопротивление между контактом "4" колодки к ЭДП и массой
автомобиля. R 4-масса < 1 Ом.
Соответствует ли измеренное значение приведённому выше?
↓ ↓
Да Нет
↓ ↓
↓
↓
↓
Проверить подключение цепей массы системы управления двигателем к ку-
зову автомобиля в соответствии с разделом 2.7В, "Проверки электрических
цепей".
↓
5 Включить зажигание. Вольтметром измерить напряжение на контактах "4", "6",
"3", "5" колодки к ЭДП относительно массы автомобиля - см. "Измерение напря-
жения на контактах жгута проводов", раздел 2.7В.
U 4-масса = 0 В; U 6-масса = 0 В; U 3-масса = 0 В; U 5-масса = 5 В ± 10%.
Соответствуют ли измеренные значения приведённым выше?
↓ ↓
Нет Да → Неисправен ЭДП.
↓
6 Заменить контроллер на заведомо исправный, и повторно выполнить проверку 5.
Соответствуют ли измеренные значения приведённым выше?
↓ ↓
Нет Да → Неисправен бывший контроллер.
↓
Неисправен жгут проводов.
http://vnx.su/
ГОСТ 3.1105-84
Лист 269
Дубликат
Взам.
Подп.
3100.25100.12056
ТИ Технологическая инструкция
ОАО "АВТОВАЗ"
ИзмЛист№документаПодписьДатаИзм.Лист№документаПодписьДата
7 Заменить контроллер на заведомо исправный и повторно выполнить проверку 3.
Соответствуют ли измеренные значения приведённым выше?
↓ ↓
Нет Да → Неисправен бывший контроллер.
↓
Неисправен жгут проводов.
После ремонта запустить двигатель, сбросить коды и убедиться в отсутствии не-
исправности.
http://vnx.su/
ГОСТ 3.1105-84
Лист 270Дубликат
Взам.
Подп.
3100.25100.12056
ТИ Технологическая инструкция
ОАО "АВТОВАЗ"
ИзмЛист№документаПодписьДатаИзм.Лист№документаПодписьДата
Код Р2138
Датчики "А" / "В" положения педали акселератора, рассогласование сигналов
Код Р2138 заносится, если:
- зажигание включено;
- уменьшенный в два раза сигнал датчика положения педали акселератора A (пара-
метр АЦП "Напряжение датчика педали акселератора 1" / 2) и сигнал датчика положе-
ния педали акселератора В (параметр АЦП "Напряжение датчика педали акселератора
2") отличаются на величину порога в течение 0,25 с.
Сигнализатор неисправностей загорается через 5 c после возникновения кода неис-
правности.
Описание проверок
Последовательность соответствует цифрам на карте.
1 С помощью диагностического прибора проверяется, активен ли код Р2138 в момент
диагностики.
2 Выполняется проверка цепей ДППА А и ДППА В на наличие обрыва.
3 Измеряется сопротивление сигнальных цепей ДППА А и ДППА В (контакты "4" и
"6") относительно массы автомобиля.
4 Измеряется сопротивление цепи массы ДППА А и ДППА В (контакты "3" и "5") от-
носительно массы автомобиля.
5 Измеряется напряжение в цепях ДППА относительно массы автомобиля.
6 Повторно измеряется напряжение в цепях ДППА относительно массы автомобиля
при замененном контроллере.
7 Повторно измеряется сопротивление сигнальных цепей ДППА А и ДППА В (кон-
такты "4" и "6") относительно массы автомобиля при замененном контроллере.
Диагностическая информация
При обнаружении рассогласования сигналов ДППА А и ДППА В система управления
двигателем будет работать в аварийном режиме до конца текущей поездки.
Диагностический прибор в режиме "Мониторинг сигналов" показывает сигналы
ДППА А (параметр АЦП "Напряжение датчика педали акселератора 1") и ДППА В (па-
раметр АЦП "Напряжение датчика педали акселератора 2") в вольтах.
Сигналы ДППА А и ДППА В увеличиваются пропорционально нажатию педали аксе-
лератора. При любом положении педали акселератора сигнал ДППА А должен быть в два
раза больше сигнала ДППА В.
http://vnx.su/
ГОСТ 3.1105-84
Лист 271
Дубликат
Взам.
Подп.
3100.25100.12056
ТИ Технологическая инструкция
ОАО "АВТОВАЗ"
ИзмЛист№документаПодписьДатаИзм.Лист№документаПодписьДата
При отпущенной педали акселератора сигнал ДППА А должен находится в диапазоне
0,50…0,85 В, сигнал ДППА В должен находится в диапазоне 0,25…0,43 В.
Для расчета положения педали акселератора, выраженного в процентах (параметр
"Положение педали акселератора"), используется минимальный сигнал из UДППАА и 2 ×
UДППАВ.
При каждом включении зажигания, контроллер определяет нулевое положение педали
акселератора. Значение 100 % педали акселератора (параметр "Положение педали акселе-
ратора") достигается при напряжении 3,50 В / 1,75 В с датчика ДППА А / ДППА В. При
полностью нажатой педали акселератора параметр АЦП сигнала ДППА А должен находить-
ся в диапазоне 4,19…4,59 В, параметр АЦП сигнала ДППА В должен находиться в диапазо-
не 2,095…2,295 В.
http://vnx.su/
ГОСТ 3.1105-84
Лист 272Дубликат
Взам.
Подп.
3100.25100.12056
ТИ Технологическая инструкция
ОАО "АВТОВАЗ"
ИзмЛист№документаПодписьДатаИзм.Лист№документаПодписьДата
Код Р2138 Датчики "А" / "В" положения педали акселератора, рассогласование сигна-
лов
1 Подключить диагностический прибор. Включить зажигание. Несколько раз плав-
но нажать педаль акселератора. Выбрать на приборе режим "Коды неисправно-
стей". Проверить, активен ли код неисправности в данный момент?
↓ ↓
Да Нет
↓ ↓
↓
↓
Код Р2138 - непостоянный. В случае отсутствия других кодов - см. "Непо-
стоянные неисправности", раздел 2.7В.
↓
2 Выключить зажигание. Отсоединить колодку от ДППА. Отсоединить колодку
Х1.1 от контроллера. Выполнить проверку электрических цепей от контактов
"Х1.1/Е5", "X1.1/Е4", "X1.1/Е2", "X1.1/D5", "X1.1/D4", "X1.1/D2" колодки к кон-
троллеру до контактов "5", "6", "1", "3", "4", "2" колодки к ДППА соответственно
на отсутствие обрыва – см. "Проверки целостности электрической цепи", раздел
2.7В. Цепи исправны?
↓ ↓
Да Нет → Неисправен жгут проводов.
↓
3 Присоединить колодку Х1.1 к контроллеру. Омметром измерить сопротивления
между контактами "4" и "6" колодки к ДППА и массой автомобиля.
R 4-масса = 511 кОм ± 5%; R 6-масса = 511 кОм ± 5%.
Соответствуют ли измеренные значения приведённым выше?
↓ ↓
Да Нет → Переход на проверку 7.
↓
4 Омметром измерить сопротивления между контактами "3" и "5" колодки к ДППА
и массой автомобиля. R 3-масса < 1 Ом; R 5-масса < 1 Ом.
Соответствует ли измеренные значения приведённым выше?
↓ ↓
Да Нет
↓ ↓
↓
↓
↓
Проверить подключение цепей массы системы управления двигателем к ку-
зову автомобиля в соответствии с разделом 2.7В, "Проверки электрических
цепей".
↓
5 Включить зажигание. Вольтметром измерить напряжение на контактах "1", "2",
"3", "4", "5", "6" колодки к ДППА относительно массы автомобиля - см. "Измере-
ние напряжения на контактах жгута проводов", раздел 2.7В.
U 3-масса = 0 В; U 4-масса = 0 В; U 5-масса = 0 В; U 6-масса = 0 В;U 1-масса = 5 В ± 10%;
U 2-масса = 5 В ± 10%. Соответствуют ли измеренные значения приведённым выше?
↓ ↓
Нет Да → Неисправен блок ЭПА.
↓
6 Заменить контроллер на заведомо исправный и повторно выполнить проверку 5.
Соответствуют ли измеренные значения приведённым выше?
↓ ↓
Нет Да → Неисправен бывший контроллер.
↓
↓
http://vnx.su/
ГОСТ 3.1105-84
Лист 273
Дубликат
Взам.
Подп.
3100.25100.12056
ТИ Технологическая инструкция
ОАО "АВТОВАЗ"
ИзмЛист№документаПодписьДатаИзм.Лист№документаПодписьДата
↓
Неисправен жгут проводов.
7 Заменить контроллер на заведомо исправный и повторно выполнить проверку 3.
Соответствуют ли измеренные значения приведённым выше?
↓ ↓
Нет Да → Неисправен бывший контроллер.
↓
Неисправен жгут проводов.
После ремонта запустить двигатель, сбросить коды и убедиться в отсутствии не-
исправности.
http://vnx.su/
ГОСТ 3.1105-84
Лист 274Дубликат
Взам.
Подп.
3100.25100.12056
ТИ Технологическая инструкция
ОАО "АВТОВАЗ"
ИзмЛист№документаПодписьДатаИзм.Лист№документаПодписьДата
Код Р2176
Система управления приводом дроссельной заслонки, адаптация положения нуля за-
слонки не выполнена
Код Р2176 заносится, если:
- зажигание включено;
- адаптация положения нуля дроссельной заслонки не была выполнена ни разу.
Сигнализатор неисправностей загорается через 5 c после возникновения кода неис-
правности.
Описание проверок
Последовательность соответствует цифрам на карте.
1 С помощью диагностического прибора проверяется, активен ли код Р2176 в момент
диагностики. Если код неактивен, и одновременно в памяти контроллера отсутствуют коды
Р0122, Р0123, Р0222, Р0223, Р2135, Р1545, Р1558, Р1559, то необходимо стереть код Р2176 с
помощью диагностического прибора.
2 Выполняется проверка механических и электрических узлов дроссельного патрубка.
3 Выполняется проверка цепей управления электроприводом дроссельной заслонки.
Диагностическая информация
При обнаружении неисправности Р2176 система управления двигателем будет рабо-
тать в аварийном режиме до конца текущей поездки:
- электропривод дроссельной заслонки обесточен;
- ограничение оборотов двигателя (до 2500 об/мин в зависимости от положения педа-
ли акселератора).
Диагностический прибор в режиме "Мониторинг сигналов" отображает процент от-
крытия дроссельной заслонки (параметр "Положение дроссельной заслонки").
При включении зажигания контроллер проводит:
- тест возвратной пружины;
- проверку положения заслонки при обесточенном электроприводе;
- адаптацию нуля положения дроссельной заслонки;
- тест прямой пружины.
Если контроллер новый (адаптация проводится в первый раз), то все вышеописанные
процедуры выполняются сразу после включения зажигания в течение 1,5 секунд.
Если контроллер был обучен ранее, то сразу после включения зажигания выполняется
тест возвратной пружины. Остальные процедуры будут выполнены в течение следующих
30 секунд, если в это время не будет нарушено ни одно из условий:
http://vnx.su/
ГОСТ 3.1105-84
Лист 275
Дубликат
Взам.
Подп.
3100.25100.12056
ТИ Технологическая инструкция
ОАО "АВТОВАЗ"
ИзмЛист№документаПодписьДатаИзм.Лист№документаПодписьДата
- двигатель не прокручивается;
- автомобиль не движется;
- педаль акселератора не нажата;
- температура двигателя выше 5 °С и ниже 100 °С;
- температура окружающего воздуха выше 5 °С.
Код Р2176 указывает на то, что первое обучение контроллера было прервано по сле-
дующим причинам:
- нарушение условий проведения адаптации (см. выше);
- неисправность дроссельного патрубка;
- неисправность жгута проводов;
- неисправность контроллера.
Если электропривод дроссельной заслонки обесточен, с помощью прямой и возврат-
ной пружин дроссельная заслонка удерживается в положении Limp home (6-7%).
http://vnx.su/
ГОСТ 3.1105-84
Лист 276Дубликат
Взам.
Подп.
3100.25100.12056
ТИ Технологическая инструкция
ОАО "АВТОВАЗ"
ИзмЛист№документаПодписьДатаИзм.Лист№документаПодписьДата
Код Р2176 Система управления приводом дроссельной заслонки, адаптация положения
нуля заслонки не выполнена
1 Подключить диагностический прибор. Включить зажигание.
Выбрать на диагностическом приборе режим "Коды неисправностей".
Проверить, активен ли код неисправности в данный момент?
↓ ↓
Да Нет
↓ ↓
↓
↓
↓
Если в памяти контроллера присутствуют коды Р0122, Р0123, Р0222, Р0223,
Р2135, Р1545, Р1558, Р1559, перейти к соответствующим диагностическим
картам. Если вышеперечисленных кодов нет, стереть код Р2176 из памяти
контроллера.
↓
2 Выключить зажигание. Демонтировать ЭДП.
Проверить разъём ЭДП на наличие следующих повреждений:
- грязь, влага, следы коррозии на контактах;
- деформированные контакты;
- трещины, сколы, следы оплавления на разъёме.
Проверить цепь электродвигателя (клеммы "1", "2") на отсутствие обрыва.
Визуально осмотреть ЭДП, полностью открыть / закрыть дроссельную заслонку.
Проверить наличие следующих повреждений:
- деформация дроссельной заслонки;
- подклинивание дроссельной заслонки в каком-либо положении;
- дроссельная заслонка не закрывается до нулевого положения;
- грязь внутри дроссельного патрубка.
Повреждения обнаружены?
↓ ↓
Нет Да
↓ ↓
↓
↓
↓
Устранить повреждения, если это возможно, или заменить ЭДП на заведомо
исправный. Выполнить процедуру адаптации нуля дроссельной заслонки и
убедиться в отсутствии неисправности.
↓
3 Отсоединить колодку Х1.2 от контроллера. В
Vnx.su vesta-technologic-instruction
Vnx.su vesta-technologic-instruction
Vnx.su vesta-technologic-instruction
Vnx.su vesta-technologic-instruction
Vnx.su vesta-technologic-instruction
Vnx.su vesta-technologic-instruction
Vnx.su vesta-technologic-instruction
Vnx.su vesta-technologic-instruction
Vnx.su vesta-technologic-instruction
Vnx.su vesta-technologic-instruction
Vnx.su vesta-technologic-instruction
Vnx.su vesta-technologic-instruction
Vnx.su vesta-technologic-instruction
Vnx.su vesta-technologic-instruction
Vnx.su vesta-technologic-instruction
Vnx.su vesta-technologic-instruction
Vnx.su vesta-technologic-instruction
Vnx.su vesta-technologic-instruction
Vnx.su vesta-technologic-instruction
Vnx.su vesta-technologic-instruction
Vnx.su vesta-technologic-instruction
Vnx.su vesta-technologic-instruction
Vnx.su vesta-technologic-instruction
Vnx.su vesta-technologic-instruction
Vnx.su vesta-technologic-instruction
Vnx.su vesta-technologic-instruction
Vnx.su vesta-technologic-instruction
Vnx.su vesta-technologic-instruction
Vnx.su vesta-technologic-instruction
Vnx.su vesta-technologic-instruction
Vnx.su vesta-technologic-instruction
Vnx.su vesta-technologic-instruction
Vnx.su vesta-technologic-instruction
Vnx.su vesta-technologic-instruction
Vnx.su vesta-technologic-instruction
Vnx.su vesta-technologic-instruction
Vnx.su vesta-technologic-instruction
Vnx.su vesta-technologic-instruction
Vnx.su vesta-technologic-instruction
Vnx.su vesta-technologic-instruction
Vnx.su vesta-technologic-instruction
Vnx.su vesta-technologic-instruction
Vnx.su vesta-technologic-instruction
Vnx.su vesta-technologic-instruction
Vnx.su vesta-technologic-instruction
Vnx.su vesta-technologic-instruction
Vnx.su vesta-technologic-instruction
Vnx.su vesta-technologic-instruction
Vnx.su vesta-technologic-instruction
Vnx.su vesta-technologic-instruction
Vnx.su vesta-technologic-instruction
Vnx.su vesta-technologic-instruction
Vnx.su vesta-technologic-instruction
Vnx.su vesta-technologic-instruction
Vnx.su vesta-technologic-instruction
Vnx.su vesta-technologic-instruction
Vnx.su vesta-technologic-instruction
Vnx.su vesta-technologic-instruction
Vnx.su vesta-technologic-instruction
Vnx.su vesta-technologic-instruction
Vnx.su vesta-technologic-instruction
Vnx.su vesta-technologic-instruction
Vnx.su vesta-technologic-instruction
Vnx.su vesta-technologic-instruction
Vnx.su vesta-technologic-instruction
Vnx.su vesta-technologic-instruction
Vnx.su vesta-technologic-instruction
Vnx.su vesta-technologic-instruction
Vnx.su vesta-technologic-instruction
Vnx.su vesta-technologic-instruction
Vnx.su vesta-technologic-instruction
Vnx.su vesta-technologic-instruction
Vnx.su vesta-technologic-instruction
Vnx.su vesta-technologic-instruction
Vnx.su vesta-technologic-instruction
Vnx.su vesta-technologic-instruction
Vnx.su vesta-technologic-instruction
Vnx.su vesta-technologic-instruction
Vnx.su vesta-technologic-instruction
Vnx.su vesta-technologic-instruction
Vnx.su vesta-technologic-instruction
Vnx.su vesta-technologic-instruction
Vnx.su vesta-technologic-instruction
Vnx.su vesta-technologic-instruction
Vnx.su vesta-technologic-instruction
Vnx.su vesta-technologic-instruction
Vnx.su vesta-technologic-instruction
Vnx.su vesta-technologic-instruction
Vnx.su vesta-technologic-instruction
Vnx.su vesta-technologic-instruction
Vnx.su vesta-technologic-instruction
Vnx.su vesta-technologic-instruction
Vnx.su vesta-technologic-instruction
Vnx.su vesta-technologic-instruction
Vnx.su vesta-technologic-instruction
Vnx.su vesta-technologic-instruction
Vnx.su vesta-technologic-instruction
Vnx.su vesta-technologic-instruction
Vnx.su vesta-technologic-instruction
Vnx.su vesta-technologic-instruction
Vnx.su vesta-technologic-instruction
Vnx.su vesta-technologic-instruction
Vnx.su vesta-technologic-instruction
Vnx.su vesta-technologic-instruction
Vnx.su vesta-technologic-instruction
Vnx.su vesta-technologic-instruction
Vnx.su vesta-technologic-instruction
Vnx.su vesta-technologic-instruction
Vnx.su vesta-technologic-instruction
Vnx.su vesta-technologic-instruction
Vnx.su vesta-technologic-instruction
Vnx.su vesta-technologic-instruction
Vnx.su vesta-technologic-instruction
Vnx.su vesta-technologic-instruction
Vnx.su vesta-technologic-instruction
Vnx.su vesta-technologic-instruction
Vnx.su vesta-technologic-instruction
Vnx.su vesta-technologic-instruction
Vnx.su vesta-technologic-instruction
Vnx.su vesta-technologic-instruction
Vnx.su vesta-technologic-instruction
Vnx.su vesta-technologic-instruction
Vnx.su vesta-technologic-instruction
Vnx.su vesta-technologic-instruction
Vnx.su vesta-technologic-instruction
Vnx.su vesta-technologic-instruction
Vnx.su vesta-technologic-instruction
Vnx.su vesta-technologic-instruction
Vnx.su vesta-technologic-instruction
Vnx.su vesta-technologic-instruction
Vnx.su vesta-technologic-instruction
Vnx.su vesta-technologic-instruction
Vnx.su vesta-technologic-instruction
Vnx.su vesta-technologic-instruction
Vnx.su vesta-technologic-instruction
Vnx.su vesta-technologic-instruction
Vnx.su vesta-technologic-instruction
Vnx.su vesta-technologic-instruction
Vnx.su vesta-technologic-instruction
Vnx.su vesta-technologic-instruction
Vnx.su vesta-technologic-instruction
Vnx.su vesta-technologic-instruction
Vnx.su vesta-technologic-instruction
Vnx.su vesta-technologic-instruction
Vnx.su vesta-technologic-instruction
Vnx.su vesta-technologic-instruction
Vnx.su vesta-technologic-instruction
Vnx.su vesta-technologic-instruction
Vnx.su vesta-technologic-instruction
Vnx.su vesta-technologic-instruction
Vnx.su vesta-technologic-instruction
Vnx.su vesta-technologic-instruction
Vnx.su vesta-technologic-instruction
Vnx.su vesta-technologic-instruction
Vnx.su vesta-technologic-instruction
Vnx.su vesta-technologic-instruction
Vnx.su vesta-technologic-instruction
Vnx.su vesta-technologic-instruction
Vnx.su vesta-technologic-instruction
Vnx.su vesta-technologic-instruction
Vnx.su vesta-technologic-instruction
Vnx.su vesta-technologic-instruction
Vnx.su vesta-technologic-instruction
Vnx.su vesta-technologic-instruction
Vnx.su vesta-technologic-instruction
Vnx.su vesta-technologic-instruction
Vnx.su vesta-technologic-instruction
Vnx.su vesta-technologic-instruction
Vnx.su vesta-technologic-instruction
Vnx.su vesta-technologic-instruction
Vnx.su vesta-technologic-instruction
Vnx.su vesta-technologic-instruction
Vnx.su vesta-technologic-instruction
Vnx.su vesta-technologic-instruction
Vnx.su vesta-technologic-instruction
Vnx.su vesta-technologic-instruction
Vnx.su vesta-technologic-instruction
Vnx.su vesta-technologic-instruction
Vnx.su vesta-technologic-instruction
Vnx.su vesta-technologic-instruction
Vnx.su vesta-technologic-instruction
Vnx.su vesta-technologic-instruction
Vnx.su vesta-technologic-instruction
Vnx.su vesta-technologic-instruction
Vnx.su vesta-technologic-instruction
Vnx.su vesta-technologic-instruction
Vnx.su vesta-technologic-instruction
Vnx.su vesta-technologic-instruction
Vnx.su vesta-technologic-instruction
Vnx.su vesta-technologic-instruction
Vnx.su vesta-technologic-instruction
Vnx.su vesta-technologic-instruction
Vnx.su vesta-technologic-instruction
Vnx.su vesta-technologic-instruction
Vnx.su vesta-technologic-instruction
Vnx.su vesta-technologic-instruction
Vnx.su vesta-technologic-instruction
Vnx.su vesta-technologic-instruction
Vnx.su vesta-technologic-instruction
Vnx.su vesta-technologic-instruction
Vnx.su vesta-technologic-instruction
Vnx.su vesta-technologic-instruction
Vnx.su vesta-technologic-instruction
Vnx.su vesta-technologic-instruction
Vnx.su vesta-technologic-instruction
Vnx.su vesta-technologic-instruction
Vnx.su vesta-technologic-instruction
Vnx.su vesta-technologic-instruction
Vnx.su vesta-technologic-instruction
Vnx.su vesta-technologic-instruction
Vnx.su vesta-technologic-instruction
Vnx.su vesta-technologic-instruction
Vnx.su vesta-technologic-instruction
Vnx.su vesta-technologic-instruction
Vnx.su vesta-technologic-instruction
Vnx.su vesta-technologic-instruction
Vnx.su vesta-technologic-instruction
Vnx.su vesta-technologic-instruction
Vnx.su vesta-technologic-instruction
Vnx.su vesta-technologic-instruction
Vnx.su vesta-technologic-instruction
Vnx.su vesta-technologic-instruction
Vnx.su vesta-technologic-instruction
Vnx.su vesta-technologic-instruction
Vnx.su vesta-technologic-instruction
Vnx.su vesta-technologic-instruction
Vnx.su vesta-technologic-instruction
Vnx.su vesta-technologic-instruction
Vnx.su vesta-technologic-instruction
Vnx.su vesta-technologic-instruction
Vnx.su vesta-technologic-instruction
Vnx.su vesta-technologic-instruction
Vnx.su vesta-technologic-instruction
Vnx.su vesta-technologic-instruction
Vnx.su vesta-technologic-instruction
Vnx.su vesta-technologic-instruction
Vnx.su vesta-technologic-instruction
Vnx.su vesta-technologic-instruction
Vnx.su vesta-technologic-instruction
Vnx.su vesta-technologic-instruction
Vnx.su vesta-technologic-instruction
Vnx.su vesta-technologic-instruction
Vnx.su vesta-technologic-instruction
Vnx.su vesta-technologic-instruction
Vnx.su vesta-technologic-instruction
Vnx.su vesta-technologic-instruction
Vnx.su vesta-technologic-instruction
Vnx.su vesta-technologic-instruction
Vnx.su vesta-technologic-instruction
Vnx.su vesta-technologic-instruction
Vnx.su vesta-technologic-instruction
Vnx.su vesta-technologic-instruction
Vnx.su vesta-technologic-instruction
Vnx.su vesta-technologic-instruction
Vnx.su vesta-technologic-instruction
Vnx.su vesta-technologic-instruction
Vnx.su vesta-technologic-instruction
Vnx.su vesta-technologic-instruction
Vnx.su vesta-technologic-instruction
Vnx.su vesta-technologic-instruction
Vnx.su vesta-technologic-instruction
Vnx.su vesta-technologic-instruction
Vnx.su vesta-technologic-instruction
Vnx.su vesta-technologic-instruction
Vnx.su vesta-technologic-instruction
Vnx.su vesta-technologic-instruction
Vnx.su vesta-technologic-instruction
Vnx.su vesta-technologic-instruction
Vnx.su vesta-technologic-instruction
Vnx.su vesta-technologic-instruction
Vnx.su vesta-technologic-instruction
Vnx.su vesta-technologic-instruction
Vnx.su vesta-technologic-instruction
Vnx.su vesta-technologic-instruction
Vnx.su vesta-technologic-instruction
Vnx.su vesta-technologic-instruction
Vnx.su vesta-technologic-instruction
Vnx.su vesta-technologic-instruction
Vnx.su vesta-technologic-instruction
Vnx.su vesta-technologic-instruction
Vnx.su vesta-technologic-instruction
Vnx.su vesta-technologic-instruction
Vnx.su vesta-technologic-instruction
Vnx.su vesta-technologic-instruction
Vnx.su vesta-technologic-instruction
Vnx.su vesta-technologic-instruction
Vnx.su vesta-technologic-instruction
Vnx.su vesta-technologic-instruction
Vnx.su vesta-technologic-instruction

Vnx.su vesta-technologic-instruction

  • 2.
  • 3.
    ГОСТ 3.1105-84 Лист 2 ИзмЛист№документаПодписьДатаИзм.Лист№документаПодпиИзм.Лист №документаПодписьДата сПрудскихД.А.18.06.12 РеваВ.В.26.10.12 ХристовП.Н.01.11.12 РеваВ.В.27.10.12 ПрудскихД.А.26.10.12 ьДата Дубликат Взам. Подп. 3100.25100.20582 ТИТехнологическая инструкция ОАО "АВТОВАЗ" 1 ОБЩИЕ ТРЕБОВАНИЯ Работы выполнять в соответствии с требованиями "Межотраслевых правил по охране труда на автомобильном транспорте" ПОТ РМ-027-2003 г. и инструкций по охране труда для слесарей, действующих на предприятии. При выполнении работ допускается применять аттестованное оборудование и инстру- мент, функционально аналогичные указанным в технологических инструкциях, применение ко- торых обеспечивает требуемую производительность, безопасность и качество работ. При замене и доливке масел и эксплуатационных жидкостей допускается использовать только материалы, указанные в действующем "Кодификаторе основных и вспомогательных ма- териалов, применяемых при ТО и ремонте автомобилей LADA" К 3100.25100.00018. При доливке и замене охлаждающей жидкости не допускается применение смесей жид- костей разных марок. 2 ОБЩЕЕ ОПИСАНИЕ На автомобиль LADA VESTA, в зависимости от комплектации, устанавливается 8-ми или 16-ти клапанный двигатель. Двигатели укомплектованы рампой с форсунками в сборе с однотрубной топливной ма- гистралью, пластмассовым интегрированным модулем впуска, дроссельным патрубком с элек- троприводом дроссельной заслонки, выпускным коллектором, объединенным с нейтрализато- ром, автоматическим натяжителем ремня привода газораспределительного механизма. Основные параметры и характеристики двигателей приведены в таблице 1. http://vnx.su/
  • 4.
    ГОСТ 3.1105-84 Лист 3 ИзмЛист№документаПодписьДатаИзм.Лист№документаПодпиИзм.Лист №документаПодписьДата сПрудскихД.А.18.06.12 РеваВ.В.26.10.12 ХристовП.Н.01.11.12 РеваВ.В.27.10.12 ПрудскихД.А.26.10.12 ьДата Дубликат Взам. Подп. 3100.25100.20582 ТИТехнологическая инструкция ОАО "АВТОВАЗ" Таблица 1 Наименование показателя Значения показателя для двигателя 11189 21129 HR16 Рабочий объем, см3 1596 1596 1598 Регулирование фаз газораспределения на впуске (VVT) нет нет есть Регулирование длин каналов нет есть нет Количество цилиндров, шт 4 4 4 Число клапанов на цилиндр, шт 2 4 4 Расстояние между цилиндрами, мм 89 89 85 Диаметр цилиндров, мм 82 82 78 Ход поршня, мм 75,6 75,6 83,6 Степень сжатия 10,3 10,45 10,7 Октановое число бензина 95 Длина шатуна, мм 133,32 133,32 129,89 Максимальная мощность двигателя по ГОСТ 14846 [4], кВт 64 78 84 Частота вращения коленчатого вала при максимальной мощности, мин-1 5100 5800 6000 Максимальный крутящий момент по ГОСТ 14846 [4], Н·м 140 148 156 Частота вращения коленчатого вала при максимальном крутящем моменте, мин-1 3800 4200 4000 Момент крутящий по внешней скоростной характеристике при n=1000 мин-1 , Н·м (* – при активированном VVT) 100 104 104/115* Момент крутящий по внешней скоростной характеристике при n=2500 мин-1 , Н·м 130 134 - Минимальная частота вращения на холостом ходу, мин-1 840 840 650 Частота вращения коленчатого вала отсечки подачи топлива, мин-1 6600 6600 6600 Нормы токсичности EURO-V/VI Минимальная температура пуска холодного двигателя без дополнительных приспособлений, °С – 27 http://vnx.su/
  • 5.
    ГОСТ 3.1105-84 Лист 4 ИзмЛист№документаПодписьДатаИзм.Лист№документаПодпиИзм.Лист №документаПодписьДата сПрудскихД.А.18.06.12 РеваВ.В.26.10.12 ХристовП.Н.01.11.12 РеваВ.В.27.10.12 ПрудскихД.А.26.10.12 ьДата Дубликат Взам. Подп. 3100.25100.20582 ТИТехнологическая инструкция ОАО "АВТОВАЗ" Рисунок 3-1 – Крышка люка бензо- насоса: 1 – крышка люка бензонасоса Рисунок 3-2 – Разъем жгута проводов заднего к бензонасосу: 1 – разъем жгута проводов заднего; 2 – бензонасос 3 СИЛОВОЙ АГРЕГАТ В СБОРЕ – СНЯТИЕ / УСТАНОВКА Снятие Для автомобилей всех комплектаций Установить автомобиль на двухстоечный подъемник, затормозить стояночным тормозом и выключить зажигание (подъемник электрогидравлический типа П-3,2Г грузоподъемностью 3,2 т). Откинуть вперед подушку заднего сиденья, снять крышку 1, рисунок 3-1, люка бензона- соса и отсоединить разъем 1, рисунок 3-2, жгута проводов заднего от бензонасоса 2. Запустить двигатель и дать ему поработать до полной остановки для сброса давления в топливном трубопроводе (катушка вытяжная с вентилятором типа SERF/SP ф. "СовПлим"). Присоединить разъем 1, рисунок 3-2, жгута проводов заднего к бензонасосу 2, установить крышку 1, рисунок 3-1, люка бензонасоса и опустить подушку заднего сиденья. Выключить зажигание, открыть капот и отсоединить клемму провода "массы" от аккуму- ляторной батареи (ключ гаечный 10). http://vnx.su/
  • 6.
    ГОСТ 3.1105-84 Лист 5 ИзмЛист№документаПодписьДатаИзм.Лист№документаПодпиИзм.Лист №документаПодписьДата сПрудскихД.А.18.06.12 РеваВ.В.26.10.12 ХристовП.Н.01.11.12 РеваВ.В.27.10.12 ПрудскихД.А.26.10.12 ьДата Дубликат Взам. Подп. 3100.25100.20582 ТИТехнологическая инструкция ОАО "АВТОВАЗ" Рисунок 3-4 – Воздушный фильтр со шлангом впускной трубы в сбо- ре: 1 – хомут крепления верхнего шланга вентиляции картера; 2 – хомут крепления шланга впуск- ной трубы; 3 – верхний шланг вентиляции картера; 4 – шланг впускной трубы; 5 – болт крепления воздушного фильтра; 6 – воздушный фильтр; 7 – крышка головки цилиндров Рисунок 3-3 – Резонатор впуска: 1 – резонатор впуска; 2 – патрубок воздушного фильтра; 3 – патрубок воздухозаборника Для автомобилей с системой кондиционирования Произвести полную выгрузку хладагента из системы кондиционирования в соответствии с требованиями инструкции по эксплуатации сервисного оборудования. Для автомобилей всех комплектаций Отсоединить патрубки резонатора 1, рисунок 3-3, впуска от воздухозаборника и корпуса воздушного фильтра, отвернуть два болта крепления и снять резонатор (головка сменная 10, вороток). Снять экран модуля впуска. Отжать хомут 1, рисунок 3-4, крепления и отсоединить верхний шланг 3 вентиляции кар- тера от патрубка крышки 7 головки цилиндров (плоскогубцы). Ослабить хомут 2 крепления и отсоединить шланг 4 впускной трубы от модуля впуска (отвертка крестообразная). Отвернуть болт 5 крепления, отсоединить воздушный фильтр 6 от опор и снять воздуш- ный фильтр со шлангом впускной трубы в сборе (головка сменная 13, вороток). Отсоединить наконечник 1, рисунок 3-5, трубки клапана адсорбера и саму трубку от мо- дуля 2 впуска. http://vnx.su/
  • 7.
    ГОСТ 3.1105-84 Лист 6 ИзмЛист№документаПодписьДатаИзм.Лист№документаПодпиИзм.Лист №документаПодписьДата сПрудскихД.А.18.06.12 РеваВ.В.26.10.12 ХристовП.Н.01.11.12 РеваВ.В.27.10.12 ПрудскихД.А.26.10.12 ьДата Дубликат Взам. Подп. 3100.25100.20582 ТИТехнологическая инструкция ОАО "АВТОВАЗ" Рисунок 3-6 – Датчик положения коленчатого вала: 1 – датчик положения коленчатого вала; 2 – жгут проводов системы зажига- ния Рисунок 3-5 – Трубка клапана адсор- бера: 1 – наконечник трубки клапана ад- сорбера; 2 – модуль впуска Рисунок 3-7 – Датчик давления и температуры воздуха, клапан за- слонки впускной трубы: 1 – датчик давления и температуры воздуха; 2 – клапан заслонки впускной трубы; 3 – жгут проводов системы зажига- ния Отсоединить колодки и разъемы жгута проводов системы зажигания от разъемов: - датчика 1, рисунок 3-6, положения коленчатого вала; - датчика 1, рисунок 3-7, давления и температуры воздуха; - клапана 2 заслонки впускной трубы (для двигателя 21129); http://vnx.su/
  • 8.
    ГОСТ 3.1105-84 Лист 7 ИзмЛист№документаПодписьДатаИзм.Лист№документаПодпиИзм.Лист №документаПодписьДата сПрудскихД.А.18.06.12 РеваВ.В.26.10.12 ХристовП.Н.01.11.12 РеваВ.В.27.10.12 ПрудскихД.А.26.10.12 ьДата Дубликат Взам. Подп. 3100.25100.20582 ТИТехнологическая инструкция ОАО "АВТОВАЗ" Рисунок 3-8 – Соединения жгута проводов системы зажигания: 1 – дроссельный патрубок; 2 – датчики содержания кислорода; 3 – датчик температуры охлаждаю- щей жидкости; 4 – жгут проводов системы зажига- ния; 5 – жгут проводов форсунок; 6 – датчик контрольной лампы дав- ления масла; 7 – жгут проводов катушек зажига- ния Рисунок 3-9 – Выключатель света заднего хода: 1 – выключатель света заднего хода; 2 – коробка передач; 3 – жгут проводов системы зажига- ния - дроссельного патрубка 1, рисунок 3-8; - датчиков 2 содержания кислорода; - датчика 3 температуры охлаждающей жидкости; - жгута 5 проводов форсунок; - датчика 6 контрольной лампы давления масла; - жгута 7 проводов катушек зажигания (для двигателя 21129); - выключателя 1, рисунок 3-9, света заднего хода на коробке 2 передач. Отсоединить фиксаторы, разрезать хомуты крепления и отвести в сторону жгут проводов системы зажигания (отвертка плоская, плоскогубцы, нож технологический). Снять передние колеса в соответствии с требованиями ТИ 3100.25100.20584. Отвернуть тринадцать болтов 1, рисунок 3-10, крепления и снять брызговик 2 двигателя (головка сменная 10, вороток и удлинитель). http://vnx.su/
  • 9.
    ГОСТ 3.1105-84 Лист 8 ИзмЛист№документаПодписьДатаИзм.Лист№документаПодпиИзм.Лист №документаПодписьДата сПрудскихД.А.18.06.12 РеваВ.В.26.10.12 ХристовП.Н.01.11.12 РеваВ.В.27.10.12 ПрудскихД.А.26.10.12 ьДата Дубликат Взам. Подп. 3100.25100.20582 ТИТехнологическая инструкция ОАО "АВТОВАЗ" Рисунок 3-10 – Брызговик двигателя: 1 – болт крепления; 2 – брызговик двигателя Рисунок 3-12 – Соединение клеммы и колодки жгута проводов со стар- тером: 1 – гайка; 2 – клемма жгута проводов перед- него к стартеру; 3 – колодка жгута проводов перед- него к стартеру; 4 – стартер Рисунок 3-11 – Цилиндр гидроприво- да сцепления: 1 – болт; 2 – цилиндр гидропривода сцепления; 3 – трубка гидропривода сцепления; 4 – кронштейн крепления цилиндра гидропривода сцепления; 5 – коробка передач; 6 – вилка выключения сцепления Для автомобилей с МКП Отвернуть два болта 1, рисунок 3-11, крепления, снять цилиндр 2 гидропривода сцепле- ния, не отсоединяя от трубки 3 гидропривода, и подвесить цилиндр на технологический крючок (головка сменная 13, ключ трещоточный, крючок технологический). Для автомобилей всех комплектаций http://vnx.su/
  • 10.
    ГОСТ 3.1105-84 Лист 9 ИзмЛист№документаПодписьДатаИзм.Лист№документаПодпиИзм.Лист №документаПодписьДата сПрудскихД.А.18.06.12 РеваВ.В.26.10.12 ХристовП.Н.01.11.12 РеваВ.В.27.10.12 ПрудскихД.А.26.10.12 ьДата Дубликат Взам. Подп. 3100.25100.20582 ТИТехнологическая инструкция ОАО "АВТОВАЗ" Рисунок 3-13 – Крепление стартера: 1 – болт; 2 – кронштейн крепления цилиндра гидропривода сцепления; 3 – стартер Рисунок 3-14 – Шланг отводящий радиатора: 1 – хомут крепления шланга отво- дящего радиатора; 2 – шланг отводящий радиатора; 3 – радиатор системы охлаждения двигателя Отвернуть гайку 1, рисунок 3-12, и отсоединить от тягового реле стартера 4 клемму 2 и колодку 3 жгута проводов (головка сменная 13, удлинитель, ключ трещоточный). Отвернуть три болта 1, рисунок 3-13, снять кронштейн 2 крепления цилиндра гидропри- вода сцепления (для автомобилей с МКП) и стартер 3 (головка сменная Torx E10, удлинитель, ключ трещоточный). Слить охлаждающую жидкость: - отвернуть сливную пробку на блоке цилиндров и ввернуть на ее место штуцер шланга для слива жидкости (головка сменная 13, вороток, шланг технологический); - разжать хомут 1, рисунок 3-14, крепления и отсоединить отводящий шланг 2 от патруб- ка радиатора 3 (плоскогубцы); - отвернуть пробку на расширительном бачке и слить охлаждающую жидкость (емкость технологическая); - установить отводящий шланг 2 радиатора на патрубок радиатора 3 и закрепить хомутом 1 (плоскогубцы); - вывернуть штуцер и завернуть сливную пробку отверстия на блоке цилиндров (головка сменная 13, вороток). http://vnx.su/
  • 11.
    ГОСТ 3.1105-84 Лист 10 ИзмЛист№документаПодписьДатаИзм.Лист№документаПодпиИзм.Лист №документаПодписьДата сПрудскихД.А.18.06.12 РеваВ.В.26.10.12 ХристовП.Н.01.11.12 РеваВ.В.27.10.12 ПрудскихД.А.26.10.12 ьДата Дубликат Взам. Подп. 3100.25100.20582 ТИТехнологическая инструкция ОАО "АВТОВАЗ" Рисунок 3-16 – Термостат и шланги системы охлаждения двигателя и отопления салона: 1, 3, 5, 7 – хомут; 2 – термостат; 4 – шланг подводящий отопителя; 6 – шланг отводящий отопителя; 8 – шланг отводящий радиатора; 9 – шланг подводящий радиатора Рисунок 3-15 – Соединение топлив- ных трубок: 1 – трубка топливного трубопрово- да промежуточная; 2 – трубка передняя топливного трубопровода; 3 – скоба крепления трубопроводов; 4 – модуль впуска Нажать на фиксаторы и отсоединить наконечник трубки 1, рисунок 3-15, промежуточной от трубки 2 передней топливного трубопровода и скобы 3 крепления трубопроводов на модуле 4 впуска (для двигателя 21129). Разжать хомут 1, рисунок 3-16, и отсоединить от термостата 2 шланг 9 подводящий ра- диатора (плоскогубцы). Разжать хомут 3 и отсоединить от термостата шланг 4 подводящий отопителя (плоско- губцы). Разжать хомут 5 и отсоединить от трубы подводящей водяного насоса шланг 6 отводя- щий отопителя (плоскогубцы). Разжать хомут 7 и отсоединить от трубы подводящей водяного насоса шланг 8 радиатора (плоскогубцы). Разрезать хомут крепления отводящего шланга радиатора к кронштейну на коробке пере- дач (нож технологический). Разжать хомут 1, рисунок 3-17, и отсоединить от трубы 2 подводящей водяного насоса шланг 3 заправочный (плоскогубцы). http://vnx.su/
  • 12.
    ГОСТ 3.1105-84 Лист 11 ИзмЛист№документаПодписьДатаИзм.Лист№документаПодпиИзм.Лист №документаПодписьДата сПрудскихД.А.18.06.12 РеваВ.В.26.10.12 ХристовП.Н.01.11.12 РеваВ.В.27.10.12 ПрудскихД.А.26.10.12 ьДата Дубликат Взам. Подп. 3100.25100.20582 ТИТехнологическая инструкция ОАО "АВТОВАЗ" Рисунок 3-18 – Крепление клеммы жгута проводов переднего к генера- тору: 1 – гайка; 2 – клемма жгута проводов переднего к генератору; 3 – хомут; 4 – генератор Рисунок 3-17 – Шланг заправочный системы охлаждения двигателя: 1 – хомут; 2 – труба подводящая водяного насоса; 3 – шланг заправочный Рисунок 3-19 – Крепление клеммы жгута провода "массы" к коробке пе- редач: 1 – гайка; 2 – клемма провода "массы"; 3 – коробка передач Отсоединить жгут проводов передний от двигателя, для чего необходимо: - отвернуть гайку 1, рисунок 3-18, крепления и отсоединить от генератора 4 клемму 2 жгута проводов переднего (головка сменная 13, удлинитель, вороток); - разрезать хомуты 3 крепления и отвести жгут проводов передний в сторону от двигате- ля (нож технологический). http://vnx.su/
  • 13.
    ГОСТ 3.1105-84 Лист 12 ИзмЛист№документаПодписьДатаИзм.Лист№документаПодпиИзм.Лист №документаПодписьДата сПрудскихД.А.18.06.12 РеваВ.В.26.10.12 ХристовП.Н.01.11.12 РеваВ.В.27.10.12 ПрудскихД.А.26.10.12 ьДата Дубликат Взам. Подп. 3100.25100.20582 ТИТехнологическая инструкция ОАО "АВТОВАЗ" Рисунок 3-20 – Крепление клеммы жгута провода "массы" к кронштейну навесных агрегатов: 1 – болт; 2 – клемма провода "массы"; 3 – кронштейн навесных агрегатов Рисунок 3-21 – Шланг вакуумного усилителя тормозов: 1 – хомут; 2 – шланг вакуумного усилителя тормозов; 3 – модуль впуска Отвернуть гайку 1, рисунок 3-19, крепления клеммы 2 провода "массы" от шпильки на коробке 3 передач и отсоединить клемму (головка сменная 17, удлинитель, ключ трещоточ- ный); Отвернуть болт 1, рисунок 3-20, крепления клеммы 2 провода "массы" на кронштейне 3 навесных агрегатов и отсоединить клемму (головка сменная 13, ключ трещоточный). Ослабить хомут 1, рисунок 3-21, крепления и отсоединить шланг 2 вакуумного усилителя тормозов от модуля 3 впуска (отвертка крестообразная или головка сменная 8 и вороток). Для автомобилей с МКП Нажать на фиксаторы 1, рисунок 3-22, наконечников и отсоединить наконечники 2 тросов переключения передач от рычагов механизма 6 переключения передач. Отвести фиксаторы 3 вдоль оси тросов 4 в направлении от кронштейна 5 и вывести тросы из пазов кронштейна на коробке 7 передач. http://vnx.su/
  • 14.
    ГОСТ 3.1105-84 Лист 13 ИзмЛист№документаПодписьДатаИзм.Лист№документаПодпиИзм.Лист №документаПодписьДата сПрудскихД.А.18.06.12 РеваВ.В.26.10.12 ХристовП.Н.01.11.12 РеваВ.В.27.10.12 ПрудскихД.А.26.10.12 ьДата Дубликат Взам. Подп. 3100.25100.20582 ТИТехнологическая инструкция ОАО "АВТОВАЗ" Рисунок 3-22 – Тросы переключения передач: 1 – фиксатор наконечника; 2 – наконечник троса переключения передач; 3 – фиксатор троса; 4 – трос переключения передач; 5 – кронштейн крепления тросов переключения передач; 6 – механизм переключения пере- дач; 7 – коробка передач Рисунок 3-23 – Компрессор системы кондиционирования воздуха: 1 – болт; 2 – трубопроводы системы конди- ционирования; 3 – компрессор системы кондицио- нирования воздуха Для автомобилей с системой кондиционирования Отвернуть два болта 1, рисунок 3-23, крепления трубопроводов 2 к компрессору 3 систе- мы кондиционирования воздуха и отсоединить трубопроводы (головка сменная 8, ключ трещо- точный). Установить на трубопроводы и в отверстия компрессора технологические заглушки (за- глушки технологические). Для автомобилей всех комплектаций Расконтрить три шайбы 1, рисунок 3-24, контрящие и отвернуть три гайки 3 шпилек кре- пления дополнительного глушителя 2 к приемной трубе 5 глушителя с нейтрализатором в сбо- ре, отсоединить дополнительный глушитель от приемной трубы глушителя и снять прокладку 4 (отвертка плоская, ключ гаечный 10, головка сменная 10, удлинитель и ключ трещоточный). http://vnx.su/
  • 15.
    ГОСТ 3.1105-84 Лист 14 ИзмЛист№документаПодписьДатаИзм.Лист№документаПодпиИзм.Лист №документаПодписьДата сПрудскихД.А.18.06.12 РеваВ.В.26.10.12 ХристовП.Н.01.11.12 РеваВ.В.27.10.12 ПрудскихД.А.26.10.12 ьДата Дубликат Взам. Подп. 3100.25100.20582 ТИТехнологическая инструкция ОАО "АВТОВАЗ" Рисунок 3-24 – Соединение допол- нительного глушителя с приемной трубой глушителя с нейтрализато- ром в сборе: 1 – шайба контрящая; 2 – глушитель дополнительный; 3 – гайка; 4 – прокладка фланца глушителя; 5 – труба приемная глушителя с ней- трализатором в сборе Рисунок 3-25 – Задняя опора подвес- ки силового агрегата: 1 – болт крепления штанги задней подвески двигателя; 2 – болт крепления кронштейна; 3 – кронштейн; 4 – силовой агрегат; 5 – штанга задней подвески силового агрегата; 6 – подрамник передней подвески Рисунок 3-26 – Пробки для слива и заправки масла коробки передач: 1 – пробка отверстия для слива мас- ла; 2 – пробка отверстия для заливки масла; 3 – коробка передач Отвернуть болты 1 и 2, рисунок 3-25, крепления кронштейна 3 и штанги 5 к силовому аг- регату 4 и снять кронштейн (головка сменная 18, ключ трещоточный). Снять подрамник 6 передней подвески в сборе в соответствии с требованиями ТИ 3100.25100.20584. Отвернуть пробку 1, рисунок 3-26, и слить масло из коробки 3 передач (ключ кольцевой 17, установка типа 24164 ф. "ALFA" (Италия) для сбора отработанного масла). http://vnx.su/
  • 16.
    ГОСТ 3.1105-84 Лист 15 ИзмЛист№документаПодписьДатаИзм.Лист№документаПодпиИзм.Лист №документаПодписьДата сПрудскихД.А.18.06.12 РеваВ.В.26.10.12 ХристовП.Н.01.11.12 РеваВ.В.27.10.12 ПрудскихД.А.26.10.12 ьДата Дубликат Взам. Подп. 3100.25100.20582 ТИТехнологическая инструкция ОАО "АВТОВАЗ" Рисунок 3-27 – Приводы передних колес: 1 – левый привод колеса; 2 – коробка передач; 3 – правый привод колеса Рисунок 3-28 – Рым подвески силово- го агрегата на двигателе Обезжирить резьбу в картере коробки передач и на пробке, нанести на резьбовую часть пробки герметик (уайт-спирит, норма расхода 2 г; герметик ПС-1 согласно действующему "Ко- дификатору основных и вспомогательных материалов, применяемых при ТО и ремонте авто- мобилей LADA" К 3100.25100.00018, норма расхода 1 г). Установить пробку 1, рисунок 3-26, в отверстие для слива масла в картере коробки 3 пе- редач. Момент затяжки пробки 29…46 Н.м (2,9…4,6 кгс.м) (головка сменная 17, вороток, ключ моментный). Выбить и вывести внутренние шарниры приводов 1 и 3, рисунок 3-27, передних колес из шестерен полуосей дифференциала коробки 2 передач и установить на их место транспортные заглушки (приспособление для выбивания приводов из коробки передач). Завести крюки грузоподъемного захвата в проушины рымов, рисунки 3-28 и 3-29, сило- вого агрегата и вывесить силовой агрегат (кран гидравлический типа ОМА-587, захват ТСО 3/379.000). http://vnx.su/
  • 17.
    ГОСТ 3.1105-84 Лист 16 ИзмЛист№документаПодписьДатаИзм.Лист№документаПодпиИзм.Лист №документаПодписьДата сПрудскихД.А.18.06.12 РеваВ.В.26.10.12 ХристовП.Н.01.11.12 РеваВ.В.27.10.12 ПрудскихД.А.26.10.12 ьДата Дубликат Взам. Подп. 3100.25100.20582 ТИТехнологическая инструкция ОАО "АВТОВАЗ" Рисунок 3-29 – Рым подвески силового агрегата на коробке передач Рисунок 3-30 – Кронштейн воздуш- ного фильтра: 1 – болт; 2 – кронштейн воздушного фильтра; 3 – левая опора подвески силового агрегата Рисунок 3-31 – Левая опора подвес- ки силового агрегата: 1 – болт; 2 – левая опора подвески силового агрегата; 3 – кронштейн левый подвески си- лового агрегата Ослабить болт 1, рисунок 3-30, крепления кронштейна 2 воздушного фильтра и снять кронштейн с левой опоры 3 подвески силового агрегата (головка сменная 16, удлинитель, воро- ток). Отвернуть и извлечь два болта 1, рисунок 3-31, крепления силового агрегата к левой опо- ре 2 подвески силового агрегата (головка сменная 18, удлинитель, вороток). Отвернуть и извлечь два болта 1, рисунок 3-32, крепления силового агрегата к правой опоре 2 подвески силового агрегата (головка сменная Torx E12, удлинитель, вороток). http://vnx.su/
  • 18.
    ГОСТ 3.1105-84 Лист 17 ИзмЛист№документаПодписьДатаИзм.Лист№документаПодпиИзм.Лист №документаПодписьДата сПрудскихД.А.18.06.12 РеваВ.В.26.10.12 ХристовП.Н.01.11.12 РеваВ.В.27.10.12 ПрудскихД.А.26.10.12 ьДата Дубликат Взам. Подп. 3100.25100.20582 ТИТехнологическая инструкция ОАО "АВТОВАЗ" Рисунок 3-32 – Правая опора подвес- ки силового агрегата: 1 – болт; 2 – правая опора подвески силового агрегата Опустить силовой агрегат на тележку, извлечь крюки грузоподъемного захвата из про- ушин рымов и вывести силовой агрегат из-под автомобиля (тележка типа 67.50.004). Установка Подвести силовой агрегат на тележке под моторный отсек автомобиля (тележка типа 67.50.004). Завести крюки грузоподъемного захвата в проушины рымов, рисунки 3-28 и 3-29, сило- вого агрегата, поднять силовой агрегат и установить два болта 1, рисунок 3-31, крепления си- лового агрегата к левой опоре 2 и два болта 1, рисунок 3-32, крепления силового агрегата к правой опоре 2. Операцию выполнять с помощником (кран гидравлический типа ОМА-587 , за- хват ТСО 3/379.000, тележка типа 67.50.004, головки сменные 18 и Torx E12, удлинитель, воро- ток). Моменты затяжки болтов крепления силового агрегата: - к правой опоре подвески силового агрегата 53…71 Н.м (5,3…7,1 кгс.м) (головка смен- ная Torx E12, удлинитель, ключ моментный); - к левой опоре подвески силового агрегата 90…120 Н.м (9…12 кгс.м) (головка сменная 18, удлинитель, ключ моментный). Извлечь крюки грузоподъемного захвата из проушин рымов силового агрегата. Установить кронштейн 2, рисунок 3-30, воздушного фильтра на левую опору 3 подвески силового агрегата до упора и затянуть болт 1 крепления моментом 53…71 Н.м (5,3…7,1 кгс.м) (головка сменная 16, удлинитель, вороток, ключ моментный). Снять старые и установить новые стопорные кольца на наконечники внутренних шарни- ров приводов колес. Повторное использование стопорных колец не допускается (отвертка пло- ская). Извлечь одну транспортную заглушку из дифференциала коробки передач. Ввести шли- цевую часть внутреннего шарнира одного из приводов в сальник полуоси, провернуть вал при- вода и совместить шлицы шарнира с впадинами шестерни полуоси. Резким движением стойки с поворотным кулаком запрессовать привод в шестерню полуоси, рисунок 3-27. http://vnx.su/
  • 19.
    ГОСТ 3.1105-84 Лист 18 ИзмЛист№документаПодписьДатаИзм.Лист№документаПодпиИзм.Лист №документаПодписьДата сПрудскихД.А.18.06.12 РеваВ.В.26.10.12 ХристовП.Н.01.11.12 РеваВ.В.27.10.12 ПрудскихД.А.26.10.12 ьДата Дубликат Взам. Подп. 3100.25100.20582 ТИТехнологическая инструкция ОАО "АВТОВАЗ" Убедиться в фиксации привода путем перемещения внутреннего шарнира усилием рук в сторону поворотного кулака. Выполнить операции по установке для второго привода колеса. Установить подрамник 6, рисунок 3-25, передней подвески в сборе в соответствии с тре- бованиями ТИ 3100.25100.20584. Для автомобилей с климатической системой Извлечь заглушки из отверстий компрессора и трубопроводов. Установить на трубопроводы новые уплотнительные кольца. На уплотнительные кольца нанести масло компрессорное SANDEN SP-10, присоединить трубопроводы 2, рисунок 3-23, к компрессору 3 и установить два болта 1 крепления трубопроводов. Момент затяжки болтов 7…9 Н.м (0,7…0,9 кгс.м) (головка сменная 8, удлинитель, ключ трещоточный, ключ момент- ный). Для автомобилей всех комплектаций Установить на фланец приемной трубы 5, рисунок 3-24, с нейтрализатором в сборе новую прокладку 4, присоединить дополнительный глушитель 2, установить контрящие шайбы 1. За- вернуть и затянуть три гайки 3 шпилек крепления дополнительного глушителя к приемной тру- бе и законтрить. Момент затяжки гаек 21…25 Н.м (2,1…2,5 кгс.м) (головка сменная 10, ключ трещоточный, ключ моментный, притупленное зубило, молоток). Установить стартер 3, рисунок 3-13, кронштейн 2 крепления цилиндра гидропривода (для автомобилей с МКП) и закрепить его тремя болтами 1. Момент затяжки болтов 18…24 Н.м (1,8…2,4 кгс.м) (головка сменная Torx E10, удлинитель, ключ трещоточный, ключ моментный). Для автомобилей с МКП Установить цилиндр 2, рисунок 3-11, гидропривода сцепления и закрепить двумя болта- ми 1. Момент затяжки болтов 18…24 Н.м (1,8…2,4 кгс.м) (головка сменная 13, ключ трещоточ- ный, ключ моментный). Для автомобилей всех комплектаций Отвернуть пробку 2, рисунок 3-26, отверстия для заливки масла на картере коробки пере- дач (головка сменная 17, вороток). Залить масло в коробку передач. Контрольный уровень масла должен находиться на нижней кромке заливного отверстия (установка заправочная С-223-1 для трансмиссионных ма- сел, масло трансмиссионное Татнефть ТМ-4-12 SAE 75W-85 API GL-4 или Роснефть Kinetik SAE 75W-85 API GL-4, норма расхода: для КП 2180/2182 – 2,25 л; для КП JHQ – 2,34 л). Обезжирить резьбу в картере коробки передач и на пробке, нанести на резьбовую часть пробки герметик (уайт-спирит, норма расхода 2 г; герметик ПС-1 согласно действующему "Ко- дификатору основных и вспомогательных материалов, применяемых при ТО и ремонте авто- мобилей LADA" К 3100.25100.00018, норма расхода 1 г). Установить пробку отверстия для заливки масла в картер коробки передач. Момент за- тяжки пробки 29…46 Н.м (2,9…4,6 кгс.м) (головка сменная 17, вороток, ключ моментный). Установить передние колеса в соответствии с требованиями ТИ 3100.25100.20584. http://vnx.su/
  • 20.
    ГОСТ 3.1105-84 Лист 19 ИзмЛист№документаПодписьДатаИзм.Лист№документаПодпиИзм.Лист №документаПодписьДата сПрудскихД.А.18.06.12 РеваВ.В.26.10.12 ХристовП.Н.01.11.12 РеваВ.В.27.10.12 ПрудскихД.А.26.10.12 ьДата Дубликат Взам. Подп. 3100.25100.20582 ТИТехнологическая инструкция ОАО "АВТОВАЗ" Для автомобилей с МКП Отвести фиксаторы 3, рисунок 3-22, в направлении вдоль оси тросов 4 и установить тро- сы переключения передач в пазы кронштейна 5 на коробке передач. Нанести на сферические пальцы рычагов механизма 6 переключения передач смазку и подсоединить наконечники 2 тросов к рычагам (смазка АЗМОЛ ЛСЦ-15 согласно действующе- му "Кодификатору основных и вспомогательных материалов, применяемых при ТО и ремонте автомобилей LADA" К 3100.25100.00018, норма расхода 1 г). Для автомобилей всех комплектаций Присоединить в последовательности обратной снятию: - шланг 2, рисунок 3-21, усилителя тормоза; - колодки жгутов проводов электрооборудования; - шланги 4 и 6, рисунок 3-16, отопителя; - шланги 8 и 9 радиатора системы охлаждения; - шланг 3, рисунок 3-17, заправочный. При установке жгутов проводов и отводящего шланга радиатора срезанные хомуты заме- нить новыми. Моменты затяжки: - гайки 1, рисунок 3-12, крепления клеммы 2 жгута проводов к тяговому реле стартера 10…13 Н.м (1,0…1,3 кгс.м); - гайки 1, рисунок 3-18, крепления клеммы 2 жгута проводов к генератору 10…13 Н.м (1,0…1,3 кгс.м); - болта 1, рисунок 3-20, крепления клеммы 2 провода "массы" к кронштейну навесных аг- регатов 18…22 Н.м (1,8…2,2 кгс.м); - гайки 1, рисунок 3-19, крепления клеммы 2 провода "массы" к коробке передач 10…13 Н.м (3,8…4,4 кгс.м) (головки сменные 13, 17, удлинитель, ключ трещоточный, ключ моментный). Подсоединить наконечник топливной трубки 1, рисунок 3-15, промежуточной к трубке 2 передней топливного трубопровода до характерного щелчка. Наконечник должен быть надежно зафиксирован в соединении. Проверить надежность фиксации методом пробного отведения на- конечника вдоль оси трубки с небольшим усилием. Зафиксировать топливные трубки в скобе 3 крепления трубопроводов на модуле 4 впуска (для двигателя 21129). Установить воздушный фильтр 6, рисунок 3-4, со шлангом впускной трубы в сборе на три опоры крепления и закрепить болтом 5 (головка сменная 13, вороток). Присоединить резонатор 1, рисунок 3-3, впуска к корпусу воздушного фильтра и возду- хозаборнику и закрепить к кузову двумя болтами (головка сменная 10, вороток). http://vnx.su/
  • 21.
    ГОСТ 3.1105-84 Лист 20 ИзмЛист№документаПодписьДатаИзм.Лист№документаПодпиИзм.Лист №документаПодписьДата сПрудскихД.А.18.06.12 РеваВ.В.26.10.12 ХристовП.Н.01.11.12 РеваВ.В.27.10.12 ПрудскихД.А.26.10.12 ьДата Дубликат Взам. Подп. 3100.25100.20582 ТИТехнологическая инструкция ОАО "АВТОВАЗ" Присоединить разъем 1, рисунок 3-5, трубки клапана адсорбера к модулю 2 впуска. Присоединить шланг 4, рисунок 3-4, впускной трубы к модулю впуска и затянуть хомут 2 крепления (отвертка крестообразная). Надеть верхний шланг 3 вентиляции картера на патрубок крышки 7 головки цилиндров и зафиксировать хомутом 1 (плоскогубцы). Проверить и при необходимости довести до нормы уровень масла в картере двигателя (установка типа 24065 для заправки моторным маслом ф. "Альфа" (Италия), масло моторное согласно действующему "Кодификатору основных и вспомогательных материалов, применяе- мых при ТО и ремонте автомобилей LADA" К 3100.25100.00018). Уровень масла должен быть в зоне рифления указателя уровня. Залить охлаждающую жидкость в расширительный бачок и установить пробку расшири- тельного бачка. Уровень охлаждающей жидкости должен быть между метками "min" и "max" на расширительном бачке. Объем охлаждающей жидкости, включая систему отопления салона: для автомобилей с двигателями 11189/21129 – 8,7 л; для автомобилей с двигателем HR16 – 7,0 л (жидкость охлаждающая согласно действующему "Кодификатору основных и вспомога- тельных материалов, применяемых при ТО и ремонте автомобилей LADA" К 3100.25100.00018). Присоединить клемму провода "массы" к аккумуляторной батарее в соответствии с тре- бованиями ТИ 3100.25100.20587. Установить экран модуля впуска. Для автомобилей с системой кондиционирования Выполнить вакуумирование системы кондиционирования и произвести загрузку хлада- гента в систему в соответствии с требованиями инструкции по эксплуатации на сервисное обо- рудование и ТИ 3100.25100.20590. (хладагент R134a согласно действующему "Кодификатору основных и вспомогательных материалов, применяемых при ТО и ремонте автомобилей LADA" К 3100.25100.00018, масса заправляемого в систему хладагента 475 ± 20 г). Для автомобилей всех комплектаций Запустить двигатель и дать ему поработать 2 - 3 минуты на холостых оборотах для уда- ления воздушных пробок в системе охлаждения. Проверить работоспособность отопителя. После остановки двигателя проверить уровень охлаждающей жидкости и отсутствие сле- дов подтекания, при необходимости довести уровень жидкости до нормы. Уровень охлаждаю- щей жидкости должен быть между метками "min" и "max" на расширительном бачке (катушка вытяжная с вентилятором типа SERF/SP ф. "СовПлим"). При работающем двигателе контрольная лампа "Проверьте двигатель" на панели прибо- ров не должна загораться. При загорании лампы перевести электронную систему управления двигателем в режим диагностического отображения согласно требованиям ТИ 3100.25100.12056, определить код неисправности и устранить причину. Установить автомобиль на четырехстоечный подъемник, затормозить стояночным тормо- зом и вывесить его (подъемник четырехстоечный электромеханический типа П-178Д-03 грузо- подъемностью 3,5 т). Прожать переднюю подвеску усилием рук 2 - 3 раза для самоустановки ее узлов, прикла- дывая усилие 400…500 Н (40…50 кгс) в районе переднего бампера. http://vnx.su/
  • 22.
    ГОСТ 3.1105-84 Лист 21 ИзмЛист№документаПодписьДатаИзм.Лист№документаПодпиИзм.Лист №документаПодписьДата сПрудскихД.А.18.06.12 РеваВ.В.26.10.12 ХристовП.Н.01.11.12 РеваВ.В.27.10.12 ПрудскихД.А.26.10.12 ьДата Дубликат Взам. Подп. 3100.25100.20582 ТИТехнологическая инструкция ОАО "АВТОВАЗ" Рисунок 3-33 – Крепление рычага передней подвески к подрамнику: 1 – болт; 2 – рычаг передней подвески; 3 – подрамник передней подвески Рисунок 3-34 – Лонжероны передней подвески: 1 – болт; 2 – лонжерон передней подвески; 3 – гайка; 4 – болт; 5 – подрамник передней подвески; 6 – поперечина рамки радиатора Затянуть окончательно болты крепления передних шарниров рычагов передней подвески и установить лонжероны подрамника в соответствии с требованиями ТИ 3100.25100.20583. Моменты затяжки резьбовых соединений: - болтов 1, рисунок 3-33, крепления передних шарниров рычагов 2 передней подвески к подрамнику 90…120 Н.м (9…12 кгс.м) (головка сменная 18, удлинитель, вороток, ключ мо- ментный); - болтов 1, рисунок 3-34, крепления лонжеронов 2 к поперечине 6 рамки радиатора 18…24 Н.м (1,8…2,4 кгс.м) (головка сменная 13, вороток, ключ моментный); - гаек 3 болтов 4 крепления лонжеронов 2 к подрамнику 5 передней подвески 18…24 Н.м (1,8…2,4 кгс.м) (головки сменные 10, 13, вороток, ключ моментный). Установить брызговик 2, рисунок 3-10, двигателя и затянуть тринадцать болтов 1 крепле- ния (головка сменная 10, вороток и удлинитель). Проверить и при необходимости отрегулировать углы установки передних колес в соот- ветствии с требованиями ТИ 3100.25100.13070. Предъявить автомобиль ОТК. ОТК проверить автомобиль на соответствие требовани- ям ТУ 017200-254-00232934 пп. 1.19.5, 1.19.6, 1.19.9, 1.19.10, 1.19.14, 1.19.15, 1.19.19.6, 1.19.21.3, 1.19.21.6. http://vnx.su/
  • 23.
    ГОСТ 3.1105-84 Лист 22 ИзмЛист№документаПодписьДатаИзм.Лист№документаПодпиИзм.Лист №документаПодписьДата сПрудскихД.А.18.06.12 РеваВ.В.26.10.12 ХристовП.Н.01.11.12 РеваВ.В.27.10.12 ПрудскихД.А.26.10.12 ьДата Дубликат Взам. Подп. 3100.25100.20582 ТИТехнологическая инструкция ОАО "АВТОВАЗ" Рисунок 4-1 – Снятие щитка правого переднего крыла: 1 – щиток правого переднего крыла Рисунок 4-2 – Брызговик двигателя: 1 – болт крепления; 2 – брызговик двигателя 4 РЕМЕНЬ ПРИВОДА НАВЕСНЫХ АГРЕГАТОВ – СНЯТИЕ / УСТАНОВКА (НА АВТОМОБИЛЕ) Снятие Для автомобилей всех комплектаций Установить автомобиль на двухстоечный подъемник, затормозить стояночным тормозом, выключить зажигание (подъемник электрогидравлический типа П-3,2Г грузоподъемностью 3,2 т, ключ гаечный 10). Снять правое переднее колесо в соответствии с требованиями ТИ 3100.25100.20584. Поднять автомобиль на высоту, удобную для выполнения работы. Снять щиток 1, рисунок 4-1, правого переднего крыла в соответствии с требованиями ТИ 3100.25100.20589. Для автомобилей без климатической системы Отвернуть тринадцать болтов 1, рисунок 4-2, крепления и снять брызговик 2 двигателя (головка сменная 10, вороток и удлинитель). http://vnx.su/
  • 24.
    ГОСТ 3.1105-84 Лист 23 ИзмЛист№документаПодписьДатаИзм.Лист№документаПодпиИзм.Лист №документаПодписьДата сПрудскихД.А.18.06.12 РеваВ.В.26.10.12 ХристовП.Н.01.11.12 РеваВ.В.27.10.12 ПрудскихД.А.26.10.12 ьДата Дубликат Взам. Подп. 3100.25100.20582 ТИТехнологическая инструкция ОАО "АВТОВАЗ" Рисунок 4-3 – Цилиндр гидропривода сцепления: 1 – болт; 2 – цилиндр гидропривода сцепления; 3 – трубка гидропривода сцепления; 4 – кронштейн крепления цилиндра гидропривода сцепления; 5 – коробка передач; 6 – вилка выключения сцепления Рисунок 4-4 – Крепление стартера: 1 – болт; 2 – кронштейн крепления цилиндра гидропривода сцепления; 3 – стартер Для автомобилей с МКП дополнительно Отвернуть два болта 1, рисунок 4-3, крепления, снять цилиндр 2 гидропривода сцепле- ния, не отсоединяя от трубки 3 гидропривода, и подвесить цилиндр на технологический крючок (головка сменная 13, ключ трещоточный, крючок технологический). Для автомобилей без климатической системы Отвернуть три болта 1, рисунок 4-4, снять кронштейн 2 крепления цилиндра гидроприво- да сцепления (для автомобилей с МКП), снять стартер 3 не отсоединяя клемму и разъем жгутов проводов, подходящие к стартеру, и подвесить его на технологический крючок (головка смен- ная Torx E10, удлинитель, ключ трещоточный, крючок технологический). Установить приспособление для стопорения маховика в отверстия для болтов крепления стартера на коробке передач. Для автомобилей с климатической системой (с натяжным роликом ремня привода навесных агрегатов) Снять заглушку натяжного ролика, ослабить гайку 1, рисунок 4-5, крепления и перевести натяжной ролик 2 в направлении против часовой стрелки в верхнее положение (головка смен- ная 13, вороток, насадка Torx T55). http://vnx.su/
  • 25.
    ГОСТ 3.1105-84 Лист 24 ИзмЛист№документаПодписьДатаИзм.Лист№документаПодпиИзм.Лист №документаПодписьДата сПрудскихД.А.18.06.12 РеваВ.В.26.10.12 ХристовП.Н.01.11.12 РеваВ.В.27.10.12 ПрудскихД.А.26.10.12 ьДата Дубликат Взам. Подп. 3100.25100.20582 ТИТехнологическая инструкция ОАО "АВТОВАЗ" Рисунок 4-5 – Ремень привода на- весных агрегатов на автомобилях с климатической системой: 1 – гайка крепления натяжного ролика; 2 – натяжной ролик; 3 – шкив генератора; 4 – шкив компрессора кондиционе- ра; 5 – ремень привода навесных агрегатов 6 – демпфер коленчатого вала; 7 – болт крепления демпфера; 8 – шайба Для автомобилей без климатической системы Отвернуть болт 7 крепления демпфера, осторожно снять шайбу 8 и демпфер 6 коленчато- го вала (головка сменная 17, ключ трещоточный и удлинитель). Для автомобилей всех комплектаций Снять ремень 5 привода навесных агрегатов. Установка Для автомобилей без климатической системы Установить на коленчатый вал демпфер, шайбу и закрепить болтом. Момент затяжки болта крепления демпфера 95…115 Н.м (9,5…11,5 кгс.м) (головка сменная 17, ключ трещоточ- ный, ключ моментный). Установить монтажное приспособление 67.7834-9703 на шкив демпфера (приспособле- ние 67.7834-9703 для установки эластичного ремня привода вспомогательных агрегатов). Установить ремень на шкив генератора и надеть на демпфер через приспособление 67.7834-9703. Вращая демпфер за головку болта крепления в направлении движения часовой стрелки на ¾ оборота, надеть ремень на канавки демпфера (ключ кольцевой 17). Прекратить вращение демпфера после освобождения от ремня приспособления 67.7834- 9703 и снять приспособление со шкива демпфера. Установить стартер 3, рисунок 4-4, и кронштейн 2 крепления цилиндра гидропривода сцепления (для автомобилей с МКП) и закрепить тремя болтами 1. Момент затяжки болтов 18…24 Н.м (1,8…2,4 кгс.м) (головка сменная Torx E10, удлинитель, ключ трещоточный, ключ моментный). Для автомобилей с МКП дополнительно Установить цилиндр 2, рисунок 4-3, гидропривода сцепления и закрепить двумя болтами 1. Момент затяжки болтов 18…24 Н.м (1,8…2,4 кгс.м) (головка сменная 13, ключ тре- щоточный, ключ моментный). http://vnx.su/
  • 26.
    ГОСТ 3.1105-84 Лист 25 ИзмЛист№документаПодписьДатаИзм.Лист№документаПодпиИзм.Лист №документаПодписьДата сПрудскихД.А.18.06.12 РеваВ.В.26.10.12 ХристовП.Н.01.11.12 РеваВ.В.27.10.12 ПрудскихД.А.26.10.12 ьДата Дубликат Взам. Подп. 3100.25100.20582 ТИТехнологическая инструкция ОАО "АВТОВАЗ" Для автомобилей без климатической системы Установить брызговик 2, рисунок 4-2, двигателя и затянуть тринадцать болтов 1 крепле- ния (головка сменная 10, вороток и удлинитель). Для автомобилей с климатической системой (с натяжным роликом ремня привода навесных агрегатов) Установить ремень 5, рисунок 4-5, привода навесных агрегатов в последовательности: - демпфер 6 коленчатого вала; - шкив 4 компрессора кондиционера; - шкив 3 генератора; - ролик 2 натяжной. Перевести натяжной ролик 2 в нижнее положение в направлении по часовой стрелке и за- тянуть гайку 1 крепления натяжного ролика. Момент затяжки гайки 30…36 Н.м (3,0…3,6 кгс.м) (головка сменная 13, насадка Torx T55, вороток, ключ моментный). Установить заглушку натяжного ролика. Для автомобилей всех комплектаций Установить щиток правого переднего крыла в соответствии с требованиями ТИ 3100.25100.20589. Установить правое переднее колесо в соответствии с требованиями ТИ 3100.25100.20584. Предъявить автомобиль ОТК. ОТК проверить автомобиль на соответствие требовани- ям ТУ 017200-254-00232934 пп. 1.19.5, 1.19.6, 1.19.14. http://vnx.su/
  • 27.
    ГОСТ 3.1105-84 Лист 26 ИзмЛист№документаПодписьДатаИзм.Лист№документаПодпиИзм.Лист №документаПодписьДата сПрудскихД.А.18.06.12 РеваВ.В.26.10.12 ХристовП.Н.01.11.12 РеваВ.В.27.10.12 ПрудскихД.А.26.10.12 ьДата Дубликат Взам. Подп. 3100.25100.20582 ТИТехнологическая инструкция ОАО "АВТОВАЗ" Рисунок 5-1 – Ремень привода на- весных агрегатов на автомобилях с климатической системой: 1 – гайка крепления натяжного ролика; 2 – натяжной ролик; 3 – шкив генератора; 4 – шкив компрессора кондиционе- ра; 5 – ремень привода навесных агрегатов 6 – демпфер коленчатого вала; 7 – болт крепления демпфера; 8 – шайба Рисунок 5-2 – Лонжерон подрамника дополнительный: 1 – гайка; 2 – рамка радиатора; 3 – болт крепления лонжерона к рамке радиатора; 4 – лонжерон подрамника дополни- тельный; 5 – болт крепления лонжерона к под- рамнику; 6 – подрамник передней подвески 5 РОЛИК НАТЯЖНОЙ РЕМНЯ ПРИВОДА НАВЕСНЫХ АГРЕГАТОВ – СНЯТИЕ / УСТАНОВКА (НА АВТОМОБИЛЕ) Снятие Установить автомобиль на двухстоечный подъемник, затормозить стояночным тормозом, выключить зажигание (подъемник электрогидравлический типа П-3,2Г грузоподъемностью 3,2 т, ключ гаечный 10). Снять правое переднее колесо в соответствии с требованиями ТИ 3100.25100.20584. Поднять автомобиль на высоту, удобную для выполнения работы. Снять щиток 1, рисунок 4-1, правого переднего крыла в соответствии с требованиями ТИ 3100.25100.20589. Снять ремень 5, рисунок 5-1, привода навесных агрегатов в соответствии с требованиями раздела 4 настоящей технологической инструкции. Отвернуть две гайки 1, рисунок 5-2, болтов 5 крепления лонжерона к подрамнику 6 и из- влечь болты (ключ кольцевой 13, головка сменная 10, вороток). http://vnx.su/
  • 28.
    ГОСТ 3.1105-84 Лист 27 ИзмЛист№документаПодписьДатаИзм.Лист№документаПодпиИзм.Лист №документаПодписьДата сПрудскихД.А.18.06.12 РеваВ.В.26.10.12 ХристовП.Н.01.11.12 РеваВ.В.27.10.12 ПрудскихД.А.26.10.12 ьДата Дубликат Взам. Подп. 3100.25100.20582 ТИТехнологическая инструкция ОАО "АВТОВАЗ" Рисунок 5-3 – Вывешивание силового агрегата: 1 – траверса для вывешивания сило- вого агрегата; 2 – крюк траверсы; 3 – рым двигателя Рисунок 5-4 – Правая опора подвески силового агрегата: 1 – болт; 2 – правая опора подвески силового агрегата Отвернуть болт 3 крепления лонжерона к рамке 2 радиатора и снять правый лонжерон 4 подрамника дополнительный (головка сменная 16, вороток). Установить на автомобиль траверсу 1, рисунок 5-3, для вывешивания силового агрегата, завести крюк 2 траверсы в проушину 3 правого рыма и вывесить силовой агрегат с правой сто- роны (траверса для вывешивания силового агрегата). Отвернуть и извлечь два болта 1, рисунок 5-4, крепления силового агрегата к правой опо- ре 2 подвески силового агрегата (головка сменная Torx E12, удлинитель, вороток). Опустить крюк 2, рисунок 5-3, траверсы с подвешенным силовым агрегатом на величину, достаточную для снятия ролика со шпильки крепления. Отвернуть гайку 1, рисунок 5-1, крепления натяжного ролика и снять натяжной ролик 2 (головка сменная 13, вороток). http://vnx.su/
  • 29.
    ГОСТ 3.1105-84 Лист 28 ИзмЛист№документаПодписьДатаИзм.Лист№документаПодпиИзм.Лист №документаПодписьДата сПрудскихД.А.18.06.12 РеваВ.В.26.10.12 ХристовП.Н.01.11.12 РеваВ.В.27.10.12 ПрудскихД.А.26.10.12 ьДата Дубликат Взам. Подп. 3100.25100.20582 ТИТехнологическая инструкция ОАО "АВТОВАЗ" Установка Установить натяжной ролик 2, рисунок 5-1, на шпильку и закрепить гайкой 1 не затяги- вая (головка сменная 13, вороток). Поднять крюк 2, рисунок 5-3, траверсы с подвешенным силовым агрегатом, установить два болта 1, рисунок 5-4, крепления силового агрегата к правой опоре 2 подвески силового аг- регата. Момент затяжки болтов крепления силового агрегата к правой опоре 53…71 Н.м (5,3…7,1 кгс.м) (головка сменная Torx E12, удлинитель, вороток, ключ моментный). Извлечь крюк 2, рисунок 5-3, траверсы из проушины правого рыма 3 на двигателе и снять траверсу 1 для вывешивания силового агрегата с автомобиля. Установить правый лонжерон 4, рисунок 5-2, подрамника дополнительный. Моменты за- тяжки: - гаек 1 болтов 5 крепления лонжерона 4 к подрамнику 6 передней подвески 18…24 Н.м (1,8…2,4 кгс.м) (ключ кольцевой 13, головка сменная 10, вороток, ключ моментный); - болта 3 крепления лонжерона 4 к рамке 2 радиатора 18…24 Н.м (1,8…2,4 кгс.м) (голов- ка сменная 16, вороток, ключ моментный). Установить ремень 5, рисунок 5-1, привода навесных агрегатов в соответствии с требова- ниями раздела 4 настоящей технологической инструкции. Окончательный момент затяжки гайки 1 крепления натяжного ролика 2 после установки ремня привода навесных агрегатов 30…36 Н.м (3,0…3,6 кгс.м) (головка сменная 13, вороток, ключ моментный). Предъявить автомобиль ОТК. ОТК проверить автомобиль на соответствие требовани- ям ТУ 017200-254-00232934 пп. 1.19.5, 1.19.6, 1.19.14. http://vnx.su/
  • 30.
    ГОСТ 3.1105-84 Лист 29 ИзмЛист№документаПодписьДатаИзм.Лист№документаПодпиИзм.Лист №документаПодписьДата сПрудскихД.А.18.06.12 РеваВ.В.26.10.12 ХристовП.Н.01.11.12 РеваВ.В.27.10.12 ПрудскихД.А.26.10.12 ьДата Дубликат Взам. Подп. 3100.25100.20582 ТИТехнологическая инструкция ОАО "АВТОВАЗ" Рисунок 6-2 – Вывешивание силового агрегата: 1 – траверса для вывешивания сило- вого агрегата; 2 – крюк траверсы; 3 – рым двигателя Рисунок 6-1 – Демпфер коленчатого вала: 1 – болт крепления демпфера; 2 – шайба; 3 – демпфер коленчатого вала 6 РЕМЕНЬ ПРИВОДА ГАЗОРАСПРЕДЕЛИТЕЛЬНОГО МЕХАНИЗМА (ГРМ) – СНЯТИЕ / УСТАНОВКА (НА АВТОМОБИЛЕ) Снятие Для автомобилей всех комплектаций Установить автомобиль на двухстоечный подъемник, затормозить стояночным тормозом, выключить зажигание и отсоединить клемму провода "массы" от аккумуляторной батареи (подъемник электрогидравлический типа П-3,2Г грузоподъемностью 3,2 т, ключ гаечный 10). Снять ремень привода навесных агрегатов, брызговик двигателя и установить приспособ- ление для стопорения маховика в соответствии с требованиями раздела 4 настоящей техноло- гической инструкции. Отвернуть болт 1, рисунок 6-1, крепления демпфера, снять шайбу 2 и демпфер 3 коленча- того вала (головка сменная 17, ключ трещоточный и удлинитель). Завернуть на место болт крепления демпфера. Снять приспособление для стопорения маховика двигателя. Установить на автомобиль траверсу 1, рисунок 6-2, для вывешивания силового агрегата, завести крюк 2 траверсы в проушину 3 правого рыма, и вывесить силовой агрегат с правой сто- роны (траверса для вывешивания силового агрегата). http://vnx.su/
  • 31.
    ГОСТ 3.1105-84 Лист 30 ИзмЛист№документаПодписьДатаИзм.Лист№документаПодпиИзм.Лист №документаПодписьДата сПрудскихД.А.18.06.12 РеваВ.В.26.10.12 ХристовП.Н.01.11.12 РеваВ.В.27.10.12 ПрудскихД.А.26.10.12 ьДата Дубликат Взам. Подп. 3100.25100.20582 ТИТехнологическая инструкция ОАО "АВТОВАЗ" Рисунок 6-4 – Передние защитные крышки привода ГРМ двигателя 21129: 1 – передняя верхняя защитная крышка привода ГРМ; 2 – передняя нижняя защитная крышка привода ГРМ Рисунок 6-3 – Правая опора подвески силового агрегата: 1 – болт крепления силового агрегата к правой опоре; 2 – правая опора подвески силового агрегата; 3 – болт крепления правой опоры подвески силового агрегата к кузову Отвернуть и извлечь два болта 1, рисунок 6-3, крепления силового агрегата к правой опо- ре 2 подвески силового агрегата (головка сменная Torx E12, удлинитель, вороток). Отметить маркером на кузове положение правой опоры подвески двигателя. Отвернуть и извлечь два болта 3 крепления правой опоры подвески силового агрегата к кузову и снять правую опору (головка сменная Torx E12, удлинитель, вороток). Отвернуть пять болтов с шайбами, и снять переднюю верхнюю защитную крышку 1, ри- сунок 6-4, привода ГРМ (ключ 5 под внутренний шестигранник). Отвернуть три болта с шайбами и снять переднюю нижнюю защитную крышку 2 привода ГРМ (ключ 5 под внутренний шестигранник). Совместить метки шкивов ГРМ, поворачивая коленчатый вал за болт крепления демпфе- ра. При этом метка зубчатого шкива коленчатого вала должна совпасть с меткой на корпусе масляного насоса, а метки шкивов распределительных валов должны совпасть с метками на крышке защитной задней (ключ гаечный кольцевой 17). Ослабить болт 1, рисунок 6-5, крепления автоматического натяжителя 2, отвернув его на 2 - 3 оборота, и снять со шкива коленчатого вала дистанционную шайбу и ремень 3 привода ГРМ (ключ кольцевой 17, отвертка плоская – 2 шт.). http://vnx.su/
  • 32.
    ГОСТ 3.1105-84 Лист 31 ИзмЛист№документаПодписьДатаИзм.Лист№документаПодпиИзм.Лист №документаПодписьДата сПрудскихД.А.18.06.12 РеваВ.В.26.10.12 ХристовП.Н.01.11.12 РеваВ.В.27.10.12 ПрудскихД.А.26.10.12 ьДата Дубликат Взам. Подп. 3100.25100.20582 ТИТехнологическая инструкция ОАО "АВТОВАЗ" Установка Внимание. Регулировку и контроль натяжения зубчатого ремня привода ГРМ выпол- нять на холодном двигателе при температуре охлаждающей жидкости +15°…+35°C. Для автомобилей с двигателем 11189 Совместить установочную метку "С" шкива распределительного вала с меткой "D" на крышке защитной задней привода ГРМ, а метку "А" на шкиве коленчатого вала с меткой "В" на корпусе масляного насоса поворотом коленчатого вала за болт крепления демпфера в кратчай- шем угловом направлении, как показано на рисунке 6-6 (головка сменная 17, вороток, удлини- тель). Установить ремень 6, рисунок 6-6, привода ГРМ на шкив 1 коленчатого вала и, натягивая обе ветви ремня, надеть одну ветвь на шкив 2 водяного насоса и завести ее за автоматический натяжитель 4. Натягивая ветвь "а" надеть ремень на шкив 5 распределительного вала. При не- обходимости довернуть шкив распределительного вала в сторону наименьшего хода до совпа- дения зубцов ремня с впадинами шкива распределительного вала. Завернуть гайку 4 крепления автоматического натяжителя с моментом 5 Н.м (0,5 кгс.м) (головка сменная 15, ключ моментный). Рисунок 6-5 – Снятие ремня приво- да ГРМ на двигателе 21129: 1 – болт крепления автоматическо- го натяжителя; 2 – автоматический натяжитель зубчатого ремня; 3 – ремень зубчатый привода ГРМ; A, B, C, D – метки установочные Рисунок 6-6 – Детали привода газо- распределительного механизма двига- теля 11189: 1 – шкив коленчатого вала; 2 – шкив водяного насоса; 3 – автоматический натяжитель зуб- чатого ремня; 4 – гайка крепления автоматического натяжителя; 5 – шкив распределительного вала; 6 – ремень привода ГРМ; A, B, C, D – метки установочные; а – ветвь ремня http://vnx.su/
  • 33.
    ГОСТ 3.1105-84 Лист 32 ИзмЛист№документаПодписьДатаИзм.Лист№документаПодпиИзм.Лист №документаПодписьДата сПрудскихД.А.18.06.12 РеваВ.В.26.10.12 ХристовП.Н.01.11.12 РеваВ.В.27.10.12 ПрудскихД.А.26.10.12 ьДата Дубликат Взам. Подп. 3100.25100.20582 ТИТехнологическая инструкция ОАО "АВТОВАЗ" Для автомобилей с двигателем 21129 Совместить установочные метки "A" и "D" на шкивах распределительных валов с метка- ми "B" и "C" на крышке защитной задней привода ГРМ, как показано на рисунке 6-7, и зафик- сировать шкивы при помощи приспособления 67.7811-9516 (приспособление 67.7811-9516 для фиксации шкивов распределительных валов). Совместить установочную метку "F" на шкиве коленчатого вала с меткой "Е" на крышке масляного насоса поворотом коленчатого вала за болт крепления демпфера в кратчайшем угло- вом направлении (головка сменная 17, вороток, удлинитель). Завернуть болт 4 крепления автоматического натяжителя с моментом 5 Н.м (0,5 кгс.м) (головка сменная 15, ключ моментный). Установить ремень 8 привода ГРМ на шкивы 5 и 6 распределительных валов, опорный ролик 7, автоматический натяжитель 3, шкив 2 водяного насоса и шкив 1 коленчатого вала, как показано на рисунке 6-7, сохраняя положение установочных меток на шкивах. Для автомобилей всех комплектаций Установить ключ для натяжения в пазы опорной пластины автоматического натяжителя 1, рисунок 6-8, повернуть натяжитель против хода часовой стрелки в крайнее положение до легкого касания стопоров рычага натяжителя. Повернуть ключ по часовой стрелке до совмеще- ния меток автоматического натяжителя и затянуть болт крепления натяжителя. Момент затяж- ки болта 30…36 Н.м (3,0…3,6 кгс.м) (ключ 67.7812.9573-01 для автоматического натяжителя ремня ГРМ, головка сменная 15, ключ моментный). ПРЕДУПРЕЖДЕНИЕ. При натяжении ремня не допускается проворачивать колен- чатый вал вращением шкива распределительного вала. Снять приспособление 67.7811-9516 (для автомобилей с двигателем 21129). Повернуть коленчатый вал на два оборота (ключ кольцевой 17). При отклонении метки "A" за пределы метки "B", выполнить повторное натяжение рем- ня, предварительно отвернув болт крепления автоматического натяжителя и завернув с момен- том 5 Н.м (0,5 кгс.м) (ключи кольцевые 15, 17; головка сменная 15, ключ моментный). Рисунок 6-7 – Детали привода газо- распределительного механизма двига- теля 21129: 1 – шкив коленчатого вала; 2 – шкив водяного насоса; 3 – автоматический натяжитель зубчатого ремня; 4 – болт крепления автоматического натяжителя; 5 – шкив распределительного вала выпускной; 6 – шкив распределительного вала впускной; 7 – ролик опорный; 8 – ремень привода ГРМ; A, B, C, D, E, F – метки установочные http://vnx.su/
  • 34.
    ГОСТ 3.1105-84 Лист 33 ИзмЛист№документаПодписьДатаИзм.Лист№документаПодпиИзм.Лист №документаПодписьДата сПрудскихД.А.18.06.12 РеваВ.В.26.10.12 ХристовП.Н.01.11.12 РеваВ.В.27.10.12 ПрудскихД.А.26.10.12 ьДата Дубликат Взам. Подп. 3100.25100.20582 ТИТехнологическая инструкция ОАО "АВТОВАЗ" Установить на шкив коленчатого вала дистанционную шайбу. Внимание. При установке ремня привода ГРМ из запасных частей, проверить состоя- ние автоматического натяжителя. При повреждении заменить автоматический натяжи- тель. Проверку работоспособности автоматического натяжителя проводить в соответствии с требованиями ТИ 3100.25100.40157. Установить поочередно передние защитные крышки привода ГРМ, сначала нижнюю 2, рисунок 6-4, затем верхнюю 1, при этом верхняя крышка должна войти в пазы нижней крышки и состыковаться с ней (ключ 5 под внутренний шестигранник). Установить на кузов правую опору 2, рисунок 6-3, подвески силового агрегата. Установить, не затягивая, два болта 1 крепления правой опоры подвески силового агрега- та к кронштейну подвески силового агрегата (головка сменная Torx E12, удлинитель, вороток). Установить, не затягивая, два болта 3 крепления правой опоры подвески силового агрега- та к кузову (головка сменная Torx E12, удлинитель, вороток). Затянуть два болта крепления правой опоры подвески силового агрегата к кронштейну подвески силового агрегата с моментом 53…71 Н.м (5,3…7,1 кгс.м) (головка сменная Torx E12, удлинитель, ключ моментный). Установить правую опору подвески силового агрегата по меткам на кузове, нанесенным при ее снятии, и затянуть два болта крепления правой опоры подвески силового агрегата к ку- зову с моментом 53…71 Н.м (5,3…7,1 кгс.м) (головка сменная Torx E12, удлинитель, ключ мо- ментный). Извлечь крюк 2, рисунок 6-2, траверсы для вывешивания силового агрегата из проушины правого рыма 3 на двигателе и снять траверсу 1 с автомобиля. Установить приспособление для стопорения маховика двигателя в отверстия болтов кре- пления стартера на коробке передач (приспособление для стопорения маховика двигателя). Вывернуть болт крепления демпфера коленчатого вала (ключ кольцевой 17). Рисунок 6-8 – Натяжение ремня привода ГРМ: 1 – автоматический натяжитель зубчатого ремня; 2 – ремень привода ГРМ; 3 – болт крепления автоматического натяжителя; А, В – метки установочные http://vnx.su/
  • 35.
    ГОСТ 3.1105-84 Лист 34 ИзмЛист№документаПодписьДатаИзм.Лист№документаПодпиИзм.Лист №документаПодписьДата сПрудскихД.А.18.06.12 РеваВ.В.26.10.12 ХристовП.Н.01.11.12 РеваВ.В.27.10.12 ПрудскихД.А.26.10.12 ьДата Дубликат Взам. Подп. 3100.25100.20582 ТИТехнологическая инструкция ОАО "АВТОВАЗ" Установить на коленчатый вал демпфер, шайбу и закрепить болтом. Момент затяжки болта крепления демпфера 95…115 Н.м (9,5…11,5 кгс.м) (головка сменная 17, ключ трещоточ- ный, ключ моментный). Установить ремень привода навесных агрегатов и стартер в соответствии с требованиями раздела 4 настоящей технологической инструкции. Для автомобилей с МКП дополнительно Установить кронштейн крепления цилиндра гидропривода сцепления и цилиндр гидро- привода сцепления в соответствии с требованиями раздела 4 настоящей технологической инст- рукции. Для автомобилей всех комплектаций Установить брызговик двигателя в соответствии с требованиями раздела 4 настоящей технологической инструкции. Установить щиток правого переднего крыла в соответствии с требованиями ТИ 3100.25100.20589. Установить правое переднее колесо в соответствии с требованиями ТИ 3100.25100.20584. Присоединить клемму провода "массы" к аккумуляторной батарее в соответствии с тре- бованиями ТИ 3100.25100.20587. Предъявить автомобиль ОТК. ОТК проверить автомобиль на соответствие требовани- ям ТУ 017200-254-00232934 пп. 1.19.5, 1.19.6, 1.19.14. http://vnx.su/
  • 36.
    ГОСТ 3.1105-84 Лист 35 ИзмЛист№документаПодписьДатаИзм.Лист№документаПодпиИзм.Лист №документаПодписьДата сПрудскихД.А.18.06.12 РеваВ.В.26.10.12 ХристовП.Н.01.11.12 РеваВ.В.27.10.12 ПрудскихД.А.26.10.12 ьДата Дубликат Взам. Подп. 3100.25100.20582 ТИТехнологическая инструкция ОАО "АВТОВАЗ" 7 ЭЛЕМЕНТЫ СИСТЕМЫ ПИТАНИЯ – СНЯТИЕ / УСТАНОВКА Рисунок 7-1 – Элементы системы питания: 1 – труба наливная топливного бака; 2 – бак топливный; 3 – трубка паропровода задняя; 4 – трубка топливного трубопровода задняя; 5 – трубка топливного трубопровода; 6 – трубка паропровода; 7 – трубка переднего топливного трубопровода; 8 – рампа форсунок; 9 – трубка передняя топливного трубопровода; 10 – адсорбер; 11 – трубка паропровода передняя; 12 – трубка паропровода от адсорбера к клапану продувки адсорбера; 13 – клапан продувки ад- сорбера; 14 – трубка паропровода от клапана продувки адсорбера к модулю впуска 7.1 Модуль электробензонасоса (МЭБН) Снятие Установить автомобиль на рабочее место и затормозить стояночным тормозом. Откинуть вперед подушку заднего сиденья. Снять крышку 1, рисунок 7-2, люка бензонасоса. Отсоединить колодку 3, рисунок 7-3, жгута проводов заднего от модуля электробензона- соса 2. Запустить двигатель и дать ему поработать на оборотах холостого хода до полной оста- новки для сброса давления в топливной системе, обеспечив отвод выхлопных газов (катушка вытяжная с вентилятором типа SERF/SP ф. "СовПлим"). Выключить зажигание. Отсоединить клемму провода "массы" от аккумуляторной батареи (ключ гаечный 10). http://vnx.su/
  • 37.
    ГОСТ 3.1105-84 Лист 36 ИзмЛист№документаПодписьДатаИзм.Лист№документаПодпиИзм.Лист №документаПодписьДата сПрудскихД.А.18.06.12 РеваВ.В.26.10.12 ХристовП.Н.01.11.12 РеваВ.В.27.10.12 ПрудскихД.А.26.10.12 ьДата Дубликат Взам. Подп. 3100.25100.20582 ТИТехнологическая инструкция ОАО "АВТОВАЗ" Рисунок 7-2 – Крышка люка бензо- насоса: 1 – крышка люка бензонасоса Рисунок 7-3 – Модуль электробен- зонасоса (МЭБН): 1 – МЭБН; 2 – кольцо прижимное; 3 – колодка жгута проводов задне- го к МЭБН; 4 – бак топливный; 5 – трубка топливного трубопро- вода задняя Нажать на пружинные фиксаторы наконечника трубки 5 топливного трубопровода задней и движением вдоль оси штуцера отсоединить трубку от МЭБН 1. Повернуть прижимное кольцо 2 против хода часовой стрелки, снять кольцо и МЭБН (ключ 67.7812-9709 для снятия и установки прижимного кольца МЭБН). Установка Установить МЭБН 1, рисунок 7-3, в топливный бак 4, установить прижимное кольцо 2 и повернуть его по ходу часовой стрелки (ключ 67.7812-9709 для снятия и установки прижимно- го кольца МЭБН). Присоединить трубку 5 топливного трубопровода заднюю к МЭБН движением вдоль оси штуцера до щелчка пружинного фиксатора соединителя. Проверить надежность фиксации трубки. Присоединить колодку 3 жгута проводов заднего к МЭБН. Установить крышку 1, рисунок 7-2, люка бензонасоса. Опустить подушку заднего сиденья. Присоединить клемму провода "массы" к аккумуляторной батарее в соответствии с тре- бованиями ТИ 3100.25100.20587. http://vnx.su/
  • 38.
    ГОСТ 3.1105-84 Лист 37 ИзмЛист№документаПодписьДатаИзм.Лист№документаПодпиИзм.Лист №документаПодписьДата сПрудскихД.А.18.06.12 РеваВ.В.26.10.12 ХристовП.Н.01.11.12 РеваВ.В.27.10.12 ПрудскихД.А.26.10.12 ьДата Дубликат Взам. Подп. 3100.25100.20582 ТИТехнологическая инструкция ОАО "АВТОВАЗ" Рисунок 7-4 – Крепление наливной горловины топливного бака: 1 – винт самонарезающий; 2 – наливная горловина топливного бака; 3 – люк наливной горловины топ- ливного бака 7.2 Топливный бак Снятие Установить автомобиль на двухстоечный подъемник и затормозить стояночным тормо- зом (подъемник электрогидравлический типа П-3,2Г грузоподъемностью 3,2 т). Откинуть впе- ред подушку заднего сиденья. Снять крышку 1, рисунок 7-2, люка бензонасоса. Отсоединить колодку 3, рисунок 7-3, от МЭБН 1. Запустить двигатель и дать ему поработать на оборотах холостого хода до полной оста- новки для сброса давления в топливной системе, обеспечив отвод выхлопных газов (катушка вытяжная с вентилятором типа SERF/SP ф. "СовПлим"). Выключить зажигание. Отсоединить клемму провода "массы" от аккумуляторной батареи (ключ гаечный 10). Приподнять автомобиль и слить максимально возможное количество топлива из топлив- ного бака. При откачке топлива принять меры по исключению утечки (насос кистевой, канист- ра для топлива). Снять правое заднее колесо в соответствии с требованиями ТИ 3100.25100.20584. Отвернуть три винта 1, рисунок 7-4, самонарезающих крепления наливной горловины 2 топливного бака к кузову (отвертка с насадкой Torx Т20). Поднять автомобиль на высоту, удобную для выполнения работ. Отвернуть гайку 1, рисунок 7-5, крепления наливной трубы 2 топливного бака к кузову (головка сменная 13, удлинитель, вороток). Снять клемму провода 3 "массы" со шпильки крепления на кузове под аркой заднего пра- вого колеса. Снять глушитель 1, рисунок 7-6, дополнительный системы выпуска отработавших газов в соответствии с требованиями раздела 8 настоящей технологической инструкции. Сместить глушитель 5 основной системы выпуска отработавших газов влево и закрепить на левом рычаге 4 задней подвески. http://vnx.su/
  • 39.
    ГОСТ 3.1105-84 Лист 38 ИзмЛист№документаПодписьДатаИзм.Лист№документаПодпиИзм.Лист №документаПодписьДата сПрудскихД.А.18.06.12 РеваВ.В.26.10.12 ХристовП.Н.01.11.12 РеваВ.В.27.10.12 ПрудскихД.А.26.10.12 ьДата Дубликат Взам. Подп. 3100.25100.20582 ТИТехнологическая инструкция ОАО "АВТОВАЗ" Рисунок 7-5 – Крепление наливной трубы топливного бака: 1 – гайка; 2 – наливная труба топливного бака; 3 – провод "массы" Рисунок 7-6 – Теплозащитный экран топливного бака: 1 – глушитель дополнительный сис- темы выпуска отработавших газов; 2 – держатель; 3 – экран теплозащитный топливно- го бака; 4 – рычаг задней подвески левый; 5 – глушитель основной системы выпуска отработавших газов; 6 –бак топливный Рисунок 7-7 – Трубки топливного трубопровода и паропровода: 1 – трубка паропровода задняя; 2 – трубка топливного трубопрово- да задняя; 3 – топливный бак; 4 – трубка топливного трубопрово- да; 5 – скоба крепления трубопрово- дов; 6 – трубка паропровода Снять держатели 2 экрана теплозащитного и экран 3 теплозащитный топливного бака 6 (отвертка плоская). Нажать на пружинные фиксаторы наконечников трубок и отсоединить движением вдоль оси штуцера трубку 1, рисунок 7-7, паропровода заднюю от трубки 6 паропровода и трубку 2 топливного трубопровода заднюю от трубки 4 топливного трубопровода. http://vnx.su/
  • 40.
    ГОСТ 3.1105-84 Лист 39 ИзмЛист№документаПодписьДатаИзм.Лист№документаПодпиИзм.Лист №документаПодписьДата сПрудскихД.А.18.06.12 РеваВ.В.26.10.12 ХристовП.Н.01.11.12 РеваВ.В.27.10.12 ПрудскихД.А.26.10.12 ьДата Дубликат Взам. Подп. 3100.25100.20582 ТИТехнологическая инструкция ОАО "АВТОВАЗ" Рисунок 7-8 – Крепление топливно- го бака: 1 – болт; 2 – хомут крепления топливного бака; 3 – бак топливный; 4 – держатели хомутов Отвернуть четыре болта 1, рисунок 7-8, крепления хомутов топливного бака 3 (головка сменная 13, удлинитель, вороток). Отсоединить держатели 4 хомутов топливного бака и снять хомуты 3 (отвертка плоская) Снять топливный бак. Операцию выполнять с помощником. Установка Установить топливный бак 3, рисунок 7-8. Операцию выполнять с помощником. Установить левый и правый хомуты 2 крепления на топливный бак 3 и зафиксировать их держателями 4. Установить болты 1 крепления хомутов топливного бака. Момент затяжки болтов креп- ления хомутов топливного бака 18…24 Н.м (1,8…2,4 кгс.м) (головка сменная 13, удлинитель, вороток, ключ моментный). Присоединить трубку 1, рисунок 7-7, паропровода заднюю к трубке 6 паропровода дви- жением вдоль оси штуцера до щелчка пружинного фиксатора наконечника. Присоединить трубку 2 топливного трубопровода заднюю к трубке 4 топливного трубо- провода движением вдоль оси штуцера до щелчка пружинного фиксатора наконечника. Проверить надежность фиксации трубок. Установить теплозащитный экран 3, рисунок 7-6, топливного бака и закрепить держате- лями 2 теплозащитного экрана. Вышедшие из строя держатели заменить новыми. Установить дополнительный глушитель 1 системы отработавших газов в соответствии с требованиями раздела 8 настоящей технологической инструкции. Закрепить винтами 1, рисунок 7-4, самонарезающими наливную горловину 2 топливного бака к кузову (отвертка с насадкой Torx Т20). Установить на шпильку крепления наливной трубы к кузову клемму провода 3 "массы". http://vnx.su/
  • 41.
    ГОСТ 3.1105-84 Лист 40 ИзмЛист№документаПодписьДатаИзм.Лист№документаПодпиИзм.Лист №документаПодписьДата сПрудскихД.А.18.06.12 РеваВ.В.26.10.12 ХристовП.Н.01.11.12 РеваВ.В.27.10.12 ПрудскихД.А.26.10.12 ьДата Дубликат Взам. Подп. 3100.25100.20582 ТИТехнологическая инструкция ОАО "АВТОВАЗ" Завернуть гайку 1 крепления наливной трубы 2 топливного бака. Момент затяжки гайки крепления наливной трубы 4 Н.м (0,4 кгс.м) (головка сменная 13, удлинитель, вороток, ключ моментный). Установить правое заднее колесо в соответствии с требованиями ТИ 3100.25100.20584. Присоединить колодку 3, рисунок 7-3, жгута проводов заднего к МЭБН 1. Установить крышку 1, рисунок 7-2, люка бензонасоса. Опустить подушку заднего сиденья. Присоединить клемму провода "массы" к аккумуляторной батарее согласно требованиям ТИ 3100.25100.20587. 7.3 Топливный трубопровод Снятие Установить автомобиль на двухстоечный подъемник и затормозить стояночным тормо- зом (подъемник электрогидравлический типа П-3,2Г грузоподъемностью 3,2 т). Откинуть вперед подушку заднего сиденья. Снять крышку 1, рисунок 7-2, люка бензонасоса. Отсоединить колодку 3, рисунок 7-3, жгута проводов заднего от МЭБН 1. Запустить двигатель и дать ему поработать на оборотах холостого хода до полной оста- новки для сброса давления в топливной системе, обеспечив отвод выхлопных газов (катушка вытяжная с вентилятором типа SERF/SP ф. "СовПлим"). Выключить зажигание. Отсоединить клемму провода "массы" от аккумуляторной батареи (ключ гаечный 10). Трубка передняя топливного трубопровода Снять экран модуля впуска. Отсоединить трубки 1 и 2, рисунок 7-9, топливного трубопровода от скобы 3 крепления топливного трубопровода на модуле 4 впуска (для двигателя 21129). Нажать на пружинные фиксаторы и отсоединить движением вдоль оси штуцера наконеч- ник топливной трубки 1 переднего топливного трубопровода от трубки 2 передней топливного трубопровода. Снять модуль впуска в соответствии с разделом 7.6 настоящей технологической инструк- ции. http://vnx.su/
  • 42.
    ГОСТ 3.1105-84 Лист 41 ИзмЛист№документаПодписьДатаИзм.Лист№документаПодпиИзм.Лист №документаПодписьДата сПрудскихД.А.18.06.12 РеваВ.В.26.10.12 ХристовП.Н.01.11.12 РеваВ.В.27.10.12 ПрудскихД.А.26.10.12 ьДата Дубликат Взам. Подп. 3100.25100.20582 ТИТехнологическая инструкция ОАО "АВТОВАЗ" Рисунок 7-9 – Соединение топлив- ных трубок (для двигателя 21129): 1 – трубка переднего топливного трубопровода; 2 – трубка топливного трубопрово- да передняя; 3 – скоба крепления топливного трубопровода; 4 – модуль впуска Рисунок 7-10 – Трубка топливного трубопровода передняя (для двига- теля 21129): 1 – трубка передняя топливного трубопровода; 2 – рампа форсунок; 3 – скоба крепления топливного трубопровода; 4 – головка цилиндров Нажать на пружинные фиксаторы и движением вдоль оси штуцера отсоединить наконеч- ник трубки 1, рисунок 7-10, передней топливного трубопровода от рампы 2 форсунок. Отсоединить скобу 3 крепления и снять трубку переднюю топливного трубопровода (от- вертка плоская). Трубка переднего топливного трубопровода Снять экран модуля впуска. Отсоединить трубки 1, рисунок 7-9, переднего топливного трубопровода и переднюю 2 топливного трубопровода от скобы 3 крепления топливного трубопровода на модуле 4 впуска (для двигателя 21129). Нажать на пружинные фиксаторы и отсоединить движением вдоль оси штуцера наконеч- ник трубки переднего топливного трубопровода от трубки передней топливного трубопровода. Нажать на пружинные фиксаторы и отсоединить движением вдоль оси штуцера наконеч- ник трубки 7, рисунок 7-1, переднего топливного трубопровода от трубки 5 топливного трубо- провода. http://vnx.su/
  • 43.
    ГОСТ 3.1105-84 Лист 42 ИзмЛист№документаПодписьДатаИзм.Лист№документаПодпиИзм.Лист №документаПодписьДата сПрудскихД.А.18.06.12 РеваВ.В.26.10.12 ХристовП.Н.01.11.12 РеваВ.В.27.10.12 ПрудскихД.А.26.10.12 ьДата Дубликат Взам. Подп. 3100.25100.20582 ТИТехнологическая инструкция ОАО "АВТОВАЗ" Трубка топливного трубопровода Нажать на пружинные фиксаторы и отсоединить движением вдоль оси штуцера наконеч- ник трубки 7, рисунок 7-1, переднего топливного трубопровода от трубки 5 топливного трубо- провода. Поднять автомобиль на подъемнике на высоту, удобную для выполнения работ. Нажать на пружинные фиксаторы наконечника трубки и отсоединить движением вдоль оси штуцера трубку 2, рисунок 7-7, топливного трубопровода заднюю от трубки 4 топливного трубопровода. Отсоединить трубку 4 топливного трубопровода среднюю от скоб 5 и снять с автомоби- ля. Трубка топливного трубопровода задняя Нажать на пружинные фиксаторы наконечника трубки 5, рисунок 7-2, топливного трубо- провода задней и движением вдоль оси штуцера отсоединить трубку от штуцера МЭБН 1. Поднять автомобиль на подъемнике на высоту, удобную для выполнения работ. Нажать на пружинные фиксаторы наконечника трубки 2, рисунок 7-7, топливного трубо- провода задней и движением вдоль оси штуцера отсоединить от трубки 4 топливного трубо- провода, снять трубку топливного трубопровода заднюю. Установка Установку трубок топливного трубопровода на автомобиль выполнять в порядке обрат- ном снятию. Внимание. Наконечники трубок топливного трубопровода имеют зеленый цвет фиксато- ров. При установке трубок топливного трубопровода наконечники трубок присоединять к штуцерам до щелчка пружинного фиксатора. После установки проверить надежность фиксации трубок. Присоединить колодку 3, рисунок 7-3, жгута проводов заднего к МЭБН 1. Установить крышку 1, рисунок 7-2, люка бензонасоса. Опустить подушку заднего сиденья. Присоединить клемму провода "массы" к аккумуляторной батарее согласно требованиям ТИ 3100.25100.20587. http://vnx.su/
  • 44.
    ГОСТ 3.1105-84 Лист 43 ИзмЛист№документаПодписьДатаИзм.Лист№документаПодпиИзм.Лист №документаПодписьДата сПрудскихД.А.18.06.12 РеваВ.В.26.10.12 ХристовП.Н.01.11.12 РеваВ.В.27.10.12 ПрудскихД.А.26.10.12 ьДата Дубликат Взам. Подп. 3100.25100.20582 ТИТехнологическая инструкция ОАО "АВТОВАЗ" 7.4 Трубки паропровода системы улавливания паров топлива Снятие Трубки паропровода, рисунок 7-1: - передняя 11; - от адсорбера к клапану продувки адсорбера 12; - от клапана продувки адсорбера к модулю впуска 14. Установить автомобиль на рабочее место, затормозить стояночным тормозом и выклю- чить зажигание. Снять экран модуля впуска (для снятия трубки от клапана продувки адсорбера к модулю впуска). Нажать на пружинные фиксаторы наконечников соответствующей трубки паропровода и движением вдоль оси штуцера отсоединить трубку от штуцера, снять трубку с автомобиля. Трубка паропровода Установить автомобиль на двухстоечный подъемник и затормозить стояночным тормо- зом (подъемник электрогидравлический типа П-3,2Г грузоподъемностью 3,2 т). Нажать на пружинные фиксаторы наконечника трубки 11, рисунок 7-1, паропровода пе- редней и движением вдоль оси штуцера отсоединить от трубки 6 паропровода. Поднять автомобиль на подъемнике на высоту, удобную для выполнения работ. Нажать на пружинные фиксаторы наконечника трубки 1, рисунок 7-7, паропровода зад- ней и движением вдоль оси штуцера отсоединить от трубки 6 паропровода. Отсоединить трубку паропровода от скоб 5 крепления и снять с автомобиля. Установка Установку трубок паропровода на автомобиль выполнять в порядке обратном снятию. Внимание. Наконечники трубок паропровода имеют желтый и черный цвет фиксаторов. При установке трубок паропровода наконечники трубок присоединять к штуцерам до щелчка пружинного фиксатора. После установки проверить надежность фиксации трубок. http://vnx.su/
  • 45.
    ГОСТ 3.1105-84 Лист 44 ИзмЛист№документаПодписьДатаИзм.Лист№документаПодпиИзм.Лист №документаПодписьДата сПрудскихД.А.18.06.12 РеваВ.В.26.10.12 ХристовП.Н.01.11.12 РеваВ.В.27.10.12 ПрудскихД.А.26.10.12 ьДата Дубликат Взам. Подп. 3100.25100.20582 ТИТехнологическая инструкция ОАО "АВТОВАЗ" Рисунок 7-11 – Клапан продувки адсорбера: 1 – колодка жгута проводов перед- него к клапану продувки адсорбера; 2 – трубка паропровода к модулю впуска; 3 – клапан продувки адсорбера; 4 – трубка паропровода от адсорбе- ра 7.5 Клапан продувки адсорбера Снятие Установить автомобиль на рабочее место, затормозить стояночным тормозом и выклю- чить зажигание. Отсоединить клемму провода "массы" от аккумуляторной батареи (ключ гаечный 10). Отсоединить колодку 1, рисунок 7-11, жгута проводов переднего от клапана 3 продувки адсорбера. Нажать на пружинные фиксаторы наконечника трубки 2 паропровода к модулю впуска и движением вдоль оси штуцера отсоединить трубку от клапана продувки адсорбера. Нажать на пружинные фиксаторы наконечника трубки 4 паропровода от адсорбера и движением вдоль оси штуцера отсоединить трубку от клапана продувки адсорбера. Снять клапан продувки адсорбера с кронштейна на кузове автомобиля. Установка Установку клапана продувки адсорбера выполнять в порядке обратном снятию. При установке трубок паропровода наконечники трубок присоединять к штуцерам кла- пана продувки адсорбера до щелчка пружинного фиксатора. После установки проверить на- дежность фиксации трубок. http://vnx.su/
  • 46.
    ГОСТ 3.1105-84 Лист 45 ИзмЛист№документаПодписьДатаИзм.Лист№документаПодпиИзм.Лист №документаПодписьДата сПрудскихД.А.18.06.12 РеваВ.В.26.10.12 ХристовП.Н.01.11.12 РеваВ.В.27.10.12 ПрудскихД.А.26.10.12 ьДата Дубликат Взам. Подп. 3100.25100.20582 ТИТехнологическая инструкция ОАО "АВТОВАЗ" Рисунок 7-12 – Воздушный фильтр со шлангом впускной трубы в сбо- ре: 1 – хомут крепления верхнего шланга вентиляции картера; 2 – хомут крепления шланга впуск- ной трубы; 3 – верхний шланг вентиляции картера; 4 – шланг впускной трубы; 5 – воздушный фильтр; 6 – крышка головки цилиндров Рисунок 7-13 – Шланги и трубки, подходящие к модулю впуска (для двигателя 21129): 1 – хомут; 2 – шланг вакуумного усилителя тормозов; 3 – хомут; 4 – трубка вентиляции картера; 5 – наконечник трубки клапана ад- сорбера; 6 – модуль впуска 7.6 Модуль впуска Снятие Для автомобилей с двигателем 21129: установить автомобиль на двухстоечный подъ- емник и затормозить стояночным тормозом (подъемник электрогидравлический типа П-3,2Г грузоподъемностью 3,2 т). Для автомобилей с двигателем 11189: установить автомобиль на рабочее место и затормозить стояночным тормозом. Для автомобилей всех комплектаций Отсоединить клемму провода "массы" от аккумуляторной батареи (ключ гаечный 10). Снять экран модуля впуска. Отжать хомут 1, рисунок 7-12, крепления и отсоединить верхний шланг 3 вентиляции картера от патрубка крышки 6 головки цилиндров (плоскогубцы). Ослабить хомут 2 крепления и отсоединить шланг 4 впускной трубы от дроссельного патрубка (отвертка крестообразная). Ослабить хомут 1, рисунок 7-13, и отсоединить шланг 2 вакуумного усилителя тормозов от модуля 6 впуска (отвертка крестообразная или головка сменная 8 и вороток). http://vnx.su/
  • 47.
    ГОСТ 3.1105-84 Лист 46 ИзмЛист№документаПодписьДатаИзм.Лист№документаПодпиИзм.Лист №документаПодписьДата сПрудскихД.А.18.06.12 РеваВ.В.26.10.12 ХристовП.Н.01.11.12 РеваВ.В.27.10.12 ПрудскихД.А.26.10.12 ьДата Дубликат Взам. Подп. 3100.25100.20582 ТИТехнологическая инструкция ОАО "АВТОВАЗ" Рисунок 7-15 – Датчик положения коленчатого вала: 1 – датчик положения коленчатого вала; 2 – жгут проводов системы зажига- ния Рисунок 7-14 – Крепление топлив- ных трубок (для двигателя 21129): 1 – трубка топливного трубопрово- да промежуточная; 2 – трубка передняя топливного трубопровода; 3 – скоба крепления трубопроводов; 4 – модуль впуска Рисунок 7-16 – Соединения жгута проводов системы зажигания (для двигателя 21129): 1 – датчик давления и температуры воздуха; 2 – дроссельный патрубок; 3 – жгут проводов системы зажига- ния; 4 – клапан заслонки впускной трубы Отжать хомут 3 и отсоединить трубку 4 вентиляции картера от модуля впуска (плоско- губцы). Нажать на пружинные фиксаторы и движением вдоль оси штуцера отсоединить наконеч- ник 5 трубки клапана адсорбера и саму трубку от модуля впуска. Отсоединить трубки 1 и 2, рисунок 7-14, топливного трубопровода со скобой 3 крепления в сборе от модуля 4 впуска (для автомобилей с двигателем 21129). Отсоединить колодки жгута проводов системы зажигания от разъемов: - датчика 1, рисунок 7-15, положения коленчатого вала; http://vnx.su/
  • 48.
    ГОСТ 3.1105-84 Лист 47 ИзмЛист№документаПодписьДатаИзм.Лист№документаПодпиИзм.Лист №документаПодписьДата сПрудскихД.А.18.06.12 РеваВ.В.26.10.12 ХристовП.Н.01.11.12 РеваВ.В.27.10.12 ПрудскихД.А.26.10.12 ьДата Дубликат Взам. Подп. 3100.25100.20582 ТИТехнологическая инструкция ОАО "АВТОВАЗ" Рисунок 7-17 – Соединения жгута проводов катушек зажигания (для двигателя 21129): 1 – жгут проводов катушек зажига- ния; 2 – хомут; 3 – модуль впуска; 4 – катушка зажигания Рисунок 7-18 – Крепление модуля впуска (для двигателя 21129): 1 – гайка крепления модуля впуска; 2 – шайба специальная; 3 – модуль впуска - датчика 1, рисунок 7-16, давления и температуры воздуха; - дроссельного патрубка 2; - клапана 4 заслонки впускной трубы (для двигателя 21129); Отсоединить хомуты крепления жгута проводов системы зажигания от модуля впуска и отвести жгут в сторону (отвертка плоская, плоскогубцы). Для автомобилей с двигателем 21129 Отсоединить колодки жгута 1, рисунок 7-17, проводов от катушек 4 зажигания, отсоеди- нить хомуты 2 от модуля 3 впуска и отвести жгут катушек зажигания в сторону (плоскогубцы). Отвернуть три гайки и снять дроссельный патрубок с модуля впуска (головка сменная 10, вороток). Отвернуть две гайки 1, рисунок 7-18, крепления модуля 3 впуска к головке цилиндров и снять шайбы 2 специальные (головка сменная 10, удлинитель, вороток). Отсоединить хомут крепления жгута проводов форсунок от модуля впуска (отвертка пло- ская, плоскогубцы). http://vnx.su/
  • 49.
    ГОСТ 3.1105-84 Лист 48 ИзмЛист№документаПодписьДатаИзм.Лист№документаПодпиИзм.Лист №документаПодписьДата сПрудскихД.А.18.06.12 РеваВ.В.26.10.12 ХристовП.Н.01.11.12 РеваВ.В.27.10.12 ПрудскихД.А.26.10.12 ьДата Дубликат Взам. Подп. 3100.25100.20582 ТИТехнологическая инструкция ОАО "АВТОВАЗ" Рисунок 7-19 – Брызговик двигателя: 1 – болт крепления; 2 – брызговик двигателя Рисунок 7-20 – Снятие модуля впуска: 1 – винт; 2 – хомут; 3 – жгут проводов; 4 – шланг нижний вентиляции кар- тера; 5 – хомут; 6 – трубка направляющая указателя уровня масла; 7 – ремень привода навесных агрега- тов Отвернуть тринадцать болтов 1, рисунок 7-19, крепления и снять брызговик 2 двигателя (головка сменная 10, вороток и удлинитель). Отвернуть винт 1, рисунок 7-20, крепления трубки 6 направляющей указателя уровня масла к модулю впуска и снять трубку с указателем уровня масла в сборе (отвертка крестооб- разная). Разрезать хомут 2 крепления жгута 3 проводов к шлангу 4 вентиляции картера нижнему (нож технологический). Отжать хомут 5 и отсоединить шланг вентиляции картера нижний от патрубка блока ци- линдров (плоскогубцы). Снять ремень 7 привода навесных агрегатов в соответствии с требованиями раздела 4 на- стоящей технологической инструкции. Для автомобилей с двигателем 21129 и системой кондиционирования Отвернуть три болта 1, рисунок 7-21, крепления, снять компрессор 2 системы кондицио- нирования не нарушая герметичности системы и подвесить на технологический крючок (голов- ка сменная 10, вороток, крючок технологический). http://vnx.su/
  • 50.
    ГОСТ 3.1105-84 Лист 49 ИзмЛист№документаПодписьДатаИзм.Лист№документаПодпиИзм.Лист №документаПодписьДата сПрудскихД.А.18.06.12 РеваВ.В.26.10.12 ХристовП.Н.01.11.12 РеваВ.В.27.10.12 ПрудскихД.А.26.10.12 ьДата Дубликат Взам. Подп. 3100.25100.20582 ТИТехнологическая инструкция ОАО "АВТОВАЗ" Рисунок 7-22 – Подключение жгутов проводов к генератору: 1 – гайка; 2 – клемма жгута проводов к генера- тору; 3 – жгут проводов; 4 – хомут; 5 – генератор Рисунок 7-21 – Снятие компрессора системы кондиционирования: 1 – болт; 2 – компрессор системы кондицио- нирования; 3 – кронштейн навесных агрегатов Рисунок 7-23 – Крепление генерато- ра: 1 – болт; 2 – генератор; 3 – кронштейн навесных агрегатов Для автомобилей с двигателем 21129 Отвернуть гайку 1, рисунок 7-22, крепления и отсоединить от генератора 5 клемму 2 жгу- та проводов (головка сменная 13, удлинитель, вороток). Отсоединить колодку жгута 3 проводов от генератора. Отвернуть четыре болта 1, рисунок 7-23, крепления и снять генератор 2 (головка сменная 10, вороток). http://vnx.su/
  • 51.
    ГОСТ 3.1105-84 Лист 50 ИзмЛист№документаПодписьДатаИзм.Лист№документаПодпиИзм.Лист №документаПодписьДата сПрудскихД.А.18.06.12 РеваВ.В.26.10.12 ХристовП.Н.01.11.12 РеваВ.В.27.10.12 ПрудскихД.А.26.10.12 ьДата Дубликат Взам. Подп. 3100.25100.20582 ТИТехнологическая инструкция ОАО "АВТОВАЗ" Рисунок 7-24 – Крепление клеммы жгута провода "массы" к кронштейну навесных агрегатов: 1 – болт; 2 – клемма провода "массы"; 3 – кронштейн навесных агрегатов Рисунок 7-25 – Крепление клеммы жгута провода "массы" к кронштейну навесных агрегатов: 1 – болт М8; 2 – болт М10; 3 – кронштейн навесных агрегатов Рисунок 7-26 – Датчик фаз: 1 – колодка жгута проводов; 2 – датчик фаз Отвернуть болт 1, рисунок 7-24, крепления клеммы 2 провода "массы" на кронштейне 3 навесных агрегатов и отсоединить клемму (головка сменная 13, ключ трещоточный). Отвернуть болты 1 и 2, рисунок 7-25, крепления и снять кронштейн 3 навесных агрегатов (головка сменная 13, 17, удлинитель, вороток). Отсоединить колодку 1, рисунок 7-26, жгута проводов от датчика 2 фаз. http://vnx.su/
  • 52.
    ГОСТ 3.1105-84 Лист 51 ИзмЛист№документаПодписьДатаИзм.Лист№документаПодпиИзм.Лист №документаПодписьДата сПрудскихД.А.18.06.12 РеваВ.В.26.10.12 ХристовП.Н.01.11.12 РеваВ.В.27.10.12 ПрудскихД.А.26.10.12 ьДата Дубликат Взам. Подп. 3100.25100.20582 ТИТехнологическая инструкция ОАО "АВТОВАЗ" Рисунок 7-27 – Соединение допол- нительного глушителя с приемной трубой глушителя с нейтрализато- ром в сборе: 1 – шайба контрящая; 2 – глушитель дополнительный; 3 – гайка; 4 – прокладка фланца глушителя; 5 – труба приемная глушителя с ней- трализатором в сборе Рисунок 7-28 – Задняя опора подвес- ки силового агрегата: 1 – болт; 2 – силовой агрегат; 3 – штанга задней подвески силового агрегата; 4 – подрамник передней подвески Отсоединить хомут крепления жгута проводов от модуля впуска и отвести жгут проводов в сторону (плоскогубцы, отвертка плоская). Расконтрить три шайбы 1, рисунок 7-27, контрящие и отвернуть три гайки 3 шпилек кре- пления дополнительного глушителя 2 к приемной трубе 5 глушителя с нейтрализатором в сбо- ре, отсоединить дополнительный глушитель от приемной трубы глушителя и снять прокладку 4 (отвертка плоская, ключ гаечный 10, головка сменная 10, удлинитель и ключ трещоточный). Отвернуть болты 1 и 2, рисунок 7-28, крепления штанги 5 к силовому агрегату 4 и снять кронштейн 3 (головка сменная 18, вороток). Отвернуть два болта 1, рисунок 7-29, и три гайки 2 с шайбами 4 крепления модуля 3 впуска к головке цилиндров 5 (головка сменная 13, вороток и удлинитель). Осторожно наклонить двигатель в направлении от радиатора системы охлаждения и снять модуль впуска. http://vnx.su/
  • 53.
    ГОСТ 3.1105-84 Лист 52 ИзмЛист№документаПодписьДатаИзм.Лист№документаПодпиИзм.Лист №документаПодписьДата сПрудскихД.А.18.06.12 РеваВ.В.26.10.12 ХристовП.Н.01.11.12 РеваВ.В.27.10.12 ПрудскихД.А.26.10.12 ьДата Дубликат Взам. Подп. 3100.25100.20582 ТИТехнологическая инструкция ОАО "АВТОВАЗ" Рисунок 7-29 – Крепление модуля впуска: 1 – болт; 2 – гайка; 3 – модуль впуска; 4 – шайба; 5 – головка цилиндров Рисунок 7-30 – Снятие опорного кронштейна модуля впуска (для дви- гателя 11189): 1 – гайка крепления кронштейна опорного; 2 – кронштейн опорный Рисунок 7-31 – Модуль впуска (для двигателя 11189): 1 – гайка крепления модуля впуска; 2 – модуль впуска Для автомобилей с двигателем 11189 Отвернуть три гайки 1, рисунок 7-30, и снять кронштейн 2 (головка сменная 10, вороток, удлинитель). Отвернуть пять гаек 1, рисунок 7-31, крепления модуля впуска со стороны щитка передка и снять модуль 2 впуска (головка сменная 13, ключ трещоточный, удлинитель). http://vnx.su/
  • 54.
    ГОСТ 3.1105-84 Лист 53 ИзмЛист№документаПодписьДатаИзм.Лист№документаПодпиИзм.Лист №документаПодписьДата сПрудскихД.А.18.06.12 РеваВ.В.26.10.12 ХристовП.Н.01.11.12 РеваВ.В.27.10.12 ПрудскихД.А.26.10.12 ьДата Дубликат Взам. Подп. 3100.25100.20582 ТИТехнологическая инструкция ОАО "АВТОВАЗ" Установка Для автомобилей с двигателем 21129 Осторожно наклонить двигатель в направлении от радиатора системы охлаждения и ус- тановить модуль 3, рисунок 7-29, впуска на головку 5 цилиндров. Завернуть и затянуть два бол- та 1 и три гайки 2 с шайбами 4 крепления модуля впуска. Момент затяжки болтов и гаек 2,1…2,5 Н.м (21…25 кгс.м) (головка сменная, вороток, удлинитель, ключ моментный). Установить кронштейн 3, рисунок 7-28, и болты 1 и 2 крепления штанги 5 к силовому аг- регату 4. Момент затяжки болтов 90…120 Н.м (9…120 кгс.м) (головка сменная 18, вороток, ключ моментный). Установить на фланец приемной трубы 5, рисунок 7-27, с нейтрализатором в сборе новую прокладку 4, присоединить дополнительный глушитель 2, установить контрящие шайбы 1. За- вернуть и затянуть три гайки 3 шпилек крепления дополнительного глушителя к приемной тру- бе и законтрить. Момент затяжки гаек 21…25 Н.м (2,1…2,5 кгс.м) (головка сменная 10, ключ трещоточный, ключ моментный, притупленное зубило, молоток). Присоединить колодку 1, рисунок 7-26, жгута проводов к датчику 2 фаз и хомут крепле- ния жгута проводов к модулю впуска. Установить кронштейн 3, рисунок 7-25, навесных агрегатов и закрепить болтами. Мо- мент затяжки болтов: 1 (М8) – 15…24 Н.м (1,5…2,4 кгс.м); 2 (М10) – 33…52 Н.м (3,3…5,2 кгс.м) (головка сменная 13, 17, удлинитель, вороток, ключ моментный). Установить клемму 2, рисунок 7-24, провода "массы" на кронштейн 3 навесных агрегатов и зафиксировать болтом 1. Момент затяжки болта 18…22 Н.м (1,8…2,2 кгс.м) (головка сменная 13, ключ трещоточный, ключ моментный). Установить генератор 2, рисунок 7-23, в соответствии с требованиями ТИ 3100.25100.20587. Для автомобилей с двигателем 21129 и системой кондиционирования Установить компрессор 2, рисунок 7-21, системы кондиционирования в соответствии с требованиями ТИ 3100.25100.20590. Для автомобилей с двигателем 21129 Установить ремень 7, рисунок 7-20, привода навесных агрегатов в соответствии с требо- ваниями раздела 4 настоящей технологической инструкции. Установить шланг 4 вентиляции картера нижний на патрубок блока цилиндров и закре- пить хомутом 5 (плоскогубцы). Зафиксировать новым хомутом 2 жгут 3 проводов к шлангу 4 вентиляции картера ниж- нему. Установить трубку 6 направляющую указателя уровня масла и закрепить винтом 1 к мо- дулю впуска. Момент затяжки винта 3…8 Н.м (0,3…0,8 кгс.м) (насадка крестообразная, ключ моментный). Установить брызговик 2, рисунок 7-19, двигателя и закрепить болтами 1 (головка смен- ная 10, вороток и удлинитель). http://vnx.su/
  • 55.
    ГОСТ 3.1105-84 Лист 54 ИзмЛист№документаПодписьДатаИзм.Лист№документаПодпиИзм.Лист №документаПодписьДата сПрудскихД.А.18.06.12 РеваВ.В.26.10.12 ХристовП.Н.01.11.12 РеваВ.В.27.10.12 ПрудскихД.А.26.10.12 ьДата Дубликат Взам. Подп. 3100.25100.20582 ТИТехнологическая инструкция ОАО "АВТОВАЗ" Установить две шайбы 2, рисунок 7-18, завернуть и затянуть две гайки 1 крепления мо- дуля впуска 3 к головке цилиндров. Момент затяжки гаек 3…5 Н.м (0,3…0,5 кгс.м) (головка сменная 10, вороток, удлинитель, ключ моментный). Присоединить хомут крепления жгута проводов форсунок к модулю впуска. Установить дроссельный патрубок на модуль впуска и закрепить тремя гайками. Момент затяжки гаек крепления модуля впуска 5…8 Н.м (0,5…0,8 кгс.м) Присоединить колодки жгута 1, рисунок 7-17, проводов к катушкам 4 зажигания, присое- динить хомуты 2 к модулю 3 впуска. Присоединить колодки жгута проводов системы зажигания к разъемам датчиков и ис- полнительных механизмов в порядке обратном снятию. Присоединить хомуты крепления жгута проводов к модулю впуска. Присоединить трубки 1 и 2, рисунок 7-14, топливного трубопровода со скобой 3 крепле- ния в сборе к модулю 4 впуска. Для автомобилей с двигателем 11189 Установить модуль 2, рисунок 7-31, впуска на впускную трубу. Навернуть и затянуть гайки 1 крепления модуля впуска со стороны щитка передка. Момент затяжки гаек 7…15 Н.м (0,7…1,5 кгс.м) (головка сменная 13, вороток и удлинитель, вставка сменная код 58 25 30 04, ключ моментный типа Service-MANOSKOP 730 код 50 18 00 02 ф. "STAHLWILLE"). Установить кронштейн 2, рисунок 7-30, и закрепить гайками 1. Момент затяжки гаек 2…5 Н.м (0,2…0,5 кгс.м) (головка сменная 10, ключ моментный типа Serien-MANOSKOP 755 код 50 10 00 01 ф. "STAHLWILLE"). Для автомобилей всех комплектаций Присоединить движением вдоль оси штуцера наконечник 5, рисунок 7-13, трубки клапа- на адсорбера до щелчка пружинного фиксатора. После установки проверить надежность фик- сации трубки. Установить трубку клапана адсорбера в элементы крепления на модуле 6 впуска. Присоединить трубку 4, рисунок 7-13, вентиляции картера, шланг 2 вакуумного усилите- ля тормозов, шланг 4, рисунок 7-12, впускной трубы и верхний шланг 3 вентиляции картера в порядке обратном снятию (отвертка крестообразная, плоскогубцы). Установить экран модуля впуска. Присоединить клемму провода "массы" к аккумуляторной батарее в соответствии с тре- бованиями ТИ 3100.25100.20587. Предъявить автомобиль ОТК. ОТК проверить автомобиль на соответствие требовани- ям ТУ 017200-254-00232934 пп. 1.19.10, 1.19.14, 1.19.21.3 в объеме выполненных работ. http://vnx.su/
  • 56.
    ГОСТ 3.1105-84 Лист 55 ИзмЛист№документаПодписьДатаИзм.Лист№документаПодпиИзм.Лист №документаПодписьДата сПрудскихД.А.18.06.12 РеваВ.В.26.10.12 ХристовП.Н.01.11.12 РеваВ.В.27.10.12 ПрудскихД.А.26.10.12 ьДата Дубликат Взам. Подп. 3100.25100.20582 ТИТехнологическая инструкция ОАО "АВТОВАЗ" Рисунок 7-30 – Трубка передняя топливного трубопровода двигателя 21129: 1 – трубка передняя топливного трубопровода; 2 – рампа форсунок; 3 – скоба крепления топливного трубопровода; 4 – головка цилиндров 7.7 Рампа форсунок Снятие Для автомобилей с двигателем 11189: установить автомобиль на рабочее место и за- тормозить стояночным тормозом. Для автомобилей с двигателем 21129: установить автомобиль на двухстоечный подъ- емник и затормозить стояночным тормозом (подъемник электрогидравлический типа П-3,2Г грузоподъемностью 3,2 т). Для автомобилей всех комплектаций Откинуть вперед подушку заднего сиденья. Снять крышку 1, рисунок 7-2, люка бензонасоса. Отсоединить колодку 3, рисунок 7-3, жгута проводов заднего от МЭБН 1. Запустить двигатель и дать ему поработать на оборотах холостого хода до полной оста- новки для сброса давления в топливной системе, обеспечив отвод выхлопных газов (катушка вытяжная с вентилятором типа SERF/SP ф. "СовПлим"). Выключить зажигание. Отсоединить клемму провода "массы" от аккумуляторной батареи (ключ гаечный 10). Снять модуль впуска в соответствии с требованиями раздела 7.6 настоящей технологиче- ской инструкции. Нажать на пружинные фиксаторы и движением вдоль оси штуцера отсоединить наконеч- ник трубки 1, рисунок 7-30, передней топливного трубопровода от рампы 2 форсунок. Для автомобилей с двигателем 21129 дополнительно отсоединить скобу 3 крепления и отвести в сторону трубку переднюю топливного трубопровода (отвертка плоская). Отсоединить колодки жгута 1, рисунок 7-31, проводов от топливных форсунок 2, разре- зать два хомута 3 (для автомобилей с двигателем 21129) крепления и отвести жгут в сторону (нож технологический). http://vnx.su/
  • 57.
    ГОСТ 3.1105-84 Лист 56 ИзмЛист№документаПодписьДатаИзм.Лист№документаПодпиИзм.Лист №документаПодписьДата сПрудскихД.А.18.06.12 РеваВ.В.26.10.12 ХристовП.Н.01.11.12 РеваВ.В.27.10.12 ПрудскихД.А.26.10.12 ьДата Дубликат Взам. Подп. 3100.25100.20582 ТИТехнологическая инструкция ОАО "АВТОВАЗ" Рисунок 7-31 – Жгут проводов фор- сунок двигателя 21129: 1 – жгут проводов форсунок; 2 – топливная форсунка; 3 – хомут крепления жгута проводов форсунок Рисунок 7-32 – Рампа форсунок: 1 – болт крепления рампы форсунок; 2 – рампа форсунок Отвернуть два болта 1, рисунок 7-17, снять рампу 2 с форсунками в сборе (ключ 5 для внутреннего шестигранника). Установка Перед установкой рампы 2, рисунок 7-32, уплотнительные кольца форсунок смазать мо- торным маслом (масло моторное согласно действующему "Кодификатору основных и вспомо- гательных материалов, применяемых при ТО и ремонте автомобилей LADA" К 3100.25100.00018). Установить рампу 2 с форсунками в сборе на двигатель. Завернуть и затянуть болты 1. Момент затяжки болтов 9…14 Н.м (0,9…1,4 кгс.м) (ключ 5 для внутреннего шестигранника, насадка для внутреннего шестигранника, ключ моментный). Присоединить колодки жгута 1, рисунок 7-31, проводов к топливным форсункам 2 и за- крепить жгут двумя новыми хомутами 3 к рампе форсунок (для автомобилей с двигателем 21129). Присоединить трубку 1, рисунок 7-30, переднюю топливного трубопровода к штуцеру рампы 2. При установке наконечник трубки присоединить к штуцеру до щелчка пружинного фиксатора. После установки проверить надежность фиксации трубки. http://vnx.su/
  • 58.
    ГОСТ 3.1105-84 Лист 57 ИзмЛист№документаПодписьДатаИзм.Лист№документаПодпиИзм.Лист №документаПодписьДата сПрудскихД.А.18.06.12 РеваВ.В.26.10.12 ХристовП.Н.01.11.12 РеваВ.В.27.10.12 ПрудскихД.А.26.10.12 ьДата Дубликат Взам. Подп. 3100.25100.20582 ТИТехнологическая инструкция ОАО "АВТОВАЗ" Для автомобилей с двигателем 21129: присоединить скобу 3 крепления топливного трубопровода к рампе форсунок. Установить модуль впуска в сборе на головку цилиндров в соответствии с требованиями раздела 7.6 настоящей технологической инструкции Присоединить колодку 3, рисунок 7-3, жгута проводов заднего к МЭБН 1. Установить крышку 1, рисунок 7-2, люка бензонасоса. Опустить подушку заднего сиденья. Присоединить клемму провода "массы" к аккумуляторной батарее в соответствии с тре- бованиями ТИ 3100.25100.20587. Предъявить автомобиль ОТК. ОТК проверить автомобиль на соответствие требовани- ям ТУ 017200-254-00232934 пп. 1.19.10, 1.19.14, 1.19.21.3 в объеме выполненных работ. http://vnx.su/
  • 59.
    ГОСТ 3.1105-84 Лист 58 ИзмЛист№документаПодписьДатаИзм.Лист№документаПодпиИзм.Лист №документаПодписьДата сПрудскихД.А.18.06.12 РеваВ.В.26.10.12 ХристовП.Н.01.11.12 РеваВ.В.27.10.12 ПрудскихД.А.26.10.12 ьДата Дубликат Взам. Подп. 3100.25100.20582 ТИТехнологическая инструкция ОАО "АВТОВАЗ" 8 ЭЛЕМЕНТЫ СИСТЕМЫ ВЫПУСКА ОТРАБОТАВШИХ ГАЗОВ – СНЯТИЕ / УСТАНОВКА 8.1 Особенности устройства Отработавшие газы отводятся из двигателя через приемную трубу 1, рисунок 8-1, глуши- теля с нейтрализатором в сборе, глушитель 1, рисунок 8-5, дополнительный и глушитель 1, ри- сунок 8-8, основной. Между фланцами приемной трубы и дополнительного глушителя устанав- ливается уплотнительная прокладка 9, рисунок 8-1. На трубе дополнительного глушителя име- ется компенсатор колебаний. Трубы основного и дополнительного глушителей соединяются между собой развальцованными концами через промежуточное кольцо с помощью хомута. Система выпуска газов крепится к кузову автомобиля с помощью подушек подвески глушите- ля. 8.2 Труба приемная глушителя с нейтрализатором в сборе Рисунок 8-1 – Приемная труба глушителя с нейтрализатором в сборе: 1 – труба приемная глушителя с нейтрализатором в сборе; 2 – прокладка газопровода; 3 – болт М8х18; 4 – шайба 8 пружинная; 5 – шайба 8; 6 – кронштейн приемной трубы; 7 – опора крон- штейна приемной трубы; 8 – болт М8х16; 9 – прокладка фланца глушителя; 10 – шайба кон- трящая; 11 – гайка крепления глушителя; 12 – диагностический датчик концентрации кислоро- да; 13 –управляющий датчик концентрации кислорода; 14 – гайка М8 Снятие Установить автомобиль на двухстоечный подъемник и затормозить стояночным тормо- зом. Открыть капот и отсоединить клемму провода "массы" от аккумуляторной батареи (подъ- емник электрогидравлический типа П-3,2Г грузоподъемностью 3,2 т, ключ гаечный 10). Отсоединить колодки жгутов датчиков 12 и 13, рисунок 8-1, концентрации кислорода от кронштейнов на силовом агрегате и от разъемов жгута проводов системы зажигания. Поднять автомобиль на высоту, удобную для работы, и снять брызговик двигателя со- гласно требованиям раздела 2 настоящей технологической инструкции. http://vnx.su/
  • 60.
    ГОСТ 3.1105-84 Лист 59 ИзмЛист№документаПодписьДатаИзм.Лист№документаПодпиИзм.Лист №документаПодписьДата сПрудскихД.А.18.06.12 РеваВ.В.26.10.12 ХристовП.Н.01.11.12 РеваВ.В.27.10.12 ПрудскихД.А.26.10.12 ьДата Дубликат Взам. Подп. 3100.25100.20582 ТИТехнологическая инструкция ОАО "АВТОВАЗ" Рисунок 8-2 – Соединение дополни- тельного глушителя с приемной тру- бой глушителя с нейтрализатором в сборе: 1 – шайба контрящая; 2 – глушитель дополнительный; 3 – гайка; 4 – прокладка фланца глушителя; 5 – труба приемная глушителя с ней- трализатором в сборе Рисунок 8-3 – Экран термозащитный приемной трубы глушителя с ней- трализатором в сборе (вид сверху): 1 – болт М6; 2 – болт М8; 3 – экран термозащитный приемной трубы глушителя с нейтрализатором в сборе Рисунок 8-4 – Экран термозащитный приемной трубы глушителя с ней- трализатором в сборе (вид со сторо- ны щитка передка): 1 – болт М6; 2 – экран термозащитный приемной трубы глушителя с нейтрализатором в сборе Расконтрить шайбы 1, рисунок 8-2, и отвернуть три гайки 3, шпилек крепления дополни- тельного глушителя 2 к приемной трубе 5 с нейтрализатором в сборе (отвертка плоская, ключ гаечный 10, головка сменная 10, удлинитель и вороток трещоточный). Отвернуть болт 1, рисунок 8-3, два болта 2, два болта 1, рисунок 8-4, с шайбами и снять термозащитный экран приемной трубы глушителя с нейтрализатором в сборе (головка сменная 10, 13, удлинитель, вороток). http://vnx.su/
  • 61.
    ГОСТ 3.1105-84 Лист 60 ИзмЛист№документаПодписьДатаИзм.Лист№документаПодпиИзм.Лист №документаПодписьДата сПрудскихД.А.18.06.12 РеваВ.В.26.10.12 ХристовП.Н.01.11.12 РеваВ.В.27.10.12 ПрудскихД.А.26.10.12 ьДата Дубликат Взам. Подп. 3100.25100.20582 ТИТехнологическая инструкция ОАО "АВТОВАЗ" Отвернуть гайку М8 крепления кронштейна трубы подводящей водяного насоса, снять шайбу (головка сменная 13, удлинитель, вороток). Ослабить гайку крепления приемной трубы глушителя на шпильке крепления кронштей- на трубы подводящей водяного насоса (ключ гаечный 13). Отвернуть семь гаек 14, рисунок 8-1, снять шайбы 5, снять приемную трубу 1 глушителя с нейтрализатором в сборе, снять прокладку 2 газопровода и прокладку 9 фланца глушителя. Гайки шпилек крепления приемной трубы к головке цилиндров заменить новыми (головка сменная 13, удлинитель, вороток). Вывернуть датчики 12 и 13 концентрации кислорода из приемной трубы 1 глушителя с нейтрализатором в сборе (ключ гаечный 22). Установка Установить датчики 12 и 13, рисунок 8-1, концентрации кислорода на приемную трубу 1 глушителя с нейтрализатором в сборе. Момент затяжки датчиков 40…60 Н.м (4,0…6,0 кгс.м) (ключ гаечный 22, вставка сменная 22 из набора типа 811382 ф. "USAG", ключ моментный). Установить новую прокладку 2 газопровода, приемную трубу 1 глушителя с нейтрализа- тором в сборе, шайбы 5, навернуть и затянуть новые гайки 14 шпилек крепления приемной трубы к головке цилиндров. Момент затяжки гаек 21…25 Н.м (2,1…2,5 кгс.м) (ключ гаечный 13, головка сменная 13, удлинитель, вороток, вставка сменная 13 типа 58211013 ф. "Stahlwille", ключ моментный). Установить шайбу и навернуть гайку М8 крепления кронштейна трубы подводящей во- дяного насоса. Момент затяжки гайки 21…25 Н.м (2,1…2,5 кгс.м) (головка сменная 13, удлини- тель, вороток, ключ моментный). Установить термозащитный экран приемной трубы глушителя с нейтрализатором в сборе и закрепить болтами 1 и 2, рисунок 8-3, болтами 1, рисунок 8-4, крепления с шайбами. Момент затяжки болтов: М6 – 7…9 Н.м (0,7…0,9 кгс.м); М8 – 18…24 Н.м (1,8…2,4 кгс.м) (головка сменная 10, 13, удлинитель, вороток, ключ моментный). Установить новую прокладку 4, рисунок 8-2, фланца приемной трубы глушителя, при- соединить фланец дополнительного глушителя 2, установить контрящие шайбы 1, установить и затянуть три гайки 3 шпилек крепления дополнительного глушителя к приемной трубе и закон- трить. Момент затяжки гаек 21…25 Н.м (2,1…2,5 кгс.м) (ключ гаечный 10, головка сменная 10, удлинитель, ключ трещоточный, ключ моментный, притупленное зубило, молоток). Установить брызговик двигателя согласно требованиям раздела 2 настоящей технологи- ческой инструкции. Опустить автомобиль, присоединить колодки жгутов датчиков 12 и 13 концентрации ки- слорода к разъемам жгута проводов системы зажигания и кронштейнам на силовом агрегате. Присоединить клемму провода "массы" к аккумуляторной батарее согласно требованиям ТИ 3100.25100.20587. Предъявить автомобиль ОТК. ОТК проверить автомобиль на соответствие требовани- ям ТУ 017200-254-00232934 пп. 1.19.14.2, 1.19.21.3 в объеме выполненных работ. http://vnx.su/
  • 62.
    ГОСТ 3.1105-84 Лист 61 ИзмЛист№документаПодписьДатаИзм.Лист№документаПодпиИзм.Лист №документаПодписьДата сПрудскихД.А.18.06.12 РеваВ.В.26.10.12 ХристовП.Н.01.11.12 РеваВ.В.27.10.12 ПрудскихД.А.26.10.12 ьДата Дубликат Взам. Подп. 3100.25100.20582 ТИТехнологическая инструкция ОАО "АВТОВАЗ" 8.3 Глушитель дополнительный Снятие Установить автомобиль на двухстоечный подъемник и затормозить стояночным тормо- зом (подъемник электрогидравлический типа П-3,2Г грузоподъемностью 3,2 т). Поднять автомобиль на высоту, удобную для работы, и снять брызговик двигателя со- гласно требованиям раздела 2 настоящей технологической инструкции. Расконтрить шайбы 1, рисунок 8-2, и отвернуть три гайки 3, шпилек крепления дополни- тельного глушителя 2 к приемной трубе 5 с нейтрализатором в сборе (отвертка плоская, ключ гаечный 10, головка сменная 10, удлинитель и вороток трещоточный). Снять прокладку 4 фланца приемной трубы глушителя (отвертка плоская). Отвернуть две гайки 3, рисунок 8-6, болтов 5, стягивающих хомут 2, извлечь болты, снять хомут и уплотнительное кольцо (ключ кольцевой 10, ключ гаечный 13, головка сменная, удлинитель, вороток). Отвернуть четыре гайки 1, рисунок 8-7, крепления кронштейнов 2 к кузову и снять до- полнительный глушитель 3 с подушками 4 подвески и кронштейнами в сборе. Операцию вы- полнять с помощником (головка сменная 13, удлинитель, вороток). Рисунок 8-5 – Глушители дополни- тельный: 1 – глушитель дополнительный; 2 – подушка подвески глушителя; 3 – кронштейн подвески глушителя Рисунок 8-6 – Соединение основного и дополнительного глушителей: 1 – глушитель дополнительный; 2 – хомут соединительный; 3 – гайка; 4 – глушитель основной; 5 – болт http://vnx.su/
  • 63.
    ГОСТ 3.1105-84 Лист 62 ИзмЛист№документаПодписьДатаИзм.Лист№документаПодпиИзм.Лист №документаПодписьДата сПрудскихД.А.18.06.12 РеваВ.В.26.10.12 ХристовП.Н.01.11.12 РеваВ.В.27.10.12 ПрудскихД.А.26.10.12 ьДата Дубликат Взам. Подп. 3100.25100.20582 ТИТехнологическая инструкция ОАО "АВТОВАЗ" Смазать мыльным раствором и снять с дополнительного глушителя и кронштейнов под- вески глушителя подушки подвески (кисть, тара технологическая, мыльный раствор, отвертка плоская). Установка Смазать мыльным раствором и установить на кронштейны глушителя 3, рисунок 8-7, до- полнительного и кронштейны 2 подвески глушителя подушки 4 подвески (кисть, тара техноло- гическая, мыльный раствор, отвертка плоская). Установить глушитель3 дополнительный с помощью кронштейнов 2 подвески глушителя на шпильки крепления на кузове и закрепить четырьмя гайками 1. Момент затяжки гаек 18…24 Н.м (1,8…2,4 кгс.м). Операцию выполнять с помощником (головка сменная 13, удлини- тель, вороток, ключ моментный). Установить новую прокладку 4, рисунок 8-2, фланца приемной трубы глушителя, при- соединить фланец дополнительного глушителя 2, установить контрящие шайбы 1, установить и затянуть три гайки 3 шпилек крепления дополнительного глушителя к приемной трубе и закон- трить. Момент затяжки гаек 21…25 Н.м (2,1…2,5 кгс.м) (ключ гаечный 10, головка сменная 10, удлинитель, ключ трещоточный, ключ моментный, притупленное зубило, молоток). Установить уплотнительное кольцо между фланцами дополнительного 1, рисунок 8-6, и основного 4 глушителей, установить хомут 2 соединительный, как показано на рисунке, навер- нуть две гайки 3 болтов 5 хомута. Момент затяжки гаек болтов хомута 14…16 Н.м (1,4…1,6 кгс.м) (ключ кольцевой 10, ключ гаечный 13, головка сменная 13, вороток, ключ мо- ментный). Установить брызговик двигателя согласно требованиям раздела 2 настоящей технологи- ческой инструкции. Предъявить автомобиль ОТК. ОТК проверить автомобиль на соответствие требовани- ям ТУ 017200-254-00232934 п. 1.19.14.2 в объеме выполненных работ. Рисунок 8-7 – Элементы подвески глушителя дополнительного к кузо- ву: 1 – гайка; 2 – кронштейн подвески глушителя; 3 – глушитель дополнительный; 4 – подушка подвески глушителя http://vnx.su/
  • 64.
    ГОСТ 3.1105-84 Лист 63 ИзмЛист№документаПодписьДатаИзм.Лист№документаПодпиИзм.Лист №документаПодписьДата сПрудскихД.А.18.06.12 РеваВ.В.26.10.12 ХристовП.Н.01.11.12 РеваВ.В.27.10.12 ПрудскихД.А.26.10.12 ьДата Дубликат Взам. Подп. 3100.25100.20582 ТИТехнологическая инструкция ОАО "АВТОВАЗ" 8.4 Глушитель основной Снятие Установить автомобиль на двухстоечный подъемник и затормозить стояночным тормо- зом (подъемник электрогидравлический типа П-3,2Г грузоподъемностью 3,2 т). Поднять автомобиль на высоту, удобную для работы, отвернуть две гайки 3, рисунок 8-6, болтов 5, стягивающих хомут 2, извлечь болты, снять хомут и уплотнительное кольцо (ключ кольцевой 10, ключ гаечный 13, головка сменная 13, удлинитель, вороток). Смазать мыльным раствором и извлечь кронштейны основного глушителя 1, рисунок 8-8, из отверстий подушек 2 подвески глушителя и снять основной глушитель. Операцию выпол- нять с помощником (кисть, тара технологическая, мыльный раствор, отвертка плоская). Установка Смазать кронштейны основного глушителя мыльным раствором и подвесить основной глушитель 1, рисунок 8-8, на подушки 2 подвески (кисть, тара технологическая, мыльный рас- твор, отвертка плоская). Установить уплотнительное кольцо между фланцами дополнительного 1, рисунок 8-6, и основного 4 глушителей, установить хомут 2 соединительный, как показано на рисунке, навер- нуть две гайки 3 болтов 5 хомута. Момент затяжки гаек болтов хомута 14…16 Н.м (1,4…1,6 кгс.м) (ключ кольцевой 10, ключ гаечный 13, головка сменная 13, вороток, ключ мо- ментный). Предъявить автомобиль ОТК. ОТК проверить автомобиль на соответствие требовани- ям ТУ 017200-254-00232934 п. 1.19.14.2 в объеме выполненных работ. Рисунок 8-8 – Элементы подвески глушителя основного к кузову: 1 – глушитель основной; 2 – подушка подвески глушителя http://vnx.su/
  • 65.
    ГОСТ 3.1105-84 Лист 64 ИзмЛист№документаПодписьДатаИзм.Лист№документаПодпиИзм.Лист №документаПодписьДата сПрудскихД.А.18.06.12 РеваВ.В.26.10.12 ХристовП.Н.01.11.12 РеваВ.В.27.10.12 ПрудскихД.А.26.10.12 ьДата Дубликат Взам. Подп. 3100.25100.20582 ТИТехнологическая инструкция ОАО "АВТОВАЗ" 9 СИСТЕМА ОХЛАЖДЕНИЯ 9.1 Особенности устройства Система охлаждения двигателя закрытого типа под давлением. В пробке расширительно- го бачка имеется предохранительный клапан. Система охлаждения включает в себя: радиатор системы охлаждения двигателя; водяной насос; термостат; радиатор отопления салона; расширительный бачок. Заправочный объем системы охлаждения двигателя: - 11189 и 21129 (в комплектации без предпускового подогревателя) – 8,7 л; - 11189 и 21129 (в комплектации с предпусковым подогревателем) – 9,3 л; - HR16 (в комплектации без предпускового подогревателя) – 7,0 л; - HR16 (в комплектации с предпусковым подогревателем) – 7,6 л. Температура начала открытия клапана термостата – 85±2ºС. Температура полного открытия клапана термостата – 97±2ºС. http://vnx.su/
  • 66.
    ГОСТ 3.1105-84 Лист 65 ИзмЛист№документаПодписьДатаИзм.Лист№документаПодпиИзм.Лист №документаПодписьДата сПрудскихД.А.18.06.12 РеваВ.В.26.10.12 ХристовП.Н.01.11.12 РеваВ.В.27.10.12 ПрудскихД.А.26.10.12 ьДата Дубликат Взам. Подп. 3100.25100.20582 ТИТехнологическая инструкция ОАО "АВТОВАЗ" Рисунок 9-1 – Шланг отводящий радиатора: 1 – хомут крепления шланга отво- дящего радиатора; 2 – шланг отводящий радиатора; 3 – радиатор системы охлаждения двигателя Рисунок 9-2 – Расширительный ба- чок системы охлаждения двигателя: 1 – пробка расширительного бачка; 2 – расширительный бачок системы охлаждения двигателя 9.2 Замена охлаждающей жидкости Слив охлаждающей жидкости Установить автомобиль на двухстоечный подъемник, затормозить стояночным тормозом, выключить зажигание и отсоединить клемму провода "массы" от аккумуляторной батареи (подъемник электрогидравлический типа П-3,2Г грузоподъемностью 3,2 т, ключ гаечный 10). Снять брызговик двигателя в соответствии с требованиями раздела 2 настоящей техноло- гической инструкции. Снять стартер в соответствии с требованиями ТИ 3100.25100.20587. Установить технологическую емкость для сбора охлаждающей жидкости (емкость техно- логическая). Отвернуть сливную пробку на блоке цилиндров и ввернуть на ее место штуцер шланга для слива жидкости (головка сменная 13, вороток, шланг технологический). Разжать хомут 1, рисунок 9-1, крепления и отсоединить отводящий шланг 2 от патрубка радиатора 3 (плоскогубцы); Отвернуть пробку 1, рисунок 9-2, на расширительном бачке 2 и слить охлаждающую жидкость (емкость технологическая); http://vnx.su/
  • 67.
    ГОСТ 3.1105-84 Лист 66 ИзмЛист№документаПодписьДатаИзм.Лист№документаПодпиИзм.Лист №документаПодписьДата сПрудскихД.А.18.06.12 РеваВ.В.26.10.12 ХристовП.Н.01.11.12 РеваВ.В.27.10.12 ПрудскихД.А.26.10.12 ьДата Дубликат Взам. Подп. 3100.25100.20582 ТИТехнологическая инструкция ОАО "АВТОВАЗ" Промывка системы охлаждения Заполнить систему охлаждения водой через горловину расширительного бачка. Пролить воду через систему охлаждения, пока вытекающая вода не станет чистой. Заполнение системы охлаждения Вывернуть штуцер шланга для слива жидкости и завернуть сливную пробку отверстия на блоке цилиндров (головка сменная 13, вороток). Установить отводящий шланг 2, рисунок 9-1, радиатора на патрубок радиатора 3 системы охлаждения двигателя. Установить хомут 1 отводящего шланга радиатора системы охлаждения (плоскогубцы). Установить стартер в соответствии с требованиями ТИ 3100.25100.20587. Заполнить систему охлаждения двигателя охлаждающей жидкостью, заливая ее в расши- рительный бачок (жидкость охлаждающая в соответствии с действующим "Кодификатором ос- новных и вспомогательных материалов, применяемых при ТО и ремонте автомобилей LADA" К 3100.25100.00018). Установить пробку 1, рисунок 9-2, расширительного бачка. Присоединить клемму провода "массы" к аккумуляторной батарее согласно требованиям ТИ 3100.25100.20587. Запустить двигатель и дать ему поработать 2 - 3 минуты на холостых оборотах для уда- ления воздушных пробок в системе охлаждения. Проверить работоспособность отопителя. После остановки двигателя проверить уровень охлаждающей жидкости и отсутствие сле- дов подтекания, при необходимости довести уровень жидкости до нормы. Уровень охлаждаю- щей жидкости должен быть между метками "min" и "max" на расширительном бачке (катушка вытяжная с вентилятором типа SERF/SP ф. "СовПлим"). Установить брызговик двигателя согласно требованиям раздела 2 настоящей технологи- ческой инструкции. Предъявить автомобиль ОТК. ОТК проверить автомобиль на соответствие требовани- ям ТУ 017200-254-00232934 пп. 1.19.6, 1.19.9, 1.19.10, 1.19.14. http://vnx.su/
  • 68.
    ГОСТ 3.1105-84 Лист 67 ИзмЛист№документаПодписьДатаИзм.Лист№документаПодпиИзм.Лист №документаПодписьДата сПрудскихД.А.18.06.12 РеваВ.В.26.10.12 ХристовП.Н.01.11.12 РеваВ.В.27.10.12 ПрудскихД.А.26.10.12 ьДата Дубликат Взам. Подп. 3100.25100.20582 ТИТехнологическая инструкция ОАО "АВТОВАЗ" Рисунок 9-3 – Балка переднего бампера и воздухоотражатель: 1 – балка переднего бампера; 2 –воздухоотражатель Рисунок 9-4 – Балка переднего бампера и воздухоотражатель: 1 – датчик температуры окружаю- щего воздуха; 2 –воздухоотражатель 9.3 Радиатор системы охлаждения Снятие Установить автомобиль на двухстоечный подъемник, затормозить стояночным тормозом, выключить зажигание и отсоединить клемму провода "массы" от аккумуляторной батареи (подъемник электрогидравлический типа П-3,2Г грузоподъемностью 3,2 т, ключ гаечный 10). Снять брызговик двигателя в соответствии с требованиями раздела 2 настоящей техноло- гической инструкции. Снять передний бампер в соответствии с требованиями ТИ 3100.25100.20589. Снять балку 1, рисунок 9-3, переднего бампера в соответствии с требованиями ТИ 3100.25100.20589. Отжать фиксаторы и отсоединить патрубок воздухозаборника от воздухоотражателя 2. Отжать фиксаторы и отсоединить датчик 1, рисунок 9-4, температуры окружающего воз- духа от воздухоотражателя 2. Отжать фиксаторы и снять воздухоотражатель 2. http://vnx.su/
  • 69.
    ГОСТ 3.1105-84 Лист 68 ИзмЛист№документаПодписьДатаИзм.Лист№документаПодпиИзм.Лист №документаПодписьДата сПрудскихД.А.18.06.12 РеваВ.В.26.10.12 ХристовП.Н.01.11.12 РеваВ.В.27.10.12 ПрудскихД.А.26.10.12 ьДата Дубликат Взам. Подп. 3100.25100.20582 ТИТехнологическая инструкция ОАО "АВТОВАЗ" Рисунок 9-5 – Термостат и шланги системы охлаждения двигателя: 1 – шланг подводящий радиатора 2 – хомут; 3 – термостат; 4 – шланг отводящий радиатора Рисунок 9-6 – Расширительный ба- чок и шланги системы охлаждения двигателя: 1 – шланг пароотводящий; 2 – пробка расширительного бачка; 3 – расширительный бачок системы охлаждения двигателя; 4 – хомут Слить жидкость из системы охлаждения двигателя в соответствии с требованиями разде- ла 9.2 настоящей технологической инструкции. Разжать хомуты крепления и отсоединить: - подводящий шланг 1, рисунок 9-5, радиатора от патрубка термостата 3; - отводящий шланг 4 радиатора от патрубка трубы подводящей водяного насоса; - пароотводящий шланг 1, рисунок 9-6, от патрубка расширительного бачка 3 (плоско- губцы). Разрезать хомуты крепления шлангов к верхней поперечине рамки радиатора и крон- штейну на коробке передач (нож технологический). Отсоединить разъемы жгута 1, рисунок 9-7, проводов переднего от разъемов блока 2 реле электровентилятора, звукового сигнала 3 и электровентилятора 4 радиатора. Разрезать хомут 5 крепления жгута 1 проводов переднего к кожуху электровентилятора (нож технологический). Для автомобилей с кондиционером Отжать фиксаторы, отсоединить и отвести в сторону конденсор 1, рисунок 9-8, системы кондиционирования от радиатора 2 системы охлаждения двигателя. http://vnx.su/
  • 70.
    ГОСТ 3.1105-84 Лист 69 ИзмЛист№документаПодписьДатаИзм.Лист№документаПодпиИзм.Лист №документаПодписьДата сПрудскихД.А.18.06.12 РеваВ.В.26.10.12 ХристовП.Н.01.11.12 РеваВ.В.27.10.12 ПрудскихД.А.26.10.12 ьДата Дубликат Взам. Подп. 3100.25100.20582 ТИТехнологическая инструкция ОАО "АВТОВАЗ" Рисунок 9-7 – Электровентилятор радиатора системы охлаждения двигателя: 1 – жгут проводов передний; 2 – блок реле электровентилятора; 3 – звуковой сигнал; 4 – электровентилятор радиатора системы охлаждения двигателя; 5 – хомут Рисунок 9-8 – Конденсор системы кондиционирования: 1 – конденсор системы кондицио- нирования; 2 – радиатор системы охлаждения двигателя Операции для всех комплектаций автомобилей Повернуть и извлечь из кронштейнов 1, рисунок 9-9, на верхней поперечине рамки ра- диатора фиксаторы 2 крепления радиатора 3. Извлечь радиатор 2, рисунок 9-8, из крепления на нижней поперечине рамки радиатора и снять радиатор в сборе с электровентилятором и шлангами. Отжать фиксаторы и отсоединить электровентилятор системы охлаждения двигателя от радиатора. Рисунок 9-9 – Верхнее крепление радиатора системы охлаждения дви- гателя: 1 – кронштейн; 2 – фиксатор крепления радиатора; 3 – радиатор системы охлаждения двигателя http://vnx.su/
  • 71.
    ГОСТ 3.1105-84 Лист 70 ИзмЛист№документаПодписьДатаИзм.Лист№документаПодпиИзм.Лист №документаПодписьДата сПрудскихД.А.18.06.12 РеваВ.В.26.10.12 ХристовП.Н.01.11.12 РеваВ.В.27.10.12 ПрудскихД.А.26.10.12 ьДата Дубликат Взам. Подп. 3100.25100.20582 ТИТехнологическая инструкция ОАО "АВТОВАЗ" Установка Установить электровентилятор системы охлаждения двигателя на радиатор. Установить радиатор 2, рисунок 9-8, системы охлаждения двигателя с электровентилято- ром и шлангами в сборе в элементы крепления нижней поперечины рамки радиатора. Закрепить радиатор 3, рисунок 9-9, системы охлаждения двигателя двумя фиксаторами 2 к кронштейнам 1. Присоединить подводящий, отводящий и пароотводящий шланги радиатора системы ох- лаждения двигателя к соответствующим патрубкам и закрепить хомутами крепления, рисунки 9-5 и 9-6 (плоскогубцы). Установить новые хомуты крепления шлангов к верхней поперечине рамки радиатора и кронштейну на коробке передач. Для автомобилей с кондиционером Установить и зафиксировать конденсор 1, рисунок 9-8, системы кондиционирования на радиаторе 2. Операции для всех комплектаций автомобилей Установить и зафиксировать воздухоотражатель 2, рисунок 9-3, на радиатор. Установить датчик 1, рисунок 9-4, температуры окружающего воздуха на воздухоотража- тель 2. Присоединить патрубок воздухозаборника к воздухоотражателю. Присоединить разъемы жгута 1, рисунок 9-7, проводов переднего к разъемам блока 2 ре- ле электровентилятора, звукового сигнала 3 и электровентилятора 4 радиатора. Установить новый хомут 5 крепления жгута 1 проводов переднего к кожуху электровен- тилятора радиатора. Установить балку 1, рисунок 9-3, переднего бампера в соответствии с требованиями ТИ 3100.25100.20589. Установить передний бампер в соответствии с требованиями ТИ 3100.25100.20589. Заполнить систему охлаждения двигателя в соответствии с требованиями раздела 9.2 на- стоящей технологической инструкции. Присоединить клемму провода "массы" к аккумуляторной батарее согласно требованиям ТИ 3100.25100.20587. Запустить двигатель и дать ему поработать 2 - 3 минуты на холостых оборотах для уда- ления воздушных пробок в системе охлаждения. Проверить работоспособность отопителя. После остановки двигателя проверить уровень охлаждающей жидкости и отсутствие сле- дов подтекания, при необходимости довести уровень жидкости до нормы. Уровень охлаждаю- щей жидкости должен быть между метками "min" и "max" на расширительном бачке (катушка вытяжная с вентилятором типа SERF/SP ф. "СовПлим"). Установить брызговик двигателя согласно требованиям раздела 2 настоящей технологи- ческой инструкции. Предъявить автомобиль ОТК. ОТК проверить автомобиль на соответствие требовани- ям ТУ 017200-254-00232934 пп. 1.19.6, 1.19.9, 1.19.10, 1.19.14. http://vnx.su/
  • 72.
    ГОСТ 3.1105-84 Лист 71 ИзмЛист№документаПодписьДатаИзм.Лист№документаПодпиИзм.Лист №документаПодписьДата сПрудскихД.А.18.06.12 РеваВ.В.26.10.12 ХристовП.Н.01.11.12 РеваВ.В.27.10.12 ПрудскихД.А.26.10.12 ьДата Дубликат Взам. Подп. 3100.25100.20582 ТИТехнологическая инструкция ОАО "АВТОВАЗ" Рисунок 10-2 – Кронштейн воздуш- ного фильтра: 1 – болт; 2 – кронштейн воздушного фильтра; 3 – левая опора подвески силового агрегата Рисунок 10-1 – Контроллер ЭСУД: 1 – разъем жгута проводов системы зажигания; 2 – разъем жгута проводов переднего; 3 – контроллер ЭСУД 10 ЭЛЕМЕНТЫ ПОДВЕСКИ СИЛОВОГО АГРЕГАТА – СНЯТИЕ / УСТАНОВКА 10.1 Левая опора подвески силового агрегата Снятие Установить автомобиль на рабочий пост, затормозить стояночным тормозом, выключить зажигание и отсоединить клемму провода "массы" от аккумуляторной батареи (подъемник электрогидравлический типа П-3,2Г грузоподъемностью 3,2 т, ключ гаечный 10). Снять резонатор и воздушный фильтр в соответствии с требованиями раздела 3 настоя- щей технологической инструкции. Отсоединить разъемы жгута проводов системы зажигания 1, рисунок 10-1, и жгута про- водов переднего 2 от контроллера 3 ЭСУД и отвести жгуты в сторону. Ослабить болт 1, рисунок 10-2, крепления кронштейна 2 воздушного фильтра и снять кронштейн с левой опоры 3 подвески силового агрегата (головка сменная 16, удлинитель, воро- ток). Установить технологический рым 1, рисунок 10-3, на верхнюю шпильку крепления тер- мостата и закрепить его гайкой 2 (головка сменная 13, вороток). Установить на автомобиль траверсу 4 для вывешивания силового агрегата, завести крюк 3 траверсы в проушину технологического рыма с левой стороны двигателя и вывесить силовой агрегат (траверса для вывешивания силового агрегата). http://vnx.su/
  • 73.
    ГОСТ 3.1105-84 Лист 72 ИзмЛист№документаПодписьДатаИзм.Лист№документаПодпиИзм.Лист №документаПодписьДата сПрудскихД.А.18.06.12 РеваВ.В.26.10.12 ХристовП.Н.01.11.12 РеваВ.В.27.10.12 ПрудскихД.А.26.10.12 ьДата Дубликат Взам. Подп. 3100.25100.20582 ТИТехнологическая инструкция ОАО "АВТОВАЗ" Рисунок 10-4 – Крепление левой опоры подвески силового агрегата к коробке передач: 1 – болт крепления силового агрега- та к левой опоре; 2 – левая опора подвески силового агрегата; 3 – болт крепления кронштейна к коробке передач 4 – кронштейн Рисунок 10-3 – Вывешивание сило- вого агрегата: 1 – рым технологический; 2 – гайка; 3 – крюк траверсы; 4 – траверса для вывешивания сило- вого агрегата Рисунок 10-5 – Крепление левой опоры подвески силового агрегата к кузову: 1 – болт крепления левой опоры под- вески силового агрегата к кузову; 2 – левая опора подвески силового агрегата Отвернуть и извлечь два болта 1, рисунок 10-4, крепления силового агрегата к левой опо- ре 2 (головка сменная 18, удлинитель, вороток). Отвернуть три болта 3 крепления кронштейна 4 левой опоры к коробке передач и снять кронштейн (головка сменная Torx E12, удлинитель, вороток). Отвернуть четыре болта 1, рисунок 10-5, крепления левой опоры 2 подвески силового аг- регата к кузову и снять левую опору (головка сменная 16, удлинитель, вороток) http://vnx.su/
  • 74.
    ГОСТ 3.1105-84 Лист 73 ИзмЛист№документаПодписьДатаИзм.Лист№документаПодпиИзм.Лист №документаПодписьДата сПрудскихД.А.18.06.12 РеваВ.В.26.10.12 ХристовП.Н.01.11.12 РеваВ.В.27.10.12 ПрудскихД.А.26.10.12 ьДата Дубликат Взам. Подп. 3100.25100.20582 ТИТехнологическая инструкция ОАО "АВТОВАЗ" Установка Установить левую опору 2, рисунок 10-5, подвески силового агрегата на кузов автомоби- ля и закрепить болтами 1. Болт крепления кронштейна воздушного фильтра окончательно не заворачивать. Момент затяжки трех болтов крепления левой опоры подвески силового агрегата к кузову 53…71 Н.м (5,3…7,1 кгс.м) (головка сменная 16, удлинитель, вороток, ключ момент- ный). Установить кронштейн 4, рисунок 10-4, левой опоры подвески силового агрегата на ко- робку передач и закрепить болтами 3. Момент затяжки болтов 53…71 Н.м (5,3…7,1 кгс.м) (го- ловка сменная Torx E12, удлинитель, вороток). Установить два болта 1 крепления силового агрегата к левой опоре 2 подвески силового агрегата. Момент затяжки болтов 90…120 Н.м (9…12 кгс.м) (головка сменная 18, удлинитель, вороток, ключ моментный). Установить и задвинуть до упора в кузов кронштейн 2, рисунок 10-2, воздушного фильтра. Момент затяжки болта 1 крепления левой опоры подвески силового агрегата к кузову 53…71 Н.м (5,3…7,1 кгс.м) (головка сменная 16, удлинитель, вороток, ключ моментный). Извлечь крюк 3, рисунок 10-3, траверсы 4 для вывешивания силового агрегата из про- ушины технологического рыма 1 и снять траверсу с автомобиля. Отвернуть гайку 2 и снять с верхней шпильки крепления термостата технологический рым (головка сменная 13, вороток). Присоединить разъемы 1 и 2, рисунок 10-1, жгутов проводов к контроллеру 3. Установить резонатор и воздушный фильтр в соответствии с требованиями раздела 3 на- стоящей технологической инструкции. Присоединить клемму провода "массы" к аккумуляторной батарее согласно требованиям ТИ 3100.25100.20587. Предъявить автомобиль ОТК. ОТК проверить автомобиль на соответствие требовани- ям ТУ 017200-254-00232934 пп. 1.19.6 в объеме выполненных работ. http://vnx.su/
  • 75.
    ГОСТ 3.1105-84 Лист 74 ИзмЛист№документаПодписьДатаИзм.Лист№документаПодпиИзм.Лист №документаПодписьДата сПрудскихД.А.18.06.12 РеваВ.В.26.10.12 ХристовП.Н.01.11.12 РеваВ.В.27.10.12 ПрудскихД.А.26.10.12 ьДата Дубликат Взам. Подп. 3100.25100.20582 ТИТехнологическая инструкция ОАО "АВТОВАЗ" Рисунок 10-6 – Вывешивание силово- го агрегата: 1 – траверса для вывешивания сило- вого агрегата; 2 – крюк траверсы; 3 – рым двигателя Рисунок 10-7 – Правая опора подвес- ки силового агрегата: 1 – болт крепления силового агрегата к правой опоре; 2 – правая опора подвески силового агрегата; 3 – болт крепления правой опоры подвески силового агрегата к кузову 10.2 Правая опора подвески силового агрегата Снятие Установить автомобиль на рабочий пост, затормозить стояночным тормозом, выключить зажигание и отсоединить клемму провода "массы" от аккумуляторной батареи (подъемник электрогидравлический типа П-3,2Г грузоподъемностью 3,2 т, ключ гаечный 10). Установить на автомобиль траверсу 1, рисунок 10-6, для вывешивания силового агрегата, завести крюк 2 траверсы в проушину 3 правого рыма, и вывесить силовой агрегат с правой сто- роны (траверса для вывешивания силового агрегата). Для автомобилей с двигателями 11189 и 21129 Отвернуть и извлечь два болта 1, рисунок 10-7, крепления силового агрегата к правой опоре 2 подвески силового агрегата (головка сменная Torx E12, удлинитель, вороток). Отметить маркером на кузове положение правой опоры подвески двигателя. Отвернуть и извлечь два болта 3 крепления правой опоры подвески силового агрегата к кузову и снять правую опору (головка сменная Torx E12, удлинитель, вороток). http://vnx.su/
  • 76.
    ГОСТ 3.1105-84 Лист 75 ИзмЛист№документаПодписьДатаИзм.Лист№документаПодпиИзм.Лист №документаПодписьДата сПрудскихД.А.18.06.12 РеваВ.В.26.10.12 ХристовП.Н.01.11.12 РеваВ.В.27.10.12 ПрудскихД.А.26.10.12 ьДата Дубликат Взам. Подп. 3100.25100.20582 ТИТехнологическая инструкция ОАО "АВТОВАЗ" Рисунок 10-8 – Правая опора подвес- ки силового агрегата HR16: 1 – трубка топливная; 2 – трубка системы улавливания па- ров бензина; 3 – болт крепления кронштейна пра- вой опоры подвески к двигателю; 4 – болт крепления правой опоры подвески силового агрегата к кузову; 5 – правая опора подвески силового агрегата Для автомобилей с двигателем HR16 Отсоединить от держателей топливную трубку 1, рисунок 10-8, и трубку 2 системы улав- ливания паров бензина. Отметить маркером на кузове положение правой опоры подвески силового агрегата. Отвернуть болты 3 крепления кронштейна правой опоры подвески к двигателю (головка сменная 16, удлинитель, вороток). Отвернуть болты 4 крепления правой опоры подвески силового агрегата к кузову и снять правую опору 5 (головка сменная 16, удлинитель, вороток). Установка Для автомобилей с двигателями 11189 и 21129 Установить на кузов правую опору 2, рисунок 10-7, подвески силового агрегата. Установить, не затягивая, два болта 1 крепления правой опоры подвески силового агрега- та к кронштейну подвески силового агрегата (головка сменная Torx E12, удлинитель, вороток). Установить, не затягивая, два болта 3 крепления правой опоры подвески силового агрега- та к кузову (головка сменная Torx E12, удлинитель, вороток). Затянуть два болта крепления правой опоры подвески силового агрегата к кронштейну подвески силового агрегата с моментом 53…71 Н.м (5,3…7,1 кгс.м) (головка сменная Torx E12, удлинитель, ключ моментный). Установить правую опору подвески силового агрегата по меткам на кузове, нанесенным при ее снятии, и затянуть два болта крепления правой опоры подвески силового агрегата к ку- зову с моментом 53…71 Н.м (5,3…7,1 кгс.м) (головка сменная Torx E12, удлинитель, ключ мо- ментный). Для автомобилей с двигателем HR16 Установить правую опору 5, рисунок 10-8, подвески силового агрегата по меткам на ку- зове, нанесенным при ее снятии, и закрепить болтами 3 и 4 крепления правой опоры подвески к двигателю и кузову (головка сменная 16, удлинитель, вороток). http://vnx.su/
  • 77.
    ГОСТ 3.1105-84 Лист 76 ИзмЛист№документаПодписьДатаИзм.Лист№документаПодпиИзм.Лист №документаПодписьДата сПрудскихД.А.18.06.12 РеваВ.В.26.10.12 ХристовП.Н.01.11.12 РеваВ.В.27.10.12 ПрудскихД.А.26.10.12 ьДата Дубликат Взам. Подп. 3100.25100.20582 ТИТехнологическая инструкция ОАО "АВТОВАЗ" Затянуть требуемым моментом: - болты крепления кронштейна правой опоры подвески к двигателю 53…71 Н.м (5,3…7,1 кгс.м); - болты крепления правой опоры подвески к кузову 53…71 Н.м (5,3…7,1 кгс.м) (головка сменная 16, удлинитель, ключ моментный). Установить в держатели топливную трубку 1 и трубку 2 системы улавливания паров бен- зина. Операции для всех комплектаций автомобилей Извлечь крюк 2, рисунок 10-6, траверсы для вывешивания силового агрегата из проуши- ны правого рыма 3 на двигателе и снять траверсу 1 с автомобиля. Присоединить клемму провода "массы" к аккумуляторной батарее согласно требованиям ТИ 3100.25100.20587. Предъявить автомобиль ОТК. ОТК проверить автомобиль на соответствие требовани- ям ТУ 017200-254-00232934 пп. 1.19.6 в объеме выполненных работ. http://vnx.su/
  • 78.
    ГОСТ 3.1105-84 Лист 77 ИзмЛист№документаПодписьДатаИзм.Лист№документаПодпиИзм.Лист №документаПодписьДата сПрудскихД.А.18.06.12 РеваВ.В.26.10.12 ХристовП.Н.01.11.12 РеваВ.В.27.10.12 ПрудскихД.А.26.10.12 ьДата Дубликат Взам. Подп. 3100.25100.20582 ТИТехнологическая инструкция ОАО "АВТОВАЗ" Рисунок 10-9 – Задняя опора подвес- ки силового агрегата: 1 – болт крепления штанги задней подвески силового агрегата; 2 – болт крепления кронштейна; 3 – кронштейн; 4 – коробка передач; 5 – штанга задней подвески силового агрегата; 6 – гайка; 7 – болт крепления штанги задней опоры подвески силового агрегата к подрамнику; 8 – подрамник передней подвески 10.3 Задняя опора подвески силового агрегата Снятие Установить автомобиль на двухстоечный подъемник, затормозить стояночным тормозом, выключить зажигание и отсоединить клемму провода "массы" от аккумуляторной батареи (подъемник электрогидравлический типа П-3,2Г грузоподъемностью 3,2 т, ключ гаечный 10). Снять брызговик двигателя согласно требованиям раздела 2 настоящей технологической инструкции. Отвернуть болты 1 и 2, рисунок 10-9, крепления кронштейна 3 и штанги 5 к коробке 4 передач и снять кронштейн 3 (головка сменная 18, удлинитель, вороток). Отвернуть гайку 6 болта 7 крепления штанги 5 задней опоры подвески силового агрегата к подрамнику 8 и снять штангу (ключ кольцевой 18, головка сменная 18, удлинитель, вороток). Установка Установить штангу 5, рисунок 10-9, задней опоры подвески силового агрегата на под- рамник 8, зафиксировать болтом 7 и навернуть гайку 6, не затягивая ее окончательно (головка сменная 18, удлинитель, вороток). Установить кронштейн 3 и завернуть болты 1 и 2 крепления кронштейна 3 и штанги 5 к коробке 4 передач (ключ кольцевой 18, головка сменная 18, удлинитель, вороток). Затянуть требуемым моментом: - болт 1 крепления штанги 5 задней опоры подвески силового агрегата к коробке передач 90…120 Н.м (9…12 кгс.м); - болт 2 крепления кронштейна 3 к коробке передач 90…120 Н.м (9…12 кгс.м); - гайку 6 болта 7 крепления штанги 5 задней опоры подвески силового агрегата к под- рамнику 6 передней подвески 90…120 Н.м (9…12 кгс.м) (ключ кольцевой 18, головка сменная 18, удлинитель, вороток, ключ моментный). Установить брызговик двигателя согласно требованиям раздела 2 настоящей технологи- ческой инструкции. Предъявить автомобиль ОТК. ОТК проверить автомобиль на соответствие требовани- ям ТУ 017200-254-00232934 пп. 1.19.6 в объеме выполненных работ. http://vnx.su/
  • 79.
    ГОСТ 3.1105-84 Лист Листов 1310 Дубликат Взам. Подп. 3100.25100.12056ОАО "АВТОВАЗ" ТИ Технологическая инструкция Разработ. Проверил Утвердил Т.контр. Н.контр.Изм. Лист № документа Подпись Дата Зимин В.А. 25.11.15г Христов П.Н. 27.11.15г Попов А.С. 27.11.15г Христов П.Н. 27.11.15г Прудских Д.А. 26.11.15г ИзмЛист№документаПодписьДатаИзм.Лист№документаПодписьДата ЭЛЕКТРОННАЯ СИСТЕМА УПРАВЛЕНИЯ ДВИГАТЕЛЕМ 21129 АВТОМОБИЛЕЙ СЕМЕЙСТВА LADA VESTA С КОНТРОЛЛЕРОМ М86 ЕВРО-5 – УСТРОЙСТВО И ДИАГНОСТИКА В данной инструкции описывается устройство и диагностика электронной системы управления двигателем 21129 с контроллером М86 автомобилей семейства LADA VESTA по состоянию конструкторской документации на ноябрь 2015 г. Схема электрических соединений ЭСУД с контроллером М86 приведена в разделе 2 "Диагностика". Перечень приборов и специнструмента для диагностики и ремонта системы приведен в приложении А. Снятие / установка элементов ЭСУД см. ТИ 3100.25100.20582. Работы выполнять в соответствии с требованиями "Межотраслевых правил по охране труда на автомобильном транспорте" ПОТ РМ-027-2003 и инструкции по охране труда для слесарей, действующей на предприятии. Сокращения а/м – автомобиль ЭСУД – электронная система управления двигателем КСУД – контроллер системы управления двигателем АЦП – аналого-цифровой преобразователь ОЗУ – оперативное запоминающее устройство ПЗУ – постоянное запоминающее устройство ЭРПЗУ – электрически репрограммируемое запоминающее устройство ДДТВ – датчик давления и температуры воздуха ДАД – датчик абсолютного давления ДТВ – датчик температуры воздуха ДПКВ – датчик положения коленчатого вала ЭПА – электронная педаль акселератора ДППА – датчик положения педали акселератора ЭДП – дроссельный патрубок с электроприводом ДПДЗ – датчик положения дроссельной заслонки УДК – управляющий датчик кислорода ДДК – диагностический датчик кислорода ДТОЖ – датчик температуры охлаждающей жидкости ДД – датчик детонации ДФ – датчик фаз ДСА – датчик скорости автомобиля ЭБН – электробензонасос СУПБ – система улавливания паров бензина КПА – клапан продувки адсорбера ВСТ – выключатель сигнала торможения ВСППС – выключатель сигнала положения педали сцепления УОЗ – угол опережения зажигания ДДХ – датчик давления хладагента АМТ – автоматизированная механическая трансмиссия МКП – механическая коробка передач АБС – антиблокировочная система тормозов http://vnx.su/
  • 80.
    ГОСТ 3.1105-84 Лист 2Дубликат Взам. Подп. 3100.25100.12056 ТИТехнологическая инструкция ОАО "АВТОВАЗ" ИзмЛист№документаПодписьДатаИзм.Лист№документаПодписьДата 1 УСТРОЙСТВО ОБЩЕЕ ОПИСАНИЕ Электронная система управления двигателем состоит из датчиков параметров состоя- ния двигателя и автомобиля, контроллера и исполнительных устройств (см. функциональ- ную схему ЭСУД ниже). Датчики Контроллер Исп-ные устройства Датчики синхронизации: Входные параметры Функции управления Датчик положения коленча- того вала Положение коленвала Скорость вращения Синхронизация фазы топ- ливоподачи Реле ЭБН, ЭБН Топливные форсунки коленчатого вала Синхронизация фазы зажи- гания Катушка и свечи зажига- ния Датчик фаз Положение распредвала Определение ВМТ на такте сжатия 1 цилиндра Топливные форсунки Система зажигания Датчики нагрузки: Электронная педаль акселе- ратора Положение педали акселе- ратора Определение режима рабо- ты ДВС (пуск, х.х., частич- ная или полная нагрузка, отсечка топливоподачи) Расчет задаваемого момента Дроссельный патрубок с электроприводом Топливные форсунки Система зажигания Датчик абсолютного давле- ния На основе данных о давле- нии рассчитывается количе- ство всасываемого воздуха Определение параметра нагрузки двигателя Топливные форсунки Система зажигания Датчик температуры охлаж- дающей жидкости Датчик температуры возду- ха Температура охлаждающей жидкости Температура всасываемого воздуха Коррекция оборотов х.х., топливоподачи, у.о.з., по- ложения дроссельной за- слонки, определение доба- вочного момента при вкл/выкл вентилятора Коррекция у.о.з. (детона- ция) Топливные форсунки Система зажигания Реле вентилятора ЭДП УДК, ДДК Датчик детонации Напряжение, характери- зующее наличие кислорода до и после нейтрализатора Степень детонации Управление нагревателем УДК, ДДК Коррекция топливоподачи Коррекция УОЗ Нагреватель УДК, ДДК Топливные форсунки Система зажигания Датчик скорости автомоби- ля (сигнал от АБС) Скорость автомобиля Информация о скорости автомобиля Выключатель сигнала по- ложения педали сцепления (сигнал от ЦБКЭ) Информация о вкл / выкл состоянии датчика Определение и реализация добавочного момента на режиме начала движения автомобиля, переключения передач Дроссельный патрубок с электроприводом Топливные форсунки Система зажигания Выключатель сигнала тор- можения Информация о вкл / выкл состоянии датчика Реализация функции безо- пасности Дроссельный патрубок с электроприводом Цепь сигнала запроса вклю- чения кондиционера Запрос включения кондиционера Управление муфтой ком- прессора кондиционера, определение и реализация добавочного момента при вкл / выкл кондиционера Реле кондиционера (муф- та компрессора кондиц.) ЭДП Топливные форсунки Система зажигания Датчик давления хладагента Степень нагрузки компрес- сора кондиционера Управление муфтой ком- прессора кондиционера Реле кондиционера (муф- та компрессора кондиц.) Прочие: Иммобилизатор (сигнал от ЦБКЭ) Взаимодействие с ЦБКЭ Управление доступом к запуску двигателя Топливные форсунки Диагностический прибор* Взаимодействие с внешним диагностическим оборудова- нием * Подключается во время диагностики ЭСУД http://vnx.su/
  • 81.
    ГОСТ 3.1105-84 Лист 3 Дубликат Взам. Подп. 3100.25100.12056 ТИТехнологическая инструкция ОАО "АВТОВАЗ" ИзмЛист№документаПодписьДатаИзм.Лист№документаПодписьДата 1.1 КОНТРОЛЛЕР И ДАТЧИКИ КОНТРОЛЛЕР Контроллер (КСУД) является центральным устройством системы управления двига- телем. Он получает информацию от датчиков и управляет исполнительными механизмами, обеспечивая оптимальную работу двигателя при заданном уровне показателей автомобиля. На автомобилях LADA VESTA контроллер расположен в агрегатном отсеке автомобиля на левой опоре стойки передней подвески (рис. 1.1-01). Рис. 1.1-01. Расположение контрол- лера в подкапотном пространстве автомобилей семейства LADA VESTA: 1 – контроллер Контроллер управляет исполнительными механизмами, такими как топливные фор- сунки, дроссельный патрубок с электроприводом, катушка зажигания, нагреватель датчика кислорода, клапан продувки адсорбера и различными реле. Контроллер управляет включением и выключением главного реле (реле зажигания), через которое напряжение питания от аккумуляторной батареи поступает на элементы сис- темы. Контроллер включает главное реле при включении зажигания. При выключении за- жигания контроллер задерживает выключение главного реле на время, необходимое для подготовки к следующему включению (завершение вычислений, установка дроссельной за- слонки в положение, предшествующее запуску двигателя). КСУД выполняет функцию иммобилизации, обмениваясь кодами с ЦБКЭ (контролле- ром ВСМ). Если в результате обмена определяется, что коды не корректны, то блокировка запуска двигателя в КСУД не снимается (подробно описание работы иммобилизатора см. ТИ 3100.25100.12057). Контроллер выполняет также функцию диагностики системы. Он определяет наличие неисправностей элементов системы, включает сигнализатор и сохраняет в своей памяти ко- ды, обозначающие характер неисправности и помогающие механику осуществить ремонт. Дополнительные сведения об использовании диагностической функции контроллера см. в разделе 2 "Диагностика". На а/м LADA VESTA реализован интерфейс обмена данными между контроллером ЭСУД, колодкой диагностики и контроллерами (блоками управления) других систем авто- мобиля по шине CAN. По шине CAN происходит обмен кодами иммобилизатора между контроллером ЭСУД и ЦБКЭ, обмен информацией о параметрах работы двигателя, трансмиссии, АБС, состоянии датчиков и т. д. Шина CAN представляет собой двухпроводную линию: - линия низкого уровня CAN L (контакты "X1.1/Н5", "Х1.2/D5" контроллера ЭСУД); - линия высокого уровня CAN H (контакты "X1.1/Н4", "Х1.2/D4" контроллера ЭСУД). http://vnx.su/
  • 82.
    ГОСТ 3.1105-84 Лист 4Дубликат Взам. Подп. 3100.25100.12056 ТИТехнологическая инструкция ОАО "АВТОВАЗ" ИзмЛист№документаПодписьДатаИзм.Лист№документаПодписьДата ВНИМАНИЕ. Контроллер является сложным электронным прибором, ремонт которого должен производиться только на заводе-изготовителе. Во время эксплуатации и технического обслуживания автомобиля разборка контроллера запрещается. Несанкционированная модификация программного обеспечения контроллера может привести к ухудшению эксплуатационных характеристик двигателя и даже к его поломке. При этом гарантийные обязательства завода-изготовителя автомобиля на техни- ческое обслуживание и ремонт двигателя и системы управления утрачиваются. Контроллер подает на различные устройства напряжение питания 5 В или 12 В. В не- которых случаях оно подается через резисторы контроллера, имеющие столь высокое номи- нальное сопротивление, что при включении в цепь контрольной лампочки она не загорается. В большинстве случаев обычный вольтметр с низким внутренним сопротивлением не дает точных показаний. Для контроля напряжения выходных сигналов контроллера необходим цифровой вольтметр с внутренним сопротивлением не менее 10 МОм. Память контроллера Контроллер имеет три типа памяти: программируемое постоянное запоминающее уст- ройство (ПЗУ), оперативное запоминающее устройство (ОЗУ) и электрически репрограмми- руемое запоминающее устройство (ЭРПЗУ). Память контроллера является энергонезависимой, т.е. ее содержимое сохраняется при отключении питания. Постоянное запоминающее устройство (ПЗУ) В ПЗУ хранится программа управления, которая содержит последовательность рабо- чих команд и калибровочную информацию. Калибровочная информация представляет собой данные управления впрыском, зажиганием, холостым ходом и т.п., которые в свою очередь зависят от массы автомобиля, типа и мощности двигателя, от передаточных отношений трансмиссии и других факторов. Оперативное запоминающее устройство (ОЗУ) Оперативное запоминающее устройство используется микропроцессором для времен- ного хранения измеряемых параметров, результатов вычислений, кодов неисправностей. Микропроцессор может по мере необходимости вносить в ОЗУ данные или считывать их. Электрически репрограммируемое запоминающее устройство (ЭРПЗУ) ЭРПЗУ используется для хранения идентификаторов контроллера, двигателя и авто- мобиля, а также кодов-паролей иммобилизатора. Коды-пароли, принимаемые контроллером ЭСУД от ЦБКЭ, сравниваются с хранимыми в ЭРПЗУ и меняются микропроцессором по определенному закону. ВНИМАНИЕ. Для предотвращения повреждений контроллера при отсоединении провода от клеммы "минус" аккумуляторной батареи или жгута проводов от кон- троллера зажигание должно быть выключено. ВНИМАНИЕ. В случае неисправности контроллера для замены необходимо ис- пользовать "чистый" (необученный) контроллер (см. ТИ 3100.25100.12057). Проверка работоспособности контроллера 1 После замены контроллера или сброса контроллера с помощью диагностического прибора (режим "Тест функций; Сброс ЭБУ с инициализацией") необходимо выполнить процедуру адаптации нуля дроссельной заслонки и процедуру адаптации функции диагно- стики пропусков воспламенения. Процедура адаптации нуля дроссельной заслонки: - на стоящем автомобиле необходимо включить зажигание, выждать 30 с, выключить зажигание, дождаться отключения главного реле. Адаптация будет прервана, если: http://vnx.su/
  • 83.
    ГОСТ 3.1105-84 Лист 5 Дубликат Взам. Подп. 3100.25100.12056 ТИТехнологическая инструкция ОАО "АВТОВАЗ" ИзмЛист№документаПодписьДатаИзм.Лист№документаПодписьДата - прокручивается двигатель; - автомобиль движется; - нажата педаль акселератора; - температура двигателя ниже 5 °С или выше 100 °С; - температура окружающего воздуха ниже 5 °С. Процедура адаптации функции диагностики пропусков воспламенения: - прогреть двигатель до рабочей температуры (значение параметра "Температура ох- лаждающей жидкости" = 60...90 °С); - разогнать автомобиль на 2-й передаче до достижения повышенных оборотов колен- чатого вала (значение параметра "Частота вращения коленчатого вала двигателя" = 4000 мин-1) и произвести торможение двигателем ("Частота вращения коленчатого вала двигателя" = 1000 мин-1); - выполнить торможение двигателем шесть раз за одну поездку. 2 Провести диагностику (см. порядок в карте А "Проверка диагностической цепи"). ДАТЧИК ДАВЛЕНИЯ И ТЕМПЕРАТУРЫ ВОЗДУХА (ДДТВ) Датчик давления и температуры воздуха (ДДТВ) установлен на модуле впуска (рис. 1.1-02). В состав ДДТВ входит датчик абсолютного давления во впускном коллекторе (ДАД) и датчик температуры впускного воздуха (ДТВ). Рис. 1.1-02. Расположение ДДТВ в подкапотном пространстве автомо- билей семейства LADA VESTA: 1 – ДДТВ Выходной сигнал подключенного к контроллеру ДАД представляет собой напряжение постоянного тока в диапазоне 0,15...4,6 В, величина которого зависит от давления во впуск- ном коллекторе. По данному сигналу контроллер рассчитывает количество воздуха всасы- ваемого во впускной коллектор за цикл. При возникновении неисправности цепи ДАД контроллер заносит в свою память ее код и включает сигнализатор. В этом случае контроллер рассчитывает количество всасы- ваемого воздуха по частоте вращения коленчатого вала и положению дроссельной заслонки. Чувствительным элементом ДТВ является термистор (резистор, изменяющий сопро- тивление в зависимости от температуры, см. табл. 1.1-01). Выходной сигнал подключенного к контроллеру ДТВ представляет собой напряжение постоянного тока в диапазоне 0,3...4,9 В, величина которого зависит от температуры воздуха, проходящего через датчик. При возникновении неисправности цепи ДТВ контроллер заносит в свою память ее код и включает сигнализатор. В этом случае контроллер заменяет показания датчика фикси- рованным значением температуры воздуха (32 °С). http://vnx.su/
  • 84.
    ГОСТ 3.1105-84 Лист 6Дубликат Взам. Подп. 3100.25100.12056 ТИТехнологическая инструкция ОАО "АВТОВАЗ" ИзмЛист№документаПодписьДатаИзм.Лист№документаПодписьДата Таблица 1.1-01 Таблица зависимости сопротивления ДТВ от температуры всасываемого воздуха Температура воздуха, °С Сопротивление, Ом Температура возду- ха, °С Сопротивление, Ом -40 42661-54224 +40 1113-1291 -30 23970-30015 +50 792-913 -20 14039-17333 +60 572-655 -10 8529,5-10399 +70 418-476 0 5358-6458 +80 310-350 +5 4296-5150 +90 232-261 +10 3469-4137 +100 176-197 +20 2309-2727 +110 134-150 +30 1586-1853 +120 103-116 ДАТЧИКИ ПОЛОЖЕНИЯ ДРОССЕЛЬНОЙ ЗАСЛОНКИ В системе с ЭДП применяются два ДПДЗ. ДПДЗ входят в состав дроссельного пат- рубка с электроприводом. ДПДЗ представляет собой резистор потенциометрического типа, на один из выводов которого подается опорное напряжение (5 В) с контроллера, а на второй "масса" с контрол- лера. С вывода, соединенного с подвижным контактом потенциометра, подается выходной сигнал ДПДЗ на контроллер. Контроллер управляет положением дроссельной заслонки с помощью электропривода в соответствии с положением педали акселератора. По показаниям ДПДЗ контроллер от- слеживает положение дроссельной заслонки. При включении зажигания контроллер устанавливает заслонку в предпусковое поло- жение, степень открытия которой зависит от температуры охлаждающей жидкости. В пред- пусковом положении дроссельной заслонки выходной сигнал ДПДЗ 1 должен быть в преде- лах 0,58...0,70 В, выходной сигнал ДПДЗ 2 в пределах 4,30...4,42 В. Если в течение 15 секунд не запустить двигатель и не нажать на педаль акселератора, то контроллер обесточивает электропривод дроссельного патрубка и дроссельная заслонка устанавливается в положение 6-7 % открытия дросселя. В обесточенном состоянии (LIMP HOME) электропривода дроссельной заслонки выходной сигнал ДПДЗ 1 находится в преде- лах 0,70...0,75 В, выходной сигнал ДПДЗ 2 в пределах 4,25...4,30 В. Далее если в течении 15 секунд не проводить никаких действий наступит режим проверки ("обучения") 0-положения дроссельной заслонки - полное закрытие и открытие дроссельной заслонки на предпусковое положение и в дальнейшем электропривод дроссельной заслонки снова перейдет в обесто- ченный режим. При любом положении дроссельной заслонки сумма сигналов ДПДЗ 1 и ДПДЗ 2 должна быть равна (5±0,1) В. При возникновении неисправности цепей ДПДЗ контроллер обесточивает электро- привод дроссельной заслонки, заносит в свою память ее код и включает сигнализатор. При этом дроссельная заслонка устанавливается в положение 6-7 % открытия дросселя. ЭЛЕКТРОННАЯ ПЕДАЛЬ АКСЕЛЕРАТОРА (ЭПА) На автомобилях с ЭДП применяется электронная педаль акселератора (ЭПА), которая электрически передает сигнал о положении педали акселератора контроллеру. ЭПА распо- лагается на кронштейне под правой ногой водителя. В ЭПА используются два датчика положения педали акселератора (ДППА). ДППА представляют собой резисторы потенциометрического типа, на которые подается питание 5 В от контроллера. ДППА механически связаны с приводом от рычага педали. Две незави- http://vnx.su/
  • 85.
    ГОСТ 3.1105-84 Лист 7 Дубликат Взам. Подп. 3100.25100.12056 ТИТехнологическая инструкция ОАО "АВТОВАЗ" ИзмЛист№документаПодписьДатаИзм.Лист№документаПодписьДата симые пружины между рычагом педали и корпусом создают возвратное усилие. Получая аналоговый электрический сигнал от ЭПА, контроллер формирует сигнал для управления положением дроссельной заслонки. Выходное напряжение ДППА меняется пропорционально нажатию педали акселера- тора. При отпущенной педали акселератора сигнал ДППА 1 должен быть в пределах 0,50…0,85 В, сигнал ДППА 2 в пределах 0,25…0,43 В. При полностью нажатой педали ак- селератора сигнал ДППА 1 должен быть в пределах 4,19…4,59 В, сигнал ДППА 2 в преде- лах 2,095…2,295 В. При любом положении педали акселератора сигнал ДППА 1 должен быть в два раза больше сигнала ДППА 2. Рис. 1.1-03. Расположение элек- тронной педали акселератора в са- лоне автомобилей семейства LADA VESTA: 1 – электронная педаль акселератора ДАТЧИК ТЕМПЕРАТУРЫ ОХЛАЖДАЮЩЕЙ ЖИДКОСТИ (ДТОЖ) Датчик установлен в потоке охлаждающей жидкости двигателя на термостате, на го- ловке цилиндров (рис. 1.1-04). Рис. 1.1-04. Расположение датчика температуры охлаждающей жидко- сти в подкапотном пространстве ав- томобилей семейства LADA VESTA: 1 - датчик температуры охлаждаю- щей жидкости Чувствительным элементом датчика температуры охлаждающей жидкости является термистор, т. е. резистор, электрическое сопротивление которого изменяется в зависимости от температуры. Высокая температура вызывает низкое сопротивление, а низкая температу- ра охлаждающей жидкости - высокое сопротивление (см. табл. 1.1-02). Контроллер выдает в цепь датчика температуры охлаждающей жидкости напряжение 5 В. http://vnx.su/
  • 86.
    ГОСТ 3.1105-84 Лист 8Дубликат Взам. Подп. 3100.25100.12056 ТИТехнологическая инструкция ОАО "АВТОВАЗ" ИзмЛист№документаПодписьДатаИзм.Лист№документаПодписьДата Температуру охлаждающей жидкости контроллер рассчитывает по падению напряже- ния на ДТОЖ. Падение напряжения относительно высокое на холодном двигателе и низкое на прогретом. Температура охлаждающей жидкости используется в большинстве функций управления двигателем. При возникновении неисправности цепей ДТОЖ контроллер заносит в свою память ее код, включает сигнализатор и вентилятор системы охлаждения и рассчитывает значение температуры охлаждающей жидкости по специальному алгоритму. ВНИМАНИЕ. При работе с датчиком соблюдать осторожность. Повреждение датчика может привести к нарушению нормальной работы системы управления дви- гателем. Таблица 1.1-02 Таблица зависимости сопротивления ДТОЖ от температуры охлаждающей жидкости (±2% ) Температура, °С Сопрот., Ом Температура, °С Сопрот., Ом Температура, °С Сопрот., Ом -40 100700 +5 7280 +45 1188 -30 52700 +10 5670 +50 973 -20 28680 +15 4450 +60 667 -15 21450 +20 3520 +70 467 -10 16180 +25 2796 +80 332 -5 12300 +30 2238 +90 241 0 9420 +40 1459 +100 177 ДАТЧИК ДЕТОНАЦИИ (ДД) Датчик детонации (ДД) установлен на блоке цилиндров (рис. 1.1-05). Пьезокерамиче- ский чувствительный элемент ДД генерирует сигнал напряжения переменного тока, ампли- туда и частота которого соответствуют параметрам вибраций двигателя. Рис. 1.1-05. Расположение датчика детонации на двигателе 21129: 1 - датчик детонации При возникновении детонации амплитуда вибраций определенной частоты повышает- ся. Контроллер при этом корректирует угол опережения зажигания для гашения детонации. http://vnx.su/
  • 87.
    ГОСТ 3.1105-84 Лист 9 Дубликат Взам. Подп. 3100.25100.12056 ТИТехнологическая инструкция ОАО "АВТОВАЗ" ИзмЛист№документаПодписьДатаИзм.Лист№документаПодписьДата При возникновении неисправности цепей ДД контроллер заносит в свою память ее код и включает сигнализатор. Для определения и устранения неисправности необходимо использовать соответствующую диагностическую карту. УПРАВЛЯЮЩИЙ ДАТЧИК КИСЛОРОДА (УДК) Наиболее эффективное снижение токсичности отработавших газов бензиновых двига- телей достигается при массовом соотношении воздуха и топлива в смеси (14,5...14,6) : 1. Данное соотношение называется стехиометрическим. При этом составе топливовоздушной смеси каталитический нейтрализатор наиболее эффективно снижает количество углеводо- родов, окиси углерода и окислов азота, выбрасываемых с отработавшими газами. Для опти- мизации состава отработавших газов с целью достижения наибольшей эффективности рабо- ты нейтрализатора применяется управление топливоподачей по замкнутому контуру с об- ратной связью по наличию кислорода в отработавших газах. Контроллер рассчитывает длительность импульса впрыска по таким параметрам, как массовый расход воздуха, частота вращения коленчатого вала, температура охлаждающей жидкости и т.д. Для корректировки расчетов длительности импульса впрыска используется информация о наличии кислорода в отработавших газах, которую выдает датчик кислорода. Рис. 1.1-06. Расположение УДК и ДДК в подкапотном пространстве автомобилей семейства LADA VESTA: 1 - управляющий датчик кислорода; 2 - диагностический датчик кисло- рода УДК устанавливается на трубе приемной (рис. 1.1-06). Его чувствительный элемент находится в потоке отработавших газов. УДК генерирует напряжение, изменяющееся в диа- пазоне 180...950 мВ. Это выходное напряжение зависит от наличия или отсутствия кислоро- да в отработавших газах и от температуры чувствительного элемента УДК. Когда УДК находится в холодном состоянии, выходной сигнал датчика отсутствует, поскольку в этом состоянии его внутреннее электрическое сопротивление очень высокое - несколько МОм. По мере прогрева датчика сопротивление падает и появляется способность генерировать выходной сигнал. Для эффективной работы УДК должен иметь температуру не ниже 300°С. Для быст- рого прогрева после запуска двигателя УДК снабжен внутренним электрическим подогре- вающим элементом, которым управляет контроллер. Коэффициент заполнения импульсных сигналов управления нагревателем (отношение длительности включенного состояния к пе- риоду следования импульсов) зависит от температуры УДК и режима работы двигателя. Если температура датчика выше 300°С, то в момент перехода через точку стехиомет- рии, выходной сигнал датчика переключается между низким уровнем (180…250 мВ) и вы- соким (850...950 мВ). Низкий уровень сигнала соответствует бедной смеси (наличие кисло- рода), высокий - богатой (отсутствует кислород). http://vnx.su/
  • 88.
    ГОСТ 3.1105-84 Лист 10Дубликат Взам. Подп. 3100.25100.12056 ТИТехнологическая инструкция ОАО "АВТОВАЗ" ИзмЛист№документаПодписьДатаИзм.Лист№документаПодписьДата Описание работы цепи Контроллер выдает в цепь УДК стабильное опорное напряжение 1,7 В. Когда УДК не прогрет, напряжение выходного сигнала датчика находится в диапазоне 1,2...1,7 В. По мере прогрева датчика его внутреннее сопротивление уменьшается, и он начинает генерировать меняющееся напряжение, выходящее за пределы этого диапазона. По изменению напряже- ния контроллер определяет, что УДК прогрелся, и его выходной сигнал может быть исполь- зован для управления топливоподачей в режиме замкнутого контура. При нормальной работе системы подачи топлива в режиме замкнутого контура вы- ходное напряжение УДК изменяется между низким и высоким уровнями. Отравление датчика кислорода УДК может быть отравлен в результате применения этилированного бензина или ис- пользования при сборке вулканизирующихся при комнатной температуре герметиков, со- держащих в большом количестве силикон (соединения кремния) с высокой летучестью. Ис- парения силикона могут попасть в систему вентиляции картера и присутствовать при про- цессе сгорания. Присутствие соединений свинца или кремния в отработавших газах может привести к выходу УДК из строя. Неисправности цепей УДК, дефект датчика, его отравление или непрогретое состоя- ние могут вызвать длительное нахождение напряжения сигнала в диапазоне 1,2...1,7 В. При этом в память контроллера занесется соответствующий код неисправности. Управление то- пливоподачей будет осуществляться по разомкнутому контуру. Если контроллер получает сигнал с напряжением, свидетельствующим о длительном состоянии обедненности смеси, в его память заносится соответствующий код неисправно- сти (низкий уровень сигнала датчика кислорода). Причиной неисправности может быть за- мыкание выходной цепи УДК на "массу", негерметичность системы впуска воздуха или по- ниженное давление топлива. Если контроллер получает сигнал с напряжением, свидетельствующим о длительном состоянии обогащенности смеси, в его память заносится соответствующий код неисправно- сти (высокий уровень сигнала датчика кислорода). Причиной неисправности может быть замыкание выходной цепи УДК на источник напряжения или повышенное давление топлива в рампе форсунок. При возникновении кодов неисправности датчика кислорода контроллер осуществля- ет управление топливоподачей в режиме разомкнутого контура. Техническое обслуживание датчика кислорода При повреждениях жгута, колодки или штекеров датчика кислорода, ДК необходимо заменить. Ремонт жгута, колодки или штекеров не допускается. Для нормальной работы ДК должен сообщаться с атмосферным воздухом. Сообщение с атмосферным воздухом обеспе- чивается воздушными зазорами проводов датчика. Попытка отремонтировать провода, ко- лодки или штекеры может привести к нарушению сообщения с атмосферным воздухом и ухудшению работы ДК. При обслуживании ДК необходимо соблюдать следующие требования: Не допускается попадание жидкости для чистки контактов или других материалов на датчик или колодки жгутов. Эти материалы могут попасть в ДК и вызвать нарушение рабо- ты. Кроме того, не допускаются повреждения изоляции проводов, приводящие к их оголе- нию. Запрещается сильно сгибать или перекручивать жгут ДК и присоединяемый к нему жгут проводов системы впрыска. Это может нарушить поступление атмосферного воздуха в ДК. Для исключения неисправности в результате попадания воды необходимо не допус- кать повреждений уплотнения на периферии колодки жгута системы управления. ВНИМАНИЕ. С новым датчиком обращаться осторожно. Не допускать попада- ния смазки или грязи на колодку жгута проводов датчика и конец корпуса датчика с прорезями. http://vnx.su/
  • 89.
    ГОСТ 3.1105-84 Лист 11 Дубликат Взам. Подп. 3100.25100.12056 ТИТехнологическая инструкция ОАО "АВТОВАЗ" ИзмЛист№документаПодписьДатаИзм.Лист№документаПодписьДата ДИАГНОСТИЧЕСКИЙ ДАТЧИК КИСЛОРОДА (ДДК) Для снижения содержания углеводородов, окиси углерода и окислов азота в отрабо- тавших газах используется каталитический нейтрализатор (см. раздел 1.9). Нейтрализатор окисляет углеводороды и окись углерода, в результате чего они преобразуются в водяной пар и углекислый газ. Нейтрализатор также восстанавливает азот из окислов азота. Кон- троллер следит за окислительно-восстановительными свойствами нейтрализатора, анализи- руя сигнал диагностического датчика кислорода, установленного после нейтрализатора (рис. 1.1-06). ДДК работает по тому же принципу, что и УДК. УДК генерирует сигнал, указываю- щий на присутствие кислорода в отработавших газах на входе в нейтрализатор. Сигнал, ге- нерируемый ДДК, указывает на присутствие кислорода в отработавших газах после нейтра- лизатора. Если нейтрализатор работает нормально, показания ДДК будут значительно отли- чаться от показаний УДК. Выходной сигнал прогретого диагностического датчика кислорода при работе в ре- жиме обратной связи, при исправном нейтрализаторе в установившемся режиме должен на- ходится в диапазоне от 590 до 750 мВ и не должен повторять сигнал УДК. При возникновении неисправности цепей или самого диагностического датчика ки- слорода контроллер заносит в свою память ее код и включает сигнализатор, сигнализируя о наличии неполадки. Требования к техническому обслуживанию ДДК не отличаются от описанных выше для УДК. ДАТЧИК ПОЛОЖЕНИЯ КОЛЕНЧАТОГО ВАЛА (ДПКВ) Датчик положения коленчатого вала установлен на крышке масляного насоса (рис. 1.1-07) на расстоянии 0,9±0,5 мм от вершины зубца задающего диска, закрепленного на ко- ленчатом валу двигателя. Задающий диск объединен со шкивом привода генератора и представляет собой зуб- чатое колесо с 58 зубьями, расположенными с шагом 6°, и "длинной" впадиной для синхро- низации, образованной двумя пропущенными зубьями. При совмещении середины первого зуба зубчатого сектора диска после "длинной" впадины с осью ДПКВ коленчатый вал дви- гателя находится в положении 114° (19 зубьев) до верхней мертвой точки 1-го и 4-го цилин- дров. Рис. 1.1-07. Расположение датчика положения коленчатого вала на дви- гателе 21129: 1 - датчик положения коленчатого вала При вращении задающего диска изменяется магнитный поток в магнитопроводе дат- чика, наводя импульсы напряжения переменного тока в его обмотке. Контроллер определя- ет положение и частоту вращения коленчатого вала по количеству и частоте следования http://vnx.su/
  • 90.
    ГОСТ 3.1105-84 Лист 12Дубликат Взам. Подп. 3100.25100.12056 ТИТехнологическая инструкция ОАО "АВТОВАЗ" ИзмЛист№документаПодписьДатаИзм.Лист№документаПодписьДата этих импульсов и рассчитывает фазу и длительность импульсов управления форсунками и катушкой зажигания. Провода ДПКВ защищаются от помех экраном, замкнутым на массу. При возникновении неисправности в цепи датчика положения коленчатого вала дви- гатель перестает работать, контроллер заносит в свою память код неисправности и включает сигнализатор. ДАТЧИК ФАЗ (ДФ) Рис. 1.1-08. Расположение датчика фаз на двигателе 21129 (модуль впуска снят): 1 -датчик фаз Датчик фаз двигателя 21129 устанавливается на головке блока цилиндров возле шкива впускного распредвала (рис. 1.1-08). Принцип действия датчика основан на эффекте Холла. На шкиве впускного распредвала расположен задающий диск с прорезью. Когда прорезь проходит через паз датчика фаз, датчик выдает на контроллер импульс напряжения уровня "земли" (около 0 В), что соответствует положению поршня 1-го цилиндра в такте сжатия. Сигнал датчика фаз используется контроллером для организации последовательного впрыска топлива в соответствии с порядком работы цилиндров двигателя. При возникновении неисправности цепей или самого датчика фаз контроллер заносит в свою память ее код и включает сигнализатор. ДАТЧИК СКОРОСТИ АВТОМОБИЛЯ (ДСА) На а/м семейства LADA VESTA информация о скорости движения автомобиля посту- пает на контроллер ЭСУД с блока управления АБС по шине CAN. ВЫКЛЮЧАТЕЛЬ СИГНАЛА ТОРМОЖЕНИЯ Выключатель сигнала торможения входит в состав узла педали тормоза (рис. 1.1-09) и предназначен для подачи на контроллер ЭСУД соответствующих сигналов о нажатии /отпускании водителем педали тормоза. В системах управлением дроссельной заслонкой по проводам (Е-газ) сигналы выключателя педали тормоза играют важную роль, поскольку ис- пользуются функцией безопасности ПО контроллера ЭСУД. По этой причине очень важно обеспечить, чтобы выключатель сигнала торможения всегда находился в рабочем состоя- нии. В случае неисправности электрических цепей выключателя, двигатель автомобиля мо- жет переходить в аварийный режим работы с принудительно уменьшенной мощностью. Выключатель сигнала торможения имеет две группы контактов, первая из которых комму- тирует напряжение с Кл. 15, а вторая - напряжение с Кл. 30, поступающее на питание лампы стоп-сигнала. Оба эти сигнала поступают на контроллер ЭСУД. В состоянии отпущенной http://vnx.su/
  • 91.
    ГОСТ 3.1105-84 Лист 13 Дубликат Взам. Подп. 3100.25100.12056 ТИТехнологическая инструкция ОАО "АВТОВАЗ" ИзмЛист№документаПодписьДатаИзм.Лист№документаПодписьДата педали тормоза контакты первой группы должны быть нормально замкнуты, а контакты второй – нормально разомкнуты. Рис. 1.1-09. Расположение выключа- теля сигнала торможения и выклю- чателя сигнала положения педали сцепления в салоне автомобилей семейства LADA VESTA: 1 – выключатель сигнала торможе- ния; 2 – выключатель сигнала поло- жения педали сцепления ВЫКЛЮЧАТЕЛЬ СИГНАЛА ПОЛОЖЕНИЯ ПЕДАЛИ СЦЕПЛЕНИЯ (ВСППС) Выключатель сигнала положения педали сцепления устанавливается на автомобили семейства LADA VESTA с МКП. Выключатель входит в состав узла педали сцепления (рис. 1.1-09) и предназначен для подачи на блоки управления сигнала о нажатой педали сцепле- ния. Выключатель имеет одну группу контактов, коммутирующую напряжение с Кл. 15. При нажатой педали сцепления контакты разомкнуты. Сигнал выключателя положения пе- дали сцепления используется ПО контроллера ЭСУД для улучшения ездовых характеристик автомобиля. На а/м семейства LADA VESTA информация о состоянии ВСППС поступает на кон- троллер ЭСУД с контроллера ВСМ по шине CAN. http://vnx.su/
  • 92.
    ГОСТ 3.1105-84 Лист 14Дубликат Взам. Подп. 3100.25100.12056 ТИТехнологическая инструкция ОАО "АВТОВАЗ" ИзмЛист№документаПодписьДатаИзм.Лист№документаПодписьДата 1.2 СИСТЕМА ПОДАЧИ ТОПЛИВА ОБЩЕЕ ОПИСАНИЕ На автомобилях семейства LADA VESTA применяется система подачи топлива с бес- сливной топливной рампой (рис. 1.2-01). Рис. 1.2-01. Система подачи топлива: 1 – рампа форсунок; 2 – передняя топливная трубка; 3 – трубка переднего топливного тру- бопровода; 4 – трубка топливного трубопровода; 5 – топливная трубка электробензонасоса; 6 – модуль электробензонасоса с фильтром тонкой очистки; 7 – топливный бак Функцией системы подачи топлива является обеспечение подачи необходимого коли- чества топлива в двигатель на всех рабочих режимах. Топливо подается в двигатель фор- сунками, установленными во впускной трубе. Электробензонасос, установленный в топливном баке, подает топливо через топлив- ные трубки на рампу форсунок. Встроенный в электробензонасос регулятор давления топлива поддерживает давление топлива, подаваемого на форсунки, в пределах 364...400 кПа в зависимости от режима рабо- ты двигателя. http://vnx.su/
  • 93.
    ГОСТ 3.1105-84 Лист 15 Дубликат Взам. Подп. 3100.25100.12056 ТИТехнологическая инструкция ОАО "АВТОВАЗ" ИзмЛист№документаПодписьДатаИзм.Лист№документаПодписьДата Контроллер включает топливные форсунки последовательно. Каждая из форсунок включается через каждые 720° поворота коленчатого вала. Сигнал контроллера, управляющий форсункой, представляет собой импульс, длитель- ность которого соответствует количеству топлива, требующегося двигателю. Этот импульс подается в определенный момент поворота коленчатого вала, который зависит от режима работы двигателя. Подаваемый на форсунку управляющий сигнал открывает нормально закрытый кла- пан форсунки, подавая во впускной канал топливо под давлением. Количество подаваемого топлива пропорционально времени, в течение которого фор- сунки находятся в открытом состоянии (длительность импульса впрыска). Контроллер под- держивает оптимальное соотношение воздух/топливо путем изменения длительности им- пульсов. Увеличение длительности импульса впрыска приводит к увеличению количества по- даваемого топлива при постоянном расходе воздуха (обогащение смеси). Уменьшение дли- тельности импульса впрыска приводит к уменьшению количества подаваемого топлива при постоянном расходе воздуха (обеднение смеси). ВНИМАНИЕ. Для предотвращения травм или повреждений автомобиля при демонтаже и мон- таже элементов системы подачи топлива в результате случайного пуска необходимо отсоединять провод от клеммы "минус" аккумуляторной батареи до проведения об- служивания и присоединять его после завершения работ. Перед обслуживанием топливной аппаратуры необходимо сбросить давление в системе подачи топлива (см. "Порядок сбрасывания давления в системе подачи топ- лива"). Порядок сбрасывания давления в системе подачи топлива 1 Включить нейтральную передачу, затормозить автомобиль стояночным тормозом. 2 Извлечь предохранитель F26 (15А) из монтажного блока. 3 Запустить двигатель и дать ему поработать на холостом ходу до остановки из-за вы- работки топлива. 4 Включить стартер на 3 с для стравливания давления в трубопроводах. После этого можно безопасно работать с системой подачи топлива. 5 После стравливания давления и завершения работ вставить предохранитель F26 (15А) в монтажный блок. МОДУЛЬ ЭЛЕКТРОБЕНЗОНАСОСА (МЭБН) Рис. 1.2-02. Расположение модуля электробензонасоса в салоне авто- мобилей семейства LADA VESTA: 1 - модуль электробензонасоса http://vnx.su/
  • 94.
    ГОСТ 3.1105-84 Лист 16Дубликат Взам. Подп. 3100.25100.12056 ТИТехнологическая инструкция ОАО "АВТОВАЗ" ИзмЛист№документаПодписьДатаИзм.Лист№документаПодписьДата МЭБН погружного типа установлен в топливном баке (рис. 1.2-02). Модуль электробензонасоса включает в себя электробензонасос турбинного типа, ре- гулятор давления топлива, фильтр тонкой очистки топлива и датчик уровня топлива. Насос обеспечивает подачу топлива из топливного бака через магистральный топлив- ный фильтр на рампу форсунок. Электробензонасос включается контроллером через реле. При включении зажигания контроллер запитывает реле на 2 секунды для создания необходимого давления топлива в рампе форсунок. Если в течение этого времени прокрутка двигателя не начинается, контроллер выклю- чает реле и ожидает начала прокрутки. После ее начала контроллер вновь включает реле. Если зажигание включалось три раза без прокрутки двигателя, то следующее включе- ние реле электробензонасоса возможно только с началом прокрутки. ВНИМАНИЕ. Никогда не допускайте полной выработки топлива, так как это может привести к преждевременному износу и выходу из строя электробензонасоса. РАМПА ФОРСУНОК Рампа форсунок (рис. 1.2-03) представляет собой полую трубку с установленными на ней форсунками. Рампа форсунок закреплена двумя болтами на двигателе (рис. 1.2-04). Рис. 1.2-03. Рампа форсунок в сборе двигателя 21129: 1 – рампа форсунок; 2 – штуцер для контроля давления топлива; 3 – форсунка; 4 – уплотни- тельное кольцо; 5 – клипса форсунки Рис. 1.2-04. Расположение рампы форсунок на двигателе 21129 (мо- дуль впуска снят): 1 - рампа форсунок http://vnx.su/
  • 95.
    ГОСТ 3.1105-84 Лист 17 Дубликат Взам. Подп. 3100.25100.12056 ТИТехнологическая инструкция ОАО "АВТОВАЗ" ИзмЛист№документаПодписьДатаИзм.Лист№документаПодписьДата Топливо под давлением подается во внутреннюю полость рампы, а оттуда через фор- сунки во впускную трубу. На рампе форсунок расположен штуцер 2 (рис. 1.2-03) для контроля давления топли- ва, закрытый резьбовой пробкой. Ряд диагностических процедур при техническом обслуживании автомобиля или при поиске неисправностей требуют проведения контроля давления топлива. С помощью манометра, подключенного к штуцеру, можно определить давление топ- лива, подаваемого на форсунки. ТОПЛИВНЫЕ ФОРСУНКИ Форсунка (рис. 1.2-03) системы распределенного впрыска представляет собой элек- тромагнитное устройство, дозирующее подачу топлива под давлением во впускную трубу двигателя. Форсунки 3 закреплены на рампе с помощью клипс 5. Верхний и нижний концы фор- сунок герметизируются уплотнительными кольцами 4. Контроллер управляет электромаг- нитным клапаном форсунки, который пропускает топливо через направляющую пластину, обеспечивающую распыление топлива. Направляющая пластина имеет отверстия, которые направляют топливо, образуя ко- нический факел. Факел топлива направлен на впускной клапан. До попадания топлива в камеру сгора- ния происходит его испарение и перемешивание с воздухом. Форсунка, у которой произошел прихват клапана в частично открытом состоянии, вы- зывает потерю давления в рампе форсунок после выключения электробензонасоса, поэтому на некоторых двигателях будет наблюдаться увеличение времени прокрутки. Кроме того, форсунка с прихваченным клапаном может вызвать калильное зажигание, т.к. некоторое ко- личество топлива будет попадать в двигатель после того, как он заглушён. РЕЖИМЫ УПРАВЛЕНИЯ ПОДАЧЕЙ ТОПЛИВА Как упоминалось выше в этой главе, количеством топлива, подаваемого через фор- сунки, управляет контроллер. Топливо подается по одному из двух разных методов: синхронному, т.е. в определен- ном положении коленчатого вала, или асинхронному, т.е. без синхронизации с вращением коленчатого вала. Синхронная подача топлива является преимущественно применяемым методом. Синхронизация срабатывания форсунок обеспечивается использованием сигналов датчика положения коленчатого вала и датчика фаз (см. раздел 1.1). Контроллер рассчитывает момент включения каждой форсунки, причем топливо впрыскивается один раз за один полный рабочий цикл соответствующего цилиндра. Такой метод позволяет более точно дозировать топливо по цилиндрам и понизить уровень токсич- ности отработавших газов. Асинхронная подача топлива используется на режиме пуска и динамических режимах работы двигателя. Контроллер обрабатывает сигналы датчиков, определяет режим работы двигателя и рассчитывает длительность импульса впрыска топлива. Для увеличения количества подаваемого топлива длительность импульса впрыска увеличивается, для уменьшения - сокращается. Длительность импульса впрыска может быть проконтролирована с помощью диагно- стического прибора. Управление топливоподачей осуществляется в одном из нескольких режимов, опи- санных ниже. Отключение подачи топлива Подача топлива не производится в следующих случаях: http://vnx.su/
  • 96.
    ГОСТ 3.1105-84 Лист 18Дубликат Взам. Подп. 3100.25100.12056 ТИТехнологическая инструкция ОАО "АВТОВАЗ" ИзмЛист№документаПодписьДатаИзм.Лист№документаПодписьДата - зажигание выключено (это предотвращает калильное зажигание); - коленчатый вал двигателя не вращается (отсутствует сигнал ДПКВ); - если контроллер определил наличие пропусков зажигания в одном или нескольких цилиндрах - подача топлива в эти цилиндры прекращается и сигнализатор неисправностей начинает мигать; - частота вращения коленчатого вала двигателя превышает предельное значение около 6200 об/мин (отключение подачи топлива производится совместно с закрытием дроссельной заслонки и понижением УОЗ); - при "выкатке" на передаче, при "перегазовке" на стоящем автомобиле, если обороты двигателя превышают 2000 об/мин, педаль акселератора не нажата, температура охлаж- дающей жидкости выше 40 °С. Режим пуска При включении зажигания контроллер с помощью реле включает электробензонасос, который создает давление топлива в рампе форсунок. Контроллер обрабатывает сигнал датчика температуры охлаждающей жидкости для определения необходимой для пуска длительности импульсов впрыска. Когда коленчатый вал двигателя при пуске начинает проворачиваться, контроллер формирует импульс включения форсунок, длительность которого зависит от температуры охлаждающей жидкости, времени прокрутки и нарастания оборотов. На холодном двигателе импульс впрыска увеличивается для увеличения количества топлива, а на прогретом - дли- тельность импульса уменьшается. Система работает в режиме пуска до достижения определенной частоты вращения ко- ленчатого вала (желаемые обороты холостого хода), значение которой зависит от темпера- туры охлаждающей жидкости. ВНИМАНИЕ. Необходимым условием запуска двигателя является достижение оборотов двигателя при прокрутке стартером значения не ниже 80 об/мин, напряжение в бортсети автомобиля при этом не должно быть ниже 6 В. Режим управления топливоподачей по разомкнутому контуру После пуска двигателя и до выполнения условий вхождения в режим замкнутого кон- тура (управляющий датчик кислорода прогрет до необходимой температуры) контроллер управляет подачей топлива в режиме разомкнутого контура. В режиме разомкнутого конту- ра контроллер рассчитывает длительность импульсов впрыска без учета наличия кислорода в выхлопных газах. Расчеты осуществляются на базе данных по частоте вращения коленча- того вала, массовому расходу воздуха, температуре охлаждающей жидкости и запрашивае- мому моменту (это выражается в положении дроссельной заслонки, УОЗ и непосредственно в топливоподаче), на который дополнительно может влиять включение электропотребите- лей (свет, обогрев сидений, вентилятор и т.д.). Режим мощностного обогащения Контроллер следит за положением педали акселератора и частотой вращения коленча- того вала для определения моментов, когда необходима максимальная мощность двигателя. Для развития максимальной мощности требуется более богатый состав топливной смеси (режим регулирования по УДК отключается), что осуществляется путем увеличения длительности импульсов впрыска. Компенсация изменения напряжения бортовой сети При понижении напряжении бортсети накопление энергии в катушках зажигания происходит медленнее, и механическое движение электромагнитного клапана форсунки за- нимает больше времени. Контроллер компенсирует падение напряжения бортсети путем увеличения времени накопления энергии в катушке зажигания и длительности импульсов впрыска. Соответственно, при возрастании напряжения в бортовой сети автомобиля контроллер уменьшает время накопления энергии в катушке зажигания и длительность импульсов впрыска. http://vnx.su/
  • 97.
    ГОСТ 3.1105-84 Лист 19 Дубликат Взам. Подп. 3100.25100.12056 ТИТехнологическая инструкция ОАО "АВТОВАЗ" ИзмЛист№документаПодписьДатаИзм.Лист№документаПодписьДата Регулирование подачи топлива по замкнутому контуру Система входит в режим замкнутого контура при выполнении всех следующих усло- вий: 1 Управляющий датчик кислорода достаточно прогрет для нормальной работы (прой- дена "точка росы" - температура на керамике чувствительного элемента УДК превышает температуру, определенную в зависимости от температуры окружающей среды, выходной сигнал выходит за пределы диапазона 1,2…1,7 В). 2 Температура охлаждающей жидкости выше определенного значения. 3 С момента запуска двигатель проработал определенный период времени, зависящий от температуры охлаждающей жидкости в момент пуска. 4 Двигатель не работает ни в одном из нижеперечисленных режимов: пуск двигателя, отключение подачи топлива, режим максимальной мощности, режим защиты элементов ЭСУД. 5 Двигатель работает в определенном диапазоне по параметру нагрузки. В режиме управления топливоподачей по замкнутому контуру контроллер первона- чально рассчитывает длительность импульсов впрыска по данным тех же датчиков, что и для режима разомкнутого контура (базовый расчет). Отличие заключается в том, что в ре- жиме замкнутого контура контроллер использует сигнал управляющего датчика кислорода для корректировки расчетов длительности импульсов впрыска в целях обеспечения макси- мальной эффективности работы каталитического нейтрализатора. Существует два вида корректировки подачи топлива - текущая и корректировка само- обучения. Первая (текущая) корректировка рассчитывается по показаниям датчика кислорода и может изменяться относительно быстро, чтобы компенсировать текущие отклонения соста- ва смеси от стехиометрического. Вторая (корректировка самообучения) рассчитывается для каждой совокупности па- раметров "обороты-нагрузка" на основе текущей корректировки и изменяется относительно медленно. Текущая корректировка обнуляется при каждом выключении зажигания. Корректи- ровка самообучения хранится в памяти контроллера постоянно, до выполнения режима "Сброс ЭБУ с инициализацией" с помощью диагностического прибора. Целью корректировки по результатам самообучения является компенсация отклоне- ний состава топливовоздушной смеси от стехиометрического, возникающих в результате разброса характеристик элементов ЭСУД, допусков при изготовлении двигателя, а также отклонений параметров двигателя в период эксплуатации (износ, закоксовка и т.д.). Для более точной компенсации возникающих отклонений весь диапазон работы дви- гателя разбит на 4 характерные зоны обучения: - холостой ход; - высокие обороты при малой нагрузке; - частичные нагрузки; - высокие нагрузки. При работе двигателя в любой из зон по определенной логике происходит коррекция длительности импульсов впрыска до тех пор, пока реальный состав смеси не достигнет оп- тимального значения. При смене режима работы двигателя в оперативной памяти контроллера (ОЗУ) сохра- няется последнее значение коэффициента коррекции для данной зоны. Полученные таким образом коэффициенты коррекции характеризуют конкретный двигатель и участвуют в расчете длительности импульса впрыска при работе системы в ре- жиме разомкнутого контура и при пуске, не имея при этом возможности изменяться. Значение корректировки, при котором регулирование подачи топлива по замкнутому контуру не требуется, равно 1 (для параметра корректировки топливоподачи по результатам самообучения на холостом ходу оно равно 0). Любое изменение от 1(0) указывает на то, что функция регулирования топливоподачи по замкнутому контуру изменяет длительность им- пульса впрыска. Если значение корректировки топливоподачи по замкнутому контуру http://vnx.su/
  • 98.
    ГОСТ 3.1105-84 Лист 20Дубликат Взам. Подп. 3100.25100.12056 ТИТехнологическая инструкция ОАО "АВТОВАЗ" ИзмЛист№документаПодписьДатаИзм.Лист№документаПодписьДата больше 1(0), происходит увеличение длительности импульса впрыска, т.е. увеличение пода- чи топлива. Если значение корректировки топливоподачи по замкнутому контуру меньше 1(0), происходит уменьшение длительности импульса впрыска, т.е. уменьшение подачи топ- лива. Предельным диапазоном изменения текущей корректировки топливоподачи и коррек- тировки самообучением является диапазон 1±0,25 (±5). Выход любого из коэффициентов коррекции за пределы регулирования в сторону обогащения или обеднения смеси свиде- тельствует о наличии неисправности в двигателе или ЭСУД (отклонение давления топлива, подсос воздуха, негерметичность в системе выпуска и т.д.). Коррекция самообучения для регулирования топливоподачи на автомобилях с катали- тическим нейтрализатором является непрерывным процессом в течение всего срока экс- плуатации автомобиля и обеспечивает выполнение жестких норм по токсичности отрабо- тавших газов. В данной ЭСУД при отключении аккумуляторной батареи значения адаптационных коэффициентов коррекции не обнуляются. 1.3 СИСТЕМА ЗАЖИГАНИЯ ОБЩЕЕ ОПИСАНИЕ В системе зажигания двигателя 21129 применяются 4 индивидуальные катушки зажи- гания (рис. 1.3-01). Система зажигания не имеет подвижных деталей, и поэтому не требует обслуживания и регулировок, за исключением свечей зажигания. Управление током в первичных обмотках катушек зажигания осуществляется кон- троллером, использующим информацию о режиме работы двигателя, получаемую от датчи- ков системы управления двигателем. Для коммутации первичных обмоток катушек зажига- ния контроллер использует мощные транзисторные вентили (рис. 1.3-01). Рис. 1.3-01. Система зажигания двигателя 21129: 1 - аккумуляторная батарея; 2 - реле главное; 3 - выключатель зажигания; 4 - свечи зажига- ния; 5 - катушка зажигания; 6 - контроллер; 7 - датчик положения коленчатого вала; 8 - за- дающий диск КАТУШКА ЗАЖИГАНИЯ Катушки зажигания имеют следующие цепи: Цепь питания первичных обмоток http://vnx.su/
  • 99.
    ГОСТ 3.1105-84 Лист 21 Дубликат Взам. Подп. 3100.25100.12056 ТИТехнологическая инструкция ОАО "АВТОВАЗ" ИзмЛист№документаПодписьДатаИзм.Лист№документаПодписьДата Напряжение бортсети автомобиля поступает с главного реле (реле зажигания) на кон- такт "3" индивидуальной катушки зажигания. Цепь управления первичной обмоткой катушки зажигания Контроллер коммутирует на массу цепь первичной обмотки катушки зажигания, вы- дающей высокое напряжение на свечи зажигания соответствующих цилиндров: - контакт "1" индивидуальной катушки зажигания. Рис. 1.3-02. Расположение индиви- дуальных катушек зажигания на двигателе 21129: 1 - катушки зажигания ГАШЕНИЕ ДЕТОНАЦИИ Для предотвращения выхода из строя двигателя в результате продолжительной дето- нации ЭСУД корректирует угол опережения зажигания. Для обнаружения детонации в системе имеется датчик детонации, см. раздел 1.1. Контроллер анализирует сигнал этого датчика и при обнаружении детонации, харак- теризующейся повышением амплитуды вибраций двигателя в определенном диапазоне час- тот, корректирует угол опережения зажигания по специальному алгоритму. Корректировка угла опережения зажигания для гашения детонации производится ин- дивидуально по цилиндрам, т.е. определяется, в каком цилиндре происходит детонация, и уменьшается угол опережения зажигания только для этого цилиндра. В случае неисправности датчика детонации в память контроллера заносится соответ- ствующий код неисправности и включается сигнализатор неисправностей. Кроме того, кон- троллер на определенных режимах работы двигателя устанавливает пониженный угол опе- режения зажигания, исключающий появление детонации. 1.4 ВЕНТИЛЯТОР СИСТЕМЫ ОХЛАЖДЕНИЯ Контроллер управляет блоком реле включения электровентилятора системы охлажде- ния двигателя. Электровентилятор включается и выключается в зависимости от температу- ры двигателя. Электровентилятор работает в двух режимах - с максимальной скоростью и с пони- женной скоростью. Пониженная скорость электровентилятора включается при температуре охлаждающей жидкости выше 102 °С, а также при наличии в памяти контроллера кодов неисправностей ДТОЖ или при работающем кондиционере. При этом управление блоком реле электровен- тилятора осуществляется с контакта "Х1.1/Н2" контроллера. Пониженная скорость электровентилятора выключается после падения температуры охлаждающей жидкости ниже 98 °С. http://vnx.su/
  • 100.
    ГОСТ 3.1105-84 Лист 22Дубликат Взам. Подп. 3100.25100.12056 ТИТехнологическая инструкция ОАО "АВТОВАЗ" ИзмЛист№документаПодписьДатаИзм.Лист№документаПодписьДата Максимальная производительность электровентилятора включается при температуре охлаждающей жидкости выше 103 °С, а также при высоком давлении хладагента в магист- рали как при работающем кондиционере, так и неработающем кондиционере. При этом управление блоком реле электровентилятора осуществляется с контакта "Х1.1/Н3" контрол- лера. Максимальная производительность электровентилятора выключается после падения температуры охлаждающей жидкости ниже 98 °С. Рис. 1.4-01. Электрическая цепь вентилятора системы охлаждения двигателя автомобилей семейства LADA VESTA Рис. 1.5-01. Система вентиляции картера двигателя 21129: 1 - модуль впуска; 2 - шланг первого контура; 3 - крышка головки цилиндров; 4 - шланг вто- рого контура; 5 - шланг впускной трубы; 6 - вытяжной шланг http://vnx.su/
  • 101.
    ГОСТ 3.1105-84 Лист 23 Дубликат Взам. Подп. 3100.25100.12056 ТИТехнологическая инструкция ОАО "АВТОВАЗ" ИзмЛист№документаПодписьДатаИзм.Лист№документаПодписьДата 1.5 СИСТЕМА ВЕНТИЛЯЦИИ КАРТЕРА Система вентиляции картера (рис. 1.5-01) обеспечивает удаление картерных газов. Картерные газы по вытяжному шлангу поступают в маслоотделитель, расположенный в крышке головки цилиндров на двигателе 21129. Шланги первого и второго контуров представляют собой два шланга (один малого диаметра, другой большого), по которым картерные газы, прошедшие маслоотделитель, по- даются в камеру сгорания. Первый контур имеет калиброванное отверстие диаметром 1,7 мм. Калибровочное от- верстие расположено в трубке крышки головки цилиндров. К трубке крышки головки ци- линдров (штуцеру маслоотделителя) присоединяется шланг первого контура (шланг малого диаметра). Шланг первого контура идет от маслоотделителя к модулю впуска. Шланг второго контура (шланг большего диаметра) идет от маслоотделителя к шлан- гу впускной трубы. На режиме холостого хода все картерные газы подаются через жиклер первого конту- ра (шланг малого диаметра). На этом режиме во впускной трубе создается высокое разреже- ние, и картерные газы эффективно отсасываются в задроссельное пространство. Жиклер ог- раничивает объем отсасываемых газов, чтобы не нарушалась работа двигателя на холостом ходу. На режимах под нагрузкой, когда дроссельная заслонка открыта частично или полно- стью, через жиклер первого контура проходит небольшое количество картерных газов. В этом случае их основной объем проходит через второй контур (шланг большого диаметра) в шланг впускной трубы перед дроссельным патрубком и затем сжигается в камере сгорания. ВНИМАНИЕ. При нарушении герметичности шланга первого контура (подсосе воздуха вне калибровочного отверстия 1,7 мм) ЭСУД ошибочно определяет завышен- ное значение перетечек через дроссельную заслонку (номинальное значение опреде- ленное производителем составляет 3 - 5 кг/час), что приводит к нестабильности оборо- тов холостого хода. 1.6 СИСТЕМА ВПУСКА ВОЗДУХА Наружный воздух засасывается через патрубок забора воздуха в резонатор и далее в корпус воздушного фильтра. Воздушный фильтр (рис. 1.6-01) служит для очистки воздуха от механических частиц. Фильтрующий элемент воздушного фильтра является расходным материалом и имеет огра- ниченный срок службы. После фильтрующего элемента воздушного фильтра воздух прохо- дит в шланг впускной трубы и дроссельный патрубок. После дроссельного патрубка воздух направляется в каналы модуля впуска и впуск- ной трубы, а затем в головку цилиндров и в цилиндры. Дроссельный патрубок с электроприводом системы распределенного впрыска топлива закреплен на модуле впуска. Он дозирует количество воздуха, поступающего во впускную трубу. Поступление воздуха в двигатель дозируется дроссельной заслонкой с электроприво- дом, управляемой контроллером. Дроссельный патрубок имеет в своем составе два датчика положения дроссельной за- слонки и связанный с ними электропривод. На модуле впуска двигателя 21129 применяется система изменения длины впускного коллектора, которая позволяет и снизить токсичность отработавших газов. Регулирование длины впускного коллектора обеспечивает лучшее наполнение камеры сгорания воздухом и соответственно более полное сгорание топливно-воздушной смеси на всем диапазоне оборотов двигателя. http://vnx.su/
  • 102.
    ГОСТ 3.1105-84 Лист 24Дубликат Взам. Подп. 3100.25100.12056 ТИТехнологическая инструкция ОАО "АВТОВАЗ" ИзмЛист№документаПодписьДатаИзм.Лист№документаПодписьДата Рис. 1.6-01. Система впуска воздуха двигателя 21129: 1 - электромагнитный клапан управления механизмом заслонок модуля впуска; 2 - модуль впуска; 3 - датчик давления и температуры воздуха; 4 - дроссельный патрубок с электропри- водом; 5 - шланг впускной трубы; 6 - воздушный фильтр; 7 - пневмопривод оси воздушных заслонок Рис. 1.6-02. Расположение пневмо- привода оси воздушных заслонок на двигателе 21129: 1 - пневмопривод оси воздушных заслонок Переключение с одной длины на другую осуществляется с помощью пневмопривода оси воздушных заслонок (рис. 1.6-02) в зависимости от оборотов двигателя и нагрузки на двигатель. http://vnx.su/
  • 103.
    ГОСТ 3.1105-84 Лист 25 Дубликат Взам. Подп. 3100.25100.12056 ТИТехнологическая инструкция ОАО "АВТОВАЗ" ИзмЛист№документаПодписьДатаИзм.Лист№документаПодписьДата Управление пневмоприводом осуществляется контроллером ЭСУД по шлангам сис- темы пневмопривода с помощью электромагнитного клапана управления механизмом за- слонок модуля впуска (рис. 1.6-03). Рис. 1.6-03. Расположение электро- магнитного клапана управления ме- ханизмом заслонок модуля впуска на двигателе 21129: 1 - электромагнитный клапан управ- ления механизмом заслонок модуля впуска ХОЛОСТОЙ ХОД (ХХ) Контроллер управляет частотой вращения коленчатого вала на режиме холостого хо- да. Исполнительным устройством, дозирующим поступающий воздух в двигатель, является дроссельная заслонка, угол открытия которой на холостом ходу задается контроллером в за- висимости от температуры охлаждающей жидкости, включенных потребителей (кондицио- нер, обогрев сидений, вентилятор и др.) Кроме этого для поддержания оборотов ХХ кон- троллер управляет УОЗ и топливоподачей. Стоит помнить, что при движении автомобиля с отпущенной педалью акселератора на 1, 2 или 3 передаче заданные обороты ХХ отличаются от заданных оборотов стоящего автомобиля и зависят от температуры охлаждающей жидко- сти двигателя. Состояние работы двигателя на холостом ходу можно определить по пара- метрам текущей коррекции ХХ ("Желаемое изменение момента для поддержания холо- стого хода (интегральная часть)" % и Желаемое изменение момента для поддержания холостого хода (пропорциональная часть)" %) и параметра адаптации момента ("Пара- метр адаптации регулировки холостого хода" %). Параметр адаптации момента опреде- ляется только на прогретом двигателе, но используется как аддитивная добавка во всем температурном диапазоне работы двигателя. 1.7 СИСТЕМА УЛАВЛИВАНИЯ ПАРОВ БЕНЗИНА Система улавливания паров бензина (СУПБ) состоит из угольного адсорбера с элек- тромагнитным клапаном продувки и соединительных трубопроводов. Пары бензина из топливного бака подаются в улавливающую емкость (адсорбер с ак- тивированным углем) (рис. 1.7-01) для удержания их при неработающем двигателе. Пары поступают через патрубок, обозначенный надписью "TANK". Контроллер, управляя электромагнитным клапаном, осуществляет продувку адсорбе- ра после того, как двигатель проработает заданный период времени с момента перехода на режим управления топливоподачей по замкнутому контуру. Воздух подводится в адсорбер через патрубок "AIR", где смешивается с парами бензина. Образовавшаяся таким образом смесь засасывается во впускную трубу двигателя для сжигания в ходе рабочего процесса. Контроллер регулирует степень продувки адсорбера в зависимости от режима работы двигателя, подавая на клапан сигнал с изменяемой частотой импульса (16 Гц, 32 Гц). Кон- троллер постоянно отслеживает влияние продувки (состояние по наполняемости парами то- http://vnx.su/
  • 104.
    ГОСТ 3.1105-84 Лист 26Дубликат Взам. Подп. 3100.25100.12056 ТИТехнологическая инструкция ОАО "АВТОВАЗ" ИзмЛист№документаПодписьДатаИзм.Лист№документаПодписьДата плива адсорбера) на работу двигателя по информации сигнала с УДК. Если адсорбер имеет большой % наполнения парами топлива, контроллер уменьшает топливоподачу (значение параметра "Коэффициент концентрации топлива в адсорбере" около 2%, соответствен- но, если % наполняемости парами топлива низкий – значение параметра "Коэффициент концентрации топлива в адсорбере" около 0%). Контроллер при каждой поездке на про- гретом двигателе проверяет состояние клапана продувки адсорбера, полностью закрывая его и открывая на значение, превышающее установленное для данного режима работы двигате- ля. По отклонению фактора коррекции топливоподачи контроллер определяет состояние клапана продувки адсорбера. Рис. 1.7-01. Расположение адсорбе- ра в подкапотном пространстве ав- томобилей семейства LADA VESTA: 1 – адсорбер Рис. 1.7-02. Расположение клапана продувки адсорбера в подкапотном пространстве автомобилей семейст- ва LADA VESTA: 1 - клапан продувки адсорбера Диагностический прибор отображает коэффициент заполнения управляющего сигна- ла. Коэффициент 0% означает, что продувка адсорбера не осуществляется. Коэффициент 100% означает, что происходит максимальная продувка. Контроллер включает электромагнитный клапан продувки когда: - температура охлаждающей жидкости выше определенного значения; - система работает в режиме обратной связи по сигналу датчика кислорода; - система исправна. Неисправности и их причины Нестабильность холостого хода, остановка двигателя, повышенная токсичность и ухудшение ездовых качеств могут быть вызваны следующими причинами: http://vnx.su/
  • 105.
    ГОСТ 3.1105-84 Лист 27 Дубликат Взам. Подп. 3100.25100.12056 ТИТехнологическая инструкция ОАО "АВТОВАЗ" ИзмЛист№документаПодписьДатаИзм.Лист№документаПодписьДата - неисправность электромагнитного клапана продувки; - повреждение адсорбера; - переполнение адсорбера; - повреждения или неправильные соединения шлангов; - пережатие или засорение шлангов. Визуальный контроль адсорбера и клапана продувки адсорбера Осмотреть электромагнитный клапан и адсорбер (рис. 1.7-01, 1.7-02). При наличии трещин или повреждений корпуса узел заменить. Проверить надежность соединения шлангов подвода разрежения и паров из бензобака. 1.8 КАТАЛИТИЧЕСКИЙ НЕЙТРАЛИЗАТОР Для выполнения норм Евро-5 на содержание вредных веществ в отработавших газах необходимо применение каталитического нейтрализатора в системе выпуска. Применение каталитического нейтрализатора дает значительное снижение выбросов углеводородов, оки- си углерода и окислов азота с отработавшими газами при условии точного управления про- цессом сгорания в двигателе. Рис. 1.8-01. Расположение катали- тического нейтрализатора на двига- теле 21129: 1 - каталитический нейтрализатор При эксплуатации неисправного двигателя нейтрализатор может выйти из строя из-за тепловых напряжений (выше 970 °С), которым он подвергается при окислении избыточных количеств углеводородов. При тепловых напряжениях керамические блоки нейтрализатора могут разрушиться (закупориться), вызвав повышение давления отработавших газов. Воз- можной причиной выхода из строя нейтрализатора является применение этилированного бензина. Содержащийся в нем тетраэтилсвинец за короткое время приводит к отравлению нейтрализатора, что значительно снижает эффективность его действия. Также причиной выхода из строя нейтрализатора является применение прокладок, со- держащий силикон, и использование не рекомендованных типов моторных масел с повы- шенным содержанием серы и фосфора. Диагностика состояния нейтрализатора осуществляется контроллером, который со- поставляет сигналы датчиков кислорода до и после нейтрализатора. В случае обнаружения снижения эффективности нейтрализатора, способного вызвать выход количества вредных выбросов за пределы норм Евро-5, контроллер формирует соответствующий код неисправ- ности и включает сигнализатор. http://vnx.su/
  • 106.
    ГОСТ 3.1105-84 Лист 28Дубликат Взам. Подп. 3100.25100.12056 ТИТехнологическая инструкция ОАО "АВТОВАЗ" ИзмЛист№документаПодписьДатаИзм.Лист№документаПодписьДата 1.9 КОНДИЦИОНЕР Контроллер включает реле компрессора кондиционера при поступлении сигнала за- проса включения кондиционера. Компрессор кондиционера включается в зависимости от давления хладагента в системе кондиционирования. Рис. 1.9-01. Схема включения муфты компрессора кондиционера на автомобилях LADA VESTA с системой кондиционирования Сигнал запроса включения кондиционера поступает на контакт "Х1.1/J5" контроллера ЭСУД (рис. 1.9-01). На автомобилях с климатической системой сигнал запроса включения кондиционера поступает на контроллер ЭСУД по шине CAN с контроллера системы автоматического управления климатической установкой. Рис. 1.9-02. Расположение датчика давления хладагента в подкапотном пространстве автомобилей семейст- ва LADA VESTA: 1 - датчик давления хладагента Датчик давления хладагента (рис. 1.9-02) установлен в моторном отсеке на трубопро- воде высокого давления справа от радиатора системы охлаждения двигателя. http://vnx.su/
  • 107.
    ГОСТ 3.1105-84 Лист 29 Дубликат Взам. Подп. 3100.25100.12056 ТИТехнологическая инструкция ОАО "АВТОВАЗ" ИзмЛист№документаПодписьДатаИзм.Лист№документаПодписьДата 2 ДИАГНОСТИКА 2.1 ВВЕДЕНИЕ Диагностика электронной системы управления двигателем достаточно проста при ус- ловии понимания принципа работы ЭСУД, чёткого представления, чем исправное состояние отличается от неисправного и при соблюдении рекомендуемой последовательности её про- ведения. При этом важно наличие необходимых диагностических средств. ЭСУД способна самостоятельно осуществлять в определенном объёме самодиагно- стику. При обнаружении неисправности контроллер ЭСУД заносит в память код неисправ- ности и может включить сигнализатор неисправности "MIL" в комбинации приборов. Включение сигнализатора неисправности означает, что необходимо в возможно короткий срок провести диагностику двигателя и ЭСУД. Настоящее руководство включает раздел 1 "Устройство", в котором изложены основ- ные принципы работы исправной системы. Ознакомление с разделом 1 является началом для понимания процесса работы ЭСУД и её элементов, и перед проведением диагностики необходимо обязательно ознакомиться с этим разделом. Следует помнить, что за электроникой стоит базовый двигатель внутреннего сгорания и работоспособность системы управления двигателем зависит от исправности механических систем. Ниже приводится ряд отклонений, вызывающих неисправности, которые могут быть ошибочно приписаны электронной части системы управления двигателем: - недостаточная компрессия; - подсос воздуха; - ограничение проходимости системы впуска / выпуска; - отклонения фаз газораспределения; - неисправности, вызванные износом деталей, неправильной сборкой и несоблюдени- ем сроков ТО; - плохое качество топлива. Описание диагностики ЭСУД условно разделяется на пять частей: Информация общего характера Содержит информацию о мерах безопасности, общие сведения о диагностике, порядке проведения диагностики и работе с диагностическим прибором. Также приводится описание электрических соединений системы управления двигателем и назначение контактов разъема контроллера. Часть "А" и диагностические карты "А" Содержит начальные сведения о порядке проведения диагностики, диагностические карты для сигнализатора неисправностей, меры на случай невозможности запустить двига- тель и прочие карты общего характера. Карты кодов неисправностей Данные карты используются, если в памяти контроллера присутствует один или не- сколько кодов неисправности. При наличии в памяти кодов неисправности U0001 (неисправна шина CAN), U0009 (замыкание в шине CAN), Р0560 (неверное напряжение бортсети) или Р0562 (пониженное напряжение бортсети) вместе с какими-либо другими кодами анализ и устранение неис- правностей необходимо всегда начинать с кодов U0001, U0009, Р0560 и Р0562. Часть "В". Диагностические карты неисправностей. Данные карты используются для диагностики неисправностей, не приводящих к воз- никновению кода неисправности или его непостоянстве, например неисправности, прояв- ляющиеся в ездовых свойствах. Часть "С" и диагностические карты "С" (карты проверки узлов системы управ- ления двигателем). Данная часть содержит информацию по проверке конкретных элементов системы управления двигателем, а также по их обслуживанию. В ней есть сведения по элементам системы подачи топлива, по системе зажигания и т.д. http://vnx.su/
  • 108.
    ГОСТ 3.1105-84 Лист 30Дубликат Взам. Подп. 3100.25100.12056 ТИТехнологическая инструкция ОАО "АВТОВАЗ" ИзмЛист№документаПодписьДатаИзм.Лист№документаПодписьДата 2.2 МЕРЫ БЕЗОПАСНОСТИ При работе на автомобиле необходимо соблюдать следующие требования: 1 Перед демонтажем контроллера необходимо отсоединить провод "массы" от акку- муляторной батареи. 2 Не допускается пуск двигателя без надежного подключения аккумуляторной бата- реи. 3 Не допускается отключение аккумуляторной батареи от бортовой сети при рабо- тающем двигателе. 4 При зарядке аккумуляторная батарея должна быть отключена от бортовой сети. 5 Необходимо контролировать надежность контактов жгутов проводов и поддержи- вать чистоту клемм аккумуляторной батареи. 6 Конструкция колодок жгутов проводов предусматривает их соединение с ответной частью только при определенной ориентации. При правильной ориентации соединение колодки жгута с ответной частью выполня- ется без усилия. Соединение с неправильной ориентацией колодки может привести к выхо- ду из строя колодки, модуля или другого элемента системы. 7 Не допускается соединение или разъединение колодок элементов ЭСУД при вклю- ченном зажигании. 8 Перед проведением электросварочных работ необходимо отсоединить провода от аккумуляторной батареи и колодку от контроллера. 9 Для исключения коррозии контактов при мойке двигателя струей воды под давлени- ем не направлять распылитель на элементы системы. 10 Измерения напряжения выполнять с помощью цифрового вольтметра с номиналь- ным внутренним сопротивлением более 10 Мом. 11 Если предусмотрено применение пробника с контрольной лампой, необходимо ис- пользовать лампу с током потребления не более 0,25 А (250 мА). 12 Для предотвращения повреждений электростатическим разрядом элементов элек- троники запрещается разбирать металлический корпус контроллера и касаться штекеров разъема. http://vnx.su/
  • 109.
    ГОСТ 3.1105-84 Лист 31 Дубликат Взам. Подп. 3100.25100.12056 ТИТехнологическая инструкция ОАО "АВТОВАЗ" ИзмЛист№документаПодписьДатаИзм.Лист№документаПодписьДата Таблица 2.3-01 Диагностические коды контроллера М86 Код Описание Р0030 Нагреватель ДК до нейтрализатора, цепь неисправна Р0031 Нагреватель ДК до нейтрализатора, замыкание цепи управления на массу Р0032 Нагреватель ДК до нейтрализатора, замыкание цепи управления на бортовую сеть Р0036 Нагреватель ДК после нейтрализатора, цепь неисправна Р0037 Нагреватель ДК после нейтрализатора, замыкание цепи управления на массу Р0038 Нагреватель ДК после нейтрализатора, замыкание цепи управления на бортовую сеть Р0106 Цепь датчика давления воздуха на впуске, выход сигнала из допустимого диапазо- на Р0107 Цепь датчика давления воздуха на впуске, низкий уровень сигнала Р0108 Цепь датчика давления воздуха на впуске, высокий уровень сигнала Р0111 Цепь датчика температуры впускного воздуха, выход сигнала из допустимого диа- пазона Р0112 Цепь датчика температуры впускного воздуха, низкий уровень сигнала Р0113 Цепь датчика температуры впускного воздуха, высокий уровень сигнала Р0116 Цепь ДТОЖ, выход сигнала из допустимого диапазона Р0117 Цепь ДТОЖ, низкий уровень сигнала Р0118 Цепь ДТОЖ, высокий уровень сигнала Р0122 Цепь ДПДЗ А, низкий уровень сигнала Р0123 Цепь ДПДЗ А, высокий уровень сигнала Р0130 Датчик кислорода до нейтрализатора неисправен Р0131 Цепь ДК до нейтрализатора, низкий уровень выходного сигнала Р0132 Цепь ДК до нейтрализатора, высокий уровень выходного сигнала Р0133 Цепь ДК до нейтрализатора, медленный отклик на изменение состава смеси Р0134 Цепь датчика кислорода до нейтрализатора неактивна Р0135 ДК до нейтрализатора, нагреватель неисправен Р0136 Датчик кислорода после нейтрализатора неисправен Р0137 Цепь ДК после нейтрализатора, низкий уровень сигнала Р0138 Цепь ДК после нейтрализатора, высокий уровень сигнала Р0140 Цепь датчика кислорода после нейтрализатора неактивна Р0141 ДК после нейтрализатора, нагреватель неисправен Р0171 Система топливоподачи слишком бедная Р0172 Система топливоподачи слишком богатая Р0201 Форсунка цилиндра 1, цепь неисправна Р0202 Форсунка цилиндра 2, цепь неисправна Р0203 Форсунка цилиндра 3, цепь неисправна Р0204 Форсунка цилиндра 4, цепь неисправна Р0217 Температура двигателя выше допустимой Р0222 Цепь ДПДЗ В, низкий уровень сигнала Р0223 Цепь ДПДЗ В, высокий уровень сигнала Р0261 Форсунка цилиндра 1, замыкание цепи управления на массу Р0262 Форсунка цилиндра 1, замыкание цепи управления на бортовую сеть Р0264 Форсунка цилиндра 2, замыкание цепи управления на массу Р0265 Форсунка цилиндра 2, замыкание цепи управления на бортовую сеть Р0267 Форсунка цилиндра 3, замыкание цепи управления на массу Р0268 Форсунка цилиндра 3, замыкание цепи управления на бортовую сеть Р0270 Форсунка цилиндра 4, замыкание цепи управления на массу Р0271 Форсунка цилиндра 4, замыкание цепи управления на бортовую сеть Р0300 Обнаружены случайные/множественные пропуски воспламенения http://vnx.su/
  • 110.
    ГОСТ 3.1105-84 Лист 32Дубликат Взам. Подп. 3100.25100.12056 ТИТехнологическая инструкция ОАО "АВТОВАЗ" ИзмЛист№документаПодписьДатаИзм.Лист№документаПодписьДата Код Описание Р0301 Цилиндр 1, обнаружены пропуски воспламенения Р0302 Цилиндр 2, обнаружены пропуски воспламенения Р0303 Цилиндр 3, обнаружены пропуски воспламенения Р0304 Цилиндр 4, обнаружены пропуски воспламенения Р0327 Цепь датчика детонации, низкий уровень сигнала Р0328 Цепь датчика детонации, высокий уровень сигнала Р0335 Цепь датчика положения коленчатого вала неисправна Р0336 Цепь ДПКВ, выход сигнала из допустимого диапазона Р0340 Датчик положения распределительного вала (датчик фаз) неисправен Р0342 Цепь датчика положения распределительного вала (датчика фаз), низкий уровень сигнала Р0343 Цепь датчика положения распределительного вала(датчика фаз), высокий уровень сигнала Р0351 Катушка зажигания цилиндра 1, обрыв цепи управления Р0352 Катушка зажигания цилиндра 2, обрыв цепи управления Р0353 Катушка зажигания цилиндра 3, обрыв цепи управления Р0354 Катушка зажигания цилиндра 4, обрыв цепи управления Р0363 Обнаружены пропуски воспламенения, отключена топливоподача в неработающих цилиндрах Р0422 Эффективность нейтрализатора ниже порога Р0441 Система улавливания паров бензина, неверный расход воздуха через КПА Р0443 Клапан продувки адсорбера, цепь неисправна Р0444 Клапан продувки адсорбера, обрыв цепи управления Р0458 Клапан продувки адсорбера, замыкание цепи управления на массу Р0459 Клапан продувки адсорбера, замыкание цепи управления на бортовую сеть Р0480 Реле вентилятора 1, цепь неисправна Р0481 Реле вентилятора 2, цепь неисправна Р0504 Выключатели "А/В" педали тормоза, рассогласование сигналов Р0513 Некорректный ключ иммобилизатора Р0522 Цепь датчика давления масла, низкий уровень сигнала Р0523 Цепь датчика давления масла, высокий уровень сигнала Р0560 Напряжение бортовой сети автомобиля Р0561 Напряжение бортовой сети нестабильно Р0562 Напряжение бортовой сети, низкий уровень Р0563 Напряжение бортовой сети, высокий уровень Р0601 Контроллер СУД, ошибка контрольной суммы ПЗУ Р0603 Контроллер СУД, ошибка внутреннего ОЗУ Р0604 Контроллер СУД, ошибка внешнего ОЗУ Р0606 Контроллер СУД, ошибка процессора Р0627 Реле бензонасоса, цепь неисправна Р0628 Реле бензонасоса, замыкание цепи управления на массу P0629 Реле бензонасоса, замыкание цепи управления на бортовую сеть P062F Ошибка внутреннего EEPROM Р0641 Цепь питания датчиков, обрыв Р0642 Цепь питания датчиков, низкий уровень сигнала Р0643 Цепь питания датчиков, высокий уровень сигнала Р0645 Реле муфты компрессора кондиционера, цепь неисправна Р0646 Реле муфты компрессора кондиционера, замыкание цепи управления на массу P0647 Реле муфты компрессора кондиционера, замыкание цепи управления на бортовую сеть Р0660 Клапан управления длиной каналов системы впуска, обрыв цепи http://vnx.su/
  • 111.
    ГОСТ 3.1105-84 Лист 33 Дубликат Взам. Подп. 3100.25100.12056 ТИТехнологическая инструкция ОАО "АВТОВАЗ" ИзмЛист№документаПодписьДатаИзм.Лист№документаПодписьДата Код Описание Р0661 Клапан управления длиной каналов системы впуска, замыкание цепи управления на массу Р0662 Клапан управления длиной каналов системы впуска, замыкание цепи управления на бортовую сеть Р0691 Реле вентилятора 1, замыкание цепи управления на массу Р0692 Реле вентилятора 1, замыкание цепи управления на бортовую сеть Р0693 Реле вентилятора 2, замыкание цепи управления на массу Р0694 Реле вентилятора 2, замыкание цепи управления на бортовую сеть Р1301 Цилиндр 1, обнаружены пропуски воспламенения, критичные для нейтрализатора Р1302 Цилиндр 2, обнаружены пропуски воспламенения, критичные для нейтрализатора Р1303 Цилиндр 3, обнаружены пропуски воспламенения, критичные для нейтрализатора Р1304 Цилиндр 4, обнаружены пропуски воспламенения, критичные для нейтрализатора Р1335 Мониторинг управления приводом дроссельной заслонки, положение дроссельной заслонки вне допустимого диапазона Р1336 Мониторинг управления приводом дроссельной заслонки, рассогласование сигна- лов датчиков "А" / "В" положения дроссельной заслонки Р1388 Мониторинг управления приводом дроссельной заслонки, рассогласование сигна- лов датчиков "А" / "В" положения педали акселератора Р1389 Мониторинг управления приводом дроссельной заслонки, обороты двигателя вне допустимого диапазона Р1390 Мониторинг управления приводом дроссельной заслонки, некорректная реакция на неисправность в системе Р1391 Мониторинг управления приводом дроссельной заслонки, отсутствует реакция на неисправность в системе Р1545 Привод дроссельной заслонки, положение заслонки вне допустимого диапазона Р1558 Привод дроссельной заслонки, возвратная пружина неисправна Р1559 Привод дроссельной заслонки, положение заслонки в состоянии покоя вне допус- тимого диапазона Р1564 Система управления приводом дроссельной заслонки, адаптация положения нуля заслонки прервана в связи с пониженным напряжением бортсети P1570 Иммобилизатор, цепь неисправна Р1578 Система управления приводом дроссельной заслонки, величина адаптации поло- жения нуля вне допустимого диапазона Р1579 Система управления приводом дроссельной заслонки, адаптация положения нуля заслонки прервана в связи с внешними условиями Р1602 Контроллер СУД, пропадание напряжения питания Р1640 Контроллер СУД, ошибка чтения-записи EEPROM Р2100 Электропривод дроссельной заслонки, обрыв цепи управления Р2101 Электропривод дроссельной заслонки, цепь управления неисправна Р2102 Электропривод дроссельной заслонки, замыкание цепи управления на массу Р2103 Электропривод дроссельной заслонки, замыкание цепи управления на бортовую сеть Р2122 Цепь датчика положения педали А, низкий уровень сигнала Р2123 Цепь датчика положения педали А, высокий уровень сигнала Р2127 Цепь датчика положения педали В, низкий уровень сигнала Р2128 Цепь датчика положения педали В, высокий уровень сигнала Р2135 Датчики "А" / "В" положения дроссельной заслонки, рассогласование сигналов Р2138 Датчики "А" / "В" положения педали акселератора, рассогласование сигналов Р2176 Система управления приводом дроссельной заслонки, адаптация положения нуля заслонки не выполнена Р2187 Система топливоподачи слишком бедная на холостом ходу http://vnx.su/
  • 112.
    ГОСТ 3.1105-84 Лист 34Дубликат Взам. Подп. 3100.25100.12056 ТИТехнологическая инструкция ОАО "АВТОВАЗ" ИзмЛист№документаПодписьДатаИзм.Лист№документаПодписьДата Код Описание Р2188 Система топливоподачи слишком богатая на холостом ходу Р2270 ДК после нейтрализатора, отсутствие отклика на обогащение смеси Р2271 ДК после нейтрализатора, отсутствие отклика на обеднение смеси Р2301 Катушка зажигания цилиндра 1, замыкание цепи управления на бортовую сеть Р2304 Катушка зажигания цилиндра 2, замыкание цепи управления на бортовую сеть Р2307 Катушка зажигания цилиндра 3, замыкание цепи управления на бортовую сеть Р2310 Катушка зажигания цилиндра 4, замыкание цепи управления на бортовую сеть U0001 Шина CAN неисправна U0002 Шина CAN, общая неисправность U0009 Шина CAN, короткое замыкание линии L на линию Н U0073 Шина CAN отключена U0121 Шина CAN, нет данных от контроллера АБС U0122 Шина CAN, нет данных от контроллера ESP U0155 Шина CAN, нет данных от комбинации приборов U0167 Шина CAN, нет связи с иммобилизатором U0415 Шина CAN, неверные данные от контроллера АБС U0416 Шина CAN, неверные данные от контроллера ESP U0426 Шина CAN, неверные данные от иммобилизатора http://vnx.su/
  • 113.
    ГОСТ 3.1105-84 Лист 35 Дубликат Взам. Подп. 3100.25100.12056 ТИТехнологическая инструкция ОАО "АВТОВАЗ" ИзмЛист№документаПодписьДатаИзм.Лист№документаПодписьДата 2.3 ОБЩЕЕ ОПИСАНИЕ БОРТОВОЙ ДИАГНОСТИКИ Под "бортовой диагностикой" понимается система программно-аппаратных средств (контроллер, датчики, исполнительные механизмы), которая выполняет следующие задачи: 1) определение и идентификация ошибок функционирования ЭСУД и двигателя, ко- торые могут приводить: - к превышению предельных значений по токсичности отработавших газов автомоби- лей, которые определяются действующими в настоящее время в соответствующей стране экологическими нормами для легковых автомобилей; - к снижению мощности и крутящего момента двигателя, увеличению расхода топли- ва, ухудшению ездовых качеств автомобиля; - к выходу из строя двигателя и его компонентов (прогорание поршней из-за детона- ции или повреждение каталитического нейтрализатора в случае возникновения пропусков зажигания); - к аварийно-опасному поведению автомобиля. В системах управления с электронным приводом дроссельной заслонкой отсутствует механическая связь между педалью акселера- тора и дроссельной заслонкой. В связи с этим к бортовой диагностике предъявляются по- вышенные требования к обеспечению безопасного поведения автомобиля при возникнове- нии различных неисправностей. 2) информирование водителя о наличии неисправности включением сигнализатора неисправностей. 3) сохранение информации о неисправности. В момент обнаружения в память кон- троллера заносится следующая информация: - код неисправности согласно международной классификации (см. табл. 2.3-01); - статус-флаги (признаки), характеризующие неисправность в момент сеанса обмена информацией с диагностическим прибором; - так называемый стоп-кадр - значения важных для ЭСУД параметров в момент реги- страции ошибки. 4) активизация аварийных режимов работы ЭСУД. При обнаружении неисправности система переходит на аварийные режимы работы, обеспечивающие возможность в безопас- ном режиме доехать до станции технического обслуживания. Поведение автомобиля в ава- рийном режиме зависит от конкретной обнаруженной неисправности. Например, в случае неисправности датчика температуры охлаждающей жидкости, для управления двигателем используются замещающие значения температуры двигателя, рассчитанные по косвенным параметрам, а также включается вентилятор системы охлаждения. При обнаружении любой неисправности дроссельного узла (механической или электрической) контроллер обесточи- вает электропривод дроссельной заслонки, а также ограничивает максимальные обороты двигателя. 5) обеспечение взаимодействия с диагностическим оборудованием. О наличии неис- правности система бортовой диагностики сигнализирует включением сигнализатора. Затем система бортовой диагностики должна обеспечить при помощи специального оборудования получение диагностической информации, хранящейся в памяти контроллера. Для этого в системе управления двигателем организован последовательный канал передачи информа- ции, в состав которого входят контроллер ЭСУД, стандартизованная колодка для подклю- чения диагностического прибора (рис. 2.3-01) и соединяющие их провода (шина CAN). По- мимо колодки стандартизованы также протокол передачи информации и формат передавае- мых сообщений. Кроме получения информации о выявленных неисправностях и состоянии системы управления двигателем, система бортовой диагностики позволяет выполнить ряд проверочных тестов, управляя исполнительными механизмами. Основным компонентом системы бортовой диагностики является контроллер ЭСУД. Помимо своей главной задачи (управление процессами горения топливной смеси) он осуще- ствляет самодиагностику. При выполнении этой функции контроллер отслеживает сигналы различных датчиков и исполнительных механизмов ЭСУД. Эти сигналы сравниваются с контрольными значе- http://vnx.su/
  • 114.
    ГОСТ 3.1105-84 Лист 36Дубликат Взам. Подп. 3100.25100.12056 ТИТехнологическая инструкция ОАО "АВТОВАЗ" ИзмЛист№документаПодписьДатаИзм.Лист№документаПодписьДата ниями, хранящимися в памяти контроллера. Если какой-либо сигнал выходит за пределы контрольных значений, то контроллер оценивает это состояние как неисправность (напри- мер, напряжение на выходе датчика стало равным нулю - короткое замыкание на "массу"), формирует и записывает в память ошибок соответствующую диагностическую информацию (см. выше), включает контрольную лампу (сигнализатор) индикации неисправностей, а так- же переходит на аварийные режимы работы ЭСУД. Рис. 2.3-01. Расположение колодки диагностики в салоне автомобилей семейства LADA VESTA: 1 - колодка диагностики Система бортовой диагностики начинает функционировать с момента включения за- жигания и прекращает после перехода контроллера в режим "stand by" (наступает после вы- ключения главного реле). Момент активизации того или иного алгоритма диагностики и его работа определяются соответствующими режимами работы двигателя. Диагностические ал- горитмы могут быть разделены на три группы: 1) Диагностика датчиков. Контроллер, отслеживая значение выходного сигнала дат- чика, определяет наличие или отсутствие неисправности. 2) Диагностика исполнительных механизмов ЭСУД (драйверная диагностика). Кон- троллер проверяет цепи управления на обрыв, замыкание на массу или источник питания. 3) Диагностика подсистем ЭСУД (функциональная диагностика). В системе управления двигателем можно выделить несколько подсистем - зажигания, топливоподачи, поддержания оборотов холостого хода, нейтрализации отработавших газов, улавливания паров бензина и т.д. Функциональная диагностика дает заключение о качестве их работы. В данном случае система следит уже не за отдельно взятыми датчиками или ис- полнительными механизмами, а за параметрами, которые характеризуют работу всей под- системы в целом. Например, о качестве работы подсистемы зажигания можно судить по на- личию пропусков воспламенения в камерах сгорания двигателя. Параметры адаптации топ- ливоподачи дают информацию о состоянии подсистемы топливоподачи. К каждой из под- систем предъявляются свои требования по величине предельно допустимых отклонений ее параметров от средних значений. СИГНАЛИЗАТОР НЕИСПРАВНОСТЕЙ Сигнализатор неисправностей ЭСУД автомобилей семейства VESTA находится в комбинации приборов. Контроллер ЭСУД управляет сигнализатором по шине CAN. Включение сигнализатора говорит о том, что бортовая система диагностики обнару- жила неисправность ЭСУД и дальнейшее движение автомобиля происходит в аварийном режиме. Мигание сигнализатора свидетельствует о наличии неисправности, которая может привести к серьезным повреждениям элементов ЭСУД (например, пропуски воспламенения способны повредить каталитический нейтрализатор). http://vnx.su/
  • 115.
    ГОСТ 3.1105-84 Лист 37 Дубликат Взам. Подп. 3100.25100.12056 ТИТехнологическая инструкция ОАО "АВТОВАЗ" ИзмЛист№документаПодписьДатаИзм.Лист№документаПодписьДата При включении зажигания сигнализатор должен загореться - таким образом, ЭСУД проверяет исправность сигнализатора и цепи его управления. После запуска двигателя сиг- нализатор должен погаснуть, если в памяти контроллера отсутствуют условия для его вклю- чения. Для защиты от случайных, кратковременно проявляющихся ошибок, которые могут быть вызваны потерей контакта в электрических соединителях или нестабильной работой двигателя, сигнализатор включается через определенный промежуток времени после обна- ружения неисправности ЭСУД. В течение этого промежутка система бортовой диагностики проверяет наличие неисправности. После устранения причин неисправности сигнализатор будет выключен через опреде- ленное время задержки, в течение которого неисправность не проявляется, и при условии, что в памяти контроллера отсутствуют другие коды неисправностей, требующие включения сигнализатора. При очистке (удалении) кодов неисправностей из памяти контроллера с помощью ди- агностического оборудования сигнализатор гаснет. ПОРЯДОК ПРОВЕДЕНИЯ ДИАГНОСТИКИ После осмотра подкапотного пространства все диагностические работы должны начинаться с карты А "Проверка диагностической цепи", раздел 2.7А. Проверка диагностической цепи обеспечивает начальную проверку системы и затем отсылает к другим картам данной инструкции. Диагностика неисправности предполагает выполнение трех следующих основных ша- гов: 1 Проверка работоспособности бортовой системы диагностики. Проверка осуществляется путем выполнения проверки диагностической цепи. Если бортовая диагностика не работает, проверка диагностической цепи выводит на конкретную диагностическую карту. Если бортовая диагностика работает исправно, перехо- дят к шагу 2. 2 Проверка наличия кода неисправности. В случае наличия кода необходимо обратиться непосредственно к диагностической карте с соответствующим номером. В случае отсутствия кода переходят к шагу 3. 3 Контроль данных, передаваемых контроллером. Отображаемые диагностическим прибором параметры сравниваются с типовыми зна- чениями и могут быть использованы для проверки исправности ЭСУД при отсутствии диаг- ностических кодов неисправностей. Типовые значения параметров для конкретных условий работы приведены в таблице 2.4-01. Если все значения укладываются в допустимый диапазон, то см. раздел 2.7В "Диагно- стические карты неисправностей". 2.4 ПОРЯДОК РАБОТЫ С ДИАГНОСТИЧЕСКИМ ПРИБОРОМ Диагностический прибор позволяет: 1) в режиме "Идентификатор аппаратной и программной частей": - просмотреть информацию о контроллере ЭСУД (номер контроллера, калибровки, дата программирования и т.д.); 2) в режиме "Коды неисправностей": - просмотреть диагностическую информацию по кодам неисправностей, хранящимся в памяти ошибок контроллера; - стереть информацию из памяти ошибок. 3) в режиме "Мониторинг сигналов": - просмотреть текущие значения выбранных параметров ЭСУД и каналов АЦП. Дан- ный режим позволяет контролировать значения параметров, которые выдает контроллер, и http://vnx.su/
  • 116.
    ГОСТ 3.1105-84 Лист 38Дубликат Взам. Подп. 3100.25100.12056 ТИТехнологическая инструкция ОАО "АВТОВАЗ" ИзмЛист№документаПодписьДатаИзм.Лист№документаПодписьДата удобен для сравнения текущих значений параметров с теми, которые приведены в таблице 2.4-01; - просмотреть графическое отображение значений выбранных параметров ЭСУД и каналов АЦП; - произвести запись и последующий просмотр графиков изменения выбранных пара- метров в заданный период времени; 4) в режиме "Тест функций" выполнить сброс и перезагрузку контроллера; 5) в режиме "Активные тесты" выполнить проверку функционирования выбранного исполнительного механизма. Параметры ЭСУД, отображаемые в режиме "Мониторинг сигналов" Количество ошибок Общее количество ошибок. Температура охлаждающей жидкости (°С) Контроллер измеряет падение напряжения на датчике температуры охлаждающей жидкости и преобразует его в значение температуры в градусах Цельсия. Значения должны быть близкими к температуре воздуха, когда двигатель не прогрет, и должны повышаться по мере прогрева двигателя. После пуска двигателя температура должна равномерно повышаться до 94-102 °С. Температура впускного воздуха (°C) Температура впускного воздуха, измеренная с помощью датчика, встроенного в дат- чик давления и температуры воздуха. Напряжение бортсети (В) Отображается напряжение бортсети автомобиля, поступающее на контакт "Х1.1/A5" контроллера. Скорость автомобиля (км/ч) Отображается интерпретация контроллером сигнала датчика скорости автомобиля. Положение дроссельной заслонки (%) Отображаемый параметр представляет собой угол открытия дроссельной заслонки, рассчитываемый контроллером в зависимости от напряжения входного сигнала датчика по- ложения дроссельной заслонки. 0 % соответствует полностью закрытой дроссельной за- слонке, 100 % - полностью открытой. Положение педали акселератора (%) Отображаемый параметр представляет собой положение педали акселератора, рассчи- тываемое контроллером в зависимости от напряжения входного сигнала датчика положения педали акселератора. 0 % соответствует отпущенной педали, 100 % - нажатой. Желаемые обороты холостого хода (об/мин) В режиме холостого хода частотой вращения коленчатого вала управляет контроллер. Желаемыми оборотами называется оптимальное значение частоты вращения коленчатого вала, определяемое контроллером в зависимости от температуры охлаждающей жидкости. С ростом температуры желаемые обороты уменьшаются. Частота вращения коленчатого вала двигателя (об/мин) Отображаемые данные соответствуют интерпретации контроллером фактических оборотов коленчатого вала двигателя по сигналу датчика положения коленчатого вала с дискретностью 40 об/мин. Расход воздуха (кг/ч) Параметр представляет собой потребление воздуха двигателем, выраженное в кило- граммах в час. Угол опережения зажигания (° по к.в.) Отображается угол опережения зажигания по коленчатому валу относительно верхней мертвой точки. Коррекция УО3 по детонации (° по к.в.) Величина, на которую уменьшен в данный момент угол опережения зажигания для предотвращения детонации. http://vnx.su/
  • 117.
    ГОСТ 3.1105-84 Лист 39 Дубликат Взам. Подп. 3100.25100.12056 ТИТехнологическая инструкция ОАО "АВТОВАЗ" ИзмЛист№документаПодписьДатаИзм.Лист№документаПодписьДата Параметр нагрузки (% ) Параметр характеризует нагрузку на двигатель. Фактор высотной адаптации Величина, косвенно отражающая высоту над уровнем моря. Уменьшение фактора вы- сотной адаптации на 0,01 примерно соответствует подъему на 100 м. Длительность импульса впрыска топлива (мс) Параметр представляет собой длительность (в миллисекундах) включенного состоя- ния форсунки. Параметр адаптации регулировки холостого хода (%) Отображается значение коррекции самообучением момента двигателя для поддержа- ния желаемых оборотов холостого хода. Характеризует отклонение мехпотерь двигателя. Напряжение в цепи датчика кислорода до нейтрализатора (В) Отображается напряжение сигнала датчика кислорода в вольтах. Когда датчик не про- грет, напряжение стабильное на уровне 1,7 В. После прогрева датчика подогревающим эле- ментом при работе двигателя напряжение колеблется в диапазоне 0,18...0,95 В. При вклю- ченном зажигании и заглушенном двигателе напряжение сигнала прогретого ДК постепенно падает до уровня 0,18 В в течение нескольких минут. Напряжение в цепи датчика кислорода после нейтрализатора (В) Отображается напряжение сигнала диагностического датчика кислорода в вольтах. Когда датчик не прогрет, напряжение стабильное на уровне 1,7 В. При исправном нейтрали- заторе и работе двигателя на средних нагрузках напряжение сигнала прогретого датчика меняется в диапазоне 0,59…0,75 В. Текущий коэффициент коррекции длительности импульса впрыска топлива по сигналу датчика кислорода Отображается во сколько раз изменяется длительность импульса впрыска для компен- сации текущих отклонений состава смеси от стехиометрического. Параметр адаптации топливоподачи на частичных нагрузках Отображается коэффициент коррекции самообучения на базе параметра "Текущий ко- эффициент коррекции длительности импульса впрыска", на значение которого изменяется длительность импульса впрыска на частичных нагрузках. Коэффициент продувки адсорбера (% ) Данный параметр отражает в процентах степень продувки адсорбера в зависимости от режима работы двигателя. Коэффициент концентрации топлива в адсорбере (% ) Данный параметр отражает в процентах степень загруженности адсорбера топливом. Параметр адаптации топливоподачи на холостом ходу Отображается значение коррекции самообучением, на которое изменяется длитель- ность импульса впрыска на режимах холостого хода и близких к нему. Рассчитывается кон- троллером на базе сигнала датчика кислорода при работе системы в режиме замкнутого контура регулирования состава топливовоздушной смеси. Перетечки через закрытый дроссель на холостом ходу (кг/ч) Данный параметр отражает потребление воздуха через закрытый дроссель и систему вентиляции картера. Параметр характеризует изменение воздушного зазора закрытого со- стояния дроссельной заслонки в процессе эксплуатации. Период сигнала датчика кислорода до нейтрализатора (с) Отображается измеренный контроллером период сигнала управляющего датчика ки- слорода. Желаемое изменение момента для поддержания холостого хода (интегральная часть) (%) Отображается значение, соответствующее дополнительному моменту двигателя, ко- торый необходим для компенсации механических потерь с целью поддержания желаемых оборотов холостого хода. http://vnx.su/
  • 118.
    ГОСТ 3.1105-84 Лист 40Дубликат Взам. Подп. 3100.25100.12056 ТИТехнологическая инструкция ОАО "АВТОВАЗ" ИзмЛист№документаПодписьДатаИзм.Лист№документаПодписьДата Желаемое изменение момента для поддержания холостого хода (пропорциональ- ная часть) (%) Отображается значение, соответствующее дополнительному моменту двигателя, ко- торый необходим для компенсации механических потерь с целью поддержания желаемых оборотов холостого хода. Фактор старения нейтрализатора Значение параметра изменяется в пределах от 0 до 1. Чем меньше его значение, тем выше эффективность работы нейтрализатора. Температура охлаждающей жидкости при пуске (°С) Признак работы двигателя в режиме холостого хода (да/нет) Отображается - задействован ли режим холостого хода. Признак работы в зоне регулировки по сигналу управляющего датчика кислоро- да Переход от разомкнутого к замкнутому контуру регулирования состава топливовоз- душной смеси зависит от времени с момента запуска двигателя, готовности управляющего датчика кислорода и температуры охлаждающей жидкости. Базовая адаптация смеси (да/нет) При включении флага происходит обучение "параметра адаптации топливоподачи на частичных нагрузках" или "параметра адаптации топливоподачи на холостом ходу" в зави- симости от режима двигателя. Готовность датчика кислорода до нейтрализатора (да/нет) Флаг устанавливается после выхода напряжения датчика кислорода за пределы диапа- зона 1,2...1,7 В. Готовность датчика кислорода после нейтрализатора (да/нет) Флаг устанавливается после выхода напряжения датчика кислорода за пределы диапа- зона 1,2...1,7 В. Готовность нейтрализатора (да/нет) Флаг устанавливается после разрешения лямбда-регулирования и прохождения значе- ний, определяемых температурной моделью отработавших газов в нейтрализаторе. Проверка датчика кислорода до нейтрализатора (да/нет) Флаг устанавливается после проверки выходного сигнала с датчика в определенных режимах работы двигателя. Проверка датчика кислорода после нейтрализатора (да/нет) Флаг устанавливается после проверки выходного сигнала с датчика в определенных режимах работы двигателя. Продувка адсорбера активирована (да/нет) Флаг устанавливается при открытии клапана продувки адсорбера для подачи во впу- скную систему паров бензина, скопившихся в адсорбере. Проверка СУПБ (да/нет) Флаг устанавливается после проверки клапана системы улавливания паров бензина. Датчик педали сцепления (да/нет) Флаг устанавливается после нажатия педали сцепления. Датчик 1 педали тормоза (да/нет) Флаг устанавливается после нажатия педали тормоза (срабатывания контактов 3-4 вы- ключателя сигнала торможения). Датчик 2 педали тормоза (да/нет) Флаг устанавливается после нажатия педали тормоза (срабатывания контактов 1-2 вы- ключателя сигнала торможения). Контрольная сумма Контрольная сумма ПЗУ. Запрос на включение кондиционера (да/нет) Отображается наличие запроса на включение кондиционера, поступающего в кон- троллер. http://vnx.su/
  • 119.
    ГОСТ 3.1105-84 Лист 41 Дубликат Взам. Подп. 3100.25100.12056 ТИТехнологическая инструкция ОАО "АВТОВАЗ" ИзмЛист№документаПодписьДатаИзм.Лист№документаПодписьДата Включение реле кондиционера (да/нет) Отображается наличие команды контроллера на включение кондиционера. Расход топлива (л/час) Признак включения электробензонасоса (да/нет) Отображается наличие команды контроллера на включение электробензонасоса. Высокое давление в системе кондиционирования (да/нет) Флаг устанавливается при высоком давлении хладагента в магистрали. Признак включения реле 1 электровентилятора (да/нет) Отображается наличие команды контроллера на включение реле 1 электровентилятора системы охлаждения. Признак включения реле 2 электровентилятора (да/нет) Отображается наличие команды контроллера на включение реле 2 электровентилятора системы охлаждения. Признак включения контрольной лампы (да/нет) Отображается наличие команды на включение или выключение сигнализатора неис- правностей. Контроль детонации активен (да/нет) Включение этого бита означает, что все условия для контроля по детонации выполне- ны. Отсечка топливоподачи (да/нет) Флаг устанавливается на режиме торможения двигателем. Клапан управления длиной каналов системы впуска (да/нет) Цикловое наполнение по датчику абсолютного давления во впускном коллекто- ре (мг/цикл) Количество воздуха всасываемого во впускной коллектор за цикл, рассчитанное по сигналу ДАД. Измеренное давление во впускном коллекторе (мБар) Давление воздуха, измеренное с помощью датчика, встроенного в датчик давления и температуры воздуха. Обнаружение пропусков зажигания приостановлено (да/нет) Значение бита равно 1, когда обнаружение пропусков зажигания приостановлено. Счетчик пропусков зажигания, влияющих на токсичность, цилиндр 1 (2, 3, 4) Используется для определения процента пропусков воспламенения в соответствую- щем цилиндре двигателя, влияющих на токсичность отработавших газов. Отображает коли- чество зафиксированных пропусков воспламенения за тысячу оборотов коленчатого вала. После обнаружения очередного пропуска счётчик инкрементируется на 1. Значение счётчи- ка обнуляется через каждую тысячу оборотов коленчатого вала. Счетчик пропусков воспламенения, влияющих на работоспособность нейтрали- затора Используется для определения процента пропусков воспламенения, приводящих к по- вреждению нейтрализатора. После обнаружения очередного пропуска значение счётчика увеличивается на величину, которая зависит от режима работы двигателя. Значение счётчи- ка обнуляется через каждые двести оборотов коленчатого вала. Счетчик пропусков за текущую поездку, цилиндр 1 (2, 3, 4) Обучение шкива (да/нет) Флаг устанавливается после прохождения обучения шкива коленвала конкретного двигателя в указанной зоне разрешения. Параметр адаптации демпфера Служит для компенсации погрешности расчета неравномерности вращения коленча- того вала двигателя. http://vnx.su/
  • 120.
    ГОСТ 3.1105-84 Лист 42Дубликат Взам. Подп. 3100.25100.12056 ТИТехнологическая инструкция ОАО "АВТОВАЗ" ИзмЛист№документаПодписьДатаИзм.Лист№документаПодписьДата Параметры каналов АЦП (ADC), отображаемые в режиме "Мониторинг сигна- лов" Напряжение ДТОЖ, В Напряжение сигнала в цепи датчика температуры охлаждающей жидкости. Напряжение ДТВ, В Напряжение сигнала в цепи датчика температуры впускного воздуха. Напряжение ДАД, В Напряжение сигнала в цепи датчика абсолютного давления. Напряжение датчика кислорода до нейтрализатора, В Напряжение сигнала в цепи управляющего датчика кислорода. Напряжение датчика кислорода после нейтрализатора, В Напряжение сигнала в цепи диагностического датчика кислорода. Сопротивление датчика кислорода до нейтрализатора, Ом Внутреннее сопротивление управляющего датчика кислорода. Сопротивление датчика кислорода после нейтрализатора, Ом Внутреннее сопротивление диагностического датчика кислорода. Уровень сигнала датчика детонации, В Напряжение сигнала в цепи датчика детонации. Напряжение датчика давления фреона, В Напряжение сигнала в цепи датчика давления хладагента. Напряжение батареи, В Напряжение бортовой сети. Отображается напряжение бортсети автомобиля, посту- пающее на контакты "Х1.1/L3" и "X1.1/K3" контроллера. Напряжение датчика дроссельной заслонки 1, В Напряжение сигнала в цепи датчика положения дроссельной заслонки 1. Напряжение датчика дроссельной заслонки 2, В Напряжение сигнала в цепи датчика положения дроссельной заслонки 2. Напряжение датчика педали акселератора 1, В Напряжение сигнала в цепи датчика положения педали акселератора 1. Напряжение датчика педали акселератора 2, В Напряжение сигнала в цепи датчика положения педали акселератора 2. Исполнительные механизмы, контролируемые в режиме "Активные тесты" Диагностический прибор способен выдавать контроллеру команды на включение ис- полнительных механизмов. Это обеспечивает возможность быстрой проверки работоспо- собности элементов системы. Выбрав пункт меню прибора "Активные тесты", затем можно выбрать следующее: - управление выходом форсунки 1 (2, 3, 4) При работающем двигателе позволяет отключать топливоподачу в одном из цилинд- ров. Наблюдая при этом за уменьшением частоты вращения коленчатого вала двигателя, можно определить эффективность работы соответствующего цилиндра. При включенном зажигании позволяет подавать на форсунки серию импульсов; - управление выходом зажигания 1 (2, 3, 4) Выполняется при включенном зажигании и позволяет проверить наличие искры на разряднике; - управление выходом реле топливного насоса Выполняется при включенном зажигании и неработающем двигателе. Данная команда удобна при диагностике топливной системы, например, для контроля давления топлива или при проверке на герметичность; - управление выходом реле вентилятора 1 (2) системы охлаждения Позволяет проконтролировать на слух включение электровентилятора системы охла- ждения на пониженной (высокой) скорости; - управление выходом реле кондиционера http://vnx.su/
  • 121.
    ГОСТ 3.1105-84 Лист 43 Дубликат Взам. Подп. 3100.25100.12056 ТИТехнологическая инструкция ОАО "АВТОВАЗ" ИзмЛист№документаПодписьДатаИзм.Лист№документаПодписьДата Позволяет проконтролировать на слух включение муфты при работе двигателя на хо- лостом ходу и выключателе кондиционера в положении "включено"; - управление выходом индикатора неисправности Позволяет визуально проконтролировать включение сигнализатора неисправностей; - управление выходом реле стартера Позволяет проконтролировать на слух включение реле стартера; - управление выходом клапана впускного коллектора При работающем двигателе позволяет проконтролировать включение электромагнит- ного клапана управления механизмом заслонок модуля впуска; - управление выходом клапана продувки адсорбера Позволяет управлять электромагнитным клапаном продувки адсорбера; - управление оборотами холостого хода Выполняется при работающем двигателе и позволяет управлять оборотами холостого хода, задавая увеличение или уменьшение оборотов холостого хода. Параметры, отображаемые в режиме "Коды неисправностей" Контроллер выполняет функцию диагностики ЭСУД. Она осуществляется в течение так называемого "драйв-цикла", который начинается через 5 сек после пуска двигателя и за- канчивается в момент остановки двигателя. В случае возникновения неисправности кон- троллер заносит в свою память соответствующий код и включает сигнализатор неисправно- стей. Для исключения отображения ложных ошибок сигнализатор включается через опреде- ленный промежуток времени (параметр FLC), в течение которого неисправность постоянно присутствует. Если обнаруженная неисправность после её регистрации исчезает, то сигнализатор продолжает гореть в течение определенного времени (параметр HLC), а затем гаснет, но ди- агностический код этой неисправности сохраняется в памяти контроллера в течение опреде- ленного промежутка времени (параметр DLC) или до очистки кодов. Информация о зафиксированной неисправности может быть считана из памяти кон- троллера с помощью диагностического прибора в режиме "Коды неисправностей". Каждому коду неисправности сопутствует дополнительная информация, которую можно просмотреть в режиме "Коды неисправностей; Запомненные данные". Дополнительная информация включает в себя: ♦ параметры, характеризующие статус и тип данной неисправности: - активная неисправность (присутствует в настоящее время); - сигнал выше максимального порогового значения; - сигнал ниже минимального порогового значения; - нет сигнала; - недопустимый сигнал; - ошибка более одного раза; - по данному коду горит сигнализатор неисправностей; - по данному коду мигает сигнализатор неисправностей. ♦ параметр Значение задержки до включения сигнализатора после обнаружения неисправности (FLC) Для разных кодов неисправностей задержка может быть задана в секундах или в драйв-циклах. В исходном состоянии параметр имеет предустановленное значение. При возникнове- нии неисправности значение параметра начинает уменьшаться. Сигнализатор включается, когда значение FLC становится равным нулю. При исчезновении неисправности предуста- новленное значение параметра восстанавливается. ♦ параметр Значение задержки до выключения сигнализатора после того, как код неисправности стал неактивным (HLC) Отображается значение задержки в драйв-циклах после того, как неисправность ис- чезла. http://vnx.su/
  • 122.
    ГОСТ 3.1105-84 Лист 44Дубликат Взам. Подп. 3100.25100.12056 ТИТехнологическая инструкция ОАО "АВТОВАЗ" ИзмЛист№документаПодписьДатаИзм.Лист№документаПодписьДата В исходном состоянии параметр имеет предустановленное значение. При исчезнове- нии неисправности значение параметра начинает уменьшаться. Сигнализатор выключается, когда значение HLC становится равным нулю. ♦ параметр Значение задержки до стирания кода неисправности из памяти кон- троллера после того, как код стал неактивным (DLC) Отображается значение задержки в циклах прогрева. В исходном состоянии параметр имеет предустановленное значение (40 циклов про- грева). При исчезновении неисправности значение параметра начинает уменьшаться после каждого цикла прогрева, под которым понимают промежуток времени с момента запуска двигателя до его прогрева выше заданного значения. Код неисправности стирается из памя- ти контроллера, когда значение DLC становится равным нулю. ♦ параметр Количество случаев возникновения кода неисправности (HZ) ♦ параметр Время активного состояния кода неисправности в течение текущего драйв-цикла (TSF) Отображается время в секундах. ♦ параметры, характеризующие условия работы ЭСУД, при которых возникла неис- правность. Удаление кодов неисправностей Для удаления кодов из памяти контроллера после завершения ремонта или в целях контроля на повторное возникновение необходимо стереть коды с помощью диагностиче- ского прибора в режиме "Коды неиспраностей; Стереть и обновить". ВНИМАНИЕ. Для предотвращения повреждения контроллера при отключении или подключении его питания зажигание должно быть выключено. http://vnx.su/
  • 123.
    ГОСТ 3.1105-84 Лист 45 Дубликат Взам. Подп. 3100.25100.12056 ТИТехнологическая инструкция ОАО "АВТОВАЗ" ИзмЛист№документаПодписьДатаИзм.Лист№документаПодписьДата Таблица 2.4-01 Перечень параметров, отображаемых диагностическим прибором и исполь- зуемых для диагностики ЭСУД автомобилей семейства LADA VESTA с контроллером М86 Параметры Холостой ход 3000 об/мин Температура впускного воздуха ° С 15 - 45 15 - 45 Температура охлаждающей жидкости ° С 90 - 103 90 - 103 Напряжение бортсети B 13,0 - 14,5 13,0 - 14,5 Положение педали акселератора % 0 10 - 15 Положение дроссельной заслонки % 1 - 4 6 - 10 Желаемые обороты холостого хода об/мин 840 - Частота вращения коленчатого вала двигателя об/мин 840±40 3000±100 Расход воздуха кг/ч 7,0 - 12 27 - 35 Цикловое наполнение по ДАД во впускном коллекто- ре мг/цикл 115 - 125 - Измеренное давление во впускном коллекторе мБар 38,0 - 41,0 - Угол опережения зажигания ° по к.в. 9±5 30 - 35 Коррекция УОЗ по детонации ° по к.в. 0 -2,5 - 5 Параметр нагрузки % 16 - 26 16 - 26 Фактор высотной адаптации 0,89 - 1,02 0,89 - 1,02 Длительность импульса впрыска топлива мс 2,7 - 3,9 2,1 - 5,3 Параметр адаптации регулировки холостого хода % ±5 ±5 Текущий коэффициент коррекции длительности им- пульса впрыска топлива по сигналу датчика кислоро- да 1,00±0,15 1,00±0,15 Параметр адаптации топливоподачи на частичных нагрузках 1,00±0,15 1,00±0,15 Коэффициент продувки адсорбера % 0 - 12 0 - 18 Коэффициент концентрации топлива в адсорбере % 0 - 2 0 - 2 Параметр адаптации топливоподачи на холостом хо- ду ±2,5 ±2,5 Перетечки через закрытый дроссель на холостом хо- ду кг/ч 3 - 5 - Период сигнала датчика кислорода до нейтрализатора с < 1,8 < 1,8 Счетчик пропусков зажигания, влияющих на токсич- ность, цилиндр 1 (2, 3, 4) 0 0 Счетчик пропусков воспламенения, влияющих на ра- ботоспособность нейтрализатора 0 0 Желаемое изменение момента для поддержания хо- лостого хода (интегральная часть) % ±8 - Желаемое изменение момента для поддержания хо- лостого хода (пропорциональная часть) % ±8 - Фактор старения нейтрализатора ≤ 0,45 ≤ 0,45 АЦП Напряжение батареи B 13,0 - 14,5 13,0 - 14,5 АЦП Напряжение датчика кислорода до нейтрализа- тора В 0,18 - 0,95 0,18 - 0,95 АЦП Напряжение датчика кислорода после нейтра- лизатора В 0,59 - 0,75 0,59 - 0,75 АЦП Напряжение датчика дроссельной заслонки 1 В 0,58 - 0,70 - АЦП Напряжение датчика дроссельной заслонки 2 В 4,30 - 4,42 - АЦП Напряжение датчика педали акселератора 1 В 0,50 - 0,85 - АЦП Напряжение датчика педали акселератора 2 В 0,25 - 0,43 - АЦП Напряжение датчика абсолютного давления В 1,56 - 1,66 - http://vnx.su/
  • 124.
    ГОСТ 3.1105-84 Лист 46Дубликат Взам. Подп. 3100.25100.12056 ТИТехнологическая инструкция ОАО "АВТОВАЗ" ИзмЛист№документаПодписьДатаИзм.Лист№документаПодписьДата Параметры Холостой ход 3000 об/мин Признак работы двигателя в режиме холостого хода да/нет да нет Признак работы в зоне регулировки по сигналу управляющего датчика кислорода да/нет да да Базовая адаптация смеси да/нет да/нет да/нет Готовность датчика кислорода до нейтрализатора да/нет да да Готовность датчика кислорода после нейтрализатора да/нет да/нет да/нет Готовность нейтрализатора да/нет да/нет да/нет Проверка датчика кислорода до нейтрализатора да/нет да да Проверка датчика кислорода после нейтрализатора да/нет да/нет да/нет Обучение шкива да/нет да/нет да/нет Продувка адсорбера активирована да/нет да/нет да/нет Проверка СУПБ да/нет да/нет да/нет Датчик педали сцепления да/нет да/нет да/нет Датчик 1 педали тормоза да/нет да/нет да/нет Датчик 2 педали тормоза да/нет да/нет да/нет Количество ошибок 0 0 В таблице приведены значения параметров для положительной температуры окру- жающего воздуха. Значения параметров носят рекомендательный характер. 2.5 СХЕМА ЭЛЕКТРИЧЕСКИХ СОЕДИНЕНИЙ ЭСУД М86 ЕВРО-5 Схема электрических соединений ЭСУД с контроллером М86 приведена на рисунке 2.5-01. http://vnx.su/
  • 125.
    ГОСТ 3.1105-84 Лист 47 Дубликат Взам. Подп. 3100.25100.12056 ТИТехнологическая инструкция ОАО "АВТОВАЗ" ИзмЛист№документаПодписьДатаИзм.Лист№документаПодписьДата Продолжение рисунка см. следующий лист http://vnx.su/
  • 126.
    ГОСТ 3.1105-84 Лист 48Дубликат Взам. Подп. 3100.25100.12056 ТИТехнологическая инструкция ОАО "АВТОВАЗ" ИзмЛист№документаПодписьДатаИзм.Лист№документаПодписьДата начало рисунка см. предыдущий лист Рис. 2.5-01. Схема электрических соединений ЭСУД автомобиля LADA VESTA в ком- плектации Comfort AT c контроллером М86 ЕВРО-5 (21803-0000013-51): 1 – генератор; 2 – батарея аккумуляторная; 3 – стартер; 15 – предохранитель 60 А (F70); 17 – выключатель зажигания; 18 – предохранитель 60 А (F71); 19 – предохранитель 60 А (F72); 51 – ЦБКЭ (контроллер ВСМ); 63 – предохранитель 10 А (F32); 107 – блок управления СНПБ; 110 – реле муфты компрессора кондиционера; 111 – муфта компрессора кондицио- нера; 112 - комбинация приборов; 118 – датчик давления хладагента (фреона) аналоговый; 120 – дополнительное реле стартера; 121 – реле электробензонасоса; 122 – модуль электро- бензонасоса; 123 – главное реле (реле зажигания); 124 – катушка зажигания 1 цилиндра; 125 – катушка зажигания 2 цилиндра; 126 – катушка зажигания 3 цилиндра; 127 – катушка зажи- гания 4 цилиндра; 128 – форсунка 1 цилиндра; 129 – форсунка 2 цилиндра; 130 – форсунка 3 цилиндра; 131 – форсунка 4 цилиндра; 132 – электровентилятор системы охлаждения двига- теля; 133 – блок реле электровентилятора; 134 – выключатель сигнала торможения; 135 – дроссельный патрубок с электроприводом; 137 – конденсатор помехоподавляющий; 140 – датчик давления и температуры воздуха; 141 – контроллер АМТ (КУРКП); 142 – датчик контрольной лампы давления масла; 143 – контроллер ЭСУД М86; 144 – педаль акселерато- ра электронная; 145 – датчик положения коленчатого вала; 146 – датчик детонации; 147 – датчик фаз; 148 – датчик кислорода 1 (управляющий); 149 – датчик кислорода 2 (диагности- ческий); 150 – датчик температуры охлаждающей жидкости; 151 – электромагнитный кла- пан продувки адсорбера; 153 – электромагнитный клапан управления механизмом заслонок модуля впуска; 164 – панель управления кондиционером; 166 – колодка диагностики; 176 – гидроагрегат антиблокировочной системы тормозов; 178 – электромеханический усилитель рулевого управления; 184 – блок Эра-ГЛОНАСС; 188 – предохранитель 15 А (F69); 199 – предохранитель 7,5 А (F78); 203 – предохранитель 10 А (F14); 205 – предохранитель 5 А (F16); 209 – предохранитель 40 А (F79); 210 – предохранитель 15 А (F63); 212 – предохрани- тель 15 А (F26); 213 – предохранитель 10 А (F36); - место расположения предохранителей F1-F59 и реле К1-К20 в салонном монтажном блоке; - место расположения предохранителей F60-F80 и реле К21-К28 в моторном монтажном блоке http://vnx.su/
  • 127.
    ГОСТ 3.1105-84 Лист 49 Дубликат Взам. Подп. 3100.25100.12056 ТИТехнологическая инструкция ОАО "АВТОВАЗ" ИзмЛист№документаПодписьДатаИзм.Лист№документаПодписьДата 2.6 НАЗНАЧЕНИЕ КОНТАКТОВ КОНТРОЛЛЕРА М86 контакт цепь Разъем X1.1 А1 Не используется. А2 Не используется. А3 Не используется. А4 Не используется. А5 Вход. Клемма "15" выключателя зажигания. Номинальное напряжение при включенном зажигании и неработающем двигателе составляет 12 В. При рабо- тающем двигателе - 13,5-15,2 В. В1 Не используется. В2 Не используется. В3 Не используется. В4 Не используется. В5 Не используется. С1 Не используется. С2 Вход. Круиз контроль дискретный 1. Не используется. С3 Вход. Круиз контроль дискретный 2. Не используется. С4 Вход. Выключатель 1 педали тормоза. При отпущенной педали тормоза на контакте присутствует напряжение бортсети с клеммы "15" выключателя зажи- гания. С5 Вход. Выключатель 2 педали тормоза. При нажатой педали тормоза на кон- такте присутствует напряжение бортсети с клеммы "30" выключателя зажига- ния. D1 Не используется. D2 Выход. Питание 5 В датчика положения педали акселератора 1. На контакт подается опорное напряжение 5 В. D3 Выход. Питание 5 В датчика давления хладагента. На контакт подается опорное напряжение 5 В. D4 Вход. Датчик педали акселератора 1. При отпущенной педали акселератора сигнал должен быть в пределах 0,5…0,85 В. При полностью нажатой педали акселератора сигнал должен быть в пределах 4,19…4,59 В. D5 Масса датчика педали акселератора 1. Напряжение на контакте должно быть равным нулю. Е1 Не используется. Е2 Выход. Питание 5 В датчика положения педали акселератора 2. На контакт подается опорное напряжение 5 В. Е3 Вход. Круиз контроль аналоговый. Не используется. Е4 Вход. Датчик педали акселератора 2. При отпущенной педали акселератора сигнал должен быть в пределах 0,25…0,43 В. При полностью нажатой педали акселератора сигнал должен быть в пределах 2,095…2,295 В. Е5 Масса датчика педали акселератора 2. Напряжение на контакте должно быть равным нулю. F1 Не используется. F2 Выход. Управление реле муфты кондиционера (-). Сигнал управления дис- кретный, активный уровень - низкий, не более 1 В, выдается при разрешении включения кондиционера. F3 Не используется. F4 Вход. Датчик давления хладагента. Напряжение на контакте зависит от дав- ления хладагента в системе кондиционирования. http://vnx.su/
  • 128.
    ГОСТ 3.1105-84 Лист 50Дубликат Взам. Подп. 3100.25100.12056 ТИТехнологическая инструкция ОАО "АВТОВАЗ" ИзмЛист№документаПодписьДатаИзм.Лист№документаПодписьДата контакт цепь F5 Масса датчика давления хладагента. Напряжение на контакте должно быть равным нулю. G1 Не используется. G2 Выход. Управление реле стартера 1 (-). Не используется. G3 Не используется. G4 Не используется. G5 Не используется. Н1 Не используется. Н2 Выход. Управление реле 1 вентилятора системы охлаждения двигателя (-). Напряжение питания обмотки реле вентилятора поступает с выхода (клемма "87") главного реле. Сигнал управления дискретный, активный уровень - низ- кий, не более 1 В. Контроллер включает реле при температуре охлаждающей жидкости выше 102 °С, а также при наличии в памяти контроллера кодов неис- правностей ДТОЖ или при работающем кондиционере. Н3 Выход. Управление реле 2 вентилятора системы охлаждения двигателя (-). Напряжение питания обмотки реле вентилятора поступает с выхода (клемма "87") главного реле. Сигнал управления дискретный, активный уровень - низ- кий, не более 1 В. Контроллер включает реле при температуре охлаждающей жидкости выше 103 °С, а также при высоком давлении хладагента в магистрали как при работающем кондиционере, так и неработающем кондиционере. Н4 Вход/Выход. CAN - H. Н5 Вход/Выход. CAN - L. J1 Не используется. J2 Выход. Управление клапаном продувки адсорбера (-). Напряжение питания клапана продувки адсорбера поступает с выхода (клемма "87") главного реле. Сигнал управления импульсный, активный уровень - низкий, не более 1 В. Ко- эффициент заполнения изменяется в зависимости от режима работы двигателя в диапазоне 0...100%. J3 Выход. Управление главным реле (-). Напряжение питания поступает на об- мотку реле с клеммы "плюс" аккумуляторной батареи. Сигнал управления дис- кретный, активный уровень - низкий, не более 1,5 В. При переводе замка зажи- гания из положения "выключено" в положение "включено" реле должно вклю- чаться немедленно. При переводе замка зажигания из положения "включено" в положение "выключено" контроллер задерживает выключение главного реле на время около 10 с. J4 Выход. Управление реле электробензонасоса (-). Напряжение питания об- мотки реле электробензонасоса поступает с клеммы "15" выключателя зажига- ния. Сигнал управления дискретный, активный уровень - низкий, не более 1 В, выдается при разрешении топливоподачи. J5 Вход. Сигнал запроса на включение кондиционера. В отсутствии сигнала запроса данный контакт соединен с массой через внутренний резистор кон- троллера. При включении выключателя кондиционера на контакт подается на- пряжение бортсети. На а/м в комплектации с климатической системой данный вход не использует- ся, сигнал запроса включения кондиционера поступает на контроллер ЭСУД с контроллера САУКУ по шине CAN. К1 Не используется. К2 Не используется. К3 Вход. Напряжение бортовой сети на выходе главного реле. Напряжение с выхода главного реле (клемма "87") при неработающем двигателе (в течение неограниченного времени после включения зажигания без запуска двигателя, а также в течение 10 секунд после выключения зажигания) составляет 12 В. При http://vnx.su/
  • 129.
    ГОСТ 3.1105-84 Лист 51 Дубликат Взам. Подп. 3100.25100.12056 ТИТехнологическая инструкция ОАО "АВТОВАЗ" ИзмЛист№документаПодписьДатаИзм.Лист№документаПодписьДата контакт цепь работающем двигателе - 13,5-15,2 В. К4 Масса силовых каскадов. Используется для соединения массы выходных ключей управления исполнительными устройствами с кузовом автомобиля. К5 Масса силовых каскадов. Используется для соединения массы выходных ключей управления исполнительными устройствами с кузовом автомобиля. L1 Не используется. L2 Не используется. L3 Вход. Напряжение бортовой сети на выходе главного реле. Напряжение с выхода главного реле (клемма "87") при неработающем двигателе (в течение неограниченного времени после включения зажигания без запуска двигателя, а также в течение 10 секунд после выключения зажигания) составляет 12 В. При работающем двигателе - 13,5-15,2 В. L4 Масса силовых каскадов. Используется для соединения массы выходных ключей управления исполнительными устройствами с кузовом автомобиля. L5 Масса силовых каскадов зажигания. Не используется. Разъем X1.2 А1 Выход. Привод дроссельной заслонки - контакт "1" (+). А2 Выход. Управление нагревателем управляющего датчика кислорода. На- пряжение питания нагревателя датчика кислорода поступает с выхода (клемма "87") главного реле. Сигнал управления импульсный, активный уровень - низ- кий, не более 2 В. Коэффициент заполнения изменяется в диапазоне 0...100% в зависимости от температуры и влажности в области установки датчика. А3 Выход. Управление нагревателем диагностического датчика кислорода. Напряжение питания нагревателя датчика кислорода поступает с выхода (клемма "87") главного реле. Сигнал управления импульсный, активный уро- вень - низкий, не более 2 В. Коэффициент заполнения изменяется в диапазоне 0...100% в зависимости от температуры и влажности в области установки дат- чика. А4 Выход. Привод дроссельной заслонки - контакт "2" (-). А5 Не используется. В1 Не используется. В2 Выход. Управление форсункой 1 цилиндра (-). Напряжение питания обмотки форсунки поступает с выхода (клемма "87") главного реле. Сигнал управления импульсный, активный уровень - низкий, не более 1,5 В. Длительность зависит от режима работы двигателя и составляет от нескольких до десятков миллисе- кунд. В3 Не используется. В4 Вход. Сигнал датчика положения коленчатого вала - контакт "А". При вращении коленчатого вала двигателя на контакте присутствует сигнал напря- жения переменного тока, близкий по форме к синусоиде. Частота и амплитуда сигнала пропорциональны частоте вращения коленчатого вала. В5 Вход. Сигнал датчика положения коленчатого вала - контакт "В". При вращении коленчатого вала двигателя на контакте присутствует сигнал напря- жения переменного тока, близкий по форме к синусоиде. Частота и амплитуда сигнала пропорциональны частоте вращения коленчатого вала. С1 Не используется. С2 Выход. Управление форсункой 2 цилиндра (-). Напряжение питания обмотки форсунки поступает с выхода (клемма "87") главного реле. Сигнал управления импульсный, активный уровень - низкий, не более 1,5 В. Длительность зависит от режима работы двигателя и составляет от нескольких до десятков миллисе- кунд. С3 Выход. Управление форсункой 3 цилиндра (-). Напряжение питания обмотки http://vnx.su/
  • 130.
    ГОСТ 3.1105-84 Лист 52Дубликат Взам. Подп. 3100.25100.12056 ТИТехнологическая инструкция ОАО "АВТОВАЗ" ИзмЛист№документаПодписьДатаИзм.Лист№документаПодписьДата контакт цепь форсунки поступает с выхода (клемма "87") главного реле. Сигнал управления импульсный, активный уровень - низкий, не более 1,5 В. Длительность зависит от режима работы двигателя и составляет от нескольких до десятков миллисе- кунд. С4 Вход/Выход LIN. С5 Масса электроники. Напряжение на контакте должно быть равным нулю. D1 Не используется. D2 Выход. Управление форсункой 4 цилиндра (-). Напряжение питания обмотки форсунки поступает с выхода (клемма "87") главного реле. Сигнал управления импульсный, активный уровень - низкий, не более 1,5 В. Длительность зависит от режима работы двигателя и составляет от нескольких до десятков миллисе- кунд. D3 Не используется. D4 Вход/Выход. CAN - H. D5 Вход/Выход. CAN - L. Е1 Не используется. Е2 Не используется. Е3 Выход. Питание 5 В датчиков положения дроссельной заслонки. На контакт подается опорное напряжение 5 В. Е4 Вход. Сигнал датчика фаз. В отсутствии сигнала на данный контакт подается напряжение бортсети через внутренний резистор контроллера. Датчик им- пульсно замыкает цепь на массу один раз за оборот распределительного вала, что позволяет обеспечить распознавание порядка работы цилиндров двигателя. Е5 Не используется. F1 Не используется. F2 Выход. Управление клапаном воздушной заслонки впускной трубы. На- пряжение питания клапана продувки адсорбера поступает с выхода (клемма "87") главного реле. Сигнал управления импульсный, активный уровень - низ- кий, не более 1 В. F3 Выход. Питание 5 В датчика абсолютного давления. На контакт подается стабилизированное напряжение 5 В. F4 Не используется. F5 Масса датчиков положения дроссельной заслонки. Напряжение на контакте должно быть равным нулю. G1 Не используется. G2 Вход. Сигнал датчика положения дроссельной заслонки 1. При включенном зажигании на входе должен быть сигнал напряжения постоянного тока, вели- чина которого зависит от степени открытия дроссельной заслонки: при полно- стью закрытой заслонке 0,30…0,58 В. G3 Вход. Сигнал датчика положения дроссельной заслонки 2. При включенном зажигании на входе должен быть сигнал напряжения постоянного тока, вели- чина которого зависит от степени открытия дроссельной заслонки: при полно- стью закрытой заслонке 4,42…4,70 В. G4 Вход. Сигнал управляющего датчика кислорода. Если датчик кислорода имеет температуру ниже 150 °С (не прогрет) на контакте присутствует напря- жение 1,7 В. Когда датчик кислорода прогрет, то при работающем двигателе в режиме замкнутого контура напряжение несколько раз в секунду переключает- ся между низким значением 180…250 мВ и высоким 850...950 мВ. G5 Масса управляющего датчика кислорода. Напряжение на контакте должно быть равным нулю. Н1 Не используется. Н2 Вход. Сигнал датчика детонации - контакт "1" (+). Сигнал представляет со- http://vnx.su/
  • 131.
    ГОСТ 3.1105-84 Лист 53 Дубликат Взам. Подп. 3100.25100.12056 ТИТехнологическая инструкция ОАО "АВТОВАЗ" ИзмЛист№документаПодписьДатаИзм.Лист№документаПодписьДата контакт цепь бой напряжение переменного тока, амплитуда и частота которого зависят от вибраций блока цилиндров двигателя. Н3 Вход. Сигнал датчика детонации - контакт "2" (-). Сигнал представляет со- бой напряжение переменного тока, амплитуда и частота которого зависят от вибраций блока цилиндров двигателя. Н4 Вход. Сигнал диагностического датчика кислорода. Если датчик кислорода имеет температуру ниже 150 °С (не прогрет) на контакте присутствует напря- жение 1.7 В. Когда датчик кислорода прогрет, то при работе в режиме обратной связи и при исправном нейтрализаторе в установившемся режиме напряжение должно меняться в диапазоне 590...750 мВ. Н5 Масса диагностического датчика кислорода. Напряжение на контакте долж- но быть равным нулю. J1 Не используется. J2 Вход. Сигнал датчика температуры воздуха на впуске. Напряжение на кон- такте зависит от температуры поступающего в двигатель воздуха: при темпера- туре 25 °С напряжение около 2,35 В. При обрыве в цепи датчика напряжение на контакте 5±0,1 В. J3 Вход. Сигнал ДТОЖ. Напряжение на контакте зависит от температуры охлаж- дающей жидкости: при температуре 20 °С напряжение около 3,0 В. При обрыве в цепи датчика напряжение на контакте 5±0,1 В. J4 Вход. Сигнал датчика абсолютного давления во впускном коллекторе. На- пряжение на контакте зависит от давления во впускном коллекторе: при вклю- ченном зажигании и неработающем двигателе напряжение около 4,07 В. J5 Масса датчиков абсолютного давления, температуры воздуха, температу- ры охлаждающей жидкости. Напряжение на контакте должно быть равным нулю. К1 Не используется. К2 Не используется. К3 Не используется. К4 Вход. Сигнал датчика давления масла дискретный. К5 Не используется. L1 Не используется. L2 Не используется. L3 Не используется. L4 Не используется. L5 Не используется. М1 Не используется. М2 Не используется. М3 Не используется. М4 Не используется. М5 Не используется. N1 Не используется. N2 Выход. Управление первичной обмоткой катушки зажигания 4 цилиндра (-). Напряжение питания первичной обмотки катушки зажигания поступает с выхода (клемма "87") главного реле. Сигнал управления импульсный, активный уровень - низкий, не более 2,5 В. Длительность зависит от напряжения бортсети - от нескольких до десятков миллисекунд. N3 Выход. Управление первичной обмоткой катушки зажигания 3 цилиндра (-). Напряжение питания первичной обмотки катушки зажигания поступает с выхода (клемма "87") главного реле. Сигнал управления импульсный, активный уровень - низкий, не более 2,5 В. Длительность зависит от напряжения бортсети - от нескольких до десятков миллисекунд. http://vnx.su/
  • 132.
    ГОСТ 3.1105-84 Лист 54Дубликат Взам. Подп. 3100.25100.12056 ТИТехнологическая инструкция ОАО "АВТОВАЗ" ИзмЛист№документаПодписьДатаИзм.Лист№документаПодписьДата контакт цепь N4 Выход. Управление первичной обмоткой катушки зажигания 2 цилиндра (-). Напряжение питания первичной обмотки катушки зажигания поступает с выхода (клемма "87") главного реле. Сигнал управления импульсный, активный уровень - низкий, не более 2,5 В. Длительность зависит от напряжения бортсети - от нескольких до десятков миллисекунд. N5 Выход. Управление первичной обмоткой катушки зажигания 1 цилиндра (-). Напряжение питания первичной обмотки катушки зажигания поступает с выхода (клемма "87") главного реле. Сигнал управления импульсный, активный уровень - низкий, не более 2,5 В. Длительность зависит от напряжения бортсети - от нескольких до десятков миллисекунд. http://vnx.su/
  • 133.
    ГОСТ 3.1105-84 Лист 55 Дубликат Взам. Подп. 3100.25100.12056 ТИТехнологическая инструкция ОАО "АВТОВАЗ" ИзмЛист№документаПодписьДатаИзм.Лист№документаПодписьДата 2.7 ДИАГНОСТИЧЕСКИЕ КАРТЫ Каждая диагностическая карта состоит из двух страниц: "Дополнительной информа- ции" и "Диаграммы поиска неисправностей". "Дополнительная информация" содержит ус- ловия занесения кода неисправности, схемы соединений и пояснения к блокам диаграммы поиска неисправности. Поиск и устранение неисправности осуществляется в соответствии с диаграммой по- следовательности поиска неисправности. При диагностике любой неисправности необходимо всегда начинать с проверки диагностической цепи. Проверка диагностической цепи приводит к другим картам. Использование карты ко- да неисправности без предварительной проверки диагностической цепи не допускается. Это может привести к неверному диагнозу и замене исправных деталей. 2.7А ДИАГНОСТИЧЕСКИЕ КАРТЫ А (карты первоначальной проверки и карты кодов неисправностей) Карта А Проверка диагностической цепи Описание проверок Последовательность соответствует цифрам на карте. 1 Проверяется исправность сигнализатора неисправностей. 2 Проверяется возможность передачи последовательных данных с контроллера на ди- агностический прибор. 3 Проверяется возможность запуска двигателя. 4 Проверяется наличие в памяти контроллера кодов неисправностей, требующих про- ведения ремонта. 5 Проверяется наличие отклонений параметров при включенном зажигании и двига- теле, работающем на холостом ходу. 6 При наличии отклонений параметров от установленных типовых значений проверя- ется работоспособность соответствующих узлов или систем с помощью карт раздела 2.7С - "Диагностические карты проверки узлов системы управления двигателем". http://vnx.su/
  • 134.
    ГОСТ 3.1105-84 Лист 56Дубликат Взам. Подп. 3100.25100.12056 ТИТехнологическая инструкция ОАО "АВТОВАЗ" ИзмЛист№документаПодписьДатаИзм.Лист№документаПодписьДата Карта А Проверка диагностической цепи 1 Зажигание включено, двигатель не работает. Как работает сигнализатор неисправ- ностей? ↓ ↓ Горит постоянно Не горит ↓ ↓ ↓ Неисправна комбинация приборов ↓ 2 Подсоединить диагностический прибор. Отображает ли диагностический прибор данные? ↓ ↓ Да Нет → См. Карту А-2 ↓ 3 Запускается ли двигатель? ↓ ↓ Да Нет → См. Карту А-3 ↓ 4 На диагностическом приборе в режиме "Коды неисправностей" проверить нали- чие кодов. При необходимости выполнить пробную поездку. Отображаются ли коды неисправностей? ↓ ↓ Да Нет ↓ ↓ См. соответствующую карту кода неисправности. Начи- нать с кодов U0001, U0009, Р0560 и Р0562, либо с наи- меньшего номера кода. На диагностическом приборе в режиме "Мо- ниторинг сигналов" сравнить каждый пара- метр с типовым значением, указанным в таб- лицах 2.4-01 данной инструкции. Являются ли значения нормальными? 5 ↓ ↓ Да Нет ↓ ↓ См. Раздел 2.7В "Диагностические кар- ты неисправностей" См. Раздел 2.7С "Карты проверки узлов системы" 6 http://vnx.su/
  • 135.
    ГОСТ 3.1105-84 Лист 57 Дубликат Взам. Подп. 3100.25100.12056 ТИТехнологическая инструкция ОАО "АВТОВАЗ" ИзмЛист№документаПодписьДатаИзм.Лист№документаПодписьДата Карта А-2 Нет данных с колодки диагностики Описание цепи На а/м LADA VESTA реализован интерфейс обмена данными между контроллером ЭСУД, колодкой диагностики и контроллерами (блоками управления) других систем авто- мобиля по шине CAN. Шина CAN представляет собой двухпроводную линию: - линия низкого уровня CAN L (контакты "X1.1/Н5", "Х1.2/D5" контроллера ЭСУД); - линия высокого уровня CAN H (контакты "X1.1/Н4", "Х1.2/D4" контроллера ЭСУД). Описание проверок Последовательность соответствует цифрам на карте. 1 Проверяется исправность соединения между колодкой диагностики (контакты "6", "14") и контроллером (контакты "X1.1/Н4", "X1.1/Н5"). Карта А-2 Нет данных с колодки диагностики См. карту А. ↓ 1 Выключить зажигание. Проверить на обрыв цепь между контактом "X1.1/Н5" контроллера и контактом "14" колодки диагностики, и контактом "X1.1/Н4" контроллера и контактом "6" колодки диагностики - см. "Проверки электрических цепей", раздел 2.7В. Цепь исправна? ↓ ↓ Да Нет → Устранить неисправность. ↓ Заменить контроллер. http://vnx.su/
  • 136.
    ГОСТ 3.1105-84 Лист 58Дубликат Взам. Подп. 3100.25100.12056 ТИТехнологическая инструкция ОАО "АВТОВАЗ" ИзмЛист№документаПодписьДатаИзм.Лист№документаПодписьДата Карта А-3 (Лист 1 из 2) Двигатель не запускается Описание проверок Последовательность соответствует цифрам на карте. 1 Проверка состояния ЭСУД с помощью диагностического прибора. 2 Т.к. вторичная цепь катушек зажигания замыкается через массу, провод массы раз- рядника должен соединяться с массой двигателя. 3 Пониженное давление топлива может привести к переобеднённости смеси. См. Кар- ту А-6. 4 Выполняется проверка компрессии в цилиндрах и фаз газораспределения. Диагностическая информация При отрицательной температуре окружающего воздуха невозможность запуска двига- теля может быть вызвана присутствием воды или посторонних веществ в топливе. http://vnx.su/
  • 137.
    ГОСТ 3.1105-84 Лист 59 Дубликат Взам. Подп. 3100.25100.12056 ТИТехнологическая инструкция ОАО "АВТОВАЗ" ИзмЛист№документаПодписьДатаИзм.Лист№документаПодписьДата Карта А-3 (Лист 1 из 2) Двигатель не запускается Коленчатый вал двигателя прокручивается? ↓ ↓ Да Нет ↓ ↓ ↓ Проверить цепь управления дополнительного реле стартера. ↓ 1 С помощью диагностического прибора убедиться в том, что иммобилизатор снят с охраны (см. ТИ 3100.25100.12057). Осуществить проверку главного реле и силовой цепи, см. Карту А-4. С помощью диагностического прибора проверить следующее: наличие кодов Р0201, Р0202, Р0203, Р0204, Р0261, Р0262, Р0264, Р0265, Р0267, Р0268, Р0270, Р0271, Р0335, Р0351, Р0352, Р0353, Р0354, Р0627, Р0628, Р0629, Р1570, Р2301, Р2304, Р2307, Р2310 и если они имеются - использовать соответст- вующие карты; температуру охлаждающей жидкости. Если приборная и фактическая не совпада- ют - использовать "Диагностическую информацию" для кодов Р0117, Р0118; частоту вращения коленвала двигателя. Если прибор не показывает оборотов во время прокрутки - использовать карту кода Р0335. Проверить свечи на нагар или топливо на загрязненность. Проверить включение электробензонасоса с помощью диагностического прибора. Электробензонасос включается? ↓ ↓ Да Нет ↓ ↓ ↓ ↓ Выполнить проверку электрической цепи системы топливоподачи по Карте А-5. ↓ 2 Выбрать на диагностическом приборе режим "Активные тесты; Управление выхо- дом зажигания 1 (2, 3, 4)". Проверить искру на индивидуальных катушках зажигания, используя разрядник. Проверять по одной катушке зажигания, присоединив провод массы разрядника к надежной массе двигателя (на удалении от элементов электроники). Во время проверки остальные катушки зажигания должны быть соединены со свечами. Имеется ли искра на всех 4-х индивидуальных катушках зажигания? ↓ ↓ Да Нет → Использовать Карту А-3 (лист 2 из 2). ↓ 3 Использовать Карту диагностики системы топливоподачи А-6. Система топливо- подачи исправна? ↓ ↓ Да Нет → Устранить неисправность. ↓ 4 Проверить компрессию в цилиндрах. http://vnx.su/
  • 138.
    ГОСТ 3.1105-84 Лист 60Дубликат Взам. Подп. 3100.25100.12056 ТИТехнологическая инструкция ОАО "АВТОВАЗ" ИзмЛист№документаПодписьДатаИзм.Лист№документаПодписьДата Карта А-3 (лист 2 из 2) Двигатель не запускается Описание цепи Система зажигания двигателей 21126 имеет четыре индивидуальные катушки зажига- ния. Первичные цепи катушек зажигания коммутируются силовыми электронными клю- чами, расположенными внутри контроллера. Описание проверок Последовательность соответствует цифрам на карте. Для получения искры провод массы разрядника должен быть соединен с массой дви- гателя. 1 Определяется наличие питания +12 В на катушках зажигания. 2 Определяется наличие обрыва в цепи заземления катушек зажигания. 3 Определяется наличие обрыва или замыкания цепей управления зажиганием. 4 В результате проверки определяется наличие неисправности контроллера или ка- тушки зажигания. http://vnx.su/
  • 139.
    ГОСТ 3.1105-84 Лист 61 Дубликат Взам. Подп. 3100.25100.12056 ТИТехнологическая инструкция ОАО "АВТОВАЗ" ИзмЛист№документаПодписьДатаИзм.Лист№документаПодписьДата Карта А-3 (Лист 2 из 2) Двигатель не запускается См. Карту А-3 (лист 1 из 2). ↓ ↓ Искры нет. Есть искра на одной или более, но не на всех индивидуальных катушках зажигания. ↓ ↓ 1 Выключить зажигание. Отсоединить колодку жгута от катушки зажи- гания. Включить зажигание. Провести измерение напряжение на кон- такте "3" колодки жгута - см. "Измерение напряжения на контактах жгута проводов", раздел 2.7В. Вольтметр должен показать значение, близкое к напряжению бортсети. Так ли это? ↓ ↓ ↓ ↓ ↓ ↓ ↓ ↓ ↓ Да Нет ↓ ↓ ↓ ↓ ↓ ↓ Обрыв в цепи между главным реле (реле зажигания) и катушкой зажигания, или неисправно главное реле, или предохранитель. ↓ ↓ ↓ ↓ 2 Выполнить проверку целостности электрической цепи между контак- том "2" колодки к катушке зажигания и "массой" – см. "Проверка це- лостности электрической цепи", раздел 2.7В. Цепь исправна? ↓ ↓ ↓ ↓ ↓ ↓ ↓ Да Нет ↓ ↓ ↓ ↓ ↓ Обрыв в цепи между "массой" и катушкой зажигания ↓ ↓ ↓ 3 Проверить провода между контактом "1" колодки к катушке зажигания и соответ- ствующим контактом к контроллеру на обрыв и замыкание - см. "Проверки элек- трических цепей", раздел 2.7В. Цепи исправны? ↓ ↓ Да Нет → Устранить неисправность. ↓ 4 Установить заведомо исправную катушку зажигания. Выбрать на диагностическом приборе режим: "Активные тесты; Управление вы- ходом зажигания 1 (2, 3, 4)". Используя диагностический прибор и разрядник, проверить наличие искры. Искра есть? ↓ ↓ Да Нет → Заменить контроллер. ↓ Прежняя катушка зажигания была неисправна. http://vnx.su/
  • 140.
    ГОСТ 3.1105-84 Лист 62Дубликат Взам. Подп. 3100.25100.12056 ТИТехнологическая инструкция ОАО "АВТОВАЗ" ИзмЛист№документаПодписьДатаИзм.Лист№документаПодписьДата Карта А-4 Проверка главного реле и силовой цепи Описание цепи При включении зажигания напряжение с выключателя зажигания подается на контакт "Х1.1/А5" контроллера. Контроллер через контакт "X1.1/J3" включает главное реле, через которое напряжение питания поступает на контакты "Х1.1/L3" и "Х1.1/K3" контроллера, а также на датчики и некоторые управляемые устройства (клапан продувки адсорбера, фор- сунки, реле). Описание проверок 1 На контакт "Х1.1/A5" контроллера напряжение подается с выключателя зажигания. 2 Диагностический прибор показывает напряжение бортовой сети, определяемое кон- троллером по напряжению на контактах "Х1.1/L3" и "Х1.1/K3". Оно не должно отличаться более чем на 1 В от напряжения на аккумуляторной батарее. 3 На контактах колодки жгута к клеммам "85" и "30" реле должно присутствовать на- пряжение аккумуляторной батареи. Если питание присутствует на обоих контактах, лам- почка пробника, соединенного с массой, должна загораться при касании к ним. 4 Предыдущей проверкой определялось наличие напряжения на контакте колодки жгута к клемме "85" реле. Данной проверкой контролируется цепь управления главным ре- ле, которая должна быть замкнута контроллером на массу. 5 Проверяется исправность главного реле. Причиной неверного значения напряжения бортсети, определяемого контроллером по напряжению на контактах "Х1.1/L3" и "Х1.1/K3", может быть замыкание на массу в цепях подачи питания на реле и исполнительные устройства, а также некорректно подключенные противоугонные устройства. http://vnx.su/
  • 141.
    ГОСТ 3.1105-84 Лист 63 Дубликат Взам. Подп. 3100.25100.12056 ТИТехнологическая инструкция ОАО "АВТОВАЗ" ИзмЛист№документаПодписьДатаИзм.Лист№документаПодписьДата Карта А-4 Проверка главного реле и силовой цепи Проверить предохранитель F70 (60А). Он исправен? ↓ ↓ Да Нет → Устранить неисправность. ↓ 1 Выключить зажигание. Отсоединить колодку жгута от контроллера. Включить зажигание. Проверить контакт "Х1.1/А5" колодки жгута пробником, соединенным с массой. Загорается ли лампочка пробника? ↓ ↓ Да Нет ↓ ↓ ↓ ↓ Проверить цепи соединения контроллера с выключателем зажигания на на- личие обрыва или замыкания цепи. ↓ 2 Выключить зажигание. Присоединить колодку к контроллеру. Включить зажига- ние. Подключить диагностический прибор и выбрать "Мониторинг сигналов; АЦП Напряжение батареи". Показывает ли прибор напряжение бортсети, близкое к напряжению аккумуля- торной батареи? ↓ ↓ Нет Да → Неисправности нет. ↓ 3 Снять главное реле. Проверить контакты колодки жгута к клеммам "85" и "30" реле пробником, со- единенным с массой. Загорается ли лампочка пробника? ↓ ↓ Лампочка загорается на обоих контактах. Лампочка не загорается на одном или обоих контактах. ↓ ↓ 4 Пробником соединить контакты колодки жгута к клеммам "85" и "86" реле. Горит ли лампочка пробника? Устранить обрыв или замыкание цепи, при проверке которой лампочка проб- ника не загорелась. ↓ ↓ Нет Да ↓ ↓ Обрыв цепи управле- ния главным реле или неисправен контрол- лер. Соединить перемычкой контакты колодки жгута к клеммам "30" и "87" реле. Показывает ли диагно- стический прибор напряжение сети, близкое к на- пряжению аккумуляторной батареи? 5 ↓ ↓ Ненадежное соединение или неисправно главное реле. ← Да Нет ↓ Неисправность проводов, соединяющих главное реле с контактами "Х1.1/L3" и "Х1.1/K3" контроллера, неисправен предохранитель или неисправен контроллер. http://vnx.su/
  • 142.
    ГОСТ 3.1105-84 Лист 64Дубликат Взам. Подп. 3100.25100.12056 ТИТехнологическая инструкция ОАО "АВТОВАЗ" ИзмЛист№документаПодписьДатаИзм.Лист№документаПодписьДата Карта А-5 Проверка электрической цепи системы подачи топлива. Описание цепи При включении зажигания контроллер включает реле электробензонасоса и электро- бензонасос начинает работать. При отсутствии опорных импульсов от датчика положения коленчатого вала (двигатель не работает), контроллер выключает электробензонасос через 2 с после включения зажигания. Описание проверок Последовательность соответствует цифрам на карте. 1 Выполняется принудительное включение электробензонасоса. 2 Проверяется наличие напряжения +12 В на контактах реле электробензонасоса. 3 При включении зажигания и прокрутке двигателя контроллер должен включать электробензонасос. http://vnx.su/
  • 143.
    ГОСТ 3.1105-84 Лист 65 Дубликат Взам. Подп. 3100.25100.12056 ТИТехнологическая инструкция ОАО "АВТОВАЗ" ИзмЛист№документаПодписьДатаИзм.Лист№документаПодписьДата Карта А-5 Проверка электрической цепи системы подачи топлива. 1 Выключить зажигание. Снять реле электробензонасоса. Подать напряжение борт- сети на контакт колодки к клемме "87" реле ЭБН. Проконтролировать на слух включение электробензонасоса. Электробензонасос работает? ↓ ↓ Да Нет ↓ ↓ ↓ ↓ ↓ Неисправное соединение или обрыв в проводах, соединяющих электробен- зонасос с колодкой диагностики и реле, или неисправен электробензонасос, или неисправно соединение электробензонасоса с массой. ↓ 2 Зажигание включено, двигатель не работает. Пробником, соединенным с массой, проверить контакты колодки к клеммам "30", "85" реле. В обоих случаях лампочка пробника должна загораться. Так ли это? ↓ ↓ Да Нет ↓ ↓ ↓ ↓ Неисправное соединение или обрыв провода той цепи, в которой не горит лампочка пробника. Проверить предохранитель электробензонасоса. ↓ 3 Выключить зажигание. Пробник, соединенный с "+" АКБ, подключить к контакту колодки жгута к клем- ме "86" реле. Снять иммобилизатор с режима "охрана". Включить зажигание, про- крутить двигатель. Загорается ли лампочка пробника? ↓ ↓ Да Нет → Неисправна цепь или контроллер. ↓ 3 Выключить зажигание. Подсоединить реле электробензонасоса. Пробник, соеди- ненный с массой, подключить к контакту колодки к клемме "87" реле. Снять иммобилизатор с режима "охрана". Включить зажигание, прокрутить дви- гатель. Загорается ли лампочка пробника? ↓ ↓ Да Нет → Неисправно реле электробензонасоса. ↓ Проверка цепи системы подачи топлива выполнена. http://vnx.su/
  • 144.
    ГОСТ 3.1105-84 Лист 66Дубликат Взам. Подп. 3100.25100.12056 ТИТехнологическая инструкция ОАО "АВТОВАЗ" ИзмЛист№документаПодписьДатаИзм.Лист№документаПодписьДата Рампа форсунок в сборе двигателя 21129: 1 – рампа форсунок; 2 – штуцер для контроля давления топлива; 3 – форсунка; 4 – уплотни- тельное кольцо; 5 – клипса форсунки Карта А-6 (Лист 1 из 2) Диагностика системы подачи топлива Описание цепи При включении зажигания контроллер включает электробензонасос. Он работает до тех пор, пока двигатель работает и контроллер получает опорные импульсы от датчика по- ложения коленчатого вала. При отсутствии опорных импульсов контроллер выключает электробензонасос через 2 с после включения зажигания. Электробензонасос подает топливо в топливную рампу и с помощью встроенного ре- гулятора поддерживает постоянное давление топлива на форсунках. Электробензонасос можно включить с помощью диагностического прибора (см. раз- дел 2.4). Описание проверок Последовательность соответствует цифрам на карте. 1 Проверяется давление топлива и работоспособность системы. 2 Проверяются герметичность и соединения магистрали между электробензонасосом и рампой форсунок. 3 Прихват клапана форсунки в открытом состоянии лучше всего определяется про- веркой свечей на наличие нагара или на намокание. Если определить негерметичность форсунки по нагару или намоканию свечей невоз- можно, необходимо проверить баланс форсунок по карте С-3. Диагностическая информация Отклонение давления топлива может вызвать следующие неполадки: - стартер проворачивает коленчатый вал, но двигатель не запускается; - двигатель глохнет, как при неполадке системы зажигания; - большой расход топлива, потеря мощности; - неустойчивая работа двигателя. http://vnx.su/
  • 145.
    ГОСТ 3.1105-84 Лист 67 Дубликат Взам. Подп. 3100.25100.12056 ТИТехнологическая инструкция ОАО "АВТОВАЗ" ИзмЛист№документаПодписьДатаИзм.Лист№документаПодписьДата Карта А-6 (Лист 1 из 2) Диагностика системы подачи топлива 1 Предварительно должна быть выполнена проверка электрической цепи системы подачи топлива по карте А-5. Убедиться в том, что количество топлива в норме. Сбросить давление в системе подачи топлива (см. раздел 1.3) Выключить зажигание. Присоединить манометр к штуцеру для контроля давления топлива, расположенному на конце топливной рампы. Включить электробензонасос на 10 секунд с помощью диагностического прибора. В течение этих 10 секунд давление топлива должно быть в пределах 364-400 кПа. Так ли это? ↓ ↓ Да Нет → См. Карту А-6 (Лист 2 из 2). ↓ После остановки электробензонасоса давление может незначительно уменьшиться и затем должно стабилизироваться. Что происходите давлением? ↓ ↓ Давление продолжает падать. Давление стабильное. ↓ ↓ 2 Вновь включить электробензонасос. Сразу после остановки насоса полно- стью пережать резиновый шланг 8 (см. лист 2 карты А-6). Стабилизируется ли давление? Пустить двигатель. Он должен работать на холостом ходу. Дав- ление топлива должно быть в пре- делах 364-400 кПа. Так ли это? ↓ ↓ ↓ ↓ Нет Да Да Нет ↓ ↓ ↓ ↓ ↓ ↓ ↓ ↓ Проверить герметичность и нали- чие ослабших соединений. Если все указанное в норме - заменить электробензонасос. ↓ ↓ ↓ ↓ Неисправен регулятор давления. Заменить электробензонасос. ↓ ↓ 3 Определить и заменить негерметичную форсунку. Неисправность не обнаружена. http://vnx.su/
  • 146.
    ГОСТ 3.1105-84 Лист 68Дубликат Взам. Подп. 3100.25100.12056 ТИТехнологическая инструкция ОАО "АВТОВАЗ" ИзмЛист№документаПодписьДатаИзм.Лист№документаПодписьДата Рис. 1.2-01. Система подачи топлива: 1 – рампа форсунок; 2 – передняя топливная трубка; 3 – трубка переднего топливного тру- бопровода; 4 – трубка топливного трубопровода; 5 – топливная трубка электробензонасоса; 6 – модуль электробензонасоса с фильтром тонкой очистки; 7 – топливный бак Карта А-6 (Лист 2 из 2) Диагностика системы подачи топлива Описание проверок Последовательность соответствует цифрам на карте. 4 Проверку герметичности соединений проводить по наличию характерных пятен в местах подтекания топлива. http://vnx.su/
  • 147.
    ГОСТ 3.1105-84 Лист 69 Дубликат Взам. Подп. 3100.25100.12056 ТИТехнологическая инструкция ОАО "АВТОВАЗ" ИзмЛист№документаПодписьДатаИзм.Лист№документаПодписьДата Карта А-6 (Лист 2 из 2) Диагностика системы подачи топлива См. Карту А-6 (лист 1 из 2). ↓ ↓ Давление менее 364 кПа. Давление более 400 кПа. ↓ ↓ ↓ Неисправен регулятор давления. Заменить электробензонасос. ↓ Проконтролировать на слух работу электробензонасоса. Он работает? ↓ ↓ Нет Да ↓ ↓ ↓ ↓ ↓ Проверить следующее: - герметичность, наличие ослабших соединений; Если все указанное в норме - заменить электробензонасос. 4 ↓ Проверить следующее: - сочленение колодки электробензонасоса; - цепь электробензонасоса на обрыв между колодкой электробензонасоса и реле электробензонасоса. Если указанное в норме - отсоединить колодку жгута от электробензонасоса и подключить его к источнику питания и массе. Электробензонасос работает? ↓ ↓ Да → Заменить контроллер. Нет → Заменить ЭБН. http://vnx.su/
  • 148.
    ГОСТ 3.1105-84 Лист 70Дубликат Взам. Подп. 3100.25100.12056 ТИТехнологическая инструкция ОАО "АВТОВАЗ" ИзмЛист№документаПодписьДатаИзм.Лист№документаПодписьДата Код Р0030 Нагреватель ДК до нейтрализатора, цепь неисправна Код Р0030 заносится если: - двигатель работает; - самодиагностика драйвера нагревателя определила отсутствие нагрузки на выходе. Сигнализатор неисправностей загорается через 2 драйв-цикла после возникновения кода неисправности. Описание проверок Последовательность соответствует цифрам на карте. 1 Проверяется наличие постоянной неисправности. 2 Проверяется цепь питания нагревателя УДК. 3 Проверяется цепь управления нагревателем УДК. 4 Проверяется исправность нагревателя УДК. Диагностическая информация В контроллере M86 используется драйвер нагревателя датчика кислорода, обладаю- щий функцией самодиагностики. Он может определять наличие таких неисправностей, как обрыв, короткое замыкание на массу или источник питания цепи управления нагревателем. http://vnx.su/
  • 149.
    ГОСТ 3.1105-84 Лист 71 Дубликат Взам. Подп. 3100.25100.12056 ТИТехнологическая инструкция ОАО "АВТОВАЗ" ИзмЛист№документаПодписьДатаИзм.Лист№документаПодписьДата Код Р0030 Нагреватель ДК до нейтрализатора, цепь неисправна 1 Подключить диагностический прибор. Выбрать режим "Коды неисправностей". Запустить двигатель. Проверить, активен ли код неисправности в данный момент? ↓ ↓ Да Нет ↓ ↓ ↓ ↓ Код Р0030 – непостоянный. В случае отсутствия других кодов – см. "Непо- стоянные неисправности", раздел 2.7В. ↓ 2 Выключить зажигание. Отсоединить колодку жгута от УДК. Включить зажигание. Провести измерение напряжения на контакте "4" - см. "Измерение напряжения на контактах жгута проводов", раздел 2.7В. Напряжение равно напряжению питания? ↓ ↓ Да Нет → Обрыв в цепи питания нагревателя УДК. ↓ 3 Провести измерение напряжения на контакте "3" - см. "Измерение напряжения на контактах жгута проводов", раздел 2.7В. Напряжение менее 1 В? ↓ ↓ Да Нет → Обрыв в цепи управления нагревателем УДК. ↓ 4 Провести измерение сопротивления между контактов "3" и "4" УДК. Сопротивле- ние больше 1 кОм? ↓ ↓ Да → Неисправен УДК. Нет → Неисправен контроллер. После ремонта запустить двигатель, сбросить коды и убедиться в отсутствии не- исправности. http://vnx.su/
  • 150.
    ГОСТ 3.1105-84 Лист 72Дубликат Взам. Подп. 3100.25100.12056 ТИТехнологическая инструкция ОАО "АВТОВАЗ" ИзмЛист№документаПодписьДатаИзм.Лист№документаПодписьДата Код Р0031 Нагреватель ДК до нейтрализатора, замыкание цепи управления на массу Код Р0031 заносится если: - двигатель работает; - самодиагностика драйвера нагревателя определила на выходе замыкание на массу. Сигнализатор неисправностей загорается через 2 драйв-цикла после возникновения кода неисправности. Описание проверок Последовательность соответствует цифрам на карте. 1 Проверяется наличие постоянной неисправности. 2 Определяется наличие замыкания на массу цепи управления нагревателем УДК. 3 Проверяется исправность нагревателя УДК. Диагностическая информация В контроллере M86 используется драйвер нагревателя датчика кислорода, обладаю- щий функцией самодиагностики. Он может определять наличие таких неисправностей, как обрыв, короткое замыкание на массу или источник питания цепи управления нагревателем. http://vnx.su/
  • 151.
    ГОСТ 3.1105-84 Лист 73 Дубликат Взам. Подп. 3100.25100.12056 ТИТехнологическая инструкция ОАО "АВТОВАЗ" ИзмЛист№документаПодписьДатаИзм.Лист№документаПодписьДата Код Р0031 Нагреватель ДК до нейтрализатора, замыкание цепи управления на массу 1 Подключить диагностический прибор. Выбрать режим "Коды неисправностей". Запустить двигатель. Проверить, активен ли код неисправности в данный момент? ↓ ↓ Да Нет ↓ ↓ ↓ ↓ Код Р0031 - непостоянный. В случае отсутствия других кодов - см. "Непо- стоянные неисправности", раздел 2.7В. ↓ 2 Выключить зажигание. Отсоединить колодку жгута от контроллера. Провести проверку замыкания контакта "Х1.2/А2" колодки жгута проводов на массу – см. "Проверка замыкания цепи на массу", раздел 2.7В. Замыкание есть? ↓ ↓ Да Нет → Неисправен контроллер. ↓ 3 Отсоединить колодку жгута от УДК. Поочередно провести проверку замыкания контактов "3" и "4" колодки жгута проводов на массу – см. "Проверка замыкания цепи на массу", раздел 2.7В. Замыкание есть? ↓ ↓ Да Нет → Неисправен УДК. ↓ Неисправен жгут проводов. После ремонта запустить двигатель, сбросить коды и убедиться в отсутствии не- исправности. http://vnx.su/
  • 152.
    ГОСТ 3.1105-84 Лист 74Дубликат Взам. Подп. 3100.25100.12056 ТИТехнологическая инструкция ОАО "АВТОВАЗ" ИзмЛист№документаПодписьДатаИзм.Лист№документаПодписьДата Код Р0032 Нагреватель ДК до нейтрализатора, замыкание цепи управления на бортовую сеть Код Р0032 заносится если: - двигатель работает; - самодиагностика драйвера нагревателя определила на выходе замыкание на борто- вую сеть. Сигнализатор неисправностей загорается через 2 драйв-цикла после возникновения кода неисправности. Описание проверок Последовательность соответствует цифрам на карте. 1 Проверяется наличие постоянной неисправности. 2 Определяется наличие замыкания цепи управления нагревателем УДК на бортовую сеть. 3 Проверяется исправность нагревателя УДК. Диагностическая информация В контроллере M86 используется драйвер нагревателя датчика кислорода, обладаю- щий функцией самодиагностики. Он может определять наличие таких неисправностей, как обрыв, короткое замыкание на массу или источник питания цепи управления нагревателем. http://vnx.su/
  • 153.
    ГОСТ 3.1105-84 Лист 75 Дубликат Взам. Подп. 3100.25100.12056 ТИТехнологическая инструкция ОАО "АВТОВАЗ" ИзмЛист№документаПодписьДатаИзм.Лист№документаПодписьДата Код Р0032 Нагреватель ДК до нейтрализатора, замыкание цепи управления на бортовую сеть 1 Подключить диагностический прибор. Выбрать режим "Коды неисправностей". Запустить двигатель. Проверить, активен ли код неисправности в данный момент? ↓ ↓ Да Нет ↓ ↓ ↓ ↓ Код Р0032 – непостоянный. В случае отсутствия других кодов – см. "Непо- стоянные неисправности", раздел 2.7В. ↓ 2 Выключить зажигание. Отсоединить колодку жгута проводов от УДК. Включить зажигание. Провести проверку замыкания контакта "3" колодки жгута проводов к УДК на бортовую сеть – см. "Проверка замыкания цепи на бортовую сеть", раздел 2.7В. Замыкание есть? ↓ ↓ Нет Да → Неисправен жгут проводов или контроллер. ↓ 3 Омметром измерить сопротивление между контактов "3" и "4" УДК. Сопротивле- ние меньше 3 Ом? ↓ ↓ Да → Неисправен УДК. Нет → Неисправен контроллер. После ремонта запустить двигатель, сбросить коды и убедиться в отсутствии не- исправности. http://vnx.su/
  • 154.
    ГОСТ 3.1105-84 Лист 76Дубликат Взам. Подп. 3100.25100.12056 ТИТехнологическая инструкция ОАО "АВТОВАЗ" ИзмЛист№документаПодписьДатаИзм.Лист№документаПодписьДата Код Р0036 Нагреватель ДК после нейтрализатора, цепь неисправна Код Р0036 заносится если: - двигатель работает; - самодиагностика драйвера нагревателя определила отсутствие нагрузки на выходе. Сигнализатор неисправностей загорается через 2 драйв-цикла после возникновения кода неисправности. Описание проверок Последовательность соответствует цифрам на карте. 1 Проверяется наличие постоянной неисправности. 2 Проверяется цепь питания нагревателя ДДК. 3 Проверяется цепь управления нагревателем ДДК. 4 Проверяется исправность нагревателя ДДК. Диагностическая информация В контроллере M86 используется драйвер нагревателя датчика кислорода, обладаю- щий функцией самодиагностики. Он может определять наличие таких неисправностей, как обрыв, короткое замыкание на массу или источник питания цепи управления нагревателем. http://vnx.su/
  • 155.
    ГОСТ 3.1105-84 Лист 77 Дубликат Взам. Подп. 3100.25100.12056 ТИТехнологическая инструкция ОАО "АВТОВАЗ" ИзмЛист№документаПодписьДатаИзм.Лист№документаПодписьДата Код Р0036 Нагреватель ДК после нейтрализатора, цепь неисправна 1 Подключить диагностический прибор. Выбрать режим "Коды неисправностей". Запустить двигатель. Проверить, активен ли код неисправности в данный момент? ↓ ↓ Да Нет ↓ ↓ ↓ ↓ Код Р0036 – непостоянный. В случае отсутствия других кодов – см. "Непо- стоянные неисправности", раздел 2.7В. ↓ 2 Выключить зажигание. Отсоединить колодку жгута от ДДК. Включить зажигание. Провести измерение напряжения на контакте "4" - см. "Измерение напряжения на контактах жгута проводов", раздел 2.7В. Напряжение равно напряжению питания? ↓ ↓ Да Нет → Обрыв в цепи питания нагревателя ДДК. ↓ 3 Провести измерение напряжения на контакте "3" - см. "Измерение напряжения на контактах жгута проводов", раздел 2.7В. Напряжение менее 1 В? ↓ ↓ Да Нет → Обрыв в цепи управления нагревателем ДДК. ↓ 4 Провести измерение сопротивления между контактов "3" и "4" ДДК. Сопротивле- ние больше 1 кОм? ↓ ↓ Да → Неисправен ДДК. Нет → Неисправен контроллер. После ремонта запустить двигатель, сбросить коды и убедиться в отсутствии не- исправности. http://vnx.su/
  • 156.
    ГОСТ 3.1105-84 Лист 78Дубликат Взам. Подп. 3100.25100.12056 ТИТехнологическая инструкция ОАО "АВТОВАЗ" ИзмЛист№документаПодписьДатаИзм.Лист№документаПодписьДата Код Р0037 Нагреватель ДК после нейтрализатора, замыкание цепи управления на массу Код Р0037 заносится если: - двигатель работает; - самодиагностика драйвера нагревателя определила на выходе замыкание на массу. Сигнализатор неисправностей загорается через 2 драйв-цикла после возникновения кода неисправности. Описание проверок Последовательность соответствует цифрам на карте. 1 Проверяется наличие постоянной неисправности. 2 Определяется наличие замыкания на массу цепи управления нагревателем ДДК. 3 Проверяется исправность нагревателя ДДК. Диагностическая информация В контроллере M86 используется драйвер нагревателя датчика кислорода, обладаю- щий функцией самодиагностики. Он может определять наличие таких неисправностей, как обрыв, короткое замыкание на массу или источник питания цепи управления нагревателем. http://vnx.su/
  • 157.
    ГОСТ 3.1105-84 Лист 79 Дубликат Взам. Подп. 3100.25100.12056 ТИТехнологическая инструкция ОАО "АВТОВАЗ" ИзмЛист№документаПодписьДатаИзм.Лист№документаПодписьДата Код Р0037 Нагреватель ДК после нейтрализатора, замыкание цепи управления на массу 1 Подключить диагностический прибор. Выбрать режим "Коды неисправностей". Запустить двигатель. Проверить, активен ли код неисправности в данный момент? ↓ ↓ Да Нет ↓ ↓ ↓ ↓ Код Р0037 - непостоянный. В случае отсутствия других кодов - см. "Непо- стоянные неисправности", раздел 2.7В. ↓ 2 Выключить зажигание. Отсоединить колодку жгута от контроллера. Провести проверку замыкания контакта "Х1.2/А3" колодки жгута проводов на массу – см. "Проверка замыкания цепи на массу", раздел 2.7В. Замыкание есть? ↓ ↓ Да Нет → Неисправен контроллер. ↓ 3 Отсоединить колодку жгута от ДДК. Поочередно провести проверку замыкания контактов "3" и "4" колодки жгута проводов на массу – см. "Проверка замыкания цепи на массу", раздел 2.7В. Замыкание есть? ↓ ↓ Да Нет → Неисправен УДК. ↓ Неисправен жгут проводов. После ремонта запустить двигатель, сбросить коды и убедиться в отсутствии не- исправности. http://vnx.su/
  • 158.
    ГОСТ 3.1105-84 Лист 80Дубликат Взам. Подп. 3100.25100.12056 ТИТехнологическая инструкция ОАО "АВТОВАЗ" ИзмЛист№документаПодписьДатаИзм.Лист№документаПодписьДата Код Р0038 Нагреватель ДК после нейтрализатора, замыкание цепи управления на бортовую сеть Код Р0038 заносится если: - двигатель работает; - самодиагностика драйвера нагревателя определила на выходе замыкание на борто- вую сеть. Сигнализатор неисправностей загорается через 2 драйв-цикла после возникновения кода неисправности. Описание проверок Последовательность соответствует цифрам на карте. 1 Проверяется наличие постоянной неисправности. 2 Определяется наличие замыкания цепи управления нагревателем ДДК на бортовую сеть. 3 Проверяется исправность нагревателя ДДК. Диагностическая информация В контроллере M86 используется драйвер нагревателя датчика кислорода, обладаю- щий функцией самодиагностики. Он может определять наличие таких неисправностей, как обрыв, короткое замыкание на массу или источник питания цепи управления нагревателем. http://vnx.su/
  • 159.
    ГОСТ 3.1105-84 Лист 81 Дубликат Взам. Подп. 3100.25100.12056 ТИТехнологическая инструкция ОАО "АВТОВАЗ" ИзмЛист№документаПодписьДатаИзм.Лист№документаПодписьДата Код Р0038 Нагреватель ДК после нейтрализатора, замыкание цепи управления на бор- товую сеть 1 Подключить диагностический прибор. Выбрать режим "Коды неисправностей". Запустить двигатель. Проверить, активен ли код неисправности в данный момент? ↓ ↓ Да Нет ↓ ↓ ↓ ↓ Код Р0038 – непостоянный. В случае отсутствия других кодов – см. "Непо- стоянные неисправности", раздел 2.7В. ↓ 2 Выключить зажигание. Отсоединить колодку жгута проводов от ДДК. Включить зажигание. Провести проверку замыкания контакта "3" колодки жгута проводов к ДДК на бортовую сеть – см. "Проверка замыкания цепи на бортовую сеть", раздел 2.7В. Замыкание есть? ↓ ↓ Нет Да → Неисправен жгут проводов или контроллер. ↓ 3 Омметром измерить сопротивление между контактов "3" и "4" ДДК. Сопротивле- ние меньше 3 Ом? ↓ ↓ Да → Неисправен ДДК. Нет → Неисправен контроллер. После ремонта запустить двигатель, сбросить коды и убедиться в отсутствии не- исправности. http://vnx.su/
  • 160.
    ГОСТ 3.1105-84 Лист 82Дубликат Взам. Подп. 3100.25100.12056 ТИТехнологическая инструкция ОАО "АВТОВАЗ" ИзмЛист№документаПодписьДатаИзм.Лист№документаПодписьДата Код Р0106 Цепь датчика давления воздуха на впуске, выход сигнала из допустимого диапазона Код Р0101 заносится, если: - зажигание включено; - в течение 5 секунд напряжение сигнала датчика (параметр АЦП "Напряжение ДАД") ниже 2,21В. или - двигатель проработал более 3 секунд; - отсутствуют коды неисправностей Р0107, Р0108 и коды неисправностей ЭДП; - температура ОЖ находится в диапазоне 10…100 °С; - расхождение между цикловым наполнением цилиндров воздухом (параметр "Цик- ловое наполнение по датчику абсолютного давления во впускном коллекторе"), опре- деленное по показаниям датчика давления расходиться больше чем на 200 мг/цикл со значе- нием, рассчитанным через положение дроссельной заслонки с учетом температурных кор- рекций. При возникновении этого кода сигнализатор неисправностей не загорается. Описание проверок Последовательность соответствует цифрам на карте. 1 Проверяется, определяет ли контроллер неисправность в данный момент. Диагностическая информация При обнаружении данной неисправности система перейдет в аварийный режим: рас- чет воздуха осуществляется по дублирующему алгоритму через положение дроссельной за- слонки с учетом температурной коррекции. Необходимо убедиться в отсутствии следующих неисправностей: - Засорение воздушного фильтра в системе впуска воздуха. При необходимости заме- нить фильтрующий элемент. - Подсос неучтенного воздуха. Осмотреть и проверить систему впуска на отсутствие подсоса. - Неверно установлены фазы ГРМ. Проверить правильность установки фаз ГРМ и при необходимости отрегулировать. http://vnx.su/
  • 161.
    ГОСТ 3.1105-84 Лист 83 Дубликат Взам. Подп. 3100.25100.12056 ТИТехнологическая инструкция ОАО "АВТОВАЗ" ИзмЛист№документаПодписьДатаИзм.Лист№документаПодписьДата Код Р0106 Цепь датчика давления воздуха на впуске, выход сигнала из допустимого диапазона 1 Подключить диагностический прибор. Выбрать режим "Коды неисправностей". Запустить двигатель. Проверить, активен ли код неисправности в данный момент? ↓ ↓ Да Нет ↓ ↓ ↓ ↓ Код Р0106 - непостоянный. В случае отсутствия других кодов - см. "Допол- нительную информацию" по коду неисправности. ↓ Убедиться в надёжности контактов разъёма ДДТВ, исправности жгута проводов и надежном соединении ДДТВ с "массой". Присутствуют ли данные неисправно- сти? ↓ ↓ Нет Да ↓ ↓ ↓ Устранить обнаруженные неисправности. ↓ Механическая неисправность двигателя или системы впуска. Тщательно осмот- реть и проверить систему впуска на отсутствие подсоса воздуха и убедиться, что воздушный фильтр не засорен. Проверить правильность установки фаз ГРМ. Не- исправности обнаружены? ↓ ↓ Нет Да ↓ ↓ ↓ Устранить обнаруженные неисправности. ↓ Неисправен ДДТВ. После ремонта запустить двигатель, сбросить коды и убедиться в отсутствии не- исправности. http://vnx.su/
  • 162.
    ГОСТ 3.1105-84 Лист 84Дубликат Взам. Подп. 3100.25100.12056 ТИТехнологическая инструкция ОАО "АВТОВАЗ" ИзмЛист№документаПодписьДатаИзм.Лист№документаПодписьДата Код Р0107 Цепь датчика давления воздуха на впуске, низкий уровень сигнала Код Р0107 заносится, если напряжение сигнала датчика (параметр АЦП "Напряже- ние ДАД") менее 0,1 В. Сигнализатор неисправностей загорается на 3-ей поездке после возникновения устой- чивой неисправности. Описание проверок Последовательность соответствует цифрам на карте. 1 С помощью диагностического прибора проверяется, активен ли код Р0107 в момент диагностики. 2 Проверяется исправность цепи питания ДАД. 3 Проверяется исправность цепи входного сигнала ДАД. Диагностическая информация При обнаружении данной неисправности система перейдет в аварийный режим: рас- чет воздуха осуществляется по дублирующему алгоритму через положение дроссельной за- слонки с учетом температурной коррекции. Неисправность непостоянного характера может быть вызвана повреждением изоляции или жилы провода, замыканием на массу в цепи входного сигнала. Необходимо убедиться в надежности соединения контактов в разъеме к ДДТВ и в разъеме к контроллеру, исправности жгута проводов, надежности соединения массы кон- троллера. http://vnx.su/
  • 163.
    ГОСТ 3.1105-84 Лист 85 Дубликат Взам. Подп. 3100.25100.12056 ТИТехнологическая инструкция ОАО "АВТОВАЗ" ИзмЛист№документаПодписьДатаИзм.Лист№документаПодписьДата Код Р0107 Цепь датчика давления воздуха на впуске, низкий уровень сигнала 1 Подключить диагностический прибор. Включить зажигание. Выбрать режим "Коды неисправностей". Проверить, активен ли код неисправности в данный момент? ↓ ↓ Да Нет ↓ ↓ ↓ ↓ Код Р0107 - непостоянный. В случае отсутствия других кодов - см. "Диагно- стическую информацию". ↓ 2 Выключить зажигание. Отсоединить колодку жгута системы зажигания от ДДТВ. Включить зажигание. Провести измерение напряжения на контакте "3" колодки к ДДТВ - см. "Измере- ние напряжения на контактах жгута проводов", раздел 2.7В. Напряжение равно 5 В? ↓ ↓ Да Нет ↓ ↓ ↓ ↓ Обрыв в цепи питания ДАД от контакта "Х1.2/F3" колодки к контроллеру до контакта "3" колодки к ДДТВ. ↓ 3 Выключить зажигание. Отсоединить колодку Х1.2 жгута системы зажигания от контроллера. Выполнить проверки электрической цепи от контакта "Х1.2/J4" ко- лодки к контроллеру до контакта "4" колодки к ДДТВ на отсутствие обрыва и за- мыкания на массу – см. "Проверки электрических цепей", раздел 2.7В. Цепь ис- правна? ↓ ↓ Да Нет ↓ ↓ ↓ Обрыв или замыкание на массу в цепи сигнала ДАД. ↓ Заменить ДДТВ на заведомо исправный. Заносится ли код неисправности Р0107? ↓ ↓ Да Нет → Неисправен ДДТВ. ↓ Неисправен контроллер. После ремонта запустить двигатель, сбросить коды и убедиться в отсутствии не- исправности. http://vnx.su/
  • 164.
    ГОСТ 3.1105-84 Лист 86Дубликат Взам. Подп. 3100.25100.12056 ТИТехнологическая инструкция ОАО "АВТОВАЗ" ИзмЛист№документаПодписьДатаИзм.Лист№документаПодписьДата Код Р0108 Цепь датчика давления воздуха на впуске, высокий уровень сигнала Код Р0108 заносится, если напряжение сигнала датчика (параметр АЦП "Напряже- ние ДАД") более 4,65 В. Сигнализатор неисправностей загорается на 3-ей поездке после возникновения устой- чивой неисправности. Описание проверок Последовательность соответствует цифрам на карте. 1 С помощью диагностического прибора проверяется, активен ли код Р0108 в момент диагностики. 2 Проверяется исправность цепи заземления ДАД. 3 Проверяется исправность цепи входного сигнала ДАД. Диагностическая информация При обнаружении данной неисправности система перейдет в аварийный режим: рас- чет воздуха осуществляется по дублирующему алгоритму через положение дроссельной за- слонки с учетом температурной коррекции. Неисправность непостоянного характера может быть вызвана повреждением изоляции или жилы провода, замыканием на массу в цепи входного сигнала. Необходимо убедиться в надежности соединения контактов в разъеме к ДДТВ и в разъеме к контроллеру, исправности жгута проводов, надежности соединения массы кон- троллера. http://vnx.su/
  • 165.
    ГОСТ 3.1105-84 Лист 87 Дубликат Взам. Подп. 3100.25100.12056 ТИТехнологическая инструкция ОАО "АВТОВАЗ" ИзмЛист№документаПодписьДатаИзм.Лист№документаПодписьДата Код Р0108 Цепь датчика давления воздуха на впуске, высокий уровень сигнала 1 Подключить диагностический прибор. Включить зажигание. Выбрать режим "Коды неисправностей". Проверить, активен ли код неисправности в данный момент? ↓ ↓ Да Нет ↓ ↓ ↓ ↓ Код Р0108 - непостоянный. В случае отсутствия других кодов - см. "Диагно- стическую информацию". ↓ 2 Выключить зажигание. Отсоединить колодку жгута системы зажигания от ДДТВ. Пробником, соединенным с "+" АКБ, проверить контакт "1" колодки к ДДТВ. Го- рит ли лампа пробника? ↓ ↓ Да Нет ↓ ↓ ↓ ↓ Обрыв в цепи заземления ДАД от контакта "Х1.2/J5" колодки к контроллеру до контакта "1" колодки к ДДТВ. ↓ 3 Отсоединить колодку Х1 жгута системы зажигания от контроллера. Провести проверку замыкания контакта "Х1.2/J4" колодки жгута проводов на бортовую сеть – см. "Проверка замыкания цепи на бортовую сеть", раздел 2.7В. Замыкание есть? ↓ ↓ Нет Да ↓ ↓ ↓ Неисправен жгут проводов. ↓ Заменить ДДТВ на заведомо исправный. Заносится ли код неисправности Р0108? ↓ ↓ Да Нет → Неисправен ДДТВ. ↓ Неисправен контроллер. После ремонта запустить двигатель, сбросить коды и убедиться в отсутствии не- исправности. http://vnx.su/
  • 166.
    ГОСТ 3.1105-84 Лист 88Дубликат Взам. Подп. 3100.25100.12056 ТИТехнологическая инструкция ОАО "АВТОВАЗ" ИзмЛист№документаПодписьДатаИзм.Лист№документаПодписьДата Код Р0111 Цепь датчика температуры впускного воздуха, выход сигнала из допустимого диапа- зона Код Р0111 вводится в память контроллера, если: - двигатель работает; - расчетная температура превышает измеренную на величину порога. Сигнализатор неисправностей загорается на 3-ей поездке после возникновения устой- чивой неисправности. Описание проверок Последовательность соответствует цифрам на карте. 1 Проверяется исправность цепи выходного сигнала датчика. 2 Проверяется исправность цепи заземления датчика. 3 Измеряется сопротивление датчика и определяется причина возникновения кода - неисправность датчика или системы охлаждения двигателя. Диагностическая информация Контроллер выдает в цепь ДТВ напряжение 5 В через внутренний резистор. При обнаружении неисправности датчика температуры воздуха контроллер заменяет показания датчика фиксированным значением температуры воздуха (32 °С). Необходимо проверить цепь заземления датчика на наличие неисправной проводки или соединения. Проверить контакты датчика на надежность соединений. Необходимо проверить сопротивление датчика на соответствие номинальному значе- нию. Таблица зависимости сопротивления ДТВ от температуры всасываемого воздуха Температура воздуха, °С Сопротивление, Ом Температура возду- ха, °С Сопротивление, Ом -40 42661-54224 +40 1113-1291 -30 23970-30015 +50 792-913 -20 14039-17333 +60 572-655 -10 8529,5-10399 +70 418-476 0 5358-6458 +80 310-350 +5 4296-5150 +90 232-261 +10 3469-4137 +100 176-197 +20 2309-2727 +110 134-150 +30 1586-1853 +120 103-116 http://vnx.su/
  • 167.
    ГОСТ 3.1105-84 Лист 89 Дубликат Взам. Подп. 3100.25100.12056 ТИТехнологическая инструкция ОАО "АВТОВАЗ" ИзмЛист№документаПодписьДатаИзм.Лист№документаПодписьДата Код Р0111 Цепь датчика температуры впускного воздуха, выход сигнала из допустимого диапазона 1 Выключить зажигание. Отсоединить колодку жгута от ДДТВ. Включить зажига- ние. Вольтметром измерить напряжение между контактом "2" колодки жгута к ДДТВ и массой. Вольтметр должен показать 5 В. Так ли это? ↓ ↓ Да Нет ↓ ↓ ↓ ↓ Неисправен контроллер, ненадежное соединение в колодке контроллера или в колодке датчика, поврежден жгут проводов. ↓ 2 Омметром измерить сопротивление между контактом "1" колодки жгута и массой. Сопротивление должно быть менее 1 Ом. Так ли это? ↓ ↓ Да Нет ↓ ↓ ↓ Ненадежное соединение в колодке датчика или обрыв в цепи на массу. ↓ 3 Омметром измерить сопротивление датчика для двух значений температуры воз- духа (для холодного и горячего двигателя). Измеренное сопротивление соответствует данным таблицы зависимости сопро- тивления ДТВ от температуры воздуха? ↓ ↓ Да Нет ↓ ↓ ↓ Заменить датчик температуры воздуха. ↓ Неисправность в системе охлаждения двигателя. После ремонта запустить двигатель, сбросить коды и убедиться в отсутствии не- исправности. http://vnx.su/
  • 168.
    ГОСТ 3.1105-84 Лист 90Дубликат Взам. Подп. 3100.25100.12056 ТИТехнологическая инструкция ОАО "АВТОВАЗ" ИзмЛист№документаПодписьДатаИзм.Лист№документаПодписьДата Код Р0112 Цепь датчика температуры впускного воздуха, низкий уровень сигнала Код Р0112 заносится, если напряжение сигнала датчика (параметр АЦП "Напряже- ние ДТВ") менее 0,25 В. Сигнализатор неисправностей загорается на 3-ей поездке после возникновения устой- чивой неисправности. Описание проверок Последовательность соответствует цифрам на карте. 1 С помощью диагностического прибора проверяется, активен ли код Р0112 в момент диагностики. 2 Проверяется целостность жгута и исправность цепи входного сигнала. Диагностическая информация Контроллер выдает в цепь ДТВ напряжение 5 В через внутренний резистор. При обнаружении неисправности датчика температуры воздуха контроллер заменяет показания датчика фиксированным значением температуры воздуха (32 °С). Неисправность непостоянного характера может быть вызвана повреждением изоляции или жилы провода, замыканием на массу в цепи входного сигнала. Необходимо убедиться в отсутствии повреждений жгута. http://vnx.su/
  • 169.
    ГОСТ 3.1105-84 Лист 91 Дубликат Взам. Подп. 3100.25100.12056 ТИТехнологическая инструкция ОАО "АВТОВАЗ" ИзмЛист№документаПодписьДатаИзм.Лист№документаПодписьДата Код Р0112 Цепь датчика температуры впускного воздуха, низкий уровень сигнала 1 Подключить диагностический прибор. Выбрать режим "Коды неисправностей". Запустить двигатель. Проверить, активен ли код неисправности в данный момент? ↓ ↓ Да Нет ↓ ↓ ↓ ↓ Код Р0112 - непостоянный. В случае отсутствия других кодов - см. "Диагно- стическую информацию". ↓ 2 Убедиться в надежности соединения контактов в разъеме к ДДТВ и в разъеме к контроллеру, исправности жгута проводов, надежности соединения массы кон- троллера. Неисправности обнаружены? ↓ ↓ Нет Да ↓ ↓ ↓ Устранить обнаруженные неисправности. ↓ 2 Выключить зажигание. Отсоединить колодку жгута системы зажигания от ДДТВ. Включить зажигание. Вольтметром измерить напряжение между контактами "2" и "1" колодки жгута к ДДТВ. Вольтметр должен показать напряжение около 5 В. На диагностическом приборе в режиме "Мониторинг сигналов; Параметры АЦП" проверить напряжение выходного сигнала ДТВ. Напряжение больше 4,9 В? ↓ ↓ Нет Да → Заменить ДДТВ. ↓ Замыкание на массу в цепи сигнала ДТВ или неисправен контроллер. После ремонта запустить двигатель, сбросить коды и убедиться в отсутствии не- исправности. http://vnx.su/
  • 170.
    ГОСТ 3.1105-84 Лист 92Дубликат Взам. Подп. 3100.25100.12056 ТИТехнологическая инструкция ОАО "АВТОВАЗ" ИзмЛист№документаПодписьДатаИзм.Лист№документаПодписьДата Код Р0113 Цепь датчика температуры впускного воздуха, высокий уровень сигнала Код Р0112 заносится, если напряжение сигнала датчика (параметр АЦП "Напряже- ние ДТВ") более 4,96 В. Сигнализатор неисправностей загорается на 3-ей поездке после возникновения устой- чивой неисправности. Описание проверок Последовательность соответствует цифрам на карте. 1 С помощью диагностического прибора проверяется, активен ли код Р0113 в момент диагностики. 2 Проверяется целостность жгута и исправность цепи входного сигнала. Диагностическая информация Контроллер выдает в цепь ДТВ напряжение 5 В через внутренний резистор. При обнаружении неисправности датчика температуры воздуха контроллер заменяет показания датчика фиксированным значением температуры воздуха (32 °С). Неисправность непостоянного характера может быть вызвана плохим контактом, по- вреждением жилы провода, замыканием на бортсеть цепи сигнала ДТВ. Необходимо убедиться в отсутствии следующих неисправностей: - Ненадежное соединение контактов "X1.2/J2", "X1.2/J5" колодки жгута системы за- жигания и контроллера. Осмотреть колодку жгута и разъем контроллера на полноту и пра- вильность сочленения, повреждения замков, наличие поврежденных контактов и качество соединения контактов с проводом. - Повреждения жгута. Проверить жгут на наличие повреждений. http://vnx.su/
  • 171.
    ГОСТ 3.1105-84 Лист 93 Дубликат Взам. Подп. 3100.25100.12056 ТИТехнологическая инструкция ОАО "АВТОВАЗ" ИзмЛист№документаПодписьДатаИзм.Лист№документаПодписьДата Код Р0113 Цепь датчика температуры впускного воздуха, высокий уровень сигнала 1 Подключить диагностический прибор. Выбрать режим "Коды неисправностей". Запустить двигатель. Проверить, активен ли код неисправности в данный момент? ↓ ↓ Да Нет ↓ ↓ ↓ ↓ Код Р0113 - непостоянный. В случае отсутствия других кодов - см. "Диагно- стическую информацию". ↓ 2 Убедиться в надежности соединения контактов в разъеме к ДДТВ и в разъеме к контроллеру, исправности жгута проводов, надежности соединения массы кон- троллера. Неисправности обнаружены? ↓ ↓ Нет Да ↓ ↓ ↓ Устранить обнаруженные неисправности. ↓ 2 Выключить зажигание. Отсоединить колодку жгута системы зажигания от ДДТВ. Включить зажигание. Перемычкой замкнуть между собой контакты "1" и "2" ко- лодки жгута к ДДТВ. На диагностическом приборе в режиме "Мониторинг сигналов; Параметры АЦП" проверить напряжение выходного сигнала ДТВ. Напряжение меньше 0,1 В? ↓ ↓ Нет Да → Заменить ДДТВ. ↓ Обрыв или замыкание на источник питания в цепи сигнала ДТВ, или неисправен контроллер. После ремонта запустить двигатель, сбросить коды и убедиться в отсутствии не- исправности. http://vnx.su/
  • 172.
    ГОСТ 3.1105-84 Лист 94Дубликат Взам. Подп. 3100.25100.12056 ТИТехнологическая инструкция ОАО "АВТОВАЗ" ИзмЛист№документаПодписьДатаИзм.Лист№документаПодписьДата Код Р0116 Цепь датчика температуры охлаждающей жидкости, выход сигнала из допустимого диапазона Код Р0116 вводится в память контроллера, если: - двигатель работает; - расчетная температура превышает измеренную на величину порога. Сигнализатор неисправностей загорается на 3-ей поездке после возникновения устой- чивой неисправности. Описание проверок Последовательность соответствует цифрам на карте. 1 Проверяется исправность цепи выходного сигнала датчика. 2 Проверяется исправность цепи заземления датчика. 3 Измеряется сопротивление датчика и определяется причина возникновения кода - неисправность датчика или системы охлаждения двигателя. Диагностическая информация Контроллер выдает в цепь ДТОЖ напряжение 5 В через внутренний резистор. При обнаружении неисправности ДТОЖ контроллер рассчитывает значение темпера- туры охлаждающей жидкости по специальному алгоритму. Необходимо проверить цепь заземления датчика на наличие неисправной проводки или соединения. Проверить контакты датчика на надежность соединений. Необходимо проверить сопротивление датчика на соответствие номинальному значе- нию. Неисправность в системе охлаждения двигателя (открытый термостат и т.д.) может стать причиной возникновения кода Р0116. Таблица зависимости сопротивления ДТОЖ от температуры охлаждающей жидкости (±2%) Температура, °С Сопрот., Ом Температу- ра, °С Сопрот., Ом Температу- ра, °С Сопрот., Ом -40 100700 +5 7280 +45 1188 -30 52700 +10 5670 +50 973 -20 28680 +15 4450 +60 667 -15 21450 + 20 3520 +70 467 -10 16180 + 25 2796 +80 332 -5 12300 +30 2238 +90 241 0 9420 + 40 1459 +100 177 http://vnx.su/
  • 173.
    ГОСТ 3.1105-84 Лист 95 Дубликат Взам. Подп. 3100.25100.12056 ТИТехнологическая инструкция ОАО "АВТОВАЗ" ИзмЛист№документаПодписьДатаИзм.Лист№документаПодписьДата Код Р0116 Цепь датчика температуры охлаждающей жидкости, выход сигнала из допус- тимого диапазона 1 Выключить зажигание. Отсоединить колодку жгута от датчика. Включить зажига- ние. Вольтметром измерить напряжение между контактом "2" колодки жгута к ДТОЖ и массой. Вольтметр должен показать 5 В. Так ли это? ↓ ↓ Да Нет ↓ ↓ ↓ ↓ Неисправен контроллер, ненадежное соединение в колодке контроллера или в колодке датчика, поврежден жгут проводов. ↓ 2 Омметром измерить сопротивление между контактом "1" колодки жгута и массой. Сопротивление должно быть менее 1 Ом. Так ли это? ↓ ↓ Да Нет ↓ ↓ ↓ Ненадежное соединение в колодке датчика или обрыв в цепи на массу. ↓ 3 Омметром измерить сопротивление датчика для двух значений температуры ох- лаждающей жидкости (для холодного и горячего двигателя). Измеренное сопротивление соответствует данным таблицы зависимости сопро- тивления ДТОЖ от температуры охлаждающей жидкости? ↓ ↓ Да Нет ↓ ↓ ↓ Заменить датчик температуры охлаждающей жидкости. ↓ Неисправность в системе охлаждения двигателя. После ремонта запустить двигатель, сбросить коды и убедиться в отсутствии не- исправности. http://vnx.su/
  • 174.
    ГОСТ 3.1105-84 Лист 96Дубликат Взам. Подп. 3100.25100.12056 ТИТехнологическая инструкция ОАО "АВТОВАЗ" ИзмЛист№документаПодписьДатаИзм.Лист№документаПодписьДата Код Р0117 Цепь датчика температуры охлаждающей жидкости, низкий уровень сигнала Код Р0117 вводится в память контроллера, если напряжение сигнала датчика (пара- метр АЦП "Напряжение ДТОЖ") менее 0,097 В. Сигнализатор неисправностей загорается через 2 драйв-цикла после возникновения кода неисправности. Описание проверок 1 Определяется наличие замыкания на массу в цепи сигнала датчика. Диагностическая информация Контроллер выдает в цепь ДТОЖ напряжение 5 В через внутренний резистор. При обнаружении неисправности ДТОЖ контроллер рассчитывает значение темпера- туры охлаждающей жидкости по специальному алгоритму. Необходимо проверить цепь сигнала датчика на наличие неисправной проводки и за- мыкания на массу. Неисправность непостоянного характера может быть вызвана перегревом двигателя выше +130 °С. http://vnx.su/
  • 175.
    ГОСТ 3.1105-84 Лист 97 Дубликат Взам. Подп. 3100.25100.12056 ТИТехнологическая инструкция ОАО "АВТОВАЗ" ИзмЛист№документаПодписьДатаИзм.Лист№документаПодписьДата Код Р0117 Цепь датчика температуры охлаждающей жидкости, низкий уровень сигнала Зажигание включено, двигатель не работает. Подключить диагностический при- бор. На диагностическом приборе в режиме "Мониторинг сигналов; Параметры АЦП" проверить напряжение выходного сигнала датчика температуры охлаждающей жидкости. Напряжение меньше 0,1 В? ↓ ↓ Да Нет ↓ ↓ ↓ ↓ Код Р0117 - непостоянный. В случае отсутствия других кодов - см. "Непо- стоянные неисправности", раздел 2.7В. ↓ 1 Отсоединить колодку жгута от датчика. Напряжение выходного сигнала датчика температуры охлаждающей жидкости по прибору больше 4,9 В? ↓ ↓ Да Нет ↓ ↓ ↓ Замыкание на массу в цепи сигнала ДТОЖ или неисправен контроллер. ↓ Заменить датчик температуры охлаждающей жидкости. После ремонта запустить двигатель, сбросить коды и убедиться в отсутствии не- исправности. http://vnx.su/
  • 176.
    ГОСТ 3.1105-84 Лист 98Дубликат Взам. Подп. 3100.25100.12056 ТИТехнологическая инструкция ОАО "АВТОВАЗ" ИзмЛист№документаПодписьДатаИзм.Лист№документаПодписьДата Код Р0118 Цепь датчика температуры охлаждающей жидкости, высокий уровень сигнала Код Р0118 вводится в память контроллера, если напряжение сигнала датчика (пара- метр АЦП "Напряжение ДТОЖ") более 4,88 В. Сигнализатор неисправностей загорается через 2 драйв-цикла после возникновения кода неисправности. Описание проверок 1 В ходе этой проверки моделируются условия кода Р0117 - высокая температу- ра/низкое сопротивление датчика. Если контроллер получает сигнал низкого напряжения (высокая температура), а диаг- ностический прибор показывает 135 °С и выше, то контроллер и цепь датчика температуры охлаждающей жидкости исправны. 2 Проверяется цепь сигнала датчика на обрыв. 3 При отключенном датчике напряжение между контактами "1" и "2" колодки жгута к ДТОЖ должно быть около +5 В. Диагностическая информация Контроллер выдает в цепь ДТОЖ напряжение 5 В через внутренний резистор. При обнаружении неисправности ДТОЖ контроллер рассчитывает значение темпера- туры охлаждающей жидкости по специальному алгоритму. Необходимо проверить цепь заземления датчиков на наличие неисправной проводки или соединения. Проверьте контакты датчика на надежность соединений. http://vnx.su/
  • 177.
    ГОСТ 3.1105-84 Лист 99 Дубликат Взам. Подп. 3100.25100.12056 ТИТехнологическая инструкция ОАО "АВТОВАЗ" ИзмЛист№документаПодписьДатаИзм.Лист№документаПодписьДата Код Р0118 Цепь датчика температуры охлаждающей жидкости, высокий уровень сигнала Зажигание включено, двигатель не работает. Подключить диагностический при- бор. На диагностическом приборе в режиме "Мониторинг сигналов; Параметры АЦП" проверить напряжение выходного сигнала датчика температуры охлаждающей жидкости. Напряжение больше 4,88 В? ↓ ↓ Да Нет ↓ ↓ ↓ ↓ Код Р0118 - непостоянный. В случае отсутствия других кодов - см. "Непо- стоянные неисправности", раздел 2.7В. ↓ 1 Отсоединить колодку жгута от датчика температуры охлаждающей жидкости. Перемкнуть контакты колодки жгута перемычкой. Напряжение выходного сигнала датчика температуры охлаждающей жидкости по прибору меньше 0,1 В? ↓ ↓ Нет Да ↓ ↓ 2 Снять перемычку. Соединить перемычкой контакт "2" ко- лодки жгута к ДТОЖ с массой. Напряжение выходного сигнала датчика температуры охлаждающей жидкости по прибору меньше 0,1 В? Снять перемычку. Вольтметром измерить напряже- ние между контактами "1" и "2" колодки жгута к ДТОЖ. Вольтметр должен показать 5 В. Так ли это? 3 ↓ ↓ ↓ ↓ Да Нет Да Нет ↓ ↓ ↓ ↓ ↓ ↓ ↓ Обрыв в цепи сигнала ДТОЖ, слабое соединение или неиспра- вен контроллер. ↓ ↓ ↓ Цепь сигнала ДТОЖ замкнута на источник питания. ↓ ↓ Обрыв цепи заземления ДТОЖ, слабое соединение или неисправен контроллер. Слабое соединение или неиспра- вен ДТОЖ. После ремонта запустить двигатель, сбросить коды и убедиться в отсутствии не- исправности. http://vnx.su/
  • 178.
    ГОСТ 3.1105-84 Лист 100Дубликат Взам. Подп. 3100.25100.12056 ТИТехнологическая инструкция ОАО "АВТОВАЗ" ИзмЛист№документаПодписьДатаИзм.Лист№документаПодписьДата Код Р0122 Цепь датчика положения дроссельной заслонки А, низкий уровень сигнала Код Р0122 заносится, если: - зажигание включено; - напряжение сигнала датчика положения дроссельной заслонки (параметр АЦП "На- пряжение датчика дроссельной заслонки 1") менее 0,25 В в течение 0,12 с. Сигнализатор неисправностей загорается через 5 c после возникновения кода неис- правности. Описание проверок Последовательность соответствует цифрам на карте. 1 С помощью диагностического прибора проверяется, активен ли код Р0122 в момент диагностики. Если фиксируется только код Р0122, то неисправность необходимо искать в сигнальной цепи ДПДЗ А. Если одновременно фиксируются коды Р0122 и Р0222, то неис- правность необходимо искать в цепи питания ДПДЗ А и ДПДЗ В. 2 Выполняется проверка цепи от контакта "Х1.2/G2" контроллера до контакта "3" ЭДП. 3 Выполняется проверка контроллера: при перемыкании контактов "3" и "5" колодки к ЭДП с помощью пробника сигнал ДПДЗ А на диагностическом приборе должен изменяться. 4 Выполняется проверка цепи от контакта "Х1.2/E3" контроллера до контакта "5" ЭДП. 5 Выполняется проверка контроллера: на контакт "5" колодки к ЭДП должно посту- пать опорное напряжение 5 В с контроллера. Диагностическая информация При обнаружении неисправности цепи ДПДЗ А система управления двигателем будет работать в аварийном режиме до конца текущей поездки. Возможны следующие аварийные режимы: - ограничение мощности двигателя, если исправна цепь ДПДЗ В; - обесточивание электропривода дроссельной заслонки и ограничение оборотов дви- гателя (2500 об/мин), если неисправны цепи ДПДЗ А и ДПДЗ В. Диагностический прибор в режиме "Мониторинг сигналов" показывает сигналы ДПДЗ А (параметр АЦП "Напряжение датчика дроссельной заслонки 1") и ДПДЗ В (па- раметр АЦП "Напряжение датчика дроссельной заслонки 2") в вольтах. При открытии дроссельной заслонки сигнал ДПДЗ А увеличивается, сигнал ДПДЗ В уменьшается. http://vnx.su/
  • 179.
    ГОСТ 3.1105-84 Лист 101 Дубликат Взам. Подп. 3100.25100.12056 ТИТехнологическая инструкция ОАО "АВТОВАЗ" ИзмЛист№документаПодписьДатаИзм.Лист№документаПодписьДата При полностью закрытой дроссельной заслонке сигнал ДПДЗ А должен находится в диапазоне 0,30…0,58 В, сигнал ДПДЗ В должен находится в диапазоне 4,42…4,70 В. Сумма сигналов ДПДЗ А и ДПДЗ В должна быть равна (5±0,1) В при любом положе- нии дроссельной заслонки. В случае замены ЭДП или контроллера ЭСУД, или сброса контроллера с помощью диагностического прибора (режим "Тест функций; Сброс ЭБУ с инициализацией") необхо- димо выполнить процедуру адаптации нуля дроссельной заслонки. Для этого на стоящем автомобиле необходимо включить зажигание, выждать 30 с, выключить зажигание, дождаться отключения главного реле. Адаптация будет прервана, если: - прокручивается двигатель; - автомобиль движется; - нажата педаль акселератора; - температура двигателя ниже 5 °С или выше 100 °С; - температура окружающего воздуха ниже 5 °С. Если электропривод дроссельной заслонки обесточен, с помощью прямой и возврат- ной пружин дроссельная заслонка удерживается в положении Limp home (6-7%). http://vnx.su/
  • 180.
    ГОСТ 3.1105-84 Лист 102Дубликат Взам. Подп. 3100.25100.12056 ТИТехнологическая инструкция ОАО "АВТОВАЗ" ИзмЛист№документаПодписьДатаИзм.Лист№документаПодписьДата Код Р0122 Цепь датчика положения дроссельной заслонки А, низкий уровень сигнала 1 Подключить диагностический прибор. Включить зажигание. Несколько раз на- жать педаль акселератора. Выбрать на приборе режим "Коды неисправностей". Проверить, активен ли код неисправности в данный момент? ↓ ↓ Да Нет ↓ ↓ ↓ ↓ Код Р0122 - непостоянный. В случае отсутствия других кодов - см. "Непо- стоянные неисправности", раздел 2.7В. ↓ Фиксируется ли код неисправности Р0222 одновременно с Р0122? ↓ ↓ Нет Да → Переход на проверку 4. ↓ 2 Выключить зажигание. Отсоединить колодку от ЭДП и колодку Х1.2 от контрол- лера. Выполнить проверки электрической цепи от контакта "Х1.2/G2" колодки к контроллеру до контакта "3" колодки к ЭДП на отсутствие обрыва и замыкания на массу – см. "Проверки электрических цепей", раздел 2.7В. Цепь исправна? ↓ ↓ Да Нет → Устранить неисправность цепи. ↓ 3 Подключить колодку Х1.2 к контроллеру. Включить зажигание. Пробником пе- ремкнуть контакты "3" и "5" колодки к ЭДП. На диагностическом приборе в ре- жиме "Мониторинг сигналов; Параметры АЦП" проверить напряжение ДПДЗ А. Напряжение равно 5 В? ↓ ↓ Да Нет → Неисправен контроллер. ↓ Неисправен ДПДЗ А. Заменить ЭДП на заведомо исправный. 4 Выключить зажигание. Отсоединить колодку от ЭДП и колодку Х1.2 от контрол- лера. Выполнить проверки электрической цепи от контакта "Х1.2/E3" колодки к контроллеру до контакта "5" колодки к ЭДП на отсутствие обрыва и замыкания на массу – см. "Проверки электрических цепей", раздел 2.7В. Цепь исправна? ↓ ↓ Да Нет → Устранить неисправность цепи. ↓ 5 Подключить колодку Х1.2 к контроллеру. Включить зажигание. Провести измере- ние напряжения на контакте "5" колодки к ЭДП - см. "Измерение напряжения на контактах жгута проводов", раздел 2.7В. Напряжение равно 5 В? ↓ ↓ Да Нет → Неисправен контроллер. ↓ Неисправен ЭДП. Заменить ЭДП на заведомо исправный. После ремонта запустить двигатель, сбросить коды и убедиться в отсутствии не- исправности. http://vnx.su/
  • 181.
    ГОСТ 3.1105-84 Лист 103 Дубликат Взам. Подп. 3100.25100.12056 ТИТехнологическая инструкция ОАО "АВТОВАЗ" ИзмЛист№документаПодписьДатаИзм.Лист№документаПодписьДата Код Р0123 Цепь датчика положения дроссельной заслонки А, высокий уровень сигнала Код Р0123 заносится, если: - зажигание включено; - напряжение сигнала датчика положения дроссельной заслонки (параметр АЦП "На- пряжение датчика дроссельной заслонки 1") более 4,75 В в течение 0,12 с. Сигнализатор неисправностей загорается через 5 c после возникновения кода неис- правности. Описание проверок Последовательность соответствует цифрам на карте. 1 С помощью диагностического прибора проверяется, активен ли код Р0123 в момент диагностики. Если фиксируется только код Р0123, то неисправность необходимо искать в сигнальной цепи ДПДЗ А. Если одновременно фиксируются коды Р0123 и Р0223, то неис- правность необходимо искать в цепи массы ДПДЗ А и ДПДЗ В. 2 Выполняется проверка напряжения в сигнальной цепи ДПДЗ А с отключенным дат- чиком. Напряжение должно быть около 0 В. 3 Выполняется проверка сигнальной цепи на наличие замыкания на источник питания. 4 Выполняется проверка цепи массы ДПДЗ А и ДПДЗ В. Диагностическая информация При обнаружении неисправности цепи ДПДЗ А система управления двигателем будет работать в аварийном режиме до конца текущей поездки. Возможны следующие аварийные режимы: - ограничение мощности двигателя, если исправна цепь ДПДЗ В; - обесточивание электропривода дроссельной заслонки и ограничение оборотов дви- гателя (2500 об/мин), если неисправны цепи ДПДЗ А и ДПДЗ В. Диагностический прибор в режиме "Мониторинг сигналов" показывает сигналы ДПДЗ А (параметр АЦП "Напряжение датчика дроссельной заслонки 1") и ДПДЗ В (па- раметр АЦП "Напряжение датчика дроссельной заслонки 2") в вольтах. При открытии дроссельной заслонки сигнал ДПДЗ А увеличивается, сигнал ДПДЗ В уменьшается. При полностью закрытой дроссельной заслонке сигнал ДПДЗ А должен находится в диапазоне 0,30…0,58 В, сигнал ДПДЗ В должен находится в диапазоне 4,42…4,70 В. Сумма сигналов ДПДЗ А и ДПДЗ В должна быть равна (5±0,1) В при любом положе- нии дроссельной заслонки. http://vnx.su/
  • 182.
    ГОСТ 3.1105-84 Лист 104Дубликат Взам. Подп. 3100.25100.12056 ТИТехнологическая инструкция ОАО "АВТОВАЗ" ИзмЛист№документаПодписьДатаИзм.Лист№документаПодписьДата В случае замены ЭДП или контроллера ЭСУД, или сброса контроллера с помощью диагностического прибора (режим "Тест функций; Сброс ЭБУ с инициализацией") необхо- димо выполнить процедуру адаптации нуля дроссельной заслонки. Для этого на стоящем автомобиле необходимо включить зажигание, выждать 30 с, выключить зажигание, дождаться отключения главного реле. Адаптация будет прервана, если: - прокручивается двигатель; - автомобиль движется; - нажата педаль акселератора; - температура двигателя ниже 5 °С или выше 100 °С; - температура окружающего воздуха ниже 5 °С. Если электропривод дроссельной заслонки обесточен, с помощью прямой и возврат- ной пружин дроссельная заслонка удерживается в положении Limp home (6-7%). http://vnx.su/
  • 183.
    ГОСТ 3.1105-84 Лист 105 Дубликат Взам. Подп. 3100.25100.12056 ТИТехнологическая инструкция ОАО "АВТОВАЗ" ИзмЛист№документаПодписьДатаИзм.Лист№документаПодписьДата Код Р0123 Цепь датчика положения дроссельной заслонки А, высокий уровень сигнала 1 Подключить диагностический прибор. Включить зажигание. Несколько раз на- жать педаль акселератора. Выбрать на приборе режим "Коды неисправностей". Проверить, активен ли код неисправности в данный момент? ↓ ↓ Да Нет ↓ ↓ ↓ ↓ Код Р0123 - непостоянный. В случае отсутствия других кодов - см. "Непо- стоянные неисправности", раздел 2.7В. ↓ Фиксируется ли код неисправности Р0223 одновременно с Р0123? ↓ ↓ Нет Да → Переход на проверку 4. ↓ 2 Выключить зажигание. Отсоединить колодку от ЭДП. Включить зажигание. Про- вести измерение напряжения на контакте "3" колодки к ЭДП - см. "Измерение на- пряжения на контактах жгута проводов", раздел 2.7В. Напряжение около 0 В? ↓ ↓ Нет Да → Неисправен ЭДП. ↓ 3 Выключить зажигание. Отсоединить колодку Х1.2 от контроллера. Провести про- верку замыкания контакта "Х1.2/G2" колодки жгута проводов на бортовую сеть – см. "Проверка замыкания цепи на бортовую сеть", раздел 2.7В. Замыкание есть? ↓ ↓ Да Нет → Неисправен контроллер. ↓ Устранить неисправность цепи. 4 Выключить зажигание. Отсоединить колодку от ЭДП. Пробником, соединенным с "+" АКБ, проверить контакт "4" колодки к ЭДП. Горит ли лампа пробника? ↓ ↓ Нет Да → Неисправен ЭДП. ↓ Отсоединить колодку Х1.2 от контроллера. Выполнить проверку электрической цепи от контакта "Х1.2/F5" колодки к контроллеру до контакта "4" колодки к ЭДП на отсутствие обрыва – см. "Проверки электрических цепей", раздел 2.7В. Цепь исправна? ↓ ↓ Нет Да → Неисправен контроллер. ↓ Устранить неисправность цепи. После ремонта запустить двигатель, сбросить коды и убедиться в отсутствии не- исправности. http://vnx.su/
  • 184.
    ГОСТ 3.1105-84 Лист 106Дубликат Взам. Подп. 3100.25100.12056 ТИТехнологическая инструкция ОАО "АВТОВАЗ" ИзмЛист№документаПодписьДатаИзм.Лист№документаПодписьДата Код Р0130 Датчик кислорода до нейтрализатора неисправен Код Р0130 заносится, если: - двигатель проработал время, достаточное для прогрева датчика кислорода (до 10 мин, определяется температурой ОЖ при старте); - сигнал УДК повторяет по форме сигнал управления нагревателем (замыкание цепи выходного сигнала на цепь управления нагревателем); или напряжение сигнала прогретого УДК (параметр АЦП "Напряжение датчика ки- слорода до нейтрализатора") находится в диапазоне от 0,6 до 1,5 В, а напряжение сигнала ДДК (параметр АЦП "Напряжение датчика кислорода после нейтрализатора") меньше 0,1 В, при этом система осуществляет топливоподачу в режиме обратной связи по сигналу УДК (значение параметра "Признак работы в зоне регулировки по сигналу управляю- щего датчика кислорода" = Да); или напряжение сигнала прогретого УДК находится в диапазоне от 60 до 400 мВ, а напряжение сигнала ДДК больше 0,5 В, при этом система осуществляет топливоподачу в режиме обратной связи по сигналу УДК (значение параметра "Признак работы в зоне ре- гулировки по сигналу управляющего датчика кислорода" = Да). Сигнализатор неисправностей загорается на 3-ей поездке после возникновения устой- чивой неисправности. Описание проверок Последовательность соответствует цифрам на карте. 1 Проверяется с помощью диагностического прибора значение напряжения сигнала управляющего датчика кислорода. 2 Проверяется исправность цепи сигнала датчика. Диагностическая информация Напряжение на контакте "2" холодного датчика кислорода равно 1,7 В. Для прогретого датчика напряжение при работе по замкнутому контуру изменяется в диапазоне 180...950 мВ. http://vnx.su/
  • 185.
    ГОСТ 3.1105-84 Лист 107 Дубликат Взам. Подп. 3100.25100.12056 ТИТехнологическая инструкция ОАО "АВТОВАЗ" ИзмЛист№документаПодписьДатаИзм.Лист№документаПодписьДата Код Р0130 Датчик кислорода до нейтрализатора неисправен 1 Подключить диагностический прибор. Включить зажигание. Напряжение сигнала УДК по диагностическому прибору (параметры АЦП) долж- но быть 1,7 В. Какое напряжение показывает прибор? ↓ ↓ ↓ Больше 2 В Меньше 0,4 В Около 1,7 В ↓ ↓ ↓ 2 ↓ ↓ ↓ ↓ ↓ ↓ ↓ ↓ Выключить зажигание. Отсоединить колодку жгута от УДК. Включить зажига- ние. Напряжение сигнала датчика по диагностическо- му прибору (параметры АЦП) должно быть 1,7 В. Так ли это? Проанализировать дополнительную ин- формацию, сопутствующую коду Р0130. Очистить коды. Запустить двигатель. Используя диагностический прибор, по- пытаться воспроизвести условия воз- никновения кода неисправности. Заносится ли код Р0130? ↓ ↓ ↓ ↓ ↓ ↓ Нет Да Да Нет ↓ ↓ ↓ ↓ ↓ ↓ ↓ Неисправен УДК. ↓ ↓ ↓ ↓ ↓ ↓ ↓ Цепь сигнала УДК замкнута на массу или неисправен контроллер. Код Р0130 - непостоянный. В случае отсутствия других кодов - см. "Непосто- янные неисправности", раздел 2.7В. ↓ 2 Выключить зажигание. Отсоединить колодку жгута от управляющего датчика кислорода. Включить зажигание. Напряжение сигнала датчика по диагностическому прибору (параметры АЦП) должно быть 1,7 В. Так ли это? ↓ ↓ Нет Да ↓ ↓ Замыкание цепи сигнала ДК на цепь управления нагрева- телем или неисправен контроллер. Неисправен УДК. После ремонта запустить двигатель, сбросить коды и убедиться в отсутствии не- исправности. http://vnx.su/
  • 186.
    ГОСТ 3.1105-84 Лист 108Дубликат Взам. Подп. 3100.25100.12056 ТИТехнологическая инструкция ОАО "АВТОВАЗ" ИзмЛист№документаПодписьДатаИзм.Лист№документаПодписьДата Код Р0131 Цепь датчика кислорода до нейтрализатора, низкий уровень выходного сигнала Код Р0131 заносится, если: - двигатель проработал время, достаточное для прогрева датчика кислорода (до 10 мин, определяется температурой ОЖ при старте); - напряжение сигнала холодного управляющего датчика кислорода (параметр АЦП "Напряжение датчика кислорода до нейтрализатора") ниже 60 мВ в течение 5 с; или в течение 10 секунд напряжение сигнала прогретого УДК (параметр АЦП "На- пряжение датчика кислорода до нейтрализатора") меньше 60 мВ, а напряжение сигнала ДДК (параметр АЦП "Напряжение датчика кислорода после нейтрализатора") больше 0,5 В, при этом система осуществляет топливоподачу в режиме обратной связи по сигналу УДК (значение параметра "Признак работы в зоне регулировки по сигналу управляю- щего датчика кислорода" = Да). Сигнализатор неисправностей загорается на 3-ей поездке после возникновения устой- чивой неисправности. Описание проверок Последовательность соответствует цифрам на карте. 1 Проверяется с помощью диагностического прибора значение напряжения сигнала управляющего датчика кислорода. 2 Проверяется исправность цепи сигнала датчика. Диагностическая информация Напряжение на контакте "2" холодного датчика кислорода равно 1,7 В. Для прогретого датчика напряжение при работе по замкнутому контуру изменяется в диапазоне 180...950 мВ. http://vnx.su/
  • 187.
    ГОСТ 3.1105-84 Лист 109 Дубликат Взам. Подп. 3100.25100.12056 ТИТехнологическая инструкция ОАО "АВТОВАЗ" ИзмЛист№документаПодписьДатаИзм.Лист№документаПодписьДата Код Р0131 Цепь датчика кислорода до нейтрализатора, низкий уровень выходного сиг- нала 1 Подключить диагностический прибор. Включить зажигание. Напряжение сигнала УДК по диагностическому прибору (параметры АЦП) мень- ше 60 мВ? ↓ ↓ Да Нет ↓ ↓ ↓ ↓ Код Р0131 - непостоянный. В случае отсутствия других кодов - см. "Допол- нительную информацию" по коду неисправности. ↓ 2 Выключить зажигание. Отсоединить колодку жгута от датчика кислорода. Включить зажигание. Напряжение сигнала датчика по диагностическому прибору (параметры АЦП) меньше 60 мВ? ↓ ↓ Да Нет ↓ ↓ Цепь сигнала УДК замкнута на массу или неисправен контроллер. Неисправен УДК. После ремонта запустить двигатель, сбросить коды и убедиться в отсутствии не- исправности. http://vnx.su/
  • 188.
    ГОСТ 3.1105-84 Лист 110Дубликат Взам. Подп. 3100.25100.12056 ТИТехнологическая инструкция ОАО "АВТОВАЗ" ИзмЛист№документаПодписьДатаИзм.Лист№документаПодписьДата Код Р0132 Цепь датчика кислорода до нейтрализатора, высокий уровень выходного сигнала Код Р0132 заносится, если: - двигатель проработал время, достаточное для прогрева датчика кислорода (до 10 мин, определяется температурой ОЖ при старте); - напряжение сигнала управляющего датчика кислорода (параметр АЦП "Напряже- ние датчика кислорода до нейтрализатора") выше 1,2 В в течение 5 с. Сигнализатор неисправностей загорается на 3-ей поездке после возникновения устой- чивой неисправности. Описание проверок Последовательность соответствует цифрам на карте. 1 Проверяется с помощью диагностического прибора значение напряжения сигнала управляющего датчика кислорода. 2 Проверяется исправность цепи сигнала датчика. Диагностическая информация Напряжение на контакте "2" холодного датчика кислорода равно 1,7 В. Для прогретого датчика напряжение при работе по замкнутому контуру изменяется в диапазоне 180...950мВ. http://vnx.su/
  • 189.
    ГОСТ 3.1105-84 Лист 111 Дубликат Взам. Подп. 3100.25100.12056 ТИТехнологическая инструкция ОАО "АВТОВАЗ" ИзмЛист№документаПодписьДатаИзм.Лист№документаПодписьДата Код Р0132 Цепь датчика кислорода до нейтрализатора, высокий уровень выходного сиг- нала 1 Подключить диагностический прибор. Включить зажигание. Напряжение сигнала УДК по диагностическому прибору (параметры АЦП) боль- ше 1,2 В? ↓ ↓ Да Нет ↓ ↓ ↓ ↓ Код Р0132 - непостоянный. В случае отсутствия других кодов - см. "Допол- нительную информацию" по коду неисправности. ↓ 2 Выключить зажигание. Отсоединить колодку жгута от датчика кислорода. Включить зажигание. Напряжение сигнала датчика по диагностическому прибору (параметры АЦП) больше 1,2 В? ↓ ↓ Да Нет ↓ ↓ Цепь сигнала УДК замкнута на источник питания или не- исправен контроллер. Неисправен УДК. После ремонта запустить двигатель, сбросить коды и убедиться в отсутствии не- исправности. http://vnx.su/
  • 190.
    ГОСТ 3.1105-84 Лист 112Дубликат Взам. Подп. 3100.25100.12056 ТИТехнологическая инструкция ОАО "АВТОВАЗ" ИзмЛист№документаПодписьДатаИзм.Лист№документаПодписьДата Код Р0133 Цепь датчика кислорода до нейтрализатора, медленный отклик на изменение состава смеси Код Р0133 заносится, если: - периода сигнала УДК (параметр "Период сигнала датчика кислорода до нейтра- лизатора") больше 2 секунд; - отсутствуют коды неисправностей Р0030, Р0031, Р0032, Р0441, Р0444, Р0458, Р0459, Р0560, Р0562, Р0563; - управление топливоподачей осуществляется в режиме обратной связи по сигналу управляющего датчика кислорода (значение параметра "Признак работы в зоне регули- ровки по сигналу управляющего датчика кислорода" = Да); - нейтрализатор прогрелся до рабочей температуры; - значение параметра "Частота вращения коленчатого вала двигателя" находится в диапазоне от 1440 до 2880 об/мин; - значение параметра "Параметр нагрузки" находится в диапазоне от 15 до 50 %; - прошло более 10 секунд после выключения продувки адсорбера. Сигнализатор неисправностей загорается на 3-ей поездке после возникновения устой- чивой неисправности. Описание проверок Последовательность соответствует цифрам на карте. 1 Проверяется наличие других неисправностей. 2 Проверяется наличие постоянной неисправности. 3 Проверяется возможность возникновения кода вследствие неисправности в системе выпуска или нарушения контакта, проверяется цепь заземления датчика. 4 Проверяется исправность цепи выходного сигнала датчика. 5 Проверяется исправность цепи выходного сигнала датчика. Диагностическая информация Неисправность непостоянного характера может быть вызвана наличием следующих неисправностей: Неверное или ненадежное соединение контактов колодок жгута системы зажига- ния, датчика и контроллера. Осмотреть разъемы датчика и контроллера, колодки жгута на полноту и правильность сочленения, повреждения замков, наличие поврежденных контак- тов и качество соединения контактов с проводом. Повреждения жгута. Проверить жгут на наличие повреждений. http://vnx.su/
  • 191.
    ГОСТ 3.1105-84 Лист 113 Дубликат Взам. Подп. 3100.25100.12056 ТИТехнологическая инструкция ОАО "АВТОВАЗ" ИзмЛист№документаПодписьДатаИзм.Лист№документаПодписьДата Код Р0133 Цепь датчика кислорода до нейтрализатора, медленный отклик на изменение состава смеси 1 Подключить диагностический прибор. Выбрать режим "Коды неисправностей". Присутствуют ли другие коды неисправностей? ↓ ↓ Нет Да → Сначала устранить эти неисправности. ↓ 2 Запустить двигатель. Стереть коды неисправностей. Воспроизвести условия возникновения кода неисправности. - значение параметра "Признак работы в зоне регулировки по сигналу управ- ляющего датчика кислорода" = Да; - двигатель и нейтрализатор прогреты до рабочей температуры; - значение параметра "Частота вращения коленчатого вала двигателя" нахо- дится в диапазоне от 1440 до 2880 об/мин; - значение параметра "Параметр нагрузки" находится в диапазоне от 15 до 50 %; - прошло более 10 секунд после выключения продувки адсорбера. Заносится ли код Р0133? ↓ ↓ Да Нет → См. "Диагностическую информацию". ↓ 3 Заглушить двигатель. Проверить систему выпуска отработавших газов. В случае обнаружения утечки устранить неисправность. Проверить управляющий датчик кислорода на надежность установки и отсутствие повреждений корпуса. Прове- рить контакты датчика и присоединяемой колодки жгута на отсутствие коррозии и деформации. Отсоединить колодку жгута от управляющего датчика кислорода. Омметром измерить сопротивление между контактом "1" колодки жгута и массой. Сопротивление должно быть менее 1 Ом. Так ли это? ↓ ↓ Да Нет → Обрыв цепи заземления датчика. ↓ 4 Включить зажигание. Напряжение сигнала УДК по диагностическому прибору (параметр АЦП) должно быть около 1,7 В. Так ли это? ↓ ↓ Да Нет ↓ ↓ ↓ Замыкание на массу или источник питания цепи сигнала УДК. ↓ 5 Соединить контакт "2" колодки жгута с надежной массой. Напряжение сигнала УДК по диагностическому прибору должно быть ниже 150 мВ. Так ли это? ↓ ↓ Да Нет ↓ ↓ ↓ Обрыв или плохой контакт в цепи сигнала УДК. ↓ Неисправен управляющий датчик кислорода. После ремонта запустить двигатель, сбросить коды и убедиться в отсутствии не- исправности. http://vnx.su/
  • 192.
    ГОСТ 3.1105-84 Лист 114Дубликат Взам. Подп. 3100.25100.12056 ТИТехнологическая инструкция ОАО "АВТОВАЗ" ИзмЛист№документаПодписьДатаИзм.Лист№документаПодписьДата Код Р0134 Цепь датчика кислорода до нейтрализатора неактивна Код Р0134 заносится, если: - двигатель проработал время, достаточное для прогрева датчика кислорода (до 10 мин, определяется температурой ОЖ при старте); - напряжение сигнала УДК (параметр "Период сигнала датчика кислорода до ней- трализатора") находилось в диапазоне 1,2...1,7 В в течение 5 с. Сигнализатор неисправностей загорается на 3-ей поездке после возникновения устой- чивой неисправности. Описание проверок Последовательность соответствует цифрам на карте. 1 Если напряжение находится в указанных пределах, то датчик кислорода не прогрел- ся или неисправна цепь выходного сигнала датчика. 2 Проверяется исправность цепи входного сигнала датчика путем измерения напря- жения между контактом "2" колодки жгута и массой. Диагностическая информация Напряжение на контакте "2" холодного датчика кислорода равно 1,7 В. Для прогретого датчика напряжение при работе по замкнутому контуру изменяется в диапазоне 180...950 мВ. Причиной возникновения кода Р0134 могут быть: - недостаточная мощность нагревателя датчика кислорода; - установка датчика кислорода другого типа; - ненадежный контакт в колодках жгута и датчика. Если одновременно с кодом Р0134 фиксируются: - код Р0030, то вероятной причиной возникновения неисправности является отсоеди- нение колодки датчика кислорода от жгута проводов и устранение неисправности следует начинать с карты кода Р0030. http://vnx.su/
  • 193.
    ГОСТ 3.1105-84 Лист 115 Дубликат Взам. Подп. 3100.25100.12056 ТИТехнологическая инструкция ОАО "АВТОВАЗ" ИзмЛист№документаПодписьДатаИзм.Лист№документаПодписьДата Код Р0134 Цепь датчика кислорода до нейтрализатора неактивна 1 Подключить диагностический прибор. Запустить двигатель, прогреть датчик кислорода до рабочей температуры (на ре- жиме холостого хода около 10 мин). Напряжение сигнала УДК по диагностическому прибору (параметры АЦП) в пре- делах 1,2...1,7 В? ↓ ↓ Да Нет ↓ ↓ ↓ ↓ ↓ ↓ Код Р0134 - непостоянный. Необходимо проанализировать условия возник- новения кода - см. "Дополнительную информацию" по коду неисправности. Проверить контакты датчика и присоединяемой колодки жгута на отсутст- вие коррозии и деформации. ↓ 2 Выключить зажигание. Отсоединить колодку жгута от датчика кислорода. Включить зажигание. Вольтметром измерить напряжение между контактами "2" и "1" колодки жгута к датчику кислорода. Напряжение должно быть 1,7 В. Так ли это? ↓ ↓ Нет Да → Неисправен УДК. ↓ Обрыв или плохой контакт в цепи сигнала УДК, или неисправен контроллер. После ремонта запустить двигатель, сбросить коды и убедиться в отсутствии не- исправности. http://vnx.su/
  • 194.
    ГОСТ 3.1105-84 Лист 116Дубликат Взам. Подп. 3100.25100.12056 ТИТехнологическая инструкция ОАО "АВТОВАЗ" ИзмЛист№документаПодписьДатаИзм.Лист№документаПодписьДата Код Р0135 Датчик кислорода до нейтрализатора, нагреватель неисправен Код Р0135 заносится, если: - двигатель работает; - рассчитанная контроллером температура нейтрализатора выше порога; - рассчитанное контроллером сопротивление УДК выше порога. Сигнализатор неисправностей загорается на 3-ей поездке после возникновения устой- чивой неисправности. Описание проверок Последовательность соответствует цифрам на карте. 1. Проверяется надежность соединения датчика кислорода со жгутом проводов. Диагностическая информация Контроллер в процессе работы рассчитывает сопротивление чувствительного элемен- та УДК, которое зависит от рабочей температуры датчика. Она в свою очередь определяется температурой его нагревателя и выпускных газов. В зависимости от режима работы двига- теля, сопротивление датчика кислорода может изменяться в диапазоне 90...550 Ом. Если одновременно с кодом Р0135 фиксируется код Р0030, то устранение неисправно- сти следует начинать с карты кода Р0030. Причиной возникновения кода Р0135 могут быть: - установка датчика кислорода другого типа; - ненадежный контакт в колодках жгута и датчика. http://vnx.su/
  • 195.
    ГОСТ 3.1105-84 Лист 117 Дубликат Взам. Подп. 3100.25100.12056 ТИТехнологическая инструкция ОАО "АВТОВАЗ" ИзмЛист№документаПодписьДатаИзм.Лист№документаПодписьДата Код Р0135 Датчик кислорода до нейтрализатора, нагреватель неисправен Подключить диагностический прибор. Запустить двигатель, прогреть датчик кислорода до рабочей температуры (на ре- жиме холостого хода около 10 мин). Сопротивление УДК по диагностическому прибору (параметр АЦП "Сопротив- ление датчика кислорода до нейтрализатора") больше 550 Ом? ↓ ↓ Да Нет ↓ ↓ ↓ ↓ Код Р0135 - непостоянный. Необходимо проанализировать условия возник- новения кода - см. "Дополнительную информацию" по коду неисправности. ↓ 1 Выключить зажигание. Отсоединить колодку жгута от датчика кислорода. Проверить контакты датчика и присоединяемой колодки жгута на надежность со- единения, отсутствие коррозии и деформации. Если соединение исправно, то заменить УДК. После ремонта запустить двигатель, сбросить коды и убедиться в отсутствии не- исправности. http://vnx.su/
  • 196.
    ГОСТ 3.1105-84 Лист 118Дубликат Взам. Подп. 3100.25100.12056 ТИТехнологическая инструкция ОАО "АВТОВАЗ" ИзмЛист№документаПодписьДатаИзм.Лист№документаПодписьДата Код Р0136 Датчик кислорода после нейтрализатора неисправен Код Р0136 заносится, если: - двигатель проработал время, достаточное для прогрева датчика кислорода (до 30 мин, определяется температурой ОЖ при старте); - сигнал ДДК повторяет по форме сигнал управления нагревателем (замыкание цепи выходного сигнала на цепь управления нагревателем). Сигнализатор неисправностей загорается на 3-ей поездке после возникновения устой- чивой неисправности. Описание проверок Последовательность соответствует цифрам на карте. 1 Проверяется значение напряжения выходного сигнала диагностического датчика ки- слорода. 2 Проверяется наличие постоянной неисправности. 3 Проверяется исправность датчика. Диагностическая информация Напряжение на контакте "2" холодного диагностического датчика кислорода равно 1,7 В. Для прогретого датчика напряжение сигнала при работе в режиме обратной связи, на частичных нагрузках и при исправном нейтрализаторе в установившемся режиме изменяет- ся в диапазоне от 590 до 750 мВ. Неисправность непостоянного характера может быть вызвана наличием следующих неисправностей: Неправильная трасса жгута проводов. Убедиться в том, что отвод к датчику не ка- сается элементов системы выпуска отработавших газов. Переобедненный состав топливовоздушной смеси. Провести диагностику системы топливоподачи по карте А-6. http://vnx.su/
  • 197.
    ГОСТ 3.1105-84 Лист 119 Дубликат Взам. Подп. 3100.25100.12056 ТИТехнологическая инструкция ОАО "АВТОВАЗ" ИзмЛист№документаПодписьДатаИзм.Лист№документаПодписьДата Код Р0136 Датчик кислорода после нейтрализатора неисправен 1 Подключить диагностический прибор. Включить зажигание. Выбрать режим "Мониторинг сигналов; Параметры АЦП". При наличии данной неисправности напряжение сигнала диагностического датчика кислорода (пара- метр АЦП "Напряжение датчика кислорода после нейтрализатора") по диаг- ностическому прибору должно быть больше 2 В. Так ли это? ↓ ↓ Нет Да ↓ ↓ 2 Запустить двигатель. Используя диагностический при- бор, попытаться воспроизвести условия возникновения кода не- исправности. Код Р0136 активен? Выключить зажигание. Отсоединить колодку жгута от диагно- стического датчика кислорода. Включить зажигание. Напряжение сигнала ДДК по диагно- стическому прибору (параметры АЦП) должно быть около 1,7 В. Так ли это? 3 ↓ ↓ ↓ ↓ Нет Да Да Нет ↓ ↓ ↓ ↓ ↓ Неисправен ДДК. ↓ ↓ ↓ Код Р0136 - непостоянный. В слу- чае отсутствия других кодов - см. "Диагностическую информацию". Цепь сигнала ДДК замкнута на цепь управления нагревателем или неиспра- вен контроллер. После ремонта запустить двигатель, сбросить коды и убедиться в отсутствии не- исправности. http://vnx.su/
  • 198.
    ГОСТ 3.1105-84 Лист 120Дубликат Взам. Подп. 3100.25100.12056 ТИТехнологическая инструкция ОАО "АВТОВАЗ" ИзмЛист№документаПодписьДатаИзм.Лист№документаПодписьДата Код Р0137 Цепь датчика кислорода после нейтрализатора, низкий уровень сигнала Код Р0137 заносится, если: - двигатель проработал время, достаточное для прогрева датчика кислорода (до 30 мин, определяется температурой ОЖ при старте); - напряжение сигнала холодного диагностического датчика кислорода (параметр АЦП "Напряжение датчика кислорода после нейтрализатора") меньше 60 мВ; или в течение 40 секунд напряжение сигнала прогретого ДДК меньше 60 мВ, при этом система осуществляет топливоподачу в режиме обратной связи по сигналу УДК. Сигнализатор неисправностей загорается на 3-ей поездке после возникновения устой- чивой неисправности. Описание проверок Последовательность соответствует цифрам на карте. 1 Проверяется значение напряжения выходного сигнала диагностического датчика ки- слорода. 2 Проверяется наличие постоянной неисправности. 3 Проверяется исправность датчика. Диагностическая информация Напряжение на контакте "2" холодного диагностического датчика кислорода равно 1,7 В. Для прогретого датчика напряжение сигнала при работе в режиме обратной связи, на частичных нагрузках и при исправном нейтрализаторе в установившемся режиме изменяет- ся в диапазоне от 590 до 750 мВ. Неисправность непостоянного характера может быть вызвана наличием следующих неисправностей: Ненадежное соединение контактов колодок жгута системы зажигания, датчика и контроллера. Осмотреть разъемы датчика и контроллера, колодки жгута на полноту и пра- вильность сочленения, повреждения замков, наличие поврежденных контактов и качество соединения контактов с проводом. Неправильная трасса жгута проводов. Убедиться в том, что отвод к датчику не ка- сается элементов системы выпуска отработавших газов. Переобедненный состав топливовоздушной смеси. Провести диагностику системы топливоподачи по карте А-6. http://vnx.su/
  • 199.
    ГОСТ 3.1105-84 Лист 121 Дубликат Взам. Подп. 3100.25100.12056 ТИТехнологическая инструкция ОАО "АВТОВАЗ" ИзмЛист№документаПодписьДатаИзм.Лист№документаПодписьДата Код Р0137 Цепь датчика кислорода после нейтрализатора, низкий уровень сигнала 1 Подключить диагностический прибор. Запустить двигатель. Выбрать режим "Мониторинг сигналов; Параметры АЦП". При наличии данной неисправности напряжение сигнала диагностического датчи- ка кислорода по диагностическому прибору должно быть меньше 60 мВ. Так ли это? ↓ ↓ Нет Да ↓ ↓ 2 Просмотреть и запомнить дополнительную информацию к коду неис- правности Р0137. Очистить коды. Используя диагностический прибор, попытаться воспроизвести условия возникновения кода неисправно- сти. Заносится ли код Р0137? ↓ ↓ ↓ ↓ ↓ ↓ ↓ Нет Да ↓ ↓ ↓ ↓ ↓ ↓ ↓ ↓ Выключить зажигание. Отсоединить колодку жгута от диагностического датчика кислорода. Включить зажигание. Напряжение сигнала диагностиче- ского датчика кислорода по диагностическому прибору (параметры АЦП) должно быть около 1,7 В. Так ли это? 3 ↓ ↓ ↓ ↓ Да Нет ↓ ↓ ↓ ↓ ↓ Неисправен ДДК. Неисправен контроллер или замыкание цепи сигна- ла ДДК на массу. ↓ Код Р0137 - непостоянный. В случае отсутствия других кодов -см. "Диагностиче- скую информацию". После ремонта запустить двигатель, сбросить коды и убедиться в отсутствии не- исправности. http://vnx.su/
  • 200.
    ГОСТ 3.1105-84 Лист 122Дубликат Взам. Подп. 3100.25100.12056 ТИТехнологическая инструкция ОАО "АВТОВАЗ" ИзмЛист№документаПодписьДатаИзм.Лист№документаПодписьДата Код Р0138 Цепь датчика кислорода после нейтрализатора, высокий уровень сигнала Код Р0138 заносится, если: - двигатель проработал время, достаточное для прогрева датчика кислорода (до 30 мин, определяется температурой ОЖ при старте); - напряжение сигнала диагностического датчика кислорода (параметр АЦП "Напря- жение датчика кислорода после нейтрализатора") больше 1,2 В в течение 5 с. Сигнализатор неисправностей загорается на 3-ей поездке после возникновения устой- чивой неисправности. Описание проверок Последовательность соответствует цифрам на карте. 1 Проверяется значение напряжения выходного сигнала диагностического датчика ки- слорода. 2 Проверяется наличие постоянной неисправности. 3 Проверяется исправность датчика. Диагностическая информация Напряжение на контакте "2" холодного диагностического датчика кислорода равно 1,7 В. Для прогретого датчика напряжение сигнала при работе в режиме обратной связи, на частичных нагрузках и при исправном нейтрализаторе в установившемся режиме изменяет- ся в диапазоне от 590 до 750 мВ. Неисправность непостоянного характера может быть вызвана наличием следующих неисправностей: Неправильная трасса жгута проводов. Убедиться в том, что отвод к датчику не ка- сается элементов системы выпуска отработавших газов. Загрязнение кремнием поверхности датчика. Проверить рабочую часть датчика на наличие белого налета. http://vnx.su/
  • 201.
    ГОСТ 3.1105-84 Лист 123 Дубликат Взам. Подп. 3100.25100.12056 ТИТехнологическая инструкция ОАО "АВТОВАЗ" ИзмЛист№документаПодписьДатаИзм.Лист№документаПодписьДата Код Р0138 Цепь датчика кислорода после нейтрализатора, высокий уровень сигнала 1 Подключить диагностический прибор. Запустить двигатель и дать поработать в режиме холостого хода 5 минут. Выбрать режим "Мониторинг сигналов; Параметры АЦП". При наличии данной неисправности напряжение сигнала диагностического датчи- ка кислорода по диагностическому прибору должно быть больше 1,2 В. Так ли это? ↓ ↓ Нет Да ↓ ↓ 2 Просмотреть и запомнить дополнительную информацию к коду неис- правности Р0138. Очистить коды. Используя диагностический прибор, попытаться воспроизвести условия возникновения кода неисправно- сти. Заносится ли код Р0138? ↓ ↓ ↓ ↓ ↓ ↓ ↓ Нет Да ↓ ↓ ↓ ↓ ↓ ↓ ↓ ↓ Выключить зажигание. Отсоединить колодку жгута от диагностического датчика кислорода. Включить зажигание. Напряжение сигнала диагностиче- ского датчика кислорода по диагностическому прибору (параметры АЦП) должно быть около 1,7 В. Так ли это? 3 ↓ ↓ ↓ ↓ Да Нет ↓ ↓ ↓ ↓ ↓ Неисправен ДДК. Замыкание цепи сигнала ДДК на источник питания или неисправен контроллер. ↓ Код Р0138 - непостоянный. В случае отсутствия других кодов -см. "Диагностиче- скую информацию". После ремонта запустить двигатель, сбросить коды и убедиться в отсутствии не- исправности. http://vnx.su/
  • 202.
    ГОСТ 3.1105-84 Лист 124Дубликат Взам. Подп. 3100.25100.12056 ТИТехнологическая инструкция ОАО "АВТОВАЗ" ИзмЛист№документаПодписьДатаИзм.Лист№документаПодписьДата Код Р0140 Цепь датчика кислорода после нейтрализатора неактивна Код Р0140 заносится, если: - двигатель проработал время, достаточное для прогрева датчика кислорода (до 30 мин, определяется температурой ОЖ при старте); - напряжение сигнала диагностического датчика кислорода (параметр АЦП "Напря- жение датчика кислорода после нейтрализатора") находится в диапазоне 1,2...1,7 В. Сигнализатор неисправностей загорается на 3-ей поездке после возникновения устой- чивой неисправности. Описание проверок Последовательность соответствует цифрам на карте. 1 Проверяется значение напряжения выходного сигнала диагностического датчика ки- слорода. 2 Проверяется наличие постоянной неисправности. 3 Проверяется исправность датчика. Диагностическая информация Напряжение на контакте "2" холодного диагностического датчика кислорода равно 1,7 В. Для прогретого датчика напряжение сигнала при работе в режиме обратной связи, на частичных нагрузках и при исправном нейтрализаторе в установившемся режиме изменяет- ся в диапазоне от 590 до 750 мВ. Неисправность непостоянного характера может быть вызвана наличием следующих неисправностей: Ненадежное соединение контактов колодок жгута системы зажигания, датчика и контроллера. Осмотреть разъемы датчика и контроллера, колодки жгута на полноту и пра- вильность сочленения, повреждения замков, наличие поврежденных контактов и качество соединения контактов с проводом. Если одновременно с кодом Р0140 фиксируются: - код Р0036, то наиболее вероятной причиной неисправности является отключение ди- агностического датчика кислорода от жгута проводов и устранение неисправности следует начинать с карты кода Р0036. http://vnx.su/
  • 203.
    ГОСТ 3.1105-84 Лист 125 Дубликат Взам. Подп. 3100.25100.12056 ТИТехнологическая инструкция ОАО "АВТОВАЗ" ИзмЛист№документаПодписьДатаИзм.Лист№документаПодписьДата Код Р0140 Цепь датчика кислорода после нейтрализатора неактивна 1 Подключить диагностический прибор. Запустить двигатель дать поработать на режиме холостого хода около 10 мин. Выбрать режим "Мониторинг сигналов; Параметры АЦП". При наличии данной неисправности напряжение сигнала диагностического датчика кислорода по диаг- ностическому прибору должно быть в пределах 1,2...1,7 В. Так ли это? ↓ ↓ Нет Да ↓ ↓ 2 Просмотреть и запомнить дополнительную информацию к коду неис- правности Р0140. Очистить коды. Используя диагностический прибор, попытаться воспроизвести условия возникновения кода неисправно- сти. Заносится ли код Р0140? ↓ ↓ ↓ ↓ ↓ ↓ ↓ Нет Да ↓ ↓ ↓ ↓ ↓ ↓ ↓ ↓ Выключить зажигание. Отсоединить колодку жгута от ДДК. Соединить контакты "2" и "1" колодки жгута с надежной массой. Включить зажигание. Напряжение сигнала ДДК по диагностическому при- бору (параметры АЦП) должно быть меньше 150 мВ. Так ли это? 3 ↓ ↓ ↓ ↓ Да Нет ↓ ↓ ↓ ↓ ↓ Неисправен ДДК. Обрыв цепи сигнала ДДК или неисправен контрол- лер. ↓ Код Р0140 - непостоянный. В случае отсутствия других кодов -см. "Диагностиче- скую информацию". После ремонта запустить двигатель, сбросить коды и убедиться в отсутствии не- исправности. http://vnx.su/
  • 204.
    ГОСТ 3.1105-84 Лист 126Дубликат Взам. Подп. 3100.25100.12056 ТИТехнологическая инструкция ОАО "АВТОВАЗ" ИзмЛист№документаПодписьДатаИзм.Лист№документаПодписьДата Код Р0141 Датчик кислорода после нейтрализатора, нагреватель неисправен Код Р0141 заносится, если: - двигатель работает; - рассчитанная контроллером температура нейтрализатора выше порога; - рассчитанное контроллером сопротивление ДДК выше порога. Сигнализатор неисправностей загорается на 3-ей поездке после возникновения устой- чивой неисправности. Описание проверок Последовательность соответствует цифрам на карте. 1. Проверяется надежность соединения датчика кислорода со жгутом проводов. Диагностическая информация Контроллер в процессе работы рассчитывает сопротивление чувствительного элемен- та ДДК, которое зависит от рабочей температуры датчика. Она в свою очередь определяется температурой его нагревателя и выпускных газов. В зависимости от режима работы двига- теля, сопротивление датчика кислорода может изменяться в диапазоне 90...550 Ом. Если одновременно с кодом Р0141 фиксируется код Р0036, то устранение неисправно- сти следует начинать с карты кода Р0036. Причиной возникновения кода Р0141 могут быть: - установка датчика кислорода другого типа; - ненадежный контакт в колодках жгута и датчика. http://vnx.su/
  • 205.
    ГОСТ 3.1105-84 Лист 127 Дубликат Взам. Подп. 3100.25100.12056 ТИТехнологическая инструкция ОАО "АВТОВАЗ" ИзмЛист№документаПодписьДатаИзм.Лист№документаПодписьДата Код Р0141 Датчик кислорода после нейтрализатора, нагреватель неисправен Подключить диагностический прибор. Запустить двигатель, прогреть датчик кислорода до рабочей температуры (на ре- жиме холостого хода около 10 мин). Сопротивление ДДК по диагностическому прибору (параметр АЦП "Сопротив- ление датчика кислорода после нейтрализатора") больше 550 Ом? ↓ ↓ Да Нет ↓ ↓ ↓ ↓ Код Р0141 - непостоянный. Необходимо проанализировать условия возник- новения кода - см. "Дополнительную информацию" по коду неисправности. ↓ 1 Выключить зажигание. Отсоединить колодку жгута от датчика кислорода. Проверить контакты датчика и присоединяемой колодки жгута на надежность со- единения, отсутствие коррозии и деформации. Если соединение исправно, то заменить ДДК. После ремонта запустить двигатель, сбросить коды и убедиться в отсутствии не- исправности. http://vnx.su/
  • 206.
    ГОСТ 3.1105-84 Лист 128Дубликат Взам. Подп. 3100.25100.12056 ТИТехнологическая инструкция ОАО "АВТОВАЗ" ИзмЛист№документаПодписьДатаИзм.Лист№документаПодписьДата Код Р0171 Система топливоподачи слишком бедная Код P0171 заносится, если: - двигатель работает; - управление топливоподачей осуществляется в режиме обратной связи по сигналу датчика кислорода (значение параметра "Признак работы в зоне регулировки по сигналу управляющего датчика кислорода" = Да); - активизирована функция адаптации топливоподачи (значение параметра "Базовая адаптация смеси" = Да); - значение параметра "Параметр адаптации топливоподачи на частичных нагруз- ках" выходит за верхний предел допустимого диапазона (больше 1,25). Сигнализатор неисправностей загорается на 3-ей поездке после возникновения устой- чивой неисправности. Описание проверок Последовательность соответствует цифрам на карте. 1 Анализируется диагностическая информация. 2 На работающем двигателе с помощью диагностического прибора имитируются ус- ловия возникновения неисправности. 3 Проверяются системы и узлы, неисправность которых может привести к возникно- вению кода. 4 При проведении повторной проверки №2 после устранения возможной причины не- исправности значение параметра "Текущий коэффициент коррекции длительности им- пульса впрыска топлива по сигналу датчика кислорода" не должно выходить за преде- лы диапазона 1±0,1. Диагностическая информация Неисправность непостоянного характера может быть вызвана наличием следующих неисправностей: Ненадежное соединение контактов колодок жгута системы зажигания, датчика и контроллера. Осмотреть разъемы датчика и контроллера, колодки жгута на полноту и пра- вильность сочленения, повреждения замков, наличие поврежденных контактов и качество соединения контактов с проводом. Неправильная трасса жгута проводов. Убедиться в том, что отвод к датчику не ка- сается элементов системы выпуска отработавших газов. Повреждения жгута. Проверить жгут на наличие повреждений. Если жгут внешне в норме, пошевелить соответствующую колодку и жгут, одновременно наблюдая за показа- ниями диагностического прибора. Ненадежное заземление контроллера. Проверить надежность присоединения прово- дов жгута системы зажигания к блоку цилиндров. Убедиться в отсутствии загрязнения кон- тактов. Деградация УДК. Заменить УДК. http://vnx.su/
  • 207.
    ГОСТ 3.1105-84 Лист 129 Дубликат Взам. Подп. 3100.25100.12056 ТИТехнологическая инструкция ОАО "АВТОВАЗ" ИзмЛист№документаПодписьДатаИзм.Лист№документаПодписьДата Код Р0171 Система топливоподачи слишком бедная 1 Подключить диагностический прибор. Выбрать режим "Коды неисправностей". Проверить наличие других кодов, и если они имеются - использовать соответствующие карты. Про- смотреть и запомнить дополнительную информацию к коду неисправности Р0171. В режиме "Мониторинг сигналов" сравнить значение параметра "Параметр адаптации топливоподачи на частичных нагрузках" с приведенным в табл. 2.4-01. ↓ 2 Выбрать в диагностическом приборе режим: "Тесты функций; Сброс ЭБУ с инициализа- цией". Перезагрузить контроллер. Запустить двигатель. Используя диагностический при- бор, попытаться воспроизвести условия возникновения кода неисправности Р0171. Значе- ние параметра "Текущий коэффициент коррекции длительности импульса впрыска топлива по сигналу датчика кислорода" превышает 1,2? ↓ ↓ Да Нет ↓ ↓ ↓ Код Р0171 - непостоянный. См. "Диагностическую информацию". ↓ 3 Заглушить двигатель. Проверить: - топливо на наличие воды, грязи и других посторонних примесей; - ЭДП на наличие повреждений; - все вакуумные шланги (системы вентиляции картера и улавливания паров бензина) на правильность подсоединения, наличие повреждений, трещин. Обнаружена ли неисправность? ↓ ↓ Нет Да ↓ ↓ ↓ После устранения неисправности выполнить проверку №2. 4 ↓ 3 С помощью разветвителя сигналов разъединить цепь выходного сигнала ДАД. Выполнить проверку №2. Значение параметра "Текущий коэффициент коррекции дли- тельности импульса впрыска топлива по сигналу датчика кислорода" должно стать равным 0,95...1,05. Так ли это? ↓ ↓ Нет Да ↓ ↓ ↓ Заменить ДДТВ. После замены выполнить проверку №2. 4 ↓ 3 Проверить давление топлива по карте А-6. Проверить баланс форсунок по карте С-3. Об- наружена ли неисправность? ↓ ↓ Нет Да ↓ ↓ ↓ После устранения неисправности выполнить проверку №2. 4 ↓ 3 Проверить систему выпуска на наличие утечки отработавших газов. Обнаружена ли неис- правность? ↓ ↓ Нет Да ↓ ↓ ↓ После устранения неисправности выполнить проверку №2. 4 ↓ Заменить УДК. После замены выполнить проверку №2. После ремонта запустить двигатель, сбросить коды и убедиться в отсутствии неисправно- сти. http://vnx.su/
  • 208.
    ГОСТ 3.1105-84 Лист 130Дубликат Взам. Подп. 3100.25100.12056 ТИТехнологическая инструкция ОАО "АВТОВАЗ" ИзмЛист№документаПодписьДатаИзм.Лист№документаПодписьДата Код Р0172 Система топливоподачи слишком богатая Код P0172 заносится, если: - двигатель работает; - управление топливоподачей осуществляется в режиме обратной связи по сигналу управляющего датчика кислорода (значение параметра "Признак работы в зоне регули- ровки по сигналу управляющего датчика кислорода" = Да); - активизирована функция адаптации топливоподачи (значение параметра "Базовая адаптация смеси" = Да); - значение параметра "Параметр адаптации топливоподачи на частичных нагруз- ках" выходит за нижний предел допустимого диапазона (меньше 0,75). Сигнализатор неисправностей загорается на 3-ей поездке после возникновения устой- чивой неисправности. Описание проверок Последовательность соответствует цифрам на карте. 1 Анализируется диагностическая информация. 2 На работающем двигателе с помощью диагностического прибора имитируются ус- ловия возникновения неисправности. 3 Проверяются системы и узлы, неисправность которых может привести к возникно- вению кода. 4 При проведении повторной проверки №2 после устранения возможной причины не- исправности значение параметра "Текущий коэффициент коррекции длительности им- пульса впрыска топлива по сигналу датчика кислорода" не должно выходить за преде- лы диапазона 1±0,1. Диагностическая информация Неисправность непостоянного характера может быть вызвана наличием следующих неисправностей: Ненадежное соединение контактов колодок жгута системы зажигания, датчика и контроллера. Осмотреть разъемы датчика и контроллера, колодки жгута на полноту и пра- вильность сочленения, повреждения замков, наличие поврежденных контактов и качество соединения контактов с проводом. Неправильная трасса жгута проводов. Убедиться в том, что отвод к датчику не ка- сается элементов системы выпуска отработавших газов. Повреждения жгута. Проверить жгут на наличие повреждений. Если жгут внешне в норме, пошевелить соответствующую колодку и жгут, одновременно наблюдая за показа- ниями диагностического прибора. Ненадежное заземление контроллера. Проверить надежность присоединения прово- дов жгута системы зажигания к блоку цилиндров. Убедиться в отсутствии загрязнения кон- тактов. Деградация УДК. Заменить УДК. http://vnx.su/
  • 209.
    ГОСТ 3.1105-84 Лист 131 Дубликат Взам. Подп. 3100.25100.12056 ТИТехнологическая инструкция ОАО "АВТОВАЗ" ИзмЛист№документаПодписьДатаИзм.Лист№документаПодписьДата Код Р0172 Система топливоподачи слишком богатая 1 Подключить диагностический прибор. Выбрать режим "Коды неисправностей". Проверить наличие других кодов, и если они имеются - использовать соответст- вующие карты. Просмотреть и запомнить дополнительную информацию к коду неисправности Р0172. В режиме "Мониторинг сигналов" сравнить значение параметра "Параметр адаптации топливоподачи на частичных нагрузках" с приведенным в табл. 2.4-01. ↓ 2 Выбрать в диагностическом приборе режим: "Тест функций; Сброс ЭБУ с ини- циализацией". Перезагрузить контроллер. Запустить двигатель. Используя диагно- стический прибор, попытаться воспроизвести условия возникновения кода неис- правности Р0172. Значение параметра "Текущий коэффициент коррекции дли- тельности импульса впрыска топлива по сигналу датчика кислорода" мень- ше 0,8? ↓ ↓ Да Нет ↓ ↓ ↓ Код Р0172 - непостоянный. См. "Диагностическую информацию". ↓ 3 Заглушить двигатель. Проверить: - фильтрующий элемент воздушного фильтра на наличие загрязнения; - шланг впускной трубы, ЭДП на наличие повреждений, препятствующих проходу воздуха. Обнаружена ли неисправность? ↓ ↓ Нет Да ↓ ↓ ↓ После устранения неисправности выполнить проверку №2. 4 ↓ 3 Запустить двигатель. На холостом ходу, используя диагностический прибор, срав- нить значения параметров: - "Частота вращения коленчатого вала двигателя"; - "Цикловое наполнение по датчику абсолютного давления во впускном кол- лекторе"; - "Параметр нагрузки"; - "Желаемое изменение момента для поддержания холостого хода (инте- гральная часть)"; - "Текущий коэффициент коррекции длительности импульса впрыска топ- лива по сигналу датчика кислорода"; - "Параметр адаптации регулировки холостого хода" со значениями, указанными в табл. 2.4-01. Обнаружены замечания? ↓ ↓ Нет Да ↓ ↓ ↓ ↓ Выполнить проверку по карте С-4. После устранения выявленных замеча- ний выполнить проверку №2. 4 ↓ ↓ ↓ ↓ http://vnx.su/
  • 210.
    ГОСТ 3.1105-84 Лист 132Дубликат Взам. Подп. 3100.25100.12056 ТИТехнологическая инструкция ОАО "АВТОВАЗ" ИзмЛист№документаПодписьДатаИзм.Лист№документаПодписьДата ↓ 3 С помощью разветвителя сигналов разъединить цепь выходного сигнала ДАД. Выполнить проверку №2. Значение параметра "Текущий коэффициент коррек- ции длительности импульса впрыска топлива по сигналу датчика кислоро- да" должно быть 0,95...1,05. Так ли это? ↓ ↓ Нет Да ↓ ↓ ↓ Заменить ДДТВ. После замены выполнить проверку №2. 4 ↓ 3 Проверить давление топлива по карте А-6. Проверить баланс форсунок по карте С-3. Обнаружена ли неисправность? ↓ ↓ Нет Да ↓ ↓ ↓ После устранения неисправности выполнить проверку №2. 4 ↓ Заменить УДК. После замены выполнить проверку №2. После ремонта запустить двигатель, сбросить коды и убедиться в отсутствии не- исправности. http://vnx.su/
  • 211.
    ГОСТ 3.1105-84 Лист 133 Дубликат Взам. Подп. 3100.25100.12056 ТИТехнологическая инструкция ОАО "АВТОВАЗ" ИзмЛист№документаПодписьДатаИзм.Лист№документаПодписьДата Код Р0201 (Р0202, Р0203, Р0204) Форсунка цилиндра 1 (2, 3, 4), цепь неисправна Код Р0201 (Р0202, P0203, Р0204) заносится, если: - двигатель работает; - самодиагностика драйвера форсунок определила отсутствие нагрузки на одном или нескольких выходах. Сигнализатор неисправностей загорается через 5 секунд после возникновения кода неисправности. Описание проверок Последовательность соответствует цифрам на карте. 1 Проверяется наличие постоянной неисправности. 2 Проверяется сопротивление форсунки неработающего цилиндра. 3 Проверяется сопротивление цепи между колодкой жгута системы зажигания к кон- троллеру и колодкой жгута к форсунке. Диагностическая информация В контроллере используется драйвер форсунок, обладающий функцией самодиагно- стики. Он может определять наличие таких неисправностей, как обрыв, короткое замыкание на массу или источник питания цепей управления форсунками. http://vnx.su/
  • 212.
    ГОСТ 3.1105-84 Лист 134Дубликат Взам. Подп. 3100.25100.12056 ТИТехнологическая инструкция ОАО "АВТОВАЗ" ИзмЛист№документаПодписьДатаИзм.Лист№документаПодписьДата Код Р0201 (Р0202, Р0203, Р0204) Форсунка цилиндра 1 (2, 3, 4), цепь неисправна 1 Подключить диагностический прибор. Запустить двигатель. Выбрать на диагностическом приборе режим "Коды неисправностей". Проверить, активен ли код неисправности в данный момент? ↓ ↓ Да Нет ↓ ↓ ↓ ↓ Код Р0201 (Р0202, Р0203, Р0204) - непостоянный. В случае отсутствия дру- гих кодов - см. "Непостоянные неисправности", раздел 2.7В. ↓ 2 Заглушить двигатель. Отсоединить колодку жгута проводов от форсунки цилиндра 1 (2, 3, 4). Измерить омметром сопротивление форсунки. Сопротивление должно быть в пределах 11...15 Ом. Так ли это? ↓ ↓ Да Нет ↓ ↓ ↓ Неисправна форсунка. ↓ ↓ 3 Отсоединить колодку жгута проводов от разъема Х1.2 контроллера. Выполнить проверку целостности электрической цепи между контактом "Х1.2/В2" (X1.2/С2, X1.2/С3, X1.2/D2) колодки к контроллеру и контактом "-" колодки к форсунке ци- линдра 1 (2, 3, 4) – см. "Проверка целостности электрической цепи", раздел 2.7В. Цепь исправна? ↓ ↓ Нет Да → Неисправен контроллер. ↓ Обрыв провода между колодкой жгута системы зажигания к контроллеру и ко- лодкой к форсунке. После ремонта запустить двигатель, сбросить коды и убедиться в отсутствии не- исправности. http://vnx.su/
  • 213.
    ГОСТ 3.1105-84 Лист 135 Дубликат Взам. Подп. 3100.25100.12056 ТИТехнологическая инструкция ОАО "АВТОВАЗ" ИзмЛист№документаПодписьДатаИзм.Лист№документаПодписьДата Электрическая цепь вентилятора системы охлаждения двигателя автомобилей семейства LADA VESTA Код Р0217 Температура двигателя выше допустимой Код Р0217 заносится, если: - двигатель работает более 3 минут; - значение параметра "Температура охлаждающей жидкости" выше 125 °С; - отсутствуют коды неисправностей Р0116, Р0117, Р0118. Сигнализатор неисправностей загорается через 5 с после возникновения кода неис- правности. Описание проверок Последовательность соответствует цифрам на карте. 1 На непрогретом двигателе при отсутствии кодов Р0116, Р0117, Р0118, Р0480 (Р0481), Р0691 (Р0693), Р0692 (Р0694) электровентилятор работать не должен. 2 Проверяется способность контроллера управлять реле электровентилятора. 3 Проверяется исправность блока реле электровентилятора. 4 Проверяется исправность цепи управления электровентилятором. Диагностическая информация Причиной перегрева двигателя может стать неисправный термостат, отсутствие или низкий уровень охлаждающей жидкости системы охлаждения двигателя, неработающий электровентилятор. Код Р0217 может возникать ложно, при неисправном ДТОЖ или нека- чественных контактах разъёма, или некачественной массе жгута системы зажигания. После запуска холодного двигателя температура должна равномерно повышаться до 77…93 °С, затем стабилизироваться при открытии термостата. После прогрева всего объёма охлаждающей жидкости температура так же равномерно повышается до включения макси- мальной производительности электровентилятора при температуре выше 103 °С. После включения электровентилятора температура равномерно снижается до выключения элек- тровентилятора при температуре ниже 99 °С. http://vnx.su/
  • 214.
    ГОСТ 3.1105-84 Лист 136Дубликат Взам. Подп. 3100.25100.12056 ТИТехнологическая инструкция ОАО "АВТОВАЗ" ИзмЛист№документаПодписьДатаИзм.Лист№документаПодписьДата Код Р0217 Температура двигателя выше допустимой 1 Подключить диагностический прибор, выбрать режим: "Коды неисправностей". Проверить наличие кодов P0116, Р0117, P0118, Р0480 (Р0481), Р0691 (Р0693), Р0692 (Р0694). Если они есть, сначала устранить по соответствующим картам причины возникновения этих кодов. Запустить двигатель. Прогреть двигатель до температуры 98 °С. Электровентилятор включен? ↓ ↓ Нет Да ↓ ↓ ↓ ↓ Замыкание в цепи питания электровентилятора, или неисправен блок реле электровентилятора. ↓ 2 Выключить и включить зажигание. Выбрать на приборе режим "Активные тесты; Управление выходом реле вентилятора 2 системы охлаждения". Используя прибор управлять включением максимальной производительности электровентилятора. Электровентилятор включаются и выключаются? ↓ ↓ Нет Да ↓ ↓ ↓ ↓ ↓ ↓ ↓ Проверить уровень охлаждающей жидкости. При необходимости долить. Прогреть двигатель до момента включения электровентилятора. Если после этого охлаждающая жидкость закипает, проверить систему охлаждения на герметичность. Убедиться, что при температуре выше 90 °С термостат от- крывается, и охлаждающая жидкость циркулирует по кругу. ↓ 3 Выключить зажигание. Отсоединить колодку жгута проводов от разъема Х1 блока реле электровентилятора. Перемычкой замкнуть в колодке контакты "1" и "2". Вентилятор включается? ↓ ↓ Нет Неисправен блок реле электровентилятора или пло- хой контакт в соединении. ← Да ↓ ↓ 4 Снять перемычку. Пробником, соединенным с источником питания, проверить контакт "1" в колодке к разъему "Х1" блока реле электровентилятора. Горит ли лампочка пробника? ↓ ↓ Да Нет ↓ ↓ ↓ ↓ Обрыв в цепи: контакт "1" колодки к разъему "Х1" блока реле электровен- тилятора – электровентилятор – "масса". ↓ Обрыв в цепи: контакт "2" колодки к разъему "Х1" блока реле электровентилятора – предохранитель F79 – "+" АКБ.. После ремонта запустить двигатель, сбросить коды и убедиться в отсутствии не- исправности. http://vnx.su/
  • 215.
    ГОСТ 3.1105-84 Лист 137 Дубликат Взам. Подп. 3100.25100.12056 ТИТехнологическая инструкция ОАО "АВТОВАЗ" ИзмЛист№документаПодписьДатаИзм.Лист№документаПодписьДата Код Р0222 Цепь датчика положения дроссельной заслонки В, низкий уровень сигнала Код Р0222 заносится, если: - зажигание включено; - напряжение сигнала датчика положения дроссельной заслонки (параметр АЦП "На- пряжение датчика дроссельной заслонки 2") менее 0,25 В в течение 0,12 с. Сигнализатор неисправностей загорается через 5 c после возникновения кода неис- правности. Описание проверок Последовательность соответствует цифрам на карте. 1 С помощью диагностического прибора проверяется, активен ли код Р0222 в момент диагностики. Если фиксируется только код Р0222, то неисправность необходимо искать в сигнальной цепи ДПДЗ В. Если одновременно фиксируются коды Р0122 и Р0222, то неис- правность необходимо искать в цепи питания ДПДЗ А и ДПДЗ В. 2 Выполняется проверка цепи от контакта "Х1.2/G3" контроллера до контакта "6" ЭДП. 3 Выполняется проверка контроллера: при перемыкании контактов "6" и "5" колодки к ЭДП с помощью пробника сигнал ДПДЗ B на диагностическом приборе должен изменяться. 4 Выполняется проверка цепи от контакта "Х1.2/E3" контроллера до контакта "5" ЭДП. 5 Выполняется проверка контроллера: на контакт "5" колодки к ЭДП должно посту- пать опорное напряжение 5 В с контроллера. Диагностическая информация При обнаружении неисправности цепи ДПДЗ B система управления двигателем будет работать в аварийном режиме до конца текущей поездки. Возможны следующие аварийные режимы: - ограничение мощности двигателя, если исправна цепь ДПДЗ A; - обесточивание электропривода дроссельной заслонки и ограничение оборотов дви- гателя (2500 об/мин), если неисправны цепи ДПДЗ А и ДПДЗ В. Диагностический прибор в режиме "Мониторинг сигналов" показывает сигналы ДПДЗ А (параметр АЦП "Напряжение датчика дроссельной заслонки 1") и ДПДЗ В (па- раметр АЦП "Напряжение датчика дроссельной заслонки 2") в вольтах. При открытии дроссельной заслонки сигнал ДПДЗ А увеличивается, сигнал ДПДЗ В уменьшается. http://vnx.su/
  • 216.
    ГОСТ 3.1105-84 Лист 138Дубликат Взам. Подп. 3100.25100.12056 ТИТехнологическая инструкция ОАО "АВТОВАЗ" ИзмЛист№документаПодписьДатаИзм.Лист№документаПодписьДата При полностью закрытой дроссельной заслонке сигнал ДПДЗ А должен находится в диапазоне 0,30…0,58 В, сигнал ДПДЗ В должен находится в диапазоне 4,42…4,70 В. Сумма сигналов ДПДЗ А и ДПДЗ В должна быть равна (5±0,1) В при любом положе- нии дроссельной заслонки. В случае замены ЭДП или контроллера ЭСУД, или сброса контроллера с помощью диагностического прибора (режим "Тест функций; Сброс ЭБУ с инициализацией") необхо- димо выполнить процедуру адаптации нуля дроссельной заслонки. Для этого на стоящем автомобиле необходимо включить зажигание, выждать 30 с, выключить зажигание, дождаться отключения главного реле. Адаптация будет прервана, если: - прокручивается двигатель; - автомобиль движется; - нажата педаль акселератора; - температура двигателя ниже 5 °С или выше 100 °С; - температура окружающего воздуха ниже 5 °С. Если электропривод дроссельной заслонки обесточен, с помощью прямой и возврат- ной пружин дроссельная заслонка удерживается в положении Limp home (6-7%). http://vnx.su/
  • 217.
    ГОСТ 3.1105-84 Лист 139 Дубликат Взам. Подп. 3100.25100.12056 ТИТехнологическая инструкция ОАО "АВТОВАЗ" ИзмЛист№документаПодписьДатаИзм.Лист№документаПодписьДата Код Р0222 Цепь датчика положения дроссельной заслонки B, низкий уровень сигнала 1 Подключить диагностический прибор. Включить зажигание. Несколько раз на- жать педаль акселератора. Выбрать на приборе режим "Коды неисправностей". Проверить, активен ли код неисправности в данный момент? ↓ ↓ Да Нет ↓ ↓ ↓ ↓ Код Р0222 - непостоянный. В случае отсутствия других кодов - см. "Непо- стоянные неисправности", раздел 2.7В. ↓ Фиксируется ли код неисправности Р0122 одновременно с Р0222? ↓ ↓ Нет Да → Переход на проверку 4. ↓ 2 Выключить зажигание. Отсоединить колодку от ЭДП и колодку Х1.2 от контрол- лера. Выполнить проверки электрической цепи от контакта "Х1.2/G3" колодки к контроллеру до контакта "6" колодки к ЭДП на отсутствие обрыва и замыкания на массу – см. "Проверки электрических цепей", раздел 2.7В. Цепь исправна? ↓ ↓ Да Нет → Устранить неисправность цепи. ↓ 3 Подключить колодку Х1.2 к контроллеру. Включить зажигание. Пробником пе- ремкнуть контакты "6" и "5" колодки к ЭДП. Выбрать на приборе режим "Мони- торинг сигналов; Параметры АЦП". Напряжение ДПДЗ В равно 5 В? ↓ ↓ Да Нет → Неисправен контроллер. ↓ Неисправен ДПДЗ B. Заменить ЭДП на заведомо исправный. 4 Выключить зажигание. Отсоединить колодку от ЭДП и колодку Х1.2 от контрол- лера. Выполнить проверки электрической цепи от контакта "Х1.2/E3" колодки к контроллеру до контакта "5" колодки к ЭДП на отсутствие обрыва и замыкания на массу – см. "Проверки электрических цепей", раздел 2.7В. Цепь исправна? ↓ ↓ Да Нет → Устранить неисправность цепи. ↓ 5 Подключить колодку Х1.2 к контроллеру. Включить зажигание. Провести измере- ние напряжения на контакте "5" колодки к ЭДП - см. "Измерение напряжения на контактах жгута проводов", раздел 2.7В. Напряжение равно 5 В? ↓ ↓ Да Нет → Неисправен контроллер. ↓ Неисправен ЭДП. Заменить ЭДП на заведомо исправный. После ремонта запустить двигатель, сбросить коды и убедиться в отсутствии не- исправности. http://vnx.su/
  • 218.
    ГОСТ 3.1105-84 Лист 140Дубликат Взам. Подп. 3100.25100.12056 ТИТехнологическая инструкция ОАО "АВТОВАЗ" ИзмЛист№документаПодписьДатаИзм.Лист№документаПодписьДата Код Р0223 Цепь датчика положения дроссельной заслонки В, высокий уровень сигнала Код Р0223 заносится, если: - зажигание включено; - напряжение сигнала датчика положения дроссельной заслонки (параметр АЦП "На- пряжение датчика дроссельной заслонки 2") более 4,75 В в течение 0,12 с. Сигнализатор неисправностей загорается через 5 c после возникновения кода неис- правности. Описание проверок Последовательность соответствует цифрам на карте. 1 С помощью диагностического прибора проверяется, активен ли код Р0223 в момент диагностики. Если фиксируется только код Р0223, то неисправность необходимо искать в сигнальной цепи ДПДЗ B. Если одновременно фиксируются коды Р0123 и Р0223, то неис- правность необходимо искать в цепи массы ДПДЗ А и ДПДЗ В. 2 Выполняется проверка напряжения в сигнальной цепи ДПДЗ B с отключенным дат- чиком. Напряжение должно быть около 0 В. 3 Выполняется проверка сигнальной цепи на наличие замыкания на источник питания. 4 Выполняется проверка цепи массы ДПДЗ А и ДПДЗ В. Диагностическая информация При обнаружении неисправности цепи ДПДЗ B система управления двигателем будет работать в аварийном режиме до конца текущей поездки. Возможны следующие аварийные режимы: - ограничение мощности двигателя, если исправна цепь ДПДЗ A; - обесточивание электропривода дроссельной заслонки и ограничение оборотов дви- гателя (2500 об/мин), если неисправны цепи ДПДЗ А и ДПДЗ В. Диагностический прибор в режиме "Мониторинг сигналов" показывает сигналы ДПДЗ А (параметр АЦП "Напряжение датчика дроссельной заслонки 1") и ДПДЗ В (па- раметр АЦП "Напряжение датчика дроссельной заслонки 2") в вольтах. При открытии дроссельной заслонки сигнал ДПДЗ А увеличивается, сигнал ДПДЗ В уменьшается. При полностью закрытой дроссельной заслонке сигнал ДПДЗ А должен находится в диапазоне 0,30…0,58 В, сигнал ДПДЗ В должен находится в диапазоне 4,42…4,70 В. Сумма сигналов ДПДЗ А и ДПДЗ В должна быть равна (5±0,1) В при любом положе- нии дроссельной заслонки. http://vnx.su/
  • 219.
    ГОСТ 3.1105-84 Лист 141 Дубликат Взам. Подп. 3100.25100.12056 ТИТехнологическая инструкция ОАО "АВТОВАЗ" ИзмЛист№документаПодписьДатаИзм.Лист№документаПодписьДата В случае замены ЭДП или контроллера ЭСУД, или сброса контроллера с помощью диагностического прибора (режим "Тест функций; Сброс ЭБУ с инициализацией") необхо- димо выполнить процедуру адаптации нуля дроссельной заслонки. Для этого на стоящем автомобиле необходимо включить зажигание, выждать 30 с, выключить зажигание, дождаться отключения главного реле. Адаптация будет прервана, если: - прокручивается двигатель; - автомобиль движется; - нажата педаль акселератора; - температура двигателя ниже 5 °С или выше 100 °С; - температура окружающего воздуха ниже 5 °С. Если электропривод дроссельной заслонки обесточен, с помощью прямой и возврат- ной пружин дроссельная заслонка удерживается в положении Limp home (6-7%). http://vnx.su/
  • 220.
    ГОСТ 3.1105-84 Лист 142Дубликат Взам. Подп. 3100.25100.12056 ТИТехнологическая инструкция ОАО "АВТОВАЗ" ИзмЛист№документаПодписьДатаИзм.Лист№документаПодписьДата Код Р0223 Цепь датчика положения дроссельной заслонки В, высокий уровень сигнала 1 Подключить диагностический прибор. Включить зажигание. Несколько раз на- жать педаль акселератора. Выбрать на приборе режим "Коды неисправностей". Проверить, активен ли код неисправности в данный момент? ↓ ↓ Да Нет ↓ ↓ ↓ ↓ Код Р0223 - непостоянный. В случае отсутствия других кодов - см. "Непо- стоянные неисправности", раздел 2.7В. ↓ Фиксируется ли код неисправности Р0123 одновременно с Р0223? ↓ ↓ Нет Да → Переход на проверку 4. ↓ 2 Выключить зажигание. Отсоединить колодку от ЭДП. Включить зажигание. Про- вести измерение напряжения на контакте "6" колодки к ЭДП - см. "Измерение на- пряжения на контактах жгута проводов", раздел 2.7В. Напряжение около 0 В? ↓ ↓ Нет Да → Неисправен ЭДП. ↓ 3 Выключить зажигание. Отсоединить колодку Х1.2 от контроллера. Провести про- верку замыкания контакта "Х1.2/G3" колодки жгута проводов на бортовую сеть – см. "Проверка замыкания цепи на бортовую сеть", раздел 2.7В. Замыкание есть? ↓ ↓ Да Нет → Неисправен контроллер. ↓ Устранить неисправность цепи. 4 Выключить зажигание. Отсоединить колодку от ЭДП. Пробником, соединенным с "+" АКБ, проверить контакт "4" колодки к ЭДП. Горит ли лампа пробника? ↓ ↓ Нет Да → Неисправен ЭДП. ↓ Отсоединить колодку Х1.2 от контроллера. Выполнить проверку электрической цепи от контакта "Х1.2/F5" колодки к контроллеру до контакта "4" колодки к ЭДП на отсутствие обрыва – см. "Проверки электрических цепей", раздел 2.7В. Цепь исправна? ↓ ↓ Нет Да → Неисправен контроллер. ↓ Устранить неисправность цепи. После ремонта запустить двигатель, сбросить коды и убедиться в отсутствии не- исправности. http://vnx.su/
  • 221.
    ГОСТ 3.1105-84 Лист 143 Дубликат Взам. Подп. 3100.25100.12056 ТИТехнологическая инструкция ОАО "АВТОВАЗ" ИзмЛист№документаПодписьДатаИзм.Лист№документаПодписьДата Код Р0261 (Р0264, Р0267, Р0270) Форсунка цилиндра 1 (2, 3, 4), замыкание цепи управления на массу Код Р0261 (Р0264, Р0267, Р0270) заносится, если: - двигатель работает; - самодиагностика драйвера форсунок определила замыкание одного или нескольких выходов на массу. Сигнализатор неисправностей загорается через 5 секунд после возникновения кода неисправности. Описание проверок Последовательность соответствует цифрам на карте. 1 Проверяется наличие постоянной неисправности. 2 Проверяется замыкание на массу в жгуте проводов. Диагностическая информация В контроллере используется драйвер форсунок, обладающий функцией самодиагно- стики. Он может определять наличие таких неисправностей, как обрыв, короткое замыкание на массу или источник питания цепей управления форсунками. http://vnx.su/
  • 222.
    ГОСТ 3.1105-84 Лист 144Дубликат Взам. Подп. 3100.25100.12056 ТИТехнологическая инструкция ОАО "АВТОВАЗ" ИзмЛист№документаПодписьДатаИзм.Лист№документаПодписьДата Код Р0261 (Р0264, Р0267, Р0270) Форсунка цилиндра 1 (2, 3, 4), замыкание цепи управле- ния на массу 1 Подключить диагностический прибор. Запустить двигатель. Выбрать на диагностическом приборе режим "Коды неисправностей". Проверить, активен ли код неисправности в данный момент? ↓ ↓ Да Нет ↓ ↓ ↓ ↓ Код Р0261 (Р0264, Р0267, Р0270) - непостоянный. В случае отсутствия дру- гих кодов - см. "Непостоянные неисправности", раздел 2.7В. ↓ 2 Заглушить двигатель. Отсоединить колодку жгута проводов от форсунки цилиндра 1 (2, 3, 4) и колодку жгута проводов от разъема Х1.2 контроллера. Провести проверку замыкания контакта "Х1.2/В2" (X1.2/С2, X1.2/С3, X1.2/D2) колодки жгута проводов на массу – см. "Проверка замыкания цепи на массу", раз- дел 2.7В. Замыкание есть? ↓ ↓ Да Нет ↓ ↓ ↓ Неисправен контроллер. ↓ Неисправен жгут проводов. После ремонта запустить двигатель, сбросить коды и убедиться в отсутствии не- исправности. http://vnx.su/
  • 223.
    ГОСТ 3.1105-84 Лист 145 Дубликат Взам. Подп. 3100.25100.12056 ТИТехнологическая инструкция ОАО "АВТОВАЗ" ИзмЛист№документаПодписьДатаИзм.Лист№документаПодписьДата Код Р0262 (Р0265, Р0268, Р0271) Форсунка цилиндра 1 (2, 3, 4), замыкание цепи управления на бортовую сеть Код Р0262 (Р0265, Р0268, Р0271) заносится, если: - двигатель работает; - самодиагностика драйвера форсунок определила замыкание одного или нескольких выходов на источник, питания. Сигнализатор неисправностей загорается через 5 секунд после возникновения кода неисправности. Описание проверок Последовательность соответствует цифрам на карте. 1 Проверяется наличие постоянной неисправности. 2 Проверяется наличие замыкания в жгуте проводов. Диагностическая информация В контроллере используется драйвер форсунок, обладающий функцией самодиагно- стики. Он может определять наличие таких неисправностей, как обрыв, короткое замыкание на массу или источник питания цепей управления форсунками. Возникновение кода Р0262 (Р0265, Р0268, Р0271) может быть вызвано неисправно- стью соответствующей форсунки (межвитковое замыкание). http://vnx.su/
  • 224.
    ГОСТ 3.1105-84 Лист 146Дубликат Взам. Подп. 3100.25100.12056 ТИТехнологическая инструкция ОАО "АВТОВАЗ" ИзмЛист№документаПодписьДатаИзм.Лист№документаПодписьДата Код Р0262 (Р0265, Р0268, Р0271) Форсунка цилиндра 1 (2, 3, 4), замыкание цепи управле- ния на бортовую сеть 1 Подключить диагностический прибор. Запустить двигатель. Выбрать на диагностическом приборе режим "Коды неисправностей". Проверить, активен ли код неисправности в данный момент? ↓ ↓ Да Нет ↓ ↓ ↓ ↓ Код Р0262 (Р0265, Р0268, Р0271) - непостоянный. В случае отсутствия дру- гих кодов - см. "Непостоянные неисправности", раздел 2.7В. ↓ 2 Заглушить двигатель. Отсоединить колодку жгута проводов от форсунки цилиндра 1 (2, 3, 4) и колодку жгута проводов от разъема Х1.2 контроллера. Провести проверку замыкания контакта "Х1.2/В2" (X1.2/С2, X1.2/С3, X1.2/D2) колодки жгута проводов на бортовую сеть – см. "Проверка замыкания цепи на бортовую сеть", раздел 2.7В. Замыкание есть? ↓ ↓ Да Нет ↓ ↓ ↓ Неисправен контроллер. ↓ Неисправен жгут проводов. После ремонта запустить двигатель, сбросить коды и убедиться в отсутствии не- исправности. http://vnx.su/
  • 225.
    ГОСТ 3.1105-84 Лист 147 Дубликат Взам. Подп. 3100.25100.12056 ТИТехнологическая инструкция ОАО "АВТОВАЗ" ИзмЛист№документаПодписьДатаИзм.Лист№документаПодписьДата Код Р0300 Обнаружены случайные/множественные пропуски воспламенения Код Р0301 (Р0302, Р0303, Р0304) Цилиндр 1 (2, 3, 4), обнаружены пропуски воспламене- ния Коды Р0300, Р0301 (Р0302, Р0303, Р0304) заносятся, если: - двигатель работает; - значение параметра "Частота вращения коленчатого вала двигателя" находится в диапазоне 600...5300 об/мин; - система осуществляет диагностику распознавания пропусков зажигания (значение параметра "Обнаружение пропусков зажигания приостановлено" = Нет); - измеренная контроллером неравномерность вращения коленчатого вала превышает порог; - отсутствует код неисправности Р0336. Сигнализатор неисправностей загорается на 3-ей поездке после возникновения устой- чивой неисправности. Описание проверок Последовательность соответствует цифрам на карте. 1 Проверить, фиксируются ли пропуски воспламенения в момент запроса. 2 Выполнить проверку системы зажигания. 3 Выполнить проверку системы топливоподачи. 4 Выполнить проверку системы впуска. 5 Выполнить проверку компрессии. Дополнительные проверки Если пропуски воспламенения носят непостоянный характер, необходимо проверить: - надежность крепления клемм заземления жгута системы зажигания; - механические повреждения двигателя (низкая компрессия, повреждения поршней, распредвала, клапанов и т.д.); - систему впуска на отсутствие подсоса воздуха (проверить систему впуска на отсут- ствие подсоса воздуха, убедиться в том, что вакуумные шланги присоединены надежно и не имеют повреждений); http://vnx.su/
  • 226.
    ГОСТ 3.1105-84 Лист 148Дубликат Взам. Подп. 3100.25100.12056 ТИТехнологическая инструкция ОАО "АВТОВАЗ" ИзмЛист№документаПодписьДатаИзм.Лист№документаПодписьДата - неисправность элементов системы топливоподачи (см. карту А-6); - неисправность элементов системы зажигания (см. карту А-3); - крепление ДПКВ; - радиальное биение венца демпфера (задающего диска) должно быть не более 0,4 мм. Диагностическая информация Коды Р0300, Р0301, Р0302, Р0303, Р0304 возникают при пропусках воспламенения, влияющих на токсичность. Диагностический прибор в режиме "Мониторинг сигналов" показывает: - параметр "Счетчик пропусков зажигания, влияющих на токсичность, цилиндр 1 (2, 3, 4)"; - параметр "Обнаружение пропусков зажигания приостановлено". Если одновременно с кодами Р0300, Р0301, Р0302, Р0303, Р0304 фиксируются коды неисправностей цепей управления катушками зажигания или форсунками, то устранение неисправности следует начинать с карты соответствующего кода неисправности цепей управления. http://vnx.su/
  • 227.
    ГОСТ 3.1105-84 Лист 149 Дубликат Взам. Подп. 3100.25100.12056 ТИТехнологическая инструкция ОАО "АВТОВАЗ" ИзмЛист№документаПодписьДатаИзм.Лист№документаПодписьДата Код Р0300 Обнаружены случайные/множественные пропуски воспламенения Код Р0301 (Р0302, Р0303, Р0304) Цилиндр 1 (2, 3, 4), обнаружены пропуски воспламене- ния 1 Подключить диагностический прибор. Включить зажигание. Запустить двигатель. Выбрать на диагностическом приборе режим: "Мониторинг сигналов". Воспроизвести условия возникновения кода. Проверить фиксируются ли пропуски воспламенения (Изменяется ли значение параметра "Счетчик пропусков зажи- гания, влияющих на токсичность, цилиндр 1 (2, 3, 4)")? ↓ ↓ Да Нет ↓ ↓ ↓ ↓ Код Р0300, Р0301 (Р0302, Р0303, Р0304) - непостоянный. Выполнить допол- нительные проверки. ↓ 2 Проверить систему зажигания по карте А-3. Устранить обнаруженные неисправ- ности. Проверить фиксируются ли пропуски воспламенения (см. проверку 1). ↓ ↓ Да Нет ↓ ↓ ↓ ↓ Стереть коды неисправностей. При повторном возникновении кодов выпол- нить дополнительные проверки. ↓ 3 Проверить систему топливоподачи по карте А-6. Устранить обнаруженные неис- правности. Проверить фиксируются ли пропуски воспламенения (см. проверку 1). ↓ ↓ Да Нет ↓ ↓ ↓ ↓ Стереть коды неисправностей. При повторном возникновении кодов выпол- нить дополнительные проверки. ↓ 4 Проверить систему впуска на наличие подсоса воздуха. Устранить обнаруженные неисправности. Проверить фиксируются ли пропуски воспламенения (см. провер- ку 1). ↓ ↓ Да Нет ↓ ↓ ↓ ↓ Стереть коды неисправностей. При повторном возникновении кодов выпол- нить дополнительные проверки. ↓ 5 Неисправность связана с механическими повреждениями двигателя. Измерить компрессию. После ремонта запустить двигатель, сбросить коды и убедиться в отсутствии не- исправности. http://vnx.su/
  • 228.
    ГОСТ 3.1105-84 Лист 150Дубликат Взам. Подп. 3100.25100.12056 ТИТехнологическая инструкция ОАО "АВТОВАЗ" ИзмЛист№документаПодписьДатаИзм.Лист№документаПодписьДата Код Р0327 Цепь датчика детонации, низкий уровень сигнала Код Р0327 заносится, если в течение 5 секунд: - значение параметра "Частота вращения коленчатого вала двигателя" больше 2000 об/мин; - значение параметра "Контроль детонации активен" = Да; - амплитуда сигнала датчика детонации ниже порога. Сигнализатор неисправностей загорается на 3-ей поездке после возникновения устой- чивой неисправности. Описание проверок Последовательность соответствует цифрам на карте. 1 Проверяется существование условий для возникновения кода Р0327. 2 Проверяется исправность проводов, соединяющих датчик детонации с контролле- ром. Диагностическая информация Необходимо проверить разъем датчика детонации на предмет попадания в него посто- ронних жидкостей (моторного масла), грязи и пыли. Необходимо проверить момент затяжки болта крепления датчика детонации. При не- достаточном моменте затяжки снижается амплитуда сигнала датчика. См. "Непостоянные неисправности", раздел 2.7В. См. "Проверка системы гашения детонации", раздел 2.7С, карта С-5. http://vnx.su/
  • 229.
    ГОСТ 3.1105-84 Лист 151 Дубликат Взам. Подп. 3100.25100.12056 ТИТехнологическая инструкция ОАО "АВТОВАЗ" ИзмЛист№документаПодписьДатаИзм.Лист№документаПодписьДата Код Р0327 Цепь датчика детонации, низкий уровень сигнала 1 Подключить диагностический прибор. Проанализировать условия возникновения кода. Запустить двигатель и прогреть до температуры охлаждающей жидкости 90 °С. Используя диагностический прибор, попытаться воспроизвести условия возник- новения кода неисправности. Проверить, активен ли код неисправности в данный момент? ↓ ↓ Да Нет ↓ ↓ ↓ ↓ ↓ Код Р0327 - непостоянный. В случае отсутствия других кодов - см. "Диагно- стическую информацию". Необходимо проанализировать условия возникновения кода. ↓ 2 Выключить зажигание. Отсоединить колодки жгута от контроллера и датчика детонации. Выполнить проверку целостности электрической цепи между контактом "Х1.2/Н2" ("X1.2/Н3") колодки к контроллеру и контактом "1" ("2") колодки к датчику детонации – см. "Проверка целостности электрической цепи", раздел 2.7В. Цепь исправна? ↓ ↓ Да Нет → Устранить обнаруженные неисправности. ↓ Неисправен датчик детонации или контроллер. После ремонта запустить двигатель, сбросить коды и убедиться в отсутствии не- исправности. http://vnx.su/
  • 230.
    ГОСТ 3.1105-84 Лист 152Дубликат Взам. Подп. 3100.25100.12056 ТИТехнологическая инструкция ОАО "АВТОВАЗ" ИзмЛист№документаПодписьДатаИзм.Лист№документаПодписьДата Код Р0328 Цепь датчика детонации, высокий уровень сигнала Код Р0328 заносится, если в течение 5 секунд: - значение параметра "Частота вращения коленчатого вала двигателя" больше 1800 об/мин; - значение параметра "Контроль детонации активен" = Да; - амплитуда сигнала датчика детонации выше порога. Сигнализатор неисправностей загорается на 3-ей поездке после возникновения устой- чивой неисправности. Описание проверок Последовательность соответствует цифрам на карте. 1 Проверяется существование условий для возникновения кода Р0328. 2 Проверяется исправность экрана проводов, соединяющих датчик детонации с кон- троллером. Диагностическая информация Диагностика датчика детонации в общем случае определяет исправность самого дат- чика и его подключения, включая момент затяжки датчика, неисправность в жгуте проводов или его экранирования. Кроме того, в рамках диагностики датчика, получение от системы управления сигнала "повышенный шум двигателя" (код Р0328) может сигнализировать о неисправности или ухудшении состояния деталей двигателя. В этом случае необходимо провести диагностику, в том числе на слух, механического состояния деталей двигателя, об- ращая особое внимание на состояние элементов газораспределительного и кривошипно- шатунного механизмов. Убедиться в том, что жгут с проводами датчика не проложен вблизи высоковольтных проводов. См. "Проверка системы гашения детонации", раздел 2.7С, карта С-5. http://vnx.su/
  • 231.
    ГОСТ 3.1105-84 Лист 153 Дубликат Взам. Подп. 3100.25100.12056 ТИТехнологическая инструкция ОАО "АВТОВАЗ" ИзмЛист№документаПодписьДатаИзм.Лист№документаПодписьДата Код Р0328 Цепь датчика детонации, высокий уровень сигнала 1 Подключить диагностический прибор. Проанализировать условия возникновения кода. Запустить двигатель и прогреть до температуры охлаждающей жидкости 60 °С. Используя диагностический прибор, попытаться воспроизвести условия возник- новения кода неисправности. Проверить, заносится ли код неисправности? ↓ ↓ Да Нет ↓ ↓ ↓ ↓ ↓ Код Р0328 - непостоянный. В случае отсутствия других кодов - см. "Диагно- стическую информацию". Необходимо проанализировать условия возникновения кода. ↓ 2 Проверить исправность экрана, соединение экрана с контактом "Х1.2/С5" и "мас- сой". Выявлены ли замечания? ↓ ↓ Нет Да → Устранить неисправность. ↓ Неисправен датчик детонации или контроллер. После ремонта запустить двигатель, сбросить коды и убедиться в отсутствии не- исправности. http://vnx.su/
  • 232.
    ГОСТ 3.1105-84 Лист 154Дубликат Взам. Подп. 3100.25100.12056 ТИТехнологическая инструкция ОАО "АВТОВАЗ" ИзмЛист№документаПодписьДатаИзм.Лист№документаПодписьДата Код Р0335 Цепь датчика положения коленчатого вала неисправна Код Р0335 заносится, если: - коленчатый вал проворачивается; - изменение сигнала ДМРВ выше определенного значения; - нет сигнала датчика положения коленчатого вала. При возникновении этого кода сигнализатор неисправностей не загорается. Описание проверок Последовательность соответствует цифрам на карте. 1 Проверяются провода и сопротивление датчика положения коленчатого вала. Со- противление может незначительно изменяться при повышении температуры. 2 Выходной сигнал датчика должен иметь амплитуду напряжения переменного тока не менее 0,3 В при оборотах прокручивания коленчатого вала стартером. Диагностическая информация Нарушение контактов в колодке датчика или контроллера может вызвать занесение непостоянного кода Р0335. Проверить задающий диск на шкиве коленчатого вала на повреждение зубьев, биение (радиальное биение венца демпфера должно быть не более 0,4 мм) или другие повреждения. http://vnx.su/
  • 233.
    ГОСТ 3.1105-84 Лист 155 Дубликат Взам. Подп. 3100.25100.12056 ТИТехнологическая инструкция ОАО "АВТОВАЗ" ИзмЛист№документаПодписьДатаИзм.Лист№документаПодписьДата Код Р0335 Цепь датчика положения коленчатого вала неисправна Очистить коды диагностическим прибором. Проворачивать коленчатый вал в течение 10 с или до пуска двигателя. Заносится ли код Р0335? ↓ ↓ Да Нет ↓ ↓ ↓ ↓ ↓ Код Р0335 - непостоянный. В случае отсутствия других кодов - см. "Диагно- стическую информацию". Необходимо проанализировать условия возникновения кода. ↓ 1 Выключить зажигание. Отсоединить колодку Х1.2 жгута от контроллера. Измерить омметром сопротивление между контактами "Х1.2/В4" и "Х1.2/В5" ко- лодки жгута. Сопротивление должно быть в пределах 570-750 Ом. Так ли это? ↓ ↓ Да Менее 570 Ом ← Нет → Более 750 Ом ↓ ↓ ↓ ↓ ↓ Провода датчика замкнуты между собой или неисправен датчик. Неисправны соединения или неисправен датчик. ↓ 2 Подготовить вольтметр для измерения напряжения переменного тока. Проворачивая стартером коленчатый вал, контролировать напряжение между кон- тактами "Х1.2/В4" и "Х1.2/В5" колодки жгута. Напряжение должно быть выше 0,3 В. Так ли это? ↓ ↓ Да Нет → Неисправные соединения или неисправен датчик. ↓ Присоединить колодку Х1.2 жгута к контроллеру. Очистить коды диагностическим прибором. Поворачивать коленчатый вал в течение 10 с или до пуска двигателя. Если код Р0335 заносится повторно - проверить состояние задающего диска - см. "Диагностическую информацию". Диск исправен? ↓ ↓ Да Нет → Заменить шкив с задающим диском. ↓ ↓ Очистить коды диагностическим прибором. Поворачивать коленчатый вал в течение 10 с или до пуска двигателя. Если код Р0335 заносится повторно - заменить контроллер. После ремонта запустить двигатель, сбросить коды и убедиться в отсутствии не- исправности. http://vnx.su/
  • 234.
    ГОСТ 3.1105-84 Лист 156Дубликат Взам. Подп. 3100.25100.12056 ТИТехнологическая инструкция ОАО "АВТОВАЗ" ИзмЛист№документаПодписьДатаИзм.Лист№документаПодписьДата Код Р0336 Цепь датчика положения коленчатого вала, выход сигнала из допустимого диапазона Код Р0336 заносится, если: - коленчатый вал проворачивается; - за один поворот коленчатого вала контроллер определяет смещение опорной метки. Сигнализатор неисправностей загорается на 3-ей поездке после возникновения устой- чивой неисправности. Описание проверок Последовательность соответствует цифрам на карте. 1 Проверяются провода и сопротивление датчика положения коленчатого вала. Со- противление может незначительно изменяться при повышении температуры. 2 Выходной сигнал датчика должен иметь амплитуду напряжения переменного тока не менее 0,3 В при оборотах прокручивания коленчатого вала стартером. Диагностическая информация Проверить задающий диск на шкиве коленчатого вала на повреждение зубьев, биение (радиальное биение венца демпфера должно быть не более 0,4 мм) или другие повреждения. Нарушение контактов в колодке датчика или контроллера может вызвать занесение непостоянного кода Р0336. Также занесение непостоянного кода Р0336 может вызвать поврежденный экран жгу- та датчика. http://vnx.su/
  • 235.
    ГОСТ 3.1105-84 Лист 157 Дубликат Взам. Подп. 3100.25100.12056 ТИТехнологическая инструкция ОАО "АВТОВАЗ" ИзмЛист№документаПодписьДатаИзм.Лист№документаПодписьДата Код Р0336 Цепь датчика положения коленчатого вала, выход сигнала из допустимого диапазона Очистить коды диагностическим прибором. Проворачивать коленчатый вал в течение 10 с или до пуска двигателя. Заносится ли код Р0336? ↓ ↓ Да Нет ↓ ↓ ↓ ↓ ↓ Код Р0336 - непостоянный. В случае отсутствия других кодов - см. "Диагно- стическую информацию". Необходимо проанализировать условия возникновения кода. ↓ 1 Выключить зажигание. Отсоединить колодку Х1.2 жгута от контроллера. Измерить омметром сопротивление между контактами "Х1.2/В4" и "Х1.2/В5" ко- лодки жгута. Сопротивление должно быть в пределах 570-750 Ом. Так ли это? ↓ ↓ Да Менее 570 Ом ← Нет → Более 750 Ом ↓ ↓ ↓ ↓ ↓ Провода датчика замкнуты между собой или неисправен датчик. Неисправны соединения или неисправен датчик. ↓ 2 Подготовить вольтметр для измерения напряжения переменного тока. Проворачивая стартером коленчатый вал, контролировать напряжение между кон- тактами "Х1.2/В4" и "Х1.2/В5" колодки жгута. Напряжение должно быть выше 0,3 В. Так ли это? ↓ ↓ Да Нет → Неисправные соединения или неисправен датчик. ↓ Присоединить колодку Х1.2 жгута к контроллеру. Очистить коды диагностическим прибором. Поворачивать коленчатый вал в течение 10 с или до пуска двигателя. Если код Р0336 заносится повторно - проверить состояние задающего диска - см. "Диагностическую информацию". Диск исправен? ↓ ↓ Да Нет → Заменить шкив с задающим диском. ↓ ↓ Очистить коды диагностическим прибором. Поворачивать коленчатый вал в течение 10 с или до пуска двигателя. Если код Р0336 заносится повторно - заменить контроллер. После ремонта запустить двигатель, сбросить коды и убедиться в отсутствии не- исправности. http://vnx.su/
  • 236.
    ГОСТ 3.1105-84 Лист 158Дубликат Взам. Подп. 3100.25100.12056 ТИТехнологическая инструкция ОАО "АВТОВАЗ" ИзмЛист№документаПодписьДатаИзм.Лист№документаПодписьДата Код Р0340 Датчик фаз неисправен Код Р0340 заносится, если: - коленчатый вал проворачивается; - последовательность импульсов имеет непериодический характер. Сигнализатор неисправностей загорается на 3-ей поездке после возникновения устой- чивой неисправности. Описание проверок Последовательность соответствует цифрам на карте. 1 Проверяется наличие постоянной неисправности. 2 Проверяется надежность соединения датчика фаз со жгутом проводов. Диагностическая информация Принцип действия датчика фаз двигателя 21127 основан на эффекте Холла. На шкиве впускного распредвала расположен задающий диск с прорезью. Когда прорезь проходит че- рез паз датчика фаз, датчик выдает на контроллер импульс напряжения уровня "земли" (около 0 В). Неисправность непостоянного характера может быть вызвана наличием следующих неисправностей. Ненадежное соединение контактов колодок жгута системы зажигания, датчика и контроллера. Осмотреть разъемы датчика и контроллера, колодки жгута на надежность со- единения, отсутствие повреждений замков колодок и поврежденных контактов. Повреждения жгута. Проверить жгут на наличие повреждений. http://vnx.su/
  • 237.
    ГОСТ 3.1105-84 Лист 159 Дубликат Взам. Подп. 3100.25100.12056 ТИТехнологическая инструкция ОАО "АВТОВАЗ" ИзмЛист№документаПодписьДатаИзм.Лист№документаПодписьДата Код Р0340 Датчик фаз неисправен 1 Подключить диагностический прибор. Запустить двигатель и прогреть до температуры охлаждающей жидкости 90 °С. Используя диагностический прибор, попытаться воспроизвести условия возник- новения кода неисправности. Проверить, активен ли код неисправности в данный момент? ↓ ↓ Да Нет ↓ ↓ ↓ ↓ ↓ Код Р0340 - непостоянный. В случае отсутствия других кодов - см. "Диагно- стическую информацию". Необходимо проанализировать условия возникновения кода. ↓ 2 Выключить зажигание. Отсоединить колодки жгута от контроллера и датчика фаз. Выполнить проверку целостности электрических цепей между контактом "Х1.2/Е4" колодки к контроллеру и контактом "3" колодки к датчику фаз, между контактом "Х1.2/С5" колодки к контроллеру и контактом "1" колодки к датчику фаз, между главным реле и контактом "2" колодки к датчику фаз – см. "Проверка целостности электрической цепи", раздел 2.7В. Проверить контакты датчика и присоединяемой колодки жгута на надежность со- единения, отсутствие коррозии и деформации. Если цепи и соединения исправны, то заменить датчик фаз на заведомо исправ- ный, и проверить заносится ли код неисправности повторно. Если код Р0340 заносится повторно - заменить контроллер. После ремонта запустить двигатель, сбросить коды и убедиться в отсутствии не- исправности. http://vnx.su/
  • 238.
    ГОСТ 3.1105-84 Лист 160Дубликат Взам. Подп. 3100.25100.12056 ТИТехнологическая инструкция ОАО "АВТОВАЗ" ИзмЛист№документаПодписьДатаИзм.Лист№документаПодписьДата Код Р0342 Цепь датчика фаз, низкий уровень сигнала Код Р0342 заносится, если: - коленчатый вал проворачивается; - в течение нескольких оборотов коленчатого вала на входе контроллера (контакт "Х1.2/Е4") присутствует сигнал низкого уровня. Сигнализатор неисправностей загорается на 3-ей поездке после возникновения устой- чивой неисправности. Описание проверок Последовательность соответствует цифрам на карте. 1 Проверяется наличие постоянной неисправности. 2 Проверяется исправность цепи выходного сигнала датчика. 3 Проверяются условия возникновения кода Р0342. Диагностическая информация Принцип действия датчика фаз двигателя 21127 основан на эффекте Холла. На шкиве впускного распредвала расположен задающий диск с прорезью. Когда прорезь проходит че- рез паз датчика фаз, датчик выдает на контроллер импульс напряжения уровня "земли" (около 0 В). Неисправность непостоянного характера может быть вызвана наличием следующих неисправностей. Ненадежное соединение контактов колодок жгута системы зажигания, датчика и контроллера. Осмотреть разъемы датчика и контроллера, колодки жгута на надежность со- единения, отсутствие повреждений замков колодок и поврежденных контактов. Повреждения жгута. Проверить жгут на наличие повреждений. Неисправный датчик фаз. Заменить на заведомо исправный и проверить на повтор- ное возникновение кода. http://vnx.su/
  • 239.
    ГОСТ 3.1105-84 Лист 161 Дубликат Взам. Подп. 3100.25100.12056 ТИТехнологическая инструкция ОАО "АВТОВАЗ" ИзмЛист№документаПодписьДатаИзм.Лист№документаПодписьДата Код Р0342 Цепь датчика фаз, низкий уровень сигнала 1 Подключить диагностический прибор. Запустить двигатель и прогреть до температуры охлаждающей жидкости 90 °С. Используя диагностический прибор, попытаться воспроизвести условия возник- новения кода неисправности. Проверить, активен ли код неисправности в данный момент? ↓ ↓ Да Нет ↓ ↓ ↓ ↓ ↓ Код Р0342 - непостоянный. В случае отсутствия других кодов - см. "Диагно- стическую информацию". Необходимо проанализировать условия возникновения кода. ↓ 2 Выключить зажигание. Отсоединить колодку жгута от датчика фаз. Включить зажигание. Провести измерение напряжение на контактах "2" и "3" ко- лодки жгута - см. "Измерение напряжения на контактах жгута проводов", раздел 2.7В. Вольтметр должен показать на контакте "2" значение, близкое к напряжению бортсети, на контакте "3" значение более 9 В. Так ли это? ↓ ↓ Да Нет ↓ ↓ ↓ ↓ ↓ ↓ ↓ ↓ Выключить зажигание. Отсоединить колодку Х1 жгута от контроллера. Вы- полнить проверку целостности электрических цепей между контактом "Х1.2/Е4" колодки к контроллеру и контактом "3" колодки к датчику фаз, между главным реле и контактом "2" колодки к датчику фаз – см. "Проверка целостности электрической цепи", раздел 2.7В. Если цепи и соединения исправны - заменить контроллер. ↓ 3 Очистить коды диагностическим прибором. Запустить двигатель. Заносится ли код Р0342? ↓ ↓ Нет Неисправен контроллер ← Да ↓ Неисправен датчик фаз или отсутствует задающий диск с прорезью на шкиве впу- скного распредвала. После ремонта запустить двигатель, сбросить коды и убедиться в отсутствии не- исправности. http://vnx.su/
  • 240.
    ГОСТ 3.1105-84 Лист 162Дубликат Взам. Подп. 3100.25100.12056 ТИТехнологическая инструкция ОАО "АВТОВАЗ" ИзмЛист№документаПодписьДатаИзм.Лист№документаПодписьДата Код Р0343 Цепь датчика фаз, высокий уровень сигнала Код Р0343 заносится, если: - коленчатый вал проворачивается; - в течение нескольких оборотов коленчатого вала на входе контроллера (контакт "Х1.2/Е4") присутствует сигнал высокого уровня. Сигнализатор неисправностей загорается на 3-ей поездке после возникновения устой- чивой неисправности. Описание проверок Последовательность соответствует цифрам на карте. 1 Проверяется наличие постоянной неисправности. 2 Проверяется исправность цепи выходного сигнала датчика. 3 Проверяются условия возникновения кода Р0343. Диагностическая информация Принцип действия датчика фаз двигателя 21126 основан на эффекте Холла. На шкиве впускного распредвала расположен задающий диск с прорезью. Когда прорезь проходит че- рез паз датчика фаз, датчик выдает на контроллер импульс напряжения уровня "земли" (около 0 В). Неисправность непостоянного характера может быть вызвана наличием следующих неисправностей. Ненадежное соединение контактов колодок жгута системы зажигания, датчика и контроллера. Осмотреть разъемы датчика и контроллера, колодки жгута на надежность со- единения, отсутствие повреждений замков колодок и поврежденных контактов. Повреждения жгута. Проверить жгут на наличие повреждений. Неисправный датчик фаз. Заменить на заведомо исправный и проверить на повтор- ное возникновение кода. http://vnx.su/
  • 241.
    ГОСТ 3.1105-84 Лист 163 Дубликат Взам. Подп. 3100.25100.12056 ТИТехнологическая инструкция ОАО "АВТОВАЗ" ИзмЛист№документаПодписьДатаИзм.Лист№документаПодписьДата Код Р0343 Цепь датчика фаз, высокий уровень сигнала 1 Подключить диагностический прибор. Запустить двигатель и прогреть до температуры охлаждающей жидкости 90 °С. Используя диагностический прибор, попытаться воспроизвести условия возник- новения кода неисправности. Проверить, активен ли код неисправности в данный момент? ↓ ↓ Да Нет ↓ ↓ ↓ ↓ ↓ Код Р0343 - непостоянный. В случае отсутствия других кодов - см. "Диагно- стическую информацию". Необходимо проанализировать условия возникновения кода. ↓ 2 Выключить зажигание. Отсоединить колодку жгута от датчика фаз. Включить зажигание. Провести измерение напряжение на контактах "1", "2" и "3" колодки жгута - см. "Измерение напряжения на контактах жгута проводов", раздел 2.7В. Вольтметр должен показать на контакте "2" значение, близкое к напряжению бортсети, на контакте "3" значение более 9 В, на контакте "1" - 0 В. Так ли это? ↓ ↓ Да Нет ↓ ↓ ↓ ↓ ↓ ↓ ↓ ↓ ↓ Выключить зажигание. Отсоединить колодку Х1.2 жгута от контроллера. Выполнить проверку целостности электрических цепей между контактом "Х1.2/Е4" колодки к контроллеру и контактом "3" колодки к датчику фаз, между контактом "Х1.2/С5" колодки к контроллеру и контактом "1" колодки к датчику фаз, между главным реле и контактом "2" колодки к датчику фаз – см. "Проверка целостности электрической цепи", раздел 2.7В. Если цепи и соединения исправны - заменить контроллер. ↓ 3 Выключить зажигание. Снять датчик фаз и присоединить к нему колодку жгута. Включить зажигание. Очистить коды диагностическим прибором. Запустить дви- гатель. Заносится ли код Р0343? ↓ ↓ Нет Неисправен контроллер ← Да ↓ Неисправен датчик фаз. После ремонта запустить двигатель, сбросить коды и убедиться в отсутствии не- исправности. http://vnx.su/
  • 242.
    ГОСТ 3.1105-84 Лист 164Дубликат Взам. Подп. 3100.25100.12056 ТИТехнологическая инструкция ОАО "АВТОВАЗ" ИзмЛист№документаПодписьДатаИзм.Лист№документаПодписьДата Код Р0351 (Р0352, Р0353, Р0354) Катушка зажигания цилиндра 1 (2, 3, 4) обрыв цепи управления Код Р0351 (Р0352, Р0353, Р0354) заносится, если: - двигатель работает; - самодиагностика зафиксировала отсутствие тока через катушку зажигания. Сигнализатор неисправностей загорается через 5 с после возникновения кода неис- правности. Описание проверок Последовательность соответствует цифрам на карте. 1 Проверяется наличие постоянной неисправности. 2 Проверяется исправность цепи питания. 3 Проверяется исправность цепи управления. 4 Проверяется исправность катушки зажигания. Диагностическая информация В контроллере М86 проводится постоянный мониторинг величины тока через катуш- ку зажигания. В случае отсутствия тока или недостаточной его величины фиксируется код неисправности. http://vnx.su/
  • 243.
    ГОСТ 3.1105-84 Лист 165 Дубликат Взам. Подп. 3100.25100.12056 ТИТехнологическая инструкция ОАО "АВТОВАЗ" ИзмЛист№документаПодписьДатаИзм.Лист№документаПодписьДата Код Р0351 (Р0352, Р0353, Р0354) Катушка зажигания цилиндра 1 (2, 3, 4) обрыв цепи управления 1 Подключить диагностический прибор. Запустить двигатель. Выбрать режим "Коды неисправностей". Проверить, активен ли код неисправности в данный момент? ↓ ↓ Да Нет ↓ ↓ ↓ ↓ Код Р0351 (Р0352, Р0353, Р0354) - непостоянный. В случае отсутствия дру- гих кодов - см. "Непостоянные неисправности", раздел 2.7В. ↓ 2 Выключить зажигание. Отсоединить колодку жгута от соответствующей катушки зажигания. Включить зажигание. Провести измерение напряжения на контакте "3" колодки к катушке зажигания - см. "Измерение напряжения на контактах жгута проводов", раздел 2.7В. Напряже- ние равно напряжению бортсети? ↓ ↓ Да Нет → Неисправен жгут проводов. ↓ 3 Выключить зажигание. Отсоединить колодку Х1.2 жгута от контроллера. Выпол- нить проверку целостности электрической цепи между контактом "X1.2/N5" (X1.2/N4, Х1.2/N3, Х1.2/N2) колодки к контроллеру и контактом "1" колодки к соответствующей катушке зажигания – см. "Проверка целостности электрической цепи", раздел 2.7В. Цепь исправна? ↓ ↓ Да Нет → Неисправен жгут проводов. ↓ 4 Измерить сопротивление между контактами "3" и "1" соответствующей катушки зажигания. Сопротивление более 1 кОм? ↓ ↓ Да Нет → Неисправен контроллер. ↓ Неисправна катушка зажигания. После ремонта запустить двигатель, сбросить коды и убедиться в отсутствии не- исправности. http://vnx.su/
  • 244.
    ГОСТ 3.1105-84 Лист 166Дубликат Взам. Подп. 3100.25100.12056 ТИТехнологическая инструкция ОАО "АВТОВАЗ" ИзмЛист№документаПодписьДатаИзм.Лист№документаПодписьДата Код Р0363 Обнаружены пропуски воспламенения, отключена топливоподача в нерабо- тающих цилиндрах Код Р1301 (Р1302, Р1303, Р1304) Цилиндр 1 (2, 3, 4), обнаружены пропуски воспламенения, критичные для нейтрализа- тора Коды Р0363, Р1301 (Р1302, Р1303, Р1304) заносятся, если: - двигатель работает; - значение параметра "Частота вращения коленчатого вала двигателя" находится в диапазоне 600...5300 об/мин; - система осуществляет диагностику распознавания пропусков зажигания (значение параметра "Обнаружение пропусков зажигания приостановлено" = Нет); - измеренная контроллером неравномерность вращения коленчатого вала превышает порог; - отсутствует код неисправности Р0336. Сигнализатор неисправностей начинает мигать сразу после возникновения устойчи- вой неисправности. С целью защиты каталитического нейтрализатора может быть отключе- на топливоподача в тех цилиндрах, в которых были зарегистрированы пропуски. Описание проверок Последовательность соответствует цифрам на карте. 1 Проверить, фиксируются ли пропуски воспламенения в момент запроса. 2 Выполнить проверку системы зажигания. 3 Выполнить проверку системы топливоподачи. 4 Выполнить проверку системы впуска. 5 Выполнить проверку компрессии. Дополнительные проверки Если пропуски воспламенения носят непостоянный характер, необходимо проверить: - надежность крепления клемм заземления жгута системы зажигания; - механические повреждения двигателя (низкая компрессия, повреждения поршней, распредвала, клапанов и т.д.); http://vnx.su/
  • 245.
    ГОСТ 3.1105-84 Лист 167 Дубликат Взам. Подп. 3100.25100.12056 ТИТехнологическая инструкция ОАО "АВТОВАЗ" ИзмЛист№документаПодписьДатаИзм.Лист№документаПодписьДата - систему впуска на отсутствие подсоса воздуха (проверить систему впуска на отсут- ствие подсоса воздуха, убедиться в том, что вакуумные шланги присоединены надежно и не имеют повреждений); - неисправность элементов системы топливоподачи (см. карту А-6); - неисправность элементов системы зажигания (см. карту А-3); - крепление ДПКВ; - радиальное биение венца демпфера (задающего диска) должно быть не более 0,4 мм. Диагностическая информация Коды Р0363, Р1301, Р1302, Р1303, Р1304 возникают при пропусках воспламенения, приводящих к повреждению каталитического нейтрализатора. Диагностический прибор в режиме "Мониторинг сигналов" показывает: - параметр "Счетчик пропусков зажигания, влияющих на токсичность, цилиндр 1 (2, 3, 4)"; - параметр "Обнаружение пропусков зажигания приостановлено". Если одновременно с кодами Р0363, Р1301, Р1302, Р1303, Р1304 фиксируются коды неисправностей цепей управления катушками зажигания или форсунками, то устранение неисправности следует начинать с карты соответствующего кода неисправности цепей управления. http://vnx.su/
  • 246.
    ГОСТ 3.1105-84 Лист 168Дубликат Взам. Подп. 3100.25100.12056 ТИТехнологическая инструкция ОАО "АВТОВАЗ" ИзмЛист№документаПодписьДатаИзм.Лист№документаПодписьДата Код Р0363 Обнаружены пропуски воспламенения, отключена топливоподача в нерабо- тающих цилиндрах Код Р1301 (Р1302, Р1303, Р1304) Цилиндр 1 (2, 3, 4), обнаружены пропуски воспламенения, критичные для нейтрализато- ра 1 Подключить диагностический прибор. Включить зажигание. Запустить двигатель. Выбрать на диагностическом приборе режим: "Мониторинг сигналов". Воспроизвести условия возникновения кода. Проверить фиксируются ли пропуски воспламенения (Изменяется ли значение параметра "Счетчик пропусков зажи- гания, влияющих на токсичность, цилиндр 1 (2, 3, 4)")? ↓ ↓ Да Нет ↓ ↓ ↓ ↓ Код Р0363, Р1301 (Р1302, Р1303, Р1304) - непостоянный. Выполнить допол- нительные проверки. ↓ 2 Проверить систему зажигания по карте А-3. Устранить обнаруженные неисправ- ности. Проверить фиксируются ли пропуски воспламенения (см. проверку 1). ↓ ↓ Да Нет ↓ ↓ ↓ ↓ Стереть коды неисправностей. При повторном возникновении кодов выпол- нить дополнительные проверки. ↓ 3 Проверить систему топливоподачи по карте А-6. Устранить обнаруженные неис- правности. Проверить фиксируются ли пропуски воспламенения (см. проверку 1). ↓ ↓ Да Нет ↓ ↓ ↓ ↓ Стереть коды неисправностей. При повторном возникновении кодов выпол- нить дополнительные проверки. ↓ 4 Проверить систему впуска на наличие подсоса воздуха. Устранить обнаруженные неисправности. Проверить фиксируются ли пропуски воспламенения (см. провер- ку 1). ↓ ↓ Да Нет ↓ ↓ ↓ ↓ Стереть коды неисправностей. При повторном возникновении кодов выпол- нить дополнительные проверки. ↓ 5 Неисправность связана с механическими повреждениями двигателя. Измерить компрессию. После ремонта запустить двигатель, сбросить коды и убедиться в отсутствии не- исправности. http://vnx.su/
  • 247.
    ГОСТ 3.1105-84 Лист 169 Дубликат Взам. Подп. 3100.25100.12056 ТИТехнологическая инструкция ОАО "АВТОВАЗ" ИзмЛист№документаПодписьДатаИзм.Лист№документаПодписьДата Код Р0422 Эффективность нейтрализатора ниже порога Код Р0422 заносится, если: - отсутствуют коды неисправностей Р0106, Р0107, Р0108, Р0111, Р0112, РО113, Р0116, Р0117, Р0118, Р0122, Р0123, Р0130, Р0131, Р0132, Р0133, Р0134, Р0136, Р0137, Р0138, Р0140, Р0222, Р0223, P0300, Р0301, Р0302, Р0303, Р0304, Р0363, Р0441, Р0443, Р0444, P0458, P0459, Р0560, Р0561, Р0562, Р0563, Р1301, Р1302, Р1303, Р1304. - управление топливоподачей осуществляется в режиме обратной связи по сигналу управляющего датчика кислорода (значение параметра "Признак работы в зоне регули- ровки по сигналу управляющего датчика кислорода" = Да); - выполняются условия проведения цикла диагностики нейтрализатора; - контроллер определяет, что степень деградации нейтрализатора выше порога. Сигнализатор неисправностей загорается на 3-ей поездке после возникновения устой- чивой неисправности. Описание проверок Последовательность соответствует цифрам на карте. 1 Проверяется соответствие типа нейтрализатора. 2 Проверяется нейтрализатор на наличие повреждений. 3 Проверяется наличие неисправностей в выпускной системе. Диагностическая информация Контроллер следит за состоянием нейтрализатора, анализируя сигналы управляющего и диагностического датчиков кислорода, установленных до и после нейтрализатора. Если нейтрализатор работает эффективно, то значение параметра "Фактор старения нейтрали- затора", отображаемого диагностическим прибором, будет стремиться к 0. Чем больше нейтрализатор деградирует, тем больше значение указанного параметра. Контроллер осуществляет цикл диагностики нейтрализатора, если: - температура охлаждающей жидкости не менее 70 °С; - температура воздуха на впуске не ниже -10 °С; - частота вращения коленчатого вала двигателя в пределах 1800... 2500 об/мин; - нагрузка двигателя (параметр RL) имеет стабильное значение в пределах 15…50%. Выполнение этих условий гарантирует, что нейтрализатор достаточно прогрет, и кон- троллер может проводить цикл диагностики. http://vnx.su/
  • 248.
    ГОСТ 3.1105-84 Лист 170Дубликат Взам. Подп. 3100.25100.12056 ТИТехнологическая инструкция ОАО "АВТОВАЗ" ИзмЛист№документаПодписьДатаИзм.Лист№документаПодписьДата Код Р0422 Эффективность нейтрализатора ниже порога 1 Убедитесь в том, что на автомобиль установлен соответствующий тип нейтрали- затора. Несоответствие обнаружено? ↓ ↓ Нет Да → Заменить нейтрализатор по причине его несоответствия. ↓ 2 Проверить наличие других кодов неисправности, и если они имеются - использо- вать соответствующие диагностические карты. Осмотреть нейтрализатор на наличие повреждений. При осмотре обратить внима- ние на: - внешние повреждения корпуса, связанные с эксплуатацией (вмятины, пробои и т.д.); - повреждения корпуса, связанные с качеством изготовления (трещины корпуса, газоприемника, выпускных труб и т.д.). Проверить визуально состояние матрицы каталитического нейтрализатора на на- личие повреждений. Замечания обнаружены? ↓ ↓ Нет Да ↓ ↓ ↓ ↓ ↓ ↓ ↓ Заменить нейтрализатор. В случае разрушения матрицы каталитического нейтрализатора установить причину возникновения пропусков воспламенения, выполнив проверку по картам кодов Р0363 (Р1301, Р1302, Р1303, Р1304) и проверку качества топ- лива на наличие металлосодержащих присадок. ↓ 3 Проверить систему выпуска между нейтрализатором и основным глушителем на наличие негерметичности, повреждений, некомплектности. Проверить диагностический датчик кислорода. Убедиться в том, что на датчике нет повреждений, а жгут проводов, разъем не контактируют с системой выпуска и не повреждены. Неисправности обнаружены? ↓ ↓ Да Нет → Заменить нейтрализатор. ↓ ↓ Устранить выявленные неисправности. ↓ ↓ ↓ Просмотреть и запомнить дополнительную информацию к коду неисправности Р0422. Очистить коды неисправности диагностическим прибором. Запустить двигатель и прогреть его до температуры охлаждающей жидкости не менее 70 °С. Используя диагностический прибор, создать условия проведения цикла диагно- стики эффективности нейтрализатора. Заносится ли код Р0422 после завершения цикла диагностики? ↓ ↓ Да Нет → Неисправность устранена. ↓ Заменить нейтрализатор по причине низкой эффективности. После ремонта запустить двигатель, сбросить коды и убедиться в отсутствии не- исправности. http://vnx.su/
  • 249.
    ГОСТ 3.1105-84 Лист 171 Дубликат Взам. Подп. 3100.25100.12056 ТИТехнологическая инструкция ОАО "АВТОВАЗ" ИзмЛист№документаПодписьДатаИзм.Лист№документаПодписьДата Код Р0441 Система улавливания паров бензина, неверный расход воздуха через клапан продувки адсорбера Код Р0441 заносится, если: - двигатель работает больше 1200 секунд; - двигатель работает на холостом ходу; - проверка системой управления клапана продувки адсорбера дала отрицательный ре- зультат. Сигнализатор неисправностей загорается на 3-ей поездке после возникновения устой- чивой неисправности. Описание проверок Последовательность соответствует цифрам на карте. 1 Проверяется наличие постоянной неисправности. 2 Проверяется исправность клапана продувки адсорбера. Диагностическая информация Процедура проверки клапана продувки адсорбера выполняется следующим образом: - на холостом ходу плавно изменяется пропускная способность клапана продувки ад- сорбера от 0 до 92%; - система при этом контролирует изменение состава топливовоздушной смеси и зна- чения массового расхода воздуха. Если изменения не зафиксированы, то неисправен клапан продувки или соединительные шланги. Процедура проверки выполняется один раз за поездку при положительном результате и два раза при отрицательном результате первой проверки. Проверка может быть прервана, если двигатель работает нестабильно. Причиной возникновения кода неисправности могут быть: - заклиненный в открытом или закрытом состоянии клапан продувки адсорбера, кото- рый начинает открываться только при большом коэффициенте продувки адсорбера (выше 70%); - пережатие или засорение шлангов, соединяющих адсорбер с двигателем; - неправильное подключение шлангов к клапану продувки адсорбера; - утечка разрежения в системе улавливания паров бензина. http://vnx.su/
  • 250.
    ГОСТ 3.1105-84 Лист 172Дубликат Взам. Подп. 3100.25100.12056 ТИТехнологическая инструкция ОАО "АВТОВАЗ" ИзмЛист№документаПодписьДатаИзм.Лист№документаПодписьДата Код Р0441 Система улавливания паров бензина, неверный расход воздуха через клапан продувки адсорбера 1 Проверить шланги на правильность и надежность соединения. Если замечаний нет, подключить диагностический прибор и завести двигатель. Выбрать на диагностическом приборе режим "Активные тесты; Управление выхо- дом клапана продувки адсорбера". С помощью диагностического прибора открыть клапан, следя за поведением па- раметра "Текущий коэффициент коррекции длительности импульса впрыска топлива по сигналу датчика кислорода". При открытии клапана с 0 до 96% переменная "Текущий коэффициент коррек- ции длительности импульса впрыска топлива по сигналу датчика кислоро- да" изменяется на 10-20% (обеднение или обогащение топливовоздушной смеси). Соответствует ли реальное поведение указанного параметра вышеописанному? ↓ ↓ Нет Да → См. "Диагностическую информацию". ↓ 2 Заглушить двигатель. Отсоединить шланги, соединяющие клапан с адсорбером и двигателем. Проверить шланги, соединяющие КПА с адсорбером и двигателем, и штуцер в модуле впуска на наличие пережатий, засорение и т.д. Неисправности обнаружены? ↓ ↓ Нет Да → Устранить неисправности. ↓ Заменить КПА. После ремонта запустить двигатель, сбросить коды и убедиться в отсутствии не- исправности. http://vnx.su/
  • 251.
    ГОСТ 3.1105-84 Лист 173 Дубликат Взам. Подп. 3100.25100.12056 ТИТехнологическая инструкция ОАО "АВТОВАЗ" ИзмЛист№документаПодписьДатаИзм.Лист№документаПодписьДата Код Р0443 Клапан продувки адсорбера, цепь неисправна Код Р0443 заносится, если: - двигатель работает; - самодиагностика драйвера клапана продувки адсорбера определила неисправность. Сигнализатор неисправностей загорается через 2 драйв-цикла после возникновения кода неисправности. Описание проверок Последовательность соответствует цифрам на карте. 1 Проверяется наличие постоянной неисправности. 2 Проверяется наличие обрыва цепи управления КПА. 3 Проверяется наличие замыкания на массу цепи управления КПА. 4 Проверяется наличие замыкания на бортовую сеть цепи управления КПА. Диагностическая информация В контроллере используется драйвер клапана продувки адсорбера, обладающий функ- цией самодиагностики. Он может определять наличие таких неисправностей, как обрыв, ко- роткое замыкание на массу или источник питания цепи управления клапаном продувки ад- сорбера. Управлять состоянием клапана можно с помощью диагностического прибора в режи- ме: "2 - Управление ИМ". http://vnx.su/
  • 252.
    ГОСТ 3.1105-84 Лист 174Дубликат Взам. Подп. 3100.25100.12056 ТИТехнологическая инструкция ОАО "АВТОВАЗ" ИзмЛист№документаПодписьДатаИзм.Лист№документаПодписьДата Код Р0443 Клапан продувки адсорбера, цепь неисправна 1 Подключить диагностический прибор. Запустить двигатель. Выбрать на диагностическом приборе режим "Коды неис- правностей". Проверить, активен ли код неисправности в данный момент? ↓ ↓ Да Нет ↓ ↓ ↓ ↓ Код Р0443 - непостоянный. В случае отсутствия других кодов - см. "Непо- стоянные неисправности", раздел 2.7В. ↓ 2 Выключить зажигание. Отсоединить колодку жгута от клапана продувки адсорбера и колодку Х1.1 жгута от контроллера. Выполнить проверку целостности электрической цепи между контактом "X1.1/J2" колодки к контроллеру и контактом "1" колодки к клапану, между контактом "2" колодки к клапану и главным реле – см. "Проверка целостности электрической цепи", раздел 2.7В. Цепь исправна? ↓ ↓ Да Нет → Неисправен жгут проводов. ↓ 3 Провести проверку замыкания контакта "X1.1/J2" колодки жгута к контроллеру на массу – см. "Проверка замыкания цепи на массу", раздел 2.7В. Замыкание есть? ↓ ↓ Нет Да ↓ ↓ ↓ Неисправен жгут проводов. ↓ 4 Провести проверку замыкания контакта "X1.1/J2" колодки жгута к контроллеру на бортовую сеть – см. "Проверка замыкания цепи на бортовую сеть", раздел 2.7В. Замыкание есть? ↓ ↓ Нет Да → Неисправен жгут проводов. ↓ Неисправен контроллер или КПА. После ремонта запустить двигатель, сбросить коды и убедиться в отсутствии не- исправности. http://vnx.su/
  • 253.
    ГОСТ 3.1105-84 Лист 175 Дубликат Взам. Подп. 3100.25100.12056 ТИТехнологическая инструкция ОАО "АВТОВАЗ" ИзмЛист№документаПодписьДатаИзм.Лист№документаПодписьДата Код Р0444 Клапан продувки адсорбера, обрыв цепи управления Код Р0444 заносится, если: - двигатель работает; - самодиагностика драйвера клапана продувки адсорбера определила на выходе отсут- ствие нагрузки. Сигнализатор неисправностей загорается через 2 драйв-цикла после возникновения кода неисправности. Описание проверок Последовательность соответствует цифрам на карте. 1 Проверяется наличие постоянной неисправности. 2 Проверяется цепь питания клапана продувки адсорбера. 3 Проверяется цепь управления клапаном продувки на обрыв. 4 Проверяется исправность электромагнитного клапана продувки адсорбера. Диагностическая информация В контроллере используется драйвер клапана продувки адсорбера, обладающий функ- цией самодиагностики. Он может определять наличие таких неисправностей, как обрыв, ко- роткое замыкание на массу или источник питания цепи управления клапаном продувки ад- сорбера. Управлять состоянием клапана можно с помощью диагностического прибора в режи- ме: "2 - Управление ИМ". http://vnx.su/
  • 254.
    ГОСТ 3.1105-84 Лист 176Дубликат Взам. Подп. 3100.25100.12056 ТИТехнологическая инструкция ОАО "АВТОВАЗ" ИзмЛист№документаПодписьДатаИзм.Лист№документаПодписьДата Код Р0444 Клапан продувки адсорбера, обрыв цепи управления 1 Подключить диагностический прибор. Запустить двигатель. Выбрать на диагностическом приборе режим "Коды неис- правностей". Проверить, активен ли код неисправности в данный момент? ↓ ↓ Да Нет ↓ ↓ ↓ ↓ Код Р0444 - непостоянный. В случае отсутствия других кодов - см. "Непо- стоянные неисправности", раздел 2.7В. ↓ 2 Выключить зажигание. Отсоединить колодку жгута от клапана продувки адсорбе- ра. Выполнить проверку целостности электрической цепи между контактом "2" ко- лодки к клапану и главным реле – см. "Проверка целостности электрической це- пи", раздел 2.7В. Цепь исправна? ↓ ↓ Да Нет → Неисправен жгут проводов. ↓ 3 Выключить зажигание. Отсоединить колодку Х1.1 жгута от контроллера. Выполнить проверку целостности электрической цепи между контактом "X1.1/J2" колодки к контроллеру и контактом "1" колодки к клапану – см. "Проверка цело- стности электрической цепи", раздел 2.7В. Цепь исправна? ↓ ↓ Да Нет ↓ ↓ ↓ Неисправен жгут проводов. ↓ 4 Измерить сопротивление между контактами "1" и "2" клапана продувки адсорбе- ра. Сопротивление больше 1 МОм? ↓ ↓ Да Нет → Неисправен контроллер. ↓ Неисправен клапан продувки адсорбера. После ремонта запустить двигатель, сбросить коды и убедиться в отсутствии не- исправности. http://vnx.su/
  • 255.
    ГОСТ 3.1105-84 Лист 177 Дубликат Взам. Подп. 3100.25100.12056 ТИТехнологическая инструкция ОАО "АВТОВАЗ" ИзмЛист№документаПодписьДатаИзм.Лист№документаПодписьДата Код Р0458 Клапан продувки адсорбера, замыкание цепи управления на массу Код Р0458 заносится, если: - двигатель работает; - самодиагностика драйвера клапана продувки адсорбера определила на выходе замы- кание на массу. Сигнализатор неисправностей загорается через 2 драйв-цикла после возникновения кода неисправности. Описание проверок Последовательность соответствует цифрам на карте. 1 Проверяется наличие постоянной неисправности. 2 Определяется наличие замыкания на массу цепи управления клапаном продувки. Диагностическая информация В контроллере M86 используется драйвер клапана продувки адсорбера, обладающий функцией самодиагностики. Он может определять наличие таких неисправностей, как об- рыв, короткое замыкание на массу или источник питания цепи управления клапаном про- дувки адсорбера. http://vnx.su/
  • 256.
    ГОСТ 3.1105-84 Лист 178Дубликат Взам. Подп. 3100.25100.12056 ТИТехнологическая инструкция ОАО "АВТОВАЗ" ИзмЛист№документаПодписьДатаИзм.Лист№документаПодписьДата Код Р0458 Клапан продувки адсорбера, замыкание цепи управления на массу 1 Подключить диагностический прибор. Запустить двигатель. Выбрать на диагностическом приборе режим "Коды неис- правностей". Проверить, активен ли код неисправности в данный момент? ↓ ↓ Да Нет ↓ ↓ ↓ ↓ Код Р0458 - непостоянный. В случае отсутствия других кодов - см. "Непо- стоянные неисправности", раздел 2.7В. ↓ 2 Выключить зажигание. Отсоединить колодку Х1.1 жгута от контроллера. Провести проверку замыкания контакта "X1.1/J2" колодки жгута к контроллеру на массу – см. "Проверка замыкания цепи на массу", раздел 2.7В. Замыкание есть? ↓ ↓ Да Нет → Неисправен контроллер. ↓ Неисправен жгут проводов. После ремонта запустить двигатель, сбросить коды и убедиться в отсутствии не- исправности. http://vnx.su/
  • 257.
    ГОСТ 3.1105-84 Лист 179 Дубликат Взам. Подп. 3100.25100.12056 ТИТехнологическая инструкция ОАО "АВТОВАЗ" ИзмЛист№документаПодписьДатаИзм.Лист№документаПодписьДата Код Р0459 Клапан продувки адсорбера, замыкание цепи управления на бортовую сеть Код Р0459 заносится, если: - двигатель работает; - самодиагностика драйвера клапана продувки адсорбера определила на выходе замы- кание на источник питания. Сигнализатор неисправностей загорается через 2 драйв-цикла после возникновения кода неисправности. Описание проверок Последовательность соответствует цифрам на карте. 1 Проверяется наличие постоянной неисправности. 2 Определяется наличие замыкания на источник питания цепи управления клапаном продувки. 3 Проверяется исправность электромагнитного клапана продувки адсорбера. Диагностическая информация В контроллере M86 используется драйвер клапана продувки адсорбера, обладающий функцией самодиагностики. Он может определять наличие таких неисправностей, как об- рыв, короткое замыкание на массу или источник питания цепи управления клапаном про- дувки адсорбера. http://vnx.su/
  • 258.
    ГОСТ 3.1105-84 Лист 180Дубликат Взам. Подп. 3100.25100.12056 ТИТехнологическая инструкция ОАО "АВТОВАЗ" ИзмЛист№документаПодписьДатаИзм.Лист№документаПодписьДата Код Р0459 Клапан продувки адсорбера, замыкание цепи управления на бортовую сеть 1 Подключить диагностический прибор. Запустить двигатель. Выбрать на диагностическом приборе режим "Коды неис- правностей". Проверить, активен ли код неисправности в данный момент? ↓ ↓ Да Нет ↓ ↓ ↓ ↓ Код Р0459 - непостоянный. В случае отсутствия других кодов - см. "Непо- стоянные неисправности", раздел 2.7В. ↓ 2 Выключить зажигание. Отсоединить колодку Х1.1 жгута от контроллера. Провести проверку замыкания контакта "X1.1/J2" колодки жгута к контроллеру на бортовую сеть – см. "Проверка замыкания цепи на бортовую сеть", раздел 2.7В. Замыкание есть? ↓ ↓ Да Нет ↓ ↓ ↓ Неисправен контроллер. ↓ 3 Отсоединить колодку жгута от КПА. Измерить сопротивление между контактами "А" и "В" разъема клапана продувки адсорбера. Сопротивление меньше 20 Ом? ↓ ↓ Нет Да → Неисправен клапан продувки адсорбера. ↓ Неисправен жгут проводов. После ремонта запустить двигатель, сбросить коды и убедиться в отсутствии не- исправности. http://vnx.su/
  • 259.
    ГОСТ 3.1105-84 Лист 181 Дубликат Взам. Подп. 3100.25100.12056 ТИТехнологическая инструкция ОАО "АВТОВАЗ" ИзмЛист№документаПодписьДатаИзм.Лист№документаПодписьДата Электрическая цепь вентилятора системы охлаждения двигателя автомобилей семейства LADA VESTA Код Р0480 (Р0481) Реле вентилятора 1 (2), цепь неисправна Код Р0480 (Р0481) заносится, если: - двигатель работает; - самодиагностика драйвера реле вентилятора определила на выходе отсутствие на- грузки. Сигнализатор неисправностей загорается через 2 драйв-цикла после возникновения кода неисправности. Описание проверок Последовательность соответствует цифрам на карте. 1 Проверяется наличие постоянной неисправности. 2 Проверяется цепь питания и массы блока реле вентилятора. 3 Проверяется цепь управления реле вентилятора на обрыв. 4 Проверяется исправность блока реле вентилятора. Диагностическая информация В контроллере используется драйвер реле вентилятора, обладающий функцией само- диагностики. Он может определять наличие таких неисправностей, как обрыв, короткое за- мыкание на массу или источник питания цепи управления реле. Замыкание цепи управления на источник питания может быть определено в момент, когда контроллер выдает команду на включение вентилятора. Электродвигатель вентилятора может быть включен с помощью диагностического прибора в режиме "Активные тесты; Управление выходом реле вентилятора 1 (2) системы охлаждения". http://vnx.su/
  • 260.
    ГОСТ 3.1105-84 Лист 182Дубликат Взам. Подп. 3100.25100.12056 ТИТехнологическая инструкция ОАО "АВТОВАЗ" ИзмЛист№документаПодписьДатаИзм.Лист№документаПодписьДата Код Р0480 (Р0481) Реле вентилятора 1 (2), цепь неисправна 1 Подключить диагностический прибор. Запустить двигатель. Выбрать на диагностическом приборе режим "Коды неис- правностей". Проверить, активен ли код неисправности в данный момент? ↓ ↓ Да Нет ↓ ↓ ↓ ↓ Код Р0480 (Р0481) - непостоянный. В случае отсутствия других кодов - см. "Непостоянные неисправности", раздел 2.7 В. ↓ 2 Выключить зажигание. Отсоединить колодку Х2 от блока реле электровентилято- ра. Выполнить проверку целостности электрической цепи между контактом "2" колодки Х2 и главным реле и между контактом "1" колодки Х2 и массой – см. "Проверка целостности электрической цепи", раздел 2.7В. Цепь исправна? ↓ ↓ Да Нет → Неисправен жгут проводов. ↓ 3 Отсоединить колодку Х1.1 жгута проводов от контроллера. Выполнить проверку целостности электрической цепи между контактом "X1.1/Н2" ("X1.1/Н3") колодки к контроллеру и контактом "3" ("4") колодки Х2 к блоку реле – см. "Проверка целостности электрической цепи", раздел 2.7В. Цепь исправна? ↓ ↓ Да Нет ↓ ↓ ↓ Неисправен жгут проводов. ↓ 4 Заменить блок реле вентилятора на заведомо исправный. Присоединить колодку Х1.1 к контроллеру и колодку Х2 к блоку реле. Запустить двигатель. Проверить, активен ли код неисправности в данный момент? ↓ ↓ Нет Да → Неисправен контроллер. ↓ Неисправно реле вентилятора. После ремонта запустить двигатель, сбросить коды и убедиться в отсутствии не- исправности. http://vnx.su/
  • 261.
    ГОСТ 3.1105-84 Лист 183 Дубликат Взам. Подп. 3100.25100.12056 ТИТехнологическая инструкция ОАО "АВТОВАЗ" ИзмЛист№документаПодписьДатаИзм.Лист№документаПодписьДата Код Р0504 Выключатели "А/В" педали тормоза, рассогласование сигналов Код Р0504 заносится если: - сигналы концевых выключателей "3-4/1-2" педали тормоза рассогласованы более 200 секунд на запущенном двигателе в режиме холостого хода; - или количество нажатий на педаль тормоза, определяемых по сигналам двух конце- вых выключателей "3-4/1-2" отличается на величину диагностического порога на движу- щемся автомобиле. Сигнализатор неисправностей загорается на 3-ей поездке после возникновения устой- чивой неисправности. Описание проверок Последовательность соответствует цифрам на карте. 1 Проверяется, активен ли код Р0504 в момент запроса. 2 Выполняется проверка электрических цепей. 3 Проверяется установка выключателя педали тормоза. Диагностическая информация Диагностический прибор в режиме "Мониторинг сигналов" показывает бит состояния контактов "3-4" (параметр "Датчик 1 педали тормоза") и бит состояния контактов "1-2" (параметр "Датчик 2 педали тормоза") выключателя педали тормоза. Контроль состояния контактов "1-2" также проводить по лампам стоп-сигналов. При обнаружении рассогласования сигналов выключателей "1-4/2-3" система управ- ления двигателем будет работать в аварийном режиме до конца текущей поездки. http://vnx.su/
  • 262.
    ГОСТ 3.1105-84 Лист 184Дубликат Взам. Подп. 3100.25100.12056 ТИТехнологическая инструкция ОАО "АВТОВАЗ" ИзмЛист№документаПодписьДатаИзм.Лист№документаПодписьДата Код Р0504 Выключатели "А/В" педали тормоза, рассогласование сигналов 1 Подключить диагностический прибор. Воспроизвести условия возникновения ко- да. Выбрать на диагностическом приборе режим "Коды неисправностей". Проверить, активен ли код неисправности в данный момент? ↓ ↓ Да Нет ↓ ↓ ↓ ↓ ↓ ↓ Код Р0504 - непостоянный. В дополнительной информации к коду Р0504 найти значение параметра DLC (задержка до стирания кода неисправности из памяти контроллера – см. раздел 2.4). Если значение DLC>38, то выпол- нить проверку 2. Если значение DLC<38, то стереть код. ↓ 2 1 Если при нажатии на педаль тормоза периодически или постоянно не загораются стоп-сигналы, проверить: - нет ли заклинивания штока выключателя педали тормоза при нажатии на педаль тормоза; - проверить наличие бортового напряжения на контактах "1" и "2" выключателя педали тормоза в свободном и нажатом состоянии в соответствии с принципом работы выключателя; - проверить исправность соответствующих предохранителей цепей стоп-сигналов; - проверить состояние и надежность соединения контактов в колодке выключате- ля педали тормоза. 2 Если при нажатии на педаль тормоза при включенных габаритных огнях, указа- телях поворота, заднего хода, противотуманных огнях наблюдается слабое свече- ние стоп-сигналов, проверить надежность цепи "массы" задних фонарей. 3 Проверить наличие бортового напряжения на контактах "3" и "4" выключателя педали тормоза в свободном и нажатом состоянии в соответствии с принципом работы выключателя. 4 Выполнить проверку целостности электрической цепи между контактом "X1.1/С5" колодки к контроллеру и контактом "2" колодки к выключателю, между контактом "X1.1/С4" колодки к контроллеру и контактом "4" колодки к выключа- телю - см. "Проверка целостности электрической цепи", раздел 2.7В. Неисправности обнаружены? ↓ ↓ Нет Да ↓ ↓ ↓ ↓ Устранить обнаруженные неисправности. При необходимости заменить вы- ключатель педали тормоза. ↓ 3 Проверить надежность крепления выключателя педали тормоза, надежность при- соединения колодки жгута проводов к выключателю педали тормоза. Стереть код неисправности и воспроизвести условия возникновения кода. При повторном занесении кода заменить контроллер. После ремонта запустить двигатель, сбросить коды и убедиться в отсутствии не- исправности. http://vnx.su/
  • 263.
    ГОСТ 3.1105-84 Лист 185 Дубликат Взам. Подп. 3100.25100.12056 ТИТехнологическая инструкция ОАО "АВТОВАЗ" ИзмЛист№документаПодписьДатаИзм.Лист№документаПодписьДата Код Р0513 Некорректный ключ иммобилизатора Код Р0513 заносится, если: - в результате кодированного обмена данными контроллер ВСМ (ЦБКЭ) определил, что ключ зажигания не "свой". Сигнализатор неисправностей загорается через 5 с после возникновения кода неис- правности. Описание проверок Последовательность соответствует цифрам на карте. 1 Если неисправность периодически фиксируется, необходимо выполнить диагности- ку иммобилизатора по ТИ 3100.25100.12057. Диагностическая информация В случае замены контроллера необходимо выполнить процедуру адаптации нуля дроссельной заслонки и процедуру адаптации функции диагностики пропусков воспламене- ния - см. раздел 1.1. Код Р0513 Некорректный ключ иммобилизатора 1 Подключить диагностический прибор. Включить зажигание. Стереть коды с помощью диагностического прибора в режиме "Коды неиспрано- стей; Стереть и обновить". При повторном возникновении кода необходимо выполнить диагностику иммоби- лизатора по ТИ 3100.25100.12057. После ремонта запустить двигатель, сбросить коды и убедиться в отсутствии не- исправности. http://vnx.su/
  • 264.
    ГОСТ 3.1105-84 Лист 186Дубликат Взам. Подп. 3100.25100.12056 ТИТехнологическая инструкция ОАО "АВТОВАЗ" ИзмЛист№документаПодписьДатаИзм.Лист№документаПодписьДата Код Р0522 Цепь датчика давления масла, низкий уровень сигнала Код Р0522 заносится, если: - двигатель работает; - состояние датчика не изменяется после запуска двигателя. Описание проверок Последовательность соответствует цифрам на карте. 1 Проверяется наличие неисправности. 2 Проверяется работоспособность датчика давления масла (ДДМ). 3 Определяется наличие замыкания на массу цепи к ДДМ. Диагностическая информация Причиной возникновения кода Р0522 может быть неисправность ДДМ или понижен- ное давление масла в системе смазки по причине неисправности редукционного клапана, за- грязнения масляного фильтра, засорения сетки маслоприемника и т.д. http://vnx.su/
  • 265.
    ГОСТ 3.1105-84 Лист 187 Дубликат Взам. Подп. 3100.25100.12056 ТИТехнологическая инструкция ОАО "АВТОВАЗ" ИзмЛист№документаПодписьДатаИзм.Лист№документаПодписьДата Код Р0522 Цепь датчика давления масла, низкий уровень сигнала 1 Подключить диагностический прибор. Включить зажигание. Стереть коды с помощью диагностического прибора в режиме "Коды неиспрано- стей; Стереть и обновить". Запустить двигатель. Код Р0522 заносится повторно? ↓ ↓ Да Нет ↓ ↓ ↓ ↓ Код Р0522 - непостоянный. В случае отсутствия других кодов - см. "Непо- стоянные неисправности", раздел 2.7В. ↓ 2 Выключить зажигание. Отсоединить колодку жгута от ДДМ. Запустить двигатель. Провести проверку замыкания контакта ДДМ на массу – см. "Проверка замыкания цепи на массу", раздел 2.7В. Замыкание есть? ↓ ↓ Нет Да → Неисправен ДДМ или низкое давление масла. ↓ 3 Выключить зажигание. Отсоединить колодку Х1.2 жгута от контроллера. Провес- ти проверку замыкания контакта "Х1.2/K4" колодки жгута проводов на массу – см. "Проверка замыкания цепи на массу", раздел 2.7В. Замыкание есть? ↓ ↓ Да Нет → Неисправен контроллер. ↓ Неисправен жгут проводов. После ремонта запустить двигатель, сбросить коды и убедиться в отсутствии не- исправности. http://vnx.su/
  • 266.
    ГОСТ 3.1105-84 Лист 188Дубликат Взам. Подп. 3100.25100.12056 ТИТехнологическая инструкция ОАО "АВТОВАЗ" ИзмЛист№документаПодписьДатаИзм.Лист№документаПодписьДата Код Р0523 Цепь датчика давления масла, высокий уровень сигнала Код Р0523 заносится, если: - двигатель работает; - состояние датчика не изменяется после запуска двигателя. Описание проверок Последовательность соответствует цифрам на карте. 1 Проверяется наличие неисправности. 2 Проверяется работоспособность датчика давления масла (ДДМ). 3 Определяется наличие обрыва цепи к ДДМ. Диагностическая информация Причиной возникновения кода Р0523 может быть неисправность ДДМ. http://vnx.su/
  • 267.
    ГОСТ 3.1105-84 Лист 189 Дубликат Взам. Подп. 3100.25100.12056 ТИТехнологическая инструкция ОАО "АВТОВАЗ" ИзмЛист№документаПодписьДатаИзм.Лист№документаПодписьДата Код Р0523 Цепь датчика давления масла, высокий уровень сигнала 1 Подключить диагностический прибор. Включить зажигание. Стереть коды с помощью диагностического прибора в режиме "Коды неиспрано- стей; Стереть и обновить". Запустить двигатель. Код Р0523 заносится повторно? ↓ ↓ Да Нет ↓ ↓ ↓ ↓ Код Р0523 - непостоянный. В случае отсутствия других кодов - см. "Непо- стоянные неисправности", раздел 2.7В. ↓ 2 Выключить зажигание. Отсоединить колодку жгута от ДДМ. Включить зажигание. Провести проверку замыкания контакта ДДМ на массу – см. "Проверка замыкания цепи на массу", раздел 2.7В. Замыкание есть? ↓ ↓ Да Нет → Неисправен ДДМ. ↓ 3 Выключить зажигание. Отсоединить колодку Х1.2 жгута от контроллера. Выпол- нить проверку целостности электрической цепи между контактом "Х1.2/K4" ко- лодки к контроллеру и контактом колодки к ДДМ – см. "Проверка целостности электрической цепи", раздел 2.7В. Цепь исправна? ↓ ↓ Нет Да → Неисправен контроллер. ↓ Неисправен жгут проводов. После ремонта запустить двигатель, сбросить коды и убедиться в отсутствии не- исправности. http://vnx.su/
  • 268.
    ГОСТ 3.1105-84 Лист 190Дубликат Взам. Подп. 3100.25100.12056 ТИТехнологическая инструкция ОАО "АВТОВАЗ" ИзмЛист№документаПодписьДатаИзм.Лист№документаПодписьДата Код Р0560 Напряжение бортовой сети автомобиля Код Р0560 заносится, если: - напряжение на контактах "Х1.1/L3", "X1.1/K3" контроллера отличается на величину диагностического порога от напряжения на контакте "Х1.1/A5"; - двигатель работает. Сигнализатор неисправностей загорается через 5 с после возникновения кода неис- правности. Описание проверок Последовательность соответствует цифрам на карте. 1 Проверяется, активен ли код в настоящий момент. 2 Выполнить проверку напряжения бортовой сети при помощи диагностического при- бора. Диагностическая информация Диагностический прибор в режиме "Мониторинг сигналов" показывает напряжение бортсети измеренное на контакте "Х1.1/A5" (параметр "Напряжение бортсети") и напря- жение бортсети измеренное на контактах "Х1.1/L3", "X1.1/K3" (параметр АЦП "Напряже- ние батареи"). При наличии устойчивой неисправности система управления двигателем перейдет в аварийный режим в текущей поездке. http://vnx.su/
  • 269.
    ГОСТ 3.1105-84 Лист 191 Дубликат Взам. Подп. 3100.25100.12056 ТИТехнологическая инструкция ОАО "АВТОВАЗ" ИзмЛист№документаПодписьДатаИзм.Лист№документаПодписьДата Код Р0560 Напряжение бортовой сети автомобиля 1 Подключить диагностический прибор. Запустить двигатель. Выбрать на диагностическом приборе режим "Коды неис- правностей". При наличии кодов по драйверной диагностике исполнительных механизмов (ко- ды Р0032, Р0038, Р0262, Р0265, Р0268, Р0271, Р0459, Р0629, Р0647, Р0692, P0694) перейти на соответствующие диагностические карты. Проверить, активен ли код Р0560 в данный момент? ↓ ↓ Да Нет ↓ ↓ ↓ ↓ ↓ ↓ ↓ Код Р0560 - непостоянный. В дополнительной информации к коду Р0560 найти значение параметра DLC (задержка до стирания кода неисправности из памяти контроллера – см. раздел 2.4). Если значение DLC>38, то выполнить проверку 2. Если значение DLC<38, то стереть код. ↓ 2 При отключенных электрических нагрузках определить напряжение бортовой се- ти, фиксируемое диагностическим прибором. Значения напряжений для параметра "Напряжение бортсети" и параметра АЦП "Напряжение батареи" отличаются друг от друга более, чем на 3 В? ↓ ↓ Да Нет ↓ ↓ ↓ ↓ ↓ ↓ ↓ Код Р0560 - непостоянный. Выполнить проверку целостности электриче- ской цепи до контактов "Х1.1/L3", "X1.1/K3", "Х1.1/A5" колодки к контрол- леру - см. "Проверка целостности электрической цепи", раздел 2.7В. Выпол- нить проверку силовых цепей и цепи управления главным реле в соответст- вии с картой А-4. ↓ Выполнить проверку целостности электрической цепи до контактов "Х1.1/L3", "X1.1/K3", "Х1.1/A5" колодки к контроллеру - см. "Проверка целостности элек- трической цепи", раздел 2.7В. Выполнить проверку силовых цепей и цепи управления главным реле в соответст- вии с картой А-4. Устранить обнаруженные неисправности. Стереть код неисправности и воспроизвести условия возникновения кода. При повторном занесении кода заменить контроллер. После ремонта запустить двигатель, сбросить коды и убедиться в отсутствии не- исправности. http://vnx.su/
  • 270.
    ГОСТ 3.1105-84 Лист 192Дубликат Взам. Подп. 3100.25100.12056 ТИТехнологическая инструкция ОАО "АВТОВАЗ" ИзмЛист№документаПодписьДатаИзм.Лист№документаПодписьДата Код Р0561 Напряжение бортовой сети нестабильно Код Р0560 заносится, если: - мгновенные изменения напряжения на контактах "Х1.1/L3", "X1.1/K3" контроллера выше порогового значения; - двигатель работает. Сигнализатор неисправностей загорается через 5 с после возникновения кода неис- правности. Описание проверок Последовательность соответствует цифрам на карте. 1 Проверяется, активен ли код в настоящий момент. 2 Проверяется надежность крепления клемм к АКБ. Диагностическая информация Диагностический прибор в режиме "Мониторинг сигналов" показывает напряжение бортсети измеренное на контакте "Х1.1/A5" (параметр "Напряжение бортсети") и напря- жение бортсети измеренное на контактах "Х1.1/L3", "X1.1/K3" (параметр АЦП "Напряже- ние батареи"). При наличии устойчивой неисправности система управления двигателем перейдет в аварийный режим в текущей поездке. http://vnx.su/
  • 271.
    ГОСТ 3.1105-84 Лист 193 Дубликат Взам. Подп. 3100.25100.12056 ТИТехнологическая инструкция ОАО "АВТОВАЗ" ИзмЛист№документаПодписьДатаИзм.Лист№документаПодписьДата Код Р0561 Напряжение бортовой сети нестабильно 1 Подключить диагностический прибор. Запустить двигатель. Выбрать на диагностическом приборе режим "Коды неис- правностей". Проверить, активен ли код Р0561 в данный момент? ↓ ↓ Да Нет ↓ ↓ ↓ ↓ ↓ ↓ ↓ Код Р0561 - непостоянный. В дополнительной информации к коду Р0561 найти значение параметра DLC (задержка до стирания кода неисправности из памяти контроллера – см. раздел 2.4). Если значение DLC>38, то выполнить проверку 2. Если значение DLC<38, то стереть код. ↓ 2 Проверить состояние и надежность крепления клемм к АКБ. Выполнить проверку целостности электрической цепи до контактов "Х1.1/L3", "X1.1/K3", "Х1.1/A5" колодки к контроллеру - см. "Проверка целостности элек- трической цепи", раздел 2.7В. Выполнить проверку силовых цепей и цепи управления главным реле в соответст- вии с картой А-4. Устранить обнаруженные неисправности. Стереть код неисправности и воспроизвести условия возникновения кода. При повторном занесении кода заменить контроллер. После ремонта запустить двигатель, сбросить коды и убедиться в отсутствии не- исправности. http://vnx.su/
  • 272.
    ГОСТ 3.1105-84 Лист 194Дубликат Взам. Подп. 3100.25100.12056 ТИТехнологическая инструкция ОАО "АВТОВАЗ" ИзмЛист№документаПодписьДатаИзм.Лист№документаПодписьДата Код Р0562 Напряжение бортовой сети, низкий уровень Код Р0562 заносится, если: - напряжение на контактах "Х1.1/L3", "X1.1/K3" контроллера ниже 10 В; - двигатель работает. Сигнализатор неисправностей загорается через 5 с после возникновения кода неис- правности. Описание проверок Последовательность соответствует цифрам на карте. 1 Проверяется, активен ли код в настоящий момент. 2 Выполнить проверку напряжения бортовой сети при помощи диагностического при- бора. 3 Выполнить проверку напряжения бортовой сети на клеммах АКБ. Диагностическая информация Диагностический прибор в режиме "Мониторинг сигналов" показывает напряжение бортсети измеренное на контакте "Х1.1/A5" (параметр "Напряжение бортсети") и напря- жение бортсети измеренное на контактах "Х1.1/L3", "X1.1/K3" (параметр АЦП "Напряже- ние батареи"). При наличии устойчивой неисправности система управления двигателем перейдет в аварийный режим в текущей поездке. http://vnx.su/
  • 273.
    ГОСТ 3.1105-84 Лист 195 Дубликат Взам. Подп. 3100.25100.12056 ТИТехнологическая инструкция ОАО "АВТОВАЗ" ИзмЛист№документаПодписьДатаИзм.Лист№документаПодписьДата Код Р0562 Напряжение бортовой сети, низкий уровень 1 Подключить диагностический прибор. Запустить двигатель. Выбрать на диагностическом приборе режим "Коды неис- правностей". Проверить, активен ли код Р0562 в данный момент? ↓ ↓ Да Нет ↓ ↓ ↓ ↓ ↓ ↓ ↓ Код Р0562 - непостоянный. В дополнительной информации к коду Р0562 найти значение параметра DLC (задержка до стирания кода неисправности из памяти контроллера – см. раздел 2.4). Если значение DLC>38, то выполнить проверку 2. Если значение DLC<38, то стереть код. ↓ 2 При отключенных электрических нагрузках определить напряжение бортовой се- ти, фиксируемое диагностическим прибором. Значения напряжений для параметра "Напряжение бортсети" и параметра АЦП "Напряжение батареи" менее 10 В? ↓ ↓ Да Нет ↓ ↓ ↓ ↓ ↓ Код Р0562 - непостоянный. Выполнить проверку натяжения ремня привода генератора. Выполнить проверку силовых цепей и цепи управления главным реле в соответствии с картой А-4. ↓ 3 При отключенных электрических нагрузках вольтметром измерить напряжение бортовой сети на клеммах АКБ. Значение напряжения менее 10 В? ↓ ↓ Нет Да ↓ ↓ ↓ Выполнить проверку генератора и АКБ. ↓ Выполнить проверку целостности электрической цепи до контактов "Х1.1/L3", "X1.1/K3", "Х1.1/A5" колодки к контроллеру - см. "Проверка целостности элек- трической цепи", раздел 2.7В. Выполнить проверку силовых цепей и цепи управления главным реле в соответст- вии с картой А-4. Устранить обнаруженные неисправности. Стереть код неисправности и воспроизвести условия возникновения кода. При повторном занесении кода заменить контроллер. После ремонта запустить двигатель, сбросить коды и убедиться в отсутствии не- исправности. http://vnx.su/
  • 274.
    ГОСТ 3.1105-84 Лист 196Дубликат Взам. Подп. 3100.25100.12056 ТИТехнологическая инструкция ОАО "АВТОВАЗ" ИзмЛист№документаПодписьДатаИзм.Лист№документаПодписьДата Код Р0563 Напряжение бортовой сети, высокий уровень Код Р0563 заносится, если: - напряжение на контактах "Х1.1/L3", "X1.1/K3" контроллера больше 17 В; - двигатель работает. Сигнализатор неисправностей загорается через 5 с после возникновения кода неис- правности. Описание проверок Последовательность соответствует цифрам на карте. 1 Проверяется, активен ли код в настоящий момент. 2 Выполнить проверку напряжения бортовой сети при помощи диагностического при- бора. 3 Выполнить проверку напряжения бортовой сети на клеммах АКБ. Диагностическая информация Диагностический прибор в режиме "Мониторинг сигналов" показывает напряжение бортсети измеренное на контакте "Х1.1/A5" (параметр "Напряжение бортсети") и напря- жение бортсети измеренное на контактах "Х1.1/L3", "X1.1/K3" (параметр АЦП "Напряже- ние батареи"). При наличии устойчивой неисправности система управления двигателем перейдет в аварийный режим в текущей поездке. http://vnx.su/
  • 275.
    ГОСТ 3.1105-84 Лист 197 Дубликат Взам. Подп. 3100.25100.12056 ТИТехнологическая инструкция ОАО "АВТОВАЗ" ИзмЛист№документаПодписьДатаИзм.Лист№документаПодписьДата Код Р0563 Напряжение бортовой сети, высокий уровень 1 Подключить диагностический прибор. Запустить двигатель. Выбрать на диагностическом приборе режим "Коды неис- правностей". Проверить, активен ли код Р0563 в данный момент? ↓ ↓ Да Нет ↓ ↓ ↓ ↓ ↓ ↓ ↓ Код Р0563 - непостоянный. В дополнительной информации к коду Р0563 найти значение параметра DLC (задержка до стирания кода неисправности из памяти контроллера – см. раздел 2.4). Если значение DLC>38, то выполнить проверку 2. Если значение DLC<38, то стереть код. ↓ 2 При отключенных электрических нагрузках определить напряжение бортовой се- ти, фиксируемое диагностическим прибором. Значения напряжений для параметра "Напряжение бортсети" и параметра АЦП "Напряжение батареи" более 17 В? ↓ ↓ Да Нет ↓ ↓ ↓ ↓ ↓ Код Р0563 - непостоянный. Выполнить проверку натяжения ремня привода генератора. Выполнить проверку силовых цепей и цепи управления главным реле в соответствии с картой А-4. ↓ 3 При отключенных электрических нагрузках вольтметром измерить напряжение бортовой сети на клеммах АКБ. Значение напряжения более 17 В? ↓ ↓ Нет Да ↓ ↓ ↓ Выполнить проверку генератора. ↓ Выполнить проверку целостности электрической цепи до контактов "Х1.1/L3", "X1.1/K3", "Х1.1/A5" колодки к контроллеру - см. "Проверка целостности элек- трической цепи", раздел 2.7В. Выполнить проверку силовых цепей и цепи управления главным реле в соответст- вии с картой А-4. Устранить обнаруженные неисправности. Стереть код неисправности и воспроизвести условия возникновения кода. При повторном занесении кода заменить контроллер. После ремонта запустить двигатель, сбросить коды и убедиться в отсутствии не- исправности. http://vnx.su/
  • 276.
    ГОСТ 3.1105-84 Лист 198Дубликат Взам. Подп. 3100.25100.12056 ТИТехнологическая инструкция ОАО "АВТОВАЗ" ИзмЛист№документаПодписьДатаИзм.Лист№документаПодписьДата Код Р0601 Контроллер СУД, ошибка контрольной суммы ПЗУ Код Р0601 заносится, если: - двигатель работает; - контрольная сумма ПЗУ не соответствует запрограммированному значению. Сигнализатор неисправностей загорается на 3-ей поездке после возникновения устой- чивой неисправности. Описание проверок Последовательность соответствует цифрам на карте. 1 Сбросить код. 2 Заменить контроллер на заведомо исправный. Диагностическая информация Диагностический прибор в режиме "Мониторинг сигналов" показывает контрольную сумму ПЗУ ( параметр "Контрольная сумма"). В случае замены контроллера необходимо выполнить процедуру адаптации нуля дроссельной заслонки и процедуру адаптации функции диагностики пропусков воспламене- ния - см. раздел 1.1. Код Р0601 Контроллер СУД, ошибка контрольной суммы ПЗУ 1 Подключить диагностический прибор. Включить зажигание. Стереть коды с помощью диагностического прибора в режиме "Коды неиспрано- стей; Стереть и обновить". ↓ 2 При повторном возникновении кода заменить контроллер. После ремонта запустить двигатель, сбросить коды и убедиться в отсутствии не- исправности. http://vnx.su/
  • 277.
    ГОСТ 3.1105-84 Лист 199 Дубликат Взам. Подп. 3100.25100.12056 ТИТехнологическая инструкция ОАО "АВТОВАЗ" ИзмЛист№документаПодписьДатаИзм.Лист№документаПодписьДата Код Р0603 Контроллер СУД, ошибка внутреннего ОЗУ Код Р0603 заносится, если: - произошла ошибка при проведении контроллером внутреннего теста "чтение – за- пись" в ОЗУ. При возникновении этого кода сигнализатор неисправностей не загорается. Описание проверок Последовательность соответствует цифрам на карте. 1 Если неисправность периодически фиксируется, необходимо заменить контроллер. Диагностическая информация В случае замены контроллера необходимо выполнить процедуру адаптации нуля дроссельной заслонки и процедуру адаптации функции диагностики пропусков воспламене- ния - см. раздел 1.1. Код Р0603 Контроллер СУД, ошибка внутреннего ОЗУ 1 Подключить диагностический прибор. Включить зажигание. Стереть коды с помощью диагностического прибора в режиме "Коды неиспрано- стей; Стереть и обновить". Запустить несколько раз двигатель. При повторном возникновении кода заменить контроллер. После ремонта запустить двигатель, сбросить коды и убедиться в отсутствии не- исправности. Код Р0604 Контроллер СУД, ошибка внешнего ОЗУ Код Р0604 заносится, если: - произошла ошибка при проведении контроллером внутреннего теста "чтение – за- пись" в ОЗУ. При возникновении этого кода сигнализатор неисправностей не загорается. Описание проверок Последовательность соответствует цифрам на карте. 1 Если неисправность периодически фиксируется, необходимо заменить контроллер. Диагностическая информация В случае замены контроллера необходимо выполнить процедуру адаптации нуля дроссельной заслонки и процедуру адаптации функции диагностики пропусков воспламене- ния - см. раздел 1.1. Код Р0604 Контроллер СУД, ошибка внешнего ОЗУ 1 Подключить диагностический прибор. Включить зажигание. Стереть коды с помощью диагностического прибора в режиме "Коды неиспрано- стей; Стереть и обновить". Запустить несколько раз двигатель. При повторном возникновении кода заменить контроллер. После ремонта запустить двигатель, сбросить коды и убедиться в отсутствии не- исправности. http://vnx.su/
  • 278.
    ГОСТ 3.1105-84 Лист 200Дубликат Взам. Подп. 3100.25100.12056 ТИТехнологическая инструкция ОАО "АВТОВАЗ" ИзмЛист№документаПодписьДатаИзм.Лист№документаПодписьДата Код Р0606 Контроллер СУД, ошибка процессора Код Р0606 заносится, если: - зажигание включено; - внутренние тесты контроллера определили неисправность процессора. Сигнализатор неисправностей загорается через 5 с после возникновения кода неис- правности. Описание проверок Последовательность соответствует цифрам на карте. 1 Если неисправность периодически фиксируется, необходимо заменить контроллер. Диагностическая информация С момента включения зажигания и до момента отключения главного реле контроллер выполняет внутренние проверки, направленные на определение неисправности аппаратуры процессора. Часть проверок выполняется однократно при включении и выключении зажигания. Часть проверок выполняется циклически. При обнаружении неисправности выполняется сброс и инициализация процессора. В случае замены контроллера необходимо выполнить процедуру адаптации нуля дроссельной заслонки и процедуру адаптации функции диагностики пропусков воспламене- ния - см. раздел 1.1. Код Р0606 Контроллер СУД, ошибка процессора 1 Подключить диагностический прибор. Включить зажигание. Стереть коды с помощью диагностического прибора в режиме "Коды неиспрано- стей; Стереть и обновить". Запустить несколько раз двигатель. При повторном возникновении кода заменить контроллер. После ремонта запустить двигатель, сбросить коды и убедиться в отсутствии не- исправности. http://vnx.su/
  • 279.
    ГОСТ 3.1105-84 Лист 201 Дубликат Взам. Подп. 3100.25100.12056 ТИТехнологическая инструкция ОАО "АВТОВАЗ" ИзмЛист№документаПодписьДатаИзм.Лист№документаПодписьДата Код Р0627 Реле бензонасоса, цепь неисправна Код Р0627 заносится, если: - двигатель работает; - самодиагностика драйвера реле бензонасоса определила неисправность. При возникновении этого кода сигнализатор неисправностей не загорается. Описание проверок Последовательность соответствует цифрам на карте. 1 Проверяется наличие постоянной неисправности. 2 Проверяется цепь питания реле бензонасоса. 3 Проверяется цепь управления реле бензонасоса на обрыв. 4 Проверяется исправность реле бензонасоса. Диагностическая информация В контроллере используется драйвер реле бензонасоса, обладающий функцией само- диагностики. Он может определять наличие таких неисправностей, как обрыв, короткое за- мыкание на массу или источник питания цепи управления реле. Управлять включением реле бензонасоса можно с помощью диагностического прибо- ра в режиме "Активные тесты". http://vnx.su/
  • 280.
    ГОСТ 3.1105-84 Лист 202Дубликат Взам. Подп. 3100.25100.12056 ТИТехнологическая инструкция ОАО "АВТОВАЗ" ИзмЛист№документаПодписьДатаИзм.Лист№документаПодписьДата Код Р0627 Реле бензонасоса, цепь неисправна 1 Подключить диагностический прибор. Выбрать на диагностическом приборе режим "Коды неисправностей". Попытаться запустить двигатель. Проверить, активен ли код неисправности в данный момент? ↓ ↓ Да Нет ↓ ↓ ↓ ↓ Код Р0627 - непостоянный. В случае отсутствия других кодов - см. "Непо- стоянные неисправности", раздел 2.7 В. ↓ 2 Выключить зажигание. Снять реле бензонасоса. Отсоединить колодку Х2 жгута от контроллера. Выполнить проверку целостности электрической цепи между клеммой "15" вы- ключателя зажигания и контактом колодки к клемме "85" реле К7 – см. "Проверка целостности электрической цепи", раздел 2.7В. Цепь исправна? ↓ ↓ Да Нет → Неисправен жгут проводов. ↓ 3 Выполнить проверку целостности электрической цепи между контактом колодки к клемме "86" реле К7 и контактом "X1.1/J4" колодки к контроллеру – см. "Про- верка целостности электрической цепи", раздел 2.7В. Цепь исправна? ↓ ↓ Да Нет ↓ ↓ ↓ Неисправен жгут проводов. ↓ 4 Заменить реле бензонасоса на заведомо исправное. Присоединить колодку жгута к контроллеру. Попытаться запустить двигатель. Проверить, активен ли код неисправности в данный момент? ↓ ↓ Нет Да → Неисправен контроллер. ↓ Неисправно реле бензонасоса. После ремонта запустить двигатель, сбросить коды и убедиться в отсутствии не- исправности. http://vnx.su/
  • 281.
    ГОСТ 3.1105-84 Лист 203 Дубликат Взам. Подп. 3100.25100.12056 ТИТехнологическая инструкция ОАО "АВТОВАЗ" ИзмЛист№документаПодписьДатаИзм.Лист№документаПодписьДата Код Р0628 Реле бензонасоса, замыкание цепи управления на массу Код Р628 заносится, если: - двигатель работает; - самодиагностика драйвера реле бензонасоса определила на выходе замыкание на массу. При возникновении этого кода сигнализатор неисправностей не загорается. Описание проверок Последовательность соответствует цифрам на карте. 1 Проверяется наличие постоянной неисправности. 2 Определяется наличие замыкания на массу цепи управления реле бензонасоса. Диагностическая информация В контроллере используется драйвер реле бензонасоса, обладающий функцией само- диагностики. Он может определять наличие таких неисправностей, как обрыв, короткое за- мыкание на массу или источник питания цепи управления реле. Управлять включением реле бензонасоса можно с помощью диагностического прибо- ра в режиме "Активные тесты". http://vnx.su/
  • 282.
    ГОСТ 3.1105-84 Лист 204Дубликат Взам. Подп. 3100.25100.12056 ТИТехнологическая инструкция ОАО "АВТОВАЗ" ИзмЛист№документаПодписьДатаИзм.Лист№документаПодписьДата Код Р0628 Реле бензонасоса, замыкание цепи управления на массу 1 Подключить диагностический прибор. Выбрать на диагностическом приборе режим "Коды неисправностей". Попытаться запустить двигатель. Проверить, активен ли код неисправности в данный момент? ↓ ↓ Да Нет ↓ ↓ ↓ ↓ Код Р0628 - непостоянный. В случае отсутствия других кодов - см. "Непо- стоянные неисправности", раздел 2.7В. ↓ 2 Выключить зажигание. Отсоединить колодку Х1.1 жгута от контроллера. Провести проверку замыкания контакта "X1.1/J4" колодки жгута к контроллеру на массу – см. "Проверка замыкания цепи на массу", раздел 2.7В. Замыкание есть? ↓ ↓ Да Нет → Неисправен контроллер. ↓ Неисправен жгут проводов. После ремонта запустить двигатель, сбросить коды и убедиться в отсутствии не- исправности. http://vnx.su/
  • 283.
    ГОСТ 3.1105-84 Лист 205 Дубликат Взам. Подп. 3100.25100.12056 ТИТехнологическая инструкция ОАО "АВТОВАЗ" ИзмЛист№документаПодписьДатаИзм.Лист№документаПодписьДата Код Р0629 Реле бензонасоса, замыкание цепи управления на бортовую сеть Код Р0629 заносится, если: - двигатель работает; - самодиагностика драйвера реле бензонасоса определила на выходе замыкание на ис- точник питания. При возникновении этого кода сигнализатор неисправностей не загорается. Описание проверок Последовательность соответствует цифрам на карте. 1 Проверяется наличие постоянной неисправности. 2 Определяется наличие замыкания на источник питания цепи управления реле бензо- насоса. 3 Проверяется исправность реле бензонасоса. Диагностическая информация В контроллере используется драйвер реле бензонасоса, обладающий функцией само- диагностики. Он может определять наличие таких неисправностей, как обрыв, короткое за- мыкание на массу или источник питания цепи управления реле. Управлять включением реле бензонасоса можно с помощью диагностического прибо- ра в режиме "Активные тесты". http://vnx.su/
  • 284.
    ГОСТ 3.1105-84 Лист 206Дубликат Взам. Подп. 3100.25100.12056 ТИТехнологическая инструкция ОАО "АВТОВАЗ" ИзмЛист№документаПодписьДатаИзм.Лист№документаПодписьДата Код Р0629 Реле бензонасоса, замыкание цепи управления на бортовую сеть 1 Подключить диагностический прибор. Выбрать на диагностическом приборе режим "Коды неисправностей". Попытаться запустить двигатель. Проверить, активен ли код неисправности в данный момент? ↓ ↓ Да Нет ↓ ↓ ↓ ↓ Код Р0629 - непостоянный. В случае отсутствия других кодов - см. "Непо- стоянные неисправности", раздел 2.7В. ↓ 2 Выключить зажигание. Отсоединить колодку Х1.1 жгута от контроллера. Провести проверку замыкания контакта "X1.1/J4" колодки жгута к контроллеру на бортовую сеть – см. "Проверка замыкания цепи на бортовую сеть", раздел 2.7В. Замыкание есть? ↓ ↓ Да Нет ↓ ↓ ↓ Неисправен контроллер. ↓ 3 Заменить реле бензонасоса на заведомо исправное. Присоединить колодку жгута к контроллеру. Попытаться запустить двигатель. Проверить, активен ли код неисправности в данный момент? ↓ ↓ Да Нет → Неисправно реле бензонасоса. ↓ Неисправен жгут проводов. После ремонта запустить двигатель, сбросить коды и убедиться в отсутствии не- исправности. http://vnx.su/
  • 285.
    ГОСТ 3.1105-84 Лист 207 Дубликат Взам. Подп. 3100.25100.12056 ТИТехнологическая инструкция ОАО "АВТОВАЗ" ИзмЛист№документаПодписьДатаИзм.Лист№документаПодписьДата Код Р062F Ошибка внутреннего EEPROM Код Р062F заносится, если: - произошла ошибка при проведении контроллером внутреннего теста "чтение – за- пись" в ЭРПЗУ. При возникновении этого кода сигнализатор неисправностей не загорается. Описание проверок Последовательность соответствует цифрам на карте. 1 Если неисправность периодически фиксируется, необходимо заменить контроллер. Диагностическая информация В случае замены контроллера необходимо выполнить процедуру адаптации нуля дроссельной заслонки и процедуру адаптации функции диагностики пропусков воспламене- ния - см. раздел 1.1. Код Р062F Ошибка внутреннего EEPROM 1 Подключить диагностический прибор. Включить зажигание. Стереть коды с помощью диагностического прибора в режиме "Коды неиспрано- стей; Стереть и обновить". При повторном возникновении кода заменить контроллер. После ремонта запустить двигатель, сбросить коды и убедиться в отсутствии не- исправности. Код Р0641 Цепь питания датчиков, обрыв Код Р0641 заносится, если: - зажигание включено; - внутренние тесты контроллера определили отсутствие нагрузки в цепи питания +5 В датчиков ЭСУД. Сигнализатор неисправностей загорается через 5 с после возникновения кода неис- правности. Описание проверок Последовательность соответствует цифрам на карте. 1 Если неисправность периодически фиксируется, необходимо заменить контроллер. Диагностическая информация В случае замены контроллера необходимо выполнить процедуру адаптации нуля дроссельной заслонки и процедуру адаптации функции диагностики пропусков воспламене- ния - см. раздел 1.1. Код Р0641 Цепь питания датчиков, обрыв 1 Подключить диагностический прибор. Включить зажигание. Стереть коды с помощью диагностического прибора в режиме "Коды неиспрано- стей; Стереть и обновить". При повторном возникновении кода заменить контроллер. После ремонта запустить двигатель, сбросить коды и убедиться в отсутствии не- исправности. http://vnx.su/
  • 286.
    ГОСТ 3.1105-84 Лист 208Дубликат Взам. Подп. 3100.25100.12056 ТИТехнологическая инструкция ОАО "АВТОВАЗ" ИзмЛист№документаПодписьДатаИзм.Лист№документаПодписьДата Код Р0642 Цепь питания датчиков, низкий уровень сигнала Код Р0642 заносится, если: - зажигание включено; - внутренние тесты контроллера определили напряжение ниже допустимого уровня в цепи питания +5 В датчиков ЭСУД. Сигнализатор неисправностей загорается через 5 с после возникновения кода неис- правности. Описание проверок Последовательность соответствует цифрам на карте. 1 Определяется наличие замыкания на массу цепей питания +5 В датчиков ЭСУД. 2 Если неисправность периодически фиксируется, необходимо заменить контроллер. Диагностическая информация В случае замены контроллера необходимо выполнить процедуру адаптации нуля дроссельной заслонки и процедуру адаптации функции диагностики пропусков воспламене- ния - см. раздел 1.1. Код Р0642 Цепь питания датчиков, низкий уровень сигнала 1 Выключить зажигание. Отсоединить колодки Х1.1 и Х1.2 жгута от контроллера. Провести проверку замыкания контактов "X1.1/D2", "X1.1/D3", "X1.1/E2", "X1.2/E3", "X1.2/F3" колодок жгута к контроллеру на массу – см. "Проверка замы- кания цепи на массу", раздел 2.7В. Замыкание есть? ↓ ↓ Нет Да → Неисправен жгут проводов. ↓ 2 Присоединить колодки Х1.1 и Х1.2 жгута к контроллеру. Подключить диагностический прибор. Включить зажигание. Стереть коды с помощью диагностического прибора в режиме "Коды неиспрано- стей; Стереть и обновить". При повторном возникновении кода заменить контроллер. После ремонта запустить двигатель, сбросить коды и убедиться в отсутствии не- исправности. http://vnx.su/
  • 287.
    ГОСТ 3.1105-84 Лист 209 Дубликат Взам. Подп. 3100.25100.12056 ТИТехнологическая инструкция ОАО "АВТОВАЗ" ИзмЛист№документаПодписьДатаИзм.Лист№документаПодписьДата Код Р0643 Цепь питания датчиков, высокий уровень сигнала Код Р0643 заносится, если: - зажигание включено; - внутренние тесты контроллера определили напряжение выше допустимого уровня в цепи питания +5 В датчиков ЭСУД. Сигнализатор неисправностей загорается через 5 с после возникновения кода неис- правности. Описание проверок Последовательность соответствует цифрам на карте. 1 Определяется наличие замыкания на бортовую сеть цепей питания +5 В датчиков ЭСУД. 2 Если неисправность периодически фиксируется, необходимо заменить контроллер. Диагностическая информация В случае замены контроллера необходимо выполнить процедуру адаптации нуля дроссельной заслонки и процедуру адаптации функции диагностики пропусков воспламене- ния - см. раздел 1.1. Код Р0643 Цепь питания датчиков, высокий уровень сигнала 1 Выключить зажигание. Отсоединить колодки Х1.1 и Х1.2 жгута от контроллера. Провести проверку замыкания контактов "X1.1/D2", "X1.1/D3", "X1.1/E2", "X1.2/E3", "X1.2/F3" колодок жгута к контроллеру на бортовую сеть – см. "Про- верка замыкания цепи на бортовую сеть", раздел 2.7В. Замыкание есть? ↓ ↓ Нет Да → Неисправен жгут проводов. ↓ 2 Присоединить колодки Х1.1 и Х1.2 жгута к контроллеру. Подключить диагностический прибор. Включить зажигание. Стереть коды с помощью диагностического прибора в режиме "Коды неиспрано- стей; Стереть и обновить". При повторном возникновении кода заменить контроллер. После ремонта запустить двигатель, сбросить коды и убедиться в отсутствии не- исправности. http://vnx.su/
  • 288.
    ГОСТ 3.1105-84 Лист 210Дубликат Взам. Подп. 3100.25100.12056 ТИТехнологическая инструкция ОАО "АВТОВАЗ" ИзмЛист№документаПодписьДатаИзм.Лист№документаПодписьДата Схема включения муфты компрессора кондиционера на автомобилях LADA VESTA с сис- темой кондиционирования Код Р0645 Реле муфты компрессора кондиционера, цепь неисправна Код Р0645 заносится, если: - двигатель работает; - команда на включение кондиционера выполнена (параметр "Включение реле кон- диционера" = Да); - самодиагностика драйвера реле муфты компрессора кондиционера определила неис- правность. Сигнализатор неисправностей загорается через 2 драйв-цикла после возникновения кода неисправности. Описание проверок Последовательность соответствует цифрам на карте. 1 Проверяется наличие постоянной неисправности. 2 Проверяется цепь питания реле муфты компрессора кондиционера. 3 Проверяется цепь управления реле муфты компрессора кондиционера на обрыв. 4 Проверяется исправность реле муфты компрессора кондиционера. Диагностическая информация В контроллере используется драйвер реле муфты компрессора кондиционера, обла- дающий функцией самодиагностики. Он может определять наличие таких неисправностей, как обрыв, короткое замыкание на массу или источник питания цепи управления реле. Управлять включением реле муфты компрессора кондиционера можно с помощью диагностического прибора в режиме "Активные тесты". http://vnx.su/
  • 289.
    ГОСТ 3.1105-84 Лист 211 Дубликат Взам. Подп. 3100.25100.12056 ТИТехнологическая инструкция ОАО "АВТОВАЗ" ИзмЛист№документаПодписьДатаИзм.Лист№документаПодписьДата Код Р0645 Реле муфты компрессора кондиционера, цепь неисправна 1 Подключить диагностический прибор. Выбрать на диагностическом приборе режим "Коды неисправностей". Запустить двигатель. Включить кондиционер. Проверить, активен ли код неисправности в данный момент? ↓ ↓ Да Нет ↓ ↓ ↓ ↓ Код Р0645 - непостоянный. В случае отсутствия других кодов - см. "Непо- стоянные неисправности", раздел 2.7 В. ↓ 2 Выключить зажигание. Снять реле муфты компрессора кондиционера. Выполнить проверку целостности электрической цепи между контактом колодки к клемме "85" реле муфты и главным реле – см. "Проверка целостности электри- ческой цепи", раздел 2.7В. Цепь исправна? ↓ ↓ Да Нет → Неисправен жгут проводов. ↓ 3 Отсоединить колодку Х1.1 жгута от контроллера. Выполнить проверку целостности электрической цепи между контактом колодки к клемме "86" реле муфты и контактом "X1.1/F2" колодки к контроллеру – см. "Проверка целостности электрической цепи", раздел 2.7В. Цепь исправна? ↓ ↓ Да Нет ↓ ↓ ↓ Неисправен жгут проводов. ↓ 4 Заменить реле муфты компрессора кондиционера на заведомо исправное. Присое- динить колодку жгута к контроллеру. Запустить двигатель. Включить кондицио- нер. Проверить, активен ли код неисправности в данный момент? ↓ ↓ Нет Да → Неисправен контроллер. ↓ Неисправно реле муфты компрессора кондиционера. После ремонта запустить двигатель, сбросить коды и убедиться в отсутствии не- исправности. http://vnx.su/
  • 290.
    ГОСТ 3.1105-84 Лист 212Дубликат Взам. Подп. 3100.25100.12056 ТИТехнологическая инструкция ОАО "АВТОВАЗ" ИзмЛист№документаПодписьДатаИзм.Лист№документаПодписьДата Схема включения муфты компрессора кондиционера на автомобилях LADA VESTA с сис- темой кондиционирования Код Р0646 Реле муфты компрессора кондиционера, замыкание цепи управления на массу Код Р646 заносится, если: - двигатель работает; - команда на включение кондиционера выполнена (параметр "Включение реле кон- диционера" = Да); - самодиагностика драйвера реле муфты компрессора кондиционера определила на выходе замыкание на массу. Сигнализатор неисправностей загорается через 2 драйв-цикла после возникновения кода неисправности. Описание проверок Последовательность соответствует цифрам на карте. 1 Проверяется наличие постоянной неисправности. 2 Определяется наличие замыкания на массу цепи управления реле муфты компрессо- ра кондиционера. Диагностическая информация В контроллере используется драйвер реле муфты компрессора кондиционера, обла- дающий функцией самодиагностики. Он может определять наличие таких неисправностей, как обрыв, короткое замыкание на массу или источник питания цепи управления реле. Управлять включением реле муфты компрессора кондиционера можно с помощью диагностического прибора в режиме "Активные тесты". http://vnx.su/
  • 291.
    ГОСТ 3.1105-84 Лист 213 Дубликат Взам. Подп. 3100.25100.12056 ТИТехнологическая инструкция ОАО "АВТОВАЗ" ИзмЛист№документаПодписьДатаИзм.Лист№документаПодписьДата Код Р0646 Реле муфты компрессора кондиционера, замыкание цепи управления на массу 1 Подключить диагностический прибор. Выбрать на диагностическом приборе режим "Коды неисправностей". Запустить двигатель. Включить кондиционер. Проверить, активен ли код неисправности в данный момент? ↓ ↓ Да Нет ↓ ↓ ↓ ↓ Код Р0646 - непостоянный. В случае отсутствия других кодов - см. "Непо- стоянные неисправности", раздел 2.7В. ↓ 2 Выключить зажигание. Отсоединить колодку Х1.1 жгута от контроллера. Провести проверку замыкания контакта "X1.1/F2" колодки жгута к контроллеру на массу – см. "Проверка замыкания цепи на массу", раздел 2.7В. Замыкание есть? ↓ ↓ Да Нет → Неисправен контроллер. ↓ Неисправен жгут проводов. После ремонта запустить двигатель, сбросить коды и убедиться в отсутствии не- исправности. http://vnx.su/
  • 292.
    ГОСТ 3.1105-84 Лист 214Дубликат Взам. Подп. 3100.25100.12056 ТИТехнологическая инструкция ОАО "АВТОВАЗ" ИзмЛист№документаПодписьДатаИзм.Лист№документаПодписьДата Схема включения муфты компрессора кондиционера на автомобилях LADA VESTA с сис- темой кондиционирования Код Р0647 Реле муфты компрессора кондиционера, замыкание цепи управления на бортовую сеть Код Р0647 заносится, если: - двигатель работает; - команда на включение кондиционера выполнена (параметр "Включение реле кон- диционера" = Да); - самодиагностика драйвера реле муфты компрессора кондиционера определила на выходе замыкание на источник питания. Сигнализатор неисправностей загорается через 2 драйв-цикла после возникновения кода неисправности. Описание проверок Последовательность соответствует цифрам на карте. 1 Проверяется наличие постоянной неисправности. 2 Определяется наличие замыкания на источник питания цепи управления реле муфты компрессора кондиционера. 3 Проверяется исправность реле муфты компрессора кондиционера. Диагностическая информация В контроллере используется драйвер реле муфты компрессора кондиционера, обла- дающий функцией самодиагностики. Он может определять наличие таких неисправностей, как обрыв, короткое замыкание на массу или источник питания цепи управления реле. Управлять включением реле муфты компрессора кондиционера можно с помощью диагностического прибора в режиме "Активные тесты". http://vnx.su/
  • 293.
    ГОСТ 3.1105-84 Лист 215 Дубликат Взам. Подп. 3100.25100.12056 ТИТехнологическая инструкция ОАО "АВТОВАЗ" ИзмЛист№документаПодписьДатаИзм.Лист№документаПодписьДата Код Р0647 Реле муфты компрессора кондиционера, замыкание цепи управления на бор- товую сеть 1 Подключить диагностический прибор. Выбрать на диагностическом приборе режим "Коды неисправностей". Запустить двигатель. Включить кондиционер. Проверить, активен ли код неисправности в данный момент? ↓ ↓ Да Нет ↓ ↓ ↓ ↓ Код Р0647 - непостоянный. В случае отсутствия других кодов - см. "Непо- стоянные неисправности", раздел 2.7В. ↓ 2 Выключить зажигание. Отсоединить колодку Х1.1 жгута от контроллера. Провести проверку замыкания контакта "X1.1/F2" колодки жгута к контроллеру на бортовую сеть – см. "Проверка замыкания цепи на бортовую сеть", раздел 2.7В. Замыкание есть? ↓ ↓ Да Нет ↓ ↓ ↓ Неисправен контроллер. ↓ 3 Заменить реле муфты компрессора кондиционера на заведомо исправное. Присое- динить колодку жгута к контроллеру. Попытаться запустить двигатель. Проверить, активен ли код неисправности в данный момент? ↓ ↓ Да Нет → Неисправно реле муфты компрессора кондиционера. ↓ Неисправен жгут проводов. После ремонта запустить двигатель, сбросить коды и убедиться в отсутствии не- исправности. http://vnx.su/
  • 294.
    ГОСТ 3.1105-84 Лист 216Дубликат Взам. Подп. 3100.25100.12056 ТИТехнологическая инструкция ОАО "АВТОВАЗ" ИзмЛист№документаПодписьДатаИзм.Лист№документаПодписьДата Код Р0660 Клапан управления длиной каналов системы впуска, обрыв цепи Код Р0660 заносится, если: - двигатель работает; - самодиагностика драйвера клапана определила на выходе отсутствие нагрузки. Сигнализатор неисправностей загорается через 2 драйв-цикла после возникновения кода неисправности. Описание проверок Последовательность соответствует цифрам на карте. 1 Проверяется наличие постоянной неисправности. 2 Проверяется цепь питания клапана. 3 Проверяется цепь управления клапаном на обрыв. 3 Проверяется исправность электромагнитного клапана. Диагностическая информация В контроллере используется драйвер клапана, обладающий функцией самодиагности- ки. Он может определять наличие таких неисправностей, как обрыв, короткое замыкание на массу или источник питания цепи управления клапаном. Управлять состоянием клапана можно с помощью диагностического прибора в режи- ме "Активные тесты". http://vnx.su/
  • 295.
    ГОСТ 3.1105-84 Лист 217 Дубликат Взам. Подп. 3100.25100.12056 ТИТехнологическая инструкция ОАО "АВТОВАЗ" ИзмЛист№документаПодписьДатаИзм.Лист№документаПодписьДата Код Р0660 Клапан управления длиной каналов системы впуска, обрыв цепи 1 Подключить диагностический прибор. Запустить двигатель. Выбрать на диагностическом приборе режим "Коды неис- правностей". Проверить, активен ли код неисправности в данный момент? ↓ ↓ Да Нет ↓ ↓ ↓ ↓ Код Р0660 - непостоянный. В случае отсутствия других кодов - см. "Непо- стоянные неисправности", раздел 2.7В. ↓ 2 Выключить зажигание. Отсоединить колодку жгута от клапана. Выполнить проверку целостности электрической цепи между контактом "А" ко- лодки к клапану и главным реле – см. "Проверка целостности электрической це- пи", раздел 2.7В. Цепь исправна? ↓ ↓ Да Нет → Неисправен жгут проводов. ↓ 3 Отсоединить колодку Х1.2 жгута от контроллера. Выполнить проверку целостности электрической цепи между контактом "X1.2/F2" колодки к контроллеру и контактом "В" колодки к клапану – см. "Проверка цело- стности электрической цепи", раздел 2.7В. Цепь исправна? ↓ ↓ Да Нет ↓ ↓ ↓ Неисправен жгут проводов. ↓ 4 Измерить сопротивление между контактами "А" и "В" клапана. Сопротивление больше 1 МОм? ↓ ↓ Да Нет → Неисправен контроллер. ↓ Неисправен клапан. После ремонта запустить двигатель, сбросить коды и убедиться в отсутствии не- исправности. http://vnx.su/
  • 296.
    ГОСТ 3.1105-84 Лист 218Дубликат Взам. Подп. 3100.25100.12056 ТИТехнологическая инструкция ОАО "АВТОВАЗ" ИзмЛист№документаПодписьДатаИзм.Лист№документаПодписьДата Код Р0661 Клапан управления длиной каналов системы впуска, замыкание цепи управления на массу Код Р0660 заносится, если: - двигатель работает; - самодиагностика драйвера клапана определила на выходе замыкание на массу. Сигнализатор неисправностей загорается через 2 драйв-цикла после возникновения кода неисправности. Описание проверок Последовательность соответствует цифрам на карте. 1 Проверяется наличие постоянной неисправности. 2 Проверяется наличие замыкания на массу цепи управления клапаном. Диагностическая информация В контроллере используется драйвер клапана, обладающий функцией самодиагности- ки. Он может определять наличие таких неисправностей, как обрыв, короткое замыкание на массу или источник питания цепи управления клапаном. Управлять состоянием клапана можно с помощью диагностического прибора в режи- ме "Активные тесты". http://vnx.su/
  • 297.
    ГОСТ 3.1105-84 Лист 219 Дубликат Взам. Подп. 3100.25100.12056 ТИТехнологическая инструкция ОАО "АВТОВАЗ" ИзмЛист№документаПодписьДатаИзм.Лист№документаПодписьДата Код Р0661 Клапан управления длиной каналов системы впуска, замыкание цепи управ- ления на массу 1 Подключить диагностический прибор. Запустить двигатель. Выбрать на диагностическом приборе режим "Коды неис- правностей". Проверить, активен ли код неисправности в данный момент? ↓ ↓ Да Нет ↓ ↓ ↓ ↓ Код Р0443 - непостоянный. В случае отсутствия других кодов - см. "Непо- стоянные неисправности", раздел 2.7В. ↓ 2 Выключить зажигание. Отсоединить колодку Х1.2 жгута от контроллера. Провести проверку замыкания контакта "X1.2/F2" колодки жгута к контроллеру на массу – см. "Проверка замыкания цепи на массу", раздел 2.7В. Замыкание есть? ↓ ↓ Да Нет → Неисправен контроллер. ↓ Неисправен жгут проводов. После ремонта запустить двигатель, сбросить коды и убедиться в отсутствии не- исправности. http://vnx.su/
  • 298.
    ГОСТ 3.1105-84 Лист 220Дубликат Взам. Подп. 3100.25100.12056 ТИТехнологическая инструкция ОАО "АВТОВАЗ" ИзмЛист№документаПодписьДатаИзм.Лист№документаПодписьДата Код Р0662 Клапан управления длиной каналов системы впуска, замыкание цепи управления на бортовую сеть Код Р0662 заносится, если: - двигатель работает; - самодиагностика драйвера клапана определила на выходе замыкание на источник питания. Сигнализатор неисправностей загорается через 2 драйв-цикла после возникновения кода неисправности. Описание проверок Последовательность соответствует цифрам на карте. 1 Проверяется наличие постоянной неисправности. 2 Определяется наличие замыкания на источник питания цепи управления клапаном. 3 Проверяется исправность электромагнитного клапана. Диагностическая информация В контроллере используется драйвер клапана, обладающий функцией самодиагности- ки. Он может определять наличие таких неисправностей, как обрыв, короткое замыкание на массу или источник питания цепи управления клапаном. Управлять состоянием клапана можно с помощью диагностического прибора в режи- ме "Активные тесты". http://vnx.su/
  • 299.
    ГОСТ 3.1105-84 Лист 221 Дубликат Взам. Подп. 3100.25100.12056 ТИТехнологическая инструкция ОАО "АВТОВАЗ" ИзмЛист№документаПодписьДатаИзм.Лист№документаПодписьДата Код Р0662 Клапан управления длиной каналов системы впуска, замыкание цепи управ- ления на бортовую сеть 1 Подключить диагностический прибор. Запустить двигатель. Выбрать на диагностическом приборе режим "Коды неис- правностей". Проверить, активен ли код неисправности в данный момент? ↓ ↓ Да Нет ↓ ↓ ↓ ↓ Код Р0662 - непостоянный. В случае отсутствия других кодов - см. "Непо- стоянные неисправности", раздел 2.7В. ↓ 2 Выключить зажигание. Отсоединить колодку Х1.2 жгута от контроллера. Провести проверку замыкания контакта "X1.2/F2" колодки жгута к контроллеру на бортовую сеть – см. "Проверка замыкания цепи на бортовую сеть", раздел 2.7В. Замыкание есть? ↓ ↓ Да Нет ↓ ↓ ↓ Неисправен контроллер. ↓ 3 Отсоединить колодку жгута от клапана. Измерить сопротивление между контак- тами "А" и "В" разъема клапана. Сопротивление меньше 20 Ом? ↓ ↓ Нет Да → Неисправен клапан. ↓ Неисправен жгут проводов. После ремонта запустить двигатель, сбросить коды и убедиться в отсутствии не- исправности. http://vnx.su/
  • 300.
    ГОСТ 3.1105-84 Лист 222Дубликат Взам. Подп. 3100.25100.12056 ТИТехнологическая инструкция ОАО "АВТОВАЗ" ИзмЛист№документаПодписьДатаИзм.Лист№документаПодписьДата Электрическая цепь вентилятора системы охлаждения двигателя автомобилей семейства LADA VESTA Код Р0691 (Р0693) Реле вентилятора 1 (2), замыкание цепи управления на массу Код Р0691 (Р0693) заносится, если: - двигатель работает; - самодиагностика драйвера реле вентилятора определила на выходе замыкание на массу. Сигнализатор неисправностей загорается через 2 драйв-цикла после возникновения кода неисправности. Описание проверок Последовательность соответствует цифрам на карте. 1 Проверяется наличие постоянной неисправности. 2 Определяется наличие замыкания на массу цепи управления реле вентилятора. Диагностическая информация В контроллере используется драйвер реле вентилятора, обладающий функцией само- диагностики. Он может определять наличие таких неисправностей, как обрыв, короткое за- мыкание на массу или источник питания цепи управления реле. Замыкание цепи управления на источник питания может быть определено в момент, когда контроллер выдает команду на включение вентилятора. Электродвигатель вентилятора может быть включен с помощью диагностического прибора в режиме "Активные тесты; Управление выходом реле вентилятора 1 (2) системы охлаждения". http://vnx.su/
  • 301.
    ГОСТ 3.1105-84 Лист 223 Дубликат Взам. Подп. 3100.25100.12056 ТИТехнологическая инструкция ОАО "АВТОВАЗ" ИзмЛист№документаПодписьДатаИзм.Лист№документаПодписьДата Код Р0691 (Р0693) Реле вентилятора 1 (2), замыкание цепи управления на массу 1 Подключить диагностический прибор. Выбрать на диагностическом приборе режим "Коды неисправностей". Запустить двигатель. Проверить, активен ли код неисправности в данный момент? ↓ ↓ Да Нет ↓ ↓ ↓ ↓ Код Р0691 (Р0693) - непостоянный. В случае отсутствия других кодов - см. "Непостоянные неисправности", раздел 2.7В. ↓ 2 Выключить зажигание. Отсоединить колодку X1.1 жгута проводов от контроллера. Провести проверку замыкания контакта "X1.1/Н2" ("X1.1/Н3") колодки жгута к контроллеру на массу – см. "Проверка замыкания цепи на массу", раздел 2.7В. Замыкание есть? ↓ ↓ Да Нет → Неисправен контроллер. ↓ Неисправен жгут проводов. После ремонта запустить двигатель, сбросить коды и убедиться в отсутствии не- исправности. http://vnx.su/
  • 302.
    ГОСТ 3.1105-84 Лист 224Дубликат Взам. Подп. 3100.25100.12056 ТИТехнологическая инструкция ОАО "АВТОВАЗ" ИзмЛист№документаПодписьДатаИзм.Лист№документаПодписьДата Электрическая цепь вентилятора системы охлаждения двигателя автомобилей семейства LADA VESTA Код Р0692 (Р0694) Реле вентилятора 1 (2), замыкание цепи управления на бортовую сеть Код Р0692 (Р0694) заносится, если: - двигатель работает; - самодиагностика драйвера реле вентилятора определила на выходе замыкание на ис- точник питания. Сигнализатор неисправностей загорается через 2 драйв-цикла после возникновения кода неисправности. Описание проверок Последовательность соответствует цифрам на карте. 1 Проверяется наличие постоянной неисправности. 2 Определяется наличие замыкания на источник питания цепи управления реле венти- лятора. 3 Проверяется исправность блока реле вентилятора. Диагностическая информация В контроллере используется драйвер реле вентилятора, обладающий функцией само- диагностики. Он может определять наличие таких неисправностей, как обрыв, короткое за- мыкание на массу или источник питания цепи управления реле. Замыкание цепи управления на источник питания может быть определено в момент, когда контроллер выдает команду на включение вентилятора. Электродвигатель вентилятора может быть включен с помощью диагностического прибора в режиме "Активные тесты; Управление выходом реле вентилятора 1 (2) системы охлаждения". http://vnx.su/
  • 303.
    ГОСТ 3.1105-84 Лист 225 Дубликат Взам. Подп. 3100.25100.12056 ТИТехнологическая инструкция ОАО "АВТОВАЗ" ИзмЛист№документаПодписьДатаИзм.Лист№документаПодписьДата Код Р0692 (Р0694) Реле вентилятора 1 (2), замыкание цепи управления на бортовую сеть 1 Подключить диагностический прибор. Выбрать на диагностическом приборе режим "Коды неисправностей". Запустить двигатель. Проверить, активен ли код неисправности в данный момент? ↓ ↓ Да Нет ↓ ↓ ↓ ↓ Код Р0692 (Р0694) - непостоянный. В случае отсутствия других кодов - см. "Непостоянные неисправности", раздел 2.7В. ↓ 2 Выключить зажигание. Отсоединить колодку X1.1 жгута проводов от контроллера. Провести проверку замыкания контакта "X1.1/Н2" ("X1.1/Н3") колодки жгута к контроллеру на бортовую сеть – см. "Проверка замыкания цепи на бортовую сеть", раздел 2.7В. Замыкание есть? ↓ ↓ Да Нет ↓ ↓ ↓ Неисправен контроллер. ↓ 3 Заменить блок реле вентилятора на заведомо исправный. Присоединить колодку жгута к контроллеру. Попытаться запустить двигатель. Проверить, активен ли код неисправности в данный момент? ↓ ↓ Да Нет → Неисправно реле вентилятора. ↓ Неисправен жгут проводов. После ремонта запустить двигатель, сбросить коды и убедиться в отсутствии не- исправности. http://vnx.su/
  • 304.
    ГОСТ 3.1105-84 Лист 226Дубликат Взам. Подп. 3100.25100.12056 ТИТехнологическая инструкция ОАО "АВТОВАЗ" ИзмЛист№документаПодписьДатаИзм.Лист№документаПодписьДата Код Р1335 Мониторинг управления приводом дроссельной заслонки, положение заслонки вне до- пустимого диапазона Код Р1335 заносится, если: - зажигание включено; - положение дроссельной заслонки превышает максимально допустимое в течение 0,5 с; - дроссельная заслонка находится в максимально допустимом положении в течение 3 с. Сигнализатор неисправностей загорается через 5 c после возникновения кода неис- правности. Описание проверок Последовательность соответствует цифрам на карте. 1 С помощью диагностического прибора проверяется наличие кодов Р0122, Р0123, Р0222, Р0223, Р2135, Р1545, Р1558, Р1559, Р1602, Р1336, Р1388, Р1389, Р0606. Поиск неис- правности необходимо начинать с этих кодов. 2 Если неисправность периодически фиксируется, необходимо заменить контроллер. Диагностическая информация С момента включения зажигания и до момента отключения главного реле контроллер выполняет мониторинг положения дроссельной заслонки. Максимально допустимое поло- жение дроссельной заслонки рассчитывается в зависимости от оборотов двигателя, положе- ния педали акселератора, температуры двигателя и т.д. При обнаружении неисправности система управления двигателем будет работать в аварийном режиме до конца текущей поездки: - обесточивание электропривода дроссельной заслонки и ограничение оборотов дви- гателя (2500 об/мин). Причиной фиксации кода Р1335 могут быть неисправность аппаратуры процессора или ошибки программного обеспечения, приводящие к некорректному расчету заданного положения дроссельной заслонки. http://vnx.su/
  • 305.
    ГОСТ 3.1105-84 Лист 227 Дубликат Взам. Подп. 3100.25100.12056 ТИТехнологическая инструкция ОАО "АВТОВАЗ" ИзмЛист№документаПодписьДатаИзм.Лист№документаПодписьДата Код Р1335 Мониторинг управления приводом дроссельной заслонки, положение заслон- ки вне допустимого диапазона 1 Подключить диагностический прибор. Включить зажигание. Выбрать на диагностическом приборе режим "Коды неисправностей". Проверить, фиксируются ли одновременно с кодом Р1335 коды Р0122, Р0123, Р0222, Р0223, Р2135, Р1545, Р1558, Р1559, Р1602, Р1336, Р1388, Р1389, Р0606? ↓ ↓ Нет Да ↓ ↓ ↓ ↓ ↓ Устранить неисправность в соответствии с картами для кодов Р0122, Р0123, Р0222, Р0223, Р2135, Р1545, Р1558, Р1559, Р1602, Р1336, Р1388, Р1389, Р0606. Выполнить проверку 2. ↓ 2 Стереть коды с помощью диагностического прибора в режиме "Коды неиспрано- стей; Стереть и обновить". Выполнить тестовую поездку на автомобиле. Если код Р1335 заносится повторно, заменить контроллер. После ремонта запустить двигатель, сбросить коды и убедиться в отсутствии не- исправности. http://vnx.su/
  • 306.
    ГОСТ 3.1105-84 Лист 228Дубликат Взам. Подп. 3100.25100.12056 ТИТехнологическая инструкция ОАО "АВТОВАЗ" ИзмЛист№документаПодписьДатаИзм.Лист№документаПодписьДата Код Р1336 Мониторинг управления приводом дроссельной заслонки, рассогласование сигналов датчиков "А" / "В" положения дроссельной заслонки Код Р1336 заносится, если: - зажигание включено; - сумма сигналов ДПДЗ А и ДПДЗ В отличаются от опорного напряжения 5 В более чем на 0,3 В в течение 0,5 с. Сигнализатор неисправностей загорается через 5 c после возникновения кода неис- правности. Описание проверок Последовательность соответствует цифрам на карте. 1 С помощью диагностического прибора проверяется, активен ли код Р1336 в момент диагностики. 2 Выполняется проверка в соответствии с картой для кода Р2135. Диагностическая информация Диагностический прибор в режиме "Мониторинг сигналов" показывает сигналы ДПДЗ А (параметр АЦП "Напряжение датчика дроссельной заслонки 1") и ДПДЗ В (па- раметр АЦП "Напряжение датчика дроссельной заслонки 2") в вольтах. При открытии дроссельной заслонки сигнал ДПДЗ А увеличивается, сигнал ДПДЗ В уменьшается. При полностью закрытой дроссельной заслонке сигнал ДПДЗ А должен находится в диапазоне 0,30…0,58 В, сигнал ДПДЗ В должен находится в диапазоне 4,42…4,70 В. Контроллер пересчитывает вольтовые сигналы ДПДЗ А и ДПДЗ В в процент открытия дроссельной заслонки. Диагностический прибор в режиме "Мониторинг сигналов" отображает процент от- крытия дроссельной заслонки (параметр "Положение дроссельной заслонки"), который рассчитывается как среднее арифметическое сигналов ДПДЗ А (%) и ДПДЗ В (%). 0 % соот- ветствует полностью закрытой дроссельной заслонке. 100 % соответствует максимальному открытию дроссельной заслонки. Сигналы ДПДЗ А и ДПДЗ В рассогласованы, если выполняется следующее условие: |5 В – (UДПДЗА + UДПДЗВ)| > 0,3 В При обнаружении рассогласования сигналов ДПДЗ А и ДПДЗ В, система управления двигателем будет работать в аварийном режиме до конца текущей поездки: http://vnx.su/
  • 307.
    ГОСТ 3.1105-84 Лист 229 Дубликат Взам. Подп. 3100.25100.12056 ТИТехнологическая инструкция ОАО "АВТОВАЗ" ИзмЛист№документаПодписьДатаИзм.Лист№документаПодписьДата - обесточивание электропривода дроссельной заслонки и ограничение оборотов дви- гателя (2500 об/мин). В случае замены ЭДП или контроллера ЭСУД, или сброса контроллера с помощью диагностического прибора (режим "Тест функций; Сброс ЭБУ с инициализацией") необхо- димо выполнить процедуру адаптации нуля дроссельной заслонки. Для этого на стоящем автомобиле необходимо включить зажигание, выждать 30 с, выключить зажигание, дождаться отключения главного реле. Адаптация будет прервана, если: - прокручивается двигатель; - автомобиль движется; - нажата педаль акселератора; - температура двигателя ниже 5 °С или выше 100 °С; - температура окружающего воздуха ниже 5 °С. Если электропривод дроссельной заслонки обесточен, с помощью прямой и возврат- ной пружин дроссельная заслонка удерживается в положении Limp home (6-7%). Код Р1336 Мониторинг управления приводом дроссельной заслонки, рассогласование сигналов датчиков "А" / "В" положения дроссельной заслонки 1 Подключить диагностический прибор. Включить зажигание. Несколько раз плав- но нажать педаль акселератора. Выбрать на диагностическом приборе режим "Коды неисправностей". Проверить, активен ли код неисправности в данный момент? ↓ ↓ Да Нет ↓ ↓ ↓ ↓ Код Р1336 - непостоянный. В случае отсутствия других кодов - см. "Непо- стоянные неисправности", раздел 2.7В. ↓ 2 Выполнить проверки, описанные в карте для кода Р2135. Неисправность обнаружена? ↓ ↓ Да Нет → Неисправен контроллер. ↓ Устранить неисправность. После ремонта запустить двигатель, сбросить коды и убедиться в отсутствии не- исправности. http://vnx.su/
  • 308.
    ГОСТ 3.1105-84 Лист 230Дубликат Взам. Подп. 3100.25100.12056 ТИТехнологическая инструкция ОАО "АВТОВАЗ" ИзмЛист№документаПодписьДатаИзм.Лист№документаПодписьДата Код Р1388 Мониторинг управления приводом дроссельной заслонки, рассогласование сигналов датчиков "А"/"В" положения педали акселератора Код Р1388 заносится, если: - зажигание включено; - сигнал датчика положения педали акселератора А (параметр АЦП "Напряжение датчика педали акселератора 1") и удвоенный сигнал датчика положения педали акселе- ратора В (параметр АЦП "Напряжение датчика педали акселератора 2") отличаются на величину порога в течение 0,5 с. Сигнализатор неисправностей загорается через 5 c после возникновения кода неис- правности. Описание проверок Последовательность соответствует цифрам на карте. 1 С помощью диагностического прибора проверяется, активен ли код Р1388 в момент диагностики. 2 Выполняется проверка в соответствии с картой для кода Р2138. Диагностическая информация При обнаружении рассогласования сигналов ДППА А и ДППА В, система управления двигателем будет работать в аварийном режиме до конца текущей поездки: - обесточивание электропривода дроссельной заслонки и ограничение оборотов дви- гателя (2500 об/мин). Диагностический прибор в режиме "Мониторинг сигналов" показывает сигналы ДППА А (параметр АЦП "Напряжение датчика педали акселератора 1") и ДППА В (па- раметр АЦП "Напряжение датчика педали акселератора 2") в вольтах. Сигналы ДППА А и ДППА В увеличиваются пропорционально нажатию педали аксе- лератора. При любом положении педали акселератора сигнал ДППА А должен быть в два раза больше сигнала ДППА В. При отпущенной педали акселератора сигнал ДППА А должен находится в диапазоне 0,50…0,85 В, сигнал ДППА В должен находится в диапазоне 0,25…0,43 В. Для расчета положения педали акселератора, выраженного в процентах (параметр "Положение педали акселератора"), используется минимальный сигнал из UДППАА и 2 × UДППАВ. При каждом включении зажигания, контроллер определяет нулевое положение педали акселератора. Значение 100 % педали акселератора (параметр "Положение педали акселе- http://vnx.su/
  • 309.
    ГОСТ 3.1105-84 Лист 231 Дубликат Взам. Подп. 3100.25100.12056 ТИТехнологическая инструкция ОАО "АВТОВАЗ" ИзмЛист№документаПодписьДатаИзм.Лист№документаПодписьДата ратора") достигается при напряжении 3,50 В / 1,75 В с датчика ДППА А / ДППА В. При полностью нажатой педали акселератора параметр АЦП сигнала ДППА А должен находить- ся в диапазоне 4,19…4,59 В, параметр АЦП сигнала ДППА В должен находиться в диапазо- не 2,095…2,295 В. Код Р1388 Мониторинг управления приводом дроссельной заслонки, рассогласование сигналов датчиков "А" / "В" положения педали акселератора 1 Подключить диагностический прибор. Включить зажигание. Несколько раз плав- но нажать педаль акселератора. Выбрать на диагностическом приборе режим "Коды неисправностей". Проверить, активен ли код неисправности в данный момент? ↓ ↓ Да Нет ↓ ↓ ↓ ↓ Код Р1388 - непостоянный. В случае отсутствия других кодов - см. "Непо- стоянные неисправности", раздел 2.7В. ↓ 2 Выполнить проверки, описанные в карте для кода Р2138. Неисправность обнаружена? ↓ ↓ Да Нет → Неисправен контроллер. ↓ Устранить неисправность. После ремонта запустить двигатель, сбросить коды и убедиться в отсутствии не- исправности. http://vnx.su/
  • 310.
    ГОСТ 3.1105-84 Лист 232Дубликат Взам. Подп. 3100.25100.12056 ТИТехнологическая инструкция ОАО "АВТОВАЗ" ИзмЛист№документаПодписьДатаИзм.Лист№документаПодписьДата Код Р1389 Мониторинг управления приводом дроссельной заслонки, обороты двигателя вне до- пустимого диапазона Код Р1389 заносится, если: - двигатель работает; - обороты двигателя, рассчитанные разными методами, отличаются более чем на 300 об/мин в течение 0,3 с. Сигнализатор неисправностей загорается через 5 c после возникновения кода неис- правности. Описание проверок Последовательность соответствует цифрам на карте. 1 Выполняется проверка ДПКВ, демпфера в соответствии с картой для кода Р0336. 2 Если неисправность периодически фиксируется, необходимо заменить контроллер. Диагностическая информация Обороты двигателя рассчитываются по сигналу ДПКВ. Для повышения достоверности расчет оборотов двигателя выполняется двумя разными методами. При этом контроллер ве- дет постоянный мониторинг рассогласования значений, получаемых двумя разными мето- дами. Если рассогласование превышает 300 об/мин в течение 0,3 с, система управления дви- гателем будет работать в аварийном режиме до конца текущей поездки: - обесточивание электропривода дроссельной заслонки и ограничение оборотов дви- гателя (2500 об/мин). Причиной фиксации кода Р1389 могут быть неисправность цепи ДПКВ (пропадание сигнала, повреждение экрана и др.). http://vnx.su/
  • 311.
    ГОСТ 3.1105-84 Лист 233 Дубликат Взам. Подп. 3100.25100.12056 ТИТехнологическая инструкция ОАО "АВТОВАЗ" ИзмЛист№документаПодписьДатаИзм.Лист№документаПодписьДата Код Р1389 Мониторинг управления приводом дроссельной заслонки, обороты двигателя вне допустимого диапазона 1 Выполнить проверки ДПКВ, цепей ДПКВ, демпфера в соответствии с картой для кода Р0336. Неисправность обнаружена? ↓ ↓ Нет Да ↓ ↓ ↓ Устранить неисправность. Выполнить проверку 2. ↓ 2 Стереть коды с помощью диагностического прибора в режиме "Коды неиспрано- стей; Стереть и обновить". Выполнить тестовую поездку на автомобиле. Если код Р1389 заносится повторно, заменить контроллер. После ремонта запустить двигатель, сбросить коды и убедиться в отсутствии не- исправности. Код Р1390 Мониторинг управления приводом дроссельной заслонки, некорректная реакция на неисправность в системе Код Р1390 заносится, если: - двигатель работает; - некорректная реакция двигателя на запрос ограничения оборотов от функции мони- торинга. Сигнализатор неисправностей загорается через 5 c после возникновения кода неис- правности. Описание проверок Последовательность соответствует цифрам на карте. 1 Если неисправность периодически фиксируется, необходимо заменить контроллер. Диагностическая информация В случае обнаружения какой-либо неисправности электропривода дроссельной за- слонки (механическая неисправность, неисправность электрических цепей) система управ- ления двигателем будет работать в аварийном режиме до конца текущей поездки: - обесточивание электропривода дроссельной заслонки и ограничение оборотов дви- гателя (2500 об/мин). Бортовая диагностика контролирует поведение двигателя в аварийном режиме. Код Р1390 Мониторинг управления приводом дроссельной заслонки, некорректная ре- акция на неисправность в системе 1 Подключить диагностический прибор. Включить зажигание. Стереть коды с помощью диагностического прибора в режиме "Коды неиспрано- стей; Стереть и обновить". Выполнить тестовую поездку на автомобиле. Если код Р1390 заносится повторно, заменить контроллер. После ремонта запустить двигатель, сбросить коды и убедиться в отсутствии не- исправности. http://vnx.su/
  • 312.
    ГОСТ 3.1105-84 Лист 234Дубликат Взам. Подп. 3100.25100.12056 ТИТехнологическая инструкция ОАО "АВТОВАЗ" ИзмЛист№документаПодписьДатаИзм.Лист№документаПодписьДата Код Р1391 Мониторинг управления приводом дроссельной заслонки, отсутствует реакция на не- исправность в системе Код Р1391 заносится, если: - двигатель работает; - нет реакции двигателя на запрос ограничения оборотов от функции мониторинга. Сигнализатор неисправностей загорается через 5 c после возникновения кода неис- правности. Описание проверок Последовательность соответствует цифрам на карте. 1 Если неисправность периодически фиксируется, необходимо заменить контроллер. Диагностическая информация В случае обнаружения какой-либо неисправности электропривода дроссельной за- слонки (механическая неисправность, неисправность электрических цепей) система управ- ления двигателем будет работать в аварийном режиме до конца текущей поездки: - обесточивание электропривода дроссельной заслонки и ограничение оборотов дви- гателя (2500 об/мин). Бортовая диагностика контролирует поведение двигателя в аварийном режиме. Код Р1391 Мониторинг управления приводом дроссельной заслонки, отсутствует реак- ция на неисправность в системе 1 Подключить диагностический прибор. Включить зажигание. Стереть коды с помощью диагностического прибора в режиме "Коды неиспрано- стей; Стереть и обновить". Выполнить тестовую поездку на автомобиле. Если код Р1391 заносится повторно, заменить контроллер. После ремонта запустить двигатель, сбросить коды и убедиться в отсутствии не- исправности. http://vnx.su/
  • 313.
    ГОСТ 3.1105-84 Лист 235 Дубликат Взам. Подп. 3100.25100.12056 ТИТехнологическая инструкция ОАО "АВТОВАЗ" ИзмЛист№документаПодписьДатаИзм.Лист№документаПодписьДата Код Р1545 Привод дроссельной заслонки, положение заслонки вне допустимого диапазона Код Р1545 заносится, если: - зажигание включено; - реальное положение дроссельной заслонки отличается от заданного на величину по- рога в течение 0,5 с. или - значения ПИД-регулятора превышают пороговое значение в течение 5 с. Сигнализатор неисправностей загорается через 5 c после возникновения кода неис- правности. Описание проверок Последовательность соответствует цифрам на карте. 1 С помощью диагностического прибора проверяется, фиксируется ли одновременно с кодом Р1545 коды Р0113, Р0118, Р0123, Р0223, Р2123, Р2128, Р2100, Р2101. Если фиксиру- ются, то поиск неисправности необходимо начинать с этих кодов. 2 Выполняется проверка механических и электрических узлов дроссельного патрубка. 3 Выполняется проверка цепей управления электроприводом дроссельной заслонки. Диагностическая информация При обнаружении неисправности Р1545 система управления двигателем будет рабо- тать в аварийном режиме до конца текущей поездки: - обесточивание электропривода дроссельной заслонки и ограничение оборотов дви- гателя (до 3500 об/мин в зависимости от положения педали акселератора). Диагностический прибор в режиме "Мониторинг сигналов" отображает процент от- крытия дроссельной заслонки (параметр "Положение дроссельной заслонки"). В случае замены ЭДП или контроллера ЭСУД, или сброса контроллера с помощью диагностического прибора (режим "Тест функций; Сброс ЭБУ с инициализацией") необхо- димо выполнить процедуру адаптации нуля дроссельной заслонки. Для этого на стоящем автомобиле необходимо включить зажигание, выждать 30 с, выключить зажигание, дождаться отключения главного реле. Адаптация будет прервана, если: - прокручивается двигатель; - автомобиль движется; - нажата педаль акселератора; - температура двигателя ниже 5 °С или выше 100 °С; http://vnx.su/
  • 314.
    ГОСТ 3.1105-84 Лист 236Дубликат Взам. Подп. 3100.25100.12056 ТИТехнологическая инструкция ОАО "АВТОВАЗ" ИзмЛист№документаПодписьДатаИзм.Лист№документаПодписьДата - температура окружающего воздуха ниже 5 °С. Если электропривод дроссельной заслонки обесточен, с помощью прямой и возврат- ной пружин дроссельная заслонка удерживается в положении Limp home (6-7%). Код Р1545 Привод дроссельной заслонки, положение заслонки вне допустимого диапазо- на 1 Подключить диагностический прибор. Включить зажигание. Выбрать на диагностическом приборе режим "Коды неисправностей". Проверить, фиксируются ли одновременно с кодом Р1545 коды Р0113, Р0118, Р0123, Р0223, Р2123, Р2128, Р2100, Р2101? ↓ ↓ Нет Да ↓ ↓ ↓ ↓ ↓ Устранить неисправность в соответствии с картами для кодов Р0113, Р0118, Р0123, Р0223, Р2123, Р2128, Р2100, Р2101. Выполнить тестовую поездку. Если код Р1545 продолжает фиксироваться, то выполнить проверку 2. ↓ 2 Выключить зажигание. Демонтировать ЭДП. Проверить разъём ЭДП на наличие следующих повреждений: - грязь, влага, следы коррозии на контактах; - деформированные контакты; - трещины, сколы, следы оплавления на разъёме. Проверить цепь электродвигателя (клеммы "1", "2") на отсутствие обрыва. Визуально осмотреть ЭДП, полностью открыть / закрыть дроссельную заслонку. Проверить наличие следующих повреждений: - деформация дроссельной заслонки; - подклинивание дроссельной заслонки в каком-либо положении; - дроссельная заслонка не закрывается до нулевого положения. Повреждения обнаружены? ↓ ↓ Нет Да ↓ ↓ ↓ ↓ ↓ Устранить повреждения, если это возможно или заменить ЭДП на заведомо исправный. Выполнить тестовую поездку и убедиться в отсутствии неис- правности. ↓ 3 Отсоединить колодку Х1 от контроллера. Выполнить проверки электрической це- пи от контакта "Х1.2/А1", "X1.2/А4" колодки к контроллеру до контакта "1", "2" соответственно колодки к ЭДП на отсутствие обрыва и замыкания на массу или бортовую сеть – см. "Проверки электрических цепей", раздел 2.7В. Цепь исправ- на? ↓ ↓ Нет Да ↓ ↓ ↓ ↓ Заменить контроллер на заведомо исправный. Выполнить тестовую поездку и убедиться в отсутствии неисправности. ↓ Устранить неисправность. Выполнить тестовую поездку и убедиться в отсутствии неисправности. После ремонта запустить двигатель, сбросить коды и убедиться в отсутствии не- исправности. http://vnx.su/
  • 315.
    ГОСТ 3.1105-84 Лист 237 Дубликат Взам. Подп. 3100.25100.12056 ТИТехнологическая инструкция ОАО "АВТОВАЗ" ИзмЛист№документаПодписьДатаИзм.Лист№документаПодписьДата Код Р1558 Привод дроссельной заслонки, возвратная пружина неисправна Код Р1558 заносится, если: - зажигание включено; - тест возвратной пружины выполнен с отрицательным результатом. Сигнализатор неисправностей загорается через 5 c после возникновения кода неис- правности. Описание проверок Последовательность соответствует цифрам на карте. 1 С помощью диагностического прибора проверяется, активен ли код Р1558 в момент диагностики. 2 Выполняется проверка механических и электрических узлов дроссельного патрубка. 3 Выполняется проверка цепей управления электроприводом дроссельной заслонки. Диагностическая информация При обнаружении неисправности Р1558 система управления двигателем будет рабо- тать в аварийном режиме до конца текущей поездки: - электропривод дроссельной заслонки не обесточен, но дроссельная заслонка посто- янно находится в положении Limp home (6-7%); - ограничение оборотов двигателя (до 3500 об/мин в зависимости от положения педа- ли акселератора). Диагностический прибор в режиме "Мониторинг сигналов" отображает процент от- крытия дроссельной заслонки (параметр "Положение дроссельной заслонки"). При включении зажигания контроллер проводит: - тест возвратной пружины; - проверку положения заслонки при обесточенном электроприводе; - адаптацию нуля положения дроссельной заслонки; - тест прямой пружины. Во время теста возвратной пружины дроссельная заслонка открывается на заданную величину, после чего электропривод обесточивается. Контроллер фиксирует время возвра- щения дроссельной заслонки в положение Limp home. Если время превышает пороговое значение, тест считается завершенным с отрицательным результатом. http://vnx.su/
  • 316.
    ГОСТ 3.1105-84 Лист 238Дубликат Взам. Подп. 3100.25100.12056 ТИТехнологическая инструкция ОАО "АВТОВАЗ" ИзмЛист№документаПодписьДатаИзм.Лист№документаПодписьДата Код Р1558 Привод дроссельной заслонки, возвратная пружина неисправна 1 Подключить диагностический прибор. Включить зажигание. Выбрать на диагностическом приборе режим "Коды неисправностей". Проверить, активен ли код неисправности в данный момент? ↓ ↓ Да Нет ↓ ↓ ↓ ↓ ↓ ↓ ↓ Код Р1558 - непостоянный. В дополнительной информации к коду Р1558 найти значение параметра DLC (задержка до стирания кода неисправности из памяти контроллера – см. раздел 2.4). Если значение DLC>38, то выполнить проверку 2. Если значение DLC<38, то стереть код. ↓ 2 Выключить зажигание. Демонтировать ЭДП. Проверить разъём ЭДП на наличие следующих повреждений: - грязь, влага, следы коррозии на контактах; - деформированные контакты; - трещины, сколы, следы оплавления на разъёме. Проверить цепь электродвигателя (клеммы "1", "2") на отсутствие обрыва. Визуально осмотреть ЭДП, полностью открыть / закрыть дроссельную заслонку. Проверить наличие следующих повреждений: - деформация дроссельной заслонки; - подклинивание дроссельной заслонки в каком-либо положении; - дроссельная заслонка не закрывается до нулевого положения; - грязь внутри дроссельного патрубка. Повреждения обнаружены? ↓ ↓ Нет Да ↓ ↓ ↓ ↓ ↓ Устранить повреждения, если это возможно или заменить ЭДП на заведомо исправный. Выполнить процедуру адаптации нуля дроссельной заслонки и убедиться в отсутствии неисправности. ↓ 3 Отсоединить колодку Х1 от контроллера. Выполнить проверки электрической це- пи от контакта "Х1.2/А1", "X1.2/А4" колодки к контроллеру до контакта "1", "2" соответственно колодки к ЭДП на отсутствие обрыва и замыкания на массу или бортовую сеть – см. "Проверки электрических цепей", раздел 2.7В. Цепь исправ- на? ↓ ↓ Нет Да ↓ ↓ ↓ ↓ Заменить контроллер на заведомо исправный. Выполнить процедуру адап- тации нуля дроссельной заслонки и убедиться в отсутствии неисправности. ↓ Устранить неисправность. Выполнить тестовую поездку и убедиться в отсутствии неисправности. После ремонта запустить двигатель, сбросить коды и убедиться в отсутствии не- исправности. http://vnx.su/
  • 317.
    ГОСТ 3.1105-84 Лист 239 Дубликат Взам. Подп. 3100.25100.12056 ТИТехнологическая инструкция ОАО "АВТОВАЗ" ИзмЛист№документаПодписьДатаИзм.Лист№документаПодписьДата Код Р1559 Привод дроссельной заслонки, положение заслонки в состоянии покоя вне допустимо- го диапазона Код Р1559 заносится, если: - зажигание включено; - положение дроссельной заслонки в обесточенном состоянии выходит за допустимый диапазон. Сигнализатор неисправностей загорается через 5 c после возникновения кода неис- правности. Описание проверок Последовательность соответствует цифрам на карте. 1 С помощью диагностического прибора проверяется, активен ли код Р1559 в момент диагностики. 2 Выполняется проверка механических и электрических узлов дроссельного патрубка. Диагностическая информация При обнаружении неисправности Р1559 система управления двигателем будет рабо- тать в штатном режиме. Диагностический прибор в режиме "Мониторинг сигналов" отображает процент от- крытия дроссельной заслонки (параметр "Положение дроссельной заслонки"). При включении зажигания контроллер проводит: - тест возвратной пружины; - проверку положения заслонки при обесточенном электроприводе; - адаптацию нуля положения дроссельной заслонки; - тест прямой пружины. http://vnx.su/
  • 318.
    ГОСТ 3.1105-84 Лист 240Дубликат Взам. Подп. 3100.25100.12056 ТИТехнологическая инструкция ОАО "АВТОВАЗ" ИзмЛист№документаПодписьДатаИзм.Лист№документаПодписьДата Код Р1559 Привод дроссельной заслонки, положение заслонки в состоянии покоя вне до- пустимого диапазона 1 Подключить диагностический прибор. Включить зажигание. Выбрать на диагностическом приборе режим "Коды неисправностей". Проверить, активен ли код неисправности в данный момент? ↓ ↓ Да Нет ↓ ↓ ↓ ↓ ↓ ↓ ↓ Код Р1559 - непостоянный. В дополнительной информации к коду Р1559 найти значение параметра DLC (задержка до стирания кода неисправности из памяти контроллера – см. раздел 2.4). Если значение DLC>38, то выполнить проверку 2. Если значение DLC<38, то стереть код. ↓ 2 Если одновременно с кодом Р1559 фиксируются коды Р0122, Р0123, Р0222, Р0223, Р2135, Р1545, то поиск неисправности необходимо начинать с этих кодов. Выключить зажигание. Демонтировать ЭДП. Проверить разъём ЭДП на наличие следующих повреждений: - грязь, влага, следы коррозии на контактах; - деформированные контакты; - трещины, сколы, следы оплавления на разъёме. Визуально осмотреть ЭДП, полностью открыть / закрыть дроссельную заслонку. Проверить наличие следующих повреждений: - подклинивание дроссельной заслонки в каком-либо положении; - грязь внутри дроссельного патрубка. Устранить повреждения, если это возможно, или заменить ЭДП на заведомо ис- правный. Выполнить процедуру адаптации нуля дроссельной заслонки и убедить- ся в отсутствии неисправности. После ремонта запустить двигатель, сбросить коды и убедиться в отсутствии не- исправности. http://vnx.su/
  • 319.
    ГОСТ 3.1105-84 Лист 241 Дубликат Взам. Подп. 3100.25100.12056 ТИТехнологическая инструкция ОАО "АВТОВАЗ" ИзмЛист№документаПодписьДатаИзм.Лист№документаПодписьДата Код Р1564 Система управления приводом дроссельной заслонки, адаптация положения нуля за- слонки прервана в связи с пониженным напряжением бортсети Код Р1564 заносится, если: - зажигание включено; - процедура переадаптации положения нуля дроссельной заслонки прервана в связи с некорректным напряжением бортсети. Сигнализатор неисправностей загорается через 5 c после возникновения кода неис- правности. Описание проверок Последовательность соответствует цифрам на карте. 1 С помощью диагностического прибора проверяется наличие кодов Р0560, Р0562. Если коды присутствуют, то поиск неисправности необходимо начинать с этих кодов. 2 Выполняется проверка цепей питания контроллера. Диагностическая информация При обнаружении неисправности Р1564 система управления двигателем будет рабо- тать в штатном режиме, для расчета положения дроссельной заслонки будут использоваться значения, полученные в предыдущей процедуре адаптации. Диагностический прибор в режиме "Мониторинг сигналов" отображает процент от- крытия дроссельной заслонки (параметр "Положение дроссельной заслонки"). При включении зажигания контроллер проводит: - тест возвратной пружины; - проверку положения заслонки при обесточенном электроприводе; - адаптацию нуля положения дроссельной заслонки; - тест прямой пружины. Если контроллер новый (адаптация проводится в первый раз), то все вышеописанные процедуры выполняются сразу после включения зажигания в течение 1,5 секунд. Если контроллер был обучен ранее, то сразу после включения зажигания выполняется тест возвратной пружины. Остальные процедуры будут выполнены в течение следующих 30 секунд, если в это время не будет нарушено ни одно из условий: - двигатель не прокручивается; - автомобиль не движется; - педаль акселератора не нажата; - температура двигателя выше 5 °С и ниже 100 °С; http://vnx.su/
  • 320.
    ГОСТ 3.1105-84 Лист 242Дубликат Взам. Подп. 3100.25100.12056 ТИТехнологическая инструкция ОАО "АВТОВАЗ" ИзмЛист№документаПодписьДатаИзм.Лист№документаПодписьДата - температура окружающего воздуха выше 5 °С. Если электропривод дроссельной заслонки обесточен, с помощью прямой и возврат- ной пружин дроссельная заслонка удерживается в положении Limp home (6-7%). Код Р1564 Система управления приводом дроссельной заслонки, адаптация положения нуля заслонки прервана в связи с пониженным напряжением бортсети 1 Подключить диагностический прибор. Включить зажигание. Выбрать на диагностическом приборе режим "Коды неисправностей". Проверить, фиксируются ли одновременно с кодом Р1564 коды Р0560, Р0562? ↓ ↓ Нет Да ↓ ↓ ↓ ↓ ↓ ↓ Устранить неисправность в соответствии с картами для кодов Р0560, Р0562. Стереть ошибки из памяти контроллера. Выполнить повторно процедуру адаптации нуля дроссельной заслонки. Если код Р1564 фиксируется вновь, то выполнить проверку 2. ↓ 2 Проверить состояние и надежность крепления клемм к АКБ. Выполнить проверку силовых цепей и цепи управления главным реле в соответст- вии с картой А-4. Устранить обнаруженные неисправности. Выполнить процедуру адаптации нуля дроссельной заслонки и убедиться в отсут- ствии неисправности. После ремонта запустить двигатель, сбросить коды и убедиться в отсутствии не- исправности. http://vnx.su/
  • 321.
    ГОСТ 3.1105-84 Лист 243 Дубликат Взам. Подп. 3100.25100.12056 ТИТехнологическая инструкция ОАО "АВТОВАЗ" ИзмЛист№документаПодписьДатаИзм.Лист№документаПодписьДата Код Р1570 Иммобилизатор, цепь неисправна Код Р1570 заносится, если: - контроллер и ЦБКЭ "обучены"; - контроллер не получает ответ от ЦБКЭ. При возникновении этого кода сигнализатор неисправностей не загорается. Описание проверок Последовательность соответствует цифрам на карте. 1 Проверяется наличие постоянной неисправности. 2 Проверяется исправность соединения между ЦБКЭ (контакты "S1/A24", "S1/A23") и контроллером (контакты "X1.1/H4", "X1.1/H5"). Диагностическая информация С включенной функцией иммобилизации работа двигателя возможна только при по- лучении контроллером ЭСУД правильного пароля от ЦБКЭ, в противном случае заносится код Р1570. ЦБКЭ обменивается данными с контроллером ЭСУД по шине CAN. Шина CAN представляет собой двухпроводную линию: - линия низкого уровня CAN L (контакт "X1.1/H5" контроллера ЭСУД – контакт "S1/A23" ЦБКЭ); - линия высокого уровня CAN H (контакт "X1.1/H4" контроллера ЭСУД – контакт "S1/A24" ЦБКЭ). Причиной возникновения данного кода могут быть ненадежное соединение в колод- ках к ЦБКЭ и контроллеру. Необходимо проверить соединения на полноту и правильность сочленения, повреж- дения замков, наличие поврежденных контактов и качество соединения контактов с прово- дом. http://vnx.su/
  • 322.
    ГОСТ 3.1105-84 Лист 244Дубликат Взам. Подп. 3100.25100.12056 ТИТехнологическая инструкция ОАО "АВТОВАЗ" ИзмЛист№документаПодписьДатаИзм.Лист№документаПодписьДата Код Р1570 Иммобилизатор, цепь неисправна 1 Подключить диагностический прибор. Включить зажигание. С помощью диагностического прибора выпонить сброс контроллера (режим "Тест функций; Сброс ЭБУ с инициализацией"). Запустить двигатель. Двигатель запускается? ↓ ↓ Нет Да ↓ ↓ ↓ ↓ Код Р1570 - непостоянный. В случае отсутствия других кодов - см. "Диагно- стическую информацию". ↓ 2 Выключить зажигание. Отсоединить колодку Х1.1 жгута от контроллера и колодку S1 от ЦБКЭ. Выполнить проверку целостности электрической цепи между контактом "X1.1/H4" колодки к контроллеру и контактом "S1/A24" колодки к ЦБКЭ и между контактом "X1.1/H5" колодки к контроллеру и контактом "S1/A23" колодки к ЦБКЭ – см. "Проверка целостности электрической цепи", раздел 2.7В. Цепь исправна? ↓ ↓ Да Нет → Устранить неисправность. ↓ Выполнить проверку цепей питания и массы ЦБКЭ. После ремонта запустить двигатель, сбросить коды и убедиться в отсутствии не- исправности. http://vnx.su/
  • 323.
    ГОСТ 3.1105-84 Лист 245 Дубликат Взам. Подп. 3100.25100.12056 ТИТехнологическая инструкция ОАО "АВТОВАЗ" ИзмЛист№документаПодписьДатаИзм.Лист№документаПодписьДата Код Р1578 Система управления приводом дроссельной заслонки, величина адаптации положения нуля вне допустимого диапазона Код Р1578 заносится, если: - зажигание включено; - выполнена процедура переадаптации положения нуля дроссельной заслонки; - величина адаптации положения нуля дроссельной заслонки выходит за допустимый предел. Сигнализатор неисправностей загорается через 5 c после возникновения кода неис- правности. Описание проверок Последовательность соответствует цифрам на карте. 1 С помощью диагностического прибора проверяется наличие кодов Р0122, Р0123, Р0222, Р0223, Р2135, Р1545, Р1558, Р1559. Если коды присутствуют, то поиск неисправно- сти необходимо начинать с этих кодов. 2 Выполняется проверка механических и электрических узлов дроссельного патрубка. Диагностическая информация При обнаружении неисправности Р1578 система управления двигателем будет рабо- тать в штатном режиме, для расчета положения дроссельной заслонки будут использоваться значения, полученные в предыдущей процедуре адаптации. Диагностический прибор в режиме "Мониторинг сигналов" отображает процент от- крытия дроссельной заслонки (параметр "Положение дроссельной заслонки"). При включении зажигания контроллер проводит: - тест возвратной пружины; - проверку положения заслонки при обесточенном электроприводе; - адаптацию нуля положения дроссельной заслонки; - тест прямой пружины. Если контроллер новый (адаптация проводится в первый раз), то все вышеописанные процедуры выполняются сразу после включения зажигания в течение 1,5 секунд. Если контроллер был обучен ранее, то сразу после включения зажигания выполняется тест возвратной пружины. Остальные процедуры будут выполнены в течение следующих 30 секунд, если в это время не будет нарушено ни одно из условий: - двигатель не прокручивается; - автомобиль не движется; http://vnx.su/
  • 324.
    ГОСТ 3.1105-84 Лист 246Дубликат Взам. Подп. 3100.25100.12056 ТИТехнологическая инструкция ОАО "АВТОВАЗ" ИзмЛист№документаПодписьДатаИзм.Лист№документаПодписьДата - педаль акселератора не нажата; - температура двигателя выше 5 °С и ниже 100 °С; - температура окружающего воздуха выше 5 °С. Если электропривод дроссельной заслонки обесточен, с помощью прямой и возврат- ной пружин дроссельная заслонка удерживается в положении Limp home (6-7%). Код Р1578 Система управления приводом дроссельной заслонки, величина адаптации положения нуля вне допустимого диапазона 1 Подключить диагностический прибор. Включить зажигание. Выбрать на диагностическом приборе режим "Коды неисправностей". Проверить, фиксируются ли одновременно с кодом Р1578 коды Р0122, Р0123, Р0222, Р0223, Р2135, Р1545, Р1558, Р1559? ↓ ↓ Нет Да ↓ ↓ ↓ ↓ ↓ ↓ Устранить неисправность в соответствии с картами для кодов Р0122, Р0123, Р0222, Р0223, Р2135, Р1545, Р1558, Р1559. Стереть ошибки из памяти кон- троллера. Выполнить повторно процедуру адаптации нуля дроссельной за- слонки. Если код Р1578 фиксируется вновь, то выполнить проверку 2. ↓ 2 Выключить зажигание. Демонтировать ЭДП. Проверить разъём ЭДП на наличие следующих повреждений: - грязь, влага, следы коррозии на контактах; - деформированные контакты; - трещины, сколы, следы оплавления на разъёме. Проверить цепь электродвигателя (клеммы "1", "2") на отсутствие обрыва. Визуально осмотреть ЭДП, несколько раз полностью открыть / закрыть дроссель- ную заслонку. Проверить наличие следующих повреждений: - деформация дроссельной заслонки; - подклинивание дроссельной заслонки в каком-либо положении; - дроссельная заслонка не закрывается до нулевого положения; - грязь внутри дроссельного патрубка. Устранить повреждения, если это возможно, или заменить ЭДП на заведомо ис- правный. Выполнить процедуру адаптации нуля дроссельной заслонки и убедить- ся в отсутствии неисправности. После ремонта запустить двигатель, сбросить коды и убедиться в отсутствии не- исправности. http://vnx.su/
  • 325.
    ГОСТ 3.1105-84 Лист 247 Дубликат Взам. Подп. 3100.25100.12056 ТИТехнологическая инструкция ОАО "АВТОВАЗ" ИзмЛист№документаПодписьДатаИзм.Лист№документаПодписьДата Код Р1579 Система управления приводом дроссельной заслонки, адаптация положения нуля за- слонки прервана в связи с внешними условиями Код Р1579 заносится, если: - зажигание включено; - адаптация положения нуля дроссельной заслонки прервана в связи с некорректными внешними условиями. Сигнализатор неисправностей загорается через 5 c после возникновения кода неис- правности. Описание проверок Последовательность соответствует цифрам на карте. 1 С помощью диагностического прибора проверяется наличие кодов Р0112, Р0113, Р0116, Р0117, Р0118, Р2122, Р2123, Р2127, Р2128, Р2138. Если коды присутствуют, то поиск неисправности необходимо начинать с этих кодов. 2 Проверяется выполнение условий проведения адаптации нуля заслонки. Диагностическая информация При обнаружении неисправности Р1579 система управления двигателем будет рабо- тать в аварийном режиме до конца текущей поездки: - электропривод дроссельной заслонки обесточен; - ограничение оборотов двигателя (до 2500 об/мин в зависимости от положения педа- ли акселератора). Диагностический прибор в режиме "Мониторинг сигналов" отображает процент от- крытия дроссельной заслонки (параметр "Положение дроссельной заслонки"). При включении зажигания контроллер проводит: - тест возвратной пружины; - проверку положения заслонки при обесточенном электроприводе; - адаптацию нуля положения дроссельной заслонки; - тест прямой пружины. Если контроллер новый (адаптация проводится в первый раз), то все вышеописанные процедуры выполняются сразу после включения зажигания в течение 1,5 секунд. Если контроллер был обучен ранее, то сразу после включения зажигания выполняется тест возвратной пружины. Остальные процедуры будут выполнены в течение следующих 30 секунд, если в это время не будет нарушено ни одно из условий: - двигатель не прокручивается; http://vnx.su/
  • 326.
    ГОСТ 3.1105-84 Лист 248Дубликат Взам. Подп. 3100.25100.12056 ТИТехнологическая инструкция ОАО "АВТОВАЗ" ИзмЛист№документаПодписьДатаИзм.Лист№документаПодписьДата - автомобиль не движется; - педаль акселератора не нажата; - температура двигателя выше 5 °С и ниже 100 °С; - температура окружающего воздуха выше 5 °С. Код Р1579 указывает на то, что первое обучение контроллера было прервано в связи с нарушением условий проведения адаптации (см. выше). Если электропривод дроссельной заслонки обесточен, с помощью прямой и возврат- ной пружин дроссельная заслонка удерживается в положении Limp home (6-7%). Код Р1579 Система управления приводом дроссельной заслонки, адаптация положения нуля заслонки прервана в связи с внешними условиями 1 Подключить диагностический прибор. Включить зажигание. Выбрать на диагностическом приборе режим "Коды неисправностей". Проверить, фиксируются ли одновременно с кодом Р1579 коды Р0112, Р0113, Р0116, Р0117, Р0118, Р2122, Р2123, Р2127, Р2128, Р2138? ↓ ↓ Нет Да ↓ ↓ ↓ ↓ ↓ ↓ ↓ Устранить неисправность в соответствии с картами для кодов Р0112, Р0113, Р0116, Р0117, Р0118, Р2122, Р2123, Р2127, Р2128, Р2138. Стереть ошибки из памяти контроллера. Выполнить повторно процедуру адаптации нуля поло- жения дроссельной заслонки. Если код Р1579 фиксируется вновь, то выпол- нить проверку 2. ↓ 2 Стереть ошибки из памяти контроллера. Проверить выполнение условий проведения адаптации нуля положения дроссель- ной заслонки (см. выше). Выполнить процедуру адаптации нуля дроссельной заслонки и убедиться в отсут- ствии неисправности. После ремонта запустить двигатель, сбросить коды и убедиться в отсутствии не- исправности. http://vnx.su/
  • 327.
    ГОСТ 3.1105-84 Лист 249 Дубликат Взам. Подп. 3100.25100.12056 ТИТехнологическая инструкция ОАО "АВТОВАЗ" ИзмЛист№документаПодписьДатаИзм.Лист№документаПодписьДата Код Р1602 Контроллер СУД, пропадание напряжения питания Код Р1602 заносится, если: - зажигание включено; - контроллер обнаружил пропадание напряжения питания. При возникновении этого кода сигнализатор неисправностей не загорается. Описание проверок Последовательность соответствует цифрам на карте. 1 Сбросить код. 2 Проверить силовые цепи в соответствии с картой А-4. Диагностическая информация В случае замены контроллера необходимо выполнить процедуру адаптации нуля дроссельной заслонки и процедуру адаптации функции диагностики пропусков воспламене- ния - см. раздел 1.1. Код Р1602 Контроллер СУД, пропадание напряжения питания 1 Подключить диагностический прибор. Включить зажигание. Стереть коды с по- мощью диагностического прибора в режиме "Коды неиспраностей; Стереть и об- новить". ↓ 2 При повторном занесении кода выполнить проверку силовых цепей и цепи управ- ления главным реле в соответствии с картой А-4. Если цепи исправны, заменить контроллер. После ремонта запустить двигатель, сбросить коды и убедиться в отсутствии не- исправности. Код Р1640 Контроллер СУД, ошибка чтения – записи EEPROM Код Р1640 заносится, если: - произошла потеря данных в ЭРПЗУ при проведении контроллером внутреннего тес- та "чтение – запись". При возникновении этого кода сигнализатор неисправностей не загорается. Описание проверок Последовательность соответствует цифрам на карте. 1 Если неисправность периодически фиксируется, необходимо заменить контроллер. Диагностическая информация В случае замены контроллера необходимо выполнить процедуру адаптации нуля дроссельной заслонки и процедуру адаптации функции диагностики пропусков воспламене- ния - см. раздел 1.1. Код Р1640 Контроллер СУД, ошибка чтения – записи EEPROM 1 Подключить диагностический прибор. Включить зажигание. Стереть коды с по- мощью диагностического прибора в режиме "Коды неиспраностей; Стереть и об- новить". При повторном возникновении кода заменить контроллер. После ремонта запустить двигатель, сбросить коды и убедиться в отсутствии не- исправности. http://vnx.su/
  • 328.
    ГОСТ 3.1105-84 Лист 250Дубликат Взам. Подп. 3100.25100.12056 ТИТехнологическая инструкция ОАО "АВТОВАЗ" ИзмЛист№документаПодписьДатаИзм.Лист№документаПодписьДата Код Р2100 Электропривод дроссельной заслонки, обрыв цепи управления Код Р2100 заносится, если: - двигатель работает; - самодиагностика драйвера электропривода дроссельной заслонки определила на вы- ходе отсутствие нагрузки. Сигнализатор неисправностей загорается через 5 c после возникновения кода неис- правности. Описание проверок Последовательность соответствует цифрам на карте. 1 Проверяется наличие постоянной неисправности. 2 Проверяется цепь электродвигателя на отсутствие обрыва. 3 Проверяется цепь питания электропривода дроссельной заслонки на обрыв. Диагностическая информация В контроллере используется драйвер электропривода дроссельной заслонки, обла- дающий функцией самодиагностики. Он может определять наличие таких неисправностей, как обрыв, короткое замыкание на массу или источник питания цепи управления реле. http://vnx.su/
  • 329.
    ГОСТ 3.1105-84 Лист 251 Дубликат Взам. Подп. 3100.25100.12056 ТИТехнологическая инструкция ОАО "АВТОВАЗ" ИзмЛист№документаПодписьДатаИзм.Лист№документаПодписьДата Код Р2100 Электропривод дроссельной заслонки, обрыв цепи управления 1 Подключить диагностический прибор. Выбрать на диагностическом приборе режим "Коды неисправностей". Запустить двигатель. Проверить, активен ли код неисправности в данный момент? ↓ ↓ Да Нет ↓ ↓ ↓ ↓ Код Р2100 - непостоянный. В случае отсутствия других кодов - см. "Непо- стоянные неисправности", раздел 2.7 В. ↓ 2 Выключить зажигание. Отсоединить колодку жгута от ЭДП. Проверить цепь электродвигателя (клеммы "1", "2") на отсутствие обрыва. Цепь исправна? ↓ ↓ Да Нет → Неисправен ЭДП. ↓ 3 Отсоединить колодку Х1.2 от контроллера. Выполнить проверку целостности электрической цепи между контактом "Х1.2/А1" колодки к контроллеру и контак- том "1" колодки к ЭДП, и между контактом "X1.2/А4" колодки к контроллеру и контактом "2" колодки к ЭДП – см. "Проверка целостности электрической цепи" раздел 2.7В. Цепь исправна? ↓ ↓ Да Нет ↓ ↓ ↓ Неисправен жгут проводов. ↓ Неисправен контроллер. После ремонта запустить двигатель, сбросить коды и убедиться в отсутствии не- исправности. http://vnx.su/
  • 330.
    ГОСТ 3.1105-84 Лист 252Дубликат Взам. Подп. 3100.25100.12056 ТИТехнологическая инструкция ОАО "АВТОВАЗ" ИзмЛист№документаПодписьДатаИзм.Лист№документаПодписьДата Код Р2101 Электропривод дроссельной заслонки, цепь управления неисправна Код Р2101 заносится, если: - двигатель работает; - самодиагностика драйвера электропривода дроссельной заслонки определила неис- правность. Сигнализатор неисправностей загорается через 5 c после возникновения кода неис- правности. Описание проверок Последовательность соответствует цифрам на карте. 1 Проверяется наличие постоянной неисправности. 2 Проверяется наличие замыкания на массу цепи управления электроприводом. 3 Проверяется наличие замыкания на бортовую сеть цепи управления электроприво- дом. Диагностическая информация В контроллере используется драйвер электропривода дроссельной заслонки, обла- дающий функцией самодиагностики. Он может определять наличие таких неисправностей, как обрыв, короткое замыкание на массу или источник питания цепи управления реле. http://vnx.su/
  • 331.
    ГОСТ 3.1105-84 Лист 253 Дубликат Взам. Подп. 3100.25100.12056 ТИТехнологическая инструкция ОАО "АВТОВАЗ" ИзмЛист№документаПодписьДатаИзм.Лист№документаПодписьДата Код Р2101 Электропривод дроссельной заслонки, цепь управления неисправна 1 Подключить диагностический прибор. Выбрать на диагностическом приборе режим "Коды неисправностей". Запустить двигатель. Проверить, активен ли код неисправности в данный момент? ↓ ↓ Да Нет ↓ ↓ ↓ ↓ Код Р2101 - непостоянный. В случае отсутствия других кодов - см. "Непо- стоянные неисправности", раздел 2.7 В. ↓ 2 Выключить зажигание. Отсоединить колодку жгута от ЭДП. Отсоединить колодку Х1.2 от контроллера. Провести проверку замыкания контакта "1", "2" колодки к ЭДП на массу – см. "Проверка замыкания цепи на массу", раздел 2.7В. Замыкание есть? ↓ ↓ Нет Да → Неисправен жгут проводов. ↓ 3 Провести проверку замыкания контакта "1", "2" колодки к ЭДП на бортовую сеть – см. "Проверка замыкания цепи на бортовую сеть", раздел 2.7В. Замыкание есть? ↓ ↓ Нет Да ↓ ↓ ↓ Неисправен жгут проводов. ↓ Неисправен контроллер или ЭДП. После ремонта запустить двигатель, сбросить коды и убедиться в отсутствии не- исправности. http://vnx.su/
  • 332.
    ГОСТ 3.1105-84 Лист 254Дубликат Взам. Подп. 3100.25100.12056 ТИТехнологическая инструкция ОАО "АВТОВАЗ" ИзмЛист№документаПодписьДатаИзм.Лист№документаПодписьДата Код Р2102 Электропривод дроссельной заслонки, замыкание цепи управления на массу Код Р2102 заносится, если: - двигатель работает; - самодиагностика драйвера электропривода дроссельной заслонки определила замы- кание на массу. Сигнализатор неисправностей загорается через 5 c после возникновения кода неис- правности. Описание проверок Последовательность соответствует цифрам на карте. 1 Проверяется наличие постоянной неисправности. 2 Проверяется наличие замыкания на массу цепи управления электроприводом. Диагностическая информация В контроллере используется драйвер электропривода дроссельной заслонки, обла- дающий функцией самодиагностики. Он может определять наличие таких неисправностей, как обрыв, короткое замыкание на массу или источник питания цепи управления реле. http://vnx.su/
  • 333.
    ГОСТ 3.1105-84 Лист 255 Дубликат Взам. Подп. 3100.25100.12056 ТИТехнологическая инструкция ОАО "АВТОВАЗ" ИзмЛист№документаПодписьДатаИзм.Лист№документаПодписьДата Код Р2102 Электропривод дроссельной заслонки, замыкание цепи управления на массу 1 Подключить диагностический прибор. Выбрать на диагностическом приборе режим "Коды неисправностей". Запустить двигатель. Проверить, активен ли код неисправности в данный момент? ↓ ↓ Да Нет ↓ ↓ ↓ ↓ Код Р2102 - непостоянный. В случае отсутствия других кодов - см. "Непо- стоянные неисправности", раздел 2.7 В. ↓ 2 Выключить зажигание. Отсоединить колодку жгута от ЭДП. Отсоединить колодку Х1.2 от контроллера. Провести проверку замыкания контакта "1", "2" колодки к ЭДП на массу – см. "Проверка замыкания цепи на массу", раздел 2.7В. Замыкание есть? ↓ ↓ Нет Да → Неисправен жгут проводов. ↓ Неисправен контроллер или ЭДП. После ремонта запустить двигатель, сбросить коды и убедиться в отсутствии не- исправности. http://vnx.su/
  • 334.
    ГОСТ 3.1105-84 Лист 256Дубликат Взам. Подп. 3100.25100.12056 ТИТехнологическая инструкция ОАО "АВТОВАЗ" ИзмЛист№документаПодписьДатаИзм.Лист№документаПодписьДата Код Р2103 Электропривод дроссельной заслонки, замыкание цепи управления на бортовую сеть Код Р2103 заносится, если: - двигатель работает; - самодиагностика драйвера электропривода дроссельной заслонки определила замы- кание на бортовую сеть. Сигнализатор неисправностей загорается через 5 c после возникновения кода неис- правности. Описание проверок Последовательность соответствует цифрам на карте. 1 Проверяется наличие постоянной неисправности. 2 Проверяется наличие замыкания на бортовую сеть цепи управления электроприво- дом. Диагностическая информация В контроллере используется драйвер электропривода дроссельной заслонки, обла- дающий функцией самодиагностики. Он может определять наличие таких неисправностей, как обрыв, короткое замыкание на массу или источник питания цепи управления реле. http://vnx.su/
  • 335.
    ГОСТ 3.1105-84 Лист 257 Дубликат Взам. Подп. 3100.25100.12056 ТИТехнологическая инструкция ОАО "АВТОВАЗ" ИзмЛист№документаПодписьДатаИзм.Лист№документаПодписьДата Код Р2103 Электропривод дроссельной заслонки, замыкание цепи управления на борто- вую сеть 1 Подключить диагностический прибор. Выбрать на диагностическом приборе режим "Коды неисправностей". Запустить двигатель. Проверить, активен ли код неисправности в данный момент? ↓ ↓ Да Нет ↓ ↓ ↓ ↓ Код Р2103 - непостоянный. В случае отсутствия других кодов - см. "Непо- стоянные неисправности", раздел 2.7 В. ↓ 2 Выключить зажигание. Отсоединить колодку жгута от ЭДП. Отсоединить колодку Х1.2 от контроллера. Провести проверку замыкания контакта "1", "2" колодки к ЭДП на бортовую сеть – см. "Проверка замыкания цепи на бортовую сеть", раздел 2.7В. Замыкание есть? ↓ ↓ Нет Да → Неисправен жгут проводов. ↓ Неисправен контроллер или ЭДП. После ремонта запустить двигатель, сбросить коды и убедиться в отсутствии не- исправности. http://vnx.su/
  • 336.
    ГОСТ 3.1105-84 Лист 258Дубликат Взам. Подп. 3100.25100.12056 ТИТехнологическая инструкция ОАО "АВТОВАЗ" ИзмЛист№документаПодписьДатаИзм.Лист№документаПодписьДата Код Р2122 Цепь датчика положения педали А, низкий уровень сигнала Код Р2122 заносится, если: - зажигание включено; - сигнал датчика положения педали акселератора А (параметр АЦП "Напряжение датчика педали акселератора 1") меньше 0,45 В в течение 0,2 с. Сигнализатор неисправностей загорается через 5 c после возникновения кода неис- правности. Описание проверок Последовательность соответствует цифрам на карте. 1 С помощью диагностического прибора проверяется, активен ли код Р2122 в момент диагностики. 2 Выполняется проверка контроллера: на контакт "2" колодки к ДППА должно посту- пать опорное напряжение 5 В с контроллера. 3 Выполняется проверка сигнальной цепи на наличие обрыва или замыкания на массу. 4 Выполняется проверка контроллера: при перемыкании контактов "2" и "4" колодки к ДППА с помощью пробника сигнал ДППА А на диагностическом приборе должен изме- няться. Диагностическая информация При обнаружении неисправности цепи ДППА А система управления двигателем будет работать в аварийном режиме до конца текущей поездки. Возможны следующие аварийные режимы: - ограничение мощности двигателя, если исправна цепь ДППА В; - холостой ход, если неисправны цепи ДППА А и ДППА В. Диагностический прибор в режиме "Мониторинг сигналов" показывает сигналы ДППА А (параметр АЦП "Напряжение датчика педали акселератора 1") и ДППА В (па- раметр АЦП "Напряжение датчика педали акселератора 2") в вольтах. Сигналы ДППА А и ДППА В увеличиваются пропорционально нажатию педали аксе- лератора. При любом положении педали акселератора сигнал ДППА А должен быть в два раза больше сигнала ДППА В. При отпущенной педали акселератора сигнал ДППА А должен находится в диапазоне 0,50…0,85 В, сигнал ДППА В должен находится в диапазоне 0,25…0,43 В. http://vnx.su/
  • 337.
    ГОСТ 3.1105-84 Лист 259 Дубликат Взам. Подп. 3100.25100.12056 ТИТехнологическая инструкция ОАО "АВТОВАЗ" ИзмЛист№документаПодписьДатаИзм.Лист№документаПодписьДата Для расчета положения педали акселератора, выраженного в процентах (параметр "Положение педали акселератора"), используется минимальный сигнал из UДППАА и 2 × UДППАВ. При каждом включении зажигания, контроллер определяет нулевое положение педали акселератора. Значение 100 % педали акселератора (параметр "Положение педали акселе- ратора") достигается при напряжении 3,50 В / 1,75 В с датчика ДППА А / ДППА В. При полностью нажатой педали акселератора параметр АЦП сигнала ДППА А должен находить- ся в диапазоне 4,19…4,59 В, параметр АЦП сигнала ДППА В должен находиться в диапазо- не 2,095…2,295 В. Код Р2122 Цепь датчика положения педали А, низкий уровень сигнала 1 Подключить диагностический прибор. Включить зажигание. Несколько раз на- жать педаль акселератора. Выбрать на приборе режим "Коды неисправностей". Проверить, активен ли код неисправности в данный момент? ↓ ↓ Да Нет ↓ ↓ ↓ ↓ Код Р2122 - непостоянный. В случае отсутствия других кодов - см. "Непо- стоянные неисправности", раздел 2.7В. ↓ 2 Выключить зажигание. Отсоединить колодку от ДППА. Включить зажигание. Вольтметром измерить напряжение на контакте "2" колодки к ДППА - см. "Изме- рение напряжения на контактах жгута проводов", раздел 2.7В. Напряжение должно быть 5 В ± 10%. Так ли это? ↓ ↓ Да Нет ↓ ↓ ↓ ↓ ↓ ↓ ↓ Выключить зажигание. Отсоединить колодку Х1.1 от контроллера. Выпол- нить проверки электрической цепи от контакта "Х1.1/D2" колодки к кон- троллеру до контакта "2" колодки к ДППА на отсутствие обрыва и замыка- ния на массу – см. "Проверки электрических цепей", раздел 2.7В. Если цепь исправна, то неисправен контроллер. ↓ 3 Выключить зажигание. Отсоединить колодку Х1.1 от контроллера. Выполнить проверки электрической цепи от контакта "Х1.1/D4" колодки к контроллеру до контакта "4" колодки к ДППА на отсутствие обрыва и замыкания на массу – см. "Проверки электрических цепей", раздел 2.7В. Цепь исправна? ↓ ↓ Да Нет → Устранить неисправность цепи. ↓ 4 Присоединить колодку Х1.1 к контроллеру. Включить зажигание. Пробником пе- ремкнуть контакты "2" и "4" колодки к ЭДП. На диагностическом приборе в ре- жиме "Мониторинг сигналов; Параметры АЦП" проверить напряжение ДППА А. Напряжение ДППА А равно 5 В? ↓ ↓ Да Нет → Неисправен контроллер. ↓ Неисправен ДППА А. Заменить блок ЭПА. После ремонта запустить двигатель, сбросить коды и убедиться в отсутствии не- исправности. http://vnx.su/
  • 338.
    ГОСТ 3.1105-84 Лист 260Дубликат Взам. Подп. 3100.25100.12056 ТИТехнологическая инструкция ОАО "АВТОВАЗ" ИзмЛист№документаПодписьДатаИзм.Лист№документаПодписьДата Код Р2123 Цепь датчика положения педали А, высокий уровень сигнала Код Р2123 заносится, если: - зажигание включено; - сигнал датчика положения педали акселератора А (параметр АЦП "Напряжение датчика педали акселератора 1") больше 4,78 В в течение 0,2 с. Сигнализатор неисправностей загорается через 5 c после возникновения кода неис- правности. Описание проверок Последовательность соответствует цифрам на карте. 1 С помощью диагностического прибора проверяется, активен ли код Р2123 в момент диагностики. 2 Выполняется проверка напряжения в сигнальной цепи ДППА А с отключенным дат- чиком. Напряжение должно быть около 0 В. 3 Выполняется проверка цепи массы ДППА А на наличие обрыва. 4 Повторно выполняется проверка напряжения в сигнальной цепи ДППА А после за- мены контроллера. Диагностическая информация При обнаружении неисправности цепи ДППА А система управления двигателем будет работать в аварийном режиме до конца текущей поездки. Возможны следующие аварийные режимы: - ограничение мощности двигателя, если исправна цепь ДППА В; - холостой ход, если неисправны цепи ДППА А и ДППА В. Диагностический прибор в режиме "Мониторинг сигналов" показывает сигналы ДППА А (параметр АЦП "Напряжение датчика педали акселератора 1") и ДППА В (па- раметр АЦП "Напряжение датчика педали акселератора 2") в вольтах. Сигналы ДППА А и ДППА В увеличиваются пропорционально нажатию педали аксе- лератора. При любом положении педали акселератора сигнал ДППА А должен быть в два раза больше сигнала ДППА В. При отпущенной педали акселератора сигнал ДППА А должен находится в диапазоне 0,50…0,85 В, сигнал ДППА В должен находится в диапазоне 0,25…0,43 В. Для расчета положения педали акселератора, выраженного в процентах (параметр "Положение педали акселератора"), используется минимальный сигнал из UДППАА и 2 × UДППАВ. http://vnx.su/
  • 339.
    ГОСТ 3.1105-84 Лист 261 Дубликат Взам. Подп. 3100.25100.12056 ТИТехнологическая инструкция ОАО "АВТОВАЗ" ИзмЛист№документаПодписьДатаИзм.Лист№документаПодписьДата При каждом включении зажигания, контроллер определяет нулевое положение педали акселератора. Значение 100 % педали акселератора (параметр "Положение педали акселе- ратора") достигается при напряжении 3,50 В / 1,75 В с датчика ДППА А / ДППА В. При полностью нажатой педали акселератора параметр АЦП сигнала ДППА А должен находить- ся в диапазоне 4,19…4,59 В, параметр АЦП сигнала ДППА В должен находиться в диапазо- не 2,095…2,295 В. Код Р2123 Цепь датчика положения педали А, высокий уровень сигнала 1 Подключить диагностический прибор. Включить зажигание. Несколько раз на- жать педаль акселератора. Выбрать на приборе режим "Коды неисправностей". Проверить, активен ли код неисправности в данный момент? ↓ ↓ Да Нет ↓ ↓ ↓ ↓ Код Р2123 - непостоянный. В случае отсутствия других кодов - см. "Непо- стоянные неисправности", раздел 2.7В. ↓ 2 Выключить зажигание. Отсоединить колодку от ДППА. Включить зажигание. Вольтметром измерить напряжение на контакте "4" колодки к ДППА - см. "Изме- рение напряжения на контактах жгута проводов", раздел 2.7В. Напряжение должно быть 0 В. Так ли это? ↓ ↓ Да Нет → Переход на проверку 4. ↓ 3 Выключить зажигание. Пробником, соединенным с "+" АКБ, проверить контакт "3" колодки к ДППА. Загорается ли лампа пробника? ↓ ↓ Нет Да → Неисправен блок ЭПА. ↓ 3 Отсоединить колодку Х1.1 от контроллера. Выполнить проверку электрической цепи от контакта "Х1.1/D5" колодки к контроллеру до контакта "3" колодки к ДППА на отсутствие обрыва – см. "Проверки целостности электрической цепи", раздел 2.7В. Цепь исправна? ↓ ↓ Да Нет → Устранить неисправность цепи. ↓ Неисправен контроллер. 4 Заменить контроллер на заведомо исправный, и повторно выполнить проверку 2. Напряжение должно быть 0 В. Так ли это? ↓ ↓ Нет Да → Неисправен бывший контроллер. ↓ Замыкание сигнальной цепи на источник питания. После ремонта запустить двигатель, сбросить коды и убедиться в отсутствии не- исправности. http://vnx.su/
  • 340.
    ГОСТ 3.1105-84 Лист 262Дубликат Взам. Подп. 3100.25100.12056 ТИТехнологическая инструкция ОАО "АВТОВАЗ" ИзмЛист№документаПодписьДатаИзм.Лист№документаПодписьДата Код Р2127 Цепь датчика положения педали В, низкий уровень сигнала Код Р2127 заносится, если: - зажигание включено; - сигнал датчика положения педали акселератора В (параметр АЦП "Напряжение датчика педали акселератора 2") меньше 0,16 В в течение 0,2 с. Сигнализатор неисправностей загорается через 5 c после возникновения кода неис- правности. Описание проверок Последовательность соответствует цифрам на карте. 1 С помощью диагностического прибора проверяется, активен ли код Р2127 в момент диагностики. 2 Выполняется проверка контроллера: на контакт "1" колодки к ДППА должно посту- пать опорное напряжение 5 В с контроллера. 3 Выполняется проверка сигнальной цепи на наличие обрыва или замыкания на массу. 4 Выполняется проверка контроллера: при перемыкании контактов "1" и "6" колодки к ДППА с помощью пробника сигнал ДППА В на диагностическом приборе должен изме- няться. Диагностическая информация При обнаружении неисправности цепи ДППА В система управления двигателем будет работать в аварийном режиме до конца текущей поездки. Возможны следующие аварийные режимы: - ограничение мощности двигателя, если исправна цепь ДППА А; - холостой ход, если неисправны цепи ДППА А и ДППА В. Диагностический прибор в режиме "Мониторинг сигналов" показывает сигналы ДППА А (параметр АЦП "Напряжение датчика педали акселератора 1") и ДППА В (па- раметр АЦП "Напряжение датчика педали акселератора 2") в вольтах. Сигналы ДППА А и ДППА В увеличиваются пропорционально нажатию педали аксе- лератора. При любом положении педали акселератора сигнал ДППА А должен быть в два раза больше сигнала ДППА В. При отпущенной педали акселератора сигнал ДППА А должен находится в диапазоне 0,50…0,85 В, сигнал ДППА В должен находится в диапазоне 0,25…0,43 В. http://vnx.su/
  • 341.
    ГОСТ 3.1105-84 Лист 263 Дубликат Взам. Подп. 3100.25100.12056 ТИТехнологическая инструкция ОАО "АВТОВАЗ" ИзмЛист№документаПодписьДатаИзм.Лист№документаПодписьДата Для расчета положения педали акселератора, выраженного в процентах (параметр "Положение педали акселератора"), используется минимальный сигнал из UДППАА и 2 × UДППАВ. При каждом включении зажигания, контроллер определяет нулевое положение педали акселератора. Значение 100 % педали акселератора (параметр "Положение педали акселе- ратора") достигается при напряжении 3,50 В / 1,75 В с датчика ДППА А / ДППА В. При полностью нажатой педали акселератора параметр АЦП сигнала ДППА А должен находить- ся в диапазоне 4,19…4,59 В, параметр АЦП сигнала ДППА В должен находиться в диапазо- не 2,095…2,295 В. Код Р2127 Цепь датчика положения педали В, низкий уровень сигнала 1 Подключить диагностический прибор. Включить зажигание. Несколько раз на- жать педаль акселератора. Выбрать на приборе режим "Коды неисправностей". Проверить, активен ли код неисправности в данный момент? ↓ ↓ Да Нет ↓ ↓ ↓ ↓ Код Р2127 - непостоянный. В случае отсутствия других кодов - см. "Непо- стоянные неисправности", раздел 2.7В. ↓ 2 Выключить зажигание. Отсоединить колодку от ДППА. Включить зажигание. Вольтметром измерить напряжение на контакте "1" колодки к ДППА - см. "Изме- рение напряжения на контактах жгута проводов", раздел 2.7В. Напряжение должно быть 5 В ± 10%. Так ли это? ↓ ↓ Да Нет ↓ ↓ ↓ ↓ ↓ ↓ ↓ Выключить зажигание. Отсоединить колодку Х1.1 от контроллера. Выпол- нить проверки электрической цепи от контакта "Х1.1/Е2" колодки к кон- троллеру до контакта "1" колодки к ДППА на отсутствие обрыва и замыка- ния на массу – см. "Проверки электрических цепей", раздел 2.7В. Если цепь исправна, то неисправен контроллер. ↓ 3 Выключить зажигание. Отсоединить колодку Х1.1 от контроллера. Выполнить проверки электрической цепи от контакта "Х1.1/Е4" колодки к контроллеру до контакта "6" колодки к ДППА на отсутствие обрыва и замыкания на массу – см. "Проверки электрических цепей", раздел 2.7В. Цепь исправна? ↓ ↓ Да Нет → Устранить неисправность цепи. ↓ 4 Присоединить колодку Х1.1 к контроллеру. Включить зажигание. Пробником пе- ремкнуть контакты "1" и "6" колодки к ЭДП. На диагностическом приборе в ре- жиме "Мониторинг сигналов; Параметры АЦП" проверить напряжение ДППА В. Напряжение ДППА В равно 5 В? ↓ ↓ Да Нет → Неисправен контроллер. ↓ Неисправен ДППА В. Заменить блок ЭПА. После ремонта запустить двигатель, сбросить коды и убедиться в отсутствии не- исправности. http://vnx.su/
  • 342.
    ГОСТ 3.1105-84 Лист 264Дубликат Взам. Подп. 3100.25100.12056 ТИТехнологическая инструкция ОАО "АВТОВАЗ" ИзмЛист№документаПодписьДатаИзм.Лист№документаПодписьДата Код Р2128 Цепь датчика положения педали В, высокий уровень сигнала Код Р2128 заносится, если: - зажигание включено; - сигнал датчика положения педали акселератора В (параметр АЦП "Напряжение датчика педали акселератора 2") больше 2,39 В в течение 0,2 с. Сигнализатор неисправностей загорается через 5 c после возникновения кода неис- правности. Описание проверок Последовательность соответствует цифрам на карте. 1 С помощью диагностического прибора проверяется, активен ли код Р2128 в момент диагностики. 2 Выполняется проверка напряжения в сигнальной цепи ДППА В с отключенным дат- чиком. Напряжение должно быть около 0 В. 3 Выполняется проверка цепи массы ДППА В на наличие обрыва. 4 Повторно выполняется проверка напряжения в сигнальной цепи ДППА В после за- мены контроллера. Диагностическая информация При обнаружении неисправности цепи ДППА В система управления двигателем будет работать в аварийном режиме до конца текущей поездки. Возможны следующие аварийные режимы: - ограничение мощности двигателя, если исправна цепь ДППА А; - холостой ход, если неисправны цепи ДППА А и ДППА В. Диагностический прибор в режиме "Мониторинг сигналов" показывает сигналы ДППА А (параметр АЦП "Напряжение датчика педали акселератора 1") и ДППА В (па- раметр АЦП "Напряжение датчика педали акселератора 2") в вольтах. Сигналы ДППА А и ДППА В увеличиваются пропорционально нажатию педали аксе- лератора. При любом положении педали акселератора сигнал ДППА А должен быть в два раза больше сигнала ДППА В. При отпущенной педали акселератора сигнал ДППА А должен находится в диапазоне 0,50…0,85 В, сигнал ДППА В должен находится в диапазоне 0,25…0,43 В. Для расчета положения педали акселератора, выраженного в процентах (параметр "Положение педали акселератора"), используется минимальный сигнал из UДППАА и 2 × UДППАВ. http://vnx.su/
  • 343.
    ГОСТ 3.1105-84 Лист 265 Дубликат Взам. Подп. 3100.25100.12056 ТИТехнологическая инструкция ОАО "АВТОВАЗ" ИзмЛист№документаПодписьДатаИзм.Лист№документаПодписьДата При каждом включении зажигания, контроллер определяет нулевое положение педали акселератора. Значение 100 % педали акселератора (параметр "Положение педали акселе- ратора") достигается при напряжении 3,50 В / 1,75 В с датчика ДППА А / ДППА В. При полностью нажатой педали акселератора параметр АЦП сигнала ДППА А должен находить- ся в диапазоне 4,19…4,59 В, параметр АЦП сигнала ДППА В должен находиться в диапазо- не 2,095…2,295 В. Код Р2128 Цепь датчика положения педали В, высокий уровень сигнала 1 Подключить диагностический прибор. Включить зажигание. Несколько раз на- жать педаль акселератора. Выбрать на приборе режим "Коды неисправностей". Проверить, активен ли код неисправности в данный момент? ↓ ↓ Да Нет ↓ ↓ ↓ ↓ Код Р2128 - непостоянный. В случае отсутствия других кодов - см. "Непо- стоянные неисправности", раздел 2.7В. ↓ 2 Выключить зажигание. Отсоединить колодку от ДППА. Включить зажигание. Вольтметром измерить напряжение на контакте "6" колодки к ДППА - см. "Изме- рение напряжения на контактах жгута проводов", раздел 2.7В. Напряжение должно быть 0 В. Так ли это? ↓ ↓ Да Нет → Переход на проверку 4. ↓ 3 Выключить зажигание. Пробником, соединенным с "+" АКБ, проверить контакт "5" колодки к ДППА. Загорается ли лампа пробника? ↓ ↓ Нет Да → Неисправен блок ЭПА. ↓ 3 Отсоединить колодку Х1.1 от контроллера. Выполнить проверку электрической цепи от контакта "Х1.1/Е5" колодки к контроллеру до контакта "5" колодки к ДППА на отсутствие обрыва – см. "Проверки целостности электрической цепи", раздел 2.7В. Цепь исправна? ↓ ↓ Да Нет → Устранить неисправность цепи. ↓ Неисправен контроллер. 4 Заменить контроллер на заведомо исправный, и повторно выполнить проверку 2. Напряжение должно быть 0 В. Так ли это? ↓ ↓ Нет Да → Неисправен бывший контроллер. ↓ Замыкание сигнальной цепи на источник питания. После ремонта запустить двигатель, сбросить коды и убедиться в отсутствии не- исправности. http://vnx.su/
  • 344.
    ГОСТ 3.1105-84 Лист 266Дубликат Взам. Подп. 3100.25100.12056 ТИТехнологическая инструкция ОАО "АВТОВАЗ" ИзмЛист№документаПодписьДатаИзм.Лист№документаПодписьДата Код Р2135 Датчики "А" / "В" положения дроссельной заслонки, рассогласование сигналов Код Р2135 заносится, если: - зажигание включено; - сигналы ДПДЗ А и ДПДЗ В отличаются более чем на 6% в течение 0,3 с. Сигнализатор неисправностей загорается через 5 c после возникновения кода неис- правности. Описание проверок Последовательность соответствует цифрам на карте. 1 С помощью диагностического прибора проверяется, активен ли код Р2135 в момент диагностики. 2 Выполняется проверка цепей ДПДЗ А и ДПДЗ В на наличие обрыва. 3 Измеряется сопротивление сигнальных цепей ДПДЗ А и ДПДЗ В (контакты "6" и "3") относительно массы автомобиля. 4 Измеряется сопротивление цепи массы ДПДЗ (контакт "4") относительно массы ав- томобиля. 5 Измеряется напряжение в цепях ДПДЗ относительно массы автомобиля. 6 Повторно измеряется напряжение в цепях ДПДЗ относительно массы автомобиля при замененном контроллере. 7 Повторно измеряется сопротивление сигнальных цепей ДПДЗ А и ДПДЗ В (контак- ты "6" и "3") относительно массы автомобиля при замененном контроллере. Диагностическая информация Диагностический прибор в режиме "Мониторинг сигналов" показывает сигналы ДПДЗ А (параметр АЦП "Напряжение датчика дроссельной заслонки 1") и ДПДЗ В (па- раметр АЦП "Напряжение датчика дроссельной заслонки 2") в вольтах. При открытии дроссельной заслонки сигнал ДПДЗ А увеличивается, сигнал ДПДЗ В уменьшается. При полностью закрытой дроссельной заслонке сигнал ДПДЗ А должен находится в диапазоне 0,30…0,58 В, сигнал ДПДЗ В должен находится в диапазоне 4,42…4,70 В. Сумма сигналов ДПДЗ А и ДПДЗ В должна быть равна (5±0,1) В при любом положе- нии дроссельной заслонки. Контроллер пересчитывает напряжение сигналов ДПДЗ А и ДПДЗ В в процент откры- тия дроссельной заслонки. http://vnx.su/
  • 345.
    ГОСТ 3.1105-84 Лист 267 Дубликат Взам. Подп. 3100.25100.12056 ТИТехнологическая инструкция ОАО "АВТОВАЗ" ИзмЛист№документаПодписьДатаИзм.Лист№документаПодписьДата Диагностический прибор в режиме "Мониторинг сигналов" отображает процент от- крытия дроссельной заслонки (параметр "Положение дроссельной заслонки"), который рассчитывается как среднее арифметическое сигналов ДПДЗ А (%) и ДПДЗ В (%). 0 % соот- ветствует полностью закрытой дроссельной заслонке. 100 % соответствует максимальному открытию дроссельной заслонки. Для контроля рассогласования используются сигналы ДПДЗ А (%) и ДПДЗ В (%). При обнаружении рассогласования сигналов ДПДЗ А и ДПДЗ В система управления двигателем будет работать в аварийном режиме до конца текущей поездки. Возможны следующие аварийные режимы: - ограничение мощности двигателя, если контроллер определил, какой из датчиков неисправен; - обесточивание электропривода дроссельной заслонки и ограничение оборотов дви- гателя (2500 об/мин), если контроллер не доверяет сигналам обоих датчиков. Если электропривод дроссельной заслонки обесточен, с помощью прямой и возврат- ной пружин дроссельная заслонка удерживается в положении Limp home (6-7%). В случае замены ЭДП или контроллера ЭСУД, или сброса контроллера с помощью диагностического прибора (режим "Тест функций; Сброс ЭБУ с инициализацией") необхо- димо выполнить процедуру адаптации нуля дроссельной заслонки. Для этого на стоящем автомобиле необходимо включить зажигание, выждать 30 с, выключить зажигание, дождаться отключения главного реле. Адаптация будет прервана, если: - прокручивается двигатель; - автомобиль движется; - нажата педаль акселератора; - температура двигателя ниже 5 °С или выше 100 °С; - температура окружающего воздуха ниже 5 °С. http://vnx.su/
  • 346.
    ГОСТ 3.1105-84 Лист 268Дубликат Взам. Подп. 3100.25100.12056 ТИТехнологическая инструкция ОАО "АВТОВАЗ" ИзмЛист№документаПодписьДатаИзм.Лист№документаПодписьДата Код Р2135 Датчики "А" / "В" положения дроссельной заслонки, рассогласование сигна- лов 1 Подключить диагностический прибор. Включить зажигание. Несколько раз плав- но нажать педаль акселератора. Выбрать на приборе режим "Коды неисправно- стей". Проверить, активен ли код неисправности в данный момент? ↓ ↓ Да Нет ↓ ↓ ↓ ↓ Код Р2135 - непостоянный. В случае отсутствия других кодов - см. "Непо- стоянные неисправности", раздел 2.7В. ↓ 2 Выключить зажигание. Отсоединить колодку от ЭДП. Отсоединить колодку Х1.2 от контроллера. Выполнить проверку электрических цепей от контактов "Х1.2/G2", "X1.2/E3", "X1.2/G3", "X1.2/F5" колодки к контроллеру до контактов "3", "5", "6", "4" колодки к ЭДП соответственно на отсутствие обрыва – см. "Про- верки целостности электрической цепи", раздел 2.7В. Цепи исправны? ↓ ↓ Да Нет → Неисправен жгут проводов. ↓ 3 Присоединить колодку Х1.2 к контроллеру. Омметром измерить сопротивления между контактами "6" и "3" колодки к ЭДП и массой автомобиля. R 6-масса = 169 кОм ± 5%; R 3-масса = 169 кОм ± 5%. Соответствуют ли измеренные значения приведённым выше? ↓ ↓ Да Нет → Переход на проверку 7. ↓ 4 Омметром измерить сопротивление между контактом "4" колодки к ЭДП и массой автомобиля. R 4-масса < 1 Ом. Соответствует ли измеренное значение приведённому выше? ↓ ↓ Да Нет ↓ ↓ ↓ ↓ ↓ Проверить подключение цепей массы системы управления двигателем к ку- зову автомобиля в соответствии с разделом 2.7В, "Проверки электрических цепей". ↓ 5 Включить зажигание. Вольтметром измерить напряжение на контактах "4", "6", "3", "5" колодки к ЭДП относительно массы автомобиля - см. "Измерение напря- жения на контактах жгута проводов", раздел 2.7В. U 4-масса = 0 В; U 6-масса = 0 В; U 3-масса = 0 В; U 5-масса = 5 В ± 10%. Соответствуют ли измеренные значения приведённым выше? ↓ ↓ Нет Да → Неисправен ЭДП. ↓ 6 Заменить контроллер на заведомо исправный, и повторно выполнить проверку 5. Соответствуют ли измеренные значения приведённым выше? ↓ ↓ Нет Да → Неисправен бывший контроллер. ↓ Неисправен жгут проводов. http://vnx.su/
  • 347.
    ГОСТ 3.1105-84 Лист 269 Дубликат Взам. Подп. 3100.25100.12056 ТИТехнологическая инструкция ОАО "АВТОВАЗ" ИзмЛист№документаПодписьДатаИзм.Лист№документаПодписьДата 7 Заменить контроллер на заведомо исправный и повторно выполнить проверку 3. Соответствуют ли измеренные значения приведённым выше? ↓ ↓ Нет Да → Неисправен бывший контроллер. ↓ Неисправен жгут проводов. После ремонта запустить двигатель, сбросить коды и убедиться в отсутствии не- исправности. http://vnx.su/
  • 348.
    ГОСТ 3.1105-84 Лист 270Дубликат Взам. Подп. 3100.25100.12056 ТИТехнологическая инструкция ОАО "АВТОВАЗ" ИзмЛист№документаПодписьДатаИзм.Лист№документаПодписьДата Код Р2138 Датчики "А" / "В" положения педали акселератора, рассогласование сигналов Код Р2138 заносится, если: - зажигание включено; - уменьшенный в два раза сигнал датчика положения педали акселератора A (пара- метр АЦП "Напряжение датчика педали акселератора 1" / 2) и сигнал датчика положе- ния педали акселератора В (параметр АЦП "Напряжение датчика педали акселератора 2") отличаются на величину порога в течение 0,25 с. Сигнализатор неисправностей загорается через 5 c после возникновения кода неис- правности. Описание проверок Последовательность соответствует цифрам на карте. 1 С помощью диагностического прибора проверяется, активен ли код Р2138 в момент диагностики. 2 Выполняется проверка цепей ДППА А и ДППА В на наличие обрыва. 3 Измеряется сопротивление сигнальных цепей ДППА А и ДППА В (контакты "4" и "6") относительно массы автомобиля. 4 Измеряется сопротивление цепи массы ДППА А и ДППА В (контакты "3" и "5") от- носительно массы автомобиля. 5 Измеряется напряжение в цепях ДППА относительно массы автомобиля. 6 Повторно измеряется напряжение в цепях ДППА относительно массы автомобиля при замененном контроллере. 7 Повторно измеряется сопротивление сигнальных цепей ДППА А и ДППА В (кон- такты "4" и "6") относительно массы автомобиля при замененном контроллере. Диагностическая информация При обнаружении рассогласования сигналов ДППА А и ДППА В система управления двигателем будет работать в аварийном режиме до конца текущей поездки. Диагностический прибор в режиме "Мониторинг сигналов" показывает сигналы ДППА А (параметр АЦП "Напряжение датчика педали акселератора 1") и ДППА В (па- раметр АЦП "Напряжение датчика педали акселератора 2") в вольтах. Сигналы ДППА А и ДППА В увеличиваются пропорционально нажатию педали аксе- лератора. При любом положении педали акселератора сигнал ДППА А должен быть в два раза больше сигнала ДППА В. http://vnx.su/
  • 349.
    ГОСТ 3.1105-84 Лист 271 Дубликат Взам. Подп. 3100.25100.12056 ТИТехнологическая инструкция ОАО "АВТОВАЗ" ИзмЛист№документаПодписьДатаИзм.Лист№документаПодписьДата При отпущенной педали акселератора сигнал ДППА А должен находится в диапазоне 0,50…0,85 В, сигнал ДППА В должен находится в диапазоне 0,25…0,43 В. Для расчета положения педали акселератора, выраженного в процентах (параметр "Положение педали акселератора"), используется минимальный сигнал из UДППАА и 2 × UДППАВ. При каждом включении зажигания, контроллер определяет нулевое положение педали акселератора. Значение 100 % педали акселератора (параметр "Положение педали акселе- ратора") достигается при напряжении 3,50 В / 1,75 В с датчика ДППА А / ДППА В. При полностью нажатой педали акселератора параметр АЦП сигнала ДППА А должен находить- ся в диапазоне 4,19…4,59 В, параметр АЦП сигнала ДППА В должен находиться в диапазо- не 2,095…2,295 В. http://vnx.su/
  • 350.
    ГОСТ 3.1105-84 Лист 272Дубликат Взам. Подп. 3100.25100.12056 ТИТехнологическая инструкция ОАО "АВТОВАЗ" ИзмЛист№документаПодписьДатаИзм.Лист№документаПодписьДата Код Р2138 Датчики "А" / "В" положения педали акселератора, рассогласование сигна- лов 1 Подключить диагностический прибор. Включить зажигание. Несколько раз плав- но нажать педаль акселератора. Выбрать на приборе режим "Коды неисправно- стей". Проверить, активен ли код неисправности в данный момент? ↓ ↓ Да Нет ↓ ↓ ↓ ↓ Код Р2138 - непостоянный. В случае отсутствия других кодов - см. "Непо- стоянные неисправности", раздел 2.7В. ↓ 2 Выключить зажигание. Отсоединить колодку от ДППА. Отсоединить колодку Х1.1 от контроллера. Выполнить проверку электрических цепей от контактов "Х1.1/Е5", "X1.1/Е4", "X1.1/Е2", "X1.1/D5", "X1.1/D4", "X1.1/D2" колодки к кон- троллеру до контактов "5", "6", "1", "3", "4", "2" колодки к ДППА соответственно на отсутствие обрыва – см. "Проверки целостности электрической цепи", раздел 2.7В. Цепи исправны? ↓ ↓ Да Нет → Неисправен жгут проводов. ↓ 3 Присоединить колодку Х1.1 к контроллеру. Омметром измерить сопротивления между контактами "4" и "6" колодки к ДППА и массой автомобиля. R 4-масса = 511 кОм ± 5%; R 6-масса = 511 кОм ± 5%. Соответствуют ли измеренные значения приведённым выше? ↓ ↓ Да Нет → Переход на проверку 7. ↓ 4 Омметром измерить сопротивления между контактами "3" и "5" колодки к ДППА и массой автомобиля. R 3-масса < 1 Ом; R 5-масса < 1 Ом. Соответствует ли измеренные значения приведённым выше? ↓ ↓ Да Нет ↓ ↓ ↓ ↓ ↓ Проверить подключение цепей массы системы управления двигателем к ку- зову автомобиля в соответствии с разделом 2.7В, "Проверки электрических цепей". ↓ 5 Включить зажигание. Вольтметром измерить напряжение на контактах "1", "2", "3", "4", "5", "6" колодки к ДППА относительно массы автомобиля - см. "Измере- ние напряжения на контактах жгута проводов", раздел 2.7В. U 3-масса = 0 В; U 4-масса = 0 В; U 5-масса = 0 В; U 6-масса = 0 В;U 1-масса = 5 В ± 10%; U 2-масса = 5 В ± 10%. Соответствуют ли измеренные значения приведённым выше? ↓ ↓ Нет Да → Неисправен блок ЭПА. ↓ 6 Заменить контроллер на заведомо исправный и повторно выполнить проверку 5. Соответствуют ли измеренные значения приведённым выше? ↓ ↓ Нет Да → Неисправен бывший контроллер. ↓ ↓ http://vnx.su/
  • 351.
    ГОСТ 3.1105-84 Лист 273 Дубликат Взам. Подп. 3100.25100.12056 ТИТехнологическая инструкция ОАО "АВТОВАЗ" ИзмЛист№документаПодписьДатаИзм.Лист№документаПодписьДата ↓ Неисправен жгут проводов. 7 Заменить контроллер на заведомо исправный и повторно выполнить проверку 3. Соответствуют ли измеренные значения приведённым выше? ↓ ↓ Нет Да → Неисправен бывший контроллер. ↓ Неисправен жгут проводов. После ремонта запустить двигатель, сбросить коды и убедиться в отсутствии не- исправности. http://vnx.su/
  • 352.
    ГОСТ 3.1105-84 Лист 274Дубликат Взам. Подп. 3100.25100.12056 ТИТехнологическая инструкция ОАО "АВТОВАЗ" ИзмЛист№документаПодписьДатаИзм.Лист№документаПодписьДата Код Р2176 Система управления приводом дроссельной заслонки, адаптация положения нуля за- слонки не выполнена Код Р2176 заносится, если: - зажигание включено; - адаптация положения нуля дроссельной заслонки не была выполнена ни разу. Сигнализатор неисправностей загорается через 5 c после возникновения кода неис- правности. Описание проверок Последовательность соответствует цифрам на карте. 1 С помощью диагностического прибора проверяется, активен ли код Р2176 в момент диагностики. Если код неактивен, и одновременно в памяти контроллера отсутствуют коды Р0122, Р0123, Р0222, Р0223, Р2135, Р1545, Р1558, Р1559, то необходимо стереть код Р2176 с помощью диагностического прибора. 2 Выполняется проверка механических и электрических узлов дроссельного патрубка. 3 Выполняется проверка цепей управления электроприводом дроссельной заслонки. Диагностическая информация При обнаружении неисправности Р2176 система управления двигателем будет рабо- тать в аварийном режиме до конца текущей поездки: - электропривод дроссельной заслонки обесточен; - ограничение оборотов двигателя (до 2500 об/мин в зависимости от положения педа- ли акселератора). Диагностический прибор в режиме "Мониторинг сигналов" отображает процент от- крытия дроссельной заслонки (параметр "Положение дроссельной заслонки"). При включении зажигания контроллер проводит: - тест возвратной пружины; - проверку положения заслонки при обесточенном электроприводе; - адаптацию нуля положения дроссельной заслонки; - тест прямой пружины. Если контроллер новый (адаптация проводится в первый раз), то все вышеописанные процедуры выполняются сразу после включения зажигания в течение 1,5 секунд. Если контроллер был обучен ранее, то сразу после включения зажигания выполняется тест возвратной пружины. Остальные процедуры будут выполнены в течение следующих 30 секунд, если в это время не будет нарушено ни одно из условий: http://vnx.su/
  • 353.
    ГОСТ 3.1105-84 Лист 275 Дубликат Взам. Подп. 3100.25100.12056 ТИТехнологическая инструкция ОАО "АВТОВАЗ" ИзмЛист№документаПодписьДатаИзм.Лист№документаПодписьДата - двигатель не прокручивается; - автомобиль не движется; - педаль акселератора не нажата; - температура двигателя выше 5 °С и ниже 100 °С; - температура окружающего воздуха выше 5 °С. Код Р2176 указывает на то, что первое обучение контроллера было прервано по сле- дующим причинам: - нарушение условий проведения адаптации (см. выше); - неисправность дроссельного патрубка; - неисправность жгута проводов; - неисправность контроллера. Если электропривод дроссельной заслонки обесточен, с помощью прямой и возврат- ной пружин дроссельная заслонка удерживается в положении Limp home (6-7%). http://vnx.su/
  • 354.
    ГОСТ 3.1105-84 Лист 276Дубликат Взам. Подп. 3100.25100.12056 ТИТехнологическая инструкция ОАО "АВТОВАЗ" ИзмЛист№документаПодписьДатаИзм.Лист№документаПодписьДата Код Р2176 Система управления приводом дроссельной заслонки, адаптация положения нуля заслонки не выполнена 1 Подключить диагностический прибор. Включить зажигание. Выбрать на диагностическом приборе режим "Коды неисправностей". Проверить, активен ли код неисправности в данный момент? ↓ ↓ Да Нет ↓ ↓ ↓ ↓ ↓ Если в памяти контроллера присутствуют коды Р0122, Р0123, Р0222, Р0223, Р2135, Р1545, Р1558, Р1559, перейти к соответствующим диагностическим картам. Если вышеперечисленных кодов нет, стереть код Р2176 из памяти контроллера. ↓ 2 Выключить зажигание. Демонтировать ЭДП. Проверить разъём ЭДП на наличие следующих повреждений: - грязь, влага, следы коррозии на контактах; - деформированные контакты; - трещины, сколы, следы оплавления на разъёме. Проверить цепь электродвигателя (клеммы "1", "2") на отсутствие обрыва. Визуально осмотреть ЭДП, полностью открыть / закрыть дроссельную заслонку. Проверить наличие следующих повреждений: - деформация дроссельной заслонки; - подклинивание дроссельной заслонки в каком-либо положении; - дроссельная заслонка не закрывается до нулевого положения; - грязь внутри дроссельного патрубка. Повреждения обнаружены? ↓ ↓ Нет Да ↓ ↓ ↓ ↓ ↓ Устранить повреждения, если это возможно, или заменить ЭДП на заведомо исправный. Выполнить процедуру адаптации нуля дроссельной заслонки и убедиться в отсутствии неисправности. ↓ 3 Отсоединить колодку Х1.2 от контроллера. В