_>_mXUOn____v_m=@_>_Omn_=<
gums<91
QZ
_ZuXOOn____v_m=Q_ZOmn____<
WDUES<D<._G=SmO_ZO___<
__[______:_
_
‘
___
_
ll_
I(m;‘mpgE3an
____oz
w_6"_<|_<n_<|_
AAm<m°.__m<vv04¢
http://vnx.su/
|2___:___o__8__Mg____°___a's2___g________g_____=_a___=6__°_§_m________g*_
wwwiglpgE;Nwélp
{Smgw___'_.:3___O'__H__:g___©O_§_O%_éO£__8O_
_§a__O2_2_
_§_PgOMn___O_s__avg:___b%_U_=_o_:_O_____M_DOIIDQPOUTNX£__;o__O8O___2E_OM_m_O____%§©O2OEgEOPIOEQQ=_)_o_=§_§§_8©O
X_“__;___g___“____;_a=__§:_m9__=;O©a§_v_8____IK2|Oao=e_$_=SO_S=§_Oq>QOwOOQ_.v_o___6OEMOFo___a=:o=oSHIugimgqg_)_O©____<
UN_oN_____°
__6___o8OimDo”_<‘_<Q<____E=©O_ZO_Eg_h_o__:E_¥_o2_¢_Oq_mOV_ogO_c_%Q__O__OV_OSSQSFOMFOOOM__=__N___O©_a$QEEDXUo__V_8_i_at_gm
__N;gOM_wS=gOg§O=:__qIOV_____O2oS5O£O8_a8_h_O22o=o__‘_O=_HOmOQ=v_OH__©__':_NU__3v_&MX_n____V_¢A_§__2Om_o&OwOOn€_o___m__
'OMSQ=OQt_0___mO_EoO___ogO8©VBEDHOGX_____m_§§_EOEOPOSOO_§_O_3Q29_O_62_n___=__O=:N___b>__>_OV_2___EO&v_g_m_)__En__a&_$:Q“__‘_OS_2_o__o
|O_E_€O__h_o%m_HX=___§mSXiiqogoi__2s_____:gqO=O5_2_oO_t_0_8“_“_%__M_§_%EOM_ga_)_2BP______9AO_5_'_OwommmS=___t_o__E2OV_Qcg
82$_ScgEv3:9__2_Eo'§___m__u_OmDoM_<‘_<Q<‘___’_2__SmOS_O'_MN_h___5_=_5OoXE_8_:_€_o__m____)§8____l_o5_ao_Ho&_OEOQEQm
A6cgNSNa___:__3=_O___‘Igo_B_)_E_<_m“_____§_m
_<_m_£__v_o§_E.<_q“GOPOEQVA_m_E_$§2____V_“__R_)_8_____<_mDuz<___<A_<1___Mo____©;_ag_M____o____58:_V_3___:_b_o___n__;§6
http://vnx.su/
8“
____________________________
________________________________________________
________________________
_______I____I____II._._.___I
mm___________________________________________________________
_0:2;n____Q_5__SmU__9_@O___N___O>
mm
gA
8%_>_s_JCQPESQQ_g_m_OI_w5>__av_OQ_S_5S___5_V
___________________._____._________'________.___.____.__._
_____________________________________________8$S_§_"___2_w_____m__q
ow
mN
________________________________8__N_>_$__8©_)_$_SCU___N__S@_5
ohIIIIIIIIIIIIIIIIIIIIIIIIIIIIIIIIIIIIIIIIIIIIIIIIIIIIIIIIIIIIIIIIIIIIIIIIIIIII
mm_________________________________________________I
_______________________________________________________________________________________SV_o____©Q_n____v_AN___Ios_
_____________________
@§___________________'_______________I________.____________________________________________
________.____
_I____I__________
____________:8:S_D_
_____8_;__c_n_=eESm_5
_“S___Q_BMQC>°__O$____a
_'____._I___I__________‘__._'_____
§m_______________________________________________________________._I.‘__.______._____________________O‘____''_
_________________________________m_OQOwSa___
_______“S___N._S¥a_£$_0___O__U
_____mOqOmOQCm_O___>__*§INm_OU__aO©OOab_gO
____¢_O__&GvGSINDOq>QOwOOQt_@=Qm_O:__g_2a
___________________________________________________________________________________:__‘moQmmS:>Vm:___mmoq>QoD°°Q_c_Q___omohxmgocm
m______s_Em_q8
_:_:___:::_::__:_:__:____I____I_________I__II___.__________
__________I_______._____._____________'__.O_________________
my_____._______'________.__I.1_.___________________________...___.__.____'_______'____I__________________._____._________________________I_______tS°oom:__Q
____.__________________________._____________._________________.___________
_________mg_8_a:gC_o___o
_____.___II'___.___-.___.____._____I_I___'______II.____.__'___.__II__________.___I__
2,
2
WDUI3<Q5Nm§SUOS_O__'m<SSIWISEOQXS¥O_$__SnR¥W§®IEWXU
http://vnx.su/
__‘NamO_hm<:___SEQIOTOQ
mgIIIIIIIIIIIIIIIIIIIIIIIIIIIIII_I
mg‘IIIIIIIIIIIIIIIIIIIIIIIIIIIIII__
__I_.'_____I_I___.__-III__I_I___I__.._____I__I‘II___.__'I____I_____'I_____
____________.___I__'_____________________I______________________I_____________
{NF
nN_‘___________________________________Eo__'_w__:m_qSgcg__V_m8§_°5
NN_________________O__________________________________________________________________________
_N_______
GNP______________________________I_
ms_______________________________
ME______________________________
N:______________________________
_________Ag_2O__O
_________________?Sg__Sm_N____£S_®___OSO
___IIIIII.I.I.IIIIIIII'III.I.I.III-IIIII..II~I-II.‘I'-I.-I‘II'-I...'IHI.....'......I-I.-.'...'-U
_____
_____________________________
I__.___'__II_I._:I‘__I:_I::l:_::_:::::::::_______I_I_I::2:I__:_'_____..___%m°oomI°®:m©oQ§o=®
______________________
mg
____________________:_________:____:___________:.__.__________
EF________________________S6°ION___8$801:8S:_“__a___SV_AG___MI_qma___SSPOOIONCOMUDS_>_9_3>qO___S_>__n_m_9_O©O
__________________________________________________________A_E2SU_Om_S6o___OSO8o9_____>qo___V_a_'_n___a___s_°IqO
M:IIIIIIIIIIIIIIIIIIIIIIIIIIIIII
N:______________________________
:________________________________
O:
moF____:______I____I_III_I_I___________________________________________'_
we‘_____________________
N2‘____________________________II
me‘_____________________________
______________________________
__'____.__________________._________.I____________'________________¢o_____________________________II
we
Neg:____I_______________________I
_o_________
III_____::::I::_I:_II-IIIII::::::::::::__I:_I._II__:__:__:_:___:I:I_:_____
__Ag_S§8om__Ssoxomcoég___;qo___dzesqom:Bo___Qm:o8©9__=>qo5_aI“_:mT_V__x>mq
__________‘_________D________________
______'_.________________________‘________
'_._____________'______________
___-___I_IIIII______I_I_II______III__I_UI______II_I________I_I_I___IIO__I_______I_I_
__________________________h6___p§QOm_O__9_S_O___
_______S_>_K:®___SQOO__Ov_S_OQ__
________S_2§___$___SQOm_O‘_OV_20___‘_
_________________________________________________________jQm%
__________________________________________SQmI°emjzzzbomshoac
:'_______________'___'____________________
O2________IIIIIIIIIIIIIIIIIIIIIIIIIIIIIIIIIIIIIIIIIIIIIIIIIIII_
mmIIIIIIIIIIIIIIIIIIIIIIIIIIIII__
mm________________________________
__________________________________________________
63OV656”_h__£_n_:me_'_Q___R_m___:v____>eOSgomq§_s_g68omhososmovgongmsxmgwmoo___o9g_|_
____________________________§qQV628_H__n____n___aB___®____S®S___v_I>&O_%%m_U_§__)_8_5¥_JPGC_8v_O___OS$S_@OV_w___O___8GSIQEQGQOI082:
5IIIIIIIIIIIIIIIIIIIIIIIIIIIII‘I
8:5___
mag:
3IIIIIIIIIIIIIIIIIIIIIIIIIIIII_I
:_____________I___I_'___.____I__..__I____
______NO2QOPo__OITo__Eo__'O_£___>_gso___£___N_____SOn_55_§5__n_m_
QQOXO__Q_____u_8_w$m_O£____QFNT°__H¥_£m_n_%T_oeSSIQQN
______;_H__S__V_O_>_8R__n_I“ENQ______®______R_®S:V____>%OK_82_q§_2g_6g_£200_8V_Om_5w_¥__8VQIOCNOKSIQHUDUO___O&N_____|_
MSI<¥awqOO
___________________________:5“S__V_O_2®__H_h__n__I_h__aE_Q|___SQS___V_I>eOR_32_q§__>_g____OQ_Zn__E____8v_OMFOSQEQOV9_SIv_aa©GSIOHUQOOI082:
EMXQORCEQQEOWAS
http://vnx.su/
_S_£mQITSQOV___S_n__F_____®V_A_R__n_%o__“__n_____J38Q_[_
HQOFQQUXS_____o_>_D_®____O
g____n__>_0XOOSV_O®T__Q__b_®____m__>558>_>_Og_§_v_X_n__2QG‘_N=SQ_I__X_“I_JmQ®_|_D
M‘
_n__Om_OQ_[_S_n___H__V_§_>s_OQO5v_V__g_Om__n_m_MQQEOI_$S____wm9_>Q_>____$m8>S_OIINU_v_X_n_$_®@___O___U_qO___
"_n_qOm__n_m_O__QQ_O_S
H_n____§__n_Q>___N5____QS_O___>b____>___>s_Og_§_O______ES©Os_OEN9_qOm_OQ___OQ_C_2amX_£IIMmOnn____O___OS
_Q__S©O_2OBNNI_“S___9_AO___O___Oh8_2XS$_®SI89_>O___H_OO8S___O_“S___®___S__H__0OUSV____oP_n_I_w8v_Or_
__R_OOQN_2__
_V_O__'_“__n____n_=_w___S_)_°ISQSIQVKOCOCOPQQE_QSI®_JNIm®IXS_R_®___0_FS____wQXOq@Q_|_
Hg_OéEU?SQIQNMS%IgQ®___2____9_aQ©Om__
HKOFSQOQSQC>V_O___©>_>_Og_§_
NIX_n_I___2_m_OIEO>d___3SSQESINQXOQQQC505OIITSCMNQ_£___GUS___OO___n__a6_n__S_n____®Cm@_FOU_0QE:28SS____Q___SINQXO__u_Qn__|___
5_Im_H_m_Om_S:_m_O
UCQQSSQCQPSINQXOQQQC
WDUIS<Q$SWQSUOEOFQQSSIWIXEOUXSXUWTSQRXWQQZSEXO
http://vnx.su/
NFON65¢‘ES:CNIOs@
w_0___Q_,_n__$___0%_____>_O
22:WIR=@PSINQXOq@Q:
EESISXOQQQC
QODSQE___@___O___U_U_O___R_OQOh_OV_
KSIQISQQOOQOE
g_g8Q
_m__$£g
Q9s_n_I_"EQqO_>_SS_____>v_Q___.‘
_£‘m_XONQODIMSSQQ___SQv_
Q5R__n____n____QqO_)_
n$___§_g_5sQ:__O_>qQ____ONIIQQQQSQC_n__2QXOK_OV_N___QQESQE>_)_96O_>___nEMS___S______SQ:
_“__n__,_2amm_>_“__n_I%_JiOzR___m_9_6m_3
_“__n_m_O8n_(wR__gm_____§QOv_<_>_SOD>___O|_mm
s_n_%oN6
S_n_m_O$___O_._eN_>_“__n_m_9_A___goémo_h__n___8S___SK___ITNQNOQ:>0
_h__n____O_wQv_OmR__“________QV_A<3s_n__am<m
§mXOORU_W§®SOMAS
http://vnx.su/
3
_2
W3WS
_
EN
iiH2
_8
_E9
2__NIH_
myJ*__/mm
1'4"Q__N
5Q%§
m
M__4
N
82:0:628__E
T;m%X__
WDQQSQQS~m§SmO_<O‘__m<KSIWISEOOXS¥QWTSQ_Cm§®ISEXO
http://vnx.su/
Nam65‘=___S__DWIO<O9
N___Qm_:p_O__>Qq830%QSTSENI_€O©>____O___R__n_______9_A_S_£IQ®T__h__n____Ogv_V§__u_Om_OQ:SOIQOIOO
X8>E5_I¥_OIX_n__m_O___m_mO__u_OmOa___X5:_9_S___O@9_gq__WU_Om_OQ___O__O___qO>_C_@______Ov_
_%___Q__£$_$%___SO_AQn__Om_OQ___2__$_&___8___£_SCQ_q®Q___O
>b_EIOV_V_O__O______@___SU_QOO_____O___
N___v_N______OV_
N_>_Qn__m_aUS:®V_8a©OmS
A_“___®_PSm_O_FO__mSREOV_n____O_Fv_ws_$8Q_“___'_g___&___H__Ov_
_mS_$8Q®S___®§O_____O___Q®Qe___mO___N__b>OESQOXDOQIS_OQO___Ov_D_mOU_OmOQ____
ggga_“S___v____>8G880‘
SV__qOmOn____OQ___V_®__an_5OS_gIm__2_a_|_
G__'>|_V_AQSIQTNIMNI‘
_w_)_Q£_wQ®SIQ___NImNI]
_n_gEW5_I0_)_O______OS____'__Om_2So‘
A9_§______O__u_®mSQ____n_Q>___N5____®_2O___QQESQS
Ho_S__'_9_S&S___®___QnEm_§_JV_8_m
S_WXOOni¥W§0SOWQS‘
http://vnx.su/
G
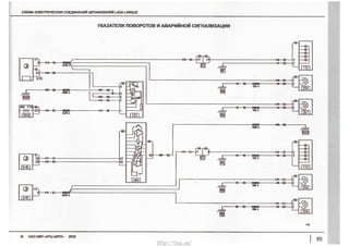
m_moD¢omN_m__NE<N_Dm_J~_<_____D<____1_<zo_M“mg“Oi3
m__]_oD<om_~_m_N_N_<N5m____N_$____D<_‘_+______z_U_mm_d_‘mqimi
M5026___z¢><MDm:G<_____D<:_1_<_s_mmgQ6YD
‘_____9mwmu_mm{Lmd?_¢m_g¢_L__§_%gm”;g
____O~6m_mm__N_~_¢N5m__E$_'___D<:+1_<zO_m~Q3Z
iAA_AjO___¢M_Nm_0m____O~imoP___>~_W_w+MWWWA3M”
m_E0_zmEm__E_mEmUm___OE_______oN__Qm_m___Oom__~_m______<mlEOE3M
O_n_s_mggoom_zO____m3m___O5512202gmgMW
gusto;<><mDm;_<n_p:$__:¢_,§mmVUvwm_:°_9
some___z<><gm:m¢_:_D<=___zo_m_himoiQ
____ON_O___z¢>¢gm1EE'_S<m+______Zo_m_mg“QALWS
___
__am08V
mg;Zgan
M“H
_w_
_E
“‘H°D_2Iw>1m%F_>__<z”_mf£_»mm_°AMAM2L
Zw_=‘_;IVE;§__§_h_iH{|!g_Y§h__'_§§_k%§iW_NK‘WW@?
PP’P
QYahqa_
m'g__;__EO___m_:wMmN_QH8gum
3o_H_%m_~“‘Q“2N___iwVm_
_
‘lift11%
MVm_6¢____m<@$Ow
WDUIE<Q5_Mm§SmO3_O__‘m<SSIWISEOOXS¥OW___Sl_Cm§®IEWXO
http://vnx.su/
_“______5:2ES:cm:96©
Smq_____u_<m
ég
Eumq_UU<C_H_o_|_oS_w6
Xmmmq____SqOm_I2m_n&O___5_m=U_a
__n_m_m_q____q<m_$____I_2m_b_qo_l_5_m_5_B
Smmq____q<m_m<“_____I2m_nEo_'_5_m_hUP_m
<:V_w___U____q<M<mm_&om_O
_mS:<I__SU_A_<m<
<v_§<m9OIn___<_Ew:_5__£
_A__________U__Ugm
Um<>8
_m_§<m_“<In_O___“___>_Z>v_v_<
=<IbSUSOmO¥>mm______<2____m_IUQ
_§x<m_5__£_
n_O__'<_m__m__
A_:m____<m__l>v_:H_C::
Smmmq_“_OI=__<_|_U<_2OqOm§EO__;¥m_aUV_O2<mR
mO__Om§____O_____V_mE_mm_SI<mO___m_2__<_l_
m_o__om_§__'_o_C_m_5W
_“__Iw___<___8m_o
M_O_Om_____|_O_§w:mn____m__Jm__m_:
SmXOOQ_cm§QEOWAS
http://vnx.su/
<___m_IoS:Sq___oV_<_“_OUUm___l_2ov_
_§5____
____m
_IM_2OI
___H__O
gqmomo__OIqo____OX_§I<___m_I__<___
<LS*<UU<CIIOLOFUOU533“Qoawm_“S___w:__m_mUOn_S____<___O__b___3
<___<Il___U'_[_O_'U
(829o__oI___o____“o___U3____2<C_“_oI_“E<Il___Un_52_Jo_5__£
<_qOX____H__<M‘EEO_5_I$
soO__oI¥2'_<m_5__£
<Um=9___m___g:m:___m______<%_‘OvaV_______P<_q
(ace___wr__m<______“:Im______<“_m_LO¥UEgg
<Um:9______Q<H_H_mm____“S___m______<g_A_9_UV_S____P<__H
<Um:9__I_q(M_m<n_____§___m_g<g___Ov_UV________'<q
:V__‘_O__'802$:SHIXLMQv____¢é
8__Om__‘_A____on_c_m_5mm___T_<m_oIm_2__<I_“__Im__J<___8m_o
m_O__Om____Eon_b_m_:mn__l_m____m_m_:
WDGES<9:Nm§SmOS_O___m<&SIWIS5OOXS¥UM___S“P¥W§®ISWXO
http://vnx.su/
WSW__O__'m<:_C$_EQIO<O©
S__UOv_U_SV_ASOIMOZKOP
Smumq
__$m_q_____q<m
Smmq_Iq<M_m<_____
<s_w__'U
_:CO___
M"<v_I>Un_Oe
N<V_I>Un_
_<v____>U__oe
:__mm__q_m:_$:_5__§n_O@O__OV_2o“___
Smgq__m__[_d<n____£__m:___H_OmO__Ov_2O_'_
n___E;_OM_99_2o&_I__H2®_$___
_“__E___omO_9__2O____'_H__<H_H__E
____m_q____XO____USUmO_'_“___S___Im_M_O&_V_m_____m
d_|_>____>__m____m______5_U><UOU<___On___v_m___m59
n____O__O_“__h_I:_A_<m<l_5:
n_IO__OS_H_I_____L<m_<.__n____Q2
8n_Om___n____o_E_w_am_SI<mOIw2S<___
m_O“_Om_§____o_E_m___m
_§Im__J<___8mo
mOmOm_____'_On____V_w:mn____m__Jw_m_:
EWXOOQQWQQSOWAE
2:
http://vnx.su/
_n____m____UXU
v_§_§
_&Omo_aS_m_§___EmU("RSO_
EomocmSd§__|_____mU(g____q<m
<UoU<I
___:@q_:XO____U:U@o_“_O____“____________mE
<x>q8mO__O___H__O___ox_“SI<E_____<I_:__wm___m
‘<9x_n__‘_I<_2>__g__6_&___M5;
<__2I‘_:U9o_m_9_>£m_:m__
(‘<8_m_m____
(“<6HE
__m<__“__~_v_Um_T§_UOI__<__q
____SU>U__E>____>_____3<_qWCML
_=U<m_n_q_*o___‘O_‘_v_Sz§__E2o_~_:Im_6r_
<s_w___U_Em_____<m_“_<<oUoU<I
moA_o_"_§____OA_b_mEmuSI<mO___m__2__<I_§Iw___<IMOmO
@O_"_O£_n__|_O&v_m__l__mn____m__Jm__m__I_
WDOES(Q5Nm§SmOS_O_hQ<NSIWISEOOXS¥Om=__SQ_c_W_®ISEXO
http://vnx.su/
New__O___m<:_hS__CQIO<O6
__9_m_6____q<m
_“__£v_6F_9_U<A__Ixn_wm_
_qSUO__OV_U__S*<UU<_‘_
_qXU
m____O=<Um_MELSS§__E__I<_xO_;____
___Oe<__E
<Lm_IOSd]___qIov__n____2Ov_
um_§____9_2O____52qQgo”RSTSEI
_l__<I__SUSOmOV_>m@___E<2:_m__OzO5m_
__m_EOUm__<
_______mE____m__:6V6NE_m”__
:SIE__d<A_C>_____>n__“___m=_S____SU>S<_m____OX___SqIov_qoé
<mIOS:§_Iov________m_mOn____V_m____mn_o__'U§m__
<x>q8m_____§__9____USU__E>n_5___<E
M5:X3___n___m___<__O2O___UmV65
_n____mQUSU<§§Om_____2u__V_:_J___<q
<5__om_Or__“___m____<M<v_>£__m____:__oEO_|__$____QON
<hOA_omO____“____m___'<M<V_>n_5§_65OC‘ERQN
mo__om§__LoE_w5m
m_o_Om_§____on_b_wEmwSI<mO___m_2S<_I__§Im__J<I8mo
m_On_Om___n__|_O____v_m__|_m£__w_JmA_m_l_
EWXOORCEQQ2Om£b
http://vnx.su/
2OI_§_E
EonsEIIIMXSXUOUm_IO__E<m
om<___*S*U:SI<PSC
Em9OIn___m_$a
<__o___<n_mEm_UV_<_V_AO:_o_|_V_S_L_/‘H
_“__m_§qOm;__Uo___U<COm_m
v_ST__<qSI___qOn_O___USV_
_UU<_______omm<¥_____>qOE
_:____O____“ImO_>V____J___/‘QSUoU<I___EO_F
______m_FUXU<x>gom(qoxU<n_v_ST___<H__
M5“xS:__O__“_la<n____>NV_O__B
_§*<m__v__d>€__“_OIqOm__£xm___n_E_Jn____>__Ho_Z
S___UOIU<___Om_mR_w___2mn_Sm_=ESXE<Iqm“ES;__UO_l_U<___Omwm_V_m=__>__HO_|_Gm
“<9____<m_£2O<UoU<___U5;
<5”o_oIn_5§5_H__wEU<___*O___oCV____;§
____a__H___n___m_A_m:_n_p__o5_n__|____USU___Im_@:m_&O¥USO52m_5_OCR
M_O__Om_§__[_O_c_m__mm_SI<M_O___m2__<_l__§___u_J<___8m_o
m_o_om___EO_C_m:m£__m___m_n_m_:
WDUIS<Q5Nm§SmOS_O_m<SSIWISEOOXS¥Om¥_Sl___¥W§®IEWXO
http://vnx.su/
NSN__O___Q<ES‘EDIO<Q9
@092
<A_Sx<UU<_|_Qw___5m___S___UOIU<_|_Ommm
_“_m__S_qOmShUOIU<_|_Om_m
_Im
<___Iw__<q<=X
2Om<___*S*Um_XI<___SE<Im_qO;_wCX_“____<UOU<IO__O_!_mS______O____§_$_JO_s_6
M’:20_I<__SCHUXU<_6C_>5n_____<5_
<IO:<Un_52M_w_n__om_O
_5|_O__§§oC___m_n_<m__UR_on___U>$_mXI<Xm_2
Q<_qI_____S_|_<CX___O__Om_oV____Jn____<_|______V_A<m<v______>__<V_
M<_“_qISE___I_<_‘_X_F9O_mOV_§_n__2___.___x<m<V___=>__<V_
N<LqIS:___j<5‘:O__Om_OV______n____<_|____;<m<v___;_<v_
_<n_qIS_[____]_<_|______O__OmOv________K_<________*<m<v______>h<V_
2OqOm;__‘_Ommm_UU_:U<_m__qV65
______29_m__E<m>§<I__:_/Ev____Jg_
N<IO5_U_“5h<mmEom_oCodw____m__
_<IO:<U_“_m___<mm_&Om_OCg“EmN2:
_=_[_O__'_C2Ev___z§O02
M_o_Om§____oEm__m
mOQ_om_§_o_E_w__mmXI<mO_l_m_2S<I§___w_J<_‘_8m_O
m_O_Om___m_|_On___'V_m_:mh__‘_m_Jun_m___
=WXQOR__¥W§®SOUAE
http://vnx.su/
i
_C_<__IOv__INTQEQOCMI
wv_<m_2OIm_x__EO___Qm9_<_‘_RSIMCQEV____J___<q
_Em___Sn_<___USV65_“_II£__U__SI<A_xo_Qm__C
_u8_m_<m:*<UU<____“_“____wqSUSv_ISCU<mm_n___oqO_[__'Iw2m____m
_m_8_m_<_“_Sv_A<UU<_|__$Im_q__US¥=_>qoC<m_mEoqOP_______m_2w____m
_“_E__H__om_RAIMQXUSMISCU<mw_“___OqO_I_Emigm
smgqg_3___m_qXU§__j>H_9_<$&o____Or_h___m_2m__a
<M<__O__o_l_EmIO‘_OIIu*S*U_“__Im_5_§S_n_E<_w_'_<§v_S______<_q
<m_>S__<I____d<q_§_,_<mo%___>EI<C<____v__“_II__SIb<<<OA__'V_m_:mWk:
__o_om_§___o_E_m___mmS___<mo___m_2S<____§___w_J<I8m_o
_m2Om___n_:on_b_m__k_mn____m__Jm__m_:
WDQIS(Q5_“m§SmOS_Ohm<MASIWISUMOOXS¥OW___S1_Cm§QBSWXQ
http://vnx.su/
NewAOEQES‘EI96Q
__o_v_>5__H__£_om<h“V85205902
<IO8w__m__OXq<A__5h___g99_§o___Io_2U
_qXU______qom<___O____<U
_qSUO__OV_U~___*<UU<____mm____<Io___<U_mon__'F__m
<_“_SV_A<UU<___;__UOIU<___ommm<v______>qoEIO___<U
<V_q<M_Emq>V_S___U<________q(m__m_m___dogqm_M<n_
______SU|Co__Uo_wIx“_wM___V_qOmOA__'_S8q9_9____<E*O_m____q<m90¢:2m_£<__§_____58
_V_o__moIO__<_<_'_O___<U_h__m___H_8__r__aMg
____<C_m_§_r__56____U:U_____wM__a_m9____:mQ:
___m_m_q_UU<___<___O____<U_mo“___Em_m<“_
xmq____:qom<IO=<U_mo_E___mMS‘
SXIMQXUXSISLWCSS__m___<____“_OIn_OmSL___moqOmOn____85*5£<__S_h_In__m___SI__qmOU0:“
“<9xII___<2>_'Om§_on__|_SS5____<C_Ao_l_om_____l_QOQOQQCmo___>__x_>_m_£<n__“__n_I_____m___'XISqm_OUNN;
_m>¥SU<T_I_q<M_H_mw=_I<____w§_____m_9_____ad<n_N“
EUXU<“_u2oISS:V_I>e
_“____l_w_I_S__H__m_OUn____w_Jm_n_mE
SmXOOl_Cm§m_EOWAS
http://vnx.su/
NVEOFU_K_m_I5_E_
m___wII_c
<UOU<IOn__C_m____m
SmE<__'<m_“_O___“_O____“___>2>V_v_<
<8m>v_;__U<___SUI?”
<IS______&<moUU<2___“<m_<m___
NEIHQSUOBOE:IIS_Jm_n_m__|_O_____<UU<2___“<V_Um__JSn____V_m_:_m
RJIMQSUgong_n_I___Jm__ur_or___<UU<2___€_Uw_J___§m___m
_J<5n_u_____v_m_on_9__“_9_Uw_J__h<_2o=_<__(UU<2__
<m_om>V_S___U<__’_“_m____5n_wP_So$_____<UU<2__
S__m___<___'m_§_____m_'_O___SOm<__[_(I'm§__‘___C_u_B__<UU<_2__
X__mI<______“__‘________wr_9_80$:<I_m;_C__b_mEm__<UU<_Z__
<_S*<UU<___IIOLOPUOU__<UU<2___E_m___m
Um<__<UU<_2___€_Uw_J____C_wr_m
_ESm_o29m<S__U<____“_w___5n_m_____“_om_<_C__<UU<_2_____C_m____m
EUXU<_m_2O___SS__'_V_I>e
_“_OUU<2_~USXINIXQMOUh_Im__Jm_n_m____
WDUIS<9:Nm§SmO3_O_E<KSIWISEOQXS¥QW}Sl.Cm§®IEMXU
http://vnx.su/
__
__5_____:z:::__tmtgo©
<V_<</‘M’
'§o5“_:Q_J($5
55
_n_XOqm_l_[__m’____5____U
_5:_U____U_<m
__|__V___U____q<m<$n___Om_O
5____UO__oQO_______mM_§m___E_USTOO_b_w___U_____w2m__$
____V___UO__omo&_m_m____OO:V_EU_____m_2§_M5“O_____UO___Ov_USO52
_5___U‘g____Oo___v_m:U_mqO_C_w:m_V_AO§n_O__2oU__§n____<<<_:m
_SEm_W5:____‘v__'Udog_ToO5_w__UE_Om_<L_;UOA_Ov_U_“_o_jA_=Om_+
56o_Omo__E__JOO___v_w_PU_A_6m_<"__A_oV_USO52____n__._>
Smq_____q<m_5__£_Somw_|__|_OV_A<IO:_<Uj__m_mUO|_n__'_>
:Im_2m§_m___m_A_:__mEUO<IOe<____C__“__'__>
_5__£_“_omm_:I9_A<IO___<U__amUo______>
XhUo________Uv_OhRSIMXSIUI2m:U__US__UOIm<____U__m_ISO_|__Z<:__“_OIhE_<I__SU_“SIm__B<“____>n__'_m__]_
>3A8n_om§___<v:__H26_I.___U
EmAmO_O_"__SA__'_<v_§HIz<U_I__SUas
__Smq2q<U8<___Q09:_n___oSX____“___>v__S___m_“_<I<C<__O_____§I_<2o__v_m__a__+__wv_Iw_B<%_>as
EMXU<_w2o_I_§g____>e
__m__'_m_jX__v_Um_J___U_m_:mn____m__]_m_mE
ZWXOORCEQQ2Om3§
http://vnx.su/
$____m__§n_om_O__Ov_2OL__
_;E__n_O____99_2o___
_“5§__OM_9o§oA:
n_FE§_om_o6V_2o__
_5_*50
<n_o?_w__E
__u__<2_m____>2>v_v_<§_qE<m
<5;_§___w5__§IC2<=
_qo__5_hU_Iq<_m_§m_q_5_H
H_O___s_6____q<m_$_____N___C____U_v_U>_'_O<<m_n_qo_l_
_qO_|_____v____U_Iq<m_$_____5__FU_v_U’___o<‘m_nE_o_______L>
d9_s__U_Iq(m_m<_=|__N_5___'U_v_U>___o<<wA__qO_|__n_C>
'qO_______v____U____q<m_M_<A_______5____U_V_U>___O2w“&o_'__n____>
_“_m__m_a__§_6docss_v_O__BM5;_“_ov;OgO_n__._>
_____m3q_UU<_|__qOC5;U_2O___U_5____U_V_U>Co_8__'_>
Slwmq_UU<____qO_l____V___U_2OCU55_IqO___dC>
SmwmqHSQOQ_qO_____O____U_5_hU_V_U>___O_n__‘_>
_Zm_xU(“E201XS_|_V_I>e
SmcwjX__V_Um__J__n____v_m____mn_Im__Jm_m_|_
WDQIS(Q5_“m§SmOS_O_~m<RSIWISQMOOXS¥Om=__§RC_m§QISWXQ
http://vnx.su/
_;___“‘___::_:=__E:OE©
<v_U_£____m
§_Io5<m
§_Io__U<m
<v_U_£Cm
_pEE:mq_In____%§____H___m_m_<v_U_£___m
<Eu_§<5
<_____m___<_q<_§
<__<___UOm___v_<E9_
<§_o_______q___9_<_OUUm_n____2OV_
5___m___'S_n_<CU_~_65_“__H________U___SI<_xoqm_’___|_<_m_IoS___S__H___OV_n__§<_Jo__b__n_m
<_OE_k__h_,_mm_oA_C_m____m_A_6m_<_O__6oB_9_U
Nw5___“5h_EO6<“_9_EE_I_wm_oA_C_w_a_2On_O___U:m__w_____w5_<_____>
_m_E_“5§_l_o6§o=EE__EO_5_u=m2o_o5_~_m“_§___m_5_S_:>
_“5E§_q9oIn___m_2q_'I§uIwm_<v_U_E_|_m>m_mA_:S_qIOv_____o_____v:O__C>
_q___ov___“E>:___m_I<CA_“___m____S_|_o__b_=__umo_E_w__m+__“_C>
V_"____UO_OV_U_<n_O____“____S___I%____&___m+_m_'_>
Q_5o__9_U_<n_9_E_$_wm______2H____m+_n__|_>
N______UO____ov_U_<n_o_F_ES_FIm_m_____g__:m+_____>
__5o__ov_U_<H_O____“__§___ImE_§M_5_m+___'_>___<2H
_<$_:Oqo_|_9g9_U>r_5A__LSOTHQUdC>NR”
250(“E201§jv____>e
_“_m____m:XXV_Um___§____v_m____m_“____m____m_n_u___
SWXOORCEQQ:OmnE<
http://vnx.su/
<mS5__O___<v_UIn____m_<2w___USU
89:x___g<5n__<_6
Q_§____<__SX<mn__;qO2SOQOCSU
MASV____>U_oe
Y;SV____>Un_Oe
NSv_I>Un_Oe
_:v_I>Un_oe
_(EmO_OIn_rE__5___E___U<__§___m_V_6_8C_E<q
QN_“__I<__S*<mn____&o2SOQOESUA<v_U_h_n__I_m_IEBUSUGm_§_<_*___>
_q__V_Aso:22__‘___'<_q+_I__:U
éoxO__o___UO___Ox_§I<8“_§_>EVd_'_>
éoxo_9Uo__ox_“__I<mOn___=>__w_n&_'_>
éoxO__ohUOr_OxwXI<mOLX=?_uLN_____|_>
éoxo__O___Uo:_Ox_“__I<mO__S=>m"_____E>
_‘_Sx<MSov5E<v_dC>
:v____O__SoE_n_m_2Rm___X“_m=__T___<qA_“:w__<___aq_§:mH<“_m_S___UOn_Ov_UI________U
EUXU<_"m2oISS:V____>e
SwcmjX__v_Um_J__n_b_m_:m£__m__’_m_m_r_
WDUQ5<9:_“m§SmOS‘O___m<KSIWISEOQXS¥OW___Sl___¥W§QIEWXU
http://vnx.su/
New‘_O_5<ES‘EDIO<O6
__o__X_|__“_‘_>VE_____m___
Sv_Io____U<M
N<$_:oU_Or_O__OIA_____m=SI____O___Oq
_<$____Oqo___O__OI_£___m=__I:_O_|_Oq
>8A2Om<___v_AX*U____<_§C___USU<_O___v_>_qm_n_(___<___<___v_
<m_________O____“SIm___B<q_§I<m_Om_____‘>__m“_<I<C<__O_o__OI‘§I__<<<o&v_m____m
Eons2II_'_m_¥ASv_AU____<__SC____U__UEm_<___<___<5_o6I§E<§oE_w5W
209:_2II___m_v_A__¥O__'_<_'X_|_HUSU_<M_SS__o___<“_Om__n_m____'_2<____I__SU
wIo____<m_Q_“_____m__m_§___J__<qA__V_IO___U<mK_o__3___‘mUUon_qRSIUXOCOC__J___<q
w_OC_m_____ov_Q_§Im_5_§_£<q__<UU<2__
______'(qO._oIqO__o=UXV_o'_w___V_AS____I__SU
___;<_QO__OIqO_O:U__v_o_m§_£___E__U
______<qO__o___qO_o____U__V_Oh__[_v_A__I__<UU<2__
_E<_H__OLOI__H__OLO___‘U__v_O_m_,_xn_mm___<UU<§__
__i<qO__OI_qO_O___USv_O__w___v_AXImm_____OqoC_|dC>
_T___(H__o__oIqOn_O:U__v_OEIXLNQm_&Oqo____,_____>
6SX:_“___>vE___‘_m___<___<___<5_o__OIh___!E<2on____V_mEmR___]_m_V_Ao___o_._______<q+Um”
<$___OqO___E__r_m5n_______SUSXv_Um__,___hUOI__<__H__In
SMXU<_"_m_2OISS:¥I>e_
_“_mEm__'_X__V_Uw_‘___&V_m_____m____m_Jm_nE_|_
§mXQOl_CE§Q2Omn_§<
http://vnx.su/
mE_2<A_
w_§<___“_OIn__m§__m_5_r_U<_om__A_:_oh
m____2<n__“_o_____m_§_mH__wa____U<__Om_____P_9
_§_g:<I
_
<m_>52___
<@>H___H<I_“___|_m_5_<q
<Q>Ha_<____“__Im__B(q
_§___m___3<_qO__O___n_m_eUo2__<
<e_____[_Oh_:2:
YSV____>U__Oe
M"__V_I>U_Oe
N__v_I>U__Oe+
_Sv____>UA_Oe+
WS_Z<v____>U___oe__C>
MS2<V_I>UA_Oe__E>
N__2<V_I>Un_Oe_“_E>
___$_<v_____>U_Oe__“____>
ZUXU<__m_2O___SS:v_I>e
E_|_w:XSv_Um_T__&_V_w____m“__._m__Jm_m__l_
wDGI5(Q5_“m§SmOS_O___m<N_SIMISqwOOXSMOUTSHPMWQQIEWXQ
http://vnx.su/
NEW__O___m<:53‘DWIQ<O0
209:EIIIUXSXUOU
Q09:xS_g<6m_<__6___~_____“_;v_%____un_
og:x_~____m_<6m_<n_6S__:_“___>v__"_X_'_m_n_
<n_<>m“_w_m__
S¥IO:U<m
m_on_q__________I_
m_Io5_<mQ<9:
209:2__IIwxSV_O
209:2I_l_Iu*__*U__'_<__'_EHUSU
2Om<__EIIIMVKSXAU_I<__SC
209:EIIIWVKSVXU____<__S___
S_Om<__2IIIm_V_AS*U____<______|_HUSU
<<om<__2_n_______m_*S*U_I<___X___HUSU_SOv_I>U__Oe
mA<(g<55o'_oIn__m___S__Eqw___|_U<__§Im_v_Ao_'_O___
___6wv_§S___m__‘_m___U__CUSm_I3_|_2<=_______SU
<9:O__O______wV_ASXU_“_____m_l_m<q______<q
<9:o__OIIm_v_A__XU§Iu§<q_T__<q______SU
<25ohOIIm_V_AS¥AU_§Im§<q____h<_q+
<UOU<IOm___m_mN5“A_5__£__'__w_'____:__‘_Uom<v_6_2_m_o___
2Om<'_ZIIIWXSXU_I<___SCHUSU_n____U__w___&OC2<Q___CXU_____>
§__m:_<_Sm__HHz<U______SU
_EE<_§_H__Iz<U_I__SU
____l_Om_m_UU_5<m__'_n___mUUotq__v_v_6_Oq_qO_m_On_Cov_o_N_xO____O_|_Zé_I__SU02”
__Eo§UU_5<m__'_nEm_UUOn________v_V_6n_Oq_qOmO_E9_9_.xO_HO_|___;<q_I__SU“:2”
2oqOm__m_|_omEm_UUSv_Io=U<m_“_OI_Em_UUOh_q_“SIm_V_AO___oC______<q_O2“
EUXU<“_m_2oISS:v_I>_B
_“_m__[_m_|_X__v_Um_J__n_U_m_:mn_Iw_Jw_w_|_
:mXOOnC¥W§®EOWQE
http://vnx.su/
<__m_6_n__§9_o_om_9__Om__“_m______|_USq<IXIIIE
_“_§m_O2o=_<
_qSxso
<m_E___O___d>
3:3'___q<_“u_¥_m_M____<___<qOm:n__|__“_w_E<§a
_UU<C__O___UOUg'___q<m_V__mm__l_V_A>_<____v_Uo___‘_'_£9Q_:__m_<;_u_L
_§_u_om86OUESQ____q<m_v_’__m_M______H__<M_¥Uo_____|__v_§_w_m_Q_2m___w____=____>
_UU<___65OUESQ______H2M_v_§H_Iq<m_v_UO=_|__V___EmEm__<‘m_n_m__[__n__|_>
Eqom86OU(g____q<M_V_n_uM_Iq<M_¥Uo:C____IOm§_O__m_E__u____n__._>
(mso__O___qo_SnE99_U__Ho_9_§Im_5_<q¥Sz§__|__
m_m__‘_S_9QIqom_§Iw55n__LO<v_S__F<q§I<_29_
wmxéoh2o_1_n_5m__qm_gem_§__________<___<v_S_i§_'_<___‘_SU
<9:o_g9_£3n_>___<_m_|_2W__<V_ST___<q____<_____SU
E6<n_w2O___§___¥_>e
_“_mEm_j§v_Um__J§_C_m_:mn____m__Jm_n_mE
WDOI5<9:_“m§SmO:O_hm<MASIWISQMOQXS¥OWISEW§@ISEXQ
http://vnx.su/
___:__H___:_z_::__:_=_cé©
<“_S*<UU<___
<n_Sv_A<UU<_|_S___UoIU<COm_m_
REHSQOQS__UOIU<___Om_m
mgqomS_FUoIU<_'_o@w_m_“I22SV______>_'<V_
_“___Im_qSU§_=_>____oC_“SI<m_____<m_<n_USv_mOn___V_O__B
<_S*<UU<_|_XV___m___U__“_O_1__§___I___S___]_<mG5
<a___*<UU<_|___V____u____V__“_oIq>____I___Xg<m_E_n:_Om__m_
<_‘__v_A<UU<_______om_m_“I22Sum”N_oIU_“O_|__“5§*E<I_;_r_<:_<I__SU
<_"___v_A<UU<____COmwm_$__2m__EmuSOIUROC_“_E§_§<_,_qm____L<____<_'C__U
éqom_~_v_m_s__“_OIq>_____£_§:<m_“__a_IU<_‘_Omm_SV_=__>qOE
____SqOm__vE5__“_o_l_q>&_h:S_____<Ms___H_IU<r_o$m_SV______>U_o_|_Somoxom
___l_m_m_O_;____SH__Om__|_Om_m___¥_,___>qO_|__“_OI£'__<hIO_e
__"____m_8“_>___§_qOmdongSv__:>qO_|__“_OI_____<_'Ion_e
<A_SV_A<UU<___ECEU“:(I>q_|___I__SU
_§_H_om_HUME(I>_q_|_I______SU
_EqomHUN:<I>q_'__________SU
<n___*<UU<___EU“:(I>qC+__|_‘_XU
o<m_ON_a<___E_Com_mSV______>qO_l___“__|_U__m__|_IC2<____I__SU'
<8;_QS§C_“__E<_JO_5__£+_I__SU
Um<3___2<____I__SU_
HUSU_mO2n_O____m_<____U__m__r_3E2<=_I__SUI
_=9_____q<__H____<___|_______<n_M__UOn_OV_U_z§+Q
EUXU<__m_2OISS____V_I>e
R_m____m__|_X__v_Um__'___n___'v_m:mn____m__Jm_A_m__[_
§mXOORC_W§@§Om£_D‘
http://vnx.su/
_&Om_O9__v_w__m
<____<___‘_XU|___O__U
‘gm____q<M_H
_“_wn_<___o6
____XqOm_3Im_qSU_“5____<_‘_OEv___“_m_
<_mqIor_U___<Q_P
_“____m____<__Smq<V_U>C<m205_mOIIO___v_m____m
<@__*<UU<____$___m_q__UN<$L__oqO_|__T_m55mma?
_“5______qOQ_3___w__H___UN<$&Oqo_|__E_2u:mWENT_
_$Im_qSU_m_m___iwqm_2m_m____<___C<_____SU
_“A___m_q__U_m_<_E_E_a_‘_'<mmn_h<____l_<_____SU
_3Im__q_‘_Uo__Ov_Un_S¥A<UU<_|_5_‘_m_E_3o‘_OI__m__'<$“___<I
_“___‘_m__§Uo_9_U___m_§qom_<:[_w_2m__mO__o___h__m__<$nE<___w__Im5_<____>
__xO__mn____A<:_<___‘_XUo._OmOV_>mm
<___<_____SUo‘_OmOV_>mm_E_ESI<_xo__mn_C+__E>
<___<I____U'_l_O___U_“_m_n_<___Oe____LC>
>3A<6n_O8r__E_m____<M<v_>gongSIMEEQU5“_2wXIm_TO_s_m_’_____>
GmA<_9_Omor___“_mh<M<V_>O__Oc<_CSIUZEQM5‘2wX___m____O_s_md___>
_M__:<I__:U___<@<S_A_Om_O_|__2v_>A__h_2M__n_n_m____[__m__h_n_______m__2mn_mMELI_m___>
86__om_O_l__“_m____u_<_m<v_>IC2<____I__SU________>
mohomomox__m<n_r____)__“5h<2v_>__“____>
EUXU<_w2o___S_____V_I>e
_“_m__|_m__]_X__v_Uw_J__&v_m___mn____m__Jm_n_mr_
“DOES<9:SWQSWOEOFNQRSIWISEOOXS¥OW_‘_SRCm§@ISWXU
http://vnx.su/
WEN65¢‘IFS‘EQI°<O9
_n_:v_O_B
____Cw___U¢_'_>_§oE<
<m_____Oqo_'___<m_5n____
209:_*__¥O__§_'_____U__U
<V_2<m_____]_m____
Eoqg_v_U>_|_qw.___|_<2m____USU
__“_<e_I=goq
_A___Om_oO_:v_m:mU0555MWIEM~___XOqm_n__'_M_,_
U9‘A_n_65____Q__
M_E_Smo<<OE<<___o=<UA___xoqm___|_M_J
__E_Sm_O_2o;<<IO____<UA__XOqmn_Cm___
__m_IoS___SqIOv_A_LxO_qm_n__'_mT__m_n_<h<m
SC“:_“_m___<m___m"__CM5“__m:<___<@
__m___§<m__:><<>V_V_<
__;O_qw“__l___A_XOqm____|_MTQ:*<M<V_2<MWEUOC
_____V:U5%__Joo5_m_6_§Oqm__E____Xo5__EH_JQ:X<m<V_2<__Hm____UoC
Um<_“_v65__L___§O5__:_J___S*<m<v_S_/‘Mwag+
Smq_____qOm_qOCs___U§O5_r___“_xOE____Q_J‘§*<_m<v_2<mw___UOC+
209:_x__V_AUHSCHUSUGm._xOE______._xo_5n____Q_J_§X<m<v_<<<MEHUOC+
Emma_x<UU<_____qO___5__'U___xO5n__L__a_xo5___‘_m_J_§*<m<V__Z<mMEUOC+
_“_h_h<§m___H_“_m____m_:___=S_____<m__xo5“E____xOHm__'_m_______v_A§<V_2<mWEUOC+
Comm:v__:>qOC__“_XO__m______n_XOqmn__r_m___“QM<V_2<m5O______
_____>o_o$=>__:SU>_F_/‘H2_H_65E__n;o5____Q_J_h__V_A<M<V_2<mWEUOC+MN“;
ZOEEOQOCU_$___m_H____U___XOqw__l___§oE_EQ___h:*<m'<V_<<<MW52+NNn_<
ZWXU<__m2oISS____V_I>e
_“_m___m__|_§v_Um__J__a_b_m_=mn__l_m__Jwn_m:
SEXUORC_M§®EOWAS
http://vnx.su/
Pm
__§oHE:
B_9<_m_IEAGmA___S*<®<V__,___>___<v_AFEE
‘g
_____M_q<v_U>___<m_%_V_o5_<<<m___U:UEvmqmA_____M_q_In____%__qAd___m
dxxSOIMOZLOF__“_>A<8§_9Ol_oI___OI_“o__UIC_Z<:
__“Um_>m“____oP_U__NIqOmoA__'__Im__JO_5_qO___
n_m__E<___U
<__<e_“<___UO__|_26<58O__w_|_*______m
<L<e“(mg_u5A_m___A29<_EmUo_m_I*§_m_
(26_“<Q<n_E_w5__M___n_<e(E6O‘_m____V_§5+
__Im__2m_n_mN5;ag}__m_n_<___/B_:>2>v_v_<+
<mm____oH__OCO__O___h__m__S________O_[_Oq‘_I_<__Xo5_E_w5___Q_J__w_§<w§<<>v_v_<+
U9‘<v_O__BO____q____£m:__I<“_XOqmn__'_m_m_$<__+__
_h___wmOn_C_m__m__n_Xo5_r_A_§o5“_E_u_J__m_n_<2m__:>_2>v_v_<+
GmA___65n____m__“_w_‘_m_<m:Im_*EE<I+£3
E6<A_m_2OI_§:v_I>e
E5____X__v_Um______n_C_m_:mn____m__i_m_:
MDUIE<QS_“m§SmOS_O_hQ<&SIWIS$OUXS¥OW_'_Sl_Cm§®ZEWXO
http://vnx.su/
$9“__ohQ_:_;_¥5%969
____U>q><
___§_q56'___U__U_Ew_m_o__c_w:m
MEL
§I<m_oq>__om_OOn_hv_u_a
_n_xO__H“____|_mTI_“_<9
__Xo5____WT_£<e
A29
_“5E__mq__<UU<<<__
_Em___<__Smq__<UU<<<___*<I___on__v_wF_m
m_v__“_O__U_“_wIE_w____“_o$__<ImO_“_Om___AEx__I_l_oA_C_mEm__<UU<z__
_“_mII>l____<UU<2___“<v_Uw_J___E_wEm
_§m6__Uo__q><__<UU<2__
§
<UOU<I9Ov_Uw_J_Ev_wr_m<ISm=____IO“_V___<UU<2___“<v_Uw_J__E_m__a
SmE<h<mSO_lEo____E_>2>V_v_<__<UU<_Z__
_Em:<___mH____<UU<2___“<IIo_=v_mEm
<mOm>v__:U<_JSm__'_q<mSO55_<UU<2__
__SOUU<2__UMSIMIXEOUEIEMm_Om_<n__|_
NEINQSU9Om_m___3IS___wA_m__‘_o_|___<UU<<<___“<v_Uu_J__“_c_mEmas
_“h____m_____SUgong__I___JmEm__|_o_'__<UU<_2___§_Um__J__E_m_a<92
<8_m>v______U<T_“_w___5n_m_CEOE:__<UU<$____“<V_Um__JS____v_mEmQ2
E6<n_m_2O_‘___§|_¥I>e
Sm__|_w:§v_Uw_J___b_w:m__|_m__Jm_n_w___
3mXUOl___¥W§@SOWQ5
http://vnx.su/
4f‘_+
é
A*
®48kg
:5V4
j‘_+4')
_'___‘__A’
"WAuHm‘Au‘
mO“2__Om$0”
z<E><Q¢I'll“18
Q389‘
A+5_‘+‘r+
‘V’**J’
8%KgNN
tyn‘w_m__mA"@"m_H
_NMQQNmm3PM
_Y>‘HI"Wminn:3
|_(V)_"
‘Vt‘_©4&_‘_4x>‘
*_'‘v+_(_'
Q§‘m‘O‘E
x5:uO“
HSQ____®___S___GQXOq0Q___
_SC_Q___@___SOIQODSQC_n____OQO___OS32O@___O____NOD§_____g_AO__O:8n_
0:050H_%5_______gXOq3___v_O___m_
WEESS__m___S___<n_Xo__HmL___
WDOIS(Q5Nm§SWO:O_E<RSIWISSOUXS¥OM___Sl__C_W§®ISEXU
http://vnx.su/
NEW22$_IE_S__ENIO<O
O
§_vom_<Gm“
AN”:
mOV_S=E0qO:O___V_w___OmC®___N_JO=___V_Qa0___
cm:Sgmq_“_$___U_8_h_O$___g_S___s§&O___O5_Q5
KCQPNTQEUQQCIam:___%m_U_801%"
NV_S____>_@_“__qO___O5_QPOGCQ__'N_JO_=¥¢Q$_|_3_a____=_gXO5_x_=
$3
mgssgSE3IANNNV3&9scum:"n____p__=__gx°5x____
A88agesong:“___§_____w__x°__a=96
A28Q3“_E2g___>_O88$IANVNV
m8Oo_a__9:5:IANNNV_“_%8gag"___2_‘____we_O5a___wn_o
GO___¢>m_E_O___OSm_____'
GOh_@>mn_____O_I_O__OI3I
_“O___@>nn____O___OSQ____llI
55>”n____O___OSQII‘I
$855____®*§_qO‘_O___0___qKSIUEQQOOIEUFOSQ
28g_U_O___Ov_IARENQQQIOCOINQPV_O__6|Amws_>_$mgOIE
K_:v_O@_J:PoO__Cm:qIsayom_V_Q__"_:3____‘__‘gxO_“g___oE<<2
N___N__CSU|___O___O_“___Q__'N_JO___b___"_m"A=@___S___NaXOH_OQ_._Fn_<<0?Q
SN:9_O_n_Q__m____zQ___OSO>m_G_Ago:g_o_na__m
__s_2O__O28IAssm_8Oo__a:Q_§:_UJ__a___S___NaXOqQQ___mNn_<(m
AmmqmmwvSS__QO___®OQ_C_®__aSUCQFSDQQFOC
23965_$8omvaj_av:C966EQEQISOS
EBSBSTO_E2g6_5_3mEIANFNV9:20O'_OmOe_0mQ
_“=Q__'S___OS___O_E2N§m_qOQb_Qg3=2_S_a&Oqg=E<(ONE
g_O___
g__gO___2__SN___J5:NCSO____O:So
ASS____wt_2_____s_Ov_550%___OSPOOESOSQNM3_Em____5_gXO_u_2____2___§_N___g___
MELS:__m_§___<n_xo_H_m_n_=
SWXOORCEQQEOWQS
8%jagSong:“___§_____w__x°___°__=
http://vnx.su/
O__Om@____>Q_E2S___SO>
g§_a8gSECQFSQOD_n____OQO_6OO
x_________V_¢aN___NmQeO©Om_O:$s_®__a
9_§:__lat$208201%”20$:
O__O______N_2>___Om_E_OQ:06:5”3:523____0___S___NQXOqQ6____
an3sgwmq
X_______$a;___m_§_mOQSV_O____©G_|_0___GTO___b__n_I$9“:S380
K____Q___NTO__b__£O__O___OnE>_|__>_SIam:_E2S____Om_SQQQH
g_SI:Q____qO=O_b_0_6KCQPNTQEQQQC'aw:MEGSO__Q___qNM
NDQESOK=QFNTO_5__£mI:0:SSIQ§ONagO__OQQ®___
_“_._$___NmSQ>V_SQ____aw:$28O__O___n___aQ__'IQ____"___8___Q___O__b_®QQ:
IAENV_n_s_®_6SOOS_U_>NI8P8NaQ___OS___S_u____OV_
_“_____m____m__wQ_;SEQINCIaw:SS___8S__a___§OSOISSQNQN
EQPNTQEIQIAmgvomV_®__|_IASNVGOQODSQCSFSH1
Ag”:SWIMQOIQQSOIGSIQHODOOKQGIOGO__O___n_____NQ______Q___
law:3§_a8g_n____OQO___O89_S=EE0833
KSIQHQQOONIOGNCCIANN:E208O__@______8O__Om_NQ___I
Ag5E80O__O__Eagw__“_=__§__S88:"n____p___‘_____w__XO__a_____on:<2
A25KQGIOG9Om@CO__Q___q8
|A85N58O__O__E__%%___n_:_>__ES82“£_2____§_§5n_=00:<2_bH'
mv
3°2_w__a___§OO__ODOv_>@n
O__O____FS_____M_>_OQ_C_®____0O__O___@_____“J____0___S___NaXOqQa___log<2_‘65vg_;8ON___
§Ig___ONQQEODOKCQ__'NTOF__V=£QIAmgvRGQFSQOD
KAIQQSO88800K___®___N___O__b__n_Q“J___p__S__gX°5a=NNn_<(m
“
_‘‘E2_"_
2___gO__2__§___J___0___“RSOROQSSOoz
N!OF
A________E_2_______9_550%___OSPOOESOSGNN5_Ep__§_gXOq2____QSIUTNINNI
N___U_"_SS=NPSI<LXoEL=
WDUIS<Q5_“m§SmQ‘<O___m<SSIWISSQOXSXQWTSRCEQQISWXU
http://vnx.su/
NSN__O___m<:___S__CNIO10Q
Ammwlgwv
_h_0___2S%&O:28S___Q___@:
O__®___q8Nm0Q__OoO_E2_w_,_O_5__n_m"J____0___=___NaXOq2‘___
:8‘may28_£_@E__$_IE______:___Q__"_“___2S__Ne_Oqa___
gom_V_Q_““___g___~__x°___°___h
has___V_:5o:__m____H_
“Swag_gigomgj"__3___=___~9_°_%_“_=$05
awmvN___O8N______O__OT_“___a&___Q__I
gSSIQQSOQ5elmNIOGQEI
am:§_$___®EOO__O___v_§g_“S___Q___QmOOm%___O%I
gomv_m____
A53_h_S_@___OSOOSU_>NI
Assm_OQO©___Q=95::I
SE%__5OQb_®5
_%___2S©88___GS___Q___O_5;O"_E2____aXOq&___mo<2
am:NQOXOB___U_8KQNIOQ
£C_®____NTO=_U=£@I3av$8EUEQISO88%IAg:
GCQPGD_n_s_OO5_O___O&=®___S___OSTOO5_Q_FOR:U___WTO__CV_@QU___V@
O__O___IgO_S___S©__‘OV_IA__FNVGCQPSFOSTOOEQB
O__Q___U_NMKC®___@__SmqOQ_C_®___O"_"____O=___gX°___g:mn_<(ONR“
ansE_OO___ON___Om¢wSQIEQQSQCESXEMIQSCSV‘
S_POO___ON___Om@wv_g_EO___>m_m"___2_S___&XO5n____mNn_<(m‘..um
A58IE:g_o_n_%m_n_s_o_6:o“n_____w___=____w__x°5_x____5n_<(W___m|__l_ME
_gs
Q=___NO___¢:SN___J__Q____~56___O_________6oz
A_‘_______p_'v_“_____________Ov_R___OQ>POS___OO__‘__‘_“_Sm_g55___2_SINaXOq0QCOSIOTNIMNI
m____mn_SS__m_§___<n_xoH_m_n_:
SWXQOQCEQQSOWAE
http://vnx.su/
Fm
ans§>gOm_
O__O___qO____OX_“___®___N___0_____N___23'8gv_“_9_m_O___SO>
sO¥OgEN:S5__“S___0=Na___>S___@___N___"n___8_FS___NQX°q¢a___Em(on
Ago5_“S___9_§DqO__O___mQI_u_KSIQHQQOO
__:Q___OSO26“I55‘co:SSIQQSOQ53O88?E
_“=®___NQSa>v_Sa___IAas_n_S_Q_6SOOSq>N"J___Q___S=NaX°U_@H_=Nam<2C
AX"5NqsmO__U___U_Nn@
C958X_h_:v_$QN___G_._@___N___O=___V_QQU:“J___0___SINnXO:Qn____Em(m
ansNX>qnOQO__O___qO___OXHi
_“S___@___U_____N___NQO____“___S__'IQQOQ_C_Q____0ES___N___S___a_3_Em<3gm
__8__0>”____O___O:2__IImm
as
¢S___GDO___”:S~___AC0:N___So___g:Sooz
ASS____N_C_0______EOv_GINO“;___OSFOOESOSDNM3_“__@___S___NQXO_q2____QSIQTNINNI
W5‘SS__m_h_____<n_xoH__m_n_=
WDUI5<Q5~m§SmQ3_O_~m<SSIWISEQQXS¥QW}SRCm§QISWXO
http://vnx.su/
New__°E_‘ES‘EQI96°
an
oillzhw
[Qnllu
NIWIIHmllcw
IILII
IIII
HIII
IIII
IIII
IIII
IIII
l.-I
On.”“I-8
_U0
_T_m_
_
QOQODSQES____Q___N___SFOMTSOIv_AS___SOQWCMu0S___0v_AO____O___ONn_
58OM20:
mam:SS__m_=____<%8En_F_
:WXOOn§¥u§®SOWAS‘
http://vnx.su/
_E2__qOm____%m_q5___®___NT_O___U__Am_
_2_____n__l_§:___Q___R_3®mqKSINQSCNMR_OV_V_aQ_qNm
_£__:2_$
£_2__I_WQXOU_g:8%?N58OHOIFSQNDE
_“Q$>mn_
KO___®>m“_=O___OS
_“O_PQ>m“_____O_l_OS
_“O___0>nn____O___U__
s__n____n_5&___%%%m_U__§IgS___gw_Ov_V_ag__WmSOIIQEOQQ__+__QS___U___mGQC>
$_Ov__>_g
UEQPOO__OmOQFQmG§0FNm_£2O8081EQFESMQOQEQ5__+__QS___Q__aQQ___>
_§I®§Sm_qSBOQOV6____Q_____SOlg
EOQODOC%___2gg_>>r__2_w___O_>In__|_N_____SUNI__+__NTNqOEmg
_“O__'0>n“EOCOSQ:ll
_uO___Q>mA___O___OSQ:II
GO___®>N£=OCOSOI=2
_“O6>2:O___QSQ:___<
@S___NMO___Qs_SN___AC0:_C_N______OV_
<_m_m_:p_Om_m_____JSn_Ov_n_5&o____
<Em____p_o___n_m____5__&o___n_F_m=s_Em_qAsmpmmas_n_TE_g_9__o$_Im_
ASS___N_c_0____=S_Ov_5__m_O_;POSPOOESUSNNMNVOSIUTNIMNI
W__mn_SS____W___S___<n_XoHmn____
WDUIS<05RW§SmO:O___m<SSIWISEOQXS¥QW___Sl_Cm§®ISWXO
http://vnx.su/
New__ohQ<35:‘EDIQ100
_%___$Q®__9_____O_6m_£____Q__'®TO_E_V__Jm
N5_Q___OO__0___U_8
NI_“____w_PN__Sm_U_83O__O___MT___QC_OV_
Sv_DOQ§_O__6$O_l____O__>ODS__'OQ___R_O______OQ_C_Q____O__"__>_Q___OSU
g_O_£____m_IEQPOSOAKCQPNLSMQO__OmO___Sm___®©$_O_“a___m_
V_SSIEO___Sv_S___OO_____WSq
SS_]_QmS:_G_____SQ
SOISSQNQGSEOQOQOC_%___2g_8_>s_mE®Em___"_Q3____®_3Q__|__QS___@____m_NQ___>
_E2ESm_q9_O>_L8SV_mOQSV_O__6
R_O______O__>Om___FOQCR_O______OQ_C_©___®_£_>_Q___OSOSOCSNCsO_J_n____g_E_O__|__0S___Q__BNQ___>
G5_Q___OO$___U_g®m_®Q__O©Om____g__|__0S___Q§m@Q___>
SagqR_®___H__g9__h_O__Om_n__‘_2gJo_5___"_m_AN___O___8_2QS___Q___=QmOO__‘__0S___@C_NQ___>
_“O6>mn____O5SDI
EOQOm_OP_O|_Om_NQ___R_0__2gg_>_&_6Em__n_%9_|®:®Q_2QSI®TO_5_m®SIQ=mNQC>mg
_“Q_FQ>mn____O_'_OS0:|_
NPOQODOCO__O$___R_®___2gg_>GCUFNQIQQQCIQCQQ_2QS___QTO_5_m®_____Q:mNQ:>Pg
_“O___0>mn____O___O__OIllam
NEQPQO__OmOQ___®mRCQFSFOSTO_)_Q_a:mm__n_Q®g|®___8__+__g___mEm_8___>mggm
_“O_6>"n____O___QSQ:__an
NCMILSOICOPO_nE_)_gA____eS___gXO_u_3:MQQQTV_“§_p_§_6ng__>_8Q50:__+__o_n_<am
_“O___Q>mn__I__OCUSQIllan
<h_m____O|_O___m____Umn_____>qOE
(Em:o__o____"_m_T_“§qo___n___m=<§n_m__HAzmgma_“__h__Eg_9_|§____m_
A=s___~__'v_m=_______9_5_m2_>___°ssossusmmnmym=___?~___M~___
m_=m_LSS_mPSI<Lx°qWL___
:mXQORCm§®SOMQS
http://vnx.su/
RS___Q___O_____V____On____Q___S___NaXOqQQ___SCS
SIQEQQM23NIn____m__§___GQXOq@Q___
g__2NnO__O___n_____@Q___IQ:O_n___=O_2O___O
§_s_8OQb_9aQ:JCQPSIGQXOQGQCgag
9__>_8Ol_O___n____NQP___@___O_n_______O_2O___O_“_8g_u__>_Q__IgS___8
<_m_m____o__o___n_m__Jn__;H_o____
N___OQOmO___O__Om_g____>__E2_wmg_>
p__OQOmO=O__Om_g___S_)E___28g_>0S___@__BGQC>
_“U___®>mn____O_l_OS
N5_Q___OOHOQOQFQDEUFSFOSTOE2ESm_U_OQb_®_a
KS___9_8_2QO___SOOQQDQQ_>__n_E________w_>_oab_Q_a__+__0S___@____m_NQ___>
_m5_2U
O__OmOQ__bmEQFSFOSTOn__l_®___S___GQXOq®Q___8%?_“S___E§_am$28¢:_OO_____+__
S_6On_OV_O80%:
GI2008SQ:®5_®___OEQCQPSPOSTO_“_OV_v_a@_u_NmR_OI___Q_>_gmO®S___U___m®n_C>Q:
>m_mA£:®___S___NaXOU_®Q___8%;SQQNPNDsO___QO_E__;S_>V_v_N__+__gum
KSIQ___O_5__n_m
SvgggmK_O______QS_0QmggAGIOE8$SI¢______®mOO__|__®SI2_m_8§mg
$09?QEOBR_Q___qQQQ___SOQQCG:E882‘_aI___On_b_g®Oz2
QSINNOIQESNI1:0:_c_N______OV_
R___"_____J<n_mo“____n_§_H_o____
<m_m_:o__o__m_m__“__>_H_o_)_n___m_P<V§_m_qA_>_$§__M__£E_m:_9__2VE
?=_~__u_m__E_z9_=___m2;___°_____u°____:°_:_gmy°=___?~___gI
m_=m__"_SS__mE____<_xo_u_m_n____
MDUES<Q5_Hm§SmO:O_~m<KRIWISUMOUXS¥OW?SEW§®IEWXU
http://vnx.su/
NewQ_O___m<ES‘EDIO<OO

El
E
Bi%
Hg:
E5’
EE’
@E@m_H_
K$86O__O___QO___O:$05:O______OS___N_F>:§Ov_Qn®S___QV_AO_‘_O___ONn_
EN!__Es_S__m___<I_Smq
:3;__3“'08IgmImgNEES____U____M___S___<_"_XoHmL___S____NI<___
MELSS____W___S___<n_Xoqm“____
§mXOORCm§Q20%:
http://vnx.su/
ass228Q_h6___2__T_gXOU_g=
_A88KS____Q____®mOOO‘_O:v§%_‘_G_|__®PN_JO_=V_0Q¢___“n_____Q___S___NaX°_q0a_|_
Ago
OLOIQQIQKSIQHQEOO_n__>_Q_FOSQ23I80$KSI@:__QmOO
EUETQEQQQCI:5:E2ESmU_9_O>____wmSv____O___V_“_=§______aX°_u_a___
QSINDOIOESNI
M‘am
Axwt$3N___N______Iammv8OE___E___$OQt_®__6
SPOOQOV6sO_____n____O©2%$____2S:SEQ:"nE_@___S___NQX°q¢a:Em
QSINQOIQESNIn_5___
N‘gm%_BPSI_w&O5_X___
awS02>m_®"____o=__§_x°_u_g____QFLQ(3
Ag5O2Gm"_h__§=___g_v_°_n_m__u____3%<8E
s_O___
QSINDOIQESNIJ5:NCSOoz
F‘gm_%__a_§___Ne_O_a__F_A=2__N___
A_________w___v_2_______‘Ov_G___@Oa>___OSFOOESUSDNMESORQFSINQXOQQQC0S___0___N___MN:
m___m_n_SS__m_§=<n_xo5n____
WDOES(Q5~m§SmO2O___m<RSIWISEOUXS¥OW‘__=QCm§®ISWXU
http://vnx.su/
NSN20:;:53‘EDI01°9
$3GmS__Eo___
g>_D_mOm_O__O____qO___OX_“S___N___Q_____Q____wQOE___S:6m_OQt_Q_a
USINUOIQSSNI
awnQ5G___®:wm__"_S_ONOOONI$5n_
APMNVmgX_£IIN_z>POmS___OQ___3::
QSINQOIQESNI
FI8"
8N3g_U_Aa_K_m_n__)_2OSO>mm
Ig:g_O_n_Q_Lm__n_S_®___OSO23_“S___G___S___SQCQ:"J__B___S___g_X°qOa_._Sam<mE
Ago:g_O_&___m__n_$_Q___OSOQCQQ_“SIG__'S___SEQ:__"____m__==_g_X°Ea___Nam(mmE
Agt23_n_55__“S___§'_____"n__3_=__a%O_u_2____Em<8E
QSINNOIQESNIACO:N___So
Aggy_2OmN___%_IES:__"_s_2OSO
QINCN5O__O__;S_____g>_OQb_®_a_“S___G___S___S___®____"J___O___S___NaX°q@n_=“mam<2
s_°___
oz
=28@____9__S___NaXOq0Q=A____Q___N___
ASS___N_C_Q_______:Ov_550%POSFOOESOSNNMmy5_OE___§_XO5_______USIQTNINNI
MELSS=UPS:<LXoEL=
SmXOOl_C_W§Q____Om3§
http://vnx.su/
_“_Hm__8_____mq
§____Ug_$___XO_n__>_Q___OSOgO___EE___Qm_OQ§®__aSPOOQOv_O_“_O_____n_____O©"28n_
USINMOIUESNI8_O___GCSO
UigQOITOISQO
Avv@Q@___OS____SU_IOv_GSIQTQEQ"2_£<3
sotgOE___S:__3OQb_Q_aSBOQOVG__‘__O____GS_"2_m_n_<9"<
QSINQOIUESNIQ_O___NRSQoz
shm____gJ____@___N_._
ASS___N_C_0________ZOv_G___DOa>POSFOOESOSDNM5$2__@___S___Nn_XOq$Q___QSIQTNINNI
m___m_n_S__=mE____<n_xo___m_n_=
“DUES<Q$Nm§SWQ__<O___m<SSIWISQMOOXS¥OW_'_=l_cm§®ISWXO
http://vnx.su/
N8“__O___Q<:C$____IO<QO
%R:__§,_
A____<On_NS___>vR___SDOIO___<_“S___(O___>LOmOOn___kU____OQOEWINRQ___JOO<I_________m_5_mS___U*O___O___O<L
§zs
http://vnx.su/
_iN¢_
6N
",9;
M_
_VV’WM~_k
i_!_V_‘>V
l!|1§__;e
2P_L
AAM
IvU‘WM_
‘W
£4““Mn
iy

l
_n<_‘__z<s___¥<E____<E<2
HV
w_ATZ?
____o___“_>e_5_Smo____o_E<_“s=<m°En_om_°o_"E_m___0mo______m_____m___m___n_8<_______‘___m_5_
_
m_S___m_v_§§_O<n_
WDQIS(Q3=m§SWOSEQQRSIWIRUUOQXX¥°MTSEWQQISWXO
http://vnx.su/
N8“gE_EDIO8O
8‘“NE
NNN
02_J1I.l!1’l{
”
‘_»if‘
_
7
“'
K
_’Y’anV‘‘
‘>M_
‘gM
Q‘GAMyLW
Q‘Na~
__‘I;““r:IV‘VjV_‘
'11?’I£_5V:
moqomomcm°E*_“§_<m_°En_°m_°°n__c_m__am2____m_____m__am_:___mv_8__o5<n_
58285‘gas
am“
MwmglUMLWM
ad_V*
n
http://vnx.su/
gwggsm
Q
Ir‘7
if
3‘
DOQOMOLCDOEKS___<Oq>n_OmOOn__c_m=_0DO______WIN____0US___W¥nO___O___O<n_
“:85E5E§m°:pE<RSEIS38§V_8_€_&_6IE8
http://vnx.su/
“SN‘E9ES‘CHIO5O
__W8V’
__1_min_”WWHHH_HUm_“‘DMV
_
n_
___gV“M__Wm$N_
8E
mug
Ana
‘
M:1
__
_)
'5g‘J
‘J,’
_‘_V
:1:
‘f‘
M;
i>E
L;
m_ogm_O_EMOE!KS___<Oq>n_Om°O“____v_m___GO______m:m____OuSIm*O=O=U<l
E62§m_§380$
http://vnx.su/
E
3*
____
‘>
_
RY4_VVt_’M_véfm%_
‘5;%WT_M%mN_W
A?mV_£_
}_,_@$W_%¢i’rH?__%W€
m;WM‘TWP“M
_A_‘_
__:V
v___A“MkikVM
g3z_iém*W
fwv~__g___?_N_NH;
Murm__HM_“%__M@”m_ii$_?
V
v~_U:in,_
_w_£__Wmr_“5»_A/_m¥%____inV’:‘V?
5v
33_b_K___gW%“f‘M
J
at>M"v>»v~_Vp_$
QOQODOLCME_“S___(O=>n_ODOOl_C_u___@DO______mIu____mS___m*O__O___U<_“_
“=35E5E§m°:E$==E:=$8§v_B_§Em_5IEO
http://vnx.su/
N8“gg‘EDIO89
B

xk
_jY_L
i_WM“NH:W_V
1&5"x_VN>/M_7%‘
:____ah?’’
i_}_is’
,‘}_____
V“
_‘
’d_
__
_MW
m_°_§_2___QOE!_“S___(mOgEOmOOn____v_W____0O______NEm____ONS____W*O____O___O<_
5is
http://vnx.su/
M
+
_
X1;tx
kV.
[
L
_I_
7ii
A.M
W_
M‘k-
DOHOMOAEQOEVR_“S___<MOq>___omOOn____v_U___DO______WEm___W_‘____W*°___O___U<n_
“Dog__6§_$53022?§___m___§58§¥°m}=§§I§6
http://vnx.su/
N8“__O___Q<ES.EQIO8O
8'
?
_
if
/
Z7
’I
.QO%_
‘W.____L'
9.
8H§_9_P_OE*KS___(O_§n_°m°°n__c_W_aO______NEW___@NS___U*O____O___O<n_
§:°$5
http://vnx.su/
E
.
__
‘'%
U‘Q___
___O
.M
.L‘___‘
._7
W
M
W___
m_°_H§_o_____DOE!KSI<O_q>lODo°L_c_m___m_e____m_____m__aWS___m*°___O___O<n_
$85(Q5EgozgRSEISE8x_§om_§&_8IEO
http://vnx.su/
Q8__29_E¥_§_B3°
%
Q’v
DOHOQOREOE*K:___(OgQ_OmOOFC_m___0O____m__m__amS___m*O____O___O<_"_
§‘__8n_5
http://vnx.su/
N““R+
’“MmiiLL

ls

NM
DOQOMOHEMOEVKRS___<mOq>n_OmOOn____v_U____@@o______U_2N___0mS___m§O____oCU<n_
WDOI5<Q$__Am§SmO:O___m<SSIWISEOOXS¥OW_'_SRCm§®IEXO
http://vnx.su/
“SN65ER.CQIO8O
N_Nm
NQQP
MQO
QQN
NQW
QM”
8“
“Q0
g“?
_
as_
"FT?
Fa“
S205N3I§FIO:SKS___U____<_"____>§_°5_U_J______°n____v_W____O
INXQORCEQQ2Om___E<
http://vnx.su/
IW
*

_
§___<___e_2mIEWPOSOm_°__8°n___(EV:MS___m*°___°___O<___
“DUES(Q5E§SmOS_O_5<SSIWISUMOQXS¥OW___SRC_W§®IEO
http://vnx.su/
New__O_E<ES‘CQIO39
=8‘
Q2
5
’X3,/___‘_B
at
/»1“
V
§___<__§_2nIEWPOSOOqOOn____<E*mS___W*O___O=O<n_
$$6°R§H‘Q202$
http://vnx.su/
H“V
___
_il_V:_;
_MyI_HaHg3;IN?’
_‘HWm¢€wmg__
_M_¢_%g_1I__
___w
V&_Z
_MM;
‘__3Q
2k
_~
53:
_'_V‘2
PoZ
_MIf‘w%M“
M_h_
_ImyMwvwuiV,_
V
J_"xx
“V,__“mMM’hu””N‘WIV;_m>_m)_H__“"m~“w_"_“_‘__N“
_1IQNMM“Una
HV,IH5!
_V,I
__4w
_E»Vq
VL“fa,4‘_Wrm_
VM’WWW’
Wk___
__%_
_»
_?“k/___'7“MJ_”__’L_”§__”IMQ?»
F'
_q
MHV
‘IH¥Mm_
Z
@?L%
__m'‘i_J
_minHiK
_’'N__m2L
WIJw
*
__NM“,_
M
gm'%"A€mWI‘
xa%_a
_MV7iQ?
LWKIK§_Q§3“T:VKVQIF‘
__NW“__W4?H“_Mm”I‘myA*7,U‘_V'J”Y_§__$_‘
’_M‘u_V_‘w"Mw_vm__J_UmW€[__wHVM,AWL?V}‘viivV1?‘_k
_FM_&‘$v“m_%_£‘vw_’k“_myW’GkM&_M”_w_MMMm_m""v3
7_‘_“_%‘W_w&_’
x2
W‘
_*
Mamf
_r__
“M_WQ_~_”uM_”_‘WWW@Hw_'
W_‘_»___kV7EW%_V
J‘W
:5.
A
W%M
EIWE?
_~I/IawVE:
_Lx
Wg%%$I,
tgi
Vg%hF8
‘h
HI
~w1&W1WL,_mI’‘2J1/I
gwInV“k4“;;§§;§€;‘IA
LWZ‘?¢H*§_g?i_‘gY
Fr
ix__i€7?IH7W_Z_i‘V__‘
_Q_A/V?’W__“gtI
“igf_V_VilWm%4_'0__jx_n’it
MmW'“wMmx“~WdW¢‘HIMm_WN;_W§Wn_1NZf;
AWW__&H‘:,Wé%_N_uWgk1K'7IQif5
L~_vIJ_&f_L31_Yk
WInQr__
V33EM’IWV3”,_VWkgm‘__H__zI
dé__mI_v;_d
_WMI“Ih__:W__~>“__v__2W’7
ii___A__W7:7:
IH“M_M@V_‘MWh_WH_‘_‘V_‘v__m,‘_xm“)H_>_V‘)
*@VVV_v,_m;JA5:__4_"WVé_W_I_Jv_V_A_4V’_V_II
WT$”W;”iV%%%_2%;V'V/>£5’
_§___<__5_2n_n__zm_6=°mo____om°n____<E§m_s:m_v_6__°F_°<n_
N_My_3__
M_’WW_M“:85<05~m§m°___°___m<SSEISESx=¥Um}§E53:88
m_
http://vnx.su/
New.05ES‘CQIO<OO
D
g
_“______<___;<n_JEm___OSOMOQOQOLC(EURWS___H*O____O___O<____
SmxogtgmSans
http://vnx.su/
égghwwwm
W
p’
r
_
P
_“S___<__§_2nIEWPOSOOqOOn____<E*mS___mV_AO____O___O<_"_
WDUIS<9:E§mO:E<RSIWISEOUXS¥O_$__=Q__¥W§@3:86
http://vnx.su/
N8“__D_B<ES‘EDIO3O
P
R8’
SW
9}
“NM

i
§___<|_5_2m__"_:U__'OSOmongol:<E*NS___W*°____°___O<n_
§SSAE
http://vnx.su/
..
%M
33
_
‘_
_*“‘
CS___<._S*<NEEMFOSUO__HOOn____<E*US___m*O____O___O<n_
$23E5E§m2_E$==$I=58§¥8?EhE5IE8
http://vnx.su/
New65‘ES‘EDIO6
VVD,
>‘dzI
“mi'__
DOLODSLCS__m___<___QOQOQOLC(ExNSIW*O____O___O<l
§§____<
http://vnx.su/
H_@
ME3
gudli-E
3~___v’“H
EHn1?,‘
_n_Wr__I__+H_§I.lI_|wn
CES__v_°____~"s_“__3=g__F_$______%=___v___§0§_____~&
_um_n_m_m__Hm9__>_<NS_>_§°m_Sn____9_C_m_5_§___m:_m<n____><__XU
WDUES<QSNm§SmO__<O‘__m<RSIWISEOQXS¥OW___SQCm§QISEXO
http://vnx.su/
$8gE_E:O3O
<___E
I
um9:
DZ
3%
E-
_
M
N
OZ
:1~53I3,NamM5U
J___N___(Sn_a_Sn____
CZ“Wm<9
5=§5
http://vnx.su/
E
Q}
mmN5(N
)
@mM
<|¥IlM
M(m“II
-€Z
1@JN”Ozwt
_QmlwgWM
1?oz
KS___m____m<n____>°__°m_m__;“__“__m________SU>o_"_H__S|__<LoP<Lm_IUL_§___m_6_5_m_<____m_XO
WDOIS(Q5_“m§SmOS_O_$<KSIWISQMOOXS¥QWTS1_cm§®ISWXO
http://vnx.su/
N8“.95‘ES.CalO6D
E
;
_
HQ’.
8:5“:‘Eggm_v_<_<_“_W__L(___O_(“_O___<_“_u___P__“S___u____O__b_<INXO
gm‘9
5=§s
http://vnx.su/
_
8
Q
oz
E_
Nam
EE
22
(Q‘~
3Qi
___=___E_155:5(n_H___l<__'O_<__°=__¥_ERSIWTQ5_D<___m_XO
“=25E555°35==E:=$8x§87EFE§£50
http://vnx.su/
“SN‘O5ES‘EQIOQO9
Q$8
_g(N?_A2Q2OZ
gt!élitgFI‘17IGuam_
F
8Q@:$_nE2_~__=m592<q_“n_<Nn____N___
2WXQORCm§®SOWAS‘
http://vnx.su/
MUN
Q
l|I[Ii+<
M_
L“-Q:
s8__§___5E__m_5_“__m_=__5qs_O>___<Mn_F_m____
WDUI5<9:N_W§SmO:O___m<SSIWISQMOUXS¥QW___Sl_C_m§QIEWXO
http://vnx.su/
NSN__O___N<__E_S__EmIO<OG
Z5
E
éOZmt
Q1
$5;
ij
NQ‘mgO
_(6$5ImmmHN_]gm|'I¥9_|gm
S‘lo$2
jmw
E
R_RIoz(tI1‘v_!ii11_
QEOEmg:
XQ‘<:Izéw>5u@"_lm}Q5|l'
_3hasDZZQiiQ4
6
<=<ESUo__om_9_>m_m_§_m___O_s_m_JEN:
‘<mXQOQ_Cm§®SONS?‘
http://vnx.su/
‘
@M
-“ll
59"
Flyv_‘_
!:-
L‘
-‘Fm
Fl”.‘I:
Hg.‘I:
I,“Ealll
Hz8'8
-2.E
-_N‘I‘:
FEIll
EMH
‘|I|_I%fI_|lWE
E‘‘lg
I_/i7:
xi‘lg
V‘
F‘ialt
-JV‘.8|“
-VII3|‘
-_N§‘IO
I
“ls
-3-“I5
-2-IL9:.“ll;
E:
-1-I!=-I-“Hi8'5
Ii.‘ls
Sui‘I5
F’:‘ls
Ii.I£2‘IIiiI"L.‘lg
1‘-VJ‘‘lg
‘I:
-‘__‘.8|‘
-H:‘I:‘
-nil‘lgE‘Im-
-_=___|_____H
-I.___|’__‘I:_I
2:‘lg
-H__.___",
5:‘lg
V‘u,‘
I7.‘
Iii3|‘wmiJ]_II||'
-N.‘I.-
I'_"_-=|‘
‘lg3.;
._N‘Q...‘
-i3|‘
‘Hi‘It
Féi$3llIlII‘I.ll3%I!II_l_llllll$1ElII‘£1ilIl1|IIllll
F.HI‘I’.
-“Hi‘I:
-“uniM1|:
-_N.‘lg
=H=ii:
“|‘l___|__g_Z
I5-ils
Fu-ii:
wEWEm__§_<OmR_m_5P§_<n_x°5n____V65
WDOES(Q3Nm§SmO:O__m<SXIWISEOOXS¥OWTSRCm§GISWXU
http://vnx.su/
NEW__O_hm<:___S‘EmIO<OQ
_E—
%MH“x”
gal-a_
!=H_-aE__“__81‘
_(___u___-1":El
‘E
5‘MHTUE18EmaW"I
gs3S_28h
-Hi8'2Q_
E3
S“”~H18'.1M3myU_u_8_
UV_WO___oEOILOPOEDU___Wn_SK_m__m___S____<n_X°qWnE¥o__m__m_v_<
=WXUO§¥W§GS_OmnE<
http://vnx.su/
8?
_m__
@-
EI“_“§_gig
‘Hi.z'§
IM_-3"
IE‘.3|‘
li-
““3|‘
=5:2|‘
5;.3|‘%_==L5
E
“EE|N|__Q8§I_
_I____
QIiiI
"LRM“I“|NJ__IX].__alil
EATIEll
E‘8|:‘$2V‘52
an‘8|:
M
M
3_L__E_v__°8____s_=____°___~__:m5A<V_O__n_____mm_____Un_vWv_UU___°EOILOPOEMU51S____m=UPSI<LXoHml=V55_m$_<
WDUI5(Q5Rm§SmO:O_hm<SSIWISEOUXS¥OM___=n§¥W§QISMXU
http://vnx.su/
“RN55:5‘E1O6O
IE‘
Q2'2__J‘
EWw
kwQ:L
92(OD;
§§__=<
http://vnx.su/
F.
@
$_
E
38
g.g
E
39
.8
5
F
®5
g
2
iin,I!Ill_,_iIiktE5T‘
35
Ef
_?
N%_;9C
Q?
;‘mi
T
|m_>|N_NM_
N__
~_
2‘
3|‘®
_|l|4___|8
3U2
§|$
(ml;
3|;
GeM_%
_8|“?mTT
NI___
Qz
3E
8|;w2
3¥__
Ia__“M!“Nii‘2®
m
8|;wN
§|$2M
§22
_
N
2‘H
Om___9_S___Oon_ov_USv_S_J___<:_Om<
MDUI5<Q$RWQSWQSEQTNSIWISUMQQXS¥OW___Sl_Cm§®ISWXO
http://vnx.su/
_‘NamOE<ESENIO<O0
ENAB
N2|!
Z
2E
$8E3°$R
2i2'2|3'2
22
&_QM“r‘;5!?8%VFW8'5T?
E
2233
N
M:T2|;E2'2NAB
_H_
"amis
2
=WXOORC_W§®=OmnE<
mO___<___|_SUl___O___O_n____E<_____Um<
http://vnx.su/
_m_
gNaw
gl‘THUi8m>]$}z|
Q‘%;:_
Q‘Q‘
Q___Z_
<M_H8
gm
é;E‘N
@E%Zm(IE
QL
9&8
U(m
38:;_“___2~__=mq______8__8__g$g___;q°____“~mQ_°©_a___g_“_°5
5__Sm_°____o___m<SPOOLOZOv_ST___<q
QDUI5<Q5N_W§SmO:O__h<SSIWISEOQXS¥QW___SRCm§®IEWXQ
http://vnx.su/
NSN__O_E<:___=___EmIo<O9
E
mm
OZ
N_NN_
;B;'Z8m,_HHTH__>]E
2Q2
Q‘
SN
|;iT_
@1%‘I“E
2
|<m%H|
(AC8
ArIII|]<M_|Em
Q‘
8_;_b_n__a___~____mq__E°___=_“°m_shgzowcong8____>_"_°5
_“___‘_m_o___2m_<E_Uon_9_Ov_ST___<q
=WXUOA__¥W§®SODA:
http://vnx.su/
E“JR
Q
N2i_'®_N5$I2
Q2
Q
Mm<__8?_
8av
Q2
iii“IE
IIF“
A8°s_8_____°___~____mq_9_m°___~___°>_“g_8_d_‘_E____=5_v
_“_m___<__Sm_qKS___m5_2___Xo<:m___USUS§__<m_on_§_oS____E___ov_<S_m___USO
WDGI5(Q5Nm§SmO=Q___m<ESIWISEOUXS¥OW}=RC_m§®ISWXO
http://vnx.su/
NBN6E3_§____EIo_oG
Q
oz
$8:
IE‘gum
I
““
3
H>
Q(Qan
N2E
_|®_M;8?
2
3EM8
N_{MW®_M;$
8:2;n___2_~___‘_m_H_s_m°=~___°>_§_8_§_5s_=5V
_“___m____<l_SmqK_____U5_256<sm___USUSsgqsm_“S___<°_"_S___oS___Sq___9_<_Zm____OSO
@Zr|
SWXOORCEQQEOWAS‘
http://vnx.su/
W!
Ekk
‘vN2'!I2___
v.‘°z_3|“:
EQ‘ISk_R
‘yM2|;I2Q
MB
v’3|"!
N.
Q
glT3'3‘
EQ
Mgk+§E
_H_TgigI2Q2|;
NAT_Tg(m
ozQ:
[OH
“ABism’_
2'5:I1
y_gig
EQ25
.Im
‘N3|;Ii2
E
Si:E
QM‘
_H‘
IQ
8‘:Tgig
gE
EEEI
ozN(ml
_mgin“
8Qi.

EI_||Y
_V_r__LI
SS____<M______<___I_SOSo___SSn_<m<Sm_29_om_°___S____m___<M<V_>
$365:<QSNm§SWOS_O___m<SSIWISUMOUXS¥UW‘__Sl_Cm§®ISEXU
http://vnx.su/
New__O___N<ES‘EDIOQOC
E
2%E__I:“I?!:m_<@‘|:m_
1%<mT:m____|<MTo_§
<M_J:m_é<m(m
:5
E1
ARE
DZQ:
E
IOZQ:22
Q4Q‘
_OZO:IOZQ:
Q‘
_§l;_EE
Q‘Q‘2
£65
VVNMIi£2-“E
<__U_W____OO|_m___=<Mm_mEomo°lb_m__a
2WXOO___t¥W§@:OmnE<
http://vnx.su/
mt
5
AIME“
5
('5
2“M8gI_
UAg
5E
5WW_NWTMN
_Eé
i<_'gM6
Qz
Sm_n_m_g_XSIEM§_SI_>_m_nEoF_o5_m_Bon_t_m__a
WDUIS(Q5Nm§SmO:O‘__m<SSIWISEOOXS¥Om=__=l_cm§®ISWXO
http://vnx.su/
WEN__O_E<E_S__EmIO<O9
Q_
9M_
(N6
_______d
-U
(jig
E
E9;Rf
Q
EINME“M‘I
9_gMANwig_
(N6wigV
_2.
SULWGQXSIELNC___v_S_______mn___Ho___°5_m__5on____V_m__a
=WXUORCm§G:Om___E<
http://vnx.su/
§
E
3;<___w
Q2Ii;I
E
__5:_@ozZ;
T5_~_m_I_
®Ewe
Mgms
_35
Egg
:5
E2__-$RQ__g
OZZ;2__
E
Egg
§
E__iQ‘
g_
OZ_
_L__E_Lm2Z;
TN6mg(‘Z5
ME’Q9‘9_!__<z|.]HZ|z<_T
%N65
_é(QT
_=om_m______Om_OSE°qOmSn____o____v_N___@UESEo|_U___q<N<____<v_n_Nnm___“____v_$_<___
WDGES<9:RN§KmO‘<O___m<SSIWISEOOXS¥OW___SFCm§®IEWXO
http://vnx.su/
Nam__O___m<:___S__CmIO<O9
QMEm(ZE
E2
E
®%~3|!E
“EA?____m
2|!I
_2|
IN___
”<1‘;
M_‘_I___
.gmEl!
ST3'9Qn
M;L_k<1E‘
;_E<__g
2E
E22
Nmbk_R_'_3_uQ,_I2I2197mm_
ii__________6_6
ii_
EEH
_8|E58|22‘MTI
WWM
__9-(QI_
ozoz
A~5_°___°°__o______~m___________2=B___68
S__E<m__n_____85_m_B_<5_m____Oo__m____qgSp_m_______m_n_m____S___m____S_5S___oo5_E_U
SWXOOQCWQGSOWJS‘
http://vnx.su/
N2
E
$k2____E
E
W2Q
E
M
I:15_.Sm
WmE
<=|@__
k+NI___E323E8|:
2§_I2§_82ilé
2_____8H
6_3
@TL__
I‘g6_>‘IH2g
3|!_<Egig
B
I25:Fm
_
E505ohwzg_“__a___=___°:___°$8
n___E<m__n_:oo5_m_BS<5_U___Oo__m____5n_m____n___m_§___OS___°o__U_W___O
WDUIS(Q3~mS‘_mO=O___m<RSIWISEOUXS¥OW___SQ_Cm§®ISWXO
http://vnx.su/
NSN‘O___Q<ES‘EDIO109
I;
E
muXma
Q2
E<m__
'
lwilmmI31NN]|Oz_|__<x|]
mTw_IE"N_&Ti|[{[!__<?Ng__
%%l
Q4M;
$2imi+iT_g
@_E‘N;_
MZ;2lg
_Z2
@E
SQ<Z_
mg
muMQ2
__Q2‘
EgiTIM
LZ;‘Q
_:2_I‘
@M;EN6
SSIUQSUmmn_._oqO___O____V_U___Q
:WXQOQ_Cm§®=Om“E<
I1’
ELiwg
http://vnx.su/
Q
E
NEIN_M_|__n_
g_gigE8
_NZ2_@
Q2
Q
<m_<m_
E
Q22
Ewe_3E
H
3g_mwZL3E
CES__v_O____8____=J___J___d_______Q:___%_____v_§%O__%%Nq§_s_g_8"_OMFOSOEOOV
<V______V_2l_<m_“:___m_=_m_m_8___o___<_____
WDQI3(Q5Nm§SmO2O.E<SSIWISEOQXS¥OW___Sl_cm§QISEXO
http://vnx.su/
NSN__O’_$__IES__EQIO10©
E
__2|“!
_Ngl
Oz
Q
8'2“;
I
H
82
ZEE
T§we
H
_MEEm
__z
CaS__v_O:NR__n=__J__aQ______¢_____%S___v____>eO%__2_q§_____g_gv_Om____O%____8V
_s_:___v_2__<m_§___m_=_mm_8___o9<_____
‘<WXOOl.__¥W§®SOWAS
3E
http://vnx.su/
iRh
E_H______
S__3|
M_|___||L
Nil!
_l|L
NT!
Emy
EwlRQ__
$21
JHmy5‘!
@°_MT__|__*E
iHS__
Fig
Em
_m__
@Ma_|_____|_
E
/H
=C
q?33
5|
.3|!S
E
is
gqS__¥O:Ns_n____n___a&___2___%§v____>%Osaq§_____8____OQ:_"____8_°9_ON___OR_D__‘¢Ov
<___O____<U_§___m=_m8O___Oe<_______
W305:<9:Nm§SWO:O___m<KSIWISQMOUXS¥Um___SRCm§®ISWXU
http://vnx.su/
NEW‘_O___m<:___=__EDIO<O9
Q_
3'3
§§
EmiI?Q_:_‘_
iH9%__:_EQ?B
nS_
n~LH3
<___o____<OGSIUEUMUO___Oe<_______
gqS__¥O:NM_M_n_____“____a______g__%S___v_____3vO833:S858____O2__JEC_8V_OE_U_%____8V
EWXOORCEQQEOWAS
i______%§
http://vnx.su/
5
‘Z?iI!‘I8
WE
V‘Ii
1"‘M_LIIL
D~:1!
lm
_
3i
_3'3
~I!E
g|lQ$
__l3
§'§%
mm
E:__|___
-35}
gg
@MQ_|_!|__
H§~3'!
caS__v_O_zgR__n____n__a&___m______R_g__v____>%URaaqSXENM_8"_Om_BK_g_8v
<___o___<Uwszmgmmoo___°e<______
“DOES<Q5N_W§SmOS_O___m<SSIWISEOOXS¥OW___Sl_Cm§WISEXU
http://vnx.su/
“SN‘Egg.EDIO30
38
Q
Hmoz!
‘t
oz
gN_H
22“Olga:QQ
2QZ3E
E
_<__2gm
N
ME
Mg
<52TaZMi3‘2I<__|_w__<
CZ2
EOX°'_W___q<M(EMUn___m___<___O_5__n_D_n_n_<_8e‘SEEMs_J<n____
5=§$
http://vnx.su/
g
fxm
__;g_II
Oz
<nO:_"_O___o|_O___T°IWo___O__"_____z<___R_O___n___<_____SOn___mE___O_5__n_m_
WDUES(Q5~m§SmO:O___m<SSIWISEOQXSMUWTSQFXWQGISWXO
http://vnx.su/
New__O___Q<ES‘EQIO<O3
g
_
Q‘
oZ|z<:_‘l'|l
_
_
OZ
Q
T
_’m!:_ll
_NmNN__
Vigil‘!220212;],
‘I!22|]!mmI§I:'
‘mmM5
‘Nu
g_DIIIE:
mm]_§§i!i_N__|ImmIH__:Immlclqm
ozEOZIE
<v_S____Eo__om_m_____m_m_m_S___m____m_m_O°
SMXQQEWQW=Om_#<
http://vnx.su/
5__
G:
E
.5
EIas
E
aw8;RAE
Bg
,2EE
mamEuRAE
SIQLQimi2'2I2|;
22
TN2ii
‘N?W“I?m4_}_~N~W<
<m22
iiE__I_
“_HE
fs
u‘WHI“:I2;
2
EE
E
igEE
E
Hg‘
a~_~_H|gB|g
_N_B"5NNg8
oz‘E<9
5Inig
“YEWOII___'__W“_wk;
As_§_EO__Om@____USOSPQDOQOCUV
_______oN_n______Sn_<m_<__
W365:(Q3Nm§SmO‘<O___m<SSIWISEOQXS¥UW___=l_cm§QISWXQ
http://vnx.su/
NEW__O.__Q<:___S‘CQIO<O9
E
Mu3a
gTOZQ
_N_
oz
_
T
UQMMEI“Elsa3
8E2____
ozkm
Loz
‘MIL
S_"_<___oem__n_______<=E_om_E9____USIEM
EWXOORCEQQS_Qm_£<
http://vnx.su/
O;
_
IE
29
_$
2
B23MMiW“
“Q$8“<__|8
2E
®22Q_
_m2M;<”
IAE8
L02
2%_
T
III
‘j2
(I
_.____‘oz
mo
__"_n_<em_J______<:>_FoDS___o_"____
WDUIS<Q5Nm§SmO:O‘__m<SSIWISEOOXS¥OW}S_"E_¥W§®ISWXU
http://vnx.su/
“SN__O___m<ES‘GUIO<O9
E
R_E
ME‘
Q
W
MI;
A_iEi|l<lm_
Q1|ii}:3]<w:mmv1w<II
iiN<I
]|i‘|I<mIl§J%ZIG2
F‘
_1_|EMm
‘I[1‘I’I‘N5Z3
A_>_S__:_o___~___‘_m__Q___=___°______°s“secs”_a_______n6°v
R_mP<LSmq_“_‘____m_5_256__"__>_m____OSUn_2_“____;___m_m_on__'V_m__a
NNNNNNNNNNNN3iixAnlgEMmm
Oz
¢_
Oz
EWXOEQNQQ293$
http://vnx.su/
__2
E
_<HM;lg
Eii
E2N5mg
2g(TM
g
E
_|>Q
IE‘
EW"wENigEmymy
2EQM22
gIE
16
mg:IE:
Umag9:I
<9mwcli
mg
H22
E
$E
J_
_
<_~lww
U®Mm_S‘Maw'<9632
IE
_<3Na“
8om
(‘gm
U§_3UmI
<3Mwgz
__E_“___m_____n_OmO|_Ov_SOn_.___“_zn___n___Im__JO<Em___OSUO__q><
WDUI$(Q3RW§=WOS_O___m<SSIWISEOUXSMOWTSEWQQISWXO
http://vnx.su/
NSN__O___Q<E5EQIO<O9
_mmE_
2
E
S
_EmE_
2
2
6
E
Rw
E_Iwm_IQ_:$93“
‘mllmim_m|9:i_||i<92%?€|Nmw
alum
22(‘$8
U§_lgm‘IIi
<2Mwgz
EUmi3Omii11EV
Ewsgz
SE_“__m___Sn_OmOI_OV_EOL|_KE>m_qU<Em___USOOS_q><
EWXUOQQWQQEOWQS‘
http://vnx.su/
Q
E
E
Ek“kw“kv
i__<N
_
Q‘
'£_
Q4
$2
MMWMM
N
$55
w2:Z2S‘
I
<9gg
mg:
<9wag‘
w_9
UELME9:I3Um
<|&&%@
Umi3’gmI
<9MW$_|Q’_
Z8
UMai3OmI
R_m___m_P§_Om_°__e____on___MUM<____EO5oSE<
WDUIS<Q3~m§SmO:O___m<KSIWISQMOOXX¥OW}SRC_W§®ISWXO
http://vnx.su/
NSN__O_hm<:___S__EQIO<O9
%gm
___|<___|,<mN2giZQ‘HE
Q
<=_U<z5‘_E__m_<_HV_S_______<q
SWXOOACEQQ:Oma§<
http://vnx.su/
5
PWM
Q4
E
Q21?I
N_Ql___EMMII
S___O°V_q_‘_§SOIMOELOPK___mo_"_>V_S______<q
WDUIS(Q5RW§SmO=O___m<SSIWISEOOXS¥UW}SRC_W§®IEWXU
http://vnx.su/
NSN__O_E<ES‘EDIO<OG
E
RAE___Té
E
‘I2|!
aQ
vwOz
E
E_
$821EML
__
Q29w__gm_M_|__&Em
3Mn??_%_m____8__Oz
m2j2{om
.2___
CZ__
4
Ll.
026FUNDSS___V_§___m
SWXOORCEQQ=Om_#<
http://vnx.su/
E
Rx$96
OzMEI
Q
‘wZOzmt29
3N_(Q1;__%U
‘Q‘Q‘_E<9
:5
I
E
RxOZ<2
<|%_&m@
w3EMT‘
5O
3ZOz(I£2Om
Sm<2
naePNMU__"______A___<q
III
.[Joe'2
aN_mogmM5UNE$TN_
'2Q‘MHZIgO
WDQES5:3Nm§SmO:O___Q<SSIWISEOOXS¥UW}SRC_W§®IEWXO
http://vnx.su/
NSN__O___m<ES‘EQIO<Q9
EKAPQ
2];
§
E
M§'§23QqQ§|§
_8E
i
E
_2|;
EH
_2|3
288
Egg
w
_¥W|H
EBum
8
||MH<M_|____°m_
‘T88N__§|__§_
H‘iEMUM?‘I233iii2§|_>|88
_N-88'3F@
SOz
EE_
QMM_T__imw@l>_TE[I
oz
5in
F1‘?v___€lX_I_
N8
A~Q§_a°°~________8__8=°"$s__EE°_____E2_E°m_E_°°___°g°n$8___;_u__°___V
_“<___n___<__s__§m_qS___Uo___O<___oMUmv_m__=EoF_x_n____m_E<___<____m____USU
SmXQOl_C_W§®:Om____E<
<_'l_|_‘$(
http://vnx.su/
E
$82%
E
E
w
__m§|§
23'58
%_N~____§F®
l||$|¥_m£|€|m~&
<__r___&_’
EE_
®Mm>'$||_W_A“__Zrm%__i|u>|E_:5
2
Q_g
h__<w__¥_1;iIE§_l_51"‘,
8
A_“___0=_qgSBO_3s_O$ws____>qO___V
K<___n____<___<V__O___qoSPUO___U<___ONWmv_m_____>_qO___X_n____m_>q<___<Em___OSU
WDUIS<Q$Rm§SmO=O_hm<RSIWISEQOXSXUWJSQCNQQZSWXQ
http://vnx.su/
NEW__O___m<_IES__CmIO<OO
kgiiiE
EE
835Q;
g
g
3§EME2
k_R_I_E|_L|E|_J_|
ii!w
Hm|wT;__|m~
2I%_|_i3'3_H§l__8
____B8“HHUg
i:8
I_Q2____NWM
g2___
2
_NBl!:I%glgE___H8|__3
_-H__ii!Mywwall92“T58
_g—
E8E
§
§_>|g
M___|§32(mi!W%gig
@
8'5TN8';
ilgM_]§|_g
W
THmM_i5
W
iiL%8WQ3'58EI[8
____iE388“
S.228“
$8
Ell.._<w_-|.!"_|X_|‘=-
8
S___Oo___U<___°MMmS___s____Eo___S_____n_m_9_om_OAm______Uv__Bo___O<___om_m_v_m_____&gX_n____@&<___<_>_m___USU
S5oIO<_6m_m_SUIEULSs__“___m___Sv_A_“___<____qm_n_CS
SEXOORCm§®:_Om____<
http://vnx.su/
E
is_______u
g
2'3I2|&_
gI__Q
EEF_gm_ma
!3_3
‘
gm:
iéE3
E
k_R9;EIF2|;Q
EHE§8
_2|;2|;Em;_~
2BB“Ti2
“TE9E
$2(
__N8|!_‘<2M;|§m_:____H~___|_____"
__-8_gigmymm318M_2uT___8
E
§
@
3'5m_
‘T;W
ETMglaa
Hw§|§mymM_<S[8
_
§
E
I_Nw_83|;
S2
Ia
__K<mE!l_
5
S___Uo___O<___°NWm_;_s_____&o___S_____n_m_9_om_OAMCIOVS___Oo___U<___°MUm¥m5>qo=X_n____m_>S____<s_m___USO
WDUI5<Q3~_W§SmOS‘O___m<SSIWISEOOXS¥QW}SRCm§®ISEXQ
http://vnx.su/
NEW__O___Q<ES‘GUIO<OO
EE99<m!<zm|T;
IEg
51-NOlQz|o:i|!
6<Z[<£|||"I|I
_<gig|I
E
m_m_
Egig‘@@N5‘Q4(m(m
UOO<___R___"____m_§____p__S<mS__EO___K___@oL>v_S______<q
SEXOORCEQQEDNA:
m
http://vnx.su/
35
E
_DZ‘?IT:
5g
Q
51-Sgig
65T3”
2glg
E2|;
Q‘
H
@_
KH
gig
Q‘
A~8°~___g___$°at_o__an_5E°____v
O°U<___R__n____m__________o__S<m_§____2_“___m_°n_>V_ST__'<q
WDUES(Q5Nm§SmO=O_hm<SSIWISEOQXS¥OW___=QC_W§IEWXO
http://vnx.su/
‘F>_<
lggw@AAAAAAAAAAAAAAAAAAA
§1IHiIEiiHIIH3UIHi§
ifn05
::g$:-1&|;.-__'=-'1“-:1
‘:=.kwa,x‘xua:22:
ZII
_—
:1._-1.
..-
EH
§38I3GZ3H3iUI3
5:1I1gawas1L=*[l1
VVVVVVVVVVlVV
,...-..
L_
@@|@a|#@|F-»1@|@a|@@I
1*'~sg*=gi#:11unaxagze9
®1-
1"-
http://vnx.su/
E‘H____-H___hm".k‘g0
E‘__‘Fm&__%A________‘iihi“$
‘__8‘u
___
‘<1g
‘IH
‘g___
§H_"a
L>
Ea
I
E‘8‘
__
_|_N~
‘Ii-I}2
‘N__‘_“_
“H
_l4_$w_"__‘mi?_
Ll‘
‘I
%ASH
‘___
:a
%‘:
‘_____
W‘__________V
‘in
A~____°___°=°_a___‘°m°__§_°_6=______£
m_°n_om___n____§___<______m_____g_
WDQQS<Q$~m§SmO__<O__'Q<SSIWISEOOXS¥OM__SnE_¥W§®ISEXO
http://vnx.su/
/IEKTPOCXEMbEO
i
€
va5AAAAAAAAAAAA
Iililiill-SIii!'~s§=|ia:!:iiszaia
‘T?aQ
i==F-8..
3II
|li*"::r1*=L'l?‘§-it5i5|i
A17M3
HiU
l______-.
3
——
:1.:1.
=an:1as222:1Ians1
I8?II§iiI!I"ll‘I
VWYVVWVVlVV
@a|@@|#a|@@@|@s|@a
@
(|
1-
http://vnx.su/
BA:
|@|
9
‘3H
‘HI
E
E‘I!
_‘u‘
‘i5
WE
Trail”
Em.“
lgAH“Q;_
F‘__I_
_&__w_"H_I
g‘Z?_@_%_
‘______m_Elgng
___I8I_
Q‘_:_
_'___
:u
E
‘i_'i__"“_
QHum”-_
E
lg‘_____
‘3:
Q‘I5
‘it
I‘__________V
§‘___u__
A~____2OSORG___TOmOn_§_O___mS______~_a¢__'O_J___EOv__“_n_______a_______~s_v
mo__om_:n_:_§___<:sm__>_9_
“DUES<9:__“m§XmOS_O_~m<SSIWISSOUXS¥QWTSRCm§@ISWXQ
http://vnx.su/
NEW__O___m<Z___SCQIO<O6
E‘__|___
Man“
__-__|____
‘
E‘___l___LM
8I
E‘__[__Q0
EEDE‘HI!WT9
-iiI‘‘I‘1
‘ii
Hm‘3}!8
8I__"____|§|_
_E_~3|!
A_;_
__A2“
2
EAEM?‘maulE‘ii!__|__T||'
I8|‘SI“magi‘V
‘Z‘>7>
E‘___|___“TiV
E‘___|___
$1‘Vr__§_
E“TiVEH
‘T5B_|___VE
6m_v_Q_VUIOEUMV_o__m_S_£__6_____<;s_s_9_S_n____n____<_"_____-_U_,_
smXOOQ_C_W§®SOMQE
http://vnx.su/
E
E5jgNOZoz“
T2gm
@S%5’mg
E
3:5
I_%Q__<
5_m___<l____m_q§U>=<N___v_8n_§_o__m_So______o|_>omS__bnE:o___Ion_t_m_5__"__2U__bSUASNWQUs____¢s_vo___n___9_m_o___s_m____n_F_
QDGQS(Q5&W§SmO:O___Q<SSIWISEOUXSMOWISEWQQIEWXO
http://vnx.su/
Nam‘_O_E<ES‘EQIO<O9
E@‘3V!
IE‘
(MV2
EEIQMIH_
®A(MV!'|||Nu>Id_@
IE
@A5¥_
:Wn__M<n___‘,_Sv_OW___S___Uo___|_<___q
EWXQORCEQQ:Om£_<
@‘Q
I_OI__
Ah
II‘lgQ_
Q
E_
®A5¥_NaN6
wAM
http://vnx.su/
$1
@m_—_;
1TIIII&I¢:IIu.In
i5
O
'5
=
5
>
O
0
S
IO
E
O.
I:
>
2:§
E
E
Jr;;r;..r
3
@am
HHT
éE;
2:::L—*_—:‘i_*:::H
%§%%§¥|*%|*él“@f3@r$i‘a§@réj“@f§"@@@%
J3
i%¥%I
-F
LO
(|
1-
5!
3
Q
E
m
<
E’
§
E
m
5:’
o
9
http://vnx.su/
NEW__o___m<:h=PEIo<o©
Q‘_
Qk
%)
E_
U]NEHIEiiIJ’N_"
_>:7'‘‘
£__iV__
"1‘-
_N8“8II_nmalg
I,_aHI
|T:l’_|$___8__'§'i
3|‘‘_
‘I!_‘
__'“LRIL“'5':
__|,_I31‘
___1*
IIII_3
VgE3|‘QVA___
<|UMA"
mg
W_I__WQ
_3|:__A___°___°__=5_°>0°:__¢_aa__>snags
SEEm___U___<._SDqOK____SmOE°__h<":00
§WXOOnP¥W§®:Om£b‘
http://vnx.su/
http://vnx.su/

Vnx.su электросхемы largus