2
Канальные радиальные вентиляторы КЕ (КТ) 3
Область применения 3
Применяемые материалы 3
Применяемые электродвигатели 3
Регулирование оборотов электродвигателя 4
Типоразмеры и основные технические данные 4
Обозначение вентиляторов КЕ (КТ) 5
КЕ (КТ)
КЕ (КТ)
КЕ (КТ)
Размеры и вес вентиляторов 5
Диаграмма для быстрого подбора вентиляторов 7
Технические данные вентиляторов 7–18
СОДЕРЖАНИЕ:
Регулируемые радиальные канальные вентиляторы низ-
кого давления типа КЕ (КТ) (фото 1) применяются в системах
вентиляции и кондиционирования воздуха. Вентиляторы
предназначены для перемещения воздуха и других невзры-
воопасных газовых смесей. Вентиляторы применяются для
непосредственной установки в прямоугольный канал систем
кондиционирования воздуха и вентиляции промышленных и
общественных зданий.
Вентиляторы предназначены для внутреннего и наружно-
го применения, для перемещения воздуха без твердых,
волокнистых и абразивных материалов в условиях умерен-
ного климата. Допустимая температура перемещаемого воз-
духа от – 30 °С до +40 °С.
Фото 1. Вентилятор низкого
давления типа КЕ (КТ).
В стандартном исполнении вентилятор КЕ (КТ) изготов-
лен из оцинкованного стального листа марки 08ПС. Рабочие
колеса вентиляторов типа КЕ (КТ) изготовлены из оцинкован-
ного стально го лис та. Вентилятор типа КЕ (КТ) 100–50 имеет
“свободное” рабочее колесо с назад загнутыми лопатками.
Остальные типоразмеры имеют рабочее колесо, располо-
женное в спиральном кожухе, с вперед загнутыми лопатка-
ми. Рабочие колеса вентиляторов статически и динамически
отбалансированы.
Диффузоры вентиляторов изготовлены из алюминия или
стеклопластика, электромоторы из сплавов алюминия,
меди, пластмасс. Качество применяемых материалов под-
тверждается сертификатами и паспортами организаций
поставщиков. Постоянный входной контроль материалов
обеспечивает надежность работы вентилятора в целом.
В вентиляторах КЕ (КТ) применяются асинхронные 1–фазные и 3–фазные компактные электродвига-
тели с внешним ротором и якорем с высоким омическим сопротивлением. Конструкция вентилятора
позволяет охлаждать электродвигатель при работе потоком воздуха. Применяемые электродвигатели
позволяют достичь рабочего ресурса вентиляторов более 40.000 часов без профилактики. Корпус
электродвигателя имеет изоляцию IP54. Обмотка оснащена дополнительной защитой от влажности.
Стандартно электродвигатели имеют защиту при помощи термоконтакта, расположенного внутри
обмотки электродвигателя. При перегреве обмоток электродвигателя, в случае перегрузки, обрыва
фазы, высокой температуры воздуха и т.п., термоконтакт обеспечивает размыкание цепи защиты
защитного реле. Защита электродвигателя при помощи термоконтакта является наиболее надежной и
точной, в отличие от других видов защиты.
3
КАНАЛЬНЫЕ РАДИАЛЬНЫЕ ВЕНТИЛЯТОРЫ КЕ (КТ)
КЕ (КТ) 40-20 – 90-50КЕ (КТ)
КЕ (КТ) 100-50
ВНИМАНИЕ!!!
Электродвигатели вентиляторов нельзя защищать обычными
токоограничивающими предохранительными элементами!
Область применения
Применяемые материалы
Применяемые электродвигатели
4
Производительность вентиляторов КЕ (КТ) регулируется изменением числа оборотов электродвига-
теля. Изменение числа оборотов электродвигателя достигается путем изменения напряжения. Для
вентиляторов КЕ (КТ) регулирование оборотов электродвигателя путем изменения напряжения являет-
ся наиболее предпочтительным, так как не вызывает электропомех, шумов и вибраций электродвигателя
и уменьшает нагрев.
В таблице, приведенной ниже, указаны пять вариантов величины напряжения, соответствующие пяти
характеристикам (скоростям) вентиляторов.
Для надежной, безотказной работы вентиляторов рекомендуется использовать регуляторы оборотов,
поставляемые Компанией ТОО «АВЗ».
Вентиляторы КЕ (КТ) изготовляются в девяти типоразме-
рах. В каждом типоразмере имеется несколько моделей
вентиляторов, в зависимости от вида применяемого
двигателя.
КЕ (КТ)
КЕ (КТ)
КЕ (КТ)
КЕ (КТ)
КЕ (КТ)
КЕ (КТ)
КЕ (КТ)
КЕ (КТ)
КЕ (КТ)
КЕ (КТ)
КЕ (КТ)
КЕ (КТ)
КЕ (КТ)
КЕ (КТ)
КЕ (КТ)
КЕ (КТ)
КЕ (КТ)
КЕ (КТ)
КЕ (КТ)
КЕ (КТ)
КЕ (КТ)
КЕ (КТ)
КЕ (КТ)
Регулирование оборотов электродвигателя
Типоразмеры и основные технические данные
КЕ (КТ)
Размеры и вес вентиляторов КЕ (КТ)
5
КЕ (КТ)
КЕ (КТ)
КЕ (КТ)
КЕ (КТ)
КЕ (КТ)
КЕ (КТ)
КЕ (КТ)
КЕ (КТ)
КЕ (КТ)
КЕ (КТ)
КЕ (КТ)
КЕ (КТ)
КЕ (КТ)
КЕ (КТ)
КЕ (КТ)
КЕ (КТ)
КЕ (КТ)
КЕ (КТ)
КЕ (КТ)
КЕ (КТ)
КЕ (КТ)
КЕ (КТ)
КЕ (КТ)
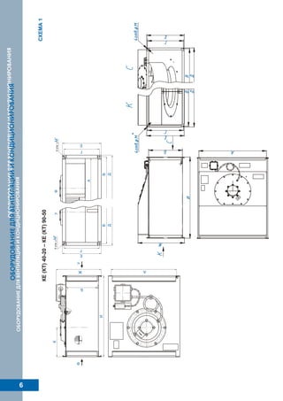
На ниже приведенной схеме указан ключ к типовому обозначению вентиляторов типа КЕ (КТ):
Обозначение вентиляторов КЕ (КТ)
6
СХЕМА1
КЕ(КТ)40-20–90-50КЕ(КТ)
КЕ (КТ)
КЕ (КТ)
КЕ (КТ)
КЕ (КТ)
КЕ (КТ)
КЕ (КТ)
КЕ (КТ)
КЕ (КТ)
КЕ (КТ)
КЕ (КТ)
КЕ (КТ)
КЕ (КТ)
КЕ (КТ)
КЕ (КТ)
КЕ (КТ)
КЕ (КТ)
КЕ (КТ)
КЕ (КТ)
КЕ (КТ)
КЕ (КТ)
КЕ (КТ)
КЕ (КТ)
КЕ (КТ)
Диаграмма для быстрого подбора вентиляторов КЕ (КТ)
Технические данные вентиляторов КЕ (КТ)
Технические данны е вентиляторов КЕ (КТ)40-20/20.4D
Акустические характеристики вентилятора КЕ (КТ)40-20/20.4D
7
Технические данны е вентиляторов КЕ (КТ)50-25/22.6D
Акустические характеристики вентилятора КЕ (КТ)50-25/22.6D
Акустические характеристики вентилятора КЕ (КТ)40-20/20.4E
Технические данны е вентиляторов КЕ (КТ)40-20/20.4E
8
Акустические характеристики вентилятора КЕ (КТ)50-25/22.4E
Технические данны е вентиляторов КЕ (КТ)50-25/22.4E
Технические данны е вентиляторов КЕ (КТ)50-25/22.4D
Акустические характеристики вентилятора КЕ (КТ)50-25/22.4D
9
Акустические характеристики вентилятора КЕ (КТ)50-30/25.4D
Акустические характеристики вентилятора КЕ (КТ)50-30/25.6D
Технические данны е вентиляторов КЕ (КТ)50-30/25.6D
10
Технические данны е вентиляторов КЕ (КТ)50-30/25.4D
Технические данны е вентиляторов КЕ (КТ)60-30/28.6D
Акустические характеристики вентилятора КЕ (КТ)60-30/28.6D
Технические данны е вентиляторов КЕ (КТ)50-30/25.4E
Акустические характеристики вентилятора КЕ (КТ)50-30/25.4E
11
Технические данны е вентиляторов КЕ (КТ)60-30/28.4E
Акустические характеристики вентилятора КЕ (КТ)60-30/28.4E
Акустические характеристики вентилятора КЕ (КТ)60-30/28.4D
Технические данны е вентиляторов КЕ (КТ)60-30/28.4D
12
Технические данны е вентиляторов КЕ (КТ)60-35/31.4D
Акустические характеристики вентилятора КЕ (КТ)60-35/31.4D
Технические данны е вентиляторов КЕ (КТ)60-35/31.6D
Акустические характеристики вентилятора КЕ (КТ)60-35/31.6D
13
Технические данны е вентиляторов КЕ (КТ)70-40/35.6D
Акустические характеристики вентилятора КЕ (КТ)70-40/35.6D
Акустические характеристики вентилятора КЕ (КТ)70-40/35.8D
Технические данны е вентиляторов КЕ (КТ)70-40/35.8D
14
Технические данны е вентиляторов КЕ (КТ)80-50/40.8D
Акустические характеристики вентилятора КЕ (КТ)80-50/40.8D
Технические данны е вентиляторов КЕ (КТ)70-40/35.4D
Акустические характеристики вентилятора КЕ (КТ)70-40/35.4D
15
Технические данны е вентиляторов КЕ (КТ)80-50/40.6D
Акустические характеристики вентилятора КЕ (КТ)80-50/40.6D
Технические данны е вентиляторов КЕ (КТ)80-50/40.4D
Акустические характеристики вентилятора КЕ (КТ)80-50/40.4D
16
Технические данны е вентиляторов КЕ (КТ)90-50/45.6D
Акустические характеристики вентилятора КЕ (КТ)90-50/45.6D
Технические данны е вентиляторов КЕ (КТ)90-50/45.4D
Акустические характеристики вентилятора КЕ (КТ)90-50/45.4D
17
Технические данны е вентиляторов КЕ (КТ)90-50/45.8D
Акустические характеристики вентилятора КЕ (КТ)90-50/45.8D
Технические данны е вентиляторов КЕ (КТ)100-50/63.4D
Акустические характеристики вентилятора КЕ (КТ)100-50/63.4DP=840Па
18
19
Радиальные вентиляторы K предназначены для переме-
щения воздуха и неагрессивных газовых смесей. Вентилято-
ры непосредственно устанавливаются в круглые вентиляци-
онные каналы.
Максимальная температура перемещаемого воздуха –
50°С ( 40 C для вентилятора K 315/1).
Вентиляторы могут устанавливаться в любом положении.
РАДИАЛЬНЫЕ ВЕНТИЛЯТОРЫ K ДЛЯ КРУГЛЫХ КАНАЛОВ
Область применения
Основные технические данные
Размеры и вес
Корпус вентилятора изготавливается из прочного пластика.
В вентиляторах используются однофазные асинхронные
двигатели с внешним ротором и с назад загнутыми лопатками.
Для защиты от перегрева все электродвигатели осна-
щены встроенными термоконтактами с автоматическим пере-
запуском.
Конструктивные особенности
Регулирование оборотов электродвигателя осуществляет-
ся за счет изменения подаваемого напряжения. Рекомендует-
ся использовать электронные тиристорные (плавное измене-
ние производительности) или трансформаторные (ступенча-
тое изменение производительности) регуляторы.
Регулирование оборотов электродвигателя
Диаграмма для быстрого подбора вентиляторов WNK
20
Технические данные
На следующих диаграммах и в таблицах приведены аэродинамические, мощностные (электр.) и
акустические характеристики вентиляторов.
Технические данны е вентилятора K100/1
21
Технические данны е вентилятора K125/1
Технические данны е вентилятора K160/1
Технические данны е вентилятора K200/1
22
Технические данны е вентилятора K125/1
Технические данны е вентилятора K315/1
ТОО «АВЗ»
Республика Казахстан, г. Алматы,
ул. Ворошилова, 17.
тел: +7 (727) 263-74-43 (отдел продаж)
e-mail: avz-kz@mail.ru

Алматинский вентиляторный завод. Канальные радиальные вентиляторы КЕ (КТ)

  • 2.
    2 Канальные радиальные вентиляторыКЕ (КТ) 3 Область применения 3 Применяемые материалы 3 Применяемые электродвигатели 3 Регулирование оборотов электродвигателя 4 Типоразмеры и основные технические данные 4 Обозначение вентиляторов КЕ (КТ) 5 КЕ (КТ) КЕ (КТ) КЕ (КТ) Размеры и вес вентиляторов 5 Диаграмма для быстрого подбора вентиляторов 7 Технические данные вентиляторов 7–18 СОДЕРЖАНИЕ:
  • 3.
    Регулируемые радиальные канальныевентиляторы низ- кого давления типа КЕ (КТ) (фото 1) применяются в системах вентиляции и кондиционирования воздуха. Вентиляторы предназначены для перемещения воздуха и других невзры- воопасных газовых смесей. Вентиляторы применяются для непосредственной установки в прямоугольный канал систем кондиционирования воздуха и вентиляции промышленных и общественных зданий. Вентиляторы предназначены для внутреннего и наружно- го применения, для перемещения воздуха без твердых, волокнистых и абразивных материалов в условиях умерен- ного климата. Допустимая температура перемещаемого воз- духа от – 30 °С до +40 °С. Фото 1. Вентилятор низкого давления типа КЕ (КТ). В стандартном исполнении вентилятор КЕ (КТ) изготов- лен из оцинкованного стального листа марки 08ПС. Рабочие колеса вентиляторов типа КЕ (КТ) изготовлены из оцинкован- ного стально го лис та. Вентилятор типа КЕ (КТ) 100–50 имеет “свободное” рабочее колесо с назад загнутыми лопатками. Остальные типоразмеры имеют рабочее колесо, располо- женное в спиральном кожухе, с вперед загнутыми лопатка- ми. Рабочие колеса вентиляторов статически и динамически отбалансированы. Диффузоры вентиляторов изготовлены из алюминия или стеклопластика, электромоторы из сплавов алюминия, меди, пластмасс. Качество применяемых материалов под- тверждается сертификатами и паспортами организаций поставщиков. Постоянный входной контроль материалов обеспечивает надежность работы вентилятора в целом. В вентиляторах КЕ (КТ) применяются асинхронные 1–фазные и 3–фазные компактные электродвига- тели с внешним ротором и якорем с высоким омическим сопротивлением. Конструкция вентилятора позволяет охлаждать электродвигатель при работе потоком воздуха. Применяемые электродвигатели позволяют достичь рабочего ресурса вентиляторов более 40.000 часов без профилактики. Корпус электродвигателя имеет изоляцию IP54. Обмотка оснащена дополнительной защитой от влажности. Стандартно электродвигатели имеют защиту при помощи термоконтакта, расположенного внутри обмотки электродвигателя. При перегреве обмоток электродвигателя, в случае перегрузки, обрыва фазы, высокой температуры воздуха и т.п., термоконтакт обеспечивает размыкание цепи защиты защитного реле. Защита электродвигателя при помощи термоконтакта является наиболее надежной и точной, в отличие от других видов защиты. 3 КАНАЛЬНЫЕ РАДИАЛЬНЫЕ ВЕНТИЛЯТОРЫ КЕ (КТ) КЕ (КТ) 40-20 – 90-50КЕ (КТ) КЕ (КТ) 100-50 ВНИМАНИЕ!!! Электродвигатели вентиляторов нельзя защищать обычными токоограничивающими предохранительными элементами! Область применения Применяемые материалы Применяемые электродвигатели
  • 4.
    4 Производительность вентиляторов КЕ(КТ) регулируется изменением числа оборотов электродвига- теля. Изменение числа оборотов электродвигателя достигается путем изменения напряжения. Для вентиляторов КЕ (КТ) регулирование оборотов электродвигателя путем изменения напряжения являет- ся наиболее предпочтительным, так как не вызывает электропомех, шумов и вибраций электродвигателя и уменьшает нагрев. В таблице, приведенной ниже, указаны пять вариантов величины напряжения, соответствующие пяти характеристикам (скоростям) вентиляторов. Для надежной, безотказной работы вентиляторов рекомендуется использовать регуляторы оборотов, поставляемые Компанией ТОО «АВЗ». Вентиляторы КЕ (КТ) изготовляются в девяти типоразме- рах. В каждом типоразмере имеется несколько моделей вентиляторов, в зависимости от вида применяемого двигателя. КЕ (КТ) КЕ (КТ) КЕ (КТ) КЕ (КТ) КЕ (КТ) КЕ (КТ) КЕ (КТ) КЕ (КТ) КЕ (КТ) КЕ (КТ) КЕ (КТ) КЕ (КТ) КЕ (КТ) КЕ (КТ) КЕ (КТ) КЕ (КТ) КЕ (КТ) КЕ (КТ) КЕ (КТ) КЕ (КТ) КЕ (КТ) КЕ (КТ) КЕ (КТ) Регулирование оборотов электродвигателя Типоразмеры и основные технические данные
  • 5.
    КЕ (КТ) Размеры ивес вентиляторов КЕ (КТ) 5 КЕ (КТ) КЕ (КТ) КЕ (КТ) КЕ (КТ) КЕ (КТ) КЕ (КТ) КЕ (КТ) КЕ (КТ) КЕ (КТ) КЕ (КТ) КЕ (КТ) КЕ (КТ) КЕ (КТ) КЕ (КТ) КЕ (КТ) КЕ (КТ) КЕ (КТ) КЕ (КТ) КЕ (КТ) КЕ (КТ) КЕ (КТ) КЕ (КТ) КЕ (КТ) На ниже приведенной схеме указан ключ к типовому обозначению вентиляторов типа КЕ (КТ): Обозначение вентиляторов КЕ (КТ)
  • 6.
  • 7.
    КЕ (КТ) КЕ (КТ) КЕ(КТ) КЕ (КТ) КЕ (КТ) КЕ (КТ) КЕ (КТ) КЕ (КТ) КЕ (КТ) КЕ (КТ) КЕ (КТ) КЕ (КТ) КЕ (КТ) КЕ (КТ) КЕ (КТ) КЕ (КТ) КЕ (КТ) КЕ (КТ) КЕ (КТ) КЕ (КТ) КЕ (КТ) КЕ (КТ) КЕ (КТ) Диаграмма для быстрого подбора вентиляторов КЕ (КТ) Технические данные вентиляторов КЕ (КТ) Технические данны е вентиляторов КЕ (КТ)40-20/20.4D Акустические характеристики вентилятора КЕ (КТ)40-20/20.4D 7
  • 8.
    Технические данны евентиляторов КЕ (КТ)50-25/22.6D Акустические характеристики вентилятора КЕ (КТ)50-25/22.6D Акустические характеристики вентилятора КЕ (КТ)40-20/20.4E Технические данны е вентиляторов КЕ (КТ)40-20/20.4E 8
  • 9.
    Акустические характеристики вентилятораКЕ (КТ)50-25/22.4E Технические данны е вентиляторов КЕ (КТ)50-25/22.4E Технические данны е вентиляторов КЕ (КТ)50-25/22.4D Акустические характеристики вентилятора КЕ (КТ)50-25/22.4D 9
  • 10.
    Акустические характеристики вентилятораКЕ (КТ)50-30/25.4D Акустические характеристики вентилятора КЕ (КТ)50-30/25.6D Технические данны е вентиляторов КЕ (КТ)50-30/25.6D 10 Технические данны е вентиляторов КЕ (КТ)50-30/25.4D
  • 11.
    Технические данны евентиляторов КЕ (КТ)60-30/28.6D Акустические характеристики вентилятора КЕ (КТ)60-30/28.6D Технические данны е вентиляторов КЕ (КТ)50-30/25.4E Акустические характеристики вентилятора КЕ (КТ)50-30/25.4E 11
  • 12.
    Технические данны евентиляторов КЕ (КТ)60-30/28.4E Акустические характеристики вентилятора КЕ (КТ)60-30/28.4E Акустические характеристики вентилятора КЕ (КТ)60-30/28.4D Технические данны е вентиляторов КЕ (КТ)60-30/28.4D 12
  • 13.
    Технические данны евентиляторов КЕ (КТ)60-35/31.4D Акустические характеристики вентилятора КЕ (КТ)60-35/31.4D Технические данны е вентиляторов КЕ (КТ)60-35/31.6D Акустические характеристики вентилятора КЕ (КТ)60-35/31.6D 13
  • 14.
    Технические данны евентиляторов КЕ (КТ)70-40/35.6D Акустические характеристики вентилятора КЕ (КТ)70-40/35.6D Акустические характеристики вентилятора КЕ (КТ)70-40/35.8D Технические данны е вентиляторов КЕ (КТ)70-40/35.8D 14
  • 15.
    Технические данны евентиляторов КЕ (КТ)80-50/40.8D Акустические характеристики вентилятора КЕ (КТ)80-50/40.8D Технические данны е вентиляторов КЕ (КТ)70-40/35.4D Акустические характеристики вентилятора КЕ (КТ)70-40/35.4D 15
  • 16.
    Технические данны евентиляторов КЕ (КТ)80-50/40.6D Акустические характеристики вентилятора КЕ (КТ)80-50/40.6D Технические данны е вентиляторов КЕ (КТ)80-50/40.4D Акустические характеристики вентилятора КЕ (КТ)80-50/40.4D 16
  • 17.
    Технические данны евентиляторов КЕ (КТ)90-50/45.6D Акустические характеристики вентилятора КЕ (КТ)90-50/45.6D Технические данны е вентиляторов КЕ (КТ)90-50/45.4D Акустические характеристики вентилятора КЕ (КТ)90-50/45.4D 17
  • 18.
    Технические данны евентиляторов КЕ (КТ)90-50/45.8D Акустические характеристики вентилятора КЕ (КТ)90-50/45.8D Технические данны е вентиляторов КЕ (КТ)100-50/63.4D Акустические характеристики вентилятора КЕ (КТ)100-50/63.4DP=840Па 18
  • 19.
    19 Радиальные вентиляторы Kпредназначены для переме- щения воздуха и неагрессивных газовых смесей. Вентилято- ры непосредственно устанавливаются в круглые вентиляци- онные каналы. Максимальная температура перемещаемого воздуха – 50°С ( 40 C для вентилятора K 315/1). Вентиляторы могут устанавливаться в любом положении. РАДИАЛЬНЫЕ ВЕНТИЛЯТОРЫ K ДЛЯ КРУГЛЫХ КАНАЛОВ Область применения Основные технические данные Размеры и вес Корпус вентилятора изготавливается из прочного пластика. В вентиляторах используются однофазные асинхронные двигатели с внешним ротором и с назад загнутыми лопатками. Для защиты от перегрева все электродвигатели осна- щены встроенными термоконтактами с автоматическим пере- запуском. Конструктивные особенности Регулирование оборотов электродвигателя осуществляет- ся за счет изменения подаваемого напряжения. Рекомендует- ся использовать электронные тиристорные (плавное измене- ние производительности) или трансформаторные (ступенча- тое изменение производительности) регуляторы. Регулирование оборотов электродвигателя
  • 20.
    Диаграмма для быстрогоподбора вентиляторов WNK 20 Технические данные На следующих диаграммах и в таблицах приведены аэродинамические, мощностные (электр.) и акустические характеристики вентиляторов. Технические данны е вентилятора K100/1
  • 21.
    21 Технические данны евентилятора K125/1 Технические данны е вентилятора K160/1 Технические данны е вентилятора K200/1
  • 22.
    22 Технические данны евентилятора K125/1 Технические данны е вентилятора K315/1
  • 23.
    ТОО «АВЗ» Республика Казахстан,г. Алматы, ул. Ворошилова, 17. тел: +7 (727) 263-74-43 (отдел продаж) e-mail: avz-kz@mail.ru