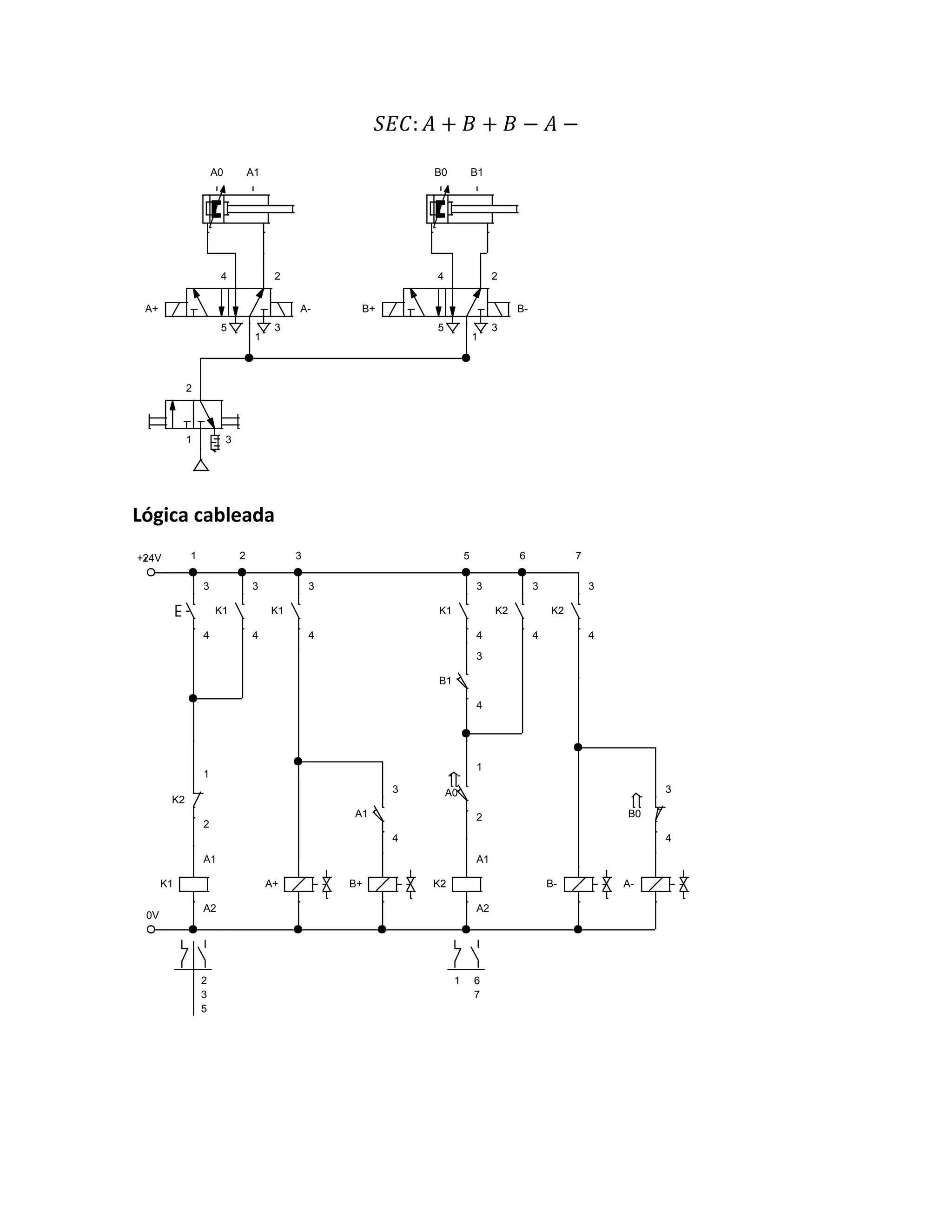
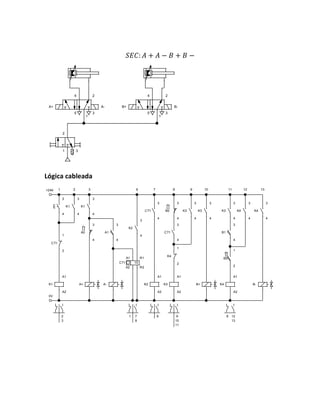
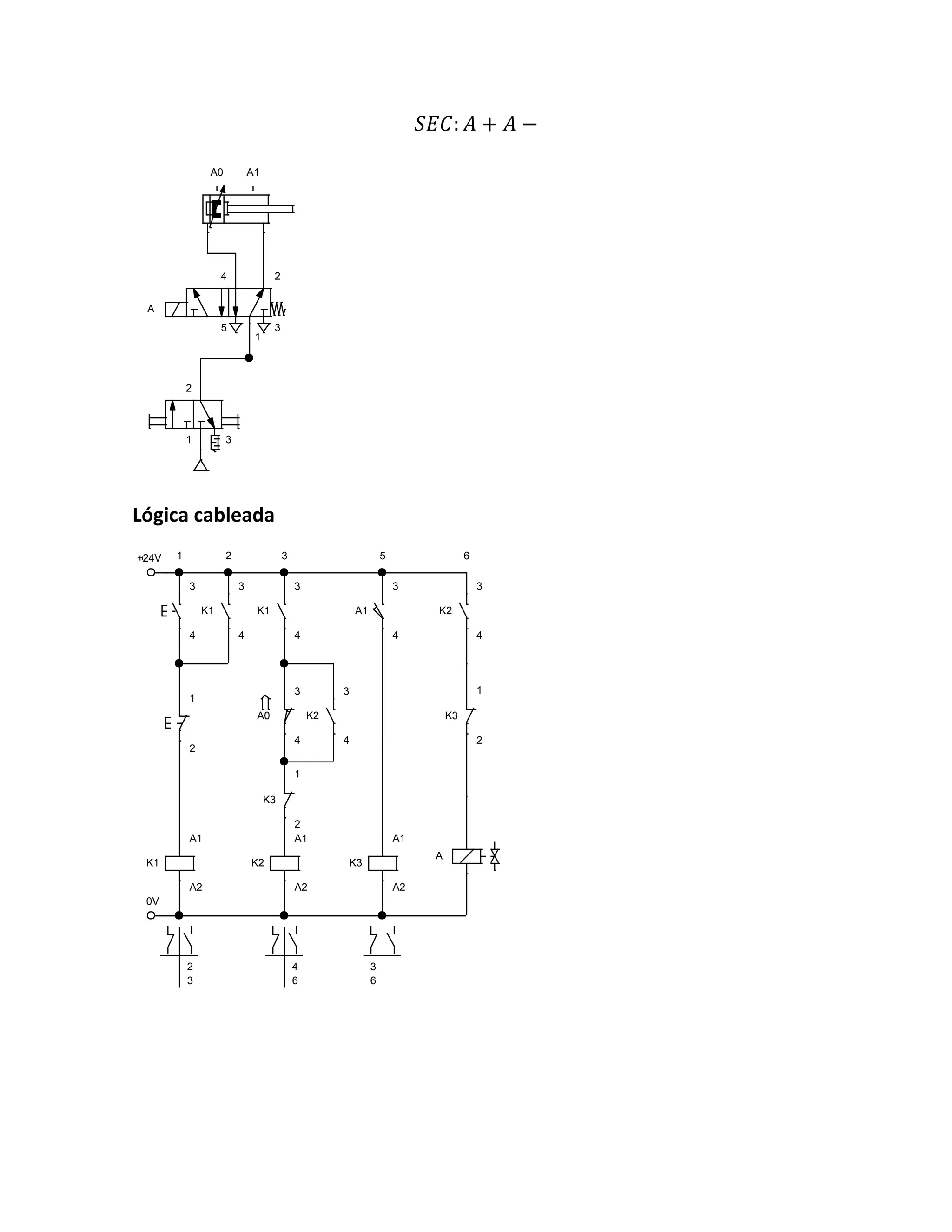
𝑆𝐸𝐶: 𝐴 + 𝐵 + 𝐴 − 𝐵 −
2
1 3
4 2
5
1
3
A+ A-
4 2
5
1
3
B+ B-
B0 B1
A0 A1
Lógica en escalera
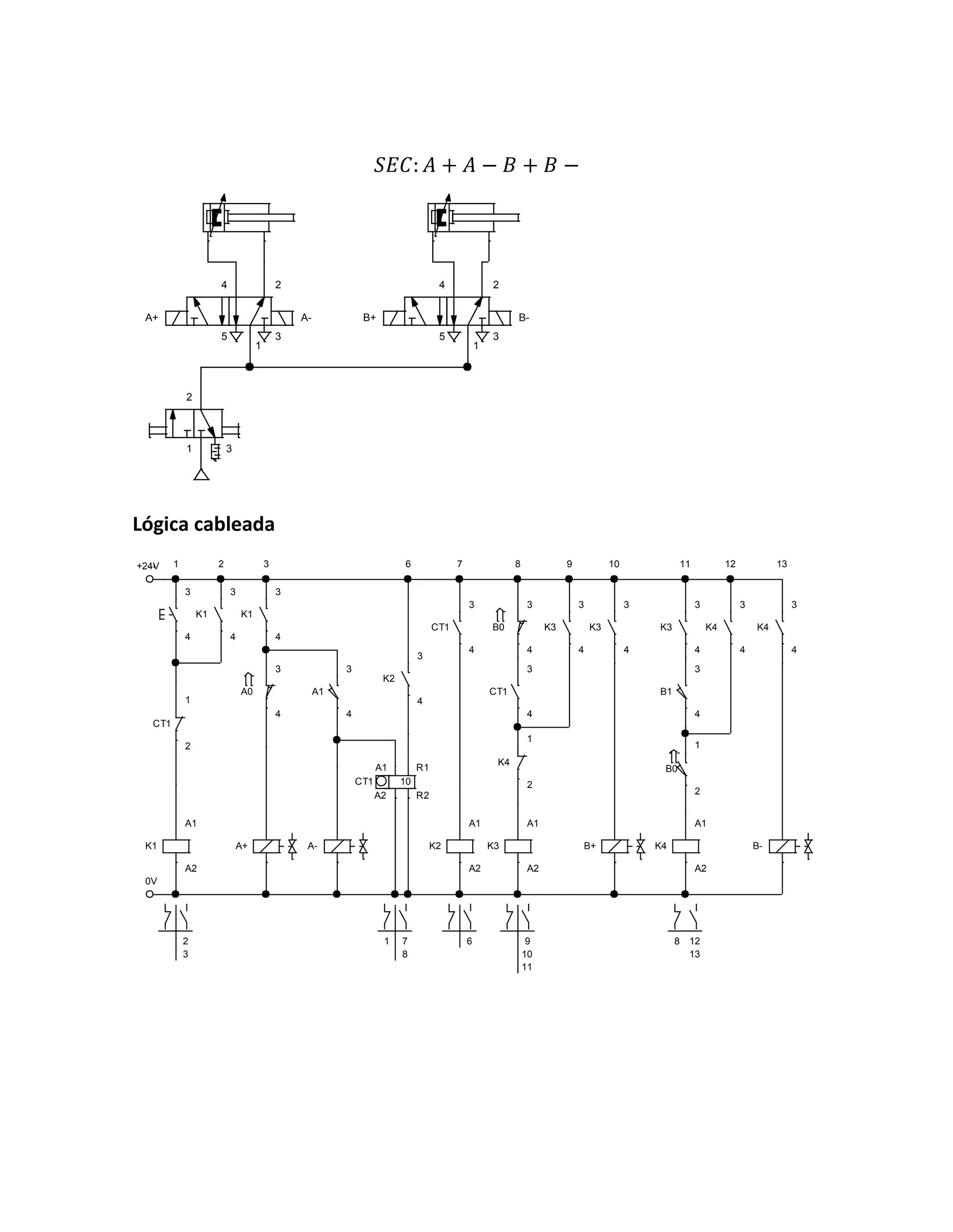
𝑆𝐸𝐶: 𝐴 + 𝐴 − 𝐵 + 𝐵 −
2
1 3
4 2
5
1
3
A+ A-
4 2
5
1
3
B+ B-
B0 B1
A0 A1
Lógica en escalera
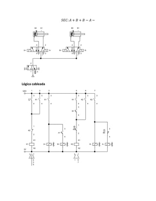
𝑆𝐸𝐶: 𝐴 + 𝐵 + 𝐴 − 𝐵 −
2
1 3
4 2
5
1
3
A
4 2
5
1
3
B
B0 B1
A0 A1
Lógica cableada
+24V
0V
3
4
1
2
K1
A1
A2
K1
3
4
K1
3
4
B0
3
4
K2
A1
A2
K2
3
4
A1
3
4
K3
3
4
K2
3
4
K3
A1
A2
K4
1
2
K2
3
4
T1 10
A1
A2
A
T1
3
4
T2 10
A1
A2
B
T2
3
4
K3
3
4
K5
1
2
K6
A1
A2
K4
A1
A2
B1
3
4
K6
3
4
K4
3
4
T3
1
2
1 2 3 5 7 9 12
2
3
4
5
7
6
9
8 10 12 13
14
7
+24V
0V
K5
A1
A2
A0
3
4
K4
3
4
K5
3
4
T3 20
A1
A2
K5
3
4
14 16
15
16
9 3
Lógica en escalera
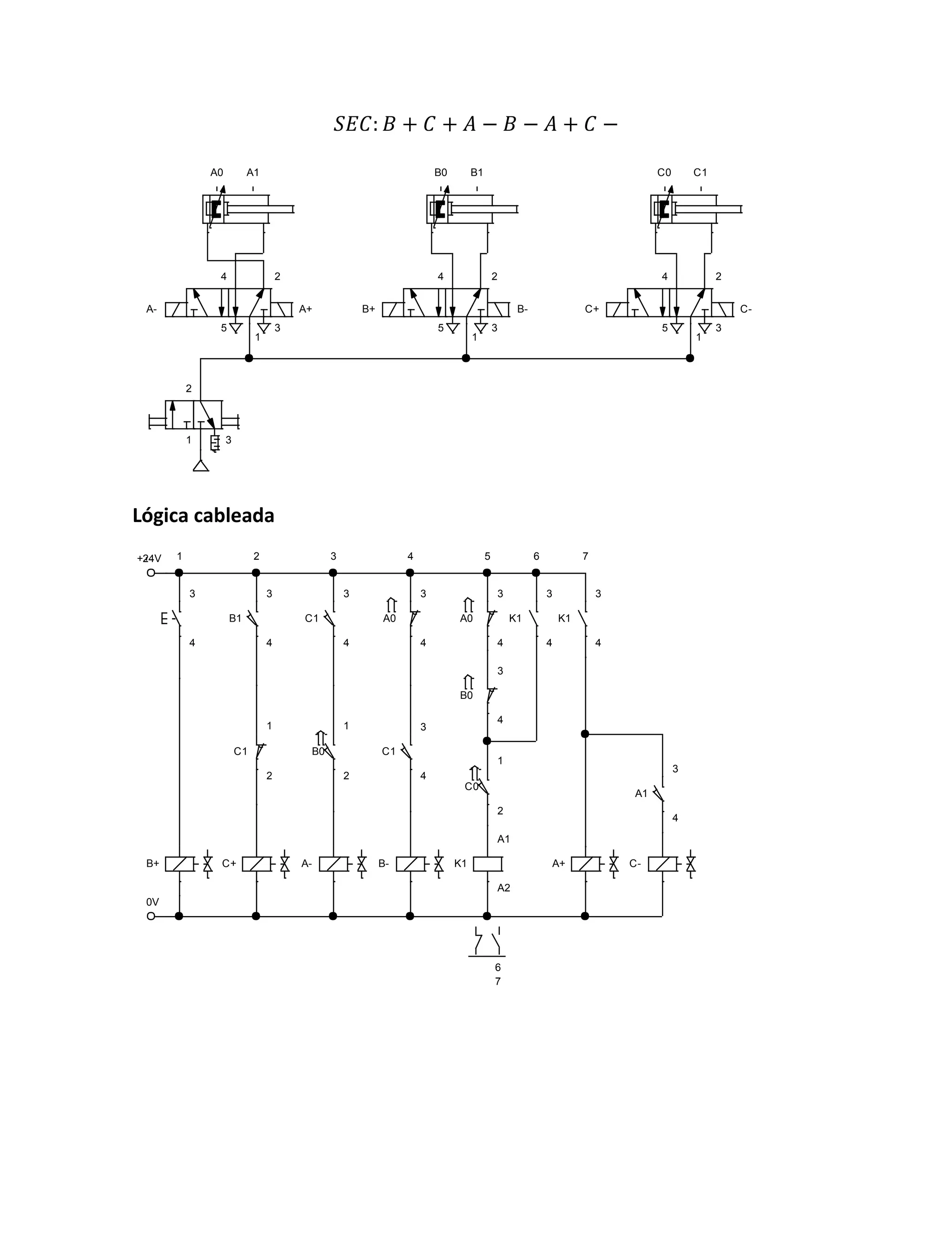
𝑆𝐸𝐶: 𝐴 + 𝐵 + 𝐴 − 𝐶 + 𝐵 − 𝐶 −
2
1 3
4 2
5
1
3
A
4 2
5
1
3
B+ B-
B0 B1
A0 A1
4 2
5
1
3
C
C0 C1
Lógica en escalera
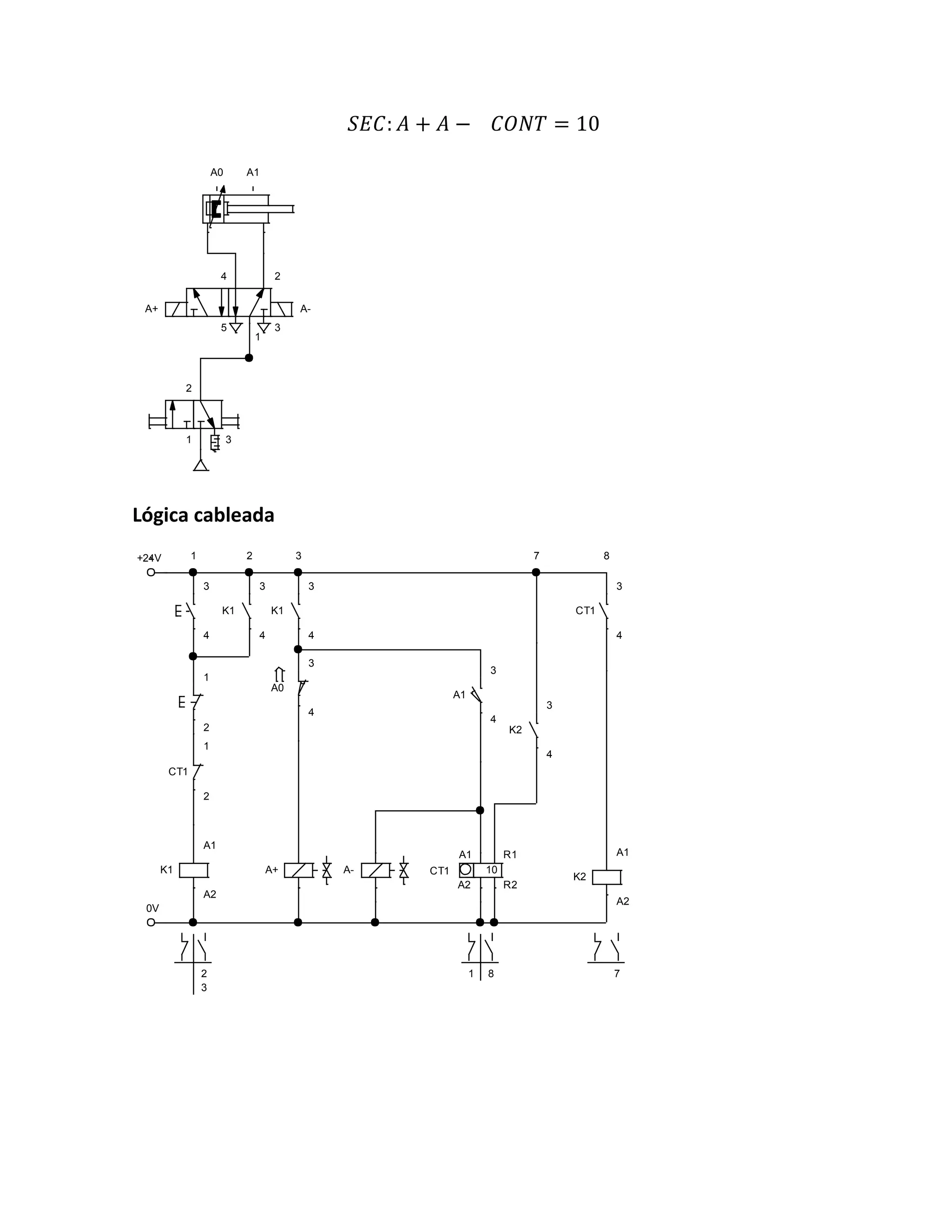
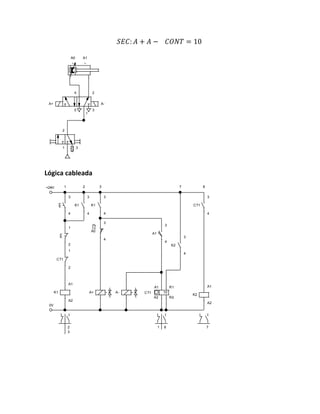
𝑆𝐸𝐶: 𝐴 + 𝐴 − 𝐶𝑂𝑁𝑇 = 10
Lógica cableada
2
1 3
4 2
5
1
3
A+ A-
A0 A1
+24V
0V
3
4
1
2
CT1
1
2
K1
A1
A2
K1
3
4
K1
3
4
A0
3
4
A+
A1
3
4
CT1 10
A1
A2
R1
R2
A-
CT1
3
4
K2
A1
A2
K2
3
4
1 2 3 7 8
2
3
8
1 7
Lógica en escalera
𝑆𝐸𝐶: 𝐴 + 𝐵 + 𝐵 − 𝐴 −
Lógica cableada
2
1 3
4 2
5
1
3
A+ A-
4 2
5
1
3
B+ B-
B0 B1
A0 A1
+24V
0V
3
4
K1
A1
A2
K2
1
2
K1
3
4
A+
K1
3
4
B+
A1
3
4
K2
A1
A2
A0
1
2
K1
3
4
K2
3
4
B1
3
4
K2
3
4
B- A-
B0
3
4
1 2 3 5 6 7
2
3
5
6
7
1
Lógica en escalera
𝑆𝐸𝐶: 𝐴 + 𝐵 + 𝐵 − 𝐶 + 𝐷 + 𝐷 − 𝐶 − 𝐴 −
Lógica cableada
2
1 3
4 2
5
1
3
A+ A-
4 2
5
1
3
B+ B-
B0 B1 C0 C1
4 2
5
1
3
C+ C-
A0 A1
D0 D1
4 2
5
1
3
D+ D-
+24V
0V
3
4
K1
A1
A2
K2
1
2
K1
3
4
A+
K1
3
4
B+
A1
3
4
K2
A1
A2
K1
3
4
K2
3
4
B1
3
4
K2
3
4
B- C+
B0
3
4
A0
3
4
K3
1
2
D+
C1
3
4
1 2 3 5 6 7
8
2
3
5
6
7
10
1
+24V
0V
K3
A1
A2
A0
1
2
D1
3
4
K2
3
4
K3
3
4
K3
3
4
D- C- A-
D0
3
4
C0
3
4
10 11 12
13
11
12
5
Lógica en escalera
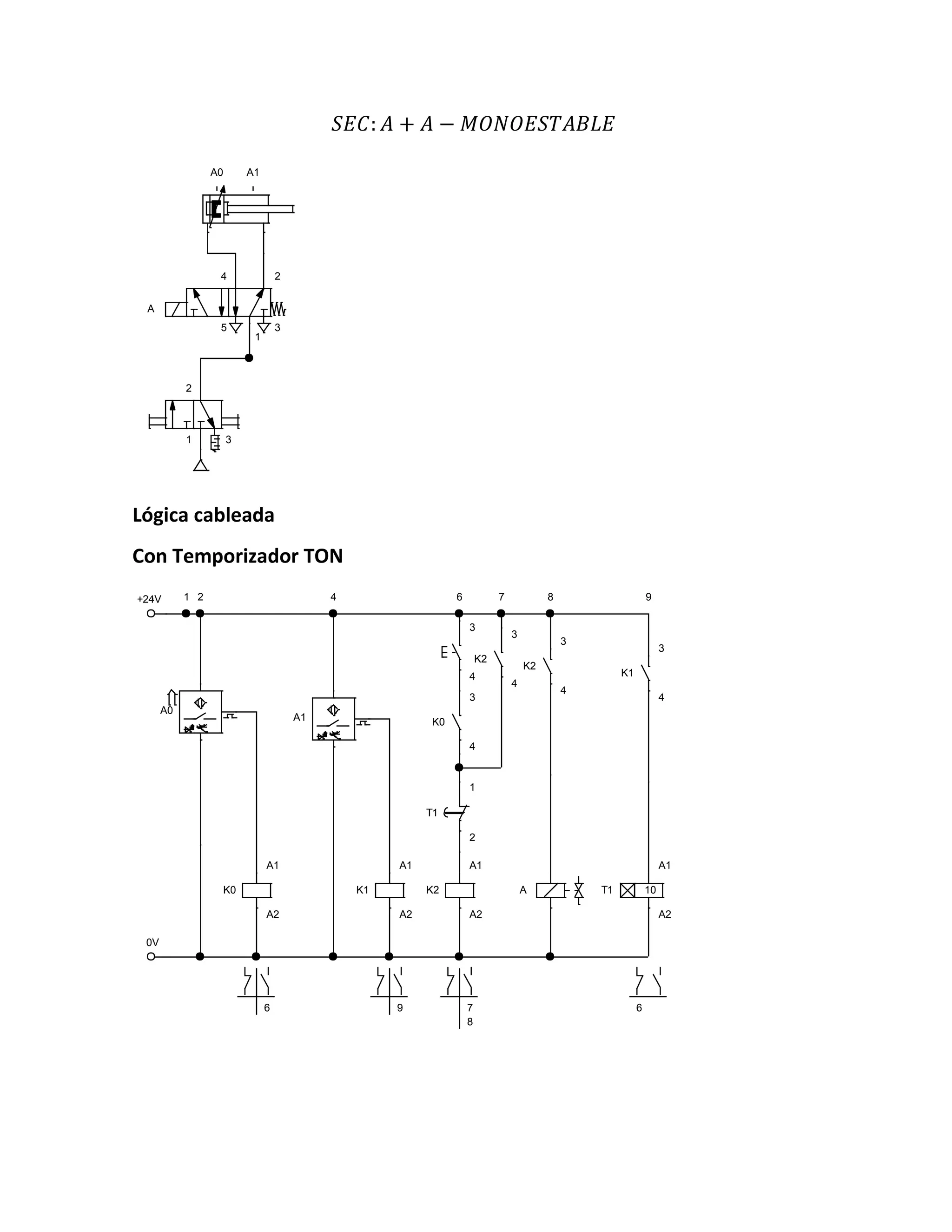
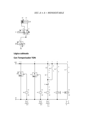
𝑆𝐸𝐶: 𝐴 + 𝐴 − 𝑀𝑂𝑁𝑂𝐸𝑆𝑇𝐴𝐵𝐿𝐸
Lógica cableada
Con Temporizador TON
2
1 3
4 2
5
1
3
A
A0 A1
+24V
0V
A0
K0
A1
A2
A1
K1
A1
A2
K2
A1
A2
K2
3
4
T1 10
A1
A2
K2
3
4
K0
3
4
3
4
T1
1
2
A
K1
3
4
1 2 4 6 7 8 9
6 9 7
8
6
Con Temporizador TOF
+24V
0V
A0
K0
A1
A2
A1
K1
A1
A2
K2
A1
A2
K2
3
4
K2
3
4
K0
3
4
3
4
A T1 10
A1
A2
K1
1
2
T1
3
4
1 2 4 6 7 8 9
6 9 7
8
6
Lógica en escalera
Con Temporizador TON
Con Temporizador TOF
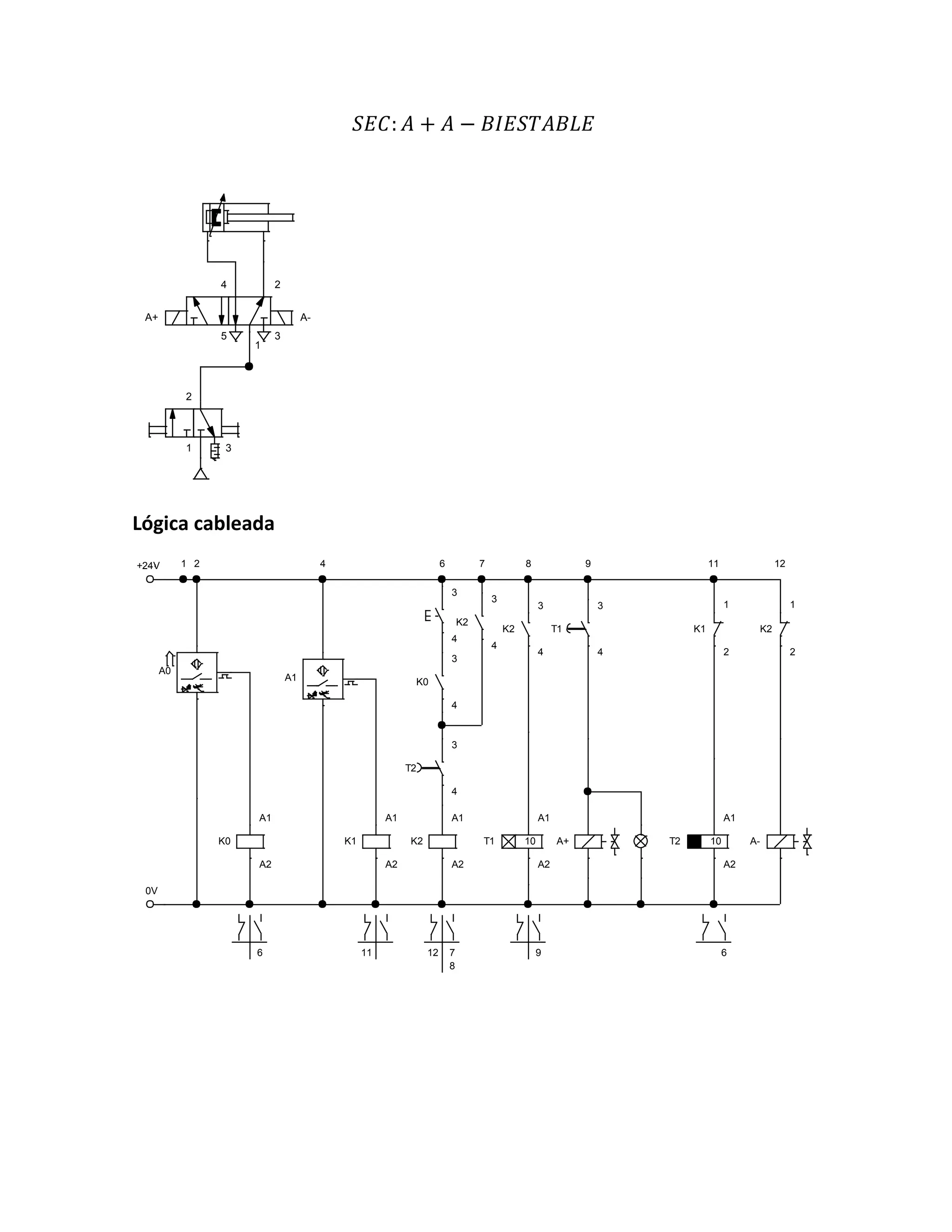
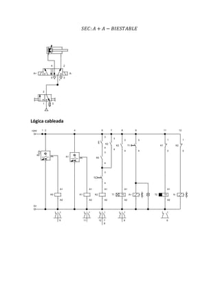
𝑆𝐸𝐶: 𝐴 + 𝐴 − 𝐵𝐼𝐸𝑆𝑇𝐴𝐵𝐿𝐸
Lógica cableada
2
1 3
4 2
5
1
3
A+ A-
+24V
0V
A0
K0
A1
A2
A1
K1
A1
A2
K2
A1
A2
K2
3
4
K2
3
4
K0
3
4
3
4
T2 10
A1
A2
K1
1
2
T2
3
4
K2
1
2
A-
T1 10
A1
A2
A+
T1
3
4
1 2 4 6 7 8 9 11 12
6 11 7
8
12 9 6
Lógica en escalera
𝑆𝐸𝐶: 𝐴 + 𝐵 + 𝐴 − 𝐵 −
Lógica cableada
2
1 3
4 2
5
1
3
A
4 2
5
1
3
B
+24V
0V
3
4
1
2
K1
3
4
K1
A1
A2
K1
3
4
B0
3
4
K2
A1
A2
K2
3
4
A1
3
4
K3
3
4
K2
3
4
K5
1
2
K3
A1
A2
B1
3
4
K3
3
4
K4
3
4
K4
A1
A2
A0
3
4
K5
3
4
K4
3
4
K5
A1
A2
A
K4
1
2
K2
3
4
B
K5
1
2
K3
3
4
1 2 3 5 7 9 11 12
2
3
4
5
11
6
7
12
8
9
11 10
3
12
Lógica en escalera
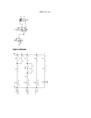
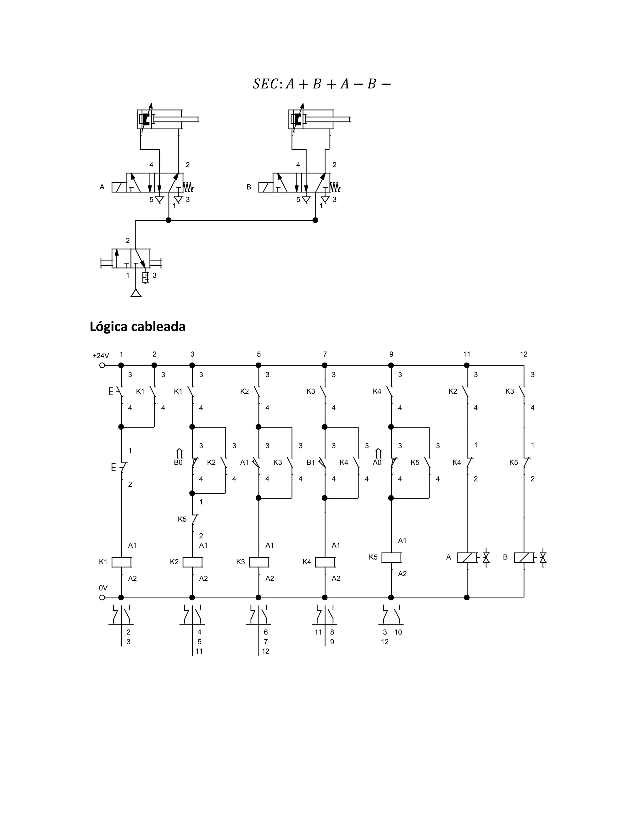
𝑆𝐸𝐶: 𝐴 + 𝐴 −
Lógica cableada
2
1 3
4 2
5
1
3
A
A0 A1
+24V
0V
3
4
1
2
K1
3
4
K1
A1
A2
K1
3
4
A0
3
4
K2
A1
A2
K2
3
4
K3
1
2
A
K3
1
2
K2
3
4
K3
A1
A2
A1
3
4
1 2 3 5 6
2
3
4
6
3
6
Lógica en escalera
𝑆𝐸𝐶: 𝐴 + 𝐴 − 𝐵 + 𝐵 −
Lógica cableada
2
1 3
4 2
5
1
3
A+ A-
4 2
5
1
3
B+ B-
+24V
0V
3
4
K1
A1
A2
K1
3
4
CT1
1
2
K1
3
4
A0
3
4
A+
A1
3
4
A-
CT1 10
A1
A2
R1
R2
K2
3
4
K2
A1
A2
CT1
3
4
K3
A1
A2
B0
3
4
CT1
3
4
K4
1
2
K3
3
4
K3
3
4
B+
K3
3
4
K4
A1
A2
B1
3
4
K4
3
4
B0
1
2
K4
3
4
B-
1 2 3 6 7 8 9 10 11 12 13
2
3
7
8
1 6 9
10
11
12
13
8
Lógica en escalera
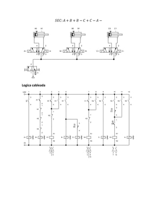
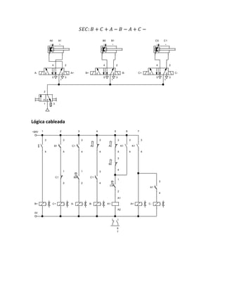
𝑆𝐸𝐶: 𝐵 + 𝐶 + 𝐴 − 𝐵 − 𝐴 + 𝐶 −
Lógica cableada
2
1 3
4 2
5
1
3
A- A+
4 2
5
1
3
B+ B-
B0 B1
A0 A1
4 2
5
1
3
C+ C-
C0 C1
+24V
0V
3
4
B+ C+
C1
1
2
B1
3
4
A-
B0
1
2
C1
3
4
B-
C1
3
4
A0
3
4
A0
3
4
K1
A1
A2
B0
3
4
C0
1
2
K1
3
4
K1
3
4
A+ C-
A1
3
4
1 2 3 4 5 6 7
6
7
Lógica en escalera
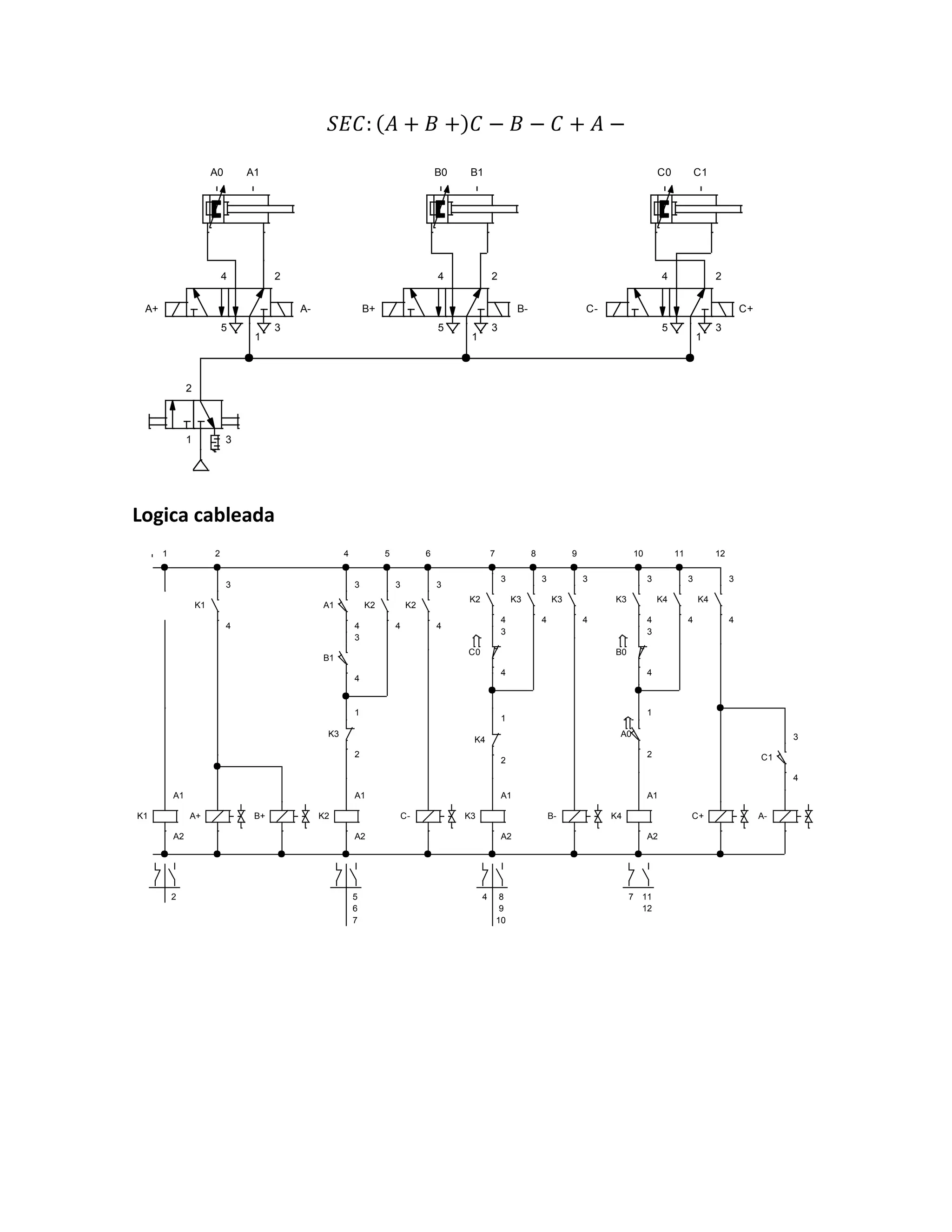
𝑆𝐸𝐶: (𝐴 + 𝐵 +)𝐶 − 𝐵 − 𝐶 + 𝐴 −
Logica cableada
2
1 3
4 2
5
1
3
A+ A-
4 2
5
1
3
B+ B-
B0 B1
A0 A1
4 2
5
1
3
C- C+
C0 C1
K1
A1
A2
A+ B+
K1
3
4
K2
A1
A2
A1
3
4
B1
3
4
K3
1
2
K2
3
4
K2
3
4
C- K3
A1
A2
K4
1
2
K3
3
4
K3
3
4
B-
K2
3
4
C0
3
4
K3
3
4
K4
A1
A2
B0
3
4
A0
1
2
K4
3
4
K4
3
4
C+ A-
C1
3
4
1 2 4 5 6 7 8 9 10 11 12
2 5
6
7
8
9
10
4 11
12
7
Lógica en escalera
𝑆𝐸𝐶: 𝐴 + 𝐵 + 𝐵 − 𝐶 + 𝐶 − 𝐴 −
Logica cableada
2
1 3
4 2
5
1
3
A+ A-
4 2
5
1
3
B+ B-
B0 B1
A0 A1
4 2
5
1
3
C+ C-
C0 C1
+24V
0V
3
4
A+
K2
1
2
K1
1
2
A1
3
4
K1
A1
A2
B1
3
4
K1
3
4
K2
1
2
K1
3
4
B- C+
B0
3
4
K2
A1
A2
C1
3
4
K2
3
4
K3
1
2
K2
3
4
C- K3
A1
A2
K2
3
4
C0
3
4
A0
1
2
K3
3
4
K3
3
4
A-
K3
1
2
B+
1 2 3 4 5 7 8 9 10 11 12
4
5
2 8
9
10
2
3
11
12
2
7
Lógica en escalera
𝑆𝐸𝐶: 𝐴 + 𝐵 + 𝐶 + 𝐴 − 𝐵 − 𝐶 −
2
1 3
4 2
5
1
3
A
4 2
5
1
3
B
B0 B1
A0 A1
4 2
5
1
3
C
C0 C1
Logica en escalera
secuencia electroneumática parte 2

secuencia electroneumática parte 2

  • 1.
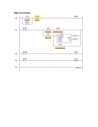
    𝑆𝐸𝐶: 𝐴 +𝐵 + 𝐴 − 𝐵 − 2 1 3 4 2 5 1 3 A+ A- 4 2 5 1 3 B+ B- B0 B1 A0 A1
  • 2.
  • 3.
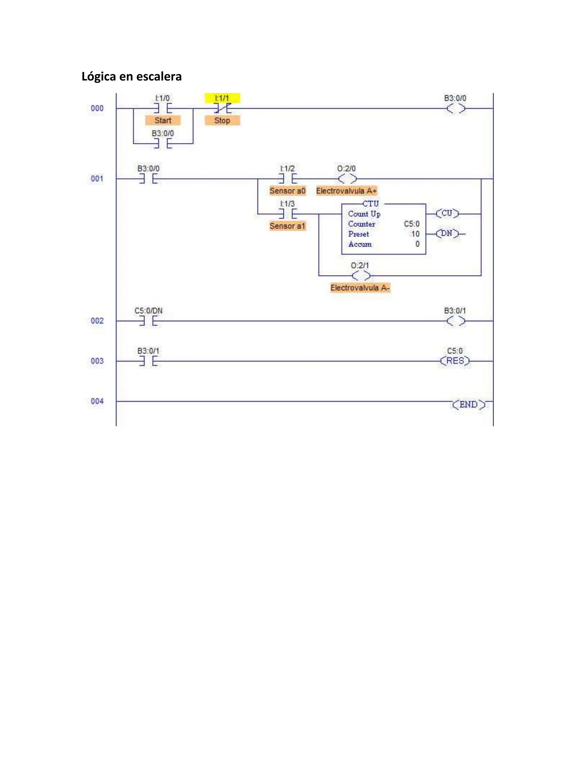
    𝑆𝐸𝐶: 𝐴 +𝐴 − 𝐵 + 𝐵 − 2 1 3 4 2 5 1 3 A+ A- 4 2 5 1 3 B+ B- B0 B1 A0 A1
  • 4.
  • 5.
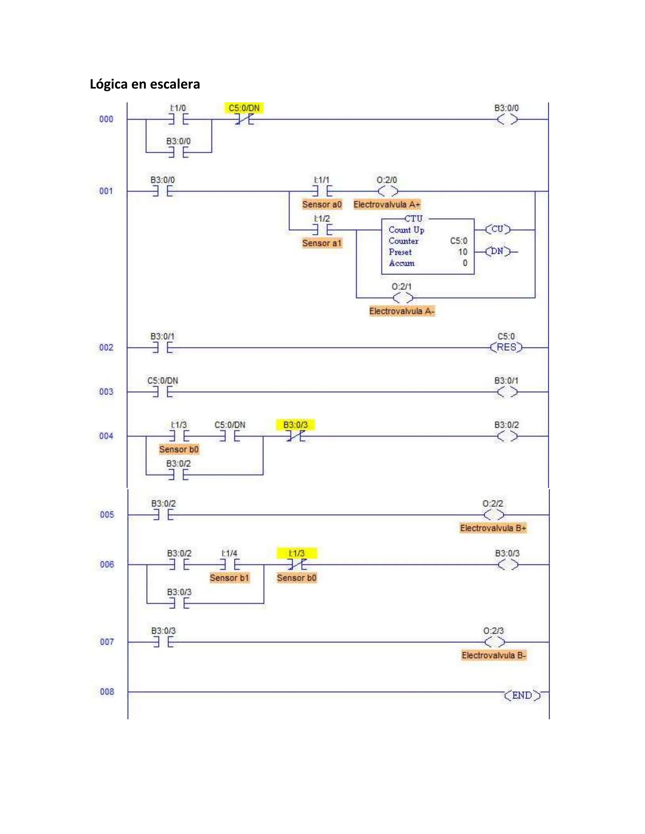
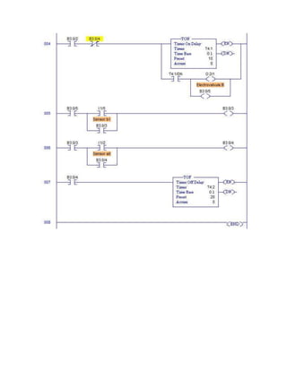
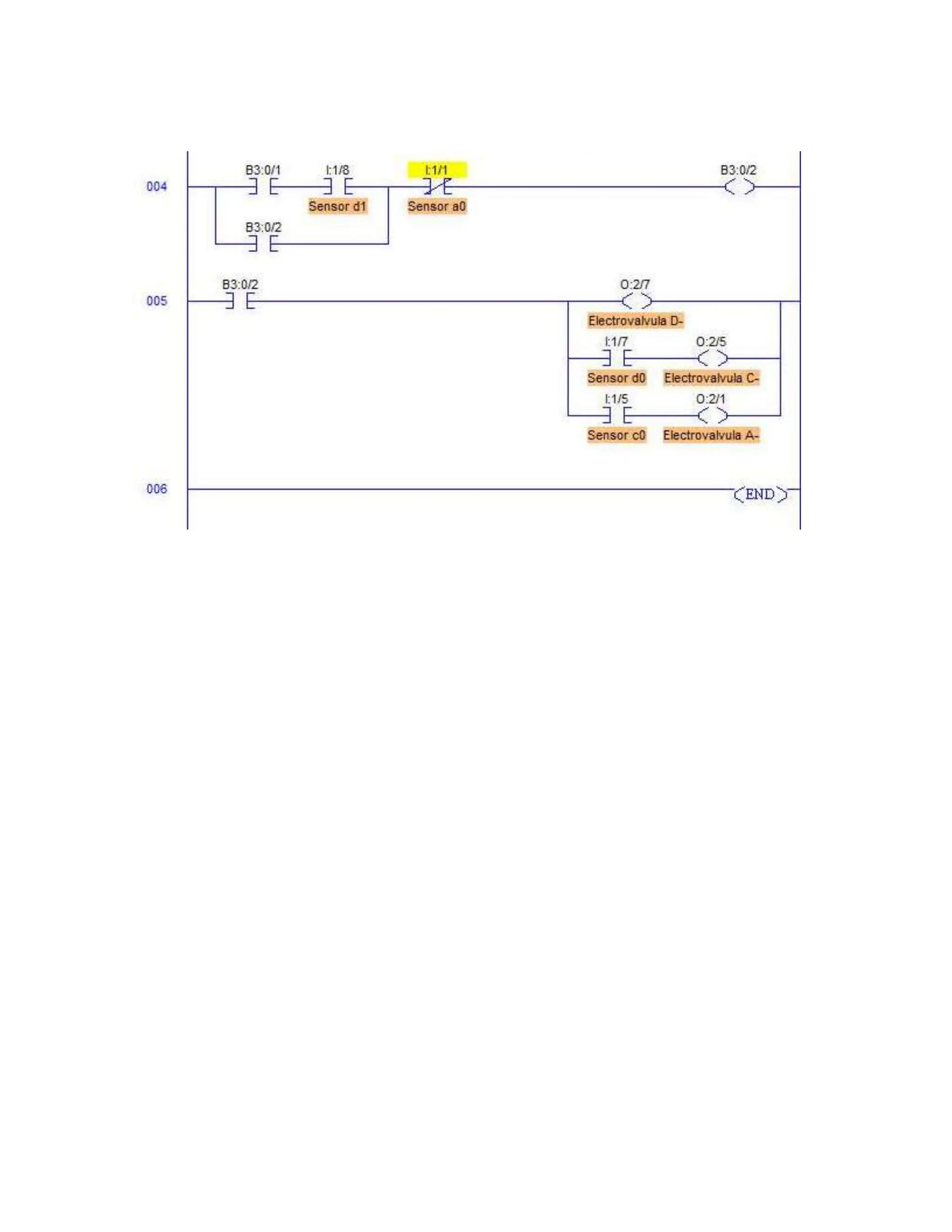
    𝑆𝐸𝐶: 𝐴 +𝐵 + 𝐴 − 𝐵 − 2 1 3 4 2 5 1 3 A 4 2 5 1 3 B B0 B1 A0 A1
  • 6.
    Lógica cableada +24V 0V 3 4 1 2 K1 A1 A2 K1 3 4 K1 3 4 B0 3 4 K2 A1 A2 K2 3 4 A1 3 4 K3 3 4 K2 3 4 K3 A1 A2 K4 1 2 K2 3 4 T1 10 A1 A2 A T1 3 4 T210 A1 A2 B T2 3 4 K3 3 4 K5 1 2 K6 A1 A2 K4 A1 A2 B1 3 4 K6 3 4 K4 3 4 T3 1 2 1 2 3 5 7 9 12 2 3 4 5 7 6 9 8 10 12 13 14 7 +24V 0V K5 A1 A2 A0 3 4 K4 3 4 K5 3 4 T3 20 A1 A2 K5 3 4 14 16 15 16 9 3
  • 8.
  • 10.
    𝑆𝐸𝐶: 𝐴 +𝐵 + 𝐴 − 𝐶 + 𝐵 − 𝐶 − 2 1 3 4 2 5 1 3 A 4 2 5 1 3 B+ B- B0 B1 A0 A1 4 2 5 1 3 C C0 C1
  • 11.
  • 12.
    𝑆𝐸𝐶: 𝐴 +𝐴 − 𝐶𝑂𝑁𝑇 = 10 Lógica cableada 2 1 3 4 2 5 1 3 A+ A- A0 A1 +24V 0V 3 4 1 2 CT1 1 2 K1 A1 A2 K1 3 4 K1 3 4 A0 3 4 A+ A1 3 4 CT1 10 A1 A2 R1 R2 A- CT1 3 4 K2 A1 A2 K2 3 4 1 2 3 7 8 2 3 8 1 7
  • 13.
  • 14.
    𝑆𝐸𝐶: 𝐴 +𝐵 + 𝐵 − 𝐴 − Lógica cableada 2 1 3 4 2 5 1 3 A+ A- 4 2 5 1 3 B+ B- B0 B1 A0 A1 +24V 0V 3 4 K1 A1 A2 K2 1 2 K1 3 4 A+ K1 3 4 B+ A1 3 4 K2 A1 A2 A0 1 2 K1 3 4 K2 3 4 B1 3 4 K2 3 4 B- A- B0 3 4 1 2 3 5 6 7 2 3 5 6 7 1
  • 15.
  • 16.
    𝑆𝐸𝐶: 𝐴 +𝐵 + 𝐵 − 𝐶 + 𝐷 + 𝐷 − 𝐶 − 𝐴 − Lógica cableada 2 1 3 4 2 5 1 3 A+ A- 4 2 5 1 3 B+ B- B0 B1 C0 C1 4 2 5 1 3 C+ C- A0 A1 D0 D1 4 2 5 1 3 D+ D- +24V 0V 3 4 K1 A1 A2 K2 1 2 K1 3 4 A+ K1 3 4 B+ A1 3 4 K2 A1 A2 K1 3 4 K2 3 4 B1 3 4 K2 3 4 B- C+ B0 3 4 A0 3 4 K3 1 2 D+ C1 3 4 1 2 3 5 6 7 8 2 3 5 6 7 10 1
  • 17.
  • 18.
  • 20.
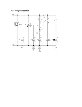
    𝑆𝐸𝐶: 𝐴 +𝐴 − 𝑀𝑂𝑁𝑂𝐸𝑆𝑇𝐴𝐵𝐿𝐸 Lógica cableada Con Temporizador TON 2 1 3 4 2 5 1 3 A A0 A1 +24V 0V A0 K0 A1 A2 A1 K1 A1 A2 K2 A1 A2 K2 3 4 T1 10 A1 A2 K2 3 4 K0 3 4 3 4 T1 1 2 A K1 3 4 1 2 4 6 7 8 9 6 9 7 8 6
  • 21.
  • 22.
    Lógica en escalera ConTemporizador TON Con Temporizador TOF
  • 23.
    𝑆𝐸𝐶: 𝐴 +𝐴 − 𝐵𝐼𝐸𝑆𝑇𝐴𝐵𝐿𝐸 Lógica cableada 2 1 3 4 2 5 1 3 A+ A- +24V 0V A0 K0 A1 A2 A1 K1 A1 A2 K2 A1 A2 K2 3 4 K2 3 4 K0 3 4 3 4 T2 10 A1 A2 K1 1 2 T2 3 4 K2 1 2 A- T1 10 A1 A2 A+ T1 3 4 1 2 4 6 7 8 9 11 12 6 11 7 8 12 9 6
  • 24.
  • 25.
    𝑆𝐸𝐶: 𝐴 +𝐵 + 𝐴 − 𝐵 − Lógica cableada 2 1 3 4 2 5 1 3 A 4 2 5 1 3 B +24V 0V 3 4 1 2 K1 3 4 K1 A1 A2 K1 3 4 B0 3 4 K2 A1 A2 K2 3 4 A1 3 4 K3 3 4 K2 3 4 K5 1 2 K3 A1 A2 B1 3 4 K3 3 4 K4 3 4 K4 A1 A2 A0 3 4 K5 3 4 K4 3 4 K5 A1 A2 A K4 1 2 K2 3 4 B K5 1 2 K3 3 4 1 2 3 5 7 9 11 12 2 3 4 5 11 6 7 12 8 9 11 10 3 12
  • 26.
  • 27.
    𝑆𝐸𝐶: 𝐴 +𝐴 − Lógica cableada 2 1 3 4 2 5 1 3 A A0 A1 +24V 0V 3 4 1 2 K1 3 4 K1 A1 A2 K1 3 4 A0 3 4 K2 A1 A2 K2 3 4 K3 1 2 A K3 1 2 K2 3 4 K3 A1 A2 A1 3 4 1 2 3 5 6 2 3 4 6 3 6
  • 28.
  • 29.
    𝑆𝐸𝐶: 𝐴 +𝐴 − 𝐵 + 𝐵 − Lógica cableada 2 1 3 4 2 5 1 3 A+ A- 4 2 5 1 3 B+ B- +24V 0V 3 4 K1 A1 A2 K1 3 4 CT1 1 2 K1 3 4 A0 3 4 A+ A1 3 4 A- CT1 10 A1 A2 R1 R2 K2 3 4 K2 A1 A2 CT1 3 4 K3 A1 A2 B0 3 4 CT1 3 4 K4 1 2 K3 3 4 K3 3 4 B+ K3 3 4 K4 A1 A2 B1 3 4 K4 3 4 B0 1 2 K4 3 4 B- 1 2 3 6 7 8 9 10 11 12 13 2 3 7 8 1 6 9 10 11 12 13 8
  • 30.
  • 31.
    𝑆𝐸𝐶: 𝐵 +𝐶 + 𝐴 − 𝐵 − 𝐴 + 𝐶 − Lógica cableada 2 1 3 4 2 5 1 3 A- A+ 4 2 5 1 3 B+ B- B0 B1 A0 A1 4 2 5 1 3 C+ C- C0 C1 +24V 0V 3 4 B+ C+ C1 1 2 B1 3 4 A- B0 1 2 C1 3 4 B- C1 3 4 A0 3 4 A0 3 4 K1 A1 A2 B0 3 4 C0 1 2 K1 3 4 K1 3 4 A+ C- A1 3 4 1 2 3 4 5 6 7 6 7
  • 32.
  • 33.
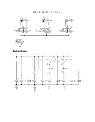
    𝑆𝐸𝐶: (𝐴 +𝐵 +)𝐶 − 𝐵 − 𝐶 + 𝐴 − Logica cableada 2 1 3 4 2 5 1 3 A+ A- 4 2 5 1 3 B+ B- B0 B1 A0 A1 4 2 5 1 3 C- C+ C0 C1 K1 A1 A2 A+ B+ K1 3 4 K2 A1 A2 A1 3 4 B1 3 4 K3 1 2 K2 3 4 K2 3 4 C- K3 A1 A2 K4 1 2 K3 3 4 K3 3 4 B- K2 3 4 C0 3 4 K3 3 4 K4 A1 A2 B0 3 4 A0 1 2 K4 3 4 K4 3 4 C+ A- C1 3 4 1 2 4 5 6 7 8 9 10 11 12 2 5 6 7 8 9 10 4 11 12 7
  • 34.
  • 35.
    𝑆𝐸𝐶: 𝐴 +𝐵 + 𝐵 − 𝐶 + 𝐶 − 𝐴 − Logica cableada 2 1 3 4 2 5 1 3 A+ A- 4 2 5 1 3 B+ B- B0 B1 A0 A1 4 2 5 1 3 C+ C- C0 C1 +24V 0V 3 4 A+ K2 1 2 K1 1 2 A1 3 4 K1 A1 A2 B1 3 4 K1 3 4 K2 1 2 K1 3 4 B- C+ B0 3 4 K2 A1 A2 C1 3 4 K2 3 4 K3 1 2 K2 3 4 C- K3 A1 A2 K2 3 4 C0 3 4 A0 1 2 K3 3 4 K3 3 4 A- K3 1 2 B+ 1 2 3 4 5 7 8 9 10 11 12 4 5 2 8 9 10 2 3 11 12 2 7
  • 36.
  • 37.
    𝑆𝐸𝐶: 𝐴 +𝐵 + 𝐶 + 𝐴 − 𝐵 − 𝐶 − 2 1 3 4 2 5 1 3 A 4 2 5 1 3 B B0 B1 A0 A1 4 2 5 1 3 C C0 C1
  • 38.