More Related Content
PDF
Electroneumatica con circuitos secueciales con logica cableada PDF
Arduino Blocks: Programacion visual con bloques para arduino 2 Edicion por Ju... PDF
Principios de electrónica 7 Edicion por Albert Malvino y David J. Bates PDF
Principios digitales por Roger L. Tokheim PDF
Solicitud de empleo para el trabajo para DOCX
secuencia electroneumática parte 2 PDF
Manual de teoría y practica electroneumática avanzada PDF
Programacion de PLC basado en Rslogix 500 por Roni Domínguez More from SANTIAGO PABLO ALBERTO
PDF
Programación de microcontroladores PIC en C con Fabio Pereira PDF
Análisis y Diseño de Sistemas de Control Digital por Ricardo Fernandez del Bu... PDF
Arduino: Arduino de cero a experto PDF
PDF
PDF
PDF
Programación de autómatas PLC OMRON CJ/CP1 PDF
Manual del sistema del controlador programable S7-200 SMART PDF
Catálogo de PLC S7-200 SMART PDF
PLC: Automatismos industriales PDF
PLC: Buses industriales y de campo practicas de laboratorio por Jose Miguel R... PDF
PLC y Electroneumática: Electricidad y Automatismo eléctrico por Luis Miguel... PDF
Electrónica: Diseño y desarrollo de circuitos impresos con Kicad por Miguel P... PDF
PLC: Diseño, construcción y control de un motor doble Dahlander(cuatro veloci... PDF
PDF
Electrónica digital: Introducción a la Lógica Digital - Teoría, Problemas y ... PDF
Arduino: Codifique un semáforo en el circuito de bloques de código de Tinkercad PDF
Electrónica: Instrumentación electrónica moderna y técnicas de medicion por W... PDF
PDF
Electrónica: Cekit electrónica y computadores secuencia electroneumática parte 1
- 1.
𝑆𝐸𝐶: 𝐴 +𝐵 + 𝐶 − 𝐴 − 𝐵 − 𝐶 +
2
1 3
4 2
5
1
3
A+ A-
A0 A1
4 2
5
1
3
B+ B-
B0 B1
4 2
5
1
3
C- C+
C0 C1
- 2.
- 3.
- 5.
𝑆𝐸𝐶: 𝐴 +𝐵 + 𝐶 + 𝐷 + 𝐴 − 𝐵 − 𝐶 − 𝐷 −
2
1 3
4 2
5
1
3
A+ A-
A0 A1
4 2
5
1
3
B+ B-
B0 B1
4 2
5
1
3
D+ D-
D0 D1
C0 C1
4 2
5
1
3
C+ C-
- 6.
- 7.
- 10.
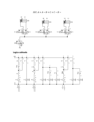
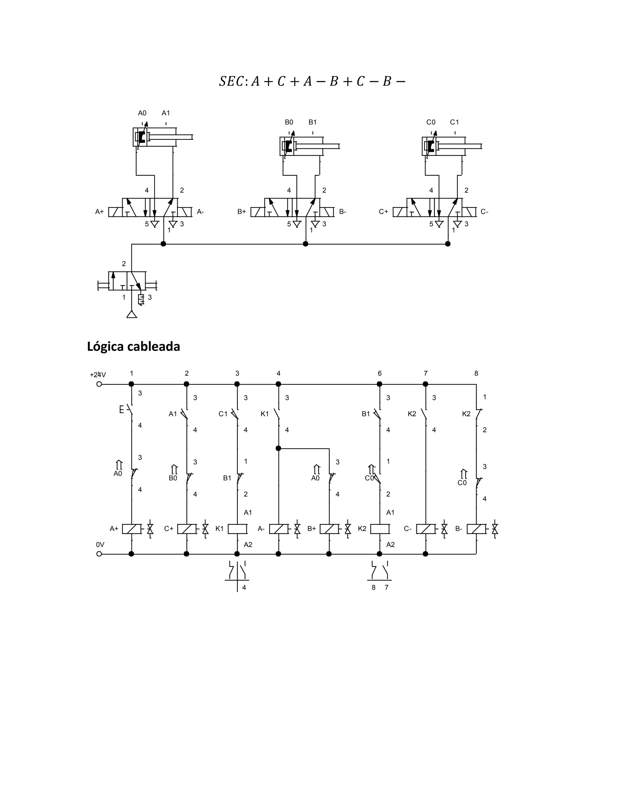
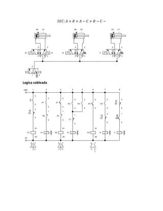
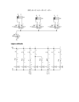
𝑆𝐸𝐶: 𝐴 +𝐶 + 𝐴 − 𝐵 + 𝐶 − 𝐵 −
Lógica cableada
2
1 3
4 2
5
1
3
A+ A-
4 2
5
1
3
B+ B-
B0 B1 C0 C1
4 2
5
1
3
C+ C-
A0 A1
+24V
3
4
A0
3
4
A+
0V
B0
3
4
C+
A1
3
4
K1
A1
A2
B1
1
2
C1
3
4
A-
K1
3
4
B+
A0
3
4
K2
A1
A2
C0
1
2
B1
3
4
C-
K2
3
4
K2
1
2
B-
C0
3
4
1 2 3 4 6 7 8
4 7
8
- 11.
- 12.
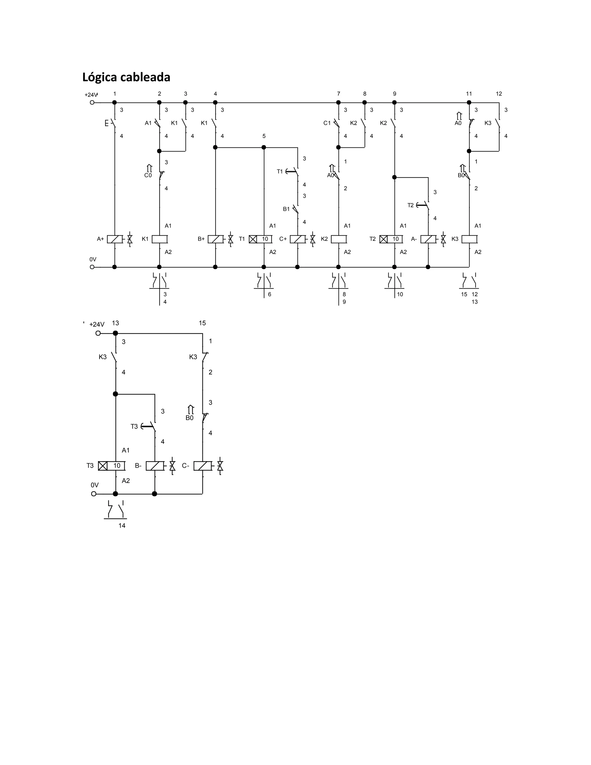
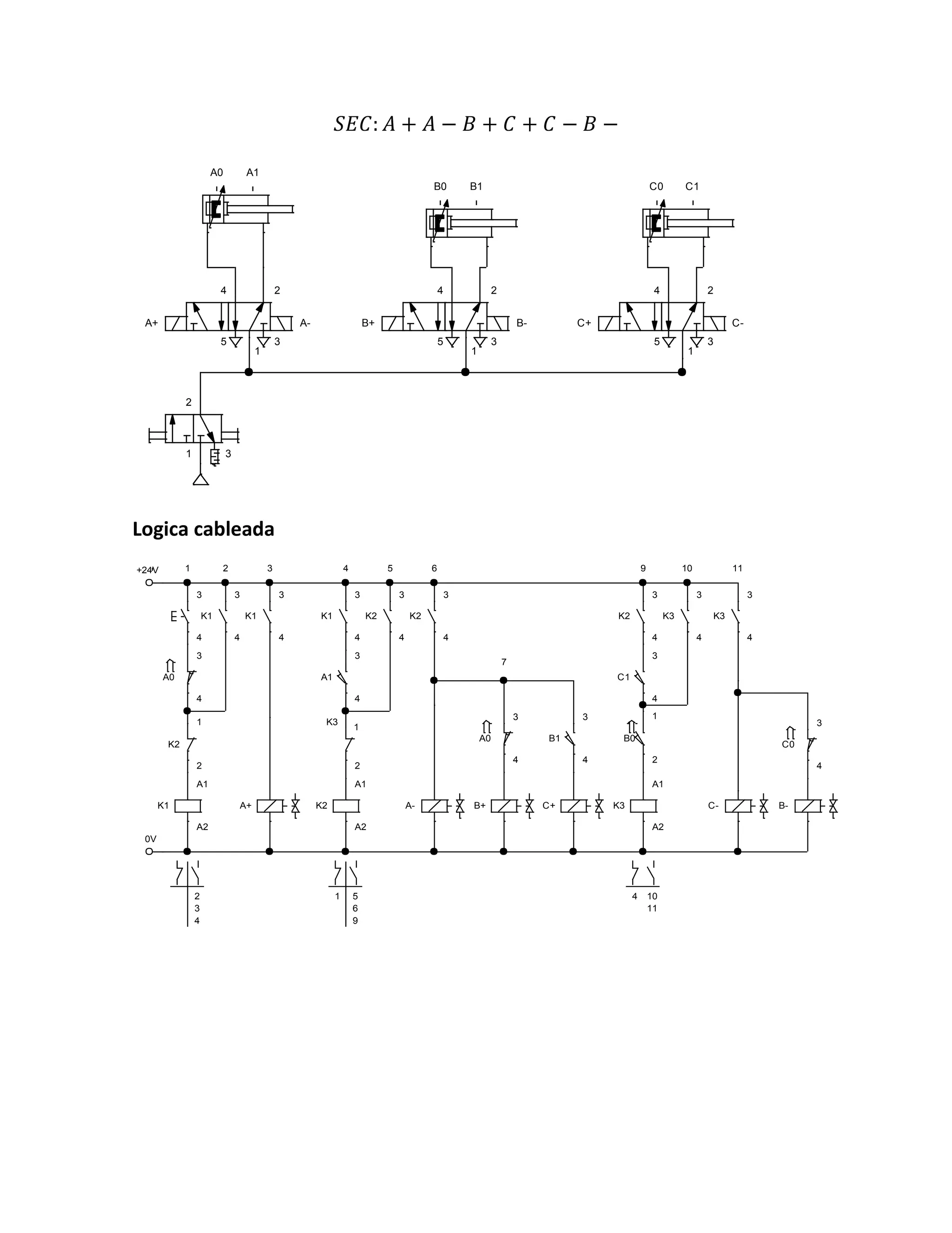
𝑆𝐸𝐶: 𝐴 +𝐴 − 𝐵 + 𝐶 + 𝐶 − 𝐵 −
Logica cableada
2
1 3
4 2
5
1
3
A+ A-
4 2
5
1
3
B+ B-
B0 B1 C0 C1
4 2
5
1
3
C+ C-
A0 A1
+24V
0V
3
4
A0
3
4
K1
3
4
K2
1
2
K1
A1
A2
A+
K1
3
4
K2
A1
A2
K3
1
2
K1
3
4
A1
3
4
K2
3
4
K2
3
4
A- B+ C+
A0
3
4
B1
3
4
K3
A1
A2
B0
1
2
K2
3
4
C1
3
4
K3
3
4
K3
3
4
C- B-
C0
3
4
1 2 3 4 5 6
7
9 10 11
2
3
4
5
6
9
1 10
11
4
- 13.
- 14.
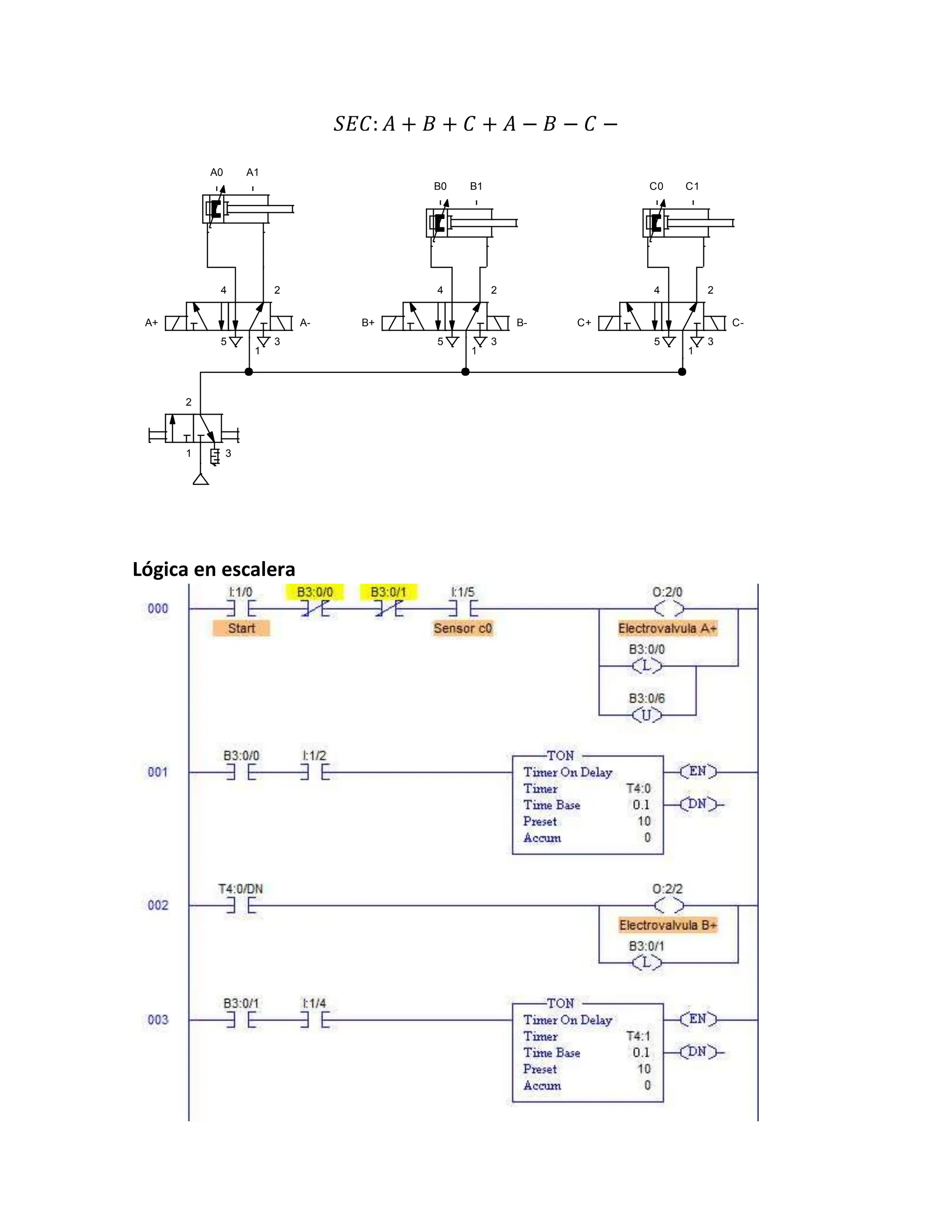
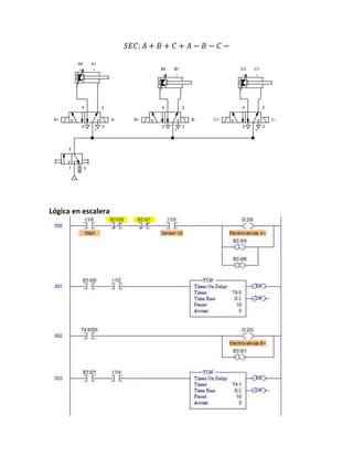
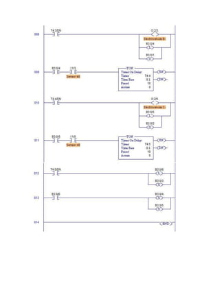
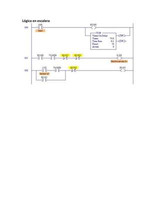
𝑆𝐸𝐶: 𝐴 +𝐵 + 𝐶 + 𝐴 − 𝐵 − 𝐶 −
Lógica en escalera
2
1 3
4 2
5
1
3
A+ A-
4 2
5
1
3
B+ B-
B0 B1 C0 C1
4 2
5
1
3
C+ C-
A0 A1
- 18.
𝑆𝐸𝐶: 𝐴 +𝐵 + 𝐶 + 𝐴 − 𝐵 − 𝐶 −
2
1 3
4 2
5
1
3
A+ A-
4 2
5
1
3
B+ B-
B0 B1 C0 C1
4 2
5
1
3
C+ C-
A0 A1
- 19.
- 20.
- 22.
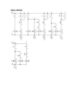
𝑆𝐸𝐶: 𝐴 +𝐵 + 𝐶 + 𝐴 − 𝐶 − 𝐵 −
Logica cableada
2
1 3
4 2
5
1
3
A+ A-
4 2
5
1
3
B+ B-
B0 B1 C0 C1
4 2
5
1
3
C+ C-
A0 A1
+24V
3
4
B0
3
4
K1
A1
A2
A+
K1
3
4
K2
1
2
K3
1
2
K2
A1
A2
A1
3
4
C1
1
2
K2
3
4
K2
3
4
B+ T1 10
A1
A2
B1
3
4
C+
T1
3
4
0V
K3
A1
A2
C1
3
4
B0
1
2
K3
3
4
K3
3
4
A- B-
C0
3
4
T2 10
A1
A2
K3
1
2
C-
A0
3
4
T2
1
2
1 2 3 4 5
6
8 9 10 12 13
2 4
5
2 7 9
10
2
12
13
- 23.
- 25.
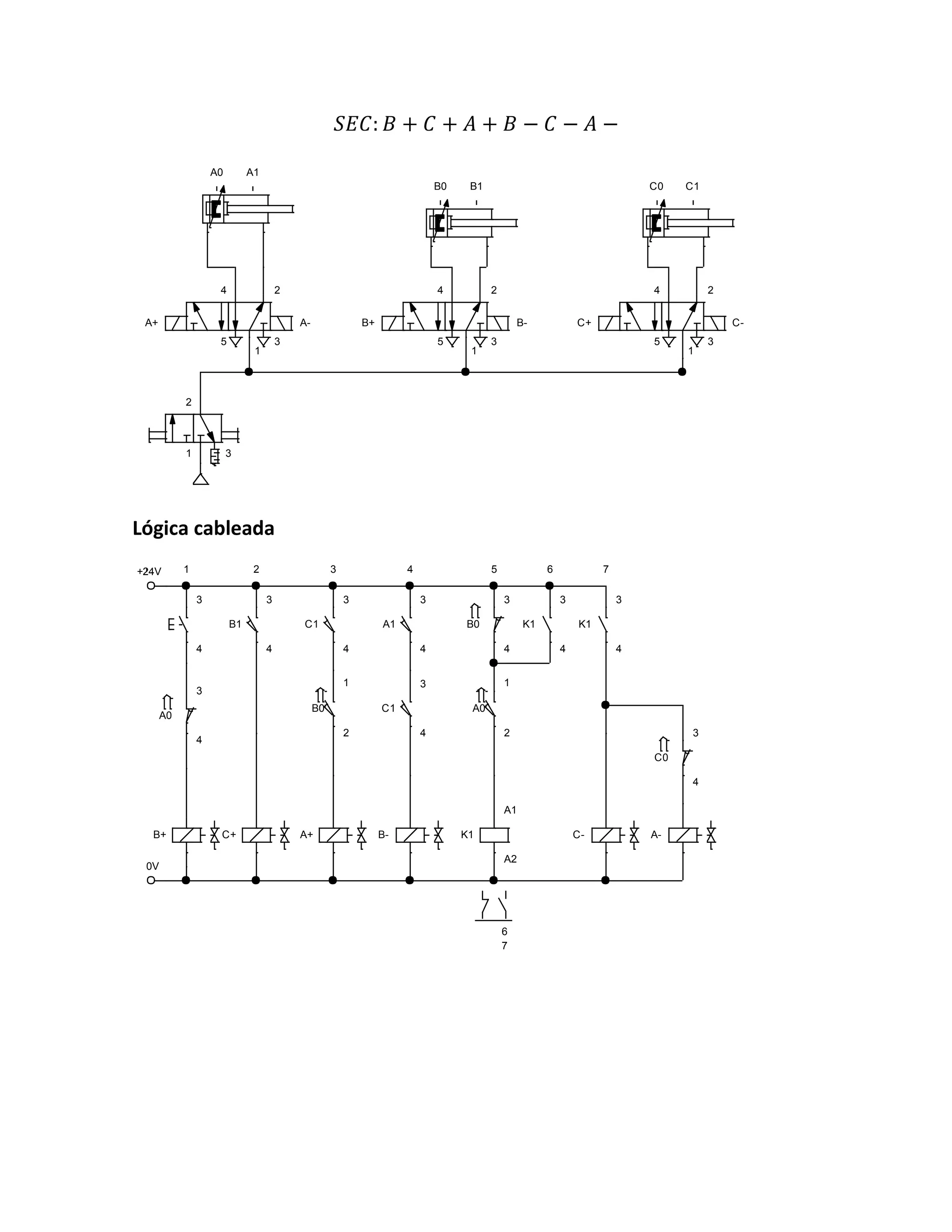
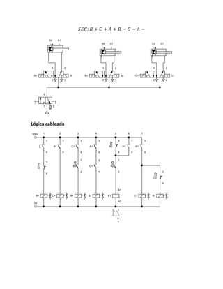
𝑆𝐸𝐶: 𝐵 +𝐶 + 𝐴 + 𝐵 − 𝐶 − 𝐴 −
Lógica cableada
2
1 3
4 2
5
1
3
A+ A-
4 2
5
1
3
B+ B-
B0 B1 C0 C1
4 2
5
1
3
C+ C-
A0 A1
+24V
3
4
A0
3
4
0V
C+
B1
3
4
A+
B0
1
2
C1
3
4
B+ B-
C1
3
4
A1
3
4
C-
K1
A1
A2
B0
3
4
A0
1
2
K1
3
4
K1
3
4
A-
C0
3
4
1 2 3 4 5 6 7
6
7
- 26.
- 27.
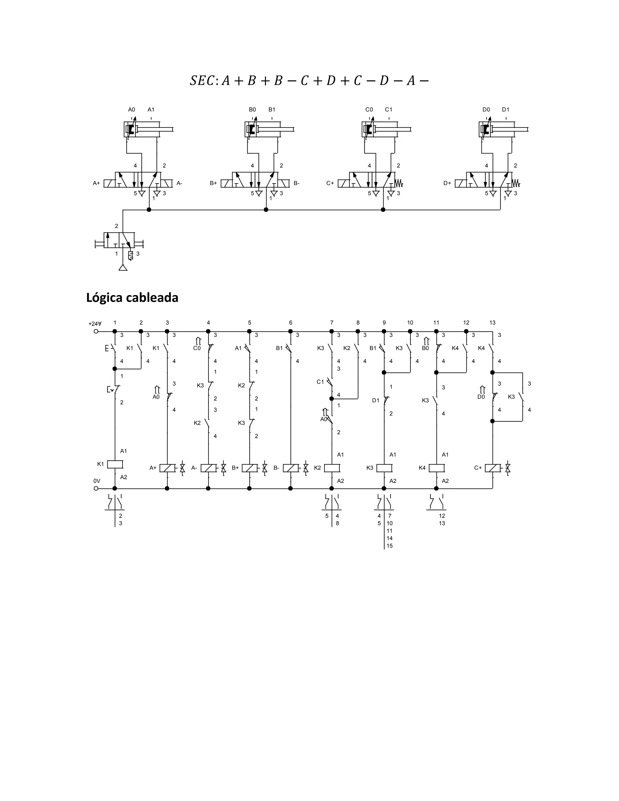
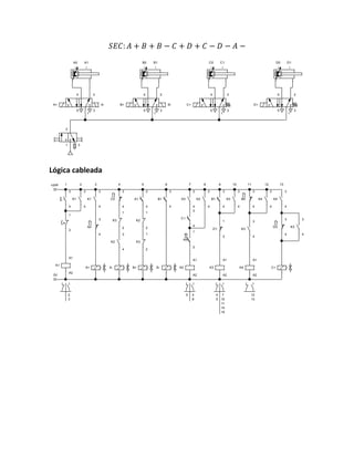
𝑆𝐸𝐶: 𝐴 +𝐵 + 𝐵 − 𝐶 + 𝐷 + 𝐷 − 𝐶 − 𝐴 −
2
1 3
4 2
5
1
3
A+ A-
4 2
5
1
3
B+ B-
B0 B1 C0 C1
4 2
5
1
3
C+ C-
A0 A1
D0 D1
4 2
5
1
3
D+ D-
- 28.
- 29.
- 31.
𝑆𝐸𝐶: 𝐴 +𝐵 + 𝐵 − 𝐶 + 𝐷 + 𝐶 − 𝐷 − 𝐴 −
Lógica cableada
2
1 3
4 2
5
1
3
A+ A-
4 2
5
1
3
B+ B-
B0 B1 C0 C1
4 2
5
1
3
C+
A0 A1 D0 D1
4 2
5
1
3
D+
+24V
0V
3
4
1
2
K1
A1
A2
K1
3
4
K1
3
4
A+
C0
3
4
K3
1
2
K2
3
4
A- B+
K3
1
2
K2
1
2
A1
3
4
B1
3
4
B-
K3
3
4
K2
A1
A2
C1
3
4
A0
1
2
K2
3
4
B1
3
4
D1
1
2
K3
A1
A2
K3
3
4
B0
3
4
K3
3
4
K4
A1
A2
K4
3
4
K4
3
4
D0
3
4
K3
3
4
C+
A0
3
4
1 2 3 4 5 6 7 8 9 10 11 12 13
2
3
4
8
5 7
10
11
14
15
4
5
12
13
- 32.
- 33.
- 35.
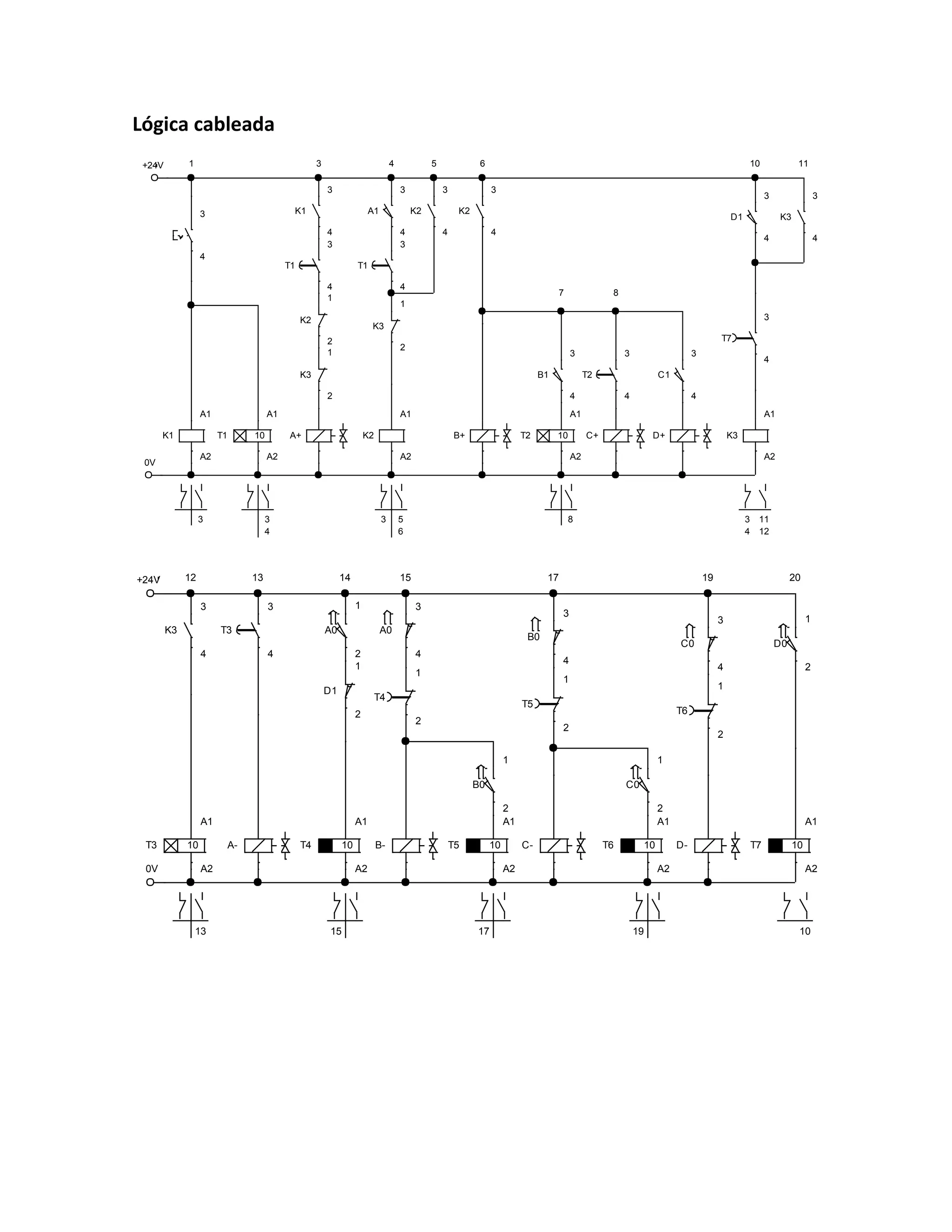
𝑆𝐸𝐶: 𝐴 +𝐵 + 𝐴 − 𝐶 + 𝐵 − 𝐶 −
Logica cableada
2
1 3
4 2
5
1
3
A+ A-
4 2
5
1
3
B
B0 B1 C0 C1
4 2
5
1
3
C
A0 A1
+24V
0V
3
4
C0
3
4
K1
A1
A2
K1
3
4
A+
K2
1
2
K2
A1
A2
K3
1
2
A1
3
4
K2
3
4
B
C1
1
2
K3
3
4
K3
A1
A2
B1
3
4
A-
C0
3
4
K3
3
4
C
B0
1
2
A0
3
4
1 2 3 4 5 6 7 8
2 4
2 5
7
3
- 36.