MULTIPLEKSER DAN
DEMULTIPLEKSER (DECODER)
Multiplekser merupakan suatu piranti untuk memilih
salah satu masukan dari beberapa masukan yang
tersedia untuk disalurkan ke satu keluaran.
Multiplekser identik dengan saklar putar (rotary)
satu kutub banyak posisi. Multiplekser juga disebut
sebagai pemilih data (data selector).
Multiplekser identik dengan saklar putar
L
L
L
H
H
L
LHHLLL
Data keluaran
(serial)
Kendali (alamat)
Multiplekser
Data
Masukan
(paralel)
Diagram blok dari multiplekser 4 masukan 1
keluaran (dengan 2 jalur pengendali)
MUX
X0
X1
X2
X3
S0 S1
Y (1 jalur
keluaran)
4 jalur
masukan
Y
(Keluaran)
Enable
S1
S0
X0
X1
X2
X3
Pengendali
0
1
2
3
Diagram multiplekser 74151
12 13 14 15 1 2 3 4 16
11
10
9
7 6 5 8
E Z
Z
I7 I6 I5 I4 I3 I2 I1 I0 +Vcc
S0
S1
S2
Multiplekser sering dimanfaatkan sebagai
rangkaian pengubah data paralel ke serial (paralel
to serial converter).
Manfaat lain multiplekser adalah dapat digunakan
untuk merealisasikan suatu rangkaian logika.
Multiplekser dengan N jalur pengendali dapat
digunakan untuk membentuk rangkaian logika
dengan N variabel masukan.
Multiplekser orde tinggi dari multiplekser-
multiplekser orde yang lebih rendah.
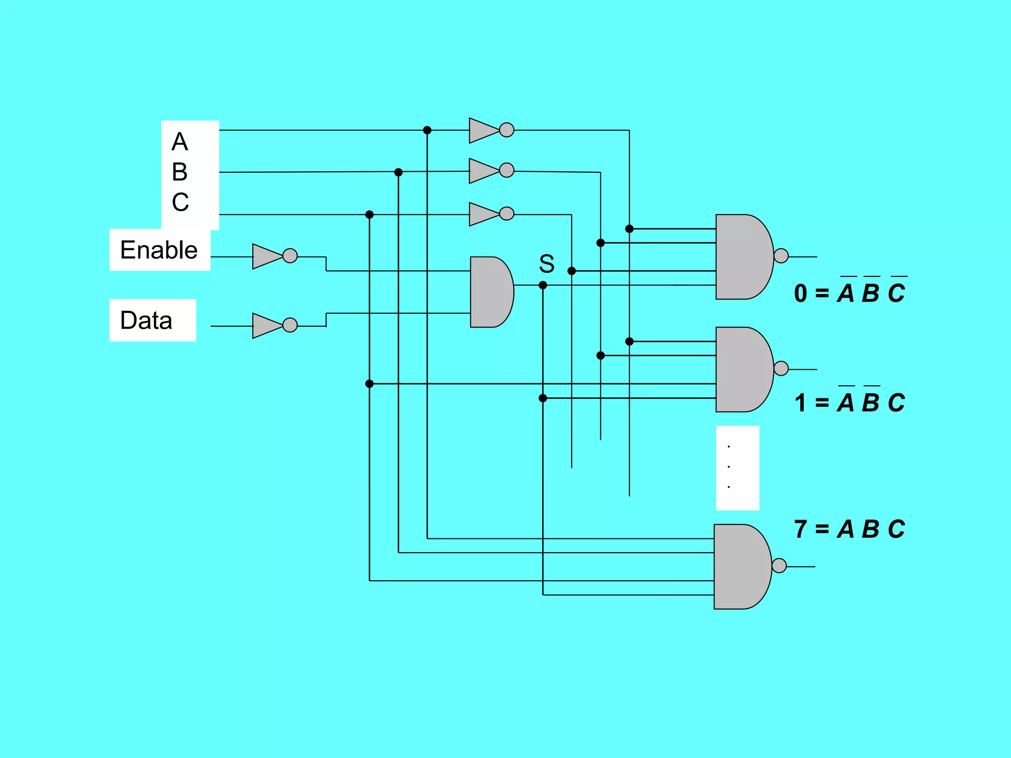
Demultiplekser
Demultiplekser adalah suatu piranti untuk memilih
satu keluaran dari beberapa keluaran yang tersedia.
Demultiplekser identik dengan saklar putar (rotary)
satu kutub banyak posisi.
Demultiplekser juga disebut sebagai distributor data
dan dapat digunakan sebagai dekoder. Sebuah
demultiplekser akan menerima masukan dan
meneruskannya ke salah satu dari beberapa
keluaran yang mungkin.
Demultiplekser identik dengan saklar putar Satu
kutub banyak posisi.
Data
masukan
(serial)
HHHLLH
Kendali
(alamat)
1
6
H
L
L
H
H
H
Data
Keluaran
(paralel)
Demultiplekser
S
Enable
Data
.
.
.
A
B
C
7 = A B C
0 = A B C
1 = A B C
Demultiplekser 3 masukan ke 8 keluaran
0
1
2
3
4
5
6
7
Enable
Data
A
B
C
8 keluaran
3 masukan
Soal-soal
1. Jelaskan, mengapa multiplekser kadang-kadang
juga disebut sebagai selektor data ?
2. Rancanglah multiplekser 32 bit dengan
menggunakan 4 biah IC 74151 !.
3. Rancanglah suatu rangkaian yang akan
mengeluarkan logika rendah ketika umur suatu
bulan 31 hari. Masukannya adalah nomor bulan
(1 s/d 12) sebagai bilangan biner 4 bit (Januari =
0001, dst.). Gunakanlah IC 74150 !.
4. Jelaskan, mengapa demultiplekser kadang-kadang
juga disebut sebagai distributor data ?
5. Pelajarilah fungsi kaki (pin) dan cara kerja dari IC
74138 melalui buku/ lembaran/manual datanya.
Kemudian tunjukkan persambungan yang
diperlukan bila IC tersebut digunakan sebagai
demultiplekser. Jelaskan bagaimana mekanisme
kerjanya jika ingin memilih saluran 5 ?
SEKIAN DAHULU

multidemulti-plekser-ppt-10.pdf

  • 1.
    MULTIPLEKSER DAN DEMULTIPLEKSER (DECODER) Multipleksermerupakan suatu piranti untuk memilih salah satu masukan dari beberapa masukan yang tersedia untuk disalurkan ke satu keluaran. Multiplekser identik dengan saklar putar (rotary) satu kutub banyak posisi. Multiplekser juga disebut sebagai pemilih data (data selector).
  • 2.
    Multiplekser identik dengansaklar putar L L L H H L LHHLLL Data keluaran (serial) Kendali (alamat) Multiplekser Data Masukan (paralel)
  • 3.
    Diagram blok darimultiplekser 4 masukan 1 keluaran (dengan 2 jalur pengendali) MUX X0 X1 X2 X3 S0 S1 Y (1 jalur keluaran) 4 jalur masukan
  • 4.
  • 5.
    Diagram multiplekser 74151 1213 14 15 1 2 3 4 16 11 10 9 7 6 5 8 E Z Z I7 I6 I5 I4 I3 I2 I1 I0 +Vcc S0 S1 S2
  • 6.
    Multiplekser sering dimanfaatkansebagai rangkaian pengubah data paralel ke serial (paralel to serial converter). Manfaat lain multiplekser adalah dapat digunakan untuk merealisasikan suatu rangkaian logika. Multiplekser dengan N jalur pengendali dapat digunakan untuk membentuk rangkaian logika dengan N variabel masukan. Multiplekser orde tinggi dari multiplekser- multiplekser orde yang lebih rendah.
  • 7.
    Demultiplekser Demultiplekser adalah suatupiranti untuk memilih satu keluaran dari beberapa keluaran yang tersedia. Demultiplekser identik dengan saklar putar (rotary) satu kutub banyak posisi. Demultiplekser juga disebut sebagai distributor data dan dapat digunakan sebagai dekoder. Sebuah demultiplekser akan menerima masukan dan meneruskannya ke salah satu dari beberapa keluaran yang mungkin.
  • 8.
    Demultiplekser identik dengansaklar putar Satu kutub banyak posisi. Data masukan (serial) HHHLLH Kendali (alamat) 1 6 H L L H H H Data Keluaran (paralel) Demultiplekser
  • 9.
    S Enable Data . . . A B C 7 = AB C 0 = A B C 1 = A B C
  • 10.
    Demultiplekser 3 masukanke 8 keluaran 0 1 2 3 4 5 6 7 Enable Data A B C 8 keluaran 3 masukan
  • 11.
    Soal-soal 1. Jelaskan, mengapamultiplekser kadang-kadang juga disebut sebagai selektor data ? 2. Rancanglah multiplekser 32 bit dengan menggunakan 4 biah IC 74151 !. 3. Rancanglah suatu rangkaian yang akan mengeluarkan logika rendah ketika umur suatu bulan 31 hari. Masukannya adalah nomor bulan (1 s/d 12) sebagai bilangan biner 4 bit (Januari = 0001, dst.). Gunakanlah IC 74150 !.
  • 12.
    4. Jelaskan, mengapademultiplekser kadang-kadang juga disebut sebagai distributor data ? 5. Pelajarilah fungsi kaki (pin) dan cara kerja dari IC 74138 melalui buku/ lembaran/manual datanya. Kemudian tunjukkan persambungan yang diperlukan bila IC tersebut digunakan sebagai demultiplekser. Jelaskan bagaimana mekanisme kerjanya jika ingin memilih saluran 5 ? SEKIAN DAHULU