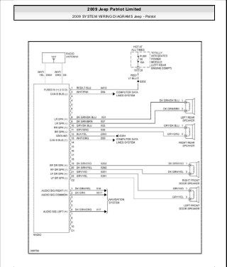
2009 ENGINE
2.0L Diesel - Service Information - Compass & Patriot
DESCRIPTION
DESCRIPTION
Fig. 1: Identifying Engine Serial Number
Courtesy of CHRYSLER LLC
This is a 2.0L common rail turbo diesel. The engine serial number is located on the rear flange of the engine
block behind the oil filter housing (2).
STANDARD PROCEDURE
ENGINE GASKET SURFACE PREPARATION
2009 Jeep Patriot Limited
2009 ENGINE 2.0L Diesel - Service Information - Compass & Patriot
2009 Jeep Patriot Limited
2009 ENGINE 2.0L Diesel - Service Information - Compass & Patriot
a
Saturday, September 08, 2012 12:56:40 PM Page 1 © 2006 Mitchell Repair Information Company, LLC.
a
Saturday, September 08, 2012 12:56:46 PM Page 1 © 2006 Mitchell Repair Information Company, LLC.
Fig. 2: Proper Tool Usage for Surface Preparation
Courtesy of CHRYSLER LLC
To ensure engine gasket sealing, proper surface preparation must be performed, especially with the use of
aluminum engine components and multi-layer steel cylinder head gaskets.
Never use the following to clean gasket surfaces:
Metal scraper (1).
Abrasive pad or paper (2) to clean cylinder block and head.
High speed power tool with an abrasive pad, a wire brush, or 3M Roloc™ Bristle Disc (white or yellow)
(3).
2009 Jeep Patriot Limited
2009 ENGINE 2.0L Diesel - Service Information - Compass & Patriot
a
Saturday, September 08, 2012 12:56:40 PM Page 2 © 2006 Mitchell Repair Information Company, LLC.
Fig. 3: Proper Tool Usage for Surface Preparation
Courtesy of CHRYSLER LLC
Only use the following for cleaning gasket surfaces:
Solvent or a commercially available gasket remover
Plastic or wood scraper (4).
Sealing surfaces must be free of grease or oil residue. Clean surfaces with Mopar® brake parts cleaner (or
equivalent).
COMPRESSION TESTING ENGINE
1. Warm up engine to operating temperature (approximately 80 °C, 176°F).
2. Shut off engine.
3. Remove engine cover. Refer to ENGINE COVER.
4. Disconnect fuel feed and return lines from the fuel filter.
5. Operate a vacuum pump connected to the return line until no more fuel comes out.
6. Remove injectors. Refer to Fuel System/Fuel Injection/INJECTOR(S), Fuel - Removal .
7. Crank engine several times with the starter to eliminate combustion residues in the cylinders.
8. Insert compression adapter 9889 into injector hole of cylinder to be tested. Install injector retainer bolts
and tighten.
9. Test compression pressure by cranking engine with starter for at least 8 revolutions.
10. Carry out test procedure at the remaining cylinders in the same way.
11. Compare pressure readings obtained with the specified pressures. If the pressure reading is below the
minimum compression pressure or if the permissible difference between the individual cylinders is
exceeded, refer to Standard Procedure.
2.0L COMPRESSION SPECIFICATION
NOTE: Multi-Layer Steel (MLS) head gaskets require a scratch free sealing surface.
CAUTION: Excessive pressure and/or high RPM (beyond the recommended speed),
can damage the sealing surfaces. The mild (white, 120 grit) bristle disc is
recommended. If necessary, the medium (yellow, 80 grit) bristle disc may
be used on cast iron surfaces with care.
CAUTION: Injector retaining bolts must be replaced after performing compression
test.
COMPRESSION SPECIFICATION
Minimum Allowable 18 bar (261 psi.)
Maximum Allowable 3 bar (44 psi.)
2009 Jeep Patriot Limited
2009 ENGINE 2.0L Diesel - Service Information - Compass & Patriot
a
Saturday, September 08, 2012 12:56:40 PM Page 3 © 2006 Mitchell Repair Information Company, LLC.
12. Remove adapter from cylinder head.
13. Install injectors with new bolts. Refer to Fuel System/Fuel Injection/INJECTOR(S), Fuel -
Installation .
14. Install engine cover. Refer to ENGINE COVER.
CYLINDER LEAK DOWN TEST
1. Warm engine to operating temperature.
2. Open cooling system cap at coolant recover pressure container.
3. Remove engine cover. Refer to ENGINE COVER.
4. Unscrew oil filler cap.
5. Remove glow plugs. Refer to Electrical - Ignition Control/Ignition Control/PLUG, Glow - Removal .
6. Position cylinder to be tested to ignition Top Dead Center (DTC).
7. Connect cylinder leak down tester and follow INSPECTING Instruction.
INSPECTING
Difference Between Cylinders
Average Compression 24 - 30 bar (348 - 435 psi)
NOTE: Injector retaining bolts must be replaced when installing injectors.
WARNING: Do not open cooling system unless coolant temperature is below 90°
c (194°f). Risk of injury to skin and eyes as a result of scalding with
hot coolant which splashes out. Risk of poisoning from swallowing
coolant. Open cap slowly and release pressure. Store coolant in
proper containers only. Wear protective gloves, clothing and eye
protection.
NOTE: Turn cap carefully as far as first detent, release pressure, then unscrew
cap.
NOTE: Crank engine at crankshaft in direction of rotation of the engine
(clockwise).
NOTE: Calibrate cylinder leak down tester and remove check valve in screw-in
fitting.
NOTE: If crankshaft rotates, install retaining lock for crankshaft/ring gear.
2009 Jeep Patriot Limited
2009 ENGINE 2.0L Diesel - Service Information - Compass & Patriot
a
Saturday, September 08, 2012 12:56:40 PM Page 4 © 2006 Mitchell Repair Information Company, LLC.
1. Pressurize cylinder with compressed air and read off pressure loss at cylinder leak tester. If excessive
pressure loss exists, determine cause by viewing the paragraph below.
2. Carry out test of other cylinders in the firing order of engine.
DETERMINING PRESSURE LOSS
If a great pressure loss was detected, listen using a stethoscope around suspected areas, such as the cylinder
head gasket through the air suction area, the exhaust system, the oil filler neck, the pre-chamber, the bore holes
of the cylinder effected or neighboring cylinders. Observe the coolant in the expansion tank, looking for traces
of bubbles.
The possible causes of pressure loss are:
If air leak is detected through the pre-chamber, cylinder bore hole, from a neighboring cylinder or air
bubbles in the coolant expansion tank, pressure loss may be caused by the cylinder head gasket.
If the air leak occurs in the air suction area, the pressure loss may be caused by the intake valve(s).
Air leak through the exhaust system, may be caused by the exhaust valve(s).
Air leak through the oil filler neck, may be caused by piston, ring, or cylinder sleeve.
If none of the above evidence supports a failure, the engine may be assembled and run until operating
temperature is reached. Reconnect engine leak down tester on a warm engine with a few drops of clean engine
oil in the cylinder being tested. Engine oil seals the clearance between the piston and cylinder for a short length
of time. If under this condition a smaller pressure loss occurs for a shorter length of time, it is possible that the
cause is piston, ring or cylinder sleeve related.
REMOVAL
ENGINE COVER
NOTE: If the retaining lock is installed, remove it, rotate engine and install lock
once again.
2009 Jeep Patriot Limited
2009 ENGINE 2.0L Diesel - Service Information - Compass & Patriot
a
Saturday, September 08, 2012 12:56:40 PM Page 5 © 2006 Mitchell Repair Information Company, LLC.
Fig. 4: Engine Cover
Courtesy of CHRYSLER LLC
1. Remove engine cover by lifting upwards.
ENGINE
Fig. 5: Air Cleaner Assembly
Courtesy of CHRYSLER LLC
1. Remove air inlet duct (3).
2. Remove air cleaner assembly (2).
CAUTION: When removing ancillary components, plug all inlet/outlet and fluid lines
to prevent residual leakage and contamination.
2009 Jeep Patriot Limited
2009 ENGINE 2.0L Diesel - Service Information - Compass & Patriot
a
Saturday, September 08, 2012 12:56:40 PM Page 6 © 2006 Mitchell Repair Information Company, LLC.
Fig. 6: Battery
Courtesy of CHRYSLER LLC
3. Disconnect cables from battery (2).
Fig. 7: Radiator Closeout Panel
Courtesy of CHRYSLER LLC
4. Remove radiator closure panel (2).
2009 Jeep Patriot Limited
2009 ENGINE 2.0L Diesel - Service Information - Compass & Patriot
a
Saturday, September 08, 2012 12:56:40 PM Page 7 © 2006 Mitchell Repair Information Company, LLC.
Fig. 8: Engine Cover-Removal
Courtesy of CHRYSLER LLC
5. Remove engine cover. Refer to ENGINE COVER.
6. Reposition TIPM for access.
7. Remove body ground and disconnect PCM electrical connector and remove PCM.
Fig. 9: Vacuum Module Electrical Connector
Courtesy of CHRYSLER LLC
8. Disconnect vacuum module electrical connector (2).
2009 Jeep Patriot Limited
2009 ENGINE 2.0L Diesel - Service Information - Compass & Patriot
a
Saturday, September 08, 2012 12:56:40 PM Page 8 © 2006 Mitchell Repair Information Company, LLC.
Fig. 10: Vacuum Control Module
Courtesy of CHRYSLER LLC
9. Disconnect vacuum harness (1) from vacuum control module (2) and remove vacuum control module
from battery tray (3).
Fig. 11: Battery Tray
Courtesy of CHRYSLER LLC
10. Remove battery tray retaining bolts (2) and remove battery tray (1).
2009 Jeep Patriot Limited
2009 ENGINE 2.0L Diesel - Service Information - Compass & Patriot
a
Saturday, September 08, 2012 12:56:40 PM Page 9 © 2006 Mitchell Repair Information Company, LLC.
11. Remove upper radiator hose support.
12. Drain cooling system. Refer to Cooling - Standard Procedure .
13. Discharge air conditioning. Refer to Heating and Air Conditioning/Plumbing - Standard Procedure .
14. Remove cooling module assembly. Refer to Cooling/Engine/FAN, Cooling - Removal .
Fig. 12: Coolant Reservoir
Courtesy of CHRYSLER LLC
15. Remove coolant recovery reservoir (4).
16. Remove power steering reservoir (2) and reposition.
Fig. 13: Pressure Line
Courtesy of CHRYSLER LLC
2009 Jeep Patriot Limited
2009 ENGINE 2.0L Diesel - Service Information - Compass & Patriot
a
Saturday, September 08, 2012 12:56:40 PM Page 10 © 2006 Mitchell Repair Information Company, LLC.
17. Remove accessory drive belt (5).
18. Remove power steering line support bracket retaining bolt (2).
19. Remove power steering pump (6) and set aside.
Fig. 14: Right Engine Mount Bracket
Courtesy of CHRYSLER LLC
20. Remove accessory drive idler pulley (2).
21. Disconnect electrical connectors at generator.
22. Remove generator.
Fig. 15: A/C Compressor-Refrigerant Lines
Courtesy of CHRYSLER LLC
2009 Jeep Patriot Limited
2009 ENGINE 2.0L Diesel - Service Information - Compass & Patriot
a
Saturday, September 08, 2012 12:56:40 PM Page 11 © 2006 Mitchell Repair Information Company, LLC.
23. Disconnect A/C compressor electrical connector (2).
24. Disconnect A/C lines (4) at the compressor.
25. Remove A/C compressor (3).
Fig. 16: Fuel Pump
Courtesy of CHRYSLER LLC
26. Disconnect vacuum hose at tandem pump (1).
27. Disconnect heater hoses at engine.
28. Remove air inlet tube from throttle body.
Fig. 17: Starter Electrical Connections
Courtesy of CHRYSLER LLC
2009 Jeep Patriot Limited
2009 ENGINE 2.0L Diesel - Service Information - Compass & Patriot
a
Saturday, September 08, 2012 12:56:40 PM Page 12 © 2006 Mitchell Repair Information Company, LLC.
29. Disconnect starter electrical connections (1,2) and remove starter.
Fig. 18: Hydraulic Clutch Line
Courtesy of CHRYSLER LLC
30. Remove shift cables (2) from transaxle.
31. Remove shift cable retaining bracket from transaxle.
32. Disconnect hydraulic clutch line (1).
33. Remove left and right axle shafts. Refer to Differential and Driveline/Half Shaft - Removal .
NOTE: When removing tripod joint, DO NOT let spline or snap ring drag across
transaxle oil seal lip.
2009 Jeep Patriot Limited
2009 ENGINE 2.0L Diesel - Service Information - Compass & Patriot
a
Saturday, September 08, 2012 12:56:40 PM Page 13 © 2006 Mitchell Repair Information Company, LLC.
Fig. 19: Air Inlet Tube
Courtesy of CHRYSLER LLC
34. Remove turbocharger inlet and outlet tubes.
35. Remove air tube retaining bolt (1) and remove air inlet tube (2).
Fig. 20: Transmission Cross Member
Courtesy of CHRYSLER LLC
36. Remove front transaxle mount through bolt (4).
37. Remove fore/aft member retaining bolts (2,3) and remove fore/aft member (1).
2009 Jeep Patriot Limited
2009 ENGINE 2.0L Diesel - Service Information - Compass & Patriot
a
Saturday, September 08, 2012 12:56:40 PM Page 14 © 2006 Mitchell Repair Information Company, LLC.
Fig. 21: Catalytic Converter - Diesel
Courtesy of CHRYSLER LLC
38. Disconnect catalytic converter (1) from exhaust pipe.
39. Loosen catalytic converter clamp (2) and remove catalytic converter (1) and gasket (3) from turbocharger.
40. Remove catalytic converter assembly.
41. Remove PTU assembly (if equipped). Refer to Transmission and Transfer Case/Power Transfer Unit
- Removal .
Fig. 22: Rear Engine Mount
Courtesy of CHRYSLER LLC
2009 Jeep Patriot Limited
2009 ENGINE 2.0L Diesel - Service Information - Compass & Patriot
a
Saturday, September 08, 2012 12:56:40 PM Page 15 © 2006 Mitchell Repair Information Company, LLC.
42. Remove rear engine mount through bolt (3).
43. Remove rear engine mount bracket retaining bolts (1) and remove engine mount bracket (2).
44. Remove rear engine mount.
Fig. 23: Engine Cradle Bracket 6973
Courtesy of CHRYSLER LLC
45. Install cradle mount adapter 6973 (2) to engine block.
Fig. 24: Engine Cradle Dolly
Courtesy of CHRYSLER LLC
46. Lower vehicle and position Dolly 6135 (2) and Cradle 6710A (1) under engine.
2009 Jeep Patriot Limited
2009 ENGINE 2.0L Diesel - Service Information - Compass & Patriot
a
Saturday, September 08, 2012 12:56:40 PM Page 16 © 2006 Mitchell Repair Information Company, LLC.
47. Position the engine cradle dolly with the cradle and support posts 6848 (3,5,8,9) underneath the engine.
48. Carefully lower the vehicle enough to position the engine above the support posts.
49. Adjust the height of each support post as necessary and tighten the support posts and cradle fasteners.
Fig. 25: Engine Cradle Dolly
Courtesy of CHRYSLER LLC
50. Carefully lower vehicle enough to seat engine onto support posts.
51. Install, tighten and lock safety straps (6,7) around engine and attach them to the cradle.
52. Lower vehicle so that only the weight of the engine and transmission assembly is on dolly fixture.
WARNING: Safety straps must be use to secure engine to the dolly fixture.
2009 Jeep Patriot Limited
2009 ENGINE 2.0L Diesel - Service Information - Compass & Patriot
a
Saturday, September 08, 2012 12:56:40 PM Page 17 © 2006 Mitchell Repair Information Company, LLC.
Fig. 26: Right Engine Mount
Courtesy of CHRYSLER LLC
53. Remove right mount (1) to engine bracket retaining bolts.
Fig. 27: Left Engine Mount
Courtesy of CHRYSLER LLC
54. Remove left mount (3) to transaxle retaining bolts.
55. While watching for obstructions, slowly raise the vehicle until the engine and transmission assembly clear
the engine compartment.
56. Separate engine and transmission.
CAUTION: It may be necessary to adjust the engine and transmission assembly,
with the dolly fixture attached, to successfully clear the engine
compartment.
2009 Jeep Patriot Limited
2009 ENGINE 2.0L Diesel - Service Information - Compass & Patriot
a
Saturday, September 08, 2012 12:56:40 PM Page 18 © 2006 Mitchell Repair Information Company, LLC.
INSTALLATION
ENGINE COVER
Fig. 28: Identifying Engine Cover
Courtesy of CHRYSLER LLC
1. Align engine cover (1) with mounting retainers.
2. Firmly press cover onto mounting studs.
ENGINE
2009 Jeep Patriot Limited
2009 ENGINE 2.0L Diesel - Service Information - Compass & Patriot
a
Saturday, September 08, 2012 12:56:40 PM Page 19 © 2006 Mitchell Repair Information Company, LLC.
Fig. 29: Engine Dolly
Courtesy of CHRYSLER LLC
1. Seat engine onto fixture support posts then install, tighten and lock safety straps (6,7) around engine,
securing it to the cradle.
2. Position the engine and transmission assemblies below vehicle engine compartment.
3. While watching for obstructions, slowly lower the vehicle until the engine and transmission assembly
clearly fit the engine compartment.
Fig. 30: Left Engine Mount Bracket
Courtesy of CHRYSLER LLC
4. Install left mount bracket (3) to transaxle retaining bolts and tighten to 65 N.m (50 ft. lbs.).
WARNING: Safety straps must be used to secure engine to the dolly fixture.
CAUTION: It may be necessary to adjust the engine and transmission assembly,
with the dolly fixture attached, to successfully clear the engine
compartment.
2009 Jeep Patriot Limited
2009 ENGINE 2.0L Diesel - Service Information - Compass & Patriot
a
Saturday, September 08, 2012 12:56:40 PM Page 20 © 2006 Mitchell Repair Information Company, LLC.
Fig. 31: Right Engine Mount Bracket
Courtesy of CHRYSLER LLC
5. Install right mount bracket (1) to frame rail retaining bolts and tighten to 65 N.m (50 ft. lbs.).
Fig. 32: Engine Dolly
Courtesy of CHRYSLER LLC
6. Remove safety straps (6,7) and remove dolly fixture.
7. Carefully raise the vehicle enough to clear the cradle and support post.
8. Install catalytic converter loosely.
9. Install PTU (if equipped). Refer to Transmission and Transfer Case/Power Transfer Unit -
Installation .
2009 Jeep Patriot Limited
2009 ENGINE 2.0L Diesel - Service Information - Compass & Patriot
a
Saturday, September 08, 2012 12:56:40 PM Page 21 © 2006 Mitchell Repair Information Company, LLC.
10. Place a suitable jack under transaxle and raise engine/trans assembly.
11. Install exhaust to PTU mount.
12. Install catalytic converter band clamp and tighten.
13. Install power steering hose clamp to exhaust manifold.
14. Install PTU to block support bracket.
Fig. 33: Transmission Crossmember
Courtesy of CHRYSLER LLC
15. Install rear mount bracket to cradle.
16. Install front transaxle mount bracket to transaxle.
17. Install fore aft member (1).
18. Install front mount through bolt (4) and tighten.
19. Install turbo outlet pipe.
20. Install axle shafts.
21. Insert ball joint into steering knuckle and tighten pinch bolts and tighten.
22. Install turbo inlet pipe from air cleaner to turbocharger.
23. Install charge air hose from inter cooler to throttle body.
2009 Jeep Patriot Limited
2009 ENGINE 2.0L Diesel - Service Information - Compass & Patriot
a
Saturday, September 08, 2012 12:56:40 PM Page 22 © 2006 Mitchell Repair Information Company, LLC.
Fig. 34: Shift Cables
Courtesy of CHRYSLER LLC
24. Install shift cables (2).
Fig. 35: Starter Mounting Bolts
Courtesy of CHRYSLER LLC
25. Position starter and install starter mounting bolts (1).
2009 Jeep Patriot Limited
2009 ENGINE 2.0L Diesel - Service Information - Compass & Patriot
a
Saturday, September 08, 2012 12:56:40 PM Page 23 © 2006 Mitchell Repair Information Company, LLC.
Fig. 36: Starter Electrical
Courtesy of CHRYSLER LLC
26. Connect starter electrical connectors (1,2).
27. Install vacuum harness and coolant tube.
28. Connect fuel lines near head.
29. Connect vacuum hose to brake booster.
30. Install A/C compressor and connect A/C lines.
31. Connect engine wiring harness connectors.
32. Install generator and connect electrical connectors.
Fig. 37: Coolant Reservoir
Courtesy of CHRYSLER LLC
2009 Jeep Patriot Limited
2009 ENGINE 2.0L Diesel - Service Information - Compass & Patriot
a
Saturday, September 08, 2012 12:56:40 PM Page 24 © 2006 Mitchell Repair Information Company, LLC.
33. Install serpentine belt tensioner and install serpentine belt.
34. Install coolant recovery bottle (4).
35. Install coolant module, connect cooling fan connectors.
36. Connect upper and lower radiator hoses.
37. Connect charge air hoses to inter cooler.
38. Connect A/C lines to condenser and connect electrical connectors.
39. Fill engine with coolant.
40. Install new oil filter and fill engine with oil.
Fig. 38: Engine Cover
Courtesy of CHRYSLER LLC
41. Evacuate the refrigerant system. Refer to Heating and Air Conditioning/Plumbing - Standard
Procedure .
42. Charge the refrigerant system. Refer to Heating and Air Conditioning/Plumbing - Standard
Procedure .
43. Start engine and check for leaks.
44. Install engine cover (1). Refer to ENGINE COVER.
SPECIFICATIONS
2.0L DIESEL ENGINE
CAUTION: Do NOT run the engine with a vacuum pump in operation or with a
vacuum present within the A/C system. Failure to follow this caution
will result in serious A/C compressor damage.
2009 Jeep Patriot Limited
2009 ENGINE 2.0L Diesel - Service Information - Compass & Patriot
a
Saturday, September 08, 2012 12:56:40 PM Page 25 © 2006 Mitchell Repair Information Company, LLC.
GENERAL SPECIFICATIONS
CYLINDER BLOCK
PISTONS
PISTON RINGS
DESCRIPTION SPECIFICATION
Metric Standard
Type In-Line OHV, DOHC
Number of Cylinders 4
Firing Order 1 - 3 - 4 - 2
Compression Ratio 18.5:1
Max. Variation Between Cylinders 25%
Displacement 2.0 L 122 CID
Bore 81.0 mm 3.188 in
Stroke 95.5 mm 3.759 in.
DESCRIPTION SPECIFICATION
Metric Standard
Material Cast Iron
Cylinder Bore Diameter 81.01 mm 3.189 in.
Cylinder Bore Diameter Out-of-
Round (Max.)
0.10 mm 0.003 in.
Cylinder Bore Diameter Taper
(Max.)
0.10 mm 0.003 in.
DESCRIPTION SPECIFICATION
Metric Standard
Piston Diameter 80.96 mm 3.187 in.
DESCRIPTION SPECIFICATION
Metric Standard
Ring Gap-Top Compression Ring 0.20 - 0.40 mm 0.007 - 0.015 in.
Wear Limit 1.0 mm 0.039 in.
Ring Gap - 2nd Compression Ring 0.20 - 0.40 mm 0.007 - 0.015 in.
Wear Limit 1.0 mm 0.039 in.
Ring Gap - Oil Scraper 0.20 - 0.50 mm 0.007 - 0.019 in.
Wear Limit 1.0 mm 0.039 in.
Ring Side Clearance-Top
Compression
0.06 - 0.09 mm 0.002 - 0.003 in.
Wear Limit 0.25 mm 0.009 in.
Ring Side Clearance -2nd
Compression Ring
0.05 - 0.08 mm 0.001 - 0.003 in.
Wear Limit 0.25 mm 0.009 in.
2009 Jeep Patriot Limited
2009 ENGINE 2.0L Diesel - Service Information - Compass & Patriot
a
Saturday, September 08, 2012 12:56:41 PM Page 26 © 2006 Mitchell Repair Information Company, LLC.
CONNECTING ROD
CRANKSHAFT
CAMSHAFT
VALVE GUIDE
VALVES
Ring Side Clearance - Oil Scraper 0.03 - 0.06 mm 0.001 - 0.002 in.
Wear Limit 0.15 mm 0.005 in.
DESCRIPTION SPECIFICATION
Metric Standard
Bearing Clearance 0.03 - 0.08 mm 0.001 - 0.003 in.
Side Clearance 0.37 mm 0.014 in.
DESCRIPTION
SPECIFICATION
Metric Standard
Connecting Rod Journal Diameter 50.878 - 50.942 mm 2.003 - 2.005 in.
Main Bearing Journal Diameter 53.978 - 54.042 mm 2.125 - 2.127 in.
End Play 0.07 - 0.17 mm 0.002 - 0.006 in.
Wear Limit 0.37 mm 0.014 in.
Main Bearing Clearance 0.03 - 0.08 mm 0.001 - 0.003 in.
Wear Limit 0.17 mm 0.006 in.
DESCRIPTION SPECIFICATION
Metric Standard
End Play - Max 0.15 mm 0.005 in.
DESCRIPTION SPECIFICATION
Metric Standard
Stem to Guide Clearance - Max 1.3 mm 0.051 in.
NOTE:
Insert new valve into guide. The end of the valve stem must be flush with guide. Use only inlet valve
in inlet guide and exhaust valve in exhaust guide. Determine rock. Cylinder head must be renewed if
rock exceeds wear limit.
DESCRIPTION SPECIFICATION
Metric Standard
Face Angle - Intake and Exhaust 45° 45°
Head Diameter - Intake 29.40 mm 1.157 in.
Head Diameter - Exhaust 25.50 mm 1.003 in.
Valve Length (Overall) - -
Intake 88.50 mm 3.484 in.
Exhaust 88.20 mm 3.472 in.
2009 Jeep Patriot Limited
2009 ENGINE 2.0L Diesel - Service Information - Compass & Patriot
a
Saturday, September 08, 2012 12:56:41 PM Page 27 © 2006 Mitchell Repair Information Company, LLC.
VALVE STEM TO GUIDE CLEARANCE
OIL PRESSURE
TORQUE
Valve Stem Diameter - -
Intake 5.980 mm 0.235 in.
Exhaust 5.965 mm 0.234 in.
DESCRIPTION SPECIFICATION
Metric Standard
Intake - -
Max. Allowable 1.3 mm 0.051 in.
Exhaust - -
Max. Allowable 1.3 mm 0.051 in.
DESCRIPTION SPECIFICATION
Metric Standard
At Curb Idle Speed* 0.55 bar 8 psi
At 2000 RPM 2.0 bar 29 psi
Max Oil Pressure 7.0 bar 101 psi
CAUTION:
*If pressure is ZERO at curb idle, DO NOT run engine at 2000 RPM.
DESCRIPTION N.m Ft. Lbs. In. Lbs.
Accessory Bracket-Bolts 45 33 -
Accessory Drive Belt Tensioner-Bolt 25 - 221
Bearing Frame-Bolts 20 - 177
Cable Retainer-Bolts 10 - 89
Camshaft Hub-Bolt 100 74 -
Camshaft Position Sensor-Bolt 10 - 89
Camshaft Sprocket-Bolt 25 - 221
Connecting Rod Cap-Bolts 30 + 90° 22 + 90° -
Crankshaft Main Bearing Cap-Bolts 65 + 90° 48 + 90° -
Crankshaft Damper-Bolt 10 + 90° - 89 + 90°
Crankshaft Position Sensor-Bolt 5 - 44
Crankshaft Front Sealing Flange-Bolts 15 - 133
Crankshaft Rear Sealing Flange-Bolts 15 - 133
Crankshaft Sprocket 120 + 90° 89 + 90° -
Cylinder Head-Bolts Refer to Procedure
Cylinder Head Cover-Bolts 10 - 89
Engine Support Bracket-Bolts 45 33 -
2009 Jeep Patriot Limited
2009 ENGINE 2.0L Diesel - Service Information - Compass & Patriot
a
Saturday, September 08, 2012 12:56:41 PM Page 28 © 2006 Mitchell Repair Information Company, LLC.
SPECIAL TOOLS
SPECIAL TOOLS
Fig. 39: Cradle 6710
Exhaust Gas Recirculation Valve-Bolts 10 - 89
Exhaust Gas Recirculation Valve Tube-Bolts 20 - 177
Exhaust Manifold-Nuts 25 - 221
Exhaust Manifold Heat Shield-Bolts 25 - 221
Flywheel-Bolts 60 + 90° 44 + 90° -
Fuel Pump-Bolts 20 - 177
Glow Plugs 10 - 89
Injector-Bolts 3 + 90° +180° - 27 + 90° +180°
Intake Manifold-Bolts 20 - 177
Intake Manifold Flap-Bolts 10 - 89
Oil Cooler Connector-Bolt 25 - 221
Oil Dipstick Tube-Bolt 10 - 89
Oil Filter Cover 25 - 221
Oil Filter Housing-Bolts 15 + 90° - 133 + 90°
Oil Pan-Bolts 15 - 133
Oil Pan Drain-Plug 30 22 -
Oil Pump-Bolts 15 - 133
Oil Pump Drive Chain Tensioner-Bolt 15 - 133
Oil Pump Pick-up Tube-Bolts 15 - 133
Oil Pump Sprocket-Bolt 22 + 90° - 195 + 90°
Oil Spray Jet-Bolt 25 - 221
Rocker Arm Shaft-Bolts 20 + 90° - 177 + 90°
Thermostat Housing-Bolts 15 - 133
Timing Belt Covers 10 - 89
Timing Belt Tensioner Assembly-Nut 20 + 45° - 177 + 45°
Timing Belt Idler Upper Pulley-Bolt 40 + 90° 30 + 90° -
Timing Belt Idler Lower Pulley-Nut 20 - 177
Turbocharger Oil Supply line at Oil Filter Housing 22 16 -
2009 Jeep Patriot Limited
2009 ENGINE 2.0L Diesel - Service Information - Compass & Patriot
a
Saturday, September 08, 2012 12:56:41 PM Page 29 © 2006 Mitchell Repair Information Company, LLC.
Courtesy of CHRYSLER LLC
Fig. 40: Dolly 6135
Courtesy of CHRYSLER LLC
Fig. 41: Post Kit Engine Cradle 6848
Courtesy of CHRYSLER LLC
Fig. 42: Camshaft Hub Holder 9880
Courtesy of CHRYSLER LLC
2009 Jeep Patriot Limited
2009 ENGINE 2.0L Diesel - Service Information - Compass & Patriot
a
Saturday, September 08, 2012 12:56:41 PM Page 30 © 2006 Mitchell Repair Information Company, LLC.
Fig. 43: Camshaft Locking Pins 9882
Courtesy of CHRYSLER LLC
Fig. 44: Camshaft Seal Installer 9884
Courtesy of CHRYSLER LLC
2009 Jeep Patriot Limited
2009 ENGINE 2.0L Diesel - Service Information - Compass & Patriot
a
Saturday, September 08, 2012 12:56:41 PM Page 31 © 2006 Mitchell Repair Information Company, LLC.
Fig. 45: Compression Adapter 9889
Courtesy of CHRYSLER LLC
Fig. 46: Crankshaft Front Seal Installer 9918
Courtesy of CHRYSLER LLC
2009 Jeep Patriot Limited
2009 ENGINE 2.0L Diesel - Service Information - Compass & Patriot
a
Saturday, September 08, 2012 12:56:41 PM Page 32 © 2006 Mitchell Repair Information Company, LLC.
Fig. 47: Crankshaft Lock 9883
Courtesy of CHRYSLER LLC
Fig. 48: Crankshaft Lock 10122
Courtesy of CHRYSLER LLC
2009 Jeep Patriot Limited
2009 ENGINE 2.0L Diesel - Service Information - Compass & Patriot
a
Saturday, September 08, 2012 12:56:41 PM Page 33 © 2006 Mitchell Repair Information Company, LLC.
Fig. 49: Injector Remover 9887
Courtesy of CHRYSLER LLC
Fig. 50: Rear Main Seal Installer 9888
Courtesy of CHRYSLER LLC
2009 Jeep Patriot Limited
2009 ENGINE 2.0L Diesel - Service Information - Compass & Patriot
a
Saturday, September 08, 2012 12:56:41 PM Page 34 © 2006 Mitchell Repair Information Company, LLC.
Fig. 51: Valve Spring Remover Installer 9916
Courtesy of CHRYSLER LLC
Fig. 52: Glow Plug Adapter 9939
Courtesy of CHRYSLER LLC
2009 Jeep Patriot Limited
2009 ENGINE 2.0L Diesel - Service Information - Compass & Patriot
a
Saturday, September 08, 2012 12:56:41 PM Page 35 © 2006 Mitchell Repair Information Company, LLC.
Fig. 53: Fuel Pressure Adapter 9938
Courtesy of CHRYSLER LLC
AIR INTAKE SYSTEM
AIR CLEANER
Removal
REMOVAL
Fig. 54: Air Filter
Courtesy of CHRYSLER LLC
1. Unfasten clasps on sides of air cleaner housing.
2. Move cover (1) aside.
3. Remove filter element (3).
2009 Jeep Patriot Limited
2009 ENGINE 2.0L Diesel - Service Information - Compass & Patriot
a
Saturday, September 08, 2012 12:56:41 PM Page 36 © 2006 Mitchell Repair Information Company, LLC.
4. If necessary, clean the inside of the air cleaner housing.
Installation
INSTALLATION
Fig. 55: Air Filter
Courtesy of CHRYSLER LLC
1. Install new filter element (3).
2. Replace air cleaner cover (1).
3. Snap clasps in place.
BODY, AIR CLEANER
Description
DESCRIPTION
The air cleaner housing attaches to the inner fender in front of the left side strut tower. An ambient air duct
supplies underhood air for the engine. It attaches to the lower air cleaner box.
Removal
REMOVAL
2009 Jeep Patriot Limited
2009 ENGINE 2.0L Diesel - Service Information - Compass & Patriot
a
Saturday, September 08, 2012 12:56:41 PM Page 37 © 2006 Mitchell Repair Information Company, LLC.
Fig. 56: Air Cleaner Housing
Courtesy of CHRYSLER LLC
1. Remove the inlet duct (3) from the air cleaner housing (2).
2. Disconnect vacuum line (1) from air cleaner housing (2).
Fig. 57: Air Cleaner Housing
Courtesy of CHRYSLER LLC
3. Disconnect turbocharger inlet hose (1) from air cleaner housing (2).
4. Disconnect mass air flow sensor electrical connector (3).
5. Pull air cleaner housing straight up to remove.
Installation
2009 Jeep Patriot Limited
2009 ENGINE 2.0L Diesel - Service Information - Compass & Patriot
a
Saturday, September 08, 2012 12:56:41 PM Page 38 © 2006 Mitchell Repair Information Company, LLC.
INSTALLATION
Fig. 58: Housing Assembly
Courtesy of CHRYSLER LLC
1. Lower air cleaner housing assembly into engine compartment and align studs at bottom of housing with
bracket. Push housing assembly (2) down until fully seated in bracket.
2. Connect turbocharger inlet hose (1) to air cleaner housing (2).
3. Connect mass air flow sensor connector (3).
Fig. 59: Air Inlet Tube
Courtesy of CHRYSLER LLC
4. Connect vacuum line (1).
2009 Jeep Patriot Limited
2009 ENGINE 2.0L Diesel - Service Information - Compass & Patriot
a
Saturday, September 08, 2012 12:56:41 PM Page 39 © 2006 Mitchell Repair Information Company, LLC.
5. Install air inlet tube (3).
CYLINDER HEAD
DESCRIPTION
DESCRIPTION
The aluminum cylinder head is a two piece design. It consists of the cylinder head and a bearing frame.
The cylinder head is a cross flow type design with 4 valves per cylinder. The valves are installed vertically.
The bearing frame is used to mount the camshafts and provides mounting of the central power supply
connector. It also provides mounting for the injector rocker shaft.
REMOVAL
REMOVAL
Fig. 60: Engine Cover
Courtesy of CHRYSLER LLC
1. Remove engine cover (1). Refer to ENGINE COVER.
2009 Jeep Patriot Limited
2009 ENGINE 2.0L Diesel - Service Information - Compass & Patriot
a
Saturday, September 08, 2012 12:56:41 PM Page 40 © 2006 Mitchell Repair Information Company, LLC.
Fig. 61: Battery
Courtesy of CHRYSLER LLC
2. Remove air cleaner inlet.
3. Disconnect battery (2).
Fig. 62: Air Filter Housing
Courtesy of CHRYSLER LLC
4. Disconnect MAF sensor electrical connector (3).
5. Disconnect vacuum line at air cleaner housing.
6. Remove air cleaner housing (2).
2009 Jeep Patriot Limited
2009 ENGINE 2.0L Diesel - Service Information - Compass & Patriot
a
Saturday, September 08, 2012 12:56:41 PM Page 41 © 2006 Mitchell Repair Information Company, LLC.
Fig. 63: Vacuum Lines
Courtesy of CHRYSLER LLC
7. Remove vacuum harness (1) and set aside.
8. Disconnect brake booster vacuum line.
Fig. 64: Coolant Reservoir
Courtesy of CHRYSLER LLC
WARNING: Risk of injury to skin and eyes from scalding coolant. Do not open
cooling system unless temperature is below 90°C (194°F). Open cap
slowly to release pressure. Store coolant in approved container only.
2009 Jeep Patriot Limited
2009 ENGINE 2.0L Diesel - Service Information - Compass & Patriot
a
Saturday, September 08, 2012 12:56:41 PM Page 42 © 2006 Mitchell Repair Information Company, LLC.
9. Drain coolant.
10. Remove coolant tube from reservoir (4).
11. Remove coolant reservoir (4).
Fig. 65: Injector Harness Connector at Cylinder Head
Courtesy of CHRYSLER LLC
12. Disconnect injector harness connector (1) at cylinder head.
13. Remove fuel line retaining bracket.
Fig. 66: Tandem Pump
Courtesy of CHRYSLER LLC
Wear protective gloves, clothing and eye wear.
2009 Jeep Patriot Limited
2009 ENGINE 2.0L Diesel - Service Information - Compass & Patriot
a
Saturday, September 08, 2012 12:56:41 PM Page 43 © 2006 Mitchell Repair Information Company, LLC.
14. Drain fuel from the injection system prior to removing fuel pump. Refer to Fuel System/Fuel Injection -
Standard Procedure .
15. Disconnect vacuum line (1) from pump.
16. Disconnect fuel lines (3,4) from pump.
17. Remove fuel pump retaining bolts (2) and remove pump.
18. Disconnect coolant hose near fuel pump.
19. Remove upper radiator hose at cylinder head.
20. Disconnect engine electrical connectors.
21. Remove air inlet hose from throttle body.
Fig. 67: Turbo Outlet Pipe
Courtesy of CHRYSLER LLC
22. Raise vehicle.
23. Remove right splash shield.
24. Remove turbo outlet pipe retaining bolt (1) and remove pipe (2).
25. Remove turbo inlet pipe.
NOTE: Place rags below pump to catch fuel spillage.
2009 Jeep Patriot Limited
2009 ENGINE 2.0L Diesel - Service Information - Compass & Patriot
a
Saturday, September 08, 2012 12:56:41 PM Page 44 © 2006 Mitchell Repair Information Company, LLC.
Fig. 68: Power Steering Line Support
Courtesy of CHRYSLER LLC
26. Remove power steering hose support bracket (2) at exhaust manifold.
27. Remove EGR cooler. Refer to Cooling/Engine/COOLER, EGR - Removal .
Fig. 69: Right Engine Mount Bracket
Courtesy of CHRYSLER LLC
28. Remove accessory drive belt.
29. Remove balancer (4).
2009 Jeep Patriot Limited
2009 ENGINE 2.0L Diesel - Service Information - Compass & Patriot
a
Saturday, September 08, 2012 12:56:41 PM Page 45 © 2006 Mitchell Repair Information Company, LLC.
Fig. 70: Right Engine Mount Bracket
Courtesy of CHRYSLER LLC
30. Remove right engine mount bracket (5) lower bolt.
31. Lower vehicle.
Fig. 71: Right Engine Mount Bracket
Courtesy of CHRYSLER LLC
32. Support oil pan with a suitable jack.
33. Remove right engine mount through bolt (2).
34. Remove right engine mount bracket (1).
35. Remove right engine mount (3).
2009 Jeep Patriot Limited
2009 ENGINE 2.0L Diesel - Service Information - Compass & Patriot
a
Saturday, September 08, 2012 12:56:41 PM Page 46 © 2006 Mitchell Repair Information Company, LLC.
Fig. 72: Right Engine Mount Bracket
Courtesy of CHRYSLER LLC
36. Remove accessory drive belt tensioner (3).
37. Remove the remaining engine mounting bracket retaining bolts (1).
38. Remove right engine mounting bracket (5).
39. Remove harmonic dampener (4).
Fig. 73: Power Steering Line Support
Courtesy of CHRYSLER LLC
40. Remove timing belt. See Removal.
41. Remove oil feed pipe from turbo (4) and remove pipe retainers (5).
42. Remove exhaust manifold.
2009 Jeep Patriot Limited
2009 ENGINE 2.0L Diesel - Service Information - Compass & Patriot
a
Saturday, September 08, 2012 12:56:41 PM Page 47 © 2006 Mitchell Repair Information Company, LLC.
Fig. 74: Camshafts
Courtesy of CHRYSLER LLC
43. Remove camshaft sprockets.
44. Remove camshaft sprocket hubs.
45. Remove injector rocker arm shaft.
46. Remove bearing frame.
47. Remove camshafts.
48. Remove injector retaining bolts and discard.
49. Remove injectors using injector remover 9887. Refer to Fuel System/Fuel Injection/INJECTOR(S),
Fuel - Removal .
Fig. 75: Torque Sequence
Courtesy of CHRYSLER LLC
2009 Jeep Patriot Limited
2009 ENGINE 2.0L Diesel - Service Information - Compass & Patriot
a
Saturday, September 08, 2012 12:56:41 PM Page 48 © 2006 Mitchell Repair Information Company, LLC.
50. Remove cylinder head bolts and discard.
51. Remove cylinder head.
CLEANING
CLEANING
Fig. 76: Proper Tool Usage for Surface Preparation
Courtesy of CHRYSLER LLC
To ensure engine gasket sealing, proper surface preparation must be performed, especially with the use of
aluminum engine components and multi-layer steel cylinder head gaskets.
Remove all gasket material from cylinder head and block. See Standard Procedure. Be careful not to gouge or
scratch the aluminum head sealing surface.
Clean all engine oil passages.
INSPECTION
NOTE: Loosen cylinder head bolts in the reverse order of the tightening
sequence.
WARNING: No fire, open flames or smoking. Risk of poisoning from inhaling
and swallowing fuel. Risk of injury from skin and eye contact with
fuel. Pour fuels only into suitable and appropriately marked
containers. Wear protective clothing when handling fuel.
NOTE: Multi-Layer Steel (MLS) head gaskets require a scratch free sealing surface.
2009 Jeep Patriot Limited
2009 ENGINE 2.0L Diesel - Service Information - Compass & Patriot
a
Saturday, September 08, 2012 12:56:41 PM Page 49 © 2006 Mitchell Repair Information Company, LLC.
INSPECTION
Fig. 77: Checking Cylinder Head Flatness
Courtesy of CHRYSLER LLC
1. Cylinder head must be flat within 0.1 mm (0.004 in.). See Fig. 77 .
Fig. 78: Checking Wear on Valve Guide-Typical
Courtesy of CHRYSLER LLC
NOTE: Cylinder head cannot be resurfaced.
NOTE: Replacement cylinder heads will come complete with valves, seals, springs,
retainers, keepers.
1 - FEELER GAUGE
2 - STRAIGHT EDGE
1 - TOP
2 - MIDDLE
3 - BOTTOM
4 - CUT AWAY VIEW OF VALVE GUIDE
2009 Jeep Patriot Limited
2009 ENGINE 2.0L Diesel - Service Information - Compass & Patriot
a
Saturday, September 08, 2012 12:56:41 PM Page 50 © 2006 Mitchell Repair Information Company, LLC.
2. Inspect camshaft bearing journals for scoring.
3. Remove carbon and varnish deposits from inside of valve guides with a reliable guide cleaner.
4. Using a small hole gauge and a micrometer, measure valve guides in 3 places top (1), middle (2), and
bottom (3). See Specifications. Replace guides if they are not within specification.
5. Check valve guide height.
6. Prior to installing cylinder head, the cylinder block should be checked for flatness. Refer to
Engine/Engine Block - Inspection .
INSTALLATION
INSTALLATION
Fig. 79: Gasket Identification
Courtesy of CHRYSLER LLC
MEASUREMENT LOCATIONS
WARNING: No fire, open flames or smoking. Service vehicles in well ventilated areas.
Risk of poisoning from inhaling or swallowing fuel. Risk of injury from
skin and eye contact with fuel. Wear protective clothing.
NOTE: Thoroughly clean all mating surfaces with appropriate solvents and blow out
bolt holes, to assure that no grease or oil is present during reassembly.
NOTE: If piston or connecting rods have been replaced, measure piston projection to
ensure proper head gasket selection. See Standard Procedure.
NOTE: Check facing cylinder head contact surface.
2009 Jeep Patriot Limited
2009 ENGINE 2.0L Diesel - Service Information - Compass & Patriot
a
Saturday, September 08, 2012 12:56:41 PM Page 51 © 2006 Mitchell Repair Information Company, LLC.
1. Remove crankshaft lock 9883.
2. Rotate crankshaft counterclockwise until all pistons are in the middle of the bore.
3. Position the cylinder head gasket with writing (2) facing upwards on engine using the dowel pins as
guide.
Fig. 80: Torque Sequence
Courtesy of CHRYSLER LLC
4. Position the cylinder head on the engine and install new cylinder head bolts.
a. Torque cylinder head bolts to 35 N.m (26 ft. lbs.) in the sequence shown in illustration
b. Torque cylinder head bolts to 60 N.m (44 ft. lbs.) in the sequence shown in illustration
c. Rotate each bolt in the sequence above 90°.
d. Rotate each bolt in the sequence above an additional 90°.
NOTE: Ensure that the gasket is correct before installing. Gasket is identified by
holes stamped in the gasket (1).
2009 Jeep Patriot Limited
2009 ENGINE 2.0L Diesel - Service Information - Compass & Patriot
a
Saturday, September 08, 2012 12:56:41 PM Page 52 © 2006 Mitchell Repair Information Company, LLC.
Fig. 81: Installing Camshafts
Courtesy of CHRYSLER LLC
5. Install camshafts (1). See Installation
6. Install camshaft oil seals using camshaft front oil seal installer 9884.
7. Install cam position sensor.
8. Install rear timing belt cover.
9. Install camshaft hubs.
10. Install camshaft sprockets.
11. Install camshaft locking pins 9882.
12. Rotate crankshaft clockwise and install crankshaft lock 9883.
13. Install timing belt.
14. Install unit injectors. Refer to injector replacement. See Fuel System/Fuel Injection/INJECTOR(S),
Fuel - Installation .
CAUTION: When installing unit injectors, new bolts must be used.
NOTE: When installing used unit injector, new o-rings must be used.
2009 Jeep Patriot Limited
2009 ENGINE 2.0L Diesel - Service Information - Compass & Patriot
a
Saturday, September 08, 2012 12:56:41 PM Page 53 © 2006 Mitchell Repair Information Company, LLC.
Fig. 82: Power Steering Line Support
Courtesy of CHRYSLER LLC
15. Install exhaust manifold gasket and manifold.
16. Install oil feed pipe (4) to turbo and install pipe hold down clamp (5).
17. Instal exhaust manifold heat shields.
2009 Jeep Patriot Limited
2009 ENGINE 2.0L Diesel - Service Information - Compass & Patriot
a
Saturday, September 08, 2012 12:56:41 PM Page 54 © 2006 Mitchell Repair Information Company, LLC.
Fig. 83: Intake Manifold
Courtesy of CHRYSLER LLC
18. Install intake manifold gasket (2) and manifold (1). See Installation.
19. Install EGR assembly (7).
20. Install throttle plate assembly (5).
21. Install exhaust manifold to EGR tube (3).
22. Install coolant hose to EGR cooler assembly.
23. Install timing belt cover.
Fig. 84: Right Engine Mount Bracket
Courtesy of CHRYSLER LLC
24. Install right engine mount bracket (5).
25. Install accessory drive belt tensioner.
2009 Jeep Patriot Limited
2009 ENGINE 2.0L Diesel - Service Information - Compass & Patriot
a
Saturday, September 08, 2012 12:56:41 PM Page 55 © 2006 Mitchell Repair Information Company, LLC.
Fig. 85: Right Engine Mount
Courtesy of CHRYSLER LLC
26. Install right engine mount (3).
27. Remove jack.
28. Raise vehicle.
29. Install right engine mount lower bolt.
Fig. 86: Right Engine Mount Bracket
Courtesy of CHRYSLER LLC
30. Install balancer (4).
31. Install accessory drive belt.
2009 Jeep Patriot Limited
2009 ENGINE 2.0L Diesel - Service Information - Compass & Patriot
a
Saturday, September 08, 2012 12:56:41 PM Page 56 © 2006 Mitchell Repair Information Company, LLC.
Fig. 87: Power Steering Line Support
Courtesy of CHRYSLER LLC
32. Install power steering hose support bracket at exhaust manifold (2).
33. Install turbo outlet pipe.
34. Install turbo inlet pipe.
35. Install right splash shield.
36. Lower vehicle.
Fig. 88: Coolant Reservoir
Courtesy of CHRYSLER LLC
37. Install coolant recovery bottle (4).
38. Install air inlet hose to throttle body.
2009 Jeep Patriot Limited
2009 ENGINE 2.0L Diesel - Service Information - Compass & Patriot
a
Saturday, September 08, 2012 12:56:41 PM Page 57 © 2006 Mitchell Repair Information Company, LLC.
39. Connect engine electrical connectors.
40. Install upper radiator hose at cylinder head.
41. Connect coolant hoses near fuel pump.
Fig. 89: Fuel Pump
Courtesy of CHRYSLER LLC
42. Install fuel pump. Refer to Fuel System/Fuel Delivery/PUMP, Tandem Fuel - Installation .
43. Install fuel line retaining bracket.
44. Connect injector harness at cylinder head.
45. Connect brake booster vacuum hose (1).
46. Connect coolant tube at reservoir.
47. Install vacuum harness.
48. Fill with coolant.
49. Install new oil filter and fill with oil.
2009 Jeep Patriot Limited
2009 ENGINE 2.0L Diesel - Service Information - Compass & Patriot
a
Saturday, September 08, 2012 12:56:41 PM Page 58 © 2006 Mitchell Repair Information Company, LLC.
Fig. 90: Air Cleaner Assembly
Courtesy of CHRYSLER LLC
50. Install air cleaner assembly (2).
51. Connect battery.
52. Start engine and check for leaks.
CAMSHAFT, ENGINE
Removal
REMOVAL
Fig. 91: Engine Cover
2009 Jeep Patriot Limited
2009 ENGINE 2.0L Diesel - Service Information - Compass & Patriot
a
Saturday, September 08, 2012 12:56:41 PM Page 59 © 2006 Mitchell Repair Information Company, LLC.
Courtesy of CHRYSLER LLC
1. Disconnect negative battery cable.
2. Remove engine cover. Refer to ENGINE COVER.
Fig. 92: Crankshaft Timing Marks
Courtesy of CHRYSLER LLC
3. Place engine at TDC.
4. Install crankshaft lock 9883.
5. Remove timing belt. See Removal.
WARNING: No fire, open flames or smoking. Risk of poisoning from inhaling or
swallowing fuel. Risk of injury from skin and eye contact with fuel.
Wear protective clothing. Store fuel only in suitable and
appropriately marked containers.
2009 Jeep Patriot Limited
2009 ENGINE 2.0L Diesel - Service Information - Compass & Patriot
a
Saturday, September 08, 2012 12:56:41 PM Page 60 © 2006 Mitchell Repair Information Company, LLC.
Fig. 93: Fuel Pump
Courtesy of CHRYSLER LLC
6. Remove fuel pump. Refer to Fuel System/Fuel Delivery/PUMP, Tandem Fuel - Removal .
Fig. 94: Camshaft Holder
Courtesy of CHRYSLER LLC
7. Loosen camshaft hub retaining bolt using camshaft sprocket/hub holder 9880 (1).
8. Remove camshaft sprocket retaining bolts using camshaft sprocket/hub holder 9880 (1) and remove
sprockets.
9. Remove camshaft hub retaining bolt and remove hubs with puller.
10. Loosen injector adjusting lock nut and back off injector adjuster.
2009 Jeep Patriot Limited
2009 ENGINE 2.0L Diesel - Service Information - Compass & Patriot
a
Saturday, September 08, 2012 12:56:41 PM Page 61 © 2006 Mitchell Repair Information Company, LLC.
Fig. 95: Rocker Arm Shaft And Bearing Frame Retaining Bolts
Courtesy of CHRYSLER LLC
11. Remove rocker arm shaft and bearing frame retaining bolts.
12. Remove rocker arm shaft.
Fig. 96: Cam Bearing Frame Removal
Courtesy of CHRYSLER LLC
13. Remove bearing frame.
NOTE: If bearing shells are to be reused, clean them and identify location with a
marker.
2009 Jeep Patriot Limited
2009 ENGINE 2.0L Diesel - Service Information - Compass & Patriot
a
Saturday, September 08, 2012 12:56:41 PM Page 62 © 2006 Mitchell Repair Information Company, LLC.
Fig. 97: Camshafts Removal
Courtesy of CHRYSLER LLC
14. Remove camshafts (1).
Installation
INSTALLATION
Fig. 98: Installing Camshafts
Courtesy of CHRYSLER LLC
1. Install new bearing shells in cylinder head.
2. Lubricate bearings with clean engine oil.
3. Install camshafts with cylinder #1 lobes pointing upwards.
2009 Jeep Patriot Limited
2009 ENGINE 2.0L Diesel - Service Information - Compass & Patriot
a
Saturday, September 08, 2012 12:56:41 PM Page 63 © 2006 Mitchell Repair Information Company, LLC.
Fig. 99: Cam Bearing Frame Torque
Courtesy of CHRYSLER LLC
4. Apply a bead of RTV to cylinder head.
5. Install bearing frame and tighten bolts as shown in illustration.
Fig. 100: Injector Shaft Torque
Courtesy of CHRYSLER LLC
6. Install injector rocker arm shaft.
7. Tighten bolts to 20 N.m (177 in. lbs.) in the sequence shown in illustration.
8. Tighten rocker arm shaft bolts an additional 90° as shown in illustration
9. Install camshaft oil seals using. See Installation
10. Install camshafts hubs onto camshafts and install bolts.
2009 Jeep Patriot Limited
2009 ENGINE 2.0L Diesel - Service Information - Compass & Patriot
a
Saturday, September 08, 2012 12:56:41 PM Page 64 © 2006 Mitchell Repair Information Company, LLC.
11. Install sprockets on camshaft hubs with the toothed segment facing upward as shown in illustration
12. Install retaining bolts finger tight.
Fig. 101: Camshafts Holder
Courtesy of CHRYSLER LLC
13. Tighten camshaft hub bolts to 100 N.m (74 ft. lbs.) using hub/sprocket holder 9880 (1).
14. Install camshaft locking pins 9882.
15. Install timing belt. See Installation.
16. Perform injector adjustment. Refer to Fuel System/Fuel Injection/INJECTOR(S), Fuel - Standard
Procedure .
Fig. 102: Fuel Pump
Courtesy of CHRYSLER LLC
2009 Jeep Patriot Limited
2009 ENGINE 2.0L Diesel - Service Information - Compass & Patriot
a
Saturday, September 08, 2012 12:56:41 PM Page 65 © 2006 Mitchell Repair Information Company, LLC.
17. Install fuel pump. Refer to Fuel System/Fuel Delivery/PUMP, Tandem Fuel - Installation .
18. Install cylinder head cover. See Installation
Fig. 103: Engine Cover-Installation
Courtesy of CHRYSLER LLC
19. Reconnect negative battery cable.
20. Start engine and inspect for leaks.
21. Install engine cover. Refer to ENGINE COVER.
COVER(S), CYLINDER HEAD
Removal
REMOVAL
WARNING: Use extreme caution when the engine is operating. Do not stand in a
direct line with the fan. Do not put your hands near the pulleys, belts
or fan. Do not wear loose clothing.
CAUTION: When new rocker fingers have been installed, engine must not be
started for 30 minutes. The hydraulic compensation elements must
settle or the pistons will contact the valves.
2009 Jeep Patriot Limited
2009 ENGINE 2.0L Diesel - Service Information - Compass & Patriot
a
Saturday, September 08, 2012 12:56:41 PM Page 66 © 2006 Mitchell Repair Information Company, LLC.
Fig. 104: Engine Cover
Courtesy of CHRYSLER LLC
1. Disconnect negative battery cable.
2. Remove engine cover. Refer to ENGINE COVER.
Fig. 105: Coolant Tube Retaining Bolts
Courtesy of CHRYSLER LLC
3. Remove coolant tube retaining bolts (1) and reposition coolant tube.
2009 Jeep Patriot Limited
2009 ENGINE 2.0L Diesel - Service Information - Compass & Patriot
a
Saturday, September 08, 2012 12:56:41 PM Page 67 © 2006 Mitchell Repair Information Company, LLC.
Fig. 106: Cylinder Head Cover
Courtesy of CHRYSLER LLC
4. Remove cylinder head cover retaining bolts and remove cover.
Installation
INSTALLATION
Fig. 107: Cylinder Head Cover
Courtesy of CHRYSLER LLC
1. Clean sealing surfaces.
2. Install new cylinder head cover gasket.
3. Install cylinder head cover.
2009 Jeep Patriot Limited
2009 ENGINE 2.0L Diesel - Service Information - Compass & Patriot
a
Saturday, September 08, 2012 12:56:41 PM Page 68 © 2006 Mitchell Repair Information Company, LLC.
4. Tighten cylinder head cover bolts in the sequence shown in illustration
Fig. 108: Coolant Tube
Courtesy of CHRYSLER LLC
5. Install coolant tube retaining bolts (1) and tighten.
Fig. 109: Engine Cover
Courtesy of CHRYSLER LLC
6. Install engine cover (1). Refer to ENGINE COVER.
SEAL(S), CAMSHAFT
2009 Jeep Patriot Limited
2009 ENGINE 2.0L Diesel - Service Information - Compass & Patriot
a
Saturday, September 08, 2012 12:56:41 PM Page 69 © 2006 Mitchell Repair Information Company, LLC.
Removal
REMOVAL
Fig. 110: Engine Cover - Removal
Courtesy of CHRYSLER LLC
1. Remove engine cover (1). Refer to ENGINE COVER.
2. Remove timing belt. See Removal.
3. Remove timing belt tensioner. See Removal.
4. Remove timing belt rear cover.
5. Remove camshaft sprockets.
6. Remove camshaft hubs.
2009 Jeep Patriot Limited
2009 ENGINE 2.0L Diesel - Service Information - Compass & Patriot
a
Saturday, September 08, 2012 12:56:41 PM Page 70 © 2006 Mitchell Repair Information Company, LLC.
Fig. 111: Inserting Bolt In Camshaft
Courtesy of CHRYSLER LLC
7. Insert a bolt (1) in the camshaft.
Fig. 112: Camshaft Seal Removal
Courtesy of CHRYSLER LLC
8. Screw seal remover 6771 (1) into camshaft seal.
9. Tighten force screw (2) to remove camshaft oil seals.
Installation
2009 Jeep Patriot Limited
2009 ENGINE 2.0L Diesel - Service Information - Compass & Patriot
a
Saturday, September 08, 2012 12:56:41 PM Page 71 © 2006 Mitchell Repair Information Company, LLC.
INSTALLATION
Fig. 113: Cam Seal
Courtesy of CHRYSLER LLC
1. Position new cam seal (1) on camshaft (2) as shown in illustration
Fig. 114: Cam Seal Installer
Courtesy of CHRYSLER LLC
2. Position cam seal installer 9884 (1) over camshaft and insert bolt (2).
2009 Jeep Patriot Limited
2009 ENGINE 2.0L Diesel - Service Information - Compass & Patriot
a
Saturday, September 08, 2012 12:56:41 PM Page 72 © 2006 Mitchell Repair Information Company, LLC.
Fig. 115: Cam Seal Installation
Courtesy of CHRYSLER LLC
3. Tighten bolt until seal bottoms out.
Fig. 116: Cam Holder
Courtesy of CHRYSLER LLC
4. Install timing belt hubs and hand tighten bolts.
5. Install timing belt sprockets and hand tighten bolts.
6. Install cam holder 9880 (1).
7. Tighten hub center bolt.
2009 Jeep Patriot Limited
2009 ENGINE 2.0L Diesel - Service Information - Compass & Patriot
a
Saturday, September 08, 2012 12:56:41 PM Page 73 © 2006 Mitchell Repair Information Company, LLC.
Fig. 117: Camshaft Locking Pins
Courtesy of CHRYSLER LLC
8. Install camshaft locking pins 9882 (5).
9. Tighten camshaft sprocket retaining bolts (1,4).
10. Install timing belt tensioner. See Installation.
11. Install timing belt. See Installation.
12. Install right engine mount bracket.
13. Install damper.
14. Install right engine mount.
Fig. 118: Engine Cover
2009 Jeep Patriot Limited
2009 ENGINE 2.0L Diesel - Service Information - Compass & Patriot
a
Saturday, September 08, 2012 12:56:41 PM Page 74 © 2006 Mitchell Repair Information Company, LLC.
Courtesy of CHRYSLER LLC
15. Install engine cover (1). Refer to ENGINE COVER.
SPRING(S), VALVE
Removal
VALVE SPRINGS
Fig. 119: Battery Cable
Courtesy of CHRYSLER LLC
1. Disconnect negative battery cable (2).
Fig. 120: Engine Cover
2009 Jeep Patriot Limited
2009 ENGINE 2.0L Diesel - Service Information - Compass & Patriot
a
Saturday, September 08, 2012 12:56:41 PM Page 75 © 2006 Mitchell Repair Information Company, LLC.
Courtesy of CHRYSLER LLC
2. Remove engine cover. Refer to ENGINE COVER.
3. Remove camshafts. See Removal.
4. Position piston of cylinder to be processed to TDC by rotating the crankshaft clockwise. DO NOT crank
engine. DO NOT rotate engine backward.
Fig. 121: Glow Plug Adapter 9939
Courtesy of CHRYSLER LLC
5. Remove glow plugs. Refer to Electrical - Ignition Control/Ignition Control/PLUG, Glow - Removal .
6. Install glow plug adapter 9939 (2).
7. Connect air supply (1) to glow plug adapter 9939 (2) and pressurize the cylinder to 5 bar (73 psi.).
2009 Jeep Patriot Limited
2009 ENGINE 2.0L Diesel - Service Information - Compass & Patriot
a
Saturday, September 08, 2012 12:56:41 PM Page 76 © 2006 Mitchell Repair Information Company, LLC.
Fig. 122: Valve Spring Compressor 9916
Courtesy of CHRYSLER LLC
8. Install valve spring compressor 9916 (1,2,3).
9. Compress valve spring.
CAUTION: Valve springs and retainers must be kept in order of the cylinder they
were removed.
2009 Jeep Patriot Limited
2009 ENGINE 2.0L Diesel - Service Information - Compass & Patriot
a
Saturday, September 08, 2012 12:56:41 PM Page 77 © 2006 Mitchell Repair Information Company, LLC.
Fig. 123: Valve Spring
Courtesy of CHRYSLER LLC
10. Remove valve keepers.
11. Remove top valve spring retainer and valve spring.
12. Remove valve stem seals.
13. Remove bottom valve spring retainer.
14. Repeat procedure for each cylinder as necessary.
VALVES
Fig. 124: Cylinder Head
Courtesy of CHRYSLER LLC
1. Remove cylinder head. See Removal.
2. Using a suitable valve spring compressor, compress valve spring.
NOTE: Inspect all cylinder head components for wear or damage.
NOTE: Valves can not be ground, only lapping is permitted.
CAUTION: Suitably mark the valve and the position in the cylinder head before
removal. Failure to do so will result in improperly seated valves and
possible engine damage after reassembly.
2009 Jeep Patriot Limited
2009 ENGINE 2.0L Diesel - Service Information - Compass & Patriot
a
Saturday, September 08, 2012 12:56:41 PM Page 78 © 2006 Mitchell Repair Information Company, LLC.
3. Remove valve keepers.
4. Remove top valve spring retainer and valve spring.
5. Remove valve stem seals.
6. Repeat steps 5 through 9 for each valve as necessary.
7. Remove any burrs with a file prior to pulling valves through the guide.
8. Remove valves.
Installation
VALVE SPRINGS
Fig. 125: Compression Adapter 9939
Courtesy of CHRYSLER LLC
1. Position piston of cylinder to be processed to TDC by rotating the crankshaft clockwise. DO NOT crank
engine or rotate engine counter clockwise.
2. Install glow plug adapter 9939 (2).
3. Connect air supply (1) to #9939 glow plug adaptor and pressurize the cylinder to 5 bar (73 psi).
CAUTION: Valves, springs and retainers must be kept in order of the cylinder
they were removed.
NOTE: Inspect all valve springs and retainers for wear or damage. Replace as
necessary.
2009 Jeep Patriot Limited
2009 ENGINE 2.0L Diesel - Service Information - Compass & Patriot
a
Saturday, September 08, 2012 12:56:41 PM Page 79 © 2006 Mitchell Repair Information Company, LLC.
Fig. 126: Valve Spring Retainer
Courtesy of CHRYSLER LLC
4. Install lower valve spring retainer.
5. Install valve stem seal.
6. Install valve spring.
7. Install valve spring retainer.
Fig. 127: Valve Spring Installer 9916
Courtesy of CHRYSLER LLC
2009 Jeep Patriot Limited
2009 ENGINE 2.0L Diesel - Service Information - Compass & Patriot
a
Saturday, September 08, 2012 12:56:41 PM Page 80 © 2006 Mitchell Repair Information Company, LLC.
8. Install valve spring installer 9916.
9. Compress valve and install valve keepers.
10. Repeat procedure for each cylinder as necessary.
11. Remove special tooling from cylinder head.
12. Position piston of #1 cylinder to ignition TDC.
13. Install camshafts and check basic position. See Installation.
Fig. 128: Battery Cable
Courtesy of CHRYSLER LLC
14. Reconnect negative battery cable (2).
15. Start the engine and inspect for leaks.
NOTE: Ensure that the valve keepers are seated properly.
CAUTION: Use extreme caution when the engine is operating. Do not stand in a
direct line with the fan. Do not put your hands near the pulleys, belts
or fan. Do not wear loose clothing.
2009 Jeep Patriot Limited
2009 ENGINE 2.0L Diesel - Service Information - Compass & Patriot
a
Saturday, September 08, 2012 12:56:41 PM Page 81 © 2006 Mitchell Repair Information Company, LLC.
Fig. 129: Engine Cover
Courtesy of CHRYSLER LLC
16. Install engine cover. Refer to ENGINE COVER.
VALVES
Fig. 130: Cylinder Head
Courtesy of CHRYSLER LLC
WARNING: Valves must be kept in their original positions in cylinder head. Failure to
do so will result in engine damage.
2009 Jeep Patriot Limited
2009 ENGINE 2.0L Diesel - Service Information - Compass & Patriot
a
Saturday, September 08, 2012 12:56:41 PM Page 82 © 2006 Mitchell Repair Information Company, LLC.
1. Install valves in their original position in the cylinder head.
2. Install lower valve spring retainer.
3. Install valve stem seal.
4. Install valve spring.
5. Install valve spring retainer.
6. Using a suitable valve spring compressor, compress valve spring and install valve keepers.
7. Repeat steps 3 through 7 for each valve as necessary.
8. Install cylinder head on engine block. See Installation.
9. Start engine and check for leaks.
10. Install engine cover. Refer to ENGINE COVER.
ENGINE BLOCK
STANDARD PROCEDURE
REPLACING ENGINE CORE AND OIL GALLERY PLUGS
Using a blunt tool such as a drift and a hammer, strike the bottom edge of the cup plug. With the cup plug
rotated, grasp firmly with pliers or other suitable tool and remove plug .
NOTE: Inspect all valves, springs and retainers for wear or damage. Replace as
necessary.
NOTE: Using tool, screw retaining fork into threaded edge of cylinder head and
position thrust piece vertically at the top of each valve spring retainer.
NOTE: Ensure that the valve keepers are seated properly.
WARNING: Us extreme caution when the engine is in operation. Do not stand in
a direct line with the fan. Do not put your hands near the pulleys,
belts or fan. Do not wear loose clothing.
2009 Jeep Patriot Limited
2009 ENGINE 2.0L Diesel - Service Information - Compass & Patriot
a
Saturday, September 08, 2012 12:56:41 PM Page 83 © 2006 Mitchell Repair Information Company, LLC.
Fig. 131: Removing Core Hole Plug
Courtesy of CHRYSLER LLC
Thoroughly clean inside of cup plug hole in cylinder block or head. Be sure to remove old sealer. Lightly coat
inside of cup plug hole with Mopar® Stud and Bearing Mount. Make certain the new plug is cleaned of all oil
or grease. Using proper drive plug, drive plug into hole so that the sharp edge of the plug is at least 0.5 mm
(0.020 in.) inside the lead-in chamfer.
It is not necessary to wait for curing of the sealant. The cooling system can be refilled and the vehicle placed in
service immediately.
MEASURING CYLINDER BORES
1 - CYLINDER BLOCK
2 - REMOVE PLUG WITH PLIERS
3 - STRIKE HERE WITH HAMMER
4 - DRIFT PUNCH
5 - CUP PLUG
CAUTION: Do not drive cup plug into the casting as restricted cooling can result and
cause serious engine problems.
2009 Jeep Patriot Limited
2009 ENGINE 2.0L Diesel - Service Information - Compass & Patriot
a
Saturday, September 08, 2012 12:56:41 PM Page 84 © 2006 Mitchell Repair Information Company, LLC.
Fig. 132: Measuring Cylinder Bores
Courtesy of CHRYSLER LLC
1. Thoroughly clean all cylinder bores with appropriate cleaning solvent.
2. Measure each cylinder at the three measuring points shown in Fig. 132 .
3. Using the three measurement points, measure cylinder in the longitudinal and in the transverse direction
shown in Fig. 132 .
PISTON PROTRUSION
1 - MEASURING POINT OF CYLINDER BORE
2 - MEASURING POINT OF CYLINDER BORE
3 - MEASURING POINT OF CYLINDER BORE
1a - UPPER REVERSAL POINT OF #1 PISTON RING
1b - BOTTOM DEAD CENTER OF PISTON
1c - BOTTOM REVERSAL POINT OF OIL SCRAPER RING
1A - LONGITUDINAL DIRECTION
1B - TRANSVERSE DIRECTION
NOTE: This must be done with engine completely disassembled.
NOTE: Any time a rod or piston is replaced, the piston protrusion must be checked.
2009 Jeep Patriot Limited
2009 ENGINE 2.0L Diesel - Service Information - Compass & Patriot
a
Saturday, September 08, 2012 12:56:41 PM Page 85 © 2006 Mitchell Repair Information Company, LLC.
Fig. 133: Zero Dial Indicator
Courtesy of CHRYSLER LLC
1. Position scooter block D-115-2A (4) and a dial indicator flat on the cylinder block (3) head surface and
zero the dial indicator.
Fig. 134: Piston Height
Courtesy of CHRYSLER LLC
2. Slide Scooter block D-155-2A (4) so that the dial indicator (1) is now on the piston (2).
3. Read measurement and refer to the chart below for the correct head gasket.
Piston Protrusion Head Gasket Identification Notches
0.91 - 1.00 mm 0.035 - 0.039 in. 1
1.01 - 1.10 mm 0.040 - 0.043 in. 2
2009 Jeep Patriot Limited
2009 ENGINE 2.0L Diesel - Service Information - Compass & Patriot
a
Saturday, September 08, 2012 12:56:41 PM Page 86 © 2006 Mitchell Repair Information Company, LLC.
4. Look up piston protrusion measurement in the chart above to find the correct head gasket. The head
gasket is marked with notches (round holes) (1). The gasket will have 1,2, or 3 notches corresponding to
piston protrusion.
CRANKSHAFT
Standard Procedure
MEASURE CRANKSHAFT AND BLOCK JOURNALS
1. Remove crankshaft. See Removal.
2. Clean all engine parts thoroughly.
3. Inspect connecting rod. If damage is present, inspect crankshaft, replace as necessary.
4. Inspect crankcase.
5. Inspect standard size of crankshaft bearing shells.
6. Inspect crankshaft bearing cap.
7. Mount crankshaft radially.
8. Inspect crankshaft bearing play.
ASSIGN CRANKSHAFT BEARING SHELLS
The oil pan rail of the cylinder block is marked with chisel punches indicating what bearing shell are
used.
9. Assign crankshaft bearing shells.
10. Mount crankshaft axially.
11. Inspect crankshaft bearing play.
Removal
1.11 - 1.20 mm 0.044 - 0.047 3
NOTE: After any bearing damage occurred, remove all debris which is present in the
main oil gallery, connecting rod bores, and in the crankshaft and oil galleries.
Include removal of the inserting steel ball of the main oil gallery before
cleaning.
CAUTION: After bearing has damage has occurred, replace connecting rods
which have suffered overheating because of bearing damage. The
connecting rod must not have any cross scores and notches.
NOTE: Radial mounting of the main bearings of standard size crankshaft is
possible by assigning the color-coded bearing shells.
2009 Jeep Patriot Limited
2009 ENGINE 2.0L Diesel - Service Information - Compass & Patriot
a
Saturday, September 08, 2012 12:56:41 PM Page 87 © 2006 Mitchell Repair Information Company, LLC.
REMOVAL
Fig. 135: Engine Cover - Removal
Courtesy of CHRYSLER LLC
1. Disconnect negative battery cable.
2. Remove engine cover. Refer to ENGINE COVER.
3. Remove engine. See Removal.
4. Remove cylinder head. See Removal.
5. Remove rear crankshaft seal adapter. See Removal.
NOTE: The engine must be removed from the vehicle to service crankshaft.
2009 Jeep Patriot Limited
2009 ENGINE 2.0L Diesel - Service Information - Compass & Patriot
a
Saturday, September 08, 2012 12:56:41 PM Page 88 © 2006 Mitchell Repair Information Company, LLC.
Fig. 136: Crankshaft Bearing Caps
Courtesy of CHRYSLER LLC
6. Remove front crankshaft seal retainer.
7. Remove piston and connecting rod assemblies. See Removal.
8. Unbolt crankshaft bearing caps (2).
9. Inspect crankshaft bearing caps (2) and bolts (1) for wear and stretching.
10. Remove crankshaft (5) from engine block.
Installation
INSTALLATION
NOTE: Mark piston and rod location prior to removal with paint pen. Do not use a
punch.
CAUTION: The crankshaft bearing caps are numbered consecutively, beginning
with the first crankshaft bearing cap at the front of engine. Attention
must be paid to the way crankshaft bearing caps fit.
2009 Jeep Patriot Limited
2009 ENGINE 2.0L Diesel - Service Information - Compass & Patriot
a
Saturday, September 08, 2012 12:56:41 PM Page 89 © 2006 Mitchell Repair Information Company, LLC.
Fig. 137: Crank And Bearings
Courtesy of CHRYSLER LLC
1. Install bearing shells into engine block.
2. Oil bearing shells.
3. Install upper thrust bearings in block.
4. Install crankshaft into engine block.
5. Install bearing shells into bearing caps.
6. Install lower thrust bearings.
CAUTION: Oil bearing shells before inserting crankshaft.
CAUTION: Oil thread and head contact surfaces of bolts that retain crankshaft
bearing caps; tighten bolts from inside to outside, beginning at fit bearing.
Rotate crankshaft to check clearance.
NOTE: The crankshaft bearing caps are numbered consecutively, beginning with the
first crankshaft bearing cap at the front of engine. Attention must be paid to the
way crankshaft bearing caps fit.
2009 Jeep Patriot Limited
2009 ENGINE 2.0L Diesel - Service Information - Compass & Patriot
a
Saturday, September 08, 2012 12:56:41 PM Page 90 © 2006 Mitchell Repair Information Company, LLC.
7. Install crankshaft bearing caps. Tighten bolts in two stages. 65 N.m (48 lbs ft), then 90°.
8. Install piston and connecting rod assemblies. See Installation.
Fig. 138: Front Seal Flange RTV Path
Courtesy of CHRYSLER LLC
9. Apply RTV to front sealing flange as shown in illustration.
10. Install front crankshaft sealing flange.
Fig. 139: Front Crank Seal Sleeve
Courtesy of CHRYSLER LLC
11. Install front seal and seal installation guide.
2009 Jeep Patriot Limited
2009 ENGINE 2.0L Diesel - Service Information - Compass & Patriot
a
Saturday, September 08, 2012 12:56:42 PM Page 91 © 2006 Mitchell Repair Information Company, LLC.
Fig. 140: Front Crank Seal Installation
Courtesy of CHRYSLER LLC
12. Install front crankshaft oil seal.
13. Install rear timing belt cover.
14. Install rear crankshaft oil seal. See Installation.
15. Install timing belt cover. See Installation.
16. Install the engine. See Installation.
17. Fill crankcase with the correct engine oil, to the proper level.
18. Fill cooling system with the proper coolant, to the proper level. Refer to Cooling - Standard Procedure .
Fig. 141: Engine Cover - Installation
Courtesy of CHRYSLER LLC
2009 Jeep Patriot Limited
2009 ENGINE 2.0L Diesel - Service Information - Compass & Patriot
a
Saturday, September 08, 2012 12:56:42 PM Page 92 © 2006 Mitchell Repair Information Company, LLC.
19. Connect negative battery cable.
20. Start engine and inspect for leaks.
21. Install engine cover. Refer to ENGINE COVER.
MODULE, BALANCE SHAFT
Description
DESCRIPTION
The balance shaft module bolts to the bottom of the engine. The oil pump is an integral part of the balance shaft
module and cannot be serviced separately.
Operation
OPERATION
The balance shaft module is gear driven off the crankshaft. The oil pump is housed in the front portion of the
module. The oil pump supplies the engines oil requirements. The balance shaft portion is for NVH reduction.
Removal
REMOVAL
WARNING: Use extreme caution when the engine is operating. Do not stand in a
direct line with the fan. Do not put your hands near the pulleys,
belts, or fan. Do not wear loose clothes.
NOTE: When Balance Shaft Module (BSM) is removed, a new BSM MUST be installed.
2009 Jeep Patriot Limited
2009 ENGINE 2.0L Diesel - Service Information - Compass & Patriot
a
Saturday, September 08, 2012 12:56:42 PM Page 93 © 2006 Mitchell Repair Information Company, LLC.
Fig. 142: Lower Timing Belt Cover
Courtesy of CHRYSLER LLC
1. Remove oil pan. See Removal.
2. Remove lower timing belt cover (1).
Fig. 143: Crankshaft Timing Marks
Courtesy of CHRYSLER LLC
3. Rotate engine to TDC and insert crankshaft timing lock 9883.
Fig. 144: Torque Sequence
Courtesy of CHRYSLER LLC
2009 Jeep Patriot Limited
2009 ENGINE 2.0L Diesel - Service Information - Compass & Patriot
a
Saturday, September 08, 2012 12:56:42 PM Page 94 © 2006 Mitchell Repair Information Company, LLC.
4. Remove balance shaft retaining bolts.
5. Remove balance shaft.
Installation
INSTALLATION
Fig. 145: BSM Timing Marks
Courtesy of CHRYSLER LLC
1. Remove dipstick guide from new BSM and discard.
2. Remove pick-up tube from BSM and discard.
3. Pour 15 ml (0.5 oz.) of oil into oil pump and turn balance shaft gear (2) a minimum of 3 revolutions.
4. Install new pick-up tube and new o-ring.
5. Tighten pick-up tube retaining bolt to 10 N.m (89 in. lbs.).
6. Tighten pick-up tube support bracket to 22 N.m (195 in. lbs.).
NOTE: When installing a new balance shaft module, the oil pick-up and dip stick guide
must be removed.
2009 Jeep Patriot Limited
2009 ENGINE 2.0L Diesel - Service Information - Compass & Patriot
a
Saturday, September 08, 2012 12:56:42 PM Page 95 © 2006 Mitchell Repair Information Company, LLC.
Fig. 146: BSM Timing Lock
Courtesy of CHRYSLER LLC
7. Install BSM lock 9991-2 (2).
8. Install 2 new locating sleeves.
Fig. 147: BSM Timing Marks
Courtesy of CHRYSLER LLC
9. Loosen intermediate gear (1) retaining bolt 90°.
10. Install BSM with white dot on intermediate gear pointing towards the crankshaft.
2009 Jeep Patriot Limited
2009 ENGINE 2.0L Diesel - Service Information - Compass & Patriot
a
Saturday, September 08, 2012 12:56:42 PM Page 96 © 2006 Mitchell Repair Information Company, LLC.
Fig. 148: Torque Sequence
Courtesy of CHRYSLER LLC
11. Tighten all bolts to 6 N.m (53 in. lbs.) in the sequence shown in illustration.
12. Tighten bolts 1,2,3,4,6,8 to 20 N.m (177 in. lbs.).
13. Tighten bolts 5 and 7 to 15 N.m (133 in. lbs.).
14. Tighten all bolts an additional 90°.
Fig. 149: BSM Timing Marks
Courtesy of CHRYSLER LLC
15. Install balance shaft gear (2) and tighten bolts to 20 N.m (177 in. lbs.).
2009 Jeep Patriot Limited
2009 ENGINE 2.0L Diesel - Service Information - Compass & Patriot
a
Saturday, September 08, 2012 12:56:42 PM Page 97 © 2006 Mitchell Repair Information Company, LLC.
16. Tighten bolts an additional 90°.
Fig. 150: BSM Timing Lock
Courtesy of CHRYSLER LLC
17. Remove BSM timing lock 9991-2 (2).
Fig. 151: Securing Bolt
Courtesy of CHRYSLER LLC
18. Secure gear lash adjuster 9991-1 (1) to engine block and install securing bolt (2).
2009 Jeep Patriot Limited
2009 ENGINE 2.0L Diesel - Service Information - Compass & Patriot
a
Saturday, September 08, 2012 12:56:42 PM Page 98 © 2006 Mitchell Repair Information Company, LLC.
Fig. 152: Gear Lash Adjuster
Courtesy of CHRYSLER LLC
19. Tighten tensioner screw (2) to 2-4 N.m (18-35 in. lbs.).
20. Tighten intermediate gear (3) bolt to 90 N.m (66 ft. lbs.).
21. Loosen tension screw (2).
22. Check for zero backlash between gears.
23. If backlash is present, loosen intermediate gear (3) bolt 90° and repeat steps 19 through 22.
24. If no backlash was present, tighten intermediate gear an additional 90°.
Fig. 153: Lower Timing Belt Cover
CAUTION: If you have backlash after the intermediate bolt has been tightened
the additional 90°, the BSM MUST be replaced.
2009 Jeep Patriot Limited
2009 ENGINE 2.0L Diesel - Service Information - Compass & Patriot
a
Saturday, September 08, 2012 12:56:42 PM Page 99 © 2006 Mitchell Repair Information Company, LLC.
Courtesy of CHRYSLER LLC
25. Install the lower timing belt cover (1).
26. Install the crankshaft damper.
27. Install the oil pan. See Installation.
28. Fill with oil.
29. Start engine and check for leaks.
PUMP, TANDEM VACUUM
Description
DESCRIPTION
Fig. 154: Fuel Pump
Courtesy of CHRYSLER LLC
This pump is a tandem pump design. It contains a fuel pump and a vacuum pump in one housing. If either pump
fails, the tandem pump assembly must be replaced.
Removal
REMOVAL
2009 Jeep Patriot Limited
2009 ENGINE 2.0L Diesel - Service Information - Compass & Patriot
a
Saturday, September 08, 2012 12:56:42 PM Page 100 © 2006 Mitchell Repair Information Company, LLC.
Fig. 155: Fuel Pump
Courtesy of CHRYSLER LLC
1. Perform fuel draining procedure. Refer to Fuel System/Fuel Injection - Standard Procedure .
2. Disconnect vacuum line (1) from pump.
3. Remove fuel feed line (4).
4. Remove fuel return line (3).
5. Remove retaining bolts (2) and remove pump.
Installation
INSTALLATION
Fig. 156: Pump And Gasket
Courtesy of CHRYSLER LLC
2009 Jeep Patriot Limited
2009 ENGINE 2.0L Diesel - Service Information - Compass & Patriot
a
Saturday, September 08, 2012 12:56:42 PM Page 101 © 2006 Mitchell Repair Information Company, LLC.
1. Place new gasket (3) on pump (1).
2. Align pump drive (2) on pump.
Fig. 157: Fuel Pump Drive
Courtesy of CHRYSLER LLC
3. Insert pump drive into slot on camshaft (1).
Fig. 158: Fuel Feed Line
Courtesy of CHRYSLER LLC
4. install pump retaining bolts (2) and tighten.
5. Install fuel feed line (4).
6. Install fuel return line (3).
2009 Jeep Patriot Limited
2009 ENGINE 2.0L Diesel - Service Information - Compass & Patriot
a
Saturday, September 08, 2012 12:56:42 PM Page 102 © 2006 Mitchell Repair Information Company, LLC.
ROD, PISTON AND CONNECTING
Removal
REMOVAL
1. Remove cylinder head.
2. Remove oil pan.
3. Remove oil pump if necessary.
4. Mark connecting rods with paint marker.
5. Remove connecting rod bolts and discard.
6. Push piston and rod assembly out of the engine block.
7. Repeat as needed.
Installation
INSTALLATION
1. Make sure the ring end gaps are properly staggered.
2. Lubricate the piston and rings with clean engine oil.
3. Compress piston rings with a ring compressor.
4. Install upper rod bearing shell in to connecting rod and oil bearing shell.
5. Push piston into cylinder.
6. Install lower bearing shell into connecting rod cap.
7. Lubricate lower bearing shell and position rod cap.
8. Install new rod bolts and torque to 30 N.m + 90° (22 ft. lbs. + 90°).
9. Install oil pan. See Installation.
10. Install cylinder head. See Installation.
11. Replace oil filter and fill with oil. See Installation.
12. Fill cooling system. Refer to Cooling - Standard Procedure .
13. Start engine and check for leaks.
NOTE: It may be necessary to remove the oil pump to gain access to all of the
rods.
NOTE: Do not use a punch to mark connecting rods.
NOTE: Be careful when guiding rod into place not to nick the crankshaft journals.
2009 Jeep Patriot Limited
2009 ENGINE 2.0L Diesel - Service Information - Compass & Patriot
a
Saturday, September 08, 2012 12:56:42 PM Page 103 © 2006 Mitchell Repair Information Company, LLC.
SEAL, CRANKSHAFT OIL, REAR
Removal
REMOVAL
Fig. 159: Pressure Plate
Courtesy of CHRYSLER LLC
1. Disconnect the negative battery cable.
2. Remove the dual mass flywheel. Refer to Clutch/FLYWHEEL - Removal .
Fig. 160: Vibration Damper Dust Cover
Courtesy of CHRYSLER LLC
3. If equipped, remove the vibration damper dust cover.
2009 Jeep Patriot Limited
2009 ENGINE 2.0L Diesel - Service Information - Compass & Patriot
a
Saturday, September 08, 2012 12:56:42 PM Page 104 © 2006 Mitchell Repair Information Company, LLC.
4. Rotate the crankshaft to align the timing marks (1,2) to set the No. 1 cylinder at Top Dead Center (TDC).
Fig. 161: OIL PAN-REMOVAL
Courtesy of CHRYSLER LLC
5. Drain the engine oil.
6. Remove the oil pan bolts.
7. Using a suitable pry bar, remove the oil pan.
Fig. 162: Crankshaft Position Sensor
Courtesy of CHRYSLER LLC
8. Disconnect the crankshaft position sensor harness connector (1).
9. Remove the bolt (2) and the Crankshaft Position Sensor (CKP) (3).
2009 Jeep Patriot Limited
2009 ENGINE 2.0L Diesel - Service Information - Compass & Patriot
a
Saturday, September 08, 2012 12:56:42 PM Page 105 © 2006 Mitchell Repair Information Company, LLC.
Fig. 163: Rear Crankshaft Seal Assembly
Courtesy of CHRYSLER LLC
10. Install the three M6 x 35 bolts into the rear crankshaft seal assembly as illustrated.
11. Remove the rear main seal by alternately screw in bolts 1/2 turn at a time to pull seal assembly off.
12. Wipe excess oil off the crankshaft.
Installation
INSTALLATION
NOTE: The rear crankshaft seal comes with and installation sleeve that must not be
removed prior to installation.
NOTE: The sealing flange and sender wheel must not be separated or rotated after
removing from package.
NOTE: The sealing flange and seal are one unit that must be replaced together with the
sender wheel only.
2009 Jeep Patriot Limited
2009 ENGINE 2.0L Diesel - Service Information - Compass & Patriot
a
Saturday, September 08, 2012 12:56:42 PM Page 106 © 2006 Mitchell Repair Information Company, LLC.
Fig. 164: Rear Main Installer 9888
Courtesy of CHRYSLER LLC
1. Screw in nut (3) to the edge of the clamping surface (2) of threaded spindle.
2. Clamp rear main seal installer 9888 in a vice on the clamping surface of threaded spindle (2).
3. Press assembly bell housing (4) down so it lies on nut (3).
4. Screw nut (3) onto threaded spindle (1) until inner part of assembly device and assembly are bell housing
are level.
Fig. 165: Securing Clip
Courtesy of CHRYSLER LLC
5. Remove securing clip (1) from rear crankshaft sealing flange (2).
2009 Jeep Patriot Limited
2009 ENGINE 2.0L Diesel - Service Information - Compass & Patriot
a
Saturday, September 08, 2012 12:56:42 PM Page 107 © 2006 Mitchell Repair Information Company, LLC.
Fig. 166: Locating Hole
Courtesy of CHRYSLER LLC
6. Locating hole (1) on sender wheel (3) must align with marking (2) on rear main seal.
Fig. 167: Sealing Lip Support
Courtesy of CHRYSLER LLC
7. Place seal on clean flat surface with the outer edge facing down.
8. Push sealing lip support ring (1) downward until it lies on flat surface.
NOTE: The sender wheel must not be taken out of the sealing flange or turned.
2009 Jeep Patriot Limited
2009 ENGINE 2.0L Diesel - Service Information - Compass & Patriot
a
Saturday, September 08, 2012 12:56:42 PM Page 108 © 2006 Mitchell Repair Information Company, LLC.
Fig. 168: Sender Wheel Alignment
Courtesy of CHRYSLER LLC
9. Upper edge of sender wheel and front edge of rear main seal must align.
Fig. 169: Locating Pin
Courtesy of CHRYSLER LLC
10. Place rear main seal with outer edge on rear main seal installer 9888 (1) so that locating pin (2) can be
inserted into hole (3).
NOTE: Ensure that the rear main seal lies flat on the installer.
2009 Jeep Patriot Limited
2009 ENGINE 2.0L Diesel - Service Information - Compass & Patriot
a
Saturday, September 08, 2012 12:56:42 PM Page 109 © 2006 Mitchell Repair Information Company, LLC.
Fig. 170: Sealing Lip Installer
Courtesy of CHRYSLER LLC
11. Push the flange and support ring for the sealing lip (1) against the installer (2) while tightening the three
knurled knobs (3) so the locating pin cannot slide out of the sender wheel hole.
Fig. 171: Attaching Seal to Installer
Courtesy of CHRYSLER LLC
NOTE: When installing rear main seal, the sender wheel must remain fixed in
assembly tool.
NOTE: The crankshaft flange must be free from oil and grease.
2009 Jeep Patriot Limited
2009 ENGINE 2.0L Diesel - Service Information - Compass & Patriot
a
Saturday, September 08, 2012 12:56:42 PM Page 110 © 2006 Mitchell Repair Information Company, LLC.
12. Screw nut (3) to the end of the spindle.
13. Press threaded spindle of seal installer (1) until nut (3) lies against assembly bell housing (2).
14. Align flat side of assembly bell housing on sump side of crankcase sealing surface.
Fig. 172: Rear Main Seal Installer 9888
Courtesy of CHRYSLER LLC
15. Secure the rear main seal installer 9888 to crankshaft using Allen head bolts (3).
Fig. 173: Guide Bolts
NOTE: Verify that the engine is still at Top Dead Center (TDC).
2009 Jeep Patriot Limited
2009 ENGINE 2.0L Diesel - Service Information - Compass & Patriot
a
Saturday, September 08, 2012 12:56:42 PM Page 111 © 2006 Mitchell Repair Information Company, LLC.
Courtesy of CHRYSLER LLC
16. To guide sealing flange, screw two M7 x 35 mm bolts (1) into cylinder block.
Fig. 174: Seal to Crankshaft Alignment
Courtesy of CHRYSLER LLC
17. Push assembly bell housing (3) by hand in the direction shown in illustration until sealing lip support ring
(2) contacts the crankshaft (1).
18. Push guide pin with black knob (5), into hole in crankshaft. This is done to ensure the sender wheel
reaches its final installation position.
19. Hand tighten both hexagon socket head bolts of assembly tool.
20. Screw hexagon nut (4) onto threaded spindle by hand until it lies against assembly bell housing (3).
2009 Jeep Patriot Limited
2009 ENGINE 2.0L Diesel - Service Information - Compass & Patriot
a
Saturday, September 08, 2012 12:56:42 PM Page 112 © 2006 Mitchell Repair Information Company, LLC.
Fig. 175: Pressing Seal in Place
Courtesy of CHRYSLER LLC
21. Tighten hexagon nut (1) to 35 N.m (26 ft. lbs.).
Checking sender wheel installation position
Fig. 176: Checking Sender Wheel Installation Position
Courtesy of CHRYSLER LLC
1. Remove hexagon nut (5) to the end of the threaded spindle.
NOTE: After nut is torqued, a small air gap must be present between cylinder
block and sealing flange.
2009 Jeep Patriot Limited
2009 ENGINE 2.0L Diesel - Service Information - Compass & Patriot
a
Saturday, September 08, 2012 12:56:42 PM Page 113 © 2006 Mitchell Repair Information Company, LLC.
2. Remove the two bolts (1) from cylinder block.
3. Loosen the three knurled screws (2).
4. Remove rear main installer 9888.
5. Remove sealing lip support ring.
Fig. 177: Crankshaft Flange And Sender Wheel
Courtesy of CHRYSLER LLC
6. The sender wheel is in the correct position if a gap of 0.5 mm (0.019 in.) exists between the crankshaft
flange (1) and the sender wheel (2). Measure the distance -a- between the crankshaft flange and the
sender wheel.
Fig. 178: Measure Distance Between Crankshaft Flange
Courtesy of CHRYSLER LLC
2009 Jeep Patriot Limited
2009 ENGINE 2.0L Diesel - Service Information - Compass & Patriot
a
Saturday, September 08, 2012 12:56:42 PM Page 114 © 2006 Mitchell Repair Information Company, LLC.
7. Set vernier gauge on crankshaft flange.
8. Measure the distance between the crankshaft flange and the sender wheel.
9. If the measurement is too small, press sender wheel on further.
Fig. 179: Checking Sender Wheel Installation Position
Courtesy of CHRYSLER LLC
a. Secure assembly rear main installer 9888 to crankshaft flange using Allen head bolts.
b. Hand tighten both hexagon socket head bolts.
c. Push assembly tool by hand to sealing flange.
d. Screw hexagon nut (5) onto threaded spindle by hand until it lies against assembly bell housing (3).
e. Tighten nut to 40 N.m (30 ft. lbs.).
f. Check installation position again.
g. If dimension is too small, repeat steps a through d again and torque to 45 N.m (33 ft. lbs.).
h. Check installation position again.
NOTE: Re-pressing sender wheel.
2009 Jeep Patriot Limited
2009 ENGINE 2.0L Diesel - Service Information - Compass & Patriot
a
Saturday, September 08, 2012 12:56:42 PM Page 115 © 2006 Mitchell Repair Information Company, LLC.
Fig. 180: Rear Main Torque Sequence
Courtesy of CHRYSLER LLC
10. If dimension is attained, tighten rear sealing flange bolts to 15 N.m (133 in. lbs.) in the sequence shown in
illustration.
Fig. 181: Crankshaft Position Sensor
Courtesy of CHRYSLER LLC
11. Install crankshaft position sensor (3). Tighten bolt (2) to 5 N.m (44 in. lbs.).
12. Connect the crankshaft position sensor harness connector (1).
2009 Jeep Patriot Limited
2009 ENGINE 2.0L Diesel - Service Information - Compass & Patriot
a
Saturday, September 08, 2012 12:56:42 PM Page 116 © 2006 Mitchell Repair Information Company, LLC.
Fig. 182: Oil Gasket Surfaces
Courtesy of CHRYSLER LLC
13. Clean the oil gasket surfaces.
14. Apply a 3 mm (1) bead of engine sealant RTV.
Fig. 183: Tightening Bolts
Courtesy of CHRYSLER LLC
15. Install oil pan.
Tighten bolts (A) to 15 N.m (133 in. lbs).
Tighten bolts (B) to 45 N.m (33 ft. lbs).
Tighten bolts (C) to 40 N.m (30 ft. lbs).
2009 Jeep Patriot Limited
2009 ENGINE 2.0L Diesel - Service Information - Compass & Patriot
a
Saturday, September 08, 2012 12:56:42 PM Page 117 © 2006 Mitchell Repair Information Company, LLC.
Fig. 184: Flywheel Assembly
Courtesy of CHRYSLER LLC
16. Install the dual mass flywheel. Refer to Clutch/FLYWHEEL - Installation
17. If equipped, install the vibration damper dust cover.
18. Fill engine with the recommended engine oil.
19. Connect the negative battery cable.
20. Start engine and inspect for leaks.
ENGINE MOUNTING
DESCRIPTION
DESCRIPTION
The engine mounting system consists of a four-point system utilizing two load-carrying mounts and two torque
controlling mounts. The load-carrying mounts are located on each frame rail. The right and left mounts are
hydro-elastic mounts. The two torque controlling mounts are attached to a fore/aft member and the front and
rear of the engine.
OPERATION
OPERATION
The four-point engine mounting system minimizes the transmission of structure-borne engine noise to the
passenger compartment. The load-carrying right and left mounts dampen and isolate vertical motion and
WARNING: Use extreme caution when the engine is operating. Do not put your
hands near the pulleys, belts or fan. Do not wear loose clothes.
2009 Jeep Patriot Limited
2009 ENGINE 2.0L Diesel - Service Information - Compass & Patriot
a
Saturday, September 08, 2012 12:56:42 PM Page 118 © 2006 Mitchell Repair Information Company, LLC.
vibration. The front and rear mount absorb torque reaction forces and torsional vibrations.
BRACKET, ENGINE MOUNT, RIGHT
Removal
REMOVAL
Fig. 185: Right Engine Mount Bracket
Courtesy of CHRYSLER LLC
1. Remove right engine mount. See Removal.
2. Remove accessory drive belt.
3. Remove bracket retaining bolts (1).
4. Remove bracket (5) through bottom rear.
Installation
INSTALLATION
2009 Jeep Patriot Limited
2009 ENGINE 2.0L Diesel - Service Information - Compass & Patriot
a
Saturday, September 08, 2012 12:56:42 PM Page 119 © 2006 Mitchell Repair Information Company, LLC.
Fig. 186: Right Engine Mount Bracket
Courtesy of CHRYSLER LLC
1. Position right engine mount bracket (5).
2. Install bracket retaining (1) bolts and tighten to 50 N.m (37 ft. lbs.).
3. Install accessory drive belt.
Fig. 187: Right Engine Mount
Courtesy of CHRYSLER LLC
4. Install mount (3). See Installation.
INSULATOR, ENGINE MOUNT, FRONT
Removal
2009 Jeep Patriot Limited
2009 ENGINE 2.0L Diesel - Service Information - Compass & Patriot
a
Saturday, September 08, 2012 12:56:42 PM Page 120 © 2006 Mitchell Repair Information Company, LLC.
REMOVAL
Fig. 188: Front Mount Through Bolt
Courtesy of CHRYSLER LLC
1. Raise vehicle.
2. Remove fore aft member (3) to mount (4) bolts.
3. Remove mount through bolt (1).
4. Remove fore aft member (3) mounting bolts and remove.
5. Remove front mount (4).
Installation
INSTALLATION
2009 Jeep Patriot Limited
2009 ENGINE 2.0L Diesel - Service Information - Compass & Patriot
a
Saturday, September 08, 2012 12:56:42 PM Page 121 © 2006 Mitchell Repair Information Company, LLC.
Fig. 189: Front Mount Through Bolt
Courtesy of CHRYSLER LLC
1. Position mount (4) and tighten bolts to 47 N.m (35 ft. lbs.).
2. Install fore aft member (3) and tighten bolts to 100 N.m (74 ft. lbs.).
3. Install mount through bolt (1) and tighten to 47 N.m (35 ft. lbs.).
4. Lower vehicle.
INSULATOR, ENGINE MOUNT, LEFT
Removal
REMOVAL
Fig. 190: Left Engine Mount
Courtesy of CHRYSLER LLC
1. Remove air cleaner assembly.
2. Remove battery.
3. Remove battery tray.
4. Disconnect PCM connectors and reposition harness.
5. Remove PCM.
6. Remove PCM mounting bracket.
7. Support engine with a suitable jack.
8. Remove mount through bolt (2).
9. Remove mount bracket from transaxle (3).
10. Remove mount to frame rail retaining bolts.
11. Remove engine mount (1).
2009 Jeep Patriot Limited
2009 ENGINE 2.0L Diesel - Service Information - Compass & Patriot
a
Saturday, September 08, 2012 12:56:42 PM Page 122 © 2006 Mitchell Repair Information Company, LLC.
Installation
INSTALLATION
Fig. 191: Left Engine Mount
Courtesy of CHRYSLER LLC
1. Position mount (1) on frame rail.
2. Install mount retaining bolts and tighten to 75 N.m (55 ft. lbs.).
3. Install mount bracket (3) to transaxle and tighten bolts to 61 N.m (45 ft. lbs.).
4. Install mount through bolt (2) and tighten to 100 N.m (74 ft. lbs.).
5. Remove jack.
6. Install PCM mounting bracket.
7. Install PCM.
8. Connect PCM electrical connectors.
9. Install battery tray.
10. Install battery.
11. Install air cleaner assembly.
INSULATOR, ENGINE MOUNT, REAR
Removal
REMOVAL
2009 Jeep Patriot Limited
2009 ENGINE 2.0L Diesel - Service Information - Compass & Patriot
a
Saturday, September 08, 2012 12:56:42 PM Page 123 © 2006 Mitchell Repair Information Company, LLC.
Fig. 192: Rear Mount Retaining Bolts
Courtesy of CHRYSLER LLC
1. Remove rear mount retaining bolts (4).
2. Remove rear mount through bolt (1).
3. Remove oxygen sensor connector (2) from mount.
4. Remove rear mount (3).
Installation
INSTALLATION
Fig. 193: Rear Mount Retaining Bolts
Courtesy of CHRYSLER LLC
2009 Jeep Patriot Limited
2009 ENGINE 2.0L Diesel - Service Information - Compass & Patriot
a
Saturday, September 08, 2012 12:56:42 PM Page 124 © 2006 Mitchell Repair Information Company, LLC.
1. Position rear mount (3).
2. Install rear mount retaining bolts (4) and tighten to 50 N.m (37 ft. lbs.).
3. Install rear mount through bolt (1) and tighten to 47 N.m (35 ft. lbs.).
4. Install oxygen sensor connector (2) retainer to mount (3).
INSULATOR, ENGINE MOUNT, RIGHT
Removal
REMOVAL
Fig. 194: Right Engine Mount
Courtesy of CHRYSLER LLC
1. Remove right splash shield.
2. Remove accessory drive belt.
3. Remove lower tensioner bolt.
4. Remove lower mount bracket bolt.
5. Lower vehicle.
6. Support engine with suitable jack.
7. Remove coolant reservoir.
8. Remove windshield washer bottle.
9. Remove upper mount bolts.
10. Remove through bolt (2).
11. Remove mount (3).
Installation
2009 Jeep Patriot Limited
2009 ENGINE 2.0L Diesel - Service Information - Compass & Patriot
a
Saturday, September 08, 2012 12:56:42 PM Page 125 © 2006 Mitchell Repair Information Company, LLC.
INSTALLATION
Fig. 195: Right Engine Mount
Courtesy of CHRYSLER LLC
1. Position mount (3) in place.
2. Install mount retaining bolts and tighten to 75 N.m (55 ft. lbs.).
3. Install mount through bolt (2) and tighten to 88 N.m (65 ft. lbs.).
4. Install windshield washer bottle.
5. Install coolant reservoir.
6. Remove jack.
7. Raise vehicle.
8. Install lower mount bracket bolt and tighten to 68 N.m (50 ft. lbs.).
9. Install tensioner bolt.
10. Install accessory drive belt. Refer to Cooling/Accessory Drive/BELT, Serpentine - Installation .
11. Install splash shield.
LUBRICATION
DESCRIPTION
DESCRIPTION
The lubrication system is a full-flow filtration, pressure feed type. The balance shaft module (BSM) is mounted
below the ladder frame and chain driven by the crankshaft. The BSM consists of a non-serviceable pump, oil
pressure relief valve, and a non-serviceable balance assembly.
OPERATION
2009 Jeep Patriot Limited
2009 ENGINE 2.0L Diesel - Service Information - Compass & Patriot
a
Saturday, September 08, 2012 12:56:42 PM Page 126 © 2006 Mitchell Repair Information Company, LLC.
OPERATION
Engine oil is drawn up through the pickup tube and is pressurized by the oil pump and routed through the full-
flow filter to the main oil gallery running the length of the cylinder block on the intake side. A diagonal hole in
each bulkhead feeds oil to each main bearing. Drilled passages within the crankshaft route oil from main
bearing journals to connecting rod journals. Balance shaft lubrication is provided through an internal oil passage
at the #3 bearing location around the BSM mounting bolt. A vertical hole at the number one bulkhead routes
pressurized oil through a filter screen and head gasket up to the cylinder head. The oil then divides into three
passages; one to the intake cam phaser, one to the exhaust cam phaser and one to the camshafts. The passage to
the camshafts divides to feed both of the hollow camshafts at the second cam journal. The rest of cam journals
are feed oil through the hollow camshafts. The #1 cam journals are fed oil through the VVT oil passages. Oil
passages to the phasers are directed through the OCV (oil control valves) to the #1 journals. The oil then flows
through the camshafts to the cam phasers. Oil returning to the pan from pressurized components supplies
lubrication to the valve stems, cam lobes, and tappets. Cylinder bores and wrist pins are splash lubricated from
directed slots on the connecting rod thrust collars.
DIAGNOSIS AND TESTING
CHECKING ENGINE OIL PRESSURE
Fig. 196: Oil Pressure Sender
Courtesy of CHRYSLER LLC
1. Disconnect and remove oil pressure switch (1). See Removal.
2009 Jeep Patriot Limited
2009 ENGINE 2.0L Diesel - Service Information - Compass & Patriot
a
Saturday, September 08, 2012 12:56:42 PM Page 127 © 2006 Mitchell Repair Information Company, LLC.
Fig. 197: Oil Pressure Gauge
Courtesy of CHRYSLER LLC
2. Install oil pressure gauge (1).
3. Start engine and record oil pressure. Refer to Specifications for correct oil pressure requirements. See
Specifications.
4. If oil pressure is 0 at idle, shut off engine. check for pressure relief valve stuck open, a clogged oil pick-
up screen or a damaged oil pick-up tube O-ring.
5. Remove oil pan and inspect for debris. See Removal.
6. Remove pressure relief valve and inspect, if damaged replace pressure relief valve.
7. If pressure relief valve is OK, replace balance shaft module assembly.
8. After test is complete, remove test gauge and fitting (1).
CAUTION: If oil pressure is 0 at idle, do not perform the 3000 RPM test
2009 Jeep Patriot Limited
2009 ENGINE 2.0L Diesel - Service Information - Compass & Patriot
a
Saturday, September 08, 2012 12:56:42 PM Page 128 © 2006 Mitchell Repair Information Company, LLC.
Fig. 198: Oil Pressure Sender
Courtesy of CHRYSLER LLC
9. Install oil pressure switch (1) and connector. See Installation .
FILTER, ENGINE OIL
Removal
REMOVAL
Fig. 199: Electrical Connector
Courtesy of CHRYSLER LLC
1. Remove harness hold down bracket retaining bolt (1) and reposition out of the way.
2009 Jeep Patriot Limited
2009 ENGINE 2.0L Diesel - Service Information - Compass & Patriot
a
Saturday, September 08, 2012 12:56:42 PM Page 129 © 2006 Mitchell Repair Information Company, LLC.
2. Remove oil filter housing cover.
Fig. 200: Filter Housing
Courtesy of CHRYSLER LLC
3. Pull filter cartridge (2) out of the filter housing (1) and discard.
Installation
INSTALLATION
Fig. 201: Oil Filter Cartridge
Courtesy of CHRYSLER LLC
1. Install oil filter cartridge (2) into housing (1).
2009 Jeep Patriot Limited
2009 ENGINE 2.0L Diesel - Service Information - Compass & Patriot
a
Saturday, September 08, 2012 12:56:42 PM Page 130 © 2006 Mitchell Repair Information Company, LLC.
Fig. 202: Oil Filter
Courtesy of CHRYSLER LLC
2. Install new O-ring (2) onto cover (1).
3. Install cover.
OIL
Standard Procedure
ENGINE OIL LEVEL CHECK
Fig. 203: Oil Level Indicator
Courtesy of CHRYSLER LLC
2009 Jeep Patriot Limited
2009 ENGINE 2.0L Diesel - Service Information - Compass & Patriot
a
Saturday, September 08, 2012 12:56:42 PM Page 131 © 2006 Mitchell Repair Information Company, LLC.
The best time to check engine oil level is after the vehicle has sat overnight, or if the engine has been running,
allow the engine to be shut off for at least 5 minutes before checking oil level.
Checking the oil while the vehicle is on level ground will improve the accuracy of the oil level reading. Remove
dipstick and observe oil level. Add oil only when the level is at or below the MIN mark (3).
ENGINE OIL AND FILTER CHANGE
Change engine oil at mileage and time intervals described in the Maintenance Schedule. Refer to Vehicle
Quick Reference/Maintenance Schedules - Description .
1. Run engine until achieving normal operating temperature.
2. Position the vehicle on a level surface and turn engine off.
3. Remove oil fill cap.
4. Raise vehicle on hoist.
5. Place a suitable oil collecting container under oil pan drain plug.
6. Remove oil pan drain plug or and allow oil to drain into collecting container. Inspect drain plug threads
for stretching or other damage. Replace drain plug and gasket if damaged.
7. Remove oil filter. See Removal.
8. Install oil pan drain plug. Torque drain plug to 28 N.m (20 ft. lbs.).
9. Install new oil filter. See Installation.
10. Lower vehicle and fill crankcase with specified type and amount of engine oil. Refer to Vehicle Quick
Reference/Capacities and Recommended Fluids - Specifications and refer to Vehicle Quick
Reference/Capacities and Recommended Fluids - Description .
11. Install oil fill cap.
12. Start engine and inspect for leaks.
13. Stop engine and inspect oil level.
OIL FILTER SPECIFICATION
CAUTION: Do not operate engine if the oil level is above the MAX (2) mark on the
dipstick. Excessive oil volume can cause oil aeration which can lead to
engine failure due to loss of oil pressure or increase in oil temperature.
WARNING: NEW OR USED ENGINE OIL CAN BE IRRITATING TO THE SKIN. AVOID
PROLONGED OR REPEATED SKIN CONTACT WITH ENGINE OIL.
CONTAMINANTS IN USED ENGINE OIL, CAUSED BY INTERNAL
COMBUSTION, CAN BE HAZARDOUS TO YOUR HEALTH. THOROUGHLY
WASH EXPOSED SKIN WITH SOAP AND WATER. DO NOT WASH SKIN
WITH GASOLINE, DIESEL FUEL, THINNER, OR SOLVENTS, HEALTH
PROBLEMS CAN RESULT. DO NOT POLLUTE, DISPOSE OF USED
ENGINE OIL PROPERLY. CONTACT YOUR DEALER OR GOVERNMENT
AGENCY FOR LOCATION OF COLLECTION CENTER IN YOUR AREA.
2009 Jeep Patriot Limited
2009 ENGINE 2.0L Diesel - Service Information - Compass & Patriot
a
Saturday, September 08, 2012 12:56:42 PM Page 132 © 2006 Mitchell Repair Information Company, LLC.
All engines are equipped with a high quality full-flow, disposable type oil filter. Replace oil filter with a
Mopar® or the equivalent.
USED ENGINE OIL DISPOSAL
Care should be exercised when disposing used engine oil after it has been drained from a vehicle engine. Refer
to the WARNING listed above.
PAN, OIL
Removal
REMOVAL
Fig. 204: OIL PAN-REMOVAL
Courtesy of CHRYSLER LLC
1. Disconnect negative battery cable.
2. Raise vehicle on hoist.
3. Remove engine compartment lower silencer and accessory drive belt splash shield.
4. Drain engine oil.
5. Remove oil pan fasteners.
6. Remove oil pan by prying off with suitable pry bar.
7. Clean oil pan and engine block sealing surfaces.
Installation
NOTE: It maybe necessary to rotate crankshaft to gain access to the rear oil pan
bolts.
2009 Jeep Patriot Limited
2009 ENGINE 2.0L Diesel - Service Information - Compass & Patriot
a
Saturday, September 08, 2012 12:56:42 PM Page 133 © 2006 Mitchell Repair Information Company, LLC.
INSTALLATION
Fig. 205: Oil Pan RTV Path
Courtesy of CHRYSLER LLC
1. Clean oil pan and all sealing surfaces.
2. Apply a 2 - 3 mm bead of RTV to oil pan as shown in illustration.
3. Position oil pan and install bolts.
4. Hand tighten oil pan bolts.
5. Install oil pan to bell housing bolts and hand tighten.
6. Tighten oil pan bolts to 15 N.m (133 in. lbs.).
7. Tighten oil pan to bell housing bolts to 40 N.m (30 ft. lbs.).
8. Install accessory drive belt splash shield and engine compartment lower silencer.
9. Lower vehicle.
10. Refill engine oil.
11. Connect negative battery cable.
12. Start engine and check for leaks.
PUMP, ENGINE OIL
Removal
REMOVAL
1. Disconnect negative battery cable.
NOTE: Sealer must cure for a minimum of 30 minutes prior to filling with oil.
2009 Jeep Patriot Limited
2009 ENGINE 2.0L Diesel - Service Information - Compass & Patriot
a
Saturday, September 08, 2012 12:56:42 PM Page 134 © 2006 Mitchell Repair Information Company, LLC.
2. Raise vehicle on hoist.
3. Drain engine oil.
4. Remove oil pan. See Removal.
Fig. 206: Windage Tray - Removal
Courtesy of CHRYSLER LLC
5. Remove windage tray retaining bolt and remove windage tray (2).
6. Remove oil pump retaining bolts.
7. Push on oil pump chain tensioner to release tension on chain and remove oil pump chain from oil pump
sprocket.
8. Remove oil pump.
Installation
INSTALLATION
1. Release tension from oil pump chain tensioner and install chain on oil pump sprocket.
2. Position oil pump on cylinder block and install retaining bolts. Tighten bolts to 18 N.m (13 lbs. ft.).
3. Position windage tray and instal retaining bolt.
4. Install oil pan. See Installation.
5. Lower vehicle from hoist.
6. Refill engine oil to proper level.
7. Connect negative battery cable.
SENSOR, OIL PRESSURE
Description
2009 Jeep Patriot Limited
2009 ENGINE 2.0L Diesel - Service Information - Compass & Patriot
a
Saturday, September 08, 2012 12:56:42 PM Page 135 © 2006 Mitchell Repair Information Company, LLC.
DESCRIPTION
The oil pressure switch is located on the right front side of the engine block. The oil pressure switch is a
pressure sensitive switch that is activated by the engine's oil pressure (in the main oil gallery). The switch is a
single terminal device.
Operation
OPERATION
The oil pressure switch is normally "Closed." The switch changes from a "Closed" circuit to an "Open" circuit,
on increasing pressure of 7 psig. The oil pressure switch changes from an "Open" circuit to a "Closed" circuit,
on decreasing pressure, between 2 psig and 4 psig.
Removal
REMOVAL
Fig. 207: Oil Pressure Sender Electrical Connector
Courtesy of CHRYSLER LLC
1. Disconnect oil pressure sensor electrical connector.
2. Remove oil pressure sensor (1).
Installation
INSTALLATION
2009 Jeep Patriot Limited
2009 ENGINE 2.0L Diesel - Service Information - Compass & Patriot
a
Saturday, September 08, 2012 12:56:42 PM Page 136 © 2006 Mitchell Repair Information Company, LLC.
Fig. 208: Oil Pressure Sender Electrical Connector
Courtesy of CHRYSLER LLC
1. Apply Mopar® thread sealant to threads.
2. Install oil pressure sensor and tighten to 8 N.m (71 in. lbs.).
3. Connect oil pressure sensor electrical connector.
MANIFOLDS
MANIFOLD, EXHAUST
Removal
REMOVAL
2009 Jeep Patriot Limited
2009 ENGINE 2.0L Diesel - Service Information - Compass & Patriot
a
Saturday, September 08, 2012 12:56:42 PM Page 137 © 2006 Mitchell Repair Information Company, LLC.
Fig. 209: Engine Cover-Removal
Courtesy of CHRYSLER LLC
1. Disconnect negative battery cable.
2. Remove engine cover. Refer to ENGINE COVER.
3. Remove exhaust manifold upper heat shield bolts and remove upper heat shield.
4. Remove exhaust manifold lower heat shield.
5. Separate exhaust pipe from catalytic converter.
Fig. 210: Power Steering Line Support
Courtesy of CHRYSLER LLC
6. Remove upper turbo inlet tube.
7. Remove lower turbo outlet tube.
2009 Jeep Patriot Limited
2009 ENGINE 2.0L Diesel - Service Information - Compass & Patriot
a
Saturday, September 08, 2012 12:56:42 PM Page 138 © 2006 Mitchell Repair Information Company, LLC.
8. Remove turbo lower vacuum line.
9. Remove turbo oil feed line support bracket (5).
10. Remove turbo oil feed line at turbo (4).
11. Remove power steering line support (2).
12. Remove turbo oil feed line at oil filter housing.
Fig. 211: Turbo Support Bracket
Courtesy of CHRYSLER LLC
13. Remove turbo oil return line (2).
14. Remove turbo support bracket (1).
Fig. 212: EGR Tube
Courtesy of CHRYSLER LLC
2009 Jeep Patriot Limited
2009 ENGINE 2.0L Diesel - Service Information - Compass & Patriot
a
Saturday, September 08, 2012 12:56:42 PM Page 139 © 2006 Mitchell Repair Information Company, LLC.
15. Remove EGR tube (1) from exhaust manifold.
16. Remove heat shield (2).
Fig. 213: Exhaust Manifold/Turbo Assembly
Courtesy of CHRYSLER LLC
17. Remove exhaust manifold bolts.
18. Remove exhaust manifold/turbo assembly (3).
19. Remove gasket.
20. Clean gasket surfaces.
Installation
INSTALLATION
2009 Jeep Patriot Limited
2009 ENGINE 2.0L Diesel - Service Information - Compass & Patriot
a
Saturday, September 08, 2012 12:56:42 PM Page 140 © 2006 Mitchell Repair Information Company, LLC.
Fig. 214: Power Steering Line Support
Courtesy of CHRYSLER LLC
1. Install new exhaust manifold gasket.
2. Position exhaust manifold/turbo assembly (3) in place.
3. Install exhaust manifold bolts and tighten.
Fig. 215: EGR Tube
Courtesy of CHRYSLER LLC
4. Install EGR tube (1) to exhaust manifold.
Fig. 216: Turbo Support Bracket
Courtesy of CHRYSLER LLC
2009 Jeep Patriot Limited
2009 ENGINE 2.0L Diesel - Service Information - Compass & Patriot
a
Saturday, September 08, 2012 12:56:42 PM Page 141 © 2006 Mitchell Repair Information Company, LLC.
5. Install lower manifold support bracket (1)
6. Install turbo oil return line (2).
7. Install turbo oil feed line at oil filter housing.
Fig. 217: Power Steering Line Support
Courtesy of CHRYSLER LLC
8. Install oil feed line (4) at turbo.
9. Install turbo oil feed line support bracket (5).
10. Install turbo lower vacuum lines.
11. Install lower turbo outlet tube.
12. Install upper turbo inlet tube.
13. Connect exhaust pipe to catalytic converter.
2009 Jeep Patriot Limited
2009 ENGINE 2.0L Diesel - Service Information - Compass & Patriot
a
Saturday, September 08, 2012 12:56:42 PM Page 142 © 2006 Mitchell Repair Information Company, LLC.
Fig. 218: EGR Tube
Courtesy of CHRYSLER LLC
14. Install exhaust manifold lower heat shield (2).
15. Install exhaust manifold upper heat and install upper heat shield bolts.
Fig. 219: Engine Cover
Courtesy of CHRYSLER LLC
16. Install engine cover by pushing downward.
17. Connect negative battery cable.
MANIFOLD, INTAKE
Description
DESCRIPTION
The intake manifold is one-piece design and is made from aluminum.
Removal
REMOVAL
2009 Jeep Patriot Limited
2009 ENGINE 2.0L Diesel - Service Information - Compass & Patriot
a
Saturday, September 08, 2012 12:56:42 PM Page 143 © 2006 Mitchell Repair Information Company, LLC.
Fig. 220: Engine Cover - Removal
Courtesy of CHRYSLER LLC
1. Disconnect negative battery cable.
2. Remove engine cover by pulling upward.
3. Partially drain cooling system. Refer to Cooling - Standard Procedure .
Fig. 221: EGR Valve
Courtesy of CHRYSLER LLC
4. Remove vacuum harness (1).
2009 Jeep Patriot Limited
2009 ENGINE 2.0L Diesel - Service Information - Compass & Patriot
a
Saturday, September 08, 2012 12:56:42 PM Page 144 © 2006 Mitchell Repair Information Company, LLC.
Fig. 222: Coolant Tube
Courtesy of CHRYSLER LLC
5. Remove coolant bypass tube retaining bolts (1) and reposition tube.
6. Remove fuel hose from lift bracket.
7. Remove upper radiator hose from cylinder head and reposition.
2009 Jeep Patriot Limited
2009 ENGINE 2.0L Diesel - Service Information - Compass & Patriot
a
Saturday, September 08, 2012 12:56:42 PM Page 145 © 2006 Mitchell Repair Information Company, LLC.
Fig. 223: Intake Manifold
Courtesy of CHRYSLER LLC
8. Release air inlet pipe from throttle body.
9. Remove EGR pipe (3).
Fig. 224: dipstick support retaining bolt
Courtesy of CHRYSLER LLC
10. Remove dip stick support bracket retaining bolt (1).
11. Remove left and right engine cover brackets.
2009 Jeep Patriot Limited
2009 ENGINE 2.0L Diesel - Service Information - Compass & Patriot
a
Saturday, September 08, 2012 12:56:42 PM Page 146 © 2006 Mitchell Repair Information Company, LLC.
Fig. 225: Intake Manifold
Courtesy of CHRYSLER LLC
12. Disconnect throttle body connectors.
13. Remove throttle body assembly (5).
14. Remove EGR valve (7).
15. Remove electrical connector from intake bracket.
2009 Jeep Patriot Limited
2009 ENGINE 2.0L Diesel - Service Information - Compass & Patriot
a
Saturday, September 08, 2012 12:56:42 PM Page 147 © 2006 Mitchell Repair Information Company, LLC.
Fig. 226: Torque Sequence
Courtesy of CHRYSLER LLC
16. Remove intake manifold bolts.
17. Remove intake manifold.
Cleaning
CLEANING
1. Discard gasket(s).
2. Clean all sealing surfaces.
Inspection
INSPECTION
1. Inspect manifold for cracks or distortion. Replace manifold if necessary.
2. Inspect manifold for gasket surface damage or warpage. Replace manifold if necessary.
Installation
INSTALLATION
2009 Jeep Patriot Limited
2009 ENGINE 2.0L Diesel - Service Information - Compass & Patriot
a
Saturday, September 08, 2012 12:56:42 PM Page 148 © 2006 Mitchell Repair Information Company, LLC.
Fig. 227: Torque Sequence
Courtesy of CHRYSLER LLC
1. Clean gaskets/seals mating surfaces.
2. Install new gasket.
3. Place intake on cylinder head and install retaining bolts. Tighten bolts to 20 N.m (14.7 lbs. ft.) as shown
in illustration.
2009 Jeep Patriot Limited
2009 ENGINE 2.0L Diesel - Service Information - Compass & Patriot
a
Saturday, September 08, 2012 12:56:42 PM Page 149 © 2006 Mitchell Repair Information Company, LLC.
Fig. 228: Throttle Plate Assembly
Courtesy of CHRYSLER LLC
4. Install electrical connector to intake bracket.
5. Install new EGR gasket (8) and EGR valve (7).
6. Install throttle plate assembly (5).
7. Connect throttle body electrical connector.
8. Install right and left engine cover brackets.
9. Install EGR pipe.
10. Install EGR pipe support bracket.
2009 Jeep Patriot Limited
2009 ENGINE 2.0L Diesel - Service Information - Compass & Patriot
a
Saturday, September 08, 2012 12:56:42 PM Page 150 © 2006 Mitchell Repair Information Company, LLC.
Fig. 229: Dipstick Support Retaining Bolt
Courtesy of CHRYSLER LLC
11. Install dipstick support retaining bolt (1).
12. Connect air inlet pipe to throttle body.
13. Install upper radiator hose to cylinder head.
14. Install fuel hose retainer to engine lift bracket.
Fig. 230: Coolant Tube
Courtesy of CHRYSLER LLC
15. Position coolant tube in place and install fasteners (1).
2009 Jeep Patriot Limited
2009 ENGINE 2.0L Diesel - Service Information - Compass & Patriot
a
Saturday, September 08, 2012 12:56:42 PM Page 151 © 2006 Mitchell Repair Information Company, LLC.
Fig. 231: EGR Valve
Courtesy of CHRYSLER LLC
16. Install vacuum harness (1).
17. Fill cooling system.
18. Change oil and filter.
19. Connect negative battery cable.
20. Start engine and check for leaks.
Fig. 232: Engine Cover
Courtesy of CHRYSLER LLC
21. Install engine cover. Refer to ENGINE COVER.
TURBOCHARGER SYSTEM
2009 Jeep Patriot Limited
2009 ENGINE 2.0L Diesel - Service Information - Compass & Patriot
a
Saturday, September 08, 2012 12:56:42 PM Page 152 © 2006 Mitchell Repair Information Company, LLC.
COOLER AND HOSES, CHARGE AIR
Removal
REMOVAL
Fig. 233: Charge Air Cooler LH Clamp
Courtesy of CHRYSLER LLC
1. Remove front fascia.
2. Raise and support vehicle.
3. Remove RH tubing clamp and tubing at charge air cooler
1 - CHARGE AIR COOLER
2 - LH CLAMP
3 - TUBING
CAUTION: Do not use any tools to remove the rubber isolators-remove by hand only.
Soapy water or silicone based lubricant spray may be used to assist
removal/installation of isolators. DO NOT use a petroleum based lubricant
on the isolators, as damage to the rubber material can occur.
NOTE: Band clamps are spot welded to exhaust system. If a band clamp must be
replaced, the spot weld must be ground off the exhaust pipe.
2009 Jeep Patriot Limited
2009 ENGINE 2.0L Diesel - Service Information - Compass & Patriot
a
Saturday, September 08, 2012 12:56:42 PM Page 153 © 2006 Mitchell Repair Information Company, LLC.
Fig. 234: Charge Air Cooler RH Clamp
Courtesy of CHRYSLER LLC
4. Remove LH tubing clamp and tubing at charge air cooler.
5. Remove charge air cooler mounting bolts and charge air cooler.
Installation
INSTALLATION
Fig. 235: Charge Air Cooler LH Clamp
1 - TUBING
2 - CLAMP
3 - CHARGE AIR COOLER
2009 Jeep Patriot Limited
2009 ENGINE 2.0L Diesel - Service Information - Compass & Patriot
a
Saturday, September 08, 2012 12:56:43 PM Page 154 © 2006 Mitchell Repair Information Company, LLC.
Courtesy of CHRYSLER LLC
1. Position charge air cooler and install mounting bolts. Tighten bolts to 35 N.m (25 ft. lbs.).
2. Install LH tubing and clamp at charge air cooler. Tighten clamp to 10 N.m (89 in. lbs.).
Fig. 236: Charge Air Cooler RH Clamp
Courtesy of CHRYSLER LLC
3. Install RH tubing and clamp at charge air cooler. Tighten clamp to 10 N.m (89 in. lbs.).
4. Install front fascia.
TURBOCHARGER
Removal
DIESEL ENGINE
1. For turbocharger removal, see Removal.
Installation
DIESEL ENGINE
1 - CHARGE AIR COOLER
2 - LH CLAMP
3 - TUBING
1 - TUBING
2 - CLAMP
3 - CHARGE AIR COOLER
2009 Jeep Patriot Limited
2009 ENGINE 2.0L Diesel - Service Information - Compass & Patriot
a
Saturday, September 08, 2012 12:56:43 PM Page 155 © 2006 Mitchell Repair Information Company, LLC.
1. For turbocharger installation, see Installation.
VALVE TIMING
BELT, TIMING
Removal
REMOVAL
Fig. 237: Engine Cover
Courtesy of CHRYSLER LLC
1. Disconnect negative battery cable.
2. Remove engine cover. Refer to ENGINE COVER.
3. Remove cylinder head cover.
2009 Jeep Patriot Limited
2009 ENGINE 2.0L Diesel - Service Information - Compass & Patriot
a
Saturday, September 08, 2012 12:56:43 PM Page 156 © 2006 Mitchell Repair Information Company, LLC.
Fig. 238: Crankshaft Timing Marks
Courtesy of CHRYSLER LLC
4. Rotate engine to TDC and insert crankshaft lock 10122.
5. Insert camshaft locking pins 9882.
6. Loosen tensioner retaining nut.
7. rotate tensioner counter clockwise to release tension.
8. Remove timing belt.
Installation
INSTALLATION
1. Install the timing belt on the components in the following order:
Crankshaft sprocket
Timing belt tensioner
Camshaft sprockets
Idler pulley
Water pump pulley
NOTE: When rotating engine to TDC, verify that the cylinder #1 in on the
compression stroke. The camshaft lobes for cylinder #1 should be
pointing upward.
CAUTION: IT IS ESSENTIAL that the installation procedure is followed exactly. Failure
to do so will result in severe engine damage.
2009 Jeep Patriot Limited
2009 ENGINE 2.0L Diesel - Service Information - Compass & Patriot
a
Saturday, September 08, 2012 12:56:43 PM Page 157 © 2006 Mitchell Repair Information Company, LLC.
Fig. 239: Alignment Slot
Courtesy of CHRYSLER LLC
2. Using an Allen wrench, rotate tensioner (1) clockwise until the pointer (2) is centered in the alignment
slot (3).
Fig. 240: Tighten Tensioner Nut
Courtesy of CHRYSLER LLC
3. Tighten tensioner nut (1) to 20 N.m plus 45° (177 in. lbs. plus 45°).
NOTE: When tightening the tensioner nut, the pointer will turn a maximum of 5
mm to the right outside the alignment slot. Do not readjust because the
pointer will re-center itself after it has run a while.
2009 Jeep Patriot Limited
2009 ENGINE 2.0L Diesel - Service Information - Compass & Patriot
a
Saturday, September 08, 2012 12:56:43 PM Page 158 © 2006 Mitchell Repair Information Company, LLC.
Fig. 241: Exhaust Camshaft Sprocket Bolts
Courtesy of CHRYSLER LLC
4. Using sprocket/hub holder 9880 (1), tighten the intake and exhaust camshaft sprocket bolts (2) to 25 N.m
(18 ft. lbs.).
Fig. 242: Camshaft Locking Pins
Courtesy of CHRYSLER LLC
5. Remove camshaft locking pins 9882 (5).
2009 Jeep Patriot Limited
2009 ENGINE 2.0L Diesel - Service Information - Compass & Patriot
a
Saturday, September 08, 2012 12:56:43 PM Page 159 © 2006 Mitchell Repair Information Company, LLC.
Fig. 243: Crankshaft Lock 9883
Courtesy of CHRYSLER LLC
6. Remove crankshaft lock 9883 or 10122 (1).
7. Rotate the engine two revolutions back to Top Dead Center (TDC) cylinder No. 1 and recheck the
alignment of the tensioner pointer.
Fig. 244: Camshaft Locking Pins
Courtesy of CHRYSLER LLC
8. Rotate engine until camshaft locking pin 9882 (5) can be installed in camshaft sprocket (2).
9. Check to see if the camshaft locking pin 9882 (5) can be installed in camshaft sprocket (3). If it can not be
locked, loosen the bolts (1) on camshaft sprocket (2) and turn crankshaft until camshaft sprocket (3) can
be locked.
2009 Jeep Patriot Limited
2009 ENGINE 2.0L Diesel - Service Information - Compass & Patriot
a
Saturday, September 08, 2012 12:56:43 PM Page 160 © 2006 Mitchell Repair Information Company, LLC.
10. Loosen the bolts (4) on camshaft sprocket (3).
Fig. 245: Crankshaft Lock 9883
Courtesy of CHRYSLER LLC
11. Now rotate the crankshaft counter direction of engine rotation until the crankshaft lock (1) 9883 or 10122
is positioned just before the hole (2).
12. Rotate crankshaft in engine direction of rotation until crankshaft lock (1) is engaged unto the hole (2).
Fig. 246: Exhaust Camshaft Sprocket Bolts
Courtesy of CHRYSLER LLC
13. Using sprocket/hub holder 9880 (1), tighten the intake and exhaust camshaft sprocket bolts (2) to 25 N.m
(18 ft. lbs.).
14. Remove the camshaft lock pins 9882 and the crankshaft lock 9883 or 10122.
2009 Jeep Patriot Limited
2009 ENGINE 2.0L Diesel - Service Information - Compass & Patriot
a
Saturday, September 08, 2012 12:56:43 PM Page 161 © 2006 Mitchell Repair Information Company, LLC.
15. Rotate the engine two revolutions back to (TDC) cylinder No. 1 and recheck alignment.
Fig. 247: Lower Timing Belt Cover
Courtesy of CHRYSLER LLC
16. Install lower timing belt cover (1). Tighten bolts to 10 N.m (89 in. lbs.).
Fig. 248: Middle Timing Belt Cover
Courtesy of CHRYSLER LLC
17. Install the middle timing belt cover. Tighten bolts to 10 N.m (89 in. lbs.).
2009 Jeep Patriot Limited
2009 ENGINE 2.0L Diesel - Service Information - Compass & Patriot
a
Saturday, September 08, 2012 12:56:43 PM Page 162 © 2006 Mitchell Repair Information Company, LLC.
Fig. 249: Vibration Damper Dust Cover
Courtesy of CHRYSLER LLC
18. Install the vibration damper. Tighten bolts to 10 N.m plus 90° (89 in. lbs. plus 90°).
19. If equipped, install the vibration damper dust cover.
Fig. 250: Upper Timing Belt Cover
Courtesy of CHRYSLER LLC
20. Install upper timing belt cover.
2009 Jeep Patriot Limited
2009 ENGINE 2.0L Diesel - Service Information - Compass & Patriot
a
Saturday, September 08, 2012 12:56:43 PM Page 163 © 2006 Mitchell Repair Information Company, LLC.
Fig. 251: Accessory Belt Routing
Courtesy of CHRYSLER LLC
21. Install accessory drive belt (2). Refer to Cooling/Accessory Drive/BELT, Serpentine - Installation .
1 - GENERATOR
2 - ACCESSORY DRIVE BELT
3 - IDLER PULLEY
4 - A/C COMPRESSOR
5 - POWER STEERING PUMP
6 - CRANKSHAFT PULLEY/VIBRATION DAMPER
7 - BELT TENSIONER PULLEY
8 - BELT TENSIONER
2009 Jeep Patriot Limited
2009 ENGINE 2.0L Diesel - Service Information - Compass & Patriot
a
Saturday, September 08, 2012 12:56:43 PM Page 164 © 2006 Mitchell Repair Information Company, LLC.
Fig. 252: Engine Cover
Courtesy of CHRYSLER LLC
22. Install engine cover. Refer to ENGINE COVER.
23. Connect negative battery cable.
COVER(S), ENGINE TIMING, LOWER
Removal
REMOVAL
Fig. 253: Lower Timing Belt Cover
Courtesy of CHRYSLER LLC
2009 Jeep Patriot Limited
2009 ENGINE 2.0L Diesel - Service Information - Compass & Patriot
a
Saturday, September 08, 2012 12:56:43 PM Page 165 © 2006 Mitchell Repair Information Company, LLC.
1. Remove right splash shield.
2. Remove accessory drive belt.
3. Remove crankshaft damper.
4. Remove lower timing belt cover (1).
Installation
INSTALLATION
Fig. 254: Lower Timing Belt Cover
Courtesy of CHRYSLER LLC
1. Position lower timing belt cover.
2. Install lower timing belt cover retaining bolts and tighten.
3. Install crankshaft balancer and tighten to 10 N.m + 90° (89 lbs. in. +90°.
4. Install accessory drive belt.
5. Install splash shield.
COVER(S), ENGINE TIMING, UPPER
Removal
REMOVAL
2009 Jeep Patriot Limited
2009 ENGINE 2.0L Diesel - Service Information - Compass & Patriot
a
Saturday, September 08, 2012 12:56:43 PM Page 166 © 2006 Mitchell Repair Information Company, LLC.
Fig. 255: Timing Belt Cover
Courtesy of CHRYSLER LLC
1. Remove upper timing belt cover (1) by releasing clasps and pull upward.
Installation
INSTALLATION
Fig. 256: Timing Belt Cover
Courtesy of CHRYSLER LLC
1. Position upper timing belt cover (1) in place and snap clasps in place.
TENSIONER, ENGINE TIMING
2009 Jeep Patriot Limited
2009 ENGINE 2.0L Diesel - Service Information - Compass & Patriot
a
Saturday, September 08, 2012 12:56:43 PM Page 167 © 2006 Mitchell Repair Information Company, LLC.
Removal
REMOVAL
Fig. 257: Timing Belt Cover
Courtesy of CHRYSLER LLC
1. Disconnect negative battery cable.
2. Position piston of number #1 cylinder to ignition TDC.
3. Remove upper timing belt cover (1).
Fig. 258: Cam Timing
Courtesy of CHRYSLER LLC
2009 Jeep Patriot Limited
2009 ENGINE 2.0L Diesel - Service Information - Compass & Patriot
a
Saturday, September 08, 2012 12:56:43 PM Page 168 © 2006 Mitchell Repair Information Company, LLC.
4. Install camshaft lock pins 9882 (5).
5. Install engine support fixture.
6. Remove right engine mount.
7. Remove right engine mount bracket.
8. Raise vehicle on hoist.
Fig. 259: Lower Timing Belt Cover
Courtesy of CHRYSLER LLC
9. Remove balancer.
10. Remove splash shield.
11. Remove lower timing belt cover (1).
Fig. 260: Crankshaft Timing Marks
2009 Jeep Patriot Limited
2009 ENGINE 2.0L Diesel - Service Information - Compass & Patriot
a
Saturday, September 08, 2012 12:56:43 PM Page 169 © 2006 Mitchell Repair Information Company, LLC.
Courtesy of CHRYSLER LLC
12. Install crankshaft lock 9883.
13. Lower vehicle.
Fig. 261: Tensioner Adjustment
Courtesy of CHRYSLER LLC
14. Remove tensioner retaining nut.
15. Remove timing belt tensioner.
Installation
INSTALLATION
2009 Jeep Patriot Limited
2009 ENGINE 2.0L Diesel - Service Information - Compass & Patriot
a
Saturday, September 08, 2012 12:56:43 PM Page 170 © 2006 Mitchell Repair Information Company, LLC.
Fig. 262: Timing Belt Tensioner
Courtesy of CHRYSLER LLC
1. Position timing belt tensioner so finger (2) is in slot (1) and hand tighten nut.
Fig. 263: Tensioner Adjustment
Courtesy of CHRYSLER LLC
2. Insert Allen wrench into tensioner (3) and rotate tensioner until indicator (1) is in the middle of the slot.
Fig. 264: Tightening Tensioner
Courtesy of CHRYSLER LLC
3. Tighten nut (2) to 20 N.m + 45° (177 in. lbs. +45°).
2009 Jeep Patriot Limited
2009 ENGINE 2.0L Diesel - Service Information - Compass & Patriot
a
Saturday, September 08, 2012 12:56:43 PM Page 171 © 2006 Mitchell Repair Information Company, LLC.
Fig. 265: Camshaft Locking Pins 9882
Courtesy of CHRYSLER LLC
4. Remove camshaft locking pins 9882 (5).
Fig. 266: Upper Timing Belt Cover
Courtesy of CHRYSLER LLC
5. Install upper timing belt cover (1).
6. Remove crankshaft lock 9883.
NOTE: Tensioner indicator (1) will move out of the slot when nut (2) is tighten.
This is normal, do not reposition tensioner.
2009 Jeep Patriot Limited
2009 ENGINE 2.0L Diesel - Service Information - Compass & Patriot
a
Saturday, September 08, 2012 12:56:43 PM Page 172 © 2006 Mitchell Repair Information Company, LLC.
Fig. 267: Lower Timing Belt Cover
Courtesy of CHRYSLER LLC
7. Install mid and lower (1) timing belt covers.
8. Install balancer and tighten bolt to 10 N.m + 90° (89 in. lbs.+ 90°).
9. Install engine mount bracket.
10. Install engine mount.
11. Remove engine support fixture.
12. Install accessory drive belt.
13. Install splash shield.
14. Lower vehicle.
15. Connect negative battery cable.
16. Install engine cover. Refer to ENGINE COVER.
2009 Jeep Patriot Limited
2009 ENGINE 2.0L Diesel - Service Information - Compass & Patriot
a
Saturday, September 08, 2012 12:56:43 PM Page 173 © 2006 Mitchell Repair Information Company, LLC.
2009 ENGINE
2.0L - Service Information - Compass & Patriot
DESCRIPTION
DESCRIPTION
The 2.0 Liter (122 cu. in.) in-line four cylinder engine is a double over head camshaft with mechanical lash
buckets and four valves per cylinder design. This engine is NOT free-wheeling; meaning that the pistons will
contact the valves in the event of a timing chain failure.
The cylinders are numbered from front of the engine to the rear. The firing order is 1-3-4-2.
The engine serial number is located on the rear of the cylinder block. The serial number contains engine build
date information.
DIAGNOSIS AND TESTING
INTRODUCTION
Engine diagnosis is helpful in determining the causes of malfunctions not detected and remedied by routine
maintenance.
These malfunctions may be classified as either mechanical (e.g., a strange noise), or performance (e.g., engine
idles rough and stalls).
Refer to the Engine Mechanical and the Engine Performance diagnostic charts, for possible causes and
corrections of malfunctions. Refer to MECHANICAL and PERFORMANCE.
For fuel system diagnosis, refer to FUEL SYSTEM .
Additional tests and diagnostic procedures may be necessary for specific engine malfunctions that cannot be
isolated with the Service Diagnosis charts. Information concerning additional tests and diagnosis is provided
within the following:
Cylinder Compression Pressure Test: Refer to CYLINDER COMPRESSION PRESSURE TEST.
Cylinder Combustion Pressure Leakage Test: Refer to CYLINDER COMBUSTION PRESSURE
LEAKAGE TEST.
Engine Cylinder Head Gasket Failure Diagnosis: Refer to CYLINDER HEAD GASKET.
Intake Manifold Leakage Diagnosis: Refer to MANIFOLD, Intake.
Mechanical Valve Tappet Noise Diagnosis: Refer to MECHANICAL VALVE TAPPET NOISE
DIAGNOSIS.
Engine Oil Leak Inspection: Refer to ENGINE OIL LEAK INSPECTION.
2009 Jeep Patriot Limited
2009 ENGINE 2.0L - Service Information - Compass & Patriot
2009 Jeep Patriot Limited
2009 ENGINE 2.0L - Service Information - Compass & Patriot
a
Saturday, September 08, 2012 1:30:13 PM Page 1 © 2006 Mitchell Repair Information Company, LLC.
a
Saturday, September 08, 2012 1:30:22 PM Page 1 © 2006 Mitchell Repair Information Company, LLC.
PERFORMANCE
CONDITION POSSIBLE CAUSE CORRECTION
ENGINE WILL NOT START 1. Weak battery. 1. Test battery. Charge or replace
as necessary. Refer to
Electrical/Battery System -
Diagnosis and Testing .
2. Corroded or loose battery
connections.
2. Clean and tighten battery
connections. Apply a coat of light
mineral grease to terminals.
3. Faulty starter. 3. Test starting system. Check for
codes. (Refer to Appropriate
Diagnostic Information)
4. Faulty coil(s) or control unit. 4. Test and replace as needed.
(Refer to Appropriate Diagnostic
Information)
5. Incorrect spark plug gap. 5. Set gap. Refer to
Electrical/Ignition Control -
Specifications .
6. Contamination in fuel system. 6. Clean system and replace fuel
filter.
7. Faulty fuel pump. 7. Test fuel pump and replace as
needed. (Refer to Appropriate
Diagnostic Information)
8. Incorrect engine timing. 8. Check for a skipped timing
belt/chain.
ENGINE STALLS OR IDLES
ROUGH
1. Idle speed too low. 1. Test minimum air flow. (Refer
to Appropriate Diagnostic
Information)
2. Incorrect fuel mixture. 2. (Refer to Appropriate
Diagnostic Information)
3. Intake manifold leakage. 3. Inspect intake manifold,
manifold gasket, and vacuum
hoses.
4. Faulty ignition coil(s). 4. Test and replace as necessary.
(Refer to Appropriate Diagnostic
Information)
5. Contamination in Oil Control
Valve (OCV).
5. Remove OCV and inspect for
contamination. Replace OCV if
contaminated.
ENGINE LOSS OF POWER 1. Dirty or incorrectly gapped
plugs.
1. Clean plugs and set gap.
2. Contamination in fuel system. 2. Clean system and replace fuel
filter.
3. Faulty fuel pump. 3. Test and replace as necessary.
2009 Jeep Patriot Limited
2009 ENGINE 2.0L - Service Information - Compass & Patriot
a
Saturday, September 08, 2012 1:30:13 PM Page 2 © 2006 Mitchell Repair Information Company, LLC.
MECHANICAL
(Refer to Appropriate Diagnostic
Information)
4. Incorrect valve timing. 4. Correct valve timing.
5. Leaking cylinder head gasket. 5. Replace cylinder head gasket.
6. Low compression. 6. Test compression of each
cylinder.
7. Burned, warped, or pitted
valves.
7. Replace valves.
8. Plugged or restricted exhaust
system.
8. Perform exhaust restriction test.
Install new parts. Refer to
Exhaust System - Diagnosis and
Testing , as necessary.
9. Faulty ignition coil(s). 9. Test and replace as necessary.
(Refer to Appropriate Diagnostic
Information)
ENGINE MISSES ON
ACCELERATION
1. Dirty or incorrectly gapped
spark plugs.
1. Clean spark plugs and set gap.
2. Contamination in Fuel System. 2. Clean fuel system and replace
fuel filter.
3. Burned, warped, or pitted
valves.
3. Replace valves.
4. Faulty ignition coil(s). 4. Test and replace as necessary.
(Refer to Appropriate Diagnostic
Information)
ENGINE MISSES AT HIGH
SPEED
1. Dirty or incorrect spark plug
gap.
1. Clean spark plugs and set gap.
2. Faulty ignition coil(s). 2. Test and replace as necessary.
(Refer to Appropriate Diagnostic
Information)
3. Dirty fuel injector(s). 3. Test and replace as necessary.
(Refer to Appropriate Diagnostic
Information)
4. Contamination in fuel system. 4. Clean system and replace fuel
filter.
CONDITION POSSIBLE CAUSES CORRECTION
VALVETRAIN NOISE 1. High or low oil level in
crankcase.
1. Check and correct engine oil
level.
2. Thin or diluted oil. 2. Change oil to correct viscosity.
3. Thick oil 3. (a) Change engine oil and filter.
- (b) Run engine to operating
temperature.
2009 Jeep Patriot Limited
2009 ENGINE 2.0L - Service Information - Compass & Patriot
a
Saturday, September 08, 2012 1:30:13 PM Page 3 © 2006 Mitchell Repair Information Company, LLC.
- (c) Change engine oil and filter
again.
4. Low oil pressure. 4. (a) Check and correct engine oil
level.
- (b) Check pressure regulating valve.
5. Worn cam lobe. 5. Install new camshaft.
6. Worn tappet bucket. 6. Install new select fit tappet
bucket.
7. Worn valve guides. 7. Replace cylinder head.
8. Excessive runout of valve seats
on valve faces.
8. Grind valve seats and replace
valves.
CONNECTING ROD NOISE 1. Insufficient oil supply. 1. Check engine oil level.
2. Low oil pressure. 2. Check engine oil level. Inspect
oil pump relief valve and spring.
3. Thin or diluted oil. 3. Change oil to correct viscosity.
4. Thick oil 4. (a) Change engine oil and filter.
-
(b) Run engine to operating
temperature.
-
(c) Change engine oil and filter
again.
5. Excessive bearing clearance. 5. Measure bearings for correct
clearance. Repair as necessary.
6. Connecting rod journal out-of-
round.
6. Replace crankshaft or grind
surface.
7. Connecting rod out-of-round. 7. Replace connecting rod.
8. Misaligned connecting rods. 8. Replace bent connecting rods.
MAIN BEARING NOISE 1. Insufficient oil supply. 1. Check engine oil level.
2. Low oil pressure. 2. Check engine oil level. Inspect
oil pump relief valve and spring.
3. Thin or diluted oil. 3. Change oil to correct viscosity.
4. Thick oil 4. (a) Change engine oil and filter.
-
(b) Run engine to operating
temperature.
-
(c) Change engine oil and filter
again.
5. Excessive bearing clearance. 5. Measure bearings for correct
clearance. Repair as necessary.
6. Excessive end play. 6. Check thrust bearing for wear on
flanges.
7. Crankshaft journal out-of-
round or worn.
7. Replace crankshaft or grind
journals.
8. Loose flywheel or torque
converter.
8. Tighten to correct torque.
OIL PRESSURE DROP 1. Low oil level. 1. Check engine oil level.
2009 Jeep Patriot Limited
2009 ENGINE 2.0L - Service Information - Compass & Patriot
a
Saturday, September 08, 2012 1:30:13 PM Page 4 © 2006 Mitchell Repair Information Company, LLC.
CYLINDER COMBUSTION PRESSURE LEAKAGE TEST
The combustion pressure leakage test provides an accurate means for determining engine condition.
Combustion pressure leakage testing will detect:
Exhaust and intake valve leaks (improper seating).
Leaks between adjacent cylinders or into water jacket.
Any causes for combustion/compression pressure loss.
2. Faulty oil pressure sending
unit.
2. Install new sending unit.
3. Low oil pressure. 3. Check sending unit and main
bearing oil clearance.
4. Clogged oil filter. 4. Install new oil filter.
5. Worn parts in oil pump. 5. Replace balance shaft module.
6. Thin or diluted oil. 6. Change oil to correct viscosity.
7. Oil pump relief valve stuck. 7. Remove valve and inspect, clean,
or replace.
8. Excessive bearing clearance. 8. Measure bearings for correct
clearance.
OIL LEAKS 1. Misaligned or deteriorated
gaskets.
1. Replace gasket(s).
2. Loose fastener, broken or
porous metal part.
2. Tighten, repair or replace the
part.
3. Misaligned or deteriorated cup
or threaded plug.
3. Replace as necessary.
OIL CONSUMPTION OR
SPARK PLUGS FOULED
1. PCV system malfunction. 1. Check system and repair as
necessary. Refer to Emissions
Control/Evaporative
Emissions/VALVE, Positive
Crankcase Ventilation (PCV) -
Diagnosis and Testing
2. Worn, scuffed or broken rings. 2. Hone cylinder bores. Install new
rings.
3. Carbon in oil ring slots. 3. Install new rings.
4. Rings fitted too tightly in
grooves.
4. Remove rings and check grooves.
If groove is not proper width,
replace piston.
5. Worn valve guide(s). 5. Replace cylinder head.
6. Valve stem seal(s) worn or
damaged.
6. Replace seal(s).
WARNING: Do not remove the pressure cap with the system hot and under pressure
2009 Jeep Patriot Limited
2009 ENGINE 2.0L - Service Information - Compass & Patriot
a
Saturday, September 08, 2012 1:30:13 PM Page 5 © 2006 Mitchell Repair Information Company, LLC.
1. Check the coolant level and fill as required. DO NOT install the pressure cap.
2. Start and operate the engine until it attains normal operating temperature, then turn the engine OFF.
3. Clean spark plug recesses with compressed air.
4. Remove the spark plugs.
5. Remove the oil filler cap.
6. Remove the air cleaner.
7. Calibrate the tester according to the manufacturer's instructions. The shop air source for testing should
maintain 483 kPa (70 psi) minimum, 1,379 kPa (200 psi) maximum, with 552 kPa (80 psi) recommended.
8. Perform the test procedures on each cylinder according to the tester manufacturer's instructions. While
testing, listen for pressurized air escaping through the throttle body, tailpipe and oil filler cap opening.
Check for bubbles in the coolant.
9. All gauge pressure indications should be equal, with no more than 25% leakage per cylinder.
10. FOR EXAMPLE: At 552 kPa (80 psi) input pressure, a minimum of 414 kPa (60 psi) should be
maintained in the cylinder.
CYLINDER COMPRESSION PRESSURE TEST
The results of a cylinder compression pressure test can be utilized to diagnose several engine malfunctions.
Ensure the battery is completely charged and the engine starter motor is in good operating condition. Otherwise
the indicated compression pressures may not be valid for diagnosis purposes.
1. Check engine oil level and add oil if necessary.
2. Drive the vehicle until engine reaches normal operating temperature. Select a route free from traffic and
other forms of congestion, observe all traffic laws, and accelerate through the gears several times briskly.
3. Remove engine cover.
4. Disconnect coil electrical connectors and remove coils.
5. Remove all spark plugs from engine. As spark plugs are being removed, check electrodes for abnormal
firing indicators such as fouled, hot, oily, etc. Record cylinder number of spark plug for future reference.
6. Disconnect injector electrical connectors.
7. Insert compression pressure adaptor 8116 or the equivalent, into the #1 spark plug hole in cylinder head.
Connect the 0-500 psi (Blue) pressure transducer CH7059 with cable adaptors to the DRBIII®. For
Special Tool identification. See Engine - Special Tools.
8. Crank engine until maximum pressure is reached on gauge. Record this pressure as #1 cylinder pressure.
9. Repeat the previous step for all remaining cylinders.
10. Compression should not be less than 689 kPa (100 psi) and not vary more than 25 percent from cylinder
to cylinder.
11. If one or more cylinders have abnormally low compression pressures, repeat the compression test.
12. If the same cylinder or cylinders repeat an abnormally low reading on the second compression test, it
because serious burns from coolant can occur.
2009 Jeep Patriot Limited
2009 ENGINE 2.0L - Service Information - Compass & Patriot
a
Saturday, September 08, 2012 1:30:13 PM Page 6 © 2006 Mitchell Repair Information Company, LLC.
could indicate the existence of a problem in the cylinder in question. The recommended compression
pressures are to be used only as a guide to diagnosing engine problems. An engine should not be
disassembled to determine the cause of low compression unless some malfunction is present.
ENGINE OIL LEAK INSPECTION
Begin with a thorough visual inspection of the engine, particularly at the area of the suspected leak. If an oil
leak source is not readily identifiable, the following steps should be followed:
1. Do not clean or degrease the engine at this time because some solvents may cause rubber to swell,
temporarily stopping the leak.
2. Add an oil soluble dye (use as recommended by manufacturer). Start the engine and let idle for
approximately 15 minutes. Check the oil dipstick to make sure the dye is thoroughly mixed as indicated
with a bright yellow color under a black light.
3. Using a black light, inspect the entire engine for fluorescent dye, particularly at the suspected area of oil
leak. If the oil leak is found and identified, repair as necessary.
4. If dye is not observed, drive the vehicle at various speeds for approximately 24 km (15 miles), and repeat
inspection.
5. If the oil leak source is not positively identified at this time , proceed with the AIR LEAK
DETECTION TEST METHOD as follows:
Disconnect the fresh air hose (make-up air) at the cylinder head cover and plug or cap the nipple on
the cover.
Remove the PCV valve hose from the cylinder head cover. Cap or plug the PCV valve nipple on
the cover.
Attach an air hose with pressure gauge and regulator to the dipstick tube.
Gradually apply air pressure from 1 psi to 2.5 psi maximum while applying soapy water at the
suspected source. Adjust the regulator to the suitable test pressure that provides the best bubbles
which will pinpoint the leak source. If the oil leak is detected and identified, repair per service
information procedures.
If the leakage occurs at the crankshaft rear oil seal area, refer to INSPECTION FOR REAR
SEAL AREA LEAKS.
6. If no leaks are detected, turn off the air supply. Remove the air hose, all plugs, and caps. Install the PCV
valve and fresh air hose (make-up air). Proceed to next step.
7. Clean the oil off the suspect oil leak area using a suitable solvent. Drive the vehicle at various speeds
approximately 24 km (15 miles). Inspect the engine for signs of an oil leak by using a black light.
CAUTION: Do not subject the engine assembly to more than 20.6 kPa (3
psi) of test pressure.
NOTE: If oil leakage is observed at the dipstick tube to block location; remove the
tube, clean and reseal using Mopar® Stud AND Bearing Mount (press fit
tube applications only), and for O-ring style tubes, remove tube and
2009 Jeep Patriot Limited
2009 ENGINE 2.0L - Service Information - Compass & Patriot
a
Saturday, September 08, 2012 1:30:13 PM Page 7 © 2006 Mitchell Repair Information Company, LLC.
INSPECTION FOR REAR SEAL AREA LEAKS
Since it is sometimes difficult to determine the source of an oil leak in the rear seal area of the engine, a more
involved inspection is necessary. The following steps should be followed to help pinpoint the source of the leak.
If the leakage occurs at the crankshaft rear oil seal area:
1. Disconnect the battery.
2. Raise the vehicle.
3. Remove torque converter or clutch housing cover and inspect rear of block for evidence of oil. Use a
black light to check for the oil leak. If a leak is present in this area, remove transmission for further
inspection.
a. Circular spray pattern generally indicates seal leakage or crankshaft damage.
b. Where leakage tends to run straight down, possible causes are a porous block, oil gallery cup plug,
bedplate to cylinder block mating surfaces and seal bore. See proper repair procedures for these
items.
4. If no leaks are detected, pressurize the crankcase as previously described in step 5 under ENGINE OIL
LEAK INSPECTION.
5. If the leak is not detected, very slowly turn the crankshaft and watch for leakage. If a leak is detected
between the crankshaft and seal while slowly turning the crankshaft, it is possible the crankshaft seal
surface is damaged. The seal area on the crankshaft could have minor nicks or scratches that can be
polished out with emery cloth.
6. For bubbles that remain steady with shaft rotation, no further inspection can be done until disassembled.
7. After the oil leak root cause and appropriate corrective action have been identified, replace component(s)
as necessary.
replace the O-ring seal.
CAUTION: Do not exceed 20.6 kPa (3 psi).
CAUTION: Use extreme caution when crankshaft polishing is necessary to
remove minor nicks and scratches. The crankshaft seal flange is
especially machined to complement the function of the rear oil seal.
CAUTION: Do not exceed 20.6 kPa (3 psi).
CAUTION: Use extreme caution when crankshaft polishing is necessary to
remove minor nicks and scratches. The crankshaft seal flange is
especially machined to complement the function of the rear oil seal.
2009 Jeep Patriot Limited
2009 ENGINE 2.0L - Service Information - Compass & Patriot
a
Saturday, September 08, 2012 1:30:13 PM Page 8 © 2006 Mitchell Repair Information Company, LLC.
STANDARD PROCEDURE
ENGINE GASKET SURFACE PREPARATION
Fig. 1: Proper Tool Usage For Surface Preparation
Courtesy of CHRYSLER LLC
To ensure engine gasket sealing, proper surface preparation must be performed, especially with the use of
aluminum engine components and multi-layer steel cylinder head gaskets.
Never use the following to clean gasket surfaces:
Metal scraper (1).
Abrasive pad or paper to clean cylinder block and head.
High speed power tool with an abrasive pad or a wire brush (2, 3).
2009 Jeep Patriot Limited
2009 ENGINE 2.0L - Service Information - Compass & Patriot
a
Saturday, September 08, 2012 1:30:14 PM Page 9 © 2006 Mitchell Repair Information Company, LLC.
Fig. 2: Proper Tool Usage For Surface Preparation
Courtesy of CHRYSLER LLC
Only use the following for cleaning gasket surfaces:
Solvent or a commercially available gasket remover
Plastic or wood scraper (4).
Sealing surfaces must be free of grease or oil residue. Clean surfaces with Mopar® brake parts cleaner (or
equivalent).
REPAIR OF DAMAGED OR WORN THREADS
Damaged or worn threads (excluding spark plug and camshaft bearing cap attaching threads) can be repaired.
Essentially, this repair consists of drilling out worn or damaged threads, tapping the hole with a special Heli-
Coil Tap, (or equivalent) and installing an insert into the tapped hole. This brings the hole back to its original
thread size.
Heli-Coil tools and inserts are readily available from automotive parts jobbers.
HYDROSTATIC LOCKED ENGINE
When an engine is suspected to be hydrostatically locked, regardless of what caused the problem, the following
steps should be used.
NOTE: Multi-Layer Steel (MLS) head gaskets require a scratch free sealing surface.
CAUTION: Be sure that the tapped holes maintain the original center line.
2009 Jeep Patriot Limited
2009 ENGINE 2.0L - Service Information - Compass & Patriot
a
Saturday, September 08, 2012 1:30:14 PM Page 10 © 2006 Mitchell Repair Information Company, LLC.
1. Inspect air cleaner, induction system and intake manifold to insure system is dry and clear of foreign
material.
2. Remove negative battery cable.
3. Place a shop towel around the spark plugs when removing them from the engine. This will catch any fluid
that may possibly be in the cylinder under pressure.
4. With all spark plugs removed, rotate engine crankshaft using a breaker bar and socket.
5. Identify the fluid in the cylinder(s) (i.e., coolant, fuel, oil or other).
6. Make sure all fluid has been removed from the cylinders. Inspect engine for damage (i.e., connecting
rods, pistons, valves, etc.)
7. Repair engine or components as necessary to prevent this problem from re-occurring.
8. Install new spark plugs.
9. Drain engine oil and remove oil filter.
10. Install a new oil filter.
11. Fill engine with specified amount of approved oil.
12. Connect negative battery cable.
13. Start engine and check for any leaks.
FORM-IN-PLACE GASKETS AND SEALERS
There are numerous places where form-in-place gaskets are used on the engine. Care must be taken when
applying form-in-place gaskets to assure obtaining the desired results. Do not use form-in-place gasket
material unless specified. Bead size, continuity, and location are of great importance. Too thin a bead can
result in leakage while too much can result in spill-over which can break off and obstruct fluid feed lines. A
continuous bead of the proper width is essential to obtain a leak-free gasket. All sealing surfaces that use form-
in-place gaskets and sealers must free of grease or oil. Surfaces should be cleaned with Mopar® brake parts
cleaner prior to sealer application. After the sealer is applied, the parts should be assembled in no more than 10
minutes.
There are numerous types of form-in-place gasket materials that are used in the engine area. Mopar® Engine
RTV GEN II, Mopar® ATF-RTV, and Mopar® Gasket Maker gasket materials, each have different properties
and can not be used in place of the other.
CAUTION: DO NOT use starter motor to rotate the engine, severe damage may occur.
CAUTION: Squirt approximately one teaspoon of oil into the cylinders, rotate
engine to lubricate the cylinder walls to prevent damage on restart.
NOTE: All of the sealants mentioned below are not used on every engine, they are
listed as a general reference guide. See Service Information for specific sealer
usage.
2009 Jeep Patriot Limited
2009 ENGINE 2.0L - Service Information - Compass & Patriot
a
Saturday, September 08, 2012 1:30:14 PM Page 11 © 2006 Mitchell Repair Information Company, LLC.
MOPAR® ENGINE RTV GEN II is used to seal components exposed to engine oil. This material is a
specially designed black silicone rubber RTV that retains adhesion and sealing properties when exposed to
engine oil. Moisture in the air causes the material to cure. This material is available in three ounce tubes and has
a shelf life of one year. After one year this material will not properly cure. Always inspect the package for the
expiration date before use.
MOPAR® ATF RTV is a specifically designed black silicone rubber RTV that retains adhesion and sealing
properties to seal components exposed to automatic transmission fluid, engine coolants, and moisture. This
material is available in three ounce tubes and has a shelf life of one year. After one year this material will not
properly cure. Always inspect the package for the expiration date before use.
MOPAR® GASKET MAKER is an anaerobic type gasket material. The material cures in the absence of air
when squeezed between two metallic surfaces. It will not cure if left in the uncovered tube. The anaerobic
material is for use between two machined surfaces. Do not use on flexible metal flanges.
MOPAR® BED PLATE SEALANT is a unique (green-in-color) anaerobic type gasket material that is
specially made to seal the area between the bed plate and cylinder block without disturbing the bearing
clearance or alignment of these components. The material cures slowly in the absence of air when torqued
between two metallic surfaces, and will rapidly cure when heat is applied.
MOPAR® GASKET SEALANT is a slow drying, permanently soft sealer. This material is recommended for
sealing threaded fittings and gaskets against leakage of oil and coolant. Can be used on threaded and machined
parts under all temperatures. This material also will prevent corrosion. Mopar® Gasket Sealant is available in a
13 oz. aerosol can or 4 oz./16 oz. can w/applicator.
SEALER APPLICATION
Mopar® Gasket Maker material should be applied sparingly 1 mm (0.040 in.) diameter or less of sealant to one
gasket surface. Be certain the material surrounds each mounting hole. Excess material can easily be wiped off.
Components should be torqued in place within 15 minutes. The use of a locating dowel is recommended during
assembly to prevent smearing material off the location.
Mopar® Engine RTV GEN II or ATF RTV gasket material should be applied in a continuous bead
approximately 3 mm (0.120 in.) in diameter. All mounting holes must be circled. For corner sealing and "T"
joint locations, a 3.17 or 6.35 mm (1/8 or 1/4 in.) drop is placed in the center of the gasket contact area.
Uncured sealant may be removed with a shop towel. Components should be torqued in place while the sealant is
still wet to the touch (within 10 minutes). The usage of a locating dowel is recommended during assembly to
prevent smearing material off the location.
Mopar® Gasket Sealant in an aerosol can should be applied using a thin, even coat sprayed completely over
both surfaces to be joined, and both sides of a gasket. Then proceed with assembly. Material in a can
w/applicator can be brushed on evenly over the sealing surfaces.
CORE/GALLERY PLUGS
CYLINDER HEAD CORE PLUGS
2009 Jeep Patriot Limited
2009 ENGINE 2.0L - Service Information - Compass & Patriot
a
Saturday, September 08, 2012 1:30:14 PM Page 12 © 2006 Mitchell Repair Information Company, LLC.
Fig. 3: Core Hole Plug Removal
Courtesy of CHRYSLER LLC
Using a blunt tool (3) such as a drift and a hammer, strike the bottom edge of the cup plug (5). With the cup
plug rotated, grasp firmly with pliers or other suitable tool (2) and remove plug (5).
Thoroughly clean inside of cup plug hole in cylinder head. Be sure to remove old sealer. Lightly coat inside of
cup plug hole with Mopar® Stud and Bearing Mount (or equivalent). Make certain the new plug is cleaned of
all oil or grease. Using proper drive plug, drive plug into hole so that the sharp edge of the plug is at least 0.5
mm (0.020 in.) inside the lead-in chamfer.
It is not necessary to wait for curing of the sealant. The cooling system can be refilled and the vehicle placed in
service immediately.
MEASURING BEARING CLEARANCE USING PLASTIGAGE
CAUTION: Do not drive cup plug into the casting as restricted cooling can result and
cause serious engine problems.
2009 Jeep Patriot Limited
2009 ENGINE 2.0L - Service Information - Compass & Patriot
a
Saturday, September 08, 2012 1:30:14 PM Page 13 © 2006 Mitchell Repair Information Company, LLC.
Fig. 4: Plastigage Placed in Lower Shell-Typical
Courtesy of CHRYSLER LLC
Engine crankshaft bearing clearances can be determined by use of Plastigage or equivalent. The following is the
recommended procedure for the use of Plastigage:
1. Remove oil film from surface to be checked. Plastigage is soluble in oil.
2. Place a piece of Plastigage (1) across the entire width of the journal. (In addition, suspected areas can be
checked by placing the Plastigage in the suspected area). Tighten the bearing cap bolts of the bearing
being checked to the proper specifications.
3. Remove the bearing cap and compare the width of the flattened Plastigage with the scale provided on the
package. Locate the band closest to the same width. This band shows the amount of clearance.
Differences in readings between the ends indicate the amount of taper present. Record all readings taken.
Compare clearance measurements to specs found in engine specifications. See Engine - Specifications.
Plastigage generally is accompanied by two scales. One scale is in inches, the other is a metric scale.
4. Install the proper crankshaft bearings to achieve the specified bearing clearances.
REMOVAL
ENGINE COVER
NOTE: Plastigage is available in a variety of clearance ranges. Use the most
appropriate range for the specifications you are checking.
2009 Jeep Patriot Limited
2009 ENGINE 2.0L - Service Information - Compass & Patriot
a
Saturday, September 08, 2012 1:30:14 PM Page 14 © 2006 Mitchell Repair Information Company, LLC.
Fig. 5: Engine Cover - 2.0L
Courtesy of CHRYSLER LLC
1. Remove engine cover (1) by pulling upwards.
ENGINE
Fig. 6: Engine Cover - 2.0L
Courtesy of CHRYSLER LLC
1. Remove hood.
2. Remove engine cover (1).
2009 Jeep Patriot Limited
2009 ENGINE 2.0L - Service Information - Compass & Patriot
a
Saturday, September 08, 2012 1:30:14 PM Page 15 © 2006 Mitchell Repair Information Company, LLC.
Fig. 7: Air Cleaner Inlet
Courtesy of CHRYSLER LLC
3. Perform fuel pressure release procedure. Refer to Fuel System/Fuel Delivery - Standard Procedure .
4. Remove retainers (5) and remove air inlet (2).
5. Remove air cleaner housing assembly (1) and clean air hose. See Engine/Air Intake System/BODY, Air
Cleaner - Removal.
Fig. 8: Battery
Courtesy of CHRYSLER LLC
6. Disconnect both cables from battery (3).
7. Remove battery (3).
2009 Jeep Patriot Limited
2009 ENGINE 2.0L - Service Information - Compass & Patriot
a
Saturday, September 08, 2012 1:30:14 PM Page 16 © 2006 Mitchell Repair Information Company, LLC.
Fig. 9: Battery Tray
Courtesy of CHRYSLER LLC
8. Remove battery tray (1).
9. Drain cooling system. Refer to Cooling - Standard Procedure .
Fig. 10: Reservoirs
Courtesy of CHRYSLER LLC
10. Remove coolant reservoir (3).
11. Remove power steering reservoir (2).
12. Remove windshield washer reservoir (1).
2009 Jeep Patriot Limited
2009 ENGINE 2.0L - Service Information - Compass & Patriot
a
Saturday, September 08, 2012 1:30:14 PM Page 17 © 2006 Mitchell Repair Information Company, LLC.
Fig. 11: Coolant Adapter
Courtesy of CHRYSLER LLC
13. Remove coolant hoses from coolant adapter (3).
Fig. 12: Radiator Hose Support
Courtesy of CHRYSLER LLC
14. Remove grill closure panel.
15. Remove upper radiator hose support (1).
2009 Jeep Patriot Limited
2009 ENGINE 2.0L - Service Information - Compass & Patriot
a
Saturday, September 08, 2012 1:30:14 PM Page 18 © 2006 Mitchell Repair Information Company, LLC.
Fig. 13: Coil Connector
Courtesy of CHRYSLER LLC
16. Disconnect engine electrical connectors and reposition harness.
17. Remove air intake tube from throttle body.
18. Disconnect fuel line (3) from fuel rail.
Fig. 14: Throttle Body Support
Courtesy of CHRYSLER LLC
19. Remove vacuum lines from throttle body and intake manifold.
20. Remove harness from intake (2).
21. Remove throttle body support bracket (1).
2009 Jeep Patriot Limited
2009 ENGINE 2.0L - Service Information - Compass & Patriot
a
Saturday, September 08, 2012 1:30:14 PM Page 19 © 2006 Mitchell Repair Information Company, LLC.
Fig. 15: Coil Connector
Courtesy of CHRYSLER LLC
22. Disconnect electronic throttle control and manifold flow control valve electrical connectors.
23. Remove PCV hose (5), and make-up air hose (2) from valve cover.
24. Remove dipstick.
Fig. 16: Torque Sequence
Courtesy of CHRYSLER LLC
25. Remove intake bolts (1-5) and remove intake.
26. Disconnect electrical connectors and reposition harness.
27. Remove accessory drive belt.
2009 Jeep Patriot Limited
2009 ENGINE 2.0L - Service Information - Compass & Patriot
a
Saturday, September 08, 2012 1:30:14 PM Page 20 © 2006 Mitchell Repair Information Company, LLC.
Fig. 17: Power Steering Line Support
Courtesy of CHRYSLER LLC
28. Remove power steering line support at engine mount (1) and exhaust manifold.
29. Remove power steering pump and set aside.
30. Remove upper idler pulley.
Fig. 18: Ground Strap
Courtesy of CHRYSLER LLC
31. Remove ground strap near right tower.
32. Raise vehicle.
33. Remove right front tire.
34. Remove splash shield.
2009 Jeep Patriot Limited
2009 ENGINE 2.0L - Service Information - Compass & Patriot
a
Saturday, September 08, 2012 1:30:14 PM Page 21 © 2006 Mitchell Repair Information Company, LLC.
Fig. 19: Oil Drain Plug
Courtesy of CHRYSLER LLC
35. Drain oil (2).
Fig. 20: Inspection Cover
Courtesy of CHRYSLER LLC
36. Remove inspection cover (1) and mark torque converter to flywheel.
2009 Jeep Patriot Limited
2009 ENGINE 2.0L - Service Information - Compass & Patriot
a
Saturday, September 08, 2012 1:30:14 PM Page 22 © 2006 Mitchell Repair Information Company, LLC.
Fig. 21: Modular Clutch To Flex Plate Bolts
Courtesy of CHRYSLER LLC
37. Remove torque converter bolts (1).
38. Remove lower bellhousing bolts (2).
Fig. 22: A/C Compressor
Courtesy of CHRYSLER LLC
39. Remove A/C compressor (1) mounting bolts.
40. Remove generator and lower idler pulley.
2009 Jeep Patriot Limited
2009 ENGINE 2.0L - Service Information - Compass & Patriot
a
Saturday, September 08, 2012 1:30:14 PM Page 23 © 2006 Mitchell Repair Information Company, LLC.
Fig. 23: Crankshaft Position Sensor
Courtesy of CHRYSLER LLC
41. Disconnect crankshaft position sensor electrical connector and remove crankshaft position sensor (2).
Fig. 24: Lift Chain
Courtesy of CHRYSLER LLC
42. Remove exhaust variable valve timing solenoid.
43. Install engine lift chain (1) as shown in illustration to cylinder head.
44. Connect the chain to the rear engine lift hook.
45. Install engine lifting crane.
2009 Jeep Patriot Limited
2009 ENGINE 2.0L - Service Information - Compass & Patriot
a
Saturday, September 08, 2012 1:30:14 PM Page 24 © 2006 Mitchell Repair Information Company, LLC.
Fig. 25: Right Engine Mount
Courtesy of CHRYSLER LLC
46. Remove right engine mount through bolt (4).
47. Remove engine mount adapter retaining bolts (3) and mount adapter (2).
48. Lift engine from engine compartment.
INSTALLATION
ENGINE COVER
Fig. 26: Engine Cover - 2.0L
Courtesy of CHRYSLER LLC
2009 Jeep Patriot Limited
2009 ENGINE 2.0L - Service Information - Compass & Patriot
a
Saturday, September 08, 2012 1:30:14 PM Page 25 © 2006 Mitchell Repair Information Company, LLC.
1. Position engine cover (1) over mounting studs.
2. Seat the cover on the rear studs by pushing downwards.
3. Push downward on the front of the cover to seat the front studs.
ENGINE
Fig. 27: Right Engine Mount
Courtesy of CHRYSLER LLC
1. Position engine assembly over vehicle and slowly lower the engine into place.
2. Continue lowering engine until engine and transaxle are aligned. to mounting locations.
3. Install engine mount adapter (2) and tighten bolts (3). Install mount through bolt (4) and tighten to 118
N.m (87 ft. lbs.).
2009 Jeep Patriot Limited
2009 ENGINE 2.0L - Service Information - Compass & Patriot
a
Saturday, September 08, 2012 1:30:14 PM Page 26 © 2006 Mitchell Repair Information Company, LLC.
Fig. 28: Lift Chain
Courtesy of CHRYSLER LLC
4. Remove engine lift chain (1).
5. Install oil control valve.
Fig. 29: A/C Compressor
Courtesy of CHRYSLER LLC
6. Raise vehicle.
7. Install A/C compressor (1).
2009 Jeep Patriot Limited
2009 ENGINE 2.0L - Service Information - Compass & Patriot
a
Saturday, September 08, 2012 1:30:14 PM Page 27 © 2006 Mitchell Repair Information Company, LLC.
Fig. 30: Manifold To Exhaust Pipe Bolts
Courtesy of CHRYSLER LLC
8. Install exhaust manifold and heat shields (2). See Engine/Manifolds/MANIFOLD, Exhaust -
Installation.
9. Install oxygen sensor and connect electrical connector (3).
Fig. 31: Crankshaft Position Sensor
Courtesy of CHRYSLER LLC
10. Install crankshaft position sensor (2) and connect connector.
2009 Jeep Patriot Limited
2009 ENGINE 2.0L - Service Information - Compass & Patriot
a
Saturday, September 08, 2012 1:30:14 PM Page 28 © 2006 Mitchell Repair Information Company, LLC.
Fig. 32: Manifold To Exhaust Pipe Bolts
Courtesy of CHRYSLER LLC
11. Install manifold to exhaust pipe bolts (1) and tighten bolts.
12. Install generator.
Fig. 33: Modular Clutch To Flex Plate Bolts
Courtesy of CHRYSLER LLC
13. Install lower bell housing bolts (2) and tighten bolts.
14. Align torque converter and flex plate mark. Install torque converter bolts (1) and tighten.
2009 Jeep Patriot Limited
2009 ENGINE 2.0L - Service Information - Compass & Patriot
a
Saturday, September 08, 2012 1:30:14 PM Page 29 © 2006 Mitchell Repair Information Company, LLC.
Fig. 34: Inspection Cover
Courtesy of CHRYSLER LLC
15. Install inspection cover (1).
Fig. 35: Damper Removal
Courtesy of CHRYSLER LLC
16. Install crankshaft damper
17. Install Damper holder 9707 (1).
18. Apply clean engine oil crankshaft damper bolt threads and between bolt head and washer. Tighten bolt to
210 N.m (155 ft. lbs.).
19. Install right splash shield.
20. Install tire.
2009 Jeep Patriot Limited
2009 ENGINE 2.0L - Service Information - Compass & Patriot
a
Saturday, September 08, 2012 1:30:14 PM Page 30 © 2006 Mitchell Repair Information Company, LLC.
Fig. 36: Oil Cooler
Courtesy of CHRYSLER LLC
21. Install coolant hose to oil cooler (2).
22. Install new oil filter (3).
23. Lower vehicle.
24. Install upper idler pulley.
Fig. 37: Coolant Adapter
Courtesy of CHRYSLER LLC
25. Install coolant adapter assembly (3).
2009 Jeep Patriot Limited
2009 ENGINE 2.0L - Service Information - Compass & Patriot
a
Saturday, September 08, 2012 1:30:14 PM Page 31 © 2006 Mitchell Repair Information Company, LLC.
Fig. 38: Ground Strap
Courtesy of CHRYSLER LLC
26. Install ground strap (1) near right strut tower.
Fig. 39: Power Steering Line Support
Courtesy of CHRYSLER LLC
27. Install power steering line support bracket (1).
28. Install power steering pump.
29. Install accessory drive belt.
30. Connect electrical connectors at block ground, starter, A/C compressor, knock sensor, Oil pressure
sensor, generator, Coolant temperature sensor at block, and block heater (if equipped).
2009 Jeep Patriot Limited
2009 ENGINE 2.0L - Service Information - Compass & Patriot
a
Saturday, September 08, 2012 1:30:14 PM Page 32 © 2006 Mitchell Repair Information Company, LLC.
Fig. 40: Torque Sequence
Courtesy of CHRYSLER LLC
31. Install intake manifold and tighten bolts as shown in illustration.
Fig. 41: Throttle Body Support
Courtesy of CHRYSLER LLC
32. Install throttle body support bracket (1).
33. Install harness retainer (2).
34. Install engine oil level indicator.
2009 Jeep Patriot Limited
2009 ENGINE 2.0L - Service Information - Compass & Patriot
a
Saturday, September 08, 2012 1:30:14 PM Page 33 © 2006 Mitchell Repair Information Company, LLC.
Fig. 42: Coil Connector
Courtesy of CHRYSLER LLC
35. Install PCV hose (5) to valve cover.
36. Install make-up air hose (2).
37. Connect manifold flow control valve and electronic throttle control electrical connectors.
38. Install vacuum lines at throttle body and intake manifold.
39. Install intake air tube to throttle body.
Fig. 43: Coil Connector
Courtesy of CHRYSLER LLC
40. Connect coil electrical connectors (1).
41. Connect injector electrical connectors (4).
2009 Jeep Patriot Limited
2009 ENGINE 2.0L - Service Information - Compass & Patriot
a
Saturday, September 08, 2012 1:30:14 PM Page 34 © 2006 Mitchell Repair Information Company, LLC.
42. Connect fuel line (3) to rail.
43. Connect intake and exhaust oil control valve electrical connectors.
Fig. 44: Radiator Hose Support
Courtesy of CHRYSLER LLC
44. Install grill trim panel.
45. Install upper radiator support bracket (1).
Fig. 45: Coolant Adapter
Courtesy of CHRYSLER LLC
46. Connect coolant temperature sensor (1).
47. Connect capacitor electrical connector (2).
2009 Jeep Patriot Limited
2009 ENGINE 2.0L - Service Information - Compass & Patriot
a
Saturday, September 08, 2012 1:30:14 PM Page 35 © 2006 Mitchell Repair Information Company, LLC.
48. Install coolant hoses at coolant adapter (3).
Fig. 46: Coolant Reservoir
Courtesy of CHRYSLER LLC
49. Install coolant reservoir (3) and connect hose.
Fig. 47: Battery Tray
Courtesy of CHRYSLER LLC
50. Install battery tray (1).
2009 Jeep Patriot Limited
2009 ENGINE 2.0L - Service Information - Compass & Patriot
a
Saturday, September 08, 2012 1:30:14 PM Page 36 © 2006 Mitchell Repair Information Company, LLC.
Fig. 48: Battery
Courtesy of CHRYSLER LLC
51. Install battery (3).
52. Connect battery cables.
Fig. 49: Air Cleaner Housing
Courtesy of CHRYSLER LLC
53. Install air cleaner housing (1) and connect inlet air hose.
54. Install clean air hose (5).
55. Fill with coolant.
56. Fill with oil.
2009 Jeep Patriot Limited
2009 ENGINE 2.0L - Service Information - Compass & Patriot
a
Saturday, September 08, 2012 1:30:14 PM Page 37 © 2006 Mitchell Repair Information Company, LLC.
57. Start engine and check for leaks.
Fig. 50: Engine Cover - 2.0L
Courtesy of CHRYSLER LLC
58. Install engine cover (1).
59. Install hood.
SPECIFICATIONS
2.0L ENGINE
GENERAL SPECIFICATIONS
CYLINDER BLOCK
DESCRIPTION SPECIFICATION
Metric Standard
Type In-Line OHV, DOHC
Number of Cylinders 4
Firing Order 1-3-4-2
Compression Ratio 10.5:1
Displacement 2.0 L 122 cu. in.
Bore 86 mm 3.386 in.
Stroke 86 mm 3.386 in.
Compression Pressure 1172 - 1551 kPa 170 - 225 psi
Max. Variation Between Cylinders 25%
DESCRIPTION SPECIFICATION
2009 Jeep Patriot Limited
2009 ENGINE 2.0L - Service Information - Compass & Patriot
a
Saturday, September 08, 2012 1:30:14 PM Page 38 © 2006 Mitchell Repair Information Company, LLC.
PISTONS
PISTON RINGS
Metric Standard
Material Cast Aluminum
Cylinder Bore Diameter
A 86.0 - 86.010 mm 3.3858 - 3.3862 in.
B 86.010 - 86.020 mm 3.3862 - 3.3866 in.
C 86.020 - 86.030 mm 3.3866 - 3.3869 in.
Cylinder Bore Out-of-Round
(Max.)
0.020 mm 0.0008 in.
Cylinder Bore Taper (Max.) 0.028 mm 0.001 in.
Main Bearing Bore Diameter
1 56.000 - 56.006 mm 2.2047 - 2.2049 in.
2 56.006 - 56.012 mm 2.2049 - 2.2051 in.
3 56.012 - 56.018 mm 2.2051 - 2.2054 in.
Main Bearing Bore Diameter
Taper (Max.)
0.0082 mm 0.0003 in.
DESCRIPTION SPECIFICATION
Metric Standard
Piston Diameter
A 85.995 - 86.015 mm 3.3856 - 3.3864 in.
B 86.005 - 86.025 mm 3.3860 - 3.3868 in.
C 86.015 - 86.035 mm 3.3864 - 3.3872 in.
Clearance to Bore (-0.015) - 0.015 mm (-0.0006) - 0.0006 in.
Weight 345 - 355 grams 12.17 - 12.52 oz.
Land Clearance (Diametrical) 0.60 - 0.73 mm 0.0236 - 0.0287 in.
Piston Length 49.0 mm 2.929 in.
Piston Ring Groove Depth No. 1 3.51 - 3.68 mm 0.1382 - 0.0256 in.
Piston Ring Groove Depth No. 2 4.05 - 4.25 mm 0.1594 - 0.1673 in.
Piston Ring Groove Depth No. 3 2.70 - 2.90 mm 0.1063 - 0.1142 in.
DESCRIPTION SPECIFICATION
Metric Standard
Ring Gap-Top Compression Ring 0.15 - 0.30 mm 0.0059 - 0.0118 in.
Wear Limit 0.8 mm 0.031 in.
Ring Gap-2nd Compression Ring 0.30 - 0.45 mm 0.0118 - 0.0177 in.
Wear Limit 0.8 mm 0.031 in.
Ring Gap-Oil Control Steel Rails 0.20 - 0.70 mm 0.0079 - 0.0276 in.
Wear Limit 1.0 mm 0.039 in.
Ring Side Clearance-Compression 0.03 - 0.07 mm 0.1182 - 0.0028 in.
2009 Jeep Patriot Limited
2009 ENGINE 2.0L - Service Information - Compass & Patriot
a
Saturday, September 08, 2012 1:30:14 PM Page 39 © 2006 Mitchell Repair Information Company, LLC.
CONNECTING ROD
CRANKSHAFT
Rings
Wear Limit 0.10 mm 0.004 in.
Ring Side Clearance-Oil Ring
Pack
0.06 - 0.15 mm 0.0024 - 0.0059 in.
Ring Width-Top Compression
Ring
2.95 - 3.25 mm 0.1161 - 0.1280 in.
Ring Width-2nd Compression
Ring
3.45 - 3.75 mm 0.1358 - 0.1476 in.
Ring Width-Oil Ring Pack 2.30 - 2.60 mm 0.0906 - 0.1024 in.
Ring Thickness-Top Compression
Ring
1.17 - 1.19 mm 0.0461 - 0.0469 in.
Ring Thickness-2nd Compression
Ring
1.17 - 1.19 mm 0.0461 - 0.0469 in.
Ring Thickness-Oil Ring Pack 1.88 - 1.95 mm 0.0740 - 0.0768 in.
DESCRIPTION SPECIFICATION
Metric Standard
Bearing Clearance 0.032 - 0.060 mm 0.001 - 0.002 in.
Wear Limit 0.070 mm 0.0027 in.
Bore Diameter-Piston Pin 20.974 - 20.985 mm 0.8257 - 0.8261 in.
Bore Diameter-Crankshaft End 51 - 51.015 mm 2.0078 - 2.0084 in.
Side Clearance 0.1 - 0.25 mm 0.0039 - 0.0098 in.
Wear Limit 0.27 mm 0.0106 in.
Weight-Total (Less Bearing) 490 grams 17.28 oz.
DESCRIPTION
SPECIFICATION
Metric Standard
Connecting Rod Journal Diameter
Journal Grade
1 47.966 - 47.972 mm 1.8884 - 1.8886 in.
2 47.960 - 47.966 mm 1.8884 - 1.8881 in.
3 47.954 - 47.960 mm 1.8879 - 1.8881 in.
Rod Journal- Taper (Max) 0.005 mm 0.0001 in.
Main Bearing Journal Diameter
Journal Grade
0 51.985 - 51.988 mm 2.0466 - 2.0467 in.
1 51.982 - 51.985 mm 2.0465 - 2.0466 in.
2 51.979 - 51.982 mm 2.0464 - 2.0465 in.
3 51.976 - 51.979 mm 2.0462 - 2.0464 in.
4 51.973 - 51.976 mm 2.0461 - 2.0462 in.
2009 Jeep Patriot Limited
2009 ENGINE 2.0L - Service Information - Compass & Patriot
a
Saturday, September 08, 2012 1:30:14 PM Page 40 © 2006 Mitchell Repair Information Company, LLC.
CYLINDER HEAD CAMSHAFT BEARING BORE DIAMETER
CAMSHAFT
Journal Out-of-Round (Max.) 0.005 mm 0.0001 in.
Journal Taper (Max.) 0.006 mm 0.0002 in.
End Play 0.05 - 0.25 mm 0.0019 - 0.0098 in.
Wear Limit 0.30 mm 0.0118 in.
Main Bearing Diametrical
Clearance
0.028 - 0.048 mm 0.0011 - 0.0018 in.
Main Bearing Diametrical
Clearance (Max)
0.058 mm 0.0022 in.
DESCRIPTION SPECIFICATION
Metric Standard
Cam Bearing Bore
Front Intake 30.000 - 30.021 mm 1.1810 - 1.1819 in.
Front Exhaust 40.000 - 40.024 mm 1.5747 - 1.5756 in.
Cam Bearing Bore No. 1-4 24.000 - 24.021 mm 0.9448 - 0.9457 in.
DESCRIPTION SPECIFICATION
Metric Standard
Cam Journal Diameter
Front Intake Cam 29.964 - 29.980 mm 1.1797 - 1.1803 in.
Front Exhaust Cam 35.984 - 36.000 mm 1.4166 - 1.4173 in.
Cam Journal Diameter No. 1-4 23.954 - 23.970 mm 0.943 - 0.944 in.
Bearing Clearance - Diametrical
Front Intake Journal 0.020 - 0.057 mm 0.0008 - 0.0022 in.
Front Exhaust Journal 0.019 - 0.051 mm 0.0007 - 0.0020 in.
All Others 0.020 - 0.067 mm 0.0008 - 0.0026 in.
End Play 0.11 - 0.25 mm 0.004 - 0.009 in.
Max Lift @ 0.2 mm (0.007 in.) lash
Intake 9.2 mm 0.362 in.
Max Lift @ 0.28 mm (0.011 in.) lash
Exhaust 8.42 mm 0.331 in.
Intake Valve Timing w/ VVT in lock-pin position*
Closes (ABDC) 49.3°
Opens (ATDC) 10.3°
Duration 219°
Exhaust Valve Timing w/ VVT in lock-pin position*
Closes (BTDC) 8.45°
Opens (BBDC) 45°
Duration 216.55°
2009 Jeep Patriot Limited
2009 ENGINE 2.0L - Service Information - Compass & Patriot
a
Saturday, September 08, 2012 1:30:14 PM Page 41 © 2006 Mitchell Repair Information Company, LLC.
CYLINDER HEAD
VALVE SEAT
VALVE GUIDE
VALVES
Valve Overlap @ 0.5 mm (0.019
in.) w/ VVT in lock-pin position
18.75°
* All reading in crankshaft degrees at 0.5 mm (0.019 in.) valve lift.
DESCRIPTION SPECIFICATION
Metric Standard
Material Cast Aluminum - Heat treated
Gasket Thickness (Compressed) 0.54 mm 0.021 in.
Valve Tappet Bore I.D. 32.000 - 32.025 mm 1.2598 - 1.2608 in.
Valve Tappet O.D 31.964 - 31.980 mm 1.2584 - 1.2590 in.
DESCRIPTION SPECIFICATION
Metric Standard
Angle 44.75° - 45.10°
Seat Outer Diameter - Intake 34.45 - 34.61 mm 1.3562 - 1.3625 in.
Seat Outer Diameter - Exhaust 28.04 - 28.20 mm 1.1039 - 1.1102 in.
Runout (Max.) 0.05 mm 0.002 in.
Valve Seat Width
Intake 1.16 - 1.46 mm 0.0456 - 0.0574 in.
Service Limit 2.0 mm 0.079 in.
Exhaust 1.35 - 1.65 mm 0.0531 - 0.0649 in.
Service Limit 2.5 mm 0.098 in.
DESCRIPTION SPECIFICATION
Metric Standard
Diameter I.D. 5.500 - 5.518 mm 0.2165 - 0.2172 in.
Guide Bore Diameter 10.983 - 11.001 mm 0.432 - 0.4331 in.
Guide Height (spring seat to guide
tip)
14.6 - 15.2 mm 0.5748 - 0.5984 in.
DESCRIPTION SPECIFICATION
Metric Standard
Face Angle - Intake and Exhaust 45.25° - 45.75°
Head Diameter - Intake 34.9 - 35.1 mm 1.374 - 1.3818 in.
Head Diameter - Exhaust 28.9 - 29.1 mm 1.1377 - 1.1456 in.
Valve Lash
Intake 0.17 - 0.23 mm 0.006 - 0.009 in.
2009 Jeep Patriot Limited
2009 ENGINE 2.0L - Service Information - Compass & Patriot
a
Saturday, September 08, 2012 1:30:14 PM Page 42 © 2006 Mitchell Repair Information Company, LLC.
VALVE MARGIN
VALVE STEM TIP
VALVE STEM TO GUIDE CLEARANCE
VALVE SPRINGS
OIL PRESSURE
Exhaust 0.27 - 0.33 mm 0.010 - 0.012 in.
Valve Length (Overall)
Intake 113.18 mm 4.455 in.
Exhaust 105.887 mm 4.168 in.
Valve Stem Diameter
Intake 5.465 - 5.480 mm 0.2151 - 0.2157 in.
Exhaust 5.458 - 5.470 mm 0.2148 - 0.2153 in.
DESCRIPTION SPECIFICATION
Metric Standard
Intake 0.672 mm 0.0264 in.
Exhaust 0.744 mm 0.02929 in.
DESCRIPTION SPECIFICATION
Metric Standard
Intake 48.04 mm 1.891 in.
Exhaust 47.99 mm 1.889 in.
DESCRIPTION SPECIFICATION
Metric Standard
Intake 0.020 - 0.053 mm 0.0008 - 0.0021 in.
Max. Allowable 0.076 mm 0.003 in.
Exhaust 0.030 - 0.060 mm 0.0012 - 0.0024 in.
Max. Allowable 0.101 mm 0.004 in.
DESCRIPTION SPECIFICATION
- Metric Standard
Free Length (Approx.) 47.0 mm 1.850 in.
Nominal Force (Valve Closed) 179.5 N ± 9 @ 35.0 mm 40.35 lbs. @ 1.38 in.
Nominal Force (Valve Open) 364.8 N ± 17 N @ 29.25 mm 82.01 lbs. ± 3.82 lbs. @ 1.152 in.
Installed Height 35.00 mm 1.378 in.
Number of Coils 8.5 ± 0.1
Wire Diameter 2.90 mm ± 0.03 0.114 in ± 0.001 in.
DESCRIPTION SPECIFICATION
Metric Standard
2009 Jeep Patriot Limited
2009 ENGINE 2.0L - Service Information - Compass & Patriot
a
Saturday, September 08, 2012 1:30:14 PM Page 43 © 2006 Mitchell Repair Information Company, LLC.
TORQUE
At Curb Idle Speed* 25 kPa 4 psi. min.
At 3000 rpm 170 - 550 kPa 25 - 80 psi.
CAUTION:
*If pressure is ZERO at curb idle, DO NOT run engine at 3000 rpm.
DESCRIPTION N.m Ft. Lbs. In. Lbs.
Balance Shaft Module Refer to Procedure
Bell Housing-Bolts 48 35 -
Camshaft Bearing Cap-Bolts - - -
M6 Bolts 12 - 106
M8 Bolts 30 22 -
Coils 8 - 71
Connecting Rod Cap-Bolts 20 + 90° 15 + 90° -
Coolant Temperature Sender 18 13 -
Crankshaft Main Bearing Cap-Bolts Refer to Procedure
Crankshaft Damper-Bolt 210 155 -
Cylinder Head-Bolts Refer to Procedure
Cylinder Head Cover-Bolts Refer to Procedure
Engine Support Bracket-Bolts 40 30 -
Exhaust Manifold-Bolts 34 25 -
Exhaust Manifold Heat Shield-Bolts - - -
M6x25mm Bolts 7 - 62
M6x70mm Bolts 9 - 80
Flex Plate to Crankshaft-Bolts 29 + 51° 22 + 51° -
Intake Manifold-Bolts 24 18 -
Ladder Frame 22 16 -
Oil Cooler Connector Bolt 49 36 -
Oil Filter 14 10 -
Oil Filter Nipple 49 36 -
Oil Jet Fastener 12 - 106
Oil Pan-Bolts - - -
M6 Bolts 9 - 80
M8 Bolts 24 18 -
Oil Pan Drain-Plug 40 30 -
Oil Pressure Switch 8 - 71
PCV Valve 5 - 44
Phaser to Camshaft-Bolt 59 44 -
Spark Plugs 27 20 239
Timing Chain Cover - - -
2009 Jeep Patriot Limited
2009 ENGINE 2.0L - Service Information - Compass & Patriot
a
Saturday, September 08, 2012 1:30:14 PM Page 44 © 2006 Mitchell Repair Information Company, LLC.
SPECIAL TOOLS
SPECIAL TOOLS
Fig. 51: Gauge, Pressure
Courtesy of CHRYSLER LLC
Fig. 52: Driver Handle, Universal
Courtesy of CHRYSLER LLC
M6 Bolts 9 - 80
M8 Bolts 26 19 -
Timing Chain Tensioner Assembly-Bolts 12 - 106
Timing Chain Guides 12 - 106
2009 Jeep Patriot Limited
2009 ENGINE 2.0L - Service Information - Compass & Patriot
a
Saturday, September 08, 2012 1:30:14 PM Page 45 © 2006 Mitchell Repair Information Company, LLC.
Fig. 53: Bloc-Chek-Kit
Courtesy of CHRYSLER LLC
Fig. 54: Tester, Cooling System
Courtesy of CHRYSLER LLC
Fig. 55: Pressure Transducer, RPL
Courtesy of CHRYSLER LLC
2009 Jeep Patriot Limited
2009 ENGINE 2.0L - Service Information - Compass & Patriot
a
Saturday, September 08, 2012 1:30:14 PM Page 46 © 2006 Mitchell Repair Information Company, LLC.
Fig. 56: Adapter, Pressure PEP
Courtesy of CHRYSLER LLC
Fig. 57: DRBIII® Economy Kit - CH6020A
Courtesy of CHRYSLER LLC
Fig. 58: Installer, Oil Seal
Courtesy of CHRYSLER LLC
2009 Jeep Patriot Limited
2009 ENGINE 2.0L - Service Information - Compass & Patriot
a
Saturday, September 08, 2012 1:30:14 PM Page 47 © 2006 Mitchell Repair Information Company, LLC.
Fig. 59: Holder, Vibration Damper
Courtesy of CHRYSLER LLC
Fig. 60: Wedge, Locking
Courtesy of CHRYSLER LLC
2009 Jeep Patriot Limited
2009 ENGINE 2.0L - Service Information - Compass & Patriot
a
Saturday, September 08, 2012 1:30:14 PM Page 48 © 2006 Mitchell Repair Information Company, LLC.
Fig. 61: Installer, Oil Seal
Courtesy of CHRYSLER LLC
Fig. 62: Installer, Rear Main Seal
Courtesy of CHRYSLER LLC
2009 Jeep Patriot Limited
2009 ENGINE 2.0L - Service Information - Compass & Patriot
a
Saturday, September 08, 2012 1:30:14 PM Page 49 © 2006 Mitchell Repair Information Company, LLC.
Fig. 63: Pin, Tensioner
Courtesy of CHRYSLER LLC
PLATE, IDENTIFICATION
DESCRIPTION
DESCRIPTION
Fig. 64: Serial Number
Courtesy of CHRYSLER LLC
The engine serial number (1) is located between the oil pan and the bellhousing. The serial number contains
engine build date, build location, and displacement.
Example: 8CAP1339710217
2009 Jeep Patriot Limited
2009 ENGINE 2.0L - Service Information - Compass & Patriot
a
Saturday, September 08, 2012 1:30:14 PM Page 50 © 2006 Mitchell Repair Information Company, LLC.
AIR INTAKE SYSTEM
AIR CLEANER
Removal
REMOVAL
Fig. 65: Air Cleaner Inlet
Courtesy of CHRYSLER LLC
1. Turn lock retainers (5) and remove fresh air inlet (2) from air cleaner housing (1).
WORLD ENGINE
8 C A P1 339 7 1 0217
Model
Year
Engine
Displacement Engine
Build
Variation
(with oil
cooler,
turbo, for
MMNA)
Engine
Plant
Julian
Day of
Year
Julian Year
2007
Shift
Build Sequence
Number
2008
A = 1.8L
P1 =
GEMA
North
B = 2.0L
P2 =
GEMA
South
C = 2.4L -
2009 Jeep Patriot Limited
2009 ENGINE 2.0L - Service Information - Compass & Patriot
a
Saturday, September 08, 2012 1:30:14 PM Page 51 © 2006 Mitchell Repair Information Company, LLC.
Fig. 66: Air Cleaner Housing
Courtesy of CHRYSLER LLC
2. Disconnect intake air temperature sensor connector (4).
3. Remove air inlet tube (5) from air cleaner housing (1).
4. Unfasten clasps (2) on sides of air cleaner housing cover.
Fig. 67: Air Filter
Courtesy of CHRYSLER LLC
5. Pull air cleaner cover (1) aside.
6. Remove filter element (3).
7. If necessary, clean the inside of the air cleaner housing (2).
2009 Jeep Patriot Limited
2009 ENGINE 2.0L - Service Information - Compass & Patriot
a
Saturday, September 08, 2012 1:30:14 PM Page 52 © 2006 Mitchell Repair Information Company, LLC.
Installation
INSTALLATION
Fig. 68: Air Filter
Courtesy of CHRYSLER LLC
1. Install new filter element.
Fig. 69: Air Cleaner Housing
Courtesy of CHRYSLER LLC
2. Place cover over air cleaner housing. Snap clasps (2) in place.
3. Install air inlet tube (5).
2009 Jeep Patriot Limited
2009 ENGINE 2.0L - Service Information - Compass & Patriot
a
Saturday, September 08, 2012 1:30:14 PM Page 53 © 2006 Mitchell Repair Information Company, LLC.
4. Connect intake air temperature sensor connector (4).
Fig. 70: Air Cleaner Inlet
Courtesy of CHRYSLER LLC
5. Install fresh air inlet (2) on air cleaner housing (1) and lock retainers (5).
BODY, AIR CLEANER
Removal
REMOVAL
2009 Jeep Patriot Limited
2009 ENGINE 2.0L - Service Information - Compass & Patriot
a
Saturday, September 08, 2012 1:30:14 PM Page 54 © 2006 Mitchell Repair Information Company, LLC.
Fig. 71: Air Cleaner Inlet
Courtesy of CHRYSLER LLC
1. Remove fresh air inlet (2) from air cleaner housing (1).
Fig. 72: Air Cleaner Housing
Courtesy of CHRYSLER LLC
2. Remove intake air temperature sensor electrical connector (4).
3. Remove air inlet tube (5) from housing (1).
4. Pull housing (1) upward to remove.
Installation
INSTALLATION
2009 Jeep Patriot Limited
2009 ENGINE 2.0L - Service Information - Compass & Patriot
a
Saturday, September 08, 2012 1:30:14 PM Page 55 © 2006 Mitchell Repair Information Company, LLC.
Fig. 73: Air Cleaner Housing
Courtesy of CHRYSLER LLC
1. Make sure the rubber grommets, for the air cleaner housing lower pins, are in place when reinstalling the
air cleaner housing. The rubber grommets mount to the Totally Integrated Power Module (TIPM) bracket.
2. Push air cleaner housing (1) down while aligning pins into the grommets.
3. Connect the throttle body air inlet hose (5) to the air cleaner housing (1).
4. Connect intake air temperature sensor connector (4).
Fig. 74: Air Cleaner Inlet
Courtesy of CHRYSLER LLC
5. Install fresh air inlet (2) and lock retainers (5).
2009 Jeep Patriot Limited
2009 ENGINE 2.0L - Service Information - Compass & Patriot
a
Saturday, September 08, 2012 1:30:14 PM Page 56 © 2006 Mitchell Repair Information Company, LLC.
CYLINDER HEAD
DESCRIPTION
DESCRIPTION
The cross flow designed, aluminum cylinder head contains dual over-head camshafts with four valves per
cylinder. The valves are arranged in two in-line banks. The intake valves face toward the front of the vehicle.
The exhaust valves face the dash panel. The cylinder head incorporates powdered metal valve guides and seats.
The cylinder head is sealed to the block using a multi-layer steel head gasket and retaining bolts.
Integral oil galleries provide lubrication passages to the variable camshaft timing phasers, camshafts, and valve
mechanisms.
DIAGNOSIS AND TESTING
CYLINDER HEAD GASKET
A cylinder head gasket leak can be located between adjacent cylinders, between a cylinder and the adjacent
water jacket or from an oil passage to the exterior of the engine.
Possible indications of the cylinder head gasket leaking between adjacent cylinders are:
Loss of engine power
Engine misfiring
Poor fuel economy
Possible indications of the cylinder head gasket leaking between a cylinder and an adjacent water jacket are:
Engine overheating
Loss of coolant
Excessive steam (white smoke) emitting from exhaust
Coolant foaming
CYLINDER-TO-CYLINDER LEAKAGE TEST
To determine if an engine cylinder head gasket is leaking between adjacent cylinders, follow the procedures in
Cylinder Compression Pressure Test. See CYLINDER COMPRESSION PRESSURE TEST. An engine
cylinder head gasket leaking between adjacent cylinders will result in approximately a 50-70% reduction in
compression pressure.
CYLINDER-TO-WATER JACKET LEAKAGE TEST
NOTE: Replacement cylinder heads will come complete with valves, seals, springs,
retainers, keepers, lash buckets, and camshafts.
2009 Jeep Patriot Limited
2009 ENGINE 2.0L - Service Information - Compass & Patriot
a
Saturday, September 08, 2012 1:30:14 PM Page 57 © 2006 Mitchell Repair Information Company, LLC.
VISUAL TEST METHOD
With the engine cool, remove the coolant pressure cap. Start the engine and allow it to warm up until thermostat
opens.
If a large combustion/compression pressure leak exists, bubbles will be visible in the coolant.
COOLING SYSTEM TESTER METHOD
Install Cooling System Tester 7700 or equivalent to pressure cap neck. Start the engine and observe the tester's
pressure gauge. If gauge pulsates with every power stroke of a cylinder a combustion pressure leak is evident.
CHEMICAL TEST METHOD
Combustion leaks into the cooling system can also be checked by using combustion leak tester C-3685-A or
equivalent. Perform test following the procedures supplied with the tool kit.
REMOVAL
REMOVAL
Fig. 75: Engine Cover - 2.4L
Courtesy of CHRYSLER LLC
WARNING: Use extreme caution when the engine is operating with coolant pressure
cap removed.
WARNING: with cooling system tester in place, pressure will build up fast. Excessive
pressure built up, by continuous engine operation, must be released to a
safe pressure point. Never permit pressure to exceed 138 kpa (20 psi).
2009 Jeep Patriot Limited
2009 ENGINE 2.0L - Service Information - Compass & Patriot
a
Saturday, September 08, 2012 1:30:14 PM Page 58 © 2006 Mitchell Repair Information Company, LLC.
1. Remove engine cover (1) by pulling upward.
2. Perform fuel system pressure release procedure. Refer to Fuel System/Fuel Delivery - Standard
Procedure .
3. Disconnect and isolate the negative battery cable.
Fig. 76: Air Cleaner Housing
Courtesy of CHRYSLER LLC
4. Drain cooling system. Refer to Cooling - Standard Procedure .
5. Remove clean air hose (5) and air cleaner housing (1). See Engine/Air Intake System/BODY, Air
Cleaner - Removal.
Fig. 77: Coolant Reservoir
Courtesy of CHRYSLER LLC
2009 Jeep Patriot Limited
2009 ENGINE 2.0L - Service Information - Compass & Patriot
a
Saturday, September 08, 2012 1:30:14 PM Page 59 © 2006 Mitchell Repair Information Company, LLC.
6. Remove coolant recovery bottle (3). Refer to Cooling/Engine/BOTTLE, Coolant Recovery - Removal .
7. Remove and reposition power steering reservoir (2).
8. Remove windshield washer bottle (1). Refer to Electrical/Wipers/Washers/RESERVOIR, Windshield
Washer - Removal .
9. Remove accessory drive belt. Refer to Cooling/Accessory Drive/BELT, Serpentine - Removal .
Fig. 78: Pressure Hose
Courtesy of CHRYSLER LLC
10. Remove power steering hose hold down (2).
Fig. 79: Power Steering Pump - Gas
2009 Jeep Patriot Limited
2009 ENGINE 2.0L - Service Information - Compass & Patriot
a
Saturday, September 08, 2012 1:30:14 PM Page 60 © 2006 Mitchell Repair Information Company, LLC.
Courtesy of CHRYSLER LLC
11. Remove the three power steering pump mounting bolts (1) through the openings in the pulley (3) and
reposition the pump.
Fig. 80: Torque Sequence
Courtesy of CHRYSLER LLC
12. Remove the cylinder head cover. See Engine/Cylinder Head/COVER(S), Cylinder Head - Removal.
13. Remove ignition coils from cylinder head cover.
Fig. 81: TDC
Courtesy of CHRYSLER LLC
14. Raise and support the vehicle. Refer to Vehicle Quick Reference/Hoisting - Standard Procedure .
2009 Jeep Patriot Limited
2009 ENGINE 2.0L - Service Information - Compass & Patriot
a
Saturday, September 08, 2012 1:30:14 PM Page 61 © 2006 Mitchell Repair Information Company, LLC.
15. Remove the right splash shield. Refer to Body/Exterior/SHIELD, Splash - Removal .
16. Set engine to TDC (1).
Fig. 82: A/C Compressor
Courtesy of CHRYSLER LLC
17. Remove lower A/C compressor bolts if equipped.
18. Remove lower A/C compressor mount (2) if equipped.
Fig. 83: Accessory Drive Belt Idler Pulley - 2.4L
Courtesy of CHRYSLER LLC
19. Remove accessory drive belt lower idler pulley (2).
2009 Jeep Patriot Limited
2009 ENGINE 2.0L - Service Information - Compass & Patriot
a
Saturday, September 08, 2012 1:30:14 PM Page 62 © 2006 Mitchell Repair Information Company, LLC.
Fig. 84: Engine Front
Courtesy of CHRYSLER LLC
20. Remove crankshaft damper (2). See Engine/Engine Block/DAMPER, Vibration - Removal.
21. Remove three bolts and water pump pulley (4) from water pump.
22. Remove lower bolt from right side engine mount bracket (1).
Fig. 85: Timing Chain Cover Lower Bolts
Courtesy of CHRYSLER LLC
23. Remove timing chain cover lower bolts (1).
2009 Jeep Patriot Limited
2009 ENGINE 2.0L - Service Information - Compass & Patriot
a
Saturday, September 08, 2012 1:30:14 PM Page 63 © 2006 Mitchell Repair Information Company, LLC.
Fig. 86: Manifold To Exhaust Pipe Bolts
Courtesy of CHRYSLER LLC
24. Remove under floor catalytic converter. Refer to Exhaust System/CONVERTER, Catalytic - Removal
25. Lower vehicle.
26. Support engine with suitable jack.
Fig. 87: Right Engine Mount
Courtesy of CHRYSLER LLC
27. Remove right engine mount through bolt (4).
28. Remove right engine mount to mount bracket bolts (3).
29. Remove right engine mount adapter (1).
2009 Jeep Patriot Limited
2009 ENGINE 2.0L - Service Information - Compass & Patriot
a
Saturday, September 08, 2012 1:30:14 PM Page 64 © 2006 Mitchell Repair Information Company, LLC.
Fig. 88: Accessory Drive Belt Idler Pulley - 2.4L
Courtesy of CHRYSLER LLC
30. Remove accessory drive upper idler pulley (1).
Fig. 89: Engine Front
Courtesy of CHRYSLER LLC
31. Remove right upper engine mount bracket (1).
32. Remove accessory drive belt tensioner.
33. Remove upper timing chain cover retaining bolts.
2009 Jeep Patriot Limited
2009 ENGINE 2.0L - Service Information - Compass & Patriot
a
Saturday, September 08, 2012 1:30:14 PM Page 65 © 2006 Mitchell Repair Information Company, LLC.
Fig. 90: Timing Chain Cover Pry Points
Courtesy of CHRYSLER LLC
34. Remove timing chain cover using pry points (1, 2, 3).
Fig. 91: Timing Chain
Courtesy of CHRYSLER LLC
2009 Jeep Patriot Limited
2009 ENGINE 2.0L - Service Information - Compass & Patriot
a
Saturday, September 08, 2012 1:30:14 PM Page 66 © 2006 Mitchell Repair Information Company, LLC.
35. Remove tensioner (5) and timing chain (2). See Engine/Valve Timing/CHAIN and SPROCKETS,
Timing - Removal
36. Remove timing chain guide (4) and timing chain pivot guide (6).
Fig. 92: Fuel Line At Rail
Courtesy of CHRYSLER LLC
37. Disconnect the fuel line from the fuel rail. Refer to Fuel System/Fuel Delivery/FITTING, Quick
Connect - Standard Procedure .
Fig. 93: Electrical Connectors
Courtesy of CHRYSLER LLC
38. Unlock and disconnect the electrical connectors from the fuel injectors.
2009 Jeep Patriot Limited
2009 ENGINE 2.0L - Service Information - Compass & Patriot
a
Saturday, September 08, 2012 1:30:14 PM Page 67 © 2006 Mitchell Repair Information Company, LLC.
Fig. 94: Rail Removal/Install
Courtesy of CHRYSLER LLC
39. Remove two fuel rail retaining bolts and remove fuel rail.
Fig. 95: Coolant Adapter
Courtesy of CHRYSLER LLC
40. Disconnect electrical connectors from coolant temperature sensor (1), oil temperature sensor, variable
valve timing solenoids, camshaft position sensors, MAP sensor, manifold tuning valve, ignition
interference suppressor (2) and electronic throttle control.
2009 Jeep Patriot Limited
2009 ENGINE 2.0L - Service Information - Compass & Patriot
a
Saturday, September 08, 2012 1:30:14 PM Page 68 © 2006 Mitchell Repair Information Company, LLC.
Fig. 96: Throttle Body Support
Courtesy of CHRYSLER LLC
41. Remove wiring harness retainer from intake manifold (2) and reposition harness.
42. Remove throttle body support bracket (1).
43. Disconnect vacuum lines at intake.
Fig. 97: Radiator Hose Support
Courtesy of CHRYSLER LLC
44. Remove upper radiator hose retaining bolt (1).
2009 Jeep Patriot Limited
2009 ENGINE 2.0L - Service Information - Compass & Patriot
a
Saturday, September 08, 2012 1:30:14 PM Page 69 © 2006 Mitchell Repair Information Company, LLC.
Fig. 98: Intake Torque Sequence
Courtesy of CHRYSLER LLC
45. Remove intake manifold retaining bolts and remove intake manifold.
Fig. 99: Coolant Adapter
Courtesy of CHRYSLER LLC
46. Remove four bolts and reposition coolant adapter (3).
2009 Jeep Patriot Limited
2009 ENGINE 2.0L - Service Information - Compass & Patriot
a
Saturday, September 08, 2012 1:30:14 PM Page 70 © 2006 Mitchell Repair Information Company, LLC.
Fig. 100: Ground Strap
Courtesy of CHRYSLER LLC
47. Remove ground strap (1) at right rear of cylinder head if equipped.
Fig. 101: Front Cam Cap Removal Sequence
Courtesy of CHRYSLER LLC
NOTE: Camshaft bearing caps should have been marked during engine
manufacturing. For example, number one exhaust camshaft bearing is
marked "E1>".
CAUTION: DO NOT use a number stamp or a punch to mark camshaft bearing
caps. Damage to bearing caps could occur.
2009 Jeep Patriot Limited
2009 ENGINE 2.0L - Service Information - Compass & Patriot
a
Saturday, September 08, 2012 1:30:14 PM Page 71 © 2006 Mitchell Repair Information Company, LLC.
48. Using a permanent ink or paint marker, identify location and position on each camshaft bearing cap.
49. Remove the front camshaft bearing cap.
50. Slowly remove the remaining intake and exhaust camshaft bearing cap bolts one turn at a time.
51. Remove the camshafts.
Fig. 102: Front Head Bolt Washers
Courtesy of CHRYSLER LLC
52. Remove cylinder head bolts and two uncaptured washers.
53. Remove cylinder head from engine block.
54. Inspect and clean cylinder head and block sealing surfaces. See Engine/Cylinder Head - Inspection. See
Engine/Cylinder Head - Cleaning.
CLEANING
CLEANING
To ensure engine gasket sealing, proper surface preparation must be performed, especially with the use of
aluminum engine components and multi-layer steel cylinder head gaskets.
Remove all gasket material from cylinder head and block. See Engine - Standard Procedure. Be careful not to
NOTE: All of the cylinder head bolts have captured washers EXCEPT the front two
(1).
NOTE: Ensure cylinder head bolt holes in the block are clean, dry (free of residual
oil or coolant), and threads are not damaged.
NOTE: Multi-Layer Steel (MLS) head gaskets require a scratch free sealing surface.
2009 Jeep Patriot Limited
2009 ENGINE 2.0L - Service Information - Compass & Patriot
a
Saturday, September 08, 2012 1:30:14 PM Page 72 © 2006 Mitchell Repair Information Company, LLC.
gouge or scratch the aluminum head sealing surface.
Clean all engine oil passages.
INSPECTION
INSPECTION
Fig. 103: Checking Cylinder Head Flatness
Courtesy of CHRYSLER LLC
1. Check cylinder head warpage with a straight edge (2) and feeler gauge (1).
2. Cylinder head must be flat within 0.1 mm (0.004 in.).
3. Verify that the valve tappets move freely in theirs bores and that they have been rotating.
4. Inspect camshaft bearing journals for scoring.
5. Remove carbon and varnish deposits from inside of valve guides with a reliable guide cleaner.
6. Inspect the following components and verify that they are within specification. See Engine -
Specifications:
Camshafts
Valve Tappets
Springs
Valve Seats
Valve Guides
Valves
7. Prior to installing cylinder head, the cylinder block should be checked for flatness. See Engine/Engine
NOTE: Replacement cylinder heads will come complete with valves, seals, springs,
retainers, keepers, tappets, and camshafts.
2009 Jeep Patriot Limited
2009 ENGINE 2.0L - Service Information - Compass & Patriot
a
Saturday, September 08, 2012 1:30:14 PM Page 73 © 2006 Mitchell Repair Information Company, LLC.
Block - Inspection.
INSTALLATION
INSTALLATION
Fig. 104: Checking Cylinder Head Bolts For Stretching (Necking)
Courtesy of CHRYSLER LLC
1. Check cylinder head bolts for necking by holding a scale or straight edge against the threads. If all the
threads do not contact the scale (2) the bolt must be replaced.
CAUTION: The cylinder head bolts are tightened using a torque plus angle procedure.
The bolts must be examined BEFORE reuse. If the threads are necked
down the bolts must be replaced.
2009 Jeep Patriot Limited
2009 ENGINE 2.0L - Service Information - Compass & Patriot
a
Saturday, September 08, 2012 1:30:14 PM Page 74 © 2006 Mitchell Repair Information Company, LLC.
Fig. 105: VVT Filter
Courtesy of CHRYSLER LLC
2. Replace the variable valve timing filter screen (3).
Fig. 106: Cylinder Head RTV
Courtesy of CHRYSLER LLC
NOTE: Ensure cylinder head bolt holes in the block are clean, dry (free of residual
oil or coolant), and threads are not damaged.
CAUTION: Always replace the variable valve timing filter screen (3) when
servicing the head gasket or engine damage could result.
2009 Jeep Patriot Limited
2009 ENGINE 2.0L - Service Information - Compass & Patriot
a
Saturday, September 08, 2012 1:30:14 PM Page 75 © 2006 Mitchell Repair Information Company, LLC.
3. Place two pea size dots of Mopar® engine sealant RTV or equivalent (1) on cylinder block as shown in
illustration.
Fig. 107: Cylinder Head Gasket RTV
Courtesy of CHRYSLER LLC
4. Position the new cylinder head gasket on engine block with the part number facing up. Ensure gasket is
seated over the locating dowels in block.
5. Place two pea size dots of Mopar® engine sealant RTV or equivalent (1) on cylinder head gasket as
shown in illustration.
6. Position cylinder head onto engine block.
NOTE: When using RTV, the sealing surfaces must be clean and free from grease
and oil.
NOTE: When using RTV, parts should be assembled in 10 minutes and tighten to
final torque within 45 minutes.
NOTE: The head must be installed within 15 minutes before the RTV skins.
2009 Jeep Patriot Limited
2009 ENGINE 2.0L - Service Information - Compass & Patriot
a
Saturday, September 08, 2012 1:30:14 PM Page 76 © 2006 Mitchell Repair Information Company, LLC.
Fig. 108: Cylinder Head Bolt Identification
Courtesy of CHRYSLER LLC
7. Measure the bolt head from the washer to the top of the bolt head. The short bolt head (1) measures 8 mm
(5/16") and the long bolt head (2) measures 13 mm (1/2").
8. Identify whether your engine has the short head design (1) or the long head design (2).
Fig. 109: Bevel Edge
Courtesy of CHRYSLER LLC
CAUTION: This engine was built with 2 different style cylinder head bolts. Each
style bolt requires a different torque value. The bolts can be identified
by the short bolt head (1) and the long bolt head (2).
NOTE: The front two cylinder head bolts do not have captured washers. The
2009 Jeep Patriot Limited
2009 ENGINE 2.0L - Service Information - Compass & Patriot
a
Saturday, September 08, 2012 1:30:14 PM Page 77 © 2006 Mitchell Repair Information Company, LLC.
Fig. 110: Front Head Bolt Washers
Courtesy of CHRYSLER LLC
9. Install washers (1) for the front two cylinder head bolts with the beveled edge facing up.
Fig. 111: Cylinder Head Torque Sequence
Courtesy of CHRYSLER LLC
10. Install the cylinder head bolts and tighten in the sequence shown in illustration.
washers must be installed with the bevel edge (1) up towards the bolt
head.
NOTE: Before installing the cylinder head bolts, lubricate the threads with clean
engine oil.
2009 Jeep Patriot Limited
2009 ENGINE 2.0L - Service Information - Compass & Patriot
a
Saturday, September 08, 2012 1:30:14 PM Page 78 © 2006 Mitchell Repair Information Company, LLC.
Fig. 112: Cylinder Head Bolt Identification
Courtesy of CHRYSLER LLC
11. If your bolt has the short head (1), use the following torque specifications:
First: All to 30 N.m (25 ft. lbs.)
Second: All to 61 N.m (45 ft. lbs.)
Third: All to 61 N.m (45 ft. lbs.)
Fourth: All an additional 90°
12. If your bolt has the long head (2), use the following torque specifications:
First: All to 30 N.m (25 ft. lbs.)
Second: All to 73 N.m (54 ft. lbs.)
Third: All to 73 N.m (54 ft. lbs.)
Fourth: All an additional 90°
13. Clean excess RTV from timing chain cover sealing surface.
CAUTION: Do not use a torque wrench for the Fourth step.
CAUTION: Do not use a torque wrench for the Fourth step.
2009 Jeep Patriot Limited
2009 ENGINE 2.0L - Service Information - Compass & Patriot
a
Saturday, September 08, 2012 1:30:14 PM Page 79 © 2006 Mitchell Repair Information Company, LLC.
Fig. 113: Coolant Adapter
Courtesy of CHRYSLER LLC
14. Install coolant adapter (3) with new seals. Tighten bolts to 18.1 N.m (159 in. lbs.).
Fig. 114: Cam Cap Bearing Identification
Courtesy of CHRYSLER LLC
15. The front camshaft bearing cap (1) is numbered (2) either one, two, or three, this corresponds to the select
fit front exhaust camshaft bearing to use.
2009 Jeep Patriot Limited
2009 ENGINE 2.0L - Service Information - Compass & Patriot
a
Saturday, September 08, 2012 1:30:14 PM Page 80 © 2006 Mitchell Repair Information Company, LLC.
Fig. 115: Cam Bearing Identification
Courtesy of CHRYSLER LLC
16. Install the corresponding select fit front exhaust camshaft bearing (1).
17. Oil all of the camshaft journals with clean engine oil.
Fig. 116: Camshaft Timing
Courtesy of CHRYSLER LLC
18. Position exhaust camshaft (1) and intake camshaft (2) on bearing journals in the cylinder head.
19. Align camshaft timing marks (3) so that they are facing each other and are in line with the cylinder head
cover sealing surface.
CAUTION: Install the front intake and exhaust camshaft bearing cap last. Ensure
that the dowels are seated and follow torque sequence or damage to
2009 Jeep Patriot Limited
2009 ENGINE 2.0L - Service Information - Compass & Patriot
a
Saturday, September 08, 2012 1:30:14 PM Page 81 © 2006 Mitchell Repair Information Company, LLC.
Fig. 117: Cam Cap Torque Sequence
Courtesy of CHRYSLER LLC
20. Install intake and exhaust camshaft bearing caps and slowly tighten bolts to 9.5 N.m (85 in. lbs.) in the
sequence shown in illustration.
Fig. 118: Front Cam Cap Torque Sequence
Courtesy of CHRYSLER LLC
engine could result.
NOTE: If the front camshaft bearing cap is broken, the cylinder head MUST be
replaced.
NOTE: Verify that the exhaust bearing shells are correctly installed, and the
2009 Jeep Patriot Limited
2009 ENGINE 2.0L - Service Information - Compass & Patriot
a
Saturday, September 08, 2012 1:30:14 PM Page 82 © 2006 Mitchell Repair Information Company, LLC.
21. Install the front intake and exhaust bearing cap and tighten bolts to 25 N.m (18 ft. lbs.) in the sequence
shown in illustration.
Fig. 119: Timing Drive
Courtesy of CHRYSLER LLC
22. Install timing chain guide (4) and tighten bolts to 12 N.m (105 in. lbs.).
23. Install the moveable timing chain pivot guide (6) and tighten bolt to 12 N.m (105 in. lbs.).
24. Install timing chain (2) and tensioner (5). See Engine/Valve Timing/CHAIN and SPROCKETS,
Timing - Installation.
25. Install timing chain cover, engine mount, pulleys and accessory drive belt. See Engine/Valve
Timing/COVER(S), Engine Timing - Installation.
dowels are seated in the head, prior to torquing bolts.
2009 Jeep Patriot Limited
2009 ENGINE 2.0L - Service Information - Compass & Patriot
a
Saturday, September 08, 2012 1:30:14 PM Page 83 © 2006 Mitchell Repair Information Company, LLC.
Fig. 120: Torque Sequence
Courtesy of CHRYSLER LLC
26. Install cylinder head cover and ignition coils. See Engine/Cylinder Head/COVER(S), Cylinder Head -
Installation.
Fig. 121: Ground Strap
Courtesy of CHRYSLER LLC
27. Install exhaust manifold. See Engine/Manifolds/MANIFOLD, Exhaust - Installation.
28. Install ground strap (1) at right rear of cylinder head if equipped.
Fig. 122: Torque Sequence
Courtesy of CHRYSLER LLC
29. Install intake manifold, vacuum lines and fuel rail. See Engine/Manifolds/MANIFOLD, Intake -
2009 Jeep Patriot Limited
2009 ENGINE 2.0L - Service Information - Compass & Patriot
a
Saturday, September 08, 2012 1:30:14 PM Page 84 © 2006 Mitchell Repair Information Company, LLC.
Installation.
Fig. 123: Radiator Hose Support
Courtesy of CHRYSLER LLC
30. Install upper radiator hose retaining bracket bolt (1).
Fig. 124: Coil Connector
Courtesy of CHRYSLER LLC
31. Connect coil (1) and injector (4) electrical connectors.
2009 Jeep Patriot Limited
2009 ENGINE 2.0L - Service Information - Compass & Patriot
a
Saturday, September 08, 2012 1:30:14 PM Page 85 © 2006 Mitchell Repair Information Company, LLC.
Fig. 125: Coolant Adapter
Courtesy of CHRYSLER LLC
32. Connect electrical connectors to coolant temperature sensor (1), camshaft position sensors, oil
temperature sensor, variable valve timing solenoids, MAP sensor, manifold tuning valve, ignition
interference suppressor (2) and electronic throttle control.
Fig. 126: Coolant Reservoir
Courtesy of CHRYSLER LLC
33. Install power steering pump reservoir (2). Tighten mounting screw to 12 N.m (106 in. lbs.).
34. Install windshield washer reservoir (1).
35. Install coolant recovery reservoir (3). Tighten mounting bolts to 4 N.m (35 in. lbs.).
2009 Jeep Patriot Limited
2009 ENGINE 2.0L - Service Information - Compass & Patriot
a
Saturday, September 08, 2012 1:30:15 PM Page 86 © 2006 Mitchell Repair Information Company, LLC.
Fig. 127: Air Cleaner Housing
Courtesy of CHRYSLER LLC
36. Install clean air hose (5) and air cleaner housing (1). See Engine/Air Intake System/BODY, Air
Cleaner - Installation.
37. Fill cooling system. Refer to Cooling - Standard Procedure .
38. Install new oil filter and fill engine with oil.
39. Connect negative battery cable.
Fig. 128: Engine Cover - 2.4L
Courtesy of CHRYSLER LLC
40. Operate engine until it reaches normal operating temperature. Check oil and cooling systems for leaks and
2009 Jeep Patriot Limited
2009 ENGINE 2.0L - Service Information - Compass & Patriot
a
Saturday, September 08, 2012 1:30:15 PM Page 87 © 2006 Mitchell Repair Information Company, LLC.
correct fluid levels.
41. Install engine cover (1).
ASSEMBLY, VARIABLE VALVE TIMING
Description
DESCRIPTION
The world engine is equipped with Variable Valve Timing (VVT). This system advances and/or retards intake
and/or exhaust camshaft timing to improve engine performance, mid-range torque, idle quality, fuel economy,
and reduce emissions. The camshaft sprockets are integrated with the VVT assemblies and are serviced as an
assembly. VVT assemblies are sometimes referred to as camshaft phasers.
Operation
OPERATION
The Variable Valve Timing (VVT) assemblies are actuated with engine oil pressure. The oil flow to the VVT
assemblies are controlled by two Oil Control Valves (OCV). There is an OCV and Camshaft Position Sensor
(CMP) for each camshaft. The OCV's consist of a Pulse Width Modulated (PWM) solenoid and a spool valve.
The PCM actuates the OCV to control oil flow through the spool valve into the VVT assemblies. The VVT
assembly consists of a rotor, stator, and sprocket. The stator is connected to the timing chain through the
sprocket. The rotor is connected to the camshaft. Oil flow in to the VVT assembly rotates the rotor with respect
to the stator, thus rotating the camshaft with respect to the timing chain. Thus, the VVT assemblies change
valve timing by changing the relationship between the camshaft and the timing chain. An integral oil pressure
activated pin is used to lock base camshaft timing for engine start up. Oil pressure releases the pin and allows
the PCM to control cam timing once the engine is running. An infinitely variable valve timing position can be
achieved within the limits of the hardware. The CMP monitors the position of the camshaft with respect to the
crankshaft and provides feedback to the PCM.
Removal
REMOVAL
NOTE: Camshaft phaser and camshaft sprocket are supplied as an assembly, do not
attempt to disassemble.
2009 Jeep Patriot Limited
2009 ENGINE 2.0L - Service Information - Compass & Patriot
a
Saturday, September 08, 2012 1:30:15 PM Page 88 © 2006 Mitchell Repair Information Company, LLC.
Fig. 129: Cam Phaser Installation
Courtesy of CHRYSLER LLC
1. Remove camshafts. See Engine/Cylinder Head/CAMSHAFT, Engine - Removal.
2. Remove camshaft phaser (2) retaining bolt while holding the camshaft in place with a wrench (1) on the
camshaft flats.
3. Remove phaser (2) assembly from camshaft.
Installation
INSTALLATION
Fig. 130: Cam Phaser Installation
Courtesy of CHRYSLER LLC
2009 Jeep Patriot Limited
2009 ENGINE 2.0L - Service Information - Compass & Patriot
a
Saturday, September 08, 2012 1:30:15 PM Page 89 © 2006 Mitchell Repair Information Company, LLC.
1. Install phaser (2) assembly on camshaft.
2. Install phaser retaining bolt. Hold camshaft in place with a wrench (1) and tighten bolt to 59 N.m (44 ft.
lbs.).
3. Install camshafts. See Engine/Cylinder Head/CAMSHAFT, Engine - Installation.
BUCKET, TAPPET
Diagnosis and Testing
MECHANICAL VALVE TAPPET NOISE DIAGNOSIS
A tappet-like noise may be produced from incorrect valve lash. See Engine/Cylinder Head/BUCKET, Tappet
- Standard Procedure.
Standard Procedure
MEASURING VALVE LASH
Fig. 131: Torque Sequence
Courtesy of CHRYSLER LLC
CAUTION: Do not use an impact wrench to tighten camshaft sprocket bolts. Damage
to the camshaft-to-sprocket locating dowel pin and camshaft phaser may
occur.
NOTE: Make sure the dowel is seated in the dowel hole and not in an oil feed hole.
The dowel hole is larger than the 4 oil feed holes.
NOTE: The engine must be cold to measure valve lash.
2009 Jeep Patriot Limited
2009 ENGINE 2.0L - Service Information - Compass & Patriot
a
Saturday, September 08, 2012 1:30:15 PM Page 90 © 2006 Mitchell Repair Information Company, LLC.
1. Remove engine cover.
2. Remove cylinder head cover. See Engine/Cylinder Head/COVER(S), Cylinder Head - Removal.
Fig. 132: Lobes Vertical
Courtesy of CHRYSLER LLC
3. Rotate camshaft so lobes are vertical (1).
4. Check clearance using feeler gauges.
5. Repeat for all tappets and record readings.
6. If clearance was too small, refer to the Clearance too Small procedure. See Clearance too Small.
7. If clearance was too large, refer to the Clearance too Large procedure. See Clearance too Large.
Clearance Too Small
2009 Jeep Patriot Limited
2009 ENGINE 2.0L - Service Information - Compass & Patriot
a
Saturday, September 08, 2012 1:30:15 PM Page 91 © 2006 Mitchell Repair Information Company, LLC.
Fig. 133: Tappet Identification
Courtesy of CHRYSLER LLC
1. Remove camshafts. See Engine/Cylinder Head/CAMSHAFT, Engine - Removal.
2. Specification - clearance = change.
3. Decrease tappet thickness by change figure.
4. Install camshafts. See Engine/Cylinder Head/CAMSHAFT, Engine - Installation.
5. Verify that valve lash is correct.
Clearance too Large
2009 Jeep Patriot Limited
2009 ENGINE 2.0L - Service Information - Compass & Patriot
a
Saturday, September 08, 2012 1:30:15 PM Page 92 © 2006 Mitchell Repair Information Company, LLC.
Fig. 134: Tappet Identification
Courtesy of CHRYSLER LLC
1. Remove camshafts. See Engine/Cylinder Head/CAMSHAFT, Engine - Removal.
2. Clearance - specification = change.
3. Increase tappet thickness by change figure.
4. Install camshafts. See Engine/Cylinder Head/CAMSHAFT, Engine - Installation.
5. Verify that valve lash is correct.
Removal
REMOVAL
Fig. 135: Torque Sequence
Courtesy of CHRYSLER LLC
1. Remove cylinder head cover. See Engine/Cylinder Head/COVER(S), Cylinder Head - Removal.
2. Remove camshafts. See Engine/Cylinder Head/CAMSHAFT, Engine - Removal.
NOTE: This procedure is for in-vehicle service with camshafts installed.
NOTE: Camshaft tappets must be replaced if cylinder head or camshafts are replaced.
2009 Jeep Patriot Limited
2009 ENGINE 2.0L - Service Information - Compass & Patriot
a
Saturday, September 08, 2012 1:30:15 PM Page 93 © 2006 Mitchell Repair Information Company, LLC.
Fig. 136: Tappet Identification
Courtesy of CHRYSLER LLC
3. Remove camshaft tappets (1).
4. Repeat removal procedure for each camshaft tappet (1).
5. If reusing, mark each camshaft tappet for reassembly in it's original position.
Installation
INSTALLATION
Fig. 137: Tappet Identification
2009 Jeep Patriot Limited
2009 ENGINE 2.0L - Service Information - Compass & Patriot
a
Saturday, September 08, 2012 1:30:15 PM Page 94 © 2006 Mitchell Repair Information Company, LLC.
Courtesy of CHRYSLER LLC
1. Apply a light coat of clean engine oil to camshaft tappets (1) prior to assembly.
2. Install camshaft tappets (1) into cylinder head.
3. Repeat installation procedure for each camshaft tappet.
4. Install camshafts. See Engine/Cylinder Head/CAMSHAFT, Engine - Installation.
Fig. 138: Torque Sequence
Courtesy of CHRYSLER LLC
5. Install cylinder head cover. See Engine/Cylinder Head/COVER(S), Cylinder Head - Installation.
CAMSHAFT, ENGINE
Description
DESCRIPTIONS
Both camshafts have five bearing journal surfaces and two cam lobes per cylinder. The two front journals are
larger to allow for feeding oil to the variable valve timing (VVT) camshaft phasers. Flanges on the third smaller
journal control camshaft end play. At the rear of each camshaft is an integral cam sensor target.
CAMSHAFT BEARING CAPS
NOTE: If reinstalling original tappets they must go back in their original location or
engine damage could result.
NOTE: If installing new tappets, the valve lash procedure must be performed.
2009 Jeep Patriot Limited
2009 ENGINE 2.0L - Service Information - Compass & Patriot
a
Saturday, September 08, 2012 1:30:15 PM Page 95 © 2006 Mitchell Repair Information Company, LLC.
Fig. 139: Uneven Wear Patterns
Courtesy of CHRYSLER LLC
The front cam bearing cap spans both camshafts, and includes dowels for precise alignment. The front exhaust
camshaft journal has a select fit bearing insert. This bearing is required to seal the oil passage to the camshaft
phaser, because a portion of the lower bearing saddle is machined away for head bolt access. The select fit is
required to minimize bearing clearance and oil leakage. An exhaust bearing grade (1, 2 or 3) is stamped into the
front bearing cap adjacent to the exhaust cam journal. The bearings are also marked with the corresponding
grade markings. If the bearing is replaced, the same grade must be used. Due to the unique purpose of this
bearing, it may appear to have uneven wear patterns (1). Maximum wear of 0.05 mm (.002 in.) is acceptable.
Unless the wear is excessive it is no cause for concern and the bearing should not be replaced. Cam bearing
inspection should not be the sole reason for removal of the exhaust camshaft. The upper cam bearing may be
replaced if the front bearing cap is removed. The lower cam bearing should be replaced if the camshaft is
removed due to a failure of a component within the cylinder head.
The front intake cam journal has a full lower bearing saddle, and therefore, no bearing insert is required.
All small bearing caps have a formed-in arrow to assist in assembly. All small bearing cap arrows must point
towards the center of the cylinder head. The small bearing caps are marked for position during the
manufacturing process, and must be reinstalled in their original position.
The #1 small cap includes a passage to direct oil from the cylinder head oil gallery to the #1 small bearing
journal, and into the camshaft as well. The hollow camshaft then distributes oil to the remainder of the small
journals. Oil flowing out of each cam journal lubricates the valve tappets.
The #3 small cap is machined at the front and rear face to control camshaft end-play. This cap has dowels for
precise alignment.
Operation
OPERATION
2009 Jeep Patriot Limited
2009 ENGINE 2.0L - Service Information - Compass & Patriot
a
Saturday, September 08, 2012 1:30:15 PM Page 96 © 2006 Mitchell Repair Information Company, LLC.
The camshaft is driven by the crankshaft via drive sprockets and a chain. The camshaft has precisely machined
lobes to provide accurate valve timing and duration.
Standard Procedure
MEASURING CAMSHAFT END PLAY
Fig. 140: Camshaft End Play
Courtesy of CHRYSLER LLC
1. Using a suitable tool, move camshaft as far rearward as it will go.
2. Zero dial indicator.
3. Move camshaft as far forward as it will go.
4. Record reading on dial indicator. For end play specification. See Engine - Specifications.
5. If end play is excessive, check cylinder head and camshaft for wear; replace as necessary.
Removal
REMOVAL
2009 Jeep Patriot Limited
2009 ENGINE 2.0L - Service Information - Compass & Patriot
a
Saturday, September 08, 2012 1:30:15 PM Page 97 © 2006 Mitchell Repair Information Company, LLC.
Fig. 141: Engine Cover
Courtesy of CHRYSLER LLC
1. Remove engine cover (1) by pulling upward.
2. Disconnect and isolate the negative battery cable.
3. Remove cylinder head cover. See Engine/Cylinder Head/COVER(S), Cylinder Head - Removal.
Fig. 142: TDC
Courtesy of CHRYSLER LLC
4. Raise and support the vehicle. Refer to Vehicle Quick Reference/Hoisting - Standard Procedure .
5. Remove the frame cover portion of the right splash shield. Refer to Body/Exterior/SHIELD, Splash -
Removal .
2009 Jeep Patriot Limited
2009 ENGINE 2.0L - Service Information - Compass & Patriot
a
Saturday, September 08, 2012 1:30:15 PM Page 98 © 2006 Mitchell Repair Information Company, LLC.
6. Rotate engine to TDC (1).
Fig. 143: Timing Chain Timing Marks
Courtesy of CHRYSLER LLC
7. Make sure camshaft timing marks (3) are in line with the cylinder head cover sealing surface.
8. Mark the chain link corresponding to timing marks (1) with a paint marker.
Fig. 144: Tensioner Access Plug
Courtesy of CHRYSLER LLC
9. Remove timing tensioner plug (1) from front cover.
2009 Jeep Patriot Limited
2009 ENGINE 2.0L - Service Information - Compass & Patriot
a
Saturday, September 08, 2012 1:30:15 PM Page 99 © 2006 Mitchell Repair Information Company, LLC.
Fig. 145: Tensioner Reset
Courtesy of CHRYSLER LLC
10. Insert small Allen wrench through timing tensioner plug hole and lift ratchet (2) upward to release the
tensioner and push Allen wrench inward. Leave the Allen wrench installed during the remainder of this
procedure.
Fig. 146: Wedge Tool
Courtesy of CHRYSLER LLC
11. Insert Locking Wedge 9701 (1) between camshaft phasers.
2009 Jeep Patriot Limited
2009 ENGINE 2.0L - Service Information - Compass & Patriot
a
Saturday, September 08, 2012 1:30:15 PM Page 100 © 2006 Mitchell Repair Information Company, LLC.
Fig. 147: Seating Wedge Tool
Courtesy of CHRYSLER LLC
12. Lightly tap Locking Wedge 9701 (2) into place until it will no longer sink down.
Fig. 148: Front Cam Cap Removal Sequence
Courtesy of CHRYSLER LLC
NOTE: Camshaft bearing caps should have been marked during engine
manufacturing. For example, number one exhaust camshaft bearing is
marked "E1>".
CAUTION: DO NOT use a number stamp or a punch to mark camshaft bearing
caps. Damage to bearing caps could occur.
2009 Jeep Patriot Limited
2009 ENGINE 2.0L - Service Information - Compass & Patriot
a
Saturday, September 08, 2012 1:30:15 PM Page 101 © 2006 Mitchell Repair Information Company, LLC.
13. Using a permanent ink or paint marker, identify location and position on each camshaft bearing cap.
14. Remove the front camshaft bearing cap.
15. Slowly remove the remaining intake and exhaust camshaft bearing cap bolts one turn at a time.
Fig. 149: Raise Intake Cam
Courtesy of CHRYSLER LLC
16. Remove intake camshaft (1) by lifting the rear of the camshaft upward.
Fig. 150: Roll Camshaft
Courtesy of CHRYSLER LLC
17. Rotate the camshaft while lifting out of the front bearing cradle.
2009 Jeep Patriot Limited
2009 ENGINE 2.0L - Service Information - Compass & Patriot
a
Saturday, September 08, 2012 1:30:15 PM Page 102 © 2006 Mitchell Repair Information Company, LLC.
Fig. 151: Chain Removal
Courtesy of CHRYSLER LLC
18. Lift the timing chain (2) off the sprocket (1).
19. Remove exhaust camshaft.
20. Secure timing chain with wire so that it does fall into the timing chain cover.
Cleaning
CLEANING
Clean camshafts with a suitable solvent.
Inspection
INSPECTION
1. Inspect camshaft bearing journals for damage. If journals are damaged, check the cylinder head for
damage. Also check cylinder head oil holes for clogging.
2. Check the cam lobe and bearing surfaces for abnormal wear and damage. Replace camshaft if defective.
Installation
INSTALLATION
NOTE: If camshaft is replaced due to lobe wear or damage, always replace the
lash buckets.
2009 Jeep Patriot Limited
2009 ENGINE 2.0L - Service Information - Compass & Patriot
a
Saturday, September 08, 2012 1:30:15 PM Page 103 © 2006 Mitchell Repair Information Company, LLC.
Fig. 152: Cam Cap Bearing Identification
Courtesy of CHRYSLER LLC
1. The front camshaft bearing cap (1) is numbered (2) either one, two, or three, this corresponds to the select
fit front exhaust camshaft bearing to use.
Fig. 153: Cam Bearing Identification
Courtesy of CHRYSLER LLC
2. Install the corresponding select fit front exhaust camshaft bearing (1).
3. Oil all of the camshaft journals with clean engine oil.
4. Install camshaft phasers on camshafts if removed. See Engine/Cylinder Head/ASSEMBLY, Variable
Valve Timing - Installation.
2009 Jeep Patriot Limited
2009 ENGINE 2.0L - Service Information - Compass & Patriot
a
Saturday, September 08, 2012 1:30:15 PM Page 104 © 2006 Mitchell Repair Information Company, LLC.
Fig. 154: Timing Chain Timing Marks
Courtesy of CHRYSLER LLC
5. Install timing chain onto exhaust cam sprocket making sure that the timing marks (1) on the sprocket and
the painted chain link are aligned.
6. Position exhaust camshaft and on bearing journals in the cylinder head.
7. Align exhaust cam timing mark (3) so it is in line with the cylinder head cover sealing surface (2).
Fig. 155: Raise Intake Cam
Courtesy of CHRYSLER LLC
8. Install intake camshaft by raising the rear of the camshaft upward and roll the sprocket into the chain.
2009 Jeep Patriot Limited
2009 ENGINE 2.0L - Service Information - Compass & Patriot
a
Saturday, September 08, 2012 1:30:15 PM Page 105 © 2006 Mitchell Repair Information Company, LLC.
Fig. 156: Timing Chain Timing Marks
Courtesy of CHRYSLER LLC
9. Align the timing marks (1) on the intake cam sprocket with the painted chain link.
10. Position the intake camshaft into the bearing journals in the cylinder head.
11. Verify that the timing marks (1) are aligned on both camshafts and that the timing marks (3) are facing
each other and are in line with the cylinder head cover sealing surface (2).
CAUTION: Install the front intake and exhaust camshaft bearing cap last. Ensure
that the dowels are seated and follow torque sequence or damage to
engine could result.
NOTE: If the front camshaft bearing cap is broken, the cylinder head MUST be
replaced.
2009 Jeep Patriot Limited
2009 ENGINE 2.0L - Service Information - Compass & Patriot
a
Saturday, September 08, 2012 1:30:15 PM Page 106 © 2006 Mitchell Repair Information Company, LLC.
Fig. 157: Cam Cap Torque Sequence
Courtesy of CHRYSLER LLC
12. Install intake and exhaust camshaft bearing caps and slowly tighten bolts to 9.5 N.m (85 in. lbs.) in the
sequence shown in illustration.
Fig. 158: Front Cam Cap Torque Sequence
Courtesy of CHRYSLER LLC
13. Install the front intake and exhaust bearing cap and tighten bolts to 25 N.m (18 ft. lbs.) in the sequence
shown in illustration.
NOTE: Verify that the exhaust bearing shells are correctly installed, and the
dowels are seated in the head, prior to torquing bolts.
2009 Jeep Patriot Limited
2009 ENGINE 2.0L - Service Information - Compass & Patriot
a
Saturday, September 08, 2012 1:30:15 PM Page 107 © 2006 Mitchell Repair Information Company, LLC.
Fig. 159: Timing Chain Timing Marks
Courtesy of CHRYSLER LLC
14. Verify that all timing marks (1, 3) are aligned.
15. Remove Allen wrench from timing chain tensioner.
Fig. 160: Wedge Tool
Courtesy of CHRYSLER LLC
16. Remove Locking Wedge 9701 (1) by pulling straight upward on pull rope.
2009 Jeep Patriot Limited
2009 ENGINE 2.0L - Service Information - Compass & Patriot
a
Saturday, September 08, 2012 1:30:15 PM Page 108 © 2006 Mitchell Repair Information Company, LLC.
Fig. 161: Tensioner Access Plug
Courtesy of CHRYSLER LLC
17. Apply MOPAR® thread sealant to timing tensioner plug (1) and Install.
18. Rotate the crankshaft CLOCKWISE two complete revolutions until the crankshaft is repositioned at the
TDC position.
Fig. 162: Camshaft Timing
Courtesy of CHRYSLER LLC
19. Verify that the camshafts timing marks (3) are in the proper position and in line with the cylinder head
cover sealing surface. If the marks do not line up, the timing chain is not correctly installed.
20. Install right splash shield. Refer to Body/Exterior/SHIELD, Splash - Installation .
2009 Jeep Patriot Limited
2009 ENGINE 2.0L - Service Information - Compass & Patriot
a
Saturday, September 08, 2012 1:30:15 PM Page 109 © 2006 Mitchell Repair Information Company, LLC.
Fig. 163: Gasket Location
Courtesy of CHRYSLER LLC
21. Remove RTV from gasket (1).
22. Inspect cylinder head cover gaskets (1, 2) for damage. If no damage is present, gaskets can be re-installed.
Fig. 164: Torque Sequence
Courtesy of CHRYSLER LLC
23. Install cylinder head cover. See Engine/Cylinder Head/COVER(S), Cylinder Head - Installation.
24. Connect negative battery cable.
25. Fill cooling system. Refer to Cooling - Standard Procedure .
26. Fill with oil.
2009 Jeep Patriot Limited
2009 ENGINE 2.0L - Service Information - Compass & Patriot
a
Saturday, September 08, 2012 1:30:15 PM Page 110 © 2006 Mitchell Repair Information Company, LLC.
Fig. 165: Engine Cover
Courtesy of CHRYSLER LLC
27. Operate engine until it reaches normal operating temperature. Check oil and cooling systems for correct
fluid levels.
28. Install engine cover (1).
COVER(S), CYLINDER HEAD
Removal
REMOVAL
2009 Jeep Patriot Limited
2009 ENGINE 2.0L - Service Information - Compass & Patriot
a
Saturday, September 08, 2012 1:30:15 PM Page 111 © 2006 Mitchell Repair Information Company, LLC.
Fig. 166: Engine Cover - 2.0L
Courtesy of CHRYSLER LLC
1. Remove engine cover (1) by pulling upward.
2. Disconnect and isolate the negative battery cable.
Fig. 167: Coil Connector
Courtesy of CHRYSLER LLC
3. Remove make up air hose (2).
4. Remove PCV hose (5).
5. Disconnect ignition coil electrical connectors (1).
Fig. 168: Torque Sequence
Courtesy of CHRYSLER LLC
2009 Jeep Patriot Limited
2009 ENGINE 2.0L - Service Information - Compass & Patriot
a
Saturday, September 08, 2012 1:30:15 PM Page 112 © 2006 Mitchell Repair Information Company, LLC.
6. Use compressed air to blow dirt and debris off the cylinder head cover prior to removal.
7. Remove cylinder head cover bolts.
8. Remove cylinder head cover from cylinder head.
Installation
INSTALLATION
Fig. 169: Gasket Location
Courtesy of CHRYSLER LLC
1. Install new cylinder head cover gaskets (1, 2).
Fig. 170: Stud Location
Courtesy of CHRYSLER LLC
2009 Jeep Patriot Limited
2009 ENGINE 2.0L - Service Information - Compass & Patriot
a
Saturday, September 08, 2012 1:30:15 PM Page 113 © 2006 Mitchell Repair Information Company, LLC.
2. Install studs in cover as shown in illustration.
Fig. 171: CYL Head T-Joint
Courtesy of CHRYSLER LLC
3. Clean all RTV from cylinder head. See Engine - Standard Procedure.
4. Apply a dot of Mopar® engine sealant RTV or equivalent to cylinder head/front cover T-joint (1).
NOTE: When using RTV, the sealing surfaces must be clean and free from grease
and oil.
NOTE: When using RTV, parts should be assembled in 10 minutes and tighten to
final torque within 45 minutes.
2009 Jeep Patriot Limited
2009 ENGINE 2.0L - Service Information - Compass & Patriot
a
Saturday, September 08, 2012 1:30:15 PM Page 114 © 2006 Mitchell Repair Information Company, LLC.
Fig. 172: Torque Sequence
Courtesy of CHRYSLER LLC
5. Install cylinder head cover assembly to cylinder head and install all bolts, ensuring the studs are located
as shown in illustration.
6. Tighten bolts in sequence shown in illustration using a 2 step torque method as follows:
a. Tighten all bolts to 5 N.m (44 in. lbs.).
b. Tighten all bolts to 10 N.m (90 in. lbs.).
Fig. 173: Coil Connector
Courtesy of CHRYSLER LLC
7. Install ignition coils. Tighten fasteners to 8 N.m (70 in. lbs.).
8. If the PCV valve was removed, tighten PCV valve to 5 N.m (44 in. lbs.).
9. Connect coil electrical connectors (1).
2009 Jeep Patriot Limited
2009 ENGINE 2.0L - Service Information - Compass & Patriot
a
Saturday, September 08, 2012 1:30:15 PM Page 115 © 2006 Mitchell Repair Information Company, LLC.
10. Connect PCV hose (5) to PCV valve.
11. Connect make up air hose (2).
Fig. 174: Engine Cover - 2.0L
Courtesy of CHRYSLER LLC
12. Connect negative battery cable.
13. Install engine cover (1) by pressing the rear of the cover down first.
SPRING(S), VALVE
Removal
CYLINDER HEAD ON
2009 Jeep Patriot Limited
2009 ENGINE 2.0L - Service Information - Compass & Patriot
a
Saturday, September 08, 2012 1:30:15 PM Page 116 © 2006 Mitchell Repair Information Company, LLC.
Fig. 175: TDC
Courtesy of CHRYSLER LLC
1. Rotate crankshaft until piston is at TDC on compression.
Fig. 176: Torque Sequence
Courtesy of CHRYSLER LLC
2. Remove cylinder head cover. See Engine/Cylinder Head/COVER(S), Cylinder Head - Removal).
3. Remove camshafts. See Engine/Cylinder Head/CAMSHAFT, Engine - Removal).
4. Mark valve tappet location for assembly.
5. Remove valve tappets.
6. With air hose attached to adapter tool installed in spark plug hole, apply 90-120 psi air pressure.
2009 Jeep Patriot Limited
2009 ENGINE 2.0L - Service Information - Compass & Patriot
a
Saturday, September 08, 2012 1:30:15 PM Page 117 © 2006 Mitchell Repair Information Company, LLC.
Fig. 177: Valve Removal
Courtesy of CHRYSLER LLC
7. Using metric valve keeper tool (1) such as Snap-on® GA317 (or equivalent), and remove valve spring
keepers and retainer.
8. Remove valve spring(s).
9. Remove valve stem seal(s) by a using valve stem seal tool.
CYLINDER HEAD OFF
Fig. 178: Valve Removal
Courtesy of CHRYSLER LLC
CAUTION: Care must be taken not to damage the tappet bore or engine damage
may result.
2009 Jeep Patriot Limited
2009 ENGINE 2.0L - Service Information - Compass & Patriot
a
Saturday, September 08, 2012 1:30:15 PM Page 118 © 2006 Mitchell Repair Information Company, LLC.
1. With cylinder head removed from cylinder block, place a ball of rags in the combustion chamber.
2. Mark valve tappet location for assembly.
3. Remove valve tappets.
4. Using metric valve keeper tool such as Snap-on® GA317 (or equivalent) remover (1), remove valve
keepers with a downward push.
5. Remove retainer and springs.
6. Before removing valves, remove any burrs from valve stem lock grooves to prevent damage to the
valve guides. Identify valves, locks and retainers to insure installation in original location.
7. Inspect the valves. See Engine/Cylinder Head/SPRING(S), Valve - Inspection.
Inspection
INSPECTION
1. Whenever valves have been removed for inspection, reconditioning or replacement, valve springs should
be tested for correct load. Discard the springs that do not meet specifications. The following
specifications apply to both intake and exhaust valves springs:
Valve closed nominal load - 179.5 N ± 9 N @ 35.0 mm (40.35 lbs. ± 2 lbs. @ 1.38 in.).
Valve open nominal load - 364.8 N ± 17 N @ 29.25 mm (82 lbs. ± 3.8 lbs. @ 1.152 in.).
2. Inspect each valve spring for squareness with a steel square and surface plate, test springs from both ends.
If the spring is more than 1.5 mm (1/16 inch) out of square, install a new spring.
Installation
CYLINDER HEAD ON
CAUTION: Care must be taken not to damage the tappet bore or engine damage
may result.
CAUTION: Care must be taken not to damage the tappet bore or engine damage may
result.
2009 Jeep Patriot Limited
2009 ENGINE 2.0L - Service Information - Compass & Patriot
a
Saturday, September 08, 2012 1:30:15 PM Page 119 © 2006 Mitchell Repair Information Company, LLC.
Fig. 179: Valve Spring Assembly
Courtesy of CHRYSLER LLC
1. Install valve seal/valve spring seat (3) assembly. Push the assembly down with appropriate size socket to
seat it onto the valve guide.
2. Install valve spring (2) and retainer (4) with keepers (1).
Fig. 180: Valve Installation
Courtesy of CHRYSLER LLC
3. Place the valve keepers in the retainer. Using metric valve keeper tool such as Snap-on® GA317 (or
1 - VALVE RETAINING LOCKS
2 - VALVE SPRING
3 - VALVE SEAL AND VALVE SPRING SEAT ASSEMBLY
4 - VALVE SPRING RETAINER
2009 Jeep Patriot Limited
2009 ENGINE 2.0L - Service Information - Compass & Patriot
a
Saturday, September 08, 2012 1:30:15 PM Page 120 © 2006 Mitchell Repair Information Company, LLC.
equivalent) installer (2) and remover (1) as a handle, install valve keepers with a downward push.
4. Remove air hose and install spark plugs.
5. Install valve tappets.
6. Install camshafts. See Engine/Cylinder Head/CAMSHAFT, Engine - Installation.
7. Install cylinder head cover. See Engine/Cylinder Head/COVER(S), Cylinder Head - Installation.
CYLINDER HEAD OFF
Fig. 181: Valve Spring Assembly
Courtesy of CHRYSLER LLC
1. Coat valve stems with clean engine oil and insert in cylinder head.
2. Install new valve stem seals (3) on all valves using an appropriate sized socket to seat the seal/spring seat.
The valve stem seals should be pushed firmly and squarely over valve guide.
3. Install valve springs (2).
4. Install keepers in retainer and place on valve spring.
CAUTION: Care must be taken not to damage the tappet bore or engine damage may
result.
2009 Jeep Patriot Limited
2009 ENGINE 2.0L - Service Information - Compass & Patriot
a
Saturday, September 08, 2012 1:30:15 PM Page 121 © 2006 Mitchell Repair Information Company, LLC.
Fig. 182: Valve Installation
Courtesy of CHRYSLER LLC
5. Using metric valve keeper tool such as Snap-on® GA317 (or equivalent) installer (2) and remover (1) as
a handle, push downward to install keepers.
Fig. 183: Spring Installed Height & Valve Tip to Spring Seat Dimensions
Courtesy of CHRYSLER LLC
6. Check the valve spring installed height B after refacing the valve and seat. Make sure measurements are
taken from top of spring seat to the bottom surface of spring retainer. If height is greater than 38.75 mm
(1.525 in.), install a 0.762 mm (0.030 in.) spacer under the valve spring seat to bring spring height back
within specification.
7. Install valve tappets.
VALVES, INTAKE AND EXHAUST
1 - GARTER SPRING
2 - VALVE SPRING SEAT
3 - CYLINDER HEAD SURFACE
2009 Jeep Patriot Limited
2009 ENGINE 2.0L - Service Information - Compass & Patriot
a
Saturday, September 08, 2012 1:30:15 PM Page 122 © 2006 Mitchell Repair Information Company, LLC.
Description
DESCRIPTION
The valves are made of heat resistant steel. They have nitrided stems to prevent scuffing. Viton rubber valve
stem seals are integral with the spring seats. The valves have single bead lock keepers to retain the springs.
Operation
OPERATION
The four valves per cylinder (two intake and two exhaust) are opened by using direct acting tappets which are
actuated by the camshaft.
Cleaning
CLEANING
Clean all valves thoroughly and discard burned, warped and cracked valves.
ENGINE BLOCK
DESCRIPTION
DESCRIPTION
The die cast aluminum cylinder block is a two-piece assembly, consisting of the cylinder block and ladder
frame. The block is an open deck design with cast in place cast iron cylinder liners. The cast iron cylinder liners
are recessed below the aluminum deck surface. The ladder frame bolts to the cylinder block and does not
incorporate the main bearing caps. This design offers a much stronger lower end and increased cylinder block
and transaxle rigidity. The rear oil seal retainer is integral with the block and ladder frame. The ladder frame
and block are serviced as an assembly.
CAUTION: Due to the small margin on the valves, grinding is not recommended.
2009 Jeep Patriot Limited
2009 ENGINE 2.0L - Service Information - Compass & Patriot
a
Saturday, September 08, 2012 1:30:15 PM Page 123 © 2006 Mitchell Repair Information Company, LLC.
Fig. 184: Serial Number
Courtesy of CHRYSLER LLC
The engine serial number is located on the bottom of the ladder frame just behind the oil pan. The date can be
seen with the oil pan in place.
STANDARD PROCEDURE
CYLINDER BORE HONING
Fig. 185: Cylinder Bore Cross-Hatch Pattern
Courtesy of CHRYSLER LLC
1 - CROSS-HATCH PATTERN
2009 Jeep Patriot Limited
2009 ENGINE 2.0L - Service Information - Compass & Patriot
a
Saturday, September 08, 2012 1:30:15 PM Page 124 © 2006 Mitchell Repair Information Company, LLC.
1. Deglazing of the cylinder walls may be done using a quality commercially available flex hone, if the
cylinder bore is straight and round. 20-60 strokes depending on the bore condition, will be sufficient to
provide a satisfactory surface. Use a light honing oil. Do not use engine or transmission oil, mineral
spirits or kerosene. Inspect cylinder walls after each 20 strokes.
2. Honing should be done by moving the hone up and down fast enough to get a cross-hatch pattern. When
hone marks intersect at 30-50 degrees, the cross hatch angle is most satisfactory for proper seating of
rings.
3. A controlled hone motor speed between 200-300 RPM is necessary to obtain the proper cross-hatch
angle. The number of up and down strokes per minute can be regulated to get the desired 30-50 degree
angle. Faster up and down strokes increase the cross-hatch angle.
4. After honing, it is necessary that the block be cleaned again to remove all traces of abrasive.
CLEANING
CLEANING
Clean cylinder block thoroughly using a suitable cleaning solvent.
INSPECTION
INSPECTION
ENGINE BLOCK
1. Clean cylinder block thoroughly and check all core hole plugs for evidence of leaking.
2. Examine block and cylinder bores for cracks or fractures.
3. Check block deck surfaces for flatness. Deck surface must be within service limit of 0.050 mm (0.002
in.).
CYLINDER BORE
2 - 40°-60°
CAUTION: Ensure all abrasives are removed from engine parts after honing. It is
recommended that a solution of soap and hot water be used with a
brush and the parts then thoroughly dried. The bore can be
considered clean when it can be wiped clean with a white cloth and
cloth remains clean. Oil the bores after cleaning to prevent rusting.
2009 Jeep Patriot Limited
2009 ENGINE 2.0L - Service Information - Compass & Patriot
a
Saturday, September 08, 2012 1:30:15 PM Page 125 © 2006 Mitchell Repair Information Company, LLC.
Fig. 186: Checking Cylinder Bore Size
Courtesy of CHRYSLER LLC
The cylinder walls should be checked for out-of-round and taper with Cylinder Indicator C119 or equivalent.
See Engine - Specifications. If the cylinder walls are badly scuffed or scored, the cylinder block should be
replaced, and new pistons and rings fitted.
Measure the cylinder bore at three levels in directions A and B. Top measurement should be 10 mm (3/8 in.)
down and bottom measurement should be 10 mm (3/8 in.) up from bottom of bore. See Engine -
Specifications.
BEARING(S), CONNECTING ROD
Standard Procedure
CONNECTING ROD - FITTING
NOTE: The cylinder bores should be measured at normal room temperature, 21°C (70°
F).
2009 Jeep Patriot Limited
2009 ENGINE 2.0L - Service Information - Compass & Patriot
a
Saturday, September 08, 2012 1:30:15 PM Page 126 © 2006 Mitchell Repair Information Company, LLC.
Fig. 187: Connecting Rod Bearing Identification
Courtesy of CHRYSLER LLC
There are three different sizes of rod bearings available. Connecting rod bearing identification (4) can be found
on the nose of the crankshaft (3). Use the table below for proper bearing selection.
CONNECTING ROD BEARING SELECTION
CRANKSHAFT PIN
DIAMETER GRADE
DIMENSION
CONNECTING ROD
BEARING
CLASSIFICATION
CONNECTING ROD
BEARING
DIMENSION
1 48 mm 1 (Black) 1.5 mm
2 48 mm 2 (No Color) 1.5 mm
3 48 mm 3 (Green) 1.5 mm
2009 Jeep Patriot Limited
2009 ENGINE 2.0L - Service Information - Compass & Patriot
a
Saturday, September 08, 2012 1:30:15 PM Page 127 © 2006 Mitchell Repair Information Company, LLC.
Fig. 188: Connecting Rod Bearing Clearance - Typical
Courtesy of CHRYSLER LLC
1. For measuring connecting rod bearing clearance procedure and use of Plastigage, see Engine - Standard
Procedure. For bearing clearance, see Engine - Specifications.
2. Before installing the NEW rod bolts the threads and under the bolt head should be oiled with clean engine
oil.
3. Install each bolt finger tight then alternately tighten each bolt to assemble the cap properly.
4. Tighten the connecting rod bolts using the 2 step torque-turn method. Tighten according to the following
values:
Tighten the bolts to 20 N.m (15 ft. lbs.).
Tighten the connecting rod bolts an additional 90°.
Fig. 189: Connecting Rod Side Clearance
Courtesy of CHRYSLER LLC
5. Using a feeler gauge, check connecting rod side clearance. For clearance specifications, see Engine -
Specifications.
BEARING(S), CRANKSHAFT, MAIN
Standard Procedure
MAIN BEARING SELECTION
NOTE: The rod bolts should not be reused.
CAUTION: Do not use a torque wrench for the second step.
2009 Jeep Patriot Limited
2009 ENGINE 2.0L - Service Information - Compass & Patriot
a
Saturday, September 08, 2012 1:30:15 PM Page 128 © 2006 Mitchell Repair Information Company, LLC.
Fig. 190: Lower Main Bearing Identification
Courtesy of CHRYSLER LLC
The lower main bearing identification (2) is stamped in the nose of the crankshaft (3). There are 5 different
bearing sizes available 0 through 4.
NOTE: There are three different possibilities for the upper main bearings and five
different lower main bearings. The upper and lower bearing shells are not
interchangeable.
CRANKSHAFT IDENTIFICATION LOWER CRANKSHAFT BEARING SELECTION
JOURNAL
DIAMETER GRADE
DIMENSION
LOWER MAIN BEARING
SIZE CLASSIFICATION
LOWER MAIN
BEARING
DIMENSION
0
52 mm, -0.012 to -
0.015 mm
0 (Pink or Red) 2 mm, 0 to -0.003 mm
1
52 mm, -0.015 to -
0.018 mm
1 (Black) 2 mm, +0.003 to 0 mm
2
52 mm, -0.018 to -
0.021 mm
2 (No Color)
2 mm, +0.006 to
+0.003 mm
3
52 mm, -0.021 to -
0.024 mm
3 (Green)
2 mm, +0.009 to
+0.006 mm
4
52 mm, -0.024 to -
0.027 mm
4 (Blue)
2 mm, +0.012 to
+0.009 mm
2009 Jeep Patriot Limited
2009 ENGINE 2.0L - Service Information - Compass & Patriot
a
Saturday, September 08, 2012 1:30:15 PM Page 129 © 2006 Mitchell Repair Information Company, LLC.
Fig. 191: Upper Main Bearing Shell Identification
Courtesy of CHRYSLER LLC
The upper main bearing shell identification (1) is located in the middle of cylinder block on the right side of the
engine. There are three different size bearings available. The bearing class is read downward from top and
corresponds to the front journal to the rear journal on the bottom.
UPPER MAIN BEARING SELECTION
CRANKSHAFT
Standard Procedure
MEASURING CRANKSHAFT END PLAY
CYLINDER BLOCK IDENTIFICATION UPPER CRANKSHAFT BEARING SELECTION
MAIN BEARING
GRADE
DIMENSION
UPPER MAIN BEARING
SIZE CLASSIFICATION
UPPER MAIN
BEARING
DIMENSION
1 56.000<56.006 mm 1 (Black) 2 mm, 0 to -0.006 mm
2 56.006<56.012 mm 2 (No Color) 2 mm, +0.006 to 0 mm
3 56.012<56.018 mm 3 (Green)
2 mm, +0.012 to +0.006
mm
2009 Jeep Patriot Limited
2009 ENGINE 2.0L - Service Information - Compass & Patriot
a
Saturday, September 08, 2012 1:30:15 PM Page 130 © 2006 Mitchell Repair Information Company, LLC.
Fig. 192: Checking Crankshaft End Play - Dial Indicator
Courtesy of CHRYSLER LLC
1. Mount a dial indicator (2) to front of engine with the locating probe on nose of crankshaft (1).
2. Move crankshaft all the way to the rear of its travel.
3. Zero the dial indicator.
4. Move crankshaft all the way to the front and read the dial indicator. See Engine - Specifications for end
play specification.
Removal
REMOVAL
1 - Crankshaft
2 - DIAL INDICATOR
2009 Jeep Patriot Limited
2009 ENGINE 2.0L - Service Information - Compass & Patriot
a
Saturday, September 08, 2012 1:30:15 PM Page 131 © 2006 Mitchell Repair Information Company, LLC.
Fig. 193: Flex Plate
Courtesy of CHRYSLER LLC
1. Remove engine assembly from vehicle. See Engine - Removal.
2. Separate transaxle from engine.
3. Remove flex plate/flywheel (1).
4. Remove crankshaft rear oil seal. See Engine/Engine Block/SEAL, Crankshaft Oil - Removal.
Fig. 194: Lift Chain
Courtesy of CHRYSLER LLC
NOTE: Crankshaft can not be removed when engine is in vehicle.
2009 Jeep Patriot Limited
2009 ENGINE 2.0L - Service Information - Compass & Patriot
a
Saturday, September 08, 2012 1:30:15 PM Page 132 © 2006 Mitchell Repair Information Company, LLC.
5. Remove engine from lift chain (1) and mount engine on a suitable repair stand.
Fig. 195: Oil Drain Plug
Courtesy of CHRYSLER LLC
6. Drain engine oil (2).
Fig. 196: Oil Filter
Courtesy of CHRYSLER LLC
7. Remove oil filter (1).
2009 Jeep Patriot Limited
2009 ENGINE 2.0L - Service Information - Compass & Patriot
a
Saturday, September 08, 2012 1:30:15 PM Page 133 © 2006 Mitchell Repair Information Company, LLC.
Fig. 197: Right Engine Mount Bracket
Courtesy of CHRYSLER LLC
8. Remove crankshaft vibration damper (2). See Engine/Engine Block/DAMPER, Vibration - Removal.
9. Remove water pump pulley (3).
10. Remove engine mount support bracket (1).
Fig. 198: Oil Pan Removal
Courtesy of CHRYSLER LLC
11. Remove the oil pan (2). See Engine/Lubrication/PAN, Oil - Removal.
12. Remove timing chain cover. See Engine/Valve Timing/COVER(S), Engine Timing - Removal.
13. Remove the timing chain. See Engine/Valve Timing/CHAIN and SPROCKETS, Timing - Removal.
14. Remove balance shaft module.
2009 Jeep Patriot Limited
2009 ENGINE 2.0L - Service Information - Compass & Patriot
a
Saturday, September 08, 2012 1:30:15 PM Page 134 © 2006 Mitchell Repair Information Company, LLC.
Fig. 199: Crankshaft Sprocket
Courtesy of CHRYSLER LLC
15. Remove the crankshaft sprocket (1).
Fig. 200: Crankshaft Position Sensor
Courtesy of CHRYSLER LLC
16. Remove crankshaft position sensor retaining bolt (1) and remove sensor (2).
17. Remove ladder frame. See Engine/Engine Block/FRAME, Ladder - Removal.
2009 Jeep Patriot Limited
2009 ENGINE 2.0L - Service Information - Compass & Patriot
a
Saturday, September 08, 2012 1:30:15 PM Page 135 © 2006 Mitchell Repair Information Company, LLC.
Fig. 201: Identify Connecting Rod To Cylinder-Typical
Courtesy of CHRYSLER LLC
18. Using a permanent ink or paint marker, identify cylinder number on each connecting rod and cap.
19. Remove all connecting rod bolts and caps. Care should be taken not to damage the fracture rod and cap
surfaces.
Fig. 202: Main Bearing Cap Torque Sequence
Courtesy of CHRYSLER LLC
NOTE: If piston/connecting rod replacement is necessary, remove cylinder head.
See Engine/Cylinder Head - Removal.
CAUTION: DO NOT use a number stamp or a punch to mark connecting rods.
Damage to connecting rod could occur.
NOTE: Do not reuse connecting rod bolts.
2009 Jeep Patriot Limited
2009 ENGINE 2.0L - Service Information - Compass & Patriot
a
Saturday, September 08, 2012 1:30:15 PM Page 136 © 2006 Mitchell Repair Information Company, LLC.
20. Remove main bearing caps.
21. Lift out crankshaft from cylinder block. Do not damage the main bearings or journals when removing the
crankshaft.
Inspection
INSPECTION
Fig. 203: Crankshaft Journal Measurements - Typical
Courtesy of CHRYSLER LLC
The crankshaft main journals should be checked for excessive wear, taper and scoring. Limits of taper on any
crankshaft main journals should be held to 0.006 mm (0.00024 in.). Limits of taper on any crankshaft rod
journals should be held to 0.005 mm (0.0002 in.). DO NOT nick crank pin or bearing fillets. Limits of out of
round on any crankshaft journals should be held to 0.005 mm (0.0002 in). DO NOT nick crank pin or bearing
fillets.
Installation
INSTALLATION
CAUTION: Use extreme care when handling crankshaft. Tone wheel damage can
occur if crankshaft is mis-handled.
2009 Jeep Patriot Limited
2009 ENGINE 2.0L - Service Information - Compass & Patriot
a
Saturday, September 08, 2012 1:30:15 PM Page 137 © 2006 Mitchell Repair Information Company, LLC.
Fig. 204: Bearing Identification
Courtesy of CHRYSLER LLC
The crankshaft is supported in five main bearings. All upper bearing shells (2) in the crankcase have oil grooves
and holes. All lower bearing shells (1) are smooth. Crankshaft end play is controlled by a two piece thrust
bearing (3) on the number three main bearing journal.
1. Clean main bearing cap bolt holes with Mopar® brake parts cleaner or equivalent and blow out with
compressed air.
2. Install the main bearing upper (2) shells with the lubrication groove and oil hole in the engine block.
3. Make certain oil holes in block line up with oil hole in bearings and bearing tabs seat in the block tab
slots.
Fig. 205: Target Wheel
Courtesy of CHRYSLER LLC
2009 Jeep Patriot Limited
2009 ENGINE 2.0L - Service Information - Compass & Patriot
a
Saturday, September 08, 2012 1:30:15 PM Page 138 © 2006 Mitchell Repair Information Company, LLC.
4. Clean crankshaft and target ring with MOPAR® Brake Parts cleaner and dry with compressed air to
ensure that the crankshaft mating surface and target ring mounting holes are free from oil and lock patch
debris.
5. Install NEW mounting screws finger tight starting with the #1 location. Make sure engagement occurs
with the shoulder of the screws and mounting hole before starting all other screws.
6. Tighten all mounting screws to 13 N.m (110 in-lbs) in the sequence shown in illustration.
Fig. 206: Installing Thrust Bearing
Courtesy of CHRYSLER LLC
7. Install thrust bearings (2) in block (1).
NOTE: If the crankshaft is sent out for machine work, it must be balanced as an
assembly with the target ring installed.
NOTE: Always use NEW mounting screws whether installing original or new
target ring.
NOTE: Lightly apply trans gel to thrust bearings to hold bearings in block.
NOTE: The thrust bearings must be installed the notches facing the crankshaft.
CAUTION: Do not get oil on the ladder frame mating surface. It will affect the
ability of the RTV to seal the ladder frame to cylinder block.
NOTE: Ensure main bearing cap bolt holes in the block are clean, dry (free of
residual oil or coolant), and threads are not damaged.
2009 Jeep Patriot Limited
2009 ENGINE 2.0L - Service Information - Compass & Patriot
a
Saturday, September 08, 2012 1:30:15 PM Page 139 © 2006 Mitchell Repair Information Company, LLC.
8. Oil the bearings and journals. Install crankshaft in engine block.
Fig. 207: Bearing Identification
Courtesy of CHRYSLER LLC
9. Install lower main bearings (1) into main bearing cap. Make certain the bearing tabs are seated into the
bearing cap slots.
10. Install main bearing caps to engine block.
11. Before installing the bolts the threads should be clean and dry.
12. Loosely install main bearing cap bolts.
13. To ensure correct thrust bearing alignment, perform the following steps:
NOTE: Main bearing caps are stamped 1 - 5 front to rear. Arrows on the caps must
point towards the front of the engine.
CAUTION: There are different sets main bolts supplied with this engine. Each
bolt set has a different torque value and engine damage could result
if bolts are not torqued correctly. The bolts are not interchangeable.
2009 Jeep Patriot Limited
2009 ENGINE 2.0L - Service Information - Compass & Patriot
a
Saturday, September 08, 2012 1:30:15 PM Page 140 © 2006 Mitchell Repair Information Company, LLC.
Fig. 208: Main Bolt Identification
Courtesy of CHRYSLER LLC
Step 1: Rotate crankshaft until number 4 piston is at TDC.
Step 2: Move crankshaft rearward to limits of travel.
Step 3: Then, move crankshaft forward to limits of travel.
Step 4: Wedge an appropriate tool between the rear of the cylinder block and the rear crankshaft
counterweight. This will hold the crankshaft in its furthest forward position.
14. If your bolt heads look like this (1, 2), go to step 15. If your bolt heads do not look like this (1, 2), go to
step 16.
Fig. 209: Main Bearing Cap Torque Sequence
Courtesy of CHRYSLER LLC
CAUTION: Before tightening bolts, you must identify the bolt head to obtain the
correct torque value. Failure to identify the bolts correctly, could
2009 Jeep Patriot Limited
2009 ENGINE 2.0L - Service Information - Compass & Patriot
a
Saturday, September 08, 2012 1:30:15 PM Page 141 © 2006 Mitchell Repair Information Company, LLC.
15. Tighten bolts using a three step method, in the sequence shown in illustration.
Tighten bolts to 15 N.m (11 ft. lbs.)
Tighten bolts to 27 N.m (20 ft. lbs.)
Rotate an additional 45°.
16. Tighten bolts using a three step method, in the sequence shown in illustration.
Tighten bolts to 15 N.m (11 ft. lbs.)
Tighten bolts to 45 N.m (33 ft. lbs.)
Rotate an additional 45°.
17. Remove wedge tool used to hold crankshaft.
18. Check the crankshaft turning torque, it should not exceed 5.6 N.m (50 in. lbs.).
19. Check crankshaft end play. See Engine/Engine Block/CRANKSHAFT - Standard Procedure.
20. Install connecting rod bearings and caps. Do Not Reuse Connecting Rod Bolts . Tighten connecting rod
bolts to 20 N.m + 90° (15 ft. lbs.) + 90°. See Engine/Engine Block/ROD, Piston and Connecting -
Installation.
21. Install the ladder frame assembly. See Engine/Engine Block/FRAME, Ladder - Installation.
22. Install the balance shaft module. See Engine/Lubrication/PUMP, Engine Oil - Installation.
Fig. 210: Crankshaft Position Sensor
Courtesy of CHRYSLER LLC
23. Install crankshaft position sensor (2) and tighten bolt (1).
24. Install cylinder head if it was removed. See Engine/Cylinder Head - Installation.
result in improperly tightened bolts which could result in engine
damage.
2009 Jeep Patriot Limited
2009 ENGINE 2.0L - Service Information - Compass & Patriot
a
Saturday, September 08, 2012 1:30:15 PM Page 142 © 2006 Mitchell Repair Information Company, LLC.
Fig. 211: Crankshaft Sprocket
Courtesy of CHRYSLER LLC
25. Install front crankshaft sprocket (1).
26. Install the timing chain. See Engine/Valve Timing/CHAIN and SPROCKETS, Timing - Installation.
27. Install the timing chain front cover. See Engine/Valve Timing/COVER(S), Engine Timing -
Installation.
28. Install the oil pan. See Engine/Lubrication/PAN, Oil - Installation.
29. Install rear crankshaft oil seal. See Engine/Engine Block/SEAL, Crankshaft Oil - Installation.
30. Install front crankshaft oil seal. See Engine/Engine Block/SEAL, Crankshaft Oil - Installation.
Fig. 212: Right Engine Mount Bracket
Courtesy of CHRYSLER LLC
2009 Jeep Patriot Limited
2009 ENGINE 2.0L - Service Information - Compass & Patriot
a
Saturday, September 08, 2012 1:30:15 PM Page 143 © 2006 Mitchell Repair Information Company, LLC.
31. Install engine mount support bracket (1).
32. Install crankshaft vibration damper (2). See Engine/Engine Block/DAMPER, Vibration - Installation.
33. Install water pump pulley (3).
Fig. 213: Lift Chain
Courtesy of CHRYSLER LLC
34. Remove engine from repair stand and install engine lift chain (1).
35. Install crankshaft rear oil seal. See Engine/Engine Block/SEAL, Crankshaft Oil - Installation.
36. Install drive plate/flex plate using new bolts. Tighten bolts to 95 N.m (70 ft. lbs.).
37. Attach transaxle to engine. Tighten bellhousing bolts to 101 N.m (75 ft. lbs.).
38. Install the engine assembly. See Engine - Installation.
2009 Jeep Patriot Limited
2009 ENGINE 2.0L - Service Information - Compass & Patriot
a
Saturday, September 08, 2012 1:30:15 PM Page 144 © 2006 Mitchell Repair Information Company, LLC.
Fig. 214: Oil Filter
Courtesy of CHRYSLER LLC
39. Install new oil filter (1) and fill with oil.
40. Fill with coolant. Refer to Cooling - Standard Procedure .
41. Start engine and check for leaks.
42. Install engine cover.
DAMPER, VIBRATION
Removal
REMOVAL
Fig. 215: Damper Removal
Courtesy of CHRYSLER LLC
1. Remove accessory drive belts. Refer to Cooling/Accessory Drive/BELT, Serpentine - Removal .
2. Install Damper holder 9707 (1).
3. Remove crankshaft damper bolt.
4. Pull damper off crankshaft.
Installation
INSTALLATION
2009 Jeep Patriot Limited
2009 ENGINE 2.0L - Service Information - Compass & Patriot
a
Saturday, September 08, 2012 1:30:15 PM Page 145 © 2006 Mitchell Repair Information Company, LLC.
Fig. 216: Damper Removal
Courtesy of CHRYSLER LLC
1. Install crankshaft damper.
2. Apply clean engine oil crankshaft damper bolt threads and between bolt head and washer. Tighten bolt to
210 N.m (155 ft. lbs.).
3. Install accessory drive belts. Refer to Cooling/Accessory Drive/BELT, Serpentine - Installation .
FLEXPLATE
Removal
REMOVAL
2009 Jeep Patriot Limited
2009 ENGINE 2.0L - Service Information - Compass & Patriot
a
Saturday, September 08, 2012 1:30:15 PM Page 146 © 2006 Mitchell Repair Information Company, LLC.
Fig. 217: Flex Plate
Courtesy of CHRYSLER LLC
1. Remove transmission. Refer to Transmission and Transfer Case/Manual - Removal or Transmission
and Transfer Case/Automatic - CVT - Removal
2. Remove flex plate bolts (3) and discard.
3. Remove washer (2).
4. Remove flex plate (1).
Installation
INSTALLATION
Fig. 218: Flex Plate
Courtesy of CHRYSLER LLC
1. Install flex plate (1).
2. Install washer (2).
3. Install new flex plate bolts (3) and tighten in a criss-cross pattern to 29 N.m (22 ft. lbs.) plus 51° rotation.
4. Install transaxle. Refer to Transmission and Transfer Case/Manual - Installation or Transmission
and Transfer Case/Automatic - CVT - Installation
FRAME, LADDER
Removal
REMOVAL
2009 Jeep Patriot Limited
2009 ENGINE 2.0L - Service Information - Compass & Patriot
a
Saturday, September 08, 2012 1:30:15 PM Page 147 © 2006 Mitchell Repair Information Company, LLC.
Fig. 219: Pry Point 1
Courtesy of CHRYSLER LLC
1. Remove oil pan. See Engine/Lubrication/PAN, Oil - Removal.
2. Remove balance shaft assembly. See Engine/Lubrication/PUMP, Engine Oil - Removal.
3. Remove ladder frame retaining bolts.
4. Remove ladder frame using pry point cast in the rear of the block (1).
Fig. 220: Pry Point 2
Courtesy of CHRYSLER LLC
5. To assist in removing the ladder frame another (1) pry point cast in the right side of the block.
Cleaning
2009 Jeep Patriot Limited
2009 ENGINE 2.0L - Service Information - Compass & Patriot
a
Saturday, September 08, 2012 1:30:15 PM Page 148 © 2006 Mitchell Repair Information Company, LLC.
CLEANING
Clean ladder frame with a plastic or wooden scraper and a suitable solvent. See Engine - Standard Procedure.
Installation
INSTALLATION
Fig. 221: Sealing Ladder Frame
Courtesy of CHRYSLER LLC
1. Apply a 2 mm bead of Mopar® engine sealant RTV or equivalent as shown in illustration.
NOTE: When using RTV, the sealing surfaces must be clean and free from grease and
oil.
NOTE: When using RTV, parts should be assembled in 10 minutes and tighten to final
torque within 45 minutes.
2009 Jeep Patriot Limited
2009 ENGINE 2.0L - Service Information - Compass & Patriot
a
Saturday, September 08, 2012 1:30:15 PM Page 149 © 2006 Mitchell Repair Information Company, LLC.
Fig. 222: Ladder Frame Torque
Courtesy of CHRYSLER LLC
2. Install bolts and tighten as shown in illustration following a two step method.
First: All to 10 N.m (89 in. lbs.).
Second: All to 26 N.m (19 ft. lbs.).
3. Install balance shaft module. See Engine/Lubrication/PUMP, Engine Oil - Installation.
4. Install oil pan. See Engine/Lubrication/PAN, Oil - Installation.
RING(S), PISTON
Standard Procedure
PISTON RING - FITTING
Fig. 223: Check Gap on Piston Rings
2009 Jeep Patriot Limited
2009 ENGINE 2.0L - Service Information - Compass & Patriot
a
Saturday, September 08, 2012 1:30:15 PM Page 150 © 2006 Mitchell Repair Information Company, LLC.
Courtesy of CHRYSLER LLC
1. Wipe cylinder bore clean. Insert ring and push down with piston to ensure it is square in bore. The ring
gap measurement must be made with the ring positioning at least 13 mm (0.50 inch) from bottom of
cylinder bore and below the bottom of the oil ring travel where cylinder bore has minimal wear. Check
gap with feeler gauge. Refer to Engine - Specifications.
Fig. 224: Piston Ring To Groove Side Clearance
Courtesy of CHRYSLER LLC
2. Check piston ring to groove side clearance. Refer to Engine - Specifications.
Removal
REMOVAL
NOTE: Ring end gap measurements are sensitive to the ring being square in the
bore. Care must be used to avoid tilting the rings in cylinder bores when
taking measurements.
CAUTION: Exercise care when using tools on piston. Do not scratch or gouge
piston surface or ring grooves as this may cause engine damage.
2009 Jeep Patriot Limited
2009 ENGINE 2.0L - Service Information - Compass & Patriot
a
Saturday, September 08, 2012 1:30:15 PM Page 151 © 2006 Mitchell Repair Information Company, LLC.
Fig. 225: Piston Rings - Removing & Installing
Courtesy of CHRYSLER LLC
1. Using a suitable ring expander, remove upper and intermediate piston rings.
2. Remove the upper oil ring side rail, lower oil ring side rail and then oil ring expander from piston.
3. Clean ring grooves of any carbon deposits.
Installation
INSTALLATION
Fig. 226: Installing Side Rail
Courtesy of CHRYSLER LLC
NOTE: The identification mark on face of upper and intermediate piston rings must
point toward top of piston.
CAUTION: Install piston rings in the following order:
2009 Jeep Patriot Limited
2009 ENGINE 2.0L - Service Information - Compass & Patriot
a
Saturday, September 08, 2012 1:30:15 PM Page 152 © 2006 Mitchell Repair Information Company, LLC.
A. Oil ring expander.
B. Upper oil ring side rail.
C. Lower oil ring side rail.
D. No. 2 Intermediate piston ring.
E. No. 1 Upper piston ring.
1. Install oil ring expander.
2. Install upper side rail first and then the lower side rail. Install the side rails by placing one end between
the piston ring groove and the oil ring expander. Hold end firmly and press down the portion to be
installed until side rail is in position. Do not use a piston ring expander.
3. Install No. 2 piston ring and then No. 1 piston ring.
Fig. 227: Piston Ring End Gap Position
Courtesy of CHRYSLER LLC
4. Position piston ring end gaps as shown in illustration.
5. Position oil ring expander gap at least 45° from the side rail gaps but not on the piston pin center or on
the thrust direction. Staggering ring gap is important for oil control.
ROD, PISTON AND CONNECTING
Description
DESCRIPTION
NOTE: The compression rings are marked Y1 for the upper compression ring and
Y2 for the second compression ring. These markings must face upward.
2009 Jeep Patriot Limited
2009 ENGINE 2.0L - Service Information - Compass & Patriot
a
Saturday, September 08, 2012 1:30:15 PM Page 153 © 2006 Mitchell Repair Information Company, LLC.
The pistons are made of a cast aluminum alloy. The pistons have pressed-in pins attached to forged connecting
rods. The piston pin is offset 0.8 mm (0.0314 in.) towards the thrust side of the piston. The connecting rods are
a cracked cap design and are not repairable. The piston with rings, connecting rod and piston pin are serviced as
an assembly.
Standard Procedure
PISTON TO CYLINDER BORE FITTING
Fig. 228: Piston Pin
Courtesy of CHRYSLER LLC
Piston and cylinder wall must be clean and dry. Piston diameter should be measured 90 degrees to piston pin
(1).
1. Measurement should be taken approximately 16 mm (0.629 in.) from the bottom of the skirt (2) as shown
in illustration.
NOTE: Pistons and cylinder bores should be measured at normal room temperature,
21°C (70°F).
2009 Jeep Patriot Limited
2009 ENGINE 2.0L - Service Information - Compass & Patriot
a
Saturday, September 08, 2012 1:30:15 PM Page 154 © 2006 Mitchell Repair Information Company, LLC.
Fig. 229: Checking Cylinder Bore Size
Courtesy of CHRYSLER LLC
2. Cylinder bores should be measured halfway down the cylinder bore and transverse (measurement location
B) to the engine crankshaft center line shown in illustration. See Engine - Specifications.
Removal
REMOVAL
NOTE: Correct piston to bore clearance must be established in order to assure
quiet and economical operation.
2009 Jeep Patriot Limited
2009 ENGINE 2.0L - Service Information - Compass & Patriot
a
Saturday, September 08, 2012 1:30:15 PM Page 155 © 2006 Mitchell Repair Information Company, LLC.
Fig. 230: Oil Drain Plug
Courtesy of CHRYSLER LLC
1. Remove engine. See Engine - Removal.
2. Remove cylinder head. See Engine/Cylinder Head - Removal
3. Drain engine oil (2).
4. Remove oil pan (1). See Engine/Lubrication/PAN, Oil - Removal
Fig. 231: Oil Filter
NOTE: Pistons, rings, and rods are serviced as an assembly.
CAUTION: To maintain engine balance, 1, 3, or 4 pistons can be replaced. If 2 pistons
are replaced, engine will be out of balance.
2009 Jeep Patriot Limited
2009 ENGINE 2.0L - Service Information - Compass & Patriot
a
Saturday, September 08, 2012 1:30:15 PM Page 156 © 2006 Mitchell Repair Information Company, LLC.
Courtesy of CHRYSLER LLC
5. Remove oil filter (1).
6. Remove balance shaft assembly.
7. Remove ladder frame.
8. Remove top ridge of cylinder bores with a reliable ridge reamer before removing pistons from cylinder
block. Be sure to keep tops of pistons covered during this operation
Fig. 232: Identify Connecting Rod to Cylinder-Typical
Courtesy of CHRYSLER LLC
9. Rotate crankshaft so that each connecting rod is centered in cylinder bore.
10. Using a permanent ink or paint marker, identify cylinder number on each connecting rod cap.
11. Remove connecting rod bolts and cap.
12. Carefully push each piston and rod assembly out of cylinder bore. Re-install bearing cap on the mating
rod.
13. Repeat procedure for each piston and connecting rod assembly.
NOTE: Remove any carbon build up and clean debris from cylinder prior to piston
removal to avoid scratching piston skirts.
CAUTION: DO NOT use a number stamp or a punch to mark connecting rods, as
damage to connecting rod may occur.
CAUTION: Care must be taken not to damage the fractured rod and cap joint
surfaces, as engine damage may occur.
CAUTION: Do not reuse connecting rod bolts. These are one-time-use bolts and
reuse could result in engine failure.
2009 Jeep Patriot Limited
2009 ENGINE 2.0L - Service Information - Compass & Patriot
a
Saturday, September 08, 2012 1:30:16 PM Page 157 © 2006 Mitchell Repair Information Company, LLC.
Installation
INSTALLATION
Fig. 233: Piston Ring End Gap Position
Courtesy of CHRYSLER LLC
1. Install piston rings on piston. See Engine/Engine Block/RING(S), Piston - Installation.
2. Before installing pistons and connecting rod assemblies into the bore, be sure that top compression ring
gap (1) and the second compression ring gap (3) are staggered so that neither is in line with oil ring rail
gap.
3. Before installing the ring compressor, make sure the oil ring expander ends are butted (1) and the rail
gaps (2,4) are located as shown in illustration. As viewed from the top of the piston.
4. Immerse the piston head and rings in clean engine oil and slide the ring compressor over the piston. Be
sure position of rings does not change during this operation .
5. The directional arrow stamped on the piston should face toward the front of the engine.
6. Rotate crankshaft so that the connecting rod journal is on the center of the cylinder bore. Lubricate
connecting rod journal with clean engine oil.
7. The rod bearing sizes are indicated on the nose of the crankshaft.
8. Install connecting rod upper bearing half into connecting rod.
9. Tap the piston down in cylinder bore, using a hammer handle. At the same time, guide connecting rod
into position on connecting rod journal.
NOTE: There are three different size rod bearings, perform rod bearing selection
procedure. See Standard Procedure.
NOTE: The connecting rod cap bolts should NOT be reused.
2009 Jeep Patriot Limited
2009 ENGINE 2.0L - Service Information - Compass & Patriot
a
Saturday, September 08, 2012 1:30:16 PM Page 158 © 2006 Mitchell Repair Information Company, LLC.
10. Before installing the NEW bolts, the threads should be coated with clean engine oil.
11. Install connecting rod lower bearing half into connecting rod cap. Install connecting rod cap.
12. Install each bolt finger tight then alternately tighten each bolt to assemble the cap properly.
13. Tighten the connecting rod bolts using the 2 step torque-turn method. Tighten according to the following
values:
Tighten the bolts to 20 N.m (15 ft. lbs.).
Tighten the connecting rod bolts an additional 90°
14. Using a feeler gauge, check connecting rod side clearance. See Engine - Specifications for connecting
rod side clearance.
Fig. 234: Connecting Rod Side Clearance
Courtesy of CHRYSLER LLC
15. Install the ladder frame.
16. Install balance shaft module. See Engine/Lubrication/PUMP, Engine Oil - Installation.
17. Install oil pan. See Engine/Lubrication/PAN, Oil - Installation.
18. Install cylinder head. See Engine/Cylinder Head - Installation.
19. Install engine. See Engine - Installation.
SEAL, CRANKSHAFT OIL, FRONT
Removal
REMOVAL
CAUTION: Do not use a torque wrench for the second step.
2009 Jeep Patriot Limited
2009 ENGINE 2.0L - Service Information - Compass & Patriot
a
Saturday, September 08, 2012 1:30:16 PM Page 159 © 2006 Mitchell Repair Information Company, LLC.
Fig. 235: Damper Removal
Courtesy of CHRYSLER LLC
1. Remove accessory drive belt.
2. Install Damper Holder 9707 (1) and remove damper retaining bolt.
3. Pull damper off crankshaft.
Fig. 236: Front Crankshaft Seal Removal
Courtesy of CHRYSLER LLC
4. Remove front crankshaft oil seal (1) by prying out with a screw driver (2). Be careful not to damage the
cover seal surface.
Installation
2009 Jeep Patriot Limited
2009 ENGINE 2.0L - Service Information - Compass & Patriot
a
Saturday, September 08, 2012 1:30:16 PM Page 160 © 2006 Mitchell Repair Information Company, LLC.
INSTALLATION
Fig. 237: Front Crankshaft Seal Installer
Courtesy of CHRYSLER LLC
1. Place seal (1) onto Front Crankshaft Seal Installer 9506 (2) with seal spring towards the inside of engine.
Fig. 238: Front Seal
Courtesy of CHRYSLER LLC
2. Install new seal (1) by using Front Crankshaft Seal Installer 9506 (2) and crankshaft damper bolt (3).
2009 Jeep Patriot Limited
2009 ENGINE 2.0L - Service Information - Compass & Patriot
a
Saturday, September 08, 2012 1:30:16 PM Page 161 © 2006 Mitchell Repair Information Company, LLC.
Fig. 239: Front Seal Installed
Courtesy of CHRYSLER LLC
3. Press seal into front cover until Front Crankshaft Seal Installer 9506 (1) seats against timing chain cover
(3).
4. Remove Front Crankshaft Seal Installer 9506 (1).
Fig. 240: Damper Removal
Courtesy of CHRYSLER LLC
5. Install crankshaft vibration damper.
6. Oil the bolt threads and between the bolt head and washer.
7. Install damper retaining bolt and Damper Holder 9707 (1). Tighten bolt to 210 N.m (155 ft. lbs.).
2009 Jeep Patriot Limited
2009 ENGINE 2.0L - Service Information - Compass & Patriot
a
Saturday, September 08, 2012 1:30:16 PM Page 162 © 2006 Mitchell Repair Information Company, LLC.
SEAL, CRANKSHAFT OIL, REAR
Removal
REMOVAL
Fig. 241: Flex Plate
Courtesy of CHRYSLER LLC
1. Remove transmission and flexplate (1). See Engine/Engine Block/FLEXPLATE - Removal.
Fig. 242: Rear Crankshaft Oil Seal - Removal
2009 Jeep Patriot Limited
2009 ENGINE 2.0L - Service Information - Compass & Patriot
a
Saturday, September 08, 2012 1:30:16 PM Page 163 © 2006 Mitchell Repair Information Company, LLC.
Courtesy of CHRYSLER LLC
2. Insert a 3/16 flat bladed screwdriver (7) between the dust lip (8) and the metal case (4) of the crankshaft
seal (1). Angle the screwdriver through the dust lip against metal case of the seal. Pry out seal.
3. Check to make sure the seals garter spring is not on the crankshaft.
Installation
INSTALLATION
Fig. 243: Rear Main Installation
Courtesy of CHRYSLER LLC
1. Place Seal Guide 9509 (3) on crankshaft.
2. Position seal (2) over guide tool. Guide tool should remain on crankshaft during installation of seal.
Ensure that the lip of the seal is facing towards the crankcase during installation.
3. Drive the seal into the block using Seal Driver 9706 (1) and Driver Handle C-4171 (4) until Seal Driver
CAUTION: Do not permit the screwdriver blade to contact crankshaft seal
surface. Contact of the screwdriver blade against crankshaft edge
(chamfer) is permitted.
CAUTION: If a burr or scratch is present on the crankshaft edge (chamfer), cleanup
with 800 emery cloth to prevent seal damage during installation of new
seal. If emery cloth is used, the crankshaft must be cleaned off Mopar®
brake parts cleaner.
NOTE: When installing seal, lubricate Seal Guide 9509 with clean engine oil.
2009 Jeep Patriot Limited
2009 ENGINE 2.0L - Service Information - Compass & Patriot
a
Saturday, September 08, 2012 1:30:16 PM Page 164 © 2006 Mitchell Repair Information Company, LLC.
9706 bottoms out against the block.
Fig. 244: Flex Plate
Courtesy of CHRYSLER LLC
4. Install the flexplate (1) and transmission. See Engine/Engine Block/FLEXPLATE - Installation.
ENGINE MOUNTING
DESCRIPTION
DESCRIPTION
The engine mounting system consists of a four-point system utilizing two load-carrying mounts and two torque
controlling mounts. The load-carrying mounts are located on each frame rail. The right and left mounts are
hydro-elastic mounts. The two torque controlling mounts are attached to a fore/aft member and the front and
rear of the engine.
OPERATION
OPERATION
The four-point engine mounting system minimizes the transmission of structure-borne engine noise to the
passenger compartment. The load-carrying right and left mounts dampen and isolate vertical motion and
vibration. The front and rear mount absorb torque reaction forces and torsional vibrations.
INSULATOR, ENGINE MOUNT, FRONT
Removal
REMOVAL
2009 Jeep Patriot Limited
2009 ENGINE 2.0L - Service Information - Compass & Patriot
a
Saturday, September 08, 2012 1:30:16 PM Page 165 © 2006 Mitchell Repair Information Company, LLC.
Fig. 245: Front Mount Through Bolt
Courtesy of CHRYSLER LLC
1. Raise vehicle.
2. Remove fore aft member (3) to mount (4) bolts.
3. Remove mount through bolt (1).
4. Remove fore aft member (3) mounting bolts and remove.
5. Remove front mount (4).
Installation
INSTALLATION
Fig. 246: Front Mount Through Bolt
Courtesy of CHRYSLER LLC
2009 Jeep Patriot Limited
2009 ENGINE 2.0L - Service Information - Compass & Patriot
a
Saturday, September 08, 2012 1:30:16 PM Page 166 © 2006 Mitchell Repair Information Company, LLC.
1. Position mount (4) and tighten bolts to 47 N.m (35 ft. lbs.).
2. Install fore aft member (3) and tighten bolts to 100 N.m (74 ft. lbs.).
3. Install mount through bolt (1) and tighten to 47 N.m (35 ft. lbs.).
4. Lower vehicle.
INSULATOR, ENGINE MOUNT, LEFT
Removal
REMOVAL
Fig. 247: Air Cleaner Inlet
Courtesy of CHRYSLER LLC
1. Remove air cleaner inlet (2) and air cleaner housing (1).
2009 Jeep Patriot Limited
2009 ENGINE 2.0L - Service Information - Compass & Patriot
a
Saturday, September 08, 2012 1:30:16 PM Page 167 © 2006 Mitchell Repair Information Company, LLC.
Fig. 248: Battery
Courtesy of CHRYSLER LLC
2. Remove PCM (1).
3. Remove PCM mounting bracket.
4. Disconnect negative cable from battery (3).
5. Support transaxle with a suitable jack.
Fig. 249: Left Mount
Courtesy of CHRYSLER LLC
6. Remove left mount through bolt (3).
7. Remove left mount bracket to body frame rail fasteners (1).
8. Remove mount.
2009 Jeep Patriot Limited
2009 ENGINE 2.0L - Service Information - Compass & Patriot
a
Saturday, September 08, 2012 1:30:16 PM Page 168 © 2006 Mitchell Repair Information Company, LLC.
Installation
INSTALLATION
Fig. 250: Left Mount
Courtesy of CHRYSLER LLC
1. Position mount (2) in place.
2. Install left mount to frame rail bolts (1) and torque to 75 N.m (55 ft. lbs.).
3. Install mount through bolt (3) and torque to 100 N.m (74 ft.lbs.).
4. Remove jack.
Fig. 251: Battery
Courtesy of CHRYSLER LLC
2009 Jeep Patriot Limited
2009 ENGINE 2.0L - Service Information - Compass & Patriot
a
Saturday, September 08, 2012 1:30:16 PM Page 169 © 2006 Mitchell Repair Information Company, LLC.
5. Install PCM mounting bracket.
6. Install PCM (1).
7. Connect negative cable to battery (3).
Fig. 252: Air Cleaner Inlet
Courtesy of CHRYSLER LLC
8. Install air cleaner housing (1) and air cleaner inlet (2).
INSULATOR, ENGINE MOUNT, REAR
Removal
REMOVAL
2009 Jeep Patriot Limited
2009 ENGINE 2.0L - Service Information - Compass & Patriot
a
Saturday, September 08, 2012 1:30:16 PM Page 170 © 2006 Mitchell Repair Information Company, LLC.
Fig. 253: Rear Mount - ATX
Courtesy of CHRYSLER LLC
1. Remove rear mount retaining bolts (4).
2. Remove rear mount through bolt (1).
3. Remove oxygen sensor connector (2) from mount.
4. Remove rear mount (3).
Installation
INSTALLATION
Fig. 254: Rear Mount - ATX
Courtesy of CHRYSLER LLC
2009 Jeep Patriot Limited
2009 ENGINE 2.0L - Service Information - Compass & Patriot
a
Saturday, September 08, 2012 1:30:16 PM Page 171 © 2006 Mitchell Repair Information Company, LLC.
1. Position rear mount (3).
2. Install rear mount retaining bolts (4) and tighten to 50 N.m (37 ft. lbs.).
3. Install rear mount through bolt (1) and tighten to 47 N.m (35 ft. lbs.).
4. Install oxygen sensor connector (2) retainer to mount (3).
INSULATOR, ENGINE MOUNT, RIGHT
Removal
REMOVAL
Fig. 255: Coolant Reservoir
Courtesy of CHRYSLER LLC
1. Remove coolant reservoir (3) and set aside.
2. Remove power steering reservoir (2) and set aside.
3. Remove windshield washer bottle (1).
2009 Jeep Patriot Limited
2009 ENGINE 2.0L - Service Information - Compass & Patriot
a
Saturday, September 08, 2012 1:30:16 PM Page 172 © 2006 Mitchell Repair Information Company, LLC.
Fig. 256: Power Steering Line Support Bracket
Courtesy of CHRYSLER LLC
4. Remove power steering line support bracket (1) from engine mount.
Fig. 257: Right Engine Mount
Courtesy of CHRYSLER LLC
5. Support transaxle with a block of wood and a suitable jack.
6. Remove engine mount through bolt (4).
7. Remove engine mount bracket bolts (3).
8. Remove engine mount retaining bolts.
9. Remove engine mount.
Installation
2009 Jeep Patriot Limited
2009 ENGINE 2.0L - Service Information - Compass & Patriot
a
Saturday, September 08, 2012 1:30:16 PM Page 173 © 2006 Mitchell Repair Information Company, LLC.
INSTALLATION
Fig. 258: Right Engine Mount
Courtesy of CHRYSLER LLC
1. Position right engine mount (1).
2. Install engine mount retaining bolts and tighten to 75 N.m (55 ft. lbs.).
3. Install engine mount adapter (2) and tighten bolts (3) to 68 N.m (50 ft. lbs.).
4. Install engine mount through bolt (4) and tighten to 88 N.m (65 ft. lbs.).
Fig. 259: Power Steering Line Support Bracket
Courtesy of CHRYSLER LLC
5. Remove jack.
6. Install power steering line support bracket (1) at engine mount.
2009 Jeep Patriot Limited
2009 ENGINE 2.0L - Service Information - Compass & Patriot
a
Saturday, September 08, 2012 1:30:16 PM Page 174 © 2006 Mitchell Repair Information Company, LLC.
Fig. 260: Coolant Reservoir
Courtesy of CHRYSLER LLC
7. Install windshield washer bottle (1).
8. Install power steering reservoir (2).
9. Install coolant reservoir (3).
10. Install engine cover.
LUBRICATION
DESCRIPTION
DESCRIPTION
2009 Jeep Patriot Limited
2009 ENGINE 2.0L - Service Information - Compass & Patriot
a
Saturday, September 08, 2012 1:30:16 PM Page 175 © 2006 Mitchell Repair Information Company, LLC.
Fig. 261: Oil Flow Diagram
Courtesy of CHRYSLER LLC
The lubrication system is a full-flow filtration, pressure feed type. The balance shaft module (BSM) is mounted
below the ladder frame and chain driven by the crankshaft. The BSM consists of a non-serviceable pump, oil
pressure relief valve, and a non-serviceable balance assembly.
2009 Jeep Patriot Limited
2009 ENGINE 2.0L - Service Information - Compass & Patriot
a
Saturday, September 08, 2012 1:30:16 PM Page 176 © 2006 Mitchell Repair Information Company, LLC.
Fig. 262: Oil Hole
Courtesy of CHRYSLER LLC
OPERATION
OPERATION
Engine oil is drawn up through the pickup tube and is pressurized by the oil pump and routed through the full-
flow filter to the main oil gallery running the length of the cylinder block. A diagonal hole in each bulkhead
feeds oil to each main bearing. Drilled passages within the crankshaft route oil from main bearing journals to
connecting rod journals. Balance shaft lubrication is provided through an internal oil passage at the #3 bearing
location around the BSM mounting bolt. A vertical hole at the number one bulkhead routes pressurized oil
through a filter screen and head gasket up to the cylinder head. The oil then divides into three passages; one to
the intake cam phaser, one to the exhaust cam phaser and one to the camshafts. The passage to the camshafts
divides to feed both of the hollow camshafts at the second cam journal. The rest of cam journals are feed oil
through the hollow camshafts. The #1 cam journals are fed oil through the VVT oil passages. Oil passages to
the phasers are directed through the OCV (oil control valves) to the #1 journals. The oil then flows through the
camshafts then to the cam phasers. Oil returning to the pan from pressurized components supplies lubrication to
the valve stems, cam lobes, and tappets. Cylinder bores and wrist pins are splash lubricated from directed slots
on the connecting rod thrust collars.
DIAGNOSIS AND TESTING
CHECKING ENGINE OIL PRESSURE
Fig. 263: Oil Temperature Sensor
NOTE: Not all blocks have the bolt on timing chain oil squirter. Engine blocks either
have a bolt-on oil squirter or a 1.0 mm hole (1) drilled into the oil gallery
passage. Engine blocks with the 1.0 mm hole no longer use an oil squirter even
though the threaded mounting hole may still be present.
2009 Jeep Patriot Limited
2009 ENGINE 2.0L - Service Information - Compass & Patriot
a
Saturday, September 08, 2012 1:30:16 PM Page 177 © 2006 Mitchell Repair Information Company, LLC.
Courtesy of CHRYSLER LLC
1. Disconnect and remove oil temperature sensor (1).
Fig. 264: Oil Pressure Adapter
Courtesy of CHRYSLER LLC
2. Install threaded adapter 9879 (1).
3. Install oil pressure gauge (2).
NOTE: Anytime the oil temperature sensor is removed, it should be replaced with a
new sensor.
CAUTION: Threads in cylinder head are British Standard Pipe (BSP). Do not
install a NPT threaded adapter, this could crack the cylinder block.
2009 Jeep Patriot Limited
2009 ENGINE 2.0L - Service Information - Compass & Patriot
a
Saturday, September 08, 2012 1:30:16 PM Page 178 © 2006 Mitchell Repair Information Company, LLC.
Fig. 265: Oil PSI Gauge
Courtesy of CHRYSLER LLC
4. Start engine and record reading on oil pressure gauge (1).
5. If oil pressure is 0 at idle, shut off engine. Check for pressure relief valve stuck open, a clogged oil pick-
up screen.
6. Remove oil pan and inspect for debris. See Engine/Lubrication/PAN, Oil - Removal.
7. Remove oil pressure relief valve. See Engine/Lubrication/VALVE, Oil Pressure Relief - Removal.
8. Inspect oil pressure relief valve and replace if damaged. See Engine/Lubrication/VALVE, Oil Pressure
Relief - Inspection.
9. If pressure relief valve is ok, replace balance shaft module assembly. See Engine/Lubrication/PUMP,
Engine Oil - Removal.
CAUTION: If oil pressure is 0 at idle, do not perform the 3000 RPM test
2009 Jeep Patriot Limited
2009 ENGINE 2.0L - Service Information - Compass & Patriot
a
Saturday, September 08, 2012 1:30:16 PM Page 179 © 2006 Mitchell Repair Information Company, LLC.
Fig. 266: Oil Pressure Adapter
Courtesy of CHRYSLER LLC
10. After test is complete, remove oil pressure gauge (2) and adapter 9879 (1).
Fig. 267: Oil Temperature Sensor
Courtesy of CHRYSLER LLC
11. Install a new oil pressure temperature sensor (1) and connect electrical connector.
CHECKING VVT OIL PRESSURE
This test can be used to help diagnose VVT faults.
2009 Jeep Patriot Limited
2009 ENGINE 2.0L - Service Information - Compass & Patriot
a
Saturday, September 08, 2012 1:30:16 PM Page 180 © 2006 Mitchell Repair Information Company, LLC.
Fig. 268: Oil Pressure Sensor
Courtesy of CHRYSLER LLC
1. Disconnect and remove oil pressure sensor (1).
Fig. 269: Oil Pressure Gauge
Courtesy of CHRYSLER LLC
2. Install an 1/8-28 BSP male to 1/8-27 female threaded adapter (2).
3. Install oil pressure gauge (1).
4. Start engine and record oil pressure.
CAUTION: Threads in block are 1/8"-28 British Standard Pipe (BSP). Do not
install a National Pipe Thread (NPT) threaded adapter, this could
crack the cylinder block.
2009 Jeep Patriot Limited
2009 ENGINE 2.0L - Service Information - Compass & Patriot
a
Saturday, September 08, 2012 1:30:16 PM Page 181 © 2006 Mitchell Repair Information Company, LLC.
5. If oil pressure is 0 at idle, shut off engine. Check for pressure relief valve stuck open, a clogged oil pick-
up screen.
6. Remove oil pan and inspect for debris. See Engine/Lubrication/PAN, Oil - Removal.
7. Remove oil pressure relief valve and inspect, if damaged replace pressure relief valve. See
Engine/Lubrication/VALVE, Oil Pressure Relief - Removal.
8. If pressure relief valve is ok, replace balance shaft module assembly. See Engine/Lubrication/PUMP,
Engine Oil - Removal.
Fig. 270: Oil Pressure Gauge
Courtesy of CHRYSLER LLC
9. After test is complete, remove test gauge (1) and fitting (2).
CAUTION: If oil pressure is 0 at idle, do not perform the 3000 RPM test.
2009 Jeep Patriot Limited
2009 ENGINE 2.0L - Service Information - Compass & Patriot
a
Saturday, September 08, 2012 1:30:16 PM Page 182 © 2006 Mitchell Repair Information Company, LLC.
Fig. 271: Oil Sender
Courtesy of CHRYSLER LLC
10. Install oil pressure sensor and electrical connector.
CONTROL VALVE, OIL INTAKE
Description
DESCRIPTION
Fig. 272: Solenoid Assembly
Courtesy of CHRYSLER LLC
Variable valve timing solenoid assembly. The solenoid receives pulse width modulation signal and the current
is controlled within 0 ma to 1000 ma. The spool position is controllable at any position to control supply of oil
2009 Jeep Patriot Limited
2009 ENGINE 2.0L - Service Information - Compass & Patriot
a
Saturday, September 08, 2012 1:30:16 PM Page 183 © 2006 Mitchell Repair Information Company, LLC.
between the advance and retard ports.
Operation
OPERATION
There is both an Intake and an exhaust camshaft sensor on vehicles equipped with a World Engine. The variable
valve timing system used on World Engines requires the exact position of both the intake and exhaust camshaft.
The GPEC1 uses camshaft sensor data along with crankshaft data to determine the actual position of the
camshafts. Intake and exhaust phaser oil control valves are required on World Engine vehicles using variable
valve timing. The oil valves direct oil to the Intake and exhaust phasers. Oil pressure in the phasers moves the
camshafts to an advanced or retarded position.
To resolve this inherent conflict between optimum high and low speed valve timing, the GPEC1 controlled
engine uses a variable valve timing system. The variable valve timing system advances and retards valve timing
by rotating the position of both the intake and exhaust camshafts. With this system, the intake valve opening can
range from 80 to 120 crankshaft degrees after Top Dead Center. Likewise, the exhaust valve opening can range
from 85 to 120 crankshaft degrees before Top Dead Center. This degree of flexibility provides many benefits,
including: Improved Engine Performance, Increased Fuel Economy, Improved Idle Stability and Decreased
Engine Emissions. In non operating condition, the camshaft stays in lockpin position of cam phases. This is 120
degrees ATDC for intake camshaft and 120 degrees BTDC for exhaust camshaft.
The variable valve timing system is electronically controlled and hydraulically operated. The GPEC1 receives
information from many sensors to determine the optimum valve timing. It then pulse-width modulates oil
control valves which direct oil to the cam phasers. The cam phasers use oil pressure to rotate the intake and
exhaust camshafts. The rotation of the camshafts is referred to as cam phasing. Before the GPEC1 can begin
commanding the camshaft phasing, several enabling conditions must be met:
The engine oil temperature must be at least -6.6°C (20°F)
The oil control valve coil temperature must be less than 140°C (284°F)
Engine speed must be at least 600 to 1000 rpm to achieve minimum oil pressure.
Battery voltage must be at least 10 volts
And there must be no camshaft or crankshaft sensor faults, engine timing faults, or oil control valve faults
First we will examine variable valve timing enabling conditions, and then we will take a closer look at the
inputs and outputs of the system:
Accelerator pedal position sensor
Oil temperature sensor
Map sensor
Intake cam sensor
Exhaust cam sensor
Crankshaft sensor
GPEC1
Exhaust phaser oil control valve
2009 Jeep Patriot Limited
2009 ENGINE 2.0L - Service Information - Compass & Patriot
a
Saturday, September 08, 2012 1:30:16 PM Page 184 © 2006 Mitchell Repair Information Company, LLC.
Intake phaser oil control valve
Inputs
Engine control module
Outputs
Sensed battery voltage
A minimum oil temperature is required to enable variable valve timing operation. Oil temperature and viscosity
also have an impact on the operation of variable valve timing after start-up. Oil is used to control the movement
of the camshafts. An incorrect oil viscosity could adversely affect the operation of the system or even render the
system inoperative. It may even set a fault code.
The accelerator pedal position sensor indicates how far the driver wants to open the throttle plate. The GPEC1
calculates an initial camshaft set point based on whether the accelerator pedal is at part throttle or wide open
throttle.
The MAP sensor provides information regarding engine load.
Sensed battery voltage provides information regarding current system voltage. Sensed battery voltage must be
at least 10 volts in order for the oil control valves to function properly.
This information allows the GPEC1 to adjust camshaft timing to achieve the best fuel economy, the best engine
performance or a combination of both. The hall-effect crankshaft sensor provides RPM information and
determines when the number one piston is approaching Top Dead Center. The sensor generates a signal as the
tone wheel, attached to the crankshaft, rotates. The tone wheel has 60 teeth minus two. When the gap, created
by the missing teeth passes by the sensor, a signal is produced that indicates the number one piston is at Top
Dead Center. The GPEC1 uses crankshaft sensor data along with camshaft data to determine the actual position
of the camshaft. There are two hall-effect camshaft sensors on engines equipped with variable valve timing. The
GPEC1 uses camshaft sensor data along with crankshaft data to determine the actual position of the camshaft.
The GPEC1 individually controls each valve. It sends a pulse width modulated signal to move a spool within
the outer casing of the valve. Depending upon spool movement, oil is directed through the passages to advance
or retard cam timing. The oil control valve also has a special cleaning strategy at key-on. The cleaning strategy
is known as "debris crush mode". At key-on the GPEC1 cycles the oil control valve on and off several (5) times
to crush any debris in the oil control valve and prevent the spool valve from sticking. In non operating
condition, the camshaft stays in lockpin position of cam phases. This is 120 degrees ATDC for intake camshaft
and 120 degrees BTDC for exhaust camshaft.
There are two oil control valves. One valve directs oil to the intake cam phaser, the other valve directs oil to the
exhaust cam phaser. The valves are designed and function in the same manner. The outer casing of each oil
valve has five oil passages. A passage for pressurized supply oil. A passage to the advance chamber of the cam
phaser. A passage to the retard chamber of the cam phaser. A passage for oil return from the advance chamber
of the cam phaser. A passage for oil return from the retard chamber of the cam phaser. Oil flows through the
passages and applies pressure to the cam phasers to change cam timing.
There are two cam phasers. One phaser controls the position of the intake camshaft. The other phaser controls
the position of the exhaust camshaft. The phasers consist of a sprocket, a rotor vane, and a housing or stator.
2009 Jeep Patriot Limited
2009 ENGINE 2.0L - Service Information - Compass & Patriot
a
Saturday, September 08, 2012 1:30:16 PM Page 185 © 2006 Mitchell Repair Information Company, LLC.
The exhaust cam phaser also consists of a front bushing and spring. We will discuss the purpose and function of
the bushing and spring later. The housing is bolted and permanently fixed to the camshaft sprocket, while the
rotor vane is bolted and permanently fixed to the camshaft. With this design, any movement of the rotor vane in
relation to the housing will also move the camshaft. The phaser and sprocket are serviced as an assembly.
Camshaft and crankshaft sensors provide feedback to the GPEC1 regarding the actual position of the camshafts.
The GPEC1 then compares the actual camshaft positioning with desired positioning. If the desired positioning is
not achieved within a specified time, during the second key cycle a trouble code is set.
There are six new diagnostic trouble codes available to help you determine if the control circuit from the
GPEC1 to the oil control valve is intact and operating properly. The codes identify whether the control circuit is
open, shorted to ground, or shorted to power. Three trouble codes are related to intake camshaft positioning, the
other three codes are specific to exhaust camshaft positioning.
The oil control valve contains both electrical and mechanical components. It is electrically controlled by the
GPEC1. The electrical current that energizes the coil results in mechanical motion of the spool valve. It is
possible to verify both the electrical and mechanical operation of the valve. The oil control valve consists of a
coil that is energized to move a spool within an outer casing. The condition of the coil can be tested with a
Digital Volt Ohmmeter or DVOM. With the DVOM set to measure resistance, check the coil for an open, a
short to ground, or excessive resistance. The correct resistance value of the coil is between 6 and 8 ohms. The
mechanical operation of the oil control valve can be tested using actuator commands on the scan tool. Remove
the oil control valve, then navigate to the actuator menu and select the oil control valve. Use commands to
activate the valve and watch as the spool valve moves back and forth inside the casing.
Because the cam phasers are hydraulically operated by engine oil, the condition of the oil is very important. The
oil must be of the correct viscosity, not obstructed by debris, to maintain correct pressure. Maintaining the
correct oil viscosity is critical to the operation of the variable valve timing system. The wrong oil viscosity may
cause the variable valve timing to malfunction and trouble codes to set. The correct oil viscosity for this system
is 5W20. Oil must be clean, unobstructed and free to flow through the variable valve timing system. Oil could
become obstructed in oil passages located in the cylinder head, cylinder block, or even in the oil screen. In the
event oil flow is obstructed, further diagnosis or disassembly may be required to pin point the source of the
obstruction. The variable valve timing system relies on oil pressure to advance or retard the position of the
camshaft. Insufficient oil pressure will adversely affect the operation of variable valve timing. The minimum oil
pressure for this system is 15 psi at normal operating temperature.
Though not directly used to change camshaft positioning, the oil screen is an important component of the
variable valve timing system. It helps to remove debris going to the variable valve timing components. The oil
screen is located in the cylinder block, immediately below the cylinder head. Oil must pass through the oil
screen before entering the oil control valve. The cylinder head must be removed to service the oil screen. The
intention is not to service the oil screen during vehicle life.
How the cam phaser works. The cam phaser assembly has eight separate chambers; four advance chambers and
four retard chambers. When camshaft advance is requested, oil enters all four advance chambers and exerts
force on the rotor vane. Because the rotor vane is bolted to the camshaft, the entire camshaft profile moves
along with the rotor vane. At the same time, oil is forced out of the retard chambers. When camshaft retard is
requested oil enters the retard chambers to move the camshaft in the opposite direction. There is a lock pin on
one side of the rotor vane that fits inside a recessed area in the housing. The lock pin ensures that the default
2009 Jeep Patriot Limited
2009 ENGINE 2.0L - Service Information - Compass & Patriot
a
Saturday, September 08, 2012 1:30:16 PM Page 186 © 2006 Mitchell Repair Information Company, LLC.
position of the intake cam phaser is 120 crankshaft degrees full retard and the default position of the exhaust
cam phaser is 120 crankshaft degrees full advance. When the engine is turned off, rotational force and inertia
move the intake camshaft and rotor vane toward the retard position. The exhaust cam phaser includes a spring
and bushing to work against the rotational force of the engine, allowing the exhaust cam phaser to lock in the
fully advanced position. Under most conditions the cam phasers are returned to lock pin position when the
engine is turned off. In the unique condition of an engine stall, which abruptly shuts off the engine, the cam
phasers may not return to the lock pin position. In this case, the phasers will return to the lock pin position at the
next start-up. Lock pin position is the most ideal cam timing for idle stability. When engine rpm exceeds
approximately 600 to 1000 rpm, oil pressure unlocks the pins and variable valve timing resumes. Once enabling
conditions are met, the GPEC1 uses input from sensors to calculate optimum valve timing.
There are four preprogrammed modes from which the GPEC1 bases initial valve timing.
Starting
Idle or Part throttle
Wide open throttle
Limp-in or Default
From each preprogrammed mode, the GPEC1 adjusts valve timing based on operating conditions.
GPEC1 has calculated optimum intake valve timing of 112 degrees after Top Dead Center and optimum exhaust
valve timing of 97 degrees before Top Dead Center. The GPEC1 pulse width modulates the oil control valves to
advance or retard the camshaft to their desired location. The spool valve inside the intake oil control valve is
energized and moves to allow pressurized oil into the advance chambers of the intake cam phaser. At the same
time, the spool valve inside the exhaust oil control valve is energized and moves to allow pressurized oil into
the retard chambers of the exhaust cam phaser. Oil enters the advance chambers of the intake phaser and the
retard chambers of the exhaust phaser. Oil pressure releases the lock pin from its locked position and pushes
against the rotor vane. Both the rotor vanes are moved, advancing the intake camshaft and retarding the exhaust
camshaft.
Removal
FRONT SOLENOID 1/1
2009 Jeep Patriot Limited
2009 ENGINE 2.0L - Service Information - Compass & Patriot
a
Saturday, September 08, 2012 1:30:16 PM Page 187 © 2006 Mitchell Repair Information Company, LLC.
Fig. 273: Oil Pressure Sensor
Courtesy of CHRYSLER LLC
1. Disconnect negative battery cable.
2. Remove engine cover.
3. Rotate hose clamp out of way.
4. Disconnect oil pressure sensor electrical connector.
5. Remove oil pressure sensor.
6. Disconnect variable valve timing solenoid electrical connector.
Fig. 274: Solenoid Mounting Bolt
Courtesy of CHRYSLER LLC
7. Remove variable valve timing solenoid mounting bolt.
2009 Jeep Patriot Limited
2009 ENGINE 2.0L - Service Information - Compass & Patriot
a
Saturday, September 08, 2012 1:30:16 PM Page 188 © 2006 Mitchell Repair Information Company, LLC.
Fig. 275: Solenoid Mounting Tab 1/1
Courtesy of CHRYSLER LLC
8. Pull solenoid straight out of cylinder head.
REAR SOLENOID 1/2
Fig. 276: Solenoid Location 1/2
Courtesy of CHRYSLER LLC
1. Disconnect negative battery cable.
2. Remove engine cover.
3. Disconnect variable valve timing solenoid electrical connector.
4. Remove variable valve timing solenoid mounting bolt.
2009 Jeep Patriot Limited
2009 ENGINE 2.0L - Service Information - Compass & Patriot
a
Saturday, September 08, 2012 1:30:16 PM Page 189 © 2006 Mitchell Repair Information Company, LLC.
Fig. 277: Solenoid Mounting Tab 1/2
Courtesy of CHRYSLER LLC
5. Pull solenoid straight out of cylinder head.
Installation
FRONT SOLENOID 1/1
Fig. 278: Solenoid Mounting Tab 1/1
Courtesy of CHRYSLER LLC
1. Solenoid for front location 1/1. Note mounting tab location is different between front and rear solenoids.
2009 Jeep Patriot Limited
2009 ENGINE 2.0L - Service Information - Compass & Patriot
a
Saturday, September 08, 2012 1:30:16 PM Page 190 © 2006 Mitchell Repair Information Company, LLC.
Fig. 279: Solenoid Mounting Bolt
Courtesy of CHRYSLER LLC
2. Install solenoid into cylinder head.
3. Install mounting bolt and tighten to 12 N.m (9 ft. lbs.).
Fig. 280: Oil Pressure Sensor
Courtesy of CHRYSLER LLC
4. Install oil pressure sensor.
5. Connect electrical connector to oil pressure sensor.
6. Connect electrical connector to Variable valve timing solenoid.
7. Connect negative battery cable.
8. Install engine cover.
2009 Jeep Patriot Limited
2009 ENGINE 2.0L - Service Information - Compass & Patriot
a
Saturday, September 08, 2012 1:30:16 PM Page 191 © 2006 Mitchell Repair Information Company, LLC.
REAR SOLENOID 1/2
Fig. 281: Solenoid Mounting Tab 1/2
Courtesy of CHRYSLER LLC
1. Rear variable valve timing solenoid. Note mounting tab location is different between front and rear
solenoids.
2. Install solenoid into cylinder head.
3. Install mounting bolt and tighten to 12 N.m (9 ft. lbs.).
4. Connect electrical connector to Variable valve timing solenoid.
Fig. 282: Solenoid Location 1/2
Courtesy of CHRYSLER LLC
5. Connect negative battery cable.
2009 Jeep Patriot Limited
2009 ENGINE 2.0L - Service Information - Compass & Patriot
a
Saturday, September 08, 2012 1:30:16 PM Page 192 © 2006 Mitchell Repair Information Company, LLC.
6. Install engine cover.
COOLER, OIL
Description
DESCRIPTION
An engine oil cooler is used on some engine packages. The cooler is a coolant-to-oil type and mounted between
the oil filter and oil filter adapter.
Removal
REMOVAL
Fig. 283: Oil Cooler
Courtesy of CHRYSLER LLC
1. Raise vehicle on hoist.
2. Drain cooling system. Refer to Cooling - Standard Procedure .
3. Disconnect oil cooler coolant hoses.
4. Remove oil filter (3).
NOTE: The oil cooler can not be cleaned out. In the event that the engine requires
rebuilding or replacement, the oil cooler should be replaced.
2009 Jeep Patriot Limited
2009 ENGINE 2.0L - Service Information - Compass & Patriot
a
Saturday, September 08, 2012 1:30:16 PM Page 193 © 2006 Mitchell Repair Information Company, LLC.
Fig. 284: Oil Cooler Mounting
Courtesy of CHRYSLER LLC
5. Remove oil cooler connector bolt (2).
6. Remove oil cooler (1).
Installation
INSTALLATION
Fig. 285: Oil Cooler Mounting
Courtesy of CHRYSLER LLC
2009 Jeep Patriot Limited
2009 ENGINE 2.0L - Service Information - Compass & Patriot
a
Saturday, September 08, 2012 1:30:16 PM Page 194 © 2006 Mitchell Repair Information Company, LLC.
1. Replace oil cooler seal (1).
2. Lubricate seal and position oil cooler to oil filter adapter, aligning notch to tab.
3. Install oil cooler connector bolt (2). Tighten connector bolt to 49 N.m (36 ft. lbs.).
Fig. 286: Oil Cooler
Courtesy of CHRYSLER LLC
4. Install oil filter (3).
5. Connect oil cooler coolant hose.
6. Lower vehicle.
7. Fill cooling system. Refer to Cooling - Standard Procedure .
FILTER, ENGINE OIL
Removal
REMOVAL
2009 Jeep Patriot Limited
2009 ENGINE 2.0L - Service Information - Compass & Patriot
a
Saturday, September 08, 2012 1:30:16 PM Page 195 © 2006 Mitchell Repair Information Company, LLC.
Fig. 287: Oil Filter
Courtesy of CHRYSLER LLC
1. Using a suitable filter wrench, turn oil filter (1) counterclockwise to remove.
Installation
INSTALLATION
Fig. 288: Oil Filter
Courtesy of CHRYSLER LLC
CAUTION: When servicing the oil filter, avoid deforming the filter can by installing the
remove/install tool band strap against the can to base lock seam. The lock
seam joining the can to the base is reinforced by the base plate.
2009 Jeep Patriot Limited
2009 ENGINE 2.0L - Service Information - Compass & Patriot
a
Saturday, September 08, 2012 1:30:16 PM Page 196 © 2006 Mitchell Repair Information Company, LLC.
1. Clean and check filter mounting surface. The surface must be smooth, flat and free of debris or pieces of
gasket.
2. Lubricate new oil filter gasket.
3. Screw oil filter (1) on until the gasket contacts base. Tighten to 14 N.m (124 in. lbs.).
OIL
Standard Procedure
ENGINE OIL LEVEL CHECK
Fig. 289: Oil Level Indicator
Courtesy of CHRYSLER LLC
The best time to check engine oil level is after the engine is at operating temperature. Allow the engine to be
shut off for at least 5 minutes before checking oil level.
NOTE: The engine must be HOT when checking oil level.
2009 Jeep Patriot Limited
2009 ENGINE 2.0L - Service Information - Compass & Patriot
a
Saturday, September 08, 2012 1:30:16 PM Page 197 © 2006 Mitchell Repair Information Company, LLC.
Fig. 290: Dip Stick
Courtesy of CHRYSLER LLC
Checking the oil while the vehicle is on level ground will improve the accuracy of the oil level reading. Remove
dipstick (1), and observe oil level. Add oil only when the level is at or below the SAFE mark. If the oil level is
in the safe (2) range, do not add oil.
ENGINE OIL AND FILTER CHANGE
Change engine oil at mileage and time intervals described in the Maintenance Schedule. Refer to Vehicle
Quick Reference/Maintenance Schedules - Description .
CAUTION: Do not operate engine if the oil level is above the MAX mark on the
dipstick. Excessive oil volume can cause oil aeration which can lead to
engine failure due to loss of oil pressure or increase in oil temperature.
WARNING: New or used engine oil can be irritating to the skin. Avoid prolonged or
repeated skin contact with engine oil. Contaminants in used engine oil,
caused by internal combustion, can be hazardous to your health.
Thoroughly wash exposed skin with soap and water. Do not wash skin
with gasoline, diesel fuel, thinner, or solvents, health problems can result.
Do not pollute, dispose of used engine oil properly. Contact your dealer
or government agency for location of collection center in your area.
2009 Jeep Patriot Limited
2009 ENGINE 2.0L - Service Information - Compass & Patriot
a
Saturday, September 08, 2012 1:30:16 PM Page 198 © 2006 Mitchell Repair Information Company, LLC.
Fig. 291: Oil Drain Plug
Courtesy of CHRYSLER LLC
1. Run engine until achieving normal operating temperature.
2. Position the vehicle on a level surface and turn engine off.
3. Remove oil fill cap.
4. Raise vehicle on hoist.
5. Place a suitable oil collecting container under oil pan drain plug (2).
6. Remove oil pan drain plug (2) or and allow oil to drain into collecting container. Inspect drain plug
threads for stretching or other damage. Replace drain plug and gasket if damaged.
Fig. 292: Oil Filter
Courtesy of CHRYSLER LLC
7. Remove oil filter (1). See Engine/Lubrication/FILTER, Engine Oil - Removal.
2009 Jeep Patriot Limited
2009 ENGINE 2.0L - Service Information - Compass & Patriot
a
Saturday, September 08, 2012 1:30:16 PM Page 199 © 2006 Mitchell Repair Information Company, LLC.
Fig. 293: Oil Drain Plug
Courtesy of CHRYSLER LLC
8. Install oil pan drain plug (2) and tighten drain plug to 40 N.m (30 ft. lbs.).
Fig. 294: Oil Filter
Courtesy of CHRYSLER LLC
9. Install new oil filter (1). See Engine/Lubrication/FILTER, Engine Oil - Installation.
10. Lower vehicle and fill crankcase with specified type and amount of engine oil. Refer to Vehicle Quick
Reference/Capacities and Recommended Fluids - Specifications and refer to Vehicle Quick
Reference/Capacities and Recommended Fluids - Description .
11. Install oil fill cap.
12. Start engine and inspect for leaks.
13. Stop engine and inspect oil level.
2009 Jeep Patriot Limited
2009 ENGINE 2.0L - Service Information - Compass & Patriot
a
Saturday, September 08, 2012 1:30:16 PM Page 200 © 2006 Mitchell Repair Information Company, LLC.
OIL FILTER SPECIFICATION
All engines are equipped with a high quality full-flow, disposable type oil filter. Replace oil filter with a
Mopar® or the equivalent.
USED ENGINE OIL DISPOSAL
Care should be exercised when disposing used engine oil after it has been drained from a vehicle engine. Refer
to the WARNING listed above.
PAN, OIL
Removal
REMOVAL
Fig. 295: Oil Drain Plug
Courtesy of CHRYSLER LLC
1. Raise vehicle on hoist.
2. Remove oil drain plug (2) and drain the engine oil.
3. Remove accessory drive belt splash shield.
2009 Jeep Patriot Limited
2009 ENGINE 2.0L - Service Information - Compass & Patriot
a
Saturday, September 08, 2012 1:30:16 PM Page 201 © 2006 Mitchell Repair Information Company, LLC.
Fig. 296: A/C Compressor
Courtesy of CHRYSLER LLC
4. Remove lower A/C compressor mounting bolt (if equipped).
5. Remove A/C mounting bracket (2).
Fig. 297: Oil Pan Removal
Courtesy of CHRYSLER LLC
6. Remove oil pan retaining bolts.
7. Using a putty knife (1), loosen seal around oil pan (2).
8. Remove oil pan (2).
NOTE: Do not use pry points in block to remove oil pan.
2009 Jeep Patriot Limited
2009 ENGINE 2.0L - Service Information - Compass & Patriot
a
Saturday, September 08, 2012 1:30:16 PM Page 202 © 2006 Mitchell Repair Information Company, LLC.
Installation
INSTALLATION
Fig. 298: Sealer Location
Courtesy of CHRYSLER LLC
1. Apply Mopar® Engine RTV GEN II at the front cover to engine block parting lines (1).
Fig. 299: Sealing Oil Pan
Courtesy of CHRYSLER LLC
NOTE: Oil pan sealing surfaces must be free of grease or oil.
NOTE: Parts must be assembled within 10 minutes of applying RTV.
2009 Jeep Patriot Limited
2009 ENGINE 2.0L - Service Information - Compass & Patriot
a
Saturday, September 08, 2012 1:30:16 PM Page 203 © 2006 Mitchell Repair Information Company, LLC.
2. Apply a 2 mm bead of Mopar® Engine RTV GEN II around the oil pan as shown in illustration.
3. Position oil pan and install bolts. Tighten bolts to 12 N.m (105 in. lbs.).
Fig. 300: Oil Drain Plug
Courtesy of CHRYSLER LLC
4. Install oil drain plug (2).
5. Lower vehicle and fill engine crankcase with proper oil to correct level.
6. Start engine and check for leaks.
PLUG, OIL
Description
DESCRIPTION
NOTE: The 2 long bolts must be tightened to 22 N.m (195 in.lbs.).
2009 Jeep Patriot Limited
2009 ENGINE 2.0L - Service Information - Compass & Patriot
a
Saturday, September 08, 2012 1:30:16 PM Page 204 © 2006 Mitchell Repair Information Company, LLC.
Fig. 301: Tapered Plugs
Courtesy of CHRYSLER LLC
The engine block has three tapered plugs sealing the high pressure oil gallery. These threaded plugs do not have
a torque specification but instead are installed to a specific depth. Do not attempt to further tighten these plugs,
damage to the engine block could result. Whenever these plugs are removed they must be replaced. Service
plugs have a lock patch and do not require the application of additional sealant.
Removal
REMOVAL
2009 Jeep Patriot Limited
2009 ENGINE 2.0L - Service Information - Compass & Patriot
a
Saturday, September 08, 2012 1:30:16 PM Page 205 © 2006 Mitchell Repair Information Company, LLC.
Fig. 302: Gallery Plug
Courtesy of CHRYSLER LLC
1. Remove the plug (2) from the engine block.
2. Use Mopar® Brake Parts Cleaner (or equivalent) sparingly to clean the block.
Installation
INSTALLATION
CAUTION: Excessive use of brake parts cleaner to clean threads in block could cause
#5 main bearing failure.
NOTE: Rear plug shown in illustration, other plugs are similar.
2009 Jeep Patriot Limited
2009 ENGINE 2.0L - Service Information - Compass & Patriot
a
Saturday, September 08, 2012 1:30:16 PM Page 206 © 2006 Mitchell Repair Information Company, LLC.
Fig. 303: Gallery Plug
Courtesy of CHRYSLER LLC
1. Use Mopar® Brake Parts Cleaner (or equivalent) sparingly to clean the block.
2. Install the plug (2) flush with the block boss face (1). The plug (2) is correctly installed when it is flush or
protruding no more than 1 mm from the block boss face (1).
PUMP, ENGINE OIL
Description
DESCRIPTION
Fig. 304: BSM Identification
Courtesy of CHRYSLER LLC
The oil pump is integral to the balance shaft module (BSM) (2). The oil pump cannot be disassembled for
inspection. The pressure relief valve is serviceable and can be removed and inspected. The BSM can be
identified by the plastic end caps (1).
Removal
REMOVAL
CAUTION: Excessive use of brake parts cleaner to clean threads in block could cause
#5 main bearing failure.
NOTE: Rear plug shown in illustration, other plugs are similar.
2009 Jeep Patriot Limited
2009 ENGINE 2.0L - Service Information - Compass & Patriot
a
Saturday, September 08, 2012 1:30:16 PM Page 207 © 2006 Mitchell Repair Information Company, LLC.
Fig. 305: TDC
Courtesy of CHRYSLER LLC
1. Rotate engine to TDC (1, 2) on #1 compression stroke.
Fig. 306: BSM Tensioner
Courtesy of CHRYSLER LLC
2. Remove oil pan. See Engine/Lubrication/PAN, Oil - Removal.
3. Mark the chain (6) and the sprocket (5) for reassembly.
2009 Jeep Patriot Limited
2009 ENGINE 2.0L - Service Information - Compass & Patriot
a
Saturday, September 08, 2012 1:30:16 PM Page 208 © 2006 Mitchell Repair Information Company, LLC.
Fig. 307: Oil Pump Tensioner Reset
Courtesy of CHRYSLER LLC
4. Push tensioner piston back into the tensioner body.
Fig. 308: BSM Tensioner
Courtesy of CHRYSLER LLC
5. With piston held back insert tensioner pin 9703 (4) into the tensioner body to hold the piston in the
retracted position.
6. Remove BSM mounting bolts. Discard 180 mm bolts, 185 mm bolts can be reused.
NOTE: Do not remove sprocket from BSM.
2009 Jeep Patriot Limited
2009 ENGINE 2.0L - Service Information - Compass & Patriot
a
Saturday, September 08, 2012 1:30:16 PM Page 209 © 2006 Mitchell Repair Information Company, LLC.
7. Lower the back of the BSM and remove the chain (6) from the sprocket (5).
8. Remove BSM from the engine.
Inspection
INSPECTION
Fig. 309: Oil Pump Chain Stretch
Courtesy of CHRYSLER LLC
1. Remove timing chain cover. See Engine/Valve Timing/COVER(S), Engine Timing - Removal.
2. Remove oil pan. See Engine/Lubrication/PAN, Oil - Removal.
3. Measure the distance between the tensioner body and the guide shoe as shown in illustration.
4. If the distance is 10.1 mm (0.397 in.) or greater, replace the chain.
Installation
INSTALLATION
CAUTION: There are two different Balance Shaft Module (BSM) to engine block bolts
used. 180 mm bolts with a lock-patch on the threads or 185 mm bolts
without lock-patch. Do not reuse the 180 mm bolts. Always discard 180
mm bolts after removing. Failure to replace these bolts can result in
engine damage. The 185 mm bolts are reusable. Install the same length
bolts that were removed and use either four new 180 mm bolts or four 185
mm bolts.
2009 Jeep Patriot Limited
2009 ENGINE 2.0L - Service Information - Compass & Patriot
a
Saturday, September 08, 2012 1:30:16 PM Page 210 © 2006 Mitchell Repair Information Company, LLC.
Fig. 310: Checking Cylinder Head Bolts For Stretching (Necking)
Courtesy of CHRYSLER LLC
1. The 185 mm (7.283 in.) length bolts must be checked for stretching. Check the bolts with a straight edge
for necking (2). If the bolts are necked down, they must be replaced.
Fig. 311: BSM Timing
Courtesy of CHRYSLER LLC
2. Clean BSM mounting holes with Mopar® brake parts cleaner.
3. If chain was removed, align marks on crankshaft sprocket (2) and chain (1).
4. Align marks on oil pump sprocket (5) and chain (4).
5. Install chain on sprocket.
2009 Jeep Patriot Limited
2009 ENGINE 2.0L - Service Information - Compass & Patriot
a
Saturday, September 08, 2012 1:30:16 PM Page 211 © 2006 Mitchell Repair Information Company, LLC.
6. Pivot BSM assembly upwards and position on ladder frame.
Fig. 312: BSM Torque Sequence
Courtesy of CHRYSLER LLC
7. Start BSM mounting bolts by hand.
8. Tighten new 180 mm BSM mounting bolts as follows:
a. Tighten to 15 N.m (11 ft. lbs.) in the sequence shown in illustration.
b. Tighten to 33 N.m (24 ft. lbs.) in the sequence shown in illustration.
c. Rotate bolts an additional 90° in the sequence shown in illustration.
9. Tighten 185 mm BSM mounting bolts as follows:
a. Tighten to 15 N.m (11 ft. lbs.) in the sequence shown in illustration.
b. Tighten to 29 N.m (22 ft. lbs.) in the sequence shown in illustration.
c. Rotate bolts an additional 90° in the sequence shown in illustration.
NOTE: Use a three step procedure when tightening BSM mounting bolts. For new
180 mm bolts, go to step 8. For 185 mm bolts, go to step 9.
2009 Jeep Patriot Limited
2009 ENGINE 2.0L - Service Information - Compass & Patriot
a
Saturday, September 08, 2012 1:30:16 PM Page 212 © 2006 Mitchell Repair Information Company, LLC.
Fig. 313: BSM Tensioner
Courtesy of CHRYSLER LLC
10. Remove tensioner pin 9703 (4).
11. Install oil pan. See Engine/Lubrication/PAN, Oil - Installation.
12. Fill with oil.
13. Start engine and check for leaks.
SENSOR, OIL TEMPERATURE
Removal
REMOVAL
2009 Jeep Patriot Limited
2009 ENGINE 2.0L - Service Information - Compass & Patriot
a
Saturday, September 08, 2012 1:30:16 PM Page 213 © 2006 Mitchell Repair Information Company, LLC.
Fig. 314: Oil Temperature Sensor
Courtesy of CHRYSLER LLC
1. Disconnect oil temperature sensor (1) electrical connector.
2. Remove sensor (1).
Installation
INSTALLATION
Fig. 315: Oil Temperature Sensor
Courtesy of CHRYSLER LLC
1. If re-using the oil temperature sensor, coat the threads with Mopar® thread sealant.
2. Install oil temperature sensor (1). Tighten to 18 N.m (160 in. lbs.).
3. Connect electrical connector.
SWITCH, OIL PRESSURE
Description
DESCRIPTION
The oil pressure switch is located on the left front side of the engine block. The oil pressure switch is a pressure
sensitive switch that is activated by the engine's oil pressure (in the main oil gallery). The switch is a two
terminal device (one terminal is provided to the wiring harness and the other terminal is the switch's metal
housing that screws into the engine block).
Operation
OPERATION
2009 Jeep Patriot Limited
2009 ENGINE 2.0L - Service Information - Compass & Patriot
a
Saturday, September 08, 2012 1:30:16 PM Page 214 © 2006 Mitchell Repair Information Company, LLC.
The oil pressure switch is normally "Closed." The switch changes from a "Closed" circuit to an "Open" circuit,
on increasing pressure of 7 psig. The oil pressure switch changes from an "Open" circuit to a "Closed" circuit,
on decreasing pressure, between 2 psig and 4 psig.
Removal
REMOVAL
Fig. 316: A/C Compressor - R & I
Courtesy of CHRYSLER LLC
1. Disconnect and isolate the negative battery cable.
2. Raise and support the vehicle.
3. Remove the front skid plate, if equipped.
4. Remove the splash shield from the right side frame rail. Refer to Body/Exterior/SHIELD, Splash -
Removal .
5. Remove the accessory drive belt. Refer to Cooling/Accessory Drive/BELT, Serpentine - Removal .
6. Remove the three bolts (2) and reposition the A/C compressor (1).
NOTE: If the oil pressure switch is removed, it must be replaced with a new switch.
2009 Jeep Patriot Limited
2009 ENGINE 2.0L - Service Information - Compass & Patriot
a
Saturday, September 08, 2012 1:30:16 PM Page 215 © 2006 Mitchell Repair Information Company, LLC.
Fig. 317: Oil Sender
Courtesy of CHRYSLER LLC
7. Disconnect the oil pressure switch electrical connector.
8. Remove the oil pressure switch using Oil Pressure Socket C-4597 (1) or equivalent and discard the
switch.
Installation
INSTALLATION
Fig. 318: Oil Sender
CAUTION: The oil pressure switch has tapered threads, over tightening could crack
the engine block.
2009 Jeep Patriot Limited
2009 ENGINE 2.0L - Service Information - Compass & Patriot
a
Saturday, September 08, 2012 1:30:16 PM Page 216 © 2006 Mitchell Repair Information Company, LLC.
Courtesy of CHRYSLER LLC
1. Install a new oil pressure switch using Oil Pressure Socket C-4597 (1) or equivalent. Tighten switch to 8
N.m (71 in. lbs.).
2. Connect the oil pressure switch electrical connector.
Fig. 319: A/C Compressor - R & I
Courtesy of CHRYSLER LLC
3. Position the A/C compressor (1) and install three mounting bolts (2). Tighten bolts to 25 N.m (18 ft. lbs.).
4. Install the accessory drive belt. Refer to Cooling/Accessory Drive/BELT, Serpentine - Installation .
5. Install the splash shield to the right side frame rail. Refer to Body/Exterior/SHIELD, Splash -
Installation .
6. Install the front skid plate, if equipped.
7. Reconnect the negative battery cable.
VALVE, OIL PRESSURE RELIEF
Removal
REMOVAL
2009 Jeep Patriot Limited
2009 ENGINE 2.0L - Service Information - Compass & Patriot
a
Saturday, September 08, 2012 1:30:16 PM Page 217 © 2006 Mitchell Repair Information Company, LLC.
Fig. 320: Oil Pressure Relief Valve
Courtesy of CHRYSLER LLC
1. Remove oil pan. See Engine/Lubrication/PAN, Oil - Removal
2. Remove pressure regulating valve cap (2).
3. Remove pressure regulating valve spring (3) and valve (4).
Inspection
INSPECTION
Fig. 321: Oil Pressure Relief Valve
Courtesy of CHRYSLER LLC
NOTE: Pressure regulating valve (4) can be serviced separately from the oil pump
2009 Jeep Patriot Limited
2009 ENGINE 2.0L - Service Information - Compass & Patriot
a
Saturday, September 08, 2012 1:30:16 PM Page 218 © 2006 Mitchell Repair Information Company, LLC.
1. Inspect pressure relief valve (4) scoring, gouging, or debris. Replace as needed.
2. Inspect the pressure relief valve bore in the pump for scoring, gouging, or debris.
3. If pump bore is damaged, replace balance shaft module.
Installation
INSTALLATION
Fig. 322: Oil Pressure Relief Valve
Courtesy of CHRYSLER LLC
1. Lightly coat pressure regulating valve with clean engine oil and install valve (4).
2. Install spring (3) and cap (2).
3. Tighten cap to 44 N.m (32 lbs.ft.).
MANIFOLDS
MANIFOLD, EXHAUST
Removal
REMOVAL
assembly.
2009 Jeep Patriot Limited
2009 ENGINE 2.0L - Service Information - Compass & Patriot
a
Saturday, September 08, 2012 1:30:16 PM Page 219 © 2006 Mitchell Repair Information Company, LLC.
Fig. 323: Engine Cover - 2.0L
Courtesy of CHRYSLER LLC
1. Remove engine cover (1).
2. Disconnect negative cable from battery.
Fig. 324: Exhaust Manifold Heat Shield
Courtesy of CHRYSLER LLC
3. Remove bolts attaching upper heat shield.
4. Remove upper heat shield (1).
5. Disconnect exhaust pipe from manifold.
2009 Jeep Patriot Limited
2009 ENGINE 2.0L - Service Information - Compass & Patriot
a
Saturday, September 08, 2012 1:30:16 PM Page 220 © 2006 Mitchell Repair Information Company, LLC.
Fig. 325: Exhaust Manifold Support Bracket
Courtesy of CHRYSLER LLC
6. Remove manifold support bracket (2).
Fig. 326: Torque Sequence
Courtesy of CHRYSLER LLC
7. Disconnect oxygen sensor electrical connector.
8. Remove exhaust manifold retaining fasteners.
9. Remove and discard manifold gasket.
Cleaning
CLEANING
2009 Jeep Patriot Limited
2009 ENGINE 2.0L - Service Information - Compass & Patriot
a
Saturday, September 08, 2012 1:30:16 PM Page 221 © 2006 Mitchell Repair Information Company, LLC.
1. Discard gasket (if equipped) and clean all surfaces of manifold and cylinder head.
Inspection
INSPECTION
1. Inspect manifold gasket surfaces for flatness with straight edge. Surface must be flat within 0.15 mm per
300 mm (0.006 in. per foot) of manifold length.
2. Inspect manifolds for cracks or distortion. Replace manifold as necessary.
Installation
INSTALLATION
Fig. 327: Torque Sequence
Courtesy of CHRYSLER LLC
1. Install a new exhaust manifold gasket DO NOT APPLY SEALER .
2. Tighten the exhaust manifold bolts to 34 N.m (25 ft. lbs.).
2009 Jeep Patriot Limited
2009 ENGINE 2.0L - Service Information - Compass & Patriot
a
Saturday, September 08, 2012 1:30:16 PM Page 222 © 2006 Mitchell Repair Information Company, LLC.
Fig. 328: Exhaust Manifold Heat Shield
Courtesy of CHRYSLER LLC
3. Install exhaust manifold heat shields. Tighten bolts to 12 N.m (105 in. lbs.).
Fig. 329: Exhaust Manifold Support Bracket
Courtesy of CHRYSLER LLC
4. Install exhaust manifold support bracket (2).
2009 Jeep Patriot Limited
2009 ENGINE 2.0L - Service Information - Compass & Patriot
a
Saturday, September 08, 2012 1:30:16 PM Page 223 © 2006 Mitchell Repair Information Company, LLC.
Fig. 330: Oxygen Sensor Electrical Connector
Courtesy of CHRYSLER LLC
5. Install new catalytic converter gasket.
6. Install exhaust pipe to manifold (1). Tighten fasteners to 28 N.m (250 in. lbs.).
7. Connect oxygen sensor electrical connector (3).
Fig. 331: Battery
Courtesy of CHRYSLER LLC
8. Connect negative cable to battery (3).
9. Install engine cover.
MANIFOLD, INTAKE
2009 Jeep Patriot Limited
2009 ENGINE 2.0L - Service Information - Compass & Patriot
a
Saturday, September 08, 2012 1:30:16 PM Page 224 © 2006 Mitchell Repair Information Company, LLC.
Removal
REMOVAL
Fig. 332: Engine Cover - 2.0L
Courtesy of CHRYSLER LLC
1. Remove engine cover (1).
Fig. 333: Coil Connector
Courtesy of CHRYSLER LLC
WARNING: Release fuel system pressure before servicing system components.
Service vehicles in well ventilated areas and avoid ignition sources. Never
smoke while servicing the vehicle.
2009 Jeep Patriot Limited
2009 ENGINE 2.0L - Service Information - Compass & Patriot
a
Saturday, September 08, 2012 1:30:16 PM Page 225 © 2006 Mitchell Repair Information Company, LLC.
2. Perform fuel system pressure release procedure before attempting any repairs. Refer to Fuel
System/Fuel Delivery - Standard Procedure .
Fig. 334: Air Cleaner Housing
Courtesy of CHRYSLER LLC
3. Remove clean air hose (5).
4. Remove air cleaner housing (1).
5. Disconnect negative cable at battery (3).
Fig. 335: Coil Connector
Courtesy of CHRYSLER LLC
6. Disconnect fuel line at rail (3).
2009 Jeep Patriot Limited
2009 ENGINE 2.0L - Service Information - Compass & Patriot
a
Saturday, September 08, 2012 1:30:16 PM Page 226 © 2006 Mitchell Repair Information Company, LLC.
7. Remove fuel injector electrical connectors (4).
8. Remove fuel rail retaining bolts and remove fuel rail.
Fig. 336: Oil Temperature Sensor
Courtesy of CHRYSLER LLC
9. Disconnect oil temperature sensor (1).
10. Disconnect variable valve timing solenoid electrical connector.
11. Disconnect intake camshaft position sensor electrical connector.
12. Position harness out of the way.
Fig. 337: Throttle Body Support
Courtesy of CHRYSLER LLC
2009 Jeep Patriot Limited
2009 ENGINE 2.0L - Service Information - Compass & Patriot
a
Saturday, September 08, 2012 1:30:17 PM Page 227 © 2006 Mitchell Repair Information Company, LLC.
13. Remove throttle body support bracket (1).
14. Disconnect electronic throttle control electrical connector.
15. Remove wiring harness retainer from the intake manifold (2).
16. Disconnect MAP sensor electrical connector.
17. Disconnect vacuum lines at intake.
Fig. 338: Radiator Hose Support
Courtesy of CHRYSLER LLC
18. Remove upper radiator hose retaining bracket (1).
Fig. 339: Torque Sequence
Courtesy of CHRYSLER LLC
2009 Jeep Patriot Limited
2009 ENGINE 2.0L - Service Information - Compass & Patriot
a
Saturday, September 08, 2012 1:30:17 PM Page 228 © 2006 Mitchell Repair Information Company, LLC.
19. Remove intake manifold retaining bolts.
20. Remove intake manifold.
Cleaning
CLEANING
1. Discard gasket(s).
2. Clean all sealing surfaces.
Inspection
INSPECTION
1. Inspect manifold for cracks, distortion, or mounting surface warpage. Replace manifold if necessary.
2. Inspect manifold gasket for surface damage or excessive swelling. Replace gaskets as necessary.
Installation
INSTALLATION
Fig. 340: Torque Sequence
Courtesy of CHRYSLER LLC
1. Clean all gasket surfaces.
2. Replace intake manifold gasket.
3. Install intake manifold, tighten bolts to 25 N.m (220 in. lbs.) as shown in illustration.
2009 Jeep Patriot Limited
2009 ENGINE 2.0L - Service Information - Compass & Patriot
a
Saturday, September 08, 2012 1:30:17 PM Page 229 © 2006 Mitchell Repair Information Company, LLC.
Fig. 341: Coil Connector
Courtesy of CHRYSLER LLC
4. Install the fuel rail assembly to intake manifold. Tighten bolts to 23 N.m (200 in. lbs.).
5. Connect fuel injector electrical connectors (4).
6. Inspect quick connect fittings for damage, replace if necessary. Refer to Fuel System/Fuel
Delivery/FITTING, Quick Connect - Standard Procedure .
7. Connect fuel line (3).
Fig. 342: Air Cleaner Housing
Courtesy of CHRYSLER LLC
8. Connect negative cable to battery (3).
9. Fill the cooling system. Refer to Cooling - Standard Procedure .
2009 Jeep Patriot Limited
2009 ENGINE 2.0L - Service Information - Compass & Patriot
a
Saturday, September 08, 2012 1:30:17 PM Page 230 © 2006 Mitchell Repair Information Company, LLC.
10. Install air cleaner housing (1).
11. Install clean air hose (5).
Fig. 343: Engine Cover - 2.0L
Courtesy of CHRYSLER LLC
12. Start engine and check for leaks.
13. Install engine cover (1).
VALVE TIMING
DESCRIPTION
DESCRIPTION
2009 Jeep Patriot Limited
2009 ENGINE 2.0L - Service Information - Compass & Patriot
a
Saturday, September 08, 2012 1:30:17 PM Page 231 © 2006 Mitchell Repair Information Company, LLC.
Fig. 344: Timing Drive
Courtesy of CHRYSLER LLC
The timing drive system consists of the following:
Timing Chain (2)
Camshaft Sprockets (1,3)
Crankshaft Sprocket
Right Timing Chain Guide (Moveable) (6)
Left Timing Chain Guide (Fixed) (4)
Timing Chain Tensioner (5)
The camshaft sprockets are attached to the cam phasers which are attached to the front of the camshafts and are
used with the timing chain and crankshaft sprocket to turn the camshafts. The camshaft position sensors target is
part of the camshafts and is used with the camshaft position sensors to provide the PCM with valvetrain position
information.
The timing chain tensioner is installed in the right side of the engine block. Using engine oil pressure, the
tensioner applies constant pressure to the right side (movable) timing chain guide, which in turn applies
pressure to the timing chain. Also as the tensioner extends, it ratchet locks in position to provide constant timing
chain tension.
STANDARD PROCEDURE
VALVE TIMING VERIFICATION
CAUTION: Painted or colored chain links are used during initial engine assembly and
can not be relied upon for valve timing verification. These markings are in
different locations for early production, late production and service parts.
Only use TDC marks, cylinder head cover sealing surface and camshaft
2009 Jeep Patriot Limited
2009 ENGINE 2.0L - Service Information - Compass & Patriot
a
Saturday, September 08, 2012 1:30:17 PM Page 232 © 2006 Mitchell Repair Information Company, LLC.
Fig. 345: TDC
Courtesy of CHRYSLER LLC
1. Remove engine cover.
2. Remove cylinder head cover. See Engine/Cylinder Head/COVER(S), Cylinder Head - Removal.
3. Set engine to TDC (1,2).
Fig. 346: Camshaft Timing
Courtesy of CHRYSLER LLC
4. The marks on the camshaft sprockets (3) should be in line with the cylinder head cover sealing surface.
5. Install cylinder head cover. See Engine/Cylinder Head/COVER(S), Cylinder Head - Installation.
sprocket marks to verify valve timing or engine damage may result.
2009 Jeep Patriot Limited
2009 ENGINE 2.0L - Service Information - Compass & Patriot
a
Saturday, September 08, 2012 1:30:17 PM Page 233 © 2006 Mitchell Repair Information Company, LLC.
6. Install the engine cover.
CHAIN AND SPROCKETS, TIMING
Removal
TIMING CHAIN
Fig. 347: TDC
Courtesy of CHRYSLER LLC
1. Set engine to TDC.
2. Remove timing chain cover. See Engine/Valve Timing/COVER(S), Engine Timing - Removal.
2009 Jeep Patriot Limited
2009 ENGINE 2.0L - Service Information - Compass & Patriot
a
Saturday, September 08, 2012 1:30:17 PM Page 234 © 2006 Mitchell Repair Information Company, LLC.
Fig. 348: Timing Chain Timing Marks
Courtesy of CHRYSLER LLC
3. Mark chain link (1) corresponding to camshaft timing mark.
Fig. 349: Crankshaft Timing Marks
Courtesy of CHRYSLER LLC
4. Mark chain link (3) corresponding to crankshaft timing mark (2).
Fig. 350: Timing Drive
NOTE: If the timing chain plated links can no longer be seen, the timing chain
links corresponding to the timing marks must be marked prior to removal
if the chain is to be reused.
2009 Jeep Patriot Limited
2009 ENGINE 2.0L - Service Information - Compass & Patriot
a
Saturday, September 08, 2012 1:30:17 PM Page 235 © 2006 Mitchell Repair Information Company, LLC.
Courtesy of CHRYSLER LLC
5. Remove timing chain tensioner (5). See Engine/Valve Timing/TENSIONER, Engine Timing -
Removal.
6. Remove timing chain (2).
CAMSHAFT SPROCKET(S)
Refer to camshaft phaser removal. See Engine/Cylinder Head/CAMSHAFT, Engine - Removal.
CRANKSHAFT SPROCKET
Fig. 351: Crankshaft Sprocket
Courtesy of CHRYSLER LLC
1. Remove timing chain. See Engine/Valve Timing/CHAIN and SPROCKETS, Timing - Removal.
2. Remove oil pan. See Engine/Lubrication/PAN, Oil - Removal.
3. Remove oil pump drive chain tensioner.
4. Remove oil pump drive chain.
5. Remove crankshaft sprocket (1).
Inspection
INSPECTION
NOTE: Camshaft phasers and camshaft sprockets are supplied as an assembly, do not
attempt to disassemble.
2009 Jeep Patriot Limited
2009 ENGINE 2.0L - Service Information - Compass & Patriot
a
Saturday, September 08, 2012 1:30:17 PM Page 236 © 2006 Mitchell Repair Information Company, LLC.
Fig. 352: Distance From Tensioner Body & Edge Of Chain Guide
Courtesy of CHRYSLER LLC
Inspect timing chain for stretching prior to removal.
1. Rotate engine while watching timing chain tensioner plunger. When the plunger reaches its maximum
travel stop rotating engine.
2. Measure the distance from the tensioner body and the edge of the chain guide as shown in illustration.
3. If the distance is greater than 20.5 mm (0.81 in.) inspect guide shoes for excessive wear.
4. If guides are okay, replace timing chain.
Installation
CRANKSHAFT SPROCKET
2009 Jeep Patriot Limited
2009 ENGINE 2.0L - Service Information - Compass & Patriot
a
Saturday, September 08, 2012 1:30:17 PM Page 237 © 2006 Mitchell Repair Information Company, LLC.
Fig. 353: Crankshaft Sprocket
Courtesy of CHRYSLER LLC
1. Install crankshaft sprocket (1) onto crankshaft.
Fig. 354: BSM Tensioner
Courtesy of CHRYSLER LLC
2. Install oil pump drive chain. Verify that Oil pump is correctly timed (1, 2, 5, 6).
Fig. 355: Oil Pump Tensioner Reset
Courtesy of CHRYSLER LLC
3. Reset oil pump drive chain tensioner by pushing plunger inward and install tensioner pin 8514.
2009 Jeep Patriot Limited
2009 ENGINE 2.0L - Service Information - Compass & Patriot
a
Saturday, September 08, 2012 1:30:17 PM Page 238 © 2006 Mitchell Repair Information Company, LLC.
Fig. 356: BSM Tensioner
Courtesy of CHRYSLER LLC
4. Install oil pump drive chain tensioner (3) and remove Tensioner Pin 8514 (4).
5. Install timing chain. See Engine/Valve Timing/CHAIN and SPROCKETS, Timing - Installation.
6. Install oil pan. See Engine/Lubrication/PAN, Oil - Installation.
7. Fill engine with oil. See Engine/Lubrication/OIL - Standard Procedure.
8. Start engine and check for leaks.
CAMSHAFT SPROCKET(S)
Fig. 357: Cam Phaser Installation
Courtesy of CHRYSLER LLC
2009 Jeep Patriot Limited
2009 ENGINE 2.0L - Service Information - Compass & Patriot
a
Saturday, September 08, 2012 1:30:17 PM Page 239 © 2006 Mitchell Repair Information Company, LLC.
1. Refer to Camshaft phaser (2) installation. See Engine/Cylinder Head/CAMSHAFT, Engine -
Installation.
TIMING CHAIN
Fig. 358: Crankshaft Timing Marks
Courtesy of CHRYSLER LLC
1. Verify that the engine is still set to TDC.
NOTE: The camshaft sprockets and the camshaft phasers are an assembly and cannot
be serviced separately.
CAUTION: Do not use an impact wrench to tighten camshaft sprocket bolts. Damage
to the camshaft-to-sprocket locating dowel pin and camshaft phaser may
occur.
NOTE: The crankshaft timing mark (3) or (5) can be in one of two locations depending
on whether the engine is early production (5), late production (3) or assembled
with service parts (3). In all cases the keyway (2) will always be in the 9:00
position, in line with the ladder frame mounting surface (1) when the engine is
at TDC.
2009 Jeep Patriot Limited
2009 ENGINE 2.0L - Service Information - Compass & Patriot
a
Saturday, September 08, 2012 1:30:17 PM Page 240 © 2006 Mitchell Repair Information Company, LLC.
Fig. 359: Timing Chain Timing Marks
Courtesy of CHRYSLER LLC
2. Align camshaft timing marks (3) so they are facing each other and in line with the cylinder head cover
sealing surface (2).
3. Install timing chain so plated (or marked) links on chain align with timing marks on camshaft sprockets
(1).
Fig. 360: Crankshaft Timing Marks
Courtesy of CHRYSLER LLC
4. Align timing mark on the crankshaft sprocket (3) or (5) with the plated (or marked) link (4) on the timing
chain. Position chain so slack will be on the tensioner side.
2009 Jeep Patriot Limited
2009 ENGINE 2.0L - Service Information - Compass & Patriot
a
Saturday, September 08, 2012 1:30:17 PM Page 241 © 2006 Mitchell Repair Information Company, LLC.
Fig. 361: Timing Drive
Courtesy of CHRYSLER LLC
5. Install the timing chain tensioner (5). See Engine/Valve Timing/TENSIONER, Engine Timing -
Installation
Rotate the crankshaft CLOCKWISE two complete revolutions until the crankshaft is repositioned at the
TDC position with the key way at the 9 o'clock position.
6. Verify that the camshafts timing marks (3) are in the proper position and in line with the cylinder head
cover sealing surface. If the marks do not line up, the timing chain is not correctly installed.
7. Install front timing chain cover. See Engine/Valve Timing/COVER(S), Engine Timing - Installation.
8. Connect negative battery cable.
9. Operate engine until it reaches normal operating temperature. Check oil and cooling systems for correct
fluid levels.
COVER(S), ENGINE TIMING
Removal
REMOVAL
NOTE: Keep the slack in the timing chain on the tensioner side.
2009 Jeep Patriot Limited
2009 ENGINE 2.0L - Service Information - Compass & Patriot
a
Saturday, September 08, 2012 1:30:17 PM Page 242 © 2006 Mitchell Repair Information Company, LLC.
Fig. 362: Engine Cover
Courtesy of CHRYSLER LLC
1. Remove engine cover (1) by pulling upward.
2. Perform fuel pressure bleed procedure. Refer to Fuel System/Fuel Delivery - Standard Procedure .
3. Disconnect and isolate the negative battery cable.
Fig. 363: Coolant Reservoir
Courtesy of CHRYSLER LLC
4. Remove coolant recovery bottle (3). Refer to Cooling/Engine/BOTTLE, Coolant Recovery - Removal .
5. Remove and reposition power steering reservoir (2).
6. Remove windshield washer bottle (1). Refer to Electrical/Wipers/Washers/RESERVOIR, Windshield
Washer - Removal .
2009 Jeep Patriot Limited
2009 ENGINE 2.0L - Service Information - Compass & Patriot
a
Saturday, September 08, 2012 1:30:17 PM Page 243 © 2006 Mitchell Repair Information Company, LLC.
7. Remove accessory drive belt. Refer to Cooling/Accessory Drive/BELT, Serpentine - Removal .
Fig. 364: Pressure Hose
Courtesy of CHRYSLER LLC
8. Remove power steering hose hold down (2).
Fig. 365: Power Steering Pump - Gas
Courtesy of CHRYSLER LLC
9. Remove the three power steering pump mounting bolts (1) through the openings in the pulley (3) and
reposition the pump.
2009 Jeep Patriot Limited
2009 ENGINE 2.0L - Service Information - Compass & Patriot
a
Saturday, September 08, 2012 1:30:17 PM Page 244 © 2006 Mitchell Repair Information Company, LLC.
Fig. 366: Torque Sequence
Courtesy of CHRYSLER LLC
10. Remove the cylinder head cover. See Engine/Cylinder Head/COVER(S), Cylinder Head - Removal.
11. Remove ignition coils from cylinder head cover.
Fig. 367: TDC
Courtesy of CHRYSLER LLC
12. Raise and support the vehicle. Refer to Vehicle Quick Reference/Hoisting - Standard Procedure .
13. Remove the right lower splash shield. Refer to Body/Exterior/SHIELD, Splash - Removal .
14. Set engine to TDC (1).
2009 Jeep Patriot Limited
2009 ENGINE 2.0L - Service Information - Compass & Patriot
a
Saturday, September 08, 2012 1:30:17 PM Page 245 © 2006 Mitchell Repair Information Company, LLC.
Fig. 368: A/C Compressor
Courtesy of CHRYSLER LLC
15. Remove lower A/C compressor bolts if equipped.
16. Remove lower A/C compressor mount (2) if equipped.
Fig. 369: Accessory Drive Belt Idler Pulley - 2.4L
Courtesy of CHRYSLER LLC
17. Remove accessory drive belt lower idler pulley (2).
2009 Jeep Patriot Limited
2009 ENGINE 2.0L - Service Information - Compass & Patriot
a
Saturday, September 08, 2012 1:30:17 PM Page 246 © 2006 Mitchell Repair Information Company, LLC.
Fig. 370: Engine Front
Courtesy of CHRYSLER LLC
18. Remove crankshaft damper (2). See Engine/Engine Block/DAMPER, Vibration - Removal.
19. Remove three bolts and water pump pulley (4) from water pump.
20. Remove lower bolt from right side engine mount bracket (1).
Fig. 371: Timing Chain Cover Lower Bolts
Courtesy of CHRYSLER LLC
21. Remove timing chain cover lower bolts (1).
22. Lower vehicle.
23. Support engine with suitable jack.
2009 Jeep Patriot Limited
2009 ENGINE 2.0L - Service Information - Compass & Patriot
a
Saturday, September 08, 2012 1:30:17 PM Page 247 © 2006 Mitchell Repair Information Company, LLC.
Fig. 372: Right Engine Mount
Courtesy of CHRYSLER LLC
24. Remove right engine mount through bolt (4).
25. Remove right engine mount to mount bracket bolts (3).
26. Remove right engine mount adapter (2).
Fig. 373: Accessory Drive Belt Idler Pulley - 2.4L
Courtesy of CHRYSLER LLC
27. Remove accessory drive upper idler pulley (1).
2009 Jeep Patriot Limited
2009 ENGINE 2.0L - Service Information - Compass & Patriot
a
Saturday, September 08, 2012 1:30:17 PM Page 248 © 2006 Mitchell Repair Information Company, LLC.
Fig. 374: Engine Front
Courtesy of CHRYSLER LLC
28. Remove right upper engine mount bracket (1).
29. Remove accessory drive belt tensioner.
30. Remove timing chain cover retaining bolts.
2009 Jeep Patriot Limited
2009 ENGINE 2.0L - Service Information - Compass & Patriot
a
Saturday, September 08, 2012 1:30:17 PM Page 249 © 2006 Mitchell Repair Information Company, LLC.
Fig. 375: Timing Chain Cover Pry Points
Courtesy of CHRYSLER LLC
31. Remove timing chain cover using pry points (1,2,3).
Fig. 376: Timing Chain Cover Removal
Courtesy of CHRYSLER LLC
2009 Jeep Patriot Limited
2009 ENGINE 2.0L - Service Information - Compass & Patriot
a
Saturday, September 08, 2012 1:30:17 PM Page 250 © 2006 Mitchell Repair Information Company, LLC.
32. Remove timing chain cover (1) out through the bottom of the vehicle.
Installation
INSTALLATION
Fig. 377: Front Cover Upper T-Joints
Courtesy of CHRYSLER LLC
1. Clean all sealing surfaces. See Engine - Standard Procedure.
2. Apply Mopar® engine sealant RTV (or equivalent) as shown in illustration at the cylinder head to block
parting line (1,2).
NOTE: When using RTV, the sealing surfaces must be clean and free from grease and
oil.
NOTE: When using RTV, parts should be assembled in 10 minutes and tighten to final
torque within 45 minutes.
2009 Jeep Patriot Limited
2009 ENGINE 2.0L - Service Information - Compass & Patriot
a
Saturday, September 08, 2012 1:30:17 PM Page 251 © 2006 Mitchell Repair Information Company, LLC.
Fig. 378: Lower T-Joints
Courtesy of CHRYSLER LLC
3. Apply Mopar® engine sealant RTV (or equivalent) as shown in illustration at the ladder frame to block
parting line (1,2).
Fig. 379: Sealing Oil Pan
Courtesy of CHRYSLER LLC
4. Apply Mopar® engine sealant RTV (or equivalent) as shown in illustration in the corner of the oil pan
and block.
5. Apply 2 mm bead of Mopar® engine sealant RTV (or equivalent) to the oil pan as shown in illustration.
2009 Jeep Patriot Limited
2009 ENGINE 2.0L - Service Information - Compass & Patriot
a
Saturday, September 08, 2012 1:30:17 PM Page 252 © 2006 Mitchell Repair Information Company, LLC.
Fig. 380: Timing Chain Cover Sealing
Courtesy of CHRYSLER LLC
6. Apply 2 mm bead of Mopar® engine sealant RTV (or equivalent) to the engine block (1, 2) as shown in
illustration.
Fig. 381: Timing Chain Cover Removal
Courtesy of CHRYSLER LLC
7. Install timing chain cover (1) upwards from under the vehicle.
8. Install timing chain cover upper retaining bolts and tighten M6 bolts to 9 N.m (80 in. lbs.) and M8 bolts
to 26 N.m (230 in. lbs.).
9. Install accessory drive belt tensioner. Tighten bolt to 24 N.m (212 in. lbs.).
2009 Jeep Patriot Limited
2009 ENGINE 2.0L - Service Information - Compass & Patriot
a
Saturday, September 08, 2012 1:30:17 PM Page 253 © 2006 Mitchell Repair Information Company, LLC.
Fig. 382: Right Engine Mount Bracket
Courtesy of CHRYSLER LLC
10. Install right engine mount bracket (1). Tighten bolts to 50 N.m (37 ft. lbs.).
Fig. 383: Accessory Drive Belt Idler Pulley - 2.4L
Courtesy of CHRYSLER LLC
11. Install accessory drive belt upper idler pulley (1). Tighten bolt to 48 N.m (35 ft. lbs.).
2009 Jeep Patriot Limited
2009 ENGINE 2.0L - Service Information - Compass & Patriot
a
Saturday, September 08, 2012 1:30:17 PM Page 254 © 2006 Mitchell Repair Information Company, LLC.
Fig. 384: Right Engine Mount
Courtesy of CHRYSLER LLC
12. Install engine mount adapter (2) and tighten bolts (3) to 68 N.m (50 ft. lbs.).
13. Install engine mount through bolt (4) and tighten to 88 N.m (65 ft. lbs.).
14. Remove jack from under engine.
Fig. 385: Timing Chain Cover Lower Bolts
Courtesy of CHRYSLER LLC
15. Raise and support the vehicle. Refer to Vehicle Quick Reference/Hoisting - Standard Procedure .
16. Install oil pan to timing chain cover lower retaining bolts (1) and tighten M6 bolts to 9 N.m (80 in. lbs.).
2009 Jeep Patriot Limited
2009 ENGINE 2.0L - Service Information - Compass & Patriot
a
Saturday, September 08, 2012 1:30:17 PM Page 255 © 2006 Mitchell Repair Information Company, LLC.
Fig. 386: Engine Front
Courtesy of CHRYSLER LLC
17. Install water pump pulley (4) and tighten three bolts to 9 N.m (80 in. lbs.).
18. Install crankshaft damper (2). See Engine/Engine Block/DAMPER, Vibration - Installation
Fig. 387: Accessory Drive Belt Idler Pulley - 2.4L
Courtesy of CHRYSLER LLC
19. Install accessory drive belt lower idler pulley (2). Tighten bolt to 48 N.m (35 ft. lbs.).
2009 Jeep Patriot Limited
2009 ENGINE 2.0L - Service Information - Compass & Patriot
a
Saturday, September 08, 2012 1:30:17 PM Page 256 © 2006 Mitchell Repair Information Company, LLC.
Fig. 388: A/C Compressor
Courtesy of CHRYSLER LLC
20. Install lower A/C compressor mounting bracket (2). Tighten the bolts to 24 N.m (18 ft. lbs.).
21. Install A/C compressor (1). Tighten the bolts to 25 N.m (18 ft. lbs.).
22. Install right lower splash shield. Refer to Body/Exterior/SHIELD, Splash - Installation .
23. Lower vehicle.
Fig. 389: Torque Sequence
Courtesy of CHRYSLER LLC
24. Install cylinder head cover and ignition coils. See Engine/Cylinder Head/COVER(S), Cylinder Head -
Installation.
2009 Jeep Patriot Limited
2009 ENGINE 2.0L - Service Information - Compass & Patriot
a
Saturday, September 08, 2012 1:30:17 PM Page 257 © 2006 Mitchell Repair Information Company, LLC.
Fig. 390: Power Steering Pump - Gas
Courtesy of CHRYSLER LLC
25. Place the power steering pump in mounting position. Install the three bolts (1) through openings in the
pulley (3). Tighten the mounting bolts (1) to 26 N.m (19 ft. lbs.).
Fig. 391: Pressure Hose
Courtesy of CHRYSLER LLC
26. Install the power steering hose hold down (2).
27. Install accessory drive belt. Refer to Cooling/Accessory Drive/BELT, Serpentine - Installation .
2009 Jeep Patriot Limited
2009 ENGINE 2.0L - Service Information - Compass & Patriot
a
Saturday, September 08, 2012 1:30:17 PM Page 258 © 2006 Mitchell Repair Information Company, LLC.
Fig. 392: Coolant Reservoir
Courtesy of CHRYSLER LLC
28. Install power steering pump reservoir (2). Tighten mounting screw to 12 N.m (106 in. lbs.).
29. Install windshield washer reservoir (1).
30. Install coolant recovery reservoir (3). Tighten mounting bolts to 4 N.m (35 in. lbs.).
Fig. 393: Air Cleaner Housing
Courtesy of CHRYSLER LLC
31. Install clean air hose (5) and air cleaner housing (1). See Engine/Air Intake System/BODY, Air
Cleaner - Installation.
32. Install air cleaner housing inlet.
33. Connect negative battery cable.
2009 Jeep Patriot Limited
2009 ENGINE 2.0L - Service Information - Compass & Patriot
a
Saturday, September 08, 2012 1:30:17 PM Page 259 © 2006 Mitchell Repair Information Company, LLC.
Fig. 394: Engine Cover - 2.4L
Courtesy of CHRYSLER LLC
34. Operate engine until it reaches normal operating temperature. Check oil system for leaks and correct fluid
level.
35. Install engine cover (1).
TENSIONER, ENGINE TIMING
Removal
REMOVAL
Fig. 395: Timing Drive
Courtesy of CHRYSLER LLC
2009 Jeep Patriot Limited
2009 ENGINE 2.0L - Service Information - Compass & Patriot
a
Saturday, September 08, 2012 1:30:17 PM Page 260 © 2006 Mitchell Repair Information Company, LLC.
1. Remove the engine timing cover. See Engine/Valve Timing/COVER(S), Engine Timing - Removal.
2. Remove timing chain tensioner retaining bolts and remove tensioner (5).
Installation
INSTALLATION
Fig. 396: Tensioner Reset
Courtesy of CHRYSLER LLC
1. Reset timing chain tensioner (4) by lifting up on ratchet (2) and pushing plunger (3) inward towards the
tensioner body (4). Insert Tensioner Pin 8514 into slot (1) to hold tensioner plunger in the retracted
position.
NOTE: Tensioner will not come apart during removal.
2009 Jeep Patriot Limited
2009 ENGINE 2.0L - Service Information - Compass & Patriot
a
Saturday, September 08, 2012 1:30:17 PM Page 261 © 2006 Mitchell Repair Information Company, LLC.
Fig. 397: Timing Chain Tensioner
Courtesy of CHRYSLER LLC
2. Install timing chain tensioner (1) and tighten bolts to 12 N.m (105 in. lbs.).
3. Remove timing Tensioner Pin 8514 (2).
4. Install the engine timing cover. See Engine/Valve Timing/COVER(S), Engine Timing - Installation
NOTE: Keep the slack in the timing chain on the tensioner side.
2009 Jeep Patriot Limited
2009 ENGINE 2.0L - Service Information - Compass & Patriot
a
Saturday, September 08, 2012 1:30:17 PM Page 262 © 2006 Mitchell Repair Information Company, LLC.
2009 ENGINE
2.4L - Service Information - Compass & Patriot
DESCRIPTION
DESCRIPTION
The 2.4 Liter (148 cu. in.) in-line four cylinder engine is a double over head camshaft design with mechanical
lash tappets and four valves per cylinder design. This engine is NOT free-wheeling; meaning that the pistons
will contact the valves in the event of a timing chain failure.
The cylinders are numbered from front of the engine to the rear. The firing order is 1-3-4-2.
Fig. 1: Serial Number
Courtesy of CHRYSLER LLC
The engine serial number (1) is located on the rear of the cylinder block behind the oil pan. The serial number is
visible with the oil pan in place. The serial number contains engine build date information.
DIAGNOSIS AND TESTING
INTRODUCTION
Engine diagnosis is helpful in determining the causes of malfunctions not detected and remedied by routine
maintenance.
These malfunctions may be classified as either mechanical (e.g., a strange noise), or performance (e.g., engine
idles rough and stalls).
Refer to the Engine Mechanical and the Engine Performance diagnostic charts, for possible causes and
2009 Jeep Patriot Limited
2009 ENGINE 2.4L - Service Information - Compass & Patriot
2009 Jeep Patriot Limited
2009 ENGINE 2.4L - Service Information - Compass & Patriot
a
Saturday, September 08, 2012 1:27:51 PM Page 1 © 2006 Mitchell Repair Information Company, LLC.
a
Saturday, September 08, 2012 1:28:02 PM Page 1 © 2006 Mitchell Repair Information Company, LLC.
corrections of malfunctions. See MECHANICAL and PERFORMANCE for both.
For fuel system diagnosis, see FUEL SYSTEM .
Additional tests and diagnostic procedures may be necessary for specific engine malfunctions that cannot be
isolated with the Service Diagnosis charts. Information concerning additional tests and diagnosis is provided
within the following:
Cylinder Compression Pressure Test: Refer to CYLINDER COMPRESSION PRESSURE TEST.
Cylinder Combustion Pressure Leakage Test: Refer to CYLINDER COMBUSTION PRESSURE
LEAKAGE TEST.
Engine Cylinder Head Gasket Failure Diagnosis: Refer to CYLINDER HEAD GASKET.
Intake Manifold Leakage Diagnosis: Refer to INTAKE MANIFOLD LEAKS.
Mechanical Valve Tappet Noise Diagnosis: Refer to MECHANICAL VALVE TAPPET NOISE
DIAGNOSIS.
Engine Oil Leak Inspection: Refer to ENGINE OIL LEAK INSPECTION.
PERFORMANCE
CONDITION POSSIBLE CAUSE CORRECTION
ENGINE WILL NOT START 1. Weak battery. 1. Test battery. Charge or replace
as necessary. Refer to
Electrical/Battery System -
Diagnosis and Testing .
2. Corroded or loose battery
connections.
2. Clean and tighten battery
connections. Apply a coat of light
mineral grease to terminals.
3. Faulty starter. 3. Test starting system. Check for
codes. (Refer to Appropriate
Diagnostic Information)
4. Faulty coil(s) or control unit. 4. Test and replace as needed.
(Refer to Appropriate Diagnostic
Information)
5. Incorrect spark plug gap. 5. Set gap. Refer to
Electrical/Ignition Control -
Specifications .
6. Contamination in fuel system. 6. Clean system and replace fuel
filter.
7. Faulty fuel pump. 7. Test fuel pump and replace as
needed. (Refer to Appropriate
Diagnostic Information)
8. Incorrect engine timing. 8. Check for a skipped timing
belt/chain.
ENGINE STALLS OR IDLES 1. Idle speed too low. 1. Test minimum air flow. (Refer
2009 Jeep Patriot Limited
2009 ENGINE 2.4L - Service Information - Compass & Patriot
a
Saturday, September 08, 2012 1:27:51 PM Page 2 © 2006 Mitchell Repair Information Company, LLC.
ROUGH to Appropriate Diagnostic
Information)
2. Incorrect fuel mixture. 2. (Refer to Appropriate
Diagnostic Information)
3. Intake manifold leakage. 3. Inspect intake manifold,
manifold gasket, and vacuum
hoses.
4. Faulty ignition coil(s). 4. Test and replace as necessary.
(Refer to Appropriate Diagnostic
Information)
5. Contamination in Oil Control
Valve (OCV).
5. Remove OCV and inspect for
contamination. Replace OCV if
contaminated.
ENGINE LOSS OF POWER 1. Dirty or incorrectly gapped
plugs.
1. Clean plugs and set gap.
2. Contamination in fuel system. 2. Clean system and replace fuel
filter.
3. Faulty fuel pump. 3. Test and replace as necessary.
(Refer to Appropriate Diagnostic
Information)
4. Incorrect valve timing. 4. Correct valve timing.
5. Leaking cylinder head gasket. 5. Replace cylinder head gasket.
6. Low compression. 6. Test compression of each
cylinder.
7. Burned, warped, or pitted
valves.
7. Replace valves.
8. Plugged or restricted exhaust
system.
8. Perform exhaust restriction test.
Install new parts. Refer to
Exhaust System - Diagnosis and
Testing , as necessary.
9. Faulty ignition coil(s). 9. Test and replace as necessary.
(Refer to Appropriate Diagnostic
Information)
ENGINE MISSES ON
ACCELERATION
1. Dirty or incorrectly gapped
spark plugs.
1. Clean spark plugs and set gap.
2. Contamination in Fuel System. 2. Clean fuel system and replace
fuel filter.
3. Burned, warped, or pitted
valves.
3. Replace valves.
4. Faulty ignition coil(s). 4. Test and replace as necessary.
(Refer to Appropriate Diagnostic
Information)
ENGINE MISSES AT HIGH
SPEED
1. Dirty or incorrect spark plug
gap.
1. Clean spark plugs and set gap.
2009 Jeep Patriot Limited
2009 ENGINE 2.4L - Service Information - Compass & Patriot
a
Saturday, September 08, 2012 1:27:51 PM Page 3 © 2006 Mitchell Repair Information Company, LLC.
MECHANICAL
2. Faulty ignition coil(s). 2. Test and replace as necessary.
(Refer to Appropriate Diagnostic
Information)
3. Dirty fuel injector(s). 3. Test and replace as necessary.
(Refer to Appropriate Diagnostic
Information)
4. Contamination in fuel system. 4. Clean system and replace fuel
filter.
CONDITION POSSIBLE CAUSES CORRECTION
VALVETRAIN NOISE 1. High or low oil level in
crankcase.
1. Check and correct engine oil
level.
2. Thin or diluted oil. 2. Change oil to correct viscosity.
3. Thick oil 3. (a) Change engine oil and filter.
- (b) Run engine to operating
temperature.
- (c) Change engine oil and filter
again.
4. Low oil pressure. 4. (a) Check and correct engine oil
level.
- (b) Check pressure regulating valve.
5. Worn cam lobe. 5. Install new camshaft.
6. Worn tappet bucket. 6. Install new select fit tappet
bucket.
7. Worn valve guides. 7. Replace cylinder head.
8. Excessive runout of valve seats
on valve faces.
8. Grind valve seats and replace
valves.
CONNECTING ROD NOISE 1. Insufficient oil supply. 1. Check engine oil level.
2. Low oil pressure. 2. Check engine oil level. Inspect
oil pump relief valve and spring.
3. Thin or diluted oil. 3. Change oil to correct viscosity.
4. Thick oil 4. (a) Change engine oil and filter.
-
(b) Run engine to operating
temperature.
-
(c) Change engine oil and filter
again.
5. Excessive bearing clearance. 5. Measure bearings for correct
clearance. Repair as necessary.
6. Connecting rod journal out-of-
round.
6. Replace crankshaft or grind
surface.
7. Connecting rod out-of-round. 7. Replace connecting rod.
8. Misaligned connecting rods. 8. Replace bent connecting rods.
2009 Jeep Patriot Limited
2009 ENGINE 2.4L - Service Information - Compass & Patriot
a
Saturday, September 08, 2012 1:27:51 PM Page 4 © 2006 Mitchell Repair Information Company, LLC.
MAIN BEARING NOISE 1. Insufficient oil supply. 1. Check engine oil level.
2. Low oil pressure. 2. Check engine oil level. Inspect
oil pump relief valve and spring.
3. Thin or diluted oil. 3. Change oil to correct viscosity.
4. Thick oil 4. (a) Change engine oil and filter.
-
(b) Run engine to operating
temperature.
-
(c) Change engine oil and filter
again.
5. Excessive bearing clearance. 5. Measure bearings for correct
clearance. Repair as necessary.
6. Excessive end play. 6. Check thrust bearing for wear on
flanges.
7. Crankshaft journal out-of-
round or worn.
7. Replace crankshaft or grind
journals.
8. Loose flywheel or torque
converter.
8. Tighten to correct torque.
OIL PRESSURE DROP 1. Low oil level. 1. Check engine oil level.
2. Faulty oil pressure sending
unit.
2. Install new sending unit.
3. Low oil pressure. 3. Check sending unit and main
bearing oil clearance.
4. Clogged oil filter. 4. Install new oil filter.
5. Worn parts in oil pump. 5. Replace balance shaft module.
6. Thin or diluted oil. 6. Change oil to correct viscosity.
7. Oil pump relief valve stuck. 7. Remove valve and inspect, clean,
or replace.
8. Excessive bearing clearance. 8. Measure bearings for correct
clearance.
OIL LEAKS 1. Misaligned or deteriorated
gaskets.
1. Replace gasket(s).
2. Loose fastener, broken or
porous metal part.
2. Tighten, repair or replace the
part.
3. Misaligned or deteriorated cup
or threaded plug.
3. Replace as necessary.
OIL CONSUMPTION OR
SPARK PLUGS FOULED
1. PCV system malfunction. 1. Check system and repair as
necessary. Refer to Emissions
Control/Evaporative
Emissions/VALVE, Positive
Crankcase Ventilation (PCV) -
Diagnosis and Testing
2. Worn, scuffed or broken rings. 2. Hone cylinder bores. Install new
rings.
3. Carbon in oil ring slots. 3. Install new rings.
4. Rings fitted too tightly in 4. Remove rings and check grooves.
2009 Jeep Patriot Limited
2009 ENGINE 2.4L - Service Information - Compass & Patriot
a
Saturday, September 08, 2012 1:27:51 PM Page 5 © 2006 Mitchell Repair Information Company, LLC.
CYLINDER COMBUSTION PRESSURE LEAKAGE TEST
The combustion pressure leakage test provides an accurate means for determining engine condition.
Combustion pressure leakage testing will detect:
Exhaust and intake valve leaks (improper seating).
Leaks between adjacent cylinders or into water jacket.
Any causes for combustion/compression pressure loss.
1. Check the coolant level and fill as required. DO NOT install the pressure cap.
2. Start and operate the engine until it attains normal operating temperature, then turn the engine OFF.
3. Clean spark plug recesses with compressed air.
4. Remove the spark plugs.
5. Remove the oil filler cap.
6. Remove the air cleaner.
7. Calibrate the tester according to the manufacturer's instructions. The shop air source for testing should
maintain 483 kPa (70 psi) minimum, 1,379 kPa (200 psi) maximum, with 552 kPa (80 psi) recommended.
8. Perform the test procedures on each cylinder according to the tester manufacturer's instructions. While
testing, listen for pressurized air escaping through the throttle body, tailpipe and oil filler cap opening.
Check for bubbles in the coolant.
9. All gauge pressure indications should be equal, with no more than 25% leakage per cylinder.
10. FOR EXAMPLE: At 552 kPa (80 psi) input pressure, a minimum of 414 kPa (60 psi) should be
maintained in the cylinder.
CYLINDER COMPRESSION PRESSURE TEST
The results of a cylinder compression pressure test can be utilized to diagnose several engine malfunctions.
Ensure the battery is completely charged and the engine starter motor is in good operating condition. Otherwise
the indicated compression pressures may not be valid for diagnosis purposes.
1. Check engine oil level and add oil if necessary.
grooves. If groove is not proper width,
replace piston.
5. Worn valve guide(s). 5. Replace cylinder head.
6. Valve stem seal(s) worn or
damaged.
6. Replace seal(s).
WARNING: Do not remove the pressure cap with the system hot and under pressure
because serious burns from coolant can occur.
2009 Jeep Patriot Limited
2009 ENGINE 2.4L - Service Information - Compass & Patriot
a
Saturday, September 08, 2012 1:27:51 PM Page 6 © 2006 Mitchell Repair Information Company, LLC.
2. Drive the vehicle until engine reaches normal operating temperature. Select a route free from traffic and
other forms of congestion, observe all traffic laws, and accelerate through the gears several times briskly.
3. Remove engine cover.
4. Disconnect coil electrical connectors and remove coils.
5. Remove all spark plugs from engine. As spark plugs are being removed, check electrodes for abnormal
firing indicators such as fouled, hot, oily, etc. Record cylinder number of spark plug for future reference.
6. Disconnect injector electrical connectors.
7. Insert compression gauge adaptor 8116 or the equivalent, into the #1 spark plug hole in cylinder head.
Connect the 0-500 psi (Blue) pressure transducer CH7059 with cable adaptors to the DRBIII®. For
Special Tool identification. See Engine - Special Tools.
8. Crank engine until maximum pressure is reached on gauge. Record this pressure as #1 cylinder pressure.
9. Repeat the previous step for all remaining cylinders.
10. Compression should not be less than 689 kPa (100 psi) and not vary more than 25 percent from cylinder
to cylinder.
11. If one or more cylinders have abnormally low compression pressures, repeat the compression test.
12. If the same cylinder or cylinders repeat an abnormally low reading on the second compression test, it
could indicate the existence of a problem in the cylinder in question. The recommended compression
pressures are to be used only as a guide to diagnosing engine problems. An engine should not be
disassembled to determine the cause of low compression unless some malfunction is present.
ENGINE OIL LEAK INSPECTION
Begin with a thorough visual inspection of the engine, particularly at the area of the suspected leak. If an oil
leak source is not readily identifiable, the following steps should be followed:
1. Do not clean or degrease the engine at this time because some solvents may cause rubber to swell,
temporarily stopping the leak.
2. Add an oil soluble dye (use as recommended by manufacturer). Start the engine and let idle for
approximately 15 minutes. Check the oil dipstick to make sure the dye is thoroughly mixed as indicated
with a bright yellow color under a black light.
3. Using a black light, inspect the entire engine for fluorescent dye, particularly at the suspected area of oil
leak. If the oil leak is found and identified, repair as necessary.
4. If dye is not observed, drive the vehicle at various speeds for approximately 24 km (15 miles), and repeat
inspection.
5. If the oil leak source is not positively identified at this time , proceed with the AIR LEAK
DETECTION TEST METHOD as follows:
Disconnect the fresh air hose (make-up air) at the cylinder head cover and plug or cap the nipple on
the cover.
Remove the PCV valve hose from the cylinder head cover. Cap or plug the PCV valve nipple on
the cover.
Attach an air hose with pressure gauge and regulator to the dipstick tube.
2009 Jeep Patriot Limited
2009 ENGINE 2.4L - Service Information - Compass & Patriot
a
Saturday, September 08, 2012 1:27:51 PM Page 7 © 2006 Mitchell Repair Information Company, LLC.
Gradually apply air pressure from 1 psi to 2.5 psi maximum while applying soapy water at the
suspected source. Adjust the regulator to the suitable test pressure that provides the best bubbles
which will pinpoint the leak source. If the oil leak is detected and identified, repair per service
information procedures.
If the leakage occurs at the crankshaft rear oil seal area, refer to INSPECTION FOR REAR
SEAL AREA LEAKS.
6. If no leaks are detected, turn off the air supply. Remove the air hose, all plugs, and caps. Install the PCV
valve and fresh air hose (make-up air). Proceed to next step.
7. Clean the oil off the suspect oil leak area using a suitable solvent. Drive the vehicle at various speeds
approximately 24 km (15 miles). Inspect the engine for signs of an oil leak by using a black light.
INSPECTION FOR REAR SEAL AREA LEAKS
Since it is sometimes difficult to determine the source of an oil leak in the rear seal area of the engine, a more
involved inspection is necessary. The following steps should be followed to help pinpoint the source of the leak.
If the leakage occurs at the crankshaft rear oil seal area:
1. Disconnect the battery.
2. Raise the vehicle.
3. Remove torque converter or clutch housing cover and inspect rear of block for evidence of oil. Use a
black light to check for the oil leak. If a leak is present in this area, remove transmission for further
inspection.
a. Circular spray pattern generally indicates seal leakage or crankshaft damage.
b. Where leakage tends to run straight down, possible causes are a porous block, oil gallery cup plug,
bedplate to cylinder block mating surfaces and seal bore. See proper repair procedures for these
items.
4. If no leaks are detected, pressurize the crankcase as previously described in step 5 under ENGINE OIL
CAUTION: Do not subject the engine assembly to more than 20.6 kPa (3
psi) of test pressure.
NOTE: If oil leakage is observed at the dipstick tube to block location; remove the
tube, clean and reseal using Mopar® Stud AND Bearing Mount (press fit
tube applications only), and for O-ring style tubes, remove tube and
replace the O-ring seal.
CAUTION: Do not exceed 20.6 kPa (3 psi).
CAUTION: Use extreme caution when crankshaft polishing is necessary to
remove minor nicks and scratches. The crankshaft seal flange is
especially machined to complement the function of the rear oil seal.
2009 Jeep Patriot Limited
2009 ENGINE 2.4L - Service Information - Compass & Patriot
a
Saturday, September 08, 2012 1:27:51 PM Page 8 © 2006 Mitchell Repair Information Company, LLC.
LEAK INSPECTION.
5. If the leak is not detected, very slowly turn the crankshaft and watch for leakage. If a leak is detected
between the crankshaft and seal while slowly turning the crankshaft, it is possible the crankshaft seal
surface is damaged. The seal area on the crankshaft could have minor nicks or scratches that can be
polished out with emery cloth.
6. For bubbles that remain steady with shaft rotation, no further inspection can be done until disassembled.
7. After the oil leak root cause and appropriate corrective action have been identified, replace component(s)
as necessary.
STANDARD PROCEDURE
ENGINE GASKET SURFACE PREPARATION
Fig. 2: Proper Tool Usage For Surface Preparation
Courtesy of CHRYSLER LLC
To ensure engine gasket sealing, proper surface preparation must be performed, especially with the use of
aluminum engine components and multi-layer steel cylinder head gaskets.
CAUTION: Do not exceed 20.6 kPa (3 psi).
CAUTION: Use extreme caution when crankshaft polishing is necessary to
remove minor nicks and scratches. The crankshaft seal flange is
especially machined to complement the function of the rear oil seal.
2009 Jeep Patriot Limited
2009 ENGINE 2.4L - Service Information - Compass & Patriot
a
Saturday, September 08, 2012 1:27:51 PM Page 9 © 2006 Mitchell Repair Information Company, LLC.
Never use the following to clean gasket surfaces:
Metal scraper (1).
Abrasive pad or paper to clean cylinder block and head.
High speed power tool with an abrasive pad or a wire brush (2, 3).
Fig. 3: Proper Tool Usage For Surface Preparation
Courtesy of CHRYSLER LLC
Only use the following for cleaning gasket surfaces:
Solvent or a commercially available gasket remover
Plastic or wood scraper (4).
Sealing surfaces must be free of grease or oil residue. Clean surfaces with Mopar® brake parts cleaner (or
equivalent).
REPAIR OF DAMAGED OR WORN THREADS
Damaged or worn threads (excluding spark plug and camshaft bearing cap attaching threads) can be repaired.
Essentially, this repair consists of drilling out worn or damaged threads, tapping the hole with a special Heli-
Coil Tap, (or equivalent) and installing an insert into the tapped hole. This brings the hole back to its original
thread size.
NOTE: Multi-Layer Steel (MLS) head gaskets require a scratch free sealing surface.
CAUTION: Be sure that the tapped holes maintain the original center line.
2009 Jeep Patriot Limited
2009 ENGINE 2.4L - Service Information - Compass & Patriot
a
Saturday, September 08, 2012 1:27:51 PM Page 10 © 2006 Mitchell Repair Information Company, LLC.
Heli-Coil tools and inserts are readily available from automotive parts jobbers.
HYDROSTATIC LOCKED ENGINE
When an engine is suspected to be hydrostatically locked, regardless of what caused the problem, the following
steps should be used.
1. Inspect air cleaner, induction system and intake manifold to insure system is dry and clear of foreign
material.
2. Remove negative battery cable.
3. Place a shop towel around the spark plugs when removing them from the engine. This will catch any fluid
that may possibly be in the cylinder under pressure.
4. With all spark plugs removed, rotate engine crankshaft using a breaker bar and socket.
5. Identify the fluid in the cylinder(s) (i.e., coolant, fuel, oil or other).
6. Make sure all fluid has been removed from the cylinders. Inspect engine for damage (i.e., connecting
rods, pistons, valves, etc.)
7. Repair engine or components as necessary to prevent this problem from re-occurring.
8. Install new spark plugs.
9. Drain engine oil and remove oil filter.
10. Install a new oil filter.
11. Fill engine with specified amount of approved oil.
12. Connect negative battery cable.
13. Start engine and check for any leaks.
FORM-IN-PLACE GASKETS AND SEALERS
There are numerous places where form-in-place gaskets are used on the engine. Care must be taken when
applying form-in-place gaskets to assure obtaining the desired results. Do not use form-in-place gasket
material unless specified. Bead size, continuity, and location are of great importance. Too thin a bead can
result in leakage while too much can result in spill-over which can break off and obstruct fluid feed lines. A
continuous bead of the proper width is essential to obtain a leak-free gasket. All sealing surfaces that use form-
CAUTION: DO NOT use starter motor to rotate the engine, severe damage may occur.
CAUTION: Squirt approximately one teaspoon of oil into the cylinders, rotate
engine to lubricate the cylinder walls to prevent damage on restart.
NOTE: All of the sealants mentioned below are not used on every engine, they are
listed as general reference guide. See Service Information for specific sealer
usage.
2009 Jeep Patriot Limited
2009 ENGINE 2.4L - Service Information - Compass & Patriot
a
Saturday, September 08, 2012 1:27:51 PM Page 11 © 2006 Mitchell Repair Information Company, LLC.
in-place gaskets and sealers must free of grease or oil. Surfaces should be cleaned with Mopar® brake parts
cleaner prior to sealer application. After the sealer is applied, the parts should be assembled in no more than 10
minutes.
There are numerous types of form-in-place gasket materials that are used in the engine area. Mopar® Engine
RTV GEN II, Mopar® ATF-RTV, and Mopar® Gasket Maker gasket materials, each have different properties
and can not be used in place of the other.
MOPAR® ENGINE RTV GEN II is used to seal components exposed to engine oil. This material is a
specially designed black silicone rubber RTV that retains adhesion and sealing properties when exposed to
engine oil. Moisture in the air causes the material to cure. This material is available in three ounce tubes and has
a shelf life of one year. After one year this material will not properly cure. Always inspect the package for the
expiration date before use.
MOPAR® ATF RTV is a specifically designed black silicone rubber RTV that retains adhesion and sealing
properties to seal components exposed to automatic transmission fluid, engine coolants, and moisture. This
material is available in three ounce tubes and has a shelf life of one year. After one year this material will not
properly cure. Always inspect the package for the expiration date before use.
MOPAR® GASKET MAKER is an anaerobic type gasket material. The material cures in the absence of air
when squeezed between two metallic surfaces. It will not cure if left in the uncovered tube. The anaerobic
material is for use between two machined surfaces. Do not use on flexible metal flanges.
MOPAR® BED PLATE SEALANT is a unique (green-in-color) anaerobic type gasket material that is
specially made to seal the area between the bed plate and cylinder block without disturbing the bearing
clearance or alignment of these components. The material cures slowly in the absence of air when torqued
between two metallic surfaces, and will rapidly cure when heat is applied.
MOPAR® GASKET SEALANT is a slow drying, permanently soft sealer. This material is recommended for
sealing threaded fittings and gaskets against leakage of oil and coolant. Can be used on threaded and machined
parts under all temperatures. This material also will prevent corrosion. Mopar® Gasket Sealant is available in a
13 oz. aerosol can or 4oz./16 oz. can w/applicator.
SEALER APPLICATION
Mopar® Gasket Maker material should be applied sparingly 1 mm (0.040 in.) diameter or less of sealant to one
gasket surface. Be certain the material surrounds each mounting hole. Excess material can easily be wiped off.
Components should be torqued in place within 15 minutes. The use of a locating dowel is recommended during
assembly to prevent smearing material off the location.
Mopar® Engine RTV GEN II or ATF RTV gasket material should be applied in a continuous bead
approximately 3 mm (0.120 in.) in diameter. All mounting holes must be circled. For corner sealing and "T"
joint locations, a 3.17 or 6.35 mm (1/8 or 1/4 in.) drop is placed in the center of the gasket contact area.
Uncured sealant may be removed with a shop towel. Components should be torqued in place while the sealant is
still wet to the touch (within 10 minutes). The usage of a locating dowel is recommended during assembly to
prevent smearing material off the location.
2009 Jeep Patriot Limited
2009 ENGINE 2.4L - Service Information - Compass & Patriot
a
Saturday, September 08, 2012 1:27:51 PM Page 12 © 2006 Mitchell Repair Information Company, LLC.
Mopar® Gasket Sealant in an aerosol can should be applied using a thin, even coat sprayed completely over
both surfaces to be joined, and both sides of a gasket. Then proceed with assembly. Material in a can
w/applicator can be brushed on evenly over the sealing surfaces.
CORE/GALLERY PLUGS
CYLINDER HEAD CORE PLUGS
Fig. 4: Core Hole Plug Removal
Courtesy of CHRYSLER LLC
Using a blunt tool (3) such as a drift and a hammer, strike the bottom edge of the cup plug (5). With the cup
plug rotated, grasp firmly with pliers or other suitable tool (2) and remove plug (5).
Thoroughly clean inside of cup plug hole in cylinder head. Be sure to remove old sealer. Lightly coat inside of
cup plug hole with Mopar® Stud and Bearing Mount (or equivalent). Make certain the new plug is cleaned of
all oil or grease. Using proper drive plug, drive plug into hole so that the sharp edge of the plug is at least 0.5
mm (0.020 in.) inside the lead-in chamfer.
It is not necessary to wait for curing of the sealant. The cooling system can be refilled and the vehicle placed in
service immediately.
MEASURING BEARING CLEARANCE USING PLASTIGAGE
CAUTION: Do not drive cup plug into the casting as restricted cooling can result and
cause serious engine problems.
2009 Jeep Patriot Limited
2009 ENGINE 2.4L - Service Information - Compass & Patriot
a
Saturday, September 08, 2012 1:27:51 PM Page 13 © 2006 Mitchell Repair Information Company, LLC.
Fig. 5: Plastigage Placed in Lower Shell-Typical
Courtesy of CHRYSLER LLC
Engine crankshaft bearing clearances can be determined by use of Plastigage or equivalent. The following is the
recommended procedure for the use of Plastigage:
1. Remove oil film from surface to be checked. Plastigage is soluble in oil.
2. Place a piece of Plastigage (1) across the entire width of the journal. (In addition, suspected areas can be
checked by placing the Plastigage in the suspected area). Torque the bearing cap bolts of the bearing
being checked to the proper specifications.
3. Remove the bearing cap and compare the width of the flattened Plastigage with the scale provided on the
package. Locate the band closest to the same width. This band shows the amount of clearance.
Differences in readings between the ends indicate the amount of taper present. Record all readings taken.
Compare clearance measurements to specs found in engine specifications. See Engine - Specifications.
Plastigage generally is accompanied by two scales. One scale is in inches, the other is a metric scale.
4. Install the proper crankshaft bearings to achieve the specified bearing clearances.
REMOVAL
ENGINE COVER
NOTE: Plastigage is available in a variety of clearance ranges. Use the most
appropriate range for the specifications you are checking.
2009 Jeep Patriot Limited
2009 ENGINE 2.4L - Service Information - Compass & Patriot
a
Saturday, September 08, 2012 1:27:51 PM Page 14 © 2006 Mitchell Repair Information Company, LLC.
Fig. 6: Engine Cover - 2.4L
Courtesy of CHRYSLER LLC
1. Remove engine cover (1) by pulling upwards.
ENGINE
Fig. 7: Engine Cover - 2.4L
Courtesy of CHRYSLER LLC
1. Remove hood.
2. Remove engine cover (1).
2009 Jeep Patriot Limited
2009 ENGINE 2.4L - Service Information - Compass & Patriot
a
Saturday, September 08, 2012 1:27:51 PM Page 15 © 2006 Mitchell Repair Information Company, LLC.
Fig. 8: Coil Connector
Courtesy of CHRYSLER LLC
3. Perform fuel pressure release procedure. Refer to Fuel System/Fuel Delivery - Standard Procedure ,
then disconnect and remove fuel line (3).
4. Remove make-up air hose (2).
Fig. 9: Air Cleaner Inlet
Courtesy of CHRYSLER LLC
5. Loosen retainers (5) and remove air inlet tube (2).
2009 Jeep Patriot Limited
2009 ENGINE 2.4L - Service Information - Compass & Patriot
a
Saturday, September 08, 2012 1:27:51 PM Page 16 © 2006 Mitchell Repair Information Company, LLC.
Fig. 10: Air Cleaner Housing
Courtesy of CHRYSLER LLC
6. Disconnect intake air temperature sensor electrical connector (4).
7. Remove clean air tube from air cleaner housing (5).
8. Remove air cleaner housing assembly (1). See Engine/Air Intake System/BODY, Air Cleaner -
Removal.
Fig. 11: Battery
Courtesy of CHRYSLER LLC
9. Disconnect both cables from battery and remove battery (3).
2009 Jeep Patriot Limited
2009 ENGINE 2.4L - Service Information - Compass & Patriot
a
Saturday, September 08, 2012 1:27:51 PM Page 17 © 2006 Mitchell Repair Information Company, LLC.
Fig. 12: Battery Tray
Courtesy of CHRYSLER LLC
10. Remove battery tray (1).
11. Discharge air conditioning system, if equipped. Refer to Heating and Air Conditioning/Plumbing -
Standard Procedure .
12. Drain cooling system. Refer to Cooling - Standard Procedure .
Fig. 13: Coolant Reservoir
Courtesy of CHRYSLER LLC
13. Remove coolant reservoir (3).
14. Remove power steering reservoir (2).
15. Remove windshield washer reservoir (1).
2009 Jeep Patriot Limited
2009 ENGINE 2.4L - Service Information - Compass & Patriot
a
Saturday, September 08, 2012 1:27:51 PM Page 18 © 2006 Mitchell Repair Information Company, LLC.
Fig. 14: Coolant Adapter
Courtesy of CHRYSLER LLC
16. Remove coolant hoses from coolant adapter (3).
17. Disconnect coolant temperature sensor connector (1) and capacitor connector (2).
Fig. 15: Radiator Hose Support
Courtesy of CHRYSLER LLC
18. Remove upper radiator hose support (1).
2009 Jeep Patriot Limited
2009 ENGINE 2.4L - Service Information - Compass & Patriot
a
Saturday, September 08, 2012 1:27:51 PM Page 19 © 2006 Mitchell Repair Information Company, LLC.
Fig. 16: Coil Connector
Courtesy of CHRYSLER LLC
19. Disconnect coils (1), injectors (4), cam sensors, oil temperature sensor, and oil control valve electrical
connectors and reposition harness.
20. Remove PCV hose (5) from valve cover.
Fig. 17: Throttle Body Support
Courtesy of CHRYSLER LLC
21. Remove harness from intake (2).
22. Remove throttle body support bracket (1).
23. Remove vacuum lines from intake manifold.
24. Disconnect electronic throttle control and manifold flow control valve electrical connectors.
2009 Jeep Patriot Limited
2009 ENGINE 2.4L - Service Information - Compass & Patriot
a
Saturday, September 08, 2012 1:27:51 PM Page 20 © 2006 Mitchell Repair Information Company, LLC.
Fig. 18: Torque Sequence
Courtesy of CHRYSLER LLC
25. Remove dipstick.
26. Remove intake bolts (1-5) and remove intake.
27. Disconnect coolant temperature sensor at block, knock sensor, oil pressure sensor, generator, starter,
block heater (if equipped), A/C compressor (if equipped), and block ground.
28. Remove accessory drive belt.
Fig. 19: Power Steering Line Support
Courtesy of CHRYSLER LLC
29. Remove power steering line support at engine mount (1).
2009 Jeep Patriot Limited
2009 ENGINE 2.4L - Service Information - Compass & Patriot
a
Saturday, September 08, 2012 1:27:51 PM Page 21 © 2006 Mitchell Repair Information Company, LLC.
Fig. 20: P/S Hose Support - FWD
Courtesy of CHRYSLER LLC
30. On FWD vehicles, remove power steering hose support from exhaust manifold (2).
31. Remove power steering pump and set aside.
Fig. 21: Ground Strap
Courtesy of CHRYSLER LLC
32. Remove ground strap (1) at right strut tower.
33. Raise vehicle.
2009 Jeep Patriot Limited
2009 ENGINE 2.4L - Service Information - Compass & Patriot
a
Saturday, September 08, 2012 1:27:51 PM Page 22 © 2006 Mitchell Repair Information Company, LLC.
Fig. 22: Damper Removal
Courtesy of CHRYSLER LLC
34. Install Damper holder 9707 (1).
35. Remove crankshaft damper bolt and remove damper.
36. Remove right wheel.
37. Remove right splash shield.
Fig. 23: Oil Drain Plug
Courtesy of CHRYSLER LLC
38. Drain oil (2).
2009 Jeep Patriot Limited
2009 ENGINE 2.4L - Service Information - Compass & Patriot
a
Saturday, September 08, 2012 1:27:51 PM Page 23 © 2006 Mitchell Repair Information Company, LLC.
Fig. 24: Exhaust Pipe To Manifold Bolts
Courtesy of CHRYSLER LLC
39. On AWD vehicles, remove maniveter. See Engine/Manifolds/MANIFOLD, Exhaust - Removal.
40. Remove exhaust pipe to exhaust manifold bolts (1).
41. Disconnect oxygen sensor connector (3).
Fig. 25: Exhaust Pipe
Courtesy of CHRYSLER LLC
42. On FWD vehicles, pull the exhaust pipe (1) rearward with a suitable strap (2).
2009 Jeep Patriot Limited
2009 ENGINE 2.4L - Service Information - Compass & Patriot
a
Saturday, September 08, 2012 1:27:51 PM Page 24 © 2006 Mitchell Repair Information Company, LLC.
Fig. 26: Inspection Cover
Courtesy of CHRYSLER LLC
43. Remove inspection cover (1) and mark torque converter to flywheel.
Fig. 27: Modular Clutch To Flex Plate Bolts
Courtesy of CHRYSLER LLC
44. On vehicles equipped with an automatic transaxle, remove torque converter bolts (1).
45. On vehicles equipped with an manual transaxle, remove modular clutch bolts (1).
46. Remove lower bellhousing bolts (2).
2009 Jeep Patriot Limited
2009 ENGINE 2.4L - Service Information - Compass & Patriot
a
Saturday, September 08, 2012 1:27:51 PM Page 25 © 2006 Mitchell Repair Information Company, LLC.
Fig. 28: A/C Compressor
Courtesy of CHRYSLER LLC
47. Remove A/C compressor (1).
48. Remove generator and lower idler pulley.
Fig. 29: Crankshaft Position Sensor
Courtesy of CHRYSLER LLC
49. Disconnect crankshaft position sensor (2) electrical connector.
50. Remove crankshaft position sensor (2).
2009 Jeep Patriot Limited
2009 ENGINE 2.4L - Service Information - Compass & Patriot
a
Saturday, September 08, 2012 1:27:51 PM Page 26 © 2006 Mitchell Repair Information Company, LLC.
Fig. 30: Lift Chain
Courtesy of CHRYSLER LLC
51. Remove exhaust variable valve timing solenoid.
52. Install engine lift chain (1).
53. Install engine lift chain to rear lift hook.
54. Install appropriate engine lifting crane.
Fig. 31: Right Engine Mount
Courtesy of CHRYSLER LLC
55. Remove engine mount through bolt (4).
56. Remove right engine mount bracket retaining bolts (3).
2009 Jeep Patriot Limited
2009 ENGINE 2.4L - Service Information - Compass & Patriot
a
Saturday, September 08, 2012 1:27:51 PM Page 27 © 2006 Mitchell Repair Information Company, LLC.
57. Remove engine mount adapter (2).
58. Raise engine away from vehicle.
INSTALLATION
ENGINE COVER
Fig. 32: Engine Cover - 2.4L
Courtesy of CHRYSLER LLC
1. Position engine cover (1) over mounting studs.
2. Seat the cover on the rear studs by pushing downwards.
3. Push downward on the front of the cover to seat the front studs.
ENGINE
2009 Jeep Patriot Limited
2009 ENGINE 2.4L - Service Information - Compass & Patriot
a
Saturday, September 08, 2012 1:27:51 PM Page 28 © 2006 Mitchell Repair Information Company, LLC.
Fig. 33: Lift Chain
Courtesy of CHRYSLER LLC
1. Position engine over engine compartment and slowly lower into place.
2. Align engine and transaxle.
3. Install upper bellhousing bolts and tighten.
Fig. 34: Right Engine Mount
Courtesy of CHRYSLER LLC
4. Install mounting bolts (3) at the right mount bolts and tighten bolts to 118 N.m (87 ft. lbs.).
2009 Jeep Patriot Limited
2009 ENGINE 2.4L - Service Information - Compass & Patriot
a
Saturday, September 08, 2012 1:27:51 PM Page 29 © 2006 Mitchell Repair Information Company, LLC.
Fig. 35: Modular Clutch To Flex Plate Bolt
Courtesy of CHRYSLER LLC
5. Install clutch to flex plate bolts (1).
6. Install lower bell housing bolts (2) and tighten.
Fig. 36: Inspection Cover
Courtesy of CHRYSLER LLC
7. Install inspection cover (1).
2009 Jeep Patriot Limited
2009 ENGINE 2.4L - Service Information - Compass & Patriot
a
Saturday, September 08, 2012 1:27:51 PM Page 30 © 2006 Mitchell Repair Information Company, LLC.
Fig. 37: Crankshaft Position Sensor
Courtesy of CHRYSLER LLC
8. Connect crankshaft position sensor (2). Connect crankshaft position sensor electrical connector.
9. On AWD vehicles, install maniverter. See Engine/Manifolds/MANIFOLD, Exhaust - Installation.
Fig. 38: Ground Strap
Courtesy of CHRYSLER LLC
10. Install Ground strap (1).
11. Raise vehicle.
2009 Jeep Patriot Limited
2009 ENGINE 2.4L - Service Information - Compass & Patriot
a
Saturday, September 08, 2012 1:27:51 PM Page 31 © 2006 Mitchell Repair Information Company, LLC.
Fig. 39: Exhaust To Maniverter Bolts
Courtesy of CHRYSLER LLC
12. On AWD vehicles, install maniverter to exhaust pipe bolts (1) and tighten bolts.
Fig. 40: Exhaust Pipe
Courtesy of CHRYSLER LLC
13. On FWD vehicles, remove strap (2) from exhaust pipe (1).
2009 Jeep Patriot Limited
2009 ENGINE 2.4L - Service Information - Compass & Patriot
a
Saturday, September 08, 2012 1:27:51 PM Page 32 © 2006 Mitchell Repair Information Company, LLC.
Fig. 41: Manifold To Exhaust Pipe Bolts
Courtesy of CHRYSLER LLC
14. On FWD vehicles, install new manifold to catalytic converter gasket (1) and install catalytic converter to
exhaust manifold and tighten.
15. Connect oxygen sensor electrical connector (3).
16. Install generator.
Fig. 42: A/C Compressor
Courtesy of CHRYSLER LLC
17. Install A/C compressor (1).
2009 Jeep Patriot Limited
2009 ENGINE 2.4L - Service Information - Compass & Patriot
a
Saturday, September 08, 2012 1:27:51 PM Page 33 © 2006 Mitchell Repair Information Company, LLC.
Fig. 43: Damper Removal
Courtesy of CHRYSLER LLC
18. Install crankshaft damper.
19. Apply clean engine oil crankshaft damper bolt threads and between bolt head and washer. Tighten bolt to
210 N.m (155 ft. lbs.).
20. Install right splash shield.
21. Install right tire.
Fig. 44: Oil Cooler
Courtesy of CHRYSLER LLC
22. Install oil cooler if equipped (2). See Engine/Lubrication/COOLER, Oil - Installation.
2009 Jeep Patriot Limited
2009 ENGINE 2.4L - Service Information - Compass & Patriot
a
Saturday, September 08, 2012 1:27:51 PM Page 34 © 2006 Mitchell Repair Information Company, LLC.
23. Connect coolant hoses to oil cooler (2), if equipped.
24. Install new oil filter (3).
25. Lower vehicle.
26. Install upper idler pulley.
Fig. 45: Power Steering Line Support
Courtesy of CHRYSLER LLC
27. Install power steering pump.
28. Install power steering line support bracket at engine mount (1).
Fig. 46: P/S Hose Support - FWD
Courtesy of CHRYSLER LLC
2009 Jeep Patriot Limited
2009 ENGINE 2.4L - Service Information - Compass & Patriot
a
Saturday, September 08, 2012 1:27:51 PM Page 35 © 2006 Mitchell Repair Information Company, LLC.
29. On FWD vehicles, install power steering hose support (2) at exhaust manifold.
30. Install accessory drive belt.
Fig. 47: Torque Sequence
Courtesy of CHRYSLER LLC
31. Connect electrical connectors at block ground, starter, A/C compressor, knock sensor, Oil pressure
sensor, generator, Coolant temperature sensor at block, and block heater.
32. Install intake manifold and tighten bolts as shown in illustration.
Fig. 48: Throttle Body Support
Courtesy of CHRYSLER LLC
33. Install throttle body support bracket (1).
34. Install engine oil dip stick.
2009 Jeep Patriot Limited
2009 ENGINE 2.4L - Service Information - Compass & Patriot
a
Saturday, September 08, 2012 1:27:51 PM Page 36 © 2006 Mitchell Repair Information Company, LLC.
35. Install vacuum lines at throttle body and intake manifold.
36. Connect manifold flow control valve and electronic throttle control electrical connectors and fasten
harness to intake.
Fig. 49: Coil Connector
Courtesy of CHRYSLER LLC
37. Install intake air tube on throttle body.
38. Install PCV hose (5) to valve cover.
39. Connect fuel line (3) to fuel rail.
40. Connect coils (1), injectors (4), oil temperature sensor, cam position sensors.
Fig. 50: Radiator Hose Support
Courtesy of CHRYSLER LLC
2009 Jeep Patriot Limited
2009 ENGINE 2.4L - Service Information - Compass & Patriot
a
Saturday, September 08, 2012 1:27:51 PM Page 37 © 2006 Mitchell Repair Information Company, LLC.
41. Install upper radiator support bracket (1).
Fig. 51: Coolant Adapter
Courtesy of CHRYSLER LLC
42. Connect engine coolant temperature sensor (1), and capacitor (2).
43. Install coolant hoses at coolant adapter (3).
44. Connect purge hose (4).
Fig. 52: Coolant Reservoir
Courtesy of CHRYSLER LLC
45. Install coolant reservoir (3) and connect hose.
2009 Jeep Patriot Limited
2009 ENGINE 2.4L - Service Information - Compass & Patriot
a
Saturday, September 08, 2012 1:27:51 PM Page 38 © 2006 Mitchell Repair Information Company, LLC.
Fig. 53: Battery Tray
Courtesy of CHRYSLER LLC
46. Install battery tray (1).
Fig. 54: Battery
Courtesy of CHRYSLER LLC
47. Install hood.
48. Install battery (3).
49. Connect battery cables.
2009 Jeep Patriot Limited
2009 ENGINE 2.4L - Service Information - Compass & Patriot
a
Saturday, September 08, 2012 1:27:51 PM Page 39 © 2006 Mitchell Repair Information Company, LLC.
Fig. 55: Air Cleaner Housing
Courtesy of CHRYSLER LLC
50. Install air cleaner housing (1) and connect inlet air hose (5).
Fig. 56: Air Cleaner Inlet
Courtesy of CHRYSLER LLC
51. Install fresh air inlet (2) and tighten retainers (5).
52. Fill with coolant. Refer to Cooling - Standard Procedure .
53. Fill with oil.
2009 Jeep Patriot Limited
2009 ENGINE 2.4L - Service Information - Compass & Patriot
a
Saturday, September 08, 2012 1:27:51 PM Page 40 © 2006 Mitchell Repair Information Company, LLC.
Fig. 57: Engine Cover - 2.4L
Courtesy of CHRYSLER LLC
54. Start engine and check for leaks.
55. Install engine cover (1).
SPECIFICATIONS
2.4L ENGINE
GENERAL SPECIFICATIONS
CYLINDER BLOCK
DESCRIPTION SPECIFICATION
Metric Standard
Type In-Line OHV, DOHC
Number of Cylinders 4
Firing Order 1-3-4-2
Compression Ratio 10.5:1
Displacement 2.4 Liters 146.5 cu. in.
Bore 88 mm 3.465 in.
Stroke 97 mm 3.819 in.
Compression Pressure 1172 - 1551 kPa 170 - 225 psi
Max. Variation Between Cylinders 25%
DESCRIPTION SPECIFICATION
Metric Standard
Material Cast Aluminum
2009 Jeep Patriot Limited
2009 ENGINE 2.4L - Service Information - Compass & Patriot
a
Saturday, September 08, 2012 1:27:51 PM Page 41 © 2006 Mitchell Repair Information Company, LLC.
PISTONS
PISTON RINGS
Cylinder Bore Diameter
A 88.000 - 88.010 mm 3.4645 - 3.4649 in.
B 88.010 - 88.020 mm 3.4649 - 3.4653 in.
C 88.020 - 88.030 mm 3.4653 - 3.4657 in.
Cylinder Bore Out-of-Round
(Max.)
0.020 mm 0.0008 in.
Cylinder Bore Diameter Taper
(Max.)
0.028 mm 0.001 in.
Main Bearing Bore Diameter
1 56.000 - 56.006 mm 2.2047 - 2.2049 in.
2 56.006 - 56.012 mm 2.2049 - 2.2051 in.
3 56.012 - 56.018 mm 2.2051 - 2.2054 in.
Main Bearing Bore Diameter
Taper (Max.)
0.0082 mm 0.0003 in.
DESCRIPTION SPECIFICATION
Metric Standard
Piston Diameter
A 87.995 - 88.015 mm 3.4644 - 3.4652 in.
B 88.005 - 88.025 mm 3.4648 - 3.4656 in.
C 88.015 - 88.035 mm 3.4652 - 3.4659 in.
Clearance to Bore (-0.015) - 0.015 mm (-0.0006) - 0.0006 in.
Weight 302 - 312 grams 10.65 - 11.00 oz.
Land Clearance (Diametrical) 0.60 - 0.73 mm 0.0236 - 0.0287 in.
Piston Length 51.5 mm 2.028 in.
Piston Ring Groove Depth No. 1 3.51 - 3.68 mm 0.1382 - 0.0256 in.
Piston Ring Groove Depth No. 2 4.05 - 4.25 mm 0.1594 - 0.1673 in.
Piston Ring Groove Depth No. 3 2.70 - 2.90 mm 0.1063 - 0.1142 in.
DESCRIPTION SPECIFICATION
Metric Standard
Ring Gap-Top Compression Ring 0.15 - 0.30 mm 0.0059 - 0.0118 in.
Wear Limit 0.8 mm 0.031 in.
Ring Gap-2nd Compression Ring 0.30 - 0.45 mm 0.0118 - 0.0177 in.
Wear Limit 0.8 mm 0.031 in.
Ring Gap-Oil Control Steel Rails 0.20 - 0.70 mm 0.0079 - 0.0276 in.
Wear Limit 1.0 mm 0.039 in.
Ring Side Clearance-Compression
Rings
0.03 - 0.07 mm 0.1182 - 0.0028 in.
2009 Jeep Patriot Limited
2009 ENGINE 2.4L - Service Information - Compass & Patriot
a
Saturday, September 08, 2012 1:27:51 PM Page 42 © 2006 Mitchell Repair Information Company, LLC.
CONNECTING ROD
CRANKSHAFT
Wear Limit 0.10 mm 0.004 in.
Ring Side Clearance-Oil Ring
Pack
0.06 - 0.15 mm 0.0024 - 0.0059 in.
Ring Width-Top Compression
Ring
2.95 - 3.25 mm 0.1161 - 0.1280 in.
Ring Width-2nd Compression
Ring 3.45 - 3.75 mm 0.1358 - 0.1476 in.
Ring Width-Oil Ring Pack 2.30 - 2.60 mm 0.0906 - 0.1024 in.
Ring Thickness-Top Compression
Ring
1.17 - 1.19 mm 0.0461 - 0.0469 in.
Ring Thickness-2nd Compression
Ring
1.17 - 1.19 mm 0.0461 - 0.0469 in.
Ring Thickness-Oil Ring Pack 1.88 - 1.95 mm 0.0740 - 0.0768 in.
DESCRIPTION SPECIFICATION
Metric Standard
Bearing Clearance 0.032 - 0.060 mm 0.0012 - 0.0023 in.
Wear Limit 0.070 mm 0.0027 in.
Bore Diameter-Piston Pin 20.974 - 20.985 mm 0.8257 - 0.8261 in.
Bore Diameter-Crankshaft End 51 - 51.015 mm 2.0078 - 2.0084 in.
Side Clearance 0.1 - 0.25 mm 0.0039 - 0.00098 in.
Wear Limit 0.27 mm 0.0106 in.
Weight-Total (Less Bearing) 484 grams 17.07 oz.
DESCRIPTION
SPECIFICATION
Metric Standard
Connecting Rod Journal Diameter
Journal Grade
1 47.966 - 47.972 mm 1.8884 - 1.8886 in.
2 47.960 - 47.966 mm 1.8884 - 1.8881 in.
3 47.954 - 47.960 mm 1.8879 - 1.8881 in.
Rod Journal- Taper (Max) 0.005 mm 0.0001 in.
Main Bearing Journal Diameter
Journal Grade
0 51.985 - 51.988 mm 2.0466 - 2.0467 in.
1 51.982 - 51.985 mm 2.0465 - 2.0466 in.
2 51.979 - 51.982 mm 2.0464 - 2.0465 in.
3 51.976 - 51.979 mm 2.0462 - 2.0464 in.
4 51.973 - 51.976 mm 2.0461 - 2.0462 in.
Journal Out-of-Round (Max.) 0.005 mm 0.0001 in.
2009 Jeep Patriot Limited
2009 ENGINE 2.4L - Service Information - Compass & Patriot
a
Saturday, September 08, 2012 1:27:51 PM Page 43 © 2006 Mitchell Repair Information Company, LLC.
CYLINDER HEAD CAMSHAFT BEARING BORE DIAMETER
CAMSHAFT
Journal Taper (Max.) 0.006 mm 0.0002 in.
End Play 0.05 - 0.25 mm 0.0019 - 0.0098 in.
Wear Limit 0.30 mm 0.0118 in.
Main Bearing Diametrical
Clearance
0.028 - 0.048 mm 0.0011 - 0.0018 in.
Main Bearing Diametrical
Clearance (Max)
0.058 mm 0.0022 in.
DESCRIPTION SPECIFICATION
Metric Standard
Cam Bearing Bore
Front Intake 30.000 - 30.021 mm 1.1810 - 1.1819 in.
Front Exhaust 40.000 - 40.024 mm 1.5747 - 1.5756 in.
Cam Bearing Bore No. 1-4 24.000 - 24.021 mm 0.9448 - 0.9457 in.
DESCRIPTION SPECIFICATION
Metric Standard
Cam Journal Diameter
Front Intake Cam 29.964 - 29.980 mm 1.1797 - 1.1803 in.
Front Exhaust Cam 35.984 - 36.000 mm 1.4166 - 1.4173 in.
Cam Journal Diameter No. 1-4 23.954 - 23.970 mm 0.943 - 0.944 in.
Bearing Clearance - Diametrical
Front Intake Journal 0.020 - 0.057 mm 0.0008 - 0.0022 in.
Front Exhaust Journal 0.019 - 0.051 mm 0.0007 - 0.0020 in.
All Others 0.020 - 0.067 mm 0.0008 - 0.0026 in.
End Play 0.11 - 0.25 mm 0.004 - 0.009 in.
Max Lift @ 0.2 mm (0.007 in.) lash
Intake 9.2 mm 0.362 in.
Max Lift @ 0.28 mm (0.011 in.) lash
Exhaust 8.42 mm 0.331 in.
Intake Valve Timing w/ VVT in lock-pin position*
Closes (ABDC) 49.3°
Opens (ATDC) 10.3°
Duration 219°
Exhaust Valve Timing w/ VVT in lock-pin position*
Closes (BTDC) 8.45°
Opens (BBDC) 45°
Duration 216.55°
Valve Overlap @ 0.5 mm (0.019 18.75°
2009 Jeep Patriot Limited
2009 ENGINE 2.4L - Service Information - Compass & Patriot
a
Saturday, September 08, 2012 1:27:51 PM Page 44 © 2006 Mitchell Repair Information Company, LLC.
CYLINDER HEAD
VALVE SEAT
VALVE GUIDE
VALVES
in.) w/ VVT in lock-pin position
* All reading in crankshaft degrees at 0.5 mm (0.019 in.) valve lift.
DESCRIPTION SPECIFICATION
Metric Standard
Material Cast Aluminum - Heat treated
Gasket Thickness (Compressed) 0.54 mm 0.021 in.
Valve Tappet Bore I.D. 32.000 - 32.025 mm 1.2598 - 1.2608 in.
Valve Tappet O.D. 31.964 - 31.980 mm 1.2584 - 1.2590 in.
DESCRIPTION SPECIFICATION
Metric Standard
Angle 44.75° - 45.10°
Seat Outer Diameter - Intake 34.45 - 34.61 mm 1.3562 - 1.3625 in.
Seat Outer Diameter - Exhaust 28.04 - 28.20 mm 1.1039 - 1.1102 in.
Runout (Max.) 0.05 mm 0.002 in.
Valve Seat Width
Intake 1.16 - 1.46 mm 0.0456 - 0.0574 in.
Service Limit 2.0 mm 0.079 in.
Exhaust 1.35 - 1.65 mm 0.0531 - 0.0649 in.
Service Limit 2.5 mm 0.098 in.
DESCRIPTION SPECIFICATION
Metric Standard
Diameter I.D. 5.500 - 5.518 mm 0.2165 - 0.2172 in.
Guide Bore Diameter 10.983 - 11.001 mm 0.432 - 0.4331 in.
Guide Height (spring seat to guide
tip)
14.6 - 15.2 mm 0.5748 - 0.5984 in.
DESCRIPTION SPECIFICATION
Metric Standard
Face Angle - Intake and Exhaust 45.25° - 45.75°
Head Diameter - Intake 34.9 - 35.1 mm 1.374 - 1.3818 in.
Head Diameter - Exhaust 28.9 - 29.1 mm 1.1377 - 1.1456 in.
Valve Lash
Intake 0.17 - 0.23 mm 0.006 - 0.009 in.
Exhaust 0.27 - 0.33 mm 0.010 - 0.012 in.
2009 Jeep Patriot Limited
2009 ENGINE 2.4L - Service Information - Compass & Patriot
a
Saturday, September 08, 2012 1:27:51 PM Page 45 © 2006 Mitchell Repair Information Company, LLC.
VALVE MARGIN
VALVE STEM TIP
VALVE STEM TO GUIDE CLEARANCE
VALVE SPRINGS
OIL PRESSURE
Valve Length (Overall)
Intake 113.18 mm 4.455 in.
Exhaust 105.887 mm 4.168 in.
Valve Stem Diameter
Intake 5.465 - 5.480 mm 0.2151 - 0.2157 in.
Exhaust 5.458 - 5.470 mm 0.2148 - 0.2153 in.
DESCRIPTION SPECIFICATION
Metric Standard
Intake 0.672 mm 0.0264 in.
Exhaust 0.744 mm 0.02929 in.
DESCRIPTION SPECIFICATION
Metric Standard
Intake 48.04 mm 1.891 in.
Exhaust 47.99 mm 1.889 in.
DESCRIPTION SPECIFICATION
Metric Standard
Intake 0.020 - 0.053 mm 0.0008 - 0.0021 in.
Max. Allowable 0.076 mm 0.003 in.
Exhaust 0.030 - 0.060 mm 0.0012 - 0.0024 in.
Max. Allowable 0.101 mm 0.004 in.
DESCRIPTION SPECIFICATION
Metric Standard
Free Length (Approx.) 47.0 mm 1.850 in.
Nominal Force (Valve Closed) 179.5 N ± 9 @ 35.0 mm 40.35 lbs. @ 1.38 in.
Nominal Force (Valve Open) 364.8 N ± 17 N @ 29.25 mm 82.01 lbs. ± 3.82 lbs. @ 1.152 in.
Installed Height 35.00 mm 1.378 in.
Number of Coils 8.5 ± 0.1
Wire Diameter 2.90 mm ± 0.03 0.114 in ± 0.001 in.
DESCRIPTION SPECIFICATION
Metric Standard
At Curb Idle Speed* 25 kPa 4 psi min.
2009 Jeep Patriot Limited
2009 ENGINE 2.4L - Service Information - Compass & Patriot
a
Saturday, September 08, 2012 1:27:51 PM Page 46 © 2006 Mitchell Repair Information Company, LLC.
TORQUE
At 3000 rpm 170 - 550 kPa 25 - 80 psi
CAUTION:
*If pressure is ZERO at curb idle, DO NOT run engine at 3000 rpm.
DESCRIPTION N.m Ft. Lbs. In. Lbs.
Balance Shaft Module Refer to Procedure
Bell Housing-Bolts 48 35 -
Camshaft Bearing Cap-Bolts - - -
M6 Bolts 12 - 106
M8 Bolts 30 22 -
Coils 8 - 71
Connecting Rod Cap-Bolts 20 + 90° 15 + 90° -
Coolant Temperature Sender 18 13 -
Crankshaft Main Bearing Cap-Bolts Refer to Procedure
Crankshaft Damper-Bolt 210 155 -
Cylinder Head-Bolts Refer to Procedure
Cylinder Head Cover-Bolts Refer to Procedure
Engine Support Bracket-Bolts 40 30 -
Exhaust Manifold-Bolts 34 25 -
Exhaust Manifold Heat Shield-Bolts - - -
M6x25mm Bolts 7 - 62
M6x70mm Bolts 9 - 80
Flex Plate to Crankshaft-Bolts 29 + 51° 22 + 51° -
Intake Manifold-Bolts 24 18 -
Ladder Frame 22 16 -
Oil Cooler Connector Bolt 49 36 -
Oil Filter 14 10 -
Oil Filter Nipple 49 36 -
Oil Jet Fastener 12 - 106
Oil Pan-Bolts - - -
M6 Bolts 9 - 80
M8 Bolts 24 18 -
Oil Pan Drain-Plug 40 30 -
Oil Pressure Switch 8 - 71
PCV Valve 5 - 44
Phaser to Camshaft-Bolt 59 44 -
Spark Plugs 27 20 239
Timing Chain Cover - - -
M6 Bolts 9 - 80
2009 Jeep Patriot Limited
2009 ENGINE 2.4L - Service Information - Compass & Patriot
a
Saturday, September 08, 2012 1:27:51 PM Page 47 © 2006 Mitchell Repair Information Company, LLC.
SPECIAL TOOLS
SPECIAL TOOLS
Fig. 58: Gauge, Pressure
Courtesy of CHRYSLER LLC
Fig. 59: Driver Handle, Universal
Courtesy of CHRYSLER LLC
M8 Bolts 26 19 -
Timing Chain Tensioner Assembly-Bolts 12 - 106
Timing Chain Guides 12 - 106
2009 Jeep Patriot Limited
2009 ENGINE 2.4L - Service Information - Compass & Patriot
a
Saturday, September 08, 2012 1:27:51 PM Page 48 © 2006 Mitchell Repair Information Company, LLC.
Fig. 60: Bloc-Chek-Kit
Courtesy of CHRYSLER LLC
Fig. 61: Tester, Cooling System
Courtesy of CHRYSLER LLC
Fig. 62: Pressure Transducer, RPL
Courtesy of CHRYSLER LLC
2009 Jeep Patriot Limited
2009 ENGINE 2.4L - Service Information - Compass & Patriot
a
Saturday, September 08, 2012 1:27:51 PM Page 49 © 2006 Mitchell Repair Information Company, LLC.
Fig. 63: Adapter, Pressure PEP
Courtesy of CHRYSLER LLC
Fig. 64: DRBIII® Economy Kit
Courtesy of CHRYSLER LLC
Fig. 65: Installer, Oil Seal
Courtesy of CHRYSLER LLC
2009 Jeep Patriot Limited
2009 ENGINE 2.4L - Service Information - Compass & Patriot
a
Saturday, September 08, 2012 1:27:51 PM Page 50 © 2006 Mitchell Repair Information Company, LLC.
Fig. 66: Holder, Vibration Damper
Courtesy of CHRYSLER LLC
Fig. 67: Wedge, Locking
Courtesy of CHRYSLER LLC
2009 Jeep Patriot Limited
2009 ENGINE 2.4L - Service Information - Compass & Patriot
a
Saturday, September 08, 2012 1:27:51 PM Page 51 © 2006 Mitchell Repair Information Company, LLC.
Fig. 68: Installer, Oil Seal
Courtesy of CHRYSLER LLC
Fig. 69: Installer, Rear Main Seal
Courtesy of CHRYSLER LLC
2009 Jeep Patriot Limited
2009 ENGINE 2.4L - Service Information - Compass & Patriot
a
Saturday, September 08, 2012 1:27:51 PM Page 52 © 2006 Mitchell Repair Information Company, LLC.
Fig. 70: Pin, Tensioner
Courtesy of CHRYSLER LLC
PLATE, IDENTIFICATION
DESCRIPTION
DESCRIPTION
Fig. 71: Serial Number
Courtesy of CHRYSLER LLC
The engine serial number (1) is located between the oil pan and the bellhousing. The serial number contains
engine build date, build location, and displacement.
Example: 8CAP1339710217
2009 Jeep Patriot Limited
2009 ENGINE 2.4L - Service Information - Compass & Patriot
a
Saturday, September 08, 2012 1:27:51 PM Page 53 © 2006 Mitchell Repair Information Company, LLC.
AIR INTAKE SYSTEM
AIR CLEANER
Removal
REMOVAL
Fig. 72: Air Cleaner Inlet
Courtesy of CHRYSLER LLC
1. Turn lock retainers (5) and remove fresh air inlet (2) from air cleaner housing (1).
WORLD ENGINE
8 C A P1 339 7 1 0217
Model
Year
Engine
Displacement Engine
Build
Variation
(with oil
cooler,
turbo, for
MMNA)
Engine
Plant
Julian Day
of Year
Julian Year
2007
Shift
Build
Sequence
Number2008
A = 1.8L
P1 =
GEMA
North
B = 2.0L
P2 =
GEMA
South
C = 2.4L -
2009 Jeep Patriot Limited
2009 ENGINE 2.4L - Service Information - Compass & Patriot
a
Saturday, September 08, 2012 1:27:51 PM Page 54 © 2006 Mitchell Repair Information Company, LLC.
Fig. 73: Air Cleaner Housing
Courtesy of CHRYSLER LLC
2. Disconnect intake air temperature sensor connector (4).
3. Remove air inlet tube (5) from air cleaner housing (1).
4. Unfasten clasps (2) on sides of air cleaner housing cover.
Fig. 74: Air Filter
Courtesy of CHRYSLER LLC
5. Pull air cleaner cover (1) aside.
6. Remove filter element (3).
7. If necessary, clean the inside of the air cleaner housing (2).
2009 Jeep Patriot Limited
2009 ENGINE 2.4L - Service Information - Compass & Patriot
a
Saturday, September 08, 2012 1:27:51 PM Page 55 © 2006 Mitchell Repair Information Company, LLC.
Installation
INSTALLATION
Fig. 75: Air Filter
Courtesy of CHRYSLER LLC
1. Install new filter element.
Fig. 76: Air Cleaner Housing
Courtesy of CHRYSLER LLC
2. Place cover over air cleaner housing. Snap clasps (2) in place.
3. Install air inlet tube (5).
2009 Jeep Patriot Limited
2009 ENGINE 2.4L - Service Information - Compass & Patriot
a
Saturday, September 08, 2012 1:27:51 PM Page 56 © 2006 Mitchell Repair Information Company, LLC.
4. Connect intake air temperature sensor connector (4).
Fig. 77: Air Cleaner Inlet
Courtesy of CHRYSLER LLC
5. Install fresh air inlet (2) on air cleaner housing (1) and lock retainers (5).
BODY, AIR CLEANER
Removal
REMOVAL
2009 Jeep Patriot Limited
2009 ENGINE 2.4L - Service Information - Compass & Patriot
a
Saturday, September 08, 2012 1:27:51 PM Page 57 © 2006 Mitchell Repair Information Company, LLC.
Fig. 78: Air Cleaner Inlet
Courtesy of CHRYSLER LLC
1. Remove fresh air inlet (2) from air cleaner housing (1).
Fig. 79: Air Cleaner Housing
Courtesy of CHRYSLER LLC
2. Remove intake air temperature sensor electrical connector (4).
3. Remove air inlet tube (5) from housing (1).
4. Pull housing (1) upward to remove.
Installation
INSTALLATION
2009 Jeep Patriot Limited
2009 ENGINE 2.4L - Service Information - Compass & Patriot
a
Saturday, September 08, 2012 1:27:51 PM Page 58 © 2006 Mitchell Repair Information Company, LLC.
Fig. 80: Air Cleaner Housing
Courtesy of CHRYSLER LLC
1. Make sure the rubber grommets, for the air cleaner housing lower pins, are in place when reinstalling the
air cleaner housing. The rubber grommets mount to the Totally Integrated Power Module (TIPM) bracket.
2. Push air cleaner housing (1) down while aligning pins into the grommets.
3. Connect the throttle body air inlet hose (5) to the air cleaner housing (1).
4. Connect intake air temperature sensor connector (4).
Fig. 81: Air Cleaner Inlet
Courtesy of CHRYSLER LLC
5. Install fresh air inlet (2) and lock retainers (5).
2009 Jeep Patriot Limited
2009 ENGINE 2.4L - Service Information - Compass & Patriot
a
Saturday, September 08, 2012 1:27:51 PM Page 59 © 2006 Mitchell Repair Information Company, LLC.
CYLINDER HEAD
DESCRIPTION
DESCRIPTION
The cross flow designed, aluminum cylinder head contains dual over-head camshafts with four valves per
cylinder. The valves are arranged in two in-line banks. The intake valves face toward the front of the vehicle.
The exhaust valves face the dash panel. The cylinder head incorporates powdered metal valve guides and seats.
The cylinder head is sealed to the block using a multi-layer steel head gasket and retaining bolts.
Integral oil galleries provide lubrication passages to the variable camshaft timing phasers, camshafts, and valve
mechanisms.
DIAGNOSIS AND TESTING
CYLINDER HEAD GASKET
A cylinder head gasket leak can be located between adjacent cylinders, between a cylinder and the adjacent
water jacket or from an oil passage to the exterior of the engine.
Possible indications of the cylinder head gasket leaking between adjacent cylinders are:
Loss of engine power
Engine misfiring
Poor fuel economy
Possible indications of the cylinder head gasket leaking between a cylinder and an adjacent water jacket are:
Engine overheating
Loss of coolant
Excessive steam (white smoke) emitting from exhaust
Coolant foaming
CYLINDER-TO-CYLINDER LEAKAGE TEST
To determine if an engine cylinder head gasket is leaking between adjacent cylinders, follow the procedures in
Cylinder Compression Pressure Test. See CYLINDER COMPRESSION PRESSURE TEST. An engine
cylinder head gasket leaking between adjacent cylinders will result in approximately a 50-70% reduction in
compression pressure.
CYLINDER-TO-WATER JACKET LEAKAGE TEST
NOTE: Replacement cylinder heads will come complete with valves, seals, springs,
retainers, keepers, lash buckets, and camshafts.
2009 Jeep Patriot Limited
2009 ENGINE 2.4L - Service Information - Compass & Patriot
a
Saturday, September 08, 2012 1:27:51 PM Page 60 © 2006 Mitchell Repair Information Company, LLC.
VISUAL TEST METHOD
With the engine cool, remove the coolant pressure cap. Start the engine and allow it to warm up until thermostat
opens.
If a large combustion/compression pressure leak exists, bubbles will be visible in the coolant.
COOLING SYSTEM TESTER METHOD
Install Cooling System Tester 7700 or equivalent to pressure cap neck. Start the engine and observe the tester's
pressure gauge. If gauge pulsates with every power stroke of a cylinder a combustion pressure leak is evident.
CHEMICAL TEST METHOD
Combustion leaks into the cooling system can also be checked by using combustion leak tester C-3685-A or
equivalent. Perform test following the procedures supplied with the tool kit.
REMOVAL
REMOVAL
Fig. 82: Engine Cover - 2.4L
WARNING: USE EXTREME CAUTION WHEN THE ENGINE IS OPERATING WITH
COOLANT PRESSURE CAP REMOVED.
WARNING: WITH COOLING SYSTEM TESTER IN PLACE, PRESSURE WILL BUILD UP
FAST. EXCESSIVE PRESSURE BUILT UP, BY CONTINUOUS ENGINE
OPERATION, MUST BE RELEASED TO A SAFE PRESSURE POINT.
NEVER PERMIT PRESSURE TO EXCEED 138 kPa (20 psi).
2009 Jeep Patriot Limited
2009 ENGINE 2.4L - Service Information - Compass & Patriot
a
Saturday, September 08, 2012 1:27:51 PM Page 61 © 2006 Mitchell Repair Information Company, LLC.
Courtesy of CHRYSLER LLC
1. Remove engine cover (1) by pulling upward.
2. Perform fuel system pressure release procedure. Refer to Fuel System/Fuel Delivery - Standard
Procedure .
3. Disconnect and isolate the negative battery cable.
Fig. 83: Air Cleaner Housing
Courtesy of CHRYSLER LLC
4. Drain cooling system. Refer to Cooling - Standard Procedure .
5. Remove clean air hose (5) and air cleaner housing (1). See Engine/Air Intake System/BODY, Air
Cleaner - Removal.
2009 Jeep Patriot Limited
2009 ENGINE 2.4L - Service Information - Compass & Patriot
a
Saturday, September 08, 2012 1:27:51 PM Page 62 © 2006 Mitchell Repair Information Company, LLC.
Fig. 84: Coolant Reservoir
Courtesy of CHRYSLER LLC
6. Remove coolant recovery bottle (3). Refer to Cooling/Engine/BOTTLE, Coolant Recovery - Removal .
7. Remove and reposition power steering reservoir (2).
8. Remove windshield washer bottle (1). Refer to Electrical/Wipers/Washers/RESERVOIR, Windshield
Washer - Removal .
9. Remove accessory drive belt. Refer to Cooling/Accessory Drive/BELT, Serpentine - Removal .
Fig. 85: Pressure Hose
Courtesy of CHRYSLER LLC
10. Remove power steering hose hold down (2).
2009 Jeep Patriot Limited
2009 ENGINE 2.4L - Service Information - Compass & Patriot
a
Saturday, September 08, 2012 1:27:51 PM Page 63 © 2006 Mitchell Repair Information Company, LLC.
Fig. 86: Power Steering Pump - Gas
Courtesy of CHRYSLER LLC
11. Remove the three power steering pump mounting bolts (1) through the openings in the pulley (3) and
reposition the pump.
Fig. 87: Torque Sequence
Courtesy of CHRYSLER LLC
12. Remove the cylinder head cover. See Engine/Cylinder Head/COVER(S), Cylinder Head - Removal.
13. Remove ignition coils from cylinder head cover.
2009 Jeep Patriot Limited
2009 ENGINE 2.4L - Service Information - Compass & Patriot
a
Saturday, September 08, 2012 1:27:51 PM Page 64 © 2006 Mitchell Repair Information Company, LLC.
Fig. 88: TDC
Courtesy of CHRYSLER LLC
14. Raise and support the vehicle. Refer to Vehicle Quick Reference/Hoisting - Standard Procedure .
15. Remove the right splash shield. Refer to Body/Exterior/SHIELD, Splash - Removal .
16. Set engine to TDC (1).
Fig. 89: A/C Compressor
Courtesy of CHRYSLER LLC
17. Remove lower A/C compressor bolts if equipped.
18. Remove lower A/C compressor mount (2) if equipped.
2009 Jeep Patriot Limited
2009 ENGINE 2.4L - Service Information - Compass & Patriot
a
Saturday, September 08, 2012 1:27:51 PM Page 65 © 2006 Mitchell Repair Information Company, LLC.
Fig. 90: Accessory Drive Belt Idler Pulley - 2.4L
Courtesy of CHRYSLER LLC
19. Remove accessory drive belt lower idler pulley (2).
Fig. 91: Engine Front
Courtesy of CHRYSLER LLC
20. Remove crankshaft damper (2). See Engine/Engine Block/DAMPER, Vibration - Removal.
21. Remove three bolts and water pump pulley (4) from water pump.
22. Remove lower bolt from right side engine mount bracket (1).
2009 Jeep Patriot Limited
2009 ENGINE 2.4L - Service Information - Compass & Patriot
a
Saturday, September 08, 2012 1:27:51 PM Page 66 © 2006 Mitchell Repair Information Company, LLC.
Fig. 92: Timing Chain Cover Lower Bolts
Courtesy of CHRYSLER LLC
23. Remove timing chain cover lower bolts (1).
Fig. 93: Manifold To Exhaust Pipe Bolts
Courtesy of CHRYSLER LLC
24. Remove under floor catalytic converter. Refer to Exhaust System/CONVERTER, Catalytic - Removal
25. Lower vehicle.
26. Support engine with suitable jack.
2009 Jeep Patriot Limited
2009 ENGINE 2.4L - Service Information - Compass & Patriot
a
Saturday, September 08, 2012 1:27:52 PM Page 67 © 2006 Mitchell Repair Information Company, LLC.
Fig. 94: Right Engine Mount
Courtesy of CHRYSLER LLC
27. Remove right engine mount through bolt (4).
28. Remove right engine mount to mount bracket bolts (3).
29. Remove right engine mount adapter (1).
Fig. 95: Accessory Drive Belt Idler Pulley - 2.4L
Courtesy of CHRYSLER LLC
30. Remove accessory drive upper idler pulley (1).
2009 Jeep Patriot Limited
2009 ENGINE 2.4L - Service Information - Compass & Patriot
a
Saturday, September 08, 2012 1:27:52 PM Page 68 © 2006 Mitchell Repair Information Company, LLC.
Fig. 96: Engine Front
Courtesy of CHRYSLER LLC
31. Remove right upper engine mount bracket (1).
32. Remove accessory drive belt tensioner.
33. Remove upper timing chain cover retaining bolts.
2009 Jeep Patriot Limited
2009 ENGINE 2.4L - Service Information - Compass & Patriot
a
Saturday, September 08, 2012 1:27:52 PM Page 69 © 2006 Mitchell Repair Information Company, LLC.
Fig. 97: Timing Chain Cover Pry Points
Courtesy of CHRYSLER LLC
34. Remove timing chain cover using pry points (1, 2, 3).
Fig. 98: Timing Drive
Courtesy of CHRYSLER LLC
2009 Jeep Patriot Limited
2009 ENGINE 2.4L - Service Information - Compass & Patriot
a
Saturday, September 08, 2012 1:27:52 PM Page 70 © 2006 Mitchell Repair Information Company, LLC.
35. Remove tensioner (5) and timing chain (2). See Engine/Valve Timing/CHAIN and SPROCKETS,
Timing - Removal
36. Remove timing chain guide (4) and timing chain pivot guide (6).
Fig. 99: Fuel Line At Rail
Courtesy of CHRYSLER LLC
37. Disconnect the fuel line from the fuel rail. Refer to Fuel System/Fuel Delivery/FITTING, Quick
Connect - Standard Procedure .
Fig. 100: Electrical Connectors
Courtesy of CHRYSLER LLC
38. Unlock and disconnect the electrical connectors from the fuel injectors.
2009 Jeep Patriot Limited
2009 ENGINE 2.4L - Service Information - Compass & Patriot
a
Saturday, September 08, 2012 1:27:52 PM Page 71 © 2006 Mitchell Repair Information Company, LLC.
Fig. 101: Rail Removal/Install
Courtesy of CHRYSLER LLC
39. Remove two fuel rail retaining bolts and remove fuel rail.
Fig. 102: Coolant Adapter
Courtesy of CHRYSLER LLC
40. Disconnect electrical connectors from coolant temperature sensor (1), oil temperature sensor, variable
valve timing solenoids, camshaft position sensors, MAP sensor, manifold tuning valve, ignition
interference suppressor (2) and electronic throttle control.
2009 Jeep Patriot Limited
2009 ENGINE 2.4L - Service Information - Compass & Patriot
a
Saturday, September 08, 2012 1:27:52 PM Page 72 © 2006 Mitchell Repair Information Company, LLC.
Fig. 103: Throttle Body Support
Courtesy of CHRYSLER LLC
41. Remove wiring harness retainer from intake manifold (2) and reposition harness.
42. Remove throttle body support bracket (1).
43. Disconnect vacuum lines at intake.
Fig. 104: Radiator Hose Support
Courtesy of CHRYSLER LLC
44. Remove upper radiator hose retaining bolt (1).
2009 Jeep Patriot Limited
2009 ENGINE 2.4L - Service Information - Compass & Patriot
a
Saturday, September 08, 2012 1:27:52 PM Page 73 © 2006 Mitchell Repair Information Company, LLC.
Fig. 105: Intake Torque Sequence
Courtesy of CHRYSLER LLC
45. Remove intake manifold retaining bolts and remove intake manifold.
Fig. 106: Coolant Adapter
Courtesy of CHRYSLER LLC
46. Remove four bolts and reposition coolant adapter (3).
2009 Jeep Patriot Limited
2009 ENGINE 2.4L - Service Information - Compass & Patriot
a
Saturday, September 08, 2012 1:27:52 PM Page 74 © 2006 Mitchell Repair Information Company, LLC.
Fig. 107: Ground Strap
Courtesy of CHRYSLER LLC
47. Remove ground strap (1) at right rear of cylinder head if equipped.
Fig. 108: Front Camshaft Cap Removal Sequence
Courtesy of CHRYSLER LLC
NOTE: Camshaft bearing caps should have been marked during engine
manufacturing. For example, number one exhaust camshaft bearing is
marked "E1>".
CAUTION: DO NOT use a number stamp or a punch to mark camshaft bearing
caps. Damage to bearing caps could occur.
2009 Jeep Patriot Limited
2009 ENGINE 2.4L - Service Information - Compass & Patriot
a
Saturday, September 08, 2012 1:27:52 PM Page 75 © 2006 Mitchell Repair Information Company, LLC.
48. Using a permanent ink or paint marker, identify location and position on each camshaft bearing cap.
49. Remove the front camshaft bearing cap.
50. Slowly remove the remaining intake and exhaust camshaft bearing cap bolts one turn at a time.
51. Remove the camshafts.
Fig. 109: Front Head Bolt Washers
Courtesy of CHRYSLER LLC
52. Remove cylinder head bolts and two uncaptured washers.
53. Remove cylinder head from engine block.
54. Inspect and clean cylinder head and block sealing surfaces. See Engine/Cylinder Head - Inspection. See
Engine/Cylinder Head - Cleaning
CLEANING
CLEANING
NOTE: All of the cylinder head bolts have captured washers EXCEPT the front two
(1).
NOTE: Ensure cylinder head bolt holes in the block are clean, dry (free of residual
oil or coolant), and threads are not damaged.
2009 Jeep Patriot Limited
2009 ENGINE 2.4L - Service Information - Compass & Patriot
a
Saturday, September 08, 2012 1:27:52 PM Page 76 © 2006 Mitchell Repair Information Company, LLC.
Fig. 110: Proper Tool Usage For Surface Preparation
Courtesy of CHRYSLER LLC
To ensure engine gasket sealing, proper surface preparation must be performed, especially with the use of
aluminum engine components and multi-layer steel cylinder head gaskets.
Remove all gasket material from cylinder head and block. See Engine - Standard Procedure. Be careful not to
gouge or scratch the aluminum head sealing surface.
Clean all engine oil passages.
INSPECTION
INSPECTION
NOTE: Multi-Layer Steel (MLS) head gaskets require a scratch free sealing surface.
NOTE: Replacement cylinder heads will come complete with valves, seals, springs,
retainers, keepers, tappets, and camshafts.
2009 Jeep Patriot Limited
2009 ENGINE 2.4L - Service Information - Compass & Patriot
a
Saturday, September 08, 2012 1:27:52 PM Page 77 © 2006 Mitchell Repair Information Company, LLC.
Fig. 111: Checking Cylinder Head Flatness
Courtesy of CHRYSLER LLC
1. Check cylinder head warpage with a straight edge (2) and feeler gauge (1).
2. Cylinder head must be flat within 0.1 mm (0.004 in.).
3. Verify that the valve tappets move freely in theirs bores and that they have been rotating.
4. Inspect camshaft bearing journals for scoring.
5. Remove carbon and varnish deposits from inside of valve guides with a reliable guide cleaner.
6. Inspect the following components and verify that they are within specification. See Engine -
Specifications:
Camshafts
Valve Tappets
Springs
Valve Seats
Valve Guides
Valves
7. Prior to installing cylinder head, the cylinder block should be checked for flatness. See Engine/Engine
Block - Inspection.
INSTALLATION
INSTALLATION
2009 Jeep Patriot Limited
2009 ENGINE 2.4L - Service Information - Compass & Patriot
a
Saturday, September 08, 2012 1:27:52 PM Page 78 © 2006 Mitchell Repair Information Company, LLC.
Fig. 112: Checking Cylinder Head Bolts For Stretching (Necking)
Courtesy of CHRYSLER LLC
1. Check cylinder head bolts for necking by holding a scale or straight edge against the threads. If all the
threads do not contact the scale (2) the bolt must be replaced.
Fig. 113: VVT Filter
Courtesy of CHRYSLER LLC
CAUTION: The cylinder head bolts are tightened using a torque plus angle procedure.
The bolts must be examined BEFORE reuse. If the threads are necked
down the bolts must be replaced.
2009 Jeep Patriot Limited
2009 ENGINE 2.4L - Service Information - Compass & Patriot
a
Saturday, September 08, 2012 1:27:52 PM Page 79 © 2006 Mitchell Repair Information Company, LLC.
2. Replace the variable valve timing filter screen (3).
Fig. 114: Cylinder Head RTV
Courtesy of CHRYSLER LLC
3. Place two pea size dots of Mopar® engine sealant RTV or equivalent (1) on cylinder block as shown in
illustration.
NOTE: Ensure cylinder head bolt holes in the block are clean, dry (free of residual
oil or coolant), and threads are not damaged.
CAUTION: Always replace the variable valve timing filter screen (3) when
servicing the head gasket or engine damage could result.
NOTE: When using RTV, the sealing surfaces must be clean and free from grease
and oil.
NOTE: When using RTV, parts should be assembled in 10 minutes and tighten to
final torque within 45 minutes.
2009 Jeep Patriot Limited
2009 ENGINE 2.4L - Service Information - Compass & Patriot
a
Saturday, September 08, 2012 1:27:52 PM Page 80 © 2006 Mitchell Repair Information Company, LLC.
Fig. 115: Cylinder Head Gasket RTV
Courtesy of CHRYSLER LLC
4. Position the new cylinder head gasket on engine block with the part number facing up. Ensure gasket is
seated over the locating dowels in block.
5. Place two pea size dots of Mopar® engine sealant RTV or equivalent (1) on cylinder head gasket as
shown in illustration.
6. Position cylinder head onto engine block.
Fig. 116: Cylinder Head Bolt Identification
Courtesy of CHRYSLER LLC
NOTE: The head must be installed within 15 minutes before the RTV skins.
2009 Jeep Patriot Limited
2009 ENGINE 2.4L - Service Information - Compass & Patriot
a
Saturday, September 08, 2012 1:27:52 PM Page 81 © 2006 Mitchell Repair Information Company, LLC.
7. Measure the bolt head from the washer to the top of the bolt head. The short bolt head (1) measures 8 mm
(5/16") and the long bolt head (2) measures 13 mm (1/2").
8. Identify whether your engine has the short head design (1) or the long head design (2).
Fig. 117: Bevel Edge
Courtesy of CHRYSLER LLC
CAUTION: This engine was built with 2 different style cylinder head bolts. Each
style bolt requires a different torque value. The bolts can be identified
by the short bolt head (1) and the long bolt head (2).
NOTE: The front two cylinder head bolts do not have captured washers. The
washers must be installed with the bevel edge (1) up towards the bolt
head.
2009 Jeep Patriot Limited
2009 ENGINE 2.4L - Service Information - Compass & Patriot
a
Saturday, September 08, 2012 1:27:52 PM Page 82 © 2006 Mitchell Repair Information Company, LLC.
Fig. 118: Front Head Bolt Washers
Courtesy of CHRYSLER LLC
9. Install washers (1) for the front two cylinder head bolts with the beveled edge facing up.
Fig. 119: Cylinder Head Torque Sequence
Courtesy of CHRYSLER LLC
10. Install the cylinder head bolts and tighten in the sequence shown in illustration.
Fig. 120: Cylinder Head Bolt Identification
Courtesy of CHRYSLER LLC
NOTE: Before installing the cylinder head bolts, lubricate the threads with clean
engine oil.
2009 Jeep Patriot Limited
2009 ENGINE 2.4L - Service Information - Compass & Patriot
a
Saturday, September 08, 2012 1:27:52 PM Page 83 © 2006 Mitchell Repair Information Company, LLC.
11. If your bolt has the short head (1), use the following torque specifications:
First: All to 30 N.m (25 ft. lbs.)
Second: All to 61 N.m (45 ft. lbs.)
Third: All to 61 N.m (45 ft. lbs.)
Fourth: All an additional 90°
12. If your bolt has the long head (2), use the following torque specifications:
First: All to 30 N.m (25 ft. lbs.)
Second: All to 73 N.m (54 ft. lbs.)
Third: All to 73 N.m (54 ft. lbs.)
Fourth: All an additional 90°
13. Clean excess RTV from timing chain cover sealing surface.
Fig. 121: Coolant Adapter
Courtesy of CHRYSLER LLC
14. Install coolant adapter (3) with new seals. Tighten bolts to 18.1 N.m (159 in. lbs.).
CAUTION: Do not use a torque wrench for the Fourth step.
CAUTION: Do not use a torque wrench for the Fourth step.
2009 Jeep Patriot Limited
2009 ENGINE 2.4L - Service Information - Compass & Patriot
a
Saturday, September 08, 2012 1:27:52 PM Page 84 © 2006 Mitchell Repair Information Company, LLC.
Fig. 122: Camshaft Cap Bearing Identification
Courtesy of CHRYSLER LLC
15. The front camshaft bearing cap (1) is numbered (2) either one, two, or three, this corresponds to the select
fit front exhaust camshaft bearing to use.
Fig. 123: Camshaft Bearing Identification
Courtesy of CHRYSLER LLC
16. Install the corresponding select fit front exhaust camshaft bearing (1).
17. Oil all of the camshaft journals with clean engine oil.
2009 Jeep Patriot Limited
2009 ENGINE 2.4L - Service Information - Compass & Patriot
a
Saturday, September 08, 2012 1:27:52 PM Page 85 © 2006 Mitchell Repair Information Company, LLC.
Fig. 124: Camshaft Timing
Courtesy of CHRYSLER LLC
18. Position exhaust camshaft (1) and intake camshaft (2) on bearing journals in the cylinder head.
19. Align camshaft timing marks (3) so that they are facing each other and are in line with the cylinder head
cover sealing surface.
Fig. 125: Camshaft Cap Torque Sequence
CAUTION: Install the front intake and exhaust camshaft bearing cap last. Ensure
that the dowels are seated and follow torque sequence or damage to
engine could result.
NOTE: If the front camshaft bearing cap is broken, the cylinder head MUST be
replaced.
2009 Jeep Patriot Limited
2009 ENGINE 2.4L - Service Information - Compass & Patriot
a
Saturday, September 08, 2012 1:27:52 PM Page 86 © 2006 Mitchell Repair Information Company, LLC.
Courtesy of CHRYSLER LLC
20. Install intake and exhaust camshaft bearing caps and slowly tighten bolts to 9.5 N.m (85 in. lbs.) in the
sequence shown in illustration.
Fig. 126: Front Camshaft Cap Torque Sequence
Courtesy of CHRYSLER LLC
21. Install the front intake and exhaust bearing cap and tighten bolts to 25 N.m (18 ft. lbs.) in the sequence
shown in illustration.
Fig. 127: Timing Drive
NOTE: Verify that the exhaust bearing shells are correctly installed, and the
dowels are seated in the head, prior to torquing bolts.
2009 Jeep Patriot Limited
2009 ENGINE 2.4L - Service Information - Compass & Patriot
a
Saturday, September 08, 2012 1:27:52 PM Page 87 © 2006 Mitchell Repair Information Company, LLC.
Courtesy of CHRYSLER LLC
22. Install timing chain guide (4) and tighten bolts to 12 N.m (105 in. lbs.).
23. Install the moveable timing chain pivot guide (6) and tighten bolt to 12 N.m (105 in. lbs.).
24. Install timing chain (2) and tensioner (5). See Engine/Valve Timing/CHAIN and SPROCKETS,
Timing - Installation.
25. Install timing chain cover, engine mount, pulleys and accessory drive belt. See Engine/Valve
Timing/COVER(S), Engine Timing - Installation.
Fig. 128: Torque Sequence
Courtesy of CHRYSLER LLC
26. Install cylinder head cover and ignition coils. See Engine/Cylinder Head/COVER(S), Cylinder Head -
Installation.
2009 Jeep Patriot Limited
2009 ENGINE 2.4L - Service Information - Compass & Patriot
a
Saturday, September 08, 2012 1:27:52 PM Page 88 © 2006 Mitchell Repair Information Company, LLC.
Fig. 129: Ground Strap
Courtesy of CHRYSLER LLC
27. Install exhaust manifold. See Engine/Manifolds/MANIFOLD, Exhaust - Installation.
28. Install ground strap (1) at right rear of cylinder head if equipped.
Fig. 130: Torque Sequence
Courtesy of CHRYSLER LLC
29. Install intake manifold, vacuum lines and fuel rail. See Engine/Manifolds/MANIFOLD, Intake -
Installation.
Fig. 131: Radiator Hose Support
Courtesy of CHRYSLER LLC
30. Install upper radiator hose retaining bracket bolt (1).
2009 Jeep Patriot Limited
2009 ENGINE 2.4L - Service Information - Compass & Patriot
a
Saturday, September 08, 2012 1:27:52 PM Page 89 © 2006 Mitchell Repair Information Company, LLC.
Fig. 132: Coil Connector
Courtesy of CHRYSLER LLC
31. Connect coil (1) and injector (4) electrical connectors.
Fig. 133: Coolant Adapter
Courtesy of CHRYSLER LLC
32. Connect electrical connectors to coolant temperature sensor (1), camshaft position sensors, oil
temperature sensor, variable valve timing solenoids, MAP sensor, manifold tuning valve, ignition
interference suppressor (2) and electronic throttle control.
2009 Jeep Patriot Limited
2009 ENGINE 2.4L - Service Information - Compass & Patriot
a
Saturday, September 08, 2012 1:27:52 PM Page 90 © 2006 Mitchell Repair Information Company, LLC.
Fig. 134: Coolant Reservoir
Courtesy of CHRYSLER LLC
33. Install power steering pump reservoir (2). Tighten mounting screw to 12 N.m (106 in. lbs.).
34. Install windshield washer reservoir (1).
35. Install coolant recovery reservoir (3). Tighten mounting bolts to 4 N.m (35 in. lbs.).
Fig. 135: Air Cleaner Housing
Courtesy of CHRYSLER LLC
36. Install clean air hose (5) and air cleaner housing (1). See Engine/Air Intake System/BODY, Air
Cleaner - Installation.
37. Fill cooling system. Refer to Cooling - Standard Procedure .
38. Install new oil filter and fill engine with oil.
2009 Jeep Patriot Limited
2009 ENGINE 2.4L - Service Information - Compass & Patriot
a
Saturday, September 08, 2012 1:27:52 PM Page 91 © 2006 Mitchell Repair Information Company, LLC.
39. Connect negative battery cable.
Fig. 136: Engine Cover - 2.4L
Courtesy of CHRYSLER LLC
40. Operate engine until it reaches normal operating temperature. Check oil and cooling systems for leaks and
correct fluid levels.
41. Install engine cover (1).
ASSEMBLY, VARIABLE VALVE TIMING
Description
DESCRIPTION
The world engine is equipped with Variable Valve Timing (VVT). This system advances and/or retards intake
and/or exhaust camshaft timing to improve engine performance, mid-range torque, idle quality, fuel economy,
and reduce emissions. The camshaft sprockets are integrated with the VVT assemblies and are serviced as an
assembly. VVT assemblies are sometimes referred to as camshaft phasers.
Operation
OPERATION
The Variable Valve Timing (VVT) assemblies are actuated with engine oil pressure. The oil flow to the VVT
assemblies are controlled by two Oil Control Valves (OCV). There is an OCV and Camshaft Position Sensor
(CMP) for each camshaft. The OCV's consist of a Pulse Width Modulated (PWM) solenoid and a spool valve.
The PCM actuates the OCV to control oil flow through the spool valve into the VVT assemblies. The VVT
assembly consists of a rotor, stator, and sprocket. The stator is connected to the timing chain through the
sprocket. The rotor is connected to the camshaft. Oil flow in to the VVT assembly rotates the rotor with respect
2009 Jeep Patriot Limited
2009 ENGINE 2.4L - Service Information - Compass & Patriot
a
Saturday, September 08, 2012 1:27:52 PM Page 92 © 2006 Mitchell Repair Information Company, LLC.
to the stator, thus rotating the camshaft with respect to the timing chain. Thus, the VVT assemblies change
valve timing by changing the relationship between the camshaft and the timing chain. An integral oil pressure
activated pin is used to lock base camshaft timing for engine start up. Oil pressure releases the pin and allows
the PCM to control cam timing once the engine is running. An infinitely variable valve timing position can be
achieved within the limits of the hardware. The CMP monitors the position of the camshaft with respect to the
crankshaft and provides feedback to the PCM.
Removal
REMOVAL
Fig. 137: Camshaft Phaser Installation
Courtesy of CHRYSLER LLC
1. Remove camshafts. See Engine/Cylinder Head/CAMSHAFT, Engine - Removal.
2. Remove camshaft phaser (2) retaining bolt while holding the camshaft in place with a wrench (1) on the
camshaft flats.
3. Remove phaser (2) assembly from camshaft.
Installation
INSTALLATION
NOTE: Camshaft phaser and camshaft sprocket are supplied as an assembly, do not
attempt to disassemble.
2009 Jeep Patriot Limited
2009 ENGINE 2.4L - Service Information - Compass & Patriot
a
Saturday, September 08, 2012 1:27:52 PM Page 93 © 2006 Mitchell Repair Information Company, LLC.
Fig. 138: Camshaft Phaser Installation
Courtesy of CHRYSLER LLC
1. Install phaser (2) assembly on camshaft.
2. Install phaser retaining bolt. Hold camshaft in place with a wrench (1) and tighten bolt to 59 N.m (44 ft.
lbs.).
3. Install camshafts. See Engine/Cylinder Head/CAMSHAFT, Engine - Installation.
BUCKET, TAPPET
Diagnosis and Testing
MECHANICAL VALVE TAPPET NOISE DIAGNOSIS
A tappet-like noise may be produced from incorrect valve lash. See Engine/Cylinder Head/BUCKET, Tappet
- Standard Procedure.
Standard Procedure
MEASURING VALVE LASH
CAUTION: Do not use an impact wrench to tighten camshaft sprocket bolts. Damage
to the camshaft-to-sprocket locating dowel pin and camshaft phaser may
occur.
NOTE: Make sure the dowel is seated in the dowel hole and not in a oil feed hole.
The dowel hole is larger than the 4 oil feed holes.
2009 Jeep Patriot Limited
2009 ENGINE 2.4L - Service Information - Compass & Patriot
a
Saturday, September 08, 2012 1:27:52 PM Page 94 © 2006 Mitchell Repair Information Company, LLC.
Fig. 139: Torque Sequence
Courtesy of CHRYSLER LLC
1. Remove engine cover.
2. Remove cylinder head cover. See Engine/Cylinder Head/COVER(S), Cylinder Head - Removal.
Fig. 140: Lobes Vertical
Courtesy of CHRYSLER LLC
3. Rotate camshaft so lobes are vertical (1).
4. Check clearance using feeler gauges.
NOTE: The engine must be cold to measure valve lash.
2009 Jeep Patriot Limited
2009 ENGINE 2.4L - Service Information - Compass & Patriot
a
Saturday, September 08, 2012 1:27:52 PM Page 95 © 2006 Mitchell Repair Information Company, LLC.
5. Repeat for all tappets and record readings.
6. If clearance was too small, refer to the Clearance too Small procedure. Clearance too Small.
7. If clearance was too large, refer to the Clearance too Large procedure. Clearance too Large.
Clearance Too Small
Fig. 141: Tappet Identification
Courtesy of CHRYSLER LLC
1. Remove camshafts. See Engine/Cylinder Head/CAMSHAFT, Engine - Removal.
2. Specification - clearance = change.
3. Decrease tappet thickness by change figure.
4. Install camshafts. See Engine/Cylinder Head/CAMSHAFT, Engine - Installation.
5. Verify that valve lash is correct.
Clearance too Large
2009 Jeep Patriot Limited
2009 ENGINE 2.4L - Service Information - Compass & Patriot
a
Saturday, September 08, 2012 1:27:52 PM Page 96 © 2006 Mitchell Repair Information Company, LLC.
Fig. 142: Tappet Identification
Courtesy of CHRYSLER LLC
1. Remove camshafts. See Engine/Cylinder Head/CAMSHAFT, Engine - Removal.
2. Clearance - specification = change.
3. Increase tappet thickness by change figure.
4. Install camshafts. See Engine/Cylinder Head/CAMSHAFT, Engine - Installation.
5. Verify that valve lash is correct.
Removal
REMOVAL
2009 Jeep Patriot Limited
2009 ENGINE 2.4L - Service Information - Compass & Patriot
a
Saturday, September 08, 2012 1:27:52 PM Page 97 © 2006 Mitchell Repair Information Company, LLC.
Fig. 143: Torque Sequence
Courtesy of CHRYSLER LLC
1. Remove cylinder head cover. See Engine/Cylinder Head/COVER(S), Cylinder Head - Removal.
2. Remove camshafts. See Engine/Cylinder Head/CAMSHAFT, Engine - Removal.
Fig. 144: Tappet Identification
Courtesy of CHRYSLER LLC
3. Remove camshaft tappets (1).
4. Repeat removal procedure for each camshaft tappet (1).
5. If reusing, mark each tappet for reassembly in original position.
Installation
INSTALLATION
NOTE: This procedure is for in-vehicle service with camshafts installed.
NOTE: Camshaft tappets must be replaced if cylinder head or camshafts are replaced.
2009 Jeep Patriot Limited
2009 ENGINE 2.4L - Service Information - Compass & Patriot
a
Saturday, September 08, 2012 1:27:52 PM Page 98 © 2006 Mitchell Repair Information Company, LLC.
Fig. 145: Tappet Identification
Courtesy of CHRYSLER LLC
1. Apply a light coat of clean engine oil to camshafts tappets (1) prior to assembly.
2. Install camshaft tappets (1) into cylinder head.
3. Repeat installation procedure for each camshaft tappet.
4. Install camshafts. See Engine/Cylinder Head/CAMSHAFT, Engine - Installation.
NOTE: If reinstalling original tappets they must go back in their original location or
engine damage could result.
NOTE: If installing new tappets, the valve lash procedure must be performed.
2009 Jeep Patriot Limited
2009 ENGINE 2.4L - Service Information - Compass & Patriot
a
Saturday, September 08, 2012 1:27:52 PM Page 99 © 2006 Mitchell Repair Information Company, LLC.
Fig. 146: Torque Sequence
Courtesy of CHRYSLER LLC
5. Install cylinder head cover. See Engine/Cylinder Head/COVER(S), Cylinder Head - Installation.
CAMSHAFT, ENGINE
Description
DESCRIPTIONS
Both camshafts have five bearing journal surfaces and two cam lobes per cylinder. The two front journals are
larger to allow for feeding oil to the variable valve timing (VVT) camshaft phasers. Flanges on the third smaller
journal control camshaft end play. At the rear of each camshaft is an integral cam sensor target.
CAMSHAFT BEARING CAPS
Fig. 147: Uneven Wear Patterns
Courtesy of CHRYSLER LLC
The front cam bearing cap spans both camshafts, and includes dowels for precise alignment. The front exhaust
camshaft journal has a select fit bearing insert. This bearing is required to seal the oil passage to the camshaft
phaser, because a portion of the lower bearing saddle is machined away for head bolt access. The select fit is
required to minimize bearing clearance and oil leakage. An exhaust bearing grade (1, 2 or 3) is stamped into the
front bearing cap adjacent to the exhaust cam journal. The bearings are also marked with the corresponding
grade markings. If the bearing is replaced, the same grade must be used. Due to the unique purpose of this
bearing, it may appear to have uneven wear patterns (1). Maximum wear of 0.05 mm (.002 in.) is acceptable.
Unless the wear is excessive it is no cause for concern and the bearing should not be replaced. Cam bearing
inspection should not be the sole reason for removal of the exhaust camshaft. The upper cam bearing may be
replaced if the front bearing cap is removed. The lower cam bearing should be replaced if the camshaft is
removed due to a failure of a component within the cylinder head.
2009 Jeep Patriot Limited
2009 ENGINE 2.4L - Service Information - Compass & Patriot
a
Saturday, September 08, 2012 1:27:52 PM Page 100 © 2006 Mitchell Repair Information Company, LLC.
The front intake cam journal has a full lower bearing saddle, and therefore, no bearing insert is required.
All small bearing caps have a formed-in arrow to assist in assembly. All small bearing cap arrows must point
towards the center of the cylinder head. The small bearing caps are marked for position during the
manufacturing process, and must be reinstalled in their original position.
The #1 small cap includes a passage to direct oil from the cylinder head oil gallery to the #1 small bearing
journal, and into the camshaft as well. The hollow camshaft then distributes oil to the remainder of the small
journals. Oil flowing out of each cam journal lubricates the valve tappets.
The #3 small cap is machined at the front and rear face to control camshaft end-play. This cap has dowels for
precise alignment.
Operation
OPERATION
The camshaft is driven by the crankshaft via drive sprockets and a chain. The camshaft has precisely machined
lobes to provide accurate valve timing and duration.
Standard Procedure
MEASURING CAMSHAFT END PLAY
Fig. 148: Camshaft End Play
Courtesy of CHRYSLER LLC
1. Using a suitable tool, move camshaft as far rearward as it will go.
2. Zero dial indicator.
3. Move camshaft as far forward as it will go.
4. Record reading on dial indicator. For end play specification. See Engine - Specifications.
5. If end play is excessive, check cylinder head and camshaft for wear; replace as necessary.
Removal
2009 Jeep Patriot Limited
2009 ENGINE 2.4L - Service Information - Compass & Patriot
a
Saturday, September 08, 2012 1:27:52 PM Page 101 © 2006 Mitchell Repair Information Company, LLC.
REMOVAL
Fig. 149: Engine Cover
Courtesy of CHRYSLER LLC
1. Remove engine cover (1) by pulling upward.
2. Disconnect and isolate the negative battery cable.
3. Remove cylinder head cover. See Engine/Cylinder Head/COVER(S), Cylinder Head - Removal.
Fig. 150: TDC
Courtesy of CHRYSLER LLC
4. Raise and support the vehicle. Refer to Vehicle Quick Reference/Hoisting - Standard Procedure .
5. Remove the frame cover portion of the right splash shield. Refer to Body/Exterior/SHIELD, Splash -
2009 Jeep Patriot Limited
2009 ENGINE 2.4L - Service Information - Compass & Patriot
a
Saturday, September 08, 2012 1:27:52 PM Page 102 © 2006 Mitchell Repair Information Company, LLC.
Removal .
6. Rotate engine to TDC (1).
Fig. 151: Timing Chain Timing Marks
Courtesy of CHRYSLER LLC
7. Make sure camshaft timing marks (3) are in line with the cylinder head cover sealing surface.
8. Mark the chain link corresponding to timing marks (1) with a paint marker.
Fig. 152: Tensioner Access Plug
Courtesy of CHRYSLER LLC
9. Remove timing tensioner plug (1) from front cover.
2009 Jeep Patriot Limited
2009 ENGINE 2.4L - Service Information - Compass & Patriot
a
Saturday, September 08, 2012 1:27:52 PM Page 103 © 2006 Mitchell Repair Information Company, LLC.
Fig. 153: Tensioner Reset
Courtesy of CHRYSLER LLC
10. Insert small Allen wrench through timing tensioner plug hole and lift ratchet (2) upward to release the
tensioner and push Allen wrench inward. Leave the Allen wrench installed during the remainder of this
procedure.
Fig. 154: Wedge Tool
Courtesy of CHRYSLER LLC
11. Insert Locking Wedge 9701 (1) between camshaft phasers.
2009 Jeep Patriot Limited
2009 ENGINE 2.4L - Service Information - Compass & Patriot
a
Saturday, September 08, 2012 1:27:52 PM Page 104 © 2006 Mitchell Repair Information Company, LLC.
Fig. 155: Seating Wedge Tool
Courtesy of CHRYSLER LLC
12. Lightly tap Locking Wedge 9701 (2) into place until it will no longer sink down.
Fig. 156: Front Camshaft Cap Removal Sequence
Courtesy of CHRYSLER LLC
NOTE: Camshaft bearing caps should have been marked during engine
manufacturing. For example, number one exhaust camshaft bearing is
marked "E1>".
CAUTION: DO NOT use a number stamp or a punch to mark camshaft bearing
caps. Damage to bearing caps could occur.
2009 Jeep Patriot Limited
2009 ENGINE 2.4L - Service Information - Compass & Patriot
a
Saturday, September 08, 2012 1:27:52 PM Page 105 © 2006 Mitchell Repair Information Company, LLC.
13. Using a permanent ink or paint marker, identify location and position on each camshaft bearing cap.
14. Remove the front camshaft bearing cap.
15. Slowly remove the remaining intake and exhaust camshaft bearing cap bolts one turn at a time.
Fig. 157: Raise Intake Camshaft
Courtesy of CHRYSLER LLC
16. Remove intake camshaft (1) by lifting the rear of the camshaft upward.
Fig. 158: Roll Camshaft
Courtesy of CHRYSLER LLC
17. Rotate the camshaft while lifting out of the front bearing cradle.
2009 Jeep Patriot Limited
2009 ENGINE 2.4L - Service Information - Compass & Patriot
a
Saturday, September 08, 2012 1:27:52 PM Page 106 © 2006 Mitchell Repair Information Company, LLC.
Fig. 159: Chain Removal
Courtesy of CHRYSLER LLC
18. Lift the timing chain (2) off the sprocket (1).
19. Remove exhaust camshaft.
20. Secure timing chain with wire so that it does fall into the timing chain cover.
Cleaning
CLEANING
Clean camshafts with a suitable solvent.
Inspection
INSPECTION
1. Inspect camshaft bearing journals for damage. If journals are damaged, check the cylinder head for
damage. Also check cylinder head oil holes for clogging.
2. Check the cam lobe and bearing surfaces for abnormal wear and damage. Replace camshaft if defective.
Installation
INSTALLATION
NOTE: If camshaft is replaced due to lobe wear or damage, always replace the
lash buckets.
2009 Jeep Patriot Limited
2009 ENGINE 2.4L - Service Information - Compass & Patriot
a
Saturday, September 08, 2012 1:27:52 PM Page 107 © 2006 Mitchell Repair Information Company, LLC.
Fig. 160: Camshaft Cap Bearing Identification
Courtesy of CHRYSLER LLC
1. The front camshaft bearing cap (1) is numbered (2) either one, two, or three, this corresponds to the select
fit front exhaust camshaft bearing to use.
Fig. 161: Camshaft Bearing Identification
Courtesy of CHRYSLER LLC
2. Install the corresponding select fit front exhaust camshaft bearing (1).
3. Oil all of the camshaft journals with clean engine oil.
4. Install camshaft phasers on camshafts if removed. See Engine/Cylinder Head/ASSEMBLY, Variable
Valve Timing - Installation.
2009 Jeep Patriot Limited
2009 ENGINE 2.4L - Service Information - Compass & Patriot
a
Saturday, September 08, 2012 1:27:52 PM Page 108 © 2006 Mitchell Repair Information Company, LLC.
Fig. 162: Timing Chain Timing Marks
Courtesy of CHRYSLER LLC
5. Install timing chain onto exhaust cam sprocket making sure that the timing marks (1) on the sprocket and
the painted chain link are aligned.
6. Position exhaust camshaft and on bearing journals in the cylinder head.
7. Align exhaust cam timing mark (3) so it is in line with the cylinder head cover sealing surface (2).
Fig. 163: Raise Intake Camshaft
Courtesy of CHRYSLER LLC
8. Install intake camshaft by raising the rear of the camshaft upward and roll the sprocket into the chain.
2009 Jeep Patriot Limited
2009 ENGINE 2.4L - Service Information - Compass & Patriot
a
Saturday, September 08, 2012 1:27:52 PM Page 109 © 2006 Mitchell Repair Information Company, LLC.
Fig. 164: Timing Chain Timing Marks
Courtesy of CHRYSLER LLC
9. Align the timing marks (1) on the intake cam sprocket with the painted chain link.
10. Position the intake camshaft into the bearing journals in the cylinder head.
11. Verify that the timing marks (1) are aligned on both camshafts and that the timing marks (3) are facing
each other and are in line with the cylinder head cover sealing surface (2).
CAUTION: Install the front intake and exhaust camshaft bearing cap last. Ensure
that the dowels are seated and follow torque sequence or damage to
engine could result.
NOTE: If the front camshaft bearing cap is broken, the cylinder head MUST be
replaced.
2009 Jeep Patriot Limited
2009 ENGINE 2.4L - Service Information - Compass & Patriot
a
Saturday, September 08, 2012 1:27:52 PM Page 110 © 2006 Mitchell Repair Information Company, LLC.
Fig. 165: Camshaft Cap Torque Sequence
Courtesy of CHRYSLER LLC
12. Install intake and exhaust camshaft bearing caps and slowly tighten bolts to 9.5 N.m (85 in. lbs.) in the
sequence shown in illustration.
Fig. 166: Front Camshaft Cap Torque Sequence
Courtesy of CHRYSLER LLC
13. Install the front intake and exhaust bearing cap and tighten bolts to 25 N.m (18 ft. lbs.) in the sequence
shown in illustration.
NOTE: Verify that the exhaust bearing shells are correctly installed, and the
dowels are seated in the head, prior to torquing bolts.
2009 Jeep Patriot Limited
2009 ENGINE 2.4L - Service Information - Compass & Patriot
a
Saturday, September 08, 2012 1:27:52 PM Page 111 © 2006 Mitchell Repair Information Company, LLC.
Fig. 167: Timing Chain Timing Marks
Courtesy of CHRYSLER LLC
14. Verify that all timing marks (1, 3) are aligned.
15. Remove Allen wrench from timing chain tensioner.
Fig. 168: Wedge Tool
Courtesy of CHRYSLER LLC
16. Remove Locking Wedge 9701 (1) by pulling straight upward on pull rope.
2009 Jeep Patriot Limited
2009 ENGINE 2.4L - Service Information - Compass & Patriot
a
Saturday, September 08, 2012 1:27:52 PM Page 112 © 2006 Mitchell Repair Information Company, LLC.
Fig. 169: Tensioner Access Plug
Courtesy of CHRYSLER LLC
17. Apply MOPAR® thread sealant to timing tensioner plug (1) and Install.
18. Rotate the crankshaft CLOCKWISE two complete revolutions until the crankshaft is repositioned at the
TDC position.
Fig. 170: Camshaft Timing Marks
Courtesy of CHRYSLER LLC
19. Verify that the camshafts timing marks (3) are in the proper position and in line with the cylinder head
cover sealing surface. If the marks do not line up, the timing chain is not correctly installed.
20. Install right splash shield. Refer to Body/Exterior/SHIELD, Splash - Installation .
2009 Jeep Patriot Limited
2009 ENGINE 2.4L - Service Information - Compass & Patriot
a
Saturday, September 08, 2012 1:27:52 PM Page 113 © 2006 Mitchell Repair Information Company, LLC.
Fig. 171: Gasket Location
Courtesy of CHRYSLER LLC
21. Remove RTV from gasket (1).
22. Inspect cylinder head cover gaskets (1, 2) for damage. If no damage is present, gaskets can be re-installed.
Fig. 172: Torque Sequence
Courtesy of CHRYSLER LLC
23. Install cylinder head cover. See Engine/Cylinder Head/COVER(S), Cylinder Head - Installation.
24. Connect negative battery cable.
25. Fill cooling system. Refer to Cooling - Standard Procedure .
26. Fill with oil.
2009 Jeep Patriot Limited
2009 ENGINE 2.4L - Service Information - Compass & Patriot
a
Saturday, September 08, 2012 1:27:52 PM Page 114 © 2006 Mitchell Repair Information Company, LLC.
Fig. 173: Engine Cover - 2.4L
Courtesy of CHRYSLER LLC
27. Operate engine until it reaches normal operating temperature. Check oil and cooling systems for correct
fluid levels.
28. Install engine cover (1).
COVER(S), CYLINDER HEAD
Removal
REMOVAL
2009 Jeep Patriot Limited
2009 ENGINE 2.4L - Service Information - Compass & Patriot
a
Saturday, September 08, 2012 1:27:52 PM Page 115 © 2006 Mitchell Repair Information Company, LLC.
Fig. 174: Engine Cover - 2.0L
Courtesy of CHRYSLER LLC
1. Remove engine cover (1) by pulling upward.
2. Disconnect and isolate the negative battery cable.
Fig. 175: Coil Connector
Courtesy of CHRYSLER LLC
3. Remove make up air hose (2).
4. Remove PCV hose (5).
5. Disconnect ignition coil electrical connectors (1).
Fig. 176: Torque Sequence
Courtesy of CHRYSLER LLC
2009 Jeep Patriot Limited
2009 ENGINE 2.4L - Service Information - Compass & Patriot
a
Saturday, September 08, 2012 1:27:52 PM Page 116 © 2006 Mitchell Repair Information Company, LLC.
6. Use compressed air to blow dirt and debris off the cylinder head cover prior to removal.
7. Remove cylinder head cover bolts.
8. Remove cylinder head cover from cylinder head.
Installation
INSTALLATION
Fig. 177: Gasket Location
Courtesy of CHRYSLER LLC
1. Install new cylinder head cover gaskets (1, 2).
Fig. 178: Stud Location
Courtesy of CHRYSLER LLC
2009 Jeep Patriot Limited
2009 ENGINE 2.4L - Service Information - Compass & Patriot
a
Saturday, September 08, 2012 1:27:52 PM Page 117 © 2006 Mitchell Repair Information Company, LLC.
2. Install studs in cover as shown in illustration.
Fig. 179: Cylinder Head/Front Cover T-Joint
Courtesy of CHRYSLER LLC
3. Clean all RTV from cylinder head. See Engine - Standard Procedure.
4. Apply a dot of Mopar® engine sealant RTV or equivalent to cylinder head/front cover T-joint (1).
NOTE: When using RTV, the sealing surfaces must be clean and free from grease
and oil.
NOTE: When using RTV, parts should be assembled in 10 minutes and tighten to
final torque within 45 minutes.
2009 Jeep Patriot Limited
2009 ENGINE 2.4L - Service Information - Compass & Patriot
a
Saturday, September 08, 2012 1:27:52 PM Page 118 © 2006 Mitchell Repair Information Company, LLC.
Fig. 180: Torque Sequence
Courtesy of CHRYSLER LLC
5. Install cylinder head cover assembly to cylinder head and install all bolts, ensuring the studs are located
as shown in illustration.
6. Tighten bolts in sequence shown in illustration using a 2 step torque method as follows:
a. Tighten all bolts to 5 N.m (44 in. lbs.).
b. Tighten all bolts to 10 N.m (90 in. lbs.).
Fig. 181: Coil Connector
Courtesy of CHRYSLER LLC
7. Install ignition coils. Tighten fasteners to 8 N.m (70 in. lbs.).
8. If the PCV valve was removed, tighten PCV valve to 5 N.m (44 in. lbs.).
9. Connect coil electrical connectors (1).
2009 Jeep Patriot Limited
2009 ENGINE 2.4L - Service Information - Compass & Patriot
a
Saturday, September 08, 2012 1:27:52 PM Page 119 © 2006 Mitchell Repair Information Company, LLC.
10. Connect PCV hose (5) to PCV valve.
11. Connect make up air hose (2).
Fig. 182: Engine Cover - 2.0L
Courtesy of CHRYSLER LLC
12. Connect negative battery cable.
13. Install engine cover (1) by pressing the rear of the cover down first.
SPRING(S), VALVE
Removal
CYLINDER HEAD ON
2009 Jeep Patriot Limited
2009 ENGINE 2.4L - Service Information - Compass & Patriot
a
Saturday, September 08, 2012 1:27:52 PM Page 120 © 2006 Mitchell Repair Information Company, LLC.
Fig. 183: Valve Removal
Courtesy of CHRYSLER LLC
1. Remove cylinder head cover. See Engine/Cylinder Head/COVER(S), Cylinder Head - Removal.
2. Remove camshafts. See Engine/Cylinder Head/CAMSHAFT, Engine - Removal.
3. Mark valve tappet location for assembly.
4. Remove valve tappets.
5. Rotate crankshaft until piston is at TDC on compression.
6. With air hose attached to adapter tool installed in spark plug hole, apply 90-120 psi air pressure.
7. Using metric valve keeper tool (1) such as Snap-on® GA317 (or equivalent), and remove valve spring
keepers and retainer.
8. Remove valve spring(s).
9. Remove valve stem seal(s) by a using valve stem seal tool.
CYLINDER HEAD OFF
CAUTION: Care must be taken not to damage the tappet bore or engine damage
may result.
2009 Jeep Patriot Limited
2009 ENGINE 2.4L - Service Information - Compass & Patriot
a
Saturday, September 08, 2012 1:27:52 PM Page 121 © 2006 Mitchell Repair Information Company, LLC.
Fig. 184: Valve Removal
Courtesy of CHRYSLER LLC
1. With cylinder head removed from cylinder block, place a ball of rags in the combustion chamber.
2. Mark valve tappet location for assembly.
3. Remove valve tappets.
4. Using metric valve keeper tool such as Snap-on® GA317 (or equivalent) remover (1) , remove valve
keepers with a downward push.
5. Remove retainer and springs.
6. Before removing valves, remove any burrs from valve stem lock grooves to prevent damage to the
valve guides. Identify valves, locks and retainers to insure installation in original location.
7. Inspect the valves. See Engine/Cylinder Head/SPRING(S), Valve - Inspection.
Inspection
INSPECTION
1. Whenever valves have been removed for inspection, reconditioning or replacement, valve springs should
be tested for correct load. Discard the springs that do not meet specifications. The following
specifications apply to both intake and exhaust valves springs:
Valve closed nominal load - 179.5 N ± 9 N @ 35.0 mm (40.35 lbs. ± 2 lbs. @ 1.38 in.).
Valve open nominal load - 364.8 N ± 17 N @ 29.25 mm (82 lbs. ± 3.8 lbs. @ 1.152 in.).
2. Inspect each valve spring for squareness with a steel square and surface plate, test springs from both ends.
If the spring is more than 1.5 mm (1/16 inch) out of square, install a new spring.
CAUTION: Care must be taken not to damage the tappet bore or engine damage
may result.
2009 Jeep Patriot Limited
2009 ENGINE 2.4L - Service Information - Compass & Patriot
a
Saturday, September 08, 2012 1:27:52 PM Page 122 © 2006 Mitchell Repair Information Company, LLC.
Installation
CYLINDER HEAD ON
Fig. 185: Valve Spring Assembly
Courtesy of CHRYSLER LLC
1. Install valve seal/valve spring seat (3) assembly. Push the assembly down with appropriate size socket to
seat it onto the valve guide.
2. Install valve spring (2) and retainer (4) with keepers (1).
Fig. 186: Valve Installation
Courtesy of CHRYSLER LLC
CAUTION: Care must be taken not to damage the tappet bore or engine damage may
result.
2009 Jeep Patriot Limited
2009 ENGINE 2.4L - Service Information - Compass & Patriot
a
Saturday, September 08, 2012 1:27:52 PM Page 123 © 2006 Mitchell Repair Information Company, LLC.
3. Place the valve keepers in the retainer. Using metric valve keeper tool such as Snap-on® GA317 (or
equivalent) installer (2) and remover (1) as a handle, install valve keepers with a downward push.
4. Remove air hose and install spark plugs.
5. Install valve tappets.
6. Install camshafts. See Engine/Cylinder Head/CAMSHAFT, Engine - Installation.
7. Install cylinder head cover. See Engine/Cylinder Head/COVER(S), Cylinder Head - Installation.
CYLINDER HEAD OFF
Fig. 187: Valve Spring Assembly
Courtesy of CHRYSLER LLC
1. Coat valve stems with clean engine oil and insert in cylinder head.
2. Install new valve stem seals (3) on all valves using an appropriate sized socket to seat the seal/spring seat.
The valve stem seals should be pushed firmly and squarely over valve guide.
3. Install valve springs (2).
4. Install keepers in retainer and place on valve spring.
CAUTION: Care must be taken not to damage the tappet bore or engine damage may
result.
2009 Jeep Patriot Limited
2009 ENGINE 2.4L - Service Information - Compass & Patriot
a
Saturday, September 08, 2012 1:27:52 PM Page 124 © 2006 Mitchell Repair Information Company, LLC.
Fig. 188: Valve Installation
Courtesy of CHRYSLER LLC
5. Using metric valve keeper tool such as Snap-on® GA317 (or equivalent) installer (2) and remover (1) as
a handle, push downward to install keepers.
Fig. 189: Spring Installed Height & Valve Tip To Spring Seat Dimensions
Courtesy of CHRYSLER LLC
6. Check the valve spring installed height B after refacing the valve and seat. Make sure measurements are
taken from top of spring seat to the bottom surface of spring retainer. If height is greater than 38.75 mm
(1.525 in.), install a 0.762 mm (0.030 in.) spacer under the valve spring seat to bring spring height back
within specification.
7. Install valve tappets.
VALVES, INTAKE AND EXHAUST
Description
DESCRIPTION
The valves are made of heat resistant steel. They have nitrided stems to prevent scuffing. Viton rubber valve
2009 Jeep Patriot Limited
2009 ENGINE 2.4L - Service Information - Compass & Patriot
a
Saturday, September 08, 2012 1:27:52 PM Page 125 © 2006 Mitchell Repair Information Company, LLC.
stem seals are integral with the spring seats. The valves have a single bead lock keepers to retain the springs.
Operation
OPERATION
The four valves per cylinder (two intake and two exhaust) are opened by using direct acting tappets which are
actuated by the camshaft.
Cleaning
CLEANING
Clean all valves thoroughly and discard burned, warped and cracked valves.
ENGINE MOUNTING
DESCRIPTION
DESCRIPTION
The engine mounting system consists of a four-point system utilizing two load-carrying mounts and two torque
controlling mounts. The load-carrying mounts are located on each frame rail. The right and left mounts are
hydro-elastic mounts. The two torque controlling mounts are attached to a fore/aft member and the front and
rear of the engine.
OPERATION
OPERATION
The four-point engine mounting system minimizes the transmission of structure-borne engine noise to the
passenger compartment. The load-carrying right and left mounts dampen and isolate vertical motion and
vibration. The front and rear mount absorb torque reaction forces and torsional vibrations.
INSULATOR, ENGINE MOUNT, FRONT
Removal
REMOVAL
CAUTION: Due to the small margin on the valves, grinding is not recommended.
2009 Jeep Patriot Limited
2009 ENGINE 2.4L - Service Information - Compass & Patriot
a
Saturday, September 08, 2012 1:27:52 PM Page 126 © 2006 Mitchell Repair Information Company, LLC.
Fig. 190: Front Mount Through Bolt
Courtesy of CHRYSLER LLC
1. Raise vehicle.
2. Remove fore aft member (3) to mount (4) bolts.
3. Remove mount through bolt (1).
4. Remove fore aft member (3) mounting bolts and remove.
5. Remove front mount (4).
Installation
INSTALLATION
Fig. 191: Front Mount Through Bolt
Courtesy of CHRYSLER LLC
2009 Jeep Patriot Limited
2009 ENGINE 2.4L - Service Information - Compass & Patriot
a
Saturday, September 08, 2012 1:27:52 PM Page 127 © 2006 Mitchell Repair Information Company, LLC.
1. Position mount (4) and torque bolts to 47 N.m (35 ft. lbs.).
2. Install fore aft member (3) and torque bolts to 100 N.m (74 ft. lbs.).
3. Install mount through bolt (1) and torque to 47 N.m (35 ft. lbs.).
4. Lower vehicle.
INSULATOR, ENGINE MOUNT, LEFT
Removal
REMOVAL
Fig. 192: Air Cleaner Inlet
Courtesy of CHRYSLER LLC
1. Remove air cleaner inlet (2) and air cleaner housing (1).
2009 Jeep Patriot Limited
2009 ENGINE 2.4L - Service Information - Compass & Patriot
a
Saturday, September 08, 2012 1:27:52 PM Page 128 © 2006 Mitchell Repair Information Company, LLC.
Fig. 193: Battery
Courtesy of CHRYSLER LLC
2. Remove PCM (1).
3. Remove PCM mounting bracket.
4. Disconnect negative cable from battery (3).
5. Support transaxle with a suitable jack.
Fig. 194: Left Mount
Courtesy of CHRYSLER LLC
6. Remove left mount through bolt (3).
7. Remove left mount bracket to body frame rail fasteners (1).
8. Remove mount.
2009 Jeep Patriot Limited
2009 ENGINE 2.4L - Service Information - Compass & Patriot
a
Saturday, September 08, 2012 1:27:52 PM Page 129 © 2006 Mitchell Repair Information Company, LLC.
Installation
INSTALLATION
Fig. 195: Left Mount
Courtesy of CHRYSLER LLC
1. Position mount (2) in place.
2. Install left mount to frame rail bolts (1) and torque to 75 N.m (55 ft. lbs.).
3. Install mount through bolt (3) and torque to 100 N.m (74 ft.lbs.).
4. Remove jack.
Fig. 196: Battery
Courtesy of CHRYSLER LLC
2009 Jeep Patriot Limited
2009 ENGINE 2.4L - Service Information - Compass & Patriot
a
Saturday, September 08, 2012 1:27:52 PM Page 130 © 2006 Mitchell Repair Information Company, LLC.
5. Install PCM mounting bracket.
6. Install PCM (1).
7. Connect negative cable to battery (3).
Fig. 197: Air Cleaner Inlet
Courtesy of CHRYSLER LLC
8. Install air cleaner housing (1) and air cleaner inlet (2).
INSULATOR, ENGINE MOUNT, REAR
Removal
REMOVAL
2009 Jeep Patriot Limited
2009 ENGINE 2.4L - Service Information - Compass & Patriot
a
Saturday, September 08, 2012 1:27:52 PM Page 131 © 2006 Mitchell Repair Information Company, LLC.
Fig. 198: Rear Mount - ATX
Courtesy of CHRYSLER LLC
1. Remove rear mount retaining bolts (4).
2. Remove rear mount through bolt (1).
3. Remove oxygen sensor connector (2) from mount.
4. Remove rear mount (3).
Installation
INSTALLATION
Fig. 199: Rear Mount - ATX
Courtesy of CHRYSLER LLC
2009 Jeep Patriot Limited
2009 ENGINE 2.4L - Service Information - Compass & Patriot
a
Saturday, September 08, 2012 1:27:52 PM Page 132 © 2006 Mitchell Repair Information Company, LLC.
1. Position rear mount (3).
2. Install rear mount retaining bolts (4) and tighten to 50 N.m (37 ft. lbs.).
3. Install rear mount through bolt (1) and tighten to 47 N.m (355 ft. lbs.).
4. Install oxygen sensor connector (2) retainer to mount (3).
INSULATOR, ENGINE MOUNT, RIGHT
Removal
REMOVAL
Fig. 200: Coolant Reservoir
Courtesy of CHRYSLER LLC
1. Remove coolant reservoir (3) and set aside.
2. Remove power steering reservoir (2) and set aside.
3. Remove windshield washer bottle (1).
2009 Jeep Patriot Limited
2009 ENGINE 2.4L - Service Information - Compass & Patriot
a
Saturday, September 08, 2012 1:27:52 PM Page 133 © 2006 Mitchell Repair Information Company, LLC.
Fig. 201: Power Steering Line Support
Courtesy of CHRYSLER LLC
4. Remove power steering line support bracket (1) from engine mount.
Fig. 202: Right Engine Mount
Courtesy of CHRYSLER LLC
5. Support transaxle with a block of wood and a suitable jack.
6. Remove engine mount through bolt (4).
7. Remove engine mount bracket bolts (3).
8. Remove engine mount retaining bolts.
9. Remove engine mount.
Installation
2009 Jeep Patriot Limited
2009 ENGINE 2.4L - Service Information - Compass & Patriot
a
Saturday, September 08, 2012 1:27:52 PM Page 134 © 2006 Mitchell Repair Information Company, LLC.
INSTALLATION
Fig. 203: Right Engine Mount
Courtesy of CHRYSLER LLC
1. Position right engine mount (1).
2. Install engine mount retaining bolts and tighten to 75 N.m (55 ft. lbs.).
3. Install engine mount adapter (2) and tighten bolts (3) to 68 N.m (50 ft. lbs.).
4. Install engine mount through bolt (4) and tighten to 88 N.m (65 ft. lbs.).
Fig. 204: Power Steering Line Support
Courtesy of CHRYSLER LLC
5. Remove jack.
6. Install power steering line support bracket (1) at engine mount.
2009 Jeep Patriot Limited
2009 ENGINE 2.4L - Service Information - Compass & Patriot
a
Saturday, September 08, 2012 1:27:52 PM Page 135 © 2006 Mitchell Repair Information Company, LLC.
Fig. 205: Coolant Reservoir
Courtesy of CHRYSLER LLC
7. Install windshield washer bottle (1).
8. Install power steering reservoir (2).
9. Install coolant reservoir (3).
10. Install engine cover.
ENGINE BLOCK
DESCRIPTION
DESCRIPTION
The die cast aluminum cylinder block is a two-piece assembly, consisting of the cylinder block and ladder
frame. The block is an open deck design with cast in place cast iron cylinder liners. The cast iron cylinder liners
are recessed below the aluminum deck surface. The ladder frame bolts to the cylinder block and does not
incorporate the main bearing caps. This design offers a much stronger lower end and increased cylinder block
and transaxle rigidity. The rear oil seal retainer is integral with the block and ladder frame. The ladder frame
and block are serviced as an assembly.
2009 Jeep Patriot Limited
2009 ENGINE 2.4L - Service Information - Compass & Patriot
a
Saturday, September 08, 2012 1:27:52 PM Page 136 © 2006 Mitchell Repair Information Company, LLC.
Fig. 206: Serial Number
Courtesy of CHRYSLER LLC
The engine serial number is located on the bottom of the ladder frame just behind the oil pan. The date can be
seen with the oil pan in place.
STANDARD PROCEDURE
CYLINDER BORE HONING
Fig. 207: Cylinder Bore Cross-Hatch Pattern
Courtesy of CHRYSLER LLC
1 - CROSS-HATCH PATTERN
2009 Jeep Patriot Limited
2009 ENGINE 2.4L - Service Information - Compass & Patriot
a
Saturday, September 08, 2012 1:27:53 PM Page 137 © 2006 Mitchell Repair Information Company, LLC.
1. Deglazing of the cylinder walls may be done using a quality commercially available flex hone, if the
cylinder bore is straight and round. 20-60 strokes depending on the bore condition, will be sufficient to
provide a satisfactory surface. Use a light honing oil. Do not use engine or transmission oil, mineral
spirits or kerosene. Inspect cylinder walls after each 20 strokes.
2. Honing should be done by moving the hone up and down fast enough to get a cross-hatch pattern. When
hone marks intersect at 30-50 degrees, the cross hatch angle is most satisfactory for proper seating of
rings.
3. A controlled hone motor speed between 200-300 RPM is necessary to obtain the proper cross-hatch
angle. The number of up and down strokes per minute can be regulated to get the desired 30-50 degree
angle. Faster up and down strokes increase the cross-hatch angle.
4. After honing, it is necessary that the block be cleaned again to remove all traces of abrasive.
CLEANING
CLEANING
Clean cylinder block thoroughly using a suitable cleaning solvent.
INSPECTION
INSPECTION
ENGINE BLOCK
2 - 40°-60°
CAUTION: Ensure all abrasives are removed from engine parts after honing. It is
recommended that a solution of soap and hot water be used with a
brush and the parts then thoroughly dried. The bore can be
considered clean when it can be wiped clean with a white cloth and
cloth remains clean. Oil the bores after cleaning to prevent rusting.
2009 Jeep Patriot Limited
2009 ENGINE 2.4L - Service Information - Compass & Patriot
a
Saturday, September 08, 2012 1:27:53 PM Page 138 © 2006 Mitchell Repair Information Company, LLC.
Fig. 208: Checking Cylinder Bore Size
Courtesy of CHRYSLER LLC
1. Clean cylinder block thoroughly and check all core hole plugs for evidence of leaking.
2. Examine block and cylinder bores for cracks or fractures.
3. Check block deck surfaces for flatness. Deck surface must be within service limit of 0.050 mm (0.002
in.).
CYLINDER BORE
The cylinder walls should be checked for out-of-round and taper with Tool C119 or equivalent. See Engine -
Specifications. If the cylinder walls are badly scuffed or scored, the cylinder block should be replaced, and new
pistons and rings fitted. See Fig. 208.
Measure the cylinder bore at three levels in directions A and B. Top measurement should be 10 mm (3/8 in.)
down and bottom measurement should be 10 mm (3/8 in.) up from bottom of bore. See Engine -
Specifications.
BEARING(S), CONNECTING ROD
Standard Procedure
CONNECTING ROD - FITTING
NOTE: The cylinder bores should be measured at normal room temperature, 21°C (70°
F).
2009 Jeep Patriot Limited
2009 ENGINE 2.4L - Service Information - Compass & Patriot
a
Saturday, September 08, 2012 1:27:53 PM Page 139 © 2006 Mitchell Repair Information Company, LLC.
Fig. 209: Connecting Rod Bearing Identification
Courtesy of CHRYSLER LLC
There are three different sizes of rod bearings available. Connecting rod bearing identification (4) can be found
on the nose of the crankshaft (3). Use the table below for proper bearing selection.
CONNECTING ROD BEARING SELECTION
CRANKSHAFT PIN
DIAMETER GRADE
DIMENSION
CONNECTING ROD
BEARING
CLASSIFICATION
CONNECTING ROD
BEARING
DIMENSION
1 48 mm 1 (Black) 1.5 mm
2 48 mm 2 (No Color) 1.5 mm
3 48 mm 3 (Green) 1.5 mm
2009 Jeep Patriot Limited
2009 ENGINE 2.4L - Service Information - Compass & Patriot
a
Saturday, September 08, 2012 1:27:53 PM Page 140 © 2006 Mitchell Repair Information Company, LLC.
Fig. 210: Connecting Rod Bearing Clearance - Typical
Courtesy of CHRYSLER LLC
1. For measuring connecting rod bearing clearance procedure and use of Plastigage, see Engine - Standard
Procedure. For bearing clearance, refer to Engine Specifications. See Engine - Specifications.
2. Before installing the NEW rod bolts the threads and under the bolt head should be oiled with clean engine
oil.
3. Install each bolt finger tight then alternately torque each bolt to assemble the cap properly.
4. Tighten the connecting rod bolts using the 2 step torque-turn method. Tighten according to the following
values:
1. Tighten the bolts to 20 N.m (15 ft. lbs.).
2. Tighten the connecting rod bolts an additional 90°.
Fig. 211: Connecting Rod Side Clearance
Courtesy of CHRYSLER LLC
5. Using a feeler gauge, check connecting rod side clearance. Refer to clearance specifications. See Engine -
Specifications.
BEARING(S), CRANKSHAFT, MAIN
Standard Procedure
MAIN BEARING SELECTION
NOTE: The rod bolts should not be reused.
CAUTION: Do not use a torque wrench for the second step.
2009 Jeep Patriot Limited
2009 ENGINE 2.4L - Service Information - Compass & Patriot
a
Saturday, September 08, 2012 1:27:53 PM Page 141 © 2006 Mitchell Repair Information Company, LLC.
Fig. 212: Lower Main Bearing Identification
Courtesy of CHRYSLER LLC
The lower main bearing identification (2) is stamped in the nose of the crankshaft (3). There are 5 different
bearing sizes available 0 through 4.
NOTE: There are three different possibilities for the upper main bearings and five
different lower main bearings. The upper and lower bearing shells are not
interchangeable.
CRANKSHAFT IDENTIFICATION LOWER CRANKSHAFT BEARING SELECTION
JOURNAL
DIAMETER GRADE
DIMENSION
LOWER MAIN BEARING
SIZE CLASSIFICATION
LOWER MAIN
BEARING
DIMENSION
0
52 mm, -0.012 to -
0.015 mm
0 (Pink or Red) 2 mm, 0 to -0.003 mm
1
52 mm, -0.015 to -
0.018 mm
1 (Black) 2 mm, +0.003 to 0 mm
2
52 mm, -0.018 to -
0.021 mm
2 (No Color)
2 mm, +0.006 to
+0.003 mm
3
52 mm, -0.021 to -
0.024 mm
3 (Green)
2 mm, +0.009 to
+0.006 mm
4
52 mm, -0.024 to -
0.027 mm
4 (Blue)
2 mm, +0.012 to
+0.009 mm
2009 Jeep Patriot Limited
2009 ENGINE 2.4L - Service Information - Compass & Patriot
a
Saturday, September 08, 2012 1:27:53 PM Page 142 © 2006 Mitchell Repair Information Company, LLC.
Fig. 213: Upper Main Bearing Shell Identification
Courtesy of CHRYSLER LLC
The upper main bearing shell identification (1) is located in the middle of cylinder block on the right side of the
engine. There are three different size bearings available. The bearing class is read downward from top and
corresponds to the front journal to the rear journal on the bottom.
UPPER MAIN BEARING SELECTION
CRANKSHAFT
Standard Procedure
MEASURING CRANKSHAFT END PLAY
CYLINDER BLOCK IDENTIFICATION UPPER CRANKSHAFT BEARING SELECTION
MAIN BEARING
GRADE
DIMENSION
UPPER MAIN BEARING
SIZE CLASSIFICATION
UPPER MAIN
BEARING
DIMENSION
1 56.000<56.006 mm 1 (Black) 2 mm, 0 to -0.006 mm
2 56.006<56.012 mm 2 (No Color) 2 mm, +0.006 to 0 mm
3 56.012<56.018 mm 3 (Green)
2 mm, +0.012 to
+0.006 mm
2009 Jeep Patriot Limited
2009 ENGINE 2.4L - Service Information - Compass & Patriot
a
Saturday, September 08, 2012 1:27:53 PM Page 143 © 2006 Mitchell Repair Information Company, LLC.
Fig. 214: Checking Crankshaft End Play - Dial Indicator
Courtesy of CHRYSLER LLC
1. Mount a dial indicator (2) to front of engine with the locating probe on nose of crankshaft (1).
2. Move crankshaft all the way to the rear of its travel.
3. Zero the dial indicator.
4. Move crankshaft all the way to the front and read the dial indicator. See Engine - Specifications for end
play specification.
Removal
REMOVAL
1 - Crankshaft
2 - DIAL INDICATOR
2009 Jeep Patriot Limited
2009 ENGINE 2.4L - Service Information - Compass & Patriot
a
Saturday, September 08, 2012 1:27:53 PM Page 144 © 2006 Mitchell Repair Information Company, LLC.
Fig. 215: FLEX PLATE
Courtesy of CHRYSLER LLC
1. Remove engine assembly from vehicle. See Engine - Removal.
2. Separate transaxle from engine.
3. Remove flex plate/flywheel (1).
4. Remove crankshaft rear oil seal. See Engine/Engine Block/SEAL, Crankshaft Oil - Removal.
Fig. 216: Lift Chain
Courtesy of CHRYSLER LLC
NOTE: Crankshaft can not be removed when engine is in vehicle.
2009 Jeep Patriot Limited
2009 ENGINE 2.4L - Service Information - Compass & Patriot
a
Saturday, September 08, 2012 1:27:53 PM Page 145 © 2006 Mitchell Repair Information Company, LLC.
5. Remove engine from lift chain (1) and mount engine on a suitable repair stand.
Fig. 217: Oil Drain Plug
Courtesy of CHRYSLER LLC
6. Drain engine oil (2).
Fig. 218: Oil Filter
Courtesy of CHRYSLER LLC
7. Remove oil filter (1).
2009 Jeep Patriot Limited
2009 ENGINE 2.4L - Service Information - Compass & Patriot
a
Saturday, September 08, 2012 1:27:53 PM Page 146 © 2006 Mitchell Repair Information Company, LLC.
Fig. 219: Right Engine Mount Bracket
Courtesy of CHRYSLER LLC
8. Remove crankshaft vibration damper (2). See Engine/Engine Block/DAMPER, Vibration - Removal.
9. Remove water pump pulley (3).
10. Remove engine mount support bracket (1).
Fig. 220: Oil Pan Removal
Courtesy of CHRYSLER LLC
11. Remove the oil pan (2). See Engine/Lubrication/PAN, Oil - Removal.
12. Remove timing chain cover. See Engine/Valve Timing/COVER(S), Engine Timing - Removal.
13. Remove the timing chain. See Engine/Valve Timing/CHAIN and SPROCKETS, Timing - Removal.
14. Remove balance shaft module.
2009 Jeep Patriot Limited
2009 ENGINE 2.4L - Service Information - Compass & Patriot
a
Saturday, September 08, 2012 1:27:53 PM Page 147 © 2006 Mitchell Repair Information Company, LLC.
Fig. 221: Crankshaft Sprocket
Courtesy of CHRYSLER LLC
15. Remove the crankshaft sprocket (1).
Fig. 222: Crankshaft Position Sensor
Courtesy of CHRYSLER LLC
16. Remove crankshaft position sensor retaining bolt (1) and remove sensor (2).
17. Remove ladder frame. See Engine/Engine Block/FRAME, Ladder - Removal.
2009 Jeep Patriot Limited
2009 ENGINE 2.4L - Service Information - Compass & Patriot
a
Saturday, September 08, 2012 1:27:53 PM Page 148 © 2006 Mitchell Repair Information Company, LLC.
Fig. 223: Identify Connecting Rod to Cylinder-Typical
Courtesy of CHRYSLER LLC
18. Using a permanent ink or paint marker, identify cylinder number on each connecting rod and cap.
19. Remove all connecting rod bolts and caps. Care should be taken not to damage the fracture rod and cap
surfaces.
Fig. 224: Main Bearing Cap Torque Sequence
Courtesy of CHRYSLER LLC
NOTE: If piston/connecting rod replacement is necessary, remove cylinder head.
See Engine/Cylinder Head - Removal.
CAUTION: DO NOT use a number stamp or a punch to mark connecting rods.
Damage to connecting rod could occur.
NOTE: Do not reuse connecting rod bolts.
2009 Jeep Patriot Limited
2009 ENGINE 2.4L - Service Information - Compass & Patriot
a
Saturday, September 08, 2012 1:27:53 PM Page 149 © 2006 Mitchell Repair Information Company, LLC.
20. Remove main bearing caps.
21. Lift out crankshaft from cylinder block. Do not damage the main bearings or journals when removing the
crankshaft.
Inspection
INSPECTION
Fig. 225: Crankshaft Journal Measurements - Typical
Courtesy of CHRYSLER LLC
The crankshaft main journals should be checked for excessive wear, taper and scoring. Limits of taper on any
crankshaft main journals should be held to 0.006 mm (0.00024 in.). Limits of taper on any crankshaft rod
journals should be held to 0.005 mm (0.0002 in.). DO NOT nick crank pin or bearing fillets. Limits of out of
round on any crankshaft journals should be held to 0.005 mm (0.0002 in). DO NOT nick crank pin or bearing
fillets.
Installation
INSTALLATION
CAUTION: Use extreme care when handling crankshaft. Tone wheel damage can
occur if crankshaft is mis-handled.
2009 Jeep Patriot Limited
2009 ENGINE 2.4L - Service Information - Compass & Patriot
a
Saturday, September 08, 2012 1:27:53 PM Page 150 © 2006 Mitchell Repair Information Company, LLC.
Fig. 226: Bearing Identification
Courtesy of CHRYSLER LLC
The crankshaft is supported in five main bearings. All upper bearing shells (2) in the crankcase have oil grooves
and holes. All lower bearing shells (1) are smooth. Crankshaft end play is controlled by a two piece thrust
bearing (3) on the number three main bearing journal.
1. Clean main bearing cap bolt holes with Mopar® brake parts cleaner or equivalent and blow out with
compressed air.
2. Install the main bearing upper (2) shells with the lubrication groove and oil hole in the engine block.
3. Make certain oil holes in block line up with oil hole in bearings and bearing tabs seat in the block tab
slots.
Fig. 227: Target Wheel
Courtesy of CHRYSLER LLC
2009 Jeep Patriot Limited
2009 ENGINE 2.4L - Service Information - Compass & Patriot
a
Saturday, September 08, 2012 1:27:53 PM Page 151 © 2006 Mitchell Repair Information Company, LLC.
4. Clean crankshaft and target ring with MOPAR® Brake Parts cleaner and dry with compressed air to
ensure that the crankshaft mating surface and target ring mounting holes are free from oil and lock patch
debris.
5. Install NEW mounting screws finger tight starting with the #1 location. Make sure engagement occurs
with the shoulder of the screws and mounting hole before starting all other screws.
6. Tighten all mounting screws to 13 N.m (110 in-lbs) in the sequence shown in illustration.
Fig. 228: Installing Thrust Bearing
Courtesy of CHRYSLER LLC
7. Install thrust bearings (2) in block (1).
NOTE: If the crankshaft is sent out for machine work, it must be balanced as an
assembly with the target ring installed.
NOTE: Always use NEW mounting screws whether installing original or new
target ring.
NOTE: Lightly apply trans gel to thrust bearings to hold bearings in block.
NOTE: The thrust bearings must be installed the notches facing the crankshaft.
CAUTION: Do not get oil on the ladder frame mating surface. It will affect the
ability of the RTV to seal the ladder frame to cylinder block.
NOTE: Ensure main bearing cap bolt holes in the block are clean, dry (free of
residual oil or coolant), and threads are not damaged.
2009 Jeep Patriot Limited
2009 ENGINE 2.4L - Service Information - Compass & Patriot
a
Saturday, September 08, 2012 1:27:53 PM Page 152 © 2006 Mitchell Repair Information Company, LLC.
8. Oil the bearings and journals. Install crankshaft in engine block.
Fig. 229: Bearing Identification
Courtesy of CHRYSLER LLC
9. Install lower main bearings (1) into main bearing cap. Make certain the bearing tabs are seated into the
bearing cap slots.
10. Install main bearing caps to engine block.
11. Before installing the bolts the threads should be clean and dry.
12. Loosely install main bearing cap bolts.
13. To ensure correct thrust bearing alignment, perform the following steps:
NOTE: Main bearing caps are stamped 1 - 5 front to rear. Arrows on the caps must
point towards the front of the engine.
CAUTION: There are different sets main bolts supplied with this engine. Each
bolt set has a different torque value and engine damage could result
if bolts are not torqued correctly. The bolts are not interchangeable.
2009 Jeep Patriot Limited
2009 ENGINE 2.4L - Service Information - Compass & Patriot
a
Saturday, September 08, 2012 1:27:53 PM Page 153 © 2006 Mitchell Repair Information Company, LLC.
Fig. 230: Main Bolt Identification
Courtesy of CHRYSLER LLC
Step 1: Rotate crankshaft until number 4 piston is at TDC.
Step 2: Move crankshaft rearward to limits of travel.
Step 3: Then, move crankshaft forward to limits of travel.
Step 4: Wedge an appropriate tool between the rear of the cylinder block and the rear crankshaft
counterweight. This will hold the crankshaft in its furthest forward position.
14. If your bolt heads look like this (1, 2), go to step 15. If your bolt heads do not look like this (1, 2), go to
step 16.
Fig. 231: Main Bearing Cap Torque Sequence
Courtesy of CHRYSLER LLC
CAUTION: Before tightening bolts, you must identify the bolt head to obtain the
correct torque value. Failure to identify the bolts correctly, could
2009 Jeep Patriot Limited
2009 ENGINE 2.4L - Service Information - Compass & Patriot
a
Saturday, September 08, 2012 1:27:53 PM Page 154 © 2006 Mitchell Repair Information Company, LLC.
15. Tighten bolts using a three step method, in the sequence shown in illustration.
Tighten bolts to 15 N.m (11 ft. lbs.)
Tighten bolts to 27 N.m (20 ft. lbs.)
Rotate an additional 45°.
16. Tighten bolts using a three step method, in the sequence shown in illustration.
Tighten bolts to 15 N.m (11 ft. lbs.)
Tighten bolts to 45 N.m (33 ft. lbs.)
Rotate an additional 45°.
17. Remove wedge tool used to hold crankshaft.
18. Check the crankshaft turning torque, it should not exceed 5.6 N.m (50 in. lbs.).
19. Check crankshaft end play. See Engine/Engine Block/CRANKSHAFT - Standard Procedure.
20. Install connecting rod bearings and caps. Do Not Reuse Connecting Rod Bolts. Tighten connecting rod
bolts to 20 N.m + 90° (15 ft. lbs.) + 90°. See Engine/Engine Block/ROD, Piston and Connecting -
Installation.
21. Install the ladder frame assembly. See Engine/Engine Block/FRAME, Ladder - Installation.
22. Install the balance shaft module. See Engine/Lubrication/PUMP, Engine Oil - Installation.
Fig. 232: Crankshaft Position Sensor
Courtesy of CHRYSLER LLC
23. Install crankshaft position sensor (2) and tighten bolt (1).
24. Install cylinder head if it was removed. See Engine/Cylinder Head - Installation.
result in improperly tightened bolts which could result in engine
damage.
2009 Jeep Patriot Limited
2009 ENGINE 2.4L - Service Information - Compass & Patriot
a
Saturday, September 08, 2012 1:27:53 PM Page 155 © 2006 Mitchell Repair Information Company, LLC.
Fig. 233: Crankshaft Sprocket
Courtesy of CHRYSLER LLC
25. Install front crankshaft sprocket (1).
26. Install the timing chain. See Engine/Valve Timing/CHAIN and SPROCKETS, Timing - Installation.
27. Install the timing chain front cover. See Engine/Valve Timing/COVER(S), Engine Timing -
Installation.
28. Install the oil pan. See Engine/Lubrication/PAN, Oil - Installation.
29. Install rear crankshaft oil seal. See Engine/Engine Block/SEAL, Crankshaft Oil - Installation.
30. Install front crankshaft oil seal. See Engine/Engine Block/SEAL, Crankshaft Oil - Installation.
Fig. 234: Right Engine Mount Bracket
Courtesy of CHRYSLER LLC
2009 Jeep Patriot Limited
2009 ENGINE 2.4L - Service Information - Compass & Patriot
a
Saturday, September 08, 2012 1:27:53 PM Page 156 © 2006 Mitchell Repair Information Company, LLC.
31. Install engine mount support bracket (1).
32. Install crankshaft vibration damper (2). See Engine/Engine Block/DAMPER, Vibration - Installation.
33. Install water pump pulley (3).
Fig. 235: Lift Chain
Courtesy of CHRYSLER LLC
34. Remove engine from repair stand and install engine lift chain (1).
35. Install crankshaft rear oil seal. See Engine/Engine Block/SEAL, Crankshaft Oil - Installation.
36. Install drive plate/flex plate using new bolts. Tighten bolts to 95 N.m (70 ft. lbs.).
37. Attach transaxle to engine. Tighten bellhousing bolts to 101 N.m (75 ft. lbs.).
38. Install the engine assembly. See Engine - Installation.
2009 Jeep Patriot Limited
2009 ENGINE 2.4L - Service Information - Compass & Patriot
a
Saturday, September 08, 2012 1:27:53 PM Page 157 © 2006 Mitchell Repair Information Company, LLC.
Fig. 236: Oil Filter
Courtesy of CHRYSLER LLC
39. Install new oil filter (1) and fill with oil.
40. Fill with coolant. Refer to Cooling - Standard Procedure .
41. Start engine and check for leaks.
42. Install engine cover.
DAMPER, VIBRATION
Removal
REMOVAL
Fig. 237: Damper Removal
Courtesy of CHRYSLER LLC
1. Remove accessory drive belts. Refer to Cooling/Accessory Drive/BELT, Serpentine - Removal .
2. Install Damper holder 9707 (1).
3. Remove crankshaft damper bolt.
4. Pull damper off crankshaft.
Installation
INSTALLATION
2009 Jeep Patriot Limited
2009 ENGINE 2.4L - Service Information - Compass & Patriot
a
Saturday, September 08, 2012 1:27:53 PM Page 158 © 2006 Mitchell Repair Information Company, LLC.
Fig. 238: Damper Removal
Courtesy of CHRYSLER LLC
1. Install crankshaft damper.
2. Apply clean engine oil crankshaft damper bolt threads and between bolt head and washer. Tighten bolt to
210 N.m (155 ft. lbs.).
3. Install accessory drive belts. Refer to Cooling/Accessory Drive/BELT, Serpentine - Installation .
FLEXPLATE
Removal
REMOVAL
2009 Jeep Patriot Limited
2009 ENGINE 2.4L - Service Information - Compass & Patriot
a
Saturday, September 08, 2012 1:27:53 PM Page 159 © 2006 Mitchell Repair Information Company, LLC.
Fig. 239: Flex Plate
Courtesy of CHRYSLER LLC
1. Remove transmission. Refer to Transmission and Transfer Case/Manual - Removal or Transmission
and Transfer Case/Automatic - CVT - Removal
2. Remove flex plate bolts (3) and discard.
3. Remove washer (2).
4. Remove flex plate (1).
Installation
INSTALLATION
Fig. 240: Flex Plate
Courtesy of CHRYSLER LLC
1. Install flex plate (1).
2. Install washer (2).
3. Install new flex plate bolts (3) and tighten in a criss-cross pattern to 29 N.m (22 ft. lbs.) plus 51° rotation.
4. Install transaxle. Refer to Transmission and Transfer Case/Manual - Installation or Transmission
and Transfer Case/Automatic - CVT - Installation
FRAME, LADDER
Removal
REMOVAL
2009 Jeep Patriot Limited
2009 ENGINE 2.4L - Service Information - Compass & Patriot
a
Saturday, September 08, 2012 1:27:53 PM Page 160 © 2006 Mitchell Repair Information Company, LLC.
Fig. 241: Pry Point 1
Courtesy of CHRYSLER LLC
1. Remove oil pan. See Engine/Lubrication/PAN, Oil - Removal.
2. Remove balance shaft assembly. See Engine/Lubrication/PUMP, Engine Oil - Removal.
3. Remove ladder frame retaining bolts.
4. Remove ladder frame using pry point cast in the rear of the block (1).
Fig. 242: Pry Point 2
Courtesy of CHRYSLER LLC
5. To assist in removing the ladder frame another (1) pry point cast in the right side of the block.
Cleaning
2009 Jeep Patriot Limited
2009 ENGINE 2.4L - Service Information - Compass & Patriot
a
Saturday, September 08, 2012 1:27:53 PM Page 161 © 2006 Mitchell Repair Information Company, LLC.
CLEANING
Clean ladder frame with a plastic or wooden scraper and a suitable solvent. See Engine - Standard Procedure.
Installation
INSTALLATION
Fig. 243: Sealing Ladder Frame
Courtesy of CHRYSLER LLC
1. Apply a 2 mm bead of Mopar® engine sealant RTV or equivalent as shown in illustration.
NOTE: When using RTV, the sealing surfaces must be clean and free from grease and
oil.
NOTE: When using RTV, parts should be assembled in 10 minutes and tighten to final
torque within 45 minutes.
2009 Jeep Patriot Limited
2009 ENGINE 2.4L - Service Information - Compass & Patriot
a
Saturday, September 08, 2012 1:27:53 PM Page 162 © 2006 Mitchell Repair Information Company, LLC.
Fig. 244: Ladder Frame Torque
Courtesy of CHRYSLER LLC
2. Install bolts and tighten as shown in illustration following a two step method.
First: All to 10 N.m (89 in. lbs.).
Second: All to 26 N.m (19 ft. lbs.).
3. Install balance shaft module. See Engine/Lubrication/PUMP, Engine Oil - Installation.
4. Install oil pan. See Engine/Lubrication/PAN, Oil - Installation.
RING(S), PISTON
Standard Procedure
PISTON RING - FITTING
Fig. 245: Check Gap On Piston Rings
2009 Jeep Patriot Limited
2009 ENGINE 2.4L - Service Information - Compass & Patriot
a
Saturday, September 08, 2012 1:27:53 PM Page 163 © 2006 Mitchell Repair Information Company, LLC.
Courtesy of CHRYSLER LLC
1. Wipe cylinder bore clean. Insert ring and push down with piston to ensure it is square in bore. The ring
gap measurement must be made with the ring positioning at least 13 mm (0.50 inch) from bottom of
cylinder bore and below the bottom of the oil ring travel where cylinder bore has minimal wear. Check
gap with feeler gauge. Refer to Engine - Specifications.
Fig. 246: Piston Ring To Groove Side Clearance
Courtesy of CHRYSLER LLC
2. Check piston ring to groove side clearance. Refer to Engine - Specifications.
Removal
REMOVAL
NOTE: Ring end gap measurements are sensitive to the ring being square in the
bore. Care must be used to avoid tilting the rings in cylinder bores when
taking measurements.
CAUTION: Exercise care when using tools on piston. Do not scratch or gouge
piston surface or ring grooves as this may cause engine damage.
2009 Jeep Patriot Limited
2009 ENGINE 2.4L - Service Information - Compass & Patriot
a
Saturday, September 08, 2012 1:27:53 PM Page 164 © 2006 Mitchell Repair Information Company, LLC.
Fig. 247: Piston Rings - Removing & Installing
Courtesy of CHRYSLER LLC
1. Using a suitable ring expander, remove upper and intermediate piston rings.
2. Remove the upper oil ring side rail, lower oil ring side rail and then oil ring expander from piston.
3. Clean ring grooves of any carbon deposits.
Installation
INSTALLATION
Fig. 248: Installing Side Rail
Courtesy of CHRYSLER LLC
NOTE: The identification mark on face of upper and intermediate piston rings must
point toward top of piston.
CAUTION: Install piston rings in the following order:
2009 Jeep Patriot Limited
2009 ENGINE 2.4L - Service Information - Compass & Patriot
a
Saturday, September 08, 2012 1:27:53 PM Page 165 © 2006 Mitchell Repair Information Company, LLC.
A. Oil ring expander.
B. Upper oil ring side rail.
C. Lower oil ring side rail.
D. No. 2 Intermediate piston ring.
E. No. 1 Upper piston ring.
1. Install oil ring expander.
2. Install upper side rail first and then the lower side rail. Install the side rails by placing one end between
the piston ring groove and the oil ring expander. Hold end firmly and press down the portion to be
installed until side rail is in position. Do not use a piston ring expander.
3. Install No. 2 piston ring and then No. 1 piston ring.
Fig. 249: Piston Ring End Gap Position
Courtesy of CHRYSLER LLC
4. Position piston ring end gaps as shown in illustration.
5. Position oil ring expander gap at least 45° from the side rail gaps but not on the piston pin center or on
the thrust direction. Staggering ring gap is important for oil control.
ROD, PISTON AND CONNECTING
Description
DESCRIPTION
NOTE: The compression rings are marked Y1 for the upper compression ring and
Y2 for the second compression ring. These markings must face upward.
2009 Jeep Patriot Limited
2009 ENGINE 2.4L - Service Information - Compass & Patriot
a
Saturday, September 08, 2012 1:27:53 PM Page 166 © 2006 Mitchell Repair Information Company, LLC.
The pistons are made of a cast aluminum alloy. The pistons have pressed-in pins attached to forged connecting
rods. The piston pin is offset 0.8 mm (0.0314 in.) towards the thrust side of the piston. The connecting rods are
a cracked cap design and are not repairable. The piston with rings, connecting rod and piston pin are serviced as
an assembly.
Standard Procedure
PISTON and BORE MEASUREMENT
Fig. 250: Piston Pin
Courtesy of CHRYSLER LLC
Piston and cylinder wall must be clean and dry. Piston diameter should be measured 90 degrees to piston pin
(1).
1. Measurement should be taken approximately 17 mm (0.669 in.) from the bottom of the skirt (2) as shown
in illustration.
NOTE: Pistons and cylinder bores should be measured at normal room temperature,
21°C (70°F).
2009 Jeep Patriot Limited
2009 ENGINE 2.4L - Service Information - Compass & Patriot
a
Saturday, September 08, 2012 1:27:53 PM Page 167 © 2006 Mitchell Repair Information Company, LLC.
Fig. 251: Checking Cylinder Bore Size
Courtesy of CHRYSLER LLC
2. Cylinder bores should be measured halfway down the cylinder bore and transverse (measurement location
B) to the engine crankshaft center line shown in illustration. See Engine - Specifications.
PISTON SELECTION
NOTE: Correct piston to bore clearance must be established in order to assure
quiet and economical operation.
2009 Jeep Patriot Limited
2009 ENGINE 2.4L - Service Information - Compass & Patriot
a
Saturday, September 08, 2012 1:27:53 PM Page 168 © 2006 Mitchell Repair Information Company, LLC.
Fig. 252: Piston Identification
Courtesy of CHRYSLER LLC
The pistons are select fit to each bore. There are three different grades of pistons available; A, B, and C. The
piston identification (2) is located in the middle of the block on the right side of the engine. The bore
identification starts at the top and reads downward. Bore #1 is at the top and bore #4 is at the bottom.
The piston, rings and rod are serviced as an assembly, after determining what size piston is needed. See
Engine/Engine Block/BEARING(S), Connecting Rod - Standard Procedure to determine correct rod
bearing size.
Removal
REMOVAL
2009 Jeep Patriot Limited
2009 ENGINE 2.4L - Service Information - Compass & Patriot
a
Saturday, September 08, 2012 1:27:53 PM Page 169 © 2006 Mitchell Repair Information Company, LLC.
Fig. 253: Lift Chain
Courtesy of CHRYSLER LLC
1. Remove engine. See Engine - Removal.
2. Remove engine from lift chain (1) and place on a suitable engine stand.
3. Remove cylinder head. See Engine/Cylinder Head - Removal.
Fig. 254: Oil Drain Plug
NOTE: Pistons, rings, and rods are serviced as an assembly.
CAUTION: To maintain engine balance, 1, 3, or 4 pistons can be replaced. If 2 pistons
are replaced, engine will be out of balance.
2009 Jeep Patriot Limited
2009 ENGINE 2.4L - Service Information - Compass & Patriot
a
Saturday, September 08, 2012 1:27:53 PM Page 170 © 2006 Mitchell Repair Information Company, LLC.
Courtesy of CHRYSLER LLC
4. Drain engine oil (2).
5. Remove oil pan (1). See Engine/Lubrication/PAN, Oil - Removal.
Fig. 255: Oil Filter
Courtesy of CHRYSLER LLC
6. Remove oil filter (1).
7. Remove balance shaft assembly.
8. Remove ladder frame.
9. Remove top ridge of cylinder bores with a reliable ridge reamer before removing pistons from cylinder
block. Be sure to keep tops of pistons covered during this operation .
Fig. 256: Identify Connecting Rod to Cylinder-Typical
Courtesy of CHRYSLER LLC
NOTE: Remove any carbon build up and clean debris from cylinder prior to piston
removal to avoid scratching piston skirts.
2009 Jeep Patriot Limited
2009 ENGINE 2.4L - Service Information - Compass & Patriot
a
Saturday, September 08, 2012 1:27:53 PM Page 171 © 2006 Mitchell Repair Information Company, LLC.
10. Rotate crankshaft so that each connecting rod is centered in cylinder bore.
11. Using a permanent ink or paint marker, identify cylinder number on each connecting rod cap.
12. Remove connecting rod bolts and cap.
13. Carefully push each piston and rod assembly out of cylinder bore. Re-install bearing cap on the mating
rod.
14. Repeat procedure for each piston and connecting rod assembly.
Installation
INSTALLATION
Fig. 257: Piston Ring End Gap Position
Courtesy of CHRYSLER LLC
1. Install piston rings on piston. See Engine/Engine Block/RING(S), Piston - Installation.
2. Before installing pistons and connecting rod assemblies into the bore, be sure that top compression ring
gap (1) and the second compression ring gap (3) are staggered so that neither is in line with oil ring rail
CAUTION: DO NOT use a number stamp or a punch to mark connecting rods, as
damage to connecting rod could occur.
CAUTION: Care must be taken not to damage the fractured rod and cap joint
surfaces, as engine damage may occur.
CAUTION: Do not reuse connecting rod bolts. These are one-time-use bolts and
reuse could result in engine failure.
2009 Jeep Patriot Limited
2009 ENGINE 2.4L - Service Information - Compass & Patriot
a
Saturday, September 08, 2012 1:27:53 PM Page 172 © 2006 Mitchell Repair Information Company, LLC.
gap.
3. Before installing the ring compressor, make sure the oil ring expander ends are butted (1) and the rail
gaps (2,4) located as shown in illustrationabove. As viewed from the top of the piston.
4. Immerse the piston head and rings in clean engine oil, slide the ring compressor, over the piston. Be sure
position of rings does not change during this operation .
Fig. 258: Piston Installation
Courtesy of CHRYSLER LLC
5. The directional arrow stamped on the piston should face toward the front of the engine.
6. Rotate crankshaft so that the connecting rod journal is on the center of the cylinder bore. Lubricate
connecting rod journal with clean engine oil.
NOTE: There are three different size rod bearings, perform Standard Procedure .
NOTE: The rod bearing sizes are indicated on the nose of the crankshaft.
2009 Jeep Patriot Limited
2009 ENGINE 2.4L - Service Information - Compass & Patriot
a
Saturday, September 08, 2012 1:27:53 PM Page 173 © 2006 Mitchell Repair Information Company, LLC.
Fig. 259: Ring Compressor
Courtesy of CHRYSLER LLC
7. Install connecting rod upper bearing half into connecting rod.
8. Install ring compressor (3).
9. Tap the piston (1) down in cylinder bore, using a hammer handle (2). At the same time, guide connecting
rod into position on connecting rod journal.
10. Before installing the NEW bolts, the threads should be coated with clean engine oil.
11. Install connecting rod lower bearing half into connecting rod cap. Install connecting rod cap.
12. Install each bolt finger tight then alternately torque each bolt to assemble the cap properly.
13. Tighten the connecting rod bolts using the 2 step torque-turn method. Tighten according to the following
values:
1. Tighten the bolts to 20 N.m (15 ft. lbs.).
2. Tighten the connecting rod bolts an additional 90°.
NOTE: The connecting rod cap bolts should NOT be reused.
CAUTION: Do not use a torque wrench for the second step.
2009 Jeep Patriot Limited
2009 ENGINE 2.4L - Service Information - Compass & Patriot
a
Saturday, September 08, 2012 1:27:53 PM Page 174 © 2006 Mitchell Repair Information Company, LLC.
Fig. 260: Connecting Rod Side Clearance
Courtesy of CHRYSLER LLC
14. Using a feeler gauge, check connecting rod side clearance. See Engine - Specifications for connecting
rod side clearance.
15. Install the ladder frame. See Engine/Engine Block/FRAME, Ladder - Installation.
16. Install oil pump/balance shaft carrier assembly. See Engine/Lubrication/PUMP, Engine Oil -
Installation.
17. Install oil pan. See Engine/Lubrication/PAN, Oil - Installation.
18. Install cylinder head. See Engine/Cylinder Head - Installation.
Fig. 261: Lift Chain
Courtesy of CHRYSLER LLC
19. Install engine on lift chain (1).
2009 Jeep Patriot Limited
2009 ENGINE 2.4L - Service Information - Compass & Patriot
a
Saturday, September 08, 2012 1:27:53 PM Page 175 © 2006 Mitchell Repair Information Company, LLC.
20. Install engine. See Engine - Installation.
SEAL, CRANKSHAFT OIL, FRONT
Removal
REMOVAL
Fig. 262: Damper Removal
Courtesy of CHRYSLER LLC
1. Remove accessory drive belt.
2. Install damper holder 9707 (1) and remove damper retaining bolt.
3. Pull damper off crankshaft.
2009 Jeep Patriot Limited
2009 ENGINE 2.4L - Service Information - Compass & Patriot
a
Saturday, September 08, 2012 1:27:53 PM Page 176 © 2006 Mitchell Repair Information Company, LLC.
Fig. 263: Front Crankshaft Seal Removal
Courtesy of CHRYSLER LLC
4. Remove front crankshaft oil seal (1) by prying out with a screw driver (2). Be careful not to damage the
cover seal surface.
Installation
INSTALLATION
Fig. 264: Front Crankshaft Seal Installer
Courtesy of CHRYSLER LLC
1. Place seal (1) onto Seal installer 9506 (2) with seal spring towards the inside of engine.
2009 Jeep Patriot Limited
2009 ENGINE 2.4L - Service Information - Compass & Patriot
a
Saturday, September 08, 2012 1:27:53 PM Page 177 © 2006 Mitchell Repair Information Company, LLC.
Fig. 265: Installing Front Seal
Courtesy of CHRYSLER LLC
2. Install new seal (1) by using Seal installer 9506 (2) and crankshaft damper bolt (3).
Fig. 266: Front Seal Installed
Courtesy of CHRYSLER LLC
3. Press seal into front cover until Seal Installer 9506 (1) seats against timing chain cover (3).
4. Remove seal installer 9506 (1).
2009 Jeep Patriot Limited
2009 ENGINE 2.4L - Service Information - Compass & Patriot
a
Saturday, September 08, 2012 1:27:53 PM Page 178 © 2006 Mitchell Repair Information Company, LLC.
Fig. 267: Damper Removal
Courtesy of CHRYSLER LLC
5. Install crankshaft vibration damper.
6. Oil the bolt threads and between the bolt head and washer.
7. Install damper retaining bolt and damper holder 9707 (1). Tighten bolt to 210 N.m (155 ft. lbs.).
SEAL, CRANKSHAFT OIL, REAR
Removal
REMOVAL
Fig. 268: Flex Plate
2009 Jeep Patriot Limited
2009 ENGINE 2.4L - Service Information - Compass & Patriot
a
Saturday, September 08, 2012 1:27:53 PM Page 179 © 2006 Mitchell Repair Information Company, LLC.
Courtesy of CHRYSLER LLC
1. Remove transmission and flexplate (1). See Engine/Engine Block/FLEXPLATE - Removal.
Fig. 269: Rear Crankshaft Oil Seal - Removal
Courtesy of CHRYSLER LLC
2. Insert a 3/16 flat bladed screwdriver (7) between the dust lip (8) and the metal case (4) of the crankshaft
seal (1). Angle the screwdriver through the dust lip against metal case of the seal. Pry out seal.
3. Check to make sure the seals garter spring is not on the crankshaft.
Installation
INSTALLATION
CAUTION: Do not permit the screwdriver blade to contact crankshaft seal
surface. Contact of the screwdriver blade against crankshaft edge
(chamfer) is permitted.
2009 Jeep Patriot Limited
2009 ENGINE 2.4L - Service Information - Compass & Patriot
a
Saturday, September 08, 2012 1:27:53 PM Page 180 © 2006 Mitchell Repair Information Company, LLC.
Fig. 270: Rear Main Installation
Courtesy of CHRYSLER LLC
1. Place Seal Guide 9509 (3) on crankshaft.
2. Position seal (2) over guide tool. Guide tool should remain on crankshaft during installation of seal.
Ensure that the lip of the seal is facing towards the crankcase during installation.
3. Drive the seal into the block using Seal Driver 9706 (1) and Driver Handle C-4171 (4) until Seal Driver
9706 bottoms out against the block.
CAUTION: If a burr or scratch is present on the crankshaft edge (chamfer), cleanup
with 800 emery cloth to prevent seal damage during installation of new
seal. If emery cloth is used, the crankshaft must be cleaned off Mopar®
brake parts cleaner.
NOTE: When installing seal, lubricate Seal Guide 9509 with clean engine oil.
2009 Jeep Patriot Limited
2009 ENGINE 2.4L - Service Information - Compass & Patriot
a
Saturday, September 08, 2012 1:27:53 PM Page 181 © 2006 Mitchell Repair Information Company, LLC.
Fig. 271: Flex Plate
Courtesy of CHRYSLER LLC
4. Install the flexplate (1) and transmission. See Engine/Engine Block/FLEXPLATE - Installation.
LUBRICATION
DESCRIPTION
DESCRIPTION
2009 Jeep Patriot Limited
2009 ENGINE 2.4L - Service Information - Compass & Patriot
a
Saturday, September 08, 2012 1:27:53 PM Page 182 © 2006 Mitchell Repair Information Company, LLC.
Fig. 272: Oil Flow Diagram
Courtesy of CHRYSLER LLC
The lubrication system is a full-flow filtration, pressure feed type. The balance shaft module (BSM) is mounted
below the ladder frame and chain driven by the crankshaft. The BSM consists of a non-serviceable pump, oil
pressure relief valve, and a non-serviceable balance assembly.
2009 Jeep Patriot Limited
2009 ENGINE 2.4L - Service Information - Compass & Patriot
a
Saturday, September 08, 2012 1:27:53 PM Page 183 © 2006 Mitchell Repair Information Company, LLC.
Fig. 273: Oil Hole
Courtesy of CHRYSLER LLC
OPERATION
OPERATION
Engine oil is drawn up through the pickup tube and is pressurized by the oil pump and routed through the full-
flow filter to the main oil gallery running the length of the cylinder block. A diagonal hole in each bulkhead
feeds oil to each main bearing. Drilled passages within the crankshaft route oil from main bearing journals to
connecting rod journals. Balance shaft lubrication is provided through an internal oil passage at the #3 bearing
location around the BSM mounting bolt. A vertical hole at the number one bulkhead routes pressurized oil
through a filter screen and head gasket up to the cylinder head. The oil then divides into three passages; one to
the intake cam phaser, one to the exhaust cam phaser and one to the camshafts. The passage to the camshafts
divides to feed both of the hollow camshafts at the second cam journal. The rest of cam journals are feed oil
through the hollow camshafts. The #1 cam journals are fed oil through the VVT oil passages. Oil passages to
the phasers are directed through the OCV (oil control valves) to the #1 journals. The oil then flows through the
camshafts then to the cam phasers. Oil returning to the pan from pressurized components supplies lubrication to
the valve stems, cam lobes, and tappets. Cylinder bores and wrist pins are splash lubricated from directed slots
on the connecting rod thrust collars.
DIAGNOSIS AND TESTING
CHECKING ENGINE OIL PRESSURE
Fig. 274: Oil Temperature Sensor
NOTE: Not all blocks have the bolt on timing chain oil squirter. Engine blocks either
have a bolt-on oil squirter or a 1.0 mm hole (1) drilled into the oil gallery
passage. Engine blocks with the 1.0 mm hole no longer use an oil squirter even
though the threaded mounting hole may still be present.
2009 Jeep Patriot Limited
2009 ENGINE 2.4L - Service Information - Compass & Patriot
a
Saturday, September 08, 2012 1:27:53 PM Page 184 © 2006 Mitchell Repair Information Company, LLC.
Courtesy of CHRYSLER LLC
1. Disconnect and remove oil temperature sensor (1).
Fig. 275: Oil Pressure Adapter
Courtesy of CHRYSLER LLC
2. Install threaded adapter 9879 (1).
3. Install oil pressure gauge (2).
NOTE: Anytime the oil temperature sensor is removed, it should be replaced with a
new sensor.
CAUTION: Threads in cylinder head are British Standard Pipe (BSP). Do not
install a NPT threaded adapter, this could crack the cylinder head.
2009 Jeep Patriot Limited
2009 ENGINE 2.4L - Service Information - Compass & Patriot
a
Saturday, September 08, 2012 1:27:53 PM Page 185 © 2006 Mitchell Repair Information Company, LLC.
Fig. 276: Oil PSI Gauge
Courtesy of CHRYSLER LLC
4. Start engine and record reading on oil pressure gauge (1).
5. If oil pressure is 0 at idle, shut off engine. Check for pressure relief valve stuck open, a clogged oil pick-
up screen.
6. Remove oil pan and inspect for debris. See Engine/Lubrication/PAN, Oil - Removal.
7. Remove oil pressure relief valve. See Engine/Lubrication/VALVE, Oil Pressure Relief - Removal.
8. Inspect oil pressure relief valve and replace if damaged. See Engine/Lubrication/VALVE, Oil Pressure
Relief - Inspection.
9. If pressure relief valve is ok, replace balance shaft module assembly. See Engine/Lubrication/PUMP,
Engine Oil - Removal.
CAUTION: If oil pressure is 0 at idle, do not perform the 3000 RPM test
2009 Jeep Patriot Limited
2009 ENGINE 2.4L - Service Information - Compass & Patriot
a
Saturday, September 08, 2012 1:27:53 PM Page 186 © 2006 Mitchell Repair Information Company, LLC.
Fig. 277: Oil Pressure Adapter
Courtesy of CHRYSLER LLC
10. After test is complete, remove oil pressure gauge (2) and adapter 9879 (1).
Fig. 278: Oil Temperature Sensor
Courtesy of CHRYSLER LLC
11. Install a new oil pressure temperature sensor (1) and connect electrical connector.
CHECKING VVT OIL PRESSURE
This test can be used to help diagnose VVT faults.
2009 Jeep Patriot Limited
2009 ENGINE 2.4L - Service Information - Compass & Patriot
a
Saturday, September 08, 2012 1:27:53 PM Page 187 © 2006 Mitchell Repair Information Company, LLC.
Fig. 279: Oil Pressure Sensor
Courtesy of CHRYSLER LLC
1. Disconnect and remove oil pressure sensor (1).
Fig. 280: Oil Pressure Gauge
Courtesy of CHRYSLER LLC
2. Install an 1/8-28 BSP male to 1/8-27 female threaded adapter (2).
3. Install oil pressure gauge (1).
4. Start engine and record oil pressure.
CAUTION: Threads in block are 1/8"-28 British Standard Pipe (BSP). Do not
install a National Pipe Thread (NPT) threaded adapter, this could
crack the cylinder block.
2009 Jeep Patriot Limited
2009 ENGINE 2.4L - Service Information - Compass & Patriot
a
Saturday, September 08, 2012 1:27:53 PM Page 188 © 2006 Mitchell Repair Information Company, LLC.
5. If oil pressure is 0 at idle, shut off engine. check for pressure relief valve stuck open, a clogged oil pick-
up screen.
6. Remove oil pan and inspect for debris. See Engine/Lubrication/PAN, Oil - Removal.
7. Remove oil pressure relief valve and inspect, if damaged replace pressure relief valve. See
Engine/Lubrication/VALVE, Oil Pressure Relief - Removal.
8. If pressure relief valve is ok, replace balance shaft module assembly. See Engine/Lubrication/PUMP,
Engine Oil - Removal.
Fig. 281: Oil Pressure Gauge
Courtesy of CHRYSLER LLC
9. After test is complete, remove test gauge (1) and fitting (2).
CAUTION: If oil pressure is 0 at idle, do not perform the 3000 RPM test
2009 Jeep Patriot Limited
2009 ENGINE 2.4L - Service Information - Compass & Patriot
a
Saturday, September 08, 2012 1:27:53 PM Page 189 © 2006 Mitchell Repair Information Company, LLC.
Fig. 282: Oil Pressure Sensor
Courtesy of CHRYSLER LLC
10. Install oil pressure sensor and electrical connector.
CONTROL VALVE, OIL INTAKE
Description
DESCRIPTION
Fig. 283: Solenoid Assembly
Courtesy of CHRYSLER LLC
Variable valve timing solenoid assembly. The solenoid receives pulse width modulation signal and the current
is controlled within 0 ma to 1000 ma. The spool position is controllable at any position to control supply of oil
2009 Jeep Patriot Limited
2009 ENGINE 2.4L - Service Information - Compass & Patriot
a
Saturday, September 08, 2012 1:27:53 PM Page 190 © 2006 Mitchell Repair Information Company, LLC.
between the advance and retard ports.
Operation
OPERATION
There is both an Intake and an exhaust camshaft sensor on vehicles equipped with a World Engine. The variable
valve timing system used on World Engines requires the exact position of both the intake and exhaust camshaft.
The GPEC1 uses camshaft sensor data along with crankshaft data to determine the actual position of the
camshafts. Intake and exhaust phaser oil control valves are required on World Engine vehicles using variable
valve timing. The oil valves direct oil to the Intake and exhaust phasers. Oil pressure in the phasers moves the
camshafts to an advanced or retarded position.
To resolve this inherent conflict between optimum high and low speed valve timing, the GPEC1 controlled
engine uses a variable valve timing system. The variable valve timing system advances and retards valve timing
by rotating the position of both the intake and exhaust camshafts. With this system, the intake valve opening can
range from 80 to 120 crankshaft degrees after Top Dead Center. Likewise, the exhaust valve opening can range
from 85 to 120 crankshaft degrees before Top Dead Center. This degree of flexibility provides many benefits,
including: Improved Engine Performance, Increased Fuel Economy, Improved Idle Stability and Decreased
Engine Emissions. In non operating condition, the camshaft stays in lockpin position of cam phases. This is 120
degrees ATDC for intake camshaft and 120 degrees BTDC for exhaust camshaft.
The variable valve timing system is electronically controlled and hydraulically operated. The GPEC1 receives
information from many sensors to determine the optimum valve timing. It then pulse-width modulates oil
control valves which direct oil to the cam phasers. The cam phasers use oil pressure to rotate the intake and
exhaust camshafts. The rotation of the camshafts is referred to as cam phasing. Before the GPEC1 can begin
commanding the camshaft phasing, several enabling conditions must be met:
The engine oil temperature must be at least -6.6°C (20°F)
The oil control valve coil temperature must be less than 140°C (284°F)
Engine speed must be at least 600 to 1000 rpm to achieve minimum oil pressure.
Battery voltage must be at least 10 volts
And there must be no camshaft or crankshaft sensor faults, engine timing faults, or oil control valve faults
First we will examine variable valve timing enabling conditions, and then we will take a closer look at the
inputs and outputs of the system:
Accelerator pedal position sensor
Oil temperature sensor
Map sensor
Intake cam sensor
Exhaust cam sensor
Crankshaft sensor
GPEC1
Exhaust phaser oil control valve
2009 Jeep Patriot Limited
2009 ENGINE 2.4L - Service Information - Compass & Patriot
a
Saturday, September 08, 2012 1:27:53 PM Page 191 © 2006 Mitchell Repair Information Company, LLC.
Intake phaser oil control valve
Inputs
Engine control module
Outputs
Sensed battery voltage
A minimum oil temperature is required to enable variable valve timing operation. Oil temperature and viscosity
also have an impact on the operation of variable valve timing after start-up. Oil is used to control the movement
of the camshafts. An incorrect oil viscosity could adversely affect the operation of the system or even render the
system inoperative. It may even set a fault code.
The accelerator pedal position sensor indicates how far the driver wants to open the throttle plate. The GPEC1
calculates an initial camshaft set point based on whether the accelerator pedal is at part throttle or wide open
throttle.
The MAP sensor provides information regarding engine load.
Sensed battery voltage provides information regarding current system voltage. Sensed battery voltage must be
at least 10 volts in order for the oil control valves to function properly.
This information allows the GPEC1 to adjust camshaft timing to achieve the best fuel economy, the best engine
performance or a combination of both. The hall-effect crankshaft sensor provides RPM information and
determines when the number one piston is approaching Top Dead Center. The sensor generates a signal as the
tone wheel, attached to the crankshaft, rotates. The tone wheel has 60 teeth minus two. When the gap, created
by the missing teeth passes by the sensor, a signal is produced that indicates the number one piston is at Top
Dead Center. The GPEC1 uses crankshaft sensor data along with camshaft data to determine the actual position
of the camshaft. There are two hall-effect camshaft sensors on engines equipped with variable valve timing. The
GPEC1 uses camshaft sensor data along with crankshaft data to determine the actual position of the camshaft.
The GPEC1 individually controls each valve. It sends a pulse width modulated signal to move a spool within
the outer casing of the valve. Depending upon spool movement, oil is directed through the passages to advance
or retard cam timing. The oil control valve also has a special cleaning strategy at key-on. The cleaning strategy
is known as "debris crush mode". At key-on the GPEC1 cycles the oil control valve on and off several (5) times
to crush any debris in the oil control valve and prevent the spool valve from sticking. In non operating
condition, the camshaft stays in lockpin position of cam phases. This is 120 degrees ATDC for intake camshaft
and 120 degrees BTDC for exhaust camshaft.
There are two oil control valves. One valve directs oil to the intake cam phaser, the other valve directs oil to the
exhaust cam phaser. The valves are designed and function in the same manner. The outer casing of each oil
valve has five oil passages. A passage for pressurized supply oil. A passage to the advance chamber of the cam
phaser. A passage to the retard chamber of the cam phaser. A passage for oil return from the advance chamber
of the cam phaser. A passage for oil return from the retard chamber of the cam phaser. Oil flows through the
passages and applies pressure to the cam phasers to change cam timing.
There are two cam phasers. One phaser controls the position of the intake camshaft. The other phaser controls
the position of the exhaust camshaft. The phasers consist of a sprocket, a rotor vane, and a housing or stator.
2009 Jeep Patriot Limited
2009 ENGINE 2.4L - Service Information - Compass & Patriot
a
Saturday, September 08, 2012 1:27:53 PM Page 192 © 2006 Mitchell Repair Information Company, LLC.
The exhaust cam phaser also consists of a front bushing and spring. We will discuss the purpose and function of
the bushing and spring later. The housing is bolted and permanently fixed to the camshaft sprocket, while the
rotor vane is bolted and permanently fixed to the camshaft. With this design, any movement of the rotor vane in
relation to the housing will also move the camshaft. The phaser and sprocket are serviced as an assembly.
Camshaft and crankshaft sensors provide feedback to the GPEC1 regarding the actual position of the camshafts.
The GPEC1 then compares the actual camshaft positioning with desired positioning. If the desired positioning is
not achieved within a specified time, during the second key cycle a trouble code is set.
There are six new diagnostic trouble codes available to help you determine if the control circuit from the
GPEC1 to the oil control valve is intact and operating properly. The codes identify whether the control circuit is
open, shorted to ground, or shorted to power. Three trouble codes are related to intake camshaft positioning, the
other three codes are specific to exhaust camshaft positioning.
The oil control valve contains both electrical and mechanical components. It is electrically controlled by the
GPEC1. The electrical current that energizes the coil results in mechanical motion of the spool valve. It is
possible to verify both the electrical and mechanical operation of the valve. The oil control valve consists of a
coil that is energized to move a spool within an outer casing. The condition of the coil can be tested with a
Digital Volt Ohmmeter or DVOM. With the DVOM set to measure resistance, check the coil for an open, a
short to ground, or excessive resistance. The correct resistance value of the coil is between 6 and 8 ohms. The
mechanical operation of the oil control valve can be tested using actuator commands on the scan tool. Remove
the oil control valve, then navigate to the actuator menu and select the oil control valve. Use commands to
activate the valve and watch as the spool valve moves back and forth inside the casing.
Because the cam phasers are hydraulically operated by engine oil, the condition of the oil is very important. The
oil must be of the correct viscosity, not obstructed by debris, to maintain correct pressure. Maintaining the
correct oil viscosity is critical to the operation of the variable valve timing system. The wrong oil viscosity may
cause the variable valve timing to malfunction and trouble codes to set. The correct oil viscosity for this system
is 5W20. Oil must be clean, unobstructed and free to flow through the variable valve timing system. Oil could
become obstructed in oil passages located in the cylinder head, cylinder block, or even in the oil screen. In the
event oil flow is obstructed, further diagnosis or disassembly may be required to pin point the source of the
obstruction. The variable valve timing system relies on oil pressure to advance or retard the position of the
camshaft. Insufficient oil pressure will adversely affect the operation of variable valve timing. The minimum oil
pressure for this system is 15 psi at normal operating temperature.
Though not directly used to change camshaft positioning, the oil screen is an important component of the
variable valve timing system. It helps to remove debris going to the variable valve timing components. The oil
screen is located in the cylinder block, immediately below the cylinder head. Oil must pass through the oil
screen before entering the oil control valve. The cylinder head must be removed to service the oil screen. The
intention is not to service the oil screen during vehicle life.
How the cam phaser works. The cam phaser assembly has eight separate chambers; four advance chambers and
four retard chambers. When camshaft advance is requested, oil enters all four advance chambers and exerts
force on the rotor vane. Because the rotor vane is bolted to the camshaft, the entire camshaft profile moves
along with the rotor vane. At the same time, oil is forced out of the retard chambers. When camshaft retard is
requested oil enters the retard chambers to move the camshaft in the opposite direction. There is a lock pin on
one side of the rotor vane that fits inside a recessed area in the housing. The lock pin ensures that the default
2009 Jeep Patriot Limited
2009 ENGINE 2.4L - Service Information - Compass & Patriot
a
Saturday, September 08, 2012 1:27:53 PM Page 193 © 2006 Mitchell Repair Information Company, LLC.
position of the intake cam phaser is 120 crankshaft degrees full retard and the default position of the exhaust
cam phaser is 120 crankshaft degrees full advance. When the engine is turned off, rotational force and inertia
move the intake camshaft and rotor vane toward the retard position. The exhaust cam phaser includes a spring
and bushing to work against the rotational force of the engine, allowing the exhaust cam phaser to lock in the
fully advanced position. Under most conditions the cam phasers are returned to lock pin position when the
engine is turned off. In the unique condition of an engine stall, which abruptly shuts off the engine, the cam
phasers may not return to the lock pin position. In this case, the phasers will return to the lock pin position at the
next start-up. Lock pin position is the most ideal cam timing for idle stability. When engine rpm exceeds
approximately 600 to 1000 rpm, oil pressure unlocks the pins and variable valve timing resumes. Once enabling
conditions are met, the GPEC1 uses input from sensors to calculate optimum valve timing.
There are four preprogrammed modes from which the GPEC1 bases initial valve timing.
Starting
Idle or Part throttle
Wide open throttle
Limp-in or Default
From each preprogrammed mode, the GPEC1 adjusts valve timing based on operating conditions.
GPEC1 has calculated optimum intake valve timing of 112 degrees after Top Dead Center and optimum exhaust
valve timing of 97 degrees before Top Dead Center. The GPEC1 pulse width modulates the oil control valves to
advance or retard the camshaft to their desired location. The spool valve inside the intake oil control valve is
energized and moves to allow pressurized oil into the advance chambers of the intake cam phaser. At the same
time, the spool valve inside the exhaust oil control valve is energized and moves to allow pressurized oil into
the retard chambers of the exhaust cam phaser. Oil enters the advance chambers of the intake phaser and the
retard chambers of the exhaust phaser. Oil pressure releases the lock pin from its locked position and pushes
against the rotor vane. Both the rotor vanes are moved, advancing the intake camshaft and retarding the exhaust
camshaft.
Removal
FRONT SOLENOID 1/1
2009 Jeep Patriot Limited
2009 ENGINE 2.4L - Service Information - Compass & Patriot
a
Saturday, September 08, 2012 1:27:53 PM Page 194 © 2006 Mitchell Repair Information Company, LLC.
Fig. 284: Oil Pressure Sensor
Courtesy of CHRYSLER LLC
1. Disconnect negative battery cable.
2. Remove engine cover.
3. Rotate hose clamp out of way.
4. Disconnect oil pressure sensor electrical connector.
5. Remove oil pressure sensor.
6. Disconnect variable valve timing solenoid electrical connector.
Fig. 285: Solenoid Mounting Bolt
Courtesy of CHRYSLER LLC
7. Remove variable valve timing solenoid mounting bolt.
2009 Jeep Patriot Limited
2009 ENGINE 2.4L - Service Information - Compass & Patriot
a
Saturday, September 08, 2012 1:27:53 PM Page 195 © 2006 Mitchell Repair Information Company, LLC.
Fig. 286: Solenoid Mounting Tab 1/1
Courtesy of CHRYSLER LLC
8. Pull solenoid straight out of cylinder head.
REAR SOLENOID 1/2
Fig. 287: Solenoid Location 1/2
Courtesy of CHRYSLER LLC
1. Disconnect negative battery cable.
2. Remove engine cover.
3. Disconnect variable valve timing solenoid electrical connector.
4. Remove variable valve timing solenoid mounting bolt.
2009 Jeep Patriot Limited
2009 ENGINE 2.4L - Service Information - Compass & Patriot
a
Saturday, September 08, 2012 1:27:53 PM Page 196 © 2006 Mitchell Repair Information Company, LLC.
Fig. 288: Solenoid Mounting Tab 1/2
Courtesy of CHRYSLER LLC
5. Pull solenoid straight out of cylinder head.
Installation
FRONT SOLENOID 1/1
Fig. 289: Solenoid Mounting Tab 1/1
Courtesy of CHRYSLER LLC
1. Solenoid for front location 1/1. Note mounting tab location is different between front and rear solenoids.
2009 Jeep Patriot Limited
2009 ENGINE 2.4L - Service Information - Compass & Patriot
a
Saturday, September 08, 2012 1:27:53 PM Page 197 © 2006 Mitchell Repair Information Company, LLC.
Fig. 290: Solenoid Mounting Bolt
Courtesy of CHRYSLER LLC
2. Install solenoid into cylinder head.
3. Install mounting bolt and tighten to 12 N.m (9 ft. lbs.).
Fig. 291: Oil Pressure Sensor
Courtesy of CHRYSLER LLC
4. Install oil pressure sensor.
5. Connect electrical connector to oil pressure sensor.
6. Connect electrical connector to Variable valve timing solenoid.
7. Connect negative battery cable.
8. Install engine cover.
2009 Jeep Patriot Limited
2009 ENGINE 2.4L - Service Information - Compass & Patriot
a
Saturday, September 08, 2012 1:27:53 PM Page 198 © 2006 Mitchell Repair Information Company, LLC.
REAR SOLENOID 1/2
Fig. 292: Solenoid Mounting Tab 1/2
Courtesy of CHRYSLER LLC
1. Rear variable valve timing solenoid. Note mounting tab location is different between front and rear
solenoids.
2. Install solenoid into cylinder head.
3. Install mounting bolt and tighten to 12 N.m (9 ft. lbs.).
4. Connect electrical connector to Variable valve timing solenoid.
Fig. 293: Solenoid Location 1/2
Courtesy of CHRYSLER LLC
5. Connect negative battery cable.
2009 Jeep Patriot Limited
2009 ENGINE 2.4L - Service Information - Compass & Patriot
a
Saturday, September 08, 2012 1:27:53 PM Page 199 © 2006 Mitchell Repair Information Company, LLC.
6. Install engine cover.
COOLER, OIL
Description
DESCRIPTION
An engine oil cooler is used on some engine packages. The cooler is a coolant-to-oil type and mounted between
the oil filter and oil filter adapter.
Removal
REMOVAL
Fig. 294: Oil Filter
Courtesy of CHRYSLER LLC
1. Raise vehicle on hoist.
2. Drain cooling system. Refer to Cooling - Standard Procedure .
3. Disconnect oil cooler coolant hoses.
4. Remove oil filter (3).
NOTE: The oil cooler can not be cleaned out. In the event that the engine requires
rebuilding or replacement, the oil cooler should be replaced.
2009 Jeep Patriot Limited
2009 ENGINE 2.4L - Service Information - Compass & Patriot
a
Saturday, September 08, 2012 1:27:53 PM Page 200 © 2006 Mitchell Repair Information Company, LLC.
Fig. 295: Oil Cooler Mounting
Courtesy of CHRYSLER LLC
5. Remove oil cooler connector bolt (2).
6. Remove oil cooler (1).
Installation
INSTALLATION
Fig. 296: Oil Cooler Mounting
Courtesy of CHRYSLER LLC
2009 Jeep Patriot Limited
2009 ENGINE 2.4L - Service Information - Compass & Patriot
a
Saturday, September 08, 2012 1:27:53 PM Page 201 © 2006 Mitchell Repair Information Company, LLC.
1. Replace oil cooler seal (1).
2. Lubricate seal and position oil cooler to oil filter adapter, aligning notch to tab.
3. Install oil cooler connector bolt (2). Tighten connector bolt to 49 N.m (36 ft. lbs.).
Fig. 297: Oil Filter
Courtesy of CHRYSLER LLC
4. Install oil filter (3).
5. Connect oil cooler coolant hose.
6. Lower vehicle.
7. Fill cooling system. Refer to Cooling - Standard Procedure .
FILTER, ENGINE OIL
Removal
REMOVAL
2009 Jeep Patriot Limited
2009 ENGINE 2.4L - Service Information - Compass & Patriot
a
Saturday, September 08, 2012 1:27:53 PM Page 202 © 2006 Mitchell Repair Information Company, LLC.
Fig. 298: Oil Filter
Courtesy of CHRYSLER LLC
1. Using a suitable filter wrench, turn oil filter (1) counterclockwise to remove.
Installation
INSTALLATION
Fig. 299: Oil Filter
Courtesy of CHRYSLER LLC
CAUTION: When servicing the oil filter, avoid deforming the filter can by installing the
remove/install tool band strap against the can to base lock seam. The lock
seam joining the can to the base is reinforced by the base plate.
2009 Jeep Patriot Limited
2009 ENGINE 2.4L - Service Information - Compass & Patriot
a
Saturday, September 08, 2012 1:27:53 PM Page 203 © 2006 Mitchell Repair Information Company, LLC.
1. Clean and check filter mounting surface. The surface must be smooth, flat and free of debris or pieces of
gasket.
2. Lubricate new oil filter gasket.
3. Screw oil filter (1) on until the gasket contacts base. Tighten to 14 N.m (10 ft. lbs.).
OIL
Standard Procedure
ENGINE OIL LEVEL CHECK
Fig. 300: Oil Level Indicator
Courtesy of CHRYSLER LLC
The best time to check engine oil level is after the engine is at operating temperature. Allow the engine to be
shut off for at least 5 minutes before checking oil level.
NOTE: The engine must be HOT when checking oil level.
2009 Jeep Patriot Limited
2009 ENGINE 2.4L - Service Information - Compass & Patriot
a
Saturday, September 08, 2012 1:27:53 PM Page 204 © 2006 Mitchell Repair Information Company, LLC.
Fig. 301: Dip Stick
Courtesy of CHRYSLER LLC
Checking the oil while the vehicle is on level ground will improve the accuracy of the oil level reading. Remove
dipstick (1), and observe oil level. Add oil only when the level is at or below the SAFE mark. If the oil level is
in the safe (2) range, do not add oil.
ENGINE OIL AND FILTER CHANGE
Change engine oil at mileage and time intervals described in the Maintenance Schedule. Refer to Vehicle
Quick Reference/Maintenance Schedules - Description .
CAUTION: Do not operate engine if the oil level is above the MAX mark on the
dipstick. Excessive oil volume can cause oil aeration which can lead to
engine failure due to loss of oil pressure or increase in oil temperature.
WARNING: New or used engine oil can be irritating to the skin. Avoid prolonged or
repeated skin contact with engine oil. Contaminants in used engine oil,
caused by internal combustion, can be hazardous to your health.
Thoroughly wash exposed skin with soap and water. Do not wash skin
with gasoline, diesel fuel, thinner, or solvents, health problems can result.
Do not pollute, dispose of used engine oil properly. Contact your dealer
or government agency for location of collection center in your area.
2009 Jeep Patriot Limited
2009 ENGINE 2.4L - Service Information - Compass & Patriot
a
Saturday, September 08, 2012 1:27:53 PM Page 205 © 2006 Mitchell Repair Information Company, LLC.
Fig. 302: Oil Drain Plug
Courtesy of CHRYSLER LLC
1. Run engine until achieving normal operating temperature.
2. Position the vehicle on a level surface and turn engine off.
3. Remove oil fill cap.
4. Raise vehicle on hoist.
5. Place a suitable oil collecting container under oil pan drain plug (2).
6. Remove oil pan drain plug (2) or and allow oil to drain into collecting container. Inspect drain plug
threads for stretching or other damage. Replace drain plug and gasket if damaged.
Fig. 303: Oil Filter
Courtesy of CHRYSLER LLC
7. Remove oil filter (1). See Engine/Lubrication/FILTER, Engine Oil - Removal.
2009 Jeep Patriot Limited
2009 ENGINE 2.4L - Service Information - Compass & Patriot
a
Saturday, September 08, 2012 1:27:53 PM Page 206 © 2006 Mitchell Repair Information Company, LLC.
Fig. 304: Oil Drain Plug
Courtesy of CHRYSLER LLC
8. Install oil pan drain plug (2) and tighten drain plug to 40 N.m (30 ft. lbs.).
Fig. 305: Oil Filter
Courtesy of CHRYSLER LLC
9. Install new oil filter (1), tighten to 14 N.m (10 ft. lbs.). See Engine/Lubrication/FILTER, Engine Oil -
Installation.
10. Lower vehicle and fill crankcase with specified type and amount of engine oil. Refer to Vehicle Quick
Reference/Capacities and Recommended Fluids - Specifications and Vehicle Quick
Reference/Capacities and Recommended Fluids - Description .
11. Install oil fill cap.
12. Start engine and inspect for leaks.
2009 Jeep Patriot Limited
2009 ENGINE 2.4L - Service Information - Compass & Patriot
a
Saturday, September 08, 2012 1:27:53 PM Page 207 © 2006 Mitchell Repair Information Company, LLC.
13. Stop engine and inspect oil level.
OIL FILTER SPECIFICATION
All engines are equipped with a high quality full-flow, disposable type oil filter. Replace oil filter with a
Mopar® or the equivalent.
USED ENGINE OIL DISPOSAL
Care should be exercised when disposing used engine oil after it has been drained from a vehicle engine. Refer
to the WARNING listed above.
PAN, OIL
Removal
REMOVAL
Fig. 306: Oil Drain Plug
Courtesy of CHRYSLER LLC
1. Raise vehicle on hoist.
2. Remove oil drain plug (2) and drain the engine oil.
3. Remove accessory drive belt splash shield.
2009 Jeep Patriot Limited
2009 ENGINE 2.4L - Service Information - Compass & Patriot
a
Saturday, September 08, 2012 1:27:54 PM Page 208 © 2006 Mitchell Repair Information Company, LLC.
Fig. 307: A/C Compressor
Courtesy of CHRYSLER LLC
4. Remove lower A/C compressor mounting bolt (if equipped).
5. Remove A/C mounting bracket (2).
Fig. 308: Oil Pan Removal
Courtesy of CHRYSLER LLC
6. Remove oil pan retaining bolts.
7. Using a putty knife (1), loosen seal around oil pan (2).
8. Remove oil pan (2).
NOTE: Do not use pry points in block to remove oil pan.
2009 Jeep Patriot Limited
2009 ENGINE 2.4L - Service Information - Compass & Patriot
a
Saturday, September 08, 2012 1:27:54 PM Page 209 © 2006 Mitchell Repair Information Company, LLC.
Installation
INSTALLATION
Fig. 309: Sealer Location
Courtesy of CHRYSLER LLC
1. Apply Mopar® Engine RTV GEN II at the front cover to engine block parting lines (1).
Fig. 310: Sealing Oil Pan
Courtesy of CHRYSLER LLC
NOTE: Oil pan sealing surfaces must be free of grease or oil.
NOTE: Parts must be assembled within 10 minutes of applying RTV.
2009 Jeep Patriot Limited
2009 ENGINE 2.4L - Service Information - Compass & Patriot
a
Saturday, September 08, 2012 1:27:54 PM Page 210 © 2006 Mitchell Repair Information Company, LLC.
2. Apply a 2 mm bead of Mopar® Engine RTV GEN II around the oil pan as shown in illustration.
3. Position oil pan and install bolts. Tighten bolts to 12 N.m (105 in. lbs.).
Fig. 311: Oil Drain Plug
Courtesy of CHRYSLER LLC
4. Install oil drain plug (2).
5. Lower vehicle and fill engine crankcase with proper oil to correct level.
6. Start engine and check for leaks.
PLUG, OIL
Description
DESCRIPTION
NOTE: The 2 long bolts must be tightened to 22 N.m (195 in.lbs.).
2009 Jeep Patriot Limited
2009 ENGINE 2.4L - Service Information - Compass & Patriot
a
Saturday, September 08, 2012 1:27:54 PM Page 211 © 2006 Mitchell Repair Information Company, LLC.
Fig. 312: Tapered Plugs
Courtesy of CHRYSLER LLC
The engine block has three tapered plugs sealing the high pressure oil gallery. These threaded plugs do not have
a torque specification but instead are installed to a specific depth. Do not attempt to further tighten these plugs,
damage to the engine block could result. Whenever these plugs are removed they must be replaced. Service
plugs have a lock patch and do not require the application of additional sealant.
Removal
REMOVAL
2009 Jeep Patriot Limited
2009 ENGINE 2.4L - Service Information - Compass & Patriot
a
Saturday, September 08, 2012 1:27:54 PM Page 212 © 2006 Mitchell Repair Information Company, LLC.
Fig. 313: Gallery Plug
Courtesy of CHRYSLER LLC
1. Remove the plug (2) from the engine block.
2. Use Mopar® Brake Parts Cleaner (or equivalent) sparingly to clean the block.
Installation
INSTALLATION
CAUTION: Excessive use of brake parts cleaner to clean threads in block could cause
#5 main bearing failure.
NOTE: Rear plug shown in illustration, other plugs are similar.
2009 Jeep Patriot Limited
2009 ENGINE 2.4L - Service Information - Compass & Patriot
a
Saturday, September 08, 2012 1:27:54 PM Page 213 © 2006 Mitchell Repair Information Company, LLC.
Fig. 314: Gallery Plug
Courtesy of CHRYSLER LLC
1. Use Mopar® Brake Parts Cleaner (or equivalent) sparingly to clean the block.
2. Install the plug (2) flush with the block boss face (1). The plug (2) is correctly installed when it is flush or
protruding no more than 1 mm from the block boss face (1).
PUMP, ENGINE OIL
Description
DESCRIPTION
Fig. 315: BSM Identification
Courtesy of CHRYSLER LLC
The oil pump is integral to the balance shaft module (BSM) (2). The oil pump cannot be disassembled for
inspection. The pressure relief valve is serviceable and can be removed and inspected. The BSM can be
identified by the plastic end caps (1).
Removal
REMOVAL
CAUTION: Excessive use of brake parts cleaner to clean threads in block could cause
#5 main bearing failure.
NOTE: Rear plug shown in illustration, other plugs are similar.
2009 Jeep Patriot Limited
2009 ENGINE 2.4L - Service Information - Compass & Patriot
a
Saturday, September 08, 2012 1:27:54 PM Page 214 © 2006 Mitchell Repair Information Company, LLC.
Fig. 316: TDC
Courtesy of CHRYSLER LLC
1. Rotate engine to TDC (1, 2) on #1 compression stroke.
Fig. 317: BSM Tensioner
Courtesy of CHRYSLER LLC
2. Remove oil pan. See Engine/Lubrication/PAN, Oil - Removal.
3. Mark the chain (6) and the sprocket (5) for reassembly.
2009 Jeep Patriot Limited
2009 ENGINE 2.4L - Service Information - Compass & Patriot
a
Saturday, September 08, 2012 1:27:54 PM Page 215 © 2006 Mitchell Repair Information Company, LLC.
Fig. 318: Oil Pump Tensioner Reset
Courtesy of CHRYSLER LLC
4. Push tensioner piston back into the tensioner body.
Fig. 319: BSM Tensioner
Courtesy of CHRYSLER LLC
5. With piston held back insert tensioner pin 9703 (4) into the tensioner body to hold the piston in the
retracted position.
6. Remove BSM mounting bolts and discard.
NOTE: Do not remove sprocket from BSM.
2009 Jeep Patriot Limited
2009 ENGINE 2.4L - Service Information - Compass & Patriot
a
Saturday, September 08, 2012 1:27:54 PM Page 216 © 2006 Mitchell Repair Information Company, LLC.
7. Lower the back of the BSM and remove the chain (6) from the sprocket (5).
8. Remove BSM from the engine.
Inspection
INSPECTION
Fig. 320: Oil Pump Chain Stretch
Courtesy of CHRYSLER LLC
1. Remove timing chain cover. See Engine/Valve Timing/COVER(S), Engine Timing - Removal.
2. Remove oil pan. See Engine/Lubrication/PAN, Oil - Removal.
3. Measure the distance between the tensioner body and the guide shoe as shown in illustration.
4. If the distance is 10.1 mm (0.397 in.) or greater, replace the chain.
Installation
INSTALLATION
2009 Jeep Patriot Limited
2009 ENGINE 2.4L - Service Information - Compass & Patriot
a
Saturday, September 08, 2012 1:27:54 PM Page 217 © 2006 Mitchell Repair Information Company, LLC.
Fig. 321: BSM Timing
Courtesy of CHRYSLER LLC
1. Clean BSM mounting holes Mopar® brake parts cleaner.
2. If chain was removed, align marks on crankshaft sprocket (2) and chain (1).
3. Align marks on oil pump sprocket (5) and chain (4).
4. Install chain on sprocket.
5. Pivot BSM assembly upwards and position on ladder frame.
CAUTION: Do not reuse Balance Shaft Module (BSM) to engine block bolts. Always
discard bolts after removing. Failure to replace bolts can result in engine
damage.
2009 Jeep Patriot Limited
2009 ENGINE 2.4L - Service Information - Compass & Patriot
a
Saturday, September 08, 2012 1:27:54 PM Page 218 © 2006 Mitchell Repair Information Company, LLC.
Fig. 322: BSM Torque Sequence
Courtesy of CHRYSLER LLC
6. Start new BSM mounting bolts by hand.
7. Tighten BSM mounting bolts to 15 N.m (11 ft. lbs.) as shown in illustration.
8. Tighten BSM mounting bolts to 29 N.m (22 ft. lbs.) as shown in illustration.
9. Rotate bolts an additional 90° as shown in illustration.
Fig. 323: BSM Tensioner
Courtesy of CHRYSLER LLC
10. Remove tensioner pin 9703 (4).
11. Install oil pan. See Engine/Lubrication/PAN, Oil - Installation.
12. Fill with oil.
13. Start engine and check for leaks.
SENSOR, OIL TEMPERATURE
Removal
REMOVAL
NOTE: Use a three step procedure when torquing BSM mounting bolts.
2009 Jeep Patriot Limited
2009 ENGINE 2.4L - Service Information - Compass & Patriot
a
Saturday, September 08, 2012 1:27:54 PM Page 219 © 2006 Mitchell Repair Information Company, LLC.
Fig. 324: Oil Temperature Sensor
Courtesy of CHRYSLER LLC
1. Disconnect oil temperature sensor (1) electrical connector.
2. Remove sensor (1).
Installation
INSTALLATION
Fig. 325: Oil Temperature Sensor
Courtesy of CHRYSLER LLC
1. If re-using the oil temperature sensor, coat the threads with Mopar® thread sealant.
2. Install oil temperature sensor (1). Tighten to 18 N.m (160 in. lbs.).
2009 Jeep Patriot Limited
2009 ENGINE 2.4L - Service Information - Compass & Patriot
a
Saturday, September 08, 2012 1:27:54 PM Page 220 © 2006 Mitchell Repair Information Company, LLC.
3. Connect electrical connector.
SWITCH, OIL PRESSURE
Description
DESCRIPTION
The oil pressure switch is located on the left front side of the engine block. The oil pressure switch is a pressure
sensitive switch that is activated by the engine's oil pressure (in the main oil gallery). The switch is a two
terminal device (one terminal is provided to the wiring harness and the other terminal is the switch's metal
housing that screws into the engine block).
Operation
OPERATION
The oil pressure switch is normally "Closed." The switch changes from a "Closed" circuit to an "Open" circuit,
on increasing pressure of 7 psig. The oil pressure switch changes from an "Open" circuit to a "Closed" circuit,
on decreasing pressure, between 2 psig and 4 psig.
Removal
REMOVAL
Fig. 326: A/C Compressor - R & I
Courtesy of CHRYSLER LLC
1. Disconnect and isolate the negative battery cable.
NOTE: If the oil pressure switch is removed, it must be replaced with a new switch.
2009 Jeep Patriot Limited
2009 ENGINE 2.4L - Service Information - Compass & Patriot
a
Saturday, September 08, 2012 1:27:54 PM Page 221 © 2006 Mitchell Repair Information Company, LLC.
2. Raise and support the vehicle.
3. Remove the front skid plate, if equipped.
4. Remove the splash shield from the right side frame rail. Refer to Body/Exterior/SHIELD, Splash -
Removal .
5. Remove the accessory drive belt. Refer to Cooling/Accessory Drive/BELT, Serpentine - Removal .
6. Remove the three bolts (2) and reposition the A/C compressor (1).
Fig. 327: Oil Sender
Courtesy of CHRYSLER LLC
7. Disconnect the oil pressure switch electrical connector.
8. Remove the oil pressure switch using Oil Pressure Socket C-4597 (1) or equivalent and discard the
switch.
Installation
INSTALLATION
CAUTION: The oil pressure switch has tapered threads, over tightening could crack
the engine block.
2009 Jeep Patriot Limited
2009 ENGINE 2.4L - Service Information - Compass & Patriot
a
Saturday, September 08, 2012 1:27:54 PM Page 222 © 2006 Mitchell Repair Information Company, LLC.
Fig. 328: Oil Sender
Courtesy of CHRYSLER LLC
1. Install a new oil pressure switch using Oil Pressure Socket C-4597 (1) or equivalent. Tighten switch to 8
N.m (71 in. lbs.).
2. Connect the oil pressure switch electrical connector.
Fig. 329: A/C Compressor - R & I
Courtesy of CHRYSLER LLC
3. Position the A/C compressor (1) and install three mounting bolts (2). Tighten bolts to 25 N.m (18 ft. lbs.).
4. Install the accessory drive belt. Refer to Cooling/Accessory Drive/BELT, Serpentine - Installation .
5. Install the splash shield to the right side frame rail. Refer to Body/Exterior/SHIELD, Splash -
Installation .
6. Install the front skid plate, if equipped.
2009 Jeep Patriot Limited
2009 ENGINE 2.4L - Service Information - Compass & Patriot
a
Saturday, September 08, 2012 1:27:54 PM Page 223 © 2006 Mitchell Repair Information Company, LLC.
7. Reconnect the negative battery cable.
VALVE, OIL PRESSURE RELIEF
Removal
REMOVAL
Fig. 330: Oil Pressure Relief Valve
Courtesy of CHRYSLER LLC
1. Remove oil pan. See Engine/Lubrication/PAN, Oil - Removal
2. Remove pressure regulating valve cap (2).
3. Remove pressure regulating valve spring (3) and valve (4).
Inspection
INSPECTION
2009 Jeep Patriot Limited
2009 ENGINE 2.4L - Service Information - Compass & Patriot
a
Saturday, September 08, 2012 1:27:54 PM Page 224 © 2006 Mitchell Repair Information Company, LLC.
Fig. 331: Oil Pressure Relief Valve
Courtesy of CHRYSLER LLC
1. Inspect pressure relief valve (4) scoring, gouging, or debris. Replace as needed.
2. Inspect the pressure relief valve bore in the pump for scoring, gouging, or debris.
3. If pump bore is damaged, replace balance shaft module.
Installation
INSTALLATION
Fig. 332: Oil Pressure Relief Valve
NOTE: Pressure regulating valve (4) can be service separately from the oil pump
assembly.
2009 Jeep Patriot Limited
2009 ENGINE 2.4L - Service Information - Compass & Patriot
a
Saturday, September 08, 2012 1:27:54 PM Page 225 © 2006 Mitchell Repair Information Company, LLC.
Courtesy of CHRYSLER LLC
1. Lightly coat pressure regulating valve with clean engine oil and install valve (4).
2. Install spring (3) and cap (2).
3. Tighten cap to 44 N.m (32 lbs.ft.).
MANIFOLDS
MANIFOLD, EXHAUST
Removal
ALL WHEEL DRIVE (AWD)
Fig. 333: Engine Cover
Courtesy of CHRYSLER LLC
1. Remove engine cover (1).
2009 Jeep Patriot Limited
2009 ENGINE 2.4L - Service Information - Compass & Patriot
a
Saturday, September 08, 2012 1:27:54 PM Page 226 © 2006 Mitchell Repair Information Company, LLC.
Fig. 334: Air Cleaner Housing
Courtesy of CHRYSLER LLC
2. Remove clean air hose (5) and air cleaner housing (1).
3. Disconnect negative cable from battery (3).
Fig. 335: Maniverter Heat Shield & Bolts
Courtesy of CHRYSLER LLC
4. Remove oxygen sensor (2).
5. Remove upper heat shield attaching bolts (1).
2009 Jeep Patriot Limited
2009 ENGINE 2.4L - Service Information - Compass & Patriot
a
Saturday, September 08, 2012 1:27:54 PM Page 227 © 2006 Mitchell Repair Information Company, LLC.
6. Remove upper heat shield (3).
Fig. 336: Exhaust To Maniverter Bolts
Courtesy of CHRYSLER LLC
7. Raise vehicle.
8. Disconnect oxygen sensor (2) electrical connector.
9. Remove exhaust pipe to maniverter bolts (1).
2009 Jeep Patriot Limited
2009 ENGINE 2.4L - Service Information - Compass & Patriot
a
Saturday, September 08, 2012 1:27:54 PM Page 228 © 2006 Mitchell Repair Information Company, LLC.
Fig. 337: Maniverter To Block Support Bracket
Courtesy of CHRYSLER LLC
10. Remove maniverter support bracket (2).
11. Remove lower exhaust maniverter heat shield.
12. Remove exhaust maniverter lower retaining fasteners.
Fig. 338: Coolant Adapter
Courtesy of CHRYSLER LLC
13. Lower vehicle.
14. Remove coolant adapter (3). Refer to Cooling/Engine/THERMOSTAT - Removal .
Fig. 339: Maniverter
Courtesy of CHRYSLER LLC
2009 Jeep Patriot Limited
2009 ENGINE 2.4L - Service Information - Compass & Patriot
a
Saturday, September 08, 2012 1:27:54 PM Page 229 © 2006 Mitchell Repair Information Company, LLC.
15. Lower vehicle and remove the upper exhaust maniverter retaining fasteners.
16. Remove maniverter (1) from above/between the engine and cowl panel.
17. Remove and discard maniverter gasket.
REMOVAL
Fig. 340: Engine Cover
Courtesy of CHRYSLER LLC
1. Remove engine cover (1).
2. Disconnect negative cable from battery.
Fig. 341: Exhaust Manifold Heat Shield
Courtesy of CHRYSLER LLC
2009 Jeep Patriot Limited
2009 ENGINE 2.4L - Service Information - Compass & Patriot
a
Saturday, September 08, 2012 1:27:54 PM Page 230 © 2006 Mitchell Repair Information Company, LLC.
3. Remove bolts (2) attaching upper heat shield.
4. Remove upper heat shield (1).
Fig. 342: Exhaust Pipe To Manifold
Courtesy of CHRYSLER LLC
5. Disconnect exhaust pipe (1) from manifold.
6. Disconnect oxygen sensor electrical connector (3).
Fig. 343: Exhaust Manifold Support Bracket
Courtesy of CHRYSLER LLC
7. Remove manifold support bracket (2).
8. Remove lower exhaust manifold heat shield.
2009 Jeep Patriot Limited
2009 ENGINE 2.4L - Service Information - Compass & Patriot
a
Saturday, September 08, 2012 1:27:54 PM Page 231 © 2006 Mitchell Repair Information Company, LLC.
Fig. 344: Torque Sequence
Courtesy of CHRYSLER LLC
9. Remove exhaust manifold retaining fasteners.
10. Remove and discard manifold gasket.
Cleaning
CLEANING
1. Discard gasket (if equipped) and clean all surfaces of manifold and cylinder head.
Inspection
INSPECTION
1. Inspect manifold gasket surfaces for flatness with straight edge. Surface must be flat within 0.15 mm per
300 mm (0.006 in. per foot) of manifold length.
2. Inspect manifolds for cracks or distortion. Replace manifold as necessary.
Installation
ALL WHEEL DRIVE (AWD)
2009 Jeep Patriot Limited
2009 ENGINE 2.4L - Service Information - Compass & Patriot
a
Saturday, September 08, 2012 1:27:54 PM Page 232 © 2006 Mitchell Repair Information Company, LLC.
Fig. 345: Maniverter
Courtesy of CHRYSLER LLC
1. Install a new maniverter gasket. DO NOT APPLY SEALER .
2. Position maniverter (1) in place. Tighten fasteners, starting at center and progressing outward in both
directions to 34 N.m (300 in. lbs.). Raise and lower vehicle for fastener access as necessary. Repeat
tightening procedure until all fasteners are at specified torque.
Fig. 346: Coolant Adapter
Courtesy of CHRYSLER LLC
3. Install coolant adapter (3). Refer to Cooling/Engine/THERMOSTAT - Installation .
2009 Jeep Patriot Limited
2009 ENGINE 2.4L - Service Information - Compass & Patriot
a
Saturday, September 08, 2012 1:27:54 PM Page 233 © 2006 Mitchell Repair Information Company, LLC.
Fig. 347: Maniverter Heat Shield & Bolts
Courtesy of CHRYSLER LLC
4. Install maniverter heat shields (3). Tighten bolts (1) to 12 N.m (105 in. lbs.).
Fig. 348: Maniverter To Block Support Bracket
Courtesy of CHRYSLER LLC
5. Install maniverter (2) support bracket and tighten bolts (1).
2009 Jeep Patriot Limited
2009 ENGINE 2.4L - Service Information - Compass & Patriot
a
Saturday, September 08, 2012 1:27:54 PM Page 234 © 2006 Mitchell Repair Information Company, LLC.
Fig. 349: Exhaust To Maniverter Bolts
Courtesy of CHRYSLER LLC
6. Install exhaust pipe to maniverter bolts (1). Tighten bolts to 28 N.m (250 in. lbs.).
Fig. 350: Oxygen Sensor
Courtesy of CHRYSLER LLC
7. Install oxygen sensor (2) and connect electrical connector.
2009 Jeep Patriot Limited
2009 ENGINE 2.4L - Service Information - Compass & Patriot
a
Saturday, September 08, 2012 1:27:54 PM Page 235 © 2006 Mitchell Repair Information Company, LLC.
Fig. 351: Engine Cover
Courtesy of CHRYSLER LLC
8. Install engine cover (1).
Fig. 352: Air Cleaner Housing
Courtesy of CHRYSLER LLC
9. Install the air cleaner housing (1). See Engine/Air Intake System/BODY, Air Cleaner - Installation.
10. Connect cables on battery (3).
2009 Jeep Patriot Limited
2009 ENGINE 2.4L - Service Information - Compass & Patriot
a
Saturday, September 08, 2012 1:27:54 PM Page 236 © 2006 Mitchell Repair Information Company, LLC.
Fig. 353: Air Cleaner Inlet
Courtesy of CHRYSLER LLC
11. Position air cleaner inlet (2) and tighten retainers (5).
12. Top off the fluids.
INSTALLATION
Fig. 354: Torque Sequence
Courtesy of CHRYSLER LLC
1. Install a new exhaust manifold gasket DO NOT APPLY SEALER .
2. Position exhaust manifold in place.
3. Tighten the exhaust manifold bolts to 34 N.m (25 ft. lbs.).
2009 Jeep Patriot Limited
2009 ENGINE 2.4L - Service Information - Compass & Patriot
a
Saturday, September 08, 2012 1:27:54 PM Page 237 © 2006 Mitchell Repair Information Company, LLC.
Fig. 355: Exhaust Manifold Heat Shield
Courtesy of CHRYSLER LLC
4. Install exhaust manifold heat shields (1). Tighten bolts (2) to 12 N.m (105 in. lbs.).
Fig. 356: Exhaust Manifold Support Bracket
Courtesy of CHRYSLER LLC
5. Install exhaust manifold support bracket (2).
2009 Jeep Patriot Limited
2009 ENGINE 2.4L - Service Information - Compass & Patriot
a
Saturday, September 08, 2012 1:27:54 PM Page 238 © 2006 Mitchell Repair Information Company, LLC.
Fig. 357: Exhaust Pipe To Manifold
Courtesy of CHRYSLER LLC
6. Install new catalytic converter gasket.
7. Install exhaust pipe to manifold (1). Tighten fasteners to 28 N.m (250 in. lbs.).
8. Connect oxygen sensor electrical connector (3).
Fig. 358: Battery Cable
Courtesy of CHRYSLER LLC
9. Connect negative battery cable (1).
2009 Jeep Patriot Limited
2009 ENGINE 2.4L - Service Information - Compass & Patriot
a
Saturday, September 08, 2012 1:27:54 PM Page 239 © 2006 Mitchell Repair Information Company, LLC.
Fig. 359: Engine Cover
Courtesy of CHRYSLER LLC
10. Install engine cover (1).
MANIFOLD, INTAKE
Diagnosis and Testing
INTAKE MANIFOLD LEAKS
An intake manifold air leak is characterized by lower than normal manifold vacuum. Also, one or more
cylinders may not be functioning.
1. Start the engine.
2. Spray a small stream of water (Spray Bottle) at the suspected leak area.
3. If engine RPM'S change, the area of the suspected leak has been found.
4. Repair as required.
Removal
REMOVAL
WARNING: Use extreme caution when the engine is operating. Do not stand in a
direct line with the fan. Do not put your hands near the pulleys, belts or
the fan. Do not wear loose clothing.
WARNING: Release fuel system pressure before servicing system components.
Service vehicles in well ventilated areas and avoid ignition sources. Never
2009 Jeep Patriot Limited
2009 ENGINE 2.4L - Service Information - Compass & Patriot
a
Saturday, September 08, 2012 1:27:54 PM Page 240 © 2006 Mitchell Repair Information Company, LLC.
Fig. 360: Engine Cover - 2.4L
Courtesy of CHRYSLER LLC
1. Remove engine cover (1).
2. Perform fuel system pressure release procedure before attempting any repairs. Refer to Fuel
System/Fuel Delivery - Standard Procedure .
Fig. 361: Air Cleaner Inlet
Courtesy of CHRYSLER LLC
3. Remove air cleaner inlet (2).
smoke while servicing the vehicle.
2009 Jeep Patriot Limited
2009 ENGINE 2.4L - Service Information - Compass & Patriot
a
Saturday, September 08, 2012 1:27:54 PM Page 241 © 2006 Mitchell Repair Information Company, LLC.
Fig. 362: Air Cleaner Housing
Courtesy of CHRYSLER LLC
4. Remove air cleaner housing (1).
5. Disconnect negative cable at battery (3).
Fig. 363: Coil Connector
Courtesy of CHRYSLER LLC
6. Disconnect fuel line at rail (3).
7. Remove fuel injector electrical connectors (4).
8. Remove fuel rail retaining bolts and remove fuel rail.
2009 Jeep Patriot Limited
2009 ENGINE 2.4L - Service Information - Compass & Patriot
a
Saturday, September 08, 2012 1:27:54 PM Page 242 © 2006 Mitchell Repair Information Company, LLC.
Fig. 364: Oil Temperature Sensor
Courtesy of CHRYSLER LLC
9. Disconnect oil temperature sensor (1).
10. Disconnect variable valve timing solenoid electrical connector.
11. Disconnect intake camshaft position sensor electrical connector.
12. Position harness out of the way.
Fig. 365: Throttle Body Support
Courtesy of CHRYSLER LLC
13. Remove throttle body support bracket (1).
14. Disconnect electronic throttle control electrical connector.
15. Remove wiring harness retainer from the intake manifold (2).
2009 Jeep Patriot Limited
2009 ENGINE 2.4L - Service Information - Compass & Patriot
a
Saturday, September 08, 2012 1:27:54 PM Page 243 © 2006 Mitchell Repair Information Company, LLC.
16. Disconnect MAP sensor electrical connector.
17. Disconnect vacuum lines at intake.
Fig. 366: Radiator Hose Support
Courtesy of CHRYSLER LLC
18. Remove upper radiator hose retaining bracket (1).
Fig. 367: Torque Sequence
Courtesy of CHRYSLER LLC
19. Remove intake manifold retaining bolts.
20. Remove intake manifold.
Cleaning
2009 Jeep Patriot Limited
2009 ENGINE 2.4L - Service Information - Compass & Patriot
a
Saturday, September 08, 2012 1:27:54 PM Page 244 © 2006 Mitchell Repair Information Company, LLC.
CLEANING
1. Discard gasket(s).
2. Clean all sealing surfaces.
Inspection
INSPECTION
1. Inspect manifold for cracks, distortion, or mounting surface warpage. Replace manifold if necessary.
2. Inspect manifold gasket for surface damage or excessive swelling. Replace gaskets as necessary.
Installation
INSTALLATION
Fig. 368: Torque Sequence
Courtesy of CHRYSLER LLC
1. Clean all gasket surfaces.
2. Replace intake manifold gasket.
3. Install intake manifold, tighten bolts to 25 N.m (220 in. lbs.).
4. Install the fuel rail assembly to intake manifold. Tighten bolts to 23 N.m (200 in. lbs.).
5. Connect fuel injector electrical connectors.
2009 Jeep Patriot Limited
2009 ENGINE 2.4L - Service Information - Compass & Patriot
a
Saturday, September 08, 2012 1:27:54 PM Page 245 © 2006 Mitchell Repair Information Company, LLC.
Fig. 369: Air Cleaner Housing
Courtesy of CHRYSLER LLC
6. Inspect quick connect fittings for damage, replace if necessary. Refer to Fuel System/Fuel
Delivery/FITTING, Quick Connect - Standard Procedure . Connect fuel supply hose to fuel rail
assembly. Check connection by pulling on connector to insure it locked into position.
7. Connect negative cable to battery (3).
8. Fill the cooling system. Refer to Cooling - Standard Procedure .
Fig. 370: Air Cleaner Housing
Courtesy of CHRYSLER LLC
9. Install air cleaner housing (1).
2009 Jeep Patriot Limited
2009 ENGINE 2.4L - Service Information - Compass & Patriot
a
Saturday, September 08, 2012 1:27:54 PM Page 246 © 2006 Mitchell Repair Information Company, LLC.
Fig. 371: Engine Cover - 2.4L
Courtesy of CHRYSLER LLC
10. Install engine cover.
VALVE TIMING
DESCRIPTION
DESCRIPTION
Fig. 372: Timing Drive
Courtesy of CHRYSLER LLC
2009 Jeep Patriot Limited
2009 ENGINE 2.4L - Service Information - Compass & Patriot
a
Saturday, September 08, 2012 1:27:54 PM Page 247 © 2006 Mitchell Repair Information Company, LLC.
The timing drive system consists of the following:
Timing Chain (2)
Camshaft Sprockets (1, 3)
Crankshaft Sprocket
Right Timing Chain Guide (Moveable) (6)
Left Timing Chain Guide (Fixed) (4)
Timing Chain Tensioner (5)
The camshaft sprockets are attached to the cam phasers which are attached to the front of the camshafts and are
used with the timing chain and crankshaft sprocket to turn the camshafts. The camshaft position sensors target is
part of the camshafts and is used with the camshaft position sensors to provide the PCM with valvetrain position
information.
The timing chain tensioner is installed in the right side of the engine block. Using engine oil pressure, the
tensioner applies constant pressure to the right side (movable) timing chain guide, which in turn applies
pressure to the timing chain. Also as the tensioner extends, it rachet locks in position to provide constant timing
chain tension.
STANDARD PROCEDURE
VALVE TIMING VERIFICATION
Fig. 373: TDC
CAUTION: Painted or colored chain links are used during initial engine assembly and
can not be relied upon for valve timing verification. These markings are in
different locations for early production, late production and service parts.
Only use TDC marks, cylinder head cover sealing surface and camshaft
sprocket marks to verify valve timing or engine damage may result.
2009 Jeep Patriot Limited
2009 ENGINE 2.4L - Service Information - Compass & Patriot
a
Saturday, September 08, 2012 1:27:54 PM Page 248 © 2006 Mitchell Repair Information Company, LLC.
Courtesy of CHRYSLER LLC
1. Remove engine cover.
2. Remove cylinder head cover. See Engine/Cylinder Head/COVER(S), Cylinder Head - Removal.
3. Set engine to TDC (1, 2).
Fig. 374: Camshaft Timing
Courtesy of CHRYSLER LLC
4. The marks on the camshaft sprockets (3) should be in line with the cylinder head cover sealing surface.
5. Install cylinder head cover. See Engine/Cylinder Head/COVER(S), Cylinder Head - Installation.
6. Install the engine cover.
CHAIN AND SPROCKETS, TIMING
Removal
TIMING CHAIN
2009 Jeep Patriot Limited
2009 ENGINE 2.4L - Service Information - Compass & Patriot
a
Saturday, September 08, 2012 1:27:54 PM Page 249 © 2006 Mitchell Repair Information Company, LLC.
Fig. 375: TDC
Courtesy of CHRYSLER LLC
1. Set engine to TDC.
2. Remove timing chain cover. See Engine/Valve Timing/COVER(S), Engine Timing - Removal.
Fig. 376: Timing Chain Timing Marks
Courtesy of CHRYSLER LLC
NOTE: If the timing chain plated links can no longer be seen, the timing chain
links corresponding to the timing marks must be marked prior to removal
if the chain is to be reused.
2009 Jeep Patriot Limited
2009 ENGINE 2.4L - Service Information - Compass & Patriot
a
Saturday, September 08, 2012 1:27:54 PM Page 250 © 2006 Mitchell Repair Information Company, LLC.
3. Mark chain link (1) corresponding to camshaft timing mark.
Fig. 377: Crankshaft Timing Marks
Courtesy of CHRYSLER LLC
4. Mark chain link (3) corresponding to crankshaft timing mark (2).
Fig. 378: Timing Drive
Courtesy of CHRYSLER LLC
5. Remove timing chain tensioner (5). See Engine/Valve Timing/TENSIONER, Engine Timing -
Removal.
6. Remove timing chain (2).
CAMSHAFT SPROCKET(S)
2009 Jeep Patriot Limited
2009 ENGINE 2.4L - Service Information - Compass & Patriot
a
Saturday, September 08, 2012 1:27:54 PM Page 251 © 2006 Mitchell Repair Information Company, LLC.
Refer to camshaft phaser removal. See Engine/Cylinder Head/CAMSHAFT, Engine - Removal.
CRANKSHAFT SPROCKET
Fig. 379: Crankshaft Sprocket
Courtesy of CHRYSLER LLC
1. Remove timing chain. See Engine/Valve Timing/CHAIN and SPROCKETS, Timing - Removal.
2. Remove oil pan. See Engine/Lubrication/PAN, Oil - Removal.
3. Remove oil pump drive chain tensioner.
4. Remove oil pump drive chain.
5. Remove crankshaft sprocket (1).
Inspection
INSPECTION
NOTE: Camshaft phasers and camshaft sprockets are supplied as an assembly, do not
attempt to disassemble.
2009 Jeep Patriot Limited
2009 ENGINE 2.4L - Service Information - Compass & Patriot
a
Saturday, September 08, 2012 1:27:54 PM Page 252 © 2006 Mitchell Repair Information Company, LLC.
Fig. 380: Checking Timing Chain Stretch
Courtesy of CHRYSLER LLC
Inspect timing chain for stretching prior to removal.
1. Rotate engine while watching timing chain tensioner plunger. When the plunger reaches its maximum
travel stop rotating engine.
2. Measure the distance from the tensioner body and the edge of the chain guide as shown in illustration.
3. If the distance is greater than 20.5 mm (0.81 in.) inspect guide shoes for excessive wear.
4. If guides are okay, replace timing chain.
Installation
CRANKSHAFT SPROCKET
2009 Jeep Patriot Limited
2009 ENGINE 2.4L - Service Information - Compass & Patriot
a
Saturday, September 08, 2012 1:27:54 PM Page 253 © 2006 Mitchell Repair Information Company, LLC.
Fig. 381: Crankshaft Sprocket
Courtesy of CHRYSLER LLC
1. Install crankshaft sprocket (1) onto crankshaft.
Fig. 382: BSM Tensioner
Courtesy of CHRYSLER LLC
2. Install oil pump drive chain. Verify that Oil pump is correctly timed (1, 2, 5, 6).
Fig. 383: Oil Pump Tensioner Reset
Courtesy of CHRYSLER LLC
3. Reset oil pump drive chain tensioner by pushing plunger inward and install tensioner pin 8514.
2009 Jeep Patriot Limited
2009 ENGINE 2.4L - Service Information - Compass & Patriot
a
Saturday, September 08, 2012 1:27:54 PM Page 254 © 2006 Mitchell Repair Information Company, LLC.
Fig. 384: BSM Tensioner
Courtesy of CHRYSLER LLC
4. Install oil pump drive chain tensioner (3) and remove Tensioner Pin 8514 (4).
5. Install timing chain. See Engine/Valve Timing/CHAIN and SPROCKETS, Timing - Installation.
6. Install oil pan. See Engine/Lubrication/PAN, Oil - Installation.
7. Fill engine with oil. See Engine/Lubrication/OIL - Standard Procedure.
8. Start engine and check for leaks.
CAMSHAFT SPROCKET(S)
Fig. 385: Cam Phaser Installation
Courtesy of CHRYSLER LLC
2009 Jeep Patriot Limited
2009 ENGINE 2.4L - Service Information - Compass & Patriot
a
Saturday, September 08, 2012 1:27:54 PM Page 255 © 2006 Mitchell Repair Information Company, LLC.
1. Refer to Camshaft phaser (2) installation. See Engine/Cylinder Head/CAMSHAFT, Engine -
Installation).
TIMING CHAIN
Fig. 386: Crankshaft Timing Marks
Courtesy of CHRYSLER LLC
1. Verify that the engine is still set to TDC.
NOTE: The camshaft sprockets and the camshaft phasers are an assembly and cannot
be serviced separately.
CAUTION: Do not use an impact wrench to tighten camshaft sprocket bolts. Damage
to the camshaft-to-sprocket locating dowel pin and camshaft phaser may
occur.
NOTE: The crankshaft timing mark (3) or (5) can be in one of two locations depending
on whether the engine is early production (5), late production (3) or assembled
with service parts (3). In all cases the keyway (2) will always be in the 9:00
position, in line with the ladder frame mounting surface (1) when the engine is
at TDC.
2009 Jeep Patriot Limited
2009 ENGINE 2.4L - Service Information - Compass & Patriot
a
Saturday, September 08, 2012 1:27:54 PM Page 256 © 2006 Mitchell Repair Information Company, LLC.
Fig. 387: Timing Chain Timing Marks
Courtesy of CHRYSLER LLC
2. Align camshaft timing marks (3) so they are facing each other and in line with the cylinder head cover
sealing surface (2).
3. Install timing chain so plated (or marked) links on chain align with timing marks on camshaft sprockets
(1).
Fig. 388: Crankshaft Timing Marks
Courtesy of CHRYSLER LLC
4. Align timing mark on the crankshaft sprocket (3) or (5) with the plated (or marked) link (4) on the timing
chain. Position chain so slack will be on the tensioner side.
2009 Jeep Patriot Limited
2009 ENGINE 2.4L - Service Information - Compass & Patriot
a
Saturday, September 08, 2012 1:27:54 PM Page 257 © 2006 Mitchell Repair Information Company, LLC.
Fig. 389: Timing Drive
Courtesy of CHRYSLER LLC
5. Install the timing chain tensioner (5). See Engine/Valve Timing/TENSIONER, Engine Timing -
Installation
Rotate the crankshaft CLOCKWISE two complete revolutions until the crankshaft is repositioned at the
TDC position with the key way at the 9 o'clock position.
6. Verify that the camshafts timing marks (3) are in the proper position and in line with the cylinder head
cover sealing surface. If the marks do not line up, the timing chain is not correctly installed.
7. Install front timing chain cover. See Engine/Valve Timing/COVER(S), Engine Timing - Installation.
8. Connect negative battery cable.
9. Operate engine until it reaches normal operating temperature. Check oil and cooling systems for correct
fluid levels.
COVER(S), ENGINE TIMING
Removal
REMOVAL
NOTE: Keep the slack in the timing chain on the tensioner side.
2009 Jeep Patriot Limited
2009 ENGINE 2.4L - Service Information - Compass & Patriot
a
Saturday, September 08, 2012 1:27:54 PM Page 258 © 2006 Mitchell Repair Information Company, LLC.
Fig. 390: Engine Cover
Courtesy of CHRYSLER LLC
1. Remove engine cover (1) by pulling upward.
2. Perform fuel pressure bleed procedure. Refer to Fuel System/Fuel Delivery - Standard Procedure .
3. Disconnect and isolate the negative battery cable.
Fig. 391: Coolant Reservoir
Courtesy of CHRYSLER LLC
4. Remove coolant recovery bottle (3). Refer to Cooling/Engine/BOTTLE, Coolant Recovery - Removal .
5. Remove and reposition power steering reservoir (2).
6. Remove windshield washer bottle (1). Refer to Electrical/Wipers/Washers/RESERVOIR, Windshield
Washer - Removal .
2009 Jeep Patriot Limited
2009 ENGINE 2.4L - Service Information - Compass & Patriot
a
Saturday, September 08, 2012 1:27:54 PM Page 259 © 2006 Mitchell Repair Information Company, LLC.
7. Remove accessory drive belt. Refer to Cooling/Accessory Drive/BELT, Serpentine - Removal .
Fig. 392: Pressure Hose
Courtesy of CHRYSLER LLC
8. Remove power steering hose hold down (2).
Fig. 393: Power Steering Pump - Gas
Courtesy of CHRYSLER LLC
9. Remove the three power steering pump mounting bolts (1) through the openings in the pulley (3) and
reposition the pump.
2009 Jeep Patriot Limited
2009 ENGINE 2.4L - Service Information - Compass & Patriot
a
Saturday, September 08, 2012 1:27:54 PM Page 260 © 2006 Mitchell Repair Information Company, LLC.
Fig. 394: Torque Sequence
Courtesy of CHRYSLER LLC
10. Remove the cylinder head cover. See Engine/Cylinder Head/COVER(S), Cylinder Head - Removal.
11. Remove ignition coils from cylinder head cover.
Fig. 395: TDC
Courtesy of CHRYSLER LLC
12. Raise and support the vehicle. Refer to Vehicle Quick Reference/Hoisting - Standard Procedure .
13. Remove the right lower splash shield. Refer to Body/Exterior/SHIELD, Splash - Removal .
14. Set engine to TDC (1).
2009 Jeep Patriot Limited
2009 ENGINE 2.4L - Service Information - Compass & Patriot
a
Saturday, September 08, 2012 1:27:54 PM Page 261 © 2006 Mitchell Repair Information Company, LLC.
Fig. 396: A/C Compressor
Courtesy of CHRYSLER LLC
15. Remove lower A/C compressor bolts if equipped.
16. Remove lower A/C compressor mount (2) if equipped.
Fig. 397: Accessory Drive Belt Idler Pulley - 2.4L
Courtesy of CHRYSLER LLC
17. Remove accessory drive belt lower idler pulley (2).
2009 Jeep Patriot Limited
2009 ENGINE 2.4L - Service Information - Compass & Patriot
a
Saturday, September 08, 2012 1:27:54 PM Page 262 © 2006 Mitchell Repair Information Company, LLC.
Fig. 398: Engine Front
Courtesy of CHRYSLER LLC
18. Remove crankshaft damper (2). See Engine/Engine Block/DAMPER, Vibration - Removal.
19. Remove three bolts and water pump pulley (4) from water pump.
20. Remove lower bolt from right side engine mount bracket (1).
Fig. 399: Timing Chain Cover Lower Bolts
Courtesy of CHRYSLER LLC
21. Remove timing chain cover lower bolts (1).
22. Lower vehicle.
23. Support engine with suitable jack.
2009 Jeep Patriot Limited
2009 ENGINE 2.4L - Service Information - Compass & Patriot
a
Saturday, September 08, 2012 1:27:54 PM Page 263 © 2006 Mitchell Repair Information Company, LLC.
Fig. 400: Right Engine Mount
Courtesy of CHRYSLER LLC
24. Remove right engine mount through bolt (4).
25. Remove right engine mount to mount bracket bolts (3).
26. Remove right engine mount adapter (2).
Fig. 401: Accessory Drive Belt Idler Pulley - 2.4L
Courtesy of CHRYSLER LLC
27. Remove accessory drive upper idler pulley (1).
2009 Jeep Patriot Limited
2009 ENGINE 2.4L - Service Information - Compass & Patriot
a
Saturday, September 08, 2012 1:27:54 PM Page 264 © 2006 Mitchell Repair Information Company, LLC.
Fig. 402: Engine Front
Courtesy of CHRYSLER LLC
28. Remove right upper engine mount bracket (1).
29. Remove accessory drive belt tensioner.
30. Remove timing chain cover retaining bolts.
2009 Jeep Patriot Limited
2009 ENGINE 2.4L - Service Information - Compass & Patriot
a
Saturday, September 08, 2012 1:27:54 PM Page 265 © 2006 Mitchell Repair Information Company, LLC.
Fig. 403: Timing Chain Cover Pry Points
Courtesy of CHRYSLER LLC
31. Remove timing chain cover using pry points (1, 2, 3).
Fig. 404: Timing Chain Cover Removal
Courtesy of CHRYSLER LLC
2009 Jeep Patriot Limited
2009 ENGINE 2.4L - Service Information - Compass & Patriot
a
Saturday, September 08, 2012 1:27:54 PM Page 266 © 2006 Mitchell Repair Information Company, LLC.
32. Remove timing chain cover (1) out through the bottom of the vehicle.
Installation
INSTALLATION
Fig. 405: Front Cover Upper T-Joints
Courtesy of CHRYSLER LLC
1. Clean all sealing surfaces. See Engine - Standard Procedure.
2. Apply Mopar® engine sealant RTV (or equivalent) as shown in illustration at the cylinder head to block
parting line (1,2).
NOTE: When using RTV, the sealing surfaces must be clean and free from grease and
oil.
NOTE: When using RTV, parts should be assembled in 10 minutes and tighten to final
torque within 45 minutes.
2009 Jeep Patriot Limited
2009 ENGINE 2.4L - Service Information - Compass & Patriot
a
Saturday, September 08, 2012 1:27:54 PM Page 267 © 2006 Mitchell Repair Information Company, LLC.
Fig. 406: Lower T-Joints
Courtesy of CHRYSLER LLC
3. Apply Mopar® engine sealant RTV (or equivalent) as shown in illustration at the ladder frame to block
parting line (1, 2).
Fig. 407: Sealing Oil Pan
Courtesy of CHRYSLER LLC
4. Apply Mopar® engine sealant RTV (or equivalent) as shown in illustration in the corner of the oil pan
and block.
5. Apply 2 mm bead of Mopar® engine sealant RTV (or equivalent) to the oil pan as shown in illustration.
2009 Jeep Patriot Limited
2009 ENGINE 2.4L - Service Information - Compass & Patriot
a
Saturday, September 08, 2012 1:27:54 PM Page 268 © 2006 Mitchell Repair Information Company, LLC.
Fig. 408: Timing Chain Cover Sealing
Courtesy of CHRYSLER LLC
6. Apply 2 mm bead of Mopar® engine sealant RTV (or equivalent) to the engine block (1,2) as shown in
illustration.
Fig. 409: Timing Chain Cover Removal
Courtesy of CHRYSLER LLC
7. Install timing chain cover (1) upwards from under the vehicle.
8. Install timing chain cover upper retaining bolts and tighten M6 bolts to 9 N.m (80 in. lbs.) and M8 bolts
to 26 N.m (230 in. lbs.).
9. Install accessory drive belt tensioner. Tighten bolt to 24 N.m (212 in. lbs.).
2009 Jeep Patriot Limited
2009 ENGINE 2.4L - Service Information - Compass & Patriot
a
Saturday, September 08, 2012 1:27:54 PM Page 269 © 2006 Mitchell Repair Information Company, LLC.
Fig. 410: Right Engine Mount Bracket
Courtesy of CHRYSLER LLC
10. Install right engine mount bracket (1). Tighten bolts to 50 N.m (37 ft. lbs.).
Fig. 411: Accessory Drive Belt Idler Pulley - 2.4L
Courtesy of CHRYSLER LLC
11. Install accessory drive belt upper idler pulley (1). Tighten bolt to 48 N.m (35 ft. lbs.).
2009 Jeep Patriot Limited
2009 ENGINE 2.4L - Service Information - Compass & Patriot
a
Saturday, September 08, 2012 1:27:54 PM Page 270 © 2006 Mitchell Repair Information Company, LLC.
Fig. 412: Right Engine Mount
Courtesy of CHRYSLER LLC
12. Install engine mount adapter (2) and tighten bolts (3) to 68 N.m (50 ft. lbs.).
13. Install engine mount through bolt (4) and tighten to 88 N.m (65 ft. lbs.).
14. Remove jack from under engine.
Fig. 413: Timing Chain Cover Lower Bolts
Courtesy of CHRYSLER LLC
15. Raise and support the vehicle. Refer to Vehicle Quick Reference/Hoisting - Standard Procedure .
16. Install oil pan to timing chain cover lower retaining bolts (1) and tighten M6 bolts to 9 N.m (80 in. lbs.).
2009 Jeep Patriot Limited
2009 ENGINE 2.4L - Service Information - Compass & Patriot
a
Saturday, September 08, 2012 1:27:54 PM Page 271 © 2006 Mitchell Repair Information Company, LLC.
Fig. 414: Engine Front
Courtesy of CHRYSLER LLC
17. Install water pump pulley (4) and tighten three bolts to 9 N.m (80 in. lbs.).
18. Install crankshaft damper (2). See Engine/Engine Block/DAMPER, Vibration - Installation
Fig. 415: Accessory Drive Belt Idler Pulley - 2.4L
Courtesy of CHRYSLER LLC
19. Install accessory drive belt lower idler pulley (2). Tighten bolt to 48 N.m (35 ft. lbs.).
2009 Jeep Patriot Limited
2009 ENGINE 2.4L - Service Information - Compass & Patriot
a
Saturday, September 08, 2012 1:27:54 PM Page 272 © 2006 Mitchell Repair Information Company, LLC.
Fig. 416: A/C Compressor
Courtesy of CHRYSLER LLC
20. Install lower A/C compressor mounting bracket (2). Tighten the bolts to 24 N.m (18 ft. lbs.).
21. Install A/C compressor (1). Tighten the bolts to 25 N.m (18 ft. lbs.).
22. Install right lower splash shield. Refer to Body/Exterior/SHIELD, Splash - Installation .
23. Lower vehicle.
Fig. 417: Torque Sequence
Courtesy of CHRYSLER LLC
24. Install cylinder head cover and ignition coils. See Engine/Cylinder Head/COVER(S), Cylinder Head -
Installation.
2009 Jeep Patriot Limited
2009 ENGINE 2.4L - Service Information - Compass & Patriot
a
Saturday, September 08, 2012 1:27:54 PM Page 273 © 2006 Mitchell Repair Information Company, LLC.
Fig. 418: Power Steering Pump - Gas
Courtesy of CHRYSLER LLC
25. Place the power steering pump in mounting position. Install the three bolts (1) through openings in the
pulley (3). Tighten the mounting bolts (1) to 26 N.m (19 ft. lbs.).
Fig. 419: Pressure Hose
Courtesy of CHRYSLER LLC
26. Install the power steering hose hold down (2).
27. Install accessory drive belt. Refer to Cooling/Accessory Drive/BELT, Serpentine - Installation .
2009 Jeep Patriot Limited
2009 ENGINE 2.4L - Service Information - Compass & Patriot
a
Saturday, September 08, 2012 1:27:54 PM Page 274 © 2006 Mitchell Repair Information Company, LLC.
Fig. 420: Coolant Reservoir
Courtesy of CHRYSLER LLC
28. Install power steering pump reservoir (2). Tighten mounting screw to 12 N.m (106 in. lbs.).
29. Install windshield washer reservoir (1).
30. Install coolant recovery reservoir (3). Tighten mounting bolts to 4 N.m (35 in. lbs.).
Fig. 421: Air Cleaner Housing
Courtesy of CHRYSLER LLC
31. Install clean air hose (5) and air cleaner housing (1). See Engine/Air Intake System/BODY, Air
Cleaner - Installation.
32. Install air cleaner housing inlet.
33. Connect negative battery cable.
2009 Jeep Patriot Limited
2009 ENGINE 2.4L - Service Information - Compass & Patriot
a
Saturday, September 08, 2012 1:27:54 PM Page 275 © 2006 Mitchell Repair Information Company, LLC.
Fig. 422: Engine Cover - 2.4L
Courtesy of CHRYSLER LLC
34. Operate engine until it reaches normal operating temperature. Check oil system for leaks and correct fluid
level.
35. Install engine cover (1).
TENSIONER, ENGINE TIMING
Removal
REMOVAL
Fig. 423: Timing Drive
Courtesy of CHRYSLER LLC
2009 Jeep Patriot Limited
2009 ENGINE 2.4L - Service Information - Compass & Patriot
a
Saturday, September 08, 2012 1:27:55 PM Page 276 © 2006 Mitchell Repair Information Company, LLC.
1. Remove the engine timing cover. See Engine/Valve Timing/COVER(S), Engine Timing - Removal.
2. Remove timing chain tensioner retaining bolts and remove tensioner (5).
Installation
INSTALLATION
Fig. 424: Tensioner Reset
Courtesy of CHRYSLER LLC
1. Reset timing chain tensioner (4) by lifting up on ratchet (2) and pushing plunger (3) inward towards the
tensioner body (4). Insert Tensioner Pin 8514 into slot (1) to hold tensioner plunger in the retracted
position.
NOTE: Tensioner will not come apart during removal.
2009 Jeep Patriot Limited
2009 ENGINE 2.4L - Service Information - Compass & Patriot
a
Saturday, September 08, 2012 1:27:55 PM Page 277 © 2006 Mitchell Repair Information Company, LLC.
Fig. 425: Timing Chain Tensioner
Courtesy of CHRYSLER LLC
2. Install timing chain tensioner (1) and tighten bolts to 12 N.m (105 in. lbs.).
3. Remove timing Tensioner Pin 8514 (2).
4. Install the engine timing cover. See Engine/Valve Timing/COVER(S), Engine Timing - Installation
NOTE: Keep the slack in the timing chain on the tensioner side.
2009 Jeep Patriot Limited
2009 ENGINE 2.4L - Service Information - Compass & Patriot
a
Saturday, September 08, 2012 1:27:55 PM Page 278 © 2006 Mitchell Repair Information Company, LLC.
2009 BRAKES
ABS - Service Information - Compass & Patriot
DESCRIPTION
ANTILOCK BRAKE SYSTEM
Fig. 1: Integrated Control Unit
Courtesy of CHRYSLER LLC
This vehicle uses an antilock brake system designated MK25e. For this vehicle, MK25e is standard with
Electronic Stability Program (ESP) and All-Speed Traction Control.
This antilock brake system uses components of the base brake system, but also features the following
components:
Integrated Control Unit (ICU) - Hydraulic Control Unit (HCU) (2) and Antilock Brake Module (ABM)
(1)
Wheel Speed Sensors (WSS) - Four sensors (one at each wheel)
The MK25e ICU is made up of the Hydraulic Control Unit (HCU) and the Antilock Brake Module (ABM). For
additional information on these components. See Brakes/Hydraulic/Mechanical/HYDRAULIC CONTROL
UNIT (HCU) - Description . Refer to Electrical - Electronic Control Modules/Electronic Control
Modules/MODULE, Anti-Lock Brake System - Description .
ABS
The purpose of the antilock brake system (ABS) is to prevent wheel lockup under braking conditions on
virtually any type of road surface. Antilock braking is desirable because a vehicle that is stopped without
2009 Jeep Patriot Limited
2009 BRAKES ABS - Service Information - Compass & Patriot
2009 Jeep Patriot Limited
2009 BRAKES ABS - Service Information - Compass & Patriot
a
Saturday, September 08, 2012 12:37:03 PM Page 1 © 2006 Mitchell Repair Information Company, LLC.
a
Saturday, September 08, 2012 12:37:07 PM Page 1 © 2006 Mitchell Repair Information Company, LLC.
locking the wheels retains directional stability and some steering capability. This allows the driver to retain
greater control of the vehicle during braking.
All vehicles use Electronic Variable Brake Proportioning (EVBP) to balance front-to-rear braking when the
brakes are applied in the partial braking range. For more information on electronic brake distribution. See
Brakes - Description.
ELECTRONIC STABILITY PROGRAM
For information on the Electronic Stability Program. See Brakes - Description.
TRACTION CONTROL
For information on the All-Speed Traction Control. See Brakes - Description.
OFF-ROAD ABS
Four-wheel-drive vehicles are equipped with Off-Road ABS. Off-Road ABS provides more sustained wheel
lockup than normal ABS for improved stopping performance on plowable surfaces like loose dirt, gravel, sand
and mud. Such plowable surfaces move out of the way as the tires roll on them and form a wedge in front of the
tires during braking because more sustained wheel lock up causes the tires to drag and the loose surface to build
up in front of the tires, helping to stop the vehicle. A vehicle with normal ABS requires a longer stopping
distance on the same terrain because the wheels continue rotating, not allowing the drag and build up material in
front of the tires.
ELECTRONIC STABILITY PROGRAM
Electronic Stability Program (ESP®), which includes Hydraulic Brake Assist, Traction Control, Electronic Roll
Mitigation, and Brake Lock Differentials is standard on all vehicles. ESP® aids the driver in maintaining
vehicle directional stability. ESP will do whatever can be done, within the limits of available traction, to keep
the car on course.
ESP® uses the ABS with Traction Control (MK25E) along with the following components to operate:
Dynamics (ESP) Sensor
Steering Angle Sensor (SAS)
The Dynamics Sensor that is mounted under the center console, which is near the center of gravity of the car for
effective sensing. See Brakes/Electrical/SENSOR, Dynamics - Description. The Steering Angle Sensor is
located in the steering column. See Brakes/Electrical/SENSOR, Steering Wheel Angle - Description.
On this vehicle, ESP® has three modes: Full-On, Partial and Full-Off. The ESP® default mode is Full-On with
every key-on. Pressing the ESP Off switch button in the center stack once activates the Partial mode. In Partial
mode, Traction Control is deactivated and ESP® operates at a higher threshold, therefore, it will not come on as
aggressively as in the Full-On mode. Pressing and holding the ESP Off switch button for five seconds or longer
turns the system completely off. This condition is confirmed by a single warning chime and a text message in
the odometer display "ESP FULL OFF." The system can be returned to "normal" Full-On mode by briefly
2009 Jeep Patriot Limited
2009 BRAKES ABS - Service Information - Compass & Patriot
a
Saturday, September 08, 2012 12:37:03 PM Page 2 © 2006 Mitchell Repair Information Company, LLC.
pressing and releasing the ESP Off switch.
HYDRAULIC BRAKE ASSIST
Brake Assist is programmed into the ESP® system. Brake assist helps the driver overcome the tendency to not
apply the brakes hard enough or quick enough to achieve the minimum stopping distance during a panic stop.
During this situation, the ESP® system instantly applies the maximum available pressure to the brakes and the
vehicle stops as quickly as available traction will allow.
TRACTION CONTROL
For information on the All-Speed Traction Control. See Brakes - Description.
ELECTRONIC ROLL MITIGATION
ESP® Full-On and Partial modes include an algorithm for Electronic Roll Mitigation (ERM). ERM is an
algorithm on top of ESP® control that is targeted toward preventing wheel lift in the NHTSA Fish Hook
maneuvers. These very extreme situations are well out of normal everyday driving, but by chance a high
dynamic maneuver occurs, ERM can help return vehicle stability and control to the driver. Electronic Roll
Mitigation attempts to determine when a vehicle is in a position to mitigate vehicle rollover and minimize the
risk by applying the appropriate braking force to reduce the likelihood that such an event will occur. This added
measure is designed to aid the driver in maintaining vehicle stability during an emergency maneuver or accident
avoidance situation. ERM will not aid vehicle stability in "trip" situations, such as when a vehicle slides
sideways and strikes a curb, which could then cause the side opposite the curb to lift and the vehicle to roll.
BRAKE LOCK DIFFERENTIALS
Brake Lock Differentials (BLDs) are part of the ESP® base algorithm and tuned for on-road activity. Brake
Lock differentials improve vehicle mobility by applying braking force to a driven wheel that is spinning faster
than the mate on the same axle to provide an equal amount of torque for each wheel, thereby providing torque
to the wheel with the most traction. The on-road BLD is calibrated for on-road conditions such as when one
wheel is on ice or gravel and the other is on dry pavement, this type of condition is called a split-friction
surface.
Vehicles equipped with the Off-Road Group (sales code AWL) include a separate set of BLD calibrations that
are designed for Off-Road mode use while crawling over obstacles, during heavy articulation activity, split-
friction surfaces and other conditions. Off-Road BLDs direct torque from the wheel that slips to the wheel with
more grip on a given axle helping maintain forward mobility over all types of off-road terrain.
Off-Road BLD calibrations are activated when the vehicle is in the Off-Road mode. The Off-road calibration
applies much more aggressive and longer duration brake caliper clamping than the calibration for on-road BLDs
to achieve the desired performance over off-road events.
HILL DESCENT CONTROL
Hill Descent Control (HDC) is included on vehicles equipped with the Off-Road Group (sales code AWL). It
provides downhill assistance at a safe and controlled rate of speed without requiring the driver to touch the
brakes or press a button. This feature operates in low and reverse gears. By means of electronics it replaces the
2009 Jeep Patriot Limited
2009 BRAKES ABS - Service Information - Compass & Patriot
a
Saturday, September 08, 2012 12:37:03 PM Page 3 © 2006 Mitchell Repair Information Company, LLC.
gear reduction and engine braking that a traditional mechanical low-range transfer case provides. For ease of
operation, HDC is activated and deactivated automatically according to changes in topography using grade
sensing.
TRACTION CONTROL
Fig. 2: I/P Switch Pod
Courtesy of CHRYSLER LLC
The traction control system that is part of the Electronic Stability Program (ESP®), is an all-speed traction
control. All-Speed Traction Control enhances mobility and prevents wheel slip when accelerating on slippery
surfaces. It also provides a measure of directional stability control. Using the wheel-speed sensors, it can detect
excessive yaw and help keep the car on the intended course, as for instance, when accelerating around a curve.
All-Speed Traction Control is effective up to 85 mph (137 km/h).
The traction control system may be turned off or on by depressing the ESP Off switch button located on the
instrument panel.
ELECTRONIC VARIABLE BRAKE PROPORTIONING
Vehicles equipped with ABS use Electronic Variable Brake Proportioning (EVBP) to balance front-to-rear
braking. The EVBP is used in place of a rear proportioning valve. The EVBP system uses the ABS system to
control the slip of the rear wheels in partial braking range. The braking force of the rear wheels is controlled
electronically by using the inlet and outlet valves located in the Integrated Control Unit (ICU).
OPERATION
ANTILOCK BRAKE SYSTEM
ABS
2009 Jeep Patriot Limited
2009 BRAKES ABS - Service Information - Compass & Patriot
a
Saturday, September 08, 2012 12:37:03 PM Page 4 © 2006 Mitchell Repair Information Company, LLC.
There are a few performance characteristics of the Antilock Brake System (ABS) that may at first seem
abnormal, but in fact are normal. These characteristics are described below.
NORMAL BRAKING
Under normal braking conditions, the ABS functions the same as a standard base brake system with a
diagonally split master cylinder and conventional vacuum assist.
ABS BRAKING
ABS operation is available at all vehicle speeds above 5-8 km/h (3-5 mph) If a wheel locking tendency is
detected during a brake application, the brake system enters the ABS mode. During ABS braking, hydraulic
pressure in the four wheel circuits is modulated to prevent any wheel from locking. Each wheel circuit is
designed with a set of electric solenoids to allow modulation, although for vehicle stability, both rear wheel
solenoids receive the same electrical signal. Wheel lockup may be perceived at the very end of an ABS stop and
is considered normal.
During an ABS event, the Integrated Control Unit (ICU) regulates hydraulic pressure at all four of the vehicle's
wheels.
The hydraulic pressure at each front wheel is controlled independently (relative to the amount of slip at each
wheel) in order to maximize the braking force generated by the front brakes. The rear wheels are controlled
such that the hydraulic pressure at either rear wheel does not exceed that of the highest slip rear wheel in order
to maintain vehicle stability.
The system can build and release pressure at each wheel, depending on signals generated by the Wheel Speed
Sensors (WSS) at each wheel and received at the Antilock Brake Module (ABM).
NOISE AND BRAKE PEDAL FEEL
During ABS braking, some brake pedal movement may be felt. In addition, ABS braking will create ticking,
popping, or groaning noises heard by the driver. This is normal and is due to pressurized fluid being transferred
between the master cylinder and the brakes. If ABS operation occurs during hard braking, some pulsation may
be felt in the vehicle body due to fore and aft movement of the suspension as brake pressures are modulated.
At the end of an ABS stop, ABS is turned off when the vehicle is slowed to a speed of 5-6 km/h (3-4 mph).
There may be a slight brake pedal drop anytime that the ABS is deactivated, such as at the end of the stop when
the vehicle speed is less than 3 mph (5 km/h) or during an ABS stop where ABS is no longer required. These
conditions exist when a vehicle is being stopped on a road surface with patches of ice, loose gravel, or sand on
it. Also, stopping a vehicle on a bumpy road surface activates ABS because of the wheel hop caused by the
bumps.
TIRE NOISE AND MARKS
Although the ABS system prevents complete wheel lockup, some wheel slip is desired in order to achieve
optimum braking performance. Wheel slip is defined as follows: 0 percent slip means the wheel is rolling freely
and 100 percent slip means the wheel is fully locked. During brake pressure modulation, wheel slip is allowed
to reach up to 25-30 percent. This means that the wheel rolling velocity is 25-30 percent less than that of a free
2009 Jeep Patriot Limited
2009 BRAKES ABS - Service Information - Compass & Patriot
a
Saturday, September 08, 2012 12:37:03 PM Page 5 © 2006 Mitchell Repair Information Company, LLC.
rolling wheel at a given vehicle speed. This slip may result in some tire chirping, depending on the road surface.
This sound should not be interpreted as total wheel lockup.
Complete wheel lockup normally leaves black tire marks on dry pavement. The ABS will not leave dark black
tire marks since the wheel never reaches a fully locked condition. However, tire marks may be noticeable as
light patched marks.
START-UP AND DRIVE-OFF CYCLES
When the ignition is turned on, a popping sound and a slight brake pedal movement may be noticed. The ABS
warning lamp will also be on for up to 5 seconds after the ignition is turned on.
When the vehicle is first driven off, a humming may be heard or felt by the driver at approximately 12-25 mph
(20-40 km/h). All of these conditions are a normal function of ABS as the system is performing a diagnosis
check.
PREMATURE ABS CYCLING
Symptoms of premature ABS cycling include: clicking sounds from the solenoid valves; pump/motor running;
and pulsations in the brake pedal. Premature ABS cycling can occur at any braking rate of the vehicle and on
any type of road surface. Neither the red BRAKE indicator lamp, nor the amber ABS indicator lamp, illuminate
and no faults are stored in the ABM.
Premature ABS cycling is a condition that needs to be correctly assessed when diagnosing problems with the
antilock brake system. It may be necessary to use a scan tool to detect and verify premature ABS cycling.
Check the following common causes when diagnosing premature ABS cycling: damaged wheel bearings
(causing tone wheel issues); damaged wheel speed sensor mounting bosses; and loose wheel speed sensor
mounting screws.
After diagnosing the defective component, repair or replace it as required. When the component repair or
replacement is completed, test drive the vehicle to verify that premature ABS cycling has been corrected.
ELECTRONIC STABILITY PROGRAM
For information on the Electronic Stability Program. See Brakes - Operation.
TRACTION CONTROL
For information on the All-Speed Traction Control. See Brakes - Operation.
OFF-ROAD ABS
Programed into vehicles equipped with Four-Wheel-Drive (4WD), Off-Road ABS is activated by one of two
ways. The first method requires no action by the driver. Wheel speed sensors located at each wheel include a
rough road-sensing feature. The wheel speed sensors give off a characteristic oscillation associated with
traveling on gravel roads and when the ABS/ESP controller recognizes this pattern, it triggers the threshold for
Off-Road ABS. The second way Off-Road ABS is activated is when the customer selects the 4WD Off-Road
2009 Jeep Patriot Limited
2009 BRAKES ABS - Service Information - Compass & Patriot
a
Saturday, September 08, 2012 12:37:03 PM Page 6 © 2006 Mitchell Repair Information Company, LLC.
Mode, indicating it is very likely the vehicle will be traveling over loose dirt, gravel, sand or mud and the ABS
system increases the amount of allowable wheel lock for improved stopping during off road activity.
ELECTRONIC STABILITY PROGRAM
To determine whether the car is responding properly to cornering commands, ESP® uses steering wheel angle,
yaw (turning) rate and lateral acceleration sensors (combined into Dynamics Sensor). Using signals from these
sensors, in addition to individual wheel speed sensor signals, the system determines appropriate brake and
throttle actions. Once initiated, ESP® operates much like All-Speed Traction Control, except that the goal is
directional stability. If the vehicle yaw response, or rate of turning, is inconsistent with the steering angle and
vehicle speed indications, the ESP® system applies the brakes and, if necessary closes the throttle, to restore
control. This occurs whether the vehicle is turning too rapidly (oversteering) or not rapidly enough
(understeering).
HYDRAULIC BRAKE ASSIST
Brake Assist is programmed into the ESP® system. During a panic stop, a pressure sensor determines when the
driver is doing so by measuring the brake pedal pressure application rate. A high rate of pedal pressure
application causes the ESP® system to apply maximum available pressure to the brakes and the vehicle stops as
quickly as available traction will allow.
TRACTION CONTROL
For information on the All-Speed Traction Control. See Brakes - Operation.
ELECTRONIC ROLL MITIGATION
Typically when a vehicle makes a sudden turn, the outside wheel takes the majority of the cornering loads. In
order for the vehicle to make the turn, a significant amount of grip must exist at the tire contact patch. The
additional body roll that occurs during this event places additional weight on this outside tire. These conditions,
plus the lateral acceleration of the vehicle, combined with the center of gravity position in the vehicle can cause
the vehicle to lift the two inside wheels in the turn and the vehicle rolls over the outside tire. Electronic Roll
Mitigation (ERM) takes advantage of the principle that a tire in slip cannot handle cornering loads by building
and applying enough brake pressure to intentionally drive the outside wheel into slip, not to the point of total
lockup but close. As a result, the outside tire cannot support the cornering loads and the vehicle cannot maintain
its original path. The new path is straighter, reducing the amount of lateral acceleration and transferring some of
the weight back over to the inside tires, thus preventing a rollover.
BRAKE LOCK DIFFERENTIALS
Split-friction surfaces (where one wheel has grip and the other side of the vehicle is on a low-friction surface) or
where a wheel is suspended off the ground and spins in the air are common off-road situations. An open
differential by nature directs torque to the wheel that has the least amount of grip, and in these cases, the wheel
spinning on the low-friction surface or the wheel spinning in the air, which is undesirable. While some vehicles
use locking differentials to help overcome this situation and provide a solid connection between two wheels on
a given axle, Brake Lock Differentials (BLDs) are used on this vehicle as an effective solution.
Vehicles equipped with the Off-Road Group (sales code AWL) include a separate set of BLD calibrations that
2009 Jeep Patriot Limited
2009 BRAKES ABS - Service Information - Compass & Patriot
a
Saturday, September 08, 2012 12:37:03 PM Page 7 © 2006 Mitchell Repair Information Company, LLC.
are designed for Off-Road mode use while crawling over obstacles, during heavy articulation activity, split-
friction surfaces and other conditions. These BLDs provide an alternative solution to locking differentials found
on other vehicles by replacing the locking differential with the brake control hardware that is already in place on
the vehicle. The same hardware used for Electronic Stability Control is used for Brake Lock Differentials.
Under normal conditions with the vehicle in Off-Road mode, for example, assume that the Electronically
Controlled Coupling directs 148 ft. lbs. (200 N.m) of torque to the rear differential and each wheel receives an
equal share, 74 ft. lbs. (100 N.m) of torque.
When wheel speeds are unequal across a given axle, the BLDs respond. In this example, the vehicle is crawling
over rocky terrain and the vehicle experiences heavy axle articulation that suspends the right rear wheel in the
air and the wheel spins. The open differential ports all 148 ft. lbs. (200 N.m) of torque to the wheel in the air.
The Antilock Brake Module (ABM) senses the right wheel is spinning faster than its mate on the opposite side
of the rear axle and clamps the brake caliper on the spinning wheel to stop it from spinning and form a solid
connection across the axle. If 74 ft. lbs. (100 N.m) of brake force is applied to stop the spinning wheel, an equal
amount of torque is ported to the wheel with grip. This allows the vehicle to continue moving forward. The
amount of torque the BLDs can send to the wheel with traction is dependent on the amount of torque the brake
caliper can hold. The brakes are capable of holding the amount of torque used in this example.
HILL DESCENT CONTROL
Hill Descent Control (HDC) included on vehicles equipped with the Off-Road Group (sales code AWL) works
automatically once the vehicle is in the Off-Road Mode and the transaxle selector is in Low or Reverse. A green
icon will illuminate on the instrument cluster indicating that the HDC is operating. Should a driver decide to
back down a hill, HDC will back the vehicle down at a controlled rate of speed. The system determines when
the vehicle is on a grade or level terrain by input from the acceleration sensor located in the Dynamics Module.
Grade Sensing logic built into it activates the brakes only when descending a hill; the driver does not need to
turn it on or off.
As the vehicle crests a hill, the brakes will automatically begin to pulsate and adjust the brake pressure to
maintain the vehicle at a set speed of 3 mph (5 km/h.) The vehicle speed can be lowered by applying the brake
or raised by applying the accelerator pedal to provide a safe descent down a hill. Once the driver releases the
brake or the throttle, vehicle speed will ramp up or down to the Hill Descent Control limit speed.
TRACTION CONTROL
Traction control systems sense impending wheel spin based on a model of the rate of change of wheel speed
under normal traction conditions. The All-Speed Traction Control uses signals from the same wheel speed
sensors as ABS to determine when to apply the brakes to one or more wheels and when to reduce engine torque
output using the electronic throttle control (ETC) to prevent wheel slip during acceleration. Throttle control
makes the vehicle less reliant on brake application alone to maintain traction, increasing the operating speed
range and more closely modulates speed, resulting in smoother operation. With All-Speed Traction Control
reducing engine torque as well as applying the brakes, it is possible to achieve almost seamless torque
application at the wheels.
If the wheel slip is severe enough to require throttle intervention, All-Speed Traction Control will reduce engine
2009 Jeep Patriot Limited
2009 BRAKES ABS - Service Information - Compass & Patriot
a
Saturday, September 08, 2012 12:37:03 PM Page 8 © 2006 Mitchell Repair Information Company, LLC.
torque and sometimes upshift the transmission to avoid the condition. In milliseconds, All-Speed Traction
Control interrogates the engine control system to determine the current torque output, determines how much the
torque output the current conditions will allow, and signals this requirement to the engine control system, which
reduces the torque by partially closing the throttle. With execution of the torque reduction, the brake system
reduces brake pressure to make the transition smooth, while maintaining forward progress. By reducing engine
power, braking effectiveness is maintained and the system can operate throughout the normal vehicle speed
range. That is why the system is identified as providing "all-speed" traction control.
The traction control system is enabled at each ignition cycle. It may be turned off by depressing the ESP OFF
switch button. The ESP/TCS function indicator lamp illuminates immediately upon depressing the button.
Pressing this button again or turning off and restarting the vehicle will enable the traction control system.
ELECTRONIC VARIABLE BRAKE PROPORTIONING
Upon entry into EVBP, the inlet valve for the rear brake circuit is switched on so that the fluid supply from the
master cylinder is shut off. In order to decrease the rear brake pressure, the outlet valve for the rear brake circuit
is pulsed. This allows fluid to enter the Low Pressure Accumulator (LPA) in the Hydraulic Control Unit (HCU)
resulting in a drop in fluid pressure to the rear brakes. In order to increase the rear brake pressure, the outlet
valve is switched off and the inlet valve is pulsed. This increases the pressure to the rear brakes. This back-and-
forth process will continue until the required slip difference is obtained. At the end of EVBP braking (brakes
released) the fluid in the LPA is pumped back to the master cylinder by switching on the motor for ABS
systems or by opening the ESVs for ESP systems. At the same time the inlet valve is switched on in case of
another brake application.
The EVBP will remain functional during many ABS fault modes. If both the red BRAKE and amber ABS
warning indicators are illuminated, the EVBP may not be functioning.
CAUTION
CAUTION
The antilock brake system uses an electronic control module known as the Antilock Brake Module (ABM). This
module is designed to withstand normal current draws associated with vehicle operation. Care must be taken to
avoid overloading the circuits.
CAUTION: In testing for open or short circuits, do not ground or apply voltage to any
of the circuits unless instructed to do so for a diagnostic procedure.
CAUTION: These circuits should only be tested using a high impedance multi-meter
or the designated scan tool as described in this service information.
Power should never be removed or applied to any control module with the
ignition in the ON position. Before removing or connecting battery cables,
fuses, or connectors, always turn the ignition to the OFF position.
CAUTION: The ABM 47-way connector should never be connected or disconnected
2009 Jeep Patriot Limited
2009 BRAKES ABS - Service Information - Compass & Patriot
a
Saturday, September 08, 2012 12:37:03 PM Page 9 © 2006 Mitchell Repair Information Company, LLC.
DIAGNOSIS AND TESTING
INSPECTION AND ROAD TEST
1. Visually inspect the ABS for damaged or disconnected components and connectors.
2. Verify the brake lamps are operational. If they are not, repair them prior to continuing.
with the ignition switch in the ON position.
CAUTION: This vehicle utilizes active wheel speed sensors. Do not apply voltage to
wheel speed sensors at any time.
CAUTION: Use only factory wiring harnesses. Do not cut or splice wiring to the brake
circuits. The addition of aftermarket electrical equipment (car phone, radar
detector, citizen band radio, trailer lighting, trailer brakes, etc.) on a
vehicle equipped with antilock brakes may affect the function of the
antilock brake system.
CAUTION: When performing any service procedure on a vehicle equipped with ABS,
do not apply a 12-volt power source to the ground circuit of the pump
motor in the HCU. Doing this will damage the pump motor and will require
replacement of the entire HCU.
CAUTION: An attempt to remove or disconnect certain system components may
result in improper system operation. Only those components with
approved removal and installation procedures in this article should be
serviced.
CAUTION: If welding work is to be performed on the vehicle using an electric arc
welder, the ABM connector should be disconnected during the welding
operation.
CAUTION: Many components of the ABS are not serviceable and must be replaced as
an assembly. Do not disassemble any component which is not designed to
be serviced.
CAUTION: Brake fluid will damage painted surfaces. If brake fluid is spilled on any
painted surface, wash off with water immediately.
CAUTION: Only the recommended jacking or hoisting positions for this vehicle are to
be used whenever it is necessary to lift a vehicle.
2009 Jeep Patriot Limited
2009 BRAKES ABS - Service Information - Compass & Patriot
a
Saturday, September 08, 2012 12:37:03 PM Page 10 © 2006 Mitchell Repair Information Company, LLC.
Fig. 3: Steering Column
Courtesy of CHRYSLER LLC
3. Connect a scan tool to the Data Link Connector located under the instrument panel to the left of the
steering column (1). If the scan tool does not power-up, check the power and ground supplies to the
connector.
4. Turn the ignition key to the ON position.
5. Using the scan tool, read and record any Diagnostic Trouble Codes (DTCs). If any DTCs are present,
refer to the appropriate diagnostic information.
If no problems are observed, it will be necessary to road test the vehicle.
Many ABS conditions judged to be a problem by the driver may be normal operating conditions. To
become familiarized with the normal operating characteristics of this antilock brake system. See Brakes -
Operation.
Before road testing a brake complaint vehicle, note whether the red BRAKE warning indicator lamp,
amber ABS warning indicator lamp, or both are turned on. If it is the red BRAKE warning indicator,
there is a brake hydraulic problem that must be corrected before driving the vehicle. See Brakes -
Diagnosis and Testing.
If the amber ABS warning indicator is on, road test the vehicle as described below. While only the amber
ABS warning indicator is on, the ABS is not functional. The ability to stop the car using the base brake
system should not be affected.
6. Turn the key to the OFF position and then back to the ON position. Note whether the amber ABS warning
indicator lamp continues to stay on.
7. If the amber ABS warning indicator lamp stays on, shift into gear and drive the car to a speed of
approximately 25 km/h (15 mph) to complete the ABS Start-Up and Drive-Off Cycles. See Brakes -
2009 Jeep Patriot Limited
2009 BRAKES ABS - Service Information - Compass & Patriot
a
Saturday, September 08, 2012 12:37:03 PM Page 11 © 2006 Mitchell Repair Information Company, LLC.
Operation. If at this time the amber ABS warning indicator lamp stays on, refer to the appropriate
diagnostic information.
8. If the amber ABS warning indicator lamp goes out at any time, drive the vehicle a short distance.
Accelerate the vehicle to a speed of at least 64 km/h (40 mph). Bring the vehicle to a complete stop,
braking hard enough to cause the ABS to cycle. Repeat this action several times. Using the scan tool, read
and record any Diagnostic Trouble Codes (DTCs). If any DTCs are present, refer to the appropriate
diagnostic information.
STANDARD PROCEDURE
ANTILOCK BRAKE SYSTEM BLEEDING
The base brake's hydraulic system must be bled anytime air enters the hydraulic system. The ABS must always
be bled anytime it is suspected that the HCU has ingested air.
Brake systems with ABS must be bled as two independent braking systems. The non-ABS portion of the brake
system with ABS is to be bled the same as any non-ABS system.
The ABS portion of the brake system must be bled separately. Use the following procedure to properly bleed
the brake hydraulic system including the ABS.
BLEEDING
When bleeding the ABS system, the following bleeding sequence must be followed to insure complete and
adequate bleeding.
1. Make sure all hydraulic fluid lines are installed and properly torqued.
2. Connect the scan tool to the diagnostics connector. The diagnostic connector is located under the lower
steering column cover to the left of the steering column.
3. Using the scan tool, check to make sure the ABM does not have any fault codes stored. If it does, clear
them.
NOTE: During the brake bleeding procedure, be sure the brake fluid level remains
close to the FULL level in the master cylinder fluid reservoir. Check the fluid
level periodically during the bleeding procedure and add Mopar® DOT 3 brake
fluid as required.
2009 Jeep Patriot Limited
2009 BRAKES ABS - Service Information - Compass & Patriot
a
Saturday, September 08, 2012 12:37:03 PM Page 12 © 2006 Mitchell Repair Information Company, LLC.
Fig. 4: Bleed Hose Set Up
Courtesy of CHRYSLER LLC
4. Bleed the base brake system. See Brakes - Standard Procedure
5. Using the scan tool, select ECU VIEW, followed by ABS MISCELLANEOUS FUNCTIONS to access
bleeding. Follow the instructions displayed. When finished, disconnect the scan tool and proceed.
6. Bleed the base brake system a second time. Check brake fluid level in the reservoir periodically to
prevent emptying, causing air to enter the hydraulic system.
WARNING: When bleeding the brake system wear safety glasses. A clear bleed
tube (1) must be attached to the bleeder screws and submerged in a
clear container filled part way with clean brake fluid (2). Direct the
flow of brake fluid away from yourself and the painted surfaces of
the vehicle. Brake fluid at high pressure may come out of the bleeder
screws when opened.
NOTE: Pressure bleeding is recommended to bleed the base brake system to
ensure all air is removed from system. Manual bleeding may also be used,
but additional time is needed to remove all air from system.
2009 Jeep Patriot Limited
2009 BRAKES ABS - Service Information - Compass & Patriot
a
Saturday, September 08, 2012 12:37:03 PM Page 13 © 2006 Mitchell Repair Information Company, LLC.
Fig. 5: Master Cylinder Fill Markings
Courtesy of CHRYSLER LLC
7. Fill the master cylinder fluid reservoir (1) to the FULL level.
8. Test drive the vehicle to be sure the brakes are operating correctly and that the brake pedal does not feel
spongy.
SPECIFICATIONS
TORQUE
For ABS fastener torque specifications, see Brake Fastener Torque. See Brakes - Specifications
ELECTRICAL
SENSOR, DYNAMICS
Description
DESCRIPTION
2009 Jeep Patriot Limited
2009 BRAKES ABS - Service Information - Compass & Patriot
a
Saturday, September 08, 2012 12:37:03 PM Page 14 © 2006 Mitchell Repair Information Company, LLC.
Fig. 6: Vehicle Dynamics Sensor
Courtesy of CHRYSLER LLC
The Yaw Rate and Lateral Acceleration Sensors are housed into one unit known as the Dynamics Sensor (2).
The sensor is used to measure side-to-side (Lateral) motion and vehicle rotational sensing (how fast the vehicle
is turning - Yaw).
Yaw and Lateral Acceleration Sensors cannot be serviced separately. The entire Dynamics Sensor must be
replaced when necessary.
Removal
REMOVAL
Fig. 7: Vehicle Dynamics Sensor
Courtesy of CHRYSLER LLC
2009 Jeep Patriot Limited
2009 BRAKES ABS - Service Information - Compass & Patriot
a
Saturday, September 08, 2012 12:37:03 PM Page 15 © 2006 Mitchell Repair Information Company, LLC.
1. Disconnect and isolate the battery negative cable from the battery post.
2. Remove the shifter housing. Refer to Body/Interior/HOUSING, Shifter - Removal
3. Position the carpeting out of the way so that the dynamics sensor is accessible.
4. Remove the two nuts (1) mounting the dynamics sensor to the floor pan tunnel.
5. Disconnect the wiring harness connector (3) at the dynamics sensor (2).
6. Remove the dynamics sensor (2).
Installation
INSTALLATION
Fig. 8: Vehicle Dynamics Sensor
Courtesy of CHRYSLER LLC
1. Connect the wiring harness connector (3) to the dynamics sensor (2).
2. Install the dynamics sensor (2) over the studs mounted to the floor pan tunnel.
3. Install the two mounting nuts (1). Tighten the nuts to 9 N.m (80 in. lbs.).
4. Move carpeting back into original location.
5. Install the shifter housing. Refer to Body/Interior/HOUSING, Shifter - Installation
6. Connect the battery negative cable to the battery post. It is important that this be performed properly.
NOTE: The Occupancy Restraint Module (ORC) (4) is directly behind the vehicle
dynamics sensor (2). Care must be taken while working near the ORC to avoid
jostling or bumping the module.
NOTE: The Occupancy Restraint Module (ORC) (4) is directly behind the vehicle
dynamics sensor (2). Care must be taken while working near the ORC to avoid
jostling or bumping the module.
2009 Jeep Patriot Limited
2009 BRAKES ABS - Service Information - Compass & Patriot
a
Saturday, September 08, 2012 12:37:03 PM Page 16 © 2006 Mitchell Repair Information Company, LLC.
Refer to Electrical/Battery System - Standard Procedure
7. Perform the Verification Test and clear any faults. Refer to DTC-Based Diagnostics/MODULE,
Antilock Brake (ABS) - Standard Procedure
SENSOR, STEERING WHEEL ANGLE
Description
DESCRIPTION
Fig. 9: Steering Control Module
Courtesy of CHRYSLER LLC
The steering angle sensor is an integral part of the clockspring (3) mounted on the steering column. Refer to
Restraints/CLOCKSPRING - Description
SENSOR, WHEEL SPEED, FRONT
Description
DESCRIPTION
The antilock brake system uses two-wire wheel speed sensors, known as active wheel speed sensors. The
sensors use an electronic principle known as magnetoresistive to help increase performance and durability. The
sensors convert wheel speed into a small digital signal. A Wheel Speed Sensor (WSS) is used at each wheel. A
magnetic pole encoder serves as the trigger mechanism for each sensor. At each wheel of the vehicle there is
one wheel speed sensor and one encoder.
2009 Jeep Patriot Limited
2009 BRAKES ABS - Service Information - Compass & Patriot
a
Saturday, September 08, 2012 12:37:03 PM Page 17 © 2006 Mitchell Repair Information Company, LLC.
Fig. 10: Front Wheel Speed Sensor Head
Courtesy of CHRYSLER LLC
A front wheel speed sensor (3) is attached to a mounting boss on each front knuckle (4). The encoder is an
integral part of the hub and bearing.
WSS air gaps are not adjustable.
Operation
OPERATION
The ABM sends 12 volts to power an Integrated Circuit (IC) in the sensor. The IC supplies a constant 7 mA
power supply to the ABM. The relationship of the magnetic pole encoder to the permanent magnet in the
sensor, signals the IC to enable a second 7 mA power supply. The output of the sensor, sent to the ABM, is a
DC voltage signal with changing voltage and current levels. The ground for the IC and the current sense circuit
is provided by the ABM.
When a pole is properly aligned with the sensor, the voltage signal is approximately 0.8 volts and a constant 7
mA current is sent to the ABM. As the magnetic pole encoder rotates, the encoder shifts the magnetic field and
the IC enables a second 7 mA current source. The ABM senses a voltage signal of approximately 1.6 volts and
14 mA. The ABM measures the amperage of the digital signal for each wheel. The resulting signal is interpreted
by the ABM as the wheel speed.
Removal
REMOVAL
NOTE: Before proceeding. Refer to Brakes - Warning . See Brakes - Caution.
2009 Jeep Patriot Limited
2009 BRAKES ABS - Service Information - Compass & Patriot
a
Saturday, September 08, 2012 12:37:03 PM Page 18 © 2006 Mitchell Repair Information Company, LLC.
Fig. 11: Front Wheel Speed Sensor Wiring Connector
Courtesy of CHRYSLER LLC
1. Open the hood.
2. Disconnect the wheel speed sensor cable connector (2) from the wiring harness connector (3) on top of
the frame rail (1) to the inside of the strut tower.
3. Raise and support the vehicle. Refer to Vehicle Quick Reference/Hoisting - Standard Procedure
Fig. 12: Front Wheel Speed Sensor Mounting To Body
Courtesy of CHRYSLER LLC
4. Remove the grommet (1) from the hole in the body (7) and pull the wheel speed sensor cable out of the
hole.
2009 Jeep Patriot Limited
2009 BRAKES ABS - Service Information - Compass & Patriot
a
Saturday, September 08, 2012 12:37:03 PM Page 19 © 2006 Mitchell Repair Information Company, LLC.
5. Remove the speed sensor cable routing clip (2) from the outside frame rail (6).
6. Remove the screw fastening the cable routing clamp (3) to the outside frame rail (6).
Fig. 13: Front Wheel Speed Sensor Mounting At Strut
Courtesy of CHRYSLER LLC
7. Remove the screw (1) securing the wheel speed sensor routing bracket (2) to the brake flex hose bracket
(5).
Fig. 14: Front Wheel Speed Sensor Head
Courtesy of CHRYSLER LLC
8. Remove the mounting screw (2) fastening the wheel speed sensor head (3) to the knuckle (4). Pull the
2009 Jeep Patriot Limited
2009 BRAKES ABS - Service Information - Compass & Patriot
a
Saturday, September 08, 2012 12:37:03 PM Page 20 © 2006 Mitchell Repair Information Company, LLC.
sensor head out of the knuckle.
9. Remove the routing clip (1) securing wheel speed sensor cable to the knuckle (4). Remove the sensor
from the vehicle.
Installation
INSTALLATION
Fig. 15: Front Wheel Speed Sensor Head
Courtesy of CHRYSLER LLC
1. Install the wheel speed sensor head (3) into the knuckle (4). Install the mounting screw (2) and tighten it
to 12 N.m (106 in. lbs.).
2. Install the routing clip (1) securing the wheel speed sensor cable to the knuckle (4).
NOTE: In the following step, the routing clip can be easily removed without
damaging it by rotating it (with entire sensor) counterclockwise.
CAUTION: Failure to install speed sensor cables properly may result in contact with
moving parts or an over extension of cables causing an open circuit. Be
sure that cables are installed, routed, and clipped properly.
2009 Jeep Patriot Limited
2009 BRAKES ABS - Service Information - Compass & Patriot
a
Saturday, September 08, 2012 12:37:03 PM Page 21 © 2006 Mitchell Repair Information Company, LLC.
Fig. 16: Front Wheel Speed Sensor Mounting At Strut
Courtesy of CHRYSLER LLC
3. Position the wheel speed sensor routing bracket (2) on the brake flex hose bracket (5) and install the
mounting screw (1). Tighten the mounting screw to 18 N.m (13 ft. lbs.).
Fig. 17: Front Wheel Speed Sensor Mounting To Body
Courtesy of CHRYSLER LLC
4. Position the wheel speed sensor cable routing clamp (4) on the outside frame rail (6) and install the
mounting screw (3). Tighten the mounting screw to 18 N.m (13 ft. lbs.).
5. Install the speed sensor cable routing clip (2) on the outside frame rail (6).
6. Insert the wheel speed sensor cable through the hole in the body (7) and install the grommet (1) in the
2009 Jeep Patriot Limited
2009 BRAKES ABS - Service Information - Compass & Patriot
a
Saturday, September 08, 2012 12:37:04 PM Page 22 © 2006 Mitchell Repair Information Company, LLC.
hole.
Fig. 18: Front Wheel Speed Sensor Wiring Connector
Courtesy of CHRYSLER LLC
7. Lower the vehicle.
8. Connect the wheel speed sensor cable connector (2) to the wiring harness connector (3) on top of the
frame rail (1).
9. Perform the Diagnostic Verification Test and clear any faults. See Brakes - Standard Procedure
SENSOR, WHEEL SPEED, REAR
Description
DESCRIPTION
The antilock brake system uses two-wire wheel speed sensors, known as active wheel speed sensors. The
sensors use an electronic principle known as magnetoresistive to help increase performance and durability. The
sensors convert wheel speed into a small digital signal. A Wheel Speed Sensor (WSS) is used at each wheel. A
magnetic pole encoder serves as the trigger mechanism for each sensor. At each wheel of the vehicle there is
one wheel speed sensor and one encoder.
2009 Jeep Patriot Limited
2009 BRAKES ABS - Service Information - Compass & Patriot
a
Saturday, September 08, 2012 12:37:04 PM Page 23 © 2006 Mitchell Repair Information Company, LLC.
Fig. 19: AWD Rear Wheel Speed Sensor
Courtesy of CHRYSLER LLC
On all-wheel-drive vehicles, the rear wheel speed sensor head (1) is secured to the rear hub and bearing (2) by a
spring-loaded clip on the rear of the assembly. The encoder is integral to the hub and bearing assembly. The
encoder is serviced as part of the rear hub and bearing.
Fig. 20: FWD Rear Wheel Speed Sensor
Courtesy of CHRYSLER LLC
On front-wheel-drive vehicles, the rear wheel speed sensor head (3) is mounted to the rear of the hub and
bearing by a screw. The encoder is integral to the hub and bearing assembly. The encoder is are serviced as part
of the rear hub and bearing.
The WSS air gaps are not adjustable.
2009 Jeep Patriot Limited
2009 BRAKES ABS - Service Information - Compass & Patriot
a
Saturday, September 08, 2012 12:37:04 PM Page 24 © 2006 Mitchell Repair Information Company, LLC.
Operation
OPERATION
The ABM sends 12 volts to power an Integrated Circuit (IC) in the sensor. The IC supplies a constant 7 mA
power supply to the ABM. The relationship of the magnetic pole encoder to the permanent magnet in the
sensor, signals the IC to enable a second 7 mA power supply. The output of the sensor, sent to the ABM, is a
DC voltage signal with changing voltage and current levels. The ground for the IC and the current sense circuit
is provided by the ABM.
When a pole is properly aligned with the sensor, the voltage signal is approximately 0.8 volts and a constant 7
mA current is sent to the ABM. As the magnetic pole encoder rotates, the encoder shifts the magnetic field and
the IC enables a second 7 mA current source. The ABM senses a voltage signal of approximately 1.6 volts and
14 mA. The ABM measures the amperage of the digital signal for each wheel. The resulting signal is interpreted
by the ABM as the wheel speed.
Removal
ALL-WHEEL-DRIVE
1. Raise the cargo floor cover.
Fig. 21: Rear WSS At Harness Connector
Courtesy of CHRYSLER LLC
2. Through the opening in the bottom of the quarter trim panel, disconnect the wheel speed sensor cable
connector (2) at the body wiring harness connector (3).
3. Raise and support the vehicle. Refer to Vehicle Quick Reference/Hoisting - Standard Procedure .
NOTE: Before proceeding. Refer to Brakes - Warning . See Brakes - Caution.
2009 Jeep Patriot Limited
2009 BRAKES ABS - Service Information - Compass & Patriot
a
Saturday, September 08, 2012 12:37:04 PM Page 25 © 2006 Mitchell Repair Information Company, LLC.
Fig. 22: Tire & Wheel Mounting
Courtesy of CHRYSLER LLC
4. Remove the wheel mounting nuts (3), then the rear tire and wheel assembly (1).
Fig. 23: Rear WSS Mounting To Body
Courtesy of CHRYSLER LLC
5. Remove the grommet (2) from the hole in the body (1) and pull the wheel speed sensor cable out through
the hole.
6. Remove the speed sensor cable routing clip (3) from the outside frame rail (4).
2009 Jeep Patriot Limited
2009 BRAKES ABS - Service Information - Compass & Patriot
a
Saturday, September 08, 2012 12:37:04 PM Page 26 © 2006 Mitchell Repair Information Company, LLC.
Fig. 24: Sensor Mounting To Rear Crossmember
Courtesy of CHRYSLER LLC
7. Remove the screw (1) fastening the cable routing clamp (3) to the rear suspension crossmember (4).
Fig. 25: Rear Wheel Speed Sensor Mounting To Trailing Link
Courtesy of CHRYSLER LLC
8. Remove the speed sensor cable routing clip (1) from the trailing link (2).
9. Remove the screw (4) fastening the cable routing clamp to the trailing link.
2009 Jeep Patriot Limited
2009 BRAKES ABS - Service Information - Compass & Patriot
a
Saturday, September 08, 2012 12:37:04 PM Page 27 © 2006 Mitchell Repair Information Company, LLC.
Fig. 26: AWD Rear Wheel Speed Sensor
Courtesy of CHRYSLER LLC
10. Unclip the wheel speed sensor head (1) from the spring-loaded retainer on the rear of the hub and bearing
(2). Remove the sensor from the vehicle.
FRONT-WHEEL-DRIVE
1. Raise the cargo floor cover.
Fig. 27: Rear WSS At Harness Connector
Courtesy of CHRYSLER LLC
NOTE: Before proceeding. Refer to Brakes - Warning . See Brakes - Caution.
2009 Jeep Patriot Limited
2009 BRAKES ABS - Service Information - Compass & Patriot
a
Saturday, September 08, 2012 12:37:04 PM Page 28 © 2006 Mitchell Repair Information Company, LLC.
2. Through the opening in the bottom of the quarter trim panel, disconnect the wheel speed sensor cable
connector (2) at the body wiring harness connector (3).
3. Raise and support the vehicle. Refer to Vehicle Quick Reference/Hoisting - Standard Procedure .
Fig. 28: Tire & Wheel Mounting
Courtesy of CHRYSLER LLC
4. Remove the wheel mounting nuts (3), then the rear tire and wheel assembly (1).
Fig. 29: Rear WSS Mounting To Body
Courtesy of CHRYSLER LLC
5. Remove the grommet (2) from the hole in the body (1) and pull the wheel speed sensor cable out through
2009 Jeep Patriot Limited
2009 BRAKES ABS - Service Information - Compass & Patriot
a
Saturday, September 08, 2012 12:37:04 PM Page 29 © 2006 Mitchell Repair Information Company, LLC.
the hole.
6. Remove the speed sensor cable routing clip (3) from the outside frame rail (4).
Fig. 30: Sensor Mounting To Rear Crossmember
Courtesy of CHRYSLER LLC
7. Remove the screw (1) fastening the cable routing clamp (3) to the rear suspension crossmember (4).
Fig. 31: Rear Wheel Speed Sensor Mounting To Trailing Link
Courtesy of CHRYSLER LLC
8. Remove the speed sensor cable routing clip (1) from the trailing link (2).
9. Remove the screw (4) fastening the cable routing clamp to the trailing link.
2009 Jeep Patriot Limited
2009 BRAKES ABS - Service Information - Compass & Patriot
a
Saturday, September 08, 2012 12:37:04 PM Page 30 © 2006 Mitchell Repair Information Company, LLC.
Fig. 32: FWD Rear Wheel Speed Sensor
Courtesy of CHRYSLER LLC
10. Remove the screw (1) fastening the wheel speed sensor head (3) in the rear of the hub and bearing (2).
Remove the sensor from the vehicle.
Installation
ALL-WHEEL-DRIVE
Fig. 33: AWD Rear Wheel Speed Sensor
Courtesy of CHRYSLER LLC
CAUTION: Failure to install speed sensor cables properly may result in contact with
moving parts or an over extension of cables causing an open circuit. Be
sure that cables are installed, routed, and clipped properly.
2009 Jeep Patriot Limited
2009 BRAKES ABS - Service Information - Compass & Patriot
a
Saturday, September 08, 2012 12:37:04 PM Page 31 © 2006 Mitchell Repair Information Company, LLC.
1. Clip the wheel speed sensor head (1) (flat side to bearing rear face) into the spring-loaded retainer on the
rear of the hub and bearing (2).
Fig. 34: Wheel Speed Sensor
Courtesy of CHRYSLER LLC
2. Position the wheel speed sensor (3) on the trailing link (2) and install the screw (4) securing it in place.
Tighten the mounting screw to 18 N.m (13 ft. lbs.).
3. Position the wheel speed sensor (3) and install the routing clip (1) fastening the sensor to the trailing link
(2).
NOTE: When installing the sensor head to the spring-loaded retainer on the hub and
bearing, make sure the head is held snug in the retainer. If there is any play, the
clip is deformed and the hub and bearing must be replaced. The retainer is not
serviced separately.
2009 Jeep Patriot Limited
2009 BRAKES ABS - Service Information - Compass & Patriot
a
Saturday, September 08, 2012 12:37:04 PM Page 32 © 2006 Mitchell Repair Information Company, LLC.
Fig. 35: Sensor Mounting To Rear Crossmember
Courtesy of CHRYSLER LLC
4. Position the wheel speed sensor cable routing clamp (3) on the rear suspension crossmember (4) and
install the mounting screw (1). Tighten the mounting screw to 18 N.m (13 ft. lbs.).
Fig. 36: Rear WSS Mounting To Body
Courtesy of CHRYSLER LLC
5. Install the speed sensor cable routing clip (3) on the outside frame rail (4).
NOTE: When inserting the wheel speed sensor cable through the hole in the
body, route the cable toward the shock tower to make it easier to grasp the
2009 Jeep Patriot Limited
2009 BRAKES ABS - Service Information - Compass & Patriot
a
Saturday, September 08, 2012 12:37:04 PM Page 33 © 2006 Mitchell Repair Information Company, LLC.
6. Insert the wheel speed sensor cable (5) through the hole in the body (1) and install the grommet (2) in the
hole.
Fig. 37: Tire & Wheel Mounting
Courtesy of CHRYSLER LLC
7. Install the tire and wheel assembly (1). Refer to Tires and Wheels - Installation . Install and tighten the
wheel mounting nuts (3) to 135 N.m (100 ft. lbs.).
8. Lower the vehicle.
Fig. 38: Rear WSS At Harness Connector
cable to connect it to the body wiring harness connector in a later step.
2009 Jeep Patriot Limited
2009 BRAKES ABS - Service Information - Compass & Patriot
a
Saturday, September 08, 2012 12:37:04 PM Page 34 © 2006 Mitchell Repair Information Company, LLC.
Courtesy of CHRYSLER LLC
9. Through the opening in the bottom of the quarter trim panel, connect the wheel speed sensor cable
connector (2) to the body wiring harness connector (3).
10. Install the cargo floor cover.
11. Perform the Diagnostic Verification Test and clear any faults. See Brakes - Standard Procedure
FRONT-WHEEL-DRIVE
Fig. 39: FWD Rear Wheel Speed Sensor
Courtesy of CHRYSLER LLC
1. Install the wheel speed sensor head (3) into the rear of the hub and bearing (2).
2. Install the wheel speed sensor head mounting screw (1). Tighten the screw to 10 N.m (89 in. lbs.).
2009 Jeep Patriot Limited
2009 BRAKES ABS - Service Information - Compass & Patriot
a
Saturday, September 08, 2012 12:37:04 PM Page 35 © 2006 Mitchell Repair Information Company, LLC.
Fig. 40: Rear Wheel Speed Sensor Mounting To Trailing Link
Courtesy of CHRYSLER LLC
3. Position the wheel speed sensor (3) on the trailing link (2) and install the screw (4) securing it in place.
Tighten the mounting screw to 18 N.m (13 ft. lbs.).
4. Position the wheel speed sensor (3) and install the routing clip (1) fastening the sensor to the trailing link
(2).
Fig. 41: Sensor Mounting To Rear Crossmember
Courtesy of CHRYSLER LLC
5. Position the wheel speed sensor cable routing clamp (3) on the rear suspension crossmember (4) and
install the mounting screw (1). Tighten the mounting screw to 18 N.m (13 ft. lbs.).
2009 Jeep Patriot Limited
2009 BRAKES ABS - Service Information - Compass & Patriot
a
Saturday, September 08, 2012 12:37:04 PM Page 36 © 2006 Mitchell Repair Information Company, LLC.
Fig. 42: Rear WSS Mounting To Body
Courtesy of CHRYSLER LLC
6. Install the speed sensor cable routing clip (3) on the outside frame rail (4).
7. Insert the wheel speed sensor cable (5) through the hole in the body (1) and install the grommet (2) in the
hole.
Fig. 43: Tire & Wheel Mounting
NOTE: When inserting the wheel speed sensor cable through the hole in the
body, route the cable toward the shock tower to make it easier to grasp the
cable to connect it to the body wiring harness connector in a later step.
2009 Jeep Patriot Limited
2009 BRAKES ABS - Service Information - Compass & Patriot
a
Saturday, September 08, 2012 12:37:04 PM Page 37 © 2006 Mitchell Repair Information Company, LLC.
Courtesy of CHRYSLER LLC
8. Install the tire and wheel assembly (1). Refer to Tires and Wheels - Installation . Install and tighten the
wheel mounting nuts (3) to 135 N.m (100 ft. lbs.).
9. Lower the vehicle.
Fig. 44: Rear WSS At Harness Connector
Courtesy of CHRYSLER LLC
10. Through the opening in the bottom of the quarter trim panel, connect the wheel speed sensor cable
connector (2) at the body wiring harness connector (3).
11. Install the cargo floor cover.
12. Perform the Diagnostic Verification Test and clear any faults. See Brakes - Standard Procedure.
SWITCH, ELECTRONIC STABILITY PROGRAM (ESP)
Description
DESCRIPTION
2009 Jeep Patriot Limited
2009 BRAKES ABS - Service Information - Compass & Patriot
a
Saturday, September 08, 2012 12:37:04 PM Page 38 © 2006 Mitchell Repair Information Company, LLC.
Fig. 45: I/P Switch Pod
Courtesy of CHRYSLER LLC
The ESP Off Switch is part of the accessory switch bank module located in the center bezel on the instrument
panel above the transmission gear shifter.
The ESP Off switch turns the Electronic Stability Program off and back on. The ESP has three modes: Full-On,
Partial and Full-Off. The ESP default mode is Full-On with every key-on. Pressing the ESP Off switch button in
the center stack once activates the Partial mode. In Partial mode, Traction Control is deactivated and ESP
operates at a higher threshold, therefore, it will not come on as aggressively as in the Full-On mode. Pressing
and holding the ESP button for five seconds or longer turns the system completely off. This condition is
confirmed by a single warning chime and a text message in the odometer display "ESP FULL OFF." The
system can be returned to "normal" Full-On mode by briefly pressing and releasing the ESP Off switch. The
switch resets itself each time the ignition is cycled.
The ESP Off switch is serviced as part of the accessory switch bank. There are different accessory switch banks
available based on the option content of the vehicle. Ensure the accessory switch bank being installed matches
the vehicle options.
Removal
REMOVAL
1. Disconnect and isolate the negative battery cable.
2. Remove the center bezel from the instrument panel and place it on a work bench. Refer to
Body/Instrument Panel/BEZEL, Instrument Panel - Removal .
3. Remove the screws that secure the accessory switch bank to the back of the center bezel and remove the
accessory switch bank.
NOTE: The ESP Off switch is integral to the accessory switch bank and cannot be
serviced separately.
2009 Jeep Patriot Limited
2009 BRAKES ABS - Service Information - Compass & Patriot
a
Saturday, September 08, 2012 12:37:04 PM Page 39 © 2006 Mitchell Repair Information Company, LLC.
Installation
INSTALLATION
1. Position the accessory switch bank onto the back of the instrument panel center bezel.
2. Install the screws that secure the accessory switch bank to the center bezel. Tighten the screws to 2 N.m
(17 in. lbs.).
3. Install the center bezel onto the instrument panel. Refer to Body/Instrument Panel/BEZEL, Instrument
Panel - Installation .
4. Reconnect the negative battery cable.
5. Perform the ABS Verification Test and make sure the ESP Off switch operates properly. See Brakes -
Standard Procedure
6. Verify proper operation of all components controlled by the switch bank.
HYDRAULIC/MECHANICAL
HYDRAULIC CONTROL UNIT (HCU)
Description
DESCRIPTION
The Hydraulic Control Unit (HCU) is mounted to the Antilock Brake Module (ABM) as part of the Integrated
Control Unit (ICU). The HCU controls the flow of brake fluid to the brakes using a series of valves and
accumulators. A pump/motor is mounted on the HCU to empty the accumulators during an ABS stop and
supply build pressure to the brakes during a traction control or ESP event.
VALVES AND SOLENOIDS
The valve block contains four inlet valves and four outlet solenoid valves. The inlet valves are spring-loaded in
the open position and the outlet valves are spring-loaded in the closed position during normal braking. The fluid
is allowed to flow from the master cylinder to the wheel brakes.
During an ABS stop, these valves cycle to maintain the proper slip ratio for each wheel. The inlet valve closes
preventing further pressure increase and the outlet valve opens to provide a path from the wheel brake to the
HCU accumulators and pump/motor. This releases (decays) pressure from the wheel brake, thus releasing the
wheel from excessive slippage. Once the wheel is no longer slipping, the outlet valve is closed and the inlet
valve is opened to reapply (build) pressure.
NOTE: The ESP Off switch is serviced as part of the accessory switch bank.
NOTE: There are different instrument panel accessory switch banks available based on
the option content of the vehicle. Ensure the accessory switch bank being
installed matches the vehicle options.
2009 Jeep Patriot Limited
2009 BRAKES ABS - Service Information - Compass & Patriot
a
Saturday, September 08, 2012 12:37:04 PM Page 40 © 2006 Mitchell Repair Information Company, LLC.
If the ABS includes the traction control feature, there are four other valves in the HCU. Two Traction Control
(TC) (or ESP) valves, mounted in the HCU valve block, are normally in the open position and close only when
the traction control is applied. There are also two normally closed shuttle valves which open during traction
control and ESP events to provide a direct fluid path from the brake fluid reservoir to the inlet of the HCU
pump.
These TC valves are used to isolate the rear (non-driving) wheels of the vehicle from the hydraulic pressure that
the HCU pump/motor is sending to the front (driving) wheels when traction control is being applied. The rear
brakes need to be isolated from the master cylinder when traction control is being applied so the rear wheels do
not drag.
BRAKE FLUID ACCUMULATORS
There are two fluid accumulators in the HCU: one for the primary hydraulic circuit, and one for the secondary
hydraulic circuit. Each hydraulic circuit uses a 3 cc accumulator.
The fluid accumulators temporarily store brake fluid that is removed from the wheel brakes during an ABS
cycle. This stored fluid is used by the pump/motor to provide build pressure for the brake hydraulic system.
When the antilock stop is complete, the accumulators are drained by the pump/motor.
There are two noise dampening chambers in the HCU on this vehicle equipped with traction control.
PUMP/MOTOR
There are two pump assemblies in the HCU: one for the primary hydraulic circuit, and one for the secondary
hydraulic circuit. Both pumps are driven by a common electric motor. This DC-type motor is integral to the
HCU and is controlled by the ABM.
Brake fluid is released to the accumulators when the outlet valve is opened during an antilock stop. The pump
mechanism consists of two opposing pistons operated by an eccentric camshaft. In operation, these pistons are
used to purge fluid from the accumulators back into the master cylinder circuits. When the antilock stop is
complete, the pump/motor drains the accumulators.
The pump motor is also used to build pressure when the system goes into Electronic Stability Program (ESP®)
and traction control mode.
The ABM may turn on the pump/motor when an antilock stop is detected. The pump/motor continues to run
during the antilock stop and is turned off after the stop is complete. Under some conditions, the pump/motor
runs to drain the accumulators during the next drive-off.
The pump/motor is not a serviceable item; if it requires replacement, the HCU must be replaced.
Removal
REMOVAL
To remove the HCU, the ICU must be removed and disassembled. See
Brakes/Hydraulic/Mechanical/INTEGRATED CONTROL UNIT (ICU) - Removal. See
2009 Jeep Patriot Limited
2009 BRAKES ABS - Service Information - Compass & Patriot
a
Saturday, September 08, 2012 12:37:04 PM Page 41 © 2006 Mitchell Repair Information Company, LLC.
Brakes/Hydraulic/Mechanical/INTEGRATED CONTROL UNIT (ICU) - Disassembly
Installation
INSTALLATION
To install the HCU, assemble and install the ICU. See Brakes/Hydraulic/Mechanical/INTEGRATED
CONTROL UNIT (ICU) - Assembly. See Brakes/Hydraulic/Mechanical/INTEGRATED CONTROL
UNIT (ICU) - Installation.
INTEGRATED CONTROL UNIT (ICU)
Description
DESCRIPTION
Fig. 46: Integrated Control Unit
Courtesy of CHRYSLER LLC
The Hydraulic Control Unit (HCU) (2) and the Antilock Brake Module (ABM) (1) used with this antilock brake
system are combined (integrated) into one unit, which is called the Integrated Control Unit (ICU).
1 - ANTILOCK BRAKE MODULE (ABM)
2 - HYDRAULIC CONTROL UNIT (HCU)
3 - PUMP/MOTOR
2009 Jeep Patriot Limited
2009 BRAKES ABS - Service Information - Compass & Patriot
a
Saturday, September 08, 2012 12:37:04 PM Page 42 © 2006 Mitchell Repair Information Company, LLC.
Fig. 47: ICU Mounting
Courtesy of CHRYSLER LLC
The ICU (1) is located in the engine compartment, mounted to the right side body frame rail near the strut
tower.
The ABS with ESP and All-Speed Traction Control ICU consists of the following components: the ABM, 12
(build/decay) solenoid valves, two traction control solenoid valves, two hydraulic shuttle valves, valve block,
fluid accumulators, a pump, and an electric pump/motor.
The replaceable components of the ICU are the HCU and the ABM. No attempt should be made to service any
components of the HCU or ABM.
For additional information on the ABM. Refer to Electrical - Electronic Control Modules/Electronic Control
Modules/MODULE, Anti-Lock Brake System - Description . For additional information on the HCU. See
Brakes/Hydraulic/Mechanical/HYDRAULIC CONTROL UNIT (HCU) - Description.
Operation
OPERATION
For information of the ICU, refer to these individual components of the ICU:
ANTILOCK BRAKE MODULE (ABM). Refer to Electrical/Electronic Control Modules/MODULE,
Anti-Lock Brake System - Description
HYDRAULIC CONTROL UNIT (HCU). See Brakes/Hydraulic/Mechanical/HYDRAULIC
CONTROL UNIT (HCU) - Description.
Removal
2009 Jeep Patriot Limited
2009 BRAKES ABS - Service Information - Compass & Patriot
a
Saturday, September 08, 2012 12:37:04 PM Page 43 © 2006 Mitchell Repair Information Company, LLC.
GAS ENGINE
1. Disconnect and isolate battery negative cable from battery post.
Fig. 48: Brake Pedal Holding Tool
Courtesy of CHRYSLER LLC
2. Using a brake pedal holding tool as shown in illustration above, depress the brake pedal past its first 25
mm (1 inch) of travel and hold it in this position. This will isolate the master cylinder from the brake
hydraulic system and will not allow the brake fluid to drain out of the master cylinder reservoir while the
lines are disconnected.
3. Remove the engine appearance cover.
4. Loosen lower and upper mounting nuts, then remove the exhaust heat shield from the dash panel.
5. Pull the brake tube bundle routing clips (with tubes) loose from studs on the dash panel.
NOTE: Before proceeding. Refer to Brakes - Warning . See Brakes - Caution.
2009 Jeep Patriot Limited
2009 BRAKES ABS - Service Information - Compass & Patriot
a
Saturday, September 08, 2012 12:37:04 PM Page 44 © 2006 Mitchell Repair Information Company, LLC.
Fig. 49: Brake Tubes At ICU
Courtesy of CHRYSLER LLC
6. Remove the primary (4) and secondary (1) brake tubes (from master cylinder) at the hydraulic control
unit (7).
7. Remove the remaining brake tubes (2, 3, 5, 6) at the hydraulic control unit (7).
Fig. 50: Pressure Bracket To Heat Shield - 2.4L
Courtesy of CHRYSLER LLC
8. Remove the screw (1) fastening the power steering pressure hose routing clamp (2) to the exhaust
manifold.
2009 Jeep Patriot Limited
2009 BRAKES ABS - Service Information - Compass & Patriot
a
Saturday, September 08, 2012 12:37:04 PM Page 45 © 2006 Mitchell Repair Information Company, LLC.
Fig. 51: ABM Connector Release Tabs
Courtesy of CHRYSLER LLC
Fig. 52: ABM
Courtesy of CHRYSLER LLC
9. Disconnect the ABM harness connector from the Antilock Brake Module (ABM). To do so:
NOTE: Use this figure in the following step to release the ABM harness connector
cover. It shows the location of the release tabs.
1 - ABM (PART OF ICU)
2 - WIRING HARNESS CONNECTOR
2009 Jeep Patriot Limited
2009 BRAKES ABS - Service Information - Compass & Patriot
a
Saturday, September 08, 2012 12:37:04 PM Page 46 © 2006 Mitchell Repair Information Company, LLC.
a. Depress the tabs on each side of the connector cover, then
b. Pull outward and upward on the lower half of the cover until it locks into position pointing straight
outward (2). The connector can then be pulled straight outward off the ABM (1).
Fig. 53: ICU Mounting
Courtesy of CHRYSLER LLC
10. Loosen, but do not remove, the two mounting screws (2) attaching the ICU (1) mounting bracket to the
body.
11. Lift the ICU and mounting bracket (1) off the mounting screws (2).
12. Move the brake tubes around as necessary without bending them and remove the ICU with bracket
through the opening between the A/C lines and the exhaust manifold.
13. To separate the ABM from the HCU. See Brakes/Hydraulic/Mechanical/INTEGRATED CONTROL
UNIT (ICU) - Disassembly.
DIESEL ENGINE
1. Disconnect and isolate battery negative cable from battery post.
NOTE: Before proceeding. Refer to Brakes - Warning . See Brakes - Caution.
2009 Jeep Patriot Limited
2009 BRAKES ABS - Service Information - Compass & Patriot
a
Saturday, September 08, 2012 12:37:04 PM Page 47 © 2006 Mitchell Repair Information Company, LLC.
Fig. 54: Brake Pedal Holding Tool
Courtesy of CHRYSLER LLC
2. Using a brake pedal holding tool as shown in illustration above, depress the brake pedal past its first 25
mm (1 inch) of travel and hold it in this position. This will isolate the master cylinder from the brake
hydraulic system and will not allow the brake fluid to drain out of the master cylinder reservoir while the
lines are disconnected.
3. Raise and support the vehicle. Refer to Vehicle Quick Reference/Hoisting - Standard Procedure
Fig. 55: ICU Mounting
Courtesy of CHRYSLER LLC
4. Loosen, but do not remove, the two mounting screws (2) attaching the ICU (1) mounting bracket to the
2009 Jeep Patriot Limited
2009 BRAKES ABS - Service Information - Compass & Patriot
a
Saturday, September 08, 2012 12:37:04 PM Page 48 © 2006 Mitchell Repair Information Company, LLC.
body.
5. Loosen the air inlet tube at the turbocharger.
6. Lower the vehicle.
7. Remove the engine appearance cover.
8. Loosen the air inlet tube at the air cleaner and engine cylinder head cover, then remove the tube.
9. Loosen lower and upper mounting nuts, then remove the heat shield from the dash panel.
10. Pull the brake tube bundle routing clips (with tubes) loose from studs on the dash panel.
Fig. 56: Brake Tubes At ICU
Courtesy of CHRYSLER LLC
11. Remove primary (4) and secondary (1) brake tubes (from master cylinder) at hydraulic control unit (7).
12. Remove remaining brake tubes (2, 3, 5, 6) at hydraulic control unit (7).
2009 Jeep Patriot Limited
2009 BRAKES ABS - Service Information - Compass & Patriot
a
Saturday, September 08, 2012 12:37:04 PM Page 49 © 2006 Mitchell Repair Information Company, LLC.
Fig. 57: ABM Connector Release Tabs
Courtesy of CHRYSLER LLC
Fig. 58: ABM
Courtesy of CHRYSLER LLC
13. Disconnect the ABM harness connector from the Antilock Brake Module (ABM). To do so:
NOTE: Use this figure in the following step to release the ABM harness connector
cover. It shows the location of the release tabs.
1 - ABM (PART OF ICU)
2 - WIRING HARNESS CONNECTOR
2009 Jeep Patriot Limited
2009 BRAKES ABS - Service Information - Compass & Patriot
a
Saturday, September 08, 2012 12:37:04 PM Page 50 © 2006 Mitchell Repair Information Company, LLC.
a. Depress the tabs on each side of the connector cover, then
b. Pull outward and upward on the lower half of the cover until it locks into position pointing straight
outward (2). The connector can then be pulled straight outward off the ABM (1).
Fig. 59: ICU Mounting
Courtesy of CHRYSLER LLC
14. Lift the ICU and mounting bracket (1) off the mounting screws (2).
Fig. 60: ICU Bracket Mounting - Diesel
Courtesy of CHRYSLER LLC
15. Rotate the ICU (1) around behind the engine until the bracket mounting screw (3) can be accessed.
2009 Jeep Patriot Limited
2009 BRAKES ABS - Service Information - Compass & Patriot
a
Saturday, September 08, 2012 12:37:04 PM Page 51 © 2006 Mitchell Repair Information Company, LLC.
16. Remove the ICU bracket mounting screw (3), then remove the bracket (2) from the ICU (1). The ICU has
mounting pins that are inserted into grommets in the bracket that must be overcome to remove bracket.
Fig. 61: ICU - Diesel
Courtesy of CHRYSLER LLC
17. Remove the ICU (1) from the engine compartment out over the engine cylinder head cover (2).
18. To separate the ABM from the HCU. See Brakes/Hydraulic/Mechanical/INTEGRATED CONTROL
UNIT (ICU) - Disassembly.
RIGHT-HAND-DRIVE
1. Disconnect and isolate battery negative cable from battery post.
NOTE: Before proceeding. Refer to Brakes - Warning . See Brakes - Caution.
2009 Jeep Patriot Limited
2009 BRAKES ABS - Service Information - Compass & Patriot
a
Saturday, September 08, 2012 12:37:04 PM Page 52 © 2006 Mitchell Repair Information Company, LLC.
Fig. 62: Brake Pedal Holding Tool
Courtesy of CHRYSLER LLC
2. Using a brake pedal holding tool as shown in illustration above, depress the brake pedal past its first 25
mm (1 inch) of travel and hold it in this position. This will isolate the master cylinder from the brake
hydraulic system and will not allow the brake fluid to drain out of the master cylinder reservoir while the
lines are disconnected.
3. Remove the engine appearance cover.
Fig. 63: Air Cleaner Assembly
Courtesy of CHRYSLER LLC
2009 Jeep Patriot Limited
2009 BRAKES ABS - Service Information - Compass & Patriot
a
Saturday, September 08, 2012 12:37:04 PM Page 53 © 2006 Mitchell Repair Information Company, LLC.
4. Remove the air cleaner housing (1). Refer to Engine/Air Intake System/BODY, Air Cleaner - Removal
Fig. 64: Brake Tubes At ICU
Courtesy of CHRYSLER LLC
5. Remove the primary (4) and secondary (1) brake tubes (from master cylinder) at the Hydraulic Control
Unit (HCU) (7).
6. Remove the remaining brake tubes (2, 3, 5, 6) at the HCU (7).
Fig. 65: ABM Connector Release Tabs
Courtesy of CHRYSLER LLC
2009 Jeep Patriot Limited
2009 BRAKES ABS - Service Information - Compass & Patriot
a
Saturday, September 08, 2012 12:37:04 PM Page 54 © 2006 Mitchell Repair Information Company, LLC.
Fig. 66: ABM
Courtesy of CHRYSLER LLC
7. Disconnect the ABM harness connector from the Antilock Brake Module (ABM). To do so:
a. Depress the tabs on each side of the connector cover, then
b. Pull outward and upward on the lower half of the cover until it locks into position pointing straight
outward (2). The connector can then be pulled straight outward off the ABM (1).
NOTE: Use this figure in the following step to release the Antilock Brake Module
(ABM) harness connector cover. It shows the location of the release tabs.
1 - ABM (PART OF ICU)
2 - WIRING HARNESS CONNECTOR
2009 Jeep Patriot Limited
2009 BRAKES ABS - Service Information - Compass & Patriot
a
Saturday, September 08, 2012 12:37:04 PM Page 55 © 2006 Mitchell Repair Information Company, LLC.
Fig. 67: Integrated Control Unit Mounting - RHD
Courtesy of CHRYSLER LLC
8. Loosen, but do not remove, the mounting nut (2) and screw (3) attaching the Integrated Control Unit
(ICU) (1) mounting bracket to the body.
9. Lift the ICU and mounting bracket (1) off the mounting stud and screw.
10. To separate the ABM from the HCU. See Brakes/Hydraulic/Mechanical/INTEGRATED CONTROL
UNIT (ICU) - Disassembly.
Disassembly
DISASSEMBLY
2009 Jeep Patriot Limited
2009 BRAKES ABS - Service Information - Compass & Patriot
a
Saturday, September 08, 2012 12:37:04 PM Page 56 © 2006 Mitchell Repair Information Company, LLC.
Fig. 68: ICU Mounting Bolt
Courtesy of CHRYSLER LLC
1. If the mounting bracket (3) needs to be removed from the ICU, remove the single mounting bolt (2), then
slide the ICU's mounting pins out of the grommets in the bracket and remove the bracket.
Fig. 69: ICU Mounting Pins
Courtesy of CHRYSLER LLC
2. Remove the mounting pins from the ICU.
1 - ICU
2 - MOUNTING BOLT
3 - MOUNTING BRACKET
2009 Jeep Patriot Limited
2009 BRAKES ABS - Service Information - Compass & Patriot
a
Saturday, September 08, 2012 12:37:04 PM Page 57 © 2006 Mitchell Repair Information Company, LLC.
Fig. 70: ABM Mounting Screws - With Traction Control
Courtesy of CHRYSLER LLC
3. Remove the four screws (1) attaching the ABM (2) to the HCU.
Fig. 71: ABM Assembly To HCU
Courtesy of CHRYSLER LLC
1 - MOUNTING SCREWS
2 - ABM
1 - ABM
2009 Jeep Patriot Limited
2009 BRAKES ABS - Service Information - Compass & Patriot
a
Saturday, September 08, 2012 12:37:04 PM Page 58 © 2006 Mitchell Repair Information Company, LLC.
4. Separate the ABM (1) from the HCU (2).
Assembly
ASSEMBLY
1. Clean any debris off the mating surfaces of the HCU and ABM.
Fig. 72: Solenoid Valve Seal
Courtesy of CHRYSLER LLC
2. If the seals (1) on the solenoid valve stems (2) are not new, replace them all. Each of the solenoid valve
stem seals must be new to keep out moisture and debris;do not reuse solenoid valve stem seals.
2 - HCU
3 - SOLENOID VALVE STEM
CAUTION: When installing new O-rings or solenoid valve stem seals, do not use
any type of lubricant.
1 - SEAL
2 - SOLENOID VALVE STEM
2009 Jeep Patriot Limited
2009 BRAKES ABS - Service Information - Compass & Patriot
a
Saturday, September 08, 2012 12:37:04 PM Page 59 © 2006 Mitchell Repair Information Company, LLC.
Fig. 73: Internal Pump Connector O-Ring
Courtesy of CHRYSLER LLC
3. Replace the pump/motor connector O-ring (1) if it is not new. Be sure the O-ring is properly seated in the
mounting groove (2).
Fig. 74: ABM Assembly To HCU
Courtesy of CHRYSLER LLC
1 - O-RING
2 - O-RING MOUNTING GROOVE
1 - ABM
2009 Jeep Patriot Limited
2009 BRAKES ABS - Service Information - Compass & Patriot
a
Saturday, September 08, 2012 12:37:04 PM Page 60 © 2006 Mitchell Repair Information Company, LLC.
4. Align components and install the ABM (1) on the HCU (2).
Fig. 75: ABM Mounting Screws - With Traction Control
Courtesy of CHRYSLER LLC
5. Install the four screws (1) attaching the ABM (2) to the HCU. Tighten the mounting screws to 2 N.m (17
in. lbs.).
2 - HCU
3 - SOLENOID VALVE STEM
1 - MOUNTING SCREWS
2 - ABM
2009 Jeep Patriot Limited
2009 BRAKES ABS - Service Information - Compass & Patriot
a
Saturday, September 08, 2012 12:37:04 PM Page 61 © 2006 Mitchell Repair Information Company, LLC.
Fig. 76: ICU Mounting Pins
Courtesy of CHRYSLER LLC
6. If necessary, install the mounting pins (1) in the ICU (2) and tighten to 11 N.m (97 in. lbs.).
Fig. 77: ICU Mounting Bolt
Courtesy of CHRYSLER LLC
7. If the mounting bracket (3) needs to be installed on the ICU (1), install the mounting pins in the ICU as
1 - ICU
2 - MOUNTING BOLT
3 - MOUNTING BRACKET
2009 Jeep Patriot Limited
2009 BRAKES ABS - Service Information - Compass & Patriot
a
Saturday, September 08, 2012 12:37:04 PM Page 62 © 2006 Mitchell Repair Information Company, LLC.
necessary and tighten to 11 N.m (97 in. lbs.). Insert the mounting pins into the grommets mounted in the
bracket, then install the single mounting bolt (2). Tighten the mounting bolt to 11 N.m (97 in. lbs.).
8. Install the ICU in the vehicle. See Brakes/Hydraulic/Mechanical/INTEGRATED CONTROL UNIT
(ICU) - Installation
Installation
GAS ENGINE
Fig. 78: ICU Mounting
Courtesy of CHRYSLER LLC
1. Install the ICU with bracket (1) through the opening between the A/C lines and the exhaust manifold
using the opposite of how it was removed.
2. Place the mounting bracket for the ICU (1) over the mounting screws (2) and hang the assembly in place.
Tighten the two mounting screws (2) to 23 N.m (17 ft. lbs.).
2009 Jeep Patriot Limited
2009 BRAKES ABS - Service Information - Compass & Patriot
a
Saturday, September 08, 2012 12:37:04 PM Page 63 © 2006 Mitchell Repair Information Company, LLC.
Fig. 79: ABM
Courtesy of CHRYSLER LLC
3. Insert the ABM wiring harness connector (2) into the socket of the ABM (1) and close the cover, locking
the connector in place.
1 - ABM (PART OF ICU)
2 - WIRING HARNESS CONNECTOR
CAUTION: Before installing the ABM harness connector on the ABM, be sure the
seal is properly installed in the connector.
2009 Jeep Patriot Limited
2009 BRAKES ABS - Service Information - Compass & Patriot
a
Saturday, September 08, 2012 12:37:04 PM Page 64 © 2006 Mitchell Repair Information Company, LLC.
Fig. 80: Brake Tubes At ICU
Courtesy of CHRYSLER LLC
4. Install the four chassis brake tubes (2, 3, 5, 6) brake tubes at the ICU hydraulic control unit (7). Tighten
the tube nuts to 17 N.m (150 in. lbs.).
5. Install the primary (4) and secondary (1) brake tubes at the ICU hydraulic control unit (7). Tighten the
tube nuts to 17 N.m (150 in. lbs.).
Fig. 81: Pressure Bracket To Heat Shield - 2.4L
Courtesy of CHRYSLER LLC
6. Position the power steering pressure hose routing clamp (2) on the exhaust manifold and install the
mounting screw (1). Tighten the mounting screw to 9 N.m (80 in. lbs.).
7. Push the brake tube bundle routing clips (with tubes) onto the studs on the dash panel.
8. Install the heat shield on the dash panel and tighten the lower and upper mounting nuts.
2009 Jeep Patriot Limited
2009 BRAKES ABS - Service Information - Compass & Patriot
a
Saturday, September 08, 2012 12:37:04 PM Page 65 © 2006 Mitchell Repair Information Company, LLC.
Fig. 82: Brake Pedal Holding Tool
Courtesy of CHRYSLER LLC
9. Remove the brake pedal holding tool.
10. Install the engine appearance cover.
11. Connect the battery negative cable to the battery post. It is important that this be performed properly.
Refer to Electrical/Battery System - Standard Procedure
Fig. 83: Bleed Hose Set Up
Courtesy of CHRYSLER LLC
12. Hook up the scan tool to initialize the ABM and perform the following:
a. Clear any faults.
b. Fill the master cylinder to the proper fill level and bleed the base and ABS hydraulic systems. See
Brakes - Standard Procedure
2009 Jeep Patriot Limited
2009 BRAKES ABS - Service Information - Compass & Patriot
a
Saturday, September 08, 2012 12:37:04 PM Page 66 © 2006 Mitchell Repair Information Company, LLC.
c. Check for leaks.
d. Perform the ABS Verification Test and road test the vehicle. Refer to DTC-Based
Diagnostics/MODULE, Antilock Brake (ABS) - Standard Procedure .
DIESEL ENGINE
Fig. 84: ICU - Diesel
Courtesy of CHRYSLER LLC
1. Install the ICU (1) into the engine compartment over the top of the engine cylinder head cover (2) as
shown in illustration above.
NOTE: Before installation, be sure the mounting pins are installed in the ICU block, but
do not install the mounting bracket.
2009 Jeep Patriot Limited
2009 BRAKES ABS - Service Information - Compass & Patriot
a
Saturday, September 08, 2012 12:37:04 PM Page 67 © 2006 Mitchell Repair Information Company, LLC.
Fig. 85: ICU Bracket Mounting - Diesel
Courtesy of CHRYSLER LLC
2. Rotate the ICU (1) around behind the engine until the mounting bracket (2) can be installed.
3. Install the mounting bracket (2) onto the ICU (1). Push the bracket mounting grommets onto the
mounting pins of the ICU. Install the single mounting bolt (3). Tighten the mounting bolt to 11 N.m (97
in. lbs.).
Fig. 86: ICU Mounting
Courtesy of CHRYSLER LLC
4. Place mounting bracket for the ICU (1) over the mounting screws (2) and hang the assembly in place.
2009 Jeep Patriot Limited
2009 BRAKES ABS - Service Information - Compass & Patriot
a
Saturday, September 08, 2012 12:37:04 PM Page 68 © 2006 Mitchell Repair Information Company, LLC.
Fig. 87: ABM
Courtesy of CHRYSLER LLC
5. Insert the ABM wiring harness connector (2) into the socket of the ABM (1) and close the cover, locking
the connector in place.
1 - ABM (PART OF ICU)
2 - WIRING HARNESS CONNECTOR
CAUTION: Before installing the ABM harness connector on the ABM, be sure the
seal is properly installed in the connector.
2009 Jeep Patriot Limited
2009 BRAKES ABS - Service Information - Compass & Patriot
a
Saturday, September 08, 2012 12:37:04 PM Page 69 © 2006 Mitchell Repair Information Company, LLC.
Fig. 88: Brake Tubes At ICU
Courtesy of CHRYSLER LLC
6. Install the four chassis brake tubes (2, 3, 5, 6) brake tubes at the ICU hydraulic control unit (7). Tighten
the tube nuts to 17 N.m (150 in. lbs.).
7. Install the primary (4) and secondary (1) brake tubes at the ICU hydraulic control unit (7). Tighten the
tube nuts to 17 N.m (150 in. lbs.).
8. Push the brake tube bundle routing clips (with tubes) onto the studs on the dash panel.
9. Install the heat shield on the dash panel and tighten the lower and upper mounting nuts.
10. Install the air inlet tube at the air cleaner and engine cylinder head cover.
11. Raise and support the vehicle. Refer to Vehicle Quick Reference/Hoisting - Standard Procedure
Fig. 89: ICU Mounting
Courtesy of CHRYSLER LLC
12. Tighten the two mounting screws (2) attaching the ICU (1) mounting bracket to the body. Tighten the
mounting screws to 23 N.m (17 ft. lbs.).
13. Tighten the air inlet tube at the turbocharger.
14. Lower the vehicle.
2009 Jeep Patriot Limited
2009 BRAKES ABS - Service Information - Compass & Patriot
a
Saturday, September 08, 2012 12:37:04 PM Page 70 © 2006 Mitchell Repair Information Company, LLC.
Fig. 90: Brake Pedal Holding Tool
Courtesy of CHRYSLER LLC
15. Remove brake pedal holding tool.
16. Install the engine appearance cover.
17. Connect the battery negative cable to the battery post. It is important that this be performed properly.
Refer to Electrical - Engine Systems/Battery System - Standard Procedure
Fig. 91: Bleed Hose Set Up
Courtesy of CHRYSLER LLC
18. Hook up the scan tool to initialize the ABM and perform the following:
a. Clear any faults.
b. Fill the master cylinder to the proper fill level and bleed the base and ABS hydraulic systems. See
Brakes - Standard Procedure
2009 Jeep Patriot Limited
2009 BRAKES ABS - Service Information - Compass & Patriot
a
Saturday, September 08, 2012 12:37:04 PM Page 71 © 2006 Mitchell Repair Information Company, LLC.
c. Perform the ABS Verification Test. Refer to DTC-Based Diagnostics/MODULE, Antilock Brake
(ABS) - Standard Procedure and road test the vehicle.
RIGHT-HAND-DRIVE
Fig. 92: Integrated Control Unit Mounting - RHD
Courtesy of CHRYSLER LLC
1. Install the ICU with bracket (1) through the opening between the A/C lines and the exhaust manifold
using the opposite of how it was removed.
2. Install the ICU with bracket (1) into the engine compartment. Place the mounting bracket for the ICU (1)
over the mounting stud and screw (3) and hang the assembly in place. Tighten the mounting nut (2) and
mounting screw (3) to 23 N.m (17 ft. lbs.).
2009 Jeep Patriot Limited
2009 BRAKES ABS - Service Information - Compass & Patriot
a
Saturday, September 08, 2012 12:37:04 PM Page 72 © 2006 Mitchell Repair Information Company, LLC.
Fig. 93: ABM
Courtesy of CHRYSLER LLC
3. Insert the ABM wiring harness connector (2) into the socket of the ABM (1) and close the cover, locking
the connector in place.
1 - ABM (PART OF ICU)
2 - WIRING HARNESS CONNECTOR
CAUTION: Before installing the ABM harness connector on the ABM, be sure the
seal is properly installed in the connector.
2009 Jeep Patriot Limited
2009 BRAKES ABS - Service Information - Compass & Patriot
a
Saturday, September 08, 2012 12:37:04 PM Page 73 © 2006 Mitchell Repair Information Company, LLC.
Fig. 94: Brake Tubes At ICU
Courtesy of CHRYSLER LLC
4. Install the four chassis brake tubes (2, 3, 5, 6) brake tubes at the ICU hydraulic control unit (7). Tighten
the tube nuts to 17 N.m (150 in. lbs.).
5. Install the primary (4) and secondary (1) brake tubes at the ICU hydraulic control unit (7). Tighten the
tube nuts to 17 N.m (150 in. lbs.).
Fig. 95: Air Cleaner Assembly
Courtesy of CHRYSLER LLC
6. Install the air cleaner housing (1). Refer to Engine/Air Intake System/BODY, Air Cleaner -
Installation
2009 Jeep Patriot Limited
2009 BRAKES ABS - Service Information - Compass & Patriot
a
Saturday, September 08, 2012 12:37:04 PM Page 74 © 2006 Mitchell Repair Information Company, LLC.
Fig. 96: Brake Pedal Holding Tool
Courtesy of CHRYSLER LLC
7. Remove the brake pedal holding tool.
8. Install the engine appearance cover.
9. Connect the battery negative cable to the battery post. It is important that this be performed properly.
Refer to Electrical/Battery System - Standard Procedure
Fig. 97: Bleed Hose Set Up
Courtesy of CHRYSLER LLC
10. Hook up the scan tool to initialize the ABM and perform the following:
a. Clear any faults.
b. Fill the master cylinder to the proper fill level and bleed the base and ABS hydraulic systems. See
Brakes - Standard Procedure
2009 Jeep Patriot Limited
2009 BRAKES ABS - Service Information - Compass & Patriot
a
Saturday, September 08, 2012 12:37:04 PM Page 75 © 2006 Mitchell Repair Information Company, LLC.
c. Check for leaks.
d. Perform the ABS Verification Test. Refer to DTC-Based Diagnostics/MODULE, Antilock Brake
(ABS) - Standard Procedure and road test the vehicle.
2009 Jeep Patriot Limited
2009 BRAKES ABS - Service Information - Compass & Patriot
a
Saturday, September 08, 2012 12:37:04 PM Page 76 © 2006 Mitchell Repair Information Company, LLC.
JEEP
Compass • Patriot
BRAKES .9-131 DRIVE TRAIN.. .9-28 • ENGINE ELECTRICAL 9-43
ANTI-LOCK BRAKE SYSTEM
(ABS) 9-13
General Information 9-13
Precautions 9-13
Wheel Speed Sensors 9-13
Removal & Installation 9-13
BLEEDING THE BRAKE
SYSTEM 9-16
Bleeding Procedure 9-16
Bleeding the ABS
System 9-17
FRONT DISC BRAKES 9-17
Brake Caliper 9-17
Removal & Installation 9-17
Disc Brake Pads 9-18
Removal & Installation 9-18
PARKING BRAKE 9-24
Parking Brake Cables 9-24
Adjustment 9-24
Parking Brake Shoes 9-24
Adjustment 9-25
Removal & Installation 9-24
REAR DISC BRAKES 9-19
Brake Caliper 9-19
Removal & Installation 9-19
Disc Brake Pads 9-20
Removal & Installation 9-20
REAR DRUM BRAKES 9-20
Brake Drum 9-20
Removal & Installation 9-20
Brake Shoes 9-21
Adjustment 9-22
Removal & Installation 9-21
CHASSIS ELECTRICAL 9-26
AIR BAG (SUPPLEMENTAL
RESTRAINT SYSTEM) 9-26
General Information 9-26
Arming the System 9-26
Clockspring Centering 9-27
Disarming the System 9-26
Service Precautions 9-26
SRS Verification Test 9-26,28
Automatic Transaxle
Assembly 9-28
Removal & Installation 9-28
Clutch Driven Disc &
Pressure Plate 9-31
Adjustments 9-31
Removal & Installation 9-31
Clutch Master Cylinder 9-31
Removal & Installation 9-31
Clutch Slave Cylinder 9-32
Hydraulic System
Bleeding 9-32
Removal & Installation 9-32
Front Halfshafts 9-34
Removal & Installation 9-34
Front Pinion Seal 9-36
Removal & Installation 9-36
Manual Transaxle Assembly 9-29
Removal & Installation 9-29
Rear Axle Housing 9-36
Removal & Installation 9-36
Rear Axle Shaft, Bearing &
Seal 9-37
Removal & Installation 9-37
Rear Driveshaft 9-39
Removal & Installation 9-39
Rear Halfshafts 9-39
Removal & Installation 9-39
Rear Pinion Seal 9-40
Removal & Installation 9-40
Transfer Case Assembly 9-33
Removal & Installation 9-33
ENGINE COOLING 9-40
Engine Fan 9-40
Removal & Installation 9-40
Radiator 9-41
Removal & Installation 9-41
Thermostat 9-41
Removal & Installation 9-41
Water Pump 9-42
Removal & Installation 9-42
CHARGING SYSTEM 9-43
Alternator 9-43
Removal & Installation 9-43
IGNITION SYSTEM 9-43
Firing Orders 9-43
Ignition Coil 9-43
Removal & Installation 9-43
Ignition Timing 9-43
Adjustment 9-43
Sparkplugs 9-44
Removal & Installation 9-44
STARTING SYSTEM 9-44
Starter 9-44
Removal & Installation 9-44
ENGINE MECHANICAL 9-44
Accessory Drive Belts 9-44
Accessory Belt Routing 9-44
Adjustment 9-44
Inspection 9-44
Removal & Installation 9-44
Balance Shaft 9-44
Removal & Installation 9-44
Camshaft and Valve Lifters 9-45
Removal & Installation 9-45
Catalytic Converter 9-48
Removal & Installation 9-48
Combination Manifold 9-49
Removal & Installation 9-49
Crankshaft Damper 9-49
Removal & Installation 9-49
Crankshaft Front Seal 9-50
Removal & Installation 9-50
Cylinder Head 9-50
Removal & Installation 9-50
Engine Assembly 9-54
Removal & Installation 9-54
Exhaust Manifold 9-56
Removal & Installation 9-56
Flywheel 9-56
Removal & Installation 9-56
Intake Manifold 9-56
Removal & Installation 9-56
9-2 JEEP
COMPASS • PATRIOT
Oil Pan 9-57
Removal & Installation 9-57
Oil Pump 9-58
Removal & Installation 9-58
Piston and Ring 9-58
Positioning 9-58
Rear Main Seal 9-59
Removal & Installation 9-59
Rocker Arms/Shafts 9-59
Removal & Installation 9-59
Timing Chain and Sprockets 9-61
Removal & Installation 9-61
Timing Chain Cover and Seal ...9-59
Removal & Installation 9-59
Valve Covers/Cylinder
Head Cover 9-63
Removal & Installation 9-63
Valve Lash 9-64
Adjustment 9-64
ENGINE PERFORMANCE &
EMISSION CONTROLS
Accelerator Pedal Position
(APP) Sensor 9-65
Location 9-65
Removal & Installation 9-65
Camshaft Position (CMP)
Sensor 9-65
Location 9-65
Removal & Installation 9-65
Crankshaft Position (CKP)
Sensor 9-66
Location 9-66
Removal & Installation 9-66
Engine Coolant Temperature
(ECT) Sensor 9-66
Location 9-66
Removal & Installation 9-66
Evaporative Emissions (EVAP)
Canister 9-67
Location 9-67
Removal & Installation 9-67
Evaporative Emissions (EVAP)
Purge Control Solenoid 9-67
Location 9-67
Removal & Installation 9-67
Heated Oxygen Sensor (H02S)...9-67
Location 9-67
Removal & Installation 9-70
Intake Air Temperature (IAT)
Sensor 9-71
Location 9-71
Removal & Installation 9-71
Knock Sensor (KS) 9-71
Location 9-71
Removal & Installation 9-71
Malfunction
(MIL)....
Indicator Light
.9-71
Reset Procedure 9-71
Manifold Absolute Pressure
(MAP) Sejisor 9-72
Locatiorf 9-72
Removal & Installation 9-72
Positive Cfinkcase Ventilation
(PCV)Vave 9-72
Locatiol 9-72
Removal & Installation 9-72
Powertraif Control Module
(PCM)..} 9-72
Location 9-72
Removil & Installation 9-73
Throttle Position Sensor
(TPS).J 9-74
Location 9-74
Removal & Installation 9-74
Variable ifcamshaft Timing Oil
Control Solenoid 9-74
Location 9-74
Removal & Installation 9-74
Vehicle iSpeed Sensor (VSS) 9-75
Locajon 9-75
Removal & Installation 9-75
FUEL 9-75
GASOLINE FUEL INJECTION
SYSTEM 9-75
FuelF ter 9-75
Removal & Installation 9-75
Fuel Rump Module 9-75
Removal & Installation 9-75
Fuel [fail & Injectors 9-76
Rejioval & Installation 9-76
Fuel System Service
Precautions 9-75
Fuel tank 9-77
Rejnoval & Installation 9-77
Idle Speed 9-77
Adjustment 9-77
Relil/ing Fuel System
Pressure 9-75
Throttle Body 9-77
Removal & Installation 9-77
HEATING & AIR CONDITIONING
SYSTEM 9-78
Blojver Motor 9-78
iemoval & Installation 9-78
He ter Core 9-78
emoval & Installation 9-78
SPECIFICATIONS AND
MAINTENANCE CHARTS 9-3
PRECAUTIONS 9-13
Brake Specifications 9-10
Camshaft and Bearing
Specifications Chart 9-5
Capacities 9-4
Crankshaft and Connecting
Rod Specifications 9-6
Engine and Vehicle Identification...9-3
Fluid Specifications 9-4
Gasoline Engine Tune-Up
Specifications 9-3
General Engine Specifications 9-3
Piston and Ring Specifications 9-6
Scheduled Maintenance
Intervals 9-11,12
Tire Wheel and Ball Joint
Specifications 9-9
Torque Specifications 9-7
Valve Specifications 9-5
Wheel Alignment 9-8
STEERING 9-80
Power Rack & Pinion Steering
Gear 9-80
Removal & Installation 9-80
Power Steering Pump 9-81
Bleeding 9-82
Removal & Installation 9-81
SUSPENSION 9-83
FRONT SUSPENSION 9-83
Lower Ball Joint 9-83
Removal & Installation 9-83
Lower Control Arm 9-83
Removal & Installation 9-83
MacPherson Strut 9-84
Removal & Installation 9-84
Stabilizer Bar 9-86
Removal & Installation 9-86
Steering Knuckle 9-85
Removal & Installation 9-85
Wheel Hub & Bearing 9-87
Adjustment 9-88
Removal & Installation 9-87
REAR SUSPENSION 9-88
Coil Spring 9-88
Removal & Installation 9-88
Control Arms/Links 9-88
Removal & Installation 9-88
Strut and Spring Assembly 9-90
Removal & Installation 9-90
Wheel Hub & Bearing 9-91
Adjustment 9-92
Removal & Installation 9-91
JEEP
COMPASS • PATRIOT 9-3
1 SPECIFICATIONS AND MAINTENANCE CHARTS |
ENGINE AND VEHICLE IDENTIFICATION
Engine
Code © Liters (cc)
A
B
0
W
2.0(1,998)
2.4 (2,360)
2.0(1,998)
2.4 (2,360)
Cu. In.
122.0
146.5
122.0
146.5
Cyl.
4
4
4
4
Fuel Sys.
MFI
MFI
MFI
MFI
Engine Type
DOHC
DOHC
DOHC
DOHC
Eng. Mfg.
GEMA
GEMA
GEMA
GEMA
Model Year
Code <D Year
7 2007
8 2008
9 2009
MFI: Multi-port Fuel Injection
DOHC: Dual Overhead Camshaft
GEMA: Global Engine Manufacturing Alliance
© 8th position of Vehicle IdentificationNumber (VIN)
@10th position of VIN
GENERAL ENGINE SPECIFICATIONS
All measurements are niven in inches.
Engine Engine Net Net Bore x Com- Oil
Displacement Series Horsepower Torque @ rpm Stroke pression Pressure
Year Model Liters ID/VIN @ rpm (ft. Ibs.) (in.) Ratio @ rpm
2007
2008
2009
Compass
Patriot
Compass
Patriot
Compass
Patriot
2.0
2.4
2.0
2.4
2.0
2.4
2.0
2.4
2.0
2.4
2.0
2.4
0
W
0
W
0
W
0
W
A
B
A
B
158@6400
172@6000
158@6400
172@6000
158@6400
172@6000
158@6400
172@6000
158@6400
172@6000
158@6400
172@6000
141@5000
165@4400
141@5000
165@4400
141@5000
165@4400
141@5000
165@4400
141@5000
165@4400
141@5000
165@4400
3.386x3.386
3.465x3.819
3.386 x 3.386
3.465x3.819
3.386 x 3.386
3.465x3.819
3.386 x 3.386
3.465x3.819
3.386 x 3.386
3.465x3.819
3.386 x 3.386
3.465x3.819
10.5:1
10.5:1
10.5:1
10.5:1
10.5:1
10.5:1
10.5:1
10.5:1
10.5:1
10.5:1
10.5:1
10.5:1
25-80@3000
25-80@3000
25-80@3000
25-80@3000
25-80@3000
25-80@3000
25-80@3000
25-80@3000
25-80@3000
25-80@3000
25-80@3000
25-80@3000
GASOLINE ENGINE TUNE-UP SPECIFICATIONS
Engine Spark Plug Ignition Fuel Idle
Displacement Engine Gap Timing Pump Speed
Year Liters VIN (in.) (deg.) (psi) (rpm)
2007
2008
2009
2.0
2.4
2.0
2.4
2.0
2.4
0
W
0
W
A
B
0.043
0.043
0.043
0.043
0.043
0.043
©
©
©
©
©
©
53-63
53-63
53-63
53-63
53-63
53-63
©
©
©
©
©
©
Valve Lash
Clearance
Intake Exhaust
0.006-0.009
0.006-0.009
0.006-0.009
0.006-0.009
0.006-0.009
0.006-0.009
0.010-0.012
0.010-0.012
0.010-0.012
0.010-0.012
0.010-0.012
0.010-0.012
NOTE: The Vehicle Emission Control Information label reflects specification changes made during production. Follow the figures on the label if they differ
from those in this chart.
© Ignition timing is controlled by the PCM and is not adjustable
© Idle speed is controlled by the PCM and is not adjustable
36543_COMP_C0003
9-4 JEEP
COMPASS • PATRIOT
CAPACITIES
Engin<
Engine Oil wit
Displacement Engine Filter
Year Model Liters VIN (qts.)
2007
2008
2009
Compass
Patriot
Compass
Patriot
Compass
Patriot
2.0
2.4
2.0
2.4
2.0
2.4
2.0
2.4
2.0
2.4
2.0
2.4
0
W
0
W
0
W
0
W
A
B
A
B
4.5
4.5
4.5
4.511
4.5,1
4.5
4.5
4.5J
4.5
4't~4$
4
Transmission
(pts.)
Manual Auto. ®
5.0-5.6
5.0-5.6
5.0-5.6
5.0-5.6
5.0-5.6
5.0-5.6
5.0-5.6
5.0-5.6
5.0-5.6
5.0-5.6
5.0-5.6
5.0-5.6
8.0
8.0
8.0
8.0
8.0
8.0
8.0
8.0
8.0
8.0
8.0
8.0
Transfer
Case
(Pts.)
1.1
1.1
1.1
1.1
1.1
1.1
1.1
1.1
1.1
1.1
1.1
1.1
Drive
Axle
Front Rear
(pts.) (pts.)
NA
NA
NA
NA
NA
NA
NA
NA
NA
NA
NA
NA
1.0-1.1
1.0-1.1
1.0-1.1
1.0-1.1
1.0-1.1
1.0-1.1
1.0-1.1
1.0-1.1
1.0-1.1
1.0-1.1
1.0-1.1
1.0-1.1
Fuel Cooling
Tank System
(gal.) (qts.)®
13.5®
13.5©
13.5©
13.5®
13.6
13.6
13.6
13.6
13.6
13.6
13.6
13.6
7.2
7.2
7.2
7.2
7.2
7.2
7.2
7.2
7.2
7.2
7.2
7.2
NA: NotApplicable
NOTE: All capacities are approximate Add fluid gradually and checj
© Drain and refill
® Includes heater and coolant recovery bottle filled to MAX level
© Except Limited 4x2 models which have a 13.6 gallon fuel tank
; to be sure a proper fluid level is obtained.
FLUID SPECIFICATIONS
Engine
Displacement Engine Manujal Auto.
Year Model Liters (VIN) Oil Tran£. Trans.
2007
2008
2009
Compass
Patriot
Compass
Patriot
Compass
Patriot
2.0 (0)
2.4 (W)
2.0 (0)
2.4 (W)
2.0 (0)
2.4 (W)
2.0 (0)
2.4 (W)
2.0 (A)
2.4(B)
2.0 (A)
2.4 (B)
5W-20
5W-20
5W-20
5W-20
5W-20
5W-20
5W-20
5W-20
5W-20
5W-20
5W-20
5W-20
MOPAR
MOPAR
MOPAR
MOPAR
MOPAR
MOPAR
MOPAR
MOPAR
MOPAR
MOPAN
MOPAFJ;
MOPAR
ATF+4
ATF+4
jpF+4
ATF+4
ATF+4
ATF+4
ATF+4
ATF+4
ATF+4
ATF+4
ATF+4
ATF+4
MOPAR CVTF+4
MOPAR CVTF+4
MOPAR CVTF+4
MOPAR CVTF+4
MOPAR CVTF+4
MOPAR CVTF+4
MOPAR CVTF+4
MOPAR CVTF+4
MOPAR CVTF+4
MOPAR CVTF+4
MOPAR CVTF+4
MOPAR CVTF+4
Drive
Axle
Front Rear
NA
NA
NA
NA
NA
NA
NA
NA
NA
NA
NA
NA
©
©
©
~ ©
©
©
©
©
©
©
©
©
Power Brake
TransferSteering Master Cooling
Case Fluid Cylinder System
©
©
©
©
©
©
©
©
©
©
©
©
©
©
®
__©_
®
®
®
®
®
©
©
©
©
©
©
©_
©
©
©
©
©
©
©
©
®
®
®
_ ®
®
®
®
®
®
~ ®
®
®
NA: Not Applicable
DOT: Department Of Transportation
© MOPAR Gear & Axle Lubricant SAE 80W-90 API GL 5 or equivalent non-synthetic product
© MOPAR Power Steering Fluid+4 or MOPAR ATF+4 Automatic Transmission Fluid
© MOPAR DOT 3 and SAE J1703 should be used. If DOT 3 |rake fluid is not available, DOT 4 is acceptable.
© MOPAR Antifreeze/Coolant 5-Year/100,000 Mile Formula MOAT (Hybrid Organic Additive Technology) or equivalent
36543_COMP_C0005
JEEP
COMPASS • PATRIOT 9-5
VALVE SPECIFICATIONS
Spring
Engine Seat Face Spring Test Installed
Displacement Engine Angle Angle Pressure Height
Year Liters VIN (deg.) (deg.) (Ibs. @ in.) (in.)
2007
2008
2009
2.0
2.4
2.0
2.4
2.0
2.4
0
W
0
W
A
B
44.75-
45.10
44.75-
45.10
44.75-
45.10
44.75-
45.10
44.75-
45.10
44.75-
45.10
45.25-
45.75
45.25-
45.75
45.25-
45.75
45.25-
45.75
45.25-
45.75
45.25-
45.75
78.3-85.8@
1.152
78.3-85.8@
1.152
78.3-85.8@
1.152
78.3-85.8@
1.152
78.3-85.8@
1.152
78.3-85.8@
1.152
1.378
1.378
1.378
1.378
1.378
1.378
Stem-to-Guide Stem
Clearance Diameter
(in.) (in.)
Intake Exhaust Intake Exhaust
0.0008-
0.0021
0.0008-
0.0021
0.0008-
0.0021
0.0008-
0.0021
0.0008-
0.0021
0.0008-
0.0021
0.0012-
0.0024
0.0012-
0.0024
0.0012-
0.0024
0.0012-
0.0024
0.0012-
0.0024
0.0012-
0.0024
0.2151-
0.2157
0.2151-
0.2157
0.2151-
0.2157
0.2151-
0.2157
0.2151-
0.2157
0.2151-
0.2157
0.2148-
0.2153
0.2148-
0.2153
0.2148-
0.2153
0.2148-
0.2153
0.2148-
0.2153
0.2148-
0.2153
36543_COMP_C0006
CAMSHAFT AND BEARING SPECIFICATIONS CHART
All measurements are given in inches.
Engine
Displ. Engine Brg. Oil Shaft Journal
Year Liters VIN Journal Dia. Clearance End-play Runout Bore
2007
2008
2009
2.0
2.4
2.0
2.4
2.0
2.4
0
W
0
W
A
B
©
®
©
©
©
©
©
®
(D
©
©
©
0.004-
0.009
0.004-
0.009
0.004-
0.009
0.004-
0.009
0.004-
0.009
0.004-
0.009
NA
NA
NA
NA
NA
NA
©
©
®
®
®
®
Lobe Height
Intake Exhaust
0.3620
0.3620
0.3620
0.3620
0.3620
0.3620
0.3310
0.3310
0.3310
0.3310
0.3310
0.3310
NA: NotAvailable
© Front Intake Cam: 1.1797-1.1803 inches
Front Exhaust Cam: 1.4166-1.4173 inches
Cam Journal Numbers 1-4: 0.943 - 0.944 inch
© Front Intake Journal: 0.0008-0.0022 inch
Front Exhaust Journal: 0.0007-0.0020 inch
All Others: 0.0011-0.0026 inch
©Front Intake: 1.1810-1.1819 inches
Front Exhaust: 1.5747-1 5756 inches
Cam Bearing Bore Numbers 1-4: 0.9448-0.9457inch
36543^COMP_C0007
9-6 JEEP
COMPASS • PATRIOT
CRANKSHAFT
Engine
Displacement
Year Liters
Engine
VI N
AND cor
All measure
Main Brg.
Journal Dia.
0
Main
Cle
JNECTING ROD SPECIFICATIONS
merits are given in inches.
rankshaft
Brg. Oil
aranee
Shaft
End-play
Thrust
on No.
Connecting Rod
Journal
Diameter
Oil Side
Clearance Clearance
2007
2008
2009
2.0
2.4
2.0
2.4
2.0
2.4
0
W
0
W
A
B
©
©
©
©
©
©
ojiooii-
q.ooi8
010011-
(J.0018
0.0011-
ip.0018
fc.0011-
JJD.0018
jp.0011-
0.0018
0.0011-
0.0018
0.0019-
0.0098
0.0019-
0.0098
0.0019-
0.0098
0.0019-
0.0098
0.0019-
0.0098
0.0019-
0.0098
3
3
3
3
3
3
©
©
©
©
©
©
0.0012-
0.0023
0.0012-
0.0023
0.0012-
0.0023
0.0012-
0.0023
0.0012-
0.0023
0.0012-
0.0023
0.0039-
0.0098
[ 0.0039-
0.0098
0.0039-
0.0098
0.0039-
0.0098
0.0039-
0.0098
0.0039-
0.0098
© Journal grade: main bearing journal diameter
0: 2.0466-2.0467 inches
1: 2.0465-20466 inches
2: 2.0464-2.0465 inches
3: 2.0462-2.0464 inches
4: 2.0461-2.0462 inches
© Journal grade: connectingrodjournaldiameter
1: 1 8884-1 8886 inches
2: 1.8884-1.8881 inches
3: 1.8879-1.8881 inches
36543_COMP_C0008
PISTON AND RING SPECIFICATIONS
All measurements are given in inches.
Engine
Displ. Engine Piston
Year Liters VIN Clearance
2007
2008
2009
2.0
2.4
2.0
2.4
2.0
2.4
0
W
0
W
A
B
(-0.0006)-
0.0006
(-0.0006)-
0.0006
(-0.0006)-
0.0006
(-0.0006)-
0.0006
(-0.0006)-
0.0006
(-0.0006)-
0.0006
I Ring Gap Ring Side Clearance
T(ip Bottom Oil Top Bottom Oil
Compression Compression Control Compression Compression Control
O.Q059-
O.c|l18
0.01059-
O.§118
0.0059-
O.;p118
O.j)059-
0;p118
Ojp059-
010118
oi)059-
C|.0118
0.0118-
0.0177
0.0118-
0.0177
0.0118-
0.0177
0.0118-
0.0177
0.0118-
0.0177
0.0118-
0.0177
0.0079-
0.0276
0.0079-
0.0276
0.0079-
0.0276
0.0079-
0.0276
0.0079-
0.0276
0.0079-
0.0276
0.0012-
0.0028
0.0012-
0.0028
0.0012-
0.0028
0.0012-
0.0028
0.0012-
0.0028
0.0012-
0.0028
0.0012-
0.0028
0.0012-
0.0028
0.0012-
0.0028
0.0012-
0.0028
0.0012-
0.0028
0.0012-
0.0028
0.0024-
0.0059
'0.0024-
0.0059
0.0024-
0.0059
0.0024-
0.0059
0.0024-
0.0059
0.0024-
0.0059
JEEP
COMPASS • PATRIOT 9-7
TORQUE SPECIFICATIONS
All readings in ft. Ibs.
Engine Cylinder Main Rod Crankshaft Oil Pan
Displacement Engine Head Bearing Bearing Damper Flywheel Manifold Spark Drain
Year Liters VIN Bolts Bolts Bolts Bolts Bolts Intake Exhaust Plugs Plug
2007
2008
2009
2.0
2.4
2.0
2.4
2.0
2.4
0
W
0
W
A
B
©
©
©
©
©
©
©
®
®
®
®
®
©
©
©
©
©
©
155
155
155
155
155
155
®
®
®
®
®
©
18
18
18
18
18
18
25
25
25
25
25
25
20
20
20
20
20
20
30
30
30
30
30
30
© Refer to procedure for torque sequence illustration and bolt identification. Lubricate head bolts with clean engine oil
Step 1: Tighten to 25 ft. Ibs. (30 Nm)
Step 2: Tighten short head bolts to 45 ft. Ibs. (61 Nm); Long head bolts to 54 ft. Ibs (73 Nm)
Step 3: Verify all short head bolts to 45 ft. Ibs. (60 Nm); Long head bolts to 54 ft. Ibs. (73 Nm)
Step 4: Tighten bolts an addt'l 90degrees
® Refer to procedure for torque sequence illustration and bolt identification. There are different sets of main bolts suppliedwith thisengine.
Each bolt set has a different torque value and engine damage could result if bolts are not torqued correctly The bolts are not interchangeable
Step 1: Tighten all bolts to 11 ft. Ibs. (15 Nm)
Step 2: Tighten all bolts to 20 ft. Ibs. (27 Nm) or 33 ft. Ibs. (45 Nm)
Step 3: Tighten all bolts an addt'l 45 degrees
© Step 1: Tighten to 15 ft. Ibs. (20 Nm)
Step 2: Tighten bolts an addt'l 90 degrees
® Step 1: Tighten bolts to 22 ft. Ibs. (30 Nm)
Step 2: Tighten bolts an addt'l 51 degrees
36543_COMP_G0253
Fig. 1 Main bearingtorque sequence—2.0L and 2.4L engines
9-8 JEEP
COMPASS • PATRIOT
WHEEL ALIGNMENT
Caster Camber
Year
2007
2008
2009
Model©
Compass/Patriot
16 inch wheels
Compass/Patriot
17 inch wheels®
Compass/Patriot
17 inch wheels©
Compass/Patriot
18 inch wheels
Compass/Patriot
16 inch wheels
Compass/Patriot
17 inch wheels®
Compass/Patriot
17 inch wheels©
Compass/Patriot
18 inch wheels
Compass/Patriot
16 inch wheels
Compass/Patriot
17 inch wheels®
Compass/Patriot
17 inch wheels©
Compass/Patriot
18 inch wheels
Front
Rear
Front
Rear
Front
Rear
Front
Rear
Front
Rear
Front
Rear
Front
Rear
Front
Rear
Front
Rear
Front
Rear
Front
Rear
Front
Rear
Range
(+/-Deg|
1.00 I
NA
1.00
NA
1.00 f
NA
1.00
NA |
1.00
NA;
1.00]
NAJ
1.0(f
NA
1.0<f
NA]
1.0}
NA|
1.0|
N/J
1.00
NA
1.0D
NA
Preferred
Setting
(Deg.)
®
NA
©
NA
©
NA
©
NA
©
NA
©
NA
©
NA
©
NA
©
NA
©
NA
©
NA
©
NA
Range
(+/-Deg.)
0.40
0.40
0.40
0.40
0.40
0.40
0.40
0.40
0.40
0.40
0.40
0.40
0.40
0.40
0.40
0.40
0.40
0.40
0.40
0.40
0.40
0.40
0.40
0.40
Preferred
Setting
(Deg.)
-0.80
-0.70
-0.70
-0.60
-0.90
-0.80
-0.70
-0.70
-0.80
-0.70
-0.70
-0.60
-0.90
-0.80
-0.70
-0.70
-0.80
-0.70
-0.70
-0.60
-0.90
-0.80
-0.70
-0.70
Toe-in
(Deg.)
+0.10+/-0.10
+0.10+/-0.10
+0.10+/-0.10
+0.10+/-0.10
+0.10+/-0.10
+0.10+/-0.10
+0.10+/-0.10
+0.10+/-0.10
+0.10+/-0.10
+0.10+/-0.10
+0.10+/-0.10
+0.10+/-0.10
+0.10+/-0.10
+0.10+/-0.10
+0.10+/-0.10
+0.10+/-0.10
+0.10+/-0.10
+0.10+/-0.10
+0.10+/-0.10
+0.10+/-0.10
+0.10+/-0.10
+0.10+/-0.10
+0.10+/-0.10
+0.10+/-0.10
NA: Not Applicable
NOTE: Measurements are given for unladen vehicle: fuel, engine coolant, and fluid levels are full. Spare tire, jack, hand tools, and mats are in designated posi
© Wheel size refers to OEM wheels only
© Left: +3.00
Right: +2.70
© Left: +2.90
Right: +2.60
® All P215/60R17 and P215/65R17AT with OFF-ROAD GRO|JP (AWL)
©All P215/65R17AT without OFF-ROAD GROUP (AWL)
JEEP
COMPASS • PATRIOT 9-9
TIRE, WHEEL AND BALL JOINT SPECIFICATIONS
Year Model
2007
2008
2009
Compass Sport
Compass Limited
Patriot Sport
Patriot Limited
Compass Sport
Compass Limited
Patriot Sport
Patriot Limited
Compass Sport
Compass Limited
Patriot Sport
Patriot Limited
OEM Tires Tire Pressures(psi)
Standard Optional Front Rear
P215/60R17
P225/55R18
P205/70R16
P215/60R17
P215/60R17
P225/55R18
P205/70R16
P215/60R17
P215/60R17
P225/55R18
P205/70R16
P215/60R17
NA
NA
P215/65R17
P215/65R17
NA
NA
P215/65R17
P215/65R17
NA
NA
P215/65R17
P215/65R17
©
©
©
©
©
©
©
©
©
©
©
©
©
©
©
©
©
©
©
©
©
©
©
©
Lug Nut
Wheel Ball Joint Torque
Size Inspection (ft. Ibs.)
6.5x 17
7.0x18
6.5x16
6.5x 17
6.5x17
6.5x17
7.0x 18
6.5x 16
6.5x17
6.5x 17
6.5x 17
7.Ox 18
6.5x 16
6.5x 17
6.5x 17
©
©
©
©
©
®
©
©
©
©
©
©
100
100
100
100
100
100
100
100
100
100
100
100
OEM: Original Equipment Manufacturer
PSI: Pounds Per Square Inch
NA: Not Applicable
® See the tire placard on the vehicle
© If the travel end play exceeds 0.031 inch (0.8mm), replace the ball joint.
9-10 JEEP
COMPASS • PATRIOT
BRAKE SPECIFICATIONS
All measurements in inches unless noted
Brake Drum Diameter Brake Caliper
Brake Disc
Original Minimum Maxir
Year Model Thickness Thickness Rum
2007
2008
2009
Compass
Patriot
Compass
Patriot
Compass
Patriot
F
R
F
R
F
R
F
R
F
R
F
R
1.020-1.028
0.386-0.402
1.020-1.028
0.386-0.402
1.020-1.028
0.386-0.402
1.020-1.028
0.386-0.402
1.020-1.028
0.386-0.402
1.020-1.028
0.386-0.402
0.961
0.331
0.961
0.331
0.961
0.331
0.961
0.331
0.961
0.331
0.961
0.331
0.00
0.00
O.Ofj
O.OC
6~bl
O.OC
0.0
O.OC
o.o{
O.OC
mm
Original Max. Maximum Minimum Bracket Guide Pin
Inside Wear Machine Lining Bolts Bolts
>ut Diameter Limit Diameter Thickness (ft. Ibs.) (ft. Ibs.)
20
24
20
24
20
24
20
24
20
24
0.00)20
0.0§24
NA
NS
NA
NS
NA
NS
NA
NS
NA
NS
NA
NS
NA
9.079
NA
9.079
NA
9.079
NA
9.079
NA
9.079
NA
9.079
NA
©
NA
©
NA
©
NA
©
NA
©
NA
©
0.040
0.040
0.040
0.040
0.040
0.040
0.040
0.040
0.040
0.040
0.040
0.040
80
52
80
52
80
52
80
52
80
52
80
52
32
32
32
32
32
32
32
32
32
32
32
32
F: Front
R: Rear
NA: Not Applicable
NS: Not Specified
© All brake drums are marked on the inside with the maximum allowable brake drum diameter.
© Rear drum brake shoe lining thickness is not specified; rear disc brake pad minimum thickness is 0.040 inch (1 mm).
SCHEDULED MAINTENANCE INTERVALS
JEEP—COMPASS & PATRIOT
TO BE SERVICED
Accessory drive belts
Air cleaner element (engine) ©
Air conditioner system
Automatic transaxle fluid
Automatic transaxle fluid and filter
Battery (clean/tighten terminals)
Brake fluid level
Brake hoses/lines (incl. ABS)
Cabin air filter
CV joints
Engine coolant
Engine oil and filter®
Engine oil and coolant levels
Exhaust system
Front and rear brake linings
Lights
Manual transaxle fluid
Parking brake adjust (4-wheel disc)
PCV valve
Power steering fluid level
Power Transfer Unit (PTU) fluid
Rear Drive Assembly (RDA) fluid
Rotate and inspect tires
Spark plugs (except 2.4L PZEV)
Spark plugs (2.4L PZEV)
Suspension components
Tire inflation and condition
Windshield washer solvent level
TYPE OF
SERVIC
R
R
S/l
S/l
R
S/l
S/l
S/l
R
S/l
R
R
1
S/l
S/l
S/l
S/l
S/l
S/l
S/l
R
R
S/l
R
S/l
S/l
1
VEHICLE MILEAGE INTERVAL
6 12 18 24 30
/
36 42 48 54 60
^
66 72
xlOOO)
78 84 90
/
96 102 108 114 120
/
/
126 132 138 144 150
^
Inspect system operation annually
Once a month
/
Once a month
Once a month
^
/
/
/
^
/
/
/
/ /
/
/ /
^
^
/
^
/
/
^
^
/
/
^
^
/
^
/
/
/
^
^
^
/
^
/
/ /
^
^
/
/
^
^
60 months or 102,000 miles
/
^
/ / / / /
^
/ / /
^
/ /
^
/ / / / / /
^
/ / /
Inspect at each fuel stop
/
^
/
/ /
/
^
/
/
/
^
</
S /
/
/ /
/
^
Once a month
/ /
^
/ /
^
/ / /
^ ^
/
^
/ /
^
/
^
^
S
^
/ / /
/
/
^
/ /
^
^
Once a month
^
/ /
^
^
/
^
/ / /
^
/
/
/
/
^
/
^
^
/ / /
/
S
S
/
^
^ ^
^
/
/
/
^
/ /
^
/
^
/
^
Once a month
Inspect at each fuel stop
o
o
00
GO
2m
O Tl
-I'DR: Replace S/l: Service or Inspect
36543_COMP_C0014
SCHEDULED MAINTENANCE INTERVALS
JEEP—COMPASS & PATRIOT
FREQUENT OPERATION MAINTENANCE (SEVERE SERVICE)
If a vehicle is operated under any of the followingconditions it is consideredsevereservice:
- Extremely dustyareas.
- 50% or more of the vehicle operationis in 90°F (32°C) or higher temperatures, or constantoperationin temperatures below 32°F (0°C).
- Prolongedidling (vehicle operation in stop and go traffic).
- Frequent short running periods (enginedoes not warmto normal operatingtemperatures).
- Police, taxi, delivery usage, or trailer towing usage.
Air cleaner element (engine) replace every 12,000 miles, ifnecessary
Automatic transmission fluid replace every 60,000miles
Manual transmission replace every 48,000 miles
© Inspect every 12,000 miles
© ENGINE OIL CHANGE RESET PROCEDURE
The vehicle is equipped with an engine oil change indicator system. The "Oil Change Required" message flashes in the Electronic Vehicle Information Center (EVIC) display for
approximately 10 seconds after a single chime has sounded to indicate the next scheduled oil change interval. The engine oil change indicator sytem is duty cycle based,
which means the engine oil change interval may fluctuate depending upon driving habits. Have the vehicle serviced as soon as possible within the next 500 miles (805 km)
Unless reset, this message continues to display each time the ignition switch is turned to the ON/RUN position. To turn off the message temporarily, press,and release the
set ttre oH ctiange indicator system (after performing the scheduled maintenance), perform the following procedure:
1. Turn the ignition switch to the "ON" position. Do not start the engine.
2. Fully press the accelerator pedal slowly 3 times within 10 seconds.
3. Turn the ignition switch to the "LOCK" position.
NOTE: If the indicator message illuminates when starting the vehicle, the oil change indicator system did not reset. If necessary, repeat the above procedure.
ro
om
oo
oo
•
§3J
O
36543_COMP_C0015
JEEP
COMPASS • PATRIOT 9-13
PRECAUTIONS
Before servicing any vehicle, please be
sure to read all ot the following precautions,
which deal with personal safety,prevention
of component damage, and important points
to take into consideration when servicing a
motor vehicle:
• Never open, service or drain the radia-
tor or cooling system when the engine is
hot; serious burns can occur from the steam
and hot coolant.
• Observe all applicable safety precau-
tions when working around fuel. Whenever
servicing the fuel system, always work in a
well-ventilated area. Do not allow fuel spray
or vapors to come in contact with a spark,
open flame, or excessive heat (a hot drop
light, for example). Keep a dry chemical fire
extinguisher near the work area. Always
keep fuel in a container specifically
designed for fuel storage; also, always
properly seal fuel containers to avoid the
possibility of fire or explosion. Refer to the
additional fuel system precautions later in
this section.
• Fuel injection systems often remain
pressurized, even after the engine has been
turned OFF. The fuel system pressure must
be relieved before disconnecting any fuel
lines. Failure to do so may result in fire
and/or personal injury.
• Brake fluid often contains polyglycol
ethers and polyglycols. Avoid contact with
the eyes and wash your hands thoroughly
after handling brake fluid. If you do get
brake fluid in your eyes, flush your eyes
with clean, running water for 15 minutes. If
eye irritation persists, or if you have taken
brake fluid internally, IMMEDIATELY seek
medical assistance.
• The EPA warns that prolonged contact
with used engine oil may cause a number of
skin disorders, including cancer. You
should make every effort to minimize your
exposure to used engine oil. Protective
gloves should be worn when changingoil.
Wash your hands and any other exposed
skin areas as soon as possible after expo-
sure to used engine oil.Soap and water, or
waterless hand cleaner should be used.
• All newvehicles are now equipped
with an air bag system, often referred to as a
Supplemental Restraint System (SRS) or
Supplemental Inflatable Restraint (SIR) sys-
tem. The system must be disabled before
performing service on or around system
components, steering column, instrument
panel components, wiring and sensors.
Failure to follow safety and disabling proce-
dures could result in accidental air bag
deployment, possible personal injury and
unnecessary system repairs.
• Always wear safety goggles when
working with, or around, the air bag system.
When carrying a non-deployed air bag, be
sure the bag and trim cover are pointed
away from your body. When placing a non-
deployed air bag on a work surface, always
face the bag and trim cover upward, away
from the surface. This will reduce the
motion of the module if it is accidentally
deployed. Refer to the additional air bag
system precautions later in this section.
• Clean, high quality brake fluid from a
sealed container is essential to the safe and
proper operation of the brake system. You
should always buy the correct type of brake
fluid for your vehicle. If the brake fluid
becomes contaminated, completely flush the
system with new fluid. Never reuse any
brake fluid. Any brake fluid that is removed
from the system should be discarded. Also,
do not allow any brake fluid to come in con-
tact with a painted surface; it will damage
the paint.
• Never operate the engine without the
proper amount and type of engine oil;doing
so WILL result in severe engine damage.
• Timing belt maintenance is extremely
important. Many models utilize an interfer-
ence-type, non-freewheeling engine. If the
timing belt breaks, the valves in the cylinder
head may strike the pistons, causing poten-
tially serious (also time-consuming and
expensive) engine damage. Refer to the
maintenance interval charts for the recom-
mended replacement interval for the timing
belt, and to the timing belt section for belt
replacement and inspection.
• Disconnecting the negative battery
cable on some vehicles may interfere with
the functions of the on-board computer sys-
tem^) and may require the computer to
undergo a relearning process once the neg-
ative battery cable is reconnected.
• When servicing drum brakes, only dis-
assemble and assemble one side at a time,
leaving the remaining side intact for refer-
ence.
• Only an MVAC-trained, EPA-certified
automotive technician should service the air
conditioning system or its components.
BRAKES
GENERAL INFORMATION
PRECAUTIONS
• Certain components within the ABS
system are not intended to be serviced or
repaired individually.
• Do not use rubber hoses or other parts
not specifically specified for and ABS sys-
tem. When using repair kits, replace all
parts included in the kit. Partial or incorrect
repair may lead to functional problems and
require the replacement of components.
• Lubricate rubber parts with clean,
fresh brake fluid to ease assembly. Do not
use shop air to clean parts; damagetorub-
ber components may result.
• Use only DOT3 brake fluid from an
unopened container.
ANTI-LOCK BRAKE SYSTEM (ABS)
• If any hydraulic component or line is
removed or replaced, it may be necessary to
bleed the entire system.
• A clean repair area is essential. Always
clean the reservoir and cap thoroughly
before removing the cap. The slightest
amount of dirt in the fluid may plug an ori-
fice and impair the system function. Perform
repairs after components have been thor-
oughly cleaned; use only denatured alcohol
to clean components. Do not allow ABS
components to come into contact with any
substance containing mineral oil; this
includes used shop rags.
• TheAnti-Lock control unit is a micro-
processor similar to other computer units in
the vehicle. Ensure that the ignition switch
is OFF before removing or installing con-
troller harnesses. Avoid static electricity dis-
charge at or near the controller.
• If any arc welding is to be done on the
vehicle, the control unit should be
unplugged before welding operations begin.
WHEEL SPEED SENSORS
REMOVAL & INSTALLATION
Front
See Figures 2 and 3.
1. Before servicing the vehicle, refer to
the Precautions Section.
2. Disconnect the wheel speed sensor
cable connector (2) from the wiving harness
connector (3),located on top of the frame
rail (1) just inside the strut tower.
9-14 JEEP
COMPASS • PATRIOT
1. Frame rail
2. Cable connector
3. Harnessconnector
Fig. 2 Disconnect the speed sensor
connector from the wiring harness on top of
the frame rail—Front wheel speed sensor
3. Raise and safely support the vehicle.
4. Remove the grommet from the hole
in the body and pull the wheel speed sensor
cable out of the hole.
5. Removethe speed sensor cable rout-
ing clip from the outside frame rail.
6. Remove the screw fastening the cable
routing clamp to the outside frame rail.
7. Remove the screw securing the
wheel speed sensor routing bracket to the
brake flex hose bracket.
8. Remove the mounting screw holding
the speed sensor head to the steering
knuckle.
9. Removethe routing clip and remove
the speed sensor.
To install:
10. Install the wheel speed sensor head
into the knuckle. Install the routing clip and
1. Routing clip
2. Mounting screw
3. Speed sensor
4. Steering knuckle
Fig. 3 Remove the screw and routing clip
holding the speed sensor to the steering
knuckle—Front wheel speed sensor
mounting sc
Ibs. (12 Nm)
11. Posit
routing brad
bracket and
13ft. Ibs. (1
12. Posit
cable routine
rail and tight
Ibs. (18 Nm)
13. Instal
ing clip on t
14. Inser
through the
grommet in
15. Lowe
16. Conn
cable connec
nector on tof
17. Usinc
any faults
Rear
iw and tighten it to 106 inch
)n the wheel speed sensor
on the brake flex hose
ghten the mounting screw to
Nm).
)n the wheel speed sensor
clamp on the outside frame
n the mounting screw to 13 ft.
the speed sensor cable rout-
3 outside frame rail.
the wheel speed sensor cable
ole in the body and install the
le hole.
the vehicle.
ct the wheel speed sensor
or to the wiring harness con-
of the frame rail.
a Diagnostic Scan Tool, clear
AWD Models
See Figures 4 and 5.
1. Befori servicing the vehicle, refer to
the Precaution Section.
2. Remote the cargo floor cover.
3. Remo /e the rear floor pan silencer.
4. If equ pped, remove the nuts mount-
ing the satellite receiver or amplifier to the
rear floor par. Move the component aside to
allow access to the wheel speed sensor
wiring conne ;tor through the opening in
bottom of thf quarter trim panel.
5. Throulgh the opening in the bottom
of the quarte trim panel, disconnect the
wheel speed! sensor cable connector at the
body wiring arness connector.
1. Fjlear wheel speed sensor
2. jeed sensor connector
3. Ejjody wiring harness
36543_COMP_G0003
Fig. 4 Disc mnect the speed sensor con-
nector from the body wiring harness—
Rear wheel speed sensor
6. Raise and safely support the
vehicle.
7. Remove the rear wheel.
8. Remove the grommet from the hole
in the body and pull the wheel speed sensor
cable out through the hole.
9. Remove the speed sensor cable foul-
ing clip from the outside frame rail.
10. Remove the screw fastening the
cable routing clamp to the rear suspension
crossmember.
11. Remove the speed sensor cable rout-
ing clip from the trailing link.
12. Remove the screw fastening the
cable routing clamp to the trailing link.
13. Unclip the wheel speed sensor head
(1) from the spring-loaded retainer on the
rear of the hub and bearing (2). Remove the
sensor from the vehicle.
To install:
-•":' WARNING
Be sure that cables are installed,
routed, and clipped properly. Failure
to install speed sensor cables prop-
erly may result in contact with mov-
ing parts or an over extension of
cables causing an open circuit.
-••When installing the sensor head to
the spring-loaded retainer on the hub
and bearing, make sure the head is
held snug in the retainer. If there is any
play, the clip is deformed and the hub
and bearing must be replaced. The
retainer is not serviced separately.
14. Clip the wheel speed sensor head
(flat side to bearing rear face) into the
spring-loaded retainer on the rear of the hub
and bearing.
36543_COMP G0004
Fig. 5 Unclip the wheel speed sensor
head from the rear of the hub and bearing
and remove the sensor—Rear wheel
speed sensor (AWD)
JEEP
COMPASS • PATRIOT 9-15
15. Position the wheel speed sensor on
the trailing link and install the screw secur-
ing it in place. Tighten the mounting screw
to 13 ft. Ibs. (18 Nm).
16. Position the wheel speed sensor and
install the routing clip fastening the sensor
to the trailing link.
17. Position the wheel speed sensor
cable routing clamp on the rear suspension
crossmember and install the mounting
screw. Tighten the mounting screw to 13 ft.
Ibs. (18 Nm).
18. Install the speed sensor cable rout-
ing clip on the outside frame rail.
—When inserting the wheel speed sen-
sor cable through the hole in the body,
route the cable toward the shock tower
to make it easier to grasp the cable to
connect it to the body wiring harness
connector in a later step.
19. Insert the wheel speed sensor cable
through the hole in the body and install the
grommet in the hole.
20. Install the rear wheel.
21. Lower the vehicle.
22. Through the opening in the bottom
of the quarter trim panel, connect the wheel
speed sensor cable connector to the body
wiring harness connector.
23. If equipped, install the satellite
receiver or amplifier to rear floor pan.
24. Install the rear floor pan silencer.
25. Install the cargo floor cover.
FWD Models
See Figures 4 and 6.
1. Before servicing the vehicle, refer to
the Precautions Section.
2. Raise the cargo floor cover.
3. Through the opening in the bottom
of the quarter trim panel, disconnect the
wheel speed sensor cable connector (2) at
the body wiring harness connector (3).
4. Raise and safely support the vehicle.
5. Remove the rear wheel and tire
assembly.
6. Remove the grommet from the hole
in the body and pull the wheel speed sensor
cable out through the hole.
1. Mounting screw
2. Hub and bearing
3. Rear wheel speed sensor head
Fig. 7 Remove the screw fastening the wheel speed sensor head in the rear of the hub and
bearing—Rear wheel speed sensor (FWD)
7. Remove the speed sensor cable rout-
ing clip from the outside frame rail.
8. Remove the screw fastening the
cable routing clamp to the rear suspension
crossmember.
9. Remove the speed sensor cable rout-
ing clip from the trailing link.
10. Remove the screw fastening the
cable routing clamp to the trailing link.
11. Remove the screw (1) fastening the
wheel speed sensor head (3) in the rear of
the hub and bearing (2).
12. Remove the wheel speed sensor
from the vehicle.
To install:
13. Install the wheel speed sensor
head (3) into the rear of the hub and
bearing (2).
14. Install the wheel speed sensor head
mounting screw (1). Tighten the screw to 89
inch Ibs. (10 Nm).
15. Position the wheel speed sensor on
the trailing link and install the screw secur-
ing it in place. Tighten the mounting screw
to 13 ft. Ibs. (18 Nm).
16. Position the wheel speed sensor and
install the routing clip fastening the sensor
to the trailing link.
17. Position the wheel speed sensor
cable routing clamp on the rear suspension
crossmember and install the mounting
screw. Tighten the mounting screw to 13 ft.
Ibs. (18 Nm).
18. Install the speed sensor cable rout-
ing clip on the outside frame rail.
—When inserting the wheel speed sen-
sor cable through the hole in the body,
route the cable toward the shock tower
to make it easier to grasp the cable to
connect it to the body wiring harness
connector in a later step.
19. Insert the wheel speed sensor cable
through the hole in the body and install the
grommet in the hole.
20. Install the tire and wheel assembly.
Tighten the wheel mounting nuts to 100 ft.
Ibs. (135 Nm).
21. Lower the vehicle.
22. Through the opening in the bottom
of the quarter trim panel, connect the wheel
speed sensor cable connector at the body
wiring harness connector.
23. Install the cargo floor cover.
24. Perform the Diagnostic Verification
Test, clear any faults.
9-16 JEEP
COMPASS • PATRIOT
BRAKES
BLEEDING PROCEDURE
BLEEDING THE BRAKE SYSTEM
~-Add only fresh, clean brake fluid
from a sealed container when bleeding
the brakes. If pressure bleeding equip-
ment is used, the front brake metering
valve will have to be held open to
bleed the front brakes. The valve stem
is located in the forward end or top of
the combination valve. The stem must
either be pressed inward or held out-
ward slightly. Follow equipment manu-
facturer's instructions carefully when
using pressure equipment. Do not
exceed the maker's pressure recom-
mendations. Generally, a tank pressure
of 15—20 psi is sufficient. Do not pres-
sure bleed without the proper master
cylinder adapter.
When any part of the hydraulic system has
been disconnected for repair or replacement,
air may get into the lines and cause spongy
pedal action (because air can be compressed
and brake fluid cannot). To correct thiscon-
dition, it is necessaryto bleed the hydraulic
system so to be sure all air is purged.
Bleeding must start where the lines were
disconnected. If lines were disconnected at
the master cylinder, for example, bleeding
must be done at that point before proceed-
ing downstream.
When bleeding the brake system, bleed
one brake bleeder point at a time. Failure to
do so may result in more air being drawn
into the lines.
If the existing system fluid seems dirty or
if the vehicle has covered considerable
mileage, it is recommended that the system
be completely purged and refilledwith fresh,
clean fluid. The best way to start is to siphon
the old fluid out of the master cylinder reser-
voir and fill it completely with fresh fluid.
Brake fluid tends to darken over time. This
does not necessarily indicate contamination.
Examine fluid closely for foreign matter.
The primary and secondary hydraulic
brake systems are separate and are bled
independently. During the bleeding opera-
tion, do not allow the reservoir to run dry.
Keep the master cylinder reservoir filled
with brake fluid. Never use brake fluid that
has been drained from the hydraulic system,
no matter how clean it seems.
1. Before servicing the vehicle, refer to
the Precautions Section.
2. Clean all dirt from around the master
cylinder fill cap, remove the cap, and fill the
master cylinder with brake fluid until the
level is within 1/4 inch (6mm) of the top
edge ot the reservoir.
3. Clejp the bleeder screws at all 4
wheels. T
the back (
4. Ble
with rubb
orifice ma
road dirt.
loosened,
market ca
Manual
See Figut
Manua
a degree i
Bleeding
• Left
• Rig^
• Righ
• Left
1. Fo
2. Att
the bleedi
the hose
fluid.
3. Ha
the brake
screw 1/2-
4. Th
5. Cl'
before the
assistant •
slowly.
6. Re
from the <
7. Wl
end of the
screw and
pedal is fj
was when
procedure
8. Ch
and add f
e bleeder screws are located on
f the brake calipers.
der screws should be protected
reaps. If they are missing, the
v easily become clogged with
f the screw refuses to bleed when
remove it and blow it clear. After-
jsare readilyavailable.
deeding
?7.
bleeding requires two people and
' patience and cooperation.
hould be performed in this order:
ear wheel
front wheel
rear wheel
rant wheel
low the preparatory steps, above.
ich a length of rubber hose over
r screw and place the other end of
i a glass jar, submerged in brake
/e your assistant press down on
)edal, then open the bleeder
3/4turn.
i brake pedal will go to the floor.
se the bleeder screw—preferably
pedal reaches the floor. Tell your
D allow the brake pedal to return
beat these steps to purge all air
/stem.
en bubbles cease to appear at the
bleeder hose, close the bleeder
remove the hose. Check that the
m or at least more firm than it
you started. If not, continue the
jckthe master cylinder fluid level
jid accordingly. Do this after
bleeding
9. Re
remaining
closet to ti
10. Fil
the propei
^Ifthe
tem, it is
brake pe
purge thi
sure biet
be a bett
Vacuum
Vacuu
one pers
ach wheel.
eat the bleeding operation at the
3 wheels, ending with the one
e master cylinder.
the master cylinder reservoir to
level.
is excessive air in thesys-
possible that the stroke of the
al will be insufficient to
lines. In this case, a pres-
tier or vacuum bleeder would
r solution.
Needing
bleeding can be carried out by
. Since a good vacuum bleeder
FLUID
CONTAINER
PARTIALLY
FILLED WITH
FLUID
Fig. 1 Proper setup for manual bleeding
procedure
will normally move more fluid than a brake
pedal stroke, this procedure is preferred.
These tools are inexpensive and readily
available at auto parts outlets. Bleeding
should be performed in this order:
• Left rear wheel
• Right front wheel
• Right rear wheel
• Left front wheel
1. Follow the preparatory steps, above.
2. Attach the vacuum bleeder according
to the manufacturer's recommendations.
3. Pump up the unit until maximumvac-
uum is reached. Loosen the bleederscrew
slightly until bubbles and fluid issue forth.
Close the screw before the vacuum is
equalized.
4. Repeat the procedure until fluid
without bubbles issues from the bleeder
screw.
5. Keep a close check on master cylin-
der fluid level during this procedure as vac-
uum bleeders move considerable amounts
of fluid.
Master Cylinder Bleeding
1. Clamp the master cylinder in a vise
with soft-jaw caps.
2. Attach the special tools for bleeding
the master cylinder in the following
fashion:
a. Thread Special Tool 8822-2
Bleeder Tube Adapters into the primary
and secondary outlet ports of the master
cylinder. Tighten the Adapters to 150
inchlbs. (17 Nm).
b. Thread Special Tool 8358-1
Bleeder Tube into each Adapter. Tighten
tube nuts to 150 inch Ibs. (17 Nm).
JEEP
COMPASS • PATRIOT 9-17
c. Flex each Bleeder Tube and place
the open ends into the neck of the mas-
ter cylinder reservoir. Position the open
ends of the tubes into the reservoir so
their outlets are below the surface of
the brake fluid in the reservoir when
filled.
—•Make sure the ends of the Bleeder
Tubes stay below the surface of the
brake fluid in the reservoir at all times
during the bleeding procedure.
3. Fill the brake fluid reservoir with fresh
MOPAFf Brake Fluid DOT 3 Motor Vehicle,
or equivalent.
4. Using an appropriately sized
wooden dowel as a pushrod, slowly press
the pistons inward discharging brake fluid
through the Bleeder Tubes, then release
the pressure, allowing the pistons to
return to the released position. Repeat this
several times until alt air bubbles are
expelled from the master cylinder bore
and Bleeder Tubes.
5. Remove the Bleeder Tubes and
Adapters from the master cylinder and plug
the master cylinder outlet ports.
6. Install the fill cap on the reservoir.
7. Remove the master cylinder from the
vise.
8. Install the master cylinder on the
vehicle.
BLEEDING THE ABS SYSTEM
The base brake hydraulic system must be
bled anytime air enters the hydraulic sys-
tem; follow the conventional bleeding pro-
cedure. The ABS system should only need
to be bled when the Hydraulic Control Unit
(HCU) is replaced or removed from the
vehicle. The ABS must always be bled any-
time it is suspected that the HCU has
ingested air. Under most circumstances that
require the bleeding of the brake hydraulic
system, only the base brake hydraulic sys-
tem needs to be bled.
When bleeding the ABS system, the fol-
lowing bleeding sequence must be followed
to insure complete and adequate bleeding:
• Make sure all hydraulic fluid lines are
installed and properly torqued
• Connect the scan tool to the Data Link
Connector (DLC). The connector is located
under the lower steering column cover to
the left of the steering column.
• Using a scan tool, check to make sure
the control unit does not have any fault
codes stored. If it does, clear them using
the scan tool.
** CAUTION
When bleeding the brake system,
wear safety glasses. A clear bleed
tube must be attached to the bleeder
screws and submerged in a clear
container filled part way with clean
brake fluid. Direct the flow of brake
fluid away from yourself and the
painted surfaces of the vehicle.
Brake fluid at high pressure may
come out of the bleeder screws when
opened.
1. Perform base brake bleeding proce-
dure. Refer to Bleeding The Brake
System.
2. Using the scan tool, select
ANTILOCK BRAKES,followed by MISCEL-
LANEOUS, then BLEED BRAKES. Follow the
instructions displayed.
3. When the scan tool displays TEST
COMPLETE, disconnect the scan tool and
proceed.
4. Perform a base brake bleeding a sec-
ond time.
5. Top off the master cylinder fluid level
and verify proper brake operation before
moving the vehicle.
•—Check the brake fluid level in the
reservoir periodically to prevent empty-
ing, causing air to enter the hydraulic
system.
6. Test drive the vehicle to be sure the
brakes are operating correctly and that the
brake pedal does not feel spongy.
BRAKES
** CAUTION
Dust and dirt accumulating on brake
parts during normal use may contain
asbestos fibers from production or
aftermarket brake linings. Breathing
excessive concentrations of asbestos
fibers can cause serious bodily harm.
Exercise care when servicing brake
parts. Do not sand or grind brake lin-
ing unless equipment used is
designed to contain the dust residue.
Do not clean brake parts with com-
pressed air or by dry brushing.
Cleaning should be done by dampen-
ing the brake components with a fine
mist of water, then wiping the brake
components clean with a dampened
cloth. Dispose of cloth and all
residue containing asbestos fibers in
an impermeable container with the
appropriate label. Follow practices
prescribed by the Occupational
Safety and Health Administration
(OSHA) and the Environmental Pro-
tection Agency (EPA) for the han-
dling, processing, and disposing of
dust or debris that may contain
asbestos fibers.
BRAKE CALIPER
REMOVAL & INSTALLATION
See Figures 8 and 9.
Fig. 8 Use a brake pedal holding tool
to depress the brake pedal when
disconnecting brake hoses
FRONT DISC BRAKES
1. Before servicing the vehicle, refer to
the Precautions Section.
2. Using a brake pedal holding tool, as
shown, depress the brake pedal past its first
1 inch (25mm) of travel and hold it in this
position. This will isolate the master cylin-
der from the brake hydraulic system and
will not allow the brake fluid to drain out of
the master cylinder reservoir when the lines
are opened.
3. Raise and safely support the
vehicle.
4. Remove the front wheel.
5. Remove the banjo bolt holding the
brake hose to the brake caliper.
—•There are two washers that will
come off with the banjo bolt. Discard
the washers.
6. Remove the caliper guide pin bolts.
7. Slide the caliper assembly from the
adapter bracket and brake pads to remove.
To install:
8. Using a C-clamp, completely retract
the caliper piston back into the bore of the
caliper.
9-18 JEEPCOMPASS • PATRIOT
1. Adapter bracket
2. Guide pin
3. Guide pin
4. Caliper
Fig. 9 Remove the guide pins to remove
the caliper from the adapter bracket—
Front caliper assembly
## WARNING
Place a block of wood over the piston
before using the C-clamp to prevent
damage to the piston.
i*»When installing the caliper guide pin
bolts, ensure the one with the special
sleeve on the end is installed in the
upper mounting hole.
9. Install the caliper assembly over
the brake pads on the caliper adapter
bracket.
10. Align the guide pin bolt hose
with the adapter bracket. Install the guide
pin bolts and tighten to 32 ft. Ibs.
(43 Nm).
11. Reconnectthe brake hose using the
banjo bolt and 2 new washers. Tighten the
banjo bolt to 18 ft. Ibs. (24Nm).
12. Install the tire and wheel assembly.
Tighten the wheel mounting nuts to 100 ft.
Ibs. (135 Nm).
13. Lower the vehicle.
14. Removethe brake pedal holding
tool.
15. Bleed the brake system, as neces-
sary.
16. Pump the brake pedal several times
to insure that the brake pedal is firm. Road
test the vehicle.
DISC BRAKE PADS
REMOVAL & INSTALLATION
See Figures 9 and 10.
1. Brake rotor
2. Adapter bracket
3. Brake shims
4. Inner brake pad
5. Outer brake pad
36543_COMP_G0008
Fig. 10 I
indicator
tall the brake pads into the brake shims in the adapter bracket. Place the wear
ad on the inboard side—Front brake assembly
1. Bef
the Precau
2. Rai
3. Ren
4. Ren
bolts.
bolts (2,
special si
that this b
mounting
installed.
5. Ren
adapter
wire or equ
e servicing the vehicle, refer to
)ns Section.
and safely support the vehicle.
ve the front tire.
vethe2 brake caliper guide pin
noving the caliper guide pin
note that one (upper) has a
;ve on the end.It important
It be installed in the upper
ole when the caliper is
vethe brake caliper from the
3 and secure with mechanics
'alent.
*X WARNING
Do not let
brake hose
6. Remc
caliper bracd
To insta
1. Insta
shims clippfl
bracket. Plac
tor on the in
he caliper hang by the
/e the brake pads from the
3t.
the brake pads in the brake
into the caliperadapter
3 the pad with the wear indica-
oard side.
8. Using a C-clamp, completelyretract
the caliper piston back into the bore of the
caliper.
## WARNING
Place a block of wood over the piston
before using the C-clamp to prevent
damage to the piston.
9. Install the caliper over the brake
pads on the caliper adapter bracket.
— When installing the caliper guide pin
bolts, ensure the one with the special
sleeve on the end is installed in the
upper mounting hole.
10. Align the guide pin bolt hose with
the adapter bracket. Install the guide pin
bolts and tighten to 32 ft. Ibs. (43Nm).
11. Install the tire and wheel assembly.
Tighten the wheel mounting nuts to 100 ft.
Ibs. (135 Nm).
12. Lower the vehicle.
13. Pump the pedal several times to set
the pads to the brake rotor.
14. Pump the brake pedal several times
to insure that the brake pedal is firm. Road
test the vehicle.
JEEP
COMPASS • PATRIOT 9-19
BRAKES
** CAUTION
Dust and dirt accumulating on brake
parts during normal use may contain
asbestos fibers from productionor
aftermarket brake linings. Breathing
excessive concentrations ofasbestos
fibers can cause serious bodily harm.
Exercise care when servicing brake
parts. Do not sand or grind brake lin-
ing unless equipment used is
designed to contain the dust residue.
Do not clean brake parts with com-
pressed air or by dry brushing. Clean-
ing should be done by dampening the
brake components with a fine mist of
water, then wiping the brakecompo-
nents clean with a dampened cloth.
Dispose of cloth and all residue con-
taining asbestos fibers in an imper-
meable container with the appropriate
label. Follow practices prescribedby
the Occupational Safety and Health
Administration (OSHA) and the Envi-
ronmental Protection Agency(EPA)
for the handling, processing, and dis-
posing of dust or debris that may con-
tain asbestos fibers.
BRAKE CALIPER
REMOVAL & INSTALLATION
See Figures 11 through 13.
1. Before servicing the vehicle, refer to
the Precautions Section.
2. Using a brake pedal holding tool as
shown, depress the brake pedal past its first
Fig. 11 Use a brake pedal holding tool
to depress the brake pedal when
disconnecting brake hoses.
1 inch (25mm) of travel and hold it in this
position. This will isolate the master cylin-
der from the brake hydraulic system and
will not allow the brake fluid to drain out of
the master cylinder reservoir when the lines
are opened.
3. Raise and safely support the
vehicle.
4. Remove the rear tire and wheel
assembly.
5. Loosen the brake tube nut at the rear
brake hose.
6. Remove the clip holding the rear
brake hose to the trailing link bracket, and
remove the brake hose from the bracket.
7. Loosen and remove the brake hose
from the brake caliper.
—•When removing the caliper guide pin
bolts, note the location of the bolt with
the special sleeve on the tip. Depend-
ing on the build date, this special
sleeve bolt can be located in either the
top or bottom location. It must be rein-
stalled in its original position.
8. Remove the caliper guide pin
bolts.
9. Slide and remove the caliper
assembly with the outboard brake pad
attached.
10. Remove the outboard brake pad from
the caliper by prying the pad retaining clip
over the raised area on the caliper
To install:
11. Using a C-clamp, completely retract
the caliper piston back into the bore of the
caliper.
1. Caliper
2. Brake tube nut
3. Clip
4. Brake hose connection
36543_COMP_G0010
Fig. 12 Loosen the brake tube nut,
remove the clip, and loosen the brake
hose connection to disconnect it from the
caliper—Rear brake caliper
REAR DISC BRAKES
** WARNING
Place a block of wood over the piston
before using the C-clamp to prevent
damage to the piston.
12. Slide the outboard brake pad onto
the caliper. Be sure the retaining clip is
squarely seated in the depressed areas on
the caliper beyond the raised retaining bead.
13. Install the caliper with outboard
brake pad attached over the inboard brake
pad and rotor, onto the brake caliper adapter
bracket.
installing the caliper guide
pin bolts, make sure the bolts are put
back in the same locations as when
removed.
14. Align the caliper guide pin bolt holes
with the adapter bracket. Install the caliper
guide pin bolts and tighten to 32 ft. Ibs.
(43 Nm).
15. Inspect the outboard brake pad to
make sure it is correctly positioned. The
retaining clip must be squarely seated in the
depressed areas on the caliper fingers. Also,
the nubs on the pad's steel backing plate
must be fully seated in the depressions
formed into the inside of the caliper fingers.
There should be no gap between the pad
backing plate and the caliper fingers.
16. Thread the brake hose connection
into the brake caliper. Tighten the hose fit-
ting at the caliper to 133 inch Ibs. (15Nm).
17. Route and install the brake hose into
the trailing link mounted bracket and install
the clip to secure it.
1. Brake caliper
2. Guide pin bolt
3. Guide pin bolt
36543_COMP_G0011
Fig. 13 View of rear brake caliper
installation
9-20 JEEP
COMPASS • PATRIOT
18. Thread the brake tube nut into brake
hose and tighten to 150 inch Ibs. (17 Mm).
19. Install the rear tire and wheel assem-
bly. Tighten the mounting nuts to 100 tt.
Ibs. (135 Nm).
20. Lower the vehicle.
21. Remove the brake pedal holding
tool.
22. Bleed the brake system, as necessary.
23. Test drive the vehicle to ensure
nrnnpr hrakp nnpratinn(JIU|JCI Uldr UpClauUII.
I DISC BRAKE PADS ^B
REMOVAL & INSTALLATION
See Figure 14.
1. Before servicing the vehicle, refer to
the Precautions Section.
2. Raise and safely support the vehicle.
Q Romnv/p the roar A/hool
C;
Q~^-Cr
X>w
..frrc:
ofe^Ok
^
;^:O
1
2
2
4
c
Fig. 14 R
adapter b
pad from
Ssi<^ jr}
^^^A/P^^rl J$>
T>) u )i)ju r^
'=^^m^mM
^-t<^p
^^^4^^Wv b p
?f ^ ^
^""""---} ] I-' I Z/
jLs*. 'J /
© i/e* I/
Rear brake caliper
Outboard pad
Adapter bracket
Abutment shims
Inboard pad
36543 COMP GOO]?
move the inboard pad from the
acket and remove the outboard
le caliper—Rear brake assembly
9. Slide the outboard pad onto the
caliper. Ensure the retaining clip is seated
properly in the depressed areas of the
caliper.
10. Place the inboard pad in the brake
shims clipped into the caliper adapter
bracket.
11 . Rotate the caliper assembly down-
ward over the rotor into the caliper adapter
bracket.
^^^^B _ _ _ _ __ _ _ _ _ _ __
B ** WARNING
Use care when installing the caliper
onto the adapter bracket to avoid
damaging the guide pin boot.
12. Install the lower guide pin bolt and
tighten to 32 ft. Ibs. (43 Nm).
13. Inspect the outboard brake pad to
make sure it is correctly positioned. The
4. Remove the brake caliper lower
guide pin bolt.
5. Rotate the caliper upward, using the
top guide bolt as a hinge. Hang the caliper
assembly with mechanics wire or equivalent.
## WARNING
Do not let the caliper hang by the
brake hose.
6. Remove the inboard brake pad from
the caliper adapter bracket.
7. Remove the outboard brake pad from
the caliper by prying the retaining clip over
the raised area on the caliper.
BRAKES
BRAKE DRUM
REMOVAL & INSTALLATION
See Figures 15 dnd 16.
** CAUTION
Dust and dirt accumulating on brake
parts during normal use may contain
asbestos fibers from production or
aftermarket brake linings. Breathing
excessive concentrations of asbestos
fibers can cause serious bodily harm.
Exercise care when servicing brake
parts. Do not sand or grind brake lin-
ing unless equipment used is
designed to contain the dust residue.
Do not clean brake parts with com-
pressed air or by dry brushing.
Cleaning should be done by dampen-
ing the brake components with a fine
mist of water, then wiping the brake
components clean with a dampened
To inst
8. Usi
the caliper
caliper.
g a C-clamp, completely retract
)iston back into the bore of the
** WARNING
Place a b
before us
damage t
("*-The brake
tor, shouli
side. The
positionec
installed.
ock of wood over the piston
ng the C-clamp to prevent
) the piston.
pad, with the wear indica-
be installed on the inboard
wear indicator should be
at the bottom when
cloth. Dh pose of cloth and all
residue ontaining asbestos fibers in
impermeable container with the
label. Follow practices
by the Occupational
Health Administration
the Environmental Pro-
Ariency (EPA) for the han-
pn cessing, and disposing of
bris that may contain
and
an
appropriate
prescribed
Safety
(OSHA)
tection
dling,
dust or d
aid
asbestos fibers
1. Bef'
the Precau
2. Rai
vehicle.
3. Re
then the til
4. Slii
wheel mounting
ing (5) am
5. IftJ
further bra
re servicing the vehicle, refer to
ions Section.
e and safely support the
ove the wheel mounting nuts,
) and wheel assembly.
3 the brake drum (4) off the
studs of the hub and bear-
remove it from the vehicle.
) drum does not come off,
e clearance can be obtained
retaining clip must be squarely seated in
the depressed areas on the caliper fingers.
Also, the nubs on the pad's steel backing
plate must be fully seated in the depres-
sions formed into the inside of the caliper
fingers. There should be no gap between
the pad backing plate and the caliper
fingers.
14. Install the rear wheel. Tighten the
mounting nuts to 100 ft. Ibs. (135 Nm).
15. Lower the vehicle.
16. Pump the brake pedal several times
to ensure the vehicle has a firm brake pedal
before moving thevehicle.
17. Test drive the vehicle to ensure
proper brake operation.
REAR DRUM BRAKES
by backing off the brake adjuster screw.
To do so, perform the following
procedure:
a. Remove the plug from the rear of
the support plate below the wheel cylinder.
b. Insert a small screwdriver through
the access hole (2) in the support plate,
under the adjuster, against the lever pawl.
The pawl is attached to and pivots from
the rear brake shoe.
c. While pushing on the pawl with
the screwdriver to disengage it from the
adjuster wheel teeth, rotate the wheel
(1) upward to back off the adjustment
using another screwdriver or a brake
adjuster tool.
d. Once the adjuster screw is backed
off a sufficient amount, slide the drum off
the wheel mounting studs.
To install:
•—Before installing the drum, Inspect
the brake shoe linings for wear, align-
JEEP
COMPASS • PATRIOT 9-21
1. Trailing link
2. Support plate
3. Wheel cylinder
4. Brake drum
5. Hub and bearing assembly
6. Brake shoes
7. Gasket
8. Mounting bolts
Fig. 15 Exploded view of rear brake drum and related components
36543_COMP_G0187
Fig. 16 View of rear drum adjuster wheel
(1) through the access hole (2)
ment, and contamination. Repairor
replace, as necessary.
^It rust or any foreign material is
present on (he hub,drum, or wheel
mating surfaces,wet wire brushthese
areas to remove debris prior to the
assembly of the brake parts.
6. Properly removeany buildup formed
along the outer edge of the brakedrum
machined braking surface.
7. Adjust the brake shoes-to-drum
diameter using a brake shoe gauge.
8. Slide the brake drum (4) onto the
wheel mounting studs on the hub and
bearing(5).
9. Install the tire and wheel assembly.
Install and tighten the wheel mounting nuts
to 100 ft. Ibs. (135 Mm).
10. Lowerthe vehicle.
11. Road test the vehicle,stopping in
both forwardand reverse directions. The
automatic-adjuster will continueto adjust
the brakes, as necessary, during the road
test.
BRAKE SHOES
REMOVAL & INSTALLATION
See Figures 15,17 through 21.
** CAUTION
Dust and dirt accumulating on brake
parts during normal use may contain
asbestos fibers from production or
aftermarket brake linings. Breathing
excessive concentrations of asbestos
fibers can cause serious bodily harm.
Exercise care when servicing brake
parts. Do not sand or grind brake lin-
ing unless equipment used is
designed to contain the dust residue.
Do not clean brake parts withcom-
pressed air or by dry brushing.
Cleaning should be done by dampen-
ing the brake components with a fine
mist of water, then wiping the brake
components clean with a dampened
cloth. Dispose of cloth and all
residue containing asbestos fibers in
an impermeable container with the
appropriate label. Follow practices
prescribed by the Occupational
Safety and Health Administration
(OSHA) and the Environmental Pro-
tection Agency (EPA) for the han-
dling, processing, and disposing of
dust or debris that may contain
asbestos fibers.
>*-Make sure the parking brake is in the
released position before raising the
vehicle.
1. Before servicing the vehicle, refer to
the PrecautionsSection.
2. Raise and safely supportthevehicle.
*»lt may be easier to install the new
components on the first side of the
vehicle before disassembling the oppo-
site side so it may be used as a refer-
ence guide for proper installation.
3. Remove the wheel mounting nuts,
then the rear tire and wheelassembly.
4. Remove the brake drum (4).
Refer to Brake Drum, removal &
installation.
5. Removethe lower shoe spring (3).
6. Compressand removethe hold-
down spring (4) retaining the rear shoe to
the support plate.
7. Pull the rear shoe (4) away from the
anchor (3) allowingbetter access to the
parking brakecable (2) connection at the
lever(1).
8. Compressthe cable returnspring,
then remove the parking brake cablefrom
the parking brake lever.
1. Wheel cylinder
2. Hold-down spring
3. Lower shoe spring
4. Hold-down spring
Fig. 17 View of rear drum brake
components
2. Anchor
3. Parking brake cable
4. Lever
36543_COMP_G0189
Fig. 18 Pull the rear shoe away from the
anchor allowing better access to the
parking brake cable connection at the lever
9-22 JEEP
COMPASS • PATRIOT
9. Compress and remove the hold-
down spring (2) retaining the front shoe to
the support plate.
10. Remove both brake shoes from the
wheel cylinder.
11. Remove both shoes and the remaining
parts as an assembly (3) through the opening
between the wheel cylinder (1) and thesup-
port plate (3) and hub and bearing(2).
12. Place the shoe assembly outboard-
side-up on a flat surface.
13. Remove the adjuster spring (2) from
the leading shoe (3) and the lever pawl (1).
14. Removethe lever pawl (1) from the
pivot on the rear shoe(5).
15. Flip the shoe assembly over to show
the inboard side.
Fig. 19 Remove both shoes and the
remaining parts as an assembly (3)
through the opening between the wheel
cylinder (1) and the support plate (3) and
hub and bearing (2)
1. Lever pawl
2. Adjuster spring
3. Leading shoe
4. Adjuster
5. Rear shoe
36543_COMP_G0191
Fig. 20 Place the shoe assembly out-
board-side-up on a flat surface. Remove
the adjuster spring from the leading shoe
and the lever pawl
16. Remove the upper shoe return
spring (1).
17. Remove the adjuster (5) from the
shoes and the parkirjg brake lever (2).
To install:
18. Lubricate th| shoe contact areas on
the support plate aifd the anchor using
MOPAR'"- Brake Lubricant, or equivalent.
19. Lubricate the adjuster screw threads
with MOPAR'K; Brake Lubricant, or equiva-
lent. Turn the adjuster wheel in until it is
completely seated,
20. Place one font shoe (6) and one
rear shoe (3) inboard-side-up on a flatsur-
face. The rear shop has the parking brake
lever attached to
21. Install theljadjuster (5) between the
2 brake shoes, with the adjuster wheel
toward the rear. Wake sure the wide notch
in the rear fork a igns with the parking brake
lever (2).
22. Install th$ upper return spring (1), as
shown.
23. Flip the ,|hoe assembly over to show
the outboard
24. Install tlffe lever pawl (1) onto the
pivot located oil the rear shoe (5).
25. Install trie adjuster spring (2)
between the frfnt shoe (3) and the lever
pawl(1).
26. Install the pre-assembled brake shoe
assembly (3) iprough the opening between
the wheel cylinder (1) and the support plate
hub and bearing.
27. Insert the upper tips of the brake
shoes into thf grooves of the wheel cylinder
(1) pistons.
28. Position the bottom of the front shoe
against the anchor pin(5).
1. Upper shoe returnspring
2. Parking brakelever
3. Rear shoe
4. Lever pawl
5.Adjuster
6. Leading shoe
36543_COMP_G0192
Fig. 211 Flip the shoe assembly over to
show (he inboard side. Remove the upper
shoe return spring and the adjuster from
the shines and the parking brake lever
29. Install a shoe hold-down pin from
the rear through the support plate and the
front shoe.
30. Compress and install the hold-down
spring (2) retaining the front shoe to the
support plate.
31. Compress the parking brake cable
return spring, then carefully install the cable
onto the parking brake lever. Release the
spring guiding it beneath the retaining tab
on the lever.
32. Position the bottom of the rear shoe
against the anchor pin(5).
33. Install a shoe hold-down pin from
the rear through the support plate and the
rear shoe.
34. Compress and install the hold-down
spring (4) retaining the rear shoe to the
support plate.
35. Install the lower shoe spring(3).
36. Adjust the brake shoes to the drum
diameter using a brake shoe gauge.
37. Install the brake drum (4) Refer to
Brake Drum, removal & installation.
38. Install the tire and wheel assembly
and tighten the wheel mounting nuts to 100
ft. Ibs. (135 Nm).
39. Slowly rotate both rear wheels and
verify that the brake drums lightly drag on
the shoes. Further adjustments may be done
using the adjustment procedure, as neces-
sary.
40. Lower the vehicle.
41. Road test the vehicle, stopping in
both forward and reverse directions. The
automatic-adjuster will continue to adjust
brakes during the road test, as necessary.
ADJUSTMENT
See Figures 22 through 25.
1. Before servicing the vehicle, refer to
the Precautions Section.
2. Verify the parking brake lever is in
the fully released position.
3. Raise and safely support the vehicle.
-•Perform the following steps on each
rear drum brake assembly as neces-
sary.
4. Remove the rear tire and wheel
assembly.
5. Remove the brake drum (4).Refer to
Brake Drum, removal & installation.
6. Using a Brake Shoe Gauge C-3919
(1), or equivalent, measure the inside diam-
eter of the brake drum at the center of the
shoe contact area. Tighten the Gauge
setscrew at this measurement.
7. Place the opposite side of the brake
shoe gauge (2) over the brake shoes (1), as
shown.
JEEP
COMPASS • PATRIOT
1. Trailing link
2. Support plate
3. Wheel cylinder
4. Brake drum
5. Hub and bearing assembly
6. Brake shoes
7. Gasket
8. Mounting bolts
Fig. 22 Exploded view of rear brake drum and related components
8. Adjust the shoe diameter to the set-
ting on the gauge. To adjust the shoe diam-
eter, turn the adjuster wheel using a
screwdriver inserted through the adjusting
hole in the rear of the shoe support plate.
Once the tip of the screwdriver contacts the
adjuster wheel teeth, move the handle of
tool upward using the support plate as a
pivot to adjust the shoes outward.
9. If at any time the adjustment needs
to be backed off,perform the following:
a. Remove the plug from the rear of
the support plate below the wheel cylinder.
b. Insert a small screwdriver through
the access hole (2) in the support plate
against the lever pawl. The pawl is
attached to and pivots from the rear
brake shoe.
c. While pushing on the pawl with the
screwdriver to disengage it from the
adjuster wheel teeth, rotate the wheel (1)
upward to back off the adjustment using
another screwdriver or a brake adjuster
tool.
10. Once the shoe diameter is set,
remove the tool and install the brake drum
(4). Refer to Brake Drum, removal &
installation.
Fig. 23 Using a Brake Shoe Gauge C-3919
(1), measure the inside diameter of the
brake drum at the center of the shoe
contact area
11. Turn the brake drum. A slight drag
should be felt while rotating the drum. If
not, repeat the above procedure.
12. Install the tire and wheel assembly
and tighten the wheel mounting nuts to 100
ft. Ibs. (135 Nm).
13. After adjusting both rear drum
brakes, as necessary, lower the
vehicle.
Fig. 24 Place the opposite side of the
brake shoe gauge (2) over the brake shoes
(1), as shown
Fig. 25 View of rear drum adjuster wheel
(1) through the access hole (2)
14. Apply and release the parking brake
lever one time after the adjustment process
is completed checking the parking brake
operation.
15. Road test the vehicle, stopping in
both forward and reverse directions. The
automatic-adjuster will continue to adjust
the brakes during the road test, as
necessary.
9-24 JEEP
COMPASS • PATRIOT
BRAKES
PARKING BRAKE CABLES
ADJUSTMENT
Parking brake cable adjustment is con-
trolled by an automatic tensioner mecha-
nism. The only adjustment possible is to the
parking brake shoes using the star wheel
adjuster. For additional information, reter to
Parking Brake Shoes, removal & installa-
tion.
PARKING BRAKE SHOES
REMOVAL & INSTALLATION
With Rear Brake Drums
The rear drum brake shoes function as
the parking brake shoes. Refer to Rear Drum
Brakes, Brake Shoes, removal & installation.
With Rear Disc Brakes
See Figures 26 through 29.
1. Before servicing the vehicle, refer to
the Precautions Section.
2. Raise and safely support the vehicle.
3. Remove the rear wheel.
4. Remove the caliper assembly. Refer
to Rear Disc Brakes, Brake Caliper, removal
& installation.
5. Remove any clips from the wheel
studs and remove the brake rotor.
2. B
3. L
4. B
5. A
Fig. 27 E
parking b
mirror im
loded view of the LEFT side
ke assembly—right side is a
be
6. Tur
until the a
length.
7. Rerr
from the an
8. Rem
spring (2)
brake shoe
9. Rerr
Fig. 26 Remove the upper return springs (1, 2) from the anch
Parking brake assembly
ake shoe
wer return spring
eking plate
juster
ake shoe
36543_COMP_G0016
the brake shoe adjuster wheel
uster is at the shortest
ve the upper return spring (1)
hor pin (3) and rear brake shoe,
ve the second upper return
om the anchor pin (3) and front
ve the brake shoe hold-down
36543_COMP_G0015
pin (3) and brake shoes—
PARKING BRAKE
®
Fig. 28 Adjust the parking brake shoes (1)
until linings touch the jaws of Brake Shoe
Gauge C-3919(2)
springs and pins. Rotate the pins 90° to
disengage and remove.
10. Remove the parking brake cable from
the lever on the rear parking brake shoe.
11. Remove the brake shoes (2, 6),
adjuster (5),and lower return spring (3) as
an assembly from the support plate.
12. If necessary, remove the strut (1).
13. Remove the lower return spring (3)
and adjuster (5) from the shoes (2, 6).
To install:
14. Install the lower return spring and
adjuster between the parking brake shoes.
The rear shoe will have the lever mounted
on the inside. Make sure the threaded por-
tion of the adjuster is mounted to the left on
both right and left side parking brake
assemblies.
15. If necessary, place the strut above
the hub on the vehicle. The curved end of
the strut is positioned to the rear.
16. Install the assembled brake shoes,
adjuster, and lower return spring over the
hub and onto the support plate and anchor.
Be sure to install the strut between the front
shoe and the lever on the rear shoe.
17. Install the parking brake cable onto
the lever on the parking brake shoe.
18. Install the brake hold-down springs
and pins. Rotate the pins 90° to engage.
19. Install the front upper return spring
holding the front brake shoe and the anchor
pin.
20. Install the front upper return spring
holding the rear brake shoe and the anchor
pin.
21. Using Brake Shoe Gauge C-3919, or
equivalent, measure the inside diameter of
parking brake drum portion of the rotor. Set
the Gauge.
22. Place the Gauge over the parking
brake shoes at the widest point.
JEEP
COMPASS • PATRIOT 9-25
23. Using the adjuster wheel, adjust the
parking brake shoes until the linings on
both parking brake shoes just touch the
jaws on the Gauge.
24. Install the rear brake rotor and install
a couple wheel mounting nuts to hold it in
place while a final adjustment is made.
—•To find the adjuster wheel with the
rotor drum in place, position the site
hole in the tront of the rotor drum to
view the adjuster wheel. For the left
side, position the site hole at 7 o'clock.
For the right side, position the site hole
at 5 o'clock.
•-When adjusting the parking brake
shoes with the drum-in hat rotor
installed, rotating the adjuster wheel
upward will loosen the adjustment.
Rotating the adjuster wheel downward
will tighten the adjustment.
25. Remove the rubber plug from the
hole in the front of the rotor.
26. Utilizing the hole in the front of the
rotor, make a final adjustment of the shoes,
as necessary.
27. Reinstall the rubber plug.
28. Remove the wheel mounting nuts
and finish installing the brake rotor as well
as all other components removed to access
it. Refer to Refer to Rear Disc Brakes,Brake
Caliper, removal & installation.
29. Lower the vehicle.
30. Cycle the parking brake lever once,
verifying proper operation of the parking
brake.
ADJUSTMENT
See Figure 29.
The parking brake shoes used in the
drum-in-hat park brake system do not auto-
matically adjust to compensate for brake
shoe lining wear. Therefore,it is necessary
to manually adjust the parking brake shoes.
1. Before servicing the vehicle, refer to
the Precautions Section.
1. Adjuster site hole
2. Adjuster wheel
Fig. 29 Utilizing the hole in the front of the rotor, make any adjustment of the shoes,
as necessary
2. Verify the parking brake lever is in
the released (down) position.
3. Raise and safely support the vehicle.
4. Remove the rear wheel.
5. Install a couple wheel mounting nuts
to hold the brake rotor in place while
adjustment of the brake shoes is made.
—To find the adjuster wheel with the
rotor drum in place, position the site
hole (1) in the front of the rotor drum to
view the adjuster wheel. For the left
side, position the site hole at 7 o'clock.
For the right side, position the site hole
at 5 o'clock.
•»When adjusting the parking brake
shoes with the drum-in hat rotor
installed, rotating the adjuster wheel
(2) upward will loosen the adjustment.
Rotating the adjuster wheel (2) down-
ward will tighten the adjustment.
6. Removethe rubber plug from the
hole (1) in the front of the rotor.
7. Utilizing the hole (1) in the front of
the rotor, make a fine adjustment of the
shoes.
8. Reinstall the rubber plug.
9. Lower the vehicle far enough to
access the interior of the vehicle.
10. Reach inside the vehicle and cycle
(fully apply and release) the park brakes.
11. With the parking brake lever in the
fully applied (up) position, attempt to hand
rotate each rear brake rotor to ensure that
the parking brake shoes are working prop-
erly.
12. With the parking brake lever in the
released (down) position, hand rotate each
rear brake rotor to ensure that the parking
brake shoes are not dragging.
13. Raise and safely support the
vehicle.
14. Removethe wheel mounting nuts
and install the tire and wheel assembly.
Install and tighten the wheel mounting nuts
to 100 ft. Ibs. (135 Nm).
15. Lower the vehicle.
9-26 JEEP
COMPASS • PATRIOT
CHASSIS ELECTRICAL
GENERAL INFORMATION
** CAUTION
These vehicles are equipped with an
air bag system. The system must be
disarmed before performing service
on, or around, system components,
the steering column, instrument
panel components, wiring and sen-
sors. Failure to follow the safety pre-
cautions and the disarming
procedure could result in accidental
air bag deployment, possible injury
and unnecessary system repairs.
SERVICE PRECAUTIONS
Disconnect and isolate the battery nega-
tive cable before beginning any airbag sys-
tem component diagnosis, testing, removal,
or installation procedures. Allow system
capacitor to discharge for two minutes
before beginning any component service.
This will disable the airbag system. Failure
to disable the airbag system may result in
accidental airbag deployment, personal
injury, or death.
Do not place an intact undeployed airbag
face down on a solid surface. The airbag
will propel into the air if accidentally
deployed and may result in personal injury
or death.
When carrying or handling an unde-
ployed airbag, the trim side (face) of the
airbag should be pointing towards the body
to minimize possibility of injury if accidental
deployment occurs. Failure to do this may
result in personal injury or death.
Replace airbag system components with
OEM replacement parts. Substitute parts
may appear interchangeable, but internal
differences may result in inferior occupant
protection. Failure to do so may result in
occupant personal injury or death.
Wear safety glasses, rubber gloves, and
long sleeved clothing when cleaning pow-
der residue from vehicle after an airbag
deployment. Powder residue emitted from a
deployed airbag can cause skin irritation.
Flush affected area with cool water if irrita-
tion is experienced. If nasal or throat irrita-
tion is experienced, exit the vehicle for fresh
air until the irritation ceases. If irritation
continues, see a physician.
Do not use a replacement airbag that is
not in the original packaging. This may
result in improper deployment, personal
injury, or death.
The factory installed fasteners, screws
AIR BAG (SUPPLEMENTAL RESTRAINT SYSTEM)
and bolts d
have a spec
designed fa
substitute ft
equipment
log when fa
During,
anchor serv
vehicle repj
hardware, t(
proper instj
a child restli
any way, thi
ureto do th
or death
Deployei:
or may not
within the a
Do not d
driver/passe
tensioners
deployment
stance Con
Dispose
sioners con
local, and fi
After an^
service, do
cable. Pers
the system
If the veri
pant Classi
connect the
performing
the scan toe
information
result if the
properly.
Never re
Restraint Ci
pant Classi
same time,
replace one
tern test bef
Both the
pant Classi
tion data, w
when one o
replaced at
fault will be
OCS may m
injury or de
If equipp
Sensor is a
must be har
handle roug
replace with
may result
If equipp
d to fasten airbag components
al coating and are specifically
the airbag system. Do not use
teners. Use only original
steners listed in the parts cata-
tener replacement is required,
nd following, any child restraint
e, due to impact event or
, carefully inspect all mounting
her straps, and anchors for
ation, operation, or damage. If
int anchor is found damaged in
anchor must be replaced. Fail-
3 may result in personal injury
and non-deployed airbags may
ave live pyrotechnic material
bag inflator.
spose of
nger/curtain airbags or seat belt
nless you are sure of complete
Refer to the Hazardous Sub-
ol System for proper disposal,
f deployed airbags and ten-
istent with state, provincial,
deral regulations,
airbag component testing or
ot connect the battery negative
nal injury or death may result if
t is not performed first.
le is equipped with the Occu-
cation System (OCS), do not
mattery negative cable before
he OCS Verification Test using
and the appropriate diagnostic
Personal injury or death may
ystem test is not performed
ace both the Occupant
itroller (ORC) and the Occu-
cation Module (OCM) at the
both require replacement,
then perform the Airbag Sys-
re replacing the other.
)RC and the OCM store Occu-
:ation System (OCS) calibra-
ich they transfer to one another
them is replaced. If both are
e same time, an irreversible
,et in both modules and the
Ifunction and cause personal
th.
d with OCS, the Seat Weight
ensitive, calibrated unit and
Jled carefully. Do not drop or
ly. If dropped or damaged,
another sensor. Failure to do so
occupant injury or death,
d with OCS, the front passen-
ger seat must be handled carefully as we)).
When removing the seat, be careful when
setting on floor not to drop. If dropped, the
sensor may be inoperative, could result in
occupant injury, or possibly death.
If equipped with OCS, when the passen-
ger front seat is on the floor, no one should
sit in the front passenger seat. This uneven
force may damage the sensing ability of the
seat weight sensors. If sat on and damaged,
the sensor may be inoperative, could result
in occupant injury, or possibly death.
DISARMING THE SYSTEM
1. Before servicing the vehicle, refer to
the Precautions Section.
2. Turn the ignition switch to OFF.
3. Disconnect the negative battery cable
and isolate it from accidentalreconnection.
Insulate the cable end with high-quality
electrical tape or a similar non-conductive
wrapping.
4. Wait at least 2 minutes for the system
capacitor to discharge before performing
any service. The airbag system is designed
to retain enough voltage to deploy the
airbag for a short period of time after the
battery has been disconnected.
ARMING THE SYSTEM
1. Before servicing the vehicle, refer to
the Precautions Section.
2. Reconnect the negative battery cable.
CAUTION
As an added precaution, make sure
no one is in the vehicle when recon-
necting the negative battery cable.
3. To confirm proper system operation,
turn the ignition switch to the ON position.
The SRS indicator light should light for at
least 7 seconds and then go off.
SRS VERIFICATION TEST
See Figure 30.
CAUTION
To avoid serious or fatal injury on
vehicles equipped with airbags,dis-
able the Supplemental Restraint Sys-
tem (SRS) before attempting any
steering wheel, steering column,
airbag, seat belt tensioner, impact
sensor, or instrument panel compo-
nent diagnosis or service. Disconnect
and isolate the battery negative
(ground) cable, then wait 2 minutes
for the system capacitor to discharge
JEEP
COMPASS • PATRIOT 9-27
before performing further diagnosis
or service. This is the only sure way
to disable the SRS. Failure to take
the proper precautions could result in
accidental airbag deployment.
CAUTION
The following procedure should be
performed using a diagnostic scan
tool to verify proper Supplemental
Restraint System (SRS) operation fol-
lowing the service or replacement of
any SRS component.
1. During the following test, the battery
negative cable remains disconnected and
isolated, as it was during the SRS compo-
nent removal and installation procedures.
2. Be certain that the diagnostic scan
tool contains the latest version of the proper
diagnostic software. Connect the scan tool
to the 16-way Data Link Connector (DLC)
(2). The DLC is located on the driver side
lower edge of the instrument panel (1), near
the cowl side inner panel(3).
3. Turn the ignition switch to the ON
position and exit the vehicle with the scan
tool.
4. Check to be certain that nobody is in
the vehicle, then reconnect the battery nega-
tive cable. Wait 2 minutes before proceeding.
CAUTION
Failure to follow these instructions
may result in possible serious or
fatal injury.
5. Using the scan tool, read and record
the active (current) Diagnostic Trouble Code
(DTC) data.
1. Instrument panel
2. Data Link Connector (DLC)
3. Cowl side inner panel
36543_COMP_G0199
Fig. 30 Data Link Connector (DLC)
location
6. Use the scan tool to read and record
any stored (history) DTC data.
7. If any DTC is found in Step No. 5 or
Step No. 6, refer to the appropriate diagnos-
tic information.
8. Use the scan tool to erase the stored
DTC data. If any problems remain, the
stored DTC data will not erase. Refer to the
appropriate diagnostic information to diag-
nose any stored DTC that will not erase. If
the stored DTC information is successfully
erased, go to Step 9.
9. Turn the ignition switch to the OFF
position for about 15 seconds, and then
back to the ON position. Observe the airbag
indicator in the instrument cluster. It should
light for 6-8 seconds, and then go out. This
indicates that the SRS is functioning nor-
mally and that the repairs are complete. If
the airbag indicator fails to light, or lights
and stays ON, there is still an active SRS
fault or malfunction. Refer to the appropriate
diagnostic information to diagnose the
problem.
CLOCKSPRING CENTERING
See Figure 31.
A service replacement clockspring is
shipped with the clockspring pre-centered
and with a molded plastic locking pin
installed. This locking pin should not be
removed until the steering wheel has been
installed on the steering column. If the lock-
ing pin is removed before the steering
wheel is installed, the clockspring centering
procedure must be performed.
When a clockspring is installed into a
vehicle without properly centering and lock-
ing the entire steering system, the Steering
Angle Sensor (SAS) data does not agree
with the true position of the steering system
and causes the Electronic Stability Program
(ESP) system to shut down. This may also
damage the clockspring without any imme-
diate malfunction. Unlike some other
Chrysler vehicles, this SAS never requires
calibration. However, upon each new igni-
tion ON cycle, the steering wheel must be
rotated slightly to initialize the SAS.
Determining if the clockspring/SAS is
centered is also possible electrically using
the diagnostic scan tool. Steering wheel
position is displayed as ANGLE with a
range of up to 900°. Refer to the appropriate
menu item on the diagnostic scan tool.
Before starting this procedure, be certain
to turn the steering wheel until the front
wheels are in the straight-ahead position
and that the entire steering system is locked
or inhibited from rotation.
The clockspring may be centered and the
rotor may be rotated freely once the steering
wheel has been removed.
** CAUTION
To avoid serious or fatal injury on
vehicles equipped with airbags, dis-
able the Supplemental Restraint Sys-
tem (SRS) before attempting any
steering wheel, steering column,
airbag, seat belt tensioner, impact
sensor, or instrument panel compo-
nent diagnosis or service. Disconnect
and isolate the battery negative
(ground) cable, then wait 2 minutes
for the system capacitor to discharge
before performing further diagnosis
or service. This is the only sure way
to disable the SRS. Failure to take
the proper precautions could result in
accidental airbag deployment.
1. Before servicing the vehicle, refer to
the Precautions Section.
2. Place the front wheels in the straight-
ahead position and inhibit the steering col-
umn shaft from rotation.
3. Remove the steering wheel from the
steering shaft. Refer to Steering Wheel,
removal & installation.
4. Rotate the clockspring rotor (1) clock-
wise to the end of its travel. Do not apply
excessive torque.
5. From the end of the clockwise travel,
rotate the rotor about 2 1/2 turns counter-
clockwise. Turn the rotor slightly clockwise
or counterclockwise as necessary so that
the clockspring airbag pigtail wires (3) and
connector receptacle are at the top and the
dowel or drive pin (5) is at the bottom.
6. The clockspring is now centered.
Secure the clockspring rotor to the
1. Clockspring rotor
2. Locking pin
3. Pigtail wires
4. Clockspring housing
5. Dowel or drive pin
Fig. 31 Clockspring component view
9-28 JEEP
COMPASS • PATRIOT
clockspring case using a locking pin (2) or
some similar device to maintain clockspring
centering until the steering wheel is rein-
stalled on the steering column.
SRS VERIFICATION TEST
See Figure 32.
** CAUTION
To avoid serious or fatal injury on
vehicles equipped with airbags, dis-
able the Supplemental Restraint
System (SRS) before attempting any
steering wheel, steering column,
airbag, seat belt tensioner, impact
sensor, or instrument panel compo-
nent diagnosis or service. Discon-
nect and isolate the battery negative
(ground) cable, then wait 2 minutes
for the system capacitor to dis-
charge before performing further
diagnosis or service. This is the only
sure way to disable the SRS. Failure
to take the proper precautions could
result in accidental airbag deploy-
ment.
*# CAUTION
The following procedure should be
performed using a diagnostic scan
tool to verify proper Supplemental
Restraint System (SRS) operation fol-
lowing the service or replacement of
any SRS component.
DRIVE TRAIN
AUTOMATIC TRANSAXLE
ASSEMBLY
REMOVAL & INSTALLATION
See Figures 33 through 36.
1. Before servicing the vehicle, refer to
the Precautions Section.
2. Disconnect the negative battery cable.
3. Drain the cooling system.
4. Drain the automatic transaxle.
5. Remove the air intake assembly.
6. Remove the battery.
7. Remove the battery tray.
8. Remove the air intake tube and vac-
uum supply lines.
9. Remove the shifter cable and mount-
ing bracket.
10. Remove the coolant lines from the
CVT fluid cooler.
11. Remove the heater hose from the
CVT fluid cooler.
Fig. 32 D
location
nstrument panel
Data Link Connector (DLC)
Cowl side inner panel
ta Link Connector (DLC)
1. During the following test, the bat-
tery negati cable remains disconnected
and isolated, as it was during the SRS
component removal and installation
procedure
2. Be ciirtain that the diagnostic scan
tool contairs the latest version of the proper
diagnostic: oftware. Connect the scan tool
to the 16-wiy Data Link Connector (DLC)
(2). The DL ] is located on the driver side
lower edge )f the instrument panel (1), near
the cowl site inner panel (3).
3. Turn the ignition switch to the ON
position an exit the vehicle with the scan
tool.
12. Ren
13. Dis
harness fron
ove the speed sensor connector,
onnect and remove the wiring
the top of the transaxle.
Fig. 33 V
bolts (1)
(2)—Automatic Transaxle
ew of the upper bell housing
nd lower bell housing bolts
4. Check to be certain that nobody is in
the vehicle, then reconnect the battery nega-
tive cable. Wait 2 minutes before proceed-
ing.
** CAUTION
Failure to follow these instructions
may result in possible serious or
fatal injury.
5. Using the scan tool, read and record
the active (current) Diagnostic Trouble Code
(DTC) data.
6. Use the scan tool to read and record
any stored (history) DTC data.
7. If any DTC is found in Step No. 5 or
Step No. 6, refer to the appropriate diagnos-
tic information.
8. Use the scan tool to erase the stored
DTC data. If any problems remain, the
stored DTC data will not erase. Refer to the
appropriate diagnostic information to diag-
nose any stored DTC that will not erase. If
the stored DTC information is successfully
erased, go to Step 9.
9. Turn the ignition switch to the OFF
position for about 15 seconds, and then back
to the ON position. Observe the airbag indi-
cator in the instrument cluster. It should light
for 6-8 seconds, and then go out. This indi-
cates that the SRS is functioning normally
and that the repairs are complete. If the
airbag indicator fails to light, or lights and
stays ON, there is still an active SRS fault or
malfunction. Refer to the appropriate diag-
nostic information to diagnose the problem.
14. Remove the transmission vent tube.
15. Remove the throttle body support
bracket.
Fig. 34 View of the transaxle (3) upper
mounting bolts (1) and upper mount (2)—
Automatic Transaxle
JEEP
COMPASS • PATRIOT 9-29
16. Remove the upper bell housing
bolts.
17. Remove the upper transmission
mounting bolts, the upper transmission
mount through-bolt and upper transmission
bolt.
18. Raise and safely support the vehicle.
19. Remove the left and right front lower
splash shield.
20. Remove the lower splash shield, if
equipped.
21. Support the transaxle assembly with
a suitable jack.
22. Remove the starter. Refer to Starter,
removal & installation.
23. Remove the transaxle fill tube by
removing the 2 mounting bolts.
24. Remove both front wheels.
25. Remove the left and right halfshafts.
Refer to Halfshafts, removal & installation.
26. Remove the torque converter inspec-
tion cover.
1. Front transaxle mount through-bolt
2. Transaxle crossmember mounting bolts
Fig. 35 Remove the transaxle
crossmember mounting bolts and remove
the crossmember—Automatic Transaxle
27. Matchmark the torque converter to
the flexplate for the correct alignment during
installation.
28. Remove the torque converter bolts
and discard the bolts.
29. Support the engine with a suitable
jack.
30. Remove the front transaxle mount
through-bolt (1).
31. Remove the transaxle crossmember
mounting bolts (2) and remove the cross-
member.
32. Remove the transaxle rear mount
through-bolt.
33. Remove the rear mount-to-transaxle
bolts.
34. Remove the transfer case, if
1. Rear mount-to-transaxle bolts
2. Automatic transaxle
3. Rear mount through-bolt
365« COMP..G0022
Fig. 36 Location ot the rear mount
through-bolt and rear mount-to-transaxle
bolts—Automatic Transaxle
equipped. Refer to Transfer Case, removal &
installation.
35. Remove the lower transaxle bell
housing bolts.
36. Carefully lower the transaxle assem-
bly from the vehicle.
To install:
-••Ensure that both alignment pins are
present in the engine before installing
the transaxle.
37. Raise the transaxle assembly in the
vehicle using a suitable jack.
38. Install the lower transaxle bell hous-
ing bolts and tighten to 35 ft. Ibs. (48 Nm).
39. Connect the transaxle cooler lines.
40. Install the transaxle crossmember
and tighten the mounting bolts to 55 ft. Ibs.
(75 Nm).
41. Install the through bolt at the front
transaxle mount and tighten to 55 ft. Ibs.
(75 Nm).
42. Install the rear mount through-bolt
and tighten to 55 ft. Ibs. (75 Nm).
43. Install the rear mount-to-transaxle
and tighten to 55 ft. Ibs. (75 Nm).
44. Install new torque converter bolts
and tighten to 35 ft. Ibs. (48 Nm).
45. Install the torque converter inspec-
tion cover.
46. Install the transfer case, if equipped.
Refer to Transfer Case, removal & installa-
tion.
47. Install the splash shields.
48. Install the halfshafts.
49. Install the front wheels.
50. Lower the vehicle.
51. Install the upper bell housing bolts
and tighten to 35 ft. Ibs. (48 Nm).
52. Install the upper mount bolts and
tighten to 55 ft. Ibs. (75 Nm).
53. Install the upper mount through-bolt
and tighten to 55 ft. Ibs. (75 Nm).
54. Install the throttle body support
bracket and tighten the bolts to 105 inch
Ibs. (11 Nm).
55. Connect the transmission vent tube.
56. Install the heater hose at the trans-
mission cooler tube.
57. Connect the coolant lines at the
transmission cooler.
58. Install the shifter cable and bracket,
tighten the nut to 105 inch Ibs. (11 Nm).
59. Install the vacuum supply lines.
60. Install the intake air tube.
61. Fill the engine coolant with the
proper type and amount of fluid.
62. Install the battery tray.
63. Install the battery.
64. Install the air cleaner assembly.
65. Connect the batterycables.
66. Install the transmission fill tube and
tighten the bolt to 79 inch Ibs. (9 Nm).
67. Fill the transmission with the proper
fluid to the correct level.
*# WARNING
Use only MOPAR® CVTF +4 fluid. Use
of any other type of automatic trans-
mission fluid may cause damage to
the CVT.
68. Road test the vehicle and inspect for
leaks.
MANUAL TRANSAXLE
ASSEMBLY
REMOVAL & INSTALLATION
See Figures 37 through 40.
1. Before servicing the vehicle, refer to
the Precautions Section.
2. Removethe splash shields and drain
the transaxle fluid.
3. Disconnect the negative battery
cable.
4. Removethe engine appearance
cover.
5. Remove the air intake assembly.
6. Unplug the speed sensor connector.
7. Disconnect the back-up lamp switch.
8. Removethe shift cables from the
bracket clips.
9. Disconnect the shift selector and
crossover cable from the levers. Remove the
cables and secure them out of the way.
10. Removethe slave cylinder hose from
the bracket.
11. Removethe air inlet tube trom the
throttle body.
12. Removethe throttle body support
bracket.
9-30 JEEP
COMPASS • PATRIOT
1. Mount through-bolt
2. Transaxle mount bolts
3. Bushing
Fig. 37 Location of the left-upper
transaxle mount through-bolt and
transaxle mount bolts—Manual Transaxle
13. Remove the upper bell housing bolts.
14. Removethe starter mounting bolts
and secure the starter out of the way.
15. Support the transaxle with a suitable
jack.
16. Loosen the left-upper transaxle
mount through-bolt.
17. Remove the transaxle mount bolts.
18. Raise and safely support the vehicle.
19. Removethe splash shields.
20. Remove the transaxle oil drain plug
and drain the oil into a suitable container.
Reinstall the drain plug and tighten it to 120
inch Ibs. (14 Nm).
21. Remove both axle halfshafts. Refer to
Halfshafts, removal & installation.
22. Removethe transfer case, if
equipped.
23. Support the engine with a suitable
jack.
24. Support the transaxle with a suitable
transmission jack.
25. Removethe bell housing dust cover.
26. Removefour modular clutch-to-drive
plate bolts. While removing bolts, one tight-
tolerance (slotted) drive plate hole will be
encountered. When this bolt is removed,
mark the drive plate and modular clutch
assembly at this location, and be sure to
a/r'gn fne marks upon reassembly.
27. Remove the front transaxle mount
through-bolt(4).
28. Remove the transaxle crossmember
mounting bolts (2, 3) and remove the cross-
member (1).
29. Remove the rear transaxle through-
bolt.
30. Remove the rear transaxle mount
bolts (3) and mount (1) from the frame.
31. Remove the rear transaxle mount
bracket bolts and bracket from the transaxle.
Fig. 38 Lo
through-bo
mounting
Manual Tr
ossmember
ossmember mounting bolt
ossmember mounting bolts
unt through-bolt
36543_COMP_G0024
ation of the front transaxle
, transaxle crossmember
Its, and crossmember—
saxle
32. Rem
housing bo
33. Care
assembly o
jack until er
remove the
34. Obta
the transaxl
transaxle-to
35. Rem
vehicle.
To insta
36. Usin
raise the tra
37. Insta
bolts and tic
38. Inst;
39. Insta
bracket and
ft. Ibs. (68
40. Insta
tighten the b
41. Insta
through-bolt
42. Inst
transaxle an
(68 Nm).
43. Insti
and tighten
(68 Nm).
44. Lowe
the engine/t
upper moun
mount. Tigh
ft. Ibs. (68 h
45. Tigh'
bolt to 50 ft
ethe remaining transaxle bell
lly lower the engine/transaxle
a screw jack and transmission
ugh clearance is obtained to
ansaxle.
a helper to assist in holding
assembly while removing the
ngine mounting bolts,
e the transaxlefrom the
a suitable transmission jack,
axle assembly into position,
the transaxle bell housing
ten to 35 ft. Ibs. (48 Nm).
the transfer case, if equipped,
the rear transaxle mount
ghten the mounting bolts to 50
i).
the rear transaxle mount and
Its to 50 ft. Ibs. (68Nm).
he rear transaxle mount
nd tighten to 50 ft. Ibs. (68 Nm).
the front mount bracket to the
tighten the bolts to 50 ft.Ibs.
the transaxle crossmember
mounting bolts to 50 ft.Ibs.
the vehicle slightly, and raise
nsaxle assembly until the
)racket aligns with the upper
n the upper mount bolts to 50
i).
i theupper mount through-
js. (68 Nm).
Fig. 39 Location of the reartransaxle
mount (1),mount bracket (2),and
transaxle mount bolts (3)—Manual
Transaxle
46. Remove the transaxle jack.
47. Raise and safely support the vehicle.
48. Install the four modular clutch-to-
driveplate bolts. Align the driveplate and
modular clutch alignment matchmarks made
during the removal process. Start with the
tight-tolerance (slotted) hole and install the
torque bolts to 65 ft. Ibs. (88Nm).
49. Install the starter. Refer to Starter,
removal & installation.
50. Install the bell housing dust cover.
51. Install the axle halfshafts. Refer to
Halfshafts, removal & installation.
52. Fill the transaxle with the proper
fluid to the correct level.
53. Install the splash shields.
54. Lower the vehicle.
55. Install the top remaining bell hous-
ing bolts and tighten to 35 ft.Ibs.
(48 Nm).
56. Connect the hydraulic clutch slave
cylinder.
Fig. 40 Location of the lower Uansaxle
bell housing bolts—Manual Transaxle
JEEP
COMPASS • PATRIOT 9-31
57. Connect the shift and selector cables
to shift lever. Install the cables to the
bracket clips.
58. Connector the back-up lamp connec-
tor.
59. Connect the vehicle speed sensor.
60. Install the air intake tube and air
intake assembly.
61. Connect the negative battery cable.
62. Test drive the vehicle for proper
operation and check for leaks.
CLUTCH DRIVEN DISC &
PRESSURE PLATE
REMOVAL & INSTALLATION
See Figure 41.
** WARNING
Chrysler does not manufacture any
vehicles or replacement parts that
contain asbestos. Aftermarket prod-
ucts may or may not contain
asbestos. Refer to aftermarket prod-
uct packaging for product informa-
tion. Whether the product contains
asbestos or not, dust and dirt can
accumulate on manual clutch parts
during normal use. Follow practices
prescribed by appropriate regulations
for the handling, processing, and dis-
posing of dust and debris.
1. Before servicing the vehicle, refer to
the Precautions Section.
2. Raise and safely support the vehicle.
3. Remove the transaxle assembly from
the vehicle. Refer to Manual Transaxle,
removal & installation.
4. Remove the clutch assembly from the
transaxle input shaft.
To install:
5. Install the clutch assembly onto the
input shaft of thetransaxle.
6. Install the transaxle assembly. Refer
to Manual Transaxle, removal & installation.
ADJUSTMENTS
The clutch assembly is designed with an
automatic adjustment featureto compensate
for clutch disc wear.
CLUTCH MASTER CYLINDER
REMOVAL & INSTALLATION
See Figures 42 and 43.
1. Beforeservicing the vehicle, refer to
the Precautions Section.
2. Remove the enginecover.
3. Remove the air cleaner assembly.
4. Disconnect the battery negativecable.
5. Remove the lower instrument panel
bezel.
6. Disconnect the pushrod (3) at the
clutch pedal.
## WARNING
Brake fluid will damage painted sur-
faces. If brake fluid is spilled on any
1. Clutch assembly
2. Bracket
3. Manual transaxle
4. Mounting bolt
Fig. 41 Exploded view of clutch—Manual Transaxle
U-©
Fig. 42 Remove the air cleaner
assembly (1)
painted surfaces, wash it off immedi-
ately with water.
7. Disconnect the hydraulic supply tube
(2) at the clutch master cylinder by pulling the
retaining clip, then pulling out on the tube. To
completely drain the clutch master cylinder
and tubing, remove the brake master cylinder
cap and drain fluid into a suitable container.
8. Disconnect the clutch master cylin-
der supply line from the brake master cylin-
der reservoir (1). Cap off or collect the fluid
spillage from the reservoir port.
## WARNING
Use care when removing the clutch
master cylinder from the enginecom-
partment. Aggressive handling can
result in a damaged hydraulic tube
and improper clutch release opera-
tion upon reassembly.
9. Removethe master cylinder assem-
bly (4) from the mounting position by turn-
ing it 1/4 turn and carefully working the
hydraulic pipe out of the left rail retainer
and engine compartment.
To install:
10. Install the clutch master cylinder(4).
11. Insert the tube (2) into the master
cylinder port and install the retaining clip.
12. Connect the clutch master cylinder
supply hose (2) to the brake master cylinder
reservoir(1).
13. Verify that the brake master cylinder
reservoir is full and the cap is off.
14. Install the clutch master cylinder
body to the clutch pedal and give it a1/4
turn to secure it.
15. Connect the clutch master cylinder
rod (3) to the clutch pedal pin. An audible
click should be heard.
9-32 JEEP
COMPASS • PATRIOT
1. Brake master cylinder reservoir
2. Hydraulic supply tube
3. Clutch master cylinder rod
4. Clutch master cylinder
5. Connection
6. Hydraulic line
Fig. 43 View of brake master cylinder and hydraulic clutch system
36543_COMP_G0029
16. Install the lower instrument panel
bezel.
17. Connect the battery negative
cable.
18. Install the air cleaner assembly.
19. Verify that the brake master cylinder
reservoir is full. Top it off with DOT 3 brake
fluid, ifnecessary.
20. Bleed the clutch system.
21. Actuate the clutch pedal a minimum
of 15 times to allow any air ingested into
the system to vent to the master cylinder
reservoir. If residual air becomes trapped in
the system, it is necessary to bleed the
clutch hydraulic system.
22. Verify proper clutch releaseand sys-
temoperation.
CLUTCH SLAVE CYLINDER
REMOVAL & INSTALLATION
See Figure 44.
** WARNING
Chrysler does not manufacture any
vehicles or replacement parts that
contain asbestos. Aftermarket prod-
ucts may or may not contain
asbestos. Refer to aftermarket prod
uct packaging for product informa-
tion. Whether the product contains
asbestos or not, dust and dirt can
accumulate on manual clutch parts
during no mal
prescribec
for the handling
posing of
use. Follow practices
by appropriate regulations
processing, and dis-
lust and debris.
—•To prevent drainage of the clutch
master cylinder assembly upon the
slave cylinder removal, it is necessary
to make sure the brake master cylinder
fluid level is full and the reservoir cap
is installed tightly.
1. Before servicing the vehicle, refer to
the Precautions Section.
2. Remove the transaxle from the
vehicle. Refer to Manual Transaxle Assem-
bly, removal & installation.
3. Disconnect the clutch hydraulic line
(6) from the bleeder assembly (2).
4. Disconnect and remove the bleeder
assembly (;>) from the clutch slave cylinder
(3).
5. Remove the slave cylinder-to-clutch
bell housing bolts (4) and remove the slave
cylinder (3 from the transaxle.
To instill:
6. Instil the slave cylinder (3) to the
transaxle using new bolts.
—Torque the 3 slave cylinder body
screws fi st, then torque the fluid tube
attachmer
e the slave cylinder-to-case
teps:
1. Dust cap
2. Bleeder assembly
3. Slave cylinder
4. Mounting bolts
5. Line connector
6. Clutch hydraulic line
7. Bracket
8. Line connector
36543_COMP_G0030
Fig. 44 View of brake slave cylinder and
hydraulic clutch system
a. Step 1: Tighten to 18 inch Ibs. (2
Nm).
b. Step 2: Tighten to 44 inch Ibs. (5
Nm).
c. Step 3: Tighten to 74 inch Ibs. (8
Nm).
8. Install the transaxle. Refer to Manual
Transaxle Assembly, removal & installation.
9. Bleed the clutch hydraulic system.
Refer to Hydraulic System Bleeding.
HYDRAULIC SYSTEM BLEEDING
Manual Bleeding
-»An assistant is required to perform
this procedure.
1. Beforeservicing the vehicle, refer to
the Precautions Section.
2. Verify the fluid level in the
clutch/brake cylinder. Top it off with DOT
3 brake fluid, as necessary. Leave the cap
off.
3. Raise and safely support the vehicle.
4. Remove the dust cap from the bleed
port on the clutch slave cylinder and install
a suitable size and length of clear hose to
monitor and divert fluid into a suitable con-
tainer.
-••The container must be positioned at
a lower level than the bleeder valve on
the clutch slave cylinder.
5. Lower vehicle, but only enough to
gain access to and fill the brake master
cylinder.
6. Have an assistant press down and
hold the clutch pedal until it reaches the
floor.
JEEP
COMPASS • PATRIOT 9-33
f»Do not allow the clutch/brake fluid
reservoir to run dry while the fluid exits
the bleed port. If the reservoir runs dry
during this procedure, it must be
refilled and this step must be repeated.
•••Ensure the assistant does not release
the clutch pedal from the floor while
the bleed port on the clutch slave cylin-
der is open. Otherwise, air will enter
the clutch hydraulic circuit.
7. Open the bleed port on the clutch
slave cylinder enough to allow hydraulic
fluid to drain. Any air in the system will
escape at this time.
8. Close the bleed port on the clutch
slave cylinder, and have the assistant
release the clutch pedal to the full up posi-
tion.
9. Repeat steps 6 through 8 at least 15
times or until air bubbles are no longer
present in the clutch hydraulic fluid.
10. Slowly actuate the clutch pedal 10
times between the full up and pedal stop
position.
11. Apply the parking brake. Start the
engine and verify clutch operation and pedal
feel.
a. If the clutch pedal feels fine and the
transaxle can be easily shifted fromneu-
tral to any gear, the clutch is operating
correctly.
b. If the pedal still feels spongy or the
clutch does not fully disengage, exces-
sive air is still trapped within the system,
most likely at the master cylinder.
12. Disconnect the hose from the bleed
port on the clutch master cylinder and
install the dustcap.
13. Top off the brake master cylinder
fluid level with DOT 3 brake fluid, as neces-
sary.
Power Bleeding
1. Before servicing the vehicle, refer to
the Precautions Section.
2. Remove the reservoir cap andcon-
nect a bleeder cap to the clutch/brake fluid
reservoir.
•••Use Bleeder Cap/Modified reservoir
cap adapter Snap-On® 901-059, or
equivalent.
3. Connect the service filling machine
to the bleedercap.
"••Use Service Filling Machine/Brake
power bleeder, or equivalent.
4. The service filling machine should
be pressurized between 2.0 and 2.5 bar
(29-36 psi).
5. Remove the dust cap from the
bleeder valve and connect the transparent
bleeder hose to the bleedervalve.
—•Use a Bleeder Container to capture
the hydraulic fluid and the Transparent
Bleeder Hose to route the fluid to the
container.
—•The Container must be at a lower
level than the bleeder valve on the
clutch slave cylinder.
6. Place the other end of the hose in
the bleeder container to capture the used
fluid. The end of the hose MUST be sub-
merged in the DOT 3 brake fluid.
7. Turn ON the service filling machine.
—While bleeding the system, do not
allow the clutch fluid reservoir to com-
pletely empty out.If this happens, refill
the clutch fluid reservoir, and repeat
the procedure.
8. Open the bleeder valve on the clutch
slave cylinder enough to allow fluid to flow
from the clutch hydraulic system.
9. Allow fluid to flow out of the bleed
port until no more air bubbles can be seen
in the transparent bleeder hose.
10. Once the fluid is free of air bubbles,
make 15 quick actuations between the
clutch pedal stop positions.
11. Close the bleeder valve at the clutch
slave cylinder and disconnect the service
filling machine.
12. Check the clutch pedal to see if the
vehicle is properly bled.
13. If the vehicle is not properly bled,
repeat the procedure.
14. Remove the bleeder cap from the
clutch fluid reservoir and replace the reser-
voir cap.
15. Disconnect the transparent bleeder
hose from the bleeder valve and replace the
dust cap.
TRANSFER CASE ASSEMBLY
REMOVAL & INSTALLATION
See Figures 45 through 49.
Jeep" refers to the transfer case as the
Power Transfer Unit (PTU).
1. Before servicing the vehicle, refer to
the Precautions Section.
2. Disconnect the negative battery cable.
3. Remove the engine appearance
cover.
4. Remove the air intake assembly.
5. Remove the Power Distribution Cen-
ter (PDC) from the mounting bracket.
6. Raise and safely support the vehicle.
7. Remove the front halfshafts. Refer to
Halfshafts, removal & installation.
8. Drain the transfer case fluid and
reinstall the drain plug.
9. Mark the driveshaft and differential
for proper installation.
10. Remove the rear driveshaft.
11. Remove the 2 exhaust flange mount-
ing bolts and disconnect the downstream 02
sensor to separate the exhaust system.
12. Lower the vehicle.
13. Unplug the upstream 02 sensor con-
nector.
14. Remove the upstream 02 sensor
from the exhaust manifold.
15. Remove the exhaust manifold top
and side heat shields.
16. Remove the exhaust manifold retain-
ing bolts. Slide the exhaust manifold up and
to the right, and support the exhaust mani-
fold with a bungee cord, or equivalent.
17. Raise and safely support the
vehicle.
Fig. 45 Location of the upper (1) and
lower (2) transfer case mounting bolts
Fig. 46 Support the engine (3) using a
suitable jack (2) by the front mount
bracket (1)—Transfer case removal
9-34 JEEP
COMPASS • PATRIOT
Fig. 47 Raise the front of the engine until
the rear mount (1, 2) has dropped—
Transfer case removal
36543_COMP_G0034
Fig. 48 Roll the transfer case (1) forward
and down to remove—Transfer case
removal
18. Remove the engine-to-exhaust mani-
fold bracket bolts.
19. Remove the rear engine mount
through-bolt.
20. Remove the 3 front engine mount-to-
frame bolts and mount through-bolt.
21. Removethe transfer case mounting
bolts.
22. Using a suitable jack, support the
engine on the front mount bracket.
23. Raise the front of the engine until the
rear mount as dropped.
24. Separate the transfer case from the
transaxle. Remove and discard the 0-ring.
25. Roll the transfer case forward and
down to remove.
To install:
26. Roll the transfer case into the
vehicle, moving it from front to back.
27. Rest the transfer case on the frame
while the engine/transaxle assembly is
placed into position.
28. Lower the jack on the front engine
Fig. 49 Ensure the 0-ring (1) between the
transaxle and transfer case (2) is correctly
installed
mount bracket until the rear mount through-
bolt can be installed. Tighten the bolt to 55
ft. Ibs. (75 Mm).
29. Install the transaxle crossmember
and tighter the bolts to 55 ft. Ibs.(75Nm).
30. Install the front transaxle mount
through-bofe and tighten to 55 ft. Ibs. (75 Nm).
31. Install a new 0-ring between the
transfer casle and transaxle.
•••Coat thr, 0-ring in Vaseline or
transaxle assembly grease.
32. Slide the transfer completely into
position. Tighten the mounting bolts to 43
ft. Ibs.(58 Im).
33. Lower the vehicle.
34. Install the exhaust manifold. Refer to
Exhaust Manifold, removal & installation.
35. Install the air intake assembly.
36. Instal the engine appearance cover.
37.
38.
Raise
Reco
39. Instal
40. Instal
41. Refill
proper fluid
and safely support the vehicle,
nectthe exhaust system,
the rear driveshaft.
the halfshafts.
he transfer case with the
the correct level.
42. Lower the vehicle.
43. Connect the negative battery cable.
44. Refill tie transaxle with the proper
fluid to the correct level, as necessary.
45. Test dnive the vehicle to ensure
proper operation and check for leaks.
FRONT HALFSHAFTS
REMOVAL &
See Figures 5. Before:
the Precaution
2. Place tl
equipped, in P
INSTALLATION
through 54.
jrvicing the vehicle, refer to
Section.
e automatic transaxle, if
RK.
1. Cotter pin
2. Washer
3. Hub nut
4. Spring washer
5. Nut lock
Fig. 50 Exploded view of the halfshaft
retaining hardware—Front halfshaft
3.
cable.
4.
5.
6.
Disconnect the negativebattery
Raise and safely support the vehicle.
Remove the front wheel.
Remove the cotter pin,nut lock,
spring washer and hub nut from the outer
axle.
7. If equipped with ABS, disconnect the
front speed sensor and secure the harness
out of the way.
8. Remove the ball joint retaining bolt
andnut.
9. Carefully separate the ball joint stud
from the steering knuckle by prying down
on the lower control arm.
10. Remove the halfshaft from the steer-
ing knuckle by pulling outward on knuckle
while pressing in on the halfshaft. Support
the outer end of halfshaft assembly. If diffi-
culty separating halfshaft from the hub is
Fig. 51 If it is difficult to remove the
halfshaft (2), use Special Tool 1026 (1) to
remove the halfshaft—Front halfshaft
removal
JEEP
COMPASS • PATRIOT 9-35
1. Frame
2. Punch
3. Transaxle
4. Inner tripod joints
5. Joint extraction groove
Fig. 52 Position a punch to the joint extraction groove to remove the inner tripod joints from
the transaxle—Right side front halfshaft removal
1. Inner tripodjoint
2. Transaxle
3. Splines
4. Transaxle oil seal
5. Snap-ring
6. Interconnecting shaft
Fig. 53 Hold the inner tripod joint and interconnecting shaft and remove the joint by pulling it
straight out of the transaxle oil seal—Front halfshaft removal
encountered, do not strike the shaft with
hammer, instead use Special Tool 1026
Puller to separate.
11. If equipped with 2WD:
a. Removethe halfshaft bracket from
the engine lower mounting bolt.
b. Remove the halfshaft bracket from
the upper engine mounting bolts.
12. Support the outer end of the halfshaft
assembly.
^Removal of the inner tripod joints is
made easier if you apply outward
pressure on the joint as you strike the
punch with a hammer. Do not pull on
the interconnecting shaft to remove,
as the inner joint will become sepa-
rated.
13. Removethe inner tripod joints
from the side gears of the transaxle using
a punch to dislodge the inner tripod joint
retaining ring from the transaxle side
gear.
a. If removing the right side inner tri-
pod joint, position the punch to the inner
tripod joint extraction groove, if
equipped. Strike the punch sharply with a
hammer to dislodge the right inner joint
from the side gear.
b. If removing the left side innertri-
pod joint, position the punch to the inner
tripod joint extractiongroove. Strike the
punch sharply with a hammer to dislodge
the left inner tripod joint from the side
gear.
14. Hold the inner tripod joint and
interconnecting shaft of the halfshaft
assembly. Removethe inner tripod joint
from the transaxle by pulling it straight out
of the transaxle side gear and transaxle oil
seal.
WARNING
When removing the tripod joint,
do not let the splines or snap-
ring drag across the sealing lip
of the transaxle-to-tripod joint oil
seal.
i*»When the tripod joint is removed
from the transaxle, some fluid will leak
out.
To install:
:• WARNING
The halfshaft, when installed, acts
as a bolt and secures the front
hub/bearing assembly. If the
vehicle is to be supported or moved
on its wheels with a halfshaft
removed, install a PROPER-SIZED
BOLT AND NUT through the front
hub. Tighten the bolt and nut to 180
ft. Ibs. (244 Nm). This will ensure
that the hub bearing will not
loosen.
15. Clean all debris from the steering
knuckle opening.
9-36 JEEP
COMPASS • PATRIOT
WARNING
Boot sealing is vital to retain the spe-
cial lubricants and to prevent foreign
contaminants from entering the CV-
joint. Mishandling, such as allowing
the assemblies to dangle unsup-
ported, or pulling or pushing the
ends, can cut boots or damage the
CV-joints. During removal and instal-
lation procedures,always support
both ends of the halfshaft to prevent
damage.
16. Thoroughly clean the splines and oil
seal sealing surfaceson the tripod joint.
Lightly lubricate the oil seal sealing surface on
the tripod joint with clean transmission fluid.
—Always use Seal Protector 9099
when installing the halfshaft into the
transaxle.
17. Holding the halfshaft assembly by
the tripod joint and interconnecting shaft,
install the tripod joint into the transaxle side
gear as far as possible by hand.
18. Carefullyalign the tripod joint with
the transaxleside gears. Then, grasp the
halfshaft interconnecting shaft and pushtri-
pod joint into the transaxle side gear until
fully seated. Test that the snap-ring is fully
engaged with the side gear by attempting to
remove the tripod joint from the transaxle
by hand. If the snap-ring is fully engaged
with the side gear, the tripod joint will not
be removable by hand.
19. If equipped with 2WD:
a. Install the intermediate shaft
bracket to the lower engine block and
tighten to 55 ft. IDS.(75 Nm).
b. Install the intermediate shaft
bracket to the upper engine mounting
bolts and tighten to 55 ft. Ibs. (75 Nm).
Fig. 54 Apply a light coating of MOPAR®
multipurpose wheel bearing grease on the
circumference of the flat surface (1) of the
ouer t»-)o>irt—Front halfshaft installation
20. Ap
multipurp
circumfer
CV-joint.
21. In
ball joint
^At this
seat com
outerjoi
and seat
installed
22.
and tighte
23.
tighten th
24. In
and cotte
25. In
wheel IUQ
26.
27.
28. Co
y a light coating ofMOPAR®
se wheel bearing grease on the
ce of the flat surface of the outer
ill the steering knuckle onto the
ud.
oint, the outer joint will not
letely into the front hub. The
will be pulled into the hub
d when the hub nut is
nd tightened.
II a NEW ball joint bolt and nut
to 70 ft. Ibs. (95 Nm).
II the washer and hub nut and
hub nut to 180 ft. Ibs. (244 Nm).
ill the spring washer, nut lock,
in.
II the front wheel and tighten the
utstolOOft. Ibs. (135Nm).
€t the transaxle fluid level,
r the vehicle,
lect the negative battery cable.
FRONT PINION SEAL
REMOVAL
nt
the equiva
is the
case.
outp.it
1. Rem
2. Usinfa
output seal
To insta
3. Usin
andC-4171
seal into the
4. Insta I
& INSTALLATION
front differential is used,
ent of the front pinion seal
flange seal on the transfer
ve the driveshaft.
a suitable pry tool, remove the
Special Tool 9851 Installer
Handle, drive the output shaft
transfer case.
the driveshaft.
REAR AXLE HOUSING
REMOVAL K INSTALLATION
See Figures §5 and 56.
The Axle Housing is also referredto as a
Driveline Mopule by this manufacturer. Half-
shafts connect to the driveline module and
to the rear wf eels.
1. Before servicing the vehicle, refer to
the Precautions Section.
2. Raise and safely support the vehicle.
3. Remove the reartires.
4. Removethe drain plug and drain the
fluid from the rear driveline module.
5. Remo the rear propeller shaft.
Refer to Driveshaft, removal & installation.
6. Remote the right side sway bar nut,
if equipped.
7. Remoyje the left side sway bar nut, if
equipped.
1. Side bolts
2. Stay bracket bolts (left side)
3. Driveline module
36543_COMP_G0230
Fig. 55 Remove the side bolts at the
driveline module
1. Driveline module
2. Mounting brackets
3. Transmission jack and wooden block
36543_COMP_G0231
Fig. 56 Remove the driveline module
8. Roll the sway bar, if equipped, down
and out of the way.
9. Remove the left side stay bracket
bolts(2).
10. Remove the right side stay bracket
bolts.
11. Remove the exhaust system up to the
catalytic converter.
12. Support the rear driveline module
with a transmission jack.
13. Remove the rear bolt at the driveline
module.
14. Remove the two side bolts (1) at the
driveline module (3).
15. Lower the driveline module enough
to gain access to the electrical connector
and bracket.
JEEP
COMPASS • PATRIOT 9-37
16. Remove the routing bracket bolt.
17. Unplug the electrical connector.
18. Remove the breather hose off of the
Electronically ControljedClutch (ECC).
19. Lower the driveline module (1).
20. Disengage both halfshafts.
21. Remove the driveline module.
22. Remove the ECC bolts.
23. Separate the ECC from the rear axle
driveline module.
To install:
24. Install the ECC to the rear axle drive-
line module.
25. Install the ECC bolts and tighten to
50 ft. Ibs. (68Nm).
26. Lift the driveline module (1) with a
transmission jack (3) while installing both
axles.
27. Connect the breather hose to ECC.
28. Connect the electrical connector.
29. Install the wire harness bracket and 2
mounting bolts and tighten to 89 inch Ibs.
(10 Nm).
30. Lift the driveline module (1) into
place.
31. Install the 2 driveline module side
mounting bolts (1) and tighten to 75 ft. Ibs.
(102 Nm).
32. Install the one rear driveline module
mounting bolt (1) and tighten to 75 ft. Ibs.
(102 Nm).
33. Install the right side stay bracket and
tighten the bolts (1) to 45 ft. Ibs. (61 Nm).
34. Install the left side stay bracket and
tighten the bolts (1) to 45 ft. Ibs. (61 Nm).
35. Install the propeller shaft. Refer to
Driveshaft, removal & installation.
36. Fill the rear axle with the proper
amount and type of fluid.
37. Roll the sway bar into place, if
equipped.
38. Install left side sway bar nut, if
equipped, and tighten to 45 ft. Ibs. (61 Nm).
39. Install right side sway bar nut, if
equipped, and tighten to 45 ft. Ibs. (61 Nm).
40. Install the exhaust.
41. Install the wheels and tighten the
wheel mounting nuts to 100 ft. Ibs. (135
Nm).
REAR AXLE SHAFT, BEARING
&SEAL
REMOVAL & INSTALLATION
Inboard Axle Seal
See Figure 57.
These vehicles use halfshafts from the
driveline module to connect the rear wheels.
Refer to Rear Suspension, Wheel and Bear-
ing (sealed unit), removal & installation for
1. Installer 9893
2. Handle C-4171
3. Seal
Fig. 57 Installing the seals using Installer 9893 and Handle C-4171
outboard bearing and seal replacement. The
inboard seal and bearing are covered in this
section.
1. Before servicing the vehicle, refer to
the Precautions Section.
2. Raise and safely support the vehicle.
3. Remove the right side halfshaft.
Refer to Halfshafts, removal & installation.
4. Remove the pinion side seal.
5. Remove the left side halfshaft. Refer
to Halfshafts, removal & installation.
6. Remove the ring gear side seal.
To install:
1. Place the seal on the installer.
8. Install the pinion side seal using
Installer 9893 and Handle C-4171.
9. Install the right side halfshaft. Refer
to Halfshafts, removal & installation.
10. Place the seal on the installer.
11. Install the ring gear side seal using
Installer 9893 and Handle C-4171.
12. Install the left side halfshaft. Refer to
Halfshafts, removal & installation.
13. Fill the rear driveline module, as
needed.
14. Lower the vehicle and perform a road
test.
Inboard Axle Bearing
See Figures 58 through 62.
These vehicles use halfshafts from the drive-
line module to connect the rear wheels. Refer to
Rear Suspension, Wheel and Bearing (sealed
unit), removal & installation for outboard bear-
ing and seal replacement. The inboard seal and
bearing are covered in this section.
— It is necessary to disassemble the
rear driveline module to access the
inboard bearings.
1. Before servicing the vehicle, refer to
the Precautions Section.
1. Differential case bolts
2. Cap bolts
36543_COMP_G0233
Fig. 58 Remove the differential cover
9-38 JEEPCOMPASS • PATRIOT
Fig. 59 Remove the carrier bearings (3)
using Splitter 1130 (4), Installer 9643 (2),
and a press (1)
2. Raise and safely support the vehicle.
3. Remove the rear driveline module.
Refer to Rear Drive Axle, Axle Housing,
removal & installation.
4. Removethe 4 bolts holding the rear
axle electric clutch.
5. Separatethe rear axle electric clutch
from the rear axle.
6. Remove the differential case bolts (1).
7. Remove the cap bolts(2).
8. Remove the differential cover and
both axleseals.
'••There are select shims at each side
of the carrier.
9. Remove the carrier from the differen-
tial housing.
10. Measure the select shims on each
side of the carrier roller bearings and note
this for installation.
11. Removethe ring gear bolts.
12. Removethe ring gear.
13. Removethe roll pin in the carrier
case and through the pinion mate shaft
using a punch.
14. Removethe spider gears, thrust
washers, and side gears.
15. Removethe carrier bearings (3)
using Splitter 1130(4),Installer 9643 (2),
and a press (1).
16. Use a screw driver to remove the
pinion seal.
17. Remove the pinion retaining nut
using Spline Holder 9742 and Socket
9921.
18. Tap the pinion with a soft hammer to
remove it from the case.
19. Using a hammer and a punch
remove the outer pinion bearing cup.
20. Using a hammer and a punch
remove the pinion head bearingcup.
21. Remove the collapsiblespacer from
the pinion shaft.
365«_COMP_G0235
Fig. 60 Remove the pinion bearing (3)
using Puller C-293-PA (1) and Adapters
C-293-45 (2)
22. Rerrive
Puller C-29
45(2).
To insta
23. Insta
using Instal
4171(2).
24. Instal
using Install
25. Instal
using Install
26. Instal
the pinion bearing (3) using
-PA (1) and Adapters C-293-
the pinion sr^aft
27. Instal
and place thi
28. Instal
shaft.
29. Usinc
Socket9921
Ibs. (74 Nm).
30. Install
the pinion head bearing
ir 5050A (3) and Handle C-
the outer pinion bearing cup
r 8594 and Handle C-4171.
the bearing on the pinion
r 6052 and press,
a new collapsible spacer onto
9931 and a hammer.
31. Install
pinion gears
the pinion into the housing
outer bearing over the pinion,
the pinion nut onto the pinion
Spline Holder 9742 and
tighten the pinion nut to 54 ft.
the pinion seal using Installer
the side gears, shims, and
nto the carrier.
32. Install the pinion gear shaft into the
pinion gears and start the rollpin.
33. Use a pin punch to install the roll
pin.
34. Apply MOPAR® Lock AND Seal
bearing (2) on
9643(1) and
38. Coattl
greasel
Adhesive, or
bolts.
35. Install
36. Install
to 30 ft. Ibs.(f1 Nm).
37. Press the ring gear side (3) carrier
n equivalent, to the ring gear
he ring gear onto the carrier,
he ring gear bolts and tighten
to the shaft using Installer
)ress(4).
ie ring and pinion gears with
pattern grease before assembling.
39. Press the pinion gear side carrier
bearing onto t(ie shaft using Installer 9643
and press.
Fig. 61 Install the pinion head bearing
using Installer 5050A (3) and Handle
C-4171 (2)
36543_COMP_G0237
Fig. 62 Press the ring gear side (3)
carrier bearing (2) onto the shaft using
Installer 9643 (1) and press (4)
40. Install the measured side shims and
the carrier into the carrier housing.
41. Apply a bead of MOPAR1 AXLERTV
on the case to seal the cover.
42. Install the cover onto the carrier
case.
43. Tighten the cap bolts to 35 ft.Ibs.
(48 Nm) and tighten the cover bolts to 16 ft.
Ibs. (23Nm).
44. Open the window on the cover and
do a pattern check of the gears.
45. Place the pinion side axle seal
onto Installer 9893 with the lip side
down.
46. Install the pinion side axle seal using
Installer 9893 and Handle C-4171.
47. Place the pinion side axle seal onto
Installer 9893 with the lip side down.
48. Install the ring gear side axle
seal using Installer 9893 and Handle
C-4171.
JEEP
COMPASS • PATRIOT 9-39
49. Remove all old gasket material on
the mating surfaces ot the Electronically
Controlled Clutch (ECC) and the rear drive-
line module. Coat the edge face with liquid
gasket. Install the wave washer.
50. Install the ECC to the rear driveline
module and tighten the bolts to 58 ft. Ibs.
(78 Nm).
51. Install the rear driveline module.
Refer to Rear Drive Axle, Axle Housing,
removal & installation.
REAR DRIVESHAFT
REMOVAL & INSTALLATION
See Figures 63 and 64.
1. Before servicing the vehicle, refer to
the Precautions Section.
2. Raise and safely support the vehicle.
3. Matchmark the driveshaft and differ-
ential for alignment during reinstallation.
## WARNING
Never allow the driveshaft to hang
while connected to the transfer case,
rear differential module flanges, or
center bearings. If the propeller shaft
section is hung unsupported, damage
may occur to the joint, boot, and/or
center bearing from over-angulation.
This may result in vibration/balance
issues.
4. Remove the 4 rear driveshaft-to-rear
axle retaining nuts.
5. Remove the 3 bolts from thecenter
support heat shield.
6. Remove the heat shield.
7. Remove the 2 center support mount-
ing bolts.
8. Remove thedriveshaft.
1. Driveshaft
2. Retaining nuts
3. Rear axle
IMP G0041
Fig. 63 Remove thedriveshaft-to-rear
axle retaining nuts
1. Driveshaft
2. Heat shield
3. Mounting bolts
Fig. 64 Remove the mounting bolts to
remove the heat shield from the driveshaft
To install:
9. Make sure the transaxle is in Neutral
(N) position.
10. Obtain a helper, if needed, and lift
the driveshaft assembly into position. Install
the driveshaft splines into the transfer case.
11. Align the marks on the driveshaft
with the marks on the rear axle flange. Slide
the driveshaft over the studs on the rear axle
flange.
12. Install the 4 retaining nuts.
13. Raise the center support into posi-
tion.
14. Install the center support bolts and
tighten to 30 ft. Ibs. (41 Nm).
15. Install the driveshaft nuts and tighten
to 43 ft. Ibs. (58 Nm).
16. Install the heat shield nuts and
tighten to 15 ft. Ibs. (21Nm).
17. Check all the fluid levels starting
with the transfer case.
REAR HALFSHAFTS
REMOVAL & INSTALLATION
See Figure 65.
1. Before servicing the vehicle, refer to
the Precautions Section.
2. Raise and safely support the vehicle.
3. Remove the rear wheels.
4. Drain the fluid from the reardifferen-
tial, also called the rear driveline module.
5. Remove the driveshaft. Refer to
Driveshaft, removal & installation.
6. Remove the sway bar connecting
nuts and roll the sway bar down and out of
the way, if equipped.
7. Remove the left and right rear half-
shaft stay bracket bolts.
1. Side bolts
2. Stay bracket bolts
3. Driveline differential module
36543_COMP_G0043
Fig. 65 Location of the two side bolts and
left side stay bracket bolts (2) for the rear
differential module (2)—Left side rear
halfshaft removal
8. Remove the exhaust system up to the
catalytic converter.
9. Support the rear differentialmodule
with a suitable jack.
10. Remove the rear bolt supporting the
rear differential module.
11. Remove the 2 side bolts supporting
the rear differential module.
12. Using the jack, lower the differential
module enough to gain access to the elec-
trical connector and bracket.
13. Removethe routing bracket bolt and
unplug the electrical connector.
14. Remove the breather hose from the
Electronic Control Clutch (ECC).
15. Lower the rear axle assembly.
16. Disengage the axle shaft.
17. Removethe nut and washer connect-
ing the halfshaft to the rear hub.
18. Remove the halfshaft from the
vehicle.
f^-lf the halfshaft is hard to remove,
use a punch and hammer to tap it out.
To install:
19. Lift the rear axle assembly as the
halfshaft is being installed.
20. Install the breather hose to the ECC.
21. Install the nut and washer connect-
ing halfshaft to the left rear hub and tighten
to 180 ft. Ibs. (244Nm).
22. Connect the electrical connector,
route the wiring harness into the bracket.
Tighten the bracket bolts to 89 inch Ibs.(10
Nm).
23. Lift the rear axle assembly com-
pletely into place.
24. Install the 2 differential module side
bolts and tighten to 75 ft. Ibs.(102Nm).
9-40 JEEP
COMPASS • PATRIOT
25. Install the rear differential module
rear bolt and tighten to 75 ft. Ibs. (102 Nm).
26. Installthe halfshaft stay bracket and
tighten the bolts to 45 ft. Ibs. (61 Nm).
27. Install the driveshaft.
28. Refill the rear differential module to
the correct level.
29. If equipped, roll the sway bar into place
and tighten the nuts to 45 ft. Ibs. (61 Nm).
30. Install any exhaust components
removed.
31. Install the wheel and tighten the
wheel lug nuts to 100 ft. Ibs. (135 Nm).
REAR PINION SEAL
REMOVAL & INSTALLATION
See Figures 66 and 67.
1. Before servicing the vehicle, refer to
the Precautions Section.
2. Raise and safely support the vehicle.
3. Remove the driveshaft. Refer to
Driveshaft, removal & installation.
4. Disconnect the electrical connector
from the rear differential module.
5. Disconnect the Electronic Controlled
Clutch (ECC) breather tube.
ENGINE COOLING
ENGINE FAN
REMOVAL & INSTALLATION
See Figure 68.
#* CAUTION
Do not open the radiator draincock
with the system hot and under pres-
sure becauseserious burns from
coolant can occur.
1. Before servicing the vehicle, refer to
the Precautions Section.
2. Disconnect the negative battery
cable.
3. Drain the cooling system.
4. Removethe radiator crossmember.
5. Disconnect the upper radiator hose
from the radiator.
6. Removethe wiring harness bracket
from the fan.
7. Disconnect the radiator fan electrical
connector.
Fig. 66 Use a
remove the fl
shaft (3)
6. Remov
module mount
7. Separa
8. Remov
on the mating
differential ma
9. Removi
10. Remov;
suitable pry tool (1) to
nge seal (2) from the input
Fig. 67 Install the pinion seal using
Special Tool 9931 (2) and hammer (1) to
the ECC (3)
the ECC-to-reardifferential
ig bolts.
and lower the ECC.
all of the old gasket material
urfaces of the ECC and rear
ng surfaces,
the wave washer.
the pinion or flange seal.
To install:
11. Coat the edge face of the seal with
liquid gasket and place over the input shaft.
12. Install the wave washer.
13. Install the pinion seal using Special
Tool 9931Installer tool.
14. The remainder of the installation is
the reverse order of removal. Tighten the
ECC-to-rear differential to 58 ft. Ibs. (78Nm).
Fig. 68 Rad
1. Fan electrical connector
2. Wiring harness bracket
3. Radiator assembly
ator fan componentlocation
36543_COMP_G0046
. uetacn me radiator ran assemoiy
from the retaining clips.
9. Remove the radiator fan by lifting up
and out of the engine compartment.
To install:
"W>. ViSae radiator fan assembly into
the J-clips.
11. Install
Tighten the s
Nm).
12. Install
13. Install
bracket and c
connector.
the radiator fan fasteners.
;rews to 55 inch Ibs. (6
le radiator crossmember.
ie wiring harness
jnnector the fan electrical
14. Install the upper radiator hose.
15. Refill the cooling system to thecor-
rect level.
16. Connect the negative battery
cable.
COMPASS • PATRIOT
JEEP g.41
RADIATOR
REMOVAL & INSTALLATION
See Figure 69.
1. Before servicing the vehicle, refer to
the Precautions Section.
2. Disconnect the negative battery
cable.
3. Drain the cooling system.
4. Remove the engine fan. Refer to
Engine Fan, removal & installation.
5. Disconnect the radiator hoses.
6. Remove the fasteners attaching the
A/C condenser to the radiator. Reposition
the A/C condenser out of the way.
7. Remove the radiator assembly by
lifting it up and out of the engine compart-
ment.
** WARNING
Care should be taken not to damage
the cooling fins and tubes during
removal.
To install:
8. Install the lower air seal to the radia-
tor.
9. Position the radiator into the mount-
ing position.
10. Position the A/C condenser against
the radiator. Hand start the fasteners.
11. Install the radiator fan/shroud
assembly. Hand start thefasteners.
12. Tighten all the condenser fasteners
to 70 inch Ibs. (8 Nm).
13. Tighten all the radiator fanfasteners
to 55 inch Ibs. (6Nm).
14. Install the fasteners attaching the
transmission oil cooler to the radiator.
Tighten the fasteners to 70 inch Ibs. (8 Nm).
15. Raise and safely support the vehicle.
16. Connect the lower air seal to the side
air seals.
17. Connect the lower radiator hose.
Align the hose and position the clamp so it
will not interfere with the engine compo-
nents.
18. Connect the radiator fan electrical
connector.
19. Connect the power steering hoses.
20. Close the radiator draincock.
21. Lower the vehicle.
22. Connect the upper radiator hose.
Align the hose and position the clamp to
prevent interferencewith the engine or hood.
23. Install the upper radiator closure
panel and center brace.
24. Install the grille.
25. Install the battery tray and battery.
26. Connect the positive battery cable.
Connect the negative battery cable.
1. Grille
2. Radiator/fan assembly
3. Electrical connection
4. Lower air seal
36543_COMP_G0047
Fig. 69 Expanded view of radiator/fan assembly
27. Install the air cleaner housing
assembly.
28. Fill the cooling system with coolant.
29. Operatethe engine until it reaches
normal operating temperature. Check the
cooling system for the correct fluid level.
THERMOSTAT
REMOVAL & INSTALLATION
These engines contain two thermostats.
The primary thermostat is located on the
front of the water plenum in the thermostat
housing. The secondary thermostat is
located in the cylinder head under the water
plenum.
Primary Thermostat
See Figure 70.
1. Before servicing the vehicle, refer to
the Precautions Section.
2. Drain the cooling system.
3. Remove the air intake assembly.
4. Disconnect the coolant hose from
the thermostat housing.
5. Removethe housing mounting
bolts.
6. Remove the thermostat assembly and
clean the sealing surfaces.
To install:
1. Position the thermostat into the
water plenum. Align the air bleed hole with
the location notch on the thermostat hous-
ing.
Fig. 70 Remove the coolant hose (1) and
mounting bolts (3) from the thermostat
housing (2)—Primary thermostat
8. Install the thermostat housing onto
the coolant adapter and tighten the bolts to
79 inch Ibs.(9 Nm).
9. Connect the coolant hose.
10. Install the air intake assembly.
11. Refill the cooling system to the cor-
rect level.
Secondary Thermostat
See Figure 71.
1. Beforeservicing the vehicle, refer to
the Precautions Section.
2. Drain the cooling system.
3. Removethe air intake assembly.
4. Disconnect the coolant hoses from
the rear of the coolant adapter.
5. Removethe radiator hoses.
9-42 JEEP
COMPASS • PATRIOT
1. Coolant hose
2. Coolant adapter
3. Radiator hose
4. Radiator hose
36543_COMP_G0049
Fig. 71 Location of the coolant hose, radiator hoses, and coolant aqapter—Secondary
thermostat
1. Before servicing the vehicle, refer to
the Precautions Section.
2. Disconnect the negative battery
cable.
3. Drain the cooling system.
4. Remove the accessory drivebelt.
Refer to Accessory Drive Belts, removal &
installation.
5. Raise and safely support the
vehicle.
6. Remove the accessory drive belt
splash shield.
7. Remove the bolts securing the water
pump pulley and remove the pulley.
8. Remove the water pump mounting
bolts and remove the water pump.
To install:
9. Install the water pump and
tighten the mounting bolts to 18 ft. Ibs.
(24 Nm).
10. Install the water pump pulley and
tighten the pulley bolts to 79 inch Ibs. (9
Nm).
11. Install the accessory drive belt
splash shield.
12. Lower the vehicle.
13. Install the accessory drive belt.
14. Refill the cooling system to the cor-
rect level.
15. Connect the negative batterycable.
6. Remove the coolant adapter mount-
ing bolts.
7. Carefully slide the coolant adapter
off the water pump inlet tube to remove the
coolant adapter and secondary thermostat.
To install:
8. Position the thermostat into the
cylinder head.
9. Inspect the water pump inlet tube 0-
rings for damage before installing the tube
in the coolant adapter. Replace 0-ring, as
necessary.
10. Lubricate the 0-rings with soapy
water.
11. Position the coolant adapter on water
pump inlet tube and cylinder head.
12. Install the coolant adapter mounting
bolts and tighten to 159 inch Ibs. (18 Nm).
13. Connect the front coolant hose.
14. Connect the two rear coolant hoses.
15. Connect the radiator hose.
16. Install the air intake assembly.
17. Refill the cooling system to the cor-
rect level.
WATER PUMP
REMOVAL & INSTALLATION
See Figure 72.
1. Water pump assembly
2. Mounting bolts
3. Inlet tube bolts
4. Inlet tube
Fig. 72 View of water pump
JEEP
COMPASS • PATRIOT 9-43
ENGINE ELECTRICAL
ALTERNATOR
REMOVAL & INSTALLATION
See Figure 73.
1. Before servicing the vehicle, refer to
the Precautions Section.
2. Disconnect and isolate the negative
battery cable at the battery.
3. Remove the right front wheel.
4. Remove the underbody air dam.
5. Remove the accessory drive splash
shield.
6. Remove the accessory drive idler
pulley.
7. Loosen the lower mounting bolt.
8. Loosen the A/C compressor and
relocate, pull down and to the outboard side
of vehicle to make room to remove the alter-
nator.
9. Unplug the field circuit from the
alternator.
10. Remove the B+ terminal nut and wire.
11. Remove the upper mounting bolt.
12. Remove the alternator lower mount-
ing bolt.
CHARGING SYSTEM
13. Relocate the battery terminal to the
other side of the A/C line for removal of the
alternator.
14. Rotate the alternator pulley down.
15. Slide the alternator down and out of
the vehicle.
To install:
16. Move the A/C compressor to the
side to install the alternator.
17. Rotate the alternator and set it in
place.
18. Make sure the battery terminal (1) is
in front of the A/C line (2).
19. Install the lower mounting bolt, do
not tighten fully at this time.
20. Loosely install the upper mounting
bolt.
21. Tighten the lower and upper mount-
ing bolts to 40ft. Ibs. (54 Nm).
22. Install the B+ terminal nut and wire
and tighten to 89 inch Ibs. (10 Nm).
23. Plug in the field circuit to the alter-
nator.
24. Install the idler pulley and tighten the
bolt.
36543_COMP_G0051
Fig. 73 Make sure the battery terminal (1)
is in front of the A/C line (2)—Alternator
installation
25. Install the accessory drive belt. Refer
to Accessory Drive Belts, removal & instal-
lation.
26. Install the splash shield.
27. Install the lower air dam.
28. Lower the vehicle.
29. Connect the negative battery cable.
ENGINE ELECTRICAL
FIRING ORDERS
See Figure 74.
IGNITION SYSTEM
FIRING ORDER 1-3-4-2
36543_COMP_G0246
Fig. 74 2.0L and 2.4L engines
Firing order: 1-3-4-2
Distributorless ignition system
IGNITION COIL
REMOVAL & INSTALLATION
See Figures 75 and 76.
The electronic ignition coil attaches
directly to the valve cover.
Fig. 75 Twist and pull straight up to
remove the ignition coil
1. Before servicing the vehicle, refer to
the Precautions Section.
2. Disconnect the negative battery cable.
3. Disconnect the electrical connector
from the ignition coil.
4. Remove the ignition coil mounting
bolts.
5. Twist the ignition coil and then pull
straight up.
6. Remove the ignition coil from the
vehicle.
To install:
1. Install the ignition coil. Tighten the
bolt to 80 inch Ibs.(9 Nm).
Fig. 76 There is an ignition coil mounted
on the valve cover for each spark plug—
All engines
8. Connect the electrical connectors
and lock.
9. Install the negative battery cable.
IGNITION TIMING
ADJUSTMENT
All engines use a fixed ignition timing
system. Basic ignition timing is not
adjustable. All spark advance is deter-
mined by the Powertrain Control Module
(PCM).
9-44 JEEP
COMPASS • PATRIOT
SPARK PLUGS •
REMOVAL & INSTALLATION
See Figure 77.
Each individual spark plug is located
under an individual ignition coil. The igni-
tion coil must be removed in order to
access the spark plug.
1. Before servicing the vehicle, refer to
the Precautions Section.
2. Remove the ignition coil. Refer to
Ignition Coil, removal & installation.
3. Remove the spark plug using a suit-
able spark plug socket with a rubber or
foam insert.
Fig. 77 Usi
and socket
spark plug
fc-
36543_COMP_G0054
g a suitable spark plug socket
xtension to remove each
not drop or force the spark plugs into
the wells, damage to the electrodes
and/or porcelain body may occur.
Always start each spark plug by hand
in order to avoid cross-threading the
spark plug in the cylinder head.
Always tighten spark plugs to the spec-
ified torque. Too much, or not enough
torque, will cause damage to the cylin-
der head and/or spark plug and may
lead to poor engine performance.
5. Install the spark plug and start
threading it by hand. Tighten the spark
plugs to 20 ft. lbs. (27 Nm).
6. Install the ignition coil to the spark
To install:
4. Inspect the condition of the spark
plug. Replace if necessary.
ENGINE ELECTRICAL
STARTER
REMOVAL & INSTALLATION
See Figure 78.
1. Before servicing the vehicle, refer to
the Precautions Section.
2. Disconnect the negative battery cable.
3. Remove the air intake assembly.
4. Remove the starter mounting bolt.
5. Disconnect the throttle body electrical
connector.
6. Remove the throttle body. Refer to
Throttle Body, removal & Installation.
7. Push the starter under the intake
manifold.
8. Tip the nose of the starter toward the
cooling module.
ENGINE MECHANICAL
Handle the spark plugs with care. Do
plug. Tighten the mounting bolts to 80 inch
lbs. (9 Nm).
7. Connect the negative battery cable.
STARTING SYSTEM
10. Pull the starter up and out of the
vehicle.
To install:
11. Connect the starter wiring. Tighten
the battery cable nut to 89 inch lbs. (10
Nm).
12. Install the starter in the vehicle
engine compartment and loosely place the
starter into position.
13. Install the throttle body and throttle
body bracket.
14. Install the starter mounting bolts and
tighten to 40 ft. lbs. (54 Nm).
15. Connect the throttle body electrical
connector.
16. Install the air intake assembly.
17. Connect the negative battery cable.
Disconnecting the negative battery cable
may interfere with the functions of the
onboard computer systems and may reguire
the computer to undergo a relearningpro-
cess once the negative battery cable is
reconnected.
ACCESSORY DRIVE BELTS
ACCESSORY BELT ROUTING
See Figure 79.
INSPECTION
Inspect the drive belt for signs of glazing
or cracking. A glazed belt will be perfectly
smooth from slippage, while a good belt will
have a slight texture of fabric visible. Cracks
will usuall
and run ou
belts shou
ADJUSTS
Period!
essary, bee
tensioner i
tain prope
REMOVA
See Figure
1. Befo
the Precai
2. Usin
drive belt
the belt cai
start at the inner edge of the belt
ward. All worn or damaged drive
I be replaced immediately.
ENT
drive belt tensioning is not nec-
ause an automatic spring-loaded
used with these belts to main-
adjustment at all times.
. & INSTALLATION
79.
•e servicing the vehicle, refer to
ions Section,
a wrench, rotate the accessory
nsioner counterclockwise until
be removed from the pulleys.
3. Remove the accessory drive belt.
To install:
4. Install the accessory drive belt around
all of the pulleys except for the alternator.
5. Using a wrench, rotate theaccessory
drive belt tensioner counterclockwise until
the belt can be installed over the alternator
pulley.
6. Release the spring tensioner onto the
accessory drive belt.
BALANCE SHAFT
REMOVAL & INSTALLATION
The lubrication system is a full-flow fil-
tration, pressure feed type. The Balance
Shaft Module (BSM) is mounted below the
JEEP
COMPASS • PATRIOT 9-45
1. Power steering pump
2. Accessory drive belt
3. Alternator
4. A/C pulley
5. Lower idler pulley
6. Crankshaft pulley
7. Water pump pulley
8. Accessory drive belt tensioner
9. Upper idler pulley
Fig. 79 Accessory Drive Belt Routing—2.0L and 2.4L engines
ladder frame and chain driven by the crank-
shaft. The BSM consists of a non-service-
able pump, oil pressure relief valve, and a
non-serviceable balance assembly. Ifthere
is a problem with the BSM, it must be
replaced. Refer to Oil Pump, removal &
installation.
CAMSHAFT AND VALVE
LIFTERS
9. Remove the right side engine splash
shield.
10. Rotate the engine to Top Dead Center
(TDC).
11. Make sure camshaft timing marks
are aligned.
12. Mark the chain link corresponding to
timing marks with a paint marker.
13. Remove the timing tensioner plug
from the front cover.
REMOVAL & INSTALLATION
See Figures 80 through 94.
1. Before sewicing the vehicle, refer to
the Precautions Section.
2. Remove the engine appearancecover.
3. Disconnect the negative battery cable.
4. Drain the cooling system.
5. Drain the engine oil.
6. Disconnect the ignition coil electrical
connector.
7. Disconnect the Positive Crankcase
Valve (PCV) and make-up air hoses from
the cylinder head cover.
8. Remove the cylinder head cover bolts
and cylinder head cover.
Fig. 80 Align the timing mark (1) on the
crankshaft with the reference line to
ensure the engine is at TDC
Fig. 81 Make sure camshaft timing marks
(3) are aligned and mark the chain link (1)
corresponding to the timing marks with a
paint marker
14. Insert a small Allen wrench through
the timing tensioner plug hole and lift the
ratchet upward to release the tensioner and
push the Allen wrench inward. Leave the
Allen wrench installed during the remainder
of this procedure.
15. Insert Special Tool 9701Locking
Wedge between the camshaft phasers.
16. Lightly tap Special Tool 9701into
place with a suitable tool until it will no
longer sink down.
17. Using a permanent ink or paint
marker, identify the location and position on
each camshaft bearing cap.
18. Remove the camshaft front bearing
cap.
19. Slowly remove the remaining intake
and exhaust camshafts cap bolts one turn at
a time.
36543_COMP_G0058
Fig. 82 Insert a small Allenwrench
through the timing tensioner plug hole and
lift the ratchet upward to release the ten-
sioner and push the Allen wrench inward.
Leave the Allen wrench installed during
the remainder of thisprocedure
9-46 JEEP
COMPASS • PATRIOT
Fig. 83 Insert Special Tool 9701 Locking
Wedge (1) between the camshaft phasers
Fig. 84 Lightly tap Special Tool 9701 (2)
into place with a suitable tool (1) until it
will no longer sink down
22043_COMP_G0058
Fig. 85 Remove the intake camshaft by
lifting the rear of the camshaft upward
-••Keep all of the valvetrain compo-
nents in order for reassembly.
20. Remove the intake camshaft by lift-
ing the rear of the camshaft upward.
21. Rotate the camshaft while lifting it
out of the front bearing cradle.
22. Lift the timing chain off of the
sprocket.
23. Remove the exhaust camshaft.
24. Secure the timing chain with wire
so it does not fall into the timing chain
22043_COMP_G0059
Fig. 86 Rotate the camshaft while lifting it
out of the front bearing cradle
Fig. 87 The camshaft bearing cap (1) is
numbered (2) to correspond to the select
fit bearing
25. Remove the valve lifters.
To instaJI:
26. Apply a light coat of clean engine oil
to the valve lifters.
27. Insta I the lifters into their original
positions intthe cylinder head.
28. The damshaft cap is numbered 1, 2,
or 3. This corresponds to the select fit bear-
ing to use.
29. Instal the corresponding select fit
bearing.
30. Apply! a light coat of clean engine oil
to all of the damshaft journals.
31. Instal the camshaft phasers on the
camshafts, if removed.
a. Inst; II the camshaft phaser making
sure that t le dowel is in the correct hole.
b. Instill the camshaft phaser bolt
and hand lighten.
32. Install the timing chain onto exhaust
camshaft sprocket, making sure that the
timing marks on the sprocket and the
painted chain link are aligned.
33. Position the exhaust camshaft on the
bearing journals in the cylinder head.
34. Align trie exhaust camshaft timing
mark so it is parallel to the cylinder head, as
shown.
Fig. 88 Install the corresponding select fit
bearing (1)
Fig. 89 When installing the exhaust (1)
and intake (2) camshafts, make sure the
timing marks (3) are aligned and parallel
with the cylinder head
35. Install the intake camshaft by raising
the rear of the camshaft upward and rolling
the sprocket into the chain.
36. Align the timing marks on the intake
cam sprocket with the painted chain link.
37. Position the intake camshaft into the
bearing journals in the cylinder head.
38. Verify that the timing marks are
aligned on both camshafts and that thetim-
ing marks are parallel with the cylinder
head.
## WARNING
Install the front intake and exhaust
camshaft bearing cap last. Ensure
that the dowels are seated and follow
the torque sequence or damage to
the engine could result.
-Hf the front camshaft bearing cap is
broken, the cylinder head MUST be
replaced.
-••Verify that the exhaust bearing shells
are correctly installed, and the dowels
are seated in the head, prior to tighten-
ing the bolts.
39 Install the intake and exhaust
camshaft bearing caps and slowly tighten
COMPASS • PATRIOT
JEEP 9.47
«
.-•.
Fig. 90 Camshaft bearing cap torque sequence—2.0L and 2.4L engines
O
O
o
e
Fig. 91 Intake and exhaust front bearing cap—2.0L and 2.4L engines
22043_COMP_G0064
bolts to 85 inch Ibs. (10 Nm) in the
sequence shown.
40. Install the front intake and exhaust
bearing cap and tighten bolts to 18 ft. Ibs.
(25 Nm). in the sequence shown.
41. Verify that all of the timing marks are
aligned.
42. Remove the Allen wrench from the
timing chain tensioner.
43. Remove Special Tool 9701 Locking
Wedge by pulling straight up on the pull
rope.
44. Apply MOPAR® thread sealant to the
timing tensioner plug and install.
45. Rotate the crankshaftCLOCKWISE
two complete revolutions until the crank-
shaft is repositioned at the TDC position.
46. Verify that the camshaft timing marks
(3) are in the proper position and in line
with the cylinder head cover sealing surface.
If the marks do not line up, the timing chain
is not correctly installed.
47. Install the right engine splash shield.
48. Clean any old RTVfrom the cylinder
head cover gasket.
49. Inspect the cylinder head cover gas-
kets for damage. If they are not damaged,
they may be reinstalled. Otherwise they
must be replaced.
50. Install the studs in the cylinder head
cover as shown.
51. Clean all RTV from the cylinder
head.
52. Apply a dot of MOPAR1'" engine
sealant RTV or equivalent to the cylinder
head front cover T-joint.
53. Install the cylinder head cover and
tighten the bolts in sequence as follows:
a. Tighten all bolts in sequence to 44
inch Ibs. (5Nm).
b. Tighten all bolts in sequence to 90
inch Ibs.(10Nm).
54. Connect the ignition coil electrical
connectors.
Fig. 92 Inspect the cylinder head cover
gaskets for damage before installing
Fig. 93 Install the studs in the cylinder
head cover as shown
Fig. 94 Apply RTV to the cylinder
head/front cover T-joints (1)
55. Connect the PCV and make-up air
hoses.
56. Refill the cooling system to the cor-
rect level.
57. Refill the engine with oil to thecor-
rect level.
58. Install the engine appearance
cover.
59. Connect the negative battery cable.
60. Operate the engine until it reaches
normal operating temperature. Check the
oil and cooling systems for correct fluid
levels.
9-48 JEEP
COMPASS • PATRIOT
CATALYTIC CONVERTER
REMOVAL & INSTALLATION
AWD Models
See Figure 95.
** CAUTION
The normal operating temperature of
the exhaust system is very high.
Therefore, never work around or
attempt to service any part of the
exhaust system until it is cooled.
Special care should be taken when
working near the catalytic converter.
The temperature of the converter
rises to a high level after a short
period of engine operating time.
1. Before servicing the vehicle, refer to
the Precautions Section.
2. Raise and safely support thevehicle.
3. Apply penetrating oil to the bandclamp
fastener of the componentbeing removed.
## WARNING
Do not use petroleum-based lubri-
cants when removing/installing muf-
fler or exhaust pipe isolators as it
may compromise the life of the part.
A suitable substitute is a mixture of
liquid dish soap and water.
4. Rem
5. Disc
trical conne
^If the sp
reused, ma
6. Rem
and spheric
7. Rem
converter (4
alytic conve
8. Clea
the mating <
or worn isoi
clamps, sup
re
any compo
use origin:
equivalent
To insta
f*-When as
tern, do no
component
ances are
9. Insta
converter an
underbody .
10. Posi
the white sic
install the s
e the l-Pipe/Mufflerassembly.
nect the oxygen sensor elec-
ts.
rical gasket is to be
itsorientation.
e the flange bolts (3),springs,
gasket.
e the under floor catalytic
rom the maniverter or cat-
ir assembly (1).
:he ends of the pipes to assure
all the parts. Discard broken
ors, rusted or overused
orts, and attaching parts.
acement is required on
ent of the exhaustsystem,
equipment parts, or an
embling the exhaustsys-
iighten the clamps until the
are aligned and clear-
ecked.
under floor catalytic
the isolator supportsto the
n the sphericalgasket (2) with
facing the rear of the vehicle,
ngs, and bolts (3). Tighten
11. Install the l-Pipe/muffler assembly.
12. Workingfrom the front of the sys-
tem, align each component to maintain the
position and proper clearance with the
underbody parts.
13. Tighten the band clampsto 40 ft.
Ibs. (55 Nm).
WARNING
Band clamps should never be tight-
ened such that the 2 sides of the
clamps are bottomed out against the
center hourglass shaped center
block. Once this occurs, the clamp
band has been stretched and has lost
its clamping force and must be
replaced.
•"•Maintain the proper clamp orienta-
tion when replacing clamps with a new
clamp.
14. Start the engine and inspectfor
exhaust leaks. Repair the exhaust leaks, as
necessary.
15. Check the exhaust systemfor contact
with the body panels. Make the necessary
adjustments, ifneeded.
FWD Models
See Figure 96.
CAUTION
'"w*
"""S
1 . Maniverter or catalytic ^
converter assembly
2. Spherical gasket
3. Flange bolts
4. Under floor catalytic convei
Fig. 95 Remove the under floor catalytic converter trom the mai
assembly—AWD models
i II. IUO. OO I M I I I J .
^D ff)
^^
er
36543_COMP_G0247
verier or catalytic converter
The normal operating temperature of
the exhaust system is very high.
Therefore, never work around or
attempt to service any part of the
exhaust system until it is cooled.
Special care should be taken when
working near the catalytic converter.
The temperature of the converter
rises to a high level after a short
period of engine operating time.
1 . Before servicing the vehicle, refer to
the Precautions Section.
2. Raise and safely support the
vehicle.
3. Apply penetrating oil to the band clamp
fastener of the component being removed.
• ## WARNING ^^H
Do not use petroleum-based lubri-
cants when removing/installing muf-
fler or exhaust pipe isolators as it
may compromise the life of the part.
A suitable substitute is a mixture o1
liquid dish soap and water.
4. Loosen the intermediatepipe-to-cat-
alytic converter clamp.
5. Remove the catalytic converter-to-
JEEP
COMPASS • PATRIOT 9-49
1. Gasket
2. Catalytic converter
3. Mounting nut
36543_COMP_G0248
Fig. 96 Remove the catalytic converter
from the exhaust manifold—FWD models
exhaust manifold mounting nuts and gasket.
Discard the gasket.
6. Remove the l-Pipe/Muffler assembly
insulators, as necessary, to slide thecat-
alytic converter out of the l-Pipe/Muffler.
-••When replacement is required on
any component of the exhaust system,
use original equipment parts, or an
equivalent.
To install:
1. Position the catalytic converter into
the l-Pipe/muffler assembly.
8. Using a new gasket, position the
catalytic converter against the exhaust mani-
fold.
9. Install the flange nuts and tighten to
21 ft. Ibs. (29Nm).
10. Working from the front of the sys-
tem, align each component to maintain the
position and the proper clearance with the
underbody parts.
11. Tighten the band clamps to 40 ft.
Ibs. (55Nm).
WARNING
Band clamps should never be tight-
ened such that the 2 sides of the
clamps are bottomed out against the
center hourglass shaped center
block. Once this occurs, the clamp
band has been stretched and has lost
its clamping force and must be
replaced.
12. Start the engine and inspect for
exhaust leaks. Repair the exhaust leaks, as
necessary.
13. Check the exhaust system for contact
with the body panels. Make the necessary
adjustments, if needed.
COMBINATIONMANIFOLD
REMOVAL & INSTALLATION
AWD Models
See Figures 97 and 98.
1. Before servicing the vehicle, refer to
the Precautions Section.
2. Remove the engine cover.
3. Remove the clean air hose and air
cleaner housing.
4. Disconnect the negative cable from
the battery.
5. Remove the oxygen sensor.
6. Remove the upper heat shield attach-
ing bolts.
7. Remove the upper heat shield.
8. Raise and safely support the vehicle.
9. Disconnect the oxygen sensor elec-
trical connector.
10. Remove the exhaust pipe-to-
maniverter bolts.
11. Remove the maniverter support
bracket.
12. Remove the lower exhaust maniverter
heat shield.
13. Remove the exhaust maniverter lower
retaining fasteners.
14. Lower the vehicle.
15. Remove the coolant adapter. Refer to
Thermostat, removal & installation.
16. Lower the vehicle and remove the
upper exhaust maniverter retaining fasteners.
17. Remove the maniverter (1) from
above and between the engine and cowl
panel.
18. Remove and discard the maniverter
gasket.
To install:
19. Install a new maniverter gasket. DO
NOT APPLY SEALER.
Fig. 97 Remove the exhaust pipe-to-
maniverter bolts—AWD models
Fig. 98 Remove the maniverter (1) from
above and between the engine and cowl
panel—AWD models
20. Position the maniverter (1) in place.
Tighten the fasteners, starting at center and
progressing outward in both directions, to
25 ft. Ibs. (34 Nm).Repeat the tightening
procedure until all the fasteners are at the
specified torque.
21. Install the coolant adapter. Refer to
Thermostat, removal & installation.
22. Install the maniverter heat shields.
Tighten the bolts to 105 inch Ibs.(12 Nm).
23. Install the maniverter support bracket
and tighten the bolts.
24. Install the exhaust pipe-to-
maniverter bolts. Tighten the bolts to 21 ft.
Ibs. (28Nm).
25. Install the oxygen sensor andcon-
nect the electrical connector.
26. Install the engine cover.
27. Install the air cleaner housing.
28. Connect the cables on the battery.
29. Position the air cleaner inlet and
tighten the retainers.
30. Top off all fluids, as necessary.
CRANKSHAFTDAMPER
REMOVAL & INSTALLATION
See Figure 99.
1. Before servicing the vehicle, refer to
the Precautions Section.
2. Remove the accessory drive belt.
Refer to Accessory Drive Belts, removal &
installation.
3. Install Damper holder 9707(1).
4. Remove the crankshaft damper bolt
with a suitable wrench(1).
5. Pull the damper off the crankshaft.
To install:
6. Install the crankshaft damper.
7. Apply clean engine oil to the crank-
shaft damper bolt threads and between the
9-50 JEEP
Fig. 99 Use Damper holder 9707 (1) to service the cranksha
bolt head and washer. Tighten the bolt to
155ft. Ibs. (210Nm).
8. Install the accessory drive belt. Refer
to Accessory Drive Belts, removal & instal-
lation.
CRANKSHAFT FRONT SEAL
REMOVAL & INSTALLATION
See Figures 100 through102.
1. Before servicing the vehicle, refer to
the Precautions Section.
2. Removethe accessory drive belt.
Refer to Accessory Drive Belts, removal &
installation.
3. Install Special Tool 9707 Damper
Holder to remove the crankshaft damper
bolt.
4. Pull the damper off of the crank-
shaft.
5. Remove the crankshaft front seal
by prying it out with a suitable pry
tool.
** WARNING
Take care not to damage the cover
seal surface.
1. New seal
2. Seal Installer Tool
3. Crankshaft bolt
4. Timing chain cover
Fig. 102 Install the new seal by tightening
the crankshaft bolt until the Seal Installer
Tool seats against the timing chain cover
22043_COMP_G0070
Fig. 101 Remove the crankshaft front seal
(1) by pryirjg it out with a suitable pry
tool (2)
Fig. 1DD Install Special Tool 9707 Damper Holder (1) to remove the crankshaft damper bolt
To install:
6. Place the new seal onto SpecialTool
9506 Seal Installer with the seal spring
toward the inside of the engine.
7. Install the new crankshaft front seal
using the Seal Installer tool and the crank-
shaft damper bolt.
8. Tighten the crankshaft bolt until the
Seal Installer tool seats flush against the
timing chain cover.
9. Remove the crankshaft bolt and
Installer Tool.
10. Install the crankshaft damper. Oil the
bolt threads between the bolt head and
washer.
11. Using Special Tool 9707 Damper
Holder, hold the crankshaft damper in posi-
tion and tighten the bolt to 155 ft. Ibs. (210
Nm).
12. Install the accessory drive belt. Refer
to Accessory Drive Belts, removal & instal-
lation.
13. Start the engine and check for leaks.
CYLINDER HEAD
REMOVAL & INSTALLATION
See Figures 103 through 112.
1. Before servicing the vehicle, refer to
the Precautions Section.
2. Remove the engine cover by pulling
upward.
3. Properly relievethe fuel system
pressure.
4. Disconnect and isolate the negative
battery cable.
5. Drain the cooling system.
6. Remove the clean air hose and air
cleaner housing.
JEEP
COMPASS • PATRIOT 9-51
7. Remove the coolant recovery bottle.
8. Remove and reposition the power
steering reservoir.
9. Remove the windshield washer
bottle.
10. Remove the accessory drive belt.
Refer to Accessory Drive Belts, removal &
installation.
11. Remove the power steering hose
hold down.
12. Remove the 3 power steering pump
mounting bolts through the openings in the
pulley and reposition the pump.
13. Remove the cylinder head cover.
14. Remove the ignition coils from the
cylinder head cover.
15. Raise and safely support the vehicle.
16. Remove the right splash shield.
17 Set the engine to Top Dead Center
(TDC).
18. Remove the lower A/C compressor
bolts, if equipped.
19. Remove the lower A/C compressor
mount, if equipped.
20. Remove the accessory drive belt
lower idler pulley.
21. Remove the crankshaft damper.
22. Remove the 3 bolts and the water
pump pulley from the water pump.
23. Remove the lower bolt from the right
side engine mount bracket.
24. Remove the timing chain cover lower
bolts.
25. Remove the under floor catalytic
converter.
26. Lower the vehicle.
27. Support the engine with a suitable
jack.
28. Remove the right engine mount
through bolt.
29. Remove the right engine mount-to-
mount bracket bolts.
30. Remove the right engine mount
adapter.
31. Remove the accessory drive upper
idler pulley.
32. Remove the right upper engine
mount bracket.
33. Remove the accessory drive belt ten-
sioner.
34. Remove the upper timing chain
cover. Refer to Timing Chain Cover and
Seal, removal & installation.
35. Remove the timing chain. Refer to
Timing Chain and Sprockets, removal &
installation.
36. Remove the timing chain guide and
the timing chain pivot guide.
37. Disconnect the fuel line from the fuel
rail.
38. Unlock and disconnect the electrical
connectors from the fuel injectors.
39. Remove the 2 fuel rail retaining bolts
and remove the fuel rail.
40. Disconnect the electrical connectors
from the coolant temperature sensor, oil
temperature sensor, variable valve timing
solenoids, camshaft position sensors, MAP
sensor, manifold tuning valve, ignition inter-
ference suppressor, and electronic throttle
control.
41. Remove the wiring harness retainer
from the intake manifold and reposition the
harness.
42. Remove the throttle body support
bracket.
43. Disconnect the vacuum lines at the
intake.
44. Remove the upper radiator hose
retaining bolt.
45. Remove the intake manifold retaining
bolts and remove the intake manifold.
46. Remove the 4 bolts and reposition
the coolant adapter.
47. Remove the ground strap at the right
rear of the cylinder head, if equipped.
"*-The camshaft bearing caps should
have been marked during engine man-
ufacturing. For example, number 1
exhaust camshaft bearing is marked
E1.
WARNING
DO NOT use a number stamp or a
punch to mark the camshaft bearing
caps. Damage to the bearing caps
could occur.
48. Using a permanent ink or paint
marker, identify the location and position on
each camshaft bearing cap.
49. Remove the front camshaft bearing
cap.
50. Slowly remove the remaining intake
and exhaust camshaft bearing cap bolts,
one turn at a time.
51. Removethe camshafts.
~AII of the cylinder head bolts have
captured washers EXCEPT the front
two.
52. Remove the cylinder head bolts and
the 2 un-captured washers.
53. Remove the cylinder head from the
engine block.
54. Inspect the cylinder head and block
sealingsurfaces.
To install:
WARNING
The cylinder head bolts are tightened
using a torque plus angle procedure.
The bolts must be examined BEFORE
reuse. If the threads are necked
down the bolts must be replaced.
55. Check cylinder head bolts for neck-
ing by holding a scale or straight edge
against the threads. If all the threads do
not contact the scale, the bolt must be
replaced.
^Ensure that the cylinder head bolt
holes in the block are clean, dry (free
of residual oil or coolant), and that the
threads are not damaged.
WARNING
Always replace the variable valve
timing filter screen (3) when servic-
ing the head gasket or engine dam-
age could result.
56. Replace the variable valve timing fil-
ter screen (3).
1. Cylinder head
2. Variable valve timing filter screen
36543_COMP_G0062
Fig. 103 Always replace the variable valve timing filter screen when servicing the head
gasket or engine damage could result
9-52 JEEP
COMPASS • PATRIOT
-•When using RTV, the sealingsur-
faces must be clean and free from
grease and oil.The parts should be
assembled in 10 minutes and tighten to
the final torque within 45 minutes.
57. Place 2 pea size dots of MOPAR®
engine sealant RTV, or equivalent (1), on the
cylinder block, as shown.
58. Position the new cylinder head gas-
ket on engine block with the part number
facing up. Ensure gasket is seated over the
locating dowels in block.
59. Place 2 pea size dots of MOPAR®
engine sealant RTV, or equivalent (1), on the
cylinder head gasket, as shown.
-•The head must be installed within
15 minutes before the RTV skins.
60. Position the cylinder head onto the
engine block.
WARNING
This engine was built with 2 different
styles of cylinder head bolts. Each
style bolt requires a different torque
36543_COMP_G0063
Fig. 104 Place 2 pea size dots of engine
sealant RTV on the cylinder block, as
shown
Fig. 105 Place 2 pea size dots of engine
sealant RTV on the cylinder head gasket,
as shown
value. Th
the short
bolt head
bolts can be identified by
iolt head (1) and the long
(2).
61. Measure the bolt head from the
washer to me top of the bolt head. The short
bolt head H) measures 5/ie inch (8mm) and
the long bo t head (2) measures 1/2 inch
(13mm).
62. Identify whether your engine has the
short head design (1) or the long head
design(2).
f*The front 2 cylinder head bolts do not
have captured washers. The washers
must be installed with the bevel edge
(1) up towards the bolt head.
63. Install washers (1) for the front 2
cylinder hea'o bolts with the beveled edge
facing up.
—•Before in
bolts,
engine oil.
64. Instal
tighten in the
italling the cylinder head
the threads with clean
the cylinder head bolts and
sequence shown.
Fig. 106 This engine was built with 2
different styles of cylinder head bolts. Each
style bolt requires a different torque value.
The bolts can be identified by the short
bolt head (1)1and the long bolt head (2)
36543_COMP_G0066
Fig. 107 The front 2 cylinder head bolts
do not have captured washers. The
washers must be installed with the bevel
edge (1) up towards the bolt head
65. If the cylinder head bolts have the
short head (1), use the following torque
specifications:
a. Step 1: Tighten all bolts to 25 ft.
Ibs. (30 Nm).
b. Step 2: Tighten all bolts to 45 ft.
Ibs. (61 Nm).
c. Step 3: Tighten all bolts again to
45 ft. Ibs. (61 Nm).
d. Step 4: Tighten all bolts an addi-
tional 90°.
—•Do not use a torque wrench for
Step 4.
66. If the cylinder head bolts have the
long head (2),use the followingtorque
specifications:
a. Step 1: Tighten all bolts to 25 ft.
Ibs. (30 Nm).
b. Step 2: Tighten all bolts to 54 ft.
Ibs. (73Nm).
c. Step 3: Tighten all bolts to 54 ft.
Ibs. (73 Nm).
d. Step 4: Tighten all bolts an addi-
tional 90°.
— Do not use a torque wrench for
Step 4.
67. Clean excess RTV from the timing
chain cover sealing surface.
68. Install the coolant adapter with new
seals. Tighten the bolts to 13 ft. Ibs. (18 Nm).
69. The front camshaft bearing cap is
numbered either 1, 2, or 3. This corre-
sponds to the select fit front exhaust
camshaft bearing to use.
70. Install the corresponding select fit
front exhaust camshaft bearing.
71. Oil all of the camshaft journals with
clean engine oil.
72. Position the exhaust camshaft (1)
and intake camshaft (2) on the bearing jour-
nals in the cylinder head.
73. Align the camshaft timing marks (3)
so that they are facing each other and are in
line with the cylinder head cover sealing
surface.
## WARNING
Install the front intake and exhaust
camshaft bearing cap last. Ensure
that the dowels are seated and
follow the torque sequence or
damage to the engine could result.
— If the front camshaft bearing cap is
broken, the cylinder head MUST be
replaced.
74. Install the intake and exhaust
camshaft bearing caps and slowly tighten
the bolts to 85 inch Ibs.(10 Nm) in the
sequence shown.
JEEP
COMPASS • PATRIOT 9-53
Fig. 108 Cylinder head bolt tightening sequence—2.0L and 2.4L engines
1 . Exhaust camshaft
2. Intake camshaft
3. Camshaft timing marks
Fig. 109 Align the camshaft timing marks
so that they are facing each other and are
in line with the cylinder head cover
sealing surface
•••Verify that the exhaust bearing shells
are correctly installed, and the dowels
are seated in the head, prior to tighten-
ing the bolts.
75. Install the front intake and exhaust
bearing cap and tighten the bolts to 18 ft.
Ibs. (25 Nm) in the sequence shown.
76. Install the timing chain guide (4)
and tighten the bolts to 105 inchIbs.
(12Nm).
77. Install the moveable timing chain
pivot guide (6) and tighten the bolt to 105
inch Ibs. (12Nm).
78. Install the timing chain (2) and ten-
sioner (5).
79. Install the timing chain cover, engine
mount, pulleys, and accessory drive belt.
80. Install the cylinder head cover and
ignition coils.
81. Install the exhaust manifold. Refer to
Exhaust Manifold, removal & installation.
82. Install the ground strap at the right
rear of the cylinder head, if equipped.
83. Install the intake manifold, vacuum
lines, and fuel rail. Refer to Intake Manifold,
removal & installation.
84. Install the upper radiator hose retain-
ing bracket bolt.
85. Connect the coil and the injector
electrical connectors.
86. Connect the electrical connectors to
the coolant temperature sensor, camshaft
position sensors, oil temperature sensor,
variable valve timing solenoids, MAPsen-
sor, manifold tuning valve, ignition interfer-
ence suppressor, and electronic throttle
control.
87. Install the power steering pump
reservoir. Tighten the mounting screw to
106 inch Ibs. (12Nm).
88. Install the windshield washer reser-
voir.
89. Install the coolant recovery reservoir.
Tighten the mounting bolts to 35 inch Ibs
(4Nm).
90. Install the clean air hose and air
cleaner housing.
91. Fill the cooling system with the
proper fluid to the correct level.
92. Install a new oil filter and fill the
engine with the proper type and amount of
oil.
93. Connect the negative battery cable.
Fig. 110 Camshaft bearing cap tightening sequence
o
0
Fig. 111 Tightening sequence for front intake and exhaust bearing caps—torque these last
9-54 JEEPCOMPASS • PATRIOT
1. Intake camshaft
2. Timing chain
3. Exhaust camshaft
4. Timing chain guide
5. Tensioner
6. Timing chain pivot guide
Fig. 112 Timing chain and related
components
94. Operate the engine until it reaches
the normal operating temperature. Check
the oil and cooling systems tor leaks and
for correct fluid levels.
95. Install the engine cover.
ENGINE ASSEMBLY
REMOVAL & INSTALLATION
See Figures 113 through 116.
1. Before servicing the vehicle, refer to
the Precautions Section.
2. Drain the engine oil.
3. Drain the cooling system.
4. Properly relieve the fuel system
pressure.
5. Remove the hood.
6. Remove the engine appearance
cover.
7. Remove the air intake assembly.
8. Disconnect both cables from the bat-
tery.
9. Remove the battery and battery tray.
10. Removethe coolant reservoir.
11. Removethe power steering reservoir.
12. Removethe windshield washer
reservoir.
13. Remove the coolant hoses from
coolant adapter.
14. Remove the grill closure panel.
15. Removethe upper radiator hose sup-
port.
16. Disconnect the engine electrical con-
nectors and reposition harness.
17. Remove the air intake tube from
throttle body.
18. Disconnect the fuel line from fuel rail.
19. Remove the vacuum lines from
throttle body and intake manifold.
20. Remo
intake.
21. Remo
bracket.
22. Disco
control and rr
electrical con
23. Remo
air hose from
24. Remo
25. Remo
ing bolts and
Refer to Intak
tion.
26. Disco
and repositio
27. Remo
Refer to Acce
installation.
28. Remo
port at the en
fold.
29. Remo
and set it asi
30. Remo
31. Remo
right tower.
32. Raise
vehicle.
33. Remo
34. Remo
35. Remo
tion cover an
verter to the 1
36. Remo
37. Remo
mounting bo
the wiring harness from the
the throttle body support
ect the electronicthrottle
life-Id flow control valve
ctors.
the PCV hose, and make-up
alve cover.
the dipstick.
the intake manifold mount-
jmove the intake manifold.
vlanifold, removal & installa-
ect the electrical connectors
the harness.
the accessory drive belt,
ory Drive Belts, removal &
the power steering line sup-
ne mount and exhaust mani-
the power steering pump
the upper idler pulley,
the ground strap near the
nd safely support the
the right front wheel.
the engine splash shield.
the torque converter inspec-
matchmark the torque con-
A/heel.
the torque converter bolts.
the lower bell housing
38. Remove the A/C compressor mount-
ing bolts.
39. Remove the alternator and the lower
idler pulley.
40. Disconnect the Crankshaft Position
(CKP) sensor electrical connector and
remove the sensor.
41. Remove the exhaust variable valve
timing solenoid.
42. Install an engine lift chain to cylinder
head, as shown.
43. Connect the chain to the rear engine
lift hook.
44. Install engine liftingcrane.
45. Remove the right engine mount
through-bolt.
46. Remove the engine mount adapter
retaining bolts and the mount adapter.
Fig. 114 Install an engine lift chain (1) to
the cylinder head, as shown
1. Ignition coil electrical connectors
2. Make-up air hose
3. Fuel line
4. Fuel injector electrical connectors
5. PCV hose
Fig. 113 Lo
injector elec
tion of the ignition coil electrical connectors, make-up air hose, fuel line, fuel
cal connectors, and PCV hose—2.0L and 2.4L engines
JEEP
COMPASS • PATRIOT 9-55
1. Engine mount
2. Mount adapter
3. Retaining bolts
4. Through-bolt
Fig. 115 Remove the right engine mount through-bolt, mount adapter retaining bolts, and
mount adapter
47. Carefully lift the engine from the
engine compartment.
To install:
48. Position the engine assembly over
the vehicle and slowly lower the engine into
place.
49. Continue lowering the engine until
the engine/transaxle assembly are aligned
to the mounting locations.
50. Install the engine mount adapter
and tighten the bolts. Install the mount
through-bolt and tighten all bolts to 87 ft.
Ibs. (118Nm).
51. Remove the engine lift chain.
52. Install the oil control valve.
53. Raise and safely support the vehicle.
54. Install the A/C compressor.
55. Install the exhaust manifold and heat
shields.
56. Install the oxygen sensor and con-
nect the electrical connector.
57. Install the CKP sensor and connect
the connector.
58. Install the manifold to the exhaust
pipe bolts and tighten the bolts.
59. Install the alternator.
60. Install the lower bell housing bolts
and tighten the bolts.
61. Align the torque converter and flex-
plate matchmark. Install the torque con-
verter bolts and tighten.
62. Install the torque converter inspec-
tion cover.
63. Install the crankshaft damper, using
Special Tool 9707 Damper holder. Apply
clean engine oil to the crankshaft damper
bolt threads and between the bolt head and
washer. Tighten the bolt to 155 ft. (210
Nm).
64. Install the right engine splash
shield.
65. Install the wheel.
66. Install the coolant hose to the oil
cooler.
67. Install a new oil filter.
68. Lower the vehicle.
69. Install the upper idler pulley.
70. Install the coolant adapter assembly.
71. Install the ground strap near the right
strut tower.
72. Install the power steering line support
bracket and install the power steering pump.
73. Install the accessory drive belt. Refer
to Accessory Drive Belts, removal & instal-
lation.
74. Connect the electrical connectors at
the block ground, starter, A/C compressor,
knock sensor, oil pressure sensor, alterna-
tor, coolant temperature sensor at the block,
and block heater (if equipped).
75. Install the intake manifold. Refer to
Intake Manifold, removal & installation.
76. Install the throttle body support
bracket and wiring harness retainer.
77. Install the dipstick.
78. Install the PCV hose to valve cover
and make-up air hose.
79. Connect the manifold flow control
valve and electronic throttle control electri-
cal connectors.
80. Install the vacuum lines to the
throttle body and intake manifold.
81. Install the intake air tube to the
throttle body.
82. Connect the ignition coil electrical
connectors.
83. Connect the injector electrical con-
nectors.
84. Connect the fuel line to fuel rail.
85. Connect the intake and exhaust oil
control valve electrical connectors.
86. Install the grill trim panel.
87. Install the upper radiator support
bracket.
88. Connect the coolant temperature
sensor.
89. Connect the capacitor electricalcon-
nector.
90. Install the coolant hoses at the
coolant adapter.
91. Install the coolant reservoir andcon-
nect hose.
92. Install the battery tray and battery.
1. Coolant temperature sensor
2. Capacitor electrical connector
3. Coolant adapter
Fig. 116 Location of the coolant temperature sensor, capacitor electrical connector, and
coolant hoses connected to the coolant adapter
9-56 JEEP
COMPASS • PATRIOT
93. Connect the battery cables.
94. Install the air intake assembly.
95. Fill the cooling system with the
proper fluid to the correct level.
96. Fill the engine with the proper type
and amount ofoil.
97. Install the engine appearance cover.
98. Install the hood.
99. Operate the engine until it reaches
the normal operating temperature. Check
the oil and cooling systems for leaks and
for correct fluid levels.
EXHAUST MANIFOLD
REMOVAL & INSTALLATION
FWD Models
See Figures 117 through 119.
1. Before servicing the vehicle, refer to
the Precautions Section.
2. Disconnect the negative battery
cable.
3. Removethe engine appearance
cover.
4. Remove the upper heat shields
mounting bolts.
5. Remove the upper heat shield.
6. Disconnect the exhaust pipe from the
exhaust manifold.
7. Remove the exhaust manifold sup-
port bracket.
8. Disconnect the Oxygen sensor elec-
trical connector.
9. Remove the exhaust manifold
mounting bolts.
10. Removethe exhaust manifold and
gasket.
To install:
11. Install a new exhaust manifoldgas-
ket. DO NOT APPLYSEALER.
12. Position the exhaust manifold in
place.
Fig. 117 Remove the upper heat shield
TimviYiVtfj bolts (2) to remove (he upper
heat shield (1)-FWD vehicles
22043_COMP_G0081
Fig. 118
bolts (1)
support b
move the bracket mounting
d remove the exhaust manifold
cket (2)—FWD vehicles
O
e
o o
22043_COMP_G0082
Fig. 119
sequence
haust manifold torque
FWD vehicles
13. Inst;
the bolts, in
14. Inst
shield. Tigf
(12Nm).
15. Inst
bracket.
16. Inst
ket and con
exhaust mi
to 21 ft. Ib
17. Con
connector,
18. Inst
19. Con
the exhaust manifold. Tighten
jquence, to 25 ft. Ibs. (34Nm).
the exhaust manifold heat
n the bolts to 105 inchIbs.
the exhaust manifold support
a new catalytic converter gas-
jct the exhaust pipe to the
old. Tighten the flange bolts
28Nm).
ct the oxygen sensor electrical
the engine appearance cover,
ct the negative battery cable.
FLYWHEEL
REMOVAL & INSTALLATION
See Figure 1, V.
** CAUTION
Chrysler do
vehicles or
contain asl.
ucts may or
s not manufacture any
replacement parts that
jstos. Aftermarket prod-
may not contain
36543_COMP_G0250
Fig. 120 Torque sequence for the flywheel
bolts
asbestos. Refer to aftermarket prod-
uct packaging for product informa-
tion. Whether the product contains
asbestos or not,dust and dirt can
accumulate on manual clutch parts
during normal use. Follow practices
prescribed by appropriate regulations
for the handling, processing, anddis-
posing of dust and debris.
1. Before servicing the vehicle, refer to
the Precautions Section.
2. Remove the transaxle. Refer toMan-
ual or Automatic Transaxle Assembly,
removal & installation.
3. Remove clutch pressure plate and
disc. Refer to Clutch, Driven Disc & Pres-
sure Plate removal & installation.
4. Remove the 6 flywheel-to-crankshaft
bolts and remove the flywheel assembly.
To install:
5. Clean the surfaces of the flywheel and
pressure plate to make certain that all oil,
grease, and rust have been removed.
6. Install and torque the flywheel-to-
crankshaft bolts to 70 ft. Ibs. (95 Nm).
7. Install clutch pressure plate and disc.
Refer to Clutch, Driven Disc & Pressure
Plate removal & installation.
8. Install transaxle assembly. Refer to
Manual or Automatic Transaxle Assembly,
removal & installation.
INTAKE MANIFOLD
REMOVAL & INSTALLATION
See Figures 121 through123.
** WARNING
Release fuel system pressure before
servicing system components. Ser-
JEEP
COMPASS • PATRIOT 9-57
vice vehicles in a well-ventilated
area and avoid ignition sources.
Never smoke while servicing the
vehicle.
1. Before servicing the vehicle, refer to
the Precautions Section.
2. Properly relieve the fuel system
pressure.
3. Drain the cooling system.
4. Disconnect the negative battery
cable.
5. Remove the engine appearance
cover.
6. Remove the air intake assembly.
7. Disconnect the fuel line from the fuel
rail.
8. Disconnect the fuel injector electrical
connectors.
9. Remove the fuel rail. Refer to Fuel
Rail & Injectors, removal & installation.
10. Disconnect the electrical connectors
for the oil temperature sensor, variable valve
Fig. 121 Remove the engine appearance
cover (1) by pulling upwards—2.4L engine
shown
1. Air cleaner housing
2. Housing clasps
3. Battery
4. Intake Air Temperature (IAT) sensor
5. Air inlet tube
36543_COMP_G0074
Fig. 122 View of air intake and related
components
timing solenoid, and intake camshaft posi-
tion sensor.
11. Position the wiring harness out of
the way.
12. Remove the throttle body support
bracket.
13. Disconnect the electronic throttle
control electrical connector.
14. Remove the wiring harness retainer
from the intake manifold.
15. Disconnect the Manifold Absolute
Pressure (MAP) sensor electrical connector.
16. Disconnect the vacuum lines from
the intake manifold.
17. Remove the upper radiator hose
retaining bracket.
18. Remove the intake manifold retaining
bolts.
19. Remove the intake manifold and gas-
ket.
To install:
20. Clean the gasket surfaces.
21. Using a new gasket, install the
intake manifold, in sequence, to 18 ft. Ibs.
(25 Nm).
22. Install the upper radiator hose sup-
port bracket.
23. Connect the vacuum lines to the
intake manifold.
24. Install the fuel rail assembly and
tighten the mounting bolts to 17 ft. Ibs.
(23 Nm).
25. Connect the fuel injector electrical
connectors.
26. Connect the fuel supply hose.
27. Reconnect the electrical connectors
previously removed.
28. Install the air intake assembly.
29. Fill the cooling system with the
proper fluid to the correct level.
30. Install the engine appearance cover.
Fig. 123 Intake manifold torque
sequence—2.0L & 2.4L engines
OIL PAN
REMOVAL & INSTALLATION
See Figures 124 through 126.
1. Before servicing the vehicle, refer to
the Precautions Section.
2. Raise and safely support the vehicle.
3. Drain the engineoil.
4. Remove the accessory drive belt
splash shield.
5. Remove the lower A/C compressor
mounting bolt and remove the A/C mount-
ing bracket.
6. Remove the oil pan mounting bolts.
7. Using a putty knife, loosen the seal
around the oil pan.
*# WARNING
Do not use the pry points in the
engine block to remove the oil pan.
8. Remove the oil pan.
To install:
9. Clean any old gasket material from
the mating surfaces.
Fig. 124 Use a putty knife (1) to loosen
the seal around the oil pan (2)
Fig. 125 Apply MOPAR® Engine RTV GEN
II to the front cover-to-engine block parting
lines (1) as shown
9-58 JEEP
COMPASS • PATRIOT
Fig. 126 Apply a 2mm bead of MOPAR®
Engine KM GEN II on the oil pan mating
surface as shown
10. Apply MOPAR® Engine RTV GEN II at
the front cover-to-engine block parting
lines.
11. Apply a 2mm bead of MOPAR®
Engine RTV GEN II around the oil panmat-
ing surface as shown in the illustration.
12. Install the oil pan into position
and tighten the bolts to 105 inch Ibs.
(12 Nm).
i*The 2 long bolts must be tightened to
195 inch Ibs.(22 Nm).
13. Install the oil drain plug.
14. Install the A/C compressor mounting
bracket and A/C compressor lower mount-
ing bolt.
15. Lower the vehicle.
16. Fill the engine with the proper type
and amount of oil.
17. Start the engine and check for
leaks.
OIL PUMP
REMOVAL & INSTALLATION
See Figure 127.
1. Before servicing the vehicle, refer to
the Precautions Section.
2. Rotate the engine to put cylinder
number 1 at Top Dead Center (TDC).
3. Remove the oil pan. Refer to Oil Pan,
removal & installation.
4. Matchmark the position of thetiming
chain to the crankshaft sprocket for
reassembly.
5. Push the tensioner piston back into
the tensioner body.
6. With the piston held back, insert
Special Tool 9703 Tensioner Pin into the
tensioner body to hold the piston in the
retracted position.
7. Remove the Balance Shaft Module
(BSM) mounting bolts and discard the
bolts.
o
22043_COMP_G0091
Fig. 127 Balance Shaft Module (BSM) torque sequence—2.0L and 2.4L engines
8. Lower the Hack of the BSM and remove
the timing chain from the oil pump sprocket.
9. Remove thp BSM from the engine.
To install:
#* WARNING
Do not reuse
bolts. Alway:
removing. Fa
bolts can res
10. Clean th
brake cleaner
11. If remo
chain over the
matchmarks.
12. Align th
chain over the i
13. Pivot tin
and position it
14. Start ne1
tighten, in the <
lowing steps:
a. Stepl
Ibs. (15 Nm
b. Step 2
Ibs. (29 Nm
c. Step 3
tional 90C
15. Remove
16. Install tr
removal & inst
17. Fill the
and amount of.
18. Start thi
SM-to-engine block
iscard bolts after
.ire to replace these
in engine damage.
BSM mounting holes with
j, position thetiming
rocket, aligning the
natchmarks and install the
pump sprocket.
3SM assembly upwards
the ladder frame,
bolts by hand. Then
quence shown, in thefol-
'ighten the bolts to 11 ft.
"ighten the bolts to 22 ft.
lotate each bolt an addi-
e tensioner pin.
oil pan. Refer to Oil Pan,
ation.
gine with the proper type
ngineand check for leaks.
FRONT OFENGINE
1. Top compression ring gap
2. Upper oil ring side rail gap
3. Second compression ring gap
4. Lower oil ring side rail gap
22043_COMP_G0092
Fig. 128 Position the piston ring end gaps
as shown—2.0L and 2.4L engines
PISTON AND RING
POSITIONS
See Figures 1 '8 and 129.
Fig. 129 The directional arrow stamped
on the piston should face toward the front
of the engine—2.0L and 2.4L engines
JEEP
COMPASS • PATRIOT 9-59
REAR MAIN SEAL
REMOVAL & INSTALLATION
See Figures 130 and131.
1. Before servicing the vehicle, refer to
the Precautions Section.
2. Remove the transaxle assembly. Refer
to Automatic or Manual TransaxleAssembly,
removal & installation.
3. Remove the flexplate.
4. Insert a3/ie flat-bladed screwdriver
(7) between the dust lip (8) and the metal
case (4) of the crankshaft seal (1). Angle the
screwdriver through the dust lip against the
metal case of the seal. Pry out the seal.
** WARNING
Do not permit the screwdriver blade
to contact the crankshaft seal sur-
face. Contact of the screwdriver
blade against the crankshaft edge
(chamfer) ispermitted.
5. Check to make sure the seal garter
spring is not on the crankshaft.
To install:
•Hf a burr or scratch is present on the
crankshaft edge (chamfer), cleanup
1. Special Tool 9706
2. New rear main seal
3. Special Tool 9509
4. Special Tool C-4171
Fig. 131 Install a new seal using Special Tools 9509, 9706, and C-4171
with 800 emery cloth to prevent seal
damage during installation ot the new
seal. If emery cloth is used, the crank-
shaft must be cleaned off with MOPAR
brake parts cleaner, or equivalent.
6. Crankshaft
7. Flat-bladed screwdriver
8. Dust lip
9. Flat-bladed screwdriver
1. Crankshaft seal
2. Engine block
3. Engine block
4. Metal case
5. Pry angle direction
Fig. 130 Insert a flat-bladed screwdriver between the dust lip and the metal case of the
crankshaft seal and carefully pry out the seal
^When installing the rear main seal,
lubricate Seal Guide 9509 with clean
engine oil.
6. Lightly coat Special Tool 9509 Seal
Guide with clean engine oil. Place the seal
guide on the crankshaft.
7. Position the seal (2) over the guide
tool. The guide tool should remain on
the crankshaft during installation of the
seal. Ensure that the lip of. the seal is
facing towards the crankcase during
installation.
8. Drive the seal into the block using
Seal Driver 9706 (1) and Driver Handle C-
4171 (4) until Seal Driver 9706 bottoms out
against the block.
9. Install the flexplate. Tighten the new
bolts to 70 ft. Ibs. (95 Nm).
10. Install the transaxle assembly. Refer
to Automatic or Manual Transaxle Assembly,
removal & installation.
ROCKER ARMS/SHAFTS
REMOVAL & INSTALLATION
There are 4 valves per cylinder (2 intake
and 2 exhaust) that are opened by using
direct acting tappets actuated by overhead
camshafts. No rocker arms are used in
these engines.
TIMING CHAIN COVER AND
SEAL
REMOVAL & INSTALLATION
See Figures 132 through 139.
9 en JEEP
UU COMPASS • PATRIOT
1. Before servicing the vehicle, refer to
the Precautions Section.
2. Remove the engine cover by pulling
upward.
3. Properly relieve the fuel system
pressure.
4. Disconnect and isolate the negative
battery cable.
5. Remove the coolant recovery bottle.
6. Remove and reposition the power
steering reservoir.
7. Removethe windshield washer bottle.
8. Remove accessory drive belt. Refer
to Accessory Drive Belts, removal & instal-
lation.
9. Remove power steering hose hold
down.
10. Remove the 3 power steering pump
mounting bolts through the openings in the
pulley and reposition the pump.
11. Remove the cylinder head cover.
Refer to Valve Cover, removal & installation.
12. Remove the ignition coils from the
cylinder head cover.
13. Raise and safely support the vehicle.
14. Removethe right lower splash
shield.
15. Set the engine to Top Dead Center
16. Remove the lower A/C compressor
bolts, if equipped.
17. Remove the lower A/C compressor
mount, if equipped.
18. Remove the accessory drive belt
lower idler pulley.
19. Remove the crankshaft damper. Refer
to Crankshaft Damper, removal & installa-
tion.
20. Remove the 3 bolts and water pump
pulley from the water pump.
21. Remove the lower bolt from the right
side engine mount bracket.
22. Remove the timing chain cover lower
bolts (1).
36543_COMP_G0079
Fig. 132 Set the engine to Top Dead
Center (TDC)(1)
Fig. 133 Lower turning chain cover
mounting bolts (1) (looking from the bot-
tom up)—2.0L and 2.4L engines
23. Lower the ehicle.
24. Support thf engine with a suitable
jack.
25. Remove th£ right engine mount
through bolt.
26. Remove th£ right engine mount-to-
mount bracket
27. Remove th|3 right engine mount
adapter.
28. Remove tnje accessory drive upper
idler pulley.
29. Remove trje right upper engine
mount bracket.
30. Remove trje accessory drive belt ten-
sioner.
31. Remove tt|e timing chain cover
retaining bolts.
32. Remove the timing chain cover using
pry points (1, 2, 3).
33. Remove the timing chain cover (1)
out through the bottom of the vehicle.
To install:
-••When using engine sealant RTV, the
sealing surfaces must be clean and
free from grease and oil. Also, the
parts should be assembled within 10
minutes and tightened to the final
torque within 45 minutes.
34. Clean all the sealing surfaces.
35. Apply MOPAR®engine sealant RTV
(or equivalent) as shown, at the cylinder
head-to-block parting line (1, 2).
36. Apply MOPAR® engine sealant RTV
(or equivalent) as shown, at the ladder
frame-to-block parting line (1, 2).
37. Apply MOPAR^1 engine sealantRTV
(or equivalent) as shown, in the corner of
the oil pan and block.
38. Apply a 2mm bead of MOPAR'^
engine sealant RTV (or equivalent) to the oil
pan, as shown.
39. Apply a 2mm bead of MOPAR&
engine sealant RTV (or equivalent) to the
engine block (1, 2) as shown.
40. Install the timing chain cover
upwards from under the vehicle.
41. Install the timing chain cover upper
retaining bolts and tighten the M6 bolts to
80 inch Ibs. (9 Nm) and the M8 bolts to
230 inch Ibs.(26Nm).
36543_COMP_G0081
Fig. 134 Location of the timing chain cover mounting bolts and pry points (1, 2, 3)—2 OL
and 2.4L engines
JEEP
COMPASS • PATRIOT 9-61
Fig. 135 Remove the timing chain cover
(1) out through the bottom of the vehicle—
2.0L and 2.4L engines
Fig. 136 Apply RTV at the cylinder head-
to-block parting line (1, 2), as shown
Fig. 137 Apply RTV at the ladder frame-
to-block parting line (1, 2), as shown
42. Install the accessory drive belt ten-
sioner. Tighten the bolt to 212 inch Ibs.
(24 Nm).
43. Install the right engine mount
bracket. Tighten the bolts to 37 ft. Ibs.
(50 Nm).
44. Install the accessory drive belt upper
idler pulley. Tighten the bolt to 35 ft. Ibs.
(48 Nm).
45. Install the engine mount adapter and
tighten the bolts to 50 ft. Ibs. (68 Nm).
Fig. 138 Apply RTV in the corner of the oil
pan and block, as shown
59. Install the power steering hose hold
down.
60. Install the accessory drive belt. Refer
to Accessory Drive Belts, removal & instal-
lation.
61. Install the power steering pump
reservoir. Tighten the mounting screw to
106 inch Ibs. (12 Nm).
62. Install the windshield washer reservoir.
63. Install the coolant recovery reservoir.
Tighten the mounting bolts to 35 inchIbs.
(4 Nm).
64. Install the air cleaner housing inlet.
65. Install the clean air hose and air
cleaner housing.
36543_COMP_G0086
Fig. 139 Apply a 2mm bead RTV to the engine block (1, 2), as shown
46. Install the engine mount through bolt
and tighten to 65 ft. Ibs. (88 Nm).
47. Remove the jack from under the
engine.
48. Raise and safely support the vehicle.
49. Install the oil pan to the timing chain
cover lower retaining bolts and tighten the
M6 bolts to 80 inch Ibs. (9 Nm).
50. Install the water pump pulley and
tighten the 3 bolts to 80 inch Ibs. (9 Nm).
51. Install the crankshaft damper. Refer to
Crankshaft Damper, removal & installation.
52. Install the accessory drive belt lower
idler pulley. Tighten the bolt to 35 ft. Ibs.
(48 Nm).
53. Install the lower A/C compressor
mounting bracket. Tighten the bolts to 18 ft.
Ibs. (24 Nm).
54. Install the A/C compressor. Tighten
the bolts to 18 ft. Ibs. (25 Nm).
55. Install the right lower splash shield.
56. Lower the vehicle.
57. Install the cylinder head cover and
ignition coils.
58. Place the power steering pump in the
mounting position. Install the 3 bolts
through the openings in the pulley. Tighten
the mounting bolts to 19 ft. Ibs. (26 Nm).
66. Connect the negative battery cable.
67. Operate the engine until it reaches a
normal operating temperature. Check the oil
system for leaks and correct fluid levels, as
necessary.
68. Install the engine cover.
TIMING CHAIN AND
SPROCKETS
REMOVAL & INSTALLATION _
See Figures 140 through145.
1. Before servicing the vehicle, refer to
the Precautions Section.
2. Remove the timing chain cover. Refer
to Timing Chain Cover and Seal, removal &
installation.
crankshaft timing mark (3) or (5)
can be in one of two locations depend-
ing on whether the engine is early pro-
duction (5), late production (3), or
assembled with service parts (3). In all
cases, the keyway (2) will always be in
the 9:00 position, in line with the lad-
der frame mounting surface (1) when
the engine is at Top Dead Center (TDC).
9-62 JEEP
COMPASS • PATRIOT
1. Ladder frame mounting surface
2. Keyway
3. Crankshaft timing mark—late production or new service parts
4. Timing chain —marked link
5. Crankshaft timing mark—early production
Fig. 140 The crankshaft timing mark can be in one of two locations depending on whether
the engine is early production or late production or assembled with service parts. In all
cases, the keyway will always be in the 9:00 position, in line wi|h the ladder frame mount-
ing surface when the engine is at TDC—2.0L and 2.4L engines
3. Verify that the engine is set to TDC.
-Hf the timing chain plated links can
no longer be seen, the timing chain
links corresponding to the timing marks
must be marked prior to removal, if the
chain is to be reused.
4. Mark chain link (4) corresponding to
crankshaft timing mark (3) or (5).
5. With the engine still set to TDC, verify
that the marks on the camshaftsprockets
(3) are in line with the cylinder head cover
sealing surface(2) If the marks do not line
up, the timing chain is notcorrectly
installed.
6. Mark chain link (1) correspondingto
camshaft timing mark.
'e timing chain tensioner(5).
'e timing chain (2).
'e the oil pan. Refer to Oil Pan,
itallation.
'e the oil pump drive chain
ethe oil pump drive chain,
e the crankshaft sprocket
7. Rem
8. Remo
9. Remo
removal & in
10. Remo
tensioner.
11. Remo
12. Remo
0).
•••Camshaft phasers and camshaft
sprockets are supplied as an assembly,
do not atterrpt to disassemble.
13. Remov
Camshaft and
installation.
14. Remov
e the camshafts. Refer to
Valve Lifters, removal &
the camshaft phaser (2)
1. Marked chain link
2. Cylinder head cover sealing surface
3. Camshaft sprocket alignment
Fig. 141 Verify that the timing marks are aligned properly—2.0L and 2.4L engines
1. Intake camshaft
2. Timing chain
3. Exhaust camshaft
4. Timing chain guide
5. Tensioner
6. Timing chain pivot guide
36543_COMP_G0071
Fig. 142 Timing chain and related
components—2.0L and 2.4L engines
Fig. 143 Removal of the crankshaft
sprocket (1)—2.0L and 2.4L engines
retaining bolt while holding the camshaft in
place with a wrench (1) on thecamshaft
flats.
15. Removethe phaser (2) assembly
from the camshaft.
To install:
-»The camshaft sprocketsand the
camshaft phasers are an assembly and
cannot be serviced separately.
*# WARNING
Do not use an impact wrench to
tighten the camshaft sprocket bolts.
Damage to the camshaft-to-sprocket
locating dowel pin and camshaft
Phaser may occur.
16. Install me phaser (2) assembly on
the camshaft.
JEEP
COMPASS • PATRIOT 9-63
1. Wrench
2. Camshaft phaser
3. Socket wrench
Fig. 144 Remove the camshaft phaser
retaining bolt while holding the camshaft
in place with a wrench on the camshaft
flats—2.0L and 2.4L engines
•••Make sure the dowel is seated in the
dowel hole and not in an oil feed hole.
The dowel hole is larger than the 4 oil
feed holes.
17. Install the phaser retaining bolt. Hold
the camshaft in place with a wrench (1) and
tighten the bolt to 44 ft. Ibs. (59 Nm).
18. Install the camshafts. Refer to
Camshaft and Valve Lifters, removal &
installation.
19. Install the crankshaft sprocket (1)
onto the crankshaft.
20. Install the oil pump drive chain. Ver-
ify that the oil pump is correctly timed (1, 2,
5,6).
21. Reset the oil pump drive chain ten-
sioner by pushing the plunger inward and
install the Tensioner Pin 8514.
22. Install the oil pump drive chain ten-
sioner (3) and tighten the bolts to 105 inch
Ibs. (12 Nm).
23. Remove the Tensioner Pin 8514 (4).
24. Install the oil pan. Refer to Oil Pan,
removal & installation.
—The crankshaft timing mark (3) or (5)
can be in one of two locations depend-
ing on whether the engine is early pro-
duction (5), late production (3),or
assembled with service parts (3). In all
cases, the keyway (2) will always be in
the 9:00 position, in line with the lad-
der frame mounting surface (1) when
the engine is at TDC. Refer to illustra-
tion.
25. Verify that the engine is still set to
TDC.
26. Align the camshaft timing marks (3)
so they are facing each other and in line
with the cylinder head cover sealing sur-
face(2).
1. Crankshaft sprocket timing mark
2. Oil pump drive chain timing mark
3. Drive chain tensioner
4. Tensioner Pin 8514
5. Oil pump sprocket timing mark
6. Oil pump drive chain timing mark
36543_COMP_G0091
Fig. 145 Install the oil pump drive chain
and verify that the oil pump is correctly
timed—2.0L and 2.4L engines
27. Install the timing chain so the
plated (or marked) links on the chain align
with the timing marks on the camshaft
sprockets (1).
28. Align the timing mark on the crank-
shaft sprocket (3) or (5) with the plated (or
marked) link (4) on the timing chain. Posi-
tion the chain so the slack will be on the
tensioner side. Rotate the crankshaft
CLOCKWISE two complete revolutions until
the crankshaft is repositioned at the TDC
position with the key way at the 9 o'clock
position.
—Keep the slack in the timing chain on
the tensioner side.
29. Install the timing chain tensioner
(5).
30. Verify that the timing marks on the
camshafts (3) are in the proper position
and in line with the cylinder head cover
sealing surface. If the marks do not line
up, the timing chain is not correctly
installed.
31. Install front timing chain cover. Refer
to Timing Chain Cover and Seal, removal &
installation.
32. Connect the negative battery cable.
33. Operate the engine until it reaches
the normal operating temperature. Check
the oil and cooling systems for the correct
fluid levels and check for leaks.
VALVE COVERS/CYLINDER
HEAD COVER
REMOVAL & INSTALLATION
See Figures 146 through 151.
1. Before servicing the vehicle, refer to
the Precautions Section.
2. Remove the engine cover (1) by
pulling upward.
3. Disconnect and isolate the negative
battery cable.
4. Remove the makeup air hose (2).
5. Remove the PCV hose (3).
6. Disconnect the ignition coil electrical
connectors (1).
7. Use compressed air to blow dirt and
debris off the cylinder head cover prior to
removal.
8. Remove the cylinder head cover
bolts.
9. Remove the cylinder head cover from
the cylinder head.
To install:
10. Install the new cylinder head cover
gaskets (1,2).
11. Install the studs in the cover, as
shown.
12. Clean all the RTV from the cylinder
head.
Fig. 146 Remove the engine cover (1) by
pulling upward—2.0L shown (2.4L similar)
1. Ignition coil electrical connectors
2. Make up air hose
3. PCV hose
36543_COMP_G0255
Fig. 147 Remove the makeup air hose,
the PCV hose, and disconnect the ignition
coil electrical connectors
9-64 JEEPCOMPASS • PATRIOT
Fig. 148 Install the new cylinder head
cover gaskets (1, 2)
O
Fig. 149 Install the studs in the cover, as
shown
using RTV, the sealingsur-
faces must be clean and free from
grease and oil and the parts should be
assembled within 10 minutes and tight-
ened to the final torque within 45 min-
utes.
13. Apply a dot of MOPAR® engine
sealant RTV, or equivalent, to the cylinder
head/front cover T-joint(1).
14. Install the cylinder head cover
assembly to the cylinder head and install all
the bolts, ensuring the studs are located as
shown.
15. Tighten the bolts in the sequence
shown using a 2 step torque method:
a. Tighten all the bolts to 44 inch Ibs.
(5Nm).
36543_COMP_G0258
Fig. 150 Apply a dot of engine sealant
RTV to the cylinder head/front cover
T-joint(1)
<D
O
1. P pe-to-maniverter bolts
2. Oxygen sensor
36543_COMP_G0259
Fig. 151 Cyl
sequence
nder head cover torque
b. Tightn all the bolts to 90 inch Ibs.
(10 Nm).
16. Install Ihe ignition coils. Tighten the
fasteners to 7(1 inch Ibs. (8 Nm).
17. If the PCV valve was removed,
tighten the PCy valve to 44 inch Ibs. (5
Nm).
18. Connec
tors(1).
19. Connec
PCV valve.
20. Connec
the coil electrical connec-
the PCV hose (3) to the
the makeup air hose(2).
21. Connec the negative battery cable
and tighten thq bolt to 45 inchIbs.
(5Nm).
22. Install trie engine cover (1) by press-
ing the rear of ie cover down first.
VALVE LASH
ADJUSTMENT
See Figure152.
—The engine must be cold to measure
the valve lash.
1. Before servicing the vehicle, refer to
the Precautions Section.
2. Remove the engine cover.
3. Remove the cylinder head cover.
Refer to Valve Covers, removal & installa-
tion.
4. Rotate the camshaft so the lobes are
vertical.
5. Check the clearance using feeler
gauges.
6. Repeat this procedure for all of
the valve tappets and record the
readings.
7. If the clearance was outside the
required specification:
a. Remove the camshaft. Refer to
Camshaft and Valve Lifters, removal &
installation.
b. If the clearance was too large or
too small, increase or decrease the
tappet thickness by the necessary
amount.
c. Install the camshafts and verify that
the valve lash is correct.
8. Install the cylinder head cover. Refer
to Valve Covers, removal & installation.
Fig. 152 To measure the valve lash,
rotate the camshaft so the lobes (1) are
vertical
JEEP
COMPASS • PATRIOT 9-65
ENGINE PERFORMANCE & EMISSION CONTROLS
ACCELERATOR PEDAL
POSITION (APP) SENSOR
LOCATION
See Figure 153.
The APP sensor is an integral part of the
pedal assembly.
Fig. 153 Accelerator Pedal Position (APP)
sensor location
REMOVAL & INSTALLATION
See Figure 154.
1. Before servicing the vehicle, refer to
the Precautions Section.
2. Disconnect and isolate the negative
battery cable at the battery.
3. Disconnect the electricalconnector
from the accelerator pedal.
4. Remove the mounting nuts and
remove the accelerator pedal from the
mounting studs.
To install:
## WARNING
The accelerator pedal and mounting
nuts need to be torque in a manda-
Fig. 154 Accelerator Pedal Position (APP)
sensor torque sequence
tory torque sequence or damage
could result to the pedal assembly.
5. Install the accelerator pedal and the
mounting nuts to the mounting studs.
Tighten the nuts in a mandatory torque
sequence to 12 ft. Ibs. (16 Nm).
6. Connect the electrical connector to
the accelerator pedal.
7. Connect the negative battery cable,
tighten the nut to 45 inch Ibs. (5 Nm).
8. Use a scan tool and perform the
APPS RELEARN function.
CAMSHAFT POSITION (CMP)
SENSOR
LOCATION
See Figures 155 and 156.
These engines utilize two Camshaft Posi-
tion (CMP) sensors mounted to the front
and rear of the cylinder head.
Fig. 155 Camshaft Position (CMP) sensor
location (front)—2.0L and 2.4L engines
Fig. 156 Camshaft Position (CMP) sensor
location (rear)—2.0L and 2.4L engines
REMOVAL & INSTALLATION
Front Sensor
See Figure 155.
1. Before servicing the vehicle, refer to
the Precautions Section.
2. Disconnect negative battery
cable.
3. Remove the air cleaner hose to
throttle body, disconnect the inlet air tem-
perature sensor electrical connector.
4. Disconnect the electrical connector
from the camshaft position sensor.
5. Remove the Camshaft Position
(CMP) sensor mounting screws.
6. Remove the front CMP sensor.
To install:
7. Lubricate the CMP sensor 0-ring.
8. Install the CMP sensor using a twist-
ing motion. Make sure the sensor is fully
seated.
WARNING
Do not drive the senor into the bore
with the mounting screws. This can
cause the sensor to be incorrectly
seated causing the engine to fail.
9. Tighten the CMP sensor mounting
screws to 80 inch Ibs. (9 Nm).
10. Carefully attach the electrical con-
nector.
WARNING
Take care not to damage the sensor
pins. Installation at an angle may
damage the sensor pins.
11. Install the air cleaner to the throttle
body hose and connect the inlet air temper-
ature sensor electrical connector.
12. Connect the negative battery cable.
Rear Sensor
See Figure 157.
Fig. 157 Disconnect the connector and
remove the heat shield to access the rear
CMP sensor
9-66 JEEP
COMPASS • PATRIOT
1. Before servicing the vehicle, refer to
the Precautions Section.
2. Disconnect the negative battery cable.
3. Disconnect the sensor electrical con-
nector.
4. Remove the heat shield retaining nut
and remove the heat shield to uncover the
Camshaft Position (CMP) sensor.
5. Remove the CMP sensor mounting
bolt and remove the sensor.
To install:
6. Lubricate the CMP sensor 0-ring.
7. Install the CMP sensor using a twist-
ing motion. Make sure the sensor is fully
seated.
** WARNING
Do not drive the senor into the bore
with the mounting screws. This can
cause the sensor to be incorrectly
seated causing the engine to fail.
8. Tighten the mounting bolt to 80 inch
Ibs. (9 Nm).
9. Carefully attach the electricalcon-
nector to the CMP sensor. Take care not to
damage the sensor pins.
10. Install the heat shield onto the
mounting stud and tighten the retaining nut.
11. Connect the negative battery cable.
CRANKSHAFT POSITION (CKP)
SENSOR
LOCATION
See Figure 158.
The Crankshaft Position (CKP) sensor
mounts to the rear of the engine block near
the transmission.
REMOVAL & INSTALLATION
See Figures 158 and 159.
The crankshaft position sensor mounts to
the rear of the engine block near the trans-
mission.
Fig. 158 Crankshaft Position (CKP) sensor
location—2.0L and 2.4L engines
1. Before servicing the vehicle, refer to
the Precau ions Section.
2. Rermove the engine cover.
3. Disconnect and isolate the negative
battery cable.
4. Remove the air cleaner body.
5. Disengage the upstream 02 sensor
wire harness retainer (1) and the Crankshaft
Position (CKP) sensor wire harness retainer
(2) from thd heat shield(3).
6. Remove the one nut and two heat
shield retaining bolts.
7. Remove the heat shield.
8. Remove the CKP sensor mounting
bolt.
9. Rerm ve the CKP sensor with the
wire harness!attached.
10. Unloqk and disconnect the electrical
connector frqm the CKP sensor.
To instal
11. ChecMthe 0-ring for damage and
lubricate the fi-ring with engine oil before
installing thepensor.
12. Using|a twisting motion, install the
CKP sensor.
13. Install the CKP sensor bolt. Tighten
the bolt to 80 inch Ibs. (9 Nm).
14. Connect and lock the electrical con-
nector to the (JKP sensor.
15. Install Ihe heat shield with the one
nut and two haat shield retaining bolts.
16. Install the upstream 02 sensor wire
harness retainer (1) and the CKP sensor
wire harness retainer (2) to the heat shield
(3).
17. Install tlie air cleaner body.
18. Conned] the negative battery
cable.
19. Install the engine cover.
1. Upstream O2 sensor wire harness retainer
2. CKP sensor wife harness retainer
3. Heat shield
36543_COMP_G0095
Fig. 159 Disengage the upstream 02 sen-
sor wire harness retainer and the CKP
sensor wire harness retainer from the heat
shield
ENGINE COOLANT
TEMPERATURE (ECT) SENSOR
LOCATION
See Figures 160 and 161.
There are two coolant temperature sen-
sors. One is located in the coolant adapter
and one is located in the cylinder head.
1. Engine Coolant Temperature (ECT) sensor
2. Coolant adapter
22043_COMP_G0107
Fig. 160 Engine Coolant Temperature
(ECT) sensor location (coolant adaptor
mounted)—2.0L and 2.4L engines
Fig. 161 Engine Coolant Temperature
(ECT) sensor location (1) (engine block
mounted)—2.01 and 2.4L engines
REMOVAL & INSTALLATION
See Figures 160 and 161.
The following procedure can be used for
removal and installation of either ECTsensor.
1. Before servicing the vehicle, refer to
the Precautions Section.
2. Disconnect the negative battery cable.
3. Drain the cooling system.
4. Disconnect the Engine Coolant Tem-
perature (ECT) sensor electrical connector.
5. Remove the ECT sensor.
To install:
6. Install the ECT sensor as follows:
a. Coolant adapter mounted: Make
sure the ECT sensor is locked in place.
JEEP
COMPASS • PATRIOT 9-67
b. Cylinder head mounted: Tighten
the sensor to 14ft. Ibs. (19 Nm).
7. Reconnect the ECT sensor electrical
connector.
8. Refill the cooling system to the cor-
rect level.
9. Connect the negative battery cable.
EVAPORATIVE EMISSIONS
(EVAP) CANISTER
LOCATION
See Figure 162.
The EVAP canister mounts to a left rear
rail in the rear of the vehicle. The vacuum
and vapor tube connect to the top of the
canister.
36543_COMP_G0262
Fig. 162 Evaporative Emissions (EVAP)
canister location
REMOVAL & INSTALLATION
See Figures 162 and 163.
The EVAP canister mounts to a left rear
rail in the rear of the vehicle. The vacuum
and vapor tube connect to the top of the
canister.
1. Before servicing the vehicle, refer to
the Precautions Section.
2. Disconnect the negative battery
cable.
3. Raise and safely support the vehicle.
4. Depress the locking tab on the vapor
hose connector and it pull off of the canister.
5. Remove the vapor hose from the
ESIM module.
6. Disconnect the electrical connector
from the ESIM module.
7. Remove the 2 vapor canister mount-
ing bolts.
8. Remove the EVAP canister assembly.
To install:
9. Install the canister and bracket.
10. Connect the filter hose to the ESIM.
11. Connect the vapor hose.
12. Make sure the locking tab on the
hose connector locks in place.
Fig. 163 Remove the EVAP canister
assembly
13. Connect the electrical connector to
the ESIM module.
14. Lower the vehicle.
15. Connect the negative battery cable.
EVAPORATIVE EMISSIONS
(EVAP) PURGE CONTROL
SOLENOID
LOCATION
See Figure 164.
REMOVAL & INSTALLATION
See Figure 164.
1. Before servicing the vehicle, refer to
the Precautions Section.
2. Disconnect and isolate the negative
battery cable at the battery.
3. Disconnect the electrical connector
(4) from the evaporator purge solenoid (1).
4. Remove the purge hose (3) from the
evaporator purge solenoid (1).
5. Remove the quick connect fuel tank
hose (2) from the evaporator purge
solenoid (1).
6. Releasethe tab to remove the evapo-
rator purge solenoid (1) from the body
bracket (5).
To install:
1. Install the evaporator purge sole-
noid (1) to the body bracket (5).Make
sure the tab secures the solenoid to the
bracket.
8. Install the quick connect fuel tank
hose (2) to the evaporator purge solenoid
(1).
9. Install the purge hose (3) to the
evaporator purge solenoid (1).
10. Connect the electrical connector (4)
to the evaporator purge solenoid (1).
11. Connect the negative battery cable,
tighten the nut to 45 inch Ibs. (5 Nm).
HEATED OXYGEN SENSOR
(H02S)
LOCATION
See Figures 165 through 168.
1. Evaporator purge solenoid
2. Fuel tank hose
3. Purge hose
4. Electrical connector
5. Body bracket
36543_COMP_G0264
Fig. 164 Evaporative Emissions (EVAP) purge control solenoid location
9-68 JEEP
COMPASS • PATRIOT
REMOVAL & INSTALLATION
AWD Models
Downstream Sensor
See Figure 165.
CAUTION
The exhaust manifold, exhaust pipes,
and catalytic converter(s) become
very hot during engine operation.
Allow the engine to cool before
removing the oxygen sensor. Failure
to allow the engine to cool before
removal may result in personal injury
caused by burns.
WARNING
When disconnecting the sensor elec-
trical connector, do not pull directly
on the wires going into the oxygen
sensor as damage to the oxygen sen-
sor may occur.
—•Use an Oxygen Sensor (02S)
removal tool for thisprocedure.
1. Before servicing the vehicle, refer to
the PrecautionsSection.
2. Raise and safely support the vehicle.
e 02S wire harness mount-
clips fromthe eijigine or body, if equipped.
02S pigtail harness
the enginewiring harness.
02S (3) from theexhaust
3. Disconnect tt
ing
4. Disconnect he
connector (1) from
5. Remove the
pipe (2).
To install:
^•The threads o new oxygen sensors
are factory coated with anti-seize com-
pound to aid in removal. DO NOT add
any additional anti-seize compound to
the threads of a lew 02S.
WARNING
When Equipped
ness must be c
back to original
engine or body
damage to the
6. Install the 0
(2). Tightento 30
7. Connectthe
nector (1) to the e
8. Connectthe
ing clips to the en
Upstream Sens
See Figure 166.
>S (3) to the exhaust pipe
Ibs. (41 Nm).
02S pigtail harnesscon-
gine wiringharness.
02S wire harnessmount-
ine or body, if equipped.
The 02S pigtail har-
pped and/or bolted
positions on the
o prevent mechanical
iring.
CAUTION
The exhaust manifold, exhaust pipes,
and catalytic converter(s) become very
hot during engine operation. Allow the
engine to cool before removing the oxy-
gen sensor. Failure to allow the engine
to cool before removal may result in
personal injury caused by burns.
WARNING
When disconnecting the sensor elec-
trical connector, do not pull directly
on the wires going into the oxygen
sensor as damage to the oxygen sen-
sor may occur.
-»Use an Oxygen Sensor (02S)
removal tool for thisprocedure.
1. Before servicing the vehicle, refer to
the Precautions Section.
2. Raise and safely supportthe vehicle.
3. Disconnectthe 02S wire harness
mounting clips from the engine or body,if
equipped.
4. Disconnectthe 02S pigtail harness
connector (1) from the enginewiring harness.
5. Removethe 02S (3) fromthe
maniverter (2).
1. Pigtail Harness connector
2. Exhausl pipe
3. Oxygen sensor
36543_COMP_G0096
Fig. 165 Heated Oxygen Sensor (H02S) (downstream 1/2)—AWD mod
JEEP
COMPASS • PATRIOT 9-69
1. Pigtail harness connector
2. Maniverter
3. Oxygen sensor
Fig. 166 Heated Oxygen Sensor (H02S) (upstream 1/1)—AWD models
To install:
•-The threads of new oxygensensors
are factory coated with anti-seize com-
pound to aid in removal. DO NOT add
any additional anti-seize compoundto
the threads of a new02S.
WARNING
When Equipped: The 02S pigtail har-
ness must be clipped and/or bolted
back to original positions on the
engine or body to prevent mechanical
damage to the wiring.
6. Install the 02S (3) to the maniverter
(2). Tightento 30 ft. Ibs. (41 Nm).
7. Connectthe 02S pigtail harness con-
nector (1) to the engine wiring harness.
8. Connect the 02S wire harness mount-
ing clips to the engine or body, ifequipped.
FWD Models
Downstream Sensor
See Figure 167.
CAUTION
The exhaust manifold, exhaust pipes,
and catalytic converter(s) become
very hot during engine operation.
Allow the engine to cool before
removing the oxygen sensor. Failure
to allow the engine to cool before
removal may result in personal injury
caused by bums.
** WARNING
When disconnecting the sensor elec-
trical connector, do not pull directly
on the wires going into the oxygen
sensor as damage to the oxygensen-
sor may occur.
'••Use an Oxygen Sensor (02S)
removal tool for this procedure.
1. Before servicing the vehicle, refer to
the PrecautionsSection.
2. Raise and safely support thevehicle.
3. Disconnect the 02S wire harness
mounting clips from the engine or body, if
equipped.
4. Disconnect the 02S pigtail harness
connector (1) from the engine wiring harness.
5. Removethe 02S (3) from the catalytic
converter (2).
To install:
~The threads of new oxygen sensors
are factory coated with anti-seize com-
pound to aid in removal. DO NOT add
any additional anti-seize compound to
the threads of a new02S.
WARNING
When Equipped: The 02S pigtail har-
ness must be clipped and/or bolted
back to original positions on the
engine or body to prevent mechanical
damage to the wiring.
6. Install the 02S (3) to the catalytic
converter (2). Tightento 30 ft. Ibs. (41 Nm).
7. Connect the 02S pigtail harnesscon-
nector (1) to the engine wiring harness.
8. Connect the 02S wire harnessmount-
ing clips to the engineor body, if equipped.
Upstream Sensor
See Figure 168.
CAUTION
The exhaust manifold, exhaust pipes,
and catalytic converter(s) become
very hot during engine operation.
Allow the engine to cool before
removing the oxygen sensor. Failure
to allow the engine to cool before
removal may result in personal injury
caused by burns.
9-70 JEEP
1. Pigtail harness connector
2. Catalytic! converter
3. Oxygen sensor
36543_COMP_G0098
Fig. 167 Heated Oxygen Sensor (H02S) (downstream 1/2)—FWD models
sas^nwi-asa^
1. Pigtail harness connector
2. Exhaust pipe
3. Oxygen sensor
Fig. 168 Heated Oxygen Sensor (H02S) (upstream 1/1)—FWD models;
JEEP
COMPASS • PATRIOT 9-71
** WARNING
When disconnecting the sensor elec-
trical connector, do not pull directly
on the wires going into the oxygen
sensor as damage to the oxygen sen-
sor may occur.
—Use an Oxygen Sensor (02S)
removal tool for this procedure.
1. Before servicing the vehicle, refer to
the Precautions Section.
2. Raise and safely support the vehicle.
3. Disconnect the 02S wire harness
mounting clips from the engine or body, if
equipped.
4. Disconnect the 02S pigtail harness
connector (1) from the engine wiring harness.
5. Remove the 02S (3) from the exhaust
pipe(2).
To install:
•-The threads of new oxygen sensors
are factory coated with anti-seize com-
pound to aid in removal. DO NOT add
any additional anti-seize compound to
the threads of a new 02S.
*# WARNING
When Equipped: The 02S pigtail har-
ness must be clipped and/or bolted
back to original positions on the
engine or body to prevent mechanical
damage to the wiring.
6. Install the 02S (3) to the exhaust pipe
(2). Tighten to 30 ft. Ibs. (41Nm).
7. Connect the 02S pigtail harness con-
nector (1) to the engine wiring harness.
8. Connect the 02S wire harness
mounting clips to the engine or body, if
equipped.
INTAKE AIR TEMPERATURE
(IAT) SENSOR
LOCATION
See Figure 169.
The Intake Air Temperature (IAT) sensor
is located in the air intake tube of the air
intake assembly.
REMOVAL & INSTALLATION
See Figures 169 and 170.
1. Before servicing the vehicle, refer to
the Precautions Section.
2. Disconnect the negative battery cable.
3. Disconnect the Intake Air Temperature
(IAT) sensor electrical connector.
4. Remove the IAT sensor from the clean
air duct.
Fig. 169 Intake Air Temperature (IAT)
sensor location
Fig. 170 Showing the correct IAT sensor
orientation
To install:
5. Install the IAT sensor and ensure the
correct sensor orientation.
6. Attach the IATsensor electrical con-
nector.
7. Connect the negative battery cable.
KNOCK SENSOR (KS)
LOCATION
See Figure 171.
The Knock Sensor (KS) is bolted to the
engine block in front of the starter, under
the intake manifold.
Fig. 171 Knock Sensor (KS) location—
2.0L and 2.4L engines
REMOVAL & INSTALLATION
See Figure 171.
The knock sensor is bolted to the engine
block in front of the starter, under the intake
manifold.
1. Before servicing the vehicle, refer to
the Precautions Section.
2. Disconnect the negative battery cable.
3. Remove the bolt holding the Knock
Sensor(KS)
4. Remove the KS with the electrical
connector attached.
5. Disconnect the electrical connector
from the KS.
6. Remove the KS.
To install:
7. Attach the electrical connector to the
KS.
8. Install the KS into the engine block.
Tighten the bolt to 16 ft. Ibs. (22 Nm).
** WARNING
Over or under-tightening affects the
knock sensor performance, possibly
causing improper spark control.
9. Connect the negative battery
cable.
MALFUNCTION INDICATOR
LIGHT (MIL)
RESET PROCEDURE
1. Proper operation of the Malfunction
Indicator Light (MIL):
• TheMIL will illuminate with the
ignition switch ON and the engine
OFF
• The MIL will turn OFF when the
engine is started
• The MIL will remain ON if the self-
diagnostic system has detected a
malfunction
• The MIL may turn OFF if themal-
function is no longer present
• If the MIL is illuminated and then
the engine stalls, the MIL will
remain illuminated as long as the
ignition switch is ON
• If the MIL is not illuminated and the
engine stalls, the MIL will not illu-
minate until the ignition switch is
cycled OFF, then ON
2. Resetting the MIL:
• Thecontrol module turns OFF the
MIL after 3 consecutive ignition
cycles that the diagnostic system
runs and does not fail
• Thecontrol module turns OFF the
MIL after a current Diagnostic
9-79 JEEP
1C. COMPASS• PATRIOT
Trouble Code (DTC) clears when
the diagnostic cycle runs and
passes
• There may still be a history of
DTC's stored in the system. These
will clear after 40 consecutive
warm-up cycles, if no failures are
reported by any other related diag-
nostic system
• Manual resetting of the MIL and
any DTC stored in the system,
requires the use of an OBD2 scan
tool connected to the Data Link
Connector (DLC) for communica-
tion with the vehicle. Follow the
instructions of the scan tool for
both retrieval and resetting of
DTC's. The scan tool can be used
to command the MIL off.
-»lf the error symptoms causing the
MIL to illuminate have been corrected,
the MIL will return to normal
operation.
MANIFOLDABSOLUTE
PRESSURE (MAP) SENSOR
LOCATION
See Figure 172.
The Manifold Absolute Pressure (MAP)
sensor mounts to the intake manifold.
Fig. 172 Manifold Absolute Pressure
(MAP) sensor location—2.OL and 2.4L
engines
REMOVAL & INSTALLATION
See Figure 172.
1. Before servicing the vehicle, refer to
the Precautions Section.
2. Removethe air intake assembly.
3. Disconnect the negative battery
cable.
4. Disconnect the electrical connector
irom the Manifold Absolute Pressure (MAP)
sensor.
5. Remove
MAP sensor ar
To install:
6. Install th
manifold and
Ibs. (5 Nm).
7. Connect
the MAP senso
8. Connect
cable.
9. Install th
le mounting screw from the
d remove the sensor.
MAP sensor to the intake
jhten the screw to 40 inch
he electricalconnector to
he negative battery
air intake assembly.
POSITIVE CRANKCASE
VENTILATION (PCV) VALVE
LOCATION
See Figure 17,
Fig. 173 Posit
(PCV) valve lo
REMOVAL &
See Figures
1. Before se
the Precautions
2. Removet
3. Removet
4. Unscrew
Fig. 174 Unsc
e Crankcase Ventilation
tion
'STALLATION
ind 174.
icing the vehicle, refer to
iction.
engine cover.
hose from the PCV valve.
! PCV valve.
w the PCV valve
To install:
5. Lubricate the 0-ring on the valve.
6. Install the PCV valve and tighten the
valve to 72 inch Ibs. (8 Nm).
7. Install the hose to the PCV valve.
8. Install the engine cover.
POWERTRAINCONTROL
MODULE (PCM)
LOCATION
See Figure 175.
Fig. 175 Powertrain Control Module
(PCM) location
REMOVAL & INSTALLATION
See Figures 175 and 176.
*# WARNING
To avoid possible voltage spike
damage to the PCM, the ignition key
must be OFF,and the negative
battery cable must be disconnected
BEFORE unplugging the PCM
connectors.
1. Before servicing the vehicle, refer to
the Precautions Section.
2. Disconnect the negativebattery cable.
3. Unlock and disconnect theelectrical
connectors from the PCM.
4. Remove the air cleanerbox.
5. Remove the 3 mounting bolts.
6. Tip the module out and remove it
from the bracket.
To install:
-••Use the Scan tool to reprogram the
new PCM with the vehicle's original
Vehicle Identification Number (VIN)
and the vehicle's original mileage. If
this step is not done, a Diagnostic
Trouble Code (DTC) may be set.
JEEP
COMPASS • PATRIOT 9-73
36543_COMP_G0268
Fig. 176 Remove the 3 mounting bolts
from the PCM, tip the PCM out and
remove it from the bracket
7. -Tip the module into thebracket.
8. Install the 3 mounting bolts and
tighten to 80 inch Ibs. (9 Nm).
9. Check the pins in the electrical
connectors for damage. Repair as
necessary.
10. Connect the electrical connectors
and lock the connection.
11. Install the air cleaner box.
12. Connect the negative battery cable.
13. Use the scan tool to reprogram the
new PCM with the vehicle's original VIN and
original vehicle mileage.
Reset Procedure
A replacement PCM will require pro-
gramming utilizing the StarSCAN18, or
equivalent. The PCM will not operate the
engine until it is programmed. A Diagnostic
Trouble Code (DTC) will be set: NOT PRO-
GRAMMED.
** WARNING
Extreme care must be taken when
programming a calibration into a
generic PCM. Do not randomly select
a calibration. Once a calibration is
selected and programmed, the con-
troller cannot be reprogrammed to a
different calibration. The module
can only be reprogrammed to a
more recent version of that
calibration.
Special Tools Required (or equivalent):
• NPN: Battery Charger
• CH9401: StarSCAN® Tool
• CH9404: StarSCAN'9 Vehicle Cable
• CH9409: StarSCAN*1 Documentation
Kit
CH9410: StarSCAN'5 Ethernet Cable,
12ft.
• CH9412: StarSCAIT Software Update
Device Kit
—if this flash process is inter-
rupted/aborted, the flash should be
restarted.
— Fur detailed information on the oper-
ation of the StarSCAN , refer to the
Quick Reference documentation pro-
vided in the StarSCAN® documentation
kit.
1. Open the hood, install a battery
charger and verify that the charging rate
provides approximately 13.5 volts. Set the
battery charger timer to maintain the charg-
ing voltage for the duration of the flash pro-
cess.
2. Connect the CH9404 StarSCAN®
vehicle cable to the StarSCAN11' and the
vehicle.
3. Power ON the StarSCAN'F.
4. Retrieve the old ECU part number.
Using the StarSCAN® at the HOME
screen'
a. Select ECU VIEW.
b. Touch the screen to highlight the
PCM in the list of modules.
c. Select MORE OPTIONS.
d. Select ECU FLASH.
e. Record the part number at the top
of the FLASH PCM screen for later refer-
ence.
5. Replacethe PCM with the appropri-
ate Generic PCM.
6. Insert the StarSCAN" Software
Update CD into the PC. The StarSCAN'1'1
Software Update CD will start automati-
cally. Select DOWNLOAD FLASH
UPDATES.
7. At the SELECT A METHOD FOR
LOOKING UP CONTROLLER FLASH
UPDATES screen:
a. Select ENTER PART NUMBER.
Enter the PART NUMBER recorded in
Step 4 when prompted to do so.
b. Using the mouse, highlight the
appropriate CALIBRATION.Select
NEXT.
c. Follow the on screen instruc-
tions.
d. When completed, proceed to
Step 8.
8. With the StarSCAN1 powered OFF,
connect the USB Key and Gender Changer
to the StarSCAN1' USB port.
9. Connect the StarSCAN11" to the
vehicle (if not already connected).
10. Power ON the StarSCAN1.
11. Download the flash file from the USB
key to the StarSCAN11". Using the StarSCAN"
at the HOME screen:
a. Select FLASH DOWNLOAD, then
select RETRIEVE FILES FROM THE USB
STORAGE DEVICE.
b. Highlight the appropriate calibra-
tion. Select DOWNLOAD TO SCAN
TOOL.
c. When the download is complete,
select CLOSE and BACK.
12. Reprogram the ECU. Using the
StarSCAN-at the HOME screen:
a. Select ECU VIEW.
b. Select MORE OPTIONS.
c. Select ECU FLASH.
d. Highlight the appropriate calibra-
tion.
e. Select UPDATE CONTROLLER.
Follow the on screen instructions.
f. When the update is complete,
select OK.
g. Verify the part number at the top of
the FLASH PCM screen has updated to
the new part number.
13. Is WIN-WIRELESS NODE displayed
in the ECU OVERVIEWscreen list of
modules?
a. If Yes, go to Step 14.
b. If No, go to Step 15.
14. Program the PCM to the Wireless
Ignition Node (WIN). Using the StarSCAN®
at the HOME screen:
a. Select ECU VIEW.
b. Scroll through the list of con-
trollers and highlight the WIN.
c. Select MISC. FUNCTION.
d. Highlight PCM REPLACED.
e. SelectSTART.
f. Follow the on screen instructions.
Select NEXT after each step. Select FIN-
ISH after completing the last step.
g. When complete, proceed to
Step 16.
15. Program the VIN into the PCM.
a. Scroll through the list of con-
trollers and highlight the PCM.
b. Select MISC. FUNCTION.
c. Highlight CHECK PCM VIN.
d. Select START.
e. Follow the on screen instructions.
Select NEXT after each step. When the
window appears with 17 boxes, select
SHOW KEYBOARD.Place the cursor to
the right of the last box and then back-
space to delete the boxes from the win-
dow. Enter the VIN. Select FINISH after
completing the last step.
f. Unplug the scan tool from the Data
Link Connector (DLC).
g. At the VEHICLE DISCONNECTED
screen, press OK.
h. Connect the scan tool to the DLC
and verify that the VIN is visible at the
top of the HOME screen.
9-74 JEEP
COMPASS • PATRIOT
16. Is the vehicle equipped with a3.7L
or 4.7L engine?
a. If Yes, go to Step 18.
b. If No, go to Step 17.
17. Using the StarSCAN(y) at the HOME
screen'
a. Select ECU VIEW.
b. Scroll through the list ofcon-
trollers and highlight the PCM.
c. Select MISC. FUNCTION.
d. Highlight LEARN ETC.
e. Select START.
f. Follow the on screen instructions.
Select NEXT after each step. Select
FINISH after completing the last step.
—•Due to the PCM programming proce-
dure, a DTC may be set in othermod-
ules (TCM. BCM, MIC, SKIM, etc.)
within the vehicle, if so equipped.
Some DTC's may cause the MIL to illu-
minate. Check all modules using ECU
VIEW from the HOME screen, record
the DTC's, and erase these DTC's.
Erase any DTC's in the PCM only after
all other modules have had their DTC's
erased.
-••The following step is required by
law.
18. Type the necessary information on
the AUTHORIZEDMODIFICATION LABEL
p/n 04275086AB and attach it near the VECI
label.
THROTTLE POSITION SENSOR
(IPS)
LOCATION
The Throttle Position Sensor (TPS) is
integral to the throttlebody. If it is deter-
mined, that the TPS signal is bad,the
throttle body assembly must be replaced.
Refer to Throttle Body, removal & installa-
tion.
REMOVAL & INSTALLATION
The throttle position sensor is notser-
viceable as a standalone part. The
throttle body position sensor is an integral
part of the throttle body. If the throttle
position sensor requires replacement,
replace the throttle body assembly.
Refer to Throttle Body, removal &
Installation.
VARIABLE CAMSHAFT TIMING
OIL CONTROL SOLENOID
LOCATION
36543_COMP_G0271
Fig. 177 Variable Camshaft Timing Oil
Control Solennid—Front solenoid (1/1)
Fig. 178 Variat le Camshaft Timing Oil
Control Solenoid—Rear solenoid (1/2)
REMOVAL & INSTALLATION
Front Solenoid (1/1)
See Figures 177 through 179
1. Before servicing the vehicle, refer to
the Precautions Section.
2. Disconneqt the negativebattery
cable.
3. Remove th
4. Rotate the
way.
5. Disconnec
electrical connecti
6. Remove th
7. Disconnec
solenoid electrica
engine cover,
nose ciamp out of the
the oil pressuresensor
r.
3 oil pressuresensor,
the variablevalve timing
connector.
See Figures 177 and 178.
8. Removem variablevalve timing
solenoid mountinii bolt.
9. Pull the solenoid straight out of the
cylinder head.
Fig. 179 The solenoid for the front
location (1/1) has a mounting tab that
differs from the rear solenoid—Front
solenoid shown
To install:
-»The solenoid for the front location
(1/1) has a mounting tab that differs
from the rear solenoid.
10. Install the solenoid into the cylinder
head.
11. Install the mounting bolt and tighten
it to 108 inch Ibs. (12Nm).
12. Install the oil pressure sensor.
13. Connect the electricalconnectorto
the oil pressuresensor.
14. Connect the electrical connectorto
the variable valve timing solenoid.
15. Connect the negative batterycable.
16. Install the engine cover.
Rear Solenoid (1/2)
See Figures 178 through180.
1. Beforeservicingthe vehicle,refer to
the PrecautionsSection.
2. Disconnectthe negative battery
cable.
3. Remove the engine cover.
4. Disconnect the variable valve timing
solenoid electrical connector.
5. Removethe variable valve timing
solenoid mounting bolt.
6. Pull the solenoid straight out of the
cylinder head.
To install:
•••The rear variable valve timing sole-
noid (1/2) mounting tab differs from the
front solenoid.
7. Install the solenoid into the cylinder
head.
8. Install the mounting bolt and tighten
it to 108 inch Ibs.(12Nm).
9. Connect the electrical connector to
the variable valve timing solenoid.
JEEP
COMPASS • PATRIOT 9-75
Fig. 180 The solenoid for the rear location
(1/2) has a mounting tab that differs from
the front solenoid—Rear solenoid shown
10. Connect the negative battery cable.
11. Install the engine cover.
VEHICLE SPEED SENSOR (VSS)
LOCATION
The Vehicle Speed Sensor is mounted
above the transaxle differential assembly.
REMOVAL & INSTALLATION
1. Disconnect the negative battery
cable.
2. Remove the air intake assembly.
3. Disconnect the Vehicle Speed Sen-
sor (VSS) electrical connector.
•••Clean the area around the VSS
before removal to prevent dirt from the
entering the transaxle.
4. Remove the VSS retaining bolt
and remove the VSS from the transaxle
To install:
5. Install the VSS using a new 0-ring.
Tighten the retaining bolt to 60 inch Ibs.
(7 Nm).
6. Connect the VSS electrical connec-
tor.
7. Install the air intake assembly.
8. Connect the negative battery
cable.
FUEL
FUEL SYSTEM SERVICE
PRECAUTIONS
Safety is the most important factor when
performing, not only fuel system mainte-
nance, but any type of maintenance. Failure
to conduct maintenance and repairs in a
safe manner may result in serious personal
injury or death. Maintenance and testing of
the vehicle's fuel system components can be
accomplished safely and effectivelyby
adhering to the following rules and guide-
lines.
• To avoid the possibility of fire and per-
sonal injury, always disconnect the negative
battery cable unless the repair or test proce-
dure requires that battery voltage be
applied.
• Always relievethe fuel system pres-
sure prior to disconnecting any fuel system
component (injector, fuel rail, pressure reg-
ulator, etc.), fitting, or fuel line connection.
Exercise extreme caution wheneverrelieving
fuel system pressure to avoid exposing
skin, face, and eyes to fuel spray. Pleasebe
advised that fuel under pressure may pene-
trate the skin or any part of the body that it
contacts.
• Always place a shop towel or cloth
around the fitting or connection prior to
loosening to absorb any excess fuel due to
spillage. Ensure that all fuel spillage
(should it occur) is quickly removed from
the engine surfaces. Ensure that all fuel
soaked cloths or towels are deposited into a
suitable waste container.
• Always keep a dry chemical (Class B)
fire extinguisher near the work area.
• Do not allow fuel spray or fuel vapors
to come into contact with a spark or an
open flame.
• Always use a back-up wrench when
loosening and tightening fuel line connec-
GASOLINE FUEL INJECTION SYSTEM
tion fittings. This will prevent unnecessary
stress and torsion to the fuel line piping.
• Always replace worn fuel fitting 0-
rings with new. Do not substitute fuel hose
or equivalent where fuel pipe is installed.
Before servicing the vehicle, make sure
to also refer to the precautions in the begin-
ning of this section.
RELIEVING FUEL SYSTEM
PRESSURE
A separate fuel pump relay is no longer
used. A circuit within the Totally Integrated
Power Module (TIPM) is used to control the
electric fuel pump located within the fuel
pump module.
** CAUTION
The fuel system is under constant
high pressure even with engine OFF.
Until the fuel pressure has been
properly relieved from the system, do
not attempt to open the fuel system.
Do not smoke or use open
flames/sparks when servicing the
fuel system. Wear protective clothing
and eye protection. Make sure the
area in which the vehicle is being
serviced is in a well-ventilated area
and free of flames/sparks.
1. Before servicingthe vehicle, refer to
the Precautions Section.
2. Removethe fuel fill cap.
3. Remove the lower rear seat cushion.
4. Removethe fuel pump module cover.
5. Disconnect the fuel pump module
electrical connector.
6. Start and run the engine until it
stalls.
7. Attempt restarting the engine until it
will no longer run.
8. Turn the ignition key to the OFF
position.
—After servicing the fuel system, one
or more Diagnostic Trouble Codes
(DTC's) may have been stored in the
Powertrain Control Module(PCM)
memory due to disconnecting the fuel
pump module circuit. A diagnostic scan
tool must be used to erase the DTC's.
FUEL FILTER
REMOVAL & INSTALLATION
The fuel filter is part of the fuel pump
module located in the fuel tank. It isser-
viced as part of the fuel pump module. Refer
to Fuel Pump Module, removal & installa-
tion.
FUEL PUMP MODULE
REMOVAL & INSTALLATION
See Figures 181 through184.
** CAUTION
Release the fuel system pressure
before servicing the fuel system com-
ponents. Service vehicles in well
ventilated areas and avoid ignition
sources. Never smoke while servic-
ing the vehicle. This may result in
personal injury or death.
1. Beforeservicing the vehicle, refer to
the Precautions Section.
2. Properly relieve the fuel system
pressure.
3. Remove the air cleaner housing lid
and disconnect the Intake Air Temperature
(IAT) sensor and make-up air hose.
4. Remove the negative battery cable.
5. Remove the rear seat cushion.
9-76 JEEP
COMPASS • PATRIOT
6. Remove the plastic access cover.
7. Disconnect the electrical connector.
8. Matchmark the orientation of the fuel
pump module to the tank before removal.
'••The fuel pump module must be prop-
erly located on the tank for the fuel
gauge to work properly.
9. Cleanthe top of the tank to remove
any loose dirt and debris.
10. Using Special Tool 9340 Spanner
Wrench, remove the left side module lock
ring.
11. Pull the fuel pump module up and
out of the tank.
WARNING
The fuel pump module will be filled
with fuel. Do not spill fuel inside the
vehicle.
12. Tip the fuel pump module to the side
and pour any fuel back into the tank.
13. Disconnectthe internal line from the
fuel pump module.
14. Tip the module on its side again to
drain any remaining fuel from the reservoir
into the tank.
15. Removethe fuel pump from the
vehicle.
Fig. 181 Note the fuel pump location on
the top of the fuel tank
Fig. 182 Use a suitable spanner wrench to
remove the lock ring of the fuel pump
module
Fig. 183 Ri move the fuel pump from the
vehicle
Fig. 184 Place a new seal between the
tank threads and the pump module opening
16. Remove! the seal from the tank.Dis-
card the seal.
To install: I
17. Wipe the seal area of the tank clean
and place a new seal betweenthe tank
threads and the pump module opening.
18. Connectlthe internal line to the fuel
pump module
19. Install trie module into the fuel tank.
20. Reposition the fuel pump module in
the tank, alignirg the matchmark made ear-
lier.
21. While hi Iding the fuel pump in posi-
tion, install the
9340 Spanner
22. Connect
23. Install th
24. Install th
25. Install th
connect the IAT
hose.
26. Connect'tie negative battery cable
ck ring using Special Tool
rench.
he electricalconnector,
plastic access cover,
rear seat cushion,
air cleaner housing lid and
ensor and make-up air
27. Pressuriz
diagnostic scan
the fuel system with a
ool and check for leaks.
FUEL RAIL ft INJECTORS
REMOVAL & II
See Figures 185
STALLATION
** CAUTION
Release the fuel system pressure
before servicing the fuel system com-
ponents. Service vehicles in well
ventilated areas and avoid ignition
sources. Never smoke while servic-
ing the vehicle. This may result in
personal injury or death.
1. Before servicing the vehicle, refer to
the Precautions Section.
2. Properly relieve the fuel system
pressure.
3. Disconnect the negative battery cable.
4. Disconnect the electrical connectors
from the fuel injectors.
5. Disconnect the fuel lineconnection
at the fuel rail.
6. Remove the hard fuel line from the
fuel rail.
7. Remove the wiring harnessclips
from the fuel rail mounting studs.
8. Remove the two bolts holding the
fuel rail at the lower manifold.
9. Remove the fuel rail.
10. Remove the clip holding the fuel
injector to the fuel rail.
11. Remove the fuel injector, with the
clip, from the fuel rail.
Fig. 185 Disconnect the electrical
connectors trom the fuel injectors—Fuel
injector removal
hrough 187.
22043 COMP_G0116
Fig. 186 After removing the wiring
harness and mounting bolts, remove the
fuel rail—Fuel injector removal
JEEP
COMPASS • PATRIOT 9-77
22043_COMP_G0117
Fig. 187 Remove the fuel injector clip
and fuel injector from the fuel rail—Fuel
injector removal
To install:
12. Apply a light coating of clean engine
oil to the upper 0-ring of the fuel injector.
13. Install each injector in the cup on the
fuel rail and then install the retaining clip.
14. Apply a light coating of clean engine
oil to the 0-ring on the nozzle each of each
injector.
15. Install the fuel rail/injector assembly
by inserting the fuel injector nozzles into the
openings in the lower intake manifold.
16. Tighten the fuel rail mounting bolts
to 20 ft. Ibs. (27 Nm).
17. Install the wiring harness clips to the
fuel rail mounting studs.
18. Attach the electrical connectors to
the fuel injectors.
19. Install the fuel line to the fuel rail
and connect the fuel supply tube.
20. Connect the negative battery cable.
21. Pressurize the fuel system with a
diagnostic scan tool and check for leaks.
FUEL TANK
REMOVAL & INSTALLATION
See Figure188.
1. Before servicing the vehicle, refer to
the Precautions Section.
2. Properly relieve the fuel system
pressure.
3. Remove the air cleaner housing lid
and disconnect the Intake Air Temperature
(IAT) sensor and make-up air hose.
4. Remove the rear seat cushion.
5. Remove the plastic accesscover.
6. Disconnect the electrical connector
and fuel lines.
7. Drain the fuel from the fuel tank.
8. Raise and safely support the vehicle.
9. If equipped with All Wheel Drive,
remove the driveshaft. Refer to Rear Drive
Axle, Driveshaft, removal & installation.
10. Remove the exhaust system.
11. Remove the rear suspension stay
bars.
12. If equipped with All Wheel Drive, the
rear differential module must be lowered as
follows:
a. Tie the rear driveline module to the
suspension crossmember.
b. Support the rear differential module
with a suitable jack.
c. Remove the 3 mounting bolts and
lower the rear differential module from
the suspension crossmember.
13. Remove all necessary splash shields.
14. Disconnect the vapor canister line.
15. Disconnect the filler tube recircula-
tion vent and purge lines.
16. Disconnect the rubber fill hose from
the fuel tank.
17. Remove the parking brake cable
mounts from the fuel tank straps.
18. Support the fuel tank with a suitable
jack and secure the fuel tank to the jack.
19. Remove the fuel tank strap mounting
bolts.
20. Lower and remove the fuel tank from
the vehicle.
To install:
21. Lift the fuel tank into position and
install the fuel tank straps. Tighten the
mounting bolts to 35 ft. Ibs. (47 Nm).
— Ensure the straps are not twisted or
bent.
22. Install the parking brake cable
mounts.
23. Connect the filler tube recirculation
vent and purge lines.
24. Connect the fill tube to the fuel tank
inlet. Tighten the hose clamp to 35 inchIbs.
(4 Nm).
25. Connect the vapor canister line.
26. If equipped with All Wheel Drive,
install the rear differential module.
27. Install the rear suspension stay bars.
28. Install the splash shields.
29. Install the exhaust system.
Fig. 188 Lower and remove the fuel tank
from the vehicle
30. If equipped with All Wheel Drive,
install the driveshaft. Refer to Rear Drive
Axle, Driveshaft, removal & installation.
31. Connect the electrical connectors
and fuel lines to the fuel pump module.
32. Install the plastic access cover.
33. Install the rear seat cushion.
34. Install the air cleaner housing lid and
Connect the IAT sensor and make-up air
hose.
35. Connect the negative battery
cable.
36. Pressurizethe fuel system with a
diagnostic scan tool and check for leaks.
IDLE SPEED
ADJUSTMENT
The idle speed is control by the Power-
train Control Module (PCM). No adjustment
is necessary or possible.
THROTTLE BODY
REMOVAL & INSTALLATION
See Figures 189 and 190.
** CAUTION
DO NOT place fingers in or around
the throttle body plate. If the throttle
body is energized, the throttle plate
could move causing personal injury.
Always disconnect the negativebat-
tery cable prior to servicing the
throttle body.
w-DO NOT move the throttle plate while
power is connected to the throttle body.
This may cause fault codes toset.
1. Before servicing the vehicle, refer to
the Precautions Section.
2. Disconnect and isolate the negative
battery cable at the battery.
Fig. 189 Disconnectthe throttle body
electrical connector(1) from the throttle
body (2)
9-78 JEEP
COMPASS • PATRIOT
3. Remove the throttle body air intake
hose.
4. Disconnect the throttle body electri-
cal connector (1) from the throttle body (2).
5. Removethe throttle body support
bracket bolt.
6. Remove the 4 bolts, throttle body
bracket, and throttle body from the intake
manifold.
7. Inspect the four j-nuts for damage or
excessive wear, remove if necessary.
8. Inspect the intake manifold-to-
throttle body gasket for damage, remove if
necessary.
To install:
9. Install a new intake manifold-to-
throttle body gasket, if replacement was
necessary.
10. Install 4 new j-nuts, if replacement
was necessary.
## WARNING
DO NOT OVER TORQUE. Over-tighten-
ing can cause damage to the throttle
body, gaskets, bolts and/or the intake
manifold.
11. Install the t
intake manifold.
12. Install the t
bracket (3) and tig
to 18 ft. Ibs. (25 N
13. Install the 4
tighten.
14. Tighten the
pattern sequence ti
(8 Nm).
15. Connect thf
to the throttle bod)
16. Install the c
the clamps to 35 ii
17. Connect thi
tighten the nut to <:
18. Use a scan
codes, then perfor
function.
^A Scan Tool m
electrical param
Miscellaneous IV
ETC Relearn. If 1
performed, a Di
Code (DTC) will
use a scan tool1
rottle body (4) to the
rottle body support
iten the bracket bolt (2)
n).
bolts (1)and hand
bolts in a crisscross
i 65 inch Ibs.
electrical connector (1)
(2).
ean air hose and tighten
ch Ibs. (4 Nm).
negative battery cable,
5 inch Ibs. (5 Nm).
ool and clear all fault
n the ETC RELEARN
ay be used to learn
ters. Go to the
enu, and then select
e relearn is not
gnostic Trouble
e set. If necessary,
erase any DTC's
from the Powertrain Control Module
(PCM).
1. Mounting bolts
2. Bracket bolt
3. Support bracket
4. Throttle body
Fig. 190 Install the throttle body to the
intake manifold
HEATING & AIR CONDITIONING SYSTEM
BLOWER MOTOR
REMOVAL & INSTALLATION
See Figure 191.
-••The blower motor is located on the
bottom of the passenger side of the
HVAC housing. The blower motor can
be removed from the vehicle without
having to remove the HVAC housing.
1. Before servicing the vehicle, refer to
the Precautions Section.
2. Disconnect and isolate the negative
battery cable.
3. If eguipped, remove the silencer
from below the passenger side of the instru-
ment panel.
4. From underneath the instrument
panel, disengage the connector lock and
disconnect the instrument panel wire har-
ness connector (1) from the blower motor
(2).
5. Remove the 3 screws (3) that secure
the blower motor and the wire lead bracket
(4), if equipped, to the bottom of the HVAC
housing (5).
6. Remove the blower motor from the
vehicle.
To install:
1. Position the blower motor (2) into
the bottom of the HVAC housing (5).
1. Wire
2. Blow
3. Moun
4. Brack
5. HVAC
Fig. 191 View
assembly
8. Install the
the blower motor
(4), if eguipped,
Tighten the screv
9. Connect t
harness connect
and engage the c
10. Ifeguippe
below the passer
panel.
11. Reconnec
irness connector
motor
ng screws
t
lousing
the blower motor
3 screws (3) that secure
and the wire lead bracket
the HVAC housing.
to 10 inch Ibs. (1 Nm).
instrument panel wire
(1) to the blower motor
nnector lock.
, install the silencer
erside of the instrument
the negative battery cable.
HEATER CORE
REMOVAL & INSTALLATION
See Figures 192 through 197.
1. Before servicing the vehicle, refer to
the Precautions Section.
2. Disconnect the negative batterycable.
3. Disable the air bag system.
4. Recover the refrigerantfrom the
HVAC system.
5. Drain the cooling system.
Fig. 192 Remove the bolt (1) that holds
the A/C liquid and suction lines (2) to the
evaporator (3).Dsconneche heater
hoses and cap the open core tubes
JEEP
COMPASS • PATRIOT 9-79
Fig. 193 Remove the passenger side end
cap (2) and remove the support bolts (1)—
Instrument panel removal
Fig. 194 Remove the fence line bolts (2)
from the upper cowl panel (1)—Instrument
panel removal
6. Remove the heat shield located on
the dash panel in the engine compartment.
7. Remove the bolt that secures the A/C
liquid and suction line assembly to the A/C
evaporator.
8. Disconnect the A/C liquid andsuc-
tion line assembly from the A/C evaporator
and remove and discard the dual-plane
seals.
9. Cap the opened refrigerant linefit-
tings and the evaporator ports.
10. Disconnect the heater hoses from the
heater core tubes. Install plugs in, or tape
over the opened heater core tubes topre-
vent coolant spillage during housing
removal.
11. Remove the instrument panel asfol-
lows:
a. Remove the floor console.
b. Remove the shift mechanism.
Fig. 195 Remove the center support bolts
(3), end cap (1) and driver's side support
bolts (4)—Instrument panel removal
I. Remove the passenger side
silencer pad.
m. Disconnect the radio antenna.
n. Disconnect the HVAC wiring har-
ness connectors.
o. Removethe fence line bolts from
the upper cowl panel.
p. Separatethe center wiring harness.
q. Disconnect the main wiring har-
ness connectors at the driver's side cowl.
r. Disconnect the wiring harnesscon-
nectors at the driver's side A-pillar.
s. Removethe center support bolts.
t. Remove the end cap and remove
the driver's side support bolts.
u. Remove the instrument panel from
the vehicle.
12. Removethe rear floor ducts.
Fig. 196 Lift the instrument panel (1) off the support clips (2, 4) and pins (5) to remove
c. Removethe side cowl panels.
d. Remove the passenger side air
bag.
e. Using a trim stick, separate the
snap clips and remove the steering col-
umn opening cover.
f. Removethe screws and remove the
steering column reinforcement.
g. Using a trim stick, remove the
upper trim cover over the center bezel
and radio.
h. Remove the compass module from
under the upper cover.
i. Removethe HVAC housing-to-
instrument panel screws.
j. Disconnect the electrical connec-
tors from the A-pillar.
k. Remove the passenger side
end cap and remove the support
bolts.
13. Removethe condensation drain tube.
14. Remove the nut that secures thepas-
senger side of the HVAC housing to the
dash panel.
15. Pull the HVAC housing rearward and
remove the HVAC housing assembly from
the passenger compartment.
16. Remove the left side front floor duct.
17. Remove the foam seal from the
flange located on the front of the HVAC
housing.
18. Remove the screw that secures the
flange to the front of the HVAC housing and
remove the flange.
19. Remove the screw that secures the
retaining bracket for the heater core tubes to
the left side of the air distribution housing.
20. Carefully pull the heater core out
of the driver's side of the air distribution
housing.
9-80 JEEP
COMPASS • PATRIOT
1. Foam seal
2. Flange
3. Screw
4. Retaining bracket
5. Air distribution housing 10. Screi
6. Heater core
7. Seal
8. Heated core tubes
9. HVAC housing
Fig. 197 Heater core components
22043_COMP_G0128
STEERING
POWER RACK & PINION
STEERING GEAR
REMOVAL & INSTALLATION
See Figures 198 through202.
1. Before servicing the vehicle, refer to
the Precautions Section.
2. Siphon as much power steering fluid
from the power steering pump as possible.
3. Reposition the floor carpeting to
access the intermediate shaft at the base of
the column.
4. Position the front wheels in the
straight-ahead position.
5. Turn
until the inti
the base of
accessed.
6. Rem
^Do nots
shaft from
shaft at thi
7. Retu
straight-ahe
8. Use
the wheel in
9. Raise
10. Rem
Fig. 198 Under the carpet (1), remove the
coupling bolt (3) that connects the inter-
mediate shaft (2) to the steering gear pin-
ion shaft (4)
Fig. 199 U
lock the wh
steering wheel to the right
mediate shaft coupling bolt at
steering column can be
the coupling bolt.
arate the intermediate
e steering gear pinion
ime.
the front wheels to the
position.
teering wheel holder to lock
place.
nd safely support the vehicle.
e the front wheels.
22043_COMP_G0130
a steering wheel holder to
j| into position
To install:
21. Carefully install the heater core
into the left side of the air distribution
housing.
22. Install the retaining bracket
that secures the heater core tubes.
Tighten the screw to 10 inch Ibs.
(1 Nm).
23. Install the flange that secures the
heater core tubes to the front of the HVAC
housing.
24. Tighten the screw that secures the
flange to the HVAC housing to 10 inchIbs.
(1 Nm).
25. Install the foam seal onto the
flange.
26. Installation is the reverse order of the
removal process.
27. If the heater core was replaced, the
cooling system must be flushed.
28. Charge the refrigerant system.
29. Refill the cooling system to the cor-
rect level.
30. Start the engine and check for
leaks.
Fig. 200 Remove the bolts (1, 2) securing
the heat shield (3) to the crossmember
(4)—Steering gear removal
Fig. 201 Disconnect the pressure (2) and
return (1] hoses Uom Ihe steering gear
(3)—Steering gear removal
JEEP
COMPASS • PATRIOT 9-81
11. On the side of the gear, remove the
nut from the outer tie rod end at the knuckle.
12. One the side of the gear, separatethe
tie rod end from the knuckle using Special
Tool 9360 Remover or equivalent.
13. Remove the engine skid plate, if
equipped.
14. Remove the rear engine mount.
15. Remove the front engine mount
through-bolt.
16. Remove the three bolts securing the
heat shield to the crossmember and remove
the shield.
17. Disconnect the pressure and return
hoses from the steering gear.
18. Remove the fastenersthat secure the
power steering hose routing clamps to the
crossmember.
19. Remove the bolts securing the stabi-
lizer bushing retainers to the crossmember
and remove the stabilizer bushing retainers.
—•Before removing the front suspension
crossmember from the vehicle, the
location of the crossmember must be
marked on the body of the vehicle. If
the front suspension crossmember is
not reinstalled in exactly the same
position, the preset wheel alignment
settings will be lost.
20. Matchmark the location of the front
crossmember on the body near each mount-
ing bolt.
21. Support the front crossmember with
a suitable jack.
22. Remove the mounting bolts securing
the crossmember to the body.
23. Lower the crossmember enough to
access the intermediate shaft coupling and
slide it off the pinion shaft.
24. Remove the two bolts securing the
steering gear to the crossmember.
25. Rotate the sway bar up in order to
access the steering gear.
26. Removethe steering gear from the
crossmember.
To install:
27. Rotate the sway bar up and install
the steering gear on the crossmember.
Tighten the mounting bolts to 52 ft. Ibs. (70
Nm).
28. Center the power steering gear rack
in its travel as necessary.
—When installing the front suspension
crossmember back in the vehicle, it is
very important that the crossmember
be attached to the body in exactly the
same spot as when it was removed.
Otherwise, the vehicle's wheel align-
ment settings (caster and camber) will
be lost.
29. Slowly raise the crossmember into
its mounted position using a suitable jack
matching the crossmember to the marked
locations on the body made during removal.
30. Check the positioning of the seals at
the dash panel and adjust as necessary.
31. Install the 4 mounting bolts (2 each
side) securing the front crossmember to the
body and tighten the bolts to 111 ft.Ibs.
(150 Nm).
32. Install the retainersover the stabi-
lizer bar cushions and tighten the bolts to
22 ft. Ibs. (30 Nm).
33. Install the fasteners securing the
power steering hose routing clamps to the
crossmember. Use a new push clip on the
left and tighten the screw on the right to 71
inch Ibs. (8 Nm).
Fig. 202 Remove the mounting bolts (1) to remove the steering gear (2) from the front
crossmember
34. Install the pressure hose on the
steering gear and tighten the tube nut to 24
ft. Ibs. (32 Nm).
35. Install the return hose on the steer-
ing gear and tighten the tube nut to 15 ft.
Ibs. (20 Nm).
36. Position the heat shield on the
crossmember. Tighten the 2 front mounting
screws to 35 inch Ibs. (4 Nm) and tighten
the rear mounting screw to 13 ft. Ibs. (17
Nm).
37. Install the front engine mount
through-bolt.
38. Install the rear engine mount.
39. If equipped, install the engine skid
plate.
—Prior to attaching the outer tie rod
end to the knuckle, inspect the tie rod
seal boot. If the seal boot is damaged,
replace the outer tie rod end.
40. On each side of the steering gear,
install the outer tie rod end into the hole in
the knuckle arm. Start a NEW tie rod mount-
ing nut onto the stud. While holding the tie
rod end stud with a wrench, tighten the nut
with a wrench or crowfoot wrench to 97 ft.
Ibs. (132 Nm).
41. Install the front wheels.
42. Lower the vehicle.
43. Remove the steering wheel holder.
44. Verify the front wheels of vehicle are
in the straight-ahead position.
45. Center the intermediate shaft over
the steering gear pinion shaft, lining up the
ends, then slide the intermediate shaft onto
the steering gear pinion shaft.
46. From center, rotate the steering
wheel to the right approximately 90° or until
the intermediate shaft coupling bolt can be
easily installed.
47. Install the intermediate shaft cou-
pling bolt and tighten to 31 ft. Ibs. (42Nm).
48. Reposition the floor carpet in place.
49. Straighten the steering wheel to
straight-ahead position.
50. Fill and bleed the power steering
system.
51. Start the engine and check for
leaks.
52. Check and adjust the alignment, as
necessary.
POWER STEERING PUMP
REMOVAL & INSTALLATION
See Figures 203 and 204.
1. Before servicing the vehicle, refer to
the Precautions Section.
2. Siphon as much power steering fluid
from the pump as possible.
9-82 JEEP
COMPASS • PATRIOT
3. Remove the engine appearance
cover.
4. Remove the pressure hose routing
bracket bolt from the upper mount.
5. Remove the pressure hose at the
pump pressure port.
6. Remove the hose clamp securing the
supply hose at the pump.
7. Remove the
pump.
8. Removethe
Refer to Accessory
installation.
9. Remove tht
through the pulley
10. Remove th(
supply hose from the
accessory drive belt.
Drive Belts, removal &
3 pump mounting bolts
openings.
power steering pump.
Fig. 203 Remove the hose clamp (2) and
supply hose (1) from the power steering
pump (3)
p)wer
To install:
11. Using a
the open power sti
and the power steejring
any used 0-rings
ring(s) with clean
12. Place the
position and tighten
19ft. Ibs. (26 Mm;
13. Install the
to Accessory Drive
lation.
14. Install the
and secure the ho;
15. Install the
free towel, wipe clean
ering pressure hose end
pump port. Replace
vith new. Lubricate the fl-
ower steering fluid.
steering pump into
the mounting bolts to
;cessory drive belt. Refer
Belts, removal & instal-
pressure pump am
24 ft. Ibs.(32 Nm)
16. Install the [
bracket bolt to the
upply hose at the pump
e clamp.
ressure hose at the pump
I tighten thetube nut to
ressure hose routing
upper mount.
1. Supply hose
2. Routing bracket bolt
3. Pressure hose
4. Power steering pump
5. Pump pressure port
6. Accessory drive belt
7. Pump pulley
8. Upper mount
Fig. 204 Power steering pump and related components
17. Fill and bleed and power steering
system.
18. Start the engine and check for leaks.
19. Install the engine appearance cover.
BLEEDING
See Figure 205.
CAUTION
Fluid level should be checked with
the engine OFF to prevent personal
injury from moving parts and to
assure an accurate fluid level read-
ing.
WARNING
MOPAR® Power Steering Fluid + 4 or
MOPAR® ATF+4 Automatic Transmis-
sion Fluid is to be used in the power
steering system. Both Fluids have the
same materialstandard specifica-
tions (MS-9602). No other power
steering or automatic transmission
fluid is to be used in the system.Dam-
age may result to the power steering
pump and system if another fluid is
used. Do not overfill the system.
WARNING
If the air is not purged from the
power steering system correctly,
pump failure could result.
— Be sure the vacuum tool used in the
following procedure is clean and free
of any fluids.
1. Before servicing the vehicle, refer to
the Precautions Section.
2. Check the fluid level.
a. The power steering fluid level can
be viewed through the side of the power
steering fluid reservoir.
b. Compare the fluid level to the
markings on the side of thereservoir.
When the fluid is at normal ambient tem-
perature, approximately 70-80° F
(21-27° C), the fluid level should read
between the MAX and MIN markings.
c. When the fluid is hot, the fluid
level is allowed to read up to the MAX
line.
—Do not fill fluid beyond the MAX
mark. Check the cap seal for damage
and replace if needed.
3. Remove the cap from the fluid reser-
voir and fill the power steering fluid reser-
voir up to the MAX marking with MOPAR®
Power Steering Fluid + 4 or MOPAR'Ri ATF+4
Automatic Transmission Fluid.
JEEP
COMPASS • PATRIOT 9-83
1. Vacuum pump reservoir
2. Hand vacuum pump
3. Reservoir
4. Power steering cap adaptor
36543_DAKO_G0210
Fig. 205 Hand Vacuum Pump, Special
Tool C-4207 illustrated
4. Tightly insert the Power Steering Cap
Adapter (4), Special Tool 9688, into the
mouth of the reservoir (3).
^Failure to use a vacuum pump reser-
voir (1) may allow power steering fluid
to be sucked into the hand vacuum
pump.
5. Attach the Hand Vacuum Pump (2),
Special Tool C-4207, or equivalent, with
reservoir (1) attached, to the Power Steering
Cap Adapter (4).
WARNING
Do not run the vehicle while vacuum
is applied to the power steering sys-
tem. Damage to the power steering
pump can occur.
"»When performing the following
step make sure the vacuum level is
maintained during the entire time
period.
6. Using Hand Vacuum Pump (2), apply
20-25 inches Hg (68-85 kPa) of vacuum to
the system for a minimum of 3 minutes.
7. Slowly release the vacuum and
remove the special tools.
8. Adjust the fluid level as necessary.
9. Repeat above steps until the fluid no
longer drops when vacuum is applied.
10. Start the engine and cycle the steer-
ing wheel lock-to-lock 3 times.
^•Do not hold the steering wheel at the
stops.
11. Stop the engine and check for leaks
at all connections.
12. Check for any signs of air in the
reservoir and check the fluid level. If air is
present, repeat the procedure as necessary.
WARNING
Do not run a vehicle with foamy fluid
for an extended period. This may
cause pump damage.
SUSPENSION
LOWER BALL JOINT
REMOVAL & INSTALLATION
The lower ball joint is an integral part of
the lower control arm and is not service-
able. If the lower ball joint fails, the lower
control arm must be replaced. Refer
to Lower Control Arm, removal & installa-
tion.
LOWER CONTROL ARM
REMOVAL & INSTALLATION
See Figures 206 and 207.
1. Before servicing the vehicle, refer to
the Precautions Section.
2. Raise and safely support the vehicle.
3. Remove the front wheel.
4. Remove the nut and pinch bolt that
secures the ball joint stud to the knuckle.
WARNING
Upon removing the knuckle from the
ball joint stud, do not pull outward on
the knuckle. Pulling the knuckle out-
ward at this point can separate the
inner CV-joint on the halfshaft, thus
damaging it.
5. Using a suitable pry tool, separate the
ball joint stud from the knuckle by prying
down on the lower control arm and up
against the ball joint on the knuckle.
FRONT SUSPENSION
1. Steering knuckle
2. Suitable pry tool
3. Lower control arm
4. Ball joint stud
Fig. 206 Using a suitable pry tool, separate the ball joint stud from the knuckle by prying
down on the lower control arm
9-84 JEEP
COMPASS • PATRIOT
1. Nut
2. Front bolt
3. Lower control arm
4. Suspension crossmeml
22043_COMP_G0142
Fig. 207 Remove the front bolt and nut on the rear bolt that at
the suspension crossmember in order to remove the lower control arm
aches the lower control arm to
b. Vehicles built after 8/1/08—118ft.
Ibs. (160 Nm).
14. Install the ball joint stud into the
knuckle, aligning the bolt hole in the
knuckle boss with the groove formed in the
side of the ball joint stud. Install a new ball
joint stud pinch bolt and nut and tighten the
nut to 60 ft. Ibs. (82 Nm).
15. Install the front wheel. Tighten the
wheel lug nuts to 100 ft. Ibs. (135 Nm).
16. Lower the vehicle.
17. Check the alignment and ad/'usf as
necessary.
MACPHERSON STRUT
REMOVAL & INSTALLATION
See Figures 208 and209.
1. Before servicing the vehicle, refer to
the Precautions Section.
2. Raise and safely support thevehicle.
3. Remove the frontwheel.
—•If both strut assemblies are to be
removed, mark the strut assemblies
right or left and keep the parts sepa-
rated to avoid mix-up. Not all parts of
the strut assembly are interchangeable
side-to-side.
4. Remove the bolt securing the brake
hose routing bracket to the strutassembly.
WARNING
Use care to not damage the ball joint
seal.
6. Remove the front bolt attaching the
lower control arm to the front suspension
crossmember.
7. Remove the nut on the rear bolt
attaching the lower control arm to the front
suspension crossmemberand remove the
bolt.
8. Remove the lower control arm.
To install:
9. Placethe lower control arm into the
front suspensioncrossmember.
10. Insert the rear bolt up through the
crossmember and lower control arm.
11. Install, but do not fully tighten, the
nut on the rear bolt attaching the lower con-
trol arm to the crossmember.
12. Install, but do not fully tighten, the
front bolt attaching the lower control arm to
the crossmember.
13. With no weight or obstruction on the
lower control arm, tighten the lower control
arm front pivot bolt (2) to the following:
a. Vehicles built prior to 8/1/08—
1. Stabilizer link
2. Nut
3. Strut
4. Nut
5. Bolt head
6. Steering knuckle
36543_COMP G0108
Fig. 208 Remove the nut that secures the stabilizer link to the strut. Hold the bolt heads
stationary while removing the nuts that hold the strut to the knuckle
JEEP
COMPASS • PATRIOT 9-85
Fig. 209 Remove the nuts (1) attaching
the strut upper mount to the strut tower
and remove the strut assembly (2)
5. While holding the stabilizer bar link
stud stationary, remove the nut securing the
link to the strut assembly.
6. While holding the bolt heads station-
ary, remove the nuts from the bolts that
attach the strut to the knuckle.
7. Remove the 2 bolts attaching the
strut assembly to the knuckle using a pin
punch.
—The bolts are serrated and cannot be
turned.
8. Remove the 3 nuts attaching the strut
upper mount to the strut tower.
9. Remove the strut assembly from the
vehicle.
To install:
10. Install the strut assembly into the
strut tower. Tighten the 3 mounting nuts to
35 ft. Ibs. (48Nm).
11. Position the lower end of the strut
assembly in line with the upper end of the
knuckle. Align the holes and install the 2
attaching bolts. While holding the bolt
heads stationary, tighten the nuts to 81 ft.
Ibs. (110 Nm).
12. Attach the stabilizer links to the strut
and tighten the nuts to 43 ft. Ibs.(58Nm).
13. Secure the brake hose routing
bracket to the strut and tighten the screws to
10ft. Ibs.(13Nm).
14. Install the front wheels and tighten
the lug nuts to 100 ft. Ibs. (135 Nm).
15. Lower the vehicle.
16. Check and adjust the alignment, as
necessary.
STEERING KNUCKLE
REMOVAL & INSTALLATION
See Figure 210.
1. Before servicing the vehicle, refer to
the Precautions Section.
2. Raise and safely support the vehicle.
3. Remove the front wheel.
4. Remove the cotter pin from the hub
nut.
5. With an assistant applying the
brakes to keep the hub from rotating,
remove the hub nut and washer from the
axle shaft.
6. Remove the brake rotor.
7. Remove the routing clip securing
wheel speed sensor cable to the knuckle.
8. Removethe wheel speed sensor.
Refer to Wheel Speed Sensor, removal &
installation.
9. Remove the nut attaching the outer
tie rod to the steering knuckle. To do this,
hold the tie rod end stud with a wrench
while loosening and removing the nut with a
standard wrench or crowfoot wrench.
10. Release the outer tie rod end from
the knuckle using Special Tool 9360 Ball
Joint Remover.
11. Remove the outer tie rod from the
knuckle.
12. Remove the nut and pinch bolt
clamping the ball joint stud to the knuckle.
•••The strut assembly-to-knuckle
attaching bolts are serrated and must
not be turned during removal.
13. While holding the bolt heads station-
ary, remove the 2 nuts from the bolts attach-
ing the strut to the knuckle.
14. Remove the 2 bolts attaching the
strut to the knuckle using a pin punch.
WARNING
Use care when separating the ball
joint stud from the knuckle, so the
ball joint seal does not getcut.
15. Using a suitable pry tool,
separate the ball joint stud from the knuckle
by prying down on lower control arm and
up against the ball joint boss on the
knuckle.
WARNING
Do not allow the halfshaft to hang by
the inner CV-joint. It must be sup-
ported to keep the joint from separat-
ing duringthisoperation.
16. Pull the knuckle off the halfshaft
outer CV-joint splines and remove the
steering knuckle from the vehicle.
To install:
17. Slide the hub of the knuckle onto the
splines of the halfshaft outer CV-joint.
1. Halfshaft splines
2. Nut
3. Steering knuckle
4. Pinch bolt
5. Nut
6. Ball joint stud
7. Outer tie rod
Fig. 210 View of steering knuckle and related components
36543_COMP_G0111
9-86 JEEP
COMPASS • PATRIOT
18. Install the knuckle onto the ball joint
stud aligning the bolt hole in the knuckle
boss with the groove tormed into the side of
the ball joint stud.
19. Install a new ball joint stud pinch bolt
and nut. Tighten the nut to 60 ft. Ibs. (82Nm).
20. Position the lower end of the strut
assembly in line with the upper end of the
knuckle, aligning the mounting holes.
Install the 2 mounting bolts. Install the nuts
on the 2 bolts and tighten the nuts to 62 ft.
Ibs. (84 Nm).
21. Install the outer tie rod ball stud into
the hole in the knuckle arm.Start the tie rod
end-to-knuckle nut onto the stud. While
holding the tie rod end stud with a wrench,
tighten the nut with a wrench or crowfoot
wrench to 97 ft. Ibs.(132Nm).
22. Install the wheel speed sensor and
tighten the mounting screw to 106 inchIbs.
(12 Nm).
23. Install the routing clip securing the
wheel speed sensor cable to the knuckle.
24. Install the brake rotor, disc brake
caliper, and adapter. Refer to Brake Caliper,
removal & installation.
25. Clean all foreign matter from the
threads of the halfshaft outer CV-joint.
26. Install the washer and hub nut on the
end of the halfshaft and snug it.
27. Have an assistant apply the brakes to
keep the hub from rotating and tighten the
hub nut to 180 ft. Ibs. (244 Nm).
28. Insert the cotter pin through the
notches in the nut and the hole in halfshaft.
If the notches in the nut do not line up with
the hole in the halfshaft, continue to tighten
the nut until they do. Do not loosen thenut.
29. Wrap the cotter pin ends tightly
around the locknut.
30. Install the front wheel and tighten the
lug nuts to 100 ft. Ibs. (135Nm).
31. Lower the vehicle.
32. Check the alignment and adjust, as
necessary.
STABILIZER BAR
REMOVAL & INSTALLATION
See Figure 211.
1. Before servicing the vehicle, refer to
(fie Precautions Section.
2. Raise and safely support the vehicle.
3. Remove the engine skid plate, if
equipped.
4. Remove the rear engine mount.
5. Remove the front engine mount
through-bolt.
6. Remove the fasteners that secure the
^awst steering hose clamps to the front
suspension crossmember.
7. Ate
the stabilizer
and remove
stabilizer bs
8. Ren
lizer bar bu
ich end of the stabilizer bar, hold
bar link lower stud stationary
the nut securing the link to the
pension en:
9. Ren
retainers
(^Before
crossme
location o
marked o
the front
not reinst
position,
settings
ove the bolts securing the stabi-
shing retainers to the frontsus-
ssmember.
ove the 2 stabilizer bushing
10
crossmeml
ing bolt.
11. Support the front crossmember with
a suitable
12. Ren ove
the crossm
13. Lowler
clearance to
between th(
the body.
To inst ill:
•••Before stabilizer bar installation,
inspect th! cushions and links for
excessive wear, cracks, damage, and
moving the front suspension
ber from the vehicle, the
the crossmember must be
the body of the vehicle. If
spension crossmember is
lied in exactly the same
e preset wheel alignment
ill be lost.
;hmark the location of the front
er on the body near each mount-
ick.
the mounting bolts securing
Bmber to the body,
the crossmember until there is
remove the stabilizer bar
rear of the crossmember and
distortion. Replace any pieces failing
inspection.
•••Before installing the stabilizer bar,
make sure the bar is not upside-down.
The stabilizer bar must be installed so
that, when in the mounted position, the
ends of the bar curve over the top of
the steering gear before attaching to
the links.
14. Install the stabilizer bar, link ends
first, from the rear over top of the cross-
member. Curve the ends of the bar over the
steering gear.
15. Slowly raise the crossmember into
its mounted position using a suitable jack
matching the crossmember to the marked
locations on the body made during removal.
16. Install the 4 mounting bolts (2 each
side) securing the front crossmember to the
body and tighten the bolts to 140 ft. Ibs.
(190 Nm).
17. Install the retainers over the stabi-
lizer bar cushions and tighten the bolts to
22 ft. Ibs. (30Nm).
18. Attach the stabilizer bar link at each
end of the stabilizer bar. Tighten the nuts to
43 ft. Ibs.(58Nm).
19. Install the fastenerssecuring the
power steering hose routing clamps to the
crossmember. Use a new push clip on the
left and tighten the screw on the right to 71
inch Ibs.(8Nm).
1. Stabilizer bar link
2. Stabilizer bar
3. Nut
36543_COMP_G0110
Fig. 211
link to thi
lold the stabilizer bar link lower stud stationarv and remove the nut that secures the
stabilizer bar
COMPASS • PATRIOT
JEEP g_87
20. Install the rear engine mount.
21. Install the front engine mount
through-bolt.
22. Install the engine skid plate, if
equipped.
23. Lower the vehicle.
24. Check and adjust the alignment, as
necessary.
WHEEL HUB & BEARING
REMOVAL & INSTALLATION
See Figures 212 through 217.
1. Before servicing the vehicle, refer to
the Precautions Section.
2. Raise and safely support the vehicle.
3. Remove the front wheel.
4. Remove the steering knuckle assem-
bly from the vehicle. Refer to Steering
Knuckle, removal & installation.
5. Position the locator block for Special
Tool 9712Fixture, as follows:
a. For left side knuckles, place the
locator block to the left side on the Fixture.
The side of the locator block with the angle
cut goes downward, toward the Fixture.
Install fbe mounting screws and tighten
them to approximately 40 ft. Ibs. (54 Nm).
b. For right side knuckles, place the
locator block to the right side on the Fix-
ture. The side of the locator block with
the angle cut goes downward, toward the
Fixture. Install the mounting screws and
tighten them to approximately 40 ft. Ibs.
(54 Nm).
6. Install the knuckle in the Fixture as
shown, guiding the steering arm to rest on
the locator block and the brake caliper
mounting bosses on the two Fixture pins.
7. Place the Fixture with knuckle
installed into an arbor press.
8. Position Special Tool 9712-2
Fig. 212 Install the locator block (2) on
Special Tool 9712 (1) for the left (4) or
right (3) side knuckle as shown
Fig. 213 Install the knuckle in the Fixture
as shown, guiding the steering arm (1) to
rest on the locator block (3) and the brake
caliper mounting bosses on the two
Fixture pins (2)
Fig. 214 Remove the snap ring (2) from
the knuckle using an appropriate pair of
snap ring pliers (1)
Remover/Installer in the small end of the
hub. Lower the arbor press ram and remove
the hub from the wheel bearing and knuckle.
The bearing race will normally come out of
the wheel bearing with the hub as it is
pressed out of the bearing.
9. Remove the knuckle from the Fixture
and turn it over.
10. Remove the snap ring from the
knuckle using an appropriate pair of snap
ring pliers.
11. Place the knuckle back in the Fixture
in the arbor press ram.
12. Place Special Tool MD-998334
Installer on the outer race of the wheel bear-
ing. Lower the arbor press ram and remove
the wheel bearing from the knuckle.
To install:
-••When installing the wheel bearing
(1) in the knuckle (2) it is important to
Fig. 215 Put the knuckle assembly back
into the fixture (3) and place Special Tool
MD-998334 Installer (2) on the outer race
of the wheel bearing. Lower the arbor
press ram (1) and remove the wheel
bearing from the knuckle
Fig. 216 When installing the wheel
bearing (1) in the knuckle (2) it is
important to place the side of bearing with
the wheel speed sensor magnetic encoder
ring (dark band) (3) in the knuckle first
place the side of bearing with the
wheel speed sensor magnetic encoder
ring (dark band) (3) in the knuckle first.
Otherwise, the wheel speed sensor will
not operate correctly.
13. Wipe the bearing bore of the knuckle
clean of any grease or dirt.
14. Place the knuckle in an arbor press
supporting the knuckle from underneath
using Special Tool 6310-1 Cup.
15. Place the NEW wheel bearingmag-
netic encoder ring side down into the bore
of the knuckle. Be sure the wheel bearing is
placed squarely into the bore.
9- JEEP
COMPASS • PATRIOT
16. Place Special Tool 8498 Receiver,
larger inside diameter end down, over the
outer race of the wheel bearing.
17. Place Special Tool 6310-2 Disc, into
the top of Receiver 8498. Lower the arbor
press ram and press the wheel bearing into
the knuckle until it is bottomed in the bore
of the knucjkle.
18. Remove the knuckle and tools from
the arbor press.
1. Shop press
2. Special Tool 6310-2
3. Special Tool 8498
4. Special Tool 6310-1
5. Wheel bearing
Fig. 217 With knuckle installed on top of Special Tool 6310-1, use a suitable shop press and
Special Tools 6310-2 and 8498 to press the new wheel bearing into the knuckle
SUSPENSION
COIL SPRING
REMOVAL & INSTALLATION
The coil spring is part of the strut assem-
bly. For additional information, refer to the
following section, Strut and Spring Assem-
bly, removal & installation.
CONTROL ARMS/LINKS
REMOVAL & INSTALLATION
Lower Control Arm
See Figure 218.
1. Before servicing the vehicle, refer to
the Precautions Section.
2. Raise and safely support the vehicle.
3. Remove the rear wheel.
4. Hold the stabilizer bar link lower
stud stationary and remove the nut securing
the link to the lower control arm.
5. Remove the lower strut assembly nut
and bolt.
6. Remove the stay brace.
7. Remove the bolt securing the lower
control arm to the trailing arm.
19. Install a new snap ring in the
knuckle using an appropriate pair of snap
ring pliers.
20. Place the knuckle in an arbor press.
Support the knuckle from underneath using
Special Tool MB-990799 Remover/Installer,
with the smaller end up against the wheel
bearing inner race.
21. Place the hub in the wheel bearing
making sure it is square with the bearing
inner race.
22. Position Special Too/ 9712-2
Remover/Installer in the end of thehub.
Lower the arbor press ram and press the
hub into the wheel bearing until it bottoms
out.
23. Remove the knuckle and tools from
the press.
24. Verify the hub turns smoothly with-
out rubbing or binding.
25. Install the knuckle on the vehicle.
26. Check the alignment and adjust as
necessary.
ADJUSTMENT
The wheel bearing is designed to last for
the life of the vehicle and is unable to be
adjusted. If the wheel bearing exhibits any
roughness or resistance to rotation, the
bearing must be replaced.
REAR SUSPENSION
Fig. 218 Vi
1. Trailing link
2. Nut
3. Bolt
4. Lower control arm
of lower control arm components
5. Bolt
6. Nut
7. Crossmember
JEEP
COMPASS • PATRIOT 9-89
8. Remove the bolt securing the lower
control arm to the crossmember.
9. Remove the lower control arm.
To install:
10. Install the lower control arm to
crossmember, install the nut and bolt, but
do not tighten.
11. Install the lower control arm to the
trailing arm, install the nut and bolt, but do
not tighten.
12. Install the stay brace on the cross-
member and tighten the mounting bolts to
18ft. Ibs. (25Nm).
13. Install the mounting bolt holding the
strut assembly to the lower control arm, but
do not tighten.
•••When attaching a stabilizer bar link
to the lower control arm it is important
that the lower mounting stud be posi-
tioned properly. The lower mounting
stud on the right side link needs to
point toward the rear of the vehicle
when inserted through the lower con-
trol arm mounting flange. The left side
link lower stud needs to point toward
the front of the vehicle.
14. Connect the stabilizer bar links to the
lower control arm and tighten the nut to 43
ft. Ibs. (58 Nm).
15. Install the rear wheel and tighten the
wheel mounting nuts to 100 ft. Ibs. (135
Nm).
16. Lower the vehicle.
17. Tighten the lower control arm
mounting bolt nut at the crossmember to 70
ft. Ibs. (95Nm).
18. Tighten the lower control arm
mounting bolt nut at the trailing link to 70
ft. Ibs. (95Nm).
19. Tighten the strut assembly lower
mounting bolt nut to 73 ft. Ibs. (99 Nm).
20. Check and adjust the alignment as
necessary.
Upper Control Arm
See Figure 219.
1. Before servicing the vehicle, refer to
the Precautions Section.
2. Raise and safely support the
vehicle.
3. Remove the rear wheel.
4. Remove the bolt securing the upper
control arm to the trailing arm.
5. Remove the bolt securing the upper
control arm to the crossmember.
6. Remove the upper control arm.
To install:
7. Install the upper control arm and
install the bolt securing the arm to the
crossmembei, but do i -t tighten.
Fig. 219 Remove the nut (4) and bolt (3)
securing the upper control arm (1) to the
trailing arm and remove the bolt (2)
securing the upper control arm (1) to the
crossmember—Rear upper control arm
8. Install bolt securing the upper con-
trol arm to the trailing arm, but do not
tighten.
9. Install the rear wheel and tighten the
wheel mounting nuts to 100 ft. Ibs. (135Nm).
10. Lower the vehicle.
11. Tighten the upper control arm
mounting bolt at the crossmember to 70 ft.
Ibs. (95 Nm).
12. Tighten the upper control arm
mounting bolt at the trailing arm to 70 ft.
Ibs. (95 Nm).
13. Check and adjust the alignment as
necessary.
Trailing Arm
See Figures 220 through 222.
1. Before servicing the vehicle, refer to
the Precautions Section.
2. Raise and safely support the
vehicle.
Fig. 220 Remove the hair pin (1) securing
the parking brake cable (2) to the brake
support plate (3)—Trailing Arm removal
3. Removethe rear wheel.
4. Remove the screws that secures the
brake hose to the trailing arm.
5. Remove the nut that secures the brake
line routing bracket to the trailing arm.
Remove the brake line from the routing
bracket.
6. Remove the brake caliper and adapter
as an assembly. Secure the
caliper assembly out of the way. For addi-
tional information, refer to the following
section, Brake Caliper, removal & installa-
tion.
## WARNING
Do not let the caliper assembly hang
by the brake hose as damage could
occur.
7. If equipped, remove the wheel speed
sensor. Refer to Wheel Speed Sensor,
removal & installation.
8. Remove the brake rotor.
Fig. 221 Remove the nut (2) securing the
lower control am and nut (1) securing the
upper control arm to the trailing arm (3)—
Trailing arm removal
Fig. 222 Remove the two bolts (2) fasten-
ing Vic leading end of the trailing arm (3)
fc thr body (1)—Trailing Arm removal
9-Qfl JEEP
ifU COMPASS •PATRIOT
9. Remove the hub and bearing assem-
bly. Refer to Wheel Hub and Bearing (sealed
unit), removal & installation.
10. Remove the parking brake cable from
the lever of the parking brake shoe.
11. Remove the hair pin securing the
parking brake cable to the brake support
plate.
12. Slide the brake support plate with
parking brake shoes off the end of the park-
ing brake cable and remove.
13. Pull the parking brake cable from the
trailing arm.
14. Remove the bolt securing the lower
control arm to the trailing arm.
15. Removethe bolt securing the upper
control arm to the trailing arm.
16. Remove the bolts holding the lead-
ing end of the trailing arm to the body and
remove the trailing arm.
To install:
17. Position the trailing arm and install
the 2 bolts holding the leading end of the
trailing arm to the body. Tighten the bolts to
81ft. Ibs. (110 Nm).
18. Install the upper control arm to the
trailing arm and tighten the bolt to 70 ft.Ibs.
(95 Nm).
19. Install the lower control arm to the
trailing arm and tighten the bolt to 70 ft. Ibs.
(95 Nm).
20. Install the bolt securing the toe link
to the trailing arm. It may be necessary to
flex the trailing arm body mount bushing
inward or outward using a suitable pry tool.
Tighten the mounting bolts to 70 ft. Ibs. (95
Nm).
21. Insert the parking brake cable
through the trailing link from the inboard
side.
22. Slide the parking brake cable into the
brake support pfafe with parking brake
shoes.
23. Install the hair pin securing the park-
ing brake cable to the brake support plate.
24. Attach the parking brake cable onto
the lever on the parking brake shoe.
25. Install the wheel speed sensor, if
equipped.
26. Install the hub and bearing. Refer to
Wheel Hub and Bearing (sealed unit),
removal & installation.
27. Install the brake rotor.
28. Install the caliper assembly and
tighten the mounting bolts to 52 ft. Ibs. (71
Nm).
29. Position the brake line on the trailing
arm, inserting the routing clip and routing
bracket over the welded stud. Tighten the
nut on the welded stud to 11 ft. Ibs.(15
Nm).
30. Positi
ing arm brae
bolts to 17 ft
31. Install
wheel mounti
32. Lower
33. Check
necessary.
Toe Link
See Figure 2
1. Before
the Precautio
2. Raise
3. Remo
link to the tr
4. Matchitiark
bolt on the c
5. While
tionary, remo
bolt nut and
6. Remo
To instal
n the brake hose on the trail-
et and tighten the mounting
bs. (23Nm).
he rear wheel and tighten the
g nuts to 100 ft. Ibs. (135Nm).
he vehicle,
and adjust the alignment, as
3.
servicing the vehicle, refer to
s Section.
nd safely support the vehicle.
3 the bolt that secures the toe
ing arm.
the position of the cam
ssmember.
idding the cam bolt head sta-
9 the toe link mounting cam
asher. Remove the cam bolt,
the toe link.
t'# WARNING
When instal
washer mak
ing the cam bolt and
B sure the cams stay
damage the
inside the abutments built into the
crossmembiiir. Failure to do so can
abutments and make toe
adjustment difficult.
7. Install
Install the ca
crossmember
the marks ma
cess. Only har
8. Install
link to the trail
to flex the trail
inward or outvl
Do not tighten
|he toe link into position,
bolt from the front through
nd link. Match the cam to
e during the removalpro-
d-tighten the nut at this time.
|he bolt that secures the toe
ng arm. It may be necessary
ng arm body mount bushing
ard using a suitable pry tool,
the bolt at this time.
Fig. 223 Rerr ove the bolt (2) that secures
the toe link (3) to the trailing arm. Mark
the cam bolt (1) on the
9. Lower the vehicle.
10. Tighten the toe link mounting bolt at
the trailing arm to 70 ft. Ibs. (95 Nm).
11. Check and adjust the alignment as
necessary.
12. Once the rear toe is set, hold the
cam bolt head stationary, and tighten the toe
link cam mounting bolt nut to 26 ft. Ibs. (35
Nm).
STRUT AND SPRING
ASSEMBLY
REMOVAL & INSTALLATION
See Figures 224 through 226.
1. Before servicing the vehicle, refer to
the Precautions Section.
2. Remove the cargo floorcover.
3. Remove the rear floor pan silencer.
4. If equipped, remove the nuts mount-
ing the satellite receiver or amplifier to the
rear floor pan. Move the component aside to
allow access to the wheel speed sensor
Fig. 224 Use the upper mounting nut
access door (2) and opening from the floor
pan silencer (1) to access the strut upper
mounting nuts—Rear strut assembly
L
Fig. 225 Remove the 2 nuts (1) securing
the shock assembly (2) to the body bracket
(3)—Rear strut assemhly
JEEP
COMPASS • PATRIOT 9-91
1. Bolt
2. Strut assembly
3. Lower mounting nut
4. Lower control arm
22043_COMP G015I
Fig. 226 Remove the strut assembly lower mounting nut and bolt from the lower control arm—
Rear strut assembly
wiring connector through the opening in
bottom of the quarter trim panel.
5. Remove the spare tire.
6. Fold the strut assembly upper
mounting nut access door upward. Use this
opening and the one created when the rear
floor pan silencer was removed to access
the upper mountingnuts.
7. Remove the 2 nuts securing the strut
assembly to the body bracket.
8. Raise and safely support the vehicle.
9. Remove the rear wheel.
10. Remove the lower strut assembly
mounting bolt.
11. Lower the strut assembly out of the
body bracket and lift out over the rearsus-
pension.
To install:
12. Insert the lower end of the strut
assembly down through the lower control
arm from above, just enough to clear the
body, then lift it into position in the body
bracket.
13. Install the mounting bolt at the lower
control arm,but do not tighten.
14. Install the rear wheel and tighten the
wheel mounting nuts to 100 ft. Ibs. (135
Nm).
15. Lower the vehicle.
16. Install the 2 upper mounting nuts to
the strut assembly and tighten to 35 ft.Ibs.
(48 Nm).
17. Close the upper mounting nut
access door.
18. If equipped, install the satellite
receiver or amplifier to the rear floor pan.
19. Install the rear floor pan silencer.
20. Install the cargo floor cover.
21. Tighten the lower strut assembly
mounting bolt to 73 ft. Ibs.(99 Nm).
WHEEL HUB & BEARING
REMOVAL & INSTALLATION
AWD Models
See Figure 227.
1. Before servicing the vehicle, refer to
the Precautions Section.
2. Raise and safely support the vehicle.
3. Remove the rear wheel.
4. Remove the cotter pin from the end
of the hubnut.
5. With an assistant applying the
brakes to keep the hub from rotating,
remove the hub nut and washer from the
end of the axle shaft.
6. Tap the end of the halfshaft inward,
loosening it from the hub and bearing
assembly.
7. Remove the brake caliper lower
guide pin bolt.
8. Rotate the caliper upward, using the
top guide bolt as a hinge. Hang the caliper
assembly with mechanics wire, or equiva-
lent.
** WARNING
When moving the rear brake caliper
upward, use extreme care not to
damage or overextendthe flex hose.
Damage may occur.
9. Removeany clips on the wheel
mounting studs holding the rotor into place,
and remove the rotor.
10. Remove the wheel speed sensor, if
equipped.
11. Remove the 4 bolts (1) securing the
hub and bearing assembly (2) to the trailing
link.
12. Remove the hub and bearing assem-
bly.
To install:
13. Slide the hub and bearing assembly
over the axle shaft and position it on the
brake support plate and trailing arm.
Tighten the bolts to 77 ft. Ibs.(105Nm).
14. Install the wheel speed sensor, if
equipped.
15. Slide the brake rotor over the parking
brake shoes and onto the wheel hub.
16. Rotate the caliper assembly down-
ward over the rotor into the caliper adapter
bracket.
17. Install the lower guide pin bolt and
tighten to 44 ft. Ibs.(60 Nm).
18. Install the washer and hub nut on the
end of the halfshaft and hand tighten it.
19. With an assistant applying the
brakes to keep the hub from rotating, tighten
the hub nut to 181 ft. Ibs.(245 Nm).
20. Install the cotter pin through the
notches of the nut and the hole in the half-
shaft. If the notches do not line up with the
hole in the axle shaft, continue tighten the
nut until they do.
Fig. 227 Remove the 4 bolts (1) securing
the rear hub and bearing (2) to the trailing
link—AWD vehicles
9-92 JEEP
COMPASS • PATRIOT
WARNING
Do not loosen the nut to get the hole
to line up.
21. Wrap the cotter pin tightly around
the locknut.
22. Install the rear wheel and tighten the
wheel mounting nuts to 100 tt. Ibs. (135
Nm).
23. Lower thevehicle.
24. Pump the brake pedal several times
to ensure a firm pedal before moving the
vehicle.
FWD Vehicles
See Figures 228 and229.
1. Before servicing the vehicle, refer to
the Precautions Section.
2. Remove the rear wheel.
3. Remove the brake caliper lower
guide pin bolt.
4. Rotate th
top guide bolt
assembly with
lent.
3 caliper upward, using the
s a hinge. Hang the caliper
nechanics wire, or equiva-
## WARNING
When movim
caliper upwa
not to damag
flex hose. Da
occur.
5. Remove
mounting studs
and remove the
6. Remove
equipped.
7. Remove
hub and bearin
link.
8. Remove
bly.
Fig. 228 Remove the 4 bolts (1) securing
the hub and bearing (2) to the trailing
link—FWD vehicles
Fig. 229 Instal
head (3) into II
bearing (2) and
sensor head m
the rear brake
d, use extreme care
or overextendthe
mage may
ny clips on the wheel
holding the rotor into place,
rotor,
wheel speed sensor, if
ie4 bolts (1) securing the
assembly (2) to the trailing
le hub and bearing assem-
36543_COMP_G0116
the wheel speed sensor
i rear of the hub and
tighten the wheel speed
unting screw (1)
To install:
9. Install the hub and bearing assembly
on the brake support plate and trailing
arm. Tighten the bolts to 77 ft. Ibs. (105
Nm).
^Before installing the wheel speed
sensor head (3) into the rear of the hub
and bearing (2), inspect the 0-ring seal
to make sure it is not dislodged, split,
cut, or damaged in any way. Replace
the 0-ring as necessary.
10. If equipped with a wheel speedsen-
sor:
a. Install the wheel speed sensor
head (3) into the rear of the hub and
bearing (2).
b. Install the wheel speed sensor
head mounting screw (1). Tighten the
screw to 89 inch Ibs.(10 Nm).
11. Slide the brake rotor over the parking
brake shoes and onto the wheel hub.
12. Rotate the caliper assembly down-
ward over the rotor into the caliper adapter
bracket.
13. Install the lower guide pin bolt and
tighten to 44 ft. Ibs.(60Nm).
14. Install the rear wheel and tighten the
wheel mounting nuts to 100 ft. Ibs. (135
Nm).
15. Lower the vehicle.
16. Pump the brake pedal several times
to ensure a firm pedal before moving the
vehicle.
ADJUSTMENT
The wheel bearing is designed to last for
the life of the vehicle and is unable to be
adjusted. If the wheel bearing exhibits any
roughness or resistance to rotation,the
bearing must be replaced.
2009 RESTRAINTS
Service Information - Compass & Patriot
DESCRIPTION
DESCRIPTION
An occupant restraint system is standard factory-installed safety equipment on this vehicle. Available occupant
restraints for this vehicle include both active and passive types. Active restraints are those which require the
vehicle occupants to take some action to employ, such as fastening a seat belt; while passive restraints require
no action by the vehicle occupants to be employed.
ACTIVE RESTRAINTS
The active restraints for this vehicle include:
Child Restraint Anchors - All vehicles are equipped with three, fixed-position, child seat upper tether
anchors for the second row seating. A single upper tether anchor is integral to the back of the left seat
back panel, and two more are integral to the right seat back panel. Two lower anchors are also provided
for each outboard seating position. Three lower anchors are integral to the seat back hinge brackets, while
the fourth is integral to a dedicated child anchor bracket. All lower anchors are accessed from the front of
the second row seat where the seat back meets the seat cushion.
Front Seat Belts - Both front seating positions are equipped with three-point seat belt systems employing
a lower B-pillar mounted inertia latch-type emergency locking retractors, height-adjustable upper B-pillar
mounted turning loops, a traveling lower seat belt anchor secured to the outboard side of the seat frame,
and a traveling end-release seat belt buckle secured to the inboard side of the seat frame. The driver side
front seat belt buckle includes an integral seat belt switch that detects whether the driver side front seat
belt has been fastened.
Second Row Seat Belts - All three second row seating positions are equipped with three-point seat belt
systems. The outboard seating position belts employ lower C-pillar mounted inertia latch-type emergency
locking retractors, fixed position upper C-pillar mounted turning loops and fixed lower seat belt anchors
secured to the rear floor panel. The second row seat center seating position has an inertia latch-type
emergency locking retractor that is secured within the right D-pillar and has a dedicated, keyed anchor
buckle that allows the belt anchor to be quickly detached when the right second row seat back is folded
down for additional cargo space. All of the second row seat belt retractors for this vehicle are also
switchable from an emergency locking retractor to an automatic locking retractor for compatibility with
child seats. The center seating position belt lower anchor buckle is secured along with the right outboard
seat belt buckle to the rear floor panel through the child lower anchor bracket. All three second row seat
belts have fixed end-release seat belt buckles.
PASSIVE RESTRAINTS
2009 Jeep Patriot Limited
2009 RESTRAINTS Service Information - Compass & Patriot
2009 Jeep Patriot Limited
2009 RESTRAINTS Service Information - Compass & Patriot
a
Saturday, September 08, 2012 1:48:17 PM Page 1 © 2006 Mitchell Repair Information Company, LLC.
a
Saturday, September 08, 2012 1:48:21 PM Page 1 © 2006 Mitchell Repair Information Company, LLC.
Fig. 1: SRS Logo
Courtesy of CHRYSLER LLC
The passive restraints available for this vehicle include the following:
Dual Front Airbags - Multistage driver and front passenger airbags are used in this vehicle. This airbag
system consists of passive, inflatable, Supplemental Restraint System (SRS) components and vehicles
with this equipment can be readily identified by the SRS - AIRBAG logo molded into the driver airbag
trim cover in the center of the steering wheel and also into the passenger airbag door on the instrument
panel above the glove box. Vehicles with the airbag system can also be identified by the airbag indicator,
which will illuminate in the ElectroMechanical Instrument Cluster (EMIC) (also known as the Cab
Compartment Node/CCN) for about seven seconds as a bulb test each time the ignition switch is turned to
the ON position. A pyrotechnic-type seat belt tensioner is also integral to the driver and passenger front
seat belt retractors to work in conjunction with the dual front airbags.
Side Curtain Airbags - Side curtain airbags are standard equipment in this vehicle when it is also
equipped with dual front airbags. This airbag system consists of passive, inflatable, SRS components and
vehicles with this equipment can be readily identified by a molded identification trim button with the SRS
- AIRBAG logo located on the top of each B-pillar upper trim panel near the headliner.
Seat Airbags - Seat mounted airbags are optional equipment in this vehicle. This airbag system consists
of passive, inflatable, SRS components and vehicles with this equipment can be readily identified by a
sewn tag with the SRS - AIRBAG logo located on the outboard side of the front seat back trim cover.
2009 Jeep Patriot Limited
2009 RESTRAINTS Service Information - Compass & Patriot
a
Saturday, September 08, 2012 1:48:17 PM Page 2 © 2006 Mitchell Repair Information Company, LLC.
Fig. 2: Supplemental Restraint System Components
Courtesy of CHRYSLER LLC
The SRS includes the following major components, which are described in further detail elsewhere in this
service information:
Airbag Indicator - The airbag indicator is integral to the ElectroMechanical Instrument Cluster (EMIC)
(also known as the Cab Compartment Node/CCN), which is located on the instrument panel in front of
the driver.
Clockspring - The clockspring is located near the top of the steering column, directly beneath the
steering wheel.
Driver Airbag (4) - The driver airbag is located in the center of the steering wheel, beneath the driver
airbag trim cover.
Driver Knee Blocker - The driver knee blocker is a structural unit secured to the back side of and
integral to the instrument panel steering column opening cover.
Front Impact Sensor (1) - Two front impact sensors are used on vehicles equipped with dual front
airbags, one left side and one right side. One sensor is located on the back side of each vertical member of
the radiator support.
Occupant Restraint Controller (2) - The Occupant Restraint Controller (ORC) is located on a mount on
the floor panel transmission tunnel forward of the transmission gear selector, and is concealed behind the
instrument panel center support.
Passenger Airbag (3) - The passenger airbag is located in the instrument panel, beneath the passenger
airbag door on the instrument panel top cover and above the glove box on the passenger side of the
vehicle.
2009 Jeep Patriot Limited
2009 RESTRAINTS Service Information - Compass & Patriot
a
Saturday, September 08, 2012 1:48:17 PM Page 3 © 2006 Mitchell Repair Information Company, LLC.
Passenger Knee Blocker - The passenger knee blocker is a structural reinforcement that is integral to and
concealed within the glove box door.
Seat Airbag (7) - An optional seat (thorax) airbag unit is secured to each outboard front seat back frame,
where it is concealed beneath the seat back trim cover and foam.
Seat Belt Tensioner (6) - A seat belt tensioner is integral to both front seat belt retractor units on vehicles
equipped with dual front airbags. The seat belt retractor tensioner units are secured to the right and left
lower inner B-pillar and are concealed behind the lower B-pillar trim.
Seat Track Position Sensor (5) - Certain vehicles may include a seat track position sensor that is located
on the inboard side of one of the seat adjuster tracks on both the driver and the passenger front seats.
Side Curtain Airbag (9) - A side curtain airbag is secured to each inside roof side rail above the
headliner, and extends from the A-pillar to just behind the C-pillar.
Side Impact Sensor (8) - Four side impact sensors are used, two on each side of the vehicle. One sensor
is located behind the B-pillar trim near the belt line of each B-pillar and one sensor is located behind the
quarter panel trim near the belt line of each C-pillar.
The ORC and the EMIC each contain a microprocessor and programming that allow them to communicate with
each other using the Controller Area Network (CAN) data bus. This method of communication is used by the
ORC for control of the airbag indicator in the EMIC. Refer to Electrical/Electronic Control
Modules/COMMUNICATION - Description .
Hard wired circuitry connects the SRS components to each other through the electrical system of the vehicle.
These hard wired circuits are integral to several wire harnesses, which are routed throughout the vehicle and
retained by many different methods. These circuits may be connected to each other, to the vehicle electrical
system, and to the SRS components through the use of a combination of soldered splices, splice block
connectors, and many different types of wire harness terminal connectors and insulators. Refer to SYSTEM
WIRING DIAGRAMS . The wiring information includes wiring diagrams, proper wire and connector repair
procedures, further details on wire harness routing and retention, as well as pin-out and location views for the
various wire harness connectors, splices and grounds.
OPERATION
OPERATION
ACTIVE RESTRAINTS
The primary passenger restraints in this or any other vehicle are the standard equipment factory-installed seat
belts and child restraint anchors. Seat belts and child restraint anchors are referred to as an active restraint
because the vehicle occupants are required to physically fasten and properly adjust these restraints in order to
benefit from them.
PASSIVE RESTRAINTS
The passive restraints are referred to as a Supplemental Restraint System (SRS) components because they were
designed and are intended to enhance the protection for the occupants of the vehicle only when used in
conjunction with the seat belts. They are referred to as passive restraints because the vehicle occupants are not
required to do anything to make them operate; however, the vehicle occupants must be wearing their seat belts
2009 Jeep Patriot Limited
2009 RESTRAINTS Service Information - Compass & Patriot
a
Saturday, September 08, 2012 1:48:17 PM Page 4 © 2006 Mitchell Repair Information Company, LLC.
in order to obtain the maximum safety benefit from the factory-installed SRS components.
The SRS electrical circuits are continuously monitored and controlled by a microprocessor and software
contained within the Occupant Restraint Controller (ORC). An airbag indicator in the ElectroMechanical
Instrument Cluster (EMIC) (also known as the Cab Compartment Node/CCN) illuminates for about seven
seconds as a bulb test each time the ignition switch is turned to the ON or START positions. Following the bulb
test, the airbag indicator is turned ON or OFF by the ORC to indicate the status of the SRS. If the airbag
indicator comes ON at any time other than during the bulb test, it indicates that there is a problem in the SRS
electrical circuits. Such a problem may cause airbags not to deploy when required, or to deploy when not
required.
Deployment of the SRS components depends upon the angle and severity of an impact. Deployment is not
based upon vehicle speed; rather, deployment is based upon the rate of deceleration as measured by the forces
of gravity (G force) upon the acceleration-type impact sensors. When an impact is severe enough, the
microprocessor in the ORC signals the inflator of the appropriate airbag units to deploy their airbag cushions.
The front seat belt retractor tensioners are provided with a deployment signal by the ORC in conjunction with
the front airbags. The optional seat airbags are provided with a deployment signal by the ORC in conjunction
with the side curtain airbag based upon a side impact sensor input for the same side of the vehicle.
During a frontal vehicle impact, the knee blockers work in concert with properly fastened and adjusted seat
belts to restrain both the driver and the front seat passenger in the proper position for an airbag deployment. The
knee blockers also absorb and distribute the crash energy from the driver and the front seat passenger to the
structure of the instrument panel. The seat belt tensioners remove the slack from the front seat belts to provide
further assurance that the driver and front seat passenger are properly positioned and restrained for an airbag
deployment.
Typically, the vehicle occupants recall more about the events preceding and following a collision than they do
of an airbag deployment itself. This is because the airbag deployment and deflation occur very rapidly. In a
typical 48 kilometer-per-hour (30 mile-per-hour) barrier impact, from the moment of impact until the airbags
are fully inflated takes about 40 milliseconds. Within one to two seconds from the moment of impact, the
airbags are almost entirely deflated. The times cited for these events are approximations, which apply only to a
barrier impact at the given speed. Actual times will vary somewhat, depending upon the vehicle speed, impact
angle, severity of the impact, and the type of collision.
When the ORC monitors a problem in any of the SRS circuits or components, including the seat belt tensioners,
it stores a fault code or Diagnostic Trouble Code (DTC) in its memory circuit and sends an electronic message
to the EMIC to turn ON the airbag indicator. The hard wired circuits between components related to the SRS
may be diagnosed using conventional diagnostic tools and procedures. Refer to SYSTEM WIRING
DIAGRAMS . The wiring information includes wiring diagrams, proper wire and connector repair procedures,
details of wire harness routing and retention, connector pin-out information and location views for the various
wire harness connectors, splices and grounds.
However, conventional diagnostic methods will not prove conclusive in the diagnosis of the SRS or the
electronic controls or communication between other modules and devices that provide features of the SRS. The
most reliable, efficient, and accurate means to diagnose the SRS or the electronic controls and communication
related to SRS operation, as well as the retrieval or erasure of a DTC requires the use of a diagnostic scan tool.
Refer to the appropriate diagnostic information.
2009 Jeep Patriot Limited
2009 RESTRAINTS Service Information - Compass & Patriot
a
Saturday, September 08, 2012 1:48:17 PM Page 5 © 2006 Mitchell Repair Information Company, LLC.
WARNING
WARNINGS
WARNING: To avoid serious or fatal injury on vehicles equipped with the
Supplemental Restraint System (SRS), never attempt to repair the
electrically conductive circuits or wiring components related to the SRS.
Such repairs can compromise the conductivity and current carrying
capacity of those critical electrical circuits, which may cause the SRS
components not to deploy when required, or to deploy when not required.
Any wire harness containing broken, cut, burned or otherwise damaged
electrically conductive SRS wiring, terminals or connector components
must be removed and replaced with an entire new wire harness. Only
minor cuts or abrasions of wire and terminal insulation where the
conductive material has not been damaged, or connector insulators
where the integrity of the latching and locking mechanisms have not been
compromised may be repaired using appropriate methods. Failure to
follow these instructions may result in possible serious or fatal injury.
WARNING: To avoid serious or fatal injury during and following any seat belt or child
restraint anchor service, carefully inspect all seat belts, buckles,
mounting hardware, retractors, tether straps, and anchors for proper
installation, operation, or damage. Replace any belt that is cut, frayed, or
torn. Straighten any belt that is twisted. Tighten any loose fasteners.
Replace any belt that has a damaged or ineffective buckle or retractor.
Replace any belt that has a bent or damaged latch plate or anchor plate.
Replace any child restraint anchor or the unit to which the anchor is
integral that has been bent or damaged. Never attempt to repair a seat
belt or child restraint component. Always replace damaged or ineffective
seat belt and child restraint components with the correct, new and
unused replacement parts listed in the Chrysler Mopar® Parts Catalog.
WARNING: To avoid serious or fatal injury on vehicles equipped with side curtain
airbags, disable the Supplemental Restraint System (SRS) before
attempting any Occupant Restraint Controller (ORC) diagnosis or service.
The ORC contains a rollover sensor, which enables the system to deploy
the side curtains and seat airbags in the event of a vehicle rollover event.
If an ORC is accidentally rolled during service while still connected to
battery power, the side curtain and seat airbags will deploy. Disconnect
and isolate the battery negative (ground) cable, then wait two minutes for
the system capacitor to discharge before performing further diagnosis or
service. This is the only sure way to disable the SRS. Failure to take the
proper precautions could result in accidental airbag deployment.
WARNING: To avoid serious or fatal injury on vehicles equipped with airbags, disable
the Supplemental Restraint System (SRS) before attempting any steering
2009 Jeep Patriot Limited
2009 RESTRAINTS Service Information - Compass & Patriot
a
Saturday, September 08, 2012 1:48:17 PM Page 6 © 2006 Mitchell Repair Information Company, LLC.
wheel, steering column, airbag, seat belt tensioner, impact sensor, or
instrument panel component diagnosis or service. Disconnect and isolate
the battery negative (ground) cable, then wait two minutes for the system
capacitor to discharge before performing further diagnosis or service.
This is the only sure way to disable the SRS. Failure to take the proper
precautions could result in accidental airbag deployment.
WARNING: To avoid potential physical injury or damage to sensitive electronic
circuits and systems, always disconnect and isolate the battery negative
(ground) cable and the positive cable, then ground the positive cable to
discharge the Occupant Restraint Controller (ORC) capacitor before
performing any welding operations on the vehicle. Failure to take the
proper precautions could result in accidental airbag deployment, possible
damage to the Supplemental Restraint System (SRS) circuits and
components, and possible damage to other electronic circuits and
components. Whenever a welding process is being performed within 12
inches (30 centimeters) of an electronic module or wiring harness, then
that module or harness should be relocated out of the way, or
disconnected. Always protect against component or vehicle damage from
weld spatter by using weld blankets and screens.
WARNING: To avoid serious or fatal injury, do not attempt to dismantle an airbag unit
or tamper with its inflator. Do not puncture, incinerate or bring into
contact with electricity. Do not store at temperatures exceeding 93° C
(200° F). An airbag inflator unit may contain sodium azide and potassium
nitrate. These materials are poisonous and extremely flammable. Contact
with acid, water, or heavy metals may produce harmful and irritating
gases (sodium hydroxide is formed in the presence of moisture) or
combustible compounds. An airbag inflator unit may also contain a gas
canister pressurized to over 17.24 kPa (2500 psi). Failure to follow these
instructions may result in possible serious or fatal injury.
WARNING: To avoid serious or fatal injury when handling a seat belt tensioner
retractor. Exercise proper care to keep fingers out from under the
retractor cover and away from the seat belt webbing where it exits from
the retractor cover. Failure to follow these instructions may result in
possible serious or fatal injury.
WARNING: To avoid serious or fatal injury, replace all Supplemental Restraint System
(SRS) components only with parts specified in the Chrysler Mopar® Parts
Catalog. Substitute parts may appear interchangeable, but internal
differences may result in inferior occupant protection.
WARNING: To avoid serious or fatal injury, the fasteners, screws, and bolts originally
used for the Supplemental Restraint System (SRS) components must
2009 Jeep Patriot Limited
2009 RESTRAINTS Service Information - Compass & Patriot
a
Saturday, September 08, 2012 1:48:17 PM Page 7 © 2006 Mitchell Repair Information Company, LLC.
DIAGNOSIS AND TESTING
SUPPLEMENTAL RESTRAINT SYSTEM
The hard wired circuits between modules and components related to the Supplemental Restraint System (SRS)
may be diagnosed using conventional diagnostic tools and procedures. Refer to SYSTEM WIRING
DIAGRAMS . The wiring information includes wiring diagrams, proper wire and connector repair procedures,
details of wire harness routing and retention, connector pin-out information and location views for the various
wire harness connectors, splices and grounds.
However, conventional diagnostic methods will not prove conclusive in the diagnosis of the SRS or the
electronic controls or communication between other modules and devices that provide features of the SRS. The
most reliable, efficient, and accurate means to diagnose the SRS or the electronic controls and communication
related to SRS operation, as well as the retrieval or erasure of a DTC requires the use of a diagnostic scan tool.
Refer to the appropriate diagnostic information.
In addition to a diagnostic scan tool that contains the latest version of the proper diagnostic software, certain
diagnostic procedures for the SRS may require the use of the SRS Load Tool special tool along with the
appropriate Load Tool Jumpers and Adapters. Refer to the appropriate diagnostic information.
STANDARD PROCEDURE
HANDLING NON-DEPLOYED SUPPLEMENTAL RESTRAINTS
At no time should any source of electricity be permitted near the inflator on the back of a non-deployed airbag
or seat belt tensioner. When carrying a non-deployed airbag, the trim cover or airbag cushion side of the unit
should be pointed away from the body to minimize injury in the event of an accidental deployment. If the airbag
never be replaced with any substitutes. These fasteners have special
coatings and are specifically designed for the SRS. Any time a new
fastener is needed, replace it with the correct fasteners provided in the
service package or specified in the Chrysler Mopar® Parts Catalog.
WARNING: To avoid serious or fatal injury when a steering column has an airbag unit
attached, never place the column on the floor or any other surface with
the steering wheel or airbag unit face down. Failure to follow these
instructions may result in possible serious or fatal injury.
WARNING: To avoid serious or fatal injury on vehicles equipped with airbags, disable
the Supplemental Restraint System (SRS) before attempting any steering
wheel, steering column, airbag, seat belt tensioner, impact sensor, or
instrument panel component diagnosis or service. Disconnect and isolate
the battery negative (ground) cable, then wait two minutes for the system
capacitor to discharge before performing further diagnosis or service.
This is the only sure way to disable the SRS. Failure to take the proper
precautions could result in accidental airbag deployment.
2009 Jeep Patriot Limited
2009 RESTRAINTS Service Information - Compass & Patriot
a
Saturday, September 08, 2012 1:48:17 PM Page 8 © 2006 Mitchell Repair Information Company, LLC.
unit is placed on a bench or any other surface, the trim cover or airbag cushion side of the unit should be face up
to minimize movement in the event of an accidental deployment.
When handling a non-deployed seat belt tensioner, take proper care to keep fingers away from the retractor
cover and away from the seat belt webbing where it exits from the retractor cover. In addition, the Supplemental
Restraint System (SRS) should be disarmed whenever any steering wheel, steering column, seat belt tensioner,
airbag, impact sensor or instrument panel components require diagnosis or service. Failure to observe this
warning could result in accidental airbag deployment and possible personal injury.
All damaged, ineffective or non-deployed airbags and seat belt tensioners which are replaced on vehicles are to
be handled and disposed of properly. If an airbag or seat belt tensioner unit is ineffective or damaged and non-
deployed, refer to the Hazardous Substance Control System for information regarding the potentially hazardous
properties of the subject component and the proper safe handling procedures. Then dispose of all non-deployed
and deployed airbags and seat belt tensioners in a manner consistent with state, provincial, local and federal
regulations.
SUPPLEMENTAL RESTRAINT STORAGE
Airbags and seat belt tensioners must be stored in their original, special container until they are used for service.
Also, they must be stored in a clean, dry environment; away from sources of extreme heat, sparks, and high
electrical energy. Always place or store any airbag on a surface with its trim cover or airbag cushion side facing
up, to minimize movement in case of an accidental deployment.
SERVICE AFTER A SUPPLEMENTAL RESTRAINT DEPLOYMENT
Any vehicle which is to be returned to use following a Supplemental Restraint System (SRS) component
deployment must have the deployed restraints replaced. In addition, if the driver airbag has been deployed, the
clockspring must be replaced and the steering column must be inspected. Refer to Steering/Column -
Diagnosis and Testing . If the passenger airbag is deployed, the passenger airbag door must be replaced.
The seat belt tensioners are deployed in conjunction with front airbags, but can also be deployed with seat
(thorax) or side airbags. The seat belt tensioners must be replaced if either front airbag has been deployed, and
must be inspected if either seat or side airbag has been deployed. If a seat airbag is deployed, the seat back
frame, the seat back foam and the seat back trim cover on the same side of the vehicle as the deployed airbag
must also be replaced.
If a side curtain airbag has been deployed, the headliner as well as the upper A, B, C and D-pillar trim on the
same side of the vehicle as the deployed airbag must be replaced. These components are not intended for reuse
and will be damaged or weakened as a result of a SRS component deployment, which may or may not be
obvious during a visual inspection. On vehicles with an optional sunroof, the sunroof drain tubes and hoses
must be closely inspected following a side curtain airbag deployment.
It is also critical that the mounting surfaces and mounting brackets for the Occupant Restraint Controller
(ORC), side impact sensors and front impact sensors be closely inspected and restored to their original
conditions following any vehicle impact damage. Because the ORC and each impact sensor are used by the SRS
to monitor or confirm the direction and severity of a vehicle impact, improper orientation or insecure fastening
of these components may cause airbags not to deploy when required, or to deploy when not required.
2009 Jeep Patriot Limited
2009 RESTRAINTS Service Information - Compass & Patriot
a
Saturday, September 08, 2012 1:48:17 PM Page 9 © 2006 Mitchell Repair Information Company, LLC.
There are two methods by which an airbag or seat belt tensioner may be connected to the vehicle electrical
system. The first method involves a short pigtail harness and connector insulator that are integral to the airbag
or tensioner unit and are replaced as a unit with the service replacement airbag or seat belt tensioner unit. The
second method involves a wire harness takeout and connector insulator (squib circuits) that are connected
directly to the air bag or tensioner initiator. The heat created by the initiator during an airbag or tensioner
deployment will cause collateral damage to a directly connected wire harness take out and connector insulator.
Therefore, these direct-connect type take outs and connector insulators must be repaired following an airbag or
seat belt tensioner deployment. See Restraints - Standard Procedure.
All other vehicle components should be closely inspected following any SRS component deployment, but are to
be replaced only as required by the extent of the visible damage incurred.
AIRBAG SQUIB STATUS
Multistage airbags with multiple initiators (squibs) must be checked to determine that all squibs were used
during the deployment event. The driver and passenger airbags in this vehicle are deployed by electrical signals
generated by the Occupant Restraint Controller (ORC) through the driver or passenger squib 1 and squib 2
circuits to the two initiators in the airbag inflators. Typically, both initiators are used and all potentially
hazardous chemicals are burned during an airbag deployment event. However, it is possible for only one
initiator to be used; therefore, it is always necessary to confirm that both initiators have been used in order to
avoid the improper handling or disposal of potentially live pyrotechnic or hazardous materials. The following
procedure should be performed using a diagnostic scan tool to verify the status of both airbag squibs before
either deployed airbag is removed from the vehicle for disposal.
1. Be certain that the diagnostic scan tool contains the latest version of the proper diagnostic software.
Connect the scan tool to the 16-way Data Link Connector (DLC). The DLC is located on the driver side
lower edge of the instrument panel, outboard of the steering column.
2. Turn the ignition switch to the ON position.
3. Using the scan tool, read and record the active (current) Diagnostic Trouble Code (DTC) data.
Using the active DTC information, refer to the Airbag Squib Status table to determine the status of both driver
and passenger airbag squibs.
CAUTION: Deployed front airbags having two initiators (squibs) in the airbag inflator
may or may not have live pyrotechnic material within the inflator. Do not
dispose of these airbags unless you are certain of complete deployment.
Refer to the Hazardous Substance Control System for information
regarding the potentially hazardous properties of the subject component
and the proper safe handling procedures. Then dispose of all non-
deployed and deployed airbags and seat belt tensioners in a manner
consistent with state, provincial, local and federal regulations.
AIRBAG SQUIB STATUS
IF THE ACTIVE DTC IS: CONDITIONS SQUIB STATUS
Driver or Passenger Squib 1
open
AND the stored DTC minutes for both Driver
or Passenger squibs are within 15 minutes of
Both Squib 1 and 2 were
used.
2009 Jeep Patriot Limited
2009 RESTRAINTS Service Information - Compass & Patriot
a
Saturday, September 08, 2012 1:48:17 PM Page 10 © 2006 Mitchell Repair Information Company, LLC.
CLEANUP PROCEDURE
Fig. 3: Identifying Rubber Gloves
Courtesy of CHRYSLER LLC
Following a Supplemental Restraint System (SRS) component deployment, the vehicle interior will contain a
powdery residue. This residue consists primarily of harmless particulate by-products of the small pyrotechnic
charge that initiates the propellant used to deploy a SRS component. However, this residue may also contain
traces of sodium hydroxide powder, a chemical by-product of the propellant material that is used to generate the
inert gas that inflates the airbag. Since sodium hydroxide powder can irritate the skin, eyes, nose, or throat, be
certain to wear safety glasses, rubber gloves, and a long-sleeved shirt during cleanup.
Driver or Passenger Squib 2
open
each other
Driver or Passenger Squib 1
open
AND the stored DTC minutes for Driver or
Passenger Squib 2 open is GREATER than the
stored DTC minutes for Driver or Passenger
Squib 1 by 15 minutes or more
Squib 1 was used; Squib 2
is live.
Driver or Passenger Squib 2
open
Driver or Passenger Squib 1
open
AND the stored DTC minutes for Driver or
Passenger Squib 1 open is GREATER than the
stored DTC minutes for Driver or Passenger
Squib 2 by 15 minutes or more
Squib 1 is live; Squib 2 was
used.
Driver or Passenger Squib 2
open
Driver or Passenger Squib 1
open
AND Driver or Passenger Squib 2 open is
NOT an active code
Squib 1 was used; Squib 2
is live.
Driver or Passenger Squib 2
open
AND Driver or Passenger Squib 1 open is
NOT an active code
Squib 1 is live; Squib 2 was
used.
WARNING: To avoid serious or fatal injury, if you experience skin irritation during
cleanup, run cool water over the affected area. Also, if you experience
irritation of the nose or throat, exit the vehicle for fresh air until the
irritation ceases. If irritation continues, see a physician.
2009 Jeep Patriot Limited
2009 RESTRAINTS Service Information - Compass & Patriot
a
Saturday, September 08, 2012 1:48:17 PM Page 11 © 2006 Mitchell Repair Information Company, LLC.
Fig. 4: Cleaning Vehicle Interior Using Vacuum Cleaner
Courtesy of CHRYSLER LLC
1. Begin the cleanup by using a vacuum cleaner to remove any residual powder from the vehicle interior.
Clean from outside the vehicle and work your way inside, so that you avoid kneeling or sitting on a non-
cleaned area.
2. Be certain to vacuum the heater and air conditioning outlets as well. Run the heater and air conditioner
blower on the lowest speed setting and vacuum any powder expelled from the outlets.
3. Next, remove the deployed SRS components from the vehicle. Refer to the appropriate service removal
procedures.
4. You may need to vacuum the interior of the vehicle a second time to recover all of the powder.
SUPPLEMENTAL RESTRAINT SYSTEM WIRING REPAIRS
It is important when repairing any Supplemental Restraint System (SRS) electrical circuits to use the
recommended splicing kit and procedure. For applicable and available MOPAR wiring repair kits, please visit
CAUTION: Deployed front airbags having two initiators (squibs) in the airbag
inflator may or may not have live pyrotechnic material within the
inflator. Do not dispose of these airbags unless you are certain of
complete deployment. Refer to the AIRBAG SQUIB STATUS heading
within this information. All damaged, ineffective, or non-deployed
Supplemental Restraint System (SRS) components which are
replaced on vehicles are to be handled and disposed of properly. If
an airbag or seat belt tensioner unit is ineffective or damaged and
non-deployed, refer to the Hazardous Substance Control System for
information regarding the potentially hazardous properties of the
subject component and the proper safe handling procedures. Then
dispose of all non-deployed and deployed airbags and seat belt
tensioners in a manner consistent with state, provincial, local and
federal regulations.
2009 Jeep Patriot Limited
2009 RESTRAINTS Service Information - Compass & Patriot
a
Saturday, September 08, 2012 1:48:17 PM Page 12 © 2006 Mitchell Repair Information Company, LLC.
the MOPAR Connector Web Site at the following address on the internet:
(http://dto.vftis.com/mopar/disclaimer.asp).
This recommended procedure involves crimping the wires together with a splice band, soldering the crimped
connection and, finally, sealing and protecting the repair. The crimp and solder ensure a strong mechanical bond
that will always pass a pull test while also maintaining the conductivity and current carrying capacity of the
circuit. The adhesive sealant and heat shrink tubing ensures the splice repair will perform as well or better than
the original wire and be safe from potential corrosion or short circuits.
There is no limit to the number of splice repairs that can be made in one harness using this procedure. However,
as has been past practice, multiple adjacent splices should be offset from each other. This wiring splice repair
procedure is approved for harness side repairs only. Repairs and splices to pigtail wires on SRS components
such as airbag units, seat belt tensioner units or clocksprings are not approved or recommended.
REPAIR PROCEDURE
Fig. 5: Splice Band
Courtesy of CHRYSLER LLC
1. Remove 13 millimeters (0.50 inch) of insulation from each wire that needs to be spliced.
2. Place a piece of adhesive sealant-lined heat shrink tubing (Part Number 04778570 or equivalent) over the
wire on one side of the splice. Be certain the length of tubing will be sufficient to cover and seal the entire
repair area.
3. Place the strands of the wires being spliced so that they are overlapping each other within the splice band
(1).
CAUTION: If additional wire is needed when making a splice repair to any wire, it is
important that the same or next larger size wire gauge be used. Refer to
the appropriate wiring diagram for the original wire gauge size.
2009 Jeep Patriot Limited
2009 RESTRAINTS Service Information - Compass & Patriot
a
Saturday, September 08, 2012 1:48:17 PM Page 13 © 2006 Mitchell Repair Information Company, LLC.
Fig. 6: Crimping Tool
Courtesy of CHRYSLER LLC
4. Using a crimping tool (1) (MOPAR Part Number 05019912AA, Miller Special Tool Number 10042 or
equivalent) crimp the splice band and wires together securely.
Fig. 7: Solder Splice
Courtesy of CHRYSLER LLC
5. Using rosin core type solder (1) only and a suitable soldering iron (3), solder the wire and splice band
connection (2) together.
Fig. 8: Heat Shrink Tube
Courtesy of CHRYSLER LLC
6. Center the heat shrink tubing (2) over the splice joint repair and heat using a suitable heat gun. Heat the
joint until the tubing is tightly sealed and sealant (1) begins to ooze out of both ends of the tubing.
CAUTION: Never use acid core solder for electrical wiring repairs.
2009 Jeep Patriot Limited
2009 RESTRAINTS Service Information - Compass & Patriot
a
Saturday, September 08, 2012 1:48:17 PM Page 14 © 2006 Mitchell Repair Information Company, LLC.
SUPPLEMENTAL RESTRAINTS VERIFICATION TEST
Fig. 9: Locating Data Link Connector
Courtesy of CHRYSLER LLC
1. During the following test, the battery negative cable remains disconnected and isolated, as it was during
the Supplemental Restraint System (SRS) component removal and installation procedures.
2. Be certain that the diagnostic scan tool contains the latest version of the proper diagnostic software.
Connect the scan tool to the 16-way Data Link Connector (DLC) (2). The DLC is located on the driver
side lower edge of the instrument panel (1), near the cowl side inner panel (3).
3. Turn the ignition switch to the ON position and exit the vehicle with the scan tool.
4. Check to be certain that nobody is in the vehicle, then reconnect the battery negative cable.
5. Using the scan tool, read and record the active (current) Diagnostic Trouble Code (DTC) data.
6. Next, use the scan tool to read and record any stored (historical) DTC data.
7. If any DTC is found in 5 or 6, refer to the appropriate diagnostic information.
NOTE: The following procedure should be performed using a diagnostic scan tool to
verify proper Supplemental Restraint System (SRS) operation following the
service or replacement of any SRS component. Refer to the appropriate
diagnostic procedures.
WARNING: To avoid serious or fatal injury on vehicles equipped with airbags, disable
the Supplemental Restraint System (SRS) before attempting any steering
wheel, steering column, airbag, seat belt tensioner, impact sensor, or
instrument panel component diagnosis or service. Disconnect and isolate
the battery negative (ground) cable, then wait two minutes for the system
capacitor to discharge before performing further diagnosis or service.
This is the only sure way to disable the SRS. Failure to take the proper
precautions could result in accidental airbag deployment.
2009 Jeep Patriot Limited
2009 RESTRAINTS Service Information - Compass & Patriot
a
Saturday, September 08, 2012 1:48:17 PM Page 15 © 2006 Mitchell Repair Information Company, LLC.
8. Use the scan tool to erase the stored DTC data. If any problems remain, the stored DTC data will not
erase. Refer to the appropriate diagnostic information to diagnose any stored DTC that will not erase. If
the stored DTC information is successfully erased, go to 9.
9. Turn the ignition switch to the OFF position for about 15 seconds, and then back to the ON position.
Observe the airbag indicator in the instrument cluster. It should light for six to eight seconds, and then go
out. This indicates that the SRS is functioning normally and that the repairs are complete. If the airbag
indicator fails to light, or lights and stays ON, there is still an active SRS fault or malfunction. Refer to
the appropriate diagnostic information to diagnose the problem.
SPECIFICATIONS
SPECIFICATIONS
TORQUE SPECIFICATIONS
DESCRIPTION N.m Ft. Lbs. In. Lbs.
Child Anchor Bracket
Mounting Nut
80 59 -
Clockspring Mounting
Screw
3 - 27
Curtain Airbag Mounting
Screw
5.5 - 50
Driver Airbag Mounting
Screw
13 - 115
Front Impact Sensor
Mounting Nut
8 - 70
Side Impact Sensor
Mounting Screw
8 - 70
Occupant Restraint
Controller Mounting Nut
9 - 80
Passenger Airbag
Mounting Nut
6 - 55
Seat Airbag Mounting
Nut
10 - 89
Front Seat Belt Buckle
Lower Anchor Mounting
Screw
45 33 -
Second Row Seat Belt
Buckle Anchor Plate
Mounting Screw
58 43 -
Front Seat Belt Retractor
Mounting Screw
40 30 -
Front Seat Belt Turning
Loop Mounting Screw
40 30 -
Front Seat Belt Lower 40 30 -
2009 Jeep Patriot Limited
2009 RESTRAINTS Service Information - Compass & Patriot
a
Saturday, September 08, 2012 1:48:17 PM Page 16 © 2006 Mitchell Repair Information Company, LLC.
SPECIAL TOOLS
SPECIAL TOOLS
Fig. 10: SRS Load Tool Kit No. 8443 or 8443A
Courtesy of CHRYSLER LLC
Anchor Mounting Screw
Second Row Seat Belt
Retractor Mounting
Screw
40 30 -
Second Row Outboard
Seat Belt Turning Loop
Mounting Screw
40 30 -
Second Row Outboard
Seat Belt Lower Anchor
Mounting Screw
58 43 -
Turning Loop Height
Adjuster Mounting Screw
40 30 -
2009 Jeep Patriot Limited
2009 RESTRAINTS Service Information - Compass & Patriot
a
Saturday, September 08, 2012 1:48:17 PM Page 17 © 2006 Mitchell Repair Information Company, LLC.
Fig. 11: Jumper No. 8443-1
Courtesy of CHRYSLER LLC
Fig. 12: Jumper No. 8443-8
Courtesy of CHRYSLER LLC
2009 Jeep Patriot Limited
2009 RESTRAINTS Service Information - Compass & Patriot
a
Saturday, September 08, 2012 1:48:17 PM Page 18 © 2006 Mitchell Repair Information Company, LLC.
Fig. 13: Jumper No. 8443-19
Courtesy of CHRYSLER LLC
Fig. 14: Adapter No. 8443-25
Courtesy of CHRYSLER LLC
ADJUSTER, SEAT BELT TURNING LOOP
REMOVAL
REMOVAL
WARNING: To avoid serious or fatal injury during and following any seat belt or child
2009 Jeep Patriot Limited
2009 RESTRAINTS Service Information - Compass & Patriot
a
Saturday, September 08, 2012 1:48:17 PM Page 19 © 2006 Mitchell Repair Information Company, LLC.
Fig. 15: Seat Belt Loop
Courtesy of CHRYSLER LLC
1. Firmly grasp the lower end of the turning loop trim cover (2) on the upper B-pillar and pull it straight out
to unsnap it from over the height adjuster knob (1), then roll the bottom of the cover upward and pull
outward to disengage the upper tab from the slot in the adjuster cover above the knob.
restraint anchor service, carefully inspect all seat belts, buckles,
mounting hardware, retractors, tether straps, and anchors for proper
installation, operation, or damage. Replace any belt that is cut, frayed, or
torn. Straighten any belt that is twisted. Tighten any loose fasteners.
Replace any belt that has a damaged or ineffective buckle or retractor.
Replace any belt that has a bent or damaged latch plate or anchor plate.
Replace any child restraint anchor or the unit to which the anchor is
integral that has been bent or damaged. Never attempt to repair a seat
belt or child restraint component. Always replace damaged or ineffective
seat belt and child restraint components with the correct, new and
unused replacement parts listed in the Chrysler Mopar® Parts Catalog.
2009 Jeep Patriot Limited
2009 RESTRAINTS Service Information - Compass & Patriot
a
Saturday, September 08, 2012 1:48:17 PM Page 20 © 2006 Mitchell Repair Information Company, LLC.
Fig. 16: Seat Belt Turning Loop & Height Adjuster
Courtesy of CHRYSLER LLC
2. Remove the screw (3) that secures the seat belt turning loop to the height adjuster (1).
3. Remove the seat belt turning loop from the height adjuster.
4. Remove the upper trim (2) from the inside of the B-pillar (6). Refer to Body/Interior/PANEL, B-Pillar
Trim - Removal .
5. Remove the cover (4) from over the height adjuster.
6. Remove the two screws (5) that secure the height adjuster to the inside of the B-pillar.
7. Remove the adjuster from the B-pillar.
INSTALLATION
INSTALLATION
WARNING: To avoid serious or fatal injury during and following any seat belt or child
restraint anchor service, carefully inspect all seat belts, buckles,
mounting hardware, retractors, tether straps, and anchors for proper
installation, operation, or damage. Replace any belt that is cut, frayed, or
torn. Straighten any belt that is twisted. Tighten any loose fasteners.
Replace any belt that has a damaged or ineffective buckle or retractor.
Replace any belt that has a bent or damaged latch plate or anchor plate.
Replace any child restraint anchor or the unit to which the anchor is
integral that has been bent or damaged. Never attempt to repair a seat
belt or child restraint component. Always replace damaged or ineffective
seat belt and child restraint components with the correct, new and
unused replacement parts listed in the Chrysler Mopar® Parts Catalog.
2009 Jeep Patriot Limited
2009 RESTRAINTS Service Information - Compass & Patriot
a
Saturday, September 08, 2012 1:48:17 PM Page 21 © 2006 Mitchell Repair Information Company, LLC.
Fig. 17: Seat Belt Turning Loop & Height Adjuster
Courtesy of CHRYSLER LLC
1. Position the seat belt turning loop adjuster (1) to the inside of the B-pillar (6).
2. Install and tighten the two screws (5) that secure the adjuster to the B-pillar. Tighten the screws to 40 N.m
(30 ft. lbs.).
3. Position the cover (4) over the height adjuster knob.
4. Reinstall the upper trim (2) onto the inside of the B-pillar. Refer to Body/Interior/PANEL, B-Pillar
Trim - Installation .
5. Position the seat belt turning loop onto the height adjuster on the upper B-pillar. Be certain that the seat
belt webbing between the retractor and the turning loop is not twisted.
6. Install and tighten the screw (3) that secures the turning loop to the height adjuster. Tighten the screw to
40 N.m (30 ft. lbs.).
2009 Jeep Patriot Limited
2009 RESTRAINTS Service Information - Compass & Patriot
a
Saturday, September 08, 2012 1:48:17 PM Page 22 © 2006 Mitchell Repair Information Company, LLC.
Fig. 18: Seat Belt Loop
Courtesy of CHRYSLER LLC
7. Insert the upper tab of the turning loop trim cover (2) into the slot in the height adjuster cover above the
knob on the upper B-pillar, then roll the bottom of the cover down over the turning loop and use hand
pressure to press firmly and evenly on the cover until it snaps into place.
AIR BAG, DRIVER
DESCRIPTION
DESCRIPTION
Fig. 19: Driver Airbag
2009 Jeep Patriot Limited
2009 RESTRAINTS Service Information - Compass & Patriot
a
Saturday, September 08, 2012 1:48:17 PM Page 23 © 2006 Mitchell Repair Information Company, LLC.
Courtesy of CHRYSLER LLC
The injection molded, thermoplastic driver airbag protective trim cover (2) is the most visible part of the driver
airbag. The driver airbag is located in the center of the steering wheel (1), where it is secured with two screws to
the horn switch within the hub cavity of the four-spoke steering wheel. An injection molded, bright emblem
with the Jeep® logo is applied to the center of the trim cover.
Fig. 20: Driver Airbag Components
Courtesy of CHRYSLER LLC
Concealed beneath the driver air bag trim cover are the folded airbag cushion, the airbag housing, the airbag
inflator and the retainers that secure the inflator to the housing. The airbag cushion, housing (3), and inflator (2)
are secured within an integral receptacle molded into the back of the trim cover. The four vertical walls of this
receptacle have numerous small windows with blocking tabs that are engaged by numerous hook formations
around the perimeter of the airbag housing. Each hook is inserted through one of the windows and the blocking
tab in each window keeps the hook properly engaged with the trim cover, locking the trim cover securely into
place on the airbag housing. The two mounting tabs (5) extend from the housing to secure the housing to the
horn switch.
The airbag used in this vehicle is a multistage-type that complies with revised federal airbag standards to deploy
with less force than those used in some prior vehicles. A radial deploying 67.3 centimeter (26.5 inch) diameter
fabric airbag cushion with internal tethers is used. The airbag inflator is a dual-initiator, non-azide, pyrotechnic-
type unit with four mounting studs and is secured to the stamped metal airbag housing using four flanged hex
nuts. Two keyed and color-coded connector receptacles (4) on the driver airbag inflator connect the two inflator
initiators to the vehicle electrical system through two yellow-jacketed, two-wire pigtail harnesses of the
clockspring.
The driver airbag cannot be repaired, and must be replaced if deployed, ineffective, or in any way damaged. The
driver airbag trim cover may be disassembled from the driver airbag unit, and is available for individual service
replacement.
2009 Jeep Patriot Limited
2009 RESTRAINTS Service Information - Compass & Patriot
a
Saturday, September 08, 2012 1:48:17 PM Page 24 © 2006 Mitchell Repair Information Company, LLC.
OPERATION
OPERATION
The multistage driver airbag is deployed by electrical signals generated by the Occupant Restraint Controller
(ORC) through the driver airbag squib 1 and squib 2 circuits to the two initiators in the airbag inflator. By using
two initiators, the airbag can be deployed at multiple levels of force. The force level is controlled by the ORC to
suit the monitored impact conditions by providing one of several delay intervals between the electrical signals
provided to the two initiators. The longer the delay between these signals, the less forcefully the airbag will
deploy.
When the ORC sends the proper electrical signals to each initiator, the electrical energy generates enough heat
to initiate a small pyrotechnic charge which, in turn ignites chemical pellets within the inflator. Once ignited,
these chemical pellets burn rapidly and produce a large quantity of inert gas. The inflator is sealed to the back of
the airbag housing and a diffuser in the inflator directs all of the inert gas into the airbag cushion, causing the
cushion to inflate. As the cushion inflates, the driver airbag trim cover will split at predetermined breakout lines,
then fold back out of the way. Following an airbag deployment, the airbag cushion quickly deflates by venting
the inert gas towards the instrument panel through vent holes within the fabric used to construct the back
(steering wheel side) panel of the airbag cushion.
Some of the chemicals used to create the inert gas may be considered hazardous while in their solid state before
they are burned, but they are securely sealed within the airbag inflator. Typically, both initiators are used and all
potentially hazardous chemicals are burned during an airbag deployment event. However, it is possible for only
one initiator to be used during a deployment due to an airbag system fault; therefore, it is necessary to always
confirm that both initiators have been used in order to avoid the improper disposal of potentially live
pyrotechnic or hazardous materials. See Restraints - Standard Procedure.
The inert gas that is produced when the chemicals are burned is harmless. However, a small amount of residue
from the burned chemicals may cause some temporary discomfort if it contacts the skin, eyes, or breathing
passages. If skin or eye irritation is noted, rinse the affected area with plenty of cool, clean water. If breathing
passages are irritated, move to another area where there is plenty of clean, fresh air to breath. If the irritation is
not alleviated by these actions, contact a physician.
Proper diagnosis of the driver airbag inflator and squib circuits requires the use of a diagnostic scan tool. Refer
to the appropriate diagnostic information.
REMOVAL
REMOVAL
WARNING: To avoid serious or fatal injury on vehicles equipped with airbags, disable
the Supplemental Restraint System (SRS) before attempting any steering
wheel, steering column, airbag, seat belt tensioner, impact sensor, or
instrument panel component diagnosis or service. Disconnect and isolate
the battery negative (ground) cable, then wait two minutes for the system
capacitor to discharge before performing further diagnosis or service.
This is the only sure way to disable the SRS. Failure to take the proper
2009 Jeep Patriot Limited
2009 RESTRAINTS Service Information - Compass & Patriot
a
Saturday, September 08, 2012 1:48:17 PM Page 25 © 2006 Mitchell Repair Information Company, LLC.
Fig. 21: Hub Trim Cover Screw
Courtesy of CHRYSLER LLC
1. Disconnect and isolate the battery negative cable. Wait two minutes for the system capacitor to discharge
before further service.
2. From the side of the steering wheel (1) hub trim cover, remove the two screws (2) that secure the driver
airbag to the horn switch within the hub of the steering wheel.
precautions could result in accidental airbag deployment.
WARNING: To avoid serious or fatal injury when removing a deployed airbag, rubber
gloves, eye protection, and a long-sleeved shirt should be worn. There
may be deposits on the airbag cushion and other interior surfaces. In
large doses, these deposits may cause irritation to the skin and eyes.
NOTE: The following procedure is for replacement of an ineffective or damaged driver
airbag. If the airbag is ineffective or damaged, but not deployed, review the
recommended procedures for handling non-deployed supplemental restraints.
See Restraints - Standard Procedure. If the driver airbag has been deployed,
review the recommended procedures for service after a supplemental restraint
deployment before removing the airbag from the vehicle. See Restraints -
Standard Procedure.
2009 Jeep Patriot Limited
2009 RESTRAINTS Service Information - Compass & Patriot
a
Saturday, September 08, 2012 1:48:17 PM Page 26 © 2006 Mitchell Repair Information Company, LLC.
Fig. 22: Driver Airbag And Connector
Courtesy of CHRYSLER LLC
3. Pull the driver airbag (2) away from the steering wheel far enough to access the electrical connections (1)
at the back of the airbag housing.
4. The clockspring driver airbag pigtail wire connectors are secured by an integral lock to the airbag inflator
connector receptacles, which are located on the back of the driver airbag housing. Firmly grasp and pull
the lock straight out from the connector insulator, then pull the insulators straight out from the airbag
inflator to disconnect them from the connector receptacles.
5. Remove the driver airbag from the steering wheel.
6. If the driver airbag has been deployed, the clockspring must be replaced and the steering column must be
inspected. See Restraints/CLOCKSPRING - Removal and Steering/Column - Diagnosis and
Testing .
DISASSEMBLY
DISASSEMBLY
CAUTION: Do not pull on the clockspring pigtail wires or pry on the connector
insulator to disengage the connector from the driver airbag inflator
connector receptacle. Improper removal of these pigtail wires and
their connector insulators can result in damage to the airbag circuits
or the connector insulators.
WARNING: To avoid serious or fatal injury on vehicles equipped with airbags, disable
the Supplemental Restraint System (SRS) before attempting any steering
wheel, steering column, airbag, seat belt tensioner, impact sensor, or
instrument panel component diagnosis or service. Disconnect and isolate
2009 Jeep Patriot Limited
2009 RESTRAINTS Service Information - Compass & Patriot
a
Saturday, September 08, 2012 1:48:17 PM Page 27 © 2006 Mitchell Repair Information Company, LLC.
Fig. 23: Driver Airbag Cover
the battery negative (ground) cable, then wait two minutes for the system
capacitor to discharge before performing further diagnosis or service.
This is the only sure way to disable the SRS. Failure to take the proper
precautions could result in accidental airbag deployment.
WARNING: To avoid serious or fatal injury, service of this unit should be performed
only by Chrysler-trained and authorized dealer service technicians.
Failure to take the proper precautions or to follow the proper procedures
could result in accidental, incomplete, or improper airbag deployment and
possible occupant injuries.
WARNING: To avoid serious or fatal injury, use extreme care to prevent any foreign
material from entering the driver airbag, or becoming entrapped between
the driver airbag cushion and the driver airbag trim cover. Failure to
observe this warning could result in occupant injuries upon airbag
deployment.
WARNING: To avoid serious or fatal injury, the driver airbag trim cover must never be
painted. Replacement trim covers are serviced in the original colors. Paint
may change the way in which the material of the trim cover responds to
an airbag deployment. Failure to observe this warning could result in
occupant injuries upon airbag deployment.
NOTE: The following procedures can be used to replace the driver airbag trim cover for
service. If the driver airbag is ineffective or deployed, the entire driver airbag
and trim cover must be replaced as a unit.
2009 Jeep Patriot Limited
2009 RESTRAINTS Service Information - Compass & Patriot
a
Saturday, September 08, 2012 1:48:17 PM Page 28 © 2006 Mitchell Repair Information Company, LLC.
Courtesy of CHRYSLER LLC
1. Disconnect and isolate the battery negative cable. Wait two minutes for the system capacitor to discharge
before further service.
2. Remove the driver airbag from the steering wheel. See Restraints/AIR BAG, Driver - Removal.
3. Place the driver airbag on a suitable work surface with the trim cover (3) facing down. If the trim cover
will be reused, be certain to take the proper precautions to prevent the trim cover from receiving cosmetic
damage during the following procedures.
4. Disengage each of the 16 hooks (2) of the airbag housing unit from the 16 windows in the vertical walls
of the trim cover, one wall at a time. To disengage the hooks, use hand pressure to push the adjacent edge
of the airbag inflator (1) or housing firmly and evenly downward into the trim cover receptacle, while at
the same time pulling outward on the upper edge of the receptacle wall.
5. With all of the hooks disengaged, lift the housing, inflator and cushion as a unit from the receptacle on
the back of the driver airbag trim cover.
ASSEMBLY
ASSEMBLY
WARNING: To avoid serious or fatal injury on vehicles equipped with airbags, disable
the Supplemental Restraint System (SRS) before attempting any steering
wheel, steering column, airbag, seat belt tensioner, impact sensor, or
instrument panel component diagnosis or service. Disconnect and isolate
the battery negative (ground) cable, then wait two minutes for the system
capacitor to discharge before performing further diagnosis or service.
This is the only sure way to disable the SRS. Failure to take the proper
precautions could result in accidental airbag deployment.
WARNING: To avoid serious or fatal injury, service of this unit should be performed
only by Chrysler-trained and authorized dealer service technicians.
Failure to take the proper precautions or to follow the proper procedures
could result in accidental, incomplete, or improper airbag deployment and
possible occupant injuries.
WARNING: To avoid serious or fatal injury, use extreme care to prevent any foreign
material from entering the driver airbag, or becoming entrapped between
the driver airbag cushion and the driver airbag trim cover. Failure to
observe this warning could result in occupant injuries upon airbag
deployment.
WARNING: To avoid serious or fatal injury, the driver airbag trim cover must never be
painted. Replacement trim covers are serviced in the original colors. Paint
may change the way in which the material of the trim cover responds to
an airbag deployment. Failure to observe this warning could result in
occupant injuries upon airbag deployment.
2009 Jeep Patriot Limited
2009 RESTRAINTS Service Information - Compass & Patriot
a
Saturday, September 08, 2012 1:48:17 PM Page 29 © 2006 Mitchell Repair Information Company, LLC.
Fig. 24: Driver Airbag Cover
Courtesy of CHRYSLER LLC
1. Place the driver airbag trim cover (3) on a suitable work surface with the airbag receptacle facing up. Be
certain to take the proper precautions to prevent the trim cover from receiving cosmetic damage during
the following procedures.
2. Carefully position the driver airbag housing and inflator unit (1) into the trim cover receptacle.
3. Work around the perimeter of the unit engaging each of the 16 hooks (2) on the driver airbag housing
through the 16 windows in the walls of the trim cover receptacle.
4. After the driver airbag has been assembled, try pulling the trim cover and the airbag housing away from
each other. This action will fully seat the edges of the trim cover windows into the cradles of the housing
hooks.
NOTE: The following procedures can be used to replace the driver airbag trim cover for
service. If the driver airbag is ineffective or deployed, the entire driver airbag
and trim cover must be replaced as a unit.
2009 Jeep Patriot Limited
2009 RESTRAINTS Service Information - Compass & Patriot
a
Saturday, September 08, 2012 1:48:17 PM Page 30 © 2006 Mitchell Repair Information Company, LLC.
Fig. 25: Airbag Blocking Tab & Housing Hook
Courtesy of CHRYSLER LLC
5. Before reinstalling the airbag onto the steering wheel, check that the blocking tab (1) in each of the trim
cover (2) windows is oriented over the airbag housing hook (3) as shown.
6. Reinstall the driver airbag onto the steering wheel. See Restraints/AIR BAG, Driver - Installation.
INSTALLATION
INSTALLATION
WARNING: To avoid serious or fatal injury on vehicles equipped with airbags, disable
the Supplemental Restraint System (SRS) before attempting any steering
wheel, steering column, airbag, seat belt tensioner, impact sensor, or
instrument panel component diagnosis or service. Disconnect and isolate
the battery negative (ground) cable, then wait two minutes for the system
capacitor to discharge before performing further diagnosis or service.
This is the only sure way to disable the SRS. Failure to take the proper
precautions could result in accidental airbag deployment.
WARNING: To avoid serious or fatal injury, use extreme care to prevent any foreign
material from entering the driver airbag, or becoming entrapped between
the driver airbag cushion and the driver airbag trim cover. Failure to
observe this warning could result in occupant injuries upon airbag
deployment.
2009 Jeep Patriot Limited
2009 RESTRAINTS Service Information - Compass & Patriot
a
Saturday, September 08, 2012 1:48:17 PM Page 31 © 2006 Mitchell Repair Information Company, LLC.
Fig. 26: Driver Airbag And Connector
Courtesy of CHRYSLER LLC
1. Position the driver airbag (2) close enough to the steering wheel to reconnect the electrical connections on
the back of the airbag housing.
2. When installing the driver airbag, reconnect the two clockspring driver airbag pigtail wire connectors (1)
to the airbag inflator connector receptacles by pressing straight in on the connectors, then pushing the
locks straight into the connectors. Be certain to engage each keyed and color-coded connector to the
matching connector receptacle.
WARNING: To avoid serious or fatal injury, the driver airbag trim cover must never be
painted. Replacement airbags are serviced with trim covers in the original
colors. Paint may change the way in which the material of the trim cover
responds to an airbag deployment. Failure to observe this warning could
result in occupant injuries upon airbag deployment.
NOTE: The following procedure is for replacement of an ineffective or damaged driver
airbag. If the airbag is ineffective or damaged, but not deployed, review the
recommended procedures for handling non-deployed supplemental restraints.
See Restraints - Standard Procedure. If the driver airbag has been deployed,
review the recommended procedures for service after a supplemental restraint
deployment before removing the airbag from the vehicle. See Restraints -
Standard Procedure.
2009 Jeep Patriot Limited
2009 RESTRAINTS Service Information - Compass & Patriot
a
Saturday, September 08, 2012 1:48:17 PM Page 32 © 2006 Mitchell Repair Information Company, LLC.
Fig. 27: Hub Trim Cover Screw
Courtesy of CHRYSLER LLC
3. Carefully position the driver airbag in the steering wheel (1). Be certain that the clockspring pigtail wires
are not pinched between the driver airbag and the horn switch or the steering wheel armature.
4. From the side of the steering wheel hub trim cover, install and tighten the two screws (2) that secure the
driver airbag to the horn switch. Tighten the screws to 13 N.m (115 in. lbs.).
5. Do not reconnect the battery negative cable at this time. The Supplemental Restraint System (SRS)
verification test procedure should be performed following service of any SRS component. See Restraints
- Standard Procedure.
AIR BAG, PASSENGER
DESCRIPTION
DESCRIPTION
2009 Jeep Patriot Limited
2009 RESTRAINTS Service Information - Compass & Patriot
a
Saturday, September 08, 2012 1:48:17 PM Page 33 © 2006 Mitchell Repair Information Company, LLC.
Fig. 28: Locating Passenger Airbag
Courtesy of CHRYSLER LLC
The horizontal surface of the injection molded, thermoplastic passenger airbag door (1) is the most visible part
of the passenger airbag. The passenger airbag door is located above the glove box (2) opening on the top of the
instrument panel in front of the front seat passenger seating position.
Fig. 29: Identifying Passenger Airbag
Courtesy of CHRYSLER LLC
The edges of the airbag door (4) are secured with integral snap features to the instrument panel base trim.
Located below the passenger airbag door within the instrument panel is the passenger airbag unit. The
passenger airbag unit is secured through two studs (6) on a stamped mounting bracket to the die cast instrument
panel structural support armature.
The passenger airbag housing (3) fits into a molded receptacle on the back of the airbag door, where several
2009 Jeep Patriot Limited
2009 RESTRAINTS Service Information - Compass & Patriot
a
Saturday, September 08, 2012 1:48:17 PM Page 34 © 2006 Mitchell Repair Information Company, LLC.
stamped hook formations (5) on the forward and rearward edges of the airbag housing are engaged in mating
small window openings on the forward and rearward flanges of the receptacle to secure the airbag door to the
airbag housing. These airbag door fasteners and mounting provisions are all concealed beneath the instrument
panel base trim.
The passenger airbag unit used in this vehicle is a multistage, Next Generation-type that complies with revised
federal airbag standards to deploy with less force than those used in some prior vehicles. The passenger airbag
unit consists of a stamped and welded metal housing, the airbag cushion, and the airbag inflator (2). The airbag
housing contains the airbag inflator and the folded airbag cushion. An approximately 80 centimeter (31.5 inch)
wide by 90 centimeter (35.5 inch) high rectangular fabric cushion is used.
The airbag inflator is a non-azide, pyrotechnic-type unit that is secured to and sealed within the airbag housing.
Two inflator initiators (1) are connected to the vehicle electrical system through dedicated take outs and
connectors of the instrument panel wire harness.
A service replacement passenger airbag does not include the airbag door. The passenger airbag door may be
disassembled from the passenger airbag and is available for individual service replacement. The passenger
airbag unit cannot be repaired and must be replaced if deployed, ineffective, or in any way damaged.
OPERATION
OPERATION
The multistage passenger airbag is deployed by electrical signals generated by the Occupant Restraint
Controller (ORC) through the passenger airbag squib 1 and squib 2 circuits to the two initiators in the airbag
inflator. By using two initiators, the airbag can be deployed at multiple levels of force. The force level is
controlled by the ORC to suit the monitored impact conditions by providing one of several delay intervals
between the electrical signals provided to the two initiators. The longer the delay between these signals, the less
forcefully the airbag will deploy.
When the ORC sends the proper electrical signals to each initiator, the electrical energy generates enough heat
to initiate a small pyrotechnic charge which, in turn ignites chemical pellets within the inflator. Once ignited,
these chemical pellets burn rapidly and produce a large quantity of inert gas. The inflator is sealed to the airbag
cushion and a diffuser in the inflator directs all of the inert gas into the airbag cushion, causing the cushion to
inflate. As the cushion inflates, the passenger airbag door will split at predetermined tear seam lines concealed
on the inside surface of the door, then the door will pivot up over the top of the instrument panel and out of the
way. Following an airbag deployment, the airbag cushion quickly deflates by venting the inert gas through a
vent hole in each fabric side panel of the airbag cushion.
Typically, both initiators are used during an airbag deployment event. However, it is possible for only one
initiator to be used during a deployment due to an airbag system fault; therefore, it is necessary to always
confirm that both initiators have been used in order to avoid the improper disposal of potentially live
pyrotechnic materials. See Restraints - Standard Procedure.
Proper diagnosis of the passenger airbag inflator and the passenger airbag squib circuits requires the use of a
diagnostic scan tool. Refer to the appropriate diagnostic information.
2009 Jeep Patriot Limited
2009 RESTRAINTS Service Information - Compass & Patriot
a
Saturday, September 08, 2012 1:48:17 PM Page 35 © 2006 Mitchell Repair Information Company, LLC.
REMOVAL
REMOVAL
Fig. 30: Replacing Passenger Airbag
Courtesy of CHRYSLER LLC
1. Disconnect and isolate the battery negative cable. Wait two minutes for the system capacitor to discharge
before further service.
WARNING: To avoid serious or fatal injury on vehicles equipped with airbags, disable
the Supplemental Restraint System (SRS) before attempting any steering
wheel, steering column, airbag, seat belt tensioner, impact sensor, or
instrument panel component diagnosis or service. Disconnect and isolate
the battery negative (ground) cable, then wait two minutes for the system
capacitor to discharge before performing further diagnosis or service.
This is the only sure way to disable the SRS. Failure to take the proper
precautions could result in accidental airbag deployment.
WARNING: To avoid serious or fatal injury when removing a deployed airbag, rubber
gloves, eye protection, and a long-sleeved shirt should be worn. There
may be deposits on the airbag unit and other interior surfaces. In large
doses, these deposits may cause irritation to the skin and eyes.
NOTE: The following procedure is for replacement of an ineffective or damaged
passenger airbag. If the airbag is ineffective or damaged, but not deployed,
review the recommended procedures for handling non-deployed supplemental
restraints. See Restraints - Standard Procedure. If the passenger airbag has
been deployed, review the recommended procedures for service after a
supplemental restraint deployment before removing the airbag from the vehicle.
See Restraints - Standard Procedure.
2009 Jeep Patriot Limited
2009 RESTRAINTS Service Information - Compass & Patriot
a
Saturday, September 08, 2012 1:48:17 PM Page 36 © 2006 Mitchell Repair Information Company, LLC.
2. Remove the top cover from the top of the instrument panel. Refer to Body/Instrument Panel/COVER,
Instrument Panel - Removal .
3. Remove the glove box from the instrument panel. Refer to Body/Instrument Panel/GLOVE BOX,
Instrument Panel - Removal .
4. Reach up into the instrument panel between the upper glove box opening reinforcement and the
instrument panel armature (1) to access and disconnect the instrument panel wire harness connectors (2)
from the airbag inflator (3). Firmly grasp and pull the lock straight out from the connector insulator, then
pull the insulators straight out from the airbag inflator to disconnect them from the connector receptacles.
5. Remove the two nuts (4) that secure the passenger airbag lower bracket studs to the instrument panel
armature.
6. Using a trim stick or another suitable wide flat-bladed tool, gently pry the edges of the passenger airbag
door away from the instrument panel far enough to disengage the snap features on the door from the
receptacles in the instrument panel base trim.
7. Remove the passenger airbag and airbag door from the top of the instrument panel as a unit.
DISASSEMBLY
DISASSEMBLY
CAUTION: Do not pull on the instrument panel wire harness take outs or pry on
the connector insulator to disengage the connector from the
passenger airbag inflator connector receptacle. Improper removal of
these take outs and their connector insulators can result in damage
to the airbag circuits or the connector insulators.
WARNING: To avoid serious or fatal injury on vehicles equipped with airbags, disable
the Supplemental Restraint System (SRS) before attempting any steering
wheel, steering column, airbag, seat belt tensioner, impact sensor, or
instrument panel component diagnosis or service. Disconnect and isolate
the battery negative (ground) cable, then wait two minutes for the system
capacitor to discharge before performing further diagnosis or service.
This is the only sure way to disable the SRS. Failure to take the proper
precautions could result in accidental airbag deployment.
WARNING: To avoid serious or fatal injury, service of this unit should be performed
only by Chrysler-trained and authorized dealer service technicians.
Failure to take the proper precautions or to follow the proper procedures
could result in accidental, incomplete, or improper airbag deployment and
possible occupant injuries.
WARNING: To avoid serious or fatal injury, use extreme care to prevent any foreign
material from entering the Passenger AirBag (PAB), or becoming
entrapped between the PAB cushion and the PAB door. Failure to observe
this warning could result in occupant injuries upon airbag deployment.
2009 Jeep Patriot Limited
2009 RESTRAINTS Service Information - Compass & Patriot
a
Saturday, September 08, 2012 1:48:17 PM Page 37 © 2006 Mitchell Repair Information Company, LLC.
Fig. 31: Identifying Passenger Air Bag
Courtesy of CHRYSLER LLC
1. Disconnect and isolate the battery negative cable. Wait two minutes for the system capacitor to discharge
before further service.
2. Remove the passenger airbag from the instrument panel. See Restraints/AIR BAG, Passenger -
Removal.
3. Place the passenger airbag on a suitable work surface with the passenger airbag door (2) facing down. If
the airbag door will be reused, be certain to take the proper precautions to prevent the airbag door from
receiving cosmetic damage during the following procedures.
4. Disengage each of the 12 hooks (3) of the airbag housing (1) from the 12 windows in the vertical walls
(4) of the receptacle on the underside of the airbag door, one wall at a time. To disengage the hooks, use
hand pressure to push the adjacent edge of the airbag housing firmly and evenly downward into the airbag
door receptacle, while at the same time pulling outward on the upper edge of the receptacle wall.
5. With all of the hooks disengaged, lift the housing, inflator and cushion from the receptacle on the back of
the passenger airbag door.
ASSEMBLY
ASSEMBLY
WARNING: To avoid serious or fatal injury, the Passenger AirBag (PAB) door must
never be painted. Replacement PAB doors are serviced in the original
colors. Paint may change the way in which the material of the PAB door
responds to an airbag deployment. Failure to observe this warning could
result in occupant injuries upon airbag deployment.
NOTE: The following procedures can be used to replace the passenger airbag door. If
the passenger airbag is deployed, the passenger airbag unit and the airbag
door must both be replaced.
2009 Jeep Patriot Limited
2009 RESTRAINTS Service Information - Compass & Patriot
a
Saturday, September 08, 2012 1:48:18 PM Page 38 © 2006 Mitchell Repair Information Company, LLC.
WARNING: To avoid serious or fatal injury on vehicles equipped with airbags, disable
the Supplemental Restraint System (SRS) before attempting any steering
wheel, steering column, airbag, seat belt tensioner, impact sensor, or
instrument panel component diagnosis or service. Disconnect and isolate
the battery negative (ground) cable, then wait two minutes for the system
capacitor to discharge before performing further diagnosis or service.
This is the only sure way to disable the SRS. Failure to take the proper
precautions could result in accidental airbag deployment.
WARNING: To avoid serious or fatal injury, service of this unit should be performed
only by Chrysler-trained and authorized dealer service technicians.
Failure to take the proper precautions or to follow the proper procedures
could result in accidental, incomplete, or improper airbag deployment and
possible occupant injuries.
WARNING: To avoid serious or fatal injury, use extreme care to prevent any foreign
material from entering the Passenger AirBag (PAB), or becoming
entrapped between the PAB cushion and the PAB door. Failure to observe
this warning could result in occupant injuries upon airbag deployment.
WARNING: To avoid serious or fatal injury, the Passenger AirBag (PAB) door must
never be painted. Replacement PAB doors are serviced in the original
colors. Paint may change the way in which the material of the PAB door
responds to an airbag deployment. Failure to observe this warning could
result in occupant injuries upon airbag deployment.
NOTE: The following procedures can be used to replace the passenger airbag door. If
the passenger airbag is deployed, the passenger airbag unit and the airbag
door must both be replaced.
2009 Jeep Patriot Limited
2009 RESTRAINTS Service Information - Compass & Patriot
a
Saturday, September 08, 2012 1:48:18 PM Page 39 © 2006 Mitchell Repair Information Company, LLC.
Fig. 32: Identifying Passenger Air Bag
Courtesy of CHRYSLER LLC
1. Place the passenger airbag door (2) on a suitable work surface with the airbag receptacle facing up. Be
certain to take the proper precautions to prevent the airbag door from receiving cosmetic damage during
the following procedures.
2. Carefully position the passeng
Manuales de reparaciones jeep compass y patriot limited 2007-2009
Manuales de reparaciones jeep compass y patriot limited 2007-2009
Manuales de reparaciones jeep compass y patriot limited 2007-2009
Manuales de reparaciones jeep compass y patriot limited 2007-2009
Manuales de reparaciones jeep compass y patriot limited 2007-2009
Manuales de reparaciones jeep compass y patriot limited 2007-2009
Manuales de reparaciones jeep compass y patriot limited 2007-2009
Manuales de reparaciones jeep compass y patriot limited 2007-2009
Manuales de reparaciones jeep compass y patriot limited 2007-2009
Manuales de reparaciones jeep compass y patriot limited 2007-2009
Manuales de reparaciones jeep compass y patriot limited 2007-2009
Manuales de reparaciones jeep compass y patriot limited 2007-2009
Manuales de reparaciones jeep compass y patriot limited 2007-2009
Manuales de reparaciones jeep compass y patriot limited 2007-2009
Manuales de reparaciones jeep compass y patriot limited 2007-2009
Manuales de reparaciones jeep compass y patriot limited 2007-2009
Manuales de reparaciones jeep compass y patriot limited 2007-2009
Manuales de reparaciones jeep compass y patriot limited 2007-2009
Manuales de reparaciones jeep compass y patriot limited 2007-2009
Manuales de reparaciones jeep compass y patriot limited 2007-2009
Manuales de reparaciones jeep compass y patriot limited 2007-2009
Manuales de reparaciones jeep compass y patriot limited 2007-2009
Manuales de reparaciones jeep compass y patriot limited 2007-2009
Manuales de reparaciones jeep compass y patriot limited 2007-2009
Manuales de reparaciones jeep compass y patriot limited 2007-2009
Manuales de reparaciones jeep compass y patriot limited 2007-2009
Manuales de reparaciones jeep compass y patriot limited 2007-2009
Manuales de reparaciones jeep compass y patriot limited 2007-2009
Manuales de reparaciones jeep compass y patriot limited 2007-2009
Manuales de reparaciones jeep compass y patriot limited 2007-2009
Manuales de reparaciones jeep compass y patriot limited 2007-2009
Manuales de reparaciones jeep compass y patriot limited 2007-2009
Manuales de reparaciones jeep compass y patriot limited 2007-2009
Manuales de reparaciones jeep compass y patriot limited 2007-2009
Manuales de reparaciones jeep compass y patriot limited 2007-2009
Manuales de reparaciones jeep compass y patriot limited 2007-2009
Manuales de reparaciones jeep compass y patriot limited 2007-2009
Manuales de reparaciones jeep compass y patriot limited 2007-2009
Manuales de reparaciones jeep compass y patriot limited 2007-2009
Manuales de reparaciones jeep compass y patriot limited 2007-2009
Manuales de reparaciones jeep compass y patriot limited 2007-2009
Manuales de reparaciones jeep compass y patriot limited 2007-2009
Manuales de reparaciones jeep compass y patriot limited 2007-2009
Manuales de reparaciones jeep compass y patriot limited 2007-2009
Manuales de reparaciones jeep compass y patriot limited 2007-2009
Manuales de reparaciones jeep compass y patriot limited 2007-2009
Manuales de reparaciones jeep compass y patriot limited 2007-2009
Manuales de reparaciones jeep compass y patriot limited 2007-2009
Manuales de reparaciones jeep compass y patriot limited 2007-2009
Manuales de reparaciones jeep compass y patriot limited 2007-2009
Manuales de reparaciones jeep compass y patriot limited 2007-2009
Manuales de reparaciones jeep compass y patriot limited 2007-2009
Manuales de reparaciones jeep compass y patriot limited 2007-2009
Manuales de reparaciones jeep compass y patriot limited 2007-2009
Manuales de reparaciones jeep compass y patriot limited 2007-2009
Manuales de reparaciones jeep compass y patriot limited 2007-2009
Manuales de reparaciones jeep compass y patriot limited 2007-2009
Manuales de reparaciones jeep compass y patriot limited 2007-2009
Manuales de reparaciones jeep compass y patriot limited 2007-2009
Manuales de reparaciones jeep compass y patriot limited 2007-2009
Manuales de reparaciones jeep compass y patriot limited 2007-2009
Manuales de reparaciones jeep compass y patriot limited 2007-2009
Manuales de reparaciones jeep compass y patriot limited 2007-2009
Manuales de reparaciones jeep compass y patriot limited 2007-2009
Manuales de reparaciones jeep compass y patriot limited 2007-2009
Manuales de reparaciones jeep compass y patriot limited 2007-2009
Manuales de reparaciones jeep compass y patriot limited 2007-2009
Manuales de reparaciones jeep compass y patriot limited 2007-2009
Manuales de reparaciones jeep compass y patriot limited 2007-2009
Manuales de reparaciones jeep compass y patriot limited 2007-2009
Manuales de reparaciones jeep compass y patriot limited 2007-2009
Manuales de reparaciones jeep compass y patriot limited 2007-2009
Manuales de reparaciones jeep compass y patriot limited 2007-2009
Manuales de reparaciones jeep compass y patriot limited 2007-2009
Manuales de reparaciones jeep compass y patriot limited 2007-2009
Manuales de reparaciones jeep compass y patriot limited 2007-2009
Manuales de reparaciones jeep compass y patriot limited 2007-2009
Manuales de reparaciones jeep compass y patriot limited 2007-2009
Manuales de reparaciones jeep compass y patriot limited 2007-2009
Manuales de reparaciones jeep compass y patriot limited 2007-2009
Manuales de reparaciones jeep compass y patriot limited 2007-2009
Manuales de reparaciones jeep compass y patriot limited 2007-2009
Manuales de reparaciones jeep compass y patriot limited 2007-2009
Manuales de reparaciones jeep compass y patriot limited 2007-2009
Manuales de reparaciones jeep compass y patriot limited 2007-2009
Manuales de reparaciones jeep compass y patriot limited 2007-2009
Manuales de reparaciones jeep compass y patriot limited 2007-2009
Manuales de reparaciones jeep compass y patriot limited 2007-2009
Manuales de reparaciones jeep compass y patriot limited 2007-2009
Manuales de reparaciones jeep compass y patriot limited 2007-2009
Manuales de reparaciones jeep compass y patriot limited 2007-2009
Manuales de reparaciones jeep compass y patriot limited 2007-2009
Manuales de reparaciones jeep compass y patriot limited 2007-2009
Manuales de reparaciones jeep compass y patriot limited 2007-2009
Manuales de reparaciones jeep compass y patriot limited 2007-2009
Manuales de reparaciones jeep compass y patriot limited 2007-2009
Manuales de reparaciones jeep compass y patriot limited 2007-2009
Manuales de reparaciones jeep compass y patriot limited 2007-2009
Manuales de reparaciones jeep compass y patriot limited 2007-2009
Manuales de reparaciones jeep compass y patriot limited 2007-2009
Manuales de reparaciones jeep compass y patriot limited 2007-2009
Manuales de reparaciones jeep compass y patriot limited 2007-2009
Manuales de reparaciones jeep compass y patriot limited 2007-2009
Manuales de reparaciones jeep compass y patriot limited 2007-2009
Manuales de reparaciones jeep compass y patriot limited 2007-2009
Manuales de reparaciones jeep compass y patriot limited 2007-2009
Manuales de reparaciones jeep compass y patriot limited 2007-2009
Manuales de reparaciones jeep compass y patriot limited 2007-2009
Manuales de reparaciones jeep compass y patriot limited 2007-2009
Manuales de reparaciones jeep compass y patriot limited 2007-2009
Manuales de reparaciones jeep compass y patriot limited 2007-2009
Manuales de reparaciones jeep compass y patriot limited 2007-2009
Manuales de reparaciones jeep compass y patriot limited 2007-2009
Manuales de reparaciones jeep compass y patriot limited 2007-2009
Manuales de reparaciones jeep compass y patriot limited 2007-2009
Manuales de reparaciones jeep compass y patriot limited 2007-2009
Manuales de reparaciones jeep compass y patriot limited 2007-2009
Manuales de reparaciones jeep compass y patriot limited 2007-2009
Manuales de reparaciones jeep compass y patriot limited 2007-2009
Manuales de reparaciones jeep compass y patriot limited 2007-2009
Manuales de reparaciones jeep compass y patriot limited 2007-2009
Manuales de reparaciones jeep compass y patriot limited 2007-2009
Manuales de reparaciones jeep compass y patriot limited 2007-2009
Manuales de reparaciones jeep compass y patriot limited 2007-2009
Manuales de reparaciones jeep compass y patriot limited 2007-2009
Manuales de reparaciones jeep compass y patriot limited 2007-2009
Manuales de reparaciones jeep compass y patriot limited 2007-2009
Manuales de reparaciones jeep compass y patriot limited 2007-2009
Manuales de reparaciones jeep compass y patriot limited 2007-2009
Manuales de reparaciones jeep compass y patriot limited 2007-2009
Manuales de reparaciones jeep compass y patriot limited 2007-2009
Manuales de reparaciones jeep compass y patriot limited 2007-2009
Manuales de reparaciones jeep compass y patriot limited 2007-2009
Manuales de reparaciones jeep compass y patriot limited 2007-2009
Manuales de reparaciones jeep compass y patriot limited 2007-2009
Manuales de reparaciones jeep compass y patriot limited 2007-2009
Manuales de reparaciones jeep compass y patriot limited 2007-2009
Manuales de reparaciones jeep compass y patriot limited 2007-2009
Manuales de reparaciones jeep compass y patriot limited 2007-2009
Manuales de reparaciones jeep compass y patriot limited 2007-2009
Manuales de reparaciones jeep compass y patriot limited 2007-2009
Manuales de reparaciones jeep compass y patriot limited 2007-2009
Manuales de reparaciones jeep compass y patriot limited 2007-2009
Manuales de reparaciones jeep compass y patriot limited 2007-2009
Manuales de reparaciones jeep compass y patriot limited 2007-2009
Manuales de reparaciones jeep compass y patriot limited 2007-2009
Manuales de reparaciones jeep compass y patriot limited 2007-2009
Manuales de reparaciones jeep compass y patriot limited 2007-2009
Manuales de reparaciones jeep compass y patriot limited 2007-2009
Manuales de reparaciones jeep compass y patriot limited 2007-2009
Manuales de reparaciones jeep compass y patriot limited 2007-2009
Manuales de reparaciones jeep compass y patriot limited 2007-2009
Manuales de reparaciones jeep compass y patriot limited 2007-2009
Manuales de reparaciones jeep compass y patriot limited 2007-2009
Manuales de reparaciones jeep compass y patriot limited 2007-2009
Manuales de reparaciones jeep compass y patriot limited 2007-2009
Manuales de reparaciones jeep compass y patriot limited 2007-2009
Manuales de reparaciones jeep compass y patriot limited 2007-2009
Manuales de reparaciones jeep compass y patriot limited 2007-2009
Manuales de reparaciones jeep compass y patriot limited 2007-2009
Manuales de reparaciones jeep compass y patriot limited 2007-2009
Manuales de reparaciones jeep compass y patriot limited 2007-2009
Manuales de reparaciones jeep compass y patriot limited 2007-2009
Manuales de reparaciones jeep compass y patriot limited 2007-2009
Manuales de reparaciones jeep compass y patriot limited 2007-2009
Manuales de reparaciones jeep compass y patriot limited 2007-2009
Manuales de reparaciones jeep compass y patriot limited 2007-2009
Manuales de reparaciones jeep compass y patriot limited 2007-2009
Manuales de reparaciones jeep compass y patriot limited 2007-2009
Manuales de reparaciones jeep compass y patriot limited 2007-2009
Manuales de reparaciones jeep compass y patriot limited 2007-2009
Manuales de reparaciones jeep compass y patriot limited 2007-2009
Manuales de reparaciones jeep compass y patriot limited 2007-2009
Manuales de reparaciones jeep compass y patriot limited 2007-2009
Manuales de reparaciones jeep compass y patriot limited 2007-2009
Manuales de reparaciones jeep compass y patriot limited 2007-2009
Manuales de reparaciones jeep compass y patriot limited 2007-2009
Manuales de reparaciones jeep compass y patriot limited 2007-2009
Manuales de reparaciones jeep compass y patriot limited 2007-2009
Manuales de reparaciones jeep compass y patriot limited 2007-2009
Manuales de reparaciones jeep compass y patriot limited 2007-2009
Manuales de reparaciones jeep compass y patriot limited 2007-2009
Manuales de reparaciones jeep compass y patriot limited 2007-2009
Manuales de reparaciones jeep compass y patriot limited 2007-2009
Manuales de reparaciones jeep compass y patriot limited 2007-2009
Manuales de reparaciones jeep compass y patriot limited 2007-2009
Manuales de reparaciones jeep compass y patriot limited 2007-2009
Manuales de reparaciones jeep compass y patriot limited 2007-2009
Manuales de reparaciones jeep compass y patriot limited 2007-2009
Manuales de reparaciones jeep compass y patriot limited 2007-2009
Manuales de reparaciones jeep compass y patriot limited 2007-2009
Manuales de reparaciones jeep compass y patriot limited 2007-2009
Manuales de reparaciones jeep compass y patriot limited 2007-2009
Manuales de reparaciones jeep compass y patriot limited 2007-2009
Manuales de reparaciones jeep compass y patriot limited 2007-2009
Manuales de reparaciones jeep compass y patriot limited 2007-2009
Manuales de reparaciones jeep compass y patriot limited 2007-2009
Manuales de reparaciones jeep compass y patriot limited 2007-2009
Manuales de reparaciones jeep compass y patriot limited 2007-2009
Manuales de reparaciones jeep compass y patriot limited 2007-2009
Manuales de reparaciones jeep compass y patriot limited 2007-2009
Manuales de reparaciones jeep compass y patriot limited 2007-2009
Manuales de reparaciones jeep compass y patriot limited 2007-2009
Manuales de reparaciones jeep compass y patriot limited 2007-2009
Manuales de reparaciones jeep compass y patriot limited 2007-2009
Manuales de reparaciones jeep compass y patriot limited 2007-2009
Manuales de reparaciones jeep compass y patriot limited 2007-2009
Manuales de reparaciones jeep compass y patriot limited 2007-2009
Manuales de reparaciones jeep compass y patriot limited 2007-2009
Manuales de reparaciones jeep compass y patriot limited 2007-2009
Manuales de reparaciones jeep compass y patriot limited 2007-2009
Manuales de reparaciones jeep compass y patriot limited 2007-2009
Manuales de reparaciones jeep compass y patriot limited 2007-2009
Manuales de reparaciones jeep compass y patriot limited 2007-2009
Manuales de reparaciones jeep compass y patriot limited 2007-2009
Manuales de reparaciones jeep compass y patriot limited 2007-2009
Manuales de reparaciones jeep compass y patriot limited 2007-2009
Manuales de reparaciones jeep compass y patriot limited 2007-2009
Manuales de reparaciones jeep compass y patriot limited 2007-2009
Manuales de reparaciones jeep compass y patriot limited 2007-2009
Manuales de reparaciones jeep compass y patriot limited 2007-2009
Manuales de reparaciones jeep compass y patriot limited 2007-2009
Manuales de reparaciones jeep compass y patriot limited 2007-2009
Manuales de reparaciones jeep compass y patriot limited 2007-2009
Manuales de reparaciones jeep compass y patriot limited 2007-2009
Manuales de reparaciones jeep compass y patriot limited 2007-2009
Manuales de reparaciones jeep compass y patriot limited 2007-2009
Manuales de reparaciones jeep compass y patriot limited 2007-2009
Manuales de reparaciones jeep compass y patriot limited 2007-2009
Manuales de reparaciones jeep compass y patriot limited 2007-2009
Manuales de reparaciones jeep compass y patriot limited 2007-2009
Manuales de reparaciones jeep compass y patriot limited 2007-2009
Manuales de reparaciones jeep compass y patriot limited 2007-2009
Manuales de reparaciones jeep compass y patriot limited 2007-2009
Manuales de reparaciones jeep compass y patriot limited 2007-2009
Manuales de reparaciones jeep compass y patriot limited 2007-2009
Manuales de reparaciones jeep compass y patriot limited 2007-2009
Manuales de reparaciones jeep compass y patriot limited 2007-2009
Manuales de reparaciones jeep compass y patriot limited 2007-2009
Manuales de reparaciones jeep compass y patriot limited 2007-2009
Manuales de reparaciones jeep compass y patriot limited 2007-2009
Manuales de reparaciones jeep compass y patriot limited 2007-2009
Manuales de reparaciones jeep compass y patriot limited 2007-2009
Manuales de reparaciones jeep compass y patriot limited 2007-2009
Manuales de reparaciones jeep compass y patriot limited 2007-2009
Manuales de reparaciones jeep compass y patriot limited 2007-2009
Manuales de reparaciones jeep compass y patriot limited 2007-2009
Manuales de reparaciones jeep compass y patriot limited 2007-2009
Manuales de reparaciones jeep compass y patriot limited 2007-2009
Manuales de reparaciones jeep compass y patriot limited 2007-2009
Manuales de reparaciones jeep compass y patriot limited 2007-2009
Manuales de reparaciones jeep compass y patriot limited 2007-2009
Manuales de reparaciones jeep compass y patriot limited 2007-2009
Manuales de reparaciones jeep compass y patriot limited 2007-2009
Manuales de reparaciones jeep compass y patriot limited 2007-2009
Manuales de reparaciones jeep compass y patriot limited 2007-2009
Manuales de reparaciones jeep compass y patriot limited 2007-2009
Manuales de reparaciones jeep compass y patriot limited 2007-2009
Manuales de reparaciones jeep compass y patriot limited 2007-2009
Manuales de reparaciones jeep compass y patriot limited 2007-2009
Manuales de reparaciones jeep compass y patriot limited 2007-2009
Manuales de reparaciones jeep compass y patriot limited 2007-2009
Manuales de reparaciones jeep compass y patriot limited 2007-2009
Manuales de reparaciones jeep compass y patriot limited 2007-2009
Manuales de reparaciones jeep compass y patriot limited 2007-2009
Manuales de reparaciones jeep compass y patriot limited 2007-2009
Manuales de reparaciones jeep compass y patriot limited 2007-2009
Manuales de reparaciones jeep compass y patriot limited 2007-2009
Manuales de reparaciones jeep compass y patriot limited 2007-2009
Manuales de reparaciones jeep compass y patriot limited 2007-2009
Manuales de reparaciones jeep compass y patriot limited 2007-2009
Manuales de reparaciones jeep compass y patriot limited 2007-2009
Manuales de reparaciones jeep compass y patriot limited 2007-2009
Manuales de reparaciones jeep compass y patriot limited 2007-2009
Manuales de reparaciones jeep compass y patriot limited 2007-2009
Manuales de reparaciones jeep compass y patriot limited 2007-2009
Manuales de reparaciones jeep compass y patriot limited 2007-2009
Manuales de reparaciones jeep compass y patriot limited 2007-2009
Manuales de reparaciones jeep compass y patriot limited 2007-2009
Manuales de reparaciones jeep compass y patriot limited 2007-2009
Manuales de reparaciones jeep compass y patriot limited 2007-2009
Manuales de reparaciones jeep compass y patriot limited 2007-2009
Manuales de reparaciones jeep compass y patriot limited 2007-2009
Manuales de reparaciones jeep compass y patriot limited 2007-2009
Manuales de reparaciones jeep compass y patriot limited 2007-2009
Manuales de reparaciones jeep compass y patriot limited 2007-2009
Manuales de reparaciones jeep compass y patriot limited 2007-2009
Manuales de reparaciones jeep compass y patriot limited 2007-2009
Manuales de reparaciones jeep compass y patriot limited 2007-2009
Manuales de reparaciones jeep compass y patriot limited 2007-2009
Manuales de reparaciones jeep compass y patriot limited 2007-2009
Manuales de reparaciones jeep compass y patriot limited 2007-2009
Manuales de reparaciones jeep compass y patriot limited 2007-2009
Manuales de reparaciones jeep compass y patriot limited 2007-2009
Manuales de reparaciones jeep compass y patriot limited 2007-2009
Manuales de reparaciones jeep compass y patriot limited 2007-2009
Manuales de reparaciones jeep compass y patriot limited 2007-2009
Manuales de reparaciones jeep compass y patriot limited 2007-2009
Manuales de reparaciones jeep compass y patriot limited 2007-2009
Manuales de reparaciones jeep compass y patriot limited 2007-2009
Manuales de reparaciones jeep compass y patriot limited 2007-2009
Manuales de reparaciones jeep compass y patriot limited 2007-2009
Manuales de reparaciones jeep compass y patriot limited 2007-2009
Manuales de reparaciones jeep compass y patriot limited 2007-2009
Manuales de reparaciones jeep compass y patriot limited 2007-2009
Manuales de reparaciones jeep compass y patriot limited 2007-2009
Manuales de reparaciones jeep compass y patriot limited 2007-2009
Manuales de reparaciones jeep compass y patriot limited 2007-2009
Manuales de reparaciones jeep compass y patriot limited 2007-2009
Manuales de reparaciones jeep compass y patriot limited 2007-2009
Manuales de reparaciones jeep compass y patriot limited 2007-2009
Manuales de reparaciones jeep compass y patriot limited 2007-2009
Manuales de reparaciones jeep compass y patriot limited 2007-2009
Manuales de reparaciones jeep compass y patriot limited 2007-2009
Manuales de reparaciones jeep compass y patriot limited 2007-2009
Manuales de reparaciones jeep compass y patriot limited 2007-2009
Manuales de reparaciones jeep compass y patriot limited 2007-2009
Manuales de reparaciones jeep compass y patriot limited 2007-2009
Manuales de reparaciones jeep compass y patriot limited 2007-2009
Manuales de reparaciones jeep compass y patriot limited 2007-2009
Manuales de reparaciones jeep compass y patriot limited 2007-2009
Manuales de reparaciones jeep compass y patriot limited 2007-2009
Manuales de reparaciones jeep compass y patriot limited 2007-2009
Manuales de reparaciones jeep compass y patriot limited 2007-2009
Manuales de reparaciones jeep compass y patriot limited 2007-2009
Manuales de reparaciones jeep compass y patriot limited 2007-2009
Manuales de reparaciones jeep compass y patriot limited 2007-2009
Manuales de reparaciones jeep compass y patriot limited 2007-2009
Manuales de reparaciones jeep compass y patriot limited 2007-2009
Manuales de reparaciones jeep compass y patriot limited 2007-2009
Manuales de reparaciones jeep compass y patriot limited 2007-2009
Manuales de reparaciones jeep compass y patriot limited 2007-2009
Manuales de reparaciones jeep compass y patriot limited 2007-2009
Manuales de reparaciones jeep compass y patriot limited 2007-2009
Manuales de reparaciones jeep compass y patriot limited 2007-2009
Manuales de reparaciones jeep compass y patriot limited 2007-2009
Manuales de reparaciones jeep compass y patriot limited 2007-2009
Manuales de reparaciones jeep compass y patriot limited 2007-2009
Manuales de reparaciones jeep compass y patriot limited 2007-2009
Manuales de reparaciones jeep compass y patriot limited 2007-2009
Manuales de reparaciones jeep compass y patriot limited 2007-2009
Manuales de reparaciones jeep compass y patriot limited 2007-2009
Manuales de reparaciones jeep compass y patriot limited 2007-2009
Manuales de reparaciones jeep compass y patriot limited 2007-2009
Manuales de reparaciones jeep compass y patriot limited 2007-2009
Manuales de reparaciones jeep compass y patriot limited 2007-2009
Manuales de reparaciones jeep compass y patriot limited 2007-2009
Manuales de reparaciones jeep compass y patriot limited 2007-2009
Manuales de reparaciones jeep compass y patriot limited 2007-2009
Manuales de reparaciones jeep compass y patriot limited 2007-2009
Manuales de reparaciones jeep compass y patriot limited 2007-2009
Manuales de reparaciones jeep compass y patriot limited 2007-2009
Manuales de reparaciones jeep compass y patriot limited 2007-2009
Manuales de reparaciones jeep compass y patriot limited 2007-2009
Manuales de reparaciones jeep compass y patriot limited 2007-2009
Manuales de reparaciones jeep compass y patriot limited 2007-2009
Manuales de reparaciones jeep compass y patriot limited 2007-2009
Manuales de reparaciones jeep compass y patriot limited 2007-2009
Manuales de reparaciones jeep compass y patriot limited 2007-2009
Manuales de reparaciones jeep compass y patriot limited 2007-2009
Manuales de reparaciones jeep compass y patriot limited 2007-2009
Manuales de reparaciones jeep compass y patriot limited 2007-2009
Manuales de reparaciones jeep compass y patriot limited 2007-2009
Manuales de reparaciones jeep compass y patriot limited 2007-2009
Manuales de reparaciones jeep compass y patriot limited 2007-2009
Manuales de reparaciones jeep compass y patriot limited 2007-2009
Manuales de reparaciones jeep compass y patriot limited 2007-2009
Manuales de reparaciones jeep compass y patriot limited 2007-2009
Manuales de reparaciones jeep compass y patriot limited 2007-2009
Manuales de reparaciones jeep compass y patriot limited 2007-2009
Manuales de reparaciones jeep compass y patriot limited 2007-2009
Manuales de reparaciones jeep compass y patriot limited 2007-2009
Manuales de reparaciones jeep compass y patriot limited 2007-2009
Manuales de reparaciones jeep compass y patriot limited 2007-2009
Manuales de reparaciones jeep compass y patriot limited 2007-2009
Manuales de reparaciones jeep compass y patriot limited 2007-2009
Manuales de reparaciones jeep compass y patriot limited 2007-2009
Manuales de reparaciones jeep compass y patriot limited 2007-2009
Manuales de reparaciones jeep compass y patriot limited 2007-2009
Manuales de reparaciones jeep compass y patriot limited 2007-2009
Manuales de reparaciones jeep compass y patriot limited 2007-2009
Manuales de reparaciones jeep compass y patriot limited 2007-2009
Manuales de reparaciones jeep compass y patriot limited 2007-2009
Manuales de reparaciones jeep compass y patriot limited 2007-2009
Manuales de reparaciones jeep compass y patriot limited 2007-2009
Manuales de reparaciones jeep compass y patriot limited 2007-2009
Manuales de reparaciones jeep compass y patriot limited 2007-2009
Manuales de reparaciones jeep compass y patriot limited 2007-2009
Manuales de reparaciones jeep compass y patriot limited 2007-2009
Manuales de reparaciones jeep compass y patriot limited 2007-2009
Manuales de reparaciones jeep compass y patriot limited 2007-2009
Manuales de reparaciones jeep compass y patriot limited 2007-2009
Manuales de reparaciones jeep compass y patriot limited 2007-2009
Manuales de reparaciones jeep compass y patriot limited 2007-2009
Manuales de reparaciones jeep compass y patriot limited 2007-2009
Manuales de reparaciones jeep compass y patriot limited 2007-2009
Manuales de reparaciones jeep compass y patriot limited 2007-2009
Manuales de reparaciones jeep compass y patriot limited 2007-2009
Manuales de reparaciones jeep compass y patriot limited 2007-2009
Manuales de reparaciones jeep compass y patriot limited 2007-2009
Manuales de reparaciones jeep compass y patriot limited 2007-2009
Manuales de reparaciones jeep compass y patriot limited 2007-2009
Manuales de reparaciones jeep compass y patriot limited 2007-2009
Manuales de reparaciones jeep compass y patriot limited 2007-2009
Manuales de reparaciones jeep compass y patriot limited 2007-2009
Manuales de reparaciones jeep compass y patriot limited 2007-2009
Manuales de reparaciones jeep compass y patriot limited 2007-2009
Manuales de reparaciones jeep compass y patriot limited 2007-2009
Manuales de reparaciones jeep compass y patriot limited 2007-2009
Manuales de reparaciones jeep compass y patriot limited 2007-2009
Manuales de reparaciones jeep compass y patriot limited 2007-2009
Manuales de reparaciones jeep compass y patriot limited 2007-2009
Manuales de reparaciones jeep compass y patriot limited 2007-2009
Manuales de reparaciones jeep compass y patriot limited 2007-2009
Manuales de reparaciones jeep compass y patriot limited 2007-2009
Manuales de reparaciones jeep compass y patriot limited 2007-2009
Manuales de reparaciones jeep compass y patriot limited 2007-2009
Manuales de reparaciones jeep compass y patriot limited 2007-2009
Manuales de reparaciones jeep compass y patriot limited 2007-2009
Manuales de reparaciones jeep compass y patriot limited 2007-2009
Manuales de reparaciones jeep compass y patriot limited 2007-2009
Manuales de reparaciones jeep compass y patriot limited 2007-2009
Manuales de reparaciones jeep compass y patriot limited 2007-2009
Manuales de reparaciones jeep compass y patriot limited 2007-2009
Manuales de reparaciones jeep compass y patriot limited 2007-2009
Manuales de reparaciones jeep compass y patriot limited 2007-2009
Manuales de reparaciones jeep compass y patriot limited 2007-2009
Manuales de reparaciones jeep compass y patriot limited 2007-2009
Manuales de reparaciones jeep compass y patriot limited 2007-2009
Manuales de reparaciones jeep compass y patriot limited 2007-2009
Manuales de reparaciones jeep compass y patriot limited 2007-2009
Manuales de reparaciones jeep compass y patriot limited 2007-2009
Manuales de reparaciones jeep compass y patriot limited 2007-2009
Manuales de reparaciones jeep compass y patriot limited 2007-2009
Manuales de reparaciones jeep compass y patriot limited 2007-2009
Manuales de reparaciones jeep compass y patriot limited 2007-2009
Manuales de reparaciones jeep compass y patriot limited 2007-2009
Manuales de reparaciones jeep compass y patriot limited 2007-2009
Manuales de reparaciones jeep compass y patriot limited 2007-2009
Manuales de reparaciones jeep compass y patriot limited 2007-2009
Manuales de reparaciones jeep compass y patriot limited 2007-2009
Manuales de reparaciones jeep compass y patriot limited 2007-2009
Manuales de reparaciones jeep compass y patriot limited 2007-2009
Manuales de reparaciones jeep compass y patriot limited 2007-2009
Manuales de reparaciones jeep compass y patriot limited 2007-2009
Manuales de reparaciones jeep compass y patriot limited 2007-2009
Manuales de reparaciones jeep compass y patriot limited 2007-2009
Manuales de reparaciones jeep compass y patriot limited 2007-2009
Manuales de reparaciones jeep compass y patriot limited 2007-2009
Manuales de reparaciones jeep compass y patriot limited 2007-2009
Manuales de reparaciones jeep compass y patriot limited 2007-2009
Manuales de reparaciones jeep compass y patriot limited 2007-2009
Manuales de reparaciones jeep compass y patriot limited 2007-2009
Manuales de reparaciones jeep compass y patriot limited 2007-2009
Manuales de reparaciones jeep compass y patriot limited 2007-2009
Manuales de reparaciones jeep compass y patriot limited 2007-2009
Manuales de reparaciones jeep compass y patriot limited 2007-2009
Manuales de reparaciones jeep compass y patriot limited 2007-2009
Manuales de reparaciones jeep compass y patriot limited 2007-2009
Manuales de reparaciones jeep compass y patriot limited 2007-2009
Manuales de reparaciones jeep compass y patriot limited 2007-2009
Manuales de reparaciones jeep compass y patriot limited 2007-2009
Manuales de reparaciones jeep compass y patriot limited 2007-2009
Manuales de reparaciones jeep compass y patriot limited 2007-2009
Manuales de reparaciones jeep compass y patriot limited 2007-2009
Manuales de reparaciones jeep compass y patriot limited 2007-2009
Manuales de reparaciones jeep compass y patriot limited 2007-2009
Manuales de reparaciones jeep compass y patriot limited 2007-2009
Manuales de reparaciones jeep compass y patriot limited 2007-2009
Manuales de reparaciones jeep compass y patriot limited 2007-2009
Manuales de reparaciones jeep compass y patriot limited 2007-2009
Manuales de reparaciones jeep compass y patriot limited 2007-2009
Manuales de reparaciones jeep compass y patriot limited 2007-2009
Manuales de reparaciones jeep compass y patriot limited 2007-2009
Manuales de reparaciones jeep compass y patriot limited 2007-2009
Manuales de reparaciones jeep compass y patriot limited 2007-2009
Manuales de reparaciones jeep compass y patriot limited 2007-2009
Manuales de reparaciones jeep compass y patriot limited 2007-2009
Manuales de reparaciones jeep compass y patriot limited 2007-2009
Manuales de reparaciones jeep compass y patriot limited 2007-2009
Manuales de reparaciones jeep compass y patriot limited 2007-2009
Manuales de reparaciones jeep compass y patriot limited 2007-2009
Manuales de reparaciones jeep compass y patriot limited 2007-2009
Manuales de reparaciones jeep compass y patriot limited 2007-2009
Manuales de reparaciones jeep compass y patriot limited 2007-2009
Manuales de reparaciones jeep compass y patriot limited 2007-2009
Manuales de reparaciones jeep compass y patriot limited 2007-2009
Manuales de reparaciones jeep compass y patriot limited 2007-2009
Manuales de reparaciones jeep compass y patriot limited 2007-2009
Manuales de reparaciones jeep compass y patriot limited 2007-2009
Manuales de reparaciones jeep compass y patriot limited 2007-2009
Manuales de reparaciones jeep compass y patriot limited 2007-2009
Manuales de reparaciones jeep compass y patriot limited 2007-2009
Manuales de reparaciones jeep compass y patriot limited 2007-2009
Manuales de reparaciones jeep compass y patriot limited 2007-2009
Manuales de reparaciones jeep compass y patriot limited 2007-2009
Manuales de reparaciones jeep compass y patriot limited 2007-2009
Manuales de reparaciones jeep compass y patriot limited 2007-2009
Manuales de reparaciones jeep compass y patriot limited 2007-2009
Manuales de reparaciones jeep compass y patriot limited 2007-2009
Manuales de reparaciones jeep compass y patriot limited 2007-2009
Manuales de reparaciones jeep compass y patriot limited 2007-2009
Manuales de reparaciones jeep compass y patriot limited 2007-2009
Manuales de reparaciones jeep compass y patriot limited 2007-2009
Manuales de reparaciones jeep compass y patriot limited 2007-2009
Manuales de reparaciones jeep compass y patriot limited 2007-2009
Manuales de reparaciones jeep compass y patriot limited 2007-2009
Manuales de reparaciones jeep compass y patriot limited 2007-2009
Manuales de reparaciones jeep compass y patriot limited 2007-2009
Manuales de reparaciones jeep compass y patriot limited 2007-2009
Manuales de reparaciones jeep compass y patriot limited 2007-2009
Manuales de reparaciones jeep compass y patriot limited 2007-2009
Manuales de reparaciones jeep compass y patriot limited 2007-2009
Manuales de reparaciones jeep compass y patriot limited 2007-2009
Manuales de reparaciones jeep compass y patriot limited 2007-2009
Manuales de reparaciones jeep compass y patriot limited 2007-2009
Manuales de reparaciones jeep compass y patriot limited 2007-2009
Manuales de reparaciones jeep compass y patriot limited 2007-2009
Manuales de reparaciones jeep compass y patriot limited 2007-2009
Manuales de reparaciones jeep compass y patriot limited 2007-2009
Manuales de reparaciones jeep compass y patriot limited 2007-2009
Manuales de reparaciones jeep compass y patriot limited 2007-2009
Manuales de reparaciones jeep compass y patriot limited 2007-2009
Manuales de reparaciones jeep compass y patriot limited 2007-2009
Manuales de reparaciones jeep compass y patriot limited 2007-2009
Manuales de reparaciones jeep compass y patriot limited 2007-2009
Manuales de reparaciones jeep compass y patriot limited 2007-2009
Manuales de reparaciones jeep compass y patriot limited 2007-2009
Manuales de reparaciones jeep compass y patriot limited 2007-2009
Manuales de reparaciones jeep compass y patriot limited 2007-2009
Manuales de reparaciones jeep compass y patriot limited 2007-2009
Manuales de reparaciones jeep compass y patriot limited 2007-2009
Manuales de reparaciones jeep compass y patriot limited 2007-2009
Manuales de reparaciones jeep compass y patriot limited 2007-2009
Manuales de reparaciones jeep compass y patriot limited 2007-2009
Manuales de reparaciones jeep compass y patriot limited 2007-2009
Manuales de reparaciones jeep compass y patriot limited 2007-2009
Manuales de reparaciones jeep compass y patriot limited 2007-2009
Manuales de reparaciones jeep compass y patriot limited 2007-2009
Manuales de reparaciones jeep compass y patriot limited 2007-2009
Manuales de reparaciones jeep compass y patriot limited 2007-2009
Manuales de reparaciones jeep compass y patriot limited 2007-2009
Manuales de reparaciones jeep compass y patriot limited 2007-2009
Manuales de reparaciones jeep compass y patriot limited 2007-2009
Manuales de reparaciones jeep compass y patriot limited 2007-2009
Manuales de reparaciones jeep compass y patriot limited 2007-2009
Manuales de reparaciones jeep compass y patriot limited 2007-2009
Manuales de reparaciones jeep compass y patriot limited 2007-2009
Manuales de reparaciones jeep compass y patriot limited 2007-2009
Manuales de reparaciones jeep compass y patriot limited 2007-2009
Manuales de reparaciones jeep compass y patriot limited 2007-2009
Manuales de reparaciones jeep compass y patriot limited 2007-2009
Manuales de reparaciones jeep compass y patriot limited 2007-2009
Manuales de reparaciones jeep compass y patriot limited 2007-2009
Manuales de reparaciones jeep compass y patriot limited 2007-2009
Manuales de reparaciones jeep compass y patriot limited 2007-2009
Manuales de reparaciones jeep compass y patriot limited 2007-2009
Manuales de reparaciones jeep compass y patriot limited 2007-2009
Manuales de reparaciones jeep compass y patriot limited 2007-2009
Manuales de reparaciones jeep compass y patriot limited 2007-2009
Manuales de reparaciones jeep compass y patriot limited 2007-2009
Manuales de reparaciones jeep compass y patriot limited 2007-2009
Manuales de reparaciones jeep compass y patriot limited 2007-2009
Manuales de reparaciones jeep compass y patriot limited 2007-2009
Manuales de reparaciones jeep compass y patriot limited 2007-2009
Manuales de reparaciones jeep compass y patriot limited 2007-2009
Manuales de reparaciones jeep compass y patriot limited 2007-2009
Manuales de reparaciones jeep compass y patriot limited 2007-2009
Manuales de reparaciones jeep compass y patriot limited 2007-2009
Manuales de reparaciones jeep compass y patriot limited 2007-2009
Manuales de reparaciones jeep compass y patriot limited 2007-2009
Manuales de reparaciones jeep compass y patriot limited 2007-2009
Manuales de reparaciones jeep compass y patriot limited 2007-2009
Manuales de reparaciones jeep compass y patriot limited 2007-2009
Manuales de reparaciones jeep compass y patriot limited 2007-2009
Manuales de reparaciones jeep compass y patriot limited 2007-2009
Manuales de reparaciones jeep compass y patriot limited 2007-2009
Manuales de reparaciones jeep compass y patriot limited 2007-2009
Manuales de reparaciones jeep compass y patriot limited 2007-2009
Manuales de reparaciones jeep compass y patriot limited 2007-2009
Manuales de reparaciones jeep compass y patriot limited 2007-2009
Manuales de reparaciones jeep compass y patriot limited 2007-2009
Manuales de reparaciones jeep compass y patriot limited 2007-2009
Manuales de reparaciones jeep compass y patriot limited 2007-2009
Manuales de reparaciones jeep compass y patriot limited 2007-2009
Manuales de reparaciones jeep compass y patriot limited 2007-2009
Manuales de reparaciones jeep compass y patriot limited 2007-2009
Manuales de reparaciones jeep compass y patriot limited 2007-2009
Manuales de reparaciones jeep compass y patriot limited 2007-2009
Manuales de reparaciones jeep compass y patriot limited 2007-2009
Manuales de reparaciones jeep compass y patriot limited 2007-2009
Manuales de reparaciones jeep compass y patriot limited 2007-2009
Manuales de reparaciones jeep compass y patriot limited 2007-2009
Manuales de reparaciones jeep compass y patriot limited 2007-2009
Manuales de reparaciones jeep compass y patriot limited 2007-2009
Manuales de reparaciones jeep compass y patriot limited 2007-2009
Manuales de reparaciones jeep compass y patriot limited 2007-2009
Manuales de reparaciones jeep compass y patriot limited 2007-2009
Manuales de reparaciones jeep compass y patriot limited 2007-2009
Manuales de reparaciones jeep compass y patriot limited 2007-2009
Manuales de reparaciones jeep compass y patriot limited 2007-2009
Manuales de reparaciones jeep compass y patriot limited 2007-2009
Manuales de reparaciones jeep compass y patriot limited 2007-2009
Manuales de reparaciones jeep compass y patriot limited 2007-2009
Manuales de reparaciones jeep compass y patriot limited 2007-2009
Manuales de reparaciones jeep compass y patriot limited 2007-2009
Manuales de reparaciones jeep compass y patriot limited 2007-2009
Manuales de reparaciones jeep compass y patriot limited 2007-2009
Manuales de reparaciones jeep compass y patriot limited 2007-2009
Manuales de reparaciones jeep compass y patriot limited 2007-2009
Manuales de reparaciones jeep compass y patriot limited 2007-2009
Manuales de reparaciones jeep compass y patriot limited 2007-2009
Manuales de reparaciones jeep compass y patriot limited 2007-2009
Manuales de reparaciones jeep compass y patriot limited 2007-2009
Manuales de reparaciones jeep compass y patriot limited 2007-2009
Manuales de reparaciones jeep compass y patriot limited 2007-2009
Manuales de reparaciones jeep compass y patriot limited 2007-2009
Manuales de reparaciones jeep compass y patriot limited 2007-2009
Manuales de reparaciones jeep compass y patriot limited 2007-2009
Manuales de reparaciones jeep compass y patriot limited 2007-2009
Manuales de reparaciones jeep compass y patriot limited 2007-2009
Manuales de reparaciones jeep compass y patriot limited 2007-2009
Manuales de reparaciones jeep compass y patriot limited 2007-2009
Manuales de reparaciones jeep compass y patriot limited 2007-2009
Manuales de reparaciones jeep compass y patriot limited 2007-2009
Manuales de reparaciones jeep compass y patriot limited 2007-2009
Manuales de reparaciones jeep compass y patriot limited 2007-2009
Manuales de reparaciones jeep compass y patriot limited 2007-2009
Manuales de reparaciones jeep compass y patriot limited 2007-2009
Manuales de reparaciones jeep compass y patriot limited 2007-2009
Manuales de reparaciones jeep compass y patriot limited 2007-2009
Manuales de reparaciones jeep compass y patriot limited 2007-2009
Manuales de reparaciones jeep compass y patriot limited 2007-2009
Manuales de reparaciones jeep compass y patriot limited 2007-2009
Manuales de reparaciones jeep compass y patriot limited 2007-2009
Manuales de reparaciones jeep compass y patriot limited 2007-2009
Manuales de reparaciones jeep compass y patriot limited 2007-2009
Manuales de reparaciones jeep compass y patriot limited 2007-2009
Manuales de reparaciones jeep compass y patriot limited 2007-2009
Manuales de reparaciones jeep compass y patriot limited 2007-2009
Manuales de reparaciones jeep compass y patriot limited 2007-2009
Manuales de reparaciones jeep compass y patriot limited 2007-2009
Manuales de reparaciones jeep compass y patriot limited 2007-2009
Manuales de reparaciones jeep compass y patriot limited 2007-2009
Manuales de reparaciones jeep compass y patriot limited 2007-2009
Manuales de reparaciones jeep compass y patriot limited 2007-2009
Manuales de reparaciones jeep compass y patriot limited 2007-2009
Manuales de reparaciones jeep compass y patriot limited 2007-2009
Manuales de reparaciones jeep compass y patriot limited 2007-2009
Manuales de reparaciones jeep compass y patriot limited 2007-2009
Manuales de reparaciones jeep compass y patriot limited 2007-2009
Manuales de reparaciones jeep compass y patriot limited 2007-2009
Manuales de reparaciones jeep compass y patriot limited 2007-2009
Manuales de reparaciones jeep compass y patriot limited 2007-2009
Manuales de reparaciones jeep compass y patriot limited 2007-2009
Manuales de reparaciones jeep compass y patriot limited 2007-2009
Manuales de reparaciones jeep compass y patriot limited 2007-2009
Manuales de reparaciones jeep compass y patriot limited 2007-2009
Manuales de reparaciones jeep compass y patriot limited 2007-2009
Manuales de reparaciones jeep compass y patriot limited 2007-2009
Manuales de reparaciones jeep compass y patriot limited 2007-2009
Manuales de reparaciones jeep compass y patriot limited 2007-2009
Manuales de reparaciones jeep compass y patriot limited 2007-2009
Manuales de reparaciones jeep compass y patriot limited 2007-2009
Manuales de reparaciones jeep compass y patriot limited 2007-2009
Manuales de reparaciones jeep compass y patriot limited 2007-2009
Manuales de reparaciones jeep compass y patriot limited 2007-2009
Manuales de reparaciones jeep compass y patriot limited 2007-2009
Manuales de reparaciones jeep compass y patriot limited 2007-2009
Manuales de reparaciones jeep compass y patriot limited 2007-2009
Manuales de reparaciones jeep compass y patriot limited 2007-2009
Manuales de reparaciones jeep compass y patriot limited 2007-2009
Manuales de reparaciones jeep compass y patriot limited 2007-2009
Manuales de reparaciones jeep compass y patriot limited 2007-2009
Manuales de reparaciones jeep compass y patriot limited 2007-2009
Manuales de reparaciones jeep compass y patriot limited 2007-2009
Manuales de reparaciones jeep compass y patriot limited 2007-2009
Manuales de reparaciones jeep compass y patriot limited 2007-2009
Manuales de reparaciones jeep compass y patriot limited 2007-2009
Manuales de reparaciones jeep compass y patriot limited 2007-2009
Manuales de reparaciones jeep compass y patriot limited 2007-2009
Manuales de reparaciones jeep compass y patriot limited 2007-2009
Manuales de reparaciones jeep compass y patriot limited 2007-2009
Manuales de reparaciones jeep compass y patriot limited 2007-2009
Manuales de reparaciones jeep compass y patriot limited 2007-2009
Manuales de reparaciones jeep compass y patriot limited 2007-2009
Manuales de reparaciones jeep compass y patriot limited 2007-2009
Manuales de reparaciones jeep compass y patriot limited 2007-2009
Manuales de reparaciones jeep compass y patriot limited 2007-2009
Manuales de reparaciones jeep compass y patriot limited 2007-2009
Manuales de reparaciones jeep compass y patriot limited 2007-2009
Manuales de reparaciones jeep compass y patriot limited 2007-2009
Manuales de reparaciones jeep compass y patriot limited 2007-2009
Manuales de reparaciones jeep compass y patriot limited 2007-2009
Manuales de reparaciones jeep compass y patriot limited 2007-2009
Manuales de reparaciones jeep compass y patriot limited 2007-2009
Manuales de reparaciones jeep compass y patriot limited 2007-2009
Manuales de reparaciones jeep compass y patriot limited 2007-2009
Manuales de reparaciones jeep compass y patriot limited 2007-2009
Manuales de reparaciones jeep compass y patriot limited 2007-2009
Manuales de reparaciones jeep compass y patriot limited 2007-2009
Manuales de reparaciones jeep compass y patriot limited 2007-2009
Manuales de reparaciones jeep compass y patriot limited 2007-2009
Manuales de reparaciones jeep compass y patriot limited 2007-2009
Manuales de reparaciones jeep compass y patriot limited 2007-2009
Manuales de reparaciones jeep compass y patriot limited 2007-2009
Manuales de reparaciones jeep compass y patriot limited 2007-2009
Manuales de reparaciones jeep compass y patriot limited 2007-2009
Manuales de reparaciones jeep compass y patriot limited 2007-2009
Manuales de reparaciones jeep compass y patriot limited 2007-2009
Manuales de reparaciones jeep compass y patriot limited 2007-2009
Manuales de reparaciones jeep compass y patriot limited 2007-2009
Manuales de reparaciones jeep compass y patriot limited 2007-2009
Manuales de reparaciones jeep compass y patriot limited 2007-2009
Manuales de reparaciones jeep compass y patriot limited 2007-2009
Manuales de reparaciones jeep compass y patriot limited 2007-2009
Manuales de reparaciones jeep compass y patriot limited 2007-2009
Manuales de reparaciones jeep compass y patriot limited 2007-2009
Manuales de reparaciones jeep compass y patriot limited 2007-2009
Manuales de reparaciones jeep compass y patriot limited 2007-2009
Manuales de reparaciones jeep compass y patriot limited 2007-2009
Manuales de reparaciones jeep compass y patriot limited 2007-2009
Manuales de reparaciones jeep compass y patriot limited 2007-2009
Manuales de reparaciones jeep compass y patriot limited 2007-2009
Manuales de reparaciones jeep compass y patriot limited 2007-2009
Manuales de reparaciones jeep compass y patriot limited 2007-2009
Manuales de reparaciones jeep compass y patriot limited 2007-2009
Manuales de reparaciones jeep compass y patriot limited 2007-2009
Manuales de reparaciones jeep compass y patriot limited 2007-2009
Manuales de reparaciones jeep compass y patriot limited 2007-2009
Manuales de reparaciones jeep compass y patriot limited 2007-2009
Manuales de reparaciones jeep compass y patriot limited 2007-2009
Manuales de reparaciones jeep compass y patriot limited 2007-2009
Manuales de reparaciones jeep compass y patriot limited 2007-2009
Manuales de reparaciones jeep compass y patriot limited 2007-2009
Manuales de reparaciones jeep compass y patriot limited 2007-2009
Manuales de reparaciones jeep compass y patriot limited 2007-2009
Manuales de reparaciones jeep compass y patriot limited 2007-2009
Manuales de reparaciones jeep compass y patriot limited 2007-2009
Manuales de reparaciones jeep compass y patriot limited 2007-2009
Manuales de reparaciones jeep compass y patriot limited 2007-2009
Manuales de reparaciones jeep compass y patriot limited 2007-2009
Manuales de reparaciones jeep compass y patriot limited 2007-2009
Manuales de reparaciones jeep compass y patriot limited 2007-2009
Manuales de reparaciones jeep compass y patriot limited 2007-2009
Manuales de reparaciones jeep compass y patriot limited 2007-2009
Manuales de reparaciones jeep compass y patriot limited 2007-2009
Manuales de reparaciones jeep compass y patriot limited 2007-2009
Manuales de reparaciones jeep compass y patriot limited 2007-2009
Manuales de reparaciones jeep compass y patriot limited 2007-2009
Manuales de reparaciones jeep compass y patriot limited 2007-2009
Manuales de reparaciones jeep compass y patriot limited 2007-2009
Manuales de reparaciones jeep compass y patriot limited 2007-2009
Manuales de reparaciones jeep compass y patriot limited 2007-2009
Manuales de reparaciones jeep compass y patriot limited 2007-2009
Manuales de reparaciones jeep compass y patriot limited 2007-2009
Manuales de reparaciones jeep compass y patriot limited 2007-2009
Manuales de reparaciones jeep compass y patriot limited 2007-2009
Manuales de reparaciones jeep compass y patriot limited 2007-2009
Manuales de reparaciones jeep compass y patriot limited 2007-2009
Manuales de reparaciones jeep compass y patriot limited 2007-2009
Manuales de reparaciones jeep compass y patriot limited 2007-2009
Manuales de reparaciones jeep compass y patriot limited 2007-2009
Manuales de reparaciones jeep compass y patriot limited 2007-2009
Manuales de reparaciones jeep compass y patriot limited 2007-2009
Manuales de reparaciones jeep compass y patriot limited 2007-2009
Manuales de reparaciones jeep compass y patriot limited 2007-2009
Manuales de reparaciones jeep compass y patriot limited 2007-2009
Manuales de reparaciones jeep compass y patriot limited 2007-2009
Manuales de reparaciones jeep compass y patriot limited 2007-2009
Manuales de reparaciones jeep compass y patriot limited 2007-2009
Manuales de reparaciones jeep compass y patriot limited 2007-2009
Manuales de reparaciones jeep compass y patriot limited 2007-2009
Manuales de reparaciones jeep compass y patriot limited 2007-2009
Manuales de reparaciones jeep compass y patriot limited 2007-2009
Manuales de reparaciones jeep compass y patriot limited 2007-2009
Manuales de reparaciones jeep compass y patriot limited 2007-2009
Manuales de reparaciones jeep compass y patriot limited 2007-2009
Manuales de reparaciones jeep compass y patriot limited 2007-2009
Manuales de reparaciones jeep compass y patriot limited 2007-2009
Manuales de reparaciones jeep compass y patriot limited 2007-2009
Manuales de reparaciones jeep compass y patriot limited 2007-2009
Manuales de reparaciones jeep compass y patriot limited 2007-2009
Manuales de reparaciones jeep compass y patriot limited 2007-2009
Manuales de reparaciones jeep compass y patriot limited 2007-2009
Manuales de reparaciones jeep compass y patriot limited 2007-2009
Manuales de reparaciones jeep compass y patriot limited 2007-2009
Manuales de reparaciones jeep compass y patriot limited 2007-2009
Manuales de reparaciones jeep compass y patriot limited 2007-2009
Manuales de reparaciones jeep compass y patriot limited 2007-2009
Manuales de reparaciones jeep compass y patriot limited 2007-2009
Manuales de reparaciones jeep compass y patriot limited 2007-2009
Manuales de reparaciones jeep compass y patriot limited 2007-2009
Manuales de reparaciones jeep compass y patriot limited 2007-2009
Manuales de reparaciones jeep compass y patriot limited 2007-2009
Manuales de reparaciones jeep compass y patriot limited 2007-2009
Manuales de reparaciones jeep compass y patriot limited 2007-2009
Manuales de reparaciones jeep compass y patriot limited 2007-2009
Manuales de reparaciones jeep compass y patriot limited 2007-2009
Manuales de reparaciones jeep compass y patriot limited 2007-2009
Manuales de reparaciones jeep compass y patriot limited 2007-2009
Manuales de reparaciones jeep compass y patriot limited 2007-2009
Manuales de reparaciones jeep compass y patriot limited 2007-2009
Manuales de reparaciones jeep compass y patriot limited 2007-2009
Manuales de reparaciones jeep compass y patriot limited 2007-2009
Manuales de reparaciones jeep compass y patriot limited 2007-2009
Manuales de reparaciones jeep compass y patriot limited 2007-2009
Manuales de reparaciones jeep compass y patriot limited 2007-2009
Manuales de reparaciones jeep compass y patriot limited 2007-2009
Manuales de reparaciones jeep compass y patriot limited 2007-2009
Manuales de reparaciones jeep compass y patriot limited 2007-2009
Manuales de reparaciones jeep compass y patriot limited 2007-2009
Manuales de reparaciones jeep compass y patriot limited 2007-2009
Manuales de reparaciones jeep compass y patriot limited 2007-2009
Manuales de reparaciones jeep compass y patriot limited 2007-2009
Manuales de reparaciones jeep compass y patriot limited 2007-2009
Manuales de reparaciones jeep compass y patriot limited 2007-2009
Manuales de reparaciones jeep compass y patriot limited 2007-2009
Manuales de reparaciones jeep compass y patriot limited 2007-2009
Manuales de reparaciones jeep compass y patriot limited 2007-2009
Manuales de reparaciones jeep compass y patriot limited 2007-2009
Manuales de reparaciones jeep compass y patriot limited 2007-2009
Manuales de reparaciones jeep compass y patriot limited 2007-2009
Manuales de reparaciones jeep compass y patriot limited 2007-2009
Manuales de reparaciones jeep compass y patriot limited 2007-2009
Manuales de reparaciones jeep compass y patriot limited 2007-2009
Manuales de reparaciones jeep compass y patriot limited 2007-2009
Manuales de reparaciones jeep compass y patriot limited 2007-2009
Manuales de reparaciones jeep compass y patriot limited 2007-2009
Manuales de reparaciones jeep compass y patriot limited 2007-2009
Manuales de reparaciones jeep compass y patriot limited 2007-2009
Manuales de reparaciones jeep compass y patriot limited 2007-2009
Manuales de reparaciones jeep compass y patriot limited 2007-2009
Manuales de reparaciones jeep compass y patriot limited 2007-2009
Manuales de reparaciones jeep compass y patriot limited 2007-2009
Manuales de reparaciones jeep compass y patriot limited 2007-2009
Manuales de reparaciones jeep compass y patriot limited 2007-2009
Manuales de reparaciones jeep compass y patriot limited 2007-2009
Manuales de reparaciones jeep compass y patriot limited 2007-2009
Manuales de reparaciones jeep compass y patriot limited 2007-2009
Manuales de reparaciones jeep compass y patriot limited 2007-2009
Manuales de reparaciones jeep compass y patriot limited 2007-2009
Manuales de reparaciones jeep compass y patriot limited 2007-2009
Manuales de reparaciones jeep compass y patriot limited 2007-2009
Manuales de reparaciones jeep compass y patriot limited 2007-2009
Manuales de reparaciones jeep compass y patriot limited 2007-2009
Manuales de reparaciones jeep compass y patriot limited 2007-2009
Manuales de reparaciones jeep compass y patriot limited 2007-2009
Manuales de reparaciones jeep compass y patriot limited 2007-2009
Manuales de reparaciones jeep compass y patriot limited 2007-2009
Manuales de reparaciones jeep compass y patriot limited 2007-2009
Manuales de reparaciones jeep compass y patriot limited 2007-2009
Manuales de reparaciones jeep compass y patriot limited 2007-2009
Manuales de reparaciones jeep compass y patriot limited 2007-2009
Manuales de reparaciones jeep compass y patriot limited 2007-2009
Manuales de reparaciones jeep compass y patriot limited 2007-2009
Manuales de reparaciones jeep compass y patriot limited 2007-2009
Manuales de reparaciones jeep compass y patriot limited 2007-2009
Manuales de reparaciones jeep compass y patriot limited 2007-2009
Manuales de reparaciones jeep compass y patriot limited 2007-2009
Manuales de reparaciones jeep compass y patriot limited 2007-2009
Manuales de reparaciones jeep compass y patriot limited 2007-2009
Manuales de reparaciones jeep compass y patriot limited 2007-2009
Manuales de reparaciones jeep compass y patriot limited 2007-2009
Manuales de reparaciones jeep compass y patriot limited 2007-2009
Manuales de reparaciones jeep compass y patriot limited 2007-2009
Manuales de reparaciones jeep compass y patriot limited 2007-2009
Manuales de reparaciones jeep compass y patriot limited 2007-2009
Manuales de reparaciones jeep compass y patriot limited 2007-2009
Manuales de reparaciones jeep compass y patriot limited 2007-2009
Manuales de reparaciones jeep compass y patriot limited 2007-2009
Manuales de reparaciones jeep compass y patriot limited 2007-2009
Manuales de reparaciones jeep compass y patriot limited 2007-2009
Manuales de reparaciones jeep compass y patriot limited 2007-2009
Manuales de reparaciones jeep compass y patriot limited 2007-2009
Manuales de reparaciones jeep compass y patriot limited 2007-2009
Manuales de reparaciones jeep compass y patriot limited 2007-2009
Manuales de reparaciones jeep compass y patriot limited 2007-2009
Manuales de reparaciones jeep compass y patriot limited 2007-2009
Manuales de reparaciones jeep compass y patriot limited 2007-2009
Manuales de reparaciones jeep compass y patriot limited 2007-2009
Manuales de reparaciones jeep compass y patriot limited 2007-2009
Manuales de reparaciones jeep compass y patriot limited 2007-2009
Manuales de reparaciones jeep compass y patriot limited 2007-2009
Manuales de reparaciones jeep compass y patriot limited 2007-2009
Manuales de reparaciones jeep compass y patriot limited 2007-2009
Manuales de reparaciones jeep compass y patriot limited 2007-2009
Manuales de reparaciones jeep compass y patriot limited 2007-2009
Manuales de reparaciones jeep compass y patriot limited 2007-2009
Manuales de reparaciones jeep compass y patriot limited 2007-2009
Manuales de reparaciones jeep compass y patriot limited 2007-2009
Manuales de reparaciones jeep compass y patriot limited 2007-2009
Manuales de reparaciones jeep compass y patriot limited 2007-2009
Manuales de reparaciones jeep compass y patriot limited 2007-2009
Manuales de reparaciones jeep compass y patriot limited 2007-2009
Manuales de reparaciones jeep compass y patriot limited 2007-2009
Manuales de reparaciones jeep compass y patriot limited 2007-2009
Manuales de reparaciones jeep compass y patriot limited 2007-2009
Manuales de reparaciones jeep compass y patriot limited 2007-2009
Manuales de reparaciones jeep compass y patriot limited 2007-2009
Manuales de reparaciones jeep compass y patriot limited 2007-2009
Manuales de reparaciones jeep compass y patriot limited 2007-2009
Manuales de reparaciones jeep compass y patriot limited 2007-2009
Manuales de reparaciones jeep compass y patriot limited 2007-2009
Manuales de reparaciones jeep compass y patriot limited 2007-2009
Manuales de reparaciones jeep compass y patriot limited 2007-2009
Manuales de reparaciones jeep compass y patriot limited 2007-2009
Manuales de reparaciones jeep compass y patriot limited 2007-2009
Manuales de reparaciones jeep compass y patriot limited 2007-2009
Manuales de reparaciones jeep compass y patriot limited 2007-2009
Manuales de reparaciones jeep compass y patriot limited 2007-2009
Manuales de reparaciones jeep compass y patriot limited 2007-2009
Manuales de reparaciones jeep compass y patriot limited 2007-2009
Manuales de reparaciones jeep compass y patriot limited 2007-2009
Manuales de reparaciones jeep compass y patriot limited 2007-2009
Manuales de reparaciones jeep compass y patriot limited 2007-2009
Manuales de reparaciones jeep compass y patriot limited 2007-2009
Manuales de reparaciones jeep compass y patriot limited 2007-2009
Manuales de reparaciones jeep compass y patriot limited 2007-2009
Manuales de reparaciones jeep compass y patriot limited 2007-2009
Manuales de reparaciones jeep compass y patriot limited 2007-2009
Manuales de reparaciones jeep compass y patriot limited 2007-2009
Manuales de reparaciones jeep compass y patriot limited 2007-2009
Manuales de reparaciones jeep compass y patriot limited 2007-2009
Manuales de reparaciones jeep compass y patriot limited 2007-2009
Manuales de reparaciones jeep compass y patriot limited 2007-2009
Manuales de reparaciones jeep compass y patriot limited 2007-2009
Manuales de reparaciones jeep compass y patriot limited 2007-2009
Manuales de reparaciones jeep compass y patriot limited 2007-2009
Manuales de reparaciones jeep compass y patriot limited 2007-2009
Manuales de reparaciones jeep compass y patriot limited 2007-2009
Manuales de reparaciones jeep compass y patriot limited 2007-2009
Manuales de reparaciones jeep compass y patriot limited 2007-2009
Manuales de reparaciones jeep compass y patriot limited 2007-2009
Manuales de reparaciones jeep compass y patriot limited 2007-2009
Manuales de reparaciones jeep compass y patriot limited 2007-2009
Manuales de reparaciones jeep compass y patriot limited 2007-2009
Manuales de reparaciones jeep compass y patriot limited 2007-2009
Manuales de reparaciones jeep compass y patriot limited 2007-2009
Manuales de reparaciones jeep compass y patriot limited 2007-2009
Manuales de reparaciones jeep compass y patriot limited 2007-2009
Manuales de reparaciones jeep compass y patriot limited 2007-2009
Manuales de reparaciones jeep compass y patriot limited 2007-2009
Manuales de reparaciones jeep compass y patriot limited 2007-2009
Manuales de reparaciones jeep compass y patriot limited 2007-2009
Manuales de reparaciones jeep compass y patriot limited 2007-2009
Manuales de reparaciones jeep compass y patriot limited 2007-2009
Manuales de reparaciones jeep compass y patriot limited 2007-2009
Manuales de reparaciones jeep compass y patriot limited 2007-2009
Manuales de reparaciones jeep compass y patriot limited 2007-2009
Manuales de reparaciones jeep compass y patriot limited 2007-2009
Manuales de reparaciones jeep compass y patriot limited 2007-2009
Manuales de reparaciones jeep compass y patriot limited 2007-2009
Manuales de reparaciones jeep compass y patriot limited 2007-2009
Manuales de reparaciones jeep compass y patriot limited 2007-2009
Manuales de reparaciones jeep compass y patriot limited 2007-2009
Manuales de reparaciones jeep compass y patriot limited 2007-2009
Manuales de reparaciones jeep compass y patriot limited 2007-2009
Manuales de reparaciones jeep compass y patriot limited 2007-2009
Manuales de reparaciones jeep compass y patriot limited 2007-2009
Manuales de reparaciones jeep compass y patriot limited 2007-2009
Manuales de reparaciones jeep compass y patriot limited 2007-2009
Manuales de reparaciones jeep compass y patriot limited 2007-2009
Manuales de reparaciones jeep compass y patriot limited 2007-2009
Manuales de reparaciones jeep compass y patriot limited 2007-2009
Manuales de reparaciones jeep compass y patriot limited 2007-2009
Manuales de reparaciones jeep compass y patriot limited 2007-2009
Manuales de reparaciones jeep compass y patriot limited 2007-2009
Manuales de reparaciones jeep compass y patriot limited 2007-2009
Manuales de reparaciones jeep compass y patriot limited 2007-2009
Manuales de reparaciones jeep compass y patriot limited 2007-2009
Manuales de reparaciones jeep compass y patriot limited 2007-2009
Manuales de reparaciones jeep compass y patriot limited 2007-2009
Manuales de reparaciones jeep compass y patriot limited 2007-2009
Manuales de reparaciones jeep compass y patriot limited 2007-2009
Manuales de reparaciones jeep compass y patriot limited 2007-2009
Manuales de reparaciones jeep compass y patriot limited 2007-2009
Manuales de reparaciones jeep compass y patriot limited 2007-2009
Manuales de reparaciones jeep compass y patriot limited 2007-2009
Manuales de reparaciones jeep compass y patriot limited 2007-2009
Manuales de reparaciones jeep compass y patriot limited 2007-2009
Manuales de reparaciones jeep compass y patriot limited 2007-2009
Manuales de reparaciones jeep compass y patriot limited 2007-2009
Manuales de reparaciones jeep compass y patriot limited 2007-2009
Manuales de reparaciones jeep compass y patriot limited 2007-2009
Manuales de reparaciones jeep compass y patriot limited 2007-2009
Manuales de reparaciones jeep compass y patriot limited 2007-2009
Manuales de reparaciones jeep compass y patriot limited 2007-2009
Manuales de reparaciones jeep compass y patriot limited 2007-2009
Manuales de reparaciones jeep compass y patriot limited 2007-2009
Manuales de reparaciones jeep compass y patriot limited 2007-2009
Manuales de reparaciones jeep compass y patriot limited 2007-2009
Manuales de reparaciones jeep compass y patriot limited 2007-2009
Manuales de reparaciones jeep compass y patriot limited 2007-2009
Manuales de reparaciones jeep compass y patriot limited 2007-2009
Manuales de reparaciones jeep compass y patriot limited 2007-2009
Manuales de reparaciones jeep compass y patriot limited 2007-2009
Manuales de reparaciones jeep compass y patriot limited 2007-2009
Manuales de reparaciones jeep compass y patriot limited 2007-2009
Manuales de reparaciones jeep compass y patriot limited 2007-2009
Manuales de reparaciones jeep compass y patriot limited 2007-2009
Manuales de reparaciones jeep compass y patriot limited 2007-2009
Manuales de reparaciones jeep compass y patriot limited 2007-2009
Manuales de reparaciones jeep compass y patriot limited 2007-2009
Manuales de reparaciones jeep compass y patriot limited 2007-2009
Manuales de reparaciones jeep compass y patriot limited 2007-2009
Manuales de reparaciones jeep compass y patriot limited 2007-2009
Manuales de reparaciones jeep compass y patriot limited 2007-2009
Manuales de reparaciones jeep compass y patriot limited 2007-2009
Manuales de reparaciones jeep compass y patriot limited 2007-2009
Manuales de reparaciones jeep compass y patriot limited 2007-2009
Manuales de reparaciones jeep compass y patriot limited 2007-2009
Manuales de reparaciones jeep compass y patriot limited 2007-2009
Manuales de reparaciones jeep compass y patriot limited 2007-2009
Manuales de reparaciones jeep compass y patriot limited 2007-2009
Manuales de reparaciones jeep compass y patriot limited 2007-2009
Manuales de reparaciones jeep compass y patriot limited 2007-2009
Manuales de reparaciones jeep compass y patriot limited 2007-2009
Manuales de reparaciones jeep compass y patriot limited 2007-2009
Manuales de reparaciones jeep compass y patriot limited 2007-2009
Manuales de reparaciones jeep compass y patriot limited 2007-2009
Manuales de reparaciones jeep compass y patriot limited 2007-2009
Manuales de reparaciones jeep compass y patriot limited 2007-2009
Manuales de reparaciones jeep compass y patriot limited 2007-2009
Manuales de reparaciones jeep compass y patriot limited 2007-2009
Manuales de reparaciones jeep compass y patriot limited 2007-2009
Manuales de reparaciones jeep compass y patriot limited 2007-2009
Manuales de reparaciones jeep compass y patriot limited 2007-2009
Manuales de reparaciones jeep compass y patriot limited 2007-2009
Manuales de reparaciones jeep compass y patriot limited 2007-2009
Manuales de reparaciones jeep compass y patriot limited 2007-2009
Manuales de reparaciones jeep compass y patriot limited 2007-2009
Manuales de reparaciones jeep compass y patriot limited 2007-2009
Manuales de reparaciones jeep compass y patriot limited 2007-2009
Manuales de reparaciones jeep compass y patriot limited 2007-2009
Manuales de reparaciones jeep compass y patriot limited 2007-2009
Manuales de reparaciones jeep compass y patriot limited 2007-2009
Manuales de reparaciones jeep compass y patriot limited 2007-2009
Manuales de reparaciones jeep compass y patriot limited 2007-2009
Manuales de reparaciones jeep compass y patriot limited 2007-2009
Manuales de reparaciones jeep compass y patriot limited 2007-2009
Manuales de reparaciones jeep compass y patriot limited 2007-2009
Manuales de reparaciones jeep compass y patriot limited 2007-2009
Manuales de reparaciones jeep compass y patriot limited 2007-2009
Manuales de reparaciones jeep compass y patriot limited 2007-2009
Manuales de reparaciones jeep compass y patriot limited 2007-2009
Manuales de reparaciones jeep compass y patriot limited 2007-2009
Manuales de reparaciones jeep compass y patriot limited 2007-2009
Manuales de reparaciones jeep compass y patriot limited 2007-2009
Manuales de reparaciones jeep compass y patriot limited 2007-2009
Manuales de reparaciones jeep compass y patriot limited 2007-2009
Manuales de reparaciones jeep compass y patriot limited 2007-2009
Manuales de reparaciones jeep compass y patriot limited 2007-2009
Manuales de reparaciones jeep compass y patriot limited 2007-2009
Manuales de reparaciones jeep compass y patriot limited 2007-2009
Manuales de reparaciones jeep compass y patriot limited 2007-2009
Manuales de reparaciones jeep compass y patriot limited 2007-2009
Manuales de reparaciones jeep compass y patriot limited 2007-2009
Manuales de reparaciones jeep compass y patriot limited 2007-2009
Manuales de reparaciones jeep compass y patriot limited 2007-2009
Manuales de reparaciones jeep compass y patriot limited 2007-2009
Manuales de reparaciones jeep compass y patriot limited 2007-2009
Manuales de reparaciones jeep compass y patriot limited 2007-2009
Manuales de reparaciones jeep compass y patriot limited 2007-2009
Manuales de reparaciones jeep compass y patriot limited 2007-2009
Manuales de reparaciones jeep compass y patriot limited 2007-2009
Manuales de reparaciones jeep compass y patriot limited 2007-2009
Manuales de reparaciones jeep compass y patriot limited 2007-2009
Manuales de reparaciones jeep compass y patriot limited 2007-2009
Manuales de reparaciones jeep compass y patriot limited 2007-2009
Manuales de reparaciones jeep compass y patriot limited 2007-2009
Manuales de reparaciones jeep compass y patriot limited 2007-2009
Manuales de reparaciones jeep compass y patriot limited 2007-2009
Manuales de reparaciones jeep compass y patriot limited 2007-2009
Manuales de reparaciones jeep compass y patriot limited 2007-2009
Manuales de reparaciones jeep compass y patriot limited 2007-2009
Manuales de reparaciones jeep compass y patriot limited 2007-2009
Manuales de reparaciones jeep compass y patriot limited 2007-2009
Manuales de reparaciones jeep compass y patriot limited 2007-2009
Manuales de reparaciones jeep compass y patriot limited 2007-2009
Manuales de reparaciones jeep compass y patriot limited 2007-2009
Manuales de reparaciones jeep compass y patriot limited 2007-2009
Manuales de reparaciones jeep compass y patriot limited 2007-2009
Manuales de reparaciones jeep compass y patriot limited 2007-2009
Manuales de reparaciones jeep compass y patriot limited 2007-2009
Manuales de reparaciones jeep compass y patriot limited 2007-2009
Manuales de reparaciones jeep compass y patriot limited 2007-2009
Manuales de reparaciones jeep compass y patriot limited 2007-2009
Manuales de reparaciones jeep compass y patriot limited 2007-2009
Manuales de reparaciones jeep compass y patriot limited 2007-2009
Manuales de reparaciones jeep compass y patriot limited 2007-2009
Manuales de reparaciones jeep compass y patriot limited 2007-2009
Manuales de reparaciones jeep compass y patriot limited 2007-2009
Manuales de reparaciones jeep compass y patriot limited 2007-2009
Manuales de reparaciones jeep compass y patriot limited 2007-2009
Manuales de reparaciones jeep compass y patriot limited 2007-2009
Manuales de reparaciones jeep compass y patriot limited 2007-2009
Manuales de reparaciones jeep compass y patriot limited 2007-2009
Manuales de reparaciones jeep compass y patriot limited 2007-2009
Manuales de reparaciones jeep compass y patriot limited 2007-2009
Manuales de reparaciones jeep compass y patriot limited 2007-2009
Manuales de reparaciones jeep compass y patriot limited 2007-2009
Manuales de reparaciones jeep compass y patriot limited 2007-2009
Manuales de reparaciones jeep compass y patriot limited 2007-2009
Manuales de reparaciones jeep compass y patriot limited 2007-2009
Manuales de reparaciones jeep compass y patriot limited 2007-2009
Manuales de reparaciones jeep compass y patriot limited 2007-2009
Manuales de reparaciones jeep compass y patriot limited 2007-2009
Manuales de reparaciones jeep compass y patriot limited 2007-2009
Manuales de reparaciones jeep compass y patriot limited 2007-2009
Manuales de reparaciones jeep compass y patriot limited 2007-2009
Manuales de reparaciones jeep compass y patriot limited 2007-2009
Manuales de reparaciones jeep compass y patriot limited 2007-2009
Manuales de reparaciones jeep compass y patriot limited 2007-2009
Manuales de reparaciones jeep compass y patriot limited 2007-2009
Manuales de reparaciones jeep compass y patriot limited 2007-2009
Manuales de reparaciones jeep compass y patriot limited 2007-2009
Manuales de reparaciones jeep compass y patriot limited 2007-2009
Manuales de reparaciones jeep compass y patriot limited 2007-2009
Manuales de reparaciones jeep compass y patriot limited 2007-2009
Manuales de reparaciones jeep compass y patriot limited 2007-2009
Manuales de reparaciones jeep compass y patriot limited 2007-2009
Manuales de reparaciones jeep compass y patriot limited 2007-2009
Manuales de reparaciones jeep compass y patriot limited 2007-2009
Manuales de reparaciones jeep compass y patriot limited 2007-2009
Manuales de reparaciones jeep compass y patriot limited 2007-2009
Manuales de reparaciones jeep compass y patriot limited 2007-2009
Manuales de reparaciones jeep compass y patriot limited 2007-2009
Manuales de reparaciones jeep compass y patriot limited 2007-2009
Manuales de reparaciones jeep compass y patriot limited 2007-2009
Manuales de reparaciones jeep compass y patriot limited 2007-2009
Manuales de reparaciones jeep compass y patriot limited 2007-2009
Manuales de reparaciones jeep compass y patriot limited 2007-2009
Manuales de reparaciones jeep compass y patriot limited 2007-2009
Manuales de reparaciones jeep compass y patriot limited 2007-2009
Manuales de reparaciones jeep compass y patriot limited 2007-2009
Manuales de reparaciones jeep compass y patriot limited 2007-2009
Manuales de reparaciones jeep compass y patriot limited 2007-2009
Manuales de reparaciones jeep compass y patriot limited 2007-2009
Manuales de reparaciones jeep compass y patriot limited 2007-2009
Manuales de reparaciones jeep compass y patriot limited 2007-2009
Manuales de reparaciones jeep compass y patriot limited 2007-2009
Manuales de reparaciones jeep compass y patriot limited 2007-2009
Manuales de reparaciones jeep compass y patriot limited 2007-2009
Manuales de reparaciones jeep compass y patriot limited 2007-2009
Manuales de reparaciones jeep compass y patriot limited 2007-2009
Manuales de reparaciones jeep compass y patriot limited 2007-2009
Manuales de reparaciones jeep compass y patriot limited 2007-2009
Manuales de reparaciones jeep compass y patriot limited 2007-2009
Manuales de reparaciones jeep compass y patriot limited 2007-2009
Manuales de reparaciones jeep compass y patriot limited 2007-2009
Manuales de reparaciones jeep compass y patriot limited 2007-2009
Manuales de reparaciones jeep compass y patriot limited 2007-2009
Manuales de reparaciones jeep compass y patriot limited 2007-2009
Manuales de reparaciones jeep compass y patriot limited 2007-2009
Manuales de reparaciones jeep compass y patriot limited 2007-2009
Manuales de reparaciones jeep compass y patriot limited 2007-2009
Manuales de reparaciones jeep compass y patriot limited 2007-2009
Manuales de reparaciones jeep compass y patriot limited 2007-2009
Manuales de reparaciones jeep compass y patriot limited 2007-2009
Manuales de reparaciones jeep compass y patriot limited 2007-2009
Manuales de reparaciones jeep compass y patriot limited 2007-2009
Manuales de reparaciones jeep compass y patriot limited 2007-2009
Manuales de reparaciones jeep compass y patriot limited 2007-2009
Manuales de reparaciones jeep compass y patriot limited 2007-2009
Manuales de reparaciones jeep compass y patriot limited 2007-2009
Manuales de reparaciones jeep compass y patriot limited 2007-2009
Manuales de reparaciones jeep compass y patriot limited 2007-2009
Manuales de reparaciones jeep compass y patriot limited 2007-2009
Manuales de reparaciones jeep compass y patriot limited 2007-2009
Manuales de reparaciones jeep compass y patriot limited 2007-2009
Manuales de reparaciones jeep compass y patriot limited 2007-2009
Manuales de reparaciones jeep compass y patriot limited 2007-2009
Manuales de reparaciones jeep compass y patriot limited 2007-2009
Manuales de reparaciones jeep compass y patriot limited 2007-2009
Manuales de reparaciones jeep compass y patriot limited 2007-2009
Manuales de reparaciones jeep compass y patriot limited 2007-2009
Manuales de reparaciones jeep compass y patriot limited 2007-2009
Manuales de reparaciones jeep compass y patriot limited 2007-2009
Manuales de reparaciones jeep compass y patriot limited 2007-2009
Manuales de reparaciones jeep compass y patriot limited 2007-2009
Manuales de reparaciones jeep compass y patriot limited 2007-2009
Manuales de reparaciones jeep compass y patriot limited 2007-2009
Manuales de reparaciones jeep compass y patriot limited 2007-2009
Manuales de reparaciones jeep compass y patriot limited 2007-2009
Manuales de reparaciones jeep compass y patriot limited 2007-2009
Manuales de reparaciones jeep compass y patriot limited 2007-2009
Manuales de reparaciones jeep compass y patriot limited 2007-2009
Manuales de reparaciones jeep compass y patriot limited 2007-2009
Manuales de reparaciones jeep compass y patriot limited 2007-2009
Manuales de reparaciones jeep compass y patriot limited 2007-2009
Manuales de reparaciones jeep compass y patriot limited 2007-2009
Manuales de reparaciones jeep compass y patriot limited 2007-2009
Manuales de reparaciones jeep compass y patriot limited 2007-2009
Manuales de reparaciones jeep compass y patriot limited 2007-2009
Manuales de reparaciones jeep compass y patriot limited 2007-2009
Manuales de reparaciones jeep compass y patriot limited 2007-2009
Manuales de reparaciones jeep compass y patriot limited 2007-2009
Manuales de reparaciones jeep compass y patriot limited 2007-2009
Manuales de reparaciones jeep compass y patriot limited 2007-2009
Manuales de reparaciones jeep compass y patriot limited 2007-2009
Manuales de reparaciones jeep compass y patriot limited 2007-2009
Manuales de reparaciones jeep compass y patriot limited 2007-2009
Manuales de reparaciones jeep compass y patriot limited 2007-2009
Manuales de reparaciones jeep compass y patriot limited 2007-2009
Manuales de reparaciones jeep compass y patriot limited 2007-2009
Manuales de reparaciones jeep compass y patriot limited 2007-2009
Manuales de reparaciones jeep compass y patriot limited 2007-2009
Manuales de reparaciones jeep compass y patriot limited 2007-2009
Manuales de reparaciones jeep compass y patriot limited 2007-2009
Manuales de reparaciones jeep compass y patriot limited 2007-2009
Manuales de reparaciones jeep compass y patriot limited 2007-2009
Manuales de reparaciones jeep compass y patriot limited 2007-2009
Manuales de reparaciones jeep compass y patriot limited 2007-2009
Manuales de reparaciones jeep compass y patriot limited 2007-2009
Manuales de reparaciones jeep compass y patriot limited 2007-2009
Manuales de reparaciones jeep compass y patriot limited 2007-2009
Manuales de reparaciones jeep compass y patriot limited 2007-2009
Manuales de reparaciones jeep compass y patriot limited 2007-2009
Manuales de reparaciones jeep compass y patriot limited 2007-2009
Manuales de reparaciones jeep compass y patriot limited 2007-2009
Manuales de reparaciones jeep compass y patriot limited 2007-2009
Manuales de reparaciones jeep compass y patriot limited 2007-2009
Manuales de reparaciones jeep compass y patriot limited 2007-2009
Manuales de reparaciones jeep compass y patriot limited 2007-2009
Manuales de reparaciones jeep compass y patriot limited 2007-2009
Manuales de reparaciones jeep compass y patriot limited 2007-2009
Manuales de reparaciones jeep compass y patriot limited 2007-2009
Manuales de reparaciones jeep compass y patriot limited 2007-2009
Manuales de reparaciones jeep compass y patriot limited 2007-2009
Manuales de reparaciones jeep compass y patriot limited 2007-2009
Manuales de reparaciones jeep compass y patriot limited 2007-2009
Manuales de reparaciones jeep compass y patriot limited 2007-2009
Manuales de reparaciones jeep compass y patriot limited 2007-2009
Manuales de reparaciones jeep compass y patriot limited 2007-2009
Manuales de reparaciones jeep compass y patriot limited 2007-2009
Manuales de reparaciones jeep compass y patriot limited 2007-2009
Manuales de reparaciones jeep compass y patriot limited 2007-2009
Manuales de reparaciones jeep compass y patriot limited 2007-2009
Manuales de reparaciones jeep compass y patriot limited 2007-2009
Manuales de reparaciones jeep compass y patriot limited 2007-2009
Manuales de reparaciones jeep compass y patriot limited 2007-2009
Manuales de reparaciones jeep compass y patriot limited 2007-2009
Manuales de reparaciones jeep compass y patriot limited 2007-2009
Manuales de reparaciones jeep compass y patriot limited 2007-2009
Manuales de reparaciones jeep compass y patriot limited 2007-2009
Manuales de reparaciones jeep compass y patriot limited 2007-2009
Manuales de reparaciones jeep compass y patriot limited 2007-2009
Manuales de reparaciones jeep compass y patriot limited 2007-2009
Manuales de reparaciones jeep compass y patriot limited 2007-2009
Manuales de reparaciones jeep compass y patriot limited 2007-2009
Manuales de reparaciones jeep compass y patriot limited 2007-2009
Manuales de reparaciones jeep compass y patriot limited 2007-2009
Manuales de reparaciones jeep compass y patriot limited 2007-2009
Manuales de reparaciones jeep compass y patriot limited 2007-2009
Manuales de reparaciones jeep compass y patriot limited 2007-2009
Manuales de reparaciones jeep compass y patriot limited 2007-2009
Manuales de reparaciones jeep compass y patriot limited 2007-2009
Manuales de reparaciones jeep compass y patriot limited 2007-2009
Manuales de reparaciones jeep compass y patriot limited 2007-2009
Manuales de reparaciones jeep compass y patriot limited 2007-2009
Manuales de reparaciones jeep compass y patriot limited 2007-2009
Manuales de reparaciones jeep compass y patriot limited 2007-2009
Manuales de reparaciones jeep compass y patriot limited 2007-2009
Manuales de reparaciones jeep compass y patriot limited 2007-2009
Manuales de reparaciones jeep compass y patriot limited 2007-2009
Manuales de reparaciones jeep compass y patriot limited 2007-2009
Manuales de reparaciones jeep compass y patriot limited 2007-2009
Manuales de reparaciones jeep compass y patriot limited 2007-2009
Manuales de reparaciones jeep compass y patriot limited 2007-2009
Manuales de reparaciones jeep compass y patriot limited 2007-2009
Manuales de reparaciones jeep compass y patriot limited 2007-2009
Manuales de reparaciones jeep compass y patriot limited 2007-2009
Manuales de reparaciones jeep compass y patriot limited 2007-2009
Manuales de reparaciones jeep compass y patriot limited 2007-2009
Manuales de reparaciones jeep compass y patriot limited 2007-2009
Manuales de reparaciones jeep compass y patriot limited 2007-2009
Manuales de reparaciones jeep compass y patriot limited 2007-2009
Manuales de reparaciones jeep compass y patriot limited 2007-2009
Manuales de reparaciones jeep compass y patriot limited 2007-2009
Manuales de reparaciones jeep compass y patriot limited 2007-2009
Manuales de reparaciones jeep compass y patriot limited 2007-2009
Manuales de reparaciones jeep compass y patriot limited 2007-2009
Manuales de reparaciones jeep compass y patriot limited 2007-2009
Manuales de reparaciones jeep compass y patriot limited 2007-2009
Manuales de reparaciones jeep compass y patriot limited 2007-2009
Manuales de reparaciones jeep compass y patriot limited 2007-2009
Manuales de reparaciones jeep compass y patriot limited 2007-2009
Manuales de reparaciones jeep compass y patriot limited 2007-2009
Manuales de reparaciones jeep compass y patriot limited 2007-2009
Manuales de reparaciones jeep compass y patriot limited 2007-2009
Manuales de reparaciones jeep compass y patriot limited 2007-2009
Manuales de reparaciones jeep compass y patriot limited 2007-2009
Manuales de reparaciones jeep compass y patriot limited 2007-2009
Manuales de reparaciones jeep compass y patriot limited 2007-2009
Manuales de reparaciones jeep compass y patriot limited 2007-2009
Manuales de reparaciones jeep compass y patriot limited 2007-2009
Manuales de reparaciones jeep compass y patriot limited 2007-2009
Manuales de reparaciones jeep compass y patriot limited 2007-2009
Manuales de reparaciones jeep compass y patriot limited 2007-2009
Manuales de reparaciones jeep compass y patriot limited 2007-2009
Manuales de reparaciones jeep compass y patriot limited 2007-2009
Manuales de reparaciones jeep compass y patriot limited 2007-2009
Manuales de reparaciones jeep compass y patriot limited 2007-2009
Manuales de reparaciones jeep compass y patriot limited 2007-2009
Manuales de reparaciones jeep compass y patriot limited 2007-2009
Manuales de reparaciones jeep compass y patriot limited 2007-2009
Manuales de reparaciones jeep compass y patriot limited 2007-2009
Manuales de reparaciones jeep compass y patriot limited 2007-2009
Manuales de reparaciones jeep compass y patriot limited 2007-2009
Manuales de reparaciones jeep compass y patriot limited 2007-2009
Manuales de reparaciones jeep compass y patriot limited 2007-2009
Manuales de reparaciones jeep compass y patriot limited 2007-2009
Manuales de reparaciones jeep compass y patriot limited 2007-2009
Manuales de reparaciones jeep compass y patriot limited 2007-2009
Manuales de reparaciones jeep compass y patriot limited 2007-2009
Manuales de reparaciones jeep compass y patriot limited 2007-2009
Manuales de reparaciones jeep compass y patriot limited 2007-2009
Manuales de reparaciones jeep compass y patriot limited 2007-2009
Manuales de reparaciones jeep compass y patriot limited 2007-2009
Manuales de reparaciones jeep compass y patriot limited 2007-2009
Manuales de reparaciones jeep compass y patriot limited 2007-2009
Manuales de reparaciones jeep compass y patriot limited 2007-2009
Manuales de reparaciones jeep compass y patriot limited 2007-2009
Manuales de reparaciones jeep compass y patriot limited 2007-2009
Manuales de reparaciones jeep compass y patriot limited 2007-2009
Manuales de reparaciones jeep compass y patriot limited 2007-2009
Manuales de reparaciones jeep compass y patriot limited 2007-2009
Manuales de reparaciones jeep compass y patriot limited 2007-2009
Manuales de reparaciones jeep compass y patriot limited 2007-2009
Manuales de reparaciones jeep compass y patriot limited 2007-2009
Manuales de reparaciones jeep compass y patriot limited 2007-2009
Manuales de reparaciones jeep compass y patriot limited 2007-2009
Manuales de reparaciones jeep compass y patriot limited 2007-2009
Manuales de reparaciones jeep compass y patriot limited 2007-2009
Manuales de reparaciones jeep compass y patriot limited 2007-2009
Manuales de reparaciones jeep compass y patriot limited 2007-2009
Manuales de reparaciones jeep compass y patriot limited 2007-2009
Manuales de reparaciones jeep compass y patriot limited 2007-2009
Manuales de reparaciones jeep compass y patriot limited 2007-2009
Manuales de reparaciones jeep compass y patriot limited 2007-2009
Manuales de reparaciones jeep compass y patriot limited 2007-2009
Manuales de reparaciones jeep compass y patriot limited 2007-2009
Manuales de reparaciones jeep compass y patriot limited 2007-2009
Manuales de reparaciones jeep compass y patriot limited 2007-2009
Manuales de reparaciones jeep compass y patriot limited 2007-2009
Manuales de reparaciones jeep compass y patriot limited 2007-2009
Manuales de reparaciones jeep compass y patriot limited 2007-2009
Manuales de reparaciones jeep compass y patriot limited 2007-2009
Manuales de reparaciones jeep compass y patriot limited 2007-2009
Manuales de reparaciones jeep compass y patriot limited 2007-2009
Manuales de reparaciones jeep compass y patriot limited 2007-2009
Manuales de reparaciones jeep compass y patriot limited 2007-2009
Manuales de reparaciones jeep compass y patriot limited 2007-2009
Manuales de reparaciones jeep compass y patriot limited 2007-2009
Manuales de reparaciones jeep compass y patriot limited 2007-2009
Manuales de reparaciones jeep compass y patriot limited 2007-2009
Manuales de reparaciones jeep compass y patriot limited 2007-2009
Manuales de reparaciones jeep compass y patriot limited 2007-2009
Manuales de reparaciones jeep compass y patriot limited 2007-2009
Manuales de reparaciones jeep compass y patriot limited 2007-2009
Manuales de reparaciones jeep compass y patriot limited 2007-2009
Manuales de reparaciones jeep compass y patriot limited 2007-2009
Manuales de reparaciones jeep compass y patriot limited 2007-2009
Manuales de reparaciones jeep compass y patriot limited 2007-2009
Manuales de reparaciones jeep compass y patriot limited 2007-2009
Manuales de reparaciones jeep compass y patriot limited 2007-2009
Manuales de reparaciones jeep compass y patriot limited 2007-2009
Manuales de reparaciones jeep compass y patriot limited 2007-2009
Manuales de reparaciones jeep compass y patriot limited 2007-2009
Manuales de reparaciones jeep compass y patriot limited 2007-2009
Manuales de reparaciones jeep compass y patriot limited 2007-2009
Manuales de reparaciones jeep compass y patriot limited 2007-2009
Manuales de reparaciones jeep compass y patriot limited 2007-2009
Manuales de reparaciones jeep compass y patriot limited 2007-2009
Manuales de reparaciones jeep compass y patriot limited 2007-2009
Manuales de reparaciones jeep compass y patriot limited 2007-2009
Manuales de reparaciones jeep compass y patriot limited 2007-2009
Manuales de reparaciones jeep compass y patriot limited 2007-2009
Manuales de reparaciones jeep compass y patriot limited 2007-2009
Manuales de reparaciones jeep compass y patriot limited 2007-2009
Manuales de reparaciones jeep compass y patriot limited 2007-2009
Manuales de reparaciones jeep compass y patriot limited 2007-2009
Manuales de reparaciones jeep compass y patriot limited 2007-2009
Manuales de reparaciones jeep compass y patriot limited 2007-2009
Manuales de reparaciones jeep compass y patriot limited 2007-2009
Manuales de reparaciones jeep compass y patriot limited 2007-2009
Manuales de reparaciones jeep compass y patriot limited 2007-2009
Manuales de reparaciones jeep compass y patriot limited 2007-2009
Manuales de reparaciones jeep compass y patriot limited 2007-2009
Manuales de reparaciones jeep compass y patriot limited 2007-2009
Manuales de reparaciones jeep compass y patriot limited 2007-2009
Manuales de reparaciones jeep compass y patriot limited 2007-2009
Manuales de reparaciones jeep compass y patriot limited 2007-2009
Manuales de reparaciones jeep compass y patriot limited 2007-2009
Manuales de reparaciones jeep compass y patriot limited 2007-2009
Manuales de reparaciones jeep compass y patriot limited 2007-2009
Manuales de reparaciones jeep compass y patriot limited 2007-2009
Manuales de reparaciones jeep compass y patriot limited 2007-2009
Manuales de reparaciones jeep compass y patriot limited 2007-2009
Manuales de reparaciones jeep compass y patriot limited 2007-2009
Manuales de reparaciones jeep compass y patriot limited 2007-2009
Manuales de reparaciones jeep compass y patriot limited 2007-2009
Manuales de reparaciones jeep compass y patriot limited 2007-2009
Manuales de reparaciones jeep compass y patriot limited 2007-2009
Manuales de reparaciones jeep compass y patriot limited 2007-2009
Manuales de reparaciones jeep compass y patriot limited 2007-2009
Manuales de reparaciones jeep compass y patriot limited 2007-2009
Manuales de reparaciones jeep compass y patriot limited 2007-2009
Manuales de reparaciones jeep compass y patriot limited 2007-2009
Manuales de reparaciones jeep compass y patriot limited 2007-2009
Manuales de reparaciones jeep compass y patriot limited 2007-2009
Manuales de reparaciones jeep compass y patriot limited 2007-2009
Manuales de reparaciones jeep compass y patriot limited 2007-2009
Manuales de reparaciones jeep compass y patriot limited 2007-2009
Manuales de reparaciones jeep compass y patriot limited 2007-2009
Manuales de reparaciones jeep compass y patriot limited 2007-2009
Manuales de reparaciones jeep compass y patriot limited 2007-2009
Manuales de reparaciones jeep compass y patriot limited 2007-2009
Manuales de reparaciones jeep compass y patriot limited 2007-2009
Manuales de reparaciones jeep compass y patriot limited 2007-2009
Manuales de reparaciones jeep compass y patriot limited 2007-2009
Manuales de reparaciones jeep compass y patriot limited 2007-2009
Manuales de reparaciones jeep compass y patriot limited 2007-2009
Manuales de reparaciones jeep compass y patriot limited 2007-2009
Manuales de reparaciones jeep compass y patriot limited 2007-2009
Manuales de reparaciones jeep compass y patriot limited 2007-2009
Manuales de reparaciones jeep compass y patriot limited 2007-2009
Manuales de reparaciones jeep compass y patriot limited 2007-2009
Manuales de reparaciones jeep compass y patriot limited 2007-2009
Manuales de reparaciones jeep compass y patriot limited 2007-2009
Manuales de reparaciones jeep compass y patriot limited 2007-2009
Manuales de reparaciones jeep compass y patriot limited 2007-2009
Manuales de reparaciones jeep compass y patriot limited 2007-2009
Manuales de reparaciones jeep compass y patriot limited 2007-2009
Manuales de reparaciones jeep compass y patriot limited 2007-2009
Manuales de reparaciones jeep compass y patriot limited 2007-2009
Manuales de reparaciones jeep compass y patriot limited 2007-2009
Manuales de reparaciones jeep compass y patriot limited 2007-2009
Manuales de reparaciones jeep compass y patriot limited 2007-2009
Manuales de reparaciones jeep compass y patriot limited 2007-2009
Manuales de reparaciones jeep compass y patriot limited 2007-2009
Manuales de reparaciones jeep compass y patriot limited 2007-2009
Manuales de reparaciones jeep compass y patriot limited 2007-2009
Manuales de reparaciones jeep compass y patriot limited 2007-2009
Manuales de reparaciones jeep compass y patriot limited 2007-2009
Manuales de reparaciones jeep compass y patriot limited 2007-2009
Manuales de reparaciones jeep compass y patriot limited 2007-2009
Manuales de reparaciones jeep compass y patriot limited 2007-2009
Manuales de reparaciones jeep compass y patriot limited 2007-2009
Manuales de reparaciones jeep compass y patriot limited 2007-2009
Manuales de reparaciones jeep compass y patriot limited 2007-2009
Manuales de reparaciones jeep compass y patriot limited 2007-2009
Manuales de reparaciones jeep compass y patriot limited 2007-2009
Manuales de reparaciones jeep compass y patriot limited 2007-2009
Manuales de reparaciones jeep compass y patriot limited 2007-2009
Manuales de reparaciones jeep compass y patriot limited 2007-2009
Manuales de reparaciones jeep compass y patriot limited 2007-2009
Manuales de reparaciones jeep compass y patriot limited 2007-2009
Manuales de reparaciones jeep compass y patriot limited 2007-2009
Manuales de reparaciones jeep compass y patriot limited 2007-2009
Manuales de reparaciones jeep compass y patriot limited 2007-2009
Manuales de reparaciones jeep compass y patriot limited 2007-2009
Manuales de reparaciones jeep compass y patriot limited 2007-2009
Manuales de reparaciones jeep compass y patriot limited 2007-2009
Manuales de reparaciones jeep compass y patriot limited 2007-2009
Manuales de reparaciones jeep compass y patriot limited 2007-2009
Manuales de reparaciones jeep compass y patriot limited 2007-2009
Manuales de reparaciones jeep compass y patriot limited 2007-2009
Manuales de reparaciones jeep compass y patriot limited 2007-2009
Manuales de reparaciones jeep compass y patriot limited 2007-2009
Manuales de reparaciones jeep compass y patriot limited 2007-2009
Manuales de reparaciones jeep compass y patriot limited 2007-2009
Manuales de reparaciones jeep compass y patriot limited 2007-2009
Manuales de reparaciones jeep compass y patriot limited 2007-2009
Manuales de reparaciones jeep compass y patriot limited 2007-2009
Manuales de reparaciones jeep compass y patriot limited 2007-2009
Manuales de reparaciones jeep compass y patriot limited 2007-2009
Manuales de reparaciones jeep compass y patriot limited 2007-2009
Manuales de reparaciones jeep compass y patriot limited 2007-2009
Manuales de reparaciones jeep compass y patriot limited 2007-2009
Manuales de reparaciones jeep compass y patriot limited 2007-2009
Manuales de reparaciones jeep compass y patriot limited 2007-2009
Manuales de reparaciones jeep compass y patriot limited 2007-2009
Manuales de reparaciones jeep compass y patriot limited 2007-2009
Manuales de reparaciones jeep compass y patriot limited 2007-2009
Manuales de reparaciones jeep compass y patriot limited 2007-2009
Manuales de reparaciones jeep compass y patriot limited 2007-2009
Manuales de reparaciones jeep compass y patriot limited 2007-2009
Manuales de reparaciones jeep compass y patriot limited 2007-2009
Manuales de reparaciones jeep compass y patriot limited 2007-2009
Manuales de reparaciones jeep compass y patriot limited 2007-2009
Manuales de reparaciones jeep compass y patriot limited 2007-2009
Manuales de reparaciones jeep compass y patriot limited 2007-2009
Manuales de reparaciones jeep compass y patriot limited 2007-2009
Manuales de reparaciones jeep compass y patriot limited 2007-2009
Manuales de reparaciones jeep compass y patriot limited 2007-2009
Manuales de reparaciones jeep compass y patriot limited 2007-2009
Manuales de reparaciones jeep compass y patriot limited 2007-2009
Manuales de reparaciones jeep compass y patriot limited 2007-2009
Manuales de reparaciones jeep compass y patriot limited 2007-2009
Manuales de reparaciones jeep compass y patriot limited 2007-2009
Manuales de reparaciones jeep compass y patriot limited 2007-2009
Manuales de reparaciones jeep compass y patriot limited 2007-2009
Manuales de reparaciones jeep compass y patriot limited 2007-2009
Manuales de reparaciones jeep compass y patriot limited 2007-2009
Manuales de reparaciones jeep compass y patriot limited 2007-2009
Manuales de reparaciones jeep compass y patriot limited 2007-2009
Manuales de reparaciones jeep compass y patriot limited 2007-2009
Manuales de reparaciones jeep compass y patriot limited 2007-2009
Manuales de reparaciones jeep compass y patriot limited 2007-2009
Manuales de reparaciones jeep compass y patriot limited 2007-2009
Manuales de reparaciones jeep compass y patriot limited 2007-2009
Manuales de reparaciones jeep compass y patriot limited 2007-2009
Manuales de reparaciones jeep compass y patriot limited 2007-2009
Manuales de reparaciones jeep compass y patriot limited 2007-2009
Manuales de reparaciones jeep compass y patriot limited 2007-2009
Manuales de reparaciones jeep compass y patriot limited 2007-2009
Manuales de reparaciones jeep compass y patriot limited 2007-2009
Manuales de reparaciones jeep compass y patriot limited 2007-2009
Manuales de reparaciones jeep compass y patriot limited 2007-2009
Manuales de reparaciones jeep compass y patriot limited 2007-2009
Manuales de reparaciones jeep compass y patriot limited 2007-2009
Manuales de reparaciones jeep compass y patriot limited 2007-2009
Manuales de reparaciones jeep compass y patriot limited 2007-2009
Manuales de reparaciones jeep compass y patriot limited 2007-2009
Manuales de reparaciones jeep compass y patriot limited 2007-2009
Manuales de reparaciones jeep compass y patriot limited 2007-2009
Manuales de reparaciones jeep compass y patriot limited 2007-2009
Manuales de reparaciones jeep compass y patriot limited 2007-2009
Manuales de reparaciones jeep compass y patriot limited 2007-2009
Manuales de reparaciones jeep compass y patriot limited 2007-2009
Manuales de reparaciones jeep compass y patriot limited 2007-2009
Manuales de reparaciones jeep compass y patriot limited 2007-2009
Manuales de reparaciones jeep compass y patriot limited 2007-2009
Manuales de reparaciones jeep compass y patriot limited 2007-2009
Manuales de reparaciones jeep compass y patriot limited 2007-2009
Manuales de reparaciones jeep compass y patriot limited 2007-2009
Manuales de reparaciones jeep compass y patriot limited 2007-2009
Manuales de reparaciones jeep compass y patriot limited 2007-2009
Manuales de reparaciones jeep compass y patriot limited 2007-2009
Manuales de reparaciones jeep compass y patriot limited 2007-2009
Manuales de reparaciones jeep compass y patriot limited 2007-2009
Manuales de reparaciones jeep compass y patriot limited 2007-2009
Manuales de reparaciones jeep compass y patriot limited 2007-2009
Manuales de reparaciones jeep compass y patriot limited 2007-2009
Manuales de reparaciones jeep compass y patriot limited 2007-2009
Manuales de reparaciones jeep compass y patriot limited 2007-2009
Manuales de reparaciones jeep compass y patriot limited 2007-2009
Manuales de reparaciones jeep compass y patriot limited 2007-2009
Manuales de reparaciones jeep compass y patriot limited 2007-2009
Manuales de reparaciones jeep compass y patriot limited 2007-2009
Manuales de reparaciones jeep compass y patriot limited 2007-2009
Manuales de reparaciones jeep compass y patriot limited 2007-2009
Manuales de reparaciones jeep compass y patriot limited 2007-2009
Manuales de reparaciones jeep compass y patriot limited 2007-2009
Manuales de reparaciones jeep compass y patriot limited 2007-2009
Manuales de reparaciones jeep compass y patriot limited 2007-2009
Manuales de reparaciones jeep compass y patriot limited 2007-2009
Manuales de reparaciones jeep compass y patriot limited 2007-2009
Manuales de reparaciones jeep compass y patriot limited 2007-2009
Manuales de reparaciones jeep compass y patriot limited 2007-2009
Manuales de reparaciones jeep compass y patriot limited 2007-2009
Manuales de reparaciones jeep compass y patriot limited 2007-2009
Manuales de reparaciones jeep compass y patriot limited 2007-2009
Manuales de reparaciones jeep compass y patriot limited 2007-2009
Manuales de reparaciones jeep compass y patriot limited 2007-2009
Manuales de reparaciones jeep compass y patriot limited 2007-2009
Manuales de reparaciones jeep compass y patriot limited 2007-2009
Manuales de reparaciones jeep compass y patriot limited 2007-2009
Manuales de reparaciones jeep compass y patriot limited 2007-2009
Manuales de reparaciones jeep compass y patriot limited 2007-2009
Manuales de reparaciones jeep compass y patriot limited 2007-2009
Manuales de reparaciones jeep compass y patriot limited 2007-2009
Manuales de reparaciones jeep compass y patriot limited 2007-2009
Manuales de reparaciones jeep compass y patriot limited 2007-2009
Manuales de reparaciones jeep compass y patriot limited 2007-2009
Manuales de reparaciones jeep compass y patriot limited 2007-2009
Manuales de reparaciones jeep compass y patriot limited 2007-2009
Manuales de reparaciones jeep compass y patriot limited 2007-2009
Manuales de reparaciones jeep compass y patriot limited 2007-2009
Manuales de reparaciones jeep compass y patriot limited 2007-2009
Manuales de reparaciones jeep compass y patriot limited 2007-2009
Manuales de reparaciones jeep compass y patriot limited 2007-2009
Manuales de reparaciones jeep compass y patriot limited 2007-2009
Manuales de reparaciones jeep compass y patriot limited 2007-2009
Manuales de reparaciones jeep compass y patriot limited 2007-2009
Manuales de reparaciones jeep compass y patriot limited 2007-2009
Manuales de reparaciones jeep compass y patriot limited 2007-2009
Manuales de reparaciones jeep compass y patriot limited 2007-2009
Manuales de reparaciones jeep compass y patriot limited 2007-2009
Manuales de reparaciones jeep compass y patriot limited 2007-2009
Manuales de reparaciones jeep compass y patriot limited 2007-2009
Manuales de reparaciones jeep compass y patriot limited 2007-2009
Manuales de reparaciones jeep compass y patriot limited 2007-2009
Manuales de reparaciones jeep compass y patriot limited 2007-2009
Manuales de reparaciones jeep compass y patriot limited 2007-2009
Manuales de reparaciones jeep compass y patriot limited 2007-2009
Manuales de reparaciones jeep compass y patriot limited 2007-2009
Manuales de reparaciones jeep compass y patriot limited 2007-2009
Manuales de reparaciones jeep compass y patriot limited 2007-2009
Manuales de reparaciones jeep compass y patriot limited 2007-2009
Manuales de reparaciones jeep compass y patriot limited 2007-2009
Manuales de reparaciones jeep compass y patriot limited 2007-2009
Manuales de reparaciones jeep compass y patriot limited 2007-2009
Manuales de reparaciones jeep compass y patriot limited 2007-2009
Manuales de reparaciones jeep compass y patriot limited 2007-2009
Manuales de reparaciones jeep compass y patriot limited 2007-2009
Manuales de reparaciones jeep compass y patriot limited 2007-2009
Manuales de reparaciones jeep compass y patriot limited 2007-2009
Manuales de reparaciones jeep compass y patriot limited 2007-2009
Manuales de reparaciones jeep compass y patriot limited 2007-2009
Manuales de reparaciones jeep compass y patriot limited 2007-2009
Manuales de reparaciones jeep compass y patriot limited 2007-2009
Manuales de reparaciones jeep compass y patriot limited 2007-2009
Manuales de reparaciones jeep compass y patriot limited 2007-2009
Manuales de reparaciones jeep compass y patriot limited 2007-2009
Manuales de reparaciones jeep compass y patriot limited 2007-2009
Manuales de reparaciones jeep compass y patriot limited 2007-2009
Manuales de reparaciones jeep compass y patriot limited 2007-2009
Manuales de reparaciones jeep compass y patriot limited 2007-2009
Manuales de reparaciones jeep compass y patriot limited 2007-2009
Manuales de reparaciones jeep compass y patriot limited 2007-2009
Manuales de reparaciones jeep compass y patriot limited 2007-2009
Manuales de reparaciones jeep compass y patriot limited 2007-2009
Manuales de reparaciones jeep compass y patriot limited 2007-2009
Manuales de reparaciones jeep compass y patriot limited 2007-2009
Manuales de reparaciones jeep compass y patriot limited 2007-2009
Manuales de reparaciones jeep compass y patriot limited 2007-2009
Manuales de reparaciones jeep compass y patriot limited 2007-2009
Manuales de reparaciones jeep compass y patriot limited 2007-2009
Manuales de reparaciones jeep compass y patriot limited 2007-2009
Manuales de reparaciones jeep compass y patriot limited 2007-2009
Manuales de reparaciones jeep compass y patriot limited 2007-2009
Manuales de reparaciones jeep compass y patriot limited 2007-2009
Manuales de reparaciones jeep compass y patriot limited 2007-2009
Manuales de reparaciones jeep compass y patriot limited 2007-2009
Manuales de reparaciones jeep compass y patriot limited 2007-2009
Manuales de reparaciones jeep compass y patriot limited 2007-2009
Manuales de reparaciones jeep compass y patriot limited 2007-2009
Manuales de reparaciones jeep compass y patriot limited 2007-2009
Manuales de reparaciones jeep compass y patriot limited 2007-2009
Manuales de reparaciones jeep compass y patriot limited 2007-2009
Manuales de reparaciones jeep compass y patriot limited 2007-2009
Manuales de reparaciones jeep compass y patriot limited 2007-2009
Manuales de reparaciones jeep compass y patriot limited 2007-2009
Manuales de reparaciones jeep compass y patriot limited 2007-2009
Manuales de reparaciones jeep compass y patriot limited 2007-2009
Manuales de reparaciones jeep compass y patriot limited 2007-2009
Manuales de reparaciones jeep compass y patriot limited 2007-2009
Manuales de reparaciones jeep compass y patriot limited 2007-2009
Manuales de reparaciones jeep compass y patriot limited 2007-2009
Manuales de reparaciones jeep compass y patriot limited 2007-2009
Manuales de reparaciones jeep compass y patriot limited 2007-2009
Manuales de reparaciones jeep compass y patriot limited 2007-2009
Manuales de reparaciones jeep compass y patriot limited 2007-2009
Manuales de reparaciones jeep compass y patriot limited 2007-2009
Manuales de reparaciones jeep compass y patriot limited 2007-2009
Manuales de reparaciones jeep compass y patriot limited 2007-2009
Manuales de reparaciones jeep compass y patriot limited 2007-2009
Manuales de reparaciones jeep compass y patriot limited 2007-2009
Manuales de reparaciones jeep compass y patriot limited 2007-2009
Manuales de reparaciones jeep compass y patriot limited 2007-2009
Manuales de reparaciones jeep compass y patriot limited 2007-2009
Manuales de reparaciones jeep compass y patriot limited 2007-2009
Manuales de reparaciones jeep compass y patriot limited 2007-2009
Manuales de reparaciones jeep compass y patriot limited 2007-2009
Manuales de reparaciones jeep compass y patriot limited 2007-2009
Manuales de reparaciones jeep compass y patriot limited 2007-2009
Manuales de reparaciones jeep compass y patriot limited 2007-2009
Manuales de reparaciones jeep compass y patriot limited 2007-2009
Manuales de reparaciones jeep compass y patriot limited 2007-2009
Manuales de reparaciones jeep compass y patriot limited 2007-2009
Manuales de reparaciones jeep compass y patriot limited 2007-2009
Manuales de reparaciones jeep compass y patriot limited 2007-2009
Manuales de reparaciones jeep compass y patriot limited 2007-2009
Manuales de reparaciones jeep compass y patriot limited 2007-2009
Manuales de reparaciones jeep compass y patriot limited 2007-2009
Manuales de reparaciones jeep compass y patriot limited 2007-2009
Manuales de reparaciones jeep compass y patriot limited 2007-2009
Manuales de reparaciones jeep compass y patriot limited 2007-2009
Manuales de reparaciones jeep compass y patriot limited 2007-2009
Manuales de reparaciones jeep compass y patriot limited 2007-2009
Manuales de reparaciones jeep compass y patriot limited 2007-2009
Manuales de reparaciones jeep compass y patriot limited 2007-2009
Manuales de reparaciones jeep compass y patriot limited 2007-2009
Manuales de reparaciones jeep compass y patriot limited 2007-2009
Manuales de reparaciones jeep compass y patriot limited 2007-2009
Manuales de reparaciones jeep compass y patriot limited 2007-2009
Manuales de reparaciones jeep compass y patriot limited 2007-2009
Manuales de reparaciones jeep compass y patriot limited 2007-2009
Manuales de reparaciones jeep compass y patriot limited 2007-2009
Manuales de reparaciones jeep compass y patriot limited 2007-2009
Manuales de reparaciones jeep compass y patriot limited 2007-2009
Manuales de reparaciones jeep compass y patriot limited 2007-2009
Manuales de reparaciones jeep compass y patriot limited 2007-2009
Manuales de reparaciones jeep compass y patriot limited 2007-2009
Manuales de reparaciones jeep compass y patriot limited 2007-2009
Manuales de reparaciones jeep compass y patriot limited 2007-2009
Manuales de reparaciones jeep compass y patriot limited 2007-2009
Manuales de reparaciones jeep compass y patriot limited 2007-2009
Manuales de reparaciones jeep compass y patriot limited 2007-2009
Manuales de reparaciones jeep compass y patriot limited 2007-2009
Manuales de reparaciones jeep compass y patriot limited 2007-2009
Manuales de reparaciones jeep compass y patriot limited 2007-2009
Manuales de reparaciones jeep compass y patriot limited 2007-2009
Manuales de reparaciones jeep compass y patriot limited 2007-2009
Manuales de reparaciones jeep compass y patriot limited 2007-2009
Manuales de reparaciones jeep compass y patriot limited 2007-2009
Manuales de reparaciones jeep compass y patriot limited 2007-2009
Manuales de reparaciones jeep compass y patriot limited 2007-2009
Manuales de reparaciones jeep compass y patriot limited 2007-2009
Manuales de reparaciones jeep compass y patriot limited 2007-2009
Manuales de reparaciones jeep compass y patriot limited 2007-2009
Manuales de reparaciones jeep compass y patriot limited 2007-2009
Manuales de reparaciones jeep compass y patriot limited 2007-2009
Manuales de reparaciones jeep compass y patriot limited 2007-2009
Manuales de reparaciones jeep compass y patriot limited 2007-2009
Manuales de reparaciones jeep compass y patriot limited 2007-2009
Manuales de reparaciones jeep compass y patriot limited 2007-2009
Manuales de reparaciones jeep compass y patriot limited 2007-2009
Manuales de reparaciones jeep compass y patriot limited 2007-2009
Manuales de reparaciones jeep compass y patriot limited 2007-2009
Manuales de reparaciones jeep compass y patriot limited 2007-2009
Manuales de reparaciones jeep compass y patriot limited 2007-2009
Manuales de reparaciones jeep compass y patriot limited 2007-2009
Manuales de reparaciones jeep compass y patriot limited 2007-2009
Manuales de reparaciones jeep compass y patriot limited 2007-2009
Manuales de reparaciones jeep compass y patriot limited 2007-2009
Manuales de reparaciones jeep compass y patriot limited 2007-2009
Manuales de reparaciones jeep compass y patriot limited 2007-2009
Manuales de reparaciones jeep compass y patriot limited 2007-2009
Manuales de reparaciones jeep compass y patriot limited 2007-2009
Manuales de reparaciones jeep compass y patriot limited 2007-2009
Manuales de reparaciones jeep compass y patriot limited 2007-2009
Manuales de reparaciones jeep compass y patriot limited 2007-2009
Manuales de reparaciones jeep compass y patriot limited 2007-2009
Manuales de reparaciones jeep compass y patriot limited 2007-2009
Manuales de reparaciones jeep compass y patriot limited 2007-2009
Manuales de reparaciones jeep compass y patriot limited 2007-2009
Manuales de reparaciones jeep compass y patriot limited 2007-2009
Manuales de reparaciones jeep compass y patriot limited 2007-2009
Manuales de reparaciones jeep compass y patriot limited 2007-2009
Manuales de reparaciones jeep compass y patriot limited 2007-2009
Manuales de reparaciones jeep compass y patriot limited 2007-2009
Manuales de reparaciones jeep compass y patriot limited 2007-2009
Manuales de reparaciones jeep compass y patriot limited 2007-2009
Manuales de reparaciones jeep compass y patriot limited 2007-2009
Manuales de reparaciones jeep compass y patriot limited 2007-2009
Manuales de reparaciones jeep compass y patriot limited 2007-2009
Manuales de reparaciones jeep compass y patriot limited 2007-2009
Manuales de reparaciones jeep compass y patriot limited 2007-2009
Manuales de reparaciones jeep compass y patriot limited 2007-2009
Manuales de reparaciones jeep compass y patriot limited 2007-2009
Manuales de reparaciones jeep compass y patriot limited 2007-2009
Manuales de reparaciones jeep compass y patriot limited 2007-2009
Manuales de reparaciones jeep compass y patriot limited 2007-2009
Manuales de reparaciones jeep compass y patriot limited 2007-2009
Manuales de reparaciones jeep compass y patriot limited 2007-2009
Manuales de reparaciones jeep compass y patriot limited 2007-2009
Manuales de reparaciones jeep compass y patriot limited 2007-2009
Manuales de reparaciones jeep compass y patriot limited 2007-2009
Manuales de reparaciones jeep compass y patriot limited 2007-2009
Manuales de reparaciones jeep compass y patriot limited 2007-2009
Manuales de reparaciones jeep compass y patriot limited 2007-2009
Manuales de reparaciones jeep compass y patriot limited 2007-2009
Manuales de reparaciones jeep compass y patriot limited 2007-2009
Manuales de reparaciones jeep compass y patriot limited 2007-2009
Manuales de reparaciones jeep compass y patriot limited 2007-2009
Manuales de reparaciones jeep compass y patriot limited 2007-2009
Manuales de reparaciones jeep compass y patriot limited 2007-2009
Manuales de reparaciones jeep compass y patriot limited 2007-2009
Manuales de reparaciones jeep compass y patriot limited 2007-2009
Manuales de reparaciones jeep compass y patriot limited 2007-2009
Manuales de reparaciones jeep compass y patriot limited 2007-2009
Manuales de reparaciones jeep compass y patriot limited 2007-2009
Manuales de reparaciones jeep compass y patriot limited 2007-2009
Manuales de reparaciones jeep compass y patriot limited 2007-2009
Manuales de reparaciones jeep compass y patriot limited 2007-2009
Manuales de reparaciones jeep compass y patriot limited 2007-2009
Manuales de reparaciones jeep compass y patriot limited 2007-2009
Manuales de reparaciones jeep compass y patriot limited 2007-2009
Manuales de reparaciones jeep compass y patriot limited 2007-2009
Manuales de reparaciones jeep compass y patriot limited 2007-2009
Manuales de reparaciones jeep compass y patriot limited 2007-2009
Manuales de reparaciones jeep compass y patriot limited 2007-2009
Manuales de reparaciones jeep compass y patriot limited 2007-2009
Manuales de reparaciones jeep compass y patriot limited 2007-2009
Manuales de reparaciones jeep compass y patriot limited 2007-2009
Manuales de reparaciones jeep compass y patriot limited 2007-2009
Manuales de reparaciones jeep compass y patriot limited 2007-2009
Manuales de reparaciones jeep compass y patriot limited 2007-2009
Manuales de reparaciones jeep compass y patriot limited 2007-2009
Manuales de reparaciones jeep compass y patriot limited 2007-2009
Manuales de reparaciones jeep compass y patriot limited 2007-2009
Manuales de reparaciones jeep compass y patriot limited 2007-2009
Manuales de reparaciones jeep compass y patriot limited 2007-2009
Manuales de reparaciones jeep compass y patriot limited 2007-2009
Manuales de reparaciones jeep compass y patriot limited 2007-2009
Manuales de reparaciones jeep compass y patriot limited 2007-2009
Manuales de reparaciones jeep compass y patriot limited 2007-2009
Manuales de reparaciones jeep compass y patriot limited 2007-2009
Manuales de reparaciones jeep compass y patriot limited 2007-2009
Manuales de reparaciones jeep compass y patriot limited 2007-2009
Manuales de reparaciones jeep compass y patriot limited 2007-2009
Manuales de reparaciones jeep compass y patriot limited 2007-2009
Manuales de reparaciones jeep compass y patriot limited 2007-2009
Manuales de reparaciones jeep compass y patriot limited 2007-2009
Manuales de reparaciones jeep compass y patriot limited 2007-2009
Manuales de reparaciones jeep compass y patriot limited 2007-2009
Manuales de reparaciones jeep compass y patriot limited 2007-2009
Manuales de reparaciones jeep compass y patriot limited 2007-2009
Manuales de reparaciones jeep compass y patriot limited 2007-2009
Manuales de reparaciones jeep compass y patriot limited 2007-2009
Manuales de reparaciones jeep compass y patriot limited 2007-2009
Manuales de reparaciones jeep compass y patriot limited 2007-2009
Manuales de reparaciones jeep compass y patriot limited 2007-2009
Manuales de reparaciones jeep compass y patriot limited 2007-2009
Manuales de reparaciones jeep compass y patriot limited 2007-2009
Manuales de reparaciones jeep compass y patriot limited 2007-2009
Manuales de reparaciones jeep compass y patriot limited 2007-2009
Manuales de reparaciones jeep compass y patriot limited 2007-2009
Manuales de reparaciones jeep compass y patriot limited 2007-2009
Manuales de reparaciones jeep compass y patriot limited 2007-2009
Manuales de reparaciones jeep compass y patriot limited 2007-2009
Manuales de reparaciones jeep compass y patriot limited 2007-2009
Manuales de reparaciones jeep compass y patriot limited 2007-2009
Manuales de reparaciones jeep compass y patriot limited 2007-2009
Manuales de reparaciones jeep compass y patriot limited 2007-2009
Manuales de reparaciones jeep compass y patriot limited 2007-2009
Manuales de reparaciones jeep compass y patriot limited 2007-2009
Manuales de reparaciones jeep compass y patriot limited 2007-2009
Manuales de reparaciones jeep compass y patriot limited 2007-2009
Manuales de reparaciones jeep compass y patriot limited 2007-2009
Manuales de reparaciones jeep compass y patriot limited 2007-2009
Manuales de reparaciones jeep compass y patriot limited 2007-2009
Manuales de reparaciones jeep compass y patriot limited 2007-2009
Manuales de reparaciones jeep compass y patriot limited 2007-2009
Manuales de reparaciones jeep compass y patriot limited 2007-2009
Manuales de reparaciones jeep compass y patriot limited 2007-2009
Manuales de reparaciones jeep compass y patriot limited 2007-2009
Manuales de reparaciones jeep compass y patriot limited 2007-2009
Manuales de reparaciones jeep compass y patriot limited 2007-2009
Manuales de reparaciones jeep compass y patriot limited 2007-2009
Manuales de reparaciones jeep compass y patriot limited 2007-2009
Manuales de reparaciones jeep compass y patriot limited 2007-2009
Manuales de reparaciones jeep compass y patriot limited 2007-2009
Manuales de reparaciones jeep compass y patriot limited 2007-2009
Manuales de reparaciones jeep compass y patriot limited 2007-2009
Manuales de reparaciones jeep compass y patriot limited 2007-2009
Manuales de reparaciones jeep compass y patriot limited 2007-2009
Manuales de reparaciones jeep compass y patriot limited 2007-2009
Manuales de reparaciones jeep compass y patriot limited 2007-2009
Manuales de reparaciones jeep compass y patriot limited 2007-2009
Manuales de reparaciones jeep compass y patriot limited 2007-2009
Manuales de reparaciones jeep compass y patriot limited 2007-2009
Manuales de reparaciones jeep compass y patriot limited 2007-2009
Manuales de reparaciones jeep compass y patriot limited 2007-2009
Manuales de reparaciones jeep compass y patriot limited 2007-2009
Manuales de reparaciones jeep compass y patriot limited 2007-2009
Manuales de reparaciones jeep compass y patriot limited 2007-2009
Manuales de reparaciones jeep compass y patriot limited 2007-2009
Manuales de reparaciones jeep compass y patriot limited 2007-2009
Manuales de reparaciones jeep compass y patriot limited 2007-2009
Manuales de reparaciones jeep compass y patriot limited 2007-2009
Manuales de reparaciones jeep compass y patriot limited 2007-2009
Manuales de reparaciones jeep compass y patriot limited 2007-2009
Manuales de reparaciones jeep compass y patriot limited 2007-2009
Manuales de reparaciones jeep compass y patriot limited 2007-2009
Manuales de reparaciones jeep compass y patriot limited 2007-2009
Manuales de reparaciones jeep compass y patriot limited 2007-2009
Manuales de reparaciones jeep compass y patriot limited 2007-2009
Manuales de reparaciones jeep compass y patriot limited 2007-2009
Manuales de reparaciones jeep compass y patriot limited 2007-2009
Manuales de reparaciones jeep compass y patriot limited 2007-2009
Manuales de reparaciones jeep compass y patriot limited 2007-2009
Manuales de reparaciones jeep compass y patriot limited 2007-2009
Manuales de reparaciones jeep compass y patriot limited 2007-2009
Manuales de reparaciones jeep compass y patriot limited 2007-2009
Manuales de reparaciones jeep compass y patriot limited 2007-2009
Manuales de reparaciones jeep compass y patriot limited 2007-2009
Manuales de reparaciones jeep compass y patriot limited 2007-2009
Manuales de reparaciones jeep compass y patriot limited 2007-2009
Manuales de reparaciones jeep compass y patriot limited 2007-2009
Manuales de reparaciones jeep compass y patriot limited 2007-2009
Manuales de reparaciones jeep compass y patriot limited 2007-2009
Manuales de reparaciones jeep compass y patriot limited 2007-2009
Manuales de reparaciones jeep compass y patriot limited 2007-2009
Manuales de reparaciones jeep compass y patriot limited 2007-2009
Manuales de reparaciones jeep compass y patriot limited 2007-2009
Manuales de reparaciones jeep compass y patriot limited 2007-2009
Manuales de reparaciones jeep compass y patriot limited 2007-2009
Manuales de reparaciones jeep compass y patriot limited 2007-2009
Manuales de reparaciones jeep compass y patriot limited 2007-2009
Manuales de reparaciones jeep compass y patriot limited 2007-2009
Manuales de reparaciones jeep compass y patriot limited 2007-2009
Manuales de reparaciones jeep compass y patriot limited 2007-2009
Manuales de reparaciones jeep compass y patriot limited 2007-2009
Manuales de reparaciones jeep compass y patriot limited 2007-2009
Manuales de reparaciones jeep compass y patriot limited 2007-2009
Manuales de reparaciones jeep compass y patriot limited 2007-2009
Manuales de reparaciones jeep compass y patriot limited 2007-2009
Manuales de reparaciones jeep compass y patriot limited 2007-2009
Manuales de reparaciones jeep compass y patriot limited 2007-2009
Manuales de reparaciones jeep compass y patriot limited 2007-2009
Manuales de reparaciones jeep compass y patriot limited 2007-2009
Manuales de reparaciones jeep compass y patriot limited 2007-2009
Manuales de reparaciones jeep compass y patriot limited 2007-2009
Manuales de reparaciones jeep compass y patriot limited 2007-2009
Manuales de reparaciones jeep compass y patriot limited 2007-2009
Manuales de reparaciones jeep compass y patriot limited 2007-2009
Manuales de reparaciones jeep compass y patriot limited 2007-2009
Manuales de reparaciones jeep compass y patriot limited 2007-2009
Manuales de reparaciones jeep compass y patriot limited 2007-2009
Manuales de reparaciones jeep compass y patriot limited 2007-2009
Manuales de reparaciones jeep compass y patriot limited 2007-2009
Manuales de reparaciones jeep compass y patriot limited 2007-2009
Manuales de reparaciones jeep compass y patriot limited 2007-2009
Manuales de reparaciones jeep compass y patriot limited 2007-2009
Manuales de reparaciones jeep compass y patriot limited 2007-2009
Manuales de reparaciones jeep compass y patriot limited 2007-2009
Manuales de reparaciones jeep compass y patriot limited 2007-2009
Manuales de reparaciones jeep compass y patriot limited 2007-2009
Manuales de reparaciones jeep compass y patriot limited 2007-2009
Manuales de reparaciones jeep compass y patriot limited 2007-2009
Manuales de reparaciones jeep compass y patriot limited 2007-2009
Manuales de reparaciones jeep compass y patriot limited 2007-2009
Manuales de reparaciones jeep compass y patriot limited 2007-2009
Manuales de reparaciones jeep compass y patriot limited 2007-2009
Manuales de reparaciones jeep compass y patriot limited 2007-2009
Manuales de reparaciones jeep compass y patriot limited 2007-2009
Manuales de reparaciones jeep compass y patriot limited 2007-2009
Manuales de reparaciones jeep compass y patriot limited 2007-2009
Manuales de reparaciones jeep compass y patriot limited 2007-2009
Manuales de reparaciones jeep compass y patriot limited 2007-2009
Manuales de reparaciones jeep compass y patriot limited 2007-2009
Manuales de reparaciones jeep compass y patriot limited 2007-2009
Manuales de reparaciones jeep compass y patriot limited 2007-2009
Manuales de reparaciones jeep compass y patriot limited 2007-2009
Manuales de reparaciones jeep compass y patriot limited 2007-2009
Manuales de reparaciones jeep compass y patriot limited 2007-2009
Manuales de reparaciones jeep compass y patriot limited 2007-2009
Manuales de reparaciones jeep compass y patriot limited 2007-2009
Manuales de reparaciones jeep compass y patriot limited 2007-2009
Manuales de reparaciones jeep compass y patriot limited 2007-2009
Manuales de reparaciones jeep compass y patriot limited 2007-2009
Manuales de reparaciones jeep compass y patriot limited 2007-2009
Manuales de reparaciones jeep compass y patriot limited 2007-2009
Manuales de reparaciones jeep compass y patriot limited 2007-2009
Manuales de reparaciones jeep compass y patriot limited 2007-2009
Manuales de reparaciones jeep compass y patriot limited 2007-2009
Manuales de reparaciones jeep compass y patriot limited 2007-2009
Manuales de reparaciones jeep compass y patriot limited 2007-2009
Manuales de reparaciones jeep compass y patriot limited 2007-2009
Manuales de reparaciones jeep compass y patriot limited 2007-2009
Manuales de reparaciones jeep compass y patriot limited 2007-2009
Manuales de reparaciones jeep compass y patriot limited 2007-2009
Manuales de reparaciones jeep compass y patriot limited 2007-2009
Manuales de reparaciones jeep compass y patriot limited 2007-2009
Manuales de reparaciones jeep compass y patriot limited 2007-2009
Manuales de reparaciones jeep compass y patriot limited 2007-2009
Manuales de reparaciones jeep compass y patriot limited 2007-2009
Manuales de reparaciones jeep compass y patriot limited 2007-2009
Manuales de reparaciones jeep compass y patriot limited 2007-2009
Manuales de reparaciones jeep compass y patriot limited 2007-2009
Manuales de reparaciones jeep compass y patriot limited 2007-2009
Manuales de reparaciones jeep compass y patriot limited 2007-2009
Manuales de reparaciones jeep compass y patriot limited 2007-2009
Manuales de reparaciones jeep compass y patriot limited 2007-2009
Manuales de reparaciones jeep compass y patriot limited 2007-2009
Manuales de reparaciones jeep compass y patriot limited 2007-2009
Manuales de reparaciones jeep compass y patriot limited 2007-2009
Manuales de reparaciones jeep compass y patriot limited 2007-2009
Manuales de reparaciones jeep compass y patriot limited 2007-2009
Manuales de reparaciones jeep compass y patriot limited 2007-2009
Manuales de reparaciones jeep compass y patriot limited 2007-2009
Manuales de reparaciones jeep compass y patriot limited 2007-2009
Manuales de reparaciones jeep compass y patriot limited 2007-2009
Manuales de reparaciones jeep compass y patriot limited 2007-2009
Manuales de reparaciones jeep compass y patriot limited 2007-2009
Manuales de reparaciones jeep compass y patriot limited 2007-2009
Manuales de reparaciones jeep compass y patriot limited 2007-2009
Manuales de reparaciones jeep compass y patriot limited 2007-2009
Manuales de reparaciones jeep compass y patriot limited 2007-2009
Manuales de reparaciones jeep compass y patriot limited 2007-2009
Manuales de reparaciones jeep compass y patriot limited 2007-2009
Manuales de reparaciones jeep compass y patriot limited 2007-2009
Manuales de reparaciones jeep compass y patriot limited 2007-2009
Manuales de reparaciones jeep compass y patriot limited 2007-2009
Manuales de reparaciones jeep compass y patriot limited 2007-2009
Manuales de reparaciones jeep compass y patriot limited 2007-2009
Manuales de reparaciones jeep compass y patriot limited 2007-2009
Manuales de reparaciones jeep compass y patriot limited 2007-2009
Manuales de reparaciones jeep compass y patriot limited 2007-2009
Manuales de reparaciones jeep compass y patriot limited 2007-2009
Manuales de reparaciones jeep compass y patriot limited 2007-2009
Manuales de reparaciones jeep compass y patriot limited 2007-2009
Manuales de reparaciones jeep compass y patriot limited 2007-2009
Manuales de reparaciones jeep compass y patriot limited 2007-2009
Manuales de reparaciones jeep compass y patriot limited 2007-2009
Manuales de reparaciones jeep compass y patriot limited 2007-2009
Manuales de reparaciones jeep compass y patriot limited 2007-2009
Manuales de reparaciones jeep compass y patriot limited 2007-2009
Manuales de reparaciones jeep compass y patriot limited 2007-2009
Manuales de reparaciones jeep compass y patriot limited 2007-2009
Manuales de reparaciones jeep compass y patriot limited 2007-2009
Manuales de reparaciones jeep compass y patriot limited 2007-2009
Manuales de reparaciones jeep compass y patriot limited 2007-2009
Manuales de reparaciones jeep compass y patriot limited 2007-2009
Manuales de reparaciones jeep compass y patriot limited 2007-2009
Manuales de reparaciones jeep compass y patriot limited 2007-2009
Manuales de reparaciones jeep compass y patriot limited 2007-2009
Manuales de reparaciones jeep compass y patriot limited 2007-2009
Manuales de reparaciones jeep compass y patriot limited 2007-2009
Manuales de reparaciones jeep compass y patriot limited 2007-2009
Manuales de reparaciones jeep compass y patriot limited 2007-2009
Manuales de reparaciones jeep compass y patriot limited 2007-2009
Manuales de reparaciones jeep compass y patriot limited 2007-2009
Manuales de reparaciones jeep compass y patriot limited 2007-2009
Manuales de reparaciones jeep compass y patriot limited 2007-2009
Manuales de reparaciones jeep compass y patriot limited 2007-2009
Manuales de reparaciones jeep compass y patriot limited 2007-2009
Manuales de reparaciones jeep compass y patriot limited 2007-2009
Manuales de reparaciones jeep compass y patriot limited 2007-2009
Manuales de reparaciones jeep compass y patriot limited 2007-2009
Manuales de reparaciones jeep compass y patriot limited 2007-2009
Manuales de reparaciones jeep compass y patriot limited 2007-2009
Manuales de reparaciones jeep compass y patriot limited 2007-2009
Manuales de reparaciones jeep compass y patriot limited 2007-2009
Manuales de reparaciones jeep compass y patriot limited 2007-2009
Manuales de reparaciones jeep compass y patriot limited 2007-2009
Manuales de reparaciones jeep compass y patriot limited 2007-2009
Manuales de reparaciones jeep compass y patriot limited 2007-2009
Manuales de reparaciones jeep compass y patriot limited 2007-2009
Manuales de reparaciones jeep compass y patriot limited 2007-2009
Manuales de reparaciones jeep compass y patriot limited 2007-2009
Manuales de reparaciones jeep compass y patriot limited 2007-2009
Manuales de reparaciones jeep compass y patriot limited 2007-2009
Manuales de reparaciones jeep compass y patriot limited 2007-2009
Manuales de reparaciones jeep compass y patriot limited 2007-2009
Manuales de reparaciones jeep compass y patriot limited 2007-2009
Manuales de reparaciones jeep compass y patriot limited 2007-2009
Manuales de reparaciones jeep compass y patriot limited 2007-2009
Manuales de reparaciones jeep compass y patriot limited 2007-2009
Manuales de reparaciones jeep compass y patriot limited 2007-2009
Manuales de reparaciones jeep compass y patriot limited 2007-2009
Manuales de reparaciones jeep compass y patriot limited 2007-2009
Manuales de reparaciones jeep compass y patriot limited 2007-2009
Manuales de reparaciones jeep compass y patriot limited 2007-2009
Manuales de reparaciones jeep compass y patriot limited 2007-2009
Manuales de reparaciones jeep compass y patriot limited 2007-2009
Manuales de reparaciones jeep compass y patriot limited 2007-2009
Manuales de reparaciones jeep compass y patriot limited 2007-2009
Manuales de reparaciones jeep compass y patriot limited 2007-2009
Manuales de reparaciones jeep compass y patriot limited 2007-2009
Manuales de reparaciones jeep compass y patriot limited 2007-2009
Manuales de reparaciones jeep compass y patriot limited 2007-2009
Manuales de reparaciones jeep compass y patriot limited 2007-2009
Manuales de reparaciones jeep compass y patriot limited 2007-2009
Manuales de reparaciones jeep compass y patriot limited 2007-2009
Manuales de reparaciones jeep compass y patriot limited 2007-2009
Manuales de reparaciones jeep compass y patriot limited 2007-2009
Manuales de reparaciones jeep compass y patriot limited 2007-2009
Manuales de reparaciones jeep compass y patriot limited 2007-2009
Manuales de reparaciones jeep compass y patriot limited 2007-2009
Manuales de reparaciones jeep compass y patriot limited 2007-2009
Manuales de reparaciones jeep compass y patriot limited 2007-2009
Manuales de reparaciones jeep compass y patriot limited 2007-2009
Manuales de reparaciones jeep compass y patriot limited 2007-2009
Manuales de reparaciones jeep compass y patriot limited 2007-2009
Manuales de reparaciones jeep compass y patriot limited 2007-2009
Manuales de reparaciones jeep compass y patriot limited 2007-2009
Manuales de reparaciones jeep compass y patriot limited 2007-2009
Manuales de reparaciones jeep compass y patriot limited 2007-2009
Manuales de reparaciones jeep compass y patriot limited 2007-2009
Manuales de reparaciones jeep compass y patriot limited 2007-2009
Manuales de reparaciones jeep compass y patriot limited 2007-2009
Manuales de reparaciones jeep compass y patriot limited 2007-2009
Manuales de reparaciones jeep compass y patriot limited 2007-2009
Manuales de reparaciones jeep compass y patriot limited 2007-2009
Manuales de reparaciones jeep compass y patriot limited 2007-2009
Manuales de reparaciones jeep compass y patriot limited 2007-2009
Manuales de reparaciones jeep compass y patriot limited 2007-2009
Manuales de reparaciones jeep compass y patriot limited 2007-2009
Manuales de reparaciones jeep compass y patriot limited 2007-2009
Manuales de reparaciones jeep compass y patriot limited 2007-2009
Manuales de reparaciones jeep compass y patriot limited 2007-2009
Manuales de reparaciones jeep compass y patriot limited 2007-2009
Manuales de reparaciones jeep compass y patriot limited 2007-2009
Manuales de reparaciones jeep compass y patriot limited 2007-2009
Manuales de reparaciones jeep compass y patriot limited 2007-2009
Manuales de reparaciones jeep compass y patriot limited 2007-2009
Manuales de reparaciones jeep compass y patriot limited 2007-2009
Manuales de reparaciones jeep compass y patriot limited 2007-2009
Manuales de reparaciones jeep compass y patriot limited 2007-2009
Manuales de reparaciones jeep compass y patriot limited 2007-2009
Manuales de reparaciones jeep compass y patriot limited 2007-2009
Manuales de reparaciones jeep compass y patriot limited 2007-2009
Manuales de reparaciones jeep compass y patriot limited 2007-2009
Manuales de reparaciones jeep compass y patriot limited 2007-2009
Manuales de reparaciones jeep compass y patriot limited 2007-2009
Manuales de reparaciones jeep compass y patriot limited 2007-2009
Manuales de reparaciones jeep compass y patriot limited 2007-2009
Manuales de reparaciones jeep compass y patriot limited 2007-2009
Manuales de reparaciones jeep compass y patriot limited 2007-2009
Manuales de reparaciones jeep compass y patriot limited 2007-2009
Manuales de reparaciones jeep compass y patriot limited 2007-2009
Manuales de reparaciones jeep compass y patriot limited 2007-2009
Manuales de reparaciones jeep compass y patriot limited 2007-2009
Manuales de reparaciones jeep compass y patriot limited 2007-2009
Manuales de reparaciones jeep compass y patriot limited 2007-2009
Manuales de reparaciones jeep compass y patriot limited 2007-2009
Manuales de reparaciones jeep compass y patriot limited 2007-2009
Manuales de reparaciones jeep compass y patriot limited 2007-2009
Manuales de reparaciones jeep compass y patriot limited 2007-2009
Manuales de reparaciones jeep compass y patriot limited 2007-2009
Manuales de reparaciones jeep compass y patriot limited 2007-2009
Manuales de reparaciones jeep compass y patriot limited 2007-2009
Manuales de reparaciones jeep compass y patriot limited 2007-2009
Manuales de reparaciones jeep compass y patriot limited 2007-2009
Manuales de reparaciones jeep compass y patriot limited 2007-2009
Manuales de reparaciones jeep compass y patriot limited 2007-2009
Manuales de reparaciones jeep compass y patriot limited 2007-2009
Manuales de reparaciones jeep compass y patriot limited 2007-2009
Manuales de reparaciones jeep compass y patriot limited 2007-2009
Manuales de reparaciones jeep compass y patriot limited 2007-2009
Manuales de reparaciones jeep compass y patriot limited 2007-2009
Manuales de reparaciones jeep compass y patriot limited 2007-2009
Manuales de reparaciones jeep compass y patriot limited 2007-2009
Manuales de reparaciones jeep compass y patriot limited 2007-2009
Manuales de reparaciones jeep compass y patriot limited 2007-2009
Manuales de reparaciones jeep compass y patriot limited 2007-2009
Manuales de reparaciones jeep compass y patriot limited 2007-2009
Manuales de reparaciones jeep compass y patriot limited 2007-2009
Manuales de reparaciones jeep compass y patriot limited 2007-2009
Manuales de reparaciones jeep compass y patriot limited 2007-2009
Manuales de reparaciones jeep compass y patriot limited 2007-2009
Manuales de reparaciones jeep compass y patriot limited 2007-2009
Manuales de reparaciones jeep compass y patriot limited 2007-2009
Manuales de reparaciones jeep compass y patriot limited 2007-2009
Manuales de reparaciones jeep compass y patriot limited 2007-2009
Manuales de reparaciones jeep compass y patriot limited 2007-2009
Manuales de reparaciones jeep compass y patriot limited 2007-2009
Manuales de reparaciones jeep compass y patriot limited 2007-2009
Manuales de reparaciones jeep compass y patriot limited 2007-2009
Manuales de reparaciones jeep compass y patriot limited 2007-2009
Manuales de reparaciones jeep compass y patriot limited 2007-2009
Manuales de reparaciones jeep compass y patriot limited 2007-2009
Manuales de reparaciones jeep compass y patriot limited 2007-2009
Manuales de reparaciones jeep compass y patriot limited 2007-2009
Manuales de reparaciones jeep compass y patriot limited 2007-2009
Manuales de reparaciones jeep compass y patriot limited 2007-2009
Manuales de reparaciones jeep compass y patriot limited 2007-2009
Manuales de reparaciones jeep compass y patriot limited 2007-2009
Manuales de reparaciones jeep compass y patriot limited 2007-2009
Manuales de reparaciones jeep compass y patriot limited 2007-2009
Manuales de reparaciones jeep compass y patriot limited 2007-2009
Manuales de reparaciones jeep compass y patriot limited 2007-2009
Manuales de reparaciones jeep compass y patriot limited 2007-2009
Manuales de reparaciones jeep compass y patriot limited 2007-2009
Manuales de reparaciones jeep compass y patriot limited 2007-2009
Manuales de reparaciones jeep compass y patriot limited 2007-2009
Manuales de reparaciones jeep compass y patriot limited 2007-2009
Manuales de reparaciones jeep compass y patriot limited 2007-2009
Manuales de reparaciones jeep compass y patriot limited 2007-2009
Manuales de reparaciones jeep compass y patriot limited 2007-2009
Manuales de reparaciones jeep compass y patriot limited 2007-2009
Manuales de reparaciones jeep compass y patriot limited 2007-2009
Manuales de reparaciones jeep compass y patriot limited 2007-2009
Manuales de reparaciones jeep compass y patriot limited 2007-2009
Manuales de reparaciones jeep compass y patriot limited 2007-2009
Manuales de reparaciones jeep compass y patriot limited 2007-2009
Manuales de reparaciones jeep compass y patriot limited 2007-2009
Manuales de reparaciones jeep compass y patriot limited 2007-2009
Manuales de reparaciones jeep compass y patriot limited 2007-2009
Manuales de reparaciones jeep compass y patriot limited 2007-2009
Manuales de reparaciones jeep compass y patriot limited 2007-2009
Manuales de reparaciones jeep compass y patriot limited 2007-2009
Manuales de reparaciones jeep compass y patriot limited 2007-2009
Manuales de reparaciones jeep compass y patriot limited 2007-2009
Manuales de reparaciones jeep compass y patriot limited 2007-2009
Manuales de reparaciones jeep compass y patriot limited 2007-2009
Manuales de reparaciones jeep compass y patriot limited 2007-2009
Manuales de reparaciones jeep compass y patriot limited 2007-2009
Manuales de reparaciones jeep compass y patriot limited 2007-2009
Manuales de reparaciones jeep compass y patriot limited 2007-2009
Manuales de reparaciones jeep compass y patriot limited 2007-2009
Manuales de reparaciones jeep compass y patriot limited 2007-2009
Manuales de reparaciones jeep compass y patriot limited 2007-2009
Manuales de reparaciones jeep compass y patriot limited 2007-2009
Manuales de reparaciones jeep compass y patriot limited 2007-2009
Manuales de reparaciones jeep compass y patriot limited 2007-2009
Manuales de reparaciones jeep compass y patriot limited 2007-2009
Manuales de reparaciones jeep compass y patriot limited 2007-2009
Manuales de reparaciones jeep compass y patriot limited 2007-2009
Manuales de reparaciones jeep compass y patriot limited 2007-2009
Manuales de reparaciones jeep compass y patriot limited 2007-2009
Manuales de reparaciones jeep compass y patriot limited 2007-2009
Manuales de reparaciones jeep compass y patriot limited 2007-2009
Manuales de reparaciones jeep compass y patriot limited 2007-2009
Manuales de reparaciones jeep compass y patriot limited 2007-2009
Manuales de reparaciones jeep compass y patriot limited 2007-2009
Manuales de reparaciones jeep compass y patriot limited 2007-2009
Manuales de reparaciones jeep compass y patriot limited 2007-2009
Manuales de reparaciones jeep compass y patriot limited 2007-2009
Manuales de reparaciones jeep compass y patriot limited 2007-2009
Manuales de reparaciones jeep compass y patriot limited 2007-2009
Manuales de reparaciones jeep compass y patriot limited 2007-2009
Manuales de reparaciones jeep compass y patriot limited 2007-2009
Manuales de reparaciones jeep compass y patriot limited 2007-2009
Manuales de reparaciones jeep compass y patriot limited 2007-2009
Manuales de reparaciones jeep compass y patriot limited 2007-2009
Manuales de reparaciones jeep compass y patriot limited 2007-2009
Manuales de reparaciones jeep compass y patriot limited 2007-2009
Manuales de reparaciones jeep compass y patriot limited 2007-2009
Manuales de reparaciones jeep compass y patriot limited 2007-2009
Manuales de reparaciones jeep compass y patriot limited 2007-2009
Manuales de reparaciones jeep compass y patriot limited 2007-2009
Manuales de reparaciones jeep compass y patriot limited 2007-2009
Manuales de reparaciones jeep compass y patriot limited 2007-2009
Manuales de reparaciones jeep compass y patriot limited 2007-2009
Manuales de reparaciones jeep compass y patriot limited 2007-2009
Manuales de reparaciones jeep compass y patriot limited 2007-2009
Manuales de reparaciones jeep compass y patriot limited 2007-2009
Manuales de reparaciones jeep compass y patriot limited 2007-2009
Manuales de reparaciones jeep compass y patriot limited 2007-2009
Manuales de reparaciones jeep compass y patriot limited 2007-2009
Manuales de reparaciones jeep compass y patriot limited 2007-2009
Manuales de reparaciones jeep compass y patriot limited 2007-2009
Manuales de reparaciones jeep compass y patriot limited 2007-2009
Manuales de reparaciones jeep compass y patriot limited 2007-2009
Manuales de reparaciones jeep compass y patriot limited 2007-2009
Manuales de reparaciones jeep compass y patriot limited 2007-2009
Manuales de reparaciones jeep compass y patriot limited 2007-2009
Manuales de reparaciones jeep compass y patriot limited 2007-2009
Manuales de reparaciones jeep compass y patriot limited 2007-2009
Manuales de reparaciones jeep compass y patriot limited 2007-2009
Manuales de reparaciones jeep compass y patriot limited 2007-2009
Manuales de reparaciones jeep compass y patriot limited 2007-2009
Manuales de reparaciones jeep compass y patriot limited 2007-2009
Manuales de reparaciones jeep compass y patriot limited 2007-2009
Manuales de reparaciones jeep compass y patriot limited 2007-2009
Manuales de reparaciones jeep compass y patriot limited 2007-2009
Manuales de reparaciones jeep compass y patriot limited 2007-2009
Manuales de reparaciones jeep compass y patriot limited 2007-2009
Manuales de reparaciones jeep compass y patriot limited 2007-2009
Manuales de reparaciones jeep compass y patriot limited 2007-2009
Manuales de reparaciones jeep compass y patriot limited 2007-2009
Manuales de reparaciones jeep compass y patriot limited 2007-2009
Manuales de reparaciones jeep compass y patriot limited 2007-2009
Manuales de reparaciones jeep compass y patriot limited 2007-2009
Manuales de reparaciones jeep compass y patriot limited 2007-2009
Manuales de reparaciones jeep compass y patriot limited 2007-2009
Manuales de reparaciones jeep compass y patriot limited 2007-2009
Manuales de reparaciones jeep compass y patriot limited 2007-2009
Manuales de reparaciones jeep compass y patriot limited 2007-2009
Manuales de reparaciones jeep compass y patriot limited 2007-2009
Manuales de reparaciones jeep compass y patriot limited 2007-2009
Manuales de reparaciones jeep compass y patriot limited 2007-2009
Manuales de reparaciones jeep compass y patriot limited 2007-2009
Manuales de reparaciones jeep compass y patriot limited 2007-2009
Manuales de reparaciones jeep compass y patriot limited 2007-2009
Manuales de reparaciones jeep compass y patriot limited 2007-2009
Manuales de reparaciones jeep compass y patriot limited 2007-2009
Manuales de reparaciones jeep compass y patriot limited 2007-2009
Manuales de reparaciones jeep compass y patriot limited 2007-2009
Manuales de reparaciones jeep compass y patriot limited 2007-2009
Manuales de reparaciones jeep compass y patriot limited 2007-2009
Manuales de reparaciones jeep compass y patriot limited 2007-2009
Manuales de reparaciones jeep compass y patriot limited 2007-2009
Manuales de reparaciones jeep compass y patriot limited 2007-2009
Manuales de reparaciones jeep compass y patriot limited 2007-2009
Manuales de reparaciones jeep compass y patriot limited 2007-2009
Manuales de reparaciones jeep compass y patriot limited 2007-2009
Manuales de reparaciones jeep compass y patriot limited 2007-2009
Manuales de reparaciones jeep compass y patriot limited 2007-2009
Manuales de reparaciones jeep compass y patriot limited 2007-2009
Manuales de reparaciones jeep compass y patriot limited 2007-2009
Manuales de reparaciones jeep compass y patriot limited 2007-2009
Manuales de reparaciones jeep compass y patriot limited 2007-2009
Manuales de reparaciones jeep compass y patriot limited 2007-2009
Manuales de reparaciones jeep compass y patriot limited 2007-2009
Manuales de reparaciones jeep compass y patriot limited 2007-2009
Manuales de reparaciones jeep compass y patriot limited 2007-2009
Manuales de reparaciones jeep compass y patriot limited 2007-2009
Manuales de reparaciones jeep compass y patriot limited 2007-2009
Manuales de reparaciones jeep compass y patriot limited 2007-2009
Manuales de reparaciones jeep compass y patriot limited 2007-2009
Manuales de reparaciones jeep compass y patriot limited 2007-2009
Manuales de reparaciones jeep compass y patriot limited 2007-2009
Manuales de reparaciones jeep compass y patriot limited 2007-2009
Manuales de reparaciones jeep compass y patriot limited 2007-2009
Manuales de reparaciones jeep compass y patriot limited 2007-2009
Manuales de reparaciones jeep compass y patriot limited 2007-2009
Manuales de reparaciones jeep compass y patriot limited 2007-2009
Manuales de reparaciones jeep compass y patriot limited 2007-2009
Manuales de reparaciones jeep compass y patriot limited 2007-2009
Manuales de reparaciones jeep compass y patriot limited 2007-2009
Manuales de reparaciones jeep compass y patriot limited 2007-2009
Manuales de reparaciones jeep compass y patriot limited 2007-2009
Manuales de reparaciones jeep compass y patriot limited 2007-2009
Manuales de reparaciones jeep compass y patriot limited 2007-2009
Manuales de reparaciones jeep compass y patriot limited 2007-2009
Manuales de reparaciones jeep compass y patriot limited 2007-2009
Manuales de reparaciones jeep compass y patriot limited 2007-2009
Manuales de reparaciones jeep compass y patriot limited 2007-2009
Manuales de reparaciones jeep compass y patriot limited 2007-2009
Manuales de reparaciones jeep compass y patriot limited 2007-2009
Manuales de reparaciones jeep compass y patriot limited 2007-2009
Manuales de reparaciones jeep compass y patriot limited 2007-2009
Manuales de reparaciones jeep compass y patriot limited 2007-2009
Manuales de reparaciones jeep compass y patriot limited 2007-2009
Manuales de reparaciones jeep compass y patriot limited 2007-2009
Manuales de reparaciones jeep compass y patriot limited 2007-2009
Manuales de reparaciones jeep compass y patriot limited 2007-2009
Manuales de reparaciones jeep compass y patriot limited 2007-2009
Manuales de reparaciones jeep compass y patriot limited 2007-2009
Manuales de reparaciones jeep compass y patriot limited 2007-2009
Manuales de reparaciones jeep compass y patriot limited 2007-2009
Manuales de reparaciones jeep compass y patriot limited 2007-2009
Manuales de reparaciones jeep compass y patriot limited 2007-2009
Manuales de reparaciones jeep compass y patriot limited 2007-2009
Manuales de reparaciones jeep compass y patriot limited 2007-2009
Manuales de reparaciones jeep compass y patriot limited 2007-2009
Manuales de reparaciones jeep compass y patriot limited 2007-2009
Manuales de reparaciones jeep compass y patriot limited 2007-2009
Manuales de reparaciones jeep compass y patriot limited 2007-2009
Manuales de reparaciones jeep compass y patriot limited 2007-2009
Manuales de reparaciones jeep compass y patriot limited 2007-2009
Manuales de reparaciones jeep compass y patriot limited 2007-2009
Manuales de reparaciones jeep compass y patriot limited 2007-2009
Manuales de reparaciones jeep compass y patriot limited 2007-2009
Manuales de reparaciones jeep compass y patriot limited 2007-2009
Manuales de reparaciones jeep compass y patriot limited 2007-2009
Manuales de reparaciones jeep compass y patriot limited 2007-2009
Manuales de reparaciones jeep compass y patriot limited 2007-2009
Manuales de reparaciones jeep compass y patriot limited 2007-2009
Manuales de reparaciones jeep compass y patriot limited 2007-2009
Manuales de reparaciones jeep compass y patriot limited 2007-2009
Manuales de reparaciones jeep compass y patriot limited 2007-2009
Manuales de reparaciones jeep compass y patriot limited 2007-2009
Manuales de reparaciones jeep compass y patriot limited 2007-2009
Manuales de reparaciones jeep compass y patriot limited 2007-2009
Manuales de reparaciones jeep compass y patriot limited 2007-2009
Manuales de reparaciones jeep compass y patriot limited 2007-2009
Manuales de reparaciones jeep compass y patriot limited 2007-2009
Manuales de reparaciones jeep compass y patriot limited 2007-2009
Manuales de reparaciones jeep compass y patriot limited 2007-2009
Manuales de reparaciones jeep compass y patriot limited 2007-2009
Manuales de reparaciones jeep compass y patriot limited 2007-2009
Manuales de reparaciones jeep compass y patriot limited 2007-2009
Manuales de reparaciones jeep compass y patriot limited 2007-2009
Manuales de reparaciones jeep compass y patriot limited 2007-2009
Manuales de reparaciones jeep compass y patriot limited 2007-2009
Manuales de reparaciones jeep compass y patriot limited 2007-2009
Manuales de reparaciones jeep compass y patriot limited 2007-2009
Manuales de reparaciones jeep compass y patriot limited 2007-2009
Manuales de reparaciones jeep compass y patriot limited 2007-2009
Manuales de reparaciones jeep compass y patriot limited 2007-2009
Manuales de reparaciones jeep compass y patriot limited 2007-2009
Manuales de reparaciones jeep compass y patriot limited 2007-2009
Manuales de reparaciones jeep compass y patriot limited 2007-2009
Manuales de reparaciones jeep compass y patriot limited 2007-2009
Manuales de reparaciones jeep compass y patriot limited 2007-2009
Manuales de reparaciones jeep compass y patriot limited 2007-2009
Manuales de reparaciones jeep compass y patriot limited 2007-2009
Manuales de reparaciones jeep compass y patriot limited 2007-2009
Manuales de reparaciones jeep compass y patriot limited 2007-2009
Manuales de reparaciones jeep compass y patriot limited 2007-2009
Manuales de reparaciones jeep compass y patriot limited 2007-2009
Manuales de reparaciones jeep compass y patriot limited 2007-2009
Manuales de reparaciones jeep compass y patriot limited 2007-2009
Manuales de reparaciones jeep compass y patriot limited 2007-2009
Manuales de reparaciones jeep compass y patriot limited 2007-2009
Manuales de reparaciones jeep compass y patriot limited 2007-2009
Manuales de reparaciones jeep compass y patriot limited 2007-2009
Manuales de reparaciones jeep compass y patriot limited 2007-2009
Manuales de reparaciones jeep compass y patriot limited 2007-2009
Manuales de reparaciones jeep compass y patriot limited 2007-2009
Manuales de reparaciones jeep compass y patriot limited 2007-2009
Manuales de reparaciones jeep compass y patriot limited 2007-2009
Manuales de reparaciones jeep compass y patriot limited 2007-2009
Manuales de reparaciones jeep compass y patriot limited 2007-2009
Manuales de reparaciones jeep compass y patriot limited 2007-2009
Manuales de reparaciones jeep compass y patriot limited 2007-2009
Manuales de reparaciones jeep compass y patriot limited 2007-2009
Manuales de reparaciones jeep compass y patriot limited 2007-2009
Manuales de reparaciones jeep compass y patriot limited 2007-2009
Manuales de reparaciones jeep compass y patriot limited 2007-2009
Manuales de reparaciones jeep compass y patriot limited 2007-2009
Manuales de reparaciones jeep compass y patriot limited 2007-2009
Manuales de reparaciones jeep compass y patriot limited 2007-2009
Manuales de reparaciones jeep compass y patriot limited 2007-2009
Manuales de reparaciones jeep compass y patriot limited 2007-2009
Manuales de reparaciones jeep compass y patriot limited 2007-2009
Manuales de reparaciones jeep compass y patriot limited 2007-2009
Manuales de reparaciones jeep compass y patriot limited 2007-2009
Manuales de reparaciones jeep compass y patriot limited 2007-2009
Manuales de reparaciones jeep compass y patriot limited 2007-2009
Manuales de reparaciones jeep compass y patriot limited 2007-2009
Manuales de reparaciones jeep compass y patriot limited 2007-2009
Manuales de reparaciones jeep compass y patriot limited 2007-2009
Manuales de reparaciones jeep compass y patriot limited 2007-2009
Manuales de reparaciones jeep compass y patriot limited 2007-2009
Manuales de reparaciones jeep compass y patriot limited 2007-2009
Manuales de reparaciones jeep compass y patriot limited 2007-2009
Manuales de reparaciones jeep compass y patriot limited 2007-2009
Manuales de reparaciones jeep compass y patriot limited 2007-2009
Manuales de reparaciones jeep compass y patriot limited 2007-2009
Manuales de reparaciones jeep compass y patriot limited 2007-2009
Manuales de reparaciones jeep compass y patriot limited 2007-2009
Manuales de reparaciones jeep compass y patriot limited 2007-2009
Manuales de reparaciones jeep compass y patriot limited 2007-2009
Manuales de reparaciones jeep compass y patriot limited 2007-2009
Manuales de reparaciones jeep compass y patriot limited 2007-2009
Manuales de reparaciones jeep compass y patriot limited 2007-2009
Manuales de reparaciones jeep compass y patriot limited 2007-2009
Manuales de reparaciones jeep compass y patriot limited 2007-2009
Manuales de reparaciones jeep compass y patriot limited 2007-2009
Manuales de reparaciones jeep compass y patriot limited 2007-2009
Manuales de reparaciones jeep compass y patriot limited 2007-2009
Manuales de reparaciones jeep compass y patriot limited 2007-2009
Manuales de reparaciones jeep compass y patriot limited 2007-2009
Manuales de reparaciones jeep compass y patriot limited 2007-2009
Manuales de reparaciones jeep compass y patriot limited 2007-2009
Manuales de reparaciones jeep compass y patriot limited 2007-2009
Manuales de reparaciones jeep compass y patriot limited 2007-2009
Manuales de reparaciones jeep compass y patriot limited 2007-2009
Manuales de reparaciones jeep compass y patriot limited 2007-2009
Manuales de reparaciones jeep compass y patriot limited 2007-2009
Manuales de reparaciones jeep compass y patriot limited 2007-2009
Manuales de reparaciones jeep compass y patriot limited 2007-2009
Manuales de reparaciones jeep compass y patriot limited 2007-2009
Manuales de reparaciones jeep compass y patriot limited 2007-2009
Manuales de reparaciones jeep compass y patriot limited 2007-2009
Manuales de reparaciones jeep compass y patriot limited 2007-2009
Manuales de reparaciones jeep compass y patriot limited 2007-2009
Manuales de reparaciones jeep compass y patriot limited 2007-2009
Manuales de reparaciones jeep compass y patriot limited 2007-2009
Manuales de reparaciones jeep compass y patriot limited 2007-2009
Manuales de reparaciones jeep compass y patriot limited 2007-2009
Manuales de reparaciones jeep compass y patriot limited 2007-2009
Manuales de reparaciones jeep compass y patriot limited 2007-2009
Manuales de reparaciones jeep compass y patriot limited 2007-2009
Manuales de reparaciones jeep compass y patriot limited 2007-2009
Manuales de reparaciones jeep compass y patriot limited 2007-2009
Manuales de reparaciones jeep compass y patriot limited 2007-2009
Manuales de reparaciones jeep compass y patriot limited 2007-2009
Manuales de reparaciones jeep compass y patriot limited 2007-2009
Manuales de reparaciones jeep compass y patriot limited 2007-2009
Manuales de reparaciones jeep compass y patriot limited 2007-2009
Manuales de reparaciones jeep compass y patriot limited 2007-2009
Manuales de reparaciones jeep compass y patriot limited 2007-2009
Manuales de reparaciones jeep compass y patriot limited 2007-2009
Manuales de reparaciones jeep compass y patriot limited 2007-2009
Manuales de reparaciones jeep compass y patriot limited 2007-2009
Manuales de reparaciones jeep compass y patriot limited 2007-2009
Manuales de reparaciones jeep compass y patriot limited 2007-2009
Manuales de reparaciones jeep compass y patriot limited 2007-2009
Manuales de reparaciones jeep compass y patriot limited 2007-2009
Manuales de reparaciones jeep compass y patriot limited 2007-2009
Manuales de reparaciones jeep compass y patriot limited 2007-2009
Manuales de reparaciones jeep compass y patriot limited 2007-2009
Manuales de reparaciones jeep compass y patriot limited 2007-2009
Manuales de reparaciones jeep compass y patriot limited 2007-2009
Manuales de reparaciones jeep compass y patriot limited 2007-2009
Manuales de reparaciones jeep compass y patriot limited 2007-2009
Manuales de reparaciones jeep compass y patriot limited 2007-2009
Manuales de reparaciones jeep compass y patriot limited 2007-2009
Manuales de reparaciones jeep compass y patriot limited 2007-2009
Manuales de reparaciones jeep compass y patriot limited 2007-2009
Manuales de reparaciones jeep compass y patriot limited 2007-2009
Manuales de reparaciones jeep compass y patriot limited 2007-2009
Manuales de reparaciones jeep compass y patriot limited 2007-2009
Manuales de reparaciones jeep compass y patriot limited 2007-2009
Manuales de reparaciones jeep compass y patriot limited 2007-2009
Manuales de reparaciones jeep compass y patriot limited 2007-2009
Manuales de reparaciones jeep compass y patriot limited 2007-2009
Manuales de reparaciones jeep compass y patriot limited 2007-2009
Manuales de reparaciones jeep compass y patriot limited 2007-2009
Manuales de reparaciones jeep compass y patriot limited 2007-2009
Manuales de reparaciones jeep compass y patriot limited 2007-2009
Manuales de reparaciones jeep compass y patriot limited 2007-2009
Manuales de reparaciones jeep compass y patriot limited 2007-2009
Manuales de reparaciones jeep compass y patriot limited 2007-2009
Manuales de reparaciones jeep compass y patriot limited 2007-2009
Manuales de reparaciones jeep compass y patriot limited 2007-2009
Manuales de reparaciones jeep compass y patriot limited 2007-2009
Manuales de reparaciones jeep compass y patriot limited 2007-2009
Manuales de reparaciones jeep compass y patriot limited 2007-2009
Manuales de reparaciones jeep compass y patriot limited 2007-2009
Manuales de reparaciones jeep compass y patriot limited 2007-2009
Manuales de reparaciones jeep compass y patriot limited 2007-2009
Manuales de reparaciones jeep compass y patriot limited 2007-2009
Manuales de reparaciones jeep compass y patriot limited 2007-2009
Manuales de reparaciones jeep compass y patriot limited 2007-2009
Manuales de reparaciones jeep compass y patriot limited 2007-2009
Manuales de reparaciones jeep compass y patriot limited 2007-2009
Manuales de reparaciones jeep compass y patriot limited 2007-2009
Manuales de reparaciones jeep compass y patriot limited 2007-2009
Manuales de reparaciones jeep compass y patriot limited 2007-2009
Manuales de reparaciones jeep compass y patriot limited 2007-2009
Manuales de reparaciones jeep compass y patriot limited 2007-2009
Manuales de reparaciones jeep compass y patriot limited 2007-2009
Manuales de reparaciones jeep compass y patriot limited 2007-2009
Manuales de reparaciones jeep compass y patriot limited 2007-2009
Manuales de reparaciones jeep compass y patriot limited 2007-2009
Manuales de reparaciones jeep compass y patriot limited 2007-2009
Manuales de reparaciones jeep compass y patriot limited 2007-2009
Manuales de reparaciones jeep compass y patriot limited 2007-2009
Manuales de reparaciones jeep compass y patriot limited 2007-2009
Manuales de reparaciones jeep compass y patriot limited 2007-2009
Manuales de reparaciones jeep compass y patriot limited 2007-2009
Manuales de reparaciones jeep compass y patriot limited 2007-2009
Manuales de reparaciones jeep compass y patriot limited 2007-2009
Manuales de reparaciones jeep compass y patriot limited 2007-2009
Manuales de reparaciones jeep compass y patriot limited 2007-2009
Manuales de reparaciones jeep compass y patriot limited 2007-2009
Manuales de reparaciones jeep compass y patriot limited 2007-2009
Manuales de reparaciones jeep compass y patriot limited 2007-2009
Manuales de reparaciones jeep compass y patriot limited 2007-2009
Manuales de reparaciones jeep compass y patriot limited 2007-2009
Manuales de reparaciones jeep compass y patriot limited 2007-2009
Manuales de reparaciones jeep compass y patriot limited 2007-2009
Manuales de reparaciones jeep compass y patriot limited 2007-2009
Manuales de reparaciones jeep compass y patriot limited 2007-2009
Manuales de reparaciones jeep compass y patriot limited 2007-2009
Manuales de reparaciones jeep compass y patriot limited 2007-2009
Manuales de reparaciones jeep compass y patriot limited 2007-2009
Manuales de reparaciones jeep compass y patriot limited 2007-2009
Manuales de reparaciones jeep compass y patriot limited 2007-2009
Manuales de reparaciones jeep compass y patriot limited 2007-2009
Manuales de reparaciones jeep compass y patriot limited 2007-2009
Manuales de reparaciones jeep compass y patriot limited 2007-2009
Manuales de reparaciones jeep compass y patriot limited 2007-2009
Manuales de reparaciones jeep compass y patriot limited 2007-2009
Manuales de reparaciones jeep compass y patriot limited 2007-2009
Manuales de reparaciones jeep compass y patriot limited 2007-2009
Manuales de reparaciones jeep compass y patriot limited 2007-2009
Manuales de reparaciones jeep compass y patriot limited 2007-2009
Manuales de reparaciones jeep compass y patriot limited 2007-2009
Manuales de reparaciones jeep compass y patriot limited 2007-2009
Manuales de reparaciones jeep compass y patriot limited 2007-2009
Manuales de reparaciones jeep compass y patriot limited 2007-2009
Manuales de reparaciones jeep compass y patriot limited 2007-2009
Manuales de reparaciones jeep compass y patriot limited 2007-2009
Manuales de reparaciones jeep compass y patriot limited 2007-2009
Manuales de reparaciones jeep compass y patriot limited 2007-2009
Manuales de reparaciones jeep compass y patriot limited 2007-2009
Manuales de reparaciones jeep compass y patriot limited 2007-2009
Manuales de reparaciones jeep compass y patriot limited 2007-2009
Manuales de reparaciones jeep compass y patriot limited 2007-2009
Manuales de reparaciones jeep compass y patriot limited 2007-2009
Manuales de reparaciones jeep compass y patriot limited 2007-2009
Manuales de reparaciones jeep compass y patriot limited 2007-2009
Manuales de reparaciones jeep compass y patriot limited 2007-2009
Manuales de reparaciones jeep compass y patriot limited 2007-2009
Manuales de reparaciones jeep compass y patriot limited 2007-2009
Manuales de reparaciones jeep compass y patriot limited 2007-2009
Manuales de reparaciones jeep compass y patriot limited 2007-2009
Manuales de reparaciones jeep compass y patriot limited 2007-2009
Manuales de reparaciones jeep compass y patriot limited 2007-2009
Manuales de reparaciones jeep compass y patriot limited 2007-2009
Manuales de reparaciones jeep compass y patriot limited 2007-2009
Manuales de reparaciones jeep compass y patriot limited 2007-2009
Manuales de reparaciones jeep compass y patriot limited 2007-2009
Manuales de reparaciones jeep compass y patriot limited 2007-2009
Manuales de reparaciones jeep compass y patriot limited 2007-2009
Manuales de reparaciones jeep compass y patriot limited 2007-2009
Manuales de reparaciones jeep compass y patriot limited 2007-2009
Manuales de reparaciones jeep compass y patriot limited 2007-2009
Manuales de reparaciones jeep compass y patriot limited 2007-2009
Manuales de reparaciones jeep compass y patriot limited 2007-2009
Manuales de reparaciones jeep compass y patriot limited 2007-2009
Manuales de reparaciones jeep compass y patriot limited 2007-2009
Manuales de reparaciones jeep compass y patriot limited 2007-2009
Manuales de reparaciones jeep compass y patriot limited 2007-2009
Manuales de reparaciones jeep compass y patriot limited 2007-2009
Manuales de reparaciones jeep compass y patriot limited 2007-2009
Manuales de reparaciones jeep compass y patriot limited 2007-2009
Manuales de reparaciones jeep compass y patriot limited 2007-2009
Manuales de reparaciones jeep compass y patriot limited 2007-2009
Manuales de reparaciones jeep compass y patriot limited 2007-2009
Manuales de reparaciones jeep compass y patriot limited 2007-2009
Manuales de reparaciones jeep compass y patriot limited 2007-2009
Manuales de reparaciones jeep compass y patriot limited 2007-2009
Manuales de reparaciones jeep compass y patriot limited 2007-2009
Manuales de reparaciones jeep compass y patriot limited 2007-2009
Manuales de reparaciones jeep compass y patriot limited 2007-2009
Manuales de reparaciones jeep compass y patriot limited 2007-2009
Manuales de reparaciones jeep compass y patriot limited 2007-2009
Manuales de reparaciones jeep compass y patriot limited 2007-2009
Manuales de reparaciones jeep compass y patriot limited 2007-2009
Manuales de reparaciones jeep compass y patriot limited 2007-2009
Manuales de reparaciones jeep compass y patriot limited 2007-2009
Manuales de reparaciones jeep compass y patriot limited 2007-2009
Manuales de reparaciones jeep compass y patriot limited 2007-2009
Manuales de reparaciones jeep compass y patriot limited 2007-2009
Manuales de reparaciones jeep compass y patriot limited 2007-2009
Manuales de reparaciones jeep compass y patriot limited 2007-2009
Manuales de reparaciones jeep compass y patriot limited 2007-2009
Manuales de reparaciones jeep compass y patriot limited 2007-2009
Manuales de reparaciones jeep compass y patriot limited 2007-2009
Manuales de reparaciones jeep compass y patriot limited 2007-2009
Manuales de reparaciones jeep compass y patriot limited 2007-2009
Manuales de reparaciones jeep compass y patriot limited 2007-2009
Manuales de reparaciones jeep compass y patriot limited 2007-2009
Manuales de reparaciones jeep compass y patriot limited 2007-2009
Manuales de reparaciones jeep compass y patriot limited 2007-2009
Manuales de reparaciones jeep compass y patriot limited 2007-2009
Manuales de reparaciones jeep compass y patriot limited 2007-2009
Manuales de reparaciones jeep compass y patriot limited 2007-2009
Manuales de reparaciones jeep compass y patriot limited 2007-2009
Manuales de reparaciones jeep compass y patriot limited 2007-2009
Manuales de reparaciones jeep compass y patriot limited 2007-2009
Manuales de reparaciones jeep compass y patriot limited 2007-2009
Manuales de reparaciones jeep compass y patriot limited 2007-2009
Manuales de reparaciones jeep compass y patriot limited 2007-2009
Manuales de reparaciones jeep compass y patriot limited 2007-2009
Manuales de reparaciones jeep compass y patriot limited 2007-2009
Manuales de reparaciones jeep compass y patriot limited 2007-2009
Manuales de reparaciones jeep compass y patriot limited 2007-2009
Manuales de reparaciones jeep compass y patriot limited 2007-2009
Manuales de reparaciones jeep compass y patriot limited 2007-2009
Manuales de reparaciones jeep compass y patriot limited 2007-2009
Manuales de reparaciones jeep compass y patriot limited 2007-2009
Manuales de reparaciones jeep compass y patriot limited 2007-2009
Manuales de reparaciones jeep compass y patriot limited 2007-2009
Manuales de reparaciones jeep compass y patriot limited 2007-2009
Manuales de reparaciones jeep compass y patriot limited 2007-2009
Manuales de reparaciones jeep compass y patriot limited 2007-2009
Manuales de reparaciones jeep compass y patriot limited 2007-2009
Manuales de reparaciones jeep compass y patriot limited 2007-2009
Manuales de reparaciones jeep compass y patriot limited 2007-2009
Manuales de reparaciones jeep compass y patriot limited 2007-2009
Manuales de reparaciones jeep compass y patriot limited 2007-2009
Manuales de reparaciones jeep compass y patriot limited 2007-2009
Manuales de reparaciones jeep compass y patriot limited 2007-2009
Manuales de reparaciones jeep compass y patriot limited 2007-2009
Manuales de reparaciones jeep compass y patriot limited 2007-2009
Manuales de reparaciones jeep compass y patriot limited 2007-2009
Manuales de reparaciones jeep compass y patriot limited 2007-2009
Manuales de reparaciones jeep compass y patriot limited 2007-2009
Manuales de reparaciones jeep compass y patriot limited 2007-2009
Manuales de reparaciones jeep compass y patriot limited 2007-2009
Manuales de reparaciones jeep compass y patriot limited 2007-2009
Manuales de reparaciones jeep compass y patriot limited 2007-2009
Manuales de reparaciones jeep compass y patriot limited 2007-2009
Manuales de reparaciones jeep compass y patriot limited 2007-2009
Manuales de reparaciones jeep compass y patriot limited 2007-2009
Manuales de reparaciones jeep compass y patriot limited 2007-2009
Manuales de reparaciones jeep compass y patriot limited 2007-2009
Manuales de reparaciones jeep compass y patriot limited 2007-2009
Manuales de reparaciones jeep compass y patriot limited 2007-2009
Manuales de reparaciones jeep compass y patriot limited 2007-2009
Manuales de reparaciones jeep compass y patriot limited 2007-2009
Manuales de reparaciones jeep compass y patriot limited 2007-2009
Manuales de reparaciones jeep compass y patriot limited 2007-2009
Manuales de reparaciones jeep compass y patriot limited 2007-2009
Manuales de reparaciones jeep compass y patriot limited 2007-2009
Manuales de reparaciones jeep compass y patriot limited 2007-2009
Manuales de reparaciones jeep compass y patriot limited 2007-2009
Manuales de reparaciones jeep compass y patriot limited 2007-2009
Manuales de reparaciones jeep compass y patriot limited 2007-2009
Manuales de reparaciones jeep compass y patriot limited 2007-2009
Manuales de reparaciones jeep compass y patriot limited 2007-2009
Manuales de reparaciones jeep compass y patriot limited 2007-2009
Manuales de reparaciones jeep compass y patriot limited 2007-2009
Manuales de reparaciones jeep compass y patriot limited 2007-2009
Manuales de reparaciones jeep compass y patriot limited 2007-2009
Manuales de reparaciones jeep compass y patriot limited 2007-2009
Manuales de reparaciones jeep compass y patriot limited 2007-2009
Manuales de reparaciones jeep compass y patriot limited 2007-2009
Manuales de reparaciones jeep compass y patriot limited 2007-2009
Manuales de reparaciones jeep compass y patriot limited 2007-2009
Manuales de reparaciones jeep compass y patriot limited 2007-2009
Manuales de reparaciones jeep compass y patriot limited 2007-2009
Manuales de reparaciones jeep compass y patriot limited 2007-2009
Manuales de reparaciones jeep compass y patriot limited 2007-2009
Manuales de reparaciones jeep compass y patriot limited 2007-2009
Manuales de reparaciones jeep compass y patriot limited 2007-2009
Manuales de reparaciones jeep compass y patriot limited 2007-2009
Manuales de reparaciones jeep compass y patriot limited 2007-2009
Manuales de reparaciones jeep compass y patriot limited 2007-2009
Manuales de reparaciones jeep compass y patriot limited 2007-2009
Manuales de reparaciones jeep compass y patriot limited 2007-2009
Manuales de reparaciones jeep compass y patriot limited 2007-2009
Manuales de reparaciones jeep compass y patriot limited 2007-2009
Manuales de reparaciones jeep compass y patriot limited 2007-2009
Manuales de reparaciones jeep compass y patriot limited 2007-2009
Manuales de reparaciones jeep compass y patriot limited 2007-2009
Manuales de reparaciones jeep compass y patriot limited 2007-2009
Manuales de reparaciones jeep compass y patriot limited 2007-2009
Manuales de reparaciones jeep compass y patriot limited 2007-2009
Manuales de reparaciones jeep compass y patriot limited 2007-2009
Manuales de reparaciones jeep compass y patriot limited 2007-2009
Manuales de reparaciones jeep compass y patriot limited 2007-2009
Manuales de reparaciones jeep compass y patriot limited 2007-2009
Manuales de reparaciones jeep compass y patriot limited 2007-2009
Manuales de reparaciones jeep compass y patriot limited 2007-2009
Manuales de reparaciones jeep compass y patriot limited 2007-2009
Manuales de reparaciones jeep compass y patriot limited 2007-2009
Manuales de reparaciones jeep compass y patriot limited 2007-2009
Manuales de reparaciones jeep compass y patriot limited 2007-2009
Manuales de reparaciones jeep compass y patriot limited 2007-2009
Manuales de reparaciones jeep compass y patriot limited 2007-2009
Manuales de reparaciones jeep compass y patriot limited 2007-2009
Manuales de reparaciones jeep compass y patriot limited 2007-2009
Manuales de reparaciones jeep compass y patriot limited 2007-2009
Manuales de reparaciones jeep compass y patriot limited 2007-2009
Manuales de reparaciones jeep compass y patriot limited 2007-2009
Manuales de reparaciones jeep compass y patriot limited 2007-2009
Manuales de reparaciones jeep compass y patriot limited 2007-2009
Manuales de reparaciones jeep compass y patriot limited 2007-2009
Manuales de reparaciones jeep compass y patriot limited 2007-2009
Manuales de reparaciones jeep compass y patriot limited 2007-2009
Manuales de reparaciones jeep compass y patriot limited 2007-2009
Manuales de reparaciones jeep compass y patriot limited 2007-2009
Manuales de reparaciones jeep compass y patriot limited 2007-2009
Manuales de reparaciones jeep compass y patriot limited 2007-2009
Manuales de reparaciones jeep compass y patriot limited 2007-2009
Manuales de reparaciones jeep compass y patriot limited 2007-2009
Manuales de reparaciones jeep compass y patriot limited 2007-2009
Manuales de reparaciones jeep compass y patriot limited 2007-2009
Manuales de reparaciones jeep compass y patriot limited 2007-2009
Manuales de reparaciones jeep compass y patriot limited 2007-2009
Manuales de reparaciones jeep compass y patriot limited 2007-2009
Manuales de reparaciones jeep compass y patriot limited 2007-2009
Manuales de reparaciones jeep compass y patriot limited 2007-2009
Manuales de reparaciones jeep compass y patriot limited 2007-2009
Manuales de reparaciones jeep compass y patriot limited 2007-2009
Manuales de reparaciones jeep compass y patriot limited 2007-2009
Manuales de reparaciones jeep compass y patriot limited 2007-2009
Manuales de reparaciones jeep compass y patriot limited 2007-2009
Manuales de reparaciones jeep compass y patriot limited 2007-2009
Manuales de reparaciones jeep compass y patriot limited 2007-2009
Manuales de reparaciones jeep compass y patriot limited 2007-2009
Manuales de reparaciones jeep compass y patriot limited 2007-2009
Manuales de reparaciones jeep compass y patriot limited 2007-2009
Manuales de reparaciones jeep compass y patriot limited 2007-2009
Manuales de reparaciones jeep compass y patriot limited 2007-2009
Manuales de reparaciones jeep compass y patriot limited 2007-2009
Manuales de reparaciones jeep compass y patriot limited 2007-2009
Manuales de reparaciones jeep compass y patriot limited 2007-2009
Manuales de reparaciones jeep compass y patriot limited 2007-2009
Manuales de reparaciones jeep compass y patriot limited 2007-2009
Manuales de reparaciones jeep compass y patriot limited 2007-2009
Manuales de reparaciones jeep compass y patriot limited 2007-2009
Manuales de reparaciones jeep compass y patriot limited 2007-2009
Manuales de reparaciones jeep compass y patriot limited 2007-2009
Manuales de reparaciones jeep compass y patriot limited 2007-2009
Manuales de reparaciones jeep compass y patriot limited 2007-2009
Manuales de reparaciones jeep compass y patriot limited 2007-2009
Manuales de reparaciones jeep compass y patriot limited 2007-2009
Manuales de reparaciones jeep compass y patriot limited 2007-2009
Manuales de reparaciones jeep compass y patriot limited 2007-2009
Manuales de reparaciones jeep compass y patriot limited 2007-2009
Manuales de reparaciones jeep compass y patriot limited 2007-2009
Manuales de reparaciones jeep compass y patriot limited 2007-2009
Manuales de reparaciones jeep compass y patriot limited 2007-2009
Manuales de reparaciones jeep compass y patriot limited 2007-2009
Manuales de reparaciones jeep compass y patriot limited 2007-2009
Manuales de reparaciones jeep compass y patriot limited 2007-2009
Manuales de reparaciones jeep compass y patriot limited 2007-2009
Manuales de reparaciones jeep compass y patriot limited 2007-2009
Manuales de reparaciones jeep compass y patriot limited 2007-2009
Manuales de reparaciones jeep compass y patriot limited 2007-2009
Manuales de reparaciones jeep compass y patriot limited 2007-2009
Manuales de reparaciones jeep compass y patriot limited 2007-2009
Manuales de reparaciones jeep compass y patriot limited 2007-2009
Manuales de reparaciones jeep compass y patriot limited 2007-2009
Manuales de reparaciones jeep compass y patriot limited 2007-2009
Manuales de reparaciones jeep compass y patriot limited 2007-2009
Manuales de reparaciones jeep compass y patriot limited 2007-2009
Manuales de reparaciones jeep compass y patriot limited 2007-2009
Manuales de reparaciones jeep compass y patriot limited 2007-2009
Manuales de reparaciones jeep compass y patriot limited 2007-2009
Manuales de reparaciones jeep compass y patriot limited 2007-2009
Manuales de reparaciones jeep compass y patriot limited 2007-2009
Manuales de reparaciones jeep compass y patriot limited 2007-2009
Manuales de reparaciones jeep compass y patriot limited 2007-2009
Manuales de reparaciones jeep compass y patriot limited 2007-2009
Manuales de reparaciones jeep compass y patriot limited 2007-2009
Manuales de reparaciones jeep compass y patriot limited 2007-2009
Manuales de reparaciones jeep compass y patriot limited 2007-2009
Manuales de reparaciones jeep compass y patriot limited 2007-2009
Manuales de reparaciones jeep compass y patriot limited 2007-2009
Manuales de reparaciones jeep compass y patriot limited 2007-2009
Manuales de reparaciones jeep compass y patriot limited 2007-2009
Manuales de reparaciones jeep compass y patriot limited 2007-2009
Manuales de reparaciones jeep compass y patriot limited 2007-2009
Manuales de reparaciones jeep compass y patriot limited 2007-2009
Manuales de reparaciones jeep compass y patriot limited 2007-2009
Manuales de reparaciones jeep compass y patriot limited 2007-2009
Manuales de reparaciones jeep compass y patriot limited 2007-2009
Manuales de reparaciones jeep compass y patriot limited 2007-2009
Manuales de reparaciones jeep compass y patriot limited 2007-2009
Manuales de reparaciones jeep compass y patriot limited 2007-2009
Manuales de reparaciones jeep compass y patriot limited 2007-2009
Manuales de reparaciones jeep compass y patriot limited 2007-2009
Manuales de reparaciones jeep compass y patriot limited 2007-2009
Manuales de reparaciones jeep compass y patriot limited 2007-2009
Manuales de reparaciones jeep compass y patriot limited 2007-2009
Manuales de reparaciones jeep compass y patriot limited 2007-2009
Manuales de reparaciones jeep compass y patriot limited 2007-2009
Manuales de reparaciones jeep compass y patriot limited 2007-2009
Manuales de reparaciones jeep compass y patriot limited 2007-2009
Manuales de reparaciones jeep compass y patriot limited 2007-2009
Manuales de reparaciones jeep compass y patriot limited 2007-2009
Manuales de reparaciones jeep compass y patriot limited 2007-2009
Manuales de reparaciones jeep compass y patriot limited 2007-2009
Manuales de reparaciones jeep compass y patriot limited 2007-2009
Manuales de reparaciones jeep compass y patriot limited 2007-2009
Manuales de reparaciones jeep compass y patriot limited 2007-2009
Manuales de reparaciones jeep compass y patriot limited 2007-2009
Manuales de reparaciones jeep compass y patriot limited 2007-2009
Manuales de reparaciones jeep compass y patriot limited 2007-2009
Manuales de reparaciones jeep compass y patriot limited 2007-2009
Manuales de reparaciones jeep compass y patriot limited 2007-2009
Manuales de reparaciones jeep compass y patriot limited 2007-2009
Manuales de reparaciones jeep compass y patriot limited 2007-2009
Manuales de reparaciones jeep compass y patriot limited 2007-2009
Manuales de reparaciones jeep compass y patriot limited 2007-2009
Manuales de reparaciones jeep compass y patriot limited 2007-2009
Manuales de reparaciones jeep compass y patriot limited 2007-2009
Manuales de reparaciones jeep compass y patriot limited 2007-2009
Manuales de reparaciones jeep compass y patriot limited 2007-2009
Manuales de reparaciones jeep compass y patriot limited 2007-2009
Manuales de reparaciones jeep compass y patriot limited 2007-2009
Manuales de reparaciones jeep compass y patriot limited 2007-2009
Manuales de reparaciones jeep compass y patriot limited 2007-2009
Manuales de reparaciones jeep compass y patriot limited 2007-2009
Manuales de reparaciones jeep compass y patriot limited 2007-2009
Manuales de reparaciones jeep compass y patriot limited 2007-2009
Manuales de reparaciones jeep compass y patriot limited 2007-2009
Manuales de reparaciones jeep compass y patriot limited 2007-2009
Manuales de reparaciones jeep compass y patriot limited 2007-2009
Manuales de reparaciones jeep compass y patriot limited 2007-2009
Manuales de reparaciones jeep compass y patriot limited 2007-2009
Manuales de reparaciones jeep compass y patriot limited 2007-2009
Manuales de reparaciones jeep compass y patriot limited 2007-2009
Manuales de reparaciones jeep compass y patriot limited 2007-2009
Manuales de reparaciones jeep compass y patriot limited 2007-2009
Manuales de reparaciones jeep compass y patriot limited 2007-2009
Manuales de reparaciones jeep compass y patriot limited 2007-2009
Manuales de reparaciones jeep compass y patriot limited 2007-2009
Manuales de reparaciones jeep compass y patriot limited 2007-2009
Manuales de reparaciones jeep compass y patriot limited 2007-2009
Manuales de reparaciones jeep compass y patriot limited 2007-2009
Manuales de reparaciones jeep compass y patriot limited 2007-2009
Manuales de reparaciones jeep compass y patriot limited 2007-2009
Manuales de reparaciones jeep compass y patriot limited 2007-2009
Manuales de reparaciones jeep compass y patriot limited 2007-2009
Manuales de reparaciones jeep compass y patriot limited 2007-2009
Manuales de reparaciones jeep compass y patriot limited 2007-2009
Manuales de reparaciones jeep compass y patriot limited 2007-2009
Manuales de reparaciones jeep compass y patriot limited 2007-2009
Manuales de reparaciones jeep compass y patriot limited 2007-2009
Manuales de reparaciones jeep compass y patriot limited 2007-2009
Manuales de reparaciones jeep compass y patriot limited 2007-2009
Manuales de reparaciones jeep compass y patriot limited 2007-2009
Manuales de reparaciones jeep compass y patriot limited 2007-2009
Manuales de reparaciones jeep compass y patriot limited 2007-2009
Manuales de reparaciones jeep compass y patriot limited 2007-2009
Manuales de reparaciones jeep compass y patriot limited 2007-2009
Manuales de reparaciones jeep compass y patriot limited 2007-2009
Manuales de reparaciones jeep compass y patriot limited 2007-2009
Manuales de reparaciones jeep compass y patriot limited 2007-2009
Manuales de reparaciones jeep compass y patriot limited 2007-2009
Manuales de reparaciones jeep compass y patriot limited 2007-2009
Manuales de reparaciones jeep compass y patriot limited 2007-2009
Manuales de reparaciones jeep compass y patriot limited 2007-2009
Manuales de reparaciones jeep compass y patriot limited 2007-2009
Manuales de reparaciones jeep compass y patriot limited 2007-2009
Manuales de reparaciones jeep compass y patriot limited 2007-2009
Manuales de reparaciones jeep compass y patriot limited 2007-2009
Manuales de reparaciones jeep compass y patriot limited 2007-2009
Manuales de reparaciones jeep compass y patriot limited 2007-2009
Manuales de reparaciones jeep compass y patriot limited 2007-2009
Manuales de reparaciones jeep compass y patriot limited 2007-2009
Manuales de reparaciones jeep compass y patriot limited 2007-2009
Manuales de reparaciones jeep compass y patriot limited 2007-2009
Manuales de reparaciones jeep compass y patriot limited 2007-2009
Manuales de reparaciones jeep compass y patriot limited 2007-2009
Manuales de reparaciones jeep compass y patriot limited 2007-2009
Manuales de reparaciones jeep compass y patriot limited 2007-2009
Manuales de reparaciones jeep compass y patriot limited 2007-2009
Manuales de reparaciones jeep compass y patriot limited 2007-2009
Manuales de reparaciones jeep compass y patriot limited 2007-2009
Manuales de reparaciones jeep compass y patriot limited 2007-2009
Manuales de reparaciones jeep compass y patriot limited 2007-2009
Manuales de reparaciones jeep compass y patriot limited 2007-2009
Manuales de reparaciones jeep compass y patriot limited 2007-2009
Manuales de reparaciones jeep compass y patriot limited 2007-2009
Manuales de reparaciones jeep compass y patriot limited 2007-2009
Manuales de reparaciones jeep compass y patriot limited 2007-2009
Manuales de reparaciones jeep compass y patriot limited 2007-2009
Manuales de reparaciones jeep compass y patriot limited 2007-2009
Manuales de reparaciones jeep compass y patriot limited 2007-2009
Manuales de reparaciones jeep compass y patriot limited 2007-2009
Manuales de reparaciones jeep compass y patriot limited 2007-2009
Manuales de reparaciones jeep compass y patriot limited 2007-2009
Manuales de reparaciones jeep compass y patriot limited 2007-2009
Manuales de reparaciones jeep compass y patriot limited 2007-2009
Manuales de reparaciones jeep compass y patriot limited 2007-2009
Manuales de reparaciones jeep compass y patriot limited 2007-2009
Manuales de reparaciones jeep compass y patriot limited 2007-2009
Manuales de reparaciones jeep compass y patriot limited 2007-2009
Manuales de reparaciones jeep compass y patriot limited 2007-2009
Manuales de reparaciones jeep compass y patriot limited 2007-2009
Manuales de reparaciones jeep compass y patriot limited 2007-2009
Manuales de reparaciones jeep compass y patriot limited 2007-2009
Manuales de reparaciones jeep compass y patriot limited 2007-2009
Manuales de reparaciones jeep compass y patriot limited 2007-2009
Manuales de reparaciones jeep compass y patriot limited 2007-2009
Manuales de reparaciones jeep compass y patriot limited 2007-2009
Manuales de reparaciones jeep compass y patriot limited 2007-2009
Manuales de reparaciones jeep compass y patriot limited 2007-2009
Manuales de reparaciones jeep compass y patriot limited 2007-2009
Manuales de reparaciones jeep compass y patriot limited 2007-2009
Manuales de reparaciones jeep compass y patriot limited 2007-2009
Manuales de reparaciones jeep compass y patriot limited 2007-2009
Manuales de reparaciones jeep compass y patriot limited 2007-2009
Manuales de reparaciones jeep compass y patriot limited 2007-2009
Manuales de reparaciones jeep compass y patriot limited 2007-2009
Manuales de reparaciones jeep compass y patriot limited 2007-2009
Manuales de reparaciones jeep compass y patriot limited 2007-2009
Manuales de reparaciones jeep compass y patriot limited 2007-2009
Manuales de reparaciones jeep compass y patriot limited 2007-2009
Manuales de reparaciones jeep compass y patriot limited 2007-2009
Manuales de reparaciones jeep compass y patriot limited 2007-2009
Manuales de reparaciones jeep compass y patriot limited 2007-2009
Manuales de reparaciones jeep compass y patriot limited 2007-2009
Manuales de reparaciones jeep compass y patriot limited 2007-2009
Manuales de reparaciones jeep compass y patriot limited 2007-2009
Manuales de reparaciones jeep compass y patriot limited 2007-2009
Manuales de reparaciones jeep compass y patriot limited 2007-2009
Manuales de reparaciones jeep compass y patriot limited 2007-2009
Manuales de reparaciones jeep compass y patriot limited 2007-2009
Manuales de reparaciones jeep compass y patriot limited 2007-2009
Manuales de reparaciones jeep compass y patriot limited 2007-2009
Manuales de reparaciones jeep compass y patriot limited 2007-2009
Manuales de reparaciones jeep compass y patriot limited 2007-2009
Manuales de reparaciones jeep compass y patriot limited 2007-2009
Manuales de reparaciones jeep compass y patriot limited 2007-2009
Manuales de reparaciones jeep compass y patriot limited 2007-2009
Manuales de reparaciones jeep compass y patriot limited 2007-2009
Manuales de reparaciones jeep compass y patriot limited 2007-2009
Manuales de reparaciones jeep compass y patriot limited 2007-2009
Manuales de reparaciones jeep compass y patriot limited 2007-2009
Manuales de reparaciones jeep compass y patriot limited 2007-2009
Manuales de reparaciones jeep compass y patriot limited 2007-2009
Manuales de reparaciones jeep compass y patriot limited 2007-2009
Manuales de reparaciones jeep compass y patriot limited 2007-2009
Manuales de reparaciones jeep compass y patriot limited 2007-2009
Manuales de reparaciones jeep compass y patriot limited 2007-2009
Manuales de reparaciones jeep compass y patriot limited 2007-2009
Manuales de reparaciones jeep compass y patriot limited 2007-2009
Manuales de reparaciones jeep compass y patriot limited 2007-2009
Manuales de reparaciones jeep compass y patriot limited 2007-2009
Manuales de reparaciones jeep compass y patriot limited 2007-2009
Manuales de reparaciones jeep compass y patriot limited 2007-2009
Manuales de reparaciones jeep compass y patriot limited 2007-2009
Manuales de reparaciones jeep compass y patriot limited 2007-2009
Manuales de reparaciones jeep compass y patriot limited 2007-2009
Manuales de reparaciones jeep compass y patriot limited 2007-2009
Manuales de reparaciones jeep compass y patriot limited 2007-2009
Manuales de reparaciones jeep compass y patriot limited 2007-2009
Manuales de reparaciones jeep compass y patriot limited 2007-2009
Manuales de reparaciones jeep compass y patriot limited 2007-2009
Manuales de reparaciones jeep compass y patriot limited 2007-2009
Manuales de reparaciones jeep compass y patriot limited 2007-2009
Manuales de reparaciones jeep compass y patriot limited 2007-2009
Manuales de reparaciones jeep compass y patriot limited 2007-2009
Manuales de reparaciones jeep compass y patriot limited 2007-2009
Manuales de reparaciones jeep compass y patriot limited 2007-2009
Manuales de reparaciones jeep compass y patriot limited 2007-2009
Manuales de reparaciones jeep compass y patriot limited 2007-2009
Manuales de reparaciones jeep compass y patriot limited 2007-2009
Manuales de reparaciones jeep compass y patriot limited 2007-2009
Manuales de reparaciones jeep compass y patriot limited 2007-2009
Manuales de reparaciones jeep compass y patriot limited 2007-2009
Manuales de reparaciones jeep compass y patriot limited 2007-2009
Manuales de reparaciones jeep compass y patriot limited 2007-2009
Manuales de reparaciones jeep compass y patriot limited 2007-2009
Manuales de reparaciones jeep compass y patriot limited 2007-2009
Manuales de reparaciones jeep compass y patriot limited 2007-2009
Manuales de reparaciones jeep compass y patriot limited 2007-2009
Manuales de reparaciones jeep compass y patriot limited 2007-2009
Manuales de reparaciones jeep compass y patriot limited 2007-2009
Manuales de reparaciones jeep compass y patriot limited 2007-2009
Manuales de reparaciones jeep compass y patriot limited 2007-2009
Manuales de reparaciones jeep compass y patriot limited 2007-2009
Manuales de reparaciones jeep compass y patriot limited 2007-2009
Manuales de reparaciones jeep compass y patriot limited 2007-2009
Manuales de reparaciones jeep compass y patriot limited 2007-2009
Manuales de reparaciones jeep compass y patriot limited 2007-2009
Manuales de reparaciones jeep compass y patriot limited 2007-2009
Manuales de reparaciones jeep compass y patriot limited 2007-2009
Manuales de reparaciones jeep compass y patriot limited 2007-2009
Manuales de reparaciones jeep compass y patriot limited 2007-2009
Manuales de reparaciones jeep compass y patriot limited 2007-2009
Manuales de reparaciones jeep compass y patriot limited 2007-2009
Manuales de reparaciones jeep compass y patriot limited 2007-2009
Manuales de reparaciones jeep compass y patriot limited 2007-2009
Manuales de reparaciones jeep compass y patriot limited 2007-2009
Manuales de reparaciones jeep compass y patriot limited 2007-2009
Manuales de reparaciones jeep compass y patriot limited 2007-2009
Manuales de reparaciones jeep compass y patriot limited 2007-2009
Manuales de reparaciones jeep compass y patriot limited 2007-2009
Manuales de reparaciones jeep compass y patriot limited 2007-2009
Manuales de reparaciones jeep compass y patriot limited 2007-2009
Manuales de reparaciones jeep compass y patriot limited 2007-2009
Manuales de reparaciones jeep compass y patriot limited 2007-2009
Manuales de reparaciones jeep compass y patriot limited 2007-2009
Manuales de reparaciones jeep compass y patriot limited 2007-2009
Manuales de reparaciones jeep compass y patriot limited 2007-2009
Manuales de reparaciones jeep compass y patriot limited 2007-2009
Manuales de reparaciones jeep compass y patriot limited 2007-2009
Manuales de reparaciones jeep compass y patriot limited 2007-2009
Manuales de reparaciones jeep compass y patriot limited 2007-2009
Manuales de reparaciones jeep compass y patriot limited 2007-2009
Manuales de reparaciones jeep compass y patriot limited 2007-2009
Manuales de reparaciones jeep compass y patriot limited 2007-2009
Manuales de reparaciones jeep compass y patriot limited 2007-2009
Manuales de reparaciones jeep compass y patriot limited 2007-2009
Manuales de reparaciones jeep compass y patriot limited 2007-2009
Manuales de reparaciones jeep compass y patriot limited 2007-2009
Manuales de reparaciones jeep compass y patriot limited 2007-2009
Manuales de reparaciones jeep compass y patriot limited 2007-2009
Manuales de reparaciones jeep compass y patriot limited 2007-2009
Manuales de reparaciones jeep compass y patriot limited 2007-2009
Manuales de reparaciones jeep compass y patriot limited 2007-2009
Manuales de reparaciones jeep compass y patriot limited 2007-2009
Manuales de reparaciones jeep compass y patriot limited 2007-2009
Manuales de reparaciones jeep compass y patriot limited 2007-2009
Manuales de reparaciones jeep compass y patriot limited 2007-2009
Manuales de reparaciones jeep compass y patriot limited 2007-2009
Manuales de reparaciones jeep compass y patriot limited 2007-2009
Manuales de reparaciones jeep compass y patriot limited 2007-2009
Manuales de reparaciones jeep compass y patriot limited 2007-2009
Manuales de reparaciones jeep compass y patriot limited 2007-2009
Manuales de reparaciones jeep compass y patriot limited 2007-2009
Manuales de reparaciones jeep compass y patriot limited 2007-2009
Manuales de reparaciones jeep compass y patriot limited 2007-2009
Manuales de reparaciones jeep compass y patriot limited 2007-2009
Manuales de reparaciones jeep compass y patriot limited 2007-2009
Manuales de reparaciones jeep compass y patriot limited 2007-2009
Manuales de reparaciones jeep compass y patriot limited 2007-2009
Manuales de reparaciones jeep compass y patriot limited 2007-2009
Manuales de reparaciones jeep compass y patriot limited 2007-2009
Manuales de reparaciones jeep compass y patriot limited 2007-2009
Manuales de reparaciones jeep compass y patriot limited 2007-2009
Manuales de reparaciones jeep compass y patriot limited 2007-2009
Manuales de reparaciones jeep compass y patriot limited 2007-2009
Manuales de reparaciones jeep compass y patriot limited 2007-2009
Manuales de reparaciones jeep compass y patriot limited 2007-2009
Manuales de reparaciones jeep compass y patriot limited 2007-2009
Manuales de reparaciones jeep compass y patriot limited 2007-2009
Manuales de reparaciones jeep compass y patriot limited 2007-2009
Manuales de reparaciones jeep compass y patriot limited 2007-2009
Manuales de reparaciones jeep compass y patriot limited 2007-2009
Manuales de reparaciones jeep compass y patriot limited 2007-2009
Manuales de reparaciones jeep compass y patriot limited 2007-2009
Manuales de reparaciones jeep compass y patriot limited 2007-2009
Manuales de reparaciones jeep compass y patriot limited 2007-2009
Manuales de reparaciones jeep compass y patriot limited 2007-2009
Manuales de reparaciones jeep compass y patriot limited 2007-2009
Manuales de reparaciones jeep compass y patriot limited 2007-2009
Manuales de reparaciones jeep compass y patriot limited 2007-2009
Manuales de reparaciones jeep compass y patriot limited 2007-2009
Manuales de reparaciones jeep compass y patriot limited 2007-2009
Manuales de reparaciones jeep compass y patriot limited 2007-2009
Manuales de reparaciones jeep compass y patriot limited 2007-2009
Manuales de reparaciones jeep compass y patriot limited 2007-2009
Manuales de reparaciones jeep compass y patriot limited 2007-2009
Manuales de reparaciones jeep compass y patriot limited 2007-2009
Manuales de reparaciones jeep compass y patriot limited 2007-2009
Manuales de reparaciones jeep compass y patriot limited 2007-2009
Manuales de reparaciones jeep compass y patriot limited 2007-2009
Manuales de reparaciones jeep compass y patriot limited 2007-2009
Manuales de reparaciones jeep compass y patriot limited 2007-2009
Manuales de reparaciones jeep compass y patriot limited 2007-2009
Manuales de reparaciones jeep compass y patriot limited 2007-2009
Manuales de reparaciones jeep compass y patriot limited 2007-2009
Manuales de reparaciones jeep compass y patriot limited 2007-2009
Manuales de reparaciones jeep compass y patriot limited 2007-2009
Manuales de reparaciones jeep compass y patriot limited 2007-2009
Manuales de reparaciones jeep compass y patriot limited 2007-2009
Manuales de reparaciones jeep compass y patriot limited 2007-2009
Manuales de reparaciones jeep compass y patriot limited 2007-2009
Manuales de reparaciones jeep compass y patriot limited 2007-2009
Manuales de reparaciones jeep compass y patriot limited 2007-2009
Manuales de reparaciones jeep compass y patriot limited 2007-2009
Manuales de reparaciones jeep compass y patriot limited 2007-2009
Manuales de reparaciones jeep compass y patriot limited 2007-2009
Manuales de reparaciones jeep compass y patriot limited 2007-2009
Manuales de reparaciones jeep compass y patriot limited 2007-2009
Manuales de reparaciones jeep compass y patriot limited 2007-2009
Manuales de reparaciones jeep compass y patriot limited 2007-2009
Manuales de reparaciones jeep compass y patriot limited 2007-2009
Manuales de reparaciones jeep compass y patriot limited 2007-2009
Manuales de reparaciones jeep compass y patriot limited 2007-2009
Manuales de reparaciones jeep compass y patriot limited 2007-2009
Manuales de reparaciones jeep compass y patriot limited 2007-2009
Manuales de reparaciones jeep compass y patriot limited 2007-2009
Manuales de reparaciones jeep compass y patriot limited 2007-2009
Manuales de reparaciones jeep compass y patriot limited 2007-2009
Manuales de reparaciones jeep compass y patriot limited 2007-2009
Manuales de reparaciones jeep compass y patriot limited 2007-2009
Manuales de reparaciones jeep compass y patriot limited 2007-2009
Manuales de reparaciones jeep compass y patriot limited 2007-2009
Manuales de reparaciones jeep compass y patriot limited 2007-2009
Manuales de reparaciones jeep compass y patriot limited 2007-2009
Manuales de reparaciones jeep compass y patriot limited 2007-2009
Manuales de reparaciones jeep compass y patriot limited 2007-2009
Manuales de reparaciones jeep compass y patriot limited 2007-2009
Manuales de reparaciones jeep compass y patriot limited 2007-2009
Manuales de reparaciones jeep compass y patriot limited 2007-2009
Manuales de reparaciones jeep compass y patriot limited 2007-2009
Manuales de reparaciones jeep compass y patriot limited 2007-2009
Manuales de reparaciones jeep compass y patriot limited 2007-2009
Manuales de reparaciones jeep compass y patriot limited 2007-2009
Manuales de reparaciones jeep compass y patriot limited 2007-2009
Manuales de reparaciones jeep compass y patriot limited 2007-2009
Manuales de reparaciones jeep compass y patriot limited 2007-2009
Manuales de reparaciones jeep compass y patriot limited 2007-2009
Manuales de reparaciones jeep compass y patriot limited 2007-2009
Manuales de reparaciones jeep compass y patriot limited 2007-2009
Manuales de reparaciones jeep compass y patriot limited 2007-2009
Manuales de reparaciones jeep compass y patriot limited 2007-2009
Manuales de reparaciones jeep compass y patriot limited 2007-2009
Manuales de reparaciones jeep compass y patriot limited 2007-2009
Manuales de reparaciones jeep compass y patriot limited 2007-2009
Manuales de reparaciones jeep compass y patriot limited 2007-2009
Manuales de reparaciones jeep compass y patriot limited 2007-2009
Manuales de reparaciones jeep compass y patriot limited 2007-2009
Manuales de reparaciones jeep compass y patriot limited 2007-2009
Manuales de reparaciones jeep compass y patriot limited 2007-2009
Manuales de reparaciones jeep compass y patriot limited 2007-2009
Manuales de reparaciones jeep compass y patriot limited 2007-2009
Manuales de reparaciones jeep compass y patriot limited 2007-2009
Manuales de reparaciones jeep compass y patriot limited 2007-2009
Manuales de reparaciones jeep compass y patriot limited 2007-2009
Manuales de reparaciones jeep compass y patriot limited 2007-2009
Manuales de reparaciones jeep compass y patriot limited 2007-2009
Manuales de reparaciones jeep compass y patriot limited 2007-2009
Manuales de reparaciones jeep compass y patriot limited 2007-2009
Manuales de reparaciones jeep compass y patriot limited 2007-2009
Manuales de reparaciones jeep compass y patriot limited 2007-2009
Manuales de reparaciones jeep compass y patriot limited 2007-2009
Manuales de reparaciones jeep compass y patriot limited 2007-2009
Manuales de reparaciones jeep compass y patriot limited 2007-2009

Manuales de reparaciones jeep compass y patriot limited 2007-2009

  • 1.
    2009 ENGINE 2.0L Diesel- Service Information - Compass & Patriot DESCRIPTION DESCRIPTION Fig. 1: Identifying Engine Serial Number Courtesy of CHRYSLER LLC This is a 2.0L common rail turbo diesel. The engine serial number is located on the rear flange of the engine block behind the oil filter housing (2). STANDARD PROCEDURE ENGINE GASKET SURFACE PREPARATION 2009 Jeep Patriot Limited 2009 ENGINE 2.0L Diesel - Service Information - Compass & Patriot 2009 Jeep Patriot Limited 2009 ENGINE 2.0L Diesel - Service Information - Compass & Patriot a Saturday, September 08, 2012 12:56:40 PM Page 1 © 2006 Mitchell Repair Information Company, LLC. a Saturday, September 08, 2012 12:56:46 PM Page 1 © 2006 Mitchell Repair Information Company, LLC.
  • 2.
    Fig. 2: ProperTool Usage for Surface Preparation Courtesy of CHRYSLER LLC To ensure engine gasket sealing, proper surface preparation must be performed, especially with the use of aluminum engine components and multi-layer steel cylinder head gaskets. Never use the following to clean gasket surfaces: Metal scraper (1). Abrasive pad or paper (2) to clean cylinder block and head. High speed power tool with an abrasive pad, a wire brush, or 3M Roloc™ Bristle Disc (white or yellow) (3). 2009 Jeep Patriot Limited 2009 ENGINE 2.0L Diesel - Service Information - Compass & Patriot a Saturday, September 08, 2012 12:56:40 PM Page 2 © 2006 Mitchell Repair Information Company, LLC.
  • 3.
    Fig. 3: ProperTool Usage for Surface Preparation Courtesy of CHRYSLER LLC Only use the following for cleaning gasket surfaces: Solvent or a commercially available gasket remover Plastic or wood scraper (4). Sealing surfaces must be free of grease or oil residue. Clean surfaces with Mopar® brake parts cleaner (or equivalent). COMPRESSION TESTING ENGINE 1. Warm up engine to operating temperature (approximately 80 °C, 176°F). 2. Shut off engine. 3. Remove engine cover. Refer to ENGINE COVER. 4. Disconnect fuel feed and return lines from the fuel filter. 5. Operate a vacuum pump connected to the return line until no more fuel comes out. 6. Remove injectors. Refer to Fuel System/Fuel Injection/INJECTOR(S), Fuel - Removal . 7. Crank engine several times with the starter to eliminate combustion residues in the cylinders. 8. Insert compression adapter 9889 into injector hole of cylinder to be tested. Install injector retainer bolts and tighten. 9. Test compression pressure by cranking engine with starter for at least 8 revolutions. 10. Carry out test procedure at the remaining cylinders in the same way. 11. Compare pressure readings obtained with the specified pressures. If the pressure reading is below the minimum compression pressure or if the permissible difference between the individual cylinders is exceeded, refer to Standard Procedure. 2.0L COMPRESSION SPECIFICATION NOTE: Multi-Layer Steel (MLS) head gaskets require a scratch free sealing surface. CAUTION: Excessive pressure and/or high RPM (beyond the recommended speed), can damage the sealing surfaces. The mild (white, 120 grit) bristle disc is recommended. If necessary, the medium (yellow, 80 grit) bristle disc may be used on cast iron surfaces with care. CAUTION: Injector retaining bolts must be replaced after performing compression test. COMPRESSION SPECIFICATION Minimum Allowable 18 bar (261 psi.) Maximum Allowable 3 bar (44 psi.) 2009 Jeep Patriot Limited 2009 ENGINE 2.0L Diesel - Service Information - Compass & Patriot a Saturday, September 08, 2012 12:56:40 PM Page 3 © 2006 Mitchell Repair Information Company, LLC.
  • 4.
    12. Remove adapterfrom cylinder head. 13. Install injectors with new bolts. Refer to Fuel System/Fuel Injection/INJECTOR(S), Fuel - Installation . 14. Install engine cover. Refer to ENGINE COVER. CYLINDER LEAK DOWN TEST 1. Warm engine to operating temperature. 2. Open cooling system cap at coolant recover pressure container. 3. Remove engine cover. Refer to ENGINE COVER. 4. Unscrew oil filler cap. 5. Remove glow plugs. Refer to Electrical - Ignition Control/Ignition Control/PLUG, Glow - Removal . 6. Position cylinder to be tested to ignition Top Dead Center (DTC). 7. Connect cylinder leak down tester and follow INSPECTING Instruction. INSPECTING Difference Between Cylinders Average Compression 24 - 30 bar (348 - 435 psi) NOTE: Injector retaining bolts must be replaced when installing injectors. WARNING: Do not open cooling system unless coolant temperature is below 90° c (194°f). Risk of injury to skin and eyes as a result of scalding with hot coolant which splashes out. Risk of poisoning from swallowing coolant. Open cap slowly and release pressure. Store coolant in proper containers only. Wear protective gloves, clothing and eye protection. NOTE: Turn cap carefully as far as first detent, release pressure, then unscrew cap. NOTE: Crank engine at crankshaft in direction of rotation of the engine (clockwise). NOTE: Calibrate cylinder leak down tester and remove check valve in screw-in fitting. NOTE: If crankshaft rotates, install retaining lock for crankshaft/ring gear. 2009 Jeep Patriot Limited 2009 ENGINE 2.0L Diesel - Service Information - Compass & Patriot a Saturday, September 08, 2012 12:56:40 PM Page 4 © 2006 Mitchell Repair Information Company, LLC.
  • 5.
    1. Pressurize cylinderwith compressed air and read off pressure loss at cylinder leak tester. If excessive pressure loss exists, determine cause by viewing the paragraph below. 2. Carry out test of other cylinders in the firing order of engine. DETERMINING PRESSURE LOSS If a great pressure loss was detected, listen using a stethoscope around suspected areas, such as the cylinder head gasket through the air suction area, the exhaust system, the oil filler neck, the pre-chamber, the bore holes of the cylinder effected or neighboring cylinders. Observe the coolant in the expansion tank, looking for traces of bubbles. The possible causes of pressure loss are: If air leak is detected through the pre-chamber, cylinder bore hole, from a neighboring cylinder or air bubbles in the coolant expansion tank, pressure loss may be caused by the cylinder head gasket. If the air leak occurs in the air suction area, the pressure loss may be caused by the intake valve(s). Air leak through the exhaust system, may be caused by the exhaust valve(s). Air leak through the oil filler neck, may be caused by piston, ring, or cylinder sleeve. If none of the above evidence supports a failure, the engine may be assembled and run until operating temperature is reached. Reconnect engine leak down tester on a warm engine with a few drops of clean engine oil in the cylinder being tested. Engine oil seals the clearance between the piston and cylinder for a short length of time. If under this condition a smaller pressure loss occurs for a shorter length of time, it is possible that the cause is piston, ring or cylinder sleeve related. REMOVAL ENGINE COVER NOTE: If the retaining lock is installed, remove it, rotate engine and install lock once again. 2009 Jeep Patriot Limited 2009 ENGINE 2.0L Diesel - Service Information - Compass & Patriot a Saturday, September 08, 2012 12:56:40 PM Page 5 © 2006 Mitchell Repair Information Company, LLC.
  • 6.
    Fig. 4: EngineCover Courtesy of CHRYSLER LLC 1. Remove engine cover by lifting upwards. ENGINE Fig. 5: Air Cleaner Assembly Courtesy of CHRYSLER LLC 1. Remove air inlet duct (3). 2. Remove air cleaner assembly (2). CAUTION: When removing ancillary components, plug all inlet/outlet and fluid lines to prevent residual leakage and contamination. 2009 Jeep Patriot Limited 2009 ENGINE 2.0L Diesel - Service Information - Compass & Patriot a Saturday, September 08, 2012 12:56:40 PM Page 6 © 2006 Mitchell Repair Information Company, LLC.
  • 7.
    Fig. 6: Battery Courtesyof CHRYSLER LLC 3. Disconnect cables from battery (2). Fig. 7: Radiator Closeout Panel Courtesy of CHRYSLER LLC 4. Remove radiator closure panel (2). 2009 Jeep Patriot Limited 2009 ENGINE 2.0L Diesel - Service Information - Compass & Patriot a Saturday, September 08, 2012 12:56:40 PM Page 7 © 2006 Mitchell Repair Information Company, LLC.
  • 8.
    Fig. 8: EngineCover-Removal Courtesy of CHRYSLER LLC 5. Remove engine cover. Refer to ENGINE COVER. 6. Reposition TIPM for access. 7. Remove body ground and disconnect PCM electrical connector and remove PCM. Fig. 9: Vacuum Module Electrical Connector Courtesy of CHRYSLER LLC 8. Disconnect vacuum module electrical connector (2). 2009 Jeep Patriot Limited 2009 ENGINE 2.0L Diesel - Service Information - Compass & Patriot a Saturday, September 08, 2012 12:56:40 PM Page 8 © 2006 Mitchell Repair Information Company, LLC.
  • 9.
    Fig. 10: VacuumControl Module Courtesy of CHRYSLER LLC 9. Disconnect vacuum harness (1) from vacuum control module (2) and remove vacuum control module from battery tray (3). Fig. 11: Battery Tray Courtesy of CHRYSLER LLC 10. Remove battery tray retaining bolts (2) and remove battery tray (1). 2009 Jeep Patriot Limited 2009 ENGINE 2.0L Diesel - Service Information - Compass & Patriot a Saturday, September 08, 2012 12:56:40 PM Page 9 © 2006 Mitchell Repair Information Company, LLC.
  • 10.
    11. Remove upperradiator hose support. 12. Drain cooling system. Refer to Cooling - Standard Procedure . 13. Discharge air conditioning. Refer to Heating and Air Conditioning/Plumbing - Standard Procedure . 14. Remove cooling module assembly. Refer to Cooling/Engine/FAN, Cooling - Removal . Fig. 12: Coolant Reservoir Courtesy of CHRYSLER LLC 15. Remove coolant recovery reservoir (4). 16. Remove power steering reservoir (2) and reposition. Fig. 13: Pressure Line Courtesy of CHRYSLER LLC 2009 Jeep Patriot Limited 2009 ENGINE 2.0L Diesel - Service Information - Compass & Patriot a Saturday, September 08, 2012 12:56:40 PM Page 10 © 2006 Mitchell Repair Information Company, LLC.
  • 11.
    17. Remove accessorydrive belt (5). 18. Remove power steering line support bracket retaining bolt (2). 19. Remove power steering pump (6) and set aside. Fig. 14: Right Engine Mount Bracket Courtesy of CHRYSLER LLC 20. Remove accessory drive idler pulley (2). 21. Disconnect electrical connectors at generator. 22. Remove generator. Fig. 15: A/C Compressor-Refrigerant Lines Courtesy of CHRYSLER LLC 2009 Jeep Patriot Limited 2009 ENGINE 2.0L Diesel - Service Information - Compass & Patriot a Saturday, September 08, 2012 12:56:40 PM Page 11 © 2006 Mitchell Repair Information Company, LLC.
  • 12.
    23. Disconnect A/Ccompressor electrical connector (2). 24. Disconnect A/C lines (4) at the compressor. 25. Remove A/C compressor (3). Fig. 16: Fuel Pump Courtesy of CHRYSLER LLC 26. Disconnect vacuum hose at tandem pump (1). 27. Disconnect heater hoses at engine. 28. Remove air inlet tube from throttle body. Fig. 17: Starter Electrical Connections Courtesy of CHRYSLER LLC 2009 Jeep Patriot Limited 2009 ENGINE 2.0L Diesel - Service Information - Compass & Patriot a Saturday, September 08, 2012 12:56:40 PM Page 12 © 2006 Mitchell Repair Information Company, LLC.
  • 13.
    29. Disconnect starterelectrical connections (1,2) and remove starter. Fig. 18: Hydraulic Clutch Line Courtesy of CHRYSLER LLC 30. Remove shift cables (2) from transaxle. 31. Remove shift cable retaining bracket from transaxle. 32. Disconnect hydraulic clutch line (1). 33. Remove left and right axle shafts. Refer to Differential and Driveline/Half Shaft - Removal . NOTE: When removing tripod joint, DO NOT let spline or snap ring drag across transaxle oil seal lip. 2009 Jeep Patriot Limited 2009 ENGINE 2.0L Diesel - Service Information - Compass & Patriot a Saturday, September 08, 2012 12:56:40 PM Page 13 © 2006 Mitchell Repair Information Company, LLC.
  • 14.
    Fig. 19: AirInlet Tube Courtesy of CHRYSLER LLC 34. Remove turbocharger inlet and outlet tubes. 35. Remove air tube retaining bolt (1) and remove air inlet tube (2). Fig. 20: Transmission Cross Member Courtesy of CHRYSLER LLC 36. Remove front transaxle mount through bolt (4). 37. Remove fore/aft member retaining bolts (2,3) and remove fore/aft member (1). 2009 Jeep Patriot Limited 2009 ENGINE 2.0L Diesel - Service Information - Compass & Patriot a Saturday, September 08, 2012 12:56:40 PM Page 14 © 2006 Mitchell Repair Information Company, LLC.
  • 15.
    Fig. 21: CatalyticConverter - Diesel Courtesy of CHRYSLER LLC 38. Disconnect catalytic converter (1) from exhaust pipe. 39. Loosen catalytic converter clamp (2) and remove catalytic converter (1) and gasket (3) from turbocharger. 40. Remove catalytic converter assembly. 41. Remove PTU assembly (if equipped). Refer to Transmission and Transfer Case/Power Transfer Unit - Removal . Fig. 22: Rear Engine Mount Courtesy of CHRYSLER LLC 2009 Jeep Patriot Limited 2009 ENGINE 2.0L Diesel - Service Information - Compass & Patriot a Saturday, September 08, 2012 12:56:40 PM Page 15 © 2006 Mitchell Repair Information Company, LLC.
  • 16.
    42. Remove rearengine mount through bolt (3). 43. Remove rear engine mount bracket retaining bolts (1) and remove engine mount bracket (2). 44. Remove rear engine mount. Fig. 23: Engine Cradle Bracket 6973 Courtesy of CHRYSLER LLC 45. Install cradle mount adapter 6973 (2) to engine block. Fig. 24: Engine Cradle Dolly Courtesy of CHRYSLER LLC 46. Lower vehicle and position Dolly 6135 (2) and Cradle 6710A (1) under engine. 2009 Jeep Patriot Limited 2009 ENGINE 2.0L Diesel - Service Information - Compass & Patriot a Saturday, September 08, 2012 12:56:40 PM Page 16 © 2006 Mitchell Repair Information Company, LLC.
  • 17.
    47. Position theengine cradle dolly with the cradle and support posts 6848 (3,5,8,9) underneath the engine. 48. Carefully lower the vehicle enough to position the engine above the support posts. 49. Adjust the height of each support post as necessary and tighten the support posts and cradle fasteners. Fig. 25: Engine Cradle Dolly Courtesy of CHRYSLER LLC 50. Carefully lower vehicle enough to seat engine onto support posts. 51. Install, tighten and lock safety straps (6,7) around engine and attach them to the cradle. 52. Lower vehicle so that only the weight of the engine and transmission assembly is on dolly fixture. WARNING: Safety straps must be use to secure engine to the dolly fixture. 2009 Jeep Patriot Limited 2009 ENGINE 2.0L Diesel - Service Information - Compass & Patriot a Saturday, September 08, 2012 12:56:40 PM Page 17 © 2006 Mitchell Repair Information Company, LLC.
  • 18.
    Fig. 26: RightEngine Mount Courtesy of CHRYSLER LLC 53. Remove right mount (1) to engine bracket retaining bolts. Fig. 27: Left Engine Mount Courtesy of CHRYSLER LLC 54. Remove left mount (3) to transaxle retaining bolts. 55. While watching for obstructions, slowly raise the vehicle until the engine and transmission assembly clear the engine compartment. 56. Separate engine and transmission. CAUTION: It may be necessary to adjust the engine and transmission assembly, with the dolly fixture attached, to successfully clear the engine compartment. 2009 Jeep Patriot Limited 2009 ENGINE 2.0L Diesel - Service Information - Compass & Patriot a Saturday, September 08, 2012 12:56:40 PM Page 18 © 2006 Mitchell Repair Information Company, LLC.
  • 19.
    INSTALLATION ENGINE COVER Fig. 28:Identifying Engine Cover Courtesy of CHRYSLER LLC 1. Align engine cover (1) with mounting retainers. 2. Firmly press cover onto mounting studs. ENGINE 2009 Jeep Patriot Limited 2009 ENGINE 2.0L Diesel - Service Information - Compass & Patriot a Saturday, September 08, 2012 12:56:40 PM Page 19 © 2006 Mitchell Repair Information Company, LLC.
  • 20.
    Fig. 29: EngineDolly Courtesy of CHRYSLER LLC 1. Seat engine onto fixture support posts then install, tighten and lock safety straps (6,7) around engine, securing it to the cradle. 2. Position the engine and transmission assemblies below vehicle engine compartment. 3. While watching for obstructions, slowly lower the vehicle until the engine and transmission assembly clearly fit the engine compartment. Fig. 30: Left Engine Mount Bracket Courtesy of CHRYSLER LLC 4. Install left mount bracket (3) to transaxle retaining bolts and tighten to 65 N.m (50 ft. lbs.). WARNING: Safety straps must be used to secure engine to the dolly fixture. CAUTION: It may be necessary to adjust the engine and transmission assembly, with the dolly fixture attached, to successfully clear the engine compartment. 2009 Jeep Patriot Limited 2009 ENGINE 2.0L Diesel - Service Information - Compass & Patriot a Saturday, September 08, 2012 12:56:40 PM Page 20 © 2006 Mitchell Repair Information Company, LLC.
  • 21.
    Fig. 31: RightEngine Mount Bracket Courtesy of CHRYSLER LLC 5. Install right mount bracket (1) to frame rail retaining bolts and tighten to 65 N.m (50 ft. lbs.). Fig. 32: Engine Dolly Courtesy of CHRYSLER LLC 6. Remove safety straps (6,7) and remove dolly fixture. 7. Carefully raise the vehicle enough to clear the cradle and support post. 8. Install catalytic converter loosely. 9. Install PTU (if equipped). Refer to Transmission and Transfer Case/Power Transfer Unit - Installation . 2009 Jeep Patriot Limited 2009 ENGINE 2.0L Diesel - Service Information - Compass & Patriot a Saturday, September 08, 2012 12:56:40 PM Page 21 © 2006 Mitchell Repair Information Company, LLC.
  • 22.
    10. Place asuitable jack under transaxle and raise engine/trans assembly. 11. Install exhaust to PTU mount. 12. Install catalytic converter band clamp and tighten. 13. Install power steering hose clamp to exhaust manifold. 14. Install PTU to block support bracket. Fig. 33: Transmission Crossmember Courtesy of CHRYSLER LLC 15. Install rear mount bracket to cradle. 16. Install front transaxle mount bracket to transaxle. 17. Install fore aft member (1). 18. Install front mount through bolt (4) and tighten. 19. Install turbo outlet pipe. 20. Install axle shafts. 21. Insert ball joint into steering knuckle and tighten pinch bolts and tighten. 22. Install turbo inlet pipe from air cleaner to turbocharger. 23. Install charge air hose from inter cooler to throttle body. 2009 Jeep Patriot Limited 2009 ENGINE 2.0L Diesel - Service Information - Compass & Patriot a Saturday, September 08, 2012 12:56:40 PM Page 22 © 2006 Mitchell Repair Information Company, LLC.
  • 23.
    Fig. 34: ShiftCables Courtesy of CHRYSLER LLC 24. Install shift cables (2). Fig. 35: Starter Mounting Bolts Courtesy of CHRYSLER LLC 25. Position starter and install starter mounting bolts (1). 2009 Jeep Patriot Limited 2009 ENGINE 2.0L Diesel - Service Information - Compass & Patriot a Saturday, September 08, 2012 12:56:40 PM Page 23 © 2006 Mitchell Repair Information Company, LLC.
  • 24.
    Fig. 36: StarterElectrical Courtesy of CHRYSLER LLC 26. Connect starter electrical connectors (1,2). 27. Install vacuum harness and coolant tube. 28. Connect fuel lines near head. 29. Connect vacuum hose to brake booster. 30. Install A/C compressor and connect A/C lines. 31. Connect engine wiring harness connectors. 32. Install generator and connect electrical connectors. Fig. 37: Coolant Reservoir Courtesy of CHRYSLER LLC 2009 Jeep Patriot Limited 2009 ENGINE 2.0L Diesel - Service Information - Compass & Patriot a Saturday, September 08, 2012 12:56:40 PM Page 24 © 2006 Mitchell Repair Information Company, LLC.
  • 25.
    33. Install serpentinebelt tensioner and install serpentine belt. 34. Install coolant recovery bottle (4). 35. Install coolant module, connect cooling fan connectors. 36. Connect upper and lower radiator hoses. 37. Connect charge air hoses to inter cooler. 38. Connect A/C lines to condenser and connect electrical connectors. 39. Fill engine with coolant. 40. Install new oil filter and fill engine with oil. Fig. 38: Engine Cover Courtesy of CHRYSLER LLC 41. Evacuate the refrigerant system. Refer to Heating and Air Conditioning/Plumbing - Standard Procedure . 42. Charge the refrigerant system. Refer to Heating and Air Conditioning/Plumbing - Standard Procedure . 43. Start engine and check for leaks. 44. Install engine cover (1). Refer to ENGINE COVER. SPECIFICATIONS 2.0L DIESEL ENGINE CAUTION: Do NOT run the engine with a vacuum pump in operation or with a vacuum present within the A/C system. Failure to follow this caution will result in serious A/C compressor damage. 2009 Jeep Patriot Limited 2009 ENGINE 2.0L Diesel - Service Information - Compass & Patriot a Saturday, September 08, 2012 12:56:40 PM Page 25 © 2006 Mitchell Repair Information Company, LLC.
  • 26.
    GENERAL SPECIFICATIONS CYLINDER BLOCK PISTONS PISTONRINGS DESCRIPTION SPECIFICATION Metric Standard Type In-Line OHV, DOHC Number of Cylinders 4 Firing Order 1 - 3 - 4 - 2 Compression Ratio 18.5:1 Max. Variation Between Cylinders 25% Displacement 2.0 L 122 CID Bore 81.0 mm 3.188 in Stroke 95.5 mm 3.759 in. DESCRIPTION SPECIFICATION Metric Standard Material Cast Iron Cylinder Bore Diameter 81.01 mm 3.189 in. Cylinder Bore Diameter Out-of- Round (Max.) 0.10 mm 0.003 in. Cylinder Bore Diameter Taper (Max.) 0.10 mm 0.003 in. DESCRIPTION SPECIFICATION Metric Standard Piston Diameter 80.96 mm 3.187 in. DESCRIPTION SPECIFICATION Metric Standard Ring Gap-Top Compression Ring 0.20 - 0.40 mm 0.007 - 0.015 in. Wear Limit 1.0 mm 0.039 in. Ring Gap - 2nd Compression Ring 0.20 - 0.40 mm 0.007 - 0.015 in. Wear Limit 1.0 mm 0.039 in. Ring Gap - Oil Scraper 0.20 - 0.50 mm 0.007 - 0.019 in. Wear Limit 1.0 mm 0.039 in. Ring Side Clearance-Top Compression 0.06 - 0.09 mm 0.002 - 0.003 in. Wear Limit 0.25 mm 0.009 in. Ring Side Clearance -2nd Compression Ring 0.05 - 0.08 mm 0.001 - 0.003 in. Wear Limit 0.25 mm 0.009 in. 2009 Jeep Patriot Limited 2009 ENGINE 2.0L Diesel - Service Information - Compass & Patriot a Saturday, September 08, 2012 12:56:41 PM Page 26 © 2006 Mitchell Repair Information Company, LLC.
  • 27.
    CONNECTING ROD CRANKSHAFT CAMSHAFT VALVE GUIDE VALVES RingSide Clearance - Oil Scraper 0.03 - 0.06 mm 0.001 - 0.002 in. Wear Limit 0.15 mm 0.005 in. DESCRIPTION SPECIFICATION Metric Standard Bearing Clearance 0.03 - 0.08 mm 0.001 - 0.003 in. Side Clearance 0.37 mm 0.014 in. DESCRIPTION SPECIFICATION Metric Standard Connecting Rod Journal Diameter 50.878 - 50.942 mm 2.003 - 2.005 in. Main Bearing Journal Diameter 53.978 - 54.042 mm 2.125 - 2.127 in. End Play 0.07 - 0.17 mm 0.002 - 0.006 in. Wear Limit 0.37 mm 0.014 in. Main Bearing Clearance 0.03 - 0.08 mm 0.001 - 0.003 in. Wear Limit 0.17 mm 0.006 in. DESCRIPTION SPECIFICATION Metric Standard End Play - Max 0.15 mm 0.005 in. DESCRIPTION SPECIFICATION Metric Standard Stem to Guide Clearance - Max 1.3 mm 0.051 in. NOTE: Insert new valve into guide. The end of the valve stem must be flush with guide. Use only inlet valve in inlet guide and exhaust valve in exhaust guide. Determine rock. Cylinder head must be renewed if rock exceeds wear limit. DESCRIPTION SPECIFICATION Metric Standard Face Angle - Intake and Exhaust 45° 45° Head Diameter - Intake 29.40 mm 1.157 in. Head Diameter - Exhaust 25.50 mm 1.003 in. Valve Length (Overall) - - Intake 88.50 mm 3.484 in. Exhaust 88.20 mm 3.472 in. 2009 Jeep Patriot Limited 2009 ENGINE 2.0L Diesel - Service Information - Compass & Patriot a Saturday, September 08, 2012 12:56:41 PM Page 27 © 2006 Mitchell Repair Information Company, LLC.
  • 28.
    VALVE STEM TOGUIDE CLEARANCE OIL PRESSURE TORQUE Valve Stem Diameter - - Intake 5.980 mm 0.235 in. Exhaust 5.965 mm 0.234 in. DESCRIPTION SPECIFICATION Metric Standard Intake - - Max. Allowable 1.3 mm 0.051 in. Exhaust - - Max. Allowable 1.3 mm 0.051 in. DESCRIPTION SPECIFICATION Metric Standard At Curb Idle Speed* 0.55 bar 8 psi At 2000 RPM 2.0 bar 29 psi Max Oil Pressure 7.0 bar 101 psi CAUTION: *If pressure is ZERO at curb idle, DO NOT run engine at 2000 RPM. DESCRIPTION N.m Ft. Lbs. In. Lbs. Accessory Bracket-Bolts 45 33 - Accessory Drive Belt Tensioner-Bolt 25 - 221 Bearing Frame-Bolts 20 - 177 Cable Retainer-Bolts 10 - 89 Camshaft Hub-Bolt 100 74 - Camshaft Position Sensor-Bolt 10 - 89 Camshaft Sprocket-Bolt 25 - 221 Connecting Rod Cap-Bolts 30 + 90° 22 + 90° - Crankshaft Main Bearing Cap-Bolts 65 + 90° 48 + 90° - Crankshaft Damper-Bolt 10 + 90° - 89 + 90° Crankshaft Position Sensor-Bolt 5 - 44 Crankshaft Front Sealing Flange-Bolts 15 - 133 Crankshaft Rear Sealing Flange-Bolts 15 - 133 Crankshaft Sprocket 120 + 90° 89 + 90° - Cylinder Head-Bolts Refer to Procedure Cylinder Head Cover-Bolts 10 - 89 Engine Support Bracket-Bolts 45 33 - 2009 Jeep Patriot Limited 2009 ENGINE 2.0L Diesel - Service Information - Compass & Patriot a Saturday, September 08, 2012 12:56:41 PM Page 28 © 2006 Mitchell Repair Information Company, LLC.
  • 29.
    SPECIAL TOOLS SPECIAL TOOLS Fig.39: Cradle 6710 Exhaust Gas Recirculation Valve-Bolts 10 - 89 Exhaust Gas Recirculation Valve Tube-Bolts 20 - 177 Exhaust Manifold-Nuts 25 - 221 Exhaust Manifold Heat Shield-Bolts 25 - 221 Flywheel-Bolts 60 + 90° 44 + 90° - Fuel Pump-Bolts 20 - 177 Glow Plugs 10 - 89 Injector-Bolts 3 + 90° +180° - 27 + 90° +180° Intake Manifold-Bolts 20 - 177 Intake Manifold Flap-Bolts 10 - 89 Oil Cooler Connector-Bolt 25 - 221 Oil Dipstick Tube-Bolt 10 - 89 Oil Filter Cover 25 - 221 Oil Filter Housing-Bolts 15 + 90° - 133 + 90° Oil Pan-Bolts 15 - 133 Oil Pan Drain-Plug 30 22 - Oil Pump-Bolts 15 - 133 Oil Pump Drive Chain Tensioner-Bolt 15 - 133 Oil Pump Pick-up Tube-Bolts 15 - 133 Oil Pump Sprocket-Bolt 22 + 90° - 195 + 90° Oil Spray Jet-Bolt 25 - 221 Rocker Arm Shaft-Bolts 20 + 90° - 177 + 90° Thermostat Housing-Bolts 15 - 133 Timing Belt Covers 10 - 89 Timing Belt Tensioner Assembly-Nut 20 + 45° - 177 + 45° Timing Belt Idler Upper Pulley-Bolt 40 + 90° 30 + 90° - Timing Belt Idler Lower Pulley-Nut 20 - 177 Turbocharger Oil Supply line at Oil Filter Housing 22 16 - 2009 Jeep Patriot Limited 2009 ENGINE 2.0L Diesel - Service Information - Compass & Patriot a Saturday, September 08, 2012 12:56:41 PM Page 29 © 2006 Mitchell Repair Information Company, LLC.
  • 30.
    Courtesy of CHRYSLERLLC Fig. 40: Dolly 6135 Courtesy of CHRYSLER LLC Fig. 41: Post Kit Engine Cradle 6848 Courtesy of CHRYSLER LLC Fig. 42: Camshaft Hub Holder 9880 Courtesy of CHRYSLER LLC 2009 Jeep Patriot Limited 2009 ENGINE 2.0L Diesel - Service Information - Compass & Patriot a Saturday, September 08, 2012 12:56:41 PM Page 30 © 2006 Mitchell Repair Information Company, LLC.
  • 31.
    Fig. 43: CamshaftLocking Pins 9882 Courtesy of CHRYSLER LLC Fig. 44: Camshaft Seal Installer 9884 Courtesy of CHRYSLER LLC 2009 Jeep Patriot Limited 2009 ENGINE 2.0L Diesel - Service Information - Compass & Patriot a Saturday, September 08, 2012 12:56:41 PM Page 31 © 2006 Mitchell Repair Information Company, LLC.
  • 32.
    Fig. 45: CompressionAdapter 9889 Courtesy of CHRYSLER LLC Fig. 46: Crankshaft Front Seal Installer 9918 Courtesy of CHRYSLER LLC 2009 Jeep Patriot Limited 2009 ENGINE 2.0L Diesel - Service Information - Compass & Patriot a Saturday, September 08, 2012 12:56:41 PM Page 32 © 2006 Mitchell Repair Information Company, LLC.
  • 33.
    Fig. 47: CrankshaftLock 9883 Courtesy of CHRYSLER LLC Fig. 48: Crankshaft Lock 10122 Courtesy of CHRYSLER LLC 2009 Jeep Patriot Limited 2009 ENGINE 2.0L Diesel - Service Information - Compass & Patriot a Saturday, September 08, 2012 12:56:41 PM Page 33 © 2006 Mitchell Repair Information Company, LLC.
  • 34.
    Fig. 49: InjectorRemover 9887 Courtesy of CHRYSLER LLC Fig. 50: Rear Main Seal Installer 9888 Courtesy of CHRYSLER LLC 2009 Jeep Patriot Limited 2009 ENGINE 2.0L Diesel - Service Information - Compass & Patriot a Saturday, September 08, 2012 12:56:41 PM Page 34 © 2006 Mitchell Repair Information Company, LLC.
  • 35.
    Fig. 51: ValveSpring Remover Installer 9916 Courtesy of CHRYSLER LLC Fig. 52: Glow Plug Adapter 9939 Courtesy of CHRYSLER LLC 2009 Jeep Patriot Limited 2009 ENGINE 2.0L Diesel - Service Information - Compass & Patriot a Saturday, September 08, 2012 12:56:41 PM Page 35 © 2006 Mitchell Repair Information Company, LLC.
  • 36.
    Fig. 53: FuelPressure Adapter 9938 Courtesy of CHRYSLER LLC AIR INTAKE SYSTEM AIR CLEANER Removal REMOVAL Fig. 54: Air Filter Courtesy of CHRYSLER LLC 1. Unfasten clasps on sides of air cleaner housing. 2. Move cover (1) aside. 3. Remove filter element (3). 2009 Jeep Patriot Limited 2009 ENGINE 2.0L Diesel - Service Information - Compass & Patriot a Saturday, September 08, 2012 12:56:41 PM Page 36 © 2006 Mitchell Repair Information Company, LLC.
  • 37.
    4. If necessary,clean the inside of the air cleaner housing. Installation INSTALLATION Fig. 55: Air Filter Courtesy of CHRYSLER LLC 1. Install new filter element (3). 2. Replace air cleaner cover (1). 3. Snap clasps in place. BODY, AIR CLEANER Description DESCRIPTION The air cleaner housing attaches to the inner fender in front of the left side strut tower. An ambient air duct supplies underhood air for the engine. It attaches to the lower air cleaner box. Removal REMOVAL 2009 Jeep Patriot Limited 2009 ENGINE 2.0L Diesel - Service Information - Compass & Patriot a Saturday, September 08, 2012 12:56:41 PM Page 37 © 2006 Mitchell Repair Information Company, LLC.
  • 38.
    Fig. 56: AirCleaner Housing Courtesy of CHRYSLER LLC 1. Remove the inlet duct (3) from the air cleaner housing (2). 2. Disconnect vacuum line (1) from air cleaner housing (2). Fig. 57: Air Cleaner Housing Courtesy of CHRYSLER LLC 3. Disconnect turbocharger inlet hose (1) from air cleaner housing (2). 4. Disconnect mass air flow sensor electrical connector (3). 5. Pull air cleaner housing straight up to remove. Installation 2009 Jeep Patriot Limited 2009 ENGINE 2.0L Diesel - Service Information - Compass & Patriot a Saturday, September 08, 2012 12:56:41 PM Page 38 © 2006 Mitchell Repair Information Company, LLC.
  • 39.
    INSTALLATION Fig. 58: HousingAssembly Courtesy of CHRYSLER LLC 1. Lower air cleaner housing assembly into engine compartment and align studs at bottom of housing with bracket. Push housing assembly (2) down until fully seated in bracket. 2. Connect turbocharger inlet hose (1) to air cleaner housing (2). 3. Connect mass air flow sensor connector (3). Fig. 59: Air Inlet Tube Courtesy of CHRYSLER LLC 4. Connect vacuum line (1). 2009 Jeep Patriot Limited 2009 ENGINE 2.0L Diesel - Service Information - Compass & Patriot a Saturday, September 08, 2012 12:56:41 PM Page 39 © 2006 Mitchell Repair Information Company, LLC.
  • 40.
    5. Install airinlet tube (3). CYLINDER HEAD DESCRIPTION DESCRIPTION The aluminum cylinder head is a two piece design. It consists of the cylinder head and a bearing frame. The cylinder head is a cross flow type design with 4 valves per cylinder. The valves are installed vertically. The bearing frame is used to mount the camshafts and provides mounting of the central power supply connector. It also provides mounting for the injector rocker shaft. REMOVAL REMOVAL Fig. 60: Engine Cover Courtesy of CHRYSLER LLC 1. Remove engine cover (1). Refer to ENGINE COVER. 2009 Jeep Patriot Limited 2009 ENGINE 2.0L Diesel - Service Information - Compass & Patriot a Saturday, September 08, 2012 12:56:41 PM Page 40 © 2006 Mitchell Repair Information Company, LLC.
  • 41.
    Fig. 61: Battery Courtesyof CHRYSLER LLC 2. Remove air cleaner inlet. 3. Disconnect battery (2). Fig. 62: Air Filter Housing Courtesy of CHRYSLER LLC 4. Disconnect MAF sensor electrical connector (3). 5. Disconnect vacuum line at air cleaner housing. 6. Remove air cleaner housing (2). 2009 Jeep Patriot Limited 2009 ENGINE 2.0L Diesel - Service Information - Compass & Patriot a Saturday, September 08, 2012 12:56:41 PM Page 41 © 2006 Mitchell Repair Information Company, LLC.
  • 42.
    Fig. 63: VacuumLines Courtesy of CHRYSLER LLC 7. Remove vacuum harness (1) and set aside. 8. Disconnect brake booster vacuum line. Fig. 64: Coolant Reservoir Courtesy of CHRYSLER LLC WARNING: Risk of injury to skin and eyes from scalding coolant. Do not open cooling system unless temperature is below 90°C (194°F). Open cap slowly to release pressure. Store coolant in approved container only. 2009 Jeep Patriot Limited 2009 ENGINE 2.0L Diesel - Service Information - Compass & Patriot a Saturday, September 08, 2012 12:56:41 PM Page 42 © 2006 Mitchell Repair Information Company, LLC.
  • 43.
    9. Drain coolant. 10.Remove coolant tube from reservoir (4). 11. Remove coolant reservoir (4). Fig. 65: Injector Harness Connector at Cylinder Head Courtesy of CHRYSLER LLC 12. Disconnect injector harness connector (1) at cylinder head. 13. Remove fuel line retaining bracket. Fig. 66: Tandem Pump Courtesy of CHRYSLER LLC Wear protective gloves, clothing and eye wear. 2009 Jeep Patriot Limited 2009 ENGINE 2.0L Diesel - Service Information - Compass & Patriot a Saturday, September 08, 2012 12:56:41 PM Page 43 © 2006 Mitchell Repair Information Company, LLC.
  • 44.
    14. Drain fuelfrom the injection system prior to removing fuel pump. Refer to Fuel System/Fuel Injection - Standard Procedure . 15. Disconnect vacuum line (1) from pump. 16. Disconnect fuel lines (3,4) from pump. 17. Remove fuel pump retaining bolts (2) and remove pump. 18. Disconnect coolant hose near fuel pump. 19. Remove upper radiator hose at cylinder head. 20. Disconnect engine electrical connectors. 21. Remove air inlet hose from throttle body. Fig. 67: Turbo Outlet Pipe Courtesy of CHRYSLER LLC 22. Raise vehicle. 23. Remove right splash shield. 24. Remove turbo outlet pipe retaining bolt (1) and remove pipe (2). 25. Remove turbo inlet pipe. NOTE: Place rags below pump to catch fuel spillage. 2009 Jeep Patriot Limited 2009 ENGINE 2.0L Diesel - Service Information - Compass & Patriot a Saturday, September 08, 2012 12:56:41 PM Page 44 © 2006 Mitchell Repair Information Company, LLC.
  • 45.
    Fig. 68: PowerSteering Line Support Courtesy of CHRYSLER LLC 26. Remove power steering hose support bracket (2) at exhaust manifold. 27. Remove EGR cooler. Refer to Cooling/Engine/COOLER, EGR - Removal . Fig. 69: Right Engine Mount Bracket Courtesy of CHRYSLER LLC 28. Remove accessory drive belt. 29. Remove balancer (4). 2009 Jeep Patriot Limited 2009 ENGINE 2.0L Diesel - Service Information - Compass & Patriot a Saturday, September 08, 2012 12:56:41 PM Page 45 © 2006 Mitchell Repair Information Company, LLC.
  • 46.
    Fig. 70: RightEngine Mount Bracket Courtesy of CHRYSLER LLC 30. Remove right engine mount bracket (5) lower bolt. 31. Lower vehicle. Fig. 71: Right Engine Mount Bracket Courtesy of CHRYSLER LLC 32. Support oil pan with a suitable jack. 33. Remove right engine mount through bolt (2). 34. Remove right engine mount bracket (1). 35. Remove right engine mount (3). 2009 Jeep Patriot Limited 2009 ENGINE 2.0L Diesel - Service Information - Compass & Patriot a Saturday, September 08, 2012 12:56:41 PM Page 46 © 2006 Mitchell Repair Information Company, LLC.
  • 47.
    Fig. 72: RightEngine Mount Bracket Courtesy of CHRYSLER LLC 36. Remove accessory drive belt tensioner (3). 37. Remove the remaining engine mounting bracket retaining bolts (1). 38. Remove right engine mounting bracket (5). 39. Remove harmonic dampener (4). Fig. 73: Power Steering Line Support Courtesy of CHRYSLER LLC 40. Remove timing belt. See Removal. 41. Remove oil feed pipe from turbo (4) and remove pipe retainers (5). 42. Remove exhaust manifold. 2009 Jeep Patriot Limited 2009 ENGINE 2.0L Diesel - Service Information - Compass & Patriot a Saturday, September 08, 2012 12:56:41 PM Page 47 © 2006 Mitchell Repair Information Company, LLC.
  • 48.
    Fig. 74: Camshafts Courtesyof CHRYSLER LLC 43. Remove camshaft sprockets. 44. Remove camshaft sprocket hubs. 45. Remove injector rocker arm shaft. 46. Remove bearing frame. 47. Remove camshafts. 48. Remove injector retaining bolts and discard. 49. Remove injectors using injector remover 9887. Refer to Fuel System/Fuel Injection/INJECTOR(S), Fuel - Removal . Fig. 75: Torque Sequence Courtesy of CHRYSLER LLC 2009 Jeep Patriot Limited 2009 ENGINE 2.0L Diesel - Service Information - Compass & Patriot a Saturday, September 08, 2012 12:56:41 PM Page 48 © 2006 Mitchell Repair Information Company, LLC.
  • 49.
    50. Remove cylinderhead bolts and discard. 51. Remove cylinder head. CLEANING CLEANING Fig. 76: Proper Tool Usage for Surface Preparation Courtesy of CHRYSLER LLC To ensure engine gasket sealing, proper surface preparation must be performed, especially with the use of aluminum engine components and multi-layer steel cylinder head gaskets. Remove all gasket material from cylinder head and block. See Standard Procedure. Be careful not to gouge or scratch the aluminum head sealing surface. Clean all engine oil passages. INSPECTION NOTE: Loosen cylinder head bolts in the reverse order of the tightening sequence. WARNING: No fire, open flames or smoking. Risk of poisoning from inhaling and swallowing fuel. Risk of injury from skin and eye contact with fuel. Pour fuels only into suitable and appropriately marked containers. Wear protective clothing when handling fuel. NOTE: Multi-Layer Steel (MLS) head gaskets require a scratch free sealing surface. 2009 Jeep Patriot Limited 2009 ENGINE 2.0L Diesel - Service Information - Compass & Patriot a Saturday, September 08, 2012 12:56:41 PM Page 49 © 2006 Mitchell Repair Information Company, LLC.
  • 50.
    INSPECTION Fig. 77: CheckingCylinder Head Flatness Courtesy of CHRYSLER LLC 1. Cylinder head must be flat within 0.1 mm (0.004 in.). See Fig. 77 . Fig. 78: Checking Wear on Valve Guide-Typical Courtesy of CHRYSLER LLC NOTE: Cylinder head cannot be resurfaced. NOTE: Replacement cylinder heads will come complete with valves, seals, springs, retainers, keepers. 1 - FEELER GAUGE 2 - STRAIGHT EDGE 1 - TOP 2 - MIDDLE 3 - BOTTOM 4 - CUT AWAY VIEW OF VALVE GUIDE 2009 Jeep Patriot Limited 2009 ENGINE 2.0L Diesel - Service Information - Compass & Patriot a Saturday, September 08, 2012 12:56:41 PM Page 50 © 2006 Mitchell Repair Information Company, LLC.
  • 51.
    2. Inspect camshaftbearing journals for scoring. 3. Remove carbon and varnish deposits from inside of valve guides with a reliable guide cleaner. 4. Using a small hole gauge and a micrometer, measure valve guides in 3 places top (1), middle (2), and bottom (3). See Specifications. Replace guides if they are not within specification. 5. Check valve guide height. 6. Prior to installing cylinder head, the cylinder block should be checked for flatness. Refer to Engine/Engine Block - Inspection . INSTALLATION INSTALLATION Fig. 79: Gasket Identification Courtesy of CHRYSLER LLC MEASUREMENT LOCATIONS WARNING: No fire, open flames or smoking. Service vehicles in well ventilated areas. Risk of poisoning from inhaling or swallowing fuel. Risk of injury from skin and eye contact with fuel. Wear protective clothing. NOTE: Thoroughly clean all mating surfaces with appropriate solvents and blow out bolt holes, to assure that no grease or oil is present during reassembly. NOTE: If piston or connecting rods have been replaced, measure piston projection to ensure proper head gasket selection. See Standard Procedure. NOTE: Check facing cylinder head contact surface. 2009 Jeep Patriot Limited 2009 ENGINE 2.0L Diesel - Service Information - Compass & Patriot a Saturday, September 08, 2012 12:56:41 PM Page 51 © 2006 Mitchell Repair Information Company, LLC.
  • 52.
    1. Remove crankshaftlock 9883. 2. Rotate crankshaft counterclockwise until all pistons are in the middle of the bore. 3. Position the cylinder head gasket with writing (2) facing upwards on engine using the dowel pins as guide. Fig. 80: Torque Sequence Courtesy of CHRYSLER LLC 4. Position the cylinder head on the engine and install new cylinder head bolts. a. Torque cylinder head bolts to 35 N.m (26 ft. lbs.) in the sequence shown in illustration b. Torque cylinder head bolts to 60 N.m (44 ft. lbs.) in the sequence shown in illustration c. Rotate each bolt in the sequence above 90°. d. Rotate each bolt in the sequence above an additional 90°. NOTE: Ensure that the gasket is correct before installing. Gasket is identified by holes stamped in the gasket (1). 2009 Jeep Patriot Limited 2009 ENGINE 2.0L Diesel - Service Information - Compass & Patriot a Saturday, September 08, 2012 12:56:41 PM Page 52 © 2006 Mitchell Repair Information Company, LLC.
  • 53.
    Fig. 81: InstallingCamshafts Courtesy of CHRYSLER LLC 5. Install camshafts (1). See Installation 6. Install camshaft oil seals using camshaft front oil seal installer 9884. 7. Install cam position sensor. 8. Install rear timing belt cover. 9. Install camshaft hubs. 10. Install camshaft sprockets. 11. Install camshaft locking pins 9882. 12. Rotate crankshaft clockwise and install crankshaft lock 9883. 13. Install timing belt. 14. Install unit injectors. Refer to injector replacement. See Fuel System/Fuel Injection/INJECTOR(S), Fuel - Installation . CAUTION: When installing unit injectors, new bolts must be used. NOTE: When installing used unit injector, new o-rings must be used. 2009 Jeep Patriot Limited 2009 ENGINE 2.0L Diesel - Service Information - Compass & Patriot a Saturday, September 08, 2012 12:56:41 PM Page 53 © 2006 Mitchell Repair Information Company, LLC.
  • 54.
    Fig. 82: PowerSteering Line Support Courtesy of CHRYSLER LLC 15. Install exhaust manifold gasket and manifold. 16. Install oil feed pipe (4) to turbo and install pipe hold down clamp (5). 17. Instal exhaust manifold heat shields. 2009 Jeep Patriot Limited 2009 ENGINE 2.0L Diesel - Service Information - Compass & Patriot a Saturday, September 08, 2012 12:56:41 PM Page 54 © 2006 Mitchell Repair Information Company, LLC.
  • 55.
    Fig. 83: IntakeManifold Courtesy of CHRYSLER LLC 18. Install intake manifold gasket (2) and manifold (1). See Installation. 19. Install EGR assembly (7). 20. Install throttle plate assembly (5). 21. Install exhaust manifold to EGR tube (3). 22. Install coolant hose to EGR cooler assembly. 23. Install timing belt cover. Fig. 84: Right Engine Mount Bracket Courtesy of CHRYSLER LLC 24. Install right engine mount bracket (5). 25. Install accessory drive belt tensioner. 2009 Jeep Patriot Limited 2009 ENGINE 2.0L Diesel - Service Information - Compass & Patriot a Saturday, September 08, 2012 12:56:41 PM Page 55 © 2006 Mitchell Repair Information Company, LLC.
  • 56.
    Fig. 85: RightEngine Mount Courtesy of CHRYSLER LLC 26. Install right engine mount (3). 27. Remove jack. 28. Raise vehicle. 29. Install right engine mount lower bolt. Fig. 86: Right Engine Mount Bracket Courtesy of CHRYSLER LLC 30. Install balancer (4). 31. Install accessory drive belt. 2009 Jeep Patriot Limited 2009 ENGINE 2.0L Diesel - Service Information - Compass & Patriot a Saturday, September 08, 2012 12:56:41 PM Page 56 © 2006 Mitchell Repair Information Company, LLC.
  • 57.
    Fig. 87: PowerSteering Line Support Courtesy of CHRYSLER LLC 32. Install power steering hose support bracket at exhaust manifold (2). 33. Install turbo outlet pipe. 34. Install turbo inlet pipe. 35. Install right splash shield. 36. Lower vehicle. Fig. 88: Coolant Reservoir Courtesy of CHRYSLER LLC 37. Install coolant recovery bottle (4). 38. Install air inlet hose to throttle body. 2009 Jeep Patriot Limited 2009 ENGINE 2.0L Diesel - Service Information - Compass & Patriot a Saturday, September 08, 2012 12:56:41 PM Page 57 © 2006 Mitchell Repair Information Company, LLC.
  • 58.
    39. Connect engineelectrical connectors. 40. Install upper radiator hose at cylinder head. 41. Connect coolant hoses near fuel pump. Fig. 89: Fuel Pump Courtesy of CHRYSLER LLC 42. Install fuel pump. Refer to Fuel System/Fuel Delivery/PUMP, Tandem Fuel - Installation . 43. Install fuel line retaining bracket. 44. Connect injector harness at cylinder head. 45. Connect brake booster vacuum hose (1). 46. Connect coolant tube at reservoir. 47. Install vacuum harness. 48. Fill with coolant. 49. Install new oil filter and fill with oil. 2009 Jeep Patriot Limited 2009 ENGINE 2.0L Diesel - Service Information - Compass & Patriot a Saturday, September 08, 2012 12:56:41 PM Page 58 © 2006 Mitchell Repair Information Company, LLC.
  • 59.
    Fig. 90: AirCleaner Assembly Courtesy of CHRYSLER LLC 50. Install air cleaner assembly (2). 51. Connect battery. 52. Start engine and check for leaks. CAMSHAFT, ENGINE Removal REMOVAL Fig. 91: Engine Cover 2009 Jeep Patriot Limited 2009 ENGINE 2.0L Diesel - Service Information - Compass & Patriot a Saturday, September 08, 2012 12:56:41 PM Page 59 © 2006 Mitchell Repair Information Company, LLC.
  • 60.
    Courtesy of CHRYSLERLLC 1. Disconnect negative battery cable. 2. Remove engine cover. Refer to ENGINE COVER. Fig. 92: Crankshaft Timing Marks Courtesy of CHRYSLER LLC 3. Place engine at TDC. 4. Install crankshaft lock 9883. 5. Remove timing belt. See Removal. WARNING: No fire, open flames or smoking. Risk of poisoning from inhaling or swallowing fuel. Risk of injury from skin and eye contact with fuel. Wear protective clothing. Store fuel only in suitable and appropriately marked containers. 2009 Jeep Patriot Limited 2009 ENGINE 2.0L Diesel - Service Information - Compass & Patriot a Saturday, September 08, 2012 12:56:41 PM Page 60 © 2006 Mitchell Repair Information Company, LLC.
  • 61.
    Fig. 93: FuelPump Courtesy of CHRYSLER LLC 6. Remove fuel pump. Refer to Fuel System/Fuel Delivery/PUMP, Tandem Fuel - Removal . Fig. 94: Camshaft Holder Courtesy of CHRYSLER LLC 7. Loosen camshaft hub retaining bolt using camshaft sprocket/hub holder 9880 (1). 8. Remove camshaft sprocket retaining bolts using camshaft sprocket/hub holder 9880 (1) and remove sprockets. 9. Remove camshaft hub retaining bolt and remove hubs with puller. 10. Loosen injector adjusting lock nut and back off injector adjuster. 2009 Jeep Patriot Limited 2009 ENGINE 2.0L Diesel - Service Information - Compass & Patriot a Saturday, September 08, 2012 12:56:41 PM Page 61 © 2006 Mitchell Repair Information Company, LLC.
  • 62.
    Fig. 95: RockerArm Shaft And Bearing Frame Retaining Bolts Courtesy of CHRYSLER LLC 11. Remove rocker arm shaft and bearing frame retaining bolts. 12. Remove rocker arm shaft. Fig. 96: Cam Bearing Frame Removal Courtesy of CHRYSLER LLC 13. Remove bearing frame. NOTE: If bearing shells are to be reused, clean them and identify location with a marker. 2009 Jeep Patriot Limited 2009 ENGINE 2.0L Diesel - Service Information - Compass & Patriot a Saturday, September 08, 2012 12:56:41 PM Page 62 © 2006 Mitchell Repair Information Company, LLC.
  • 63.
    Fig. 97: CamshaftsRemoval Courtesy of CHRYSLER LLC 14. Remove camshafts (1). Installation INSTALLATION Fig. 98: Installing Camshafts Courtesy of CHRYSLER LLC 1. Install new bearing shells in cylinder head. 2. Lubricate bearings with clean engine oil. 3. Install camshafts with cylinder #1 lobes pointing upwards. 2009 Jeep Patriot Limited 2009 ENGINE 2.0L Diesel - Service Information - Compass & Patriot a Saturday, September 08, 2012 12:56:41 PM Page 63 © 2006 Mitchell Repair Information Company, LLC.
  • 64.
    Fig. 99: CamBearing Frame Torque Courtesy of CHRYSLER LLC 4. Apply a bead of RTV to cylinder head. 5. Install bearing frame and tighten bolts as shown in illustration. Fig. 100: Injector Shaft Torque Courtesy of CHRYSLER LLC 6. Install injector rocker arm shaft. 7. Tighten bolts to 20 N.m (177 in. lbs.) in the sequence shown in illustration. 8. Tighten rocker arm shaft bolts an additional 90° as shown in illustration 9. Install camshaft oil seals using. See Installation 10. Install camshafts hubs onto camshafts and install bolts. 2009 Jeep Patriot Limited 2009 ENGINE 2.0L Diesel - Service Information - Compass & Patriot a Saturday, September 08, 2012 12:56:41 PM Page 64 © 2006 Mitchell Repair Information Company, LLC.
  • 65.
    11. Install sprocketson camshaft hubs with the toothed segment facing upward as shown in illustration 12. Install retaining bolts finger tight. Fig. 101: Camshafts Holder Courtesy of CHRYSLER LLC 13. Tighten camshaft hub bolts to 100 N.m (74 ft. lbs.) using hub/sprocket holder 9880 (1). 14. Install camshaft locking pins 9882. 15. Install timing belt. See Installation. 16. Perform injector adjustment. Refer to Fuel System/Fuel Injection/INJECTOR(S), Fuel - Standard Procedure . Fig. 102: Fuel Pump Courtesy of CHRYSLER LLC 2009 Jeep Patriot Limited 2009 ENGINE 2.0L Diesel - Service Information - Compass & Patriot a Saturday, September 08, 2012 12:56:41 PM Page 65 © 2006 Mitchell Repair Information Company, LLC.
  • 66.
    17. Install fuelpump. Refer to Fuel System/Fuel Delivery/PUMP, Tandem Fuel - Installation . 18. Install cylinder head cover. See Installation Fig. 103: Engine Cover-Installation Courtesy of CHRYSLER LLC 19. Reconnect negative battery cable. 20. Start engine and inspect for leaks. 21. Install engine cover. Refer to ENGINE COVER. COVER(S), CYLINDER HEAD Removal REMOVAL WARNING: Use extreme caution when the engine is operating. Do not stand in a direct line with the fan. Do not put your hands near the pulleys, belts or fan. Do not wear loose clothing. CAUTION: When new rocker fingers have been installed, engine must not be started for 30 minutes. The hydraulic compensation elements must settle or the pistons will contact the valves. 2009 Jeep Patriot Limited 2009 ENGINE 2.0L Diesel - Service Information - Compass & Patriot a Saturday, September 08, 2012 12:56:41 PM Page 66 © 2006 Mitchell Repair Information Company, LLC.
  • 67.
    Fig. 104: EngineCover Courtesy of CHRYSLER LLC 1. Disconnect negative battery cable. 2. Remove engine cover. Refer to ENGINE COVER. Fig. 105: Coolant Tube Retaining Bolts Courtesy of CHRYSLER LLC 3. Remove coolant tube retaining bolts (1) and reposition coolant tube. 2009 Jeep Patriot Limited 2009 ENGINE 2.0L Diesel - Service Information - Compass & Patriot a Saturday, September 08, 2012 12:56:41 PM Page 67 © 2006 Mitchell Repair Information Company, LLC.
  • 68.
    Fig. 106: CylinderHead Cover Courtesy of CHRYSLER LLC 4. Remove cylinder head cover retaining bolts and remove cover. Installation INSTALLATION Fig. 107: Cylinder Head Cover Courtesy of CHRYSLER LLC 1. Clean sealing surfaces. 2. Install new cylinder head cover gasket. 3. Install cylinder head cover. 2009 Jeep Patriot Limited 2009 ENGINE 2.0L Diesel - Service Information - Compass & Patriot a Saturday, September 08, 2012 12:56:41 PM Page 68 © 2006 Mitchell Repair Information Company, LLC.
  • 69.
    4. Tighten cylinderhead cover bolts in the sequence shown in illustration Fig. 108: Coolant Tube Courtesy of CHRYSLER LLC 5. Install coolant tube retaining bolts (1) and tighten. Fig. 109: Engine Cover Courtesy of CHRYSLER LLC 6. Install engine cover (1). Refer to ENGINE COVER. SEAL(S), CAMSHAFT 2009 Jeep Patriot Limited 2009 ENGINE 2.0L Diesel - Service Information - Compass & Patriot a Saturday, September 08, 2012 12:56:41 PM Page 69 © 2006 Mitchell Repair Information Company, LLC.
  • 70.
    Removal REMOVAL Fig. 110: EngineCover - Removal Courtesy of CHRYSLER LLC 1. Remove engine cover (1). Refer to ENGINE COVER. 2. Remove timing belt. See Removal. 3. Remove timing belt tensioner. See Removal. 4. Remove timing belt rear cover. 5. Remove camshaft sprockets. 6. Remove camshaft hubs. 2009 Jeep Patriot Limited 2009 ENGINE 2.0L Diesel - Service Information - Compass & Patriot a Saturday, September 08, 2012 12:56:41 PM Page 70 © 2006 Mitchell Repair Information Company, LLC.
  • 71.
    Fig. 111: InsertingBolt In Camshaft Courtesy of CHRYSLER LLC 7. Insert a bolt (1) in the camshaft. Fig. 112: Camshaft Seal Removal Courtesy of CHRYSLER LLC 8. Screw seal remover 6771 (1) into camshaft seal. 9. Tighten force screw (2) to remove camshaft oil seals. Installation 2009 Jeep Patriot Limited 2009 ENGINE 2.0L Diesel - Service Information - Compass & Patriot a Saturday, September 08, 2012 12:56:41 PM Page 71 © 2006 Mitchell Repair Information Company, LLC.
  • 72.
    INSTALLATION Fig. 113: CamSeal Courtesy of CHRYSLER LLC 1. Position new cam seal (1) on camshaft (2) as shown in illustration Fig. 114: Cam Seal Installer Courtesy of CHRYSLER LLC 2. Position cam seal installer 9884 (1) over camshaft and insert bolt (2). 2009 Jeep Patriot Limited 2009 ENGINE 2.0L Diesel - Service Information - Compass & Patriot a Saturday, September 08, 2012 12:56:41 PM Page 72 © 2006 Mitchell Repair Information Company, LLC.
  • 73.
    Fig. 115: CamSeal Installation Courtesy of CHRYSLER LLC 3. Tighten bolt until seal bottoms out. Fig. 116: Cam Holder Courtesy of CHRYSLER LLC 4. Install timing belt hubs and hand tighten bolts. 5. Install timing belt sprockets and hand tighten bolts. 6. Install cam holder 9880 (1). 7. Tighten hub center bolt. 2009 Jeep Patriot Limited 2009 ENGINE 2.0L Diesel - Service Information - Compass & Patriot a Saturday, September 08, 2012 12:56:41 PM Page 73 © 2006 Mitchell Repair Information Company, LLC.
  • 74.
    Fig. 117: CamshaftLocking Pins Courtesy of CHRYSLER LLC 8. Install camshaft locking pins 9882 (5). 9. Tighten camshaft sprocket retaining bolts (1,4). 10. Install timing belt tensioner. See Installation. 11. Install timing belt. See Installation. 12. Install right engine mount bracket. 13. Install damper. 14. Install right engine mount. Fig. 118: Engine Cover 2009 Jeep Patriot Limited 2009 ENGINE 2.0L Diesel - Service Information - Compass & Patriot a Saturday, September 08, 2012 12:56:41 PM Page 74 © 2006 Mitchell Repair Information Company, LLC.
  • 75.
    Courtesy of CHRYSLERLLC 15. Install engine cover (1). Refer to ENGINE COVER. SPRING(S), VALVE Removal VALVE SPRINGS Fig. 119: Battery Cable Courtesy of CHRYSLER LLC 1. Disconnect negative battery cable (2). Fig. 120: Engine Cover 2009 Jeep Patriot Limited 2009 ENGINE 2.0L Diesel - Service Information - Compass & Patriot a Saturday, September 08, 2012 12:56:41 PM Page 75 © 2006 Mitchell Repair Information Company, LLC.
  • 76.
    Courtesy of CHRYSLERLLC 2. Remove engine cover. Refer to ENGINE COVER. 3. Remove camshafts. See Removal. 4. Position piston of cylinder to be processed to TDC by rotating the crankshaft clockwise. DO NOT crank engine. DO NOT rotate engine backward. Fig. 121: Glow Plug Adapter 9939 Courtesy of CHRYSLER LLC 5. Remove glow plugs. Refer to Electrical - Ignition Control/Ignition Control/PLUG, Glow - Removal . 6. Install glow plug adapter 9939 (2). 7. Connect air supply (1) to glow plug adapter 9939 (2) and pressurize the cylinder to 5 bar (73 psi.). 2009 Jeep Patriot Limited 2009 ENGINE 2.0L Diesel - Service Information - Compass & Patriot a Saturday, September 08, 2012 12:56:41 PM Page 76 © 2006 Mitchell Repair Information Company, LLC.
  • 77.
    Fig. 122: ValveSpring Compressor 9916 Courtesy of CHRYSLER LLC 8. Install valve spring compressor 9916 (1,2,3). 9. Compress valve spring. CAUTION: Valve springs and retainers must be kept in order of the cylinder they were removed. 2009 Jeep Patriot Limited 2009 ENGINE 2.0L Diesel - Service Information - Compass & Patriot a Saturday, September 08, 2012 12:56:41 PM Page 77 © 2006 Mitchell Repair Information Company, LLC.
  • 78.
    Fig. 123: ValveSpring Courtesy of CHRYSLER LLC 10. Remove valve keepers. 11. Remove top valve spring retainer and valve spring. 12. Remove valve stem seals. 13. Remove bottom valve spring retainer. 14. Repeat procedure for each cylinder as necessary. VALVES Fig. 124: Cylinder Head Courtesy of CHRYSLER LLC 1. Remove cylinder head. See Removal. 2. Using a suitable valve spring compressor, compress valve spring. NOTE: Inspect all cylinder head components for wear or damage. NOTE: Valves can not be ground, only lapping is permitted. CAUTION: Suitably mark the valve and the position in the cylinder head before removal. Failure to do so will result in improperly seated valves and possible engine damage after reassembly. 2009 Jeep Patriot Limited 2009 ENGINE 2.0L Diesel - Service Information - Compass & Patriot a Saturday, September 08, 2012 12:56:41 PM Page 78 © 2006 Mitchell Repair Information Company, LLC.
  • 79.
    3. Remove valvekeepers. 4. Remove top valve spring retainer and valve spring. 5. Remove valve stem seals. 6. Repeat steps 5 through 9 for each valve as necessary. 7. Remove any burrs with a file prior to pulling valves through the guide. 8. Remove valves. Installation VALVE SPRINGS Fig. 125: Compression Adapter 9939 Courtesy of CHRYSLER LLC 1. Position piston of cylinder to be processed to TDC by rotating the crankshaft clockwise. DO NOT crank engine or rotate engine counter clockwise. 2. Install glow plug adapter 9939 (2). 3. Connect air supply (1) to #9939 glow plug adaptor and pressurize the cylinder to 5 bar (73 psi). CAUTION: Valves, springs and retainers must be kept in order of the cylinder they were removed. NOTE: Inspect all valve springs and retainers for wear or damage. Replace as necessary. 2009 Jeep Patriot Limited 2009 ENGINE 2.0L Diesel - Service Information - Compass & Patriot a Saturday, September 08, 2012 12:56:41 PM Page 79 © 2006 Mitchell Repair Information Company, LLC.
  • 80.
    Fig. 126: ValveSpring Retainer Courtesy of CHRYSLER LLC 4. Install lower valve spring retainer. 5. Install valve stem seal. 6. Install valve spring. 7. Install valve spring retainer. Fig. 127: Valve Spring Installer 9916 Courtesy of CHRYSLER LLC 2009 Jeep Patriot Limited 2009 ENGINE 2.0L Diesel - Service Information - Compass & Patriot a Saturday, September 08, 2012 12:56:41 PM Page 80 © 2006 Mitchell Repair Information Company, LLC.
  • 81.
    8. Install valvespring installer 9916. 9. Compress valve and install valve keepers. 10. Repeat procedure for each cylinder as necessary. 11. Remove special tooling from cylinder head. 12. Position piston of #1 cylinder to ignition TDC. 13. Install camshafts and check basic position. See Installation. Fig. 128: Battery Cable Courtesy of CHRYSLER LLC 14. Reconnect negative battery cable (2). 15. Start the engine and inspect for leaks. NOTE: Ensure that the valve keepers are seated properly. CAUTION: Use extreme caution when the engine is operating. Do not stand in a direct line with the fan. Do not put your hands near the pulleys, belts or fan. Do not wear loose clothing. 2009 Jeep Patriot Limited 2009 ENGINE 2.0L Diesel - Service Information - Compass & Patriot a Saturday, September 08, 2012 12:56:41 PM Page 81 © 2006 Mitchell Repair Information Company, LLC.
  • 82.
    Fig. 129: EngineCover Courtesy of CHRYSLER LLC 16. Install engine cover. Refer to ENGINE COVER. VALVES Fig. 130: Cylinder Head Courtesy of CHRYSLER LLC WARNING: Valves must be kept in their original positions in cylinder head. Failure to do so will result in engine damage. 2009 Jeep Patriot Limited 2009 ENGINE 2.0L Diesel - Service Information - Compass & Patriot a Saturday, September 08, 2012 12:56:41 PM Page 82 © 2006 Mitchell Repair Information Company, LLC.
  • 83.
    1. Install valvesin their original position in the cylinder head. 2. Install lower valve spring retainer. 3. Install valve stem seal. 4. Install valve spring. 5. Install valve spring retainer. 6. Using a suitable valve spring compressor, compress valve spring and install valve keepers. 7. Repeat steps 3 through 7 for each valve as necessary. 8. Install cylinder head on engine block. See Installation. 9. Start engine and check for leaks. 10. Install engine cover. Refer to ENGINE COVER. ENGINE BLOCK STANDARD PROCEDURE REPLACING ENGINE CORE AND OIL GALLERY PLUGS Using a blunt tool such as a drift and a hammer, strike the bottom edge of the cup plug. With the cup plug rotated, grasp firmly with pliers or other suitable tool and remove plug . NOTE: Inspect all valves, springs and retainers for wear or damage. Replace as necessary. NOTE: Using tool, screw retaining fork into threaded edge of cylinder head and position thrust piece vertically at the top of each valve spring retainer. NOTE: Ensure that the valve keepers are seated properly. WARNING: Us extreme caution when the engine is in operation. Do not stand in a direct line with the fan. Do not put your hands near the pulleys, belts or fan. Do not wear loose clothing. 2009 Jeep Patriot Limited 2009 ENGINE 2.0L Diesel - Service Information - Compass & Patriot a Saturday, September 08, 2012 12:56:41 PM Page 83 © 2006 Mitchell Repair Information Company, LLC.
  • 84.
    Fig. 131: RemovingCore Hole Plug Courtesy of CHRYSLER LLC Thoroughly clean inside of cup plug hole in cylinder block or head. Be sure to remove old sealer. Lightly coat inside of cup plug hole with Mopar® Stud and Bearing Mount. Make certain the new plug is cleaned of all oil or grease. Using proper drive plug, drive plug into hole so that the sharp edge of the plug is at least 0.5 mm (0.020 in.) inside the lead-in chamfer. It is not necessary to wait for curing of the sealant. The cooling system can be refilled and the vehicle placed in service immediately. MEASURING CYLINDER BORES 1 - CYLINDER BLOCK 2 - REMOVE PLUG WITH PLIERS 3 - STRIKE HERE WITH HAMMER 4 - DRIFT PUNCH 5 - CUP PLUG CAUTION: Do not drive cup plug into the casting as restricted cooling can result and cause serious engine problems. 2009 Jeep Patriot Limited 2009 ENGINE 2.0L Diesel - Service Information - Compass & Patriot a Saturday, September 08, 2012 12:56:41 PM Page 84 © 2006 Mitchell Repair Information Company, LLC.
  • 85.
    Fig. 132: MeasuringCylinder Bores Courtesy of CHRYSLER LLC 1. Thoroughly clean all cylinder bores with appropriate cleaning solvent. 2. Measure each cylinder at the three measuring points shown in Fig. 132 . 3. Using the three measurement points, measure cylinder in the longitudinal and in the transverse direction shown in Fig. 132 . PISTON PROTRUSION 1 - MEASURING POINT OF CYLINDER BORE 2 - MEASURING POINT OF CYLINDER BORE 3 - MEASURING POINT OF CYLINDER BORE 1a - UPPER REVERSAL POINT OF #1 PISTON RING 1b - BOTTOM DEAD CENTER OF PISTON 1c - BOTTOM REVERSAL POINT OF OIL SCRAPER RING 1A - LONGITUDINAL DIRECTION 1B - TRANSVERSE DIRECTION NOTE: This must be done with engine completely disassembled. NOTE: Any time a rod or piston is replaced, the piston protrusion must be checked. 2009 Jeep Patriot Limited 2009 ENGINE 2.0L Diesel - Service Information - Compass & Patriot a Saturday, September 08, 2012 12:56:41 PM Page 85 © 2006 Mitchell Repair Information Company, LLC.
  • 86.
    Fig. 133: ZeroDial Indicator Courtesy of CHRYSLER LLC 1. Position scooter block D-115-2A (4) and a dial indicator flat on the cylinder block (3) head surface and zero the dial indicator. Fig. 134: Piston Height Courtesy of CHRYSLER LLC 2. Slide Scooter block D-155-2A (4) so that the dial indicator (1) is now on the piston (2). 3. Read measurement and refer to the chart below for the correct head gasket. Piston Protrusion Head Gasket Identification Notches 0.91 - 1.00 mm 0.035 - 0.039 in. 1 1.01 - 1.10 mm 0.040 - 0.043 in. 2 2009 Jeep Patriot Limited 2009 ENGINE 2.0L Diesel - Service Information - Compass & Patriot a Saturday, September 08, 2012 12:56:41 PM Page 86 © 2006 Mitchell Repair Information Company, LLC.
  • 87.
    4. Look uppiston protrusion measurement in the chart above to find the correct head gasket. The head gasket is marked with notches (round holes) (1). The gasket will have 1,2, or 3 notches corresponding to piston protrusion. CRANKSHAFT Standard Procedure MEASURE CRANKSHAFT AND BLOCK JOURNALS 1. Remove crankshaft. See Removal. 2. Clean all engine parts thoroughly. 3. Inspect connecting rod. If damage is present, inspect crankshaft, replace as necessary. 4. Inspect crankcase. 5. Inspect standard size of crankshaft bearing shells. 6. Inspect crankshaft bearing cap. 7. Mount crankshaft radially. 8. Inspect crankshaft bearing play. ASSIGN CRANKSHAFT BEARING SHELLS The oil pan rail of the cylinder block is marked with chisel punches indicating what bearing shell are used. 9. Assign crankshaft bearing shells. 10. Mount crankshaft axially. 11. Inspect crankshaft bearing play. Removal 1.11 - 1.20 mm 0.044 - 0.047 3 NOTE: After any bearing damage occurred, remove all debris which is present in the main oil gallery, connecting rod bores, and in the crankshaft and oil galleries. Include removal of the inserting steel ball of the main oil gallery before cleaning. CAUTION: After bearing has damage has occurred, replace connecting rods which have suffered overheating because of bearing damage. The connecting rod must not have any cross scores and notches. NOTE: Radial mounting of the main bearings of standard size crankshaft is possible by assigning the color-coded bearing shells. 2009 Jeep Patriot Limited 2009 ENGINE 2.0L Diesel - Service Information - Compass & Patriot a Saturday, September 08, 2012 12:56:41 PM Page 87 © 2006 Mitchell Repair Information Company, LLC.
  • 88.
    REMOVAL Fig. 135: EngineCover - Removal Courtesy of CHRYSLER LLC 1. Disconnect negative battery cable. 2. Remove engine cover. Refer to ENGINE COVER. 3. Remove engine. See Removal. 4. Remove cylinder head. See Removal. 5. Remove rear crankshaft seal adapter. See Removal. NOTE: The engine must be removed from the vehicle to service crankshaft. 2009 Jeep Patriot Limited 2009 ENGINE 2.0L Diesel - Service Information - Compass & Patriot a Saturday, September 08, 2012 12:56:41 PM Page 88 © 2006 Mitchell Repair Information Company, LLC.
  • 89.
    Fig. 136: CrankshaftBearing Caps Courtesy of CHRYSLER LLC 6. Remove front crankshaft seal retainer. 7. Remove piston and connecting rod assemblies. See Removal. 8. Unbolt crankshaft bearing caps (2). 9. Inspect crankshaft bearing caps (2) and bolts (1) for wear and stretching. 10. Remove crankshaft (5) from engine block. Installation INSTALLATION NOTE: Mark piston and rod location prior to removal with paint pen. Do not use a punch. CAUTION: The crankshaft bearing caps are numbered consecutively, beginning with the first crankshaft bearing cap at the front of engine. Attention must be paid to the way crankshaft bearing caps fit. 2009 Jeep Patriot Limited 2009 ENGINE 2.0L Diesel - Service Information - Compass & Patriot a Saturday, September 08, 2012 12:56:41 PM Page 89 © 2006 Mitchell Repair Information Company, LLC.
  • 90.
    Fig. 137: CrankAnd Bearings Courtesy of CHRYSLER LLC 1. Install bearing shells into engine block. 2. Oil bearing shells. 3. Install upper thrust bearings in block. 4. Install crankshaft into engine block. 5. Install bearing shells into bearing caps. 6. Install lower thrust bearings. CAUTION: Oil bearing shells before inserting crankshaft. CAUTION: Oil thread and head contact surfaces of bolts that retain crankshaft bearing caps; tighten bolts from inside to outside, beginning at fit bearing. Rotate crankshaft to check clearance. NOTE: The crankshaft bearing caps are numbered consecutively, beginning with the first crankshaft bearing cap at the front of engine. Attention must be paid to the way crankshaft bearing caps fit. 2009 Jeep Patriot Limited 2009 ENGINE 2.0L Diesel - Service Information - Compass & Patriot a Saturday, September 08, 2012 12:56:41 PM Page 90 © 2006 Mitchell Repair Information Company, LLC.
  • 91.
    7. Install crankshaftbearing caps. Tighten bolts in two stages. 65 N.m (48 lbs ft), then 90°. 8. Install piston and connecting rod assemblies. See Installation. Fig. 138: Front Seal Flange RTV Path Courtesy of CHRYSLER LLC 9. Apply RTV to front sealing flange as shown in illustration. 10. Install front crankshaft sealing flange. Fig. 139: Front Crank Seal Sleeve Courtesy of CHRYSLER LLC 11. Install front seal and seal installation guide. 2009 Jeep Patriot Limited 2009 ENGINE 2.0L Diesel - Service Information - Compass & Patriot a Saturday, September 08, 2012 12:56:42 PM Page 91 © 2006 Mitchell Repair Information Company, LLC.
  • 92.
    Fig. 140: FrontCrank Seal Installation Courtesy of CHRYSLER LLC 12. Install front crankshaft oil seal. 13. Install rear timing belt cover. 14. Install rear crankshaft oil seal. See Installation. 15. Install timing belt cover. See Installation. 16. Install the engine. See Installation. 17. Fill crankcase with the correct engine oil, to the proper level. 18. Fill cooling system with the proper coolant, to the proper level. Refer to Cooling - Standard Procedure . Fig. 141: Engine Cover - Installation Courtesy of CHRYSLER LLC 2009 Jeep Patriot Limited 2009 ENGINE 2.0L Diesel - Service Information - Compass & Patriot a Saturday, September 08, 2012 12:56:42 PM Page 92 © 2006 Mitchell Repair Information Company, LLC.
  • 93.
    19. Connect negativebattery cable. 20. Start engine and inspect for leaks. 21. Install engine cover. Refer to ENGINE COVER. MODULE, BALANCE SHAFT Description DESCRIPTION The balance shaft module bolts to the bottom of the engine. The oil pump is an integral part of the balance shaft module and cannot be serviced separately. Operation OPERATION The balance shaft module is gear driven off the crankshaft. The oil pump is housed in the front portion of the module. The oil pump supplies the engines oil requirements. The balance shaft portion is for NVH reduction. Removal REMOVAL WARNING: Use extreme caution when the engine is operating. Do not stand in a direct line with the fan. Do not put your hands near the pulleys, belts, or fan. Do not wear loose clothes. NOTE: When Balance Shaft Module (BSM) is removed, a new BSM MUST be installed. 2009 Jeep Patriot Limited 2009 ENGINE 2.0L Diesel - Service Information - Compass & Patriot a Saturday, September 08, 2012 12:56:42 PM Page 93 © 2006 Mitchell Repair Information Company, LLC.
  • 94.
    Fig. 142: LowerTiming Belt Cover Courtesy of CHRYSLER LLC 1. Remove oil pan. See Removal. 2. Remove lower timing belt cover (1). Fig. 143: Crankshaft Timing Marks Courtesy of CHRYSLER LLC 3. Rotate engine to TDC and insert crankshaft timing lock 9883. Fig. 144: Torque Sequence Courtesy of CHRYSLER LLC 2009 Jeep Patriot Limited 2009 ENGINE 2.0L Diesel - Service Information - Compass & Patriot a Saturday, September 08, 2012 12:56:42 PM Page 94 © 2006 Mitchell Repair Information Company, LLC.
  • 95.
    4. Remove balanceshaft retaining bolts. 5. Remove balance shaft. Installation INSTALLATION Fig. 145: BSM Timing Marks Courtesy of CHRYSLER LLC 1. Remove dipstick guide from new BSM and discard. 2. Remove pick-up tube from BSM and discard. 3. Pour 15 ml (0.5 oz.) of oil into oil pump and turn balance shaft gear (2) a minimum of 3 revolutions. 4. Install new pick-up tube and new o-ring. 5. Tighten pick-up tube retaining bolt to 10 N.m (89 in. lbs.). 6. Tighten pick-up tube support bracket to 22 N.m (195 in. lbs.). NOTE: When installing a new balance shaft module, the oil pick-up and dip stick guide must be removed. 2009 Jeep Patriot Limited 2009 ENGINE 2.0L Diesel - Service Information - Compass & Patriot a Saturday, September 08, 2012 12:56:42 PM Page 95 © 2006 Mitchell Repair Information Company, LLC.
  • 96.
    Fig. 146: BSMTiming Lock Courtesy of CHRYSLER LLC 7. Install BSM lock 9991-2 (2). 8. Install 2 new locating sleeves. Fig. 147: BSM Timing Marks Courtesy of CHRYSLER LLC 9. Loosen intermediate gear (1) retaining bolt 90°. 10. Install BSM with white dot on intermediate gear pointing towards the crankshaft. 2009 Jeep Patriot Limited 2009 ENGINE 2.0L Diesel - Service Information - Compass & Patriot a Saturday, September 08, 2012 12:56:42 PM Page 96 © 2006 Mitchell Repair Information Company, LLC.
  • 97.
    Fig. 148: TorqueSequence Courtesy of CHRYSLER LLC 11. Tighten all bolts to 6 N.m (53 in. lbs.) in the sequence shown in illustration. 12. Tighten bolts 1,2,3,4,6,8 to 20 N.m (177 in. lbs.). 13. Tighten bolts 5 and 7 to 15 N.m (133 in. lbs.). 14. Tighten all bolts an additional 90°. Fig. 149: BSM Timing Marks Courtesy of CHRYSLER LLC 15. Install balance shaft gear (2) and tighten bolts to 20 N.m (177 in. lbs.). 2009 Jeep Patriot Limited 2009 ENGINE 2.0L Diesel - Service Information - Compass & Patriot a Saturday, September 08, 2012 12:56:42 PM Page 97 © 2006 Mitchell Repair Information Company, LLC.
  • 98.
    16. Tighten boltsan additional 90°. Fig. 150: BSM Timing Lock Courtesy of CHRYSLER LLC 17. Remove BSM timing lock 9991-2 (2). Fig. 151: Securing Bolt Courtesy of CHRYSLER LLC 18. Secure gear lash adjuster 9991-1 (1) to engine block and install securing bolt (2). 2009 Jeep Patriot Limited 2009 ENGINE 2.0L Diesel - Service Information - Compass & Patriot a Saturday, September 08, 2012 12:56:42 PM Page 98 © 2006 Mitchell Repair Information Company, LLC.
  • 99.
    Fig. 152: GearLash Adjuster Courtesy of CHRYSLER LLC 19. Tighten tensioner screw (2) to 2-4 N.m (18-35 in. lbs.). 20. Tighten intermediate gear (3) bolt to 90 N.m (66 ft. lbs.). 21. Loosen tension screw (2). 22. Check for zero backlash between gears. 23. If backlash is present, loosen intermediate gear (3) bolt 90° and repeat steps 19 through 22. 24. If no backlash was present, tighten intermediate gear an additional 90°. Fig. 153: Lower Timing Belt Cover CAUTION: If you have backlash after the intermediate bolt has been tightened the additional 90°, the BSM MUST be replaced. 2009 Jeep Patriot Limited 2009 ENGINE 2.0L Diesel - Service Information - Compass & Patriot a Saturday, September 08, 2012 12:56:42 PM Page 99 © 2006 Mitchell Repair Information Company, LLC.
  • 100.
    Courtesy of CHRYSLERLLC 25. Install the lower timing belt cover (1). 26. Install the crankshaft damper. 27. Install the oil pan. See Installation. 28. Fill with oil. 29. Start engine and check for leaks. PUMP, TANDEM VACUUM Description DESCRIPTION Fig. 154: Fuel Pump Courtesy of CHRYSLER LLC This pump is a tandem pump design. It contains a fuel pump and a vacuum pump in one housing. If either pump fails, the tandem pump assembly must be replaced. Removal REMOVAL 2009 Jeep Patriot Limited 2009 ENGINE 2.0L Diesel - Service Information - Compass & Patriot a Saturday, September 08, 2012 12:56:42 PM Page 100 © 2006 Mitchell Repair Information Company, LLC.
  • 101.
    Fig. 155: FuelPump Courtesy of CHRYSLER LLC 1. Perform fuel draining procedure. Refer to Fuel System/Fuel Injection - Standard Procedure . 2. Disconnect vacuum line (1) from pump. 3. Remove fuel feed line (4). 4. Remove fuel return line (3). 5. Remove retaining bolts (2) and remove pump. Installation INSTALLATION Fig. 156: Pump And Gasket Courtesy of CHRYSLER LLC 2009 Jeep Patriot Limited 2009 ENGINE 2.0L Diesel - Service Information - Compass & Patriot a Saturday, September 08, 2012 12:56:42 PM Page 101 © 2006 Mitchell Repair Information Company, LLC.
  • 102.
    1. Place newgasket (3) on pump (1). 2. Align pump drive (2) on pump. Fig. 157: Fuel Pump Drive Courtesy of CHRYSLER LLC 3. Insert pump drive into slot on camshaft (1). Fig. 158: Fuel Feed Line Courtesy of CHRYSLER LLC 4. install pump retaining bolts (2) and tighten. 5. Install fuel feed line (4). 6. Install fuel return line (3). 2009 Jeep Patriot Limited 2009 ENGINE 2.0L Diesel - Service Information - Compass & Patriot a Saturday, September 08, 2012 12:56:42 PM Page 102 © 2006 Mitchell Repair Information Company, LLC.
  • 103.
    ROD, PISTON ANDCONNECTING Removal REMOVAL 1. Remove cylinder head. 2. Remove oil pan. 3. Remove oil pump if necessary. 4. Mark connecting rods with paint marker. 5. Remove connecting rod bolts and discard. 6. Push piston and rod assembly out of the engine block. 7. Repeat as needed. Installation INSTALLATION 1. Make sure the ring end gaps are properly staggered. 2. Lubricate the piston and rings with clean engine oil. 3. Compress piston rings with a ring compressor. 4. Install upper rod bearing shell in to connecting rod and oil bearing shell. 5. Push piston into cylinder. 6. Install lower bearing shell into connecting rod cap. 7. Lubricate lower bearing shell and position rod cap. 8. Install new rod bolts and torque to 30 N.m + 90° (22 ft. lbs. + 90°). 9. Install oil pan. See Installation. 10. Install cylinder head. See Installation. 11. Replace oil filter and fill with oil. See Installation. 12. Fill cooling system. Refer to Cooling - Standard Procedure . 13. Start engine and check for leaks. NOTE: It may be necessary to remove the oil pump to gain access to all of the rods. NOTE: Do not use a punch to mark connecting rods. NOTE: Be careful when guiding rod into place not to nick the crankshaft journals. 2009 Jeep Patriot Limited 2009 ENGINE 2.0L Diesel - Service Information - Compass & Patriot a Saturday, September 08, 2012 12:56:42 PM Page 103 © 2006 Mitchell Repair Information Company, LLC.
  • 104.
    SEAL, CRANKSHAFT OIL,REAR Removal REMOVAL Fig. 159: Pressure Plate Courtesy of CHRYSLER LLC 1. Disconnect the negative battery cable. 2. Remove the dual mass flywheel. Refer to Clutch/FLYWHEEL - Removal . Fig. 160: Vibration Damper Dust Cover Courtesy of CHRYSLER LLC 3. If equipped, remove the vibration damper dust cover. 2009 Jeep Patriot Limited 2009 ENGINE 2.0L Diesel - Service Information - Compass & Patriot a Saturday, September 08, 2012 12:56:42 PM Page 104 © 2006 Mitchell Repair Information Company, LLC.
  • 105.
    4. Rotate thecrankshaft to align the timing marks (1,2) to set the No. 1 cylinder at Top Dead Center (TDC). Fig. 161: OIL PAN-REMOVAL Courtesy of CHRYSLER LLC 5. Drain the engine oil. 6. Remove the oil pan bolts. 7. Using a suitable pry bar, remove the oil pan. Fig. 162: Crankshaft Position Sensor Courtesy of CHRYSLER LLC 8. Disconnect the crankshaft position sensor harness connector (1). 9. Remove the bolt (2) and the Crankshaft Position Sensor (CKP) (3). 2009 Jeep Patriot Limited 2009 ENGINE 2.0L Diesel - Service Information - Compass & Patriot a Saturday, September 08, 2012 12:56:42 PM Page 105 © 2006 Mitchell Repair Information Company, LLC.
  • 106.
    Fig. 163: RearCrankshaft Seal Assembly Courtesy of CHRYSLER LLC 10. Install the three M6 x 35 bolts into the rear crankshaft seal assembly as illustrated. 11. Remove the rear main seal by alternately screw in bolts 1/2 turn at a time to pull seal assembly off. 12. Wipe excess oil off the crankshaft. Installation INSTALLATION NOTE: The rear crankshaft seal comes with and installation sleeve that must not be removed prior to installation. NOTE: The sealing flange and sender wheel must not be separated or rotated after removing from package. NOTE: The sealing flange and seal are one unit that must be replaced together with the sender wheel only. 2009 Jeep Patriot Limited 2009 ENGINE 2.0L Diesel - Service Information - Compass & Patriot a Saturday, September 08, 2012 12:56:42 PM Page 106 © 2006 Mitchell Repair Information Company, LLC.
  • 107.
    Fig. 164: RearMain Installer 9888 Courtesy of CHRYSLER LLC 1. Screw in nut (3) to the edge of the clamping surface (2) of threaded spindle. 2. Clamp rear main seal installer 9888 in a vice on the clamping surface of threaded spindle (2). 3. Press assembly bell housing (4) down so it lies on nut (3). 4. Screw nut (3) onto threaded spindle (1) until inner part of assembly device and assembly are bell housing are level. Fig. 165: Securing Clip Courtesy of CHRYSLER LLC 5. Remove securing clip (1) from rear crankshaft sealing flange (2). 2009 Jeep Patriot Limited 2009 ENGINE 2.0L Diesel - Service Information - Compass & Patriot a Saturday, September 08, 2012 12:56:42 PM Page 107 © 2006 Mitchell Repair Information Company, LLC.
  • 108.
    Fig. 166: LocatingHole Courtesy of CHRYSLER LLC 6. Locating hole (1) on sender wheel (3) must align with marking (2) on rear main seal. Fig. 167: Sealing Lip Support Courtesy of CHRYSLER LLC 7. Place seal on clean flat surface with the outer edge facing down. 8. Push sealing lip support ring (1) downward until it lies on flat surface. NOTE: The sender wheel must not be taken out of the sealing flange or turned. 2009 Jeep Patriot Limited 2009 ENGINE 2.0L Diesel - Service Information - Compass & Patriot a Saturday, September 08, 2012 12:56:42 PM Page 108 © 2006 Mitchell Repair Information Company, LLC.
  • 109.
    Fig. 168: SenderWheel Alignment Courtesy of CHRYSLER LLC 9. Upper edge of sender wheel and front edge of rear main seal must align. Fig. 169: Locating Pin Courtesy of CHRYSLER LLC 10. Place rear main seal with outer edge on rear main seal installer 9888 (1) so that locating pin (2) can be inserted into hole (3). NOTE: Ensure that the rear main seal lies flat on the installer. 2009 Jeep Patriot Limited 2009 ENGINE 2.0L Diesel - Service Information - Compass & Patriot a Saturday, September 08, 2012 12:56:42 PM Page 109 © 2006 Mitchell Repair Information Company, LLC.
  • 110.
    Fig. 170: SealingLip Installer Courtesy of CHRYSLER LLC 11. Push the flange and support ring for the sealing lip (1) against the installer (2) while tightening the three knurled knobs (3) so the locating pin cannot slide out of the sender wheel hole. Fig. 171: Attaching Seal to Installer Courtesy of CHRYSLER LLC NOTE: When installing rear main seal, the sender wheel must remain fixed in assembly tool. NOTE: The crankshaft flange must be free from oil and grease. 2009 Jeep Patriot Limited 2009 ENGINE 2.0L Diesel - Service Information - Compass & Patriot a Saturday, September 08, 2012 12:56:42 PM Page 110 © 2006 Mitchell Repair Information Company, LLC.
  • 111.
    12. Screw nut(3) to the end of the spindle. 13. Press threaded spindle of seal installer (1) until nut (3) lies against assembly bell housing (2). 14. Align flat side of assembly bell housing on sump side of crankcase sealing surface. Fig. 172: Rear Main Seal Installer 9888 Courtesy of CHRYSLER LLC 15. Secure the rear main seal installer 9888 to crankshaft using Allen head bolts (3). Fig. 173: Guide Bolts NOTE: Verify that the engine is still at Top Dead Center (TDC). 2009 Jeep Patriot Limited 2009 ENGINE 2.0L Diesel - Service Information - Compass & Patriot a Saturday, September 08, 2012 12:56:42 PM Page 111 © 2006 Mitchell Repair Information Company, LLC.
  • 112.
    Courtesy of CHRYSLERLLC 16. To guide sealing flange, screw two M7 x 35 mm bolts (1) into cylinder block. Fig. 174: Seal to Crankshaft Alignment Courtesy of CHRYSLER LLC 17. Push assembly bell housing (3) by hand in the direction shown in illustration until sealing lip support ring (2) contacts the crankshaft (1). 18. Push guide pin with black knob (5), into hole in crankshaft. This is done to ensure the sender wheel reaches its final installation position. 19. Hand tighten both hexagon socket head bolts of assembly tool. 20. Screw hexagon nut (4) onto threaded spindle by hand until it lies against assembly bell housing (3). 2009 Jeep Patriot Limited 2009 ENGINE 2.0L Diesel - Service Information - Compass & Patriot a Saturday, September 08, 2012 12:56:42 PM Page 112 © 2006 Mitchell Repair Information Company, LLC.
  • 113.
    Fig. 175: PressingSeal in Place Courtesy of CHRYSLER LLC 21. Tighten hexagon nut (1) to 35 N.m (26 ft. lbs.). Checking sender wheel installation position Fig. 176: Checking Sender Wheel Installation Position Courtesy of CHRYSLER LLC 1. Remove hexagon nut (5) to the end of the threaded spindle. NOTE: After nut is torqued, a small air gap must be present between cylinder block and sealing flange. 2009 Jeep Patriot Limited 2009 ENGINE 2.0L Diesel - Service Information - Compass & Patriot a Saturday, September 08, 2012 12:56:42 PM Page 113 © 2006 Mitchell Repair Information Company, LLC.
  • 114.
    2. Remove thetwo bolts (1) from cylinder block. 3. Loosen the three knurled screws (2). 4. Remove rear main installer 9888. 5. Remove sealing lip support ring. Fig. 177: Crankshaft Flange And Sender Wheel Courtesy of CHRYSLER LLC 6. The sender wheel is in the correct position if a gap of 0.5 mm (0.019 in.) exists between the crankshaft flange (1) and the sender wheel (2). Measure the distance -a- between the crankshaft flange and the sender wheel. Fig. 178: Measure Distance Between Crankshaft Flange Courtesy of CHRYSLER LLC 2009 Jeep Patriot Limited 2009 ENGINE 2.0L Diesel - Service Information - Compass & Patriot a Saturday, September 08, 2012 12:56:42 PM Page 114 © 2006 Mitchell Repair Information Company, LLC.
  • 115.
    7. Set verniergauge on crankshaft flange. 8. Measure the distance between the crankshaft flange and the sender wheel. 9. If the measurement is too small, press sender wheel on further. Fig. 179: Checking Sender Wheel Installation Position Courtesy of CHRYSLER LLC a. Secure assembly rear main installer 9888 to crankshaft flange using Allen head bolts. b. Hand tighten both hexagon socket head bolts. c. Push assembly tool by hand to sealing flange. d. Screw hexagon nut (5) onto threaded spindle by hand until it lies against assembly bell housing (3). e. Tighten nut to 40 N.m (30 ft. lbs.). f. Check installation position again. g. If dimension is too small, repeat steps a through d again and torque to 45 N.m (33 ft. lbs.). h. Check installation position again. NOTE: Re-pressing sender wheel. 2009 Jeep Patriot Limited 2009 ENGINE 2.0L Diesel - Service Information - Compass & Patriot a Saturday, September 08, 2012 12:56:42 PM Page 115 © 2006 Mitchell Repair Information Company, LLC.
  • 116.
    Fig. 180: RearMain Torque Sequence Courtesy of CHRYSLER LLC 10. If dimension is attained, tighten rear sealing flange bolts to 15 N.m (133 in. lbs.) in the sequence shown in illustration. Fig. 181: Crankshaft Position Sensor Courtesy of CHRYSLER LLC 11. Install crankshaft position sensor (3). Tighten bolt (2) to 5 N.m (44 in. lbs.). 12. Connect the crankshaft position sensor harness connector (1). 2009 Jeep Patriot Limited 2009 ENGINE 2.0L Diesel - Service Information - Compass & Patriot a Saturday, September 08, 2012 12:56:42 PM Page 116 © 2006 Mitchell Repair Information Company, LLC.
  • 117.
    Fig. 182: OilGasket Surfaces Courtesy of CHRYSLER LLC 13. Clean the oil gasket surfaces. 14. Apply a 3 mm (1) bead of engine sealant RTV. Fig. 183: Tightening Bolts Courtesy of CHRYSLER LLC 15. Install oil pan. Tighten bolts (A) to 15 N.m (133 in. lbs). Tighten bolts (B) to 45 N.m (33 ft. lbs). Tighten bolts (C) to 40 N.m (30 ft. lbs). 2009 Jeep Patriot Limited 2009 ENGINE 2.0L Diesel - Service Information - Compass & Patriot a Saturday, September 08, 2012 12:56:42 PM Page 117 © 2006 Mitchell Repair Information Company, LLC.
  • 118.
    Fig. 184: FlywheelAssembly Courtesy of CHRYSLER LLC 16. Install the dual mass flywheel. Refer to Clutch/FLYWHEEL - Installation 17. If equipped, install the vibration damper dust cover. 18. Fill engine with the recommended engine oil. 19. Connect the negative battery cable. 20. Start engine and inspect for leaks. ENGINE MOUNTING DESCRIPTION DESCRIPTION The engine mounting system consists of a four-point system utilizing two load-carrying mounts and two torque controlling mounts. The load-carrying mounts are located on each frame rail. The right and left mounts are hydro-elastic mounts. The two torque controlling mounts are attached to a fore/aft member and the front and rear of the engine. OPERATION OPERATION The four-point engine mounting system minimizes the transmission of structure-borne engine noise to the passenger compartment. The load-carrying right and left mounts dampen and isolate vertical motion and WARNING: Use extreme caution when the engine is operating. Do not put your hands near the pulleys, belts or fan. Do not wear loose clothes. 2009 Jeep Patriot Limited 2009 ENGINE 2.0L Diesel - Service Information - Compass & Patriot a Saturday, September 08, 2012 12:56:42 PM Page 118 © 2006 Mitchell Repair Information Company, LLC.
  • 119.
    vibration. The frontand rear mount absorb torque reaction forces and torsional vibrations. BRACKET, ENGINE MOUNT, RIGHT Removal REMOVAL Fig. 185: Right Engine Mount Bracket Courtesy of CHRYSLER LLC 1. Remove right engine mount. See Removal. 2. Remove accessory drive belt. 3. Remove bracket retaining bolts (1). 4. Remove bracket (5) through bottom rear. Installation INSTALLATION 2009 Jeep Patriot Limited 2009 ENGINE 2.0L Diesel - Service Information - Compass & Patriot a Saturday, September 08, 2012 12:56:42 PM Page 119 © 2006 Mitchell Repair Information Company, LLC.
  • 120.
    Fig. 186: RightEngine Mount Bracket Courtesy of CHRYSLER LLC 1. Position right engine mount bracket (5). 2. Install bracket retaining (1) bolts and tighten to 50 N.m (37 ft. lbs.). 3. Install accessory drive belt. Fig. 187: Right Engine Mount Courtesy of CHRYSLER LLC 4. Install mount (3). See Installation. INSULATOR, ENGINE MOUNT, FRONT Removal 2009 Jeep Patriot Limited 2009 ENGINE 2.0L Diesel - Service Information - Compass & Patriot a Saturday, September 08, 2012 12:56:42 PM Page 120 © 2006 Mitchell Repair Information Company, LLC.
  • 121.
    REMOVAL Fig. 188: FrontMount Through Bolt Courtesy of CHRYSLER LLC 1. Raise vehicle. 2. Remove fore aft member (3) to mount (4) bolts. 3. Remove mount through bolt (1). 4. Remove fore aft member (3) mounting bolts and remove. 5. Remove front mount (4). Installation INSTALLATION 2009 Jeep Patriot Limited 2009 ENGINE 2.0L Diesel - Service Information - Compass & Patriot a Saturday, September 08, 2012 12:56:42 PM Page 121 © 2006 Mitchell Repair Information Company, LLC.
  • 122.
    Fig. 189: FrontMount Through Bolt Courtesy of CHRYSLER LLC 1. Position mount (4) and tighten bolts to 47 N.m (35 ft. lbs.). 2. Install fore aft member (3) and tighten bolts to 100 N.m (74 ft. lbs.). 3. Install mount through bolt (1) and tighten to 47 N.m (35 ft. lbs.). 4. Lower vehicle. INSULATOR, ENGINE MOUNT, LEFT Removal REMOVAL Fig. 190: Left Engine Mount Courtesy of CHRYSLER LLC 1. Remove air cleaner assembly. 2. Remove battery. 3. Remove battery tray. 4. Disconnect PCM connectors and reposition harness. 5. Remove PCM. 6. Remove PCM mounting bracket. 7. Support engine with a suitable jack. 8. Remove mount through bolt (2). 9. Remove mount bracket from transaxle (3). 10. Remove mount to frame rail retaining bolts. 11. Remove engine mount (1). 2009 Jeep Patriot Limited 2009 ENGINE 2.0L Diesel - Service Information - Compass & Patriot a Saturday, September 08, 2012 12:56:42 PM Page 122 © 2006 Mitchell Repair Information Company, LLC.
  • 123.
    Installation INSTALLATION Fig. 191: LeftEngine Mount Courtesy of CHRYSLER LLC 1. Position mount (1) on frame rail. 2. Install mount retaining bolts and tighten to 75 N.m (55 ft. lbs.). 3. Install mount bracket (3) to transaxle and tighten bolts to 61 N.m (45 ft. lbs.). 4. Install mount through bolt (2) and tighten to 100 N.m (74 ft. lbs.). 5. Remove jack. 6. Install PCM mounting bracket. 7. Install PCM. 8. Connect PCM electrical connectors. 9. Install battery tray. 10. Install battery. 11. Install air cleaner assembly. INSULATOR, ENGINE MOUNT, REAR Removal REMOVAL 2009 Jeep Patriot Limited 2009 ENGINE 2.0L Diesel - Service Information - Compass & Patriot a Saturday, September 08, 2012 12:56:42 PM Page 123 © 2006 Mitchell Repair Information Company, LLC.
  • 124.
    Fig. 192: RearMount Retaining Bolts Courtesy of CHRYSLER LLC 1. Remove rear mount retaining bolts (4). 2. Remove rear mount through bolt (1). 3. Remove oxygen sensor connector (2) from mount. 4. Remove rear mount (3). Installation INSTALLATION Fig. 193: Rear Mount Retaining Bolts Courtesy of CHRYSLER LLC 2009 Jeep Patriot Limited 2009 ENGINE 2.0L Diesel - Service Information - Compass & Patriot a Saturday, September 08, 2012 12:56:42 PM Page 124 © 2006 Mitchell Repair Information Company, LLC.
  • 125.
    1. Position rearmount (3). 2. Install rear mount retaining bolts (4) and tighten to 50 N.m (37 ft. lbs.). 3. Install rear mount through bolt (1) and tighten to 47 N.m (35 ft. lbs.). 4. Install oxygen sensor connector (2) retainer to mount (3). INSULATOR, ENGINE MOUNT, RIGHT Removal REMOVAL Fig. 194: Right Engine Mount Courtesy of CHRYSLER LLC 1. Remove right splash shield. 2. Remove accessory drive belt. 3. Remove lower tensioner bolt. 4. Remove lower mount bracket bolt. 5. Lower vehicle. 6. Support engine with suitable jack. 7. Remove coolant reservoir. 8. Remove windshield washer bottle. 9. Remove upper mount bolts. 10. Remove through bolt (2). 11. Remove mount (3). Installation 2009 Jeep Patriot Limited 2009 ENGINE 2.0L Diesel - Service Information - Compass & Patriot a Saturday, September 08, 2012 12:56:42 PM Page 125 © 2006 Mitchell Repair Information Company, LLC.
  • 126.
    INSTALLATION Fig. 195: RightEngine Mount Courtesy of CHRYSLER LLC 1. Position mount (3) in place. 2. Install mount retaining bolts and tighten to 75 N.m (55 ft. lbs.). 3. Install mount through bolt (2) and tighten to 88 N.m (65 ft. lbs.). 4. Install windshield washer bottle. 5. Install coolant reservoir. 6. Remove jack. 7. Raise vehicle. 8. Install lower mount bracket bolt and tighten to 68 N.m (50 ft. lbs.). 9. Install tensioner bolt. 10. Install accessory drive belt. Refer to Cooling/Accessory Drive/BELT, Serpentine - Installation . 11. Install splash shield. LUBRICATION DESCRIPTION DESCRIPTION The lubrication system is a full-flow filtration, pressure feed type. The balance shaft module (BSM) is mounted below the ladder frame and chain driven by the crankshaft. The BSM consists of a non-serviceable pump, oil pressure relief valve, and a non-serviceable balance assembly. OPERATION 2009 Jeep Patriot Limited 2009 ENGINE 2.0L Diesel - Service Information - Compass & Patriot a Saturday, September 08, 2012 12:56:42 PM Page 126 © 2006 Mitchell Repair Information Company, LLC.
  • 127.
    OPERATION Engine oil isdrawn up through the pickup tube and is pressurized by the oil pump and routed through the full- flow filter to the main oil gallery running the length of the cylinder block on the intake side. A diagonal hole in each bulkhead feeds oil to each main bearing. Drilled passages within the crankshaft route oil from main bearing journals to connecting rod journals. Balance shaft lubrication is provided through an internal oil passage at the #3 bearing location around the BSM mounting bolt. A vertical hole at the number one bulkhead routes pressurized oil through a filter screen and head gasket up to the cylinder head. The oil then divides into three passages; one to the intake cam phaser, one to the exhaust cam phaser and one to the camshafts. The passage to the camshafts divides to feed both of the hollow camshafts at the second cam journal. The rest of cam journals are feed oil through the hollow camshafts. The #1 cam journals are fed oil through the VVT oil passages. Oil passages to the phasers are directed through the OCV (oil control valves) to the #1 journals. The oil then flows through the camshafts to the cam phasers. Oil returning to the pan from pressurized components supplies lubrication to the valve stems, cam lobes, and tappets. Cylinder bores and wrist pins are splash lubricated from directed slots on the connecting rod thrust collars. DIAGNOSIS AND TESTING CHECKING ENGINE OIL PRESSURE Fig. 196: Oil Pressure Sender Courtesy of CHRYSLER LLC 1. Disconnect and remove oil pressure switch (1). See Removal. 2009 Jeep Patriot Limited 2009 ENGINE 2.0L Diesel - Service Information - Compass & Patriot a Saturday, September 08, 2012 12:56:42 PM Page 127 © 2006 Mitchell Repair Information Company, LLC.
  • 128.
    Fig. 197: OilPressure Gauge Courtesy of CHRYSLER LLC 2. Install oil pressure gauge (1). 3. Start engine and record oil pressure. Refer to Specifications for correct oil pressure requirements. See Specifications. 4. If oil pressure is 0 at idle, shut off engine. check for pressure relief valve stuck open, a clogged oil pick- up screen or a damaged oil pick-up tube O-ring. 5. Remove oil pan and inspect for debris. See Removal. 6. Remove pressure relief valve and inspect, if damaged replace pressure relief valve. 7. If pressure relief valve is OK, replace balance shaft module assembly. 8. After test is complete, remove test gauge and fitting (1). CAUTION: If oil pressure is 0 at idle, do not perform the 3000 RPM test 2009 Jeep Patriot Limited 2009 ENGINE 2.0L Diesel - Service Information - Compass & Patriot a Saturday, September 08, 2012 12:56:42 PM Page 128 © 2006 Mitchell Repair Information Company, LLC.
  • 129.
    Fig. 198: OilPressure Sender Courtesy of CHRYSLER LLC 9. Install oil pressure switch (1) and connector. See Installation . FILTER, ENGINE OIL Removal REMOVAL Fig. 199: Electrical Connector Courtesy of CHRYSLER LLC 1. Remove harness hold down bracket retaining bolt (1) and reposition out of the way. 2009 Jeep Patriot Limited 2009 ENGINE 2.0L Diesel - Service Information - Compass & Patriot a Saturday, September 08, 2012 12:56:42 PM Page 129 © 2006 Mitchell Repair Information Company, LLC.
  • 130.
    2. Remove oilfilter housing cover. Fig. 200: Filter Housing Courtesy of CHRYSLER LLC 3. Pull filter cartridge (2) out of the filter housing (1) and discard. Installation INSTALLATION Fig. 201: Oil Filter Cartridge Courtesy of CHRYSLER LLC 1. Install oil filter cartridge (2) into housing (1). 2009 Jeep Patriot Limited 2009 ENGINE 2.0L Diesel - Service Information - Compass & Patriot a Saturday, September 08, 2012 12:56:42 PM Page 130 © 2006 Mitchell Repair Information Company, LLC.
  • 131.
    Fig. 202: OilFilter Courtesy of CHRYSLER LLC 2. Install new O-ring (2) onto cover (1). 3. Install cover. OIL Standard Procedure ENGINE OIL LEVEL CHECK Fig. 203: Oil Level Indicator Courtesy of CHRYSLER LLC 2009 Jeep Patriot Limited 2009 ENGINE 2.0L Diesel - Service Information - Compass & Patriot a Saturday, September 08, 2012 12:56:42 PM Page 131 © 2006 Mitchell Repair Information Company, LLC.
  • 132.
    The best timeto check engine oil level is after the vehicle has sat overnight, or if the engine has been running, allow the engine to be shut off for at least 5 minutes before checking oil level. Checking the oil while the vehicle is on level ground will improve the accuracy of the oil level reading. Remove dipstick and observe oil level. Add oil only when the level is at or below the MIN mark (3). ENGINE OIL AND FILTER CHANGE Change engine oil at mileage and time intervals described in the Maintenance Schedule. Refer to Vehicle Quick Reference/Maintenance Schedules - Description . 1. Run engine until achieving normal operating temperature. 2. Position the vehicle on a level surface and turn engine off. 3. Remove oil fill cap. 4. Raise vehicle on hoist. 5. Place a suitable oil collecting container under oil pan drain plug. 6. Remove oil pan drain plug or and allow oil to drain into collecting container. Inspect drain plug threads for stretching or other damage. Replace drain plug and gasket if damaged. 7. Remove oil filter. See Removal. 8. Install oil pan drain plug. Torque drain plug to 28 N.m (20 ft. lbs.). 9. Install new oil filter. See Installation. 10. Lower vehicle and fill crankcase with specified type and amount of engine oil. Refer to Vehicle Quick Reference/Capacities and Recommended Fluids - Specifications and refer to Vehicle Quick Reference/Capacities and Recommended Fluids - Description . 11. Install oil fill cap. 12. Start engine and inspect for leaks. 13. Stop engine and inspect oil level. OIL FILTER SPECIFICATION CAUTION: Do not operate engine if the oil level is above the MAX (2) mark on the dipstick. Excessive oil volume can cause oil aeration which can lead to engine failure due to loss of oil pressure or increase in oil temperature. WARNING: NEW OR USED ENGINE OIL CAN BE IRRITATING TO THE SKIN. AVOID PROLONGED OR REPEATED SKIN CONTACT WITH ENGINE OIL. CONTAMINANTS IN USED ENGINE OIL, CAUSED BY INTERNAL COMBUSTION, CAN BE HAZARDOUS TO YOUR HEALTH. THOROUGHLY WASH EXPOSED SKIN WITH SOAP AND WATER. DO NOT WASH SKIN WITH GASOLINE, DIESEL FUEL, THINNER, OR SOLVENTS, HEALTH PROBLEMS CAN RESULT. DO NOT POLLUTE, DISPOSE OF USED ENGINE OIL PROPERLY. CONTACT YOUR DEALER OR GOVERNMENT AGENCY FOR LOCATION OF COLLECTION CENTER IN YOUR AREA. 2009 Jeep Patriot Limited 2009 ENGINE 2.0L Diesel - Service Information - Compass & Patriot a Saturday, September 08, 2012 12:56:42 PM Page 132 © 2006 Mitchell Repair Information Company, LLC.
  • 133.
    All engines areequipped with a high quality full-flow, disposable type oil filter. Replace oil filter with a Mopar® or the equivalent. USED ENGINE OIL DISPOSAL Care should be exercised when disposing used engine oil after it has been drained from a vehicle engine. Refer to the WARNING listed above. PAN, OIL Removal REMOVAL Fig. 204: OIL PAN-REMOVAL Courtesy of CHRYSLER LLC 1. Disconnect negative battery cable. 2. Raise vehicle on hoist. 3. Remove engine compartment lower silencer and accessory drive belt splash shield. 4. Drain engine oil. 5. Remove oil pan fasteners. 6. Remove oil pan by prying off with suitable pry bar. 7. Clean oil pan and engine block sealing surfaces. Installation NOTE: It maybe necessary to rotate crankshaft to gain access to the rear oil pan bolts. 2009 Jeep Patriot Limited 2009 ENGINE 2.0L Diesel - Service Information - Compass & Patriot a Saturday, September 08, 2012 12:56:42 PM Page 133 © 2006 Mitchell Repair Information Company, LLC.
  • 134.
    INSTALLATION Fig. 205: OilPan RTV Path Courtesy of CHRYSLER LLC 1. Clean oil pan and all sealing surfaces. 2. Apply a 2 - 3 mm bead of RTV to oil pan as shown in illustration. 3. Position oil pan and install bolts. 4. Hand tighten oil pan bolts. 5. Install oil pan to bell housing bolts and hand tighten. 6. Tighten oil pan bolts to 15 N.m (133 in. lbs.). 7. Tighten oil pan to bell housing bolts to 40 N.m (30 ft. lbs.). 8. Install accessory drive belt splash shield and engine compartment lower silencer. 9. Lower vehicle. 10. Refill engine oil. 11. Connect negative battery cable. 12. Start engine and check for leaks. PUMP, ENGINE OIL Removal REMOVAL 1. Disconnect negative battery cable. NOTE: Sealer must cure for a minimum of 30 minutes prior to filling with oil. 2009 Jeep Patriot Limited 2009 ENGINE 2.0L Diesel - Service Information - Compass & Patriot a Saturday, September 08, 2012 12:56:42 PM Page 134 © 2006 Mitchell Repair Information Company, LLC.
  • 135.
    2. Raise vehicleon hoist. 3. Drain engine oil. 4. Remove oil pan. See Removal. Fig. 206: Windage Tray - Removal Courtesy of CHRYSLER LLC 5. Remove windage tray retaining bolt and remove windage tray (2). 6. Remove oil pump retaining bolts. 7. Push on oil pump chain tensioner to release tension on chain and remove oil pump chain from oil pump sprocket. 8. Remove oil pump. Installation INSTALLATION 1. Release tension from oil pump chain tensioner and install chain on oil pump sprocket. 2. Position oil pump on cylinder block and install retaining bolts. Tighten bolts to 18 N.m (13 lbs. ft.). 3. Position windage tray and instal retaining bolt. 4. Install oil pan. See Installation. 5. Lower vehicle from hoist. 6. Refill engine oil to proper level. 7. Connect negative battery cable. SENSOR, OIL PRESSURE Description 2009 Jeep Patriot Limited 2009 ENGINE 2.0L Diesel - Service Information - Compass & Patriot a Saturday, September 08, 2012 12:56:42 PM Page 135 © 2006 Mitchell Repair Information Company, LLC.
  • 136.
    DESCRIPTION The oil pressureswitch is located on the right front side of the engine block. The oil pressure switch is a pressure sensitive switch that is activated by the engine's oil pressure (in the main oil gallery). The switch is a single terminal device. Operation OPERATION The oil pressure switch is normally "Closed." The switch changes from a "Closed" circuit to an "Open" circuit, on increasing pressure of 7 psig. The oil pressure switch changes from an "Open" circuit to a "Closed" circuit, on decreasing pressure, between 2 psig and 4 psig. Removal REMOVAL Fig. 207: Oil Pressure Sender Electrical Connector Courtesy of CHRYSLER LLC 1. Disconnect oil pressure sensor electrical connector. 2. Remove oil pressure sensor (1). Installation INSTALLATION 2009 Jeep Patriot Limited 2009 ENGINE 2.0L Diesel - Service Information - Compass & Patriot a Saturday, September 08, 2012 12:56:42 PM Page 136 © 2006 Mitchell Repair Information Company, LLC.
  • 137.
    Fig. 208: OilPressure Sender Electrical Connector Courtesy of CHRYSLER LLC 1. Apply Mopar® thread sealant to threads. 2. Install oil pressure sensor and tighten to 8 N.m (71 in. lbs.). 3. Connect oil pressure sensor electrical connector. MANIFOLDS MANIFOLD, EXHAUST Removal REMOVAL 2009 Jeep Patriot Limited 2009 ENGINE 2.0L Diesel - Service Information - Compass & Patriot a Saturday, September 08, 2012 12:56:42 PM Page 137 © 2006 Mitchell Repair Information Company, LLC.
  • 138.
    Fig. 209: EngineCover-Removal Courtesy of CHRYSLER LLC 1. Disconnect negative battery cable. 2. Remove engine cover. Refer to ENGINE COVER. 3. Remove exhaust manifold upper heat shield bolts and remove upper heat shield. 4. Remove exhaust manifold lower heat shield. 5. Separate exhaust pipe from catalytic converter. Fig. 210: Power Steering Line Support Courtesy of CHRYSLER LLC 6. Remove upper turbo inlet tube. 7. Remove lower turbo outlet tube. 2009 Jeep Patriot Limited 2009 ENGINE 2.0L Diesel - Service Information - Compass & Patriot a Saturday, September 08, 2012 12:56:42 PM Page 138 © 2006 Mitchell Repair Information Company, LLC.
  • 139.
    8. Remove turbolower vacuum line. 9. Remove turbo oil feed line support bracket (5). 10. Remove turbo oil feed line at turbo (4). 11. Remove power steering line support (2). 12. Remove turbo oil feed line at oil filter housing. Fig. 211: Turbo Support Bracket Courtesy of CHRYSLER LLC 13. Remove turbo oil return line (2). 14. Remove turbo support bracket (1). Fig. 212: EGR Tube Courtesy of CHRYSLER LLC 2009 Jeep Patriot Limited 2009 ENGINE 2.0L Diesel - Service Information - Compass & Patriot a Saturday, September 08, 2012 12:56:42 PM Page 139 © 2006 Mitchell Repair Information Company, LLC.
  • 140.
    15. Remove EGRtube (1) from exhaust manifold. 16. Remove heat shield (2). Fig. 213: Exhaust Manifold/Turbo Assembly Courtesy of CHRYSLER LLC 17. Remove exhaust manifold bolts. 18. Remove exhaust manifold/turbo assembly (3). 19. Remove gasket. 20. Clean gasket surfaces. Installation INSTALLATION 2009 Jeep Patriot Limited 2009 ENGINE 2.0L Diesel - Service Information - Compass & Patriot a Saturday, September 08, 2012 12:56:42 PM Page 140 © 2006 Mitchell Repair Information Company, LLC.
  • 141.
    Fig. 214: PowerSteering Line Support Courtesy of CHRYSLER LLC 1. Install new exhaust manifold gasket. 2. Position exhaust manifold/turbo assembly (3) in place. 3. Install exhaust manifold bolts and tighten. Fig. 215: EGR Tube Courtesy of CHRYSLER LLC 4. Install EGR tube (1) to exhaust manifold. Fig. 216: Turbo Support Bracket Courtesy of CHRYSLER LLC 2009 Jeep Patriot Limited 2009 ENGINE 2.0L Diesel - Service Information - Compass & Patriot a Saturday, September 08, 2012 12:56:42 PM Page 141 © 2006 Mitchell Repair Information Company, LLC.
  • 142.
    5. Install lowermanifold support bracket (1) 6. Install turbo oil return line (2). 7. Install turbo oil feed line at oil filter housing. Fig. 217: Power Steering Line Support Courtesy of CHRYSLER LLC 8. Install oil feed line (4) at turbo. 9. Install turbo oil feed line support bracket (5). 10. Install turbo lower vacuum lines. 11. Install lower turbo outlet tube. 12. Install upper turbo inlet tube. 13. Connect exhaust pipe to catalytic converter. 2009 Jeep Patriot Limited 2009 ENGINE 2.0L Diesel - Service Information - Compass & Patriot a Saturday, September 08, 2012 12:56:42 PM Page 142 © 2006 Mitchell Repair Information Company, LLC.
  • 143.
    Fig. 218: EGRTube Courtesy of CHRYSLER LLC 14. Install exhaust manifold lower heat shield (2). 15. Install exhaust manifold upper heat and install upper heat shield bolts. Fig. 219: Engine Cover Courtesy of CHRYSLER LLC 16. Install engine cover by pushing downward. 17. Connect negative battery cable. MANIFOLD, INTAKE Description DESCRIPTION The intake manifold is one-piece design and is made from aluminum. Removal REMOVAL 2009 Jeep Patriot Limited 2009 ENGINE 2.0L Diesel - Service Information - Compass & Patriot a Saturday, September 08, 2012 12:56:42 PM Page 143 © 2006 Mitchell Repair Information Company, LLC.
  • 144.
    Fig. 220: EngineCover - Removal Courtesy of CHRYSLER LLC 1. Disconnect negative battery cable. 2. Remove engine cover by pulling upward. 3. Partially drain cooling system. Refer to Cooling - Standard Procedure . Fig. 221: EGR Valve Courtesy of CHRYSLER LLC 4. Remove vacuum harness (1). 2009 Jeep Patriot Limited 2009 ENGINE 2.0L Diesel - Service Information - Compass & Patriot a Saturday, September 08, 2012 12:56:42 PM Page 144 © 2006 Mitchell Repair Information Company, LLC.
  • 145.
    Fig. 222: CoolantTube Courtesy of CHRYSLER LLC 5. Remove coolant bypass tube retaining bolts (1) and reposition tube. 6. Remove fuel hose from lift bracket. 7. Remove upper radiator hose from cylinder head and reposition. 2009 Jeep Patriot Limited 2009 ENGINE 2.0L Diesel - Service Information - Compass & Patriot a Saturday, September 08, 2012 12:56:42 PM Page 145 © 2006 Mitchell Repair Information Company, LLC.
  • 146.
    Fig. 223: IntakeManifold Courtesy of CHRYSLER LLC 8. Release air inlet pipe from throttle body. 9. Remove EGR pipe (3). Fig. 224: dipstick support retaining bolt Courtesy of CHRYSLER LLC 10. Remove dip stick support bracket retaining bolt (1). 11. Remove left and right engine cover brackets. 2009 Jeep Patriot Limited 2009 ENGINE 2.0L Diesel - Service Information - Compass & Patriot a Saturday, September 08, 2012 12:56:42 PM Page 146 © 2006 Mitchell Repair Information Company, LLC.
  • 147.
    Fig. 225: IntakeManifold Courtesy of CHRYSLER LLC 12. Disconnect throttle body connectors. 13. Remove throttle body assembly (5). 14. Remove EGR valve (7). 15. Remove electrical connector from intake bracket. 2009 Jeep Patriot Limited 2009 ENGINE 2.0L Diesel - Service Information - Compass & Patriot a Saturday, September 08, 2012 12:56:42 PM Page 147 © 2006 Mitchell Repair Information Company, LLC.
  • 148.
    Fig. 226: TorqueSequence Courtesy of CHRYSLER LLC 16. Remove intake manifold bolts. 17. Remove intake manifold. Cleaning CLEANING 1. Discard gasket(s). 2. Clean all sealing surfaces. Inspection INSPECTION 1. Inspect manifold for cracks or distortion. Replace manifold if necessary. 2. Inspect manifold for gasket surface damage or warpage. Replace manifold if necessary. Installation INSTALLATION 2009 Jeep Patriot Limited 2009 ENGINE 2.0L Diesel - Service Information - Compass & Patriot a Saturday, September 08, 2012 12:56:42 PM Page 148 © 2006 Mitchell Repair Information Company, LLC.
  • 149.
    Fig. 227: TorqueSequence Courtesy of CHRYSLER LLC 1. Clean gaskets/seals mating surfaces. 2. Install new gasket. 3. Place intake on cylinder head and install retaining bolts. Tighten bolts to 20 N.m (14.7 lbs. ft.) as shown in illustration. 2009 Jeep Patriot Limited 2009 ENGINE 2.0L Diesel - Service Information - Compass & Patriot a Saturday, September 08, 2012 12:56:42 PM Page 149 © 2006 Mitchell Repair Information Company, LLC.
  • 150.
    Fig. 228: ThrottlePlate Assembly Courtesy of CHRYSLER LLC 4. Install electrical connector to intake bracket. 5. Install new EGR gasket (8) and EGR valve (7). 6. Install throttle plate assembly (5). 7. Connect throttle body electrical connector. 8. Install right and left engine cover brackets. 9. Install EGR pipe. 10. Install EGR pipe support bracket. 2009 Jeep Patriot Limited 2009 ENGINE 2.0L Diesel - Service Information - Compass & Patriot a Saturday, September 08, 2012 12:56:42 PM Page 150 © 2006 Mitchell Repair Information Company, LLC.
  • 151.
    Fig. 229: DipstickSupport Retaining Bolt Courtesy of CHRYSLER LLC 11. Install dipstick support retaining bolt (1). 12. Connect air inlet pipe to throttle body. 13. Install upper radiator hose to cylinder head. 14. Install fuel hose retainer to engine lift bracket. Fig. 230: Coolant Tube Courtesy of CHRYSLER LLC 15. Position coolant tube in place and install fasteners (1). 2009 Jeep Patriot Limited 2009 ENGINE 2.0L Diesel - Service Information - Compass & Patriot a Saturday, September 08, 2012 12:56:42 PM Page 151 © 2006 Mitchell Repair Information Company, LLC.
  • 152.
    Fig. 231: EGRValve Courtesy of CHRYSLER LLC 16. Install vacuum harness (1). 17. Fill cooling system. 18. Change oil and filter. 19. Connect negative battery cable. 20. Start engine and check for leaks. Fig. 232: Engine Cover Courtesy of CHRYSLER LLC 21. Install engine cover. Refer to ENGINE COVER. TURBOCHARGER SYSTEM 2009 Jeep Patriot Limited 2009 ENGINE 2.0L Diesel - Service Information - Compass & Patriot a Saturday, September 08, 2012 12:56:42 PM Page 152 © 2006 Mitchell Repair Information Company, LLC.
  • 153.
    COOLER AND HOSES,CHARGE AIR Removal REMOVAL Fig. 233: Charge Air Cooler LH Clamp Courtesy of CHRYSLER LLC 1. Remove front fascia. 2. Raise and support vehicle. 3. Remove RH tubing clamp and tubing at charge air cooler 1 - CHARGE AIR COOLER 2 - LH CLAMP 3 - TUBING CAUTION: Do not use any tools to remove the rubber isolators-remove by hand only. Soapy water or silicone based lubricant spray may be used to assist removal/installation of isolators. DO NOT use a petroleum based lubricant on the isolators, as damage to the rubber material can occur. NOTE: Band clamps are spot welded to exhaust system. If a band clamp must be replaced, the spot weld must be ground off the exhaust pipe. 2009 Jeep Patriot Limited 2009 ENGINE 2.0L Diesel - Service Information - Compass & Patriot a Saturday, September 08, 2012 12:56:42 PM Page 153 © 2006 Mitchell Repair Information Company, LLC.
  • 154.
    Fig. 234: ChargeAir Cooler RH Clamp Courtesy of CHRYSLER LLC 4. Remove LH tubing clamp and tubing at charge air cooler. 5. Remove charge air cooler mounting bolts and charge air cooler. Installation INSTALLATION Fig. 235: Charge Air Cooler LH Clamp 1 - TUBING 2 - CLAMP 3 - CHARGE AIR COOLER 2009 Jeep Patriot Limited 2009 ENGINE 2.0L Diesel - Service Information - Compass & Patriot a Saturday, September 08, 2012 12:56:43 PM Page 154 © 2006 Mitchell Repair Information Company, LLC.
  • 155.
    Courtesy of CHRYSLERLLC 1. Position charge air cooler and install mounting bolts. Tighten bolts to 35 N.m (25 ft. lbs.). 2. Install LH tubing and clamp at charge air cooler. Tighten clamp to 10 N.m (89 in. lbs.). Fig. 236: Charge Air Cooler RH Clamp Courtesy of CHRYSLER LLC 3. Install RH tubing and clamp at charge air cooler. Tighten clamp to 10 N.m (89 in. lbs.). 4. Install front fascia. TURBOCHARGER Removal DIESEL ENGINE 1. For turbocharger removal, see Removal. Installation DIESEL ENGINE 1 - CHARGE AIR COOLER 2 - LH CLAMP 3 - TUBING 1 - TUBING 2 - CLAMP 3 - CHARGE AIR COOLER 2009 Jeep Patriot Limited 2009 ENGINE 2.0L Diesel - Service Information - Compass & Patriot a Saturday, September 08, 2012 12:56:43 PM Page 155 © 2006 Mitchell Repair Information Company, LLC.
  • 156.
    1. For turbochargerinstallation, see Installation. VALVE TIMING BELT, TIMING Removal REMOVAL Fig. 237: Engine Cover Courtesy of CHRYSLER LLC 1. Disconnect negative battery cable. 2. Remove engine cover. Refer to ENGINE COVER. 3. Remove cylinder head cover. 2009 Jeep Patriot Limited 2009 ENGINE 2.0L Diesel - Service Information - Compass & Patriot a Saturday, September 08, 2012 12:56:43 PM Page 156 © 2006 Mitchell Repair Information Company, LLC.
  • 157.
    Fig. 238: CrankshaftTiming Marks Courtesy of CHRYSLER LLC 4. Rotate engine to TDC and insert crankshaft lock 10122. 5. Insert camshaft locking pins 9882. 6. Loosen tensioner retaining nut. 7. rotate tensioner counter clockwise to release tension. 8. Remove timing belt. Installation INSTALLATION 1. Install the timing belt on the components in the following order: Crankshaft sprocket Timing belt tensioner Camshaft sprockets Idler pulley Water pump pulley NOTE: When rotating engine to TDC, verify that the cylinder #1 in on the compression stroke. The camshaft lobes for cylinder #1 should be pointing upward. CAUTION: IT IS ESSENTIAL that the installation procedure is followed exactly. Failure to do so will result in severe engine damage. 2009 Jeep Patriot Limited 2009 ENGINE 2.0L Diesel - Service Information - Compass & Patriot a Saturday, September 08, 2012 12:56:43 PM Page 157 © 2006 Mitchell Repair Information Company, LLC.
  • 158.
    Fig. 239: AlignmentSlot Courtesy of CHRYSLER LLC 2. Using an Allen wrench, rotate tensioner (1) clockwise until the pointer (2) is centered in the alignment slot (3). Fig. 240: Tighten Tensioner Nut Courtesy of CHRYSLER LLC 3. Tighten tensioner nut (1) to 20 N.m plus 45° (177 in. lbs. plus 45°). NOTE: When tightening the tensioner nut, the pointer will turn a maximum of 5 mm to the right outside the alignment slot. Do not readjust because the pointer will re-center itself after it has run a while. 2009 Jeep Patriot Limited 2009 ENGINE 2.0L Diesel - Service Information - Compass & Patriot a Saturday, September 08, 2012 12:56:43 PM Page 158 © 2006 Mitchell Repair Information Company, LLC.
  • 159.
    Fig. 241: ExhaustCamshaft Sprocket Bolts Courtesy of CHRYSLER LLC 4. Using sprocket/hub holder 9880 (1), tighten the intake and exhaust camshaft sprocket bolts (2) to 25 N.m (18 ft. lbs.). Fig. 242: Camshaft Locking Pins Courtesy of CHRYSLER LLC 5. Remove camshaft locking pins 9882 (5). 2009 Jeep Patriot Limited 2009 ENGINE 2.0L Diesel - Service Information - Compass & Patriot a Saturday, September 08, 2012 12:56:43 PM Page 159 © 2006 Mitchell Repair Information Company, LLC.
  • 160.
    Fig. 243: CrankshaftLock 9883 Courtesy of CHRYSLER LLC 6. Remove crankshaft lock 9883 or 10122 (1). 7. Rotate the engine two revolutions back to Top Dead Center (TDC) cylinder No. 1 and recheck the alignment of the tensioner pointer. Fig. 244: Camshaft Locking Pins Courtesy of CHRYSLER LLC 8. Rotate engine until camshaft locking pin 9882 (5) can be installed in camshaft sprocket (2). 9. Check to see if the camshaft locking pin 9882 (5) can be installed in camshaft sprocket (3). If it can not be locked, loosen the bolts (1) on camshaft sprocket (2) and turn crankshaft until camshaft sprocket (3) can be locked. 2009 Jeep Patriot Limited 2009 ENGINE 2.0L Diesel - Service Information - Compass & Patriot a Saturday, September 08, 2012 12:56:43 PM Page 160 © 2006 Mitchell Repair Information Company, LLC.
  • 161.
    10. Loosen thebolts (4) on camshaft sprocket (3). Fig. 245: Crankshaft Lock 9883 Courtesy of CHRYSLER LLC 11. Now rotate the crankshaft counter direction of engine rotation until the crankshaft lock (1) 9883 or 10122 is positioned just before the hole (2). 12. Rotate crankshaft in engine direction of rotation until crankshaft lock (1) is engaged unto the hole (2). Fig. 246: Exhaust Camshaft Sprocket Bolts Courtesy of CHRYSLER LLC 13. Using sprocket/hub holder 9880 (1), tighten the intake and exhaust camshaft sprocket bolts (2) to 25 N.m (18 ft. lbs.). 14. Remove the camshaft lock pins 9882 and the crankshaft lock 9883 or 10122. 2009 Jeep Patriot Limited 2009 ENGINE 2.0L Diesel - Service Information - Compass & Patriot a Saturday, September 08, 2012 12:56:43 PM Page 161 © 2006 Mitchell Repair Information Company, LLC.
  • 162.
    15. Rotate theengine two revolutions back to (TDC) cylinder No. 1 and recheck alignment. Fig. 247: Lower Timing Belt Cover Courtesy of CHRYSLER LLC 16. Install lower timing belt cover (1). Tighten bolts to 10 N.m (89 in. lbs.). Fig. 248: Middle Timing Belt Cover Courtesy of CHRYSLER LLC 17. Install the middle timing belt cover. Tighten bolts to 10 N.m (89 in. lbs.). 2009 Jeep Patriot Limited 2009 ENGINE 2.0L Diesel - Service Information - Compass & Patriot a Saturday, September 08, 2012 12:56:43 PM Page 162 © 2006 Mitchell Repair Information Company, LLC.
  • 163.
    Fig. 249: VibrationDamper Dust Cover Courtesy of CHRYSLER LLC 18. Install the vibration damper. Tighten bolts to 10 N.m plus 90° (89 in. lbs. plus 90°). 19. If equipped, install the vibration damper dust cover. Fig. 250: Upper Timing Belt Cover Courtesy of CHRYSLER LLC 20. Install upper timing belt cover. 2009 Jeep Patriot Limited 2009 ENGINE 2.0L Diesel - Service Information - Compass & Patriot a Saturday, September 08, 2012 12:56:43 PM Page 163 © 2006 Mitchell Repair Information Company, LLC.
  • 164.
    Fig. 251: AccessoryBelt Routing Courtesy of CHRYSLER LLC 21. Install accessory drive belt (2). Refer to Cooling/Accessory Drive/BELT, Serpentine - Installation . 1 - GENERATOR 2 - ACCESSORY DRIVE BELT 3 - IDLER PULLEY 4 - A/C COMPRESSOR 5 - POWER STEERING PUMP 6 - CRANKSHAFT PULLEY/VIBRATION DAMPER 7 - BELT TENSIONER PULLEY 8 - BELT TENSIONER 2009 Jeep Patriot Limited 2009 ENGINE 2.0L Diesel - Service Information - Compass & Patriot a Saturday, September 08, 2012 12:56:43 PM Page 164 © 2006 Mitchell Repair Information Company, LLC.
  • 165.
    Fig. 252: EngineCover Courtesy of CHRYSLER LLC 22. Install engine cover. Refer to ENGINE COVER. 23. Connect negative battery cable. COVER(S), ENGINE TIMING, LOWER Removal REMOVAL Fig. 253: Lower Timing Belt Cover Courtesy of CHRYSLER LLC 2009 Jeep Patriot Limited 2009 ENGINE 2.0L Diesel - Service Information - Compass & Patriot a Saturday, September 08, 2012 12:56:43 PM Page 165 © 2006 Mitchell Repair Information Company, LLC.
  • 166.
    1. Remove rightsplash shield. 2. Remove accessory drive belt. 3. Remove crankshaft damper. 4. Remove lower timing belt cover (1). Installation INSTALLATION Fig. 254: Lower Timing Belt Cover Courtesy of CHRYSLER LLC 1. Position lower timing belt cover. 2. Install lower timing belt cover retaining bolts and tighten. 3. Install crankshaft balancer and tighten to 10 N.m + 90° (89 lbs. in. +90°. 4. Install accessory drive belt. 5. Install splash shield. COVER(S), ENGINE TIMING, UPPER Removal REMOVAL 2009 Jeep Patriot Limited 2009 ENGINE 2.0L Diesel - Service Information - Compass & Patriot a Saturday, September 08, 2012 12:56:43 PM Page 166 © 2006 Mitchell Repair Information Company, LLC.
  • 167.
    Fig. 255: TimingBelt Cover Courtesy of CHRYSLER LLC 1. Remove upper timing belt cover (1) by releasing clasps and pull upward. Installation INSTALLATION Fig. 256: Timing Belt Cover Courtesy of CHRYSLER LLC 1. Position upper timing belt cover (1) in place and snap clasps in place. TENSIONER, ENGINE TIMING 2009 Jeep Patriot Limited 2009 ENGINE 2.0L Diesel - Service Information - Compass & Patriot a Saturday, September 08, 2012 12:56:43 PM Page 167 © 2006 Mitchell Repair Information Company, LLC.
  • 168.
    Removal REMOVAL Fig. 257: TimingBelt Cover Courtesy of CHRYSLER LLC 1. Disconnect negative battery cable. 2. Position piston of number #1 cylinder to ignition TDC. 3. Remove upper timing belt cover (1). Fig. 258: Cam Timing Courtesy of CHRYSLER LLC 2009 Jeep Patriot Limited 2009 ENGINE 2.0L Diesel - Service Information - Compass & Patriot a Saturday, September 08, 2012 12:56:43 PM Page 168 © 2006 Mitchell Repair Information Company, LLC.
  • 169.
    4. Install camshaftlock pins 9882 (5). 5. Install engine support fixture. 6. Remove right engine mount. 7. Remove right engine mount bracket. 8. Raise vehicle on hoist. Fig. 259: Lower Timing Belt Cover Courtesy of CHRYSLER LLC 9. Remove balancer. 10. Remove splash shield. 11. Remove lower timing belt cover (1). Fig. 260: Crankshaft Timing Marks 2009 Jeep Patriot Limited 2009 ENGINE 2.0L Diesel - Service Information - Compass & Patriot a Saturday, September 08, 2012 12:56:43 PM Page 169 © 2006 Mitchell Repair Information Company, LLC.
  • 170.
    Courtesy of CHRYSLERLLC 12. Install crankshaft lock 9883. 13. Lower vehicle. Fig. 261: Tensioner Adjustment Courtesy of CHRYSLER LLC 14. Remove tensioner retaining nut. 15. Remove timing belt tensioner. Installation INSTALLATION 2009 Jeep Patriot Limited 2009 ENGINE 2.0L Diesel - Service Information - Compass & Patriot a Saturday, September 08, 2012 12:56:43 PM Page 170 © 2006 Mitchell Repair Information Company, LLC.
  • 171.
    Fig. 262: TimingBelt Tensioner Courtesy of CHRYSLER LLC 1. Position timing belt tensioner so finger (2) is in slot (1) and hand tighten nut. Fig. 263: Tensioner Adjustment Courtesy of CHRYSLER LLC 2. Insert Allen wrench into tensioner (3) and rotate tensioner until indicator (1) is in the middle of the slot. Fig. 264: Tightening Tensioner Courtesy of CHRYSLER LLC 3. Tighten nut (2) to 20 N.m + 45° (177 in. lbs. +45°). 2009 Jeep Patriot Limited 2009 ENGINE 2.0L Diesel - Service Information - Compass & Patriot a Saturday, September 08, 2012 12:56:43 PM Page 171 © 2006 Mitchell Repair Information Company, LLC.
  • 172.
    Fig. 265: CamshaftLocking Pins 9882 Courtesy of CHRYSLER LLC 4. Remove camshaft locking pins 9882 (5). Fig. 266: Upper Timing Belt Cover Courtesy of CHRYSLER LLC 5. Install upper timing belt cover (1). 6. Remove crankshaft lock 9883. NOTE: Tensioner indicator (1) will move out of the slot when nut (2) is tighten. This is normal, do not reposition tensioner. 2009 Jeep Patriot Limited 2009 ENGINE 2.0L Diesel - Service Information - Compass & Patriot a Saturday, September 08, 2012 12:56:43 PM Page 172 © 2006 Mitchell Repair Information Company, LLC.
  • 173.
    Fig. 267: LowerTiming Belt Cover Courtesy of CHRYSLER LLC 7. Install mid and lower (1) timing belt covers. 8. Install balancer and tighten bolt to 10 N.m + 90° (89 in. lbs.+ 90°). 9. Install engine mount bracket. 10. Install engine mount. 11. Remove engine support fixture. 12. Install accessory drive belt. 13. Install splash shield. 14. Lower vehicle. 15. Connect negative battery cable. 16. Install engine cover. Refer to ENGINE COVER. 2009 Jeep Patriot Limited 2009 ENGINE 2.0L Diesel - Service Information - Compass & Patriot a Saturday, September 08, 2012 12:56:43 PM Page 173 © 2006 Mitchell Repair Information Company, LLC.
  • 174.
    2009 ENGINE 2.0L -Service Information - Compass & Patriot DESCRIPTION DESCRIPTION The 2.0 Liter (122 cu. in.) in-line four cylinder engine is a double over head camshaft with mechanical lash buckets and four valves per cylinder design. This engine is NOT free-wheeling; meaning that the pistons will contact the valves in the event of a timing chain failure. The cylinders are numbered from front of the engine to the rear. The firing order is 1-3-4-2. The engine serial number is located on the rear of the cylinder block. The serial number contains engine build date information. DIAGNOSIS AND TESTING INTRODUCTION Engine diagnosis is helpful in determining the causes of malfunctions not detected and remedied by routine maintenance. These malfunctions may be classified as either mechanical (e.g., a strange noise), or performance (e.g., engine idles rough and stalls). Refer to the Engine Mechanical and the Engine Performance diagnostic charts, for possible causes and corrections of malfunctions. Refer to MECHANICAL and PERFORMANCE. For fuel system diagnosis, refer to FUEL SYSTEM . Additional tests and diagnostic procedures may be necessary for specific engine malfunctions that cannot be isolated with the Service Diagnosis charts. Information concerning additional tests and diagnosis is provided within the following: Cylinder Compression Pressure Test: Refer to CYLINDER COMPRESSION PRESSURE TEST. Cylinder Combustion Pressure Leakage Test: Refer to CYLINDER COMBUSTION PRESSURE LEAKAGE TEST. Engine Cylinder Head Gasket Failure Diagnosis: Refer to CYLINDER HEAD GASKET. Intake Manifold Leakage Diagnosis: Refer to MANIFOLD, Intake. Mechanical Valve Tappet Noise Diagnosis: Refer to MECHANICAL VALVE TAPPET NOISE DIAGNOSIS. Engine Oil Leak Inspection: Refer to ENGINE OIL LEAK INSPECTION. 2009 Jeep Patriot Limited 2009 ENGINE 2.0L - Service Information - Compass & Patriot 2009 Jeep Patriot Limited 2009 ENGINE 2.0L - Service Information - Compass & Patriot a Saturday, September 08, 2012 1:30:13 PM Page 1 © 2006 Mitchell Repair Information Company, LLC. a Saturday, September 08, 2012 1:30:22 PM Page 1 © 2006 Mitchell Repair Information Company, LLC.
  • 175.
    PERFORMANCE CONDITION POSSIBLE CAUSECORRECTION ENGINE WILL NOT START 1. Weak battery. 1. Test battery. Charge or replace as necessary. Refer to Electrical/Battery System - Diagnosis and Testing . 2. Corroded or loose battery connections. 2. Clean and tighten battery connections. Apply a coat of light mineral grease to terminals. 3. Faulty starter. 3. Test starting system. Check for codes. (Refer to Appropriate Diagnostic Information) 4. Faulty coil(s) or control unit. 4. Test and replace as needed. (Refer to Appropriate Diagnostic Information) 5. Incorrect spark plug gap. 5. Set gap. Refer to Electrical/Ignition Control - Specifications . 6. Contamination in fuel system. 6. Clean system and replace fuel filter. 7. Faulty fuel pump. 7. Test fuel pump and replace as needed. (Refer to Appropriate Diagnostic Information) 8. Incorrect engine timing. 8. Check for a skipped timing belt/chain. ENGINE STALLS OR IDLES ROUGH 1. Idle speed too low. 1. Test minimum air flow. (Refer to Appropriate Diagnostic Information) 2. Incorrect fuel mixture. 2. (Refer to Appropriate Diagnostic Information) 3. Intake manifold leakage. 3. Inspect intake manifold, manifold gasket, and vacuum hoses. 4. Faulty ignition coil(s). 4. Test and replace as necessary. (Refer to Appropriate Diagnostic Information) 5. Contamination in Oil Control Valve (OCV). 5. Remove OCV and inspect for contamination. Replace OCV if contaminated. ENGINE LOSS OF POWER 1. Dirty or incorrectly gapped plugs. 1. Clean plugs and set gap. 2. Contamination in fuel system. 2. Clean system and replace fuel filter. 3. Faulty fuel pump. 3. Test and replace as necessary. 2009 Jeep Patriot Limited 2009 ENGINE 2.0L - Service Information - Compass & Patriot a Saturday, September 08, 2012 1:30:13 PM Page 2 © 2006 Mitchell Repair Information Company, LLC.
  • 176.
    MECHANICAL (Refer to AppropriateDiagnostic Information) 4. Incorrect valve timing. 4. Correct valve timing. 5. Leaking cylinder head gasket. 5. Replace cylinder head gasket. 6. Low compression. 6. Test compression of each cylinder. 7. Burned, warped, or pitted valves. 7. Replace valves. 8. Plugged or restricted exhaust system. 8. Perform exhaust restriction test. Install new parts. Refer to Exhaust System - Diagnosis and Testing , as necessary. 9. Faulty ignition coil(s). 9. Test and replace as necessary. (Refer to Appropriate Diagnostic Information) ENGINE MISSES ON ACCELERATION 1. Dirty or incorrectly gapped spark plugs. 1. Clean spark plugs and set gap. 2. Contamination in Fuel System. 2. Clean fuel system and replace fuel filter. 3. Burned, warped, or pitted valves. 3. Replace valves. 4. Faulty ignition coil(s). 4. Test and replace as necessary. (Refer to Appropriate Diagnostic Information) ENGINE MISSES AT HIGH SPEED 1. Dirty or incorrect spark plug gap. 1. Clean spark plugs and set gap. 2. Faulty ignition coil(s). 2. Test and replace as necessary. (Refer to Appropriate Diagnostic Information) 3. Dirty fuel injector(s). 3. Test and replace as necessary. (Refer to Appropriate Diagnostic Information) 4. Contamination in fuel system. 4. Clean system and replace fuel filter. CONDITION POSSIBLE CAUSES CORRECTION VALVETRAIN NOISE 1. High or low oil level in crankcase. 1. Check and correct engine oil level. 2. Thin or diluted oil. 2. Change oil to correct viscosity. 3. Thick oil 3. (a) Change engine oil and filter. - (b) Run engine to operating temperature. 2009 Jeep Patriot Limited 2009 ENGINE 2.0L - Service Information - Compass & Patriot a Saturday, September 08, 2012 1:30:13 PM Page 3 © 2006 Mitchell Repair Information Company, LLC.
  • 177.
    - (c) Changeengine oil and filter again. 4. Low oil pressure. 4. (a) Check and correct engine oil level. - (b) Check pressure regulating valve. 5. Worn cam lobe. 5. Install new camshaft. 6. Worn tappet bucket. 6. Install new select fit tappet bucket. 7. Worn valve guides. 7. Replace cylinder head. 8. Excessive runout of valve seats on valve faces. 8. Grind valve seats and replace valves. CONNECTING ROD NOISE 1. Insufficient oil supply. 1. Check engine oil level. 2. Low oil pressure. 2. Check engine oil level. Inspect oil pump relief valve and spring. 3. Thin or diluted oil. 3. Change oil to correct viscosity. 4. Thick oil 4. (a) Change engine oil and filter. - (b) Run engine to operating temperature. - (c) Change engine oil and filter again. 5. Excessive bearing clearance. 5. Measure bearings for correct clearance. Repair as necessary. 6. Connecting rod journal out-of- round. 6. Replace crankshaft or grind surface. 7. Connecting rod out-of-round. 7. Replace connecting rod. 8. Misaligned connecting rods. 8. Replace bent connecting rods. MAIN BEARING NOISE 1. Insufficient oil supply. 1. Check engine oil level. 2. Low oil pressure. 2. Check engine oil level. Inspect oil pump relief valve and spring. 3. Thin or diluted oil. 3. Change oil to correct viscosity. 4. Thick oil 4. (a) Change engine oil and filter. - (b) Run engine to operating temperature. - (c) Change engine oil and filter again. 5. Excessive bearing clearance. 5. Measure bearings for correct clearance. Repair as necessary. 6. Excessive end play. 6. Check thrust bearing for wear on flanges. 7. Crankshaft journal out-of- round or worn. 7. Replace crankshaft or grind journals. 8. Loose flywheel or torque converter. 8. Tighten to correct torque. OIL PRESSURE DROP 1. Low oil level. 1. Check engine oil level. 2009 Jeep Patriot Limited 2009 ENGINE 2.0L - Service Information - Compass & Patriot a Saturday, September 08, 2012 1:30:13 PM Page 4 © 2006 Mitchell Repair Information Company, LLC.
  • 178.
    CYLINDER COMBUSTION PRESSURELEAKAGE TEST The combustion pressure leakage test provides an accurate means for determining engine condition. Combustion pressure leakage testing will detect: Exhaust and intake valve leaks (improper seating). Leaks between adjacent cylinders or into water jacket. Any causes for combustion/compression pressure loss. 2. Faulty oil pressure sending unit. 2. Install new sending unit. 3. Low oil pressure. 3. Check sending unit and main bearing oil clearance. 4. Clogged oil filter. 4. Install new oil filter. 5. Worn parts in oil pump. 5. Replace balance shaft module. 6. Thin or diluted oil. 6. Change oil to correct viscosity. 7. Oil pump relief valve stuck. 7. Remove valve and inspect, clean, or replace. 8. Excessive bearing clearance. 8. Measure bearings for correct clearance. OIL LEAKS 1. Misaligned or deteriorated gaskets. 1. Replace gasket(s). 2. Loose fastener, broken or porous metal part. 2. Tighten, repair or replace the part. 3. Misaligned or deteriorated cup or threaded plug. 3. Replace as necessary. OIL CONSUMPTION OR SPARK PLUGS FOULED 1. PCV system malfunction. 1. Check system and repair as necessary. Refer to Emissions Control/Evaporative Emissions/VALVE, Positive Crankcase Ventilation (PCV) - Diagnosis and Testing 2. Worn, scuffed or broken rings. 2. Hone cylinder bores. Install new rings. 3. Carbon in oil ring slots. 3. Install new rings. 4. Rings fitted too tightly in grooves. 4. Remove rings and check grooves. If groove is not proper width, replace piston. 5. Worn valve guide(s). 5. Replace cylinder head. 6. Valve stem seal(s) worn or damaged. 6. Replace seal(s). WARNING: Do not remove the pressure cap with the system hot and under pressure 2009 Jeep Patriot Limited 2009 ENGINE 2.0L - Service Information - Compass & Patriot a Saturday, September 08, 2012 1:30:13 PM Page 5 © 2006 Mitchell Repair Information Company, LLC.
  • 179.
    1. Check thecoolant level and fill as required. DO NOT install the pressure cap. 2. Start and operate the engine until it attains normal operating temperature, then turn the engine OFF. 3. Clean spark plug recesses with compressed air. 4. Remove the spark plugs. 5. Remove the oil filler cap. 6. Remove the air cleaner. 7. Calibrate the tester according to the manufacturer's instructions. The shop air source for testing should maintain 483 kPa (70 psi) minimum, 1,379 kPa (200 psi) maximum, with 552 kPa (80 psi) recommended. 8. Perform the test procedures on each cylinder according to the tester manufacturer's instructions. While testing, listen for pressurized air escaping through the throttle body, tailpipe and oil filler cap opening. Check for bubbles in the coolant. 9. All gauge pressure indications should be equal, with no more than 25% leakage per cylinder. 10. FOR EXAMPLE: At 552 kPa (80 psi) input pressure, a minimum of 414 kPa (60 psi) should be maintained in the cylinder. CYLINDER COMPRESSION PRESSURE TEST The results of a cylinder compression pressure test can be utilized to diagnose several engine malfunctions. Ensure the battery is completely charged and the engine starter motor is in good operating condition. Otherwise the indicated compression pressures may not be valid for diagnosis purposes. 1. Check engine oil level and add oil if necessary. 2. Drive the vehicle until engine reaches normal operating temperature. Select a route free from traffic and other forms of congestion, observe all traffic laws, and accelerate through the gears several times briskly. 3. Remove engine cover. 4. Disconnect coil electrical connectors and remove coils. 5. Remove all spark plugs from engine. As spark plugs are being removed, check electrodes for abnormal firing indicators such as fouled, hot, oily, etc. Record cylinder number of spark plug for future reference. 6. Disconnect injector electrical connectors. 7. Insert compression pressure adaptor 8116 or the equivalent, into the #1 spark plug hole in cylinder head. Connect the 0-500 psi (Blue) pressure transducer CH7059 with cable adaptors to the DRBIII®. For Special Tool identification. See Engine - Special Tools. 8. Crank engine until maximum pressure is reached on gauge. Record this pressure as #1 cylinder pressure. 9. Repeat the previous step for all remaining cylinders. 10. Compression should not be less than 689 kPa (100 psi) and not vary more than 25 percent from cylinder to cylinder. 11. If one or more cylinders have abnormally low compression pressures, repeat the compression test. 12. If the same cylinder or cylinders repeat an abnormally low reading on the second compression test, it because serious burns from coolant can occur. 2009 Jeep Patriot Limited 2009 ENGINE 2.0L - Service Information - Compass & Patriot a Saturday, September 08, 2012 1:30:13 PM Page 6 © 2006 Mitchell Repair Information Company, LLC.
  • 180.
    could indicate theexistence of a problem in the cylinder in question. The recommended compression pressures are to be used only as a guide to diagnosing engine problems. An engine should not be disassembled to determine the cause of low compression unless some malfunction is present. ENGINE OIL LEAK INSPECTION Begin with a thorough visual inspection of the engine, particularly at the area of the suspected leak. If an oil leak source is not readily identifiable, the following steps should be followed: 1. Do not clean or degrease the engine at this time because some solvents may cause rubber to swell, temporarily stopping the leak. 2. Add an oil soluble dye (use as recommended by manufacturer). Start the engine and let idle for approximately 15 minutes. Check the oil dipstick to make sure the dye is thoroughly mixed as indicated with a bright yellow color under a black light. 3. Using a black light, inspect the entire engine for fluorescent dye, particularly at the suspected area of oil leak. If the oil leak is found and identified, repair as necessary. 4. If dye is not observed, drive the vehicle at various speeds for approximately 24 km (15 miles), and repeat inspection. 5. If the oil leak source is not positively identified at this time , proceed with the AIR LEAK DETECTION TEST METHOD as follows: Disconnect the fresh air hose (make-up air) at the cylinder head cover and plug or cap the nipple on the cover. Remove the PCV valve hose from the cylinder head cover. Cap or plug the PCV valve nipple on the cover. Attach an air hose with pressure gauge and regulator to the dipstick tube. Gradually apply air pressure from 1 psi to 2.5 psi maximum while applying soapy water at the suspected source. Adjust the regulator to the suitable test pressure that provides the best bubbles which will pinpoint the leak source. If the oil leak is detected and identified, repair per service information procedures. If the leakage occurs at the crankshaft rear oil seal area, refer to INSPECTION FOR REAR SEAL AREA LEAKS. 6. If no leaks are detected, turn off the air supply. Remove the air hose, all plugs, and caps. Install the PCV valve and fresh air hose (make-up air). Proceed to next step. 7. Clean the oil off the suspect oil leak area using a suitable solvent. Drive the vehicle at various speeds approximately 24 km (15 miles). Inspect the engine for signs of an oil leak by using a black light. CAUTION: Do not subject the engine assembly to more than 20.6 kPa (3 psi) of test pressure. NOTE: If oil leakage is observed at the dipstick tube to block location; remove the tube, clean and reseal using Mopar® Stud AND Bearing Mount (press fit tube applications only), and for O-ring style tubes, remove tube and 2009 Jeep Patriot Limited 2009 ENGINE 2.0L - Service Information - Compass & Patriot a Saturday, September 08, 2012 1:30:13 PM Page 7 © 2006 Mitchell Repair Information Company, LLC.
  • 181.
    INSPECTION FOR REARSEAL AREA LEAKS Since it is sometimes difficult to determine the source of an oil leak in the rear seal area of the engine, a more involved inspection is necessary. The following steps should be followed to help pinpoint the source of the leak. If the leakage occurs at the crankshaft rear oil seal area: 1. Disconnect the battery. 2. Raise the vehicle. 3. Remove torque converter or clutch housing cover and inspect rear of block for evidence of oil. Use a black light to check for the oil leak. If a leak is present in this area, remove transmission for further inspection. a. Circular spray pattern generally indicates seal leakage or crankshaft damage. b. Where leakage tends to run straight down, possible causes are a porous block, oil gallery cup plug, bedplate to cylinder block mating surfaces and seal bore. See proper repair procedures for these items. 4. If no leaks are detected, pressurize the crankcase as previously described in step 5 under ENGINE OIL LEAK INSPECTION. 5. If the leak is not detected, very slowly turn the crankshaft and watch for leakage. If a leak is detected between the crankshaft and seal while slowly turning the crankshaft, it is possible the crankshaft seal surface is damaged. The seal area on the crankshaft could have minor nicks or scratches that can be polished out with emery cloth. 6. For bubbles that remain steady with shaft rotation, no further inspection can be done until disassembled. 7. After the oil leak root cause and appropriate corrective action have been identified, replace component(s) as necessary. replace the O-ring seal. CAUTION: Do not exceed 20.6 kPa (3 psi). CAUTION: Use extreme caution when crankshaft polishing is necessary to remove minor nicks and scratches. The crankshaft seal flange is especially machined to complement the function of the rear oil seal. CAUTION: Do not exceed 20.6 kPa (3 psi). CAUTION: Use extreme caution when crankshaft polishing is necessary to remove minor nicks and scratches. The crankshaft seal flange is especially machined to complement the function of the rear oil seal. 2009 Jeep Patriot Limited 2009 ENGINE 2.0L - Service Information - Compass & Patriot a Saturday, September 08, 2012 1:30:13 PM Page 8 © 2006 Mitchell Repair Information Company, LLC.
  • 182.
    STANDARD PROCEDURE ENGINE GASKETSURFACE PREPARATION Fig. 1: Proper Tool Usage For Surface Preparation Courtesy of CHRYSLER LLC To ensure engine gasket sealing, proper surface preparation must be performed, especially with the use of aluminum engine components and multi-layer steel cylinder head gaskets. Never use the following to clean gasket surfaces: Metal scraper (1). Abrasive pad or paper to clean cylinder block and head. High speed power tool with an abrasive pad or a wire brush (2, 3). 2009 Jeep Patriot Limited 2009 ENGINE 2.0L - Service Information - Compass & Patriot a Saturday, September 08, 2012 1:30:14 PM Page 9 © 2006 Mitchell Repair Information Company, LLC.
  • 183.
    Fig. 2: ProperTool Usage For Surface Preparation Courtesy of CHRYSLER LLC Only use the following for cleaning gasket surfaces: Solvent or a commercially available gasket remover Plastic or wood scraper (4). Sealing surfaces must be free of grease or oil residue. Clean surfaces with Mopar® brake parts cleaner (or equivalent). REPAIR OF DAMAGED OR WORN THREADS Damaged or worn threads (excluding spark plug and camshaft bearing cap attaching threads) can be repaired. Essentially, this repair consists of drilling out worn or damaged threads, tapping the hole with a special Heli- Coil Tap, (or equivalent) and installing an insert into the tapped hole. This brings the hole back to its original thread size. Heli-Coil tools and inserts are readily available from automotive parts jobbers. HYDROSTATIC LOCKED ENGINE When an engine is suspected to be hydrostatically locked, regardless of what caused the problem, the following steps should be used. NOTE: Multi-Layer Steel (MLS) head gaskets require a scratch free sealing surface. CAUTION: Be sure that the tapped holes maintain the original center line. 2009 Jeep Patriot Limited 2009 ENGINE 2.0L - Service Information - Compass & Patriot a Saturday, September 08, 2012 1:30:14 PM Page 10 © 2006 Mitchell Repair Information Company, LLC.
  • 184.
    1. Inspect aircleaner, induction system and intake manifold to insure system is dry and clear of foreign material. 2. Remove negative battery cable. 3. Place a shop towel around the spark plugs when removing them from the engine. This will catch any fluid that may possibly be in the cylinder under pressure. 4. With all spark plugs removed, rotate engine crankshaft using a breaker bar and socket. 5. Identify the fluid in the cylinder(s) (i.e., coolant, fuel, oil or other). 6. Make sure all fluid has been removed from the cylinders. Inspect engine for damage (i.e., connecting rods, pistons, valves, etc.) 7. Repair engine or components as necessary to prevent this problem from re-occurring. 8. Install new spark plugs. 9. Drain engine oil and remove oil filter. 10. Install a new oil filter. 11. Fill engine with specified amount of approved oil. 12. Connect negative battery cable. 13. Start engine and check for any leaks. FORM-IN-PLACE GASKETS AND SEALERS There are numerous places where form-in-place gaskets are used on the engine. Care must be taken when applying form-in-place gaskets to assure obtaining the desired results. Do not use form-in-place gasket material unless specified. Bead size, continuity, and location are of great importance. Too thin a bead can result in leakage while too much can result in spill-over which can break off and obstruct fluid feed lines. A continuous bead of the proper width is essential to obtain a leak-free gasket. All sealing surfaces that use form- in-place gaskets and sealers must free of grease or oil. Surfaces should be cleaned with Mopar® brake parts cleaner prior to sealer application. After the sealer is applied, the parts should be assembled in no more than 10 minutes. There are numerous types of form-in-place gasket materials that are used in the engine area. Mopar® Engine RTV GEN II, Mopar® ATF-RTV, and Mopar® Gasket Maker gasket materials, each have different properties and can not be used in place of the other. CAUTION: DO NOT use starter motor to rotate the engine, severe damage may occur. CAUTION: Squirt approximately one teaspoon of oil into the cylinders, rotate engine to lubricate the cylinder walls to prevent damage on restart. NOTE: All of the sealants mentioned below are not used on every engine, they are listed as a general reference guide. See Service Information for specific sealer usage. 2009 Jeep Patriot Limited 2009 ENGINE 2.0L - Service Information - Compass & Patriot a Saturday, September 08, 2012 1:30:14 PM Page 11 © 2006 Mitchell Repair Information Company, LLC.
  • 185.
    MOPAR® ENGINE RTVGEN II is used to seal components exposed to engine oil. This material is a specially designed black silicone rubber RTV that retains adhesion and sealing properties when exposed to engine oil. Moisture in the air causes the material to cure. This material is available in three ounce tubes and has a shelf life of one year. After one year this material will not properly cure. Always inspect the package for the expiration date before use. MOPAR® ATF RTV is a specifically designed black silicone rubber RTV that retains adhesion and sealing properties to seal components exposed to automatic transmission fluid, engine coolants, and moisture. This material is available in three ounce tubes and has a shelf life of one year. After one year this material will not properly cure. Always inspect the package for the expiration date before use. MOPAR® GASKET MAKER is an anaerobic type gasket material. The material cures in the absence of air when squeezed between two metallic surfaces. It will not cure if left in the uncovered tube. The anaerobic material is for use between two machined surfaces. Do not use on flexible metal flanges. MOPAR® BED PLATE SEALANT is a unique (green-in-color) anaerobic type gasket material that is specially made to seal the area between the bed plate and cylinder block without disturbing the bearing clearance or alignment of these components. The material cures slowly in the absence of air when torqued between two metallic surfaces, and will rapidly cure when heat is applied. MOPAR® GASKET SEALANT is a slow drying, permanently soft sealer. This material is recommended for sealing threaded fittings and gaskets against leakage of oil and coolant. Can be used on threaded and machined parts under all temperatures. This material also will prevent corrosion. Mopar® Gasket Sealant is available in a 13 oz. aerosol can or 4 oz./16 oz. can w/applicator. SEALER APPLICATION Mopar® Gasket Maker material should be applied sparingly 1 mm (0.040 in.) diameter or less of sealant to one gasket surface. Be certain the material surrounds each mounting hole. Excess material can easily be wiped off. Components should be torqued in place within 15 minutes. The use of a locating dowel is recommended during assembly to prevent smearing material off the location. Mopar® Engine RTV GEN II or ATF RTV gasket material should be applied in a continuous bead approximately 3 mm (0.120 in.) in diameter. All mounting holes must be circled. For corner sealing and "T" joint locations, a 3.17 or 6.35 mm (1/8 or 1/4 in.) drop is placed in the center of the gasket contact area. Uncured sealant may be removed with a shop towel. Components should be torqued in place while the sealant is still wet to the touch (within 10 minutes). The usage of a locating dowel is recommended during assembly to prevent smearing material off the location. Mopar® Gasket Sealant in an aerosol can should be applied using a thin, even coat sprayed completely over both surfaces to be joined, and both sides of a gasket. Then proceed with assembly. Material in a can w/applicator can be brushed on evenly over the sealing surfaces. CORE/GALLERY PLUGS CYLINDER HEAD CORE PLUGS 2009 Jeep Patriot Limited 2009 ENGINE 2.0L - Service Information - Compass & Patriot a Saturday, September 08, 2012 1:30:14 PM Page 12 © 2006 Mitchell Repair Information Company, LLC.
  • 186.
    Fig. 3: CoreHole Plug Removal Courtesy of CHRYSLER LLC Using a blunt tool (3) such as a drift and a hammer, strike the bottom edge of the cup plug (5). With the cup plug rotated, grasp firmly with pliers or other suitable tool (2) and remove plug (5). Thoroughly clean inside of cup plug hole in cylinder head. Be sure to remove old sealer. Lightly coat inside of cup plug hole with Mopar® Stud and Bearing Mount (or equivalent). Make certain the new plug is cleaned of all oil or grease. Using proper drive plug, drive plug into hole so that the sharp edge of the plug is at least 0.5 mm (0.020 in.) inside the lead-in chamfer. It is not necessary to wait for curing of the sealant. The cooling system can be refilled and the vehicle placed in service immediately. MEASURING BEARING CLEARANCE USING PLASTIGAGE CAUTION: Do not drive cup plug into the casting as restricted cooling can result and cause serious engine problems. 2009 Jeep Patriot Limited 2009 ENGINE 2.0L - Service Information - Compass & Patriot a Saturday, September 08, 2012 1:30:14 PM Page 13 © 2006 Mitchell Repair Information Company, LLC.
  • 187.
    Fig. 4: PlastigagePlaced in Lower Shell-Typical Courtesy of CHRYSLER LLC Engine crankshaft bearing clearances can be determined by use of Plastigage or equivalent. The following is the recommended procedure for the use of Plastigage: 1. Remove oil film from surface to be checked. Plastigage is soluble in oil. 2. Place a piece of Plastigage (1) across the entire width of the journal. (In addition, suspected areas can be checked by placing the Plastigage in the suspected area). Tighten the bearing cap bolts of the bearing being checked to the proper specifications. 3. Remove the bearing cap and compare the width of the flattened Plastigage with the scale provided on the package. Locate the band closest to the same width. This band shows the amount of clearance. Differences in readings between the ends indicate the amount of taper present. Record all readings taken. Compare clearance measurements to specs found in engine specifications. See Engine - Specifications. Plastigage generally is accompanied by two scales. One scale is in inches, the other is a metric scale. 4. Install the proper crankshaft bearings to achieve the specified bearing clearances. REMOVAL ENGINE COVER NOTE: Plastigage is available in a variety of clearance ranges. Use the most appropriate range for the specifications you are checking. 2009 Jeep Patriot Limited 2009 ENGINE 2.0L - Service Information - Compass & Patriot a Saturday, September 08, 2012 1:30:14 PM Page 14 © 2006 Mitchell Repair Information Company, LLC.
  • 188.
    Fig. 5: EngineCover - 2.0L Courtesy of CHRYSLER LLC 1. Remove engine cover (1) by pulling upwards. ENGINE Fig. 6: Engine Cover - 2.0L Courtesy of CHRYSLER LLC 1. Remove hood. 2. Remove engine cover (1). 2009 Jeep Patriot Limited 2009 ENGINE 2.0L - Service Information - Compass & Patriot a Saturday, September 08, 2012 1:30:14 PM Page 15 © 2006 Mitchell Repair Information Company, LLC.
  • 189.
    Fig. 7: AirCleaner Inlet Courtesy of CHRYSLER LLC 3. Perform fuel pressure release procedure. Refer to Fuel System/Fuel Delivery - Standard Procedure . 4. Remove retainers (5) and remove air inlet (2). 5. Remove air cleaner housing assembly (1) and clean air hose. See Engine/Air Intake System/BODY, Air Cleaner - Removal. Fig. 8: Battery Courtesy of CHRYSLER LLC 6. Disconnect both cables from battery (3). 7. Remove battery (3). 2009 Jeep Patriot Limited 2009 ENGINE 2.0L - Service Information - Compass & Patriot a Saturday, September 08, 2012 1:30:14 PM Page 16 © 2006 Mitchell Repair Information Company, LLC.
  • 190.
    Fig. 9: BatteryTray Courtesy of CHRYSLER LLC 8. Remove battery tray (1). 9. Drain cooling system. Refer to Cooling - Standard Procedure . Fig. 10: Reservoirs Courtesy of CHRYSLER LLC 10. Remove coolant reservoir (3). 11. Remove power steering reservoir (2). 12. Remove windshield washer reservoir (1). 2009 Jeep Patriot Limited 2009 ENGINE 2.0L - Service Information - Compass & Patriot a Saturday, September 08, 2012 1:30:14 PM Page 17 © 2006 Mitchell Repair Information Company, LLC.
  • 191.
    Fig. 11: CoolantAdapter Courtesy of CHRYSLER LLC 13. Remove coolant hoses from coolant adapter (3). Fig. 12: Radiator Hose Support Courtesy of CHRYSLER LLC 14. Remove grill closure panel. 15. Remove upper radiator hose support (1). 2009 Jeep Patriot Limited 2009 ENGINE 2.0L - Service Information - Compass & Patriot a Saturday, September 08, 2012 1:30:14 PM Page 18 © 2006 Mitchell Repair Information Company, LLC.
  • 192.
    Fig. 13: CoilConnector Courtesy of CHRYSLER LLC 16. Disconnect engine electrical connectors and reposition harness. 17. Remove air intake tube from throttle body. 18. Disconnect fuel line (3) from fuel rail. Fig. 14: Throttle Body Support Courtesy of CHRYSLER LLC 19. Remove vacuum lines from throttle body and intake manifold. 20. Remove harness from intake (2). 21. Remove throttle body support bracket (1). 2009 Jeep Patriot Limited 2009 ENGINE 2.0L - Service Information - Compass & Patriot a Saturday, September 08, 2012 1:30:14 PM Page 19 © 2006 Mitchell Repair Information Company, LLC.
  • 193.
    Fig. 15: CoilConnector Courtesy of CHRYSLER LLC 22. Disconnect electronic throttle control and manifold flow control valve electrical connectors. 23. Remove PCV hose (5), and make-up air hose (2) from valve cover. 24. Remove dipstick. Fig. 16: Torque Sequence Courtesy of CHRYSLER LLC 25. Remove intake bolts (1-5) and remove intake. 26. Disconnect electrical connectors and reposition harness. 27. Remove accessory drive belt. 2009 Jeep Patriot Limited 2009 ENGINE 2.0L - Service Information - Compass & Patriot a Saturday, September 08, 2012 1:30:14 PM Page 20 © 2006 Mitchell Repair Information Company, LLC.
  • 194.
    Fig. 17: PowerSteering Line Support Courtesy of CHRYSLER LLC 28. Remove power steering line support at engine mount (1) and exhaust manifold. 29. Remove power steering pump and set aside. 30. Remove upper idler pulley. Fig. 18: Ground Strap Courtesy of CHRYSLER LLC 31. Remove ground strap near right tower. 32. Raise vehicle. 33. Remove right front tire. 34. Remove splash shield. 2009 Jeep Patriot Limited 2009 ENGINE 2.0L - Service Information - Compass & Patriot a Saturday, September 08, 2012 1:30:14 PM Page 21 © 2006 Mitchell Repair Information Company, LLC.
  • 195.
    Fig. 19: OilDrain Plug Courtesy of CHRYSLER LLC 35. Drain oil (2). Fig. 20: Inspection Cover Courtesy of CHRYSLER LLC 36. Remove inspection cover (1) and mark torque converter to flywheel. 2009 Jeep Patriot Limited 2009 ENGINE 2.0L - Service Information - Compass & Patriot a Saturday, September 08, 2012 1:30:14 PM Page 22 © 2006 Mitchell Repair Information Company, LLC.
  • 196.
    Fig. 21: ModularClutch To Flex Plate Bolts Courtesy of CHRYSLER LLC 37. Remove torque converter bolts (1). 38. Remove lower bellhousing bolts (2). Fig. 22: A/C Compressor Courtesy of CHRYSLER LLC 39. Remove A/C compressor (1) mounting bolts. 40. Remove generator and lower idler pulley. 2009 Jeep Patriot Limited 2009 ENGINE 2.0L - Service Information - Compass & Patriot a Saturday, September 08, 2012 1:30:14 PM Page 23 © 2006 Mitchell Repair Information Company, LLC.
  • 197.
    Fig. 23: CrankshaftPosition Sensor Courtesy of CHRYSLER LLC 41. Disconnect crankshaft position sensor electrical connector and remove crankshaft position sensor (2). Fig. 24: Lift Chain Courtesy of CHRYSLER LLC 42. Remove exhaust variable valve timing solenoid. 43. Install engine lift chain (1) as shown in illustration to cylinder head. 44. Connect the chain to the rear engine lift hook. 45. Install engine lifting crane. 2009 Jeep Patriot Limited 2009 ENGINE 2.0L - Service Information - Compass & Patriot a Saturday, September 08, 2012 1:30:14 PM Page 24 © 2006 Mitchell Repair Information Company, LLC.
  • 198.
    Fig. 25: RightEngine Mount Courtesy of CHRYSLER LLC 46. Remove right engine mount through bolt (4). 47. Remove engine mount adapter retaining bolts (3) and mount adapter (2). 48. Lift engine from engine compartment. INSTALLATION ENGINE COVER Fig. 26: Engine Cover - 2.0L Courtesy of CHRYSLER LLC 2009 Jeep Patriot Limited 2009 ENGINE 2.0L - Service Information - Compass & Patriot a Saturday, September 08, 2012 1:30:14 PM Page 25 © 2006 Mitchell Repair Information Company, LLC.
  • 199.
    1. Position enginecover (1) over mounting studs. 2. Seat the cover on the rear studs by pushing downwards. 3. Push downward on the front of the cover to seat the front studs. ENGINE Fig. 27: Right Engine Mount Courtesy of CHRYSLER LLC 1. Position engine assembly over vehicle and slowly lower the engine into place. 2. Continue lowering engine until engine and transaxle are aligned. to mounting locations. 3. Install engine mount adapter (2) and tighten bolts (3). Install mount through bolt (4) and tighten to 118 N.m (87 ft. lbs.). 2009 Jeep Patriot Limited 2009 ENGINE 2.0L - Service Information - Compass & Patriot a Saturday, September 08, 2012 1:30:14 PM Page 26 © 2006 Mitchell Repair Information Company, LLC.
  • 200.
    Fig. 28: LiftChain Courtesy of CHRYSLER LLC 4. Remove engine lift chain (1). 5. Install oil control valve. Fig. 29: A/C Compressor Courtesy of CHRYSLER LLC 6. Raise vehicle. 7. Install A/C compressor (1). 2009 Jeep Patriot Limited 2009 ENGINE 2.0L - Service Information - Compass & Patriot a Saturday, September 08, 2012 1:30:14 PM Page 27 © 2006 Mitchell Repair Information Company, LLC.
  • 201.
    Fig. 30: ManifoldTo Exhaust Pipe Bolts Courtesy of CHRYSLER LLC 8. Install exhaust manifold and heat shields (2). See Engine/Manifolds/MANIFOLD, Exhaust - Installation. 9. Install oxygen sensor and connect electrical connector (3). Fig. 31: Crankshaft Position Sensor Courtesy of CHRYSLER LLC 10. Install crankshaft position sensor (2) and connect connector. 2009 Jeep Patriot Limited 2009 ENGINE 2.0L - Service Information - Compass & Patriot a Saturday, September 08, 2012 1:30:14 PM Page 28 © 2006 Mitchell Repair Information Company, LLC.
  • 202.
    Fig. 32: ManifoldTo Exhaust Pipe Bolts Courtesy of CHRYSLER LLC 11. Install manifold to exhaust pipe bolts (1) and tighten bolts. 12. Install generator. Fig. 33: Modular Clutch To Flex Plate Bolts Courtesy of CHRYSLER LLC 13. Install lower bell housing bolts (2) and tighten bolts. 14. Align torque converter and flex plate mark. Install torque converter bolts (1) and tighten. 2009 Jeep Patriot Limited 2009 ENGINE 2.0L - Service Information - Compass & Patriot a Saturday, September 08, 2012 1:30:14 PM Page 29 © 2006 Mitchell Repair Information Company, LLC.
  • 203.
    Fig. 34: InspectionCover Courtesy of CHRYSLER LLC 15. Install inspection cover (1). Fig. 35: Damper Removal Courtesy of CHRYSLER LLC 16. Install crankshaft damper 17. Install Damper holder 9707 (1). 18. Apply clean engine oil crankshaft damper bolt threads and between bolt head and washer. Tighten bolt to 210 N.m (155 ft. lbs.). 19. Install right splash shield. 20. Install tire. 2009 Jeep Patriot Limited 2009 ENGINE 2.0L - Service Information - Compass & Patriot a Saturday, September 08, 2012 1:30:14 PM Page 30 © 2006 Mitchell Repair Information Company, LLC.
  • 204.
    Fig. 36: OilCooler Courtesy of CHRYSLER LLC 21. Install coolant hose to oil cooler (2). 22. Install new oil filter (3). 23. Lower vehicle. 24. Install upper idler pulley. Fig. 37: Coolant Adapter Courtesy of CHRYSLER LLC 25. Install coolant adapter assembly (3). 2009 Jeep Patriot Limited 2009 ENGINE 2.0L - Service Information - Compass & Patriot a Saturday, September 08, 2012 1:30:14 PM Page 31 © 2006 Mitchell Repair Information Company, LLC.
  • 205.
    Fig. 38: GroundStrap Courtesy of CHRYSLER LLC 26. Install ground strap (1) near right strut tower. Fig. 39: Power Steering Line Support Courtesy of CHRYSLER LLC 27. Install power steering line support bracket (1). 28. Install power steering pump. 29. Install accessory drive belt. 30. Connect electrical connectors at block ground, starter, A/C compressor, knock sensor, Oil pressure sensor, generator, Coolant temperature sensor at block, and block heater (if equipped). 2009 Jeep Patriot Limited 2009 ENGINE 2.0L - Service Information - Compass & Patriot a Saturday, September 08, 2012 1:30:14 PM Page 32 © 2006 Mitchell Repair Information Company, LLC.
  • 206.
    Fig. 40: TorqueSequence Courtesy of CHRYSLER LLC 31. Install intake manifold and tighten bolts as shown in illustration. Fig. 41: Throttle Body Support Courtesy of CHRYSLER LLC 32. Install throttle body support bracket (1). 33. Install harness retainer (2). 34. Install engine oil level indicator. 2009 Jeep Patriot Limited 2009 ENGINE 2.0L - Service Information - Compass & Patriot a Saturday, September 08, 2012 1:30:14 PM Page 33 © 2006 Mitchell Repair Information Company, LLC.
  • 207.
    Fig. 42: CoilConnector Courtesy of CHRYSLER LLC 35. Install PCV hose (5) to valve cover. 36. Install make-up air hose (2). 37. Connect manifold flow control valve and electronic throttle control electrical connectors. 38. Install vacuum lines at throttle body and intake manifold. 39. Install intake air tube to throttle body. Fig. 43: Coil Connector Courtesy of CHRYSLER LLC 40. Connect coil electrical connectors (1). 41. Connect injector electrical connectors (4). 2009 Jeep Patriot Limited 2009 ENGINE 2.0L - Service Information - Compass & Patriot a Saturday, September 08, 2012 1:30:14 PM Page 34 © 2006 Mitchell Repair Information Company, LLC.
  • 208.
    42. Connect fuelline (3) to rail. 43. Connect intake and exhaust oil control valve electrical connectors. Fig. 44: Radiator Hose Support Courtesy of CHRYSLER LLC 44. Install grill trim panel. 45. Install upper radiator support bracket (1). Fig. 45: Coolant Adapter Courtesy of CHRYSLER LLC 46. Connect coolant temperature sensor (1). 47. Connect capacitor electrical connector (2). 2009 Jeep Patriot Limited 2009 ENGINE 2.0L - Service Information - Compass & Patriot a Saturday, September 08, 2012 1:30:14 PM Page 35 © 2006 Mitchell Repair Information Company, LLC.
  • 209.
    48. Install coolanthoses at coolant adapter (3). Fig. 46: Coolant Reservoir Courtesy of CHRYSLER LLC 49. Install coolant reservoir (3) and connect hose. Fig. 47: Battery Tray Courtesy of CHRYSLER LLC 50. Install battery tray (1). 2009 Jeep Patriot Limited 2009 ENGINE 2.0L - Service Information - Compass & Patriot a Saturday, September 08, 2012 1:30:14 PM Page 36 © 2006 Mitchell Repair Information Company, LLC.
  • 210.
    Fig. 48: Battery Courtesyof CHRYSLER LLC 51. Install battery (3). 52. Connect battery cables. Fig. 49: Air Cleaner Housing Courtesy of CHRYSLER LLC 53. Install air cleaner housing (1) and connect inlet air hose. 54. Install clean air hose (5). 55. Fill with coolant. 56. Fill with oil. 2009 Jeep Patriot Limited 2009 ENGINE 2.0L - Service Information - Compass & Patriot a Saturday, September 08, 2012 1:30:14 PM Page 37 © 2006 Mitchell Repair Information Company, LLC.
  • 211.
    57. Start engineand check for leaks. Fig. 50: Engine Cover - 2.0L Courtesy of CHRYSLER LLC 58. Install engine cover (1). 59. Install hood. SPECIFICATIONS 2.0L ENGINE GENERAL SPECIFICATIONS CYLINDER BLOCK DESCRIPTION SPECIFICATION Metric Standard Type In-Line OHV, DOHC Number of Cylinders 4 Firing Order 1-3-4-2 Compression Ratio 10.5:1 Displacement 2.0 L 122 cu. in. Bore 86 mm 3.386 in. Stroke 86 mm 3.386 in. Compression Pressure 1172 - 1551 kPa 170 - 225 psi Max. Variation Between Cylinders 25% DESCRIPTION SPECIFICATION 2009 Jeep Patriot Limited 2009 ENGINE 2.0L - Service Information - Compass & Patriot a Saturday, September 08, 2012 1:30:14 PM Page 38 © 2006 Mitchell Repair Information Company, LLC.
  • 212.
    PISTONS PISTON RINGS Metric Standard MaterialCast Aluminum Cylinder Bore Diameter A 86.0 - 86.010 mm 3.3858 - 3.3862 in. B 86.010 - 86.020 mm 3.3862 - 3.3866 in. C 86.020 - 86.030 mm 3.3866 - 3.3869 in. Cylinder Bore Out-of-Round (Max.) 0.020 mm 0.0008 in. Cylinder Bore Taper (Max.) 0.028 mm 0.001 in. Main Bearing Bore Diameter 1 56.000 - 56.006 mm 2.2047 - 2.2049 in. 2 56.006 - 56.012 mm 2.2049 - 2.2051 in. 3 56.012 - 56.018 mm 2.2051 - 2.2054 in. Main Bearing Bore Diameter Taper (Max.) 0.0082 mm 0.0003 in. DESCRIPTION SPECIFICATION Metric Standard Piston Diameter A 85.995 - 86.015 mm 3.3856 - 3.3864 in. B 86.005 - 86.025 mm 3.3860 - 3.3868 in. C 86.015 - 86.035 mm 3.3864 - 3.3872 in. Clearance to Bore (-0.015) - 0.015 mm (-0.0006) - 0.0006 in. Weight 345 - 355 grams 12.17 - 12.52 oz. Land Clearance (Diametrical) 0.60 - 0.73 mm 0.0236 - 0.0287 in. Piston Length 49.0 mm 2.929 in. Piston Ring Groove Depth No. 1 3.51 - 3.68 mm 0.1382 - 0.0256 in. Piston Ring Groove Depth No. 2 4.05 - 4.25 mm 0.1594 - 0.1673 in. Piston Ring Groove Depth No. 3 2.70 - 2.90 mm 0.1063 - 0.1142 in. DESCRIPTION SPECIFICATION Metric Standard Ring Gap-Top Compression Ring 0.15 - 0.30 mm 0.0059 - 0.0118 in. Wear Limit 0.8 mm 0.031 in. Ring Gap-2nd Compression Ring 0.30 - 0.45 mm 0.0118 - 0.0177 in. Wear Limit 0.8 mm 0.031 in. Ring Gap-Oil Control Steel Rails 0.20 - 0.70 mm 0.0079 - 0.0276 in. Wear Limit 1.0 mm 0.039 in. Ring Side Clearance-Compression 0.03 - 0.07 mm 0.1182 - 0.0028 in. 2009 Jeep Patriot Limited 2009 ENGINE 2.0L - Service Information - Compass & Patriot a Saturday, September 08, 2012 1:30:14 PM Page 39 © 2006 Mitchell Repair Information Company, LLC.
  • 213.
    CONNECTING ROD CRANKSHAFT Rings Wear Limit0.10 mm 0.004 in. Ring Side Clearance-Oil Ring Pack 0.06 - 0.15 mm 0.0024 - 0.0059 in. Ring Width-Top Compression Ring 2.95 - 3.25 mm 0.1161 - 0.1280 in. Ring Width-2nd Compression Ring 3.45 - 3.75 mm 0.1358 - 0.1476 in. Ring Width-Oil Ring Pack 2.30 - 2.60 mm 0.0906 - 0.1024 in. Ring Thickness-Top Compression Ring 1.17 - 1.19 mm 0.0461 - 0.0469 in. Ring Thickness-2nd Compression Ring 1.17 - 1.19 mm 0.0461 - 0.0469 in. Ring Thickness-Oil Ring Pack 1.88 - 1.95 mm 0.0740 - 0.0768 in. DESCRIPTION SPECIFICATION Metric Standard Bearing Clearance 0.032 - 0.060 mm 0.001 - 0.002 in. Wear Limit 0.070 mm 0.0027 in. Bore Diameter-Piston Pin 20.974 - 20.985 mm 0.8257 - 0.8261 in. Bore Diameter-Crankshaft End 51 - 51.015 mm 2.0078 - 2.0084 in. Side Clearance 0.1 - 0.25 mm 0.0039 - 0.0098 in. Wear Limit 0.27 mm 0.0106 in. Weight-Total (Less Bearing) 490 grams 17.28 oz. DESCRIPTION SPECIFICATION Metric Standard Connecting Rod Journal Diameter Journal Grade 1 47.966 - 47.972 mm 1.8884 - 1.8886 in. 2 47.960 - 47.966 mm 1.8884 - 1.8881 in. 3 47.954 - 47.960 mm 1.8879 - 1.8881 in. Rod Journal- Taper (Max) 0.005 mm 0.0001 in. Main Bearing Journal Diameter Journal Grade 0 51.985 - 51.988 mm 2.0466 - 2.0467 in. 1 51.982 - 51.985 mm 2.0465 - 2.0466 in. 2 51.979 - 51.982 mm 2.0464 - 2.0465 in. 3 51.976 - 51.979 mm 2.0462 - 2.0464 in. 4 51.973 - 51.976 mm 2.0461 - 2.0462 in. 2009 Jeep Patriot Limited 2009 ENGINE 2.0L - Service Information - Compass & Patriot a Saturday, September 08, 2012 1:30:14 PM Page 40 © 2006 Mitchell Repair Information Company, LLC.
  • 214.
    CYLINDER HEAD CAMSHAFTBEARING BORE DIAMETER CAMSHAFT Journal Out-of-Round (Max.) 0.005 mm 0.0001 in. Journal Taper (Max.) 0.006 mm 0.0002 in. End Play 0.05 - 0.25 mm 0.0019 - 0.0098 in. Wear Limit 0.30 mm 0.0118 in. Main Bearing Diametrical Clearance 0.028 - 0.048 mm 0.0011 - 0.0018 in. Main Bearing Diametrical Clearance (Max) 0.058 mm 0.0022 in. DESCRIPTION SPECIFICATION Metric Standard Cam Bearing Bore Front Intake 30.000 - 30.021 mm 1.1810 - 1.1819 in. Front Exhaust 40.000 - 40.024 mm 1.5747 - 1.5756 in. Cam Bearing Bore No. 1-4 24.000 - 24.021 mm 0.9448 - 0.9457 in. DESCRIPTION SPECIFICATION Metric Standard Cam Journal Diameter Front Intake Cam 29.964 - 29.980 mm 1.1797 - 1.1803 in. Front Exhaust Cam 35.984 - 36.000 mm 1.4166 - 1.4173 in. Cam Journal Diameter No. 1-4 23.954 - 23.970 mm 0.943 - 0.944 in. Bearing Clearance - Diametrical Front Intake Journal 0.020 - 0.057 mm 0.0008 - 0.0022 in. Front Exhaust Journal 0.019 - 0.051 mm 0.0007 - 0.0020 in. All Others 0.020 - 0.067 mm 0.0008 - 0.0026 in. End Play 0.11 - 0.25 mm 0.004 - 0.009 in. Max Lift @ 0.2 mm (0.007 in.) lash Intake 9.2 mm 0.362 in. Max Lift @ 0.28 mm (0.011 in.) lash Exhaust 8.42 mm 0.331 in. Intake Valve Timing w/ VVT in lock-pin position* Closes (ABDC) 49.3° Opens (ATDC) 10.3° Duration 219° Exhaust Valve Timing w/ VVT in lock-pin position* Closes (BTDC) 8.45° Opens (BBDC) 45° Duration 216.55° 2009 Jeep Patriot Limited 2009 ENGINE 2.0L - Service Information - Compass & Patriot a Saturday, September 08, 2012 1:30:14 PM Page 41 © 2006 Mitchell Repair Information Company, LLC.
  • 215.
    CYLINDER HEAD VALVE SEAT VALVEGUIDE VALVES Valve Overlap @ 0.5 mm (0.019 in.) w/ VVT in lock-pin position 18.75° * All reading in crankshaft degrees at 0.5 mm (0.019 in.) valve lift. DESCRIPTION SPECIFICATION Metric Standard Material Cast Aluminum - Heat treated Gasket Thickness (Compressed) 0.54 mm 0.021 in. Valve Tappet Bore I.D. 32.000 - 32.025 mm 1.2598 - 1.2608 in. Valve Tappet O.D 31.964 - 31.980 mm 1.2584 - 1.2590 in. DESCRIPTION SPECIFICATION Metric Standard Angle 44.75° - 45.10° Seat Outer Diameter - Intake 34.45 - 34.61 mm 1.3562 - 1.3625 in. Seat Outer Diameter - Exhaust 28.04 - 28.20 mm 1.1039 - 1.1102 in. Runout (Max.) 0.05 mm 0.002 in. Valve Seat Width Intake 1.16 - 1.46 mm 0.0456 - 0.0574 in. Service Limit 2.0 mm 0.079 in. Exhaust 1.35 - 1.65 mm 0.0531 - 0.0649 in. Service Limit 2.5 mm 0.098 in. DESCRIPTION SPECIFICATION Metric Standard Diameter I.D. 5.500 - 5.518 mm 0.2165 - 0.2172 in. Guide Bore Diameter 10.983 - 11.001 mm 0.432 - 0.4331 in. Guide Height (spring seat to guide tip) 14.6 - 15.2 mm 0.5748 - 0.5984 in. DESCRIPTION SPECIFICATION Metric Standard Face Angle - Intake and Exhaust 45.25° - 45.75° Head Diameter - Intake 34.9 - 35.1 mm 1.374 - 1.3818 in. Head Diameter - Exhaust 28.9 - 29.1 mm 1.1377 - 1.1456 in. Valve Lash Intake 0.17 - 0.23 mm 0.006 - 0.009 in. 2009 Jeep Patriot Limited 2009 ENGINE 2.0L - Service Information - Compass & Patriot a Saturday, September 08, 2012 1:30:14 PM Page 42 © 2006 Mitchell Repair Information Company, LLC.
  • 216.
    VALVE MARGIN VALVE STEMTIP VALVE STEM TO GUIDE CLEARANCE VALVE SPRINGS OIL PRESSURE Exhaust 0.27 - 0.33 mm 0.010 - 0.012 in. Valve Length (Overall) Intake 113.18 mm 4.455 in. Exhaust 105.887 mm 4.168 in. Valve Stem Diameter Intake 5.465 - 5.480 mm 0.2151 - 0.2157 in. Exhaust 5.458 - 5.470 mm 0.2148 - 0.2153 in. DESCRIPTION SPECIFICATION Metric Standard Intake 0.672 mm 0.0264 in. Exhaust 0.744 mm 0.02929 in. DESCRIPTION SPECIFICATION Metric Standard Intake 48.04 mm 1.891 in. Exhaust 47.99 mm 1.889 in. DESCRIPTION SPECIFICATION Metric Standard Intake 0.020 - 0.053 mm 0.0008 - 0.0021 in. Max. Allowable 0.076 mm 0.003 in. Exhaust 0.030 - 0.060 mm 0.0012 - 0.0024 in. Max. Allowable 0.101 mm 0.004 in. DESCRIPTION SPECIFICATION - Metric Standard Free Length (Approx.) 47.0 mm 1.850 in. Nominal Force (Valve Closed) 179.5 N ± 9 @ 35.0 mm 40.35 lbs. @ 1.38 in. Nominal Force (Valve Open) 364.8 N ± 17 N @ 29.25 mm 82.01 lbs. ± 3.82 lbs. @ 1.152 in. Installed Height 35.00 mm 1.378 in. Number of Coils 8.5 ± 0.1 Wire Diameter 2.90 mm ± 0.03 0.114 in ± 0.001 in. DESCRIPTION SPECIFICATION Metric Standard 2009 Jeep Patriot Limited 2009 ENGINE 2.0L - Service Information - Compass & Patriot a Saturday, September 08, 2012 1:30:14 PM Page 43 © 2006 Mitchell Repair Information Company, LLC.
  • 217.
    TORQUE At Curb IdleSpeed* 25 kPa 4 psi. min. At 3000 rpm 170 - 550 kPa 25 - 80 psi. CAUTION: *If pressure is ZERO at curb idle, DO NOT run engine at 3000 rpm. DESCRIPTION N.m Ft. Lbs. In. Lbs. Balance Shaft Module Refer to Procedure Bell Housing-Bolts 48 35 - Camshaft Bearing Cap-Bolts - - - M6 Bolts 12 - 106 M8 Bolts 30 22 - Coils 8 - 71 Connecting Rod Cap-Bolts 20 + 90° 15 + 90° - Coolant Temperature Sender 18 13 - Crankshaft Main Bearing Cap-Bolts Refer to Procedure Crankshaft Damper-Bolt 210 155 - Cylinder Head-Bolts Refer to Procedure Cylinder Head Cover-Bolts Refer to Procedure Engine Support Bracket-Bolts 40 30 - Exhaust Manifold-Bolts 34 25 - Exhaust Manifold Heat Shield-Bolts - - - M6x25mm Bolts 7 - 62 M6x70mm Bolts 9 - 80 Flex Plate to Crankshaft-Bolts 29 + 51° 22 + 51° - Intake Manifold-Bolts 24 18 - Ladder Frame 22 16 - Oil Cooler Connector Bolt 49 36 - Oil Filter 14 10 - Oil Filter Nipple 49 36 - Oil Jet Fastener 12 - 106 Oil Pan-Bolts - - - M6 Bolts 9 - 80 M8 Bolts 24 18 - Oil Pan Drain-Plug 40 30 - Oil Pressure Switch 8 - 71 PCV Valve 5 - 44 Phaser to Camshaft-Bolt 59 44 - Spark Plugs 27 20 239 Timing Chain Cover - - - 2009 Jeep Patriot Limited 2009 ENGINE 2.0L - Service Information - Compass & Patriot a Saturday, September 08, 2012 1:30:14 PM Page 44 © 2006 Mitchell Repair Information Company, LLC.
  • 218.
    SPECIAL TOOLS SPECIAL TOOLS Fig.51: Gauge, Pressure Courtesy of CHRYSLER LLC Fig. 52: Driver Handle, Universal Courtesy of CHRYSLER LLC M6 Bolts 9 - 80 M8 Bolts 26 19 - Timing Chain Tensioner Assembly-Bolts 12 - 106 Timing Chain Guides 12 - 106 2009 Jeep Patriot Limited 2009 ENGINE 2.0L - Service Information - Compass & Patriot a Saturday, September 08, 2012 1:30:14 PM Page 45 © 2006 Mitchell Repair Information Company, LLC.
  • 219.
    Fig. 53: Bloc-Chek-Kit Courtesyof CHRYSLER LLC Fig. 54: Tester, Cooling System Courtesy of CHRYSLER LLC Fig. 55: Pressure Transducer, RPL Courtesy of CHRYSLER LLC 2009 Jeep Patriot Limited 2009 ENGINE 2.0L - Service Information - Compass & Patriot a Saturday, September 08, 2012 1:30:14 PM Page 46 © 2006 Mitchell Repair Information Company, LLC.
  • 220.
    Fig. 56: Adapter,Pressure PEP Courtesy of CHRYSLER LLC Fig. 57: DRBIII® Economy Kit - CH6020A Courtesy of CHRYSLER LLC Fig. 58: Installer, Oil Seal Courtesy of CHRYSLER LLC 2009 Jeep Patriot Limited 2009 ENGINE 2.0L - Service Information - Compass & Patriot a Saturday, September 08, 2012 1:30:14 PM Page 47 © 2006 Mitchell Repair Information Company, LLC.
  • 221.
    Fig. 59: Holder,Vibration Damper Courtesy of CHRYSLER LLC Fig. 60: Wedge, Locking Courtesy of CHRYSLER LLC 2009 Jeep Patriot Limited 2009 ENGINE 2.0L - Service Information - Compass & Patriot a Saturday, September 08, 2012 1:30:14 PM Page 48 © 2006 Mitchell Repair Information Company, LLC.
  • 222.
    Fig. 61: Installer,Oil Seal Courtesy of CHRYSLER LLC Fig. 62: Installer, Rear Main Seal Courtesy of CHRYSLER LLC 2009 Jeep Patriot Limited 2009 ENGINE 2.0L - Service Information - Compass & Patriot a Saturday, September 08, 2012 1:30:14 PM Page 49 © 2006 Mitchell Repair Information Company, LLC.
  • 223.
    Fig. 63: Pin,Tensioner Courtesy of CHRYSLER LLC PLATE, IDENTIFICATION DESCRIPTION DESCRIPTION Fig. 64: Serial Number Courtesy of CHRYSLER LLC The engine serial number (1) is located between the oil pan and the bellhousing. The serial number contains engine build date, build location, and displacement. Example: 8CAP1339710217 2009 Jeep Patriot Limited 2009 ENGINE 2.0L - Service Information - Compass & Patriot a Saturday, September 08, 2012 1:30:14 PM Page 50 © 2006 Mitchell Repair Information Company, LLC.
  • 224.
    AIR INTAKE SYSTEM AIRCLEANER Removal REMOVAL Fig. 65: Air Cleaner Inlet Courtesy of CHRYSLER LLC 1. Turn lock retainers (5) and remove fresh air inlet (2) from air cleaner housing (1). WORLD ENGINE 8 C A P1 339 7 1 0217 Model Year Engine Displacement Engine Build Variation (with oil cooler, turbo, for MMNA) Engine Plant Julian Day of Year Julian Year 2007 Shift Build Sequence Number 2008 A = 1.8L P1 = GEMA North B = 2.0L P2 = GEMA South C = 2.4L - 2009 Jeep Patriot Limited 2009 ENGINE 2.0L - Service Information - Compass & Patriot a Saturday, September 08, 2012 1:30:14 PM Page 51 © 2006 Mitchell Repair Information Company, LLC.
  • 225.
    Fig. 66: AirCleaner Housing Courtesy of CHRYSLER LLC 2. Disconnect intake air temperature sensor connector (4). 3. Remove air inlet tube (5) from air cleaner housing (1). 4. Unfasten clasps (2) on sides of air cleaner housing cover. Fig. 67: Air Filter Courtesy of CHRYSLER LLC 5. Pull air cleaner cover (1) aside. 6. Remove filter element (3). 7. If necessary, clean the inside of the air cleaner housing (2). 2009 Jeep Patriot Limited 2009 ENGINE 2.0L - Service Information - Compass & Patriot a Saturday, September 08, 2012 1:30:14 PM Page 52 © 2006 Mitchell Repair Information Company, LLC.
  • 226.
    Installation INSTALLATION Fig. 68: AirFilter Courtesy of CHRYSLER LLC 1. Install new filter element. Fig. 69: Air Cleaner Housing Courtesy of CHRYSLER LLC 2. Place cover over air cleaner housing. Snap clasps (2) in place. 3. Install air inlet tube (5). 2009 Jeep Patriot Limited 2009 ENGINE 2.0L - Service Information - Compass & Patriot a Saturday, September 08, 2012 1:30:14 PM Page 53 © 2006 Mitchell Repair Information Company, LLC.
  • 227.
    4. Connect intakeair temperature sensor connector (4). Fig. 70: Air Cleaner Inlet Courtesy of CHRYSLER LLC 5. Install fresh air inlet (2) on air cleaner housing (1) and lock retainers (5). BODY, AIR CLEANER Removal REMOVAL 2009 Jeep Patriot Limited 2009 ENGINE 2.0L - Service Information - Compass & Patriot a Saturday, September 08, 2012 1:30:14 PM Page 54 © 2006 Mitchell Repair Information Company, LLC.
  • 228.
    Fig. 71: AirCleaner Inlet Courtesy of CHRYSLER LLC 1. Remove fresh air inlet (2) from air cleaner housing (1). Fig. 72: Air Cleaner Housing Courtesy of CHRYSLER LLC 2. Remove intake air temperature sensor electrical connector (4). 3. Remove air inlet tube (5) from housing (1). 4. Pull housing (1) upward to remove. Installation INSTALLATION 2009 Jeep Patriot Limited 2009 ENGINE 2.0L - Service Information - Compass & Patriot a Saturday, September 08, 2012 1:30:14 PM Page 55 © 2006 Mitchell Repair Information Company, LLC.
  • 229.
    Fig. 73: AirCleaner Housing Courtesy of CHRYSLER LLC 1. Make sure the rubber grommets, for the air cleaner housing lower pins, are in place when reinstalling the air cleaner housing. The rubber grommets mount to the Totally Integrated Power Module (TIPM) bracket. 2. Push air cleaner housing (1) down while aligning pins into the grommets. 3. Connect the throttle body air inlet hose (5) to the air cleaner housing (1). 4. Connect intake air temperature sensor connector (4). Fig. 74: Air Cleaner Inlet Courtesy of CHRYSLER LLC 5. Install fresh air inlet (2) and lock retainers (5). 2009 Jeep Patriot Limited 2009 ENGINE 2.0L - Service Information - Compass & Patriot a Saturday, September 08, 2012 1:30:14 PM Page 56 © 2006 Mitchell Repair Information Company, LLC.
  • 230.
    CYLINDER HEAD DESCRIPTION DESCRIPTION The crossflow designed, aluminum cylinder head contains dual over-head camshafts with four valves per cylinder. The valves are arranged in two in-line banks. The intake valves face toward the front of the vehicle. The exhaust valves face the dash panel. The cylinder head incorporates powdered metal valve guides and seats. The cylinder head is sealed to the block using a multi-layer steel head gasket and retaining bolts. Integral oil galleries provide lubrication passages to the variable camshaft timing phasers, camshafts, and valve mechanisms. DIAGNOSIS AND TESTING CYLINDER HEAD GASKET A cylinder head gasket leak can be located between adjacent cylinders, between a cylinder and the adjacent water jacket or from an oil passage to the exterior of the engine. Possible indications of the cylinder head gasket leaking between adjacent cylinders are: Loss of engine power Engine misfiring Poor fuel economy Possible indications of the cylinder head gasket leaking between a cylinder and an adjacent water jacket are: Engine overheating Loss of coolant Excessive steam (white smoke) emitting from exhaust Coolant foaming CYLINDER-TO-CYLINDER LEAKAGE TEST To determine if an engine cylinder head gasket is leaking between adjacent cylinders, follow the procedures in Cylinder Compression Pressure Test. See CYLINDER COMPRESSION PRESSURE TEST. An engine cylinder head gasket leaking between adjacent cylinders will result in approximately a 50-70% reduction in compression pressure. CYLINDER-TO-WATER JACKET LEAKAGE TEST NOTE: Replacement cylinder heads will come complete with valves, seals, springs, retainers, keepers, lash buckets, and camshafts. 2009 Jeep Patriot Limited 2009 ENGINE 2.0L - Service Information - Compass & Patriot a Saturday, September 08, 2012 1:30:14 PM Page 57 © 2006 Mitchell Repair Information Company, LLC.
  • 231.
    VISUAL TEST METHOD Withthe engine cool, remove the coolant pressure cap. Start the engine and allow it to warm up until thermostat opens. If a large combustion/compression pressure leak exists, bubbles will be visible in the coolant. COOLING SYSTEM TESTER METHOD Install Cooling System Tester 7700 or equivalent to pressure cap neck. Start the engine and observe the tester's pressure gauge. If gauge pulsates with every power stroke of a cylinder a combustion pressure leak is evident. CHEMICAL TEST METHOD Combustion leaks into the cooling system can also be checked by using combustion leak tester C-3685-A or equivalent. Perform test following the procedures supplied with the tool kit. REMOVAL REMOVAL Fig. 75: Engine Cover - 2.4L Courtesy of CHRYSLER LLC WARNING: Use extreme caution when the engine is operating with coolant pressure cap removed. WARNING: with cooling system tester in place, pressure will build up fast. Excessive pressure built up, by continuous engine operation, must be released to a safe pressure point. Never permit pressure to exceed 138 kpa (20 psi). 2009 Jeep Patriot Limited 2009 ENGINE 2.0L - Service Information - Compass & Patriot a Saturday, September 08, 2012 1:30:14 PM Page 58 © 2006 Mitchell Repair Information Company, LLC.
  • 232.
    1. Remove enginecover (1) by pulling upward. 2. Perform fuel system pressure release procedure. Refer to Fuel System/Fuel Delivery - Standard Procedure . 3. Disconnect and isolate the negative battery cable. Fig. 76: Air Cleaner Housing Courtesy of CHRYSLER LLC 4. Drain cooling system. Refer to Cooling - Standard Procedure . 5. Remove clean air hose (5) and air cleaner housing (1). See Engine/Air Intake System/BODY, Air Cleaner - Removal. Fig. 77: Coolant Reservoir Courtesy of CHRYSLER LLC 2009 Jeep Patriot Limited 2009 ENGINE 2.0L - Service Information - Compass & Patriot a Saturday, September 08, 2012 1:30:14 PM Page 59 © 2006 Mitchell Repair Information Company, LLC.
  • 233.
    6. Remove coolantrecovery bottle (3). Refer to Cooling/Engine/BOTTLE, Coolant Recovery - Removal . 7. Remove and reposition power steering reservoir (2). 8. Remove windshield washer bottle (1). Refer to Electrical/Wipers/Washers/RESERVOIR, Windshield Washer - Removal . 9. Remove accessory drive belt. Refer to Cooling/Accessory Drive/BELT, Serpentine - Removal . Fig. 78: Pressure Hose Courtesy of CHRYSLER LLC 10. Remove power steering hose hold down (2). Fig. 79: Power Steering Pump - Gas 2009 Jeep Patriot Limited 2009 ENGINE 2.0L - Service Information - Compass & Patriot a Saturday, September 08, 2012 1:30:14 PM Page 60 © 2006 Mitchell Repair Information Company, LLC.
  • 234.
    Courtesy of CHRYSLERLLC 11. Remove the three power steering pump mounting bolts (1) through the openings in the pulley (3) and reposition the pump. Fig. 80: Torque Sequence Courtesy of CHRYSLER LLC 12. Remove the cylinder head cover. See Engine/Cylinder Head/COVER(S), Cylinder Head - Removal. 13. Remove ignition coils from cylinder head cover. Fig. 81: TDC Courtesy of CHRYSLER LLC 14. Raise and support the vehicle. Refer to Vehicle Quick Reference/Hoisting - Standard Procedure . 2009 Jeep Patriot Limited 2009 ENGINE 2.0L - Service Information - Compass & Patriot a Saturday, September 08, 2012 1:30:14 PM Page 61 © 2006 Mitchell Repair Information Company, LLC.
  • 235.
    15. Remove theright splash shield. Refer to Body/Exterior/SHIELD, Splash - Removal . 16. Set engine to TDC (1). Fig. 82: A/C Compressor Courtesy of CHRYSLER LLC 17. Remove lower A/C compressor bolts if equipped. 18. Remove lower A/C compressor mount (2) if equipped. Fig. 83: Accessory Drive Belt Idler Pulley - 2.4L Courtesy of CHRYSLER LLC 19. Remove accessory drive belt lower idler pulley (2). 2009 Jeep Patriot Limited 2009 ENGINE 2.0L - Service Information - Compass & Patriot a Saturday, September 08, 2012 1:30:14 PM Page 62 © 2006 Mitchell Repair Information Company, LLC.
  • 236.
    Fig. 84: EngineFront Courtesy of CHRYSLER LLC 20. Remove crankshaft damper (2). See Engine/Engine Block/DAMPER, Vibration - Removal. 21. Remove three bolts and water pump pulley (4) from water pump. 22. Remove lower bolt from right side engine mount bracket (1). Fig. 85: Timing Chain Cover Lower Bolts Courtesy of CHRYSLER LLC 23. Remove timing chain cover lower bolts (1). 2009 Jeep Patriot Limited 2009 ENGINE 2.0L - Service Information - Compass & Patriot a Saturday, September 08, 2012 1:30:14 PM Page 63 © 2006 Mitchell Repair Information Company, LLC.
  • 237.
    Fig. 86: ManifoldTo Exhaust Pipe Bolts Courtesy of CHRYSLER LLC 24. Remove under floor catalytic converter. Refer to Exhaust System/CONVERTER, Catalytic - Removal 25. Lower vehicle. 26. Support engine with suitable jack. Fig. 87: Right Engine Mount Courtesy of CHRYSLER LLC 27. Remove right engine mount through bolt (4). 28. Remove right engine mount to mount bracket bolts (3). 29. Remove right engine mount adapter (1). 2009 Jeep Patriot Limited 2009 ENGINE 2.0L - Service Information - Compass & Patriot a Saturday, September 08, 2012 1:30:14 PM Page 64 © 2006 Mitchell Repair Information Company, LLC.
  • 238.
    Fig. 88: AccessoryDrive Belt Idler Pulley - 2.4L Courtesy of CHRYSLER LLC 30. Remove accessory drive upper idler pulley (1). Fig. 89: Engine Front Courtesy of CHRYSLER LLC 31. Remove right upper engine mount bracket (1). 32. Remove accessory drive belt tensioner. 33. Remove upper timing chain cover retaining bolts. 2009 Jeep Patriot Limited 2009 ENGINE 2.0L - Service Information - Compass & Patriot a Saturday, September 08, 2012 1:30:14 PM Page 65 © 2006 Mitchell Repair Information Company, LLC.
  • 239.
    Fig. 90: TimingChain Cover Pry Points Courtesy of CHRYSLER LLC 34. Remove timing chain cover using pry points (1, 2, 3). Fig. 91: Timing Chain Courtesy of CHRYSLER LLC 2009 Jeep Patriot Limited 2009 ENGINE 2.0L - Service Information - Compass & Patriot a Saturday, September 08, 2012 1:30:14 PM Page 66 © 2006 Mitchell Repair Information Company, LLC.
  • 240.
    35. Remove tensioner(5) and timing chain (2). See Engine/Valve Timing/CHAIN and SPROCKETS, Timing - Removal 36. Remove timing chain guide (4) and timing chain pivot guide (6). Fig. 92: Fuel Line At Rail Courtesy of CHRYSLER LLC 37. Disconnect the fuel line from the fuel rail. Refer to Fuel System/Fuel Delivery/FITTING, Quick Connect - Standard Procedure . Fig. 93: Electrical Connectors Courtesy of CHRYSLER LLC 38. Unlock and disconnect the electrical connectors from the fuel injectors. 2009 Jeep Patriot Limited 2009 ENGINE 2.0L - Service Information - Compass & Patriot a Saturday, September 08, 2012 1:30:14 PM Page 67 © 2006 Mitchell Repair Information Company, LLC.
  • 241.
    Fig. 94: RailRemoval/Install Courtesy of CHRYSLER LLC 39. Remove two fuel rail retaining bolts and remove fuel rail. Fig. 95: Coolant Adapter Courtesy of CHRYSLER LLC 40. Disconnect electrical connectors from coolant temperature sensor (1), oil temperature sensor, variable valve timing solenoids, camshaft position sensors, MAP sensor, manifold tuning valve, ignition interference suppressor (2) and electronic throttle control. 2009 Jeep Patriot Limited 2009 ENGINE 2.0L - Service Information - Compass & Patriot a Saturday, September 08, 2012 1:30:14 PM Page 68 © 2006 Mitchell Repair Information Company, LLC.
  • 242.
    Fig. 96: ThrottleBody Support Courtesy of CHRYSLER LLC 41. Remove wiring harness retainer from intake manifold (2) and reposition harness. 42. Remove throttle body support bracket (1). 43. Disconnect vacuum lines at intake. Fig. 97: Radiator Hose Support Courtesy of CHRYSLER LLC 44. Remove upper radiator hose retaining bolt (1). 2009 Jeep Patriot Limited 2009 ENGINE 2.0L - Service Information - Compass & Patriot a Saturday, September 08, 2012 1:30:14 PM Page 69 © 2006 Mitchell Repair Information Company, LLC.
  • 243.
    Fig. 98: IntakeTorque Sequence Courtesy of CHRYSLER LLC 45. Remove intake manifold retaining bolts and remove intake manifold. Fig. 99: Coolant Adapter Courtesy of CHRYSLER LLC 46. Remove four bolts and reposition coolant adapter (3). 2009 Jeep Patriot Limited 2009 ENGINE 2.0L - Service Information - Compass & Patriot a Saturday, September 08, 2012 1:30:14 PM Page 70 © 2006 Mitchell Repair Information Company, LLC.
  • 244.
    Fig. 100: GroundStrap Courtesy of CHRYSLER LLC 47. Remove ground strap (1) at right rear of cylinder head if equipped. Fig. 101: Front Cam Cap Removal Sequence Courtesy of CHRYSLER LLC NOTE: Camshaft bearing caps should have been marked during engine manufacturing. For example, number one exhaust camshaft bearing is marked "E1>". CAUTION: DO NOT use a number stamp or a punch to mark camshaft bearing caps. Damage to bearing caps could occur. 2009 Jeep Patriot Limited 2009 ENGINE 2.0L - Service Information - Compass & Patriot a Saturday, September 08, 2012 1:30:14 PM Page 71 © 2006 Mitchell Repair Information Company, LLC.
  • 245.
    48. Using apermanent ink or paint marker, identify location and position on each camshaft bearing cap. 49. Remove the front camshaft bearing cap. 50. Slowly remove the remaining intake and exhaust camshaft bearing cap bolts one turn at a time. 51. Remove the camshafts. Fig. 102: Front Head Bolt Washers Courtesy of CHRYSLER LLC 52. Remove cylinder head bolts and two uncaptured washers. 53. Remove cylinder head from engine block. 54. Inspect and clean cylinder head and block sealing surfaces. See Engine/Cylinder Head - Inspection. See Engine/Cylinder Head - Cleaning. CLEANING CLEANING To ensure engine gasket sealing, proper surface preparation must be performed, especially with the use of aluminum engine components and multi-layer steel cylinder head gaskets. Remove all gasket material from cylinder head and block. See Engine - Standard Procedure. Be careful not to NOTE: All of the cylinder head bolts have captured washers EXCEPT the front two (1). NOTE: Ensure cylinder head bolt holes in the block are clean, dry (free of residual oil or coolant), and threads are not damaged. NOTE: Multi-Layer Steel (MLS) head gaskets require a scratch free sealing surface. 2009 Jeep Patriot Limited 2009 ENGINE 2.0L - Service Information - Compass & Patriot a Saturday, September 08, 2012 1:30:14 PM Page 72 © 2006 Mitchell Repair Information Company, LLC.
  • 246.
    gouge or scratchthe aluminum head sealing surface. Clean all engine oil passages. INSPECTION INSPECTION Fig. 103: Checking Cylinder Head Flatness Courtesy of CHRYSLER LLC 1. Check cylinder head warpage with a straight edge (2) and feeler gauge (1). 2. Cylinder head must be flat within 0.1 mm (0.004 in.). 3. Verify that the valve tappets move freely in theirs bores and that they have been rotating. 4. Inspect camshaft bearing journals for scoring. 5. Remove carbon and varnish deposits from inside of valve guides with a reliable guide cleaner. 6. Inspect the following components and verify that they are within specification. See Engine - Specifications: Camshafts Valve Tappets Springs Valve Seats Valve Guides Valves 7. Prior to installing cylinder head, the cylinder block should be checked for flatness. See Engine/Engine NOTE: Replacement cylinder heads will come complete with valves, seals, springs, retainers, keepers, tappets, and camshafts. 2009 Jeep Patriot Limited 2009 ENGINE 2.0L - Service Information - Compass & Patriot a Saturday, September 08, 2012 1:30:14 PM Page 73 © 2006 Mitchell Repair Information Company, LLC.
  • 247.
    Block - Inspection. INSTALLATION INSTALLATION Fig.104: Checking Cylinder Head Bolts For Stretching (Necking) Courtesy of CHRYSLER LLC 1. Check cylinder head bolts for necking by holding a scale or straight edge against the threads. If all the threads do not contact the scale (2) the bolt must be replaced. CAUTION: The cylinder head bolts are tightened using a torque plus angle procedure. The bolts must be examined BEFORE reuse. If the threads are necked down the bolts must be replaced. 2009 Jeep Patriot Limited 2009 ENGINE 2.0L - Service Information - Compass & Patriot a Saturday, September 08, 2012 1:30:14 PM Page 74 © 2006 Mitchell Repair Information Company, LLC.
  • 248.
    Fig. 105: VVTFilter Courtesy of CHRYSLER LLC 2. Replace the variable valve timing filter screen (3). Fig. 106: Cylinder Head RTV Courtesy of CHRYSLER LLC NOTE: Ensure cylinder head bolt holes in the block are clean, dry (free of residual oil or coolant), and threads are not damaged. CAUTION: Always replace the variable valve timing filter screen (3) when servicing the head gasket or engine damage could result. 2009 Jeep Patriot Limited 2009 ENGINE 2.0L - Service Information - Compass & Patriot a Saturday, September 08, 2012 1:30:14 PM Page 75 © 2006 Mitchell Repair Information Company, LLC.
  • 249.
    3. Place twopea size dots of Mopar® engine sealant RTV or equivalent (1) on cylinder block as shown in illustration. Fig. 107: Cylinder Head Gasket RTV Courtesy of CHRYSLER LLC 4. Position the new cylinder head gasket on engine block with the part number facing up. Ensure gasket is seated over the locating dowels in block. 5. Place two pea size dots of Mopar® engine sealant RTV or equivalent (1) on cylinder head gasket as shown in illustration. 6. Position cylinder head onto engine block. NOTE: When using RTV, the sealing surfaces must be clean and free from grease and oil. NOTE: When using RTV, parts should be assembled in 10 minutes and tighten to final torque within 45 minutes. NOTE: The head must be installed within 15 minutes before the RTV skins. 2009 Jeep Patriot Limited 2009 ENGINE 2.0L - Service Information - Compass & Patriot a Saturday, September 08, 2012 1:30:14 PM Page 76 © 2006 Mitchell Repair Information Company, LLC.
  • 250.
    Fig. 108: CylinderHead Bolt Identification Courtesy of CHRYSLER LLC 7. Measure the bolt head from the washer to the top of the bolt head. The short bolt head (1) measures 8 mm (5/16") and the long bolt head (2) measures 13 mm (1/2"). 8. Identify whether your engine has the short head design (1) or the long head design (2). Fig. 109: Bevel Edge Courtesy of CHRYSLER LLC CAUTION: This engine was built with 2 different style cylinder head bolts. Each style bolt requires a different torque value. The bolts can be identified by the short bolt head (1) and the long bolt head (2). NOTE: The front two cylinder head bolts do not have captured washers. The 2009 Jeep Patriot Limited 2009 ENGINE 2.0L - Service Information - Compass & Patriot a Saturday, September 08, 2012 1:30:14 PM Page 77 © 2006 Mitchell Repair Information Company, LLC.
  • 251.
    Fig. 110: FrontHead Bolt Washers Courtesy of CHRYSLER LLC 9. Install washers (1) for the front two cylinder head bolts with the beveled edge facing up. Fig. 111: Cylinder Head Torque Sequence Courtesy of CHRYSLER LLC 10. Install the cylinder head bolts and tighten in the sequence shown in illustration. washers must be installed with the bevel edge (1) up towards the bolt head. NOTE: Before installing the cylinder head bolts, lubricate the threads with clean engine oil. 2009 Jeep Patriot Limited 2009 ENGINE 2.0L - Service Information - Compass & Patriot a Saturday, September 08, 2012 1:30:14 PM Page 78 © 2006 Mitchell Repair Information Company, LLC.
  • 252.
    Fig. 112: CylinderHead Bolt Identification Courtesy of CHRYSLER LLC 11. If your bolt has the short head (1), use the following torque specifications: First: All to 30 N.m (25 ft. lbs.) Second: All to 61 N.m (45 ft. lbs.) Third: All to 61 N.m (45 ft. lbs.) Fourth: All an additional 90° 12. If your bolt has the long head (2), use the following torque specifications: First: All to 30 N.m (25 ft. lbs.) Second: All to 73 N.m (54 ft. lbs.) Third: All to 73 N.m (54 ft. lbs.) Fourth: All an additional 90° 13. Clean excess RTV from timing chain cover sealing surface. CAUTION: Do not use a torque wrench for the Fourth step. CAUTION: Do not use a torque wrench for the Fourth step. 2009 Jeep Patriot Limited 2009 ENGINE 2.0L - Service Information - Compass & Patriot a Saturday, September 08, 2012 1:30:14 PM Page 79 © 2006 Mitchell Repair Information Company, LLC.
  • 253.
    Fig. 113: CoolantAdapter Courtesy of CHRYSLER LLC 14. Install coolant adapter (3) with new seals. Tighten bolts to 18.1 N.m (159 in. lbs.). Fig. 114: Cam Cap Bearing Identification Courtesy of CHRYSLER LLC 15. The front camshaft bearing cap (1) is numbered (2) either one, two, or three, this corresponds to the select fit front exhaust camshaft bearing to use. 2009 Jeep Patriot Limited 2009 ENGINE 2.0L - Service Information - Compass & Patriot a Saturday, September 08, 2012 1:30:14 PM Page 80 © 2006 Mitchell Repair Information Company, LLC.
  • 254.
    Fig. 115: CamBearing Identification Courtesy of CHRYSLER LLC 16. Install the corresponding select fit front exhaust camshaft bearing (1). 17. Oil all of the camshaft journals with clean engine oil. Fig. 116: Camshaft Timing Courtesy of CHRYSLER LLC 18. Position exhaust camshaft (1) and intake camshaft (2) on bearing journals in the cylinder head. 19. Align camshaft timing marks (3) so that they are facing each other and are in line with the cylinder head cover sealing surface. CAUTION: Install the front intake and exhaust camshaft bearing cap last. Ensure that the dowels are seated and follow torque sequence or damage to 2009 Jeep Patriot Limited 2009 ENGINE 2.0L - Service Information - Compass & Patriot a Saturday, September 08, 2012 1:30:14 PM Page 81 © 2006 Mitchell Repair Information Company, LLC.
  • 255.
    Fig. 117: CamCap Torque Sequence Courtesy of CHRYSLER LLC 20. Install intake and exhaust camshaft bearing caps and slowly tighten bolts to 9.5 N.m (85 in. lbs.) in the sequence shown in illustration. Fig. 118: Front Cam Cap Torque Sequence Courtesy of CHRYSLER LLC engine could result. NOTE: If the front camshaft bearing cap is broken, the cylinder head MUST be replaced. NOTE: Verify that the exhaust bearing shells are correctly installed, and the 2009 Jeep Patriot Limited 2009 ENGINE 2.0L - Service Information - Compass & Patriot a Saturday, September 08, 2012 1:30:14 PM Page 82 © 2006 Mitchell Repair Information Company, LLC.
  • 256.
    21. Install thefront intake and exhaust bearing cap and tighten bolts to 25 N.m (18 ft. lbs.) in the sequence shown in illustration. Fig. 119: Timing Drive Courtesy of CHRYSLER LLC 22. Install timing chain guide (4) and tighten bolts to 12 N.m (105 in. lbs.). 23. Install the moveable timing chain pivot guide (6) and tighten bolt to 12 N.m (105 in. lbs.). 24. Install timing chain (2) and tensioner (5). See Engine/Valve Timing/CHAIN and SPROCKETS, Timing - Installation. 25. Install timing chain cover, engine mount, pulleys and accessory drive belt. See Engine/Valve Timing/COVER(S), Engine Timing - Installation. dowels are seated in the head, prior to torquing bolts. 2009 Jeep Patriot Limited 2009 ENGINE 2.0L - Service Information - Compass & Patriot a Saturday, September 08, 2012 1:30:14 PM Page 83 © 2006 Mitchell Repair Information Company, LLC.
  • 257.
    Fig. 120: TorqueSequence Courtesy of CHRYSLER LLC 26. Install cylinder head cover and ignition coils. See Engine/Cylinder Head/COVER(S), Cylinder Head - Installation. Fig. 121: Ground Strap Courtesy of CHRYSLER LLC 27. Install exhaust manifold. See Engine/Manifolds/MANIFOLD, Exhaust - Installation. 28. Install ground strap (1) at right rear of cylinder head if equipped. Fig. 122: Torque Sequence Courtesy of CHRYSLER LLC 29. Install intake manifold, vacuum lines and fuel rail. See Engine/Manifolds/MANIFOLD, Intake - 2009 Jeep Patriot Limited 2009 ENGINE 2.0L - Service Information - Compass & Patriot a Saturday, September 08, 2012 1:30:14 PM Page 84 © 2006 Mitchell Repair Information Company, LLC.
  • 258.
    Installation. Fig. 123: RadiatorHose Support Courtesy of CHRYSLER LLC 30. Install upper radiator hose retaining bracket bolt (1). Fig. 124: Coil Connector Courtesy of CHRYSLER LLC 31. Connect coil (1) and injector (4) electrical connectors. 2009 Jeep Patriot Limited 2009 ENGINE 2.0L - Service Information - Compass & Patriot a Saturday, September 08, 2012 1:30:14 PM Page 85 © 2006 Mitchell Repair Information Company, LLC.
  • 259.
    Fig. 125: CoolantAdapter Courtesy of CHRYSLER LLC 32. Connect electrical connectors to coolant temperature sensor (1), camshaft position sensors, oil temperature sensor, variable valve timing solenoids, MAP sensor, manifold tuning valve, ignition interference suppressor (2) and electronic throttle control. Fig. 126: Coolant Reservoir Courtesy of CHRYSLER LLC 33. Install power steering pump reservoir (2). Tighten mounting screw to 12 N.m (106 in. lbs.). 34. Install windshield washer reservoir (1). 35. Install coolant recovery reservoir (3). Tighten mounting bolts to 4 N.m (35 in. lbs.). 2009 Jeep Patriot Limited 2009 ENGINE 2.0L - Service Information - Compass & Patriot a Saturday, September 08, 2012 1:30:15 PM Page 86 © 2006 Mitchell Repair Information Company, LLC.
  • 260.
    Fig. 127: AirCleaner Housing Courtesy of CHRYSLER LLC 36. Install clean air hose (5) and air cleaner housing (1). See Engine/Air Intake System/BODY, Air Cleaner - Installation. 37. Fill cooling system. Refer to Cooling - Standard Procedure . 38. Install new oil filter and fill engine with oil. 39. Connect negative battery cable. Fig. 128: Engine Cover - 2.4L Courtesy of CHRYSLER LLC 40. Operate engine until it reaches normal operating temperature. Check oil and cooling systems for leaks and 2009 Jeep Patriot Limited 2009 ENGINE 2.0L - Service Information - Compass & Patriot a Saturday, September 08, 2012 1:30:15 PM Page 87 © 2006 Mitchell Repair Information Company, LLC.
  • 261.
    correct fluid levels. 41.Install engine cover (1). ASSEMBLY, VARIABLE VALVE TIMING Description DESCRIPTION The world engine is equipped with Variable Valve Timing (VVT). This system advances and/or retards intake and/or exhaust camshaft timing to improve engine performance, mid-range torque, idle quality, fuel economy, and reduce emissions. The camshaft sprockets are integrated with the VVT assemblies and are serviced as an assembly. VVT assemblies are sometimes referred to as camshaft phasers. Operation OPERATION The Variable Valve Timing (VVT) assemblies are actuated with engine oil pressure. The oil flow to the VVT assemblies are controlled by two Oil Control Valves (OCV). There is an OCV and Camshaft Position Sensor (CMP) for each camshaft. The OCV's consist of a Pulse Width Modulated (PWM) solenoid and a spool valve. The PCM actuates the OCV to control oil flow through the spool valve into the VVT assemblies. The VVT assembly consists of a rotor, stator, and sprocket. The stator is connected to the timing chain through the sprocket. The rotor is connected to the camshaft. Oil flow in to the VVT assembly rotates the rotor with respect to the stator, thus rotating the camshaft with respect to the timing chain. Thus, the VVT assemblies change valve timing by changing the relationship between the camshaft and the timing chain. An integral oil pressure activated pin is used to lock base camshaft timing for engine start up. Oil pressure releases the pin and allows the PCM to control cam timing once the engine is running. An infinitely variable valve timing position can be achieved within the limits of the hardware. The CMP monitors the position of the camshaft with respect to the crankshaft and provides feedback to the PCM. Removal REMOVAL NOTE: Camshaft phaser and camshaft sprocket are supplied as an assembly, do not attempt to disassemble. 2009 Jeep Patriot Limited 2009 ENGINE 2.0L - Service Information - Compass & Patriot a Saturday, September 08, 2012 1:30:15 PM Page 88 © 2006 Mitchell Repair Information Company, LLC.
  • 262.
    Fig. 129: CamPhaser Installation Courtesy of CHRYSLER LLC 1. Remove camshafts. See Engine/Cylinder Head/CAMSHAFT, Engine - Removal. 2. Remove camshaft phaser (2) retaining bolt while holding the camshaft in place with a wrench (1) on the camshaft flats. 3. Remove phaser (2) assembly from camshaft. Installation INSTALLATION Fig. 130: Cam Phaser Installation Courtesy of CHRYSLER LLC 2009 Jeep Patriot Limited 2009 ENGINE 2.0L - Service Information - Compass & Patriot a Saturday, September 08, 2012 1:30:15 PM Page 89 © 2006 Mitchell Repair Information Company, LLC.
  • 263.
    1. Install phaser(2) assembly on camshaft. 2. Install phaser retaining bolt. Hold camshaft in place with a wrench (1) and tighten bolt to 59 N.m (44 ft. lbs.). 3. Install camshafts. See Engine/Cylinder Head/CAMSHAFT, Engine - Installation. BUCKET, TAPPET Diagnosis and Testing MECHANICAL VALVE TAPPET NOISE DIAGNOSIS A tappet-like noise may be produced from incorrect valve lash. See Engine/Cylinder Head/BUCKET, Tappet - Standard Procedure. Standard Procedure MEASURING VALVE LASH Fig. 131: Torque Sequence Courtesy of CHRYSLER LLC CAUTION: Do not use an impact wrench to tighten camshaft sprocket bolts. Damage to the camshaft-to-sprocket locating dowel pin and camshaft phaser may occur. NOTE: Make sure the dowel is seated in the dowel hole and not in an oil feed hole. The dowel hole is larger than the 4 oil feed holes. NOTE: The engine must be cold to measure valve lash. 2009 Jeep Patriot Limited 2009 ENGINE 2.0L - Service Information - Compass & Patriot a Saturday, September 08, 2012 1:30:15 PM Page 90 © 2006 Mitchell Repair Information Company, LLC.
  • 264.
    1. Remove enginecover. 2. Remove cylinder head cover. See Engine/Cylinder Head/COVER(S), Cylinder Head - Removal. Fig. 132: Lobes Vertical Courtesy of CHRYSLER LLC 3. Rotate camshaft so lobes are vertical (1). 4. Check clearance using feeler gauges. 5. Repeat for all tappets and record readings. 6. If clearance was too small, refer to the Clearance too Small procedure. See Clearance too Small. 7. If clearance was too large, refer to the Clearance too Large procedure. See Clearance too Large. Clearance Too Small 2009 Jeep Patriot Limited 2009 ENGINE 2.0L - Service Information - Compass & Patriot a Saturday, September 08, 2012 1:30:15 PM Page 91 © 2006 Mitchell Repair Information Company, LLC.
  • 265.
    Fig. 133: TappetIdentification Courtesy of CHRYSLER LLC 1. Remove camshafts. See Engine/Cylinder Head/CAMSHAFT, Engine - Removal. 2. Specification - clearance = change. 3. Decrease tappet thickness by change figure. 4. Install camshafts. See Engine/Cylinder Head/CAMSHAFT, Engine - Installation. 5. Verify that valve lash is correct. Clearance too Large 2009 Jeep Patriot Limited 2009 ENGINE 2.0L - Service Information - Compass & Patriot a Saturday, September 08, 2012 1:30:15 PM Page 92 © 2006 Mitchell Repair Information Company, LLC.
  • 266.
    Fig. 134: TappetIdentification Courtesy of CHRYSLER LLC 1. Remove camshafts. See Engine/Cylinder Head/CAMSHAFT, Engine - Removal. 2. Clearance - specification = change. 3. Increase tappet thickness by change figure. 4. Install camshafts. See Engine/Cylinder Head/CAMSHAFT, Engine - Installation. 5. Verify that valve lash is correct. Removal REMOVAL Fig. 135: Torque Sequence Courtesy of CHRYSLER LLC 1. Remove cylinder head cover. See Engine/Cylinder Head/COVER(S), Cylinder Head - Removal. 2. Remove camshafts. See Engine/Cylinder Head/CAMSHAFT, Engine - Removal. NOTE: This procedure is for in-vehicle service with camshafts installed. NOTE: Camshaft tappets must be replaced if cylinder head or camshafts are replaced. 2009 Jeep Patriot Limited 2009 ENGINE 2.0L - Service Information - Compass & Patriot a Saturday, September 08, 2012 1:30:15 PM Page 93 © 2006 Mitchell Repair Information Company, LLC.
  • 267.
    Fig. 136: TappetIdentification Courtesy of CHRYSLER LLC 3. Remove camshaft tappets (1). 4. Repeat removal procedure for each camshaft tappet (1). 5. If reusing, mark each camshaft tappet for reassembly in it's original position. Installation INSTALLATION Fig. 137: Tappet Identification 2009 Jeep Patriot Limited 2009 ENGINE 2.0L - Service Information - Compass & Patriot a Saturday, September 08, 2012 1:30:15 PM Page 94 © 2006 Mitchell Repair Information Company, LLC.
  • 268.
    Courtesy of CHRYSLERLLC 1. Apply a light coat of clean engine oil to camshaft tappets (1) prior to assembly. 2. Install camshaft tappets (1) into cylinder head. 3. Repeat installation procedure for each camshaft tappet. 4. Install camshafts. See Engine/Cylinder Head/CAMSHAFT, Engine - Installation. Fig. 138: Torque Sequence Courtesy of CHRYSLER LLC 5. Install cylinder head cover. See Engine/Cylinder Head/COVER(S), Cylinder Head - Installation. CAMSHAFT, ENGINE Description DESCRIPTIONS Both camshafts have five bearing journal surfaces and two cam lobes per cylinder. The two front journals are larger to allow for feeding oil to the variable valve timing (VVT) camshaft phasers. Flanges on the third smaller journal control camshaft end play. At the rear of each camshaft is an integral cam sensor target. CAMSHAFT BEARING CAPS NOTE: If reinstalling original tappets they must go back in their original location or engine damage could result. NOTE: If installing new tappets, the valve lash procedure must be performed. 2009 Jeep Patriot Limited 2009 ENGINE 2.0L - Service Information - Compass & Patriot a Saturday, September 08, 2012 1:30:15 PM Page 95 © 2006 Mitchell Repair Information Company, LLC.
  • 269.
    Fig. 139: UnevenWear Patterns Courtesy of CHRYSLER LLC The front cam bearing cap spans both camshafts, and includes dowels for precise alignment. The front exhaust camshaft journal has a select fit bearing insert. This bearing is required to seal the oil passage to the camshaft phaser, because a portion of the lower bearing saddle is machined away for head bolt access. The select fit is required to minimize bearing clearance and oil leakage. An exhaust bearing grade (1, 2 or 3) is stamped into the front bearing cap adjacent to the exhaust cam journal. The bearings are also marked with the corresponding grade markings. If the bearing is replaced, the same grade must be used. Due to the unique purpose of this bearing, it may appear to have uneven wear patterns (1). Maximum wear of 0.05 mm (.002 in.) is acceptable. Unless the wear is excessive it is no cause for concern and the bearing should not be replaced. Cam bearing inspection should not be the sole reason for removal of the exhaust camshaft. The upper cam bearing may be replaced if the front bearing cap is removed. The lower cam bearing should be replaced if the camshaft is removed due to a failure of a component within the cylinder head. The front intake cam journal has a full lower bearing saddle, and therefore, no bearing insert is required. All small bearing caps have a formed-in arrow to assist in assembly. All small bearing cap arrows must point towards the center of the cylinder head. The small bearing caps are marked for position during the manufacturing process, and must be reinstalled in their original position. The #1 small cap includes a passage to direct oil from the cylinder head oil gallery to the #1 small bearing journal, and into the camshaft as well. The hollow camshaft then distributes oil to the remainder of the small journals. Oil flowing out of each cam journal lubricates the valve tappets. The #3 small cap is machined at the front and rear face to control camshaft end-play. This cap has dowels for precise alignment. Operation OPERATION 2009 Jeep Patriot Limited 2009 ENGINE 2.0L - Service Information - Compass & Patriot a Saturday, September 08, 2012 1:30:15 PM Page 96 © 2006 Mitchell Repair Information Company, LLC.
  • 270.
    The camshaft isdriven by the crankshaft via drive sprockets and a chain. The camshaft has precisely machined lobes to provide accurate valve timing and duration. Standard Procedure MEASURING CAMSHAFT END PLAY Fig. 140: Camshaft End Play Courtesy of CHRYSLER LLC 1. Using a suitable tool, move camshaft as far rearward as it will go. 2. Zero dial indicator. 3. Move camshaft as far forward as it will go. 4. Record reading on dial indicator. For end play specification. See Engine - Specifications. 5. If end play is excessive, check cylinder head and camshaft for wear; replace as necessary. Removal REMOVAL 2009 Jeep Patriot Limited 2009 ENGINE 2.0L - Service Information - Compass & Patriot a Saturday, September 08, 2012 1:30:15 PM Page 97 © 2006 Mitchell Repair Information Company, LLC.
  • 271.
    Fig. 141: EngineCover Courtesy of CHRYSLER LLC 1. Remove engine cover (1) by pulling upward. 2. Disconnect and isolate the negative battery cable. 3. Remove cylinder head cover. See Engine/Cylinder Head/COVER(S), Cylinder Head - Removal. Fig. 142: TDC Courtesy of CHRYSLER LLC 4. Raise and support the vehicle. Refer to Vehicle Quick Reference/Hoisting - Standard Procedure . 5. Remove the frame cover portion of the right splash shield. Refer to Body/Exterior/SHIELD, Splash - Removal . 2009 Jeep Patriot Limited 2009 ENGINE 2.0L - Service Information - Compass & Patriot a Saturday, September 08, 2012 1:30:15 PM Page 98 © 2006 Mitchell Repair Information Company, LLC.
  • 272.
    6. Rotate engineto TDC (1). Fig. 143: Timing Chain Timing Marks Courtesy of CHRYSLER LLC 7. Make sure camshaft timing marks (3) are in line with the cylinder head cover sealing surface. 8. Mark the chain link corresponding to timing marks (1) with a paint marker. Fig. 144: Tensioner Access Plug Courtesy of CHRYSLER LLC 9. Remove timing tensioner plug (1) from front cover. 2009 Jeep Patriot Limited 2009 ENGINE 2.0L - Service Information - Compass & Patriot a Saturday, September 08, 2012 1:30:15 PM Page 99 © 2006 Mitchell Repair Information Company, LLC.
  • 273.
    Fig. 145: TensionerReset Courtesy of CHRYSLER LLC 10. Insert small Allen wrench through timing tensioner plug hole and lift ratchet (2) upward to release the tensioner and push Allen wrench inward. Leave the Allen wrench installed during the remainder of this procedure. Fig. 146: Wedge Tool Courtesy of CHRYSLER LLC 11. Insert Locking Wedge 9701 (1) between camshaft phasers. 2009 Jeep Patriot Limited 2009 ENGINE 2.0L - Service Information - Compass & Patriot a Saturday, September 08, 2012 1:30:15 PM Page 100 © 2006 Mitchell Repair Information Company, LLC.
  • 274.
    Fig. 147: SeatingWedge Tool Courtesy of CHRYSLER LLC 12. Lightly tap Locking Wedge 9701 (2) into place until it will no longer sink down. Fig. 148: Front Cam Cap Removal Sequence Courtesy of CHRYSLER LLC NOTE: Camshaft bearing caps should have been marked during engine manufacturing. For example, number one exhaust camshaft bearing is marked "E1>". CAUTION: DO NOT use a number stamp or a punch to mark camshaft bearing caps. Damage to bearing caps could occur. 2009 Jeep Patriot Limited 2009 ENGINE 2.0L - Service Information - Compass & Patriot a Saturday, September 08, 2012 1:30:15 PM Page 101 © 2006 Mitchell Repair Information Company, LLC.
  • 275.
    13. Using apermanent ink or paint marker, identify location and position on each camshaft bearing cap. 14. Remove the front camshaft bearing cap. 15. Slowly remove the remaining intake and exhaust camshaft bearing cap bolts one turn at a time. Fig. 149: Raise Intake Cam Courtesy of CHRYSLER LLC 16. Remove intake camshaft (1) by lifting the rear of the camshaft upward. Fig. 150: Roll Camshaft Courtesy of CHRYSLER LLC 17. Rotate the camshaft while lifting out of the front bearing cradle. 2009 Jeep Patriot Limited 2009 ENGINE 2.0L - Service Information - Compass & Patriot a Saturday, September 08, 2012 1:30:15 PM Page 102 © 2006 Mitchell Repair Information Company, LLC.
  • 276.
    Fig. 151: ChainRemoval Courtesy of CHRYSLER LLC 18. Lift the timing chain (2) off the sprocket (1). 19. Remove exhaust camshaft. 20. Secure timing chain with wire so that it does fall into the timing chain cover. Cleaning CLEANING Clean camshafts with a suitable solvent. Inspection INSPECTION 1. Inspect camshaft bearing journals for damage. If journals are damaged, check the cylinder head for damage. Also check cylinder head oil holes for clogging. 2. Check the cam lobe and bearing surfaces for abnormal wear and damage. Replace camshaft if defective. Installation INSTALLATION NOTE: If camshaft is replaced due to lobe wear or damage, always replace the lash buckets. 2009 Jeep Patriot Limited 2009 ENGINE 2.0L - Service Information - Compass & Patriot a Saturday, September 08, 2012 1:30:15 PM Page 103 © 2006 Mitchell Repair Information Company, LLC.
  • 277.
    Fig. 152: CamCap Bearing Identification Courtesy of CHRYSLER LLC 1. The front camshaft bearing cap (1) is numbered (2) either one, two, or three, this corresponds to the select fit front exhaust camshaft bearing to use. Fig. 153: Cam Bearing Identification Courtesy of CHRYSLER LLC 2. Install the corresponding select fit front exhaust camshaft bearing (1). 3. Oil all of the camshaft journals with clean engine oil. 4. Install camshaft phasers on camshafts if removed. See Engine/Cylinder Head/ASSEMBLY, Variable Valve Timing - Installation. 2009 Jeep Patriot Limited 2009 ENGINE 2.0L - Service Information - Compass & Patriot a Saturday, September 08, 2012 1:30:15 PM Page 104 © 2006 Mitchell Repair Information Company, LLC.
  • 278.
    Fig. 154: TimingChain Timing Marks Courtesy of CHRYSLER LLC 5. Install timing chain onto exhaust cam sprocket making sure that the timing marks (1) on the sprocket and the painted chain link are aligned. 6. Position exhaust camshaft and on bearing journals in the cylinder head. 7. Align exhaust cam timing mark (3) so it is in line with the cylinder head cover sealing surface (2). Fig. 155: Raise Intake Cam Courtesy of CHRYSLER LLC 8. Install intake camshaft by raising the rear of the camshaft upward and roll the sprocket into the chain. 2009 Jeep Patriot Limited 2009 ENGINE 2.0L - Service Information - Compass & Patriot a Saturday, September 08, 2012 1:30:15 PM Page 105 © 2006 Mitchell Repair Information Company, LLC.
  • 279.
    Fig. 156: TimingChain Timing Marks Courtesy of CHRYSLER LLC 9. Align the timing marks (1) on the intake cam sprocket with the painted chain link. 10. Position the intake camshaft into the bearing journals in the cylinder head. 11. Verify that the timing marks (1) are aligned on both camshafts and that the timing marks (3) are facing each other and are in line with the cylinder head cover sealing surface (2). CAUTION: Install the front intake and exhaust camshaft bearing cap last. Ensure that the dowels are seated and follow torque sequence or damage to engine could result. NOTE: If the front camshaft bearing cap is broken, the cylinder head MUST be replaced. 2009 Jeep Patriot Limited 2009 ENGINE 2.0L - Service Information - Compass & Patriot a Saturday, September 08, 2012 1:30:15 PM Page 106 © 2006 Mitchell Repair Information Company, LLC.
  • 280.
    Fig. 157: CamCap Torque Sequence Courtesy of CHRYSLER LLC 12. Install intake and exhaust camshaft bearing caps and slowly tighten bolts to 9.5 N.m (85 in. lbs.) in the sequence shown in illustration. Fig. 158: Front Cam Cap Torque Sequence Courtesy of CHRYSLER LLC 13. Install the front intake and exhaust bearing cap and tighten bolts to 25 N.m (18 ft. lbs.) in the sequence shown in illustration. NOTE: Verify that the exhaust bearing shells are correctly installed, and the dowels are seated in the head, prior to torquing bolts. 2009 Jeep Patriot Limited 2009 ENGINE 2.0L - Service Information - Compass & Patriot a Saturday, September 08, 2012 1:30:15 PM Page 107 © 2006 Mitchell Repair Information Company, LLC.
  • 281.
    Fig. 159: TimingChain Timing Marks Courtesy of CHRYSLER LLC 14. Verify that all timing marks (1, 3) are aligned. 15. Remove Allen wrench from timing chain tensioner. Fig. 160: Wedge Tool Courtesy of CHRYSLER LLC 16. Remove Locking Wedge 9701 (1) by pulling straight upward on pull rope. 2009 Jeep Patriot Limited 2009 ENGINE 2.0L - Service Information - Compass & Patriot a Saturday, September 08, 2012 1:30:15 PM Page 108 © 2006 Mitchell Repair Information Company, LLC.
  • 282.
    Fig. 161: TensionerAccess Plug Courtesy of CHRYSLER LLC 17. Apply MOPAR® thread sealant to timing tensioner plug (1) and Install. 18. Rotate the crankshaft CLOCKWISE two complete revolutions until the crankshaft is repositioned at the TDC position. Fig. 162: Camshaft Timing Courtesy of CHRYSLER LLC 19. Verify that the camshafts timing marks (3) are in the proper position and in line with the cylinder head cover sealing surface. If the marks do not line up, the timing chain is not correctly installed. 20. Install right splash shield. Refer to Body/Exterior/SHIELD, Splash - Installation . 2009 Jeep Patriot Limited 2009 ENGINE 2.0L - Service Information - Compass & Patriot a Saturday, September 08, 2012 1:30:15 PM Page 109 © 2006 Mitchell Repair Information Company, LLC.
  • 283.
    Fig. 163: GasketLocation Courtesy of CHRYSLER LLC 21. Remove RTV from gasket (1). 22. Inspect cylinder head cover gaskets (1, 2) for damage. If no damage is present, gaskets can be re-installed. Fig. 164: Torque Sequence Courtesy of CHRYSLER LLC 23. Install cylinder head cover. See Engine/Cylinder Head/COVER(S), Cylinder Head - Installation. 24. Connect negative battery cable. 25. Fill cooling system. Refer to Cooling - Standard Procedure . 26. Fill with oil. 2009 Jeep Patriot Limited 2009 ENGINE 2.0L - Service Information - Compass & Patriot a Saturday, September 08, 2012 1:30:15 PM Page 110 © 2006 Mitchell Repair Information Company, LLC.
  • 284.
    Fig. 165: EngineCover Courtesy of CHRYSLER LLC 27. Operate engine until it reaches normal operating temperature. Check oil and cooling systems for correct fluid levels. 28. Install engine cover (1). COVER(S), CYLINDER HEAD Removal REMOVAL 2009 Jeep Patriot Limited 2009 ENGINE 2.0L - Service Information - Compass & Patriot a Saturday, September 08, 2012 1:30:15 PM Page 111 © 2006 Mitchell Repair Information Company, LLC.
  • 285.
    Fig. 166: EngineCover - 2.0L Courtesy of CHRYSLER LLC 1. Remove engine cover (1) by pulling upward. 2. Disconnect and isolate the negative battery cable. Fig. 167: Coil Connector Courtesy of CHRYSLER LLC 3. Remove make up air hose (2). 4. Remove PCV hose (5). 5. Disconnect ignition coil electrical connectors (1). Fig. 168: Torque Sequence Courtesy of CHRYSLER LLC 2009 Jeep Patriot Limited 2009 ENGINE 2.0L - Service Information - Compass & Patriot a Saturday, September 08, 2012 1:30:15 PM Page 112 © 2006 Mitchell Repair Information Company, LLC.
  • 286.
    6. Use compressedair to blow dirt and debris off the cylinder head cover prior to removal. 7. Remove cylinder head cover bolts. 8. Remove cylinder head cover from cylinder head. Installation INSTALLATION Fig. 169: Gasket Location Courtesy of CHRYSLER LLC 1. Install new cylinder head cover gaskets (1, 2). Fig. 170: Stud Location Courtesy of CHRYSLER LLC 2009 Jeep Patriot Limited 2009 ENGINE 2.0L - Service Information - Compass & Patriot a Saturday, September 08, 2012 1:30:15 PM Page 113 © 2006 Mitchell Repair Information Company, LLC.
  • 287.
    2. Install studsin cover as shown in illustration. Fig. 171: CYL Head T-Joint Courtesy of CHRYSLER LLC 3. Clean all RTV from cylinder head. See Engine - Standard Procedure. 4. Apply a dot of Mopar® engine sealant RTV or equivalent to cylinder head/front cover T-joint (1). NOTE: When using RTV, the sealing surfaces must be clean and free from grease and oil. NOTE: When using RTV, parts should be assembled in 10 minutes and tighten to final torque within 45 minutes. 2009 Jeep Patriot Limited 2009 ENGINE 2.0L - Service Information - Compass & Patriot a Saturday, September 08, 2012 1:30:15 PM Page 114 © 2006 Mitchell Repair Information Company, LLC.
  • 288.
    Fig. 172: TorqueSequence Courtesy of CHRYSLER LLC 5. Install cylinder head cover assembly to cylinder head and install all bolts, ensuring the studs are located as shown in illustration. 6. Tighten bolts in sequence shown in illustration using a 2 step torque method as follows: a. Tighten all bolts to 5 N.m (44 in. lbs.). b. Tighten all bolts to 10 N.m (90 in. lbs.). Fig. 173: Coil Connector Courtesy of CHRYSLER LLC 7. Install ignition coils. Tighten fasteners to 8 N.m (70 in. lbs.). 8. If the PCV valve was removed, tighten PCV valve to 5 N.m (44 in. lbs.). 9. Connect coil electrical connectors (1). 2009 Jeep Patriot Limited 2009 ENGINE 2.0L - Service Information - Compass & Patriot a Saturday, September 08, 2012 1:30:15 PM Page 115 © 2006 Mitchell Repair Information Company, LLC.
  • 289.
    10. Connect PCVhose (5) to PCV valve. 11. Connect make up air hose (2). Fig. 174: Engine Cover - 2.0L Courtesy of CHRYSLER LLC 12. Connect negative battery cable. 13. Install engine cover (1) by pressing the rear of the cover down first. SPRING(S), VALVE Removal CYLINDER HEAD ON 2009 Jeep Patriot Limited 2009 ENGINE 2.0L - Service Information - Compass & Patriot a Saturday, September 08, 2012 1:30:15 PM Page 116 © 2006 Mitchell Repair Information Company, LLC.
  • 290.
    Fig. 175: TDC Courtesyof CHRYSLER LLC 1. Rotate crankshaft until piston is at TDC on compression. Fig. 176: Torque Sequence Courtesy of CHRYSLER LLC 2. Remove cylinder head cover. See Engine/Cylinder Head/COVER(S), Cylinder Head - Removal). 3. Remove camshafts. See Engine/Cylinder Head/CAMSHAFT, Engine - Removal). 4. Mark valve tappet location for assembly. 5. Remove valve tappets. 6. With air hose attached to adapter tool installed in spark plug hole, apply 90-120 psi air pressure. 2009 Jeep Patriot Limited 2009 ENGINE 2.0L - Service Information - Compass & Patriot a Saturday, September 08, 2012 1:30:15 PM Page 117 © 2006 Mitchell Repair Information Company, LLC.
  • 291.
    Fig. 177: ValveRemoval Courtesy of CHRYSLER LLC 7. Using metric valve keeper tool (1) such as Snap-on® GA317 (or equivalent), and remove valve spring keepers and retainer. 8. Remove valve spring(s). 9. Remove valve stem seal(s) by a using valve stem seal tool. CYLINDER HEAD OFF Fig. 178: Valve Removal Courtesy of CHRYSLER LLC CAUTION: Care must be taken not to damage the tappet bore or engine damage may result. 2009 Jeep Patriot Limited 2009 ENGINE 2.0L - Service Information - Compass & Patriot a Saturday, September 08, 2012 1:30:15 PM Page 118 © 2006 Mitchell Repair Information Company, LLC.
  • 292.
    1. With cylinderhead removed from cylinder block, place a ball of rags in the combustion chamber. 2. Mark valve tappet location for assembly. 3. Remove valve tappets. 4. Using metric valve keeper tool such as Snap-on® GA317 (or equivalent) remover (1), remove valve keepers with a downward push. 5. Remove retainer and springs. 6. Before removing valves, remove any burrs from valve stem lock grooves to prevent damage to the valve guides. Identify valves, locks and retainers to insure installation in original location. 7. Inspect the valves. See Engine/Cylinder Head/SPRING(S), Valve - Inspection. Inspection INSPECTION 1. Whenever valves have been removed for inspection, reconditioning or replacement, valve springs should be tested for correct load. Discard the springs that do not meet specifications. The following specifications apply to both intake and exhaust valves springs: Valve closed nominal load - 179.5 N ± 9 N @ 35.0 mm (40.35 lbs. ± 2 lbs. @ 1.38 in.). Valve open nominal load - 364.8 N ± 17 N @ 29.25 mm (82 lbs. ± 3.8 lbs. @ 1.152 in.). 2. Inspect each valve spring for squareness with a steel square and surface plate, test springs from both ends. If the spring is more than 1.5 mm (1/16 inch) out of square, install a new spring. Installation CYLINDER HEAD ON CAUTION: Care must be taken not to damage the tappet bore or engine damage may result. CAUTION: Care must be taken not to damage the tappet bore or engine damage may result. 2009 Jeep Patriot Limited 2009 ENGINE 2.0L - Service Information - Compass & Patriot a Saturday, September 08, 2012 1:30:15 PM Page 119 © 2006 Mitchell Repair Information Company, LLC.
  • 293.
    Fig. 179: ValveSpring Assembly Courtesy of CHRYSLER LLC 1. Install valve seal/valve spring seat (3) assembly. Push the assembly down with appropriate size socket to seat it onto the valve guide. 2. Install valve spring (2) and retainer (4) with keepers (1). Fig. 180: Valve Installation Courtesy of CHRYSLER LLC 3. Place the valve keepers in the retainer. Using metric valve keeper tool such as Snap-on® GA317 (or 1 - VALVE RETAINING LOCKS 2 - VALVE SPRING 3 - VALVE SEAL AND VALVE SPRING SEAT ASSEMBLY 4 - VALVE SPRING RETAINER 2009 Jeep Patriot Limited 2009 ENGINE 2.0L - Service Information - Compass & Patriot a Saturday, September 08, 2012 1:30:15 PM Page 120 © 2006 Mitchell Repair Information Company, LLC.
  • 294.
    equivalent) installer (2)and remover (1) as a handle, install valve keepers with a downward push. 4. Remove air hose and install spark plugs. 5. Install valve tappets. 6. Install camshafts. See Engine/Cylinder Head/CAMSHAFT, Engine - Installation. 7. Install cylinder head cover. See Engine/Cylinder Head/COVER(S), Cylinder Head - Installation. CYLINDER HEAD OFF Fig. 181: Valve Spring Assembly Courtesy of CHRYSLER LLC 1. Coat valve stems with clean engine oil and insert in cylinder head. 2. Install new valve stem seals (3) on all valves using an appropriate sized socket to seat the seal/spring seat. The valve stem seals should be pushed firmly and squarely over valve guide. 3. Install valve springs (2). 4. Install keepers in retainer and place on valve spring. CAUTION: Care must be taken not to damage the tappet bore or engine damage may result. 2009 Jeep Patriot Limited 2009 ENGINE 2.0L - Service Information - Compass & Patriot a Saturday, September 08, 2012 1:30:15 PM Page 121 © 2006 Mitchell Repair Information Company, LLC.
  • 295.
    Fig. 182: ValveInstallation Courtesy of CHRYSLER LLC 5. Using metric valve keeper tool such as Snap-on® GA317 (or equivalent) installer (2) and remover (1) as a handle, push downward to install keepers. Fig. 183: Spring Installed Height & Valve Tip to Spring Seat Dimensions Courtesy of CHRYSLER LLC 6. Check the valve spring installed height B after refacing the valve and seat. Make sure measurements are taken from top of spring seat to the bottom surface of spring retainer. If height is greater than 38.75 mm (1.525 in.), install a 0.762 mm (0.030 in.) spacer under the valve spring seat to bring spring height back within specification. 7. Install valve tappets. VALVES, INTAKE AND EXHAUST 1 - GARTER SPRING 2 - VALVE SPRING SEAT 3 - CYLINDER HEAD SURFACE 2009 Jeep Patriot Limited 2009 ENGINE 2.0L - Service Information - Compass & Patriot a Saturday, September 08, 2012 1:30:15 PM Page 122 © 2006 Mitchell Repair Information Company, LLC.
  • 296.
    Description DESCRIPTION The valves aremade of heat resistant steel. They have nitrided stems to prevent scuffing. Viton rubber valve stem seals are integral with the spring seats. The valves have single bead lock keepers to retain the springs. Operation OPERATION The four valves per cylinder (two intake and two exhaust) are opened by using direct acting tappets which are actuated by the camshaft. Cleaning CLEANING Clean all valves thoroughly and discard burned, warped and cracked valves. ENGINE BLOCK DESCRIPTION DESCRIPTION The die cast aluminum cylinder block is a two-piece assembly, consisting of the cylinder block and ladder frame. The block is an open deck design with cast in place cast iron cylinder liners. The cast iron cylinder liners are recessed below the aluminum deck surface. The ladder frame bolts to the cylinder block and does not incorporate the main bearing caps. This design offers a much stronger lower end and increased cylinder block and transaxle rigidity. The rear oil seal retainer is integral with the block and ladder frame. The ladder frame and block are serviced as an assembly. CAUTION: Due to the small margin on the valves, grinding is not recommended. 2009 Jeep Patriot Limited 2009 ENGINE 2.0L - Service Information - Compass & Patriot a Saturday, September 08, 2012 1:30:15 PM Page 123 © 2006 Mitchell Repair Information Company, LLC.
  • 297.
    Fig. 184: SerialNumber Courtesy of CHRYSLER LLC The engine serial number is located on the bottom of the ladder frame just behind the oil pan. The date can be seen with the oil pan in place. STANDARD PROCEDURE CYLINDER BORE HONING Fig. 185: Cylinder Bore Cross-Hatch Pattern Courtesy of CHRYSLER LLC 1 - CROSS-HATCH PATTERN 2009 Jeep Patriot Limited 2009 ENGINE 2.0L - Service Information - Compass & Patriot a Saturday, September 08, 2012 1:30:15 PM Page 124 © 2006 Mitchell Repair Information Company, LLC.
  • 298.
    1. Deglazing ofthe cylinder walls may be done using a quality commercially available flex hone, if the cylinder bore is straight and round. 20-60 strokes depending on the bore condition, will be sufficient to provide a satisfactory surface. Use a light honing oil. Do not use engine or transmission oil, mineral spirits or kerosene. Inspect cylinder walls after each 20 strokes. 2. Honing should be done by moving the hone up and down fast enough to get a cross-hatch pattern. When hone marks intersect at 30-50 degrees, the cross hatch angle is most satisfactory for proper seating of rings. 3. A controlled hone motor speed between 200-300 RPM is necessary to obtain the proper cross-hatch angle. The number of up and down strokes per minute can be regulated to get the desired 30-50 degree angle. Faster up and down strokes increase the cross-hatch angle. 4. After honing, it is necessary that the block be cleaned again to remove all traces of abrasive. CLEANING CLEANING Clean cylinder block thoroughly using a suitable cleaning solvent. INSPECTION INSPECTION ENGINE BLOCK 1. Clean cylinder block thoroughly and check all core hole plugs for evidence of leaking. 2. Examine block and cylinder bores for cracks or fractures. 3. Check block deck surfaces for flatness. Deck surface must be within service limit of 0.050 mm (0.002 in.). CYLINDER BORE 2 - 40°-60° CAUTION: Ensure all abrasives are removed from engine parts after honing. It is recommended that a solution of soap and hot water be used with a brush and the parts then thoroughly dried. The bore can be considered clean when it can be wiped clean with a white cloth and cloth remains clean. Oil the bores after cleaning to prevent rusting. 2009 Jeep Patriot Limited 2009 ENGINE 2.0L - Service Information - Compass & Patriot a Saturday, September 08, 2012 1:30:15 PM Page 125 © 2006 Mitchell Repair Information Company, LLC.
  • 299.
    Fig. 186: CheckingCylinder Bore Size Courtesy of CHRYSLER LLC The cylinder walls should be checked for out-of-round and taper with Cylinder Indicator C119 or equivalent. See Engine - Specifications. If the cylinder walls are badly scuffed or scored, the cylinder block should be replaced, and new pistons and rings fitted. Measure the cylinder bore at three levels in directions A and B. Top measurement should be 10 mm (3/8 in.) down and bottom measurement should be 10 mm (3/8 in.) up from bottom of bore. See Engine - Specifications. BEARING(S), CONNECTING ROD Standard Procedure CONNECTING ROD - FITTING NOTE: The cylinder bores should be measured at normal room temperature, 21°C (70° F). 2009 Jeep Patriot Limited 2009 ENGINE 2.0L - Service Information - Compass & Patriot a Saturday, September 08, 2012 1:30:15 PM Page 126 © 2006 Mitchell Repair Information Company, LLC.
  • 300.
    Fig. 187: ConnectingRod Bearing Identification Courtesy of CHRYSLER LLC There are three different sizes of rod bearings available. Connecting rod bearing identification (4) can be found on the nose of the crankshaft (3). Use the table below for proper bearing selection. CONNECTING ROD BEARING SELECTION CRANKSHAFT PIN DIAMETER GRADE DIMENSION CONNECTING ROD BEARING CLASSIFICATION CONNECTING ROD BEARING DIMENSION 1 48 mm 1 (Black) 1.5 mm 2 48 mm 2 (No Color) 1.5 mm 3 48 mm 3 (Green) 1.5 mm 2009 Jeep Patriot Limited 2009 ENGINE 2.0L - Service Information - Compass & Patriot a Saturday, September 08, 2012 1:30:15 PM Page 127 © 2006 Mitchell Repair Information Company, LLC.
  • 301.
    Fig. 188: ConnectingRod Bearing Clearance - Typical Courtesy of CHRYSLER LLC 1. For measuring connecting rod bearing clearance procedure and use of Plastigage, see Engine - Standard Procedure. For bearing clearance, see Engine - Specifications. 2. Before installing the NEW rod bolts the threads and under the bolt head should be oiled with clean engine oil. 3. Install each bolt finger tight then alternately tighten each bolt to assemble the cap properly. 4. Tighten the connecting rod bolts using the 2 step torque-turn method. Tighten according to the following values: Tighten the bolts to 20 N.m (15 ft. lbs.). Tighten the connecting rod bolts an additional 90°. Fig. 189: Connecting Rod Side Clearance Courtesy of CHRYSLER LLC 5. Using a feeler gauge, check connecting rod side clearance. For clearance specifications, see Engine - Specifications. BEARING(S), CRANKSHAFT, MAIN Standard Procedure MAIN BEARING SELECTION NOTE: The rod bolts should not be reused. CAUTION: Do not use a torque wrench for the second step. 2009 Jeep Patriot Limited 2009 ENGINE 2.0L - Service Information - Compass & Patriot a Saturday, September 08, 2012 1:30:15 PM Page 128 © 2006 Mitchell Repair Information Company, LLC.
  • 302.
    Fig. 190: LowerMain Bearing Identification Courtesy of CHRYSLER LLC The lower main bearing identification (2) is stamped in the nose of the crankshaft (3). There are 5 different bearing sizes available 0 through 4. NOTE: There are three different possibilities for the upper main bearings and five different lower main bearings. The upper and lower bearing shells are not interchangeable. CRANKSHAFT IDENTIFICATION LOWER CRANKSHAFT BEARING SELECTION JOURNAL DIAMETER GRADE DIMENSION LOWER MAIN BEARING SIZE CLASSIFICATION LOWER MAIN BEARING DIMENSION 0 52 mm, -0.012 to - 0.015 mm 0 (Pink or Red) 2 mm, 0 to -0.003 mm 1 52 mm, -0.015 to - 0.018 mm 1 (Black) 2 mm, +0.003 to 0 mm 2 52 mm, -0.018 to - 0.021 mm 2 (No Color) 2 mm, +0.006 to +0.003 mm 3 52 mm, -0.021 to - 0.024 mm 3 (Green) 2 mm, +0.009 to +0.006 mm 4 52 mm, -0.024 to - 0.027 mm 4 (Blue) 2 mm, +0.012 to +0.009 mm 2009 Jeep Patriot Limited 2009 ENGINE 2.0L - Service Information - Compass & Patriot a Saturday, September 08, 2012 1:30:15 PM Page 129 © 2006 Mitchell Repair Information Company, LLC.
  • 303.
    Fig. 191: UpperMain Bearing Shell Identification Courtesy of CHRYSLER LLC The upper main bearing shell identification (1) is located in the middle of cylinder block on the right side of the engine. There are three different size bearings available. The bearing class is read downward from top and corresponds to the front journal to the rear journal on the bottom. UPPER MAIN BEARING SELECTION CRANKSHAFT Standard Procedure MEASURING CRANKSHAFT END PLAY CYLINDER BLOCK IDENTIFICATION UPPER CRANKSHAFT BEARING SELECTION MAIN BEARING GRADE DIMENSION UPPER MAIN BEARING SIZE CLASSIFICATION UPPER MAIN BEARING DIMENSION 1 56.000<56.006 mm 1 (Black) 2 mm, 0 to -0.006 mm 2 56.006<56.012 mm 2 (No Color) 2 mm, +0.006 to 0 mm 3 56.012<56.018 mm 3 (Green) 2 mm, +0.012 to +0.006 mm 2009 Jeep Patriot Limited 2009 ENGINE 2.0L - Service Information - Compass & Patriot a Saturday, September 08, 2012 1:30:15 PM Page 130 © 2006 Mitchell Repair Information Company, LLC.
  • 304.
    Fig. 192: CheckingCrankshaft End Play - Dial Indicator Courtesy of CHRYSLER LLC 1. Mount a dial indicator (2) to front of engine with the locating probe on nose of crankshaft (1). 2. Move crankshaft all the way to the rear of its travel. 3. Zero the dial indicator. 4. Move crankshaft all the way to the front and read the dial indicator. See Engine - Specifications for end play specification. Removal REMOVAL 1 - Crankshaft 2 - DIAL INDICATOR 2009 Jeep Patriot Limited 2009 ENGINE 2.0L - Service Information - Compass & Patriot a Saturday, September 08, 2012 1:30:15 PM Page 131 © 2006 Mitchell Repair Information Company, LLC.
  • 305.
    Fig. 193: FlexPlate Courtesy of CHRYSLER LLC 1. Remove engine assembly from vehicle. See Engine - Removal. 2. Separate transaxle from engine. 3. Remove flex plate/flywheel (1). 4. Remove crankshaft rear oil seal. See Engine/Engine Block/SEAL, Crankshaft Oil - Removal. Fig. 194: Lift Chain Courtesy of CHRYSLER LLC NOTE: Crankshaft can not be removed when engine is in vehicle. 2009 Jeep Patriot Limited 2009 ENGINE 2.0L - Service Information - Compass & Patriot a Saturday, September 08, 2012 1:30:15 PM Page 132 © 2006 Mitchell Repair Information Company, LLC.
  • 306.
    5. Remove enginefrom lift chain (1) and mount engine on a suitable repair stand. Fig. 195: Oil Drain Plug Courtesy of CHRYSLER LLC 6. Drain engine oil (2). Fig. 196: Oil Filter Courtesy of CHRYSLER LLC 7. Remove oil filter (1). 2009 Jeep Patriot Limited 2009 ENGINE 2.0L - Service Information - Compass & Patriot a Saturday, September 08, 2012 1:30:15 PM Page 133 © 2006 Mitchell Repair Information Company, LLC.
  • 307.
    Fig. 197: RightEngine Mount Bracket Courtesy of CHRYSLER LLC 8. Remove crankshaft vibration damper (2). See Engine/Engine Block/DAMPER, Vibration - Removal. 9. Remove water pump pulley (3). 10. Remove engine mount support bracket (1). Fig. 198: Oil Pan Removal Courtesy of CHRYSLER LLC 11. Remove the oil pan (2). See Engine/Lubrication/PAN, Oil - Removal. 12. Remove timing chain cover. See Engine/Valve Timing/COVER(S), Engine Timing - Removal. 13. Remove the timing chain. See Engine/Valve Timing/CHAIN and SPROCKETS, Timing - Removal. 14. Remove balance shaft module. 2009 Jeep Patriot Limited 2009 ENGINE 2.0L - Service Information - Compass & Patriot a Saturday, September 08, 2012 1:30:15 PM Page 134 © 2006 Mitchell Repair Information Company, LLC.
  • 308.
    Fig. 199: CrankshaftSprocket Courtesy of CHRYSLER LLC 15. Remove the crankshaft sprocket (1). Fig. 200: Crankshaft Position Sensor Courtesy of CHRYSLER LLC 16. Remove crankshaft position sensor retaining bolt (1) and remove sensor (2). 17. Remove ladder frame. See Engine/Engine Block/FRAME, Ladder - Removal. 2009 Jeep Patriot Limited 2009 ENGINE 2.0L - Service Information - Compass & Patriot a Saturday, September 08, 2012 1:30:15 PM Page 135 © 2006 Mitchell Repair Information Company, LLC.
  • 309.
    Fig. 201: IdentifyConnecting Rod To Cylinder-Typical Courtesy of CHRYSLER LLC 18. Using a permanent ink or paint marker, identify cylinder number on each connecting rod and cap. 19. Remove all connecting rod bolts and caps. Care should be taken not to damage the fracture rod and cap surfaces. Fig. 202: Main Bearing Cap Torque Sequence Courtesy of CHRYSLER LLC NOTE: If piston/connecting rod replacement is necessary, remove cylinder head. See Engine/Cylinder Head - Removal. CAUTION: DO NOT use a number stamp or a punch to mark connecting rods. Damage to connecting rod could occur. NOTE: Do not reuse connecting rod bolts. 2009 Jeep Patriot Limited 2009 ENGINE 2.0L - Service Information - Compass & Patriot a Saturday, September 08, 2012 1:30:15 PM Page 136 © 2006 Mitchell Repair Information Company, LLC.
  • 310.
    20. Remove mainbearing caps. 21. Lift out crankshaft from cylinder block. Do not damage the main bearings or journals when removing the crankshaft. Inspection INSPECTION Fig. 203: Crankshaft Journal Measurements - Typical Courtesy of CHRYSLER LLC The crankshaft main journals should be checked for excessive wear, taper and scoring. Limits of taper on any crankshaft main journals should be held to 0.006 mm (0.00024 in.). Limits of taper on any crankshaft rod journals should be held to 0.005 mm (0.0002 in.). DO NOT nick crank pin or bearing fillets. Limits of out of round on any crankshaft journals should be held to 0.005 mm (0.0002 in). DO NOT nick crank pin or bearing fillets. Installation INSTALLATION CAUTION: Use extreme care when handling crankshaft. Tone wheel damage can occur if crankshaft is mis-handled. 2009 Jeep Patriot Limited 2009 ENGINE 2.0L - Service Information - Compass & Patriot a Saturday, September 08, 2012 1:30:15 PM Page 137 © 2006 Mitchell Repair Information Company, LLC.
  • 311.
    Fig. 204: BearingIdentification Courtesy of CHRYSLER LLC The crankshaft is supported in five main bearings. All upper bearing shells (2) in the crankcase have oil grooves and holes. All lower bearing shells (1) are smooth. Crankshaft end play is controlled by a two piece thrust bearing (3) on the number three main bearing journal. 1. Clean main bearing cap bolt holes with Mopar® brake parts cleaner or equivalent and blow out with compressed air. 2. Install the main bearing upper (2) shells with the lubrication groove and oil hole in the engine block. 3. Make certain oil holes in block line up with oil hole in bearings and bearing tabs seat in the block tab slots. Fig. 205: Target Wheel Courtesy of CHRYSLER LLC 2009 Jeep Patriot Limited 2009 ENGINE 2.0L - Service Information - Compass & Patriot a Saturday, September 08, 2012 1:30:15 PM Page 138 © 2006 Mitchell Repair Information Company, LLC.
  • 312.
    4. Clean crankshaftand target ring with MOPAR® Brake Parts cleaner and dry with compressed air to ensure that the crankshaft mating surface and target ring mounting holes are free from oil and lock patch debris. 5. Install NEW mounting screws finger tight starting with the #1 location. Make sure engagement occurs with the shoulder of the screws and mounting hole before starting all other screws. 6. Tighten all mounting screws to 13 N.m (110 in-lbs) in the sequence shown in illustration. Fig. 206: Installing Thrust Bearing Courtesy of CHRYSLER LLC 7. Install thrust bearings (2) in block (1). NOTE: If the crankshaft is sent out for machine work, it must be balanced as an assembly with the target ring installed. NOTE: Always use NEW mounting screws whether installing original or new target ring. NOTE: Lightly apply trans gel to thrust bearings to hold bearings in block. NOTE: The thrust bearings must be installed the notches facing the crankshaft. CAUTION: Do not get oil on the ladder frame mating surface. It will affect the ability of the RTV to seal the ladder frame to cylinder block. NOTE: Ensure main bearing cap bolt holes in the block are clean, dry (free of residual oil or coolant), and threads are not damaged. 2009 Jeep Patriot Limited 2009 ENGINE 2.0L - Service Information - Compass & Patriot a Saturday, September 08, 2012 1:30:15 PM Page 139 © 2006 Mitchell Repair Information Company, LLC.
  • 313.
    8. Oil thebearings and journals. Install crankshaft in engine block. Fig. 207: Bearing Identification Courtesy of CHRYSLER LLC 9. Install lower main bearings (1) into main bearing cap. Make certain the bearing tabs are seated into the bearing cap slots. 10. Install main bearing caps to engine block. 11. Before installing the bolts the threads should be clean and dry. 12. Loosely install main bearing cap bolts. 13. To ensure correct thrust bearing alignment, perform the following steps: NOTE: Main bearing caps are stamped 1 - 5 front to rear. Arrows on the caps must point towards the front of the engine. CAUTION: There are different sets main bolts supplied with this engine. Each bolt set has a different torque value and engine damage could result if bolts are not torqued correctly. The bolts are not interchangeable. 2009 Jeep Patriot Limited 2009 ENGINE 2.0L - Service Information - Compass & Patriot a Saturday, September 08, 2012 1:30:15 PM Page 140 © 2006 Mitchell Repair Information Company, LLC.
  • 314.
    Fig. 208: MainBolt Identification Courtesy of CHRYSLER LLC Step 1: Rotate crankshaft until number 4 piston is at TDC. Step 2: Move crankshaft rearward to limits of travel. Step 3: Then, move crankshaft forward to limits of travel. Step 4: Wedge an appropriate tool between the rear of the cylinder block and the rear crankshaft counterweight. This will hold the crankshaft in its furthest forward position. 14. If your bolt heads look like this (1, 2), go to step 15. If your bolt heads do not look like this (1, 2), go to step 16. Fig. 209: Main Bearing Cap Torque Sequence Courtesy of CHRYSLER LLC CAUTION: Before tightening bolts, you must identify the bolt head to obtain the correct torque value. Failure to identify the bolts correctly, could 2009 Jeep Patriot Limited 2009 ENGINE 2.0L - Service Information - Compass & Patriot a Saturday, September 08, 2012 1:30:15 PM Page 141 © 2006 Mitchell Repair Information Company, LLC.
  • 315.
    15. Tighten boltsusing a three step method, in the sequence shown in illustration. Tighten bolts to 15 N.m (11 ft. lbs.) Tighten bolts to 27 N.m (20 ft. lbs.) Rotate an additional 45°. 16. Tighten bolts using a three step method, in the sequence shown in illustration. Tighten bolts to 15 N.m (11 ft. lbs.) Tighten bolts to 45 N.m (33 ft. lbs.) Rotate an additional 45°. 17. Remove wedge tool used to hold crankshaft. 18. Check the crankshaft turning torque, it should not exceed 5.6 N.m (50 in. lbs.). 19. Check crankshaft end play. See Engine/Engine Block/CRANKSHAFT - Standard Procedure. 20. Install connecting rod bearings and caps. Do Not Reuse Connecting Rod Bolts . Tighten connecting rod bolts to 20 N.m + 90° (15 ft. lbs.) + 90°. See Engine/Engine Block/ROD, Piston and Connecting - Installation. 21. Install the ladder frame assembly. See Engine/Engine Block/FRAME, Ladder - Installation. 22. Install the balance shaft module. See Engine/Lubrication/PUMP, Engine Oil - Installation. Fig. 210: Crankshaft Position Sensor Courtesy of CHRYSLER LLC 23. Install crankshaft position sensor (2) and tighten bolt (1). 24. Install cylinder head if it was removed. See Engine/Cylinder Head - Installation. result in improperly tightened bolts which could result in engine damage. 2009 Jeep Patriot Limited 2009 ENGINE 2.0L - Service Information - Compass & Patriot a Saturday, September 08, 2012 1:30:15 PM Page 142 © 2006 Mitchell Repair Information Company, LLC.
  • 316.
    Fig. 211: CrankshaftSprocket Courtesy of CHRYSLER LLC 25. Install front crankshaft sprocket (1). 26. Install the timing chain. See Engine/Valve Timing/CHAIN and SPROCKETS, Timing - Installation. 27. Install the timing chain front cover. See Engine/Valve Timing/COVER(S), Engine Timing - Installation. 28. Install the oil pan. See Engine/Lubrication/PAN, Oil - Installation. 29. Install rear crankshaft oil seal. See Engine/Engine Block/SEAL, Crankshaft Oil - Installation. 30. Install front crankshaft oil seal. See Engine/Engine Block/SEAL, Crankshaft Oil - Installation. Fig. 212: Right Engine Mount Bracket Courtesy of CHRYSLER LLC 2009 Jeep Patriot Limited 2009 ENGINE 2.0L - Service Information - Compass & Patriot a Saturday, September 08, 2012 1:30:15 PM Page 143 © 2006 Mitchell Repair Information Company, LLC.
  • 317.
    31. Install enginemount support bracket (1). 32. Install crankshaft vibration damper (2). See Engine/Engine Block/DAMPER, Vibration - Installation. 33. Install water pump pulley (3). Fig. 213: Lift Chain Courtesy of CHRYSLER LLC 34. Remove engine from repair stand and install engine lift chain (1). 35. Install crankshaft rear oil seal. See Engine/Engine Block/SEAL, Crankshaft Oil - Installation. 36. Install drive plate/flex plate using new bolts. Tighten bolts to 95 N.m (70 ft. lbs.). 37. Attach transaxle to engine. Tighten bellhousing bolts to 101 N.m (75 ft. lbs.). 38. Install the engine assembly. See Engine - Installation. 2009 Jeep Patriot Limited 2009 ENGINE 2.0L - Service Information - Compass & Patriot a Saturday, September 08, 2012 1:30:15 PM Page 144 © 2006 Mitchell Repair Information Company, LLC.
  • 318.
    Fig. 214: OilFilter Courtesy of CHRYSLER LLC 39. Install new oil filter (1) and fill with oil. 40. Fill with coolant. Refer to Cooling - Standard Procedure . 41. Start engine and check for leaks. 42. Install engine cover. DAMPER, VIBRATION Removal REMOVAL Fig. 215: Damper Removal Courtesy of CHRYSLER LLC 1. Remove accessory drive belts. Refer to Cooling/Accessory Drive/BELT, Serpentine - Removal . 2. Install Damper holder 9707 (1). 3. Remove crankshaft damper bolt. 4. Pull damper off crankshaft. Installation INSTALLATION 2009 Jeep Patriot Limited 2009 ENGINE 2.0L - Service Information - Compass & Patriot a Saturday, September 08, 2012 1:30:15 PM Page 145 © 2006 Mitchell Repair Information Company, LLC.
  • 319.
    Fig. 216: DamperRemoval Courtesy of CHRYSLER LLC 1. Install crankshaft damper. 2. Apply clean engine oil crankshaft damper bolt threads and between bolt head and washer. Tighten bolt to 210 N.m (155 ft. lbs.). 3. Install accessory drive belts. Refer to Cooling/Accessory Drive/BELT, Serpentine - Installation . FLEXPLATE Removal REMOVAL 2009 Jeep Patriot Limited 2009 ENGINE 2.0L - Service Information - Compass & Patriot a Saturday, September 08, 2012 1:30:15 PM Page 146 © 2006 Mitchell Repair Information Company, LLC.
  • 320.
    Fig. 217: FlexPlate Courtesy of CHRYSLER LLC 1. Remove transmission. Refer to Transmission and Transfer Case/Manual - Removal or Transmission and Transfer Case/Automatic - CVT - Removal 2. Remove flex plate bolts (3) and discard. 3. Remove washer (2). 4. Remove flex plate (1). Installation INSTALLATION Fig. 218: Flex Plate Courtesy of CHRYSLER LLC 1. Install flex plate (1). 2. Install washer (2). 3. Install new flex plate bolts (3) and tighten in a criss-cross pattern to 29 N.m (22 ft. lbs.) plus 51° rotation. 4. Install transaxle. Refer to Transmission and Transfer Case/Manual - Installation or Transmission and Transfer Case/Automatic - CVT - Installation FRAME, LADDER Removal REMOVAL 2009 Jeep Patriot Limited 2009 ENGINE 2.0L - Service Information - Compass & Patriot a Saturday, September 08, 2012 1:30:15 PM Page 147 © 2006 Mitchell Repair Information Company, LLC.
  • 321.
    Fig. 219: PryPoint 1 Courtesy of CHRYSLER LLC 1. Remove oil pan. See Engine/Lubrication/PAN, Oil - Removal. 2. Remove balance shaft assembly. See Engine/Lubrication/PUMP, Engine Oil - Removal. 3. Remove ladder frame retaining bolts. 4. Remove ladder frame using pry point cast in the rear of the block (1). Fig. 220: Pry Point 2 Courtesy of CHRYSLER LLC 5. To assist in removing the ladder frame another (1) pry point cast in the right side of the block. Cleaning 2009 Jeep Patriot Limited 2009 ENGINE 2.0L - Service Information - Compass & Patriot a Saturday, September 08, 2012 1:30:15 PM Page 148 © 2006 Mitchell Repair Information Company, LLC.
  • 322.
    CLEANING Clean ladder framewith a plastic or wooden scraper and a suitable solvent. See Engine - Standard Procedure. Installation INSTALLATION Fig. 221: Sealing Ladder Frame Courtesy of CHRYSLER LLC 1. Apply a 2 mm bead of Mopar® engine sealant RTV or equivalent as shown in illustration. NOTE: When using RTV, the sealing surfaces must be clean and free from grease and oil. NOTE: When using RTV, parts should be assembled in 10 minutes and tighten to final torque within 45 minutes. 2009 Jeep Patriot Limited 2009 ENGINE 2.0L - Service Information - Compass & Patriot a Saturday, September 08, 2012 1:30:15 PM Page 149 © 2006 Mitchell Repair Information Company, LLC.
  • 323.
    Fig. 222: LadderFrame Torque Courtesy of CHRYSLER LLC 2. Install bolts and tighten as shown in illustration following a two step method. First: All to 10 N.m (89 in. lbs.). Second: All to 26 N.m (19 ft. lbs.). 3. Install balance shaft module. See Engine/Lubrication/PUMP, Engine Oil - Installation. 4. Install oil pan. See Engine/Lubrication/PAN, Oil - Installation. RING(S), PISTON Standard Procedure PISTON RING - FITTING Fig. 223: Check Gap on Piston Rings 2009 Jeep Patriot Limited 2009 ENGINE 2.0L - Service Information - Compass & Patriot a Saturday, September 08, 2012 1:30:15 PM Page 150 © 2006 Mitchell Repair Information Company, LLC.
  • 324.
    Courtesy of CHRYSLERLLC 1. Wipe cylinder bore clean. Insert ring and push down with piston to ensure it is square in bore. The ring gap measurement must be made with the ring positioning at least 13 mm (0.50 inch) from bottom of cylinder bore and below the bottom of the oil ring travel where cylinder bore has minimal wear. Check gap with feeler gauge. Refer to Engine - Specifications. Fig. 224: Piston Ring To Groove Side Clearance Courtesy of CHRYSLER LLC 2. Check piston ring to groove side clearance. Refer to Engine - Specifications. Removal REMOVAL NOTE: Ring end gap measurements are sensitive to the ring being square in the bore. Care must be used to avoid tilting the rings in cylinder bores when taking measurements. CAUTION: Exercise care when using tools on piston. Do not scratch or gouge piston surface or ring grooves as this may cause engine damage. 2009 Jeep Patriot Limited 2009 ENGINE 2.0L - Service Information - Compass & Patriot a Saturday, September 08, 2012 1:30:15 PM Page 151 © 2006 Mitchell Repair Information Company, LLC.
  • 325.
    Fig. 225: PistonRings - Removing & Installing Courtesy of CHRYSLER LLC 1. Using a suitable ring expander, remove upper and intermediate piston rings. 2. Remove the upper oil ring side rail, lower oil ring side rail and then oil ring expander from piston. 3. Clean ring grooves of any carbon deposits. Installation INSTALLATION Fig. 226: Installing Side Rail Courtesy of CHRYSLER LLC NOTE: The identification mark on face of upper and intermediate piston rings must point toward top of piston. CAUTION: Install piston rings in the following order: 2009 Jeep Patriot Limited 2009 ENGINE 2.0L - Service Information - Compass & Patriot a Saturday, September 08, 2012 1:30:15 PM Page 152 © 2006 Mitchell Repair Information Company, LLC.
  • 326.
    A. Oil ringexpander. B. Upper oil ring side rail. C. Lower oil ring side rail. D. No. 2 Intermediate piston ring. E. No. 1 Upper piston ring. 1. Install oil ring expander. 2. Install upper side rail first and then the lower side rail. Install the side rails by placing one end between the piston ring groove and the oil ring expander. Hold end firmly and press down the portion to be installed until side rail is in position. Do not use a piston ring expander. 3. Install No. 2 piston ring and then No. 1 piston ring. Fig. 227: Piston Ring End Gap Position Courtesy of CHRYSLER LLC 4. Position piston ring end gaps as shown in illustration. 5. Position oil ring expander gap at least 45° from the side rail gaps but not on the piston pin center or on the thrust direction. Staggering ring gap is important for oil control. ROD, PISTON AND CONNECTING Description DESCRIPTION NOTE: The compression rings are marked Y1 for the upper compression ring and Y2 for the second compression ring. These markings must face upward. 2009 Jeep Patriot Limited 2009 ENGINE 2.0L - Service Information - Compass & Patriot a Saturday, September 08, 2012 1:30:15 PM Page 153 © 2006 Mitchell Repair Information Company, LLC.
  • 327.
    The pistons aremade of a cast aluminum alloy. The pistons have pressed-in pins attached to forged connecting rods. The piston pin is offset 0.8 mm (0.0314 in.) towards the thrust side of the piston. The connecting rods are a cracked cap design and are not repairable. The piston with rings, connecting rod and piston pin are serviced as an assembly. Standard Procedure PISTON TO CYLINDER BORE FITTING Fig. 228: Piston Pin Courtesy of CHRYSLER LLC Piston and cylinder wall must be clean and dry. Piston diameter should be measured 90 degrees to piston pin (1). 1. Measurement should be taken approximately 16 mm (0.629 in.) from the bottom of the skirt (2) as shown in illustration. NOTE: Pistons and cylinder bores should be measured at normal room temperature, 21°C (70°F). 2009 Jeep Patriot Limited 2009 ENGINE 2.0L - Service Information - Compass & Patriot a Saturday, September 08, 2012 1:30:15 PM Page 154 © 2006 Mitchell Repair Information Company, LLC.
  • 328.
    Fig. 229: CheckingCylinder Bore Size Courtesy of CHRYSLER LLC 2. Cylinder bores should be measured halfway down the cylinder bore and transverse (measurement location B) to the engine crankshaft center line shown in illustration. See Engine - Specifications. Removal REMOVAL NOTE: Correct piston to bore clearance must be established in order to assure quiet and economical operation. 2009 Jeep Patriot Limited 2009 ENGINE 2.0L - Service Information - Compass & Patriot a Saturday, September 08, 2012 1:30:15 PM Page 155 © 2006 Mitchell Repair Information Company, LLC.
  • 329.
    Fig. 230: OilDrain Plug Courtesy of CHRYSLER LLC 1. Remove engine. See Engine - Removal. 2. Remove cylinder head. See Engine/Cylinder Head - Removal 3. Drain engine oil (2). 4. Remove oil pan (1). See Engine/Lubrication/PAN, Oil - Removal Fig. 231: Oil Filter NOTE: Pistons, rings, and rods are serviced as an assembly. CAUTION: To maintain engine balance, 1, 3, or 4 pistons can be replaced. If 2 pistons are replaced, engine will be out of balance. 2009 Jeep Patriot Limited 2009 ENGINE 2.0L - Service Information - Compass & Patriot a Saturday, September 08, 2012 1:30:15 PM Page 156 © 2006 Mitchell Repair Information Company, LLC.
  • 330.
    Courtesy of CHRYSLERLLC 5. Remove oil filter (1). 6. Remove balance shaft assembly. 7. Remove ladder frame. 8. Remove top ridge of cylinder bores with a reliable ridge reamer before removing pistons from cylinder block. Be sure to keep tops of pistons covered during this operation Fig. 232: Identify Connecting Rod to Cylinder-Typical Courtesy of CHRYSLER LLC 9. Rotate crankshaft so that each connecting rod is centered in cylinder bore. 10. Using a permanent ink or paint marker, identify cylinder number on each connecting rod cap. 11. Remove connecting rod bolts and cap. 12. Carefully push each piston and rod assembly out of cylinder bore. Re-install bearing cap on the mating rod. 13. Repeat procedure for each piston and connecting rod assembly. NOTE: Remove any carbon build up and clean debris from cylinder prior to piston removal to avoid scratching piston skirts. CAUTION: DO NOT use a number stamp or a punch to mark connecting rods, as damage to connecting rod may occur. CAUTION: Care must be taken not to damage the fractured rod and cap joint surfaces, as engine damage may occur. CAUTION: Do not reuse connecting rod bolts. These are one-time-use bolts and reuse could result in engine failure. 2009 Jeep Patriot Limited 2009 ENGINE 2.0L - Service Information - Compass & Patriot a Saturday, September 08, 2012 1:30:16 PM Page 157 © 2006 Mitchell Repair Information Company, LLC.
  • 331.
    Installation INSTALLATION Fig. 233: PistonRing End Gap Position Courtesy of CHRYSLER LLC 1. Install piston rings on piston. See Engine/Engine Block/RING(S), Piston - Installation. 2. Before installing pistons and connecting rod assemblies into the bore, be sure that top compression ring gap (1) and the second compression ring gap (3) are staggered so that neither is in line with oil ring rail gap. 3. Before installing the ring compressor, make sure the oil ring expander ends are butted (1) and the rail gaps (2,4) are located as shown in illustration. As viewed from the top of the piston. 4. Immerse the piston head and rings in clean engine oil and slide the ring compressor over the piston. Be sure position of rings does not change during this operation . 5. The directional arrow stamped on the piston should face toward the front of the engine. 6. Rotate crankshaft so that the connecting rod journal is on the center of the cylinder bore. Lubricate connecting rod journal with clean engine oil. 7. The rod bearing sizes are indicated on the nose of the crankshaft. 8. Install connecting rod upper bearing half into connecting rod. 9. Tap the piston down in cylinder bore, using a hammer handle. At the same time, guide connecting rod into position on connecting rod journal. NOTE: There are three different size rod bearings, perform rod bearing selection procedure. See Standard Procedure. NOTE: The connecting rod cap bolts should NOT be reused. 2009 Jeep Patriot Limited 2009 ENGINE 2.0L - Service Information - Compass & Patriot a Saturday, September 08, 2012 1:30:16 PM Page 158 © 2006 Mitchell Repair Information Company, LLC.
  • 332.
    10. Before installingthe NEW bolts, the threads should be coated with clean engine oil. 11. Install connecting rod lower bearing half into connecting rod cap. Install connecting rod cap. 12. Install each bolt finger tight then alternately tighten each bolt to assemble the cap properly. 13. Tighten the connecting rod bolts using the 2 step torque-turn method. Tighten according to the following values: Tighten the bolts to 20 N.m (15 ft. lbs.). Tighten the connecting rod bolts an additional 90° 14. Using a feeler gauge, check connecting rod side clearance. See Engine - Specifications for connecting rod side clearance. Fig. 234: Connecting Rod Side Clearance Courtesy of CHRYSLER LLC 15. Install the ladder frame. 16. Install balance shaft module. See Engine/Lubrication/PUMP, Engine Oil - Installation. 17. Install oil pan. See Engine/Lubrication/PAN, Oil - Installation. 18. Install cylinder head. See Engine/Cylinder Head - Installation. 19. Install engine. See Engine - Installation. SEAL, CRANKSHAFT OIL, FRONT Removal REMOVAL CAUTION: Do not use a torque wrench for the second step. 2009 Jeep Patriot Limited 2009 ENGINE 2.0L - Service Information - Compass & Patriot a Saturday, September 08, 2012 1:30:16 PM Page 159 © 2006 Mitchell Repair Information Company, LLC.
  • 333.
    Fig. 235: DamperRemoval Courtesy of CHRYSLER LLC 1. Remove accessory drive belt. 2. Install Damper Holder 9707 (1) and remove damper retaining bolt. 3. Pull damper off crankshaft. Fig. 236: Front Crankshaft Seal Removal Courtesy of CHRYSLER LLC 4. Remove front crankshaft oil seal (1) by prying out with a screw driver (2). Be careful not to damage the cover seal surface. Installation 2009 Jeep Patriot Limited 2009 ENGINE 2.0L - Service Information - Compass & Patriot a Saturday, September 08, 2012 1:30:16 PM Page 160 © 2006 Mitchell Repair Information Company, LLC.
  • 334.
    INSTALLATION Fig. 237: FrontCrankshaft Seal Installer Courtesy of CHRYSLER LLC 1. Place seal (1) onto Front Crankshaft Seal Installer 9506 (2) with seal spring towards the inside of engine. Fig. 238: Front Seal Courtesy of CHRYSLER LLC 2. Install new seal (1) by using Front Crankshaft Seal Installer 9506 (2) and crankshaft damper bolt (3). 2009 Jeep Patriot Limited 2009 ENGINE 2.0L - Service Information - Compass & Patriot a Saturday, September 08, 2012 1:30:16 PM Page 161 © 2006 Mitchell Repair Information Company, LLC.
  • 335.
    Fig. 239: FrontSeal Installed Courtesy of CHRYSLER LLC 3. Press seal into front cover until Front Crankshaft Seal Installer 9506 (1) seats against timing chain cover (3). 4. Remove Front Crankshaft Seal Installer 9506 (1). Fig. 240: Damper Removal Courtesy of CHRYSLER LLC 5. Install crankshaft vibration damper. 6. Oil the bolt threads and between the bolt head and washer. 7. Install damper retaining bolt and Damper Holder 9707 (1). Tighten bolt to 210 N.m (155 ft. lbs.). 2009 Jeep Patriot Limited 2009 ENGINE 2.0L - Service Information - Compass & Patriot a Saturday, September 08, 2012 1:30:16 PM Page 162 © 2006 Mitchell Repair Information Company, LLC.
  • 336.
    SEAL, CRANKSHAFT OIL,REAR Removal REMOVAL Fig. 241: Flex Plate Courtesy of CHRYSLER LLC 1. Remove transmission and flexplate (1). See Engine/Engine Block/FLEXPLATE - Removal. Fig. 242: Rear Crankshaft Oil Seal - Removal 2009 Jeep Patriot Limited 2009 ENGINE 2.0L - Service Information - Compass & Patriot a Saturday, September 08, 2012 1:30:16 PM Page 163 © 2006 Mitchell Repair Information Company, LLC.
  • 337.
    Courtesy of CHRYSLERLLC 2. Insert a 3/16 flat bladed screwdriver (7) between the dust lip (8) and the metal case (4) of the crankshaft seal (1). Angle the screwdriver through the dust lip against metal case of the seal. Pry out seal. 3. Check to make sure the seals garter spring is not on the crankshaft. Installation INSTALLATION Fig. 243: Rear Main Installation Courtesy of CHRYSLER LLC 1. Place Seal Guide 9509 (3) on crankshaft. 2. Position seal (2) over guide tool. Guide tool should remain on crankshaft during installation of seal. Ensure that the lip of the seal is facing towards the crankcase during installation. 3. Drive the seal into the block using Seal Driver 9706 (1) and Driver Handle C-4171 (4) until Seal Driver CAUTION: Do not permit the screwdriver blade to contact crankshaft seal surface. Contact of the screwdriver blade against crankshaft edge (chamfer) is permitted. CAUTION: If a burr or scratch is present on the crankshaft edge (chamfer), cleanup with 800 emery cloth to prevent seal damage during installation of new seal. If emery cloth is used, the crankshaft must be cleaned off Mopar® brake parts cleaner. NOTE: When installing seal, lubricate Seal Guide 9509 with clean engine oil. 2009 Jeep Patriot Limited 2009 ENGINE 2.0L - Service Information - Compass & Patriot a Saturday, September 08, 2012 1:30:16 PM Page 164 © 2006 Mitchell Repair Information Company, LLC.
  • 338.
    9706 bottoms outagainst the block. Fig. 244: Flex Plate Courtesy of CHRYSLER LLC 4. Install the flexplate (1) and transmission. See Engine/Engine Block/FLEXPLATE - Installation. ENGINE MOUNTING DESCRIPTION DESCRIPTION The engine mounting system consists of a four-point system utilizing two load-carrying mounts and two torque controlling mounts. The load-carrying mounts are located on each frame rail. The right and left mounts are hydro-elastic mounts. The two torque controlling mounts are attached to a fore/aft member and the front and rear of the engine. OPERATION OPERATION The four-point engine mounting system minimizes the transmission of structure-borne engine noise to the passenger compartment. The load-carrying right and left mounts dampen and isolate vertical motion and vibration. The front and rear mount absorb torque reaction forces and torsional vibrations. INSULATOR, ENGINE MOUNT, FRONT Removal REMOVAL 2009 Jeep Patriot Limited 2009 ENGINE 2.0L - Service Information - Compass & Patriot a Saturday, September 08, 2012 1:30:16 PM Page 165 © 2006 Mitchell Repair Information Company, LLC.
  • 339.
    Fig. 245: FrontMount Through Bolt Courtesy of CHRYSLER LLC 1. Raise vehicle. 2. Remove fore aft member (3) to mount (4) bolts. 3. Remove mount through bolt (1). 4. Remove fore aft member (3) mounting bolts and remove. 5. Remove front mount (4). Installation INSTALLATION Fig. 246: Front Mount Through Bolt Courtesy of CHRYSLER LLC 2009 Jeep Patriot Limited 2009 ENGINE 2.0L - Service Information - Compass & Patriot a Saturday, September 08, 2012 1:30:16 PM Page 166 © 2006 Mitchell Repair Information Company, LLC.
  • 340.
    1. Position mount(4) and tighten bolts to 47 N.m (35 ft. lbs.). 2. Install fore aft member (3) and tighten bolts to 100 N.m (74 ft. lbs.). 3. Install mount through bolt (1) and tighten to 47 N.m (35 ft. lbs.). 4. Lower vehicle. INSULATOR, ENGINE MOUNT, LEFT Removal REMOVAL Fig. 247: Air Cleaner Inlet Courtesy of CHRYSLER LLC 1. Remove air cleaner inlet (2) and air cleaner housing (1). 2009 Jeep Patriot Limited 2009 ENGINE 2.0L - Service Information - Compass & Patriot a Saturday, September 08, 2012 1:30:16 PM Page 167 © 2006 Mitchell Repair Information Company, LLC.
  • 341.
    Fig. 248: Battery Courtesyof CHRYSLER LLC 2. Remove PCM (1). 3. Remove PCM mounting bracket. 4. Disconnect negative cable from battery (3). 5. Support transaxle with a suitable jack. Fig. 249: Left Mount Courtesy of CHRYSLER LLC 6. Remove left mount through bolt (3). 7. Remove left mount bracket to body frame rail fasteners (1). 8. Remove mount. 2009 Jeep Patriot Limited 2009 ENGINE 2.0L - Service Information - Compass & Patriot a Saturday, September 08, 2012 1:30:16 PM Page 168 © 2006 Mitchell Repair Information Company, LLC.
  • 342.
    Installation INSTALLATION Fig. 250: LeftMount Courtesy of CHRYSLER LLC 1. Position mount (2) in place. 2. Install left mount to frame rail bolts (1) and torque to 75 N.m (55 ft. lbs.). 3. Install mount through bolt (3) and torque to 100 N.m (74 ft.lbs.). 4. Remove jack. Fig. 251: Battery Courtesy of CHRYSLER LLC 2009 Jeep Patriot Limited 2009 ENGINE 2.0L - Service Information - Compass & Patriot a Saturday, September 08, 2012 1:30:16 PM Page 169 © 2006 Mitchell Repair Information Company, LLC.
  • 343.
    5. Install PCMmounting bracket. 6. Install PCM (1). 7. Connect negative cable to battery (3). Fig. 252: Air Cleaner Inlet Courtesy of CHRYSLER LLC 8. Install air cleaner housing (1) and air cleaner inlet (2). INSULATOR, ENGINE MOUNT, REAR Removal REMOVAL 2009 Jeep Patriot Limited 2009 ENGINE 2.0L - Service Information - Compass & Patriot a Saturday, September 08, 2012 1:30:16 PM Page 170 © 2006 Mitchell Repair Information Company, LLC.
  • 344.
    Fig. 253: RearMount - ATX Courtesy of CHRYSLER LLC 1. Remove rear mount retaining bolts (4). 2. Remove rear mount through bolt (1). 3. Remove oxygen sensor connector (2) from mount. 4. Remove rear mount (3). Installation INSTALLATION Fig. 254: Rear Mount - ATX Courtesy of CHRYSLER LLC 2009 Jeep Patriot Limited 2009 ENGINE 2.0L - Service Information - Compass & Patriot a Saturday, September 08, 2012 1:30:16 PM Page 171 © 2006 Mitchell Repair Information Company, LLC.
  • 345.
    1. Position rearmount (3). 2. Install rear mount retaining bolts (4) and tighten to 50 N.m (37 ft. lbs.). 3. Install rear mount through bolt (1) and tighten to 47 N.m (35 ft. lbs.). 4. Install oxygen sensor connector (2) retainer to mount (3). INSULATOR, ENGINE MOUNT, RIGHT Removal REMOVAL Fig. 255: Coolant Reservoir Courtesy of CHRYSLER LLC 1. Remove coolant reservoir (3) and set aside. 2. Remove power steering reservoir (2) and set aside. 3. Remove windshield washer bottle (1). 2009 Jeep Patriot Limited 2009 ENGINE 2.0L - Service Information - Compass & Patriot a Saturday, September 08, 2012 1:30:16 PM Page 172 © 2006 Mitchell Repair Information Company, LLC.
  • 346.
    Fig. 256: PowerSteering Line Support Bracket Courtesy of CHRYSLER LLC 4. Remove power steering line support bracket (1) from engine mount. Fig. 257: Right Engine Mount Courtesy of CHRYSLER LLC 5. Support transaxle with a block of wood and a suitable jack. 6. Remove engine mount through bolt (4). 7. Remove engine mount bracket bolts (3). 8. Remove engine mount retaining bolts. 9. Remove engine mount. Installation 2009 Jeep Patriot Limited 2009 ENGINE 2.0L - Service Information - Compass & Patriot a Saturday, September 08, 2012 1:30:16 PM Page 173 © 2006 Mitchell Repair Information Company, LLC.
  • 347.
    INSTALLATION Fig. 258: RightEngine Mount Courtesy of CHRYSLER LLC 1. Position right engine mount (1). 2. Install engine mount retaining bolts and tighten to 75 N.m (55 ft. lbs.). 3. Install engine mount adapter (2) and tighten bolts (3) to 68 N.m (50 ft. lbs.). 4. Install engine mount through bolt (4) and tighten to 88 N.m (65 ft. lbs.). Fig. 259: Power Steering Line Support Bracket Courtesy of CHRYSLER LLC 5. Remove jack. 6. Install power steering line support bracket (1) at engine mount. 2009 Jeep Patriot Limited 2009 ENGINE 2.0L - Service Information - Compass & Patriot a Saturday, September 08, 2012 1:30:16 PM Page 174 © 2006 Mitchell Repair Information Company, LLC.
  • 348.
    Fig. 260: CoolantReservoir Courtesy of CHRYSLER LLC 7. Install windshield washer bottle (1). 8. Install power steering reservoir (2). 9. Install coolant reservoir (3). 10. Install engine cover. LUBRICATION DESCRIPTION DESCRIPTION 2009 Jeep Patriot Limited 2009 ENGINE 2.0L - Service Information - Compass & Patriot a Saturday, September 08, 2012 1:30:16 PM Page 175 © 2006 Mitchell Repair Information Company, LLC.
  • 349.
    Fig. 261: OilFlow Diagram Courtesy of CHRYSLER LLC The lubrication system is a full-flow filtration, pressure feed type. The balance shaft module (BSM) is mounted below the ladder frame and chain driven by the crankshaft. The BSM consists of a non-serviceable pump, oil pressure relief valve, and a non-serviceable balance assembly. 2009 Jeep Patriot Limited 2009 ENGINE 2.0L - Service Information - Compass & Patriot a Saturday, September 08, 2012 1:30:16 PM Page 176 © 2006 Mitchell Repair Information Company, LLC.
  • 350.
    Fig. 262: OilHole Courtesy of CHRYSLER LLC OPERATION OPERATION Engine oil is drawn up through the pickup tube and is pressurized by the oil pump and routed through the full- flow filter to the main oil gallery running the length of the cylinder block. A diagonal hole in each bulkhead feeds oil to each main bearing. Drilled passages within the crankshaft route oil from main bearing journals to connecting rod journals. Balance shaft lubrication is provided through an internal oil passage at the #3 bearing location around the BSM mounting bolt. A vertical hole at the number one bulkhead routes pressurized oil through a filter screen and head gasket up to the cylinder head. The oil then divides into three passages; one to the intake cam phaser, one to the exhaust cam phaser and one to the camshafts. The passage to the camshafts divides to feed both of the hollow camshafts at the second cam journal. The rest of cam journals are feed oil through the hollow camshafts. The #1 cam journals are fed oil through the VVT oil passages. Oil passages to the phasers are directed through the OCV (oil control valves) to the #1 journals. The oil then flows through the camshafts then to the cam phasers. Oil returning to the pan from pressurized components supplies lubrication to the valve stems, cam lobes, and tappets. Cylinder bores and wrist pins are splash lubricated from directed slots on the connecting rod thrust collars. DIAGNOSIS AND TESTING CHECKING ENGINE OIL PRESSURE Fig. 263: Oil Temperature Sensor NOTE: Not all blocks have the bolt on timing chain oil squirter. Engine blocks either have a bolt-on oil squirter or a 1.0 mm hole (1) drilled into the oil gallery passage. Engine blocks with the 1.0 mm hole no longer use an oil squirter even though the threaded mounting hole may still be present. 2009 Jeep Patriot Limited 2009 ENGINE 2.0L - Service Information - Compass & Patriot a Saturday, September 08, 2012 1:30:16 PM Page 177 © 2006 Mitchell Repair Information Company, LLC.
  • 351.
    Courtesy of CHRYSLERLLC 1. Disconnect and remove oil temperature sensor (1). Fig. 264: Oil Pressure Adapter Courtesy of CHRYSLER LLC 2. Install threaded adapter 9879 (1). 3. Install oil pressure gauge (2). NOTE: Anytime the oil temperature sensor is removed, it should be replaced with a new sensor. CAUTION: Threads in cylinder head are British Standard Pipe (BSP). Do not install a NPT threaded adapter, this could crack the cylinder block. 2009 Jeep Patriot Limited 2009 ENGINE 2.0L - Service Information - Compass & Patriot a Saturday, September 08, 2012 1:30:16 PM Page 178 © 2006 Mitchell Repair Information Company, LLC.
  • 352.
    Fig. 265: OilPSI Gauge Courtesy of CHRYSLER LLC 4. Start engine and record reading on oil pressure gauge (1). 5. If oil pressure is 0 at idle, shut off engine. Check for pressure relief valve stuck open, a clogged oil pick- up screen. 6. Remove oil pan and inspect for debris. See Engine/Lubrication/PAN, Oil - Removal. 7. Remove oil pressure relief valve. See Engine/Lubrication/VALVE, Oil Pressure Relief - Removal. 8. Inspect oil pressure relief valve and replace if damaged. See Engine/Lubrication/VALVE, Oil Pressure Relief - Inspection. 9. If pressure relief valve is ok, replace balance shaft module assembly. See Engine/Lubrication/PUMP, Engine Oil - Removal. CAUTION: If oil pressure is 0 at idle, do not perform the 3000 RPM test 2009 Jeep Patriot Limited 2009 ENGINE 2.0L - Service Information - Compass & Patriot a Saturday, September 08, 2012 1:30:16 PM Page 179 © 2006 Mitchell Repair Information Company, LLC.
  • 353.
    Fig. 266: OilPressure Adapter Courtesy of CHRYSLER LLC 10. After test is complete, remove oil pressure gauge (2) and adapter 9879 (1). Fig. 267: Oil Temperature Sensor Courtesy of CHRYSLER LLC 11. Install a new oil pressure temperature sensor (1) and connect electrical connector. CHECKING VVT OIL PRESSURE This test can be used to help diagnose VVT faults. 2009 Jeep Patriot Limited 2009 ENGINE 2.0L - Service Information - Compass & Patriot a Saturday, September 08, 2012 1:30:16 PM Page 180 © 2006 Mitchell Repair Information Company, LLC.
  • 354.
    Fig. 268: OilPressure Sensor Courtesy of CHRYSLER LLC 1. Disconnect and remove oil pressure sensor (1). Fig. 269: Oil Pressure Gauge Courtesy of CHRYSLER LLC 2. Install an 1/8-28 BSP male to 1/8-27 female threaded adapter (2). 3. Install oil pressure gauge (1). 4. Start engine and record oil pressure. CAUTION: Threads in block are 1/8"-28 British Standard Pipe (BSP). Do not install a National Pipe Thread (NPT) threaded adapter, this could crack the cylinder block. 2009 Jeep Patriot Limited 2009 ENGINE 2.0L - Service Information - Compass & Patriot a Saturday, September 08, 2012 1:30:16 PM Page 181 © 2006 Mitchell Repair Information Company, LLC.
  • 355.
    5. If oilpressure is 0 at idle, shut off engine. Check for pressure relief valve stuck open, a clogged oil pick- up screen. 6. Remove oil pan and inspect for debris. See Engine/Lubrication/PAN, Oil - Removal. 7. Remove oil pressure relief valve and inspect, if damaged replace pressure relief valve. See Engine/Lubrication/VALVE, Oil Pressure Relief - Removal. 8. If pressure relief valve is ok, replace balance shaft module assembly. See Engine/Lubrication/PUMP, Engine Oil - Removal. Fig. 270: Oil Pressure Gauge Courtesy of CHRYSLER LLC 9. After test is complete, remove test gauge (1) and fitting (2). CAUTION: If oil pressure is 0 at idle, do not perform the 3000 RPM test. 2009 Jeep Patriot Limited 2009 ENGINE 2.0L - Service Information - Compass & Patriot a Saturday, September 08, 2012 1:30:16 PM Page 182 © 2006 Mitchell Repair Information Company, LLC.
  • 356.
    Fig. 271: OilSender Courtesy of CHRYSLER LLC 10. Install oil pressure sensor and electrical connector. CONTROL VALVE, OIL INTAKE Description DESCRIPTION Fig. 272: Solenoid Assembly Courtesy of CHRYSLER LLC Variable valve timing solenoid assembly. The solenoid receives pulse width modulation signal and the current is controlled within 0 ma to 1000 ma. The spool position is controllable at any position to control supply of oil 2009 Jeep Patriot Limited 2009 ENGINE 2.0L - Service Information - Compass & Patriot a Saturday, September 08, 2012 1:30:16 PM Page 183 © 2006 Mitchell Repair Information Company, LLC.
  • 357.
    between the advanceand retard ports. Operation OPERATION There is both an Intake and an exhaust camshaft sensor on vehicles equipped with a World Engine. The variable valve timing system used on World Engines requires the exact position of both the intake and exhaust camshaft. The GPEC1 uses camshaft sensor data along with crankshaft data to determine the actual position of the camshafts. Intake and exhaust phaser oil control valves are required on World Engine vehicles using variable valve timing. The oil valves direct oil to the Intake and exhaust phasers. Oil pressure in the phasers moves the camshafts to an advanced or retarded position. To resolve this inherent conflict between optimum high and low speed valve timing, the GPEC1 controlled engine uses a variable valve timing system. The variable valve timing system advances and retards valve timing by rotating the position of both the intake and exhaust camshafts. With this system, the intake valve opening can range from 80 to 120 crankshaft degrees after Top Dead Center. Likewise, the exhaust valve opening can range from 85 to 120 crankshaft degrees before Top Dead Center. This degree of flexibility provides many benefits, including: Improved Engine Performance, Increased Fuel Economy, Improved Idle Stability and Decreased Engine Emissions. In non operating condition, the camshaft stays in lockpin position of cam phases. This is 120 degrees ATDC for intake camshaft and 120 degrees BTDC for exhaust camshaft. The variable valve timing system is electronically controlled and hydraulically operated. The GPEC1 receives information from many sensors to determine the optimum valve timing. It then pulse-width modulates oil control valves which direct oil to the cam phasers. The cam phasers use oil pressure to rotate the intake and exhaust camshafts. The rotation of the camshafts is referred to as cam phasing. Before the GPEC1 can begin commanding the camshaft phasing, several enabling conditions must be met: The engine oil temperature must be at least -6.6°C (20°F) The oil control valve coil temperature must be less than 140°C (284°F) Engine speed must be at least 600 to 1000 rpm to achieve minimum oil pressure. Battery voltage must be at least 10 volts And there must be no camshaft or crankshaft sensor faults, engine timing faults, or oil control valve faults First we will examine variable valve timing enabling conditions, and then we will take a closer look at the inputs and outputs of the system: Accelerator pedal position sensor Oil temperature sensor Map sensor Intake cam sensor Exhaust cam sensor Crankshaft sensor GPEC1 Exhaust phaser oil control valve 2009 Jeep Patriot Limited 2009 ENGINE 2.0L - Service Information - Compass & Patriot a Saturday, September 08, 2012 1:30:16 PM Page 184 © 2006 Mitchell Repair Information Company, LLC.
  • 358.
    Intake phaser oilcontrol valve Inputs Engine control module Outputs Sensed battery voltage A minimum oil temperature is required to enable variable valve timing operation. Oil temperature and viscosity also have an impact on the operation of variable valve timing after start-up. Oil is used to control the movement of the camshafts. An incorrect oil viscosity could adversely affect the operation of the system or even render the system inoperative. It may even set a fault code. The accelerator pedal position sensor indicates how far the driver wants to open the throttle plate. The GPEC1 calculates an initial camshaft set point based on whether the accelerator pedal is at part throttle or wide open throttle. The MAP sensor provides information regarding engine load. Sensed battery voltage provides information regarding current system voltage. Sensed battery voltage must be at least 10 volts in order for the oil control valves to function properly. This information allows the GPEC1 to adjust camshaft timing to achieve the best fuel economy, the best engine performance or a combination of both. The hall-effect crankshaft sensor provides RPM information and determines when the number one piston is approaching Top Dead Center. The sensor generates a signal as the tone wheel, attached to the crankshaft, rotates. The tone wheel has 60 teeth minus two. When the gap, created by the missing teeth passes by the sensor, a signal is produced that indicates the number one piston is at Top Dead Center. The GPEC1 uses crankshaft sensor data along with camshaft data to determine the actual position of the camshaft. There are two hall-effect camshaft sensors on engines equipped with variable valve timing. The GPEC1 uses camshaft sensor data along with crankshaft data to determine the actual position of the camshaft. The GPEC1 individually controls each valve. It sends a pulse width modulated signal to move a spool within the outer casing of the valve. Depending upon spool movement, oil is directed through the passages to advance or retard cam timing. The oil control valve also has a special cleaning strategy at key-on. The cleaning strategy is known as "debris crush mode". At key-on the GPEC1 cycles the oil control valve on and off several (5) times to crush any debris in the oil control valve and prevent the spool valve from sticking. In non operating condition, the camshaft stays in lockpin position of cam phases. This is 120 degrees ATDC for intake camshaft and 120 degrees BTDC for exhaust camshaft. There are two oil control valves. One valve directs oil to the intake cam phaser, the other valve directs oil to the exhaust cam phaser. The valves are designed and function in the same manner. The outer casing of each oil valve has five oil passages. A passage for pressurized supply oil. A passage to the advance chamber of the cam phaser. A passage to the retard chamber of the cam phaser. A passage for oil return from the advance chamber of the cam phaser. A passage for oil return from the retard chamber of the cam phaser. Oil flows through the passages and applies pressure to the cam phasers to change cam timing. There are two cam phasers. One phaser controls the position of the intake camshaft. The other phaser controls the position of the exhaust camshaft. The phasers consist of a sprocket, a rotor vane, and a housing or stator. 2009 Jeep Patriot Limited 2009 ENGINE 2.0L - Service Information - Compass & Patriot a Saturday, September 08, 2012 1:30:16 PM Page 185 © 2006 Mitchell Repair Information Company, LLC.
  • 359.
    The exhaust camphaser also consists of a front bushing and spring. We will discuss the purpose and function of the bushing and spring later. The housing is bolted and permanently fixed to the camshaft sprocket, while the rotor vane is bolted and permanently fixed to the camshaft. With this design, any movement of the rotor vane in relation to the housing will also move the camshaft. The phaser and sprocket are serviced as an assembly. Camshaft and crankshaft sensors provide feedback to the GPEC1 regarding the actual position of the camshafts. The GPEC1 then compares the actual camshaft positioning with desired positioning. If the desired positioning is not achieved within a specified time, during the second key cycle a trouble code is set. There are six new diagnostic trouble codes available to help you determine if the control circuit from the GPEC1 to the oil control valve is intact and operating properly. The codes identify whether the control circuit is open, shorted to ground, or shorted to power. Three trouble codes are related to intake camshaft positioning, the other three codes are specific to exhaust camshaft positioning. The oil control valve contains both electrical and mechanical components. It is electrically controlled by the GPEC1. The electrical current that energizes the coil results in mechanical motion of the spool valve. It is possible to verify both the electrical and mechanical operation of the valve. The oil control valve consists of a coil that is energized to move a spool within an outer casing. The condition of the coil can be tested with a Digital Volt Ohmmeter or DVOM. With the DVOM set to measure resistance, check the coil for an open, a short to ground, or excessive resistance. The correct resistance value of the coil is between 6 and 8 ohms. The mechanical operation of the oil control valve can be tested using actuator commands on the scan tool. Remove the oil control valve, then navigate to the actuator menu and select the oil control valve. Use commands to activate the valve and watch as the spool valve moves back and forth inside the casing. Because the cam phasers are hydraulically operated by engine oil, the condition of the oil is very important. The oil must be of the correct viscosity, not obstructed by debris, to maintain correct pressure. Maintaining the correct oil viscosity is critical to the operation of the variable valve timing system. The wrong oil viscosity may cause the variable valve timing to malfunction and trouble codes to set. The correct oil viscosity for this system is 5W20. Oil must be clean, unobstructed and free to flow through the variable valve timing system. Oil could become obstructed in oil passages located in the cylinder head, cylinder block, or even in the oil screen. In the event oil flow is obstructed, further diagnosis or disassembly may be required to pin point the source of the obstruction. The variable valve timing system relies on oil pressure to advance or retard the position of the camshaft. Insufficient oil pressure will adversely affect the operation of variable valve timing. The minimum oil pressure for this system is 15 psi at normal operating temperature. Though not directly used to change camshaft positioning, the oil screen is an important component of the variable valve timing system. It helps to remove debris going to the variable valve timing components. The oil screen is located in the cylinder block, immediately below the cylinder head. Oil must pass through the oil screen before entering the oil control valve. The cylinder head must be removed to service the oil screen. The intention is not to service the oil screen during vehicle life. How the cam phaser works. The cam phaser assembly has eight separate chambers; four advance chambers and four retard chambers. When camshaft advance is requested, oil enters all four advance chambers and exerts force on the rotor vane. Because the rotor vane is bolted to the camshaft, the entire camshaft profile moves along with the rotor vane. At the same time, oil is forced out of the retard chambers. When camshaft retard is requested oil enters the retard chambers to move the camshaft in the opposite direction. There is a lock pin on one side of the rotor vane that fits inside a recessed area in the housing. The lock pin ensures that the default 2009 Jeep Patriot Limited 2009 ENGINE 2.0L - Service Information - Compass & Patriot a Saturday, September 08, 2012 1:30:16 PM Page 186 © 2006 Mitchell Repair Information Company, LLC.
  • 360.
    position of theintake cam phaser is 120 crankshaft degrees full retard and the default position of the exhaust cam phaser is 120 crankshaft degrees full advance. When the engine is turned off, rotational force and inertia move the intake camshaft and rotor vane toward the retard position. The exhaust cam phaser includes a spring and bushing to work against the rotational force of the engine, allowing the exhaust cam phaser to lock in the fully advanced position. Under most conditions the cam phasers are returned to lock pin position when the engine is turned off. In the unique condition of an engine stall, which abruptly shuts off the engine, the cam phasers may not return to the lock pin position. In this case, the phasers will return to the lock pin position at the next start-up. Lock pin position is the most ideal cam timing for idle stability. When engine rpm exceeds approximately 600 to 1000 rpm, oil pressure unlocks the pins and variable valve timing resumes. Once enabling conditions are met, the GPEC1 uses input from sensors to calculate optimum valve timing. There are four preprogrammed modes from which the GPEC1 bases initial valve timing. Starting Idle or Part throttle Wide open throttle Limp-in or Default From each preprogrammed mode, the GPEC1 adjusts valve timing based on operating conditions. GPEC1 has calculated optimum intake valve timing of 112 degrees after Top Dead Center and optimum exhaust valve timing of 97 degrees before Top Dead Center. The GPEC1 pulse width modulates the oil control valves to advance or retard the camshaft to their desired location. The spool valve inside the intake oil control valve is energized and moves to allow pressurized oil into the advance chambers of the intake cam phaser. At the same time, the spool valve inside the exhaust oil control valve is energized and moves to allow pressurized oil into the retard chambers of the exhaust cam phaser. Oil enters the advance chambers of the intake phaser and the retard chambers of the exhaust phaser. Oil pressure releases the lock pin from its locked position and pushes against the rotor vane. Both the rotor vanes are moved, advancing the intake camshaft and retarding the exhaust camshaft. Removal FRONT SOLENOID 1/1 2009 Jeep Patriot Limited 2009 ENGINE 2.0L - Service Information - Compass & Patriot a Saturday, September 08, 2012 1:30:16 PM Page 187 © 2006 Mitchell Repair Information Company, LLC.
  • 361.
    Fig. 273: OilPressure Sensor Courtesy of CHRYSLER LLC 1. Disconnect negative battery cable. 2. Remove engine cover. 3. Rotate hose clamp out of way. 4. Disconnect oil pressure sensor electrical connector. 5. Remove oil pressure sensor. 6. Disconnect variable valve timing solenoid electrical connector. Fig. 274: Solenoid Mounting Bolt Courtesy of CHRYSLER LLC 7. Remove variable valve timing solenoid mounting bolt. 2009 Jeep Patriot Limited 2009 ENGINE 2.0L - Service Information - Compass & Patriot a Saturday, September 08, 2012 1:30:16 PM Page 188 © 2006 Mitchell Repair Information Company, LLC.
  • 362.
    Fig. 275: SolenoidMounting Tab 1/1 Courtesy of CHRYSLER LLC 8. Pull solenoid straight out of cylinder head. REAR SOLENOID 1/2 Fig. 276: Solenoid Location 1/2 Courtesy of CHRYSLER LLC 1. Disconnect negative battery cable. 2. Remove engine cover. 3. Disconnect variable valve timing solenoid electrical connector. 4. Remove variable valve timing solenoid mounting bolt. 2009 Jeep Patriot Limited 2009 ENGINE 2.0L - Service Information - Compass & Patriot a Saturday, September 08, 2012 1:30:16 PM Page 189 © 2006 Mitchell Repair Information Company, LLC.
  • 363.
    Fig. 277: SolenoidMounting Tab 1/2 Courtesy of CHRYSLER LLC 5. Pull solenoid straight out of cylinder head. Installation FRONT SOLENOID 1/1 Fig. 278: Solenoid Mounting Tab 1/1 Courtesy of CHRYSLER LLC 1. Solenoid for front location 1/1. Note mounting tab location is different between front and rear solenoids. 2009 Jeep Patriot Limited 2009 ENGINE 2.0L - Service Information - Compass & Patriot a Saturday, September 08, 2012 1:30:16 PM Page 190 © 2006 Mitchell Repair Information Company, LLC.
  • 364.
    Fig. 279: SolenoidMounting Bolt Courtesy of CHRYSLER LLC 2. Install solenoid into cylinder head. 3. Install mounting bolt and tighten to 12 N.m (9 ft. lbs.). Fig. 280: Oil Pressure Sensor Courtesy of CHRYSLER LLC 4. Install oil pressure sensor. 5. Connect electrical connector to oil pressure sensor. 6. Connect electrical connector to Variable valve timing solenoid. 7. Connect negative battery cable. 8. Install engine cover. 2009 Jeep Patriot Limited 2009 ENGINE 2.0L - Service Information - Compass & Patriot a Saturday, September 08, 2012 1:30:16 PM Page 191 © 2006 Mitchell Repair Information Company, LLC.
  • 365.
    REAR SOLENOID 1/2 Fig.281: Solenoid Mounting Tab 1/2 Courtesy of CHRYSLER LLC 1. Rear variable valve timing solenoid. Note mounting tab location is different between front and rear solenoids. 2. Install solenoid into cylinder head. 3. Install mounting bolt and tighten to 12 N.m (9 ft. lbs.). 4. Connect electrical connector to Variable valve timing solenoid. Fig. 282: Solenoid Location 1/2 Courtesy of CHRYSLER LLC 5. Connect negative battery cable. 2009 Jeep Patriot Limited 2009 ENGINE 2.0L - Service Information - Compass & Patriot a Saturday, September 08, 2012 1:30:16 PM Page 192 © 2006 Mitchell Repair Information Company, LLC.
  • 366.
    6. Install enginecover. COOLER, OIL Description DESCRIPTION An engine oil cooler is used on some engine packages. The cooler is a coolant-to-oil type and mounted between the oil filter and oil filter adapter. Removal REMOVAL Fig. 283: Oil Cooler Courtesy of CHRYSLER LLC 1. Raise vehicle on hoist. 2. Drain cooling system. Refer to Cooling - Standard Procedure . 3. Disconnect oil cooler coolant hoses. 4. Remove oil filter (3). NOTE: The oil cooler can not be cleaned out. In the event that the engine requires rebuilding or replacement, the oil cooler should be replaced. 2009 Jeep Patriot Limited 2009 ENGINE 2.0L - Service Information - Compass & Patriot a Saturday, September 08, 2012 1:30:16 PM Page 193 © 2006 Mitchell Repair Information Company, LLC.
  • 367.
    Fig. 284: OilCooler Mounting Courtesy of CHRYSLER LLC 5. Remove oil cooler connector bolt (2). 6. Remove oil cooler (1). Installation INSTALLATION Fig. 285: Oil Cooler Mounting Courtesy of CHRYSLER LLC 2009 Jeep Patriot Limited 2009 ENGINE 2.0L - Service Information - Compass & Patriot a Saturday, September 08, 2012 1:30:16 PM Page 194 © 2006 Mitchell Repair Information Company, LLC.
  • 368.
    1. Replace oilcooler seal (1). 2. Lubricate seal and position oil cooler to oil filter adapter, aligning notch to tab. 3. Install oil cooler connector bolt (2). Tighten connector bolt to 49 N.m (36 ft. lbs.). Fig. 286: Oil Cooler Courtesy of CHRYSLER LLC 4. Install oil filter (3). 5. Connect oil cooler coolant hose. 6. Lower vehicle. 7. Fill cooling system. Refer to Cooling - Standard Procedure . FILTER, ENGINE OIL Removal REMOVAL 2009 Jeep Patriot Limited 2009 ENGINE 2.0L - Service Information - Compass & Patriot a Saturday, September 08, 2012 1:30:16 PM Page 195 © 2006 Mitchell Repair Information Company, LLC.
  • 369.
    Fig. 287: OilFilter Courtesy of CHRYSLER LLC 1. Using a suitable filter wrench, turn oil filter (1) counterclockwise to remove. Installation INSTALLATION Fig. 288: Oil Filter Courtesy of CHRYSLER LLC CAUTION: When servicing the oil filter, avoid deforming the filter can by installing the remove/install tool band strap against the can to base lock seam. The lock seam joining the can to the base is reinforced by the base plate. 2009 Jeep Patriot Limited 2009 ENGINE 2.0L - Service Information - Compass & Patriot a Saturday, September 08, 2012 1:30:16 PM Page 196 © 2006 Mitchell Repair Information Company, LLC.
  • 370.
    1. Clean andcheck filter mounting surface. The surface must be smooth, flat and free of debris or pieces of gasket. 2. Lubricate new oil filter gasket. 3. Screw oil filter (1) on until the gasket contacts base. Tighten to 14 N.m (124 in. lbs.). OIL Standard Procedure ENGINE OIL LEVEL CHECK Fig. 289: Oil Level Indicator Courtesy of CHRYSLER LLC The best time to check engine oil level is after the engine is at operating temperature. Allow the engine to be shut off for at least 5 minutes before checking oil level. NOTE: The engine must be HOT when checking oil level. 2009 Jeep Patriot Limited 2009 ENGINE 2.0L - Service Information - Compass & Patriot a Saturday, September 08, 2012 1:30:16 PM Page 197 © 2006 Mitchell Repair Information Company, LLC.
  • 371.
    Fig. 290: DipStick Courtesy of CHRYSLER LLC Checking the oil while the vehicle is on level ground will improve the accuracy of the oil level reading. Remove dipstick (1), and observe oil level. Add oil only when the level is at or below the SAFE mark. If the oil level is in the safe (2) range, do not add oil. ENGINE OIL AND FILTER CHANGE Change engine oil at mileage and time intervals described in the Maintenance Schedule. Refer to Vehicle Quick Reference/Maintenance Schedules - Description . CAUTION: Do not operate engine if the oil level is above the MAX mark on the dipstick. Excessive oil volume can cause oil aeration which can lead to engine failure due to loss of oil pressure or increase in oil temperature. WARNING: New or used engine oil can be irritating to the skin. Avoid prolonged or repeated skin contact with engine oil. Contaminants in used engine oil, caused by internal combustion, can be hazardous to your health. Thoroughly wash exposed skin with soap and water. Do not wash skin with gasoline, diesel fuel, thinner, or solvents, health problems can result. Do not pollute, dispose of used engine oil properly. Contact your dealer or government agency for location of collection center in your area. 2009 Jeep Patriot Limited 2009 ENGINE 2.0L - Service Information - Compass & Patriot a Saturday, September 08, 2012 1:30:16 PM Page 198 © 2006 Mitchell Repair Information Company, LLC.
  • 372.
    Fig. 291: OilDrain Plug Courtesy of CHRYSLER LLC 1. Run engine until achieving normal operating temperature. 2. Position the vehicle on a level surface and turn engine off. 3. Remove oil fill cap. 4. Raise vehicle on hoist. 5. Place a suitable oil collecting container under oil pan drain plug (2). 6. Remove oil pan drain plug (2) or and allow oil to drain into collecting container. Inspect drain plug threads for stretching or other damage. Replace drain plug and gasket if damaged. Fig. 292: Oil Filter Courtesy of CHRYSLER LLC 7. Remove oil filter (1). See Engine/Lubrication/FILTER, Engine Oil - Removal. 2009 Jeep Patriot Limited 2009 ENGINE 2.0L - Service Information - Compass & Patriot a Saturday, September 08, 2012 1:30:16 PM Page 199 © 2006 Mitchell Repair Information Company, LLC.
  • 373.
    Fig. 293: OilDrain Plug Courtesy of CHRYSLER LLC 8. Install oil pan drain plug (2) and tighten drain plug to 40 N.m (30 ft. lbs.). Fig. 294: Oil Filter Courtesy of CHRYSLER LLC 9. Install new oil filter (1). See Engine/Lubrication/FILTER, Engine Oil - Installation. 10. Lower vehicle and fill crankcase with specified type and amount of engine oil. Refer to Vehicle Quick Reference/Capacities and Recommended Fluids - Specifications and refer to Vehicle Quick Reference/Capacities and Recommended Fluids - Description . 11. Install oil fill cap. 12. Start engine and inspect for leaks. 13. Stop engine and inspect oil level. 2009 Jeep Patriot Limited 2009 ENGINE 2.0L - Service Information - Compass & Patriot a Saturday, September 08, 2012 1:30:16 PM Page 200 © 2006 Mitchell Repair Information Company, LLC.
  • 374.
    OIL FILTER SPECIFICATION Allengines are equipped with a high quality full-flow, disposable type oil filter. Replace oil filter with a Mopar® or the equivalent. USED ENGINE OIL DISPOSAL Care should be exercised when disposing used engine oil after it has been drained from a vehicle engine. Refer to the WARNING listed above. PAN, OIL Removal REMOVAL Fig. 295: Oil Drain Plug Courtesy of CHRYSLER LLC 1. Raise vehicle on hoist. 2. Remove oil drain plug (2) and drain the engine oil. 3. Remove accessory drive belt splash shield. 2009 Jeep Patriot Limited 2009 ENGINE 2.0L - Service Information - Compass & Patriot a Saturday, September 08, 2012 1:30:16 PM Page 201 © 2006 Mitchell Repair Information Company, LLC.
  • 375.
    Fig. 296: A/CCompressor Courtesy of CHRYSLER LLC 4. Remove lower A/C compressor mounting bolt (if equipped). 5. Remove A/C mounting bracket (2). Fig. 297: Oil Pan Removal Courtesy of CHRYSLER LLC 6. Remove oil pan retaining bolts. 7. Using a putty knife (1), loosen seal around oil pan (2). 8. Remove oil pan (2). NOTE: Do not use pry points in block to remove oil pan. 2009 Jeep Patriot Limited 2009 ENGINE 2.0L - Service Information - Compass & Patriot a Saturday, September 08, 2012 1:30:16 PM Page 202 © 2006 Mitchell Repair Information Company, LLC.
  • 376.
    Installation INSTALLATION Fig. 298: SealerLocation Courtesy of CHRYSLER LLC 1. Apply Mopar® Engine RTV GEN II at the front cover to engine block parting lines (1). Fig. 299: Sealing Oil Pan Courtesy of CHRYSLER LLC NOTE: Oil pan sealing surfaces must be free of grease or oil. NOTE: Parts must be assembled within 10 minutes of applying RTV. 2009 Jeep Patriot Limited 2009 ENGINE 2.0L - Service Information - Compass & Patriot a Saturday, September 08, 2012 1:30:16 PM Page 203 © 2006 Mitchell Repair Information Company, LLC.
  • 377.
    2. Apply a2 mm bead of Mopar® Engine RTV GEN II around the oil pan as shown in illustration. 3. Position oil pan and install bolts. Tighten bolts to 12 N.m (105 in. lbs.). Fig. 300: Oil Drain Plug Courtesy of CHRYSLER LLC 4. Install oil drain plug (2). 5. Lower vehicle and fill engine crankcase with proper oil to correct level. 6. Start engine and check for leaks. PLUG, OIL Description DESCRIPTION NOTE: The 2 long bolts must be tightened to 22 N.m (195 in.lbs.). 2009 Jeep Patriot Limited 2009 ENGINE 2.0L - Service Information - Compass & Patriot a Saturday, September 08, 2012 1:30:16 PM Page 204 © 2006 Mitchell Repair Information Company, LLC.
  • 378.
    Fig. 301: TaperedPlugs Courtesy of CHRYSLER LLC The engine block has three tapered plugs sealing the high pressure oil gallery. These threaded plugs do not have a torque specification but instead are installed to a specific depth. Do not attempt to further tighten these plugs, damage to the engine block could result. Whenever these plugs are removed they must be replaced. Service plugs have a lock patch and do not require the application of additional sealant. Removal REMOVAL 2009 Jeep Patriot Limited 2009 ENGINE 2.0L - Service Information - Compass & Patriot a Saturday, September 08, 2012 1:30:16 PM Page 205 © 2006 Mitchell Repair Information Company, LLC.
  • 379.
    Fig. 302: GalleryPlug Courtesy of CHRYSLER LLC 1. Remove the plug (2) from the engine block. 2. Use Mopar® Brake Parts Cleaner (or equivalent) sparingly to clean the block. Installation INSTALLATION CAUTION: Excessive use of brake parts cleaner to clean threads in block could cause #5 main bearing failure. NOTE: Rear plug shown in illustration, other plugs are similar. 2009 Jeep Patriot Limited 2009 ENGINE 2.0L - Service Information - Compass & Patriot a Saturday, September 08, 2012 1:30:16 PM Page 206 © 2006 Mitchell Repair Information Company, LLC.
  • 380.
    Fig. 303: GalleryPlug Courtesy of CHRYSLER LLC 1. Use Mopar® Brake Parts Cleaner (or equivalent) sparingly to clean the block. 2. Install the plug (2) flush with the block boss face (1). The plug (2) is correctly installed when it is flush or protruding no more than 1 mm from the block boss face (1). PUMP, ENGINE OIL Description DESCRIPTION Fig. 304: BSM Identification Courtesy of CHRYSLER LLC The oil pump is integral to the balance shaft module (BSM) (2). The oil pump cannot be disassembled for inspection. The pressure relief valve is serviceable and can be removed and inspected. The BSM can be identified by the plastic end caps (1). Removal REMOVAL CAUTION: Excessive use of brake parts cleaner to clean threads in block could cause #5 main bearing failure. NOTE: Rear plug shown in illustration, other plugs are similar. 2009 Jeep Patriot Limited 2009 ENGINE 2.0L - Service Information - Compass & Patriot a Saturday, September 08, 2012 1:30:16 PM Page 207 © 2006 Mitchell Repair Information Company, LLC.
  • 381.
    Fig. 305: TDC Courtesyof CHRYSLER LLC 1. Rotate engine to TDC (1, 2) on #1 compression stroke. Fig. 306: BSM Tensioner Courtesy of CHRYSLER LLC 2. Remove oil pan. See Engine/Lubrication/PAN, Oil - Removal. 3. Mark the chain (6) and the sprocket (5) for reassembly. 2009 Jeep Patriot Limited 2009 ENGINE 2.0L - Service Information - Compass & Patriot a Saturday, September 08, 2012 1:30:16 PM Page 208 © 2006 Mitchell Repair Information Company, LLC.
  • 382.
    Fig. 307: OilPump Tensioner Reset Courtesy of CHRYSLER LLC 4. Push tensioner piston back into the tensioner body. Fig. 308: BSM Tensioner Courtesy of CHRYSLER LLC 5. With piston held back insert tensioner pin 9703 (4) into the tensioner body to hold the piston in the retracted position. 6. Remove BSM mounting bolts. Discard 180 mm bolts, 185 mm bolts can be reused. NOTE: Do not remove sprocket from BSM. 2009 Jeep Patriot Limited 2009 ENGINE 2.0L - Service Information - Compass & Patriot a Saturday, September 08, 2012 1:30:16 PM Page 209 © 2006 Mitchell Repair Information Company, LLC.
  • 383.
    7. Lower theback of the BSM and remove the chain (6) from the sprocket (5). 8. Remove BSM from the engine. Inspection INSPECTION Fig. 309: Oil Pump Chain Stretch Courtesy of CHRYSLER LLC 1. Remove timing chain cover. See Engine/Valve Timing/COVER(S), Engine Timing - Removal. 2. Remove oil pan. See Engine/Lubrication/PAN, Oil - Removal. 3. Measure the distance between the tensioner body and the guide shoe as shown in illustration. 4. If the distance is 10.1 mm (0.397 in.) or greater, replace the chain. Installation INSTALLATION CAUTION: There are two different Balance Shaft Module (BSM) to engine block bolts used. 180 mm bolts with a lock-patch on the threads or 185 mm bolts without lock-patch. Do not reuse the 180 mm bolts. Always discard 180 mm bolts after removing. Failure to replace these bolts can result in engine damage. The 185 mm bolts are reusable. Install the same length bolts that were removed and use either four new 180 mm bolts or four 185 mm bolts. 2009 Jeep Patriot Limited 2009 ENGINE 2.0L - Service Information - Compass & Patriot a Saturday, September 08, 2012 1:30:16 PM Page 210 © 2006 Mitchell Repair Information Company, LLC.
  • 384.
    Fig. 310: CheckingCylinder Head Bolts For Stretching (Necking) Courtesy of CHRYSLER LLC 1. The 185 mm (7.283 in.) length bolts must be checked for stretching. Check the bolts with a straight edge for necking (2). If the bolts are necked down, they must be replaced. Fig. 311: BSM Timing Courtesy of CHRYSLER LLC 2. Clean BSM mounting holes with Mopar® brake parts cleaner. 3. If chain was removed, align marks on crankshaft sprocket (2) and chain (1). 4. Align marks on oil pump sprocket (5) and chain (4). 5. Install chain on sprocket. 2009 Jeep Patriot Limited 2009 ENGINE 2.0L - Service Information - Compass & Patriot a Saturday, September 08, 2012 1:30:16 PM Page 211 © 2006 Mitchell Repair Information Company, LLC.
  • 385.
    6. Pivot BSMassembly upwards and position on ladder frame. Fig. 312: BSM Torque Sequence Courtesy of CHRYSLER LLC 7. Start BSM mounting bolts by hand. 8. Tighten new 180 mm BSM mounting bolts as follows: a. Tighten to 15 N.m (11 ft. lbs.) in the sequence shown in illustration. b. Tighten to 33 N.m (24 ft. lbs.) in the sequence shown in illustration. c. Rotate bolts an additional 90° in the sequence shown in illustration. 9. Tighten 185 mm BSM mounting bolts as follows: a. Tighten to 15 N.m (11 ft. lbs.) in the sequence shown in illustration. b. Tighten to 29 N.m (22 ft. lbs.) in the sequence shown in illustration. c. Rotate bolts an additional 90° in the sequence shown in illustration. NOTE: Use a three step procedure when tightening BSM mounting bolts. For new 180 mm bolts, go to step 8. For 185 mm bolts, go to step 9. 2009 Jeep Patriot Limited 2009 ENGINE 2.0L - Service Information - Compass & Patriot a Saturday, September 08, 2012 1:30:16 PM Page 212 © 2006 Mitchell Repair Information Company, LLC.
  • 386.
    Fig. 313: BSMTensioner Courtesy of CHRYSLER LLC 10. Remove tensioner pin 9703 (4). 11. Install oil pan. See Engine/Lubrication/PAN, Oil - Installation. 12. Fill with oil. 13. Start engine and check for leaks. SENSOR, OIL TEMPERATURE Removal REMOVAL 2009 Jeep Patriot Limited 2009 ENGINE 2.0L - Service Information - Compass & Patriot a Saturday, September 08, 2012 1:30:16 PM Page 213 © 2006 Mitchell Repair Information Company, LLC.
  • 387.
    Fig. 314: OilTemperature Sensor Courtesy of CHRYSLER LLC 1. Disconnect oil temperature sensor (1) electrical connector. 2. Remove sensor (1). Installation INSTALLATION Fig. 315: Oil Temperature Sensor Courtesy of CHRYSLER LLC 1. If re-using the oil temperature sensor, coat the threads with Mopar® thread sealant. 2. Install oil temperature sensor (1). Tighten to 18 N.m (160 in. lbs.). 3. Connect electrical connector. SWITCH, OIL PRESSURE Description DESCRIPTION The oil pressure switch is located on the left front side of the engine block. The oil pressure switch is a pressure sensitive switch that is activated by the engine's oil pressure (in the main oil gallery). The switch is a two terminal device (one terminal is provided to the wiring harness and the other terminal is the switch's metal housing that screws into the engine block). Operation OPERATION 2009 Jeep Patriot Limited 2009 ENGINE 2.0L - Service Information - Compass & Patriot a Saturday, September 08, 2012 1:30:16 PM Page 214 © 2006 Mitchell Repair Information Company, LLC.
  • 388.
    The oil pressureswitch is normally "Closed." The switch changes from a "Closed" circuit to an "Open" circuit, on increasing pressure of 7 psig. The oil pressure switch changes from an "Open" circuit to a "Closed" circuit, on decreasing pressure, between 2 psig and 4 psig. Removal REMOVAL Fig. 316: A/C Compressor - R & I Courtesy of CHRYSLER LLC 1. Disconnect and isolate the negative battery cable. 2. Raise and support the vehicle. 3. Remove the front skid plate, if equipped. 4. Remove the splash shield from the right side frame rail. Refer to Body/Exterior/SHIELD, Splash - Removal . 5. Remove the accessory drive belt. Refer to Cooling/Accessory Drive/BELT, Serpentine - Removal . 6. Remove the three bolts (2) and reposition the A/C compressor (1). NOTE: If the oil pressure switch is removed, it must be replaced with a new switch. 2009 Jeep Patriot Limited 2009 ENGINE 2.0L - Service Information - Compass & Patriot a Saturday, September 08, 2012 1:30:16 PM Page 215 © 2006 Mitchell Repair Information Company, LLC.
  • 389.
    Fig. 317: OilSender Courtesy of CHRYSLER LLC 7. Disconnect the oil pressure switch electrical connector. 8. Remove the oil pressure switch using Oil Pressure Socket C-4597 (1) or equivalent and discard the switch. Installation INSTALLATION Fig. 318: Oil Sender CAUTION: The oil pressure switch has tapered threads, over tightening could crack the engine block. 2009 Jeep Patriot Limited 2009 ENGINE 2.0L - Service Information - Compass & Patriot a Saturday, September 08, 2012 1:30:16 PM Page 216 © 2006 Mitchell Repair Information Company, LLC.
  • 390.
    Courtesy of CHRYSLERLLC 1. Install a new oil pressure switch using Oil Pressure Socket C-4597 (1) or equivalent. Tighten switch to 8 N.m (71 in. lbs.). 2. Connect the oil pressure switch electrical connector. Fig. 319: A/C Compressor - R & I Courtesy of CHRYSLER LLC 3. Position the A/C compressor (1) and install three mounting bolts (2). Tighten bolts to 25 N.m (18 ft. lbs.). 4. Install the accessory drive belt. Refer to Cooling/Accessory Drive/BELT, Serpentine - Installation . 5. Install the splash shield to the right side frame rail. Refer to Body/Exterior/SHIELD, Splash - Installation . 6. Install the front skid plate, if equipped. 7. Reconnect the negative battery cable. VALVE, OIL PRESSURE RELIEF Removal REMOVAL 2009 Jeep Patriot Limited 2009 ENGINE 2.0L - Service Information - Compass & Patriot a Saturday, September 08, 2012 1:30:16 PM Page 217 © 2006 Mitchell Repair Information Company, LLC.
  • 391.
    Fig. 320: OilPressure Relief Valve Courtesy of CHRYSLER LLC 1. Remove oil pan. See Engine/Lubrication/PAN, Oil - Removal 2. Remove pressure regulating valve cap (2). 3. Remove pressure regulating valve spring (3) and valve (4). Inspection INSPECTION Fig. 321: Oil Pressure Relief Valve Courtesy of CHRYSLER LLC NOTE: Pressure regulating valve (4) can be serviced separately from the oil pump 2009 Jeep Patriot Limited 2009 ENGINE 2.0L - Service Information - Compass & Patriot a Saturday, September 08, 2012 1:30:16 PM Page 218 © 2006 Mitchell Repair Information Company, LLC.
  • 392.
    1. Inspect pressurerelief valve (4) scoring, gouging, or debris. Replace as needed. 2. Inspect the pressure relief valve bore in the pump for scoring, gouging, or debris. 3. If pump bore is damaged, replace balance shaft module. Installation INSTALLATION Fig. 322: Oil Pressure Relief Valve Courtesy of CHRYSLER LLC 1. Lightly coat pressure regulating valve with clean engine oil and install valve (4). 2. Install spring (3) and cap (2). 3. Tighten cap to 44 N.m (32 lbs.ft.). MANIFOLDS MANIFOLD, EXHAUST Removal REMOVAL assembly. 2009 Jeep Patriot Limited 2009 ENGINE 2.0L - Service Information - Compass & Patriot a Saturday, September 08, 2012 1:30:16 PM Page 219 © 2006 Mitchell Repair Information Company, LLC.
  • 393.
    Fig. 323: EngineCover - 2.0L Courtesy of CHRYSLER LLC 1. Remove engine cover (1). 2. Disconnect negative cable from battery. Fig. 324: Exhaust Manifold Heat Shield Courtesy of CHRYSLER LLC 3. Remove bolts attaching upper heat shield. 4. Remove upper heat shield (1). 5. Disconnect exhaust pipe from manifold. 2009 Jeep Patriot Limited 2009 ENGINE 2.0L - Service Information - Compass & Patriot a Saturday, September 08, 2012 1:30:16 PM Page 220 © 2006 Mitchell Repair Information Company, LLC.
  • 394.
    Fig. 325: ExhaustManifold Support Bracket Courtesy of CHRYSLER LLC 6. Remove manifold support bracket (2). Fig. 326: Torque Sequence Courtesy of CHRYSLER LLC 7. Disconnect oxygen sensor electrical connector. 8. Remove exhaust manifold retaining fasteners. 9. Remove and discard manifold gasket. Cleaning CLEANING 2009 Jeep Patriot Limited 2009 ENGINE 2.0L - Service Information - Compass & Patriot a Saturday, September 08, 2012 1:30:16 PM Page 221 © 2006 Mitchell Repair Information Company, LLC.
  • 395.
    1. Discard gasket(if equipped) and clean all surfaces of manifold and cylinder head. Inspection INSPECTION 1. Inspect manifold gasket surfaces for flatness with straight edge. Surface must be flat within 0.15 mm per 300 mm (0.006 in. per foot) of manifold length. 2. Inspect manifolds for cracks or distortion. Replace manifold as necessary. Installation INSTALLATION Fig. 327: Torque Sequence Courtesy of CHRYSLER LLC 1. Install a new exhaust manifold gasket DO NOT APPLY SEALER . 2. Tighten the exhaust manifold bolts to 34 N.m (25 ft. lbs.). 2009 Jeep Patriot Limited 2009 ENGINE 2.0L - Service Information - Compass & Patriot a Saturday, September 08, 2012 1:30:16 PM Page 222 © 2006 Mitchell Repair Information Company, LLC.
  • 396.
    Fig. 328: ExhaustManifold Heat Shield Courtesy of CHRYSLER LLC 3. Install exhaust manifold heat shields. Tighten bolts to 12 N.m (105 in. lbs.). Fig. 329: Exhaust Manifold Support Bracket Courtesy of CHRYSLER LLC 4. Install exhaust manifold support bracket (2). 2009 Jeep Patriot Limited 2009 ENGINE 2.0L - Service Information - Compass & Patriot a Saturday, September 08, 2012 1:30:16 PM Page 223 © 2006 Mitchell Repair Information Company, LLC.
  • 397.
    Fig. 330: OxygenSensor Electrical Connector Courtesy of CHRYSLER LLC 5. Install new catalytic converter gasket. 6. Install exhaust pipe to manifold (1). Tighten fasteners to 28 N.m (250 in. lbs.). 7. Connect oxygen sensor electrical connector (3). Fig. 331: Battery Courtesy of CHRYSLER LLC 8. Connect negative cable to battery (3). 9. Install engine cover. MANIFOLD, INTAKE 2009 Jeep Patriot Limited 2009 ENGINE 2.0L - Service Information - Compass & Patriot a Saturday, September 08, 2012 1:30:16 PM Page 224 © 2006 Mitchell Repair Information Company, LLC.
  • 398.
    Removal REMOVAL Fig. 332: EngineCover - 2.0L Courtesy of CHRYSLER LLC 1. Remove engine cover (1). Fig. 333: Coil Connector Courtesy of CHRYSLER LLC WARNING: Release fuel system pressure before servicing system components. Service vehicles in well ventilated areas and avoid ignition sources. Never smoke while servicing the vehicle. 2009 Jeep Patriot Limited 2009 ENGINE 2.0L - Service Information - Compass & Patriot a Saturday, September 08, 2012 1:30:16 PM Page 225 © 2006 Mitchell Repair Information Company, LLC.
  • 399.
    2. Perform fuelsystem pressure release procedure before attempting any repairs. Refer to Fuel System/Fuel Delivery - Standard Procedure . Fig. 334: Air Cleaner Housing Courtesy of CHRYSLER LLC 3. Remove clean air hose (5). 4. Remove air cleaner housing (1). 5. Disconnect negative cable at battery (3). Fig. 335: Coil Connector Courtesy of CHRYSLER LLC 6. Disconnect fuel line at rail (3). 2009 Jeep Patriot Limited 2009 ENGINE 2.0L - Service Information - Compass & Patriot a Saturday, September 08, 2012 1:30:16 PM Page 226 © 2006 Mitchell Repair Information Company, LLC.
  • 400.
    7. Remove fuelinjector electrical connectors (4). 8. Remove fuel rail retaining bolts and remove fuel rail. Fig. 336: Oil Temperature Sensor Courtesy of CHRYSLER LLC 9. Disconnect oil temperature sensor (1). 10. Disconnect variable valve timing solenoid electrical connector. 11. Disconnect intake camshaft position sensor electrical connector. 12. Position harness out of the way. Fig. 337: Throttle Body Support Courtesy of CHRYSLER LLC 2009 Jeep Patriot Limited 2009 ENGINE 2.0L - Service Information - Compass & Patriot a Saturday, September 08, 2012 1:30:17 PM Page 227 © 2006 Mitchell Repair Information Company, LLC.
  • 401.
    13. Remove throttlebody support bracket (1). 14. Disconnect electronic throttle control electrical connector. 15. Remove wiring harness retainer from the intake manifold (2). 16. Disconnect MAP sensor electrical connector. 17. Disconnect vacuum lines at intake. Fig. 338: Radiator Hose Support Courtesy of CHRYSLER LLC 18. Remove upper radiator hose retaining bracket (1). Fig. 339: Torque Sequence Courtesy of CHRYSLER LLC 2009 Jeep Patriot Limited 2009 ENGINE 2.0L - Service Information - Compass & Patriot a Saturday, September 08, 2012 1:30:17 PM Page 228 © 2006 Mitchell Repair Information Company, LLC.
  • 402.
    19. Remove intakemanifold retaining bolts. 20. Remove intake manifold. Cleaning CLEANING 1. Discard gasket(s). 2. Clean all sealing surfaces. Inspection INSPECTION 1. Inspect manifold for cracks, distortion, or mounting surface warpage. Replace manifold if necessary. 2. Inspect manifold gasket for surface damage or excessive swelling. Replace gaskets as necessary. Installation INSTALLATION Fig. 340: Torque Sequence Courtesy of CHRYSLER LLC 1. Clean all gasket surfaces. 2. Replace intake manifold gasket. 3. Install intake manifold, tighten bolts to 25 N.m (220 in. lbs.) as shown in illustration. 2009 Jeep Patriot Limited 2009 ENGINE 2.0L - Service Information - Compass & Patriot a Saturday, September 08, 2012 1:30:17 PM Page 229 © 2006 Mitchell Repair Information Company, LLC.
  • 403.
    Fig. 341: CoilConnector Courtesy of CHRYSLER LLC 4. Install the fuel rail assembly to intake manifold. Tighten bolts to 23 N.m (200 in. lbs.). 5. Connect fuel injector electrical connectors (4). 6. Inspect quick connect fittings for damage, replace if necessary. Refer to Fuel System/Fuel Delivery/FITTING, Quick Connect - Standard Procedure . 7. Connect fuel line (3). Fig. 342: Air Cleaner Housing Courtesy of CHRYSLER LLC 8. Connect negative cable to battery (3). 9. Fill the cooling system. Refer to Cooling - Standard Procedure . 2009 Jeep Patriot Limited 2009 ENGINE 2.0L - Service Information - Compass & Patriot a Saturday, September 08, 2012 1:30:17 PM Page 230 © 2006 Mitchell Repair Information Company, LLC.
  • 404.
    10. Install aircleaner housing (1). 11. Install clean air hose (5). Fig. 343: Engine Cover - 2.0L Courtesy of CHRYSLER LLC 12. Start engine and check for leaks. 13. Install engine cover (1). VALVE TIMING DESCRIPTION DESCRIPTION 2009 Jeep Patriot Limited 2009 ENGINE 2.0L - Service Information - Compass & Patriot a Saturday, September 08, 2012 1:30:17 PM Page 231 © 2006 Mitchell Repair Information Company, LLC.
  • 405.
    Fig. 344: TimingDrive Courtesy of CHRYSLER LLC The timing drive system consists of the following: Timing Chain (2) Camshaft Sprockets (1,3) Crankshaft Sprocket Right Timing Chain Guide (Moveable) (6) Left Timing Chain Guide (Fixed) (4) Timing Chain Tensioner (5) The camshaft sprockets are attached to the cam phasers which are attached to the front of the camshafts and are used with the timing chain and crankshaft sprocket to turn the camshafts. The camshaft position sensors target is part of the camshafts and is used with the camshaft position sensors to provide the PCM with valvetrain position information. The timing chain tensioner is installed in the right side of the engine block. Using engine oil pressure, the tensioner applies constant pressure to the right side (movable) timing chain guide, which in turn applies pressure to the timing chain. Also as the tensioner extends, it ratchet locks in position to provide constant timing chain tension. STANDARD PROCEDURE VALVE TIMING VERIFICATION CAUTION: Painted or colored chain links are used during initial engine assembly and can not be relied upon for valve timing verification. These markings are in different locations for early production, late production and service parts. Only use TDC marks, cylinder head cover sealing surface and camshaft 2009 Jeep Patriot Limited 2009 ENGINE 2.0L - Service Information - Compass & Patriot a Saturday, September 08, 2012 1:30:17 PM Page 232 © 2006 Mitchell Repair Information Company, LLC.
  • 406.
    Fig. 345: TDC Courtesyof CHRYSLER LLC 1. Remove engine cover. 2. Remove cylinder head cover. See Engine/Cylinder Head/COVER(S), Cylinder Head - Removal. 3. Set engine to TDC (1,2). Fig. 346: Camshaft Timing Courtesy of CHRYSLER LLC 4. The marks on the camshaft sprockets (3) should be in line with the cylinder head cover sealing surface. 5. Install cylinder head cover. See Engine/Cylinder Head/COVER(S), Cylinder Head - Installation. sprocket marks to verify valve timing or engine damage may result. 2009 Jeep Patriot Limited 2009 ENGINE 2.0L - Service Information - Compass & Patriot a Saturday, September 08, 2012 1:30:17 PM Page 233 © 2006 Mitchell Repair Information Company, LLC.
  • 407.
    6. Install theengine cover. CHAIN AND SPROCKETS, TIMING Removal TIMING CHAIN Fig. 347: TDC Courtesy of CHRYSLER LLC 1. Set engine to TDC. 2. Remove timing chain cover. See Engine/Valve Timing/COVER(S), Engine Timing - Removal. 2009 Jeep Patriot Limited 2009 ENGINE 2.0L - Service Information - Compass & Patriot a Saturday, September 08, 2012 1:30:17 PM Page 234 © 2006 Mitchell Repair Information Company, LLC.
  • 408.
    Fig. 348: TimingChain Timing Marks Courtesy of CHRYSLER LLC 3. Mark chain link (1) corresponding to camshaft timing mark. Fig. 349: Crankshaft Timing Marks Courtesy of CHRYSLER LLC 4. Mark chain link (3) corresponding to crankshaft timing mark (2). Fig. 350: Timing Drive NOTE: If the timing chain plated links can no longer be seen, the timing chain links corresponding to the timing marks must be marked prior to removal if the chain is to be reused. 2009 Jeep Patriot Limited 2009 ENGINE 2.0L - Service Information - Compass & Patriot a Saturday, September 08, 2012 1:30:17 PM Page 235 © 2006 Mitchell Repair Information Company, LLC.
  • 409.
    Courtesy of CHRYSLERLLC 5. Remove timing chain tensioner (5). See Engine/Valve Timing/TENSIONER, Engine Timing - Removal. 6. Remove timing chain (2). CAMSHAFT SPROCKET(S) Refer to camshaft phaser removal. See Engine/Cylinder Head/CAMSHAFT, Engine - Removal. CRANKSHAFT SPROCKET Fig. 351: Crankshaft Sprocket Courtesy of CHRYSLER LLC 1. Remove timing chain. See Engine/Valve Timing/CHAIN and SPROCKETS, Timing - Removal. 2. Remove oil pan. See Engine/Lubrication/PAN, Oil - Removal. 3. Remove oil pump drive chain tensioner. 4. Remove oil pump drive chain. 5. Remove crankshaft sprocket (1). Inspection INSPECTION NOTE: Camshaft phasers and camshaft sprockets are supplied as an assembly, do not attempt to disassemble. 2009 Jeep Patriot Limited 2009 ENGINE 2.0L - Service Information - Compass & Patriot a Saturday, September 08, 2012 1:30:17 PM Page 236 © 2006 Mitchell Repair Information Company, LLC.
  • 410.
    Fig. 352: DistanceFrom Tensioner Body & Edge Of Chain Guide Courtesy of CHRYSLER LLC Inspect timing chain for stretching prior to removal. 1. Rotate engine while watching timing chain tensioner plunger. When the plunger reaches its maximum travel stop rotating engine. 2. Measure the distance from the tensioner body and the edge of the chain guide as shown in illustration. 3. If the distance is greater than 20.5 mm (0.81 in.) inspect guide shoes for excessive wear. 4. If guides are okay, replace timing chain. Installation CRANKSHAFT SPROCKET 2009 Jeep Patriot Limited 2009 ENGINE 2.0L - Service Information - Compass & Patriot a Saturday, September 08, 2012 1:30:17 PM Page 237 © 2006 Mitchell Repair Information Company, LLC.
  • 411.
    Fig. 353: CrankshaftSprocket Courtesy of CHRYSLER LLC 1. Install crankshaft sprocket (1) onto crankshaft. Fig. 354: BSM Tensioner Courtesy of CHRYSLER LLC 2. Install oil pump drive chain. Verify that Oil pump is correctly timed (1, 2, 5, 6). Fig. 355: Oil Pump Tensioner Reset Courtesy of CHRYSLER LLC 3. Reset oil pump drive chain tensioner by pushing plunger inward and install tensioner pin 8514. 2009 Jeep Patriot Limited 2009 ENGINE 2.0L - Service Information - Compass & Patriot a Saturday, September 08, 2012 1:30:17 PM Page 238 © 2006 Mitchell Repair Information Company, LLC.
  • 412.
    Fig. 356: BSMTensioner Courtesy of CHRYSLER LLC 4. Install oil pump drive chain tensioner (3) and remove Tensioner Pin 8514 (4). 5. Install timing chain. See Engine/Valve Timing/CHAIN and SPROCKETS, Timing - Installation. 6. Install oil pan. See Engine/Lubrication/PAN, Oil - Installation. 7. Fill engine with oil. See Engine/Lubrication/OIL - Standard Procedure. 8. Start engine and check for leaks. CAMSHAFT SPROCKET(S) Fig. 357: Cam Phaser Installation Courtesy of CHRYSLER LLC 2009 Jeep Patriot Limited 2009 ENGINE 2.0L - Service Information - Compass & Patriot a Saturday, September 08, 2012 1:30:17 PM Page 239 © 2006 Mitchell Repair Information Company, LLC.
  • 413.
    1. Refer toCamshaft phaser (2) installation. See Engine/Cylinder Head/CAMSHAFT, Engine - Installation. TIMING CHAIN Fig. 358: Crankshaft Timing Marks Courtesy of CHRYSLER LLC 1. Verify that the engine is still set to TDC. NOTE: The camshaft sprockets and the camshaft phasers are an assembly and cannot be serviced separately. CAUTION: Do not use an impact wrench to tighten camshaft sprocket bolts. Damage to the camshaft-to-sprocket locating dowel pin and camshaft phaser may occur. NOTE: The crankshaft timing mark (3) or (5) can be in one of two locations depending on whether the engine is early production (5), late production (3) or assembled with service parts (3). In all cases the keyway (2) will always be in the 9:00 position, in line with the ladder frame mounting surface (1) when the engine is at TDC. 2009 Jeep Patriot Limited 2009 ENGINE 2.0L - Service Information - Compass & Patriot a Saturday, September 08, 2012 1:30:17 PM Page 240 © 2006 Mitchell Repair Information Company, LLC.
  • 414.
    Fig. 359: TimingChain Timing Marks Courtesy of CHRYSLER LLC 2. Align camshaft timing marks (3) so they are facing each other and in line with the cylinder head cover sealing surface (2). 3. Install timing chain so plated (or marked) links on chain align with timing marks on camshaft sprockets (1). Fig. 360: Crankshaft Timing Marks Courtesy of CHRYSLER LLC 4. Align timing mark on the crankshaft sprocket (3) or (5) with the plated (or marked) link (4) on the timing chain. Position chain so slack will be on the tensioner side. 2009 Jeep Patriot Limited 2009 ENGINE 2.0L - Service Information - Compass & Patriot a Saturday, September 08, 2012 1:30:17 PM Page 241 © 2006 Mitchell Repair Information Company, LLC.
  • 415.
    Fig. 361: TimingDrive Courtesy of CHRYSLER LLC 5. Install the timing chain tensioner (5). See Engine/Valve Timing/TENSIONER, Engine Timing - Installation Rotate the crankshaft CLOCKWISE two complete revolutions until the crankshaft is repositioned at the TDC position with the key way at the 9 o'clock position. 6. Verify that the camshafts timing marks (3) are in the proper position and in line with the cylinder head cover sealing surface. If the marks do not line up, the timing chain is not correctly installed. 7. Install front timing chain cover. See Engine/Valve Timing/COVER(S), Engine Timing - Installation. 8. Connect negative battery cable. 9. Operate engine until it reaches normal operating temperature. Check oil and cooling systems for correct fluid levels. COVER(S), ENGINE TIMING Removal REMOVAL NOTE: Keep the slack in the timing chain on the tensioner side. 2009 Jeep Patriot Limited 2009 ENGINE 2.0L - Service Information - Compass & Patriot a Saturday, September 08, 2012 1:30:17 PM Page 242 © 2006 Mitchell Repair Information Company, LLC.
  • 416.
    Fig. 362: EngineCover Courtesy of CHRYSLER LLC 1. Remove engine cover (1) by pulling upward. 2. Perform fuel pressure bleed procedure. Refer to Fuel System/Fuel Delivery - Standard Procedure . 3. Disconnect and isolate the negative battery cable. Fig. 363: Coolant Reservoir Courtesy of CHRYSLER LLC 4. Remove coolant recovery bottle (3). Refer to Cooling/Engine/BOTTLE, Coolant Recovery - Removal . 5. Remove and reposition power steering reservoir (2). 6. Remove windshield washer bottle (1). Refer to Electrical/Wipers/Washers/RESERVOIR, Windshield Washer - Removal . 2009 Jeep Patriot Limited 2009 ENGINE 2.0L - Service Information - Compass & Patriot a Saturday, September 08, 2012 1:30:17 PM Page 243 © 2006 Mitchell Repair Information Company, LLC.
  • 417.
    7. Remove accessorydrive belt. Refer to Cooling/Accessory Drive/BELT, Serpentine - Removal . Fig. 364: Pressure Hose Courtesy of CHRYSLER LLC 8. Remove power steering hose hold down (2). Fig. 365: Power Steering Pump - Gas Courtesy of CHRYSLER LLC 9. Remove the three power steering pump mounting bolts (1) through the openings in the pulley (3) and reposition the pump. 2009 Jeep Patriot Limited 2009 ENGINE 2.0L - Service Information - Compass & Patriot a Saturday, September 08, 2012 1:30:17 PM Page 244 © 2006 Mitchell Repair Information Company, LLC.
  • 418.
    Fig. 366: TorqueSequence Courtesy of CHRYSLER LLC 10. Remove the cylinder head cover. See Engine/Cylinder Head/COVER(S), Cylinder Head - Removal. 11. Remove ignition coils from cylinder head cover. Fig. 367: TDC Courtesy of CHRYSLER LLC 12. Raise and support the vehicle. Refer to Vehicle Quick Reference/Hoisting - Standard Procedure . 13. Remove the right lower splash shield. Refer to Body/Exterior/SHIELD, Splash - Removal . 14. Set engine to TDC (1). 2009 Jeep Patriot Limited 2009 ENGINE 2.0L - Service Information - Compass & Patriot a Saturday, September 08, 2012 1:30:17 PM Page 245 © 2006 Mitchell Repair Information Company, LLC.
  • 419.
    Fig. 368: A/CCompressor Courtesy of CHRYSLER LLC 15. Remove lower A/C compressor bolts if equipped. 16. Remove lower A/C compressor mount (2) if equipped. Fig. 369: Accessory Drive Belt Idler Pulley - 2.4L Courtesy of CHRYSLER LLC 17. Remove accessory drive belt lower idler pulley (2). 2009 Jeep Patriot Limited 2009 ENGINE 2.0L - Service Information - Compass & Patriot a Saturday, September 08, 2012 1:30:17 PM Page 246 © 2006 Mitchell Repair Information Company, LLC.
  • 420.
    Fig. 370: EngineFront Courtesy of CHRYSLER LLC 18. Remove crankshaft damper (2). See Engine/Engine Block/DAMPER, Vibration - Removal. 19. Remove three bolts and water pump pulley (4) from water pump. 20. Remove lower bolt from right side engine mount bracket (1). Fig. 371: Timing Chain Cover Lower Bolts Courtesy of CHRYSLER LLC 21. Remove timing chain cover lower bolts (1). 22. Lower vehicle. 23. Support engine with suitable jack. 2009 Jeep Patriot Limited 2009 ENGINE 2.0L - Service Information - Compass & Patriot a Saturday, September 08, 2012 1:30:17 PM Page 247 © 2006 Mitchell Repair Information Company, LLC.
  • 421.
    Fig. 372: RightEngine Mount Courtesy of CHRYSLER LLC 24. Remove right engine mount through bolt (4). 25. Remove right engine mount to mount bracket bolts (3). 26. Remove right engine mount adapter (2). Fig. 373: Accessory Drive Belt Idler Pulley - 2.4L Courtesy of CHRYSLER LLC 27. Remove accessory drive upper idler pulley (1). 2009 Jeep Patriot Limited 2009 ENGINE 2.0L - Service Information - Compass & Patriot a Saturday, September 08, 2012 1:30:17 PM Page 248 © 2006 Mitchell Repair Information Company, LLC.
  • 422.
    Fig. 374: EngineFront Courtesy of CHRYSLER LLC 28. Remove right upper engine mount bracket (1). 29. Remove accessory drive belt tensioner. 30. Remove timing chain cover retaining bolts. 2009 Jeep Patriot Limited 2009 ENGINE 2.0L - Service Information - Compass & Patriot a Saturday, September 08, 2012 1:30:17 PM Page 249 © 2006 Mitchell Repair Information Company, LLC.
  • 423.
    Fig. 375: TimingChain Cover Pry Points Courtesy of CHRYSLER LLC 31. Remove timing chain cover using pry points (1,2,3). Fig. 376: Timing Chain Cover Removal Courtesy of CHRYSLER LLC 2009 Jeep Patriot Limited 2009 ENGINE 2.0L - Service Information - Compass & Patriot a Saturday, September 08, 2012 1:30:17 PM Page 250 © 2006 Mitchell Repair Information Company, LLC.
  • 424.
    32. Remove timingchain cover (1) out through the bottom of the vehicle. Installation INSTALLATION Fig. 377: Front Cover Upper T-Joints Courtesy of CHRYSLER LLC 1. Clean all sealing surfaces. See Engine - Standard Procedure. 2. Apply Mopar® engine sealant RTV (or equivalent) as shown in illustration at the cylinder head to block parting line (1,2). NOTE: When using RTV, the sealing surfaces must be clean and free from grease and oil. NOTE: When using RTV, parts should be assembled in 10 minutes and tighten to final torque within 45 minutes. 2009 Jeep Patriot Limited 2009 ENGINE 2.0L - Service Information - Compass & Patriot a Saturday, September 08, 2012 1:30:17 PM Page 251 © 2006 Mitchell Repair Information Company, LLC.
  • 425.
    Fig. 378: LowerT-Joints Courtesy of CHRYSLER LLC 3. Apply Mopar® engine sealant RTV (or equivalent) as shown in illustration at the ladder frame to block parting line (1,2). Fig. 379: Sealing Oil Pan Courtesy of CHRYSLER LLC 4. Apply Mopar® engine sealant RTV (or equivalent) as shown in illustration in the corner of the oil pan and block. 5. Apply 2 mm bead of Mopar® engine sealant RTV (or equivalent) to the oil pan as shown in illustration. 2009 Jeep Patriot Limited 2009 ENGINE 2.0L - Service Information - Compass & Patriot a Saturday, September 08, 2012 1:30:17 PM Page 252 © 2006 Mitchell Repair Information Company, LLC.
  • 426.
    Fig. 380: TimingChain Cover Sealing Courtesy of CHRYSLER LLC 6. Apply 2 mm bead of Mopar® engine sealant RTV (or equivalent) to the engine block (1, 2) as shown in illustration. Fig. 381: Timing Chain Cover Removal Courtesy of CHRYSLER LLC 7. Install timing chain cover (1) upwards from under the vehicle. 8. Install timing chain cover upper retaining bolts and tighten M6 bolts to 9 N.m (80 in. lbs.) and M8 bolts to 26 N.m (230 in. lbs.). 9. Install accessory drive belt tensioner. Tighten bolt to 24 N.m (212 in. lbs.). 2009 Jeep Patriot Limited 2009 ENGINE 2.0L - Service Information - Compass & Patriot a Saturday, September 08, 2012 1:30:17 PM Page 253 © 2006 Mitchell Repair Information Company, LLC.
  • 427.
    Fig. 382: RightEngine Mount Bracket Courtesy of CHRYSLER LLC 10. Install right engine mount bracket (1). Tighten bolts to 50 N.m (37 ft. lbs.). Fig. 383: Accessory Drive Belt Idler Pulley - 2.4L Courtesy of CHRYSLER LLC 11. Install accessory drive belt upper idler pulley (1). Tighten bolt to 48 N.m (35 ft. lbs.). 2009 Jeep Patriot Limited 2009 ENGINE 2.0L - Service Information - Compass & Patriot a Saturday, September 08, 2012 1:30:17 PM Page 254 © 2006 Mitchell Repair Information Company, LLC.
  • 428.
    Fig. 384: RightEngine Mount Courtesy of CHRYSLER LLC 12. Install engine mount adapter (2) and tighten bolts (3) to 68 N.m (50 ft. lbs.). 13. Install engine mount through bolt (4) and tighten to 88 N.m (65 ft. lbs.). 14. Remove jack from under engine. Fig. 385: Timing Chain Cover Lower Bolts Courtesy of CHRYSLER LLC 15. Raise and support the vehicle. Refer to Vehicle Quick Reference/Hoisting - Standard Procedure . 16. Install oil pan to timing chain cover lower retaining bolts (1) and tighten M6 bolts to 9 N.m (80 in. lbs.). 2009 Jeep Patriot Limited 2009 ENGINE 2.0L - Service Information - Compass & Patriot a Saturday, September 08, 2012 1:30:17 PM Page 255 © 2006 Mitchell Repair Information Company, LLC.
  • 429.
    Fig. 386: EngineFront Courtesy of CHRYSLER LLC 17. Install water pump pulley (4) and tighten three bolts to 9 N.m (80 in. lbs.). 18. Install crankshaft damper (2). See Engine/Engine Block/DAMPER, Vibration - Installation Fig. 387: Accessory Drive Belt Idler Pulley - 2.4L Courtesy of CHRYSLER LLC 19. Install accessory drive belt lower idler pulley (2). Tighten bolt to 48 N.m (35 ft. lbs.). 2009 Jeep Patriot Limited 2009 ENGINE 2.0L - Service Information - Compass & Patriot a Saturday, September 08, 2012 1:30:17 PM Page 256 © 2006 Mitchell Repair Information Company, LLC.
  • 430.
    Fig. 388: A/CCompressor Courtesy of CHRYSLER LLC 20. Install lower A/C compressor mounting bracket (2). Tighten the bolts to 24 N.m (18 ft. lbs.). 21. Install A/C compressor (1). Tighten the bolts to 25 N.m (18 ft. lbs.). 22. Install right lower splash shield. Refer to Body/Exterior/SHIELD, Splash - Installation . 23. Lower vehicle. Fig. 389: Torque Sequence Courtesy of CHRYSLER LLC 24. Install cylinder head cover and ignition coils. See Engine/Cylinder Head/COVER(S), Cylinder Head - Installation. 2009 Jeep Patriot Limited 2009 ENGINE 2.0L - Service Information - Compass & Patriot a Saturday, September 08, 2012 1:30:17 PM Page 257 © 2006 Mitchell Repair Information Company, LLC.
  • 431.
    Fig. 390: PowerSteering Pump - Gas Courtesy of CHRYSLER LLC 25. Place the power steering pump in mounting position. Install the three bolts (1) through openings in the pulley (3). Tighten the mounting bolts (1) to 26 N.m (19 ft. lbs.). Fig. 391: Pressure Hose Courtesy of CHRYSLER LLC 26. Install the power steering hose hold down (2). 27. Install accessory drive belt. Refer to Cooling/Accessory Drive/BELT, Serpentine - Installation . 2009 Jeep Patriot Limited 2009 ENGINE 2.0L - Service Information - Compass & Patriot a Saturday, September 08, 2012 1:30:17 PM Page 258 © 2006 Mitchell Repair Information Company, LLC.
  • 432.
    Fig. 392: CoolantReservoir Courtesy of CHRYSLER LLC 28. Install power steering pump reservoir (2). Tighten mounting screw to 12 N.m (106 in. lbs.). 29. Install windshield washer reservoir (1). 30. Install coolant recovery reservoir (3). Tighten mounting bolts to 4 N.m (35 in. lbs.). Fig. 393: Air Cleaner Housing Courtesy of CHRYSLER LLC 31. Install clean air hose (5) and air cleaner housing (1). See Engine/Air Intake System/BODY, Air Cleaner - Installation. 32. Install air cleaner housing inlet. 33. Connect negative battery cable. 2009 Jeep Patriot Limited 2009 ENGINE 2.0L - Service Information - Compass & Patriot a Saturday, September 08, 2012 1:30:17 PM Page 259 © 2006 Mitchell Repair Information Company, LLC.
  • 433.
    Fig. 394: EngineCover - 2.4L Courtesy of CHRYSLER LLC 34. Operate engine until it reaches normal operating temperature. Check oil system for leaks and correct fluid level. 35. Install engine cover (1). TENSIONER, ENGINE TIMING Removal REMOVAL Fig. 395: Timing Drive Courtesy of CHRYSLER LLC 2009 Jeep Patriot Limited 2009 ENGINE 2.0L - Service Information - Compass & Patriot a Saturday, September 08, 2012 1:30:17 PM Page 260 © 2006 Mitchell Repair Information Company, LLC.
  • 434.
    1. Remove theengine timing cover. See Engine/Valve Timing/COVER(S), Engine Timing - Removal. 2. Remove timing chain tensioner retaining bolts and remove tensioner (5). Installation INSTALLATION Fig. 396: Tensioner Reset Courtesy of CHRYSLER LLC 1. Reset timing chain tensioner (4) by lifting up on ratchet (2) and pushing plunger (3) inward towards the tensioner body (4). Insert Tensioner Pin 8514 into slot (1) to hold tensioner plunger in the retracted position. NOTE: Tensioner will not come apart during removal. 2009 Jeep Patriot Limited 2009 ENGINE 2.0L - Service Information - Compass & Patriot a Saturday, September 08, 2012 1:30:17 PM Page 261 © 2006 Mitchell Repair Information Company, LLC.
  • 435.
    Fig. 397: TimingChain Tensioner Courtesy of CHRYSLER LLC 2. Install timing chain tensioner (1) and tighten bolts to 12 N.m (105 in. lbs.). 3. Remove timing Tensioner Pin 8514 (2). 4. Install the engine timing cover. See Engine/Valve Timing/COVER(S), Engine Timing - Installation NOTE: Keep the slack in the timing chain on the tensioner side. 2009 Jeep Patriot Limited 2009 ENGINE 2.0L - Service Information - Compass & Patriot a Saturday, September 08, 2012 1:30:17 PM Page 262 © 2006 Mitchell Repair Information Company, LLC.
  • 436.
    2009 ENGINE 2.4L -Service Information - Compass & Patriot DESCRIPTION DESCRIPTION The 2.4 Liter (148 cu. in.) in-line four cylinder engine is a double over head camshaft design with mechanical lash tappets and four valves per cylinder design. This engine is NOT free-wheeling; meaning that the pistons will contact the valves in the event of a timing chain failure. The cylinders are numbered from front of the engine to the rear. The firing order is 1-3-4-2. Fig. 1: Serial Number Courtesy of CHRYSLER LLC The engine serial number (1) is located on the rear of the cylinder block behind the oil pan. The serial number is visible with the oil pan in place. The serial number contains engine build date information. DIAGNOSIS AND TESTING INTRODUCTION Engine diagnosis is helpful in determining the causes of malfunctions not detected and remedied by routine maintenance. These malfunctions may be classified as either mechanical (e.g., a strange noise), or performance (e.g., engine idles rough and stalls). Refer to the Engine Mechanical and the Engine Performance diagnostic charts, for possible causes and 2009 Jeep Patriot Limited 2009 ENGINE 2.4L - Service Information - Compass & Patriot 2009 Jeep Patriot Limited 2009 ENGINE 2.4L - Service Information - Compass & Patriot a Saturday, September 08, 2012 1:27:51 PM Page 1 © 2006 Mitchell Repair Information Company, LLC. a Saturday, September 08, 2012 1:28:02 PM Page 1 © 2006 Mitchell Repair Information Company, LLC.
  • 437.
    corrections of malfunctions.See MECHANICAL and PERFORMANCE for both. For fuel system diagnosis, see FUEL SYSTEM . Additional tests and diagnostic procedures may be necessary for specific engine malfunctions that cannot be isolated with the Service Diagnosis charts. Information concerning additional tests and diagnosis is provided within the following: Cylinder Compression Pressure Test: Refer to CYLINDER COMPRESSION PRESSURE TEST. Cylinder Combustion Pressure Leakage Test: Refer to CYLINDER COMBUSTION PRESSURE LEAKAGE TEST. Engine Cylinder Head Gasket Failure Diagnosis: Refer to CYLINDER HEAD GASKET. Intake Manifold Leakage Diagnosis: Refer to INTAKE MANIFOLD LEAKS. Mechanical Valve Tappet Noise Diagnosis: Refer to MECHANICAL VALVE TAPPET NOISE DIAGNOSIS. Engine Oil Leak Inspection: Refer to ENGINE OIL LEAK INSPECTION. PERFORMANCE CONDITION POSSIBLE CAUSE CORRECTION ENGINE WILL NOT START 1. Weak battery. 1. Test battery. Charge or replace as necessary. Refer to Electrical/Battery System - Diagnosis and Testing . 2. Corroded or loose battery connections. 2. Clean and tighten battery connections. Apply a coat of light mineral grease to terminals. 3. Faulty starter. 3. Test starting system. Check for codes. (Refer to Appropriate Diagnostic Information) 4. Faulty coil(s) or control unit. 4. Test and replace as needed. (Refer to Appropriate Diagnostic Information) 5. Incorrect spark plug gap. 5. Set gap. Refer to Electrical/Ignition Control - Specifications . 6. Contamination in fuel system. 6. Clean system and replace fuel filter. 7. Faulty fuel pump. 7. Test fuel pump and replace as needed. (Refer to Appropriate Diagnostic Information) 8. Incorrect engine timing. 8. Check for a skipped timing belt/chain. ENGINE STALLS OR IDLES 1. Idle speed too low. 1. Test minimum air flow. (Refer 2009 Jeep Patriot Limited 2009 ENGINE 2.4L - Service Information - Compass & Patriot a Saturday, September 08, 2012 1:27:51 PM Page 2 © 2006 Mitchell Repair Information Company, LLC.
  • 438.
    ROUGH to AppropriateDiagnostic Information) 2. Incorrect fuel mixture. 2. (Refer to Appropriate Diagnostic Information) 3. Intake manifold leakage. 3. Inspect intake manifold, manifold gasket, and vacuum hoses. 4. Faulty ignition coil(s). 4. Test and replace as necessary. (Refer to Appropriate Diagnostic Information) 5. Contamination in Oil Control Valve (OCV). 5. Remove OCV and inspect for contamination. Replace OCV if contaminated. ENGINE LOSS OF POWER 1. Dirty or incorrectly gapped plugs. 1. Clean plugs and set gap. 2. Contamination in fuel system. 2. Clean system and replace fuel filter. 3. Faulty fuel pump. 3. Test and replace as necessary. (Refer to Appropriate Diagnostic Information) 4. Incorrect valve timing. 4. Correct valve timing. 5. Leaking cylinder head gasket. 5. Replace cylinder head gasket. 6. Low compression. 6. Test compression of each cylinder. 7. Burned, warped, or pitted valves. 7. Replace valves. 8. Plugged or restricted exhaust system. 8. Perform exhaust restriction test. Install new parts. Refer to Exhaust System - Diagnosis and Testing , as necessary. 9. Faulty ignition coil(s). 9. Test and replace as necessary. (Refer to Appropriate Diagnostic Information) ENGINE MISSES ON ACCELERATION 1. Dirty or incorrectly gapped spark plugs. 1. Clean spark plugs and set gap. 2. Contamination in Fuel System. 2. Clean fuel system and replace fuel filter. 3. Burned, warped, or pitted valves. 3. Replace valves. 4. Faulty ignition coil(s). 4. Test and replace as necessary. (Refer to Appropriate Diagnostic Information) ENGINE MISSES AT HIGH SPEED 1. Dirty or incorrect spark plug gap. 1. Clean spark plugs and set gap. 2009 Jeep Patriot Limited 2009 ENGINE 2.4L - Service Information - Compass & Patriot a Saturday, September 08, 2012 1:27:51 PM Page 3 © 2006 Mitchell Repair Information Company, LLC.
  • 439.
    MECHANICAL 2. Faulty ignitioncoil(s). 2. Test and replace as necessary. (Refer to Appropriate Diagnostic Information) 3. Dirty fuel injector(s). 3. Test and replace as necessary. (Refer to Appropriate Diagnostic Information) 4. Contamination in fuel system. 4. Clean system and replace fuel filter. CONDITION POSSIBLE CAUSES CORRECTION VALVETRAIN NOISE 1. High or low oil level in crankcase. 1. Check and correct engine oil level. 2. Thin or diluted oil. 2. Change oil to correct viscosity. 3. Thick oil 3. (a) Change engine oil and filter. - (b) Run engine to operating temperature. - (c) Change engine oil and filter again. 4. Low oil pressure. 4. (a) Check and correct engine oil level. - (b) Check pressure regulating valve. 5. Worn cam lobe. 5. Install new camshaft. 6. Worn tappet bucket. 6. Install new select fit tappet bucket. 7. Worn valve guides. 7. Replace cylinder head. 8. Excessive runout of valve seats on valve faces. 8. Grind valve seats and replace valves. CONNECTING ROD NOISE 1. Insufficient oil supply. 1. Check engine oil level. 2. Low oil pressure. 2. Check engine oil level. Inspect oil pump relief valve and spring. 3. Thin or diluted oil. 3. Change oil to correct viscosity. 4. Thick oil 4. (a) Change engine oil and filter. - (b) Run engine to operating temperature. - (c) Change engine oil and filter again. 5. Excessive bearing clearance. 5. Measure bearings for correct clearance. Repair as necessary. 6. Connecting rod journal out-of- round. 6. Replace crankshaft or grind surface. 7. Connecting rod out-of-round. 7. Replace connecting rod. 8. Misaligned connecting rods. 8. Replace bent connecting rods. 2009 Jeep Patriot Limited 2009 ENGINE 2.4L - Service Information - Compass & Patriot a Saturday, September 08, 2012 1:27:51 PM Page 4 © 2006 Mitchell Repair Information Company, LLC.
  • 440.
    MAIN BEARING NOISE1. Insufficient oil supply. 1. Check engine oil level. 2. Low oil pressure. 2. Check engine oil level. Inspect oil pump relief valve and spring. 3. Thin or diluted oil. 3. Change oil to correct viscosity. 4. Thick oil 4. (a) Change engine oil and filter. - (b) Run engine to operating temperature. - (c) Change engine oil and filter again. 5. Excessive bearing clearance. 5. Measure bearings for correct clearance. Repair as necessary. 6. Excessive end play. 6. Check thrust bearing for wear on flanges. 7. Crankshaft journal out-of- round or worn. 7. Replace crankshaft or grind journals. 8. Loose flywheel or torque converter. 8. Tighten to correct torque. OIL PRESSURE DROP 1. Low oil level. 1. Check engine oil level. 2. Faulty oil pressure sending unit. 2. Install new sending unit. 3. Low oil pressure. 3. Check sending unit and main bearing oil clearance. 4. Clogged oil filter. 4. Install new oil filter. 5. Worn parts in oil pump. 5. Replace balance shaft module. 6. Thin or diluted oil. 6. Change oil to correct viscosity. 7. Oil pump relief valve stuck. 7. Remove valve and inspect, clean, or replace. 8. Excessive bearing clearance. 8. Measure bearings for correct clearance. OIL LEAKS 1. Misaligned or deteriorated gaskets. 1. Replace gasket(s). 2. Loose fastener, broken or porous metal part. 2. Tighten, repair or replace the part. 3. Misaligned or deteriorated cup or threaded plug. 3. Replace as necessary. OIL CONSUMPTION OR SPARK PLUGS FOULED 1. PCV system malfunction. 1. Check system and repair as necessary. Refer to Emissions Control/Evaporative Emissions/VALVE, Positive Crankcase Ventilation (PCV) - Diagnosis and Testing 2. Worn, scuffed or broken rings. 2. Hone cylinder bores. Install new rings. 3. Carbon in oil ring slots. 3. Install new rings. 4. Rings fitted too tightly in 4. Remove rings and check grooves. 2009 Jeep Patriot Limited 2009 ENGINE 2.4L - Service Information - Compass & Patriot a Saturday, September 08, 2012 1:27:51 PM Page 5 © 2006 Mitchell Repair Information Company, LLC.
  • 441.
    CYLINDER COMBUSTION PRESSURELEAKAGE TEST The combustion pressure leakage test provides an accurate means for determining engine condition. Combustion pressure leakage testing will detect: Exhaust and intake valve leaks (improper seating). Leaks between adjacent cylinders or into water jacket. Any causes for combustion/compression pressure loss. 1. Check the coolant level and fill as required. DO NOT install the pressure cap. 2. Start and operate the engine until it attains normal operating temperature, then turn the engine OFF. 3. Clean spark plug recesses with compressed air. 4. Remove the spark plugs. 5. Remove the oil filler cap. 6. Remove the air cleaner. 7. Calibrate the tester according to the manufacturer's instructions. The shop air source for testing should maintain 483 kPa (70 psi) minimum, 1,379 kPa (200 psi) maximum, with 552 kPa (80 psi) recommended. 8. Perform the test procedures on each cylinder according to the tester manufacturer's instructions. While testing, listen for pressurized air escaping through the throttle body, tailpipe and oil filler cap opening. Check for bubbles in the coolant. 9. All gauge pressure indications should be equal, with no more than 25% leakage per cylinder. 10. FOR EXAMPLE: At 552 kPa (80 psi) input pressure, a minimum of 414 kPa (60 psi) should be maintained in the cylinder. CYLINDER COMPRESSION PRESSURE TEST The results of a cylinder compression pressure test can be utilized to diagnose several engine malfunctions. Ensure the battery is completely charged and the engine starter motor is in good operating condition. Otherwise the indicated compression pressures may not be valid for diagnosis purposes. 1. Check engine oil level and add oil if necessary. grooves. If groove is not proper width, replace piston. 5. Worn valve guide(s). 5. Replace cylinder head. 6. Valve stem seal(s) worn or damaged. 6. Replace seal(s). WARNING: Do not remove the pressure cap with the system hot and under pressure because serious burns from coolant can occur. 2009 Jeep Patriot Limited 2009 ENGINE 2.4L - Service Information - Compass & Patriot a Saturday, September 08, 2012 1:27:51 PM Page 6 © 2006 Mitchell Repair Information Company, LLC.
  • 442.
    2. Drive thevehicle until engine reaches normal operating temperature. Select a route free from traffic and other forms of congestion, observe all traffic laws, and accelerate through the gears several times briskly. 3. Remove engine cover. 4. Disconnect coil electrical connectors and remove coils. 5. Remove all spark plugs from engine. As spark plugs are being removed, check electrodes for abnormal firing indicators such as fouled, hot, oily, etc. Record cylinder number of spark plug for future reference. 6. Disconnect injector electrical connectors. 7. Insert compression gauge adaptor 8116 or the equivalent, into the #1 spark plug hole in cylinder head. Connect the 0-500 psi (Blue) pressure transducer CH7059 with cable adaptors to the DRBIII®. For Special Tool identification. See Engine - Special Tools. 8. Crank engine until maximum pressure is reached on gauge. Record this pressure as #1 cylinder pressure. 9. Repeat the previous step for all remaining cylinders. 10. Compression should not be less than 689 kPa (100 psi) and not vary more than 25 percent from cylinder to cylinder. 11. If one or more cylinders have abnormally low compression pressures, repeat the compression test. 12. If the same cylinder or cylinders repeat an abnormally low reading on the second compression test, it could indicate the existence of a problem in the cylinder in question. The recommended compression pressures are to be used only as a guide to diagnosing engine problems. An engine should not be disassembled to determine the cause of low compression unless some malfunction is present. ENGINE OIL LEAK INSPECTION Begin with a thorough visual inspection of the engine, particularly at the area of the suspected leak. If an oil leak source is not readily identifiable, the following steps should be followed: 1. Do not clean or degrease the engine at this time because some solvents may cause rubber to swell, temporarily stopping the leak. 2. Add an oil soluble dye (use as recommended by manufacturer). Start the engine and let idle for approximately 15 minutes. Check the oil dipstick to make sure the dye is thoroughly mixed as indicated with a bright yellow color under a black light. 3. Using a black light, inspect the entire engine for fluorescent dye, particularly at the suspected area of oil leak. If the oil leak is found and identified, repair as necessary. 4. If dye is not observed, drive the vehicle at various speeds for approximately 24 km (15 miles), and repeat inspection. 5. If the oil leak source is not positively identified at this time , proceed with the AIR LEAK DETECTION TEST METHOD as follows: Disconnect the fresh air hose (make-up air) at the cylinder head cover and plug or cap the nipple on the cover. Remove the PCV valve hose from the cylinder head cover. Cap or plug the PCV valve nipple on the cover. Attach an air hose with pressure gauge and regulator to the dipstick tube. 2009 Jeep Patriot Limited 2009 ENGINE 2.4L - Service Information - Compass & Patriot a Saturday, September 08, 2012 1:27:51 PM Page 7 © 2006 Mitchell Repair Information Company, LLC.
  • 443.
    Gradually apply airpressure from 1 psi to 2.5 psi maximum while applying soapy water at the suspected source. Adjust the regulator to the suitable test pressure that provides the best bubbles which will pinpoint the leak source. If the oil leak is detected and identified, repair per service information procedures. If the leakage occurs at the crankshaft rear oil seal area, refer to INSPECTION FOR REAR SEAL AREA LEAKS. 6. If no leaks are detected, turn off the air supply. Remove the air hose, all plugs, and caps. Install the PCV valve and fresh air hose (make-up air). Proceed to next step. 7. Clean the oil off the suspect oil leak area using a suitable solvent. Drive the vehicle at various speeds approximately 24 km (15 miles). Inspect the engine for signs of an oil leak by using a black light. INSPECTION FOR REAR SEAL AREA LEAKS Since it is sometimes difficult to determine the source of an oil leak in the rear seal area of the engine, a more involved inspection is necessary. The following steps should be followed to help pinpoint the source of the leak. If the leakage occurs at the crankshaft rear oil seal area: 1. Disconnect the battery. 2. Raise the vehicle. 3. Remove torque converter or clutch housing cover and inspect rear of block for evidence of oil. Use a black light to check for the oil leak. If a leak is present in this area, remove transmission for further inspection. a. Circular spray pattern generally indicates seal leakage or crankshaft damage. b. Where leakage tends to run straight down, possible causes are a porous block, oil gallery cup plug, bedplate to cylinder block mating surfaces and seal bore. See proper repair procedures for these items. 4. If no leaks are detected, pressurize the crankcase as previously described in step 5 under ENGINE OIL CAUTION: Do not subject the engine assembly to more than 20.6 kPa (3 psi) of test pressure. NOTE: If oil leakage is observed at the dipstick tube to block location; remove the tube, clean and reseal using Mopar® Stud AND Bearing Mount (press fit tube applications only), and for O-ring style tubes, remove tube and replace the O-ring seal. CAUTION: Do not exceed 20.6 kPa (3 psi). CAUTION: Use extreme caution when crankshaft polishing is necessary to remove minor nicks and scratches. The crankshaft seal flange is especially machined to complement the function of the rear oil seal. 2009 Jeep Patriot Limited 2009 ENGINE 2.4L - Service Information - Compass & Patriot a Saturday, September 08, 2012 1:27:51 PM Page 8 © 2006 Mitchell Repair Information Company, LLC.
  • 444.
    LEAK INSPECTION. 5. Ifthe leak is not detected, very slowly turn the crankshaft and watch for leakage. If a leak is detected between the crankshaft and seal while slowly turning the crankshaft, it is possible the crankshaft seal surface is damaged. The seal area on the crankshaft could have minor nicks or scratches that can be polished out with emery cloth. 6. For bubbles that remain steady with shaft rotation, no further inspection can be done until disassembled. 7. After the oil leak root cause and appropriate corrective action have been identified, replace component(s) as necessary. STANDARD PROCEDURE ENGINE GASKET SURFACE PREPARATION Fig. 2: Proper Tool Usage For Surface Preparation Courtesy of CHRYSLER LLC To ensure engine gasket sealing, proper surface preparation must be performed, especially with the use of aluminum engine components and multi-layer steel cylinder head gaskets. CAUTION: Do not exceed 20.6 kPa (3 psi). CAUTION: Use extreme caution when crankshaft polishing is necessary to remove minor nicks and scratches. The crankshaft seal flange is especially machined to complement the function of the rear oil seal. 2009 Jeep Patriot Limited 2009 ENGINE 2.4L - Service Information - Compass & Patriot a Saturday, September 08, 2012 1:27:51 PM Page 9 © 2006 Mitchell Repair Information Company, LLC.
  • 445.
    Never use thefollowing to clean gasket surfaces: Metal scraper (1). Abrasive pad or paper to clean cylinder block and head. High speed power tool with an abrasive pad or a wire brush (2, 3). Fig. 3: Proper Tool Usage For Surface Preparation Courtesy of CHRYSLER LLC Only use the following for cleaning gasket surfaces: Solvent or a commercially available gasket remover Plastic or wood scraper (4). Sealing surfaces must be free of grease or oil residue. Clean surfaces with Mopar® brake parts cleaner (or equivalent). REPAIR OF DAMAGED OR WORN THREADS Damaged or worn threads (excluding spark plug and camshaft bearing cap attaching threads) can be repaired. Essentially, this repair consists of drilling out worn or damaged threads, tapping the hole with a special Heli- Coil Tap, (or equivalent) and installing an insert into the tapped hole. This brings the hole back to its original thread size. NOTE: Multi-Layer Steel (MLS) head gaskets require a scratch free sealing surface. CAUTION: Be sure that the tapped holes maintain the original center line. 2009 Jeep Patriot Limited 2009 ENGINE 2.4L - Service Information - Compass & Patriot a Saturday, September 08, 2012 1:27:51 PM Page 10 © 2006 Mitchell Repair Information Company, LLC.
  • 446.
    Heli-Coil tools andinserts are readily available from automotive parts jobbers. HYDROSTATIC LOCKED ENGINE When an engine is suspected to be hydrostatically locked, regardless of what caused the problem, the following steps should be used. 1. Inspect air cleaner, induction system and intake manifold to insure system is dry and clear of foreign material. 2. Remove negative battery cable. 3. Place a shop towel around the spark plugs when removing them from the engine. This will catch any fluid that may possibly be in the cylinder under pressure. 4. With all spark plugs removed, rotate engine crankshaft using a breaker bar and socket. 5. Identify the fluid in the cylinder(s) (i.e., coolant, fuel, oil or other). 6. Make sure all fluid has been removed from the cylinders. Inspect engine for damage (i.e., connecting rods, pistons, valves, etc.) 7. Repair engine or components as necessary to prevent this problem from re-occurring. 8. Install new spark plugs. 9. Drain engine oil and remove oil filter. 10. Install a new oil filter. 11. Fill engine with specified amount of approved oil. 12. Connect negative battery cable. 13. Start engine and check for any leaks. FORM-IN-PLACE GASKETS AND SEALERS There are numerous places where form-in-place gaskets are used on the engine. Care must be taken when applying form-in-place gaskets to assure obtaining the desired results. Do not use form-in-place gasket material unless specified. Bead size, continuity, and location are of great importance. Too thin a bead can result in leakage while too much can result in spill-over which can break off and obstruct fluid feed lines. A continuous bead of the proper width is essential to obtain a leak-free gasket. All sealing surfaces that use form- CAUTION: DO NOT use starter motor to rotate the engine, severe damage may occur. CAUTION: Squirt approximately one teaspoon of oil into the cylinders, rotate engine to lubricate the cylinder walls to prevent damage on restart. NOTE: All of the sealants mentioned below are not used on every engine, they are listed as general reference guide. See Service Information for specific sealer usage. 2009 Jeep Patriot Limited 2009 ENGINE 2.4L - Service Information - Compass & Patriot a Saturday, September 08, 2012 1:27:51 PM Page 11 © 2006 Mitchell Repair Information Company, LLC.
  • 447.
    in-place gaskets andsealers must free of grease or oil. Surfaces should be cleaned with Mopar® brake parts cleaner prior to sealer application. After the sealer is applied, the parts should be assembled in no more than 10 minutes. There are numerous types of form-in-place gasket materials that are used in the engine area. Mopar® Engine RTV GEN II, Mopar® ATF-RTV, and Mopar® Gasket Maker gasket materials, each have different properties and can not be used in place of the other. MOPAR® ENGINE RTV GEN II is used to seal components exposed to engine oil. This material is a specially designed black silicone rubber RTV that retains adhesion and sealing properties when exposed to engine oil. Moisture in the air causes the material to cure. This material is available in three ounce tubes and has a shelf life of one year. After one year this material will not properly cure. Always inspect the package for the expiration date before use. MOPAR® ATF RTV is a specifically designed black silicone rubber RTV that retains adhesion and sealing properties to seal components exposed to automatic transmission fluid, engine coolants, and moisture. This material is available in three ounce tubes and has a shelf life of one year. After one year this material will not properly cure. Always inspect the package for the expiration date before use. MOPAR® GASKET MAKER is an anaerobic type gasket material. The material cures in the absence of air when squeezed between two metallic surfaces. It will not cure if left in the uncovered tube. The anaerobic material is for use between two machined surfaces. Do not use on flexible metal flanges. MOPAR® BED PLATE SEALANT is a unique (green-in-color) anaerobic type gasket material that is specially made to seal the area between the bed plate and cylinder block without disturbing the bearing clearance or alignment of these components. The material cures slowly in the absence of air when torqued between two metallic surfaces, and will rapidly cure when heat is applied. MOPAR® GASKET SEALANT is a slow drying, permanently soft sealer. This material is recommended for sealing threaded fittings and gaskets against leakage of oil and coolant. Can be used on threaded and machined parts under all temperatures. This material also will prevent corrosion. Mopar® Gasket Sealant is available in a 13 oz. aerosol can or 4oz./16 oz. can w/applicator. SEALER APPLICATION Mopar® Gasket Maker material should be applied sparingly 1 mm (0.040 in.) diameter or less of sealant to one gasket surface. Be certain the material surrounds each mounting hole. Excess material can easily be wiped off. Components should be torqued in place within 15 minutes. The use of a locating dowel is recommended during assembly to prevent smearing material off the location. Mopar® Engine RTV GEN II or ATF RTV gasket material should be applied in a continuous bead approximately 3 mm (0.120 in.) in diameter. All mounting holes must be circled. For corner sealing and "T" joint locations, a 3.17 or 6.35 mm (1/8 or 1/4 in.) drop is placed in the center of the gasket contact area. Uncured sealant may be removed with a shop towel. Components should be torqued in place while the sealant is still wet to the touch (within 10 minutes). The usage of a locating dowel is recommended during assembly to prevent smearing material off the location. 2009 Jeep Patriot Limited 2009 ENGINE 2.4L - Service Information - Compass & Patriot a Saturday, September 08, 2012 1:27:51 PM Page 12 © 2006 Mitchell Repair Information Company, LLC.
  • 448.
    Mopar® Gasket Sealantin an aerosol can should be applied using a thin, even coat sprayed completely over both surfaces to be joined, and both sides of a gasket. Then proceed with assembly. Material in a can w/applicator can be brushed on evenly over the sealing surfaces. CORE/GALLERY PLUGS CYLINDER HEAD CORE PLUGS Fig. 4: Core Hole Plug Removal Courtesy of CHRYSLER LLC Using a blunt tool (3) such as a drift and a hammer, strike the bottom edge of the cup plug (5). With the cup plug rotated, grasp firmly with pliers or other suitable tool (2) and remove plug (5). Thoroughly clean inside of cup plug hole in cylinder head. Be sure to remove old sealer. Lightly coat inside of cup plug hole with Mopar® Stud and Bearing Mount (or equivalent). Make certain the new plug is cleaned of all oil or grease. Using proper drive plug, drive plug into hole so that the sharp edge of the plug is at least 0.5 mm (0.020 in.) inside the lead-in chamfer. It is not necessary to wait for curing of the sealant. The cooling system can be refilled and the vehicle placed in service immediately. MEASURING BEARING CLEARANCE USING PLASTIGAGE CAUTION: Do not drive cup plug into the casting as restricted cooling can result and cause serious engine problems. 2009 Jeep Patriot Limited 2009 ENGINE 2.4L - Service Information - Compass & Patriot a Saturday, September 08, 2012 1:27:51 PM Page 13 © 2006 Mitchell Repair Information Company, LLC.
  • 449.
    Fig. 5: PlastigagePlaced in Lower Shell-Typical Courtesy of CHRYSLER LLC Engine crankshaft bearing clearances can be determined by use of Plastigage or equivalent. The following is the recommended procedure for the use of Plastigage: 1. Remove oil film from surface to be checked. Plastigage is soluble in oil. 2. Place a piece of Plastigage (1) across the entire width of the journal. (In addition, suspected areas can be checked by placing the Plastigage in the suspected area). Torque the bearing cap bolts of the bearing being checked to the proper specifications. 3. Remove the bearing cap and compare the width of the flattened Plastigage with the scale provided on the package. Locate the band closest to the same width. This band shows the amount of clearance. Differences in readings between the ends indicate the amount of taper present. Record all readings taken. Compare clearance measurements to specs found in engine specifications. See Engine - Specifications. Plastigage generally is accompanied by two scales. One scale is in inches, the other is a metric scale. 4. Install the proper crankshaft bearings to achieve the specified bearing clearances. REMOVAL ENGINE COVER NOTE: Plastigage is available in a variety of clearance ranges. Use the most appropriate range for the specifications you are checking. 2009 Jeep Patriot Limited 2009 ENGINE 2.4L - Service Information - Compass & Patriot a Saturday, September 08, 2012 1:27:51 PM Page 14 © 2006 Mitchell Repair Information Company, LLC.
  • 450.
    Fig. 6: EngineCover - 2.4L Courtesy of CHRYSLER LLC 1. Remove engine cover (1) by pulling upwards. ENGINE Fig. 7: Engine Cover - 2.4L Courtesy of CHRYSLER LLC 1. Remove hood. 2. Remove engine cover (1). 2009 Jeep Patriot Limited 2009 ENGINE 2.4L - Service Information - Compass & Patriot a Saturday, September 08, 2012 1:27:51 PM Page 15 © 2006 Mitchell Repair Information Company, LLC.
  • 451.
    Fig. 8: CoilConnector Courtesy of CHRYSLER LLC 3. Perform fuel pressure release procedure. Refer to Fuel System/Fuel Delivery - Standard Procedure , then disconnect and remove fuel line (3). 4. Remove make-up air hose (2). Fig. 9: Air Cleaner Inlet Courtesy of CHRYSLER LLC 5. Loosen retainers (5) and remove air inlet tube (2). 2009 Jeep Patriot Limited 2009 ENGINE 2.4L - Service Information - Compass & Patriot a Saturday, September 08, 2012 1:27:51 PM Page 16 © 2006 Mitchell Repair Information Company, LLC.
  • 452.
    Fig. 10: AirCleaner Housing Courtesy of CHRYSLER LLC 6. Disconnect intake air temperature sensor electrical connector (4). 7. Remove clean air tube from air cleaner housing (5). 8. Remove air cleaner housing assembly (1). See Engine/Air Intake System/BODY, Air Cleaner - Removal. Fig. 11: Battery Courtesy of CHRYSLER LLC 9. Disconnect both cables from battery and remove battery (3). 2009 Jeep Patriot Limited 2009 ENGINE 2.4L - Service Information - Compass & Patriot a Saturday, September 08, 2012 1:27:51 PM Page 17 © 2006 Mitchell Repair Information Company, LLC.
  • 453.
    Fig. 12: BatteryTray Courtesy of CHRYSLER LLC 10. Remove battery tray (1). 11. Discharge air conditioning system, if equipped. Refer to Heating and Air Conditioning/Plumbing - Standard Procedure . 12. Drain cooling system. Refer to Cooling - Standard Procedure . Fig. 13: Coolant Reservoir Courtesy of CHRYSLER LLC 13. Remove coolant reservoir (3). 14. Remove power steering reservoir (2). 15. Remove windshield washer reservoir (1). 2009 Jeep Patriot Limited 2009 ENGINE 2.4L - Service Information - Compass & Patriot a Saturday, September 08, 2012 1:27:51 PM Page 18 © 2006 Mitchell Repair Information Company, LLC.
  • 454.
    Fig. 14: CoolantAdapter Courtesy of CHRYSLER LLC 16. Remove coolant hoses from coolant adapter (3). 17. Disconnect coolant temperature sensor connector (1) and capacitor connector (2). Fig. 15: Radiator Hose Support Courtesy of CHRYSLER LLC 18. Remove upper radiator hose support (1). 2009 Jeep Patriot Limited 2009 ENGINE 2.4L - Service Information - Compass & Patriot a Saturday, September 08, 2012 1:27:51 PM Page 19 © 2006 Mitchell Repair Information Company, LLC.
  • 455.
    Fig. 16: CoilConnector Courtesy of CHRYSLER LLC 19. Disconnect coils (1), injectors (4), cam sensors, oil temperature sensor, and oil control valve electrical connectors and reposition harness. 20. Remove PCV hose (5) from valve cover. Fig. 17: Throttle Body Support Courtesy of CHRYSLER LLC 21. Remove harness from intake (2). 22. Remove throttle body support bracket (1). 23. Remove vacuum lines from intake manifold. 24. Disconnect electronic throttle control and manifold flow control valve electrical connectors. 2009 Jeep Patriot Limited 2009 ENGINE 2.4L - Service Information - Compass & Patriot a Saturday, September 08, 2012 1:27:51 PM Page 20 © 2006 Mitchell Repair Information Company, LLC.
  • 456.
    Fig. 18: TorqueSequence Courtesy of CHRYSLER LLC 25. Remove dipstick. 26. Remove intake bolts (1-5) and remove intake. 27. Disconnect coolant temperature sensor at block, knock sensor, oil pressure sensor, generator, starter, block heater (if equipped), A/C compressor (if equipped), and block ground. 28. Remove accessory drive belt. Fig. 19: Power Steering Line Support Courtesy of CHRYSLER LLC 29. Remove power steering line support at engine mount (1). 2009 Jeep Patriot Limited 2009 ENGINE 2.4L - Service Information - Compass & Patriot a Saturday, September 08, 2012 1:27:51 PM Page 21 © 2006 Mitchell Repair Information Company, LLC.
  • 457.
    Fig. 20: P/SHose Support - FWD Courtesy of CHRYSLER LLC 30. On FWD vehicles, remove power steering hose support from exhaust manifold (2). 31. Remove power steering pump and set aside. Fig. 21: Ground Strap Courtesy of CHRYSLER LLC 32. Remove ground strap (1) at right strut tower. 33. Raise vehicle. 2009 Jeep Patriot Limited 2009 ENGINE 2.4L - Service Information - Compass & Patriot a Saturday, September 08, 2012 1:27:51 PM Page 22 © 2006 Mitchell Repair Information Company, LLC.
  • 458.
    Fig. 22: DamperRemoval Courtesy of CHRYSLER LLC 34. Install Damper holder 9707 (1). 35. Remove crankshaft damper bolt and remove damper. 36. Remove right wheel. 37. Remove right splash shield. Fig. 23: Oil Drain Plug Courtesy of CHRYSLER LLC 38. Drain oil (2). 2009 Jeep Patriot Limited 2009 ENGINE 2.4L - Service Information - Compass & Patriot a Saturday, September 08, 2012 1:27:51 PM Page 23 © 2006 Mitchell Repair Information Company, LLC.
  • 459.
    Fig. 24: ExhaustPipe To Manifold Bolts Courtesy of CHRYSLER LLC 39. On AWD vehicles, remove maniveter. See Engine/Manifolds/MANIFOLD, Exhaust - Removal. 40. Remove exhaust pipe to exhaust manifold bolts (1). 41. Disconnect oxygen sensor connector (3). Fig. 25: Exhaust Pipe Courtesy of CHRYSLER LLC 42. On FWD vehicles, pull the exhaust pipe (1) rearward with a suitable strap (2). 2009 Jeep Patriot Limited 2009 ENGINE 2.4L - Service Information - Compass & Patriot a Saturday, September 08, 2012 1:27:51 PM Page 24 © 2006 Mitchell Repair Information Company, LLC.
  • 460.
    Fig. 26: InspectionCover Courtesy of CHRYSLER LLC 43. Remove inspection cover (1) and mark torque converter to flywheel. Fig. 27: Modular Clutch To Flex Plate Bolts Courtesy of CHRYSLER LLC 44. On vehicles equipped with an automatic transaxle, remove torque converter bolts (1). 45. On vehicles equipped with an manual transaxle, remove modular clutch bolts (1). 46. Remove lower bellhousing bolts (2). 2009 Jeep Patriot Limited 2009 ENGINE 2.4L - Service Information - Compass & Patriot a Saturday, September 08, 2012 1:27:51 PM Page 25 © 2006 Mitchell Repair Information Company, LLC.
  • 461.
    Fig. 28: A/CCompressor Courtesy of CHRYSLER LLC 47. Remove A/C compressor (1). 48. Remove generator and lower idler pulley. Fig. 29: Crankshaft Position Sensor Courtesy of CHRYSLER LLC 49. Disconnect crankshaft position sensor (2) electrical connector. 50. Remove crankshaft position sensor (2). 2009 Jeep Patriot Limited 2009 ENGINE 2.4L - Service Information - Compass & Patriot a Saturday, September 08, 2012 1:27:51 PM Page 26 © 2006 Mitchell Repair Information Company, LLC.
  • 462.
    Fig. 30: LiftChain Courtesy of CHRYSLER LLC 51. Remove exhaust variable valve timing solenoid. 52. Install engine lift chain (1). 53. Install engine lift chain to rear lift hook. 54. Install appropriate engine lifting crane. Fig. 31: Right Engine Mount Courtesy of CHRYSLER LLC 55. Remove engine mount through bolt (4). 56. Remove right engine mount bracket retaining bolts (3). 2009 Jeep Patriot Limited 2009 ENGINE 2.4L - Service Information - Compass & Patriot a Saturday, September 08, 2012 1:27:51 PM Page 27 © 2006 Mitchell Repair Information Company, LLC.
  • 463.
    57. Remove enginemount adapter (2). 58. Raise engine away from vehicle. INSTALLATION ENGINE COVER Fig. 32: Engine Cover - 2.4L Courtesy of CHRYSLER LLC 1. Position engine cover (1) over mounting studs. 2. Seat the cover on the rear studs by pushing downwards. 3. Push downward on the front of the cover to seat the front studs. ENGINE 2009 Jeep Patriot Limited 2009 ENGINE 2.4L - Service Information - Compass & Patriot a Saturday, September 08, 2012 1:27:51 PM Page 28 © 2006 Mitchell Repair Information Company, LLC.
  • 464.
    Fig. 33: LiftChain Courtesy of CHRYSLER LLC 1. Position engine over engine compartment and slowly lower into place. 2. Align engine and transaxle. 3. Install upper bellhousing bolts and tighten. Fig. 34: Right Engine Mount Courtesy of CHRYSLER LLC 4. Install mounting bolts (3) at the right mount bolts and tighten bolts to 118 N.m (87 ft. lbs.). 2009 Jeep Patriot Limited 2009 ENGINE 2.4L - Service Information - Compass & Patriot a Saturday, September 08, 2012 1:27:51 PM Page 29 © 2006 Mitchell Repair Information Company, LLC.
  • 465.
    Fig. 35: ModularClutch To Flex Plate Bolt Courtesy of CHRYSLER LLC 5. Install clutch to flex plate bolts (1). 6. Install lower bell housing bolts (2) and tighten. Fig. 36: Inspection Cover Courtesy of CHRYSLER LLC 7. Install inspection cover (1). 2009 Jeep Patriot Limited 2009 ENGINE 2.4L - Service Information - Compass & Patriot a Saturday, September 08, 2012 1:27:51 PM Page 30 © 2006 Mitchell Repair Information Company, LLC.
  • 466.
    Fig. 37: CrankshaftPosition Sensor Courtesy of CHRYSLER LLC 8. Connect crankshaft position sensor (2). Connect crankshaft position sensor electrical connector. 9. On AWD vehicles, install maniverter. See Engine/Manifolds/MANIFOLD, Exhaust - Installation. Fig. 38: Ground Strap Courtesy of CHRYSLER LLC 10. Install Ground strap (1). 11. Raise vehicle. 2009 Jeep Patriot Limited 2009 ENGINE 2.4L - Service Information - Compass & Patriot a Saturday, September 08, 2012 1:27:51 PM Page 31 © 2006 Mitchell Repair Information Company, LLC.
  • 467.
    Fig. 39: ExhaustTo Maniverter Bolts Courtesy of CHRYSLER LLC 12. On AWD vehicles, install maniverter to exhaust pipe bolts (1) and tighten bolts. Fig. 40: Exhaust Pipe Courtesy of CHRYSLER LLC 13. On FWD vehicles, remove strap (2) from exhaust pipe (1). 2009 Jeep Patriot Limited 2009 ENGINE 2.4L - Service Information - Compass & Patriot a Saturday, September 08, 2012 1:27:51 PM Page 32 © 2006 Mitchell Repair Information Company, LLC.
  • 468.
    Fig. 41: ManifoldTo Exhaust Pipe Bolts Courtesy of CHRYSLER LLC 14. On FWD vehicles, install new manifold to catalytic converter gasket (1) and install catalytic converter to exhaust manifold and tighten. 15. Connect oxygen sensor electrical connector (3). 16. Install generator. Fig. 42: A/C Compressor Courtesy of CHRYSLER LLC 17. Install A/C compressor (1). 2009 Jeep Patriot Limited 2009 ENGINE 2.4L - Service Information - Compass & Patriot a Saturday, September 08, 2012 1:27:51 PM Page 33 © 2006 Mitchell Repair Information Company, LLC.
  • 469.
    Fig. 43: DamperRemoval Courtesy of CHRYSLER LLC 18. Install crankshaft damper. 19. Apply clean engine oil crankshaft damper bolt threads and between bolt head and washer. Tighten bolt to 210 N.m (155 ft. lbs.). 20. Install right splash shield. 21. Install right tire. Fig. 44: Oil Cooler Courtesy of CHRYSLER LLC 22. Install oil cooler if equipped (2). See Engine/Lubrication/COOLER, Oil - Installation. 2009 Jeep Patriot Limited 2009 ENGINE 2.4L - Service Information - Compass & Patriot a Saturday, September 08, 2012 1:27:51 PM Page 34 © 2006 Mitchell Repair Information Company, LLC.
  • 470.
    23. Connect coolanthoses to oil cooler (2), if equipped. 24. Install new oil filter (3). 25. Lower vehicle. 26. Install upper idler pulley. Fig. 45: Power Steering Line Support Courtesy of CHRYSLER LLC 27. Install power steering pump. 28. Install power steering line support bracket at engine mount (1). Fig. 46: P/S Hose Support - FWD Courtesy of CHRYSLER LLC 2009 Jeep Patriot Limited 2009 ENGINE 2.4L - Service Information - Compass & Patriot a Saturday, September 08, 2012 1:27:51 PM Page 35 © 2006 Mitchell Repair Information Company, LLC.
  • 471.
    29. On FWDvehicles, install power steering hose support (2) at exhaust manifold. 30. Install accessory drive belt. Fig. 47: Torque Sequence Courtesy of CHRYSLER LLC 31. Connect electrical connectors at block ground, starter, A/C compressor, knock sensor, Oil pressure sensor, generator, Coolant temperature sensor at block, and block heater. 32. Install intake manifold and tighten bolts as shown in illustration. Fig. 48: Throttle Body Support Courtesy of CHRYSLER LLC 33. Install throttle body support bracket (1). 34. Install engine oil dip stick. 2009 Jeep Patriot Limited 2009 ENGINE 2.4L - Service Information - Compass & Patriot a Saturday, September 08, 2012 1:27:51 PM Page 36 © 2006 Mitchell Repair Information Company, LLC.
  • 472.
    35. Install vacuumlines at throttle body and intake manifold. 36. Connect manifold flow control valve and electronic throttle control electrical connectors and fasten harness to intake. Fig. 49: Coil Connector Courtesy of CHRYSLER LLC 37. Install intake air tube on throttle body. 38. Install PCV hose (5) to valve cover. 39. Connect fuel line (3) to fuel rail. 40. Connect coils (1), injectors (4), oil temperature sensor, cam position sensors. Fig. 50: Radiator Hose Support Courtesy of CHRYSLER LLC 2009 Jeep Patriot Limited 2009 ENGINE 2.4L - Service Information - Compass & Patriot a Saturday, September 08, 2012 1:27:51 PM Page 37 © 2006 Mitchell Repair Information Company, LLC.
  • 473.
    41. Install upperradiator support bracket (1). Fig. 51: Coolant Adapter Courtesy of CHRYSLER LLC 42. Connect engine coolant temperature sensor (1), and capacitor (2). 43. Install coolant hoses at coolant adapter (3). 44. Connect purge hose (4). Fig. 52: Coolant Reservoir Courtesy of CHRYSLER LLC 45. Install coolant reservoir (3) and connect hose. 2009 Jeep Patriot Limited 2009 ENGINE 2.4L - Service Information - Compass & Patriot a Saturday, September 08, 2012 1:27:51 PM Page 38 © 2006 Mitchell Repair Information Company, LLC.
  • 474.
    Fig. 53: BatteryTray Courtesy of CHRYSLER LLC 46. Install battery tray (1). Fig. 54: Battery Courtesy of CHRYSLER LLC 47. Install hood. 48. Install battery (3). 49. Connect battery cables. 2009 Jeep Patriot Limited 2009 ENGINE 2.4L - Service Information - Compass & Patriot a Saturday, September 08, 2012 1:27:51 PM Page 39 © 2006 Mitchell Repair Information Company, LLC.
  • 475.
    Fig. 55: AirCleaner Housing Courtesy of CHRYSLER LLC 50. Install air cleaner housing (1) and connect inlet air hose (5). Fig. 56: Air Cleaner Inlet Courtesy of CHRYSLER LLC 51. Install fresh air inlet (2) and tighten retainers (5). 52. Fill with coolant. Refer to Cooling - Standard Procedure . 53. Fill with oil. 2009 Jeep Patriot Limited 2009 ENGINE 2.4L - Service Information - Compass & Patriot a Saturday, September 08, 2012 1:27:51 PM Page 40 © 2006 Mitchell Repair Information Company, LLC.
  • 476.
    Fig. 57: EngineCover - 2.4L Courtesy of CHRYSLER LLC 54. Start engine and check for leaks. 55. Install engine cover (1). SPECIFICATIONS 2.4L ENGINE GENERAL SPECIFICATIONS CYLINDER BLOCK DESCRIPTION SPECIFICATION Metric Standard Type In-Line OHV, DOHC Number of Cylinders 4 Firing Order 1-3-4-2 Compression Ratio 10.5:1 Displacement 2.4 Liters 146.5 cu. in. Bore 88 mm 3.465 in. Stroke 97 mm 3.819 in. Compression Pressure 1172 - 1551 kPa 170 - 225 psi Max. Variation Between Cylinders 25% DESCRIPTION SPECIFICATION Metric Standard Material Cast Aluminum 2009 Jeep Patriot Limited 2009 ENGINE 2.4L - Service Information - Compass & Patriot a Saturday, September 08, 2012 1:27:51 PM Page 41 © 2006 Mitchell Repair Information Company, LLC.
  • 477.
    PISTONS PISTON RINGS Cylinder BoreDiameter A 88.000 - 88.010 mm 3.4645 - 3.4649 in. B 88.010 - 88.020 mm 3.4649 - 3.4653 in. C 88.020 - 88.030 mm 3.4653 - 3.4657 in. Cylinder Bore Out-of-Round (Max.) 0.020 mm 0.0008 in. Cylinder Bore Diameter Taper (Max.) 0.028 mm 0.001 in. Main Bearing Bore Diameter 1 56.000 - 56.006 mm 2.2047 - 2.2049 in. 2 56.006 - 56.012 mm 2.2049 - 2.2051 in. 3 56.012 - 56.018 mm 2.2051 - 2.2054 in. Main Bearing Bore Diameter Taper (Max.) 0.0082 mm 0.0003 in. DESCRIPTION SPECIFICATION Metric Standard Piston Diameter A 87.995 - 88.015 mm 3.4644 - 3.4652 in. B 88.005 - 88.025 mm 3.4648 - 3.4656 in. C 88.015 - 88.035 mm 3.4652 - 3.4659 in. Clearance to Bore (-0.015) - 0.015 mm (-0.0006) - 0.0006 in. Weight 302 - 312 grams 10.65 - 11.00 oz. Land Clearance (Diametrical) 0.60 - 0.73 mm 0.0236 - 0.0287 in. Piston Length 51.5 mm 2.028 in. Piston Ring Groove Depth No. 1 3.51 - 3.68 mm 0.1382 - 0.0256 in. Piston Ring Groove Depth No. 2 4.05 - 4.25 mm 0.1594 - 0.1673 in. Piston Ring Groove Depth No. 3 2.70 - 2.90 mm 0.1063 - 0.1142 in. DESCRIPTION SPECIFICATION Metric Standard Ring Gap-Top Compression Ring 0.15 - 0.30 mm 0.0059 - 0.0118 in. Wear Limit 0.8 mm 0.031 in. Ring Gap-2nd Compression Ring 0.30 - 0.45 mm 0.0118 - 0.0177 in. Wear Limit 0.8 mm 0.031 in. Ring Gap-Oil Control Steel Rails 0.20 - 0.70 mm 0.0079 - 0.0276 in. Wear Limit 1.0 mm 0.039 in. Ring Side Clearance-Compression Rings 0.03 - 0.07 mm 0.1182 - 0.0028 in. 2009 Jeep Patriot Limited 2009 ENGINE 2.4L - Service Information - Compass & Patriot a Saturday, September 08, 2012 1:27:51 PM Page 42 © 2006 Mitchell Repair Information Company, LLC.
  • 478.
    CONNECTING ROD CRANKSHAFT Wear Limit0.10 mm 0.004 in. Ring Side Clearance-Oil Ring Pack 0.06 - 0.15 mm 0.0024 - 0.0059 in. Ring Width-Top Compression Ring 2.95 - 3.25 mm 0.1161 - 0.1280 in. Ring Width-2nd Compression Ring 3.45 - 3.75 mm 0.1358 - 0.1476 in. Ring Width-Oil Ring Pack 2.30 - 2.60 mm 0.0906 - 0.1024 in. Ring Thickness-Top Compression Ring 1.17 - 1.19 mm 0.0461 - 0.0469 in. Ring Thickness-2nd Compression Ring 1.17 - 1.19 mm 0.0461 - 0.0469 in. Ring Thickness-Oil Ring Pack 1.88 - 1.95 mm 0.0740 - 0.0768 in. DESCRIPTION SPECIFICATION Metric Standard Bearing Clearance 0.032 - 0.060 mm 0.0012 - 0.0023 in. Wear Limit 0.070 mm 0.0027 in. Bore Diameter-Piston Pin 20.974 - 20.985 mm 0.8257 - 0.8261 in. Bore Diameter-Crankshaft End 51 - 51.015 mm 2.0078 - 2.0084 in. Side Clearance 0.1 - 0.25 mm 0.0039 - 0.00098 in. Wear Limit 0.27 mm 0.0106 in. Weight-Total (Less Bearing) 484 grams 17.07 oz. DESCRIPTION SPECIFICATION Metric Standard Connecting Rod Journal Diameter Journal Grade 1 47.966 - 47.972 mm 1.8884 - 1.8886 in. 2 47.960 - 47.966 mm 1.8884 - 1.8881 in. 3 47.954 - 47.960 mm 1.8879 - 1.8881 in. Rod Journal- Taper (Max) 0.005 mm 0.0001 in. Main Bearing Journal Diameter Journal Grade 0 51.985 - 51.988 mm 2.0466 - 2.0467 in. 1 51.982 - 51.985 mm 2.0465 - 2.0466 in. 2 51.979 - 51.982 mm 2.0464 - 2.0465 in. 3 51.976 - 51.979 mm 2.0462 - 2.0464 in. 4 51.973 - 51.976 mm 2.0461 - 2.0462 in. Journal Out-of-Round (Max.) 0.005 mm 0.0001 in. 2009 Jeep Patriot Limited 2009 ENGINE 2.4L - Service Information - Compass & Patriot a Saturday, September 08, 2012 1:27:51 PM Page 43 © 2006 Mitchell Repair Information Company, LLC.
  • 479.
    CYLINDER HEAD CAMSHAFTBEARING BORE DIAMETER CAMSHAFT Journal Taper (Max.) 0.006 mm 0.0002 in. End Play 0.05 - 0.25 mm 0.0019 - 0.0098 in. Wear Limit 0.30 mm 0.0118 in. Main Bearing Diametrical Clearance 0.028 - 0.048 mm 0.0011 - 0.0018 in. Main Bearing Diametrical Clearance (Max) 0.058 mm 0.0022 in. DESCRIPTION SPECIFICATION Metric Standard Cam Bearing Bore Front Intake 30.000 - 30.021 mm 1.1810 - 1.1819 in. Front Exhaust 40.000 - 40.024 mm 1.5747 - 1.5756 in. Cam Bearing Bore No. 1-4 24.000 - 24.021 mm 0.9448 - 0.9457 in. DESCRIPTION SPECIFICATION Metric Standard Cam Journal Diameter Front Intake Cam 29.964 - 29.980 mm 1.1797 - 1.1803 in. Front Exhaust Cam 35.984 - 36.000 mm 1.4166 - 1.4173 in. Cam Journal Diameter No. 1-4 23.954 - 23.970 mm 0.943 - 0.944 in. Bearing Clearance - Diametrical Front Intake Journal 0.020 - 0.057 mm 0.0008 - 0.0022 in. Front Exhaust Journal 0.019 - 0.051 mm 0.0007 - 0.0020 in. All Others 0.020 - 0.067 mm 0.0008 - 0.0026 in. End Play 0.11 - 0.25 mm 0.004 - 0.009 in. Max Lift @ 0.2 mm (0.007 in.) lash Intake 9.2 mm 0.362 in. Max Lift @ 0.28 mm (0.011 in.) lash Exhaust 8.42 mm 0.331 in. Intake Valve Timing w/ VVT in lock-pin position* Closes (ABDC) 49.3° Opens (ATDC) 10.3° Duration 219° Exhaust Valve Timing w/ VVT in lock-pin position* Closes (BTDC) 8.45° Opens (BBDC) 45° Duration 216.55° Valve Overlap @ 0.5 mm (0.019 18.75° 2009 Jeep Patriot Limited 2009 ENGINE 2.4L - Service Information - Compass & Patriot a Saturday, September 08, 2012 1:27:51 PM Page 44 © 2006 Mitchell Repair Information Company, LLC.
  • 480.
    CYLINDER HEAD VALVE SEAT VALVEGUIDE VALVES in.) w/ VVT in lock-pin position * All reading in crankshaft degrees at 0.5 mm (0.019 in.) valve lift. DESCRIPTION SPECIFICATION Metric Standard Material Cast Aluminum - Heat treated Gasket Thickness (Compressed) 0.54 mm 0.021 in. Valve Tappet Bore I.D. 32.000 - 32.025 mm 1.2598 - 1.2608 in. Valve Tappet O.D. 31.964 - 31.980 mm 1.2584 - 1.2590 in. DESCRIPTION SPECIFICATION Metric Standard Angle 44.75° - 45.10° Seat Outer Diameter - Intake 34.45 - 34.61 mm 1.3562 - 1.3625 in. Seat Outer Diameter - Exhaust 28.04 - 28.20 mm 1.1039 - 1.1102 in. Runout (Max.) 0.05 mm 0.002 in. Valve Seat Width Intake 1.16 - 1.46 mm 0.0456 - 0.0574 in. Service Limit 2.0 mm 0.079 in. Exhaust 1.35 - 1.65 mm 0.0531 - 0.0649 in. Service Limit 2.5 mm 0.098 in. DESCRIPTION SPECIFICATION Metric Standard Diameter I.D. 5.500 - 5.518 mm 0.2165 - 0.2172 in. Guide Bore Diameter 10.983 - 11.001 mm 0.432 - 0.4331 in. Guide Height (spring seat to guide tip) 14.6 - 15.2 mm 0.5748 - 0.5984 in. DESCRIPTION SPECIFICATION Metric Standard Face Angle - Intake and Exhaust 45.25° - 45.75° Head Diameter - Intake 34.9 - 35.1 mm 1.374 - 1.3818 in. Head Diameter - Exhaust 28.9 - 29.1 mm 1.1377 - 1.1456 in. Valve Lash Intake 0.17 - 0.23 mm 0.006 - 0.009 in. Exhaust 0.27 - 0.33 mm 0.010 - 0.012 in. 2009 Jeep Patriot Limited 2009 ENGINE 2.4L - Service Information - Compass & Patriot a Saturday, September 08, 2012 1:27:51 PM Page 45 © 2006 Mitchell Repair Information Company, LLC.
  • 481.
    VALVE MARGIN VALVE STEMTIP VALVE STEM TO GUIDE CLEARANCE VALVE SPRINGS OIL PRESSURE Valve Length (Overall) Intake 113.18 mm 4.455 in. Exhaust 105.887 mm 4.168 in. Valve Stem Diameter Intake 5.465 - 5.480 mm 0.2151 - 0.2157 in. Exhaust 5.458 - 5.470 mm 0.2148 - 0.2153 in. DESCRIPTION SPECIFICATION Metric Standard Intake 0.672 mm 0.0264 in. Exhaust 0.744 mm 0.02929 in. DESCRIPTION SPECIFICATION Metric Standard Intake 48.04 mm 1.891 in. Exhaust 47.99 mm 1.889 in. DESCRIPTION SPECIFICATION Metric Standard Intake 0.020 - 0.053 mm 0.0008 - 0.0021 in. Max. Allowable 0.076 mm 0.003 in. Exhaust 0.030 - 0.060 mm 0.0012 - 0.0024 in. Max. Allowable 0.101 mm 0.004 in. DESCRIPTION SPECIFICATION Metric Standard Free Length (Approx.) 47.0 mm 1.850 in. Nominal Force (Valve Closed) 179.5 N ± 9 @ 35.0 mm 40.35 lbs. @ 1.38 in. Nominal Force (Valve Open) 364.8 N ± 17 N @ 29.25 mm 82.01 lbs. ± 3.82 lbs. @ 1.152 in. Installed Height 35.00 mm 1.378 in. Number of Coils 8.5 ± 0.1 Wire Diameter 2.90 mm ± 0.03 0.114 in ± 0.001 in. DESCRIPTION SPECIFICATION Metric Standard At Curb Idle Speed* 25 kPa 4 psi min. 2009 Jeep Patriot Limited 2009 ENGINE 2.4L - Service Information - Compass & Patriot a Saturday, September 08, 2012 1:27:51 PM Page 46 © 2006 Mitchell Repair Information Company, LLC.
  • 482.
    TORQUE At 3000 rpm170 - 550 kPa 25 - 80 psi CAUTION: *If pressure is ZERO at curb idle, DO NOT run engine at 3000 rpm. DESCRIPTION N.m Ft. Lbs. In. Lbs. Balance Shaft Module Refer to Procedure Bell Housing-Bolts 48 35 - Camshaft Bearing Cap-Bolts - - - M6 Bolts 12 - 106 M8 Bolts 30 22 - Coils 8 - 71 Connecting Rod Cap-Bolts 20 + 90° 15 + 90° - Coolant Temperature Sender 18 13 - Crankshaft Main Bearing Cap-Bolts Refer to Procedure Crankshaft Damper-Bolt 210 155 - Cylinder Head-Bolts Refer to Procedure Cylinder Head Cover-Bolts Refer to Procedure Engine Support Bracket-Bolts 40 30 - Exhaust Manifold-Bolts 34 25 - Exhaust Manifold Heat Shield-Bolts - - - M6x25mm Bolts 7 - 62 M6x70mm Bolts 9 - 80 Flex Plate to Crankshaft-Bolts 29 + 51° 22 + 51° - Intake Manifold-Bolts 24 18 - Ladder Frame 22 16 - Oil Cooler Connector Bolt 49 36 - Oil Filter 14 10 - Oil Filter Nipple 49 36 - Oil Jet Fastener 12 - 106 Oil Pan-Bolts - - - M6 Bolts 9 - 80 M8 Bolts 24 18 - Oil Pan Drain-Plug 40 30 - Oil Pressure Switch 8 - 71 PCV Valve 5 - 44 Phaser to Camshaft-Bolt 59 44 - Spark Plugs 27 20 239 Timing Chain Cover - - - M6 Bolts 9 - 80 2009 Jeep Patriot Limited 2009 ENGINE 2.4L - Service Information - Compass & Patriot a Saturday, September 08, 2012 1:27:51 PM Page 47 © 2006 Mitchell Repair Information Company, LLC.
  • 483.
    SPECIAL TOOLS SPECIAL TOOLS Fig.58: Gauge, Pressure Courtesy of CHRYSLER LLC Fig. 59: Driver Handle, Universal Courtesy of CHRYSLER LLC M8 Bolts 26 19 - Timing Chain Tensioner Assembly-Bolts 12 - 106 Timing Chain Guides 12 - 106 2009 Jeep Patriot Limited 2009 ENGINE 2.4L - Service Information - Compass & Patriot a Saturday, September 08, 2012 1:27:51 PM Page 48 © 2006 Mitchell Repair Information Company, LLC.
  • 484.
    Fig. 60: Bloc-Chek-Kit Courtesyof CHRYSLER LLC Fig. 61: Tester, Cooling System Courtesy of CHRYSLER LLC Fig. 62: Pressure Transducer, RPL Courtesy of CHRYSLER LLC 2009 Jeep Patriot Limited 2009 ENGINE 2.4L - Service Information - Compass & Patriot a Saturday, September 08, 2012 1:27:51 PM Page 49 © 2006 Mitchell Repair Information Company, LLC.
  • 485.
    Fig. 63: Adapter,Pressure PEP Courtesy of CHRYSLER LLC Fig. 64: DRBIII® Economy Kit Courtesy of CHRYSLER LLC Fig. 65: Installer, Oil Seal Courtesy of CHRYSLER LLC 2009 Jeep Patriot Limited 2009 ENGINE 2.4L - Service Information - Compass & Patriot a Saturday, September 08, 2012 1:27:51 PM Page 50 © 2006 Mitchell Repair Information Company, LLC.
  • 486.
    Fig. 66: Holder,Vibration Damper Courtesy of CHRYSLER LLC Fig. 67: Wedge, Locking Courtesy of CHRYSLER LLC 2009 Jeep Patriot Limited 2009 ENGINE 2.4L - Service Information - Compass & Patriot a Saturday, September 08, 2012 1:27:51 PM Page 51 © 2006 Mitchell Repair Information Company, LLC.
  • 487.
    Fig. 68: Installer,Oil Seal Courtesy of CHRYSLER LLC Fig. 69: Installer, Rear Main Seal Courtesy of CHRYSLER LLC 2009 Jeep Patriot Limited 2009 ENGINE 2.4L - Service Information - Compass & Patriot a Saturday, September 08, 2012 1:27:51 PM Page 52 © 2006 Mitchell Repair Information Company, LLC.
  • 488.
    Fig. 70: Pin,Tensioner Courtesy of CHRYSLER LLC PLATE, IDENTIFICATION DESCRIPTION DESCRIPTION Fig. 71: Serial Number Courtesy of CHRYSLER LLC The engine serial number (1) is located between the oil pan and the bellhousing. The serial number contains engine build date, build location, and displacement. Example: 8CAP1339710217 2009 Jeep Patriot Limited 2009 ENGINE 2.4L - Service Information - Compass & Patriot a Saturday, September 08, 2012 1:27:51 PM Page 53 © 2006 Mitchell Repair Information Company, LLC.
  • 489.
    AIR INTAKE SYSTEM AIRCLEANER Removal REMOVAL Fig. 72: Air Cleaner Inlet Courtesy of CHRYSLER LLC 1. Turn lock retainers (5) and remove fresh air inlet (2) from air cleaner housing (1). WORLD ENGINE 8 C A P1 339 7 1 0217 Model Year Engine Displacement Engine Build Variation (with oil cooler, turbo, for MMNA) Engine Plant Julian Day of Year Julian Year 2007 Shift Build Sequence Number2008 A = 1.8L P1 = GEMA North B = 2.0L P2 = GEMA South C = 2.4L - 2009 Jeep Patriot Limited 2009 ENGINE 2.4L - Service Information - Compass & Patriot a Saturday, September 08, 2012 1:27:51 PM Page 54 © 2006 Mitchell Repair Information Company, LLC.
  • 490.
    Fig. 73: AirCleaner Housing Courtesy of CHRYSLER LLC 2. Disconnect intake air temperature sensor connector (4). 3. Remove air inlet tube (5) from air cleaner housing (1). 4. Unfasten clasps (2) on sides of air cleaner housing cover. Fig. 74: Air Filter Courtesy of CHRYSLER LLC 5. Pull air cleaner cover (1) aside. 6. Remove filter element (3). 7. If necessary, clean the inside of the air cleaner housing (2). 2009 Jeep Patriot Limited 2009 ENGINE 2.4L - Service Information - Compass & Patriot a Saturday, September 08, 2012 1:27:51 PM Page 55 © 2006 Mitchell Repair Information Company, LLC.
  • 491.
    Installation INSTALLATION Fig. 75: AirFilter Courtesy of CHRYSLER LLC 1. Install new filter element. Fig. 76: Air Cleaner Housing Courtesy of CHRYSLER LLC 2. Place cover over air cleaner housing. Snap clasps (2) in place. 3. Install air inlet tube (5). 2009 Jeep Patriot Limited 2009 ENGINE 2.4L - Service Information - Compass & Patriot a Saturday, September 08, 2012 1:27:51 PM Page 56 © 2006 Mitchell Repair Information Company, LLC.
  • 492.
    4. Connect intakeair temperature sensor connector (4). Fig. 77: Air Cleaner Inlet Courtesy of CHRYSLER LLC 5. Install fresh air inlet (2) on air cleaner housing (1) and lock retainers (5). BODY, AIR CLEANER Removal REMOVAL 2009 Jeep Patriot Limited 2009 ENGINE 2.4L - Service Information - Compass & Patriot a Saturday, September 08, 2012 1:27:51 PM Page 57 © 2006 Mitchell Repair Information Company, LLC.
  • 493.
    Fig. 78: AirCleaner Inlet Courtesy of CHRYSLER LLC 1. Remove fresh air inlet (2) from air cleaner housing (1). Fig. 79: Air Cleaner Housing Courtesy of CHRYSLER LLC 2. Remove intake air temperature sensor electrical connector (4). 3. Remove air inlet tube (5) from housing (1). 4. Pull housing (1) upward to remove. Installation INSTALLATION 2009 Jeep Patriot Limited 2009 ENGINE 2.4L - Service Information - Compass & Patriot a Saturday, September 08, 2012 1:27:51 PM Page 58 © 2006 Mitchell Repair Information Company, LLC.
  • 494.
    Fig. 80: AirCleaner Housing Courtesy of CHRYSLER LLC 1. Make sure the rubber grommets, for the air cleaner housing lower pins, are in place when reinstalling the air cleaner housing. The rubber grommets mount to the Totally Integrated Power Module (TIPM) bracket. 2. Push air cleaner housing (1) down while aligning pins into the grommets. 3. Connect the throttle body air inlet hose (5) to the air cleaner housing (1). 4. Connect intake air temperature sensor connector (4). Fig. 81: Air Cleaner Inlet Courtesy of CHRYSLER LLC 5. Install fresh air inlet (2) and lock retainers (5). 2009 Jeep Patriot Limited 2009 ENGINE 2.4L - Service Information - Compass & Patriot a Saturday, September 08, 2012 1:27:51 PM Page 59 © 2006 Mitchell Repair Information Company, LLC.
  • 495.
    CYLINDER HEAD DESCRIPTION DESCRIPTION The crossflow designed, aluminum cylinder head contains dual over-head camshafts with four valves per cylinder. The valves are arranged in two in-line banks. The intake valves face toward the front of the vehicle. The exhaust valves face the dash panel. The cylinder head incorporates powdered metal valve guides and seats. The cylinder head is sealed to the block using a multi-layer steel head gasket and retaining bolts. Integral oil galleries provide lubrication passages to the variable camshaft timing phasers, camshafts, and valve mechanisms. DIAGNOSIS AND TESTING CYLINDER HEAD GASKET A cylinder head gasket leak can be located between adjacent cylinders, between a cylinder and the adjacent water jacket or from an oil passage to the exterior of the engine. Possible indications of the cylinder head gasket leaking between adjacent cylinders are: Loss of engine power Engine misfiring Poor fuel economy Possible indications of the cylinder head gasket leaking between a cylinder and an adjacent water jacket are: Engine overheating Loss of coolant Excessive steam (white smoke) emitting from exhaust Coolant foaming CYLINDER-TO-CYLINDER LEAKAGE TEST To determine if an engine cylinder head gasket is leaking between adjacent cylinders, follow the procedures in Cylinder Compression Pressure Test. See CYLINDER COMPRESSION PRESSURE TEST. An engine cylinder head gasket leaking between adjacent cylinders will result in approximately a 50-70% reduction in compression pressure. CYLINDER-TO-WATER JACKET LEAKAGE TEST NOTE: Replacement cylinder heads will come complete with valves, seals, springs, retainers, keepers, lash buckets, and camshafts. 2009 Jeep Patriot Limited 2009 ENGINE 2.4L - Service Information - Compass & Patriot a Saturday, September 08, 2012 1:27:51 PM Page 60 © 2006 Mitchell Repair Information Company, LLC.
  • 496.
    VISUAL TEST METHOD Withthe engine cool, remove the coolant pressure cap. Start the engine and allow it to warm up until thermostat opens. If a large combustion/compression pressure leak exists, bubbles will be visible in the coolant. COOLING SYSTEM TESTER METHOD Install Cooling System Tester 7700 or equivalent to pressure cap neck. Start the engine and observe the tester's pressure gauge. If gauge pulsates with every power stroke of a cylinder a combustion pressure leak is evident. CHEMICAL TEST METHOD Combustion leaks into the cooling system can also be checked by using combustion leak tester C-3685-A or equivalent. Perform test following the procedures supplied with the tool kit. REMOVAL REMOVAL Fig. 82: Engine Cover - 2.4L WARNING: USE EXTREME CAUTION WHEN THE ENGINE IS OPERATING WITH COOLANT PRESSURE CAP REMOVED. WARNING: WITH COOLING SYSTEM TESTER IN PLACE, PRESSURE WILL BUILD UP FAST. EXCESSIVE PRESSURE BUILT UP, BY CONTINUOUS ENGINE OPERATION, MUST BE RELEASED TO A SAFE PRESSURE POINT. NEVER PERMIT PRESSURE TO EXCEED 138 kPa (20 psi). 2009 Jeep Patriot Limited 2009 ENGINE 2.4L - Service Information - Compass & Patriot a Saturday, September 08, 2012 1:27:51 PM Page 61 © 2006 Mitchell Repair Information Company, LLC.
  • 497.
    Courtesy of CHRYSLERLLC 1. Remove engine cover (1) by pulling upward. 2. Perform fuel system pressure release procedure. Refer to Fuel System/Fuel Delivery - Standard Procedure . 3. Disconnect and isolate the negative battery cable. Fig. 83: Air Cleaner Housing Courtesy of CHRYSLER LLC 4. Drain cooling system. Refer to Cooling - Standard Procedure . 5. Remove clean air hose (5) and air cleaner housing (1). See Engine/Air Intake System/BODY, Air Cleaner - Removal. 2009 Jeep Patriot Limited 2009 ENGINE 2.4L - Service Information - Compass & Patriot a Saturday, September 08, 2012 1:27:51 PM Page 62 © 2006 Mitchell Repair Information Company, LLC.
  • 498.
    Fig. 84: CoolantReservoir Courtesy of CHRYSLER LLC 6. Remove coolant recovery bottle (3). Refer to Cooling/Engine/BOTTLE, Coolant Recovery - Removal . 7. Remove and reposition power steering reservoir (2). 8. Remove windshield washer bottle (1). Refer to Electrical/Wipers/Washers/RESERVOIR, Windshield Washer - Removal . 9. Remove accessory drive belt. Refer to Cooling/Accessory Drive/BELT, Serpentine - Removal . Fig. 85: Pressure Hose Courtesy of CHRYSLER LLC 10. Remove power steering hose hold down (2). 2009 Jeep Patriot Limited 2009 ENGINE 2.4L - Service Information - Compass & Patriot a Saturday, September 08, 2012 1:27:51 PM Page 63 © 2006 Mitchell Repair Information Company, LLC.
  • 499.
    Fig. 86: PowerSteering Pump - Gas Courtesy of CHRYSLER LLC 11. Remove the three power steering pump mounting bolts (1) through the openings in the pulley (3) and reposition the pump. Fig. 87: Torque Sequence Courtesy of CHRYSLER LLC 12. Remove the cylinder head cover. See Engine/Cylinder Head/COVER(S), Cylinder Head - Removal. 13. Remove ignition coils from cylinder head cover. 2009 Jeep Patriot Limited 2009 ENGINE 2.4L - Service Information - Compass & Patriot a Saturday, September 08, 2012 1:27:51 PM Page 64 © 2006 Mitchell Repair Information Company, LLC.
  • 500.
    Fig. 88: TDC Courtesyof CHRYSLER LLC 14. Raise and support the vehicle. Refer to Vehicle Quick Reference/Hoisting - Standard Procedure . 15. Remove the right splash shield. Refer to Body/Exterior/SHIELD, Splash - Removal . 16. Set engine to TDC (1). Fig. 89: A/C Compressor Courtesy of CHRYSLER LLC 17. Remove lower A/C compressor bolts if equipped. 18. Remove lower A/C compressor mount (2) if equipped. 2009 Jeep Patriot Limited 2009 ENGINE 2.4L - Service Information - Compass & Patriot a Saturday, September 08, 2012 1:27:51 PM Page 65 © 2006 Mitchell Repair Information Company, LLC.
  • 501.
    Fig. 90: AccessoryDrive Belt Idler Pulley - 2.4L Courtesy of CHRYSLER LLC 19. Remove accessory drive belt lower idler pulley (2). Fig. 91: Engine Front Courtesy of CHRYSLER LLC 20. Remove crankshaft damper (2). See Engine/Engine Block/DAMPER, Vibration - Removal. 21. Remove three bolts and water pump pulley (4) from water pump. 22. Remove lower bolt from right side engine mount bracket (1). 2009 Jeep Patriot Limited 2009 ENGINE 2.4L - Service Information - Compass & Patriot a Saturday, September 08, 2012 1:27:51 PM Page 66 © 2006 Mitchell Repair Information Company, LLC.
  • 502.
    Fig. 92: TimingChain Cover Lower Bolts Courtesy of CHRYSLER LLC 23. Remove timing chain cover lower bolts (1). Fig. 93: Manifold To Exhaust Pipe Bolts Courtesy of CHRYSLER LLC 24. Remove under floor catalytic converter. Refer to Exhaust System/CONVERTER, Catalytic - Removal 25. Lower vehicle. 26. Support engine with suitable jack. 2009 Jeep Patriot Limited 2009 ENGINE 2.4L - Service Information - Compass & Patriot a Saturday, September 08, 2012 1:27:52 PM Page 67 © 2006 Mitchell Repair Information Company, LLC.
  • 503.
    Fig. 94: RightEngine Mount Courtesy of CHRYSLER LLC 27. Remove right engine mount through bolt (4). 28. Remove right engine mount to mount bracket bolts (3). 29. Remove right engine mount adapter (1). Fig. 95: Accessory Drive Belt Idler Pulley - 2.4L Courtesy of CHRYSLER LLC 30. Remove accessory drive upper idler pulley (1). 2009 Jeep Patriot Limited 2009 ENGINE 2.4L - Service Information - Compass & Patriot a Saturday, September 08, 2012 1:27:52 PM Page 68 © 2006 Mitchell Repair Information Company, LLC.
  • 504.
    Fig. 96: EngineFront Courtesy of CHRYSLER LLC 31. Remove right upper engine mount bracket (1). 32. Remove accessory drive belt tensioner. 33. Remove upper timing chain cover retaining bolts. 2009 Jeep Patriot Limited 2009 ENGINE 2.4L - Service Information - Compass & Patriot a Saturday, September 08, 2012 1:27:52 PM Page 69 © 2006 Mitchell Repair Information Company, LLC.
  • 505.
    Fig. 97: TimingChain Cover Pry Points Courtesy of CHRYSLER LLC 34. Remove timing chain cover using pry points (1, 2, 3). Fig. 98: Timing Drive Courtesy of CHRYSLER LLC 2009 Jeep Patriot Limited 2009 ENGINE 2.4L - Service Information - Compass & Patriot a Saturday, September 08, 2012 1:27:52 PM Page 70 © 2006 Mitchell Repair Information Company, LLC.
  • 506.
    35. Remove tensioner(5) and timing chain (2). See Engine/Valve Timing/CHAIN and SPROCKETS, Timing - Removal 36. Remove timing chain guide (4) and timing chain pivot guide (6). Fig. 99: Fuel Line At Rail Courtesy of CHRYSLER LLC 37. Disconnect the fuel line from the fuel rail. Refer to Fuel System/Fuel Delivery/FITTING, Quick Connect - Standard Procedure . Fig. 100: Electrical Connectors Courtesy of CHRYSLER LLC 38. Unlock and disconnect the electrical connectors from the fuel injectors. 2009 Jeep Patriot Limited 2009 ENGINE 2.4L - Service Information - Compass & Patriot a Saturday, September 08, 2012 1:27:52 PM Page 71 © 2006 Mitchell Repair Information Company, LLC.
  • 507.
    Fig. 101: RailRemoval/Install Courtesy of CHRYSLER LLC 39. Remove two fuel rail retaining bolts and remove fuel rail. Fig. 102: Coolant Adapter Courtesy of CHRYSLER LLC 40. Disconnect electrical connectors from coolant temperature sensor (1), oil temperature sensor, variable valve timing solenoids, camshaft position sensors, MAP sensor, manifold tuning valve, ignition interference suppressor (2) and electronic throttle control. 2009 Jeep Patriot Limited 2009 ENGINE 2.4L - Service Information - Compass & Patriot a Saturday, September 08, 2012 1:27:52 PM Page 72 © 2006 Mitchell Repair Information Company, LLC.
  • 508.
    Fig. 103: ThrottleBody Support Courtesy of CHRYSLER LLC 41. Remove wiring harness retainer from intake manifold (2) and reposition harness. 42. Remove throttle body support bracket (1). 43. Disconnect vacuum lines at intake. Fig. 104: Radiator Hose Support Courtesy of CHRYSLER LLC 44. Remove upper radiator hose retaining bolt (1). 2009 Jeep Patriot Limited 2009 ENGINE 2.4L - Service Information - Compass & Patriot a Saturday, September 08, 2012 1:27:52 PM Page 73 © 2006 Mitchell Repair Information Company, LLC.
  • 509.
    Fig. 105: IntakeTorque Sequence Courtesy of CHRYSLER LLC 45. Remove intake manifold retaining bolts and remove intake manifold. Fig. 106: Coolant Adapter Courtesy of CHRYSLER LLC 46. Remove four bolts and reposition coolant adapter (3). 2009 Jeep Patriot Limited 2009 ENGINE 2.4L - Service Information - Compass & Patriot a Saturday, September 08, 2012 1:27:52 PM Page 74 © 2006 Mitchell Repair Information Company, LLC.
  • 510.
    Fig. 107: GroundStrap Courtesy of CHRYSLER LLC 47. Remove ground strap (1) at right rear of cylinder head if equipped. Fig. 108: Front Camshaft Cap Removal Sequence Courtesy of CHRYSLER LLC NOTE: Camshaft bearing caps should have been marked during engine manufacturing. For example, number one exhaust camshaft bearing is marked "E1>". CAUTION: DO NOT use a number stamp or a punch to mark camshaft bearing caps. Damage to bearing caps could occur. 2009 Jeep Patriot Limited 2009 ENGINE 2.4L - Service Information - Compass & Patriot a Saturday, September 08, 2012 1:27:52 PM Page 75 © 2006 Mitchell Repair Information Company, LLC.
  • 511.
    48. Using apermanent ink or paint marker, identify location and position on each camshaft bearing cap. 49. Remove the front camshaft bearing cap. 50. Slowly remove the remaining intake and exhaust camshaft bearing cap bolts one turn at a time. 51. Remove the camshafts. Fig. 109: Front Head Bolt Washers Courtesy of CHRYSLER LLC 52. Remove cylinder head bolts and two uncaptured washers. 53. Remove cylinder head from engine block. 54. Inspect and clean cylinder head and block sealing surfaces. See Engine/Cylinder Head - Inspection. See Engine/Cylinder Head - Cleaning CLEANING CLEANING NOTE: All of the cylinder head bolts have captured washers EXCEPT the front two (1). NOTE: Ensure cylinder head bolt holes in the block are clean, dry (free of residual oil or coolant), and threads are not damaged. 2009 Jeep Patriot Limited 2009 ENGINE 2.4L - Service Information - Compass & Patriot a Saturday, September 08, 2012 1:27:52 PM Page 76 © 2006 Mitchell Repair Information Company, LLC.
  • 512.
    Fig. 110: ProperTool Usage For Surface Preparation Courtesy of CHRYSLER LLC To ensure engine gasket sealing, proper surface preparation must be performed, especially with the use of aluminum engine components and multi-layer steel cylinder head gaskets. Remove all gasket material from cylinder head and block. See Engine - Standard Procedure. Be careful not to gouge or scratch the aluminum head sealing surface. Clean all engine oil passages. INSPECTION INSPECTION NOTE: Multi-Layer Steel (MLS) head gaskets require a scratch free sealing surface. NOTE: Replacement cylinder heads will come complete with valves, seals, springs, retainers, keepers, tappets, and camshafts. 2009 Jeep Patriot Limited 2009 ENGINE 2.4L - Service Information - Compass & Patriot a Saturday, September 08, 2012 1:27:52 PM Page 77 © 2006 Mitchell Repair Information Company, LLC.
  • 513.
    Fig. 111: CheckingCylinder Head Flatness Courtesy of CHRYSLER LLC 1. Check cylinder head warpage with a straight edge (2) and feeler gauge (1). 2. Cylinder head must be flat within 0.1 mm (0.004 in.). 3. Verify that the valve tappets move freely in theirs bores and that they have been rotating. 4. Inspect camshaft bearing journals for scoring. 5. Remove carbon and varnish deposits from inside of valve guides with a reliable guide cleaner. 6. Inspect the following components and verify that they are within specification. See Engine - Specifications: Camshafts Valve Tappets Springs Valve Seats Valve Guides Valves 7. Prior to installing cylinder head, the cylinder block should be checked for flatness. See Engine/Engine Block - Inspection. INSTALLATION INSTALLATION 2009 Jeep Patriot Limited 2009 ENGINE 2.4L - Service Information - Compass & Patriot a Saturday, September 08, 2012 1:27:52 PM Page 78 © 2006 Mitchell Repair Information Company, LLC.
  • 514.
    Fig. 112: CheckingCylinder Head Bolts For Stretching (Necking) Courtesy of CHRYSLER LLC 1. Check cylinder head bolts for necking by holding a scale or straight edge against the threads. If all the threads do not contact the scale (2) the bolt must be replaced. Fig. 113: VVT Filter Courtesy of CHRYSLER LLC CAUTION: The cylinder head bolts are tightened using a torque plus angle procedure. The bolts must be examined BEFORE reuse. If the threads are necked down the bolts must be replaced. 2009 Jeep Patriot Limited 2009 ENGINE 2.4L - Service Information - Compass & Patriot a Saturday, September 08, 2012 1:27:52 PM Page 79 © 2006 Mitchell Repair Information Company, LLC.
  • 515.
    2. Replace thevariable valve timing filter screen (3). Fig. 114: Cylinder Head RTV Courtesy of CHRYSLER LLC 3. Place two pea size dots of Mopar® engine sealant RTV or equivalent (1) on cylinder block as shown in illustration. NOTE: Ensure cylinder head bolt holes in the block are clean, dry (free of residual oil or coolant), and threads are not damaged. CAUTION: Always replace the variable valve timing filter screen (3) when servicing the head gasket or engine damage could result. NOTE: When using RTV, the sealing surfaces must be clean and free from grease and oil. NOTE: When using RTV, parts should be assembled in 10 minutes and tighten to final torque within 45 minutes. 2009 Jeep Patriot Limited 2009 ENGINE 2.4L - Service Information - Compass & Patriot a Saturday, September 08, 2012 1:27:52 PM Page 80 © 2006 Mitchell Repair Information Company, LLC.
  • 516.
    Fig. 115: CylinderHead Gasket RTV Courtesy of CHRYSLER LLC 4. Position the new cylinder head gasket on engine block with the part number facing up. Ensure gasket is seated over the locating dowels in block. 5. Place two pea size dots of Mopar® engine sealant RTV or equivalent (1) on cylinder head gasket as shown in illustration. 6. Position cylinder head onto engine block. Fig. 116: Cylinder Head Bolt Identification Courtesy of CHRYSLER LLC NOTE: The head must be installed within 15 minutes before the RTV skins. 2009 Jeep Patriot Limited 2009 ENGINE 2.4L - Service Information - Compass & Patriot a Saturday, September 08, 2012 1:27:52 PM Page 81 © 2006 Mitchell Repair Information Company, LLC.
  • 517.
    7. Measure thebolt head from the washer to the top of the bolt head. The short bolt head (1) measures 8 mm (5/16") and the long bolt head (2) measures 13 mm (1/2"). 8. Identify whether your engine has the short head design (1) or the long head design (2). Fig. 117: Bevel Edge Courtesy of CHRYSLER LLC CAUTION: This engine was built with 2 different style cylinder head bolts. Each style bolt requires a different torque value. The bolts can be identified by the short bolt head (1) and the long bolt head (2). NOTE: The front two cylinder head bolts do not have captured washers. The washers must be installed with the bevel edge (1) up towards the bolt head. 2009 Jeep Patriot Limited 2009 ENGINE 2.4L - Service Information - Compass & Patriot a Saturday, September 08, 2012 1:27:52 PM Page 82 © 2006 Mitchell Repair Information Company, LLC.
  • 518.
    Fig. 118: FrontHead Bolt Washers Courtesy of CHRYSLER LLC 9. Install washers (1) for the front two cylinder head bolts with the beveled edge facing up. Fig. 119: Cylinder Head Torque Sequence Courtesy of CHRYSLER LLC 10. Install the cylinder head bolts and tighten in the sequence shown in illustration. Fig. 120: Cylinder Head Bolt Identification Courtesy of CHRYSLER LLC NOTE: Before installing the cylinder head bolts, lubricate the threads with clean engine oil. 2009 Jeep Patriot Limited 2009 ENGINE 2.4L - Service Information - Compass & Patriot a Saturday, September 08, 2012 1:27:52 PM Page 83 © 2006 Mitchell Repair Information Company, LLC.
  • 519.
    11. If yourbolt has the short head (1), use the following torque specifications: First: All to 30 N.m (25 ft. lbs.) Second: All to 61 N.m (45 ft. lbs.) Third: All to 61 N.m (45 ft. lbs.) Fourth: All an additional 90° 12. If your bolt has the long head (2), use the following torque specifications: First: All to 30 N.m (25 ft. lbs.) Second: All to 73 N.m (54 ft. lbs.) Third: All to 73 N.m (54 ft. lbs.) Fourth: All an additional 90° 13. Clean excess RTV from timing chain cover sealing surface. Fig. 121: Coolant Adapter Courtesy of CHRYSLER LLC 14. Install coolant adapter (3) with new seals. Tighten bolts to 18.1 N.m (159 in. lbs.). CAUTION: Do not use a torque wrench for the Fourth step. CAUTION: Do not use a torque wrench for the Fourth step. 2009 Jeep Patriot Limited 2009 ENGINE 2.4L - Service Information - Compass & Patriot a Saturday, September 08, 2012 1:27:52 PM Page 84 © 2006 Mitchell Repair Information Company, LLC.
  • 520.
    Fig. 122: CamshaftCap Bearing Identification Courtesy of CHRYSLER LLC 15. The front camshaft bearing cap (1) is numbered (2) either one, two, or three, this corresponds to the select fit front exhaust camshaft bearing to use. Fig. 123: Camshaft Bearing Identification Courtesy of CHRYSLER LLC 16. Install the corresponding select fit front exhaust camshaft bearing (1). 17. Oil all of the camshaft journals with clean engine oil. 2009 Jeep Patriot Limited 2009 ENGINE 2.4L - Service Information - Compass & Patriot a Saturday, September 08, 2012 1:27:52 PM Page 85 © 2006 Mitchell Repair Information Company, LLC.
  • 521.
    Fig. 124: CamshaftTiming Courtesy of CHRYSLER LLC 18. Position exhaust camshaft (1) and intake camshaft (2) on bearing journals in the cylinder head. 19. Align camshaft timing marks (3) so that they are facing each other and are in line with the cylinder head cover sealing surface. Fig. 125: Camshaft Cap Torque Sequence CAUTION: Install the front intake and exhaust camshaft bearing cap last. Ensure that the dowels are seated and follow torque sequence or damage to engine could result. NOTE: If the front camshaft bearing cap is broken, the cylinder head MUST be replaced. 2009 Jeep Patriot Limited 2009 ENGINE 2.4L - Service Information - Compass & Patriot a Saturday, September 08, 2012 1:27:52 PM Page 86 © 2006 Mitchell Repair Information Company, LLC.
  • 522.
    Courtesy of CHRYSLERLLC 20. Install intake and exhaust camshaft bearing caps and slowly tighten bolts to 9.5 N.m (85 in. lbs.) in the sequence shown in illustration. Fig. 126: Front Camshaft Cap Torque Sequence Courtesy of CHRYSLER LLC 21. Install the front intake and exhaust bearing cap and tighten bolts to 25 N.m (18 ft. lbs.) in the sequence shown in illustration. Fig. 127: Timing Drive NOTE: Verify that the exhaust bearing shells are correctly installed, and the dowels are seated in the head, prior to torquing bolts. 2009 Jeep Patriot Limited 2009 ENGINE 2.4L - Service Information - Compass & Patriot a Saturday, September 08, 2012 1:27:52 PM Page 87 © 2006 Mitchell Repair Information Company, LLC.
  • 523.
    Courtesy of CHRYSLERLLC 22. Install timing chain guide (4) and tighten bolts to 12 N.m (105 in. lbs.). 23. Install the moveable timing chain pivot guide (6) and tighten bolt to 12 N.m (105 in. lbs.). 24. Install timing chain (2) and tensioner (5). See Engine/Valve Timing/CHAIN and SPROCKETS, Timing - Installation. 25. Install timing chain cover, engine mount, pulleys and accessory drive belt. See Engine/Valve Timing/COVER(S), Engine Timing - Installation. Fig. 128: Torque Sequence Courtesy of CHRYSLER LLC 26. Install cylinder head cover and ignition coils. See Engine/Cylinder Head/COVER(S), Cylinder Head - Installation. 2009 Jeep Patriot Limited 2009 ENGINE 2.4L - Service Information - Compass & Patriot a Saturday, September 08, 2012 1:27:52 PM Page 88 © 2006 Mitchell Repair Information Company, LLC.
  • 524.
    Fig. 129: GroundStrap Courtesy of CHRYSLER LLC 27. Install exhaust manifold. See Engine/Manifolds/MANIFOLD, Exhaust - Installation. 28. Install ground strap (1) at right rear of cylinder head if equipped. Fig. 130: Torque Sequence Courtesy of CHRYSLER LLC 29. Install intake manifold, vacuum lines and fuel rail. See Engine/Manifolds/MANIFOLD, Intake - Installation. Fig. 131: Radiator Hose Support Courtesy of CHRYSLER LLC 30. Install upper radiator hose retaining bracket bolt (1). 2009 Jeep Patriot Limited 2009 ENGINE 2.4L - Service Information - Compass & Patriot a Saturday, September 08, 2012 1:27:52 PM Page 89 © 2006 Mitchell Repair Information Company, LLC.
  • 525.
    Fig. 132: CoilConnector Courtesy of CHRYSLER LLC 31. Connect coil (1) and injector (4) electrical connectors. Fig. 133: Coolant Adapter Courtesy of CHRYSLER LLC 32. Connect electrical connectors to coolant temperature sensor (1), camshaft position sensors, oil temperature sensor, variable valve timing solenoids, MAP sensor, manifold tuning valve, ignition interference suppressor (2) and electronic throttle control. 2009 Jeep Patriot Limited 2009 ENGINE 2.4L - Service Information - Compass & Patriot a Saturday, September 08, 2012 1:27:52 PM Page 90 © 2006 Mitchell Repair Information Company, LLC.
  • 526.
    Fig. 134: CoolantReservoir Courtesy of CHRYSLER LLC 33. Install power steering pump reservoir (2). Tighten mounting screw to 12 N.m (106 in. lbs.). 34. Install windshield washer reservoir (1). 35. Install coolant recovery reservoir (3). Tighten mounting bolts to 4 N.m (35 in. lbs.). Fig. 135: Air Cleaner Housing Courtesy of CHRYSLER LLC 36. Install clean air hose (5) and air cleaner housing (1). See Engine/Air Intake System/BODY, Air Cleaner - Installation. 37. Fill cooling system. Refer to Cooling - Standard Procedure . 38. Install new oil filter and fill engine with oil. 2009 Jeep Patriot Limited 2009 ENGINE 2.4L - Service Information - Compass & Patriot a Saturday, September 08, 2012 1:27:52 PM Page 91 © 2006 Mitchell Repair Information Company, LLC.
  • 527.
    39. Connect negativebattery cable. Fig. 136: Engine Cover - 2.4L Courtesy of CHRYSLER LLC 40. Operate engine until it reaches normal operating temperature. Check oil and cooling systems for leaks and correct fluid levels. 41. Install engine cover (1). ASSEMBLY, VARIABLE VALVE TIMING Description DESCRIPTION The world engine is equipped with Variable Valve Timing (VVT). This system advances and/or retards intake and/or exhaust camshaft timing to improve engine performance, mid-range torque, idle quality, fuel economy, and reduce emissions. The camshaft sprockets are integrated with the VVT assemblies and are serviced as an assembly. VVT assemblies are sometimes referred to as camshaft phasers. Operation OPERATION The Variable Valve Timing (VVT) assemblies are actuated with engine oil pressure. The oil flow to the VVT assemblies are controlled by two Oil Control Valves (OCV). There is an OCV and Camshaft Position Sensor (CMP) for each camshaft. The OCV's consist of a Pulse Width Modulated (PWM) solenoid and a spool valve. The PCM actuates the OCV to control oil flow through the spool valve into the VVT assemblies. The VVT assembly consists of a rotor, stator, and sprocket. The stator is connected to the timing chain through the sprocket. The rotor is connected to the camshaft. Oil flow in to the VVT assembly rotates the rotor with respect 2009 Jeep Patriot Limited 2009 ENGINE 2.4L - Service Information - Compass & Patriot a Saturday, September 08, 2012 1:27:52 PM Page 92 © 2006 Mitchell Repair Information Company, LLC.
  • 528.
    to the stator,thus rotating the camshaft with respect to the timing chain. Thus, the VVT assemblies change valve timing by changing the relationship between the camshaft and the timing chain. An integral oil pressure activated pin is used to lock base camshaft timing for engine start up. Oil pressure releases the pin and allows the PCM to control cam timing once the engine is running. An infinitely variable valve timing position can be achieved within the limits of the hardware. The CMP monitors the position of the camshaft with respect to the crankshaft and provides feedback to the PCM. Removal REMOVAL Fig. 137: Camshaft Phaser Installation Courtesy of CHRYSLER LLC 1. Remove camshafts. See Engine/Cylinder Head/CAMSHAFT, Engine - Removal. 2. Remove camshaft phaser (2) retaining bolt while holding the camshaft in place with a wrench (1) on the camshaft flats. 3. Remove phaser (2) assembly from camshaft. Installation INSTALLATION NOTE: Camshaft phaser and camshaft sprocket are supplied as an assembly, do not attempt to disassemble. 2009 Jeep Patriot Limited 2009 ENGINE 2.4L - Service Information - Compass & Patriot a Saturday, September 08, 2012 1:27:52 PM Page 93 © 2006 Mitchell Repair Information Company, LLC.
  • 529.
    Fig. 138: CamshaftPhaser Installation Courtesy of CHRYSLER LLC 1. Install phaser (2) assembly on camshaft. 2. Install phaser retaining bolt. Hold camshaft in place with a wrench (1) and tighten bolt to 59 N.m (44 ft. lbs.). 3. Install camshafts. See Engine/Cylinder Head/CAMSHAFT, Engine - Installation. BUCKET, TAPPET Diagnosis and Testing MECHANICAL VALVE TAPPET NOISE DIAGNOSIS A tappet-like noise may be produced from incorrect valve lash. See Engine/Cylinder Head/BUCKET, Tappet - Standard Procedure. Standard Procedure MEASURING VALVE LASH CAUTION: Do not use an impact wrench to tighten camshaft sprocket bolts. Damage to the camshaft-to-sprocket locating dowel pin and camshaft phaser may occur. NOTE: Make sure the dowel is seated in the dowel hole and not in a oil feed hole. The dowel hole is larger than the 4 oil feed holes. 2009 Jeep Patriot Limited 2009 ENGINE 2.4L - Service Information - Compass & Patriot a Saturday, September 08, 2012 1:27:52 PM Page 94 © 2006 Mitchell Repair Information Company, LLC.
  • 530.
    Fig. 139: TorqueSequence Courtesy of CHRYSLER LLC 1. Remove engine cover. 2. Remove cylinder head cover. See Engine/Cylinder Head/COVER(S), Cylinder Head - Removal. Fig. 140: Lobes Vertical Courtesy of CHRYSLER LLC 3. Rotate camshaft so lobes are vertical (1). 4. Check clearance using feeler gauges. NOTE: The engine must be cold to measure valve lash. 2009 Jeep Patriot Limited 2009 ENGINE 2.4L - Service Information - Compass & Patriot a Saturday, September 08, 2012 1:27:52 PM Page 95 © 2006 Mitchell Repair Information Company, LLC.
  • 531.
    5. Repeat forall tappets and record readings. 6. If clearance was too small, refer to the Clearance too Small procedure. Clearance too Small. 7. If clearance was too large, refer to the Clearance too Large procedure. Clearance too Large. Clearance Too Small Fig. 141: Tappet Identification Courtesy of CHRYSLER LLC 1. Remove camshafts. See Engine/Cylinder Head/CAMSHAFT, Engine - Removal. 2. Specification - clearance = change. 3. Decrease tappet thickness by change figure. 4. Install camshafts. See Engine/Cylinder Head/CAMSHAFT, Engine - Installation. 5. Verify that valve lash is correct. Clearance too Large 2009 Jeep Patriot Limited 2009 ENGINE 2.4L - Service Information - Compass & Patriot a Saturday, September 08, 2012 1:27:52 PM Page 96 © 2006 Mitchell Repair Information Company, LLC.
  • 532.
    Fig. 142: TappetIdentification Courtesy of CHRYSLER LLC 1. Remove camshafts. See Engine/Cylinder Head/CAMSHAFT, Engine - Removal. 2. Clearance - specification = change. 3. Increase tappet thickness by change figure. 4. Install camshafts. See Engine/Cylinder Head/CAMSHAFT, Engine - Installation. 5. Verify that valve lash is correct. Removal REMOVAL 2009 Jeep Patriot Limited 2009 ENGINE 2.4L - Service Information - Compass & Patriot a Saturday, September 08, 2012 1:27:52 PM Page 97 © 2006 Mitchell Repair Information Company, LLC.
  • 533.
    Fig. 143: TorqueSequence Courtesy of CHRYSLER LLC 1. Remove cylinder head cover. See Engine/Cylinder Head/COVER(S), Cylinder Head - Removal. 2. Remove camshafts. See Engine/Cylinder Head/CAMSHAFT, Engine - Removal. Fig. 144: Tappet Identification Courtesy of CHRYSLER LLC 3. Remove camshaft tappets (1). 4. Repeat removal procedure for each camshaft tappet (1). 5. If reusing, mark each tappet for reassembly in original position. Installation INSTALLATION NOTE: This procedure is for in-vehicle service with camshafts installed. NOTE: Camshaft tappets must be replaced if cylinder head or camshafts are replaced. 2009 Jeep Patriot Limited 2009 ENGINE 2.4L - Service Information - Compass & Patriot a Saturday, September 08, 2012 1:27:52 PM Page 98 © 2006 Mitchell Repair Information Company, LLC.
  • 534.
    Fig. 145: TappetIdentification Courtesy of CHRYSLER LLC 1. Apply a light coat of clean engine oil to camshafts tappets (1) prior to assembly. 2. Install camshaft tappets (1) into cylinder head. 3. Repeat installation procedure for each camshaft tappet. 4. Install camshafts. See Engine/Cylinder Head/CAMSHAFT, Engine - Installation. NOTE: If reinstalling original tappets they must go back in their original location or engine damage could result. NOTE: If installing new tappets, the valve lash procedure must be performed. 2009 Jeep Patriot Limited 2009 ENGINE 2.4L - Service Information - Compass & Patriot a Saturday, September 08, 2012 1:27:52 PM Page 99 © 2006 Mitchell Repair Information Company, LLC.
  • 535.
    Fig. 146: TorqueSequence Courtesy of CHRYSLER LLC 5. Install cylinder head cover. See Engine/Cylinder Head/COVER(S), Cylinder Head - Installation. CAMSHAFT, ENGINE Description DESCRIPTIONS Both camshafts have five bearing journal surfaces and two cam lobes per cylinder. The two front journals are larger to allow for feeding oil to the variable valve timing (VVT) camshaft phasers. Flanges on the third smaller journal control camshaft end play. At the rear of each camshaft is an integral cam sensor target. CAMSHAFT BEARING CAPS Fig. 147: Uneven Wear Patterns Courtesy of CHRYSLER LLC The front cam bearing cap spans both camshafts, and includes dowels for precise alignment. The front exhaust camshaft journal has a select fit bearing insert. This bearing is required to seal the oil passage to the camshaft phaser, because a portion of the lower bearing saddle is machined away for head bolt access. The select fit is required to minimize bearing clearance and oil leakage. An exhaust bearing grade (1, 2 or 3) is stamped into the front bearing cap adjacent to the exhaust cam journal. The bearings are also marked with the corresponding grade markings. If the bearing is replaced, the same grade must be used. Due to the unique purpose of this bearing, it may appear to have uneven wear patterns (1). Maximum wear of 0.05 mm (.002 in.) is acceptable. Unless the wear is excessive it is no cause for concern and the bearing should not be replaced. Cam bearing inspection should not be the sole reason for removal of the exhaust camshaft. The upper cam bearing may be replaced if the front bearing cap is removed. The lower cam bearing should be replaced if the camshaft is removed due to a failure of a component within the cylinder head. 2009 Jeep Patriot Limited 2009 ENGINE 2.4L - Service Information - Compass & Patriot a Saturday, September 08, 2012 1:27:52 PM Page 100 © 2006 Mitchell Repair Information Company, LLC.
  • 536.
    The front intakecam journal has a full lower bearing saddle, and therefore, no bearing insert is required. All small bearing caps have a formed-in arrow to assist in assembly. All small bearing cap arrows must point towards the center of the cylinder head. The small bearing caps are marked for position during the manufacturing process, and must be reinstalled in their original position. The #1 small cap includes a passage to direct oil from the cylinder head oil gallery to the #1 small bearing journal, and into the camshaft as well. The hollow camshaft then distributes oil to the remainder of the small journals. Oil flowing out of each cam journal lubricates the valve tappets. The #3 small cap is machined at the front and rear face to control camshaft end-play. This cap has dowels for precise alignment. Operation OPERATION The camshaft is driven by the crankshaft via drive sprockets and a chain. The camshaft has precisely machined lobes to provide accurate valve timing and duration. Standard Procedure MEASURING CAMSHAFT END PLAY Fig. 148: Camshaft End Play Courtesy of CHRYSLER LLC 1. Using a suitable tool, move camshaft as far rearward as it will go. 2. Zero dial indicator. 3. Move camshaft as far forward as it will go. 4. Record reading on dial indicator. For end play specification. See Engine - Specifications. 5. If end play is excessive, check cylinder head and camshaft for wear; replace as necessary. Removal 2009 Jeep Patriot Limited 2009 ENGINE 2.4L - Service Information - Compass & Patriot a Saturday, September 08, 2012 1:27:52 PM Page 101 © 2006 Mitchell Repair Information Company, LLC.
  • 537.
    REMOVAL Fig. 149: EngineCover Courtesy of CHRYSLER LLC 1. Remove engine cover (1) by pulling upward. 2. Disconnect and isolate the negative battery cable. 3. Remove cylinder head cover. See Engine/Cylinder Head/COVER(S), Cylinder Head - Removal. Fig. 150: TDC Courtesy of CHRYSLER LLC 4. Raise and support the vehicle. Refer to Vehicle Quick Reference/Hoisting - Standard Procedure . 5. Remove the frame cover portion of the right splash shield. Refer to Body/Exterior/SHIELD, Splash - 2009 Jeep Patriot Limited 2009 ENGINE 2.4L - Service Information - Compass & Patriot a Saturday, September 08, 2012 1:27:52 PM Page 102 © 2006 Mitchell Repair Information Company, LLC.
  • 538.
    Removal . 6. Rotateengine to TDC (1). Fig. 151: Timing Chain Timing Marks Courtesy of CHRYSLER LLC 7. Make sure camshaft timing marks (3) are in line with the cylinder head cover sealing surface. 8. Mark the chain link corresponding to timing marks (1) with a paint marker. Fig. 152: Tensioner Access Plug Courtesy of CHRYSLER LLC 9. Remove timing tensioner plug (1) from front cover. 2009 Jeep Patriot Limited 2009 ENGINE 2.4L - Service Information - Compass & Patriot a Saturday, September 08, 2012 1:27:52 PM Page 103 © 2006 Mitchell Repair Information Company, LLC.
  • 539.
    Fig. 153: TensionerReset Courtesy of CHRYSLER LLC 10. Insert small Allen wrench through timing tensioner plug hole and lift ratchet (2) upward to release the tensioner and push Allen wrench inward. Leave the Allen wrench installed during the remainder of this procedure. Fig. 154: Wedge Tool Courtesy of CHRYSLER LLC 11. Insert Locking Wedge 9701 (1) between camshaft phasers. 2009 Jeep Patriot Limited 2009 ENGINE 2.4L - Service Information - Compass & Patriot a Saturday, September 08, 2012 1:27:52 PM Page 104 © 2006 Mitchell Repair Information Company, LLC.
  • 540.
    Fig. 155: SeatingWedge Tool Courtesy of CHRYSLER LLC 12. Lightly tap Locking Wedge 9701 (2) into place until it will no longer sink down. Fig. 156: Front Camshaft Cap Removal Sequence Courtesy of CHRYSLER LLC NOTE: Camshaft bearing caps should have been marked during engine manufacturing. For example, number one exhaust camshaft bearing is marked "E1>". CAUTION: DO NOT use a number stamp or a punch to mark camshaft bearing caps. Damage to bearing caps could occur. 2009 Jeep Patriot Limited 2009 ENGINE 2.4L - Service Information - Compass & Patriot a Saturday, September 08, 2012 1:27:52 PM Page 105 © 2006 Mitchell Repair Information Company, LLC.
  • 541.
    13. Using apermanent ink or paint marker, identify location and position on each camshaft bearing cap. 14. Remove the front camshaft bearing cap. 15. Slowly remove the remaining intake and exhaust camshaft bearing cap bolts one turn at a time. Fig. 157: Raise Intake Camshaft Courtesy of CHRYSLER LLC 16. Remove intake camshaft (1) by lifting the rear of the camshaft upward. Fig. 158: Roll Camshaft Courtesy of CHRYSLER LLC 17. Rotate the camshaft while lifting out of the front bearing cradle. 2009 Jeep Patriot Limited 2009 ENGINE 2.4L - Service Information - Compass & Patriot a Saturday, September 08, 2012 1:27:52 PM Page 106 © 2006 Mitchell Repair Information Company, LLC.
  • 542.
    Fig. 159: ChainRemoval Courtesy of CHRYSLER LLC 18. Lift the timing chain (2) off the sprocket (1). 19. Remove exhaust camshaft. 20. Secure timing chain with wire so that it does fall into the timing chain cover. Cleaning CLEANING Clean camshafts with a suitable solvent. Inspection INSPECTION 1. Inspect camshaft bearing journals for damage. If journals are damaged, check the cylinder head for damage. Also check cylinder head oil holes for clogging. 2. Check the cam lobe and bearing surfaces for abnormal wear and damage. Replace camshaft if defective. Installation INSTALLATION NOTE: If camshaft is replaced due to lobe wear or damage, always replace the lash buckets. 2009 Jeep Patriot Limited 2009 ENGINE 2.4L - Service Information - Compass & Patriot a Saturday, September 08, 2012 1:27:52 PM Page 107 © 2006 Mitchell Repair Information Company, LLC.
  • 543.
    Fig. 160: CamshaftCap Bearing Identification Courtesy of CHRYSLER LLC 1. The front camshaft bearing cap (1) is numbered (2) either one, two, or three, this corresponds to the select fit front exhaust camshaft bearing to use. Fig. 161: Camshaft Bearing Identification Courtesy of CHRYSLER LLC 2. Install the corresponding select fit front exhaust camshaft bearing (1). 3. Oil all of the camshaft journals with clean engine oil. 4. Install camshaft phasers on camshafts if removed. See Engine/Cylinder Head/ASSEMBLY, Variable Valve Timing - Installation. 2009 Jeep Patriot Limited 2009 ENGINE 2.4L - Service Information - Compass & Patriot a Saturday, September 08, 2012 1:27:52 PM Page 108 © 2006 Mitchell Repair Information Company, LLC.
  • 544.
    Fig. 162: TimingChain Timing Marks Courtesy of CHRYSLER LLC 5. Install timing chain onto exhaust cam sprocket making sure that the timing marks (1) on the sprocket and the painted chain link are aligned. 6. Position exhaust camshaft and on bearing journals in the cylinder head. 7. Align exhaust cam timing mark (3) so it is in line with the cylinder head cover sealing surface (2). Fig. 163: Raise Intake Camshaft Courtesy of CHRYSLER LLC 8. Install intake camshaft by raising the rear of the camshaft upward and roll the sprocket into the chain. 2009 Jeep Patriot Limited 2009 ENGINE 2.4L - Service Information - Compass & Patriot a Saturday, September 08, 2012 1:27:52 PM Page 109 © 2006 Mitchell Repair Information Company, LLC.
  • 545.
    Fig. 164: TimingChain Timing Marks Courtesy of CHRYSLER LLC 9. Align the timing marks (1) on the intake cam sprocket with the painted chain link. 10. Position the intake camshaft into the bearing journals in the cylinder head. 11. Verify that the timing marks (1) are aligned on both camshafts and that the timing marks (3) are facing each other and are in line with the cylinder head cover sealing surface (2). CAUTION: Install the front intake and exhaust camshaft bearing cap last. Ensure that the dowels are seated and follow torque sequence or damage to engine could result. NOTE: If the front camshaft bearing cap is broken, the cylinder head MUST be replaced. 2009 Jeep Patriot Limited 2009 ENGINE 2.4L - Service Information - Compass & Patriot a Saturday, September 08, 2012 1:27:52 PM Page 110 © 2006 Mitchell Repair Information Company, LLC.
  • 546.
    Fig. 165: CamshaftCap Torque Sequence Courtesy of CHRYSLER LLC 12. Install intake and exhaust camshaft bearing caps and slowly tighten bolts to 9.5 N.m (85 in. lbs.) in the sequence shown in illustration. Fig. 166: Front Camshaft Cap Torque Sequence Courtesy of CHRYSLER LLC 13. Install the front intake and exhaust bearing cap and tighten bolts to 25 N.m (18 ft. lbs.) in the sequence shown in illustration. NOTE: Verify that the exhaust bearing shells are correctly installed, and the dowels are seated in the head, prior to torquing bolts. 2009 Jeep Patriot Limited 2009 ENGINE 2.4L - Service Information - Compass & Patriot a Saturday, September 08, 2012 1:27:52 PM Page 111 © 2006 Mitchell Repair Information Company, LLC.
  • 547.
    Fig. 167: TimingChain Timing Marks Courtesy of CHRYSLER LLC 14. Verify that all timing marks (1, 3) are aligned. 15. Remove Allen wrench from timing chain tensioner. Fig. 168: Wedge Tool Courtesy of CHRYSLER LLC 16. Remove Locking Wedge 9701 (1) by pulling straight upward on pull rope. 2009 Jeep Patriot Limited 2009 ENGINE 2.4L - Service Information - Compass & Patriot a Saturday, September 08, 2012 1:27:52 PM Page 112 © 2006 Mitchell Repair Information Company, LLC.
  • 548.
    Fig. 169: TensionerAccess Plug Courtesy of CHRYSLER LLC 17. Apply MOPAR® thread sealant to timing tensioner plug (1) and Install. 18. Rotate the crankshaft CLOCKWISE two complete revolutions until the crankshaft is repositioned at the TDC position. Fig. 170: Camshaft Timing Marks Courtesy of CHRYSLER LLC 19. Verify that the camshafts timing marks (3) are in the proper position and in line with the cylinder head cover sealing surface. If the marks do not line up, the timing chain is not correctly installed. 20. Install right splash shield. Refer to Body/Exterior/SHIELD, Splash - Installation . 2009 Jeep Patriot Limited 2009 ENGINE 2.4L - Service Information - Compass & Patriot a Saturday, September 08, 2012 1:27:52 PM Page 113 © 2006 Mitchell Repair Information Company, LLC.
  • 549.
    Fig. 171: GasketLocation Courtesy of CHRYSLER LLC 21. Remove RTV from gasket (1). 22. Inspect cylinder head cover gaskets (1, 2) for damage. If no damage is present, gaskets can be re-installed. Fig. 172: Torque Sequence Courtesy of CHRYSLER LLC 23. Install cylinder head cover. See Engine/Cylinder Head/COVER(S), Cylinder Head - Installation. 24. Connect negative battery cable. 25. Fill cooling system. Refer to Cooling - Standard Procedure . 26. Fill with oil. 2009 Jeep Patriot Limited 2009 ENGINE 2.4L - Service Information - Compass & Patriot a Saturday, September 08, 2012 1:27:52 PM Page 114 © 2006 Mitchell Repair Information Company, LLC.
  • 550.
    Fig. 173: EngineCover - 2.4L Courtesy of CHRYSLER LLC 27. Operate engine until it reaches normal operating temperature. Check oil and cooling systems for correct fluid levels. 28. Install engine cover (1). COVER(S), CYLINDER HEAD Removal REMOVAL 2009 Jeep Patriot Limited 2009 ENGINE 2.4L - Service Information - Compass & Patriot a Saturday, September 08, 2012 1:27:52 PM Page 115 © 2006 Mitchell Repair Information Company, LLC.
  • 551.
    Fig. 174: EngineCover - 2.0L Courtesy of CHRYSLER LLC 1. Remove engine cover (1) by pulling upward. 2. Disconnect and isolate the negative battery cable. Fig. 175: Coil Connector Courtesy of CHRYSLER LLC 3. Remove make up air hose (2). 4. Remove PCV hose (5). 5. Disconnect ignition coil electrical connectors (1). Fig. 176: Torque Sequence Courtesy of CHRYSLER LLC 2009 Jeep Patriot Limited 2009 ENGINE 2.4L - Service Information - Compass & Patriot a Saturday, September 08, 2012 1:27:52 PM Page 116 © 2006 Mitchell Repair Information Company, LLC.
  • 552.
    6. Use compressedair to blow dirt and debris off the cylinder head cover prior to removal. 7. Remove cylinder head cover bolts. 8. Remove cylinder head cover from cylinder head. Installation INSTALLATION Fig. 177: Gasket Location Courtesy of CHRYSLER LLC 1. Install new cylinder head cover gaskets (1, 2). Fig. 178: Stud Location Courtesy of CHRYSLER LLC 2009 Jeep Patriot Limited 2009 ENGINE 2.4L - Service Information - Compass & Patriot a Saturday, September 08, 2012 1:27:52 PM Page 117 © 2006 Mitchell Repair Information Company, LLC.
  • 553.
    2. Install studsin cover as shown in illustration. Fig. 179: Cylinder Head/Front Cover T-Joint Courtesy of CHRYSLER LLC 3. Clean all RTV from cylinder head. See Engine - Standard Procedure. 4. Apply a dot of Mopar® engine sealant RTV or equivalent to cylinder head/front cover T-joint (1). NOTE: When using RTV, the sealing surfaces must be clean and free from grease and oil. NOTE: When using RTV, parts should be assembled in 10 minutes and tighten to final torque within 45 minutes. 2009 Jeep Patriot Limited 2009 ENGINE 2.4L - Service Information - Compass & Patriot a Saturday, September 08, 2012 1:27:52 PM Page 118 © 2006 Mitchell Repair Information Company, LLC.
  • 554.
    Fig. 180: TorqueSequence Courtesy of CHRYSLER LLC 5. Install cylinder head cover assembly to cylinder head and install all bolts, ensuring the studs are located as shown in illustration. 6. Tighten bolts in sequence shown in illustration using a 2 step torque method as follows: a. Tighten all bolts to 5 N.m (44 in. lbs.). b. Tighten all bolts to 10 N.m (90 in. lbs.). Fig. 181: Coil Connector Courtesy of CHRYSLER LLC 7. Install ignition coils. Tighten fasteners to 8 N.m (70 in. lbs.). 8. If the PCV valve was removed, tighten PCV valve to 5 N.m (44 in. lbs.). 9. Connect coil electrical connectors (1). 2009 Jeep Patriot Limited 2009 ENGINE 2.4L - Service Information - Compass & Patriot a Saturday, September 08, 2012 1:27:52 PM Page 119 © 2006 Mitchell Repair Information Company, LLC.
  • 555.
    10. Connect PCVhose (5) to PCV valve. 11. Connect make up air hose (2). Fig. 182: Engine Cover - 2.0L Courtesy of CHRYSLER LLC 12. Connect negative battery cable. 13. Install engine cover (1) by pressing the rear of the cover down first. SPRING(S), VALVE Removal CYLINDER HEAD ON 2009 Jeep Patriot Limited 2009 ENGINE 2.4L - Service Information - Compass & Patriot a Saturday, September 08, 2012 1:27:52 PM Page 120 © 2006 Mitchell Repair Information Company, LLC.
  • 556.
    Fig. 183: ValveRemoval Courtesy of CHRYSLER LLC 1. Remove cylinder head cover. See Engine/Cylinder Head/COVER(S), Cylinder Head - Removal. 2. Remove camshafts. See Engine/Cylinder Head/CAMSHAFT, Engine - Removal. 3. Mark valve tappet location for assembly. 4. Remove valve tappets. 5. Rotate crankshaft until piston is at TDC on compression. 6. With air hose attached to adapter tool installed in spark plug hole, apply 90-120 psi air pressure. 7. Using metric valve keeper tool (1) such as Snap-on® GA317 (or equivalent), and remove valve spring keepers and retainer. 8. Remove valve spring(s). 9. Remove valve stem seal(s) by a using valve stem seal tool. CYLINDER HEAD OFF CAUTION: Care must be taken not to damage the tappet bore or engine damage may result. 2009 Jeep Patriot Limited 2009 ENGINE 2.4L - Service Information - Compass & Patriot a Saturday, September 08, 2012 1:27:52 PM Page 121 © 2006 Mitchell Repair Information Company, LLC.
  • 557.
    Fig. 184: ValveRemoval Courtesy of CHRYSLER LLC 1. With cylinder head removed from cylinder block, place a ball of rags in the combustion chamber. 2. Mark valve tappet location for assembly. 3. Remove valve tappets. 4. Using metric valve keeper tool such as Snap-on® GA317 (or equivalent) remover (1) , remove valve keepers with a downward push. 5. Remove retainer and springs. 6. Before removing valves, remove any burrs from valve stem lock grooves to prevent damage to the valve guides. Identify valves, locks and retainers to insure installation in original location. 7. Inspect the valves. See Engine/Cylinder Head/SPRING(S), Valve - Inspection. Inspection INSPECTION 1. Whenever valves have been removed for inspection, reconditioning or replacement, valve springs should be tested for correct load. Discard the springs that do not meet specifications. The following specifications apply to both intake and exhaust valves springs: Valve closed nominal load - 179.5 N ± 9 N @ 35.0 mm (40.35 lbs. ± 2 lbs. @ 1.38 in.). Valve open nominal load - 364.8 N ± 17 N @ 29.25 mm (82 lbs. ± 3.8 lbs. @ 1.152 in.). 2. Inspect each valve spring for squareness with a steel square and surface plate, test springs from both ends. If the spring is more than 1.5 mm (1/16 inch) out of square, install a new spring. CAUTION: Care must be taken not to damage the tappet bore or engine damage may result. 2009 Jeep Patriot Limited 2009 ENGINE 2.4L - Service Information - Compass & Patriot a Saturday, September 08, 2012 1:27:52 PM Page 122 © 2006 Mitchell Repair Information Company, LLC.
  • 558.
    Installation CYLINDER HEAD ON Fig.185: Valve Spring Assembly Courtesy of CHRYSLER LLC 1. Install valve seal/valve spring seat (3) assembly. Push the assembly down with appropriate size socket to seat it onto the valve guide. 2. Install valve spring (2) and retainer (4) with keepers (1). Fig. 186: Valve Installation Courtesy of CHRYSLER LLC CAUTION: Care must be taken not to damage the tappet bore or engine damage may result. 2009 Jeep Patriot Limited 2009 ENGINE 2.4L - Service Information - Compass & Patriot a Saturday, September 08, 2012 1:27:52 PM Page 123 © 2006 Mitchell Repair Information Company, LLC.
  • 559.
    3. Place thevalve keepers in the retainer. Using metric valve keeper tool such as Snap-on® GA317 (or equivalent) installer (2) and remover (1) as a handle, install valve keepers with a downward push. 4. Remove air hose and install spark plugs. 5. Install valve tappets. 6. Install camshafts. See Engine/Cylinder Head/CAMSHAFT, Engine - Installation. 7. Install cylinder head cover. See Engine/Cylinder Head/COVER(S), Cylinder Head - Installation. CYLINDER HEAD OFF Fig. 187: Valve Spring Assembly Courtesy of CHRYSLER LLC 1. Coat valve stems with clean engine oil and insert in cylinder head. 2. Install new valve stem seals (3) on all valves using an appropriate sized socket to seat the seal/spring seat. The valve stem seals should be pushed firmly and squarely over valve guide. 3. Install valve springs (2). 4. Install keepers in retainer and place on valve spring. CAUTION: Care must be taken not to damage the tappet bore or engine damage may result. 2009 Jeep Patriot Limited 2009 ENGINE 2.4L - Service Information - Compass & Patriot a Saturday, September 08, 2012 1:27:52 PM Page 124 © 2006 Mitchell Repair Information Company, LLC.
  • 560.
    Fig. 188: ValveInstallation Courtesy of CHRYSLER LLC 5. Using metric valve keeper tool such as Snap-on® GA317 (or equivalent) installer (2) and remover (1) as a handle, push downward to install keepers. Fig. 189: Spring Installed Height & Valve Tip To Spring Seat Dimensions Courtesy of CHRYSLER LLC 6. Check the valve spring installed height B after refacing the valve and seat. Make sure measurements are taken from top of spring seat to the bottom surface of spring retainer. If height is greater than 38.75 mm (1.525 in.), install a 0.762 mm (0.030 in.) spacer under the valve spring seat to bring spring height back within specification. 7. Install valve tappets. VALVES, INTAKE AND EXHAUST Description DESCRIPTION The valves are made of heat resistant steel. They have nitrided stems to prevent scuffing. Viton rubber valve 2009 Jeep Patriot Limited 2009 ENGINE 2.4L - Service Information - Compass & Patriot a Saturday, September 08, 2012 1:27:52 PM Page 125 © 2006 Mitchell Repair Information Company, LLC.
  • 561.
    stem seals areintegral with the spring seats. The valves have a single bead lock keepers to retain the springs. Operation OPERATION The four valves per cylinder (two intake and two exhaust) are opened by using direct acting tappets which are actuated by the camshaft. Cleaning CLEANING Clean all valves thoroughly and discard burned, warped and cracked valves. ENGINE MOUNTING DESCRIPTION DESCRIPTION The engine mounting system consists of a four-point system utilizing two load-carrying mounts and two torque controlling mounts. The load-carrying mounts are located on each frame rail. The right and left mounts are hydro-elastic mounts. The two torque controlling mounts are attached to a fore/aft member and the front and rear of the engine. OPERATION OPERATION The four-point engine mounting system minimizes the transmission of structure-borne engine noise to the passenger compartment. The load-carrying right and left mounts dampen and isolate vertical motion and vibration. The front and rear mount absorb torque reaction forces and torsional vibrations. INSULATOR, ENGINE MOUNT, FRONT Removal REMOVAL CAUTION: Due to the small margin on the valves, grinding is not recommended. 2009 Jeep Patriot Limited 2009 ENGINE 2.4L - Service Information - Compass & Patriot a Saturday, September 08, 2012 1:27:52 PM Page 126 © 2006 Mitchell Repair Information Company, LLC.
  • 562.
    Fig. 190: FrontMount Through Bolt Courtesy of CHRYSLER LLC 1. Raise vehicle. 2. Remove fore aft member (3) to mount (4) bolts. 3. Remove mount through bolt (1). 4. Remove fore aft member (3) mounting bolts and remove. 5. Remove front mount (4). Installation INSTALLATION Fig. 191: Front Mount Through Bolt Courtesy of CHRYSLER LLC 2009 Jeep Patriot Limited 2009 ENGINE 2.4L - Service Information - Compass & Patriot a Saturday, September 08, 2012 1:27:52 PM Page 127 © 2006 Mitchell Repair Information Company, LLC.
  • 563.
    1. Position mount(4) and torque bolts to 47 N.m (35 ft. lbs.). 2. Install fore aft member (3) and torque bolts to 100 N.m (74 ft. lbs.). 3. Install mount through bolt (1) and torque to 47 N.m (35 ft. lbs.). 4. Lower vehicle. INSULATOR, ENGINE MOUNT, LEFT Removal REMOVAL Fig. 192: Air Cleaner Inlet Courtesy of CHRYSLER LLC 1. Remove air cleaner inlet (2) and air cleaner housing (1). 2009 Jeep Patriot Limited 2009 ENGINE 2.4L - Service Information - Compass & Patriot a Saturday, September 08, 2012 1:27:52 PM Page 128 © 2006 Mitchell Repair Information Company, LLC.
  • 564.
    Fig. 193: Battery Courtesyof CHRYSLER LLC 2. Remove PCM (1). 3. Remove PCM mounting bracket. 4. Disconnect negative cable from battery (3). 5. Support transaxle with a suitable jack. Fig. 194: Left Mount Courtesy of CHRYSLER LLC 6. Remove left mount through bolt (3). 7. Remove left mount bracket to body frame rail fasteners (1). 8. Remove mount. 2009 Jeep Patriot Limited 2009 ENGINE 2.4L - Service Information - Compass & Patriot a Saturday, September 08, 2012 1:27:52 PM Page 129 © 2006 Mitchell Repair Information Company, LLC.
  • 565.
    Installation INSTALLATION Fig. 195: LeftMount Courtesy of CHRYSLER LLC 1. Position mount (2) in place. 2. Install left mount to frame rail bolts (1) and torque to 75 N.m (55 ft. lbs.). 3. Install mount through bolt (3) and torque to 100 N.m (74 ft.lbs.). 4. Remove jack. Fig. 196: Battery Courtesy of CHRYSLER LLC 2009 Jeep Patriot Limited 2009 ENGINE 2.4L - Service Information - Compass & Patriot a Saturday, September 08, 2012 1:27:52 PM Page 130 © 2006 Mitchell Repair Information Company, LLC.
  • 566.
    5. Install PCMmounting bracket. 6. Install PCM (1). 7. Connect negative cable to battery (3). Fig. 197: Air Cleaner Inlet Courtesy of CHRYSLER LLC 8. Install air cleaner housing (1) and air cleaner inlet (2). INSULATOR, ENGINE MOUNT, REAR Removal REMOVAL 2009 Jeep Patriot Limited 2009 ENGINE 2.4L - Service Information - Compass & Patriot a Saturday, September 08, 2012 1:27:52 PM Page 131 © 2006 Mitchell Repair Information Company, LLC.
  • 567.
    Fig. 198: RearMount - ATX Courtesy of CHRYSLER LLC 1. Remove rear mount retaining bolts (4). 2. Remove rear mount through bolt (1). 3. Remove oxygen sensor connector (2) from mount. 4. Remove rear mount (3). Installation INSTALLATION Fig. 199: Rear Mount - ATX Courtesy of CHRYSLER LLC 2009 Jeep Patriot Limited 2009 ENGINE 2.4L - Service Information - Compass & Patriot a Saturday, September 08, 2012 1:27:52 PM Page 132 © 2006 Mitchell Repair Information Company, LLC.
  • 568.
    1. Position rearmount (3). 2. Install rear mount retaining bolts (4) and tighten to 50 N.m (37 ft. lbs.). 3. Install rear mount through bolt (1) and tighten to 47 N.m (355 ft. lbs.). 4. Install oxygen sensor connector (2) retainer to mount (3). INSULATOR, ENGINE MOUNT, RIGHT Removal REMOVAL Fig. 200: Coolant Reservoir Courtesy of CHRYSLER LLC 1. Remove coolant reservoir (3) and set aside. 2. Remove power steering reservoir (2) and set aside. 3. Remove windshield washer bottle (1). 2009 Jeep Patriot Limited 2009 ENGINE 2.4L - Service Information - Compass & Patriot a Saturday, September 08, 2012 1:27:52 PM Page 133 © 2006 Mitchell Repair Information Company, LLC.
  • 569.
    Fig. 201: PowerSteering Line Support Courtesy of CHRYSLER LLC 4. Remove power steering line support bracket (1) from engine mount. Fig. 202: Right Engine Mount Courtesy of CHRYSLER LLC 5. Support transaxle with a block of wood and a suitable jack. 6. Remove engine mount through bolt (4). 7. Remove engine mount bracket bolts (3). 8. Remove engine mount retaining bolts. 9. Remove engine mount. Installation 2009 Jeep Patriot Limited 2009 ENGINE 2.4L - Service Information - Compass & Patriot a Saturday, September 08, 2012 1:27:52 PM Page 134 © 2006 Mitchell Repair Information Company, LLC.
  • 570.
    INSTALLATION Fig. 203: RightEngine Mount Courtesy of CHRYSLER LLC 1. Position right engine mount (1). 2. Install engine mount retaining bolts and tighten to 75 N.m (55 ft. lbs.). 3. Install engine mount adapter (2) and tighten bolts (3) to 68 N.m (50 ft. lbs.). 4. Install engine mount through bolt (4) and tighten to 88 N.m (65 ft. lbs.). Fig. 204: Power Steering Line Support Courtesy of CHRYSLER LLC 5. Remove jack. 6. Install power steering line support bracket (1) at engine mount. 2009 Jeep Patriot Limited 2009 ENGINE 2.4L - Service Information - Compass & Patriot a Saturday, September 08, 2012 1:27:52 PM Page 135 © 2006 Mitchell Repair Information Company, LLC.
  • 571.
    Fig. 205: CoolantReservoir Courtesy of CHRYSLER LLC 7. Install windshield washer bottle (1). 8. Install power steering reservoir (2). 9. Install coolant reservoir (3). 10. Install engine cover. ENGINE BLOCK DESCRIPTION DESCRIPTION The die cast aluminum cylinder block is a two-piece assembly, consisting of the cylinder block and ladder frame. The block is an open deck design with cast in place cast iron cylinder liners. The cast iron cylinder liners are recessed below the aluminum deck surface. The ladder frame bolts to the cylinder block and does not incorporate the main bearing caps. This design offers a much stronger lower end and increased cylinder block and transaxle rigidity. The rear oil seal retainer is integral with the block and ladder frame. The ladder frame and block are serviced as an assembly. 2009 Jeep Patriot Limited 2009 ENGINE 2.4L - Service Information - Compass & Patriot a Saturday, September 08, 2012 1:27:52 PM Page 136 © 2006 Mitchell Repair Information Company, LLC.
  • 572.
    Fig. 206: SerialNumber Courtesy of CHRYSLER LLC The engine serial number is located on the bottom of the ladder frame just behind the oil pan. The date can be seen with the oil pan in place. STANDARD PROCEDURE CYLINDER BORE HONING Fig. 207: Cylinder Bore Cross-Hatch Pattern Courtesy of CHRYSLER LLC 1 - CROSS-HATCH PATTERN 2009 Jeep Patriot Limited 2009 ENGINE 2.4L - Service Information - Compass & Patriot a Saturday, September 08, 2012 1:27:53 PM Page 137 © 2006 Mitchell Repair Information Company, LLC.
  • 573.
    1. Deglazing ofthe cylinder walls may be done using a quality commercially available flex hone, if the cylinder bore is straight and round. 20-60 strokes depending on the bore condition, will be sufficient to provide a satisfactory surface. Use a light honing oil. Do not use engine or transmission oil, mineral spirits or kerosene. Inspect cylinder walls after each 20 strokes. 2. Honing should be done by moving the hone up and down fast enough to get a cross-hatch pattern. When hone marks intersect at 30-50 degrees, the cross hatch angle is most satisfactory for proper seating of rings. 3. A controlled hone motor speed between 200-300 RPM is necessary to obtain the proper cross-hatch angle. The number of up and down strokes per minute can be regulated to get the desired 30-50 degree angle. Faster up and down strokes increase the cross-hatch angle. 4. After honing, it is necessary that the block be cleaned again to remove all traces of abrasive. CLEANING CLEANING Clean cylinder block thoroughly using a suitable cleaning solvent. INSPECTION INSPECTION ENGINE BLOCK 2 - 40°-60° CAUTION: Ensure all abrasives are removed from engine parts after honing. It is recommended that a solution of soap and hot water be used with a brush and the parts then thoroughly dried. The bore can be considered clean when it can be wiped clean with a white cloth and cloth remains clean. Oil the bores after cleaning to prevent rusting. 2009 Jeep Patriot Limited 2009 ENGINE 2.4L - Service Information - Compass & Patriot a Saturday, September 08, 2012 1:27:53 PM Page 138 © 2006 Mitchell Repair Information Company, LLC.
  • 574.
    Fig. 208: CheckingCylinder Bore Size Courtesy of CHRYSLER LLC 1. Clean cylinder block thoroughly and check all core hole plugs for evidence of leaking. 2. Examine block and cylinder bores for cracks or fractures. 3. Check block deck surfaces for flatness. Deck surface must be within service limit of 0.050 mm (0.002 in.). CYLINDER BORE The cylinder walls should be checked for out-of-round and taper with Tool C119 or equivalent. See Engine - Specifications. If the cylinder walls are badly scuffed or scored, the cylinder block should be replaced, and new pistons and rings fitted. See Fig. 208. Measure the cylinder bore at three levels in directions A and B. Top measurement should be 10 mm (3/8 in.) down and bottom measurement should be 10 mm (3/8 in.) up from bottom of bore. See Engine - Specifications. BEARING(S), CONNECTING ROD Standard Procedure CONNECTING ROD - FITTING NOTE: The cylinder bores should be measured at normal room temperature, 21°C (70° F). 2009 Jeep Patriot Limited 2009 ENGINE 2.4L - Service Information - Compass & Patriot a Saturday, September 08, 2012 1:27:53 PM Page 139 © 2006 Mitchell Repair Information Company, LLC.
  • 575.
    Fig. 209: ConnectingRod Bearing Identification Courtesy of CHRYSLER LLC There are three different sizes of rod bearings available. Connecting rod bearing identification (4) can be found on the nose of the crankshaft (3). Use the table below for proper bearing selection. CONNECTING ROD BEARING SELECTION CRANKSHAFT PIN DIAMETER GRADE DIMENSION CONNECTING ROD BEARING CLASSIFICATION CONNECTING ROD BEARING DIMENSION 1 48 mm 1 (Black) 1.5 mm 2 48 mm 2 (No Color) 1.5 mm 3 48 mm 3 (Green) 1.5 mm 2009 Jeep Patriot Limited 2009 ENGINE 2.4L - Service Information - Compass & Patriot a Saturday, September 08, 2012 1:27:53 PM Page 140 © 2006 Mitchell Repair Information Company, LLC.
  • 576.
    Fig. 210: ConnectingRod Bearing Clearance - Typical Courtesy of CHRYSLER LLC 1. For measuring connecting rod bearing clearance procedure and use of Plastigage, see Engine - Standard Procedure. For bearing clearance, refer to Engine Specifications. See Engine - Specifications. 2. Before installing the NEW rod bolts the threads and under the bolt head should be oiled with clean engine oil. 3. Install each bolt finger tight then alternately torque each bolt to assemble the cap properly. 4. Tighten the connecting rod bolts using the 2 step torque-turn method. Tighten according to the following values: 1. Tighten the bolts to 20 N.m (15 ft. lbs.). 2. Tighten the connecting rod bolts an additional 90°. Fig. 211: Connecting Rod Side Clearance Courtesy of CHRYSLER LLC 5. Using a feeler gauge, check connecting rod side clearance. Refer to clearance specifications. See Engine - Specifications. BEARING(S), CRANKSHAFT, MAIN Standard Procedure MAIN BEARING SELECTION NOTE: The rod bolts should not be reused. CAUTION: Do not use a torque wrench for the second step. 2009 Jeep Patriot Limited 2009 ENGINE 2.4L - Service Information - Compass & Patriot a Saturday, September 08, 2012 1:27:53 PM Page 141 © 2006 Mitchell Repair Information Company, LLC.
  • 577.
    Fig. 212: LowerMain Bearing Identification Courtesy of CHRYSLER LLC The lower main bearing identification (2) is stamped in the nose of the crankshaft (3). There are 5 different bearing sizes available 0 through 4. NOTE: There are three different possibilities for the upper main bearings and five different lower main bearings. The upper and lower bearing shells are not interchangeable. CRANKSHAFT IDENTIFICATION LOWER CRANKSHAFT BEARING SELECTION JOURNAL DIAMETER GRADE DIMENSION LOWER MAIN BEARING SIZE CLASSIFICATION LOWER MAIN BEARING DIMENSION 0 52 mm, -0.012 to - 0.015 mm 0 (Pink or Red) 2 mm, 0 to -0.003 mm 1 52 mm, -0.015 to - 0.018 mm 1 (Black) 2 mm, +0.003 to 0 mm 2 52 mm, -0.018 to - 0.021 mm 2 (No Color) 2 mm, +0.006 to +0.003 mm 3 52 mm, -0.021 to - 0.024 mm 3 (Green) 2 mm, +0.009 to +0.006 mm 4 52 mm, -0.024 to - 0.027 mm 4 (Blue) 2 mm, +0.012 to +0.009 mm 2009 Jeep Patriot Limited 2009 ENGINE 2.4L - Service Information - Compass & Patriot a Saturday, September 08, 2012 1:27:53 PM Page 142 © 2006 Mitchell Repair Information Company, LLC.
  • 578.
    Fig. 213: UpperMain Bearing Shell Identification Courtesy of CHRYSLER LLC The upper main bearing shell identification (1) is located in the middle of cylinder block on the right side of the engine. There are three different size bearings available. The bearing class is read downward from top and corresponds to the front journal to the rear journal on the bottom. UPPER MAIN BEARING SELECTION CRANKSHAFT Standard Procedure MEASURING CRANKSHAFT END PLAY CYLINDER BLOCK IDENTIFICATION UPPER CRANKSHAFT BEARING SELECTION MAIN BEARING GRADE DIMENSION UPPER MAIN BEARING SIZE CLASSIFICATION UPPER MAIN BEARING DIMENSION 1 56.000<56.006 mm 1 (Black) 2 mm, 0 to -0.006 mm 2 56.006<56.012 mm 2 (No Color) 2 mm, +0.006 to 0 mm 3 56.012<56.018 mm 3 (Green) 2 mm, +0.012 to +0.006 mm 2009 Jeep Patriot Limited 2009 ENGINE 2.4L - Service Information - Compass & Patriot a Saturday, September 08, 2012 1:27:53 PM Page 143 © 2006 Mitchell Repair Information Company, LLC.
  • 579.
    Fig. 214: CheckingCrankshaft End Play - Dial Indicator Courtesy of CHRYSLER LLC 1. Mount a dial indicator (2) to front of engine with the locating probe on nose of crankshaft (1). 2. Move crankshaft all the way to the rear of its travel. 3. Zero the dial indicator. 4. Move crankshaft all the way to the front and read the dial indicator. See Engine - Specifications for end play specification. Removal REMOVAL 1 - Crankshaft 2 - DIAL INDICATOR 2009 Jeep Patriot Limited 2009 ENGINE 2.4L - Service Information - Compass & Patriot a Saturday, September 08, 2012 1:27:53 PM Page 144 © 2006 Mitchell Repair Information Company, LLC.
  • 580.
    Fig. 215: FLEXPLATE Courtesy of CHRYSLER LLC 1. Remove engine assembly from vehicle. See Engine - Removal. 2. Separate transaxle from engine. 3. Remove flex plate/flywheel (1). 4. Remove crankshaft rear oil seal. See Engine/Engine Block/SEAL, Crankshaft Oil - Removal. Fig. 216: Lift Chain Courtesy of CHRYSLER LLC NOTE: Crankshaft can not be removed when engine is in vehicle. 2009 Jeep Patriot Limited 2009 ENGINE 2.4L - Service Information - Compass & Patriot a Saturday, September 08, 2012 1:27:53 PM Page 145 © 2006 Mitchell Repair Information Company, LLC.
  • 581.
    5. Remove enginefrom lift chain (1) and mount engine on a suitable repair stand. Fig. 217: Oil Drain Plug Courtesy of CHRYSLER LLC 6. Drain engine oil (2). Fig. 218: Oil Filter Courtesy of CHRYSLER LLC 7. Remove oil filter (1). 2009 Jeep Patriot Limited 2009 ENGINE 2.4L - Service Information - Compass & Patriot a Saturday, September 08, 2012 1:27:53 PM Page 146 © 2006 Mitchell Repair Information Company, LLC.
  • 582.
    Fig. 219: RightEngine Mount Bracket Courtesy of CHRYSLER LLC 8. Remove crankshaft vibration damper (2). See Engine/Engine Block/DAMPER, Vibration - Removal. 9. Remove water pump pulley (3). 10. Remove engine mount support bracket (1). Fig. 220: Oil Pan Removal Courtesy of CHRYSLER LLC 11. Remove the oil pan (2). See Engine/Lubrication/PAN, Oil - Removal. 12. Remove timing chain cover. See Engine/Valve Timing/COVER(S), Engine Timing - Removal. 13. Remove the timing chain. See Engine/Valve Timing/CHAIN and SPROCKETS, Timing - Removal. 14. Remove balance shaft module. 2009 Jeep Patriot Limited 2009 ENGINE 2.4L - Service Information - Compass & Patriot a Saturday, September 08, 2012 1:27:53 PM Page 147 © 2006 Mitchell Repair Information Company, LLC.
  • 583.
    Fig. 221: CrankshaftSprocket Courtesy of CHRYSLER LLC 15. Remove the crankshaft sprocket (1). Fig. 222: Crankshaft Position Sensor Courtesy of CHRYSLER LLC 16. Remove crankshaft position sensor retaining bolt (1) and remove sensor (2). 17. Remove ladder frame. See Engine/Engine Block/FRAME, Ladder - Removal. 2009 Jeep Patriot Limited 2009 ENGINE 2.4L - Service Information - Compass & Patriot a Saturday, September 08, 2012 1:27:53 PM Page 148 © 2006 Mitchell Repair Information Company, LLC.
  • 584.
    Fig. 223: IdentifyConnecting Rod to Cylinder-Typical Courtesy of CHRYSLER LLC 18. Using a permanent ink or paint marker, identify cylinder number on each connecting rod and cap. 19. Remove all connecting rod bolts and caps. Care should be taken not to damage the fracture rod and cap surfaces. Fig. 224: Main Bearing Cap Torque Sequence Courtesy of CHRYSLER LLC NOTE: If piston/connecting rod replacement is necessary, remove cylinder head. See Engine/Cylinder Head - Removal. CAUTION: DO NOT use a number stamp or a punch to mark connecting rods. Damage to connecting rod could occur. NOTE: Do not reuse connecting rod bolts. 2009 Jeep Patriot Limited 2009 ENGINE 2.4L - Service Information - Compass & Patriot a Saturday, September 08, 2012 1:27:53 PM Page 149 © 2006 Mitchell Repair Information Company, LLC.
  • 585.
    20. Remove mainbearing caps. 21. Lift out crankshaft from cylinder block. Do not damage the main bearings or journals when removing the crankshaft. Inspection INSPECTION Fig. 225: Crankshaft Journal Measurements - Typical Courtesy of CHRYSLER LLC The crankshaft main journals should be checked for excessive wear, taper and scoring. Limits of taper on any crankshaft main journals should be held to 0.006 mm (0.00024 in.). Limits of taper on any crankshaft rod journals should be held to 0.005 mm (0.0002 in.). DO NOT nick crank pin or bearing fillets. Limits of out of round on any crankshaft journals should be held to 0.005 mm (0.0002 in). DO NOT nick crank pin or bearing fillets. Installation INSTALLATION CAUTION: Use extreme care when handling crankshaft. Tone wheel damage can occur if crankshaft is mis-handled. 2009 Jeep Patriot Limited 2009 ENGINE 2.4L - Service Information - Compass & Patriot a Saturday, September 08, 2012 1:27:53 PM Page 150 © 2006 Mitchell Repair Information Company, LLC.
  • 586.
    Fig. 226: BearingIdentification Courtesy of CHRYSLER LLC The crankshaft is supported in five main bearings. All upper bearing shells (2) in the crankcase have oil grooves and holes. All lower bearing shells (1) are smooth. Crankshaft end play is controlled by a two piece thrust bearing (3) on the number three main bearing journal. 1. Clean main bearing cap bolt holes with Mopar® brake parts cleaner or equivalent and blow out with compressed air. 2. Install the main bearing upper (2) shells with the lubrication groove and oil hole in the engine block. 3. Make certain oil holes in block line up with oil hole in bearings and bearing tabs seat in the block tab slots. Fig. 227: Target Wheel Courtesy of CHRYSLER LLC 2009 Jeep Patriot Limited 2009 ENGINE 2.4L - Service Information - Compass & Patriot a Saturday, September 08, 2012 1:27:53 PM Page 151 © 2006 Mitchell Repair Information Company, LLC.
  • 587.
    4. Clean crankshaftand target ring with MOPAR® Brake Parts cleaner and dry with compressed air to ensure that the crankshaft mating surface and target ring mounting holes are free from oil and lock patch debris. 5. Install NEW mounting screws finger tight starting with the #1 location. Make sure engagement occurs with the shoulder of the screws and mounting hole before starting all other screws. 6. Tighten all mounting screws to 13 N.m (110 in-lbs) in the sequence shown in illustration. Fig. 228: Installing Thrust Bearing Courtesy of CHRYSLER LLC 7. Install thrust bearings (2) in block (1). NOTE: If the crankshaft is sent out for machine work, it must be balanced as an assembly with the target ring installed. NOTE: Always use NEW mounting screws whether installing original or new target ring. NOTE: Lightly apply trans gel to thrust bearings to hold bearings in block. NOTE: The thrust bearings must be installed the notches facing the crankshaft. CAUTION: Do not get oil on the ladder frame mating surface. It will affect the ability of the RTV to seal the ladder frame to cylinder block. NOTE: Ensure main bearing cap bolt holes in the block are clean, dry (free of residual oil or coolant), and threads are not damaged. 2009 Jeep Patriot Limited 2009 ENGINE 2.4L - Service Information - Compass & Patriot a Saturday, September 08, 2012 1:27:53 PM Page 152 © 2006 Mitchell Repair Information Company, LLC.
  • 588.
    8. Oil thebearings and journals. Install crankshaft in engine block. Fig. 229: Bearing Identification Courtesy of CHRYSLER LLC 9. Install lower main bearings (1) into main bearing cap. Make certain the bearing tabs are seated into the bearing cap slots. 10. Install main bearing caps to engine block. 11. Before installing the bolts the threads should be clean and dry. 12. Loosely install main bearing cap bolts. 13. To ensure correct thrust bearing alignment, perform the following steps: NOTE: Main bearing caps are stamped 1 - 5 front to rear. Arrows on the caps must point towards the front of the engine. CAUTION: There are different sets main bolts supplied with this engine. Each bolt set has a different torque value and engine damage could result if bolts are not torqued correctly. The bolts are not interchangeable. 2009 Jeep Patriot Limited 2009 ENGINE 2.4L - Service Information - Compass & Patriot a Saturday, September 08, 2012 1:27:53 PM Page 153 © 2006 Mitchell Repair Information Company, LLC.
  • 589.
    Fig. 230: MainBolt Identification Courtesy of CHRYSLER LLC Step 1: Rotate crankshaft until number 4 piston is at TDC. Step 2: Move crankshaft rearward to limits of travel. Step 3: Then, move crankshaft forward to limits of travel. Step 4: Wedge an appropriate tool between the rear of the cylinder block and the rear crankshaft counterweight. This will hold the crankshaft in its furthest forward position. 14. If your bolt heads look like this (1, 2), go to step 15. If your bolt heads do not look like this (1, 2), go to step 16. Fig. 231: Main Bearing Cap Torque Sequence Courtesy of CHRYSLER LLC CAUTION: Before tightening bolts, you must identify the bolt head to obtain the correct torque value. Failure to identify the bolts correctly, could 2009 Jeep Patriot Limited 2009 ENGINE 2.4L - Service Information - Compass & Patriot a Saturday, September 08, 2012 1:27:53 PM Page 154 © 2006 Mitchell Repair Information Company, LLC.
  • 590.
    15. Tighten boltsusing a three step method, in the sequence shown in illustration. Tighten bolts to 15 N.m (11 ft. lbs.) Tighten bolts to 27 N.m (20 ft. lbs.) Rotate an additional 45°. 16. Tighten bolts using a three step method, in the sequence shown in illustration. Tighten bolts to 15 N.m (11 ft. lbs.) Tighten bolts to 45 N.m (33 ft. lbs.) Rotate an additional 45°. 17. Remove wedge tool used to hold crankshaft. 18. Check the crankshaft turning torque, it should not exceed 5.6 N.m (50 in. lbs.). 19. Check crankshaft end play. See Engine/Engine Block/CRANKSHAFT - Standard Procedure. 20. Install connecting rod bearings and caps. Do Not Reuse Connecting Rod Bolts. Tighten connecting rod bolts to 20 N.m + 90° (15 ft. lbs.) + 90°. See Engine/Engine Block/ROD, Piston and Connecting - Installation. 21. Install the ladder frame assembly. See Engine/Engine Block/FRAME, Ladder - Installation. 22. Install the balance shaft module. See Engine/Lubrication/PUMP, Engine Oil - Installation. Fig. 232: Crankshaft Position Sensor Courtesy of CHRYSLER LLC 23. Install crankshaft position sensor (2) and tighten bolt (1). 24. Install cylinder head if it was removed. See Engine/Cylinder Head - Installation. result in improperly tightened bolts which could result in engine damage. 2009 Jeep Patriot Limited 2009 ENGINE 2.4L - Service Information - Compass & Patriot a Saturday, September 08, 2012 1:27:53 PM Page 155 © 2006 Mitchell Repair Information Company, LLC.
  • 591.
    Fig. 233: CrankshaftSprocket Courtesy of CHRYSLER LLC 25. Install front crankshaft sprocket (1). 26. Install the timing chain. See Engine/Valve Timing/CHAIN and SPROCKETS, Timing - Installation. 27. Install the timing chain front cover. See Engine/Valve Timing/COVER(S), Engine Timing - Installation. 28. Install the oil pan. See Engine/Lubrication/PAN, Oil - Installation. 29. Install rear crankshaft oil seal. See Engine/Engine Block/SEAL, Crankshaft Oil - Installation. 30. Install front crankshaft oil seal. See Engine/Engine Block/SEAL, Crankshaft Oil - Installation. Fig. 234: Right Engine Mount Bracket Courtesy of CHRYSLER LLC 2009 Jeep Patriot Limited 2009 ENGINE 2.4L - Service Information - Compass & Patriot a Saturday, September 08, 2012 1:27:53 PM Page 156 © 2006 Mitchell Repair Information Company, LLC.
  • 592.
    31. Install enginemount support bracket (1). 32. Install crankshaft vibration damper (2). See Engine/Engine Block/DAMPER, Vibration - Installation. 33. Install water pump pulley (3). Fig. 235: Lift Chain Courtesy of CHRYSLER LLC 34. Remove engine from repair stand and install engine lift chain (1). 35. Install crankshaft rear oil seal. See Engine/Engine Block/SEAL, Crankshaft Oil - Installation. 36. Install drive plate/flex plate using new bolts. Tighten bolts to 95 N.m (70 ft. lbs.). 37. Attach transaxle to engine. Tighten bellhousing bolts to 101 N.m (75 ft. lbs.). 38. Install the engine assembly. See Engine - Installation. 2009 Jeep Patriot Limited 2009 ENGINE 2.4L - Service Information - Compass & Patriot a Saturday, September 08, 2012 1:27:53 PM Page 157 © 2006 Mitchell Repair Information Company, LLC.
  • 593.
    Fig. 236: OilFilter Courtesy of CHRYSLER LLC 39. Install new oil filter (1) and fill with oil. 40. Fill with coolant. Refer to Cooling - Standard Procedure . 41. Start engine and check for leaks. 42. Install engine cover. DAMPER, VIBRATION Removal REMOVAL Fig. 237: Damper Removal Courtesy of CHRYSLER LLC 1. Remove accessory drive belts. Refer to Cooling/Accessory Drive/BELT, Serpentine - Removal . 2. Install Damper holder 9707 (1). 3. Remove crankshaft damper bolt. 4. Pull damper off crankshaft. Installation INSTALLATION 2009 Jeep Patriot Limited 2009 ENGINE 2.4L - Service Information - Compass & Patriot a Saturday, September 08, 2012 1:27:53 PM Page 158 © 2006 Mitchell Repair Information Company, LLC.
  • 594.
    Fig. 238: DamperRemoval Courtesy of CHRYSLER LLC 1. Install crankshaft damper. 2. Apply clean engine oil crankshaft damper bolt threads and between bolt head and washer. Tighten bolt to 210 N.m (155 ft. lbs.). 3. Install accessory drive belts. Refer to Cooling/Accessory Drive/BELT, Serpentine - Installation . FLEXPLATE Removal REMOVAL 2009 Jeep Patriot Limited 2009 ENGINE 2.4L - Service Information - Compass & Patriot a Saturday, September 08, 2012 1:27:53 PM Page 159 © 2006 Mitchell Repair Information Company, LLC.
  • 595.
    Fig. 239: FlexPlate Courtesy of CHRYSLER LLC 1. Remove transmission. Refer to Transmission and Transfer Case/Manual - Removal or Transmission and Transfer Case/Automatic - CVT - Removal 2. Remove flex plate bolts (3) and discard. 3. Remove washer (2). 4. Remove flex plate (1). Installation INSTALLATION Fig. 240: Flex Plate Courtesy of CHRYSLER LLC 1. Install flex plate (1). 2. Install washer (2). 3. Install new flex plate bolts (3) and tighten in a criss-cross pattern to 29 N.m (22 ft. lbs.) plus 51° rotation. 4. Install transaxle. Refer to Transmission and Transfer Case/Manual - Installation or Transmission and Transfer Case/Automatic - CVT - Installation FRAME, LADDER Removal REMOVAL 2009 Jeep Patriot Limited 2009 ENGINE 2.4L - Service Information - Compass & Patriot a Saturday, September 08, 2012 1:27:53 PM Page 160 © 2006 Mitchell Repair Information Company, LLC.
  • 596.
    Fig. 241: PryPoint 1 Courtesy of CHRYSLER LLC 1. Remove oil pan. See Engine/Lubrication/PAN, Oil - Removal. 2. Remove balance shaft assembly. See Engine/Lubrication/PUMP, Engine Oil - Removal. 3. Remove ladder frame retaining bolts. 4. Remove ladder frame using pry point cast in the rear of the block (1). Fig. 242: Pry Point 2 Courtesy of CHRYSLER LLC 5. To assist in removing the ladder frame another (1) pry point cast in the right side of the block. Cleaning 2009 Jeep Patriot Limited 2009 ENGINE 2.4L - Service Information - Compass & Patriot a Saturday, September 08, 2012 1:27:53 PM Page 161 © 2006 Mitchell Repair Information Company, LLC.
  • 597.
    CLEANING Clean ladder framewith a plastic or wooden scraper and a suitable solvent. See Engine - Standard Procedure. Installation INSTALLATION Fig. 243: Sealing Ladder Frame Courtesy of CHRYSLER LLC 1. Apply a 2 mm bead of Mopar® engine sealant RTV or equivalent as shown in illustration. NOTE: When using RTV, the sealing surfaces must be clean and free from grease and oil. NOTE: When using RTV, parts should be assembled in 10 minutes and tighten to final torque within 45 minutes. 2009 Jeep Patriot Limited 2009 ENGINE 2.4L - Service Information - Compass & Patriot a Saturday, September 08, 2012 1:27:53 PM Page 162 © 2006 Mitchell Repair Information Company, LLC.
  • 598.
    Fig. 244: LadderFrame Torque Courtesy of CHRYSLER LLC 2. Install bolts and tighten as shown in illustration following a two step method. First: All to 10 N.m (89 in. lbs.). Second: All to 26 N.m (19 ft. lbs.). 3. Install balance shaft module. See Engine/Lubrication/PUMP, Engine Oil - Installation. 4. Install oil pan. See Engine/Lubrication/PAN, Oil - Installation. RING(S), PISTON Standard Procedure PISTON RING - FITTING Fig. 245: Check Gap On Piston Rings 2009 Jeep Patriot Limited 2009 ENGINE 2.4L - Service Information - Compass & Patriot a Saturday, September 08, 2012 1:27:53 PM Page 163 © 2006 Mitchell Repair Information Company, LLC.
  • 599.
    Courtesy of CHRYSLERLLC 1. Wipe cylinder bore clean. Insert ring and push down with piston to ensure it is square in bore. The ring gap measurement must be made with the ring positioning at least 13 mm (0.50 inch) from bottom of cylinder bore and below the bottom of the oil ring travel where cylinder bore has minimal wear. Check gap with feeler gauge. Refer to Engine - Specifications. Fig. 246: Piston Ring To Groove Side Clearance Courtesy of CHRYSLER LLC 2. Check piston ring to groove side clearance. Refer to Engine - Specifications. Removal REMOVAL NOTE: Ring end gap measurements are sensitive to the ring being square in the bore. Care must be used to avoid tilting the rings in cylinder bores when taking measurements. CAUTION: Exercise care when using tools on piston. Do not scratch or gouge piston surface or ring grooves as this may cause engine damage. 2009 Jeep Patriot Limited 2009 ENGINE 2.4L - Service Information - Compass & Patriot a Saturday, September 08, 2012 1:27:53 PM Page 164 © 2006 Mitchell Repair Information Company, LLC.
  • 600.
    Fig. 247: PistonRings - Removing & Installing Courtesy of CHRYSLER LLC 1. Using a suitable ring expander, remove upper and intermediate piston rings. 2. Remove the upper oil ring side rail, lower oil ring side rail and then oil ring expander from piston. 3. Clean ring grooves of any carbon deposits. Installation INSTALLATION Fig. 248: Installing Side Rail Courtesy of CHRYSLER LLC NOTE: The identification mark on face of upper and intermediate piston rings must point toward top of piston. CAUTION: Install piston rings in the following order: 2009 Jeep Patriot Limited 2009 ENGINE 2.4L - Service Information - Compass & Patriot a Saturday, September 08, 2012 1:27:53 PM Page 165 © 2006 Mitchell Repair Information Company, LLC.
  • 601.
    A. Oil ringexpander. B. Upper oil ring side rail. C. Lower oil ring side rail. D. No. 2 Intermediate piston ring. E. No. 1 Upper piston ring. 1. Install oil ring expander. 2. Install upper side rail first and then the lower side rail. Install the side rails by placing one end between the piston ring groove and the oil ring expander. Hold end firmly and press down the portion to be installed until side rail is in position. Do not use a piston ring expander. 3. Install No. 2 piston ring and then No. 1 piston ring. Fig. 249: Piston Ring End Gap Position Courtesy of CHRYSLER LLC 4. Position piston ring end gaps as shown in illustration. 5. Position oil ring expander gap at least 45° from the side rail gaps but not on the piston pin center or on the thrust direction. Staggering ring gap is important for oil control. ROD, PISTON AND CONNECTING Description DESCRIPTION NOTE: The compression rings are marked Y1 for the upper compression ring and Y2 for the second compression ring. These markings must face upward. 2009 Jeep Patriot Limited 2009 ENGINE 2.4L - Service Information - Compass & Patriot a Saturday, September 08, 2012 1:27:53 PM Page 166 © 2006 Mitchell Repair Information Company, LLC.
  • 602.
    The pistons aremade of a cast aluminum alloy. The pistons have pressed-in pins attached to forged connecting rods. The piston pin is offset 0.8 mm (0.0314 in.) towards the thrust side of the piston. The connecting rods are a cracked cap design and are not repairable. The piston with rings, connecting rod and piston pin are serviced as an assembly. Standard Procedure PISTON and BORE MEASUREMENT Fig. 250: Piston Pin Courtesy of CHRYSLER LLC Piston and cylinder wall must be clean and dry. Piston diameter should be measured 90 degrees to piston pin (1). 1. Measurement should be taken approximately 17 mm (0.669 in.) from the bottom of the skirt (2) as shown in illustration. NOTE: Pistons and cylinder bores should be measured at normal room temperature, 21°C (70°F). 2009 Jeep Patriot Limited 2009 ENGINE 2.4L - Service Information - Compass & Patriot a Saturday, September 08, 2012 1:27:53 PM Page 167 © 2006 Mitchell Repair Information Company, LLC.
  • 603.
    Fig. 251: CheckingCylinder Bore Size Courtesy of CHRYSLER LLC 2. Cylinder bores should be measured halfway down the cylinder bore and transverse (measurement location B) to the engine crankshaft center line shown in illustration. See Engine - Specifications. PISTON SELECTION NOTE: Correct piston to bore clearance must be established in order to assure quiet and economical operation. 2009 Jeep Patriot Limited 2009 ENGINE 2.4L - Service Information - Compass & Patriot a Saturday, September 08, 2012 1:27:53 PM Page 168 © 2006 Mitchell Repair Information Company, LLC.
  • 604.
    Fig. 252: PistonIdentification Courtesy of CHRYSLER LLC The pistons are select fit to each bore. There are three different grades of pistons available; A, B, and C. The piston identification (2) is located in the middle of the block on the right side of the engine. The bore identification starts at the top and reads downward. Bore #1 is at the top and bore #4 is at the bottom. The piston, rings and rod are serviced as an assembly, after determining what size piston is needed. See Engine/Engine Block/BEARING(S), Connecting Rod - Standard Procedure to determine correct rod bearing size. Removal REMOVAL 2009 Jeep Patriot Limited 2009 ENGINE 2.4L - Service Information - Compass & Patriot a Saturday, September 08, 2012 1:27:53 PM Page 169 © 2006 Mitchell Repair Information Company, LLC.
  • 605.
    Fig. 253: LiftChain Courtesy of CHRYSLER LLC 1. Remove engine. See Engine - Removal. 2. Remove engine from lift chain (1) and place on a suitable engine stand. 3. Remove cylinder head. See Engine/Cylinder Head - Removal. Fig. 254: Oil Drain Plug NOTE: Pistons, rings, and rods are serviced as an assembly. CAUTION: To maintain engine balance, 1, 3, or 4 pistons can be replaced. If 2 pistons are replaced, engine will be out of balance. 2009 Jeep Patriot Limited 2009 ENGINE 2.4L - Service Information - Compass & Patriot a Saturday, September 08, 2012 1:27:53 PM Page 170 © 2006 Mitchell Repair Information Company, LLC.
  • 606.
    Courtesy of CHRYSLERLLC 4. Drain engine oil (2). 5. Remove oil pan (1). See Engine/Lubrication/PAN, Oil - Removal. Fig. 255: Oil Filter Courtesy of CHRYSLER LLC 6. Remove oil filter (1). 7. Remove balance shaft assembly. 8. Remove ladder frame. 9. Remove top ridge of cylinder bores with a reliable ridge reamer before removing pistons from cylinder block. Be sure to keep tops of pistons covered during this operation . Fig. 256: Identify Connecting Rod to Cylinder-Typical Courtesy of CHRYSLER LLC NOTE: Remove any carbon build up and clean debris from cylinder prior to piston removal to avoid scratching piston skirts. 2009 Jeep Patriot Limited 2009 ENGINE 2.4L - Service Information - Compass & Patriot a Saturday, September 08, 2012 1:27:53 PM Page 171 © 2006 Mitchell Repair Information Company, LLC.
  • 607.
    10. Rotate crankshaftso that each connecting rod is centered in cylinder bore. 11. Using a permanent ink or paint marker, identify cylinder number on each connecting rod cap. 12. Remove connecting rod bolts and cap. 13. Carefully push each piston and rod assembly out of cylinder bore. Re-install bearing cap on the mating rod. 14. Repeat procedure for each piston and connecting rod assembly. Installation INSTALLATION Fig. 257: Piston Ring End Gap Position Courtesy of CHRYSLER LLC 1. Install piston rings on piston. See Engine/Engine Block/RING(S), Piston - Installation. 2. Before installing pistons and connecting rod assemblies into the bore, be sure that top compression ring gap (1) and the second compression ring gap (3) are staggered so that neither is in line with oil ring rail CAUTION: DO NOT use a number stamp or a punch to mark connecting rods, as damage to connecting rod could occur. CAUTION: Care must be taken not to damage the fractured rod and cap joint surfaces, as engine damage may occur. CAUTION: Do not reuse connecting rod bolts. These are one-time-use bolts and reuse could result in engine failure. 2009 Jeep Patriot Limited 2009 ENGINE 2.4L - Service Information - Compass & Patriot a Saturday, September 08, 2012 1:27:53 PM Page 172 © 2006 Mitchell Repair Information Company, LLC.
  • 608.
    gap. 3. Before installingthe ring compressor, make sure the oil ring expander ends are butted (1) and the rail gaps (2,4) located as shown in illustrationabove. As viewed from the top of the piston. 4. Immerse the piston head and rings in clean engine oil, slide the ring compressor, over the piston. Be sure position of rings does not change during this operation . Fig. 258: Piston Installation Courtesy of CHRYSLER LLC 5. The directional arrow stamped on the piston should face toward the front of the engine. 6. Rotate crankshaft so that the connecting rod journal is on the center of the cylinder bore. Lubricate connecting rod journal with clean engine oil. NOTE: There are three different size rod bearings, perform Standard Procedure . NOTE: The rod bearing sizes are indicated on the nose of the crankshaft. 2009 Jeep Patriot Limited 2009 ENGINE 2.4L - Service Information - Compass & Patriot a Saturday, September 08, 2012 1:27:53 PM Page 173 © 2006 Mitchell Repair Information Company, LLC.
  • 609.
    Fig. 259: RingCompressor Courtesy of CHRYSLER LLC 7. Install connecting rod upper bearing half into connecting rod. 8. Install ring compressor (3). 9. Tap the piston (1) down in cylinder bore, using a hammer handle (2). At the same time, guide connecting rod into position on connecting rod journal. 10. Before installing the NEW bolts, the threads should be coated with clean engine oil. 11. Install connecting rod lower bearing half into connecting rod cap. Install connecting rod cap. 12. Install each bolt finger tight then alternately torque each bolt to assemble the cap properly. 13. Tighten the connecting rod bolts using the 2 step torque-turn method. Tighten according to the following values: 1. Tighten the bolts to 20 N.m (15 ft. lbs.). 2. Tighten the connecting rod bolts an additional 90°. NOTE: The connecting rod cap bolts should NOT be reused. CAUTION: Do not use a torque wrench for the second step. 2009 Jeep Patriot Limited 2009 ENGINE 2.4L - Service Information - Compass & Patriot a Saturday, September 08, 2012 1:27:53 PM Page 174 © 2006 Mitchell Repair Information Company, LLC.
  • 610.
    Fig. 260: ConnectingRod Side Clearance Courtesy of CHRYSLER LLC 14. Using a feeler gauge, check connecting rod side clearance. See Engine - Specifications for connecting rod side clearance. 15. Install the ladder frame. See Engine/Engine Block/FRAME, Ladder - Installation. 16. Install oil pump/balance shaft carrier assembly. See Engine/Lubrication/PUMP, Engine Oil - Installation. 17. Install oil pan. See Engine/Lubrication/PAN, Oil - Installation. 18. Install cylinder head. See Engine/Cylinder Head - Installation. Fig. 261: Lift Chain Courtesy of CHRYSLER LLC 19. Install engine on lift chain (1). 2009 Jeep Patriot Limited 2009 ENGINE 2.4L - Service Information - Compass & Patriot a Saturday, September 08, 2012 1:27:53 PM Page 175 © 2006 Mitchell Repair Information Company, LLC.
  • 611.
    20. Install engine.See Engine - Installation. SEAL, CRANKSHAFT OIL, FRONT Removal REMOVAL Fig. 262: Damper Removal Courtesy of CHRYSLER LLC 1. Remove accessory drive belt. 2. Install damper holder 9707 (1) and remove damper retaining bolt. 3. Pull damper off crankshaft. 2009 Jeep Patriot Limited 2009 ENGINE 2.4L - Service Information - Compass & Patriot a Saturday, September 08, 2012 1:27:53 PM Page 176 © 2006 Mitchell Repair Information Company, LLC.
  • 612.
    Fig. 263: FrontCrankshaft Seal Removal Courtesy of CHRYSLER LLC 4. Remove front crankshaft oil seal (1) by prying out with a screw driver (2). Be careful not to damage the cover seal surface. Installation INSTALLATION Fig. 264: Front Crankshaft Seal Installer Courtesy of CHRYSLER LLC 1. Place seal (1) onto Seal installer 9506 (2) with seal spring towards the inside of engine. 2009 Jeep Patriot Limited 2009 ENGINE 2.4L - Service Information - Compass & Patriot a Saturday, September 08, 2012 1:27:53 PM Page 177 © 2006 Mitchell Repair Information Company, LLC.
  • 613.
    Fig. 265: InstallingFront Seal Courtesy of CHRYSLER LLC 2. Install new seal (1) by using Seal installer 9506 (2) and crankshaft damper bolt (3). Fig. 266: Front Seal Installed Courtesy of CHRYSLER LLC 3. Press seal into front cover until Seal Installer 9506 (1) seats against timing chain cover (3). 4. Remove seal installer 9506 (1). 2009 Jeep Patriot Limited 2009 ENGINE 2.4L - Service Information - Compass & Patriot a Saturday, September 08, 2012 1:27:53 PM Page 178 © 2006 Mitchell Repair Information Company, LLC.
  • 614.
    Fig. 267: DamperRemoval Courtesy of CHRYSLER LLC 5. Install crankshaft vibration damper. 6. Oil the bolt threads and between the bolt head and washer. 7. Install damper retaining bolt and damper holder 9707 (1). Tighten bolt to 210 N.m (155 ft. lbs.). SEAL, CRANKSHAFT OIL, REAR Removal REMOVAL Fig. 268: Flex Plate 2009 Jeep Patriot Limited 2009 ENGINE 2.4L - Service Information - Compass & Patriot a Saturday, September 08, 2012 1:27:53 PM Page 179 © 2006 Mitchell Repair Information Company, LLC.
  • 615.
    Courtesy of CHRYSLERLLC 1. Remove transmission and flexplate (1). See Engine/Engine Block/FLEXPLATE - Removal. Fig. 269: Rear Crankshaft Oil Seal - Removal Courtesy of CHRYSLER LLC 2. Insert a 3/16 flat bladed screwdriver (7) between the dust lip (8) and the metal case (4) of the crankshaft seal (1). Angle the screwdriver through the dust lip against metal case of the seal. Pry out seal. 3. Check to make sure the seals garter spring is not on the crankshaft. Installation INSTALLATION CAUTION: Do not permit the screwdriver blade to contact crankshaft seal surface. Contact of the screwdriver blade against crankshaft edge (chamfer) is permitted. 2009 Jeep Patriot Limited 2009 ENGINE 2.4L - Service Information - Compass & Patriot a Saturday, September 08, 2012 1:27:53 PM Page 180 © 2006 Mitchell Repair Information Company, LLC.
  • 616.
    Fig. 270: RearMain Installation Courtesy of CHRYSLER LLC 1. Place Seal Guide 9509 (3) on crankshaft. 2. Position seal (2) over guide tool. Guide tool should remain on crankshaft during installation of seal. Ensure that the lip of the seal is facing towards the crankcase during installation. 3. Drive the seal into the block using Seal Driver 9706 (1) and Driver Handle C-4171 (4) until Seal Driver 9706 bottoms out against the block. CAUTION: If a burr or scratch is present on the crankshaft edge (chamfer), cleanup with 800 emery cloth to prevent seal damage during installation of new seal. If emery cloth is used, the crankshaft must be cleaned off Mopar® brake parts cleaner. NOTE: When installing seal, lubricate Seal Guide 9509 with clean engine oil. 2009 Jeep Patriot Limited 2009 ENGINE 2.4L - Service Information - Compass & Patriot a Saturday, September 08, 2012 1:27:53 PM Page 181 © 2006 Mitchell Repair Information Company, LLC.
  • 617.
    Fig. 271: FlexPlate Courtesy of CHRYSLER LLC 4. Install the flexplate (1) and transmission. See Engine/Engine Block/FLEXPLATE - Installation. LUBRICATION DESCRIPTION DESCRIPTION 2009 Jeep Patriot Limited 2009 ENGINE 2.4L - Service Information - Compass & Patriot a Saturday, September 08, 2012 1:27:53 PM Page 182 © 2006 Mitchell Repair Information Company, LLC.
  • 618.
    Fig. 272: OilFlow Diagram Courtesy of CHRYSLER LLC The lubrication system is a full-flow filtration, pressure feed type. The balance shaft module (BSM) is mounted below the ladder frame and chain driven by the crankshaft. The BSM consists of a non-serviceable pump, oil pressure relief valve, and a non-serviceable balance assembly. 2009 Jeep Patriot Limited 2009 ENGINE 2.4L - Service Information - Compass & Patriot a Saturday, September 08, 2012 1:27:53 PM Page 183 © 2006 Mitchell Repair Information Company, LLC.
  • 619.
    Fig. 273: OilHole Courtesy of CHRYSLER LLC OPERATION OPERATION Engine oil is drawn up through the pickup tube and is pressurized by the oil pump and routed through the full- flow filter to the main oil gallery running the length of the cylinder block. A diagonal hole in each bulkhead feeds oil to each main bearing. Drilled passages within the crankshaft route oil from main bearing journals to connecting rod journals. Balance shaft lubrication is provided through an internal oil passage at the #3 bearing location around the BSM mounting bolt. A vertical hole at the number one bulkhead routes pressurized oil through a filter screen and head gasket up to the cylinder head. The oil then divides into three passages; one to the intake cam phaser, one to the exhaust cam phaser and one to the camshafts. The passage to the camshafts divides to feed both of the hollow camshafts at the second cam journal. The rest of cam journals are feed oil through the hollow camshafts. The #1 cam journals are fed oil through the VVT oil passages. Oil passages to the phasers are directed through the OCV (oil control valves) to the #1 journals. The oil then flows through the camshafts then to the cam phasers. Oil returning to the pan from pressurized components supplies lubrication to the valve stems, cam lobes, and tappets. Cylinder bores and wrist pins are splash lubricated from directed slots on the connecting rod thrust collars. DIAGNOSIS AND TESTING CHECKING ENGINE OIL PRESSURE Fig. 274: Oil Temperature Sensor NOTE: Not all blocks have the bolt on timing chain oil squirter. Engine blocks either have a bolt-on oil squirter or a 1.0 mm hole (1) drilled into the oil gallery passage. Engine blocks with the 1.0 mm hole no longer use an oil squirter even though the threaded mounting hole may still be present. 2009 Jeep Patriot Limited 2009 ENGINE 2.4L - Service Information - Compass & Patriot a Saturday, September 08, 2012 1:27:53 PM Page 184 © 2006 Mitchell Repair Information Company, LLC.
  • 620.
    Courtesy of CHRYSLERLLC 1. Disconnect and remove oil temperature sensor (1). Fig. 275: Oil Pressure Adapter Courtesy of CHRYSLER LLC 2. Install threaded adapter 9879 (1). 3. Install oil pressure gauge (2). NOTE: Anytime the oil temperature sensor is removed, it should be replaced with a new sensor. CAUTION: Threads in cylinder head are British Standard Pipe (BSP). Do not install a NPT threaded adapter, this could crack the cylinder head. 2009 Jeep Patriot Limited 2009 ENGINE 2.4L - Service Information - Compass & Patriot a Saturday, September 08, 2012 1:27:53 PM Page 185 © 2006 Mitchell Repair Information Company, LLC.
  • 621.
    Fig. 276: OilPSI Gauge Courtesy of CHRYSLER LLC 4. Start engine and record reading on oil pressure gauge (1). 5. If oil pressure is 0 at idle, shut off engine. Check for pressure relief valve stuck open, a clogged oil pick- up screen. 6. Remove oil pan and inspect for debris. See Engine/Lubrication/PAN, Oil - Removal. 7. Remove oil pressure relief valve. See Engine/Lubrication/VALVE, Oil Pressure Relief - Removal. 8. Inspect oil pressure relief valve and replace if damaged. See Engine/Lubrication/VALVE, Oil Pressure Relief - Inspection. 9. If pressure relief valve is ok, replace balance shaft module assembly. See Engine/Lubrication/PUMP, Engine Oil - Removal. CAUTION: If oil pressure is 0 at idle, do not perform the 3000 RPM test 2009 Jeep Patriot Limited 2009 ENGINE 2.4L - Service Information - Compass & Patriot a Saturday, September 08, 2012 1:27:53 PM Page 186 © 2006 Mitchell Repair Information Company, LLC.
  • 622.
    Fig. 277: OilPressure Adapter Courtesy of CHRYSLER LLC 10. After test is complete, remove oil pressure gauge (2) and adapter 9879 (1). Fig. 278: Oil Temperature Sensor Courtesy of CHRYSLER LLC 11. Install a new oil pressure temperature sensor (1) and connect electrical connector. CHECKING VVT OIL PRESSURE This test can be used to help diagnose VVT faults. 2009 Jeep Patriot Limited 2009 ENGINE 2.4L - Service Information - Compass & Patriot a Saturday, September 08, 2012 1:27:53 PM Page 187 © 2006 Mitchell Repair Information Company, LLC.
  • 623.
    Fig. 279: OilPressure Sensor Courtesy of CHRYSLER LLC 1. Disconnect and remove oil pressure sensor (1). Fig. 280: Oil Pressure Gauge Courtesy of CHRYSLER LLC 2. Install an 1/8-28 BSP male to 1/8-27 female threaded adapter (2). 3. Install oil pressure gauge (1). 4. Start engine and record oil pressure. CAUTION: Threads in block are 1/8"-28 British Standard Pipe (BSP). Do not install a National Pipe Thread (NPT) threaded adapter, this could crack the cylinder block. 2009 Jeep Patriot Limited 2009 ENGINE 2.4L - Service Information - Compass & Patriot a Saturday, September 08, 2012 1:27:53 PM Page 188 © 2006 Mitchell Repair Information Company, LLC.
  • 624.
    5. If oilpressure is 0 at idle, shut off engine. check for pressure relief valve stuck open, a clogged oil pick- up screen. 6. Remove oil pan and inspect for debris. See Engine/Lubrication/PAN, Oil - Removal. 7. Remove oil pressure relief valve and inspect, if damaged replace pressure relief valve. See Engine/Lubrication/VALVE, Oil Pressure Relief - Removal. 8. If pressure relief valve is ok, replace balance shaft module assembly. See Engine/Lubrication/PUMP, Engine Oil - Removal. Fig. 281: Oil Pressure Gauge Courtesy of CHRYSLER LLC 9. After test is complete, remove test gauge (1) and fitting (2). CAUTION: If oil pressure is 0 at idle, do not perform the 3000 RPM test 2009 Jeep Patriot Limited 2009 ENGINE 2.4L - Service Information - Compass & Patriot a Saturday, September 08, 2012 1:27:53 PM Page 189 © 2006 Mitchell Repair Information Company, LLC.
  • 625.
    Fig. 282: OilPressure Sensor Courtesy of CHRYSLER LLC 10. Install oil pressure sensor and electrical connector. CONTROL VALVE, OIL INTAKE Description DESCRIPTION Fig. 283: Solenoid Assembly Courtesy of CHRYSLER LLC Variable valve timing solenoid assembly. The solenoid receives pulse width modulation signal and the current is controlled within 0 ma to 1000 ma. The spool position is controllable at any position to control supply of oil 2009 Jeep Patriot Limited 2009 ENGINE 2.4L - Service Information - Compass & Patriot a Saturday, September 08, 2012 1:27:53 PM Page 190 © 2006 Mitchell Repair Information Company, LLC.
  • 626.
    between the advanceand retard ports. Operation OPERATION There is both an Intake and an exhaust camshaft sensor on vehicles equipped with a World Engine. The variable valve timing system used on World Engines requires the exact position of both the intake and exhaust camshaft. The GPEC1 uses camshaft sensor data along with crankshaft data to determine the actual position of the camshafts. Intake and exhaust phaser oil control valves are required on World Engine vehicles using variable valve timing. The oil valves direct oil to the Intake and exhaust phasers. Oil pressure in the phasers moves the camshafts to an advanced or retarded position. To resolve this inherent conflict between optimum high and low speed valve timing, the GPEC1 controlled engine uses a variable valve timing system. The variable valve timing system advances and retards valve timing by rotating the position of both the intake and exhaust camshafts. With this system, the intake valve opening can range from 80 to 120 crankshaft degrees after Top Dead Center. Likewise, the exhaust valve opening can range from 85 to 120 crankshaft degrees before Top Dead Center. This degree of flexibility provides many benefits, including: Improved Engine Performance, Increased Fuel Economy, Improved Idle Stability and Decreased Engine Emissions. In non operating condition, the camshaft stays in lockpin position of cam phases. This is 120 degrees ATDC for intake camshaft and 120 degrees BTDC for exhaust camshaft. The variable valve timing system is electronically controlled and hydraulically operated. The GPEC1 receives information from many sensors to determine the optimum valve timing. It then pulse-width modulates oil control valves which direct oil to the cam phasers. The cam phasers use oil pressure to rotate the intake and exhaust camshafts. The rotation of the camshafts is referred to as cam phasing. Before the GPEC1 can begin commanding the camshaft phasing, several enabling conditions must be met: The engine oil temperature must be at least -6.6°C (20°F) The oil control valve coil temperature must be less than 140°C (284°F) Engine speed must be at least 600 to 1000 rpm to achieve minimum oil pressure. Battery voltage must be at least 10 volts And there must be no camshaft or crankshaft sensor faults, engine timing faults, or oil control valve faults First we will examine variable valve timing enabling conditions, and then we will take a closer look at the inputs and outputs of the system: Accelerator pedal position sensor Oil temperature sensor Map sensor Intake cam sensor Exhaust cam sensor Crankshaft sensor GPEC1 Exhaust phaser oil control valve 2009 Jeep Patriot Limited 2009 ENGINE 2.4L - Service Information - Compass & Patriot a Saturday, September 08, 2012 1:27:53 PM Page 191 © 2006 Mitchell Repair Information Company, LLC.
  • 627.
    Intake phaser oilcontrol valve Inputs Engine control module Outputs Sensed battery voltage A minimum oil temperature is required to enable variable valve timing operation. Oil temperature and viscosity also have an impact on the operation of variable valve timing after start-up. Oil is used to control the movement of the camshafts. An incorrect oil viscosity could adversely affect the operation of the system or even render the system inoperative. It may even set a fault code. The accelerator pedal position sensor indicates how far the driver wants to open the throttle plate. The GPEC1 calculates an initial camshaft set point based on whether the accelerator pedal is at part throttle or wide open throttle. The MAP sensor provides information regarding engine load. Sensed battery voltage provides information regarding current system voltage. Sensed battery voltage must be at least 10 volts in order for the oil control valves to function properly. This information allows the GPEC1 to adjust camshaft timing to achieve the best fuel economy, the best engine performance or a combination of both. The hall-effect crankshaft sensor provides RPM information and determines when the number one piston is approaching Top Dead Center. The sensor generates a signal as the tone wheel, attached to the crankshaft, rotates. The tone wheel has 60 teeth minus two. When the gap, created by the missing teeth passes by the sensor, a signal is produced that indicates the number one piston is at Top Dead Center. The GPEC1 uses crankshaft sensor data along with camshaft data to determine the actual position of the camshaft. There are two hall-effect camshaft sensors on engines equipped with variable valve timing. The GPEC1 uses camshaft sensor data along with crankshaft data to determine the actual position of the camshaft. The GPEC1 individually controls each valve. It sends a pulse width modulated signal to move a spool within the outer casing of the valve. Depending upon spool movement, oil is directed through the passages to advance or retard cam timing. The oil control valve also has a special cleaning strategy at key-on. The cleaning strategy is known as "debris crush mode". At key-on the GPEC1 cycles the oil control valve on and off several (5) times to crush any debris in the oil control valve and prevent the spool valve from sticking. In non operating condition, the camshaft stays in lockpin position of cam phases. This is 120 degrees ATDC for intake camshaft and 120 degrees BTDC for exhaust camshaft. There are two oil control valves. One valve directs oil to the intake cam phaser, the other valve directs oil to the exhaust cam phaser. The valves are designed and function in the same manner. The outer casing of each oil valve has five oil passages. A passage for pressurized supply oil. A passage to the advance chamber of the cam phaser. A passage to the retard chamber of the cam phaser. A passage for oil return from the advance chamber of the cam phaser. A passage for oil return from the retard chamber of the cam phaser. Oil flows through the passages and applies pressure to the cam phasers to change cam timing. There are two cam phasers. One phaser controls the position of the intake camshaft. The other phaser controls the position of the exhaust camshaft. The phasers consist of a sprocket, a rotor vane, and a housing or stator. 2009 Jeep Patriot Limited 2009 ENGINE 2.4L - Service Information - Compass & Patriot a Saturday, September 08, 2012 1:27:53 PM Page 192 © 2006 Mitchell Repair Information Company, LLC.
  • 628.
    The exhaust camphaser also consists of a front bushing and spring. We will discuss the purpose and function of the bushing and spring later. The housing is bolted and permanently fixed to the camshaft sprocket, while the rotor vane is bolted and permanently fixed to the camshaft. With this design, any movement of the rotor vane in relation to the housing will also move the camshaft. The phaser and sprocket are serviced as an assembly. Camshaft and crankshaft sensors provide feedback to the GPEC1 regarding the actual position of the camshafts. The GPEC1 then compares the actual camshaft positioning with desired positioning. If the desired positioning is not achieved within a specified time, during the second key cycle a trouble code is set. There are six new diagnostic trouble codes available to help you determine if the control circuit from the GPEC1 to the oil control valve is intact and operating properly. The codes identify whether the control circuit is open, shorted to ground, or shorted to power. Three trouble codes are related to intake camshaft positioning, the other three codes are specific to exhaust camshaft positioning. The oil control valve contains both electrical and mechanical components. It is electrically controlled by the GPEC1. The electrical current that energizes the coil results in mechanical motion of the spool valve. It is possible to verify both the electrical and mechanical operation of the valve. The oil control valve consists of a coil that is energized to move a spool within an outer casing. The condition of the coil can be tested with a Digital Volt Ohmmeter or DVOM. With the DVOM set to measure resistance, check the coil for an open, a short to ground, or excessive resistance. The correct resistance value of the coil is between 6 and 8 ohms. The mechanical operation of the oil control valve can be tested using actuator commands on the scan tool. Remove the oil control valve, then navigate to the actuator menu and select the oil control valve. Use commands to activate the valve and watch as the spool valve moves back and forth inside the casing. Because the cam phasers are hydraulically operated by engine oil, the condition of the oil is very important. The oil must be of the correct viscosity, not obstructed by debris, to maintain correct pressure. Maintaining the correct oil viscosity is critical to the operation of the variable valve timing system. The wrong oil viscosity may cause the variable valve timing to malfunction and trouble codes to set. The correct oil viscosity for this system is 5W20. Oil must be clean, unobstructed and free to flow through the variable valve timing system. Oil could become obstructed in oil passages located in the cylinder head, cylinder block, or even in the oil screen. In the event oil flow is obstructed, further diagnosis or disassembly may be required to pin point the source of the obstruction. The variable valve timing system relies on oil pressure to advance or retard the position of the camshaft. Insufficient oil pressure will adversely affect the operation of variable valve timing. The minimum oil pressure for this system is 15 psi at normal operating temperature. Though not directly used to change camshaft positioning, the oil screen is an important component of the variable valve timing system. It helps to remove debris going to the variable valve timing components. The oil screen is located in the cylinder block, immediately below the cylinder head. Oil must pass through the oil screen before entering the oil control valve. The cylinder head must be removed to service the oil screen. The intention is not to service the oil screen during vehicle life. How the cam phaser works. The cam phaser assembly has eight separate chambers; four advance chambers and four retard chambers. When camshaft advance is requested, oil enters all four advance chambers and exerts force on the rotor vane. Because the rotor vane is bolted to the camshaft, the entire camshaft profile moves along with the rotor vane. At the same time, oil is forced out of the retard chambers. When camshaft retard is requested oil enters the retard chambers to move the camshaft in the opposite direction. There is a lock pin on one side of the rotor vane that fits inside a recessed area in the housing. The lock pin ensures that the default 2009 Jeep Patriot Limited 2009 ENGINE 2.4L - Service Information - Compass & Patriot a Saturday, September 08, 2012 1:27:53 PM Page 193 © 2006 Mitchell Repair Information Company, LLC.
  • 629.
    position of theintake cam phaser is 120 crankshaft degrees full retard and the default position of the exhaust cam phaser is 120 crankshaft degrees full advance. When the engine is turned off, rotational force and inertia move the intake camshaft and rotor vane toward the retard position. The exhaust cam phaser includes a spring and bushing to work against the rotational force of the engine, allowing the exhaust cam phaser to lock in the fully advanced position. Under most conditions the cam phasers are returned to lock pin position when the engine is turned off. In the unique condition of an engine stall, which abruptly shuts off the engine, the cam phasers may not return to the lock pin position. In this case, the phasers will return to the lock pin position at the next start-up. Lock pin position is the most ideal cam timing for idle stability. When engine rpm exceeds approximately 600 to 1000 rpm, oil pressure unlocks the pins and variable valve timing resumes. Once enabling conditions are met, the GPEC1 uses input from sensors to calculate optimum valve timing. There are four preprogrammed modes from which the GPEC1 bases initial valve timing. Starting Idle or Part throttle Wide open throttle Limp-in or Default From each preprogrammed mode, the GPEC1 adjusts valve timing based on operating conditions. GPEC1 has calculated optimum intake valve timing of 112 degrees after Top Dead Center and optimum exhaust valve timing of 97 degrees before Top Dead Center. The GPEC1 pulse width modulates the oil control valves to advance or retard the camshaft to their desired location. The spool valve inside the intake oil control valve is energized and moves to allow pressurized oil into the advance chambers of the intake cam phaser. At the same time, the spool valve inside the exhaust oil control valve is energized and moves to allow pressurized oil into the retard chambers of the exhaust cam phaser. Oil enters the advance chambers of the intake phaser and the retard chambers of the exhaust phaser. Oil pressure releases the lock pin from its locked position and pushes against the rotor vane. Both the rotor vanes are moved, advancing the intake camshaft and retarding the exhaust camshaft. Removal FRONT SOLENOID 1/1 2009 Jeep Patriot Limited 2009 ENGINE 2.4L - Service Information - Compass & Patriot a Saturday, September 08, 2012 1:27:53 PM Page 194 © 2006 Mitchell Repair Information Company, LLC.
  • 630.
    Fig. 284: OilPressure Sensor Courtesy of CHRYSLER LLC 1. Disconnect negative battery cable. 2. Remove engine cover. 3. Rotate hose clamp out of way. 4. Disconnect oil pressure sensor electrical connector. 5. Remove oil pressure sensor. 6. Disconnect variable valve timing solenoid electrical connector. Fig. 285: Solenoid Mounting Bolt Courtesy of CHRYSLER LLC 7. Remove variable valve timing solenoid mounting bolt. 2009 Jeep Patriot Limited 2009 ENGINE 2.4L - Service Information - Compass & Patriot a Saturday, September 08, 2012 1:27:53 PM Page 195 © 2006 Mitchell Repair Information Company, LLC.
  • 631.
    Fig. 286: SolenoidMounting Tab 1/1 Courtesy of CHRYSLER LLC 8. Pull solenoid straight out of cylinder head. REAR SOLENOID 1/2 Fig. 287: Solenoid Location 1/2 Courtesy of CHRYSLER LLC 1. Disconnect negative battery cable. 2. Remove engine cover. 3. Disconnect variable valve timing solenoid electrical connector. 4. Remove variable valve timing solenoid mounting bolt. 2009 Jeep Patriot Limited 2009 ENGINE 2.4L - Service Information - Compass & Patriot a Saturday, September 08, 2012 1:27:53 PM Page 196 © 2006 Mitchell Repair Information Company, LLC.
  • 632.
    Fig. 288: SolenoidMounting Tab 1/2 Courtesy of CHRYSLER LLC 5. Pull solenoid straight out of cylinder head. Installation FRONT SOLENOID 1/1 Fig. 289: Solenoid Mounting Tab 1/1 Courtesy of CHRYSLER LLC 1. Solenoid for front location 1/1. Note mounting tab location is different between front and rear solenoids. 2009 Jeep Patriot Limited 2009 ENGINE 2.4L - Service Information - Compass & Patriot a Saturday, September 08, 2012 1:27:53 PM Page 197 © 2006 Mitchell Repair Information Company, LLC.
  • 633.
    Fig. 290: SolenoidMounting Bolt Courtesy of CHRYSLER LLC 2. Install solenoid into cylinder head. 3. Install mounting bolt and tighten to 12 N.m (9 ft. lbs.). Fig. 291: Oil Pressure Sensor Courtesy of CHRYSLER LLC 4. Install oil pressure sensor. 5. Connect electrical connector to oil pressure sensor. 6. Connect electrical connector to Variable valve timing solenoid. 7. Connect negative battery cable. 8. Install engine cover. 2009 Jeep Patriot Limited 2009 ENGINE 2.4L - Service Information - Compass & Patriot a Saturday, September 08, 2012 1:27:53 PM Page 198 © 2006 Mitchell Repair Information Company, LLC.
  • 634.
    REAR SOLENOID 1/2 Fig.292: Solenoid Mounting Tab 1/2 Courtesy of CHRYSLER LLC 1. Rear variable valve timing solenoid. Note mounting tab location is different between front and rear solenoids. 2. Install solenoid into cylinder head. 3. Install mounting bolt and tighten to 12 N.m (9 ft. lbs.). 4. Connect electrical connector to Variable valve timing solenoid. Fig. 293: Solenoid Location 1/2 Courtesy of CHRYSLER LLC 5. Connect negative battery cable. 2009 Jeep Patriot Limited 2009 ENGINE 2.4L - Service Information - Compass & Patriot a Saturday, September 08, 2012 1:27:53 PM Page 199 © 2006 Mitchell Repair Information Company, LLC.
  • 635.
    6. Install enginecover. COOLER, OIL Description DESCRIPTION An engine oil cooler is used on some engine packages. The cooler is a coolant-to-oil type and mounted between the oil filter and oil filter adapter. Removal REMOVAL Fig. 294: Oil Filter Courtesy of CHRYSLER LLC 1. Raise vehicle on hoist. 2. Drain cooling system. Refer to Cooling - Standard Procedure . 3. Disconnect oil cooler coolant hoses. 4. Remove oil filter (3). NOTE: The oil cooler can not be cleaned out. In the event that the engine requires rebuilding or replacement, the oil cooler should be replaced. 2009 Jeep Patriot Limited 2009 ENGINE 2.4L - Service Information - Compass & Patriot a Saturday, September 08, 2012 1:27:53 PM Page 200 © 2006 Mitchell Repair Information Company, LLC.
  • 636.
    Fig. 295: OilCooler Mounting Courtesy of CHRYSLER LLC 5. Remove oil cooler connector bolt (2). 6. Remove oil cooler (1). Installation INSTALLATION Fig. 296: Oil Cooler Mounting Courtesy of CHRYSLER LLC 2009 Jeep Patriot Limited 2009 ENGINE 2.4L - Service Information - Compass & Patriot a Saturday, September 08, 2012 1:27:53 PM Page 201 © 2006 Mitchell Repair Information Company, LLC.
  • 637.
    1. Replace oilcooler seal (1). 2. Lubricate seal and position oil cooler to oil filter adapter, aligning notch to tab. 3. Install oil cooler connector bolt (2). Tighten connector bolt to 49 N.m (36 ft. lbs.). Fig. 297: Oil Filter Courtesy of CHRYSLER LLC 4. Install oil filter (3). 5. Connect oil cooler coolant hose. 6. Lower vehicle. 7. Fill cooling system. Refer to Cooling - Standard Procedure . FILTER, ENGINE OIL Removal REMOVAL 2009 Jeep Patriot Limited 2009 ENGINE 2.4L - Service Information - Compass & Patriot a Saturday, September 08, 2012 1:27:53 PM Page 202 © 2006 Mitchell Repair Information Company, LLC.
  • 638.
    Fig. 298: OilFilter Courtesy of CHRYSLER LLC 1. Using a suitable filter wrench, turn oil filter (1) counterclockwise to remove. Installation INSTALLATION Fig. 299: Oil Filter Courtesy of CHRYSLER LLC CAUTION: When servicing the oil filter, avoid deforming the filter can by installing the remove/install tool band strap against the can to base lock seam. The lock seam joining the can to the base is reinforced by the base plate. 2009 Jeep Patriot Limited 2009 ENGINE 2.4L - Service Information - Compass & Patriot a Saturday, September 08, 2012 1:27:53 PM Page 203 © 2006 Mitchell Repair Information Company, LLC.
  • 639.
    1. Clean andcheck filter mounting surface. The surface must be smooth, flat and free of debris or pieces of gasket. 2. Lubricate new oil filter gasket. 3. Screw oil filter (1) on until the gasket contacts base. Tighten to 14 N.m (10 ft. lbs.). OIL Standard Procedure ENGINE OIL LEVEL CHECK Fig. 300: Oil Level Indicator Courtesy of CHRYSLER LLC The best time to check engine oil level is after the engine is at operating temperature. Allow the engine to be shut off for at least 5 minutes before checking oil level. NOTE: The engine must be HOT when checking oil level. 2009 Jeep Patriot Limited 2009 ENGINE 2.4L - Service Information - Compass & Patriot a Saturday, September 08, 2012 1:27:53 PM Page 204 © 2006 Mitchell Repair Information Company, LLC.
  • 640.
    Fig. 301: DipStick Courtesy of CHRYSLER LLC Checking the oil while the vehicle is on level ground will improve the accuracy of the oil level reading. Remove dipstick (1), and observe oil level. Add oil only when the level is at or below the SAFE mark. If the oil level is in the safe (2) range, do not add oil. ENGINE OIL AND FILTER CHANGE Change engine oil at mileage and time intervals described in the Maintenance Schedule. Refer to Vehicle Quick Reference/Maintenance Schedules - Description . CAUTION: Do not operate engine if the oil level is above the MAX mark on the dipstick. Excessive oil volume can cause oil aeration which can lead to engine failure due to loss of oil pressure or increase in oil temperature. WARNING: New or used engine oil can be irritating to the skin. Avoid prolonged or repeated skin contact with engine oil. Contaminants in used engine oil, caused by internal combustion, can be hazardous to your health. Thoroughly wash exposed skin with soap and water. Do not wash skin with gasoline, diesel fuel, thinner, or solvents, health problems can result. Do not pollute, dispose of used engine oil properly. Contact your dealer or government agency for location of collection center in your area. 2009 Jeep Patriot Limited 2009 ENGINE 2.4L - Service Information - Compass & Patriot a Saturday, September 08, 2012 1:27:53 PM Page 205 © 2006 Mitchell Repair Information Company, LLC.
  • 641.
    Fig. 302: OilDrain Plug Courtesy of CHRYSLER LLC 1. Run engine until achieving normal operating temperature. 2. Position the vehicle on a level surface and turn engine off. 3. Remove oil fill cap. 4. Raise vehicle on hoist. 5. Place a suitable oil collecting container under oil pan drain plug (2). 6. Remove oil pan drain plug (2) or and allow oil to drain into collecting container. Inspect drain plug threads for stretching or other damage. Replace drain plug and gasket if damaged. Fig. 303: Oil Filter Courtesy of CHRYSLER LLC 7. Remove oil filter (1). See Engine/Lubrication/FILTER, Engine Oil - Removal. 2009 Jeep Patriot Limited 2009 ENGINE 2.4L - Service Information - Compass & Patriot a Saturday, September 08, 2012 1:27:53 PM Page 206 © 2006 Mitchell Repair Information Company, LLC.
  • 642.
    Fig. 304: OilDrain Plug Courtesy of CHRYSLER LLC 8. Install oil pan drain plug (2) and tighten drain plug to 40 N.m (30 ft. lbs.). Fig. 305: Oil Filter Courtesy of CHRYSLER LLC 9. Install new oil filter (1), tighten to 14 N.m (10 ft. lbs.). See Engine/Lubrication/FILTER, Engine Oil - Installation. 10. Lower vehicle and fill crankcase with specified type and amount of engine oil. Refer to Vehicle Quick Reference/Capacities and Recommended Fluids - Specifications and Vehicle Quick Reference/Capacities and Recommended Fluids - Description . 11. Install oil fill cap. 12. Start engine and inspect for leaks. 2009 Jeep Patriot Limited 2009 ENGINE 2.4L - Service Information - Compass & Patriot a Saturday, September 08, 2012 1:27:53 PM Page 207 © 2006 Mitchell Repair Information Company, LLC.
  • 643.
    13. Stop engineand inspect oil level. OIL FILTER SPECIFICATION All engines are equipped with a high quality full-flow, disposable type oil filter. Replace oil filter with a Mopar® or the equivalent. USED ENGINE OIL DISPOSAL Care should be exercised when disposing used engine oil after it has been drained from a vehicle engine. Refer to the WARNING listed above. PAN, OIL Removal REMOVAL Fig. 306: Oil Drain Plug Courtesy of CHRYSLER LLC 1. Raise vehicle on hoist. 2. Remove oil drain plug (2) and drain the engine oil. 3. Remove accessory drive belt splash shield. 2009 Jeep Patriot Limited 2009 ENGINE 2.4L - Service Information - Compass & Patriot a Saturday, September 08, 2012 1:27:54 PM Page 208 © 2006 Mitchell Repair Information Company, LLC.
  • 644.
    Fig. 307: A/CCompressor Courtesy of CHRYSLER LLC 4. Remove lower A/C compressor mounting bolt (if equipped). 5. Remove A/C mounting bracket (2). Fig. 308: Oil Pan Removal Courtesy of CHRYSLER LLC 6. Remove oil pan retaining bolts. 7. Using a putty knife (1), loosen seal around oil pan (2). 8. Remove oil pan (2). NOTE: Do not use pry points in block to remove oil pan. 2009 Jeep Patriot Limited 2009 ENGINE 2.4L - Service Information - Compass & Patriot a Saturday, September 08, 2012 1:27:54 PM Page 209 © 2006 Mitchell Repair Information Company, LLC.
  • 645.
    Installation INSTALLATION Fig. 309: SealerLocation Courtesy of CHRYSLER LLC 1. Apply Mopar® Engine RTV GEN II at the front cover to engine block parting lines (1). Fig. 310: Sealing Oil Pan Courtesy of CHRYSLER LLC NOTE: Oil pan sealing surfaces must be free of grease or oil. NOTE: Parts must be assembled within 10 minutes of applying RTV. 2009 Jeep Patriot Limited 2009 ENGINE 2.4L - Service Information - Compass & Patriot a Saturday, September 08, 2012 1:27:54 PM Page 210 © 2006 Mitchell Repair Information Company, LLC.
  • 646.
    2. Apply a2 mm bead of Mopar® Engine RTV GEN II around the oil pan as shown in illustration. 3. Position oil pan and install bolts. Tighten bolts to 12 N.m (105 in. lbs.). Fig. 311: Oil Drain Plug Courtesy of CHRYSLER LLC 4. Install oil drain plug (2). 5. Lower vehicle and fill engine crankcase with proper oil to correct level. 6. Start engine and check for leaks. PLUG, OIL Description DESCRIPTION NOTE: The 2 long bolts must be tightened to 22 N.m (195 in.lbs.). 2009 Jeep Patriot Limited 2009 ENGINE 2.4L - Service Information - Compass & Patriot a Saturday, September 08, 2012 1:27:54 PM Page 211 © 2006 Mitchell Repair Information Company, LLC.
  • 647.
    Fig. 312: TaperedPlugs Courtesy of CHRYSLER LLC The engine block has three tapered plugs sealing the high pressure oil gallery. These threaded plugs do not have a torque specification but instead are installed to a specific depth. Do not attempt to further tighten these plugs, damage to the engine block could result. Whenever these plugs are removed they must be replaced. Service plugs have a lock patch and do not require the application of additional sealant. Removal REMOVAL 2009 Jeep Patriot Limited 2009 ENGINE 2.4L - Service Information - Compass & Patriot a Saturday, September 08, 2012 1:27:54 PM Page 212 © 2006 Mitchell Repair Information Company, LLC.
  • 648.
    Fig. 313: GalleryPlug Courtesy of CHRYSLER LLC 1. Remove the plug (2) from the engine block. 2. Use Mopar® Brake Parts Cleaner (or equivalent) sparingly to clean the block. Installation INSTALLATION CAUTION: Excessive use of brake parts cleaner to clean threads in block could cause #5 main bearing failure. NOTE: Rear plug shown in illustration, other plugs are similar. 2009 Jeep Patriot Limited 2009 ENGINE 2.4L - Service Information - Compass & Patriot a Saturday, September 08, 2012 1:27:54 PM Page 213 © 2006 Mitchell Repair Information Company, LLC.
  • 649.
    Fig. 314: GalleryPlug Courtesy of CHRYSLER LLC 1. Use Mopar® Brake Parts Cleaner (or equivalent) sparingly to clean the block. 2. Install the plug (2) flush with the block boss face (1). The plug (2) is correctly installed when it is flush or protruding no more than 1 mm from the block boss face (1). PUMP, ENGINE OIL Description DESCRIPTION Fig. 315: BSM Identification Courtesy of CHRYSLER LLC The oil pump is integral to the balance shaft module (BSM) (2). The oil pump cannot be disassembled for inspection. The pressure relief valve is serviceable and can be removed and inspected. The BSM can be identified by the plastic end caps (1). Removal REMOVAL CAUTION: Excessive use of brake parts cleaner to clean threads in block could cause #5 main bearing failure. NOTE: Rear plug shown in illustration, other plugs are similar. 2009 Jeep Patriot Limited 2009 ENGINE 2.4L - Service Information - Compass & Patriot a Saturday, September 08, 2012 1:27:54 PM Page 214 © 2006 Mitchell Repair Information Company, LLC.
  • 650.
    Fig. 316: TDC Courtesyof CHRYSLER LLC 1. Rotate engine to TDC (1, 2) on #1 compression stroke. Fig. 317: BSM Tensioner Courtesy of CHRYSLER LLC 2. Remove oil pan. See Engine/Lubrication/PAN, Oil - Removal. 3. Mark the chain (6) and the sprocket (5) for reassembly. 2009 Jeep Patriot Limited 2009 ENGINE 2.4L - Service Information - Compass & Patriot a Saturday, September 08, 2012 1:27:54 PM Page 215 © 2006 Mitchell Repair Information Company, LLC.
  • 651.
    Fig. 318: OilPump Tensioner Reset Courtesy of CHRYSLER LLC 4. Push tensioner piston back into the tensioner body. Fig. 319: BSM Tensioner Courtesy of CHRYSLER LLC 5. With piston held back insert tensioner pin 9703 (4) into the tensioner body to hold the piston in the retracted position. 6. Remove BSM mounting bolts and discard. NOTE: Do not remove sprocket from BSM. 2009 Jeep Patriot Limited 2009 ENGINE 2.4L - Service Information - Compass & Patriot a Saturday, September 08, 2012 1:27:54 PM Page 216 © 2006 Mitchell Repair Information Company, LLC.
  • 652.
    7. Lower theback of the BSM and remove the chain (6) from the sprocket (5). 8. Remove BSM from the engine. Inspection INSPECTION Fig. 320: Oil Pump Chain Stretch Courtesy of CHRYSLER LLC 1. Remove timing chain cover. See Engine/Valve Timing/COVER(S), Engine Timing - Removal. 2. Remove oil pan. See Engine/Lubrication/PAN, Oil - Removal. 3. Measure the distance between the tensioner body and the guide shoe as shown in illustration. 4. If the distance is 10.1 mm (0.397 in.) or greater, replace the chain. Installation INSTALLATION 2009 Jeep Patriot Limited 2009 ENGINE 2.4L - Service Information - Compass & Patriot a Saturday, September 08, 2012 1:27:54 PM Page 217 © 2006 Mitchell Repair Information Company, LLC.
  • 653.
    Fig. 321: BSMTiming Courtesy of CHRYSLER LLC 1. Clean BSM mounting holes Mopar® brake parts cleaner. 2. If chain was removed, align marks on crankshaft sprocket (2) and chain (1). 3. Align marks on oil pump sprocket (5) and chain (4). 4. Install chain on sprocket. 5. Pivot BSM assembly upwards and position on ladder frame. CAUTION: Do not reuse Balance Shaft Module (BSM) to engine block bolts. Always discard bolts after removing. Failure to replace bolts can result in engine damage. 2009 Jeep Patriot Limited 2009 ENGINE 2.4L - Service Information - Compass & Patriot a Saturday, September 08, 2012 1:27:54 PM Page 218 © 2006 Mitchell Repair Information Company, LLC.
  • 654.
    Fig. 322: BSMTorque Sequence Courtesy of CHRYSLER LLC 6. Start new BSM mounting bolts by hand. 7. Tighten BSM mounting bolts to 15 N.m (11 ft. lbs.) as shown in illustration. 8. Tighten BSM mounting bolts to 29 N.m (22 ft. lbs.) as shown in illustration. 9. Rotate bolts an additional 90° as shown in illustration. Fig. 323: BSM Tensioner Courtesy of CHRYSLER LLC 10. Remove tensioner pin 9703 (4). 11. Install oil pan. See Engine/Lubrication/PAN, Oil - Installation. 12. Fill with oil. 13. Start engine and check for leaks. SENSOR, OIL TEMPERATURE Removal REMOVAL NOTE: Use a three step procedure when torquing BSM mounting bolts. 2009 Jeep Patriot Limited 2009 ENGINE 2.4L - Service Information - Compass & Patriot a Saturday, September 08, 2012 1:27:54 PM Page 219 © 2006 Mitchell Repair Information Company, LLC.
  • 655.
    Fig. 324: OilTemperature Sensor Courtesy of CHRYSLER LLC 1. Disconnect oil temperature sensor (1) electrical connector. 2. Remove sensor (1). Installation INSTALLATION Fig. 325: Oil Temperature Sensor Courtesy of CHRYSLER LLC 1. If re-using the oil temperature sensor, coat the threads with Mopar® thread sealant. 2. Install oil temperature sensor (1). Tighten to 18 N.m (160 in. lbs.). 2009 Jeep Patriot Limited 2009 ENGINE 2.4L - Service Information - Compass & Patriot a Saturday, September 08, 2012 1:27:54 PM Page 220 © 2006 Mitchell Repair Information Company, LLC.
  • 656.
    3. Connect electricalconnector. SWITCH, OIL PRESSURE Description DESCRIPTION The oil pressure switch is located on the left front side of the engine block. The oil pressure switch is a pressure sensitive switch that is activated by the engine's oil pressure (in the main oil gallery). The switch is a two terminal device (one terminal is provided to the wiring harness and the other terminal is the switch's metal housing that screws into the engine block). Operation OPERATION The oil pressure switch is normally "Closed." The switch changes from a "Closed" circuit to an "Open" circuit, on increasing pressure of 7 psig. The oil pressure switch changes from an "Open" circuit to a "Closed" circuit, on decreasing pressure, between 2 psig and 4 psig. Removal REMOVAL Fig. 326: A/C Compressor - R & I Courtesy of CHRYSLER LLC 1. Disconnect and isolate the negative battery cable. NOTE: If the oil pressure switch is removed, it must be replaced with a new switch. 2009 Jeep Patriot Limited 2009 ENGINE 2.4L - Service Information - Compass & Patriot a Saturday, September 08, 2012 1:27:54 PM Page 221 © 2006 Mitchell Repair Information Company, LLC.
  • 657.
    2. Raise andsupport the vehicle. 3. Remove the front skid plate, if equipped. 4. Remove the splash shield from the right side frame rail. Refer to Body/Exterior/SHIELD, Splash - Removal . 5. Remove the accessory drive belt. Refer to Cooling/Accessory Drive/BELT, Serpentine - Removal . 6. Remove the three bolts (2) and reposition the A/C compressor (1). Fig. 327: Oil Sender Courtesy of CHRYSLER LLC 7. Disconnect the oil pressure switch electrical connector. 8. Remove the oil pressure switch using Oil Pressure Socket C-4597 (1) or equivalent and discard the switch. Installation INSTALLATION CAUTION: The oil pressure switch has tapered threads, over tightening could crack the engine block. 2009 Jeep Patriot Limited 2009 ENGINE 2.4L - Service Information - Compass & Patriot a Saturday, September 08, 2012 1:27:54 PM Page 222 © 2006 Mitchell Repair Information Company, LLC.
  • 658.
    Fig. 328: OilSender Courtesy of CHRYSLER LLC 1. Install a new oil pressure switch using Oil Pressure Socket C-4597 (1) or equivalent. Tighten switch to 8 N.m (71 in. lbs.). 2. Connect the oil pressure switch electrical connector. Fig. 329: A/C Compressor - R & I Courtesy of CHRYSLER LLC 3. Position the A/C compressor (1) and install three mounting bolts (2). Tighten bolts to 25 N.m (18 ft. lbs.). 4. Install the accessory drive belt. Refer to Cooling/Accessory Drive/BELT, Serpentine - Installation . 5. Install the splash shield to the right side frame rail. Refer to Body/Exterior/SHIELD, Splash - Installation . 6. Install the front skid plate, if equipped. 2009 Jeep Patriot Limited 2009 ENGINE 2.4L - Service Information - Compass & Patriot a Saturday, September 08, 2012 1:27:54 PM Page 223 © 2006 Mitchell Repair Information Company, LLC.
  • 659.
    7. Reconnect thenegative battery cable. VALVE, OIL PRESSURE RELIEF Removal REMOVAL Fig. 330: Oil Pressure Relief Valve Courtesy of CHRYSLER LLC 1. Remove oil pan. See Engine/Lubrication/PAN, Oil - Removal 2. Remove pressure regulating valve cap (2). 3. Remove pressure regulating valve spring (3) and valve (4). Inspection INSPECTION 2009 Jeep Patriot Limited 2009 ENGINE 2.4L - Service Information - Compass & Patriot a Saturday, September 08, 2012 1:27:54 PM Page 224 © 2006 Mitchell Repair Information Company, LLC.
  • 660.
    Fig. 331: OilPressure Relief Valve Courtesy of CHRYSLER LLC 1. Inspect pressure relief valve (4) scoring, gouging, or debris. Replace as needed. 2. Inspect the pressure relief valve bore in the pump for scoring, gouging, or debris. 3. If pump bore is damaged, replace balance shaft module. Installation INSTALLATION Fig. 332: Oil Pressure Relief Valve NOTE: Pressure regulating valve (4) can be service separately from the oil pump assembly. 2009 Jeep Patriot Limited 2009 ENGINE 2.4L - Service Information - Compass & Patriot a Saturday, September 08, 2012 1:27:54 PM Page 225 © 2006 Mitchell Repair Information Company, LLC.
  • 661.
    Courtesy of CHRYSLERLLC 1. Lightly coat pressure regulating valve with clean engine oil and install valve (4). 2. Install spring (3) and cap (2). 3. Tighten cap to 44 N.m (32 lbs.ft.). MANIFOLDS MANIFOLD, EXHAUST Removal ALL WHEEL DRIVE (AWD) Fig. 333: Engine Cover Courtesy of CHRYSLER LLC 1. Remove engine cover (1). 2009 Jeep Patriot Limited 2009 ENGINE 2.4L - Service Information - Compass & Patriot a Saturday, September 08, 2012 1:27:54 PM Page 226 © 2006 Mitchell Repair Information Company, LLC.
  • 662.
    Fig. 334: AirCleaner Housing Courtesy of CHRYSLER LLC 2. Remove clean air hose (5) and air cleaner housing (1). 3. Disconnect negative cable from battery (3). Fig. 335: Maniverter Heat Shield & Bolts Courtesy of CHRYSLER LLC 4. Remove oxygen sensor (2). 5. Remove upper heat shield attaching bolts (1). 2009 Jeep Patriot Limited 2009 ENGINE 2.4L - Service Information - Compass & Patriot a Saturday, September 08, 2012 1:27:54 PM Page 227 © 2006 Mitchell Repair Information Company, LLC.
  • 663.
    6. Remove upperheat shield (3). Fig. 336: Exhaust To Maniverter Bolts Courtesy of CHRYSLER LLC 7. Raise vehicle. 8. Disconnect oxygen sensor (2) electrical connector. 9. Remove exhaust pipe to maniverter bolts (1). 2009 Jeep Patriot Limited 2009 ENGINE 2.4L - Service Information - Compass & Patriot a Saturday, September 08, 2012 1:27:54 PM Page 228 © 2006 Mitchell Repair Information Company, LLC.
  • 664.
    Fig. 337: ManiverterTo Block Support Bracket Courtesy of CHRYSLER LLC 10. Remove maniverter support bracket (2). 11. Remove lower exhaust maniverter heat shield. 12. Remove exhaust maniverter lower retaining fasteners. Fig. 338: Coolant Adapter Courtesy of CHRYSLER LLC 13. Lower vehicle. 14. Remove coolant adapter (3). Refer to Cooling/Engine/THERMOSTAT - Removal . Fig. 339: Maniverter Courtesy of CHRYSLER LLC 2009 Jeep Patriot Limited 2009 ENGINE 2.4L - Service Information - Compass & Patriot a Saturday, September 08, 2012 1:27:54 PM Page 229 © 2006 Mitchell Repair Information Company, LLC.
  • 665.
    15. Lower vehicleand remove the upper exhaust maniverter retaining fasteners. 16. Remove maniverter (1) from above/between the engine and cowl panel. 17. Remove and discard maniverter gasket. REMOVAL Fig. 340: Engine Cover Courtesy of CHRYSLER LLC 1. Remove engine cover (1). 2. Disconnect negative cable from battery. Fig. 341: Exhaust Manifold Heat Shield Courtesy of CHRYSLER LLC 2009 Jeep Patriot Limited 2009 ENGINE 2.4L - Service Information - Compass & Patriot a Saturday, September 08, 2012 1:27:54 PM Page 230 © 2006 Mitchell Repair Information Company, LLC.
  • 666.
    3. Remove bolts(2) attaching upper heat shield. 4. Remove upper heat shield (1). Fig. 342: Exhaust Pipe To Manifold Courtesy of CHRYSLER LLC 5. Disconnect exhaust pipe (1) from manifold. 6. Disconnect oxygen sensor electrical connector (3). Fig. 343: Exhaust Manifold Support Bracket Courtesy of CHRYSLER LLC 7. Remove manifold support bracket (2). 8. Remove lower exhaust manifold heat shield. 2009 Jeep Patriot Limited 2009 ENGINE 2.4L - Service Information - Compass & Patriot a Saturday, September 08, 2012 1:27:54 PM Page 231 © 2006 Mitchell Repair Information Company, LLC.
  • 667.
    Fig. 344: TorqueSequence Courtesy of CHRYSLER LLC 9. Remove exhaust manifold retaining fasteners. 10. Remove and discard manifold gasket. Cleaning CLEANING 1. Discard gasket (if equipped) and clean all surfaces of manifold and cylinder head. Inspection INSPECTION 1. Inspect manifold gasket surfaces for flatness with straight edge. Surface must be flat within 0.15 mm per 300 mm (0.006 in. per foot) of manifold length. 2. Inspect manifolds for cracks or distortion. Replace manifold as necessary. Installation ALL WHEEL DRIVE (AWD) 2009 Jeep Patriot Limited 2009 ENGINE 2.4L - Service Information - Compass & Patriot a Saturday, September 08, 2012 1:27:54 PM Page 232 © 2006 Mitchell Repair Information Company, LLC.
  • 668.
    Fig. 345: Maniverter Courtesyof CHRYSLER LLC 1. Install a new maniverter gasket. DO NOT APPLY SEALER . 2. Position maniverter (1) in place. Tighten fasteners, starting at center and progressing outward in both directions to 34 N.m (300 in. lbs.). Raise and lower vehicle for fastener access as necessary. Repeat tightening procedure until all fasteners are at specified torque. Fig. 346: Coolant Adapter Courtesy of CHRYSLER LLC 3. Install coolant adapter (3). Refer to Cooling/Engine/THERMOSTAT - Installation . 2009 Jeep Patriot Limited 2009 ENGINE 2.4L - Service Information - Compass & Patriot a Saturday, September 08, 2012 1:27:54 PM Page 233 © 2006 Mitchell Repair Information Company, LLC.
  • 669.
    Fig. 347: ManiverterHeat Shield & Bolts Courtesy of CHRYSLER LLC 4. Install maniverter heat shields (3). Tighten bolts (1) to 12 N.m (105 in. lbs.). Fig. 348: Maniverter To Block Support Bracket Courtesy of CHRYSLER LLC 5. Install maniverter (2) support bracket and tighten bolts (1). 2009 Jeep Patriot Limited 2009 ENGINE 2.4L - Service Information - Compass & Patriot a Saturday, September 08, 2012 1:27:54 PM Page 234 © 2006 Mitchell Repair Information Company, LLC.
  • 670.
    Fig. 349: ExhaustTo Maniverter Bolts Courtesy of CHRYSLER LLC 6. Install exhaust pipe to maniverter bolts (1). Tighten bolts to 28 N.m (250 in. lbs.). Fig. 350: Oxygen Sensor Courtesy of CHRYSLER LLC 7. Install oxygen sensor (2) and connect electrical connector. 2009 Jeep Patriot Limited 2009 ENGINE 2.4L - Service Information - Compass & Patriot a Saturday, September 08, 2012 1:27:54 PM Page 235 © 2006 Mitchell Repair Information Company, LLC.
  • 671.
    Fig. 351: EngineCover Courtesy of CHRYSLER LLC 8. Install engine cover (1). Fig. 352: Air Cleaner Housing Courtesy of CHRYSLER LLC 9. Install the air cleaner housing (1). See Engine/Air Intake System/BODY, Air Cleaner - Installation. 10. Connect cables on battery (3). 2009 Jeep Patriot Limited 2009 ENGINE 2.4L - Service Information - Compass & Patriot a Saturday, September 08, 2012 1:27:54 PM Page 236 © 2006 Mitchell Repair Information Company, LLC.
  • 672.
    Fig. 353: AirCleaner Inlet Courtesy of CHRYSLER LLC 11. Position air cleaner inlet (2) and tighten retainers (5). 12. Top off the fluids. INSTALLATION Fig. 354: Torque Sequence Courtesy of CHRYSLER LLC 1. Install a new exhaust manifold gasket DO NOT APPLY SEALER . 2. Position exhaust manifold in place. 3. Tighten the exhaust manifold bolts to 34 N.m (25 ft. lbs.). 2009 Jeep Patriot Limited 2009 ENGINE 2.4L - Service Information - Compass & Patriot a Saturday, September 08, 2012 1:27:54 PM Page 237 © 2006 Mitchell Repair Information Company, LLC.
  • 673.
    Fig. 355: ExhaustManifold Heat Shield Courtesy of CHRYSLER LLC 4. Install exhaust manifold heat shields (1). Tighten bolts (2) to 12 N.m (105 in. lbs.). Fig. 356: Exhaust Manifold Support Bracket Courtesy of CHRYSLER LLC 5. Install exhaust manifold support bracket (2). 2009 Jeep Patriot Limited 2009 ENGINE 2.4L - Service Information - Compass & Patriot a Saturday, September 08, 2012 1:27:54 PM Page 238 © 2006 Mitchell Repair Information Company, LLC.
  • 674.
    Fig. 357: ExhaustPipe To Manifold Courtesy of CHRYSLER LLC 6. Install new catalytic converter gasket. 7. Install exhaust pipe to manifold (1). Tighten fasteners to 28 N.m (250 in. lbs.). 8. Connect oxygen sensor electrical connector (3). Fig. 358: Battery Cable Courtesy of CHRYSLER LLC 9. Connect negative battery cable (1). 2009 Jeep Patriot Limited 2009 ENGINE 2.4L - Service Information - Compass & Patriot a Saturday, September 08, 2012 1:27:54 PM Page 239 © 2006 Mitchell Repair Information Company, LLC.
  • 675.
    Fig. 359: EngineCover Courtesy of CHRYSLER LLC 10. Install engine cover (1). MANIFOLD, INTAKE Diagnosis and Testing INTAKE MANIFOLD LEAKS An intake manifold air leak is characterized by lower than normal manifold vacuum. Also, one or more cylinders may not be functioning. 1. Start the engine. 2. Spray a small stream of water (Spray Bottle) at the suspected leak area. 3. If engine RPM'S change, the area of the suspected leak has been found. 4. Repair as required. Removal REMOVAL WARNING: Use extreme caution when the engine is operating. Do not stand in a direct line with the fan. Do not put your hands near the pulleys, belts or the fan. Do not wear loose clothing. WARNING: Release fuel system pressure before servicing system components. Service vehicles in well ventilated areas and avoid ignition sources. Never 2009 Jeep Patriot Limited 2009 ENGINE 2.4L - Service Information - Compass & Patriot a Saturday, September 08, 2012 1:27:54 PM Page 240 © 2006 Mitchell Repair Information Company, LLC.
  • 676.
    Fig. 360: EngineCover - 2.4L Courtesy of CHRYSLER LLC 1. Remove engine cover (1). 2. Perform fuel system pressure release procedure before attempting any repairs. Refer to Fuel System/Fuel Delivery - Standard Procedure . Fig. 361: Air Cleaner Inlet Courtesy of CHRYSLER LLC 3. Remove air cleaner inlet (2). smoke while servicing the vehicle. 2009 Jeep Patriot Limited 2009 ENGINE 2.4L - Service Information - Compass & Patriot a Saturday, September 08, 2012 1:27:54 PM Page 241 © 2006 Mitchell Repair Information Company, LLC.
  • 677.
    Fig. 362: AirCleaner Housing Courtesy of CHRYSLER LLC 4. Remove air cleaner housing (1). 5. Disconnect negative cable at battery (3). Fig. 363: Coil Connector Courtesy of CHRYSLER LLC 6. Disconnect fuel line at rail (3). 7. Remove fuel injector electrical connectors (4). 8. Remove fuel rail retaining bolts and remove fuel rail. 2009 Jeep Patriot Limited 2009 ENGINE 2.4L - Service Information - Compass & Patriot a Saturday, September 08, 2012 1:27:54 PM Page 242 © 2006 Mitchell Repair Information Company, LLC.
  • 678.
    Fig. 364: OilTemperature Sensor Courtesy of CHRYSLER LLC 9. Disconnect oil temperature sensor (1). 10. Disconnect variable valve timing solenoid electrical connector. 11. Disconnect intake camshaft position sensor electrical connector. 12. Position harness out of the way. Fig. 365: Throttle Body Support Courtesy of CHRYSLER LLC 13. Remove throttle body support bracket (1). 14. Disconnect electronic throttle control electrical connector. 15. Remove wiring harness retainer from the intake manifold (2). 2009 Jeep Patriot Limited 2009 ENGINE 2.4L - Service Information - Compass & Patriot a Saturday, September 08, 2012 1:27:54 PM Page 243 © 2006 Mitchell Repair Information Company, LLC.
  • 679.
    16. Disconnect MAPsensor electrical connector. 17. Disconnect vacuum lines at intake. Fig. 366: Radiator Hose Support Courtesy of CHRYSLER LLC 18. Remove upper radiator hose retaining bracket (1). Fig. 367: Torque Sequence Courtesy of CHRYSLER LLC 19. Remove intake manifold retaining bolts. 20. Remove intake manifold. Cleaning 2009 Jeep Patriot Limited 2009 ENGINE 2.4L - Service Information - Compass & Patriot a Saturday, September 08, 2012 1:27:54 PM Page 244 © 2006 Mitchell Repair Information Company, LLC.
  • 680.
    CLEANING 1. Discard gasket(s). 2.Clean all sealing surfaces. Inspection INSPECTION 1. Inspect manifold for cracks, distortion, or mounting surface warpage. Replace manifold if necessary. 2. Inspect manifold gasket for surface damage or excessive swelling. Replace gaskets as necessary. Installation INSTALLATION Fig. 368: Torque Sequence Courtesy of CHRYSLER LLC 1. Clean all gasket surfaces. 2. Replace intake manifold gasket. 3. Install intake manifold, tighten bolts to 25 N.m (220 in. lbs.). 4. Install the fuel rail assembly to intake manifold. Tighten bolts to 23 N.m (200 in. lbs.). 5. Connect fuel injector electrical connectors. 2009 Jeep Patriot Limited 2009 ENGINE 2.4L - Service Information - Compass & Patriot a Saturday, September 08, 2012 1:27:54 PM Page 245 © 2006 Mitchell Repair Information Company, LLC.
  • 681.
    Fig. 369: AirCleaner Housing Courtesy of CHRYSLER LLC 6. Inspect quick connect fittings for damage, replace if necessary. Refer to Fuel System/Fuel Delivery/FITTING, Quick Connect - Standard Procedure . Connect fuel supply hose to fuel rail assembly. Check connection by pulling on connector to insure it locked into position. 7. Connect negative cable to battery (3). 8. Fill the cooling system. Refer to Cooling - Standard Procedure . Fig. 370: Air Cleaner Housing Courtesy of CHRYSLER LLC 9. Install air cleaner housing (1). 2009 Jeep Patriot Limited 2009 ENGINE 2.4L - Service Information - Compass & Patriot a Saturday, September 08, 2012 1:27:54 PM Page 246 © 2006 Mitchell Repair Information Company, LLC.
  • 682.
    Fig. 371: EngineCover - 2.4L Courtesy of CHRYSLER LLC 10. Install engine cover. VALVE TIMING DESCRIPTION DESCRIPTION Fig. 372: Timing Drive Courtesy of CHRYSLER LLC 2009 Jeep Patriot Limited 2009 ENGINE 2.4L - Service Information - Compass & Patriot a Saturday, September 08, 2012 1:27:54 PM Page 247 © 2006 Mitchell Repair Information Company, LLC.
  • 683.
    The timing drivesystem consists of the following: Timing Chain (2) Camshaft Sprockets (1, 3) Crankshaft Sprocket Right Timing Chain Guide (Moveable) (6) Left Timing Chain Guide (Fixed) (4) Timing Chain Tensioner (5) The camshaft sprockets are attached to the cam phasers which are attached to the front of the camshafts and are used with the timing chain and crankshaft sprocket to turn the camshafts. The camshaft position sensors target is part of the camshafts and is used with the camshaft position sensors to provide the PCM with valvetrain position information. The timing chain tensioner is installed in the right side of the engine block. Using engine oil pressure, the tensioner applies constant pressure to the right side (movable) timing chain guide, which in turn applies pressure to the timing chain. Also as the tensioner extends, it rachet locks in position to provide constant timing chain tension. STANDARD PROCEDURE VALVE TIMING VERIFICATION Fig. 373: TDC CAUTION: Painted or colored chain links are used during initial engine assembly and can not be relied upon for valve timing verification. These markings are in different locations for early production, late production and service parts. Only use TDC marks, cylinder head cover sealing surface and camshaft sprocket marks to verify valve timing or engine damage may result. 2009 Jeep Patriot Limited 2009 ENGINE 2.4L - Service Information - Compass & Patriot a Saturday, September 08, 2012 1:27:54 PM Page 248 © 2006 Mitchell Repair Information Company, LLC.
  • 684.
    Courtesy of CHRYSLERLLC 1. Remove engine cover. 2. Remove cylinder head cover. See Engine/Cylinder Head/COVER(S), Cylinder Head - Removal. 3. Set engine to TDC (1, 2). Fig. 374: Camshaft Timing Courtesy of CHRYSLER LLC 4. The marks on the camshaft sprockets (3) should be in line with the cylinder head cover sealing surface. 5. Install cylinder head cover. See Engine/Cylinder Head/COVER(S), Cylinder Head - Installation. 6. Install the engine cover. CHAIN AND SPROCKETS, TIMING Removal TIMING CHAIN 2009 Jeep Patriot Limited 2009 ENGINE 2.4L - Service Information - Compass & Patriot a Saturday, September 08, 2012 1:27:54 PM Page 249 © 2006 Mitchell Repair Information Company, LLC.
  • 685.
    Fig. 375: TDC Courtesyof CHRYSLER LLC 1. Set engine to TDC. 2. Remove timing chain cover. See Engine/Valve Timing/COVER(S), Engine Timing - Removal. Fig. 376: Timing Chain Timing Marks Courtesy of CHRYSLER LLC NOTE: If the timing chain plated links can no longer be seen, the timing chain links corresponding to the timing marks must be marked prior to removal if the chain is to be reused. 2009 Jeep Patriot Limited 2009 ENGINE 2.4L - Service Information - Compass & Patriot a Saturday, September 08, 2012 1:27:54 PM Page 250 © 2006 Mitchell Repair Information Company, LLC.
  • 686.
    3. Mark chainlink (1) corresponding to camshaft timing mark. Fig. 377: Crankshaft Timing Marks Courtesy of CHRYSLER LLC 4. Mark chain link (3) corresponding to crankshaft timing mark (2). Fig. 378: Timing Drive Courtesy of CHRYSLER LLC 5. Remove timing chain tensioner (5). See Engine/Valve Timing/TENSIONER, Engine Timing - Removal. 6. Remove timing chain (2). CAMSHAFT SPROCKET(S) 2009 Jeep Patriot Limited 2009 ENGINE 2.4L - Service Information - Compass & Patriot a Saturday, September 08, 2012 1:27:54 PM Page 251 © 2006 Mitchell Repair Information Company, LLC.
  • 687.
    Refer to camshaftphaser removal. See Engine/Cylinder Head/CAMSHAFT, Engine - Removal. CRANKSHAFT SPROCKET Fig. 379: Crankshaft Sprocket Courtesy of CHRYSLER LLC 1. Remove timing chain. See Engine/Valve Timing/CHAIN and SPROCKETS, Timing - Removal. 2. Remove oil pan. See Engine/Lubrication/PAN, Oil - Removal. 3. Remove oil pump drive chain tensioner. 4. Remove oil pump drive chain. 5. Remove crankshaft sprocket (1). Inspection INSPECTION NOTE: Camshaft phasers and camshaft sprockets are supplied as an assembly, do not attempt to disassemble. 2009 Jeep Patriot Limited 2009 ENGINE 2.4L - Service Information - Compass & Patriot a Saturday, September 08, 2012 1:27:54 PM Page 252 © 2006 Mitchell Repair Information Company, LLC.
  • 688.
    Fig. 380: CheckingTiming Chain Stretch Courtesy of CHRYSLER LLC Inspect timing chain for stretching prior to removal. 1. Rotate engine while watching timing chain tensioner plunger. When the plunger reaches its maximum travel stop rotating engine. 2. Measure the distance from the tensioner body and the edge of the chain guide as shown in illustration. 3. If the distance is greater than 20.5 mm (0.81 in.) inspect guide shoes for excessive wear. 4. If guides are okay, replace timing chain. Installation CRANKSHAFT SPROCKET 2009 Jeep Patriot Limited 2009 ENGINE 2.4L - Service Information - Compass & Patriot a Saturday, September 08, 2012 1:27:54 PM Page 253 © 2006 Mitchell Repair Information Company, LLC.
  • 689.
    Fig. 381: CrankshaftSprocket Courtesy of CHRYSLER LLC 1. Install crankshaft sprocket (1) onto crankshaft. Fig. 382: BSM Tensioner Courtesy of CHRYSLER LLC 2. Install oil pump drive chain. Verify that Oil pump is correctly timed (1, 2, 5, 6). Fig. 383: Oil Pump Tensioner Reset Courtesy of CHRYSLER LLC 3. Reset oil pump drive chain tensioner by pushing plunger inward and install tensioner pin 8514. 2009 Jeep Patriot Limited 2009 ENGINE 2.4L - Service Information - Compass & Patriot a Saturday, September 08, 2012 1:27:54 PM Page 254 © 2006 Mitchell Repair Information Company, LLC.
  • 690.
    Fig. 384: BSMTensioner Courtesy of CHRYSLER LLC 4. Install oil pump drive chain tensioner (3) and remove Tensioner Pin 8514 (4). 5. Install timing chain. See Engine/Valve Timing/CHAIN and SPROCKETS, Timing - Installation. 6. Install oil pan. See Engine/Lubrication/PAN, Oil - Installation. 7. Fill engine with oil. See Engine/Lubrication/OIL - Standard Procedure. 8. Start engine and check for leaks. CAMSHAFT SPROCKET(S) Fig. 385: Cam Phaser Installation Courtesy of CHRYSLER LLC 2009 Jeep Patriot Limited 2009 ENGINE 2.4L - Service Information - Compass & Patriot a Saturday, September 08, 2012 1:27:54 PM Page 255 © 2006 Mitchell Repair Information Company, LLC.
  • 691.
    1. Refer toCamshaft phaser (2) installation. See Engine/Cylinder Head/CAMSHAFT, Engine - Installation). TIMING CHAIN Fig. 386: Crankshaft Timing Marks Courtesy of CHRYSLER LLC 1. Verify that the engine is still set to TDC. NOTE: The camshaft sprockets and the camshaft phasers are an assembly and cannot be serviced separately. CAUTION: Do not use an impact wrench to tighten camshaft sprocket bolts. Damage to the camshaft-to-sprocket locating dowel pin and camshaft phaser may occur. NOTE: The crankshaft timing mark (3) or (5) can be in one of two locations depending on whether the engine is early production (5), late production (3) or assembled with service parts (3). In all cases the keyway (2) will always be in the 9:00 position, in line with the ladder frame mounting surface (1) when the engine is at TDC. 2009 Jeep Patriot Limited 2009 ENGINE 2.4L - Service Information - Compass & Patriot a Saturday, September 08, 2012 1:27:54 PM Page 256 © 2006 Mitchell Repair Information Company, LLC.
  • 692.
    Fig. 387: TimingChain Timing Marks Courtesy of CHRYSLER LLC 2. Align camshaft timing marks (3) so they are facing each other and in line with the cylinder head cover sealing surface (2). 3. Install timing chain so plated (or marked) links on chain align with timing marks on camshaft sprockets (1). Fig. 388: Crankshaft Timing Marks Courtesy of CHRYSLER LLC 4. Align timing mark on the crankshaft sprocket (3) or (5) with the plated (or marked) link (4) on the timing chain. Position chain so slack will be on the tensioner side. 2009 Jeep Patriot Limited 2009 ENGINE 2.4L - Service Information - Compass & Patriot a Saturday, September 08, 2012 1:27:54 PM Page 257 © 2006 Mitchell Repair Information Company, LLC.
  • 693.
    Fig. 389: TimingDrive Courtesy of CHRYSLER LLC 5. Install the timing chain tensioner (5). See Engine/Valve Timing/TENSIONER, Engine Timing - Installation Rotate the crankshaft CLOCKWISE two complete revolutions until the crankshaft is repositioned at the TDC position with the key way at the 9 o'clock position. 6. Verify that the camshafts timing marks (3) are in the proper position and in line with the cylinder head cover sealing surface. If the marks do not line up, the timing chain is not correctly installed. 7. Install front timing chain cover. See Engine/Valve Timing/COVER(S), Engine Timing - Installation. 8. Connect negative battery cable. 9. Operate engine until it reaches normal operating temperature. Check oil and cooling systems for correct fluid levels. COVER(S), ENGINE TIMING Removal REMOVAL NOTE: Keep the slack in the timing chain on the tensioner side. 2009 Jeep Patriot Limited 2009 ENGINE 2.4L - Service Information - Compass & Patriot a Saturday, September 08, 2012 1:27:54 PM Page 258 © 2006 Mitchell Repair Information Company, LLC.
  • 694.
    Fig. 390: EngineCover Courtesy of CHRYSLER LLC 1. Remove engine cover (1) by pulling upward. 2. Perform fuel pressure bleed procedure. Refer to Fuel System/Fuel Delivery - Standard Procedure . 3. Disconnect and isolate the negative battery cable. Fig. 391: Coolant Reservoir Courtesy of CHRYSLER LLC 4. Remove coolant recovery bottle (3). Refer to Cooling/Engine/BOTTLE, Coolant Recovery - Removal . 5. Remove and reposition power steering reservoir (2). 6. Remove windshield washer bottle (1). Refer to Electrical/Wipers/Washers/RESERVOIR, Windshield Washer - Removal . 2009 Jeep Patriot Limited 2009 ENGINE 2.4L - Service Information - Compass & Patriot a Saturday, September 08, 2012 1:27:54 PM Page 259 © 2006 Mitchell Repair Information Company, LLC.
  • 695.
    7. Remove accessorydrive belt. Refer to Cooling/Accessory Drive/BELT, Serpentine - Removal . Fig. 392: Pressure Hose Courtesy of CHRYSLER LLC 8. Remove power steering hose hold down (2). Fig. 393: Power Steering Pump - Gas Courtesy of CHRYSLER LLC 9. Remove the three power steering pump mounting bolts (1) through the openings in the pulley (3) and reposition the pump. 2009 Jeep Patriot Limited 2009 ENGINE 2.4L - Service Information - Compass & Patriot a Saturday, September 08, 2012 1:27:54 PM Page 260 © 2006 Mitchell Repair Information Company, LLC.
  • 696.
    Fig. 394: TorqueSequence Courtesy of CHRYSLER LLC 10. Remove the cylinder head cover. See Engine/Cylinder Head/COVER(S), Cylinder Head - Removal. 11. Remove ignition coils from cylinder head cover. Fig. 395: TDC Courtesy of CHRYSLER LLC 12. Raise and support the vehicle. Refer to Vehicle Quick Reference/Hoisting - Standard Procedure . 13. Remove the right lower splash shield. Refer to Body/Exterior/SHIELD, Splash - Removal . 14. Set engine to TDC (1). 2009 Jeep Patriot Limited 2009 ENGINE 2.4L - Service Information - Compass & Patriot a Saturday, September 08, 2012 1:27:54 PM Page 261 © 2006 Mitchell Repair Information Company, LLC.
  • 697.
    Fig. 396: A/CCompressor Courtesy of CHRYSLER LLC 15. Remove lower A/C compressor bolts if equipped. 16. Remove lower A/C compressor mount (2) if equipped. Fig. 397: Accessory Drive Belt Idler Pulley - 2.4L Courtesy of CHRYSLER LLC 17. Remove accessory drive belt lower idler pulley (2). 2009 Jeep Patriot Limited 2009 ENGINE 2.4L - Service Information - Compass & Patriot a Saturday, September 08, 2012 1:27:54 PM Page 262 © 2006 Mitchell Repair Information Company, LLC.
  • 698.
    Fig. 398: EngineFront Courtesy of CHRYSLER LLC 18. Remove crankshaft damper (2). See Engine/Engine Block/DAMPER, Vibration - Removal. 19. Remove three bolts and water pump pulley (4) from water pump. 20. Remove lower bolt from right side engine mount bracket (1). Fig. 399: Timing Chain Cover Lower Bolts Courtesy of CHRYSLER LLC 21. Remove timing chain cover lower bolts (1). 22. Lower vehicle. 23. Support engine with suitable jack. 2009 Jeep Patriot Limited 2009 ENGINE 2.4L - Service Information - Compass & Patriot a Saturday, September 08, 2012 1:27:54 PM Page 263 © 2006 Mitchell Repair Information Company, LLC.
  • 699.
    Fig. 400: RightEngine Mount Courtesy of CHRYSLER LLC 24. Remove right engine mount through bolt (4). 25. Remove right engine mount to mount bracket bolts (3). 26. Remove right engine mount adapter (2). Fig. 401: Accessory Drive Belt Idler Pulley - 2.4L Courtesy of CHRYSLER LLC 27. Remove accessory drive upper idler pulley (1). 2009 Jeep Patriot Limited 2009 ENGINE 2.4L - Service Information - Compass & Patriot a Saturday, September 08, 2012 1:27:54 PM Page 264 © 2006 Mitchell Repair Information Company, LLC.
  • 700.
    Fig. 402: EngineFront Courtesy of CHRYSLER LLC 28. Remove right upper engine mount bracket (1). 29. Remove accessory drive belt tensioner. 30. Remove timing chain cover retaining bolts. 2009 Jeep Patriot Limited 2009 ENGINE 2.4L - Service Information - Compass & Patriot a Saturday, September 08, 2012 1:27:54 PM Page 265 © 2006 Mitchell Repair Information Company, LLC.
  • 701.
    Fig. 403: TimingChain Cover Pry Points Courtesy of CHRYSLER LLC 31. Remove timing chain cover using pry points (1, 2, 3). Fig. 404: Timing Chain Cover Removal Courtesy of CHRYSLER LLC 2009 Jeep Patriot Limited 2009 ENGINE 2.4L - Service Information - Compass & Patriot a Saturday, September 08, 2012 1:27:54 PM Page 266 © 2006 Mitchell Repair Information Company, LLC.
  • 702.
    32. Remove timingchain cover (1) out through the bottom of the vehicle. Installation INSTALLATION Fig. 405: Front Cover Upper T-Joints Courtesy of CHRYSLER LLC 1. Clean all sealing surfaces. See Engine - Standard Procedure. 2. Apply Mopar® engine sealant RTV (or equivalent) as shown in illustration at the cylinder head to block parting line (1,2). NOTE: When using RTV, the sealing surfaces must be clean and free from grease and oil. NOTE: When using RTV, parts should be assembled in 10 minutes and tighten to final torque within 45 minutes. 2009 Jeep Patriot Limited 2009 ENGINE 2.4L - Service Information - Compass & Patriot a Saturday, September 08, 2012 1:27:54 PM Page 267 © 2006 Mitchell Repair Information Company, LLC.
  • 703.
    Fig. 406: LowerT-Joints Courtesy of CHRYSLER LLC 3. Apply Mopar® engine sealant RTV (or equivalent) as shown in illustration at the ladder frame to block parting line (1, 2). Fig. 407: Sealing Oil Pan Courtesy of CHRYSLER LLC 4. Apply Mopar® engine sealant RTV (or equivalent) as shown in illustration in the corner of the oil pan and block. 5. Apply 2 mm bead of Mopar® engine sealant RTV (or equivalent) to the oil pan as shown in illustration. 2009 Jeep Patriot Limited 2009 ENGINE 2.4L - Service Information - Compass & Patriot a Saturday, September 08, 2012 1:27:54 PM Page 268 © 2006 Mitchell Repair Information Company, LLC.
  • 704.
    Fig. 408: TimingChain Cover Sealing Courtesy of CHRYSLER LLC 6. Apply 2 mm bead of Mopar® engine sealant RTV (or equivalent) to the engine block (1,2) as shown in illustration. Fig. 409: Timing Chain Cover Removal Courtesy of CHRYSLER LLC 7. Install timing chain cover (1) upwards from under the vehicle. 8. Install timing chain cover upper retaining bolts and tighten M6 bolts to 9 N.m (80 in. lbs.) and M8 bolts to 26 N.m (230 in. lbs.). 9. Install accessory drive belt tensioner. Tighten bolt to 24 N.m (212 in. lbs.). 2009 Jeep Patriot Limited 2009 ENGINE 2.4L - Service Information - Compass & Patriot a Saturday, September 08, 2012 1:27:54 PM Page 269 © 2006 Mitchell Repair Information Company, LLC.
  • 705.
    Fig. 410: RightEngine Mount Bracket Courtesy of CHRYSLER LLC 10. Install right engine mount bracket (1). Tighten bolts to 50 N.m (37 ft. lbs.). Fig. 411: Accessory Drive Belt Idler Pulley - 2.4L Courtesy of CHRYSLER LLC 11. Install accessory drive belt upper idler pulley (1). Tighten bolt to 48 N.m (35 ft. lbs.). 2009 Jeep Patriot Limited 2009 ENGINE 2.4L - Service Information - Compass & Patriot a Saturday, September 08, 2012 1:27:54 PM Page 270 © 2006 Mitchell Repair Information Company, LLC.
  • 706.
    Fig. 412: RightEngine Mount Courtesy of CHRYSLER LLC 12. Install engine mount adapter (2) and tighten bolts (3) to 68 N.m (50 ft. lbs.). 13. Install engine mount through bolt (4) and tighten to 88 N.m (65 ft. lbs.). 14. Remove jack from under engine. Fig. 413: Timing Chain Cover Lower Bolts Courtesy of CHRYSLER LLC 15. Raise and support the vehicle. Refer to Vehicle Quick Reference/Hoisting - Standard Procedure . 16. Install oil pan to timing chain cover lower retaining bolts (1) and tighten M6 bolts to 9 N.m (80 in. lbs.). 2009 Jeep Patriot Limited 2009 ENGINE 2.4L - Service Information - Compass & Patriot a Saturday, September 08, 2012 1:27:54 PM Page 271 © 2006 Mitchell Repair Information Company, LLC.
  • 707.
    Fig. 414: EngineFront Courtesy of CHRYSLER LLC 17. Install water pump pulley (4) and tighten three bolts to 9 N.m (80 in. lbs.). 18. Install crankshaft damper (2). See Engine/Engine Block/DAMPER, Vibration - Installation Fig. 415: Accessory Drive Belt Idler Pulley - 2.4L Courtesy of CHRYSLER LLC 19. Install accessory drive belt lower idler pulley (2). Tighten bolt to 48 N.m (35 ft. lbs.). 2009 Jeep Patriot Limited 2009 ENGINE 2.4L - Service Information - Compass & Patriot a Saturday, September 08, 2012 1:27:54 PM Page 272 © 2006 Mitchell Repair Information Company, LLC.
  • 708.
    Fig. 416: A/CCompressor Courtesy of CHRYSLER LLC 20. Install lower A/C compressor mounting bracket (2). Tighten the bolts to 24 N.m (18 ft. lbs.). 21. Install A/C compressor (1). Tighten the bolts to 25 N.m (18 ft. lbs.). 22. Install right lower splash shield. Refer to Body/Exterior/SHIELD, Splash - Installation . 23. Lower vehicle. Fig. 417: Torque Sequence Courtesy of CHRYSLER LLC 24. Install cylinder head cover and ignition coils. See Engine/Cylinder Head/COVER(S), Cylinder Head - Installation. 2009 Jeep Patriot Limited 2009 ENGINE 2.4L - Service Information - Compass & Patriot a Saturday, September 08, 2012 1:27:54 PM Page 273 © 2006 Mitchell Repair Information Company, LLC.
  • 709.
    Fig. 418: PowerSteering Pump - Gas Courtesy of CHRYSLER LLC 25. Place the power steering pump in mounting position. Install the three bolts (1) through openings in the pulley (3). Tighten the mounting bolts (1) to 26 N.m (19 ft. lbs.). Fig. 419: Pressure Hose Courtesy of CHRYSLER LLC 26. Install the power steering hose hold down (2). 27. Install accessory drive belt. Refer to Cooling/Accessory Drive/BELT, Serpentine - Installation . 2009 Jeep Patriot Limited 2009 ENGINE 2.4L - Service Information - Compass & Patriot a Saturday, September 08, 2012 1:27:54 PM Page 274 © 2006 Mitchell Repair Information Company, LLC.
  • 710.
    Fig. 420: CoolantReservoir Courtesy of CHRYSLER LLC 28. Install power steering pump reservoir (2). Tighten mounting screw to 12 N.m (106 in. lbs.). 29. Install windshield washer reservoir (1). 30. Install coolant recovery reservoir (3). Tighten mounting bolts to 4 N.m (35 in. lbs.). Fig. 421: Air Cleaner Housing Courtesy of CHRYSLER LLC 31. Install clean air hose (5) and air cleaner housing (1). See Engine/Air Intake System/BODY, Air Cleaner - Installation. 32. Install air cleaner housing inlet. 33. Connect negative battery cable. 2009 Jeep Patriot Limited 2009 ENGINE 2.4L - Service Information - Compass & Patriot a Saturday, September 08, 2012 1:27:54 PM Page 275 © 2006 Mitchell Repair Information Company, LLC.
  • 711.
    Fig. 422: EngineCover - 2.4L Courtesy of CHRYSLER LLC 34. Operate engine until it reaches normal operating temperature. Check oil system for leaks and correct fluid level. 35. Install engine cover (1). TENSIONER, ENGINE TIMING Removal REMOVAL Fig. 423: Timing Drive Courtesy of CHRYSLER LLC 2009 Jeep Patriot Limited 2009 ENGINE 2.4L - Service Information - Compass & Patriot a Saturday, September 08, 2012 1:27:55 PM Page 276 © 2006 Mitchell Repair Information Company, LLC.
  • 712.
    1. Remove theengine timing cover. See Engine/Valve Timing/COVER(S), Engine Timing - Removal. 2. Remove timing chain tensioner retaining bolts and remove tensioner (5). Installation INSTALLATION Fig. 424: Tensioner Reset Courtesy of CHRYSLER LLC 1. Reset timing chain tensioner (4) by lifting up on ratchet (2) and pushing plunger (3) inward towards the tensioner body (4). Insert Tensioner Pin 8514 into slot (1) to hold tensioner plunger in the retracted position. NOTE: Tensioner will not come apart during removal. 2009 Jeep Patriot Limited 2009 ENGINE 2.4L - Service Information - Compass & Patriot a Saturday, September 08, 2012 1:27:55 PM Page 277 © 2006 Mitchell Repair Information Company, LLC.
  • 713.
    Fig. 425: TimingChain Tensioner Courtesy of CHRYSLER LLC 2. Install timing chain tensioner (1) and tighten bolts to 12 N.m (105 in. lbs.). 3. Remove timing Tensioner Pin 8514 (2). 4. Install the engine timing cover. See Engine/Valve Timing/COVER(S), Engine Timing - Installation NOTE: Keep the slack in the timing chain on the tensioner side. 2009 Jeep Patriot Limited 2009 ENGINE 2.4L - Service Information - Compass & Patriot a Saturday, September 08, 2012 1:27:55 PM Page 278 © 2006 Mitchell Repair Information Company, LLC.
  • 714.
    2009 BRAKES ABS -Service Information - Compass & Patriot DESCRIPTION ANTILOCK BRAKE SYSTEM Fig. 1: Integrated Control Unit Courtesy of CHRYSLER LLC This vehicle uses an antilock brake system designated MK25e. For this vehicle, MK25e is standard with Electronic Stability Program (ESP) and All-Speed Traction Control. This antilock brake system uses components of the base brake system, but also features the following components: Integrated Control Unit (ICU) - Hydraulic Control Unit (HCU) (2) and Antilock Brake Module (ABM) (1) Wheel Speed Sensors (WSS) - Four sensors (one at each wheel) The MK25e ICU is made up of the Hydraulic Control Unit (HCU) and the Antilock Brake Module (ABM). For additional information on these components. See Brakes/Hydraulic/Mechanical/HYDRAULIC CONTROL UNIT (HCU) - Description . Refer to Electrical - Electronic Control Modules/Electronic Control Modules/MODULE, Anti-Lock Brake System - Description . ABS The purpose of the antilock brake system (ABS) is to prevent wheel lockup under braking conditions on virtually any type of road surface. Antilock braking is desirable because a vehicle that is stopped without 2009 Jeep Patriot Limited 2009 BRAKES ABS - Service Information - Compass & Patriot 2009 Jeep Patriot Limited 2009 BRAKES ABS - Service Information - Compass & Patriot a Saturday, September 08, 2012 12:37:03 PM Page 1 © 2006 Mitchell Repair Information Company, LLC. a Saturday, September 08, 2012 12:37:07 PM Page 1 © 2006 Mitchell Repair Information Company, LLC.
  • 715.
    locking the wheelsretains directional stability and some steering capability. This allows the driver to retain greater control of the vehicle during braking. All vehicles use Electronic Variable Brake Proportioning (EVBP) to balance front-to-rear braking when the brakes are applied in the partial braking range. For more information on electronic brake distribution. See Brakes - Description. ELECTRONIC STABILITY PROGRAM For information on the Electronic Stability Program. See Brakes - Description. TRACTION CONTROL For information on the All-Speed Traction Control. See Brakes - Description. OFF-ROAD ABS Four-wheel-drive vehicles are equipped with Off-Road ABS. Off-Road ABS provides more sustained wheel lockup than normal ABS for improved stopping performance on plowable surfaces like loose dirt, gravel, sand and mud. Such plowable surfaces move out of the way as the tires roll on them and form a wedge in front of the tires during braking because more sustained wheel lock up causes the tires to drag and the loose surface to build up in front of the tires, helping to stop the vehicle. A vehicle with normal ABS requires a longer stopping distance on the same terrain because the wheels continue rotating, not allowing the drag and build up material in front of the tires. ELECTRONIC STABILITY PROGRAM Electronic Stability Program (ESP®), which includes Hydraulic Brake Assist, Traction Control, Electronic Roll Mitigation, and Brake Lock Differentials is standard on all vehicles. ESP® aids the driver in maintaining vehicle directional stability. ESP will do whatever can be done, within the limits of available traction, to keep the car on course. ESP® uses the ABS with Traction Control (MK25E) along with the following components to operate: Dynamics (ESP) Sensor Steering Angle Sensor (SAS) The Dynamics Sensor that is mounted under the center console, which is near the center of gravity of the car for effective sensing. See Brakes/Electrical/SENSOR, Dynamics - Description. The Steering Angle Sensor is located in the steering column. See Brakes/Electrical/SENSOR, Steering Wheel Angle - Description. On this vehicle, ESP® has three modes: Full-On, Partial and Full-Off. The ESP® default mode is Full-On with every key-on. Pressing the ESP Off switch button in the center stack once activates the Partial mode. In Partial mode, Traction Control is deactivated and ESP® operates at a higher threshold, therefore, it will not come on as aggressively as in the Full-On mode. Pressing and holding the ESP Off switch button for five seconds or longer turns the system completely off. This condition is confirmed by a single warning chime and a text message in the odometer display "ESP FULL OFF." The system can be returned to "normal" Full-On mode by briefly 2009 Jeep Patriot Limited 2009 BRAKES ABS - Service Information - Compass & Patriot a Saturday, September 08, 2012 12:37:03 PM Page 2 © 2006 Mitchell Repair Information Company, LLC.
  • 716.
    pressing and releasingthe ESP Off switch. HYDRAULIC BRAKE ASSIST Brake Assist is programmed into the ESP® system. Brake assist helps the driver overcome the tendency to not apply the brakes hard enough or quick enough to achieve the minimum stopping distance during a panic stop. During this situation, the ESP® system instantly applies the maximum available pressure to the brakes and the vehicle stops as quickly as available traction will allow. TRACTION CONTROL For information on the All-Speed Traction Control. See Brakes - Description. ELECTRONIC ROLL MITIGATION ESP® Full-On and Partial modes include an algorithm for Electronic Roll Mitigation (ERM). ERM is an algorithm on top of ESP® control that is targeted toward preventing wheel lift in the NHTSA Fish Hook maneuvers. These very extreme situations are well out of normal everyday driving, but by chance a high dynamic maneuver occurs, ERM can help return vehicle stability and control to the driver. Electronic Roll Mitigation attempts to determine when a vehicle is in a position to mitigate vehicle rollover and minimize the risk by applying the appropriate braking force to reduce the likelihood that such an event will occur. This added measure is designed to aid the driver in maintaining vehicle stability during an emergency maneuver or accident avoidance situation. ERM will not aid vehicle stability in "trip" situations, such as when a vehicle slides sideways and strikes a curb, which could then cause the side opposite the curb to lift and the vehicle to roll. BRAKE LOCK DIFFERENTIALS Brake Lock Differentials (BLDs) are part of the ESP® base algorithm and tuned for on-road activity. Brake Lock differentials improve vehicle mobility by applying braking force to a driven wheel that is spinning faster than the mate on the same axle to provide an equal amount of torque for each wheel, thereby providing torque to the wheel with the most traction. The on-road BLD is calibrated for on-road conditions such as when one wheel is on ice or gravel and the other is on dry pavement, this type of condition is called a split-friction surface. Vehicles equipped with the Off-Road Group (sales code AWL) include a separate set of BLD calibrations that are designed for Off-Road mode use while crawling over obstacles, during heavy articulation activity, split- friction surfaces and other conditions. Off-Road BLDs direct torque from the wheel that slips to the wheel with more grip on a given axle helping maintain forward mobility over all types of off-road terrain. Off-Road BLD calibrations are activated when the vehicle is in the Off-Road mode. The Off-road calibration applies much more aggressive and longer duration brake caliper clamping than the calibration for on-road BLDs to achieve the desired performance over off-road events. HILL DESCENT CONTROL Hill Descent Control (HDC) is included on vehicles equipped with the Off-Road Group (sales code AWL). It provides downhill assistance at a safe and controlled rate of speed without requiring the driver to touch the brakes or press a button. This feature operates in low and reverse gears. By means of electronics it replaces the 2009 Jeep Patriot Limited 2009 BRAKES ABS - Service Information - Compass & Patriot a Saturday, September 08, 2012 12:37:03 PM Page 3 © 2006 Mitchell Repair Information Company, LLC.
  • 717.
    gear reduction andengine braking that a traditional mechanical low-range transfer case provides. For ease of operation, HDC is activated and deactivated automatically according to changes in topography using grade sensing. TRACTION CONTROL Fig. 2: I/P Switch Pod Courtesy of CHRYSLER LLC The traction control system that is part of the Electronic Stability Program (ESP®), is an all-speed traction control. All-Speed Traction Control enhances mobility and prevents wheel slip when accelerating on slippery surfaces. It also provides a measure of directional stability control. Using the wheel-speed sensors, it can detect excessive yaw and help keep the car on the intended course, as for instance, when accelerating around a curve. All-Speed Traction Control is effective up to 85 mph (137 km/h). The traction control system may be turned off or on by depressing the ESP Off switch button located on the instrument panel. ELECTRONIC VARIABLE BRAKE PROPORTIONING Vehicles equipped with ABS use Electronic Variable Brake Proportioning (EVBP) to balance front-to-rear braking. The EVBP is used in place of a rear proportioning valve. The EVBP system uses the ABS system to control the slip of the rear wheels in partial braking range. The braking force of the rear wheels is controlled electronically by using the inlet and outlet valves located in the Integrated Control Unit (ICU). OPERATION ANTILOCK BRAKE SYSTEM ABS 2009 Jeep Patriot Limited 2009 BRAKES ABS - Service Information - Compass & Patriot a Saturday, September 08, 2012 12:37:03 PM Page 4 © 2006 Mitchell Repair Information Company, LLC.
  • 718.
    There are afew performance characteristics of the Antilock Brake System (ABS) that may at first seem abnormal, but in fact are normal. These characteristics are described below. NORMAL BRAKING Under normal braking conditions, the ABS functions the same as a standard base brake system with a diagonally split master cylinder and conventional vacuum assist. ABS BRAKING ABS operation is available at all vehicle speeds above 5-8 km/h (3-5 mph) If a wheel locking tendency is detected during a brake application, the brake system enters the ABS mode. During ABS braking, hydraulic pressure in the four wheel circuits is modulated to prevent any wheel from locking. Each wheel circuit is designed with a set of electric solenoids to allow modulation, although for vehicle stability, both rear wheel solenoids receive the same electrical signal. Wheel lockup may be perceived at the very end of an ABS stop and is considered normal. During an ABS event, the Integrated Control Unit (ICU) regulates hydraulic pressure at all four of the vehicle's wheels. The hydraulic pressure at each front wheel is controlled independently (relative to the amount of slip at each wheel) in order to maximize the braking force generated by the front brakes. The rear wheels are controlled such that the hydraulic pressure at either rear wheel does not exceed that of the highest slip rear wheel in order to maintain vehicle stability. The system can build and release pressure at each wheel, depending on signals generated by the Wheel Speed Sensors (WSS) at each wheel and received at the Antilock Brake Module (ABM). NOISE AND BRAKE PEDAL FEEL During ABS braking, some brake pedal movement may be felt. In addition, ABS braking will create ticking, popping, or groaning noises heard by the driver. This is normal and is due to pressurized fluid being transferred between the master cylinder and the brakes. If ABS operation occurs during hard braking, some pulsation may be felt in the vehicle body due to fore and aft movement of the suspension as brake pressures are modulated. At the end of an ABS stop, ABS is turned off when the vehicle is slowed to a speed of 5-6 km/h (3-4 mph). There may be a slight brake pedal drop anytime that the ABS is deactivated, such as at the end of the stop when the vehicle speed is less than 3 mph (5 km/h) or during an ABS stop where ABS is no longer required. These conditions exist when a vehicle is being stopped on a road surface with patches of ice, loose gravel, or sand on it. Also, stopping a vehicle on a bumpy road surface activates ABS because of the wheel hop caused by the bumps. TIRE NOISE AND MARKS Although the ABS system prevents complete wheel lockup, some wheel slip is desired in order to achieve optimum braking performance. Wheel slip is defined as follows: 0 percent slip means the wheel is rolling freely and 100 percent slip means the wheel is fully locked. During brake pressure modulation, wheel slip is allowed to reach up to 25-30 percent. This means that the wheel rolling velocity is 25-30 percent less than that of a free 2009 Jeep Patriot Limited 2009 BRAKES ABS - Service Information - Compass & Patriot a Saturday, September 08, 2012 12:37:03 PM Page 5 © 2006 Mitchell Repair Information Company, LLC.
  • 719.
    rolling wheel ata given vehicle speed. This slip may result in some tire chirping, depending on the road surface. This sound should not be interpreted as total wheel lockup. Complete wheel lockup normally leaves black tire marks on dry pavement. The ABS will not leave dark black tire marks since the wheel never reaches a fully locked condition. However, tire marks may be noticeable as light patched marks. START-UP AND DRIVE-OFF CYCLES When the ignition is turned on, a popping sound and a slight brake pedal movement may be noticed. The ABS warning lamp will also be on for up to 5 seconds after the ignition is turned on. When the vehicle is first driven off, a humming may be heard or felt by the driver at approximately 12-25 mph (20-40 km/h). All of these conditions are a normal function of ABS as the system is performing a diagnosis check. PREMATURE ABS CYCLING Symptoms of premature ABS cycling include: clicking sounds from the solenoid valves; pump/motor running; and pulsations in the brake pedal. Premature ABS cycling can occur at any braking rate of the vehicle and on any type of road surface. Neither the red BRAKE indicator lamp, nor the amber ABS indicator lamp, illuminate and no faults are stored in the ABM. Premature ABS cycling is a condition that needs to be correctly assessed when diagnosing problems with the antilock brake system. It may be necessary to use a scan tool to detect and verify premature ABS cycling. Check the following common causes when diagnosing premature ABS cycling: damaged wheel bearings (causing tone wheel issues); damaged wheel speed sensor mounting bosses; and loose wheel speed sensor mounting screws. After diagnosing the defective component, repair or replace it as required. When the component repair or replacement is completed, test drive the vehicle to verify that premature ABS cycling has been corrected. ELECTRONIC STABILITY PROGRAM For information on the Electronic Stability Program. See Brakes - Operation. TRACTION CONTROL For information on the All-Speed Traction Control. See Brakes - Operation. OFF-ROAD ABS Programed into vehicles equipped with Four-Wheel-Drive (4WD), Off-Road ABS is activated by one of two ways. The first method requires no action by the driver. Wheel speed sensors located at each wheel include a rough road-sensing feature. The wheel speed sensors give off a characteristic oscillation associated with traveling on gravel roads and when the ABS/ESP controller recognizes this pattern, it triggers the threshold for Off-Road ABS. The second way Off-Road ABS is activated is when the customer selects the 4WD Off-Road 2009 Jeep Patriot Limited 2009 BRAKES ABS - Service Information - Compass & Patriot a Saturday, September 08, 2012 12:37:03 PM Page 6 © 2006 Mitchell Repair Information Company, LLC.
  • 720.
    Mode, indicating itis very likely the vehicle will be traveling over loose dirt, gravel, sand or mud and the ABS system increases the amount of allowable wheel lock for improved stopping during off road activity. ELECTRONIC STABILITY PROGRAM To determine whether the car is responding properly to cornering commands, ESP® uses steering wheel angle, yaw (turning) rate and lateral acceleration sensors (combined into Dynamics Sensor). Using signals from these sensors, in addition to individual wheel speed sensor signals, the system determines appropriate brake and throttle actions. Once initiated, ESP® operates much like All-Speed Traction Control, except that the goal is directional stability. If the vehicle yaw response, or rate of turning, is inconsistent with the steering angle and vehicle speed indications, the ESP® system applies the brakes and, if necessary closes the throttle, to restore control. This occurs whether the vehicle is turning too rapidly (oversteering) or not rapidly enough (understeering). HYDRAULIC BRAKE ASSIST Brake Assist is programmed into the ESP® system. During a panic stop, a pressure sensor determines when the driver is doing so by measuring the brake pedal pressure application rate. A high rate of pedal pressure application causes the ESP® system to apply maximum available pressure to the brakes and the vehicle stops as quickly as available traction will allow. TRACTION CONTROL For information on the All-Speed Traction Control. See Brakes - Operation. ELECTRONIC ROLL MITIGATION Typically when a vehicle makes a sudden turn, the outside wheel takes the majority of the cornering loads. In order for the vehicle to make the turn, a significant amount of grip must exist at the tire contact patch. The additional body roll that occurs during this event places additional weight on this outside tire. These conditions, plus the lateral acceleration of the vehicle, combined with the center of gravity position in the vehicle can cause the vehicle to lift the two inside wheels in the turn and the vehicle rolls over the outside tire. Electronic Roll Mitigation (ERM) takes advantage of the principle that a tire in slip cannot handle cornering loads by building and applying enough brake pressure to intentionally drive the outside wheel into slip, not to the point of total lockup but close. As a result, the outside tire cannot support the cornering loads and the vehicle cannot maintain its original path. The new path is straighter, reducing the amount of lateral acceleration and transferring some of the weight back over to the inside tires, thus preventing a rollover. BRAKE LOCK DIFFERENTIALS Split-friction surfaces (where one wheel has grip and the other side of the vehicle is on a low-friction surface) or where a wheel is suspended off the ground and spins in the air are common off-road situations. An open differential by nature directs torque to the wheel that has the least amount of grip, and in these cases, the wheel spinning on the low-friction surface or the wheel spinning in the air, which is undesirable. While some vehicles use locking differentials to help overcome this situation and provide a solid connection between two wheels on a given axle, Brake Lock Differentials (BLDs) are used on this vehicle as an effective solution. Vehicles equipped with the Off-Road Group (sales code AWL) include a separate set of BLD calibrations that 2009 Jeep Patriot Limited 2009 BRAKES ABS - Service Information - Compass & Patriot a Saturday, September 08, 2012 12:37:03 PM Page 7 © 2006 Mitchell Repair Information Company, LLC.
  • 721.
    are designed forOff-Road mode use while crawling over obstacles, during heavy articulation activity, split- friction surfaces and other conditions. These BLDs provide an alternative solution to locking differentials found on other vehicles by replacing the locking differential with the brake control hardware that is already in place on the vehicle. The same hardware used for Electronic Stability Control is used for Brake Lock Differentials. Under normal conditions with the vehicle in Off-Road mode, for example, assume that the Electronically Controlled Coupling directs 148 ft. lbs. (200 N.m) of torque to the rear differential and each wheel receives an equal share, 74 ft. lbs. (100 N.m) of torque. When wheel speeds are unequal across a given axle, the BLDs respond. In this example, the vehicle is crawling over rocky terrain and the vehicle experiences heavy axle articulation that suspends the right rear wheel in the air and the wheel spins. The open differential ports all 148 ft. lbs. (200 N.m) of torque to the wheel in the air. The Antilock Brake Module (ABM) senses the right wheel is spinning faster than its mate on the opposite side of the rear axle and clamps the brake caliper on the spinning wheel to stop it from spinning and form a solid connection across the axle. If 74 ft. lbs. (100 N.m) of brake force is applied to stop the spinning wheel, an equal amount of torque is ported to the wheel with grip. This allows the vehicle to continue moving forward. The amount of torque the BLDs can send to the wheel with traction is dependent on the amount of torque the brake caliper can hold. The brakes are capable of holding the amount of torque used in this example. HILL DESCENT CONTROL Hill Descent Control (HDC) included on vehicles equipped with the Off-Road Group (sales code AWL) works automatically once the vehicle is in the Off-Road Mode and the transaxle selector is in Low or Reverse. A green icon will illuminate on the instrument cluster indicating that the HDC is operating. Should a driver decide to back down a hill, HDC will back the vehicle down at a controlled rate of speed. The system determines when the vehicle is on a grade or level terrain by input from the acceleration sensor located in the Dynamics Module. Grade Sensing logic built into it activates the brakes only when descending a hill; the driver does not need to turn it on or off. As the vehicle crests a hill, the brakes will automatically begin to pulsate and adjust the brake pressure to maintain the vehicle at a set speed of 3 mph (5 km/h.) The vehicle speed can be lowered by applying the brake or raised by applying the accelerator pedal to provide a safe descent down a hill. Once the driver releases the brake or the throttle, vehicle speed will ramp up or down to the Hill Descent Control limit speed. TRACTION CONTROL Traction control systems sense impending wheel spin based on a model of the rate of change of wheel speed under normal traction conditions. The All-Speed Traction Control uses signals from the same wheel speed sensors as ABS to determine when to apply the brakes to one or more wheels and when to reduce engine torque output using the electronic throttle control (ETC) to prevent wheel slip during acceleration. Throttle control makes the vehicle less reliant on brake application alone to maintain traction, increasing the operating speed range and more closely modulates speed, resulting in smoother operation. With All-Speed Traction Control reducing engine torque as well as applying the brakes, it is possible to achieve almost seamless torque application at the wheels. If the wheel slip is severe enough to require throttle intervention, All-Speed Traction Control will reduce engine 2009 Jeep Patriot Limited 2009 BRAKES ABS - Service Information - Compass & Patriot a Saturday, September 08, 2012 12:37:03 PM Page 8 © 2006 Mitchell Repair Information Company, LLC.
  • 722.
    torque and sometimesupshift the transmission to avoid the condition. In milliseconds, All-Speed Traction Control interrogates the engine control system to determine the current torque output, determines how much the torque output the current conditions will allow, and signals this requirement to the engine control system, which reduces the torque by partially closing the throttle. With execution of the torque reduction, the brake system reduces brake pressure to make the transition smooth, while maintaining forward progress. By reducing engine power, braking effectiveness is maintained and the system can operate throughout the normal vehicle speed range. That is why the system is identified as providing "all-speed" traction control. The traction control system is enabled at each ignition cycle. It may be turned off by depressing the ESP OFF switch button. The ESP/TCS function indicator lamp illuminates immediately upon depressing the button. Pressing this button again or turning off and restarting the vehicle will enable the traction control system. ELECTRONIC VARIABLE BRAKE PROPORTIONING Upon entry into EVBP, the inlet valve for the rear brake circuit is switched on so that the fluid supply from the master cylinder is shut off. In order to decrease the rear brake pressure, the outlet valve for the rear brake circuit is pulsed. This allows fluid to enter the Low Pressure Accumulator (LPA) in the Hydraulic Control Unit (HCU) resulting in a drop in fluid pressure to the rear brakes. In order to increase the rear brake pressure, the outlet valve is switched off and the inlet valve is pulsed. This increases the pressure to the rear brakes. This back-and- forth process will continue until the required slip difference is obtained. At the end of EVBP braking (brakes released) the fluid in the LPA is pumped back to the master cylinder by switching on the motor for ABS systems or by opening the ESVs for ESP systems. At the same time the inlet valve is switched on in case of another brake application. The EVBP will remain functional during many ABS fault modes. If both the red BRAKE and amber ABS warning indicators are illuminated, the EVBP may not be functioning. CAUTION CAUTION The antilock brake system uses an electronic control module known as the Antilock Brake Module (ABM). This module is designed to withstand normal current draws associated with vehicle operation. Care must be taken to avoid overloading the circuits. CAUTION: In testing for open or short circuits, do not ground or apply voltage to any of the circuits unless instructed to do so for a diagnostic procedure. CAUTION: These circuits should only be tested using a high impedance multi-meter or the designated scan tool as described in this service information. Power should never be removed or applied to any control module with the ignition in the ON position. Before removing or connecting battery cables, fuses, or connectors, always turn the ignition to the OFF position. CAUTION: The ABM 47-way connector should never be connected or disconnected 2009 Jeep Patriot Limited 2009 BRAKES ABS - Service Information - Compass & Patriot a Saturday, September 08, 2012 12:37:03 PM Page 9 © 2006 Mitchell Repair Information Company, LLC.
  • 723.
    DIAGNOSIS AND TESTING INSPECTIONAND ROAD TEST 1. Visually inspect the ABS for damaged or disconnected components and connectors. 2. Verify the brake lamps are operational. If they are not, repair them prior to continuing. with the ignition switch in the ON position. CAUTION: This vehicle utilizes active wheel speed sensors. Do not apply voltage to wheel speed sensors at any time. CAUTION: Use only factory wiring harnesses. Do not cut or splice wiring to the brake circuits. The addition of aftermarket electrical equipment (car phone, radar detector, citizen band radio, trailer lighting, trailer brakes, etc.) on a vehicle equipped with antilock brakes may affect the function of the antilock brake system. CAUTION: When performing any service procedure on a vehicle equipped with ABS, do not apply a 12-volt power source to the ground circuit of the pump motor in the HCU. Doing this will damage the pump motor and will require replacement of the entire HCU. CAUTION: An attempt to remove or disconnect certain system components may result in improper system operation. Only those components with approved removal and installation procedures in this article should be serviced. CAUTION: If welding work is to be performed on the vehicle using an electric arc welder, the ABM connector should be disconnected during the welding operation. CAUTION: Many components of the ABS are not serviceable and must be replaced as an assembly. Do not disassemble any component which is not designed to be serviced. CAUTION: Brake fluid will damage painted surfaces. If brake fluid is spilled on any painted surface, wash off with water immediately. CAUTION: Only the recommended jacking or hoisting positions for this vehicle are to be used whenever it is necessary to lift a vehicle. 2009 Jeep Patriot Limited 2009 BRAKES ABS - Service Information - Compass & Patriot a Saturday, September 08, 2012 12:37:03 PM Page 10 © 2006 Mitchell Repair Information Company, LLC.
  • 724.
    Fig. 3: SteeringColumn Courtesy of CHRYSLER LLC 3. Connect a scan tool to the Data Link Connector located under the instrument panel to the left of the steering column (1). If the scan tool does not power-up, check the power and ground supplies to the connector. 4. Turn the ignition key to the ON position. 5. Using the scan tool, read and record any Diagnostic Trouble Codes (DTCs). If any DTCs are present, refer to the appropriate diagnostic information. If no problems are observed, it will be necessary to road test the vehicle. Many ABS conditions judged to be a problem by the driver may be normal operating conditions. To become familiarized with the normal operating characteristics of this antilock brake system. See Brakes - Operation. Before road testing a brake complaint vehicle, note whether the red BRAKE warning indicator lamp, amber ABS warning indicator lamp, or both are turned on. If it is the red BRAKE warning indicator, there is a brake hydraulic problem that must be corrected before driving the vehicle. See Brakes - Diagnosis and Testing. If the amber ABS warning indicator is on, road test the vehicle as described below. While only the amber ABS warning indicator is on, the ABS is not functional. The ability to stop the car using the base brake system should not be affected. 6. Turn the key to the OFF position and then back to the ON position. Note whether the amber ABS warning indicator lamp continues to stay on. 7. If the amber ABS warning indicator lamp stays on, shift into gear and drive the car to a speed of approximately 25 km/h (15 mph) to complete the ABS Start-Up and Drive-Off Cycles. See Brakes - 2009 Jeep Patriot Limited 2009 BRAKES ABS - Service Information - Compass & Patriot a Saturday, September 08, 2012 12:37:03 PM Page 11 © 2006 Mitchell Repair Information Company, LLC.
  • 725.
    Operation. If atthis time the amber ABS warning indicator lamp stays on, refer to the appropriate diagnostic information. 8. If the amber ABS warning indicator lamp goes out at any time, drive the vehicle a short distance. Accelerate the vehicle to a speed of at least 64 km/h (40 mph). Bring the vehicle to a complete stop, braking hard enough to cause the ABS to cycle. Repeat this action several times. Using the scan tool, read and record any Diagnostic Trouble Codes (DTCs). If any DTCs are present, refer to the appropriate diagnostic information. STANDARD PROCEDURE ANTILOCK BRAKE SYSTEM BLEEDING The base brake's hydraulic system must be bled anytime air enters the hydraulic system. The ABS must always be bled anytime it is suspected that the HCU has ingested air. Brake systems with ABS must be bled as two independent braking systems. The non-ABS portion of the brake system with ABS is to be bled the same as any non-ABS system. The ABS portion of the brake system must be bled separately. Use the following procedure to properly bleed the brake hydraulic system including the ABS. BLEEDING When bleeding the ABS system, the following bleeding sequence must be followed to insure complete and adequate bleeding. 1. Make sure all hydraulic fluid lines are installed and properly torqued. 2. Connect the scan tool to the diagnostics connector. The diagnostic connector is located under the lower steering column cover to the left of the steering column. 3. Using the scan tool, check to make sure the ABM does not have any fault codes stored. If it does, clear them. NOTE: During the brake bleeding procedure, be sure the brake fluid level remains close to the FULL level in the master cylinder fluid reservoir. Check the fluid level periodically during the bleeding procedure and add Mopar® DOT 3 brake fluid as required. 2009 Jeep Patriot Limited 2009 BRAKES ABS - Service Information - Compass & Patriot a Saturday, September 08, 2012 12:37:03 PM Page 12 © 2006 Mitchell Repair Information Company, LLC.
  • 726.
    Fig. 4: BleedHose Set Up Courtesy of CHRYSLER LLC 4. Bleed the base brake system. See Brakes - Standard Procedure 5. Using the scan tool, select ECU VIEW, followed by ABS MISCELLANEOUS FUNCTIONS to access bleeding. Follow the instructions displayed. When finished, disconnect the scan tool and proceed. 6. Bleed the base brake system a second time. Check brake fluid level in the reservoir periodically to prevent emptying, causing air to enter the hydraulic system. WARNING: When bleeding the brake system wear safety glasses. A clear bleed tube (1) must be attached to the bleeder screws and submerged in a clear container filled part way with clean brake fluid (2). Direct the flow of brake fluid away from yourself and the painted surfaces of the vehicle. Brake fluid at high pressure may come out of the bleeder screws when opened. NOTE: Pressure bleeding is recommended to bleed the base brake system to ensure all air is removed from system. Manual bleeding may also be used, but additional time is needed to remove all air from system. 2009 Jeep Patriot Limited 2009 BRAKES ABS - Service Information - Compass & Patriot a Saturday, September 08, 2012 12:37:03 PM Page 13 © 2006 Mitchell Repair Information Company, LLC.
  • 727.
    Fig. 5: MasterCylinder Fill Markings Courtesy of CHRYSLER LLC 7. Fill the master cylinder fluid reservoir (1) to the FULL level. 8. Test drive the vehicle to be sure the brakes are operating correctly and that the brake pedal does not feel spongy. SPECIFICATIONS TORQUE For ABS fastener torque specifications, see Brake Fastener Torque. See Brakes - Specifications ELECTRICAL SENSOR, DYNAMICS Description DESCRIPTION 2009 Jeep Patriot Limited 2009 BRAKES ABS - Service Information - Compass & Patriot a Saturday, September 08, 2012 12:37:03 PM Page 14 © 2006 Mitchell Repair Information Company, LLC.
  • 728.
    Fig. 6: VehicleDynamics Sensor Courtesy of CHRYSLER LLC The Yaw Rate and Lateral Acceleration Sensors are housed into one unit known as the Dynamics Sensor (2). The sensor is used to measure side-to-side (Lateral) motion and vehicle rotational sensing (how fast the vehicle is turning - Yaw). Yaw and Lateral Acceleration Sensors cannot be serviced separately. The entire Dynamics Sensor must be replaced when necessary. Removal REMOVAL Fig. 7: Vehicle Dynamics Sensor Courtesy of CHRYSLER LLC 2009 Jeep Patriot Limited 2009 BRAKES ABS - Service Information - Compass & Patriot a Saturday, September 08, 2012 12:37:03 PM Page 15 © 2006 Mitchell Repair Information Company, LLC.
  • 729.
    1. Disconnect andisolate the battery negative cable from the battery post. 2. Remove the shifter housing. Refer to Body/Interior/HOUSING, Shifter - Removal 3. Position the carpeting out of the way so that the dynamics sensor is accessible. 4. Remove the two nuts (1) mounting the dynamics sensor to the floor pan tunnel. 5. Disconnect the wiring harness connector (3) at the dynamics sensor (2). 6. Remove the dynamics sensor (2). Installation INSTALLATION Fig. 8: Vehicle Dynamics Sensor Courtesy of CHRYSLER LLC 1. Connect the wiring harness connector (3) to the dynamics sensor (2). 2. Install the dynamics sensor (2) over the studs mounted to the floor pan tunnel. 3. Install the two mounting nuts (1). Tighten the nuts to 9 N.m (80 in. lbs.). 4. Move carpeting back into original location. 5. Install the shifter housing. Refer to Body/Interior/HOUSING, Shifter - Installation 6. Connect the battery negative cable to the battery post. It is important that this be performed properly. NOTE: The Occupancy Restraint Module (ORC) (4) is directly behind the vehicle dynamics sensor (2). Care must be taken while working near the ORC to avoid jostling or bumping the module. NOTE: The Occupancy Restraint Module (ORC) (4) is directly behind the vehicle dynamics sensor (2). Care must be taken while working near the ORC to avoid jostling or bumping the module. 2009 Jeep Patriot Limited 2009 BRAKES ABS - Service Information - Compass & Patriot a Saturday, September 08, 2012 12:37:03 PM Page 16 © 2006 Mitchell Repair Information Company, LLC.
  • 730.
    Refer to Electrical/BatterySystem - Standard Procedure 7. Perform the Verification Test and clear any faults. Refer to DTC-Based Diagnostics/MODULE, Antilock Brake (ABS) - Standard Procedure SENSOR, STEERING WHEEL ANGLE Description DESCRIPTION Fig. 9: Steering Control Module Courtesy of CHRYSLER LLC The steering angle sensor is an integral part of the clockspring (3) mounted on the steering column. Refer to Restraints/CLOCKSPRING - Description SENSOR, WHEEL SPEED, FRONT Description DESCRIPTION The antilock brake system uses two-wire wheel speed sensors, known as active wheel speed sensors. The sensors use an electronic principle known as magnetoresistive to help increase performance and durability. The sensors convert wheel speed into a small digital signal. A Wheel Speed Sensor (WSS) is used at each wheel. A magnetic pole encoder serves as the trigger mechanism for each sensor. At each wheel of the vehicle there is one wheel speed sensor and one encoder. 2009 Jeep Patriot Limited 2009 BRAKES ABS - Service Information - Compass & Patriot a Saturday, September 08, 2012 12:37:03 PM Page 17 © 2006 Mitchell Repair Information Company, LLC.
  • 731.
    Fig. 10: FrontWheel Speed Sensor Head Courtesy of CHRYSLER LLC A front wheel speed sensor (3) is attached to a mounting boss on each front knuckle (4). The encoder is an integral part of the hub and bearing. WSS air gaps are not adjustable. Operation OPERATION The ABM sends 12 volts to power an Integrated Circuit (IC) in the sensor. The IC supplies a constant 7 mA power supply to the ABM. The relationship of the magnetic pole encoder to the permanent magnet in the sensor, signals the IC to enable a second 7 mA power supply. The output of the sensor, sent to the ABM, is a DC voltage signal with changing voltage and current levels. The ground for the IC and the current sense circuit is provided by the ABM. When a pole is properly aligned with the sensor, the voltage signal is approximately 0.8 volts and a constant 7 mA current is sent to the ABM. As the magnetic pole encoder rotates, the encoder shifts the magnetic field and the IC enables a second 7 mA current source. The ABM senses a voltage signal of approximately 1.6 volts and 14 mA. The ABM measures the amperage of the digital signal for each wheel. The resulting signal is interpreted by the ABM as the wheel speed. Removal REMOVAL NOTE: Before proceeding. Refer to Brakes - Warning . See Brakes - Caution. 2009 Jeep Patriot Limited 2009 BRAKES ABS - Service Information - Compass & Patriot a Saturday, September 08, 2012 12:37:03 PM Page 18 © 2006 Mitchell Repair Information Company, LLC.
  • 732.
    Fig. 11: FrontWheel Speed Sensor Wiring Connector Courtesy of CHRYSLER LLC 1. Open the hood. 2. Disconnect the wheel speed sensor cable connector (2) from the wiring harness connector (3) on top of the frame rail (1) to the inside of the strut tower. 3. Raise and support the vehicle. Refer to Vehicle Quick Reference/Hoisting - Standard Procedure Fig. 12: Front Wheel Speed Sensor Mounting To Body Courtesy of CHRYSLER LLC 4. Remove the grommet (1) from the hole in the body (7) and pull the wheel speed sensor cable out of the hole. 2009 Jeep Patriot Limited 2009 BRAKES ABS - Service Information - Compass & Patriot a Saturday, September 08, 2012 12:37:03 PM Page 19 © 2006 Mitchell Repair Information Company, LLC.
  • 733.
    5. Remove thespeed sensor cable routing clip (2) from the outside frame rail (6). 6. Remove the screw fastening the cable routing clamp (3) to the outside frame rail (6). Fig. 13: Front Wheel Speed Sensor Mounting At Strut Courtesy of CHRYSLER LLC 7. Remove the screw (1) securing the wheel speed sensor routing bracket (2) to the brake flex hose bracket (5). Fig. 14: Front Wheel Speed Sensor Head Courtesy of CHRYSLER LLC 8. Remove the mounting screw (2) fastening the wheel speed sensor head (3) to the knuckle (4). Pull the 2009 Jeep Patriot Limited 2009 BRAKES ABS - Service Information - Compass & Patriot a Saturday, September 08, 2012 12:37:03 PM Page 20 © 2006 Mitchell Repair Information Company, LLC.
  • 734.
    sensor head outof the knuckle. 9. Remove the routing clip (1) securing wheel speed sensor cable to the knuckle (4). Remove the sensor from the vehicle. Installation INSTALLATION Fig. 15: Front Wheel Speed Sensor Head Courtesy of CHRYSLER LLC 1. Install the wheel speed sensor head (3) into the knuckle (4). Install the mounting screw (2) and tighten it to 12 N.m (106 in. lbs.). 2. Install the routing clip (1) securing the wheel speed sensor cable to the knuckle (4). NOTE: In the following step, the routing clip can be easily removed without damaging it by rotating it (with entire sensor) counterclockwise. CAUTION: Failure to install speed sensor cables properly may result in contact with moving parts or an over extension of cables causing an open circuit. Be sure that cables are installed, routed, and clipped properly. 2009 Jeep Patriot Limited 2009 BRAKES ABS - Service Information - Compass & Patriot a Saturday, September 08, 2012 12:37:03 PM Page 21 © 2006 Mitchell Repair Information Company, LLC.
  • 735.
    Fig. 16: FrontWheel Speed Sensor Mounting At Strut Courtesy of CHRYSLER LLC 3. Position the wheel speed sensor routing bracket (2) on the brake flex hose bracket (5) and install the mounting screw (1). Tighten the mounting screw to 18 N.m (13 ft. lbs.). Fig. 17: Front Wheel Speed Sensor Mounting To Body Courtesy of CHRYSLER LLC 4. Position the wheel speed sensor cable routing clamp (4) on the outside frame rail (6) and install the mounting screw (3). Tighten the mounting screw to 18 N.m (13 ft. lbs.). 5. Install the speed sensor cable routing clip (2) on the outside frame rail (6). 6. Insert the wheel speed sensor cable through the hole in the body (7) and install the grommet (1) in the 2009 Jeep Patriot Limited 2009 BRAKES ABS - Service Information - Compass & Patriot a Saturday, September 08, 2012 12:37:04 PM Page 22 © 2006 Mitchell Repair Information Company, LLC.
  • 736.
    hole. Fig. 18: FrontWheel Speed Sensor Wiring Connector Courtesy of CHRYSLER LLC 7. Lower the vehicle. 8. Connect the wheel speed sensor cable connector (2) to the wiring harness connector (3) on top of the frame rail (1). 9. Perform the Diagnostic Verification Test and clear any faults. See Brakes - Standard Procedure SENSOR, WHEEL SPEED, REAR Description DESCRIPTION The antilock brake system uses two-wire wheel speed sensors, known as active wheel speed sensors. The sensors use an electronic principle known as magnetoresistive to help increase performance and durability. The sensors convert wheel speed into a small digital signal. A Wheel Speed Sensor (WSS) is used at each wheel. A magnetic pole encoder serves as the trigger mechanism for each sensor. At each wheel of the vehicle there is one wheel speed sensor and one encoder. 2009 Jeep Patriot Limited 2009 BRAKES ABS - Service Information - Compass & Patriot a Saturday, September 08, 2012 12:37:04 PM Page 23 © 2006 Mitchell Repair Information Company, LLC.
  • 737.
    Fig. 19: AWDRear Wheel Speed Sensor Courtesy of CHRYSLER LLC On all-wheel-drive vehicles, the rear wheel speed sensor head (1) is secured to the rear hub and bearing (2) by a spring-loaded clip on the rear of the assembly. The encoder is integral to the hub and bearing assembly. The encoder is serviced as part of the rear hub and bearing. Fig. 20: FWD Rear Wheel Speed Sensor Courtesy of CHRYSLER LLC On front-wheel-drive vehicles, the rear wheel speed sensor head (3) is mounted to the rear of the hub and bearing by a screw. The encoder is integral to the hub and bearing assembly. The encoder is are serviced as part of the rear hub and bearing. The WSS air gaps are not adjustable. 2009 Jeep Patriot Limited 2009 BRAKES ABS - Service Information - Compass & Patriot a Saturday, September 08, 2012 12:37:04 PM Page 24 © 2006 Mitchell Repair Information Company, LLC.
  • 738.
    Operation OPERATION The ABM sends12 volts to power an Integrated Circuit (IC) in the sensor. The IC supplies a constant 7 mA power supply to the ABM. The relationship of the magnetic pole encoder to the permanent magnet in the sensor, signals the IC to enable a second 7 mA power supply. The output of the sensor, sent to the ABM, is a DC voltage signal with changing voltage and current levels. The ground for the IC and the current sense circuit is provided by the ABM. When a pole is properly aligned with the sensor, the voltage signal is approximately 0.8 volts and a constant 7 mA current is sent to the ABM. As the magnetic pole encoder rotates, the encoder shifts the magnetic field and the IC enables a second 7 mA current source. The ABM senses a voltage signal of approximately 1.6 volts and 14 mA. The ABM measures the amperage of the digital signal for each wheel. The resulting signal is interpreted by the ABM as the wheel speed. Removal ALL-WHEEL-DRIVE 1. Raise the cargo floor cover. Fig. 21: Rear WSS At Harness Connector Courtesy of CHRYSLER LLC 2. Through the opening in the bottom of the quarter trim panel, disconnect the wheel speed sensor cable connector (2) at the body wiring harness connector (3). 3. Raise and support the vehicle. Refer to Vehicle Quick Reference/Hoisting - Standard Procedure . NOTE: Before proceeding. Refer to Brakes - Warning . See Brakes - Caution. 2009 Jeep Patriot Limited 2009 BRAKES ABS - Service Information - Compass & Patriot a Saturday, September 08, 2012 12:37:04 PM Page 25 © 2006 Mitchell Repair Information Company, LLC.
  • 739.
    Fig. 22: Tire& Wheel Mounting Courtesy of CHRYSLER LLC 4. Remove the wheel mounting nuts (3), then the rear tire and wheel assembly (1). Fig. 23: Rear WSS Mounting To Body Courtesy of CHRYSLER LLC 5. Remove the grommet (2) from the hole in the body (1) and pull the wheel speed sensor cable out through the hole. 6. Remove the speed sensor cable routing clip (3) from the outside frame rail (4). 2009 Jeep Patriot Limited 2009 BRAKES ABS - Service Information - Compass & Patriot a Saturday, September 08, 2012 12:37:04 PM Page 26 © 2006 Mitchell Repair Information Company, LLC.
  • 740.
    Fig. 24: SensorMounting To Rear Crossmember Courtesy of CHRYSLER LLC 7. Remove the screw (1) fastening the cable routing clamp (3) to the rear suspension crossmember (4). Fig. 25: Rear Wheel Speed Sensor Mounting To Trailing Link Courtesy of CHRYSLER LLC 8. Remove the speed sensor cable routing clip (1) from the trailing link (2). 9. Remove the screw (4) fastening the cable routing clamp to the trailing link. 2009 Jeep Patriot Limited 2009 BRAKES ABS - Service Information - Compass & Patriot a Saturday, September 08, 2012 12:37:04 PM Page 27 © 2006 Mitchell Repair Information Company, LLC.
  • 741.
    Fig. 26: AWDRear Wheel Speed Sensor Courtesy of CHRYSLER LLC 10. Unclip the wheel speed sensor head (1) from the spring-loaded retainer on the rear of the hub and bearing (2). Remove the sensor from the vehicle. FRONT-WHEEL-DRIVE 1. Raise the cargo floor cover. Fig. 27: Rear WSS At Harness Connector Courtesy of CHRYSLER LLC NOTE: Before proceeding. Refer to Brakes - Warning . See Brakes - Caution. 2009 Jeep Patriot Limited 2009 BRAKES ABS - Service Information - Compass & Patriot a Saturday, September 08, 2012 12:37:04 PM Page 28 © 2006 Mitchell Repair Information Company, LLC.
  • 742.
    2. Through theopening in the bottom of the quarter trim panel, disconnect the wheel speed sensor cable connector (2) at the body wiring harness connector (3). 3. Raise and support the vehicle. Refer to Vehicle Quick Reference/Hoisting - Standard Procedure . Fig. 28: Tire & Wheel Mounting Courtesy of CHRYSLER LLC 4. Remove the wheel mounting nuts (3), then the rear tire and wheel assembly (1). Fig. 29: Rear WSS Mounting To Body Courtesy of CHRYSLER LLC 5. Remove the grommet (2) from the hole in the body (1) and pull the wheel speed sensor cable out through 2009 Jeep Patriot Limited 2009 BRAKES ABS - Service Information - Compass & Patriot a Saturday, September 08, 2012 12:37:04 PM Page 29 © 2006 Mitchell Repair Information Company, LLC.
  • 743.
    the hole. 6. Removethe speed sensor cable routing clip (3) from the outside frame rail (4). Fig. 30: Sensor Mounting To Rear Crossmember Courtesy of CHRYSLER LLC 7. Remove the screw (1) fastening the cable routing clamp (3) to the rear suspension crossmember (4). Fig. 31: Rear Wheel Speed Sensor Mounting To Trailing Link Courtesy of CHRYSLER LLC 8. Remove the speed sensor cable routing clip (1) from the trailing link (2). 9. Remove the screw (4) fastening the cable routing clamp to the trailing link. 2009 Jeep Patriot Limited 2009 BRAKES ABS - Service Information - Compass & Patriot a Saturday, September 08, 2012 12:37:04 PM Page 30 © 2006 Mitchell Repair Information Company, LLC.
  • 744.
    Fig. 32: FWDRear Wheel Speed Sensor Courtesy of CHRYSLER LLC 10. Remove the screw (1) fastening the wheel speed sensor head (3) in the rear of the hub and bearing (2). Remove the sensor from the vehicle. Installation ALL-WHEEL-DRIVE Fig. 33: AWD Rear Wheel Speed Sensor Courtesy of CHRYSLER LLC CAUTION: Failure to install speed sensor cables properly may result in contact with moving parts or an over extension of cables causing an open circuit. Be sure that cables are installed, routed, and clipped properly. 2009 Jeep Patriot Limited 2009 BRAKES ABS - Service Information - Compass & Patriot a Saturday, September 08, 2012 12:37:04 PM Page 31 © 2006 Mitchell Repair Information Company, LLC.
  • 745.
    1. Clip thewheel speed sensor head (1) (flat side to bearing rear face) into the spring-loaded retainer on the rear of the hub and bearing (2). Fig. 34: Wheel Speed Sensor Courtesy of CHRYSLER LLC 2. Position the wheel speed sensor (3) on the trailing link (2) and install the screw (4) securing it in place. Tighten the mounting screw to 18 N.m (13 ft. lbs.). 3. Position the wheel speed sensor (3) and install the routing clip (1) fastening the sensor to the trailing link (2). NOTE: When installing the sensor head to the spring-loaded retainer on the hub and bearing, make sure the head is held snug in the retainer. If there is any play, the clip is deformed and the hub and bearing must be replaced. The retainer is not serviced separately. 2009 Jeep Patriot Limited 2009 BRAKES ABS - Service Information - Compass & Patriot a Saturday, September 08, 2012 12:37:04 PM Page 32 © 2006 Mitchell Repair Information Company, LLC.
  • 746.
    Fig. 35: SensorMounting To Rear Crossmember Courtesy of CHRYSLER LLC 4. Position the wheel speed sensor cable routing clamp (3) on the rear suspension crossmember (4) and install the mounting screw (1). Tighten the mounting screw to 18 N.m (13 ft. lbs.). Fig. 36: Rear WSS Mounting To Body Courtesy of CHRYSLER LLC 5. Install the speed sensor cable routing clip (3) on the outside frame rail (4). NOTE: When inserting the wheel speed sensor cable through the hole in the body, route the cable toward the shock tower to make it easier to grasp the 2009 Jeep Patriot Limited 2009 BRAKES ABS - Service Information - Compass & Patriot a Saturday, September 08, 2012 12:37:04 PM Page 33 © 2006 Mitchell Repair Information Company, LLC.
  • 747.
    6. Insert thewheel speed sensor cable (5) through the hole in the body (1) and install the grommet (2) in the hole. Fig. 37: Tire & Wheel Mounting Courtesy of CHRYSLER LLC 7. Install the tire and wheel assembly (1). Refer to Tires and Wheels - Installation . Install and tighten the wheel mounting nuts (3) to 135 N.m (100 ft. lbs.). 8. Lower the vehicle. Fig. 38: Rear WSS At Harness Connector cable to connect it to the body wiring harness connector in a later step. 2009 Jeep Patriot Limited 2009 BRAKES ABS - Service Information - Compass & Patriot a Saturday, September 08, 2012 12:37:04 PM Page 34 © 2006 Mitchell Repair Information Company, LLC.
  • 748.
    Courtesy of CHRYSLERLLC 9. Through the opening in the bottom of the quarter trim panel, connect the wheel speed sensor cable connector (2) to the body wiring harness connector (3). 10. Install the cargo floor cover. 11. Perform the Diagnostic Verification Test and clear any faults. See Brakes - Standard Procedure FRONT-WHEEL-DRIVE Fig. 39: FWD Rear Wheel Speed Sensor Courtesy of CHRYSLER LLC 1. Install the wheel speed sensor head (3) into the rear of the hub and bearing (2). 2. Install the wheel speed sensor head mounting screw (1). Tighten the screw to 10 N.m (89 in. lbs.). 2009 Jeep Patriot Limited 2009 BRAKES ABS - Service Information - Compass & Patriot a Saturday, September 08, 2012 12:37:04 PM Page 35 © 2006 Mitchell Repair Information Company, LLC.
  • 749.
    Fig. 40: RearWheel Speed Sensor Mounting To Trailing Link Courtesy of CHRYSLER LLC 3. Position the wheel speed sensor (3) on the trailing link (2) and install the screw (4) securing it in place. Tighten the mounting screw to 18 N.m (13 ft. lbs.). 4. Position the wheel speed sensor (3) and install the routing clip (1) fastening the sensor to the trailing link (2). Fig. 41: Sensor Mounting To Rear Crossmember Courtesy of CHRYSLER LLC 5. Position the wheel speed sensor cable routing clamp (3) on the rear suspension crossmember (4) and install the mounting screw (1). Tighten the mounting screw to 18 N.m (13 ft. lbs.). 2009 Jeep Patriot Limited 2009 BRAKES ABS - Service Information - Compass & Patriot a Saturday, September 08, 2012 12:37:04 PM Page 36 © 2006 Mitchell Repair Information Company, LLC.
  • 750.
    Fig. 42: RearWSS Mounting To Body Courtesy of CHRYSLER LLC 6. Install the speed sensor cable routing clip (3) on the outside frame rail (4). 7. Insert the wheel speed sensor cable (5) through the hole in the body (1) and install the grommet (2) in the hole. Fig. 43: Tire & Wheel Mounting NOTE: When inserting the wheel speed sensor cable through the hole in the body, route the cable toward the shock tower to make it easier to grasp the cable to connect it to the body wiring harness connector in a later step. 2009 Jeep Patriot Limited 2009 BRAKES ABS - Service Information - Compass & Patriot a Saturday, September 08, 2012 12:37:04 PM Page 37 © 2006 Mitchell Repair Information Company, LLC.
  • 751.
    Courtesy of CHRYSLERLLC 8. Install the tire and wheel assembly (1). Refer to Tires and Wheels - Installation . Install and tighten the wheel mounting nuts (3) to 135 N.m (100 ft. lbs.). 9. Lower the vehicle. Fig. 44: Rear WSS At Harness Connector Courtesy of CHRYSLER LLC 10. Through the opening in the bottom of the quarter trim panel, connect the wheel speed sensor cable connector (2) at the body wiring harness connector (3). 11. Install the cargo floor cover. 12. Perform the Diagnostic Verification Test and clear any faults. See Brakes - Standard Procedure. SWITCH, ELECTRONIC STABILITY PROGRAM (ESP) Description DESCRIPTION 2009 Jeep Patriot Limited 2009 BRAKES ABS - Service Information - Compass & Patriot a Saturday, September 08, 2012 12:37:04 PM Page 38 © 2006 Mitchell Repair Information Company, LLC.
  • 752.
    Fig. 45: I/PSwitch Pod Courtesy of CHRYSLER LLC The ESP Off Switch is part of the accessory switch bank module located in the center bezel on the instrument panel above the transmission gear shifter. The ESP Off switch turns the Electronic Stability Program off and back on. The ESP has three modes: Full-On, Partial and Full-Off. The ESP default mode is Full-On with every key-on. Pressing the ESP Off switch button in the center stack once activates the Partial mode. In Partial mode, Traction Control is deactivated and ESP operates at a higher threshold, therefore, it will not come on as aggressively as in the Full-On mode. Pressing and holding the ESP button for five seconds or longer turns the system completely off. This condition is confirmed by a single warning chime and a text message in the odometer display "ESP FULL OFF." The system can be returned to "normal" Full-On mode by briefly pressing and releasing the ESP Off switch. The switch resets itself each time the ignition is cycled. The ESP Off switch is serviced as part of the accessory switch bank. There are different accessory switch banks available based on the option content of the vehicle. Ensure the accessory switch bank being installed matches the vehicle options. Removal REMOVAL 1. Disconnect and isolate the negative battery cable. 2. Remove the center bezel from the instrument panel and place it on a work bench. Refer to Body/Instrument Panel/BEZEL, Instrument Panel - Removal . 3. Remove the screws that secure the accessory switch bank to the back of the center bezel and remove the accessory switch bank. NOTE: The ESP Off switch is integral to the accessory switch bank and cannot be serviced separately. 2009 Jeep Patriot Limited 2009 BRAKES ABS - Service Information - Compass & Patriot a Saturday, September 08, 2012 12:37:04 PM Page 39 © 2006 Mitchell Repair Information Company, LLC.
  • 753.
    Installation INSTALLATION 1. Position theaccessory switch bank onto the back of the instrument panel center bezel. 2. Install the screws that secure the accessory switch bank to the center bezel. Tighten the screws to 2 N.m (17 in. lbs.). 3. Install the center bezel onto the instrument panel. Refer to Body/Instrument Panel/BEZEL, Instrument Panel - Installation . 4. Reconnect the negative battery cable. 5. Perform the ABS Verification Test and make sure the ESP Off switch operates properly. See Brakes - Standard Procedure 6. Verify proper operation of all components controlled by the switch bank. HYDRAULIC/MECHANICAL HYDRAULIC CONTROL UNIT (HCU) Description DESCRIPTION The Hydraulic Control Unit (HCU) is mounted to the Antilock Brake Module (ABM) as part of the Integrated Control Unit (ICU). The HCU controls the flow of brake fluid to the brakes using a series of valves and accumulators. A pump/motor is mounted on the HCU to empty the accumulators during an ABS stop and supply build pressure to the brakes during a traction control or ESP event. VALVES AND SOLENOIDS The valve block contains four inlet valves and four outlet solenoid valves. The inlet valves are spring-loaded in the open position and the outlet valves are spring-loaded in the closed position during normal braking. The fluid is allowed to flow from the master cylinder to the wheel brakes. During an ABS stop, these valves cycle to maintain the proper slip ratio for each wheel. The inlet valve closes preventing further pressure increase and the outlet valve opens to provide a path from the wheel brake to the HCU accumulators and pump/motor. This releases (decays) pressure from the wheel brake, thus releasing the wheel from excessive slippage. Once the wheel is no longer slipping, the outlet valve is closed and the inlet valve is opened to reapply (build) pressure. NOTE: The ESP Off switch is serviced as part of the accessory switch bank. NOTE: There are different instrument panel accessory switch banks available based on the option content of the vehicle. Ensure the accessory switch bank being installed matches the vehicle options. 2009 Jeep Patriot Limited 2009 BRAKES ABS - Service Information - Compass & Patriot a Saturday, September 08, 2012 12:37:04 PM Page 40 © 2006 Mitchell Repair Information Company, LLC.
  • 754.
    If the ABSincludes the traction control feature, there are four other valves in the HCU. Two Traction Control (TC) (or ESP) valves, mounted in the HCU valve block, are normally in the open position and close only when the traction control is applied. There are also two normally closed shuttle valves which open during traction control and ESP events to provide a direct fluid path from the brake fluid reservoir to the inlet of the HCU pump. These TC valves are used to isolate the rear (non-driving) wheels of the vehicle from the hydraulic pressure that the HCU pump/motor is sending to the front (driving) wheels when traction control is being applied. The rear brakes need to be isolated from the master cylinder when traction control is being applied so the rear wheels do not drag. BRAKE FLUID ACCUMULATORS There are two fluid accumulators in the HCU: one for the primary hydraulic circuit, and one for the secondary hydraulic circuit. Each hydraulic circuit uses a 3 cc accumulator. The fluid accumulators temporarily store brake fluid that is removed from the wheel brakes during an ABS cycle. This stored fluid is used by the pump/motor to provide build pressure for the brake hydraulic system. When the antilock stop is complete, the accumulators are drained by the pump/motor. There are two noise dampening chambers in the HCU on this vehicle equipped with traction control. PUMP/MOTOR There are two pump assemblies in the HCU: one for the primary hydraulic circuit, and one for the secondary hydraulic circuit. Both pumps are driven by a common electric motor. This DC-type motor is integral to the HCU and is controlled by the ABM. Brake fluid is released to the accumulators when the outlet valve is opened during an antilock stop. The pump mechanism consists of two opposing pistons operated by an eccentric camshaft. In operation, these pistons are used to purge fluid from the accumulators back into the master cylinder circuits. When the antilock stop is complete, the pump/motor drains the accumulators. The pump motor is also used to build pressure when the system goes into Electronic Stability Program (ESP®) and traction control mode. The ABM may turn on the pump/motor when an antilock stop is detected. The pump/motor continues to run during the antilock stop and is turned off after the stop is complete. Under some conditions, the pump/motor runs to drain the accumulators during the next drive-off. The pump/motor is not a serviceable item; if it requires replacement, the HCU must be replaced. Removal REMOVAL To remove the HCU, the ICU must be removed and disassembled. See Brakes/Hydraulic/Mechanical/INTEGRATED CONTROL UNIT (ICU) - Removal. See 2009 Jeep Patriot Limited 2009 BRAKES ABS - Service Information - Compass & Patriot a Saturday, September 08, 2012 12:37:04 PM Page 41 © 2006 Mitchell Repair Information Company, LLC.
  • 755.
    Brakes/Hydraulic/Mechanical/INTEGRATED CONTROL UNIT(ICU) - Disassembly Installation INSTALLATION To install the HCU, assemble and install the ICU. See Brakes/Hydraulic/Mechanical/INTEGRATED CONTROL UNIT (ICU) - Assembly. See Brakes/Hydraulic/Mechanical/INTEGRATED CONTROL UNIT (ICU) - Installation. INTEGRATED CONTROL UNIT (ICU) Description DESCRIPTION Fig. 46: Integrated Control Unit Courtesy of CHRYSLER LLC The Hydraulic Control Unit (HCU) (2) and the Antilock Brake Module (ABM) (1) used with this antilock brake system are combined (integrated) into one unit, which is called the Integrated Control Unit (ICU). 1 - ANTILOCK BRAKE MODULE (ABM) 2 - HYDRAULIC CONTROL UNIT (HCU) 3 - PUMP/MOTOR 2009 Jeep Patriot Limited 2009 BRAKES ABS - Service Information - Compass & Patriot a Saturday, September 08, 2012 12:37:04 PM Page 42 © 2006 Mitchell Repair Information Company, LLC.
  • 756.
    Fig. 47: ICUMounting Courtesy of CHRYSLER LLC The ICU (1) is located in the engine compartment, mounted to the right side body frame rail near the strut tower. The ABS with ESP and All-Speed Traction Control ICU consists of the following components: the ABM, 12 (build/decay) solenoid valves, two traction control solenoid valves, two hydraulic shuttle valves, valve block, fluid accumulators, a pump, and an electric pump/motor. The replaceable components of the ICU are the HCU and the ABM. No attempt should be made to service any components of the HCU or ABM. For additional information on the ABM. Refer to Electrical - Electronic Control Modules/Electronic Control Modules/MODULE, Anti-Lock Brake System - Description . For additional information on the HCU. See Brakes/Hydraulic/Mechanical/HYDRAULIC CONTROL UNIT (HCU) - Description. Operation OPERATION For information of the ICU, refer to these individual components of the ICU: ANTILOCK BRAKE MODULE (ABM). Refer to Electrical/Electronic Control Modules/MODULE, Anti-Lock Brake System - Description HYDRAULIC CONTROL UNIT (HCU). See Brakes/Hydraulic/Mechanical/HYDRAULIC CONTROL UNIT (HCU) - Description. Removal 2009 Jeep Patriot Limited 2009 BRAKES ABS - Service Information - Compass & Patriot a Saturday, September 08, 2012 12:37:04 PM Page 43 © 2006 Mitchell Repair Information Company, LLC.
  • 757.
    GAS ENGINE 1. Disconnectand isolate battery negative cable from battery post. Fig. 48: Brake Pedal Holding Tool Courtesy of CHRYSLER LLC 2. Using a brake pedal holding tool as shown in illustration above, depress the brake pedal past its first 25 mm (1 inch) of travel and hold it in this position. This will isolate the master cylinder from the brake hydraulic system and will not allow the brake fluid to drain out of the master cylinder reservoir while the lines are disconnected. 3. Remove the engine appearance cover. 4. Loosen lower and upper mounting nuts, then remove the exhaust heat shield from the dash panel. 5. Pull the brake tube bundle routing clips (with tubes) loose from studs on the dash panel. NOTE: Before proceeding. Refer to Brakes - Warning . See Brakes - Caution. 2009 Jeep Patriot Limited 2009 BRAKES ABS - Service Information - Compass & Patriot a Saturday, September 08, 2012 12:37:04 PM Page 44 © 2006 Mitchell Repair Information Company, LLC.
  • 758.
    Fig. 49: BrakeTubes At ICU Courtesy of CHRYSLER LLC 6. Remove the primary (4) and secondary (1) brake tubes (from master cylinder) at the hydraulic control unit (7). 7. Remove the remaining brake tubes (2, 3, 5, 6) at the hydraulic control unit (7). Fig. 50: Pressure Bracket To Heat Shield - 2.4L Courtesy of CHRYSLER LLC 8. Remove the screw (1) fastening the power steering pressure hose routing clamp (2) to the exhaust manifold. 2009 Jeep Patriot Limited 2009 BRAKES ABS - Service Information - Compass & Patriot a Saturday, September 08, 2012 12:37:04 PM Page 45 © 2006 Mitchell Repair Information Company, LLC.
  • 759.
    Fig. 51: ABMConnector Release Tabs Courtesy of CHRYSLER LLC Fig. 52: ABM Courtesy of CHRYSLER LLC 9. Disconnect the ABM harness connector from the Antilock Brake Module (ABM). To do so: NOTE: Use this figure in the following step to release the ABM harness connector cover. It shows the location of the release tabs. 1 - ABM (PART OF ICU) 2 - WIRING HARNESS CONNECTOR 2009 Jeep Patriot Limited 2009 BRAKES ABS - Service Information - Compass & Patriot a Saturday, September 08, 2012 12:37:04 PM Page 46 © 2006 Mitchell Repair Information Company, LLC.
  • 760.
    a. Depress thetabs on each side of the connector cover, then b. Pull outward and upward on the lower half of the cover until it locks into position pointing straight outward (2). The connector can then be pulled straight outward off the ABM (1). Fig. 53: ICU Mounting Courtesy of CHRYSLER LLC 10. Loosen, but do not remove, the two mounting screws (2) attaching the ICU (1) mounting bracket to the body. 11. Lift the ICU and mounting bracket (1) off the mounting screws (2). 12. Move the brake tubes around as necessary without bending them and remove the ICU with bracket through the opening between the A/C lines and the exhaust manifold. 13. To separate the ABM from the HCU. See Brakes/Hydraulic/Mechanical/INTEGRATED CONTROL UNIT (ICU) - Disassembly. DIESEL ENGINE 1. Disconnect and isolate battery negative cable from battery post. NOTE: Before proceeding. Refer to Brakes - Warning . See Brakes - Caution. 2009 Jeep Patriot Limited 2009 BRAKES ABS - Service Information - Compass & Patriot a Saturday, September 08, 2012 12:37:04 PM Page 47 © 2006 Mitchell Repair Information Company, LLC.
  • 761.
    Fig. 54: BrakePedal Holding Tool Courtesy of CHRYSLER LLC 2. Using a brake pedal holding tool as shown in illustration above, depress the brake pedal past its first 25 mm (1 inch) of travel and hold it in this position. This will isolate the master cylinder from the brake hydraulic system and will not allow the brake fluid to drain out of the master cylinder reservoir while the lines are disconnected. 3. Raise and support the vehicle. Refer to Vehicle Quick Reference/Hoisting - Standard Procedure Fig. 55: ICU Mounting Courtesy of CHRYSLER LLC 4. Loosen, but do not remove, the two mounting screws (2) attaching the ICU (1) mounting bracket to the 2009 Jeep Patriot Limited 2009 BRAKES ABS - Service Information - Compass & Patriot a Saturday, September 08, 2012 12:37:04 PM Page 48 © 2006 Mitchell Repair Information Company, LLC.
  • 762.
    body. 5. Loosen theair inlet tube at the turbocharger. 6. Lower the vehicle. 7. Remove the engine appearance cover. 8. Loosen the air inlet tube at the air cleaner and engine cylinder head cover, then remove the tube. 9. Loosen lower and upper mounting nuts, then remove the heat shield from the dash panel. 10. Pull the brake tube bundle routing clips (with tubes) loose from studs on the dash panel. Fig. 56: Brake Tubes At ICU Courtesy of CHRYSLER LLC 11. Remove primary (4) and secondary (1) brake tubes (from master cylinder) at hydraulic control unit (7). 12. Remove remaining brake tubes (2, 3, 5, 6) at hydraulic control unit (7). 2009 Jeep Patriot Limited 2009 BRAKES ABS - Service Information - Compass & Patriot a Saturday, September 08, 2012 12:37:04 PM Page 49 © 2006 Mitchell Repair Information Company, LLC.
  • 763.
    Fig. 57: ABMConnector Release Tabs Courtesy of CHRYSLER LLC Fig. 58: ABM Courtesy of CHRYSLER LLC 13. Disconnect the ABM harness connector from the Antilock Brake Module (ABM). To do so: NOTE: Use this figure in the following step to release the ABM harness connector cover. It shows the location of the release tabs. 1 - ABM (PART OF ICU) 2 - WIRING HARNESS CONNECTOR 2009 Jeep Patriot Limited 2009 BRAKES ABS - Service Information - Compass & Patriot a Saturday, September 08, 2012 12:37:04 PM Page 50 © 2006 Mitchell Repair Information Company, LLC.
  • 764.
    a. Depress thetabs on each side of the connector cover, then b. Pull outward and upward on the lower half of the cover until it locks into position pointing straight outward (2). The connector can then be pulled straight outward off the ABM (1). Fig. 59: ICU Mounting Courtesy of CHRYSLER LLC 14. Lift the ICU and mounting bracket (1) off the mounting screws (2). Fig. 60: ICU Bracket Mounting - Diesel Courtesy of CHRYSLER LLC 15. Rotate the ICU (1) around behind the engine until the bracket mounting screw (3) can be accessed. 2009 Jeep Patriot Limited 2009 BRAKES ABS - Service Information - Compass & Patriot a Saturday, September 08, 2012 12:37:04 PM Page 51 © 2006 Mitchell Repair Information Company, LLC.
  • 765.
    16. Remove theICU bracket mounting screw (3), then remove the bracket (2) from the ICU (1). The ICU has mounting pins that are inserted into grommets in the bracket that must be overcome to remove bracket. Fig. 61: ICU - Diesel Courtesy of CHRYSLER LLC 17. Remove the ICU (1) from the engine compartment out over the engine cylinder head cover (2). 18. To separate the ABM from the HCU. See Brakes/Hydraulic/Mechanical/INTEGRATED CONTROL UNIT (ICU) - Disassembly. RIGHT-HAND-DRIVE 1. Disconnect and isolate battery negative cable from battery post. NOTE: Before proceeding. Refer to Brakes - Warning . See Brakes - Caution. 2009 Jeep Patriot Limited 2009 BRAKES ABS - Service Information - Compass & Patriot a Saturday, September 08, 2012 12:37:04 PM Page 52 © 2006 Mitchell Repair Information Company, LLC.
  • 766.
    Fig. 62: BrakePedal Holding Tool Courtesy of CHRYSLER LLC 2. Using a brake pedal holding tool as shown in illustration above, depress the brake pedal past its first 25 mm (1 inch) of travel and hold it in this position. This will isolate the master cylinder from the brake hydraulic system and will not allow the brake fluid to drain out of the master cylinder reservoir while the lines are disconnected. 3. Remove the engine appearance cover. Fig. 63: Air Cleaner Assembly Courtesy of CHRYSLER LLC 2009 Jeep Patriot Limited 2009 BRAKES ABS - Service Information - Compass & Patriot a Saturday, September 08, 2012 12:37:04 PM Page 53 © 2006 Mitchell Repair Information Company, LLC.
  • 767.
    4. Remove theair cleaner housing (1). Refer to Engine/Air Intake System/BODY, Air Cleaner - Removal Fig. 64: Brake Tubes At ICU Courtesy of CHRYSLER LLC 5. Remove the primary (4) and secondary (1) brake tubes (from master cylinder) at the Hydraulic Control Unit (HCU) (7). 6. Remove the remaining brake tubes (2, 3, 5, 6) at the HCU (7). Fig. 65: ABM Connector Release Tabs Courtesy of CHRYSLER LLC 2009 Jeep Patriot Limited 2009 BRAKES ABS - Service Information - Compass & Patriot a Saturday, September 08, 2012 12:37:04 PM Page 54 © 2006 Mitchell Repair Information Company, LLC.
  • 768.
    Fig. 66: ABM Courtesyof CHRYSLER LLC 7. Disconnect the ABM harness connector from the Antilock Brake Module (ABM). To do so: a. Depress the tabs on each side of the connector cover, then b. Pull outward and upward on the lower half of the cover until it locks into position pointing straight outward (2). The connector can then be pulled straight outward off the ABM (1). NOTE: Use this figure in the following step to release the Antilock Brake Module (ABM) harness connector cover. It shows the location of the release tabs. 1 - ABM (PART OF ICU) 2 - WIRING HARNESS CONNECTOR 2009 Jeep Patriot Limited 2009 BRAKES ABS - Service Information - Compass & Patriot a Saturday, September 08, 2012 12:37:04 PM Page 55 © 2006 Mitchell Repair Information Company, LLC.
  • 769.
    Fig. 67: IntegratedControl Unit Mounting - RHD Courtesy of CHRYSLER LLC 8. Loosen, but do not remove, the mounting nut (2) and screw (3) attaching the Integrated Control Unit (ICU) (1) mounting bracket to the body. 9. Lift the ICU and mounting bracket (1) off the mounting stud and screw. 10. To separate the ABM from the HCU. See Brakes/Hydraulic/Mechanical/INTEGRATED CONTROL UNIT (ICU) - Disassembly. Disassembly DISASSEMBLY 2009 Jeep Patriot Limited 2009 BRAKES ABS - Service Information - Compass & Patriot a Saturday, September 08, 2012 12:37:04 PM Page 56 © 2006 Mitchell Repair Information Company, LLC.
  • 770.
    Fig. 68: ICUMounting Bolt Courtesy of CHRYSLER LLC 1. If the mounting bracket (3) needs to be removed from the ICU, remove the single mounting bolt (2), then slide the ICU's mounting pins out of the grommets in the bracket and remove the bracket. Fig. 69: ICU Mounting Pins Courtesy of CHRYSLER LLC 2. Remove the mounting pins from the ICU. 1 - ICU 2 - MOUNTING BOLT 3 - MOUNTING BRACKET 2009 Jeep Patriot Limited 2009 BRAKES ABS - Service Information - Compass & Patriot a Saturday, September 08, 2012 12:37:04 PM Page 57 © 2006 Mitchell Repair Information Company, LLC.
  • 771.
    Fig. 70: ABMMounting Screws - With Traction Control Courtesy of CHRYSLER LLC 3. Remove the four screws (1) attaching the ABM (2) to the HCU. Fig. 71: ABM Assembly To HCU Courtesy of CHRYSLER LLC 1 - MOUNTING SCREWS 2 - ABM 1 - ABM 2009 Jeep Patriot Limited 2009 BRAKES ABS - Service Information - Compass & Patriot a Saturday, September 08, 2012 12:37:04 PM Page 58 © 2006 Mitchell Repair Information Company, LLC.
  • 772.
    4. Separate theABM (1) from the HCU (2). Assembly ASSEMBLY 1. Clean any debris off the mating surfaces of the HCU and ABM. Fig. 72: Solenoid Valve Seal Courtesy of CHRYSLER LLC 2. If the seals (1) on the solenoid valve stems (2) are not new, replace them all. Each of the solenoid valve stem seals must be new to keep out moisture and debris;do not reuse solenoid valve stem seals. 2 - HCU 3 - SOLENOID VALVE STEM CAUTION: When installing new O-rings or solenoid valve stem seals, do not use any type of lubricant. 1 - SEAL 2 - SOLENOID VALVE STEM 2009 Jeep Patriot Limited 2009 BRAKES ABS - Service Information - Compass & Patriot a Saturday, September 08, 2012 12:37:04 PM Page 59 © 2006 Mitchell Repair Information Company, LLC.
  • 773.
    Fig. 73: InternalPump Connector O-Ring Courtesy of CHRYSLER LLC 3. Replace the pump/motor connector O-ring (1) if it is not new. Be sure the O-ring is properly seated in the mounting groove (2). Fig. 74: ABM Assembly To HCU Courtesy of CHRYSLER LLC 1 - O-RING 2 - O-RING MOUNTING GROOVE 1 - ABM 2009 Jeep Patriot Limited 2009 BRAKES ABS - Service Information - Compass & Patriot a Saturday, September 08, 2012 12:37:04 PM Page 60 © 2006 Mitchell Repair Information Company, LLC.
  • 774.
    4. Align componentsand install the ABM (1) on the HCU (2). Fig. 75: ABM Mounting Screws - With Traction Control Courtesy of CHRYSLER LLC 5. Install the four screws (1) attaching the ABM (2) to the HCU. Tighten the mounting screws to 2 N.m (17 in. lbs.). 2 - HCU 3 - SOLENOID VALVE STEM 1 - MOUNTING SCREWS 2 - ABM 2009 Jeep Patriot Limited 2009 BRAKES ABS - Service Information - Compass & Patriot a Saturday, September 08, 2012 12:37:04 PM Page 61 © 2006 Mitchell Repair Information Company, LLC.
  • 775.
    Fig. 76: ICUMounting Pins Courtesy of CHRYSLER LLC 6. If necessary, install the mounting pins (1) in the ICU (2) and tighten to 11 N.m (97 in. lbs.). Fig. 77: ICU Mounting Bolt Courtesy of CHRYSLER LLC 7. If the mounting bracket (3) needs to be installed on the ICU (1), install the mounting pins in the ICU as 1 - ICU 2 - MOUNTING BOLT 3 - MOUNTING BRACKET 2009 Jeep Patriot Limited 2009 BRAKES ABS - Service Information - Compass & Patriot a Saturday, September 08, 2012 12:37:04 PM Page 62 © 2006 Mitchell Repair Information Company, LLC.
  • 776.
    necessary and tightento 11 N.m (97 in. lbs.). Insert the mounting pins into the grommets mounted in the bracket, then install the single mounting bolt (2). Tighten the mounting bolt to 11 N.m (97 in. lbs.). 8. Install the ICU in the vehicle. See Brakes/Hydraulic/Mechanical/INTEGRATED CONTROL UNIT (ICU) - Installation Installation GAS ENGINE Fig. 78: ICU Mounting Courtesy of CHRYSLER LLC 1. Install the ICU with bracket (1) through the opening between the A/C lines and the exhaust manifold using the opposite of how it was removed. 2. Place the mounting bracket for the ICU (1) over the mounting screws (2) and hang the assembly in place. Tighten the two mounting screws (2) to 23 N.m (17 ft. lbs.). 2009 Jeep Patriot Limited 2009 BRAKES ABS - Service Information - Compass & Patriot a Saturday, September 08, 2012 12:37:04 PM Page 63 © 2006 Mitchell Repair Information Company, LLC.
  • 777.
    Fig. 79: ABM Courtesyof CHRYSLER LLC 3. Insert the ABM wiring harness connector (2) into the socket of the ABM (1) and close the cover, locking the connector in place. 1 - ABM (PART OF ICU) 2 - WIRING HARNESS CONNECTOR CAUTION: Before installing the ABM harness connector on the ABM, be sure the seal is properly installed in the connector. 2009 Jeep Patriot Limited 2009 BRAKES ABS - Service Information - Compass & Patriot a Saturday, September 08, 2012 12:37:04 PM Page 64 © 2006 Mitchell Repair Information Company, LLC.
  • 778.
    Fig. 80: BrakeTubes At ICU Courtesy of CHRYSLER LLC 4. Install the four chassis brake tubes (2, 3, 5, 6) brake tubes at the ICU hydraulic control unit (7). Tighten the tube nuts to 17 N.m (150 in. lbs.). 5. Install the primary (4) and secondary (1) brake tubes at the ICU hydraulic control unit (7). Tighten the tube nuts to 17 N.m (150 in. lbs.). Fig. 81: Pressure Bracket To Heat Shield - 2.4L Courtesy of CHRYSLER LLC 6. Position the power steering pressure hose routing clamp (2) on the exhaust manifold and install the mounting screw (1). Tighten the mounting screw to 9 N.m (80 in. lbs.). 7. Push the brake tube bundle routing clips (with tubes) onto the studs on the dash panel. 8. Install the heat shield on the dash panel and tighten the lower and upper mounting nuts. 2009 Jeep Patriot Limited 2009 BRAKES ABS - Service Information - Compass & Patriot a Saturday, September 08, 2012 12:37:04 PM Page 65 © 2006 Mitchell Repair Information Company, LLC.
  • 779.
    Fig. 82: BrakePedal Holding Tool Courtesy of CHRYSLER LLC 9. Remove the brake pedal holding tool. 10. Install the engine appearance cover. 11. Connect the battery negative cable to the battery post. It is important that this be performed properly. Refer to Electrical/Battery System - Standard Procedure Fig. 83: Bleed Hose Set Up Courtesy of CHRYSLER LLC 12. Hook up the scan tool to initialize the ABM and perform the following: a. Clear any faults. b. Fill the master cylinder to the proper fill level and bleed the base and ABS hydraulic systems. See Brakes - Standard Procedure 2009 Jeep Patriot Limited 2009 BRAKES ABS - Service Information - Compass & Patriot a Saturday, September 08, 2012 12:37:04 PM Page 66 © 2006 Mitchell Repair Information Company, LLC.
  • 780.
    c. Check forleaks. d. Perform the ABS Verification Test and road test the vehicle. Refer to DTC-Based Diagnostics/MODULE, Antilock Brake (ABS) - Standard Procedure . DIESEL ENGINE Fig. 84: ICU - Diesel Courtesy of CHRYSLER LLC 1. Install the ICU (1) into the engine compartment over the top of the engine cylinder head cover (2) as shown in illustration above. NOTE: Before installation, be sure the mounting pins are installed in the ICU block, but do not install the mounting bracket. 2009 Jeep Patriot Limited 2009 BRAKES ABS - Service Information - Compass & Patriot a Saturday, September 08, 2012 12:37:04 PM Page 67 © 2006 Mitchell Repair Information Company, LLC.
  • 781.
    Fig. 85: ICUBracket Mounting - Diesel Courtesy of CHRYSLER LLC 2. Rotate the ICU (1) around behind the engine until the mounting bracket (2) can be installed. 3. Install the mounting bracket (2) onto the ICU (1). Push the bracket mounting grommets onto the mounting pins of the ICU. Install the single mounting bolt (3). Tighten the mounting bolt to 11 N.m (97 in. lbs.). Fig. 86: ICU Mounting Courtesy of CHRYSLER LLC 4. Place mounting bracket for the ICU (1) over the mounting screws (2) and hang the assembly in place. 2009 Jeep Patriot Limited 2009 BRAKES ABS - Service Information - Compass & Patriot a Saturday, September 08, 2012 12:37:04 PM Page 68 © 2006 Mitchell Repair Information Company, LLC.
  • 782.
    Fig. 87: ABM Courtesyof CHRYSLER LLC 5. Insert the ABM wiring harness connector (2) into the socket of the ABM (1) and close the cover, locking the connector in place. 1 - ABM (PART OF ICU) 2 - WIRING HARNESS CONNECTOR CAUTION: Before installing the ABM harness connector on the ABM, be sure the seal is properly installed in the connector. 2009 Jeep Patriot Limited 2009 BRAKES ABS - Service Information - Compass & Patriot a Saturday, September 08, 2012 12:37:04 PM Page 69 © 2006 Mitchell Repair Information Company, LLC.
  • 783.
    Fig. 88: BrakeTubes At ICU Courtesy of CHRYSLER LLC 6. Install the four chassis brake tubes (2, 3, 5, 6) brake tubes at the ICU hydraulic control unit (7). Tighten the tube nuts to 17 N.m (150 in. lbs.). 7. Install the primary (4) and secondary (1) brake tubes at the ICU hydraulic control unit (7). Tighten the tube nuts to 17 N.m (150 in. lbs.). 8. Push the brake tube bundle routing clips (with tubes) onto the studs on the dash panel. 9. Install the heat shield on the dash panel and tighten the lower and upper mounting nuts. 10. Install the air inlet tube at the air cleaner and engine cylinder head cover. 11. Raise and support the vehicle. Refer to Vehicle Quick Reference/Hoisting - Standard Procedure Fig. 89: ICU Mounting Courtesy of CHRYSLER LLC 12. Tighten the two mounting screws (2) attaching the ICU (1) mounting bracket to the body. Tighten the mounting screws to 23 N.m (17 ft. lbs.). 13. Tighten the air inlet tube at the turbocharger. 14. Lower the vehicle. 2009 Jeep Patriot Limited 2009 BRAKES ABS - Service Information - Compass & Patriot a Saturday, September 08, 2012 12:37:04 PM Page 70 © 2006 Mitchell Repair Information Company, LLC.
  • 784.
    Fig. 90: BrakePedal Holding Tool Courtesy of CHRYSLER LLC 15. Remove brake pedal holding tool. 16. Install the engine appearance cover. 17. Connect the battery negative cable to the battery post. It is important that this be performed properly. Refer to Electrical - Engine Systems/Battery System - Standard Procedure Fig. 91: Bleed Hose Set Up Courtesy of CHRYSLER LLC 18. Hook up the scan tool to initialize the ABM and perform the following: a. Clear any faults. b. Fill the master cylinder to the proper fill level and bleed the base and ABS hydraulic systems. See Brakes - Standard Procedure 2009 Jeep Patriot Limited 2009 BRAKES ABS - Service Information - Compass & Patriot a Saturday, September 08, 2012 12:37:04 PM Page 71 © 2006 Mitchell Repair Information Company, LLC.
  • 785.
    c. Perform theABS Verification Test. Refer to DTC-Based Diagnostics/MODULE, Antilock Brake (ABS) - Standard Procedure and road test the vehicle. RIGHT-HAND-DRIVE Fig. 92: Integrated Control Unit Mounting - RHD Courtesy of CHRYSLER LLC 1. Install the ICU with bracket (1) through the opening between the A/C lines and the exhaust manifold using the opposite of how it was removed. 2. Install the ICU with bracket (1) into the engine compartment. Place the mounting bracket for the ICU (1) over the mounting stud and screw (3) and hang the assembly in place. Tighten the mounting nut (2) and mounting screw (3) to 23 N.m (17 ft. lbs.). 2009 Jeep Patriot Limited 2009 BRAKES ABS - Service Information - Compass & Patriot a Saturday, September 08, 2012 12:37:04 PM Page 72 © 2006 Mitchell Repair Information Company, LLC.
  • 786.
    Fig. 93: ABM Courtesyof CHRYSLER LLC 3. Insert the ABM wiring harness connector (2) into the socket of the ABM (1) and close the cover, locking the connector in place. 1 - ABM (PART OF ICU) 2 - WIRING HARNESS CONNECTOR CAUTION: Before installing the ABM harness connector on the ABM, be sure the seal is properly installed in the connector. 2009 Jeep Patriot Limited 2009 BRAKES ABS - Service Information - Compass & Patriot a Saturday, September 08, 2012 12:37:04 PM Page 73 © 2006 Mitchell Repair Information Company, LLC.
  • 787.
    Fig. 94: BrakeTubes At ICU Courtesy of CHRYSLER LLC 4. Install the four chassis brake tubes (2, 3, 5, 6) brake tubes at the ICU hydraulic control unit (7). Tighten the tube nuts to 17 N.m (150 in. lbs.). 5. Install the primary (4) and secondary (1) brake tubes at the ICU hydraulic control unit (7). Tighten the tube nuts to 17 N.m (150 in. lbs.). Fig. 95: Air Cleaner Assembly Courtesy of CHRYSLER LLC 6. Install the air cleaner housing (1). Refer to Engine/Air Intake System/BODY, Air Cleaner - Installation 2009 Jeep Patriot Limited 2009 BRAKES ABS - Service Information - Compass & Patriot a Saturday, September 08, 2012 12:37:04 PM Page 74 © 2006 Mitchell Repair Information Company, LLC.
  • 788.
    Fig. 96: BrakePedal Holding Tool Courtesy of CHRYSLER LLC 7. Remove the brake pedal holding tool. 8. Install the engine appearance cover. 9. Connect the battery negative cable to the battery post. It is important that this be performed properly. Refer to Electrical/Battery System - Standard Procedure Fig. 97: Bleed Hose Set Up Courtesy of CHRYSLER LLC 10. Hook up the scan tool to initialize the ABM and perform the following: a. Clear any faults. b. Fill the master cylinder to the proper fill level and bleed the base and ABS hydraulic systems. See Brakes - Standard Procedure 2009 Jeep Patriot Limited 2009 BRAKES ABS - Service Information - Compass & Patriot a Saturday, September 08, 2012 12:37:04 PM Page 75 © 2006 Mitchell Repair Information Company, LLC.
  • 789.
    c. Check forleaks. d. Perform the ABS Verification Test. Refer to DTC-Based Diagnostics/MODULE, Antilock Brake (ABS) - Standard Procedure and road test the vehicle. 2009 Jeep Patriot Limited 2009 BRAKES ABS - Service Information - Compass & Patriot a Saturday, September 08, 2012 12:37:04 PM Page 76 © 2006 Mitchell Repair Information Company, LLC.
  • 790.
    JEEP Compass • Patriot BRAKES.9-131 DRIVE TRAIN.. .9-28 • ENGINE ELECTRICAL 9-43 ANTI-LOCK BRAKE SYSTEM (ABS) 9-13 General Information 9-13 Precautions 9-13 Wheel Speed Sensors 9-13 Removal & Installation 9-13 BLEEDING THE BRAKE SYSTEM 9-16 Bleeding Procedure 9-16 Bleeding the ABS System 9-17 FRONT DISC BRAKES 9-17 Brake Caliper 9-17 Removal & Installation 9-17 Disc Brake Pads 9-18 Removal & Installation 9-18 PARKING BRAKE 9-24 Parking Brake Cables 9-24 Adjustment 9-24 Parking Brake Shoes 9-24 Adjustment 9-25 Removal & Installation 9-24 REAR DISC BRAKES 9-19 Brake Caliper 9-19 Removal & Installation 9-19 Disc Brake Pads 9-20 Removal & Installation 9-20 REAR DRUM BRAKES 9-20 Brake Drum 9-20 Removal & Installation 9-20 Brake Shoes 9-21 Adjustment 9-22 Removal & Installation 9-21 CHASSIS ELECTRICAL 9-26 AIR BAG (SUPPLEMENTAL RESTRAINT SYSTEM) 9-26 General Information 9-26 Arming the System 9-26 Clockspring Centering 9-27 Disarming the System 9-26 Service Precautions 9-26 SRS Verification Test 9-26,28 Automatic Transaxle Assembly 9-28 Removal & Installation 9-28 Clutch Driven Disc & Pressure Plate 9-31 Adjustments 9-31 Removal & Installation 9-31 Clutch Master Cylinder 9-31 Removal & Installation 9-31 Clutch Slave Cylinder 9-32 Hydraulic System Bleeding 9-32 Removal & Installation 9-32 Front Halfshafts 9-34 Removal & Installation 9-34 Front Pinion Seal 9-36 Removal & Installation 9-36 Manual Transaxle Assembly 9-29 Removal & Installation 9-29 Rear Axle Housing 9-36 Removal & Installation 9-36 Rear Axle Shaft, Bearing & Seal 9-37 Removal & Installation 9-37 Rear Driveshaft 9-39 Removal & Installation 9-39 Rear Halfshafts 9-39 Removal & Installation 9-39 Rear Pinion Seal 9-40 Removal & Installation 9-40 Transfer Case Assembly 9-33 Removal & Installation 9-33 ENGINE COOLING 9-40 Engine Fan 9-40 Removal & Installation 9-40 Radiator 9-41 Removal & Installation 9-41 Thermostat 9-41 Removal & Installation 9-41 Water Pump 9-42 Removal & Installation 9-42 CHARGING SYSTEM 9-43 Alternator 9-43 Removal & Installation 9-43 IGNITION SYSTEM 9-43 Firing Orders 9-43 Ignition Coil 9-43 Removal & Installation 9-43 Ignition Timing 9-43 Adjustment 9-43 Sparkplugs 9-44 Removal & Installation 9-44 STARTING SYSTEM 9-44 Starter 9-44 Removal & Installation 9-44 ENGINE MECHANICAL 9-44 Accessory Drive Belts 9-44 Accessory Belt Routing 9-44 Adjustment 9-44 Inspection 9-44 Removal & Installation 9-44 Balance Shaft 9-44 Removal & Installation 9-44 Camshaft and Valve Lifters 9-45 Removal & Installation 9-45 Catalytic Converter 9-48 Removal & Installation 9-48 Combination Manifold 9-49 Removal & Installation 9-49 Crankshaft Damper 9-49 Removal & Installation 9-49 Crankshaft Front Seal 9-50 Removal & Installation 9-50 Cylinder Head 9-50 Removal & Installation 9-50 Engine Assembly 9-54 Removal & Installation 9-54 Exhaust Manifold 9-56 Removal & Installation 9-56 Flywheel 9-56 Removal & Installation 9-56 Intake Manifold 9-56 Removal & Installation 9-56
  • 791.
    9-2 JEEP COMPASS •PATRIOT Oil Pan 9-57 Removal & Installation 9-57 Oil Pump 9-58 Removal & Installation 9-58 Piston and Ring 9-58 Positioning 9-58 Rear Main Seal 9-59 Removal & Installation 9-59 Rocker Arms/Shafts 9-59 Removal & Installation 9-59 Timing Chain and Sprockets 9-61 Removal & Installation 9-61 Timing Chain Cover and Seal ...9-59 Removal & Installation 9-59 Valve Covers/Cylinder Head Cover 9-63 Removal & Installation 9-63 Valve Lash 9-64 Adjustment 9-64 ENGINE PERFORMANCE & EMISSION CONTROLS Accelerator Pedal Position (APP) Sensor 9-65 Location 9-65 Removal & Installation 9-65 Camshaft Position (CMP) Sensor 9-65 Location 9-65 Removal & Installation 9-65 Crankshaft Position (CKP) Sensor 9-66 Location 9-66 Removal & Installation 9-66 Engine Coolant Temperature (ECT) Sensor 9-66 Location 9-66 Removal & Installation 9-66 Evaporative Emissions (EVAP) Canister 9-67 Location 9-67 Removal & Installation 9-67 Evaporative Emissions (EVAP) Purge Control Solenoid 9-67 Location 9-67 Removal & Installation 9-67 Heated Oxygen Sensor (H02S)...9-67 Location 9-67 Removal & Installation 9-70 Intake Air Temperature (IAT) Sensor 9-71 Location 9-71 Removal & Installation 9-71 Knock Sensor (KS) 9-71 Location 9-71 Removal & Installation 9-71 Malfunction (MIL).... Indicator Light .9-71 Reset Procedure 9-71 Manifold Absolute Pressure (MAP) Sejisor 9-72 Locatiorf 9-72 Removal & Installation 9-72 Positive Cfinkcase Ventilation (PCV)Vave 9-72 Locatiol 9-72 Removal & Installation 9-72 Powertraif Control Module (PCM)..} 9-72 Location 9-72 Removil & Installation 9-73 Throttle Position Sensor (TPS).J 9-74 Location 9-74 Removal & Installation 9-74 Variable ifcamshaft Timing Oil Control Solenoid 9-74 Location 9-74 Removal & Installation 9-74 Vehicle iSpeed Sensor (VSS) 9-75 Locajon 9-75 Removal & Installation 9-75 FUEL 9-75 GASOLINE FUEL INJECTION SYSTEM 9-75 FuelF ter 9-75 Removal & Installation 9-75 Fuel Rump Module 9-75 Removal & Installation 9-75 Fuel [fail & Injectors 9-76 Rejioval & Installation 9-76 Fuel System Service Precautions 9-75 Fuel tank 9-77 Rejnoval & Installation 9-77 Idle Speed 9-77 Adjustment 9-77 Relil/ing Fuel System Pressure 9-75 Throttle Body 9-77 Removal & Installation 9-77 HEATING & AIR CONDITIONING SYSTEM 9-78 Blojver Motor 9-78 iemoval & Installation 9-78 He ter Core 9-78 emoval & Installation 9-78 SPECIFICATIONS AND MAINTENANCE CHARTS 9-3 PRECAUTIONS 9-13 Brake Specifications 9-10 Camshaft and Bearing Specifications Chart 9-5 Capacities 9-4 Crankshaft and Connecting Rod Specifications 9-6 Engine and Vehicle Identification...9-3 Fluid Specifications 9-4 Gasoline Engine Tune-Up Specifications 9-3 General Engine Specifications 9-3 Piston and Ring Specifications 9-6 Scheduled Maintenance Intervals 9-11,12 Tire Wheel and Ball Joint Specifications 9-9 Torque Specifications 9-7 Valve Specifications 9-5 Wheel Alignment 9-8 STEERING 9-80 Power Rack & Pinion Steering Gear 9-80 Removal & Installation 9-80 Power Steering Pump 9-81 Bleeding 9-82 Removal & Installation 9-81 SUSPENSION 9-83 FRONT SUSPENSION 9-83 Lower Ball Joint 9-83 Removal & Installation 9-83 Lower Control Arm 9-83 Removal & Installation 9-83 MacPherson Strut 9-84 Removal & Installation 9-84 Stabilizer Bar 9-86 Removal & Installation 9-86 Steering Knuckle 9-85 Removal & Installation 9-85 Wheel Hub & Bearing 9-87 Adjustment 9-88 Removal & Installation 9-87 REAR SUSPENSION 9-88 Coil Spring 9-88 Removal & Installation 9-88 Control Arms/Links 9-88 Removal & Installation 9-88 Strut and Spring Assembly 9-90 Removal & Installation 9-90 Wheel Hub & Bearing 9-91 Adjustment 9-92 Removal & Installation 9-91
  • 792.
    JEEP COMPASS • PATRIOT9-3 1 SPECIFICATIONS AND MAINTENANCE CHARTS | ENGINE AND VEHICLE IDENTIFICATION Engine Code © Liters (cc) A B 0 W 2.0(1,998) 2.4 (2,360) 2.0(1,998) 2.4 (2,360) Cu. In. 122.0 146.5 122.0 146.5 Cyl. 4 4 4 4 Fuel Sys. MFI MFI MFI MFI Engine Type DOHC DOHC DOHC DOHC Eng. Mfg. GEMA GEMA GEMA GEMA Model Year Code <D Year 7 2007 8 2008 9 2009 MFI: Multi-port Fuel Injection DOHC: Dual Overhead Camshaft GEMA: Global Engine Manufacturing Alliance © 8th position of Vehicle IdentificationNumber (VIN) @10th position of VIN GENERAL ENGINE SPECIFICATIONS All measurements are niven in inches. Engine Engine Net Net Bore x Com- Oil Displacement Series Horsepower Torque @ rpm Stroke pression Pressure Year Model Liters ID/VIN @ rpm (ft. Ibs.) (in.) Ratio @ rpm 2007 2008 2009 Compass Patriot Compass Patriot Compass Patriot 2.0 2.4 2.0 2.4 2.0 2.4 2.0 2.4 2.0 2.4 2.0 2.4 0 W 0 W 0 W 0 W A B A B 158@6400 172@6000 158@6400 172@6000 158@6400 172@6000 158@6400 172@6000 158@6400 172@6000 158@6400 172@6000 141@5000 165@4400 141@5000 165@4400 141@5000 165@4400 141@5000 165@4400 141@5000 165@4400 141@5000 165@4400 3.386x3.386 3.465x3.819 3.386 x 3.386 3.465x3.819 3.386 x 3.386 3.465x3.819 3.386 x 3.386 3.465x3.819 3.386 x 3.386 3.465x3.819 3.386 x 3.386 3.465x3.819 10.5:1 10.5:1 10.5:1 10.5:1 10.5:1 10.5:1 10.5:1 10.5:1 10.5:1 10.5:1 10.5:1 10.5:1 25-80@3000 25-80@3000 25-80@3000 25-80@3000 25-80@3000 25-80@3000 25-80@3000 25-80@3000 25-80@3000 25-80@3000 25-80@3000 25-80@3000 GASOLINE ENGINE TUNE-UP SPECIFICATIONS Engine Spark Plug Ignition Fuel Idle Displacement Engine Gap Timing Pump Speed Year Liters VIN (in.) (deg.) (psi) (rpm) 2007 2008 2009 2.0 2.4 2.0 2.4 2.0 2.4 0 W 0 W A B 0.043 0.043 0.043 0.043 0.043 0.043 © © © © © © 53-63 53-63 53-63 53-63 53-63 53-63 © © © © © © Valve Lash Clearance Intake Exhaust 0.006-0.009 0.006-0.009 0.006-0.009 0.006-0.009 0.006-0.009 0.006-0.009 0.010-0.012 0.010-0.012 0.010-0.012 0.010-0.012 0.010-0.012 0.010-0.012 NOTE: The Vehicle Emission Control Information label reflects specification changes made during production. Follow the figures on the label if they differ from those in this chart. © Ignition timing is controlled by the PCM and is not adjustable © Idle speed is controlled by the PCM and is not adjustable 36543_COMP_C0003
  • 793.
    9-4 JEEP COMPASS •PATRIOT CAPACITIES Engin< Engine Oil wit Displacement Engine Filter Year Model Liters VIN (qts.) 2007 2008 2009 Compass Patriot Compass Patriot Compass Patriot 2.0 2.4 2.0 2.4 2.0 2.4 2.0 2.4 2.0 2.4 2.0 2.4 0 W 0 W 0 W 0 W A B A B 4.5 4.5 4.5 4.511 4.5,1 4.5 4.5 4.5J 4.5 4't~4$ 4 Transmission (pts.) Manual Auto. ® 5.0-5.6 5.0-5.6 5.0-5.6 5.0-5.6 5.0-5.6 5.0-5.6 5.0-5.6 5.0-5.6 5.0-5.6 5.0-5.6 5.0-5.6 5.0-5.6 8.0 8.0 8.0 8.0 8.0 8.0 8.0 8.0 8.0 8.0 8.0 8.0 Transfer Case (Pts.) 1.1 1.1 1.1 1.1 1.1 1.1 1.1 1.1 1.1 1.1 1.1 1.1 Drive Axle Front Rear (pts.) (pts.) NA NA NA NA NA NA NA NA NA NA NA NA 1.0-1.1 1.0-1.1 1.0-1.1 1.0-1.1 1.0-1.1 1.0-1.1 1.0-1.1 1.0-1.1 1.0-1.1 1.0-1.1 1.0-1.1 1.0-1.1 Fuel Cooling Tank System (gal.) (qts.)® 13.5® 13.5© 13.5© 13.5® 13.6 13.6 13.6 13.6 13.6 13.6 13.6 13.6 7.2 7.2 7.2 7.2 7.2 7.2 7.2 7.2 7.2 7.2 7.2 7.2 NA: NotApplicable NOTE: All capacities are approximate Add fluid gradually and checj © Drain and refill ® Includes heater and coolant recovery bottle filled to MAX level © Except Limited 4x2 models which have a 13.6 gallon fuel tank ; to be sure a proper fluid level is obtained. FLUID SPECIFICATIONS Engine Displacement Engine Manujal Auto. Year Model Liters (VIN) Oil Tran£. Trans. 2007 2008 2009 Compass Patriot Compass Patriot Compass Patriot 2.0 (0) 2.4 (W) 2.0 (0) 2.4 (W) 2.0 (0) 2.4 (W) 2.0 (0) 2.4 (W) 2.0 (A) 2.4(B) 2.0 (A) 2.4 (B) 5W-20 5W-20 5W-20 5W-20 5W-20 5W-20 5W-20 5W-20 5W-20 5W-20 5W-20 5W-20 MOPAR MOPAR MOPAR MOPAR MOPAR MOPAR MOPAR MOPAR MOPAR MOPAN MOPAFJ; MOPAR ATF+4 ATF+4 jpF+4 ATF+4 ATF+4 ATF+4 ATF+4 ATF+4 ATF+4 ATF+4 ATF+4 ATF+4 MOPAR CVTF+4 MOPAR CVTF+4 MOPAR CVTF+4 MOPAR CVTF+4 MOPAR CVTF+4 MOPAR CVTF+4 MOPAR CVTF+4 MOPAR CVTF+4 MOPAR CVTF+4 MOPAR CVTF+4 MOPAR CVTF+4 MOPAR CVTF+4 Drive Axle Front Rear NA NA NA NA NA NA NA NA NA NA NA NA © © © ~ © © © © © © © © © Power Brake TransferSteering Master Cooling Case Fluid Cylinder System © © © © © © © © © © © © © © ® __©_ ® ® ® ® ® © © © © © © ©_ © © © © © © © © ® ® ® _ ® ® ® ® ® ® ~ ® ® ® NA: Not Applicable DOT: Department Of Transportation © MOPAR Gear & Axle Lubricant SAE 80W-90 API GL 5 or equivalent non-synthetic product © MOPAR Power Steering Fluid+4 or MOPAR ATF+4 Automatic Transmission Fluid © MOPAR DOT 3 and SAE J1703 should be used. If DOT 3 |rake fluid is not available, DOT 4 is acceptable. © MOPAR Antifreeze/Coolant 5-Year/100,000 Mile Formula MOAT (Hybrid Organic Additive Technology) or equivalent 36543_COMP_C0005
  • 794.
    JEEP COMPASS • PATRIOT9-5 VALVE SPECIFICATIONS Spring Engine Seat Face Spring Test Installed Displacement Engine Angle Angle Pressure Height Year Liters VIN (deg.) (deg.) (Ibs. @ in.) (in.) 2007 2008 2009 2.0 2.4 2.0 2.4 2.0 2.4 0 W 0 W A B 44.75- 45.10 44.75- 45.10 44.75- 45.10 44.75- 45.10 44.75- 45.10 44.75- 45.10 45.25- 45.75 45.25- 45.75 45.25- 45.75 45.25- 45.75 45.25- 45.75 45.25- 45.75 78.3-85.8@ 1.152 78.3-85.8@ 1.152 78.3-85.8@ 1.152 78.3-85.8@ 1.152 78.3-85.8@ 1.152 78.3-85.8@ 1.152 1.378 1.378 1.378 1.378 1.378 1.378 Stem-to-Guide Stem Clearance Diameter (in.) (in.) Intake Exhaust Intake Exhaust 0.0008- 0.0021 0.0008- 0.0021 0.0008- 0.0021 0.0008- 0.0021 0.0008- 0.0021 0.0008- 0.0021 0.0012- 0.0024 0.0012- 0.0024 0.0012- 0.0024 0.0012- 0.0024 0.0012- 0.0024 0.0012- 0.0024 0.2151- 0.2157 0.2151- 0.2157 0.2151- 0.2157 0.2151- 0.2157 0.2151- 0.2157 0.2151- 0.2157 0.2148- 0.2153 0.2148- 0.2153 0.2148- 0.2153 0.2148- 0.2153 0.2148- 0.2153 0.2148- 0.2153 36543_COMP_C0006 CAMSHAFT AND BEARING SPECIFICATIONS CHART All measurements are given in inches. Engine Displ. Engine Brg. Oil Shaft Journal Year Liters VIN Journal Dia. Clearance End-play Runout Bore 2007 2008 2009 2.0 2.4 2.0 2.4 2.0 2.4 0 W 0 W A B © ® © © © © © ® (D © © © 0.004- 0.009 0.004- 0.009 0.004- 0.009 0.004- 0.009 0.004- 0.009 0.004- 0.009 NA NA NA NA NA NA © © ® ® ® ® Lobe Height Intake Exhaust 0.3620 0.3620 0.3620 0.3620 0.3620 0.3620 0.3310 0.3310 0.3310 0.3310 0.3310 0.3310 NA: NotAvailable © Front Intake Cam: 1.1797-1.1803 inches Front Exhaust Cam: 1.4166-1.4173 inches Cam Journal Numbers 1-4: 0.943 - 0.944 inch © Front Intake Journal: 0.0008-0.0022 inch Front Exhaust Journal: 0.0007-0.0020 inch All Others: 0.0011-0.0026 inch ©Front Intake: 1.1810-1.1819 inches Front Exhaust: 1.5747-1 5756 inches Cam Bearing Bore Numbers 1-4: 0.9448-0.9457inch 36543^COMP_C0007
  • 795.
    9-6 JEEP COMPASS •PATRIOT CRANKSHAFT Engine Displacement Year Liters Engine VI N AND cor All measure Main Brg. Journal Dia. 0 Main Cle JNECTING ROD SPECIFICATIONS merits are given in inches. rankshaft Brg. Oil aranee Shaft End-play Thrust on No. Connecting Rod Journal Diameter Oil Side Clearance Clearance 2007 2008 2009 2.0 2.4 2.0 2.4 2.0 2.4 0 W 0 W A B © © © © © © ojiooii- q.ooi8 010011- (J.0018 0.0011- ip.0018 fc.0011- JJD.0018 jp.0011- 0.0018 0.0011- 0.0018 0.0019- 0.0098 0.0019- 0.0098 0.0019- 0.0098 0.0019- 0.0098 0.0019- 0.0098 0.0019- 0.0098 3 3 3 3 3 3 © © © © © © 0.0012- 0.0023 0.0012- 0.0023 0.0012- 0.0023 0.0012- 0.0023 0.0012- 0.0023 0.0012- 0.0023 0.0039- 0.0098 [ 0.0039- 0.0098 0.0039- 0.0098 0.0039- 0.0098 0.0039- 0.0098 0.0039- 0.0098 © Journal grade: main bearing journal diameter 0: 2.0466-2.0467 inches 1: 2.0465-20466 inches 2: 2.0464-2.0465 inches 3: 2.0462-2.0464 inches 4: 2.0461-2.0462 inches © Journal grade: connectingrodjournaldiameter 1: 1 8884-1 8886 inches 2: 1.8884-1.8881 inches 3: 1.8879-1.8881 inches 36543_COMP_C0008 PISTON AND RING SPECIFICATIONS All measurements are given in inches. Engine Displ. Engine Piston Year Liters VIN Clearance 2007 2008 2009 2.0 2.4 2.0 2.4 2.0 2.4 0 W 0 W A B (-0.0006)- 0.0006 (-0.0006)- 0.0006 (-0.0006)- 0.0006 (-0.0006)- 0.0006 (-0.0006)- 0.0006 (-0.0006)- 0.0006 I Ring Gap Ring Side Clearance T(ip Bottom Oil Top Bottom Oil Compression Compression Control Compression Compression Control O.Q059- O.c|l18 0.01059- O.§118 0.0059- O.;p118 O.j)059- 0;p118 Ojp059- 010118 oi)059- C|.0118 0.0118- 0.0177 0.0118- 0.0177 0.0118- 0.0177 0.0118- 0.0177 0.0118- 0.0177 0.0118- 0.0177 0.0079- 0.0276 0.0079- 0.0276 0.0079- 0.0276 0.0079- 0.0276 0.0079- 0.0276 0.0079- 0.0276 0.0012- 0.0028 0.0012- 0.0028 0.0012- 0.0028 0.0012- 0.0028 0.0012- 0.0028 0.0012- 0.0028 0.0012- 0.0028 0.0012- 0.0028 0.0012- 0.0028 0.0012- 0.0028 0.0012- 0.0028 0.0012- 0.0028 0.0024- 0.0059 '0.0024- 0.0059 0.0024- 0.0059 0.0024- 0.0059 0.0024- 0.0059 0.0024- 0.0059
  • 796.
    JEEP COMPASS • PATRIOT9-7 TORQUE SPECIFICATIONS All readings in ft. Ibs. Engine Cylinder Main Rod Crankshaft Oil Pan Displacement Engine Head Bearing Bearing Damper Flywheel Manifold Spark Drain Year Liters VIN Bolts Bolts Bolts Bolts Bolts Intake Exhaust Plugs Plug 2007 2008 2009 2.0 2.4 2.0 2.4 2.0 2.4 0 W 0 W A B © © © © © © © ® ® ® ® ® © © © © © © 155 155 155 155 155 155 ® ® ® ® ® © 18 18 18 18 18 18 25 25 25 25 25 25 20 20 20 20 20 20 30 30 30 30 30 30 © Refer to procedure for torque sequence illustration and bolt identification. Lubricate head bolts with clean engine oil Step 1: Tighten to 25 ft. Ibs. (30 Nm) Step 2: Tighten short head bolts to 45 ft. Ibs. (61 Nm); Long head bolts to 54 ft. Ibs (73 Nm) Step 3: Verify all short head bolts to 45 ft. Ibs. (60 Nm); Long head bolts to 54 ft. Ibs. (73 Nm) Step 4: Tighten bolts an addt'l 90degrees ® Refer to procedure for torque sequence illustration and bolt identification. There are different sets of main bolts suppliedwith thisengine. Each bolt set has a different torque value and engine damage could result if bolts are not torqued correctly The bolts are not interchangeable Step 1: Tighten all bolts to 11 ft. Ibs. (15 Nm) Step 2: Tighten all bolts to 20 ft. Ibs. (27 Nm) or 33 ft. Ibs. (45 Nm) Step 3: Tighten all bolts an addt'l 45 degrees © Step 1: Tighten to 15 ft. Ibs. (20 Nm) Step 2: Tighten bolts an addt'l 90 degrees ® Step 1: Tighten bolts to 22 ft. Ibs. (30 Nm) Step 2: Tighten bolts an addt'l 51 degrees 36543_COMP_G0253 Fig. 1 Main bearingtorque sequence—2.0L and 2.4L engines
  • 797.
    9-8 JEEP COMPASS •PATRIOT WHEEL ALIGNMENT Caster Camber Year 2007 2008 2009 Model© Compass/Patriot 16 inch wheels Compass/Patriot 17 inch wheels® Compass/Patriot 17 inch wheels© Compass/Patriot 18 inch wheels Compass/Patriot 16 inch wheels Compass/Patriot 17 inch wheels® Compass/Patriot 17 inch wheels© Compass/Patriot 18 inch wheels Compass/Patriot 16 inch wheels Compass/Patriot 17 inch wheels® Compass/Patriot 17 inch wheels© Compass/Patriot 18 inch wheels Front Rear Front Rear Front Rear Front Rear Front Rear Front Rear Front Rear Front Rear Front Rear Front Rear Front Rear Front Rear Range (+/-Deg| 1.00 I NA 1.00 NA 1.00 f NA 1.00 NA | 1.00 NA; 1.00] NAJ 1.0(f NA 1.0<f NA] 1.0} NA| 1.0| N/J 1.00 NA 1.0D NA Preferred Setting (Deg.) ® NA © NA © NA © NA © NA © NA © NA © NA © NA © NA © NA © NA Range (+/-Deg.) 0.40 0.40 0.40 0.40 0.40 0.40 0.40 0.40 0.40 0.40 0.40 0.40 0.40 0.40 0.40 0.40 0.40 0.40 0.40 0.40 0.40 0.40 0.40 0.40 Preferred Setting (Deg.) -0.80 -0.70 -0.70 -0.60 -0.90 -0.80 -0.70 -0.70 -0.80 -0.70 -0.70 -0.60 -0.90 -0.80 -0.70 -0.70 -0.80 -0.70 -0.70 -0.60 -0.90 -0.80 -0.70 -0.70 Toe-in (Deg.) +0.10+/-0.10 +0.10+/-0.10 +0.10+/-0.10 +0.10+/-0.10 +0.10+/-0.10 +0.10+/-0.10 +0.10+/-0.10 +0.10+/-0.10 +0.10+/-0.10 +0.10+/-0.10 +0.10+/-0.10 +0.10+/-0.10 +0.10+/-0.10 +0.10+/-0.10 +0.10+/-0.10 +0.10+/-0.10 +0.10+/-0.10 +0.10+/-0.10 +0.10+/-0.10 +0.10+/-0.10 +0.10+/-0.10 +0.10+/-0.10 +0.10+/-0.10 +0.10+/-0.10 NA: Not Applicable NOTE: Measurements are given for unladen vehicle: fuel, engine coolant, and fluid levels are full. Spare tire, jack, hand tools, and mats are in designated posi © Wheel size refers to OEM wheels only © Left: +3.00 Right: +2.70 © Left: +2.90 Right: +2.60 ® All P215/60R17 and P215/65R17AT with OFF-ROAD GRO|JP (AWL) ©All P215/65R17AT without OFF-ROAD GROUP (AWL)
  • 798.
    JEEP COMPASS • PATRIOT9-9 TIRE, WHEEL AND BALL JOINT SPECIFICATIONS Year Model 2007 2008 2009 Compass Sport Compass Limited Patriot Sport Patriot Limited Compass Sport Compass Limited Patriot Sport Patriot Limited Compass Sport Compass Limited Patriot Sport Patriot Limited OEM Tires Tire Pressures(psi) Standard Optional Front Rear P215/60R17 P225/55R18 P205/70R16 P215/60R17 P215/60R17 P225/55R18 P205/70R16 P215/60R17 P215/60R17 P225/55R18 P205/70R16 P215/60R17 NA NA P215/65R17 P215/65R17 NA NA P215/65R17 P215/65R17 NA NA P215/65R17 P215/65R17 © © © © © © © © © © © © © © © © © © © © © © © © Lug Nut Wheel Ball Joint Torque Size Inspection (ft. Ibs.) 6.5x 17 7.0x18 6.5x16 6.5x 17 6.5x17 6.5x17 7.0x 18 6.5x 16 6.5x17 6.5x 17 6.5x 17 7.Ox 18 6.5x 16 6.5x 17 6.5x 17 © © © © © ® © © © © © © 100 100 100 100 100 100 100 100 100 100 100 100 OEM: Original Equipment Manufacturer PSI: Pounds Per Square Inch NA: Not Applicable ® See the tire placard on the vehicle © If the travel end play exceeds 0.031 inch (0.8mm), replace the ball joint.
  • 799.
    9-10 JEEP COMPASS •PATRIOT BRAKE SPECIFICATIONS All measurements in inches unless noted Brake Drum Diameter Brake Caliper Brake Disc Original Minimum Maxir Year Model Thickness Thickness Rum 2007 2008 2009 Compass Patriot Compass Patriot Compass Patriot F R F R F R F R F R F R 1.020-1.028 0.386-0.402 1.020-1.028 0.386-0.402 1.020-1.028 0.386-0.402 1.020-1.028 0.386-0.402 1.020-1.028 0.386-0.402 1.020-1.028 0.386-0.402 0.961 0.331 0.961 0.331 0.961 0.331 0.961 0.331 0.961 0.331 0.961 0.331 0.00 0.00 O.Ofj O.OC 6~bl O.OC 0.0 O.OC o.o{ O.OC mm Original Max. Maximum Minimum Bracket Guide Pin Inside Wear Machine Lining Bolts Bolts >ut Diameter Limit Diameter Thickness (ft. Ibs.) (ft. Ibs.) 20 24 20 24 20 24 20 24 20 24 0.00)20 0.0§24 NA NS NA NS NA NS NA NS NA NS NA NS NA 9.079 NA 9.079 NA 9.079 NA 9.079 NA 9.079 NA 9.079 NA © NA © NA © NA © NA © NA © 0.040 0.040 0.040 0.040 0.040 0.040 0.040 0.040 0.040 0.040 0.040 0.040 80 52 80 52 80 52 80 52 80 52 80 52 32 32 32 32 32 32 32 32 32 32 32 32 F: Front R: Rear NA: Not Applicable NS: Not Specified © All brake drums are marked on the inside with the maximum allowable brake drum diameter. © Rear drum brake shoe lining thickness is not specified; rear disc brake pad minimum thickness is 0.040 inch (1 mm).
  • 800.
    SCHEDULED MAINTENANCE INTERVALS JEEP—COMPASS& PATRIOT TO BE SERVICED Accessory drive belts Air cleaner element (engine) © Air conditioner system Automatic transaxle fluid Automatic transaxle fluid and filter Battery (clean/tighten terminals) Brake fluid level Brake hoses/lines (incl. ABS) Cabin air filter CV joints Engine coolant Engine oil and filter® Engine oil and coolant levels Exhaust system Front and rear brake linings Lights Manual transaxle fluid Parking brake adjust (4-wheel disc) PCV valve Power steering fluid level Power Transfer Unit (PTU) fluid Rear Drive Assembly (RDA) fluid Rotate and inspect tires Spark plugs (except 2.4L PZEV) Spark plugs (2.4L PZEV) Suspension components Tire inflation and condition Windshield washer solvent level TYPE OF SERVIC R R S/l S/l R S/l S/l S/l R S/l R R 1 S/l S/l S/l S/l S/l S/l S/l R R S/l R S/l S/l 1 VEHICLE MILEAGE INTERVAL 6 12 18 24 30 / 36 42 48 54 60 ^ 66 72 xlOOO) 78 84 90 / 96 102 108 114 120 / / 126 132 138 144 150 ^ Inspect system operation annually Once a month / Once a month Once a month ^ / / / ^ / / / / / / / / ^ ^ / ^ / / ^ ^ / / ^ ^ / ^ / / / ^ ^ ^ / ^ / / / ^ ^ / / ^ ^ 60 months or 102,000 miles / ^ / / / / / ^ / / / ^ / / ^ / / / / / / ^ / / / Inspect at each fuel stop / ^ / / / / ^ / / / ^ </ S / / / / / ^ Once a month / / ^ / / ^ / / / ^ ^ / ^ / / ^ / ^ ^ S ^ / / / / / ^ / / ^ ^ Once a month ^ / / ^ ^ / ^ / / / ^ / / / / ^ / ^ ^ / / / / S S / ^ ^ ^ ^ / / / ^ / / ^ / ^ / ^ Once a month Inspect at each fuel stop o o 00 GO 2m O Tl -I'DR: Replace S/l: Service or Inspect 36543_COMP_C0014
  • 801.
    SCHEDULED MAINTENANCE INTERVALS JEEP—COMPASS& PATRIOT FREQUENT OPERATION MAINTENANCE (SEVERE SERVICE) If a vehicle is operated under any of the followingconditions it is consideredsevereservice: - Extremely dustyareas. - 50% or more of the vehicle operationis in 90°F (32°C) or higher temperatures, or constantoperationin temperatures below 32°F (0°C). - Prolongedidling (vehicle operation in stop and go traffic). - Frequent short running periods (enginedoes not warmto normal operatingtemperatures). - Police, taxi, delivery usage, or trailer towing usage. Air cleaner element (engine) replace every 12,000 miles, ifnecessary Automatic transmission fluid replace every 60,000miles Manual transmission replace every 48,000 miles © Inspect every 12,000 miles © ENGINE OIL CHANGE RESET PROCEDURE The vehicle is equipped with an engine oil change indicator system. The "Oil Change Required" message flashes in the Electronic Vehicle Information Center (EVIC) display for approximately 10 seconds after a single chime has sounded to indicate the next scheduled oil change interval. The engine oil change indicator sytem is duty cycle based, which means the engine oil change interval may fluctuate depending upon driving habits. Have the vehicle serviced as soon as possible within the next 500 miles (805 km) Unless reset, this message continues to display each time the ignition switch is turned to the ON/RUN position. To turn off the message temporarily, press,and release the set ttre oH ctiange indicator system (after performing the scheduled maintenance), perform the following procedure: 1. Turn the ignition switch to the "ON" position. Do not start the engine. 2. Fully press the accelerator pedal slowly 3 times within 10 seconds. 3. Turn the ignition switch to the "LOCK" position. NOTE: If the indicator message illuminates when starting the vehicle, the oil change indicator system did not reset. If necessary, repeat the above procedure. ro om oo oo • §3J O 36543_COMP_C0015
  • 802.
    JEEP COMPASS • PATRIOT9-13 PRECAUTIONS Before servicing any vehicle, please be sure to read all ot the following precautions, which deal with personal safety,prevention of component damage, and important points to take into consideration when servicing a motor vehicle: • Never open, service or drain the radia- tor or cooling system when the engine is hot; serious burns can occur from the steam and hot coolant. • Observe all applicable safety precau- tions when working around fuel. Whenever servicing the fuel system, always work in a well-ventilated area. Do not allow fuel spray or vapors to come in contact with a spark, open flame, or excessive heat (a hot drop light, for example). Keep a dry chemical fire extinguisher near the work area. Always keep fuel in a container specifically designed for fuel storage; also, always properly seal fuel containers to avoid the possibility of fire or explosion. Refer to the additional fuel system precautions later in this section. • Fuel injection systems often remain pressurized, even after the engine has been turned OFF. The fuel system pressure must be relieved before disconnecting any fuel lines. Failure to do so may result in fire and/or personal injury. • Brake fluid often contains polyglycol ethers and polyglycols. Avoid contact with the eyes and wash your hands thoroughly after handling brake fluid. If you do get brake fluid in your eyes, flush your eyes with clean, running water for 15 minutes. If eye irritation persists, or if you have taken brake fluid internally, IMMEDIATELY seek medical assistance. • The EPA warns that prolonged contact with used engine oil may cause a number of skin disorders, including cancer. You should make every effort to minimize your exposure to used engine oil. Protective gloves should be worn when changingoil. Wash your hands and any other exposed skin areas as soon as possible after expo- sure to used engine oil.Soap and water, or waterless hand cleaner should be used. • All newvehicles are now equipped with an air bag system, often referred to as a Supplemental Restraint System (SRS) or Supplemental Inflatable Restraint (SIR) sys- tem. The system must be disabled before performing service on or around system components, steering column, instrument panel components, wiring and sensors. Failure to follow safety and disabling proce- dures could result in accidental air bag deployment, possible personal injury and unnecessary system repairs. • Always wear safety goggles when working with, or around, the air bag system. When carrying a non-deployed air bag, be sure the bag and trim cover are pointed away from your body. When placing a non- deployed air bag on a work surface, always face the bag and trim cover upward, away from the surface. This will reduce the motion of the module if it is accidentally deployed. Refer to the additional air bag system precautions later in this section. • Clean, high quality brake fluid from a sealed container is essential to the safe and proper operation of the brake system. You should always buy the correct type of brake fluid for your vehicle. If the brake fluid becomes contaminated, completely flush the system with new fluid. Never reuse any brake fluid. Any brake fluid that is removed from the system should be discarded. Also, do not allow any brake fluid to come in con- tact with a painted surface; it will damage the paint. • Never operate the engine without the proper amount and type of engine oil;doing so WILL result in severe engine damage. • Timing belt maintenance is extremely important. Many models utilize an interfer- ence-type, non-freewheeling engine. If the timing belt breaks, the valves in the cylinder head may strike the pistons, causing poten- tially serious (also time-consuming and expensive) engine damage. Refer to the maintenance interval charts for the recom- mended replacement interval for the timing belt, and to the timing belt section for belt replacement and inspection. • Disconnecting the negative battery cable on some vehicles may interfere with the functions of the on-board computer sys- tem^) and may require the computer to undergo a relearning process once the neg- ative battery cable is reconnected. • When servicing drum brakes, only dis- assemble and assemble one side at a time, leaving the remaining side intact for refer- ence. • Only an MVAC-trained, EPA-certified automotive technician should service the air conditioning system or its components. BRAKES GENERAL INFORMATION PRECAUTIONS • Certain components within the ABS system are not intended to be serviced or repaired individually. • Do not use rubber hoses or other parts not specifically specified for and ABS sys- tem. When using repair kits, replace all parts included in the kit. Partial or incorrect repair may lead to functional problems and require the replacement of components. • Lubricate rubber parts with clean, fresh brake fluid to ease assembly. Do not use shop air to clean parts; damagetorub- ber components may result. • Use only DOT3 brake fluid from an unopened container. ANTI-LOCK BRAKE SYSTEM (ABS) • If any hydraulic component or line is removed or replaced, it may be necessary to bleed the entire system. • A clean repair area is essential. Always clean the reservoir and cap thoroughly before removing the cap. The slightest amount of dirt in the fluid may plug an ori- fice and impair the system function. Perform repairs after components have been thor- oughly cleaned; use only denatured alcohol to clean components. Do not allow ABS components to come into contact with any substance containing mineral oil; this includes used shop rags. • TheAnti-Lock control unit is a micro- processor similar to other computer units in the vehicle. Ensure that the ignition switch is OFF before removing or installing con- troller harnesses. Avoid static electricity dis- charge at or near the controller. • If any arc welding is to be done on the vehicle, the control unit should be unplugged before welding operations begin. WHEEL SPEED SENSORS REMOVAL & INSTALLATION Front See Figures 2 and 3. 1. Before servicing the vehicle, refer to the Precautions Section. 2. Disconnect the wheel speed sensor cable connector (2) from the wiving harness connector (3),located on top of the frame rail (1) just inside the strut tower.
  • 803.
    9-14 JEEP COMPASS •PATRIOT 1. Frame rail 2. Cable connector 3. Harnessconnector Fig. 2 Disconnect the speed sensor connector from the wiring harness on top of the frame rail—Front wheel speed sensor 3. Raise and safely support the vehicle. 4. Remove the grommet from the hole in the body and pull the wheel speed sensor cable out of the hole. 5. Removethe speed sensor cable rout- ing clip from the outside frame rail. 6. Remove the screw fastening the cable routing clamp to the outside frame rail. 7. Remove the screw securing the wheel speed sensor routing bracket to the brake flex hose bracket. 8. Remove the mounting screw holding the speed sensor head to the steering knuckle. 9. Removethe routing clip and remove the speed sensor. To install: 10. Install the wheel speed sensor head into the knuckle. Install the routing clip and 1. Routing clip 2. Mounting screw 3. Speed sensor 4. Steering knuckle Fig. 3 Remove the screw and routing clip holding the speed sensor to the steering knuckle—Front wheel speed sensor mounting sc Ibs. (12 Nm) 11. Posit routing brad bracket and 13ft. Ibs. (1 12. Posit cable routine rail and tight Ibs. (18 Nm) 13. Instal ing clip on t 14. Inser through the grommet in 15. Lowe 16. Conn cable connec nector on tof 17. Usinc any faults Rear iw and tighten it to 106 inch )n the wheel speed sensor on the brake flex hose ghten the mounting screw to Nm). )n the wheel speed sensor clamp on the outside frame n the mounting screw to 13 ft. the speed sensor cable rout- 3 outside frame rail. the wheel speed sensor cable ole in the body and install the le hole. the vehicle. ct the wheel speed sensor or to the wiring harness con- of the frame rail. a Diagnostic Scan Tool, clear AWD Models See Figures 4 and 5. 1. Befori servicing the vehicle, refer to the Precaution Section. 2. Remote the cargo floor cover. 3. Remo /e the rear floor pan silencer. 4. If equ pped, remove the nuts mount- ing the satellite receiver or amplifier to the rear floor par. Move the component aside to allow access to the wheel speed sensor wiring conne ;tor through the opening in bottom of thf quarter trim panel. 5. Throulgh the opening in the bottom of the quarte trim panel, disconnect the wheel speed! sensor cable connector at the body wiring arness connector. 1. Fjlear wheel speed sensor 2. jeed sensor connector 3. Ejjody wiring harness 36543_COMP_G0003 Fig. 4 Disc mnect the speed sensor con- nector from the body wiring harness— Rear wheel speed sensor 6. Raise and safely support the vehicle. 7. Remove the rear wheel. 8. Remove the grommet from the hole in the body and pull the wheel speed sensor cable out through the hole. 9. Remove the speed sensor cable foul- ing clip from the outside frame rail. 10. Remove the screw fastening the cable routing clamp to the rear suspension crossmember. 11. Remove the speed sensor cable rout- ing clip from the trailing link. 12. Remove the screw fastening the cable routing clamp to the trailing link. 13. Unclip the wheel speed sensor head (1) from the spring-loaded retainer on the rear of the hub and bearing (2). Remove the sensor from the vehicle. To install: -•":' WARNING Be sure that cables are installed, routed, and clipped properly. Failure to install speed sensor cables prop- erly may result in contact with mov- ing parts or an over extension of cables causing an open circuit. -••When installing the sensor head to the spring-loaded retainer on the hub and bearing, make sure the head is held snug in the retainer. If there is any play, the clip is deformed and the hub and bearing must be replaced. The retainer is not serviced separately. 14. Clip the wheel speed sensor head (flat side to bearing rear face) into the spring-loaded retainer on the rear of the hub and bearing. 36543_COMP G0004 Fig. 5 Unclip the wheel speed sensor head from the rear of the hub and bearing and remove the sensor—Rear wheel speed sensor (AWD)
  • 804.
    JEEP COMPASS • PATRIOT9-15 15. Position the wheel speed sensor on the trailing link and install the screw secur- ing it in place. Tighten the mounting screw to 13 ft. Ibs. (18 Nm). 16. Position the wheel speed sensor and install the routing clip fastening the sensor to the trailing link. 17. Position the wheel speed sensor cable routing clamp on the rear suspension crossmember and install the mounting screw. Tighten the mounting screw to 13 ft. Ibs. (18 Nm). 18. Install the speed sensor cable rout- ing clip on the outside frame rail. —When inserting the wheel speed sen- sor cable through the hole in the body, route the cable toward the shock tower to make it easier to grasp the cable to connect it to the body wiring harness connector in a later step. 19. Insert the wheel speed sensor cable through the hole in the body and install the grommet in the hole. 20. Install the rear wheel. 21. Lower the vehicle. 22. Through the opening in the bottom of the quarter trim panel, connect the wheel speed sensor cable connector to the body wiring harness connector. 23. If equipped, install the satellite receiver or amplifier to rear floor pan. 24. Install the rear floor pan silencer. 25. Install the cargo floor cover. FWD Models See Figures 4 and 6. 1. Before servicing the vehicle, refer to the Precautions Section. 2. Raise the cargo floor cover. 3. Through the opening in the bottom of the quarter trim panel, disconnect the wheel speed sensor cable connector (2) at the body wiring harness connector (3). 4. Raise and safely support the vehicle. 5. Remove the rear wheel and tire assembly. 6. Remove the grommet from the hole in the body and pull the wheel speed sensor cable out through the hole. 1. Mounting screw 2. Hub and bearing 3. Rear wheel speed sensor head Fig. 7 Remove the screw fastening the wheel speed sensor head in the rear of the hub and bearing—Rear wheel speed sensor (FWD) 7. Remove the speed sensor cable rout- ing clip from the outside frame rail. 8. Remove the screw fastening the cable routing clamp to the rear suspension crossmember. 9. Remove the speed sensor cable rout- ing clip from the trailing link. 10. Remove the screw fastening the cable routing clamp to the trailing link. 11. Remove the screw (1) fastening the wheel speed sensor head (3) in the rear of the hub and bearing (2). 12. Remove the wheel speed sensor from the vehicle. To install: 13. Install the wheel speed sensor head (3) into the rear of the hub and bearing (2). 14. Install the wheel speed sensor head mounting screw (1). Tighten the screw to 89 inch Ibs. (10 Nm). 15. Position the wheel speed sensor on the trailing link and install the screw secur- ing it in place. Tighten the mounting screw to 13 ft. Ibs. (18 Nm). 16. Position the wheel speed sensor and install the routing clip fastening the sensor to the trailing link. 17. Position the wheel speed sensor cable routing clamp on the rear suspension crossmember and install the mounting screw. Tighten the mounting screw to 13 ft. Ibs. (18 Nm). 18. Install the speed sensor cable rout- ing clip on the outside frame rail. —When inserting the wheel speed sen- sor cable through the hole in the body, route the cable toward the shock tower to make it easier to grasp the cable to connect it to the body wiring harness connector in a later step. 19. Insert the wheel speed sensor cable through the hole in the body and install the grommet in the hole. 20. Install the tire and wheel assembly. Tighten the wheel mounting nuts to 100 ft. Ibs. (135 Nm). 21. Lower the vehicle. 22. Through the opening in the bottom of the quarter trim panel, connect the wheel speed sensor cable connector at the body wiring harness connector. 23. Install the cargo floor cover. 24. Perform the Diagnostic Verification Test, clear any faults.
  • 805.
    9-16 JEEP COMPASS •PATRIOT BRAKES BLEEDING PROCEDURE BLEEDING THE BRAKE SYSTEM ~-Add only fresh, clean brake fluid from a sealed container when bleeding the brakes. If pressure bleeding equip- ment is used, the front brake metering valve will have to be held open to bleed the front brakes. The valve stem is located in the forward end or top of the combination valve. The stem must either be pressed inward or held out- ward slightly. Follow equipment manu- facturer's instructions carefully when using pressure equipment. Do not exceed the maker's pressure recom- mendations. Generally, a tank pressure of 15—20 psi is sufficient. Do not pres- sure bleed without the proper master cylinder adapter. When any part of the hydraulic system has been disconnected for repair or replacement, air may get into the lines and cause spongy pedal action (because air can be compressed and brake fluid cannot). To correct thiscon- dition, it is necessaryto bleed the hydraulic system so to be sure all air is purged. Bleeding must start where the lines were disconnected. If lines were disconnected at the master cylinder, for example, bleeding must be done at that point before proceed- ing downstream. When bleeding the brake system, bleed one brake bleeder point at a time. Failure to do so may result in more air being drawn into the lines. If the existing system fluid seems dirty or if the vehicle has covered considerable mileage, it is recommended that the system be completely purged and refilledwith fresh, clean fluid. The best way to start is to siphon the old fluid out of the master cylinder reser- voir and fill it completely with fresh fluid. Brake fluid tends to darken over time. This does not necessarily indicate contamination. Examine fluid closely for foreign matter. The primary and secondary hydraulic brake systems are separate and are bled independently. During the bleeding opera- tion, do not allow the reservoir to run dry. Keep the master cylinder reservoir filled with brake fluid. Never use brake fluid that has been drained from the hydraulic system, no matter how clean it seems. 1. Before servicing the vehicle, refer to the Precautions Section. 2. Clean all dirt from around the master cylinder fill cap, remove the cap, and fill the master cylinder with brake fluid until the level is within 1/4 inch (6mm) of the top edge ot the reservoir. 3. Clejp the bleeder screws at all 4 wheels. T the back ( 4. Ble with rubb orifice ma road dirt. loosened, market ca Manual See Figut Manua a degree i Bleeding • Left • Rig^ • Righ • Left 1. Fo 2. Att the bleedi the hose fluid. 3. Ha the brake screw 1/2- 4. Th 5. Cl' before the assistant • slowly. 6. Re from the < 7. Wl end of the screw and pedal is fj was when procedure 8. Ch and add f e bleeder screws are located on f the brake calipers. der screws should be protected reaps. If they are missing, the v easily become clogged with f the screw refuses to bleed when remove it and blow it clear. After- jsare readilyavailable. deeding ?7. bleeding requires two people and ' patience and cooperation. hould be performed in this order: ear wheel front wheel rear wheel rant wheel low the preparatory steps, above. ich a length of rubber hose over r screw and place the other end of i a glass jar, submerged in brake /e your assistant press down on )edal, then open the bleeder 3/4turn. i brake pedal will go to the floor. se the bleeder screw—preferably pedal reaches the floor. Tell your D allow the brake pedal to return beat these steps to purge all air /stem. en bubbles cease to appear at the bleeder hose, close the bleeder remove the hose. Check that the m or at least more firm than it you started. If not, continue the jckthe master cylinder fluid level jid accordingly. Do this after bleeding 9. Re remaining closet to ti 10. Fil the propei ^Ifthe tem, it is brake pe purge thi sure biet be a bett Vacuum Vacuu one pers ach wheel. eat the bleeding operation at the 3 wheels, ending with the one e master cylinder. the master cylinder reservoir to level. is excessive air in thesys- possible that the stroke of the al will be insufficient to lines. In this case, a pres- tier or vacuum bleeder would r solution. Needing bleeding can be carried out by . Since a good vacuum bleeder FLUID CONTAINER PARTIALLY FILLED WITH FLUID Fig. 1 Proper setup for manual bleeding procedure will normally move more fluid than a brake pedal stroke, this procedure is preferred. These tools are inexpensive and readily available at auto parts outlets. Bleeding should be performed in this order: • Left rear wheel • Right front wheel • Right rear wheel • Left front wheel 1. Follow the preparatory steps, above. 2. Attach the vacuum bleeder according to the manufacturer's recommendations. 3. Pump up the unit until maximumvac- uum is reached. Loosen the bleederscrew slightly until bubbles and fluid issue forth. Close the screw before the vacuum is equalized. 4. Repeat the procedure until fluid without bubbles issues from the bleeder screw. 5. Keep a close check on master cylin- der fluid level during this procedure as vac- uum bleeders move considerable amounts of fluid. Master Cylinder Bleeding 1. Clamp the master cylinder in a vise with soft-jaw caps. 2. Attach the special tools for bleeding the master cylinder in the following fashion: a. Thread Special Tool 8822-2 Bleeder Tube Adapters into the primary and secondary outlet ports of the master cylinder. Tighten the Adapters to 150 inchlbs. (17 Nm). b. Thread Special Tool 8358-1 Bleeder Tube into each Adapter. Tighten tube nuts to 150 inch Ibs. (17 Nm).
  • 806.
    JEEP COMPASS • PATRIOT9-17 c. Flex each Bleeder Tube and place the open ends into the neck of the mas- ter cylinder reservoir. Position the open ends of the tubes into the reservoir so their outlets are below the surface of the brake fluid in the reservoir when filled. —•Make sure the ends of the Bleeder Tubes stay below the surface of the brake fluid in the reservoir at all times during the bleeding procedure. 3. Fill the brake fluid reservoir with fresh MOPAFf Brake Fluid DOT 3 Motor Vehicle, or equivalent. 4. Using an appropriately sized wooden dowel as a pushrod, slowly press the pistons inward discharging brake fluid through the Bleeder Tubes, then release the pressure, allowing the pistons to return to the released position. Repeat this several times until alt air bubbles are expelled from the master cylinder bore and Bleeder Tubes. 5. Remove the Bleeder Tubes and Adapters from the master cylinder and plug the master cylinder outlet ports. 6. Install the fill cap on the reservoir. 7. Remove the master cylinder from the vise. 8. Install the master cylinder on the vehicle. BLEEDING THE ABS SYSTEM The base brake hydraulic system must be bled anytime air enters the hydraulic sys- tem; follow the conventional bleeding pro- cedure. The ABS system should only need to be bled when the Hydraulic Control Unit (HCU) is replaced or removed from the vehicle. The ABS must always be bled any- time it is suspected that the HCU has ingested air. Under most circumstances that require the bleeding of the brake hydraulic system, only the base brake hydraulic sys- tem needs to be bled. When bleeding the ABS system, the fol- lowing bleeding sequence must be followed to insure complete and adequate bleeding: • Make sure all hydraulic fluid lines are installed and properly torqued • Connect the scan tool to the Data Link Connector (DLC). The connector is located under the lower steering column cover to the left of the steering column. • Using a scan tool, check to make sure the control unit does not have any fault codes stored. If it does, clear them using the scan tool. ** CAUTION When bleeding the brake system, wear safety glasses. A clear bleed tube must be attached to the bleeder screws and submerged in a clear container filled part way with clean brake fluid. Direct the flow of brake fluid away from yourself and the painted surfaces of the vehicle. Brake fluid at high pressure may come out of the bleeder screws when opened. 1. Perform base brake bleeding proce- dure. Refer to Bleeding The Brake System. 2. Using the scan tool, select ANTILOCK BRAKES,followed by MISCEL- LANEOUS, then BLEED BRAKES. Follow the instructions displayed. 3. When the scan tool displays TEST COMPLETE, disconnect the scan tool and proceed. 4. Perform a base brake bleeding a sec- ond time. 5. Top off the master cylinder fluid level and verify proper brake operation before moving the vehicle. •—Check the brake fluid level in the reservoir periodically to prevent empty- ing, causing air to enter the hydraulic system. 6. Test drive the vehicle to be sure the brakes are operating correctly and that the brake pedal does not feel spongy. BRAKES ** CAUTION Dust and dirt accumulating on brake parts during normal use may contain asbestos fibers from production or aftermarket brake linings. Breathing excessive concentrations of asbestos fibers can cause serious bodily harm. Exercise care when servicing brake parts. Do not sand or grind brake lin- ing unless equipment used is designed to contain the dust residue. Do not clean brake parts with com- pressed air or by dry brushing. Cleaning should be done by dampen- ing the brake components with a fine mist of water, then wiping the brake components clean with a dampened cloth. Dispose of cloth and all residue containing asbestos fibers in an impermeable container with the appropriate label. Follow practices prescribed by the Occupational Safety and Health Administration (OSHA) and the Environmental Pro- tection Agency (EPA) for the han- dling, processing, and disposing of dust or debris that may contain asbestos fibers. BRAKE CALIPER REMOVAL & INSTALLATION See Figures 8 and 9. Fig. 8 Use a brake pedal holding tool to depress the brake pedal when disconnecting brake hoses FRONT DISC BRAKES 1. Before servicing the vehicle, refer to the Precautions Section. 2. Using a brake pedal holding tool, as shown, depress the brake pedal past its first 1 inch (25mm) of travel and hold it in this position. This will isolate the master cylin- der from the brake hydraulic system and will not allow the brake fluid to drain out of the master cylinder reservoir when the lines are opened. 3. Raise and safely support the vehicle. 4. Remove the front wheel. 5. Remove the banjo bolt holding the brake hose to the brake caliper. —•There are two washers that will come off with the banjo bolt. Discard the washers. 6. Remove the caliper guide pin bolts. 7. Slide the caliper assembly from the adapter bracket and brake pads to remove. To install: 8. Using a C-clamp, completely retract the caliper piston back into the bore of the caliper.
  • 807.
    9-18 JEEPCOMPASS •PATRIOT 1. Adapter bracket 2. Guide pin 3. Guide pin 4. Caliper Fig. 9 Remove the guide pins to remove the caliper from the adapter bracket— Front caliper assembly ## WARNING Place a block of wood over the piston before using the C-clamp to prevent damage to the piston. i*»When installing the caliper guide pin bolts, ensure the one with the special sleeve on the end is installed in the upper mounting hole. 9. Install the caliper assembly over the brake pads on the caliper adapter bracket. 10. Align the guide pin bolt hose with the adapter bracket. Install the guide pin bolts and tighten to 32 ft. Ibs. (43 Nm). 11. Reconnectthe brake hose using the banjo bolt and 2 new washers. Tighten the banjo bolt to 18 ft. Ibs. (24Nm). 12. Install the tire and wheel assembly. Tighten the wheel mounting nuts to 100 ft. Ibs. (135 Nm). 13. Lower the vehicle. 14. Removethe brake pedal holding tool. 15. Bleed the brake system, as neces- sary. 16. Pump the brake pedal several times to insure that the brake pedal is firm. Road test the vehicle. DISC BRAKE PADS REMOVAL & INSTALLATION See Figures 9 and 10. 1. Brake rotor 2. Adapter bracket 3. Brake shims 4. Inner brake pad 5. Outer brake pad 36543_COMP_G0008 Fig. 10 I indicator tall the brake pads into the brake shims in the adapter bracket. Place the wear ad on the inboard side—Front brake assembly 1. Bef the Precau 2. Rai 3. Ren 4. Ren bolts. bolts (2, special si that this b mounting installed. 5. Ren adapter wire or equ e servicing the vehicle, refer to )ns Section. and safely support the vehicle. ve the front tire. vethe2 brake caliper guide pin noving the caliper guide pin note that one (upper) has a ;ve on the end.It important It be installed in the upper ole when the caliper is vethe brake caliper from the 3 and secure with mechanics 'alent. *X WARNING Do not let brake hose 6. Remc caliper bracd To insta 1. Insta shims clippfl bracket. Plac tor on the in he caliper hang by the /e the brake pads from the 3t. the brake pads in the brake into the caliperadapter 3 the pad with the wear indica- oard side. 8. Using a C-clamp, completelyretract the caliper piston back into the bore of the caliper. ## WARNING Place a block of wood over the piston before using the C-clamp to prevent damage to the piston. 9. Install the caliper over the brake pads on the caliper adapter bracket. — When installing the caliper guide pin bolts, ensure the one with the special sleeve on the end is installed in the upper mounting hole. 10. Align the guide pin bolt hose with the adapter bracket. Install the guide pin bolts and tighten to 32 ft. Ibs. (43Nm). 11. Install the tire and wheel assembly. Tighten the wheel mounting nuts to 100 ft. Ibs. (135 Nm). 12. Lower the vehicle. 13. Pump the pedal several times to set the pads to the brake rotor. 14. Pump the brake pedal several times to insure that the brake pedal is firm. Road test the vehicle.
  • 808.
    JEEP COMPASS • PATRIOT9-19 BRAKES ** CAUTION Dust and dirt accumulating on brake parts during normal use may contain asbestos fibers from productionor aftermarket brake linings. Breathing excessive concentrations ofasbestos fibers can cause serious bodily harm. Exercise care when servicing brake parts. Do not sand or grind brake lin- ing unless equipment used is designed to contain the dust residue. Do not clean brake parts with com- pressed air or by dry brushing. Clean- ing should be done by dampening the brake components with a fine mist of water, then wiping the brakecompo- nents clean with a dampened cloth. Dispose of cloth and all residue con- taining asbestos fibers in an imper- meable container with the appropriate label. Follow practices prescribedby the Occupational Safety and Health Administration (OSHA) and the Envi- ronmental Protection Agency(EPA) for the handling, processing, and dis- posing of dust or debris that may con- tain asbestos fibers. BRAKE CALIPER REMOVAL & INSTALLATION See Figures 11 through 13. 1. Before servicing the vehicle, refer to the Precautions Section. 2. Using a brake pedal holding tool as shown, depress the brake pedal past its first Fig. 11 Use a brake pedal holding tool to depress the brake pedal when disconnecting brake hoses. 1 inch (25mm) of travel and hold it in this position. This will isolate the master cylin- der from the brake hydraulic system and will not allow the brake fluid to drain out of the master cylinder reservoir when the lines are opened. 3. Raise and safely support the vehicle. 4. Remove the rear tire and wheel assembly. 5. Loosen the brake tube nut at the rear brake hose. 6. Remove the clip holding the rear brake hose to the trailing link bracket, and remove the brake hose from the bracket. 7. Loosen and remove the brake hose from the brake caliper. —•When removing the caliper guide pin bolts, note the location of the bolt with the special sleeve on the tip. Depend- ing on the build date, this special sleeve bolt can be located in either the top or bottom location. It must be rein- stalled in its original position. 8. Remove the caliper guide pin bolts. 9. Slide and remove the caliper assembly with the outboard brake pad attached. 10. Remove the outboard brake pad from the caliper by prying the pad retaining clip over the raised area on the caliper To install: 11. Using a C-clamp, completely retract the caliper piston back into the bore of the caliper. 1. Caliper 2. Brake tube nut 3. Clip 4. Brake hose connection 36543_COMP_G0010 Fig. 12 Loosen the brake tube nut, remove the clip, and loosen the brake hose connection to disconnect it from the caliper—Rear brake caliper REAR DISC BRAKES ** WARNING Place a block of wood over the piston before using the C-clamp to prevent damage to the piston. 12. Slide the outboard brake pad onto the caliper. Be sure the retaining clip is squarely seated in the depressed areas on the caliper beyond the raised retaining bead. 13. Install the caliper with outboard brake pad attached over the inboard brake pad and rotor, onto the brake caliper adapter bracket. installing the caliper guide pin bolts, make sure the bolts are put back in the same locations as when removed. 14. Align the caliper guide pin bolt holes with the adapter bracket. Install the caliper guide pin bolts and tighten to 32 ft. Ibs. (43 Nm). 15. Inspect the outboard brake pad to make sure it is correctly positioned. The retaining clip must be squarely seated in the depressed areas on the caliper fingers. Also, the nubs on the pad's steel backing plate must be fully seated in the depressions formed into the inside of the caliper fingers. There should be no gap between the pad backing plate and the caliper fingers. 16. Thread the brake hose connection into the brake caliper. Tighten the hose fit- ting at the caliper to 133 inch Ibs. (15Nm). 17. Route and install the brake hose into the trailing link mounted bracket and install the clip to secure it. 1. Brake caliper 2. Guide pin bolt 3. Guide pin bolt 36543_COMP_G0011 Fig. 13 View of rear brake caliper installation
  • 809.
    9-20 JEEP COMPASS •PATRIOT 18. Thread the brake tube nut into brake hose and tighten to 150 inch Ibs. (17 Mm). 19. Install the rear tire and wheel assem- bly. Tighten the mounting nuts to 100 tt. Ibs. (135 Nm). 20. Lower the vehicle. 21. Remove the brake pedal holding tool. 22. Bleed the brake system, as necessary. 23. Test drive the vehicle to ensure nrnnpr hrakp nnpratinn(JIU|JCI Uldr UpClauUII. I DISC BRAKE PADS ^B REMOVAL & INSTALLATION See Figure 14. 1. Before servicing the vehicle, refer to the Precautions Section. 2. Raise and safely support the vehicle. Q Romnv/p the roar A/hool C; Q~^-Cr X>w ..frrc: ofe^Ok ^ ;^:O 1 2 2 4 c Fig. 14 R adapter b pad from Ssi<^ jr} ^^^A/P^^rl J$> T>) u )i)ju r^ '=^^m^mM ^-t<^p ^^^4^^Wv b p ?f ^ ^ ^""""---} ] I-' I Z/ jLs*. 'J / © i/e* I/ Rear brake caliper Outboard pad Adapter bracket Abutment shims Inboard pad 36543 COMP GOO]? move the inboard pad from the acket and remove the outboard le caliper—Rear brake assembly 9. Slide the outboard pad onto the caliper. Ensure the retaining clip is seated properly in the depressed areas of the caliper. 10. Place the inboard pad in the brake shims clipped into the caliper adapter bracket. 11 . Rotate the caliper assembly down- ward over the rotor into the caliper adapter bracket. ^^^^B _ _ _ _ __ _ _ _ _ _ __ B ** WARNING Use care when installing the caliper onto the adapter bracket to avoid damaging the guide pin boot. 12. Install the lower guide pin bolt and tighten to 32 ft. Ibs. (43 Nm). 13. Inspect the outboard brake pad to make sure it is correctly positioned. The 4. Remove the brake caliper lower guide pin bolt. 5. Rotate the caliper upward, using the top guide bolt as a hinge. Hang the caliper assembly with mechanics wire or equivalent. ## WARNING Do not let the caliper hang by the brake hose. 6. Remove the inboard brake pad from the caliper adapter bracket. 7. Remove the outboard brake pad from the caliper by prying the retaining clip over the raised area on the caliper. BRAKES BRAKE DRUM REMOVAL & INSTALLATION See Figures 15 dnd 16. ** CAUTION Dust and dirt accumulating on brake parts during normal use may contain asbestos fibers from production or aftermarket brake linings. Breathing excessive concentrations of asbestos fibers can cause serious bodily harm. Exercise care when servicing brake parts. Do not sand or grind brake lin- ing unless equipment used is designed to contain the dust residue. Do not clean brake parts with com- pressed air or by dry brushing. Cleaning should be done by dampen- ing the brake components with a fine mist of water, then wiping the brake components clean with a dampened To inst 8. Usi the caliper caliper. g a C-clamp, completely retract )iston back into the bore of the ** WARNING Place a b before us damage t ("*-The brake tor, shouli side. The positionec installed. ock of wood over the piston ng the C-clamp to prevent ) the piston. pad, with the wear indica- be installed on the inboard wear indicator should be at the bottom when cloth. Dh pose of cloth and all residue ontaining asbestos fibers in impermeable container with the label. Follow practices by the Occupational Health Administration the Environmental Pro- Ariency (EPA) for the han- pn cessing, and disposing of bris that may contain and an appropriate prescribed Safety (OSHA) tection dling, dust or d aid asbestos fibers 1. Bef' the Precau 2. Rai vehicle. 3. Re then the til 4. Slii wheel mounting ing (5) am 5. IftJ further bra re servicing the vehicle, refer to ions Section. e and safely support the ove the wheel mounting nuts, ) and wheel assembly. 3 the brake drum (4) off the studs of the hub and bear- remove it from the vehicle. ) drum does not come off, e clearance can be obtained retaining clip must be squarely seated in the depressed areas on the caliper fingers. Also, the nubs on the pad's steel backing plate must be fully seated in the depres- sions formed into the inside of the caliper fingers. There should be no gap between the pad backing plate and the caliper fingers. 14. Install the rear wheel. Tighten the mounting nuts to 100 ft. Ibs. (135 Nm). 15. Lower the vehicle. 16. Pump the brake pedal several times to ensure the vehicle has a firm brake pedal before moving thevehicle. 17. Test drive the vehicle to ensure proper brake operation. REAR DRUM BRAKES by backing off the brake adjuster screw. To do so, perform the following procedure: a. Remove the plug from the rear of the support plate below the wheel cylinder. b. Insert a small screwdriver through the access hole (2) in the support plate, under the adjuster, against the lever pawl. The pawl is attached to and pivots from the rear brake shoe. c. While pushing on the pawl with the screwdriver to disengage it from the adjuster wheel teeth, rotate the wheel (1) upward to back off the adjustment using another screwdriver or a brake adjuster tool. d. Once the adjuster screw is backed off a sufficient amount, slide the drum off the wheel mounting studs. To install: •—Before installing the drum, Inspect the brake shoe linings for wear, align-
  • 810.
    JEEP COMPASS • PATRIOT9-21 1. Trailing link 2. Support plate 3. Wheel cylinder 4. Brake drum 5. Hub and bearing assembly 6. Brake shoes 7. Gasket 8. Mounting bolts Fig. 15 Exploded view of rear brake drum and related components 36543_COMP_G0187 Fig. 16 View of rear drum adjuster wheel (1) through the access hole (2) ment, and contamination. Repairor replace, as necessary. ^It rust or any foreign material is present on (he hub,drum, or wheel mating surfaces,wet wire brushthese areas to remove debris prior to the assembly of the brake parts. 6. Properly removeany buildup formed along the outer edge of the brakedrum machined braking surface. 7. Adjust the brake shoes-to-drum diameter using a brake shoe gauge. 8. Slide the brake drum (4) onto the wheel mounting studs on the hub and bearing(5). 9. Install the tire and wheel assembly. Install and tighten the wheel mounting nuts to 100 ft. Ibs. (135 Mm). 10. Lowerthe vehicle. 11. Road test the vehicle,stopping in both forwardand reverse directions. The automatic-adjuster will continueto adjust the brakes, as necessary, during the road test. BRAKE SHOES REMOVAL & INSTALLATION See Figures 15,17 through 21. ** CAUTION Dust and dirt accumulating on brake parts during normal use may contain asbestos fibers from production or aftermarket brake linings. Breathing excessive concentrations of asbestos fibers can cause serious bodily harm. Exercise care when servicing brake parts. Do not sand or grind brake lin- ing unless equipment used is designed to contain the dust residue. Do not clean brake parts withcom- pressed air or by dry brushing. Cleaning should be done by dampen- ing the brake components with a fine mist of water, then wiping the brake components clean with a dampened cloth. Dispose of cloth and all residue containing asbestos fibers in an impermeable container with the appropriate label. Follow practices prescribed by the Occupational Safety and Health Administration (OSHA) and the Environmental Pro- tection Agency (EPA) for the han- dling, processing, and disposing of dust or debris that may contain asbestos fibers. >*-Make sure the parking brake is in the released position before raising the vehicle. 1. Before servicing the vehicle, refer to the PrecautionsSection. 2. Raise and safely supportthevehicle. *»lt may be easier to install the new components on the first side of the vehicle before disassembling the oppo- site side so it may be used as a refer- ence guide for proper installation. 3. Remove the wheel mounting nuts, then the rear tire and wheelassembly. 4. Remove the brake drum (4). Refer to Brake Drum, removal & installation. 5. Removethe lower shoe spring (3). 6. Compressand removethe hold- down spring (4) retaining the rear shoe to the support plate. 7. Pull the rear shoe (4) away from the anchor (3) allowingbetter access to the parking brakecable (2) connection at the lever(1). 8. Compressthe cable returnspring, then remove the parking brake cablefrom the parking brake lever. 1. Wheel cylinder 2. Hold-down spring 3. Lower shoe spring 4. Hold-down spring Fig. 17 View of rear drum brake components 2. Anchor 3. Parking brake cable 4. Lever 36543_COMP_G0189 Fig. 18 Pull the rear shoe away from the anchor allowing better access to the parking brake cable connection at the lever
  • 811.
    9-22 JEEP COMPASS •PATRIOT 9. Compress and remove the hold- down spring (2) retaining the front shoe to the support plate. 10. Remove both brake shoes from the wheel cylinder. 11. Remove both shoes and the remaining parts as an assembly (3) through the opening between the wheel cylinder (1) and thesup- port plate (3) and hub and bearing(2). 12. Place the shoe assembly outboard- side-up on a flat surface. 13. Remove the adjuster spring (2) from the leading shoe (3) and the lever pawl (1). 14. Removethe lever pawl (1) from the pivot on the rear shoe(5). 15. Flip the shoe assembly over to show the inboard side. Fig. 19 Remove both shoes and the remaining parts as an assembly (3) through the opening between the wheel cylinder (1) and the support plate (3) and hub and bearing (2) 1. Lever pawl 2. Adjuster spring 3. Leading shoe 4. Adjuster 5. Rear shoe 36543_COMP_G0191 Fig. 20 Place the shoe assembly out- board-side-up on a flat surface. Remove the adjuster spring from the leading shoe and the lever pawl 16. Remove the upper shoe return spring (1). 17. Remove the adjuster (5) from the shoes and the parkirjg brake lever (2). To install: 18. Lubricate th| shoe contact areas on the support plate aifd the anchor using MOPAR'"- Brake Lubricant, or equivalent. 19. Lubricate the adjuster screw threads with MOPAR'K; Brake Lubricant, or equiva- lent. Turn the adjuster wheel in until it is completely seated, 20. Place one font shoe (6) and one rear shoe (3) inboard-side-up on a flatsur- face. The rear shop has the parking brake lever attached to 21. Install theljadjuster (5) between the 2 brake shoes, with the adjuster wheel toward the rear. Wake sure the wide notch in the rear fork a igns with the parking brake lever (2). 22. Install th$ upper return spring (1), as shown. 23. Flip the ,|hoe assembly over to show the outboard 24. Install tlffe lever pawl (1) onto the pivot located oil the rear shoe (5). 25. Install trie adjuster spring (2) between the frfnt shoe (3) and the lever pawl(1). 26. Install the pre-assembled brake shoe assembly (3) iprough the opening between the wheel cylinder (1) and the support plate hub and bearing. 27. Insert the upper tips of the brake shoes into thf grooves of the wheel cylinder (1) pistons. 28. Position the bottom of the front shoe against the anchor pin(5). 1. Upper shoe returnspring 2. Parking brakelever 3. Rear shoe 4. Lever pawl 5.Adjuster 6. Leading shoe 36543_COMP_G0192 Fig. 211 Flip the shoe assembly over to show (he inboard side. Remove the upper shoe return spring and the adjuster from the shines and the parking brake lever 29. Install a shoe hold-down pin from the rear through the support plate and the front shoe. 30. Compress and install the hold-down spring (2) retaining the front shoe to the support plate. 31. Compress the parking brake cable return spring, then carefully install the cable onto the parking brake lever. Release the spring guiding it beneath the retaining tab on the lever. 32. Position the bottom of the rear shoe against the anchor pin(5). 33. Install a shoe hold-down pin from the rear through the support plate and the rear shoe. 34. Compress and install the hold-down spring (4) retaining the rear shoe to the support plate. 35. Install the lower shoe spring(3). 36. Adjust the brake shoes to the drum diameter using a brake shoe gauge. 37. Install the brake drum (4) Refer to Brake Drum, removal & installation. 38. Install the tire and wheel assembly and tighten the wheel mounting nuts to 100 ft. Ibs. (135 Nm). 39. Slowly rotate both rear wheels and verify that the brake drums lightly drag on the shoes. Further adjustments may be done using the adjustment procedure, as neces- sary. 40. Lower the vehicle. 41. Road test the vehicle, stopping in both forward and reverse directions. The automatic-adjuster will continue to adjust brakes during the road test, as necessary. ADJUSTMENT See Figures 22 through 25. 1. Before servicing the vehicle, refer to the Precautions Section. 2. Verify the parking brake lever is in the fully released position. 3. Raise and safely support the vehicle. -•Perform the following steps on each rear drum brake assembly as neces- sary. 4. Remove the rear tire and wheel assembly. 5. Remove the brake drum (4).Refer to Brake Drum, removal & installation. 6. Using a Brake Shoe Gauge C-3919 (1), or equivalent, measure the inside diam- eter of the brake drum at the center of the shoe contact area. Tighten the Gauge setscrew at this measurement. 7. Place the opposite side of the brake shoe gauge (2) over the brake shoes (1), as shown.
  • 812.
    JEEP COMPASS • PATRIOT 1.Trailing link 2. Support plate 3. Wheel cylinder 4. Brake drum 5. Hub and bearing assembly 6. Brake shoes 7. Gasket 8. Mounting bolts Fig. 22 Exploded view of rear brake drum and related components 8. Adjust the shoe diameter to the set- ting on the gauge. To adjust the shoe diam- eter, turn the adjuster wheel using a screwdriver inserted through the adjusting hole in the rear of the shoe support plate. Once the tip of the screwdriver contacts the adjuster wheel teeth, move the handle of tool upward using the support plate as a pivot to adjust the shoes outward. 9. If at any time the adjustment needs to be backed off,perform the following: a. Remove the plug from the rear of the support plate below the wheel cylinder. b. Insert a small screwdriver through the access hole (2) in the support plate against the lever pawl. The pawl is attached to and pivots from the rear brake shoe. c. While pushing on the pawl with the screwdriver to disengage it from the adjuster wheel teeth, rotate the wheel (1) upward to back off the adjustment using another screwdriver or a brake adjuster tool. 10. Once the shoe diameter is set, remove the tool and install the brake drum (4). Refer to Brake Drum, removal & installation. Fig. 23 Using a Brake Shoe Gauge C-3919 (1), measure the inside diameter of the brake drum at the center of the shoe contact area 11. Turn the brake drum. A slight drag should be felt while rotating the drum. If not, repeat the above procedure. 12. Install the tire and wheel assembly and tighten the wheel mounting nuts to 100 ft. Ibs. (135 Nm). 13. After adjusting both rear drum brakes, as necessary, lower the vehicle. Fig. 24 Place the opposite side of the brake shoe gauge (2) over the brake shoes (1), as shown Fig. 25 View of rear drum adjuster wheel (1) through the access hole (2) 14. Apply and release the parking brake lever one time after the adjustment process is completed checking the parking brake operation. 15. Road test the vehicle, stopping in both forward and reverse directions. The automatic-adjuster will continue to adjust the brakes during the road test, as necessary.
  • 813.
    9-24 JEEP COMPASS •PATRIOT BRAKES PARKING BRAKE CABLES ADJUSTMENT Parking brake cable adjustment is con- trolled by an automatic tensioner mecha- nism. The only adjustment possible is to the parking brake shoes using the star wheel adjuster. For additional information, reter to Parking Brake Shoes, removal & installa- tion. PARKING BRAKE SHOES REMOVAL & INSTALLATION With Rear Brake Drums The rear drum brake shoes function as the parking brake shoes. Refer to Rear Drum Brakes, Brake Shoes, removal & installation. With Rear Disc Brakes See Figures 26 through 29. 1. Before servicing the vehicle, refer to the Precautions Section. 2. Raise and safely support the vehicle. 3. Remove the rear wheel. 4. Remove the caliper assembly. Refer to Rear Disc Brakes, Brake Caliper, removal & installation. 5. Remove any clips from the wheel studs and remove the brake rotor. 2. B 3. L 4. B 5. A Fig. 27 E parking b mirror im loded view of the LEFT side ke assembly—right side is a be 6. Tur until the a length. 7. Rerr from the an 8. Rem spring (2) brake shoe 9. Rerr Fig. 26 Remove the upper return springs (1, 2) from the anch Parking brake assembly ake shoe wer return spring eking plate juster ake shoe 36543_COMP_G0016 the brake shoe adjuster wheel uster is at the shortest ve the upper return spring (1) hor pin (3) and rear brake shoe, ve the second upper return om the anchor pin (3) and front ve the brake shoe hold-down 36543_COMP_G0015 pin (3) and brake shoes— PARKING BRAKE ® Fig. 28 Adjust the parking brake shoes (1) until linings touch the jaws of Brake Shoe Gauge C-3919(2) springs and pins. Rotate the pins 90° to disengage and remove. 10. Remove the parking brake cable from the lever on the rear parking brake shoe. 11. Remove the brake shoes (2, 6), adjuster (5),and lower return spring (3) as an assembly from the support plate. 12. If necessary, remove the strut (1). 13. Remove the lower return spring (3) and adjuster (5) from the shoes (2, 6). To install: 14. Install the lower return spring and adjuster between the parking brake shoes. The rear shoe will have the lever mounted on the inside. Make sure the threaded por- tion of the adjuster is mounted to the left on both right and left side parking brake assemblies. 15. If necessary, place the strut above the hub on the vehicle. The curved end of the strut is positioned to the rear. 16. Install the assembled brake shoes, adjuster, and lower return spring over the hub and onto the support plate and anchor. Be sure to install the strut between the front shoe and the lever on the rear shoe. 17. Install the parking brake cable onto the lever on the parking brake shoe. 18. Install the brake hold-down springs and pins. Rotate the pins 90° to engage. 19. Install the front upper return spring holding the front brake shoe and the anchor pin. 20. Install the front upper return spring holding the rear brake shoe and the anchor pin. 21. Using Brake Shoe Gauge C-3919, or equivalent, measure the inside diameter of parking brake drum portion of the rotor. Set the Gauge. 22. Place the Gauge over the parking brake shoes at the widest point.
  • 814.
    JEEP COMPASS • PATRIOT9-25 23. Using the adjuster wheel, adjust the parking brake shoes until the linings on both parking brake shoes just touch the jaws on the Gauge. 24. Install the rear brake rotor and install a couple wheel mounting nuts to hold it in place while a final adjustment is made. —•To find the adjuster wheel with the rotor drum in place, position the site hole in the tront of the rotor drum to view the adjuster wheel. For the left side, position the site hole at 7 o'clock. For the right side, position the site hole at 5 o'clock. •-When adjusting the parking brake shoes with the drum-in hat rotor installed, rotating the adjuster wheel upward will loosen the adjustment. Rotating the adjuster wheel downward will tighten the adjustment. 25. Remove the rubber plug from the hole in the front of the rotor. 26. Utilizing the hole in the front of the rotor, make a final adjustment of the shoes, as necessary. 27. Reinstall the rubber plug. 28. Remove the wheel mounting nuts and finish installing the brake rotor as well as all other components removed to access it. Refer to Refer to Rear Disc Brakes,Brake Caliper, removal & installation. 29. Lower the vehicle. 30. Cycle the parking brake lever once, verifying proper operation of the parking brake. ADJUSTMENT See Figure 29. The parking brake shoes used in the drum-in-hat park brake system do not auto- matically adjust to compensate for brake shoe lining wear. Therefore,it is necessary to manually adjust the parking brake shoes. 1. Before servicing the vehicle, refer to the Precautions Section. 1. Adjuster site hole 2. Adjuster wheel Fig. 29 Utilizing the hole in the front of the rotor, make any adjustment of the shoes, as necessary 2. Verify the parking brake lever is in the released (down) position. 3. Raise and safely support the vehicle. 4. Remove the rear wheel. 5. Install a couple wheel mounting nuts to hold the brake rotor in place while adjustment of the brake shoes is made. —To find the adjuster wheel with the rotor drum in place, position the site hole (1) in the front of the rotor drum to view the adjuster wheel. For the left side, position the site hole at 7 o'clock. For the right side, position the site hole at 5 o'clock. •»When adjusting the parking brake shoes with the drum-in hat rotor installed, rotating the adjuster wheel (2) upward will loosen the adjustment. Rotating the adjuster wheel (2) down- ward will tighten the adjustment. 6. Removethe rubber plug from the hole (1) in the front of the rotor. 7. Utilizing the hole (1) in the front of the rotor, make a fine adjustment of the shoes. 8. Reinstall the rubber plug. 9. Lower the vehicle far enough to access the interior of the vehicle. 10. Reach inside the vehicle and cycle (fully apply and release) the park brakes. 11. With the parking brake lever in the fully applied (up) position, attempt to hand rotate each rear brake rotor to ensure that the parking brake shoes are working prop- erly. 12. With the parking brake lever in the released (down) position, hand rotate each rear brake rotor to ensure that the parking brake shoes are not dragging. 13. Raise and safely support the vehicle. 14. Removethe wheel mounting nuts and install the tire and wheel assembly. Install and tighten the wheel mounting nuts to 100 ft. Ibs. (135 Nm). 15. Lower the vehicle.
  • 815.
    9-26 JEEP COMPASS •PATRIOT CHASSIS ELECTRICAL GENERAL INFORMATION ** CAUTION These vehicles are equipped with an air bag system. The system must be disarmed before performing service on, or around, system components, the steering column, instrument panel components, wiring and sen- sors. Failure to follow the safety pre- cautions and the disarming procedure could result in accidental air bag deployment, possible injury and unnecessary system repairs. SERVICE PRECAUTIONS Disconnect and isolate the battery nega- tive cable before beginning any airbag sys- tem component diagnosis, testing, removal, or installation procedures. Allow system capacitor to discharge for two minutes before beginning any component service. This will disable the airbag system. Failure to disable the airbag system may result in accidental airbag deployment, personal injury, or death. Do not place an intact undeployed airbag face down on a solid surface. The airbag will propel into the air if accidentally deployed and may result in personal injury or death. When carrying or handling an unde- ployed airbag, the trim side (face) of the airbag should be pointing towards the body to minimize possibility of injury if accidental deployment occurs. Failure to do this may result in personal injury or death. Replace airbag system components with OEM replacement parts. Substitute parts may appear interchangeable, but internal differences may result in inferior occupant protection. Failure to do so may result in occupant personal injury or death. Wear safety glasses, rubber gloves, and long sleeved clothing when cleaning pow- der residue from vehicle after an airbag deployment. Powder residue emitted from a deployed airbag can cause skin irritation. Flush affected area with cool water if irrita- tion is experienced. If nasal or throat irrita- tion is experienced, exit the vehicle for fresh air until the irritation ceases. If irritation continues, see a physician. Do not use a replacement airbag that is not in the original packaging. This may result in improper deployment, personal injury, or death. The factory installed fasteners, screws AIR BAG (SUPPLEMENTAL RESTRAINT SYSTEM) and bolts d have a spec designed fa substitute ft equipment log when fa During, anchor serv vehicle repj hardware, t( proper instj a child restli any way, thi ureto do th or death Deployei: or may not within the a Do not d driver/passe tensioners deployment stance Con Dispose sioners con local, and fi After an^ service, do cable. Pers the system If the veri pant Classi connect the performing the scan toe information result if the properly. Never re Restraint Ci pant Classi same time, replace one tern test bef Both the pant Classi tion data, w when one o replaced at fault will be OCS may m injury or de If equipp Sensor is a must be har handle roug replace with may result If equipp d to fasten airbag components al coating and are specifically the airbag system. Do not use teners. Use only original steners listed in the parts cata- tener replacement is required, nd following, any child restraint e, due to impact event or , carefully inspect all mounting her straps, and anchors for ation, operation, or damage. If int anchor is found damaged in anchor must be replaced. Fail- 3 may result in personal injury and non-deployed airbags may ave live pyrotechnic material bag inflator. spose of nger/curtain airbags or seat belt nless you are sure of complete Refer to the Hazardous Sub- ol System for proper disposal, f deployed airbags and ten- istent with state, provincial, deral regulations, airbag component testing or ot connect the battery negative nal injury or death may result if t is not performed first. le is equipped with the Occu- cation System (OCS), do not mattery negative cable before he OCS Verification Test using and the appropriate diagnostic Personal injury or death may ystem test is not performed ace both the Occupant itroller (ORC) and the Occu- cation Module (OCM) at the both require replacement, then perform the Airbag Sys- re replacing the other. )RC and the OCM store Occu- :ation System (OCS) calibra- ich they transfer to one another them is replaced. If both are e same time, an irreversible ,et in both modules and the Ifunction and cause personal th. d with OCS, the Seat Weight ensitive, calibrated unit and Jled carefully. Do not drop or ly. If dropped or damaged, another sensor. Failure to do so occupant injury or death, d with OCS, the front passen- ger seat must be handled carefully as we)). When removing the seat, be careful when setting on floor not to drop. If dropped, the sensor may be inoperative, could result in occupant injury, or possibly death. If equipped with OCS, when the passen- ger front seat is on the floor, no one should sit in the front passenger seat. This uneven force may damage the sensing ability of the seat weight sensors. If sat on and damaged, the sensor may be inoperative, could result in occupant injury, or possibly death. DISARMING THE SYSTEM 1. Before servicing the vehicle, refer to the Precautions Section. 2. Turn the ignition switch to OFF. 3. Disconnect the negative battery cable and isolate it from accidentalreconnection. Insulate the cable end with high-quality electrical tape or a similar non-conductive wrapping. 4. Wait at least 2 minutes for the system capacitor to discharge before performing any service. The airbag system is designed to retain enough voltage to deploy the airbag for a short period of time after the battery has been disconnected. ARMING THE SYSTEM 1. Before servicing the vehicle, refer to the Precautions Section. 2. Reconnect the negative battery cable. CAUTION As an added precaution, make sure no one is in the vehicle when recon- necting the negative battery cable. 3. To confirm proper system operation, turn the ignition switch to the ON position. The SRS indicator light should light for at least 7 seconds and then go off. SRS VERIFICATION TEST See Figure 30. CAUTION To avoid serious or fatal injury on vehicles equipped with airbags,dis- able the Supplemental Restraint Sys- tem (SRS) before attempting any steering wheel, steering column, airbag, seat belt tensioner, impact sensor, or instrument panel compo- nent diagnosis or service. Disconnect and isolate the battery negative (ground) cable, then wait 2 minutes for the system capacitor to discharge
  • 816.
    JEEP COMPASS • PATRIOT9-27 before performing further diagnosis or service. This is the only sure way to disable the SRS. Failure to take the proper precautions could result in accidental airbag deployment. CAUTION The following procedure should be performed using a diagnostic scan tool to verify proper Supplemental Restraint System (SRS) operation fol- lowing the service or replacement of any SRS component. 1. During the following test, the battery negative cable remains disconnected and isolated, as it was during the SRS compo- nent removal and installation procedures. 2. Be certain that the diagnostic scan tool contains the latest version of the proper diagnostic software. Connect the scan tool to the 16-way Data Link Connector (DLC) (2). The DLC is located on the driver side lower edge of the instrument panel (1), near the cowl side inner panel(3). 3. Turn the ignition switch to the ON position and exit the vehicle with the scan tool. 4. Check to be certain that nobody is in the vehicle, then reconnect the battery nega- tive cable. Wait 2 minutes before proceeding. CAUTION Failure to follow these instructions may result in possible serious or fatal injury. 5. Using the scan tool, read and record the active (current) Diagnostic Trouble Code (DTC) data. 1. Instrument panel 2. Data Link Connector (DLC) 3. Cowl side inner panel 36543_COMP_G0199 Fig. 30 Data Link Connector (DLC) location 6. Use the scan tool to read and record any stored (history) DTC data. 7. If any DTC is found in Step No. 5 or Step No. 6, refer to the appropriate diagnos- tic information. 8. Use the scan tool to erase the stored DTC data. If any problems remain, the stored DTC data will not erase. Refer to the appropriate diagnostic information to diag- nose any stored DTC that will not erase. If the stored DTC information is successfully erased, go to Step 9. 9. Turn the ignition switch to the OFF position for about 15 seconds, and then back to the ON position. Observe the airbag indicator in the instrument cluster. It should light for 6-8 seconds, and then go out. This indicates that the SRS is functioning nor- mally and that the repairs are complete. If the airbag indicator fails to light, or lights and stays ON, there is still an active SRS fault or malfunction. Refer to the appropriate diagnostic information to diagnose the problem. CLOCKSPRING CENTERING See Figure 31. A service replacement clockspring is shipped with the clockspring pre-centered and with a molded plastic locking pin installed. This locking pin should not be removed until the steering wheel has been installed on the steering column. If the lock- ing pin is removed before the steering wheel is installed, the clockspring centering procedure must be performed. When a clockspring is installed into a vehicle without properly centering and lock- ing the entire steering system, the Steering Angle Sensor (SAS) data does not agree with the true position of the steering system and causes the Electronic Stability Program (ESP) system to shut down. This may also damage the clockspring without any imme- diate malfunction. Unlike some other Chrysler vehicles, this SAS never requires calibration. However, upon each new igni- tion ON cycle, the steering wheel must be rotated slightly to initialize the SAS. Determining if the clockspring/SAS is centered is also possible electrically using the diagnostic scan tool. Steering wheel position is displayed as ANGLE with a range of up to 900°. Refer to the appropriate menu item on the diagnostic scan tool. Before starting this procedure, be certain to turn the steering wheel until the front wheels are in the straight-ahead position and that the entire steering system is locked or inhibited from rotation. The clockspring may be centered and the rotor may be rotated freely once the steering wheel has been removed. ** CAUTION To avoid serious or fatal injury on vehicles equipped with airbags, dis- able the Supplemental Restraint Sys- tem (SRS) before attempting any steering wheel, steering column, airbag, seat belt tensioner, impact sensor, or instrument panel compo- nent diagnosis or service. Disconnect and isolate the battery negative (ground) cable, then wait 2 minutes for the system capacitor to discharge before performing further diagnosis or service. This is the only sure way to disable the SRS. Failure to take the proper precautions could result in accidental airbag deployment. 1. Before servicing the vehicle, refer to the Precautions Section. 2. Place the front wheels in the straight- ahead position and inhibit the steering col- umn shaft from rotation. 3. Remove the steering wheel from the steering shaft. Refer to Steering Wheel, removal & installation. 4. Rotate the clockspring rotor (1) clock- wise to the end of its travel. Do not apply excessive torque. 5. From the end of the clockwise travel, rotate the rotor about 2 1/2 turns counter- clockwise. Turn the rotor slightly clockwise or counterclockwise as necessary so that the clockspring airbag pigtail wires (3) and connector receptacle are at the top and the dowel or drive pin (5) is at the bottom. 6. The clockspring is now centered. Secure the clockspring rotor to the 1. Clockspring rotor 2. Locking pin 3. Pigtail wires 4. Clockspring housing 5. Dowel or drive pin Fig. 31 Clockspring component view
  • 817.
    9-28 JEEP COMPASS •PATRIOT clockspring case using a locking pin (2) or some similar device to maintain clockspring centering until the steering wheel is rein- stalled on the steering column. SRS VERIFICATION TEST See Figure 32. ** CAUTION To avoid serious or fatal injury on vehicles equipped with airbags, dis- able the Supplemental Restraint System (SRS) before attempting any steering wheel, steering column, airbag, seat belt tensioner, impact sensor, or instrument panel compo- nent diagnosis or service. Discon- nect and isolate the battery negative (ground) cable, then wait 2 minutes for the system capacitor to dis- charge before performing further diagnosis or service. This is the only sure way to disable the SRS. Failure to take the proper precautions could result in accidental airbag deploy- ment. *# CAUTION The following procedure should be performed using a diagnostic scan tool to verify proper Supplemental Restraint System (SRS) operation fol- lowing the service or replacement of any SRS component. DRIVE TRAIN AUTOMATIC TRANSAXLE ASSEMBLY REMOVAL & INSTALLATION See Figures 33 through 36. 1. Before servicing the vehicle, refer to the Precautions Section. 2. Disconnect the negative battery cable. 3. Drain the cooling system. 4. Drain the automatic transaxle. 5. Remove the air intake assembly. 6. Remove the battery. 7. Remove the battery tray. 8. Remove the air intake tube and vac- uum supply lines. 9. Remove the shifter cable and mount- ing bracket. 10. Remove the coolant lines from the CVT fluid cooler. 11. Remove the heater hose from the CVT fluid cooler. Fig. 32 D location nstrument panel Data Link Connector (DLC) Cowl side inner panel ta Link Connector (DLC) 1. During the following test, the bat- tery negati cable remains disconnected and isolated, as it was during the SRS component removal and installation procedure 2. Be ciirtain that the diagnostic scan tool contairs the latest version of the proper diagnostic: oftware. Connect the scan tool to the 16-wiy Data Link Connector (DLC) (2). The DL ] is located on the driver side lower edge )f the instrument panel (1), near the cowl site inner panel (3). 3. Turn the ignition switch to the ON position an exit the vehicle with the scan tool. 12. Ren 13. Dis harness fron ove the speed sensor connector, onnect and remove the wiring the top of the transaxle. Fig. 33 V bolts (1) (2)—Automatic Transaxle ew of the upper bell housing nd lower bell housing bolts 4. Check to be certain that nobody is in the vehicle, then reconnect the battery nega- tive cable. Wait 2 minutes before proceed- ing. ** CAUTION Failure to follow these instructions may result in possible serious or fatal injury. 5. Using the scan tool, read and record the active (current) Diagnostic Trouble Code (DTC) data. 6. Use the scan tool to read and record any stored (history) DTC data. 7. If any DTC is found in Step No. 5 or Step No. 6, refer to the appropriate diagnos- tic information. 8. Use the scan tool to erase the stored DTC data. If any problems remain, the stored DTC data will not erase. Refer to the appropriate diagnostic information to diag- nose any stored DTC that will not erase. If the stored DTC information is successfully erased, go to Step 9. 9. Turn the ignition switch to the OFF position for about 15 seconds, and then back to the ON position. Observe the airbag indi- cator in the instrument cluster. It should light for 6-8 seconds, and then go out. This indi- cates that the SRS is functioning normally and that the repairs are complete. If the airbag indicator fails to light, or lights and stays ON, there is still an active SRS fault or malfunction. Refer to the appropriate diag- nostic information to diagnose the problem. 14. Remove the transmission vent tube. 15. Remove the throttle body support bracket. Fig. 34 View of the transaxle (3) upper mounting bolts (1) and upper mount (2)— Automatic Transaxle
  • 818.
    JEEP COMPASS • PATRIOT9-29 16. Remove the upper bell housing bolts. 17. Remove the upper transmission mounting bolts, the upper transmission mount through-bolt and upper transmission bolt. 18. Raise and safely support the vehicle. 19. Remove the left and right front lower splash shield. 20. Remove the lower splash shield, if equipped. 21. Support the transaxle assembly with a suitable jack. 22. Remove the starter. Refer to Starter, removal & installation. 23. Remove the transaxle fill tube by removing the 2 mounting bolts. 24. Remove both front wheels. 25. Remove the left and right halfshafts. Refer to Halfshafts, removal & installation. 26. Remove the torque converter inspec- tion cover. 1. Front transaxle mount through-bolt 2. Transaxle crossmember mounting bolts Fig. 35 Remove the transaxle crossmember mounting bolts and remove the crossmember—Automatic Transaxle 27. Matchmark the torque converter to the flexplate for the correct alignment during installation. 28. Remove the torque converter bolts and discard the bolts. 29. Support the engine with a suitable jack. 30. Remove the front transaxle mount through-bolt (1). 31. Remove the transaxle crossmember mounting bolts (2) and remove the cross- member. 32. Remove the transaxle rear mount through-bolt. 33. Remove the rear mount-to-transaxle bolts. 34. Remove the transfer case, if 1. Rear mount-to-transaxle bolts 2. Automatic transaxle 3. Rear mount through-bolt 365« COMP..G0022 Fig. 36 Location ot the rear mount through-bolt and rear mount-to-transaxle bolts—Automatic Transaxle equipped. Refer to Transfer Case, removal & installation. 35. Remove the lower transaxle bell housing bolts. 36. Carefully lower the transaxle assem- bly from the vehicle. To install: -••Ensure that both alignment pins are present in the engine before installing the transaxle. 37. Raise the transaxle assembly in the vehicle using a suitable jack. 38. Install the lower transaxle bell hous- ing bolts and tighten to 35 ft. Ibs. (48 Nm). 39. Connect the transaxle cooler lines. 40. Install the transaxle crossmember and tighten the mounting bolts to 55 ft. Ibs. (75 Nm). 41. Install the through bolt at the front transaxle mount and tighten to 55 ft. Ibs. (75 Nm). 42. Install the rear mount through-bolt and tighten to 55 ft. Ibs. (75 Nm). 43. Install the rear mount-to-transaxle and tighten to 55 ft. Ibs. (75 Nm). 44. Install new torque converter bolts and tighten to 35 ft. Ibs. (48 Nm). 45. Install the torque converter inspec- tion cover. 46. Install the transfer case, if equipped. Refer to Transfer Case, removal & installa- tion. 47. Install the splash shields. 48. Install the halfshafts. 49. Install the front wheels. 50. Lower the vehicle. 51. Install the upper bell housing bolts and tighten to 35 ft. Ibs. (48 Nm). 52. Install the upper mount bolts and tighten to 55 ft. Ibs. (75 Nm). 53. Install the upper mount through-bolt and tighten to 55 ft. Ibs. (75 Nm). 54. Install the throttle body support bracket and tighten the bolts to 105 inch Ibs. (11 Nm). 55. Connect the transmission vent tube. 56. Install the heater hose at the trans- mission cooler tube. 57. Connect the coolant lines at the transmission cooler. 58. Install the shifter cable and bracket, tighten the nut to 105 inch Ibs. (11 Nm). 59. Install the vacuum supply lines. 60. Install the intake air tube. 61. Fill the engine coolant with the proper type and amount of fluid. 62. Install the battery tray. 63. Install the battery. 64. Install the air cleaner assembly. 65. Connect the batterycables. 66. Install the transmission fill tube and tighten the bolt to 79 inch Ibs. (9 Nm). 67. Fill the transmission with the proper fluid to the correct level. *# WARNING Use only MOPAR® CVTF +4 fluid. Use of any other type of automatic trans- mission fluid may cause damage to the CVT. 68. Road test the vehicle and inspect for leaks. MANUAL TRANSAXLE ASSEMBLY REMOVAL & INSTALLATION See Figures 37 through 40. 1. Before servicing the vehicle, refer to the Precautions Section. 2. Removethe splash shields and drain the transaxle fluid. 3. Disconnect the negative battery cable. 4. Removethe engine appearance cover. 5. Remove the air intake assembly. 6. Unplug the speed sensor connector. 7. Disconnect the back-up lamp switch. 8. Removethe shift cables from the bracket clips. 9. Disconnect the shift selector and crossover cable from the levers. Remove the cables and secure them out of the way. 10. Removethe slave cylinder hose from the bracket. 11. Removethe air inlet tube trom the throttle body. 12. Removethe throttle body support bracket.
  • 819.
    9-30 JEEP COMPASS •PATRIOT 1. Mount through-bolt 2. Transaxle mount bolts 3. Bushing Fig. 37 Location of the left-upper transaxle mount through-bolt and transaxle mount bolts—Manual Transaxle 13. Remove the upper bell housing bolts. 14. Removethe starter mounting bolts and secure the starter out of the way. 15. Support the transaxle with a suitable jack. 16. Loosen the left-upper transaxle mount through-bolt. 17. Remove the transaxle mount bolts. 18. Raise and safely support the vehicle. 19. Removethe splash shields. 20. Remove the transaxle oil drain plug and drain the oil into a suitable container. Reinstall the drain plug and tighten it to 120 inch Ibs. (14 Nm). 21. Remove both axle halfshafts. Refer to Halfshafts, removal & installation. 22. Removethe transfer case, if equipped. 23. Support the engine with a suitable jack. 24. Support the transaxle with a suitable transmission jack. 25. Removethe bell housing dust cover. 26. Removefour modular clutch-to-drive plate bolts. While removing bolts, one tight- tolerance (slotted) drive plate hole will be encountered. When this bolt is removed, mark the drive plate and modular clutch assembly at this location, and be sure to a/r'gn fne marks upon reassembly. 27. Remove the front transaxle mount through-bolt(4). 28. Remove the transaxle crossmember mounting bolts (2, 3) and remove the cross- member (1). 29. Remove the rear transaxle through- bolt. 30. Remove the rear transaxle mount bolts (3) and mount (1) from the frame. 31. Remove the rear transaxle mount bracket bolts and bracket from the transaxle. Fig. 38 Lo through-bo mounting Manual Tr ossmember ossmember mounting bolt ossmember mounting bolts unt through-bolt 36543_COMP_G0024 ation of the front transaxle , transaxle crossmember Its, and crossmember— saxle 32. Rem housing bo 33. Care assembly o jack until er remove the 34. Obta the transaxl transaxle-to 35. Rem vehicle. To insta 36. Usin raise the tra 37. Insta bolts and tic 38. Inst; 39. Insta bracket and ft. Ibs. (68 40. Insta tighten the b 41. Insta through-bolt 42. Inst transaxle an (68 Nm). 43. Insti and tighten (68 Nm). 44. Lowe the engine/t upper moun mount. Tigh ft. Ibs. (68 h 45. Tigh' bolt to 50 ft ethe remaining transaxle bell lly lower the engine/transaxle a screw jack and transmission ugh clearance is obtained to ansaxle. a helper to assist in holding assembly while removing the ngine mounting bolts, e the transaxlefrom the a suitable transmission jack, axle assembly into position, the transaxle bell housing ten to 35 ft. Ibs. (48 Nm). the transfer case, if equipped, the rear transaxle mount ghten the mounting bolts to 50 i). the rear transaxle mount and Its to 50 ft. Ibs. (68Nm). he rear transaxle mount nd tighten to 50 ft. Ibs. (68 Nm). the front mount bracket to the tighten the bolts to 50 ft.Ibs. the transaxle crossmember mounting bolts to 50 ft.Ibs. the vehicle slightly, and raise nsaxle assembly until the )racket aligns with the upper n the upper mount bolts to 50 i). i theupper mount through- js. (68 Nm). Fig. 39 Location of the reartransaxle mount (1),mount bracket (2),and transaxle mount bolts (3)—Manual Transaxle 46. Remove the transaxle jack. 47. Raise and safely support the vehicle. 48. Install the four modular clutch-to- driveplate bolts. Align the driveplate and modular clutch alignment matchmarks made during the removal process. Start with the tight-tolerance (slotted) hole and install the torque bolts to 65 ft. Ibs. (88Nm). 49. Install the starter. Refer to Starter, removal & installation. 50. Install the bell housing dust cover. 51. Install the axle halfshafts. Refer to Halfshafts, removal & installation. 52. Fill the transaxle with the proper fluid to the correct level. 53. Install the splash shields. 54. Lower the vehicle. 55. Install the top remaining bell hous- ing bolts and tighten to 35 ft.Ibs. (48 Nm). 56. Connect the hydraulic clutch slave cylinder. Fig. 40 Location of the lower Uansaxle bell housing bolts—Manual Transaxle
  • 820.
    JEEP COMPASS • PATRIOT9-31 57. Connect the shift and selector cables to shift lever. Install the cables to the bracket clips. 58. Connector the back-up lamp connec- tor. 59. Connect the vehicle speed sensor. 60. Install the air intake tube and air intake assembly. 61. Connect the negative battery cable. 62. Test drive the vehicle for proper operation and check for leaks. CLUTCH DRIVEN DISC & PRESSURE PLATE REMOVAL & INSTALLATION See Figure 41. ** WARNING Chrysler does not manufacture any vehicles or replacement parts that contain asbestos. Aftermarket prod- ucts may or may not contain asbestos. Refer to aftermarket prod- uct packaging for product informa- tion. Whether the product contains asbestos or not, dust and dirt can accumulate on manual clutch parts during normal use. Follow practices prescribed by appropriate regulations for the handling, processing, and dis- posing of dust and debris. 1. Before servicing the vehicle, refer to the Precautions Section. 2. Raise and safely support the vehicle. 3. Remove the transaxle assembly from the vehicle. Refer to Manual Transaxle, removal & installation. 4. Remove the clutch assembly from the transaxle input shaft. To install: 5. Install the clutch assembly onto the input shaft of thetransaxle. 6. Install the transaxle assembly. Refer to Manual Transaxle, removal & installation. ADJUSTMENTS The clutch assembly is designed with an automatic adjustment featureto compensate for clutch disc wear. CLUTCH MASTER CYLINDER REMOVAL & INSTALLATION See Figures 42 and 43. 1. Beforeservicing the vehicle, refer to the Precautions Section. 2. Remove the enginecover. 3. Remove the air cleaner assembly. 4. Disconnect the battery negativecable. 5. Remove the lower instrument panel bezel. 6. Disconnect the pushrod (3) at the clutch pedal. ## WARNING Brake fluid will damage painted sur- faces. If brake fluid is spilled on any 1. Clutch assembly 2. Bracket 3. Manual transaxle 4. Mounting bolt Fig. 41 Exploded view of clutch—Manual Transaxle U-© Fig. 42 Remove the air cleaner assembly (1) painted surfaces, wash it off immedi- ately with water. 7. Disconnect the hydraulic supply tube (2) at the clutch master cylinder by pulling the retaining clip, then pulling out on the tube. To completely drain the clutch master cylinder and tubing, remove the brake master cylinder cap and drain fluid into a suitable container. 8. Disconnect the clutch master cylin- der supply line from the brake master cylin- der reservoir (1). Cap off or collect the fluid spillage from the reservoir port. ## WARNING Use care when removing the clutch master cylinder from the enginecom- partment. Aggressive handling can result in a damaged hydraulic tube and improper clutch release opera- tion upon reassembly. 9. Removethe master cylinder assem- bly (4) from the mounting position by turn- ing it 1/4 turn and carefully working the hydraulic pipe out of the left rail retainer and engine compartment. To install: 10. Install the clutch master cylinder(4). 11. Insert the tube (2) into the master cylinder port and install the retaining clip. 12. Connect the clutch master cylinder supply hose (2) to the brake master cylinder reservoir(1). 13. Verify that the brake master cylinder reservoir is full and the cap is off. 14. Install the clutch master cylinder body to the clutch pedal and give it a1/4 turn to secure it. 15. Connect the clutch master cylinder rod (3) to the clutch pedal pin. An audible click should be heard.
  • 821.
    9-32 JEEP COMPASS •PATRIOT 1. Brake master cylinder reservoir 2. Hydraulic supply tube 3. Clutch master cylinder rod 4. Clutch master cylinder 5. Connection 6. Hydraulic line Fig. 43 View of brake master cylinder and hydraulic clutch system 36543_COMP_G0029 16. Install the lower instrument panel bezel. 17. Connect the battery negative cable. 18. Install the air cleaner assembly. 19. Verify that the brake master cylinder reservoir is full. Top it off with DOT 3 brake fluid, ifnecessary. 20. Bleed the clutch system. 21. Actuate the clutch pedal a minimum of 15 times to allow any air ingested into the system to vent to the master cylinder reservoir. If residual air becomes trapped in the system, it is necessary to bleed the clutch hydraulic system. 22. Verify proper clutch releaseand sys- temoperation. CLUTCH SLAVE CYLINDER REMOVAL & INSTALLATION See Figure 44. ** WARNING Chrysler does not manufacture any vehicles or replacement parts that contain asbestos. Aftermarket prod- ucts may or may not contain asbestos. Refer to aftermarket prod uct packaging for product informa- tion. Whether the product contains asbestos or not, dust and dirt can accumulate on manual clutch parts during no mal prescribec for the handling posing of use. Follow practices by appropriate regulations processing, and dis- lust and debris. —•To prevent drainage of the clutch master cylinder assembly upon the slave cylinder removal, it is necessary to make sure the brake master cylinder fluid level is full and the reservoir cap is installed tightly. 1. Before servicing the vehicle, refer to the Precautions Section. 2. Remove the transaxle from the vehicle. Refer to Manual Transaxle Assem- bly, removal & installation. 3. Disconnect the clutch hydraulic line (6) from the bleeder assembly (2). 4. Disconnect and remove the bleeder assembly (;>) from the clutch slave cylinder (3). 5. Remove the slave cylinder-to-clutch bell housing bolts (4) and remove the slave cylinder (3 from the transaxle. To instill: 6. Instil the slave cylinder (3) to the transaxle using new bolts. —Torque the 3 slave cylinder body screws fi st, then torque the fluid tube attachmer e the slave cylinder-to-case teps: 1. Dust cap 2. Bleeder assembly 3. Slave cylinder 4. Mounting bolts 5. Line connector 6. Clutch hydraulic line 7. Bracket 8. Line connector 36543_COMP_G0030 Fig. 44 View of brake slave cylinder and hydraulic clutch system a. Step 1: Tighten to 18 inch Ibs. (2 Nm). b. Step 2: Tighten to 44 inch Ibs. (5 Nm). c. Step 3: Tighten to 74 inch Ibs. (8 Nm). 8. Install the transaxle. Refer to Manual Transaxle Assembly, removal & installation. 9. Bleed the clutch hydraulic system. Refer to Hydraulic System Bleeding. HYDRAULIC SYSTEM BLEEDING Manual Bleeding -»An assistant is required to perform this procedure. 1. Beforeservicing the vehicle, refer to the Precautions Section. 2. Verify the fluid level in the clutch/brake cylinder. Top it off with DOT 3 brake fluid, as necessary. Leave the cap off. 3. Raise and safely support the vehicle. 4. Remove the dust cap from the bleed port on the clutch slave cylinder and install a suitable size and length of clear hose to monitor and divert fluid into a suitable con- tainer. -••The container must be positioned at a lower level than the bleeder valve on the clutch slave cylinder. 5. Lower vehicle, but only enough to gain access to and fill the brake master cylinder. 6. Have an assistant press down and hold the clutch pedal until it reaches the floor.
  • 822.
    JEEP COMPASS • PATRIOT9-33 f»Do not allow the clutch/brake fluid reservoir to run dry while the fluid exits the bleed port. If the reservoir runs dry during this procedure, it must be refilled and this step must be repeated. •••Ensure the assistant does not release the clutch pedal from the floor while the bleed port on the clutch slave cylin- der is open. Otherwise, air will enter the clutch hydraulic circuit. 7. Open the bleed port on the clutch slave cylinder enough to allow hydraulic fluid to drain. Any air in the system will escape at this time. 8. Close the bleed port on the clutch slave cylinder, and have the assistant release the clutch pedal to the full up posi- tion. 9. Repeat steps 6 through 8 at least 15 times or until air bubbles are no longer present in the clutch hydraulic fluid. 10. Slowly actuate the clutch pedal 10 times between the full up and pedal stop position. 11. Apply the parking brake. Start the engine and verify clutch operation and pedal feel. a. If the clutch pedal feels fine and the transaxle can be easily shifted fromneu- tral to any gear, the clutch is operating correctly. b. If the pedal still feels spongy or the clutch does not fully disengage, exces- sive air is still trapped within the system, most likely at the master cylinder. 12. Disconnect the hose from the bleed port on the clutch master cylinder and install the dustcap. 13. Top off the brake master cylinder fluid level with DOT 3 brake fluid, as neces- sary. Power Bleeding 1. Before servicing the vehicle, refer to the Precautions Section. 2. Remove the reservoir cap andcon- nect a bleeder cap to the clutch/brake fluid reservoir. •••Use Bleeder Cap/Modified reservoir cap adapter Snap-On® 901-059, or equivalent. 3. Connect the service filling machine to the bleedercap. "••Use Service Filling Machine/Brake power bleeder, or equivalent. 4. The service filling machine should be pressurized between 2.0 and 2.5 bar (29-36 psi). 5. Remove the dust cap from the bleeder valve and connect the transparent bleeder hose to the bleedervalve. —•Use a Bleeder Container to capture the hydraulic fluid and the Transparent Bleeder Hose to route the fluid to the container. —•The Container must be at a lower level than the bleeder valve on the clutch slave cylinder. 6. Place the other end of the hose in the bleeder container to capture the used fluid. The end of the hose MUST be sub- merged in the DOT 3 brake fluid. 7. Turn ON the service filling machine. —While bleeding the system, do not allow the clutch fluid reservoir to com- pletely empty out.If this happens, refill the clutch fluid reservoir, and repeat the procedure. 8. Open the bleeder valve on the clutch slave cylinder enough to allow fluid to flow from the clutch hydraulic system. 9. Allow fluid to flow out of the bleed port until no more air bubbles can be seen in the transparent bleeder hose. 10. Once the fluid is free of air bubbles, make 15 quick actuations between the clutch pedal stop positions. 11. Close the bleeder valve at the clutch slave cylinder and disconnect the service filling machine. 12. Check the clutch pedal to see if the vehicle is properly bled. 13. If the vehicle is not properly bled, repeat the procedure. 14. Remove the bleeder cap from the clutch fluid reservoir and replace the reser- voir cap. 15. Disconnect the transparent bleeder hose from the bleeder valve and replace the dust cap. TRANSFER CASE ASSEMBLY REMOVAL & INSTALLATION See Figures 45 through 49. Jeep" refers to the transfer case as the Power Transfer Unit (PTU). 1. Before servicing the vehicle, refer to the Precautions Section. 2. Disconnect the negative battery cable. 3. Remove the engine appearance cover. 4. Remove the air intake assembly. 5. Remove the Power Distribution Cen- ter (PDC) from the mounting bracket. 6. Raise and safely support the vehicle. 7. Remove the front halfshafts. Refer to Halfshafts, removal & installation. 8. Drain the transfer case fluid and reinstall the drain plug. 9. Mark the driveshaft and differential for proper installation. 10. Remove the rear driveshaft. 11. Remove the 2 exhaust flange mount- ing bolts and disconnect the downstream 02 sensor to separate the exhaust system. 12. Lower the vehicle. 13. Unplug the upstream 02 sensor con- nector. 14. Remove the upstream 02 sensor from the exhaust manifold. 15. Remove the exhaust manifold top and side heat shields. 16. Remove the exhaust manifold retain- ing bolts. Slide the exhaust manifold up and to the right, and support the exhaust mani- fold with a bungee cord, or equivalent. 17. Raise and safely support the vehicle. Fig. 45 Location of the upper (1) and lower (2) transfer case mounting bolts Fig. 46 Support the engine (3) using a suitable jack (2) by the front mount bracket (1)—Transfer case removal
  • 823.
    9-34 JEEP COMPASS •PATRIOT Fig. 47 Raise the front of the engine until the rear mount (1, 2) has dropped— Transfer case removal 36543_COMP_G0034 Fig. 48 Roll the transfer case (1) forward and down to remove—Transfer case removal 18. Remove the engine-to-exhaust mani- fold bracket bolts. 19. Remove the rear engine mount through-bolt. 20. Remove the 3 front engine mount-to- frame bolts and mount through-bolt. 21. Removethe transfer case mounting bolts. 22. Using a suitable jack, support the engine on the front mount bracket. 23. Raise the front of the engine until the rear mount as dropped. 24. Separate the transfer case from the transaxle. Remove and discard the 0-ring. 25. Roll the transfer case forward and down to remove. To install: 26. Roll the transfer case into the vehicle, moving it from front to back. 27. Rest the transfer case on the frame while the engine/transaxle assembly is placed into position. 28. Lower the jack on the front engine Fig. 49 Ensure the 0-ring (1) between the transaxle and transfer case (2) is correctly installed mount bracket until the rear mount through- bolt can be installed. Tighten the bolt to 55 ft. Ibs. (75 Mm). 29. Install the transaxle crossmember and tighter the bolts to 55 ft. Ibs.(75Nm). 30. Install the front transaxle mount through-bofe and tighten to 55 ft. Ibs. (75 Nm). 31. Install a new 0-ring between the transfer casle and transaxle. •••Coat thr, 0-ring in Vaseline or transaxle assembly grease. 32. Slide the transfer completely into position. Tighten the mounting bolts to 43 ft. Ibs.(58 Im). 33. Lower the vehicle. 34. Install the exhaust manifold. Refer to Exhaust Manifold, removal & installation. 35. Install the air intake assembly. 36. Instal the engine appearance cover. 37. 38. Raise Reco 39. Instal 40. Instal 41. Refill proper fluid and safely support the vehicle, nectthe exhaust system, the rear driveshaft. the halfshafts. he transfer case with the the correct level. 42. Lower the vehicle. 43. Connect the negative battery cable. 44. Refill tie transaxle with the proper fluid to the correct level, as necessary. 45. Test dnive the vehicle to ensure proper operation and check for leaks. FRONT HALFSHAFTS REMOVAL & See Figures 5. Before: the Precaution 2. Place tl equipped, in P INSTALLATION through 54. jrvicing the vehicle, refer to Section. e automatic transaxle, if RK. 1. Cotter pin 2. Washer 3. Hub nut 4. Spring washer 5. Nut lock Fig. 50 Exploded view of the halfshaft retaining hardware—Front halfshaft 3. cable. 4. 5. 6. Disconnect the negativebattery Raise and safely support the vehicle. Remove the front wheel. Remove the cotter pin,nut lock, spring washer and hub nut from the outer axle. 7. If equipped with ABS, disconnect the front speed sensor and secure the harness out of the way. 8. Remove the ball joint retaining bolt andnut. 9. Carefully separate the ball joint stud from the steering knuckle by prying down on the lower control arm. 10. Remove the halfshaft from the steer- ing knuckle by pulling outward on knuckle while pressing in on the halfshaft. Support the outer end of halfshaft assembly. If diffi- culty separating halfshaft from the hub is Fig. 51 If it is difficult to remove the halfshaft (2), use Special Tool 1026 (1) to remove the halfshaft—Front halfshaft removal
  • 824.
    JEEP COMPASS • PATRIOT9-35 1. Frame 2. Punch 3. Transaxle 4. Inner tripod joints 5. Joint extraction groove Fig. 52 Position a punch to the joint extraction groove to remove the inner tripod joints from the transaxle—Right side front halfshaft removal 1. Inner tripodjoint 2. Transaxle 3. Splines 4. Transaxle oil seal 5. Snap-ring 6. Interconnecting shaft Fig. 53 Hold the inner tripod joint and interconnecting shaft and remove the joint by pulling it straight out of the transaxle oil seal—Front halfshaft removal encountered, do not strike the shaft with hammer, instead use Special Tool 1026 Puller to separate. 11. If equipped with 2WD: a. Removethe halfshaft bracket from the engine lower mounting bolt. b. Remove the halfshaft bracket from the upper engine mounting bolts. 12. Support the outer end of the halfshaft assembly. ^Removal of the inner tripod joints is made easier if you apply outward pressure on the joint as you strike the punch with a hammer. Do not pull on the interconnecting shaft to remove, as the inner joint will become sepa- rated. 13. Removethe inner tripod joints from the side gears of the transaxle using a punch to dislodge the inner tripod joint retaining ring from the transaxle side gear. a. If removing the right side inner tri- pod joint, position the punch to the inner tripod joint extraction groove, if equipped. Strike the punch sharply with a hammer to dislodge the right inner joint from the side gear. b. If removing the left side innertri- pod joint, position the punch to the inner tripod joint extractiongroove. Strike the punch sharply with a hammer to dislodge the left inner tripod joint from the side gear. 14. Hold the inner tripod joint and interconnecting shaft of the halfshaft assembly. Removethe inner tripod joint from the transaxle by pulling it straight out of the transaxle side gear and transaxle oil seal. WARNING When removing the tripod joint, do not let the splines or snap- ring drag across the sealing lip of the transaxle-to-tripod joint oil seal. i*»When the tripod joint is removed from the transaxle, some fluid will leak out. To install: :• WARNING The halfshaft, when installed, acts as a bolt and secures the front hub/bearing assembly. If the vehicle is to be supported or moved on its wheels with a halfshaft removed, install a PROPER-SIZED BOLT AND NUT through the front hub. Tighten the bolt and nut to 180 ft. Ibs. (244 Nm). This will ensure that the hub bearing will not loosen. 15. Clean all debris from the steering knuckle opening.
  • 825.
    9-36 JEEP COMPASS •PATRIOT WARNING Boot sealing is vital to retain the spe- cial lubricants and to prevent foreign contaminants from entering the CV- joint. Mishandling, such as allowing the assemblies to dangle unsup- ported, or pulling or pushing the ends, can cut boots or damage the CV-joints. During removal and instal- lation procedures,always support both ends of the halfshaft to prevent damage. 16. Thoroughly clean the splines and oil seal sealing surfaceson the tripod joint. Lightly lubricate the oil seal sealing surface on the tripod joint with clean transmission fluid. —Always use Seal Protector 9099 when installing the halfshaft into the transaxle. 17. Holding the halfshaft assembly by the tripod joint and interconnecting shaft, install the tripod joint into the transaxle side gear as far as possible by hand. 18. Carefullyalign the tripod joint with the transaxleside gears. Then, grasp the halfshaft interconnecting shaft and pushtri- pod joint into the transaxle side gear until fully seated. Test that the snap-ring is fully engaged with the side gear by attempting to remove the tripod joint from the transaxle by hand. If the snap-ring is fully engaged with the side gear, the tripod joint will not be removable by hand. 19. If equipped with 2WD: a. Install the intermediate shaft bracket to the lower engine block and tighten to 55 ft. IDS.(75 Nm). b. Install the intermediate shaft bracket to the upper engine mounting bolts and tighten to 55 ft. Ibs. (75 Nm). Fig. 54 Apply a light coating of MOPAR® multipurpose wheel bearing grease on the circumference of the flat surface (1) of the ouer t»-)o>irt—Front halfshaft installation 20. Ap multipurp circumfer CV-joint. 21. In ball joint ^At this seat com outerjoi and seat installed 22. and tighte 23. tighten th 24. In and cotte 25. In wheel IUQ 26. 27. 28. Co y a light coating ofMOPAR® se wheel bearing grease on the ce of the flat surface of the outer ill the steering knuckle onto the ud. oint, the outer joint will not letely into the front hub. The will be pulled into the hub d when the hub nut is nd tightened. II a NEW ball joint bolt and nut to 70 ft. Ibs. (95 Nm). II the washer and hub nut and hub nut to 180 ft. Ibs. (244 Nm). ill the spring washer, nut lock, in. II the front wheel and tighten the utstolOOft. Ibs. (135Nm). €t the transaxle fluid level, r the vehicle, lect the negative battery cable. FRONT PINION SEAL REMOVAL nt the equiva is the case. outp.it 1. Rem 2. Usinfa output seal To insta 3. Usin andC-4171 seal into the 4. Insta I & INSTALLATION front differential is used, ent of the front pinion seal flange seal on the transfer ve the driveshaft. a suitable pry tool, remove the Special Tool 9851 Installer Handle, drive the output shaft transfer case. the driveshaft. REAR AXLE HOUSING REMOVAL K INSTALLATION See Figures §5 and 56. The Axle Housing is also referredto as a Driveline Mopule by this manufacturer. Half- shafts connect to the driveline module and to the rear wf eels. 1. Before servicing the vehicle, refer to the Precautions Section. 2. Raise and safely support the vehicle. 3. Remove the reartires. 4. Removethe drain plug and drain the fluid from the rear driveline module. 5. Remo the rear propeller shaft. Refer to Driveshaft, removal & installation. 6. Remote the right side sway bar nut, if equipped. 7. Remoyje the left side sway bar nut, if equipped. 1. Side bolts 2. Stay bracket bolts (left side) 3. Driveline module 36543_COMP_G0230 Fig. 55 Remove the side bolts at the driveline module 1. Driveline module 2. Mounting brackets 3. Transmission jack and wooden block 36543_COMP_G0231 Fig. 56 Remove the driveline module 8. Roll the sway bar, if equipped, down and out of the way. 9. Remove the left side stay bracket bolts(2). 10. Remove the right side stay bracket bolts. 11. Remove the exhaust system up to the catalytic converter. 12. Support the rear driveline module with a transmission jack. 13. Remove the rear bolt at the driveline module. 14. Remove the two side bolts (1) at the driveline module (3). 15. Lower the driveline module enough to gain access to the electrical connector and bracket.
  • 826.
    JEEP COMPASS • PATRIOT9-37 16. Remove the routing bracket bolt. 17. Unplug the electrical connector. 18. Remove the breather hose off of the Electronically ControljedClutch (ECC). 19. Lower the driveline module (1). 20. Disengage both halfshafts. 21. Remove the driveline module. 22. Remove the ECC bolts. 23. Separate the ECC from the rear axle driveline module. To install: 24. Install the ECC to the rear axle drive- line module. 25. Install the ECC bolts and tighten to 50 ft. Ibs. (68Nm). 26. Lift the driveline module (1) with a transmission jack (3) while installing both axles. 27. Connect the breather hose to ECC. 28. Connect the electrical connector. 29. Install the wire harness bracket and 2 mounting bolts and tighten to 89 inch Ibs. (10 Nm). 30. Lift the driveline module (1) into place. 31. Install the 2 driveline module side mounting bolts (1) and tighten to 75 ft. Ibs. (102 Nm). 32. Install the one rear driveline module mounting bolt (1) and tighten to 75 ft. Ibs. (102 Nm). 33. Install the right side stay bracket and tighten the bolts (1) to 45 ft. Ibs. (61 Nm). 34. Install the left side stay bracket and tighten the bolts (1) to 45 ft. Ibs. (61 Nm). 35. Install the propeller shaft. Refer to Driveshaft, removal & installation. 36. Fill the rear axle with the proper amount and type of fluid. 37. Roll the sway bar into place, if equipped. 38. Install left side sway bar nut, if equipped, and tighten to 45 ft. Ibs. (61 Nm). 39. Install right side sway bar nut, if equipped, and tighten to 45 ft. Ibs. (61 Nm). 40. Install the exhaust. 41. Install the wheels and tighten the wheel mounting nuts to 100 ft. Ibs. (135 Nm). REAR AXLE SHAFT, BEARING &SEAL REMOVAL & INSTALLATION Inboard Axle Seal See Figure 57. These vehicles use halfshafts from the driveline module to connect the rear wheels. Refer to Rear Suspension, Wheel and Bear- ing (sealed unit), removal & installation for 1. Installer 9893 2. Handle C-4171 3. Seal Fig. 57 Installing the seals using Installer 9893 and Handle C-4171 outboard bearing and seal replacement. The inboard seal and bearing are covered in this section. 1. Before servicing the vehicle, refer to the Precautions Section. 2. Raise and safely support the vehicle. 3. Remove the right side halfshaft. Refer to Halfshafts, removal & installation. 4. Remove the pinion side seal. 5. Remove the left side halfshaft. Refer to Halfshafts, removal & installation. 6. Remove the ring gear side seal. To install: 1. Place the seal on the installer. 8. Install the pinion side seal using Installer 9893 and Handle C-4171. 9. Install the right side halfshaft. Refer to Halfshafts, removal & installation. 10. Place the seal on the installer. 11. Install the ring gear side seal using Installer 9893 and Handle C-4171. 12. Install the left side halfshaft. Refer to Halfshafts, removal & installation. 13. Fill the rear driveline module, as needed. 14. Lower the vehicle and perform a road test. Inboard Axle Bearing See Figures 58 through 62. These vehicles use halfshafts from the drive- line module to connect the rear wheels. Refer to Rear Suspension, Wheel and Bearing (sealed unit), removal & installation for outboard bear- ing and seal replacement. The inboard seal and bearing are covered in this section. — It is necessary to disassemble the rear driveline module to access the inboard bearings. 1. Before servicing the vehicle, refer to the Precautions Section. 1. Differential case bolts 2. Cap bolts 36543_COMP_G0233 Fig. 58 Remove the differential cover
  • 827.
    9-38 JEEPCOMPASS •PATRIOT Fig. 59 Remove the carrier bearings (3) using Splitter 1130 (4), Installer 9643 (2), and a press (1) 2. Raise and safely support the vehicle. 3. Remove the rear driveline module. Refer to Rear Drive Axle, Axle Housing, removal & installation. 4. Removethe 4 bolts holding the rear axle electric clutch. 5. Separatethe rear axle electric clutch from the rear axle. 6. Remove the differential case bolts (1). 7. Remove the cap bolts(2). 8. Remove the differential cover and both axleseals. '••There are select shims at each side of the carrier. 9. Remove the carrier from the differen- tial housing. 10. Measure the select shims on each side of the carrier roller bearings and note this for installation. 11. Removethe ring gear bolts. 12. Removethe ring gear. 13. Removethe roll pin in the carrier case and through the pinion mate shaft using a punch. 14. Removethe spider gears, thrust washers, and side gears. 15. Removethe carrier bearings (3) using Splitter 1130(4),Installer 9643 (2), and a press (1). 16. Use a screw driver to remove the pinion seal. 17. Remove the pinion retaining nut using Spline Holder 9742 and Socket 9921. 18. Tap the pinion with a soft hammer to remove it from the case. 19. Using a hammer and a punch remove the outer pinion bearing cup. 20. Using a hammer and a punch remove the pinion head bearingcup. 21. Remove the collapsiblespacer from the pinion shaft. 365«_COMP_G0235 Fig. 60 Remove the pinion bearing (3) using Puller C-293-PA (1) and Adapters C-293-45 (2) 22. Rerrive Puller C-29 45(2). To insta 23. Insta using Instal 4171(2). 24. Instal using Install 25. Instal using Install 26. Instal the pinion bearing (3) using -PA (1) and Adapters C-293- the pinion sr^aft 27. Instal and place thi 28. Instal shaft. 29. Usinc Socket9921 Ibs. (74 Nm). 30. Install the pinion head bearing ir 5050A (3) and Handle C- the outer pinion bearing cup r 8594 and Handle C-4171. the bearing on the pinion r 6052 and press, a new collapsible spacer onto 9931 and a hammer. 31. Install pinion gears the pinion into the housing outer bearing over the pinion, the pinion nut onto the pinion Spline Holder 9742 and tighten the pinion nut to 54 ft. the pinion seal using Installer the side gears, shims, and nto the carrier. 32. Install the pinion gear shaft into the pinion gears and start the rollpin. 33. Use a pin punch to install the roll pin. 34. Apply MOPAR® Lock AND Seal bearing (2) on 9643(1) and 38. Coattl greasel Adhesive, or bolts. 35. Install 36. Install to 30 ft. Ibs.(f1 Nm). 37. Press the ring gear side (3) carrier n equivalent, to the ring gear he ring gear onto the carrier, he ring gear bolts and tighten to the shaft using Installer )ress(4). ie ring and pinion gears with pattern grease before assembling. 39. Press the pinion gear side carrier bearing onto t(ie shaft using Installer 9643 and press. Fig. 61 Install the pinion head bearing using Installer 5050A (3) and Handle C-4171 (2) 36543_COMP_G0237 Fig. 62 Press the ring gear side (3) carrier bearing (2) onto the shaft using Installer 9643 (1) and press (4) 40. Install the measured side shims and the carrier into the carrier housing. 41. Apply a bead of MOPAR1 AXLERTV on the case to seal the cover. 42. Install the cover onto the carrier case. 43. Tighten the cap bolts to 35 ft.Ibs. (48 Nm) and tighten the cover bolts to 16 ft. Ibs. (23Nm). 44. Open the window on the cover and do a pattern check of the gears. 45. Place the pinion side axle seal onto Installer 9893 with the lip side down. 46. Install the pinion side axle seal using Installer 9893 and Handle C-4171. 47. Place the pinion side axle seal onto Installer 9893 with the lip side down. 48. Install the ring gear side axle seal using Installer 9893 and Handle C-4171.
  • 828.
    JEEP COMPASS • PATRIOT9-39 49. Remove all old gasket material on the mating surfaces ot the Electronically Controlled Clutch (ECC) and the rear drive- line module. Coat the edge face with liquid gasket. Install the wave washer. 50. Install the ECC to the rear driveline module and tighten the bolts to 58 ft. Ibs. (78 Nm). 51. Install the rear driveline module. Refer to Rear Drive Axle, Axle Housing, removal & installation. REAR DRIVESHAFT REMOVAL & INSTALLATION See Figures 63 and 64. 1. Before servicing the vehicle, refer to the Precautions Section. 2. Raise and safely support the vehicle. 3. Matchmark the driveshaft and differ- ential for alignment during reinstallation. ## WARNING Never allow the driveshaft to hang while connected to the transfer case, rear differential module flanges, or center bearings. If the propeller shaft section is hung unsupported, damage may occur to the joint, boot, and/or center bearing from over-angulation. This may result in vibration/balance issues. 4. Remove the 4 rear driveshaft-to-rear axle retaining nuts. 5. Remove the 3 bolts from thecenter support heat shield. 6. Remove the heat shield. 7. Remove the 2 center support mount- ing bolts. 8. Remove thedriveshaft. 1. Driveshaft 2. Retaining nuts 3. Rear axle IMP G0041 Fig. 63 Remove thedriveshaft-to-rear axle retaining nuts 1. Driveshaft 2. Heat shield 3. Mounting bolts Fig. 64 Remove the mounting bolts to remove the heat shield from the driveshaft To install: 9. Make sure the transaxle is in Neutral (N) position. 10. Obtain a helper, if needed, and lift the driveshaft assembly into position. Install the driveshaft splines into the transfer case. 11. Align the marks on the driveshaft with the marks on the rear axle flange. Slide the driveshaft over the studs on the rear axle flange. 12. Install the 4 retaining nuts. 13. Raise the center support into posi- tion. 14. Install the center support bolts and tighten to 30 ft. Ibs. (41 Nm). 15. Install the driveshaft nuts and tighten to 43 ft. Ibs. (58 Nm). 16. Install the heat shield nuts and tighten to 15 ft. Ibs. (21Nm). 17. Check all the fluid levels starting with the transfer case. REAR HALFSHAFTS REMOVAL & INSTALLATION See Figure 65. 1. Before servicing the vehicle, refer to the Precautions Section. 2. Raise and safely support the vehicle. 3. Remove the rear wheels. 4. Drain the fluid from the reardifferen- tial, also called the rear driveline module. 5. Remove the driveshaft. Refer to Driveshaft, removal & installation. 6. Remove the sway bar connecting nuts and roll the sway bar down and out of the way, if equipped. 7. Remove the left and right rear half- shaft stay bracket bolts. 1. Side bolts 2. Stay bracket bolts 3. Driveline differential module 36543_COMP_G0043 Fig. 65 Location of the two side bolts and left side stay bracket bolts (2) for the rear differential module (2)—Left side rear halfshaft removal 8. Remove the exhaust system up to the catalytic converter. 9. Support the rear differentialmodule with a suitable jack. 10. Remove the rear bolt supporting the rear differential module. 11. Remove the 2 side bolts supporting the rear differential module. 12. Using the jack, lower the differential module enough to gain access to the elec- trical connector and bracket. 13. Removethe routing bracket bolt and unplug the electrical connector. 14. Remove the breather hose from the Electronic Control Clutch (ECC). 15. Lower the rear axle assembly. 16. Disengage the axle shaft. 17. Removethe nut and washer connect- ing the halfshaft to the rear hub. 18. Remove the halfshaft from the vehicle. f^-lf the halfshaft is hard to remove, use a punch and hammer to tap it out. To install: 19. Lift the rear axle assembly as the halfshaft is being installed. 20. Install the breather hose to the ECC. 21. Install the nut and washer connect- ing halfshaft to the left rear hub and tighten to 180 ft. Ibs. (244Nm). 22. Connect the electrical connector, route the wiring harness into the bracket. Tighten the bracket bolts to 89 inch Ibs.(10 Nm). 23. Lift the rear axle assembly com- pletely into place. 24. Install the 2 differential module side bolts and tighten to 75 ft. Ibs.(102Nm).
  • 829.
    9-40 JEEP COMPASS •PATRIOT 25. Install the rear differential module rear bolt and tighten to 75 ft. Ibs. (102 Nm). 26. Installthe halfshaft stay bracket and tighten the bolts to 45 ft. Ibs. (61 Nm). 27. Install the driveshaft. 28. Refill the rear differential module to the correct level. 29. If equipped, roll the sway bar into place and tighten the nuts to 45 ft. Ibs. (61 Nm). 30. Install any exhaust components removed. 31. Install the wheel and tighten the wheel lug nuts to 100 ft. Ibs. (135 Nm). REAR PINION SEAL REMOVAL & INSTALLATION See Figures 66 and 67. 1. Before servicing the vehicle, refer to the Precautions Section. 2. Raise and safely support the vehicle. 3. Remove the driveshaft. Refer to Driveshaft, removal & installation. 4. Disconnect the electrical connector from the rear differential module. 5. Disconnect the Electronic Controlled Clutch (ECC) breather tube. ENGINE COOLING ENGINE FAN REMOVAL & INSTALLATION See Figure 68. #* CAUTION Do not open the radiator draincock with the system hot and under pres- sure becauseserious burns from coolant can occur. 1. Before servicing the vehicle, refer to the Precautions Section. 2. Disconnect the negative battery cable. 3. Drain the cooling system. 4. Removethe radiator crossmember. 5. Disconnect the upper radiator hose from the radiator. 6. Removethe wiring harness bracket from the fan. 7. Disconnect the radiator fan electrical connector. Fig. 66 Use a remove the fl shaft (3) 6. Remov module mount 7. Separa 8. Remov on the mating differential ma 9. Removi 10. Remov; suitable pry tool (1) to nge seal (2) from the input Fig. 67 Install the pinion seal using Special Tool 9931 (2) and hammer (1) to the ECC (3) the ECC-to-reardifferential ig bolts. and lower the ECC. all of the old gasket material urfaces of the ECC and rear ng surfaces, the wave washer. the pinion or flange seal. To install: 11. Coat the edge face of the seal with liquid gasket and place over the input shaft. 12. Install the wave washer. 13. Install the pinion seal using Special Tool 9931Installer tool. 14. The remainder of the installation is the reverse order of removal. Tighten the ECC-to-rear differential to 58 ft. Ibs. (78Nm). Fig. 68 Rad 1. Fan electrical connector 2. Wiring harness bracket 3. Radiator assembly ator fan componentlocation 36543_COMP_G0046 . uetacn me radiator ran assemoiy from the retaining clips. 9. Remove the radiator fan by lifting up and out of the engine compartment. To install: "W>. ViSae radiator fan assembly into the J-clips. 11. Install Tighten the s Nm). 12. Install 13. Install bracket and c connector. the radiator fan fasteners. ;rews to 55 inch Ibs. (6 le radiator crossmember. ie wiring harness jnnector the fan electrical 14. Install the upper radiator hose. 15. Refill the cooling system to thecor- rect level. 16. Connect the negative battery cable.
  • 830.
    COMPASS • PATRIOT JEEPg.41 RADIATOR REMOVAL & INSTALLATION See Figure 69. 1. Before servicing the vehicle, refer to the Precautions Section. 2. Disconnect the negative battery cable. 3. Drain the cooling system. 4. Remove the engine fan. Refer to Engine Fan, removal & installation. 5. Disconnect the radiator hoses. 6. Remove the fasteners attaching the A/C condenser to the radiator. Reposition the A/C condenser out of the way. 7. Remove the radiator assembly by lifting it up and out of the engine compart- ment. ** WARNING Care should be taken not to damage the cooling fins and tubes during removal. To install: 8. Install the lower air seal to the radia- tor. 9. Position the radiator into the mount- ing position. 10. Position the A/C condenser against the radiator. Hand start the fasteners. 11. Install the radiator fan/shroud assembly. Hand start thefasteners. 12. Tighten all the condenser fasteners to 70 inch Ibs. (8 Nm). 13. Tighten all the radiator fanfasteners to 55 inch Ibs. (6Nm). 14. Install the fasteners attaching the transmission oil cooler to the radiator. Tighten the fasteners to 70 inch Ibs. (8 Nm). 15. Raise and safely support the vehicle. 16. Connect the lower air seal to the side air seals. 17. Connect the lower radiator hose. Align the hose and position the clamp so it will not interfere with the engine compo- nents. 18. Connect the radiator fan electrical connector. 19. Connect the power steering hoses. 20. Close the radiator draincock. 21. Lower the vehicle. 22. Connect the upper radiator hose. Align the hose and position the clamp to prevent interferencewith the engine or hood. 23. Install the upper radiator closure panel and center brace. 24. Install the grille. 25. Install the battery tray and battery. 26. Connect the positive battery cable. Connect the negative battery cable. 1. Grille 2. Radiator/fan assembly 3. Electrical connection 4. Lower air seal 36543_COMP_G0047 Fig. 69 Expanded view of radiator/fan assembly 27. Install the air cleaner housing assembly. 28. Fill the cooling system with coolant. 29. Operatethe engine until it reaches normal operating temperature. Check the cooling system for the correct fluid level. THERMOSTAT REMOVAL & INSTALLATION These engines contain two thermostats. The primary thermostat is located on the front of the water plenum in the thermostat housing. The secondary thermostat is located in the cylinder head under the water plenum. Primary Thermostat See Figure 70. 1. Before servicing the vehicle, refer to the Precautions Section. 2. Drain the cooling system. 3. Remove the air intake assembly. 4. Disconnect the coolant hose from the thermostat housing. 5. Removethe housing mounting bolts. 6. Remove the thermostat assembly and clean the sealing surfaces. To install: 1. Position the thermostat into the water plenum. Align the air bleed hole with the location notch on the thermostat hous- ing. Fig. 70 Remove the coolant hose (1) and mounting bolts (3) from the thermostat housing (2)—Primary thermostat 8. Install the thermostat housing onto the coolant adapter and tighten the bolts to 79 inch Ibs.(9 Nm). 9. Connect the coolant hose. 10. Install the air intake assembly. 11. Refill the cooling system to the cor- rect level. Secondary Thermostat See Figure 71. 1. Beforeservicing the vehicle, refer to the Precautions Section. 2. Drain the cooling system. 3. Removethe air intake assembly. 4. Disconnect the coolant hoses from the rear of the coolant adapter. 5. Removethe radiator hoses.
  • 831.
    9-42 JEEP COMPASS •PATRIOT 1. Coolant hose 2. Coolant adapter 3. Radiator hose 4. Radiator hose 36543_COMP_G0049 Fig. 71 Location of the coolant hose, radiator hoses, and coolant aqapter—Secondary thermostat 1. Before servicing the vehicle, refer to the Precautions Section. 2. Disconnect the negative battery cable. 3. Drain the cooling system. 4. Remove the accessory drivebelt. Refer to Accessory Drive Belts, removal & installation. 5. Raise and safely support the vehicle. 6. Remove the accessory drive belt splash shield. 7. Remove the bolts securing the water pump pulley and remove the pulley. 8. Remove the water pump mounting bolts and remove the water pump. To install: 9. Install the water pump and tighten the mounting bolts to 18 ft. Ibs. (24 Nm). 10. Install the water pump pulley and tighten the pulley bolts to 79 inch Ibs. (9 Nm). 11. Install the accessory drive belt splash shield. 12. Lower the vehicle. 13. Install the accessory drive belt. 14. Refill the cooling system to the cor- rect level. 15. Connect the negative batterycable. 6. Remove the coolant adapter mount- ing bolts. 7. Carefully slide the coolant adapter off the water pump inlet tube to remove the coolant adapter and secondary thermostat. To install: 8. Position the thermostat into the cylinder head. 9. Inspect the water pump inlet tube 0- rings for damage before installing the tube in the coolant adapter. Replace 0-ring, as necessary. 10. Lubricate the 0-rings with soapy water. 11. Position the coolant adapter on water pump inlet tube and cylinder head. 12. Install the coolant adapter mounting bolts and tighten to 159 inch Ibs. (18 Nm). 13. Connect the front coolant hose. 14. Connect the two rear coolant hoses. 15. Connect the radiator hose. 16. Install the air intake assembly. 17. Refill the cooling system to the cor- rect level. WATER PUMP REMOVAL & INSTALLATION See Figure 72. 1. Water pump assembly 2. Mounting bolts 3. Inlet tube bolts 4. Inlet tube Fig. 72 View of water pump
  • 832.
    JEEP COMPASS • PATRIOT9-43 ENGINE ELECTRICAL ALTERNATOR REMOVAL & INSTALLATION See Figure 73. 1. Before servicing the vehicle, refer to the Precautions Section. 2. Disconnect and isolate the negative battery cable at the battery. 3. Remove the right front wheel. 4. Remove the underbody air dam. 5. Remove the accessory drive splash shield. 6. Remove the accessory drive idler pulley. 7. Loosen the lower mounting bolt. 8. Loosen the A/C compressor and relocate, pull down and to the outboard side of vehicle to make room to remove the alter- nator. 9. Unplug the field circuit from the alternator. 10. Remove the B+ terminal nut and wire. 11. Remove the upper mounting bolt. 12. Remove the alternator lower mount- ing bolt. CHARGING SYSTEM 13. Relocate the battery terminal to the other side of the A/C line for removal of the alternator. 14. Rotate the alternator pulley down. 15. Slide the alternator down and out of the vehicle. To install: 16. Move the A/C compressor to the side to install the alternator. 17. Rotate the alternator and set it in place. 18. Make sure the battery terminal (1) is in front of the A/C line (2). 19. Install the lower mounting bolt, do not tighten fully at this time. 20. Loosely install the upper mounting bolt. 21. Tighten the lower and upper mount- ing bolts to 40ft. Ibs. (54 Nm). 22. Install the B+ terminal nut and wire and tighten to 89 inch Ibs. (10 Nm). 23. Plug in the field circuit to the alter- nator. 24. Install the idler pulley and tighten the bolt. 36543_COMP_G0051 Fig. 73 Make sure the battery terminal (1) is in front of the A/C line (2)—Alternator installation 25. Install the accessory drive belt. Refer to Accessory Drive Belts, removal & instal- lation. 26. Install the splash shield. 27. Install the lower air dam. 28. Lower the vehicle. 29. Connect the negative battery cable. ENGINE ELECTRICAL FIRING ORDERS See Figure 74. IGNITION SYSTEM FIRING ORDER 1-3-4-2 36543_COMP_G0246 Fig. 74 2.0L and 2.4L engines Firing order: 1-3-4-2 Distributorless ignition system IGNITION COIL REMOVAL & INSTALLATION See Figures 75 and 76. The electronic ignition coil attaches directly to the valve cover. Fig. 75 Twist and pull straight up to remove the ignition coil 1. Before servicing the vehicle, refer to the Precautions Section. 2. Disconnect the negative battery cable. 3. Disconnect the electrical connector from the ignition coil. 4. Remove the ignition coil mounting bolts. 5. Twist the ignition coil and then pull straight up. 6. Remove the ignition coil from the vehicle. To install: 1. Install the ignition coil. Tighten the bolt to 80 inch Ibs.(9 Nm). Fig. 76 There is an ignition coil mounted on the valve cover for each spark plug— All engines 8. Connect the electrical connectors and lock. 9. Install the negative battery cable. IGNITION TIMING ADJUSTMENT All engines use a fixed ignition timing system. Basic ignition timing is not adjustable. All spark advance is deter- mined by the Powertrain Control Module (PCM).
  • 833.
    9-44 JEEP COMPASS •PATRIOT SPARK PLUGS • REMOVAL & INSTALLATION See Figure 77. Each individual spark plug is located under an individual ignition coil. The igni- tion coil must be removed in order to access the spark plug. 1. Before servicing the vehicle, refer to the Precautions Section. 2. Remove the ignition coil. Refer to Ignition Coil, removal & installation. 3. Remove the spark plug using a suit- able spark plug socket with a rubber or foam insert. Fig. 77 Usi and socket spark plug fc- 36543_COMP_G0054 g a suitable spark plug socket xtension to remove each not drop or force the spark plugs into the wells, damage to the electrodes and/or porcelain body may occur. Always start each spark plug by hand in order to avoid cross-threading the spark plug in the cylinder head. Always tighten spark plugs to the spec- ified torque. Too much, or not enough torque, will cause damage to the cylin- der head and/or spark plug and may lead to poor engine performance. 5. Install the spark plug and start threading it by hand. Tighten the spark plugs to 20 ft. lbs. (27 Nm). 6. Install the ignition coil to the spark To install: 4. Inspect the condition of the spark plug. Replace if necessary. ENGINE ELECTRICAL STARTER REMOVAL & INSTALLATION See Figure 78. 1. Before servicing the vehicle, refer to the Precautions Section. 2. Disconnect the negative battery cable. 3. Remove the air intake assembly. 4. Remove the starter mounting bolt. 5. Disconnect the throttle body electrical connector. 6. Remove the throttle body. Refer to Throttle Body, removal & Installation. 7. Push the starter under the intake manifold. 8. Tip the nose of the starter toward the cooling module. ENGINE MECHANICAL Handle the spark plugs with care. Do plug. Tighten the mounting bolts to 80 inch lbs. (9 Nm). 7. Connect the negative battery cable. STARTING SYSTEM 10. Pull the starter up and out of the vehicle. To install: 11. Connect the starter wiring. Tighten the battery cable nut to 89 inch lbs. (10 Nm). 12. Install the starter in the vehicle engine compartment and loosely place the starter into position. 13. Install the throttle body and throttle body bracket. 14. Install the starter mounting bolts and tighten to 40 ft. lbs. (54 Nm). 15. Connect the throttle body electrical connector. 16. Install the air intake assembly. 17. Connect the negative battery cable. Disconnecting the negative battery cable may interfere with the functions of the onboard computer systems and may reguire the computer to undergo a relearningpro- cess once the negative battery cable is reconnected. ACCESSORY DRIVE BELTS ACCESSORY BELT ROUTING See Figure 79. INSPECTION Inspect the drive belt for signs of glazing or cracking. A glazed belt will be perfectly smooth from slippage, while a good belt will have a slight texture of fabric visible. Cracks will usuall and run ou belts shou ADJUSTS Period! essary, bee tensioner i tain prope REMOVA See Figure 1. Befo the Precai 2. Usin drive belt the belt cai start at the inner edge of the belt ward. All worn or damaged drive I be replaced immediately. ENT drive belt tensioning is not nec- ause an automatic spring-loaded used with these belts to main- adjustment at all times. . & INSTALLATION 79. •e servicing the vehicle, refer to ions Section, a wrench, rotate the accessory nsioner counterclockwise until be removed from the pulleys. 3. Remove the accessory drive belt. To install: 4. Install the accessory drive belt around all of the pulleys except for the alternator. 5. Using a wrench, rotate theaccessory drive belt tensioner counterclockwise until the belt can be installed over the alternator pulley. 6. Release the spring tensioner onto the accessory drive belt. BALANCE SHAFT REMOVAL & INSTALLATION The lubrication system is a full-flow fil- tration, pressure feed type. The Balance Shaft Module (BSM) is mounted below the
  • 834.
    JEEP COMPASS • PATRIOT9-45 1. Power steering pump 2. Accessory drive belt 3. Alternator 4. A/C pulley 5. Lower idler pulley 6. Crankshaft pulley 7. Water pump pulley 8. Accessory drive belt tensioner 9. Upper idler pulley Fig. 79 Accessory Drive Belt Routing—2.0L and 2.4L engines ladder frame and chain driven by the crank- shaft. The BSM consists of a non-service- able pump, oil pressure relief valve, and a non-serviceable balance assembly. Ifthere is a problem with the BSM, it must be replaced. Refer to Oil Pump, removal & installation. CAMSHAFT AND VALVE LIFTERS 9. Remove the right side engine splash shield. 10. Rotate the engine to Top Dead Center (TDC). 11. Make sure camshaft timing marks are aligned. 12. Mark the chain link corresponding to timing marks with a paint marker. 13. Remove the timing tensioner plug from the front cover. REMOVAL & INSTALLATION See Figures 80 through 94. 1. Before sewicing the vehicle, refer to the Precautions Section. 2. Remove the engine appearancecover. 3. Disconnect the negative battery cable. 4. Drain the cooling system. 5. Drain the engine oil. 6. Disconnect the ignition coil electrical connector. 7. Disconnect the Positive Crankcase Valve (PCV) and make-up air hoses from the cylinder head cover. 8. Remove the cylinder head cover bolts and cylinder head cover. Fig. 80 Align the timing mark (1) on the crankshaft with the reference line to ensure the engine is at TDC Fig. 81 Make sure camshaft timing marks (3) are aligned and mark the chain link (1) corresponding to the timing marks with a paint marker 14. Insert a small Allen wrench through the timing tensioner plug hole and lift the ratchet upward to release the tensioner and push the Allen wrench inward. Leave the Allen wrench installed during the remainder of this procedure. 15. Insert Special Tool 9701Locking Wedge between the camshaft phasers. 16. Lightly tap Special Tool 9701into place with a suitable tool until it will no longer sink down. 17. Using a permanent ink or paint marker, identify the location and position on each camshaft bearing cap. 18. Remove the camshaft front bearing cap. 19. Slowly remove the remaining intake and exhaust camshafts cap bolts one turn at a time. 36543_COMP_G0058 Fig. 82 Insert a small Allenwrench through the timing tensioner plug hole and lift the ratchet upward to release the ten- sioner and push the Allen wrench inward. Leave the Allen wrench installed during the remainder of thisprocedure
  • 835.
    9-46 JEEP COMPASS •PATRIOT Fig. 83 Insert Special Tool 9701 Locking Wedge (1) between the camshaft phasers Fig. 84 Lightly tap Special Tool 9701 (2) into place with a suitable tool (1) until it will no longer sink down 22043_COMP_G0058 Fig. 85 Remove the intake camshaft by lifting the rear of the camshaft upward -••Keep all of the valvetrain compo- nents in order for reassembly. 20. Remove the intake camshaft by lift- ing the rear of the camshaft upward. 21. Rotate the camshaft while lifting it out of the front bearing cradle. 22. Lift the timing chain off of the sprocket. 23. Remove the exhaust camshaft. 24. Secure the timing chain with wire so it does not fall into the timing chain 22043_COMP_G0059 Fig. 86 Rotate the camshaft while lifting it out of the front bearing cradle Fig. 87 The camshaft bearing cap (1) is numbered (2) to correspond to the select fit bearing 25. Remove the valve lifters. To instaJI: 26. Apply a light coat of clean engine oil to the valve lifters. 27. Insta I the lifters into their original positions intthe cylinder head. 28. The damshaft cap is numbered 1, 2, or 3. This corresponds to the select fit bear- ing to use. 29. Instal the corresponding select fit bearing. 30. Apply! a light coat of clean engine oil to all of the damshaft journals. 31. Instal the camshaft phasers on the camshafts, if removed. a. Inst; II the camshaft phaser making sure that t le dowel is in the correct hole. b. Instill the camshaft phaser bolt and hand lighten. 32. Install the timing chain onto exhaust camshaft sprocket, making sure that the timing marks on the sprocket and the painted chain link are aligned. 33. Position the exhaust camshaft on the bearing journals in the cylinder head. 34. Align trie exhaust camshaft timing mark so it is parallel to the cylinder head, as shown. Fig. 88 Install the corresponding select fit bearing (1) Fig. 89 When installing the exhaust (1) and intake (2) camshafts, make sure the timing marks (3) are aligned and parallel with the cylinder head 35. Install the intake camshaft by raising the rear of the camshaft upward and rolling the sprocket into the chain. 36. Align the timing marks on the intake cam sprocket with the painted chain link. 37. Position the intake camshaft into the bearing journals in the cylinder head. 38. Verify that the timing marks are aligned on both camshafts and that thetim- ing marks are parallel with the cylinder head. ## WARNING Install the front intake and exhaust camshaft bearing cap last. Ensure that the dowels are seated and follow the torque sequence or damage to the engine could result. -Hf the front camshaft bearing cap is broken, the cylinder head MUST be replaced. -••Verify that the exhaust bearing shells are correctly installed, and the dowels are seated in the head, prior to tighten- ing the bolts. 39 Install the intake and exhaust camshaft bearing caps and slowly tighten
  • 836.
    COMPASS • PATRIOT JEEP9.47 « .-•. Fig. 90 Camshaft bearing cap torque sequence—2.0L and 2.4L engines O O o e Fig. 91 Intake and exhaust front bearing cap—2.0L and 2.4L engines 22043_COMP_G0064 bolts to 85 inch Ibs. (10 Nm) in the sequence shown. 40. Install the front intake and exhaust bearing cap and tighten bolts to 18 ft. Ibs. (25 Nm). in the sequence shown. 41. Verify that all of the timing marks are aligned. 42. Remove the Allen wrench from the timing chain tensioner. 43. Remove Special Tool 9701 Locking Wedge by pulling straight up on the pull rope. 44. Apply MOPAR® thread sealant to the timing tensioner plug and install. 45. Rotate the crankshaftCLOCKWISE two complete revolutions until the crank- shaft is repositioned at the TDC position. 46. Verify that the camshaft timing marks (3) are in the proper position and in line with the cylinder head cover sealing surface. If the marks do not line up, the timing chain is not correctly installed. 47. Install the right engine splash shield. 48. Clean any old RTVfrom the cylinder head cover gasket. 49. Inspect the cylinder head cover gas- kets for damage. If they are not damaged, they may be reinstalled. Otherwise they must be replaced. 50. Install the studs in the cylinder head cover as shown. 51. Clean all RTV from the cylinder head. 52. Apply a dot of MOPAR1'" engine sealant RTV or equivalent to the cylinder head front cover T-joint. 53. Install the cylinder head cover and tighten the bolts in sequence as follows: a. Tighten all bolts in sequence to 44 inch Ibs. (5Nm). b. Tighten all bolts in sequence to 90 inch Ibs.(10Nm). 54. Connect the ignition coil electrical connectors. Fig. 92 Inspect the cylinder head cover gaskets for damage before installing Fig. 93 Install the studs in the cylinder head cover as shown Fig. 94 Apply RTV to the cylinder head/front cover T-joints (1) 55. Connect the PCV and make-up air hoses. 56. Refill the cooling system to the cor- rect level. 57. Refill the engine with oil to thecor- rect level. 58. Install the engine appearance cover. 59. Connect the negative battery cable. 60. Operate the engine until it reaches normal operating temperature. Check the oil and cooling systems for correct fluid levels.
  • 837.
    9-48 JEEP COMPASS •PATRIOT CATALYTIC CONVERTER REMOVAL & INSTALLATION AWD Models See Figure 95. ** CAUTION The normal operating temperature of the exhaust system is very high. Therefore, never work around or attempt to service any part of the exhaust system until it is cooled. Special care should be taken when working near the catalytic converter. The temperature of the converter rises to a high level after a short period of engine operating time. 1. Before servicing the vehicle, refer to the Precautions Section. 2. Raise and safely support thevehicle. 3. Apply penetrating oil to the bandclamp fastener of the componentbeing removed. ## WARNING Do not use petroleum-based lubri- cants when removing/installing muf- fler or exhaust pipe isolators as it may compromise the life of the part. A suitable substitute is a mixture of liquid dish soap and water. 4. Rem 5. Disc trical conne ^If the sp reused, ma 6. Rem and spheric 7. Rem converter (4 alytic conve 8. Clea the mating < or worn isoi clamps, sup re any compo use origin: equivalent To insta f*-When as tern, do no component ances are 9. Insta converter an underbody . 10. Posi the white sic install the s e the l-Pipe/Mufflerassembly. nect the oxygen sensor elec- ts. rical gasket is to be itsorientation. e the flange bolts (3),springs, gasket. e the under floor catalytic rom the maniverter or cat- ir assembly (1). :he ends of the pipes to assure all the parts. Discard broken ors, rusted or overused orts, and attaching parts. acement is required on ent of the exhaustsystem, equipment parts, or an embling the exhaustsys- iighten the clamps until the are aligned and clear- ecked. under floor catalytic the isolator supportsto the n the sphericalgasket (2) with facing the rear of the vehicle, ngs, and bolts (3). Tighten 11. Install the l-Pipe/muffler assembly. 12. Workingfrom the front of the sys- tem, align each component to maintain the position and proper clearance with the underbody parts. 13. Tighten the band clampsto 40 ft. Ibs. (55 Nm). WARNING Band clamps should never be tight- ened such that the 2 sides of the clamps are bottomed out against the center hourglass shaped center block. Once this occurs, the clamp band has been stretched and has lost its clamping force and must be replaced. •"•Maintain the proper clamp orienta- tion when replacing clamps with a new clamp. 14. Start the engine and inspectfor exhaust leaks. Repair the exhaust leaks, as necessary. 15. Check the exhaust systemfor contact with the body panels. Make the necessary adjustments, ifneeded. FWD Models See Figure 96. CAUTION '"w* """S 1 . Maniverter or catalytic ^ converter assembly 2. Spherical gasket 3. Flange bolts 4. Under floor catalytic convei Fig. 95 Remove the under floor catalytic converter trom the mai assembly—AWD models i II. IUO. OO I M I I I J . ^D ff) ^^ er 36543_COMP_G0247 verier or catalytic converter The normal operating temperature of the exhaust system is very high. Therefore, never work around or attempt to service any part of the exhaust system until it is cooled. Special care should be taken when working near the catalytic converter. The temperature of the converter rises to a high level after a short period of engine operating time. 1 . Before servicing the vehicle, refer to the Precautions Section. 2. Raise and safely support the vehicle. 3. Apply penetrating oil to the band clamp fastener of the component being removed. • ## WARNING ^^H Do not use petroleum-based lubri- cants when removing/installing muf- fler or exhaust pipe isolators as it may compromise the life of the part. A suitable substitute is a mixture o1 liquid dish soap and water. 4. Loosen the intermediatepipe-to-cat- alytic converter clamp. 5. Remove the catalytic converter-to-
  • 838.
    JEEP COMPASS • PATRIOT9-49 1. Gasket 2. Catalytic converter 3. Mounting nut 36543_COMP_G0248 Fig. 96 Remove the catalytic converter from the exhaust manifold—FWD models exhaust manifold mounting nuts and gasket. Discard the gasket. 6. Remove the l-Pipe/Muffler assembly insulators, as necessary, to slide thecat- alytic converter out of the l-Pipe/Muffler. -••When replacement is required on any component of the exhaust system, use original equipment parts, or an equivalent. To install: 1. Position the catalytic converter into the l-Pipe/muffler assembly. 8. Using a new gasket, position the catalytic converter against the exhaust mani- fold. 9. Install the flange nuts and tighten to 21 ft. Ibs. (29Nm). 10. Working from the front of the sys- tem, align each component to maintain the position and the proper clearance with the underbody parts. 11. Tighten the band clamps to 40 ft. Ibs. (55Nm). WARNING Band clamps should never be tight- ened such that the 2 sides of the clamps are bottomed out against the center hourglass shaped center block. Once this occurs, the clamp band has been stretched and has lost its clamping force and must be replaced. 12. Start the engine and inspect for exhaust leaks. Repair the exhaust leaks, as necessary. 13. Check the exhaust system for contact with the body panels. Make the necessary adjustments, if needed. COMBINATIONMANIFOLD REMOVAL & INSTALLATION AWD Models See Figures 97 and 98. 1. Before servicing the vehicle, refer to the Precautions Section. 2. Remove the engine cover. 3. Remove the clean air hose and air cleaner housing. 4. Disconnect the negative cable from the battery. 5. Remove the oxygen sensor. 6. Remove the upper heat shield attach- ing bolts. 7. Remove the upper heat shield. 8. Raise and safely support the vehicle. 9. Disconnect the oxygen sensor elec- trical connector. 10. Remove the exhaust pipe-to- maniverter bolts. 11. Remove the maniverter support bracket. 12. Remove the lower exhaust maniverter heat shield. 13. Remove the exhaust maniverter lower retaining fasteners. 14. Lower the vehicle. 15. Remove the coolant adapter. Refer to Thermostat, removal & installation. 16. Lower the vehicle and remove the upper exhaust maniverter retaining fasteners. 17. Remove the maniverter (1) from above and between the engine and cowl panel. 18. Remove and discard the maniverter gasket. To install: 19. Install a new maniverter gasket. DO NOT APPLY SEALER. Fig. 97 Remove the exhaust pipe-to- maniverter bolts—AWD models Fig. 98 Remove the maniverter (1) from above and between the engine and cowl panel—AWD models 20. Position the maniverter (1) in place. Tighten the fasteners, starting at center and progressing outward in both directions, to 25 ft. Ibs. (34 Nm).Repeat the tightening procedure until all the fasteners are at the specified torque. 21. Install the coolant adapter. Refer to Thermostat, removal & installation. 22. Install the maniverter heat shields. Tighten the bolts to 105 inch Ibs.(12 Nm). 23. Install the maniverter support bracket and tighten the bolts. 24. Install the exhaust pipe-to- maniverter bolts. Tighten the bolts to 21 ft. Ibs. (28Nm). 25. Install the oxygen sensor andcon- nect the electrical connector. 26. Install the engine cover. 27. Install the air cleaner housing. 28. Connect the cables on the battery. 29. Position the air cleaner inlet and tighten the retainers. 30. Top off all fluids, as necessary. CRANKSHAFTDAMPER REMOVAL & INSTALLATION See Figure 99. 1. Before servicing the vehicle, refer to the Precautions Section. 2. Remove the accessory drive belt. Refer to Accessory Drive Belts, removal & installation. 3. Install Damper holder 9707(1). 4. Remove the crankshaft damper bolt with a suitable wrench(1). 5. Pull the damper off the crankshaft. To install: 6. Install the crankshaft damper. 7. Apply clean engine oil to the crank- shaft damper bolt threads and between the
  • 839.
    9-50 JEEP Fig. 99Use Damper holder 9707 (1) to service the cranksha bolt head and washer. Tighten the bolt to 155ft. Ibs. (210Nm). 8. Install the accessory drive belt. Refer to Accessory Drive Belts, removal & instal- lation. CRANKSHAFT FRONT SEAL REMOVAL & INSTALLATION See Figures 100 through102. 1. Before servicing the vehicle, refer to the Precautions Section. 2. Removethe accessory drive belt. Refer to Accessory Drive Belts, removal & installation. 3. Install Special Tool 9707 Damper Holder to remove the crankshaft damper bolt. 4. Pull the damper off of the crank- shaft. 5. Remove the crankshaft front seal by prying it out with a suitable pry tool. ** WARNING Take care not to damage the cover seal surface. 1. New seal 2. Seal Installer Tool 3. Crankshaft bolt 4. Timing chain cover Fig. 102 Install the new seal by tightening the crankshaft bolt until the Seal Installer Tool seats against the timing chain cover 22043_COMP_G0070 Fig. 101 Remove the crankshaft front seal (1) by pryirjg it out with a suitable pry tool (2) Fig. 1DD Install Special Tool 9707 Damper Holder (1) to remove the crankshaft damper bolt To install: 6. Place the new seal onto SpecialTool 9506 Seal Installer with the seal spring toward the inside of the engine. 7. Install the new crankshaft front seal using the Seal Installer tool and the crank- shaft damper bolt. 8. Tighten the crankshaft bolt until the Seal Installer tool seats flush against the timing chain cover. 9. Remove the crankshaft bolt and Installer Tool. 10. Install the crankshaft damper. Oil the bolt threads between the bolt head and washer. 11. Using Special Tool 9707 Damper Holder, hold the crankshaft damper in posi- tion and tighten the bolt to 155 ft. Ibs. (210 Nm). 12. Install the accessory drive belt. Refer to Accessory Drive Belts, removal & instal- lation. 13. Start the engine and check for leaks. CYLINDER HEAD REMOVAL & INSTALLATION See Figures 103 through 112. 1. Before servicing the vehicle, refer to the Precautions Section. 2. Remove the engine cover by pulling upward. 3. Properly relievethe fuel system pressure. 4. Disconnect and isolate the negative battery cable. 5. Drain the cooling system. 6. Remove the clean air hose and air cleaner housing.
  • 840.
    JEEP COMPASS • PATRIOT9-51 7. Remove the coolant recovery bottle. 8. Remove and reposition the power steering reservoir. 9. Remove the windshield washer bottle. 10. Remove the accessory drive belt. Refer to Accessory Drive Belts, removal & installation. 11. Remove the power steering hose hold down. 12. Remove the 3 power steering pump mounting bolts through the openings in the pulley and reposition the pump. 13. Remove the cylinder head cover. 14. Remove the ignition coils from the cylinder head cover. 15. Raise and safely support the vehicle. 16. Remove the right splash shield. 17 Set the engine to Top Dead Center (TDC). 18. Remove the lower A/C compressor bolts, if equipped. 19. Remove the lower A/C compressor mount, if equipped. 20. Remove the accessory drive belt lower idler pulley. 21. Remove the crankshaft damper. 22. Remove the 3 bolts and the water pump pulley from the water pump. 23. Remove the lower bolt from the right side engine mount bracket. 24. Remove the timing chain cover lower bolts. 25. Remove the under floor catalytic converter. 26. Lower the vehicle. 27. Support the engine with a suitable jack. 28. Remove the right engine mount through bolt. 29. Remove the right engine mount-to- mount bracket bolts. 30. Remove the right engine mount adapter. 31. Remove the accessory drive upper idler pulley. 32. Remove the right upper engine mount bracket. 33. Remove the accessory drive belt ten- sioner. 34. Remove the upper timing chain cover. Refer to Timing Chain Cover and Seal, removal & installation. 35. Remove the timing chain. Refer to Timing Chain and Sprockets, removal & installation. 36. Remove the timing chain guide and the timing chain pivot guide. 37. Disconnect the fuel line from the fuel rail. 38. Unlock and disconnect the electrical connectors from the fuel injectors. 39. Remove the 2 fuel rail retaining bolts and remove the fuel rail. 40. Disconnect the electrical connectors from the coolant temperature sensor, oil temperature sensor, variable valve timing solenoids, camshaft position sensors, MAP sensor, manifold tuning valve, ignition inter- ference suppressor, and electronic throttle control. 41. Remove the wiring harness retainer from the intake manifold and reposition the harness. 42. Remove the throttle body support bracket. 43. Disconnect the vacuum lines at the intake. 44. Remove the upper radiator hose retaining bolt. 45. Remove the intake manifold retaining bolts and remove the intake manifold. 46. Remove the 4 bolts and reposition the coolant adapter. 47. Remove the ground strap at the right rear of the cylinder head, if equipped. "*-The camshaft bearing caps should have been marked during engine man- ufacturing. For example, number 1 exhaust camshaft bearing is marked E1. WARNING DO NOT use a number stamp or a punch to mark the camshaft bearing caps. Damage to the bearing caps could occur. 48. Using a permanent ink or paint marker, identify the location and position on each camshaft bearing cap. 49. Remove the front camshaft bearing cap. 50. Slowly remove the remaining intake and exhaust camshaft bearing cap bolts, one turn at a time. 51. Removethe camshafts. ~AII of the cylinder head bolts have captured washers EXCEPT the front two. 52. Remove the cylinder head bolts and the 2 un-captured washers. 53. Remove the cylinder head from the engine block. 54. Inspect the cylinder head and block sealingsurfaces. To install: WARNING The cylinder head bolts are tightened using a torque plus angle procedure. The bolts must be examined BEFORE reuse. If the threads are necked down the bolts must be replaced. 55. Check cylinder head bolts for neck- ing by holding a scale or straight edge against the threads. If all the threads do not contact the scale, the bolt must be replaced. ^Ensure that the cylinder head bolt holes in the block are clean, dry (free of residual oil or coolant), and that the threads are not damaged. WARNING Always replace the variable valve timing filter screen (3) when servic- ing the head gasket or engine dam- age could result. 56. Replace the variable valve timing fil- ter screen (3). 1. Cylinder head 2. Variable valve timing filter screen 36543_COMP_G0062 Fig. 103 Always replace the variable valve timing filter screen when servicing the head gasket or engine damage could result
  • 841.
    9-52 JEEP COMPASS •PATRIOT -•When using RTV, the sealingsur- faces must be clean and free from grease and oil.The parts should be assembled in 10 minutes and tighten to the final torque within 45 minutes. 57. Place 2 pea size dots of MOPAR® engine sealant RTV, or equivalent (1), on the cylinder block, as shown. 58. Position the new cylinder head gas- ket on engine block with the part number facing up. Ensure gasket is seated over the locating dowels in block. 59. Place 2 pea size dots of MOPAR® engine sealant RTV, or equivalent (1), on the cylinder head gasket, as shown. -•The head must be installed within 15 minutes before the RTV skins. 60. Position the cylinder head onto the engine block. WARNING This engine was built with 2 different styles of cylinder head bolts. Each style bolt requires a different torque 36543_COMP_G0063 Fig. 104 Place 2 pea size dots of engine sealant RTV on the cylinder block, as shown Fig. 105 Place 2 pea size dots of engine sealant RTV on the cylinder head gasket, as shown value. Th the short bolt head bolts can be identified by iolt head (1) and the long (2). 61. Measure the bolt head from the washer to me top of the bolt head. The short bolt head H) measures 5/ie inch (8mm) and the long bo t head (2) measures 1/2 inch (13mm). 62. Identify whether your engine has the short head design (1) or the long head design(2). f*The front 2 cylinder head bolts do not have captured washers. The washers must be installed with the bevel edge (1) up towards the bolt head. 63. Install washers (1) for the front 2 cylinder hea'o bolts with the beveled edge facing up. —•Before in bolts, engine oil. 64. Instal tighten in the italling the cylinder head the threads with clean the cylinder head bolts and sequence shown. Fig. 106 This engine was built with 2 different styles of cylinder head bolts. Each style bolt requires a different torque value. The bolts can be identified by the short bolt head (1)1and the long bolt head (2) 36543_COMP_G0066 Fig. 107 The front 2 cylinder head bolts do not have captured washers. The washers must be installed with the bevel edge (1) up towards the bolt head 65. If the cylinder head bolts have the short head (1), use the following torque specifications: a. Step 1: Tighten all bolts to 25 ft. Ibs. (30 Nm). b. Step 2: Tighten all bolts to 45 ft. Ibs. (61 Nm). c. Step 3: Tighten all bolts again to 45 ft. Ibs. (61 Nm). d. Step 4: Tighten all bolts an addi- tional 90°. —•Do not use a torque wrench for Step 4. 66. If the cylinder head bolts have the long head (2),use the followingtorque specifications: a. Step 1: Tighten all bolts to 25 ft. Ibs. (30 Nm). b. Step 2: Tighten all bolts to 54 ft. Ibs. (73Nm). c. Step 3: Tighten all bolts to 54 ft. Ibs. (73 Nm). d. Step 4: Tighten all bolts an addi- tional 90°. — Do not use a torque wrench for Step 4. 67. Clean excess RTV from the timing chain cover sealing surface. 68. Install the coolant adapter with new seals. Tighten the bolts to 13 ft. Ibs. (18 Nm). 69. The front camshaft bearing cap is numbered either 1, 2, or 3. This corre- sponds to the select fit front exhaust camshaft bearing to use. 70. Install the corresponding select fit front exhaust camshaft bearing. 71. Oil all of the camshaft journals with clean engine oil. 72. Position the exhaust camshaft (1) and intake camshaft (2) on the bearing jour- nals in the cylinder head. 73. Align the camshaft timing marks (3) so that they are facing each other and are in line with the cylinder head cover sealing surface. ## WARNING Install the front intake and exhaust camshaft bearing cap last. Ensure that the dowels are seated and follow the torque sequence or damage to the engine could result. — If the front camshaft bearing cap is broken, the cylinder head MUST be replaced. 74. Install the intake and exhaust camshaft bearing caps and slowly tighten the bolts to 85 inch Ibs.(10 Nm) in the sequence shown.
  • 842.
    JEEP COMPASS • PATRIOT9-53 Fig. 108 Cylinder head bolt tightening sequence—2.0L and 2.4L engines 1 . Exhaust camshaft 2. Intake camshaft 3. Camshaft timing marks Fig. 109 Align the camshaft timing marks so that they are facing each other and are in line with the cylinder head cover sealing surface •••Verify that the exhaust bearing shells are correctly installed, and the dowels are seated in the head, prior to tighten- ing the bolts. 75. Install the front intake and exhaust bearing cap and tighten the bolts to 18 ft. Ibs. (25 Nm) in the sequence shown. 76. Install the timing chain guide (4) and tighten the bolts to 105 inchIbs. (12Nm). 77. Install the moveable timing chain pivot guide (6) and tighten the bolt to 105 inch Ibs. (12Nm). 78. Install the timing chain (2) and ten- sioner (5). 79. Install the timing chain cover, engine mount, pulleys, and accessory drive belt. 80. Install the cylinder head cover and ignition coils. 81. Install the exhaust manifold. Refer to Exhaust Manifold, removal & installation. 82. Install the ground strap at the right rear of the cylinder head, if equipped. 83. Install the intake manifold, vacuum lines, and fuel rail. Refer to Intake Manifold, removal & installation. 84. Install the upper radiator hose retain- ing bracket bolt. 85. Connect the coil and the injector electrical connectors. 86. Connect the electrical connectors to the coolant temperature sensor, camshaft position sensors, oil temperature sensor, variable valve timing solenoids, MAPsen- sor, manifold tuning valve, ignition interfer- ence suppressor, and electronic throttle control. 87. Install the power steering pump reservoir. Tighten the mounting screw to 106 inch Ibs. (12Nm). 88. Install the windshield washer reser- voir. 89. Install the coolant recovery reservoir. Tighten the mounting bolts to 35 inch Ibs (4Nm). 90. Install the clean air hose and air cleaner housing. 91. Fill the cooling system with the proper fluid to the correct level. 92. Install a new oil filter and fill the engine with the proper type and amount of oil. 93. Connect the negative battery cable. Fig. 110 Camshaft bearing cap tightening sequence o 0 Fig. 111 Tightening sequence for front intake and exhaust bearing caps—torque these last
  • 843.
    9-54 JEEPCOMPASS •PATRIOT 1. Intake camshaft 2. Timing chain 3. Exhaust camshaft 4. Timing chain guide 5. Tensioner 6. Timing chain pivot guide Fig. 112 Timing chain and related components 94. Operate the engine until it reaches the normal operating temperature. Check the oil and cooling systems tor leaks and for correct fluid levels. 95. Install the engine cover. ENGINE ASSEMBLY REMOVAL & INSTALLATION See Figures 113 through 116. 1. Before servicing the vehicle, refer to the Precautions Section. 2. Drain the engine oil. 3. Drain the cooling system. 4. Properly relieve the fuel system pressure. 5. Remove the hood. 6. Remove the engine appearance cover. 7. Remove the air intake assembly. 8. Disconnect both cables from the bat- tery. 9. Remove the battery and battery tray. 10. Removethe coolant reservoir. 11. Removethe power steering reservoir. 12. Removethe windshield washer reservoir. 13. Remove the coolant hoses from coolant adapter. 14. Remove the grill closure panel. 15. Removethe upper radiator hose sup- port. 16. Disconnect the engine electrical con- nectors and reposition harness. 17. Remove the air intake tube from throttle body. 18. Disconnect the fuel line from fuel rail. 19. Remove the vacuum lines from throttle body and intake manifold. 20. Remo intake. 21. Remo bracket. 22. Disco control and rr electrical con 23. Remo air hose from 24. Remo 25. Remo ing bolts and Refer to Intak tion. 26. Disco and repositio 27. Remo Refer to Acce installation. 28. Remo port at the en fold. 29. Remo and set it asi 30. Remo 31. Remo right tower. 32. Raise vehicle. 33. Remo 34. Remo 35. Remo tion cover an verter to the 1 36. Remo 37. Remo mounting bo the wiring harness from the the throttle body support ect the electronicthrottle life-Id flow control valve ctors. the PCV hose, and make-up alve cover. the dipstick. the intake manifold mount- jmove the intake manifold. vlanifold, removal & installa- ect the electrical connectors the harness. the accessory drive belt, ory Drive Belts, removal & the power steering line sup- ne mount and exhaust mani- the power steering pump the upper idler pulley, the ground strap near the nd safely support the the right front wheel. the engine splash shield. the torque converter inspec- matchmark the torque con- A/heel. the torque converter bolts. the lower bell housing 38. Remove the A/C compressor mount- ing bolts. 39. Remove the alternator and the lower idler pulley. 40. Disconnect the Crankshaft Position (CKP) sensor electrical connector and remove the sensor. 41. Remove the exhaust variable valve timing solenoid. 42. Install an engine lift chain to cylinder head, as shown. 43. Connect the chain to the rear engine lift hook. 44. Install engine liftingcrane. 45. Remove the right engine mount through-bolt. 46. Remove the engine mount adapter retaining bolts and the mount adapter. Fig. 114 Install an engine lift chain (1) to the cylinder head, as shown 1. Ignition coil electrical connectors 2. Make-up air hose 3. Fuel line 4. Fuel injector electrical connectors 5. PCV hose Fig. 113 Lo injector elec tion of the ignition coil electrical connectors, make-up air hose, fuel line, fuel cal connectors, and PCV hose—2.0L and 2.4L engines
  • 844.
    JEEP COMPASS • PATRIOT9-55 1. Engine mount 2. Mount adapter 3. Retaining bolts 4. Through-bolt Fig. 115 Remove the right engine mount through-bolt, mount adapter retaining bolts, and mount adapter 47. Carefully lift the engine from the engine compartment. To install: 48. Position the engine assembly over the vehicle and slowly lower the engine into place. 49. Continue lowering the engine until the engine/transaxle assembly are aligned to the mounting locations. 50. Install the engine mount adapter and tighten the bolts. Install the mount through-bolt and tighten all bolts to 87 ft. Ibs. (118Nm). 51. Remove the engine lift chain. 52. Install the oil control valve. 53. Raise and safely support the vehicle. 54. Install the A/C compressor. 55. Install the exhaust manifold and heat shields. 56. Install the oxygen sensor and con- nect the electrical connector. 57. Install the CKP sensor and connect the connector. 58. Install the manifold to the exhaust pipe bolts and tighten the bolts. 59. Install the alternator. 60. Install the lower bell housing bolts and tighten the bolts. 61. Align the torque converter and flex- plate matchmark. Install the torque con- verter bolts and tighten. 62. Install the torque converter inspec- tion cover. 63. Install the crankshaft damper, using Special Tool 9707 Damper holder. Apply clean engine oil to the crankshaft damper bolt threads and between the bolt head and washer. Tighten the bolt to 155 ft. (210 Nm). 64. Install the right engine splash shield. 65. Install the wheel. 66. Install the coolant hose to the oil cooler. 67. Install a new oil filter. 68. Lower the vehicle. 69. Install the upper idler pulley. 70. Install the coolant adapter assembly. 71. Install the ground strap near the right strut tower. 72. Install the power steering line support bracket and install the power steering pump. 73. Install the accessory drive belt. Refer to Accessory Drive Belts, removal & instal- lation. 74. Connect the electrical connectors at the block ground, starter, A/C compressor, knock sensor, oil pressure sensor, alterna- tor, coolant temperature sensor at the block, and block heater (if equipped). 75. Install the intake manifold. Refer to Intake Manifold, removal & installation. 76. Install the throttle body support bracket and wiring harness retainer. 77. Install the dipstick. 78. Install the PCV hose to valve cover and make-up air hose. 79. Connect the manifold flow control valve and electronic throttle control electri- cal connectors. 80. Install the vacuum lines to the throttle body and intake manifold. 81. Install the intake air tube to the throttle body. 82. Connect the ignition coil electrical connectors. 83. Connect the injector electrical con- nectors. 84. Connect the fuel line to fuel rail. 85. Connect the intake and exhaust oil control valve electrical connectors. 86. Install the grill trim panel. 87. Install the upper radiator support bracket. 88. Connect the coolant temperature sensor. 89. Connect the capacitor electricalcon- nector. 90. Install the coolant hoses at the coolant adapter. 91. Install the coolant reservoir andcon- nect hose. 92. Install the battery tray and battery. 1. Coolant temperature sensor 2. Capacitor electrical connector 3. Coolant adapter Fig. 116 Location of the coolant temperature sensor, capacitor electrical connector, and coolant hoses connected to the coolant adapter
  • 845.
    9-56 JEEP COMPASS •PATRIOT 93. Connect the battery cables. 94. Install the air intake assembly. 95. Fill the cooling system with the proper fluid to the correct level. 96. Fill the engine with the proper type and amount ofoil. 97. Install the engine appearance cover. 98. Install the hood. 99. Operate the engine until it reaches the normal operating temperature. Check the oil and cooling systems for leaks and for correct fluid levels. EXHAUST MANIFOLD REMOVAL & INSTALLATION FWD Models See Figures 117 through 119. 1. Before servicing the vehicle, refer to the Precautions Section. 2. Disconnect the negative battery cable. 3. Removethe engine appearance cover. 4. Remove the upper heat shields mounting bolts. 5. Remove the upper heat shield. 6. Disconnect the exhaust pipe from the exhaust manifold. 7. Remove the exhaust manifold sup- port bracket. 8. Disconnect the Oxygen sensor elec- trical connector. 9. Remove the exhaust manifold mounting bolts. 10. Removethe exhaust manifold and gasket. To install: 11. Install a new exhaust manifoldgas- ket. DO NOT APPLYSEALER. 12. Position the exhaust manifold in place. Fig. 117 Remove the upper heat shield TimviYiVtfj bolts (2) to remove (he upper heat shield (1)-FWD vehicles 22043_COMP_G0081 Fig. 118 bolts (1) support b move the bracket mounting d remove the exhaust manifold cket (2)—FWD vehicles O e o o 22043_COMP_G0082 Fig. 119 sequence haust manifold torque FWD vehicles 13. Inst; the bolts, in 14. Inst shield. Tigf (12Nm). 15. Inst bracket. 16. Inst ket and con exhaust mi to 21 ft. Ib 17. Con connector, 18. Inst 19. Con the exhaust manifold. Tighten jquence, to 25 ft. Ibs. (34Nm). the exhaust manifold heat n the bolts to 105 inchIbs. the exhaust manifold support a new catalytic converter gas- jct the exhaust pipe to the old. Tighten the flange bolts 28Nm). ct the oxygen sensor electrical the engine appearance cover, ct the negative battery cable. FLYWHEEL REMOVAL & INSTALLATION See Figure 1, V. ** CAUTION Chrysler do vehicles or contain asl. ucts may or s not manufacture any replacement parts that jstos. Aftermarket prod- may not contain 36543_COMP_G0250 Fig. 120 Torque sequence for the flywheel bolts asbestos. Refer to aftermarket prod- uct packaging for product informa- tion. Whether the product contains asbestos or not,dust and dirt can accumulate on manual clutch parts during normal use. Follow practices prescribed by appropriate regulations for the handling, processing, anddis- posing of dust and debris. 1. Before servicing the vehicle, refer to the Precautions Section. 2. Remove the transaxle. Refer toMan- ual or Automatic Transaxle Assembly, removal & installation. 3. Remove clutch pressure plate and disc. Refer to Clutch, Driven Disc & Pres- sure Plate removal & installation. 4. Remove the 6 flywheel-to-crankshaft bolts and remove the flywheel assembly. To install: 5. Clean the surfaces of the flywheel and pressure plate to make certain that all oil, grease, and rust have been removed. 6. Install and torque the flywheel-to- crankshaft bolts to 70 ft. Ibs. (95 Nm). 7. Install clutch pressure plate and disc. Refer to Clutch, Driven Disc & Pressure Plate removal & installation. 8. Install transaxle assembly. Refer to Manual or Automatic Transaxle Assembly, removal & installation. INTAKE MANIFOLD REMOVAL & INSTALLATION See Figures 121 through123. ** WARNING Release fuel system pressure before servicing system components. Ser-
  • 846.
    JEEP COMPASS • PATRIOT9-57 vice vehicles in a well-ventilated area and avoid ignition sources. Never smoke while servicing the vehicle. 1. Before servicing the vehicle, refer to the Precautions Section. 2. Properly relieve the fuel system pressure. 3. Drain the cooling system. 4. Disconnect the negative battery cable. 5. Remove the engine appearance cover. 6. Remove the air intake assembly. 7. Disconnect the fuel line from the fuel rail. 8. Disconnect the fuel injector electrical connectors. 9. Remove the fuel rail. Refer to Fuel Rail & Injectors, removal & installation. 10. Disconnect the electrical connectors for the oil temperature sensor, variable valve Fig. 121 Remove the engine appearance cover (1) by pulling upwards—2.4L engine shown 1. Air cleaner housing 2. Housing clasps 3. Battery 4. Intake Air Temperature (IAT) sensor 5. Air inlet tube 36543_COMP_G0074 Fig. 122 View of air intake and related components timing solenoid, and intake camshaft posi- tion sensor. 11. Position the wiring harness out of the way. 12. Remove the throttle body support bracket. 13. Disconnect the electronic throttle control electrical connector. 14. Remove the wiring harness retainer from the intake manifold. 15. Disconnect the Manifold Absolute Pressure (MAP) sensor electrical connector. 16. Disconnect the vacuum lines from the intake manifold. 17. Remove the upper radiator hose retaining bracket. 18. Remove the intake manifold retaining bolts. 19. Remove the intake manifold and gas- ket. To install: 20. Clean the gasket surfaces. 21. Using a new gasket, install the intake manifold, in sequence, to 18 ft. Ibs. (25 Nm). 22. Install the upper radiator hose sup- port bracket. 23. Connect the vacuum lines to the intake manifold. 24. Install the fuel rail assembly and tighten the mounting bolts to 17 ft. Ibs. (23 Nm). 25. Connect the fuel injector electrical connectors. 26. Connect the fuel supply hose. 27. Reconnect the electrical connectors previously removed. 28. Install the air intake assembly. 29. Fill the cooling system with the proper fluid to the correct level. 30. Install the engine appearance cover. Fig. 123 Intake manifold torque sequence—2.0L & 2.4L engines OIL PAN REMOVAL & INSTALLATION See Figures 124 through 126. 1. Before servicing the vehicle, refer to the Precautions Section. 2. Raise and safely support the vehicle. 3. Drain the engineoil. 4. Remove the accessory drive belt splash shield. 5. Remove the lower A/C compressor mounting bolt and remove the A/C mount- ing bracket. 6. Remove the oil pan mounting bolts. 7. Using a putty knife, loosen the seal around the oil pan. *# WARNING Do not use the pry points in the engine block to remove the oil pan. 8. Remove the oil pan. To install: 9. Clean any old gasket material from the mating surfaces. Fig. 124 Use a putty knife (1) to loosen the seal around the oil pan (2) Fig. 125 Apply MOPAR® Engine RTV GEN II to the front cover-to-engine block parting lines (1) as shown
  • 847.
    9-58 JEEP COMPASS •PATRIOT Fig. 126 Apply a 2mm bead of MOPAR® Engine KM GEN II on the oil pan mating surface as shown 10. Apply MOPAR® Engine RTV GEN II at the front cover-to-engine block parting lines. 11. Apply a 2mm bead of MOPAR® Engine RTV GEN II around the oil panmat- ing surface as shown in the illustration. 12. Install the oil pan into position and tighten the bolts to 105 inch Ibs. (12 Nm). i*The 2 long bolts must be tightened to 195 inch Ibs.(22 Nm). 13. Install the oil drain plug. 14. Install the A/C compressor mounting bracket and A/C compressor lower mount- ing bolt. 15. Lower the vehicle. 16. Fill the engine with the proper type and amount of oil. 17. Start the engine and check for leaks. OIL PUMP REMOVAL & INSTALLATION See Figure 127. 1. Before servicing the vehicle, refer to the Precautions Section. 2. Rotate the engine to put cylinder number 1 at Top Dead Center (TDC). 3. Remove the oil pan. Refer to Oil Pan, removal & installation. 4. Matchmark the position of thetiming chain to the crankshaft sprocket for reassembly. 5. Push the tensioner piston back into the tensioner body. 6. With the piston held back, insert Special Tool 9703 Tensioner Pin into the tensioner body to hold the piston in the retracted position. 7. Remove the Balance Shaft Module (BSM) mounting bolts and discard the bolts. o 22043_COMP_G0091 Fig. 127 Balance Shaft Module (BSM) torque sequence—2.0L and 2.4L engines 8. Lower the Hack of the BSM and remove the timing chain from the oil pump sprocket. 9. Remove thp BSM from the engine. To install: #* WARNING Do not reuse bolts. Alway: removing. Fa bolts can res 10. Clean th brake cleaner 11. If remo chain over the matchmarks. 12. Align th chain over the i 13. Pivot tin and position it 14. Start ne1 tighten, in the < lowing steps: a. Stepl Ibs. (15 Nm b. Step 2 Ibs. (29 Nm c. Step 3 tional 90C 15. Remove 16. Install tr removal & inst 17. Fill the and amount of. 18. Start thi SM-to-engine block iscard bolts after .ire to replace these in engine damage. BSM mounting holes with j, position thetiming rocket, aligning the natchmarks and install the pump sprocket. 3SM assembly upwards the ladder frame, bolts by hand. Then quence shown, in thefol- 'ighten the bolts to 11 ft. "ighten the bolts to 22 ft. lotate each bolt an addi- e tensioner pin. oil pan. Refer to Oil Pan, ation. gine with the proper type ngineand check for leaks. FRONT OFENGINE 1. Top compression ring gap 2. Upper oil ring side rail gap 3. Second compression ring gap 4. Lower oil ring side rail gap 22043_COMP_G0092 Fig. 128 Position the piston ring end gaps as shown—2.0L and 2.4L engines PISTON AND RING POSITIONS See Figures 1 '8 and 129. Fig. 129 The directional arrow stamped on the piston should face toward the front of the engine—2.0L and 2.4L engines
  • 848.
    JEEP COMPASS • PATRIOT9-59 REAR MAIN SEAL REMOVAL & INSTALLATION See Figures 130 and131. 1. Before servicing the vehicle, refer to the Precautions Section. 2. Remove the transaxle assembly. Refer to Automatic or Manual TransaxleAssembly, removal & installation. 3. Remove the flexplate. 4. Insert a3/ie flat-bladed screwdriver (7) between the dust lip (8) and the metal case (4) of the crankshaft seal (1). Angle the screwdriver through the dust lip against the metal case of the seal. Pry out the seal. ** WARNING Do not permit the screwdriver blade to contact the crankshaft seal sur- face. Contact of the screwdriver blade against the crankshaft edge (chamfer) ispermitted. 5. Check to make sure the seal garter spring is not on the crankshaft. To install: •Hf a burr or scratch is present on the crankshaft edge (chamfer), cleanup 1. Special Tool 9706 2. New rear main seal 3. Special Tool 9509 4. Special Tool C-4171 Fig. 131 Install a new seal using Special Tools 9509, 9706, and C-4171 with 800 emery cloth to prevent seal damage during installation ot the new seal. If emery cloth is used, the crank- shaft must be cleaned off with MOPAR brake parts cleaner, or equivalent. 6. Crankshaft 7. Flat-bladed screwdriver 8. Dust lip 9. Flat-bladed screwdriver 1. Crankshaft seal 2. Engine block 3. Engine block 4. Metal case 5. Pry angle direction Fig. 130 Insert a flat-bladed screwdriver between the dust lip and the metal case of the crankshaft seal and carefully pry out the seal ^When installing the rear main seal, lubricate Seal Guide 9509 with clean engine oil. 6. Lightly coat Special Tool 9509 Seal Guide with clean engine oil. Place the seal guide on the crankshaft. 7. Position the seal (2) over the guide tool. The guide tool should remain on the crankshaft during installation of the seal. Ensure that the lip of. the seal is facing towards the crankcase during installation. 8. Drive the seal into the block using Seal Driver 9706 (1) and Driver Handle C- 4171 (4) until Seal Driver 9706 bottoms out against the block. 9. Install the flexplate. Tighten the new bolts to 70 ft. Ibs. (95 Nm). 10. Install the transaxle assembly. Refer to Automatic or Manual Transaxle Assembly, removal & installation. ROCKER ARMS/SHAFTS REMOVAL & INSTALLATION There are 4 valves per cylinder (2 intake and 2 exhaust) that are opened by using direct acting tappets actuated by overhead camshafts. No rocker arms are used in these engines. TIMING CHAIN COVER AND SEAL REMOVAL & INSTALLATION See Figures 132 through 139.
  • 849.
    9 en JEEP UUCOMPASS • PATRIOT 1. Before servicing the vehicle, refer to the Precautions Section. 2. Remove the engine cover by pulling upward. 3. Properly relieve the fuel system pressure. 4. Disconnect and isolate the negative battery cable. 5. Remove the coolant recovery bottle. 6. Remove and reposition the power steering reservoir. 7. Removethe windshield washer bottle. 8. Remove accessory drive belt. Refer to Accessory Drive Belts, removal & instal- lation. 9. Remove power steering hose hold down. 10. Remove the 3 power steering pump mounting bolts through the openings in the pulley and reposition the pump. 11. Remove the cylinder head cover. Refer to Valve Cover, removal & installation. 12. Remove the ignition coils from the cylinder head cover. 13. Raise and safely support the vehicle. 14. Removethe right lower splash shield. 15. Set the engine to Top Dead Center 16. Remove the lower A/C compressor bolts, if equipped. 17. Remove the lower A/C compressor mount, if equipped. 18. Remove the accessory drive belt lower idler pulley. 19. Remove the crankshaft damper. Refer to Crankshaft Damper, removal & installa- tion. 20. Remove the 3 bolts and water pump pulley from the water pump. 21. Remove the lower bolt from the right side engine mount bracket. 22. Remove the timing chain cover lower bolts (1). 36543_COMP_G0079 Fig. 132 Set the engine to Top Dead Center (TDC)(1) Fig. 133 Lower turning chain cover mounting bolts (1) (looking from the bot- tom up)—2.0L and 2.4L engines 23. Lower the ehicle. 24. Support thf engine with a suitable jack. 25. Remove th£ right engine mount through bolt. 26. Remove th£ right engine mount-to- mount bracket 27. Remove th|3 right engine mount adapter. 28. Remove tnje accessory drive upper idler pulley. 29. Remove trje right upper engine mount bracket. 30. Remove trje accessory drive belt ten- sioner. 31. Remove tt|e timing chain cover retaining bolts. 32. Remove the timing chain cover using pry points (1, 2, 3). 33. Remove the timing chain cover (1) out through the bottom of the vehicle. To install: -••When using engine sealant RTV, the sealing surfaces must be clean and free from grease and oil. Also, the parts should be assembled within 10 minutes and tightened to the final torque within 45 minutes. 34. Clean all the sealing surfaces. 35. Apply MOPAR®engine sealant RTV (or equivalent) as shown, at the cylinder head-to-block parting line (1, 2). 36. Apply MOPAR® engine sealant RTV (or equivalent) as shown, at the ladder frame-to-block parting line (1, 2). 37. Apply MOPAR^1 engine sealantRTV (or equivalent) as shown, in the corner of the oil pan and block. 38. Apply a 2mm bead of MOPAR'^ engine sealant RTV (or equivalent) to the oil pan, as shown. 39. Apply a 2mm bead of MOPAR& engine sealant RTV (or equivalent) to the engine block (1, 2) as shown. 40. Install the timing chain cover upwards from under the vehicle. 41. Install the timing chain cover upper retaining bolts and tighten the M6 bolts to 80 inch Ibs. (9 Nm) and the M8 bolts to 230 inch Ibs.(26Nm). 36543_COMP_G0081 Fig. 134 Location of the timing chain cover mounting bolts and pry points (1, 2, 3)—2 OL and 2.4L engines
  • 850.
    JEEP COMPASS • PATRIOT9-61 Fig. 135 Remove the timing chain cover (1) out through the bottom of the vehicle— 2.0L and 2.4L engines Fig. 136 Apply RTV at the cylinder head- to-block parting line (1, 2), as shown Fig. 137 Apply RTV at the ladder frame- to-block parting line (1, 2), as shown 42. Install the accessory drive belt ten- sioner. Tighten the bolt to 212 inch Ibs. (24 Nm). 43. Install the right engine mount bracket. Tighten the bolts to 37 ft. Ibs. (50 Nm). 44. Install the accessory drive belt upper idler pulley. Tighten the bolt to 35 ft. Ibs. (48 Nm). 45. Install the engine mount adapter and tighten the bolts to 50 ft. Ibs. (68 Nm). Fig. 138 Apply RTV in the corner of the oil pan and block, as shown 59. Install the power steering hose hold down. 60. Install the accessory drive belt. Refer to Accessory Drive Belts, removal & instal- lation. 61. Install the power steering pump reservoir. Tighten the mounting screw to 106 inch Ibs. (12 Nm). 62. Install the windshield washer reservoir. 63. Install the coolant recovery reservoir. Tighten the mounting bolts to 35 inchIbs. (4 Nm). 64. Install the air cleaner housing inlet. 65. Install the clean air hose and air cleaner housing. 36543_COMP_G0086 Fig. 139 Apply a 2mm bead RTV to the engine block (1, 2), as shown 46. Install the engine mount through bolt and tighten to 65 ft. Ibs. (88 Nm). 47. Remove the jack from under the engine. 48. Raise and safely support the vehicle. 49. Install the oil pan to the timing chain cover lower retaining bolts and tighten the M6 bolts to 80 inch Ibs. (9 Nm). 50. Install the water pump pulley and tighten the 3 bolts to 80 inch Ibs. (9 Nm). 51. Install the crankshaft damper. Refer to Crankshaft Damper, removal & installation. 52. Install the accessory drive belt lower idler pulley. Tighten the bolt to 35 ft. Ibs. (48 Nm). 53. Install the lower A/C compressor mounting bracket. Tighten the bolts to 18 ft. Ibs. (24 Nm). 54. Install the A/C compressor. Tighten the bolts to 18 ft. Ibs. (25 Nm). 55. Install the right lower splash shield. 56. Lower the vehicle. 57. Install the cylinder head cover and ignition coils. 58. Place the power steering pump in the mounting position. Install the 3 bolts through the openings in the pulley. Tighten the mounting bolts to 19 ft. Ibs. (26 Nm). 66. Connect the negative battery cable. 67. Operate the engine until it reaches a normal operating temperature. Check the oil system for leaks and correct fluid levels, as necessary. 68. Install the engine cover. TIMING CHAIN AND SPROCKETS REMOVAL & INSTALLATION _ See Figures 140 through145. 1. Before servicing the vehicle, refer to the Precautions Section. 2. Remove the timing chain cover. Refer to Timing Chain Cover and Seal, removal & installation. crankshaft timing mark (3) or (5) can be in one of two locations depend- ing on whether the engine is early pro- duction (5), late production (3), or assembled with service parts (3). In all cases, the keyway (2) will always be in the 9:00 position, in line with the lad- der frame mounting surface (1) when the engine is at Top Dead Center (TDC).
  • 851.
    9-62 JEEP COMPASS •PATRIOT 1. Ladder frame mounting surface 2. Keyway 3. Crankshaft timing mark—late production or new service parts 4. Timing chain —marked link 5. Crankshaft timing mark—early production Fig. 140 The crankshaft timing mark can be in one of two locations depending on whether the engine is early production or late production or assembled with service parts. In all cases, the keyway will always be in the 9:00 position, in line wi|h the ladder frame mount- ing surface when the engine is at TDC—2.0L and 2.4L engines 3. Verify that the engine is set to TDC. -Hf the timing chain plated links can no longer be seen, the timing chain links corresponding to the timing marks must be marked prior to removal, if the chain is to be reused. 4. Mark chain link (4) corresponding to crankshaft timing mark (3) or (5). 5. With the engine still set to TDC, verify that the marks on the camshaftsprockets (3) are in line with the cylinder head cover sealing surface(2) If the marks do not line up, the timing chain is notcorrectly installed. 6. Mark chain link (1) correspondingto camshaft timing mark. 'e timing chain tensioner(5). 'e timing chain (2). 'e the oil pan. Refer to Oil Pan, itallation. 'e the oil pump drive chain ethe oil pump drive chain, e the crankshaft sprocket 7. Rem 8. Remo 9. Remo removal & in 10. Remo tensioner. 11. Remo 12. Remo 0). •••Camshaft phasers and camshaft sprockets are supplied as an assembly, do not atterrpt to disassemble. 13. Remov Camshaft and installation. 14. Remov e the camshafts. Refer to Valve Lifters, removal & the camshaft phaser (2) 1. Marked chain link 2. Cylinder head cover sealing surface 3. Camshaft sprocket alignment Fig. 141 Verify that the timing marks are aligned properly—2.0L and 2.4L engines 1. Intake camshaft 2. Timing chain 3. Exhaust camshaft 4. Timing chain guide 5. Tensioner 6. Timing chain pivot guide 36543_COMP_G0071 Fig. 142 Timing chain and related components—2.0L and 2.4L engines Fig. 143 Removal of the crankshaft sprocket (1)—2.0L and 2.4L engines retaining bolt while holding the camshaft in place with a wrench (1) on thecamshaft flats. 15. Removethe phaser (2) assembly from the camshaft. To install: -»The camshaft sprocketsand the camshaft phasers are an assembly and cannot be serviced separately. *# WARNING Do not use an impact wrench to tighten the camshaft sprocket bolts. Damage to the camshaft-to-sprocket locating dowel pin and camshaft Phaser may occur. 16. Install me phaser (2) assembly on the camshaft.
  • 852.
    JEEP COMPASS • PATRIOT9-63 1. Wrench 2. Camshaft phaser 3. Socket wrench Fig. 144 Remove the camshaft phaser retaining bolt while holding the camshaft in place with a wrench on the camshaft flats—2.0L and 2.4L engines •••Make sure the dowel is seated in the dowel hole and not in an oil feed hole. The dowel hole is larger than the 4 oil feed holes. 17. Install the phaser retaining bolt. Hold the camshaft in place with a wrench (1) and tighten the bolt to 44 ft. Ibs. (59 Nm). 18. Install the camshafts. Refer to Camshaft and Valve Lifters, removal & installation. 19. Install the crankshaft sprocket (1) onto the crankshaft. 20. Install the oil pump drive chain. Ver- ify that the oil pump is correctly timed (1, 2, 5,6). 21. Reset the oil pump drive chain ten- sioner by pushing the plunger inward and install the Tensioner Pin 8514. 22. Install the oil pump drive chain ten- sioner (3) and tighten the bolts to 105 inch Ibs. (12 Nm). 23. Remove the Tensioner Pin 8514 (4). 24. Install the oil pan. Refer to Oil Pan, removal & installation. —The crankshaft timing mark (3) or (5) can be in one of two locations depend- ing on whether the engine is early pro- duction (5), late production (3),or assembled with service parts (3). In all cases, the keyway (2) will always be in the 9:00 position, in line with the lad- der frame mounting surface (1) when the engine is at TDC. Refer to illustra- tion. 25. Verify that the engine is still set to TDC. 26. Align the camshaft timing marks (3) so they are facing each other and in line with the cylinder head cover sealing sur- face(2). 1. Crankshaft sprocket timing mark 2. Oil pump drive chain timing mark 3. Drive chain tensioner 4. Tensioner Pin 8514 5. Oil pump sprocket timing mark 6. Oil pump drive chain timing mark 36543_COMP_G0091 Fig. 145 Install the oil pump drive chain and verify that the oil pump is correctly timed—2.0L and 2.4L engines 27. Install the timing chain so the plated (or marked) links on the chain align with the timing marks on the camshaft sprockets (1). 28. Align the timing mark on the crank- shaft sprocket (3) or (5) with the plated (or marked) link (4) on the timing chain. Posi- tion the chain so the slack will be on the tensioner side. Rotate the crankshaft CLOCKWISE two complete revolutions until the crankshaft is repositioned at the TDC position with the key way at the 9 o'clock position. —Keep the slack in the timing chain on the tensioner side. 29. Install the timing chain tensioner (5). 30. Verify that the timing marks on the camshafts (3) are in the proper position and in line with the cylinder head cover sealing surface. If the marks do not line up, the timing chain is not correctly installed. 31. Install front timing chain cover. Refer to Timing Chain Cover and Seal, removal & installation. 32. Connect the negative battery cable. 33. Operate the engine until it reaches the normal operating temperature. Check the oil and cooling systems for the correct fluid levels and check for leaks. VALVE COVERS/CYLINDER HEAD COVER REMOVAL & INSTALLATION See Figures 146 through 151. 1. Before servicing the vehicle, refer to the Precautions Section. 2. Remove the engine cover (1) by pulling upward. 3. Disconnect and isolate the negative battery cable. 4. Remove the makeup air hose (2). 5. Remove the PCV hose (3). 6. Disconnect the ignition coil electrical connectors (1). 7. Use compressed air to blow dirt and debris off the cylinder head cover prior to removal. 8. Remove the cylinder head cover bolts. 9. Remove the cylinder head cover from the cylinder head. To install: 10. Install the new cylinder head cover gaskets (1,2). 11. Install the studs in the cover, as shown. 12. Clean all the RTV from the cylinder head. Fig. 146 Remove the engine cover (1) by pulling upward—2.0L shown (2.4L similar) 1. Ignition coil electrical connectors 2. Make up air hose 3. PCV hose 36543_COMP_G0255 Fig. 147 Remove the makeup air hose, the PCV hose, and disconnect the ignition coil electrical connectors
  • 853.
    9-64 JEEPCOMPASS •PATRIOT Fig. 148 Install the new cylinder head cover gaskets (1, 2) O Fig. 149 Install the studs in the cover, as shown using RTV, the sealingsur- faces must be clean and free from grease and oil and the parts should be assembled within 10 minutes and tight- ened to the final torque within 45 min- utes. 13. Apply a dot of MOPAR® engine sealant RTV, or equivalent, to the cylinder head/front cover T-joint(1). 14. Install the cylinder head cover assembly to the cylinder head and install all the bolts, ensuring the studs are located as shown. 15. Tighten the bolts in the sequence shown using a 2 step torque method: a. Tighten all the bolts to 44 inch Ibs. (5Nm). 36543_COMP_G0258 Fig. 150 Apply a dot of engine sealant RTV to the cylinder head/front cover T-joint(1) <D O 1. P pe-to-maniverter bolts 2. Oxygen sensor 36543_COMP_G0259 Fig. 151 Cyl sequence nder head cover torque b. Tightn all the bolts to 90 inch Ibs. (10 Nm). 16. Install Ihe ignition coils. Tighten the fasteners to 7(1 inch Ibs. (8 Nm). 17. If the PCV valve was removed, tighten the PCy valve to 44 inch Ibs. (5 Nm). 18. Connec tors(1). 19. Connec PCV valve. 20. Connec the coil electrical connec- the PCV hose (3) to the the makeup air hose(2). 21. Connec the negative battery cable and tighten thq bolt to 45 inchIbs. (5Nm). 22. Install trie engine cover (1) by press- ing the rear of ie cover down first. VALVE LASH ADJUSTMENT See Figure152. —The engine must be cold to measure the valve lash. 1. Before servicing the vehicle, refer to the Precautions Section. 2. Remove the engine cover. 3. Remove the cylinder head cover. Refer to Valve Covers, removal & installa- tion. 4. Rotate the camshaft so the lobes are vertical. 5. Check the clearance using feeler gauges. 6. Repeat this procedure for all of the valve tappets and record the readings. 7. If the clearance was outside the required specification: a. Remove the camshaft. Refer to Camshaft and Valve Lifters, removal & installation. b. If the clearance was too large or too small, increase or decrease the tappet thickness by the necessary amount. c. Install the camshafts and verify that the valve lash is correct. 8. Install the cylinder head cover. Refer to Valve Covers, removal & installation. Fig. 152 To measure the valve lash, rotate the camshaft so the lobes (1) are vertical
  • 854.
    JEEP COMPASS • PATRIOT9-65 ENGINE PERFORMANCE & EMISSION CONTROLS ACCELERATOR PEDAL POSITION (APP) SENSOR LOCATION See Figure 153. The APP sensor is an integral part of the pedal assembly. Fig. 153 Accelerator Pedal Position (APP) sensor location REMOVAL & INSTALLATION See Figure 154. 1. Before servicing the vehicle, refer to the Precautions Section. 2. Disconnect and isolate the negative battery cable at the battery. 3. Disconnect the electricalconnector from the accelerator pedal. 4. Remove the mounting nuts and remove the accelerator pedal from the mounting studs. To install: ## WARNING The accelerator pedal and mounting nuts need to be torque in a manda- Fig. 154 Accelerator Pedal Position (APP) sensor torque sequence tory torque sequence or damage could result to the pedal assembly. 5. Install the accelerator pedal and the mounting nuts to the mounting studs. Tighten the nuts in a mandatory torque sequence to 12 ft. Ibs. (16 Nm). 6. Connect the electrical connector to the accelerator pedal. 7. Connect the negative battery cable, tighten the nut to 45 inch Ibs. (5 Nm). 8. Use a scan tool and perform the APPS RELEARN function. CAMSHAFT POSITION (CMP) SENSOR LOCATION See Figures 155 and 156. These engines utilize two Camshaft Posi- tion (CMP) sensors mounted to the front and rear of the cylinder head. Fig. 155 Camshaft Position (CMP) sensor location (front)—2.0L and 2.4L engines Fig. 156 Camshaft Position (CMP) sensor location (rear)—2.0L and 2.4L engines REMOVAL & INSTALLATION Front Sensor See Figure 155. 1. Before servicing the vehicle, refer to the Precautions Section. 2. Disconnect negative battery cable. 3. Remove the air cleaner hose to throttle body, disconnect the inlet air tem- perature sensor electrical connector. 4. Disconnect the electrical connector from the camshaft position sensor. 5. Remove the Camshaft Position (CMP) sensor mounting screws. 6. Remove the front CMP sensor. To install: 7. Lubricate the CMP sensor 0-ring. 8. Install the CMP sensor using a twist- ing motion. Make sure the sensor is fully seated. WARNING Do not drive the senor into the bore with the mounting screws. This can cause the sensor to be incorrectly seated causing the engine to fail. 9. Tighten the CMP sensor mounting screws to 80 inch Ibs. (9 Nm). 10. Carefully attach the electrical con- nector. WARNING Take care not to damage the sensor pins. Installation at an angle may damage the sensor pins. 11. Install the air cleaner to the throttle body hose and connect the inlet air temper- ature sensor electrical connector. 12. Connect the negative battery cable. Rear Sensor See Figure 157. Fig. 157 Disconnect the connector and remove the heat shield to access the rear CMP sensor
  • 855.
    9-66 JEEP COMPASS •PATRIOT 1. Before servicing the vehicle, refer to the Precautions Section. 2. Disconnect the negative battery cable. 3. Disconnect the sensor electrical con- nector. 4. Remove the heat shield retaining nut and remove the heat shield to uncover the Camshaft Position (CMP) sensor. 5. Remove the CMP sensor mounting bolt and remove the sensor. To install: 6. Lubricate the CMP sensor 0-ring. 7. Install the CMP sensor using a twist- ing motion. Make sure the sensor is fully seated. ** WARNING Do not drive the senor into the bore with the mounting screws. This can cause the sensor to be incorrectly seated causing the engine to fail. 8. Tighten the mounting bolt to 80 inch Ibs. (9 Nm). 9. Carefully attach the electricalcon- nector to the CMP sensor. Take care not to damage the sensor pins. 10. Install the heat shield onto the mounting stud and tighten the retaining nut. 11. Connect the negative battery cable. CRANKSHAFT POSITION (CKP) SENSOR LOCATION See Figure 158. The Crankshaft Position (CKP) sensor mounts to the rear of the engine block near the transmission. REMOVAL & INSTALLATION See Figures 158 and 159. The crankshaft position sensor mounts to the rear of the engine block near the trans- mission. Fig. 158 Crankshaft Position (CKP) sensor location—2.0L and 2.4L engines 1. Before servicing the vehicle, refer to the Precau ions Section. 2. Rermove the engine cover. 3. Disconnect and isolate the negative battery cable. 4. Remove the air cleaner body. 5. Disengage the upstream 02 sensor wire harness retainer (1) and the Crankshaft Position (CKP) sensor wire harness retainer (2) from thd heat shield(3). 6. Remove the one nut and two heat shield retaining bolts. 7. Remove the heat shield. 8. Remove the CKP sensor mounting bolt. 9. Rerm ve the CKP sensor with the wire harness!attached. 10. Unloqk and disconnect the electrical connector frqm the CKP sensor. To instal 11. ChecMthe 0-ring for damage and lubricate the fi-ring with engine oil before installing thepensor. 12. Using|a twisting motion, install the CKP sensor. 13. Install the CKP sensor bolt. Tighten the bolt to 80 inch Ibs. (9 Nm). 14. Connect and lock the electrical con- nector to the (JKP sensor. 15. Install Ihe heat shield with the one nut and two haat shield retaining bolts. 16. Install the upstream 02 sensor wire harness retainer (1) and the CKP sensor wire harness retainer (2) to the heat shield (3). 17. Install tlie air cleaner body. 18. Conned] the negative battery cable. 19. Install the engine cover. 1. Upstream O2 sensor wire harness retainer 2. CKP sensor wife harness retainer 3. Heat shield 36543_COMP_G0095 Fig. 159 Disengage the upstream 02 sen- sor wire harness retainer and the CKP sensor wire harness retainer from the heat shield ENGINE COOLANT TEMPERATURE (ECT) SENSOR LOCATION See Figures 160 and 161. There are two coolant temperature sen- sors. One is located in the coolant adapter and one is located in the cylinder head. 1. Engine Coolant Temperature (ECT) sensor 2. Coolant adapter 22043_COMP_G0107 Fig. 160 Engine Coolant Temperature (ECT) sensor location (coolant adaptor mounted)—2.0L and 2.4L engines Fig. 161 Engine Coolant Temperature (ECT) sensor location (1) (engine block mounted)—2.01 and 2.4L engines REMOVAL & INSTALLATION See Figures 160 and 161. The following procedure can be used for removal and installation of either ECTsensor. 1. Before servicing the vehicle, refer to the Precautions Section. 2. Disconnect the negative battery cable. 3. Drain the cooling system. 4. Disconnect the Engine Coolant Tem- perature (ECT) sensor electrical connector. 5. Remove the ECT sensor. To install: 6. Install the ECT sensor as follows: a. Coolant adapter mounted: Make sure the ECT sensor is locked in place.
  • 856.
    JEEP COMPASS • PATRIOT9-67 b. Cylinder head mounted: Tighten the sensor to 14ft. Ibs. (19 Nm). 7. Reconnect the ECT sensor electrical connector. 8. Refill the cooling system to the cor- rect level. 9. Connect the negative battery cable. EVAPORATIVE EMISSIONS (EVAP) CANISTER LOCATION See Figure 162. The EVAP canister mounts to a left rear rail in the rear of the vehicle. The vacuum and vapor tube connect to the top of the canister. 36543_COMP_G0262 Fig. 162 Evaporative Emissions (EVAP) canister location REMOVAL & INSTALLATION See Figures 162 and 163. The EVAP canister mounts to a left rear rail in the rear of the vehicle. The vacuum and vapor tube connect to the top of the canister. 1. Before servicing the vehicle, refer to the Precautions Section. 2. Disconnect the negative battery cable. 3. Raise and safely support the vehicle. 4. Depress the locking tab on the vapor hose connector and it pull off of the canister. 5. Remove the vapor hose from the ESIM module. 6. Disconnect the electrical connector from the ESIM module. 7. Remove the 2 vapor canister mount- ing bolts. 8. Remove the EVAP canister assembly. To install: 9. Install the canister and bracket. 10. Connect the filter hose to the ESIM. 11. Connect the vapor hose. 12. Make sure the locking tab on the hose connector locks in place. Fig. 163 Remove the EVAP canister assembly 13. Connect the electrical connector to the ESIM module. 14. Lower the vehicle. 15. Connect the negative battery cable. EVAPORATIVE EMISSIONS (EVAP) PURGE CONTROL SOLENOID LOCATION See Figure 164. REMOVAL & INSTALLATION See Figure 164. 1. Before servicing the vehicle, refer to the Precautions Section. 2. Disconnect and isolate the negative battery cable at the battery. 3. Disconnect the electrical connector (4) from the evaporator purge solenoid (1). 4. Remove the purge hose (3) from the evaporator purge solenoid (1). 5. Remove the quick connect fuel tank hose (2) from the evaporator purge solenoid (1). 6. Releasethe tab to remove the evapo- rator purge solenoid (1) from the body bracket (5). To install: 1. Install the evaporator purge sole- noid (1) to the body bracket (5).Make sure the tab secures the solenoid to the bracket. 8. Install the quick connect fuel tank hose (2) to the evaporator purge solenoid (1). 9. Install the purge hose (3) to the evaporator purge solenoid (1). 10. Connect the electrical connector (4) to the evaporator purge solenoid (1). 11. Connect the negative battery cable, tighten the nut to 45 inch Ibs. (5 Nm). HEATED OXYGEN SENSOR (H02S) LOCATION See Figures 165 through 168. 1. Evaporator purge solenoid 2. Fuel tank hose 3. Purge hose 4. Electrical connector 5. Body bracket 36543_COMP_G0264 Fig. 164 Evaporative Emissions (EVAP) purge control solenoid location
  • 857.
    9-68 JEEP COMPASS •PATRIOT REMOVAL & INSTALLATION AWD Models Downstream Sensor See Figure 165. CAUTION The exhaust manifold, exhaust pipes, and catalytic converter(s) become very hot during engine operation. Allow the engine to cool before removing the oxygen sensor. Failure to allow the engine to cool before removal may result in personal injury caused by burns. WARNING When disconnecting the sensor elec- trical connector, do not pull directly on the wires going into the oxygen sensor as damage to the oxygen sen- sor may occur. —•Use an Oxygen Sensor (02S) removal tool for thisprocedure. 1. Before servicing the vehicle, refer to the PrecautionsSection. 2. Raise and safely support the vehicle. e 02S wire harness mount- clips fromthe eijigine or body, if equipped. 02S pigtail harness the enginewiring harness. 02S (3) from theexhaust 3. Disconnect tt ing 4. Disconnect he connector (1) from 5. Remove the pipe (2). To install: ^•The threads o new oxygen sensors are factory coated with anti-seize com- pound to aid in removal. DO NOT add any additional anti-seize compound to the threads of a lew 02S. WARNING When Equipped ness must be c back to original engine or body damage to the 6. Install the 0 (2). Tightento 30 7. Connectthe nector (1) to the e 8. Connectthe ing clips to the en Upstream Sens See Figure 166. >S (3) to the exhaust pipe Ibs. (41 Nm). 02S pigtail harnesscon- gine wiringharness. 02S wire harnessmount- ine or body, if equipped. The 02S pigtail har- pped and/or bolted positions on the o prevent mechanical iring. CAUTION The exhaust manifold, exhaust pipes, and catalytic converter(s) become very hot during engine operation. Allow the engine to cool before removing the oxy- gen sensor. Failure to allow the engine to cool before removal may result in personal injury caused by burns. WARNING When disconnecting the sensor elec- trical connector, do not pull directly on the wires going into the oxygen sensor as damage to the oxygen sen- sor may occur. -»Use an Oxygen Sensor (02S) removal tool for thisprocedure. 1. Before servicing the vehicle, refer to the Precautions Section. 2. Raise and safely supportthe vehicle. 3. Disconnectthe 02S wire harness mounting clips from the engine or body,if equipped. 4. Disconnectthe 02S pigtail harness connector (1) from the enginewiring harness. 5. Removethe 02S (3) fromthe maniverter (2). 1. Pigtail Harness connector 2. Exhausl pipe 3. Oxygen sensor 36543_COMP_G0096 Fig. 165 Heated Oxygen Sensor (H02S) (downstream 1/2)—AWD mod
  • 858.
    JEEP COMPASS • PATRIOT9-69 1. Pigtail harness connector 2. Maniverter 3. Oxygen sensor Fig. 166 Heated Oxygen Sensor (H02S) (upstream 1/1)—AWD models To install: •-The threads of new oxygensensors are factory coated with anti-seize com- pound to aid in removal. DO NOT add any additional anti-seize compoundto the threads of a new02S. WARNING When Equipped: The 02S pigtail har- ness must be clipped and/or bolted back to original positions on the engine or body to prevent mechanical damage to the wiring. 6. Install the 02S (3) to the maniverter (2). Tightento 30 ft. Ibs. (41 Nm). 7. Connectthe 02S pigtail harness con- nector (1) to the engine wiring harness. 8. Connect the 02S wire harness mount- ing clips to the engine or body, ifequipped. FWD Models Downstream Sensor See Figure 167. CAUTION The exhaust manifold, exhaust pipes, and catalytic converter(s) become very hot during engine operation. Allow the engine to cool before removing the oxygen sensor. Failure to allow the engine to cool before removal may result in personal injury caused by bums. ** WARNING When disconnecting the sensor elec- trical connector, do not pull directly on the wires going into the oxygen sensor as damage to the oxygensen- sor may occur. '••Use an Oxygen Sensor (02S) removal tool for this procedure. 1. Before servicing the vehicle, refer to the PrecautionsSection. 2. Raise and safely support thevehicle. 3. Disconnect the 02S wire harness mounting clips from the engine or body, if equipped. 4. Disconnect the 02S pigtail harness connector (1) from the engine wiring harness. 5. Removethe 02S (3) from the catalytic converter (2). To install: ~The threads of new oxygen sensors are factory coated with anti-seize com- pound to aid in removal. DO NOT add any additional anti-seize compound to the threads of a new02S. WARNING When Equipped: The 02S pigtail har- ness must be clipped and/or bolted back to original positions on the engine or body to prevent mechanical damage to the wiring. 6. Install the 02S (3) to the catalytic converter (2). Tightento 30 ft. Ibs. (41 Nm). 7. Connect the 02S pigtail harnesscon- nector (1) to the engine wiring harness. 8. Connect the 02S wire harnessmount- ing clips to the engineor body, if equipped. Upstream Sensor See Figure 168. CAUTION The exhaust manifold, exhaust pipes, and catalytic converter(s) become very hot during engine operation. Allow the engine to cool before removing the oxygen sensor. Failure to allow the engine to cool before removal may result in personal injury caused by burns.
  • 859.
    9-70 JEEP 1. Pigtailharness connector 2. Catalytic! converter 3. Oxygen sensor 36543_COMP_G0098 Fig. 167 Heated Oxygen Sensor (H02S) (downstream 1/2)—FWD models sas^nwi-asa^ 1. Pigtail harness connector 2. Exhaust pipe 3. Oxygen sensor Fig. 168 Heated Oxygen Sensor (H02S) (upstream 1/1)—FWD models;
  • 860.
    JEEP COMPASS • PATRIOT9-71 ** WARNING When disconnecting the sensor elec- trical connector, do not pull directly on the wires going into the oxygen sensor as damage to the oxygen sen- sor may occur. —Use an Oxygen Sensor (02S) removal tool for this procedure. 1. Before servicing the vehicle, refer to the Precautions Section. 2. Raise and safely support the vehicle. 3. Disconnect the 02S wire harness mounting clips from the engine or body, if equipped. 4. Disconnect the 02S pigtail harness connector (1) from the engine wiring harness. 5. Remove the 02S (3) from the exhaust pipe(2). To install: •-The threads of new oxygen sensors are factory coated with anti-seize com- pound to aid in removal. DO NOT add any additional anti-seize compound to the threads of a new 02S. *# WARNING When Equipped: The 02S pigtail har- ness must be clipped and/or bolted back to original positions on the engine or body to prevent mechanical damage to the wiring. 6. Install the 02S (3) to the exhaust pipe (2). Tighten to 30 ft. Ibs. (41Nm). 7. Connect the 02S pigtail harness con- nector (1) to the engine wiring harness. 8. Connect the 02S wire harness mounting clips to the engine or body, if equipped. INTAKE AIR TEMPERATURE (IAT) SENSOR LOCATION See Figure 169. The Intake Air Temperature (IAT) sensor is located in the air intake tube of the air intake assembly. REMOVAL & INSTALLATION See Figures 169 and 170. 1. Before servicing the vehicle, refer to the Precautions Section. 2. Disconnect the negative battery cable. 3. Disconnect the Intake Air Temperature (IAT) sensor electrical connector. 4. Remove the IAT sensor from the clean air duct. Fig. 169 Intake Air Temperature (IAT) sensor location Fig. 170 Showing the correct IAT sensor orientation To install: 5. Install the IAT sensor and ensure the correct sensor orientation. 6. Attach the IATsensor electrical con- nector. 7. Connect the negative battery cable. KNOCK SENSOR (KS) LOCATION See Figure 171. The Knock Sensor (KS) is bolted to the engine block in front of the starter, under the intake manifold. Fig. 171 Knock Sensor (KS) location— 2.0L and 2.4L engines REMOVAL & INSTALLATION See Figure 171. The knock sensor is bolted to the engine block in front of the starter, under the intake manifold. 1. Before servicing the vehicle, refer to the Precautions Section. 2. Disconnect the negative battery cable. 3. Remove the bolt holding the Knock Sensor(KS) 4. Remove the KS with the electrical connector attached. 5. Disconnect the electrical connector from the KS. 6. Remove the KS. To install: 7. Attach the electrical connector to the KS. 8. Install the KS into the engine block. Tighten the bolt to 16 ft. Ibs. (22 Nm). ** WARNING Over or under-tightening affects the knock sensor performance, possibly causing improper spark control. 9. Connect the negative battery cable. MALFUNCTION INDICATOR LIGHT (MIL) RESET PROCEDURE 1. Proper operation of the Malfunction Indicator Light (MIL): • TheMIL will illuminate with the ignition switch ON and the engine OFF • The MIL will turn OFF when the engine is started • The MIL will remain ON if the self- diagnostic system has detected a malfunction • The MIL may turn OFF if themal- function is no longer present • If the MIL is illuminated and then the engine stalls, the MIL will remain illuminated as long as the ignition switch is ON • If the MIL is not illuminated and the engine stalls, the MIL will not illu- minate until the ignition switch is cycled OFF, then ON 2. Resetting the MIL: • Thecontrol module turns OFF the MIL after 3 consecutive ignition cycles that the diagnostic system runs and does not fail • Thecontrol module turns OFF the MIL after a current Diagnostic
  • 861.
    9-79 JEEP 1C. COMPASS•PATRIOT Trouble Code (DTC) clears when the diagnostic cycle runs and passes • There may still be a history of DTC's stored in the system. These will clear after 40 consecutive warm-up cycles, if no failures are reported by any other related diag- nostic system • Manual resetting of the MIL and any DTC stored in the system, requires the use of an OBD2 scan tool connected to the Data Link Connector (DLC) for communica- tion with the vehicle. Follow the instructions of the scan tool for both retrieval and resetting of DTC's. The scan tool can be used to command the MIL off. -»lf the error symptoms causing the MIL to illuminate have been corrected, the MIL will return to normal operation. MANIFOLDABSOLUTE PRESSURE (MAP) SENSOR LOCATION See Figure 172. The Manifold Absolute Pressure (MAP) sensor mounts to the intake manifold. Fig. 172 Manifold Absolute Pressure (MAP) sensor location—2.OL and 2.4L engines REMOVAL & INSTALLATION See Figure 172. 1. Before servicing the vehicle, refer to the Precautions Section. 2. Removethe air intake assembly. 3. Disconnect the negative battery cable. 4. Disconnect the electrical connector irom the Manifold Absolute Pressure (MAP) sensor. 5. Remove MAP sensor ar To install: 6. Install th manifold and Ibs. (5 Nm). 7. Connect the MAP senso 8. Connect cable. 9. Install th le mounting screw from the d remove the sensor. MAP sensor to the intake jhten the screw to 40 inch he electricalconnector to he negative battery air intake assembly. POSITIVE CRANKCASE VENTILATION (PCV) VALVE LOCATION See Figure 17, Fig. 173 Posit (PCV) valve lo REMOVAL & See Figures 1. Before se the Precautions 2. Removet 3. Removet 4. Unscrew Fig. 174 Unsc e Crankcase Ventilation tion 'STALLATION ind 174. icing the vehicle, refer to iction. engine cover. hose from the PCV valve. ! PCV valve. w the PCV valve To install: 5. Lubricate the 0-ring on the valve. 6. Install the PCV valve and tighten the valve to 72 inch Ibs. (8 Nm). 7. Install the hose to the PCV valve. 8. Install the engine cover. POWERTRAINCONTROL MODULE (PCM) LOCATION See Figure 175. Fig. 175 Powertrain Control Module (PCM) location REMOVAL & INSTALLATION See Figures 175 and 176. *# WARNING To avoid possible voltage spike damage to the PCM, the ignition key must be OFF,and the negative battery cable must be disconnected BEFORE unplugging the PCM connectors. 1. Before servicing the vehicle, refer to the Precautions Section. 2. Disconnect the negativebattery cable. 3. Unlock and disconnect theelectrical connectors from the PCM. 4. Remove the air cleanerbox. 5. Remove the 3 mounting bolts. 6. Tip the module out and remove it from the bracket. To install: -••Use the Scan tool to reprogram the new PCM with the vehicle's original Vehicle Identification Number (VIN) and the vehicle's original mileage. If this step is not done, a Diagnostic Trouble Code (DTC) may be set.
  • 862.
    JEEP COMPASS • PATRIOT9-73 36543_COMP_G0268 Fig. 176 Remove the 3 mounting bolts from the PCM, tip the PCM out and remove it from the bracket 7. -Tip the module into thebracket. 8. Install the 3 mounting bolts and tighten to 80 inch Ibs. (9 Nm). 9. Check the pins in the electrical connectors for damage. Repair as necessary. 10. Connect the electrical connectors and lock the connection. 11. Install the air cleaner box. 12. Connect the negative battery cable. 13. Use the scan tool to reprogram the new PCM with the vehicle's original VIN and original vehicle mileage. Reset Procedure A replacement PCM will require pro- gramming utilizing the StarSCAN18, or equivalent. The PCM will not operate the engine until it is programmed. A Diagnostic Trouble Code (DTC) will be set: NOT PRO- GRAMMED. ** WARNING Extreme care must be taken when programming a calibration into a generic PCM. Do not randomly select a calibration. Once a calibration is selected and programmed, the con- troller cannot be reprogrammed to a different calibration. The module can only be reprogrammed to a more recent version of that calibration. Special Tools Required (or equivalent): • NPN: Battery Charger • CH9401: StarSCAN® Tool • CH9404: StarSCAN'9 Vehicle Cable • CH9409: StarSCAN*1 Documentation Kit CH9410: StarSCAN'5 Ethernet Cable, 12ft. • CH9412: StarSCAIT Software Update Device Kit —if this flash process is inter- rupted/aborted, the flash should be restarted. — Fur detailed information on the oper- ation of the StarSCAN , refer to the Quick Reference documentation pro- vided in the StarSCAN® documentation kit. 1. Open the hood, install a battery charger and verify that the charging rate provides approximately 13.5 volts. Set the battery charger timer to maintain the charg- ing voltage for the duration of the flash pro- cess. 2. Connect the CH9404 StarSCAN® vehicle cable to the StarSCAN11' and the vehicle. 3. Power ON the StarSCAN'F. 4. Retrieve the old ECU part number. Using the StarSCAN® at the HOME screen' a. Select ECU VIEW. b. Touch the screen to highlight the PCM in the list of modules. c. Select MORE OPTIONS. d. Select ECU FLASH. e. Record the part number at the top of the FLASH PCM screen for later refer- ence. 5. Replacethe PCM with the appropri- ate Generic PCM. 6. Insert the StarSCAN" Software Update CD into the PC. The StarSCAN'1'1 Software Update CD will start automati- cally. Select DOWNLOAD FLASH UPDATES. 7. At the SELECT A METHOD FOR LOOKING UP CONTROLLER FLASH UPDATES screen: a. Select ENTER PART NUMBER. Enter the PART NUMBER recorded in Step 4 when prompted to do so. b. Using the mouse, highlight the appropriate CALIBRATION.Select NEXT. c. Follow the on screen instruc- tions. d. When completed, proceed to Step 8. 8. With the StarSCAN1 powered OFF, connect the USB Key and Gender Changer to the StarSCAN1' USB port. 9. Connect the StarSCAN11" to the vehicle (if not already connected). 10. Power ON the StarSCAN1. 11. Download the flash file from the USB key to the StarSCAN11". Using the StarSCAN" at the HOME screen: a. Select FLASH DOWNLOAD, then select RETRIEVE FILES FROM THE USB STORAGE DEVICE. b. Highlight the appropriate calibra- tion. Select DOWNLOAD TO SCAN TOOL. c. When the download is complete, select CLOSE and BACK. 12. Reprogram the ECU. Using the StarSCAN-at the HOME screen: a. Select ECU VIEW. b. Select MORE OPTIONS. c. Select ECU FLASH. d. Highlight the appropriate calibra- tion. e. Select UPDATE CONTROLLER. Follow the on screen instructions. f. When the update is complete, select OK. g. Verify the part number at the top of the FLASH PCM screen has updated to the new part number. 13. Is WIN-WIRELESS NODE displayed in the ECU OVERVIEWscreen list of modules? a. If Yes, go to Step 14. b. If No, go to Step 15. 14. Program the PCM to the Wireless Ignition Node (WIN). Using the StarSCAN® at the HOME screen: a. Select ECU VIEW. b. Scroll through the list of con- trollers and highlight the WIN. c. Select MISC. FUNCTION. d. Highlight PCM REPLACED. e. SelectSTART. f. Follow the on screen instructions. Select NEXT after each step. Select FIN- ISH after completing the last step. g. When complete, proceed to Step 16. 15. Program the VIN into the PCM. a. Scroll through the list of con- trollers and highlight the PCM. b. Select MISC. FUNCTION. c. Highlight CHECK PCM VIN. d. Select START. e. Follow the on screen instructions. Select NEXT after each step. When the window appears with 17 boxes, select SHOW KEYBOARD.Place the cursor to the right of the last box and then back- space to delete the boxes from the win- dow. Enter the VIN. Select FINISH after completing the last step. f. Unplug the scan tool from the Data Link Connector (DLC). g. At the VEHICLE DISCONNECTED screen, press OK. h. Connect the scan tool to the DLC and verify that the VIN is visible at the top of the HOME screen.
  • 863.
    9-74 JEEP COMPASS •PATRIOT 16. Is the vehicle equipped with a3.7L or 4.7L engine? a. If Yes, go to Step 18. b. If No, go to Step 17. 17. Using the StarSCAN(y) at the HOME screen' a. Select ECU VIEW. b. Scroll through the list ofcon- trollers and highlight the PCM. c. Select MISC. FUNCTION. d. Highlight LEARN ETC. e. Select START. f. Follow the on screen instructions. Select NEXT after each step. Select FINISH after completing the last step. —•Due to the PCM programming proce- dure, a DTC may be set in othermod- ules (TCM. BCM, MIC, SKIM, etc.) within the vehicle, if so equipped. Some DTC's may cause the MIL to illu- minate. Check all modules using ECU VIEW from the HOME screen, record the DTC's, and erase these DTC's. Erase any DTC's in the PCM only after all other modules have had their DTC's erased. -••The following step is required by law. 18. Type the necessary information on the AUTHORIZEDMODIFICATION LABEL p/n 04275086AB and attach it near the VECI label. THROTTLE POSITION SENSOR (IPS) LOCATION The Throttle Position Sensor (TPS) is integral to the throttlebody. If it is deter- mined, that the TPS signal is bad,the throttle body assembly must be replaced. Refer to Throttle Body, removal & installa- tion. REMOVAL & INSTALLATION The throttle position sensor is notser- viceable as a standalone part. The throttle body position sensor is an integral part of the throttle body. If the throttle position sensor requires replacement, replace the throttle body assembly. Refer to Throttle Body, removal & Installation. VARIABLE CAMSHAFT TIMING OIL CONTROL SOLENOID LOCATION 36543_COMP_G0271 Fig. 177 Variable Camshaft Timing Oil Control Solennid—Front solenoid (1/1) Fig. 178 Variat le Camshaft Timing Oil Control Solenoid—Rear solenoid (1/2) REMOVAL & INSTALLATION Front Solenoid (1/1) See Figures 177 through 179 1. Before servicing the vehicle, refer to the Precautions Section. 2. Disconneqt the negativebattery cable. 3. Remove th 4. Rotate the way. 5. Disconnec electrical connecti 6. Remove th 7. Disconnec solenoid electrica engine cover, nose ciamp out of the the oil pressuresensor r. 3 oil pressuresensor, the variablevalve timing connector. See Figures 177 and 178. 8. Removem variablevalve timing solenoid mountinii bolt. 9. Pull the solenoid straight out of the cylinder head. Fig. 179 The solenoid for the front location (1/1) has a mounting tab that differs from the rear solenoid—Front solenoid shown To install: -»The solenoid for the front location (1/1) has a mounting tab that differs from the rear solenoid. 10. Install the solenoid into the cylinder head. 11. Install the mounting bolt and tighten it to 108 inch Ibs. (12Nm). 12. Install the oil pressure sensor. 13. Connect the electricalconnectorto the oil pressuresensor. 14. Connect the electrical connectorto the variable valve timing solenoid. 15. Connect the negative batterycable. 16. Install the engine cover. Rear Solenoid (1/2) See Figures 178 through180. 1. Beforeservicingthe vehicle,refer to the PrecautionsSection. 2. Disconnectthe negative battery cable. 3. Remove the engine cover. 4. Disconnect the variable valve timing solenoid electrical connector. 5. Removethe variable valve timing solenoid mounting bolt. 6. Pull the solenoid straight out of the cylinder head. To install: •••The rear variable valve timing sole- noid (1/2) mounting tab differs from the front solenoid. 7. Install the solenoid into the cylinder head. 8. Install the mounting bolt and tighten it to 108 inch Ibs.(12Nm). 9. Connect the electrical connector to the variable valve timing solenoid.
  • 864.
    JEEP COMPASS • PATRIOT9-75 Fig. 180 The solenoid for the rear location (1/2) has a mounting tab that differs from the front solenoid—Rear solenoid shown 10. Connect the negative battery cable. 11. Install the engine cover. VEHICLE SPEED SENSOR (VSS) LOCATION The Vehicle Speed Sensor is mounted above the transaxle differential assembly. REMOVAL & INSTALLATION 1. Disconnect the negative battery cable. 2. Remove the air intake assembly. 3. Disconnect the Vehicle Speed Sen- sor (VSS) electrical connector. •••Clean the area around the VSS before removal to prevent dirt from the entering the transaxle. 4. Remove the VSS retaining bolt and remove the VSS from the transaxle To install: 5. Install the VSS using a new 0-ring. Tighten the retaining bolt to 60 inch Ibs. (7 Nm). 6. Connect the VSS electrical connec- tor. 7. Install the air intake assembly. 8. Connect the negative battery cable. FUEL FUEL SYSTEM SERVICE PRECAUTIONS Safety is the most important factor when performing, not only fuel system mainte- nance, but any type of maintenance. Failure to conduct maintenance and repairs in a safe manner may result in serious personal injury or death. Maintenance and testing of the vehicle's fuel system components can be accomplished safely and effectivelyby adhering to the following rules and guide- lines. • To avoid the possibility of fire and per- sonal injury, always disconnect the negative battery cable unless the repair or test proce- dure requires that battery voltage be applied. • Always relievethe fuel system pres- sure prior to disconnecting any fuel system component (injector, fuel rail, pressure reg- ulator, etc.), fitting, or fuel line connection. Exercise extreme caution wheneverrelieving fuel system pressure to avoid exposing skin, face, and eyes to fuel spray. Pleasebe advised that fuel under pressure may pene- trate the skin or any part of the body that it contacts. • Always place a shop towel or cloth around the fitting or connection prior to loosening to absorb any excess fuel due to spillage. Ensure that all fuel spillage (should it occur) is quickly removed from the engine surfaces. Ensure that all fuel soaked cloths or towels are deposited into a suitable waste container. • Always keep a dry chemical (Class B) fire extinguisher near the work area. • Do not allow fuel spray or fuel vapors to come into contact with a spark or an open flame. • Always use a back-up wrench when loosening and tightening fuel line connec- GASOLINE FUEL INJECTION SYSTEM tion fittings. This will prevent unnecessary stress and torsion to the fuel line piping. • Always replace worn fuel fitting 0- rings with new. Do not substitute fuel hose or equivalent where fuel pipe is installed. Before servicing the vehicle, make sure to also refer to the precautions in the begin- ning of this section. RELIEVING FUEL SYSTEM PRESSURE A separate fuel pump relay is no longer used. A circuit within the Totally Integrated Power Module (TIPM) is used to control the electric fuel pump located within the fuel pump module. ** CAUTION The fuel system is under constant high pressure even with engine OFF. Until the fuel pressure has been properly relieved from the system, do not attempt to open the fuel system. Do not smoke or use open flames/sparks when servicing the fuel system. Wear protective clothing and eye protection. Make sure the area in which the vehicle is being serviced is in a well-ventilated area and free of flames/sparks. 1. Before servicingthe vehicle, refer to the Precautions Section. 2. Removethe fuel fill cap. 3. Remove the lower rear seat cushion. 4. Removethe fuel pump module cover. 5. Disconnect the fuel pump module electrical connector. 6. Start and run the engine until it stalls. 7. Attempt restarting the engine until it will no longer run. 8. Turn the ignition key to the OFF position. —After servicing the fuel system, one or more Diagnostic Trouble Codes (DTC's) may have been stored in the Powertrain Control Module(PCM) memory due to disconnecting the fuel pump module circuit. A diagnostic scan tool must be used to erase the DTC's. FUEL FILTER REMOVAL & INSTALLATION The fuel filter is part of the fuel pump module located in the fuel tank. It isser- viced as part of the fuel pump module. Refer to Fuel Pump Module, removal & installa- tion. FUEL PUMP MODULE REMOVAL & INSTALLATION See Figures 181 through184. ** CAUTION Release the fuel system pressure before servicing the fuel system com- ponents. Service vehicles in well ventilated areas and avoid ignition sources. Never smoke while servic- ing the vehicle. This may result in personal injury or death. 1. Beforeservicing the vehicle, refer to the Precautions Section. 2. Properly relieve the fuel system pressure. 3. Remove the air cleaner housing lid and disconnect the Intake Air Temperature (IAT) sensor and make-up air hose. 4. Remove the negative battery cable. 5. Remove the rear seat cushion.
  • 865.
    9-76 JEEP COMPASS •PATRIOT 6. Remove the plastic access cover. 7. Disconnect the electrical connector. 8. Matchmark the orientation of the fuel pump module to the tank before removal. '••The fuel pump module must be prop- erly located on the tank for the fuel gauge to work properly. 9. Cleanthe top of the tank to remove any loose dirt and debris. 10. Using Special Tool 9340 Spanner Wrench, remove the left side module lock ring. 11. Pull the fuel pump module up and out of the tank. WARNING The fuel pump module will be filled with fuel. Do not spill fuel inside the vehicle. 12. Tip the fuel pump module to the side and pour any fuel back into the tank. 13. Disconnectthe internal line from the fuel pump module. 14. Tip the module on its side again to drain any remaining fuel from the reservoir into the tank. 15. Removethe fuel pump from the vehicle. Fig. 181 Note the fuel pump location on the top of the fuel tank Fig. 182 Use a suitable spanner wrench to remove the lock ring of the fuel pump module Fig. 183 Ri move the fuel pump from the vehicle Fig. 184 Place a new seal between the tank threads and the pump module opening 16. Remove! the seal from the tank.Dis- card the seal. To install: I 17. Wipe the seal area of the tank clean and place a new seal betweenthe tank threads and the pump module opening. 18. Connectlthe internal line to the fuel pump module 19. Install trie module into the fuel tank. 20. Reposition the fuel pump module in the tank, alignirg the matchmark made ear- lier. 21. While hi Iding the fuel pump in posi- tion, install the 9340 Spanner 22. Connect 23. Install th 24. Install th 25. Install th connect the IAT hose. 26. Connect'tie negative battery cable ck ring using Special Tool rench. he electricalconnector, plastic access cover, rear seat cushion, air cleaner housing lid and ensor and make-up air 27. Pressuriz diagnostic scan the fuel system with a ool and check for leaks. FUEL RAIL ft INJECTORS REMOVAL & II See Figures 185 STALLATION ** CAUTION Release the fuel system pressure before servicing the fuel system com- ponents. Service vehicles in well ventilated areas and avoid ignition sources. Never smoke while servic- ing the vehicle. This may result in personal injury or death. 1. Before servicing the vehicle, refer to the Precautions Section. 2. Properly relieve the fuel system pressure. 3. Disconnect the negative battery cable. 4. Disconnect the electrical connectors from the fuel injectors. 5. Disconnect the fuel lineconnection at the fuel rail. 6. Remove the hard fuel line from the fuel rail. 7. Remove the wiring harnessclips from the fuel rail mounting studs. 8. Remove the two bolts holding the fuel rail at the lower manifold. 9. Remove the fuel rail. 10. Remove the clip holding the fuel injector to the fuel rail. 11. Remove the fuel injector, with the clip, from the fuel rail. Fig. 185 Disconnect the electrical connectors trom the fuel injectors—Fuel injector removal hrough 187. 22043 COMP_G0116 Fig. 186 After removing the wiring harness and mounting bolts, remove the fuel rail—Fuel injector removal
  • 866.
    JEEP COMPASS • PATRIOT9-77 22043_COMP_G0117 Fig. 187 Remove the fuel injector clip and fuel injector from the fuel rail—Fuel injector removal To install: 12. Apply a light coating of clean engine oil to the upper 0-ring of the fuel injector. 13. Install each injector in the cup on the fuel rail and then install the retaining clip. 14. Apply a light coating of clean engine oil to the 0-ring on the nozzle each of each injector. 15. Install the fuel rail/injector assembly by inserting the fuel injector nozzles into the openings in the lower intake manifold. 16. Tighten the fuel rail mounting bolts to 20 ft. Ibs. (27 Nm). 17. Install the wiring harness clips to the fuel rail mounting studs. 18. Attach the electrical connectors to the fuel injectors. 19. Install the fuel line to the fuel rail and connect the fuel supply tube. 20. Connect the negative battery cable. 21. Pressurize the fuel system with a diagnostic scan tool and check for leaks. FUEL TANK REMOVAL & INSTALLATION See Figure188. 1. Before servicing the vehicle, refer to the Precautions Section. 2. Properly relieve the fuel system pressure. 3. Remove the air cleaner housing lid and disconnect the Intake Air Temperature (IAT) sensor and make-up air hose. 4. Remove the rear seat cushion. 5. Remove the plastic accesscover. 6. Disconnect the electrical connector and fuel lines. 7. Drain the fuel from the fuel tank. 8. Raise and safely support the vehicle. 9. If equipped with All Wheel Drive, remove the driveshaft. Refer to Rear Drive Axle, Driveshaft, removal & installation. 10. Remove the exhaust system. 11. Remove the rear suspension stay bars. 12. If equipped with All Wheel Drive, the rear differential module must be lowered as follows: a. Tie the rear driveline module to the suspension crossmember. b. Support the rear differential module with a suitable jack. c. Remove the 3 mounting bolts and lower the rear differential module from the suspension crossmember. 13. Remove all necessary splash shields. 14. Disconnect the vapor canister line. 15. Disconnect the filler tube recircula- tion vent and purge lines. 16. Disconnect the rubber fill hose from the fuel tank. 17. Remove the parking brake cable mounts from the fuel tank straps. 18. Support the fuel tank with a suitable jack and secure the fuel tank to the jack. 19. Remove the fuel tank strap mounting bolts. 20. Lower and remove the fuel tank from the vehicle. To install: 21. Lift the fuel tank into position and install the fuel tank straps. Tighten the mounting bolts to 35 ft. Ibs. (47 Nm). — Ensure the straps are not twisted or bent. 22. Install the parking brake cable mounts. 23. Connect the filler tube recirculation vent and purge lines. 24. Connect the fill tube to the fuel tank inlet. Tighten the hose clamp to 35 inchIbs. (4 Nm). 25. Connect the vapor canister line. 26. If equipped with All Wheel Drive, install the rear differential module. 27. Install the rear suspension stay bars. 28. Install the splash shields. 29. Install the exhaust system. Fig. 188 Lower and remove the fuel tank from the vehicle 30. If equipped with All Wheel Drive, install the driveshaft. Refer to Rear Drive Axle, Driveshaft, removal & installation. 31. Connect the electrical connectors and fuel lines to the fuel pump module. 32. Install the plastic access cover. 33. Install the rear seat cushion. 34. Install the air cleaner housing lid and Connect the IAT sensor and make-up air hose. 35. Connect the negative battery cable. 36. Pressurizethe fuel system with a diagnostic scan tool and check for leaks. IDLE SPEED ADJUSTMENT The idle speed is control by the Power- train Control Module (PCM). No adjustment is necessary or possible. THROTTLE BODY REMOVAL & INSTALLATION See Figures 189 and 190. ** CAUTION DO NOT place fingers in or around the throttle body plate. If the throttle body is energized, the throttle plate could move causing personal injury. Always disconnect the negativebat- tery cable prior to servicing the throttle body. w-DO NOT move the throttle plate while power is connected to the throttle body. This may cause fault codes toset. 1. Before servicing the vehicle, refer to the Precautions Section. 2. Disconnect and isolate the negative battery cable at the battery. Fig. 189 Disconnectthe throttle body electrical connector(1) from the throttle body (2)
  • 867.
    9-78 JEEP COMPASS •PATRIOT 3. Remove the throttle body air intake hose. 4. Disconnect the throttle body electri- cal connector (1) from the throttle body (2). 5. Removethe throttle body support bracket bolt. 6. Remove the 4 bolts, throttle body bracket, and throttle body from the intake manifold. 7. Inspect the four j-nuts for damage or excessive wear, remove if necessary. 8. Inspect the intake manifold-to- throttle body gasket for damage, remove if necessary. To install: 9. Install a new intake manifold-to- throttle body gasket, if replacement was necessary. 10. Install 4 new j-nuts, if replacement was necessary. ## WARNING DO NOT OVER TORQUE. Over-tighten- ing can cause damage to the throttle body, gaskets, bolts and/or the intake manifold. 11. Install the t intake manifold. 12. Install the t bracket (3) and tig to 18 ft. Ibs. (25 N 13. Install the 4 tighten. 14. Tighten the pattern sequence ti (8 Nm). 15. Connect thf to the throttle bod) 16. Install the c the clamps to 35 ii 17. Connect thi tighten the nut to <: 18. Use a scan codes, then perfor function. ^A Scan Tool m electrical param Miscellaneous IV ETC Relearn. If 1 performed, a Di Code (DTC) will use a scan tool1 rottle body (4) to the rottle body support iten the bracket bolt (2) n). bolts (1)and hand bolts in a crisscross i 65 inch Ibs. electrical connector (1) (2). ean air hose and tighten ch Ibs. (4 Nm). negative battery cable, 5 inch Ibs. (5 Nm). ool and clear all fault n the ETC RELEARN ay be used to learn ters. Go to the enu, and then select e relearn is not gnostic Trouble e set. If necessary, erase any DTC's from the Powertrain Control Module (PCM). 1. Mounting bolts 2. Bracket bolt 3. Support bracket 4. Throttle body Fig. 190 Install the throttle body to the intake manifold HEATING & AIR CONDITIONING SYSTEM BLOWER MOTOR REMOVAL & INSTALLATION See Figure 191. -••The blower motor is located on the bottom of the passenger side of the HVAC housing. The blower motor can be removed from the vehicle without having to remove the HVAC housing. 1. Before servicing the vehicle, refer to the Precautions Section. 2. Disconnect and isolate the negative battery cable. 3. If eguipped, remove the silencer from below the passenger side of the instru- ment panel. 4. From underneath the instrument panel, disengage the connector lock and disconnect the instrument panel wire har- ness connector (1) from the blower motor (2). 5. Remove the 3 screws (3) that secure the blower motor and the wire lead bracket (4), if equipped, to the bottom of the HVAC housing (5). 6. Remove the blower motor from the vehicle. To install: 1. Position the blower motor (2) into the bottom of the HVAC housing (5). 1. Wire 2. Blow 3. Moun 4. Brack 5. HVAC Fig. 191 View assembly 8. Install the the blower motor (4), if eguipped, Tighten the screv 9. Connect t harness connect and engage the c 10. Ifeguippe below the passer panel. 11. Reconnec irness connector motor ng screws t lousing the blower motor 3 screws (3) that secure and the wire lead bracket the HVAC housing. to 10 inch Ibs. (1 Nm). instrument panel wire (1) to the blower motor nnector lock. , install the silencer erside of the instrument the negative battery cable. HEATER CORE REMOVAL & INSTALLATION See Figures 192 through 197. 1. Before servicing the vehicle, refer to the Precautions Section. 2. Disconnect the negative batterycable. 3. Disable the air bag system. 4. Recover the refrigerantfrom the HVAC system. 5. Drain the cooling system. Fig. 192 Remove the bolt (1) that holds the A/C liquid and suction lines (2) to the evaporator (3).Dsconneche heater hoses and cap the open core tubes
  • 868.
    JEEP COMPASS • PATRIOT9-79 Fig. 193 Remove the passenger side end cap (2) and remove the support bolts (1)— Instrument panel removal Fig. 194 Remove the fence line bolts (2) from the upper cowl panel (1)—Instrument panel removal 6. Remove the heat shield located on the dash panel in the engine compartment. 7. Remove the bolt that secures the A/C liquid and suction line assembly to the A/C evaporator. 8. Disconnect the A/C liquid andsuc- tion line assembly from the A/C evaporator and remove and discard the dual-plane seals. 9. Cap the opened refrigerant linefit- tings and the evaporator ports. 10. Disconnect the heater hoses from the heater core tubes. Install plugs in, or tape over the opened heater core tubes topre- vent coolant spillage during housing removal. 11. Remove the instrument panel asfol- lows: a. Remove the floor console. b. Remove the shift mechanism. Fig. 195 Remove the center support bolts (3), end cap (1) and driver's side support bolts (4)—Instrument panel removal I. Remove the passenger side silencer pad. m. Disconnect the radio antenna. n. Disconnect the HVAC wiring har- ness connectors. o. Removethe fence line bolts from the upper cowl panel. p. Separatethe center wiring harness. q. Disconnect the main wiring har- ness connectors at the driver's side cowl. r. Disconnect the wiring harnesscon- nectors at the driver's side A-pillar. s. Removethe center support bolts. t. Remove the end cap and remove the driver's side support bolts. u. Remove the instrument panel from the vehicle. 12. Removethe rear floor ducts. Fig. 196 Lift the instrument panel (1) off the support clips (2, 4) and pins (5) to remove c. Removethe side cowl panels. d. Remove the passenger side air bag. e. Using a trim stick, separate the snap clips and remove the steering col- umn opening cover. f. Removethe screws and remove the steering column reinforcement. g. Using a trim stick, remove the upper trim cover over the center bezel and radio. h. Remove the compass module from under the upper cover. i. Removethe HVAC housing-to- instrument panel screws. j. Disconnect the electrical connec- tors from the A-pillar. k. Remove the passenger side end cap and remove the support bolts. 13. Removethe condensation drain tube. 14. Remove the nut that secures thepas- senger side of the HVAC housing to the dash panel. 15. Pull the HVAC housing rearward and remove the HVAC housing assembly from the passenger compartment. 16. Remove the left side front floor duct. 17. Remove the foam seal from the flange located on the front of the HVAC housing. 18. Remove the screw that secures the flange to the front of the HVAC housing and remove the flange. 19. Remove the screw that secures the retaining bracket for the heater core tubes to the left side of the air distribution housing. 20. Carefully pull the heater core out of the driver's side of the air distribution housing.
  • 869.
    9-80 JEEP COMPASS •PATRIOT 1. Foam seal 2. Flange 3. Screw 4. Retaining bracket 5. Air distribution housing 10. Screi 6. Heater core 7. Seal 8. Heated core tubes 9. HVAC housing Fig. 197 Heater core components 22043_COMP_G0128 STEERING POWER RACK & PINION STEERING GEAR REMOVAL & INSTALLATION See Figures 198 through202. 1. Before servicing the vehicle, refer to the Precautions Section. 2. Siphon as much power steering fluid from the power steering pump as possible. 3. Reposition the floor carpeting to access the intermediate shaft at the base of the column. 4. Position the front wheels in the straight-ahead position. 5. Turn until the inti the base of accessed. 6. Rem ^Do nots shaft from shaft at thi 7. Retu straight-ahe 8. Use the wheel in 9. Raise 10. Rem Fig. 198 Under the carpet (1), remove the coupling bolt (3) that connects the inter- mediate shaft (2) to the steering gear pin- ion shaft (4) Fig. 199 U lock the wh steering wheel to the right mediate shaft coupling bolt at steering column can be the coupling bolt. arate the intermediate e steering gear pinion ime. the front wheels to the position. teering wheel holder to lock place. nd safely support the vehicle. e the front wheels. 22043_COMP_G0130 a steering wheel holder to j| into position To install: 21. Carefully install the heater core into the left side of the air distribution housing. 22. Install the retaining bracket that secures the heater core tubes. Tighten the screw to 10 inch Ibs. (1 Nm). 23. Install the flange that secures the heater core tubes to the front of the HVAC housing. 24. Tighten the screw that secures the flange to the HVAC housing to 10 inchIbs. (1 Nm). 25. Install the foam seal onto the flange. 26. Installation is the reverse order of the removal process. 27. If the heater core was replaced, the cooling system must be flushed. 28. Charge the refrigerant system. 29. Refill the cooling system to the cor- rect level. 30. Start the engine and check for leaks. Fig. 200 Remove the bolts (1, 2) securing the heat shield (3) to the crossmember (4)—Steering gear removal Fig. 201 Disconnect the pressure (2) and return (1] hoses Uom Ihe steering gear (3)—Steering gear removal
  • 870.
    JEEP COMPASS • PATRIOT9-81 11. On the side of the gear, remove the nut from the outer tie rod end at the knuckle. 12. One the side of the gear, separatethe tie rod end from the knuckle using Special Tool 9360 Remover or equivalent. 13. Remove the engine skid plate, if equipped. 14. Remove the rear engine mount. 15. Remove the front engine mount through-bolt. 16. Remove the three bolts securing the heat shield to the crossmember and remove the shield. 17. Disconnect the pressure and return hoses from the steering gear. 18. Remove the fastenersthat secure the power steering hose routing clamps to the crossmember. 19. Remove the bolts securing the stabi- lizer bushing retainers to the crossmember and remove the stabilizer bushing retainers. —•Before removing the front suspension crossmember from the vehicle, the location of the crossmember must be marked on the body of the vehicle. If the front suspension crossmember is not reinstalled in exactly the same position, the preset wheel alignment settings will be lost. 20. Matchmark the location of the front crossmember on the body near each mount- ing bolt. 21. Support the front crossmember with a suitable jack. 22. Remove the mounting bolts securing the crossmember to the body. 23. Lower the crossmember enough to access the intermediate shaft coupling and slide it off the pinion shaft. 24. Remove the two bolts securing the steering gear to the crossmember. 25. Rotate the sway bar up in order to access the steering gear. 26. Removethe steering gear from the crossmember. To install: 27. Rotate the sway bar up and install the steering gear on the crossmember. Tighten the mounting bolts to 52 ft. Ibs. (70 Nm). 28. Center the power steering gear rack in its travel as necessary. —When installing the front suspension crossmember back in the vehicle, it is very important that the crossmember be attached to the body in exactly the same spot as when it was removed. Otherwise, the vehicle's wheel align- ment settings (caster and camber) will be lost. 29. Slowly raise the crossmember into its mounted position using a suitable jack matching the crossmember to the marked locations on the body made during removal. 30. Check the positioning of the seals at the dash panel and adjust as necessary. 31. Install the 4 mounting bolts (2 each side) securing the front crossmember to the body and tighten the bolts to 111 ft.Ibs. (150 Nm). 32. Install the retainersover the stabi- lizer bar cushions and tighten the bolts to 22 ft. Ibs. (30 Nm). 33. Install the fasteners securing the power steering hose routing clamps to the crossmember. Use a new push clip on the left and tighten the screw on the right to 71 inch Ibs. (8 Nm). Fig. 202 Remove the mounting bolts (1) to remove the steering gear (2) from the front crossmember 34. Install the pressure hose on the steering gear and tighten the tube nut to 24 ft. Ibs. (32 Nm). 35. Install the return hose on the steer- ing gear and tighten the tube nut to 15 ft. Ibs. (20 Nm). 36. Position the heat shield on the crossmember. Tighten the 2 front mounting screws to 35 inch Ibs. (4 Nm) and tighten the rear mounting screw to 13 ft. Ibs. (17 Nm). 37. Install the front engine mount through-bolt. 38. Install the rear engine mount. 39. If equipped, install the engine skid plate. —Prior to attaching the outer tie rod end to the knuckle, inspect the tie rod seal boot. If the seal boot is damaged, replace the outer tie rod end. 40. On each side of the steering gear, install the outer tie rod end into the hole in the knuckle arm. Start a NEW tie rod mount- ing nut onto the stud. While holding the tie rod end stud with a wrench, tighten the nut with a wrench or crowfoot wrench to 97 ft. Ibs. (132 Nm). 41. Install the front wheels. 42. Lower the vehicle. 43. Remove the steering wheel holder. 44. Verify the front wheels of vehicle are in the straight-ahead position. 45. Center the intermediate shaft over the steering gear pinion shaft, lining up the ends, then slide the intermediate shaft onto the steering gear pinion shaft. 46. From center, rotate the steering wheel to the right approximately 90° or until the intermediate shaft coupling bolt can be easily installed. 47. Install the intermediate shaft cou- pling bolt and tighten to 31 ft. Ibs. (42Nm). 48. Reposition the floor carpet in place. 49. Straighten the steering wheel to straight-ahead position. 50. Fill and bleed the power steering system. 51. Start the engine and check for leaks. 52. Check and adjust the alignment, as necessary. POWER STEERING PUMP REMOVAL & INSTALLATION See Figures 203 and 204. 1. Before servicing the vehicle, refer to the Precautions Section. 2. Siphon as much power steering fluid from the pump as possible.
  • 871.
    9-82 JEEP COMPASS •PATRIOT 3. Remove the engine appearance cover. 4. Remove the pressure hose routing bracket bolt from the upper mount. 5. Remove the pressure hose at the pump pressure port. 6. Remove the hose clamp securing the supply hose at the pump. 7. Remove the pump. 8. Removethe Refer to Accessory installation. 9. Remove tht through the pulley 10. Remove th( supply hose from the accessory drive belt. Drive Belts, removal & 3 pump mounting bolts openings. power steering pump. Fig. 203 Remove the hose clamp (2) and supply hose (1) from the power steering pump (3) p)wer To install: 11. Using a the open power sti and the power steejring any used 0-rings ring(s) with clean 12. Place the position and tighten 19ft. Ibs. (26 Mm; 13. Install the to Accessory Drive lation. 14. Install the and secure the ho; 15. Install the free towel, wipe clean ering pressure hose end pump port. Replace vith new. Lubricate the fl- ower steering fluid. steering pump into the mounting bolts to ;cessory drive belt. Refer Belts, removal & instal- pressure pump am 24 ft. Ibs.(32 Nm) 16. Install the [ bracket bolt to the upply hose at the pump e clamp. ressure hose at the pump I tighten thetube nut to ressure hose routing upper mount. 1. Supply hose 2. Routing bracket bolt 3. Pressure hose 4. Power steering pump 5. Pump pressure port 6. Accessory drive belt 7. Pump pulley 8. Upper mount Fig. 204 Power steering pump and related components 17. Fill and bleed and power steering system. 18. Start the engine and check for leaks. 19. Install the engine appearance cover. BLEEDING See Figure 205. CAUTION Fluid level should be checked with the engine OFF to prevent personal injury from moving parts and to assure an accurate fluid level read- ing. WARNING MOPAR® Power Steering Fluid + 4 or MOPAR® ATF+4 Automatic Transmis- sion Fluid is to be used in the power steering system. Both Fluids have the same materialstandard specifica- tions (MS-9602). No other power steering or automatic transmission fluid is to be used in the system.Dam- age may result to the power steering pump and system if another fluid is used. Do not overfill the system. WARNING If the air is not purged from the power steering system correctly, pump failure could result. — Be sure the vacuum tool used in the following procedure is clean and free of any fluids. 1. Before servicing the vehicle, refer to the Precautions Section. 2. Check the fluid level. a. The power steering fluid level can be viewed through the side of the power steering fluid reservoir. b. Compare the fluid level to the markings on the side of thereservoir. When the fluid is at normal ambient tem- perature, approximately 70-80° F (21-27° C), the fluid level should read between the MAX and MIN markings. c. When the fluid is hot, the fluid level is allowed to read up to the MAX line. —Do not fill fluid beyond the MAX mark. Check the cap seal for damage and replace if needed. 3. Remove the cap from the fluid reser- voir and fill the power steering fluid reser- voir up to the MAX marking with MOPAR® Power Steering Fluid + 4 or MOPAR'Ri ATF+4 Automatic Transmission Fluid.
  • 872.
    JEEP COMPASS • PATRIOT9-83 1. Vacuum pump reservoir 2. Hand vacuum pump 3. Reservoir 4. Power steering cap adaptor 36543_DAKO_G0210 Fig. 205 Hand Vacuum Pump, Special Tool C-4207 illustrated 4. Tightly insert the Power Steering Cap Adapter (4), Special Tool 9688, into the mouth of the reservoir (3). ^Failure to use a vacuum pump reser- voir (1) may allow power steering fluid to be sucked into the hand vacuum pump. 5. Attach the Hand Vacuum Pump (2), Special Tool C-4207, or equivalent, with reservoir (1) attached, to the Power Steering Cap Adapter (4). WARNING Do not run the vehicle while vacuum is applied to the power steering sys- tem. Damage to the power steering pump can occur. "»When performing the following step make sure the vacuum level is maintained during the entire time period. 6. Using Hand Vacuum Pump (2), apply 20-25 inches Hg (68-85 kPa) of vacuum to the system for a minimum of 3 minutes. 7. Slowly release the vacuum and remove the special tools. 8. Adjust the fluid level as necessary. 9. Repeat above steps until the fluid no longer drops when vacuum is applied. 10. Start the engine and cycle the steer- ing wheel lock-to-lock 3 times. ^•Do not hold the steering wheel at the stops. 11. Stop the engine and check for leaks at all connections. 12. Check for any signs of air in the reservoir and check the fluid level. If air is present, repeat the procedure as necessary. WARNING Do not run a vehicle with foamy fluid for an extended period. This may cause pump damage. SUSPENSION LOWER BALL JOINT REMOVAL & INSTALLATION The lower ball joint is an integral part of the lower control arm and is not service- able. If the lower ball joint fails, the lower control arm must be replaced. Refer to Lower Control Arm, removal & installa- tion. LOWER CONTROL ARM REMOVAL & INSTALLATION See Figures 206 and 207. 1. Before servicing the vehicle, refer to the Precautions Section. 2. Raise and safely support the vehicle. 3. Remove the front wheel. 4. Remove the nut and pinch bolt that secures the ball joint stud to the knuckle. WARNING Upon removing the knuckle from the ball joint stud, do not pull outward on the knuckle. Pulling the knuckle out- ward at this point can separate the inner CV-joint on the halfshaft, thus damaging it. 5. Using a suitable pry tool, separate the ball joint stud from the knuckle by prying down on the lower control arm and up against the ball joint on the knuckle. FRONT SUSPENSION 1. Steering knuckle 2. Suitable pry tool 3. Lower control arm 4. Ball joint stud Fig. 206 Using a suitable pry tool, separate the ball joint stud from the knuckle by prying down on the lower control arm
  • 873.
    9-84 JEEP COMPASS •PATRIOT 1. Nut 2. Front bolt 3. Lower control arm 4. Suspension crossmeml 22043_COMP_G0142 Fig. 207 Remove the front bolt and nut on the rear bolt that at the suspension crossmember in order to remove the lower control arm aches the lower control arm to b. Vehicles built after 8/1/08—118ft. Ibs. (160 Nm). 14. Install the ball joint stud into the knuckle, aligning the bolt hole in the knuckle boss with the groove formed in the side of the ball joint stud. Install a new ball joint stud pinch bolt and nut and tighten the nut to 60 ft. Ibs. (82 Nm). 15. Install the front wheel. Tighten the wheel lug nuts to 100 ft. Ibs. (135 Nm). 16. Lower the vehicle. 17. Check the alignment and ad/'usf as necessary. MACPHERSON STRUT REMOVAL & INSTALLATION See Figures 208 and209. 1. Before servicing the vehicle, refer to the Precautions Section. 2. Raise and safely support thevehicle. 3. Remove the frontwheel. —•If both strut assemblies are to be removed, mark the strut assemblies right or left and keep the parts sepa- rated to avoid mix-up. Not all parts of the strut assembly are interchangeable side-to-side. 4. Remove the bolt securing the brake hose routing bracket to the strutassembly. WARNING Use care to not damage the ball joint seal. 6. Remove the front bolt attaching the lower control arm to the front suspension crossmember. 7. Remove the nut on the rear bolt attaching the lower control arm to the front suspension crossmemberand remove the bolt. 8. Remove the lower control arm. To install: 9. Placethe lower control arm into the front suspensioncrossmember. 10. Insert the rear bolt up through the crossmember and lower control arm. 11. Install, but do not fully tighten, the nut on the rear bolt attaching the lower con- trol arm to the crossmember. 12. Install, but do not fully tighten, the front bolt attaching the lower control arm to the crossmember. 13. With no weight or obstruction on the lower control arm, tighten the lower control arm front pivot bolt (2) to the following: a. Vehicles built prior to 8/1/08— 1. Stabilizer link 2. Nut 3. Strut 4. Nut 5. Bolt head 6. Steering knuckle 36543_COMP G0108 Fig. 208 Remove the nut that secures the stabilizer link to the strut. Hold the bolt heads stationary while removing the nuts that hold the strut to the knuckle
  • 874.
    JEEP COMPASS • PATRIOT9-85 Fig. 209 Remove the nuts (1) attaching the strut upper mount to the strut tower and remove the strut assembly (2) 5. While holding the stabilizer bar link stud stationary, remove the nut securing the link to the strut assembly. 6. While holding the bolt heads station- ary, remove the nuts from the bolts that attach the strut to the knuckle. 7. Remove the 2 bolts attaching the strut assembly to the knuckle using a pin punch. —The bolts are serrated and cannot be turned. 8. Remove the 3 nuts attaching the strut upper mount to the strut tower. 9. Remove the strut assembly from the vehicle. To install: 10. Install the strut assembly into the strut tower. Tighten the 3 mounting nuts to 35 ft. Ibs. (48Nm). 11. Position the lower end of the strut assembly in line with the upper end of the knuckle. Align the holes and install the 2 attaching bolts. While holding the bolt heads stationary, tighten the nuts to 81 ft. Ibs. (110 Nm). 12. Attach the stabilizer links to the strut and tighten the nuts to 43 ft. Ibs.(58Nm). 13. Secure the brake hose routing bracket to the strut and tighten the screws to 10ft. Ibs.(13Nm). 14. Install the front wheels and tighten the lug nuts to 100 ft. Ibs. (135 Nm). 15. Lower the vehicle. 16. Check and adjust the alignment, as necessary. STEERING KNUCKLE REMOVAL & INSTALLATION See Figure 210. 1. Before servicing the vehicle, refer to the Precautions Section. 2. Raise and safely support the vehicle. 3. Remove the front wheel. 4. Remove the cotter pin from the hub nut. 5. With an assistant applying the brakes to keep the hub from rotating, remove the hub nut and washer from the axle shaft. 6. Remove the brake rotor. 7. Remove the routing clip securing wheel speed sensor cable to the knuckle. 8. Removethe wheel speed sensor. Refer to Wheel Speed Sensor, removal & installation. 9. Remove the nut attaching the outer tie rod to the steering knuckle. To do this, hold the tie rod end stud with a wrench while loosening and removing the nut with a standard wrench or crowfoot wrench. 10. Release the outer tie rod end from the knuckle using Special Tool 9360 Ball Joint Remover. 11. Remove the outer tie rod from the knuckle. 12. Remove the nut and pinch bolt clamping the ball joint stud to the knuckle. •••The strut assembly-to-knuckle attaching bolts are serrated and must not be turned during removal. 13. While holding the bolt heads station- ary, remove the 2 nuts from the bolts attach- ing the strut to the knuckle. 14. Remove the 2 bolts attaching the strut to the knuckle using a pin punch. WARNING Use care when separating the ball joint stud from the knuckle, so the ball joint seal does not getcut. 15. Using a suitable pry tool, separate the ball joint stud from the knuckle by prying down on lower control arm and up against the ball joint boss on the knuckle. WARNING Do not allow the halfshaft to hang by the inner CV-joint. It must be sup- ported to keep the joint from separat- ing duringthisoperation. 16. Pull the knuckle off the halfshaft outer CV-joint splines and remove the steering knuckle from the vehicle. To install: 17. Slide the hub of the knuckle onto the splines of the halfshaft outer CV-joint. 1. Halfshaft splines 2. Nut 3. Steering knuckle 4. Pinch bolt 5. Nut 6. Ball joint stud 7. Outer tie rod Fig. 210 View of steering knuckle and related components 36543_COMP_G0111
  • 875.
    9-86 JEEP COMPASS •PATRIOT 18. Install the knuckle onto the ball joint stud aligning the bolt hole in the knuckle boss with the groove tormed into the side of the ball joint stud. 19. Install a new ball joint stud pinch bolt and nut. Tighten the nut to 60 ft. Ibs. (82Nm). 20. Position the lower end of the strut assembly in line with the upper end of the knuckle, aligning the mounting holes. Install the 2 mounting bolts. Install the nuts on the 2 bolts and tighten the nuts to 62 ft. Ibs. (84 Nm). 21. Install the outer tie rod ball stud into the hole in the knuckle arm.Start the tie rod end-to-knuckle nut onto the stud. While holding the tie rod end stud with a wrench, tighten the nut with a wrench or crowfoot wrench to 97 ft. Ibs.(132Nm). 22. Install the wheel speed sensor and tighten the mounting screw to 106 inchIbs. (12 Nm). 23. Install the routing clip securing the wheel speed sensor cable to the knuckle. 24. Install the brake rotor, disc brake caliper, and adapter. Refer to Brake Caliper, removal & installation. 25. Clean all foreign matter from the threads of the halfshaft outer CV-joint. 26. Install the washer and hub nut on the end of the halfshaft and snug it. 27. Have an assistant apply the brakes to keep the hub from rotating and tighten the hub nut to 180 ft. Ibs. (244 Nm). 28. Insert the cotter pin through the notches in the nut and the hole in halfshaft. If the notches in the nut do not line up with the hole in the halfshaft, continue to tighten the nut until they do. Do not loosen thenut. 29. Wrap the cotter pin ends tightly around the locknut. 30. Install the front wheel and tighten the lug nuts to 100 ft. Ibs. (135Nm). 31. Lower the vehicle. 32. Check the alignment and adjust, as necessary. STABILIZER BAR REMOVAL & INSTALLATION See Figure 211. 1. Before servicing the vehicle, refer to (fie Precautions Section. 2. Raise and safely support the vehicle. 3. Remove the engine skid plate, if equipped. 4. Remove the rear engine mount. 5. Remove the front engine mount through-bolt. 6. Remove the fasteners that secure the ^awst steering hose clamps to the front suspension crossmember. 7. Ate the stabilizer and remove stabilizer bs 8. Ren lizer bar bu ich end of the stabilizer bar, hold bar link lower stud stationary the nut securing the link to the pension en: 9. Ren retainers (^Before crossme location o marked o the front not reinst position, settings ove the bolts securing the stabi- shing retainers to the frontsus- ssmember. ove the 2 stabilizer bushing 10 crossmeml ing bolt. 11. Support the front crossmember with a suitable 12. Ren ove the crossm 13. Lowler clearance to between th( the body. To inst ill: •••Before stabilizer bar installation, inspect th! cushions and links for excessive wear, cracks, damage, and moving the front suspension ber from the vehicle, the the crossmember must be the body of the vehicle. If spension crossmember is lied in exactly the same e preset wheel alignment ill be lost. ;hmark the location of the front er on the body near each mount- ick. the mounting bolts securing Bmber to the body, the crossmember until there is remove the stabilizer bar rear of the crossmember and distortion. Replace any pieces failing inspection. •••Before installing the stabilizer bar, make sure the bar is not upside-down. The stabilizer bar must be installed so that, when in the mounted position, the ends of the bar curve over the top of the steering gear before attaching to the links. 14. Install the stabilizer bar, link ends first, from the rear over top of the cross- member. Curve the ends of the bar over the steering gear. 15. Slowly raise the crossmember into its mounted position using a suitable jack matching the crossmember to the marked locations on the body made during removal. 16. Install the 4 mounting bolts (2 each side) securing the front crossmember to the body and tighten the bolts to 140 ft. Ibs. (190 Nm). 17. Install the retainers over the stabi- lizer bar cushions and tighten the bolts to 22 ft. Ibs. (30Nm). 18. Attach the stabilizer bar link at each end of the stabilizer bar. Tighten the nuts to 43 ft. Ibs.(58Nm). 19. Install the fastenerssecuring the power steering hose routing clamps to the crossmember. Use a new push clip on the left and tighten the screw on the right to 71 inch Ibs.(8Nm). 1. Stabilizer bar link 2. Stabilizer bar 3. Nut 36543_COMP_G0110 Fig. 211 link to thi lold the stabilizer bar link lower stud stationarv and remove the nut that secures the stabilizer bar
  • 876.
    COMPASS • PATRIOT JEEPg_87 20. Install the rear engine mount. 21. Install the front engine mount through-bolt. 22. Install the engine skid plate, if equipped. 23. Lower the vehicle. 24. Check and adjust the alignment, as necessary. WHEEL HUB & BEARING REMOVAL & INSTALLATION See Figures 212 through 217. 1. Before servicing the vehicle, refer to the Precautions Section. 2. Raise and safely support the vehicle. 3. Remove the front wheel. 4. Remove the steering knuckle assem- bly from the vehicle. Refer to Steering Knuckle, removal & installation. 5. Position the locator block for Special Tool 9712Fixture, as follows: a. For left side knuckles, place the locator block to the left side on the Fixture. The side of the locator block with the angle cut goes downward, toward the Fixture. Install fbe mounting screws and tighten them to approximately 40 ft. Ibs. (54 Nm). b. For right side knuckles, place the locator block to the right side on the Fix- ture. The side of the locator block with the angle cut goes downward, toward the Fixture. Install the mounting screws and tighten them to approximately 40 ft. Ibs. (54 Nm). 6. Install the knuckle in the Fixture as shown, guiding the steering arm to rest on the locator block and the brake caliper mounting bosses on the two Fixture pins. 7. Place the Fixture with knuckle installed into an arbor press. 8. Position Special Tool 9712-2 Fig. 212 Install the locator block (2) on Special Tool 9712 (1) for the left (4) or right (3) side knuckle as shown Fig. 213 Install the knuckle in the Fixture as shown, guiding the steering arm (1) to rest on the locator block (3) and the brake caliper mounting bosses on the two Fixture pins (2) Fig. 214 Remove the snap ring (2) from the knuckle using an appropriate pair of snap ring pliers (1) Remover/Installer in the small end of the hub. Lower the arbor press ram and remove the hub from the wheel bearing and knuckle. The bearing race will normally come out of the wheel bearing with the hub as it is pressed out of the bearing. 9. Remove the knuckle from the Fixture and turn it over. 10. Remove the snap ring from the knuckle using an appropriate pair of snap ring pliers. 11. Place the knuckle back in the Fixture in the arbor press ram. 12. Place Special Tool MD-998334 Installer on the outer race of the wheel bear- ing. Lower the arbor press ram and remove the wheel bearing from the knuckle. To install: -••When installing the wheel bearing (1) in the knuckle (2) it is important to Fig. 215 Put the knuckle assembly back into the fixture (3) and place Special Tool MD-998334 Installer (2) on the outer race of the wheel bearing. Lower the arbor press ram (1) and remove the wheel bearing from the knuckle Fig. 216 When installing the wheel bearing (1) in the knuckle (2) it is important to place the side of bearing with the wheel speed sensor magnetic encoder ring (dark band) (3) in the knuckle first place the side of bearing with the wheel speed sensor magnetic encoder ring (dark band) (3) in the knuckle first. Otherwise, the wheel speed sensor will not operate correctly. 13. Wipe the bearing bore of the knuckle clean of any grease or dirt. 14. Place the knuckle in an arbor press supporting the knuckle from underneath using Special Tool 6310-1 Cup. 15. Place the NEW wheel bearingmag- netic encoder ring side down into the bore of the knuckle. Be sure the wheel bearing is placed squarely into the bore.
  • 877.
    9- JEEP COMPASS •PATRIOT 16. Place Special Tool 8498 Receiver, larger inside diameter end down, over the outer race of the wheel bearing. 17. Place Special Tool 6310-2 Disc, into the top of Receiver 8498. Lower the arbor press ram and press the wheel bearing into the knuckle until it is bottomed in the bore of the knucjkle. 18. Remove the knuckle and tools from the arbor press. 1. Shop press 2. Special Tool 6310-2 3. Special Tool 8498 4. Special Tool 6310-1 5. Wheel bearing Fig. 217 With knuckle installed on top of Special Tool 6310-1, use a suitable shop press and Special Tools 6310-2 and 8498 to press the new wheel bearing into the knuckle SUSPENSION COIL SPRING REMOVAL & INSTALLATION The coil spring is part of the strut assem- bly. For additional information, refer to the following section, Strut and Spring Assem- bly, removal & installation. CONTROL ARMS/LINKS REMOVAL & INSTALLATION Lower Control Arm See Figure 218. 1. Before servicing the vehicle, refer to the Precautions Section. 2. Raise and safely support the vehicle. 3. Remove the rear wheel. 4. Hold the stabilizer bar link lower stud stationary and remove the nut securing the link to the lower control arm. 5. Remove the lower strut assembly nut and bolt. 6. Remove the stay brace. 7. Remove the bolt securing the lower control arm to the trailing arm. 19. Install a new snap ring in the knuckle using an appropriate pair of snap ring pliers. 20. Place the knuckle in an arbor press. Support the knuckle from underneath using Special Tool MB-990799 Remover/Installer, with the smaller end up against the wheel bearing inner race. 21. Place the hub in the wheel bearing making sure it is square with the bearing inner race. 22. Position Special Too/ 9712-2 Remover/Installer in the end of thehub. Lower the arbor press ram and press the hub into the wheel bearing until it bottoms out. 23. Remove the knuckle and tools from the press. 24. Verify the hub turns smoothly with- out rubbing or binding. 25. Install the knuckle on the vehicle. 26. Check the alignment and adjust as necessary. ADJUSTMENT The wheel bearing is designed to last for the life of the vehicle and is unable to be adjusted. If the wheel bearing exhibits any roughness or resistance to rotation, the bearing must be replaced. REAR SUSPENSION Fig. 218 Vi 1. Trailing link 2. Nut 3. Bolt 4. Lower control arm of lower control arm components 5. Bolt 6. Nut 7. Crossmember
  • 878.
    JEEP COMPASS • PATRIOT9-89 8. Remove the bolt securing the lower control arm to the crossmember. 9. Remove the lower control arm. To install: 10. Install the lower control arm to crossmember, install the nut and bolt, but do not tighten. 11. Install the lower control arm to the trailing arm, install the nut and bolt, but do not tighten. 12. Install the stay brace on the cross- member and tighten the mounting bolts to 18ft. Ibs. (25Nm). 13. Install the mounting bolt holding the strut assembly to the lower control arm, but do not tighten. •••When attaching a stabilizer bar link to the lower control arm it is important that the lower mounting stud be posi- tioned properly. The lower mounting stud on the right side link needs to point toward the rear of the vehicle when inserted through the lower con- trol arm mounting flange. The left side link lower stud needs to point toward the front of the vehicle. 14. Connect the stabilizer bar links to the lower control arm and tighten the nut to 43 ft. Ibs. (58 Nm). 15. Install the rear wheel and tighten the wheel mounting nuts to 100 ft. Ibs. (135 Nm). 16. Lower the vehicle. 17. Tighten the lower control arm mounting bolt nut at the crossmember to 70 ft. Ibs. (95Nm). 18. Tighten the lower control arm mounting bolt nut at the trailing link to 70 ft. Ibs. (95Nm). 19. Tighten the strut assembly lower mounting bolt nut to 73 ft. Ibs. (99 Nm). 20. Check and adjust the alignment as necessary. Upper Control Arm See Figure 219. 1. Before servicing the vehicle, refer to the Precautions Section. 2. Raise and safely support the vehicle. 3. Remove the rear wheel. 4. Remove the bolt securing the upper control arm to the trailing arm. 5. Remove the bolt securing the upper control arm to the crossmember. 6. Remove the upper control arm. To install: 7. Install the upper control arm and install the bolt securing the arm to the crossmembei, but do i -t tighten. Fig. 219 Remove the nut (4) and bolt (3) securing the upper control arm (1) to the trailing arm and remove the bolt (2) securing the upper control arm (1) to the crossmember—Rear upper control arm 8. Install bolt securing the upper con- trol arm to the trailing arm, but do not tighten. 9. Install the rear wheel and tighten the wheel mounting nuts to 100 ft. Ibs. (135Nm). 10. Lower the vehicle. 11. Tighten the upper control arm mounting bolt at the crossmember to 70 ft. Ibs. (95 Nm). 12. Tighten the upper control arm mounting bolt at the trailing arm to 70 ft. Ibs. (95 Nm). 13. Check and adjust the alignment as necessary. Trailing Arm See Figures 220 through 222. 1. Before servicing the vehicle, refer to the Precautions Section. 2. Raise and safely support the vehicle. Fig. 220 Remove the hair pin (1) securing the parking brake cable (2) to the brake support plate (3)—Trailing Arm removal 3. Removethe rear wheel. 4. Remove the screws that secures the brake hose to the trailing arm. 5. Remove the nut that secures the brake line routing bracket to the trailing arm. Remove the brake line from the routing bracket. 6. Remove the brake caliper and adapter as an assembly. Secure the caliper assembly out of the way. For addi- tional information, refer to the following section, Brake Caliper, removal & installa- tion. ## WARNING Do not let the caliper assembly hang by the brake hose as damage could occur. 7. If equipped, remove the wheel speed sensor. Refer to Wheel Speed Sensor, removal & installation. 8. Remove the brake rotor. Fig. 221 Remove the nut (2) securing the lower control am and nut (1) securing the upper control arm to the trailing arm (3)— Trailing arm removal Fig. 222 Remove the two bolts (2) fasten- ing Vic leading end of the trailing arm (3) fc thr body (1)—Trailing Arm removal
  • 879.
    9-Qfl JEEP ifU COMPASS•PATRIOT 9. Remove the hub and bearing assem- bly. Refer to Wheel Hub and Bearing (sealed unit), removal & installation. 10. Remove the parking brake cable from the lever of the parking brake shoe. 11. Remove the hair pin securing the parking brake cable to the brake support plate. 12. Slide the brake support plate with parking brake shoes off the end of the park- ing brake cable and remove. 13. Pull the parking brake cable from the trailing arm. 14. Remove the bolt securing the lower control arm to the trailing arm. 15. Removethe bolt securing the upper control arm to the trailing arm. 16. Remove the bolts holding the lead- ing end of the trailing arm to the body and remove the trailing arm. To install: 17. Position the trailing arm and install the 2 bolts holding the leading end of the trailing arm to the body. Tighten the bolts to 81ft. Ibs. (110 Nm). 18. Install the upper control arm to the trailing arm and tighten the bolt to 70 ft.Ibs. (95 Nm). 19. Install the lower control arm to the trailing arm and tighten the bolt to 70 ft. Ibs. (95 Nm). 20. Install the bolt securing the toe link to the trailing arm. It may be necessary to flex the trailing arm body mount bushing inward or outward using a suitable pry tool. Tighten the mounting bolts to 70 ft. Ibs. (95 Nm). 21. Insert the parking brake cable through the trailing link from the inboard side. 22. Slide the parking brake cable into the brake support pfafe with parking brake shoes. 23. Install the hair pin securing the park- ing brake cable to the brake support plate. 24. Attach the parking brake cable onto the lever on the parking brake shoe. 25. Install the wheel speed sensor, if equipped. 26. Install the hub and bearing. Refer to Wheel Hub and Bearing (sealed unit), removal & installation. 27. Install the brake rotor. 28. Install the caliper assembly and tighten the mounting bolts to 52 ft. Ibs. (71 Nm). 29. Position the brake line on the trailing arm, inserting the routing clip and routing bracket over the welded stud. Tighten the nut on the welded stud to 11 ft. Ibs.(15 Nm). 30. Positi ing arm brae bolts to 17 ft 31. Install wheel mounti 32. Lower 33. Check necessary. Toe Link See Figure 2 1. Before the Precautio 2. Raise 3. Remo link to the tr 4. Matchitiark bolt on the c 5. While tionary, remo bolt nut and 6. Remo To instal n the brake hose on the trail- et and tighten the mounting bs. (23Nm). he rear wheel and tighten the g nuts to 100 ft. Ibs. (135Nm). he vehicle, and adjust the alignment, as 3. servicing the vehicle, refer to s Section. nd safely support the vehicle. 3 the bolt that secures the toe ing arm. the position of the cam ssmember. idding the cam bolt head sta- 9 the toe link mounting cam asher. Remove the cam bolt, the toe link. t'# WARNING When instal washer mak ing the cam bolt and B sure the cams stay damage the inside the abutments built into the crossmembiiir. Failure to do so can abutments and make toe adjustment difficult. 7. Install Install the ca crossmember the marks ma cess. Only har 8. Install link to the trail to flex the trail inward or outvl Do not tighten |he toe link into position, bolt from the front through nd link. Match the cam to e during the removalpro- d-tighten the nut at this time. |he bolt that secures the toe ng arm. It may be necessary ng arm body mount bushing ard using a suitable pry tool, the bolt at this time. Fig. 223 Rerr ove the bolt (2) that secures the toe link (3) to the trailing arm. Mark the cam bolt (1) on the 9. Lower the vehicle. 10. Tighten the toe link mounting bolt at the trailing arm to 70 ft. Ibs. (95 Nm). 11. Check and adjust the alignment as necessary. 12. Once the rear toe is set, hold the cam bolt head stationary, and tighten the toe link cam mounting bolt nut to 26 ft. Ibs. (35 Nm). STRUT AND SPRING ASSEMBLY REMOVAL & INSTALLATION See Figures 224 through 226. 1. Before servicing the vehicle, refer to the Precautions Section. 2. Remove the cargo floorcover. 3. Remove the rear floor pan silencer. 4. If equipped, remove the nuts mount- ing the satellite receiver or amplifier to the rear floor pan. Move the component aside to allow access to the wheel speed sensor Fig. 224 Use the upper mounting nut access door (2) and opening from the floor pan silencer (1) to access the strut upper mounting nuts—Rear strut assembly L Fig. 225 Remove the 2 nuts (1) securing the shock assembly (2) to the body bracket (3)—Rear strut assemhly
  • 880.
    JEEP COMPASS • PATRIOT9-91 1. Bolt 2. Strut assembly 3. Lower mounting nut 4. Lower control arm 22043_COMP G015I Fig. 226 Remove the strut assembly lower mounting nut and bolt from the lower control arm— Rear strut assembly wiring connector through the opening in bottom of the quarter trim panel. 5. Remove the spare tire. 6. Fold the strut assembly upper mounting nut access door upward. Use this opening and the one created when the rear floor pan silencer was removed to access the upper mountingnuts. 7. Remove the 2 nuts securing the strut assembly to the body bracket. 8. Raise and safely support the vehicle. 9. Remove the rear wheel. 10. Remove the lower strut assembly mounting bolt. 11. Lower the strut assembly out of the body bracket and lift out over the rearsus- pension. To install: 12. Insert the lower end of the strut assembly down through the lower control arm from above, just enough to clear the body, then lift it into position in the body bracket. 13. Install the mounting bolt at the lower control arm,but do not tighten. 14. Install the rear wheel and tighten the wheel mounting nuts to 100 ft. Ibs. (135 Nm). 15. Lower the vehicle. 16. Install the 2 upper mounting nuts to the strut assembly and tighten to 35 ft.Ibs. (48 Nm). 17. Close the upper mounting nut access door. 18. If equipped, install the satellite receiver or amplifier to the rear floor pan. 19. Install the rear floor pan silencer. 20. Install the cargo floor cover. 21. Tighten the lower strut assembly mounting bolt to 73 ft. Ibs.(99 Nm). WHEEL HUB & BEARING REMOVAL & INSTALLATION AWD Models See Figure 227. 1. Before servicing the vehicle, refer to the Precautions Section. 2. Raise and safely support the vehicle. 3. Remove the rear wheel. 4. Remove the cotter pin from the end of the hubnut. 5. With an assistant applying the brakes to keep the hub from rotating, remove the hub nut and washer from the end of the axle shaft. 6. Tap the end of the halfshaft inward, loosening it from the hub and bearing assembly. 7. Remove the brake caliper lower guide pin bolt. 8. Rotate the caliper upward, using the top guide bolt as a hinge. Hang the caliper assembly with mechanics wire, or equiva- lent. ** WARNING When moving the rear brake caliper upward, use extreme care not to damage or overextendthe flex hose. Damage may occur. 9. Removeany clips on the wheel mounting studs holding the rotor into place, and remove the rotor. 10. Remove the wheel speed sensor, if equipped. 11. Remove the 4 bolts (1) securing the hub and bearing assembly (2) to the trailing link. 12. Remove the hub and bearing assem- bly. To install: 13. Slide the hub and bearing assembly over the axle shaft and position it on the brake support plate and trailing arm. Tighten the bolts to 77 ft. Ibs.(105Nm). 14. Install the wheel speed sensor, if equipped. 15. Slide the brake rotor over the parking brake shoes and onto the wheel hub. 16. Rotate the caliper assembly down- ward over the rotor into the caliper adapter bracket. 17. Install the lower guide pin bolt and tighten to 44 ft. Ibs.(60 Nm). 18. Install the washer and hub nut on the end of the halfshaft and hand tighten it. 19. With an assistant applying the brakes to keep the hub from rotating, tighten the hub nut to 181 ft. Ibs.(245 Nm). 20. Install the cotter pin through the notches of the nut and the hole in the half- shaft. If the notches do not line up with the hole in the axle shaft, continue tighten the nut until they do. Fig. 227 Remove the 4 bolts (1) securing the rear hub and bearing (2) to the trailing link—AWD vehicles
  • 881.
    9-92 JEEP COMPASS •PATRIOT WARNING Do not loosen the nut to get the hole to line up. 21. Wrap the cotter pin tightly around the locknut. 22. Install the rear wheel and tighten the wheel mounting nuts to 100 tt. Ibs. (135 Nm). 23. Lower thevehicle. 24. Pump the brake pedal several times to ensure a firm pedal before moving the vehicle. FWD Vehicles See Figures 228 and229. 1. Before servicing the vehicle, refer to the Precautions Section. 2. Remove the rear wheel. 3. Remove the brake caliper lower guide pin bolt. 4. Rotate th top guide bolt assembly with lent. 3 caliper upward, using the s a hinge. Hang the caliper nechanics wire, or equiva- ## WARNING When movim caliper upwa not to damag flex hose. Da occur. 5. Remove mounting studs and remove the 6. Remove equipped. 7. Remove hub and bearin link. 8. Remove bly. Fig. 228 Remove the 4 bolts (1) securing the hub and bearing (2) to the trailing link—FWD vehicles Fig. 229 Instal head (3) into II bearing (2) and sensor head m the rear brake d, use extreme care or overextendthe mage may ny clips on the wheel holding the rotor into place, rotor, wheel speed sensor, if ie4 bolts (1) securing the assembly (2) to the trailing le hub and bearing assem- 36543_COMP_G0116 the wheel speed sensor i rear of the hub and tighten the wheel speed unting screw (1) To install: 9. Install the hub and bearing assembly on the brake support plate and trailing arm. Tighten the bolts to 77 ft. Ibs. (105 Nm). ^Before installing the wheel speed sensor head (3) into the rear of the hub and bearing (2), inspect the 0-ring seal to make sure it is not dislodged, split, cut, or damaged in any way. Replace the 0-ring as necessary. 10. If equipped with a wheel speedsen- sor: a. Install the wheel speed sensor head (3) into the rear of the hub and bearing (2). b. Install the wheel speed sensor head mounting screw (1). Tighten the screw to 89 inch Ibs.(10 Nm). 11. Slide the brake rotor over the parking brake shoes and onto the wheel hub. 12. Rotate the caliper assembly down- ward over the rotor into the caliper adapter bracket. 13. Install the lower guide pin bolt and tighten to 44 ft. Ibs.(60Nm). 14. Install the rear wheel and tighten the wheel mounting nuts to 100 ft. Ibs. (135 Nm). 15. Lower the vehicle. 16. Pump the brake pedal several times to ensure a firm pedal before moving the vehicle. ADJUSTMENT The wheel bearing is designed to last for the life of the vehicle and is unable to be adjusted. If the wheel bearing exhibits any roughness or resistance to rotation,the bearing must be replaced.
  • 882.
    2009 RESTRAINTS Service Information- Compass & Patriot DESCRIPTION DESCRIPTION An occupant restraint system is standard factory-installed safety equipment on this vehicle. Available occupant restraints for this vehicle include both active and passive types. Active restraints are those which require the vehicle occupants to take some action to employ, such as fastening a seat belt; while passive restraints require no action by the vehicle occupants to be employed. ACTIVE RESTRAINTS The active restraints for this vehicle include: Child Restraint Anchors - All vehicles are equipped with three, fixed-position, child seat upper tether anchors for the second row seating. A single upper tether anchor is integral to the back of the left seat back panel, and two more are integral to the right seat back panel. Two lower anchors are also provided for each outboard seating position. Three lower anchors are integral to the seat back hinge brackets, while the fourth is integral to a dedicated child anchor bracket. All lower anchors are accessed from the front of the second row seat where the seat back meets the seat cushion. Front Seat Belts - Both front seating positions are equipped with three-point seat belt systems employing a lower B-pillar mounted inertia latch-type emergency locking retractors, height-adjustable upper B-pillar mounted turning loops, a traveling lower seat belt anchor secured to the outboard side of the seat frame, and a traveling end-release seat belt buckle secured to the inboard side of the seat frame. The driver side front seat belt buckle includes an integral seat belt switch that detects whether the driver side front seat belt has been fastened. Second Row Seat Belts - All three second row seating positions are equipped with three-point seat belt systems. The outboard seating position belts employ lower C-pillar mounted inertia latch-type emergency locking retractors, fixed position upper C-pillar mounted turning loops and fixed lower seat belt anchors secured to the rear floor panel. The second row seat center seating position has an inertia latch-type emergency locking retractor that is secured within the right D-pillar and has a dedicated, keyed anchor buckle that allows the belt anchor to be quickly detached when the right second row seat back is folded down for additional cargo space. All of the second row seat belt retractors for this vehicle are also switchable from an emergency locking retractor to an automatic locking retractor for compatibility with child seats. The center seating position belt lower anchor buckle is secured along with the right outboard seat belt buckle to the rear floor panel through the child lower anchor bracket. All three second row seat belts have fixed end-release seat belt buckles. PASSIVE RESTRAINTS 2009 Jeep Patriot Limited 2009 RESTRAINTS Service Information - Compass & Patriot 2009 Jeep Patriot Limited 2009 RESTRAINTS Service Information - Compass & Patriot a Saturday, September 08, 2012 1:48:17 PM Page 1 © 2006 Mitchell Repair Information Company, LLC. a Saturday, September 08, 2012 1:48:21 PM Page 1 © 2006 Mitchell Repair Information Company, LLC.
  • 883.
    Fig. 1: SRSLogo Courtesy of CHRYSLER LLC The passive restraints available for this vehicle include the following: Dual Front Airbags - Multistage driver and front passenger airbags are used in this vehicle. This airbag system consists of passive, inflatable, Supplemental Restraint System (SRS) components and vehicles with this equipment can be readily identified by the SRS - AIRBAG logo molded into the driver airbag trim cover in the center of the steering wheel and also into the passenger airbag door on the instrument panel above the glove box. Vehicles with the airbag system can also be identified by the airbag indicator, which will illuminate in the ElectroMechanical Instrument Cluster (EMIC) (also known as the Cab Compartment Node/CCN) for about seven seconds as a bulb test each time the ignition switch is turned to the ON position. A pyrotechnic-type seat belt tensioner is also integral to the driver and passenger front seat belt retractors to work in conjunction with the dual front airbags. Side Curtain Airbags - Side curtain airbags are standard equipment in this vehicle when it is also equipped with dual front airbags. This airbag system consists of passive, inflatable, SRS components and vehicles with this equipment can be readily identified by a molded identification trim button with the SRS - AIRBAG logo located on the top of each B-pillar upper trim panel near the headliner. Seat Airbags - Seat mounted airbags are optional equipment in this vehicle. This airbag system consists of passive, inflatable, SRS components and vehicles with this equipment can be readily identified by a sewn tag with the SRS - AIRBAG logo located on the outboard side of the front seat back trim cover. 2009 Jeep Patriot Limited 2009 RESTRAINTS Service Information - Compass & Patriot a Saturday, September 08, 2012 1:48:17 PM Page 2 © 2006 Mitchell Repair Information Company, LLC.
  • 884.
    Fig. 2: SupplementalRestraint System Components Courtesy of CHRYSLER LLC The SRS includes the following major components, which are described in further detail elsewhere in this service information: Airbag Indicator - The airbag indicator is integral to the ElectroMechanical Instrument Cluster (EMIC) (also known as the Cab Compartment Node/CCN), which is located on the instrument panel in front of the driver. Clockspring - The clockspring is located near the top of the steering column, directly beneath the steering wheel. Driver Airbag (4) - The driver airbag is located in the center of the steering wheel, beneath the driver airbag trim cover. Driver Knee Blocker - The driver knee blocker is a structural unit secured to the back side of and integral to the instrument panel steering column opening cover. Front Impact Sensor (1) - Two front impact sensors are used on vehicles equipped with dual front airbags, one left side and one right side. One sensor is located on the back side of each vertical member of the radiator support. Occupant Restraint Controller (2) - The Occupant Restraint Controller (ORC) is located on a mount on the floor panel transmission tunnel forward of the transmission gear selector, and is concealed behind the instrument panel center support. Passenger Airbag (3) - The passenger airbag is located in the instrument panel, beneath the passenger airbag door on the instrument panel top cover and above the glove box on the passenger side of the vehicle. 2009 Jeep Patriot Limited 2009 RESTRAINTS Service Information - Compass & Patriot a Saturday, September 08, 2012 1:48:17 PM Page 3 © 2006 Mitchell Repair Information Company, LLC.
  • 885.
    Passenger Knee Blocker- The passenger knee blocker is a structural reinforcement that is integral to and concealed within the glove box door. Seat Airbag (7) - An optional seat (thorax) airbag unit is secured to each outboard front seat back frame, where it is concealed beneath the seat back trim cover and foam. Seat Belt Tensioner (6) - A seat belt tensioner is integral to both front seat belt retractor units on vehicles equipped with dual front airbags. The seat belt retractor tensioner units are secured to the right and left lower inner B-pillar and are concealed behind the lower B-pillar trim. Seat Track Position Sensor (5) - Certain vehicles may include a seat track position sensor that is located on the inboard side of one of the seat adjuster tracks on both the driver and the passenger front seats. Side Curtain Airbag (9) - A side curtain airbag is secured to each inside roof side rail above the headliner, and extends from the A-pillar to just behind the C-pillar. Side Impact Sensor (8) - Four side impact sensors are used, two on each side of the vehicle. One sensor is located behind the B-pillar trim near the belt line of each B-pillar and one sensor is located behind the quarter panel trim near the belt line of each C-pillar. The ORC and the EMIC each contain a microprocessor and programming that allow them to communicate with each other using the Controller Area Network (CAN) data bus. This method of communication is used by the ORC for control of the airbag indicator in the EMIC. Refer to Electrical/Electronic Control Modules/COMMUNICATION - Description . Hard wired circuitry connects the SRS components to each other through the electrical system of the vehicle. These hard wired circuits are integral to several wire harnesses, which are routed throughout the vehicle and retained by many different methods. These circuits may be connected to each other, to the vehicle electrical system, and to the SRS components through the use of a combination of soldered splices, splice block connectors, and many different types of wire harness terminal connectors and insulators. Refer to SYSTEM WIRING DIAGRAMS . The wiring information includes wiring diagrams, proper wire and connector repair procedures, further details on wire harness routing and retention, as well as pin-out and location views for the various wire harness connectors, splices and grounds. OPERATION OPERATION ACTIVE RESTRAINTS The primary passenger restraints in this or any other vehicle are the standard equipment factory-installed seat belts and child restraint anchors. Seat belts and child restraint anchors are referred to as an active restraint because the vehicle occupants are required to physically fasten and properly adjust these restraints in order to benefit from them. PASSIVE RESTRAINTS The passive restraints are referred to as a Supplemental Restraint System (SRS) components because they were designed and are intended to enhance the protection for the occupants of the vehicle only when used in conjunction with the seat belts. They are referred to as passive restraints because the vehicle occupants are not required to do anything to make them operate; however, the vehicle occupants must be wearing their seat belts 2009 Jeep Patriot Limited 2009 RESTRAINTS Service Information - Compass & Patriot a Saturday, September 08, 2012 1:48:17 PM Page 4 © 2006 Mitchell Repair Information Company, LLC.
  • 886.
    in order toobtain the maximum safety benefit from the factory-installed SRS components. The SRS electrical circuits are continuously monitored and controlled by a microprocessor and software contained within the Occupant Restraint Controller (ORC). An airbag indicator in the ElectroMechanical Instrument Cluster (EMIC) (also known as the Cab Compartment Node/CCN) illuminates for about seven seconds as a bulb test each time the ignition switch is turned to the ON or START positions. Following the bulb test, the airbag indicator is turned ON or OFF by the ORC to indicate the status of the SRS. If the airbag indicator comes ON at any time other than during the bulb test, it indicates that there is a problem in the SRS electrical circuits. Such a problem may cause airbags not to deploy when required, or to deploy when not required. Deployment of the SRS components depends upon the angle and severity of an impact. Deployment is not based upon vehicle speed; rather, deployment is based upon the rate of deceleration as measured by the forces of gravity (G force) upon the acceleration-type impact sensors. When an impact is severe enough, the microprocessor in the ORC signals the inflator of the appropriate airbag units to deploy their airbag cushions. The front seat belt retractor tensioners are provided with a deployment signal by the ORC in conjunction with the front airbags. The optional seat airbags are provided with a deployment signal by the ORC in conjunction with the side curtain airbag based upon a side impact sensor input for the same side of the vehicle. During a frontal vehicle impact, the knee blockers work in concert with properly fastened and adjusted seat belts to restrain both the driver and the front seat passenger in the proper position for an airbag deployment. The knee blockers also absorb and distribute the crash energy from the driver and the front seat passenger to the structure of the instrument panel. The seat belt tensioners remove the slack from the front seat belts to provide further assurance that the driver and front seat passenger are properly positioned and restrained for an airbag deployment. Typically, the vehicle occupants recall more about the events preceding and following a collision than they do of an airbag deployment itself. This is because the airbag deployment and deflation occur very rapidly. In a typical 48 kilometer-per-hour (30 mile-per-hour) barrier impact, from the moment of impact until the airbags are fully inflated takes about 40 milliseconds. Within one to two seconds from the moment of impact, the airbags are almost entirely deflated. The times cited for these events are approximations, which apply only to a barrier impact at the given speed. Actual times will vary somewhat, depending upon the vehicle speed, impact angle, severity of the impact, and the type of collision. When the ORC monitors a problem in any of the SRS circuits or components, including the seat belt tensioners, it stores a fault code or Diagnostic Trouble Code (DTC) in its memory circuit and sends an electronic message to the EMIC to turn ON the airbag indicator. The hard wired circuits between components related to the SRS may be diagnosed using conventional diagnostic tools and procedures. Refer to SYSTEM WIRING DIAGRAMS . The wiring information includes wiring diagrams, proper wire and connector repair procedures, details of wire harness routing and retention, connector pin-out information and location views for the various wire harness connectors, splices and grounds. However, conventional diagnostic methods will not prove conclusive in the diagnosis of the SRS or the electronic controls or communication between other modules and devices that provide features of the SRS. The most reliable, efficient, and accurate means to diagnose the SRS or the electronic controls and communication related to SRS operation, as well as the retrieval or erasure of a DTC requires the use of a diagnostic scan tool. Refer to the appropriate diagnostic information. 2009 Jeep Patriot Limited 2009 RESTRAINTS Service Information - Compass & Patriot a Saturday, September 08, 2012 1:48:17 PM Page 5 © 2006 Mitchell Repair Information Company, LLC.
  • 887.
    WARNING WARNINGS WARNING: To avoidserious or fatal injury on vehicles equipped with the Supplemental Restraint System (SRS), never attempt to repair the electrically conductive circuits or wiring components related to the SRS. Such repairs can compromise the conductivity and current carrying capacity of those critical electrical circuits, which may cause the SRS components not to deploy when required, or to deploy when not required. Any wire harness containing broken, cut, burned or otherwise damaged electrically conductive SRS wiring, terminals or connector components must be removed and replaced with an entire new wire harness. Only minor cuts or abrasions of wire and terminal insulation where the conductive material has not been damaged, or connector insulators where the integrity of the latching and locking mechanisms have not been compromised may be repaired using appropriate methods. Failure to follow these instructions may result in possible serious or fatal injury. WARNING: To avoid serious or fatal injury during and following any seat belt or child restraint anchor service, carefully inspect all seat belts, buckles, mounting hardware, retractors, tether straps, and anchors for proper installation, operation, or damage. Replace any belt that is cut, frayed, or torn. Straighten any belt that is twisted. Tighten any loose fasteners. Replace any belt that has a damaged or ineffective buckle or retractor. Replace any belt that has a bent or damaged latch plate or anchor plate. Replace any child restraint anchor or the unit to which the anchor is integral that has been bent or damaged. Never attempt to repair a seat belt or child restraint component. Always replace damaged or ineffective seat belt and child restraint components with the correct, new and unused replacement parts listed in the Chrysler Mopar® Parts Catalog. WARNING: To avoid serious or fatal injury on vehicles equipped with side curtain airbags, disable the Supplemental Restraint System (SRS) before attempting any Occupant Restraint Controller (ORC) diagnosis or service. The ORC contains a rollover sensor, which enables the system to deploy the side curtains and seat airbags in the event of a vehicle rollover event. If an ORC is accidentally rolled during service while still connected to battery power, the side curtain and seat airbags will deploy. Disconnect and isolate the battery negative (ground) cable, then wait two minutes for the system capacitor to discharge before performing further diagnosis or service. This is the only sure way to disable the SRS. Failure to take the proper precautions could result in accidental airbag deployment. WARNING: To avoid serious or fatal injury on vehicles equipped with airbags, disable the Supplemental Restraint System (SRS) before attempting any steering 2009 Jeep Patriot Limited 2009 RESTRAINTS Service Information - Compass & Patriot a Saturday, September 08, 2012 1:48:17 PM Page 6 © 2006 Mitchell Repair Information Company, LLC.
  • 888.
    wheel, steering column,airbag, seat belt tensioner, impact sensor, or instrument panel component diagnosis or service. Disconnect and isolate the battery negative (ground) cable, then wait two minutes for the system capacitor to discharge before performing further diagnosis or service. This is the only sure way to disable the SRS. Failure to take the proper precautions could result in accidental airbag deployment. WARNING: To avoid potential physical injury or damage to sensitive electronic circuits and systems, always disconnect and isolate the battery negative (ground) cable and the positive cable, then ground the positive cable to discharge the Occupant Restraint Controller (ORC) capacitor before performing any welding operations on the vehicle. Failure to take the proper precautions could result in accidental airbag deployment, possible damage to the Supplemental Restraint System (SRS) circuits and components, and possible damage to other electronic circuits and components. Whenever a welding process is being performed within 12 inches (30 centimeters) of an electronic module or wiring harness, then that module or harness should be relocated out of the way, or disconnected. Always protect against component or vehicle damage from weld spatter by using weld blankets and screens. WARNING: To avoid serious or fatal injury, do not attempt to dismantle an airbag unit or tamper with its inflator. Do not puncture, incinerate or bring into contact with electricity. Do not store at temperatures exceeding 93° C (200° F). An airbag inflator unit may contain sodium azide and potassium nitrate. These materials are poisonous and extremely flammable. Contact with acid, water, or heavy metals may produce harmful and irritating gases (sodium hydroxide is formed in the presence of moisture) or combustible compounds. An airbag inflator unit may also contain a gas canister pressurized to over 17.24 kPa (2500 psi). Failure to follow these instructions may result in possible serious or fatal injury. WARNING: To avoid serious or fatal injury when handling a seat belt tensioner retractor. Exercise proper care to keep fingers out from under the retractor cover and away from the seat belt webbing where it exits from the retractor cover. Failure to follow these instructions may result in possible serious or fatal injury. WARNING: To avoid serious or fatal injury, replace all Supplemental Restraint System (SRS) components only with parts specified in the Chrysler Mopar® Parts Catalog. Substitute parts may appear interchangeable, but internal differences may result in inferior occupant protection. WARNING: To avoid serious or fatal injury, the fasteners, screws, and bolts originally used for the Supplemental Restraint System (SRS) components must 2009 Jeep Patriot Limited 2009 RESTRAINTS Service Information - Compass & Patriot a Saturday, September 08, 2012 1:48:17 PM Page 7 © 2006 Mitchell Repair Information Company, LLC.
  • 889.
    DIAGNOSIS AND TESTING SUPPLEMENTALRESTRAINT SYSTEM The hard wired circuits between modules and components related to the Supplemental Restraint System (SRS) may be diagnosed using conventional diagnostic tools and procedures. Refer to SYSTEM WIRING DIAGRAMS . The wiring information includes wiring diagrams, proper wire and connector repair procedures, details of wire harness routing and retention, connector pin-out information and location views for the various wire harness connectors, splices and grounds. However, conventional diagnostic methods will not prove conclusive in the diagnosis of the SRS or the electronic controls or communication between other modules and devices that provide features of the SRS. The most reliable, efficient, and accurate means to diagnose the SRS or the electronic controls and communication related to SRS operation, as well as the retrieval or erasure of a DTC requires the use of a diagnostic scan tool. Refer to the appropriate diagnostic information. In addition to a diagnostic scan tool that contains the latest version of the proper diagnostic software, certain diagnostic procedures for the SRS may require the use of the SRS Load Tool special tool along with the appropriate Load Tool Jumpers and Adapters. Refer to the appropriate diagnostic information. STANDARD PROCEDURE HANDLING NON-DEPLOYED SUPPLEMENTAL RESTRAINTS At no time should any source of electricity be permitted near the inflator on the back of a non-deployed airbag or seat belt tensioner. When carrying a non-deployed airbag, the trim cover or airbag cushion side of the unit should be pointed away from the body to minimize injury in the event of an accidental deployment. If the airbag never be replaced with any substitutes. These fasteners have special coatings and are specifically designed for the SRS. Any time a new fastener is needed, replace it with the correct fasteners provided in the service package or specified in the Chrysler Mopar® Parts Catalog. WARNING: To avoid serious or fatal injury when a steering column has an airbag unit attached, never place the column on the floor or any other surface with the steering wheel or airbag unit face down. Failure to follow these instructions may result in possible serious or fatal injury. WARNING: To avoid serious or fatal injury on vehicles equipped with airbags, disable the Supplemental Restraint System (SRS) before attempting any steering wheel, steering column, airbag, seat belt tensioner, impact sensor, or instrument panel component diagnosis or service. Disconnect and isolate the battery negative (ground) cable, then wait two minutes for the system capacitor to discharge before performing further diagnosis or service. This is the only sure way to disable the SRS. Failure to take the proper precautions could result in accidental airbag deployment. 2009 Jeep Patriot Limited 2009 RESTRAINTS Service Information - Compass & Patriot a Saturday, September 08, 2012 1:48:17 PM Page 8 © 2006 Mitchell Repair Information Company, LLC.
  • 890.
    unit is placedon a bench or any other surface, the trim cover or airbag cushion side of the unit should be face up to minimize movement in the event of an accidental deployment. When handling a non-deployed seat belt tensioner, take proper care to keep fingers away from the retractor cover and away from the seat belt webbing where it exits from the retractor cover. In addition, the Supplemental Restraint System (SRS) should be disarmed whenever any steering wheel, steering column, seat belt tensioner, airbag, impact sensor or instrument panel components require diagnosis or service. Failure to observe this warning could result in accidental airbag deployment and possible personal injury. All damaged, ineffective or non-deployed airbags and seat belt tensioners which are replaced on vehicles are to be handled and disposed of properly. If an airbag or seat belt tensioner unit is ineffective or damaged and non- deployed, refer to the Hazardous Substance Control System for information regarding the potentially hazardous properties of the subject component and the proper safe handling procedures. Then dispose of all non-deployed and deployed airbags and seat belt tensioners in a manner consistent with state, provincial, local and federal regulations. SUPPLEMENTAL RESTRAINT STORAGE Airbags and seat belt tensioners must be stored in their original, special container until they are used for service. Also, they must be stored in a clean, dry environment; away from sources of extreme heat, sparks, and high electrical energy. Always place or store any airbag on a surface with its trim cover or airbag cushion side facing up, to minimize movement in case of an accidental deployment. SERVICE AFTER A SUPPLEMENTAL RESTRAINT DEPLOYMENT Any vehicle which is to be returned to use following a Supplemental Restraint System (SRS) component deployment must have the deployed restraints replaced. In addition, if the driver airbag has been deployed, the clockspring must be replaced and the steering column must be inspected. Refer to Steering/Column - Diagnosis and Testing . If the passenger airbag is deployed, the passenger airbag door must be replaced. The seat belt tensioners are deployed in conjunction with front airbags, but can also be deployed with seat (thorax) or side airbags. The seat belt tensioners must be replaced if either front airbag has been deployed, and must be inspected if either seat or side airbag has been deployed. If a seat airbag is deployed, the seat back frame, the seat back foam and the seat back trim cover on the same side of the vehicle as the deployed airbag must also be replaced. If a side curtain airbag has been deployed, the headliner as well as the upper A, B, C and D-pillar trim on the same side of the vehicle as the deployed airbag must be replaced. These components are not intended for reuse and will be damaged or weakened as a result of a SRS component deployment, which may or may not be obvious during a visual inspection. On vehicles with an optional sunroof, the sunroof drain tubes and hoses must be closely inspected following a side curtain airbag deployment. It is also critical that the mounting surfaces and mounting brackets for the Occupant Restraint Controller (ORC), side impact sensors and front impact sensors be closely inspected and restored to their original conditions following any vehicle impact damage. Because the ORC and each impact sensor are used by the SRS to monitor or confirm the direction and severity of a vehicle impact, improper orientation or insecure fastening of these components may cause airbags not to deploy when required, or to deploy when not required. 2009 Jeep Patriot Limited 2009 RESTRAINTS Service Information - Compass & Patriot a Saturday, September 08, 2012 1:48:17 PM Page 9 © 2006 Mitchell Repair Information Company, LLC.
  • 891.
    There are twomethods by which an airbag or seat belt tensioner may be connected to the vehicle electrical system. The first method involves a short pigtail harness and connector insulator that are integral to the airbag or tensioner unit and are replaced as a unit with the service replacement airbag or seat belt tensioner unit. The second method involves a wire harness takeout and connector insulator (squib circuits) that are connected directly to the air bag or tensioner initiator. The heat created by the initiator during an airbag or tensioner deployment will cause collateral damage to a directly connected wire harness take out and connector insulator. Therefore, these direct-connect type take outs and connector insulators must be repaired following an airbag or seat belt tensioner deployment. See Restraints - Standard Procedure. All other vehicle components should be closely inspected following any SRS component deployment, but are to be replaced only as required by the extent of the visible damage incurred. AIRBAG SQUIB STATUS Multistage airbags with multiple initiators (squibs) must be checked to determine that all squibs were used during the deployment event. The driver and passenger airbags in this vehicle are deployed by electrical signals generated by the Occupant Restraint Controller (ORC) through the driver or passenger squib 1 and squib 2 circuits to the two initiators in the airbag inflators. Typically, both initiators are used and all potentially hazardous chemicals are burned during an airbag deployment event. However, it is possible for only one initiator to be used; therefore, it is always necessary to confirm that both initiators have been used in order to avoid the improper handling or disposal of potentially live pyrotechnic or hazardous materials. The following procedure should be performed using a diagnostic scan tool to verify the status of both airbag squibs before either deployed airbag is removed from the vehicle for disposal. 1. Be certain that the diagnostic scan tool contains the latest version of the proper diagnostic software. Connect the scan tool to the 16-way Data Link Connector (DLC). The DLC is located on the driver side lower edge of the instrument panel, outboard of the steering column. 2. Turn the ignition switch to the ON position. 3. Using the scan tool, read and record the active (current) Diagnostic Trouble Code (DTC) data. Using the active DTC information, refer to the Airbag Squib Status table to determine the status of both driver and passenger airbag squibs. CAUTION: Deployed front airbags having two initiators (squibs) in the airbag inflator may or may not have live pyrotechnic material within the inflator. Do not dispose of these airbags unless you are certain of complete deployment. Refer to the Hazardous Substance Control System for information regarding the potentially hazardous properties of the subject component and the proper safe handling procedures. Then dispose of all non- deployed and deployed airbags and seat belt tensioners in a manner consistent with state, provincial, local and federal regulations. AIRBAG SQUIB STATUS IF THE ACTIVE DTC IS: CONDITIONS SQUIB STATUS Driver or Passenger Squib 1 open AND the stored DTC minutes for both Driver or Passenger squibs are within 15 minutes of Both Squib 1 and 2 were used. 2009 Jeep Patriot Limited 2009 RESTRAINTS Service Information - Compass & Patriot a Saturday, September 08, 2012 1:48:17 PM Page 10 © 2006 Mitchell Repair Information Company, LLC.
  • 892.
    CLEANUP PROCEDURE Fig. 3:Identifying Rubber Gloves Courtesy of CHRYSLER LLC Following a Supplemental Restraint System (SRS) component deployment, the vehicle interior will contain a powdery residue. This residue consists primarily of harmless particulate by-products of the small pyrotechnic charge that initiates the propellant used to deploy a SRS component. However, this residue may also contain traces of sodium hydroxide powder, a chemical by-product of the propellant material that is used to generate the inert gas that inflates the airbag. Since sodium hydroxide powder can irritate the skin, eyes, nose, or throat, be certain to wear safety glasses, rubber gloves, and a long-sleeved shirt during cleanup. Driver or Passenger Squib 2 open each other Driver or Passenger Squib 1 open AND the stored DTC minutes for Driver or Passenger Squib 2 open is GREATER than the stored DTC minutes for Driver or Passenger Squib 1 by 15 minutes or more Squib 1 was used; Squib 2 is live. Driver or Passenger Squib 2 open Driver or Passenger Squib 1 open AND the stored DTC minutes for Driver or Passenger Squib 1 open is GREATER than the stored DTC minutes for Driver or Passenger Squib 2 by 15 minutes or more Squib 1 is live; Squib 2 was used. Driver or Passenger Squib 2 open Driver or Passenger Squib 1 open AND Driver or Passenger Squib 2 open is NOT an active code Squib 1 was used; Squib 2 is live. Driver or Passenger Squib 2 open AND Driver or Passenger Squib 1 open is NOT an active code Squib 1 is live; Squib 2 was used. WARNING: To avoid serious or fatal injury, if you experience skin irritation during cleanup, run cool water over the affected area. Also, if you experience irritation of the nose or throat, exit the vehicle for fresh air until the irritation ceases. If irritation continues, see a physician. 2009 Jeep Patriot Limited 2009 RESTRAINTS Service Information - Compass & Patriot a Saturday, September 08, 2012 1:48:17 PM Page 11 © 2006 Mitchell Repair Information Company, LLC.
  • 893.
    Fig. 4: CleaningVehicle Interior Using Vacuum Cleaner Courtesy of CHRYSLER LLC 1. Begin the cleanup by using a vacuum cleaner to remove any residual powder from the vehicle interior. Clean from outside the vehicle and work your way inside, so that you avoid kneeling or sitting on a non- cleaned area. 2. Be certain to vacuum the heater and air conditioning outlets as well. Run the heater and air conditioner blower on the lowest speed setting and vacuum any powder expelled from the outlets. 3. Next, remove the deployed SRS components from the vehicle. Refer to the appropriate service removal procedures. 4. You may need to vacuum the interior of the vehicle a second time to recover all of the powder. SUPPLEMENTAL RESTRAINT SYSTEM WIRING REPAIRS It is important when repairing any Supplemental Restraint System (SRS) electrical circuits to use the recommended splicing kit and procedure. For applicable and available MOPAR wiring repair kits, please visit CAUTION: Deployed front airbags having two initiators (squibs) in the airbag inflator may or may not have live pyrotechnic material within the inflator. Do not dispose of these airbags unless you are certain of complete deployment. Refer to the AIRBAG SQUIB STATUS heading within this information. All damaged, ineffective, or non-deployed Supplemental Restraint System (SRS) components which are replaced on vehicles are to be handled and disposed of properly. If an airbag or seat belt tensioner unit is ineffective or damaged and non-deployed, refer to the Hazardous Substance Control System for information regarding the potentially hazardous properties of the subject component and the proper safe handling procedures. Then dispose of all non-deployed and deployed airbags and seat belt tensioners in a manner consistent with state, provincial, local and federal regulations. 2009 Jeep Patriot Limited 2009 RESTRAINTS Service Information - Compass & Patriot a Saturday, September 08, 2012 1:48:17 PM Page 12 © 2006 Mitchell Repair Information Company, LLC.
  • 894.
    the MOPAR ConnectorWeb Site at the following address on the internet: (http://dto.vftis.com/mopar/disclaimer.asp). This recommended procedure involves crimping the wires together with a splice band, soldering the crimped connection and, finally, sealing and protecting the repair. The crimp and solder ensure a strong mechanical bond that will always pass a pull test while also maintaining the conductivity and current carrying capacity of the circuit. The adhesive sealant and heat shrink tubing ensures the splice repair will perform as well or better than the original wire and be safe from potential corrosion or short circuits. There is no limit to the number of splice repairs that can be made in one harness using this procedure. However, as has been past practice, multiple adjacent splices should be offset from each other. This wiring splice repair procedure is approved for harness side repairs only. Repairs and splices to pigtail wires on SRS components such as airbag units, seat belt tensioner units or clocksprings are not approved or recommended. REPAIR PROCEDURE Fig. 5: Splice Band Courtesy of CHRYSLER LLC 1. Remove 13 millimeters (0.50 inch) of insulation from each wire that needs to be spliced. 2. Place a piece of adhesive sealant-lined heat shrink tubing (Part Number 04778570 or equivalent) over the wire on one side of the splice. Be certain the length of tubing will be sufficient to cover and seal the entire repair area. 3. Place the strands of the wires being spliced so that they are overlapping each other within the splice band (1). CAUTION: If additional wire is needed when making a splice repair to any wire, it is important that the same or next larger size wire gauge be used. Refer to the appropriate wiring diagram for the original wire gauge size. 2009 Jeep Patriot Limited 2009 RESTRAINTS Service Information - Compass & Patriot a Saturday, September 08, 2012 1:48:17 PM Page 13 © 2006 Mitchell Repair Information Company, LLC.
  • 895.
    Fig. 6: CrimpingTool Courtesy of CHRYSLER LLC 4. Using a crimping tool (1) (MOPAR Part Number 05019912AA, Miller Special Tool Number 10042 or equivalent) crimp the splice band and wires together securely. Fig. 7: Solder Splice Courtesy of CHRYSLER LLC 5. Using rosin core type solder (1) only and a suitable soldering iron (3), solder the wire and splice band connection (2) together. Fig. 8: Heat Shrink Tube Courtesy of CHRYSLER LLC 6. Center the heat shrink tubing (2) over the splice joint repair and heat using a suitable heat gun. Heat the joint until the tubing is tightly sealed and sealant (1) begins to ooze out of both ends of the tubing. CAUTION: Never use acid core solder for electrical wiring repairs. 2009 Jeep Patriot Limited 2009 RESTRAINTS Service Information - Compass & Patriot a Saturday, September 08, 2012 1:48:17 PM Page 14 © 2006 Mitchell Repair Information Company, LLC.
  • 896.
    SUPPLEMENTAL RESTRAINTS VERIFICATIONTEST Fig. 9: Locating Data Link Connector Courtesy of CHRYSLER LLC 1. During the following test, the battery negative cable remains disconnected and isolated, as it was during the Supplemental Restraint System (SRS) component removal and installation procedures. 2. Be certain that the diagnostic scan tool contains the latest version of the proper diagnostic software. Connect the scan tool to the 16-way Data Link Connector (DLC) (2). The DLC is located on the driver side lower edge of the instrument panel (1), near the cowl side inner panel (3). 3. Turn the ignition switch to the ON position and exit the vehicle with the scan tool. 4. Check to be certain that nobody is in the vehicle, then reconnect the battery negative cable. 5. Using the scan tool, read and record the active (current) Diagnostic Trouble Code (DTC) data. 6. Next, use the scan tool to read and record any stored (historical) DTC data. 7. If any DTC is found in 5 or 6, refer to the appropriate diagnostic information. NOTE: The following procedure should be performed using a diagnostic scan tool to verify proper Supplemental Restraint System (SRS) operation following the service or replacement of any SRS component. Refer to the appropriate diagnostic procedures. WARNING: To avoid serious or fatal injury on vehicles equipped with airbags, disable the Supplemental Restraint System (SRS) before attempting any steering wheel, steering column, airbag, seat belt tensioner, impact sensor, or instrument panel component diagnosis or service. Disconnect and isolate the battery negative (ground) cable, then wait two minutes for the system capacitor to discharge before performing further diagnosis or service. This is the only sure way to disable the SRS. Failure to take the proper precautions could result in accidental airbag deployment. 2009 Jeep Patriot Limited 2009 RESTRAINTS Service Information - Compass & Patriot a Saturday, September 08, 2012 1:48:17 PM Page 15 © 2006 Mitchell Repair Information Company, LLC.
  • 897.
    8. Use thescan tool to erase the stored DTC data. If any problems remain, the stored DTC data will not erase. Refer to the appropriate diagnostic information to diagnose any stored DTC that will not erase. If the stored DTC information is successfully erased, go to 9. 9. Turn the ignition switch to the OFF position for about 15 seconds, and then back to the ON position. Observe the airbag indicator in the instrument cluster. It should light for six to eight seconds, and then go out. This indicates that the SRS is functioning normally and that the repairs are complete. If the airbag indicator fails to light, or lights and stays ON, there is still an active SRS fault or malfunction. Refer to the appropriate diagnostic information to diagnose the problem. SPECIFICATIONS SPECIFICATIONS TORQUE SPECIFICATIONS DESCRIPTION N.m Ft. Lbs. In. Lbs. Child Anchor Bracket Mounting Nut 80 59 - Clockspring Mounting Screw 3 - 27 Curtain Airbag Mounting Screw 5.5 - 50 Driver Airbag Mounting Screw 13 - 115 Front Impact Sensor Mounting Nut 8 - 70 Side Impact Sensor Mounting Screw 8 - 70 Occupant Restraint Controller Mounting Nut 9 - 80 Passenger Airbag Mounting Nut 6 - 55 Seat Airbag Mounting Nut 10 - 89 Front Seat Belt Buckle Lower Anchor Mounting Screw 45 33 - Second Row Seat Belt Buckle Anchor Plate Mounting Screw 58 43 - Front Seat Belt Retractor Mounting Screw 40 30 - Front Seat Belt Turning Loop Mounting Screw 40 30 - Front Seat Belt Lower 40 30 - 2009 Jeep Patriot Limited 2009 RESTRAINTS Service Information - Compass & Patriot a Saturday, September 08, 2012 1:48:17 PM Page 16 © 2006 Mitchell Repair Information Company, LLC.
  • 898.
    SPECIAL TOOLS SPECIAL TOOLS Fig.10: SRS Load Tool Kit No. 8443 or 8443A Courtesy of CHRYSLER LLC Anchor Mounting Screw Second Row Seat Belt Retractor Mounting Screw 40 30 - Second Row Outboard Seat Belt Turning Loop Mounting Screw 40 30 - Second Row Outboard Seat Belt Lower Anchor Mounting Screw 58 43 - Turning Loop Height Adjuster Mounting Screw 40 30 - 2009 Jeep Patriot Limited 2009 RESTRAINTS Service Information - Compass & Patriot a Saturday, September 08, 2012 1:48:17 PM Page 17 © 2006 Mitchell Repair Information Company, LLC.
  • 899.
    Fig. 11: JumperNo. 8443-1 Courtesy of CHRYSLER LLC Fig. 12: Jumper No. 8443-8 Courtesy of CHRYSLER LLC 2009 Jeep Patriot Limited 2009 RESTRAINTS Service Information - Compass & Patriot a Saturday, September 08, 2012 1:48:17 PM Page 18 © 2006 Mitchell Repair Information Company, LLC.
  • 900.
    Fig. 13: JumperNo. 8443-19 Courtesy of CHRYSLER LLC Fig. 14: Adapter No. 8443-25 Courtesy of CHRYSLER LLC ADJUSTER, SEAT BELT TURNING LOOP REMOVAL REMOVAL WARNING: To avoid serious or fatal injury during and following any seat belt or child 2009 Jeep Patriot Limited 2009 RESTRAINTS Service Information - Compass & Patriot a Saturday, September 08, 2012 1:48:17 PM Page 19 © 2006 Mitchell Repair Information Company, LLC.
  • 901.
    Fig. 15: SeatBelt Loop Courtesy of CHRYSLER LLC 1. Firmly grasp the lower end of the turning loop trim cover (2) on the upper B-pillar and pull it straight out to unsnap it from over the height adjuster knob (1), then roll the bottom of the cover upward and pull outward to disengage the upper tab from the slot in the adjuster cover above the knob. restraint anchor service, carefully inspect all seat belts, buckles, mounting hardware, retractors, tether straps, and anchors for proper installation, operation, or damage. Replace any belt that is cut, frayed, or torn. Straighten any belt that is twisted. Tighten any loose fasteners. Replace any belt that has a damaged or ineffective buckle or retractor. Replace any belt that has a bent or damaged latch plate or anchor plate. Replace any child restraint anchor or the unit to which the anchor is integral that has been bent or damaged. Never attempt to repair a seat belt or child restraint component. Always replace damaged or ineffective seat belt and child restraint components with the correct, new and unused replacement parts listed in the Chrysler Mopar® Parts Catalog. 2009 Jeep Patriot Limited 2009 RESTRAINTS Service Information - Compass & Patriot a Saturday, September 08, 2012 1:48:17 PM Page 20 © 2006 Mitchell Repair Information Company, LLC.
  • 902.
    Fig. 16: SeatBelt Turning Loop & Height Adjuster Courtesy of CHRYSLER LLC 2. Remove the screw (3) that secures the seat belt turning loop to the height adjuster (1). 3. Remove the seat belt turning loop from the height adjuster. 4. Remove the upper trim (2) from the inside of the B-pillar (6). Refer to Body/Interior/PANEL, B-Pillar Trim - Removal . 5. Remove the cover (4) from over the height adjuster. 6. Remove the two screws (5) that secure the height adjuster to the inside of the B-pillar. 7. Remove the adjuster from the B-pillar. INSTALLATION INSTALLATION WARNING: To avoid serious or fatal injury during and following any seat belt or child restraint anchor service, carefully inspect all seat belts, buckles, mounting hardware, retractors, tether straps, and anchors for proper installation, operation, or damage. Replace any belt that is cut, frayed, or torn. Straighten any belt that is twisted. Tighten any loose fasteners. Replace any belt that has a damaged or ineffective buckle or retractor. Replace any belt that has a bent or damaged latch plate or anchor plate. Replace any child restraint anchor or the unit to which the anchor is integral that has been bent or damaged. Never attempt to repair a seat belt or child restraint component. Always replace damaged or ineffective seat belt and child restraint components with the correct, new and unused replacement parts listed in the Chrysler Mopar® Parts Catalog. 2009 Jeep Patriot Limited 2009 RESTRAINTS Service Information - Compass & Patriot a Saturday, September 08, 2012 1:48:17 PM Page 21 © 2006 Mitchell Repair Information Company, LLC.
  • 903.
    Fig. 17: SeatBelt Turning Loop & Height Adjuster Courtesy of CHRYSLER LLC 1. Position the seat belt turning loop adjuster (1) to the inside of the B-pillar (6). 2. Install and tighten the two screws (5) that secure the adjuster to the B-pillar. Tighten the screws to 40 N.m (30 ft. lbs.). 3. Position the cover (4) over the height adjuster knob. 4. Reinstall the upper trim (2) onto the inside of the B-pillar. Refer to Body/Interior/PANEL, B-Pillar Trim - Installation . 5. Position the seat belt turning loop onto the height adjuster on the upper B-pillar. Be certain that the seat belt webbing between the retractor and the turning loop is not twisted. 6. Install and tighten the screw (3) that secures the turning loop to the height adjuster. Tighten the screw to 40 N.m (30 ft. lbs.). 2009 Jeep Patriot Limited 2009 RESTRAINTS Service Information - Compass & Patriot a Saturday, September 08, 2012 1:48:17 PM Page 22 © 2006 Mitchell Repair Information Company, LLC.
  • 904.
    Fig. 18: SeatBelt Loop Courtesy of CHRYSLER LLC 7. Insert the upper tab of the turning loop trim cover (2) into the slot in the height adjuster cover above the knob on the upper B-pillar, then roll the bottom of the cover down over the turning loop and use hand pressure to press firmly and evenly on the cover until it snaps into place. AIR BAG, DRIVER DESCRIPTION DESCRIPTION Fig. 19: Driver Airbag 2009 Jeep Patriot Limited 2009 RESTRAINTS Service Information - Compass & Patriot a Saturday, September 08, 2012 1:48:17 PM Page 23 © 2006 Mitchell Repair Information Company, LLC.
  • 905.
    Courtesy of CHRYSLERLLC The injection molded, thermoplastic driver airbag protective trim cover (2) is the most visible part of the driver airbag. The driver airbag is located in the center of the steering wheel (1), where it is secured with two screws to the horn switch within the hub cavity of the four-spoke steering wheel. An injection molded, bright emblem with the Jeep® logo is applied to the center of the trim cover. Fig. 20: Driver Airbag Components Courtesy of CHRYSLER LLC Concealed beneath the driver air bag trim cover are the folded airbag cushion, the airbag housing, the airbag inflator and the retainers that secure the inflator to the housing. The airbag cushion, housing (3), and inflator (2) are secured within an integral receptacle molded into the back of the trim cover. The four vertical walls of this receptacle have numerous small windows with blocking tabs that are engaged by numerous hook formations around the perimeter of the airbag housing. Each hook is inserted through one of the windows and the blocking tab in each window keeps the hook properly engaged with the trim cover, locking the trim cover securely into place on the airbag housing. The two mounting tabs (5) extend from the housing to secure the housing to the horn switch. The airbag used in this vehicle is a multistage-type that complies with revised federal airbag standards to deploy with less force than those used in some prior vehicles. A radial deploying 67.3 centimeter (26.5 inch) diameter fabric airbag cushion with internal tethers is used. The airbag inflator is a dual-initiator, non-azide, pyrotechnic- type unit with four mounting studs and is secured to the stamped metal airbag housing using four flanged hex nuts. Two keyed and color-coded connector receptacles (4) on the driver airbag inflator connect the two inflator initiators to the vehicle electrical system through two yellow-jacketed, two-wire pigtail harnesses of the clockspring. The driver airbag cannot be repaired, and must be replaced if deployed, ineffective, or in any way damaged. The driver airbag trim cover may be disassembled from the driver airbag unit, and is available for individual service replacement. 2009 Jeep Patriot Limited 2009 RESTRAINTS Service Information - Compass & Patriot a Saturday, September 08, 2012 1:48:17 PM Page 24 © 2006 Mitchell Repair Information Company, LLC.
  • 906.
    OPERATION OPERATION The multistage driverairbag is deployed by electrical signals generated by the Occupant Restraint Controller (ORC) through the driver airbag squib 1 and squib 2 circuits to the two initiators in the airbag inflator. By using two initiators, the airbag can be deployed at multiple levels of force. The force level is controlled by the ORC to suit the monitored impact conditions by providing one of several delay intervals between the electrical signals provided to the two initiators. The longer the delay between these signals, the less forcefully the airbag will deploy. When the ORC sends the proper electrical signals to each initiator, the electrical energy generates enough heat to initiate a small pyrotechnic charge which, in turn ignites chemical pellets within the inflator. Once ignited, these chemical pellets burn rapidly and produce a large quantity of inert gas. The inflator is sealed to the back of the airbag housing and a diffuser in the inflator directs all of the inert gas into the airbag cushion, causing the cushion to inflate. As the cushion inflates, the driver airbag trim cover will split at predetermined breakout lines, then fold back out of the way. Following an airbag deployment, the airbag cushion quickly deflates by venting the inert gas towards the instrument panel through vent holes within the fabric used to construct the back (steering wheel side) panel of the airbag cushion. Some of the chemicals used to create the inert gas may be considered hazardous while in their solid state before they are burned, but they are securely sealed within the airbag inflator. Typically, both initiators are used and all potentially hazardous chemicals are burned during an airbag deployment event. However, it is possible for only one initiator to be used during a deployment due to an airbag system fault; therefore, it is necessary to always confirm that both initiators have been used in order to avoid the improper disposal of potentially live pyrotechnic or hazardous materials. See Restraints - Standard Procedure. The inert gas that is produced when the chemicals are burned is harmless. However, a small amount of residue from the burned chemicals may cause some temporary discomfort if it contacts the skin, eyes, or breathing passages. If skin or eye irritation is noted, rinse the affected area with plenty of cool, clean water. If breathing passages are irritated, move to another area where there is plenty of clean, fresh air to breath. If the irritation is not alleviated by these actions, contact a physician. Proper diagnosis of the driver airbag inflator and squib circuits requires the use of a diagnostic scan tool. Refer to the appropriate diagnostic information. REMOVAL REMOVAL WARNING: To avoid serious or fatal injury on vehicles equipped with airbags, disable the Supplemental Restraint System (SRS) before attempting any steering wheel, steering column, airbag, seat belt tensioner, impact sensor, or instrument panel component diagnosis or service. Disconnect and isolate the battery negative (ground) cable, then wait two minutes for the system capacitor to discharge before performing further diagnosis or service. This is the only sure way to disable the SRS. Failure to take the proper 2009 Jeep Patriot Limited 2009 RESTRAINTS Service Information - Compass & Patriot a Saturday, September 08, 2012 1:48:17 PM Page 25 © 2006 Mitchell Repair Information Company, LLC.
  • 907.
    Fig. 21: HubTrim Cover Screw Courtesy of CHRYSLER LLC 1. Disconnect and isolate the battery negative cable. Wait two minutes for the system capacitor to discharge before further service. 2. From the side of the steering wheel (1) hub trim cover, remove the two screws (2) that secure the driver airbag to the horn switch within the hub of the steering wheel. precautions could result in accidental airbag deployment. WARNING: To avoid serious or fatal injury when removing a deployed airbag, rubber gloves, eye protection, and a long-sleeved shirt should be worn. There may be deposits on the airbag cushion and other interior surfaces. In large doses, these deposits may cause irritation to the skin and eyes. NOTE: The following procedure is for replacement of an ineffective or damaged driver airbag. If the airbag is ineffective or damaged, but not deployed, review the recommended procedures for handling non-deployed supplemental restraints. See Restraints - Standard Procedure. If the driver airbag has been deployed, review the recommended procedures for service after a supplemental restraint deployment before removing the airbag from the vehicle. See Restraints - Standard Procedure. 2009 Jeep Patriot Limited 2009 RESTRAINTS Service Information - Compass & Patriot a Saturday, September 08, 2012 1:48:17 PM Page 26 © 2006 Mitchell Repair Information Company, LLC.
  • 908.
    Fig. 22: DriverAirbag And Connector Courtesy of CHRYSLER LLC 3. Pull the driver airbag (2) away from the steering wheel far enough to access the electrical connections (1) at the back of the airbag housing. 4. The clockspring driver airbag pigtail wire connectors are secured by an integral lock to the airbag inflator connector receptacles, which are located on the back of the driver airbag housing. Firmly grasp and pull the lock straight out from the connector insulator, then pull the insulators straight out from the airbag inflator to disconnect them from the connector receptacles. 5. Remove the driver airbag from the steering wheel. 6. If the driver airbag has been deployed, the clockspring must be replaced and the steering column must be inspected. See Restraints/CLOCKSPRING - Removal and Steering/Column - Diagnosis and Testing . DISASSEMBLY DISASSEMBLY CAUTION: Do not pull on the clockspring pigtail wires or pry on the connector insulator to disengage the connector from the driver airbag inflator connector receptacle. Improper removal of these pigtail wires and their connector insulators can result in damage to the airbag circuits or the connector insulators. WARNING: To avoid serious or fatal injury on vehicles equipped with airbags, disable the Supplemental Restraint System (SRS) before attempting any steering wheel, steering column, airbag, seat belt tensioner, impact sensor, or instrument panel component diagnosis or service. Disconnect and isolate 2009 Jeep Patriot Limited 2009 RESTRAINTS Service Information - Compass & Patriot a Saturday, September 08, 2012 1:48:17 PM Page 27 © 2006 Mitchell Repair Information Company, LLC.
  • 909.
    Fig. 23: DriverAirbag Cover the battery negative (ground) cable, then wait two minutes for the system capacitor to discharge before performing further diagnosis or service. This is the only sure way to disable the SRS. Failure to take the proper precautions could result in accidental airbag deployment. WARNING: To avoid serious or fatal injury, service of this unit should be performed only by Chrysler-trained and authorized dealer service technicians. Failure to take the proper precautions or to follow the proper procedures could result in accidental, incomplete, or improper airbag deployment and possible occupant injuries. WARNING: To avoid serious or fatal injury, use extreme care to prevent any foreign material from entering the driver airbag, or becoming entrapped between the driver airbag cushion and the driver airbag trim cover. Failure to observe this warning could result in occupant injuries upon airbag deployment. WARNING: To avoid serious or fatal injury, the driver airbag trim cover must never be painted. Replacement trim covers are serviced in the original colors. Paint may change the way in which the material of the trim cover responds to an airbag deployment. Failure to observe this warning could result in occupant injuries upon airbag deployment. NOTE: The following procedures can be used to replace the driver airbag trim cover for service. If the driver airbag is ineffective or deployed, the entire driver airbag and trim cover must be replaced as a unit. 2009 Jeep Patriot Limited 2009 RESTRAINTS Service Information - Compass & Patriot a Saturday, September 08, 2012 1:48:17 PM Page 28 © 2006 Mitchell Repair Information Company, LLC.
  • 910.
    Courtesy of CHRYSLERLLC 1. Disconnect and isolate the battery negative cable. Wait two minutes for the system capacitor to discharge before further service. 2. Remove the driver airbag from the steering wheel. See Restraints/AIR BAG, Driver - Removal. 3. Place the driver airbag on a suitable work surface with the trim cover (3) facing down. If the trim cover will be reused, be certain to take the proper precautions to prevent the trim cover from receiving cosmetic damage during the following procedures. 4. Disengage each of the 16 hooks (2) of the airbag housing unit from the 16 windows in the vertical walls of the trim cover, one wall at a time. To disengage the hooks, use hand pressure to push the adjacent edge of the airbag inflator (1) or housing firmly and evenly downward into the trim cover receptacle, while at the same time pulling outward on the upper edge of the receptacle wall. 5. With all of the hooks disengaged, lift the housing, inflator and cushion as a unit from the receptacle on the back of the driver airbag trim cover. ASSEMBLY ASSEMBLY WARNING: To avoid serious or fatal injury on vehicles equipped with airbags, disable the Supplemental Restraint System (SRS) before attempting any steering wheel, steering column, airbag, seat belt tensioner, impact sensor, or instrument panel component diagnosis or service. Disconnect and isolate the battery negative (ground) cable, then wait two minutes for the system capacitor to discharge before performing further diagnosis or service. This is the only sure way to disable the SRS. Failure to take the proper precautions could result in accidental airbag deployment. WARNING: To avoid serious or fatal injury, service of this unit should be performed only by Chrysler-trained and authorized dealer service technicians. Failure to take the proper precautions or to follow the proper procedures could result in accidental, incomplete, or improper airbag deployment and possible occupant injuries. WARNING: To avoid serious or fatal injury, use extreme care to prevent any foreign material from entering the driver airbag, or becoming entrapped between the driver airbag cushion and the driver airbag trim cover. Failure to observe this warning could result in occupant injuries upon airbag deployment. WARNING: To avoid serious or fatal injury, the driver airbag trim cover must never be painted. Replacement trim covers are serviced in the original colors. Paint may change the way in which the material of the trim cover responds to an airbag deployment. Failure to observe this warning could result in occupant injuries upon airbag deployment. 2009 Jeep Patriot Limited 2009 RESTRAINTS Service Information - Compass & Patriot a Saturday, September 08, 2012 1:48:17 PM Page 29 © 2006 Mitchell Repair Information Company, LLC.
  • 911.
    Fig. 24: DriverAirbag Cover Courtesy of CHRYSLER LLC 1. Place the driver airbag trim cover (3) on a suitable work surface with the airbag receptacle facing up. Be certain to take the proper precautions to prevent the trim cover from receiving cosmetic damage during the following procedures. 2. Carefully position the driver airbag housing and inflator unit (1) into the trim cover receptacle. 3. Work around the perimeter of the unit engaging each of the 16 hooks (2) on the driver airbag housing through the 16 windows in the walls of the trim cover receptacle. 4. After the driver airbag has been assembled, try pulling the trim cover and the airbag housing away from each other. This action will fully seat the edges of the trim cover windows into the cradles of the housing hooks. NOTE: The following procedures can be used to replace the driver airbag trim cover for service. If the driver airbag is ineffective or deployed, the entire driver airbag and trim cover must be replaced as a unit. 2009 Jeep Patriot Limited 2009 RESTRAINTS Service Information - Compass & Patriot a Saturday, September 08, 2012 1:48:17 PM Page 30 © 2006 Mitchell Repair Information Company, LLC.
  • 912.
    Fig. 25: AirbagBlocking Tab & Housing Hook Courtesy of CHRYSLER LLC 5. Before reinstalling the airbag onto the steering wheel, check that the blocking tab (1) in each of the trim cover (2) windows is oriented over the airbag housing hook (3) as shown. 6. Reinstall the driver airbag onto the steering wheel. See Restraints/AIR BAG, Driver - Installation. INSTALLATION INSTALLATION WARNING: To avoid serious or fatal injury on vehicles equipped with airbags, disable the Supplemental Restraint System (SRS) before attempting any steering wheel, steering column, airbag, seat belt tensioner, impact sensor, or instrument panel component diagnosis or service. Disconnect and isolate the battery negative (ground) cable, then wait two minutes for the system capacitor to discharge before performing further diagnosis or service. This is the only sure way to disable the SRS. Failure to take the proper precautions could result in accidental airbag deployment. WARNING: To avoid serious or fatal injury, use extreme care to prevent any foreign material from entering the driver airbag, or becoming entrapped between the driver airbag cushion and the driver airbag trim cover. Failure to observe this warning could result in occupant injuries upon airbag deployment. 2009 Jeep Patriot Limited 2009 RESTRAINTS Service Information - Compass & Patriot a Saturday, September 08, 2012 1:48:17 PM Page 31 © 2006 Mitchell Repair Information Company, LLC.
  • 913.
    Fig. 26: DriverAirbag And Connector Courtesy of CHRYSLER LLC 1. Position the driver airbag (2) close enough to the steering wheel to reconnect the electrical connections on the back of the airbag housing. 2. When installing the driver airbag, reconnect the two clockspring driver airbag pigtail wire connectors (1) to the airbag inflator connector receptacles by pressing straight in on the connectors, then pushing the locks straight into the connectors. Be certain to engage each keyed and color-coded connector to the matching connector receptacle. WARNING: To avoid serious or fatal injury, the driver airbag trim cover must never be painted. Replacement airbags are serviced with trim covers in the original colors. Paint may change the way in which the material of the trim cover responds to an airbag deployment. Failure to observe this warning could result in occupant injuries upon airbag deployment. NOTE: The following procedure is for replacement of an ineffective or damaged driver airbag. If the airbag is ineffective or damaged, but not deployed, review the recommended procedures for handling non-deployed supplemental restraints. See Restraints - Standard Procedure. If the driver airbag has been deployed, review the recommended procedures for service after a supplemental restraint deployment before removing the airbag from the vehicle. See Restraints - Standard Procedure. 2009 Jeep Patriot Limited 2009 RESTRAINTS Service Information - Compass & Patriot a Saturday, September 08, 2012 1:48:17 PM Page 32 © 2006 Mitchell Repair Information Company, LLC.
  • 914.
    Fig. 27: HubTrim Cover Screw Courtesy of CHRYSLER LLC 3. Carefully position the driver airbag in the steering wheel (1). Be certain that the clockspring pigtail wires are not pinched between the driver airbag and the horn switch or the steering wheel armature. 4. From the side of the steering wheel hub trim cover, install and tighten the two screws (2) that secure the driver airbag to the horn switch. Tighten the screws to 13 N.m (115 in. lbs.). 5. Do not reconnect the battery negative cable at this time. The Supplemental Restraint System (SRS) verification test procedure should be performed following service of any SRS component. See Restraints - Standard Procedure. AIR BAG, PASSENGER DESCRIPTION DESCRIPTION 2009 Jeep Patriot Limited 2009 RESTRAINTS Service Information - Compass & Patriot a Saturday, September 08, 2012 1:48:17 PM Page 33 © 2006 Mitchell Repair Information Company, LLC.
  • 915.
    Fig. 28: LocatingPassenger Airbag Courtesy of CHRYSLER LLC The horizontal surface of the injection molded, thermoplastic passenger airbag door (1) is the most visible part of the passenger airbag. The passenger airbag door is located above the glove box (2) opening on the top of the instrument panel in front of the front seat passenger seating position. Fig. 29: Identifying Passenger Airbag Courtesy of CHRYSLER LLC The edges of the airbag door (4) are secured with integral snap features to the instrument panel base trim. Located below the passenger airbag door within the instrument panel is the passenger airbag unit. The passenger airbag unit is secured through two studs (6) on a stamped mounting bracket to the die cast instrument panel structural support armature. The passenger airbag housing (3) fits into a molded receptacle on the back of the airbag door, where several 2009 Jeep Patriot Limited 2009 RESTRAINTS Service Information - Compass & Patriot a Saturday, September 08, 2012 1:48:17 PM Page 34 © 2006 Mitchell Repair Information Company, LLC.
  • 916.
    stamped hook formations(5) on the forward and rearward edges of the airbag housing are engaged in mating small window openings on the forward and rearward flanges of the receptacle to secure the airbag door to the airbag housing. These airbag door fasteners and mounting provisions are all concealed beneath the instrument panel base trim. The passenger airbag unit used in this vehicle is a multistage, Next Generation-type that complies with revised federal airbag standards to deploy with less force than those used in some prior vehicles. The passenger airbag unit consists of a stamped and welded metal housing, the airbag cushion, and the airbag inflator (2). The airbag housing contains the airbag inflator and the folded airbag cushion. An approximately 80 centimeter (31.5 inch) wide by 90 centimeter (35.5 inch) high rectangular fabric cushion is used. The airbag inflator is a non-azide, pyrotechnic-type unit that is secured to and sealed within the airbag housing. Two inflator initiators (1) are connected to the vehicle electrical system through dedicated take outs and connectors of the instrument panel wire harness. A service replacement passenger airbag does not include the airbag door. The passenger airbag door may be disassembled from the passenger airbag and is available for individual service replacement. The passenger airbag unit cannot be repaired and must be replaced if deployed, ineffective, or in any way damaged. OPERATION OPERATION The multistage passenger airbag is deployed by electrical signals generated by the Occupant Restraint Controller (ORC) through the passenger airbag squib 1 and squib 2 circuits to the two initiators in the airbag inflator. By using two initiators, the airbag can be deployed at multiple levels of force. The force level is controlled by the ORC to suit the monitored impact conditions by providing one of several delay intervals between the electrical signals provided to the two initiators. The longer the delay between these signals, the less forcefully the airbag will deploy. When the ORC sends the proper electrical signals to each initiator, the electrical energy generates enough heat to initiate a small pyrotechnic charge which, in turn ignites chemical pellets within the inflator. Once ignited, these chemical pellets burn rapidly and produce a large quantity of inert gas. The inflator is sealed to the airbag cushion and a diffuser in the inflator directs all of the inert gas into the airbag cushion, causing the cushion to inflate. As the cushion inflates, the passenger airbag door will split at predetermined tear seam lines concealed on the inside surface of the door, then the door will pivot up over the top of the instrument panel and out of the way. Following an airbag deployment, the airbag cushion quickly deflates by venting the inert gas through a vent hole in each fabric side panel of the airbag cushion. Typically, both initiators are used during an airbag deployment event. However, it is possible for only one initiator to be used during a deployment due to an airbag system fault; therefore, it is necessary to always confirm that both initiators have been used in order to avoid the improper disposal of potentially live pyrotechnic materials. See Restraints - Standard Procedure. Proper diagnosis of the passenger airbag inflator and the passenger airbag squib circuits requires the use of a diagnostic scan tool. Refer to the appropriate diagnostic information. 2009 Jeep Patriot Limited 2009 RESTRAINTS Service Information - Compass & Patriot a Saturday, September 08, 2012 1:48:17 PM Page 35 © 2006 Mitchell Repair Information Company, LLC.
  • 917.
    REMOVAL REMOVAL Fig. 30: ReplacingPassenger Airbag Courtesy of CHRYSLER LLC 1. Disconnect and isolate the battery negative cable. Wait two minutes for the system capacitor to discharge before further service. WARNING: To avoid serious or fatal injury on vehicles equipped with airbags, disable the Supplemental Restraint System (SRS) before attempting any steering wheel, steering column, airbag, seat belt tensioner, impact sensor, or instrument panel component diagnosis or service. Disconnect and isolate the battery negative (ground) cable, then wait two minutes for the system capacitor to discharge before performing further diagnosis or service. This is the only sure way to disable the SRS. Failure to take the proper precautions could result in accidental airbag deployment. WARNING: To avoid serious or fatal injury when removing a deployed airbag, rubber gloves, eye protection, and a long-sleeved shirt should be worn. There may be deposits on the airbag unit and other interior surfaces. In large doses, these deposits may cause irritation to the skin and eyes. NOTE: The following procedure is for replacement of an ineffective or damaged passenger airbag. If the airbag is ineffective or damaged, but not deployed, review the recommended procedures for handling non-deployed supplemental restraints. See Restraints - Standard Procedure. If the passenger airbag has been deployed, review the recommended procedures for service after a supplemental restraint deployment before removing the airbag from the vehicle. See Restraints - Standard Procedure. 2009 Jeep Patriot Limited 2009 RESTRAINTS Service Information - Compass & Patriot a Saturday, September 08, 2012 1:48:17 PM Page 36 © 2006 Mitchell Repair Information Company, LLC.
  • 918.
    2. Remove thetop cover from the top of the instrument panel. Refer to Body/Instrument Panel/COVER, Instrument Panel - Removal . 3. Remove the glove box from the instrument panel. Refer to Body/Instrument Panel/GLOVE BOX, Instrument Panel - Removal . 4. Reach up into the instrument panel between the upper glove box opening reinforcement and the instrument panel armature (1) to access and disconnect the instrument panel wire harness connectors (2) from the airbag inflator (3). Firmly grasp and pull the lock straight out from the connector insulator, then pull the insulators straight out from the airbag inflator to disconnect them from the connector receptacles. 5. Remove the two nuts (4) that secure the passenger airbag lower bracket studs to the instrument panel armature. 6. Using a trim stick or another suitable wide flat-bladed tool, gently pry the edges of the passenger airbag door away from the instrument panel far enough to disengage the snap features on the door from the receptacles in the instrument panel base trim. 7. Remove the passenger airbag and airbag door from the top of the instrument panel as a unit. DISASSEMBLY DISASSEMBLY CAUTION: Do not pull on the instrument panel wire harness take outs or pry on the connector insulator to disengage the connector from the passenger airbag inflator connector receptacle. Improper removal of these take outs and their connector insulators can result in damage to the airbag circuits or the connector insulators. WARNING: To avoid serious or fatal injury on vehicles equipped with airbags, disable the Supplemental Restraint System (SRS) before attempting any steering wheel, steering column, airbag, seat belt tensioner, impact sensor, or instrument panel component diagnosis or service. Disconnect and isolate the battery negative (ground) cable, then wait two minutes for the system capacitor to discharge before performing further diagnosis or service. This is the only sure way to disable the SRS. Failure to take the proper precautions could result in accidental airbag deployment. WARNING: To avoid serious or fatal injury, service of this unit should be performed only by Chrysler-trained and authorized dealer service technicians. Failure to take the proper precautions or to follow the proper procedures could result in accidental, incomplete, or improper airbag deployment and possible occupant injuries. WARNING: To avoid serious or fatal injury, use extreme care to prevent any foreign material from entering the Passenger AirBag (PAB), or becoming entrapped between the PAB cushion and the PAB door. Failure to observe this warning could result in occupant injuries upon airbag deployment. 2009 Jeep Patriot Limited 2009 RESTRAINTS Service Information - Compass & Patriot a Saturday, September 08, 2012 1:48:17 PM Page 37 © 2006 Mitchell Repair Information Company, LLC.
  • 919.
    Fig. 31: IdentifyingPassenger Air Bag Courtesy of CHRYSLER LLC 1. Disconnect and isolate the battery negative cable. Wait two minutes for the system capacitor to discharge before further service. 2. Remove the passenger airbag from the instrument panel. See Restraints/AIR BAG, Passenger - Removal. 3. Place the passenger airbag on a suitable work surface with the passenger airbag door (2) facing down. If the airbag door will be reused, be certain to take the proper precautions to prevent the airbag door from receiving cosmetic damage during the following procedures. 4. Disengage each of the 12 hooks (3) of the airbag housing (1) from the 12 windows in the vertical walls (4) of the receptacle on the underside of the airbag door, one wall at a time. To disengage the hooks, use hand pressure to push the adjacent edge of the airbag housing firmly and evenly downward into the airbag door receptacle, while at the same time pulling outward on the upper edge of the receptacle wall. 5. With all of the hooks disengaged, lift the housing, inflator and cushion from the receptacle on the back of the passenger airbag door. ASSEMBLY ASSEMBLY WARNING: To avoid serious or fatal injury, the Passenger AirBag (PAB) door must never be painted. Replacement PAB doors are serviced in the original colors. Paint may change the way in which the material of the PAB door responds to an airbag deployment. Failure to observe this warning could result in occupant injuries upon airbag deployment. NOTE: The following procedures can be used to replace the passenger airbag door. If the passenger airbag is deployed, the passenger airbag unit and the airbag door must both be replaced. 2009 Jeep Patriot Limited 2009 RESTRAINTS Service Information - Compass & Patriot a Saturday, September 08, 2012 1:48:18 PM Page 38 © 2006 Mitchell Repair Information Company, LLC.
  • 920.
    WARNING: To avoidserious or fatal injury on vehicles equipped with airbags, disable the Supplemental Restraint System (SRS) before attempting any steering wheel, steering column, airbag, seat belt tensioner, impact sensor, or instrument panel component diagnosis or service. Disconnect and isolate the battery negative (ground) cable, then wait two minutes for the system capacitor to discharge before performing further diagnosis or service. This is the only sure way to disable the SRS. Failure to take the proper precautions could result in accidental airbag deployment. WARNING: To avoid serious or fatal injury, service of this unit should be performed only by Chrysler-trained and authorized dealer service technicians. Failure to take the proper precautions or to follow the proper procedures could result in accidental, incomplete, or improper airbag deployment and possible occupant injuries. WARNING: To avoid serious or fatal injury, use extreme care to prevent any foreign material from entering the Passenger AirBag (PAB), or becoming entrapped between the PAB cushion and the PAB door. Failure to observe this warning could result in occupant injuries upon airbag deployment. WARNING: To avoid serious or fatal injury, the Passenger AirBag (PAB) door must never be painted. Replacement PAB doors are serviced in the original colors. Paint may change the way in which the material of the PAB door responds to an airbag deployment. Failure to observe this warning could result in occupant injuries upon airbag deployment. NOTE: The following procedures can be used to replace the passenger airbag door. If the passenger airbag is deployed, the passenger airbag unit and the airbag door must both be replaced. 2009 Jeep Patriot Limited 2009 RESTRAINTS Service Information - Compass & Patriot a Saturday, September 08, 2012 1:48:18 PM Page 39 © 2006 Mitchell Repair Information Company, LLC.
  • 921.
    Fig. 32: IdentifyingPassenger Air Bag Courtesy of CHRYSLER LLC 1. Place the passenger airbag door (2) on a suitable work surface with the airbag receptacle facing up. Be certain to take the proper precautions to prevent the airbag door from receiving cosmetic damage during the following procedures. 2. Carefully position the passeng