Manuale di Istruzioni e Setup
Grazie per aver scelto Team Magic M8ER. La M8ER include una vasta selezioni di parti speciali rispetto alla vecchia versione.
                  Prima di iniziare il montaggio, è preferibile leggere prima il manuale di istruzioni. Assicuratevi di aver letto tutti i suggerimenti ed i
                  consigli per l’assemblaggio prima di iniziare.

Consigli per il montaggio:
Leggere il manuale di istruzioni prima di iniziare.
Cercare di lavorare su una asciugamano chiara per evitare la perdita delle parti.

Non stringete le viti con violenza! Molti problemi d’assemblaggio sono causati proprio da questo fattore. Avvitate con forza, ma un pò alla volta,
cercando di “sentire” man mano la resistenza delle plastiche.
Quando vi sembra di aver sbagliato nel montaggio di qualche componente, rileggete bene le istruzioni e, con la massima calma, apportate
modifiche, se necessario.
Utilizzare i giusti strumenti, rende più facile il montaggio. Le istruzioni riportate di seguito indicano quali strumenti sono necessari per velocizzare il tutto.

Il montaggio è organizzato in modo tale da aprire un sacchetto (BAG) e finirlo prima di passare al sacchetto successivo.


Un buon rivenditore è estremamente importante!!
Un buon rivenditore può aiutarvi nella maggior parte dei problemi che potreste incontrare. Questa è la prima
ragione per cui dovreste comprare da un buon rivenditore, piuttosto che da quello meno “caro”.

Per qualsiasi informazione potete inviare una mail al seguente indirizzo: info@electronicdreams.it.


  ! Grazie per aver scelto M8ER.                Per guidare il modello, seguite le seguenti procedure.



          1 Strumenti inclusi


      Chiavetta TM                       Chiave a X                    Chiave a X                              Shock End Cap Tool (2)
      Wrench(2.6, 3.5, 4.5 & 6mm)        (4mm, 5mm, 5.5mm & 7mm)       (7, 8, 10, 12 & 17mm)                   #560194
                                         #116043
      #117101                                                          #116025


                                2.6
            4.5
                               6
          3.5




          2 Strumenti necessari


        Pinza a pappagallo               Calibro                       Cutter                                  Nastro Biadesivo            TM Black
                                                                       (Attenzione!! Questo cutter                                         Alesatore
                                                                       taglia le parti in plastica e le dita                               (0~18mm)
                                                                       allo stesso modo. Siate prudenti!)
                                                                                                                                           #117030




        Forbici                           Colla Cianoacrilica           Pinza a becco                          TM Black Cacciavite Fisso   TM Black HC Chiave esagonale
        (per carrozzerie)                                                                                      per carburazione (4mm)      metrica 1.5mm
        #116006                                                                                                #117023                     #117002-1M




      TM Black HC Chiave                  TM Black Chiave               TM Black Chiave                        TM Black HC Chiave a        TM Black HC Chiave a tubo
      esagonale metrica 2.0mm             esagonale metrica 2.5mm       esagonale metrica 3.0mm                tubo 5.5mm (dadi da 3mm)    6mm (dadi da 3.5mm)
      #117002-2M                          #117002-3M                    #117002-4M                             #117010                     #117014




      Batterie AA Alkaline O Ricaricabili
      Per la radio, 8 pz




 1
3 Accessori suggeriti

1/8 Buggy Setup                               TM 1/8 Piano Setup                  Blocchetti per Setup                                  H.A.R.D.
                                              (500x480mm)                         (25~30mm)                                             Standing Box
#H7105                                        #116052                             #H7113                                                #H9201

  10 5   0   5
                 10


                                                                                                                         27
                                                                                                                            mm




                                                                                                                                 26mm
                                                                                                                30mm
  4 Accessori Cool!

TM Cappellino (Arancione)                     TM                                  TM Borsa porta                                        TM New Formula 8 (F8)         H.A.R.D. Magellan Series
                                              T Shirt (Nera)                      Radio (Nera)                                          Borsone (per auto 1/8)        Borsone per 1/8 Off Road
#119235
                                              #119234                             #119206                                               #119220                       #H8911




                                                                                        Team


                                                                                        www.team magic.com.tw




H.A.R.D.                                      H.A.R.D. gancio per collo           H.A.R.D. Tubo al
Borsa porta oggetti                                                               Silicone (90cm)
                                              #H9010
#H9001                                                                            #H6701




             5          Montaggio



01                    Montaggio Antenna & Gomme



                                 Montaggio Antenna
                                                                                                                                                                 Montaggio Gomme:
                                                                                                                                                                 utilizzate la chiave a
                                                                                                                                                                 x per montarle.




                      Installazione batterie                                                                           OFF
                        Voltaggio di Input: 7.2V~14.8V DC Ni-Cd/Ni-Mh/
                        Lipo
                        Spegnere l’ESC prima di attaccare i connettori.
                        Non utilizzate l’attacco di plastica bianco,
                        ma l’attacco a T per sicurezza.
                 Importante: assicuratevi che l’ ESC sia spento prima di attaccare le
                 batterie.
                                                                                                                       ON




                                                                                                                                                                                            2
02    Installazione batterie bella radio                           03   Attaccate i connettori e accendete l’ESC



           B



                                         T-02
                                   26.995MHz
                                   AM




                                                      A
                                                                                                                              OFF




    A. Inserite le 8 batterie AA                      B. Accendete la                                                         ON
       nella radio HARD.                                 radio




     04    Mettete il trim dello sterzo al centro




      05    Movimenti della radio.
                                               T-02
                                         26.995MHz
                                         AM




                                                                                                          Girate la rotellina della radio a
                                                                                                          destra per girare a destra.
                                                                                                          Girate la rotellina della radio a
                                                                                                          sinistra per girare a sinistra.
                                         T-02
                                   26.995MHz
                                   AM




                                                                               Tirate il grilletto indietro per accelerare.


                                                                               Spingete il grilletto in avanti per frenare o innestare
                                                                               la retromarcia




3
06   Temperature
                                                                                                                    Le batterie < 60° C




                Il motore dovrebbe
                essere < 90 C




07   Istruzioni per l’ESC.




                                                                                                                        BATTERIA


                                                                                                                                   BATTERIA
     1. Installate l’ESC guardando queste istruzioni; Accendete il radiocomando, accendete l’ESC.


     2. Alzate le 4 ruote della macchina da terra. Regolate ed assicuratevi che la direzione “avanti”
        del radiocomando coincida con la direzione “avanti” dell’ESC.


     3. Dopo aver acceso l’ESC, esso produrrà una serie di suoni per indicare la sua corretta accensione.
        La regolazione del Neutrale è automatica, si noterà lampeggiare velocemente con luce gialla e
        rossa il LED2. Quando il Neutrale sarà settato, si sentirà un suono di conferma ed il LED2 lampeg-
        gerà più lentamente, sempre con luce gialla e rossa. Se il Neutrale non è stato settato correttamente,
        non si udirà nessun suono di conferma. Riprovate a riavviare il sistema partendo dallo step 1 di queste
        istruzioni. Questo ESC è applicabile ai radiocomandi con impostazioni di accelerazione
        e frenata al 50/50.


     4. Spingete lentamente il grilletto del gas in avanti, il LED2 lampeggerà lentamente di rosso. La
        velocità di lampeggiamento sarà proporzionale all’accelerazione. Alla massima accelerazione, il
        LED2 rimarrà accesso fisso con luce rossa. Se la direzione avanti del grilletto non coincide con
        l’avanti dell’ESC, la luce sarà gialla e non rossa. Cambiate il reverse sulla radio e non avrete
        problemi.


     5. Direzione rotazione motore - Accelerate lentamente per verificare se il motore gira nella
        direzione desiderata.                                                                                     Connettori
        Per invertire la direzione del motore, scambiate due qualsiasi connettori del motore.
        Nota : Non invertite i connettori della batteria!!! Potreste danneggiare l’ESC in modo permanente!

     6. Prima di tutto, iniziate a provare con un motore con un gear ratio basso per 2~3 minuti, misurate               Fili Motore
        la temperatura dell’ESC e del motore. Se entrambe le temperature non superano quelle sopra
        indicate, non avrete problemi e potete settare il gear ratio secondo le vostre esigenze.                        Radiatore
        Ad ogni modo, è estremamente importante mantenere le temperature al di sotto dei 100°,
        altrimenti il motore potrebbe smagnetizzarsi e le temperature potrebbero alzarsi più facilmente.

     7. Non avrete problemi ad aumentare il gear ratio o a montare un motore con più KV con temperature
        dell’ESC al di sotto degli 80 °c. Ricordate che se cambiate motore, è opportuno cambiare anche
        il voltaggio delle batterie. Guardate l’esempio riportato in grassetto:
        Input 7.2V, inner resitance 0.18Ω --- 40A (V/R=I 7.2/0.18=40)                                   Interruttore
        Input11.1V inner resistance 0.18Ω --- 61.6A (V/R=I 11.1/0.18=61.6)

     8. Acceleratore                                                                                                                          LED1
        Tirando il grilletto della radio indietro, il modello partirà subito in avanti, senza alcun ritardo,                                  LED2
        raggiungendo la massima velocità in breve tempo. La frenata avviene semplicemente spingendo
        il grilletto della radio inavanti mentre si sta accelerando .
                                                                                                                  Receiver Wire

     9. Retromarcia
        Spingendo il grilletto della radio in avanti mentre il modello è fermo, esso effettuerà la retromarcia.
        Per frenare, tirate il grilletto della radio indietro mentre si sta effettuando la retromarcia.
        In questo modo, si otterrà un rallentamento durante la fase di retromarcia.


     10. Attenzione
       Quando attaccate il pacco batterie, fate attenzione che tutte le ruote siano sollevate da terra.
       Attaccate le batterie appena prima di guidare e staccatele subito dopo aver terminato.
       Assicuratevi inoltre di connettere all’ESC le batterie con giusto voltaggio e prestate attenzione
       alla polarità, altrimenti potreste danneggiare l’ESC.




                                                                                                                                                     4
6   Adesivi


    01 Vista da sinistra




    02 Vista dall’alto




    03 Vista da destra




5
560321
                                                                                                                                                                     560265


     Differenziale anteriore/posteriore                                                                                                                     560321




            560323                                                                                                                                561202


                                                                                                    560324
                        150816     O                                                                                             126310BU




                                    560102                                                               126304S
                                                                                                                                             560200(Front)
                                                                                                                      560204                 560268(Rear)
                                                560103
                                                          560323
                                                                                                                   560204
                                                                560323
                                                                     560323                                        560204
                      560266
                                                                                                                                                       560191
                      560266                                                                                       560204
                                                                            560266                                                                     560191
                                                560266
             560266                                                                                                560204
                                           560266
         560266                                                                             560102                                                   560191


                       560266                                                     126304S                          560204
                                                                                                                                                       560191

                     560266
                                                                                                                   560204


                     560266                     560323

                                       560266                                                                      560204
                                                       560323
                                                                                                                                                  560190(Front)
                                                                                                                                                  560269(Rear)
                                                            560323
     Differenziale centrale                                      560103



                                                                                  560322
                                                                                              1508160                                                  560193

                                                                                                             560323
                                                                                                                                                       560192
560102
                                                                                                                                                       560192

                                                                                                                                                       560192
                                                                                                                                        560102
                         560169
                                                                                                                                                       560193
                                    150816O
                                                                                                                                                      560193
  560266                                      560267
  560266
                                                            560103
                                                                         560169
                                              560266
  560266                               560266
                                                                                  560169
                                  560266                                                   560169
                       560266                             126304S                                                                           560270(Front)
  560266                                                                                        560266                                      560271(Rear)
                                                          560266
  560266
                                                                   560169

                                                                         560169

                      560266                                                  560169 560103

                                    126304S
                                                                                                      560102



                                                                                                               150816O                              560321



                                                                                                                            560169

                                                                                                                                                        560321


                                                                                                                                                  560321




                                                                                                                                                                                       6
560240

                                                                                                                          561007




                                                                                                                        123516BU




                                                                                                          126306S

                                                                                                560321
                                                                              111147F
                                                                                                                                       123510C
                                                                                      126306S

                                                                                                                                     123525BU
                                                                          561007


                                                                                   560242                                      111007ST
                                                                                                                                                      126320BU
                                                                                                                                          560243


                       561007                                                                                                                                  123516BU
                                               123510
       561007                                                                               560147
                         123516BU
                                                                                                                                                                                 130101
                                123510

                                                          561007
                                                                                                                                                                                    560264
                                                                                                                                                                      123516BU
                                                                                                                                                   560264
                                              123518

                                    123518              560262
                                                                                      560149
                                                                                                                                                               560264
                                                                      560507                                                   560322
                                                                                      560120                                            150816O
                                                                                                                                                   126404S


                                                                                                               126303S                                   560244
                                                                                                                                                                             126310
                                                                                                               560116
                                                                                      560120
                                                                                                                                      560147
                           560221
                                                                   560120
                                                                               560120

                                                                                                                                                   560228
                                                                                    123510C
                                                                                                                                                                560120
                                                                                                         560147                       123510
                                                                                   560138                                              560228                           560120
                                                                                                                                                560120                            560150
                                                                                                               123510                                 560120
                                                                                                                   111162
                                                                                                                            560248                                                    123518
                                                                                                                                   111147F
                                                                                                         123522
                                                                 123522                                                                                                          123518

                                                                      111162
                                                                                                      560248
                                                                              560248
                                                                                                                         560248
                                                                                      560248
              560123
    126505S                                               126308BU
                                                                     560152                                                               560212




                                                                                                          150816O
                                                                     111007ST


                                                                                                                                      126412S

                                116229
                                                                   150816O          560152           560157                                  560247
                                                                                                                                                               115001BK
                                                                                        560247
                                                        130102
                                                                                                                                                               126312S

                                             560123                                                                                                      115001BK
                                                                                                                                  115001BK
                                                                                                                                                             126316
                                                                                                                    560247




7
126310BU
                                                                                                                                                       126308BU


                                                    H6813                                                                560313                                        126308BU
                                                                                                                                                                 560313

                                                                                                                   111007ST
                                                    126312BU

                                         126414BU
                                                                                                                    126310BU
                                                                      560313
                                     560252
                     126414BU

             126312BU                                                                                                              560311


                                                                                                                    126310                                             H6809

                                                                                                                                           123510C
                                                                                          126308
            560173
                                     130108                       126412EN                                                                     123516BU
                                                            560319

            150610                                                                                                                                                     111118

                                                                                              560312                                                             560173
                                                            126318BU                                                  560120
                                                                                                                     560173                                             560109
                                                                                    126412EN
               560168                                                                                  560120                                                                         123525BU
                                                                                                           560109                                                123508C

                                                                                                                                                126306S                                       560321
                                              126316                                                                                                                                            111147F
               130101
                                                                                                                                                                                                   560110
     111007ST                                                                  560319                           560173                                                                       560120
                                              560168

                                                                                                                560112

         115027BK                                                                                                                                             560120
                                                                                                            126404S
         116133-5C
                      115027BK                                                                                                                                    123510
                                                                                                                                                 150816O                     560254
                      111007ST                                                                                                                                            126303S
                                                                                                                                                                       560116
                                                                                                                    560244                               560322
                     126316BU                                        126318BU


              560319                                                                                     123518
          126301                                                                                                   560260
                                                                                               123518


                        126318BU                                                                                                                                                          560117
                                                                     130108

                                                                     150610                560259                                                    560112
                   560255                                                                                                                                               560261
                                             150307
                                                                     560255                                                                                    560260
                                                                                          560129
                                                                     150307                                       560260
                                                                                                                                                                                 560262
                   560168                                                                   560253
                                                                     560168
                                                                                    116153C
                                                                     150307
                                            111007ST                                                              111007ST
                                                                     111007ST                  560253
                                                                                                                           123514
                     560168                                                                111007ST                                    123514
                                              560256           150610 126410C                  115001BK
                                                            560257        560320                                                             560260
                      560256
                                                                     560135
                                                                                                                                                                          123518 123518
                                                                                                                         560212
           123518                                                     561321
                                                560256                                                      126312S
                         150610                                                                          115001BK
                                               111007ST                150816O
                                                                                                               126412S
                   560257
                                                                                                                560258
              560256                        126303S
                                                                                126314                              560258


             560221                                                              560129
                                116229

                                                                560320
                                                130102                         560320                                             560130
                                                                                            111007ST        123522
                                                       150816O
                                    126505S

                                           560123                                        126410C
560123




                                                                                                                                                                                                            8
123510C

                                                                          123510C




                                                              560315




                                  560245
                                                                                                                         126310BU        126310BU


                                                                                                                126310BU

                                                  126404S
                                                     152010


              H6812


                                                                                 152010


                                        560316
                                                 560317
                                                                                                                                                        560314     560178
                               560318
                                                                                                                                                            126314BU
                                                                                                                                                      126308SE

                                                                                126308C
                                                                                             560315

                                                                                                                                                                 126306BU
                                                                                                            560245




                                                                                                                                                                   126308SE
                                                                                                       560293

                                                                                                                                                         H6811
                                                                            111007F                                             560293


                                                                                                          560293                             560293
                                                                                             111007F




                                                                                                                             560292


                                                                                                                                       560292




                                                                                                                                560318




         126416                                                                                                                     560137



126416
                      126416
                                                                                  126310
                         126310
           126416


                                                            126310

                                                 126310                                       126412
     126310

                                                                       126310

                                                              126310
                                                                                                                              126416
                                                      126310
                                                                          126310

                                                                                    126412
                                                                                                                126310


                                                                                                                                                                            9
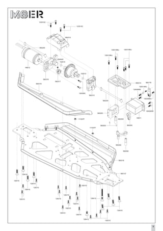
Parts List

     1        PARTS
                                                                                            560316      Motor Mount
     560102      Diff Case Set                                                              560317      11T Pinion Gear
     560103      Differential Case Gasket (4)                                               560318      Chassis Guard & Stiffener (1 pair)
     560109      Front Upper Arm Mount (L & R)                                              560319      Alum. 7075 Front Chassis Stiffener Rod Set
     560110      Hard Coated 7075 Aluminum Front Shock Tower                                560320      Steering Block (1 pair)
     560112      Front Gear Box (1 set)                                                     560321      Shock Ball End, Spring Cap & Hardware Set (2)
     560116      Hard Anodized Aluminum Anti-Roll Bar Ball Stud (4)                         560322      Bevel Gear Set 43T & 13T
     560117      Front Anti-Roll Bar 2.4mm                                                  560323      Steel F/R Differential Outdrive (1 pair)
     560120      Hinge Pin Nylon Cap & Adjuster Set                                         560324      Body
     560123      Aluminum Wheel Adapter, Pin & Nut (2)                                      560507      7075 Aluminum Rear Lower Rear (2.5 & 3.5 Toe Degree) Hinge Pin Plate
     560129      ST Steel 3.5x41.5mm Hinge Pin (for Front Upper/Outside Lower) (2)          561007      Neo-Rear Wing Mount & Holding Set
     560130      ST Steel 4x68.8mm Hinge Pin (for Front Lower) (2)                          561202      Neo-Shock Bladder (4)
     560137      3mm 7075 Aluminum Chassis                                                  H6809       HR163JE 2 Channel AM Receiver 27MHz w/o Crystal
     560147      Rear Gear Box (1 set)                                                      H6811       H.A.R.D. HS3306 Steering Servo
     560149      Rear Anti-Roll Bar 2.8mm                                                   H6812       H.A.R.D. Z5 Brushless Motor
     560150      7075 Aluminum Rear Lower Front (1 & 2 Anti-Squat Degree) Hinge Pin Plate   H6813       H.A.R.D. P-MAX ESC (w/reverse)
     560152      Rear Hub Carrier & Mud Sweeper (1 pair)                                    111007F     3mm Flat Locknut (10)
     560157      ST Steel 3.5x43.5mm Hinge Pin (for Rear Outside Lower) (2)                 111007ST    3mm Steel Locknut (10)
     560168      Servo Saver Set                                                            111118      R5 R-clip (10)
     560169      ST Steel Center Differential Outdrive (2)                                  111147F     3.5mm Steel Flat Nut (6)
     560173      Servo Saver Holder & Front Cushion Stiffener Set                           111162      3.5mm Alum. Flat Head Washer (6)
     560175      Receiver Battery Pack Box                                                  115001BK    Ball End & Steel Ball (6) BLACK
     560178      Servo Arm (Futaba) (2)                                                     115027BK    Ball End & 5.8mm Single Flanged Steel Ball (6) Black
     560190      ST Steel 4x55.4mm Shock Shaft (2)                                          116133-5C   3x35mm CR Adjustable Rod (2)
     560191      Shock Piston 1.5mm x 2 (2)                                                 116153C     5x30mm CR Adjustable Rod (2)
     560192      Shock O-Ring & Washer (4pcs/each)                                          116229      2.5x16.8mm PIN(10)
     560193      Shock End Cap Set (2)                                                      123508C     3.5x8mm Steel Cap Screw (6)
     560200      Hard Coated Shock Body 47mm (2)                                            123510      3.5x10mm Steel FH Screw (6)
     560204      Shock Spring Holder & Spacer Set (2)                                       123510C     3.5x10mm Steel Cap Screw (6)
     560212      Neo-Front Universal Joint 128.8mm (2)                                      123514      3.5x14mm Steel FH Screw (6)
     560221      Mounted Tire (2)                                                           123516BU    3.5x16mm Steel BH Screw (6)
     560240      Buggy Rear Wing                                                            123518      3.5x18mm Steel FH Screw (6)
     560242      Rear Alum. 7075 Shock Tower                                                123518C     3.5x18mm Steel Cap Screw (6)
     560243      Rear Body Mount                                                            123522      3.5x22mm Steel FH Screw (6)
     560244      ST Steel Small Bevel Gear Outdrive (2)                                     123525BU    3.5x25mm Steel BH Screw (6)
     560245      Hard Coated Alum. 7075 Center Drive Shaft (2)                              126303S     3x3mm Set Screw (6)
     560247      Rear Lower Flying Wing Arm (2)                                             126306BU    3x6mm Steel Button Head Screw (6)
     560248      Rear Upper Linkage Set (2)                                                 126308      3x8mm Steel F.H. Screw (6)
     560252      Front Body Mount                                                           126308BU    3x8mm Steel Button Head Screw (6)
     560253      Front Upper Flying Wing Arm (nylon part only) (2)                          126308SE    3x8mm Steel Flat Round Servo Mount Screw (6)
     560254      Front Shock Tower Stiffener                                                126310      3x10mm Steel F.H. Screw (6)
     560255      One Piece Alum. 7075 Steering Linkage Set                                  126310BU    3x10mm Button Head Screw (6)
     560256      Steering Rod Nylon Ball End & Steel Ball Set                               126312S     3x12mm Set Screw (6)
     560257      Steel Servo Saver Post Set                                                 126314      3x14mm Steel FH Screw (6)
     560258      Front Lower Flying Wing Arm (2)                                            126314BU    3x14mm Button Head Screw (6)
     560259      Alum. 7075 Front Lower Rear Hinge Pin Plate                                126316      3x16mm Steel F.H. Screw (6)
     560260      Front Lower Hinge Pin Nylon Cap & Adjuster Set                             126316BU    3X16mm BH Screw(10)
     560262      Front & Rear Nylon Bumper                                                  126318BU    3X18mm BH Screw(10)
     560264      Alum. 7075 Rear Chassis Stiffener Set                                      126320BU    3X20mm BH Screw(10)
     560265      Aluminum Shock Cap (2)                                                     126404S     4x4mm Set Screw (6)
     560266      Differential Bevel Gear Set (for 1 diff)                                   126410C     4x10mm Steel Cap Screw (6)
     560267      46T Main Gear                                                              126412S     4x12mm Set Screw (6)
     560268      Hard Coated Rear Shock Body (2)                                            126412EN    4mm Steel Flat Round Engine Mount Screw (6)
     560269      ST Steel 4x65.4mm Shock Shaft (2)                                          126414BU    4X14mm BH Screw(10)
     560270      Front 18x66mm Shock Spring (2) White                                       126416      4x16mm Steel FH Screw (6)
     560271      Rear 18x86mm Shock Spring (2) White                                        126505S     5x5mm Set Screw (6)
     560292      Transponder Mount (Hex Post Included) (for M8JS.JR)                        130102      8.1x12x0.2mm Shim (10)
     560293      Servo Mount Set (for M8JS.JR)                                              130108      6.05x9.5x0.5 mm Shim(10)
     560311      Battery Holder                                                             150307      3x7x3mm Bearing (2)
     560312      Velcro Battery Straps (2)                                                  150610      6x10x3mm Bearing (2)
     560313      Reveiver Box and ESC Holder                                                150816O     8x16x5mm Dust-Resistant Bearing (4) Orange
     560314      Upper Servo Mount                                                          152010      O-Ring P5(10)
     560315      Center Differential Mount




10
Cautions !!
                     To prevent any serious personal injury or damage to property, please be responsible when operating this radio controlled car.
                     Team Magic and its distributors have no control over damage resulting from shipping, improper construction or improper usage.
                     Team Magic accepts no responsibility for damages resulting from the use of improper building equipment and operations. By
                     the act of assembling or operating this product, the user accepts all liability. If the buyer is not prepared to accept this liability,
                     then he/she should return this product in a new, unassembled and unused condition to the place of purchase.

                       This is not a toy. It is a high speed r/c car for persons age 15 and older.
                       Choose the right place to drive your r/c model
                        Don't run on streets or highways. This could cause serious accidents.
                        Don't run r/c cars near people or animals.
                        Don't run in the house. There is a high risk of fire.
                        Don't run nearby hospitals or schools. Loud noises may disturb others.

                       Always inspect your model before operation
                        Always make sure that no one else is using the same frequency when you are using
                        Always make sure your transmitter and batteries are fully charged to avoid losing control of the model.

                     Based on continuous product development, the up-to-date specifications of the kit may vary. We reserve all rights to change
                     any specification without prior notice.




Team Magic Model Industrial Co.Ltd.
No,185-2, 38th Road, Taichung Industrial Park, Taichung, Taiwan 407
TEL: 886-4-23552606 FAX: 886-4-23552946
E-mail: service@teammagic.com.tw
       60915
www.teammagic.com.tw                                                                                                                    61195 Made TAIWAN
                                                                                                                                             MADE IN in Taiwan

Manuale M8ER Team Magic

  • 1.
  • 2.
    Grazie per averscelto Team Magic M8ER. La M8ER include una vasta selezioni di parti speciali rispetto alla vecchia versione. Prima di iniziare il montaggio, è preferibile leggere prima il manuale di istruzioni. Assicuratevi di aver letto tutti i suggerimenti ed i consigli per l’assemblaggio prima di iniziare. Consigli per il montaggio: Leggere il manuale di istruzioni prima di iniziare. Cercare di lavorare su una asciugamano chiara per evitare la perdita delle parti. Non stringete le viti con violenza! Molti problemi d’assemblaggio sono causati proprio da questo fattore. Avvitate con forza, ma un pò alla volta, cercando di “sentire” man mano la resistenza delle plastiche. Quando vi sembra di aver sbagliato nel montaggio di qualche componente, rileggete bene le istruzioni e, con la massima calma, apportate modifiche, se necessario. Utilizzare i giusti strumenti, rende più facile il montaggio. Le istruzioni riportate di seguito indicano quali strumenti sono necessari per velocizzare il tutto. Il montaggio è organizzato in modo tale da aprire un sacchetto (BAG) e finirlo prima di passare al sacchetto successivo. Un buon rivenditore è estremamente importante!! Un buon rivenditore può aiutarvi nella maggior parte dei problemi che potreste incontrare. Questa è la prima ragione per cui dovreste comprare da un buon rivenditore, piuttosto che da quello meno “caro”. Per qualsiasi informazione potete inviare una mail al seguente indirizzo: info@electronicdreams.it. ! Grazie per aver scelto M8ER. Per guidare il modello, seguite le seguenti procedure. 1 Strumenti inclusi Chiavetta TM Chiave a X Chiave a X Shock End Cap Tool (2) Wrench(2.6, 3.5, 4.5 & 6mm) (4mm, 5mm, 5.5mm & 7mm) (7, 8, 10, 12 & 17mm) #560194 #116043 #117101 #116025 2.6 4.5 6 3.5 2 Strumenti necessari Pinza a pappagallo Calibro Cutter Nastro Biadesivo TM Black (Attenzione!! Questo cutter Alesatore taglia le parti in plastica e le dita (0~18mm) allo stesso modo. Siate prudenti!) #117030 Forbici Colla Cianoacrilica Pinza a becco TM Black Cacciavite Fisso TM Black HC Chiave esagonale (per carrozzerie) per carburazione (4mm) metrica 1.5mm #116006 #117023 #117002-1M TM Black HC Chiave TM Black Chiave TM Black Chiave TM Black HC Chiave a TM Black HC Chiave a tubo esagonale metrica 2.0mm esagonale metrica 2.5mm esagonale metrica 3.0mm tubo 5.5mm (dadi da 3mm) 6mm (dadi da 3.5mm) #117002-2M #117002-3M #117002-4M #117010 #117014 Batterie AA Alkaline O Ricaricabili Per la radio, 8 pz 1
  • 3.
    3 Accessori suggeriti 1/8Buggy Setup TM 1/8 Piano Setup Blocchetti per Setup H.A.R.D. (500x480mm) (25~30mm) Standing Box #H7105 #116052 #H7113 #H9201 10 5 0 5 10 27 mm 26mm 30mm 4 Accessori Cool! TM Cappellino (Arancione) TM TM Borsa porta TM New Formula 8 (F8) H.A.R.D. Magellan Series T Shirt (Nera) Radio (Nera) Borsone (per auto 1/8) Borsone per 1/8 Off Road #119235 #119234 #119206 #119220 #H8911 Team www.team magic.com.tw H.A.R.D. H.A.R.D. gancio per collo H.A.R.D. Tubo al Borsa porta oggetti Silicone (90cm) #H9010 #H9001 #H6701 5 Montaggio 01 Montaggio Antenna & Gomme Montaggio Antenna Montaggio Gomme: utilizzate la chiave a x per montarle. Installazione batterie OFF Voltaggio di Input: 7.2V~14.8V DC Ni-Cd/Ni-Mh/ Lipo Spegnere l’ESC prima di attaccare i connettori. Non utilizzate l’attacco di plastica bianco, ma l’attacco a T per sicurezza. Importante: assicuratevi che l’ ESC sia spento prima di attaccare le batterie. ON 2
  • 4.
    02 Installazione batterie bella radio 03 Attaccate i connettori e accendete l’ESC B T-02 26.995MHz AM A OFF A. Inserite le 8 batterie AA B. Accendete la ON nella radio HARD. radio 04 Mettete il trim dello sterzo al centro 05 Movimenti della radio. T-02 26.995MHz AM Girate la rotellina della radio a destra per girare a destra. Girate la rotellina della radio a sinistra per girare a sinistra. T-02 26.995MHz AM Tirate il grilletto indietro per accelerare. Spingete il grilletto in avanti per frenare o innestare la retromarcia 3
  • 5.
    06 Temperature Le batterie < 60° C Il motore dovrebbe essere < 90 C 07 Istruzioni per l’ESC. BATTERIA BATTERIA 1. Installate l’ESC guardando queste istruzioni; Accendete il radiocomando, accendete l’ESC. 2. Alzate le 4 ruote della macchina da terra. Regolate ed assicuratevi che la direzione “avanti” del radiocomando coincida con la direzione “avanti” dell’ESC. 3. Dopo aver acceso l’ESC, esso produrrà una serie di suoni per indicare la sua corretta accensione. La regolazione del Neutrale è automatica, si noterà lampeggiare velocemente con luce gialla e rossa il LED2. Quando il Neutrale sarà settato, si sentirà un suono di conferma ed il LED2 lampeg- gerà più lentamente, sempre con luce gialla e rossa. Se il Neutrale non è stato settato correttamente, non si udirà nessun suono di conferma. Riprovate a riavviare il sistema partendo dallo step 1 di queste istruzioni. Questo ESC è applicabile ai radiocomandi con impostazioni di accelerazione e frenata al 50/50. 4. Spingete lentamente il grilletto del gas in avanti, il LED2 lampeggerà lentamente di rosso. La velocità di lampeggiamento sarà proporzionale all’accelerazione. Alla massima accelerazione, il LED2 rimarrà accesso fisso con luce rossa. Se la direzione avanti del grilletto non coincide con l’avanti dell’ESC, la luce sarà gialla e non rossa. Cambiate il reverse sulla radio e non avrete problemi. 5. Direzione rotazione motore - Accelerate lentamente per verificare se il motore gira nella direzione desiderata. Connettori Per invertire la direzione del motore, scambiate due qualsiasi connettori del motore. Nota : Non invertite i connettori della batteria!!! Potreste danneggiare l’ESC in modo permanente! 6. Prima di tutto, iniziate a provare con un motore con un gear ratio basso per 2~3 minuti, misurate Fili Motore la temperatura dell’ESC e del motore. Se entrambe le temperature non superano quelle sopra indicate, non avrete problemi e potete settare il gear ratio secondo le vostre esigenze. Radiatore Ad ogni modo, è estremamente importante mantenere le temperature al di sotto dei 100°, altrimenti il motore potrebbe smagnetizzarsi e le temperature potrebbero alzarsi più facilmente. 7. Non avrete problemi ad aumentare il gear ratio o a montare un motore con più KV con temperature dell’ESC al di sotto degli 80 °c. Ricordate che se cambiate motore, è opportuno cambiare anche il voltaggio delle batterie. Guardate l’esempio riportato in grassetto: Input 7.2V, inner resitance 0.18Ω --- 40A (V/R=I 7.2/0.18=40) Interruttore Input11.1V inner resistance 0.18Ω --- 61.6A (V/R=I 11.1/0.18=61.6) 8. Acceleratore LED1 Tirando il grilletto della radio indietro, il modello partirà subito in avanti, senza alcun ritardo, LED2 raggiungendo la massima velocità in breve tempo. La frenata avviene semplicemente spingendo il grilletto della radio inavanti mentre si sta accelerando . Receiver Wire 9. Retromarcia Spingendo il grilletto della radio in avanti mentre il modello è fermo, esso effettuerà la retromarcia. Per frenare, tirate il grilletto della radio indietro mentre si sta effettuando la retromarcia. In questo modo, si otterrà un rallentamento durante la fase di retromarcia. 10. Attenzione Quando attaccate il pacco batterie, fate attenzione che tutte le ruote siano sollevate da terra. Attaccate le batterie appena prima di guidare e staccatele subito dopo aver terminato. Assicuratevi inoltre di connettere all’ESC le batterie con giusto voltaggio e prestate attenzione alla polarità, altrimenti potreste danneggiare l’ESC. 4
  • 6.
    6 Adesivi 01 Vista da sinistra 02 Vista dall’alto 03 Vista da destra 5
  • 7.
    560321 560265 Differenziale anteriore/posteriore 560321 560323 561202 560324 150816 O 126310BU 560102 126304S 560200(Front) 560204 560268(Rear) 560103 560323 560204 560323 560323 560204 560266 560191 560266 560204 560266 560191 560266 560266 560204 560266 560266 560102 560191 560266 126304S 560204 560191 560266 560204 560266 560323 560266 560204 560323 560190(Front) 560269(Rear) 560323 Differenziale centrale 560103 560322 1508160 560193 560323 560192 560102 560192 560192 560102 560169 560193 150816O 560193 560266 560267 560266 560103 560169 560266 560266 560266 560169 560266 560169 560266 126304S 560270(Front) 560266 560266 560271(Rear) 560266 560266 560169 560169 560266 560169 560103 126304S 560102 150816O 560321 560169 560321 560321 6
  • 8.
    560240 561007 123516BU 126306S 560321 111147F 123510C 126306S 123525BU 561007 560242 111007ST 126320BU 560243 561007 123516BU 123510 561007 560147 123516BU 130101 123510 561007 560264 123516BU 560264 123518 123518 560262 560149 560264 560507 560322 560120 150816O 126404S 126303S 560244 126310 560116 560120 560147 560221 560120 560120 560228 123510C 560120 560147 123510 560138 560228 560120 560120 560150 123510 560120 111162 560248 123518 111147F 123522 123522 123518 111162 560248 560248 560248 560248 560123 126505S 126308BU 560152 560212 150816O 111007ST 126412S 116229 150816O 560152 560157 560247 115001BK 560247 130102 126312S 560123 115001BK 115001BK 126316 560247 7
  • 9.
    126310BU 126308BU H6813 560313 126308BU 560313 111007ST 126312BU 126414BU 126310BU 560313 560252 126414BU 126312BU 560311 126310 H6809 123510C 126308 560173 130108 126412EN 123516BU 560319 150610 111118 560312 560173 126318BU 560120 560173 560109 126412EN 560168 560120 123525BU 560109 123508C 126306S 560321 126316 111147F 130101 560110 111007ST 560319 560173 560120 560168 560112 115027BK 560120 126404S 116133-5C 115027BK 123510 150816O 560254 111007ST 126303S 560116 560244 560322 126316BU 126318BU 560319 123518 126301 560260 123518 126318BU 560117 130108 150610 560259 560112 560255 560261 150307 560255 560260 560129 150307 560260 560262 560168 560253 560168 116153C 150307 111007ST 111007ST 111007ST 560253 123514 560168 111007ST 123514 560256 150610 126410C 115001BK 560257 560320 560260 560256 560135 123518 123518 560212 123518 561321 560256 126312S 150610 115001BK 111007ST 150816O 126412S 560257 560258 560256 126303S 126314 560258 560221 560129 116229 560320 130102 560320 560130 111007ST 123522 150816O 126505S 560123 126410C 560123 8
  • 10.
    123510C 123510C 560315 560245 126310BU 126310BU 126310BU 126404S 152010 H6812 152010 560316 560317 560314 560178 560318 126314BU 126308SE 126308C 560315 126306BU 560245 126308SE 560293 H6811 111007F 560293 560293 560293 111007F 560292 560292 560318 126416 560137 126416 126416 126310 126310 126416 126310 126310 126412 126310 126310 126310 126416 126310 126310 126412 126310 9
  • 11.
    Parts List 1 PARTS 560316 Motor Mount 560102 Diff Case Set 560317 11T Pinion Gear 560103 Differential Case Gasket (4) 560318 Chassis Guard & Stiffener (1 pair) 560109 Front Upper Arm Mount (L & R) 560319 Alum. 7075 Front Chassis Stiffener Rod Set 560110 Hard Coated 7075 Aluminum Front Shock Tower 560320 Steering Block (1 pair) 560112 Front Gear Box (1 set) 560321 Shock Ball End, Spring Cap & Hardware Set (2) 560116 Hard Anodized Aluminum Anti-Roll Bar Ball Stud (4) 560322 Bevel Gear Set 43T & 13T 560117 Front Anti-Roll Bar 2.4mm 560323 Steel F/R Differential Outdrive (1 pair) 560120 Hinge Pin Nylon Cap & Adjuster Set 560324 Body 560123 Aluminum Wheel Adapter, Pin & Nut (2) 560507 7075 Aluminum Rear Lower Rear (2.5 & 3.5 Toe Degree) Hinge Pin Plate 560129 ST Steel 3.5x41.5mm Hinge Pin (for Front Upper/Outside Lower) (2) 561007 Neo-Rear Wing Mount & Holding Set 560130 ST Steel 4x68.8mm Hinge Pin (for Front Lower) (2) 561202 Neo-Shock Bladder (4) 560137 3mm 7075 Aluminum Chassis H6809 HR163JE 2 Channel AM Receiver 27MHz w/o Crystal 560147 Rear Gear Box (1 set) H6811 H.A.R.D. HS3306 Steering Servo 560149 Rear Anti-Roll Bar 2.8mm H6812 H.A.R.D. Z5 Brushless Motor 560150 7075 Aluminum Rear Lower Front (1 & 2 Anti-Squat Degree) Hinge Pin Plate H6813 H.A.R.D. P-MAX ESC (w/reverse) 560152 Rear Hub Carrier & Mud Sweeper (1 pair) 111007F 3mm Flat Locknut (10) 560157 ST Steel 3.5x43.5mm Hinge Pin (for Rear Outside Lower) (2) 111007ST 3mm Steel Locknut (10) 560168 Servo Saver Set 111118 R5 R-clip (10) 560169 ST Steel Center Differential Outdrive (2) 111147F 3.5mm Steel Flat Nut (6) 560173 Servo Saver Holder & Front Cushion Stiffener Set 111162 3.5mm Alum. Flat Head Washer (6) 560175 Receiver Battery Pack Box 115001BK Ball End & Steel Ball (6) BLACK 560178 Servo Arm (Futaba) (2) 115027BK Ball End & 5.8mm Single Flanged Steel Ball (6) Black 560190 ST Steel 4x55.4mm Shock Shaft (2) 116133-5C 3x35mm CR Adjustable Rod (2) 560191 Shock Piston 1.5mm x 2 (2) 116153C 5x30mm CR Adjustable Rod (2) 560192 Shock O-Ring & Washer (4pcs/each) 116229 2.5x16.8mm PIN(10) 560193 Shock End Cap Set (2) 123508C 3.5x8mm Steel Cap Screw (6) 560200 Hard Coated Shock Body 47mm (2) 123510 3.5x10mm Steel FH Screw (6) 560204 Shock Spring Holder & Spacer Set (2) 123510C 3.5x10mm Steel Cap Screw (6) 560212 Neo-Front Universal Joint 128.8mm (2) 123514 3.5x14mm Steel FH Screw (6) 560221 Mounted Tire (2) 123516BU 3.5x16mm Steel BH Screw (6) 560240 Buggy Rear Wing 123518 3.5x18mm Steel FH Screw (6) 560242 Rear Alum. 7075 Shock Tower 123518C 3.5x18mm Steel Cap Screw (6) 560243 Rear Body Mount 123522 3.5x22mm Steel FH Screw (6) 560244 ST Steel Small Bevel Gear Outdrive (2) 123525BU 3.5x25mm Steel BH Screw (6) 560245 Hard Coated Alum. 7075 Center Drive Shaft (2) 126303S 3x3mm Set Screw (6) 560247 Rear Lower Flying Wing Arm (2) 126306BU 3x6mm Steel Button Head Screw (6) 560248 Rear Upper Linkage Set (2) 126308 3x8mm Steel F.H. Screw (6) 560252 Front Body Mount 126308BU 3x8mm Steel Button Head Screw (6) 560253 Front Upper Flying Wing Arm (nylon part only) (2) 126308SE 3x8mm Steel Flat Round Servo Mount Screw (6) 560254 Front Shock Tower Stiffener 126310 3x10mm Steel F.H. Screw (6) 560255 One Piece Alum. 7075 Steering Linkage Set 126310BU 3x10mm Button Head Screw (6) 560256 Steering Rod Nylon Ball End & Steel Ball Set 126312S 3x12mm Set Screw (6) 560257 Steel Servo Saver Post Set 126314 3x14mm Steel FH Screw (6) 560258 Front Lower Flying Wing Arm (2) 126314BU 3x14mm Button Head Screw (6) 560259 Alum. 7075 Front Lower Rear Hinge Pin Plate 126316 3x16mm Steel F.H. Screw (6) 560260 Front Lower Hinge Pin Nylon Cap & Adjuster Set 126316BU 3X16mm BH Screw(10) 560262 Front & Rear Nylon Bumper 126318BU 3X18mm BH Screw(10) 560264 Alum. 7075 Rear Chassis Stiffener Set 126320BU 3X20mm BH Screw(10) 560265 Aluminum Shock Cap (2) 126404S 4x4mm Set Screw (6) 560266 Differential Bevel Gear Set (for 1 diff) 126410C 4x10mm Steel Cap Screw (6) 560267 46T Main Gear 126412S 4x12mm Set Screw (6) 560268 Hard Coated Rear Shock Body (2) 126412EN 4mm Steel Flat Round Engine Mount Screw (6) 560269 ST Steel 4x65.4mm Shock Shaft (2) 126414BU 4X14mm BH Screw(10) 560270 Front 18x66mm Shock Spring (2) White 126416 4x16mm Steel FH Screw (6) 560271 Rear 18x86mm Shock Spring (2) White 126505S 5x5mm Set Screw (6) 560292 Transponder Mount (Hex Post Included) (for M8JS.JR) 130102 8.1x12x0.2mm Shim (10) 560293 Servo Mount Set (for M8JS.JR) 130108 6.05x9.5x0.5 mm Shim(10) 560311 Battery Holder 150307 3x7x3mm Bearing (2) 560312 Velcro Battery Straps (2) 150610 6x10x3mm Bearing (2) 560313 Reveiver Box and ESC Holder 150816O 8x16x5mm Dust-Resistant Bearing (4) Orange 560314 Upper Servo Mount 152010 O-Ring P5(10) 560315 Center Differential Mount 10
  • 12.
    Cautions !! To prevent any serious personal injury or damage to property, please be responsible when operating this radio controlled car. Team Magic and its distributors have no control over damage resulting from shipping, improper construction or improper usage. Team Magic accepts no responsibility for damages resulting from the use of improper building equipment and operations. By the act of assembling or operating this product, the user accepts all liability. If the buyer is not prepared to accept this liability, then he/she should return this product in a new, unassembled and unused condition to the place of purchase. This is not a toy. It is a high speed r/c car for persons age 15 and older. Choose the right place to drive your r/c model Don't run on streets or highways. This could cause serious accidents. Don't run r/c cars near people or animals. Don't run in the house. There is a high risk of fire. Don't run nearby hospitals or schools. Loud noises may disturb others. Always inspect your model before operation Always make sure that no one else is using the same frequency when you are using Always make sure your transmitter and batteries are fully charged to avoid losing control of the model. Based on continuous product development, the up-to-date specifications of the kit may vary. We reserve all rights to change any specification without prior notice. Team Magic Model Industrial Co.Ltd. No,185-2, 38th Road, Taichung Industrial Park, Taichung, Taiwan 407 TEL: 886-4-23552606 FAX: 886-4-23552946 E-mail: service@teammagic.com.tw 60915 www.teammagic.com.tw 61195 Made TAIWAN MADE IN in Taiwan