Muhammad Saad Sharif
Lecturer
msaadsharif@gcuf.edu.pk
Department of Electrical Engineering &
Tech.
GCUF, Pakistan
1
2
3
4
5
6
To ensure the continuity of power supply.
The importance of electric supply in everyday life has reached such a stage that it is
desirable to protect the power system from harm during fault conditions and to ensure
maximum continuity of supply [1].
For this purpose, means must be provided to switch on or off generators,transmission
lines, distributors and other equipment under both normal and abnormal conditions[1].
This is achieved by an apparatus called switchgear. A switchgear essentially consists
of switching and protecting devices such as switches, fuses, circuit breakers, relaysetc.
In this way, switchgear protects the system from the damage and ensures continuity of
supply [1].
An electric power system consists of generators, transformers, transmission and
distribution lines. Short circuits and other abnormal conditions often occur on a power
system. The heavy current associated with short circuits is likely to cause damage to
equipment if suitable protective scheme are not provided. If a fault occurs in an element
of a power system, it requires suitable protection to isolate the faulty element as quickly
as possible to keep the healthy section of the system in normal operation[2].
7
Def: “A fault in electrical equipment is defined as a defect in its electrical circuitdue
to which the current is diverted from the intended path”[3].
Faults are caused either by insulation failure or by conducting path failures. The
failure of insulation results in short circuits which are very harmful as they may damage
some equipment of the power system [3].
Most of the faults on transmission and distribution lines are caused by over voltages
due to lightning or switching surges or by external conducting objects falling on
overhead lines [3].
The opening of one or two of the three phases makes the system unbalanced.
Unbalanced currents flowing in rotating machines set up harmonics, thereby heating the
machines in short periods of time. In the case of cables, transformers, generators and
other equipment, the causes of faults are failure of solid insulation due to aging, heat,
moisture or overvoltage, mechanical damage, accidental contact with earth [3].
Sometime circuit breakers may trip due to errors in the switching operation, testing or
maintenance work, wrong connections, defects in protectivedevices.
 The fault impedance being low, the fault current are relatively high. During the fault,
the power flow is diverted towards the fault and supply to the neighboring zonesis
8
affected [3].
9
 Instability [3].
The basic electrical quantities which are likely to change during faults and abnormal
conditions are current, voltage, phase angle (direction), and frequency. Protective relays
utilize one or more of these quantities to detect abnormal conditions on a power system.
The fault must be cleared within a fraction of a second. If a short circuit persists on a
system for a longer, it may cause damage to some important sections of the system [3].
It must be realized that the faults can be minimized by improving the system,
design, quality of the equipment and maintenance. However, the faults cannot be
eliminated completely [2].
Protection is needed not only against short circuits but also against any other
abnormal conditions which may arise on a power system. A few examples of other
abnormal conditions are
Over speed of generators and motors,
Over/Under voltage / frequency/current,
Loss of excitation,
Overheating of stator and rotor of an alternator,
 Reversal of power,
 Temperature rise,
 Power swings,
A protective relay does not anticipate to prevent the occurrence of a fault, rather it
takes action only after a fault has occurred [3].
However, one exception to this is the Buchholz relay, a gas actuated relay which is
used for the protection of power transformers resulting in the generation of heat and
decomposition of the transformer oil and solid insulation [3].
When a specified amount of gas is accumulated, Buchholz relay operates an alarm.
This gives an early warning of incipient faults. The transformer is taken out for service
for repair before the incipient fault grows into serious one. Thus, the occurrence of
major fault is prevented. If the gas evolves rapidly, the Buchholz relay trips the circuit
breaker instantly [3].
The cost of the protective equipment generally works out to be about 5% of the total
cost of the system [3].
The time elapsed between the instant of the occurrence of a fault and the instant of
final arc extinction in the circuit breaker is known as fault clearing time. The fault
clearing time is usually expressed in cycles. One cycle of 50 Hz system is equal to 1/50
second. The fault clearing time is the sum of the relay time and circuit breakertime.
10
The purpose of fault analysis is to determine the values of voltages and currents at
different points of the system during the fault. Such an analysis enables us to select
appropriate protective schemes, relays, and circuit breakers in order to save the system
from the abnormal condition within minimumtime.
The knowledge of the fault currents is necessary for selecting the circuit breakers of
adequate rating designing the sub-station equipment determining the relay setting. The
per unit system is normally used for fault calculations[3].
When a short circuit occurs at any point in a system, the short-circuit currentis
limited by the impedance of the system up to the point of fault.
Hence, the knowledge of the impedances of various equipment and circuits inthe
line of the system is very important for the determination of short-circuit currents.
 Two broad classification of faults are:
 Symmetrical Faults
 Unsymmetrical Faults (Single line to ground fault, Line to line fault, double lineto
ground fault).
 Experiences has shown that majority of the faults in the transmission line occur due
to flashover of only one line to the tower and ground.
11
12
Typical relative frequencies of occurrence of different kinds of faults in apower
system and at various parts are shown in Table 1 and 2[2]:
Table 1 Percentage occurrence of various faults in power system
Type of Fault Percentage Occurrence
Three phase (3 ɸ)Faults 2%-----5%
Double line to ground (LLG) faults 5%----10%
Double Line or Line to Line (LL) faults 8% ---15%
Single Line to ground faults 75%---80%
Table 2 Percentage distribution of faults in various elements of a power system
Element Percentage of Total Faults
Overhead lines 50%
Transformers 10%
Generators 7%
Switchgear CTs, PTs, Relays 12%
 It is evident that 50% of the total faults occur on overhead lines. Hence, it is overhead lines
that require more attention while planning and designing protective schemes for a power
system.
 The most dangerous type of fault is a short circuit as it may have following effects
on a power system, if it remains uncleared [2].
 Heavy short circuit current may cause damage to equipment or any other element of
the system due to overheating and high mechanical forces setup due to heavy
current.
 Arcs associated with short circuits may cause fire hazards that may destroy the
faulty element of the system. There is also a possibility of the fire spreading to other
parts of the system if the fault is not isolatedquickly.
 There may be reduction in supply voltage of the healthy feeders, resulting in theloss
of industrial loads.
 Short circuit may cause unbalancing of supply voltages and currents thereby heating
rotating machines.
 There may be a loss of system stability. Individual generators in a power station may
lose synchronism, resulting in a partial or complete shutdown of the system.
 The above faults may cause an interruption of supply to consumers, thereby causing
a loss of revenue.
13
Def: “The apparatus used for switching, controlling and protecting the electrical
circuits and equipment is known as switchgear”[2].
The switchgear equipment is essentially concerned with switching and interrupting
currents either under normal or abnormal operating conditions. It is an essential part of
a power system [2].
Switchgear devices includes fuses, circuit breakers, isolators, relays, lightning
arrestors, current transformers, voltage transformers, and various associated equipment
Every electrical sub-station consists of almost all of these switchgear equipment[1].
A switch is a device which is used to open or close an electrical circuit in a
convenient way. It can be used under full-load or no-load conditions but it cannot
interrupt the fault currents.
When the contacts of a switch are opened, an arc is produced in the air between the
contacts. The switches may be classified into
(i) Air switches
(ii) Oil switches.
The contacts of the former are opened in air and that of the latter are opened in oil.
14
15
It is an air switch and is designed to open a
circuit under load. In order to quench the arc that
occurs on opening such a switch, special arcing
horns are provided.
Arcing horns are pieces of metals between which arc
is formed during opening operation. As the switch
opens, these horns are spread farther and farther apart.
Consequently, the arc is lengthened, cooled and
interrupted. Air-break switches are generally used
outdoor for circuits of medium capacity such as lines
supplying an industrial load from a main transmission
line or feeder.
Isolators are disconnecting switches which can be used
for disconnecting a circuit under no currentcondition.
They are generally installed along with the circuit breaker in order that repairsand
replacement of circuit breakers can be made without any danger.
16
It is not intended to be opened while current is flowing in the line. They should never
be opened until the circuit breaker in the same circuit has been opened and should
always be closed before the circuit breaker is closed. After opening the isolator, the
earhting switch can be closed to discharge the trapped electrical charges[1].
It is a switch connects a conductor to the earth so as to discharge the charges on the
conductor to the earth. Earthing switches are generally installed on the frames of the
isolators.
A fuse is a short piece of wire which melts when excessive current flows throughit
for sufficient time.
It is inserted in series with the circuit to beprotected.
Under normal operating conditions, the fuse element is at a temperature below its
melting point. Therefore, it carries the normal load current without overheating.
However, when a short circuit or overload occurs, the current through the fuse element
increases beyond its rated capacity.
17
This raises the temperature and the fuse element melts (or blows out), disconnecting
the circuit protected by it. In this way, a fuse protects the machines and equipment from
damage due to excessive currents. It is worthwhile to note that a fuse performs both
detection and interruption functions. However, fuse cannot be used on high voltage
system (3·3 kV) due to the fact that when a fuse blows, it takes sometime to replace it
and consequently there is interruption of service to the customers. In order to interrupt
heavy fault currents, circuit breakers are used.
Acircuit breaker is a switching and current interrupting device in a switchgear [1].
A device capable of making, breaking an electric circuit under normal andabnormal
conditions such as short circuits.
A circuit breaker is an equipment which can open or close a circuit under all
conditions (no load, full load and fault conditions).
It is so designed that it can be operated manually (or by remote control) under normal
conditions and automatically under fault conditions. For the latter operation, a relay
circuit is used with a circuit breaker.
The circuit breaker operate during the transient state[1].
18
Fig. shows a typical oil circuit breaker which essentially
consists of moving and fixed contacts enclosed in strong
metal tank and immersed in oil, known as transformer oil.
Under normal operating conditions, the contacts remain
closed and the circuit breaker carries the full-load current
continuously. In this condition, the e.m.f. in the secondary
winding of current transformer (C.T.) is insufficient to
operate the trip coil of the breaker.
When a fault occurs, the resulting overcurrent in the C.T. primary winding increases
the secondary e.m.f. This energizes the trip coil of the breaker and moving contacts are
pulled down, thus opening the contacts and hence thecircuit.
It is interesting to note that relay performs the function of detecting a fault whereas
the circuit breaker does the actual circuitinterruption.
Auto-reclosure are used to restore the service continuity after interrupting a transient
fault. High voltage circuit breakers used for controlling overhead transmission linesare
provided with such a feature.
Def: An automatic device which closes its
contact when the actuating quantity/quantities
reach a certain predetermined magnitude/phase.
OR
A relay is a device which detects the fault and
supplies information to the breaker for circuit
interruption.
Figure shows a typical relay circuit.
It can be divided into three parts:
(i) The primary winding of a current transformer (C.T.) (The circuit to be protected
carries a large current (normal or fault current) and is reduced to a suitable value for
relay operation with the help of a current transformer.) which is connected in series with
the circuit to be protected. The primary winding often consists of the main conductor
itself.
(ii) The second circuit is the secondary winding of C.T. connected to therelay
operating coil.
19
(iii) The third circuit is the tripping circuit
which is a part of circuit breaker that will
react to action of relay coil during fault
condition. which included a battery, trip coil
and relay contacts. It will react according to
relay coil or relay contacts.
Under normal load conditions, e.m.f. of
secondary winding of C.T. is small and the current
flowing in the relay operating coil is insufficient
to close the relay contacts. This keeps the trip coil
of the circuit breaker unenergised.
Consequently, the contacts of the circuit breaker remain closed. When a fault occurs,
a large current flows through the primary of C.T. This increases the secondary e.m.f.
and hence the current through the relay operating coil. The relay contacts are closed
resulting in the energization of the trip coil of the circuit breaker. Due to this, current
starts flowing from battery and activates the circuit breaker opening mechanism in order
to isolate the faulty part from rest of the healthysystem. 20
Instrument transformers are used in AC system for measurement of electrical
quantities such as voltage, current, and power. These devices are also used with
protective relay for protection of power system.
If we want to measure extremely high values of current and voltage then thereare
two ways of measuring it.
One is to use high capacity instruments which would be obviouslycostly.
Second way is to use the transformation property of current andvoltage.
Current and voltage can be stepped down by using a transformer whose turn’s ratio is
known and then measuring the stepped down current and voltage by a normal ammeter
or voltmeter.
The original magnitude can be determined by multiplying the stepped down
magnitude with the turn’s ratio. Such specially constructed transformer with accurate
turn’s ratio are called as instrument transformer.
There are two types of instrument transformer:
1) Current transformer
2) Potential transformer.
21
22
The current transformer is used to step
down the current for measurement, protection
and control.
Current transformer are put in series
with the line in which the current is to be
measured. They are used to step down the
current to such a level so that it can easily be
measured by using an ammeter.
Most current transformers have a the standard secondary rating of 5 amps with the
primary and secondary currents being expressed as a ratio such as 100/5. This means
that the primary current is 20 times greater than the secondary current so when 100
amps is flowing in the primary conductor it will result in 5 amps flowing in the
secondary winding. A current transformer of say 500/5, will produce 5 amps in the
secondary for 500 amps in the primary conductor, 100 times greater.
Standard secondary rating of CT’s are either 5 or 1 Amp’s. Common application of
CT available in market is “clamp meter”.
The typical current transformer has a small number of turns in the primary, and "N"
times as many turns in the secondary. Since, in a transformer, "amperes X turns" in the
primary nominally equals "amperes X turns" in the secondary.
23
This means that the current in the secondary is 1/N times the current in the
primary. Thus, if N=100, a routine ammeter connected to the secondary and reading
1A full scale will correctly indicate primary currents up to 100amps.
 If this ammeter is disconnected with the secondary left unconnected, then,the
secondary voltage of the transformer is 100 times the primaryvoltage.
In many applications such as 220 V AC power circuits, this amounts to a secondary
voltage will be 220,00 V AC. This is high enough to generate dramatic sparking and
arcing or, at the least, voltage breakdown in the current transformeritself.
By increasing the number
of secondary windings, Ns,
the secondary current can be
made much smaller than the
current in the primary circuit.
In other words, the number
of turns and the current in
the primary and secondary
windings are related by an
inverse proportion.
24
A current transformer, like any other transformer, must satisfy the amp-turnequation
as below:
A bar-type current transformer which has 1 turn on its primary and 160 turns on its
secondary is to be used with a standard range of ammeters that have an internal
resistance of 0.2Ω. The ammeter is required to give a full scale deflection whenthe
primary current is 800 Amps. Calculate the maximum secondary current and secondary
voltage across the ammeter.
Secondary Current:
Voltage acrossAmmeter:
It can be noticed that since the secondary of the current transformer is connected
across the ammeter, which has a very small resistance, the voltage drop across the
secondary winding is only 1.0 volts at full primarycurrent.
25
Now, suppose if the ammeter is disconnected, the secondary winding effectively
becomes open-circuited, and thus the transformer acts as a step-up transformer. This
will highly increase the magnetising flux in the secondary core as the secondary leakage
reactance influences the secondary induced voltage because there is no opposing
current in the secondary winding to prevent this. The results is a very high voltage
induced in the secondary winding equal to the ratio of: Vp (Ns/Np) being developed
across the secondary winding. Suppose in above example, current transformer is used
on a 3-phase, 480 volt . Then,
For this reason a current transformer should never be left open-circuited or
operated with no-load when primary current is flowing through it. If the ammeter (or
load) is to be removed, a short-circuit should be placed across the secondary terminals
first to eliminate the risk of shock.
This high voltage is because when the secondary is open-circuited, the iron core of
the transformer operates at a high degree of saturation and with nothing to stop it, it
produces an abnormally large secondary voltage. This high secondary voltage could
damage the insulation or cause electric shock if the CT’s terminals are accidentally
touched.
If the secondary of CT is open, it means that there will be no current flowing on
secondary side and hence no mmf, whereas current will be flowing in the primary side
and there will be mmf produced.
To counter the mmf of primary, there will be no secondary mmf (because of no
current on secondary side). Hence there will be large amount of mmf present in the
current transformer.
This large mmf will produce large flux in the core and will saturate the core. Again,
due to large flux in the core, the flux linkage of secondary winding will be large which
in turn will produce a large voltage across the secondary terminals of theCT.
This large voltage across the secondary terminals will be very dangerous and will
lead to the insulation failure and there is a good chance that the person who is opening
the CT secondary while primary is energized will die due toshock.
Moreover, because of excessive core flux, the hysteresis and eddy current loss will be
very high and the CT will get overheated. As CT is oil filled, because of overheating,
the oil of CT will get boil and start to vaporize. Because of vaporization of CT oil, the
CT housing will get pressurized and blast. This blasting will lead to fire and smoke.
Again, it is not the end here but due to smoke, the nearby lines may get shortcircuited.
26
If the secondary of CT is opened while the primary is carrying a heavy load, the
demagnetizing effect of secondary current will no longerexist.
Thus, flux in the core will increase. This increased flux will induce as high voltage in
the secondary circuit, which may puncture the insulation or produce a dangerous shock
to anyone coming in contact with it.
Therefore, the secondary of a current transformer should never be opened while the
primary is energized.
In the nutshell, the secondary of current transformer should not be open due to
following reasons:
(1)Due to this, extremely very high voltage will be induced at the secondary terminals.
It will cause the insulation failure leading to CT failure.
(2) If any person touches the secondary of CT at that instant, he or she may suffer from
severe shock causing to death.
(3) Due to saturation, the CT will be overheated and oil in it will be pressurized leading
to blast.
27
28
The voltage transformer (VT) or potential
transformer (PT) is an instrument transformer
used for metering and protection purpose.
Potential transformers are basically step down
transformers used to step down the voltage of high
magnitude to a lower voltage which can be
measured with standard measuring instrument.
These transformers have large number of
primary turns and smaller number of secondary
turns.
The construction of PT/VT is same as that of power transformer except for insulation
level, cooling, sealing etc.
A potential transformer is typically expressed in high primary to secondary voltage
ratio (e.g 132 kV/100 V). The protective relays are connected in the secondary circuits
of PTs. PTs are designed for of specific voltage rating like 400 kV / 110 V. This means
that when a PT primary is connected to 400 kV line, the secondary voltage will be
110V. This secondary voltage is connected to various measuring instruments like
voltmeter, energy meter etc. and protection relays like distance relay, direction earth
fault relay etc.
 In normal condition, PT secondary is connected to some impedance offered by relay
/ measuring instrument. Therefore the current through the secondary circuit islow.
But when secondary of the PT is shorted, a high current will flow thorough the
secondary circuit. This is because of low voltage regulation. PT will try to maintain its
secondary voltage and for doing this it will try to flow high current through shorted
terminals. This high current will lead to overheating and consequent damage to the PT.
To avoid damage due to short circuit of PT terminals, fuses are installed in PT
junction box. In case of short circuit of secondary terminals, these fuses will blow out
and thus will open the circuit. It may be noted that fuses should be installed as near to
the PT as possible to avoid heating of connectingcables.
For a voltage transformer (VT), the ratio of voltage between the primary and the
secondary is constant. If Z is the load impedance of a VT, then at the secondary,
It means that a VT can be operated in an open circuit without anydanger.
However, if Z is decreased, the supplied power becomes excessive and the VT will
be damaged. Hence, Never connect a VT in short-circuit because in short circuit, Z
becomes zero resulting in very high or infinity power or current. It may damage theVT.
29
A power system contains generators, transformers, bus bars, transmission and
distribution lines. There is a separate protective scheme for each piece of equipment
such as generator protection, transformer protection, transmission line protection, bus
bar protection.
The electric power system is divided into five major protectionzones:
Generators
Transformers
Buses
transmission and distribution lines
Motors
Thus, a power system is divided into a number of zones for protection. A protective
zone covers one or at the most two elements of a power system.
The protective zones are planned in such a way that the entire power systemis
collectively covered by them or overlap. Thus, no part of the system is leftunprotected.
30
The various protective zones of a typical power system are shown in Figure.
 Each zone is defined by a closed, dashed line.
 Zone 1 contains a generator and connecting leads to a transformer. In some cases
zone may contain more than one component, zone 3 contains generator –
transformer unit and connecting leads to a bus, zone 10 contains a transformer and a
line.
31
Overlapping is made to avoid unprotected
areas. Without overlap the small area
between two possible closed zones would
not be located in any zone and so not be
protected.
Therefore, adjacent protective zones must
overlap each other (this may be due to errors in
the measurement of actuating quantities). Hence
no circuit breaker would trip.
Thus, the overlapping between the adjacent zones is unavoidable. If a fault occurs in
the overlapping zone in a properly protected scheme, more circuit breakers than
minimum necessary to isolate the faulty elements of the system would trip.
Problem with overlapping is larger part of power system lost from service.To
minimize this, overlap regions are kept as small as possible.
Overlap is accomplished by two sets of instrument transformers and relays for each
CB. The CB in above figure shows 2 CTs, one for zone 1 and one for zone2.
32
For example, zone 5 in the figure is connected to zone 4 and 7. Therefore, a CB is
located in the overlap region between zones 5 & 4 as well as between zones 5 &7.
If fault occurs at P1 on the line in zone 5, then the two CBs in zone 5 should open.
However, if fault occurs at P2 in the overlap region of zone 4 & 5, then all five CBs in
zones 4 & 5 should open.
33
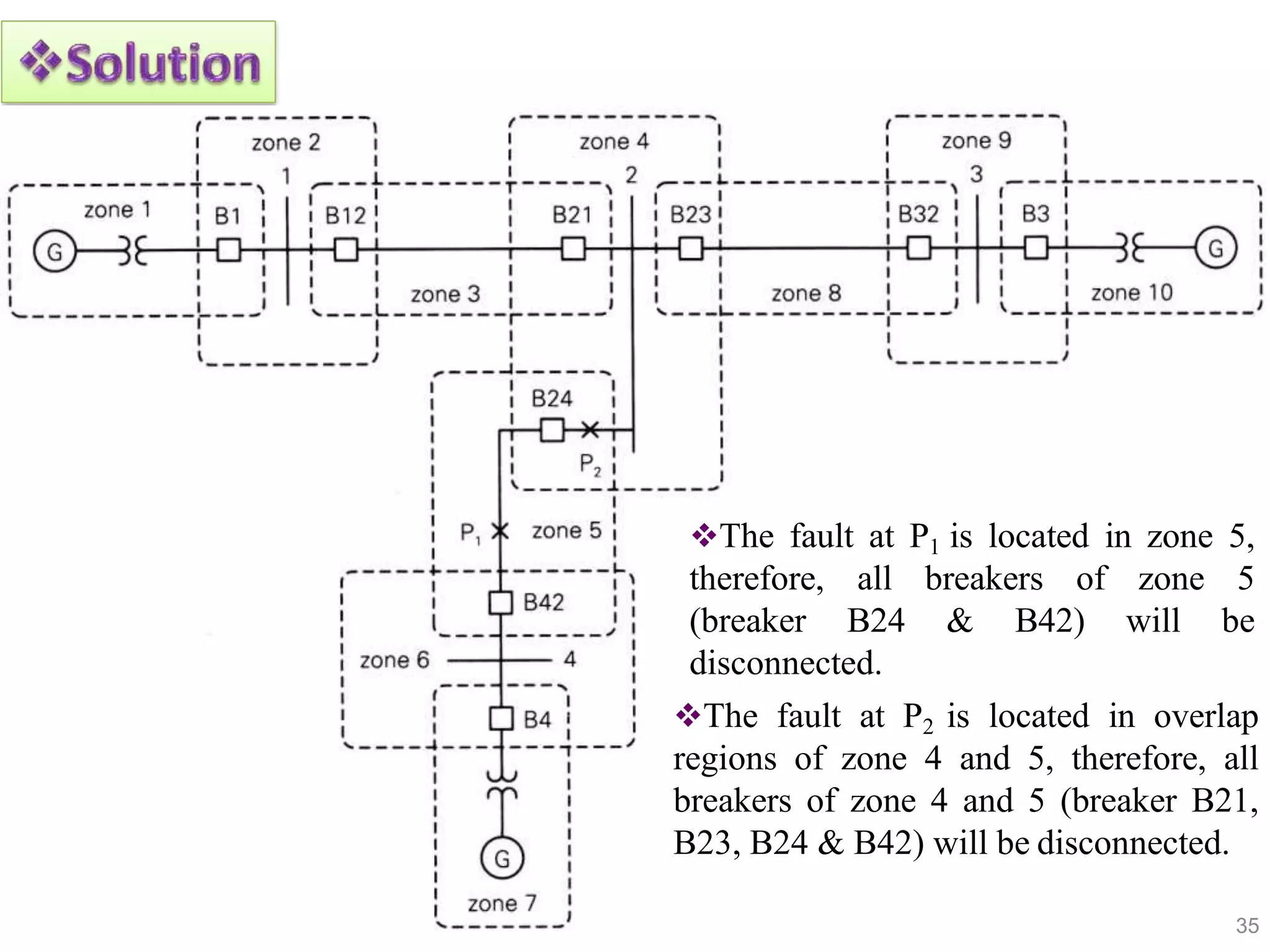
Draw the protective zones for the power system shown in the figure below. Which
CBs should open for a fault at P1? AtP2
34
The fault at P1 is located in zone 5,
therefore, all breakers of zone 5
(breaker B24 & B42) will be
disconnected.
The fault at P2 is located in overlap
regions of zone 4 and 5, therefore, all
breakers of zone 4 and 5 (breaker B21,
B23, B24 & B42) will be disconnected.
35
Draw the protective zones for the power system shown in the figure below. Which
CBs should open for a fault at P1, P2 and P3?
36
Zone 1
Zone12
B1
1
B12a B21a
B12b B21b
B13 B23
B31 B32
2
3
B5
B24a B42a
B24b B42b
Zone 2
Zone 3
Zone 4
Zone 5 Zone 6
Zone 7
Zone 8
Zone 9
Zone 10 4
B35
Zone 11
B53
Zone13
Zone 14
P1
P2
P3
37
 The fault
located in zone
at P1 is
3,
therefore, all breakers
of zone 3 (breaker
B12a & B21a) will be
disconnected.
 The fault at P2 is located in
zone 7, therefore, all breakers
of zone 7 (breaker B21a, B21b,
B23, B24a, and B24b) will be
disconnected.
 The fault at P 3 is located in
overlapping regions of zone
7 and 6, therefore, all
breakers of zone 7 and 6
(breaker B21a, B21b, B23,
B32, B24a, and B24b) will
be disconnected.
The power system is divided into various zones for its protection. There is suitable
protective scheme for each zone. If fault occurs in a particular zone, protection relay for
that zone detect and isolate the faulty element. This is called primaryprotection.
The primary relay is the first line of defense of power system. The failure of primary
protection occurs due to following reasons:
Failure of the DC supply to the tripping circuit.
Failure in relay operating current or voltage.
Failure in circuit breaker tripping mechanisms.
Failure of CTs or PTs operation.
Table shows the percentage failure various protectiveelements
Name of Equipment %age of Failure Name of Equipment Percentage of Failure
Relays 44% DC wiring 5%
Circuit Breaker
Interruption
14% Potential Transformers 3%
AC wiring 12% Breakers Trip Coils 3%
Breaker Trip
Mechanisms
8% Breaker Auxiliary
Switches
3%
Current transformers 7% DC Supply 1% 38
If due to any reason,
the primary relay fails
to operate, there is a
back-up protective
scheme to clear the fault
as a second line of
defense as shown in
Figure.
The backup
protection provides the
backup to the main
protection whenever it
fails in operation and it
is essential for the
proper working of the
electrical system.
39
There are two reasons for applying back-up protection to the elements of a power
system.
Backing – up the primary protection in the event of its failure.
To cover those parts of protected circuit which are not covered by the main protection
by reason of the location of the CT or PT.
As much as possible, back-up protection should be independent of the main
protection, with as few common components as possible.
The term 'back-up protection' is not synonymous with 'standbyprotection'.
The 'standby protection’ is normally out-of service with the intention that it should be
made operational when the main protection has to be taken out of commission for
maintenance or for investigation.
The reliability of protective scheme should be at least 95%. With proper design
installation and maintenance of the relays, circuit breaker, trip mechanisms, AC and DC
wiring, a very high degree of reliability can be achieved.
The back-up relays are made independent of those factors which might cause primary
relays to fail. A back-up relay operates after a time delay to give the primary relay
sufficient time to operate. When a back-up relay operates, a larger part of the power
system is disconnected from the power source. But this isunavoidable.
40
There are three types of back-up relays.
 Remote back-up
 Relay back-up
 Breaker back-up
The main and backup protection are provided at different stations and are completely
independent. When the back-up relays are located at a neighboring station, they back-up
the entire primary protective schemes which includes the relay, circuit breaker, VT, CT
and other elements, in case of a failure of the primary protectivescheme.
It is the cheapest and the simplest form of back-up protection and is a widely used
back-up protection for transmission lines. It is most desirable because of the fact that it
will not fail due to the factors causing the failure of the primaryprotection.
In this system, same breaker is used by both main and back-up protection, but the
protective systems are different. Separate trip coils may be provided for the same
breaker. This is a kind of a local back-up in which an additional relay is provided which
trips the same circuit breakers without any delay if the primary relayfails.
41
Though, such a back-up is costly, it can be recommended where a remote back-up is
not possible. They should be supplied from separate current and potentialtransformers.
This is also a kind of a local back-up. This type of back-up is necessary for a bus bar
system where a number of circuit breakers are connected toit.
When a protective relay operates, it response to a fault but the circuit breaker fails to
trip, the fault is treated as a bus bar fault. In such situation, it becomes necessary that all
other circuit breakers on that bus bar shouldtrip.
After a time delay, the main relay closes the contact of a back-up relay which trips all
other circuit breakers on the bus if the proper breakers does not trip within a specified
time after its trip coil is energized.
42
1. Principles of Power System by V.K.Mehta
2. Power System Protection and Switchgear by Badri Ram
3. Switchgear and protection by Sunil S Rao
4. Power System protection and Switchgear by Bhuvansha AOza
5. Protection and Switchgear by U.A.Bakshi
6. Fundamentals of Power System protection by Y.G. Pathankar
7. A course in Electrical Power by J BGupta
8. Practical Power System Protection by L.G.Hewitson
9. Network Protection and AutomationGuide
43

Introduction to power system protection

  • 1.
    Muhammad Saad Sharif Lecturer msaadsharif@gcuf.edu.pk Departmentof Electrical Engineering & Tech. GCUF, Pakistan 1
  • 2.
  • 3.
  • 4.
  • 5.
  • 6.
  • 7.
    To ensure thecontinuity of power supply. The importance of electric supply in everyday life has reached such a stage that it is desirable to protect the power system from harm during fault conditions and to ensure maximum continuity of supply [1]. For this purpose, means must be provided to switch on or off generators,transmission lines, distributors and other equipment under both normal and abnormal conditions[1]. This is achieved by an apparatus called switchgear. A switchgear essentially consists of switching and protecting devices such as switches, fuses, circuit breakers, relaysetc. In this way, switchgear protects the system from the damage and ensures continuity of supply [1]. An electric power system consists of generators, transformers, transmission and distribution lines. Short circuits and other abnormal conditions often occur on a power system. The heavy current associated with short circuits is likely to cause damage to equipment if suitable protective scheme are not provided. If a fault occurs in an element of a power system, it requires suitable protection to isolate the faulty element as quickly as possible to keep the healthy section of the system in normal operation[2]. 7
  • 8.
    Def: “A faultin electrical equipment is defined as a defect in its electrical circuitdue to which the current is diverted from the intended path”[3]. Faults are caused either by insulation failure or by conducting path failures. The failure of insulation results in short circuits which are very harmful as they may damage some equipment of the power system [3]. Most of the faults on transmission and distribution lines are caused by over voltages due to lightning or switching surges or by external conducting objects falling on overhead lines [3]. The opening of one or two of the three phases makes the system unbalanced. Unbalanced currents flowing in rotating machines set up harmonics, thereby heating the machines in short periods of time. In the case of cables, transformers, generators and other equipment, the causes of faults are failure of solid insulation due to aging, heat, moisture or overvoltage, mechanical damage, accidental contact with earth [3]. Sometime circuit breakers may trip due to errors in the switching operation, testing or maintenance work, wrong connections, defects in protectivedevices.  The fault impedance being low, the fault current are relatively high. During the fault, the power flow is diverted towards the fault and supply to the neighboring zonesis 8 affected [3].
  • 9.
    9  Instability [3]. Thebasic electrical quantities which are likely to change during faults and abnormal conditions are current, voltage, phase angle (direction), and frequency. Protective relays utilize one or more of these quantities to detect abnormal conditions on a power system. The fault must be cleared within a fraction of a second. If a short circuit persists on a system for a longer, it may cause damage to some important sections of the system [3]. It must be realized that the faults can be minimized by improving the system, design, quality of the equipment and maintenance. However, the faults cannot be eliminated completely [2]. Protection is needed not only against short circuits but also against any other abnormal conditions which may arise on a power system. A few examples of other abnormal conditions are Over speed of generators and motors, Over/Under voltage / frequency/current, Loss of excitation, Overheating of stator and rotor of an alternator,  Reversal of power,  Temperature rise,  Power swings,
  • 10.
    A protective relaydoes not anticipate to prevent the occurrence of a fault, rather it takes action only after a fault has occurred [3]. However, one exception to this is the Buchholz relay, a gas actuated relay which is used for the protection of power transformers resulting in the generation of heat and decomposition of the transformer oil and solid insulation [3]. When a specified amount of gas is accumulated, Buchholz relay operates an alarm. This gives an early warning of incipient faults. The transformer is taken out for service for repair before the incipient fault grows into serious one. Thus, the occurrence of major fault is prevented. If the gas evolves rapidly, the Buchholz relay trips the circuit breaker instantly [3]. The cost of the protective equipment generally works out to be about 5% of the total cost of the system [3]. The time elapsed between the instant of the occurrence of a fault and the instant of final arc extinction in the circuit breaker is known as fault clearing time. The fault clearing time is usually expressed in cycles. One cycle of 50 Hz system is equal to 1/50 second. The fault clearing time is the sum of the relay time and circuit breakertime. 10
  • 11.
    The purpose offault analysis is to determine the values of voltages and currents at different points of the system during the fault. Such an analysis enables us to select appropriate protective schemes, relays, and circuit breakers in order to save the system from the abnormal condition within minimumtime. The knowledge of the fault currents is necessary for selecting the circuit breakers of adequate rating designing the sub-station equipment determining the relay setting. The per unit system is normally used for fault calculations[3]. When a short circuit occurs at any point in a system, the short-circuit currentis limited by the impedance of the system up to the point of fault. Hence, the knowledge of the impedances of various equipment and circuits inthe line of the system is very important for the determination of short-circuit currents.  Two broad classification of faults are:  Symmetrical Faults  Unsymmetrical Faults (Single line to ground fault, Line to line fault, double lineto ground fault).  Experiences has shown that majority of the faults in the transmission line occur due to flashover of only one line to the tower and ground. 11
  • 12.
    12 Typical relative frequenciesof occurrence of different kinds of faults in apower system and at various parts are shown in Table 1 and 2[2]: Table 1 Percentage occurrence of various faults in power system Type of Fault Percentage Occurrence Three phase (3 ɸ)Faults 2%-----5% Double line to ground (LLG) faults 5%----10% Double Line or Line to Line (LL) faults 8% ---15% Single Line to ground faults 75%---80% Table 2 Percentage distribution of faults in various elements of a power system Element Percentage of Total Faults Overhead lines 50% Transformers 10% Generators 7% Switchgear CTs, PTs, Relays 12%  It is evident that 50% of the total faults occur on overhead lines. Hence, it is overhead lines that require more attention while planning and designing protective schemes for a power system.
  • 13.
     The mostdangerous type of fault is a short circuit as it may have following effects on a power system, if it remains uncleared [2].  Heavy short circuit current may cause damage to equipment or any other element of the system due to overheating and high mechanical forces setup due to heavy current.  Arcs associated with short circuits may cause fire hazards that may destroy the faulty element of the system. There is also a possibility of the fire spreading to other parts of the system if the fault is not isolatedquickly.  There may be reduction in supply voltage of the healthy feeders, resulting in theloss of industrial loads.  Short circuit may cause unbalancing of supply voltages and currents thereby heating rotating machines.  There may be a loss of system stability. Individual generators in a power station may lose synchronism, resulting in a partial or complete shutdown of the system.  The above faults may cause an interruption of supply to consumers, thereby causing a loss of revenue. 13
  • 14.
    Def: “The apparatusused for switching, controlling and protecting the electrical circuits and equipment is known as switchgear”[2]. The switchgear equipment is essentially concerned with switching and interrupting currents either under normal or abnormal operating conditions. It is an essential part of a power system [2]. Switchgear devices includes fuses, circuit breakers, isolators, relays, lightning arrestors, current transformers, voltage transformers, and various associated equipment Every electrical sub-station consists of almost all of these switchgear equipment[1]. A switch is a device which is used to open or close an electrical circuit in a convenient way. It can be used under full-load or no-load conditions but it cannot interrupt the fault currents. When the contacts of a switch are opened, an arc is produced in the air between the contacts. The switches may be classified into (i) Air switches (ii) Oil switches. The contacts of the former are opened in air and that of the latter are opened in oil. 14
  • 15.
    15 It is anair switch and is designed to open a circuit under load. In order to quench the arc that occurs on opening such a switch, special arcing horns are provided. Arcing horns are pieces of metals between which arc is formed during opening operation. As the switch opens, these horns are spread farther and farther apart. Consequently, the arc is lengthened, cooled and interrupted. Air-break switches are generally used outdoor for circuits of medium capacity such as lines supplying an industrial load from a main transmission line or feeder. Isolators are disconnecting switches which can be used for disconnecting a circuit under no currentcondition. They are generally installed along with the circuit breaker in order that repairsand replacement of circuit breakers can be made without any danger.
  • 16.
    16 It is notintended to be opened while current is flowing in the line. They should never be opened until the circuit breaker in the same circuit has been opened and should always be closed before the circuit breaker is closed. After opening the isolator, the earhting switch can be closed to discharge the trapped electrical charges[1]. It is a switch connects a conductor to the earth so as to discharge the charges on the conductor to the earth. Earthing switches are generally installed on the frames of the isolators. A fuse is a short piece of wire which melts when excessive current flows throughit for sufficient time. It is inserted in series with the circuit to beprotected. Under normal operating conditions, the fuse element is at a temperature below its melting point. Therefore, it carries the normal load current without overheating. However, when a short circuit or overload occurs, the current through the fuse element increases beyond its rated capacity.
  • 17.
    17 This raises thetemperature and the fuse element melts (or blows out), disconnecting the circuit protected by it. In this way, a fuse protects the machines and equipment from damage due to excessive currents. It is worthwhile to note that a fuse performs both detection and interruption functions. However, fuse cannot be used on high voltage system (3·3 kV) due to the fact that when a fuse blows, it takes sometime to replace it and consequently there is interruption of service to the customers. In order to interrupt heavy fault currents, circuit breakers are used. Acircuit breaker is a switching and current interrupting device in a switchgear [1]. A device capable of making, breaking an electric circuit under normal andabnormal conditions such as short circuits. A circuit breaker is an equipment which can open or close a circuit under all conditions (no load, full load and fault conditions). It is so designed that it can be operated manually (or by remote control) under normal conditions and automatically under fault conditions. For the latter operation, a relay circuit is used with a circuit breaker. The circuit breaker operate during the transient state[1].
  • 18.
    18 Fig. shows atypical oil circuit breaker which essentially consists of moving and fixed contacts enclosed in strong metal tank and immersed in oil, known as transformer oil. Under normal operating conditions, the contacts remain closed and the circuit breaker carries the full-load current continuously. In this condition, the e.m.f. in the secondary winding of current transformer (C.T.) is insufficient to operate the trip coil of the breaker. When a fault occurs, the resulting overcurrent in the C.T. primary winding increases the secondary e.m.f. This energizes the trip coil of the breaker and moving contacts are pulled down, thus opening the contacts and hence thecircuit. It is interesting to note that relay performs the function of detecting a fault whereas the circuit breaker does the actual circuitinterruption. Auto-reclosure are used to restore the service continuity after interrupting a transient fault. High voltage circuit breakers used for controlling overhead transmission linesare provided with such a feature.
  • 19.
    Def: An automaticdevice which closes its contact when the actuating quantity/quantities reach a certain predetermined magnitude/phase. OR A relay is a device which detects the fault and supplies information to the breaker for circuit interruption. Figure shows a typical relay circuit. It can be divided into three parts: (i) The primary winding of a current transformer (C.T.) (The circuit to be protected carries a large current (normal or fault current) and is reduced to a suitable value for relay operation with the help of a current transformer.) which is connected in series with the circuit to be protected. The primary winding often consists of the main conductor itself. (ii) The second circuit is the secondary winding of C.T. connected to therelay operating coil. 19
  • 20.
    (iii) The thirdcircuit is the tripping circuit which is a part of circuit breaker that will react to action of relay coil during fault condition. which included a battery, trip coil and relay contacts. It will react according to relay coil or relay contacts. Under normal load conditions, e.m.f. of secondary winding of C.T. is small and the current flowing in the relay operating coil is insufficient to close the relay contacts. This keeps the trip coil of the circuit breaker unenergised. Consequently, the contacts of the circuit breaker remain closed. When a fault occurs, a large current flows through the primary of C.T. This increases the secondary e.m.f. and hence the current through the relay operating coil. The relay contacts are closed resulting in the energization of the trip coil of the circuit breaker. Due to this, current starts flowing from battery and activates the circuit breaker opening mechanism in order to isolate the faulty part from rest of the healthysystem. 20
  • 21.
    Instrument transformers areused in AC system for measurement of electrical quantities such as voltage, current, and power. These devices are also used with protective relay for protection of power system. If we want to measure extremely high values of current and voltage then thereare two ways of measuring it. One is to use high capacity instruments which would be obviouslycostly. Second way is to use the transformation property of current andvoltage. Current and voltage can be stepped down by using a transformer whose turn’s ratio is known and then measuring the stepped down current and voltage by a normal ammeter or voltmeter. The original magnitude can be determined by multiplying the stepped down magnitude with the turn’s ratio. Such specially constructed transformer with accurate turn’s ratio are called as instrument transformer. There are two types of instrument transformer: 1) Current transformer 2) Potential transformer. 21
  • 22.
    22 The current transformeris used to step down the current for measurement, protection and control. Current transformer are put in series with the line in which the current is to be measured. They are used to step down the current to such a level so that it can easily be measured by using an ammeter. Most current transformers have a the standard secondary rating of 5 amps with the primary and secondary currents being expressed as a ratio such as 100/5. This means that the primary current is 20 times greater than the secondary current so when 100 amps is flowing in the primary conductor it will result in 5 amps flowing in the secondary winding. A current transformer of say 500/5, will produce 5 amps in the secondary for 500 amps in the primary conductor, 100 times greater. Standard secondary rating of CT’s are either 5 or 1 Amp’s. Common application of CT available in market is “clamp meter”. The typical current transformer has a small number of turns in the primary, and "N" times as many turns in the secondary. Since, in a transformer, "amperes X turns" in the primary nominally equals "amperes X turns" in the secondary.
  • 23.
    23 This means thatthe current in the secondary is 1/N times the current in the primary. Thus, if N=100, a routine ammeter connected to the secondary and reading 1A full scale will correctly indicate primary currents up to 100amps.  If this ammeter is disconnected with the secondary left unconnected, then,the secondary voltage of the transformer is 100 times the primaryvoltage. In many applications such as 220 V AC power circuits, this amounts to a secondary voltage will be 220,00 V AC. This is high enough to generate dramatic sparking and arcing or, at the least, voltage breakdown in the current transformeritself. By increasing the number of secondary windings, Ns, the secondary current can be made much smaller than the current in the primary circuit. In other words, the number of turns and the current in the primary and secondary windings are related by an inverse proportion.
  • 24.
    24 A current transformer,like any other transformer, must satisfy the amp-turnequation as below: A bar-type current transformer which has 1 turn on its primary and 160 turns on its secondary is to be used with a standard range of ammeters that have an internal resistance of 0.2Ω. The ammeter is required to give a full scale deflection whenthe primary current is 800 Amps. Calculate the maximum secondary current and secondary voltage across the ammeter. Secondary Current: Voltage acrossAmmeter: It can be noticed that since the secondary of the current transformer is connected across the ammeter, which has a very small resistance, the voltage drop across the secondary winding is only 1.0 volts at full primarycurrent.
  • 25.
    25 Now, suppose ifthe ammeter is disconnected, the secondary winding effectively becomes open-circuited, and thus the transformer acts as a step-up transformer. This will highly increase the magnetising flux in the secondary core as the secondary leakage reactance influences the secondary induced voltage because there is no opposing current in the secondary winding to prevent this. The results is a very high voltage induced in the secondary winding equal to the ratio of: Vp (Ns/Np) being developed across the secondary winding. Suppose in above example, current transformer is used on a 3-phase, 480 volt . Then, For this reason a current transformer should never be left open-circuited or operated with no-load when primary current is flowing through it. If the ammeter (or load) is to be removed, a short-circuit should be placed across the secondary terminals first to eliminate the risk of shock. This high voltage is because when the secondary is open-circuited, the iron core of the transformer operates at a high degree of saturation and with nothing to stop it, it produces an abnormally large secondary voltage. This high secondary voltage could damage the insulation or cause electric shock if the CT’s terminals are accidentally touched.
  • 26.
    If the secondaryof CT is open, it means that there will be no current flowing on secondary side and hence no mmf, whereas current will be flowing in the primary side and there will be mmf produced. To counter the mmf of primary, there will be no secondary mmf (because of no current on secondary side). Hence there will be large amount of mmf present in the current transformer. This large mmf will produce large flux in the core and will saturate the core. Again, due to large flux in the core, the flux linkage of secondary winding will be large which in turn will produce a large voltage across the secondary terminals of theCT. This large voltage across the secondary terminals will be very dangerous and will lead to the insulation failure and there is a good chance that the person who is opening the CT secondary while primary is energized will die due toshock. Moreover, because of excessive core flux, the hysteresis and eddy current loss will be very high and the CT will get overheated. As CT is oil filled, because of overheating, the oil of CT will get boil and start to vaporize. Because of vaporization of CT oil, the CT housing will get pressurized and blast. This blasting will lead to fire and smoke. Again, it is not the end here but due to smoke, the nearby lines may get shortcircuited. 26
  • 27.
    If the secondaryof CT is opened while the primary is carrying a heavy load, the demagnetizing effect of secondary current will no longerexist. Thus, flux in the core will increase. This increased flux will induce as high voltage in the secondary circuit, which may puncture the insulation or produce a dangerous shock to anyone coming in contact with it. Therefore, the secondary of a current transformer should never be opened while the primary is energized. In the nutshell, the secondary of current transformer should not be open due to following reasons: (1)Due to this, extremely very high voltage will be induced at the secondary terminals. It will cause the insulation failure leading to CT failure. (2) If any person touches the secondary of CT at that instant, he or she may suffer from severe shock causing to death. (3) Due to saturation, the CT will be overheated and oil in it will be pressurized leading to blast. 27
  • 28.
    28 The voltage transformer(VT) or potential transformer (PT) is an instrument transformer used for metering and protection purpose. Potential transformers are basically step down transformers used to step down the voltage of high magnitude to a lower voltage which can be measured with standard measuring instrument. These transformers have large number of primary turns and smaller number of secondary turns. The construction of PT/VT is same as that of power transformer except for insulation level, cooling, sealing etc. A potential transformer is typically expressed in high primary to secondary voltage ratio (e.g 132 kV/100 V). The protective relays are connected in the secondary circuits of PTs. PTs are designed for of specific voltage rating like 400 kV / 110 V. This means that when a PT primary is connected to 400 kV line, the secondary voltage will be 110V. This secondary voltage is connected to various measuring instruments like voltmeter, energy meter etc. and protection relays like distance relay, direction earth fault relay etc.
  • 29.
     In normalcondition, PT secondary is connected to some impedance offered by relay / measuring instrument. Therefore the current through the secondary circuit islow. But when secondary of the PT is shorted, a high current will flow thorough the secondary circuit. This is because of low voltage regulation. PT will try to maintain its secondary voltage and for doing this it will try to flow high current through shorted terminals. This high current will lead to overheating and consequent damage to the PT. To avoid damage due to short circuit of PT terminals, fuses are installed in PT junction box. In case of short circuit of secondary terminals, these fuses will blow out and thus will open the circuit. It may be noted that fuses should be installed as near to the PT as possible to avoid heating of connectingcables. For a voltage transformer (VT), the ratio of voltage between the primary and the secondary is constant. If Z is the load impedance of a VT, then at the secondary, It means that a VT can be operated in an open circuit without anydanger. However, if Z is decreased, the supplied power becomes excessive and the VT will be damaged. Hence, Never connect a VT in short-circuit because in short circuit, Z becomes zero resulting in very high or infinity power or current. It may damage theVT. 29
  • 30.
    A power systemcontains generators, transformers, bus bars, transmission and distribution lines. There is a separate protective scheme for each piece of equipment such as generator protection, transformer protection, transmission line protection, bus bar protection. The electric power system is divided into five major protectionzones: Generators Transformers Buses transmission and distribution lines Motors Thus, a power system is divided into a number of zones for protection. A protective zone covers one or at the most two elements of a power system. The protective zones are planned in such a way that the entire power systemis collectively covered by them or overlap. Thus, no part of the system is leftunprotected. 30
  • 31.
    The various protectivezones of a typical power system are shown in Figure.  Each zone is defined by a closed, dashed line.  Zone 1 contains a generator and connecting leads to a transformer. In some cases zone may contain more than one component, zone 3 contains generator – transformer unit and connecting leads to a bus, zone 10 contains a transformer and a line. 31
  • 32.
    Overlapping is madeto avoid unprotected areas. Without overlap the small area between two possible closed zones would not be located in any zone and so not be protected. Therefore, adjacent protective zones must overlap each other (this may be due to errors in the measurement of actuating quantities). Hence no circuit breaker would trip. Thus, the overlapping between the adjacent zones is unavoidable. If a fault occurs in the overlapping zone in a properly protected scheme, more circuit breakers than minimum necessary to isolate the faulty elements of the system would trip. Problem with overlapping is larger part of power system lost from service.To minimize this, overlap regions are kept as small as possible. Overlap is accomplished by two sets of instrument transformers and relays for each CB. The CB in above figure shows 2 CTs, one for zone 1 and one for zone2. 32
  • 33.
    For example, zone5 in the figure is connected to zone 4 and 7. Therefore, a CB is located in the overlap region between zones 5 & 4 as well as between zones 5 &7. If fault occurs at P1 on the line in zone 5, then the two CBs in zone 5 should open. However, if fault occurs at P2 in the overlap region of zone 4 & 5, then all five CBs in zones 4 & 5 should open. 33
  • 34.
    Draw the protectivezones for the power system shown in the figure below. Which CBs should open for a fault at P1? AtP2 34
  • 35.
    The fault atP1 is located in zone 5, therefore, all breakers of zone 5 (breaker B24 & B42) will be disconnected. The fault at P2 is located in overlap regions of zone 4 and 5, therefore, all breakers of zone 4 and 5 (breaker B21, B23, B24 & B42) will be disconnected. 35
  • 36.
    Draw the protectivezones for the power system shown in the figure below. Which CBs should open for a fault at P1, P2 and P3? 36
  • 37.
    Zone 1 Zone12 B1 1 B12a B21a B12bB21b B13 B23 B31 B32 2 3 B5 B24a B42a B24b B42b Zone 2 Zone 3 Zone 4 Zone 5 Zone 6 Zone 7 Zone 8 Zone 9 Zone 10 4 B35 Zone 11 B53 Zone13 Zone 14 P1 P2 P3 37  The fault located in zone at P1 is 3, therefore, all breakers of zone 3 (breaker B12a & B21a) will be disconnected.  The fault at P2 is located in zone 7, therefore, all breakers of zone 7 (breaker B21a, B21b, B23, B24a, and B24b) will be disconnected.  The fault at P 3 is located in overlapping regions of zone 7 and 6, therefore, all breakers of zone 7 and 6 (breaker B21a, B21b, B23, B32, B24a, and B24b) will be disconnected.
  • 38.
    The power systemis divided into various zones for its protection. There is suitable protective scheme for each zone. If fault occurs in a particular zone, protection relay for that zone detect and isolate the faulty element. This is called primaryprotection. The primary relay is the first line of defense of power system. The failure of primary protection occurs due to following reasons: Failure of the DC supply to the tripping circuit. Failure in relay operating current or voltage. Failure in circuit breaker tripping mechanisms. Failure of CTs or PTs operation. Table shows the percentage failure various protectiveelements Name of Equipment %age of Failure Name of Equipment Percentage of Failure Relays 44% DC wiring 5% Circuit Breaker Interruption 14% Potential Transformers 3% AC wiring 12% Breakers Trip Coils 3% Breaker Trip Mechanisms 8% Breaker Auxiliary Switches 3% Current transformers 7% DC Supply 1% 38
  • 39.
    If due toany reason, the primary relay fails to operate, there is a back-up protective scheme to clear the fault as a second line of defense as shown in Figure. The backup protection provides the backup to the main protection whenever it fails in operation and it is essential for the proper working of the electrical system. 39
  • 40.
    There are tworeasons for applying back-up protection to the elements of a power system. Backing – up the primary protection in the event of its failure. To cover those parts of protected circuit which are not covered by the main protection by reason of the location of the CT or PT. As much as possible, back-up protection should be independent of the main protection, with as few common components as possible. The term 'back-up protection' is not synonymous with 'standbyprotection'. The 'standby protection’ is normally out-of service with the intention that it should be made operational when the main protection has to be taken out of commission for maintenance or for investigation. The reliability of protective scheme should be at least 95%. With proper design installation and maintenance of the relays, circuit breaker, trip mechanisms, AC and DC wiring, a very high degree of reliability can be achieved. The back-up relays are made independent of those factors which might cause primary relays to fail. A back-up relay operates after a time delay to give the primary relay sufficient time to operate. When a back-up relay operates, a larger part of the power system is disconnected from the power source. But this isunavoidable. 40
  • 41.
    There are threetypes of back-up relays.  Remote back-up  Relay back-up  Breaker back-up The main and backup protection are provided at different stations and are completely independent. When the back-up relays are located at a neighboring station, they back-up the entire primary protective schemes which includes the relay, circuit breaker, VT, CT and other elements, in case of a failure of the primary protectivescheme. It is the cheapest and the simplest form of back-up protection and is a widely used back-up protection for transmission lines. It is most desirable because of the fact that it will not fail due to the factors causing the failure of the primaryprotection. In this system, same breaker is used by both main and back-up protection, but the protective systems are different. Separate trip coils may be provided for the same breaker. This is a kind of a local back-up in which an additional relay is provided which trips the same circuit breakers without any delay if the primary relayfails. 41
  • 42.
    Though, such aback-up is costly, it can be recommended where a remote back-up is not possible. They should be supplied from separate current and potentialtransformers. This is also a kind of a local back-up. This type of back-up is necessary for a bus bar system where a number of circuit breakers are connected toit. When a protective relay operates, it response to a fault but the circuit breaker fails to trip, the fault is treated as a bus bar fault. In such situation, it becomes necessary that all other circuit breakers on that bus bar shouldtrip. After a time delay, the main relay closes the contact of a back-up relay which trips all other circuit breakers on the bus if the proper breakers does not trip within a specified time after its trip coil is energized. 42
  • 43.
    1. Principles ofPower System by V.K.Mehta 2. Power System Protection and Switchgear by Badri Ram 3. Switchgear and protection by Sunil S Rao 4. Power System protection and Switchgear by Bhuvansha AOza 5. Protection and Switchgear by U.A.Bakshi 6. Fundamentals of Power System protection by Y.G. Pathankar 7. A course in Electrical Power by J BGupta 8. Practical Power System Protection by L.G.Hewitson 9. Network Protection and AutomationGuide 43