CAT
ECM Wire Diagram
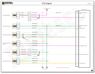
C13 Engine
LEE9700-UP
Revision #1 : 12/12/2018
How to Read This Diagram
ABBREVIATION COLOR
RD
WH
OR
YL/YE
PK
BK
GY
PU/VT
BR/BN
GN
BU/BL
RED
WHITE
ORANGE
YELLOW
PINK
BLACK
GRAY
PURPLE
BROWN
GREEN
BLUE
CapitalAbbreviation’s Represent Wire Main Color
Lower Case Abbreviation’s Represent Secondary Color Part
Number
Component
Name
Component
Component
Connection
1
2
CRS Combustion AirControl
Valve 298-6410
M67GA 18-OR
N67DA 18-GN
Circuit
Number
Gauge
Color
A
+12V Battery
B
C
D
Ignition
J1708(-)
J1708(+)
Trip Master
(5927)
Connector
Name
Pin Label
Pin Connection
A (See Page 1)
Reference
Reference
Destination
SYMBOLS
Splice
Ground
Fuse
Twisted Pair
Diode
Passthrough Connector
Circuit
Breaker
+ Power
>>
A Reference
Connectors
OEM Connector
ECM Connector
C13 Engine
16-GN
16-GN
18-BK
18-WH
18-BK
18-WH
G856-A8 18-WH
G857-A9 18-YL
ECM Connector
IVA EOR (12V)
3
76
IVA End of RailValve
(IVA EOR) Return
IVA EOR (24V)
CGI Actuator
51
43
CGI Actuator +
CGI Actuator –
Primary Engine Speed / Timing
Sensor (Crankshaft)
25
35
Crankshaft (Primary) Speed /
Timing –
Crankshaft (Primary) Speed /
Timing +
Secondary EngineSpeed /
Timing Sensor (Camshaft)
47
46
Camshaft (Secondary) Speed /
Timing –
Camshaft (Secondary) Speed /
Timing +
Timing Calibration (TC) Probe
Connector
26
36
TDC Service Probe +
TDC Service Probe –
T852-A32 18-GY
H807-A33 18-YL
E963-A27 18-BK
E964-A26 18-WH
E965-A48 18-BU
E966-A49 18-YL
A778-101 18-GN
H807-102 18-YL
ARD Nozzle Cleaning Solenoid
5
79
Oil Recovery Pump
Oil Recovery Pump Return
Connects to A-C15 If Option is Used
U774-A58 18-BU
U775-A68 18-GY
1
2
1
2
16-GN
16-GN
1
2
16-GN
16-GN
1
2
1
2
16-GN
16-GN
Y733-A103 18-PU
Y736-A50 18-OR
ARD Pilot Fuel Press Control
Valve
59 ARD FuelPressure Control
1
2
A
(SeePage 2)
Note A
Page 1 of 12
NOTE A: Wires twisted one twist per 25mm.
1
2
1
2
Page 2 of 12
C13 Engine
16-GN
16-GN
Y736-A50 18-OR
Y734-A104 18-BU
16-GN
16-GN
16-GN
16-GN
Y737-A105 18-YL
Y738-A106 18-GY
ARD Main Fuel Press Control
Valve
60 ARD FuelPressure Control Return
ARD FuelEnable Valve (12V)
69
52
ARD FuelEnable Valve
ARD Actuator Return (ARD Valves)
ARD FuelEnable Valve
(24V)
Connects to A-C17 If Option is Used
1
2
A
1
2
1
2
995-A12 18-BU
G833-A44 18-PK
C967-A15 18-BU
G833-A45 18-PK
F421-A13 18-YL
G833-A46 18-PK
C829-A66 18-GN
G833-A77 18-PK
Coolant Temperature Sensor
84
30
Coolant Temperature
TSR (Fuel, IMAT, Clnt, Air, Inlet,
CGI MAF Temp)
Intake Manifold Air
Temperature Sensor
95 Inlet Manifold Air Temperature
Fuel Temperature Sensor
96 Fuel Temperature
Air Inlet Temperature Sensor
38 Air Inlet Temperature
G833-A47 18-PK
A-S3
(Continued from Page 1)
B
(SeePage 3)
ECM Connector
A-S3
A-S3
A-S3
1
2
1
2
1
2
1
2
C13 Engine
G828-A38 18-WH
G829-A43 18-GN
994-A10 18-GY
G828-A40 18-WH
G829-A42 18-GN
U779-A6 18-BR
Engine OilPressureSensor 17
PSR (IMAP, Oil, CGI DP, CGI
ABS)
28
CGI Absolute Pressure Sensor
57
18-OR
18-BK
18-WH
G828-A34 18-WH
G833-A21 18-PK
U773-A57 18-PK
CGI Temperature Sensor
72
+5V Pressure Sensor (Abs P,
Delta P)
70
G828-A1 18-WH
CGI Temp Sensor
G829-A2 18-GN
CGI Absolute Pressure
Engine OilPressure
1
2
3
4
B
A-S1
G828-A39 18-WH
G829-A41 18-GN
R746-A20 18-PK
Intake Manifold AirPressure
Sensor
15 Inlet Manifold Air Pressure
G828-U1 18-WH
G833-U2 18-PK
G849-U3 18-BR
G828-A65 18-WH
G829-A64 18-GN
U780-A62 18-WH
CGI DeltaPressure Sensor
16
G828-A117 18-WH
G829-A119 18-GN
E795-A121 18-YL
Crankcase Pressure Sensor
33
CGI MAF Venturi DeltaPressure
Crank Case Pressure
(Continued from Page 2)
C D
A-S2
(SeePage 4)
1
2
3
ECM Connector
Note A
Note A
Note A
Page 3 of 12
A-S1
A-S1
A-S2
A-S2
A-S2
A-S2
A-S1
A-S1
A-S1
NOTE A: Wires twisted one twist per 25mm.
1
2
3
1
2
3
1
2
3
1
2
3
1
2
3
C13 Engine
G828-A118 18-WH
G829-A120 18-GN
Y923-A122 18-PU
ARD Combustion MAF Delta
Pressure Sensor
27
ARD Combustion MAF Delta
Pressure
G828-A123 18-WH
G829-A124 18-GN
C991-A125 18-PK
Fuel PressureSensor
40 Fuel Pressure
Y748-A73 18-WH
Y749-A59 18-GN
C803-A99 18-BR
Y748-A63 18-WH
Y749-A35 18-GN
Y747-A108 18-BR
ARD Pilot Fuel Pressure Sensor
81
83
Sensor +5 ARD
ARD Sensor Return
41
ARD Main Fuel Pressure Sensor
ARD Main Fuel Pressure Sensor
89
Y748-A109 18-WH
Y749-A110 18-GN
ARD Pilot Fuel Pressure
C D
(Continued from Page 3)
A-S5
A-S8
ARD Turbo Outlet And Flame
Detect Temperature Sensor Exhaust Gas Temperature 2
(Combustion Detection)
91
18-OR
18-BK
18-WH
ARD Boundary Temperature
Sensor
Exhaust Gas Temperature 3
(Combustion Boundary)
63
Y748-A67 WH
Y749-A55 GN
Y753-A82 OR
Exhasut gas Temperature 1
(Turbo Outlet Temp)
55
Y748-A60 18-WH
Y749-A53 18-GN
Y743-A107 18-OR
T846-A100 18-YL
18-GN
18-OR
18-YL
18-WH
1
2
3
4
1
2
3
4
ECM Connector
Page 4 of 12
A-S1
A-S2
A-S5
A-S5
A-S8
A-S8
1
2
3
1
2
3
1
2
3
1
2
3
C13 Engine
101-A4 14-RD
229-A74 14-BK
ARD Heated NozzleRelay 12V
45 Fuel Pressure
ARD Heated NozzleRelay
24V
Connect to A-16 When 24V Relay is Used
U798-A80 14-PK
U799-A102 16-OR
101-A4 14-RD
229-A74 14-BK
U799-102 16-OR
ARD Heated NozzleWire
Assembly
16-GN
16-GN
C801-A98 18-OR
C800-A97 18-GY
ARD Combustion Air Control
Valve
10
20
ARD Combustion Air Control
Valve Return
ARD Combustion Air Control
Valve
1
2
Vehicle Battery Power
+
-
1
2
3
4
1
2
20A
OEM Battery Power
1
2
1
2
3
4
ECM Connector
Page 5 of 12
200 16-BK
ARD Ground Wire
Coil Ground CRS Ground
C13 Engine
U781-J12 18-RD
U782-J15 18-BK
J896-J16 18-WH
DPF PressureSensor
82
93
DPF Sensor +5V
DPF SensorReturn
66 Particulate Trap Delta Pressure
U781-J21 18-RD
U782-J22 18-BK
J894-J17 18-BU
DPF In-Out
Temperature Sensor
13
Particulate Trap Intake
Temperature
56
Particulate Trap Intake
Temperature
J892-J18 18-BR
U781-J11 18-RD
U782-J14 18-BK
1
U781-P1 16-WH
U782-J13 18-BK U782-P2 16-GN
Y746-P3 16-PK
Y741-P4 16-YL
Y742-P5 16-GN
U782-P6 16-BU
U781-A3 18-YL
U782-A83 18-PK
Y746-A92 18-PK
Y741-A61 18-YL
Y742-A76 18-PU
Y754-A101 18-GY
K895-J19 18-BK
94
Particulate Trap Outlet
Temperature
2
3
1
2
3
6
4
5
4
5
J-S2
J-S1
J-S3
ECM Connector
715 Ohms
DPF Wiring Group
Air Inlet Shutoff Relay
Air Inlet Shutoff
Solenoid
Vehicle Battery
18-BK
18-BK
WIRE 1914 10-OR
OEM Circuit
OEM Circuit
OEM Circuit
Manual Air Inlet Shutoff
Operator Interface
Connect to A-C39 When
Used
Connect to A-C38 When
Used
386-AR115 18-PK
386-AR116 18-PK
K739-AR127 16-BU
4 HWT Inlet AirShutoff
14 CAT Break Return
386-AR112 18-PK
K739-AR56 16-BU
Air Inlet Shutoff
1
2
+
+
-
1
2
AR-S11
1
2
1
2
AR-S13
NOTE J
NOTE J: Wiring only exists on harness 313-5858 for the Air Inlet Shutoff
option. On engines without Air Inlet Shutoff option, wire 386 does not exist
and wire K739 connects ECM J2 Pin 14 to A-C34 Pin 3.
Page 6 of 12
1
2
3
1
2
3
4
C13 Engine
200-L3 16-BK
Y750-L1 16-YL
Y751-L2 16-OR
Ignition Coil
109
88
ARD Ignition Coil
ARD Ignition Primary Return
200-AP1 4-BK
Y750-A111 16-YL
Y751-A88 16-OR
CRS Ground
(SeeOEM)
G826-E8 16-BR
G827-E9 16-BU
T853-E10 16-OR
IVA Oil EOR Pressure Sensor
80
54
Sensor +5V IVA Oil Pressure
Pressure Sensor Return (VVA)
74 IVA Oil Pressure Sensor
4
5
6
G826-A70 18-BR
G827-A69 BU
T853-A11 OR
ForeInjectorIntermediate
Connector 1 & 2
ForeInjectorIntermediate Connector 1 & 2
IntermediateConnectorrepresents 2 separate connectors
1
2
3
1
2
3
Sparkplug
200-A79 16-BK
T858-E23 16-GY
T862-E21 16-BU
T957-E29 16-PU
T985-E33 16-WH
Injector 1
104
77
Injector 1+2 Actuator #1 High
Side
Injector 1+2 Actuator #2 High
Side
116 Injector 1 Actuator #1 Return
111 Injector 1 Actuator #2 Return
T862-E3 16-BU
T858-E1 16-GY
T957-E11 16-PU
T985-E15 16-WH
9
11
1
5
T858-A23 16-GY
T862-A78 16-BU
T957-A16 16-PU
T985-A89 16-WH
T858-E24 16-GY
T862-E22 16-BU
T958-E30 16-YL
T986-E34 16-GN
Injector 2
118 Injector 2 Actuator #1 Return
113 Injector 2 Actuator #2 Return
T958-E12 16-YL
T986-E16 16-GN
2
6
T958-A17 16-YL
T986-A90 16-GN
E-S3
E-S2
E-S6
E-S10
E-S7
E-S11
ECM Connector
Page 7 of 12
Ignition Coil Ground
1
2
3
1
2
3
4
1
2
3
4
1
2
3
C13 Engine
T859-E27 16-WH
T863-E25 16-GN
T959-E31 16-BR
T987-E35 16-GY
T859-E28 16-WH
T863-E26 16-GN
T960-E32 16-BU
T988-E36 16-PU
X987-E19 16-BR
X983-E5 16-BU
X987-E20 16-BR
X985-E6 16-OR
Injector 3
115
61
Injector 3+4 Actuator #1 High
Side
Injector 3+4 Actuator #2 High
Side
106 Injector 3 Actuator #1 Return
101 Injector 3 Actuator #2 Return
Injector 4
108 Injector 4 Actuator #1 Return
103 Injector 4 Actuator #2 Return
IVA 1
68
50
IVA 1+2 High Side
IVA 1 Return
IVA 2
22 IVA 2 Return
X987-E7 16-BR
T863-E4 16-GN
T859-E2 16-WH
T959-E13 16-BR
T960-E14 16-BU
T987-E17 16-GY
T988-E18 16-PU
10
12
3
7
4
8
3
1
2
T859-A24 16-WH
T863-A75 16-GN
T959-A18 16-BR
T987-A85 16-GY
T960-A19 16-BU
T988-A87 16-PU
X987-A37 16-BR
X983-A7 16-BU
X985-A14 16-OR
ECM Connector
E-S5
E-S4
E-S8
E-S12
E-S9
E-S13
E-S1
T860-J21 16-OR
T864-J18 16-YL
T961-J29 16-GN
T989-J31 16-BU
Injector 5
99
53
Injector 5+6 Actuator #1 High
Side
Injector 5+6 ActuatorHigh Side
107 Injector 5 Actuator #1 Return
102 Injector 5 Actuator #2 Return
T864-J15 16-YL
T860-J14 16-OR
T961-J10 16-GN
T989-J12 16-BU
11
12
7
9
AFT Injector Intermediate
Connector 1 & 2
T860-A25 16-OR
T864-A71 16-YL
T961-A28 16-GN
T989-A86 16-BU
AFT Injector IntermediateConnector 1 & 2 Intermediate
Connector represents 2 separate connectors
E F
(SeePage 9)
J-S3
J-S2
J-S7
J-S9
Page 8 of 12
ForeInjectorIntermediate
Connector 1 & 2
1
2
3
4
1
2
3
4
A
B
A
B
1
2
3
4
C13 Engine
T860-J20 16-OR
T864-J19 16-YL
T962-J30 16-WH
T990-J32 16-BR
X989-J16 16-OR
X986-J4 16-YL
X989-J17 16-OR
X984-J5 16-BR
Injector 6
105 Injector 6 Actuator #1 Return
100 Injector 6 Actuator #2 Return
IVA 3
67
31
IVA 3+4 High Side
IVA 3 Return
IVA 4
18 IVA 4 Return
X989-J8 16-OR
T962-J11 16-WH
T990-J13 16-BR
8
10
5
1
2
X988-J22 16-PU
T857-J6 16-WH
IVA 5
58
21
IVA 5+6 High Side
IVA 5 Return
X988-J23 16-PU
T857-J7 16-GN
IVA 6
42 IVA 6 Return
X988-J9 16-PU
6
3
4
T962-A29 16-WH
T990-A84 16-BR
X989-A51 16-OR
X986-A22 16-YL
X984-A30 16-BR
X988-A52 16-PU
T857-A31 16-WH
T857-A36 16-GN
E F ECM Connector
(Continued from Page 8)
J-S8
J-S10
J-S1
J-S4
BrakeSolenoid 1 & 2
8
14
K737-J24 16-BR
BrakeSolenoid Med / High
K739-J26 16-BU
BrakeReturn
BrakeSolenoid 3 & 4
K738-J2 16-GN
K739-J27 16-BU
BrakeSolenoid 5 & 6
1
K737-J25 BR
BrakeSolenoid Low / High
K739-J28 BU
K739-J3 16-BU
K737-J1 16-BR
1
3
2
K737-A54 16-BR
K739-A56 16-BU
K738-A5 16-GN
J-S6
J-S5
AFT Injector Intermediate
Connector 1 & 2
Page 9 of 12
1
2
3
4
A
B
A
B
A
B
A
B
1
2
1
2
1
2
C13 Engine
Check Engine Lamp
28
Warning Lamp
29
Aftertreatment
Regeneration Lamp
31
High Exhaust
Temperature Lamp
30
9-Pin CAB Connector
B
A
J
H
G
F
D
E
To + Battery
+
+
-
C
Speedometer
Note B & E
Tachometer
Note B & E
36
37
38
39
+ Battery
- Battery
J1587 -
J1587 +
J1939 Shield
J1939 -
J1939 +
Note Z
To Chassis J1939
Datalink
L994-YL
659-PK
G880-PK
K998-BU
C974-PU
C973-GN
450-YL
451-BR
E793-BU
E794-YL
A249-BK
K990-GN
K900-YL
9
8
42
34
50 J1939 Data Link Positive
J1939 Data Link Negative
J1939 Data Link Shield
J1587 Data Link Negative
J1587 Data Link Positive
TachometerNegative
Tachometer Positive
Speedometer Negative
Speedometer Positive
High Exhaust Temperature
Lamp
Check Engine Lamp
Warning Lamp
Aftertreatment Regeneration
Lamp
E (SeePage 11)
70-Pin Chassis Connector
Note A
TypicalVehicle Chassis Wiring
(SeeOEMvehicle schematic for more info)
Note B: For Speedometers or tachometers with a single signal input
terminal, either one of the two signal output lines from the ECM can be
used. Leave the remaining line disconnected. Do not connect to ground.
Note A:Wires twisted one twist per 25mm.
Note E: The ECM speedometer and tachometer output signal line
voltages are zero-crossing square waves. The speedometer signals at J1-
37 and J1-36 are complements of each other. The tachometer signals at
J1-38 and J1-39 are complements of each other. Maximum signal
amplitude will be +/- 5 volts orgreater if load current is less than4mA.
Note Z: The connector on this schematic is black and connects directly to
service tool cable 157-4829. The diagnostic connector not shown has
+battery on pin (A) and – battery on pin (B). This connector is gray and
connects to service tool cable 139-4166.
+
-
Page 10 of 12
70-Pin Chassis Connector
70
J906-BR
101-RD
67
69
Ignition Key Switch
- Battery
63
65
48 Unswitched + Battery
52
(SeePage 10)
Battery 1 (12V)
StarterMotor
Key Switch
To VehicleComponents
229-BK
229-BK
229-BK
229-BK
- Battery
- Battery
- Battery
101-RD
101-RD
101-RD
Unswitched + Battery
53 Unswitched + Battery
55 Unswitched + Battery
Circuits Within this Page areRecommendations
StarterMotor Solenoid
-
+
-
+
-
+
Battery 2 (12V)
Battery 3 (12V)
AlternatorGround
Engine Block
E
85
86
87
30
N/O Relay
TypicalVehicle Chassis Wiring
(SeeOEMvehicle schematic for more info)
C13 Engine
Page 11 of 12
Note D: These connections are unswitched, direct connection to the battery is not required.
Note D
10A
10A
10A
10A
10A
10A
C13 Engine
45
40
32
33
Clutch PedalPosition Switch
Retarder Solenoid Med/High
Switch
Service BrakePedalPosition
Switch
35 Cruise Control Set
25 Cruise Control Resume
59 Cruise Control On/Off Switch
23 Retarder Solenoid Low/High
Switch
22
Input #11
41
5
E971-GN
G808-BU
G809-GN
Vehicle Speed in Positive
Vehicle Speed in Negative
H795-PK
C985-BU
G840-PU
AP Sensor/Switch Common
4 +8V
66 AcceleratorPedal Position
68 Output#8 (Cooling Fan)
C979-OR
C978-BR
C992-PU
C986-BR
C977-BU
E716-GY
E717-GN
C975-WH
TypicalVehicle Chassis Wiring
(SeeOEMvehicle schematic for more info)
70-Pin Chassis Connector
Service BrakePedal
Position Switch N/C
(Pedal Released Position)
H795-PK
Cruise Control On/Off
Switch
Set/Resume Switch
H795-PK
Retarder Solenoid On/Off
Switch
LO
MED
LO
HI
MED
HI
Clutch PedalSwitch N/C
(Pedal Released Position)
A/C High Pressure Switch
H795-PK
H795-PK
+8V
AcceleratorPedal
Position Sensor
B
A
C
AcceleratorPedal Sensor/
Switch SensorCommon
AcceleratorPedal
Position
H795-PK
H795-PK
C985-BU
C986-BR
1
2
PassiveMagnetic Vehicle
Speed Sensor
Note C & F
1
2
G808-BU
G809-GN
Cooling Fan Solenoid
Note A: Wires twisted one twist per 25mm.
Note C: “Single” Winding magnetic pickup sensor recommended.
Note F: If an electronic signal is provided in place of a passive magnetic sensor, connect the electronic signal input
to the +signalpin, the -signalpin should not be connected or grounded with electronic signal inputs.
Components within this Areaare Caterpillar Provided/OEM Installed
Note A
Page 12 of 12
Arc Supressor

cat-c13-prefix-lee-lee9700--------up.pdf

  • 1.
    CAT ECM Wire Diagram C13Engine LEE9700-UP Revision #1 : 12/12/2018
  • 2.
    How to ReadThis Diagram ABBREVIATION COLOR RD WH OR YL/YE PK BK GY PU/VT BR/BN GN BU/BL RED WHITE ORANGE YELLOW PINK BLACK GRAY PURPLE BROWN GREEN BLUE CapitalAbbreviation’s Represent Wire Main Color Lower Case Abbreviation’s Represent Secondary Color Part Number Component Name Component Component Connection 1 2 CRS Combustion AirControl Valve 298-6410 M67GA 18-OR N67DA 18-GN Circuit Number Gauge Color A +12V Battery B C D Ignition J1708(-) J1708(+) Trip Master (5927) Connector Name Pin Label Pin Connection A (See Page 1) Reference Reference Destination SYMBOLS Splice Ground Fuse Twisted Pair Diode Passthrough Connector Circuit Breaker + Power >> A Reference
  • 3.
  • 4.
    C13 Engine 16-GN 16-GN 18-BK 18-WH 18-BK 18-WH G856-A8 18-WH G857-A918-YL ECM Connector IVA EOR (12V) 3 76 IVA End of RailValve (IVA EOR) Return IVA EOR (24V) CGI Actuator 51 43 CGI Actuator + CGI Actuator – Primary Engine Speed / Timing Sensor (Crankshaft) 25 35 Crankshaft (Primary) Speed / Timing – Crankshaft (Primary) Speed / Timing + Secondary EngineSpeed / Timing Sensor (Camshaft) 47 46 Camshaft (Secondary) Speed / Timing – Camshaft (Secondary) Speed / Timing + Timing Calibration (TC) Probe Connector 26 36 TDC Service Probe + TDC Service Probe – T852-A32 18-GY H807-A33 18-YL E963-A27 18-BK E964-A26 18-WH E965-A48 18-BU E966-A49 18-YL A778-101 18-GN H807-102 18-YL ARD Nozzle Cleaning Solenoid 5 79 Oil Recovery Pump Oil Recovery Pump Return Connects to A-C15 If Option is Used U774-A58 18-BU U775-A68 18-GY 1 2 1 2 16-GN 16-GN 1 2 16-GN 16-GN 1 2 1 2 16-GN 16-GN Y733-A103 18-PU Y736-A50 18-OR ARD Pilot Fuel Press Control Valve 59 ARD FuelPressure Control 1 2 A (SeePage 2) Note A Page 1 of 12 NOTE A: Wires twisted one twist per 25mm. 1 2 1 2
  • 5.
    Page 2 of12 C13 Engine 16-GN 16-GN Y736-A50 18-OR Y734-A104 18-BU 16-GN 16-GN 16-GN 16-GN Y737-A105 18-YL Y738-A106 18-GY ARD Main Fuel Press Control Valve 60 ARD FuelPressure Control Return ARD FuelEnable Valve (12V) 69 52 ARD FuelEnable Valve ARD Actuator Return (ARD Valves) ARD FuelEnable Valve (24V) Connects to A-C17 If Option is Used 1 2 A 1 2 1 2 995-A12 18-BU G833-A44 18-PK C967-A15 18-BU G833-A45 18-PK F421-A13 18-YL G833-A46 18-PK C829-A66 18-GN G833-A77 18-PK Coolant Temperature Sensor 84 30 Coolant Temperature TSR (Fuel, IMAT, Clnt, Air, Inlet, CGI MAF Temp) Intake Manifold Air Temperature Sensor 95 Inlet Manifold Air Temperature Fuel Temperature Sensor 96 Fuel Temperature Air Inlet Temperature Sensor 38 Air Inlet Temperature G833-A47 18-PK A-S3 (Continued from Page 1) B (SeePage 3) ECM Connector A-S3 A-S3 A-S3 1 2 1 2 1 2 1 2
  • 6.
    C13 Engine G828-A38 18-WH G829-A4318-GN 994-A10 18-GY G828-A40 18-WH G829-A42 18-GN U779-A6 18-BR Engine OilPressureSensor 17 PSR (IMAP, Oil, CGI DP, CGI ABS) 28 CGI Absolute Pressure Sensor 57 18-OR 18-BK 18-WH G828-A34 18-WH G833-A21 18-PK U773-A57 18-PK CGI Temperature Sensor 72 +5V Pressure Sensor (Abs P, Delta P) 70 G828-A1 18-WH CGI Temp Sensor G829-A2 18-GN CGI Absolute Pressure Engine OilPressure 1 2 3 4 B A-S1 G828-A39 18-WH G829-A41 18-GN R746-A20 18-PK Intake Manifold AirPressure Sensor 15 Inlet Manifold Air Pressure G828-U1 18-WH G833-U2 18-PK G849-U3 18-BR G828-A65 18-WH G829-A64 18-GN U780-A62 18-WH CGI DeltaPressure Sensor 16 G828-A117 18-WH G829-A119 18-GN E795-A121 18-YL Crankcase Pressure Sensor 33 CGI MAF Venturi DeltaPressure Crank Case Pressure (Continued from Page 2) C D A-S2 (SeePage 4) 1 2 3 ECM Connector Note A Note A Note A Page 3 of 12 A-S1 A-S1 A-S2 A-S2 A-S2 A-S2 A-S1 A-S1 A-S1 NOTE A: Wires twisted one twist per 25mm. 1 2 3 1 2 3 1 2 3 1 2 3 1 2 3
  • 7.
    C13 Engine G828-A118 18-WH G829-A12018-GN Y923-A122 18-PU ARD Combustion MAF Delta Pressure Sensor 27 ARD Combustion MAF Delta Pressure G828-A123 18-WH G829-A124 18-GN C991-A125 18-PK Fuel PressureSensor 40 Fuel Pressure Y748-A73 18-WH Y749-A59 18-GN C803-A99 18-BR Y748-A63 18-WH Y749-A35 18-GN Y747-A108 18-BR ARD Pilot Fuel Pressure Sensor 81 83 Sensor +5 ARD ARD Sensor Return 41 ARD Main Fuel Pressure Sensor ARD Main Fuel Pressure Sensor 89 Y748-A109 18-WH Y749-A110 18-GN ARD Pilot Fuel Pressure C D (Continued from Page 3) A-S5 A-S8 ARD Turbo Outlet And Flame Detect Temperature Sensor Exhaust Gas Temperature 2 (Combustion Detection) 91 18-OR 18-BK 18-WH ARD Boundary Temperature Sensor Exhaust Gas Temperature 3 (Combustion Boundary) 63 Y748-A67 WH Y749-A55 GN Y753-A82 OR Exhasut gas Temperature 1 (Turbo Outlet Temp) 55 Y748-A60 18-WH Y749-A53 18-GN Y743-A107 18-OR T846-A100 18-YL 18-GN 18-OR 18-YL 18-WH 1 2 3 4 1 2 3 4 ECM Connector Page 4 of 12 A-S1 A-S2 A-S5 A-S5 A-S8 A-S8 1 2 3 1 2 3 1 2 3 1 2 3
  • 8.
    C13 Engine 101-A4 14-RD 229-A7414-BK ARD Heated NozzleRelay 12V 45 Fuel Pressure ARD Heated NozzleRelay 24V Connect to A-16 When 24V Relay is Used U798-A80 14-PK U799-A102 16-OR 101-A4 14-RD 229-A74 14-BK U799-102 16-OR ARD Heated NozzleWire Assembly 16-GN 16-GN C801-A98 18-OR C800-A97 18-GY ARD Combustion Air Control Valve 10 20 ARD Combustion Air Control Valve Return ARD Combustion Air Control Valve 1 2 Vehicle Battery Power + - 1 2 3 4 1 2 20A OEM Battery Power 1 2 1 2 3 4 ECM Connector Page 5 of 12 200 16-BK ARD Ground Wire Coil Ground CRS Ground
  • 9.
    C13 Engine U781-J12 18-RD U782-J1518-BK J896-J16 18-WH DPF PressureSensor 82 93 DPF Sensor +5V DPF SensorReturn 66 Particulate Trap Delta Pressure U781-J21 18-RD U782-J22 18-BK J894-J17 18-BU DPF In-Out Temperature Sensor 13 Particulate Trap Intake Temperature 56 Particulate Trap Intake Temperature J892-J18 18-BR U781-J11 18-RD U782-J14 18-BK 1 U781-P1 16-WH U782-J13 18-BK U782-P2 16-GN Y746-P3 16-PK Y741-P4 16-YL Y742-P5 16-GN U782-P6 16-BU U781-A3 18-YL U782-A83 18-PK Y746-A92 18-PK Y741-A61 18-YL Y742-A76 18-PU Y754-A101 18-GY K895-J19 18-BK 94 Particulate Trap Outlet Temperature 2 3 1 2 3 6 4 5 4 5 J-S2 J-S1 J-S3 ECM Connector 715 Ohms DPF Wiring Group Air Inlet Shutoff Relay Air Inlet Shutoff Solenoid Vehicle Battery 18-BK 18-BK WIRE 1914 10-OR OEM Circuit OEM Circuit OEM Circuit Manual Air Inlet Shutoff Operator Interface Connect to A-C39 When Used Connect to A-C38 When Used 386-AR115 18-PK 386-AR116 18-PK K739-AR127 16-BU 4 HWT Inlet AirShutoff 14 CAT Break Return 386-AR112 18-PK K739-AR56 16-BU Air Inlet Shutoff 1 2 + + - 1 2 AR-S11 1 2 1 2 AR-S13 NOTE J NOTE J: Wiring only exists on harness 313-5858 for the Air Inlet Shutoff option. On engines without Air Inlet Shutoff option, wire 386 does not exist and wire K739 connects ECM J2 Pin 14 to A-C34 Pin 3. Page 6 of 12 1 2 3 1 2 3 4
  • 10.
    C13 Engine 200-L3 16-BK Y750-L116-YL Y751-L2 16-OR Ignition Coil 109 88 ARD Ignition Coil ARD Ignition Primary Return 200-AP1 4-BK Y750-A111 16-YL Y751-A88 16-OR CRS Ground (SeeOEM) G826-E8 16-BR G827-E9 16-BU T853-E10 16-OR IVA Oil EOR Pressure Sensor 80 54 Sensor +5V IVA Oil Pressure Pressure Sensor Return (VVA) 74 IVA Oil Pressure Sensor 4 5 6 G826-A70 18-BR G827-A69 BU T853-A11 OR ForeInjectorIntermediate Connector 1 & 2 ForeInjectorIntermediate Connector 1 & 2 IntermediateConnectorrepresents 2 separate connectors 1 2 3 1 2 3 Sparkplug 200-A79 16-BK T858-E23 16-GY T862-E21 16-BU T957-E29 16-PU T985-E33 16-WH Injector 1 104 77 Injector 1+2 Actuator #1 High Side Injector 1+2 Actuator #2 High Side 116 Injector 1 Actuator #1 Return 111 Injector 1 Actuator #2 Return T862-E3 16-BU T858-E1 16-GY T957-E11 16-PU T985-E15 16-WH 9 11 1 5 T858-A23 16-GY T862-A78 16-BU T957-A16 16-PU T985-A89 16-WH T858-E24 16-GY T862-E22 16-BU T958-E30 16-YL T986-E34 16-GN Injector 2 118 Injector 2 Actuator #1 Return 113 Injector 2 Actuator #2 Return T958-E12 16-YL T986-E16 16-GN 2 6 T958-A17 16-YL T986-A90 16-GN E-S3 E-S2 E-S6 E-S10 E-S7 E-S11 ECM Connector Page 7 of 12 Ignition Coil Ground 1 2 3 1 2 3 4 1 2 3 4 1 2 3
  • 11.
    C13 Engine T859-E27 16-WH T863-E2516-GN T959-E31 16-BR T987-E35 16-GY T859-E28 16-WH T863-E26 16-GN T960-E32 16-BU T988-E36 16-PU X987-E19 16-BR X983-E5 16-BU X987-E20 16-BR X985-E6 16-OR Injector 3 115 61 Injector 3+4 Actuator #1 High Side Injector 3+4 Actuator #2 High Side 106 Injector 3 Actuator #1 Return 101 Injector 3 Actuator #2 Return Injector 4 108 Injector 4 Actuator #1 Return 103 Injector 4 Actuator #2 Return IVA 1 68 50 IVA 1+2 High Side IVA 1 Return IVA 2 22 IVA 2 Return X987-E7 16-BR T863-E4 16-GN T859-E2 16-WH T959-E13 16-BR T960-E14 16-BU T987-E17 16-GY T988-E18 16-PU 10 12 3 7 4 8 3 1 2 T859-A24 16-WH T863-A75 16-GN T959-A18 16-BR T987-A85 16-GY T960-A19 16-BU T988-A87 16-PU X987-A37 16-BR X983-A7 16-BU X985-A14 16-OR ECM Connector E-S5 E-S4 E-S8 E-S12 E-S9 E-S13 E-S1 T860-J21 16-OR T864-J18 16-YL T961-J29 16-GN T989-J31 16-BU Injector 5 99 53 Injector 5+6 Actuator #1 High Side Injector 5+6 ActuatorHigh Side 107 Injector 5 Actuator #1 Return 102 Injector 5 Actuator #2 Return T864-J15 16-YL T860-J14 16-OR T961-J10 16-GN T989-J12 16-BU 11 12 7 9 AFT Injector Intermediate Connector 1 & 2 T860-A25 16-OR T864-A71 16-YL T961-A28 16-GN T989-A86 16-BU AFT Injector IntermediateConnector 1 & 2 Intermediate Connector represents 2 separate connectors E F (SeePage 9) J-S3 J-S2 J-S7 J-S9 Page 8 of 12 ForeInjectorIntermediate Connector 1 & 2 1 2 3 4 1 2 3 4 A B A B 1 2 3 4
  • 12.
    C13 Engine T860-J20 16-OR T864-J1916-YL T962-J30 16-WH T990-J32 16-BR X989-J16 16-OR X986-J4 16-YL X989-J17 16-OR X984-J5 16-BR Injector 6 105 Injector 6 Actuator #1 Return 100 Injector 6 Actuator #2 Return IVA 3 67 31 IVA 3+4 High Side IVA 3 Return IVA 4 18 IVA 4 Return X989-J8 16-OR T962-J11 16-WH T990-J13 16-BR 8 10 5 1 2 X988-J22 16-PU T857-J6 16-WH IVA 5 58 21 IVA 5+6 High Side IVA 5 Return X988-J23 16-PU T857-J7 16-GN IVA 6 42 IVA 6 Return X988-J9 16-PU 6 3 4 T962-A29 16-WH T990-A84 16-BR X989-A51 16-OR X986-A22 16-YL X984-A30 16-BR X988-A52 16-PU T857-A31 16-WH T857-A36 16-GN E F ECM Connector (Continued from Page 8) J-S8 J-S10 J-S1 J-S4 BrakeSolenoid 1 & 2 8 14 K737-J24 16-BR BrakeSolenoid Med / High K739-J26 16-BU BrakeReturn BrakeSolenoid 3 & 4 K738-J2 16-GN K739-J27 16-BU BrakeSolenoid 5 & 6 1 K737-J25 BR BrakeSolenoid Low / High K739-J28 BU K739-J3 16-BU K737-J1 16-BR 1 3 2 K737-A54 16-BR K739-A56 16-BU K738-A5 16-GN J-S6 J-S5 AFT Injector Intermediate Connector 1 & 2 Page 9 of 12 1 2 3 4 A B A B A B A B 1 2 1 2 1 2
  • 13.
    C13 Engine Check EngineLamp 28 Warning Lamp 29 Aftertreatment Regeneration Lamp 31 High Exhaust Temperature Lamp 30 9-Pin CAB Connector B A J H G F D E To + Battery + + - C Speedometer Note B & E Tachometer Note B & E 36 37 38 39 + Battery - Battery J1587 - J1587 + J1939 Shield J1939 - J1939 + Note Z To Chassis J1939 Datalink L994-YL 659-PK G880-PK K998-BU C974-PU C973-GN 450-YL 451-BR E793-BU E794-YL A249-BK K990-GN K900-YL 9 8 42 34 50 J1939 Data Link Positive J1939 Data Link Negative J1939 Data Link Shield J1587 Data Link Negative J1587 Data Link Positive TachometerNegative Tachometer Positive Speedometer Negative Speedometer Positive High Exhaust Temperature Lamp Check Engine Lamp Warning Lamp Aftertreatment Regeneration Lamp E (SeePage 11) 70-Pin Chassis Connector Note A TypicalVehicle Chassis Wiring (SeeOEMvehicle schematic for more info) Note B: For Speedometers or tachometers with a single signal input terminal, either one of the two signal output lines from the ECM can be used. Leave the remaining line disconnected. Do not connect to ground. Note A:Wires twisted one twist per 25mm. Note E: The ECM speedometer and tachometer output signal line voltages are zero-crossing square waves. The speedometer signals at J1- 37 and J1-36 are complements of each other. The tachometer signals at J1-38 and J1-39 are complements of each other. Maximum signal amplitude will be +/- 5 volts orgreater if load current is less than4mA. Note Z: The connector on this schematic is black and connects directly to service tool cable 157-4829. The diagnostic connector not shown has +battery on pin (A) and – battery on pin (B). This connector is gray and connects to service tool cable 139-4166. + - Page 10 of 12
  • 14.
    70-Pin Chassis Connector 70 J906-BR 101-RD 67 69 IgnitionKey Switch - Battery 63 65 48 Unswitched + Battery 52 (SeePage 10) Battery 1 (12V) StarterMotor Key Switch To VehicleComponents 229-BK 229-BK 229-BK 229-BK - Battery - Battery - Battery 101-RD 101-RD 101-RD Unswitched + Battery 53 Unswitched + Battery 55 Unswitched + Battery Circuits Within this Page areRecommendations StarterMotor Solenoid - + - + - + Battery 2 (12V) Battery 3 (12V) AlternatorGround Engine Block E 85 86 87 30 N/O Relay TypicalVehicle Chassis Wiring (SeeOEMvehicle schematic for more info) C13 Engine Page 11 of 12 Note D: These connections are unswitched, direct connection to the battery is not required. Note D 10A 10A 10A 10A 10A 10A
  • 15.
    C13 Engine 45 40 32 33 Clutch PedalPositionSwitch Retarder Solenoid Med/High Switch Service BrakePedalPosition Switch 35 Cruise Control Set 25 Cruise Control Resume 59 Cruise Control On/Off Switch 23 Retarder Solenoid Low/High Switch 22 Input #11 41 5 E971-GN G808-BU G809-GN Vehicle Speed in Positive Vehicle Speed in Negative H795-PK C985-BU G840-PU AP Sensor/Switch Common 4 +8V 66 AcceleratorPedal Position 68 Output#8 (Cooling Fan) C979-OR C978-BR C992-PU C986-BR C977-BU E716-GY E717-GN C975-WH TypicalVehicle Chassis Wiring (SeeOEMvehicle schematic for more info) 70-Pin Chassis Connector Service BrakePedal Position Switch N/C (Pedal Released Position) H795-PK Cruise Control On/Off Switch Set/Resume Switch H795-PK Retarder Solenoid On/Off Switch LO MED LO HI MED HI Clutch PedalSwitch N/C (Pedal Released Position) A/C High Pressure Switch H795-PK H795-PK +8V AcceleratorPedal Position Sensor B A C AcceleratorPedal Sensor/ Switch SensorCommon AcceleratorPedal Position H795-PK H795-PK C985-BU C986-BR 1 2 PassiveMagnetic Vehicle Speed Sensor Note C & F 1 2 G808-BU G809-GN Cooling Fan Solenoid Note A: Wires twisted one twist per 25mm. Note C: “Single” Winding magnetic pickup sensor recommended. Note F: If an electronic signal is provided in place of a passive magnetic sensor, connect the electronic signal input to the +signalpin, the -signalpin should not be connected or grounded with electronic signal inputs. Components within this Areaare Caterpillar Provided/OEM Installed Note A Page 12 of 12 Arc Supressor