GANPAT UNIVERSITYGANPAT UNIVERSITY
PROJECT REPORTPROJECT REPORT
ONON
TEMPRATURETEMPRATURE
CONTROLLER ANDCONTROLLER AND
DISPLAYDISPLAY
PREPARED BY:PREPARED BY: GUIDED BY:GUIDED BY:
PATEL DHIREN (PATEL DHIREN (086440311526)) MR. H.H.AGRAWALMR. H.H.AGRAWAL
PATEL JAY (PATEL JAY (086440311528))
PATEL PIYUSH (PATEL PIYUSH (086440311536))
Certificate
This is certified that
1. Patel Dhiren Bharatbhai
2. Patel Jay Sureshbhai
3. Patel Piyush Dashrathbhai
Of diploma in Electronics and
Communication Engineering (6th
semester) of the academic year Dec-2009 as
satisfactory completed their term work in project on TEMPRATURE
CONTROLLER AND DISPLAY
They worked with full interest and here with submit their report in
partial fulfillment of the Diploma in Electronics & Communication
Engineering.
Date of submission:
Sign of Guide:
Head of department
We would like to thank respected dignitaries for
their valuable Cooperation. They have helped us in completing
the project work satisfactory and successfully
We are really very thankful to our Head of the
department Mr.B.S.Patel for giving us the opportunity to take
this project work on “TEMPRATURE CONTROLLER AND
DISPLAY and encouraging us in completing the project work
successfully.
We are very thankful to our guide, Mr.
H.H.Agrawal for providing us his valuable guidance in every
aspects concerned with our project. His willingness and deep
knowledge have always helped us in conceiving new ideas.
We would also like to thank him for his co operation He has
always quietly and gladly answered all our queries regarding
to this project.
We are also thankful to our lab assistant
Mr.Shaileshbhai as well to provide us necessary laboratory
devices in working or running conditions.
WITH HEARTFULL OF
GRATITUDE
“EXPERIENCE IS THE BEST TEACHER”. This
saying as played a guiding role in including information as a part of the
curriculum of the ELECTRONICS AND COMMUNICATION
programme of the GANPAT UNIVERSITY.
This practical training based on ELECTRONICS AND
COMMUNICATION programmed. Developed feeling about the
difficulties challenges in the engineering word. Only theoretical
knowledge does not impart complete education parallel experience must
accompany theoretical knowledge admiring education.
In this direction we have try to our level best to present a
project report on “TEMPRATURE CONTROLLER AND DISPLAY”.
1. Introduction
2. Circuit Diagram
3. Circuit Description
4. Component List
5. Data sheets
6. Reference
 A simple introduction about the temperature controller
circuit.
 This circuit project is mainly used used for temperature
indicator, temperature controller
 And in controlling device depend on temperature.
 Controlling devices like air heater, factory, industrial,
application.
 In temperature controller circuit there are two part consist
of
o ADC 0804 interface with at89s52.
o LCD interface with at89s52.
 The hardware circuit of temperature controller with
controller to need the programming.
 There are two possibilities FSO programming
 assembly language programming
 c language
 Here we use the assembly language programming using keil
(µVision4 IDE) software.
 This programming usually load in the at89s52 controller ic.
 At89s52 is a family of 8051.
 The programming for 8051.this system is called embedded
system.
 The main principle of this project to indicate temperature,
analog to digital, to control the temperature & interfacing.
Working :-Working :-
 How to interface ADC0804 using 8051 microcontroller
(AT89C52)
 ADC0804 is one of the most commonly used analog to
digital converter IC. In many applications it is required to
convert the output of the sensor, which is analogue in
nature to a digital form. The data in digital format can
then be utilized for further processing by the digital
processors. Typical applications include sound
processing, temperature processing etc. This circuit
demonstrates the principle and operation of interfacing a
simple ADC 0804 using 8051 microcontroller (AT89C52).
 ADC0804 is connected as shown in the circuit diagram.
Here the input is taken from a preset, which gives
different analog signals to the ADC. The output pins of
the ADC are connected to LEDs. The control pins of the
ADC are connected to the microcontroller AT89C52.
 ADC0804 is a single channel analog to digital convertor
i.e., it can take only one analog signal. An ADC has n bit
resolution (binary form) where n can be 8,10,12,16 or
even 24 bits. ADC 0804 has 8 bit resolution. The higher
resolution ADC gives smaller step size. Step size is
smallest change that can be measured by an ADC. For an
ADC with resolution of 8 bits, the step size is 19.53mV
(5V/255).
 The time taken by the ADC to convert analog data into
digital form is dependent on the frequency of clock
source. ADC0804 can be given clock from external
source. It also has an internal clock.
 However the conversion time cannot be more than110us.
To use the internal clock a capacitor and resistor is
connected to pin 19 and 4 as shown in the circuit
diagram. The frequency is given by the relation f= 1/
(1.1RC). The circuit uses a resistance of 10k and a
capacitor of 150pF to generate clock for ADC0804. Vin,
which is the input pin, is connected to a preset to provide
analog input.
 Pin Description
1. CS, Chip Select: This is an active low pin and used to
activate the ADC0804.
2. RD, Read: This is an input pin and active low. After
converting the analog data, the ADC stores the result
in an internal register. This pin is used to get the data
out of the ADC 0804 chip. When CS=0 & high to low
pulse is given to this pin, the digital output is shown
on the pins D0-D7.
3. WR, Write: This is an input pin and active low. This is
used to instruct the ADC to start the conversion
process. If CS=0 and WR makes a low to high
transition, the ADC starts the conversion process.
4. CLK IN, Clock IN: This is an input pin connected to
an external clock source.
5. INTR, Interrupt: This is an active low output pin.
This pin goes low when the conversion is over.
6. Vin+ : Analog Input .
7. Vin- : Analog Input. Connected to ground.
8. AGND: Analog Ground.
9. Vref/2: This pin is used to set the reference
voltage. If this is not connected the default reference voltage
is 5V. In some application it is required to reduce the step
size. This can be done by using this pin.
10. DGND: Digital Ground.
11-18. Output Data Bits (D7-D0).
19. CLKR: Clock Reset.
20. Vcc: Positive Supply
Controlling functions :-
 The lcd display two temperature 1)current temperature
2)set point temperature
 The set point increment & decrement using switch.
 When we set the sp( set point ) less than the current
temperature , then trigger the pulse to base of transistor by
controller.
 The collector current flow in coil. so the LED will be ON.
 In ON condition of relay the common terminal is connected
with NO of relay.
 Finally , the buzzer will be ON.
 When sp is more than current temperature. in this condition
led & relay & buzzer will be off.
sfr P0=0x80;
sfr P1=0x80;
sfr P1=0x90;
sfr P2=0xA0;
sfr P3=0xB0;
sbit relay = P1^0;
Sbit inc = P1^1;
sbit dec = P1^2;
#define adcdata P3
sbit intr = P2^2; //5
sbit rd = P2^0; //2
sbit wr = P2^1; //3
sbit rs = P2^5;
sbit rw = P2^6;
sbit en = P2^7;
unsigned char line[4] = {0x80,0xC0,0x90,0xD0};
#define DBUS P0
#define BLINKLCD 0x09
#define ONCURSOR 0x0A
#define ONLCD 0x0C
#define CLEARLCD 0x01
#define HOMELCD 0x02
#define ENTRYMODE 0x06
#define FUNCSET 0x38
void wrlcd_cmd(unsigned char cmd );
void wrlcd_data(unsigned char Data );
void delay(unsigned int count);
void wrmsg(char LineNo,char endloc, unsigned char msg[]);
void getdata();
static unsigned char sp=0;
code unsigned char scr5[2] [16] = {" Temp: ",
" SP: "};
code unsigned char scr1[2] [16] = {" JAY Patel ",
" BSPP 2nd
SHIFT "};
void main()
{
unsigned char i;
unsigned char x,d1,d2,d3,val,a=0;;
P3=0xff;
P0=0x00;
P2=0x0f;
relay=0;
wrlcd_cmd(FUNCSET); //set data length,no of
disp,2-line display
wrlcd_cmd(ONLCD); //display and cursor on
wrlcd_cmd(ENTRYMODE); //inc. DDram address,
wrlcd_cmd(CLEARLCD); //Clear display
for(i=0;i<2;i++)
{
delay(100);
wrmsg(line[i],16,scr1[i]);
}
for(i=0;i<15;i++)
delay(50000);
for(i=0;i<2;i++)
{
delay(100);
wrmsg(line[i],16,scr5[i]);
}
while(1)
{
wr=0;
delay(100);
wr=1;
while(intr != 1);
while(intr != 0);
rd=0;
delay(10);
val=adcdata;
rd=1;
wrlcd_cmd(line[0]+9);
x=val/10;
d1=val%10;
d2=x%10;
d3=x/10;
wrlcd_data(d3+0x30);
delay(10);
wrlcd_data(d2+0x30);
wrlcd_data(d1+0x30);
delay(10);
a=(d3*100)+(d2*10)+d1;
wrlcd_data('C');
wrlcd_cmd(line[1]+9);
wrlcd_data((sp/10)+0x30);
wrlcd_data((sp%10)+0x30);
if(inc==0)
{
while(inc==0);
sp++;
}
if( (dec==0) && sp>0 )
while(dec==0);
sp--;
}
if(a>sp)
relay=1;
else
relay=0;
delay(25000);
}
}
void wrlcd_cmd(unsigned char cmd )
{
DBUS = cmd;
delay(10);
rs = 0; //select cmd reg
delay(10);
rw = 0; //write mode
delay(10);
en = 1;
delay(300);
en = 0;
delay(20);
}
void wrlcd_data(unsigned char Data )
{
DBUS = Data;
delay(10);
rs = 1; //select data reg
delay(10);
rw = 0;
delay(10);
en = 1;
delay(300);
en = 0;
delay(10);
rs = 0;
delay(20);
}
void wrmsg(char LineNo,char endloc, unsigned char msg[])
{
unsigned char i;
wrlcd_cmd(LineNo);
for(i =0;i<=endloc;i++)
{
wrlcd_data(msg[i]);
delay(50);
}
}
void delay(unsigned int dly)
{
while(dly>0)
dly--;
}
1. Resistor– 1k, 10k, 8.2k, 10k pot
2. Capacitor - 155pf, 33pf, 10uf
3. DC power supply
4. LED
5. Switch
6. Transistor
7. Buzzer
8. Relay
9. Crystal
10. AT89S52
11. ADC 0804
12. 7805
13.Sensor- LM 35
14. Display
15. Socket
RESISTOR:-
Axial- lead resistors on tape. The tape is
removed during assembly before the
leads are formed and the part is inserted
into the board. Three carbon
composition resistors in a 1960s valve
(vacuum tube) radio. A resistor is a two-
terminal electronic component that
produces a voltage across its terminals
that is proportional to the electric current
through it in accordance with Ohm's law:
V = IR
Resistors are elements of electrical networks and electronic circuits and
are ubiquitous in most electronic equipment. Practical resistors can be
made of various compounds and films, as well as resistance wire (wire
made of a high-resistivity alloy, such as nickel/chrome).
The primary characteristics of a resistor are the resistance, the
tolerance, maximum working voltage and the power rating. Other
characteristics include temperature coefficient, noise, and inductance.
Less well-known is critical resistance, the value below which power
dissipation limits the maximum permitted current flow, and above which
the limit is applied voltage. Critical resistance depends upon the
materials constituting the resistor as well as its physical dimensions; it's
determined by design. Resistors can be integrated into hybrid and
printed circuits, as well as integrated circuits. Size, and position of leads
(or terminals) are relevant to equipment designers; resistors must be
physically large enough not to overheat when dissipating their power.
Resistor Color Coding
10k Variable
Resistor:-
Variable resistors consist of a resistance track with
connections at both ends and a wiper which moves along the track as
you turn the spindle. The track may be made from carbon, cermets
(ceramic and metal mixture) or a coil of wire (for low resistances). The
track is usually rotary but straight track versions, usually called sliders,
are also available.
Variable resistors may be used as a rheostat with two
connections (the wiper and just one end of the track) or as a
potentiometer with all three connections in use. Miniature versions called
presets are made for setting up circuits which will not require further
adjustment.
Variable resistors are often called potentiometers in books and
catalogues. They are specified by their maximum resistance, linear or
logarithmic track, and their physical size
CAPACITOR:-
Electronic symbol:-
Type: - Passive
A capacitor or condenser is a passive electronic component
consisting of a pair of conductors separated by a dielectric. When a
voltage potential difference exists between the conductors, an electric
field is present in the dielectric. This field stores energy and produces a
mechanical force between the plates. The effect is greatest between
wide, flat, parallel, narrowly separated conductors.
The conductors and leads introduce an equivalent series
resistance and the dielectric has an electric field strength limit resulting
in a breakdown voltage.
Capacitors are widely used in electronic circuits to block the flow of
direct current while allowing alternating current to pass, to filter out
interference, to smooth the output of power supplies, and for many other
purposes. They are used in resonant circuits in radio frequency
equipment to select particular frequencies from a signal with many
frequencies.
Ceramic Capacitor:-
Ceramic capacitors are constructed with materials such as titanium acid
barium used as the dielectric. They can be used in high frequency
applications. Typically, they are used in circuits which bypass high
frequency signals to ground.
These capacitors have the shape of a disk. Their capacitance is
comparatively small.
The capacitor on the left is a 100pF capacitor with a diameter of about 3
mm.The capacitor on the right side is printed with 103, so 10 x 10
3
pF
becomes 0.01 µF. The diameter of the disk is about 6 mm.
Ceramic capacitors have no polarity Ceramic capacitors should not be
used for analog circuits, Because distort the signal.
LED :-
Features: -
Water Clear Lens
850nm Wavelength
Forward Voltage - 1.7V
A light-emitting diode (LED) is an electronic light source. LEDs are
used as indicator lamps in many kinds of electronics and increasingly
for lighting. LEDs work by the effect of electroluminescence, discovered
by accident in 1907. The LED was introduced as a practical electronic
component in 1962. All early devices emitted low-intensity red light, but
modern LEDs are available across the visible, ultraviolet and infra
red wavelengths, with very high brightness.
LEDs are based on the semiconductor diode. When the diode is forward
biased.
LEDs present many advantages over traditional light sources including
lower energy consumption, longer lifetime, improved robustness, smaller
size and faster switching. However, they are relatively expensive and
require more precise current and heat management than traditional light
sources.
Applications of LEDs are diverse. They are used as low-energy
indicators but also for replacements for traditional light sources in
general lighting, automotive lighting and traffic signals. The compact size
of LEDs has allowed new text and video displays and sensors to be
developed, while their high switching rates are useful in communications
technology.
TRANSISTOR:-
RELAY:-
A relay is an electrical switch that opens and closes under
the control of another electrical circuit. In the original form, the
switch is operated by an electromagnet to open or close one or
many sets of contacts. It was invented by Joseph Henry in
1835. Because a relay is able to control an output circuit of
higher power than the input circuit, it can be considered
to be, in a broad sense, a form of an electrical amplifier.
Fig. 4.26 Sugar cube relay
Despite the speed of technological developments, some
products prove so popular that their key parameters and
design features remain virtually unchanged for years. One such
product is the ‘sugar cube’ relay, shown in the figure above,
which has proved useful to many designers who needed to
switch up to 10A, whilst using relatively little PCB area
Since relays are switches, the terminology applied to
switches is also applied to relays. A relay will switch one or
more poles, each of whose contacts can be thrown by
energizing the coil in one of three ways:
1.Normally - open (NO) contacts connect the circuit when the
relay is activate d; the circuit is disconnected when the relay
is inactive. It is also called a FORM A contact or “make”
contact.
2.Normally - closed (NC) contacts disconnect the circuit when
the relay is activated ; the circuit is connected when relay is
inactive. It is also called FORM B contact or” break” contact
3.Change-over or double-throw contacts control two circuits ;
one normally open contact and one normally –closed
contact with a common terminal. It is also called a Form C
“transfer “contact.
"C" denotes the common terminal in SPDT and DPDT types
• SPST - Single Pole Single Throw: These have two
terminals which can be connected or disconnected.
Including two for the coil, such a relay has four terminals
in total. It is ambiguous whether the pole is normally open
or normally closed. The terminology "SPNO" and "SPNC" is
sometimes used to resolve the ambiguity.
• SPDT - Single Pole Double Throw: A common terminal
connects to either of two others. Including two for the
coil, such a relay has five terminals in total.
• DPST - Double Pole Single Throw: These have two pairs
of terminals. Equivalent to two SPST switches or relays
actuated by a single coil. Including two for the coil, such a
relay has six terminals in total. It is ambiguous whether
the poles are normally open, normally closed, or one of
each.
• DPDT - Double Pole Double Throw: These have two rows
of change-over terminals.
Equivalent to two SPDT switches or relays actuated by a
single coil. Such a relay has eight terminals, including the
coil.
• QPDT - Quadruple Pole Double Throw: Often referred to
as Quad Pole Double Throw, or 4PDT. These have four
rows of change-over terminals. Equivalent to four SPDT
switches or relays actuated by a single coil, or two DPDT
relays. In total, fourteen terminals including the coil.
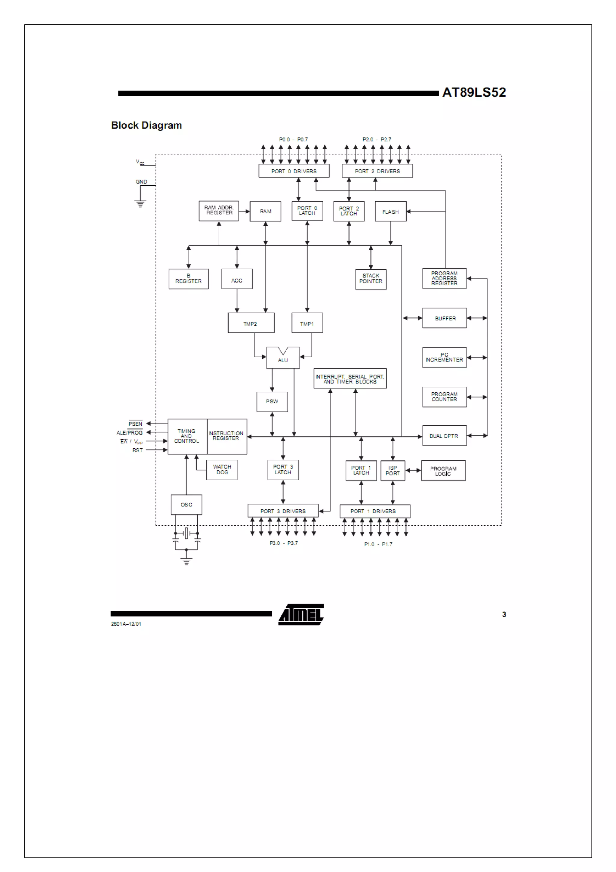
AT89S52 :-
SENSOR-LM35:-
IC-7805:-
LCD:-
LIQUID CRYSTAL DISPLAY
A liquid crystal display (LCD) is a thin, flat display device
made up of any number of color or monochrome pixels arrayed
in front of a light source or reflector. Each pixel consists of a
column of liquid crystal molecules suspended between two
transparent electrodes, and two polarizing filters, the axes of
polarity of which are perpendicular to each other. Without the
liquid crystals between them, light passing through one would
be blocked by the other. The liquid crystal twists the
polarization of light entering one filter to allow it to pass
through the other.
Many microcontroller devices use 'smart LCD' displays to
output visual information. LCD displays designed around
Hitachi's LCD HD44780 module, are inexpensive, easy to use,
and it is even possible to produce a readout using the 8x80
pixels of the display. They have a standard ASCII set of
characters and mathematical symbols.
For an 8-bit data bus, the display requires a +5V supply
plus 11 I/O lines. For a 4-bit data bus it only requires the supply
lines plus seven extra lines. When the LCD display is not
enabled, data lines are tri-state and they do not interfere with
the operation of the microcontroller.
Data can be placed at any location on the LCD. For 16×2
LCD, the address locations
are:
First line 80 81 82 83 84 85 86 through
8F
Second line C0 C1 C2 C3 C4 C5 C6 through CF
SIGNALS TO THE LCD
The LCD also requires 3 control lines from the
microcontroller:
1) Enable (E)
This line allows access to the display through R/W and
RS lines. When this line is low, the LCD is disabled and
ignores signals from R/W and RS. When (E) line is high, the
LCD checks the state of the two control lines and responds
accordingly.
2) Read/Write (R/W)
This line determines the direction of data between the
LCD and microcontroller.
When it is low, data is written to the LCD. When it is high,
data is read from the
LCD
.
3) Register select (RS)
With the help of this line, the LCD interprets the type of
data on data lines. When it is low, an instruction is being
written to the LCD. When it is high, a character is being written
to the LCD.
Logic status on control lines:
• E - 0 Access to LCD
disabled
- 1 Access to LCD enabled
• R/W - 0 Writing data
to LCD
- 1 Reading data
from LCD
• RS - 0 Instruction
- 1
Character
Writing and reading the data from the LCD:
Writing data to the LCD is done in several steps:
1) Set R/W bit to low
2) Set RS bit to logic 0 or 1 (instruction or character)
3) Set data to data lines (if it is writing)
4) Set E line to high
5) Set E line to low
Read data from data lines (if it is reading):
1) Set R/W bit to high
2) Set RS bit to logic 0 or 1 (instruction or character)
3) Set data to data lines (if it is writing)
4) Set E line to high
5) Set E line to low
PIN DESCRIPTION
Most LCDs with 1 controller has 14 Pins and LCDs with 2
controller has 16 Pins
(two pins are extra in both for back-light LED connections).
1. http://www.westfloridacomponents.com
2. http://www.futurlec.com
3. http://www.pdf-search-engine.com/
4. http://www.westfloridacomponents.com
5. http:// www.google.com
6. http://www.datasheetscatalog.com
Books:-
1. Electronic devices and circuits-2 (R.P Ajwaliya)
2. Mazidee
Temperature Controlled Fan projects main idea is to auto adjust fan speed
based on the variations on temperature inside room. Here we use LM35 sensors to
read temperature and send information to micro controller after converting analog
signal to digital signal using Analog to digital converter. Micro controller is
connected with control relays for controlling fan speed.
User is provided with a LCD display where information is displayed. Buzzer is used
as indications of changes in fan speed. 8051 micro controller is used in this project.
Code is written in c language and written in to micro controller.

Anup2

  • 1.
    GANPAT UNIVERSITYGANPAT UNIVERSITY PROJECTREPORTPROJECT REPORT ONON TEMPRATURETEMPRATURE CONTROLLER ANDCONTROLLER AND DISPLAYDISPLAY PREPARED BY:PREPARED BY: GUIDED BY:GUIDED BY: PATEL DHIREN (PATEL DHIREN (086440311526)) MR. H.H.AGRAWALMR. H.H.AGRAWAL PATEL JAY (PATEL JAY (086440311528))
  • 2.
    PATEL PIYUSH (PATELPIYUSH (086440311536))
  • 3.
    Certificate This is certifiedthat 1. Patel Dhiren Bharatbhai 2. Patel Jay Sureshbhai 3. Patel Piyush Dashrathbhai Of diploma in Electronics and Communication Engineering (6th semester) of the academic year Dec-2009 as satisfactory completed their term work in project on TEMPRATURE CONTROLLER AND DISPLAY They worked with full interest and here with submit their report in partial fulfillment of the Diploma in Electronics & Communication Engineering. Date of submission: Sign of Guide: Head of department
  • 4.
    We would liketo thank respected dignitaries for their valuable Cooperation. They have helped us in completing the project work satisfactory and successfully We are really very thankful to our Head of the department Mr.B.S.Patel for giving us the opportunity to take this project work on “TEMPRATURE CONTROLLER AND DISPLAY and encouraging us in completing the project work successfully. We are very thankful to our guide, Mr. H.H.Agrawal for providing us his valuable guidance in every aspects concerned with our project. His willingness and deep knowledge have always helped us in conceiving new ideas. We would also like to thank him for his co operation He has always quietly and gladly answered all our queries regarding to this project. We are also thankful to our lab assistant Mr.Shaileshbhai as well to provide us necessary laboratory devices in working or running conditions.
  • 5.
  • 6.
    “EXPERIENCE IS THEBEST TEACHER”. This saying as played a guiding role in including information as a part of the curriculum of the ELECTRONICS AND COMMUNICATION programme of the GANPAT UNIVERSITY. This practical training based on ELECTRONICS AND COMMUNICATION programmed. Developed feeling about the difficulties challenges in the engineering word. Only theoretical knowledge does not impart complete education parallel experience must accompany theoretical knowledge admiring education. In this direction we have try to our level best to present a project report on “TEMPRATURE CONTROLLER AND DISPLAY”.
  • 7.
    1. Introduction 2. CircuitDiagram 3. Circuit Description 4. Component List 5. Data sheets 6. Reference
  • 8.
     A simpleintroduction about the temperature controller circuit.  This circuit project is mainly used used for temperature indicator, temperature controller  And in controlling device depend on temperature.  Controlling devices like air heater, factory, industrial, application.  In temperature controller circuit there are two part consist of o ADC 0804 interface with at89s52. o LCD interface with at89s52.  The hardware circuit of temperature controller with controller to need the programming.  There are two possibilities FSO programming  assembly language programming  c language  Here we use the assembly language programming using keil (µVision4 IDE) software.  This programming usually load in the at89s52 controller ic.  At89s52 is a family of 8051.  The programming for 8051.this system is called embedded system.  The main principle of this project to indicate temperature, analog to digital, to control the temperature & interfacing.
  • 10.
    Working :-Working :- How to interface ADC0804 using 8051 microcontroller (AT89C52)  ADC0804 is one of the most commonly used analog to digital converter IC. In many applications it is required to convert the output of the sensor, which is analogue in nature to a digital form. The data in digital format can then be utilized for further processing by the digital processors. Typical applications include sound processing, temperature processing etc. This circuit demonstrates the principle and operation of interfacing a simple ADC 0804 using 8051 microcontroller (AT89C52).  ADC0804 is connected as shown in the circuit diagram. Here the input is taken from a preset, which gives different analog signals to the ADC. The output pins of the ADC are connected to LEDs. The control pins of the ADC are connected to the microcontroller AT89C52.  ADC0804 is a single channel analog to digital convertor i.e., it can take only one analog signal. An ADC has n bit resolution (binary form) where n can be 8,10,12,16 or even 24 bits. ADC 0804 has 8 bit resolution. The higher resolution ADC gives smaller step size. Step size is smallest change that can be measured by an ADC. For an ADC with resolution of 8 bits, the step size is 19.53mV (5V/255).  The time taken by the ADC to convert analog data into digital form is dependent on the frequency of clock source. ADC0804 can be given clock from external source. It also has an internal clock.  However the conversion time cannot be more than110us. To use the internal clock a capacitor and resistor is connected to pin 19 and 4 as shown in the circuit diagram. The frequency is given by the relation f= 1/ (1.1RC). The circuit uses a resistance of 10k and a capacitor of 150pF to generate clock for ADC0804. Vin, which is the input pin, is connected to a preset to provide analog input.  Pin Description 1. CS, Chip Select: This is an active low pin and used to activate the ADC0804.
  • 11.
    2. RD, Read:This is an input pin and active low. After converting the analog data, the ADC stores the result in an internal register. This pin is used to get the data out of the ADC 0804 chip. When CS=0 & high to low pulse is given to this pin, the digital output is shown on the pins D0-D7. 3. WR, Write: This is an input pin and active low. This is used to instruct the ADC to start the conversion process. If CS=0 and WR makes a low to high transition, the ADC starts the conversion process. 4. CLK IN, Clock IN: This is an input pin connected to an external clock source. 5. INTR, Interrupt: This is an active low output pin. This pin goes low when the conversion is over. 6. Vin+ : Analog Input . 7. Vin- : Analog Input. Connected to ground. 8. AGND: Analog Ground. 9. Vref/2: This pin is used to set the reference voltage. If this is not connected the default reference voltage is 5V. In some application it is required to reduce the step size. This can be done by using this pin. 10. DGND: Digital Ground. 11-18. Output Data Bits (D7-D0). 19. CLKR: Clock Reset. 20. Vcc: Positive Supply
  • 12.
  • 13.
     The lcddisplay two temperature 1)current temperature 2)set point temperature  The set point increment & decrement using switch.  When we set the sp( set point ) less than the current temperature , then trigger the pulse to base of transistor by controller.  The collector current flow in coil. so the LED will be ON.  In ON condition of relay the common terminal is connected with NO of relay.  Finally , the buzzer will be ON.  When sp is more than current temperature. in this condition led & relay & buzzer will be off. sfr P0=0x80; sfr P1=0x80; sfr P1=0x90; sfr P2=0xA0;
  • 14.
    sfr P3=0xB0; sbit relay= P1^0; Sbit inc = P1^1; sbit dec = P1^2; #define adcdata P3 sbit intr = P2^2; //5 sbit rd = P2^0; //2 sbit wr = P2^1; //3 sbit rs = P2^5; sbit rw = P2^6; sbit en = P2^7; unsigned char line[4] = {0x80,0xC0,0x90,0xD0}; #define DBUS P0 #define BLINKLCD 0x09 #define ONCURSOR 0x0A #define ONLCD 0x0C #define CLEARLCD 0x01 #define HOMELCD 0x02 #define ENTRYMODE 0x06 #define FUNCSET 0x38 void wrlcd_cmd(unsigned char cmd ); void wrlcd_data(unsigned char Data ); void delay(unsigned int count); void wrmsg(char LineNo,char endloc, unsigned char msg[]); void getdata(); static unsigned char sp=0; code unsigned char scr5[2] [16] = {" Temp: ", " SP: "}; code unsigned char scr1[2] [16] = {" JAY Patel ", " BSPP 2nd SHIFT "}; void main() { unsigned char i; unsigned char x,d1,d2,d3,val,a=0;; P3=0xff; P0=0x00;
  • 15.
    P2=0x0f; relay=0; wrlcd_cmd(FUNCSET); //set datalength,no of disp,2-line display wrlcd_cmd(ONLCD); //display and cursor on wrlcd_cmd(ENTRYMODE); //inc. DDram address, wrlcd_cmd(CLEARLCD); //Clear display for(i=0;i<2;i++) { delay(100); wrmsg(line[i],16,scr1[i]); } for(i=0;i<15;i++) delay(50000); for(i=0;i<2;i++) { delay(100); wrmsg(line[i],16,scr5[i]); } while(1) { wr=0; delay(100); wr=1; while(intr != 1); while(intr != 0); rd=0; delay(10); val=adcdata; rd=1; wrlcd_cmd(line[0]+9); x=val/10; d1=val%10; d2=x%10; d3=x/10;
  • 16.
  • 17.
    delay(10); rw = 0;//write mode delay(10); en = 1; delay(300); en = 0; delay(20); } void wrlcd_data(unsigned char Data ) { DBUS = Data; delay(10); rs = 1; //select data reg delay(10); rw = 0; delay(10); en = 1; delay(300); en = 0; delay(10); rs = 0; delay(20); } void wrmsg(char LineNo,char endloc, unsigned char msg[]) { unsigned char i; wrlcd_cmd(LineNo); for(i =0;i<=endloc;i++) { wrlcd_data(msg[i]); delay(50); } } void delay(unsigned int dly) { while(dly>0) dly--; }
  • 18.
    1. Resistor– 1k,10k, 8.2k, 10k pot 2. Capacitor - 155pf, 33pf, 10uf 3. DC power supply 4. LED 5. Switch 6. Transistor 7. Buzzer 8. Relay 9. Crystal 10. AT89S52 11. ADC 0804 12. 7805
  • 19.
    13.Sensor- LM 35 14.Display 15. Socket
  • 20.
    RESISTOR:- Axial- lead resistorson tape. The tape is removed during assembly before the leads are formed and the part is inserted into the board. Three carbon composition resistors in a 1960s valve (vacuum tube) radio. A resistor is a two- terminal electronic component that produces a voltage across its terminals that is proportional to the electric current through it in accordance with Ohm's law: V = IR Resistors are elements of electrical networks and electronic circuits and are ubiquitous in most electronic equipment. Practical resistors can be made of various compounds and films, as well as resistance wire (wire made of a high-resistivity alloy, such as nickel/chrome). The primary characteristics of a resistor are the resistance, the tolerance, maximum working voltage and the power rating. Other characteristics include temperature coefficient, noise, and inductance. Less well-known is critical resistance, the value below which power dissipation limits the maximum permitted current flow, and above which
  • 21.
    the limit isapplied voltage. Critical resistance depends upon the materials constituting the resistor as well as its physical dimensions; it's determined by design. Resistors can be integrated into hybrid and printed circuits, as well as integrated circuits. Size, and position of leads (or terminals) are relevant to equipment designers; resistors must be physically large enough not to overheat when dissipating their power. Resistor Color Coding
  • 22.
    10k Variable Resistor:- Variable resistorsconsist of a resistance track with connections at both ends and a wiper which moves along the track as you turn the spindle. The track may be made from carbon, cermets (ceramic and metal mixture) or a coil of wire (for low resistances). The track is usually rotary but straight track versions, usually called sliders, are also available. Variable resistors may be used as a rheostat with two connections (the wiper and just one end of the track) or as a potentiometer with all three connections in use. Miniature versions called presets are made for setting up circuits which will not require further adjustment. Variable resistors are often called potentiometers in books and catalogues. They are specified by their maximum resistance, linear or logarithmic track, and their physical size
  • 23.
    CAPACITOR:- Electronic symbol:- Type: -Passive A capacitor or condenser is a passive electronic component consisting of a pair of conductors separated by a dielectric. When a voltage potential difference exists between the conductors, an electric field is present in the dielectric. This field stores energy and produces a mechanical force between the plates. The effect is greatest between wide, flat, parallel, narrowly separated conductors. The conductors and leads introduce an equivalent series resistance and the dielectric has an electric field strength limit resulting in a breakdown voltage. Capacitors are widely used in electronic circuits to block the flow of direct current while allowing alternating current to pass, to filter out interference, to smooth the output of power supplies, and for many other purposes. They are used in resonant circuits in radio frequency equipment to select particular frequencies from a signal with many frequencies.
  • 24.
    Ceramic Capacitor:- Ceramic capacitorsare constructed with materials such as titanium acid barium used as the dielectric. They can be used in high frequency applications. Typically, they are used in circuits which bypass high frequency signals to ground. These capacitors have the shape of a disk. Their capacitance is comparatively small. The capacitor on the left is a 100pF capacitor with a diameter of about 3 mm.The capacitor on the right side is printed with 103, so 10 x 10 3 pF becomes 0.01 µF. The diameter of the disk is about 6 mm. Ceramic capacitors have no polarity Ceramic capacitors should not be used for analog circuits, Because distort the signal. LED :- Features: - Water Clear Lens 850nm Wavelength Forward Voltage - 1.7V A light-emitting diode (LED) is an electronic light source. LEDs are used as indicator lamps in many kinds of electronics and increasingly for lighting. LEDs work by the effect of electroluminescence, discovered by accident in 1907. The LED was introduced as a practical electronic component in 1962. All early devices emitted low-intensity red light, but modern LEDs are available across the visible, ultraviolet and infra red wavelengths, with very high brightness.
  • 25.
    LEDs are basedon the semiconductor diode. When the diode is forward biased. LEDs present many advantages over traditional light sources including lower energy consumption, longer lifetime, improved robustness, smaller size and faster switching. However, they are relatively expensive and require more precise current and heat management than traditional light sources. Applications of LEDs are diverse. They are used as low-energy indicators but also for replacements for traditional light sources in general lighting, automotive lighting and traffic signals. The compact size of LEDs has allowed new text and video displays and sensors to be developed, while their high switching rates are useful in communications technology. TRANSISTOR:-
  • 28.
  • 29.
    A relay isan electrical switch that opens and closes under the control of another electrical circuit. In the original form, the switch is operated by an electromagnet to open or close one or many sets of contacts. It was invented by Joseph Henry in 1835. Because a relay is able to control an output circuit of higher power than the input circuit, it can be considered to be, in a broad sense, a form of an electrical amplifier. Fig. 4.26 Sugar cube relay Despite the speed of technological developments, some products prove so popular that their key parameters and design features remain virtually unchanged for years. One such product is the ‘sugar cube’ relay, shown in the figure above, which has proved useful to many designers who needed to switch up to 10A, whilst using relatively little PCB area Since relays are switches, the terminology applied to switches is also applied to relays. A relay will switch one or more poles, each of whose contacts can be thrown by energizing the coil in one of three ways: 1.Normally - open (NO) contacts connect the circuit when the relay is activate d; the circuit is disconnected when the relay
  • 30.
    is inactive. Itis also called a FORM A contact or “make” contact. 2.Normally - closed (NC) contacts disconnect the circuit when the relay is activated ; the circuit is connected when relay is inactive. It is also called FORM B contact or” break” contact 3.Change-over or double-throw contacts control two circuits ; one normally open contact and one normally –closed contact with a common terminal. It is also called a Form C “transfer “contact. "C" denotes the common terminal in SPDT and DPDT types • SPST - Single Pole Single Throw: These have two terminals which can be connected or disconnected. Including two for the coil, such a relay has four terminals in total. It is ambiguous whether the pole is normally open or normally closed. The terminology "SPNO" and "SPNC" is sometimes used to resolve the ambiguity. • SPDT - Single Pole Double Throw: A common terminal connects to either of two others. Including two for the
  • 31.
    coil, such arelay has five terminals in total. • DPST - Double Pole Single Throw: These have two pairs of terminals. Equivalent to two SPST switches or relays actuated by a single coil. Including two for the coil, such a relay has six terminals in total. It is ambiguous whether the poles are normally open, normally closed, or one of each. • DPDT - Double Pole Double Throw: These have two rows of change-over terminals. Equivalent to two SPDT switches or relays actuated by a single coil. Such a relay has eight terminals, including the coil. • QPDT - Quadruple Pole Double Throw: Often referred to as Quad Pole Double Throw, or 4PDT. These have four rows of change-over terminals. Equivalent to four SPDT switches or relays actuated by a single coil, or two DPDT relays. In total, fourteen terminals including the coil.
  • 32.
  • 38.
  • 44.
  • 48.
    LCD:- LIQUID CRYSTAL DISPLAY Aliquid crystal display (LCD) is a thin, flat display device made up of any number of color or monochrome pixels arrayed in front of a light source or reflector. Each pixel consists of a column of liquid crystal molecules suspended between two transparent electrodes, and two polarizing filters, the axes of polarity of which are perpendicular to each other. Without the liquid crystals between them, light passing through one would be blocked by the other. The liquid crystal twists the polarization of light entering one filter to allow it to pass through the other. Many microcontroller devices use 'smart LCD' displays to output visual information. LCD displays designed around Hitachi's LCD HD44780 module, are inexpensive, easy to use, and it is even possible to produce a readout using the 8x80 pixels of the display. They have a standard ASCII set of characters and mathematical symbols. For an 8-bit data bus, the display requires a +5V supply plus 11 I/O lines. For a 4-bit data bus it only requires the supply lines plus seven extra lines. When the LCD display is not enabled, data lines are tri-state and they do not interfere with the operation of the microcontroller. Data can be placed at any location on the LCD. For 16×2 LCD, the address locations are: First line 80 81 82 83 84 85 86 through 8F Second line C0 C1 C2 C3 C4 C5 C6 through CF
  • 49.
    SIGNALS TO THELCD The LCD also requires 3 control lines from the microcontroller: 1) Enable (E) This line allows access to the display through R/W and RS lines. When this line is low, the LCD is disabled and ignores signals from R/W and RS. When (E) line is high, the LCD checks the state of the two control lines and responds accordingly. 2) Read/Write (R/W) This line determines the direction of data between the LCD and microcontroller. When it is low, data is written to the LCD. When it is high, data is read from the LCD . 3) Register select (RS) With the help of this line, the LCD interprets the type of data on data lines. When it is low, an instruction is being written to the LCD. When it is high, a character is being written to the LCD. Logic status on control lines: • E - 0 Access to LCD disabled - 1 Access to LCD enabled • R/W - 0 Writing data to LCD - 1 Reading data from LCD • RS - 0 Instruction - 1
  • 50.
    Character Writing and readingthe data from the LCD: Writing data to the LCD is done in several steps: 1) Set R/W bit to low 2) Set RS bit to logic 0 or 1 (instruction or character) 3) Set data to data lines (if it is writing) 4) Set E line to high 5) Set E line to low Read data from data lines (if it is reading): 1) Set R/W bit to high 2) Set RS bit to logic 0 or 1 (instruction or character) 3) Set data to data lines (if it is writing) 4) Set E line to high 5) Set E line to low PIN DESCRIPTION Most LCDs with 1 controller has 14 Pins and LCDs with 2 controller has 16 Pins (two pins are extra in both for back-light LED connections).
  • 52.
    1. http://www.westfloridacomponents.com 2. http://www.futurlec.com 3.http://www.pdf-search-engine.com/ 4. http://www.westfloridacomponents.com 5. http:// www.google.com 6. http://www.datasheetscatalog.com Books:- 1. Electronic devices and circuits-2 (R.P Ajwaliya) 2. Mazidee Temperature Controlled Fan projects main idea is to auto adjust fan speed based on the variations on temperature inside room. Here we use LM35 sensors to read temperature and send information to micro controller after converting analog
  • 53.
    signal to digitalsignal using Analog to digital converter. Micro controller is connected with control relays for controlling fan speed. User is provided with a LCD display where information is displayed. Buzzer is used as indications of changes in fan speed. 8051 micro controller is used in this project. Code is written in c language and written in to micro controller.