DIGITAL STOP WATCH
                               - K. Sai Malleswar




Referances;

1. www.diy-electronic-projects.com
CONTENTS
1. Aim
2. Components
3. Circuit description (proposed)
  i. Pulse generator
  ii. Counter
 iii. Display unit
  iv. Modifications*
  v. Schematic of proposed circuit
  vi. Schematic of modified circuit
 4. Details of ICs [ from Datasheets]
 5. Applications of the circuit
 6. Project details
      i. Experiences of the project work
1. AIM
  Aim: To make a digital stop watch circuit that can count from 0 to 99 seconds,
 which can also be used for different applications like photo counter, person
 counter, count down timer, alarm clock etc. with small modifications.



                     2. COMPONENTS USED
 1. ICs:

   i.    CD4060BM – 14 stage ripple carry binary counter - 1
  ii.    CD4040BM – 12 stage ripple carry binary counter - 1
 iii.    NE555 – Timer - 1
 iv.     MC14518B - BCD counter -1
  v.     MC14511B - BCD to seven segment display drivers - 2

 2. Other components:

   i.    1 kilo ohm resistors – 16, 10 kilo ohm resistors - 2, 1 mega ohm resistor - 1,
         330 ohm resistor -1,220 ohm resistor -1
   ii.   100 kilo ohm potentiometer-1
 iii.    On/off switches- 2
  iv.    4.2 megahertz crystal-1
   v.    1N4007 diodes– 2
  vi.    22pf capacitors – 2, 10uf capacitor-1, 0.01uf capacitor-1
 vii.    Common anode 7 segment displays - 2
viii.    +5V DC power supply
  ix.    Bread board - 1
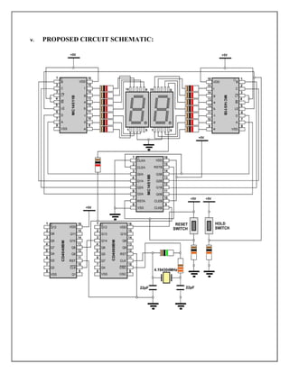
3. CIRCUIT DESCRIPTION


  The circuit can be mainly divided into three parts. One is generator which produces
  the pulse of the desired frequency. The other parts are the counter that does the
  actual counting of the seconds and the display unit.

 i.   PULSE GENERATOR:

   The generator of the circuit comprises of the integrated circuits CD4040CM and
  CD4060CM. We use a crystal which oscillates at a frequency of 4,194,304 Hz. It is
  obvious that this frequency is completely useless, as it is too big to be used as it is
  to our circuit. What we should is divide this frequency, in a way that in its final
  form, the pulse will have a frequency of 1Hz, which is the desirable frequency.
  Initially we use the integrated CD4060, which divides the imported frequency in its
  input, by forces of 2. As we can see on the integrated circuit the outputs are
  marked as Q4, Q5,…,Qn. By importing a pulse in the CLK input of the 4060, with
  a frequency f Hz, we take out of output Qn, a signal which has a frequency equal to
  f/2n. So, by exporting the signal out of Q14, knowing that the imported signal has
  a frequency of 4,194,304 Hz, we take a signal, which has a frequency of 256Hz.

    By importing this signal, to 4040 and by exporting the signal through Q8 we
  have finally taken an inverted signal, at the frequency of 1Hz. The fact that the
  signal is inverted, doesn‘t affect the proper function of our circuit. This inversion
  just causes the circuit to be triggered with a logical 0.

  By putting a LED on the same output, we have a visual of the counting, as in each
  positive pulse the diode polarizes positively, and a current passes through it.

ii.   COUNTER:

  The signal of 1Hz, which we have taken from the generator, is imported to a BCD
  counter MC14518. This integrated circuit adds a logical 1 at each pulse, on its
  output. The MC14518 is virtually divided into two segments. One counts the units
  of the seconds, while the other the decades. The generators pulse is imported to the
  part which counts the units. This is very logical, as we want in each second the
  number of the display to be raised by 1.
On the other hand, we want the first display to raise by 1, every 10 seconds. This is
   why, we ground the CLK input, and we use the signal of Q3 to the CKE input.

    By using this means, we make sure that the first display will be triggered, only
   when we have a decreasing signal on Q3; that is, only when the signal drops from
   logical 1 to logical 0.The first display increments every 10 seconds, which means
   that after 9 on the second display (1001 on the output of the BCD counter) the first
   display must be set to zero, while the first must be set to +1. That is that from 1001
   to 0000, and we have a descending pulse, as the last digit descends from logical 1
   to logical 0 and triggers the BCD counter of the decades. When the decades display
   becomes 9 then the circuit goes to the next state, which is zero, and the counting
   begins once more.

iii.   DISPLAY UNIT:

    The integrated circuits MC14511 are BCD to 7 segment drivers. As its name
   clearly state, their sole purpose is to translate the BCD information of MC14518, to
   a code understandable by the 7 segment displays. The inputs LE, BL‘ and LT‘ are
   used to test the LEDs of the display and pulse-modulate the brightness of the
   display. In this case we these inputs to logical 0, as we don‘t need them. The LE
   input (Latch Enable) is used to keep the number of the displays while the pulse still
   runs. It is a HOLD function similar to the one of the modern stopwatches. In
   addition, at any given moment we can restart the counting, by pressing the reset
   switch. By this means we set the RST input of the MC14518 to logical 1, which
   resets the counting to 0000.

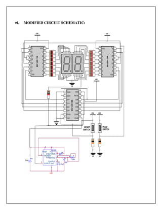
iv.    MODIFICATIONS:

 The circuit which we described above for the 1Hz pulse generation using crystal of
  resonant frequency 4.2 MHz is accurate than any other pulse generators. But the
  crystal was not obtained. So we designed different 1 Hz pulse generating circuits.
  Finally the circuit using NE555 could satisfy the requirements of the project. The
  circuit has been tuned exactly tuned to 1Hz by changing the potentiometer‘s
  resistance. The comparison has been made by blinking an led with 1Hz clock pulse
  on digital trainer kit and blinking another led with the pulse produced from the
  circuit designed using NE555. The 1Hz pulse generated has been given as clock
  input to the second BCD counter of MC14511.
v.   PROPOSED CIRCUIT SCHEMATIC:
vi.   MODIFIED CIRCUIT SCHEMATIC:
4.   Details of ICs used
1. MC14518B:
 The MC14518B dual BCD counter and the MC14520B dual binary counter are
 constructed with MOS P–channel and N–channel enhancement mode devices in a
 single monolithic structure. Each consists of two identical, independent, internally
 synchronous 4–stage counters. The counter stages are type D flip–flops, with
 interchangeable Clock and Enable lines for incrementing on either the positive–
 going or negative–going transition as required when cascading multiple stages.
 Each counter can be cleared by applying a high level on the Reset line. In addition,
 the MC14518B will count out of all undefined states within two clock periods.
 These complimentary MOS up counters find primary use in multi–stage
 synchronous or ripple counting applications requiring low power dissipation and/or
 high noise immunity.

       • Diode Protection on All Inputs
       • Supply Voltage Range = 3.0Vdc to 18Vdc
       • Internally Synchronous for High Internal and External Speeds
       • Logic Edge–Clocked Design — Incremented on Positive Transition
       Of Clock or Negative Transition on Enable
       • Capable of Driving Two Low–power TTL Loads or One Low–power
       Schottky TTL Load over the Rated Temperature Range

Pin diagram:
2. MC14511B:
         The MC14511B BCD–to–seven segment latch/decoder/driver is constructed
  with complementary MOS (CMOS) enhancement mode devices and NPN bipolar
  output drivers in a single monolithic structure. The circuit provides the functions
  of a 4–bit storage latch, an 8421 BCD–to–seven segment decoder, and an output
  drive capability. Lamp test (LT), blanking (BI), and latch enable (LE) inputs are
  used to test the display, to turn–off or pulse modulate the brightness of the display,
  and to store a BCD code, respectively.
         It can be used with seven–segment light–emitting diodes (LED),
        incandescent, fluorescent, gas discharge, or liquid crystal readouts either
        directly or indirectly.
         Applications include instrument (e.g., counter, DVM, etc.) display driver,
        computer/calculator display driver, cockpit display driver, and various clock,
        watch, and timer uses.
        • Low Logic Circuit Power Dissipation
        • High–Current Sourcing Outputs (Up to 25 mA)
        • Latch Storage of Code
        • Blanking Input
        • Lamp Test Provision
        • Lamp Intensity Modulation Capability
        • Time Share (Multiplexing) Facility
        • Supply Voltage Range = 3.0 V to 18 V

       Pin diagram:
3. CD4040BM and CD4060BM:

 These are 12 staged and 14 staged ripple carry binary counters respectively. The
Counters are advanced one count on the negative transition of each clock pulse.
The counters are set to zero state by a logical ‗1‘ at the reset input independent of
clock.

     Pin diagrams:
     CD4040BM:




     CD4060BM:
4. NE555:

The NE555 IC has three operating modes:

  1. Mono stable mode: in this mode, the 555 functions as a "one-shot".
     Applications include timers, missing pulse detection, bounce free switches,
     touch switches, frequency divider, capacitance measurement, pulse-width
     modulation (PWM) etc.
  2. Astable - free running mode: the 555 can operate as an oscillator. Uses
     include LED and lamp flashers, pulse generation, logic clocks, tone
     generation, security alarms, pulse position modulation, etc.
  3. Bi-stable mode or Schmitt trigger: the 555 can operate as a flip-flop, if the
     DIS pin is not connected and no capacitor is used. Uses include bounce free
     latched switches, etc.

 Pin diagram:
5. Applications of the circuit

The main purpose of the circuit is to use it as a stop watch that can be used in
organizing athletics, quizzes etc. With small modifications, the circuit can be used
for many counting purposes.

The flip-flops in the counter MC14518 are edge triggered. So if we give a single
pulse, the count increments by 1. So if we replace 1Hz pulse generator circuit with
a photo sensor, the count increments by 1 only when a pulse is received. So the
circuit can be used as photo counter. It can be kept inside a table‘s desk. Whenever
the desk is opened, the count increments by 1.So a person can find how many
times the table has been opened in his absence and reset the counter.

The circuit can also be used as person counter with the help of two IR sensors.
One is to manage the count of the persons. Other is to find, whether the person is
entering the room or leaving. When a person enters or leaves the room, he will cut
the light ray produce by IR leds. So the count increments by 1, when a person
enters the room and decrements by 1, when a person leaves the room. It can be
reset, whenever it is required.

If we replace up counter with down counter, it can be used as countdown timer or
alarm clock by attaching a buzzer for sounding.

If the 1Hz pulse generator circuit is replaced with a Pressure sensor, the circuit can
be used for counting the number of persons walked through a way. This can made
useful for practical purposes by increasing the no. of counters and seven segment
displays, thus increasing the maximum possible count.
6. PROJECT DETAILS


i. Experiences of the project work:

    1. We searched for the crystal of 4.2 MHz in many electronic shops, since it
       is the most accurate pulse generator. We could not find it.
    2. So, we started designing different 1Hz pulse generator circuits. We could
       learn troubleshooting the circuits while implementing each on the bread
       board and testing for the accuracy of the output.
    3. We could understand the basic circuit used in manufacturing stopwatches,
       counters, digital clocks etc.
    4. We could learn using Seven Segment displays and using their driver ICs
       for displaying digital data.
    5. We made the schematic of the 1Hz Pulse generator using ―PSPICE‖
       software.
    6. We could learn Soldiering electronic circuits on the General Purpose PCB
       by making a proper floor plan of the circuit.


CONCLUSION:

The project of making ―DIGITAL STOP WATCH‖, which can count from 0 to 99
seconds and has Hold and Reset capabilities has been completed. The circuit has
been implemented on bread board and soldiered on General Purpose PCB.

Digital stop watch

  • 1.
    DIGITAL STOP WATCH - K. Sai Malleswar Referances; 1. www.diy-electronic-projects.com
  • 2.
    CONTENTS 1. Aim 2. Components 3.Circuit description (proposed) i. Pulse generator ii. Counter iii. Display unit iv. Modifications* v. Schematic of proposed circuit vi. Schematic of modified circuit 4. Details of ICs [ from Datasheets] 5. Applications of the circuit 6. Project details i. Experiences of the project work
  • 3.
    1. AIM Aim: To make a digital stop watch circuit that can count from 0 to 99 seconds, which can also be used for different applications like photo counter, person counter, count down timer, alarm clock etc. with small modifications. 2. COMPONENTS USED 1. ICs: i. CD4060BM – 14 stage ripple carry binary counter - 1 ii. CD4040BM – 12 stage ripple carry binary counter - 1 iii. NE555 – Timer - 1 iv. MC14518B - BCD counter -1 v. MC14511B - BCD to seven segment display drivers - 2 2. Other components: i. 1 kilo ohm resistors – 16, 10 kilo ohm resistors - 2, 1 mega ohm resistor - 1, 330 ohm resistor -1,220 ohm resistor -1 ii. 100 kilo ohm potentiometer-1 iii. On/off switches- 2 iv. 4.2 megahertz crystal-1 v. 1N4007 diodes– 2 vi. 22pf capacitors – 2, 10uf capacitor-1, 0.01uf capacitor-1 vii. Common anode 7 segment displays - 2 viii. +5V DC power supply ix. Bread board - 1
  • 4.
    3. CIRCUIT DESCRIPTION The circuit can be mainly divided into three parts. One is generator which produces the pulse of the desired frequency. The other parts are the counter that does the actual counting of the seconds and the display unit. i. PULSE GENERATOR: The generator of the circuit comprises of the integrated circuits CD4040CM and CD4060CM. We use a crystal which oscillates at a frequency of 4,194,304 Hz. It is obvious that this frequency is completely useless, as it is too big to be used as it is to our circuit. What we should is divide this frequency, in a way that in its final form, the pulse will have a frequency of 1Hz, which is the desirable frequency. Initially we use the integrated CD4060, which divides the imported frequency in its input, by forces of 2. As we can see on the integrated circuit the outputs are marked as Q4, Q5,…,Qn. By importing a pulse in the CLK input of the 4060, with a frequency f Hz, we take out of output Qn, a signal which has a frequency equal to f/2n. So, by exporting the signal out of Q14, knowing that the imported signal has a frequency of 4,194,304 Hz, we take a signal, which has a frequency of 256Hz. By importing this signal, to 4040 and by exporting the signal through Q8 we have finally taken an inverted signal, at the frequency of 1Hz. The fact that the signal is inverted, doesn‘t affect the proper function of our circuit. This inversion just causes the circuit to be triggered with a logical 0. By putting a LED on the same output, we have a visual of the counting, as in each positive pulse the diode polarizes positively, and a current passes through it. ii. COUNTER: The signal of 1Hz, which we have taken from the generator, is imported to a BCD counter MC14518. This integrated circuit adds a logical 1 at each pulse, on its output. The MC14518 is virtually divided into two segments. One counts the units of the seconds, while the other the decades. The generators pulse is imported to the part which counts the units. This is very logical, as we want in each second the number of the display to be raised by 1.
  • 5.
    On the otherhand, we want the first display to raise by 1, every 10 seconds. This is why, we ground the CLK input, and we use the signal of Q3 to the CKE input. By using this means, we make sure that the first display will be triggered, only when we have a decreasing signal on Q3; that is, only when the signal drops from logical 1 to logical 0.The first display increments every 10 seconds, which means that after 9 on the second display (1001 on the output of the BCD counter) the first display must be set to zero, while the first must be set to +1. That is that from 1001 to 0000, and we have a descending pulse, as the last digit descends from logical 1 to logical 0 and triggers the BCD counter of the decades. When the decades display becomes 9 then the circuit goes to the next state, which is zero, and the counting begins once more. iii. DISPLAY UNIT: The integrated circuits MC14511 are BCD to 7 segment drivers. As its name clearly state, their sole purpose is to translate the BCD information of MC14518, to a code understandable by the 7 segment displays. The inputs LE, BL‘ and LT‘ are used to test the LEDs of the display and pulse-modulate the brightness of the display. In this case we these inputs to logical 0, as we don‘t need them. The LE input (Latch Enable) is used to keep the number of the displays while the pulse still runs. It is a HOLD function similar to the one of the modern stopwatches. In addition, at any given moment we can restart the counting, by pressing the reset switch. By this means we set the RST input of the MC14518 to logical 1, which resets the counting to 0000. iv. MODIFICATIONS: The circuit which we described above for the 1Hz pulse generation using crystal of resonant frequency 4.2 MHz is accurate than any other pulse generators. But the crystal was not obtained. So we designed different 1 Hz pulse generating circuits. Finally the circuit using NE555 could satisfy the requirements of the project. The circuit has been tuned exactly tuned to 1Hz by changing the potentiometer‘s resistance. The comparison has been made by blinking an led with 1Hz clock pulse on digital trainer kit and blinking another led with the pulse produced from the circuit designed using NE555. The 1Hz pulse generated has been given as clock input to the second BCD counter of MC14511.
  • 6.
    v. PROPOSED CIRCUIT SCHEMATIC:
  • 7.
    vi. MODIFIED CIRCUIT SCHEMATIC:
  • 8.
    4. Details of ICs used 1. MC14518B: The MC14518B dual BCD counter and the MC14520B dual binary counter are constructed with MOS P–channel and N–channel enhancement mode devices in a single monolithic structure. Each consists of two identical, independent, internally synchronous 4–stage counters. The counter stages are type D flip–flops, with interchangeable Clock and Enable lines for incrementing on either the positive– going or negative–going transition as required when cascading multiple stages. Each counter can be cleared by applying a high level on the Reset line. In addition, the MC14518B will count out of all undefined states within two clock periods. These complimentary MOS up counters find primary use in multi–stage synchronous or ripple counting applications requiring low power dissipation and/or high noise immunity. • Diode Protection on All Inputs • Supply Voltage Range = 3.0Vdc to 18Vdc • Internally Synchronous for High Internal and External Speeds • Logic Edge–Clocked Design — Incremented on Positive Transition Of Clock or Negative Transition on Enable • Capable of Driving Two Low–power TTL Loads or One Low–power Schottky TTL Load over the Rated Temperature Range Pin diagram:
  • 9.
    2. MC14511B: The MC14511B BCD–to–seven segment latch/decoder/driver is constructed with complementary MOS (CMOS) enhancement mode devices and NPN bipolar output drivers in a single monolithic structure. The circuit provides the functions of a 4–bit storage latch, an 8421 BCD–to–seven segment decoder, and an output drive capability. Lamp test (LT), blanking (BI), and latch enable (LE) inputs are used to test the display, to turn–off or pulse modulate the brightness of the display, and to store a BCD code, respectively. It can be used with seven–segment light–emitting diodes (LED), incandescent, fluorescent, gas discharge, or liquid crystal readouts either directly or indirectly. Applications include instrument (e.g., counter, DVM, etc.) display driver, computer/calculator display driver, cockpit display driver, and various clock, watch, and timer uses. • Low Logic Circuit Power Dissipation • High–Current Sourcing Outputs (Up to 25 mA) • Latch Storage of Code • Blanking Input • Lamp Test Provision • Lamp Intensity Modulation Capability • Time Share (Multiplexing) Facility • Supply Voltage Range = 3.0 V to 18 V Pin diagram:
  • 10.
    3. CD4040BM andCD4060BM: These are 12 staged and 14 staged ripple carry binary counters respectively. The Counters are advanced one count on the negative transition of each clock pulse. The counters are set to zero state by a logical ‗1‘ at the reset input independent of clock. Pin diagrams: CD4040BM: CD4060BM:
  • 11.
    4. NE555: The NE555IC has three operating modes: 1. Mono stable mode: in this mode, the 555 functions as a "one-shot". Applications include timers, missing pulse detection, bounce free switches, touch switches, frequency divider, capacitance measurement, pulse-width modulation (PWM) etc. 2. Astable - free running mode: the 555 can operate as an oscillator. Uses include LED and lamp flashers, pulse generation, logic clocks, tone generation, security alarms, pulse position modulation, etc. 3. Bi-stable mode or Schmitt trigger: the 555 can operate as a flip-flop, if the DIS pin is not connected and no capacitor is used. Uses include bounce free latched switches, etc. Pin diagram:
  • 12.
    5. Applications ofthe circuit The main purpose of the circuit is to use it as a stop watch that can be used in organizing athletics, quizzes etc. With small modifications, the circuit can be used for many counting purposes. The flip-flops in the counter MC14518 are edge triggered. So if we give a single pulse, the count increments by 1. So if we replace 1Hz pulse generator circuit with a photo sensor, the count increments by 1 only when a pulse is received. So the circuit can be used as photo counter. It can be kept inside a table‘s desk. Whenever the desk is opened, the count increments by 1.So a person can find how many times the table has been opened in his absence and reset the counter. The circuit can also be used as person counter with the help of two IR sensors. One is to manage the count of the persons. Other is to find, whether the person is entering the room or leaving. When a person enters or leaves the room, he will cut the light ray produce by IR leds. So the count increments by 1, when a person enters the room and decrements by 1, when a person leaves the room. It can be reset, whenever it is required. If we replace up counter with down counter, it can be used as countdown timer or alarm clock by attaching a buzzer for sounding. If the 1Hz pulse generator circuit is replaced with a Pressure sensor, the circuit can be used for counting the number of persons walked through a way. This can made useful for practical purposes by increasing the no. of counters and seven segment displays, thus increasing the maximum possible count.
  • 13.
    6. PROJECT DETAILS i.Experiences of the project work: 1. We searched for the crystal of 4.2 MHz in many electronic shops, since it is the most accurate pulse generator. We could not find it. 2. So, we started designing different 1Hz pulse generator circuits. We could learn troubleshooting the circuits while implementing each on the bread board and testing for the accuracy of the output. 3. We could understand the basic circuit used in manufacturing stopwatches, counters, digital clocks etc. 4. We could learn using Seven Segment displays and using their driver ICs for displaying digital data. 5. We made the schematic of the 1Hz Pulse generator using ―PSPICE‖ software. 6. We could learn Soldiering electronic circuits on the General Purpose PCB by making a proper floor plan of the circuit. CONCLUSION: The project of making ―DIGITAL STOP WATCH‖, which can count from 0 to 99 seconds and has Hold and Reset capabilities has been completed. The circuit has been implemented on bread board and soldiered on General Purpose PCB.